- Tổng quan
- Nội dung
- Tiêu chuẩn liên quan
- Lược đồ
- Tải về
Tiêu chuẩn quốc gia TCVN 5739:2023 Phòng cháy chữa cháy - Phương tiện chữa cháy
| Số hiệu: | TCVN 5739:2023 | Loại văn bản: | Tiêu chuẩn Việt Nam |
| Cơ quan ban hành: | Bộ Khoa học và Công nghệ | Lĩnh vực: | An ninh trật tự |
|
Ngày ban hành:
Ngày ban hành là ngày, tháng, năm văn bản được thông qua hoặc ký ban hành.
|
31/07/2023 |
Hiệu lực:
|
Đã biết
|
| Người ký: | Đang cập nhật |
Tình trạng hiệu lực:
Cho biết trạng thái hiệu lực của văn bản đang tra cứu: Chưa áp dụng, Còn hiệu lực, Hết hiệu lực, Hết hiệu lực 1 phần; Đã sửa đổi, Đính chính hay Không còn phù hợp,...
|
Đã biết
|
TÓM TẮT TIÊU CHUẨN VIỆT NAM TCVN 5739:2023
Tiêu chuẩn Quốc gia TCVN 5739:2023 - Quy định về thiết bị đầu nối trong phòng cháy chữa cháy
Tiêu chuẩn quốc gia TCVN 5739:2023 về Phòng cháy chữa cháy - Phương tiện chữa cháy - Thiết bị đầu nối được ban hành ngày 31/07/2023 và có hiệu lực ngay trong ngày ban hành. Tiêu chuẩn này thay thế cho TCVN 5739:1993, nhằm nâng cao yêu cầu kỹ thuật, phương pháp thử nghiệm, ghi nhãn, đóng gói, và bảo quản thiết bị đầu nối dùng trong chữa cháy.
TCVN 5739:2023 quy định rõ phạm vi áp dụng liên quan đến các thiết bị đầu nối kiểu ngàm và kiểu cắm rút. Các thiết bị này có chức năng chính là nối các vòi đẩy chữa cháy với nhau, cũng như nối vòi đẩy với các thiết bị chữa cháy khác. Tiêu chuẩn đồng thời quy định về kích thước và chất liệu của vòng đệm làm kín để đảm bảo an toàn trong quá trình sử dụng.
Một phần quan trọng của tiêu chuẩn này là phân loại các thiết bị đầu nối thành hai loại chính: đầu nối kiểu ngàm và đầu nối kiểu cắm rút, mỗi loại có các ký hiệu riêng biệt để dễ dàng nhận diện. Đầu nối kiểu ngàm có nhiều loại như đầu nối thông thường, đầu nối ren trong, đầu nối ren ngoài và đầu nối hỗn hợp. Ký hiệu các loại đầu nối được quy định rõ ràng trong bảng số liệu cụ thể.
Tiêu chuẩn cũng đặt ra yêu cầu chung về độ bền và tính năng của thiết bị đầu nối. Điều này có nghĩa là đầu nối phải có khả năng lắp ghép chắc chắn, không rò nước và đảm bảo dòng chảy chất lỏng được trơn tru. Vật liệu chế tạo đầu nối cần có khả năng chịu va đập và không được có dấu hiệu ăn mòn hay hư hại sau quá trình thử nghiệm.
Trong phần yêu cầu kỹ thuật, các kích thước cụ thể của từng loại đầu nối được nêu rõ như sau: kích thước rãnh trước ngàm phải lớn hơn hoặc bằng 12 mm, với một số kích thước cơ bản được chỉ định trong bảng kỹ thuật. Cấu trúc của các đầu nối cũng cần phù hợp với các thiết kế và yêu cầu kỹ thuật cụ thể kèm theo.
Bên cạnh đó, quy trình thử nghiệm được chi tiết hóa bao gồm việc đảm bảo độ bền và độ kín của thiết bị đầu nối. Thử nghiệm về độ bền va đập, độ ăn mòn cũng được thực hiện theo quy định nghiêm ngặt, đảm bảo rằng đầu nối không bị nứt, gãy, biến dạng trong các điều kiện thử nghiệm.
Cuối cùng, yêu cầu ghi nhãn cho thiết bị đầu nối cũng rất quan trọng. Mỗi sản phẩm phải có nhãn dán rõ ràng, chi tiết về chủng loại, tháng năm sản xuất, áp suất làm việc, kích thước chuẩn của vòi và ký hiệu tiêu chuẩn. Điều này giúp người sử dụng dễ dàng nhận diện và sử dụng sản phẩm đúng cách, đảm bảo an toàn trong công tác phòng cháy chữa cháy.
TCVN 5739:2023 không chỉ giúp nâng cao chất lượng sản phẩm thiết bị đầu nối trong lĩnh vực phòng cháy chữa cháy, mà còn tạo điều kiện cho các doanh nghiệp, cơ sở sản xuất và cán bộ công chức có thể tham khảo, áp dụng các tiêu chuẩn kỹ thuật một cách đồng bộ và hiệu quả.
Tải tiêu chuẩn Việt Nam TCVN 5739:2023
TIÊU CHUẨN QUỐC GIA
TCVN 5739 : 2023
PHÒNG CHÁY CHỮA CHÁY - PHƯƠNG TIỆN CHỮA CHÁY - THIẾT BỊ ĐẦU NỐI
Firefighting and protection - Fire equipment - Connecting heads
Lời nói đầu
TCVN 5739:2023 thay thế cho tiêu chuẩn 5739:1993.
TCVN 5739:2023 do Cục Cảnh sát Phòng cháy, chữa cháy và cứu nạn, cứu hộ biên soạn, Bộ Công an đề nghị, Tổng cục Tiêu chuẩn Đo lường Chất lượng thẩm định, Bộ Khoa học và Công nghệ công bố.
PHÒNG CHÁY CHỮA CHÁY - PHƯƠNG TIỆN CHỮA CHÁY - THIẾT BỊ ĐẦU NỐI
Firefighting and protection - Fire equipment - Connecting heads
1. Phạm vi áp dụng
Tiêu chuẩn này quy định yêu cầu kỹ thuật, phương pháp thử, ghi nhãn, đóng gói và bảo quản đối với thiết bị đầu nối kiểu ngàm và kiểu cắm rút được sử dụng trong công tác chữa cháy và cứu nạn, cứu hộ, dùng để nối các vòi đẩy chữa cháy với nhau, nối vòi đẩy chữa cháy với các thiết bị chữa cháy khác; áp dụng cho các loại vòng đệm làm kín dùng cho đầu nối.
2. Tài liệu viện dẫn
Tài liệu viện dẫn trong tiêu chuẩn này áp dụng phiên bản được nêu ở dưới đây. Trường hợp tài liệu viện dẫn đã được thay thế bằng phiên bản khác, cần áp dụng phiên bản mới, bao gồm cả các sửa đổi, bổ sung (nếu có).
TCVN 8792 : 2011 Sơn và lớp phủ bảo vệ kim loại - Phương pháp thử mù muối.
3. Thuật ngữ, định nghĩa
Trong tiêu chuẩn này sử dụng các thuật ngữ và định nghĩa sau:
3.1. Thiết bị đầu nối (connecting heads)
Thiết bị sử dụng để kết nối các vòi đẩy chữa cháy với nhau, kết nối vòi đẩy chữa cháy với các thiết bị chữa cháy khác.
3.2. Áp suất làm việc (working pressure), MPa
Là áp suất đảm bảo khả năng hoạt động của đầu nối theo công bố của nhà sản xuất.
3.3. Nắp đậy (cover)
Thiết bị có lắp vòng đệm làm kín dùng để bịt chặt các đường ống phun, hút nước.
3.4. Khớp nối (coupling)
Là một bộ phận của thiết bị, phương tiện chữa cháy dùng để kết nối trực tiếp với vòi đẩy chữa cháy hoặc qua đầu nối trung gian.
3.5. Vòng đệm (gaskets)
Là một bộ phận của đầu nối có tác dụng ngăn chặn sự rò rỉ chất lỏng cũng như giảm sự ma sát trực tiếp giữa các khớp nối.
4. Phân loại và ký hiệu
Thiết bị đầu nối chữa cháy được chia làm 02 loại cơ bản gồm: đầu nối kiểu ngàm và đầu nối kiểu cắm rút.
Đầu nối kiểu ngàm được chia thành các loại như:
- Đầu nối thông thường gồm thân đầu nối có lắp vòng đệm làm kín, khớp nối có ngàm dùng để liên kết với đầu nối của các thiết bị chữa cháy khác cùng cỡ, cùng kiểu.
- Đầu nối ren trong, đầu nối ren ngoài có lắp vòng đệm làm kín dùng để nối với các thiết bị chữa cháy có cùng cỡ, cùng kiểu.
- Đầu nối hỗn hợp gồm có 2 khớp nối cùng kiểu, khác cỡ lắp trên 2 đoạn ống có kích thước khác nhau được nối với nhau bằng ren, dùng để nối vòi đẩy chữa cháy có đường kính khác nhau, cùng kiểu khớp nối.
Tùy theo mục đích sử dụng, các dạng đầu nối kiểu ngàm được quy định trong Bảng 1.
Bảng 1 - Đầu nối kiểu ngàm và ký hiệu
| Dạng đầu nối kiểu ngàm | Ký hiệu | |
| Đầu nối thường | Phun | ĐT.P |
| Hút | ĐT.H | |
| Đầu nối ren trong | Phun | ĐRT.P |
| Hút | ĐRT.H | |
| Nắp đậy | Phun | NĐP |
| Hút | NĐH | |
| Đầu nối hỗn hợp |
| ĐHH |
| Đầu nối ren ngoài |
| ĐRN |
Đầu nối kiểu cắm rút được chia làm 02 loại cơ bản là đầu nối kiểu cắm rút loại phun (ký hiệu ĐCR.P) và đầu nối kiểu cắm rút loại phun dạng hút (ký hiệu ĐCR.H), ngoài ra được phân loại dựa trên kích thước của đầu nối.
5. Yêu cầu chung
5.1. Đầu nối có thể là dạng liền khối hoặc dạng lắp ghép nhưng phải đảm bảo chắc chắn và không rò nước tại vị trí lắp ghép.
5.2. Tại các vị trí có chất lỏng chảy qua phải bảo đảm dòng chảy được trơn tru và giảm thiểu ma sát giữa chất lỏng với thân đầu nối.
5.3. Vật liệu làm đầu nối phải chịu được va đập theo phép thử quy định tại Điều 7.2.2
5.4. Đối với các đầu nối sử dụng trong môi trường nước mặn thì vật liệu chế tạo ngoài việc phải bảo đảm theo quy định thì phải có tính chống ăn mòn theo phép thử quy định tại Điều 7.2.3
5.5. Mặt ngoài của toàn bộ đầu nối không có các góc, cạnh sắc nhọn.
5.6. Vật liệu chế tạo các chi tiết của đầu nối và lớp phủ bảo vệ bảo đảm độ bền và khả năng làm việc với nước, dung dịch chất tạo bọt và bột.
5.7. Trên các bộ phận của đầu nối không có dấu vết ăn mòn, vết sứt mẻ, vết lõm, vết nứt và các hư hỏng, khiếm khuyết cơ học khác.
5.8. Yêu cầu liên kết
5.8.1. Đầu nối kiểu ngàm
- Lắp được 2 khớp nối cùng kích thước với nhau bằng tay (không dùng bất cứ dụng cụ nào khác) sao cho các ngàm của chúng xoáy vào các rãnh tương ứng được một đoạn tối thiểu bằng 1 đến 1,5 lần chiều rộng của ngàm.
- Lắp lẫn và bảo đảm kín giữa các đầu nối với nhau có cùng cỡ, cùng đường kính danh nghĩa và không tự tháo rời được dưới tác động của áp suất làm việc bên trong vòi đẩy chữa cháy.
5.8.2. Đầu nối kiểu cắm rút
- Lắp được 2 khớp nối (khớp nối dương và khớp nối âm) với nhau bằng tay (không dùng bất cứ dụng cụ nào khác).
- Đầu nối bảo đảm kín và không được tự tháo rời dưới tác động của áp suất bên trong vòi đẩy chữa cháy.
5.9. Cấu tạo của đầu nối phải bảo đảm độ bền và độ kín theo phép thử quy định tại Điều 7.2.1.
6. Yêu cầu kỹ thuật
6.1. Đầu nối kiểu ngàm
6.1.1. Cấu tạo chung
Đầu nối kiểu ngàm bao gồm các chi tiết: Thân đầu nối, ngàm nối, vòng đệm làm kín, ren vặn với các thiết bị chữa cháy khác.
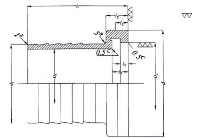
6.1.2. Cấu tạo cơ bản của các loại đầu nối ngàm và các kích thước tương ứng phải phù hợp với thông số trong Hình 1 đến Hình 9 và trong Bảng 2 đến Bảng 11.
Kích thước của rãnh trước ngàm S phải lớn hơn hoặc bằng 12 mm.
Kích thước R, R1, R2, H3 được quy định trong tài liệu thiết kế.
Cho phép tạo một rãnh dưới ngàm của đầu nối theo Hình 1, loại C.

Hình 1 - Cấu tạo cơ bản của đầu nối ngàm
6.1.3. Kích thước cơ bản của các loại đầu nối ngàm được thể hiện trong Bảng 2.
Bảng 2 - Kích thước cơ bản của các loại đầu nối ngàm
Đơn vị: milimét
| Kích thước | d | d1 | D | D1 | H | Δh | h | H1, ≥ | b | A, ≤ | B | α |
| Phân loại |
| |||||||||||
| 40 | 71-0,9 | 63-0,9 | 72+0,55 | 64+0,55 | 6,2+0,55 | 1,0+0,1 | 3,7-0,25 | 5 | 4±1 | 104 | 24±1,0 | 15°±1 |
| 50 | 85-1,0 | 77-1,0 | 86+0,55 | 70+0,55 | 7+0,55 | 1,1±0,1 | 4,6-0,25 | 6 | 4±1 | 110 | 28+1,0 | 20°±1 |
| 65 | 103-1,0 | 94-1,0 | 104+0,55 | 95+0,55 | 8+0,55 | 1,2±0,1 | 5,6-0,25 | 7 | 5±1 | 140 | 32±1,2 | 25°±1 |
| 80 | 115-1,0 | 106-1,0 | 116+0,55 | 107+0,55 | 9+0,55 | 1,3±0,1 | 6,5-0,25 | 7 | 5±1 | 154 | 35±1,2 | 25°±1 |
| 100 | 149-1,20 | 139-1,20 | 150+0,65 | 140+0,55 | 9,5+0,65 | 1,5±0,1 | 7,2-0,25 | 10 | 5±1 | 187 | 38±1,2 | 30°±1 |
| 125 | 175-1,20 | 165-1,20 | 176+0,65 | 166+0,65 | 10,5+0,65 | 1,6±0,1 | 7,3-0,25 | 10 | 6±1 | 222 | 40±1,2 | 30°±1 |
| 150 | 195-1,4 | 185-1,4 | 97+0,75 | 185+0,75 | 12+0,75 | 1,7+0,1 | 7,8-0,25 | 10 | 7±1 | 254 | 40±1,2 | 30°±1 |
| Chú ý: 1 - Hướng của mặt phẳng xoắn của đầu Δh được đặt thành 60 °. 2 - Kích thước của bộ phận đóng của đầu có DN 90 phù hợp với kích thước của đầu có DN 100. | ||||||||||||
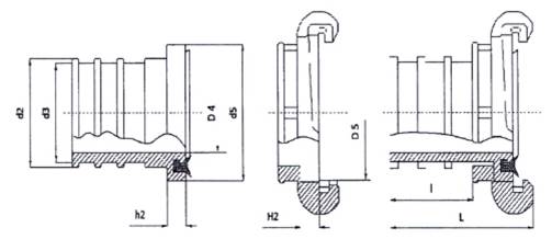
6.1.4. Cấu tạo và kích thước cơ bản của đầu nối thông thường (loại phun) theo Hình 2 và Bảng 3.

Hình 2 - Cấu tạo đầu nối thông thường (loại phun)
Bảng 3 - Kích thước cơ bản của đầu nối thông thường (loại phun)
Đơn vị: milimét
| Kích thước | d2 | d3 | D4, ≥ | D5 | d5 | D6 | d6 | H2 | h2 | I, ≥ | L |
| Phân loại |
| ||||||||||
| ĐT.P-40 | 38±0,3 | 38+0,3 | 30 | 58+0,5 | 57,2-0,5 |
|
| 11+0,3 | 11-0,3 | 45 | 93 |
| ĐT.P-50 |
|
| 42 | 68+0,5 | 67,2-0,5 | 38+0,5 | 38+0,5 | 11+0,3 | 11-0,3 | 52 | 100 |
| ĐT.P-65 |
|
| 57 | 84+0,5 | 83,2-0,5 | 38+0,5 | 38+0,5 | 11+0,3 | 11-0,3 | 56 | 114 |
| ĐT.P-80 |
|
| 69 | 95+0,5 | 94,2-0,5 | 38+0,5 | 38+0,5 | 11+0,3 | 11-0,3 | 60 | 120 |
| ĐT.P-90 |
|
| 78 | 118+0,5 | 118-0,5 | 38+0,5 | 38+0,5 | 11+0,3 | 11-0,3 | 100 | 172 |
| ĐT.P-150 |
|
| 136 | 172+0,5 | 170,5-0,6 | 38+0,5 | 38+0,5 | 11+0,3 | 11-0,3 | 140 | 220 |
| Chú ý: 1 - Kích thước L được nêu ở các bảng từ 3-11 2 - Kích thước d5, D4, D5, h2, H2 áp dụng cho đầu nối hỗn hợp và d5, D5, h2, H2 áp dụng cho đầu nối thông thường. | |||||||||||
6.1.5. Cấu tạo và kích thước cơ bản của đầu nối ren trong (loại phun) theo Hình 3 và Bảng 4.

Hình 3 - Cấu tạo của đầu nối ren trong (loại phun)
Bảng 4 - Kích thước cơ bản của đầu nối ren trong (loại phun)
Đơn vị: milimét
| Kích thước | D4, ≥ | D6 | I | L |
| Phân loại |
| |||
| ĐRT.P-40 | 30 | G11/2-B | 20-1,5 | 46 |
| ĐRT.P-50 | 43 | G2-B | 21-1,5 | 46 |
| ĐRT.P-65 | 57 | G21/2-B | 25-1,5 | 56 |
| ĐRT.P-80 | 68 | G3-B | 28-1,5 | 60 |
| ĐRT.P-90 | 87 | G4-B | 30-1,5 | 66 |
| ĐRT.P-150 | 136 | G6-B | 35-1,5 | 80 |
6.1.6. Cấu tạo và kích thước cơ bản của đầu nối ren ngoài theo Hình 4 và Bảng 5.

Hình 4 - Cấu tạo đầu nối ren ngoài
Bảng 5 - Kích thước cơ bản của đầu nối ren ngoài
Đơn vị: milimét
| Kích thước | d6 | D4, không nhỏ hơn | I | L |
| Phân loại |
| |||
| ĐRN-40 | G1 1/2-B | 30 | 20+1,5 | 68 |
| ĐRN-50 | G2-B | 43 | 22,5+1,5 | 73 |
| ĐRN-65 | G2 1/2-B | 57 | 25,0+1,5 | 80 |
| ĐRN-80 | G3-B | 68 | 28,0+1,5 | 83 |
| ĐRN-90 | G4-B | 87 | 30,0+1,5 | 98 |
| ĐRN-150 | G5-B | 136 | 45,0+1,5 | 125 |
6.1.7. Cấu tạo và kích thước cơ bản của đầu nối hỗn hợp theo Hình 5 và Bảng 6.

Hình 5 - Cấu tạo của đầu nối hỗn hợp
Bảng 6 - Kích thước cơ bản của đầu nối hỗn hợp
Đơn vị: milimét
| Kích thước | L |
| Phân loại |
|
| ĐHH 50x40 | 121 |
| ĐHH 65x50 | 165 |
| ĐHH 80x50 | 175 |
| ĐHH 80x65 | 165 |
| ĐHH 90x80 | 175 |
6.1.8. Cấu tạo và kích thước cơ bản của nắp đậy phía phun theo Hình 6 và Bảng 7.

Hình 6 - Cấu tạo của nắp đậy phía phun
Bảng 7 - Kích thước cơ bản của nắp đậy phía phun
Đơn vị: milimét
| Kích thước | L |
| Phân loại |
|
| NĐP-40 | 72 |
| NĐP-50 | 83 |
| NĐP-65 | 88 |
| NĐP-80 | 90 |
| NĐP-90 | 107 |
| NĐP-150 | 125 |
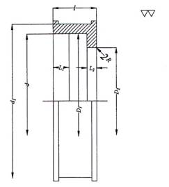
6.1.9. Cấu tạo và kích thước cơ bản của đầu nối thông thường (loại hút) theo Hình 7 và Bảng 8.

Hình 7 - Cấu tạo của đầu nối thông thường (loại hút)
Bảng 8 - Kích thước cơ bản của đầu nối thông thường (loại hút)
Đơn vị: milimét
| Kích thước | d2 | d3 | D4, ≥ | D5 | d5 | H2 | h2 | L, ≥ | L |
| Phân loại |
| ||||||||
| ĐNT.H-80 | 75±0,4 | 73±0,4 | 64 | 95+0,5 | 95-0,5 | 14+0,3 | 14-0,3 | 100 | 172 |
| ĐNT.H-100 | 100±0,5 | 98±0,5 | 87 | 118+0,5 | 118-0,5 | 15+0,3 | 15-0,3 | 100 | 172 |
| ĐNT.H-125 | 124±0,5 | 122+0,5 | 110 | 144+0,5 | 144-0,5 | 18+0,3 | 18-0,3 | 140 | 220 |
6.1.10. Cấu tạo và kích thước cơ bản của đầu nối ren trong (loại hút) theo Hình 8 và Bảng 9.

Hình 8 - Cấu tạo của đầu nối ren trong (loại hút)
Bảng 9 - Kích thước cơ bản của đầu nối ren trong (loại hút)
Đơn vị: milimét
| Kích thước | D6 | D4, k | I | L |
| Phân loại |
| |||
| ĐRT.H-60 | M 95x4 | 64 | 28-1,5 | 64 |
| ĐRT.H-100 | M 125x6 | 87 | 40-2,0 | 76 |
| ĐRT.H-125 | M 150x6 | 110 | 40-2,0 | 81 |
6.1.11. Cấu tạo và kích thước cơ bản của nắp đậy phía hút theo Hình 9 và Bảng 10.

Hình 9 - Cấu tạo của nắp đậy phía hút
Bảng 10 - Kích thước cơ bản của nắp đậy phía hút
Đơn vị: milimét
| Kích thước | L |
| Phân loại |
|
| NĐH-80 | 80 |
| NĐH100 | 92 |
| NĐH-125 | 100 |
6.2. Đầu nối kiểu cắm rút
6.2.1. Cấu tạo chung
Đầu nối kiểu cắm rút có cấu tạo gồm: khớp nối, đai siết, khóa chống trượt, lò xo, vòng đệm và vòng đai.
Đầu nối gồm 2 bộ phận là khớp nối dương và khớp nối âm.
Khớp nối dương được khóa với khớp nối âm thông qua cơ cấu khóa chống trượt (dạng lẫy lò xo), và được tháo lắp bằng vành ấn mở khóa chống trượt.

Hình 10 - Cấu tạo cơ bản của đầu nối kiểu cắm rút
| 1: Rãnh lồi | 2: Vòng đệm | 3: Vòng đai |
| 4: Vành đóng | 5: Chốt khoá | 6: Bề mặt chốt khoá |
| 7: Vành ấn mở khoá cài | 8: Đai khoá | 9: Rãnh lõm |
Vành ấn mở khoá có khoảng cách xuất nhập phải từ 3mm trở lên, và khoang vành ấn mở khoá phải bảo đảm để cát hoặc các vật khác không dễ dàng lọt vào được.
Cấu tạo cơ bản của các loại đầu nối cắm rút và các kích thước tương ứng phải phù hợp với thông số trong Hình 11 đến Hình 17 và trong Bảng 13 đến Bảng 19.
6.2.2. Cấu tạo và kích thước cơ bản của rãnh lồi theo Hình 11 và Bảng 13.

Hình 11 - Cấu tạo của rãnh lồi
Bảng 13 - Kích thước cơ bản của rãnh lồi
Đơn vị: milimét
| Kích thước | Đường kính ngoài (d) | d1 | D1 | D2 | l1 | l2 | l3 | L1 | L2 |
| Sai số | 0 - 1,5 | ± 0,2 | + 0,05 | - | - | - | - | + 0,2 | |
| Phân loại |
| ||||||||
| ĐCR-40 | 60 | 38.0 | 33,0 | 44 | 57 | 16 | 8 | 6 | 12,2 |
| ĐCR-50 | 75 | 51.0 | 44,5 | 56 | 74 | 19 | 8 | 7 | 15,5 |
| ĐCR-65 | 92 | 63.5 | 57,0 | 69 | 90 | 20 | 10 | 8 | 16,0 |
| ĐCR-80 | 106 | 76 | 69,0 | 82 | 105 | 24 | 14 | 8 | 19,0 |
6.2.3. Cấu tạo và kích thước cơ bản của vành đóng theo Hình 12 và Bảng 14.

Hình 12 - Cấu tạo của vành đóng
Bảng 14 - Kích thước cơ bản của vành đóng
Đơn vị: milimét
| Kích thước | Đường kính ngoài (d) | d1 | D1 | D2 | l | L1 | L2 |
| Sai số | 0 - 1,5 | + 0,3 + 0,2 | ± 0,3 | - | - | - | |
| Phân loại |
|
|
|
|
|
|
|
| ĐCR-40 | 60 | 65 | 57,5 | 46 | 21 | 10 | 3 |
| ĐCR-50 | 75 | 81 | 72,5 | 59 | 24 | 10 | 4 |
| ĐCR-65 | 92 | 99 | 89,5 | 73 | 30 | 12 | 5 |
| ĐCR-80 | 106 | 114 | 103,5 | 86 | 86 | 16 | 6 |
6.2.4. Cấu tạo và kích thước cơ bản của bề mặt chốt khoá theo Hình 13 và Bảng 15.

Hình 13 - Cấu tạo của bề mặt chốt khoá
Bảng 15 - Kích thước cơ bản của bề mặt chốt khoá
Đơn vị: milimét
| Kích thước | d | D | l1 | l2 | l3 | t1 | t2 |
| Sai số | 0 - 0,2 | ± 0,2 | - | + 0,1 0 | + 0,1 + 0,2 | + 0,2 0 | - |
| Phân loại |
| ||||||
| ĐCR-40 | 57,5 | 44,5 | 3,0 | 7,2 | 23 | 1.8 | 0,5 |
| ĐCR-50 | 72,5 | 57,0 | 4,0 | 8,2 | 29 | 2,0 | 0,5 |
| ĐCR-65 | 89,5 | 71,0 | 4,5 | 10,8 | 36 | 2,8 | 0,5 |
| ĐCR-80 | 103,5 | 84,0 | 4,5 | 12,8 | 44 | 3,0 | 0,5 |
6.2.5. Cấu tạo và kích thước cơ bản của khoá cài theo Hình 14 và Bảng 16.

Hình 14 - Cấu tạo của khoá cài
Bảng 16 - Kích thước cơ bản của khoá cài
Đơn vị: milimét
| Kích thước | d | D | l1 | l2 | t1 | t2 | t3 | t4 |
| Sai số | ± 0,2 | + 0,2 0 | - 0,1 - 0,2 | - | - | - | - | - |
| Phân loại |
| |||||||
| ĐCR-40 | 52,5 | 40,0 | 23 | 28 | 7,0 | 1,5 | 4 | 3,0 |
| ĐCR-50 | 66,2 | 52,0 | 29 | 34 | 8,0 | 1,8 | 5 | 3,5 |
| ĐCR-65 | 82,0 | 64,5 | 36 | 42 | 10,6 | 2,0 | 7 | 4,5 |
| ĐCR-80 | 95,5 | 77,5 | 44 | 51 | 12,6 | 2,5 | 8 | 4,5 |
6.2.6. Cấu tạo và kích thước cơ bản của vành ấn mở khoá theo Hình 15 và Bảng 17.

Hình 15 - Cấu tạo của vành ấn mở khoá
Bảng 17 - Kích thước cơ bản của vành ấn mở khoá
Đơn vị: milimét
| Kích thước | d1 | d2 | D | l1 | l2 |
| Sai số | ± 0,2 | + 0,2 0 | - 0,1 - 0,2 | - | - |
| Phân loại |
|
|
|
|
|
| ĐCR-40 | 44,0 | 58 | 39,5 | 20 | 3 |
| ĐCR-50 | 56,5 | 72 | 29 | 22 | 3 |
| ĐCR-65 | 70,5 | 90 | 36 | 26 | 4 |
| ĐCR-80 | 83,0 | 105 | 44 | 30 | 5 |
6.2.7. Cấu tạo và kích thước cơ bản của rãnh lõm theo Hình 16 và Bảng 18.

Hình 16 - Cấu tạo của rãnh lõm
Bảng 18 - Kích thước cơ bản của rãnh lõm
Đơn vị: milimét
| Kích thước | d1 | d2 | d3 | D | l1 | l2 | l3 |
| Sai số | 0 - 0,2 | ± 0,2 | - | + 0,1 0 | + 0,1 + 0,2 | + 0,2 0 | - |
| Phân loại |
|
|
|
|
|
|
|
| ĐCR-40 | 43,6 | 39,0 | 38,0 | 33,0 | 80 | 11,7 | 28,5 |
| ĐCR-50 | 55,6 | 51,0 | 51,0 | 44,5 | 100 | 14,5 | 32,5 |
| ĐCR-65 | 68,5 | 63,5 | 63,5 | 57,0 | 120 | 15,5 | 39,0 |
| ĐCR-80 | 81,5 | 76,2 | 76,0 | 69,0 | 140 | 18,0 | 45,0 |
6.2.8. Cấu tạo và kích thước cơ bản của vòng đệm và vòng đai theo Hình 17 và Bảng 19

Hình 17 - Cấu tại của vòng đệm và vòng đai
Bảng 19 - Kích thước cơ bản của vòng đệm và vòng đai
Đơn vị: milimét
| Kích thước | d | D | l1 | l2 | t |
| Sai số | - | - | - | - | - |
| Phân loại |
|
|
|
|
|
| ĐCR-40 | 52,0 | 43,6 | 7 | 17 | 6,0 |
| ĐCR-50 | 66,0 | 55,6 | 9 | 19 | 6,5 |
| ĐCR-65 | 79,5 | 68,5 | 10 | 24 | 7,0 |
| ĐCR-80 | 95,0 | 81,5 | 12 | 31 | 7,5 |
6.3. Vòng đệm
Các tính chất hóa, lý của vật liệu dùng để làm vòng đệm phải đảm bảo yêu cầu kỹ thuật theo Bảng 20.
Bảng 20 - Tính chất hoá, lý của vật liệu vòng đệm
| Tên thông số | Yêu cầu |
| - Giới hạn bền kéo, MPa, không nhỏ hơn - Độ giãn dài khi đứt, %, không nhỏ hơn - Độ biến dạng dư tương đối sau khi đứt, %, không nhỏ hơn - Độ cứng theo Shore A, đơn vị - Nhiệt độ bị ròn, °C, không nhỏ hơn, đối với vòng đệm làm việc ở nhiệt độ từ - 5°C đến + 50°C. | 8 350 30 Từ 45 đến 60 -15° |
| - Độ biến dạng dư tương đối sau khi chịu kéo 30% thể tích ở nhiệt độ 70°C ± 1°C thời gian thử là 72h, %, không lớn hơn. | 60 |
| - Sự thay đổi độ dài tương đối khi đứt, khi lão hóa trong không khí ở nhiệt độ 70°C ± 1°C thời gian 168h, %, không lớn hơn. | 40 |
| - Sự thay đổi thể tích sau khi tác động 10% dung dịch Acid Clohidric hoặc Acid Sulfuric hoặc xút hoặc xăng, dầu trong thời gian 24 ± 1 giờ ở nhiệt độ 23 ± 2°C, % | Từ -0,5 đến +1,0 |
Vòng đệm phải đảm bảo kín khi lắp ghép trong môi trường nước, dung dịch axit và kiềm yếu ở nhiệt độ làm việc từ - 5°C đến + 50°C với áp suất làm việc đến 2,0 MPa.
Kích thước vòng đệm tạo thành do khuôn ép. Độ nhám mặt ngoài của vòng đệm có giá trị Ra = 0,2 μm.
Mặt làm việc của vòng đệm phải phẳng, không có vết nứt, bóng khí và các tạp chất khác.
7. Phương pháp thử
7.1. Điều kiện thử nghiệm
Tất cả các thử nghiệm được thực hiện trong điều kiện khí hậu bình thường:
- Nhiệt độ từ 10°C đến 35°C;
- Độ ẩm không khí tương đối từ 45% đến 80%;
- Áp suất khí quyển từ 84,0 KPa đến 106,7 KPa.
Khi tiến hành thử nghiệm, các dụng cụ đo lường và điều khiển được sử dụng có độ chính xác phù hợp với phép đo, đã được kiểm tra và chứng nhận theo cách thức quy định.
7.2. Nội dung thử nghiệm
7.2.1. Thử nghiệm độ bền và độ kín
7.2.1.1. Dụng cụ thử nghiệm:
- Thiết bị tạo áp suất: Bơm cao áp hoặc bình chứa nước được nén với áp suất cao.
- Thiết bị đo áp suất: Đồng hồ đo áp suất lắp ở trước đầu nối giữa lăng phun và vòi đẩy chữa cháy trên giá gá lắp.
7.2.1.2. Bố trí thử nghiệm:
- Thử nghiệm được bố trí trong nhà. Sử dụng máy quay video ghi lại toàn bộ quá trình thử nghiệm. Ghi chép đầy đủ các thông tin gồm thời gian, áp lực, tình trạng thiết bị.
- Giá gá đầu nối: Làm bằng kim loại đặt trên bệ chắc chắn. Đầu nối thử nghiệm kết nối lăng phun nước cầm tay và vòi đẩy chữa cháy cấp nước sao cho đầu nối với lăng nằm theo phương ngang. Cao độ của giá gá đầu nồi quy định tối đa là 1000 mm so với mặt phẳng va đập. Lưu ý, vị trí gá đầu nối phải có tấm che ngăn cách giữa vị trí đo đạc và đầu nối nhằm bảo đảm an toàn.
7.2.1.3. Tiến hành thử nghiệm:
Thử nghiệm trong thời gian tối thiểu là 1 min với áp suất thủy lực là 2,0 MPa.
7.2.1.4. Kết quả thử nghiệm:
Trong suốt thời gian thử nghiệm, đầu nối không bị nứt, gãy, biến dạng các bộ phận hoặc rò rỉ nước là bảo đảm theo yêu cầu.
7.2.2. Thử nghiệm độ bền chống va đập
7.2.2.1. Thử nghiệm số 1.
7.2.2.1.1. Bố trí và tiến hành thử nghiệm:
- Đầu nối phải được gắn vào vòi đẩy chữa cháy;
- Đầu nối được đặt ở độ cao 02 m so với mặt va đập.
7.2.2.1.2. Tiến hành thử nghiệm:
Đầu nối đặt nằm theo phương ngang và được thả rơi tự do theo phương thẳng đứng 02 lần từ độ cao 02 m sao cho đầu nối tiếp xúc (va chạm) trực tiếp với bề mặt bê tông sao cho các điểm va chạm là ở hai mặt khác nhau của đầu nối.
7.2.2.1.3. Kết quả thử nghiệm:
Trong suốt thời gian thử nghiệm, đầu nối không bị nứt, gãy, biến dạng các bộ phận hoặc rò rỉ nước là bảo đảm theo yêu cầu.
7.2.2.2. Thử nghiệm số 2.
7.2.2.2.1. Bố trí thử nghiệm:
- Đầu nối phải được gắn vào vòi đẩy chữa cháy;
- Đầu nối đặt ở độ cao 02 m so với bề mặt va đập;
- Đầu nối kết nối với thiết bị tạo áp lực qua vòi đẩy chữa cháy.
7.2.2.2.2. Tiến hành thử nghiệm:
Khởi động thiết bị tạo áp lực và tăng áp suất lên 0,69 MPa, đầu nối đặt nằm theo phương ngang và được thả rơi tự do theo phương thẳng đứng 02 lần từ độ cao 02 m va chạm trực tiếp với bề mặt bê tông sao cho các điểm va chạm là ở hai mặt khác nhau của đầu nối.
7.2.2.2.3. Kết quả thử nghiệm:
Trong suốt thời gian thử nghiệm, đầu nối phải bảo đảm không bị nứt, gãy, biến dạng các bộ phận hoặc rò rỉ nước Trong suốt thời gian thử nghiệm, đầu nối không bị nứt, gãy, biến dạng các bộ phận hoặc rò rỉ nước là bảo đảm theo yêu cầu.
7.2.3. Thử nghiệm độ ăn mòn
7.2.3.1. Đầu nối không sử dụng trong môi trường nước mặn được thử nghiệm phun nước muối trong thời gian 120h. Sau khi thử nghiệm, đầu nối phải không bị ăn mòn. Dung dịch muối được chuẩn bị phải bảo đảm theo quy định tại TCVN 8792:2011.
7.2.3.2. Đầu nối sử dụng trong môi trường nước mặn phải được thử nghiệm phun nước muối trong thời gian 720h. Sau khi thử nghiệm, đầu nối phải không bị ăn mòn. Dung dịch muối được chuẩn bị phải bảo đảm theo quy định tại TCVN 8792:2011.
7.3. Vòng đệm
7.3.1. Kiểm tra các thông số của vật liệu dùng để sản xuất vòng đệm theo các yêu cầu kỹ thuật trong Bảng 20.
7.3.2. Kích thước vòng đệm và chỗ thừa theo mặt phân khuôn, kiểm tra bằng dụng cụ đo có độ chính xác không lớn hơn 0,1 mm, kiểm tra 03 lần, kết quả là trung bình cộng của 03 lần đo.
8. Ghi nhãn
8.1. Đầu nối
8.1.1. Nhãn dán của đầu nối phải được trình bày sao cho dễ thấy, nội dung bao gồm các mục sau:
- Chủng loại;
- Tháng, năm sản xuất (2 số cuối);
- Tên nhà sản xuất và quốc gia sản xuất;
- Áp suất làm việc: ghi rõ áp suất làm việc tính theo đơn vị bar, KG/cm2, hoặc PSI;
- Kích thước chuẩn nối vòi: kích thước vòi, tên và kích thước chuẩn của đầu nối.
- Ký hiệu tiêu chuẩn.
8.1.2. Đầu nối đóng gói trong các thùng đảm bảo không bị xê dịch trong quá trình vận chuyển.
8.1.3. Khi vận chuyển và bảo quản, các thùng đầu nối phải được bảo quản khô ráo và cách ly với môi trường ăn mòn.
8.2. Vòng đệm
8.2.1. Trên mặt không làm việc của vòng đệm phải có chữ nổi gồm:
- Loại vòng đệm;
- Dấu hiệu hàng hóa hoặc tên nhà sản xuất;
- Tháng, năm sản xuất (2 số cuối);
- Ký hiệu tiêu chuẩn.
8.2.2. Phần ngoài của bao bì phải ghi rõ các thông số:
- Số lượng sản phẩm;
- Tháng, năm sản xuất (2 số cuối);
- Số hiệu của lô hàng;
- Dấu hiệu kiểm tra chất lượng của cơ sở;
- Kiểu vòng đệm;
- Ký hiệu tiêu chuẩn.
8.2.3. Vòng đệm phải bảo quản ở nhiệt độ từ 0° đến 30 °C, cách xa nguồn nhiệt tối thiểu là 01 m. Phải để ở nơi không có ánh nắng chiếu trực tiếp và các chất làm hỏng vòng đệm.
THƯ MỤC TÀI LIỆU THAM KHẢO

[2] Tiêu chuẩn JIS B 9911-2001 Standard of dimensions of insert type couplings for fire hose.
[3] Tiêu chuẩn BS 336:1989 Specification for fire hose couplings and ancillary equipment.
[4] Tiêu chuẩn NFPA 1964 Standard for fire hose connections.
[5] Tiêu chuẩn KOFEIS 0705 - 2004 Standards of model approval and inspection technology for nozzles.
[6] TCVN 13261:2021 Phòng cháy chữa cháy - Lăng phun nước chữa cháy cầm tay - Yêu cầu kỹ thuật và phương pháp thử.
[7] TCVN 13418:2022 Phòng cháy chữa cháy - Lăng phun bọt chữa cháy cầm tay - Yêu cầu kỹ thuật và phương pháp thử.
[8] TCVN 5740 : 2009 Phương tiện phòng cháy chữa cháy - Vòi đẩy chữa cháy - Vòi đẩy bằng sợi tổng hợp tráng cao su.
Bạn chưa Đăng nhập thành viên.
Đây là tiện ích dành cho tài khoản thành viên. Vui lòng Đăng nhập để xem chi tiết. Nếu chưa có tài khoản, vui lòng Đăng ký tại đây!