- Tổng quan
- Nội dung
- Tiêu chuẩn liên quan
- Lược đồ
- Tải về
Tiêu chuẩn TCVN 11823-11:2017 Thiết kế mố, trụ và tường chắn của cầu đường bộ
| Số hiệu: | TCVN 11823-11:2017 | Loại văn bản: | Tiêu chuẩn Việt Nam |
| Cơ quan ban hành: | Bộ Khoa học và Công nghệ | Lĩnh vực: | Xây dựng , Giao thông |
|
Ngày ban hành:
Ngày ban hành là ngày, tháng, năm văn bản được thông qua hoặc ký ban hành.
|
2017 |
Hiệu lực:
|
Đã biết
|
| Người ký: | Đang cập nhật |
Tình trạng hiệu lực:
Cho biết trạng thái hiệu lực của văn bản đang tra cứu: Chưa áp dụng, Còn hiệu lực, Hết hiệu lực, Hết hiệu lực 1 phần; Đã sửa đổi, Đính chính hay Không còn phù hợp,...
|
Đã biết
|
TÓM TẮT TIÊU CHUẨN VIỆT NAM TCVN 11823-11:2017
Nội dung tóm tắt đang được cập nhật, Quý khách vui lòng quay lại sau!
Tải tiêu chuẩn Việt Nam TCVN 11823-11:2017
TIÊU CHUẨN QUỐC GIA
TCVN 11823-11:2017
THIẾT KẾ CẦU ĐƯỜNG BỘ - PHẦN 11: MỐ, TRỤ VÀ TƯỜNG CHẮN
Highway bridge design specification - Part 11: Abutments, piers and walss
MỤC LỤC
LỜI NÓI ĐẦU
1 PHẠM VI ÁP DỤNG
2 TÀI LIỆU VIỆN DẪN
3 THUẬT NGỮ VÀ ĐỊNH NGHĨA
4 CÁC TÍNH CHẤT CỦA ĐẤT VÀ VẬT LIỆU
4.1 TỔNG QUÁT
4.2 XÁC ĐỊNH CÁC TÍNH CHẤT CỦA ĐẤT
5 CÁC TRẠNG THÁI GIỚI HẠN VÀ HỆ SỐ SỨC KHÁNG
5.1 TỔNG QUÁT
5.2 CÁC TRẠNG THÁI GIỚI HẠN SỬ DỤNG
5.3 TRẠNG THÁI GIỚI HẠN CƯỜNG ĐỘ
5.4 TRẠNG THÁI GIỚI HẠN ĐẶC BIỆT
5.4.1 Yêu Cầu Chung
5.4.2 Trạng Thái giới hạn đặc biệt l
5.5 YÊU CẦU VỀ SỨC KHÁNG
5.6 CÁC TỔ HỢP TẢI TRỌNG VÀ HỆ SỐ TẢI TRỌNG
5.7 CÁC HỆ SỐ SỨC KHÁNG CỦA TRẠNG THÁI GIỚI HẠN SỬ DỤNG VÀ CƯỜNG ĐỘ
5.8 CÁC HỆ SỐ SỨC KHÁNG Ở TRẠNG THÁI GIỚI HẠN ĐẶC BIỆT
6 CÁC MỐ VÀ TƯỜNG CHẮN THÔNG THƯỜNG
6.1 CÁC YÊU CẦU TỔNG THỂ
6.1.1 Tổng quát
6.1.2 Tải trọng
6.1.3 Các mố cầu tích hợp (cầu liền khối)
6.1.4 Các tường cánh
6.1.5 Cốt thép
6.1.5.1 Tường thông thường và Mố
6.1.5.2 Tường cánh
6.1.6 Khe co giãn và khe phòng nứt
6.2 CHUYỂN VỊ VÀ ỔN ĐỊNH Ở TRẠNG THÁI GIỚI HẠN SỬ DỤNG
6.2.1 Mố
6.2.2 Tường chắn thông thường
6.2.3 Ổn định tổng thể
6.3 SỨC KHÁNG ÉP CỦA NỀN VÀ ĐỘ ỔN ĐỊNH Ở TRẠNG THÁI GIỚI HẠN CƯỜNG ĐỘ
6.3.1 Tổng quát
6.3.2 Sức kháng chịu ép
6.3.3 Giới hạn lệch tâm
6.3.4 Xói ngầm
6.3.5 Sức kháng do áp lực đất bị động
6.3.6 Trượt
6.4 THIẾT KẾ KẾT CẤU
6.5 THIẾT KẾ CHỊU ĐỘNG ĐẤT
6.6 THOÁT NƯỚC
7 TRỤ CẦU
7.1 TẢI TRỌNG TÁC DỤNG LÊN TRỤ
7.2 BẢO VỆ TRỤ
7.2.1 Tải trọng va chạm vào trụ
7.2.2 Tường chắn chống va chạm
7.2.3 Xói
7.2.4 Mặt vát thân trụ
8 TƯỜNG HẪNG KHÔNG TRỌNG LỰC
8.1 TỔNG QUÁT
8.2 TẢI TRỌNG
8.3 CHUYỂN VỊ VÀ ỔN ĐỊNH Ở TRẠNG THÁI GIỚI HẠN SỬ DỤNG
8.3.1 Chuyển vị
8.3.2 Ổn định tổng thể
8.4 YÊU CẦU ỔN ĐỊNH TỔNG THỂ CHỐNG PHÁ HOẠI ĐẤT Ở TRẠNG THÁI GIỚI HẠN CƯỜNG ĐỘ
8.5 THIẾT KẾ KẾT CẤU
8.5.1 Các bộ phận đơn nguyên tường đứng
8.5.2 Tấm mặt tường
8.6 THIẾT KẾ CHỊU ĐỘNG ĐẤT
8.7 BẢO VỆ CHỐNG ĂN MÒN
8.8 THOÁT NƯỚC
9 TƯỜNG CÓ NEO
9.1 TỔNG QUÁT
9.2 TẢI TRỌNG
9.3. CHUYỂN VỊ Ở TRẠNG THÁI GIỚI HẠN SỬ DỤNG
9.3.1 Chuyển vị
9.3.2 Ổn định tổng thể
9.4. THIẾT KẾ TƯỜNG THEO ĐẤT NỀN
9.4.1 Sức kháng ép của đất nền
9.4.2 Khả năng chịu lực nhổ của neo
9.4.3 Sức kháng áp lực đất bị động
9.5 THIẾT KẾ KẾT CẤU TƯỜNG
9.5.1 Neo
9.5.2 Các bộ phận đơn nguyên tường đứng
9.5.3 Tấm mặt tường
9.6 QUY ĐỊNH THIẾT KẾ CHỊU ĐỘNG ĐẤT
9.7 BẢO VỆ CHỐNG ĂN MÒN
9.8 THI CÔNG VÀ LẮP ĐẶT
9.9 THOÁT NƯỚC
10 TƯỜNG CHẮN ĐẤT CÓ CỐT (MSE)
10.1 TỔNG QUÁT
10.2 CÁC KÍCH THƯỚC KẾT CẤU
10.2.1 Chiều dài tối thiểu của cốt gia cường
10.2.3.2 Mặt tường mềm
10.2.3.3 Chống gỉ cho tường đất có cốt
10.3 TẢI TRỌNG
10.4 CHUYỂN VỊ VÀ ỔN ĐỊNH Ở TRẠNG THÁI GIỚI HẠN SỬ DỤNG
10.4.1 Lún
10.4.2 Chuyển vị ngang
10.4.3 Ổn định tổng thể
10.5 SỨC KHÁNG CỦA TƯỜNG THEO ĐẤT NỀN (ỔN ĐỊNH BÊN NGOÀI)
10.5.1 Tổng quát
10.5.2 Tải trọng
10.5.3 Trượt
10.5.4 Sức kháng ép của nền đất
10.5.5 Lật
10.6 SỨC KHÁNG CỦA KẾT CẤU TƯỜNG (ỔN ĐỊNH BÊN TRONG TƯỜNG)
10.6.2 Tải trọng
10.6.2.1 Tải trọng lớn nhất tác dụng tới cốt gia cường
10.6.2.2 Tải trọng tác dụng vào cốt gia cường tại vị trí liên kết với mặt tường
10.6.3 Lực nhổ cốt gia cường
10.6.3.1 Đường biên giữa vùng trượt và vùng neo giữ
10.6.3.2 Thiết kế cốt gia cường chịu lực nhổ
10.6.4 Sức kháng của cốt gia cường
10.6.4.1 Tổng quát
10.6.4.2 Tuổi thọ thiết kế
10.6.4.3 Sức kháng kéo thiết kế
10.6.4.4 Sức kháng thiết kế của mối nối mặt tường với cốt gia cường
10.7 THIẾT KẾ TƯỜNG ĐẤT CÓ CỐT (MSE) CHỊU ĐỘNG ĐẤT
10.7.1 Độ ổn định dưới tác dụng của ngoại lực
10.7.2 Ổn định bên trong tường
10.7.3 Liên kết mặt bao tường với cốt gia cường
10.8 THOÁT NƯỚC
10.9 XÓI NGẦM
10.10 THIẾT KẾ TƯỜNG CHẮN ĐẤT CÓ CỐT VỚI CÁC TẢI TRỌNG KHÁC
10.10.1 Tĩnh tải tập trung
10.10.2 Tải trọng giao thông và rào chắn lan can
10.10.3 Áp lực thủy tĩnh
10.10.4 Vật cản trong vùng đất có cốt
10.11 MỐ TƯỜNG ĐẤT CÓ CỐT (MSE)
11 CÁC TƯỜNG CHẾ TẠO SÂN THEO MÔ ĐUN
11.1 YÊU CẦU CHUNG
11.2 TẢI TRỌNG
11.3 CHUYỂN VỊ Ở TRẠNG THÁI GIỚI HẠN SỬ DỤNG
11.4 THIẾT KẾ THEO ĐIỀU KIỆN ĐẤT NỀN
11.4.1 Tổng quát
11.4.2 Trượt
11.4.3 Sức kháng nén
11.4.4 Lật
11.4.5 Xói ngầm
11.4.6 Ổn định tổng thể
11.4.7 Sức kháng bị động và trượt
11.5 THIẾT KẾ KẾT CẤU MÔ ĐUN
11.6 THIẾT KẾ CHỊU ĐỘNG ĐẤT CHO TƯỜNG CHẾ TẠO SẴN THEO MÔ ĐUN
11.7 MỐ
11.8 THOÁT NƯỚC
LỜI NÓI ĐẦU
TCVN 11823 - 11:2017 được biên soạn trên cơ sở tham khảo Tiêu chuẩn thiết kế cầu theo hệ số tải trọng và sức kháng của AASHTO (AASHTO, LRFD Bridge Design Specification). Tiêu chuẩn này là một Phần thuộc Bộ tiêu chuẩn Thiết kế cầu đường bộ bao gồm 12 Phần như sau:
- TCVN 11823-1:2017 Thiết kế cầu đường bộ - Phần 1: Yêu cầu chung
- TCVN 11823-2:2017 Thiết kế cầu đường bộ - Phần 2: Tổng thể và đặc điểm vị trí
- TCVN 11823-3:2017 Thiết kế cầu đường bộ - Phần 3: Tải trọng và Hệ số tải trọng
- TCVN 11823-4:2017 Thiết kế cầu đường bộ - Phần 4: Phân tích và Đánh giá kết cấu
- TCVN 11823-5:2017 Thiết kế cầu đường bộ - Phần 5: Kết cấu bê tông
- TCVN 11823-6:2017 Thiết kế cầu đường bộ - Phần 6: Kết cấu thép
- TCVN 11823-9:2017 Thiết kế cầu đường bộ - Phần 9: Mặt cầu và Hệ mặt cầu
- TCVN 11823-10:2017 Thiết kế cầu đường bộ - Phần 10: Nền móng
- TCVN 11823-11:2017 Thiết kế cầu đường bộ - Phần 11: Mố, Trụ và Tường chắn
- TCVN 11823-12:2017 Thiết kế cầu đường bộ - Phần 12: Kết cấu vùi và Áo hầm
- TCVN 11823-13:2017 Thiết kế cầu đường bộ - Phần 13: Lan can
- TCVN 11823-14:2017 Thiết kế cầu đường bộ - Phần 14: Khe co giãn và Gối cầu.
Tiêu chuẩn kỹ thuật thi công tương thích với Bộ tiêu chuẩn này là Tiêu chuẩn kỹ thuật thi công cầu AASHTO LRFD (AASHTO LRFD Bridge construction Specifications)
TCVN 11823 - 11:2017 do Bộ Giao thông vận tải tổ chức biên soạn, Bộ Giao thông vận tải đề nghị, Tổng cục Tiêu chuẩn Đo lường Chất lượng thẩm định, Bộ Khoa học và Công nghệ công bố.
THIẾT KẾ CẦU ĐƯỜNG BỘ - PHẦN 11: MỐ, TRỤ VÀ TƯỜNG CHẮN
Highway Bridge Design Specification - Part 11: Abutments, Piers and Walls
1 PHẠM VI ÁP DỤNG
Tiêu chuẩn này quy định các yêu cầu thiết kế mố, trụ cầu và tường chắn. Các loại tường chắn được đề cập bao gồm: Các tường chắn thông thường, các tường có neo, các tường đất có cốt (gia cố cơ học, MSE) và các tường chế tạo sẵn theo mô đun.
2 TÀI LIỆU VIỆN DẪN
Các tài liệu dưới đây là rất cần thiết đối với việc áp dụng tiêu chuẩn này. Các tài liệu viện dẫn được trích dẫn từ những vị trí thích hợp trong văn bản tiêu chuẩn và các ấn phẩm được liệt kê dưới đây. Đối với các tài liệu có đề ngày tháng, những sửa đổi bổ xung sau ngày xuất bản chỉ được áp dụng cho bộ Tiêu chuẩn này khi bộ Tiêu chuẩn này được sửa đổi, bổ xung. Đối với các tiêu chuẩn không đề ngày tháng thì dùng phiên bản mới nhất.
- TCVN 2737:1995 Tải trọng và tác động - Tiêu chuẩn thiết kế
- TCVN 4954:05 Đường ô tô- Yêu cầu thiết kế
- TCVN 5408:2007 Lớp phủ kẽm nhúng nóng trên bề mặt sản phẩm gang và thép- Yêu cầu kỹ thuật và phương pháp thử
- TCVN 1651: 2008 - Thép cốt bê tông và lưới thép hàn
- TCVN 5664:2009 - Tiêu chuẩn quốc gia, Phân cấp kỹ thuật đường thủy nội địa
- TCVN 9386:2012- Thiết kế công trình chịu động đất
- TCVN 9392:2012- Thép cốt bê tông- Hàn hồ quang
- TCVN 9393: 2012- Cọc - Phương pháp thử nghiệm hiện trường bằng tải trọng tĩnh ép dọc trục
- TCVN 10307:2014- Kết cấu cầu thép - Yêu cầu kỹ thuật chung về chế tạo, lắp ráp và nghiệm thu
- TCVN 10309:2014 - Hàn cầu thép - Quy định kỹ thuật
- AASHTO LRFD Bridge Construction Specifications (Tiêu chuẩn kỹ thuật thi công cầu AASHTO)
- ASTM D3966 Standard Test Methods for Deep Foundations Under Lateral Load (Tiêu chuẩn phương pháp thí nghiệm móng sâu chịu tải trọng ngang)
- ASTM D5818 Standard Practice for Exposure and Retrieval of Samples to Evaluate Installation Damage of Geosynthetics (Tiêu chuẩn thực hành phương pháp rải và thu hồi để đánh giá sự hư hỏng do thi công vải địa kỹ thuật)
- ASTM D 5261 Standard Test Method for Measuring Mass per Unit Area of Geotextile (Tiêu chuẩn phương pháp thí nghiệm để đo trọng lượng trên một đơn vị diện tích của vải địa kỹ thuật
- ENV ISO 13438: Geotextiles And Geotextile-related Products - Screening Test Method For Determining The Resistance To Oxidation (Phương pháp thí nghiệm xác
3 THUẬT NGỮ VÀ ĐỊNH NGHĨA
3.1 Mố (Abutment)- Kết cấu đỡ nhịp cuối của cầu tiếp giáp với nền đường, kết cấu này còn làm nhiệm vụ chăn đất đắp nền đường tiếp giáp nhịp cầu là kết cấu chuyển tiếp giữa cầu và đường đầu cầu. Kết cấu mố bao gồm một số loại chính như sau:
• Mố đuôi cụt (Stub Abutment) - Mố đuôi cụt đặt tại hoặc gần đỉnh nền đường sau mố, với chiều cao tường ngực phù hợp chiều cao kiến trúc kết cấu và gối cầu.
• Mố vùi một phần (Partial-Depth Abutment) - Mố vùi một phần nằm khoảng giữa chiều cao của mái dốc phía trước nền đường đắp. Chiều cao tường ngực và tường cánh để đỡ vật liệu đắp, hoặc bố trí mái dốc kéo tiếp phía sau tường ngực. Với trường hợp sau, bố trí một bản quá độ hoặc một nhịp dẫn vượt qua đoạn mái dốc, và bố trí tường bao để bao che dốc. Phải bố trí các lối lên xuống để kiểm tra cầu.
• Mố vùi hoàn toàn (Full-Depth Abutment) - Mố vùi hoàn toàn được đặt phía trước chân nền đường dẫn vào cầu, tạo ra khoảng tịnh không bên dưới kết cấu.
• Mố tích hợp (Integral Abutment) - Mố tích hợp trong kết cấu cầu tích hợp (còn gọi là cầu liền khối) có phần thân được liên kết cứng với kết cấu phần trên và được đỡ bởi hệ nền móng đế hoặc sâu có thể cho phép dịch chuyển ngang.
3.2 Tường có neo (Anchored Wall) - Kết cấu thuộc hệ tường chắn đất điển hình, gồm các bộ phận giống như các tường hẫng không trọng lực và có tăng cường sức kháng lực ngang bằng cách bố trí thêm từ một hàng hoặc nhiều hàng neo.
3.3 Tường chắn đất có cốt (Mechanically Stabilized Earth Wall) - Hệ tường chắn đất, sử dụng các cốt gia cường chịu kéo dạng dải hoặc ô lưới bằng kim loại hoặc polime đặt trong khối đất và một cấu kiện làm mặt tường đặt thẳng đứng hoặc gần như thẳng đứng.
3.4 Tường hẫng không trọng lực (Nongravity Cantilever Wall) - Hệ tường chắn đất, tạo ra sức chống nằm ngang qua sự chôn sâu các bộ phận của tường thẳng đứng và đỡ đất bị chắn bằng phân tường nhô cao. Các bộ phận tường thẳng đứng có thể gồm các cấu kiện riêng rẽ ví dụ như các cọc, giếng chìm, các cọc khoan hoặc cọc khoan nhồi được nối với nhau bằng kết cấu tường mặt, ví dụ như thanh đỡ ngang, panen hoặc bê tông phun. Một cách khác là các bộ phận tường thẳng đứng và tường mặt có thể là liên tục, ví dụ tấm panen tường ngăn, các cọc hoặc các cọc khoan đặt tiếp tuyến với nhau.
3.5 Trụ (Pier) - Bộ phận của kết cấu cầu, tạo ra điểm đỡ trung gian cho kết cấu phần trên. Nhiều loại trụ khác nhau được sử dụng. Bao gồm:
• Trụ thân tường đặc (Solid Wall Piers)- Trụ thân tường đặc được thiết kế như cột chịu tác động của lực và mô men theo trục yếu và trục khỏe. Trụ có thể được chốt, ngàm hoặc di động ở phía trên, và thông thường được cố định ở bệ. Loại trụ thấp và ngắn thường được chốt ở móng để loại bỏ mô men lớn do ngàm chặt. Trước đây, trụ thiết kế lớn hơn coi là loại trụ trọng lực.
• Trụ tường đôi (Double Wall Piers) - Trụ tường đôi bao gồm 2 tường riêng biệt, cách nhau theo hướng xe chạy đỡ mặt dưới liên tục của mặt cắt hộp bê tông kết cấu phần trên. Những tường này được tích hợp với kết cấu phần trên và phải được thiết kế cho mô men uốn của kết cấu phần trên phát sinh do hoạt tải và điều kiện xây lắp.
• Trụ nạng chống (Bent Piers) - Trụ nạng chống bao gồm hai hoặc nhiều cột theo phương ngang, loại trụ này được thiết kế như một khung chịu lực theo phương ngang trụ. Chúng thường được ngàm tại bệ và có thể ngàm với kết cấu phần trên hoặc với xà mũ. Cột trụ có thể được đỡ trên một móng nông hoặc móng cọc, hoặc móng giếng chìm dạng tường, hoặc có thể kéo dài cọc hay cọc khoan nhồi lên trên mặt đất đỡ xà mũ.
• Trụ cột đơn (Single-Column Piers) - Trụ cột đơn, thường được gọi là trụ “chữ T” hay trụ “hình đầu búa”, thường được đỡ bởi bệ móng của móng nông hoặc bệ móng cọc khoan nhồi, và có thể được liên kết hoặc tách rời với kết cấu phần trên. Mặt cắt ngang trụ loại này có thể có nhiều hình dạng khác nhau và các cột có thể dạng lăng trụ hoặc loe để tạo hình xà mũ hoặc phù hợp với hình dạng mặt cắt kết cấu phần trên. Loại trụ này có thể tránh được sự phức tạp do sai lệch gối nếu liên kết thành khung với kết cấu phần trên và bớt sự nặng nề khi trụ gắn liền với kết cấu phần trên.
• Trụ dạng ống (Tubular Piers) - Một mặt cắt lõi rỗng có thể là thép, bê tông cốt thép hoặc bê tông dự ứng lực, mặt cắt ngang rỗng này chịu tác động của lực và mô men trên các phần tử. Vì dễ tổn thương do tải trọng ngang, trụ hình ống phải đủ dày để chịu lực và mô men cho tất cả trường hợp tải trọng. Trụ hình lăng trụ có thể đúc sẵn hoặc dự ứng lực từng đốt để lắp ghép.
3.6 Tường có các mô đun chế sẵn (Prefabricated Modular Wall) - Hệ thống chắn đất dùng các khối bê tông có chèn đất bên trong hay kết cấu thép để chịu áp lực đất, có tác dụng giống tường trọng lực.
3.7 Tường chắn trọng lực cứng và bán trọng lực (Rigid Gravity and Semi-gravity Retaining Wall) - Kết cấu tường chịu lực ngang sinh ra do chắn giữ khối đất và của bản thân nó chủ yếu có được là nhờ trọng lượng bản thân và trọng lượng của bất kỳ loại đất nào đặt trực tiếp trên bệ tường.
Trong thực tiễn, có thể sử dụng các loại tường chắn trọng lực cứng và bán trọng lực khác nhau. Chúng gồm có:
• Tường trọng lực (gravity wall) - Độ ổn định của tường trọng lực phụ thuộc hoàn toàn vào trọng lượng của khối đá xây, hoặc khối bê tông và của bất kỳ loại đất nào trên khối xây. Chỉ có một số lượng thép danh định được đặt gần các mặt phô ra để đề phòng sự nứt trên bề mặt do các thay đổi nhiệt độ gây ra.
• Tường bán trọng lực (semi gravity wall) - Mảnh hơn tường trọng lực một chút và yêu cầu tăng cường bằng các thanh cốt thép thẳng đứng đặt dọc theo mặt phía trong và các chốt đưa vào trong hệ móng. Tường được bố trí cốt thép nhiệt độ sát mặt phô ra.
• Tường hẫng (cantilever wall) - Gồm một thân tường bê tông và một bản đáy bê tông, cả hai đều tương đối mỏng và được bố trí cốt thép đầy đủ để chịu momen và lực cắt.
• Tường chống (counterfort wall) - Gồm bản mặt tường bê tông mỏng, thông thường đặt thẳng đứng được chống bởi các bản hoặc thanh chống ở đầu, đặt cách quãng ở mặt bên trong và thẳng góc với bản tường mặt. Cả hai bản tường mặt và thanh chống được nối với bản đáy và khoảng trống phía trên bản đáy và giữa các thanh chống được lấp bằng đất. Tất cả các bản đều được đặt cốt thép đầy đủ.
4 CÁC TÍNH CHẤT CỦA ĐẤT VÀ VẬT LIỆU
4.1 TỔNG QUÁT
Các loại vật liệu dùng để đắp nên thuộc dạng hạt rời và có khả năng thoát nước tốt. Khi tường chắn giữ đất dính, phải bố trí thoát nước để giảm áp lực thủy tĩnh đằng sau tường.
4.2 XÁC ĐỊNH CÁC TÍNH CHẤT CỦA ĐẤT
Áp dụng quy định của Điều 4 Phần 2 bộ tiêu chuẩn này và Điều 4 Phần 10 bộ tiêu chuẩn này
5 CÁC TRẠNG THÁI GIỚI HẠN VÀ HỆ SỐ SỨC KHÁNG
5.1 TỔNG QUÁT
Việc thiết kế các mố, trụ và tường chắn phải thoả mãn các tiêu chuẩn dùng cho trạng thái giới hạn sử dụng quy định trong Điều 5.2 và trạng thái giới hạn cường độ quy định trong Điều 5.3
Mố, trụ và tường chắn được thiết kế để chịu được áp lực ngang của đất và nước, cũng như bất kỳ hoạt tải và tĩnh tải chất thêm, tải trọng bản thân tường, hiệu ứng nhiệt độ và co ngót, tải trọng động đất theo các nguyên tắc chung quy định trong Phần này.
Kết cấu tường chắn đất phải được thiết kế có tuổi đời sử dụng trong điều kiện vật liệu xuống cấp theo thời gian, có thể có dòng xói ngầm, dòng tạp tán và yếu tố môi trường có khả năng gây hại khác các thành phần vật liệu của kết cấu. Phải thiết kế các loại tường chắn vĩnh cửu sao cho có được tuổi thọ tối thiểu 100 năm. Tường chắn công trình tạm thời phải được thiết kế có tuổi thọ 36 tháng hoặc ít hơn.
Kết cấu vĩnh cửu phải được thiết kế có tính thẩm mĩ cao, về cơ bản không cần bảo dưỡng trong suốt tuổi thọ thiết kế.
5.2 CÁC TRẠNG THÁI GIỚI HẠN SỬ DỤNG
Phải thiết kế khống chế chuyển vị theo phương thẳng đứng và phương ngang ở trạng thái giới hạn sử dụng đối với các mố, trụ và tường chắn. Giới hạn cho phép của chuyển vị theo phương đứng và ngang của tường chắn phải dựa trên chức năng và kiểu tường, tuổi thọ sử dụng dự kiến, và tầm quan trọng của việc không cho phép dịch chuyển tường có khả năng ảnh hưởng bất kỳ tới kết cấu gần đó, cả về mặt kết cấu và thẩm mĩ. Ổn định tổng thể phải được đánh giá bởi phương pháp phân tích cân bằng giới hạn.
Kiểm tra sự dịch chuyển theo phương đứng và ngang của tường theo các quy định tại Điều 6.2.2, 7.2.2 và 8.2.1 Phần 10 bộ tiêu chuẩn này. Với tường neo, chuyển vị phải được tính theo quy định tại Điều 9.3.1. Với tường chắn đất có cốt, chuyển vị phải được tính theo quy định tại Điều 10.4.
5.3 TRẠNG THÁI GIỚI HẠN CƯỜNG ĐỘ
Thiết kế các mố, trụ và tường theo trạng thái giới hạn cường độ phải được kiểm soát theo Phương trình 1 Phần 1 bộ tiêu chuẩn này cho các hạng mục:
• Sức kháng chịu ép của nền
• Trượt ngang,
• Giảm quá mức của diện tích tiếp xúc đáy do đặt tải lệch tâm
• Sự phá hoại do kéo tuột của các neo hoặc của các cốt gia cường đất và
• Phá hoại kết cấu.
5.4 TRẠNG THÁI GIỚI HẠN ĐẶC BIỆT
5.4.1 Yêu Cầu Chung
Thiết kế các Mố, Tường và Trụ theo các trạng thái giới hạn đặc biệt với các hạng mục:
• Ổn định tổng thể
• Sức kháng chịu ép của nền
• Trượt ngang
• Giảm diện tích tiếp xúc đáy móng do đặt tải lệch tâm
• Sự phá hoại do tuột của các neo hoặc các cốt gia cường đất và
• Phá hoại kết cấu
5.4.2 Trạng Thái giới hạn đặc biệt I
Thiết kế chống động đất được coi là không bắt buộc với các tường chắn nằm ở Vùng Động Đất 1 đến 3, trừ khi:
• Khả năng hóa lỏng lan theo chiều ngang hoặc mất ổn định mái dốc, hoặc động đất gây ra mất ổn định mái dốc do sự xuất hiện của đất sét nhạy cảm với mất cường độ trong quá trình sang chấn, có thể ảnh hưởng tới sự ổn định của tường trong thiết kế chống động đất.
• Tường đỡ các kết cấu khác mà theo tiêu chuẩn thiết kế áp dụng cho kết cấu đó yêu cầu phải được thiết kế cho tải trọng động đất và hiệu năng chống động đất yếu của tường có thể ảnh hưởng hiệu năng chống động đất của kết cấu đó. Tùy chọn không phân tích động đất nên được giới hạn cho thiết kế ổn định chống động đất bên trong và bên ngoài tường. Nếu tường là một phần của mái dốc lớn, ổn định động đất tổng thể của tổ hợp tường và mái dốc phải được tính toán.
Các quy định không tính động đất cho tường chắn không áp dụng cho loại tường chắn làm việc như trụ đỡ của cầu.
5.5 YÊU CẦU VỀ SỨC KHÁNG
Các mố trụ và kết cấu tường chắn, các móng của chúng và các cấu kiện đỡ khác phải được định kích thước bằng các phương pháp thích hợp được quy định trong các Điều 6, 7, 8, 9, 10 hoặc 11 sao cho sức kháng của chúng thoả mãn quy định của Điều 5.5
Sức kháng tính toán RR được tính cho mỗi trạng thái giới hạn có thể áp dụng được phải là sức kháng danh định Rn nhân với hệ số sức kháng thích hợp ϕ, được quy định trong Bảng 1.
5.6 CÁC TỔ HỢP TẢI TRỌNG VÀ HỆ SỐ TẢI TRỌNG
Các mố, trụ, kết cấu tường chắn và móng của chúng, các cấu kiện đỡ khác phải được thiết kế với tất cả các tổ hợp tải trọng quy định trong Điều 4.1 Phần 3 bộ tiêu chuẩn này.
Đối với hiệu ứng tải trọng động đất đến áp lực đất ngang, hệ số tải trọng động đất phải được áp dụng cho toàn bộ tải trọng áp lực ngang của đất tạo ra bởi khối đất được giữ lại bởi tường hoặc mố. Đối với bất kỳ tải trọng chất thêm tác động lên tường (ví dụ ES) ở tổ hợp với tải trọng động đất EQ, phải áp dụng hệ số tải trọng động đất.
5.7 CÁC HỆ SỐ SỨC KHÁNG CỦA TRẠNG THÁI GIỚI HẠN SỬ DỤNG VÀ CƯỜNG ĐỘ
Thiết kế theo trạng thái giới hạn sử dụng, phải lấy giá trị của tất cả các hệ số sức kháng bằng 1,0, ngoại trừ tính ổn định tổng thể theo quy định theo Điều 6.2.3.
Khi thiết kế tường chắn theo trạng thái giới hạn cường độ, các hệ số sức kháng lấy theo giá trị quy định trong Bảng 1.
Các hệ số sức kháng dùng cho thiết kế đất nền của móng tường chắn ngoài việc theo quy định riêng trong Bảng 1 còn phải theo quy định trong các Bảng 8, 9, 10 của Phần 10 bộ tiêu chuẩn này.
Các cấu kiện thẳng đứng, như là các cọc chống hào, tường chắn tạo bởi hàng cọc ken ốp và tường bê tông trong rãnh đào vữa sét phải được xử lý hoặc theo móng nông, hoặc theo móng sâu, khi thích hợp để tính sức kháng nền đỡ theo các quy định trong các Điều 6, 7 và 8 Phần 10 bộ tiêu chuẩn này.
Khi thiết kế các tường chắn tạm có thể tăng hệ số sức kháng theo quy định tương tự như gia tăng ứng suất cho phép với các kết cấu tạm trong thiết kế ứng suất cho phép.
Bảng 1- Các hệ số sức kháng dùng cho tường chắn vĩnh cửu
| Loại tường và trạng thái | Hệ số sức kháng | ||
| Các tường hẫng không trọng lực và tường neo |
| ||
| Sức kháng nén dọc trục của các cấu kiện thẳng đứng | Theo Điều 5 Phần 10 | ||
| Sức kháng bị động của các cấu kiện thẳng đứng | 0,75 | ||
| Sức kháng nhổ của neo(1) | • trong đất rời | 0,65(1) | |
|
| • trong đất dính | 0,70(1) | |
|
| • Trong đá | 0,50(1) | |
| Sức kháng nhổ của neo(2) | • Khi có tiến hành thử để duyệt | 1,0(2) | |
| Sức kháng kéo của neo bó | • Thép thường, (ví dụ Loại Thanh ASTM A615) | 0,90(3) | |
|
| • Thép cường độ cao (ví dụ các thanh ASTM A72) | 0,80(3) | |
| Sức kháng nén dọc trục của các cấu kiện thẳng đứng | Theo Điều 5 Phần 10 | ||
| Sức kháng bị động của các cấu kiện thẳng đứng | 0,75 | ||
| Sức kháng nhổ của neo(1) | • trong đất rời | 0,65(1) | |
|
| • trong đất dính | 0,70(1) | |
|
| • Trong đá | 0,50(1) | |
| Sức kháng nhổ của neo(2) | • Khi có tiến hành thử để duyệt | 1,0(2) | |
| Sức kháng kéo của neo bó | • Thép thường, (ví dụ Loại Thanh ASTM A615) | 0,90(3) | |
|
| • Thép thanh cường độ cao) | 0,80(3) | |
| Khả năng chịu uốn của cấu kiện thẳng đứng | 0,90 | ||
|
|
| ||
| Các loại tường đất có cốt, tường trọng lực, tường bán trọng lực |
| ||
| Sức kháng tựa | • Tường trọng lực và bán trọng lực | 0,55 | |
|
| • Tường đất có cốt | 0,65 | |
| Trượt |
| 1,0 | |
| Sức kháng kéo của cốt gia cường bằng kim loại và liên kết | Các cốt gia cường dải thép(4) |
| |
|
| • thử tải tĩnh | 0,75 | |
|
| Mạng ô cốt gia cường(4) (5) |
| |
|
| • thử tải tĩnh | 0,65 | |
| Sức kháng kéo của cốt gia cường vải địa kỹ thuật và liên kết | • thử tải tĩnh | 0,90 | |
| Sức kháng nhổ của cốt gia cường chịu kéo | • thử tải tĩnh | 0,90 | |
|
|
| ||
| Các tường đúc sẵn theo khối đơn nguyên |
| ||
| Sức kháng đỡ | Theo Điều 5 Phần 10 | ||
| Trượt | Theo Điều 5 Phần 10 | ||
| Sức kháng bị động | Theo Điều 5 Phần 10 | ||
| (1) Áp dụng cho ứng suất dính kết đơn vị tới hạn chỉ khi thiết kế sơ bộ như trong Điều 9.4.2 (2) Áp dụng khi có tiến hành thí nghiệm kiểm tra cho mỗi lô sản phẩm neo với tải trọng bằng hoặc lớn hơn tải trọng tính toán tác dụng vào neo. (3) Áp dụng cho tải trọng thử kiểm tra lớn nhất. Đối với thép thường hệ số sức kháng áp dụng cho Fy. Đối với thép cường độ cao, áp dụng hệ số sức kháng cho cường độ kéo cực hạn đảm bảo. (4) Áp dụng cho mặt cắt nguyên nhỏ hơn mặt cắt bị ăn mòn. Với mặt cắt có lỗ, giảm diện tích nguyên theo Điều 8.3 Phần 6 bộ tiêu chuẩn này và áp dụng cho mặt cắt trừ lỗ nhỏ hơn mặt cắt bị ăn mòn. (5) Áp dụng cho cốt gia cường dạng mạng ô dải nối với mặt bao tường là tấm bê tông hay khối bê tông. Đối với cốt gia cường dạng mạng ô nối với vải bao mặt tường hoặc là vải liền với vải bao mặt, lấy hệ số sức kháng dùng cho cốt gia cường loại dải. | |||
5.8 CÁC HỆ SỐ SỨC KHÁNG Ở TRẠNG THÁI GIỚI HẠN ĐẶC BIỆT
Trừ khi được quy định khác, khi thiết kế theo trạng thái giới hạn đặc biệt, tất cả các hệ số sức kháng đều phải lấy bằng 1,0.
Khi kiểm toán ổn định tổng thể của tường chắn chịu tải trọng động đất hệ số sức kháng, ϕ, lấy bằng 0,90. Khi kiểm toán sức kháng đỡ, hệ số sức kháng đối với tường chắn trọng lực và bán trọng lực lấy bằng 0,8, đối với tường chắn đất có cốt, hệ số sức kháng lấy bằng 0,9.
Khi kiểm toán sức kháng kéo của cốt gia cường bằng kim loại và các liên kết chịu tải trọng động đất, hệ số sức kháng phải lấy như sau:
Cốt gia cường kiểu dải, ϕ = 1,0
Cốt gia cường kiểu mạng ô, ϕ= 0,85
Các chú giải (4) và (5) trong Bảng 1 cũng áp dụng cho các hệ số sức kháng này đối với cốt gia cường kim loại.
Đối với sức kháng kéo của cốt gia cường bằng vải địa kỹ thuật và liên kết, hệ số sức kháng, ϕ, lấy bằng 1,20.
Khi tính sức kháng nhổ của cốt gia cường bằng kim loại và vải địa kỹ thuật, hệ số sức kháng, ϕ, lấy bằng 1,20.
6 CÁC MỐ VÀ TƯỜNG CHẮN THÔNG THƯỜNG
6.1 CÁC YÊU CẦU TỔNG THỂ
6.1.1 Tổng quát
Tường chắn ngàm trọng lực và bán trọng lực có thể sử dụng cho kết cấu phần dưới cầu hoặc nút giao thông và các ứng dụng vĩnh cửu khác.
Không được áp dụng loại kết cấu tường chắn ngàm trọng lực và bán trọng lực không có hệ móng đỡ đặt sâu tới nền đất tốt hoặc đá, vì dễ bị hư hại do lún tổng thể hoặc chênh lệch lún quá lớn.
6.1.2 Tải trọng
Phải thiết kế các mố và tường chắn dưới tác dụng của các loại tải trọng sau:
• Các áp lực ngang do đất và nước, kể cả phần gia tải do hoạt tải và các tĩnh tải khác.
• Trọng lượng bản thân của mố/tường.
• Tải trọng truyền từ kết cấu phần trên;
• Các tác động biến dạng do nhiệt độ và co ngót và
• Các tải trọng động đất theo như quy định ở đây, trong Phần 3 và các phần khác trong Bộ Tiêu chuẩn này.
Phải áp dụng các quy định của Điều 10.5 Phần 3 bộ tiêu chuẩn này và Điều 5.5. Đối với các tính toán về độ ổn định, các tải trọng đất phải được nhân với các hệ số tải trọng lớn nhất và/hoặc nhỏ nhất quy định trong Bảng 3 Phần 3 bộ tiêu chuẩn này.
Việc thiết kế phải được nghiên cứu cho bất kỳ tổ hợp lực nào có thể gây ra điều kiện bất lợi nhất của tải trọng. Thiết kế mố đặt trên tường chắn có cốt và tường đúc sẵn lắp ghép phải theo quy định của Điều 10.11 và 11.6.
Để tính lực tác dụng trong mố, trọng lượng của vật liệu đắp trực tiếp lên mặt sau (nghiêng hoặc xếp bậc), hoặc trên mặt móng băng bê tông cốt thép có thể coi như một phần của trọng lượng có hiệu của mố.
Trừ khi một phương pháp chính xác hơn được sử dụng, phần nhô ra phía sau của móng băng phải thiết kế như phần hẫng đỡ thân mố và được đặt tải với toàn bộ trọng lượng của vật liệu chất phía trên.
6.1.3 Các mố cầu tích hợp (cầu liền khối).
Các mố cầu tích hợp phải được thiết kế để chịu được và hấp thụ các biến dạng do từ biến, co ngót và nhiệt độ của kết cấu phần trên.
Tính toán dịch chuyển phải xem xét nhiệt độ, từ biến và suy giảm dự ứng lực dài hạn trong việc xác định dịch chuyển có thể của mố.
Để tránh nước xâm nhập vào phía sau mố, các bản quá độ phải được kết nối trực tiếp vào mố (Không nối vào tường cánh), và phải có các biện pháp thích hợp để thoát nước bị đọng lại.
6.1.4 Các tường cánh
Các tường cánh có thể được thiết kế liền khối với các mố, hoặc đứng tách riêng, phân cách với tường mố bởi một khe co giãn và được thiết kế riêng.
Chiều dài tường cánh phải được tính toán theo mái dốc của nền đường đầu cầu. Các tường cánh phải có chiều dài đủ để chắn nền đắp đường và để bảo vệ chống xói.
6.1.5 Cốt thép
6.1.5.1 Tường thông thường và Mố
Cốt thép chống nứt do nhiệt độ và co ngót phải thiết kế theo quy định tại Điều 8 Phần 5 bộ tiêu chuẩn này.
6.1.5.2 Tường cánh
Phải bố trí các cốt thép thanh hoặc thép hình thích hợp theo một khoảng cách tại chỗ nối giữa tường cánh và thân mố để giằng chúng lại với nhau. Những thanh này phải kéo dài vào khối bê tông trên mỗi phía của mối nối đủ dài để phát triển cường độ thanh như quy định với thép thanh, và phải thay đổi chiều dài để tránh giảm yếu mặt cắt bê tông ở đầu thanh. Nếu không bố trí thanh cốt thép, thì phải lắp một khe co giãn và tường cánh phải tạo một khóa vào thân mố.
6.1.6 Khe co giãn và khe phòng nứt
Phải bố trí các khe phòng nứt theo khoảng cách không quá 9000 mm và các khe co giãn cách nhau không quá 27.000 mm dọc theo tường chắn và tường mố thông thường. Tất cả khe phải được trét lấp đầy bằng vật liệu lấp đầy thích hợp để đảm bảo chức năng của khe. Phải bố trí khe co giãn thân mố ở gần giữa khoảng cách các vị trí đặt gối.
6.2 CHUYỂN VỊ VÀ ỔN ĐỊNH Ở TRẠNG THÁI GIỚI HẠN SỬ DỤNG
6.2.1 Mố
Thiết kế mố theo các quy định của các Điều 6.2.4, 6.2.5, 7.2.3 đến 7.2.5, 8.2.2 đến 8.2.4 Phần 10 bộ tiêu chuẩn này, và Điều 5.2 Tiêu chuẩn này khi thích hợp.
6.2.2 Tường chắn thông thường
Phải áp dụng các quy định của các Điều 6.2.4, 6.2.5, 7.2.3 đến 7.2.5, 8.2.2 đến 8.2.4, Phần 10 bộ tiêu chuẩn này và Điều 5.2 Tiêu chuẩn này khi thích hợp.
6.2.3 Ổn định tổng thể
Khi thiết kế các loại tường phải đánh giá ổn định tổng thể của tường chắn, mái dốc và nền đất hoặc nền đá bằng phương pháp phân tích cân bằng giới hạn. Phải đánh giá sự ổn định tổng thể của mái dốc cắt tạm thời để thi công. Có thể tiến hành khảo sát địa chất, thí nghiệm chuyên biệt để tính thiết kế mố cầu và tường chắn xây dựng trên nền đất yếu.
Đánh giá ổn định tổng thể của sườn dốc có hoặc không có móng cần được tính với tổ hợp tải trọng Sử dụng 1 và hệ số sức kháng, ϕ, có thể lấy như sau:
• Trong trường hợp thông số địa kỹ thuật được xác định rõ, mái dốc không đỡ một bộ phận kết cấu nào.................................................................................................................. 0,75
• Trong trường hợp thông số địa kỹ thuật dựa trên thông tin hạn chế, mái dốc đỡ một bộ phận kết cấu........................................................................................................................ 0,65
6.3 SỨC KHÁNG ÉP CỦA NỀN VÀ ĐỘ ỔN ĐỊNH Ở TRẠNG THÁI GIỚI HẠN CƯỜNG ĐỘ
6.3.1 Tổng quát
Phải thiết kế định kích thước các mố và tường chắn sao cho đảm bảo kết cấu không bị phá hoại do vượt sức kháng chịu ép của đất nền, lật và trượt. Tính sức kháng nền móng sâu theo quy định tại Điều 6.2.5 Phần 10 bộ tiêu chuẩn này.
6.3.2 Sức kháng chịu ép
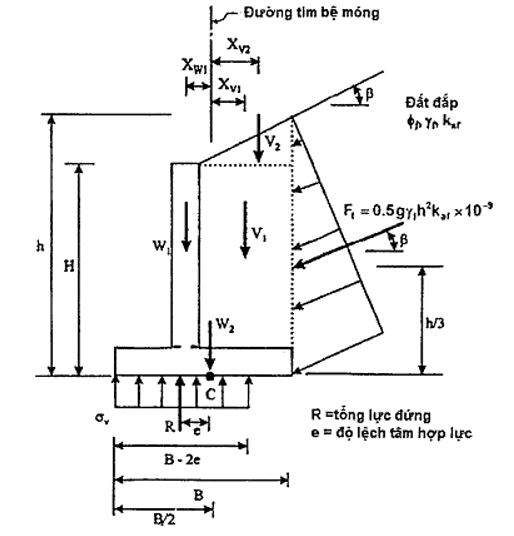
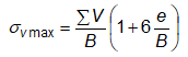
Phải kiểm soát sức kháng ép theo trạng thái giới hạn cường độ với tải trọng tính toán và sức kháng tính toán, cùng với giả định sự phân bố áp lực trên đất như sau:
• Tường đặt trên nền đất:
Ứng suất thẳng đứng phải được tính giả định như một áp lực phân bố đều trên một diện tích móng có hiệu thể hiện trong Hình 1.
Ứng suất thẳng đứng phải được tính như sau:
(1)
trong đó:
∑V = Tổng lực đứng và các biến khác của Phương trình được định nghĩa trong Hình 1
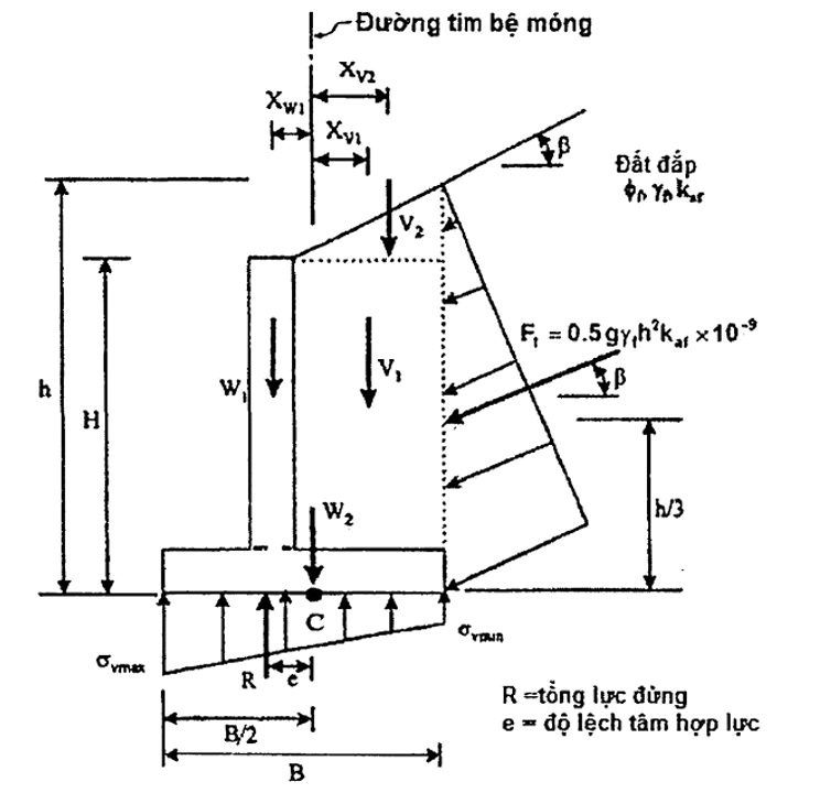
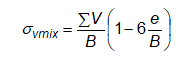
• Tường đặt trên nền đá:
Ứng suất thẳng đứng phải được tính giả định như một ứng suất phân bố tuyến tính trên diện tích móng có hiệu thể hiện trong Hình 2. Nếu hợp lực nằm trong đoạn một phần ba bề rộng ở giữa của móng:
(2)
(3)
Các biến của Phương trình được định nghĩa trong Hình 2.
Nếu hợp lực nằm ngoài khoảng một phần ba bề rộng ở giữa của móng:
(4)
σvmin = 0 (5)
Các ký hiệu theo quy định trong Hình 2.

CHÚ DẪN:
Tính mô men quanh điểm C sẽ có:

Hình 1 - Ứng suất đáy móng của tường chắn thông thường đặt trên nền đất

CHÚ DẪN:
- Nếu e > b/6, σvmin sẽ giảm về 0 và khi e tăng lên, ứng suất thẳng đứng của phần sau của bệ móng, nơi có ứng suất thẳng đứng bằng 0 sẽ tăng
- Tổng mô men quanh điểm C:

Hình 2 - Ứng suất đáy móng của tường chắn thông thường đặt trên nền đá
6.3.3 Giới hạn lệch tâm
Với các móng đặt trên đất, vị trí tổng hợp lực của các phản lực phải nằm bên trong khoảng hai phần ba bề rộng ở giữa của đáy móng (tức là phần bề rộng đáy móng trong phạm vi từ tim đáy móng mở ra một khoảng bằng 1/3 bề rộng móng về mỗi phía).
Với các móng đặt trên đá, vị trí hợp lực của phản lực phải nằm bên trong khoảng chín phần mười ở giữa của bề rộng đáy móng.
6.3.4 Xói ngầm
Phải đánh giá sự thẩm thấu, xói ngầm đất dưới móng khi thiết kế các tường xây dựng dọc theo sông và suối như quy định trong Điều 6.4.4.2 Phần 2 bộ tiêu chuẩn này. Khi tiên liệu các điều kiện có vấn đề có thể xảy ra, thì phải đưa vào thiết kế các biện pháp bảo vệ đầy đủ.
Phải áp dụng các quy định của Điều 6.1.2 Phần 10 bộ tiêu chuẩn này.
Gradient thủy lực không được vượt quá các giá trị:
• Với đất bùn và đất dính: 0,20
• Với các loại đất không dính khác: 0,30
Khi có nước dò dưới móng tường, phải xét đến các tác động của các lực đẩy nổi và các lực do dòng nước thấm.
6.3.5 Sức kháng do áp lực đất bị động
Khi tính toán về ổn định, phải bỏ qua thành phần sức kháng do áp lực đất bị động, trừ khi đáy tường đặt sâu dưới chiều sâu xói lớn nhất hoặc các hao tổn chiều dày lớp đất khác.
Khi tính đến sức kháng do áp lực đất bị động để kiểm soát đảm bảo ổn định của tường, thì sức kháng áp lực bị động tính toán của đất phía trước các mố và các tường phải đủ để ngăn ngừa sự chuyển dịch về phía trước quá mức cho phép của tường.
Nếu đất tạo ra áp lực bị động là loại mềm, rời rạc hoặc bị xáo trộn, hoặc nếu sự tiếp xúc giữa đất và tường không chặt thì bỏ qua sức kháng do áp lực đất bị động.
6.3.6 Trượt
Phải áp dụng quy định của Điều 6.3.4 Phần 10 bộ tiêu chuẩn này.
6.4 THIẾT KẾ KẾT CẤU
Thiết kế kết cấu các cấu kiện riêng biệt của tường và các móng tường phải tuân theo các quy định của các Phần 5, 6 bộ tiêu chuẩn này.
Phải áp dụng các quy định của Điều 6.1.3 Phần 10 bộ tiêu chuẩn này để xác định sự phân bố của áp lực nền khi thiết kế kết cấu các móng.
6.5 THIẾT KẾ CHỊU ĐỘNG ĐẤT
Xác định tải trọng động đất trên cầu nhiều nhịp ở trạng thái giới hạn đặc biệt theo quy định của Bảng 3 Phần 3 bộ tiêu chuẩn này với hệ số sức kháng ϕ = 1,0 với việc sử dụng một phương pháp thích hợp quy định trong Điều 7.4.3 Phần 4 bộ tiêu chuẩn này và các quy định của Điều 9.9.2, 9.9.3, hoặc 9.9.4 Phần 3 bộ tiêu chuẩn này.
Xác định tải trọng động đất trên cầu một nhịp theo các quy định của Điều 7.4.2 Phần 4 bộ tiêu chuẩn này và Điều 9.9.1 Phần 3 bộ tiêu chuẩn này.
Giới hạn lệch tâm của các tường có móng trên nền đất và đá, theo điều kiện vị trí tổng hợp lực của các lực tác dụng phải ở trong phạm vi hai phần ba chiều rộng ở giữa của móng khi gEQ = 0,0 và trong phạm vi tám phần mười bề rộng ở giữa của móng khi gEQ = 1,0.
Giá trị của gEQ trong khoảng từ 0,0 đến 1,0, giới hạn vị trí của hợp lực phải lấy từ nội suy tuyến tính của các giá trị lấy từ Điều này.
Khi tất cả các điều kiện sau đây được đáp ứng, tải trọng ngang của động đất có thể chiết giảm, như kết quả của chuyển vị ngang của tường do trượt, từ các giá trị được xác định bằng phương pháp Mononobe-Okabe (theo khái niệm lực giả tĩnh):
• Hệ thống tường và bất kỳ kết cấu được đỡ bởi tường có thể chịu được chuyển vị ngang do trượt của kết cấu.
• Móng tường không bị khống chế chống trượt trừ ma sát đất dọc theo móng và sức kháng bị động tối thiểu của đất.
• Nếu các chức năng của tường một mố, tường đỉnh cũng không được kiềm chế, ví dụ kết cấu phần trên được đỡ bởi gối trượt.
Khi kiểm tra ổn định tổng thể của tường chắn do các lực tác dụng bao gồm cả tải trọng động đất, dùng hệ số sức kháng, ϕ=0,9.
6.6 THOÁT NƯỚC
Phải bố trí cấu tạo thoát nước cho đất đắp sau các mố và các tường chắn hoặc nếu không bố trí thoát nước được thì mố và tường phải thiết kế theo các tải trọng sinh ra do áp lực đất cộng với toàn bộ áp lực thủy tĩnh do nước trong khối đất đắp.
7 TRỤ CẦU
7.1 TẢI TRỌNG TÁC DỤNG LÊN TRỤ
Tải trọng tác dụng trên trụ cầu bao gồm các tải trọng của kết cấu phần trên truyền tới và các tải trọng của bản thân trụ xuống nền móng. Các tải trọng và tổ hợp tải trọng phải theo quy định trong Phần 3 bộ tiêu chuẩn này.
Thiết kế kết cấu trụ phải theo đúng các quy định của các Phần 5 và 6 bộ tiêu chuẩn này khi thích hợp.
7.2 BẢO VỆ TRỤ
7.2.1 Tải trọng va chạm vào trụ
Nơi nào xuất hiện khả năng va đâm trụ cầu có thể xảy ra do phương tiện giao thông đường bộ hoặc đường sông, nên tiến hành phân tích rủi ro thích hợp để xác định mức độ chịu va đập của trụ hoặc lắp đặt một hệ thống bảo vệ thích hợp. Tải trọng va chạm phải được xác định theo quy định của Điều 6.5 và Điều 13 Phần 3 bộ tiêu chuẩn này.
7.2.2 Tường chắn chống va chạm
Nếu vị trí trụ cầu nằm trong phạm vi cách đường sắt 7,5m, nên xây tường chắn chống va chạm.
7.2.3 Xói
Phải thiết kế trụ cầu chịu được các tác động do xói gây ra theo quy định về xói tại Điều 6.4.4.2 Phần 2 bộ tiêu chuẩn này.
7.2.4 Mặt vát thân trụ
Ở nơi cần thiết, phải thiết kế mặt cắt trụ có hình mũi vát để có thể làm chệch hướng di chuyển của các vật trôi hoặc cây trôi.
8 TƯỜNG HẪNG KHÔNG TRỌNG LỰC
8.1 TỔNG QUÁT
Có thể dùng tường hẫng không trọng lực để đỡ tạm thời hoặc vĩnh cửu các khối đất và khối đá ổn định và không ổn định. Việc lựa chọn sử dụng tường hẫng không trọng lực tại vị trí cụ thể căn cứ vào sự phù hợp của điều kiện đất và đá trong phạm vi chôn sâu phần thẳng đứng của tường để giữ tường chắn.
8.2 TẢI TRỌNG
Phải áp dụng các quy định của Điều 6.1.2 Thiết kế tường hẫng không trọng lực phải dùng Hệ số tải trọng cho áp lực ngang của đất (EH).
8.3 CHUYỂN VỊ VÀ ỔN ĐỊNH Ở TRẠNG THÁI GIỚI HẠN SỬ DỤNG
8.3.1 Chuyển vị
Phải áp dụng các quy định tại Điều 7.2.2 và 8.2.1 Phần 10 bộ tiêu chuẩn này. Các tác động của chuyển vị tường tới các tiện ích gần kề phải được xem xét trong việc lựa chọn áp lực đất thiết kế phù hợp với các quy định tại Điều 10.1 Phần 3 bộ tiêu chuẩn này.
8.3.2 Ổn định tổng thể
Áp dụng các quy định tại Điều 6.2.3.
8.4 YÊU CẦU ỔN ĐỊNH TỔNG THỂ CHỐNG PHÁ HOẠI ĐẤT Ở TRẠNG THÁI GIỚI HẠN CƯỜNG ĐỘ
Áp dụng các quy định tại Điều 6.2.3 và Điều 6.3.5.
Các bộ phận thân tường thẳng đứng phải được thiết kế để chịu toàn bộ áp lực đất thiết kế, áp lực do tải chất thêm và áp lực nước. Khi xác định độ chôn sâu để huy động sức kháng áp lực bị động, phải xét đến các vị trí mặt phẳng đất yếu nhất, ví dụ mặt trượt, mặt phẳng nền, và khe nứt khối đá có thể làm giảm cường độ của đất hoặc đá xác định bởi thí nghiệm hiện trường hoặc trong phòng. Chiều sâu ngàm trong đá nguyên khối, kể cả đá khối lớn tới đá có nhiều khe nứt hỗn tạp mà không xuyên qua bề mặt khe nứt, phải dựa trên cường độ chịu cắt của khối đá.
8.5 THIẾT KẾ KẾT CẤU
8.5.1 Các bộ phận đơn nguyên tường đứng
Phải thiết kế các bộ phận đơn nguyên tường đứng chịu tác dụng của tất cả tải trọng như áp lực ngang của đất, áp lực ngang do tải chất thêm, áp lực nước và tải trọng động đất.
8.5.2 Tấm mặt tường
Phải xác định khoảng cách tối đa giữa các đơn nguyên tường đứng tách rời (các cột đứng) dựa trên độ cứng tương đối của các đơn nguyên tường đứng và tấm mặt tường, loại đất và tình trạng đất sau tường, các loại và tình trạng đất mà tường đứng được chôn. Có thể thiết kế tấm mặt tường dựa trên giả thiết dầm nhịp giản đơn gối giữa các đơn nguyên tường đứng có hoặc không có hiệu ứng vòm hoặc giả thiết dầm liên tục gối trên một số đơn nguyên tường thẳng đứng.
8.6 THIẾT KẾ CHỊU ĐỘNG ĐẤT
Ảnh hưởng của tải trọng động đất phải được kiểm soát ở Trạng thái giới hạn Đặc Biệt I quy định trong Bảng 3 Phần 3 bộ tiêu chuẩn này với hệ số sức kháng ϕ = 1,0 và hệ số tải trọng gp = 1,0.
8.7 BẢO VỆ CHỐNG ĂN MÒN
Mức độ và phạm vi bảo vệ chống ăn mòn phải tùy thuộc vào môi trường đất và các tác nhân tiềm ẩn làm hư hỏng tường.
8.8 THOÁT NƯỚC
Áp dụng các quy định tại Điều 10.3 Phần 3 bộ tiêu chuẩn này.
Sự thấm nước phải được kiểm soát bằng cách chèn cột vật liệu thoát nước phía sau một khoang tấm mặt tường với chỗ thoát nước ở gần chân tường. Khoang thoát nước phải duy trì đặc tính thoát nước trong điều kiện chịu áp lực đất và áp lực ngang do tải chất thêm thiết kế; chiều cao của cột vật liệu thoát nước kéo từ chân tường tới cao độ thấp hơn đỉnh tường 300mm.
9 TƯỜNG CÓ NEO
9.1 TỔNG QUÁT
Tường neo có thể bao gồm các bộ phận riêng biệt như các neo với vữa bơm neo, đơn nguyên tường đứng và tấm mặt tường.
Các tường neo như thể hiện ở Hình 3, có thể dùng để chống đỡ tạm thời hoặc vĩnh cửu cho các khối đất đá ổn định và không ổn định.
Tính khả thi của việc dùng tường có neo tại vị trí thực tế tùy thuộc sự phù hợp của các điều kiện đất đá trong vùng neo dính kết chịu kéo.
Khi đắp đất sau tường mà bao xung quanh hoặc ở trên phần chiều dài không dính kết của thanh neo, phải có thiết kế đặc biệt và quy định thi công đặc biệt để tránh làm hư hại neo.

Hình 3 - Cấu tạo tường có neo và Hướng dẫn chiều sâu chôn neo
9.2 TẢI TRỌNG
Phải áp dụng các quy định của Điều 6.1.2 trừ các tác động co ngót và nhiệt độ không cần xét.
9.3. CHUYỂN VỊ Ở TRẠNG THÁI GIỚI HẠN SỬ DỤNG.
9.3.1 Chuyển vị
Phải áp dụng các quy định của Điều 6.2.2, 7.2.2, và 8.2.1 Phần 10 bộ tiêu chuẩn này.
Hiệu ứng của chuyển vị tường tới các tiện ích liền kề phải được xem xét trong thiết kế tường
9.3.2 Ổn định tổng thể
Phải áp dụng các quy định của Điều 6.2.3.
9.4. THIẾT KẾ TƯỜNG THEO ĐẤT NỀN
9.4.1 Sức kháng ép của đất nền
Phải áp dụng các quy định của các Điều 6.3, 7.3 và 8.3 Phần 10 bộ tiêu chuẩn này.
Sức kháng ép phải được xác định với giả định rằng tất cả thành phần theo phương đứng của tải trọng được truyền đến mặt cắt chân của bộ phận tường thẳng đứng.
9.4.2 Khả năng chịu lực nhổ của neo
Phải thiết kế các neo dự ứng lực để chịu nhổ dựa vào chiều dài dính kết trong đất hoặc đá của neo.
Sức kháng nhổ tính toán của một neo dính bám trong đất hoặc đá, QR, xác định như sau:
(6)
Trong đó:
ϕ = Hệ số sức kháng nhổ neo.
Qn = Sức kháng nhổ danh định của neo (N)
d = Đường kính hố neo (mm)
tn = Ứng suất dính kết danh định của neo (MPa)
Lb = Chiều dài dính kết neo (mm)
Đối với thiết kế trước thi công, có thể tạm tính sức kháng của neo dựa trên kết quả thử tải nhổ neo đã có; dựa trên việc xem xét dữ liệu lỗ khoan địa chất, mẫu đất đá, thí nghiệm trong phòng và kinh nghiệm đã có trước đây; hoặc ước tính theo tài liệu hướng dẫn tính toán dính kết vữa với đất/đá đã được công bố. Khi thiết kế bản vẽ thi công cuối cùng, trước khi thi công đại trà, cần thử tải nhổ neo hoặc thử tải từ biến neo theo thời gian kéo dài trên neo thi công tại chỗ, không dùng chịu lực cho tường, để xác định chiều dài và khả năng chịu lực của neo phù hợp với phương pháp lắp đặt neo nhà thầu đã lựa chọn. Trong khi thi công, phải thực hiện thử tải cho từng neo đã lắp đặt xong theo phương pháp thực chứng (tăng lực nhổ theo từng cấp và đo biến dạng) hoặc phương pháp thử đặc tính (tăng, dỡ tải lực nhổ theo từng cấp và đo biến dạng) tới tải trọng thử lớn nhất bằng 1,0 lần tải trọng tính toán để đánh giá khả năng chịu tải của neo.
Lực căng neo phải được truyền đến chiều sâu chôn thích hợp ra ngoài mặt trượt, chôn vào trong phạm vi khối đất neo giữ.
Việc xác định chiều dài neo không dính kết, độ nghiêng và lớp phủ bên trên phải xét theo:
• Vị trí của mặt trượt tới hạn xa nhất tính từ tường.
• Chiều dài nhỏ nhất yêu cầu để đảm bảo tổn thất nhỏ nhất của dự ứng lực neo do các chuyển vị theo thời gian của đất.
• Chiều dài tới lớp đất đủ đặt neo, như thể hiện trong Hình 3 và
• Phương pháp đặt neo và phun vữa.
Khoảng cách tối thiểu giữa các neo theo hướng nằm ngang nên là số lớn hơn giữa các trị số 3 lần đường kính vùng dính kết hoặc 1500mm. Nếu phải bố trí neo với khoảng cách nhỏ hơn để truyền tải trọng yêu cầu, có thể xem xét cho neo có các độ nghiêng khác nhau.
9.4.3 Sức kháng áp lực đất bị động
Phải áp dụng các quy định của các Điều 6.3.5, 6.3.6, và 8.4
9.5 THIẾT KẾ KẾT CẤU TƯỜNG
9.5.1 Neo
Phải tính thành phần nằm ngang của lực thiết kế neo theo các quy định tại Điều 9.2 và các thành phần áp lực ngang khác tác dụng lên tường theo Điều 10 Phần 3 bộ tiêu chuẩn này. Tổng lực neo thiết kế phải xác định dựa trên độ nghiêng của neo. Phải lựa chọn khoảng cách theo phương ngang của neo và khả năng chịu lực của neo để thỏa mãn yêu cầu của tổng lực neo thiết kế.
9.5.2 Các bộ phận đơn nguyên tường đứng
Các bộ phận tường thẳng đứng phải được thiết kế để chịu toàn bộ áp lực đất nằm ngang, áp lực ngang do gia tải, áp lực nước, các tải trọng neo và động đất, cũng như thành phần thẳng đứng của các tải trọng neo và bất kỳ tải trọng thẳng đứng nào khác. Các điểm đỡ nằm ngang có thể được coi là ở tại mỗi vị trí neo và tại đáy hố đào nếu cấu kiện thẳng đứng có đủ độ chôn sâu dưới đáy hố đào.
9.5.3 Tấm mặt tường
Phải áp dụng các quy định tại Điều 8.5.2.
9.6 QUY ĐỊNH THIẾT KẾ CHỊU ĐỘNG ĐẤT
Phải áp dụng các quy định của Điều 8.6.
9.7 BẢO VỆ CHỐNG ĂN MÒN
Các neo và đầu neo dự ứng lực phải được bảo vệ chống ăn mòn tùy theo tình trạng của đất và nước ngầm tại chỗ. Mức độ và phạm vi bảo vệ chống ăn mòn tùy thuộc môi trường đất và các yếu tố tạo nguy cơ phá hoại neo. Bảo vệ chống ăn mòn phải được áp dụng đúng các quy định của Tiêu chuẩn kỹ thuật Thi công cầu AASHTO LRFD, Phần 6 - “Các neo đất”.
9.8 THI CÔNG VÀ LẮP ĐẶT
Tất cả các neo lắp đặt xong phải được thử tải và căng dự ứng lực theo đúng quy định của Tiêu chuẩn Kỹ thuật Thi công cầu AASHTO LRFD, Điều 6.5.5. "Thử nghiệm và tạo ứng suất". Trong trường hợp đặc biệt, có thể quy định thử tải neo trước khi sản xuất thanh neo, để kiểm tra sự an toàn theo tải trọng thiết kế, hoặc để xác định tải trọng neo giới hạn (thí nghiệm nhổ) hoặc chỉ ra mức tải trọng gây ra từ biến thái quá trong đất sét.
Khi kết thúc thí nghiệm cho mỗi neo hoàn thành lắp đặt, neo nên được khóa lại để không bị chùng neo trong tường nhằm giảm biến dạng tường sau thi công. Tải trọng khóa neo nên được xác định và áp dụng theo quy định trong Điều 6.5.5.6 Tiêu chuẩn Kỹ thuật Thi công cầu AASHTO LRFD.
9.9 THOÁT NƯỚC
Phải áp dụng các quy định tại Điều 8.8.
10 TƯỜNG CHẮN ĐẤT CÓ CỐT (MSE)
10.1 TỔNG QUÁT
Các tường chắn đất có cốt có thể được so sánh để lựa chọn áp dụng ở nơi các tường chắn trọng lực thông thường, tường hẫng hoặc tường chắn có trụ chống bê tông, tường bằng các mô đun đúc sẵn có khả năng áp dụng, và đặc biệt ở nơi dự báo có tổng độ lún và độ chênh lún lớn.
Khi hai bức tường giao nhau tạo thành góc kín 70° hoặc nhỏ hơn, phần chồng lấn của tường được thiết kế như một kết cấu dạng hộp với hệ số áp lực tĩnh (ở trạng thái nghỉ).
Không dùng tường chắn đất có cốt trong các điều kiện sau đây:
• Khi các thiết bị tiện ích khác ngoài thiết bị thoát nước của đường bộ được xây dựng ở bên trong vùng có cốt gia cường trừ khi có bố trí ống bọc các tiện ích để không làm gián đoạn vùng có cốt gia cường và vỡ hoặc đứt các đường tiện ích sẽ không ảnh hưởng bất lợi đến sự ổn định của kết cấu.
• Khi có nguy cơ bị khoét chân hoặc xói do lũ có thể làm hư hỏng vùng đất đắp có cốt gia cường, hoặc móng của bản mặt tường.
• Với các cốt gia cường tiếp xúc với nước mặt hoặc nước ngầm bị nhiễm bẩn do thoát nước mỏ axit, các ô nhiễm công nghiệp khác hoặc các môi trường khác được định nghĩa là môi trường xâm thực theo Điều 7.3.6.3 của Tiêu chuẩn Kỹ thuật Thi công cầu AASHTO LRFD, trừ khi có tiến hành các nghiên cứu riêng về môi trường, gỉ theo thời gian hoặc suy giảm chất lượng.
Phải thiết kế tường chắn đất có cốt sao cho đạt được sự ổn định của hệ thống tường do ngoại lực tác dụng (ổn định ngoài) cũng như sự ổn định bên trong của khối đất có cốt phía sau mặt tường. Phải xem xét sự mất ổn định tổng thể và của khối đất bên trong mặt tường. Đồng thời phải thiết kế kết cấu tấm mặt tường.
Các quy định của Điều này cho các tường đất có cốt không áp dụng cho hệ thống tường đất có cốt có hình dạng phức tạp như tường tầng (tường chồng lên đỉnh tường khác), tường giáp lưng, hoặc tường có mặt cắt hình thang.
Ổn định khối đất trong mặt tường các hệ tường MSE phức hợp này cũng phải được đánh giá theo Điều 10.4.3.
10.2 CÁC KÍCH THƯỚC KẾT CẤU
Kích thước các bộ phận tường chắn đất có cốt (MSE) cần thiết để thiết kế được minh họa trong Hình 4
Kích cỡ và chiều sâu chôn của khối đất có cốt được xác định theo:
• Các yêu cầu cho sự ổn định và sức kháng đất nền, quy định tại Điều 10.5 phù hợp với yêu cầu cho tường trọng lực,
• Các yêu cầu về sức kháng kết cấu trong chính khối đất có cốt, như quy định tại Điều 10.6, cho một đơn nguyên tấm mặt tường, và yêu cầu khai triển cốt gia cường vượt ra khỏi mặt trượt giả định, và
• Chiều dài của cốt gia cường theo kinh nghiệm thiết kế lấy bằng 70% chiều cao tường, trừ quy định tại Điều 10.2.1

Hình 4 - Kích thước các bộ phận tường MSE cần thiết cho thiết kế
CHÚ THÍCH:
Để tính ổn định trong và ổn định ngoài, có thể bỏ qua kích thước và trọng lượng của tấm mặt tường, nhưng khi kiểm toán trượt và tính ứng suất đáy móng thì phải tính đến kích thước và trọng lượng của tấm mặt tường.
Khi tính ổn định trong tường, kích thước tường tính từ mặt sau của tấm mặt tường
10.2.1 Chiều dài tối thiểu của cốt gia cường
Đối với cốt gia cường loại - tấm, - dải, - ô lưới, chiều dài cốt gia cường tối thiểu bằng 70% của chiều cao tường tính từ đỉnh bệ. Chiều dài cốt gia cường phải tăng theo yêu cầu của tải chất thêm và tải trọng bên ngoài khác, hoặc do đất nền yếu.
Chiều dài cốt gia cường phải thống nhất trong toàn bộ chiều cao tường, trừ khi có cơ sở chứng minh được rằng thay đổi chiều dài là thỏa đáng.
10.2.2 Độ chôn sâu tối thiểu của tường vào đất trước mặt tường
Độ chôn sâu tối thiểu của đáy khối đất có cốt (đỉnh của lớp bê tông làm phẳng chân mặt tường) phải dựa trên các yêu cầu về sức kháng ép, lún, và ổn định được tính theo Phần 10 bộ tiêu chuẩn này.
Trừ khi được xây dựng trên nền đá, độ chôn tấm mặt tường theo đơn vị mm không nhỏ hơn:
• Một độ sâu dựa trên yêu cầu ổn định do ngoại lực tác dụng, và
• 600 mm trên đất có mái dốc (4 ngang: 1 đứng hoặc dốc hơn) hoặc khi có khả năng đất phía trước bệ tường bị bào mòn do xói hoặc đào đất trong tương lại, hoặc 300 mm trên cao độ mặt đất nơi không có khả năng xói hoặc đào đất trong tương lai ở phía trước bệ tường
Đối với tường được xây dựng ven sông suối, độ chôn sâu phải được thiết lập tối thiểu là 600mm bên dưới chiều sâu có khả năng bị xói như xác định theo Điều 6.3.5
Nếu tường đất có cốt đặt trên mái dốc, thì phải bố trí đắp một thềm đất bao phía trước mặt tường có bề rộng tối thiểu là 1200mm. Thềm đất được tạo thành có mái dốc đắp thềm kéo tới một điểm có cao độ thể hiện trong Hình 4
Lớp đất có cốt thấp nhất không được đặt cao hơn bề mặt đất tồn tại lâu dài ở phía trước tường.
10.2.3 Tấm mặt tường
Các cấu kiện tấm mặt tường phải được thiết kế để chịu lực ngang do cốt gia cường truyền tới tại mối nối của cốt gia cường với cấu kiện mặt tường, như quy định tại Điều 10.6.2.2 và 10.7.3.
Ngoài các lực ngang này, các cấu kiện mặt tường cũng phải được thiết kế chịu các ứng suất nén có khả năng xuất hiện gần bề mặt tường trong quá trình lắp các khối tường.
Lực kéo trong cốt gia cường có thể coi là được neo lại bởi áp lực đất phân bố đều lên mặt phía sau các cấu kiện mặt tường.
Các tấm mặt tường phải được ổn định nghĩa là nó không lệch ngang hay phình quá sai số cho phép.
10.2.3.1 Tấm mặt tường cứng bằng bê tông và thép
Các cấu kiện lắp ghép (tấm hoặc khối) của mặt tường phải được thiết kế kết cấu theo quy định của Phần 5, Phần 6 bộ tiêu chuẩn này cho bê tông, thép tương ứng.
Chiều dày tối thiểu của các tấm bê tông mặt tường tại vị trí chôn sẵn móc nối cốt gia cường và trong vùng ảnh hưởng ứng suất của nó phải là 140mm và 90mm ở vị trí khác. Chiều dày lớp bê tông bảo vệ tối thiểu là 38mm. Phải bố trí cốt thép đủ chịu lực do tải trọng trung bình cho mỗi tấm. Đồng thời phải bố trí cốt thép chống nứt do co ngót và nhiệt độ như quy định tại Điều 10.8 Phần 5 bộ tiêu chuẩn này.
Phải kiểm tra độ bền kết cấu của các cấu kiện mặt tường bê tông có bố trí cốt thép chịu lực cắt và mô men uốn theo quy định ở Phần 5 bộ tiêu chuẩn này.
Đối với các mặt tường bằng khối bê tông lắp ghép, tính toán ổn định mặt tường phải bao gồm việc kiểm toán cự ly lớn nhất theo phương thẳng đứng giữa các lớp cốt gia cường, chiều cao tối đa cho phép của mặt tường ở phía trên lớp cốt gia cường gia cường cao nhất, sức kháng cắt giữa các khối, và sức kháng chống phình ra của của mặt bao tường. Khoảng cách tối đa giữa các lớp cốt gia cường phải nhỏ hơn hai lần chiều rộng, Wu được minh họa trong Hình 14, của đơn nguyên khối bê tông hoặc 810 mm, lấy theo giá trị nào nhỏ hơn. Chiều cao tối đa của mặt tường từ lớp cốt gia cường cao nhất đến đỉnh tường chắn phải nhỏ hơn 1,5Wu, minh họa trong Hình 14 hoặc 600 mm, lấy giá trị nào nhỏ hơn, miễn là phần mặt tường phía trên lớp cốt gia cường cao nhất đảm bảo đủ ổn định chống lật theo kết quả tính toán chi tiết. Chiều dày lớn nhất của mặt bao tường phía dưới lớp cốt gia cường thấp nhất phải nhỏ hơn chiều rộng, Wu, của đơn nguyên khối bê tông.
10.2.3.2 Mặt tường mềm
Nếu mặt tường làm bằng lưới sợi thép hàn, lưới đan kim loại, hoặc các loại mặt tương tự, chúng phải được thiết kế cấu tạo để ngăn sự xuất hiện phình lồi quá mức khi đắp đất phía sau mặt bao tường bị nén do ứng suất đầm nén hoặc tải trọng bản thân của đất đắp. Điều này có thể thực hiện bằng cách hạn chế kích thước của các đơn nguyên mảnh mặt tường; hạn chế cự ly theo phương thẳng đứng của các lớp cốt gia cường không nên lớn quá 600 mm, cự ly ngang giữa các cốt gia cường không xa quá 900 mm và yêu cầu bề mặt tường phải có đủ lớp bao dọc và nối chồng giữa các đơn nguyên liền kề.
Đỉnh của mặt bao tường mềm tại đỉnh tường phải liên kết vào một lớp cốt gia cường để giữ ổn định mặt đỉnh tường.
Nói chung, các đơn nguyên bao mặt tường bằng vật liệu vải địa kỹ thuật không được để phơi lộ ra sáng. Nếu các bộ phận mặt tường này phải tiếp xúc thường xuyên với ánh sáng mặt trời thì vật liệu địa kỹ thuật phải được điều chỉnh để chống bức xạ cực tím. Dữ liệu thử nghiệm sản phẩm cụ thể có thể ngoại suy tuổi thọ mong đợi thiết kế và phải chứng minh rằng sản phẩm có khả năng tiếp xúc với môi trường.
10.2.3.3 Chống gỉ cho tường đất có cốt
Tiếp xúc thép - thép giữa mối liên kết của cốt gia cường với thép của tấm mặt tường bê tông không được là loại tiếp xúc của các kim loại không cùng loại, ví dụ thép trần của tấm bao mặt tường và thép mạ kẽm của cốt gia cố đất không được tiếp xúc.
Phải có hệ thống chống gỉ khi tường đặt ở địa bàn dự kiến có bụi nước muối.
10.3 TẢI TRỌNG
Phải áp dụng các quy định của Điều 6.1.2, trừ các tác động co ngót và nhiệt độ không cần xét cho các bộ phận tường thép.
10.4 CHUYỂN VỊ VÀ ỔN ĐỊNH Ở TRẠNG THÁI GIỚI HẠN SỬ DỤNG.
10.4.1 Lún
Phải áp dụng các quy định của Điều 6.2.
Xác định độ lún cho phép của tường MSE phải dựa trên cơ sở biến dạng theo chiều dọc của mặt tường và khả năng chịu lực lớn nhất của kết cấu.
Khi các điều kiện của móng cho thấy có các độ chênh lún lớn trên khoảng cách ngắn, thì phải bố trí khớp trượt thẳng đứng trên toàn bộ chiều cao.
Chênh lệch độ lún phía trước và phía sau tường cũng phải được đánh giá, đặc biệt về ảnh hưởng tới biến dạng mặt tường bao, tuyến mặt bằng của tường và các ứng suất liên kết.
Với loại tường MSE có tấm mặt tường làm toàn bộ bằng bê tông cốt thép, tổng độ lún cho phép là 50 mm; chênh lệch độ lún theo chiều dọc là 1/500.
10.4.2 Chuyển vị ngang
Chuyển vị ngang của tường phải được tính phụ thuộc vào độ cứng tổng thể kết cấu, cường độ đầm nén, loại đất, chiều dài cốt gia cường, độ lỏng của mối nối cốt gia cường với cấu kiện mặt tường và dựa trên việc thực hiện quan trắc biến dạng của hệ thống mặt tường hoặc nền móng.
10.4.3 Ổn định tổng thể
Phải áp dụng các quy định tại Điều 6.2.3. Phải tính bổ sung cho các tường MSE có hình dạng phức tạp, mặt trượt phức hợp cắt qua một phần của khối đất có cốt như minh họa trong Hình 5, đặc biệt nơi tường nằm trên mái dốc hoặc đất yếu nơi có thể nằm trong mặt trượt tổng thể. Cường độ lâu dài của mỗi lớp cốt gia cường giao với mặt trượt phức hợp nên được xem xét như lực giữ trong phân tích cân bằng giới hạn ổn định mái dốc.

Hình 5 - Mặt trượt tổng thể và phức hợp của hệ thống tường MSE phức hợp.
10.5 SỨC KHÁNG CỦA TƯỜNG THEO ĐẤT NỀN (ỔN ĐỊNH BÊN NGOÀI)
10.5.1 Tổng quát
Các kết cấu tường đất có cốt phải được định kích thước đáp ứng tiêu chuẩn độ lệch tâm và trượt như thông thường của kết cấu tường chắn trọng lực.
Phải đánh giá độ bền của tường đất có cốt (MSE) theo điều kiện tường tựa trên một nền đất đủ sức kháng, với giả định khối đất có cốt là vật thể cứng. Hệ số áp lực đất chủ động Ka dùng để tính áp lực đất của đất đắp được giữ phía sau của khối đất có cốt phải được xác định bằng cách dùng góc ma sát của đất đắp được giữ. Khi không có các số liệu cụ thể có thể dùng góc ma sát lớn nhất là 30° cho đất dạng hạt. Nên thực hiện thí nghiệm để xác định góc ma sát của đất dính trong điều kiện thoát nước và không thoát nước.
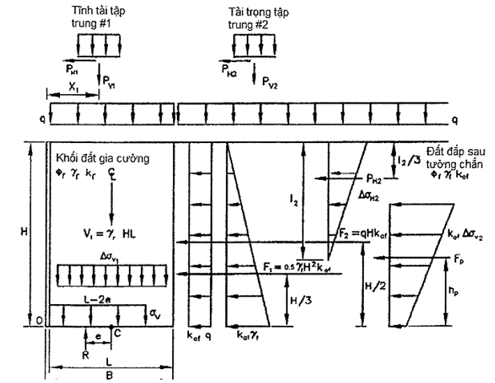
10.5.2 Tải trọng
Tải trọng áp lực phân bố ngang của đất dùng cho thiết kế tường MSE phải lấy theo quy định tại Điều 10.5.8 Phần 3 bộ tiêu chuẩn này. Tải trọng tính kiểm tra ổn định bên ngoài và bên trong phải lấy theo quy định tại Điều 10.5 và 10.6, tương ứng. Tải trọng áp dụng cho tải chất thêm phải lấy theo quy định tại Điều 10.11. Các hệ số tải trọng áp dụng cho những tải trọng này phải lấy theo quy định tại Điều 5.5.
Đối với tính toán ổn định bên ngoài (ổn định dưới tác dụng ngoại lực), hệ số áp lực đất chủ động cho đất đắp được giữ, tức là khối đất phía sau khối đất có cốt, phải lấy theo quy định tại Điều 10.5.3 Phần 3 bộ tiêu chuẩn này với d = b.
Tĩnh tải chất thêm, nếu có, phải được tính theo quy định của Điều 10.10
Khi kiểm tra ổn định trượt và lệch tâm (lật), nếu hoạt tải chất thêm kéo dài liên tục thì chỉ tính đến tác động của phần hoạt tải dải đều phía ngoài vùng đất có cốt, như thể hiện trong Hình 6. Các hệ số tải trọng áp dụng cho tải trọng này phải lấy theo quy định tại Điều 5.5

Hình 6 - Ổn định bên ngoài của tường với mái dốc nằm ngang và tải trọng giao thông.
10.5.3 Trượt.
Phải áp dụng các quy định của Điều 6.3.4 Phần 10 bộ tiêu chuẩn này.
Phải kiểm toán trượt của tường MSE ở nền của đáy mặt bao tường và mặt tiếp giáp giữa đất và cốt gia cường tại lớp cốt gia cường thấp nhất.
Hệ số ma sát trượt tại đáy của khối đất có cốt phải được xác định theo góc ma sát của đất ở móng ϕf hoặc của đất có cốt.
Đối với cốt gia cường gián đoạn, chẳng hạn như loại dải, góc ma sát trượt phải lấy giá trị nhỏ hơn của ϕr đất đắp có cốt và ϕf đất nền. Đối với cốt gia cường liên tục, ví dụ như lưới và tấm, góc ma sát trượt phải lấy giá trị nhỏ hơn ϕr, ϕf và ρ, trong đó ρ là góc ma sát tương tác giữa đất với cốt gia cường. Trong trường hợp không có dữ liệu cụ thể, có thể sử dụng giá trị góc ma sát lớn nhất, ϕf = 30°, ϕr= 34° và góc ma sát tương tác giữa đất với cốt gia cường, ρ = 2/3ϕf hoặc 2/3 ϕf.
Nếu lớp cốt gia cường thấp nhất đặt ở cao độ phía trên của đáy mặt bao tường, thì khi kiểm toán trượt ở đáy mặt bao tường phải lấy giá trị nhỏ hơn giữa góc ma sát của đất nền, ϕf, và góc ma sát của đất đắp có cốt, ϕr, để đánh giá sức kháng trượt. Để kiểm tra sức kháng trượt ở lớp cốt gia cường thấp nhất, vì cốt gia cường nằm hoàn toàn trong phạm vi của khối đất đắp có cốt, nên giá trị ρ được thay thế bằng giá trị góc ma sát đất đắp có cốt, ϕr.
10.5.4 Sức kháng ép của nền đất
Để tính khả năng chịu lực ép của nền, phải giả định một bệ móng tương đương có chiều dài là chiều dài của tường và chiều rộng bằng chiều dài của dải cốt gia cường tại cao độ đáy móng. Phải tính ứng suất nén đáy móng theo giả thiết ứng suất phân bố đều trên chiều rộng có hiệu của móng xác định theo quy định của các Điều 6.3.1 và 6.3.2 Phần 10 bộ tiêu chuẩn này.
Nơi đất yếu hoặc có đất dốc ở phía trước tường, khi đánh giá khả năng chịu lực của nền phải xác định sự chênh lệch ứng suất nén tính toán cho vùng đất có cốt của tường so với ứng suất nén cục bộ nền bên dưới bệ tấm mặt bao tường. Trong cả hai trường hợp, bệ tấm bao tường phải được chôn đủ sâu theo khả năng chịu lực của nền đất.
10.5.5 Lật
Phải áp dụng các quy định của Điều 6.3.3.
10.6 SỨC KHÁNG CỦA KẾT CẤU TƯỜNG (ỔN ĐỊNH BÊN TRONG TƯỜNG)
10.6.1 Tổng quát
Đánh giá độ bền chống phá hoại của kết cấu tường đất có cốt dựa trên sức kháng nhổ và đứt cốt gia cường.
Để định kích thước kết cấu của khối đất ổn định, có thể tính dựa trên cơ sở sức kháng nhổ cốt gia cường ra khỏi vùng phá hoại, trong đó sức kháng nhổ được quy định trong Điều 10.6.3
10.6.2 Tải trọng
Xác định tải trọng tác dụng tới cốt gia cường tại hai vị trí khống chế: Vùng ứng suất lớn nhất và liên kết nối với tấm mặt bao tường. Khả năng kháng đứt cốt gia cường và lực nhổ được đánh giá tại vùng ứng suất lớn nhất, được giả định nằm giữa vùng đất bị trượt và vùng neo giữ như trong Hình 4. Kiểm tra sức kháng đứt của cốt gia cường và kéo nhổ tại vị trí liên kết nối cốt gia cường với mặt bao tường.
Góc ma sát tối đa được sử dụng cho việc tính toán lực ngang trong khối đất có cốt sẽ được giả định là 34°, trừ các dự án cụ thể có tiến hành thí nghiệm chọn vật liệu đất đắp bằng các phương pháp thí nghiệm cắt ba trục hoặc cắt trực tiếp. Không sử dụng giá trị góc ma sát thiết kế lớn hơn 40° với các phương pháp tính đơn giản hóa ngay cả khi đo được góc ma sát thực tế lớn hơn 40°.
10.6.2.1 Tải trọng lớn nhất tác dụng tới cốt gia cường
Xác định tải trọng lớn nhất tác dụng tới cốt gia cường bằng phương pháp đơn giản hóa. Theo phương pháp này, tải trọng tác dụng tới cốt gia cường được xác định bằng cách nhân áp lực đất thẳng đứng ở vị trí cốt gia cường với hệ số áp lực ngang đất, và lấy kết quả áp lực ngang phân phối cho diện tích các nhánh cốt gia cường.
Ứng suất ngang tính toán, σH, tại mỗi cao độ cốt gia cường phải được xác định như sau:
| σH = gP(σvkr+ΔσH) | (7) |
trong đó:
gP = Hệ số tải trọng đối với áp lực đất thẳng đứng EV theo Bảng 3 Phần 3 bộ tiêu chuẩn này
kr = Hệ số áp lực ngang
σv = Áp lực sinh ra do tổng hợp trọng lực của trọng lượng đất bản thân, đất ngay phía trên của lớp đất có cốt, và bất kỳ tải trọng chất thêm xuất hiện.
ΔσH = Ứng suất ngang tại cao độ cốt gia cường do tác dụng của tải trọng tập trung chất thêm theo phương ngang như quy định tại Điều 10.10.1 (MPa)
Ứng suất thẳng đứng để tính lực kéo cốt gia cường lớn nhất được xác định như trong Hình 7 và 8.

CHÚ DẪN:
Ứng suất lớn nhất: σv = ggrZ x 10-9 + q + Δσv
Ứng suất do lực nhổ: σv = ggrZ x 10-9 + Δσv
Δσv = Xác định theo Hình 17; H= Là tổng chiều cao tường tại mặt tường
Hình 7- Tính ứng suất thẳng đứng khi đất sau tường không dốc, bao gồm hoạt tải và tĩnh tải chất thêm để phân tích ổn định bên trong tường

CHÚ DẪN:
Ứng suất lớn nhất: S = (1/2)Ltanb Xác định kaf sử dụng góc mái dốc b
σv = ggrZ x 10-9 + (1/2)L(tanb)ggr x 10-9 Xác định kf theo Hình 9
Ứng suất do lực nhổ σv = ggrZp x 10-9 và Zp ≥ Z + S
H= Là tổng chiều cao tường tại mặt tường
Hình 8 - Tính ứng suất thẳng đứng khi đất sau tường dốc nghiêng để phân tích ổn định bên trong tường
Hệ số áp lực ngang của đất kr được xác định bằng cách nhân hệ số điều chỉnh với hệ số áp lực đất chủ động, ka, xác định theo Phương trình 25 Phần 3 bộ tiêu chuẩn này, nhưng với giả thiết không có ma sát tường, nghĩa là d=b.
Hệ số điều chỉnh cho hệ số ka được xác định theo biểu đồ trên Hình 9.
Tải trọng tính toán tác dụng lên cốt gia cường, Tmax, được xác định bằng cách sử dụng tải trọng trên đơn vị bề rộng tường như sau:
| Tmax = σHSV | (8) |
trong đó:
σH = Ứng suất ngang tính toán của đất tại cốt gia cường (MPa)
SV = Khoảng cách theo chiều thẳng đứng của cốt gia cường (mm)
Không được bố trí cốt gia cường có khoảng cách, Sv, theo chiều thẳng đứng lớn hơn 810 mm nếu không có đầy đủ dữ liệu thí nghiệm tường với kích thước thật (như là các tải trọng và ứng biến của cốt gia cường, biến dạng toàn phần) để chứng minh có thể bố trí khoảng cách theo chiều thẳng đứng lớn hơn.
Hoạt tải phải được đặt tại vị trí gây ra các ứng lực bất lợi nhất. Phải áp dụng các quy định của Điều 10.6 Phần 3 bộ tiêu chuẩn này.

CHÚ DẪN:
Các giá trị biểu đồ không áp dụng cho loại cốt gia cường dải vải địa kỹ thuật
Hình 9 - Sự biến đổi của hệ số tỷ lệ áp lực ngang kr/ka theo độ sâu trong tường đất có cốt.
10.6.2.2 Tải trọng tác dụng vào cốt gia cường tại vị trí liên kết với mặt tường
Tải trọng kéo tính toán tác dụng vào liên kết cốt gia cường tại mặt bao tường, To, được xác định bằng lực kéo tính toán tối đa trong cốt gia cường, Tmax, đối với tất cả các hệ thống tường bất kể bề mặt và loại cốt gia cường.
10.6.3 Lực nhổ cốt gia cường
10.6.3.1 Đường biên giữa vùng trượt và vùng neo giữ
Vị trí vùng ứng suất lớn nhất đối với các phần tường có thể giãn ra và phần tường không giãn, nghĩa là đường biên giữa vùng trượt và vùng neo giữ được xác định như trong Hình 10 (a),(b). Đối với tất cả các hệ thống tường, vùng ứng suất lớn nhất được giả định là bắt đầu từ mặt sau của mặt bao tường ở vị trí chân tường.
Đối với phần tường giãn ra có mặt xiên nhỏ hơn 10° theo phương thẳng đứng, vùng ứng suất lớn nhất nên được xác định bằng phương pháp Rankine. Bởi vì phương pháp Rankine không thể tính toán cho mặt tường xiên hoặc tác động của tải trọng gia tải tập trung bên trên vùng đất đắp có cốt, phương pháp Coulomb được sử dụng cho tường với cốt gia cường bị giãn có mặt xiên lớn, bằng 10° hoặc hơn theo phương thẳng đứng, và tải trọng gia tải tập trung để xác định vị trí vùng ứng suất lớn nhất.

CHÚ DẪN:

- Nếu mặt tường cấu tạo nghiêng thì gianh giới vùng ứng suất lớn nhất vẫn cách mặt tường 0,3H và phần trên vùng ứng suất lớn nhất vẫn có đường giới hạn song song với mặt tường
Hình 10 (a) Vị trí mặt trượt có thể xẩy ra - Trường hợp cốt gia cường không giãn (bằng thép)

CHÚ DẪN:
- Trường hợp tường thẳng đứng: 
- Với tường có mặt nghiêng 10° hoặc hơn so với phương thẳng đứng:

- Khi b = d và các ký hiệu biến số khác xem trên Hình 6 Phần 3 bộ tiêu chuẩn này
Hình 10 (b) Vị trí mặt trượt có thể xẩy ra- Trường hợp cốt gia cường giãn
10.6.3.2 Thiết kế cốt gia cường chịu lực nhổ.
Phải kiểm tra sức kháng chịu nhổ của cốt gia cường tại cao độ của từng lớp cốt gia cường. Chỉ có chiều dài chịu nhổ có hiệu nằm ở phía ngoài mặt phá hoại lý thuyết trong Hình 10 mới được sử dụng trong tính toán này. Chiều dài nhỏ nhất, Le, trong vùng neo giữ (vùng sức kháng) được lấy bằng 900mm. Tổng chiều dài cốt gia cường theo yêu cầu lực nhổ bằng La + Le như thể hiện trong Hình 10.
Lưu ý rằng không tính đến tải trọng xe trong các tính toán lực nhổ (xem Hình7)
Chiều dài chịu nhổ có hiệu sẽ được xác định theo Phương trình sau đây:
|
| (9) |
trong đó:
Le = Chiều dài cốt gia cường trong vùng neo giữ (mm)
Tmax = Tải trọng tính toán tác dụng tới cốt gia cường tính theo Phương trình 8 (N/mm)
ϕ = Hệ số sức kháng lực nhổ của cốt gia cường quy định trong Bảng 1
F* = Hệ số ma sát nhổ
α = Hệ số điều chỉnh ảnh hưởng của bề mặt cốt gia cường
σv = Ứng suất thẳng đứng chưa nhân hệ số tại cao độ cốt gia cường trong vùng neo giữ (MPa)
C = Hệ số hình dạng toàn bộ diện tích bề mặt cốt theo chu vi tổng của cốt gia cường và bằng 2 với cốt dạng dải, lưới và dạng tấm nghĩa là cốt có hai mặt
RC = Tỷ lệ lấp đầy của cốt gia cường theo Điều 10.6.4.1
F* và α được xác định theo các thí nghiệm lực nhổ của chứng chỉ sản phẩm với vật liệu đắp của dự án hoặc các loại đất tương đương, hoặc chúng có thể được ước tính theo kinh nghiệm hoặc lý thuyết.
Đối với vật liệu đắp tiêu chuẩn (theo Điều 7.3.6.3 Tiêu chuẩn kỹ thuật thi công cầu AASHTO LRFD), ngoại trừ cát đồng nhất, nghĩa là hệ số đồng đều Cu=D60/D10< 4, trong trường hợp không có dữ liệu thí nghiệm thì có thể sử dụng các giá trị thí nghiệm mặc định cho F* và α như thể hiện trong Hình 11 và Bảng 2. Đối với các dải thép có gờ, nếu giá trị Cu cho đất đắp tường không rõ ở thời điểm thiết kế, có thể giả định Cu = 4,0 để xác định F*.
Bảng 2- Giá trị mặc định của hệ số điều chỉnh ảnh hưởng bề mặt α
| LOẠI CỐT THÉP | GIÁ TRỊ MẶC ĐỊNH CHO α |
| Tất cả các loại cốt gia cường bằng thép | 1,0 |
| Mạng ô địa kỹ thuật | 0,8 |
| Vải địa kỹ thuật | 0,6 |
Đối với các lưới, khoảng cách giữa các chi tiết lưới ngang, St, phải bằng nhau trong suốt chiều dài cốt gia cường thay vì chỉ tập trung các cấu kiện lưới ngang ở vùng neo giữ.

Hình 11- Giá trị mặc định của hệ số ma sát nhổ F*
10.6.4 Sức kháng của cốt gia cường
10.6.4.1 Tổng quát
Phải kiểm tra sức kháng của cốt gia cường theo trạng thái giới hạn cường độ của tất cả các lớp cốt gia cường được bố trí ở các cao độ trong phạm vi tường, tại vị trí đường biên giữa các khu vực trượt và khu vực neo giữ (tức là vị trí ứng suất lớn nhất), và tại vị trí liên kết giữa cốt gia cường và mặt tường như sau.
Tại vị trí ứng suất lớn nhất:
Tmax ≤ ϕTalRc (10)
trong đó:
Tmax = Tải trọng tính toán tác dụng lên cốt gia cường theo Phương trình 11 (N/mm)
ϕ = Hệ số sức kháng cho cốt chịu kéo, quy định tại Bảng 1
Tal = Cường độ thiết kế danh định của cốt gia cường theo thời gian (N/mm)
RC = Tỷ lệ bề rộng của cốt gia cường theo Điều 10.6.4.1
Tal được xác định theo quy định trong Điều 10.6.4.3.1 cho cốt gia cường bằng thép và Điều 10.6.4.3.2 cho cốt gia cường vải địa kỹ thuật.
Tại vị trí liên kết với mặt tường:
To ≤ ϕTacRc (11)
trong đó:
To = tải trọng tính toán tác dụng lên mối liên kết cốt gia cường với mặt tường quy định trong Điều 10.6.2.2 (N/mm)
ϕ = Hệ số sức kháng cho cốt chịu kéo quy định trong Bảng 1
Tac= Sức kháng theo thời gian danh định của mối nối cốt gia cường với mặt tường (N/mm)
RC = Tỷ lệ bề rộng của cốt gia cường theo Điều 10.6.4.1 (Hình 12, Hình 13)
Tac được xác định tại liên kết mặt tường như quy định trong Điều 10.6.4.4.1 cho cốt gia cường bằng thép. Điều 10.6.4.4.2 cho cốt vải địa kỹ thuật. Khi xác định Tac phải xem xét sự khác nhau của môi trường ngay đằng sau mặt tường so với môi trường trong vùng đắp và ảnh hưởng của nó đến độ bền theo thời gian của liên kết mặt tường với cốt gia cường.
Tal được xác định sức kháng theo thời gian trên một đơn vị chiều rộng cơ sở của cốt gia cường và nhân với tỷ lệ bề rộng cốt gia cường, Rc, để có thể so sánh trực tiếp với Tmax là tải trọng trên một đơn vị cơ sở chiều rộng tường (Điều này cũng áp dụng với Tac và To). Đối với cấu kiện cốt gia cường rời rạc không liên tục, như các dải thép hoặc các lưới cốt thép, cường độ của cốt gia cường được chuyển đổi thành cường độ trên một đơn vị cơ sở chiều rộng tường như thể hiện trong Hình 12 và 13. Đối với các lớp cốt liên tục, b = 1 và Rc = 1.
Loại cốt gia cường bằng dải kim loại

Loại cốt gia cường bằng lưới thanh cốt thép hoặc lưới sợi thép

CHÚ DẪN:
- Loại cốt gia cường bằng dải kim loại:
Ac = b Ec
Ec là chiều dày của dải kim loại đã trừ hao hụt do gỉ
- Loại cốt gia cường bằng lưới thanh cốt thép hoặc lưới sợi thép
Ac = (số thanh dọc) X (pD*2/4)
D* = đường kính thanh đã trừ hao do gỉ
b = Đơn vị chiều rộng của cốt gia cường, nếu cốt gia cường là liên tục thì đếm số thanh trong một đơn vị chiều rộng.
Rc= Tỷ lệ bề rộng của cốt gia cường = b /Sh
Đối với cốt gia cường liên tục Rc=1 (nghĩa là Sh= b= đơn vị chiều rộng)
Hình 12- Tỷ lệ bề rộng cốt gia cường kim loại
Loại cốt gia cường bằng dải vải địa kỹ thuật cách đoạn

Loại cốt gia cường bằng tấm vải địa kỹ thuật liên tục

CHÚ DẪN:
- Rc= Tỷ lệ bề rộng của cốt gia cường = b /Sh
- Đối với cốt gia cường liên tục Rc=1 (nghĩa là Sh= b= đơn vị chiều rộng)
Hình 13 - Tỷ lệ bề rộng cốt gia cường vải địa kỹ thuật
10.6.4.2 Tuổi thọ thiết kế.
Theo các quy định của Điều 5.1.
10.6.4.2.1 Cốt gia cường bằng thép
Thiết kế các cốt gia cường bằng thép trong đất và các chi tiết nối trên cơ sở chiều dày Ec xác định như sau:
Ec = En - Es (12)
trong đó:
Ec = Chiều dày của cốt gia cường kim loại tại thời điểm hết tuổi thọ sử dụng như thể hiện trong Hình 12 (mm)
En = Chiều dầy danh định của cốt gia cường thép khi thi công (mm).
Es = Chiều dầy tổn thất của kim loại dự kiến bị mất do ăn mòn đồng đều trong tuổi thọ sử dụng kết cấu (mm).
Đối với việc thiết kế kết cấu, độ dầy tổn thất phải được dự tính cho mỗi bề mặt lộ ra như sau, giả định đất đắp là môi trường không xâm thực:
• Tổn thất lớp mạ = 0,015 mm/năm cho 2 năm đầu tiên
= 0,004 mm/năm cho các năm tiếp theo
• Tổn thất thép các bon = 0,012mm/năm khi mất hết lớp kẽm mạ.
Đất được coi như không bị xâm thực nếu đáp ứng được các tiêu chí sau:
• pH = 5 đến 10
• Điện trở suất ≥3000 ohm-cm
• Clo hóa ≤100 ppm
• Sun phat ≤ 200 ppm
• Hàm lượng chất hữu cơ ≤ 1%
Nếu điện trở suất lớn hơn hoặc bằng 5000 ohm-cm, độ clorua và sunphat có thể được bỏ qua. Đối với lưới thanh cốt thép hoặc cốt dạng lưới, chiều dày tổn thất liệt kê ở trên sẽ được áp dụng cho bán kính của sợi hoặc thanh khi tính toán diện tích mặt cắt ngang còn lại của thép sau khi bị tổn thất do ăn mòn.
Các lưới cốt thép ngang và dọc sẽ được định kích thước phù hợp với ASTM A 185. Đường kính sợi ngang nhỏ hơn hoặc bằng đường kính sợi dọc.
Các lớp mạ tối thiểu là 6.1x10-7 kg/mm2 hoặc độ dày 0.086 mm, áp dụng phù hợp với tiêu chuẩn AASHTO M 111 (ASTM A 123M) cho cốt dạng dải hoặc ASTM A 641M cho thanh dạng lưới hoặc cốt gia cường bằng thép dạng lưới.
10.6.4.2.2 Cốt gia cường bằng vải địa kỹ thuật
Trong phạm vi giới hạn cụ thể của dạng tường được lựa chọn thiết kế, điều kiện đất, và loại polyme, sự giảm độ bền do các yếu tố môi trường có thể được dự tính đến mực thấp nhất và liên quan chặt chẽ với từng loại sản phẩm, và tác động của các sự suy giảm sẽ được tối thiểu hóa. Do đó có thể chỉ sử dụng một hệ số chiết giảm mặc định duy nhất, RF, đưa vào tính toán độ bền kéo giới hạn để xét đến sự suy giảm cường độ theo thời gian như quy định trong Điều 10.6.4.3.2
Khi dạng kết cấu tường đã được lựa chọn thiết kế, chỉ được sử dụng hệ số chiết giảm mặc định khi các yêu cầu về tính ăn mòn của đất và polyme phù hợp với các điều kiện dưới đây:
• Hiệu suất kém do hư hỏng sẽ không có hệ quả nghiêm trọng
• Đất được coi như không phải là môi trường xâm thực
• Vật liệu polyme đáp ứng các yêu cầu quy định trong Bảng 3
1) Dạng kết cấu tường được chọn thiết kế: Phải nhận biết các dạng kết cấu nếu xuống cấp làm công năng kém đi hoặc hư hỏng gây ra hậu quả nghiêm trọng. Khi thiết kế dạng kết cấu như vậy, không được sử dụng hệ số chiết giảm mặc định cho thiết kế.
2) Xác định tính xâm thực của đất: Tính xâm thực của đất đối với vật liệu vải địa kỹ thuật tổng hợp được đánh giá dựa trên độ pH của đất, cỡ hạt, độ dẻo, hàm lượng chất hữu cơ, và nhiệt độ trong lòng đất. Đất được xem như không xâm thực nếu đáp ứng theo các tiêu chí sau đây:
• pH = 4,5 đến 9 đối với các kết cấu vĩnh cửu và 3 đến 10 cho các kết cấu tạm thời,
• Kích cỡ hạt đất lớn nhất nhỏ hơn 19 mm, trừ khi thí nghiệm sự hư hỏng trên kết cấu thực được thực hiện theo tiêu chuẩn ASTM D 5818,
• Hàm lượng đất hữu cơ, theo quy định của đối với vật liệu có độ mịn trên sàng 2mm (Số.10) nhỏ hơn 1%, và
• Nhiệt độ thiết kế tại vị trí tường:
≤ 30°C khi thiết kế công trình vĩnh cửu
≤ 35°C khi thiết kế công trình tạm thời
Đất đắp không đáp ứng các yêu cầu như được quy định ở đây được coi là xâm thực. Môi trường tại bề mặt tường, trong phạm vi khoảng tường đắp, phải được đánh giá, đặc biệt là nếu sự ổn định của bề mặt phụ thuộc vào cường độ của vật liệu địa kỹ thuật ở bề mặt, tức là cốt địa kỹ thuật tạo thành liên kết cơ bản giữa thân tường và mặt tường.
Tính chất hóa học của đất tự nhiên bao quanh khối đất có cốt cũng phải được xem xét nếu có nguy cơ thấm nước ngầm từ đất tự nhiên xung quanh vào khối đất có cốt. Trong trường hợp này đất xung quanh cũng phải đáp ứng các tiêu chí hóa học cần thiết như cho các vật liệu đắp có môi trường được xem là không xâm thực, hoặc phải bố trí hệ thống thoát nước lâu dài xung quanh khối có cốt để đảm bảo rằng các chất hóa học xâm thực không xâm nhập vào đất có cốt.
3) Các yêu cầu đối với vật liệu Polyme: Phải sử dụng vật liệu Polyme có độ bền cao chống lại các tác nhân phá hủy hóa học dài hạn. Tuy nhiên khi tính toán thiết kế vẫn sử dụng hệ số chiết giảm mặc định, để giảm thiểu rủi ro xảy ra hao mòn tiết diện theo thời gian. Vật liệu polyme phải đáp ứng được các yêu cầu quy định ở Bảng 3 nếu không có thông tin chi tiết sản phẩm. Vật liệu Polyme không đáp ứng yêu cầu quy định trong Bảng 3 có thể được sử dụng nếu có được dữ liệu chứng chỉ chi tiết của sản phẩm để đánh giá tuổi thọ thiết kế cần có của kết cấu.
Đối với các dạng kết cấu liên quan đến:
• công năng kém hoặc hư hỏng gây ra hậu quả nghiêm trọng,
• Điều kiện đất xâm thực,
• Polyme không đáp ứng các yêu cầu cụ thể trong Bảng 3, hoặc
• Mong muốn sử dụng một hệ số chiết giảm tổng thể nhỏ hơn so với hệ số chiết giảm mặc định được quy định ở đây
thì phải thực hiện các nghiên cứu độ bền đặc trưng của sản phẩm vật liệu trước khi sử dụng sản phẩm để xác định hệ số chiết giảm độ bền lâu dài của sản phẩm cụ thể, RF. Phải dùng các chỉ số độ bền đặc trưng của sản phẩm này để đánh giá tác động ngắn hạn và dài hạn của các yếu tố môi trường lên độ bền, và các đặc điểm biến dạng của cốt gia cường vải địa kỹ thuật trong suốt tuổi thọ thiết kế của cốt.
Bảng 3- Yêu cầu tối thiểu đối với sản phẩm vải địa kỹ thuật để cho phép sử dụng hệ số chiết giảm mặc định do giảm cấp vật liệu theo thời gian
| Loại Polyme | Đặc tính | Phương pháp kiểm tra | Chỉ tiêu cho phép sử dụng RF mặc định |
| Polypropylene | Kháng Oxy hóa UV | ASTM D 4355 | Tối thiểu 70% cường độ còn lại sau 500h trong thí nghiệm mô phỏng khí hậu |
| Polyethylene | Kháng Oxy hóa UV | ASTM D 4355 | Tối thiểu 70% cường độ còn lại sau 500h trong thí nghiệm mô phỏng khí hậu |
| Polypropylene | Kháng oxy hóa- giãn nhiệt | ENV ISO 13438:1999, Phương pháp A | Còn lại tối thiểu 50% cường độ sau 28 ngày |
| Polyethylene | Kháng oxy hóa- giãn nhiệt | ENV ISO 13438:1999, Phương pháp B | Còn lại tối thiểu 50% cường độ sau 56 ngày |
| Polyester | Kháng sự thủy phân | Phương pháp độ nhớt trong ASTM D 4603) và GRI Phương pháp kiểm tra GG8, hoặc xác định trực tiếp sử dụng thấm keo sắc ký | Số tối thiểu trọng lượng phân tử trung bình của 25000 |
| Polyester | Kháng sự thủy phân | GRI Phương pháp kiểm tra GG7 | Tối đa của hàm lượng tập hợp kết nối Cac bô xi la 30 |
| Tất cả các loại Polyme | Khả năng còn tồn sót lại | Trọng lượng trên đơn vị diện tích(ASTM D 5261) | Tối thiểu 270 g/m2 |
| Tất cả các loại Polyme | % trọng lượng tái chế vật liệu sau khi sử dụng | Chứng chỉ vật liệu được sử dụng | Tối đa 0% |
10.6.4.3 Sức kháng kéo thiết kế
10.6.4.3.1 Cốt gia cường bằng thép
Sức kháng kéo danh định của cốt được xác định bằng cách nhân giới hạn chảy với diện tích mặt cắt ngang của cốt thép trừ hao do ăn mòn (xem Hình 12). Hao mòn diện tích mặt cắt ngang thép do ăn mòn được xác định theo Điều 10.6.4.2.1. Sức kháng kéo của cốt được xác định như sau:
(13)
trong đó:
Tal = Cường độ thiết kế danh định dài hạn của cốt (N/mm)
Fy = Giới hạn chảy nhỏ nhất của thép (MPa)
AC = Diện tích cốt gia cường đã trừ hao do ăn mòn (Hình 12) (mm2)
b = Chiều rộng đơn vị của cốt (Hình 12) (mm)
10.6.4.3.2 Cốt gia cường bằng vải địa kỹ thuật
Sức kháng chịu kéo danh định dài hạn của cốt được xác định như sau:
(14)
trong đó:
RF=RFID x RFCR x RFD (15)
Và:
Tal = Cường độ thiết kế danh định dài hạn của cốt (N/mm)
Tult = Giá trị trung bình nhỏ nhất (MARV) sức kháng kéo giới hạn (N/mm)
RF = Hệ số chiết giảm sức kháng tổng hợp xét đến sự hao mòn theo thời gian do hư hại khi lắp đặt, từ biến, lão hóa do hóa chất
RFID = Hệ số chiết giảm sức kháng xét đến sự hư hại do lắp đặt đối với cốt gia cường
RFCR = Hệ số chiết giảm sức kháng đề phòng sự hư hại do từ biến dài hạn của cốt gia cường
RFD = Hệ số chiết giảm sức kháng đề phòng sự hư hại cốt gia cường do tác nhân hóa học và sinh học
Giá trị cho RFID, RFCR, và RFD được xác định từ kết quả thí nghiệm chứng chỉ sản phẩm như quy định trong Điều 10.6.4.2.2. Ngay cả với kết quả thí nghiệm chứng chỉ sản phẩm cụ thể, cả RFIDvà RFD phải nhỏ hơn 1,1.
Đối với các dạng tường được xem là không có hậu quả nghiêm trọng khi công năng kém hoặc hư hỏng xảy ra, điều kiện đất không xâm thực, và nếu sản phẩm địa kỹ thuật tổng hợp đáp ứng được các yêu cầu tối thiểu được liệt kê trong Bảng 3, sức kháng kéo dài hạn của cốt có thể được xác định sử dụng một hệ số chiết giảm mặc định cho FR như quy định trong Bảng 4 thay cho kết quả thí nghiệm chứng chỉ sản phẩm.
Bảng 4- Giá trị tối thiểu mặc định của Hệ số chiết giảm tổng thể
| Dạng tường áp dụng | Hệ số chiết giảm tổng thể, RF |
| Tất cả các dạng tường dụng, với số liệu chứng chỉ sản phẩm thu được và được phân tích phù hợp với AASHTO PP 66 | Tất cả các hệ số chiết giảm được dựa trên dữ liệu chứng chỉ sản phẩm. Cả RFID và RFD phải nhỏ hơn 1,1 |
| Các dạng tường vĩnh cửu không có hậu quả nghiêm trọng nếu có công năng kém hoặc hư hỏng xảy ra, đất không xâm thực, và polyme đáp ứng các yêu cầu được liệt kê trong Bảng 3 | 7,0 |
| Các dạng tường tạm thời không có hậu quả nghiêm trọng nếu công năng kém hoặc hư hỏng xảy ra, đất không xâm thực, và polyme đáp ứng các yêu cầu được liệt kê trong Bảng 3 khi không có các số liệu chứng chỉ sản phẩm. | 3,5 |
10.6.4.4 Sức kháng thiết kế của mối nối mặt tường với cốt gia cường
10.6.4.4.1 Cốt gia cường bằng thép
Các mối nối được thiết kế để chịu ứng lực của các lực chủ động, To, như quy định trong Điều 10.6.2.2, cũng như lực do chênh lệch chuyển vị giữa khối đất có cốt và các bộ phận mặt tường.
Các chi tiết mối nối được chôn vào đơn nguyên mặt tường phải được thiết kế với chiều dài dính bám và diện tích tựa trong bê tông đủ để chịu các lực tác dụng lên mối nối. Khả năng chịu lực của chi tiết mối nối chôn trong bê tông phải được kiểm tra bằng thí nghiệm như quy định tại Điều 11.3 Phần 5 bộ tiêu chuẩn này. Các liên kết giữa cốt gia cường bằng thép và các đơn nguyên mặt tường như mối hàn, bu lông, chốt...phải được thiết kế theo quy định của Điều 13.3 Phần 6 bộ tiêu chuẩn này.
Vật liệu liên kết được thiết kế để thích ứng với hao mòn do gỉ theo quy định của Điều 10.6.4.2.1. Phải xem xét sự khác nhau tiềm ẩn giữa môi trường tại vị trí mặt tường so với môi trường trong khối đất có cốt khi đánh giá nguy cơ ăn mòn do gỉ.
10.6.4.4.2 Cốt gia cường bằng vải địa kỹ thuật
Thiết kế chi tiết liên kết chôn trong mặt bê tông theo Điều 11.3 Phần 5 bộ tiêu chuẩn này
Sức kháng danh định theo thời gian của liên kết cốt vải địa kỹ thuật Tac chịu tải trọng của một đơn vị cơ sở chiều rộng cốt gia cường được xác định như sau:
(16)
trong đó:
Tac = Sức kháng thiết kế danh định theo thời gian của liên kết cốt với mặt tường trên một đơn vị chiều rộng cốt ở một áp lực neo giữ nhất định(N/mm)
Tult = Giá trị trung bình nhỏ nhất (MARV) sức kháng kéo giới hạn (N/mm)
CRcr = Hệ số chiết giảm cường độ của liên kết theo thời gian để xét đến sự giảm sức kháng cực hạn của mối nối
RFD = Hệ số chiết giảm để phòng ngừa đứt cốt gia cường do sự hao mòn bởi hóa chất và sinh vật theo Điều 10.6.4.3.2
Giá trị cho RFCR, và RFD được xác định từ kết quả thí nghiệm chứng chỉ sản phẩm cụ thể, trừ trường hợp quy định ở đây. Môi trường tại liên kết mặt tường có thể khác với môi trường ở phía xa mặt tường trong đất có cốt. Điều này sẽ được xem xét khi xác định RFCR và RFD.
CRcr được xác định theo áp lực thẳng đứng duy trì neo giữ được dự tính trước ở mặt giữa các khối mặt tường. Áp lực thẳng đứng neo giữ được tính bằng cách sử dụng Phương pháp Chiều cao Khớp xoay như thể hiện trong Hình 14 với tường có mặt xiên, ω, lớn hơn 8°. Giá trị Tac không nên lớn hơn Tal.
Các loại tường vải địa kỹ thuật có thể được thiết kế sử dụng một tấm vải cốt gia cường mềm như mặt tường cuốn một lớp nối chồng lên cốt gia cường chính trong đất. Các lớp nối chồng sẽ được thiết kế bằng phương pháp lực nhổ. Bằng cách thay thế Tmax bằng To, trong Phương trình 9 có thể xác định chiều dài xếp chồng tối thiểu cần thiết, nhưng trong mọi trường hợp chiều dài xếp chồng phải nhỏ hơn 900 mm. Nếu tan ρ được xác định bằng thực nghiệm dựa trên tiếp xúc giữa đất với cốt gia cường tan ρ sẽ được giảm 30% khi cốt gia cường tiếp xúc với cốt gia cường.

CHÚ DẪN:
Chiều cao khớp xoay Hh: Toàn bộ trọng lượng của tất cả các khối mặt tường tác dụng lên đáy của khối mặt tường thấp nhất
Chiều cao khớp xoay, Hh, thể hiện trong Hình 14, được xác định như sau:
Hh = 2[Wu-Gu-0,5Hutanib)cosib]/tan(ω+ib) (17)
trong đó:
Hu = Chiều cao đơn nguyên khối mặt tường phân đoạn (mm)
Wu = Bề rộng khối đơn nguyên mặt tường phân đoạn, từ trước ra sau (mm)
Gu = Khoảng cách đến trọng tâm theo hướng ngang của khối mặt tường đúc sẵn, tính từ mặt trước của khối (mm)
ω = Độ nghiêng của tường (Độ)
H = Tổng chiều cao của tường (mm)
Hh = Chiều cao khớp (mm)
Hình 14 - Xác định chiều cao khớp xoay cho khối bê tông đúc sẵn để làm mặt bao tường MSE
10.7 THIẾT KẾ TƯỜNG ĐẤT CÓ CỐT (MSE) CHỊU ĐỘNG ĐẤT
10.7.1 Độ ổn định dưới tác dụng của ngoại lực
Phải kiểm tra mức độ ổn định của tường MSE dưới tác dụng của tải trọng động đất theo Điều 6.5 Phần 10 bộ tiêu chuẩn này, với các điều chỉnh cho thiết kế tường MSE tại Điều này.
Kiểm tra độ ổn định của tường MSE dưới tác dụng của tổng hợp các lực tĩnh, lực quán tính nằm ngang PIR và 50% lực đẩy động nằm ngang PAE vào tường. Vị trí PAE và PIR được lấy như minh họa trên Hình 15. Các lực này được tổ hợp với các lực tĩnh, nhân hệ số phù hợp theo Điều 4.1 Phần 3 bộ tiêu chuẩn này. Lực đẩy động nằm ngang PAE phải được xác định theo phương pháp giả tĩnh Mononabe-Okabe và tác động vào bề mặt phía sau của khối đất có cốt tại chiều cao 0,6H tính từ đáy tường và lực quán tính nằm ngang tác dụng vào tâm của khối động của kết cấu. Hệ số gia tốc lớn nhất ở trọng tâm tường, Am, trừ khi gia tốc nền dự kiến lớn hơn 0.29g, được xác định như sau:
Am = (1,45 - A) A(18)
trong đó:
A = Hệ số gia tốc động đất lớn nhất (Điều 9.2 Phần 3 bộ tiêu chuẩn này)
Các trị số PAE và PIR đối với các kết cấu đất đắp sau tường mặt ngang (không dốc) có thể được xác định bằng cách sử dụng một số phương trình đơn giản hóa sau.
| PAE = 0,375gEQAmggsH2 x 10-9 | (19) |
| PAE = 0,5gEQAmggsH2 x 10-9 | (20) |
trong đó:
gEQ = Hệ số tải trọng cho tải trọng động đất EQ theo Bảng 3 Phần 3 bộ tiêu chuẩn này
Am = Hệ số gia tốc lớn nhất của tường tại trọng tâm của khối tường
g = Gia tốc trọng trường (m/s2);
gs = Tỷ trọng của đất (kg/m3)
H = Chiều cao tường (mm).
Đối với các kết cấu có đất đắp sau tường mặt dốc nghiêng, lực quán tính PIR phải được dựa trên khối lượng có hiệu có chiều cao H2 và chiều rộng đáy bằng 0,5H2
H2 được xác định như sau:
|
| (21) |
trong đó:
b = Độ dốc của đất đắp (độ)
PIR của đất đắp gia tải có mái dốc được xác định như sau:
PIR = Pir + Pis (22)
trong đó:
Pir = 0,5gEQAmggsH2H x 10-9 (23)
Pis = 0,125gEQAmggs(H2)2tan(b) x 10-9 (24)
trong đó:
Pir = Lực quán tính gây ra bởi gia tốc của khối đất có cốt (N/mm)
Pis = Lực quán tính gây ra bởi gia tốc của khối đất gia tải có mái dốc bên trên khối đất có cốt (N/mm)
Chiều rộng của khối đất tạo ra PIR được tính bằng 0,5H2. PIR tác dụng ở trọng tâm tổ hợp của Pir và Pis

Hình 15 - Ổn định bên ngoài tường MSE chịu động đất
10.7.2 Ổn định bên trong tường
Cốt gia cường phải được thiết kế để chịu các lực nằm ngang phát sinh bởi lực quán tính bên trong, Pis và các lực tĩnh. Tổng lực quán tính Pis trên chiều dài đơn vị của kết cấu phải được xem là bằng khối lượng của vùng tiềm ẩn bị trượt (vùng hoạt động) nhân với hệ số gia tốc lớn nhất của tường Am.
Đối với tường có cốt gia cường không giãn (bằng Thép), lực quán tính này phải được phân bố tới các cốt gia cường theo tỷ lệ diện tích chịu lực của chúng với tải trọng trên bề rộng đơn vị của tường như sau:
|
| (25) |
Đối với tường có cốt gia cường giãn được, lực quán tính này phải được phân bố đều tới các cốt gia cường trên tải trọng cho bề rộng đơn vị của cơ sở tường như sau:
(26)
Với:
Tmd = Phân Lực quán tính động lực tính toán (có hệ số) ở lớp thứ i (N/mm)
g = Hệ số tải trọng dùng cho lực động đất theo Bảng 3 Phần 3 bộ tiêu chuẩn này
Pi = Lực quán tính trong phát sinh do trọng lượng đất đắp trong vùng hoạt động, tức là vùng có gạch chéo trên Hình 16 (N/mm)
= AmWa
Với Wa là trọng lượng vùng hoạt động và Am tính theo Phương trình 18
n = tổng số các lớp cốt gia cường
Lei = Chiều dài có hiệu của cốt gia cường lớp thứ i (mm)
Tổng tải trọng tính toán tác dụng vào cốt gia cường trên một đơn vị chiều dài cơ sở tường như thể hiện trong Hình 16 được xác định như sau:
| Ttotal = Tmax + Tmd | (27) |
Với:
Tmax = Lực tĩnh tính toán tác dụng vào cốt gia cường được tính theo Phương trình 8.

CHÚ DẪN:
Ψ = góc của đường gianh giới vùng bị trượt, xác định theo Hình 10(b)
Pi = lực nội quán tính của trọng lượng phần đất đắp nằm trong giới hạn của vùng trượt
Lei = Chiều dài cốt gia cường nằm trong vùng neo giữ (vùng kháng) của lớp cốt gia cường thứ i
Tmax = Tải trọng tính toán (đã nhân hệ số) trên một đơn vị chiều dài tường tính cho một lớp gia cường do lực tĩnh
Tmd = Tải trọng tính toán trên một đơn vị chiều dài tường tính cho một lớp gia cường do lực động
Toàn bộ lực tác dụng trên trên một đơn vị chiều dài tường tính cho một lớp gia cường
Tt = Tmax + Tmd
Hình 16 - Ổn định bên trong của tường MSE chịu động đất
Đối với tường có cốt gia cường vải địa kỹ thuật, cốt gia cường được thiết kế để chịu các thành phần tĩnh và động của tải trọng xác định như sau:
Với thành phần tĩnh:
|
| (28) |
Với thành phần động:
|
| (29) |
Với:
ϕ = Hệ số sức kháng cho tổ hợp tải trọng tĩnh và động đất theo Bảng 1
Srs = Sức kháng kéo giới hạn của cốt cần thiết để chịu thành phần tải trọng tĩnh (N/mm)
Srt = Sức kháng kéo giới hạn của cốt cần thiết để chịu thành phần tải trọng động (N/mm)
Rc = Tỷ lệ bề rộng cốt gia cường theo Điều 10.6.4.1 (xem Hình 12, Hình 13)
RF = Hệ số chiết giảm cường độ tổng hợp xét đến các nguy cơ bị hư hại do hư hỏng khi lắp đặt, từ biến và phá hủy do lão hóa theo Điều 10.6.4.3.2
RFID = Hệ số chiết giảm cường độ xét đến sự hư hỏng khi lắp đặt cốt neo theo quy định của Điều 10.6.4.3.2
RFD = Hệ số chiết giảm cường độ đề phòng hư hỏng cốt neo do sự phá hủy của hóa học và sinh học theo quy định của Điều 10.6.4.3.2
Sức kháng kéo giới hạn cần thiết của cốt gia cường địa kỹ thuật được tính theo Phương trình sau:
| Tult = Srs + Srt | (30) |
Để đảm bảo sức kháng nhổ của cốt gia cường bằng thép hoặc vải địa kỹ thuật, chiều dài neo của cốt phải thỏa mãn điều kiện:
|
| (31) |
trong đó:
Le = Chiều dài của cốt trong vùng neo giữ (mm)
Ttotal = Lực kéo tính toán của cốt gia cường lớn nhất tính theo Phương trình 26 (N/mm)
ϕ = Hệ số sức kháng cho cốt chịu lực nhổ theo Bảng 1
F* = Hệ số ma sát nhổ
α = Hệ số hiệu chỉnh hiệu ứng tỷ lệ
σv = Ứng suất thẳng đứng không hệ số tại cao độ lớp cốt gia cường trong vùng kháng (MPa)
C = Hệ số hình dạng bề mặt toàn bộ cốt gia cường
RC = Tỷ lệ bề rộng theo quy định Điều 10.6.4.1
Đối với điều kiện tải trọng động đất, giá trị hệ số F*, hệ số sức kháng nhổ được giảm, bằng 80% giá trị dùng cho thiết kế tĩnh, trừ khi tiến hành thí nghiệm mô hình lực nhổ động để trực tiếp xác định giá trị F*
10.7.3 Liên kết mặt bao tường với cốt gia cường
Các cấu kiện mặt tường phải được thiết kế để chịu tải trọng động đất được xác định như quy định tại Điều 10.7.2, nghĩa là lực kéo Ttotal, Các cấu kiện mặt tường phải được thiết kế theo các Điều khoản quy định của các Phần 5, 6, Bộ tiêu chuẩn này cho bê tông cốt thép, thép, tương ứng, ngoại trừ trạng thái giới hạn đặc biệt I, tất cả các hệ số sức kháng được lấy là 1,0, trừ khi có quy định khác.
Đối với các tường có các khối mặt tường bê tông phân đoạn, các khối nằm phía trên lớp đất có cốt trên cùng phải được thiết kế để chống lật đổ trong quá trình chịu tải trọng động đất.
Đối với các thành phần liên kết vải địa kỹ thuật chịu tải động đất, sức kháng tính toán theo thời gian của liên kết, ϕTac, phải lớn hơn Tmax + Tmd. Nếu sức kháng của liên kết phụ thuộc một phần hoặc hoàn toàn vào lực ma sát giữa các khối mặt tường và cốt gia cường thì sức kháng của liên kết chịu tải trọng động đất được giảm, bằng 80% giá trị tĩnh của nó như sau:
Đối với các thành phần tĩnh của tải trọng:
|
| (32) |
Đối với các thành phần động của tải trọng:
|
| (33) |
Trong đó:
Srs = Sức kháng kéo cực hạn của cốt gia cường cần thiết để chịu thành phần tải trọng tĩnh (N/mm)
Tmax = Tải trọng tác dụng vào cốt gia cường (N/mm)
RFD = Hệ số chiết giảm để đề phòng sự hư hại cốt gia cường do yếu tố hóa học và sinh học xác định theo quy định tại Điều 10.6.4.4.2
ϕ = Hệ số sức kháng theo Bảng 1
CRcr = Hệ số chiết giảm cường độ của liên kết theo thời gian, xét đến sự suy giảm sức kháng giới hạn do liên kết
Rc = Tỷ lệ bề rộng của cốt gia cường theo Điều 10.6.4.1
Srt = Sức kháng kéo cực hạn của cốt gia cường cần thiết để chịu thành phần tải trọng động (N/mm)
Tmd = Phân lực quán tính động tính toán (có hệ số)(N/mm)
CRu = Hệ số chiết giảm cường độ liên kết ngắn hạn xét đến sự suy giảm cường độ giới hạn do liên kết, được lấy bằng cường độ cực hạn của mối nối từ kết quả thí nghiệm mối nối tức thời theo ASTM D4884 chia cho cường độ chịu kéo cực hạn của lô sản phẩm dùng cho mối nối, Tlot. (tức là lô sản phẩm vật liệu dùng để thí nghiệm cường độ mối nối)
Đối với các liên kết cơ khí, sức kháng không dựa vào thành phần ma sát, trị số 0,8 trong các Phương trình 32 và 33 có thể bỏ đi.
Sức kháng kéo giới hạn yêu cầu của cốt gia cường vải địa kỹ thuật tại liên kết tính bằng:
| Tult = Srs + Srt | (34) |
Với các kết cấu trong vùng động đất 3, liên kết giữa các khối mặt tường phân đoạn phải có cấu tạo cơ cấu chịu cắt giữa các khối mặt tường với cốt gia cường như các khóa cắt, chốt v.v., và liên kết không được hoàn toàn phụ thuộc vào sức kháng ma sát giữa cốt gia cường với các khối mặt bao tường.
10.8 THOÁT NƯỚC
Phải xem xét bố trí cấu tạo thoát nước bên trong cho toàn bộ hệ thống để ngăn chặn sự bão hòa của đất đắp có cốt và để chặn lại dòng chảy bề mặt bất kỳ có chứa các yếu tố xâm thực.
Tường MSE trong các khu vực đào và đắp bên sườn đồi, với mực nước ngầm được xác định, phải xây dựng tầng đệm thoát nước ở phía sau, và bên dưới, vùng đất có cốt.
10.9 XÓI NGẦM
Phải áp dụng các quy định tại Điều 6.3.5
10.10 THIẾT KẾ TƯỜNG CHẮN ĐẤT CÓ CỐT VỚI CÁC TẢI TRỌNG KHÁC
10.10.1 Tĩnh tải tập trung
Sự phân bố ứng suất bên trong và đằng sau tường do tải trọng tập trung tác dụng trên đỉnh tường hoặc phía sau tường được xác định theo Điều 10.6.3 Phần 3 bộ tiêu chuẩn này.
Hình 17 minh họa cách tổng hợp tải trọng theo nguyên lý cộng tác dụng để đánh giá ổn định ngoài và trong của tường. Tùy thuộc vào kích thước và vị trí của các tĩnh tải tập trung, vị trí đường biên giữa các khu vực hoạt động trượt và khu vực neo giữ (kháng) có thể phải được điều chỉnh như thể hiện trong Hình 18.

CHÚ DẪN:
- Các phương trình này giả định rằng tĩnh tải tập trung # 2 nằm trong vùng hoạt động phía sau khối đất có cốt
- Đối với các các cấu kiện mặt tường tương đối dày (ví dụ khối mặt tường bê tông đúc sẵn) có thể chấp nhận tính cả các kích thước và trọng lượng khối mặt tường khi tính toán khả năng chịu tải, trượt, lật (nghĩa là sử dụng B thay cho L)
- PV1, PH1, ΔσV1, ΔσV2, ΔσH2, và I2, được xác định từ Hình 27 và Hình 28 Phần 3 bộ tiêu chuẩn này, và tổng hợp lực Fp từ PV2, (ví dụ, KΔσV2 trên Hình 27. H là tổng chiều cao mặt tường).
Hình 17- Cộng tác dụng tĩnh tải tập trung để đánh giá ổn định ngoài và ổn định trong của tường

Hình 18 - Vị trí đường lực kéo lớn nhất trong trường hợp bẩn kê truyền lực rộng (cốt gia cường không giãn).
10.10.2 Tải trọng giao thông và rào chắn lan can
Tải trọng giao thông phải được tính như tải trọng chất thêm rải đều theo các tiêu chí được qui định trong Điều 10.6.2 Phần 3 bộ tiêu chuẩn này. Chiều cao đất tính đổi của áp lực hoạt tải không được nhỏ hơn 600 mm. Lan can và các rào chắn xe, được lắp phía trên hoặc dọc theo mặt tường, nên được thiết kế theo dạng chữ L để chống lại momen lật bằng trọng lượng bản thân của chúng. Bản đáy không được có mối nối ngang, ngoại trừ các mối nối thi công, phần bản nằm ngang được liên kết bằng các chốt chịu cắt giữa các đoạn phân khối theo chiều dọc. Lớp cốt gia cường trên cùng phải có khả năng chịu kéo để chịu một tải trọng ngang tập trung có giá trị gPH với PH = 4,45x10410 N phân bố trên 1500 mm chiều dài rào chắn. Sự phân bố lực này được coi là có các đỉnh cục bộ trong các cốt gia cường ở vùng lân cận của tải trọng tập trung. Lực phân bố này sẽ bằng gPH1 với PH1 = 29,2 N/mm và được áp dụng như trong Hình 28(a) Phần 3 bộ tiêu chuẩn này. gPH1 sẽ được phân bố cho cốt gia cường trong phạm vi bf bằng chiều rộng của bản đáy. Phải bố trí khoảng trống thích hợp cần thiết theo chiều ngang giữa mặt sau của tấm mặt tường và các rào chắn giao thông để cho phép các rào chắn giao thông chịu tác động trượt, lật của tải trọng mà không truyền trực tiếp tới các đơn nguyên đỉnh của mặt tường.
Để kiểm tra an toàn chịu nhổ của các cốt gia cường, tải trọng giao thông tác động nằm ngang sẽ được phân bố cho lớp cốt gia cường phía trên theo Hình 28 (a) Phần 3 bộ tiêu chuẩn này, trong phạm vi bf bằng chiều rộng của bản đáy. Toàn bộ chiều dài của cốt gia cường được coi là có hiệu khi tính chịu nhổ do tải trọng va chạm. Lớp trên của cốt gia cường có khả năng chịu lực nhổ đủ để chịu tải trọng ngang gPH1 với PH1 = 4,45x104 N phân bố trên một chiều dài bản đáy là 6000 mm.
Do tính chất nhất thời của tải trọng va xe vào rào chắn, khi thiết kế sức kháng cốt gia cường, cốt gia cường vải địa kỹ thuật phải được thiết kế để chống lại các thành phần tĩnh và thành phần lực động (xung kích) của tải trọng như sau:
Với thành phần tĩnh, xem Phương trình 27.
Với thành phần lực nhất thời
|
| (35) |
Trong đó:
DσH = Ứng suất do tải trọng xe va chạm rào chắn cho mỗi đơn vị diện tích nhánh cốt gia cường theo Điều 10.10.1(MPa)
Sv = Khoảng cách thẳng đứng của cốt gia cường (mm)
Srt = Sức kháng kéo cực hạn của cốt gia cường cần thiết để chịu thành phần lực động (N/mm)
Rc = Tỷ lệ bề rộng cốt gia cường theo Điều 10.6.4.1
RFID = Hệ số chiết giảm cường độ xét đến hư hại trong xây lắp cốt gia cường theo qui định của Điều 10.6.4.3.2
RFD = Hệ số chiết giảm cường độ để đề phòng hư hại của cốt gia cường do yếu tố hóa học và sinh học theo Điều 10.6.4.3.2
Cường độ cốt gia cường cần thiết chịu các thành phần tải trọng tĩnh phải được cộng với cường độ cốt gia cường cần thiết cho các thành phần tải trọng động nhất thời để xác định tổng cường độ giới hạn cần có theo Phương trình 34.
Lan can và các rào chắn xe phải đáp ứng yêu cầu kiểm tra va chạm theo quy định tại Phần 13 bộ tiêu chuẩn này. Các bản neo phải đủ chắc để chịu lực cường độ cực hạn của lan can tiêu chuẩn.
Khi được sử dụng cột dẻo và rào chắn dạng dầm, phải đặt ở khoảng cách tối thiểu là 900mm tính từ mặt tường, chôn sâu 1500mm, và đặt tránh cốt gia cường nếu có thể. Nếu không thể tránh cốt gia cường, tường sẽ được thiết kế tính toán theo loại có vật cản như quy định trong Điều 10.10.4. Hai hàng cốt gia cường trên cùng được thiết kế với tải trọng ngang bổ sung gPH1 với PH1 = 4,38 N trên mỗi mm dài của tường, 50% trong số đó được phân bố cho mỗi lớp cốt gia cường.
10.10.3 Áp lực thủy tĩnh
Khi thiết kế các kết cấu dọc các sông và suối, phải tính xét thêm chênh lệch áp suất thủy tĩnh tối thiểu 900 mm của nước trong tính toán thiết kế. Tải trọng này được áp dụng ở mực nước cao nhất. Tỷ trọng có hiệu được sử dụng cho các tính toán ổn định bên trong và bên ngoài bắt đầu từ cao độ ngay từ dưới phần chịu tác dụng của chênh lệch áp lực thủy tĩnh.
10.10.4 Vật cản trong vùng đất có cốt
Nếu có vật cản trong khu vực tường đất có cốt như hố ga, Nắp hố thu nước, cột tín hiệu hoặc biển báo, tôn hộ lan, hoặc cống không thể tránh được, việc thiết kế tường gần những vật cản sẽ được sửa đổi bằng cách sử dụng một trong những lựa chọn thay thế sau:
1) Giả sử lớp cốt gia cường phải bị chia ra một phần hoặc hoàn toàn trong vị trí của vật cản, thiết kế các lớp cốt gia cường xung quanh chịu tải trọng bổ sung do cốt gia cường bị chia cắt.
2) Đặt một kết cấu khung xung quanh các vật cản có khả năng chịu tải trọng từ cốt gia cường ở phía trước vật cản truyền tới liên kết của cốt gia cường liên kết với kết cấu khung đằng sau vật cản như được minh họa trong Hình 19.
3) Nếu cốt gia cường là các dải riêng biệt và tùy thuộc vào kích thước và vị trí của các vật cản, có thể mở rộng kích thước cốt gia cường xung quanh vật cản.
Đối với lựa chọn 1, một phần của mặt tường phía trước vật cản phải được giữ ổn định chống lật hoặc phá hoại trượt. Nếu không thể thực hiện được, cốt gia cường giữa vật cản và các mặt tường có thể được liên kết với các vật cản để mặt tường không bị đổ, hoặc các đơn nguyên mặt tường có thể liên kết kết cấu với các đơn nguyên mặt tường ngay cạnh để ngăn chặn phá hoại.
Đối với lựa chọn thứ hai, khung và các liên kết phải được thiết kế theo quy định của Phần 6 bộ tiêu chuẩn này cho khung thép.
Đối với lựa chọn thứ ba, góc mở rộng, tính từ đường thẳng vuông góc với mặt tường, phải đủ nhỏ để việc mở rộng không tạo ra mômen trong cốt gia cường hoặc liên kết của cốt gia cường vào mặt tường. Sức Kháng kéo của cốt mở rộng được chiết giảm bởi côsin của góc mở rộng.
Nếu vật chắn phải xuyên qua mặt của tường, đơn nguyên mặt tường phải được thiết kế để bao quanh vật chắn sao cho đơn nguyên mặt tường được ổn định, tức là nên tránh các tải trọng tập trung, và như vậy đất đắp sau tường không thể tràn qua mặt tường nơi liên kết với vật chắn.
Nếu có cọc đóng hoặc cọc khoan xuyên qua khu vực đất có cốt, phải cấu tạo theo các quy định của Điều 10.11.

Hình 19 - Kết cấu nối của cốt gia cường xung quanh vật chắn
10.11 MỐ TƯỜNG ĐẤT CÓ CỐT (MSE)
Mố cầu đặt trên tường MSE phải được định kích thước sao cho phù hợp tiêu chuẩn quy định trong các Điều 6.2 tới 6.6
Tường MSE dưới bệ móng mố phải được thiết kế theo các tải trọng bổ sung do áp lực bệ móng và các áp lực đất phụ thêm do các tải trọng ngang tại gối cầu và từ đất đắp sau tường. Tải trọng đặt trên bệ móng có thể được giả định là phân bố như mô tả trong Điều 10.10.1
Lực nằm ngang tính toán tác động lên cốt gia cường tại bất kỳ cao độ nào, Tmax phải được tính bằng:
| Tmax = σ Hmax Sv | (36) |
Trong đó:
σHmax = Ứng suất ngang tính toán (có hệ số) tại lớp thứ i, xác định theo Phương trình 37 (MPa)
Sv = Khoảng cách theo phương thẳng đứng của cốt gia cường (mm)
Các ứng suất nằm ngang trong khối đất có cốt dưới bệ mố phải được xác định theo nguyên lý cộng tác dụng như sau và theo Điều 10.10.1
| σHmax = gp(σvkr + Δσvkr + ΔσH) | (37) |
Trong đó:
gp = Hệ số tải trọng cho áp lực đất thẳng đứng theo Bảng 3 Phần 3 bộ tiêu chuẩn này
ΔσH = Độ lớn của áp lực ngang do gia tải (MPa)
σv = Ứng suất đất thẳng đứng trên bề rộng có hiệu (B-2e) (MPa)
Δσv = Ứng suất đất thẳng đứng do tải trọng bệ móng (MPa)
kr = Hệ số áp lực đất thay đổi theo hàm số của ka như quy định trong Điều 10.6.2.1
ka = Hệ số áp lực đất chủ động được quy định trong Điều 10.5.8 Phần 3 bộ tiêu chuẩn này
Chiều dài có hiệu của cốt gia cường dùng cho các tính toán ổn định bên trong phần dưới bệ móng mố, theo quy định của Điều 10.10.1 và Hình 18
Khoảng cách nhỏ nhất từ tim gối đỡ trên mố tới mép ngoài của mặt tường phải là 1070mm. Khoảng cách nhỏ nhất giữa mặt sau tấm bao mặt tường và bệ móng phải là 150mm.
Mật độ, chiều dài và mặt cắt ngang của cốt gia cường đất được thiết kế để đỡ mố phải được tiếp tục kéo vào tường cánh với khoảng cách nằm ngang nhỏ nhất bằng 50% chiều cao của tường mố.
Trong các mố cọc hoặc cọc khoan, phải khống chế các lực ngang truyền đến móng sâu bởi khả năng chịu lực ngang của bản thân móng và bởi cốt gia cường bổ sung để nối cọc khoan hoặc bệ cọc vào khối đất có cốt, hoặc bằng các cọc xiên. Xác định tải trọng ngang truyền từ thành phần móng sâu vào đất đắp có cốt có thể sử dụng phương pháp phân tích tải trọng ngang P-Y. Bề mặt tường phải được cách ly với tải trọng ngang do biến dạng ngang cọc hoặc cọc khoan. Khoảng cách tối thiểu giữa bề mặt tường và cọc móng sâu là 460 mm. Phải đóng hoặc khoan cọc trước khi xây lắp tường và có thể đặt ống bao cọc xuyên qua vật liệu đắp nếu cần thiết.
Sự cân bằng của hệ nên được kiểm tra tại mỗi cao độ lớp cốt gia cường phía dưới gối cầu.
Do các áp lực gần chỗ nối với đơn nguyên tường tương đối lớn, khả năng chịu lực cực hạn của các chỗ nối đơn nguyên mặt tường nên được xác định bằng cách tiến hành các thí nghiệm uốn và nhổ trên đơn nguyên mặt tường có kích thước thật.
11 CÁC TƯỜNG CHẾ TẠO SẴN THEO MÔ ĐUN
11.1 YÊU CẦU CHUNG
Hệ thống tường chế tạo sẵn theo mô-đun có thể xét dùng ở nơi các tường trọng lực thông thường, tường hẫng hoặc các tường chắn bê tông có thanh chống.
Hệ tường chế tạo sẵn theo mô đun không được dùng trong các điều kiện sau đây:
• Trên đường cong có bán kính nhỏ hơn 240000mm, trừ khi đường cong có thể được thay bởi chuỗi các dây cung.
• Các hệ mô-đun bằng thép không được dùng khi nước ngầm hoặc nước mặt nhiễm a- xít.
11.2 TẢI TRỌNG
Áp dụng các quy định của Điều 6.1.2 và Điều 10.5.9 Phần 3 bộ tiêu chuẩn này, ngoại trừ co ngót và hiệu ứng nhiệt độ không cần xem xét.
11.3 CHUYỂN VỊ Ở TRẠNG THÁI GIỚI HẠN SỬ DỤNG
Phải áp dụng các quy định của Điều 6.2.
11.4 THIẾT KẾ THEO ĐIỀU KIỆN ĐẤT NỀN
11.4.1 Tổng quát
Để kiểm tra ổn định lật và trượt, hệ thống phải được giả định chịu tác động như là một vật thể cứng. Phải xác định độ ổn định tại mỗi cao độ mô-đun.
Phải bỏ qua áp lực đất bị động trong các tính toán về ổn định, trừ khi đáy tường đặt sâu xuống dưới chiều sâu xói lớn nhất, hoặc chiều sâu bào mòn đất do các tác động khác. Trong trường hợp này, độ chôn sâu đáy tường lớn hơn độ sâu do xói hay tác động khác có thể được coi là chiều sâu có hiệu cho sức kháng do áp lực đất bị động.
11.4.2 Trượt
Phải áp dụng các quy định của Điều 6.3.4 Phần 10 bộ tiêu chuẩn này.
Trong các tính toán về ổn định trượt có thể xem ma sát giữa khối đắp với đất nền và ma sát giữa các mô đun ở đáy hoặc đế móng với đất nền tham gia chống trượt. Hệ số ma sát trượt giữa khối đất đắp và đất nền tại đáy móng phải là số nhỏ hơn của φf của khối đất đắp và φf của đất nền. Hệ số ma sát trượt giữa các mô-đun đáy hoặc đế móng với đất nền tại đáy tường phải được giảm bớt để xét tới việc có các diện tích tiếp xúc phẳng nhẵn.
Khi thiếu các số liệu cụ thể, φf phải dùng góc ma sát lớn nhất là 30° với lớp đất rời. Phải thực hiện thí nghiệm để xác định góc ma sát của đất dính với điều kiện thoát nước và không thoát nước
11.4.3 Sức kháng nén
Phải áp dụng các quy định của Điều 6.3 Phần 10 bộ tiêu chuẩn này.
Sức kháng ép được tính bằng cách giả định các tải trọng tĩnh và các tải trọng áp lực đất được chịu bởi các gối trên đơn vị chiều dài tại phía sau và trước của khối đúc sẵn (mô-đun) hoặc diện tích đáy khối mô-đun tường, ít nhất là 80% trọng lượng đất bên trong các mô-đun được coi là truyền tới các điểm gối đỡ phía trước và phía sau. Phải xét tất cả trọng lượng đất bên trong các mô-đun nếu móng có diện tích lớn bằng toàn bộ diện tích đáy của khối mô-đun.
11.4.4 Lật
Phải áp dụng các quy định của Điều 6.3.3.
Tối đa là 80% của khối đất lấp phía trong các mô-đun là có hiệu trong việc chịu các mô men lật
11.4.5 Xói ngầm
Tường loại mô-đun thùng chỉ có thể dùng ở trong vùng có khả năng bị xói mặt dưới móng khi có cấu tạo thích hợp. Phải áp dụng các quy định của Điều 6.3.5.
11.4.6 Ổn định tổng thể
Phải áp dụng các quy định của Điều 6.2.3.
11.4.7 Sức kháng bị động và trượt.
Phải áp dụng các quy định của Điều 6.3.4 Phần 10 bộ tiêu chuẩn này và Điều 6.3.6.
11.5 THIẾT KẾ KẾT CẤU MÔ ĐUN
Các đơn nguyên mô-đun chế tạo sẵn phải được thiết kế chịu được các áp lực đất tính toán ở phía sau tường và với các áp lực đất tính toán phát sinh bên trong các mô-đun. Các bề mặt sau phải được thiết kế cho cả các áp lực đất tính toán phát sinh bên trong các mô-đun trong khi thi công và sự chênh lệch áp lực đất tính toán ở phía sau và bên trong các mô-đun sau khi thi công. Các yêu cầu về cường độ và cốt thép đối với các mô đun bê tông phải theo các quy định của Phần 5 bộ tiêu chuẩn này.
Các yêu cầu về cường độ đối với các mô-đun thép phải phù hợp với Phần 6 bộ tiêu chuẩn này. Mặt cắt nguyên để thiết kế phải được chiết giảm theo quy định Điều 10.6.4.2.1.
Các áp lực tính toán trong ngăn phải là như nhau đối với mỗi mô-đun rỗng dạng thùng và không được nhỏ hơn:
| Pb = gggsb x 10-9 | (38) |
Trong đó:
Pb = Áp lực tính toán phía trong khối mô-đun rỗng dạng thùng (MPa)
gs = Tỷ trọng đất (kg/ m3);
g = Hệ số tải trọng cho áp lực đất thẳng đứng theo Bảng 3 Phần 3 bộ tiêu chuẩn này
b = Chiều rộng của khối mô-đun thùng (mm).
g = Gia tốc trọng trường (m/s2);
Phải bố trí các cốt thép đối xứng trên cả hai mặt của khối mô-đun, trừ khi có tạo dấu ký hiệu bảo đảm nhận biết đúng mỗi mặt để ngăn ngừa đảo ngược các đơn nguyên. Các góc của khối mô-đun thùng phải được bố trí đầy đủ cốt thép thích hợp.
11.6 THIẾT KẾ CHỊU ĐỘNG ĐẤT CHO TƯỜNG CHẾ TẠO SẴN THEO MÔ ĐUN
Phải áp dụng các quy định của Điều 6.5
11.7 MỐ
Các bệ mố đặt trên các đơn nguyên mô đun phải được thiết kế bằng cách xét tới áp lực đất và các áp lực nằm ngang phụ thêm từ dầm bệ mố và các áp lực đất trên tường sau. Mô đun ở đỉnh phải được định kích thước đủ ổn định dưới tác động tổ hợp của áp lực đất thông thường và phụ thêm. Bề rộng tối thiểu của mô đun trên cùng phải là 1800mm. Đường tim gối đỡ phải được đặt cách mặt phía ngoài của mô đun trên cùng ít nhất là 600mm.
Bệ dầm mố phải được đỡ bởi mô-đun trên cùng, và đúc liền nó. Bề dày mặt trước của mô-đun trên cùng phải được thiết kế chịu các lực uốn do các áp lực đất phụ gây ra. Các tải trọng trên dầm bệ mố phải được truyền tới cao độ móng và phải được xét tới khi thiết kế móng.
Phải áp dụng các quy định về chênh lệch độ lún của Điều 10.4.
11.8 THOÁT NƯỚC
Trong các vùng đào và đắp bên sườn đồi, các đơn nguyên mô-đun chế tạo sẵn phải được thiết kế với một rãnh thoát nước liên tục dưới bề mặt đất đặt tại hoặc gần cao độ đế móng và có cửa thoát theo yêu cầu. Trong các vùng đào hoặc đắp bên sườn đồi có các mức nước ngầm đã xác định được hoặc có khả năng phát sinh ở cao độ đế móng, phải bố trí một lớp đệm thoát nước liên tục và nối với hệ thống rãnh thoát dọc.
Đối với các hệ thống có các mặt trước hở thì phải bố trí một hệ thống thoát nước mặt ở trên đỉnh tường
Bạn chưa Đăng nhập thành viên.
Đây là tiện ích dành cho tài khoản thành viên. Vui lòng Đăng nhập để xem chi tiết. Nếu chưa có tài khoản, vui lòng Đăng ký tại đây!