- Tổng quan
- Nội dung
- Tiêu chuẩn liên quan
- Lược đồ
- Tải về
Tiêu chuẩn TCVN 5573:2025 Thiết kế kết cấu khối xây
| Số hiệu: | TCVN 5573:2025 | Loại văn bản: | Tiêu chuẩn Việt Nam |
| Cơ quan ban hành: | Bộ Khoa học và Công nghệ | Lĩnh vực: | Xây dựng |
| Trích yếu: | Thiết kế kết cấu khối xây | ||
|
Ngày ban hành:
Ngày ban hành là ngày, tháng, năm văn bản được thông qua hoặc ký ban hành.
|
31/12/2025 |
Hiệu lực:
|
Đã biết
|
| Người ký: | Đang cập nhật |
Tình trạng hiệu lực:
Cho biết trạng thái hiệu lực của văn bản đang tra cứu: Chưa áp dụng, Còn hiệu lực, Hết hiệu lực, Hết hiệu lực 1 phần; Đã sửa đổi, Đính chính hay Không còn phù hợp,...
|
Đã biết
|
TÓM TẮT TIÊU CHUẨN VIỆT NAM TCVN 5573:2025
Nội dung tóm tắt đang được cập nhật, Quý khách vui lòng quay lại sau!
Tải tiêu chuẩn Việt Nam TCVN 5573:2025
TIÊU CHUẨN QUỐC GIA
TCVN 5573:2025
THIẾT KẾ KẾT CẤU KHỐI XÂY
Design of masonry structures
Lời nói đầu
TCVN 5573:2025 thay thế TCVN 5573:2011.
TCVN 5573:2025 được xây dựng trên cơ sở tham khảo SP 15.13330.2020
Masonry and reinforced masonry structures.
TCVN 5573:2025 do Viện Khoa học Công nghệ Xây dựng biên soạn, Bộ Xây dựng đề nghị, Ủy ban Tiêu chuẩn Đo lường Chất lượng Quốc gia thẩm định, Bộ Khoa học và Công nghệ công bố.
Lời giới thiệu
Cơ sở tham khảo để xây dựng TCVN 5573:2025 là tiêu chuẩn của Liên bang Nga SP 15.13330.2020. Masonry and reinforced masonry structures (Kết cấu khối xây có và không cốt thép). SP 15.13330.2020 có một số nội dung hài hòa với tiêu chuẩn châu Âu và một số nội dung phù hợp hơn với các loại vật liệu hiện hành.
Trong TCVN 5573:2025 có nhiều điểm mới đáng được quan tâm chú ý, trong đó có cập nhật tiêu chuẩn quốc gia về vật liệu khối xây như gạch, blốc bê tông các loại trong đó có một số vật liệu mới như bê tông khí chưng áp, blốc bê tông nhẹ polystyrene; vữa xây; thép cốt tại Việt Nam; phân loại các viên xây và cập nhật tính toán khối xây; cập nhật các yêu cầu về tính toán cấu tạo vách cứng ngang và đứng, cấu tạo khe co dãn ngang và đứng hay yêu cầu về bảo vệ kết cấu khối xây trong các môi trường sử dụng; cập nhật và điều chỉnh một số thuật ngữ trong tiêu chuẩn cho phù hợp.
Ngoài ra, TCVN 5573:2025 có bổ sung một số nội dung về thiết kế kết cấu theo độ bền lâu với thời hạn sử dụng 50 năm hoặc 100 năm, các yêu cầu về an toàn cháy và tiết kiệm năng lượng và cách tra cứu để nâng cao hiệu quả sử dụng của tiêu chuẩn; bổ sung các yêu cầu chung về tính toán tường ngoài chịu tải trọng gió.
THIẾT KẾ KẾT CẤU KHỐI XÂY
Design of masonry structures
1 Phạm vi áp dụng
Tiêu chuẩn này áp dụng để thiết kế kết cấu khối xây của nhà và công trình xây mới hoặc sửa chữa, cải tạo.
Tiêu chuẩn thiết lập các yêu cầu về tính toán, thiết kế kết cấu khối xây bằng gạch (đất sét nung, silicat, bê tông), blốc (đất sét nung, silicat, bê tông) và đá tự nhiên.
Tiêu chuẩn này không áp dụng để thiết kế nhà và công trình chịu tải trọng động, công trình xây trên nền đất sụt lún, công trình trong vùng có agRS ≤ 0,1g (agR đỉnh gia tốc nền tham chiếu trên nền loại A; S là hệ số nền theo TCVN 9386; g là gia tốc trọng trường), cũng như cho cầu, đường ống, tunel, công trình thủy và thiết bị nhiệt. Khi thiết kế các công trình có các điều kiện vừa nêu, ngoài các yêu cầu trong tiêu chuẩn này, cần tham khảo các tiêu chuẩn tương ứng liên quan khác.
2 Tài liệu viện dẫn
Các tài liệu viện dẫn sau đây rất cần thiết cho việc áp dụng tiêu chuẩn này. Đối với các tài liệu viện dẫn ghi năm công bố thì áp dụng phiên bản được nêu. Đối với các tài liệu không ghi năm công bố thì áp dụng phiên bản mới nhất, bao gồm cả các sửa đổi, bổ sung (nếu có).
TCVN 1450, Gạch rỗng đất sét nung
TCVN 1451, Gạch đặc đất sét nung
TCVN 1651-1, Thép cốt cho bê tông - Phần 1: Thép thanh tròn trơn
TCVN 1651-2, Thép cốt cho bê tông - Phần 2: Thép thanh vằn
TCVN 2118, Gạch canxi silicat- Yêu cầu kỹ thuật
TCVN 2737, Tải trọng và tác động
TCVN 3118, Bê tông - Phương pháp xác định cường độ chịu nén
TCVN 4314, Vữa xây dựng - Yêu cầu kỹ thuật
TCVN 4605, Kỹ thuật nhiệt - Kết cấu ngăn che - Tiêu chuẩn thiết kế
TCVN 5574, Thiết kế kết cấu bê tông và bê tông cốt thép
TCVN 5575, Thiết kế kết cấu thép
TCVN 6288 (ISO 10544:1992), Dây thép vuốt nguội để làm cốt bê tông và sản xuất lưới thép hàn làm cốt
TCVN 6477, Gạch bê tông
TCVN 7959, Bê tông nhẹ - Sản phẩm bê tông khí chưng áp - Yêu cầu kỹ thuật
TCVN 8826, Phụ gia hóa học cho bê tông
TCVN 9028, Vữa cho bê tông nhẹ
TCVN 9029, Bê tông nhẹ - Sản phẩm bê tông bọt và bê tông khí không chưng áp - Yêu cầu kỹ thuật
TCVN 9311-1, Thử nghiệm chịu lửa - Các bộ phận của công trình xây dựng - Phần 1: Yêu cầu chung
TCVN 9346, Kết cấu bê tông và bê tông cốt thép - Yêu cầu bảo vệ chống ăn mòn trong môi trường biển
TCVN 9362, Tiêu chuẩn thiết kế nền nhà và công trình
TCVN 9386, Thiết kế công trình chịu động đất
TCVN 9391, Lưới thép hàn dùng trong kết cấu bê tông cốt thép - Tiêu chuẩn thiết kế, thi công lắp đặt và nghiệm thu
TCVN 12251, Bảo vệ chống ăn mòn cho kết cấu xây dựng
3 Thuật ngữ và định nghĩa
Trong tiêu chuẩn này sử dụng các thuật ngữ và định nghĩa sau:
3.1
Bê tông rỗng (porized concrete)
Bê tông không có cốt liệu nhỏ, trong đó toàn bộ không gian giữa các hạt cốt liệu lớn và nhẹ được cấu tạo bởi đá xi măng cấu trúc được làm rỗng (thường bằng chất cuốn khí).
3.2
Bê tông polystyrene (polystyrene concrete)
Bê tông được làm từ xi măng với cốt liệu là các hạt polystyrene phồng nở.
3.3
Bê tông rỗng lớn (porous/pervious concrete)
Bê tông không có cốt liệu nhỏ, trong đó các hạt cốt liệu lớn được bao bọc và dính điểm với nhau nhờ lớp hồ xi măng mỏng, không gian còn lại giữa các hạt cốt liệu là các lỗ rỗng hở lớn.
3.4
Blốc (block)
Viên xây có chiều cao lớn hơn 138 mm, được phân loại như sau:
- Blốc cỡ nhỏ - khi chiều cao viên từ 138 mm đến 488 mm;
- Blốc cỡ lớn - khi chiều cao viên từ 488 mm trở lên;
- Blốc đất sét nung - khi được chế tạo từ đất sét nung;
- Blốc bê tông - khi được chế tạo từ bê tông các loại (nặng, cốt liệu nhẹ, lỗ rỗng lớn, cấu trúc rỗng, polystyrene, tổ ong chưng áp, tổ ong không chưng áp);
- Blốc đá tự nhiên - khi làm từ đá tự nhiên;
- Blốc đất - khi được chế tạo từ đất sét không nung.
3.5
Chiều cao hàng xây (the height of row)
Tổng chiều cao (hoặc chiều dày) của một viên xây và một mạch vữa (mạch vữa xây thông thường được quy ước dày 12 mm).
3.6
Đá (stone)
Vật liệu xây từ đá tự nhiên, được phân loại như sau:
- Đá tự nhiên hình khối đều đặn - đá tự nhiên được cưa hoặc đẽo nhẵn thành viên có dạng hình khối chữ nhật, có sai lệch (so với kích thước danh định) về chiều dài ± 10 mm, chiều rộng và chiều cao ± 6 mm; độ vuông góc của các mặt ± 6 mm; độ lồi lõm mặt ± 20 mm;
- Đá hộc - đá cục đường kính từ 100 mm đến 500 mm không có hình khối đều đặn, được đập từ đá tảng.
3.7
Độ rỗng (porosity)
Tỷ lệ giữa thể tích phần lỗ rỗng hay khoảng trống nằm trong viên xây so với tổng thể tích của vật liệu đó, đơn vị tính là phần đơn vị hoặc phần trăm.
3.8
Gạch (brick)
Viên xây có chiều cao (chiều dày) nhỏ hơn 138 mm, được phân loại như sau:
- Gạch cỡ nhỏ - khi chiều cao (chiều dày) viên từ 88 mm trở xuống;
- Gạch cỡ lớn - khi chiều cao (chiều dày) viên từ trên 88 mm đến 138 mm;
- Gạch đất sét nung (còn gọi là gạch gốm) - làm từ đất sét nung, gồm dạng gạch đất sét nung ép dẻo (khi được ép từ khối sét dẻo bão hòa nước và nung) hoặc gạch đất sét nung ép bán khô (khi được ép từ đất sét kém dẻo ít nước và nung);
- Gạch mộc: làm từ đất không nung;
- Gạch silicat - khi được ép từ hỗn hợp vôi (hoặc chất kết dính giữa vôi) với cát (hoặc cốt liệu khác) và chưng áp;
- Gạch bê tông - khi được làm từ bê tông nặng (xi măng - cốt liệu) hoặc bê tông khác.
3.9
Khối xây (masonry)
Cấu kiện tạo từ tất cả các loại viên xây (gạch, đá, blốc, v.v.), được liên kết với nhau bằng vữa, keo, hồ dán hoặc bê tông.
3.10
Khối xây ba lớp (3-layer masonry)
Kết cấu tạo từ hai lớp khối xây hai bên và một lớp vật liệu cách nhiệt đặt ở giữa, được kết nối với nhau bằng các liên kết mềm.
3.11
Khối xây hai lớp (2-layer masonry)
Khối xây tạo từ một lớp vật liệu xây chính và một lớp vật liệu ốp mặt, được kết nối với nhau bằng các lưới, các hàng gạch nằm ngang hoặc các liên kết khác.
3.12
Khối xây gạch rung (vibrated brick masonry)
Khối xây bằng gạch, vữa và có thể có thêm cốt thép, được tạo hình trong khuôn, đầm bằng đầm rung hoặc bệ rung (tại nhà máy).
3.13
Lanh tô (lintel)
Cấu kiện dạng dầm hoặc vòm đi qua phía trên lỗ mở trong tường, tiếp nhận và truyền tải trọng từ các phần kết cấu nằm trên nó.
3.14
Liên kết mềm (flexible connection)
Liên kết giữa các lớp của tường nhiều lớp, đảm bảo sự dịch chuyển tự do của lớp nọ với lớp kia.
3.15
Mối nối đứng âm - dương (groove-comb connection)
Mối nối đứng trên một hàng xây, tại đó, phần lồi ra của một viên xây được lồng vào phần lõm của một viên xây khác liền kề nó mà không dùng tới vữa mạch đứng.
3.16
Tường chịu lực (load bearing wall)
Tường mà ngoài việc chịu trọng lượng bản thân và tải trọng gió còn phải chịu tải trọng truyền từ sàn tầng, mái, cầu trục, v.v.
3.17
Tường không chịu lực (bao gồm cả tường treo) (non-load bearing wall)
Tường chỉ chịu tải trọng do trọng lượng bản thân tường và tải trọng gió trong phạm vi một tầng khi chiều cao tầng không quá 6 m; khi chiều cao tầng lớn hơn thì các tường này thuộc loại tường tự chịu lực.
3.18
Tường tự chịu lực (self-supporting wall)
Tường, tường ngăn chịu trọng lượng bản thân và trọng lượng tường của tất cả các tầng phía trên của nhà và tải trọng gió.
3.19
Vách ngăn (partition)
Tường ngăn chỉ chịu tải trọng do trọng lượng bản thân và tải trọng gió (nếu có) trong phạm vi một tầng khi chiều cao tầng không quá 6 m, khi chiều cao tầng lớn hơn thì tường đó thuộc loại tường tự chịu lực.
3.20
Viên xây (masonry unit)
Sản phẩm dạng gạch, blốc, đá phù hợp các tiêu chuẩn tương ứng, dùng để liên kết với nhau bằng vữa, keo tạo thành khối xây.
4 Ký hiệu
4.1 Các đặc trưng hình học
| A | diện tích tiết diện cấu kiện khối xây; diện tích tính toán của tiết diện chịu nén cục bộ; tổng diện tích tiết diện khối xây và cấu kiện bê tông cốt thép ở gối tựa trong phạm vi tường hoặc cột mà cấu kiện đặt lên nó; diện tích tiết diện ngang của lanh tô |
| Ab | diện tích phần bê tông trong kết cấu hỗn hợp |
| Abc | diện tích vùng chịu nén của bê tông |
| Abr | diện tích tiết diện toàn phần |
| Ac | diện tích phần chịu nén của tiết diện; diện tích chịu nén (ép) mà tải trọng truyền lên |
| Ac,red | diện tích vùng chịu nén của tiết diện quy đổi |
| Aint | diện tích tiết diện ngang của lớp trong tường có sườn cứng |
| An | diện tích phần tiết diện đã trừ đi phần giảm yếu |
| Atd | diện tích cốt đai hoặc các bản ngang trong kết cấu gia cường |
| Ared | diện tích tiết diện quy đổi |
| Ared,d | diện tích tiết diện ngang quy đổi của vách cứng |
| Ared,ext | diện tích tiết diện ngang quy đổi của lớp ngoài tường có sườn cứng |
| As | diện tích cốt thép dọc |
| C | khoảng cách từ điểm đặt lực Q tới mặt phẳng tường |
| Cb,Ch | khoảng cách từ điểm đặt lực Q tới các mép gần nhất của tiết diện chữ nhật của cầu kiện; |
| H | khoảng cách giữa các sàn tầng hoặc các gối tựa nằm ngang; chiều cao tầng |
| H0 | chiều cao của dải khối xây quy ước thay thế cho dầm đỡ tường theo điều kiện độ cứng tương đương |
| H1,H2 | chiều cao từng phần tính toán cấu kiện có mô men uốn cùng dấu |
| I | mô men quán tính của tiết diện tường đối với trục đi qua trọng tâm của tiết diện tường trên mặt bằng |
| Ired | mô men quán tính của tiết diện quy đổi của dầm đỡ tường |
| Is | mô men quán tính của tiết diện dầm thép đỡ tường |
| L | chiều dài của phần diện tích chịu nén cục bộ |
| S | khoảng cách giữa các cốt thép đai hoặc khoảng cách giữa các trục của các bản ngang; |
| S0 | mô men tĩnh của phần tiết diện nằm về một phía của trục đi qua trọng tâm tiết diện; mô men tĩnh của diện tích tiết diện liên hợp (đã quy đổi theo khối xây) |
| S1 | chiều dài đoạn biểu đồ phân bố áp lực tính từ mép gối tựa |
| Sc | mô men tĩnh của diện tích phần chịu nén của tiết diện hỗn hợp đối với trọng tâm cốt thép |
| Scs,N | mô men tĩnh của vùng chịu lực nén của khối xây đối với điểm đặt lực N |
| Sb | mô men tĩnh của diện tích tiết diện bê tông |
| Sbc | mô men tĩnh của diện tích phần chịu nén của tiết diện bê tông |
| Sbc,N | mô men tĩnh của vùng chịu lực nén của bê tông đối với điểm đặt lực N |
| Sbs | mô men tĩnh của vùng chịu lực nén của bê tông |
| Sk | mô men tĩnh của diện tích tiết diện khối xây |
| Skc | mô men tĩnh của diện tích phần chịu nén của tiết diện khối xây |
| Ss | mô men tĩnh của diện tích tiết diện cốt thép |
| V | thể tích của khối xây |
| Vs | thể tích của cốt thép |
| W | mô men chống uốn đàn hồi của tiết diện khối xây |
| a, b, c, c1, h | kích thước hình học của tiết diện cấu kiện trong tính toán chịu ép mặt (chịu nén cục bộ) phù hợp với sơ đồ trên Hình 9 |
| a | chiều sâu đoạn ngâm của dầm vào khối xây; khoảng cách từ trọng tâm cốt thép đến mép ngoài của tiết diện gần nhất |
| a1 | chiều dài đoạn gối tựa của dầm đỡ tường |
| b | chiều rộng cánh hay sườn chịu nén của tiết diện chữ t tùy thuộc vào hướng lệch tâm; chiều rộng của tiết diện cấu kiện; chiều rộng thực tế của một lớp tường khi tính toán tường nhiều lớp; chiều rộng cánh dầm |
| bred | chiều rộng của lớp tường quy đổi |
| d | đường kính danh nghĩa của thanh cốt thép; |
| e | khoảng cách từ điểm đặt lực N đến trọng tâm cốt thép |
| e0 | độ lệch tâm của lực tính toán đối với điểm giữa của chiều sâu ngàm |
| e0d | độ lệch tâm của lực tác dụng dài hạn |
| eb,eh | các độ lệch tâm của lực tính toán khi nén lệch tâm đối với các cạnh tương ứng |
| h | cạnh nhỏ của tiết diện chữ nhật; cạnh nhỏ của tiết diện cột chữ nhật; chiều cao tiết diện; chiều dày tường |
| h0 | khoảng cách từ mép chịu nén của tiết diện tường đến trục neo (chiều cao tính toán của tiết diện) |
| hc | chiều cao phần chịu nén của tiết diện ngang trong mặt phẳng tác dụng mô men uốn |
| hd | chiều dày vách cứng |
| hext | chiều dày lớp ngoài của tường |
| hc1,hc2 | chiều cao vùng nén của cấu kiện tại những tiết diện có mô men uốn lớn nhất |
| hred | chiều dày quy ước của tường, trụ tiết diện phức tạp |
| hred | chiều dày quy ước của tường, trụ tiết diện phức tạp |
| i | bán kính quán tính nhỏ nhất của tiết diện cấu kiện; bán kính quán tính của tường, trụ có tiết diện phức tạp |
| ic | bán kính quán tính phần chịu nén của tiết diện ngang trong mặt phẳng tác dụng mô men uốn |
| ib | bán kính quán tính theo chiều cao tiết diện b |
| ih | bán kính quán tính theo chiều cao tiết diện h |
| L | chiều dài tự do của tường; chiều dài của tường ngang trên mặt bằng; nhịp thông thủy của lanh tô |
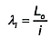
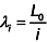
| L0 | chiều cao (dài) tính toán của tường, cột |
| L01 | chiều cao tính toán phần trên của tường, cột |
| Lc | đáy biểu đồ tam giác phân bố trên các gối biên của dẫm đỡ tường |
| s | chiều dài đoạn biểu đồ phân bố áp lực về mỗi phía tính từ mép gối tựa |
| x | chiều cao vùng chịu nén |
4.2 Nội lực và ngoại lực
| M | mô men uốn |
| Mdst | mô men lật |
| Mstb | mô men chống lật |
| N | lực dọc |
| Nc | lực nén cục bộ |
| Ng | lực dọc do phần tải trọng tác dụng dài hạn gây nên |
| Ns | lực cắt để tính toán neo |
| Nslip | tải trọng gây trượt |
| Nstb | lực giữ |
| Q | lực cắt tính toán; tải trọng tính toán do trọng lượng của dầm và các tải trọng đặt vào nó; |
| T | lực cắt dùng để tính toán lanh tô; lực trượt trong phạm vi một tầng |
4.3 Các đặc trưng của vật liệu và kết cấu
| E | mô đun biến dạng của khối xây |
| E0 | mô đun đàn hồi của khối xây |
| E0,red | mô đun đàn hồi của kết cấu hỗn hợp |
| Eb | mô đun đàn hồi ban đầu của bê tông |
| Es | mô đun đàn hồi của thép |
| Etan | mô đun biến dạng tiếp tuyến |
| G | mô đun trượt của khối xây |
| R1 | cường độ chịu nén tính toán của khối xây không có cốt thép ở tuổi đang xét của vữa |
| R25 | cường độ chịu nén tính toán của khối xây không có cốt thép trong khi mác vữa là 2,5 |
| R | cường độ chịu nén tính toán của khối xây |
| Rb | cường độ chịu nén tính toán của bê tông (xem TCVN 5574) |
| Rbn | cường độ chịu nén tiêu chuẩn của bê tông (xem TCVN 5574) |
| Rc | cường độ chịu nén cục bộ tính toán của khối xây |
| Rred | cường độ tiêu chuẩn tính đổi của vật liệu hỗn hợp |
| Ri | cường độ tính toán của lớp tường bất kỳ |
| Riu | cường độ chịu trung bình bức tường thứ nhất hoặc thứ hai tại tầng đang xét |
| Rk | cường độ chịu nén tính toán của khối xây gạch rung |
| Rs | cường độ chịu kéo tính toán của cốt thép trong khối xây |
| Rsc | cường độ chịu nén tính toán của cốt thép dọc |
| Rsk | cường độ tính toán của khối xây có lưới thép và chịu nén đúng tâm |
| Rskb | cường độ tính toán của khối xây có lưới thép và chịu nén lệch tâm |
| RskuRskb | cường độ chịu nén tức thời (cường độ chịu nén trung bình) của khối xây có cốt thép |
| Rsn | cường độ chịu nén tiêu chuẩn của cốt thép trong khối xây có cốt thép (xem TCVN 5574) |
| Rsq | cường độ chịu cắt tính toán của khối xây gạch không có cốt thép |
| Rstq | cường độ chịu trượt tính toán của khối xây có cốt thép |
| Rstd | cường độ chịu trượt tính toán của khối xây có cốt thép trong mạch vữa ngang |
| Rsw | cường độ tính toán của thép ngang làm vòng đai |
| Rt | cường độ chịu kéo của khối xây gạch không có cốt thép |
| Rtb | cường độ chịu kéo khi uốn của khối xây gạch không có cốt thép |
| Rtq | cường độ chịu trượt tính toán của khối xây không có cốt thép |
| Rtw | cường độ tính toán của khối xây chịu ứng suất kéo chính khi uốn của khối xây gạch không có cốt thép |
| Ru | cường độ chịu nén tức thời (cường độ chịu nén trung bình) của khối xây không có cốt thép; |
| Z | cánh tay đòn của ngẫu lực |
| e0g | độ lệch tâm của tải trọng tạm thời dài hạn |
| eb | độ lệch tâm theo phương cạnh b trong tính toán các cấu kiện chịu nén lệch tâm xiên tiết diện chữ nhật |
| eh | độ lệch tâm theo phương cạnh h trong tính toán các cấu kiện chịu nén lệch tâm xiên tiết diện chữ nhật |
| g | hệ số phụ thuộc vào diện tích gối tựa của cấu kiện bê tông cốt thép tại nút |
| k | hệ số dùng để xác định cường độ chịu nén trung bình |
| n | hệ số khi tính toán tấm lát có lỗ rỗng |
| nstb | hệ số tin cậy khi kiểm tra ổn định |
| m | hệ số sử dụng cường độ của lớp mà đang tính quy đổi về nó |
| md | hệ số xét đến ảnh hưởng của từ biến khi tính theo cường độ |
| mg | hệ số tính đến sự ảnh hưởng dài hạn của tải trọng |
| mk | hệ số điều kiện làm việc của khối xây trong kết cấu gia cường bằng vòng đai |
| mi | hệ số sử dụng cường độ của bất kỳ lớp tường nào khác |
| mstb | hệ số điều kiện làm việc khi kiểm tra độ ổn định chống trượt và lật |
| p | hệ số phụ thuộc vào loại lỗ rỗng trong cấu kiện bê tông cốt thép |
| v | hệ số phân bố không đều ứng suất tiếp trong tiết diện |
| y | khoảng cách từ trọng tâm tiết diện của cấu kiện đến mép tiết diện chịu nén về phía lệch tâm |
| α | đặc trưng đàn hồi của khối xây không có cốt thép |
| α1,α2 | các đặc trưng đàn hồi của các lớp khối xây trong tường nhiều lớp |
| αd | các đặc trưng đàn hồi tương ứng của vách cứng trong tường nhiều lớp |
| αext | các đặc trưng đàn hồi tương ứng của lớp ngoài trong tường nhiều lớp |
| αint | các đặc trưng đàn hồi tương ứng của lớp trong trong tường nhiều lớp |
| αred | đặc trưng đàn hồi quy đổi của khối xây |
| αsk | đặc trưng đàn hồi của khối xây có lưới thép |
| αt | hệ số giãn nở nhiệt của khối xây |
| β | tỉ số giữa chiều cao tầng và chiều dày tường hoặc cạnh nhỏ trụ tiết diện chữ nhật |
| γ | khối lượng thể tích |
| yb | hệ số điều kiện làm việc của bê tông vòng đai |
| γc | hệ số điều kiện làm việc của khối xây |
| γcs | hệ số điều kiện làm việc của cốt thép |
| γr | hệ số điều kiện làm việc của khối xây khi tính toán theo sự mở rộng khe nứt |
| ɛ | biến dạng tương đối của khối xây |
| ɛu | biến dạng tương đối giới hạn của khối xây |
| ƞ | hệ số, lấy theo Bảng 21 |
| λn | độ mảnh của cấu kiện có tiết diện chữ nhật; |
| λhc1,λhc2 | các độ mảnh của phần chịu nén của cấu kiện tại các tiết diện có mô men uốn lớn nhất |
| λi | độ mảnh của cấu kiện có tiết diện bất kỳ |
| μ | hàm lượng cốt thép theo thể tích trong khối xây có cốt thép |
| μ1 | hệ số ma sát |
| v | hệ số kể đến ảnh hưởng từ biến của khối xây |
| ξ | hệ số dùng để tính rcb |
| ξ1 | hệ số phụ thuộc vào vật liệu khối xây và vị trí đặt lực, dùng để tính rcb |
| σ | ứng suất trong khối xây, dùng để tính ɛ |
| σ0 | ứng suất nén trung bình khi tải trọng tính toán là nhỏ nhất, được xác định với hệ số độ tin cậy về tải trọng bằng 0,9 |
| σc | ứng suất nén cục bộ |
| σcb | ứng suất lớn nhất ở bên trên gối đỡ dầm |
| σt | ứng suất kéo |
| δ | biến dạng tự do tuyệt đối của bức tường |
| δu | độ chênh lệch biến dạng tối đa cho phép |
| δsh | biến dạng tuyệt đối do co ngót |
|
| ứng suất tiếp, tác động trong mặt phẳng đứng, cắt qua sườn cứng |
| φ | hệ số uốn dọc của cấu kiện chịu nén đúng tâm |
| φ1 | hệ số uốn dọc của cấu kiện chịu nén lệch tâm |
| φc | hệ số uốn dọc của phần chịu nén của tiết diện cấu kiện |
| φcs | hệ số uốn dọc của kết cấu hỗn hợp |
| ρ | hệ số cường độ tính toán của khối xây có cốt thép lưới |
| ψ | hệ số lấp đầy của biểu đồ áp lực do tải trọng cục bộ gây ra |
| ω | hệ số, xác định theo Bảng 20. |
5 Yêu cầu chung
5.1 Khi thiết kế kết cấu khối xây phải áp dụng các giải pháp cấu tạo, thiết bị, vật liệu để đảm bảo khả năng chịu lực, điều kiện sử dụng bình thường, độ bền lâu, an toàn cháy và tiết kiệm năng lượng.
5.2 Độ an toàn, công năng sử dụng, độ bền lâu, tính tiết kiệm năng lượng của kết cấu cùng các quy định thiết kế khác cần được đảm bảo bằng việc thực hiện các yêu cầu đối với vật liệu sử dụng, giải pháp kết cấu, giải pháp nhiệt kỹ thuật, cũng như các yêu cầu khi khai thác sử dụng.
Các giá trị tiêu chuẩn và tính toán của tải trọng và tác động, biến dạng giới hạn theo TCVN 2737, giá trị tính toán của nhiệt độ không khí bên ngoài và độ ẩm tương đối trong nhà, yêu cầu bảo vệ kết cấu khỏi bị ăn mòn theo TCVN 9346 và TCVN 12251, an toàn cháy và các tác động khác được xác định theo tài liệu kỹ thuật liên quan.
5.3 Khi thiết kế kết cấu khối xây cần chú ý sử dụng các vật liệu địa phương. Nên sử dụng vật liệu nhẹ (bê tông tổ ong, bê tông nhẹ, gạch rỗng, v.v.) để làm tường ngăn và tường tự chịu lực, cũng như các loại vật liệu cách nhiệt có hiệu quả để làm tường ngoài.
5.4 Kết cấu khối xây có cốt thép cần có lớp bảo vệ cốt thép cần thiết đủ chống lại các tác động cơ học và khí quyển cũng như tác động của môi trường xâm thực, cần chú ý chống rỉ cho các cấu kiện và các chi tiết liên kết bằng kim loại.
5.5 Độ bền và ổn định của kết cấu khối xây có và không có cốt thép cũng như các cấu kiện của chúng cần được đảm bảo cả khi vận chuyển, xây lắp và trong suốt quá trình sử dụng.
5.6 Giải pháp cấu tạo của các cấu kiện xây không được trở thành nguyên nhân lan truyền cháy ngầm trong nhà và công trình. Khi sử dụng vật liệu cách nhiệt dễ cháy làm lớp trong, giới hạn chịu lửa và cáp nguy hiểm cháy kết cấu của kết cấu xây cần được xác định trong điều kiện thử nghiệm cháy tiêu chuẩn hoặc phương pháp phân tích - tính toán. Quy trình thử nghiệm cháy tiêu chuẩn, phương pháp phân tích - tính toán xác định giới hạn chịu lửa và cấp nguy hiểm cháy kết cấu xây được xác định bằng các tài liệu kỹ thuật về an toàn cháy.
5.7 Khi thiết kế các kết cấu phải chú ý đến phương pháp sản xuất vật liệu và thi công sao cho phù hợp với điều kiện địa phương. Trong các bản vẽ thi công, thuyết minh thiết kế phải chỉ dẫn:
a) Mác thiết kế (hoặc cấp cường độ chịu nén) của các loại vật liệu bê tông, gạch, vữa, thép, chi tiết liên kết dùng trong khối xây cũng như dùng trong mối nối;
b) Giải pháp phòng ngừa sập đổ khối xây và các biện pháp thi công đặc biệt khác.
5.8 Các yêu cầu cơ bản đối với bản vẽ thi công kết cấu khối xây tham khảo Phụ lục A.
6 Vật liệu
6.1 Gạch, đá, blốc dùng cho kết cấu khối xây, cũng như bê tông dùng để chế tạo các blốc phải thỏa mãn các yêu cầu của các tiêu chuẩn tương ứng: Gạch rỗng đất sét nung theo TCVN 1450; gạch đặc đất sét nung theo TCVN 1451; gạch canxi silicat theo TCVN 2118; gạch bê tông theo TCVN 6477; vữa xây dựng theo TCVN 4314; vữa cho bê tông nhẹ theo TCVN 9028; bê tông nhẹ theo TCVN 7959 và TCVN 9029; phụ gia hóa học cho bê tông theo TCVN 8826 và tài liệu kỹ thuật liên quan khác.
Phải sử dụng các mác hoặc cấp theo cường độ chịu nén sau:
a) Gạch, đá, blốc có mác (M) theo giá trị trung bình của cường độ chịu nén: 4, 7, 10, 15, 25, 35, 50, 75, 100, 125, 150, 200, 250, 300, 400, 500, 600, 800, 1 000.
b) Bê tông để chế tạo các blốc xây có các cấp cường độ chịu nén B:
- Bê tông nặng: B3,5; B5; B7,5; B12,5; B15; B20; B22,5; B25; B30;
- Bê tông cốt liệu rỗng: B2; B2,5; B3,5; B5; B7,5; B12,5; B15; B20; B25, B30;
- Bê tông tổ ong: B1; B2; B2,5; B3; B3,5; B4; B5; B6; B7,5; B8; B12,5;
- Bê tông polystyrene: B1,0; BT,5; B2,0; B2,5; B3,5;
- Bê tông rỗng lớn: B1; B2; B2,5; B3,5; B5; B7,5;
- Bê tông rỗng: B2,5; B3,5; B5; B7,5;
- Bê tông silicat: B12,5; B15; B20; B25; B30.
c) Vật liệu cách nhiệt loại không cháy lan, có cường độ chịu nén từ 0,5 MPa đến 1 MPa.
6.2 Vữa xây
Phải sử dụng các vữa xây sau cho kết cấu khối xây:
a) Vữa xây dựng theo TCVN 4314: được áp dụng cho tất cả các khối xây. Theo khối lượng thể tích (ký hiệu γ ) có vữa nặng khi γ ≥ 1 500 kg/m3 và vữa nhẹ khi γ <1 500 kg/m3. Vữa có các mác (theo MPa): 0,4; 1; 2,5; 5; 7,5; 10; 12,5,15; 20. Ngoài ra, còn có vữa cường độ 0,2 MPa và chưa có cường độ.
b) Vữa xây cho bê tông nhẹ theo TCVN 9028: là loại vữa xây mạch mỏng, thường được sử dụng để xây blốc bê tông tổ ong, gạch, đá có kích thước chính xác (sai lệch ± 2 mm). Vữa loại này có các mác: 2,5; 5; 7,5; 10; 12,5
6.3 Cốt thép và chi tiết bằng thép
a) Cốt thép tròn trơn và cốt thép vằn (gai) phù hợp TCVN 1651-1 và TCVN 1651-2, thép vuốt nguội phù hợp TCVN 6288 (ISO 10544) và các loại cốt nhựa composit.
Trong kết cấu khối xây nên dùng các loại cốt thép sau:
- Lưới thép hàn: CB240, thép vuốt nguội;
- Thép ngang, dọc, thép neo và liên kết: CB240, CB300, thép vuốt nguội;
- Cốt thép dọc cho khối xây lớp mặt ngoài của tường nhiều lớp: lưới vật liệu nhựa composit;
- Liên kết mềm trong tường nhiều lớp: CB240, thép hợp kim cao ít cacbon và bền ăn mòn, lưới vật liệu nhựa composit;
- Cốt thép cho khối xây blốc bê tông khi: phù hợp TCVN 5574.
b) Các chi tiết đặt sẵn hoặc chi tiết nối sử dụng thép bản, thép tấm, thép hình phải thỏa mãn TCVN 5575.
7 Các đặc trưng tính toán
7.1 Cường độ tính toán
7.1.1 Cường độ chịu nén tính toán của khối xây các loại được lấy theo các bảng từ 1 đến 10.
7.1.2 Cường độ chịu nén tính toán của khối xây gạch silicát rỗng, với độ rỗng tới 25 % và đường kính lỗ rỗng không quá 35 mm, được lấy theo Bảng 1 nhân với các hệ số sau:
0,8 - khi dùng vữa có cường độ 0,2 MPa hoặc chưa có cường độ;
0,85; 0,9 và 1 - lần lượt ứng với mác vữa 0,4; 1 và 2,5 hoặc lớn hơn.
7.1.3 Cường độ chịu nén tính toán của khối xây khi chiều cao hàng xây từ 150 mm đến 200 mm được xác định bằng trung bình cộng của các giá trị trong Bảng 1 và Bảng 6, còn khi chiều cao từ 300 mm đến 500 mm lấy theo nội suy tuyến tính giữa các giá trị nêu trong Bảng 5 và Bảng 6.
7.1.4 Cường độ chịu nén tính toán của khối xây ghi trong các bảng từ 1 đến 10 được nhân với hệ số điều kiện làm việc của khối xây, γc , lấy bằng:
0,6 - đối với cấu kiện tiết diện tròn xây bằng gạch thường (không cong) và không có lưới thép;
0,6 - đối với khối xây gạch, đá, blốc có lỗ rỗng nằm ngang;
0,7 - đối với khối xây bằng blốc và gạch làm từ bê tông tổ ong không chưng áp;
0,8 - đối với cột và mảng tường giữa 2 ô cửa có diện tích tiết diện dưới 0,3 m2;
0,8 - đối với khối xây bằng blốc và gạch làm từ bê tông rỗng lớn hoặc bê tông tổ ong chưng áp;
0,8 - đối với khối xây bằng blốc và gạch có độ rỗng trên 48 %;
0,8 - đối với khối xây tường ngoài tại cao độ đài móng; tường trong và tường ngoài của tầng hầm trong trường hợp có thể bị ẩm ướt do mưa hoặc nước ngầm;
0,9 - đối với khối xây bằng blốc và gạch làm từ silicat có cấp cường độ lớn hơn B25;
1,1 - đối với khối xây bằng blốc và gạch làm từ nặng và đá tự nhiên (/ ≥ 1 800 kg/m3);
1,15 - đối với khối xây sau thời gian dài đỏng rắn của vữa (trên 1 năm).
7.1.5 Cường độ chịu nén tính toán của khối xây bằng blốc bê tông có độ rỗng khác nhau được xác định theo thí nghiệm. Trong trường hợp không có số liệu thí nghiệm, có thể lấy theo Bảng 5 với hệ số 0,9; 0,5 và 0,25 khi độ rỗng của blốc tương ứng là 5 %, 25 % và 45 %, trong đó, phần trăm độ rỗng được xác định theo tiết diện ngang trung bình. Đối với những độ rỗng trung gian thì các hệ số này được xác định theo phương pháp nội suy tuyến tính.
7.1.6 Cường độ chịu nén tính toán của khối xây bằng gạch mộc (gạch đất không nung) và gạch đá ong lấy theo Bảng 8 nhân với hệ số:
0,5 - đối với khối xây của tường ngoài nhà;
0,8 - đối với khối xây ở tường trong.
Gạch mộc và gạch đá ong chỉ cho phép sử dụng làm tường nhà có niên hạn sử dụng không lớn hơn 25 năm.
7.1.7 Cường độ chịu nén tính toán của khối xây bằng đá tự nhiên đẽo phẳng hình khối đều đặn ghi tại Bảng 5, Bảng 6 và Bảng 8 được nhân với hệ số sau:
0,8 - đối với khối xây bằng đá đẽo phẳng vừa (lồi lõm đến 10 mm);
0,7 - đối với khối xây bằng đá đẽo thô (lồi lõm đến 20 mm).
Bảng 1 - Cường độ chịu nén tính toán R của khối xây bằng gạch (đất sét nung, silicat, bê tông) cỡ nhỏ và gạch gốm cỡ lớn (có độ rỗng tới 27 %, khe rỗng thẳng đứng rộng tới 12 mm) và vữa nặng khi chiều cao hàng xây từ 50 mm đến 150 mm
Đơn vị tính bằng megapascan
| Mác gạch hoặc blốc1) | Giá trị R | |||||||||
| khi mác vữa | khi cường độ vữa | |||||||||
| 20 | 15 | 10 | 7,5 | 5,0 | 2,5 | 1,0 | 0,4 | 0,2 | chưa có | |
| 300 250 200 150 125 100 75 50 35 | 3,9 3,6 3,2 2,6 - - - - - | 3,6 3,3 3,0 2,4 2,2 2,0 - - - | 3,3 3,0 2,7 2,2 2,0 1,8 1,5 - - | 3,0 2,8 2,5 2,0 1,9 1,7 1,4 1,1 0,9 | 2,8 2,5 2,2 1,8 1,7 1,5 1,3 1,0 0,8 | 2,5 2,2 1,8 1.5 1,4 1,3 1,1 0,9 0,7 | 2,2 1,9 1,6 1,3 1,2 1,0 0,9 0,7 0,6 | 1,8 1,6 1,4 1,2 1,1 0,9 0,7 0,6 0,45 | 1,7 1,5 1,3 1,0 0,9 0,8 0,6 0,5 0,4 | 1,5 1,3 1,0 0,8 0,7 0,6 0,5 0,35 0,25 |
| 1) Đơn vị sử dụng cho mác gạch hoặc blốc là daN/cm2 | ||||||||||
| CHÚ THÍCH 1: Cường độ tính toán của khối xây dùng mác vữa từ 0,4 đến 5,0 được lấy theo Bảng 1 rồi nhân với hệ số giảm: 0,85 - khi xây bằng vữa xi măng ít dẻo (không cho thêm vôi hoặc đất sét) hoặc xây bằng vữa nhẹ, vữa vôi có tuổi dưới 3 tháng; 0,90 - khi xây bằng vữa xi măng (không vôi hoặc đất sét) với phụ gia hóa dẻo. Cường độ tính toán không cần giảm đối với khối xây chất lượng cao, khi có chỉ định của thiết kế và khi xây, lớp vữa được san và đầm bằng thước cán trong khung giữ mạch vữa. CHÚ THÍCH 2: Cường độ tính toán của khối xây bằng gạch đất sét nung rỗng (độ rỗng tới 38 %, lỗ rỗng đứng hình chữ nhật rộng từ 12 mm đến 16 mm hoặc vuông (20 x 20) mm và vữa nặng khi chiều cao hàng xây từ 77 mm đến 100 mm được lấy theo Bảng 1 rồi nhân với hệ số giảm: 0,9 - khi dùng vữa mác 10 hoặc cao hơn; 0,8 - khi dùng vữa mác 5,0 và 7,5; 0,75 - khi dùng vữa mác 1,0 và 2,5; 0,65 - khi dùng vữa chưa có cường độ hoặc cường độ dưới 0,4 MPa; Khi dùng gạch độ rỗng từ 39 % đến 48 %, giá trị hệ số giảm ở Chú thích 2 được nhân thêm 0,9. | ||||||||||
Bảng 2 - Cường độ chịu nén tính toán R của khối xây bằng blốc đất sét nung (có liên kết đứng âm - dương, độ rỗng từ 40 % đến 55 %, khe rỗng thẳng đứng rộng tới 16 mm) và vữa nặng khi chiều rộng khối xây tới 260 mm và chiều cao hàng xây từ 200 mm đến 260 mm
Đơn vị tính bằng megapascan
| Mác blốc(1) | Giá trị R, khi mác vữa | ||||
| 20 | 15 | 10 | 7,5 | 5,0 | |
| 300 | 4,1 | 3,8 | 3,5 | 3,2 | 3,0 |
| 250 | 3,7 | 3,6 | 3,2 | 3,0 | 2,7 |
| 200 | 3,5 | 3,2 | 2,9 | 2,7 | 2,4 |
| 150 | 2,8 | 2,6 | 2,4 | 2,3 | 2,2 |
| 125 | - | 2,5 | 2,3 | 2,2 | 2,1 |
| 100 | - | 2,2 | 2,0 | 1,9 | 1,8 |
| 75 | - | - | 1,6 | 1,5 | 1,4 |
| 50 | - | - | - | 1,1 | 1,0 |
| (1) Đơn vị sử dụng cho mác blốc daN/cm2 | |||||
| CHÚ THÍCH 1: Cường độ chịu nén tính toán của khối xây bằng blốc đất sét nung mài phẳng với vữa mạch mỏng hoặc keo dán được xác định theo số liệu thực nghiệm. CHÚ THÍCH 2: Cường độ chịu nén tính toán của khối xây bằng blốc đất sét nung có liên kết đứng âm - dương (mối nối đứng không chèn vữa), độ rỗng tới 62 %, các lỗ rỗng thẳng đứng rộng tới 55 mm, chiều cao hàng xây tới 220 mm, chiều dày mạch vữa từ 3 mm đến 5 mm được xác định theo số liệu thực nghiệm. Khi không có số liệu này, cường độ tính toán được lấy bằng 0,9 MPa khi dùng blốc mác M75 và 0,7 MPa khi dùng blốc mác M50. | |||||
Bảng 3 - Cường độ chịu nén tính toán R của khối xây bằng blốc bê tông tổ ong chưng áp và vữa nặng khi chiều cao hàng xây từ 150 mm đến 300 mm
Đơn vị tính bằng megapascan
| Cấp cường độ chịu nén của bê tông | Giá trị R | |||||||
| khi mác vữa | khi cường độ vữa | |||||||
| 10 | 7,5 | 5,0 | 2,5 | 1,0 | 0,4 | 0,2 | chưa có | |
| B7,5 B5 B3,5 B2,5 B2 B1,5 | 2,3 1,9 1,5 - - - | 2,2 1,8 1,4 - - - | 2,0 1,7 1,3 1,0 0,8 0,6 | 1,8 1,5 1,2 0,95 0,75 0,56 | 1,7 1,4 1,0 0,85 0,65 0,49 | 1,5 1,2 0,9 0,7 0,55 0,41 | 1,3 1,1 0,8 0,6 0,5 0,38 | 1,0 0,8 0,6 0,45 0,35 0,26 |
| CHÚ THÍCH 1: Cường độ chịu nén tính toán khối xây dùng keo kết dính và vữa mạch mỏng được xác định bằng thực nghiệm; CHÚ THÍCH 2: Cường độ chịu nén tính toán của khối xây bằng blốc bê tông tổ ong được nhân với hệ số 0,9: - khi dùng bê tông không chưng áp; - khi dùng vữa nhẹ; - Khi chiều dày mạch vữa từ 15 mm đến 20 mm. | ||||||||
Bảng 4 - Cường độ chịu nén tính toán R của khối xây bằng gạch rung và vữa nặng
Đơn vị tính bằng megapascan
| Mác gạch (1) | Giá trị R, khi mác vữa | ||||
|
| 20 | 15 | 10 | 7,5 | 5,0 |
| 300 | 5,6 | 5,3 | 4,8 | 4,5 | 4,2 |
| 250 | 5,2 | 4,9 | 4,4 | 4,1 | 3,7 |
| 200 | 4,8 | 4,5 | 4,0 | 3,6 | 3,3 |
| 150 | 4,0 | 3,7 | 3,3 | 3,1 | 2,7 |
| 125 | 3,6 | 3,3 | 3,0 | 2,9 | 2,5 |
| 100 | 3,1 | 2,9 | 2,7 | 2,6 | 2,3 |
| 75 | - | 2,5 | 2,3 | 2,2 | 2,0 |
| 1) Đơn vị sử dụng cho mác gạch là daN/cm2 | |||||
| CHÚ THÍCH 1: Cường độ chịu nén tính toán của khối xây được đầm rung bằng bàn (bệ) rung lấy theo Bảng 4 nhân với hệ số 1,05. CHÚ THÍCH 2: Cường độ chịu nén tính toán của khối xây gạch rung có chiều dày lớn hơn 300 mm được lấy theo Bảng 4 nhân với hệ số 0,85. CHÚ THÍCH 3: Cường độ tính toán ghi trong bảng 4 dùng cho những tấm có chiều dày không nhỏ hơn 400 mm. Đối với tường tự chịu lực và tường không chịu lực cho phép dùng các tấm có chiều dày từ 220 mm đến 330 mm. Trong trường hợp này cường độ tính toán lấy theo Bảng 4 nhân với hệ số 0,8. | |||||
Bảng 5 - Cường độ chịu nén tính toán R của khối xây bằng blốc đặc cỡ lớn làm từ bê tông các loại và blốc đá tự nhiên hình khối đều đặn khi chiều cao hàng xây từ 500 mm đến 1000 mm
Đơn vị tính bằng megapascan
| Cấp cường độ chịu nén của bê tông | Mác blốc đá | Giá trị R | |||||||
| khi mác vữa | khi vữa chưa có cường độ | ||||||||
| 20 | 15 | 10 | 7,5 | 5,0 | 2,5 | 1,0 | |||
| B80 | 1 000 | 17,9 | 17,5 | 17,1 | 16,8 | 16,5 | 15,8 | 14,5 | 11,3 |
| B63,5 | 800 | 15,2 | 14,8 | 14,4 | 14,1 | 13,8 | 13,3 | 12,3 | 8,4 |
| B45 | 600 | 12,8 | 12,4 | 12,0 | 11,7 | 11,4 | 10,9 | 9,9 | 7,3 |
| B40 | 500 | 11,1 | 10,7 | 10,3 | 10,1 | 9,8 | 9,3 | 8,7 | 6,3 |
| B30 | 400 | 9,3 | 9,0 | 8,7 | 8,4 | 8,2 | 7,7 | 7,4 | 5,3 |
| B22,5 | 300 | 7,5 | 7,2 | 6,9 | 6,7 | 6,5 | 6,2 | 5,7 | 4,4 |
| B20 | 250 | 6,7 | 6,4 | 6,1 | 5,9 | 5,7 | 5,4 | 4,9 | 3,8 |
| B15 | 200 | 5,4 | 5,2 | 5,0 | 4,9 | 4,7 | 4,3 | 4,0 | 3,0 |
| B12,5 | 150 | 4,6 | 4,4 | 4,2 | 4,1 | 3,9 | 3,7 | 3,4 | 2,4 |
| B7,5 | 100 | - | 3,3 | 3,1 | 2,9 | 2,7 | 2,6 | 2,4 | 1,7 |
| B5 | 75 | - | - | 2,3 | 2,2 | 2,1 | 2,0 | 1,8 | 1,3 |
| B4 | 50 | - | - | 1,7 | 1,6 | 1,5 | 1,4 | 1,2 | 0,85 |
| B2,5 | 35 | - | - | - | - | 1,1 | 1,0 | 0,9 | 0,6 |
| B2 | 25 | - | - | - | - | 0,9 | 0,8 | 0,7 | 0,5 |
| CHÚ THÍCH 1: Bảng 5 áp dụng cho các blốc xây đặc (không có lỗ rỗng công nghệ) cỡ lớn, chế tạo từ tất cả các loại bê tông (nặng, cốt liệu nhẹ, tổ ong, lỗ rỗng lớn, polystyrene, cấu trúc rỗng và silicat). Trong bảng, cấp cường độ bê tông được lấy theo TCVN 5574 và TCVN 10303, mác blốc bê tông hoặc blốc đá tự nhiên được lấy theo cường độ chịu nén trung bình của bê tông hoặc đá, xác định trên mẫu lập phương kích thước (150 x 150 x 150) mm như theo TCVN 3118. CHÚ THÍCH 2: Cường độ chịu nén tính toán của khối xây bằng blốc cỡ lớn được lấy theo Bảng 5 với hệ số 1,1 khi chiều cao hàng xây lớn hơn 1 000 mm. CHÚ THÍCH 3: Cường độ chịu nén tính toán của khối xây bằng blốc bê tông hoặc đá tự nhiên cỡ lớn, trong đó mạch vữa được san và đầm bằng thước cán trong khung giữ vữa và khi điều này được chỉ dẫn trong thiết kế, được lấy theo Bảng 5 nhân với hệ số 1,2. | |||||||||
Bảng 6 - Cường độ chịu nén tính toán R của khối xây bằng blốc bê tông đặc hoặc đá tự nhiên hình khối đều đặn khi chiều cao hàng xây từ 200 mm đến 300 mm
Đơn vị tính bằng megapascan
| Mác gạch hoặc đá | Giá trị R | |||||||||
| khi mác vữa | khi vữa chưa có cường độ | |||||||||
| 20 | 15 | 10 | 7,5 | 5,0 | 2,5 | 1,0 | 0,4 | 0,2 | ||
| 1 000 800 600 500 400 300 200 150 100 75 50 35 25 15 | 13,0 11,0 9,0 7,8 6,5 5,8 4,0 3,3 2,5 - - - - - | 12,5 10,5 8,5 7,3 6,0 4,9 3,8 3,1 2,4 - - - - - | 12,0 10,0 8,0 6,9 5,8 4,7 3,6 2,9 2,3 1,9 1,5 - - - | 11,5 9,5 7,8 6,7 5,5 4,5 3,5 2,8 2,2 1,8 1,4 - - - | 11,0 9,0 7,5 6,4 5,3 4,3 3,3 2,6 2 1,7 1,3 1,0 0,8 - | 10,5 8,5 7,0 6,0 5,0 4,0 3,0 2,4 1,8 1,5 1,2 0,95 0,75 0,5 | 9,5 8,0 6,0 5,3 4,5 3,7 2,8 2,2 1,7 1,4 1,0 0,85 0,65 0,45 | 8,5 7,0 5,5 4,8 4,0 3,3 2,5 2,0 1,5 1,2 0,9 0,7 0,55 0,38 | 8,3 6,8 5,3 4,6 3,8 3,1 2,3 1,8 1,3 1,1 0,8 0,6 0,5 0,35 | 8,0 6,5 5,0 4,3 3,5 2,8 2,0 1,5 1,0 0,8 0,6 0,45 0,35 0,25 |
| (1) Đơn vị sử dụng cho mác gạch hoặc đá là daN/cm2 | ||||||||||
| CHÚ THÍCH 1: Cường độ chịu nén tính toán của khối xây bằng blốc bê tông xỉ đặc được lấy theo Bảng 6 nhân với hệ số 0,8. CHÚ THÍCH 2: Cường độ chịu nén tính toán của khối xây bằng blốc bê tông thạch cao đặc được lấy theo Bảng 6 nhân với hệ số: 0,8 - đối với khối xây tường trong; 0,7- đối với khối xây tường ngoài ở khu vực khô ráo; 0,5 - đối với tường ngoài ở khu vực khác. Blốc bê tông thạch cao chỉ áp dụng cho khối xây có niên hạn sử dụng tới 25 năm. | ||||||||||
Bảng 7 - Cường độ chịu nén tính toán R của khối xây bằng blốc bê tông rỗng hoặc silicat rỗng khi độ rỗng tới 25 % và chiều cao hàng xây từ 200 mm đến 300 mm
Đơn vị tính bằng megapascan
| Mác gạch 1) | Giá trị R | |||||||
| khi mác vữa | khi cường độ vữa | |||||||
| 10 | 7,5 | 5,0 | 2,5 | 1,0 | 0,4 | 0,2 | chưa có | |
| 300 200 150 125 100 75 50 35 25 | 4,6 3,4 2,7 2,4 2,0 1,6 1,2 - - | 4,4 3,3 2,6 2,3 1,8 1,5 1,15 1,0 - | 4,2 3,0 2,4 2,1 1,7 1,4 1,1 0,9 0,7 | 3,9 2,9 2,2 1,9 1,6 1,3 1,0 0,8 0,65 | 3,6 2,6 2,0 1,7 1,4 1,1 0,9 0,7 0,55 | 3,2 2,4 1,8 1,6 1,3 1,0 0,8 0,6 0,5 | 3,0 2,1 1,7 1,4 1,1 0,9 0,7 0,55 0,45 | 2,7 1,7 113 1,1 0,9 0,7 0,5 0,4 0,3 |
| 1) Đơn vị sử dụng cho mác gạch là daN/cm2. | ||||||||
| CHÚ THÍCH 1: Cường độ chịu nén tính toán của khối xây bằng blốc bê tông xỉ rỗng được lấy theo Bảng 7 rồi nhân với hệ số 0,8. CHÚ THÍCH 2: Cường độ chịu nén tính toán của khối xây bằng blốc bê tông thạch cao rỗng được lấy theo Bảng 7 rồi nhân với hệ số: 0,8 - đối với khối xây tường trong; 0,7 - đối với khối xây tường ngoài ở khu vực khô ráo; 0,5 - đối với tường ngoài ở khu vực khác. Blốc bê tông thạch cao chỉ áp dụng cho khối xây có niên hạn sử dụng tới 25 năm. CHÚ THÍCH 3: Cường độ chịu nén tính toán của khối xây bằng blốc bê tông rỗng với độ rỗng từ 25 % đến 40 %, được lấy theo Bảng 7 rồi nhân với hệ số: 0,8 - khi dùng vữa mác 5,0 và cao hơn; 0,7 - khi dùng vữa mác 2,5; 0,6 - khi dùng vữa mác 1,0 và thấp hơn. | ||||||||
Bảng 8 - Cường độ chịu nén tính toán R của khối xây bằng đá tự nhiên hình khối đều đặn cường độ thấp
Đơn vị tính bằng megapascan
| Loại khối xây | Mác đá | Giá trị R | ||||
| khi mác vữa | khi cường độ vữa | |||||
| 2,5 | 1,0 | 0,4 | 0,2 | chưa có | ||
| 1. Bằng đá tự nhiên khi chiều cao hàng xây dưới 150 mm | 25 | 0,60 | 0,45 | 0,35 | 0,30 | 0,20 |
| 15 | 0,40 | 0,35 | 0,25 | 0,20 | 0,13 | |
| 10 | 0,30 | 0,25 | 0,20 | 0,18 | 0,10 | |
| 7 | 0,35 | 0,20 | 0,10 | 0,15 | 0,07 | |
| 2. Bằng đá tự nhiên khi chiều cao hàng xây từ 200 mm đến 300 mm | 10 | 0,38 | 0,33 | 0,28 | 0,25 | 0,20 |
| 7 | 0,28 | 0,25 | 0,23 | 0,20 | 0,12 | |
| 4 | - | 0,15 | 0,14 | 0,12 | 0,08 | |
Bảng 9 - Cường độ chịu nén tính toán R của khối xây đá hộc
Đơn vị tính bằng megapascan
| Mác đá hộc 1) | Giá trị R | |||||||
| khi mác vữa | khi cường độ vữa | |||||||
| 10 | 7,5 | 5,0 | 2,5 | 1,0 | 0,4 | 0,2 | chưa có | |
| 1 000 800 600 500 400 300 200 150 100 50 35 25 | 2,5 2,2 2,0 1,8 1,5 1,3 1,1 0,9 0,75 - - - | 2,2 2,0 1,7 1,5 1,3 1,15 1,0 0,8 0,7 - - - | 1,8 1,6 1,4 1,3 1,1 0,95 0,8 0,7 0,6 0,45 0,36 0,3 | 1,2 1,0 0,9 0,85 0,8 0,7 0,6 0,55 0,5 0,35 0,29 0,25 | 0,8 0,7 0,65 0,6 0,55 0,5 0,45 0,4 0,35 0,25 0,22 0,2 | 0,5 0,45 0,4 0,38 0,33 0,3 0,28 0,25 0,23 0,2 0,18 0,15 | 0,4 0,33 0,3 0,27 0,23 0,2 0,18 0,17 0,15 0,13 0,12 0,10 | 0,33 0,28 0,2 0,18 0,15 0,12 0,08 0,07 0,05 0,03 0,02 0,02 |
| 1) Đơn vị sử dụng cho mác đá hộc là daN/cm2 | ||||||||
| CHÚ THÍCH 1: Cường độ tính toán ghi ở Bảng 9 được áp dụng cho khối xây ở tuổi 3 tháng và mác vữa lớn hơn hoặc bằng 0,4; trong đó mác vữa xác định ở tuổi 28 ngày. Còn khi khối xây ở tuổi 28 ngày thì cần phải nhân với hệ số 0,8. CHÚ THÍCH 2: Đối với khối xây bằng đá hộc mà hai mặt tiếp xúc vữa xây của viên đá phẳng đều và song song nhau, thì cường độ tính toán được nhân với hệ số 1,5. CHÚ THÍCH 3: Cường độ tính toán của khối xây mỏng đá hộc có lấp đất bốn phía được tăng thêm: 0,1 MPa - khi khoảng trống giữa khối xây và hố móng được lèn kín đất; 0,2 MPa - khi khối xây tỳ sát vào thành hố móng là đất nguyên thổ hoặc khi cơi nới nhà trên khối móng đã lấp đất thời gian dài (đất đã được lèn chặt). | ||||||||
Bảng 10 - Cường độ chịu nén tính toán R của bê tông đá hộc (không đầm bằng đầm rung)
Đơn vị tính bằng megapascan
| Loại bê tông đá hộc | Giá trị R, khi cấp cường độ bê tông | |||||
| B15 | B12,5 | B10 | B7,5 | B3,5 | B2,5 | |
| Với đá hộc mác: |
|
|
|
|
|
|
| 200 và lớn hơn | 4,0 | 3,5 | 3,0 | 2,5 | 2,0 | 1,7 |
| 100 | - | - | - | 2,2 | 1,8 | 1,5 |
| 50 hay với gạch vỡ | - | - | - | 2,0 | 1,7 | 1,3 |
| CHÚ THÍCH: Đối với bê tông đá hộc được đầm bằng đầm rung, cường độ chịu nén tính toán được lấy theo Bảng 10 nhân với hệ số 1,15. | ||||||
7.1.8 Cường độ tính toán của khối xây chịu kéo dọc trục Rt, chịu kéo khi uốn Rtb, chịu cắt Rsq và chịu ứng suất kéo chính khi uốn, Rtw, khi khối xây bị phá hoại theo mạch vữa hoặc phá hoại qua viên xây lấy theo các Bảng 11,12 và 13.
Bảng 11 - Các cường độ tính toán Rt, Rtb, Rsq, Rtw của khối xây bằng gạch, đá đặc với vữa tam hợp (xi măng - vôi, xi măng - đất sét) hoặc vữa vôi khi khối xây bị phá hoại theo mạch vữa ngang hay đứng
Đơn vị tính bằng megapascan
| Trạng thái ứng suất | Giá trị R | ||||
| khi mác vữa | khi cường độ vữa | ||||
| ≥5 | 2,5 | 1 | 0,4 | 0,2 | |
| A. Kéo dọc trục, Rt | |||||
| 1. Theo mạch không giằng đối với mọi loại khối xây (lực dính pháp tuyến, Hình 1) | 0,08 | 0,05 | 0,03 | 0,01 | 0,050 |
| 2. Theo mạch giằng (cài răng lược, Hình 2) a) đối với khối xây bằng gạch, đá hình khối đều đặn b) đối với khối xây đá hộc |
0,16 0,12 |
0,11 0,08 |
0,05 0,04 |
0,02 0,02 |
0,010 0,010 |
| B. Kéo khi uốn, Rtb | |||||
| 1. Theo mạch không giằng đối với mọi loại khối xây và mạch nghiêng bậc thang (ứng suất kéo chính khi uốn Rtw) | 0,12 | 0,08 | 0,04 | 0,02 | 0,010 |
| 2. Theo mạch giằng (Hình 3) a) đối với khối xây bằng gạch, đá hình khối đều đặn b) đối với khối xây đá hộc |
0,25 0,18 |
0,16 0,12 |
0,08 0,06 |
0,04 0,03 |
0,020 0,015 |
| c. Cắt, Rsq | |||||
| 1. Theo mạch không giằng đối với mọi loại khối xây (lực dính tiếp tuyến) | 0,16 | 0,11 | 0,05 | 0,02 | 0,010 |
| 2. Theo mạch giằng đối với khối xây đá hộc | 0,24 | 0,16 | 0,08 | 0,04 | 0,020 |
| CHÚ THÍCH 1: Các cường độ tính toán Rt, Rtb, Rsq, Rtw được tính với toàn bộ tiết diện đứt hoặc cắt của khối xây, vuông góc hoặc song song (khi cắt) với hướng đặt lực. CHÚ THÍCH 2: Các cường độ tính toán của khối xây ghi ở Bảng 11 được nhân với hệ số: 0,70 - đối với khối xây bằng gạch silicát đặc hoặc rỗng; 0,75 - đối với khối xây không rung, xây bằng vữa xi măng ít dẻo (không pha vôi hoặc đất sét); 1,25 - đối với khối xây gạch rung được chế tạo bằng gạch đất sét ép dẻo, cũng như khối xây thông thường bằng gạch rỗng hoặc blốc bê tông rỗng; 1,40 - đối với khối xây gạch rung bằng bàn rung khi tính với tổ hợp tải trọng đặc biệt. Khi tính theo trạng thái mở rộng khe nứt (theo công thức (63) cường độ tính toán Rtb của mọi loại khối xây được lấy theo Bảng 11 mà không nhân với hệ số ở Chú thích 2 của bảng này; CHÚ THÍCH 3: Cường độ tính toán mọi trạng thái ứng suất của khối xây từ bê tông tổ ong hoặc bê tông polystyrene dán keo nêu tại cột 1 Bảng 11 được xác định theo số liệu thực nghiệm. | |||||
|
|
|
|
| Hình 1 - Khối xây chịu kéo theo mạch không giằng | Hình 2 - Khối xây chịu kéo theo mạch giằng | Hình 3 - Khối xây chịu kéo khi uốn theo mạch giằng |
Bảng 12 - Cường độ tính toán Rt , Rtb, Rsq, Rtw của khối xây bằng gạch, đá hình khối đều đặn khi khối xây bị phá hoại qua gạch hay đá
Đơn vị tính bằng megapascan
| Trạng thái ứng suất | Giá trị R, khi mác gạch, đá | ||||||||
| 200 | 150 | 100 | 75 | 50 | 35 | 25 | 15 | 10 | |
| 1. Kéo dọc trục Rt | 0,25 | 0,20 | 0,18 | 0,13 | 0,10 | 0,08 | 0,06 | 0,05 | 0,03 |
| 2. Kéo khi uốn Rtb và ứng suất kéo chính Rtw | 0,40 | 0,30 | 0,25 | 0,20 | 0,16 | 0,12 | 0,10 | 0,07 | 0,05 |
| 3. Cắt Rsq | 1,00 | 0,80 | 0,65 | 0,55 | 0,40 | 0,30 | 0,20 | 0,14 | 0,09 |
| CHÚ THÍCH 1: Các cường độ tính toán Rt, Rtw và Rtb được tính với toàn bộ tiết diện đứt của khối xây. CHÚ THÍCH 2: Cường độ tính toán chịu cắt theo mạch giằng chỉ được tính với diện tích tiết diện của gạch hoặc đá trong tiết diện khối xây (diện tích gạch đá thực) mà không kể diện tích mạch vữa đứng. CHÚ THÍCH 3: Cường độ tính toán của khối xây bằng blốc bê tông rỗng hoặc bê tông polystyrene được xác định theo số liệu thực nghiệm. | |||||||||
Bảng 13 - Cường độ chịu kéo dọc trục tính toán Rt, chịu ứng suất kéo chính Rtw và chịu kéo khi uốn Rtb của bê tông đá hộc
Đơn vị tính bằng megapascan
| Trạng thái ứng suất | Giá trị R khi cấp cường độ bê tông | |||||
| B15 | B12,5 | B7,5 | B5 | B3,5 | B2,5 | |
| 1. Kéo dọc trục Rt và ứng suất kéo chính Rtw | 0,20 | 0,18 | 0,16 | 0,14 | 0,12 | 0,10 |
| 2. Kéo khi uốn Rtb | 0,27 | 0,25 | 0,23 | 0,20 | 0,18 | 0,16 |
7.1.9 Cường độ tính toán chịu kéo của cốt thép Rs lấy theo TCVN 5574, nhân với hệ số điều kiện làm việc γcs nêu trong Bảng 14.
Bàng 14 - Hệ số điều kiện làm việc γcs của cốt thép
| Loại cốt thép trong kết cấu | Nhóm thép | ||
| CB240 | CB300 | Dây vuốt nguội | |
| 1. Lưới thép | 0,75 | - | 0,6 |
| 2. Cốt thép dọc trong khối xây: |
|
|
|
| a) Cốt thép dọc chịu kéo | 1,0 | 1,0 | 0,7 |
| b) Cốt thép dọc chịu nén | 0,85 | 0,7 | 0,6 |
| c) Cốt thép xiên và cốt thép đai | 0,8 | 0,8 | 0,6 |
| 3. Neo và liên kết trong khối xây dùng vữa: |
|
|
|
| a) mác 2,5 và lớn hơn | 0,9 | 0,9 | 0,8 |
| b) mác 1 và nhỏ hơn | 0,5 | 0,5 | 0,6 |
| CHÚ THÍCH: Cường độ tính toán của các loại cốt thép khác không lấy cao hơn cường độ tính toán của loại thép CB300 hoặc dây vuốt nguội theo TCVN 6288. | |||
7.2 Mô đun đàn hồi và mô đun biến dạng của khối xây khi chịu tải trọng ngắn hạn và dài hạn. Các đặc trưng đàn hồi của khối xây, biến dạng co ngót, hệ số giãn nở nhiệt và hệ số ma sát
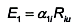
7.2.1 Mô đun đàn hồi (mô đun biến dạng ban đầu) của khối xây E0 khi tải trọng tác dụng ngắn hạn được xác định theo các công thức:
- Đối với khối xây không có cốt thép hoặc có cốt thép lưới:
| E0 =αRu | (1) |
- Đối với khối xây có cốt thép:
| E0 = αskRsku | (2) |
Trong các công thức (1) và (2):
| α và αsk | lần lượt là đặc trưng đàn hồi của khối xây không có cốt thép và có cốt thép, lấy theo 7.2.2. | |
| Ru | là cường độ chịu nén trung bình (giới hạn trung bình của cường độ) của khối xây, xác định theo công thức: | |
| Ru =kR | (3) | |
trong đó:
| k | là hệ số, lấy theo Bảng 15; |
| R | là cường độ chịu nén tính toán của khối xây, lấy theo các bảng từ 1 đến 10 có kể tới các hệ số ghi trong phần chú thích của các bảng đó và các điều từ 7.1.2 đến 7.1.7; |
| Rsku | là cường độ chịu nén trung bình (giới hạn trung bình của cường độ) của khối xây có cốt thép, xây bằng gạch, đá có chiều cao một hàng xây không lớn hơn 150 mm, được xác định theo công thức: |
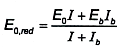
- Đối với khối xây có cốt thép dọc:
|
| (4) |
Đối với khối xây có cốt thép lưới:
|
| (5) |
với μ là hàm lượng cốt thép, %:
+ Đối với khối xây có cốt thép dọc:
, Trong đó As và A tương ứng là diện tích tiết diện của cốt thép và khối xây;
+ Đối với khối xây có cốt thép lưới: μ được xác định theo 8.2.1.1.
Rsn là cường độ chịu kéo tiêu chuẩn của cốt thép trong khối xây có cốt thép, đối với thép thanh loại CB240 và CB300 lấy theo TCVN 5574, còn đối với dây thép vuốt nguội cũng lấy theo TCVN 5574 với hệ số điều kiện làm việc 0,6.
Bảng 15 - Hệ số k
| Loại khối xây | Hệ số k | |
| khi nén | khi kéo, kéo khi uốn và cắt | |
| 1. Tường dày trên 200 mm, xây bằng gạch, đá các loại, blốc cỡ lớn, gạch rung khi phần trăm rỗng không quá 55 %; đá hộc, bê tông đá hộc | 2,0 | 2,25 |
| 2. Tường dày trên 200 mm, xây bằng gạch, đá các loại, blốc cỡ lớn khi phần trăm rỗng vượt quá 55 % | 2,3 | 2,4 |
| 3. Tường gạch, đá, blốc dày 200 mm, nhưng không nhỏ hơn 85 mm | 2,3 | 4,0 1) - theo tiết diện không giằng |
| 2,4 - theo tiết diện giằng | ||
| 4. Khối xây bằng blốc nhỏ và lớn bê tông tổ ong | 2,2 | 2,25 |
| 1) Cho phép chính xác hóa bằng thực nghiệm, nhưng không nhỏ hơn 2,4. | ||
7.2.2 Giá tộ đặc trưng đàn hồi của khối xây không có cốt thép α lấy theo Bảng 16. Giá trị đặc trưng đàn hồi của khối xây có cốt thép αsk:
Khi dùng cốt thép lưới: được xác định theo công thức:
|
| (6) |
Khi dùng cốt thép dọc: lấy theo Bảng 16 như đối với khối xây không có cốt thép.
Bảng 16 - Giá trị đặc trưng đàn hồi α
| Loại khối xây | Giá trị α | |||||
| Khi mác vữa | Khi cường độ vữa | |||||
| 2,5 đến 20 | 1 | 0,4 | 0,2 | chưa có | ||
| 1. Bằng các blốc cỡ lớn làm từ bê tông nặng, bê tông rỗng lớn với cốt liệu nặng và bằng đá tự nhiên nặng (γ ≥ 1 800 kg/m3) | 1 500 | 1 000 | 750 | 750 | 500 | |
| 2. Bằng gạch và blốc cỡ nhỏ làm từ bê tông nặng, đá tự nhiên và đá hộc nặng | 1 500 | 1 000 | 750 | 500 | 350 | |
| 3. Bằng các blốc cỡ lớn làm từ bê tông cốt liệu rỗng, bê tông rỗng lớn với cốt liệu nhẹ, bê tông silicat đặc và đá tự nhiên nhẹ | 1 000 | 750 | 500 | 500 | 350 | |
| 4. Bằng blốc cỡ lớn làm từ bê tông tổ ong | Chưng áp | 750 | 750 | 500 | 500 | 350 |
| Không chưng áp | 500 | 500 | 350 | 350 | 350 | |
| 5. Bằng blốc cỡ nhỏ làm từ bê tông tổ ong | Chưng áp | 750 | 500 | 350 | 350 | 200 |
| Không chưng áp | 500 | 350 | 200 | 200 | 200 | |
| 6. Bằng gạch đất sét nung cỡ lớn | 1 200 | 1 000 | 750 | 500 | 350 | |
| 7. Bằng gạch đất sét nung cỡ nhỏ ép dẻo, gạch silicat rỗng cỡ lớn, blốc bê tông cốt liệu rỗng, bê tông rỗng và đá tự nhiên nhẹ | 1 000 | 750 | 500 | 350 | 200 | |
| 8. Bằng gạch silicát cỡ nhỏ | 750 | 500 | 350 | 350 | 200 | |
| 9. Bằng gạch đất sét nung ép bán khô cỡ nhỏ | 500 | 500 | 350 | 350 | 200 | |
| CHÚ THÍCH 1: Khi xác định hệ số uốn dọc với độ mảnh L0/ i ≤28 hay L0/ h ≤8 (xem 8.1.1.2) cho phép lấy giá trị đặc trưng đàn hồi a cho khối xây bằng mọi loại gạch như cho khối xây bằng gạch đất sét nung ép dẻo. CHÚ THÍCH 2: Giá trị đặc trưng đàn hồi α từ điểm 7 đến 9 tại Bảng 16 cũng được áp dụng cho các blốc và tấm tường gạch rung. CHÚ THÍCH 3: Đặc trưng đàn hồi của bê tông đá hộc được lấy bằng α = 2 000. CHÚ THÍCH 4: Đối với khối xây dùng vữa nhẹ, đặc trưng đàn hồi α được lấy theo Bảng 16 nhân với hệ số 0,7. CHÚ THÍCH 5: Đặc trưng đàn hồi của khối xây bằng đá tự nhiên, blốc bê tông polystyrene được phép chính xác hóa trên cơ sở thí nghiệm. CHÚ THÍCH 6: Đối với khối xây blốc đất sét nung, đặc trưng đàn hồi α được lấy theo Bảng 16 như cho gạch đất sét nung cỡ lớn nhân với hệ số 0,7. | ||||||
7.2.3 Mô đun biến dạng E của khối xây được lấy như sau:
a) Khi tính toán kết cấu theo điều kiện cường độ để xác định nội lực trong khối xây ở trạng thái giới hạn chịu nén với điều kiện biến dạng của khối xây được xác định bằng cách cho cùng làm việc với các bộ phận của kết cấu làm bằng các vật liệu khác (ví dụ: để xác định nội lực trong dây căng của vòm, trong các lớp của tiết diện chịu nén nhiều lớp; để xác định nội lực do biến dạng nhiệt độ gây ra; khi tính toán khối xây trên dầm đỡ tường hoặc dưới các giằng phân phối lực), E được tính theo công thức:
| E = 0,5E0 | (7) |
b) Khi xác định biến dạng của khối xây do lực dọc hoặc lực ngang, xác định nội lực trong các hệ khung siêu tĩnh mà ở đó các phần kết cấu bằng khối xây cùng làm việc với các phần làm bằng vật liệu khác; xác định chu kỳ dao động hoặc độ cứng của kết cấu, v.v., E được tính theo công thức:
| E = 0,8E0 | (8) |
trong đó:
E0 là mô đun đàn hồi, được xác định theo các công thức (1) và (2).
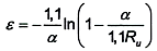
7.2.4 Khi tính toán phi tuyến, biến dạng tương đối của khối xây ɛ với tải trọng ngắn hạn có thể xác định theo công thức:
|
| (9) |
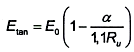
Với quan hệ ứng suất - biến dạng theo công thức này, mô đun biến dạng tiếp tuyến được xác định theo công thức:
|
| (10) |
Biến dạng tương đối của khối xây có kể đến từ biến được xác định theo công thức:
|
| (11) |
trong đó:
σ là ứng suất dùng để xác định ɛ ;
v là hệ số từ biến, kể đến ảnh hưởng của từ biến đến khối xây, lấy bằng:
1,8 - đối với khối xây bằng gạch đất sét nung cỡ lớn và blốc đất sét nung có lỗ rỗng thẳng đứng (cao từ 138 mm đến 220 mm);
2,2 - đối với khối xây bằng gạch đất sét nung cỡ nhỏ ép dẻo hoặc ép bán khô;
2,8 - đối với khối xây bằng gạch, blốc cỡ nhỏ và lớn làm từ bê tông nặng;
3,0 - đối với khối xây bằng gạch, blốc silicat cỡ nhỏ đặc hoặc rỗng; bằng blốc cỡ nhỏ và lớn làm từ bê tông cốt liệu rỗng, bê tông rỗng và blốc silicat cỡ lớn;
3,5 - đối với khối xây bằng blốc cỡ lớn và nhỏ chế tạo từ bê tông tổ ong chưng áp;
4,0 - đối với khối xây bằng blốc cỡ lớn và nhỏ chế tạo từ bê tông tổ ong không chưng áp.
7.2.5 Mô đun đàn hồi của khối xây E0 khi có tác dụng của tải trọng thường xuyên và tải trọng tạm thời dài hạn có kể đến từ biến cần được giảm xuống bằng cách chia nó cho hệ số từ biến v.
7.2.6 Mô đun đàn hồi và biến dạng của khối xây bằng đá tự nhiên cho phép lấy trên cơ sở thí nghiệm.
7.2.7 Biến dạng co ngót của khối xây bằng:
3x10-4 - đối với khối xây bằng gạch cỡ nhỏ và lớn, blốc cỡ nhỏ và lớn làm từ chất kết dính silicat hay xi măng;
4x10-4 - đối với khối xây bằng gạch và blốc làm từ bê tông tổ ong chưng áp sử dụng cát nghiền;
6x10-4 - đối với khối xây bằng gạch và blốc làm từ bê tông tổ ong chưng áp sử dụng tro bay;
8x10-4 - đối với khối xây bằng gạch và blốc làm từ bê tông tổ ong không chưng áp.
Còn đối với khối xây bằng gạch đất sét nung và blốc đất sét nung thì không kể đến biến dạng co ngót.
7.2.8 Mô đun trượt của khối xây lấy bằng G = 0,4E0 , trong đó E0 là mô đun đàn hồi khi nén.
7.2.9 Hệ số giãn nở nhiệt của khối xây khi nhiệt độ thay đổi 1 °C được lấy theo Bảng 17.
Bảng 17 - Hệ số giãn nở nhiệt của khối xây αt
| Vật liệu của khối xây | Giá trị αt (°C-1) |
| 1. Gạch đất sét nung (đặc hoặc rỗng) và blốc đất sét nung | 5x10-6 |
| 2. Gạch silicat, gạch và blốc bê tông, bê tông đá hộc | 10x10-6 |
| 3. Đá tự nhiên và blốc bê tông tổ ong | 8x10-6 |
7.2.10 Hệ số ma sát lấy theo Bảng 18.
Bảng 18 - Hệ số ma sát μ1
| Vật liệu | Trạng thái bề mặt ma sát | |
| Khô | Ẩm | |
| 1. Khối xây trên khối xây hoặc trên bê tông | 0,70 | 0,60 |
| 2. Gỗ trên khối xây hoặc trên bê tông | 0,60 | 0,60 |
| 3. Thép trên khối xây hoặc trên bê tông | 0,45 | 0,35 |
| 4. Khối xây và bê tông trên cát hoặc sỏi | 0,60 | 0,50 |
| 5. Khối xây và bê tông trên đất á sét | 0,55 | 0,40 |
| 6. Khối xây và bê tông trên đất sét | 0,50 | 0,30 |
8 Tính toán các cấu kiện của kết cấu khối xây theo các trạng thái giới hạn thứ nhất (theo khả năng chịu lực)
8.1 Kết cấu khối xây
8.1.1 Cấu kiện chịu nén đúng tâm
8.1.1.1 Tính toán các cấu kiện của kết cấu khối xây không có cốt thép chịu nén đúng tâm theo công thức:
| N = mgφRA | (12) |
trong đó:
N là lực dọc tính toán;
R là cường độ chịu nén tính toán của khối xây, xác định theo các bảng từ 1 đến 10;
φ là hệ số uốn dọc, xác định theo 8.1.1.2;
A là diện tích tiết diện của cấu kiện;
mg là hệ số tính đến sự ảnh hưởng dài hạn của tải trọng và được xác định theo công thức (18) với E0g =0.
Khi cấu kiện có cạnh nhỏ nhất h ≥ 300 mm (hoặc có bán kính quán tính nhỏ nhất của tiết diện ngang bất kỳ i ≥ 87 mm) thì hệ số mg lấy bằng 1,0.
8.1.1.2 Hệ số uốn dọc φ của cấu kiện tiết diện không đổi theo chiều dài lấy theo Bảng 19 phụ thuộc vào độ mảnh của cấu kiện:
|
| (13) |
hoặc của tiết diện hình chữ nhật khi tỉ số:
|
| (14) |
và đặc trưng đàn hồi α của khối xây (lấy theo Bảng 16), hoặc theo công thức (6) - đối với khối xây cốt thép lưới.
Trong các công thức (13) và (14):
Lo là chiều cao tính toán của cấu kiện, được xác định theo chỉ dẫn trong 8.1.1.3;
i là bán kính quán tính nhỏ nhất của tiết diện cấu kiện;
h là cạnh nhỏ của tiết diện hình chữ nhật.
8.1.1.3 Chiều cao tính toán của tường và cột L0 dùng để xác định hệ số uốn dọc φ được lấy tùy theo điều kiện tựa của chúng lên các gối tựa nằm ngang, cụ thể là:
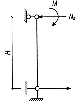
a) Khi tựa lên gối khớp cố định (Hình 4a): L0 = H;
b) Khi gối trên là gối đàn hồi và gối dưới là ngàm cứng (Hình 4b):
- Đối với nhà một nhịp L0 = 1,5 H;
- Đối với nhà nhiều nhịp L0 = 1,25 H;
c) Khi kết cấu đứng tự do (Hình 4c) L0 = 2H;
d) Khi kết cấu có các tiết diện gối được ngàm không hoàn toàn thì phải xét đến mức độ ngàm thực tế nhưng L0 > 0,8H; trong đó H là khoảng cách giữa các sàn hay giữa các gối tựa nằm ngang.
CHÚ THÍCH 1: Khi có các gối tựa cứng (xem 10.1.7) và khi có các sàn bê tông cốt thép được cắm vào tường lấy L0 = 0,9 H, còn khi có các sàn bê tông cốt thép đổ toàn khối kê lên tường theo bốn cạnh thì lấy L0 = 0,8 H.
CHÚ THÍCH 2: Nếu tải trọng chỉ là trọng lượng bản thân của cấu kiện trong phạm vi đoạn đang tính thì chiều cao tính toán L0 cần giảm bớt bằng cách nhân với hệ số 0,75.
Bảng 19 - Hệ số uốn dọc φ
| Độ mảnh | Giá trị φ khi đặc trưng đàn hồi của khối xây α bằng | |||||||
|
|
| 1 500 | 1 000 | 750 | 500 | 350 | 200 | 100 |
| 4 | 14 | 1,00 | 1,00 | 1,00 | 0,98 | 0,94 | 0,90 | 0,82 |
| 6 | 21 | 0,98 | 0,96 | 0,95 | 0,91 | 0,88 | 0,81 | 0,68 |
| 8 | 28 | 0,95 | 0,92 | 0,90 | 0,85 | 0,80 | 0,70 | 0,54 |
| 10 | 35 | 0,92 | 0,88 | 0,84 | 0,79 | 0,72 | 0,60 | 0,43 |
| 12 | 42 | 0,88 | 0,84 | 0,79 | 0,72 | 0,64 | 0,51 | 0,34 |
| 14 | 49 | 0,85 | 0,79 | 0,73 | 0,66 | 0,57 | 0,43 | 0,28 |
| 16 | 56 | 0,81 | 0,74 | 0,68 | 0,59 | 0,50 | 0,37 | 0,23 |
| 18 | 63 | 0,77 | 0,70 | 0,63 | 0,53 | 0,45 | 0,32 | - |
| 22 | 76 | 0,69 | 0,61 | 0,53 | 0,43 | 0,35 | 0,24 | - |
| 26 | 90 | 0,61 | 0,52 | 0,45 | 0,36 | 0,29 | 0,20 | - |
| 30 | 104 | 0,53 | 0,45 | 0,39 | 0,32 | 0,25 | 0,17 | - |
| 34 | 118 | 0,44 | 0,38 | 0,32 | 0,26 | 0,21 | 0,14 | - |
| 38 | 132 | 0,36 | 0,31 | 0,26 | 0,21 | 0,17 | 0,12 | - |
| 42 | 146 | 0,29 | 0,25 | 0,21 | 0,17 | 0,14 | 0,09 | - |
| 46 | 160 | 0,21 | 0,18 | 0,16 | 0,13 | 0,10 | 0,07 | - |
| 50 | 173 | 0,17 | 0,15 | 0,13 | 0,10 | 0,08 | 0,05 | - |
| 54 | 187 | 0,13 | 0,12 | 0,10 | 0,08 | 0,06 | 0,04 | - |
| CHÚ THÍCH 1: Với các giá trị độ mảnh trung gian, hệ số φ được lấy theo nội suy tuyến tính. CHÚ THÍCH 2: Với các giá trị độ mảnh λn vượt quá giá trị giới hạn (xem 10.2.1 đến 10.2.5), hệ số được dùng để xác định φc (xem 8.1.2) trong trường hợp tính toán cấu kiện chịu nén lệch tâm lớn. CHÚ THÍCH 3: Đối với khối xây có cốt thép lưới thì giá trị đặc trưng đàn hồi được xác định theo công thức (6) có thể nhỏ hơn 200. | ||||||||
|
a) Gối khớp cố định |
b) Một đầu ngàm một đầu gối đàn hồi |
c) Cột đứng tự do |
Hình 4 - Hệ số φ và mg theo chiều cao tường và cột chịu nén
8.1.1.4 Đối với tường và cột có gối khớp cố định mà chiều cao tính toán L0 = H (xem 8.1.1.3) thì khi tính toán những tiết diện nằm ngang trong đoạn H/3 ở giữa, giá trị hệ số φ và mg được lấy không đổi và bằng giá trị tính toán cho tường và cột đó, còn khi tính toán những tiết diện nằm ngang trong đoạn H/3 ở hai đầu, hệ số φ và mg được lấy tăng dần từ giá trị tính toán tới 1 ở gối theo quy luật đường thẳng (Hình 4a).
Đối với tường và cột ngàm cứng ở phía dưới và tựa đàn hồi ở phía trên thì khi tính những tiết diện nằm ở phần dưới của tường và cột tới chiều cao 0,7/H; giá trị φ và mg lấy theo tính toán còn khi tính những tiết diện còn lại ở phần trên của tường và cột, giá trị φ và mg lấy tăng dần từ giá trị tính toán tới 1 tại gối đàn hồi theo quy luật đường thẳng (Hình 4b).
Đối với tường và cột đứng tự do, khi tính những tiết diện ở nửa phần dưới (tới chiều cao 0,5H) giá trị φ và mg lấy theo tính toán, còn nửa phần trên lấy tăng dần từ giá trị tính toán tới 1 theo quy luật đường thẳng (Hình 4c).
Tại giao điểm của các bức tường dọc và ngang được kết nối với nhau một cách chắc chắn, các hệ số số φ và mg được phép lấy bằng 1. Tại khoảng cách H tính từ giao điểm của các bức tường, các hệ số số φ và mg được xác định theo 8.1.1.1 đến 8.1.1.3. Phần tường trung gian, các hệ số φ và mg cho phép nội suy tuyến tỉnh.
8.1.1.5 Trong các tường có các ô cửa khi tính mảng tường nằm giữa hai ô cửa, hệ số φ lấy theo độ mảnh của tường.
Trong trường hợp mảng tường hẹp giữa hai ô cửa, có chiều rộng nhỏ hơn chiều dày của tường, thì mảng tường sẽ được tính toán kiểm tra trong mặt phẳng của tường, khi đó chiều cao tính toán L0 của mảng tường lấy bằng chiều cao của ô cửa.
8.1.1.6 Đối với tường và cột giật cấp, phần trên có tiết diện ngang nhỏ hơn, các hệ số φ và mg được xác định như sau:
a) Khi tường và cột tựa lên gối khớp cố định, chúng được xác định phụ thuộc vào chiều cao tính toán 4 = H (H là chiều cao của tường hay cột lấy theo 8.1.1.3) và vào tiết diện nhỏ nhất nằm trong đoạn H/3 ở giữa;
b) Khi ở phía trên là gối tựa đàn hồi hay không có gối, hệ số φ và mg được xác định phụ thuộc vào chiều cao tính toán 4 (xác định theo 8.1.1.3) và vào tiết diện ở phần gối tựa dưới, còn khi tính toán phần tường và cột trên có chiều cao H1 thì hệ số φ và mg được xác định phụ thuộc vào chiều cao tính toán L01 và vào tiết diện của phần này: L01 được xác định giống như 4 nhưng với H0 = H1.
8.1.2 Cấu kiện chịu nén lệch tâm
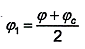
8.1.2.1 Tính toán các cấu kiện chịu nén lệch tâm của khối xây không có cốt thép được thực hiện theo công thức:
| N ≤ mgφ1RAcω | (15) |
trong đó:
Ac là diện tích phần chịu nén của tiết diện có biểu đồ ứng suất hình chữ nhật (Hình 5), được xác định theo điều kiện trọng tâm của nó trùng với điểm đặt lực dọc tính toán N. Vị trí biên của diện tích Ac được xác định theo điều kiện bằng không của mô men tĩnh của diện tích này đối với trọng tâm của tiết diện chữ nhật:
|
| (16) |
|
| (17) |
Trong các công thức từ (15) đến (17):
R là cường độ chịu nén tính toán của khối xây;
A là diện tích tiết diện cấu kiện khối xây;
h là chiều cao tiết diện trong mặt phẳng tác dụng mô men uốn;
e0 là độ lệch tâm của lực dọc tính toán N đối với trọng tâm của tiết diện;
φ là hệ số uốn dọc đối với toàn bộ tiết diện, được xác định trong mặt phẳng tác dụng của mô men uốn theo Bảng 19 và phụ thuộc vào chiều cao tính toán của cấu kiện L0 (xem 8.1.1.2 và 8.1.1.3).
φc là hệ số uốn dọc (theo Bảng 19) đối với phần chịu nén của tiết diện, được xác định trong mặt phẳng tác dụng của mô men uốn với độ mảnh λhc hoặc λic .Khi biểu đồ mô men uốn không đổi dấu: λhc = H/hc; λic=H/ic,
trong đó:
H là chiều cao thực tế của cấu kiện;
hc và ic là chiều cao và bán kính quán tính phần chịu nén của tiết diện ngang trong mặt phẳng tác dụng mô men uốn.
Đối với tiết diện chữ nhật: hc =h- 2e0;
Đối với tiết diện chữ T (khi E0 > 0,45y): có thể lấy gần đúng Ac = 2(y - e0)b và hc = 2(y - e0), trong đó:
y là khoảng cách từ trọng tâm tiết diện của cấu kiện đến mép tiết diện về phía lệch tâm;
b là chiều rộng cánh hay sườn chịu nén của tiết diện chữ T tùy thuộc vào hướng lệch tâm.
Khi biểu đồ mô men uốn đổi dấu theo chiều cao cấu kiện (Hình 6) thì việc tính toán theo cường độ được tiến hành tại các tiết diện có giá trị mô men uốn lớn nhất. Hệ số uốn dọc φn được xác định phụ thuộc vào độ mảnh: λh1c = H1/hc1 hay λi1c = H1/ic1; λh2c = H2/hc2 hay λi2c = H2/ic2, trong đó:
H1 và H2 là chiều cao từng phần tính toán cấu kiện có mô men uốn cùng dấu;
hc1, ic1 và hc2, ic2 là chiều cao và bán kính quán tính vùng nén của cấu kiện tại những tiết diện có mô men uốn lớn nhất;
ω là hệ số xác định theo Bảng 20;
mg là hệ số xác định theo công thức:
|
| (18) |
trong đó:
Ng là lực dọc do phần tải trọng tác dụng dài hạn gây nên;
ƞ là hệ số lấy theo Bảng 21;
e0g là độ lệch tâm của tải trọng tác dụng dài hạn.
Khi h ≥ 300 mm hay i ≥ 87 mm thì hệ số mg lấy bằng 1.

Hình 5 - Cấu kiện chịu nén lệch tâm

Hình 6 - Biểu đồ mô men uốn đổi dấu của cấu kiện chịu nén lệch tâm
Bảng 20 - Hệ số ω
| Loại khối xây | Giá trị ω đối với tiết diện | |
| bất kỳ | chữ nhật | |
| 1. Khối xây các loại (trừ những loại nói ở điểm 2 dưới đây) |
|
|
| 2. Bằng gạch và blốc đất sét nung có độ rỗng lớn hơn 25 %; bằng blốc cỡ nhỏ và lớn làm từ bê tông tổ ong, bê tông polystyrene, bê tông rỗng lớn; bằng đá tự nhiên (kể cả đá hộc) | 1 | 1 |
| CHÚ THÍCH: Nếu 2y <h thì khi xác định hệ số ω thay 2y bằng h . | ||
Bảng 21 - Hệ số ƞ của khối xây
| Độ mảnh | Giá trị ƞ của khối xây | ||||
| λh | λi | bằng gạch và blốc đất sét nung; bằng blốc cỡ nhỏ và lớn làm từ bê tông nặng; bằng đá tự nhiên các loại | bằng gạch và blốc silicát; bằng blốc bê tông cốt liệu rỗng; bằng blốc cỡ lớn làm từ bê tông tổ ong | ||
|
|
| Khi hàm lượng cốt thép dọc, % | |||
|
|
| ≤0,1 | ≥ 0,3 | ≤0,1 | ≥0,3 |
| < 10 | ≤35 | 0,00 | 0,00 | 0,00 | 0,00 |
| 12 | 42 | 0,04 | 0,03 | 0,05 | 0,03 |
| 14 | 49 | 0,08 | 0,07 | 0,09 | 0,08 |
| 16 | 56 | 0,12 | 0,09 | 0,14 | 0,11 |
| 18 | 63 | 0,15 | 0,13 | 0,19 | 0,15 |
| 20 | 70 | 0,20 | 0,16 | 0,24 | 0,19 |
| 22 | 76 | 0,24 | 0,20 | 0,29 | 0,22 |
| 24 | 83 | 0,27 | 0,23 | 0,33 | 0,26 |
| 26 | 90 | 0,31 | 0,26 | 0,38 | 0,30 |
| CHÚ THÍCH: Đối với khối xây không có cốt thép, hệ số ƞ lấy giống khối xây có hàm lượng cốt thép bằng và nhỏ hơn 0,1 %. Khi hàm lượng cốt thép lớn hơn 0,1 % và nhỏ hơn 0,3 %, hệ số ƞ xác định bằng nội suy tuyến tính. | |||||
8.1.2.2 Khi e0 > 0,7y; ngoài việc tính toán cấu kiện chịu nén lệch tâm theo công thức (15), phải tiến hành tính toán theo sự mở rộng khe nứt ở các mạch vữa của khối xây theo chỉ dẫn trong 9.2.
8.1.2.3 Khi tính toán các tường tự chịu lực (xem 10.1.6) có chiều dày nhỏ hơn và bằng 220 mm, cần kể đến độ lệch tâm ngẫu nhiên và phải cộng thêm với độ lệch tâm của lực dọc. Giá trị của độ lệch tâm ngẫu nhiên lấy như sau:
- Đối với tường chịu lực: 20 mm;
- Đối với tường tự chịu lực: 10 mm.
đối với các vách ngăn và tường không chịu lực, cũng như phần chèn của các bức tường gỗ rỗng, có thể bỏ qua độ lệch tâm ngẫu nhiên.
8.1.2.4 Giá trị lớn nhất của độ lệch tâm (có xét đến độ lệch tâm ngẫu nhiên) trong cấu kiện chịu nén lệch tâm không có cốt thép dọc ở vùng kéo không được vượt quá:
- Đối với tổ tải trọng cơ bản: 0,90 y;
- Đối với tổ tải trọng đặc biệt: 0,95 y;
Ở các tường có chiều dày nhỏ hơn và bằng 220 mm thì không được vượt quá:
- Đối với tổ hợp tải trọng cơ bản: 0,8 y;
- Đối với tổ hợp tải trọng đặc biệt: 0,85 y;
Khi đó khoảng cách từ điểm đặt của lực đến mép tiết diện chịu nén lớn hơn không được nhỏ hơn 20 mm đối với tường và cột chịu lực.
8.1.2.5 Những cấu kiện làm việc chịu nén lệch tâm được kiểm tra theo nén đúng tâm trong mặt phẳng vuông góc với mặt phẳng tác dụng của mô men uốn khi chiều rộng b nhỏ hơn chiều cao của tiết diện.
8.1.3 Cấu kiện chịu nén lệch tâm xiên
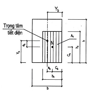
Tính toán các cấu kiện chịu nén lệch tâm xiên được tiến hành theo công thức (15) khi biểu đồ ứng suất có dạng hình chữ nhật theo hai phương. Diện tích phần chịu nén của tiết diện A quy ước lấy theo dạng hình chữ nhật, có trọng tâm trùng với điểm đặt lực và hai cạnh giới hạn bởi mép tiết diện của cấu kiện (Hình 7) với: hc = 2Cb ; bc = 2Cb và Ac = 4ChCb, trong đó Ch và Cb là các khoảng cách từ điểm đặt lực N đến các mép gần nhất của tiết diện.
Trong trường hợp hình dạng tiết diện phức tạp, để đơn giản tính toán cho phép lấy phần hình chữ nhật của tiết diện mà không tính đến các phần có hình dạng phức tạp (Hình 8). Các giá trị ω, ω1 và mg được xác định với hai trường hợp:
- Theo chiều cao tiết diện h hay bán kính quán tính ih và độ lệch tâm eh theo phương h;
- Theo chiều cao tiết diện b hay bán kính quán tính ib và độ lệch tâm eb theo phương b .
Sau khi tính toán chọn giá trị nhỏ nhất trong hai giá trị tính được theo công thức (15) làm khả năng chịu lực của cấu kiện.
Nếu eb > 0,7 Cb hoặc eh > 0,7Ch ngoài việc tính toán theo khả năng chịu lực còn phải tính toán theo sự mở rộng khe nứt ở phía tương ứng theo 9.2.

Hình 7 - Sơ đồ tính toán tiết diện chữ nhật khi nén lệch tâm

CHÚ DẪN:
A1 và A2 các diện tích được bỏ qua trong tính toán
Hình 8 - Sơ đồ tính toán tiết diện phức tạp khi nén lệch tâm xiên
8.1.4 Cấu kiện chịu nén cục bộ
8.1.4.1 Tính toán tiết diện chịu nén (ép) cục bộ khi tải trọng phân phối trên một phần diện tích của tiết diện được tiến hành theo công thức:
| Nc ≤ ψdRcAc | (19) |
trong đó:
Nc là lực nén cục bộ;
Rc là cường độ tính toán chịu nén (ép) cục bộ của khối xây, được xác định theo 8.1.4.2;
Ac là diện tích chịu nén (ép) mà tải trọng truyền lên;
d = 1,5 - 0,5ψ đối với khối xây gạch và khối xây gạch rung, cũng như khối xây bằng khối bê tông nặng và bê tông nhẹ;
d = 1 đối với khối xây bằng bê tông có lỗ rộng lớn và bê tông tổ ong;
ψ là hệ số đầy của biểu đồ áp lực do tải trọng cục bộ gây ra.
Khi áp lực phân phối đều: ψ =1, phân phối theo biểu đồ hình tam giác: ψ = 0,5.
Nếu dưới gối tựa của cấu kiện chịu uốn không yêu cầu đặt bản đệm phân bố áp lực thì cho phép lấy tích số ψ = 0,75 đối với khối xây bằng vật liệu ghi ở điểm 1 và 2 của Bảng 22 và ψ = 0,5 đối với khối xây bằng vật liệu ghi ở điểm 3 của Bảng 22.
Bảng 22 - Hệ số ξ1
| Vật liệu xây | Giá trị ξ1 đối với sơ đồ tải trọng trên | |||
| Hình 9, a, c, c1, e, g | Hình 9, b, d, f, h | |||
| Tải trọng cục bộ | Tổng tải trọng cục bộ và tải trọng chính | Tải trọng cục bộ | Tổng tải trọng cục bộ và tải trọng chính | |
| 1. Gạch đặc, blốc đặc cỡ nhỏ và lớn làm từ bê tông nặng, bê tông cốt liệu rỗng có cấp cường độ B3,5 và lớn hơn | 2,0 | 2,0 | 1,0 | 1,2 |
| 2. Gạch và blốc đất sét nung có lỗ rỗng; bê tông đá hộc | 1,5 | 2,0 | 1,0 | 1,2 |
| 3. Gạch và blốc bê tông có lỗ rỗng; gạch và blốc bê tông đặc mác 35; gạch và blốc bê tông tổ ong và đá tự nhiên | 1,2 | 1,5 | 1,0 | 1,0 |
| 4. Mọi loại khối xây có mác vữa nhỏ hơn 1 MPa | 1,0 | 1,0 | 1,0 | 1,0 |
| CHÚ THÍCH 1: Với vật liệu xây là gạch, đá, blốc (trừ gạch đất sét nung) có độ rỗng trên 27 %, giá trị ξ1 được lấy bằng 1; CHÚ THÍCH 2: Với vật liệu xây là gạch, blốc đất sét nung với độ rỗng trên 27 %, giá trị ξ1 được lấy bằng 0,8; CHÚ THÍCH 3: Với vật liệu xây là blốc bê tông polystyrene thì giá trị ξ1 được lấy theo kết quả thí nghiệm. | ||||
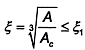
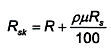
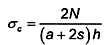
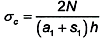
8.1.4.2 Cường độ chịu nén cục bộ tính toán của khối xây Rc được xác định theo công thức:
| Rc = ξR | (20) |
trong đó:
|
| (21) |
trong đó:
A là diện tích tính toán của tiết diện, được xác định theo 8.1.4.4;
ξ1 là hệ số phụ thuộc vào vật liệu của khối xây và điểm đặt tải trọng, xác định theo Bảng 22 và Bảng 23.
Khi tính toán nén cục bộ của khối xây có lưới thép thì cường độ Rc trong công thức (19) là giá trị lớn nhất trong hai giá trị Rc xác định theo công thức (20) của khối xây không cốt thép hoặc Rc = Rsk, với Rsk là cường độ chịu nén tính toán của khối xây có lưới cốt thép, được xác định theo công thức (29) hoặc (30).
Trong khối xây bằng gạch, đá và blốc có độ rỗng lớn hơn 48 %, cường độ chịu nén cục bộ tính toán phải nhân với hệ số điều kiện làm việc 0,8.
Bảng 23 - Hệ số ξ1
| Vật liệu khối xây | Giá trị ξ1 đối với sơ đồ tải trọng trên | |||||
| Hình 9a, e, g | Hình 9d, f, h | Hình 9c, c1 | ||||
| Tải trọng cục bộ | Tổng tải trọng cục bộ và tải trọng chính | Tải trọng cục bộ | Tổng tải trọng cục bộ và tải trọng chính | Tải trọng cục bộ | Tổng tải trọng cục bộ và tải trọng chính | |
| Blốc đất sét nung có độ rỗng từ 40 % đến 55 % | 1,1 | 1,2 | 1,0 | 1,0 | 1,1 | 1,2 |
| CHÚ THÍCH 1: Chiều sâu tựa của dầm trên khối xây (Hình 9c và 9c1) phải không nhỏ hơn 380 mm. Khi chiều sâu tựa nhỏ hơn, cần dùng bản đệm phân bố áp lực. CHÚ THÍCH 2: Khi độ rỗng của blốc lớn hơn thì lấy hệ số bằng 1,0 cho mọi trường hợp. | ||||||
8.1.4.3 Khi các tải trọng cục bộ (phản lực gối tựa của dầm, xà, sàn, v.v.) và các tải trọng chính (trọng lượng của khối xây phía trên tải trọng truyền lên khối xây đó) tác dụng đồng thời thì việc tính toán được tiến hành riêng biệt theo tải trọng cục bộ và theo tổng tải trọng cục bộ và tải trọng chính với các giá trị ξ1 thích hợp tra ở Bảng 22.
Khi tính toán theo tổng tải trọng cục bộ và tải trọng chính, cho phép chỉ kể đến phần tải trọng cục bộ đặt trước khi chất tải diện tích cực bộ của tải trọng chính.
CHÚ THÍCH: Trong trường hợp, khi mà diện tích tiết diện chỉ đủ để chịu một mình tải trọng cục bộ, mà không đủ để chịu tổng tải trọng cục bộ và tải trọng chính, thì cho phép dùng các biện pháp cấu tạo để tránh không cho truyền tải trọng chính lên diện tích chịu nén cục bộ (ví dụ: tạo một khoảng rỗng hay đặt tấm đệm trên đầu dầm, xà hoặc lanh tô).
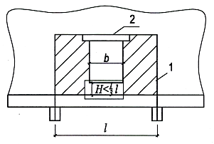
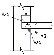
8.1.4.4 Diện tích tính toán của tiết diện A được xác định theo nguyên tắc sau:
a) Khi tải trọng cục bộ tác dụng toàn bộ chiều dài của tường, diện tích tính toán của tiết diện gồm cả phần diện tích 2 bên có chiều dài không lớn hơn chiều dày của tường (Hình 9a);
b) Khi tải trọng cục bộ tác dụng ở mép tường trên toàn bộ chiều dày của tường, diện tích tính toán của tiết diện lấy bằng diện tích nén cục bộ, còn khi tính với tổng tải trọng cục bộ và chính, diện tích tính toán của tiết diện bao gồm cả phần diện tích kề sát với mép của tải trọng cục bộ có chiều dài không lớn hơn chiều dày của tường (Hình 9b);
c) Khi tải trọng cục bộ là tải trọng ở những chỗ gối tựa của các đầu xà và dầm, diện tích tính toán của tiết diện Diện tích tiết diện của tường có chiều rộng bằng chiều sâu phần gối tựa của xà hoặc dầm và chiều dài không lớn hơn khoảng cách giữa hai nhịp cạnh tranh nhau của dầm (Hình 9c). Nếu khoảng cách giữa các dầm lớn hơn hai lần chiều dày tường thì chiều dài của phần diện tích tính toán của tiết diện lấy bằng tổng số chiều rộng của dầm b và hai lần chiều dày của tường h (Hình 9c1);
d) Khi tải trọng cục bộ tác dụng ở góc tường, diện tích tính toán của tiết diện lấy bằng diện tích chịu nén cục bộ, còn khi tính toán với tổng tải trọng cục bộ và chính, thì diện tích tính toán của tiết diện lấy theo Hình 9d trong phạm vi đường đứt nét;
e) Khi tải trọng cục bộ đặt trên một phần chiều dài và chiều rộng của tiết diện, diện tích tính toán của tiết diện lấy theo Hình 9e. Nếu đặt như vậy nhưng ở gần mép tường, thì khi tính toán với tổng tải trọng cục bộ và chính diện tích tính toán lấy không nhỏ hơn diện tích tính được xác định theo Hình 9d khi tải trọng cục bộ đặt ở góc tường;
f) Khi tải trọng cục bộ đặt hoàn toàn trong phạm vi phần bổ trụ, diện tích tính toán lấy bằng diện tích chịu nén cục bộ, còn khi tính toán với tổng tải trọng cục bộ và chính thì diện tích tính toán của tiết diện lấy theo Hình 9f trong phạm vi đường đứt nét;
g) Khi tải trọng cục bộ đặt ở phần bổ trụ và một phần tường, diện tích tính toán được lấy tăng so với diện tích chịu nén cục bộ chỉ khi mà hợp lực của tải trọng có điểm đặt nằm trong cánh (tường) hoặc trong phạm vi phần sườn (bổ trụ) với độ lệch tâm về phía tường (trong đó L là chiều dài của phần diện tích chịu nén cục bộ, e0 là độ lệch tâm so với trục của diện tích chịu nén cục bộ). Trong trường hợp này, diện tích tính toán của tiết diện gồm cả phần diện tích tường ở hai bên kề sát với bồ trụ có chiều rộng c1 bằng chiều sâu gối tựa lên khối xây tường và chiều dài về mỗi phía không lớn hơn chiều dày tường (Hình 9g);
h) Nếu tiết diện có hình dạng phức tạp, không được phép tính vào diện tích tính toán những phần diện tích có liên kết yếu (với phần chịu tải) không đủ độ truyền áp lực (phần 1 và 2 trên Hình 9h).
CHÚ THÍCH: Trong mọi trường hợp trình bày trên Hình 9, diện tích tính toán của tiết diện A đã bao gồm cả diện tích chịu nén cục bộ Ac.
8.1.4.5 Khi cấu kiện chịu uốn (dầm, xà, v.v.) kê lên mép của khối xây mà không có bản đệm hoặc với bản đệm có thể xoay cùng với đầu cấu kiện, thì chiều sâu phần gối tựa được xác định theo tính toán. Khi đó bản kê chỉ đảm bảo phân bố tải trọng theo phương vuông góc với cấu kiện chịu uốn.
Các chỉ dẫn của mục này không áp dụng để tính gối tựa của các tường treo. Việc tính toán này được tiến hành theo chỉ dẫn ở 8.1.4.1 và 10.1.6.
CHÚ THÍCH 1: Khi cần tăng diện tích chịu nén cục bộ dưới các tấm đệm gối tựa, cần đặt các tấm thép đệm để định vị áp lực gối tựa.
CHÚ THÍCH 2: Các yêu cầu về cấu tạo các phần khối xây chịu tải trọng cục bộ xem chỉ dẫn ở 10.6.1 đến 10.6.3.

a) đến h) là các trường hợp nén cục bộ
CHÚ DẪN:
1 và 2 các phần tiết diện không đưa vào tính toán
Hình 9 - Xác định diện tích tính toán của tiết diện khi nén cục bộ
8.1.5 Cấu kiện chịu uốn
Tính toán cấu kiện chịu uốn không có cốt thép được tiến hành theo công thức:
| M ≤ RtbW | (22) |
trong đó:
M là mô men uốn tính toán;
W là mô men chống uốn của tiết diện khối xây làm việc ở giai đoạn đàn hồi;
Rtb là cường độ tính toán chịu kéo khi uốn của khối xây theo tiết diện giằng (từ Bảng 11 đến Bảng 13).
Tính toán cấu kiện chịu uốn không có cốt thép với lực cắt Q được tiến hành theo công thức:
| Q ≤ Rtwbz | (23) |
trong đó:
Rtw là cường độ tính toán chịu ứng suất kéo chính khi uốn của khối xây, lấy theo các bảng từ Bảng 11 đến Bảng 13;
b là chiều rộng của tiết diện; z là cánh tay đòn của nội ngẫu lực, đối với tiết diện chữ nhật z = 2h/3.
CHÚ THÍCH: Không cho phép thiết kế các cấu kiện của kết cấu khối xây làm việc chịu uốn theo tiết diện không giằng.
8.1.6 Cấu kiện chịu kéo đúng tâm
Tính toán các cấu kiện chịu kéo đúng tâm không có cốt thép theo cường độ khi chịu kéo đúng tâm được tiến hành theo công thức:
| N ≤ RtAn | (23) |
Trong đó:
N là lực dọc tính toán khi kéo;
Rt là cường độ chịu kéo của khối xây, lấy theo Bảng 11 đến Bảng 13 theo tiết diện có giằng;
An là diện tích tiết diện chịu kéo của khối xây đã trừ phần giảm yếu (diện tích thu hẹp).
CHÚ THÍCH: Không cho phép thiết kế cầu kiện kết cấu khối xây làm việc chịu kéo dọc trục theo tiết diện không giằng.
8.1.7 Cấu kiện chịu cắt
Tính toán chịu cắt khối xây không có cốt thép theo mạch vữa ngang không giằng và khối xây đá hộc theo mạch vữa có giằng được tiến hành theo công thức:
| Q ≤ (Rsq +0,8nμσ0)A | (25) |
trong đó:
Rsq là cường độ chịu cắt tính toán của khối xây (xem Bảng 11);
μ là hệ số ma sát theo mạch của khối xây, lấy bằng 0,7 cho khối xây bằng gạch và đá có hình đều đặn;
σ0 là ứng suất nén trung bình khi tải trọng nhỏ nhất được xác định với hệ số độ tin cậy về tải trọng 0,9;
n là hệ số, lấy bằng 1 với khối xây bằng đá và gạch đặc, lấy bằng 0,5 đối với khối xây bằng gạch rỗng và đá có các khe rỗng thẳng đứng, cũng như đối với khối xây bằng đá hộc;
A là diện tích tính toán của tiết diện.
Việc tính toán khối xây chịu cắt theo tiết diện có giằng (theo gạch hay đá) cũng được tiến hành theo công thức (25) nhưng không kể đến ảnh hưởng của ứng suất nén (bỏ số hạng thứ hai của công thức (25). Cường độ tính toán của khối xây lấy theo Bảng 12.
Khi chịu nén lệch tâm với độ lệch tâm vượt ra khỏi giới hạn của lõi tiết diện (đối với tiết chữ nhật có e0 >0,17h) thì diện tích tính toán của tiết diện chỉ diện tích vùng nén của tiết diện An.
8.1.8 Tường nhiều lớp có lớp gạch xây ốp mặt
8.1.8.1 Các lớp riêng biệt của tường nhiều lớp phải được nối với nhau bằng các liên kết cứng hoặc mềm. Các liên kết cứng phải bảo đảm phân phối tải trọng giữa các lớp. Trường hợp liên kết mềm thì mỗi lớp phải được tính toán riêng biệt để chịu được tải trọng mà lớp đó tiếp nhận.
8.1.8.2 Liên kết được coi là cứng trong trường hợp sau:
a) Khi dùng lớp cách nhiệt bất kỳ và khoảng cách giữa các trục của các sườn cứng theo phương đứng, tạo bởi các hàng gạch, đá quay ngang, không lớn hơn 10h và không lớn hơn 1,2 m, trong đó h là chiều dày của lớp cấu tạo mỏng hơn.
b) Khi dùng lớp cách nhiệt bằng bê tông đổ tại chỗ có cường độ chịu nén không thấp hơn 0,7 MPa hoặc khi xây bằng gạch, đá có mác không thấp hơn M25 với các hàng xây quay ngang, bố trí theo chiều cao khối xây cách nhau không lớn hơn 5h;
c) Khi thỏa mãn các yêu cầu liên kết theo 10.7
8.1.8.3 Khi quy đổi tiết diện tường về một loại vật liệu, thì chiều dày của các lớp phải lấy theo thực tế, còn chiều rộng của chúng (dọc chiều dài tường) lấy thay đổi theo tỷ lệ với các cường độ tính toán và hệ số sử dụng cường độ của các lớp theo công thức:
|
| (26) |
trong đó:
bred là chiều rộng quy đổi của một lớp;
b là chiều rộng thực tế của lớp;
R,m lần lượt là cường độ tính toán và hệ số sử dụng cường độ của lớp mà đang tính quy đổi về nó;
Ri,mi lần lượt là cường độ tính toán và hệ số sử dụng cường độ của bất kỳ lớp tường nào khác.
Các hệ số sử dụng cường độ m và mi của các lớp trong tường nhiều lớp nêu trong Bảng 24.
Bảng 24 - Hệ số sử dụng cường độ của các lớp vật liệu
| Lớp làm từ gạch, blốc bê tông, m | Lớp làm từ vật liệu mi | |||||||
| blốc và gạch đất sét nung cỡ lớn | gạch đất sét nung cỡ nhỏ ép dẻo | gạch silicát | gạch đất sét nung cỡ nhỏ ép bán khô | |||||
| m | mi | m | mi | m | mi | m | mi | |
| 1. Blốc bê tông cốt liệu rỗng, bê tông rỗng cấp B2 trở lên | 0,80 | 1,00 | 0,90 | 1,00 | 1,00 | 0,90 | 1,00 | 0,85 |
| 2. Blốc bê tông tổ ong chưng áp cấp B2 trở lên | - | - | 0,85 | 1,00 | 1,00 | 0,80 | 1,00 | 0,80 |
| 3. Blốc bê tông tổ ong không chưng áp cấp B2 trở lên | - | - | 0,70 | 1,00 | 0,80 | 1,00 | 0,90 | 1,00 |
8.1.8.4 Việc tính toán tường nhiều lớp dùng liên kết cứng được tiến hành:
a) Khi nén đúng tâm: theo công thức (12);
b) Khi nén lệch tâm: theo công thức (15), khi đó hệ số ω cho khối xây với sườn cứng theo phương đứng (8.1.8.2a) được lấy bằng 1,0.
Trong các công thức (12) và (15): lấy diện tích tiết diện quy đổi Ared, diện tích phần chịu nén của tiết diện quy đổi Acred, và cường độ tính toán đã kể đến hệ số sử dụng cường độ mR, của lớp mà tiết diện quy đổi về nó.
Các hệ số uốn dọc φ, φ1 và hệ số mg được xác định theo các chỉ dẫn trong 8.1.1.2 đến 8.1.1.6 và 8.1.2.1 đối với vật liệu của lớp mà tiết diện quy đổi về nó.
8.1.8.5 Khi tính toán tường nhiều lớp dùng liên kết mềm (thép thanh, lưới thép, lưới sợi thủy tinh, v.v.) thì các hệ số φ, φ1 và mg được xác định theo 8.1.1.2 đến 8.1.1.6 và 8.1.2.1 đối với chiều rộng quy ước bằng tổng chiều dày của hai lớp chịu lực của tường rồi nhân với hệ số 0,7.
Khi các lớp dùng vật liệu khác nhau thì xác định đặc trưng đàn hồi quy đổi αred theo công thức:
|
| (27) |
trong đó:
α1 và α2 là đặc trưng đàn hồi của các lớp;
h1 và h2 là chiều dày của các lớp.
8.1.8.6 Trong tường hai lớp dùng liên kết cứng, độ lệch tâm của lực dọc về phía lớp cách nhiệt so với trục đi qua trọng tâm của tiết diện quy đổi không được vượt quá 0,5y.
8.1.8.7 Tường nhiều lớp dùng vật liệu cách nhiệt có cường độ chịu nén từ 1,5 MPa trở xuống (bông khoáng, sợi polymer và vật liệu tương tự) được tính toán theo tiết diện khối xây không kể đến khả năng chịu lực của lớp cách nhiệt.
8.1.8.8 Tiết diện tường với lớp ốp được quy đổi về lớp chịu lực chính của tường. Tính toán mở rộng vết nứt các mạch của lớp ốp trên mặt chịu kéo của tiết diện, với độ lệch tâm về phía khối xây lớn hơn 0,7y (y là khoảng cách từ trọng tâm tiết diện quy đổi đến mép của tiết diện về phía lệch tâm) so với trục của tiết diện quy đổi, được thực hiện theo chỉ dẫn trong 9.2. Hệ số sử dụng cường độ các lớp vật liệu của tường ốp được lấy theo Bảng 25.
Bảng 25 - Hệ số sử dụng cường độ các lớp vật liệu của tường có lớp ốp mặt
| Vật liệu của lớp ốp mặt, mi | Vật liệu của tường m | |||||||
| blốc và gạch đất sét nung cỡ lớn | gạch đất sét nung cỡ nhỏ ép dẻo | gạch silicát | gạch đất sét nung cỡ nhỏ ép bán khô | |||||
| m | mi | m | mi | m | mi | m | mi | |
| 1. Gạch đất sét nung ép dẻo có chiều cao 60 (65) mm | 0,80 | 1,00 | 1,00 | 0,90 | 1,00 | 0,60 | 1,00 | 0,65 |
| 2. Blốc đất sét nung có các lỗ rỗng dạng khe, cao 140 mm | 1,00 | 0,90 | 1,00 | 0,80 | 0,85 | 0,60 | 1,00 | 0,50 |
| 3. Tấm cỡ lớn làm từ bê tông silicát | 0,60 | 0,80 | 0,60 | 0,70 | 0,70 | 0,60 | 0,90 | 0,60 |
| 4. Gạch silicát cỡ nhỏ | 0,60 | 0,85 | 0,60 | 1,00 | 1,00 | 1,00 | 1,00 | 0,80 |
| 5. Blốc silicát cao 138 mm | 0,90 | 1,00 | 0,80 | 1,00 | 1,00 | 0,80 | 1,00 | 0,70 |
| 6. Tấm cỡ lớn làm từ bê tông nặng chất kết dính xi măng | 1,00 | 0,90 | 1,00 | 0,90 | 1,00 | 0,75 | 1,00 | 0,65 |
8.1.8.9 Khi tính toán tường có các lớp ốp, thì độ lệch tâm của tải trọng về phía lớp ốp không được vượt quá 0,25y (với y là khoảng cách từ trọng tâm tiết diện quy đổi đến mép của tiết diện về phía lệch tâm). Khi độ lệch tâm về phía mép trong của tường e0 >
, nhưng không nhỏ hơn 0,1y; thì việc tính toán theo các công thức từ (12) đến (15) được tiến hành không kể đến các hệ số m và mi (nêu trong Bảng 24 và Bảng 25) như tiết diện một lớp dùng vật liệu của lớp chịu lực chính của tường, khi đó, phải đưa vào tính toán toàn bộ diện tích của tiết diện tường.
8.1.9. Tường với sườn cứng theo phương đứng
Khối xây của các sườn cứng đứng và liên kết các lớp của khối xây được kiểm tra chịu cắt theo công thức:
|
| (28) |
trong đó:
là ứng suất tiếp, tác động trong mặt phẳng đứng, cắt qua sườn cứng và phát sinh do tác động đồng thời của tải trọng đứng và biến dạng nhiệt - ẩm.
Rsq là cường độ chịu cắt tính toán của khối xây sườn cứng, xác định theo 8.1.7.
Khi tính toán nén đúng tâm và lệch tâm, một đoạn tường tiết diện chữ I như trên Hình 10 được xem xét Mô men uốn do tải đặt lệch tâm chỉ được tính với tải đặt trong phạm vi của tầng đang xét. Ngoài các lực thẳng đứng, cần xem xét cả mô men uốn gây ra bởi tác động của nhiệt độ.

Hình 10 - Tiết diện quy đổi của đoạn tường tính toán
Các hệ số uốn dọc φ, φ1 và hệ số mg được xác định cho tiết diện cắt qua vách cứng.
Trong các công thức (12) và (15) tại 8.1.1 và 8.1.2 áp dụng: diện tích tiết diện quy đổi Ared , diện tích vùng chịu nén tiết diện quy đổi Acred và cường độ tính toán của lớp mà tiết diện được quy đổi theo nó, có kể đến hệ số sử dụng cường độ mR của nó.
Các hệ số uốn dọc φ , φ1 và hệ số mg được xác định theo các chỉ dẫn trong 8.1.1.2 đến 8.1.1.6 và 8.1.2.1 đối với vật liệu của lớp mà tiết diện được quy đổi theo nó và cho tiết diện cắt qua vách cứng.
Diện tích quy đổi tiết diện ngang của đoạn tường xem xét được xác định theo công thức:
| Ared = Aint + Ared,ext + Ared,d | (29) |
trong đó:
Aint là diện tích tiết diện ngang của lớp trong mà toàn bộ tiết diện được quy đổi theo nó;
Ared,ext là diện tích tiết diện ngang quy đổi của lớp ngoài;
Aext là diện tích tiết diện ngang quy đổi của vách cứng;
hext là chiều dày lớp ngoài;
hd là chiều dày vách cứng (khoảng cách thông thủy giữa lớp trong và lớp ngoài của tường).
Việc quy đổi vật liệu của lớp ngoài và vách cứng theo vật liệu của lớp trong được thực hiện theo 8.1.8.4.
Chiều cao vùng chịu nên được xác định từ điều kiện tổng các mô men tĩnh của biểu đồ ứng suất theo chiều đứng quanh trục đặt lực thẳng đứng bằng 0. Khi đó coi rằng, ở trạng thái giới hạn, biểu đồ ứng suất theo chiều đứng là hình chữ nhật. Với khối xây nhiều lớp có sườn cứng theo phương đứng, đặc trưng đàn hồi quy đổi của khối xây được chấp nhận xác định theo công thức:
|
| (30) |
Trong đó:
αint; αext ; αd là các đặc trưng đàn hồi tương ứng của lớp trong, lớp ngoài và vách cứng.
8.2 Kết cấu khối xây có cốt thép
8.2.1 Cấu kiện dùng lưới thép đặt ngang
8.2.1.1 Tính các cấu kiện có cốt thép lưới (Hình 11) chịu nén đúng tâm theo công thức:
| N ≤ mg φRskA | (31) |
trong đó:
N là lực dọc tính toán;
Rsk < 2R là cường độ tính toán khi nén đúng tâm, đối với khối xây bằng gạch các loại hoặc blốc gốm có khe rỗng thẳng đứng và cốt thép lưới, được xác định theo công thức:
|
| (32) |
trong đó:
ρ là hệ số, lấy bằng:
2,0 - khi độ rỗng của gạch (đá) nhỏ hơn 20 %;
1,5 - khi độ rỗng từ 20 % đến 30 %;
1,0 - khi độ rỗng lớn hơn 30 %.
Khi mác vữa nhỏ hơn 2,5 (khi kiểm tra cường độ khối xây trong quá trình thi công) thì Rsk1 được xác định theo công thức:
|
| (33) |
Trong đó:
R1 là cường độ chịu nén tính toán của khối xây không có cốt thép ở tuổi đang xét của vữa;
R25 là cường độ chịu nén tính toán của khối xây khi mác vữa là 2,5 (cường độ chịu nén trung bình 2,5 MPa);
là hàm lượng cốt thép theo thể tích, đối với lưới ô vuông bằng thép thanh có tiết diện Ast, đặt cách nhau một khoảng bằng S theo chiều cao khối xây, cạnh ô vuông là C thì ![]()
Vs và V là thể tích của cốt thép và khối xây;
mg là hệ số, xác định theo công thức (18);
φ là hệ số uốn dọc, xác định theo Bảng 19 với λh, λi và đặc trưng đàn hồi của khối xây có cốt thép lưới αsk tính theo công thức (6).
CHÚ THÍCH: Hàm lượng thép của khối xây đặt cốt thép lưới khi chịu nén đúng tâm không được vượt quá giá trị xác định theo công thức: μt =
. Khi hàm lượng cốt thép nhỏ hơn 0,1 % thì tiết diện được tính toán như không Rs có cốt thép lưới. Rs là cường độ chịu kéo tính toán của cốt thép.
Khi cường độ vữa lớn hơn 2,5 MPa thì tỉ số
lấy bằng 1.

CHÚ DẪN:
1 lưới thép
2 đầu lưới thép thò ra ngoài để tiện kiểm tra
Hình 11 - Khối xây đặt lưới thép
8.2.1.2 Việc tính toán các cấu kiện chịu nén lệch tâm có cốt thép lưới khi độ lệch tâm bé, không vượt quá giới hạn lõi tiết diện (đối với tiết diện chữ nhật e0 > 0,17h) cần thực hiện theo công thức:
|
| (34) |
hoặc đối với tiết diện chữ nhật:
|
| (35) |
trong đó:
Rskb ≤ 2R là cường độ tính toán khi chịu nén lệch tâm của khối xây bằng gạch các loại hoặc blốc gốm có khe rỗng thẳng đứng và cốt thép lưới, được xác định theo công thức (36) khi mác vữa lớn hơn hoặc bằng 5 (cường độ chịu nén trung bình 5 MPa):
|
| (36) |
còn khi mác vữa nhỏ hơn 2,5 (khi kiểm tra cường độ khối xây trong quá trình thi công), Rskb được xác định theo công thức:
|
| (37) |
Các ký hiệu còn lại xem giải thích trong 8.1.1.1 và 8.1.2.1.
CHÚ THÍCH 1: Khi độ lệch tâm vượt ra ngoài giới hạn tiết diện (tiết diện chữ nhật e0 >0,17h) cũng như khi λh > 53 không nên dùng cốt thép lưới.
CHÚ THÍCH 2: Hàm lượng thép của khối xây đặt cốt thép lưới khi chịu nén lệch tâm không được vượt quá giá trị xác định theo công thức:
≥ 0,1 % . Khi hàm lượng cốt thép nhỏ hơn 0,1 % thì tiết diện được tính toán như không có cốt thép lưới.
8.2.2 Cấu kiện dùng cốt thép dọc
8.2.2.1 Tính toán cấu kiện khối xây có cốt thép dọc chịu nén đúng tâm theo công thức:
|
| (38) |
trong đó:
As là diện tích cốt thép dọc;
Rsce là cường độ chịu nén tính toán của cốt thép dọc;
Các ký hiệu khác xem 8.1.1.1.
8.2.2.2 Tính toán cấu kiện tiết diện chữ nhật có cốt thép dọc chịu nén lệch tâm khi độ lệch nhỏ (x > O,55h0) theo công thức:
|
| (39) |
Nếu độ lệch tâm không vượt ra ngoài giới hạn lõi tiết diện (tiết diện chữ nhật) phải Kiểm tra bổ sung theo điều kiện sau:
|
| (40) |
Trong các công thức (39) và (40):
b là chiều rộng tiết diện chữ nhật;
hc là chiều cao vùng chịu nén của khối xây được xác định từ phương trình (40);
a và a’ tương ứng là khoảng cách từ trọng tâm cốt thép As và As’ đến mép ngoài của tiết diện gần nhất;
h là chiều cao của tiết diện chữ nhật;
h0 = h - a và h0’ = h - a' là chiều cao tính toán của tiết diện;
As là diện tích cốt thép dọc nằm ở vùng chịu kéo hoặc chịu nén ít hơn;
As’ là diện tích cốt thép dọc nằm ở vùng chịu nén;
e và e' tương ứng là khoảng cách từ điểm đặt lực N đến trọng tâm cốt thép As và As’ ;
Các ký hiệu khác xem 8.1.1.1.
8.2.2.3 Tính toán cấu kiện chữ nhật có cốt thép dọc chịu nén lệch tâm lớn (x ≤ 0,55h0) theo
|
| (41) |
trong đó vị trí trục trung hòa xác định theo công thức:
|
| (42) |
CHÚ THÍCH 1: Công thức (42) lấy dấu "cộng" nếu lực dọc đặt ở ngoài phạm vi khoảng cách giữa trọng tâm cốt thép As và trường hợp ngược lại lấy dấu "trừ".
CHÚ THÍCH 2: Chiều cao vùng chịu nén hc phải lớn hơn hoặc bằng 2a'.
8.2.2.4 Tính toán cấu kiện tiết diện chữ nhật có cốt thép dọc chịu uốn theo công thức:
a) Khi đặt cốt đơn:
|
| (43) |
Trong đó vị trí trục trung hòa được xác định từ phương trình:
|
| (44) |
b) Khi đặt cốt thép kép
|
| (45) |
Vị trí trục trung hòa được xác định từ phương trình:
|
| (46) |
Chiều cao vùng chịu nén của khối xây trong mọi trường hợp phải thỏa mãn điều kiện:
|
| (47) |
8.2.2.5 Tính toán với lực cắt trong các cấu kiện chịu uốn được tiến hành theo công thức:
|
| (48) |
Đối với tiết diện chữ nhật:
|
| (49) |
Các ký hiệu khác xem 8.1.5 và 8.2.2.2.
CHÚ THÍCH: Trong trường hợp cường độ khối xây không đủ chịu lực cắt, nhất thiết phải cấu tạo và tính toán cốt thép đai tương tự như trong TCVN 5574.
8.2.2.6 Tính toán cấu kiện của khối xây đặt cốt thép dọc chịu kéo đúng tâm được tiến hành theo công thức:
|
| (50) |
trong đó:
Rs là cường độ chịu kéo tính toán của cốt thép dọc;
As là diện tích tiết diện cốt thép dọc.
8.3 Gia cường kết cấu khối xây
8.3.1 Gia cường bằng bê tông cốt thép
8.3.1.1 Tính toán các cấu kiện chịu nén đúng tâm của kết cấu hỗn hợp (Hình 12) theo công thức:
|
| (51) |
trong đó:
R là cường độ chịu nén tính toán của khối xây;
Rb,Rsc lần lượt là cường độ chịu nén tính toán của bê tông và của cốt thép dọc, lấy theo TCVN 5574;
A,Ab,As’ lần lượt là diện tích tiết diện của cấu kiện khối xây, của bê tông và cốt thép chịu nén.
mg là hệ số tính đến sự ảnh hưởng dài hạn của tải trọng (xem 8.1.1.1);
φcs là hệ số uốn dọc của kết cấu hỗn hợp, xác định theo Bảng 19 với đặc trưng đàn hồi của kết cấu hỗn hợp:
|
| (52) |
E0,red là mô đun đàn hồi tính đổi của kết cấu hỗn hợp:
|
| (53) |
Rred là cường độ tiêu chuẩn tính đổi của vật liệu hỗn hợp:
|
| (54) |
Trang các công thức (53) và (54):
E0 và Eb lần lượt là mô đun đàn hồi của khối xây và bê tông;
I và Ib lần lượt là mô men quán tính của tiết diện khối xây và bê tông đối với trọng tâm hình học của tiết diện;
Ru là cường độ chịu nén trung bình của khối xây (xem 7.2.1);
Rbn là cường độ chịu nén tiêu chuẩn của bê tông lấy theo TCVN 5574.
CHÚ THÍCH 1: Đối với kết cấu hỗn hợp phải dùng bê tông B12,5 trở lên, chiều dày lớp bê tông bảo vệ cốt thép đối với kết cấu trong môi trường sử dụng bình thường - theo TCVN 5574 và trong môi trường ăn mòn - theo TCVN 12251.
CHÚ THÍCH 2: Lượng cốt thép chịu nén tĩnh trong tính toán không được dưới 0,2 %.
|
a) Bố trí bê tông ở bên trong khối xây |
b) Bố trí bê tông ở mặt ngoài khối xây |
|
c) Bố trí bê tông ở mặt ngoài khối xây | |
CHÚ DẪN:
1 cốt thép dọc
2 cốt thép đai
Hình 12 - Tiết diện kết cấu hỗn hợp
8.3.1.2 Tính toán các cấu kiện chịu nén lệch tâm của kết cấu hỗn hợp khi độ lệch tâm nhỏ (Sc ≥ 0,8S0)
theo công thức:
|
| (55) |
Nếu lực N đặt giữa trọng tâm cốt thép At và At’ thì phải kiểm tra bổ sung theo điều kiện sau:
|
| (56) |
Trong các công thức (55) và (56):
là mô men tĩnh của diện tích tiết diện hỗn hợp (đã quy đổi theo khối xây) đối với trọng tâm của cốt thép As là cốt thép chịu kéo hoặc cốt thép chịu nén nhỏ hơn;
Sc là mô men tĩnh của diện tích phần chịu nén của tiết diện hỗn hợp đối với trọng tâm cốt thép As: ![]()
Skc và Sbc là mô men tĩnh của diện tích phần chịu nén của tiết diện khối xây và của tiết diện bê
tông đối với trọng tâm cốt thép As;
Sk ,Sb và Ss là mô men tĩnh của diện tích tiết diện khối xây, bê tông và cốt thép As’ đối với trọng
tâm cốt thép As;
Sk’ ,Sb’ và Ss’ là mô men tĩnh của diện tích tiết diện khối xây, bê tông và cốt thép As đối với trọng tâm cốt thép As’ ;
e và e' là khoảng cách từ điểm đặt lực N đến trọng tâm cốt thép As và As’.
Vị trí trục trung hòa được xác định từ phương trình (58).
8.3.1.3 Tính toán cấu kiện chịu nén lệch tâm của kết cấu hỗn hợp có bố trí bê tông ở mặt ngoài khối xây (Hình 12b, 12c) khi độ lệch tâm lớn (Sc < 0,8S0) theo công thức:
|
| (57) |
trong đó vị trí trục trung hòa được xác định từ phương trình:
|
| (58) |
Trong các công thức (57) và (58):
Acs, Abc là diện tích vùng chịu nén của khối xây và của bê tông;
Scs,N và Sbs,N là mô men tĩnh của vùng chịu lực nén của khối xây và của bê tông đối với điểm đặt lực N;
Rs là cường độ chịu kéo tính toán của cốt thép, lấy theo TCVN 5574
Các ký hiệu khác xem 8.3.1.1 và 8.3.1.2.
CHÚ THÍCH: Trong công thức (58) lấy dấu "cộng” nếu lực dọc đặt ở ngoài phạm vi khoảng cách giữa trọng tâm cốt thép As và As’ trường hợp ngược lại lấy dấu "trừ".
8.3.1.4 Tính toán các cấu kiện chịu uốn kết cấu hỗn hợp theo công thức:
|
| (59) |
trong đó vị trí trục trung hòa được xác định từ phương trình:
|
| (60) |
Chiều cao vùng chịu nén của tiết diện hỗn hợp trong mọi trường hợp phải thỏa mãn điều kiện:
|
| (61) |
trong đó:
Z là cánh tay đòn của một ngẫu lực bằng khoảng cách từ điểm đặt của hợp lực RAcs và RbAbc tới trọng tâm cốt thép
Sc và Ssc được xác định theo chỉ dẫn của 8.3.1.2.
8.3.1.5 Tính toán với lực cắt trong các cấu kiện chịu uốn của các kết cấu hỗn hợp theo chỉ dẫn trong 7.2.2.7.
8.3.1.6 Tính toán các cấu kiện của kết cấu hỗn hợp khi chịu kéo đúng tâm được tiến hành theo chỉ dẫn trong 8.2.2.8.
8.3.2 Kết cấu được gia cường bằng vòng đai
Tính toán các cấu kiện xây gạch được gia cường bằng các vòng đai (Hình 13) khi chịu nén đúng tâm theo các công thức:
a) Khi vòng đai bằng thép:
|
| (62) |
b) Khi vòng đai bằng bê tông cốt thép:
|
| (63) |
c) Khi vòng đai bằng vữa cốt thép:
|
| (64) |
trong đó:
mg là hệ số xét đến ảnh hưởng của tải trọng tác động dài hạn (xem 8.1.1.1);
φ là hệ số uốn dọc, xác định theo Bảng 19 (khi xác định giá trị được lấy như đối với khối xây thông thường, không được gia cường);
mk là hệ số điều kiện làm việc của khối xây, khi khối xây không bị hư hại mk = 1, còn khi khối xây có các vết nứt mk = 0,7;
yb là hệ số điều kiện làm việc của bê tông, khi tải trọng truyền vào vòng đai từ hai phía (từ dưới lên và từ trên xuống) lấy yb = 1,0. Khi tải trọng truyền vào vòng đai từ một phía (từ dưới lên hoặc xuống) lấy yb = 0,7, còn khi tải trọng không trực tiếp truyền vào vòng đai yb = 0,35;
A là diện tích tiết diện khối xây;
Ab là diện tích tiết diện bê tông vòng đai nằm giữa các cốt thép đai và khối xây (không kể lớp bê tông bảo vệ);
As’ là diện tích tiết diện cốt thép dọc (có thể là thép góc) của vòng đai đặt trong vữa;
μ là hàm lượng cốt thép; khi tỷ lệ các cạnh không lớn hơn 2,5 thì xác định theo công thức:
|
| (65) |
trong đó:
| Atd | là diện tích cốt đai hoặc các bản ngang; |
|
| a và b | là các cạnh tiết diện của cấu kiện được gia cường (Hình 13); | |
| S | là khoảng cách giữa các cốt thép đai (S ≤ 150 mm) hoặc khoảng cách giữa các trục của các bản ngang (a ≥ S ≤ b, nhưng S không lớn hơn 500 mm); | |
| Rsw | là cường độ tính toán của thép ngang làm vòng đai; | |
Ab, Rs và Rsc xem 8.3.1.1.
Kích thước tính bằng milimét

CHÚ DẪN:
| 1 thép bản dẹt | 4 cốt thép đai |
| 2 mối hàn | 5 bê tông nặng B12,5 và lớn hơn |
| 3 cốt thép dọc | 6 vữa mác 12,5 và lớn hơn |
Hình 13 - Sơ đồ các cột gạch được gia cường
9 Tính toán các cấu kiện của kết cấu khối xây có và không có cốt thép theo các trạng thái giới hạn thứ hai (theo hình thành mở rộng khe nứt và theo biến dạng)
9.1 Yêu cầu chung
9.1.1 Phải tính toán theo sự hình thành và mở rộng khe nứt (mạch của khối xây) và theo biến dạng cho các trường hợp sau:
a) Cấu kiện khối xây không có cốt thép chịu nén lệch tâm với độ lệch tâm e0 > 0,7y;
b) Cấu kiện hỗn hợp làm bởi các vật liệu có độ biến dạng khác nhau (mô đun đàn hồi, từ biến, độ co ngót) hoặc có sự chênh lệch khá lớn về ứng suất trong các cấu kiện đó;
c) Tường tự chịu lực, liên kết với các khung nhà và chịu uốn ngang, hếu khả năng chịu lực của tường không đủ để chịu tải độc lập (không kể đến khả năng chịu tải của khung);
d) Tường chèn khung bị uốn vềnh trong mặt phẳng tường;
e) Cấu kiện chịu uốn, chịu nén lệch tâm và chịu kéo có cốt thép dọc làm việc trong môi trường xâm thực có hại cho cốt thép;
f) Các bể chứa đặt cốt thép dọc, khi có yêu cầu các lớp trát và các tấm ốp của kết cấu không thấm nước;
g) Các cấu kiện khác của nhà và công trình không cho phép xuất hiện khe nứt hoặc là phải hạn chế sự mở rộng khe nứt theo điều kiện sử dụng.
9.1.2 Tính toán kết cấu khối xây có và không có cốt thép theo trạng thái giới hạn thứ hai phải tiến hành với tải trọng tiêu chuẩn của tổ hợp cơ bản. Riêng khi tính toán cấu kiện chịu nén lệch tâm không có cốt thép theo sự mở rộng khe nứt với e0 > 0,7y (xem 9.2) phải tiến hành với tải trọng tính toán.
9.2 Tính toán theo sự hình thành và mở rộng vết nứt
9.2.1 Tính toán theo sự mở rộng khe nứt (mạch khối xây) của cấu kiện khối xây chịu nén lệch tâm không có cốt thép khi E0 > 0,7γ phải dựa trên các giả thiết sau:
a) Khi tính toán xem biểu đồ ứng suất là đường thẳng như đối với vật liệu đàn hồi.
b) Tính toán được tiến hành theo ứng suất kéo quy ước (ở các mép ngoài cùng) đặc trưng cho độ rộng khe nứt ở vùng kéo.
Việc tính toán được tiến hành theo công thức:
|
| (66) |
trong đó:
I là mô men quán tính của tiết diện trong mặt phẳng tác dụng của mô men uốn;
γ là khoảng cách từ trọng tâm tiết diện đến mép khi uốn theo tiết diện không giằng (xem Bảng 11);
Rtb là cường độ chịu kéo khi uốn của khối xây khi tính toán theo tiết diện không giằng (xem Bảng 11);
γr là hệ số điều kiện làm việc của khối xây khi tính toán theo sự mở rộng khe nứt, lấy theo Bảng 26;
Các ký hiệu còn lại xem 8.1.2.1.
Bảng 26 - Hệ số điều kiện làm việc của khối xây khi tính toán theo sự mở rộng khe nứt
| Đặc trưng và điều kiện làm việc của khối xây | Giá trị γr khi thời hạn sử dụng (năm) | ||
| 100 | 50 | 25 | |
| 1. Khối xây không có cốt thép chịu tải trọng lệch tâm và chịu kéo | 1,5 | 2,0 | 3,0 |
| 2. Như trên, với ốp trang trí | 1,2 | 1,2 | - |
| 3. Khối xây không có cốt thép chịu tải trọng lệch tâm có lớp trát cách nước dùng cho kết cấu chịu áp lực thủy tinh của chất lỏng | 1,2 | 1,5 | - |
| 4. Như trên, với lớp trát chống axit hay lớp ốp được gắn kết bằng thủy tinh lỏng | 0,8 | 1,0 | 1,0 |
| CHÚ THÍCH: Hệ số điều kiện làm việc γr khi tính khối xây đặt cốt thép dọc chịu nén lệch tâm, chịu uốn, chịu kéo đúng tâm và lệch tâm, chịu ứng suất kéo chính được lấy theo Bảng 26 với các hệ số: k = 1,25 khi μ ≥ 0,1 % và k =1,00 khi μ ≥ 0,05 %. Với các hàm lượng cốt thép trung gian hệ số k được tính nội suy tuyến tính theo công thức: k = 0,75 + 5μ. | |||
9.3 Tính toán theo biến dạng
9.3.1 Những kết cấu, mà trong quá trình sử dụng không cho phép xuất hiện khe nứt ở lớp vữa hay các lớp phủ ngoài khác, phải được kiểm tra theo điều kiện biến dạng của bề mặt chịu kéo.
Đối với khối xây không có cốt thép, các biến dạng này được xác định với tải trọng tiêu chuẩn sẽ đặt vào khối xây sau khi trát vữa hoặc các lớp phủ ngoài khác theo các công thức từ (67) đến (70), và không được lớn hơn giá trị biến dạng tương đối giới hạn ɛu nêu trong Bảng 27.
Bảng 27 - Biến dạng tương đối giới hạn, εu dùng để kiểm tra biến dạng trên bề mặt chịu kéo của khối xây
| Loại và chức năng của lớp trát | ɛu x 104 |
| 1. Lớp trát bằng xi măng cách nước dùng cho các kết cấu chịu áp lực thủy tĩnh của các chất lỏng | 0,8 |
| 2. Lớp trát bằng vữa chống axit dùng thủy tinh lỏng hoặc lớp phủ một lớp bằng các tấm đá mỏng (đá diabaz, đá bazan) gắn bằng chất chống axít | 0,5 |
| 3. Lớp phủ 2 hoặc 3 lớp bằng các tấm đá mỏng hình chữ nhật gắn bằng chất chống axít a) dọc theo cạnh dài của các tấm b) dọc theo cạnh ngắn của các tấm |
1,0 0,8 |
| CHÚ THÍCH: Khi đặt cốt thép dọc cho kết cấu, cũng như khi trát vữa lên các lưới bọc ngoài của kết cấu không có cốt thép, biến dạng giới hạn được phép tăng thêm 25 %. | |
9.3.2 Tính toán theo biến dạng trên bề mặt chịu kéo của khối xây không cốt thép, phải tiến hành theo các công thức sau:
Chịu kéo dọc trục:
|
| (67) |
Chịu uốn:
|
| (68) |
Chịu nén lệch tâm:
|
| (69) |
Chịu kéo lệch tâm:
|
| (70) |
Trong các công thức từ (67) đến (70):
N và M là lực dọc và mô men do tải trọng tiêu chuẩn tác dụng sau khi đã trát vữa hay đặt các tấm ốp lên bề mặt của khối xây;
ɛu là biến dạng tương đối giới hạn lấy theo Bảng 27;
(h - y) là khoảng cách từ trọng tâm tiết diện khối xây đến bề mặt chịu kéo xa nhất của lớp phủ ngoài;
I là mô men quán tính của tiết diện;
E là mô đun biến dạng của khối xây, xác định theo công thức (8).
10 Thiết kế kết cấu khối xây
10.1 Yêu cầu chung
10.1.1 Gạch silicat, gạch và blốc đất sét nung rỗng, blốc bê tông khí, gạch và blốc bê tông nặng, gạch gốm (đất sét nung) ép bàn khô không được sử dụng để xây tường ngoài tầng hầm, móng, bệ móng. Các vật liệu trên khi sử dụng để xây tường ngoài kết cấu trên mặt đất phải bảo vệ bằng vật liệu hoặc vữa chống thấm (nước mưa).
Trong thiết kế kết cấu tường và tường có cốt thép, ngoài việc tính toán cho điều kiện kết cấu công trình đã hoàn thành thì phải kiểm tra độ bền và độ ổn định của tường và các cấu kiện liên quan trong giai đoạn thi công, cần lưu ý rằng, các cấu kiện như dầm, bản sàn, ô văng, mái đua v.v. cũng được thi công theo tiến trình xây tường. Nếu có cấu kiện không đảm bảo an toàn thì phải bổ sung kết cấu hoặc chi tiết liên kết để chống đỡ tạm. Có thể đặt cấu kiện lên trên tường vừa xây xong nếu tính toán cho phép.
Để nâng cao khả năng cách nhiệt của các bức tường ngoài xây bằng gạch và blốc cỡ nhỏ, cho phép giữa lớp mặt và lớp chính của khối xây để khe hở rộng không quá 50 mm, chèn đày bằng vật liệu cách nhiệt.
10.1.2 Các cấu kiện có kích thước lớn (như tấm tường, khối xây lớn, v.v.) phải được kiểm tra bằng tính toán trong giai đoạn chế tạo, vận chuyển và lắp dựng. Trọng lượng bản thân của cấu kiện lắp ghép được tính với hệ số động lực bằng 1,8 khi vận chuyển và bằng 1,5 khi nâng cẩu, lắp ghép; khi đã kể đến hệ số động lực thì không kể đến hệ số độ tin cậy về tải trọng nữa.
10.1.3 Yêu cầu tối thiểu về liên kết trong khối xây đặc bằng gạch, bằng blốc hoặc bằng đá có dạng hình khối đều đặn (ngoại trừ tấm tường gạch) như sau:
a) Đối với khối xây bằng gạch đặc có chiều dày đến 65 mm - một hàng gạch ngang cho sáu hàng gạch dọc; còn đối với khối xây bằng gạch có chiều dày đến 88 mm và gạch rỗng có chiều dày đến 65 mm - một hàng gạch ngang cho bốn hàng gạch dọc;
b) Đối với khối xây bằng blốc, đá có chiều cao một hàng xây tới 200 mm - một hàng ngang cho ba hàng dọc;
c) Đối với khối xây bằng blốc lớn có chiều cao đến 260 mm, chiều dày đến 250 mm và chiều dài đến 510 mm trên mỗi chiều dày tường, liên kết được bố trí tại mỗi nửa blốc trong một hàng. Giá trị tối thiểu của liên kết trong mối nối là 0,4 h.
10.1.4 Phải chống ẩm cho tường và cột bằng lớp cách nước. Lớp cách nước phải nằm trên bề mặt móng và trên vỉa hè để ngăn nước mao dẫn thấm vào tường từ phía móng hoặc vỉa hè. Lớp cách nước cũng phải đặt dưới nền tầng hầm.
Đối với bậu cửa, tường chắn mái hoặc những bộ phận khối xây nhô ra phải chịu tác động của nước mưa thì phải có lớp bảo vệ bằng vữa xi măng hoặc tôn lá. Các bộ phận nhô ra này cần có độ dốc thích hợp để thoát nước.
Tường 3 lớp có lớp cách nhiệt ở giữa không được dùng làm tường ngoài tầng hầm.
10.1.5 Khối xây không có cốt thép được chia ra bốn nhóm tùy theo loại khối xây, cường độ của gạch đá và cường độ của vữa (Bảng 28).
10.1.6 Tùy thuộc vào sơ đồ kết cấu của nhà, tường gạch đá được chia ra:
- Tường chịu lực: ngoài việc chịu trọng lượng bản thân và tải trọng gió còn phải chịu tải trọng truyền từ sàn tầng, mái, cầu trục, v.v.;
- Tường tự chịu lực: chịu tải trọng do trọng lượng bản thân tường của tất cả các tầng nằm phía trên của nhà và tải trọng gió;
- Tường không chịu lực (kể cả tường treo): chỉ chịu tải trọng do trọng lượng bản thân tường và tải trọng gió trong phạm vi một tầng khi chiều cao tầng không quá 6 m; khi chiều cao tầng lớn hơn thì các tường này thuộc loại tường tự chịu lực;
- Vách ngăn: các tường bên trong chỉ chịu tải trọng do trọng lượng bản thân và tải trọng gió (khi các cửa sổ mở) trong phạm vi một tầng khi chiều cao của nó không quá 6 m; khi chiều cao tầng lớn hơn thì các tường loại này được quy ước gọi là tường tự chịu lực.
- Trong những ngôi nhà có tường ngoài tự chịu lực và không chịu lực, tải trọng do sàn, mái, v.v. được truyền vào khung hoặc vào các tường ngang của nhà.
10.1.7 Khi tính toán tường và cột gạch chịu tải trọng ngang, chịu nén đúng tâm và lệch tâm, tường và cột gạch được mô hình tựa vào sàn, sàn mái, tường ngang hoặc kết cấu chịu lực khác của công trình. Những gối tựa này được chia thành gối tựa cứng (không chuyển vị) và gối tựa đàn hồi.
Những kết cấu sau đây được xem là gối tựa cứng:
a) Tường ngang bằng gạch và bằng bê tông có chiều dày không dưới 110 mm, tường bê tông cốt thép có chiều dày không dưới 60 mm, tường chống, khung ngang với các nút cứng, phần tường ngang và những kết cấu khác được tính để chịu tải trọng ngang (Phụ lục C);
b) Sàn và mái khi khoảng cách giữa các tường (hoặc khung) ngang (như đã nêu ở 10.1.7a) không vượt quá những giá tộ nêu trong Bảng 29;
c) Giàn gió, giàn, giằng và các giằng bê tông cốt thép được tính theo cường độ và biến dạng để chịu tải trọng ngang truyền từ tường vào (Phụ lục B).
Sàn và mái được gọi là gối tựa đàn hồi khi khoảng cách giữa các tường (hoặc khung) ngang vượt quá giá trị trong Bảng 29, mà không có giằng gió, như trong 10.1.7c).
Tường và cột không có liên kết với sàn (khi lắp dựng gối dạng con lăn hoặc tương tự) được tính là đứng tự do.
Bảng 28 - Phân nhóm khối xây
| Loại khối xây | Nhóm khối xây | |||
| I | II | III | IV | |
| 1. Khối xây đặc bằng gạch, blốc hoặc đá mác 50 và lớn hơn | Vữa mác 1 và lớn hơn | Vữa mác 0,4 | — | — |
| 2. Khối xây bằng gạch, blốc hoặc đá mác 35 và 25 | — | Vữa mác 1 và lớn hơn | Vữa mác 0,4 | — |
| 3. Khối xây bằng gạch, blốc hoặc đá mác 10, 15 và 7 | — | — | Vữa bất kỳ | Vữa bất kỳ |
| 4. Khối xây bằng gạch, blốc hoặc đá mác 4 | — | — | — | Vữa bất kỳ |
| 5. Blốc cỡ lớn từ gạch, blốc hoặc đá (rung hoặc không rung) | Vữa mác 2,5 và lớn hơn | — | — | — |
| 6. Khối xây bằng gạch mộc hoặc blốc đất | — | — | Vữa vôi | Vữa đất sét |
| 7. Khối xây bằng đá hộc | — | Vữa mác 5 và lớn hơn | Vữa mác 2,5 và 1 | Vữa mác 0,4 |
| 8. Bê tông đá hộc | Bê tông B7,5 và cao hơn | Bê tông mác B5 và B3,5 | Bê tông B2,5 | — |
| 9. Khối xây đá hộc nửa tấm (đáy và mặt trên đẽo song song) | — | Vữa mác 25 và cao hơn | Vữa mác 1 và 4 | Vữa đất sét |
| 10. Khối xây 3 lớp (khối xây hai bên, cách nhiệt ở giữa) làm từ gạch, blốc gạch hoặc blốc bê tông, liên kết bằng thép hoặc các hàng xây quay ngang. | Vữa mác 5 trở lên, chèn đầy bằng bê tông B2 hoặc vật liệu mác 25 trở lên | Vữa mác 2,5, chèn đầy bằng bê tông, vật liệu mác 15 | Vữa mác 1, chèn đầy bằng vật liệu rời | — |
| 11. Khối xây 3 lớp (cách nhiệt ở giữa) hình giếng làm từ gạch đá, liên kết bằng vách xây đứng | Vữa mác 5 trở lên, chèn đầy bằng tấm cách nhiệt hoặc vật liệu rời | Vữa mác 2,5, chèn đầy bằng tấm cách nhiệt hoặc vật liệu rời | — | — |
10.1.8 Khi sàn và mái là gối tựa đàn hồi thì tường và cột (bê tông cốt thép, gạch hoặc vật liệu khác) đóng vai trò cột của khung ngang mà xà ngang là sàn và mái. Khi đó cần coi cột được ngâm cứng vào móng. Khi tính nội lực trong khung ngang, độ cứng của tường hoặc cột làm bằng khối xây gạch đá được phép xác định với mô đun đàn hồi của khối xây E = 0,8E0 và mô men quán tính của tiết diện không kể đến sự mở rộng các mạch vữa, còn sàn và mái thì được coi là xà ngang cứng có liên kết khớp với tường.
Bảng 29 - Khoảng cách giữa các tường (khung) ngang
Đơn vị tính bằng mét
| Loại sàn và mái | Khoảng cách giữa các tường (khung) ngang ứng với nhóm khối xây | |||
| I | II | III | IV | |
| 1. Sàn và mái bê tông cốt thép lắp ghép rồi đổ bù (xem chú thích 2) và toàn khối | 54 | 42 | 30 | - |
| 2. Sàn và mái bằng các tấm nhỏ lắp ghép (xem chú thích 3) có hoặc không có xà gồ hay dầm trung gian | 42 | 36 | 24 | - |
| 3. Sàn và mái bằng gỗ | 30 | 24 | 18 | 12 |
| CHÚ THÍCH 1: Những giá trị nêu trong bảng 29 phải giảm đi trong những trường hợp sau: a) Khi áp lực gió là 0,7; 0,85; 1,0 và 1,2 kPa thì giảm tương ứng là 15 %, 20 %, 25 % và 32 %, b) Khi chiều cao nhà là 22 m đến 32 m thì giảm 10 %, 33 đến 48 m thì giảm 20 % và trên 48 m thì giảm 25 %, c) Đối với những nhà hẹp mà chiều rộng b nhỏ hơn hai lần chiều cao H của tầng thì giảm tỷ lệ với tỉ số b/(2H). CHÚ THÍCH 2: Trong những sàn loại A lắp ghép có toàn khối hóa, mối nối giữa các tấm phải được tăng cường để truyền được lực kéo (bằng cách hàn cốt thép với nhau, đặt cốt phụ vào kẽ nối các tấm rồi hoặc đổ bê tông có cấp cường độ không thấp hơn B12,5 lấp kín các kẽ, hoặc dùng cách toàn khối hóa khác bảo vệ được cốt thép mối nối khỏi bị ăn mòn). CHÚ THÍCH 3: Trong những sàn loại B, mối nối giữa các tấm hoặc blốc và các cấu kiện này với các dầm trung gian phải được nhồi vữa cẩn thận; mác vữa không thấp hơn 5. | ||||
10.1.9 Chiều rộng của tường có bổ trụ hoặc không có bổ trụ khi tính toán lấy như sau:
a) Nếu kết cấu mái đảm bảo truyền đều áp lực trên suốt chiều dài tựa thì lấy bằng chiều rộng của mảng tường nằm giữa các lỗ cửa, còn khi tường không lỗ cửa thì lấy bằng chiều rộng của phần tường nằm giữa hai trục của nhịp;
b) Nếu áp lực ngang được truyền từ tường lên mái qua chỗ tựa của dầm hoặc giàn lên tường thì tường có bổ trụ được xem như cột của khung có tiết diện không đổi theo chiều cao và chiều rộng của cánh lấy bằng H/3 về mỗi phía mép trụ nhưng không lớn hơn 6h, không lớn hơn chiều rộng của mảng tường nằm giữa các cửa sổ (H là chiều cao của tường tính từ cao trình ngàm, h là chiều dày tường). Khi tường không bổ trụ và có tải trọng tập trung truyền lên tường thì chiều rộng được lấy về mỗi phía của mép bản phân bổ lực dưới gối tựa của giàn hoặc dầm.
10.1.10 Tường và cột có gối tựa cứng là các sàn nêu trong 10.1.7 được tính như Dầm liên tục theo phương thức chịu tải trọng lệch tâm.
Cho phép chia tường và cột thành những dầm một nhịp có gối tựa khớp tại vị trí gối tựa của sàn. Khi đó tải trọng từ các tầng trên truyền xuống được coi như đặt ở trọng tâm tiết diện tường và cột của tầng trên tầng đang xét, còn tải trọng trong phạm vi tầng đang xét thì có độ lệch tâm đối với trọng tâm tiết diện tường hoặc cột có thể đến sự thay đổi tiết diện trong phạm vi tầng ấy. Khi không cấu tạo những gối tựa đặc biệt để định vị phản lực gối tựa thì cho phép lấy khoảng cách từ điểm đặt phản lực gối tựa của dầm hoặc bản đến mép trong của tường bằng một phần ba chiều sâu cắm vào tường nhưng không lớn hơn 70 mm. Mô men uốn do tải trọng gió gây ra trong phạm vi mỗi tầng được xác định như đối với dầm có hai đầu ngàm; ở tầng trên cùng thì gối tựa trên cùng được xem là khớp.
10.1.11 Khi tính tường (hoặc các đoạn tường thẳng đứng độc lập) chịu tác dụng của tải trọng thẳng đứng và tải trọng ngang, phải kiểm tra:
a) Những tiết diện ngang chịu nén hoặc nén lệch tâm;
b) Những tiết diện nghiêng chịu ứng suất kéo chính khi uốn trong mặt phẳng của tường;
c) Sự hình thành vết nứt ở tấm tường có nối với nhau và phải chịu những tải trọng thẳng đứng khác nhau hoặc ở những chỗ tiếp giáp của những tường có độ cứng khác nhau.
Khi tính toán tường dọc và tường ngang chịu tải trọng ngang phải kiểm tra sức chịu cắt ở những chỗ nối dọc và tường ngang theo công thức:
|
| (71) |
trong đó:
T là lực trượt trong phạm vi một tầng;
Q là lực cắt tính toán do tải trọng nằm ngang tác dụng ở giữa chiều cao tầng;
γ là khoảng cách từ trục của tường dọc đến trục đi qua trọng tâm của tiết diện tường trên mặt bằng (Hình 14);
A là diện tích tiết diện của cánh (đoạn tường dọc được kể vào tính toán);
I là mô men quán tính của tiết diện tường đối với trục đi qua trọng tâm của tiết diện tường trên mặt bằng;
h là chiều dày của tường ngang;
H là chiều cao tầng;
Rsq là cường độ chịu cắt tính toán của khối xây theo mạch giằng.
Khi xác định diện tích tiết diện cánh A và mô men quán tính của tiết diện tường phải kể đến các chỉ dẫn nêu trong 10.1.9.

CHÚ DẪN:
1 mảng tường dọc
2 tường ngang
Hình 14 - Mặt bằng tiết diện tường ngang và mảng tường dọc
10.1.12 Tính toán tường ngang chịu ứng suất kéo chính theo công thức:
|
| (72) |
Khi tường có một phần tiết diện chịu kéo thì tính theo công thức:
|
| (73) |
Trong các công thức (72) và (73):
Q là lực cắt tính toán ở giữa chiều cao tầng do tải trọng ngang gây ra:
|
| (74) |
Rtw là cường độ tính toán chịu ứng suất kéo chính trên mạch vữa của khối xây (Bảng 12).
Rtq là cường độ chịu trượt tính toán của khối xây khi chịu lực nén tính toán N với hệ số độ tin cậy về tải trọng 0,9;
|
| (75) |
khi tường có một phần tiết diện chịu kéo thì tính theo công thức:
|
| (76) |
A là diện tích tiết diện tường ngang có kể đến (hoặc không kể đến) phần tường dọc (xem Hình 14);
Ac là diện tích phần chịu nén của tiết diện tường khi tường có một phần chịu kéo;
h là chiều dày của tường ngang. Lấy là chiều dày nhỏ nhất nếu đoạn có chiều dày đó vượt quá 1/4 lần chiều cao tầng hoặc vượt quá 1/4 lần chiều dài tường. Khi trong tường có ống rãnh thì phải trừ bớt chiều rộng của nó khỏi chiều dày của tường.
L là chiều dài trên mặt bằng của tường ngang nếu tiết diện bao gồm cả cánh là một phần tường dọc thì L là khoảng cách giữa trục của hai cánh:
là hệ số phân bổ không đều của ứng suất tiếp của tiết diện. Giá trị v được phép lấy như sau:
Đối với tiết diện chữ I: v = 1,15;
Đối với tiết diện chữ T: v =1,35;
Đối với tiết diện chữ nhật (không kể sự làm việc của tường dọc): v =1,5;
S0 là mô men tĩnh của phần tiết diện nằm về một phía của trục đi qua trọng tâm tiết diện;
I là mô men quán tính của toàn bộ tiết diện đối với trục đi qua trọng tâm tiết diện.
10.1.13 Khi cường độ chịu trượt của khối xây xác định theo các công thức (72) và (73) không đủ thì cho phép đặt cốt thép trong mạch vữa ngang. Cường độ chịu trượt tính toán của khối xây có cốt thép Rstd được xác định theo công thức:
|
| (77) |
trong đó:
μ là hàm lượng % cốt thép xác định theo tiết diện thẳng đứng của tường.
10.1.14 Khi tính toán tường ngang chịu tải ngang tác dụng trong mặt phẳng của nó, các lanh tô được xem như những thanh liên kết khớp với các mảnh tường thẳng đứng.
Khi chịu tác dụng của tải trọng ngang, nếu cường độ của tường ngang có lỗ cửa chỉ được đảm bảo nhờ độ cứng của lanh tô phải chịu một lực cắt ngang xác định theo công thức:
|
| (78) |
trong đó:
Q là lực cắt tính toán do tải trọng ngang gây ra ở tiết diện ngang với mặt sàn kề với lanh tô đang xét;
H là chiều cao tầng;
L là chiều dài của tường ngang trên mặt bằng (xem 10.1.12);
v lấy theo 10.1.12.
10.1.15 Tính toán lanh tô chịu lực trượt do tải trọng ngang (xác định theo công thức (78)) được thực hiện theo điều kiện trượt và uốn theo các công thức (79) và (80) cuối cùng chọn giá trị nhỏ hơn trong hai giá trị thu được:
|
| (79) |
|
| (80) |
trong đó:
h và L là chiều cao và nhịp của lanh tô (thông thủy);
T xem công thức (78);
A là diện tích tiết diện ngang của lanh tô;
Rtw và Rtb xem Bảng 12.
Nếu cường độ của lanh tô không đủ thì phải gia cường bằng cốt thép dọc hoặc dầm bê tông cốt thép. Khi đó dầm phải chịu mô men uốn:
|
| (81) |
và lực cắt T tính theo công thức (78). Việc tính toán chiều sâu chôn dầm (lanh tô) vào tường được thực hiện theo các chỉ dẫn trong 10.7.3.
10.2 Tỉ số cho phép giữa chiều cao và chiều dày của tường và cột
10.2.1 Tỉ số giữa chiều cao và chiều dày của tường và của cột không được vượt quá những yêu cầu nêu trong 10.2.2 và 10.2.5.
10.2.2 Tỉ số β = H/h (trong đó H là chiều cao tầng, h là chiều dày tường hoặc chiều rộng nhỏ nhất của cột có tiết diện chữ nhật) đối với tường không có lỗ cửa, chịu tải trọng truyền từ sàn hoặc mái xuống, khi chiều dài tự do của tường L ≤ 2,5H không được vượt quá những giá trị trong Bảng 30 (đối với khối xây bằng vật liệu hình dáng quy cách).
Đối với tường có bổ trụ và cột có tiết diện phức tạp thì thay h bằng chiều dày quy ước hred = 3,5i; với i là bán kính quán tính của tiết diện
. Đối với cột có tiết diện tròn hoặc đa giác nội tiếp vòng tròn thì hred = 0,85d (d là đường kính tiết diện cột).
CHÚ THÍCH: Nếu chiều cao tầng H lớn hơn chiều dài tự do L thì tỉ số L/h không được vượt quá 1,2β (β lấy theo Bảng 30).
Bảng 30 - Tỉ số giới hạn cho phép giữa chiều cao và chiều dày của tường và cột
| Mác vữa | Giá trị của β đối với các nhóm khối xây (xem Bảng 28) | |||
|
| I | II | III | IV |
| 5 và lớn hơn | 25 | 22 | - | - |
| 2,5 | 22 | 20 | 17 | - |
| 1,0 | 20 | 17 | 15 | 14 |
| 0,4 | - | 15 | 14 | 13 |
10.2.3 Tỉ số β đối với tường và vách ngăn trong các trường hợp khác với những chỉ dẫn trong 10.2.2 được nhân với hệ số điều chỉnh k nêu trong Bảng 31.
Bảng 31 - Hệ số điều chỉnh k
| Đặc trưng của tường và vách ngăn | Hệ số k |
| 1. Tường và vách ngăn không chịu tải trọng truyền từ sàn hoặc mái với chiều dày: |
|
| 220 mm và lớn hơn | 1,2 |
| 110 mm và nhỏ hơn | 1,8 |
| 2. Tường có lỗ cửa |
|
| 3. Vách ngăn có lỗ cửa | 0,9 |
| 4. Tường và vách ngăn có chiều dài tự do giữa các tường ngang hoặc cột tiếp giáp từ 2,5 H đến 3,5 H | 0,9 |
| 5. Như trên, khi L > 3,5H | 0,8 |
| 6. Tường bằng khối xây đá hộc hoặc bê tông đá hộc | 0,8 |
| CHÚ THÍCH 1: Hệ số điều chỉnh (làm giảm tỉ số được xác định bằng cách nhân các số riêng rẽ (trong bảng 31) với nhau không được nhỏ hơn hệ số k nêu trong Bảng 32 với cột. CHÚ THÍCH 2: Khi chiều dày của tường không chịu lực và vách ngăn lớn hơn 110 mm và nhỏ hơn 220 mm thì hệ số k được xác định bằng cách nội suy tuyến tính. CHÚ THÍCH 3: Giá trị An là diện tích đã giảm yếu và Abr là diện tích toàn phần được xác định theo tiết diện ngang của tường. | |
Tỉ số β giới hạn đối với cột được lấy theo Bảng 30 rồi nhân với hệ số k nêu trong Bảng 32.
Bảng 32 - Hệ số k đối với cột
| Cạnh nhỏ nhất của tiết diện cột (mm) | Hệ số k đối với cột | |
|
| Bằng gạch và đá có hình dáng quy cách | Bằng đá hộc và bê tông đá hộc |
| 900 và lớn hơn | 0,75 | 0,60 |
| Từ 700 đến 890 | 0,70 | 0,55 |
| Từ 500 đến 690 | 0,65 | 0,50 |
| Nhỏ hơn 500 | 0,60 | 0,45 |
| CHÚ THÍCH: Tỉ số giới hạn β với những mảng tường hẹp mà chiều rộng nhỏ hơn chiều dày tường phải lấy như đối với cột có chiều cao của lỗ cửa. | ||
10.2.4 Tỉ số β nêu trong bảng 30 và được nhân với hệ số k nêu trong Bảng 31 đối với tường và vách ngăn có thể được tăng lên 20 % khi có cốt thép dọc đặt theo một phương với hàm lượng μ ≥ 0,05 % trong mạch vữa ngang của khối xây.
Khi khoảng cách giữa các kết cấu bảo đảm ổn định ngang của tường L ≤ kβh thì chiều cao H của tường không bị hạn chế và được xác định bằng tính toán về cường độ. Khi chiều dài tự do L > H nhưng không lớn hơn 2H (H là chiều cao tầng) thì phải tuân theo điều kiện:
|
| (82) |
10.2.5 Đối với tường, vách ngăn và cột mà đầu trên không liên kết, tỉ số β phải lấy giảm đi 30 % so với các yêu cầu trong 10.2.2, 10.2.3 và 10.2.4.
10.3 Tường bằng tấm và blốc cỡ lớn
10.3.1 Tấm tường gạch phải được thiết kế bằng gạch đất sét nung hoặc gạch silicát có mác không thấp hơn 75 và vữa có mác không thấp hơn 5.
10.3.2 Khi thiết kế tấm tường phải xem xét việc chèn mạch vữa bằng phương pháp rung. Cường độ tính toán của khối xây gạch rung lấy theo Bảng 2. Cho phép thiết kế tấm tường một lớp làm tường ngoài bằng blốc đất sét nung rỗng với chiều dày tường bằng 1; 1,5; 2 hoặc hai blốc xây mà không cần rung. Cường độ tính toán của khối xây trong trường hợp này lấy theo Bảng 1.
CHÚ THÍCH: Trong những tấm tường gạch đất sét nung rỗng không dùng phương pháp rung, giằng các mối nối đứng phải phù hợp với các chỉ dẫn trong thiết kế.
10.3.3 Tấm tường gạch dùng cho tường ngoài phải được thiết kế 2 lớp hoặc 3 lớp. Tấm tường hai lớp được cấu tạo bằng một tường đơn (dày bằng chiều rộng viên gạch) hoặc lớn hơn và một lớp cách nhiệt cứng đặt ở phía trong hoặc phía ngoài. Lớp cách nhiệt phải được bảo vệ bằng lớp vữa có cốt thép dày không nhỏ hơn 40 mm, mác không thấp hơn 10 MPa khi đặt phía trong và 12,5 MPa khi đặt phía ngoài. Tấm tường 3 lớp phải có 2 lớp bao ngoài bằng tường xây đơn (dày bằng chiều rộng hoặc chiều dày viên gạch), giữa là lớp cách nhiệt cứng hoặc nửa cứng.
Sườn trong tấm tường ngoài được đặt theo chu vi tấm tường và đường bao lỗ cửa trong phạm vi toàn bộ chiều dày tường. Chiều rộng một sườn không quá 30 mm.
Khi thiết kế tấm tường ngoài phải chú ý đến yêu cầu kiến trúc, khi mặt ngoài tấm tường có thể là gạch hoặc đá không trát hoặc có lớp trang trí.
10.3.4 Tấm tường trong nên được thiết kế dạng tường (dày bằng chiều rộng viên gạch), tường 1,5 (dày bằng chiều rộng + chiều dày viên gạch) hoặc tường đôi (bằng chiều dài cả viên gạch).
Sườn tấm tường trong cũng phải đặt theo chu vi tấm tường và theo đường bao lỗ cửa.
CHÚ THÍCH 1: Chiều dày tấm tường nêu trên là đã kể đến các lớp vữa trát trong và ngoài.
CHÚ THÍCH 2: Tấm tường có chiều dày nửa viên gạch chỉ được thiết kế cho vách ngăn.
10.3.5 Tấm tường bằng gạch, gạch đất sét nung phải được tính toán về nén lệch tâm theo những chỉ dẫn ở 8.1.2.1 và 8.1.2.2 dưới tác dụng của tải trọng thẳng đứng và tải trọng gió, cũng như những nội lực xuất hiện khi vận chuyển và lắp dựng (xem 10.1.2).
Nếu không cần cốt thép mà cường độ tấm tường vẫn đảm bảo thì diện tích cốt thép dọc đặt trong sườn phải không ít hơn 25 mm2 cho một mét dài tiết diện tấm tường theo phương ngang và theo phương đứng. Nếu cốt thép cần phải được xét đến khi tính khả năng chịu lực của tấm tường thì việc tính toán sẽ giống như đối với kết cấu khối xây có cốt thép. Khi tính tấm tường có chiều dày 270 mm và nhỏ hơn phải xét đến độ lệch tâm ngẫu nhiên mà giá trị của nó: lấy bằng 10 mm đối với tấm tường chịu lực có một lớp; lấy bằng 5 mm đối với tấm tường tự chịu lực cũng như đối với mỗi lớp riêng biệt của tấm tường chịu lực có ba lớp; đối với tấm tường không chịu lực và vách ngăn thì không kể đến độ lệch tâm ngẫu nhiên.
Tấm tường có sườn cốt thép với các lớp vật liệu chịu lực khác nhau được tính toán như tường nhiều lớp với liên kết cứng theo 8.1.8.2 đến 8.1.8.6.
10.3.6 Nối tấm tường ngoài và tường trong cũng như tấm tường với tấm sàn nhờ những liên kết bằng thép hàn vào các chi tiết chôn sẵn hoặc hàn vào khung của sườn.
Mối nối giữa các tấm phải đặt trong các rãnh đặt ở góc tấm vải phủ một lớp vữa có chiều dày không nhỏ hơn 10 mm. Khi các chi tiết liên kết bằng thép thường, phải có biện pháp chống ủ, mác vữa cho mối nối tường phải lấy theo tính toán nhưng không nhỏ hơn 5.
10.3.7 Blốc cỡ lớn dùng cho tường ngoài và tường trong phải được chế tạo từ bê tông xi măng và bê tông silicat nặng, từ bê tông có cốt liệu nhẹ, bê tông tổ ong và đá tự nhiên cũng như từ các khối xây gạch và đá tự nhiên. Cường độ tính toán của khối xây bằng blốc cỡ lớn lấy theo Bảng 3, còn đối với blốc chế tạo bằng gạch hoặc đá không rung thì lấy theo các bảng: Bảng 1, Bảng 6 và Bảng 8.
Mác vữa để xây các blốc với nhau phải lấy cao hơn một cấp so với mác vữa xây blốc.
10.3.8 Trong những ngôi nhà xây bằng blốc cỡ lớn cao từ 5 tầng trở xuống và chiều cao mỗi tầng dưới 3 m, liên kết giữa tường dọc và tường ngang phải bảo đảm như sau:
a) Ở góc tường ngoài, khối xây phải được cắt mỏ và phải có blốc hình thước thợ đặc biệt (không ít hơn một lớp blốc hình thước thợ một tầng).
b) Ở những chỗ nối ngang ở cao trình sàn cho mỗi tầng.
Đối với nhà blốc cỡ lớn cao hơn 5 tầng và đối với nhà có chiều cao tầng lớn hơn 3 m phải có liên kết cứng giữa các tường ở các góc cũng như ở những chỗ nối tường trong với tường ngoài. Những liên kết này có dạng các chi tiết chôn sẵn trong blốc rồi nối lại bằng hàn thông qua các tấm đệm.
10.4 Tường nhiều lớp (bằng khối xây nhẹ và tường có các lớp gạch ốp)
10.4.1 Độ bền lâu của cấu kiện và vật liệu dùng trong tường nhiều lớp cần được chọn phù hợp niên hạn sử dụng của kết cấu. Mác gạch và đá không nhỏ hơn M100, vữa không nhỏ hơn M7,5. Bê tông nhẹ và bê tông tổ ong làm lớp trong của tường nhiều lớp có cường độ không thấp hơn B2.
10.4.2 Các liên kết mềm cần được thiết kế bằng thép chống ăn mòn hoặc thép được bảo vệ chống ăn mòn, cũng như bằng các vật liệu polimer. Vật liệu để chế tạo các liên kết mềm, cốt thép, polymer tổng hợp và vật liệu khác cần thỏa mãn các yêu cầu của các tiêu chuẩn tương ứng. Tổng diện tích tiết diện của các liên kết mềm bằng thép không được nhỏ hơn 0,4 cm2 trên 1 m2 bề mặt tường.
10.4.3 Lớp ốp và khối xây chính của tường, nếu chúng được liên kết với nhau bằng giằng, thông thường, phải có các tính chất biến dạng gần giống nhau. Khi sử dụng các liên kết mềm dạng thanh đơn hoặc lưới, mà các liên kết này được đặt trong mạch vữa, thì chiều cao hàng xây của lớp ốp phải là bội số hàng xây của khối xây chính, trừ khi các neo được khoan bắt vào thân vật liệu chính hoặc có thể điều chỉnh theo chiều cao.
10.4.4 Trong thiết kế cần tính đến việc giằng lớp ốp được liên kết cứng với khối xây ở hàng xây đầu theo các chỉ dẫn ở 10.1.3.
10.4.5 Khi bố trí rãnh trong khối xây được liên kết cứng với lớp ốp, thì trong phạm vi phần lồi ra của tường trên toàn bộ chiều dày của nó, trong thiết kế phải dự tính đặt các lưới thép không cách nhau quá 3 mạch vữa.
10.4.6 Ưu tiên sử dụng lưới nhựa composit làm cốt cho lớp ốp mặt. Khi sử dụng cốt thép thì chúng phải bằng lưới thép không gỉ hoặc thép có phủ sơn chống ăn mòn. Chiều dày lớp phủ chống ăn mòn phải phù hợp TCVN 12251 và không nhỏ hơn 30, 50, 60 và 100 μm khi sử dụng phương pháp phủ tương ứng là mạ điện, mạ kẽm nóng, mạ kẽm nguội, phun mù nhiệt.
10.4.7 Thiết kế tường 2 lớp cần được thực hiện có kể tới các yêu cầu: Khi có sự khác nhau về cường độ và tính chất biến dạng của các lớp, việc tính toán tường với liên kết cứng được thực hiện từ 8.1.8.1 đến 8.1.8.9. Neo giữ lớp ốp, liên kết cứng với khối xây bằng các hàng gạch đá quay ngang, thực hiện theo 9.3.
10.4.8 Thiết kế tường 3 lớp với liên kết mềm, lớp giữa là vật liệu cách nhiệt được thực hiện với các yêu cầu sau:
Đối với lớp mặt dày từ 85 mm đến 120 mm, nên dùng gạch đặc (trong đó gạch đất sét nung cả loại độ rỗng tới 13 %), gạch rỗng có chiều dày thành ngoài không nhỏ hơn 20 mm với lỗ rỗng không xuyên suốt. Gối tựa của lớp ốp mặt với liên kết mềm phải thực hiện trên phần công xơn của sàn tầng với điều kiện đảm bảo sai lệch cho phép so với cạnh đứng đầu sàn không lớn hơn 10 mm. Cho phép khối xây lớp gạch ốp tựa trên chi tiết chế tạo tại nhà máy từ bê tông cốt thép hoặc thép không gỉ. Lớp xây trong của tường ngoài với liên kết mềm phải đảm bảo tiếp nhận tải trọng gió , truyền từ lớp ốp mặt và lỗ cửa đóng kín. Tấm vật liệu cách nhiệt được cố định bằng việc ép chặt chúng vào nền. Không cho phép trong điều kiện công trường dán các chi tiết trang trí tại đầu các sàn bằng vữa trát. Việc ốp các tấm gạch ví dụ gạch đất sét nung phải thực hiện trước khi đổ bê tông với việc gắn neo trên tấm ốp. Neo giữ các thanh treo thiết bị thông gió và thiết bị khác trên mặt lớp ốp không được phép.
10.4.9 Tại lớp ốp có liên kết mềm ở từng tầng, cốt lưới (ưu tiên lưới nhựa composit) đoạn từ gối tựa tới cao độ 1 m được đặt với bước cao 400 mm và từ cao độ 1 m trở lên - bước 600 mm. Tại các góc của mỗi lớp khối xây - lưới hình chữ Γ từ góc sang mỗi bên 1 m (hoặc tới khe biến dạng đứng nếu gần hơn) với bước 600 mm. Trên các đoạn thẳng, nối chồng (nếu có) trên chiều dài không ít hơn 250 mm. Đối với tường liên kết bằng vách gạch cứng theo chiều đứng, mỗi lớp tường được đặt cốt lưới với bước cao không quá 1 m. Vách cứng đặt lưới thép đường kính thanh không nhỏ hơn 3 mm hoặc các thanh chữ Z đường kính không nhỏ hơn 5 mm, bước cao 600 mm.
10.4.10 Các liên kết mềm có thể dạng lưới, thanh riêng biệt, tấm hoặc kết hợp. Vật liệu liên kết bằng cốt thép hoặc nhựa composit. Các liên kết đơn cần đan chéo nhau không thưa hơn 5 thanh/m2, bước cao không quá 600 mm. Tại viền lỗ cửa, góc nhà, gần khe nhiệt đứng cần đặt thêm liên kết với bước theo chiều cao và chiều ngang không quá 250 mm. Riêng đối với các liên kết bằng thép, có yêu cầu bổ sung sau: đường kính thanh đơn (chữ Z, Γ) đặt trong mạch vữa không nhỏ hơn 5 mm; đường kính thanh lưới đơn, cũng như liên kết hàn vào lưới hoặc thanh ở mạch ngang - 3 mm.
Các liên kết đơn cần bố trí cách mạch vữa đứng tối thiểu 20 mm. Các lưới liên kết bằng thép cần được làm từ các thanh đường kính từ 3 mm đến 5 mm. Các lưới liên kết bằng vật liệu nhựa composit cần đáp ứng tiêu chuẩn hoặc tài liệu kỹ thuật được duyệt. Cường độ vữa xây khi dùng liên kết lưới nhựa composit cần có mác không thấp hơn M10. Lưới này bố trí trên toàn bộ chiều sâu mạch vữa.
10.5 Neo tường và neo cột
10.5.1 Tường gạch và cột gạch cần phải được liên kết với sàn và mái bằng các neo có tiết diện không ít hơn 0,5 cm2 trên 1 m dài.
10.5.2 Đầu của dầm, xà ngang, giàn phải được neo bằng thanh neo với tường. Khoảng cách giữa những neo của dầm, xà ngang hoặc giàn cũng như tấm đan hay tấm sàn tựa lên tường không được lớn hơn 3 m. Khi tăng khoảng cách thì phải có thêm neo phụ nối tường với mái. Đầu dầm gối lên xà ngang, gối lên tường trong hoặc cột phải được neo chắc và khi hai bên đều có dầm tựa thì chúng được nối lại với nhau.
10.5.3 Tường tự chịu lực trong nhà khung phải được liên kết với cột bằng các liên kết mềm cho phép có biến dạng thẳng đứng riêng rẽ của tường và của cột. Liên kết đặt dọc chiều cao cột phải bảo đảm sự ổn định của tường cũng như truyền tải trọng gió từ tường sang cột khung.
10.5.4 Cần phải tính toán neo khi:
a) Khoảng cách giữa các neo lớn hơn 3 m;
b) Có những thay đổi không đối xứng của chiều dày cột hoặc tường;
c) Giá trị lực pháp tuyến N trên mảng tường lớn hơn 1 000 kN.
Nội lực tính toán trong neo xác định theo công thức:
|
| (83) |
Trong đó:
M là mô men uốn do tải trọng tính toán gây ra ở chỗ tựa của sàn hoặc mái lên tường trên chiều rộng bằng khoảng cách giữa các neo (Hình 15);
H là chiều cao tầng;
Ns là lực pháp tuyến tính toán trong tường ở tiết diện nằm ở mức ngang với cao trình neo tính trên chiều rộng bằng khoảng cách giữa hai neo.
CHÚ THÍCH: Những chỉ dẫn này không áp dụng cho tường bằng tấm tường gạch.

Hình 15 - Xác định nội lực trong neo do mô men uốn gây ra
10.5.5 Nếu chiều dày của tường hoặc vách ngăn được thiết kế có xét đến điều kiện tựa ở chu vi thì cần phải có biện pháp liên kết với các kết cấu kề với tường hoặc vách ngăn ấy.
10.6 Gối tựa của kết cấu lên tường
10.6.1 Dưới gối tựa của cấu kiện truyền tải trọng cục bộ lên khối xây phải có lớp vữa không dày hơn 15 mm và điều đó phải được chỉ ra trong thiết kế.
Ở những chỗ đặt tải trọng cục bộ, khi cần phải tính toán về ép cục bộ thì phải bố trí bản đệm có chiều dày là bội số các chiều dày lớp gạch nhưng không nhỏ hơn 150 mm và được đặt hai lưới cốt thép theo tính toán với một lượng không ít hơn 0,5 % thể tích bê tông.
10.6.2 Khi kê giàn, dầm mái, dầm cầu trục và các kết cấu khác lên trụ tường không chịu lực (chi tiết kiến trúc dạng trụ nhô ra khỏi tường) cần phải có bản đệm phân bổ tải liên kết vào tường chính. Chiều sâu bàn đệm ăn vào tường chính không được nhỏ hơn 120 mm (Hình 16). Khối xây nằm trên bản đệm phải được xây ngay sau khi làm bản đệm đó. Không cho phép chừa rãnh trong khối xây để làm bản đệm.
Kích thước tính bằng milimét

Hình 16 - Các tấm đệm bằng bê tông cốt thép
10.6.3 Khi tải trọng cục bộ đặt sát mép tường vượt quá 80 % khả năng chịu lực của khối xây về nén cục bộ thì phải đặt cốt thép cho phần khối xây ở gối tựa bằng các lưới thép mà đường kính thanh không nhỏ hơn 3 mm với kích thước ô lưới không lớn hơn 60 mm x 60 mm vào ít nhất là ba mạch vữa ngang.
Khi các tải trọng cục bộ trên trụ của tường bổ trụ thì phần khối xây nằm dưới bản đệm trong phạm vi 1 m phải bố trí lưới thép như trên nhưng cách nhau ba hàng gạch. Các lưới thép phải nối phần khối xây trụ với tường chính và ăn sâu vào tường không ít hơn 110 mm.
10.7 Tính toán gối tựa của các cấu kiện đặt trên tường gạch
10.7.1 Khi có dầm, xà ngang hoặc tấm lát bê tông cốt thép tựa trên tường và cột gạch thì ngoài việc tính toán các tiết diện nằm dưới gối tựa chịu nén lệch tâm và nén cục bộ còn cần phải kiểm tra tiết diện chịu nén đúng tâm theo khả năng chịu lực của khối xây và của các cấu kiện bê tông cốt thép.
Tính toán gối tựa chịu nén đúng tâm theo công thức:
|
| (84) |
trong đó:
A là tổng diện tích tiết diện khối xây và cấu kiện bê tông cốt thép ở gối tựa trong phạm vi tường hoặc cột mà cấu kiện đặt lên nó;
R là cường độ chịu nén tính toán của khối xây;
g là hệ số phụ thuộc vào diện tích gối tựa của cấu kiện bê tông cốt thép;
p là hệ số phụ thuộc vào loại lỗ rỗng trong cấu kiện bê tông cốt thép;
Hệ số g đối với tất cả các loại cấu kiện bê tông cốt thép (dầm, xà ngang, lanh tô, tấm lát) lấy như sau:
g = 1,0 nếu Ab ≤ 0,1 A ;
g = 0,8 nếu Ab ≥ 0,4 A ;
trong đó:
Ab là tổng diện tích gối tựa của bê tông cốt thép.
Với những giá trị trung gian của Ab thì hệ số g xác định theo nội suy tuyến tính. Nếu cấu kiện bê tông cốt thép (dầm, tấm lát, v.v.) kê lên khối xây từ nhiều phía có chiều cao như nhau và diện tích gối tựa Ab > 0,8 A thì trong công thức (84) cho phép không dùng hệ số g và lấy A bằng Ab.
Hệ số p lấy bằng 1,0 với những cấu kiện đặc và tấm lát có lỗ tròn, lấy bằng 0,5 đối với tấm lát có lỗ rỗng ô van và có cốt đai tại khu vực gối tựa.
10.7.2 Trong những tấm lát bằng bê tông cốt thép lắp ghép có lỗ rỗng chưa lấp kín, ngoài việc kiểm tra khả năng chịu lực nói chung của mặt gối tựa còn cần phải kiểm tra khả năng chịu lực của tiết diện ngang cắt qua sườn tấm đan theo công thức:
|
| (85) |
trong đó:
Rb là cường độ chịu nén tính toán của bê tông, lấy theo TCVN 5574;
An là diện tích tiết diện ngang của tấm lát có kể đến sự giảm yếu bởi các lỗ rỗng trên chiều dài gối tựa của tấm lát lên khối xây (tổng diện tích tiết diện sườn);
R là cường độ chịu nén tính toán của khối xây;
Ak là diện tích tiết diện khối xây ở phạm vi gối tựa (không kể phần tiết diện mà tấm lát kê gối);
n = 1,25 đối với bê tông nặng và n = 1,1 đối với bê tông cốt liệu rỗng.
10.7.3 Tính toán mối ngàm của dầm công xôn vào khối xây (Hình 17a) được tiến hành theo công thức:
|
| (86) |
trong đó:
Q là tải trọng tính toán do trọng lượng của dầm và các tải trọng đặt vào nó;
Rc là cường độ tính toán của khối xây khi chịu nén cục bộ;
a là chiều sâu đoạn ngàm của dầm vào khối xây;
b là chiều rộng cánh dầm;
e0 là độ lệch tâm của lực tính toán; đối với điểm giữa của đoạn ngàm:
;
C là khoảng cách từ lực Q đến mặt phẳng tường.
Chiều sâu cần thiết của gối tựa ngàm cần được xác định theo công thức:
|
| (87) |
Nếu mối ngâm đầu dầm không thỏa mãn yêu cầu tính toán theo công thức (86) thì cần tăng độ sâu của ngàm hoặc đặt tấm phân phối lực ở bên dưới và bên trên dầm công xôn.
Nếu độ lệch tâm của tải trọng đối với trọng tâm diện tích gối ngàm lớn hơn 2 lần chiều sâu mối ngàm (e0 > 2a) có thể không cần tính đến ứng suất do nén: trong trường hợp này cần tính toán theo công thức:
|
| (88) |
Khi sử dụng các tấm kê phân phối lực ở dạng dầm hẹp với chiều rộng không lớn hơn 1/3 chiều sâu gối ngàm, cho phép lấy biểu đồ ứng suất dưới tắm kê có dạng hình chữ nhật (Hình 17b).
|
|
|
| a) Không có tấm phân phối lực | b) Có tấm phân phối lực |
Hình 17 - Sơ đồ tính toán mối ngàm của dầm công xôn
10.8 Lanh tô và tường treo
10.8.1 Các lanh tô bằng bê tông cốt thép được tính với tải trọng của sàn và áp lực do khối xây còn mới chưa đóng rắn sinh ra, tương đương với trọng lượng của dải khối xây có chiều cao bằng 1/3 nhịp lanh tô.
CHÚ THÍCH 1: Khi có các biện pháp đặc biệt (khác lồi lõm trong các lanh tô đúc sẵn, có thép chờ, v.v.) cho phép kể đến sự làm việc chung giữa lanh tô và khối xây.
CHÚ THÍCH 2: Không kể đến các tải trọng đè lên lanh tô từ các dầm, tấm sàn nếu chúng đặt cao hơn lanh tô một khoảng cách bằng nhịp lanh tô.
CHÚ THÍCH 3: Trong các liên kết theo phương đứng giữa các lanh tô đúc sẵn dạng thanh dầm với trường hợp khi không tính đến sự truyền nhiệt yêu cầu của chúng cần xem xét đặt lớp cách nhiệt.
10.8.2 Khối xây của các tường treo, xây trên các dầm đỡ cần được kiểm tra về cường độ và chịu nén cục bộ ở vùng trên gối tựa của dầm đỡ. Cũng cần phải kiểm tra cường độ khối xây chịu nén cục bộ ở dưới gối của dầm đỡ tường. Chiều dài của biểu đồ phân bố áp lực trong mặt phẳng tiếp xúc giữa tường và dầm đỡ tường được xác định tùy thuộc vào độ cứng của khối xây và dầm đỡ tường. Khi đó dầm đỡ tường được thay thế bằng một dải khối xây quy ước tương đương theo điều kiện độ cứng. Chiều cao của dải được xác định theo công thức:
|
| (89) |
Trong đó:
Eb là mô đun đàn hồi ban đầu của bê tông;
Ired là mô men quán tính của tiết diện quy đổi của dầm đỡ tường, lấy theo TCVN 5574;
E là mô đun biến dạng của khối xây xác định theo công thức (7);
h là chiều dày của tường treo.
Độ cứng của dầm đỡ tường bằng thép được tính bằng tích số EsIs, trong đó: Es và Is là mô đun đàn hồi của thép và mô men quán tính của tiết diện dầm đỡ bằng thép.
10.8.3 Biểu đồ phân bố áp lực trong khối xây trên các gối tựa các dầm đỡ tường liên tục có thể lấy theo dạng hình tam giác khi a ≤ 2s (Hình 18a) và theo dạng hình thang với đáy nhỏ bằng (a - 2s) khi 2s < a ≤ 3s (Hình 18b). Giá trị lớn nhất của ứng suất nén cục bộ σc (chiều cao của hình tam giác hoặc hình thang) được xác định từ điều kiện cân bằng thể tích của biểu đồ áp lực và phản lực gối tựa của dầm đỡ tường theo các công thức:
- Khi biểu đồ áp lực có dạng tam giác (a ≤ 2s):
|
| (90) |
- Khi biểu đồ áp lực có dạng hình thang (2s < a ≤ 3s):
|
| (91) |
trong đó:
a là chiều dài gối tựa (chiều rộng mảng tường);
N là phản lực gối tựa của dầm đỡ tường tải trọng đặt trong phạm vi nhịp dầm và chiều dài gối tựa đã trừ đi trọng lượng bản thân dầm đỡ tường;
s là chiều dài đoạn biểu đồ phân bố áp lực về mỗi phía tính từ mép gối tựa: s = 1,57 H0;
h là chiều dày tường.
Nếu a > 3s thì trong công thức (91) thay a bằng chiều dài tính toán của gối tựa a1 = 3s được tạo nên bởi hai đoạn dài 1,5s về mỗi phía của mảng tường (Hình 18c) với đáy.
|
|
|
| a) Ở gối tựa giữa của dầm liên tục khi a ≤ 2s | b) Ở gối tựa giữa của dầm liên tục khi 2s < a ≤ 3s |
|
|
|
| c) Ở gối tựa giữa của dầm liên tục | d) Ở gối tựa biên của dầm liên tục và ở gối tựa khi a > 3s của dầm đỡ một nhịp |
Hình 18 - Biểu đồ phân bổ áp lực trong khối xây ở bên trên gối tường treo
10.8.4 Biểu đồ phân bố áp lực trên gối biên của dầm đỡ liên tục hoặc trên gối đỡ tựa của dầm đỡ một nhịp nên lấy theo hình tam giác (Hình 18d) với đáy.
|
| (92) |
trong đó:
S1 là chiều dài đoạn biểu đồ phân bố áp lực tính từ mép gối tựa: S1 = 0,9H0;
a1 là chiều dài đoạn gối tựa của phần dầm đỡ nhưng không lớn hơn 1,5 H (H là chiều cao của dầm đỡ tường).
Ứng suất lớn nhất ở bên trên gối đỡ dầm:
|
| (93) |
10.8.5 Cường độ của khối xây tường treo khi chịu nén cục bộ ở trên khu vực trên gối tựa của dầm đỡ cần được kiểm tra theo các chỉ dẫn từ 8.1.4.1 đến 8.1.4.4.
Tính toán về nén cục bộ của khối xây dưới gối tựa của các dầm đỡ liên tục cần tiến hành đối với phần nằm trong phạm vi gối tựa với chiều dài:
a) Không lớn hơn 3H tính từ mép gối tựa (H là chiều cao dầm đỡ tường);
b) Không lớn hơn 1,5H đối với gối tựa biên của dầm liên tục và gối tựa của dầm đỡ tường một nhịp.
Nếu tiết diện tính toán nằm ở độ cao H1 so với mặt trên của dầm đỡ tường thì khi xác định chiều dài đoạn s và si cần lấy chiều cao dải khối xây H01 = H0 +H1.
Diện tích tính toán của tiết diện A khi tính toán tường treo chịu nén cục bộ lấy như sau:
- Trong vùng ở bên trên gối tựa giữa của dầm đỡ tường liên tục: lấy giống như trường hợp khối xây chịu tải trọng cục bộ đặt ở phần giữa tiết diện;
- Trong vùng ở bên trên gối tựa biên của dầm đỡ tường liên tục hoặc ở bên trên gối tựa của dầm đơn giản cũng như khi tính khối xây ở bên dưới gối tựa của dầm đỡ tường thì lấy giống như trường hợp khối xây chịu tải trọng đặt ở mép tiết diện.
10.8.6 Biểu đồ phân bố áp lực trong khối xây của tường treo khi có ô cửa lấy theo dạng hình thang, sao cho phần diện tích tam giác bị bớt đi khỏi biểu đồ áp lực ở phạm vi ô cửa sổ phải bằng diện tích tam giác bị bớt đi khỏi biểu đồ áp lực ở phạm vi ô cửa sổ phải bằng diện tích hình bình hành, được thêm vào trong phần còn lại của biểu đồ (Hình 19). Khi ô cửa nằm ở độ cao H1 so với dầm đỡ thì chiều dài đoạn S tương ứng phải được lấy tăng lên (xem 10.8.5).

Hình 19 - Biểu đồ phân bố áp lực trong khối xây tường treo khi có ô cửa
10.8.7 Tính toán dầm đỡ tường được tiến hành với hai trường hợp chất tải:
a) Tải trọng tác dụng trong giai đoạn xây dựng. Khi khối xây tường làm bằng gạch, gạch gốm hay gạch bê tông thường, cần lấy tải trọng là trọng lượng bản thân của khối xây chưa khô có chiều cao bằng 1/3 nhịp.
Khi khối xây tường bằng các tấm blốc cỡ lớn (bê tông hoặc gạch), chiều cao của dải khối xây có tải trọng tác dụng lên dầm đỡ tường bằng 1/2 nhịp, nhưng không nhỏ hơn chiều cao một hàng xây. Khi có các ô cửa, trong trường hợp chiều cao của dải khối xây từ mặt trên dầm đỡ tường tới bệ cửa nhỏ hơn 1/3 nhịp, phải tính cả trọng lượng khối xây tường tới mặt trên của lanh tô bê tông cốt thép hoặc thép (Hình 20). Khi dùng lanh tô bằng gạch cần kể đến trọng lượng của khối xây tường cao tới độ cao cao hơn mặt trên của ô cửa một khoảng bằng 1/3 chiều rộng của ô cửa.
b) Tải trọng tác dụng khi ngôi nhà đã hoàn thành. Những tải trọng này được thể hiện trên Hình 18, Hình 19 và truyền lên dầm tường qua gối tựa.
Số lượng và cách bố trí cốt thép trong dầm dựa theo giá trị mô men uốn và lực cắt lớn nhất được xác định theo hai giai đoạn tính toán nêu ở trên.

CHÚ DẪN:
1 tải trọng lên dầm tường
2 lanh tô bê tông cốt thép
Hình 20 - Sơ đồ chất tải lên dầm tường khi có ô cửa trong tường
10.9 Mái đua và tường chắn mái
10.9.1 Tính toán phần trên cùng của tường tại tiết diện nằm trực tiếp dưới mái đua được tiến hành theo hai giai đoạn hoàn thành của ngôi nhà:
a) Cho các ngôi nhà chưa hoàn thành khi chưa có mái và sàn tầng hầm mái;
b) Cho các ngôi nhà đã hoàn thành.
10.9.2 Tính toán tường dưới mái đua cho các ngôi nhà chưa hoàn thành theo các tải trọng sau:
a) Tải trọng tính toán do trọng lượng bản thân của mái đua và ván khuôn (đối với các mái đua bằng bê tông cốt thép đổ tại chỗ và bằng gạch cốt thép) nếu ván khuôn được đỡ bằng các công xôn hoặc thanh chống xiên ngàm chặt vào khối xây;
b) Tải trọng tính toán tạm thời trên mép mái đua là 1 kN trên 1 m dài của mái đua hoặc trên một cấu kiện của mái đua lắp ghép, nếu nó có chiều dài nhỏ hơn 1 m;
c) Tải trọng gió tiêu chuẩn lên mặt trong của tường.
CHÚ THÍCH 1: Nếu khi thiết kế đầu mút của các neo giữ ổn định cho mái đua được ngàm chặt dưới sàn của tầng hầm, thì khi tính toán cần kể đến tác dụng của sàn này (toàn bộ hay một phần).
CHÚ THÍCH 2: Cần phải kiểm tra ổn định của mái đua khi khối xây chưa khô.
10.9.3 Mái đua và phần tường mái đua của các ngôi nhà đã hoàn thành phải được tính toán theo các tải trọng sau:
a) Trọng lượng của tất cả các cấu kiện của nhà, kể cả những trọng lượng tạo nên mô men lật đối với mép ngoài của tường cũng như trọng lượng làm tăng ổn định của tường, khi đó trọng lượng mái lấy giảm đi một lượng bằng giá trị lực hút của tải trọng gió tính toán;
b) Tải trọng tính toán đặt ở mép mái đua là 1,5 kN trên 1 m dài hoặc trên một cấu kiện của mái đua lắp ghép có chiều dài nhỏ hơn 1 m;
c) 50 % giá trị của tải trọng gió tính toán.
10.9.4 Phần nhô ra của mái đua, do các hàng gạch xây nhô ra tạo nên, không được lớn hơn một nửa chiều dày của tường. Trong đó phần nhô ra của mỗi hàng không được vượt quá 1/3 chiều dài của viên gạch hoặc đá.
10.9.5 Đối với các khối xây của mái đua có phần nhô ra nhỏ hơn một nửa chiều dày của tường và không lớn hơn 200 m được sử dụng các loại vừa dùng cho các khối xây tường ở tầng trên cùng. Khi phần nhô ra của mái đua gạch lớn hơn, phải dùng mác vữa lớn hơn hoặc bằng 5 cho các khối xây đó.
10.9.6 Khi mái đua và tầng chắn mái không đủ ổn định, chúng cần được neo chắn vào phần dưới của khối xây bằng các neo.
Khoảng cách giữa các neo không được lớn hơn 2 m, nếu các đầu neo gắn bằng các rông đen riêng biệt, còn khi gắn các đầu neo vào đầu xà ngang thì khoảng cách giữa các neo có thể tăng tới 4 m. Neo phải ngâm sâu hơn chiều dài tính toán một đoạn ít nhất 150 mm.
Khi sàn tầng áp mái bằng bê tông cốt thép thì đầu neo cần đặt dưới sàn này.
Khi mái đua được lắp ghép bằng các cấu kiện bê tông cốt thép, thì cần phải bảo đảm sự ổn định của từng cấu kiện trong quá trình xây dựng.
10.9.7 Theo nguyên tắc, các neo đặt trong khối xây và cách mép trong của tường khoảng 110 mm đến 120 mm. Còn nếu các neo đặt ở ngoài khối xây, thì chúng cần được bảo vệ bằng lớp vữa xi măng dày 30 mm (tính từ mặt ngoài của neo). Khi khối xây bằng vữa mác 1 và thấp hơn, các neo phải đặt trong các hốc và sau đỏ được chèn bằng bê tông.
10.9.8 Tiết diện của neo cho phép xác định theo nội lực:
|
| (94) |
trong đó:
M là mô men uốn lớn nhất do tải trọng tính toán gây ra;
h0 là khoảng cách từ mép chịu nén của tiết diện tường đến trục neo (chiều cao tính toán của tiết diện).
10.9.9 Khối xây của tường mái đua phải được kiểm tra chịu nén lệch tâm. Khi không có neo, cũng như khi có neo tại tiết diện ở vị trí ngàm của chúng, độ lệch tâm không được lớn hơn 0,7y.
Trong mọi trường hợp, cần phải kiểm tra bằng tính toán tất cả các mối truyền lực (vị trí ngàm của neo, các dầm neo, v.v.).
10.9.10 Tường chắn mái cần tính toán tại tiết diện thấp nhất theo nén lệch tâm chịu tải trọng do trọng lượng bản thân và tải trọng gió tính toán (với hệ số khí động bằng 1,4). Khi không có neo, thì độ lệch tâm không được lớn hơn 0,7y.
10.9.11 Những tải trọng làm tăng ổn định của mái đua và tường chắn mái được nhân với hệ số độ tin cậy về tải trọng bằng 0,9.
10.10 Móng và tường tầng hầm
10.10.1 Móng, tường, tầng hầm được phép xây bằng gạch đất sét ép dẻo nung kỹ (gạch già), đá tự nhiên hình khối đều đặn, đá hộc, blốc bê tông cỡ lớn và nhỏ cũng như bê tông đá hộc, bê tông toàn khối. Khi tính toán tường tầng hầm hoặc tường móng mà chiều dày của chúng nhỏ hơn chiều dày của tầng xây ở trên, thì cần kể thêm độ lệch tâm ngẫu nhiên C = 40 mm cộng với độ lệch tâm của lực dọc. Chiều dày tường tầng một không được lớn hơn chiều dày tường móng 200 mm. Đoạn tường tầng một nằm trực tiếp trên mép gờ chuyển phải được gia cường lưới thép.
10.10.2 Chuyển từ một độ sâu đặt móng này đến một độ sâu đặt móng khác cần phải làm bậc. Khi đất chật thì tỷ lệ chiều cao và chiều rộng của bậc không được vượt quá 1:1 và chiều cao của bậc không quá 1 m. Khi đất không chặt thì tỷ lệ chiều cao và chiều rộng của bậc không được vượt quá 1:2 và chiều cao của bậc không quá 0,5 m.
Việc mở rộng móng đá hộc và móng bê tông đá hộc tới đệm mỏng cũng phải làm bậc. Chiều cao của bậc móng bê tông đá hộc không nhỏ hơn 300 mm, còn chiều cao bậc của móng đá hộc không nhỏ hơn 2 hàng xây (350 mm đến 600 mm). Chiều rộng của bậc xác định bằng tính toán sao cho tỷ lệ chiều cao và chiều rộng không nhỏ hơn số liệu ghi trong Bảng 33.
Bảng 33 - Tỷ lệ nhỏ nhất giữa chiều cao và chiều rộng của bậc móng bê tông đá hộc và móng đá hộc
| Cấp cường độ chịu nén của bê tông | Mác vữa | Giá trị của tỷ lệ khi áp lực trên đất nền | |
| σ ≤ 0,2 MPa | σ > 0,2 MPa | ||
| Từ B3,5 - B7,5 | Từ 5 đến 10 | 1,25 | 1,50 |
| Từ B1 - B2 | Từ 1 đến 2,5 | 1,50 | 1-75 |
| - | 0,4 | 1,75 | 2,00 |
| CHÚ THÍCH: Không cần kiểm tra chịu uốn và cắt các bậc móng. | |||
10.10.3 Trong các móng và tường hầm:
a) Bằng bê tông đá hộc, chiều dày tường lấy không nhỏ hơn 330 mm và kích thước tiết diện các cột không nhỏ hơn 400 mm;
b) Bằng khối đá hộc, chiều dày tường lấy không nhỏ hơn 500 mm và kích thước tiết diện các cột không dưới 600 mm.
10.10.4 Tính toán các tường ngoài của tầng hầm phải kể đến áp lực ngang của đất và các tải trọng ở trên mặt đất. Khi không có các yêu cầu đặc biệt, tải trọng tiêu chuẩn trên mặt đất lấy bằng 10 kN/m2. Tường tầng hầm cần được tính toán như dầm có hai gối tựa khớp cố định.
10.11 Các yêu cầu cấu tạo đối với khối xây có cốt thép
10.11.1 Trong các kết cấu khối xây có cốt thép, được dùng 4 loại cốt thép sau:
a) Cốt thép ngang (làm bằng các lưới thép, đặt trong các mạch vữa ngang của khối xây và được dùng trong các khối xây bằng gạch đặc và rỗng (xem Hình 11);
b) Cốt thép dọc làm bằng các khung hàn hoặc các thanh liên kết bằng cốt thép đai, đặt trong khối xây ở các mạch vữa giữa các viên gạch trong các khe rãnh của khối xây sẽ được nhồi kín bằng vữa hoặc bê tông;
c) Cốt của các kết cấu hỗn hợp bằng bê tông cốt thép, bê tông sẽ được đổ xen vào khối xây trong quá trình thi công (Hình 12);
d) Cốt trong vòng đai bằng thép, bằng bê tông cốt thép và bằng vữa cốt thép (Hình 13).
Vữa dùng cho kết cấu khối xây có cốt thép và kết cấu hỗn hợp phải là vữa xi măng (không vôi, sét) và phải có mác lớn hơn hoặc bằng M 7,5 và đáp ứng TCVN 12251.
10.11.2 Chỉ cho phép sử dụng lưới cốt thép đặt trong mạch vữa ngang của khối xây khi mà việc tăng mác gạch đá và vữa không đảm bảo cường độ cần thiết của khối xây và khi diện tích tiết diện ngang của cấu kiện không được phép tăng lên. Hàm lượng cốt thép đối với lưới cốt thép được kể đến trong tính toán cột và mảng tường không được nhỏ hơn 0,1 %;.
10.11.3 Cốt thép dọc và lõi bằng bê tông cốt thép được dùng:
a) Để chịu các lực kéo trong các cấu kiện chịu uốn, chịu kéo và chịu kéo lệch tâm khi trong các tiết diện xuất hiện các lực kéo vượt quá mức chịu kéo tính toán của khối xây;
b) Trong các cột chịu nén đúng tâm và lệch tâm khi độ mảnh lớn (L0/h ≥ 15) với mục đích tăng cường tính ổn định và cường độ cốt;
c) Trong các tường móng và các tường ngắn với mục đích tăng cường ổn định và cường độ của chúng khi tải trọng ngang tác động lên nó;
d) Trong các tường và cột chịu chấn động mạnh với mục đích tránh cho khối xây khỏi bị nứt.
10.11.4 Kết cấu gia cường bằng vòng đai được dùng khi cần tăng tải trọng trên các kết cấu có sẵn (ví dụ: khi xây cao thêm), cũng như khi khối xây không thật tốt (rạn nứt, không đủ liên kết) hoặc khi khả năng chịu lực của khối xây đã bị giảm.
Cột và mảng tường có thể được gia cường bằng đai thép, đai bê tông cốt thép hoặc các đai vữa cốt thép (xem Hình 13).
Đai thép bằng các thép góc thẳng đứng đặt tại các góc của cấu kiện cần gia cường và cốt đai bằng thép bản hàn vào thép góc. Khoảng cách giữa các đai thép không được lớn hơn cạnh nhỏ của tiết diện và không lớn hơn 500 mm. Đai thép phải được bảo vệ bằng lớp vữa xi măng (không vôi) trát hoặc phun.
Đai bê tông cốt thép làm bằng bê tông dày trung bình từ 60 mm đến 100 mm,. Dùng các thanh thẳng đứng và cốt đai hàn với khoảng cách giữa các thép đai không được quá 150 mm làm cốt thép trong vành đai.
Đai bằng vữa cốt thép cũng đặt như đai bê tông cốt thép, nhưng dày trung bình từ 40 mm đến 50 mm và cốt thép được phủ bằng lớp vữa xi măng (không vôi) thay cho bê tông.
Việc gia cường bằng các vòng đai không nên dùng đối với các cấu kiện có độ mảnh λh > 15 hoặc λi > 53. Khi gia cường bằng các vòng đai cho các cột và các tường có tiết diện hình chữ nhật với tỷ lệ các cạnh lớn hơn 2,5 thì ngoài việc gia cường bằng đai theo chu vi, cần phải đặt ở cạnh dài những giằng ngang xuyên qua khối xây để chia các cấu kiện được gia cường thành các hình chữ nhật với tỷ lệ cạnh không lớn hơn 2,5.
10.11.5 Hàm lượng cốt thép được kể đến trong tính toán cột và mảng tường không được nhỏ hơn:
0,1 % - đối với lưới cốt thép, cũng như đối với cốt thép dọc chịu nén;
0,05 % - đối với cốt thép dọc chịu kéo.
10.11.6 Đường kính cốt thép không được nhỏ hơn 3 mm đối với lưới cốt thép và cốt thép dọc chịu kéo; 8 mm - đối với cốt thép dọc chịu nén.
Đường kính cốt thép trong các mạch vữa nằm ngang của khối xây không được lớn hơn:
6 mm - khi cốt thép chồng lên nhau trong mạch vữa;
8 mm - khi cốt thép không chồng lên nhau trong mạch vữa.
Khoảng cách giữa các thanh của lưới không được lớn hơn 120 mm và không được nhỏ hơn 30 mm. Các mạch vữa của khối xây của các kết cấu khối xây có cốt thép phải có chiều dày lớn hơn đường kính cốt thép ít nhất là 4 mm và không dày quá 16 mm.
Đầu của cốt thép dọc chịu kéo phải neo vào lớp bê tông hoặc vữa bằng cách làm các móc và được hàn vào các thanh ngang hoặc các thanh khác.
10.11.7 Trong tường một lớp, lưới cốt thép không được đặt thưa quá năm hàng gạch đặc dày 60 (65) mm/viên, bốn hàng gạch dày 88 mm/viên và ba hàng blốc dày 138 mm/viên.
Chiều dài lưới nối chồng tại mối nối không được nhỏ hơn 150 mm.
10.11.8 Lớp bảo vệ bằng bê tông, vữa xi măng cho các kết cấu khối xây có cốt thép với cốt thép đặt ngoài khối xây, cho các kết cấu khối xây gia cường bằng thép, bằng vòng đai bê tông hoặc vữa, trong điều kiện không có ăn mòn, niên hạn sử dụng 50 năm, cần có chiều dày (tính từ mép ngoài của cốt thép chịu lực) không được nhỏ hơn yêu cầu của TCVN 5574 và cấp cường độ chịu nén của bê tông hoặc mác vữa tối thiểu như trong Bảng 34.
Bảng 34 - Chiều dày, cấp cường độ chịu nén của bê tông hoặc mác vữa của lớp bảo vệ
| Điều kiện làm việc của kết cấu | Chiều dày tối thiểu của lớp bê tông (vữa) bảo vệ, mm, (TCVN 5574) | Cấp cường độ bê tông tối thiểu | Mác vữa tối thiểu |
| 1. Trong các gian phòng được che phủ có độ ẩm không khí dưới 75 % | 20 | B12,5 | M15 |
| 2. Trong các gian phòng được che phủ có độ ẩm không khí trên 75 % | 25 | B15 | M20 |
| 3. Ngoài trời, khi không có biện pháp bảo vệ bổ sung | 30 | B15 | M20 |
| 4. Trong đất khi không có biện pháp bảo vệ bổ sung, trong móng khi có bê tông lót | 40 | B20 | M25 |
Đối với các kết cấu khối xây cốt thép sử dụng trong môi trường ăn mòn, cáp cường độ bê tông hoặc mác vữa và chiều dày lớp bảo vệ cốt thép cần phù hợp với TCVN 12251.
10.11.9 Cốt thép đai trong các cấu kiện có cốt thép dọc phải thỏa mãn các yêu cầu sau:
a) Đường kính cốt thép đai không được nhỏ hơn 3 mm và không lớn hơn 6 mm.
b) Khi bố trí các đai bên ngoài khối xây thì đai phải được bảo vệ bằng một lớp vữa xi măng (không vôi) như Bảng 35;
c) Khoảng cách giữa các đai trong các cấu kiện chịu nén không được quá 500 mm và không được quá:
15d - khi cốt thép dọc đặt bên ngoài khối xây;
20d - khi cốt thép dọc đặt bên trong khối xây;
với d là đường kính của thanh cốt thép dọc.
Trong các cấu kiện chịu uốn, khoảng cách giữa các cốt thép đai không được quá 3/4 chiều cao của dầm không quá 500 mm.
Bảng 35 - Chiều dày lớp bảo vệ cốt thép đai trong các cấu kiện
| Loại kết cấu có cốt thép | Lớp bảo vệ cho các kết cấu được đặt | ||
| Trong phòng có độ ẩm bình thường | Trong các cấu kiện đặt ngoài trời | Trong các phòng ẩm ướt, trong các bể chứa, trong các móng | |
| Dầm và cột | 20 | 25 | 30 |
| Tường | 10 | 15 | 20 |
10.11.10 Hàm lượng cốt thép trong các tường đặt cốt thép ngang và dọc thẳng đứng được kể đến trong quá trình tính toán không được nhỏ hơn 0,05 % cho từng phương.
Khoảng cách giữa các thanh đứng cũng như các thanh ngang hoặc các cốt thép dọc cũng như các đai không vượt quá 8h (h là chiều dày của tường). Với cốt thép đai và cốt thép dọc, khoảng cách giữa chúng có thể tăng lên nếu kết quả tính toán kiểm tra khả năng chịu lực của tấm tường ở vùng giữa các đai và cốt thép dọc cho phép.
10.11.11 Đặt cốt thép trong tường phải tuân theo các quy tắc sau:
a) Cốt thép ngang của tường được bố trí phân bố ở các mạch vữa của khối xây;
b) Khi tải trọng một dấu, cho phép chỉ đặt cốt thép ở phía tường chịu kéo mà không cần đặt cốt thép ở phía tường chịu nén (diện tích cốt thép chịu nén Α't = 0);
c) Tường có chiều dày lớn hơn 110 mm, khi mô men ngược dấu không lớn hơn lắm cũng cho phép chỉ đặt cốt thép chịu kéo ở giữa chiều dày tường;
d) Cốt thép thẳng đứng đặt theo cấu tạo hoặc để chịu kéo bố trí ở phía ngoài của tường phải được liên kết bằng các thép đai với khoảng cách không thưa hơn 80 d và không lớn hơn 500 mm;
e) Các đầu của các thanh ngang và thẳng đứng cần phải được ngàm chặt vào các kết cấu tiếp giáp (tường chính, cột, các dầm giằng, v.v.) bằng các neo.
10.12 Khe biến dạng
10.12.1 Khe co ngót - nhiệt độ trong tường của các công trình bằng gạch, đá phải được bố trí ở những vị trí có khả năng xuất hiện các biến dạng nhiệt và co ngót tập trung, có thể gây ra những vết nứt, đứt gãy, lật và trượt khối xây (tại các đầu của thanh cốt thép và bản thép, cũng như ở những chỗ tường bị giảm yếu đáng kể bởi ô cửa hoặc lỗ hở) mà theo yêu cầu sử dụng là không cho phép. Khoảng cách giữa các khe co ngót - nhiệt độ cần được xác định theo tính toán, trong đó các giá trị nhiệt độ và độ ẩm lấy theo TCVN 4605.
10.12.2 Khi thiết kế nên kết hợp bố trí khe co ngót - nhiệt độ trùng với khe lún.
Đối với tường ngoài không có cốt thép, khoảng cách lớn nhất giữa các khe co ngót - nhiệt độ có thể không cần tính toán mà lấy theo Bảng 36.
Bảng 36 - Khoảng cách lớn nhất giữa các khe nhiệt độ trong tường của các ngôi nhà
Đơn vị tính bằng mét
| Loại khối xây | Khoảng cách |
| 1. Khối xây bằng gạch và blốc gốm, đá tự nhiên, blốc cỡ lớn làm từ bê tông hoặc gạch gốm với: mác vữa ≥ 5,0 mác vữa ≥ 2,5 |
100 120 |
| 2. Khối xây bằng gạch silicat, gạch và blốc bê tông và blốc cỡ lớn làm từ bê tông silicat hoặc gạch silicát với: mác vữa ≥ 5,0 mác vữa ≥ 2,5 |
70 80 |
| CHÚ THÍCH 1: Bảng 36 được áp dụng cho tường nhà trên mặt đất, xây bằng gạch, đá hoặc blốc cỡ lớn khi các cấu kiện thép, bê tông cốt thép nằm trong tường (lanh tô, dầm, v.v.) không dài hơn 3,5 m, chiều rộng đoạn tường giữa các lỗ cửa không nhỏ hơn 0,8 m. Khi cấu kiện trong tường lớn hơn 3,5 m thì đoạn khối xây tại đầu và đuôi của các cấu kiện này cần được tính toán kiểm tra cường độ và độ mở rộng vết nứt. CHÚ THÍCH 2: Điều kiện như trên, đối với tường nhà xây bằng bê tông đá hộc, khoảng cách được lấy giống như tường bằng blốc bê tông mác vữa 5,0 nhân với hệ số 0,5. CHÚ THÍCH 3. Điều kiện như trên, đối với tường nhà nhiều lớp, khoảng cách trong Bảng 36 được áp dụng cho lớp vật liệu chính của tường; CHÚ THÍCH 4: Đối với công trình bằng gạch, đá lộ thiên (không phải nhà), khoảng cách ghi trong bảng này phải nhân với hệ số 0,6. CHÚ THÍCH 5: Đối với tường bằng gạch, đá và blốc cỡ lớn cho công trình ngấm hoặc móng nhà, khoảng cách trong bảng được tăng gấp đôi. | |
10.12.3 Khe biến dạng trong tường được giằng với bê tông cốt thép hoặc kết cấu thép phải trùng với khe biến dạng ở các kết cấu đó. Khi cần thiết, tùy thuộc vào sơ đồ kết cấu của nhà, có thể làm thêm các khe nhiệt độ phụ ở trong khối xây mà không cần làm thêm cho kết cấu bê tông hay kết cấu thép ở những vị trí đó.
10.12.4 Các khe lún trong tường cần phải được bố trí ở những nơi có thể xảy ra lún không đều của móng nhà và công trình.
10.12.5 Khi thiết kế khe nhiệt độ và khe lún cần có các biện pháp cấu tạo để loại trừ khả năng xê dịch của khe.
10.13 Khe biến dạng ngang trong tường ngoài
10.13.1 Khe biến dạng ngang trong tường ngoài không chịu lực được bố trí tại mức dưới sàn, rộng hết chiều dày tường (cả lớp xây trong và ngoài). Chiều cao khe được chỉ định từ điều kiện loại trừ việc truyền lực lên tường từ sàn và khối xây của tầng trên, đồng thời không nhỏ hơn 30 mm.
Các tấm sàn và đầu công xôn của sàn cần được tính thêm phụ tải từ gối tựa của tường.
Để bảo vệ các khe biến dạng ngang khỏi bị tác động trực tiếp của mưa, tại cao độ sàn trên mỗi tầng, cần bố trí tấm chặn nước bằng thép mạ kẽm hoặc tôn.
Được phép sử dụng tấm sàn vát một đầu với góc vát 15° đến 30° để khi đặt, đáy tấm nằm cao hơn hàng xây trên cùng 50 mm đến 80 mm.
10.13.2 Khe biến dạng ngang trong tường ngoài hai lớp chịu lực và tự chịu lực có lưới thép liên kết các lớp, cũng như trong tường nhẹ ba lớp chịu lực và tự chịu lực có liên kết mềm giữ các lớp, nếu không đáp ứng điều kiện đảm bảo hoạt động đồng bộ của các lớp khi tính toán đối với nén đúng tâm và lệch tâm theo 8.1.8.4, được bố trí tại lớp mặt ngoài của khối xây theo từng tầng nhà. Gối tựa của lớp mặt ngoài trong trường hợp này được đặt trên đầu tấm sàn hoặc ngâm vào lớp chính của dầm bê tông cốt thép. Yêu cầu đặt khe biến dạng này tương tự như nêu ở 10.13.1. Khi tính toán nén đúng tâm và lệch tâm theo các công thức (12) và (15), không tính sự làm việc của lớp mặt ngoài.
10.14 Khe biến dạng đứng tại lớp ngoài của khối xây tường ba lớp
Khe biến dạng đứng tại lớp ngoài của tường ba lớp có khe biến dạng ngang có bố trí thép liên kết cấu tạo lấy theo Bảng 37.
Bảng 37 - Khoảng cách lớn nhất giữa các khe biến dạng đứng tại lớp mặt ngoài của khối xây tường ngoài
Đơn vị tính bằng mét
| Mức thay đổi nhiệt độ | Hình dạng tường xây bằng gạch đất sét nung, blốc đất sét nung và đá tự nhiên | Hình dạng tường xây bằng gạch silicat, blốc bê tông, bê tông tổ ong | ||
|
| Thẳng | Chữ L | Thẳng | Chữ L |
| 60 °C | 8,4 | 4,3 | 5,9 | 2,4 |
| 40 °C | 10,8 | 5,4 | 7,6 | 3,8 |
| CHÚ THÍCH 1: Bảng 37 áp dụng cho khối xây có cốt thép cấu tạo, liên kết mềm và lưới liên kết góc theo 10.4.6 và có khoảng cách giữa các khe biến dạng ngang không quá 3,5 m. CHÚ THÍCH 2: Khi bổ sung thêm cốt thép, khoảng cách giữa các khe biến dạng đứng được lấy theo kết quả tính toán. CHÚ THÍCH 3: Bảng 37 dùng cho lớp mặt ngoài dày 110 mm. Khi lớp này dày 190 mm đến 250 mm, giá trị tra bảng được nhân với 1,5; còn khi dày trên 250 mm - lấy theo Bảng 35. CHÚ THÍCH 4: Bảng 37 được xác định với hệ số tin cậy về tải trọng nhiệt bằng 1 và chiều rộng nứt cho phép tới 0,5 mm. Trong các trường hợp áp dụng hệ số tin cậy 1,1; giá trị tra Bảng 37 được nhân hệ số điều kiện làm việc 0,8. | ||||
Vị trí các khe biến dạng đứng được đặt theo nguyên tắc:
- Chia thành các khe thẳng, tránh hình díc dắc;
- Ưu tiên đặt tại các góc, vị trí tường giao, vị trí thay đổi độ cao tường, gần lỗ mở;
-Tại các logia và ban công, theo mép các ô cửa đi, cửa sổ.
Chiều rộng khe biến dạng đứng không được nhỏ hơn 10 mm, để lắp đầy khe nên dùng các tấm đệm hoặc ma tít bền thời tiết.
10.15 Thiết kế kết cấu khối xây có và không có cốt thép có thời hạn sử dụng theo thiết kế 50 và 100 năm
10.15.1 Kết cấu khối xây cho các công trình sử dụng lâu dài cần được thiết kế với thời hạn sử dụng (tuổi thọ thiết kế) 50 năm hoặc 100 năm, các công trình tạm - thời hạn sử dụng 10 năm. Các công trình trong môi trường ăn mòn nặng hoặc cấu kiện kết cấu dễ thay thế có thể thiết kế với thời hạn sử dụng 25 năm.
10.15.2 Khi thiết kế các kết cấu khối xây với thời hạn sử dụng 50 năm trong môi trường thông thường, cần thực hiện theo tiêu chuẩn này. Để đảm bảo thời hạn sử dụng 100 năm cần sử dụng các viên xây bền vững theo thời gian như: đá, bê tông nặng, gạch ép dẻo nung kỹ, dùng các lớp vữa trát hoặc bảo vệ bề mặt thích hợp để bảo vệ khối xây trước các tác động của môi trường (khí quyển, ẩm ướt, mưa, nước ngầm). Khi thiết kế gia cường kết cấu khối xây với thời hạn sử dụng 50 và 100 năm trong môi trường vùng biển cần tuân theo tiêu chuẩn này và TCVN 9346. Khi thiết kế kết cấu khối xây với thời hạn sử dụng 50 và 100 năm trong môi trường ăn mòn khác-theo tiêu chuẩn này và TCVN 12251.
Phụ lục A
(tham khảo)
Các yêu cầu cơ bản đối với bản vẽ thi công kết cấu khối xây
A.1 Trong các bản vẽ thi công cần chỉ ra:
a) Loại gạch, đá, bê tông dùng cho khối xây cũng như vật liệu để chế tạo tấm và blốc cỡ lớn cùng với các chỉ dẫn tương ứng của tiêu chuẩn hoặc về điều kiện kỹ thuật và mác thiết kế của chúng theo cường độ hoặc cấp cường độ. Đối với bê tông cốt liệu rỗng, bê tông tổ ong, bê tông rỗng lớn, bê tông rỗng, bê tông polystyrene cần chỉ rõ khối lượng thể tích của vật liệu (chú ý: bê tông khí chưng áp AAC là một dạng của bê tông tổ ong);
b) Mác thiết kế của vữa, loại chất kết dính trong các khối xây lắp ghép cũng như để chế tạo tấm và blốc cỡ lớn;
c) Loại thép và mác thép làm cốt thép và chi tiết chôn sẵn;
d) Cấu tạo tường và các mối nối, loại và chiều dày lớp cách nhiệt nếu có;
e) Các yêu cầu về kiểm tra cường độ gạch, vữa đối với kết cấu chịu tải trọng lớn hơn 80 % khả năng chịu lực của chúng. Những kết cấu loại này phải được ghi vào trong bản vẽ;
f) Trong trường hợp cần thiết, cần chỉ dẫn trình tự thi công, thiết bị cố định tạm thời và những biện pháp khác để đảm bảo cường độ và độ ổn định của kết cấu (đặc biệt dưới tác động của tải trọng gió) khi xây dựng; chỉ dẫn về cường độ vữa tối thiểu (tỷ lệ phần trăm so với mác thiết kế) để có thể cho khối xây chịu được tải trọng.
Phụ lục B
(tham khảo)
Yêu cầu chung về tính toán tường ngoài chịu tải trọng gió
B.1 Trạng thái ứng suất - biến dạng của khối xây tường và nội lực tại các liên kết mềm dưới tác động của tải trọng gió được xác định có kế đến sự làm việc đồng thời của các lớp trong và ngoài của tường.
B.2 Khi tính theo nội lực giới hạn, khối xây được coi là đạt trạng thái giới hạn khi nội lực giới hạn xuất hiện tại vùng kéo của khối xây. Trong tính toán, cho phép hình thành các vết nứt chiều dài không quá 150 mm trên các đoạn tường tập trung ứng suất.
Mô men uốn tính toán M của mảng tường giữa các lỗ cửa (sau đây gọi là tường giữa) không có gối tựa đứng, được xác định từ điều kiện:
|
| (B.1) |
trong đó:
Rtb là cường độ chịu kéo tính toán khi uốn của khối xây, có kể tới sự làm việc phi tuyến của khối xây, xác định theo Bảng 11;
Wel là mô men chống uốn đàn hồi của tiết diện ngang của mảng tường.
Trong các trường hợp còn lại cần đảm bảo điều kiện:
|
| (B.2) |
Trong đó: σt là ứng suất kéo.
B.3 Khi tính toán khối xây theo sự hình thành vết nứt do bị uốn ngoài mặt phẳng theo công thức (35) cần kể đến khả năng tập trung ứng suất kéo tại các đoạn riêng biệt của tường (ví dụ, tại các đầu mút, lanh tô cửa sổ, các góc lỗ hở, chỗ đặt các liên kết, v.v.). Khi đó, các giá trị ứng suất riêng biệt thu được cần được nhân hệ số kể đến sự tập trung ứng suất có thể xảy ra, được lấy bằng 1,5 khi không có số liệu tính toán so sánh.
B.4 Trong trường hợp các điều kiện tại điểm 1 và 2 của phụ lục này không được thỏa mãn, giá trị mô men uốn tác động trong các lớp của khối xây có thể được giảm bớt nhờ các giải pháp kết cấu như tăng số lượng liên kết mềm giữa các lớp (dưới dạng các lưới thép), tỷ lệ hợp lý độ cứng khi uốn của lớp mặt và lớp trong của tường và các giải pháp khác.
B.5 Độ ổn định lật của đoạn tường trong trường hợp lực cân bằng của tất cả các lực vượt khỏi giới hạn tâm tiết diện, được xác định từ điều kiện:
|
| (B.3) |
trong đó:
Mdst là tổng mô men lật đối với trục gối có khả năng xảy ra xoay;
Mstb là tổng mô men chống lật đối với trục gối có khả năng xảy ra xoay;
mstb là hệ số điều kiện làm việc khi kiểm tra độ ổn định chống trượt và lật, lấy bằng:
0,9 - khi khối xây đặt trực tiếp lên bàn sàn;
0,8 - khi đặt qua lớp cách nước, tôn thoát nước, tấm kim loại và vật liệu tương tự.
B.6. Ổn định chống trượt của mảng tường được xác định từ điều kiện:
|
| (B.4) |
trong đó:
nstb là hệ số tin cậy khi kiểm tra ổn định;
Nslip , Nstb tương ứng là tải trọng gây trượt và lực giữ.
Phụ lục C
(tham khảo)
Tính toán tường nhà có sơ đồ kết cấu cứng và đàn hồi
C.1 Tính toán tường nhà có sơ đồ kết cấu cứng
C.1.1 Tường và cột có các điểm tựa cứng ở mặt phẳng sàn giữa các tầng được tính toán theo các chỉ dẫn nêu trong 7.1.2 đến 7.1.7. Sơ đồ mô men uốn khi tính toán tường như dầm liên tục có các gối tựa được thể hiện trên Hình C.1a. Để thiên về an toàn khi tính toán chịu lực, cho phép tính toán tường như dầm một nhịp (Hình C.1b). Độ lệch tâm phát sinh trong tường khi chịu tải trọng thẳng đứng và ngang (gió) so với trục đi qua trọng tâm tiết diện tường được xác định theo công thức:
|
| (C.1) |
trong đó:
M là mô men uốn tại tiết diện;
N là lực pháp tuyến từ tải trọng thẳng đứng.
|
|
|
| a) Sơ đồ tính toán như dầm liên tục | b) Sơ đồ tính toán trong phạm vi mỗi tầng như dầm một nhịp |
Hình C.1 - Sơ đồ tính toán và sơ đồ mô men uốn từ các tải trọng thẳng đứng lệch tâm
Các mô men uốn trong tường được tính toán từ các tải trọng đặt trong phạm vi tầng đang xét, tức là từ sàn trên tầng này, ban công, v.v., cũng như từ tải trọng gió. Mô men do tải trọng của các tầng trên được tính đến nếu tiết diện tường thay đổi ở mức sàn trên tầng này. Khi tiết diện tường thay đổi trong phạm vi tầng được tính toán, cần tính đến mô men gây ra do trục tường bị dịch chuyển.
Nếu không có các điểm gối tựa đặc biệt cố định vị trí áp lực điểm tựa, thì cho phép lấy khoảng cách từ điểm đặt phản lực lên gối tựa của dầm, xà hoặc sàn đến mép trong của tường hoặc bản tựa bằng một phần ba độ sâu chôn, nhưng không quá 7 cm.
Các mô men uốn từ tải trọng gió cần được xác định trong phạm vi mỗi tầng như đối với dầm có hai đầu ngàm, ngoại trừ tầng trên cùng, trong đó điểm tựa trên được coi là khớp.
C.1.2 Khi tính toán tường nhà chịu tải trọng gió theo hướng song song với tường, cần phân bổ tải trọng gió giữa các tường ngang hoặc dọc nằm theo hướng tác dụng của tải trọng.
C.1.3 Nếu các bức tường vuông góc với nhau được kết nối bằng dạng câu gạch hoặc các mối liên kết đủ cứng và chắc chắn khác, thì cần tính đến sự làm việc chung của bức tường đang được tính toán và các đoạn tường liền kề.
C.1.4 Tường ngang chịu tải trọng ngang (gió) tác dụng trong mặt phẳng của chúng phải được tính toán ứng suất kéo chính theo 10.1.12, 10.1.13. Nếu độ bền của các bức tường ngang có lỗ mở chỉ được đảm bảo khi tính đến độ cứng của các lanh tô, thì các lanh tô phải được tính toán các lực cắt phát sinh trong chúng.
C.2 Tính toán tường nhà có sơ đồ kết cấu đàn hồi
C.2.1 Các tòa nhà có sơ đồ kết cấu đàn hồi bao gồm các tòa nhà mà khoảng cách giữa các bức tường ngang hoặc các điểm tựa cứng khác cho sàn và mái vượt quá khoảng cách nêu trong Bảng 29. Ngoài ra bất kể khoảng cách giữa các kết cấu ngang, các mái làm bằng kết cấu nhẹ, được đỡ bằng các vì kèo kim loại hoặc bê tông cốt thép, dầm, xà đều được coi là các điểm tựa đàn hồi.
C.2.2 Đối với các điểm tựa đàn hồi, cần tính toán hệ khung có các cột là tường và trụ (bê tông cốt thép, gạch, v.v.), còn dầm ngang là sàn và mái - được coi là các thanh chống cứng, liên kết khớp với tường. Đối với các điểm tựa đàn hồi thì coi các cột được ngàm trong đất ở mức sàn của tòa nhà (nếu có lớp lót bê tông dưới sàn và tấm lát nền).
C.2.3 Khi tính toán tĩnh các khung, độ cứng của tường hoặc cột làm từ khối xây bằng gạch, đá, cho phép tính mô đun đàn hồi của khối xây E = 0,8E0 và tính mô men quán tính của tiết diện không kể đến độ hở của các mối nối, còn sàn và mái phải được coi là các dầm ngang cứng (thanh chống), liên kết khớp với tường.
C.2.4 Nếu tải trọng từ sàn hoặc mái được phân bố đều theo chiều dài của tường (ví dụ khi sử dụng mái bê tông cốt thép), chiều rộng của phần tường có trụ có thể được coi là toàn bộ chiều rộng của đoạn tường giữa các lỗ mở hoặc đối với tường kín là toàn bộ chiều dài tường giữa các trục của các nhịp liền kề với trụ.
Nếu tải trọng từ sàn tập trung ở các vị trí riêng lẻ (gối tựa của xà gồ, dầm, giàn, v.v.), khi tính toán tĩnh, chiều rộng phần cánh của hình chữ T có thể được chấp nhận theo hướng dẫn sau: không quá 6h và chiều rộng của tường giữa các ô lỗ mở (H - chiều cao của tường tính từ mức coi là ngàm, h - độ dày của tường). Nếu không có trụ và có tải trọng tập trung truyền lên tường, chiều rộng tường được lấy theo chiều rộng của phần 1/3 H mỗi bên từ mép của tấm đệm được đặt ngay dưới các điểm tựa của dầm hoặc xà.
Nếu độ dày của tường nhỏ hơn 0,1 chiều cao của tiết diện trụ, thì tiết diện được coi là hình chữ nhật mà không tính đến các phần tường liền kề.
C.2.5 Mỗi khung ngang, bao gồm các phần từ thẳng đứng và nằm ngang, nằm trên một trục, thường được tính toán độc lập với các khung khác trừ khi có các điều kiện đặc biệt có thể xảy ra tình trạng quá tải đáng kể của bất kỳ khung nào khi các nhịp khác chịu tải. Tính toán được thực hiện với tất cả các tải trọng nằm giữa các trục của các nhịp tòa nhà, tiếp giáp với khung được tính toán.
C.2.6 Trước khi lắp đặt sàn hoặc mái, tường và cột được tính toán theo trọng lượng riêng của tường, một số loại thiết bị, v.v., như cấu kiện đứng tự do, được ngàm trong lòng đất. Đối với các tải trọng được áp dụng sau khi lắp đặt sàn, tường và cột được tính toán như các phần tử của khung. Nội lực được tính toán khi có hai tải trọng này được cộng gộp từ mỗi tải trọng.
Các phản lực gối tựa tại gối dạng khớp trên mỗi cột chống được xác định tuần tự từ tất cả các tải trọng được áp dụng và các giá trị thu được sẽ được tính cộng gộp.
Phụ lục D
(tham khảo)
Các yêu cầu về gia cường lớp tường ốp mặt, bố trí khe biến dạng cầu và bố trí liên kết
D.1 Các yêu cầu về gia cường lớp tường ốp mặt
D.1.1 Việc gia cường lớp tường ốp mặt bằng các mối nối linh hoạt (liên kết mềm) và tựa theo từng tầng nên được thực hiện theo các yêu cầu sau:
- Nên sử dụng các lưới gia cường có hai thanh dọc. Cốt thép ngang phải được thiết kế cấu tạo từ cốt thép có đường kính 3 mm với bước 200 mm. Đường kính của cốt thép dọc trong lưới nên chọn không nhỏ hơn 3 mm và không lớn hơn 5 mm;
- Các giá trị lớn nhất của ứng suất kéo ngang tác dụng ở đoạn một phần ba dưới của tường, tức là ở độ cao cách điểm tựa khoảng 1 m (khi chiều cao của tầng là 3 m). Việc gia cường được chọn dựa trên tính toán lớp tường ốp mặt theo các tác động về nhiệt độ và độ ẩm. Việc gia cường ở phần trên được thực hiện theo cấu tạo bằng cùng các lưới như ở các hàng dưới, nhưng với bước thưa hơn theo chiều cao (nhưng không thưa hơn 60 cm). Bất kể kết quả tính toán, việc gia cường cấu tạo lớp tường ốp mặt bằng các lưới phải được thực hiện với bước không lớn hơn 60 cm trên toàn bộ chiều cao của tường;
- Bất kể kết quả tính toán, việc gia cường cấu tạo lớp tường ốp mặt bằng các lưới phải được thực hiện ở các góc với bước không lớn hơn 25 cm trên toàn bộ chiều cao của tường;
- Ở các góc, mỗi lớp tường phải được gia cường bằng các lưới hàn hình chữ L có chiều dài không nhỏ hơn 1 m tính từ góc hoặc đến khe biến dạng nhiệt phương thẳng đứng, nếu mạch này nằm gần hơn. Ở các đoạn thẳng, các lưới được phép chồng lên nhau. Chiều dài xếp chồng không nhỏ hơn 15 cm.
D.1.2 Các lưới được đặt trong lớp tường ngoài phải được làm bằng thép không gỉ hoặc các vật liệu khác có khả năng chống ăn mòn.
D.1.3 Việc gia cường từng lớp tường theo cách nối các lớp lại bằng sườn cứng theo phương đứng được thực hiện bằng các lưới phân bố theo chiều cao không thưa hơn 1 m. Các sườn cứng được gia cường bằng lưới cốt thép có đường kính không nhỏ hơn 3 mm hoặc các thanh hình chữ Z có đường kinh không nhỏ hơn 5 mm với bước theo chiều cao không lớn hơn 60 cm.
D.2 Các yêu cầu về bố trí khe biến dạng
D.2.1 Trong các bức tường chịu lực nhiều lớp và có lớp giữa làm bằng vật liệu cách nhiệt hiệu quả thì khe biến dạng ngang được bố trí trong lớp gạch ốp. Còn trong các bức tường không chịu lực khe biến dạng ngang được bố trí theo toàn bộ chiều dày của tường.
Khe biến dạng ngang trong các lớp bên trong và bên ngoài của các bức tường nhiều lớp không chịu lực phải được thực hiện ở cao độ của các kết cấu gối tựa (giữa kết cấu bên trên và hàng xây phía trên).
D.2.2 Khe biến dạng ngang theo chiều cao của tòa nhà trong lớp ốp của các bức tường nhiều lớp chịu lực có lớp giữa làm bằng vật liệu cách nhiệt hiệu quả được phép bố trí theo cách sau:
- Khe đầu tiên - dưới sàn tầng 2;
- Tiếp theo bố trí theo từng tầng dưới tấm sàn bê tông cốt thép toàn khối và dưới dầm công xôn đặt dưới tấm sàn bê tông cốt thép lắp ghép.
D.2.3 Khe biến dạng nhiệt độ theo phương đứng được bố trí trong lớp mặt của các bức tường bên ngoài nhiều lớp, tách biệt với lớp cách nhiệt chính.
D.2.4 Khoảng cách tối đa khuyến nghị giữa các khe biến dạng nhiệt theo phương đứng đối với các đoạn tường thẳng là 6 m đến 7 m. Các khe thẳng đứng ở các góc của tòa nhà phải được bố trí cách góc 250 mm đến 500 mm về một phía. Nếu độ dày của lớp ốp là 250 mm thì khoảng cách giữa các khe có thể được tăng lên.
Nếu cần tăng khoảng cách giữa các khe biến dạng nhiệt thì phải tính toán biến dạng nhiệt độ có kể đến các đặc điểm kết cấu của tường, kết cấu của tòa nhà, hướng của tòa nhà so với các hướng của la bàn và điều kiện khí hậu.
D.3 Các yêu cầu về bố trí liên kết
D.3.1 Các liên kết chỉ được lắp đặt theo các góc vuông với bề mặt tường.
Trong các khe biến dạng ngang của lớp xây (nếu không có chỉ dẫn), các liên kết điểm phải được thực hiện bằng cách cố định vào tường chịu lực và lớp ốp bằng cách uốn cong.
Đối với các bức tường hai lớp không có khe hở không khí, được phép sử dụng các liên kết và lưới làm bằng thép mạ kẽm. Độ dày cần thiết của lớp chống ăn mòn được xác định trong dự án có tính đến các đặc điểm khí hậu và mức độ ăn mòn của môi trường.
Các liên kết làm bằng vật liệu polymer phải được phê duyệt để sử dụng trong thành phần của các bức tường nhiều lớp.
D.3.2 Đường kính của các liên kết đơn, được neo vào khe vữa bằng đầu cong (hình chữ Z, L), phải không nhỏ hơn 5 mm. Các liên kết "đơn", bao gồm các lưới, cũng như các thanh hình chữ U, trong đó thanh ngang nằm trong khe vữa, cũng như các liên kết được gắn vào các lưới hoặc thanh nằm trong các khe biến dạng ngang, có thể được làm bằng thép đường kính 3 mm.
Các liên kết hình chữ Z, không được kết hợp với các thanh dọc hoặc lưới, có thể được sử dụng cho các vật liệu tường có độ rỗng không quá 27 % hoặc trong trường hợp lấp đầy các khoảng trống bằng bê tông nhẹ hoặc vữa mác không thấp hơn 25 nếu tỷ lệ rỗng lớn hơn. Các liên kết hình chữ nhật, hình tam giác, hình thang, v.v. có thể được sử dụng cho các vật liệu tường không giới hạn tỷ lệ rỗng.
D.3.3 Lưới liên kết phải được làm bằng cốt thép có đường kính không nhỏ hơn 3 mm. Bước của lưới theo chiều cao không được vượt quá 50 cm.
Khi chỉ định cốt thép, cần tính đến các liên kết được thực hiện dưới dạng lưới, kết nối các lớp.
Để đảm bảo các lớp di chuyển tự do so với nhau không chỉ theo chiều dọc mà còn theo chiều ngang, nên làm lưới có các ô hình chữ nhật.
Được phép lắp đặt các lưới được làm bằng hai thanh thép dọc kết hợp với cốt thép cốt thép ngang hình díc dắc, để liên kết các lớp được kết nối với các hàng gạch chỉ. Không nên sử dụng loại lưới này trong các kết cấu có mối nối linh hoạt giữa các lớp.
D.3.4 Các liên kết bổ sung cần được bố trí cách mép 25 cm với mật độ cách ba hàng theo chiều cao của lớp ốp (ở các góc, khoảng cách được tính theo các mặt bên trong của lớp ngoài).
D.3.5 Không được để các hàng lớp trong và lớp ngoài của khối xây không trùng nhau ở cao độ bố trí các mối liên kết. Trong trường hợp kết cấu liên kết được thiết kế để lắp đặt với độ cong, thì được phép lắp đặt theo các giải pháp đã thiết kế.
Phụ lục E
(tham khảo)
Tính toán tường nhà nhiều tầng bằng khối xây chịu tải trọng phương thẳng đứng theo sự mở rộng vết nứt của các đoạn tường liền kề khi chịu tải trọng khác nhau hoặc có độ cứng khác nhau
E.1 Khi có sự khác biệt giữa các bức tường ngoài và các bức tường bên trong liền kề về mức độ gia tải hoặc khi chúng được làm bằng các vật liệu khác nhau thì các đoạn tường gần với vị trí tiếp giáp của chúng phải được tính toán sự hình thành và mở rộng vết nứt.
Khi tính toán, giả sử rằng cả hai bức tường (hoặc các đoạn liền kề của cùng một bức tường) không liên kết với nhau và xác định biến dạng tự do của mỗi bức tường riêng biệt khi chịu tác động của tải trọng dài hạn tính toán. Hiệu số giữa các biến dạng tự do của các bức tường này phải thỏa mãn điều kiện:
|
| (E.1) |
trong đó:
δ1 là biến dạng tự do tuyệt đối của một trong các bức tường (hoặc đoạn tường) bị nén;
δ2 là biến dạng tự do tuyệt đối của bức tường thứ hai;
δu là độ chênh lệch biến dạng tối đa cho phép được xác định theo trên Bảng E.1
Bảng E.1 - Độ chênh lệch biến dạng tối đa cho phép
| Số tầng | 5 | 6 | 7 | 8 | 9 | > 12 |
| Chiều cao tường, m | 15 | 18 | 21 | 24 | 27 | > 36 |
| δu , mm | 7 | 8 | 9 | 10 | 12 | 15 |
Các giá trị biến dạng tự do được xác định như tổng biến dạng của khối xây ở tất cả các tầng của tòa nhà từ mức đỉnh móng đến đỉnh tường theo các công thức:
|
| (E.2) |
|
| (E.3) |
trong đó:
là ứng suất trong khối xây của bức tường tự đứng thứ nhất ở tầng một;
là ứng suất trong khối xây của bức tường tự đứng thứ hai ở tầng một;
E1i là mô đun biến dạng của khối xây của bức tường thứ nhất ở tầng một;
E2i là mô đun biến dạng của khối xây của bức tường thứ hai;
hi là chiều cao của tầng i;
δsh1 và δsh2 là biến dạng tuyệt đối do co ngót của bức tường thứ nhất và thứ hai, được tính toán dựa trên giá trị tương đối do co ngót của các vật liệu tường, nhân với chiều cao của các đoạn tường tương ứng;
n là số tầng từ sàn tầng hầm đến tầng trên cùng hoặc tầng trung gian đang xét.
Ứng suất được xác định ở giữa mỗi tầng và được tính theo các giá trị tính toán của tất cả các tải trọng dài hạn. Mô đun đàn hồi E1 được tính theo công thức:
|
| (E.4) |
trong đó:
Riu là giới hạn trung bình của cường độ khối xây bức tường thứ nhất hoặc thứ hai tại tầng đang xét;
α1i là đặc trưng biến dạng phụ thuộc vào vật liệu khối xây và tính đến các biến dạng toàn phần của khối xây (không bao gồm các biến dạng do co ngót).
Giá trị đặc trưng α1i đối với khối xây trên vữa mác 25 trở lên được đưa ra trong Bảng E.2
Bảng E.2 - Giá trị đặc trưng biến dạng phụ thuộc vào vật liệu khối xây và tính đến các biến dạng toàn phần của khối xây (không bao gồm các biến dạng do co ngót)
| Khối xây | α1 cho khối xây | |
| mùa hè | mùa đông sau khi đông cứng | |
| Làm bằng gạch: a) đất sét nung ép dẻo b) silicat và đất sét nung ép bán khô c) bằng đá gốm có chiều cao từ 140 mm đến 220 mm |
450 250 650 |
300 170 430 |
| CHÚ THÍCH: Đối với khối xây mùa đông, được thực hiện trên vữa có chất phụ gia hóa học chống đóng băng, thì các giá trị đặc tính biến dạng được coi giống như đối với khối xây mùa hè. Trong trường hợp này, sự khác biệt về độ biến dạng của các bức tường được phép giảm đi 1,5 lần khi chiều dài tự do của các bức tường chịu lực đến điểm giao nhau của chúng với các bức tường dọc hoặc các đoạn tường không chịu lực bên trong không vượt quá 7,5 m và giảm đi 1,25 lần khi chiều dài tự do vượt quá 7,5 m. | ||
Thư mục tài liệu tham khảo
[1] QCVN 02:2022/BXD, Quy chuẩn kỹ thuật quốc gia về số liệu điều kiện tự nhiên dùng trong xây dựng
[2] GOST 379-2015,
(Gạch và đá silicat. Điều kiện kỹ thuật)
[3] GOST 530-2012,
(Gạch và đá gốm. Điều kiện kỹ thuật chung)
[4] GOST 4001-2013 ,
(Đá ốp tường từ đá. Điều kiện kỹ thuật)
[5] GOST 5802-86,
(Vữa xây dựng. Phương pháp thử)
[6] GOST 6133-99,
(Đá ốp tường bê tông. Điều kiện kỹ thuật)
[7] GOST 25485; 89,
(Bê tông tổ ong. Điều kiện kỹ thuật)
[8] GOST 28013:1998,
(Vữa xây dựng. Điều kiện kỹ thuật chung)
[9] GOST R 57338-2016/EN 1015-11:1999+A1:2006,
(Vữa dùng cho khối xây Phương pháp xác định cường độ chịu nén và uốn)
[10] GOST R 58767-2019,
(Vữa xây dựng. Phương pháp thử mẫu đối chứng)
Mục lục
Lời nói đầu
Lời giới thiệu
1 Phạm vi áp dụng
2 Tài liệu viện dẫn
3 Thuật ngữ và định nghĩa
4 Ký hiệu
5 Yêu cầu chung
6 Vật liệu
7 Các đặc trưng tính toán
8 Tính toán các cấu kiện của kết cấu khối xây theo các trạng thái giới hạn thứ nhất (theo khả năng chịu lực)
9 Tính toán các cấu kiện của kết cấu khối xây có và không có cốt thép theo các trạng thái giới hạn thứ hai (theo hình thành mở rộng khe nứt và theo biến dạng)
10 Thiết kế kết cấu khối xây
Phụ lục A (tham khảo) Các yêu cầu cơ bản đối với bản vẽ thi công kết cấu khối xây Phụ lục B (tham khảo) Yêu cầu chung về tính toán tường ngoài chịu tải trọng gió Phụ lục C (tham khảo) Tính toán tường nhà có sơ đồ kết cấu cứng và đàn hồi
Thư mục tài liệu tham khảo
Bạn chưa Đăng nhập thành viên.
Đây là tiện ích dành cho tài khoản thành viên. Vui lòng Đăng nhập để xem chi tiết. Nếu chưa có tài khoản, vui lòng Đăng ký tại đây!



































