- Tổng quan
- Nội dung
- Tiêu chuẩn liên quan
- Lược đồ
- Tải về
Tiêu chuẩn TCVN 14104:2025 Kết cấu bê tông và bê tông cốt thép - Nguyên tắc đảm bảo khả năng chịu lửa và khả năng bảo toàn sau cháy
| Số hiệu: | TCVN 14104:2025 | Loại văn bản: | Tiêu chuẩn Việt Nam |
| Cơ quan ban hành: | Bộ Khoa học và Công nghệ | Lĩnh vực: | Xây dựng |
| Trích yếu: | Kết cấu bê tông và bê tông cốt thép – Nguyên tắc đảm bảo khả năng chịu lửa và khả năng bảo toàn sau cháy | ||
|
Ngày ban hành:
Ngày ban hành là ngày, tháng, năm văn bản được thông qua hoặc ký ban hành.
|
31/12/2025 |
Hiệu lực:
|
Đã biết
|
| Người ký: | Đang cập nhật |
Tình trạng hiệu lực:
Cho biết trạng thái hiệu lực của văn bản đang tra cứu: Chưa áp dụng, Còn hiệu lực, Hết hiệu lực, Hết hiệu lực 1 phần; Đã sửa đổi, Đính chính hay Không còn phù hợp,...
|
Đã biết
|
TÓM TẮT TIÊU CHUẨN VIỆT NAM TCVN 14104:2025
Nội dung tóm tắt đang được cập nhật, Quý khách vui lòng quay lại sau!
Tải tiêu chuẩn Việt Nam TCVN 14104:2025
TIÊU CHUẨN QUỐC GIA
TCVN 14104:2025
KẾT CẤU BÊ TÔNG VÀ BÊ TÔNG CỐT THÉP - NGUYÊN TẮC ĐẢM BẢO KHẢ NĂNG CHỊU LỬA VÀ KHẢ NĂNG BẢO TOÀN SAU CHÁY
Concrete and reinforced concrete structures - Principles for ensuring of fire resistance and post-fire capacity
Lời nói đầu
TCVN 14104:2025 được xây dựng trên cơ sở tham khảo SP 468.1325800.2019 Concrete and reinforced concrete structures. Rules for ensuring of fire resistance and fire safety.
TCVN 14104:2025 do Trường Đại học Xây dựng Hà Nội biên soạn, Bộ Xây dựng đề nghị, Ủy ban Tiêu chuẩn Đo lường Chất lượng Quốc gia thẩm định, Bộ Khoa học và Công nghệ công bố.
Lời giới thiệu
TCVN 14104:2025 được xây dựng trên cơ sở tham khảo SP 486.1325800.2019 của Liên bang Nga. Đây là phiên bản mới nhất cho việc tính toán chịu lửa khi cháy và kiểm tra khả năng bảo toàn sau khi cháy của kết cấu bê tông và bê tông cốt thép, với mục đích đảm bảo cho kết cấu công trình chịu được tác động của lửa trong một khoảng thời gian dự tính của đám cháy tiêu chuẩn.
TCVN 14104:2025 sử dụng chế độ nhiệt tiêu chuẩn theo TCVN 9311-1:2024, tương tự như với hệ thống tiêu chuẩn của châu Âu, từ đó cung cấp sự phân bố nhiệt độ trên một số tiết diện cấu kiện bê tông và bê tông cốt thép điển hình tại một số thời điểm trong đám cháy tiêu chuẩn.
TCVN 14104:2025 thiết lập các đặc trưng cơ lý của bê tông và cốt thép khi chịu lửa theo chế độ nhiệt tiêu chuẩn với sự liên hệ mật thiết với các đặc trưng cơ lý của chúng ở nhiệt độ thường theo TCVN 5574:2018.
TCVN 14104:2025 cũng cung cấp phương pháp tra bảng và phương pháp tính đơn giản hóa để xác định khả năng chịu lửa của cấu kiện bê tông và bê tông cốt thép khi mất khả năng chịu lực (R), mất tính cách nhiệt (I) và mất tính toàn vẹn (E) phù hợp với quy định hiện hành về an toàn cháy cho nhà và công trình [1].
KẾT CẤU BÊ TÔNG VÀ BÊ TÔNG CỐT THÉP - NGUYÊN TẮC ĐẢM BẢO KHẢ NĂNG CHỊU LỬA VÀ KHẢ NĂNG BẢO TOÀN SAU CHÁY
Concrete and reinforced concrete structures - Principles for ensuring of fire resistance and post-fire capacity
1 Phạm vi áp dụng
Tiêu chuẩn này thiết lập các yêu cầu về thiết kế kết cấu bê tông và bê tông cốt thép để đảm bảo khả năng chịu lửa khi thử nghiệm với chế độ nhiệt tiêu chuẩn của đám cháy và khả năng bảo toàn sau cháy, đáp ứng yêu cầu về giới hạn chịu lửa tương ứng trong quy định hiện hành về an toàn cháy cho nhà và công trình [1].
Tiêu chuẩn này áp dụng cho kết cấu bê tông và bê tông cốt thép của nhà dân dụng và công nghiệp.
Tiêu chuẩn này không áp dụng cho:
- Kết cấu liên hợp thép - bê tông;
- Kết cấu bê tông chịu nhiệt;
- Kết cấu bê tông cốt sợi;
- Kết cấu bê tông polyme;
- Kết cấu làm từ bê tông cấu trúc rỗng lớn.
2 Tài liệu viện dẫn
Các tài liệu viện dẫn sau rất cần thiết cho việc áp dụng tiêu chuẩn này. Đối với các tài liệu viện dẫn ghi năm công bố thì áp dụng phiên bản được nêu. Đối với các tài liệu viện dẫn không ghi năm công bố thì áp dụng phiên bản mới nhất, bao gồm cả các sửa đổi, bổ sung (nếu có).
TCVN 1651-1:2018, Thép cốt cho bê tông-Phần 1: Thép thanh tròn trơn
TCVN 1651-2:2018, Thép cốt cho bê tông- Phần 2: Thép thanh vằn
TCVN 2737:2023, Tải trọng và tác động
TCVN 5574:2018, Thiết kế kết cấu bê tông và bê tông cốt thép
TCVN 6284-2:1997 (ISO 6394-2:1991), Thép cốt bê tông dự ứng lực- Phần 2: Dây kéo nguội
TCVN 6284-4:1997 (ISO 6934-4:1991), Thép cốt bê tông dự ứng lực-Phần 4: Dành
TCVN 6284-5:1997 (ISO 6934-5:1991), Thép cốt bê tông dự ứng lực - Phần 5: Thép thanh cán nóng có hoặc không xử lý tiếp
TCVN 6288:1997 (ISO 10544:1992), Dây thép vuốt nguội để làm cốt bê tông và sản xuất lưới thép hàn làm cốt
TCVN 9311-1:2024, Thử nghiệm chịu lửa - Các bộ phận công trình xây dựng - Phần 1: Yêu cầu chung SP 329.1325800 [1]), Buildings and structures - Rules of inspection after the fire (Nhà và công trình - Nguyên tắc khảo sát sau cháy)
3 Thuật ngữ, định nghĩa và ký hiệu
3.1 Thuật ngữ và định nghĩa
Tiêu chuẩn này sử dụng các thuật ngữ và định nghĩa nêu trong TCVN 5574:2018 và các thuật ngữ, định nghĩa sau:
3.1.1
Biện pháp cấu tạo để bảo vệ chịu lửa (structural means for fire protection)
Sự bọc, phủ kết cấu để bảo vệ chịu lửa bằng các vật liệu hoặc các giải pháp kết cấu khác.
3.1.2
Chất và vật liệu bảo vệ chịu lửa (fire protection agents and materials)
Chất hoặc vật liệu có khả năng bảo vệ hiệu quả dùng để bảo vệ chịu lửa cho các đối tượng khác nhau.
CHÚ THÍCH: Thuật ngữ "chất và vật liệu bảo vệ chịu lửa" còn có thể được gọi là "phương tiện bảo vệ chịu lửa".
3.1.3
Chế độ nhiệt tiêu chuẩn (Standard time-temperature curve)
Quan hệ tiêu chuẩn nhiệt độ - thời gian cháy.
CHÚ THÍCH: Chế độ nhiệt tiêu chuẩn được biểu diễn bằng hàm logarit để tính nhiệt độ theo TCVN 9311-1:2024.
3.1.4
Đám cháy (fire)
Sự cháy không được kiểm soát dẫn đến các thiệt hại về người và (hoặc) tài sản.
3.1.5
Đám cháy tiêu chuẩn (Standard fire)
Đám cháy có quan hệ nhiệt độ - thời gian tuân theo chế độ nhiệt tiêu chuẩn.
3.1.6
Giới hạn chịu lửa của kết cấu (fire resistance limit of structures)
Thời gian (tính bằng giờ hoặc bằng phút) từ khi bắt đầu thử chịu lửa trên các mẫu thử theo chế độ nhiệt tiêu chuẩn cho tới khi xuất hiện một trong các trạng thái giới hạn của kết cấu và cấu kiện.
CHÚ THÍCH: Giới hạn chịu lửa yêu cầu của kết cấu xem trong [1].
3.1.7
Giới hạn chịu lửa bản thân của kết cấu bê tông cốt thép (self fire resistance limit of reinforced concrete structures)
Giới hạn chịu lửa mà được đảm bảo khi thiết kế bằng các thông số của tiết diện bê tông cốt thép của kết cấu (kích thước hình học của tiết diện, bố trí cốt thép, chiều dày lớp bê tông bảo vệ, cấp cường độ chịu nén của bê tông và cường độ của cốt thép, mà không sử dụng các phương tiện bảo vệ chịu lửa).
3.1.8
Giới hạn chịu lửa yêu cầu của kết cấu bê tông cốt thép (required fire resistance limit of reinforced concrete structures)
CHÚ THÍCH: Giá trị giới hạn chịu lửa của kết cấu bê tông cốt thép xem trong [1].
3.1.9
Giới hạn chịu lửa thực tế của kết cấu bê tông cốt thép (actual fire resistance limit of reinforced concrete structures)
Giới hạn chịu lửa mà kết cấu bê tông và bê tông cốt thép đang sử dụng có được, có kể đến tình trạng kỹ thuật của nó và sự có mặt của các lớp phủ bảo vệ chịu lửa.
3.1.10
Giới hạn chịu lửa về mất khả năng chịu lực (fire resistance limit on load bearing capacity)
R
Thời điểm đạt tới trạng thái giới hạn của kết cấu chịu lực do nó bị sập đổ hoặc xuất hiện biến dạng giới hạn trong điều kiện thử nghiệm với chế độ nhiệt tiêu chuẩn (đám cháy tiêu chuẩn) hoặc theo kết quả tính toán - được xác định theo thời gian tính từ khi đám cháy bắt đầu, tính bằng phút (min).
CHÚ THÍCH: Biến dạng giới hạn có thể tham khảo TCVN 9311-1:2024.
3.1.11
Giới hạn chịu lửa về mất tính toàn vẹn (fire resistance limit on integrity)
E
Thời điểm đạt tới trạng thái giới hạn của kết cấu xây dựng chịu lực và/hoặc bao che (ngăn che) do sự hình thành trong kết cấu các vết nứt hoặc lỗ xuyên mà thông qua chúng trên bề mặt không bị đốt nóng xuất hiện các sản phẩm cháy hoặc ngọn lửa khi thử nghiệm với chế độ nhiệt tiêu chuẩn (đám cháy tiêu chuẩn) hoặc theo kết quả tính toán - được xác định theo thời gian, min, tính từ khi đám cháy bắt đầu.
3.1.12
Giới hạn chịu lửa về mất tính cách nhiệt (fire resistance limit on thermal insulation)
I
Thời điểm đạt tới trạng thái giới hạn của kết cấu xây dựng chịu lực và/hoặc bao che (ngăn che) do sự gia tăng của nhiệt độ trung bình trên bề mặt chưa bị đốt nóng của kết cấu lớn hơn 140 °C, hoặc sự gia tăng của nhiệt độ tại bất kỳ điểm nào của bề mặt này lớn hơn 180 °C so với nhiệt độ kết cấu trước khi thử nghiệm với chế độ nhiệt tiêu chuẩn (đám cháy tiêu chuẩn) hoặc theo kết quả tính toán - được xác định theo thời gian, min, tính từ khi đám cháy bắt đầu.
3.1.13
Hàm lượng cốt thép (reinforcement percentage)
Tỉ số giữa diện tích tiết diện cốt thép và diện tích làm việc của tiết diện bê tông, tính bằng phần trăm.
[NGUỒN: TCVN 5574:2018, 3.1.16].
3.1.14
Kết cấu bê tông (concrete structure)
Kết cấu được làm từ bê tông không cốt thép hoặc có cốt thép đặt theo cấu tạo và không được kể đến trong tính toán; nội lực gây bởi tất cả các tác động trong kết cấu bê tông đều do bê tông chịu.
[NGUỒN: TCVN 5574:2018, 3.1.17].
3.1.15
Kết cấu bê tông cốt thép (reinforced concrete structure)
Kết cấu được làm từ bê tông với cốt thép chịu lực và cốt thép cấu tạo; nội lực gây bởi tất cả các tác động trong kết cấu bê tông cốt thép do bê tông và cốt thép chịu lực cùng chịu.
[NGUỒN: TCVN 5574:2018, 3.1.18].
3.1.16
Khả năng chịu lực (load bearing capacity)
Hệ quả tác động lớn nhất xuất hiện trong công trình xây dựng mà không vượt quá các trạng thái giới hạn.
[NGUỒN: TCVN 5574:2018, 3.1.20].
3.1.17
Khả năng chịu lửa của kết cấu xây dựng (fire resistance of building constructions)
Khả năng của kết cấu xây dựng bảo toàn chức năng chịu lực và/hoặc chức năng bao che (ngăn che) trong điều kiện cháy.
3.1.18
Khả năng bảo toàn sau cháy của kết cấu xây dựng (post-fire resistance of building constructions)
Khả năng của kết cấu xây dựng bảo toàn chức năng chịu lực và/hoặc chức năng bao che (ngăn che) sau khi tác động của đám cháy tiêu chuẩn. Khả năng bảo toàn sau cháy đặc trưng cho tình trạng có thể sửa chữa được mà không phải gia cường sau cháy.
3.1.19
Lớp bê tông bảo vệ (concrete cover)
Lớp bê tông tính từ biên (mép) cấu kiện đến bề mặt gần nhất của thanh cốt thép.
[NGUỒN: TCVN 5574:2018, 3.1.22].
3.1.20
Lớp bê tông bảo vệ bị hư hỏng (damaged concrete cover)
Lớp bê tông bề mặt bị hư hỏng và giảm yếu đến mức dễ đập bỏ khi gõ bề mặt kết cấu bê tông cốt thép bằng bủa tay mà không sử dụng dụng cụ điện.
3.1.21
Nhiệt độ đốt nóng tới hạn của bê tông (critical heating temperature of concrete)
Nhiệt độ đốt nóng bê tông mà trước khi đạt tới nó thì cường độ chịu nên được lấy không đổi và bằng cường độ chịu nén tiêu chuẩn. Có thể được viết gọn là “nhiệt độ tới hạn của bê tông”.
3.1.22
Nhiệt độ đốt nóng tới hạn của cốt thép (critical heating temperature of reinforcement)
Nhiệt độ đốt nóng cốt thép chịu kéo mà tại đó xảy ra sự phá hoại kết cấu bê tông cốt thép chịu uốn khi có cháy. Có thể được viết gọn là “nhiệt độ tới hạn của cốt thép”.
3.1.23
Sự đốt nóng nhiệt độ cao (high-temperature heating)
Sự đốt nóng kết cấu ở nhiệt độ trên 200 °C dưới tác động của lửa.
3.1.24
Sự đốt nóng nhiệt độ cao ngắn hạn (short-term high-temperature heating)
Sự tác động nhiệt độ cao một lần và liên tục lên kết cấu trong khoảng thời gian vài phút đến vài giờ.
3.1.25
Tác động nhiệt độ cao của đám cháy (high temperature action of fire)
Tác động của nhiệt độ cao hơn 200 °C lên kết cấu xây dựng khi có cháy mà ở đó xuất hiện ứng suất nhiệt có thể làm thay đổi các tính chất cơ lý và đàn dẻo của vật liệu kết cấu và làm giảm tiết diện làm việc của cấu kiện.
3.1.26
Trạng thái giới hạn về khả năng chịu lửa của kết cấu (fire resistance limit state of structures)
Trạng thái của kết cấu mà ở đó nó mất khả năng bảo toàn các chức năng chịu lực và/hoặc bao che (ngăn che) trong điều kiện cháy.
3.2 Ký hiệu
3.2.1 Nội lực do tải trọng và nhiệt độ trong tiết diện ngang của cấu kiện khi có tác động lửa
| Mn | mô men uốn gây ra bởi giá trị tiêu chuẩn của tải trọng (N-m); |
| M | mô men uốn gây ra bởi tải trọng tính toán (N-m); |
| MT | mô men uốn gây ra bởi tác động của đám cháy tiêu chuẩn (N-m); |
| Nn | lực dọc gây ra bởi giá trị tiêu chuẩn của tải trọng (N); |
| N | lực dọc gây ra bởi tải trọng tính toán (N); |
| NT | lực dọc gây ra bởi tác động của đám cháy tiêu chuẩn (N); |
| Qn | lực cắt gây ra bởi giá trị tiêu chuẩn của tải trọng (N); |
| Q | lực cắt gây ra bởi tải trọng tính toán (N); |
| QT | lực cắt gây ra bởi tác động của đám cháy tiêu chuẩn (N). |
3.2.2 Các đặc trưng vật liệu
|
| mô đun đàn hồi của bê tông khi đốt nóng (MPa); |
|
| mô đun biến dạng của bê tông (MPa); |
|
| mô đun đàn hồi của cốt thép (MPa); |
|
| giá trị tiêu chuẩn của cường độ chịu nén của bê tông (MPa); |
|
| giá trị tính toán của cường độ chịu nén của bê tông (MPa); |
|
| giá trị tiêu chuẩn của cường độ chịu kéo của bê tông (MPa); |
|
| giá trị tính toán của cường độ chịu kéo của bê tông (MPa); |
|
| giá trị tiêu chuẩn của cường độ chịu kéo của cốt thép (MPa); |
|
| giá trị tính toán của cường độ chịu kéo của cốt thép (MPa); |
| Rsc,T = Rswγs,T | giá trị tiêu chuẩn của cường độ chịu nén của cốt thép (MPa); |
|
| giá trị tính toán của cường độ chịu kéo của cốt thép ngang (MPa); |
| ared | hệ số dẫn nhiệt quy đổi của bê tông (m2/h); |
| αb,t | hệ số giãn nhiệt của bê tông (1/°C); |
| αcs | hệ số co nhiệt của bê tông, (1/°C); |
| αs,T | hệ số biến dạng nhiệt của cốt thép (1/°C); |
| βb | hệ số kể đến sự thay đổi mô đun đàn hồi của bê tông khi đốt nóng; |
| βs | hệ số kể đến sự thay đổi mô đun đàn hồi của cốt thép khi đốt nóng; |
| γb,t | hệ số điều kiện làm việc của bê tông khi nén; |
| γbt,T | hệ số điều kiện làm việc của bê tông khi kéo; |
| γs,T | hệ số điều kiện làm việc của cốt thép khi nén và kéo; |
| γs,T,cr | giá trị tới hạn của hệ số điều kiện làm việc của cốt thép chịu kéo; |
| ɛb0 | biến dạng tương đối giới hạn của bê tông khi nén dọc trục và ứng suất đều; |
| ɛb2 | biến dạng tương đối giới hạn của thớ bê tông ngoài cùng của vùng chịu nén khi ứng suất không đều; |
| ɛs0 | biến dạng tương đối của cốt thép khi ứng suất bằng Rs,T; |
| ɛs2 | biến dạng tương đối cực hạn của cốt thép; |
| ɛb,T | biến dạng nhiệt của bê tông; |
| ɛsc | biến dạng co của bê tông; |
| φb,cr | hệ số từ biến của bê tông chịu nén; |
| λ | hệ số dẫn nhiệt của vật liệu bê tông hoặc cốt thép (W/(m.°C); |
| C | nhiệt dung riêng của vật liệu bê tông hoặc cốt thép (kJ/(kg.°C)). |
3.2.3 Các đặc trưng hình học
| a | khoảng cách từ hợp lực trong cốt thép S đến biên gần nhất của tiết diện (mm); |
| a' | khoảng cách từ hợp lực trong cốt thép S' đến biên gần nhất của tiết diện (mm); |
| aT | chiều sâu đốt nóng của bê tông đến nhiệt độ tới hạn Tb,cr (mm); |
| bT | chiều rộng của tiết diện chữ nhật; chiều rộng sườn của tiết diện chữ T và chữ I khi đốt nóng bê tông đến nhiệt độ tới hạn (mm); |
| b'f,T | chiều rộng cánh tiết diện chữ T và chữ I trong vùng chịu nén khi đốt nóng bê tông đến nhiệt độ tới hạn (mm); |
| e | khoảng cách từ điểm đặt lực dọc N đến hợp lực trong cốt thép chịu kéo hoặc nén ít S (mm); |
| e' | khoảng cách từ điểm đặt lực dọc N đến hợp lực trong cốt thép chịu nén S' (mm); |
| e0 | độ lệch tâm của lực dọc N đối với trọng tâm tiết diện quy đổi (mm); |
| h0,t | chiều cao làm việc của tiết diện khi đốt nóng bê tông vùng chịu nén đến nhiệt độ tới hạn của bê tông Tb,cr (mm). |
3.2.4 Các đại lượng nhiệt độ
| T | nhiệt độ đốt nóng theo chế độ nhiệt tiêu chuẩn (°C); |
| Tb | nhiệt độ của bê tông (°C); |
| Tb,cr | nhiệt độ đốt nóng tới hạn của bê tông (°C); |
| Ts | nhiệt độ của cốt thép (°C); |
| Ts,cr | nhiệt độ đốt nóng tới hạn của cốt thép (°C). |
4 Yêu cầu chung về đảm bảo khả năng chịu lửa của kết cấu bê tông và bê tông cốt thép
4.1 Khi thiết kế cần xác định giới hạn chịu lửa của các kết cấu bê tông cốt thép để thiết lập khả năng sử dụng chúng trong nhà và công trình với bậc chịu lửa theo quy định.
CHÚ THÍCH 1: Bậc chịu lửa xem trong [1].
CHÚ THÍCH 2: Việc phân loại nhà, công trình và khoang cháy theo bậc chịu lửa và trình tự xác định bậc chịu lửa xem trong [1].
4.2 Theo phân loại kỹ thuật cháy về tính chịu lửa, phân ra ba trạng thái giới hạn đặc trưng cho sự xuất hiện giới hạn chịu lửa của kết cấu xây dựng về: mất khả năng chịu lực (R), mất tính toàn vẹn (E), và mất tính cách nhiệt (I). Các tiêu chí trạng thái giới hạn được xác định như đã được định nghĩa tương ứng trong 3.1.10, 3.1.11 và 3.1.12.
Đặc trưng tính chịu lửa chỉ áp dụng cho kết cấu xây dựng mà không áp dụng cho vật liệu. Vật liệu xây dựng được đặc trưng bởi tính nguy hiểm cháy.
4.3 Giới hạn chịu lửa yêu cầu của kết cấu xây dựng phụ thuộc vào bậc chịu lửa của nhà, công trình và khoang cháy.
CHÚ THÍCH: Giới hạn chịu lửa yêu cầu của kết cấu xây dựng xem trong [1].
Đối với kết cấu dạng thanh (cột, dầm, giàn, xà gồ, khung, vòm, hệ kết cấu dạng giằng), chiếu thang và bản thang của buồng thang bộ, cũng như đối với tường chịu lực không phải là bộ phận ngăn cháy thì chỉ quy định một giới hạn chịu lửa về mất khả năng chịu lực R.
Đối với kết cấu tường trong của buồng thang bộ, tường chịu lực là bộ phận ngăn cháy và bản sàn các tầng (bao gồm cả sàn tầng áp mái và sàn trên tầng hầm) thì quy định ba giới hạn chịu lửa về:
- Mất khả năng chịu lực R;
- Mất tính toàn vẹn E;
- Mất tính cách nhiệt I.
Đối với kết cấu bản (kể cả bản có lớp cách nhiệt) thuộc kết cấu mái không có tầng áp mái thì quy định hai giới hạn chịu lửa về:
- Mất khả năng chịu lực R;
- Mất tính toàn vẹn E.
Đối với tường ngoài không chịu lực thì quy định một giới hạn chịu lửa về mất tính toàn vẹn E.
4.4 Các kết cấu bê tông và bê tông cốt thép thực hiện chức năng bộ phận ngăn cháy bao gồm các tường ngăn cháy, sàn tầng và vách ngăn. Tính chịu lửa của bộ phận ngăn cháy bằng kết cấu bê tông và bê tông cốt thép được xác định bằng tính chịu lửa của:
- Phần bao che của bộ phận ngăn cháy;
- Kết cấu đảm bảo sự ổn định của bộ phận ngăn cháy;
- Kết cấu đỡ bộ phận ngăn cháy;
- Liên kết giữa bộ phận ngăn cháy với các kết cấu liền kề.
CHÚ THÍCH: Các giới hạn chịu lửa yêu cầu và loại kết cấu bê tông và bê tông cốt thép thực hiện chức năng của bộ phận ngăn cháy xem trong [1].
Giới hạn chịu lửa của kết cấu bê tông và bê tông cốt thép có vai trò đảm bảo ổn định và/hoặc là gối đỡ của bộ phận ngăn cháy, cũng như của các bộ phận liên kết với các kết cấu liền kề theo tiêu chí R, còn các bộ phận tiếp giáp - theo tiêu chí EI, không được nhỏ hơn giới hạn chịu lửa của bộ phận ngăn cháy.
4.5 Thiết kế kết cấu bê tông và bê tông cốt thép phải được thực hiện sao cho giới hạn chịu lửa bản thân và/hoặc giới hạn chịu lửa thực tế của kết cấu không nhỏ hơn giá trị quy định của giới hạn chịu lửa yêu cầu. Khi đó, giới hạn chịu lửa phải được đảm bảo nhờ cấu tạo tiết diện kết cấu bê tông và bê tông cốt thép một cách hợp lý mà không cần dùng các chất và vật liệu bảo vệ chịu lửa.
CHÚ THÍCH: Giá trị của giới hạn chịu lửa yêu cầu xem trong [1].
Việc sử dụng các chất và vật liệu bảo vệ chịu lửa đối với kết cấu bê tông và bê tông cốt thép trong một số trường hợp cụ thể được nêu trong Điều 10.
4.6 Các phương pháp tính toán để đánh giá giới hạn chịu lửa của các cấu kiện bê tông và bê tông cốt thép nêu trong tiêu chuẩn này được dựa trên các kết quả nghiên cứu và thử nghiệm chịu lửa.
4.7 Có thể thực hiện các tính toán giới hạn chịu lửa của kết cấu bê tông và bê tông cốt thép với sự hỗ trợ của phần mềm chuyên dụng mà đã được kiểm chứng với các kết quả thử nghiệm.
4.8 Phương pháp đánh giá giới hạn chịu lửa về mất tính toàn vẹn E có thể tham khảo Phụ lục C.
5 Tính chất của bê tông và cốt thép trong khi và sau khi chịu tác động lửa
5.1 Bê tông
5.1.1 Cường độ chịu nén tiêu chuẩn Rb,n, chịu nén tính toán Rb, Rb,ser và chịu kéo tính toán Rbtn, Rbt, Rbt,ser , mô đun đàn hồi ban đầu Eb và mô đun biến dạng của bê tông khi nén
lấy theo TCVN 5574:2018.
Khi cháy, tác động đốt nóng lên tới nhiệt độ cao làm thay đổi tính chất của bê tông trong kết cấu bê tông và bê tông cốt thép ở trạng thái chịu lực.
Sự thay đổi cường độ chịu nén tiêu chuẩn và tính toán của bê tông tại nhiệt độ cao được kể đến bằng hệ số điều kiện làm việc của bê tông γb,T:
| Rbn,T = Rbnγb,T | (1a) |
| Rb,T = Rbγb,T | (1b) |
| Rb,ser,T = Rb,serγb,T | (1c) |
Giá trị hệ số điều kiện làm việc của bê tông γb,T được xác định theo nhiệt độ trung bình của bê tông khi tính toán:
- Vùng chịu nén: theo các công thức (26), (27), (41) đến (43), (51) và (52);
- Cánh chịu nén: theo công thức (32);
- Sườn chịu nén: theo các công thức (33), (34), (37);
- Tiết diện ngang: theo công thức (39);
- Trong vùng neo: theo công thức (31).
5.1.2 Giá trị hệ số điều kiện làm việc của bê tông γb,T được thiết lập bằng thực nghiệm. Đối với bê tông dùng cốt liệu gốc silic hoặc cốt liệu đá vôi, cũng như bê tông keramzit kết cấu, hệ số γb,T phụ thuộc vào nhiệt độ đốt nóng bê tông và được nêu trong Bảng 1.
5.1.3 Cường độ chịu kéo tiêu chuẩn Rbtn và chịu kéo tính toán Rbt, Rbt,ser cũng thay đổi khi bê tông chịu tác động lửa. Sự thay đổi các cường độ chịu kéo của bê tông khi tăng nhiệt độ đốt nóng được kể đến bằng các hệ số điều kiện làm việc của bê tông khi kéo γbt,T:
| Rbtn,T = Rbtnγbt,T | (2a) |
| Rbt,T = Rbtγbt,T | (2b) |
| Rbt,ser,T = Rb,serγbt,T | (2c) |
Khi tính toán cấu kiện bê tông cốt thép chịu tác dụng của lực cắt theo 8.2.5 thì giá trị hệ số γbt,T lấy theo nhiệt độ trung bình của tiết diện bê tông, khi tính toán nội lực trong vùng neo theo công thức (31) - theo nhiệt độ thanh cốt thép được neo.
Giá trị hệ số γbt,T khi có tác động nhiệt ngắn hạn lấy theo Bảng 2.
Bảng 1 - Các hệ số γb,T, βb và φb,cr
| Loại bê tông | Hệ số | Giá trị các hệ số γb,T, βb và φb,cr khi nhiệt độ đốt nóng bê tông, °C | |||||||
| 20 | 200 | 300 | 400 | 500 | 600 | 700 | 800 | ||
| 1. Bê tông nặng dùng cốt liệu gốc silic | γb,T | 1,00 | 0,98 | 0,95 | 0,85 | 0,80 | 0,60 | 0,20 | 0,00 |
| βb | 1,00 | 0,70 | 0,50 | 0,40 | 0,30 | 0,20 | 0,10 | 0,00 | |
| φb,cr | 1,5 | 3,0 | 5,7 | 9,0 | 13,0 | 19,0 | - | - | |
| 2. Bê tông nặng dùng cốt liệu đá vôi | γb,T | 1,00 | 1,00 | 0,95 | 0,90 | 0,85 | 0,65 | 0,30 | 0,15 |
| βb | 1,00 | 0,75 | 0,55 | 0,45 | 0,35 | 0,25 | 0,15 | 0,10 | |
| φb,cr | 1,2 | 2,4 | 4,6 | 7,2 | 10,0 | 15,0 | - | - | |
| 3. Bê tông keramzit kết cấu | γb,T | 1,00 | 1,00 | 1,00 | 0,95 | 0,85 | 0,70 | 0,50 | 0,25 |
| βb | 1,00 | 0,85 | 0,80 | 0,70 | 0,60 | 0,45 | 0,30 | 0,15 | |
| φb,cr | 0,7 | 3,2 | 5,9 | 9,2 | 13,5 | 20,0 | — | - | |
| CHÚ DẪN: Ký hiệu “–“ thể hiện không có số liệu. | |||||||||
| CHÚ THÍCH 1: Giá trị các hệ số γb,T trên tử số và hệ số βb áp dụng cho bê tông ở trạng thái đốt nóng và được sử dụng khi tính toán khả năng chịu lửa. CHÚ THÍCH 2: Giá trị các hệ số γb,T dưới mẫu số và hệ số φb,cr áp dụng cho bê tông ở trạng thái nguội sau khi đốt nóng và được sử dụng khi tính toán khả năng bảo toàn sau cháy. CHÚ THÍCH 3: Giá trị hệ số βb sau cháy lấy bằng 1,0. CHÚ THÍCH 4: Các giá trị nêu trong bảng này áp dụng cho bê tông có cấp cường độ chịu nén không lớn hơn B55. CHÚ THÍCH 5: Đối với bê tông cường độ cao từ B60 trở lên, hệ số điều kiện làm việc được xác định bằng thực nghiệm. CHÚ THÍCH 6: Khi không thể xác định được loại bê tông dùng cốt liệu gốc silic hoặc cốt liệu đá vôi thì có thể áp dụng số liệu cho kết quả thiên về an toàn. | |||||||||
Bảng 2 - Hệ số γbt,T khi đốt nóng bê tông
| Loại bê tông | Hệ số γbt,T khi nhiệt độ đốt nóng, °C | |||||||
| 20 | 200 | 300 | 400 | 500 | 600 | 700 | 800 | |
| 1. Bê tông nặng dùng cốt liệu gốc silic | 1,00 | 0,65 | 0,50 | 0,35 | 0,20 | 0,05 | 0,00 | 0,00 |
| 2. Bê tông nặng dùng cốt liệu đá vôi; bê tông keramzit kết cấu | 1,00 | 0,70 | 0,55 | 0,40 | 0,25 | 0,10 | 0,00 | 0,00 |
| CHÚ THÍCH: Khi không thể xác định được loại bê tông dùng cốt liệu gốc silic hoặc cốt liệu đá vôi thì có thể áp dụng số liệu cho kết quả thiên về an toàn. | ||||||||
5.1.4 Nhiệt độ đốt nóng bê tông được xác định bằng tính toán nhiệt kỹ thuật theo Điều 6 hoặc theo các phụ lục A và B. Nhiệt độ trung bình của bê tông vùng chịu nén nằm ở biên bị đốt nóng của tiết diện có thể được xác định như sau:
- Khi xT ≤ ξRh0,T - theo nhiệt độ bê tông ở khoảng cách 0,2h0,T và đối với bản 0,1h0,T tính từ biên chịu nén của tiết diện;
- Khi xT > ξRh0,T và xT = h0,T - ở khoảng cách 0,5h0,T tính từ biên chịu nén của tiết diện.
Nhiệt độ trung bình của bê tông vùng chịu nén ở biên không bị đốt nóng của tiết diện dầm lấy theo Hình 1.

Hình 1 - Nhiệt độ trung bình của bê tông vùng chịu nén (ở biên không bị đốt nóng) trong dầm khi bị đốt nóng ba phía trong khoảng thời gian chế độ nhiệt tiêu chuẩn từ 30 min đến 240 min
5.1.5 Khi tính toán khả năng chịu lửa thì sự thay đổi giá trị mô đun đàn hồi ban đầu của bê tông bị đốt nóng nhiệt độ cao ngắn hạn được kể đến bằng hệ số βb:
| Eb,T = Ebβb | (3) |
Giá trị hệ số βb lấy theo Bảng 1.
5.1.6 Khi tính toán khả năng bảo toàn sau cháy của kết cấu bê tông và bê tông cốt thép chịu tác dụng dài hạn của tải trọng theo các trạng thái giới hạn thứ hai thì giá trị mô đun biến dạng của bê tông được xác định theo công thức:
![]()
Giá trị hệ số từ biến của bê tông φb,cr sau khi bị đốt nóng lấy theo Bảng 1.
5.1.7 Khi đốt nóng bê tông ấm tự nhiên thì biến dạng nhiệt của nó bao gồm hai dạng: biến dạng phục hồi - biến dạng giãn nhiệt, và biến dạng không phục hồi - biến dạng co nhiệt
Giá trị hệ số giãn nhiệt αbt, được nêu trong Bảng 3 và hệ số co nhiệt αcs - trong Bảng 4.
Bảng 3 - Hệ số giãn nhiệt αbt khi đốt nóng bê tông
| Loại bê tông | Hệ số αbt .10-6, °C-1 khi nhiệt độ đốt nóng, °C | ||||
| 20 đến 50 | 100 | 300 | 500 | 700 đến 1 100 | |
| 1. Bê tông nặng dùng cốt liệu gốc silic | 9,0 | 9,0 | 8,0 | 11,0 | 14,5 |
| 2. Bê tông nặng dùng cốt liệu đá vôi | 10,0 | 10,0 | 9,0 | 12,0 | 15,5 |
| 3. Bê tông keramzit kết cấu | 8,5 | 8,5 | 7,0 | 5,5 | 4,5 |
| CHÚ THÍCH 1: Các số liệu trong bảng áp dụng cho bê tông có cấp cường độ chịu nén không lớn hơn B55. CHÚ THÍCH 2: Khi không thể xác định được loại bê tông dùng cốt liệu gốc silic hoặc cốt liệu đá vôi thì có thể áp dụng số liệu cho kết quả thiên về an toàn. | |||||
Bảng 4 - Hệ số co nhiệt αcs khi đốt nóng bê tông
| Loại bê tông | Hệ số αcs x 10-6, °C-1, khi nhiệt độ đốt nóng, °C | ||||
| 20 đến 50 | 100 | 300 | 500 | 700 đến 1 100 | |
| 1. Bê tông nặng dùng cốt liệu gốc silic | 0,5 | 1,0 | 1,0 | 1,8 | 6,8 |
| 2. Bê tông nặng dùng cốt liệu đá vôi | 0,5 | 1,5 | 1,1 | 1,3 | 1,5 |
| 3. Bê tông keramzit kết cấu | 2,0 | 2,0 | 1,5 | 1,5 | 1,5 |
| CHÚ THÍCH 1: Các số liệu trong bảng áp dụng cho bê tông có cấp cường độ chịu nén không lớn hơn B55. CHÚ THÍCH 2: Khi không thể xác định được loại bê tông dùng cốt liệu gốc silic hoặc cốt liệu đá vôi thì có thể áp dụng số liệu cho kết quả thiên về an toàn. | |||||
5.1.8 Các bảng từ 1 đến 4 cung cấp các số liệu về sự thay đổi các đặc trưng độ bền và biến dạng của bê tông nặng dùng cốt liệu gốc silic hoặc cốt liệu đá vôi, cũng như bê tông keramzit kết cấu có cấp cường độ chịu nén không lớn hơn B55 khi chịu tác động ngắn hạn của nhiệt độ cao. Đối với các loại bê tông khác, kể cả bê tông cường độ cao, thì các đặc trưng này phải được xác định bằng thực nghiệm.
5.1.9 Biến dạng nén tương đối của bê tông khi biểu đồ biến dạng có một dấu đều ɛb0 và khi biểu đồ biến dạng hai dấu trong tiết diện thẳng góc ɛb2 phụ thuộc vào trường hợp tính toán (khả năng chịu lửa hoặc khả năng bảo toàn sau cháy) lấy theo Bảng 5.
Biến dạng tương đối của bê tông nặng dùng cốt liệu gốc silic được nêu trong Bảng 5 và được áp dụng khi tính toán khả năng chịu lửa và khả năng bảo toàn sau cháy của cấu kiện chịu nén.
Bảng 5 - Biến dạng nén tương đối của bê tông nặng dùng cốt liệu gốc silic
| Nhiệt độ đốt nóng tối thiểu của bê tông chịu nén trong tiết diện, °C | Biến dạng nén tương đối của bê tông nặng dùng cốt liệu gốc silic khi tính toán | |||||
| Khả năng chịu lửa | Khả năng bảo toàn sau cháy | |||||
| ɛb1,red | ɛb0 | ɛb2 | ɛb1,red | ɛb0 | ɛb2 | |
| 20 | 0,0015 | 0,0020 | 0,0035 | 0,0028 | 0,0034 | 0,0048 |
| 100 | 0,0019 | 0,0025 | 0,0044 | 0,0035 | 0,0043 | 0,0060 |
| 200 | 0,0026 | 0,0035 | 0,0061 | 0,0049 | 0,0060 | 0,0084 |
| 300 | 0,0038 | 0,0050 | 0,0088 | 0,0070 | 0,0085 | 0,0120 |
| 400 | 0,0049 | 0,0065 | 0,0114 | 0,0091 | 0,0111 | 0,0156 |
| 500 | 0,0068 | 0,0090 | 0,0158 | 0,0126 | 0,0153 | 0,0216 |
| CHÚ THÍCH 1: Các số liệu áp dụng cho bê tông nặng dùng cốt liệu gốc silic cấp cường độ chịu nén không lớn hơn B55. CHÚ THÍCH 2: Đối với các loại và các cấp cường độ bê tông khác thì biến dạng nén tương đối của bê tông được xác định bằng thực nghiệm. | ||||||
5.2 Cốt thép
5.2.1 Cường độ tiêu chuẩn Rs,n và tính toán Rs, Rsc và mô đun đàn hồi Es của cốt thép ở nhiệt độ thường được lấy theo TCVN 5574:2018.
5.2.2 Khi đốt nóng nhiệt độ cao ngắn hạn thì các tính chất độ bền và biến dạng của cốt thép sẽ thay đổi.
Sự thay đổi cường độ chịu kéo và chịu nén của cốt thép khi bị đốt nóng theo chế độ nhiệt tiêu chuẩn được kể đến bằng hệ số điều kiện làm việc của cốt thép γs,T = γ's,T theo các công thức:

5.2.3 Sự thay đổi mô đun đàn hồi của cốt thép khi tăng nhiệt độ được kể đến bằng hệ số βs:
| Es,T = Esβs | (7) |
5.2.4 Hệ số điều kiện làm việc của cốt thép βs được xác định bằng thực nghiệm đối với từng loại cốt thép do các phương pháp sản xuất khác nhau ảnh hưởng đáng kể đến sự thay đổi tính chất của cốt thép khi bị đốt nóng nhiệt độ cao. Giá trị khuyến nghị của các hệ số được nêu trong Bảng 6 phụ thuộc vào nhiệt độ đốt nóng cốt thép chịu kéo và chịu nén.
Bảng 6 - Các hệ số γs,T, βs
| Loại cốt thép | Hệ số | Giá trị các hệ số γs,T, βs khi nhiệt độ đốt nóng bê tông, °C | |||||||
| 20 | 200 | 300 | 400 | 500 | 600 | 700 | 800 | ||
| TCVN 1651-1:2018: CB240-T, CB300-T; TCVN 1651-2:2018: CB300-V, CB400-V, CB500-V; | γs,T | 1,00 | 1,00 | 1,00 | 0,85 | 0,65 | 0,37 | 0,22 | 0,10 |
| βs | 1,00 | 0,92 | 0,90 | 0,85 | 0,80 | 0,77 | 0,72 | 0,65 | |
| TCVN 1651-2:2018: CB600-V; TCVN 6284-5:1997 (ISO 6394-5:1991): Thép thanh có giới hạn chảy quy ước (835, 930, 1 080 MPa) | γs,T | 1,00 | 1,00 | 0,96 | 0,80 | 0,55 | 0,30 | 0,12 | 0,08 |
| βs | 1,00 | 0,90 | 0,85 | 0,80 | 0,76 | 0,70 | 0,66 | 0,61 | |
| TCVN 6288:1997 (ISO 10544:1992): Dây thép vuốt nguội; TCVN 6284-2:1997 (ISO 6394-2:1991): Dây thép có giới hạn bền: 1470, 1570, 1670, 1770 MPa TCVN 6284-4:1997 (ISO 6934-4:1991): Các loại cáp 7 sợi; TCVN 6284-5:1997 (ISO 6934-5:1991): Các loại cáp 19 sợi | γs,T | 1,00 | 1,00 | 0,90 | 0,65 | 0,35 | 0,15 | 0,05 | 0,02 |
| βs | 1,00 | 0,94 | 0,86 | 0,77 | 0,64 | 0,55 | 0,45 | 0,35 | |
| CHÚ THÍCH 1: Giá trị các hệ số γs,T trên tử số và hệ số βs áp dụng cho cốt thép ở trạng thái đốt nóng và được sử dụng khi tính toán khả năng chịu lửa. CHÚ THÍCH 2: Giá trị các hệ số γs,T dưới mẫu số và hệ số βs áp dụng cho bê tông ở trạng thái nguội sau khi đốt nóng và được sử dụng khi tính toán khả năng bảo toàn sau cháy. CHÚ THÍCH 3: Giá trị hệ số βs áp dụng cho trạng thái đốt nóng cốt thép. Giá trị βs ở trạng thái nguội sau khi đốt nóng cốt thép lấy bằng 1,0. CHÚ THÍCH 4: Đối với các loại cốt thép khác thì hệ số điều kiện làm việc khi đốt nóng và khi ở trạng thái nguội sau khi đốt nóng được xác định bằng thực nghiệm. | |||||||||
5.2.5 Biến dạng giãn dài tương đối của cốt thép khi ứng suất trong cốt thép đạt tới cường độ tính toán được xác định như biến dạng đàn hồi theo công thức:
![]()
5.2.6 Khi nhiệt độ tăng thì hệ số giãn nhiệt của cốt thép αs,T tăng và vượt quá hệ số biến dạng nhiệt của bê tông. Hệ số αs,T ứng với nhiệt độ đốt nóng khác nhau được nêu trong Bảng 7.
Bảng 7 - Hệ số αs,T khi đốt nóng cốt thép
Đơn vị tính bằng 1/°C
| Loại cốt thép | Giá trị αs,T khi nhiệt độ đốt nóng, °C | ||||||||
| 20 | 100 | 200 | 300 | 400 | 500 | 600 | 700 | 800 | |
| TCVN 1651-1:2018: CB240-T, CB300-T; TCVN 1651-2:2018: CB 300-V, CB400-V, CB500-V, CB600-V; TCVN 6284-5:1997 (ISO 6394-5:1991): Thép thanh có giới hạn chảy quy ước (835, 930, 1 080 MPa); TCVN 6288:1997 (ISO 10544:1992): Dây thép vuốt nguội; TCVN 6284-2:1997 (ISO 6394-2:1991): Dây thép có giới hạn bền: 1470, 1570, 1670, 1770 MPa; TCVN 6284-4:1997 (ISO 6934-4:1991): Các loại cáp 7 sợi; TCVN 6284-5:1997 (ISO 6934-5:1991): Các loại cáp 19 sợi | 11,5 x 10-6 | 12,0 x 10-6 | 12,5 x 10-6 | 13,0 x 10-6 | 13,5 x 10-6 | 14,0 x 10-6 | 14,5 x 10-6 | 15,0 x 10-6 | 15,5 x 10-6 |
| CHÚ THÍCH: Đối với các loại thép khác khi không có số liệu thì có thể áp dụng các số liệu nêu trong bảng này. | |||||||||
6 Yêu cầu cơ bản về tính toán nhiệt kỹ thuật cho kết cấu bê tông và bê tông cốt thép
6.1 Để tính toán giới hạn chịu lửa của kết cấu bê tông và bê tông cốt thép, phải xác định sự phân bố nhiệt độ trong bê tông của tiết diện ngang của cấu kiện do tác động của chế độ nhiệt tiêu chuẩn của đám cháy theo TCVN 9311-1:2024.
6.2 Việc giải bài toán xác định độ dẫn nhiệt không ổn định được quy về việc xác định nhiệt độ của bê tông tại một điểm bất kỳ trên tiết diện ngang của cấu kiện sau một khoảng thời gian cụ thể tính từ lúc bắt đầu đốt nóng. Hàm phụ thuộc của nhiệt độ trong vật rắn vào thời gian được mô tả bằng phương trình vi phân về độ dẫn nhiệt với các điều kiện biên phi tuyến và quá trình truyền nhiệt phức tạp giữa các khối lượng vật chất.
Các phép tính toán đốt nóng tiết diện kết cấu bê tông và bê tông cốt thép thông thường được thực hiện bằng phần mềm chuyên dụng. Thuật toán tính toán là hệ các phương trình để xác định nhiệt độ tại mỗi điểm nút của lưới tọa độ đặt vào tiết diện. Lưới tọa độ được thiết lập sao cho các điểm nút của nó không chỉ nằm theo chiều dày mà còn nằm theo chu vi của tiết diện. Bước lưới khuyến nghị trong khoảng 10 mm đến 30 mm, nhưng phải lớn hơn đường kính cốt thép chịu lực.
6.3 Để tính toán nhiệt kỹ thuật cấu kiện bê tông cốt thép thì hệ số dẫn nhiệt λ, tính bằng W/(m.°C), có thể được xác định như sau:
- Đối với bê tông nặng dùng cốt liệu gốc silic:
| λ = 1,2-0,00035Tb | (9) |
- Đối với bê tông nặng dùng cốt liệu đá vôi:
| λ = 1,14 - 0,00055Tb | (10) |
- Đối với bê tông keramzit kết cấu:
| λ = 0,36-0,00012Tb | (11) |
CHÚ THÍCH: Khi không thể xác định được loại bê tông nặng dùng cốt liệu gốc silic hoặc cốt liệu đá vôi thì có thể áp dụng công thức (9) hoặc (10) mà cho kết quả thiên về an toàn.
Nhiệt dung riêng của bê tông C, tính bằng kJ/(kg.°C), có thể được xác định như sau:
- Đối với bê tông nặng dùng cốt liệu gốc silic hoặc cốt liệu đá vôi:
| C = 0,71+ 0,00083Tb | (12) |
- Đối với bê tông keramzit kết cấu:
| C = 0,83 + 0,00042Tb | (13) |
Hệ số dẫn nhiệt quy đổi ared, tính bằng m2/h, đặc trưng cho tốc độ đốt nóng không ổn định tiết diện bê tông của kết cấu, được xác định theo công thức:

trong đó:
| λ và C | là các giá trị trung bình tính toán của hệ số dẫn nhiệt và nhiệt dung riêng của bê tông ở 450 °C; |
| ρ | là khối lượng thể tích khô của bê tông, kg/m3; |
| W | là độ ẩm sử dụng theo khối lượng của bê tông, kg/kg. |
Trong cấu kiện dùng cốt cứng khi có sự chênh lệch nhiệt độ theo chiều dài cánh và chiều cao bụng của cốt cứng thì phải kể đến độ dẫn nhiệt của thép. Hệ số dẫn nhiệt của thép, tính bằng W/(m.°C), được xác định theo công thức:
| λ = 58 - 0,0048Ts | (15) |
Nhiệt dung riêng của thép, tính bằng kJ/(kg.°C), được xác định theo công thức:
| C = 0,48 - 0,00063Ts | (16) |
Trong các công thức từ (9) đến (13), (15) và (16), Tb và Ts lần lượt là nhiệt độ đốt nóng bê tông và cốt thép, °C.
6.4 Các đặc trưng nhiệt kỹ thuật quy đổi được sử dụng cho bê tông cấp cường độ chịu nén không cao hơn B55. Đối với bê tông cường độ cao hơn thì các đặc trưng nhiệt kỹ thuật cần được xác định bằng thực nghiệm.
6.5 Để giải quyết đơn giản bài toán tính toán nhiệt kỹ thuật, trong các phụ lục A và B đưa ra các đường đẳng nhiệt trên các tiết diện điển hình của kết cấu bê tông cốt thép của bản, dầm và cột khi đốt nóng một phía, hai phía, ba phía và bốn phía phụ thuộc vào khoảng thời gian tác động khác nhau của chế độ nhiệt tiêu chuẩn của đám cháy.
7 Đánh giá giới hạn chịu lửa về mất tính cách nhiệt của bản và tường
7.1 Đánh giá bằng tính toán giới hạn chịu lửa của kết cấu bê tông và bê tông cốt thép về mất tính cách nhiệt I đối với bản và tường được tiến hành bằng cách giải bài toán nhiệt kỹ thuật với mục đích xác định các giá trị nhiệt độ trên bề mặt ở bên phía không bị đốt nóng của tường hoặc bản và so sánh chúng với nhiệt độ đốt nóng tới hạn theo tiêu chí về tính cách nhiệt I nêu trong 3.1.22.
Nhiệt độ trên bề mặt không bị đốt nóng của kết cấu tường hoặc bản khi có tác động lửa từ một phía phụ thuộc vào các điều kiện trao đổi nhiệt trên bề mặt này mà được đặc trưng bởi hệ số truyền nhiệt.
Khi tính toán, cần sử dụng giá trị trung bình số học của các giá trị ban đầu và cuối cùng của hệ số truyền nhiệt. Giá trị ban đầu của hệ số truyền nhiệt được xác định khi nhiệt độ trên bề mặt không bị đốt nóng tăng thêm 1 °C. Giá trị cuối cùng của hệ số truyền nhiệt được xác định khi nhiệt độ trên bề mặt không bị đốt nóng tăng thêm 140 °C, nghĩa là khi đạt tới giới hạn chịu lửa của kết cấu về mất tính cách nhiệt. Sau đó, sử dụng tính toán nhiệt kỹ thuật để tìm thời gian đạt tới giới hạn chịu lửa về mất tính cách nhiệt.
7.2 Cho phép xác định chiều dày bản không nhỏ hơn với giá trị chiều dày bản thu được từ biểu đồ trên Hình 2 để đảm bảo giới hạn chịu lửa về mất tính cách nhiệt I khi đốt nóng từ một phía đối với bản và tường làm từ bê tông nặng dùng cốt liệu gốc silic hoặc cốt liệu đá vôi và làm từ bê tông keramzit kết cấu trong khoảng thời gian tác động lửa đến 300 min. Khi không thể xác định được loại bê tông nặng dùng cốt liệu gốc silic hoặc cốt liệu đá vôi thì có thể áp dụng biểu đồ 1 hoặc 2 cho kết quả thiên về an toàn.
Đối với tấm sàn nhiều lỗ rỗng thì giới hạn chịu lửa về mất tính cách nhiệt cần được nhân thêm với hệ số 0,65 (theo số liệu thử nghiệm).
7.3 Đánh giá giới hạn chịu lửa về mất tính cách nhiệt I của kết cấu bê tông và bê tông cốt thép làm từ các loại bê tông khác, kể cả bê tông cường độ cao, có thể được thực hiện sau khi thiết lập hệ số dẫn nhiệt và nhiệt dung riêng bằng thực nghiệm khi đốt nóng nhiệt độ cao đối với loại bê tông cụ thể.

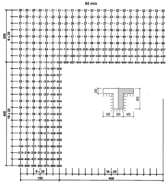
CHÚ DẪN:
1 Bê tông nặng dùng cốt liệu gốc silic
2 Bê tông nặng dùng cốt liệu đá vôi
3 Bê tông keramzit kết cấu
Hình 2 - Giới hạn chịu lửa về mất tính cách nhiệt của bản (tường) khi chịu tác động lửa từ một phía ở chế độ nhiệt tiêu chuẩn của đám cháy
8 Tính toán giới hạn chịu lửa về mất khả năng chịu lực
8.1 Yêu cầu chung
8.1.1 Giới hạn chịu lửa về mất khả năng chịu lực R của kết cấu bê tông cốt thép đạt được do sự suy giảm các đặc trưng độ bền của cốt thép chịu lực và bê tông khi có tác động lửa và dẫn tới khả năng chịu lực của kết cấu bị suy giảm đến giá trị tính toán dưới tác động lửa của nội lực do tải trọng mà tại đó xảy ra sự sập đổ kết cấu khi có cháy.
8.1.2 Tính toán giới hạn chịu lửa kết cấu bê tông cốt thép về khả năng chịu lực R bao gồm tính toán nhiệt kỹ thuật và tính toán tĩnh học.
Giải bài toán nhiệt kỹ thuật cần được tiến hành đối với khoảng thời gian cháy cho trước. Trong tính toán nhiệt kỹ thuật, cần xác định nhiệt độ đốt nóng bê tông và cốt thép trên tiết diện kết cấu bê tông cốt thép với khoảng thời gian cho trước của chế độ nhiệt tiêu chuẩn với mục đích xác định các hệ số điều kiện làm việc của cốt thép và bê tông khi đốt nóng.
8.1.3 Tính toán tĩnh học được tiến hành để tính toán độ bền kết cấu bị đốt nóng có kể đến sự thay đổi tính chất của bê tông và cốt thép do tác động nhiệt và sơ đồ phá hoại cụ thể khi có cháy.
Tính toán độ bền được thực hiện dựa trên các yêu cầu cơ bản về tính toán kết cấu bê tông cốt thép theo các trạng thái giới hạn thứ nhất theo TCVN 5574:2018 và tiêu chuẩn này.
8.1.4 Tính toán tĩnh học để xác định giới hạn chịu lửa về mất khả năng chịu lực R được tiến hành với tải trọng tính toán dưới tác động lửa và cường độ tính toán dưới tác động lửa của bê tông và cốt thép.
Khi đó, không cần kể đến tải trọng gió, cầu trục, tải trọng động và tải trọng đặc biệt vì xác suất xuất hiện đồng thời với đám cháy là thấp.
Tải trọng tính toán dưới tác động lửa được lấy theo các giá trị tiêu chuẩn của tải trọng thường xuyên Gk và tải trọng tạm thời dài hạn Qk,L nhân với hệ số độ tin cậy về tải trọng γf bằng 1,0. Khi đó, tải trọng tính toán dưới tác động lửa có giá trị bằng giá trị tiêu chuẩn của tải trọng.
Cường độ tính toán dưới tác động lửa của bê tông và cốt thép được lấy bằng cường độ tiêu chuẩn của bê tông và cốt thép chia cho hệ số độ tin cậy yb,γbt,ys bằng 1,0.
Sơ đồ tác dụng của tải trọng trong tính toán khả năng chịu lửa phải phù hợp với sơ đồ trong điều kiện không bị đốt nóng.
3.1.5 Trong trường hợp tổng quát, giới hạn chịu lửa về mất khả năng chịu lực R được đảm bảo khi thỏa mãn điều kiện:
| Nn (Mn) ≤ Nu,T (Mu,T) | (17) |
trong đó:
Nn và Mn tương ứng là lực dọc hoặc mô men uốn tính toán dưới tác động lửa gây ra bởi giá trị tiêu chuẩn của tải trọng thường xuyên và tải trọng tạm thời dài hạn;
Nu,T và Mu,T là khả năng chịu lực (độ bền) của kết cấu bê tông cốt thép trong đám cháy tiêu chuẩn sau một khoảng thời gian bằng giá trị R, được tính toán với giá trị tiêu chuẩn của cường độ bê tông và cốt thép.
Để đánh giá sự phù hợp của các giá trị giới hạn chịu lửa bản thân về khả năng chịu lực R của cấu kiện bê tông cốt thép so với giới hạn chịu lửa yêu cầu, các phép tính toán được tiến hành theo điều kiện (17) có kể đến khoảng thời gian tác động của chế độ nhiệt tiêu chuẩn tương đương với giới hạn chịu lửa yêu cầu.
Khi cần xác định giới hạn chịu lửa bản thân của cấu kiện bê tông cốt thép thì việc tìm các điều kiện trạng thái giới hạn của nó khi cháy được dựa trên nguyên tắc xấp xỉ đúng dần đối với các giá trị cho trước về khoảng thời gian của đám cháy tiêu chuẩn đáp ứng điều kiện (17).
8.1.6 Việc tính toán khả năng chịu lửa cho từng cấu kiện của kết cấu bê tông cốt thép được tiến hành theo tiết diện quy đổi, hay còn gọi là tiết diện suy giảm, khi mà tiết diện cấu kiện được chia ra thành các phần tử nhỏ đặc trưng bị đốt nóng đến các nhiệt độ khác nhau, và mỗi phần tử được quy về bê tông không bị đốt nóng có kể đến các đặc trưng suy giảm tương ứng của cường độ bê tông. Đối với mỗi phần tử thì lấy hệ số γb,T nhỏ hơn 1,0 phụ thuộc vào nhiệt độ đốt nóng trung bình của bê tông trong mỗi phần tử. Tiếp theo là xác định giá trị Rbn,T theo công thức (1a) và Rbtn,T - theo công thức (2a) cho mỗi phần tử nhỏ để đưa vào các công thức tính độ bền của tiết diện thẳng góc và tiết diện nghiêng với kích thước thực.
8.1.7 Có thể sử dụng phương pháp đơn giản hóa để tính toán khả năng chịu lửa của từng cấu kiện của kết cấu bê tông cốt thép, trong đó xem xét tiết diện ngang suy giảm của kết cấu bằng cách đã trừ đi chiều dày lớp bê tông bị đốt nóng ở nhiệt độ vượt quá nhiệt độ tới hạn.
Nhiệt độ đốt nóng tới hạn của bê tông nặng dùng cốt liệu gốc silic lấy bằng 500 °C, dùng cốt liệu đá vôi và bê tông keramzit kết cấu - bằng 600 °C. Tại các nhiệt độ tới hạn này, cấu trúc bê tông bị hư hỏng, các đặc trưng độ bền bị suy giảm đáng kể.
Khi sử dụng phương pháp tính toán đơn giản hóa thì giá trị hệ số điều kiện làm việc của bê tông chịu nén γb,T lấy bằng 1,0 (γb,T = 1,0) khi đốt nóng bê tông đến nhiệt độ tới hạn và lấy bằng 0 (γb,T = 0) khi đốt nóng bê tông đến nhiệt độ lớn hơn nhiệt độ tới hạn.
Khi sử dụng phương pháp tính toán đơn giản hóa thì diện tích suy giảm tính toán của tiết diện ngang bê tông của kết cấu được giới hạn bởi biểu đồ đẳng nhiệt của nhiệt độ đốt nóng tới hạn của bê tông Tb,cr và hệ số điều kiện làm việc của bê tông γb,T trong tiết diện suy giảm lấy bằng 1,0.
Trong phương pháp tính toán đơn giản hóa, kích thước tiết diện suy giảm của cấu kiện bê tông cốt thép được xác định theo các công thức từ (18) đến (25), trong các công thức tính độ bền tiết diện thẳng góc và tiết diện nghiêng thì lấy các thông số: Rbn, Rbtn , bT hT, b’f,T, h’f,T, Ared và h0,T.
Phương pháp tính toán đơn giản hóa được sử dụng cho kết cấu bê tông cốt thép không ứng suất trước và ứng suất trước có kể đến tác động của tải trọng dọc trục, mô men uốn và tổ hợp của chúng.
8.1.8 Trong phương pháp tính toán đơn giản hóa cho cấu kiện bê tông cốt thép, các kích thước quy đổi của tiết diện được xác định như sau:
a) Khi cấu kiện bị đốt nóng từ ba phía:
- Chiều rộng dầm, cột:
| bT = b - 2aT | (18) |
- Chiều rộng cánh:
| b'f,T = b'f - 2aT | (19) |
- Chiều cao cánh:
| h’f,T = h’f - aT | (20) |
- Chiều cao tiết diện dầm, cột:
| hT = h - aT | (21) |
- Diện tích tiết diện dầm:
| Ab,red = 0,95 (b-2aT)(h - aT) | (22) |
b) Khi cấu kiện bị đốt nóng từ bốn phía:
- Chiều cao tiết diện cột:
| hT = h - 2aT | (23) |
- Diện tích tiết diện cột:
| Ac,red = 0,9 (b - 2aT)(h - aT) | (24) |
Chiều cao làm việc của tiết diện khi đốt từ phía vùng chịu nên được xác định theo công thức:
| h0,T = h0 - aT | (25) |
Chiều sâu bê tông bị đốt nóng aT đến nhiệt độ tới hạn trong dầm tính từ biên bị đốt nóng của tiết diện khi có tác động của chế độ nhiệt tiêu chuẩn của đám cháy được thể hiện trên Hình 3.
|
a) Dùng cốt liệu gốc silic |
b) Dùng cốt liệu đá vôi |
CHÚ DẪN:
30, 40,... 240 min Các khoảng thời gian của chế độ nhiệt tiêu chuẩn, tính bằng phút.
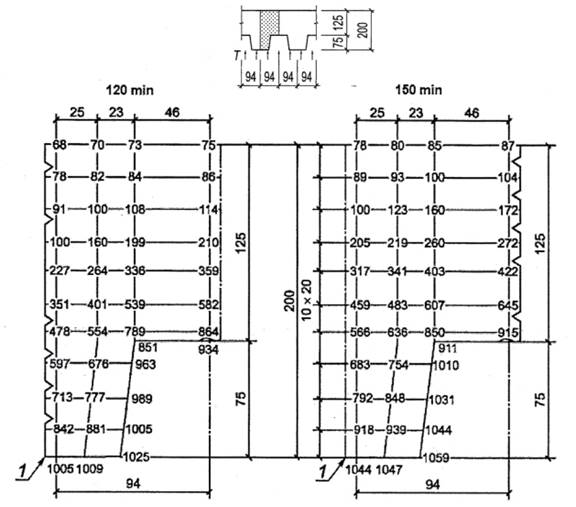
Hình 3 - Chiều sâu bê tông bị đốt nóng aT đến nhiệt độ tới hạn của bê tông nặng Tb,cr trong dầm tính từ biên bị đốt nóng của tiết diện trong đám cháy tiêu chuẩn
Chiều sâu bê tông bị đốt nóng aT đến nhiệt độ tới hạn trong cột tính khi có tác động từ bốn phía của chế độ nhiệt tiêu chuẩn của đám cháy được thể hiện, trên Hình 4.
|
a) Bê tông cốt liệu gốc silic |
b) Bê tông cốt liệu đá vôi |
CHÚ DẪN:
30, 60,... 240 min Các khoảng thời gian của chế độ nhiệt tiêu chuẩn, tính bằng phút.
Hình 4 - Chiều sâu bê tông bị đốt nóng aT đến nhiệt độ tới hạn Tb,cr của bê tông nặng trong cột, tính từ biên bị đốt nóng của tiết diện khi có tác động từ bốn phía của đám cháy tiêu chuẩn
8.2 Kết cấu tĩnh định
8.2.1 Cấu kiện phẳng chịu uốn (bản, tấm)
8.2.1.1 Sự phá hoại của bản phẳng bê tông cốt thép kê trên hai cạnh đối diện nhau khi bị đốt nóng một phía từ dưới lên xảy ra với sự hình thành khớp dẻo ở giữa nhịp do sự suy giảm cường độ chịu kéo tiêu chuẩn của cốt thép tới giá trị ứng suất làm việc gây bởi giá trị tiêu chuẩn của tải trọng. Sơ đồ nội lực trong tiết diện thẳng góc với trục dọc của bản tại giữa nhịp được thể hiện trên Hình 5a.
Mô men Mu,T của cấu kiện phẳng chịu uốn ở trạng thái cân bằng giới hạn khi có tác động của đám cháy được xác định theo công thức:
| Mu,T = Rbn,T bxT (h0 - 0,5xT) + Rsc,T A's (h0 – a’) | (26) |
Khi đó chiều cao vùng chịu nên được xác định theo công thức:

trong các bản có hàm lượng cốt thép lớn khi ξ ≤ ξR thì mô men giới hạn tại tiết diện giữa nhịp được phép xác định theo công thức:
| Mu,T = Rsn,T As (h0 – 0,5xT) + Rsc,T A's (0,5xT - a’) | (28) |
trong đó chiều cao vùng chịu nén xT được xác định theo công thức (27).

a) Bản kiểu dầm, tại giữa nhịp

b) Bản công xôn, tại gối tựa
Hình 5 - Sơ đồ nội lực và biểu đồ ứng suất trong tiết diện thẳng góc với trục dọc cấu kiện khi bị đốt nóng từ phía dưới lên
8.2.1.2 Đối với cấu kiện bê tông cốt thép tĩnh định chịu uốn thì việc đánh giá giới hạn chịu lửa về mất khả năng chịu lực R có thể quy về việc xác định giá trị nhiệt độ đốt nóng tới hạn của cốt thép chịu lực khi kéo Ts,cr.
Nhiệt độ đốt nóng tới hạn Ts,cr trong vùng chịu kéo của cấu kiện bê tông cốt thép chịu uốn mà ở đó hình thành khớp dẻo tại giữa nhịp và đạt tới giới hạn chịu lửa về mất khả năng chịu lực R được xác định như sau:
500 °C - đối với cốt thép cán nóng không ứng suất trước;
400 °C - đối với cốt thép gia công nguội.
Giá trị tới hạn của hệ số điều kiện làm việc của cốt thép chịu kéo khi xT ≤ ξRh0,T được tính theo các công thức:
- Khi bố trí cốt thép đơn:
![]()
- Khi bố trí cốt thép kép:

Trong đó:
Mn là mô men tính toán dưới tác động lửa gây ra bởi giá trị tiêu chuẩn của tải trọng;
xT được xác định theo công thức (27).
Sau khi biết được giá trị tới hạn của hệ số điều kiện làm việc của cốt thép chịu lực γs,T,cr thì xác định nhiệt độ đốt nóng tới hạn của cốt thép Ts,cr theo Bảng 6 phụ thuộc vào cấp cường độ cốt thép.
Thời gian đạt tới giới hạn chịu lửa được xác định theo biểu đồ đốt nóng bê tông bản (các hình từ A.1 đến A.6 trong Phụ lục A). Trên trục tung của biểu đồ, tìm giá trị nhiệt độ tới hạn của cốt thép và kẻ đường thẳng nằm ngang đến khi giao cắt với đường cong đốt nóng của bê tông nằm ở khoảng bằng khoảng cách từ trục cốt thép đến bề mặt bị đốt nóng của bản. Từ điểm giao cắt này hạ đường vuông góc đến khi giao cắt với trục nằm ngang và tìm được thời gian của chế độ nhiệt tiêu chuẩn, tính bằng phút, phù hợp với giới hạn chịu lửa về mất khả năng chịu lực R.
8.2.1.3 Giới hạn chịu lửa về mất khả năng chịu lực R của tấm nhiều lỗ rỗng được lấy như đối với các tấm đặc nhân với hệ số 0,9 là hệ số đã được thiết lập dựa trên kết quả thử nghiệm chịu lửa trên tấm nhiều lỗ rỗng chế tạo trong nhà máy. Khi chiều dày tấm từ 150 mm đến 220 mm, đường kính lỗ rỗng từ 80 mm đến 160 mm và chiều dày lớp bê tông tính từ mép gần nhất của tiết diện đến trọng tâm cốt thép từ 20 mm đến 40 mm thì hệ số giảm thời gian đốt nóng cốt thép tới nhiệt độ tới hạn trong các tấm nhiều lỗ rỗng dao động trong khoảng từ 0,85 đến 0,92. Giá trị được chấp nhận là 0,9 - là giá trị giảm trung bình của giới hạn chịu lửa của tấm nhiều lỗ rỗng theo tiêu chí về mất khả năng chịu lực R.
Giới hạn chịu lửa về mất khả năng chịu lực R của tấm nhiều lỗ rỗng khi có tác dụng của tải trọng phân bố đều có thể đạt tới do hình thành khớp dẻo tại tiết diện giữa nhịp gây bởi tác dụng của mô men uốn, cũng như tại tiết diện nghiêng nguy hiểm gây bởi tác dụng của lực cắt.
Mô men hình thành khớp dẻo tại tiết diện giữa nhịp được xác định theo các công thức (26) và (28), trong đó thay chiều rộng sườn b bằng chiều rộng cánh chịu nén b'f và giá trị mô men thu được cần được nhân với hệ số 0,9.
Tính toán khả năng chịu lửa khi có tác dụng của mô men uốn tại tiết diện nghiêng nguy hiểm được tiến hành theo điều kiện (99) của TCVN 5574:2018. Giá trị mô men thu được cần được nhân với hệ số 0,9.
Khi có tác động lửa thì mô men chịu bởi cốt thép dọc cắt qua vùng chịu kéo của tiết diện nghiêng được xác định theo công thức (100) của TCVN 5574:2018, trong đó nội lực Ns chịu bởi thanh cốt thép neo với đường kính ds ≤ 32 mm trong vùng neo được xác định theo công thức:
![]()
trong đó:
| η1 | là hệ số kể đến ảnh hưởng của loại bề mặt cốt thép, lấy bằng: |
|
| 1,5- đối với cốt thép trơn; |
|
| 2,0 - đối với cốt thép gia công nguội có gờ; |
|
| 2,5 - đối với cốt thép cán nóng có gờ; |
| Rbtn,T | là cường độ chịu kéo dọc trục tiêu chuẩn của bê tông, xác định theo công thức (2a), trong đó hệ số điều kiện làm việc của bê tông chịu kéo γbt,T lấy phụ thuộc vào nhiệt độ bê tông bằng nhiệt độ thanh cốt thép neo tại gối tựa; |
| Rsn,T | là cường độ chịu kéo tiêu chuẩn của cốt thép, xác định theo công thức (5a), trong đó hệ số điều kiện làm việc của cốt thép γs,T lấy phụ thuộc vào nhiệt độ đốt nóng cốt thép trong vùng neo, lấy bằng: |
|
| 0,8Ts - khi bản kê lên dầm bê tông cốt thép hoặc tường; |
|
| Ts - khi kê lên dầm thép. |
| Ls | là khoảng cách từ đuôi thanh thép neo đến tiết diện ngang đang xét của bản, được lấy làm chiều dài neo (không nhỏ hơn các giá trị 15ds và 200 mm) cần thiết để truyền lực trong cốt thép Ns sang bê tông; |
| us | là chu vi tiết diện ngang của thanh thép neo, xác định theo đường kính danh định; |
| α | là hệ số kể đến ảnh hưởng của trạng thái ứng suất trong bê tông và cốt thép và giải pháp cấu tạo cấu kiện trong vùng neo tới chiều dài neo. Khi neo thanh thép có gờ với đầu mút để thẳng hoặc cốt thép trơn có móc hoặc chữ L mà không dùng các cơ cấu neo bổ sung thì α lấy bằng 1,0 đối với thanh chịu kéo và bằng 0,75 đối với thanh chịu nén. |
Mô men chịu bởi cốt thép đai trong phạm vi vùng chịu kéo của tiết diện nghiêng dưới tác động lửa được xác định theo công thức (101) của TCVN 5574:2018.
Giới hạn chịu lửa của tấm nhiều lỗ rỗng được lấy bằng giá trị nhỏ nhất trong các giá trị giới hạn chịu lửa khi hình thành khớp dẻo tại giữa nhịp và tại đầu vết nứt xiên.
8.2.1.4 Đối với bản công xôn có ngàm cứng tại một gối tựa, khi có tác động lửa một phía từ dưới lên thì độ bền tiết diện gối tựa bị giảm xuống, về cơ bản, do bê tông chịu nén bị đốt nóng đến nhiệt độ cao và dẫn tới sự suy giảm chiều cao tính toán của tiết diện (Hình 5b). Chiều cao tính toán của tiết diện bị giảm đi một lượng bằng chiều dày lớp bê tông aT đã bị đốt nóng đến nhiệt độ tới hạn.
Độ bền tiết diện gối tựa khi có tác dụng của giá trị tiêu chuẩn của tải trọng dưới tác động lửa từ dưới lên được xác định theo công thức (26), trong đó (h0 - 0,5xT) được thay bằng (h0,T -0,5xT), còn giá trị h0,T được tính theo công thức (25).
Đối với bản làm từ bê tông B30 trở xuống dùng cốt thép không ứng suất trước, nếu giá trị thu được từ tính toán theo công thức (29) xT > ξRh0,T thì cho phép tiến hành tính toán với chiều cao vùng chịu nén xT = ξRh0,T.
8.2.1.5 Đối với bản làm từ bê tông cường độ cao dùng cốt liệu granit cấp cường độ B60 đến B100, giá trị giới hạn chịu lửa nên được đảm bảo bằng thời gian dự phòng thêm 20 min có tham khảo C.5.1.
8.2.2 Cấu kiện dạng thanh chịu uốn (dầm, xà gồ, xà)
8.2.2.1 Khi cháy, dầm chịu tác động đốt nóng từ ba phía (từ dưới lên và từ hai mặt bên). Khi đó xảy ra sự đốt nóng cốt thép chịu kéo và chịu nén, cũng như bê tông vùng chịu nén (Hình 6). Đối với dầm đơn giản một nhịp, sự phá hoại dầm xảy ra do hình thành khớp dẻo tại giữa nhịp.

a) Tiết diện chữ nhật
|
b) Tiết diện chữ T |
c) Tiết diện chữ T |
Hình 6 - Sơ đồ nội lực và biểu đồ ứng suất xuất hiện trên tiết diện thẳng góc của cấu kiện bê tông cốt thép chịu uốn do tác động lửa ba phía khi tính toán khả năng chịu lửa
Khi đánh giá giới hạn chịu lửa về mất khả năng chịu lực R của dầm tựa khớp tiết diện chữ nhật thì Mu,T được xác định theo các công thức (26) và (27), trong đó thay b bằng chiều rộng quy đổi của dầm bT tính được theo công thức (18).
8.2.2.2 Độ bền của cấu kiện chịu uốn chữ T và chữ I được xác định phụ thuộc vào vị trí vùng chịu nén:
a) Nếu biên vùng chịu nén đi qua cánh (Hình 6b), nghĩa là tuân thủ điều kiện:
![]()
thì giá trị Mu,T được xác định theo các công thức (26) và (28) như đối với tiết diện chữ nhật có chiều rộng b’f,T, trong đó chiều rộng cánh b’f,T được xác định theo công thức (19);
b) Nếu biên vùng chịu nén đi qua sườn (Hình 6c), nghĩa là điều kiện (32) không được tuân thủ thì giá trị Mu,T được xác định theo công thức:
![]()
khi đó, chiều cao vùng chịu nén của bê tông XT khi bị đốt nóng được xác định theo công thức:
![]()
8.2.2.3 Khi dầm được bố trí cốt thép với các cấp cường độ khác nhau, hoặc với nhiều lớp ở các mức khác nhau dẫn tới cốt thép bị đốt nóng không như nhau. Trong trường hợp này, nếu ξ ≤ ξR thì giá trị Mu,T được xác định theo công thức:
![]()
8.2.2.4 Nhiệt độ tới hạn của cốt thép chịu kéo phía dưới của dầm tĩnh định khi ξ ≤ ξR sẽ quyết định thời điểm đạt tới giới hạn chịu lửa về mất khả năng chịu lực R.
Giá trị tới hạn của hệ số điều kiện làm việc của cốt thép chịu kéo được tính như sau:
- Đối với dầm tiết diện chữ nhật khi bố trí cốt thép đơn (không kể đến cốt thép chịu nén): theo công thức (29);
- Đối với dầm tiết diện chữ nhật có kể đến cốt thép chịu nén: theo công thức (30);
- Đối với dầm tiết diện chữ T khi biên vùng chịu nén đi qua sườn: theo các công thức:
![]()
trong đó:
MB và M’s lần lượt là các mô men của hợp lực trong bê tông vùng nén và cốt thép chịu nén đối với trục đi qua trọng tâm tiết diện cốt thép vùng kéo và vuông góc với mặt phẳng uốn.
Giá trị chiều cao vùng chịu nén xT khi cháy được xác định theo các công thức (27) và (34), chiều rộng quy đổi của dầm bT - theo công thức (18), chiều rộng cánh b'f,T - theo công thức (19).
Khi biết được giá trị tới hạn của hệ số điều kiện làm việc của cốt thép ys,cr thì xác định nhiệt độ đốt nóng tới hạn của cốt thép Ts,cr đối với thanh cốt thép ngoài cùng của dầm theo Bảng 6 phụ thuộc vào cấp cường độ cốt thép. Sau khi biết được khoảng cách đến trục cốt thép dưới và cốt thép mặt bên của dầm thì tìm trong các biểu đồ đốt nóng dầm (các hình từ B.7 đến B.22) một sơ đồ đốt nóng dầm mà ở đó nhiệt độ bê tông bằng nhiệt độ tới hạn tại trục thanh cốt thép ngoài cùng. Trên sơ đồ này ở phía trên chỉ khoảng thời gian của đám cháy tiêu chuẩn mà phù hợp với giới hạn chịu lửa về mất khả năng chịu lực R của dầm.
Với các giá trị trung gian của nhiệt độ Ts,cr trên các sơ đồ đốt nóng dầm thì giới hạn chịu lửa được xác định bằng nội suy tuyến tính.
8.2.3 Cấu kiện chịu nén (cột, tường)
8.2.3.1 Cột đứng độc lập có thể sẽ chịu tác động lửa từ bốn phía. Cột nằm trong tường chịu tác động lửa của đám cháy từ một, hai và ba phía.
Khi tính toán chịu lửa cho cột thì các tải trọng gió và cầu trục (khi chúng có mặt) không được kể đến.
Tác động lửa gây nên sự phân bố nhiệt độ không đều trong bê tông trên tiết diện cột. Các lớp bê tông ngoài chu vi bị đốt nóng nhiều hơn các lớp bên trong, dẫn đến sự suy giảm cường độ và phát triển mạnh biến dạng của bê tông tại biên của tiết diện cột. Bê tông vùng lõi của tiết diện bị đốt nóng có nhiệt độ thấp hơn, do vậy có cường độ cao hơn và biến dạng ít hơn. Sự phá hoại cột xảy ra ở bê tông bị đốt nóng ít hơn, cường độ cao hơn khi biến dạng nén gần với giá trị biến dạng nén giới hạn.
Trong cốt thép nằm ở gần biên tiết diện cột, khi nhiệt độ đốt nóng cao thì biến dạng dẻo phát triển nhiều hơn và nó dừng tiếp nhận nội lực gây bởi ngoại lực truyền vào bê tông bị đốt nóng ít hơn ở vùng lõi cột.
8.2.3.2 Tính toán độ bền khi có tác động lửa bốn phía của tiết diện chữ nhật của cột chịu nén lệch tâm với cốt thép nằm ở cạnh đối diện của tiết diện trong mặt phẳng uốn, khi độ lệch tâm của lực dọc e0 < h/30 và độ mảnh λ, = L0/hT ≤ 20 được tiến hành theo công thức:
![]()
trong đó:
Ared là diện tích quy đổi của tiết diện suy giảm, được xác định theo công thức (24);
As,tot là diện tích tiết diện toàn bộ cốt thép dọc trong tiết diện;
φ là hệ số uốn dọc của cấu kiện, xác định theo 8.2.3.3.
8.2.3.3 Hệ số uốn dọc φ của cột tiết diện chữ nhật và tiết diện tròn khi đốt nóng cần được lấy phụ thuộc vào tỉ số chiều dài tính toán của cột L0 trên chiều cao quy đổi hT hoặc trên đường kính quy đổi dT theo Bảng 8.
Bảng 8 - Hệ số uốn dọc φ
| L0/hT | 6 đến 12 | 16 | 20 |
| L0/dT | 5 đến 10 | 14 | 17 |
| φ cho bê tông nặng | 0,90 | 0,80 | 0,70 |
| φ cho bê tông keramzit kết cấu | 0,85 | 0,68 | 0,55 |
Diện tích quy đổi của tiết diện tròn suy giảm:
Chiều cao quy đổi của tiết diện hT được xác định theo công thức (21) hoặc (23).
Chiều sâu đốt nóng bê tông aT đối với cột tròn được tìm theo Hình 4 với dT bằng 0,9bT, và giá trị aT tìm được cần được nhân với hệ số 1,11.
8.2.3.4 Tính toán độ bền tiết diện chữ nhật của cột chịu nén lệch tâm chịu tác động lửa được tiến hành theo điều kiện:
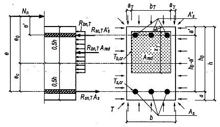
Chiều cao vùng chịu nên được xác định theo công thức (Hình 7):

Khi có tác động bốn phía của đám cháy thì chiều cao làm việc quy đổi của tiết diện được xác định theo công thức h0,T = h - a - aT.
Chiều rộng quy đổi bT trong các công thức từ (41) đến (43) được xác định theo công thức (18).

a) Đốt nóng từ ba phía

b) Đốt nóng từ bốn phía
Hình 7 - Sơ đồ nội lực và biểu đồ ứng suất trên tiết diện thẳng góc của cấu kiện bê tông cốt thép chịu nén lệch tâm
8.2.3.5 Độ lệch tâm hoặc khoảng cách từ điểm đặt lực dọc Nn đến trọng tâm tiết diện cốt thép chịu kéo hoặc chịu nén ít hơn khi có tác động lửa được xác định theo công thức:
trong đó:
hai số hạng đầu tiên được xác định theo 8.1.2.4.1 của TCVN 5574:2018 có kể đến sự thay đổi các đặc trưng độ bền và biến dạng của bê tông và cốt thép khi bị đốt nóng. Khi đó, mô đun đàn hồi của bê tông Eb,T được xác định theo công thức (3) tại trọng tâm của tiết diện suy giảm, mô đun đàn hồi của cốt thép Es,T - theo công thức (7);
eT là độ lệch tâm bổ sung (hoặc độ võng ngang) do tác động lửa khi đốt nóng không đều từ một, hai, hoặc ba phía theo chiều cao tiết diện của cột chịu nén lệch tâm được xác định theo công thức:
khi đốt nóng từ bốn phía: eT = 0.
Trong công thức (45):
| L0 = 0,5L; a = 0,55 | đối với cột ngàm cố định hai đầu (không xoay): |
| L0 = 0,8L; a = 0,7 | đối với cột ngàm cố định hai đầu với góc xoay hạn chế; |
| L0 = L ; a = 1,0 | đối với cột tựa khớp hai đầu; |
| αb,T | lấy theo Bảng 3 phụ thuộc vào nhiệt độ bê tông ở biên chịu nén bị đốt nóng ít hơn của tiết diện; |
| αs,T | lấy theo Bảng 7 phụ thuộc vào nhiệt độ cốt thép ở gần biên bị đốt nóng. |
8.2.3.6 Độ lệch tâm hoặc khoảng cách từ điểm đặt lực dọc Nn đến trọng tâm tiết diện cốt thép chịu kéo hoặc chịu nén ít hơn của cột khi chịu tác động lửa bốn phía được phép xác định theo công thức:
trong đó:
eb1 được xác định theo công thức (78);
Ired được xác định theo công thức (162) của TCVN 5574:2018 có kể đến công thức (77).
8.2.3.7 Tính toán khả năng chịu lửa của cột có bố trí cốt thép hạn chế biến dạng ngang cần được thực hiện theo công thức (39) hoặc (41), trong đó thay Rbn bằng cường độ lăng trụ quy đổi Rbn,red, Giá trị Rbn,red được xác định có kể đến cường độ tính toán dưới tác động lửa của thép làm lưới thép hoặc cốt thép xoắn ốc.
8.2.3.8 Tường bê tông cốt thép chịu lực tiết diện đặc làm việc chịu nén lệch tâm khi nó có độ mảnh λ ≤ 83 (hoặc L0/h ≤24), chịu tác động lửa từ một phía, có gối tựa cứng cố định và khi lực nén dọc được đặt với độ lệch tâm ban đầu hoặc ngẫu nhiên từ phía bề mặt bị đốt nóng. Giới hạn chịu lửa về mất khả năng chịu lực đạt được khi độ võng ngang của tường hướng về phía không bị đốt nóng.
Độ võng ngang của tường do bị đốt nóng không đều theo chiều cao tiết diện không được kể đến trong tính toán khi nó hướng về phía bị đốt nóng và làm giảm độ lệch tâm của lực nén dọc.
8.2.3.9 Khi có tác động lửa một phía và với gối cứng thì độ bền cấu kiện phẳng chịu nén lệch tâm khi lực dọc đặt lệch tâm lớn (Hình 8) có ξ = xT/h0,T ≤ ξR được xác định theo các công thức từ (41) đến (43), trong đó thay bT bằng b = 1 000 mm.

c) Sơ đồ tiết diện tường khi tính toán chịu lửa
Hình 8 - Tường bê tông cốt thép có góc xoay tiết diện gối tựa hạn chế
8.2.3.10 Trong điều kiện cháy, không phải lúc nào cũng xảy ra sự đốt nóng cả hai phía của tường bê tông cốt thép. Trường hợp đốt nóng đồng thời từ hai phía thì trong tường bê tông cốt thép không xuất hiện độ võng ngang do nhiệt (độ lệch tâm eT) và tường làm việc chịu nén thuần túy. Giới hạn chịu lửa về mất khả năng chịu lực R của tường đó sẽ lớn hơn khi bị đốt nóng một phía.
8.2.4 Cấu kiện chịu kéo
8.2.4.1 Trong kết cấu chịu lực của giàn và vòm có thể có các cấu kiện bê tông cốt thép làm việc chịu kéo đúng tâm và kéo lệch tâm. Các cấu kiện này trong thời gian cháy bị đốt nóng từ tất cả các phía.
8.2.4.2 Việc đánh giá giới hạn chịu lửa về mất khả năng chịu lực R của cấu kiện chịu kéo tiết diện chữ nhật khi chịu tác động lửa đồng thời tất cả các phía được thực hiện theo điều kiện:
![]()
trong đó:
Nn là lực kéo dọc tính toán dưới tác động lửa gây bởi giá trị tiêu chuẩn của tải trọng;
Nu,T là giá trị lực dọc giới hạn mà cấu kiện có thể chịu được và được xác định theo công thức:
- khi kéo đúng tâm:
![]()
trong đó:
As,tot là diện tích tiết diện toàn bộ cốt thép dọc chịu kéo;
- khi kéo lệch tâm và lực dọc đặt giữa các lực trong cốt thép chịu kéo hoặc nén ít S (với diện tích tiết diện As) và cốt thép chịu nén S' (diện tích tiết diện A’s) (Hình 9a):
![]()
- khi lực dọc đặt ngoài phạm vi khoảng cách giữa các lực trong cốt thép S và S' (Hình 9b):
![]()
Chiều cao vùng chịu nén khi đốt nóng xT bằng:
Nếu xT > ξRh0,T thì trong công thức (52) thay xT = ξRh0,T.
Độ lệch tâm của lực dọc hoặc khoảng cách e từ lực kéo dọc đến hợp lực trong cốt thép được xác định theo công thức (44) không kể đến hệ số ƞ vì không có độ võng ngang bổ sung do lực kéo, và không có độ lệch tâm bổ sung của lực dọc eT vì không có biến dạng ngang phát sinh do đốt nóng không đều khi có tác động lửa bốn phía.

a) Lực dọc đặt giữa lực trong các cốt thép As và A’s
Hình 9 - Sơ đồ nội lực và biểu đồ ứng suất trên tiết diện thẳng góc của cấu kiện bê tông cốt thép chịu kéo lệch tâm, khi có tác động lửa từ bốn phía khi tính toán chịu lửa

b) Lực dọc đặt ngoài phạm vi khoảng cách giữa các lực trong các cốt thép As và A’s
Hình 9 (kết thúc)
8.2.5 Cấu kiện bê tông cốt thép khi chịu tác dụng của lực cắt
Tính toán chịu lửa về khả năng chịu lực cấu kiện bê tông cốt thép khi có tác dụng của lực cắt trong điều kiện tác động lửa được tiến hành trên cơ sở mô hình tiết diện nghiêng theo 8.1.3.1 đến 8.1.3.3 của TCVN 5574:2018. Khi đó, trong các công thức tính toán thì thay b bằng giá trị bT (Hình 10). Giá trị bT được xác định theo công thức (18). Giá trị các hệ số điều kiện làm việc γb,T và γbt,T lấy theo giá trị nhiệt độ trung bình của bê tông tiết diện ngang.

Hình 10 - Sơ đồ nội lực khi tính toán cấu kiện bê tông cốt thép theo tiết diện nghiêng chịu tác dụng của lực cắt khi đốt nóng từ ba phía
8.2.6 Tính toán chọc thủng cấu kiện bê tông cốt thép
8.2.6.1 Khi có tác động lửa một phía từ dưới lên thì tính toán chọc thủng cấu kiện phẳng (bản) bê tông cốt thép được tiến hành theo 8.1.6.1 của TCVN 5574:2018 có kể đến cường độ chịu kéo tiêu chuẩn của bê tông Rbtn,T và của cốt thép ngang Rsw,T.
Việc kể đến ảnh hưởng của tác động nhiệt độ cao lên bê tông được tiến hành theo các công thức (2a), (2b) và (2c). Khi đó, giá trị hệ số điều kiện làm việc của bê tông chịu kéo khi đốt nóng γbt,T lấy theo giá trị trung bình số học của nhiệt độ đốt nóng bê tông các phần tử nhỏ được chia theo chiều cao từ tiết diện bản (Hình 11).
Việc kể đến ảnh hưởng của tác động nhiệt độ cao lên cốt thép cần được tiến hành theo các công thức (5a) và (5b). Hệ số điều kiện làm việc của cốt thép khi đốt nóng ys,T lấy theo Bảng 6 đối với giá trị lớn nhất của nhiệt độ cốt thép ngang.

CHÚ DẪN:
1 Tiết diện ngang tính toán
2 Đường bao tiết diện ngang tính toán
3 Đường cong nhiệt độ đốt nóng bê tông theo chiều cao tiết diện bản
4 Nhiệt độ trung bình của mỗi phần tử
5 Tháp chọc thủng
Hình 11 - Mô hình quy ước để tính toán chọc thủng bản khi chịu tác động lửa một phía từ dưới lên
8.3 Kết cấu siêu tĩnh
8.3.1 Đối với các cấu kiện chịu uốn của kết cấu siêu tĩnh làm từ bê tông cốt thép toàn khối (bản, dầm, xà, cột) thì giới hạn chịu lửa về mất khả năng chịu lực R phải được xác định có kể đến độ cứng của nút liên kết các cấu kiện và đặc thù của sơ đồ phá hoại. Đối với nhà và công trình nhiều tầng, nhiều nhịp khi có cháy cục bộ tại một nhịp hoặc trên một tầng thì tác dụng tương hỗ của các cấu kiện toàn khối liền nhau có thể dẫn tới xuất hiện nội lực bổ sung trong các cấu kiện tại khu vực bị cháy cũng như tại các khu vực khác, nơi đám cháy không xảy ra.
8.3.2 Nội lực trong kết cấu siêu tĩnh chịu uốn do tải trọng và tác động lửa khi cháy được xác định theo các công thức cơ học kết cấu như trong hệ đàn hồi.
Chuyển vị trong hệ cơ bản, gây bởi tác động nhiệt theo hướng thứ i, bằng:
trong đó:
Mi và Ni là mô men uốn và lực dọc tại tiết diện của phần tử thứ x của hệ cơ bản do tác dụng của lực đơn vị tương ứng theo hướng thứ i;
(1/r)Tx , ɛTx lần lượt là độ cong do nhiệt và biến dạng do nhiệt của phần tử thứ x gây bởi tác động lửa.
8.3.3 Mô men uốn do nhiệt gây bởi đốt nóng không đều theo chiều cao tiết diện của cấu kiện ngàm tại gối tựa, cũng như của cấu kiện trong các khung kín dạng vành khuyên, hình vuông và chữ nhật có tiết diện như nhau, được xác định theo công thức:
trong đó:
(1/r)T là độ cong do nhiệt, xác định theo công thức (57a) và (57b);
D là độ cứng tiết diện ở trạng thái giới hạn về độ bền, xác định theo công thức (57c).
Đối với cấu kiện bê tông cốt thép chịu nén đúng tâm, nén lệch tâm và chịu kéo, mô men nhiệt hoàn toàn biến mất bởi lực dọc đến khi xuất hiện trạng thái giới hạn và không ảnh hưởng tới độ bền.
Biến dạng nhiệt dọc trục trong cấu kiện bê tông cốt thép có thể gây nên ứng suất nén với các gối tựa cố định và sự tăng độ lệch tâm của lực nén trong các cột do giãn nhiệt của dầm.
3.3.4 Trong các cấu kiện của kết cấu siêu tĩnh, sự phân phối lại nội lực gây bởi tác động đồng thời của tải trọng và tác động lửa. Tính toán trong hệ đàn hồi là cơ sở để kể đến sự phân phối lại nội lực bằng phương pháp cân bằng giới hạn.
Sự phân phối lại nội lực xảy ra do sự phát triển biến dạng dẻo của cốt thép trong bê tông và sự hình thành và mở rộng vết nứt tại thời điểm một phần tử của hệ mất khả năng chịu lực.
Nội lực trong mỗi phần tử kết cấu được giới hạn bởi điều kiện giới hạn mà khi đạt tới thì biến dạng của các phần tử này có thể tăng đáng kể, từ đó hình thành các khớp dẻo. Các khớp dẻo biến kết cấu siêu tĩnh thành kết cấu tĩnh định mà trong đó sự tăng biến dạng xảy ra khi nội lực không tăng. Kết cấu siêu tĩnh ở trạng thái cân bằng giới hạn cần được biểu diễn bằng cách phân chia ra thành các phần bằng các khớp dẻo.
8.3.5 Trong cấu kiện bê tông cốt thép siêu tĩnh chịu uốn và bị liên kết cứng tại các gối tựa, khi chịu tác động lửa một phía từ dưới lên sẽ xuất hiện mô men âm do nhiệt MT làm hình thành khớp dẻo (vết nứt) tại các gối tựa, nơi mô men do tải trọng và sự chênh lệch nhiệt độ theo chiều cao tiết diện (Hình 12).

a) Mô men do tải trọng phân bố đều
Hình 12 - Mô men trong cấu kiện siêu tĩnh chịu uốn
![]()
b) Mô men do nhiệt gây bởi tác động nhiệt

c) Mô men tác dụng trong cấu kiện trước khi hình thành các khớp dẻo đầu tiên tại gối tựa
d) Tổng mô men khi hình thành khớp dẻo tại nhịp
Hình 12 (kết thúc)
8.3.6 Nội lực do nhiệt độ ảnh hưởng tới sự hình thành các khớp dẻo, nhưng giá trị mô men do nhiệt độ giảm xuống 50 % do sự phát triển biến dạng dẻo của bê tông và cốt thép đã bị đốt nóng đến nhiệt độ cao. Mô men hình thành khớp dẻo tại gối tựa được xác định theo công thức:
trong đó:
Msup,hinge là mô men hình thành khớp dẻo tại gối tựa;
Msup và MT lần lượt là mô men gối tựa do tải trọng và do đốt nóng.
Tại nhịp, mô men do tải trọng giảm xuống do xuất hiện mô men nhiệt có dấu ngược lại. Sau khi hình thành các khớp dẻo tại các gối tựa, cấu kiện bê tông cốt thép biến thành kết cấu tĩnh định. Mô men nhiệt tại nhịp giâm xuống và chỉ còn mô men do tải trọng. Sự phá hoại hoàn toàn cấu kiện xảy ra khi hình thành khớp dẻo tại giữa nhịp do biến dạng dẻo của cốt thép tăng đột biến ứng với các giá trị tải trọng và nhiệt độ đốt nóng cao hơn so với trong dầm tĩnh định.
8.3.7 Sự suy giảm độ bền tiết diện gối tựa xảy ra do bê tông vùng chịu nén và cốt thép bị đốt nóng đến nhiệt độ cao.
Khi đốt nóng từ ba phía tiết diện gối tựa của dầm siêu tĩnh thì bê tông vùng chịu nén ở biên dưới và các biên bên đã bị đốt nóng đến nhiệt độ cao hơn nhiệt độ tới hạn không còn làm việc. Độ bền tiết diện gối tựa giảm xuống, về cơ bản, do bê tông vùng chịu nén đã bị đốt nóng đến nhiệt độ tới hạn và dẫn đến sự suy giảm chiều cao làm việc của tiết diện (Hình 13).
Chiều sâu đốt nóng bê tông aT đến nhiệt độ tới hạn ở các biên bị đốt nóng của tiết diện dầm thể hiện trên Hình 3.

Hình 13 - Sơ đồ nội lực và biểu đồ ứng suất tại tiết diện gối tựa vuông góc với trục dọc cấu kiện bê tông cốt thép siêu tĩnh trong tính toán khả năng chịu lửa khi bị đốt nóng từ ba phía vùng chịu nén khi cháy
R.3.8 Độ bền các tiết diện nhịp bị giảm xuống do cốt thép chịu kéo bị đốt nóng đến nhiệt độ tới hạn.
Sự phá hoại tiết diện xảy ra do sự giảm cường độ tính toán của cốt thép bị đốt nóng đến ứng suất làm việc. Sự phá hoại trước thời hạn của vùng chịu nén của các tiết diện nhịp đến khi bắt đầu tăng biến dạng dẻo của cốt thép không xảy ra vì nó ở trạng thái chịu tác dụng của nội lực nhỏ hơn nội lực trước khi bắt đầu chịu tác động lửa. Độ bền tiết diện nhịp của dầm siêu tĩnh dưới tác động lửa ba phía được tính theo công thức (26).
8.3.9 Giới hạn chịu lửa về mất khả năng chịu lực R của cấu kiện siêu tĩnh chịu uốn được đảm bảo khi các điều kiện sau thỏa mãn:
- Tại tiết diện nhịp:
trong đó:
Mn là mô men uốn tính toán dưới tác động lửa gây ra bởi giá trị tiêu chuẩn của tải trọng;
Mu,T là khả năng chịu lực của kết cấu bê tông cốt thép khi cháy trong khoảng thời gian bằng giá trị giới hạn chịu lửa về mất khả năng chịu lực R;
- Tại tiết diện gối tựa:
trong đó:
Msup là mô men uốn tính toán dưới tác động lửa do ngoại lực (tải trọng thường xuyên và tạm thời dài hạn) tại tiết diện gối tựa;
MT là mô men uốn do nhiệt, được xác định theo công thức (54).
8.3.10 Khi thiết kế kết cấu siêu tĩnh chịu uốn, giới hạn chịu lửa về mất khả năng chịu lực R được tính theo trình tự sau:
a) Thiết lập loại tác động lửa lên cấu kiện chịu lực và giá trị giới hạn chịu lửa yêu cầu về khả năng chịu lửa;
b) Đối với mỗi cấu kiện do tác dụng của tải trọng thường xuyên tính toán và tải trọng tạm thời dài hạn tính toán dưới tác động lửa, tìm tổ hợp tải trọng bất lợi nhất;
c) Bằng tính toán nhiệt kỹ thuật hoặc theo các phụ lục A và B dưới tác động của đám cháy tiêu chuẩn với khoảng thời gian (tính bằng phút) ứng với giá trị giới hạn chịu lửa yêu cầu, tìm giá trị nhiệt độ đốt nóng và hệ số điều kiện làm việc của bê tông và cốt thép trong tiết diện ngang của cấu kiện;
d) Khi tính toán hệ đàn hồi của kết cấu siêu tĩnh phải xác định nội lực trong các cấu kiện. Tiến hành tính toán độ bền tiết diện nhịp của cấu kiện theo điều kiện (56). Nếu điều kiện độ bền của tiết diện nhịp thỏa mãn thì tiến hành tính toán độ bền tiết diện gối tựa của cấu kiện;
e) Xác định độ cứng của tiết diện có kể đến sự có mặt của vết nứt do tác động lửa dọc theo toàn bộ chiều dài cấu kiện và sự thay đổi các tính chất cơ lý của bê tông và cốt thép do bị đốt nóng, mô men do nhiệt tại các tiết diện gối tựa của cấu kiện chịu uốn, lấy tổng của chúng với các mô men do tải trọng và kiểm tra điều kiện độ bền tiết diện gối tựa theo điều kiện (57);
f) Nếu các điều kiện độ bền (56) và (57) thỏa mãn thì giới hạn chịu lửa của cấu kiện siêu tĩnh được đảm bảo. Nếu một trong các điều kiện đó không thỏa mãn thì tiến hành tính toán lại khả năng chịu lửa với các thay đổi về cấu tạo đối với tiết diện cấu kiện mà điều kiện độ bền của nó không thỏa mãn (bằng cách tăng chiều dày lớp bê tông bảo vệ, đường kính cốt thép, v.v.).
8.3.11 Trong trường hợp tổng quát, việc tính toán giới hạn chịu lửa về mất khả năng chịu lực của kết cấu siêu tĩnh được thực hiện bằng phương pháp cân bằng giới hạn phụ thuộc vào sơ đồ phá hoại của hệ tổng thể, khi nó biến thành cơ cấu động.
8.3.12 Khi tính toán độ bền tiết diện cấu kiện bê tông cốt thép trong điều kiện tác động lửa có thể sử dụng phương pháp phần tử hữu hạn.
Khả năng chịu lực của cấu kiện tại tiết diện thẳng góc tính toán được xác định bằng tổng khả năng chịu lực của từng phần tử hữu hạn riêng biệt (phần tử bê tông và phần tử cốt thép) được phân chia ra từ tiết diện. Việc đánh giá khả năng chịu lực của từng phần tử (bê tông và cốt thép) được dựa trên việc làm rõ ngay từ đầu mức độ thay đổi các tính chất độ bền và biến dạng của bê tông và cốt thép trong tiết diện của cấu kiện đang xét với khoảng thời gian tác động nhiệt cho trước trong điều kiện đám cháy tiêu chuẩn. Khi đó, độ bền và biến dạng của bê tông và cốt thép trong mỗi phần tử hữu hạn được thiết lập theo nhiệt độ của tâm tiết diện cấu kiện mà đồng thời cũng là nút của lưới tọa độ đặt lên tiết diện ngang của kết cấu khi xác định trường nhiệt độ theo 6.2.
Trong tính toán chỉ kể đến các phần tử hữu hạn bê tông nằm trong vùng chịu nén. Các phần tử hữu hạn cốt thép được kể đến toàn bộ không phụ thuộc vào vị trí của nó trong vùng chịu nén hoặc chịu kéo của tiết diện.
Chiều cao vùng chịu nén của tiết diện ở bước gần đứng đầu tiên được cho bằng giá trị (0,4 ÷0,5)/h0 và tiếp theo là nó được điều chỉnh trên cơ sở điều kiện cân bằng giới hạn của kết cấu trong khoảng thời gian trung gian của tác động chế độ nhiệt tiêu chuẩn của đám cháy.
8.3.13 Khi kiểm tra độ bền tiết diện của cấu kiện bê tông cốt thép siêu tĩnh trong điều kiện tác động lửa thì cho phép sử dụng phương pháp tính toán đơn giản hóa với việc trong tiết diện bê tông cốt thép của cấu kiện không kể đến lớp bê tông bị đốt nóng tới nhiệt độ tới hạn của bê tông theo 8.1.7.
8.3.14 Trong tính toán khả năng chịu lực từng phần tử thì tác động của biến dạng nhiệt chỉ được kể đến trong tiết diện ngang do xuất hiện gradient nhiệt độ gây bởi đốt nóng không đều theo chiều dày kết cấu, còn tác động giãn dọc do nhiệt hoặc giãn bề mặt do nhiệt thì bỏ qua. Các điều kiện biên tại gối tựa và trong nhịp kết cấu được coi như không đổi trong suốt thời gian cháy và được lấy từ tính toán tĩnh học kết cấu ở nhiệt độ thường (nội lực thiết kế).
8.3.15 Cần kể đến việc mô men do nhiệt đạt giá trị lớn nhất khi nhiệt độ của tác động lửa lên tới 500 °C. Khi nhiệt độ là 900 °C thì mô men nhiệt giảm xuống. Trong tính toán thực hành, sự phân bố phi tuyến nhiệt độ đốt nóng bê tông theo chiều cao tiết diện được quy về tuyến tính. Sự chênh lệch giảm của nhiệt độ theo chiều cao tiết diện được xác định từ cân bằng của mô men tĩnh và của các diện tích của biểu đồ phi tuyến thực tế và biểu đồ hình thang tính toán quy đổi của nhiệt độ. Nhiệt độ cốt thép chịu kéo được xác định theo tính toán nhiệt kỹ thuật.
8.3.16 Đối với cấu kiện bê tông cốt thép có vết nứt trong vùng chịu kéo khi dùng biểu đồ đường thẳng của độ cong do nhiệt của trục cấu kiện, cần xác định:
- Khi cốt thép chịu kéo nằm ở biên bị đốt nóng của tiết diện:
- Khi bê tông chịu nén nằm ở biên bị đốt nóng của tiết diện:
trong đó:
αb,T và αs,t là các hệ số giãn nhiệt của bê tông và cốt thép, lấy theo các bảng 3 và 7 phụ thuộc vào nhiệt độ bê tông ở biên bị đốt nóng ít hơn và nhiệt độ bê tông ở biên bị đốt nóng nhiều hơn (500 °C) và nhiệt độ cốt thép bị đốt nóng.
Độ cứng của cấu kiện bê tông cốt thép chịu uốn ở trạng thái giới hạn được phép xác định theo công thức:
Hệ số (φ1 trong công thức (57c) kể đến ảnh hưởng của nhiệt độ lên độ cứng của cấu kiện và lấy bằng 0,5 khi giới hạn chịu lửa đến R 120, bằng 0,4 khi R 180 và bằng 0,3 khi R 240. Với các giá trị trung gian của giới hạn chịu lửa thì hệ số (φ1 được xác định bằng nội suy tuyến tính.
Đối với cấu kiện tiết diện chữ nhật khi không có (hoặc không kể đến) cốt thép chịu nén thì giá trị z (khoảng cách từ trọng tâm tiết diện cốt thép chịu kéo đến điểm đặt hợp lực trong vùng chịu nén) được xác định theo công thức:
![]()
Đối với cấu kiện tiết diện chữ nhật, chữ T (có cánh trong vùng chịu nén) và tiết diện ngang chữ I thì giá trị z cho phép lấy bằng 0,85h0. Chiều cao vùng chịu nén trọng các công thức (57c) và (57d) cho phép được tính theo công thức (27) mà không kể đến cốt thép chịu nén. Khi ξ = xT /h0 > ξR thì giá trị xT = ξRh0.
Đối với cấu kiện bê tông cốt thép có vết nứt trong vùng chịu kéo khi dùng biểu đồ nhiệt tuyến tính theo chiều cao tiết diện thì độ giãn dài do nhiệt của trục cấu kiện được xác định theo công thức:
trong đó αb,T và αs,t lấy như trong các công thức (57a) và (57b).
8.3.15 Tính toán bản sàn không dầm
Đối với bản sàn bê tông cốt thép không dầm dưới dạng bản phẳng tiết diện đặc ngàm cứng với cột, khi có tác động lửa một phía từ dưới lên thì giới hạn chịu lửa được xác định bằng phương pháp cân bằng giới hạn với nguyên tắc tính toán độ bền uốn gãy theo các dải dọc và ngang (Hình 14).
|
a) Các đường khớp dẻo hình thành |
b) Các đường khớp dẻo hình thành |
CHÚ DẪN:
1 Đường khớp dẻo ngay gần cột với chiều rộng vết nứt từ phía trên bản
2 Đường khớp dẻo tại giữa nhịp với chiều rộng vết nứt từ phía dưới bản
Hình 14 - Sơ đồ gãy của bản trong sàn không dầm khi có tác động lửa một phía của đám cháy từ dưới lên
Khi tính toán uốn gãy từng dải riêng biệt dọc hoặc ngang thì giả thiết rằng trong dải bản đang xét có hình thành đường khớp dẻo song song với trục của dải này: một đường khớp dẻo trong nhịp với chiều rộng vết nứt từ mặt dưới của bản và một đường khớp dẻo ở cột với chiều rộng vết nứt từ mặt trên của bản.
Trong cánh công xôn của bản nhô ra từ hàng cột ngoài cùng, cho rằng khớp dẻo không hình thành nếu cánh công xôn không lớn hơn 0,25L1. Nếu cánh công xôn lớn hơn 0,25L1 thì tiến hành tính toán bổ sung theo công thức (58) để kiểm tra độ bền uốn gãy bản tại công xôn của cột với sự hình thành khớp dẻo bổ sung song song với biên bản sàn.
Đối với kết cấu đối xứng với đường giữa dải đang xét thì kiểm tra độ bền các tấm giữa theo điều kiện:
trong đó:
q là giá trị tiêu chuẩn của tải trọng phân bố đều (gồm thường xuyên và tạm thời dài hạn) phân bố đều theo dài rộng 1 m với hệ số độ tin cậy γf bằng 1,0;
L1, L2 là các khoảng cách giữa các hàng cột theo phương vuông góc và phương dọc dải đang xét (Hình 14);
c là khoảng cách từ các khớp dẻo ngoài cùng đến các hàng cột gần chúng nhất;
AsI và A'sI là các diện tích cốt thép chịu kéo phía trên ở các khớp dẻo gối tựa trái và phải trong phạm vi một bản sàn;
zI,z1, z’I là các cánh tay đòn nội ngẫu lực tương ứng ở các khớp dẻo trái, giữa và phải, và được xác định theo công thức:
![]()
trong đó: chiều cao vùng chịu nén tại các khớp dẻo gối tựa trái và gối tựa phải được xác định theo các công thức:
![]()
Trong các công thức (60a) và (60b), Rbn,T được xác định theo công thức (1a) với giá trị γb,T lấy theo Bảng 1 phụ thuộc vào nhiệt độ trung bình của bê tông vùng chịu nén. Cho phép lấy giá trị γb,T bằng 1,0 với việc thay giá trị h0 bằng h0,T trong đó h0,T được xác định theo công thức (25).
Chiều cao vùng chịu nén tại khớp dẻo nhịp giữa bằng:
![]()
Trong công thức (61), Rsn,T được xác định theo công thức (21), với ys,T lấy theo Bảng 6 phụ thuộc vào nhiệt độ cốt thép tại mức trục của nó.
Nhiệt độ của bê tông và cốt thép được xác định bằng tính toán nhiệt kỹ thuật hoặc theo các phụ lục A và B đối với giới hạn chịu lửa yêu cầu.
Nếu điều kiện (58) không thỏa mãn thì giới hạn chịu lửa yêu cầu được đảm bảo. Cốt thép chịu nén trong các khớp dẻo không được kể đến trong tính toán.
Khi sử dụng mũ cột có dạng hình vuông hoặc chữ nhật (theo mặt bằng) với góc nghiêng phần dưới của mũ cột không nhỏ hơn 45° thì tính toán uốn gãy bản được tiến hành với vị trí các khớp dẻo gối tựa nằm tại vị trí gãy của đường bao mũ cột. Khi đó trong cõng thức (58) giá trị c = Lk/2, Trong đó Lk là chiều dài mũ cột.
8.3.16 Tính toán bản sàn kê theo chu vi
Khi có tác động lửa một phía từ dưới lên thì khả năng chịu lửa của bản sàn làm việc hai phương và liên kết toàn khối với các dầm được xác định bằng phương pháp cân bằng giới hạn động học. Giả thiết rằng bản sàn bị gãy thành các cơ cấu phẳng nối với nhau theo các đường gãy bởi các khớp dẻo (Hình 15).

CHÚ DẪN:
1 đến 4 Số thứ tự các cơ cấu
1 ’; 2' Các đường khớp dẻo
Hình 15 - Sơ đồ tính toán bản kê theo chu vi
Khi có tải trọng phân bố đều và không đổi theo chiều dài nhịp bố trí cốt thép thì giới hạn chịu lửa của bản sàn được xác định theo điều kiện:
trong đó:
L1 và L2 tương ứng là nhịp nhỏ và nhịp lớn của bản;
q là giá trị tiêu chuẩn của tải trọng phân bố đều (thường xuyên và tạm thời dài hạn) trên 1 m2 bản.
là các diện tích phần thanh cốt thép chịu kéo được kéo đến gối tựa, song song với cạnh ngắn và cạnh dài bản.
Nếu điều kiện (62) hoặc (65) được tuân thủ thì giới hạn chịu lửa yêu cầu của bản được đảm bảo.

CHÚ DẪN:
1 Đường cắt hoặc uốn các thanh cốt thép
2 Các thanh cốt thép không được kể vào tính toán
Hình 16 - Xác định As1 và As2 cho bản ngàm theo chu vi

Hình 17 - Sơ đồ gãy (có thể) của bản khi cắt hoặc uốn cốt thép
Các mô men trong nhịp bản được xác định theo các công thức:
Các mô men tại các gối tựa bản được xác định theo các công thức:
trong đó:
As1 là diện tích tiết diện các thanh cốt thép cắt qua các khớp dẻo trong nhịp, song song với cạnh ngắn của bản;
As2 là diện tích tiết diện các thanh cốt thép cắt qua các khớp dẻo trong nhịp, song song với cạnh dài của bản;
AsI là diện tích tiết diện cốt thép chịu kéo nằm dọc theo nhịp L2 tại tiết diện I-I;
A’sI là diện tích tiết diện cốt thép chịu kéo nằm dọc theo nhịp L2 tại tiết diện I'-I';
AsII là diện tích tiết diện cốt thép chịu kéo nằm dọc theo nhịp L1 tại tiết diện II-II;
A’sII là diện tích tiết diện cốt thép chịu kéo nằm dọc theo nhịp L1 tại tiết diện II'-II';
z1, z2 là các cánh tay đòn nội ngẫu lực tại các khớp dẻo trong nhịp, được tính theo công thức (59), trong đó x1 được xác định theo công thức (61), còn khi tính x2 thì trong các công thức (60a) và (60b) giá trị As1 được thay bằng As2, giá trị L2 được thay bằng L1.
zI, z’I, zII, z’II, là các cánh tay đòn nội ngẫu lực tại các khớp dẻo gối tựa, được tính theo công thức (59), trong đó x1 và x'I được xác định theo các công thức (60a) và (60b). Khi tính xII và x’II. thì trong công thức (59) các giá trị As1 và As2 được thay tương ứng bằng AsII và A’sII, giá trị L2 thay bằng L1.
Khi xác định các giá trị As1 và As2 thì các thanh bị uốn hoặc bị cắt đến giao điểm với các khớp dẻo trong nhịp không được kể vào (Hình 16), còn các thanh bị cắt hoặc bị uốn chỉ ở một trong các gối tựa và cắt qua các khớp dẻo ở nhịp bằng một trong các đầu được đưa vào tính toán với một nửa diện tích.
Nếu cốt thép bị cắt (uốn) ở khoảng cách a1 theo cạnh dài và a2 theo cạnh ngắn, thì phải tiến hành kiểm tra bổ sung khả năng chịu lực của bản khi bị gãy theo sơ đồ trên Hình 17 theo điều kiện:
trong đó:
![]()
8.3.17 Tổn hao ứng suất trong cốt thép khi cháy
8.3.17.1 Khi kết cấu ứng suất trước bị đốt nóng tới nhiệt độ cao trong thời gian cháy, xảy ra tổn hao ứng suất trước bổ sung trong cốt thép do co nhiệt và từ biến của bê tông tại mức cốt thép dọc, chùng ứng suất trong cốt thép khi đốt nóng, chênh lệch biến dạng nhiệt của bê tông và cốt thép, và suy giảm mô đun đàn hồi của cốt thép khi đốt nóng.
Tổn hao ứng suất trước bổ sung trong cốt thép phải được kể đến khi tính toán biến dạng và khi giải quyết vấn để sử dụng tiếp theo các cấu kiện chịu uốn sau cháy.
Khi có tác động nhiệt thì bê tông tại mức cốt thép dọc bị đốt nóng nhiều, xảy ra co nhiệt của bê tông. Biến dạng co nhiệt của bê tông nặng khi đốt nóng ngắn hạn thậm chí lớn hơn ở nhiệt độ thường. Giá trị tổn hao bổ sung ứng suất trước do co nhiệt của bê tông khi cháy cho phép được lấy bằng ∆σsp,T,sh = 40 MPa.
Tổn hao ứng suất trước bổ sung do chùng ứng suất trong cốt thép khi đốt nóng do sự phát triển biến dạng dẻo phụ thuộc vào giá trị ứng suất trong cốt thép và nhiệt độ đốt nóng nó. Tổn hao ứng suất trong cốt thép do chùng ứng suất sau 60 min đến 180 min đốt nóng cho phép lấy bằng:
![]()
trong đó:
∆T's là hiệu số giữa nhiệt độ đốt nóng cốt thép khi cháy và nhiệt độ khi căng;
σsp là ứng suất trước trong cốt thép được lấy có kể đến tất cả các tổn hao ở nhiệt độ thường.
Tổn hao ứng suất trước bổ sung do chênh lệch biến dạng nhiệt của bê tông và cốt thép được kể đến chỉ khi đốt nóng và được lấy bằng:
trong đó: giá trị hệ số αb,T được xác định theo Bảng 3, hệ số αs,t - theo Bảng 7, Es,T - theo công thức (7) phụ thuộc vào nhiệt độ đốt nóng cốt thép, ở trạng thái nguội sau khi đốt nóng thì tổn hao ứng suất trước bổ sung do chênh lệch biến dạng nhiệt của bê tông và cốt thép không được kể đến, vì khi kết cấu nguội đi sau cháy thì các biến dạng này được phục hồi.
Tổn hao ứng suất trước bổ sung trong cốt thép gây bởi từ biến nhanh của bê tông khi bị đốt nóng, phụ thuộc vào ứng suất trong bê tông tại mức cốt thép dọc. Cho phép lấy tổn hao ứng suất trước bổ sung này bằng 10σsp, trong đó σsp là ứng suất nén trong bê tông tại mức cốt thép dọc.
Trong kết cấu bê tông cốt thép làm từ bê tông cấp cường độ từ B30 trở lên, có mức ứng suất trước σsp = (0,5 + 0,7)Rs, sau cháy thì tổn hao ứng suất trước ∆σsp,T trong thanh cốt thép được phép xác định như sau:
- Cốt thép CB500-V, CB600-V theo TCVN 1651-2:2018:
![]()
- Cốt thép thanh có giới hạn chảy quy ước 835 MPa theo TCVN 6284-5:1997 (ISO 6394-5:1991):
- Cốt thép thanh có giới hạn chảy quy ước 1 080 MPa theo TCVN 6284-5:1997 (ISO 6394-5:1991):
- Dây thép vuốt nguội theo theo TCVN 6288:1997 (ISO 10544:1992), dây thép cường độ cao theo TCVN 6284-2:1997 (ISO 6394-2:1991), cáp 7 sợi theo TCVN 6284-4:1997 (ISO 6934-4:1991), cáp 19 sợi theo TCVN 6284-5:1997 (ISO 6934-5:1991):
trong đó:
σsp,T ≥0 là ứng suất trước dư trong cốt thép, tính bằng phần trăm giá trị ban đầu khi chế tạo kết cấu ứng suất trước;
Ts > 20 là nhiệt độ cốt thép khi cháy, °C.
Theo các công thức (68) đến (71) có thể thấy trong thời gian cháy do tác động nhiệt thì ứng suất trước bị mất hoàn toàn trong thanh cốt thép khi đốt nóng đến các nhiệt độ sau:
- CB600-V ............................................................................................................. trên 210 °C;
- Cốt thép thanh có giới hạn chảy quy ước 835 MPa ............................................. trên 220 °C;
- Cốt thép thanh có giới hạn chảy quy ước 1 080 MPa ........................................... trên 350 °C;
- Dây thép vuốt nguội, dây thép cường độ cao, cáp 7 sợi và 19 sợi ......................... trên 330 °C.
Sự tổn hao ứng suất trước trong cốt thép sẽ không phục hồi ở trạng thái nguội sau cháy khi nó bị đốt nóng cao hơn nhiệt độ mà tại đó xảy ra mất toàn bộ ứng suất trước khi cháy.
Khi đốt nóng cốt thép thấp hơn nhiệt độ mà tại đó trong thời gian cháy xảy ra sự mất toàn bộ ứng suất trước, thì ở trạng thái nguội sau cháy có thể thấy một sự phục hồi nhỏ nào đó tổn hao ứng suất trong cốt thép vì sự phục hồi tổn hao bổ sung do chênh lệch biến dạng nhiệt của cốt thép và bê tông.
8.3.17.2 Tính toán khả năng chịu lực của kết cấu bê tông cốt thép ứng suất trước được tiến hành theo TCVN 5574:2018 có kể đến các yêu cầu trong 8.3.17.1.
9 Các yêu cầu cấu tạo để tăng khả năng chịu lửa của kết cấu bê tông cốt thép
9.1 Các giới hạn chịu lửa yêu cầu của kết cấu bê tông cốt thép cần được đảm bảo bằng cách thiết kế và cấu tạo hợp lý vì bê tông và bê tông cốt thép là các vật liệu xây dựng thuộc loại không cháy, bền với tác động lửa và tác động nhiệt.
9.2 Việc đảm bảo giới hạn chịu lửa của kết cấu bê tông cốt thép cần đạt được bằng cách lựa chọn hợp lý chiều dày lớp bê tông bảo vệ. Chiều dày lớp bê tông bảo vệ càng tăng thì giới hạn chịu lửa của kết cấu bê tông cốt thép càng tăng.
Khi chiều dày lớp bê tông bảo vệ lớn hơn 40 mm (mà đã được ấn định theo yêu cầu cấu tạo của TCVN 5574 và có kể đến yêu cầu ở Điều 13) thì nên đặt lưới chống vỡ bê tông làm từ các sợi thép đường kính từ (2 ÷ 4) mm với ô lưới (40 ÷ 75) mm ở khoảng cách (15 ÷ 20) mm tính từ bề mặt đốt nóng. Lưới thép này cần được cố định với cốt thép chịu lực phía dưới của bản và cốt thép cấu tạo theo chu vi tiết diện dầm.
9.3 Khi ấn định các thông số của tiết diện ngang và cấu tạo cốt thép của cột thì cần chú ý đến việc cột có tiết diện ngang kích thước lớn với hàm lượng cốt thép ít hơn sẽ có giới hạn chịu lửa lớn hơn so với cột có tiết diện ngang kích thước nhỏ nhưng có hàm lượng cốt thép lớn hơn.
9.4 Khi cấu tạo khung cốt thép của cột bê tông cốt thép có số lượng thanh cốt thép dọc lớn hơn 4 đặt dọc theo một biên tiết diện thì cần dự tính bố trí thành nhiều hàng sao cho các hàng trong đặt xa nhất có thể theo tính toán cách bề mặt bị đốt nóng.
9.5 Trong dầm, khi bố trí cốt thép với các đường kính khác nhau và ở các mức khác nhau, thì cốt thép đường kính lớn hơn cần được đặt xa bề mặt bị đốt nóng khi cháy.
9.6 Để tăng giới hạn chịu lửa của dầm thì cần điều chỉnh hình dạng tiết diện dầm: ưu tiên dùng dầm rộng và thấp hơn là dùng dầm hẹp và cao. Cốt thép chịu lực của dầm cần được bố trí với số lượng lớn hơn 3 thanh và bố trí chúng thành một số hàng với khoảng cách xa nhất có thể so với bề mặt bị đốt nóng.
9.7 Đối với kết cấu bê tông cốt thép lắp ghép, ở các gối tựa giữa các dầm kề nhau và giữa dầm với tường cần phải có khe hở để đảm bảo sự giãn tự do của dầm khi cháy.
9.8 Trong các sàn bê tông cốt thép toàn khối đổ trên tấm thép sóng định hình, cần sử dụng các tấm thép sóng định hình làm cốp pha không tháo được, cốt thép tại các sóng phải được liên kết với tấm thép sóng định hình bằng các chốt thép ngắn bổ sung để tránh sự tách khỏi bê tông khi cháy.
Để tăng giới hạn chịu lửa của tấm nhiều nhịp làm từ bê tông cốt thép toàn khối trên tấm thép sóng định hình đến R150 tại nhịp đầu tiên của bản thì cần tăng diện tích cốt thép lên 30 % so với tính toán, tiết diện cốt thép tại gối tựa trung gian đầu tiên cần được bố trí gấp 2 lần so với nhịp đầu tiên.
9.9 Cột ống thép nhồi bê tông cần được thiết kế có kể đến việc ống thép làm cốp pha không tháo được không tính vào sự làm việc của cột.
Khi muốn ống thép tính vào sự làm việc của cột thì cần sử dụng các phương tiện bảo vệ chịu lửa. Khi lựa chọn phương tiện và chiều dày lớp bảo vệ chịu lửa thì không cho phép ống thép bị đốt nóng cao hơn 400 °C.
9.10 Ảnh hưởng tính siêu tĩnh của kết cấu dầm và bản đến giới hạn chịu lửa được kể đến khi tuân thủ các điều kiện sau:
- Không ít hơn 20 % cốt thép phía trên yêu cầu ở gối tựa phải kéo dài trên giữa nhịp;
- Cốt thép phía trên nằm trên các gối tựa biên của hệ liên tục phải kéo dài thêm một đoạn không nhỏ hơn 0,4L về phía nhịp tính từ gối tựa và sau đó bị cắt dần (L là chiều dài nhịp);
- Toàn bộ cốt thép phía trên nằm trên các gối tựa trung gian phải được tiếp tục kéo dài đến nhịp một đoạn không ít hơn 0,15L
9.11 Thiết kế các nút liên kết các kết cấu phải phù hợp với tiêu chí giới hạn chịu lửa yêu cầu R, E, I của các kết cấu cần liên kết để đảm bảo khả năng chịu lực của hệ kết cấu tổng thể khi cháy.
Để đảm bảo khả năng cách nhiệt thì chiều rộng khe hở tại nút liên kết các cấu kiện không được lớn hơn 20 mm, còn chiều sâu khe hở không được lớn hơn một nửa chiều dày tối thiểu b của cấu kiện được liên kết (Hình 18).

Hình 18 - Kích thước khe hở tại các nút liên kết các cấu kiện bê tông cốt thép
Đối với các khe hở rộng hơn 20 mm và khi phải sử dụng các vật liệu cách nhiệt thì khả năng chịu lửa của chúng phải được chứng thực bằng kết quả thử nghiệm thích hợp.
Để đảm bảo khả năng chịu lửa yêu cầu của các khe trong kết cấu bê tông cốt thép thì cần sử dụng các vật liệu không cháy có độ dẫn nhiệt thấp để chèn các khe này.
9.12 Khi sử dụng lớp cách nhiệt cháy được trong tấm tường hoặc sàn thì cần bảo vệ chịu lửa chúng theo chu vi bằng cách sử dụng các vật liệu không cháy.
9.13 Các lớp lấp, lót và phủ sàn bằng vật liệu không cháy khi tính toán nhiệt kỹ thuật có thể được tính vào tổng chiều dày bản sàn để đánh giá giới hạn chịu lửa về mất tính cách nhiệt I.
9.14 Cấu kiện chịu uốn ngàm tại các gối tựa cần được xem như là hệ liên tục.
9.15 Nếu giới hạn chịu lửa bản thân của kết cấu bê tông cốt thép hiện hữu không phù hợp với giá trị giới hạn chịu lửa yêu cầu mà việc tăng các thông số của tiết diện, cấu tạo cốt thép và cấp cường độ bê tông không hợp lý về mặt kỹ thuật và/hoặc kinh tế thì giới hạn chịu lửa yêu cầu cần được đảm bảo bằng cách sử dụng vật liệu, chất bảo vệ chịu lửa.
9.16 Khi thiết kế và cấu tạo kết cấu bê tông cốt thép tĩnh định thì về khía cạnh đảm bảo khả năng chịu lửa có thể kể đến các yêu cầu trong Điều 13.
Việc đánh giá phù hợp với giá trị yêu cầu về giới hạn chịu lửa bản thân của kết cấu siêu tĩnh cần được tiến hành bằng tính toán chịu lửa có kể đến 13.8 hoặc tiến hành thử nghiệm chịu lửa các nút cứng liên kết các kết cấu.
10 Các chất và vật liệu bảo vệ chịu lửa cho kết cấu bê tông cốt thép
10.1 Việc bảo vệ chịu lửa cho kết cấu bê tông và bê tông cốt thép được sử dụng trong các trường hợp, nếu:
- Giới hạn chịu lửa bản thân hoặc thực tế của kết cấu hiện hữu không phù hợp với giới hạn chịu lửa yêu cầu;
- Trong quá trình cải tạo và/hoặc thay đổi cấp nguy hiểm cháy theo công năng khi điều chỉnh công năng nhà và công trình mà các yêu cầu về giới hạn chịu lửa của kết cấu bê tông cốt thép tăng lên;
- Phải đảm bảo giới hạn chịu lửa yêu cầu của kết cấu bị hư hỏng do cháy hoặc kết cấu có khuyết tật cần phải gia cường;
- Phải đảm bảo các biện pháp bảo vệ chống phá hoại giòn dạng nổ khi cháy;
- Trong quá trình thiết kế không thể đảm bảo giới hạn chịu lửa yêu cầu với cách cấu tạo tiết diện của chính kết cấu bê tông cốt thép vì lý do các thông số hình học của tiết diện bị khống chế. Điều đó, về cơ bản, liên quan tới các cấu kiện kết cấu dạng thanh, bụng dầm chữ I và chữ T, các kết cấu bản mỏng và tương tự.
10.2 Việc lựa chọn biện pháp và chiều dày của chất và vật liệu bảo vệ chịu lửa phụ thuộc vào:
- Giới hạn chịu lửa bản thân hoặc thực tế của kết cấu, cũng như vào giá trị gia tăng của giới hạn chịu lửa cần thiết để đảm bảo sự phù hợp của kết cấu với giới hạn chịu lửa yêu cầu;
- Các điều kiện nhiệt-ẩm khi sử dụng của kết cấu cần bảo vệ;
- Loại kết cấu cần bảo vệ (cột, dầm, bản, v.v.);
- Các yêu cầu cụ thể về đảm bảo độ bền của các chất và vật liệu bảo vệ chịu lửa (độ bền cơ học, bền môi trường xâm thực, chịu được tác động rung va đập, mài mòn và tương tự);
- Việc lựa chọn biện pháp trát hoặc ốp có thể áp dụng được cho các chất và vật liệu bảo vệ chịu lửa trong điều kiện kết cấu đang tồn tại;
- Vùng động đất;
- Các yêu cầu kiến trúc và thẩm mỹ.
10.3 Các biện pháp cấu tạo cơ bản về bảo vệ chịu lửa cho kết cấu bê tông và bê tông cốt thép:
- Sử dụng vữa bảo vệ chịu lửa;
- Ốp các tấm dày hoặc tấm mỏng làm từ các vật liệu bảo vệ chịu lửa;
- Sử dụng các vật liệu dạng cuộn trên nền sợi bazan hoặc sợi khoáng;
- Đổ bê tông thêm cho kết cấu;
- Xây ốp xung quanh bằng gạch hoặc các blốc bê tông nhẹ.
Có thể sử dụng các biện pháp bảo vệ chịu lửa khác cho kết cấu bê tông cốt thép khi có cơ sở thực nghiệm thích hợp về độ tin cậy và độ bền lâu của chúng.
10.4 Sử dụng lớp vữa bảo vệ chịu lửa là biện pháp truyền thống để bảo vệ chịu lửa cho kết cấu bê tông và bê tông cốt thép.
Vữa xi măng - vôi dày 15 mm, vữa thạch cao dày 10 mm, vữa perlit hoặc vermiculite dày 5 mm, lớp cách nhiệt bằng sợi khoáng dày 5 mm tương đương với tăng 10 mm chiều dày lớp bê tông bảo vệ cho bê tông nặng. Chỉ sử dụng chiều dày tương đương lớn hơn 10 mm bằng thử nghiệm chịu lửa.
Khi chiều dày lớp bê tông bảo vệ lớn hơn 30 mm thì việc phủ nó phải được thực hiện trên lưới sợi thép đường kính từ 2 mm đến 3 mm với ô lưới không lớn hơn (100 x 100) mm được đặt tại giữa chiều dày lớp bê tông bảo vệ và được neo điểm vào bê tông của kết cấu.
Ưu điểm của lớp vữa: có độ bền lâu và khả năng sửa chữa cục bộ.
Nhược điểm của lớp vữa: tăng trọng lượng kết cấu bê tông cốt thép có lớp vữa bảo vệ chịu lửa.
Chiều dày hiệu quả của lớp vữa: từ 10 mm đến 40 mm. Biện pháp phủ: trát bằng tay hoặc bằng phương pháp phun.
Việc sử dụng các lớp vữa bảo vệ chịu lửa nhẹ trên nền thạch cao và xi măng có trọng lượng thể tích không lớn hơn 450 kg/m3 là biện pháp hiệu quả về bảo vệ chịu lửa. Các lớp vữa phủ bảo vệ chịu lửa được phun bằng biện pháp cơ giới và có thể được sử dụng trong các điều kiện độ ẩm tăng cao và tác động của môi trường xâm thực. Độ bền lâu của vữa phun có thể đạt tới 50 năm.
10.5 Việc sử dụng các tấm ốp bằng các vật liệu bảo vệ chịu lửa dạng tấm dày hoặc mỏng để bảo vệ chịu lửa cho kết cấu bê tông và bê tông cốt thép cho phép kết hợp được các chức năng bảo vệ chịu lửa và hoàn thiện bề mặt.
Các tấm bảo vệ chịu lửa (dày hoặc mỏng) được chế tạo trên nền perlite, vermeculite, keramzit, sợi khoáng (silic, amiăng trắng, bazan, diabas), sợi bằng các vật liệu khác (cao lanh, silic, quart). Còn có các loại tấm bảo vệ chịu lửa (dày hoặc mỏng) bền ẩm.
Việc gắn các tấm ốp dày hoặc mỏng vào bề mặt bê tông được thực hiện bằng nhiều biện pháp: neo - các tấm mỏng được bắt trực tiếp vào bề mặt bê tông; định hình - các tấm mỏng hoặc dày được gắn vào khung có sẵn.
Trong sàn, các tấm bảo vệ chịu lửa được gắn trực tiếp vào thép định hình chịu lực của trần treo. Sự giảm độ bền, sự biến dạng và sự phá hoại các chi tiết gắn kết khi đốt nóng có thể làm cho các tấm bảo vệ chịu lửa (dày hoặc mỏng) bị rơi, làm xuất hiện các khe giữa chúng, kết quả là lửa có thể xuyên qua bề mặt cần bảo vệ.
Các nhược điểm của các tấm ốp bảo vệ chịu lửa:
- Sự phụ thuộc chỉ tiêu khả năng chịu lực của các tấm ốp vào khả năng chịu lửa của các nút liên kết với bề mặt kết cấu cần bảo vệ;
- Chi phí nhân công lắp dựng cao;
- Trọng lượng lớn, dẫn đến tăng trọng lượng kết cấu cần bảo vệ (đối với một số loại tấm ốp (dày hoặc mỏng));
- Việc chèn khe giữa các tấm bảo vệ chịu lửa được tiến hành bằng các vật liệu bịt kín mà thời hạn sử dụng của chúng nhỏ hơn nhiều so với thời hạn sử dụng của chính tấm bảo vệ chịu lửa;
- Hạn chế khi sử dụng trong môi trường ẩm đối với một số loại tấm bảo vệ chịu lửa;
- Có khả năng xuất hiện nấm mốc trong khoảng không gian giữa kết cấu và tấm bảo vệ chịu lửa trên khung do độ ẩm tăng cao và không được thông gió trong quá trình sử dụng.
Nên sử dụng các loại tấm ốp dày hoặc mỏng mà đã được chứng thực bằng thử nghiệm chịu lửa giải pháp nút liên kết và gắn các chi tiết của tấm ốp với kết cấu cần bảo vệ.
10.6 Biện pháp bảo vệ chịu lửa bằng cách đổ thêm bê tông được sử dụng khi cần phải đảm bảo giới hạn chịu lửa yêu cầu của kết cấu bê tông hoặc bê tông cốt thép bị hư hỏng do cháy hoặc bị khuyết tật mà cần phải gia cường. Việc đổ bê tông sẽ kết hợp được chức năng gia cường và chức năng bảo vệ chịu lửa và được thực hiện bằng cách bố trí cốt thép thích hợp trên cơ sở tính toán độ bền và khả năng chịu lửa.
Khi đổ thêm bê tông thì cần sử dụng cấp bê tông tương tự cấp bê tông của kết cấu, cốt thép chịu lực gia cường mới để liên kết với cốt thép đã có trước, cần bố trí cốt thép cho lớp bê tông bảo vệ bằng lưới thép sợi chống vỡ bê tông.
Nhược điểm của biện pháp đổ bê tông là chi phí nhân công lớn, tăng trọng lượng và kích thước kết cấu.
10.7 Biện pháp kết cấu để bảo vệ chịu lửa bằng cách xây ốp xung quanh kết cấu bê tông cốt thép bằng gạch đất sét nung hoặc blốc bê tông nhẹ được sử dụng cho các kết cấu tường trong quá trình cải tạo hoặc thay đổi công năng của nhà và công trình khi tăng các yêu cầu về khả năng chịu lửa.
Nhược điểm của biện pháp này là chi phí nhân công cao, tăng trọng lượng và kích thước kết cấu.
10.8 Việc lựa chọn biện pháp và chiều dày phương tiện bảo vệ chịu lửa cần được luận chứng trong các giải pháp thiết kế bằng phương pháp tính toán với các đặc trưng nhiệt kỹ thuật biết trước của các phương tiện bảo vệ chịu lửa (độ dẫn nhiệt, nhiệt dung riêng) hoặc các kết quả thử nghiệm thích hợp.
Đồ án về bảo vệ chịu lửa cần phải có các luận chứng bằng tính toán hoặc thử nghiệm về sự cần thiết và đủ cơ sở để sử dụng phương tiện bảo vệ chịu lửa nào cho kết cấu cần bảo vệ cụ thể. Chiều dày lớp phủ của phương tiện bảo vệ chịu lửa cần được lựa chọn có kể đến giới hạn chịu lửa bản thân của kết cấu bê tông hoặc bê tông cốt thép.
10.9 Khi sử dụng phương tiện bảo vệ chịu lửa cần phải đảm bảo khả năng bảo toàn sau cháy và độ bền lâu (giữ được tính chất bảo vệ chịu lửa và tính toàn vẹn) trong suốt thời gian sử dụng nhà và công trình theo thiết kế.
11 Khả năng bảo toàn sau cháy của kết cấu bê tông cốt thép
11.1 Yêu cầu chung
11.1.1 Đối với nhà, công trình và tổ hợp phức hợp với các công năng khác nhau có phần hầm mở rộng, của nhà cao tầng được xếp vào cấp C3 theo [2], cũng như của công trình xây dựng mà sự ngưng trệ hoạt động của chúng do cháy có thể dẫn đến các hậu quả kinh tế và môi trường, và kết cấu mà sự khôi phục nó không thể thực hiện được trong quá trình sử dụng hoặc đòi hỏi kỹ thuật phức tạp và kinh phí, cần đánh giá khả năng bảo toàn sau cháy của kết cấu bê tông cốt thép.
Sự đảm bảo khả năng bảo toàn sau cháy nên được dự tính cho các kết cấu bê tông cốt thép tham gia vào đảm bảo ổn định tổng thể và tính bất biến hình của nhà hoặc công trình, kể cả khi chịu tác động của đám cháy.
Với các liên kết cứng giữa các cấu kiện trong hệ kết cấu khung hoặc khung-giằng không gian thì nếu sự sập đổ của một hoặc một số cấu kiện (ví dụ, do xuất hiện các khớp dẻo trong các vùng gối tựa của cấu kiện siêu tĩnh chịu uốn) khi cháy có thể dẫn tới sự thay đổi của hệ kết cấu nhà, sự thay đổi độ cứng không gian của nhà, độ ổn định và sự phá hoại về tổng thể. Sự thay đổi của hệ kết cấu là không được phép đối với nhà và công trình cấp C3 theo [2].
Khi đánh giá các yêu cầu về khả năng bảo toàn sau cháy thì trong tính toán phải thực hiện việc nhận diện các kết cấu xây dựng như các cấu kiện chịu lực của hệ kết cấu nhà mà ảnh hưởng tới ổn định của cả nhà hoặc công trình.
11.1.2 Khả năng bảo toàn sau cháy của kết cấu bê tông cốt thép được coi là trạng thái mà ở đó độ bền dư hoặc biến dạng dư không phục hồi vẫn đảm bảo cho sự làm việc của các kết cấu chịu lực phù hợp với các yêu cầu của các tiêu chuẩn. Trạng thái bảo toàn kết cấu cho phép đảm bảo khả năng sửa chữa nó mà không cần các biện pháp gia cường bổ sung hoặc thay thế.
11.1.3 Tính toán khả năng bảo toàn sau cháy của kết cấu bê tông cốt thép được tiến hành theo các trạng thái giới hạn thứ nhất và thứ hai với khoảng thời gian chế độ nhiệt tiêu chuẩn của đám cháy, tương đương với giới hạn chịu lửa yêu cầu của kết cấu. Khi đó, bằng tính toán giải tích cần dự tính tất cả các hậu quả có thể có do tác động phá hoại của đám cháy lên các lớp bê tông ngoài cùng và cốt thép.
11.1.4 Tính toán khả năng bảo toàn sau cháy của kết cấu bê tông cốt thép được tiến hành với tổ hợp tính toán của tải trọng theo TCVN 2737:2023 và với các giá trị tính toán của cường độ bê tông và cốt thép có kể đến sự thay đổi các tính chất của bê tông và cốt thép ở trạng thái nguội sau khi bị đốt nóng ngắn hạn ở nhiệt độ cao.
Để đảm bảo khả năng bảo toàn kết cấu sau cháy thì phải hạn chế sao cho trong thời gian cháy nhiệt độ đốt nóng cốt thép không được vượt quá:
400 °C - đối với cốt thép không ứng suất trước tất cả các loại (để tránh sự mất mát toàn bộ sự bám dính của cốt thép với bê tông);
100 °C - đối với cốt thép ứng suất trước tất cả các loại (để tránh các tổn hao ứng suất trước).
11.1.5 Việc đánh giá khả năng bảo toàn sau cháy của kết cấu bê tông cốt thép được tiến hành bằng tính toán độ bền dư và độ võng dư sau cháy và so sánh kết quả với yêu cầu của các tiêu chuẩn có liên quan.
11.2 Độ bền dư sau cháy
11.2.1 Tính toán độ bền dư của các cấu kiện bê tông cốt thép sau cháy đối với các tiết diện thẳng góc và tiết diện nghiêng được tiến hành theo Điều 8.
Khi sử dụng phương pháp tính toán đơn giản thì cường độ chịu nén của bê tông đã bị đốt nóng ở nhiệt độ cao hơn nhiệt độ tới hạn theo 8.1.7 được phép không cần kể đến. Cường độ chịu nén của bê tông được coi là phân bố đều trên vùng chịu nén. Cường độ chịu nén tính toán của bê tông lấy bằng Rb, cường độ chịu kéo và nén của cốt thép sau khi chịu tác động lửa khi cháy lấy tương ứng bằng Rs,T và Rsc,T. Tính toán được tiến hành với diện tích của tiết diện suy giảm Ared mà các kích thước của nó được xác định theo 8.1.8.
Giá trị hệ số điều kiện làm việc của cốt thép γs,T ở trạng thái nguội sau cháy lấy theo Bảng 6 phụ thuộc vào nhiệt độ đốt nóng cốt thép trong thời gian cháy. Sự đốt nóng bê tông đến nhiệt độ tới hạn trong thời gian cháy được lấy theo các hình 1, 3 và 4 và bằng tính toán nhiệt kỹ thuật (các phụ lục A và B).
11.2.2 Khi tính toán độ bền tiết diện thẳng góc của cấu kiện bê tông cốt thép thì cần kể đến việc trong các cấu kiện đã được tính toán cho sự làm việc trước khi cháy nếu có X ≤ ξRh0,t thì sau cháy có thể có trường hợp x > ξRh0,t do sự suy giảm vùng chịu nén sau khi đốt nóng các lớp bê tông bên ngoài ở nhiệt độ cao hơn nhiệt độ tới hạn.
Nếu điều kiện x ≤ ξRh0,t không được tuân thủ thì mô men được xác định theo các công thức (26) và (28), trong đó thay thế giá trị chiều cao vùng chịu, nén bằng:
Giá trị ξR được tính theo công thức:
Biến dạng nén tương đối của cốt thép chịu kéo ɛs,el ứng với ứng suất bằng Rs,T được xác định theo công thức:
Biến dạng nén tương đối của bê tông ɛb,u ứng với ứng suất Rb,T được lấy bằng ɛb2 theo Bảng 5. Mô đun đàn hồi của cốt thép sau cháy được xác định theo công thức (7).
11.2.3 Để đảm bảo khả năng bảo toàn sau cháy của kết cấu bê tông cốt thép thì phải tuân thủ điều kiện độ bền mà trong đó khả năng chịu lực của tiết diện không được nhỏ hơn nội lực do ngoại lực gây ra.
11.3 Độ võng dư sau cháy
11.3.1 Trong thời gian cháy xảy ra sự phát triển độ võng bổ sung trong các cấu kiện chịu uốn, nén lệch tâm, kéo lệch tâm dưới tải trọng sử dụng do tác động nhiệt do cốt thép bị đốt nóng đáng kể và do chênh lệch nhiệt độ theo chiều cao tiết diện.
Khi cháy, độ võng của cấu kiện sinh ra do tác động của tải trọng và nhiệt độ. Khi nhiệt độ đốt nóng cốt thép đến 350 °C thì độ võng cấu kiện bê tông cốt thép phát triển, về cơ bản, do sự giãn nhiệt của cốt thép và bê tông ở bề mặt bị đốt nóng nhiều hơn. Khi đốt nóng ở nhiệt độ cao hơn 350 °C thì độ võng phát triển chủ yếu do từ biến của cốt thép ở nhiệt độ cao.
Sau cháy, ở trạng thái nguội độ võng do đốt nóng không đều theo chiều cao tiết diện cấu kiện giảm xuống (độ võng có tính chất phục hồi được), và độ võng dư do tải trọng lớn hơn nhiều độ võng do tải trọng trước khi cháy vì sự suy giảm mô đun đàn hồi của bê tông và sự phát triển biến dạng dẻo không phục hồi của cốt thép khi bị đốt nóng.
Ở trạng thái nguội sau cháy, các tính chất độ bền và đàn-dẻo của bê tông gần như không phục hồi được, còn trong cốt thép thì độ bền một phần được phục hồi và độ đàn hồi được phục hồi hoàn toàn.
11.3.2 Sau cháy, các cấu kiện bê tông cốt thép có các vết nứt từ phía bị đốt nóng dọc theo toàn bộ chiều dài nhịp.
Đối với cấu kiện chịu uốn chiều cao không đổi dọc theo chiều dài mà trong phạm vi đó mô men uốn không đổi dấu thì độ cong được phép tính đối với tiết diện chịu lực nhiều nhất, và được lấy thay đổi tỷ lệ với giá trị mô men uốn cho các tiết diện còn lại.
Đối với cấu kiện tựa tự do và cấu kiện công xôn, thì độ võng lớn nhất được phép xác định theo công thức:
trong đó:
s là hệ số, phụ thuộc vào loại tải trọng và sơ đồ tính toán cấu kiện. Khi có tác dụng của tải trọng phân bố đều thì đối với dầm tựa tự do s = 5/48, đối với dầm công xôn s = 1/4.
11.3.3 Độ cong của cấu kiện chịu uốn, nén lệch tâm và kéo lệch tâm có vết nứt trong vùng chịu kéo được xác định theo công thức:
trong đó:
(1/r)1 là độ cong do tác dụng ngắn hạn của toàn bộ tải trọng dùng để tính toán biến dạng;
(1/r)2 là độ cong do tác dụng ngắn hạn của tải trọng thường xuyên và tạm thời dài hạn;
(1/r)3 là độ cong do tác dụng dài hạn của tải trọng thường xuyên và tạm thời dài hạn;
(1/r)cs là độ cong do co nhiệt của bê tông.
11.3.4 Độ cong của cấu kiện bê tông cốt thép do tác dụng của các tải trọng tương ứng được xác định theo 8.2.3.3.3 của TCVN 5574:2018.
11.3.5 Độ cứng của cấu kiện bê tông cốt thép D trên đoạn không có vết nứt trong vùng chịu kéo được xác định theo 8.2.3.3.4 của TCVN 5574:2018.
Trong công thức (189) của TCVN 5574:2018 hệ số quy đổi cốt thép chịu kéo và chịu nén về bê tông lấy bằng:

Mô đun đàn hồi của bê tông Eb1 được xác định theo công thức:
![]()
Trong đó:
Eb,T được xác định theo công thức (3), Trong đó hệ số βb lấy theo Bảng 1 phụ thuộc vào nhiệt độ bê tông tại trọng tâm tiết diện quy đổi.
Trong công thức (192) của TCVN 5574:2018 khi có tác dụng dài hạn của tải trọng thì Eb,T được thay bằng
với
được xác định theo công thức (4), trong đó hệ số φb,cr lấy theo Bảng 1 phụ thuộc vào nhiệt độ bê tông tại trọng tâm tiết diện quy đổi.
11.3.6 Độ cứng của cấu kiện bê tông cốt thép trên đoạn có vết nứt trong vùng chịu kéo được xác định theo 8.2.3.3.5 đến 8.2.3.3.9 của TCVN 5574:2018.
Giá trị các hệ số quy đổi cốt thép về bê tông theo các công thức (202) và (203) của TCVN 5574:2018 lấy bằng:
- Đối với cốt thép chịu nén:
![]()
- Đối với cốt thép chịu nén:
Giá trị mô đun biến dạng quy đổi của bê tông chịu nén Eb,red,T được xác định theo nhiệt độ ở thớ bê tông chịu nén ngoài cùng theo công thức:
![]()
Giá trị hệ số ψs đối với cấu kiện chịu uốn không kể đến cốt thép được phép xác định theo công thức:
![]()
trong đó: cường độ chịu kéo của bê tông Rbt,ser,T được xác định theo công thức (2c) phụ thuộc vào nhiệt độ đốt nóng bê tông tại mức cốt thép chịu kéo.
11.3.7 Độ cong của cấu kiện khi nguội do co nhiệt của bê tông đã bị đốt nóng không đều trong thời gian cháy được xác định theo công thức:
![]()
trong đó:
acs1 và αcs là các hệ số co nhiệt của bê tông, lấy theo Bảng 4 phụ thuộc vào nhiệt độ bê tông đã có khi cháy ở biên bị đốt nóng nhiều hơn Tb1 và ít hơn Tb của tiết diện.
11.3.8 Sau cháy, độ võng của cấu kiện là một trong các tiêu chí về khả năng sử dụng tiếp kết cấu. Để đảm bảo khả năng bảo toàn sau cháy thì giá trị tính toán của độ võng dư sau cháy không được vượt quá giá trị giới hạn cho phép nêu trong TCVN 2737:2023.
11.3.9 Các yêu cầu về tính toán độ bền dư và độ võng dư được áp dụng cho các phép tính toán kiểm tra khi đánh giá tình trạng kỹ thuật của kết cấu bê tông cốt thép sau cháy theo SP 329.1325800.
12 Yêu cầu cấu tạo để đảm bảo khả năng bảo toàn sau cháy của kết cấu bê tông cốt thép
12.1 Các yêu cầu cấu tạo để đảm bảo khả năng bảo toàn sau cháy của kết cấu bê tông cốt thép cần được lựa chọn có kể đến các quá trình lý - hóa và sự thay đổi cấu trúc xảy ra trong bê tông khi đốt nóng nhiệt độ cao (Hình 19).

Thời gian đốt theo chế độ nhiệt tiêu chuẩn (min)
CHÚ DẪN:
| 1 Đến 250 °C | Sự phá hoại giòn (dạng nổ) bề mặt bê tông có độ ẩm lớn hơn 3,5 % |
| 2 Từ 250 °C đến 350 | °C Trong bê tông hình thành các vết nứt do co nhiệt |
| 3 Đến 450 °C | Trong bê tông hình thành các vết nứt chủ yếu do chênh lệch biến dạng nhiệt của đá xi măng và cốt liệu; trên 450 °C: sự phá hoại cấu trúc bê tông do đề hidrat hóa Ca(OH)2, khi vôi tự do trong đá xi măng hấp thụ ẩm từ không khí cùng với sự tăng thể tích |
| 4 Trên 573 °C | Sự phá hoại cấu trúc bê tông do chuyển đổi biến tính a-quart thành p-quart trong granit kèm theo sự tăng thể tích của cốt liệu |
| 5 Trên 750 °C | Cấu trúc bê tông bị phá hoại hoàn toàn |
Hình 19 - Sự phá hoại cấu trúc bê tông sau khi bị đốt nóng nhiệt độ cao
12.2 Khả năng bảo toàn sau cháy của kết cấu bê tông cốt thép cần được đảm bảo phù hợp với Điều 11.
Khi đó nhiệt độ đốt nóng tới hạn cốt thép không ứng suất trước được lấy không lớn hơn 400 °C để tránh sự mất hoàn toàn bám dính của cốt thép với bê tông. Theo các số liệu thử nghiệm, khi đốt nóng ở khoảng 100 °C thì bám dính của cốt thép có gờ với bê tông giảm đi gần 30 %, còn khi ở nhiệt độ 450 °C thì bám dính bị mất hoàn toàn. Do đó, chiều dày lớp bê tông bảo vệ cần được ấn định có kể đến tính bảo toàn sự bám dính của cốt thép với bê tông.
12.3 Khi tính toán khả năng bảo toàn sau cháy cần kể đến sự phục hồi một phần hoặc toàn phần các tính chất độ bền của cốt thép phụ thuộc vào nhiệt độ đốt nóng khi cháy (hệ số điều kiện làm việc của cốt thép ở trạng thái nguội sau cháy - theo Bảng 6).
Trong trường hợp sử dụng cốt thép thanh biến dạng nguội cấp B500 theo phương pháp sản xuất hiện đại thì phải kể đến việc ở trạng thái nguội sau cháy đến 600 °C và lớn hơn thì các đặc trưng cơ - lý của nó sẽ không phục hồi được. Sự bố trí cốt thép thanh nhóm B500 trong các tiết diện cấu kiện bê tông cốt thép cần loại trừ được việc nó bị đốt nóng khi cháy ở nhiệt độ cao hơn 500 °C.
12.4 Để đảm bảo khả năng bảo toàn sau cháy của kết cấu bê tông cốt thép ứng suất trước thì phải hạn chế sự đốt nóng cốt thép ứng suất trước không quá 100 °C để loại trừ việc mất mát ứng suất trước.
12.5 Trong kết cấu bê tông cốt thép dạng bản chịu uốn, cần bố trí cốt thép ngang cấu tạo dạng cốt thép đai và các thanh cốt thép ngang để ngăn ngừa sự mất ổn định theo phương ngoài mặt phẳng của cốt thép dọc phía dưới trong trường hợp lớp bê tông bảo vệ bị phá vỡ khi cháy. Thanh cốt thép ngang cấu tạo hoặc cốt thép đai cần có đường kính không nhỏ hơn 6 mm với bước không lớn hơn 500 mm theo hai phương.
12.6 Việc thiết kế kết cấu bê tông cốt thép có kể đến các yêu cầu về tính bảo toàn cần được tiến hành có kể đến các biện pháp bảo vệ tránh sự phá hoại giòn bê tông khi cháy.
12.7 Trong các sơ đồ ngàm cứng đối với kết cấu nhà cao tầng làm từ bê tông cốt thép toàn khối (các kết cấu siêu tĩnh) thì việc cấu tạo các cấu kiện chịu uốn được tiến hành trên cơ sở kết quả tính toán độ bền dư của các vùng gối tựa theo điều kiện không cho phép hình thành khớp dẻo ở các gối tựa, vì sự hình thành khớp dẻo ở các gối tựa trong một cấu kiện chịu uốn sẽ dẫn đến sự thay đổi sơ đồ kết cấu tổng thể của toàn bộ nhà.
13 Số liệu bảng tra và các yêu cầu cấu tạo để đảm bảo khả năng chịu lửa của kết cấu tĩnh định
13.1 Yêu cầu chung
13.1.1 Các số liệu trong các bảng từ 20 đến 27 là các giá trị tối thiểu cho phép của kích thước tiết diện và khoảng cách từ trục cốt thép đến bề mặt bị đốt nóng của cấu kiện để đảm bảo giới hạn chịu lửa yêu cầu đối với các kết cấu tĩnh định, không được nhỏ hơn các giá trị theo TCVN 5574:2018 và phù hợp với [1].
Các bảng được thiết lập trên cơ sở các số liệu thử nghiệm. Khi tuân thủ các yêu cầu số liệu trong các bảng thì tính toán khả năng chịu lửa của kết cấu tĩnh định có thể không cần thực hiện.
13.1.2 Giá trị các thông số trong các bảng từ 20 đến 24 và 26 được dùng cho kết cấu bê tông chịu lực khi chịu tác dụng của toàn bộ tải trọng tính toán dưới tác động lửa với tỉ số giữa tải trọng thường xuyên γfGk và tổng tải trọng thường xuyên và tải trọng tạm thời (γfGk + γfQk,L) bằng 1. Nếu tỉ số này bằng 0,3 thì các giá trị giới hạn chịu lửa trong bảng tra được tăng lên 2 lần. Đối với các giá trị trung gian của γfGk /(γfGk + γfQk,L) thì giới hạn chịu lửa được lấy bằng nội suy tuyến tính.
13.1.3 Khoảng cách tối thiểu đến trục cốt thép và kích thước tối thiểu của cấu kiện để đảm bảo giới hạn chịu lửa yêu cầu của kết cấu phụ thuộc vào loại bê tông. Độ dẫn nhiệt của bê tông nhẹ nhỏ hơn 10 % đến 20 % và của bê tông cốt liệu lớn đá vôi nhỏ hơn 5 % đến 10 % so với độ dẫn nhiệt của bê tông nặng cốt liệu gốc silic. Khi kể đến độ dẫn nhiệt của bê tông các loại khác nhau thì khoảng cách từ trục cốt thép đối với kết cấu làm từ bê tông nhẹ hoặc bê tông nặng cốt liệu đá vôi có thể lấy nhỏ hơn so với kết cấu làm từ bê tông nặng cốt liệu gốc silic với cùng một giới hạn chịu lửa của các kết cấu làm từ các loại bê tông này.
Giá trị các thông số trong các bảng từ 20 đến 22, 24, 26 và 27 được sử dụng cho kết cấu bê tông cốt thép làm từ bê tông cốt liệu lớn gốc silic, cũng như làm từ bê tông silic đặc chắc cấp cường độ chịu nén từ B40 trở xuống. Kích thước tối thiểu của tiết diện ngang và khoảng cách từ trục cốt thép đến bề mặt cấu kiện chịu uốn có thể lấy giảm xuống:
10 % - đối với kết cấu bê tông cốt thép làm từ bê tông cốt liệu đá vôi;
20 % - đối với kết cấu bê tông cốt thép làm từ bê tông nhẹ có khối lượng thể tích 1 200 kg/m3;
30 % - đối với kết cấu chịu uốn làm từ bê tông nhẹ có khối lượng thể tích 800 kg/m3 và bê tông keramzit có khối lượng thể tích 1 200 kg/m3.
13.1.4 Trên các hình 20 và 21 thể hiện khoảng cách từ bề mặt bị đốt nóng đến trục cốt thép và các thông số hình học của tiết diện dùng trong các bảng từ 9 đến 13, 15.

Hình 20 - Ký hiệu khoảng cách đến trục cốt thép khi cốt thép bố trí theo một lớp

Hình 21 - Ký hiệu khoảng cách trung bình đến trục đi qua trọng tâm các lớp cốt thép
Trong trường hợp bố trí cốt thép tại các mức khác nhau trong tiết diện cấu kiện bê tông cốt thép thì khoảng cách trung bình đến trục cốt thép a được xác định có kể đến các diện tích (A1, A2,...An) và các khoảng cách tương ứng với chúng đến các trục (a1, a2,...an) cốt thép, đo từ bề mặt bị đốt nóng gần nhất (mặt dưới hoặc mặt bên) của cấu kiện, theo công thức:
13.2 Cột
Trong Bảng 9 ghi các giá trị kích thước hình học của cột bê tông cốt thép làm từ bê tông nặng và bê tông nhẹ khi bị đốt nóng từ bốn phía và một phía: chiều rộng tối thiểu b và khoảng cách a từ bề mặt đốt nóng đến trục cốt thép. Khi đốt nóng một phía thì kích thước b chỉ dùng cho cột mà có bề mặt nằm ở cùng một mức với tường hoặc đối với phần cột nhô ra khỏi tường. Giả thiết rằng, trong tường không có các lỗ nào gần cột theo phương kích thước tối thiểu b.
Đối với cột đặc tiết diện tròn thì dùng đường kính của nó thay vì kích thước b.
Cột với các thông số nêu trong Bảng 9 có tải trọng đặt lệch tâm hoặc tải trọng có độ lệch tâm ngẫu nhiên khi bố trí cốt thép cột với hàm lượng không lớn hơn 3 % tiết diện bê tông, trừ các vị trí tại các mối nối. Khi hàm lượng thép cột lớn hơn 3 % thì các số liệu trong bảng không được dùng mà phải tính toán khả năng chịu lửa.
Đối với cột bê tông cốt thép có cốt thép bổ sung dạng lưới thép hàn ngang với bước không lớn hơn 250 mm theo chiều cao cột thì giới hạn chịu lửa của cột được lấy theo Bảng 9 nhân với hệ số 1,5.
Bảng 9 - Giá trị tối thiểu của các thông số của cột để đảm bảo khả năng chịu lửa
Đơn vị tính bằng milimét
| Loại bê tông | Tác động lửa | Chiều rộng b của cột và khoảng cách a đến trục cốt thép | Giá trị tối thiểu thông số của cột khi giới hạn chịu lửa, min | |||||
| 30 | 60 | 90 | 120 | 150 | 180 | |||
| 1. Bê tông nặng | Bốn phía | b | 150 | 200 | 240 | 300 | 400 | 450 |
| a | 10 | 25 | 35 | 40 | 50 | 50 | ||
| Một phía | b | 100 | 120 | 140 | 160 | 200 | 240 | |
| a | 10 | 25 | 35 | 40 | 40 | 40 | ||
| 2. Bê tông nhẹ (γ = 1 200kg/m3) | Bốn phía | b | 150 | 160 | 190 | 240 | 320 | 360 |
| a | 10 | 25 | 35 | 40 | 40 | 40 | ||
| Một phía | b | 100 | 100 | 115 | 130 | 160 | 190 | |
| a | 10 | 25 | 35 | 40 | 40 | 40 | ||
13.3 Tường
Đối với tường bê tông cốt thép đặc chịu lực thì giá trị giới hạn chịu lửa, chiều dày tường và khoảng cách a đến trục cốt thép nêu trong Bảng 10 và dùng cho tường chịu nén đúng tâm hoặc nén lệch tâm nhưng hợp lực đặt trong khoảng 1/3 ở giữa chiều rộng tiết diện ngang của tường. Khi đó, tỉ số chiều cao tường trên chiều dày của nó phải thỏa mãn L0 /hW ≤ 20.
Đối với các tấm tường tựa có chiều dày không nhỏ hơn 140 mm thì giá trị giới hạn chịu lửa được lấy theo Bảng 10 rồi nhân thêm với hệ số 1,5.
Khả năng chịu lửa của tấm tường có sườn cần được xác định theo chiều dày phần bản (cánh). Sườn phải được liên kết với phần bản bằng cốt thép đai. Kích thước tối thiểu của sườn và khoảng cách đến trục cốt thép trong sườn phải thỏa mãn các yêu cầu như đối với dầm (Bảng 11 và Bảng 12).
Đối với tường ngoài làm từ tấm 2 lớp bao gồm lớp bao ngoài dày không nhỏ hơn 240 mm bằng bê tông keramzit cốt liệu rỗng lớn cấp cường độ B2 đến B2,5 (γ bằng 600 kg/m3 đến 900 kg/m3) và lớp chịu lực dày không nhỏ hơn 100 mm với ứng suất nén trong lớp này không lớn hơn 5 MPa thì giới hạn chịu lửa của tường là 180 min.
Bảng 10 - Giá trị tối thiểu các thông số của tường để đảm bảo khả năng chịu lửa
Đơn vị tính bằng milimét
| Loại bê tông | Chiều dày hW và khoảng cách a đến trục cốt thép | Giá trị tối thiểu các thông số của tường khi giới hạn chịu lửa, min | |||||
| 30 | 60 | 90 | 120 | 150 | 180 | ||
| 1. Bê tông nặng | hW | 100 | 120 | 140 | 160 | 200 | 240 |
| a | 10 | 15 | 20 | 30 | 30 | 30 | |
| 2. Bê tông nhẹ (γ = 1 200 kg/m3) | hW | 100 | 100 | 115 | 130 | 160 | 190 |
| a | 10 | 15 | 20 | 30 | 30 | 30 | |
13.4 Dầm
Đối với dầm tĩnh định tựa tự do khi có tác động lửa từ ba phía thì giá trị giới hạn chịu lửa, chiều rộng dầm b và các khoảng cách đến trục cốt thép a, aw (Hình 22) được nêu trong bảng 11 đối với bê tông nặng và Bảng 12 đối với bê tông nhẹ (γ = 1 200 kg/m3).
Khi đốt nóng từ một phía dầm thì các giá trị kích thước hình học và giới hạn chịu lửa tương ứng được lấy theo Bảng 13 như đối với bản.
Đối với dầm có cạnh nghiêng thì chiều rộng b phải được đo theo trọng tâm cốt thép chịu kéo (Hình 22).
Khi xác định giới hạn chịu lửa thì các lỗ trong cánh dầm có thể không cần kể vào, nếu diện tích còn lại của tiết diện ngang trong vùng chịu kéo không nhỏ hơn 2b2.
Để ngăn ngừa bê tông trong sườn dầm bị vỡ thì khoảng cách giữa cốt thép đai và bề mặt dầm không được lớn hơn 0,2 lần chiều rộng sườn.
Khoảng cách tối thiểu ai từ bề mặt cấu kiện đến trục thanh cốt thép bất kỳ không được nhỏ hơn giá trị nêu trong Bảng 11 đối với giới hạn chịu lửa 30 min và không nhỏ hơn a/2.
Khi giới hạn chịu lửa là 120 min và lớn hơn thì trên các dầm chữ I tựa tự do với khoảng cách giữa trọng tâm các cánh lớn hơn 120 cm phải có phần dày thêm ở cuối bằng chiều rộng dầm.
Đối với dầm chữ I mà có tỉ số chiều rộng cánh trên chiều rộng bụng (sườn) b/bw > 2 (Hình 23) thì trong sườn dầm phải đặt cốt thép ngang. Khi tỉ số b/bw > 1,4 thì khoảng cách đến trục cốt thép phải tăng lên đến 0,85a
. Khi b/bw > 3 thì không được sử dụng các bảng 11 và 12.
Trong dầm có lực cắt lớn chịu bởi cốt thép đai đặt gần bề mặt ngoài của cấu kiện thì khoảng cách a (xem các bảng 22 và 23) cũng được lấy đối với cốt thép đai với điều kiện chúng được bố trí trong các vùng, nơi giá trị tính toán của ứng suất kéo lớn hơn 0,1 cường độ chịu nén của bê tông.
Đối với dầm làm từ polime bê tông (có cốt thép hoặc cốt phi kim) trên nền chất kết dính furfural-aceton với các kích thước hình học b = 160 mm, a = 45 mm, aw = 25 mm và được bố trí cốt thép nhóm CB400 thì giới hạn chịu lửa của dầm bằng 60 min.

Hình 22 - Kích thước hình học và khoảng cách đến trục cốt thép trong dầm
Bảng 11 - Giá trị giới hạn chịu lửa, chiều rộng dầm và khoảng cách đến trục cốt thép (dầm bê tông nặng)
Đơn vị tính bằng milimét
| Giới hạn chịu lửa, min | Chiều rộng dầm b và khoảng cách đến trục cốt thép a | Giá trị tối thiểu các thông số của dầm làm từ bê tông nặng | Chiều rộng tối thiểu của sườn dầm bw | |||
| 30 | b | 80 | 120 | 160 | 200 | 80 |
| a | 25 | 15 | 10 | 10 | - | |
| 60 | b | 120 | 160 | 200 | 300 | 100 |
| a | 40 | 35 | 30 | 25 | - | |
| 90 | b | 150 | 200 | 280 | 400 | 100 |
| a | 55 | 45 | 40 | 35 | - | |
| 120 | b | 200 | 240 | 300 | 500 | 120 |
| a | 65 | 55 | 50 | 45 | — | |
| 150 | b | 240 | 300 | 400 | 600 | 140 |
| a | 80 | 70 | 65 | 60 | - | |
| 180 | b | 280 | 350 | 500 | 700 | 160 |
| a | 90 | 80 | 75 | 70 | _ | |
|
| aw = a + 10 | aw = a |
| |||
| CHÚ DẪN: Ký hiệu “ -“ thể hiện không có số liệu. | ||||||
Bảng 12 - Giá trị giới hạn chịu lửa, chiều rộng dầm và khoảng cách đến trục cốt thép (dầm bê tông nhẹ)
Đơn vị tính bằng milimét
| Giới hạn chịu lửa, min | Chiều rộng dầm b và khoảng cách đến trục cốt thép a | Giá trị tối thiểu các thông số của dầm làm từ bê tông nhẹ | Chiều rộng tối thiểu của sườn dầm bw | |||
| 30 | b | 80 | 120 | 160 | 200 | 80 |
| a | 25 | 15 | 10 | 10 | - | |
| 60 | b | 100 | 160 | 200 | 300 | 80 |
| a | 40 | 30 | 25 | 20 | - | |
| 90 | b | 120 | 200 | 280 | 400 | 80 |
| a | 55 | 40 | 35 | 30 | - | |
| 120 | b | 160 | 240 | 300 | 500 | 100 |
| a | 65 | 50 | 40 | 35 | - | |
| 150 | b | 190 | 300 | 400 | 600 | 115 |
| a | 80 | 65 | 55 | 50 | — | |
| 180 | b | 225 | 350 | 500 | 700 | 130 |
| a | 90 | 75 | 65 | 55 | - | |
|
| aw = a + 10 | aw = a |
| |||
| CHÚ DẪN: Ký hiệu “ -“ thể hiện không có số liệu. | ||||||
13.5 Sàn
Đối với bản kê tự do thì giới hạn chịu lửa, chiều dày bản t, khoảng cách a đến trục cốt thép được nêu trong Bảng 13.
Chiều dày tối thiểu t của bản để đảm bảo được yêu cầu giới hạn chịu lửa về mất tính cách nhiệt I. Các lớp đổ thêm, lớp lót và lớp lát sàn làm từ vật liệu không cháy được tính vào tổng chiều dày bản sàn và có khả năng làm tăng giới hạn chịu lửa của nó. Các lớp cách nhiệt cháy phủ lên lớp xi măng lót không làm giảm giới hạn chịu lửa của bản.
Chiều dày hiệu quả của tấm nhiều lỗ rỗng để đảm bảo giới hạn chịu lửa yêu cầu được xác định bằng cách chia diện tích tiết diện ngang của bản (chỉ tính phần tiết diện đặc mà không tính diện tích lỗ rỗng) cho chiều rộng của nó.
Giới hạn chịu lửa của tấm nhiều lỗ rỗng và tấm sàn sườn có sườn ngược được lấy theo Bảng 13 rồi nhân với hệ số 0,9.
Giới hạn chịu lửa của tấm hai lớp làm từ bê tông nặng và bê tông nhẹ (khi bê tông nằm ở phía tác động lửa) và chiều dày cần thiết của các lớp nêu trong Bảng 14.
Bảng 13 - Giới hạn chịu lửa, chiều dày bản, khoảng cách đến trục cốt thép của bản kê tự do
Đơn vị tính bằng miiimét
| Loại bê tông, thông số của bản và điều kiện kê | Chiều dày bản t và khoảng cách a đến trục cốt thép | Giá trị tối thiểu các thông số của bản kẻ tự do khi giới hạn chịu lửa, min | |||||||
| 15 | 30 | 60 | 90 | 120 | 150 | 180 | |||
| 1. Bê tông năng | Chiều dày bản | t | 30 | 50 | 80 | 100 | 120 | 140 | 155 |
| Kê hai cạnh hoặc theo chu vi khi Ly / Lx ≥ 1,5 | a | 10 | 15 | 25 | 35 | 45 | 60 | 70 | |
| Kê theo chu vi khi Ly / Lx < 1,5 | a | 10 | 10 | 10 | 15 | 20 | 30 | 40 | |
| 2. Bê tông nhẹ | Chiều dày bản | t | 30 | 40 | 60 | 75 | 90 | 105 | 120 |
| Kê hai cạnh hoặc theo chu vi khi Ly / Lx ≥ 1,5 | a | 10 | 10 | 20 | 30 | 40 | 50 | 55 | |
| Kê theo chu vi khi Ly / Lx < 1,5 | a | 10 | 10 | 10 | 10 | 15 | 25 | 30 | |
Bảng 14 - Giới hạn chịu lửa của tấm hai lớp làm từ bê tông nặng và bê tông nhẹ và chiều dày tối thiểu của các lớp
Đơn vị tính bằng milimét
| Loại bê tông | Chiều dày t1 các lớp của bản hai lớp làm từ bê tông nhẹ và t2 của bản làm từ bê tông nặng | Giá trị tối thiểu các thông số của bản khi giới hạn chịu lửa, min | |||||
| 30 | 60 | 90 | 120 | 150 | 180 | ||
| 1. Bê tông nặng | t1 | 20 | 25 | 35 | 40 | 50 | 60 |
| t2 | 25 | 35 | 45 | 55 | 55 | 55 | |
| 2. Bê tông nhẹ (γ = 1 200 kg/m3) | t1 | 25 | 40 | 50 | 60 | 70 | 80 |
| t2 | 20 | 20 | 30 | 30 | 30 | 30 | |
Trong trường hợp bố trí toàn bộ cốt thép tại một mức (một lớp), khoảng cách từ bề mặt bên của bản đến trục cốt thép không được nhỏ hơn chiều dày của lớp đã nêu trong các bảng 22 và 23.
13.6 Cấu kiện chịu kéo
Đối với các thanh chịu kéo của giàn, vòm với cốt thép không ứng suất trước và ứng suất trước bị đốt nóng từ mọi phía, giá trị tối thiểu b của chiều rộng tiết diện ngang và khoảng cách a đến trục cốt thép ứng với các giới hạn chịu lửa khác nhau được nêu trong Bảng 15.
Bảng 15 - Giá trị tối thiểu các thông số của cấu kiện chịu kéo để đảm bảo giới hạn chịu lửa
Đơn vị tính bằng milimét
| Loại bê tông | Chiều rộng tiết diện ngang b và khoảng cách a đến trục cốt thép | Giá trị tối thiểu các thông số của cấu kiện chịu kéo khi giới hạn chịu lửa, min | |||||
| 30 | 60 | 90 | 120 | 150 | 180 | ||
| 1. Bê tông nặng | b | 80 | 120 | 150 | 200 | 240 | 280 |
| a | 25 | 40 | 55 | 65 | 80 | 90 | |
| 2. Bê tông nhẹ (γ= 1 200kg/m3) | b | 80 | 120 | 150 | 200 | 240 | 280 |
| a | 25 | 35 | 45 | 55 | 65 | 70 | |
13.7 Vách ngăn không chịu lực
13.7.1 Giới hạn chịu lửa của vách ngăn bê tông và bê tông cốt thép không chịu lực và chiều dày tiết diện tối thiểu tp của chúng được nêu trong Bảng 16. Khi đó, chiều dày tối thiểu của vách ngăn sẽ đảm bảo được rằng nhiệt độ trung bình ở bề mặt không bị đốt nóng của cấu kiện bê tông tăng lên thêm không quá 140 °C và nhiệt độ ở bất kỳ điểm nào trên bề mặt này tăng lên thêm không quá 180 °C khi có tác động của chế độ nhiệt tiêu chuẩn của đám cháy. Khi xác định tp thì các lớp phủ và vữa bảo vệ chịu lửa bổ sung cần được kể tới theo 10.4.
Bảng 16 - Giá trị tối thiểu của chiều dày vách ngăn không chịu lực tp để đảm bảo giới hạn chịu lửa
Đơn vị tính bằng milimét
| Loại bê tông | Giá trị tp của vách ngăn không chịu lực khi giới hạn chịu lửa, min | |||||||
| 15 | 30 | 45 | 60 | 90 | 120 | 150 | 180 | |
| 1. Bê tông nặng | 40 | 50 | 70 | 90 | 100 | 115 | 130 | 140 |
| 2. Bê tông nhẹ (γ = 1 200 kg/m3) | 40 | 45 | 55 | 65 | 75 | 85 | 95 | 105 |
| 3. Bê tông tổ ong (γ =800 kg/m3) | - | - | - | - | - | - | 85 | 90 |
| CHÚ DẪN: Ký hiệu “ -“ thể hiện không có số liệu. | ||||||||
13.7.2 Khi thiết kế kết cấu bê tông cốt thép mà sử dụng các số liệu trong bảng tra thì cần xét đến khả năng phá hoại giòn dạng nổ của bê tông khi cháy và, trong trường hợp cần thiết, cần có biện pháp bảo vệ kết cấu bê tông và bê tông cốt thép tránh phá hoại giòn khi cháy (Phụ lục C).
13.8 Khuyến nghị bổ sung
Giá trị các thông số trong các bảng từ 9 đến 13 và 15 có thể được sử dụng khi xác định sơ bộ các thông số hình học của tiết diện cột trong kết cấu toàn khối siêu tĩnh, trụ tường và sàn, với điều kiện chúng phù hợp với các khuyến nghị về xác định các thông số cấu tạo tối ưu, rồi sau đó khả năng chịu lửa của kết cấu toàn khối được đánh giá bằng tính toán theo yêu cầu của tiêu chuẩn này.
Mục lục
Lời nói đầu
Lời giới thiệu
1 Phạm vi áp dụng
2 Tài liệu viện dẫn
3 Thuật ngữ, định nghĩa và ký hiệu
3.1 Thuật ngữ và định nghĩa
3.2 Ký hiệu
4 Yêu cầu chung về đảm bảo khả năng chịu lửa của kết cấu bê tông và bê tông cốt thép
5 Tính chất của bê tông và cốt thép trong khi và sau khi chịu tác động lửa
5.1 Bê tông
5.2 Cốt thép
6 Yêu cầu cơ bản về tính toán nhiệt kỹ thuật cho kết cấu bê tông và bê tông cốt thép
7 Đánh giá giới hạn chịu lửa về mất tính cách nhiệt của bản và tường
8 Tính toán giới hạn chịu lửa về mất khả năng chịu lực
8.1 Yêu cầu chung
8.2 Kết cấu tĩnh định
8.2.1 Cấu kiện phẳng chịu uốn (bản, tấm)
8.2.2 Cấu kiện dạng thanh chịu uốn (dầm, xà gỗ, xà)
8.2.3 Cấu kiện chịu nén (cột, tường)
8.2.4 Cấu kiện chịu kéo
8.2.5 Cấu kiện bê tông cốt thép khi chịu tác dụng của lực cắt
8.2.6 Tính toán chọc thủng cấu kiện bê tông cốt thép
8.3 Kết cấu siêu tĩnh
9 Các yêu cầu cấu tạo để tăng khả năng chịu lửa của kết cấu bê tông cốt thép
10 Các chất và vật liệu bảo vệ chịu lửa cho kết cấu bê tông cốt thép
11 Khả năng bảo toàn sau cháy của kết cấu bê tông cốt thép
11.1 Yêu cầu chung
11.2 Độ bền dư sau cháy
11.3 Độ võng dư sau cháy
12 Yêu cầu cấu tạo để đảm bảo khả năng bảo toàn sau cháy của kết cấu bê tông cốt thép
13 Số liệu bảng tra và các yêu cầu cấu tạo để đảm bảo khả năng chịu lửa của kết cấu tĩnh định
13.1 Yêu cầu chung
13.2 Cột
13.3 Tường
13.4 Dầm
13.5 Sàn
13.6 Cấu kiện chịu kéo
13.7 Vách ngăn không chịu lực
13.8 Khuyến nghị bổ sung
Phụ lục A (tham khảo) Nhiệt độ đốt nóng tiết diện bản, tường bê tông cốt thép khi có tác động theo chế độ nhiệt tiêu chuẩn của đám cháy
Phụ lục B (tham khảo) Nhiệt độ đốt nóng bê tông trong cột dầm và sàn sườn khi có tác động theo chế độ nhiệt tiêu chuẩn của đám cháy
Phụ lục C (tham khảo) Đánh giá giới hạn chịu lửa về mất tính toàn vẹn
C.1 Đánh giá chung
C.2 Đánh giá tổng thể khả năng phá hoại giòn của bê tông khi cháy
C.3 Kiểm tra khả năng phá hoại giòn bê tông trong kết cấu khi cháy
C.4 Các biện pháp bảo vệ chống phá hoại giòn cho kết cấu bê tông và bê tông cốt thép
C.5 Sự phá hoại giòn dạng nổ bê tông cường độ cao
Thư mục tài liệu tham khảo
Phụ lục A
(tham khảo)
Nhiệt độ đốt nóng tiết diện bản, tường bê tông cốt thép khi có tác động theo chế độ nhiệt tiêu chuẩn của đám cháy
A.1 Bằng tính toán nhiệt kỹ thuật xác định được nhiệt độ đốt nóng theo tiết diện bản và tường làm từ bê tông nặng có khối lượng thể tích 2 350 kg/m3, độ ẩm đến (2,5 ÷ 3,0) %, cốt liệu gốc silic hoặc cốt liệu đá vôi, cũng như làm từ bê tông keramzit kết cấu có khối lượng thể tích (1 400 ÷ 1 600) kg/m3, độ ẩm đến 5 %.
A.2 Nhiệt độ đốt nóng cốt thép Ts tại mức trục của nó (Hình A.1 đến A.6) được lấy theo nhiệt độ đốt nóng bê tông ở khoảng cách tính từ bề mặt đến trục cốt thép.
A.3 Giới hạn chịu lửa về mất khả năng chịu lực R được xác định tại điểm giao đường thẳng nằm ngang tại mức nhiệt độ tới hạn của bê tông Tb,cr với đường cong đốt nóng lớp bê tông dày aT tính từ bề mặt bị đốt nóng đến trục cốt thép chịu kéo.
A.4 Giới hạn chịu lửa của tấm sàn nhiều lỗ rỗng và tấm sàn sườn có sườn ngược được xác định như đối với tám sàn đặc rồi nhân với hệ số 0,9.
A.5 Nhiệt độ đốt nóng bê tông nặng dùng cốt liệu gốc silic của bản bê tông cốt thép toàn khối đúc trên tấm sóng với tổng chiều dày 200 mm được thể hiện trên các hình A.7 và A.8.
A.6 Khi không thể xác định được loại bê tông nặng dùng cốt liệu gốc silic hoặc cốt liệu đá vôi thì có thể áp dụng biểu đồ mà cho kết quả thiên về an toàn.

CHÚ DẪN
| 0 mm đến 120 mm | Chiều sâu đốt nóng bê tông tính từ bề mặt bị đốt nóng |
Hình A.1 - Nhiệt độ đốt nóng bê tông nặng dùng cốt liệu gốc silic trong các bản và tường có chiều cao tiết diện 40 mm, 60 mm, 80 mm, 100 mm và 120 mm khi có tác động lửa một phía

CHÚ DẪN:
| 0 mm đến 200 mm | Chiều sâu đốt nóng bê tông tính từ bề mặt bị đốt nóng |
Hình A.2 - Nhiệt độ đốt nóng bê tông nặng dùng cốt liệu gốc silic trong các bản và tường có chiều cao tiết diện 140 mm, 160 mm và 200 mm khi có tác động lửa một phía

CHÚ DẪN:
| 0 mm đến 200 mm | Chiều sâu đốt nóng bê tông tính từ bề mặt bị đốt nóng |
Hình A.3 - Nhiệt độ đốt nóng bê tông nặng dùng cốt liệu đá vôi trong các bản và tường có chiều cao tiết diện 40 mm, 60 mm, 80 mm và 120 mm khi có tác động lửa một phía

CHÚ DẪN:
| 0 mm đến 200 mm | Chiều sâu đốt nóng bê tông tính từ bề mặt bị đốt nóng |
Hình A.4 - Nhiệt độ đốt nóng bê tông nặng dùng cốt liệu đá vôi trong các bản và tường có chiều cao tiết diện 140 mm, 160 mm, 180 mm và 200 mm khi có tác động lửa một phía

CHÚ DẪN:
| 0 mm đến 120 mm | Chiều sâu đốt nóng bê tông tính từ bề mặt bị đốt nóng |
Hình A.5 - Nhiệt độ đốt nóng bê tông keramzit kết cấu dùng cốt liệu đá vôi trong các bản và tường có chiều cao tiết diện 40 mm, 60 mm, 80 mm, 100 mm và 120 mm khi có tác động lửa một phía

CHÚ DẪN:
| 0 mm đến 200 mm | Chiều sâu đốt nóng bê tông tính từ bè mặt bị đốt nóng |
Hình A.6 - Nhiệt độ đốt nóng bê tông keramzit kết cấu dùng cốt liệu đá vôi trong các bản và tường có chiều cao tiết diện 140 mm, 160 mm, 180 mm và 200 mm khi có tác động lửa một phía

| a) 60 min | b) 100 min |
Hình A.7 - Nhiệt độ đốt nóng bê tông nặng kết cấu dùng cốt liệu gốc silic trong các bản bê tông cốt thép toàn khối đổ trên tấm sóng khi có tác động lửa một phía trong 60 min và 100 min
Kích thước tính bằng milimét

| a) 120 min | b) 150 min |
Hình A.8 - Nhiệt độ đốt nóng bê tông nặng kết cấu dùng cốt liệu gốc silic trong các bản bê tông cốt thép toàn khối đổ trên tấm sóng khi có tác động lửa một phía trong 120 min và 150 min
Kích thước tính bằng milimét

Thời gian đốt nóng theo chế độ nhiệt tiêu chuẩn (min)
Hình A.9 - Nhiệt độ đốt nóng bê tông trong bản bê tông cốt thép nhiều lỗ rỗng và đặc làm từ bê tông nặng dùng cốt liệu đá vôi khi có tác động lửa một phía
Phụ lục B
(tham khảo)
Nhiệt độ đốt nóng bê tông trong cột dầm và sàn sườn khi có tác động theo chế độ nhiệt tiêu chuẩn của đám cháy
B.1 Bằng tính toán nhiệt kỹ thuật xác định được nhiệt độ đốt nóng của bê tông nặng dùng cốt liệu gốc silic có khối lượng thể tích từ 2 000 kg/m3 đến 2 400 kg/m3 và độ ẩm từ (2 ÷ 3) % khi có tác động của chế độ nhiệt tiêu chuẩn của đám cháy. Nhiệt độ đốt nóng bê tông nặng dùng cốt liệu đá vôi cần được xác định với hệ số 0,9, còn đối với bê tông keramzit kết cấu - với hệ số 0,85 theo giá trị nhiệt độ nêu trong các biểu đồ:
- Đối với cột có tiết diện:
(200 × 200) mm - các hình B.1 và B.2;
(300 × 300) mm - Hình B.3;
(400 × 400) mm - các hình B.4 và B.5;
- Đối với dầm tiết diện:
(160 × 320) mm - Hình B.7;
(300 × 600) mm - các hình B.8 và B.9;
- Đối với sàn sườn toàn khối có dầm tiết diện (160 × 320) mm và bản dày 100 mm - các hình B.10 và B.11;
(300 x 600) mm - 200 mm - các hình từ B.12 đến B.17;
- Đối với dầm chữ I với chiều rộng cánh 240 mm và bụng 80 mm - Hình B.18:
300 mm × 120 mm - Hình B.19;
400 mm × 120 mm - Hình B.20.
Khi không thể xác định được loại bê tông nặng dùng cốt liệu gốc silic hoặc cốt liệu đá vôi thì có thể áp dụng biểu đồ cho kết quả thiên về an toàn.
B.2 Nhiệt độ đốt nóng bê tông nêu trong các phụ lục A và B được dùng để tính toán khả năng chịu lửa và khả năng bảo toàn sau cháy của kết cấu bê tông cốt thép nhà ở, nhà dân dụng, thể thao, hành chính và công nghiệp.
B.3 Đối với kết cấu bê tông cốt thép lưu trữ chất lỏng cháy, thì giá trị nhiệt độ được phép nhân với hệ số 1,1, còn khi lưu trữ khí hydrocacbon - 1,2, trong các gian phòng kho lưu trữ cao su, vật liệu tổng hợp, bơ, sơn, sơn phủ, giấy, hạt rời và lúa mì - 1,25.
B.4 Nhiệt độ đốt nóng bê tông trong bản, dầm và cột với các kích thước trung gian cho phép được xác định bằng nội suy tuyến tính, với kích thước lớn hơn thì ngoại suy bằng phương pháp thích hợp.
B.5 Đối với cột tiết diện tròn thì nhiệt độ đốt nóng theo bán kính cột được phép xác định tương tự nhiệt độ theo trục chính của tiết diện cột vuông.
Kích thước tính bằng milimét

Hình B.1 - Nhiệt độ đốt nóng bê tông trong cột (200 × 200) mm khi có tác động lửa tử bốn phía trong 30 min và 60 min
Kích thước tính bằng milimét

Hình B.2 - Nhiệt độ đốt nóng bê tông trong cột (200 × 200) mm khi có tác động lửa từ bốn phía trong 90 min và 120 min
Kích thước tính bằng milimét

Hình B.3 - Biểu đồ trong bê tông cột (300 × 300) mm khi có tác động lửa từ bốn phía trong 30 min, 60 min, 90 min, 120 min, 180 min và 240 min
Kích thước tính bằng milimét

Hình B.4 - Nhiệt độ đốt nóng bê tông trong cột (400 × 400) mm khi có tác động lửa tử bốn phía trong 30 min và 60 min

Hình B.5 - Nhiệt độ đốt nóng bê tông trong cột (400 × 400) mm khi có tác động lửa từ bốn phía trong 90 min và 120 min

Hình B.6 - Nhiệt độ đốt nóng bê tông trong cột (400 × 400) mm khi có tác động lửa từ bốn phía trong 180 min và 240 min

Hình B.7 - Nhiệt độ đốt nóng bê tông trong dầm (160 × 320) mm khi có tác động lửa từ ba phía trong 30 min, 60 min, 90 min và 120 min

Hình B.8 - Biểu đồ đẳng nhiệt trong bê tông dầm (300 × 600) mm khi có tác động lửa từ ba phía trong 30 min, 60 min và 90 min

Hình B.9 - Biểu đồ đẳng nhiệt trong bê tông dầm (300 × 600) mm khi có tác động lửa từ ba phía trong 120 min, 180 min và 240 min
Kích thước tính bằng milimét

Hình B.10 - Nhiệt độ đốt nóng bê tông trong sàn sườn toàn khối với sườn (dầm) tiết diện (160 × 320) mm và chiều dày sàn 100 mm khi có tác động lửa trong 30 min và 60 min
Kích thước tính bằng milimét

Hình B.11 - Nhiệt độ đốt nóng bê tông trong sàn sườn toàn khối với sườn (dầm) tiết diện (160 × 320) mm và chiều dày sàn 100 mm khi có tác động lửa trong 90 min và 120 min
Kích thước tính bằng milimét

Hình B.12 - Nhiệt độ đốt nóng bê tông trong sàn sườn toàn khối với sườn (dầm) tiết diện (300 × 600) mm và chiều dày sàn 200 mm khi có tác động lửa trong 30 min
Kích thước tính bằng milimét

Hình B.13 - Nhiệt độ đốt nóng bê tông trong sàn sườn toàn khối với sườn (dầm) tiết diện (300 × 600) mm và chiều dày sàn 200 mm khi có tác động lửa trong 60 min
Kích thước tính bằng milimét

Hình B.14 - Nhiệt độ đốt nóng bê tông trong sàn sườn toàn khối với sườn (dầm) tiết diện (300 × 600) mm và chiều dày sàn 200 mm khi có tác động lửa trong 90 min
Kích thước tính bằng milimét

Hình B.15 - Nhiệt độ đốt nóng bê tông trong sàn sườn toàn khối với sườn (dầm) tiết diện (300 × 600) mm và chiều dày sàn 200 mm khi có tác động lửa trong 120 min
Kích thước tính bằng milimét

Hình B.16 - Nhiệt độ đốt nóng bê tông trong sàn sườn toàn khối với sườn (dầm) tiết diện (300 × 600) mm và chiều dày sàn 200 mm khi có tác động lửa trong 180 min
Kích thước tính bằng milimét

Hình B.17 - Nhiệt độ đốt nóng bê tông trong sàn sườn toàn khối với sườn (dầm) tiết diện (300 × 600) mm và chiều dày sàn 200 mm khi có tác động lửa trong 240 min
Kích thước tính bằng milimét

Hình B.18 - Nhiệt độ đốt nóng bê tông trong dầm chữ I có chiều dày sườn 80 mm và chiều rộng cánh 240 mm khi có tác động lửa trong 30 min và 60 min
Kích thước tính bằng milimét

Hình B.19 - Nhiệt độ đốt nóng bê tông trong dầm chữ I có chiều dày sườn 120 mm và chiều rộng cánh 300 mm khi có tác động lửa trong 30 min và 60 min
Kích thước tính bằng milimét

Hình B.20 - Nhiệt độ đốt nóng bê tông trong dầm chữ I có chiều dày sườn 120 mm và chiều rộng cánh 300 mm khi có tác động lửa trong 90 min và 120 min
Kích thước tính bằng milimét

Hình B.21 - Nhiệt độ đốt nóng bê tông trong dầm chữ I có chiều dày sườn 120 mm và chiều rộng cánh 400 mm khi có tác động lửa trong 30 min và 60 min
Kích thước tính bằng milimét

Hình B.22 - Nhiệt độ đốt nóng bê tông trong dầm chữ I có chiều dày sườn 120 mm và chiều rộng cánh 400 mm khi có tác động lửa trong 90 min và 120 min
Phụ lục C
(tham khảo)
Đánh giá giới hạn chịu lửa về mất tính toàn vẹn
C.1 Đánh giá chung
C.1.1 Giới hạn chịu lửa về mất tính toàn vẹn E được đặc trưng bởi sự hình thành các lỗ xuyên hoặc các vết nứt xuyên trong bê tông của kết cấu bê tông cốt thép do sự phá hoại giòn của nó (dạng nổ) khi cháy hoặc do sự phá hỏng cấu trúc của bê tông trong kết cấu khi bê tông bị đốt nóng theo chiều dày cấu kiện đến nhiệt độ tới hạn.
Khả năng xảy ra giới hạn chịu lửa về mất tính toàn vẹn E được đánh giá bằng thực nghiệm hoặc giải tích.
C.1.2 Khi các bản, tường, hoặc bụng các dầm chữ I bị đốt nóng hai phía, giới hạn chịu lửa về mất tính toàn vẹn với sự hình thành các vết nứt xuyên sẽ xảy ra nếu tiết diện bê tông bị đốt nóng theo chiều dày đến nhiệt độ đốt nóng tới hạn, khi cấu trúc bê tông hoàn toàn bị phá vỡ. Việc đánh giá khả năng mất tính toàn vẹn do xuất hiện bê tông bị nóng theo chiều dày quá nhiệt độ tới hạn khi cháy được tiến hành bằng cách phân tích nhiệt độ đốt nóng cấu kiện trên toàn bộ tiết diện (các phụ lục A và B). Nhiệt độ đốt nóng tới hạn của bê tông được nêu trong 8.1.7.
C.1.3 Sự phá hoại giòn dạng nổ khi cháy xuất hiện trong kết cấu bê tông và bê tông cốt thép làm từ bê tông nặng dùng cốt liệu gốc silic có độ ẩm lớn hơn 3 % đến 5 %, cốt liệu đá vôi có độ ẩm lớn hơn 4 %, bê tông keramzit nhẹ kết cấu có độ ẩm lớn hơn 5 % và khối lượng thể tích lớn hơn 1 200 kg/m3, bê tông cường độ cao hơn B60, cũng như trong bản, tường và bụng dầm chữ I khi bê tông trong tiết diện tính toán bị đốt nóng hai phía cao hơn nhiệt độ đốt nóng tới hạn.
Sự phá hoại giòn dạng nổ bắt đầu sau 5 min đến 15 min từ lúc bắt đầu tác động lửa, kéo dài trong vòng 20 min đến 45 min, dưới dạng các mảnh vỡ từ bề mặt kết cấu bị đốt nóng với diện tích từ 1 cm2 đến (0,5 ÷ 1,0) m2 và chiều dày đến 15 mm, kèm theo tiếng lách tách mạnh hoặc "nổ”. Sự giật vỡ ở ngay trong một vùng kết cấu có thể lặp lại nhiều lần với khoảng thời gian lặp từ 5 min đến 15 min, dẫn đến sự giảm chiều dày tiết diện kết cấu, sự đốt nóng mạnh và thậm chí nung chảy cốt thép khi chúng bị phơi lộ ra do mất đi bê tông lớp mặt ngoài.
C.1.4 Sự phá hoại giòn dạng nổ khi cháy dẫn đến sự suy giảm giới hạn chịu lửa vì:
- Sự giảm kích thước tiết diện bê tông của kết cấu;
- Sự tăng ứng suất trong phần tiết diện bị hư hỏng;
- Sự giảm chiều dày hoặc phá hoại hoàn toàn lớp bê tông bảo vệ;
- Sự đốt nóng mạnh cốt thép hở cao hơn nhiệt độ tới hạn;
- Sự hình thành các vết nứt và các lỗ xuyên trong kết cấu thành mỏng có chiều dày 40 mm đến 100 mm (bụng dầm chữ I, bản sàn và mái, sườn của các bản sản sườn).
Nguyên nhân phá hoại giòn dạng nổ của bê tông khi cháy là sự hình thành các vết nứt trong cấu trúc bê tông và sự phát triển không cân bằng các vết nứt này dưới tác động của ngoại lực đốt nóng không đều và nội áp lực do hơi nước bị kìm hãm theo chiều dày tiết diện cấu kiện.
C.1.5 Sự phá hoại giòn dạng nổ của bê tông khi cháy phụ thuộc vào thành phần, cấu trúc và độ ẩm của bê tông; nhiệt độ và tốc độ đốt nóng khi cháy; các điều kiện biên của kết cấu và ngoại tải, nghĩa là sự phá hoại giòn này phụ thuộc vào vật liệu (bê tông) cũng như loại kết cấu bê tông hoặc bê tông cốt thép.
C.1.6 Khi thiết kế cần đánh giá khả năng xuất hiện phá hoại giòn dạng nổ của bê tông khi cháy và ảnh hưởng của nó đến giới hạn chịu lửa của kết cấu bê tông và bê tông cốt thép, có biện pháp ngăn ngừa sự phá hoại giòn của bê tông kết cấu về tổng thể.
Nguy cơ phá hoại giòn bê tông thực tế có thể giảm đến tối thiểu khi thực hiện các biện pháp thích hợp.
Đánh giá khả năng xuất hiện phá hoại giòn dạng nổ của bê tông trong kết cấu bê tông cốt thép khi cháy cho phép được tiến hành theo Hình C.1 theo ứng suất nén không phụ thuộc vào loại bê tông.

Hình C.1 - Quan hệ giữa sự phá hoại giòn của bê tông với ứng suất nén trong bê tông và chiều dày cấu kiện
C.2 Đánh giá tổng thể khả năng phá hoại giòn của bê tông khi cháy
C.2.1 Đánh giá tổng thể khả năng phá hoại giòn của bê tông khi cháy ở giai đoạn thiết kế chỉ có thể tiến hành được nếu đã biết thành phần bê tông.
Khả năng phá hoại giòn khi chảy của bê tông đóng rắn tự nhiên được đánh giá theo giá trị tiêu chí phá hoại giòn F, được xác định theo công thức:
|
| (C.1) |
trong đó:
| a | là hệ số tỷ lệ, bằng 1,16x10-2 Wm5/2/kg; |
| αb,T | là hệ số giãn nhiệt của bê tông, °C-1; |
| Eb,T | là mô đun đàn hồi của bê tông bị đốt nóng, MPa; |
| ρ | là khối lượng thể tích của bê tông, kg/m3; |
|
| là hệ số mật độ giả ứng suất của vật liệu không đồng nhất, MNm-3/2 (xem Bảng C.5); |
| P | là tổng độ rỗng của bê tông, m3/m3; |
| λ | là hệ số dẫn nhiệt của bê tông, W/(m·°C), được xác định theo các công thức (9), (10), (11) đối với nhiệt độ bê tông 200 °C; |
| Wser | là độ ẩm sử dụng theo thể tích, m3/m3. |
Giá trị các hệ số αb,T, Eb,T và λ được xác định theo các bảng từ C.1 đến C.3 đối với nhiệt độ trung bình của bê tông từ 200 °C đến 300 °C.
Hệ số giãn nhiệt của bê tông đóng rắn tự nhiên αb,T phụ thuộc vào loại và hàm lượng cốt liệu lớn trong bê tông được nêu trong Bảng C.1.
Bảng C.1 - Hệ số giãn nhiệt của bê tông đóng rắn tự nhiên αb,T
| Loại cốt liệu | Giá trị αb T·106, 1/°C, với hàm lượng cốt liệu lớn trong bê tông, % | ||
| 40 | 60 | 80 | |
| 1. Cát tự nhiên và đá granit | 9,2 | 9,3 | 9,5 |
| 2. Cát tự nhiên và đá vôi | 6,2 | 5,2 | 4,4 |
| 3. Cát vôi và đá | 4,7 | 4,3 | 4,0 |
| 4. Cát tự nhiên và cốt liệu keramzit lớn | 8,0 | 7,6 | 7,2 |
| CHÚ THÍCH: Đối với bê tông xử lý nhiệt ẩm thì giá trị αb,T được tăng lên 1,1 lần. | |||
Mô đun đàn hồi của bê tông bị đốt nóng đến (200 ÷ 300) °C phụ thuộc vào cấp cường độ chịu nén thiết kế của bê tông được nêu trong Bảng C.2.
Bảng C.2 - Mô đun đàn hồi của bê tông bị đốt nóng Eb,T
| Bê tông | Giá trị EbT·10-4, MN/m2, với bê tông cấp cường độ chịu nén | ||||||||
| B7,5 | B15 | B22,5 | B30 | B40 | B45 | B55 | B60 | ||
| 1. Bê tông nặng | 1,0 | 1,4 | 1,7 | 2,0 | 2,2 | 2,3 | 2,3 | 2,4 | |
| 2. Bê tông cốt liệu rỗng với khối lượng thể tích, kg/m3 | 1 400 | 0,6 | 0,7 | 0,8 | - | - | - | - | - |
| 1 800 | 0,7 | 0,9 | 1,1 | 1,2 | - | - | - | - | |
| 2 200 | - | 1,1 | 1,3 | 1,4 | - | - | - | - | |
| CHÚ THÍCH: Đối với bê tông xử lý nhiệt ẩm dưới áp suất khí quyển thì giá trị Eb,T trong bảng được nhân thêm với 0,9, đối với bê tông chưng áp thì nhân thêm với 0,77. | |||||||||
Hệ số dẫn nhiệt của bê tông λ đối với nhiệt độ trung bình từ 200 °C đến 300 °C phụ thuộc vào loại và hàm lượng cốt liệu lớn được nêu trong Bảng C.3.
Bảng C.3 - Hệ số dẫn nhiệt của bê tông λ
| Loại cốt liệu | Giá trị λ, W/(m°C), với hàm lượng cốt liệu lớn trong bê tông, % | |
| 40 | 60 | |
| 1. Cát tự nhiên và đá granit | 1,9 | 2,3 |
| 2. Cát tự nhiên và đá vôi | 1,3 | 2,0 |
| 3. Cát vôi và đá | 0,9 | 1,4 |
| 4. Cát tự nhiên và cốt liệu keramzit lớn | 0,4 | 0,3 |
Tổng độ rỗng P của bê tông với cốt liệu đặc chắc phụ thuộc vào tỷ lệ nước/xi măng N/X và lượng dùng xi măng X được nêu trong Bảng C.4.
Bảng C.4 - Tổng độ rỗng của bê tông cốt liệu đặc chắc P
| Tỉ lệ N/X | Giá trị P , m3/m3, khi lượng dùng xi măng X, kg/m3 | ||
| 300 | 400 | 500 | |
| 0,3 | 0,07 | 0,10 | 0,12 |
| 0,5 | 0,09 | 0,12 | 0,15 |
| 0,7 | 0,16 | 0,20 | 0,25 |
Tổng độ rỗng P của bê tông dùng cốt liệu đặc chắc có thể được xác định theo công thức:
- Khi tỷ lệ N/X ≥ 0,4:
|
| (C.2) |
- Khi tỷ lệ N/X < 0,4:
|
| (C.3) |
Đối với bê tông dùng cốt liệu rỗng thì tổng độ rỗng P' được tăng lên một lượng bằng tích của giá trị độ rỗng của cốt liệu Padm và hàm lượng cốt liệu theo thể tích trong bê tông Vadm, nghĩa là trong trường hợp này:
| P’ = P + VadmPadm | (C.4) |
trong đó:
| P' | là tổng độ rỗng của bê tông dùng cốt liệu rỗng; |
| Vadm | là hàm lượng cốt liệu theo thể tích trong bê tông; |
| Padm | là tổng độ rỗng của cốt liệu. |
Hệ số mật độ giả ứng suất
đối với bê tông dùng xi măng poóc lăng lấy theo Bảng C.5 phụ thuộc vào loại và lượng cốt liệu.
Bảng C.5 - Hệ số
cho bê tông đóng rắn tự nhiên
| Loại cốt liệu | Lượng cốt liệu lớn, % | Giá trị |
| 1. Cát và đá granit tự nhiên | ≥ 50 | 0,53 |
| ≤ 20 | 0,42 | |
| 2. Cát tự nhiên và cốt liệu keramzit | - | 0,31 |
| 3. Cát tự nhiên và đá vôi | ≥ 50 | 0,44 |
| ≤ 20 | 0,35 | |
| CHÚ THÍCH 1: Giá trị của CHÚ THÍCH 2: Đối với bê tông xử lý nhiệt ẩm, giá trị | ||
Độ ẩm sử dụng theo thể tích Wser của bê tông dùng cốt liệu đặc chắc được xác định như là độ ẩm cân bằng trung bình theo khối lượng theo công thức:
| Wser = Wb ρ·10-3 | (C.5) |
trong đó:
Wb là độ ẩm cân bằng của bê tông theo khối lượng, kg/kg:
ρ là khối lượng thể tích của bê tông ở trạng thái khô, kg/m3.
Độ ẩm cân bằng của bê tông theo khối lượng Wb lấy theo Bảng C.6 phụ thuộc vào độ ẩm tương đối của không khí φ, nơi kết cấu đang xét làm việc, và vào lượng dùng xi măng.
Bảng C.6 - Độ ẩm cân bằng của bê tông theo khối lượng
| Lượng dùng xi măng cho 1 m3 bê tông, kg | Giá trị Wb ·102, kg/kg, với độ ẩm tương đối tính toán của không khí φ, % | |||
| 15 | 25 | 50 | 75 | |
| 200 | 0,5 | 0,6 | 0,9 | 1,2 |
| 300 | 0,9 | 1,0 | 1,3 | 2,5 |
| 400 | 1,2 | 1,5 | 2,1 | 3,0 |
| 500 | 1,5 | 2,0 | 2,7 | 3,8 |
| 700 | 2,1 | 3,0 | 3,9 | 5,4 |
Khi sử dụng cốt liệu rỗng thì độ ẩm của bê tông được tăng thêm một lượng bằng:
| Wser,adm = VadmWb,adm · ρ · 10-3 | (C.6) |
trong đó:
| Wser,adm | là phần độ ẩm sử dụng của bê tông theo thể tích gây bởi sự có mặt của cốt liệu lớn rỗng, m3/m3; |
| Vadm | là thể tích tương đối của cốt liệu rỗng trong bê tông; |
| ρ | là khối lượng thể tích của bê tông ở trạng thái khô; |
| Wb,adm | là độ ẩm cân bằng của cốt liệu theo khối lượng, kg/kg. |
Đối với bê tông keramzit thì độ ẩm cân bằng trung bình theo khối lượng Wb,adm lấy theo Bảng C.7 phụ thuộc vào độ ẩm tính toán tương đối của không khí φ của gian phòng, nơi kết cấu bê tông hoặc bê tông cốt thép làm việc.
Bảng C.7 - Độ ẩm cân bằng theo khối lượng của keramzit Wb,adm
| Độ ẩm tương đối của không khí φ, % | Độ ẩm cân bằng của bê tông keramzit wb,adm, kg/kg |
| 15 | 0,006 |
| 25 | 0,0075 |
| 50 | 0,012 |
| 75 | 0,015 |
| 100 | 0,028 |
Độ ẩm tương đối tính toán của không khí φ trong các gian phòng nhà ở lấy bằng 75 %.
Độ ẩm tương đối tính toán của không khí φ trong các gian phòng nhà công nghiệp lấy phụ thuộc vào độ ẩm không khí trong gian phòng theo Bảng C.8.
Bảng C.8 - Độ ẩm tương đối tính toán của không khí φ trong các gian phòng nhà công nghiệp
| Độ ẩm không khí trong gian phòng, % | Giá trị φ, % |
| 60 đến 90 | 75 |
| 30 đến 60 | 45 |
| 10 đến 30 | 15 |
Khi kết cấu bê tông cốt thép làm việc trong điều kiện ẩm hoặc trong tháng đầu tiên của quá trình đóng rắn tự nhiên, khi tất cả các lỗ rỗng và mao dẫn được lấp đầy bằng nước, thì độ ẩm cân bằng lớn nhất của bê tông theo khối lượng được xác định theo công thức:
|
| (C.7) |
trong đó:
| P | là độ rỗng của bê tông; |
| ρw | là khối lượng thể tích của nước, bằng 1 000 kg/m3; |
| ρ1 | là khối lượng thể tích của bê tông ẩm tự nhiên. |
Độ ẩm lớn nhất của bê tông được theo dõi thấy ngay sau khi chế tạo kết cấu bê tông cốt thép, trong quá trình bê tông đóng rắn thì bê tông khô dần. Vì vậy, phải xem xét khả năng phá hoại giòn của bê tông khi cháy trong thời gian thi công và khi đưa công trình vào sử dụng, cũng như trong quá trình khai thác sử dụng công trình phụ thuộc vào độ ẩm tương đối tính toán của không khí φ.
Xác định khả năng phá hoại giòn của bê tông khi cháy theo giá trị tiêu chí F như sau:
- Khi F ≤ 4 thì bê tông sẽ không bị phá hoại giòn dạng nổ khi cháy và không cần các biện pháp bổ sung về bảo vệ kết cấu tránh phá hoại giòn khi cháy.
- Khi 4 < F < 6 thì bê tông sẽ bị phá hoại giòn khi cháy trong các kết cấu có ứng suất nén do tải trọng dài hạn tiêu chuẩn tại thớ bê tông chịu nén ngoài cùng hoặc trong các cấu kiện có chiều dày nhỏ hơn 40 mm. Phải thực hiện việc kiểm tra tiếp theo về khả năng phá hoại giòn bê tông trong kết cấu theo C.3.1.
- Khi F ≥ 6 thì phá hoại giòn bê tông khi cháy là khó tránh khỏi. Phải tiến hành các biện pháp theo C.4.1 và C.4.2.
C.2.2 Việc kết luận về khả năng phá hoại giòn bê tông khi cháy trong các kết cấu không chịu lực được thực hiện dựa trên các giá trị trung bình của độ ẩm tới hạn của bê tông theo khối lượng Wbcr, bằng:
2 % - đối với bê tông nặng cốt liệu gốc silic;
3 % - đối với bê tông nặng dùng cốt liệu lớn gốc granit;
4 % - đối với bê tông nặng dùng cốt liệu lớn đá vôi;
5 % - đối với bê tông nhẹ kết cấu dùng cốt liệu lớn rỗng.
Nếu độ ẩm sử dụng của bê tông Wser < Wb,cr ρ · 10-3 thì sẽ không xảy ra phá hoại giòn bê tông khi cháy.
C.3 Kiểm tra khả năng phá hoại giòn bê tông trong kết cấu khi cháy
C.3.1 Bê tông có giá trị tiêu chí 4 < F < 6 được kiểm tra về khả năng phá hoại giòn trong kết cấu khi cháy, nếu trong quá trình sử dụng mà trong kết cấu bê tông cốt thép có xuất hiện ứng suất nén (do tải trọng dài hạn tiêu chuẩn) tại thớ bê tông ngoài cùng từ phía tác động của đám cháy.
Khả năng phá hoại giòn của bê tông khi cháy được đánh giá như sau.
Từ tải trọng dài hạn tiêu chuẩn, xác định giá trị ứng suất nén tại thớ bê tông chịu nén ngoài cùng mà khi cháy nó có thể bị chịu tác động lửa.
Tính giá trị độ ẩm tới hạn theo khối lượng của bê tông Wb,cr theo công thức:
|
| (C.8) |
trong đó:
| c | là hệ số tỷ lệ, bằng 0,58 W·m/(MN·°C); |
| P | là tổng độ rỗng của bê tông, m3/m3; |
| Rbtn | là cường độ chịu kéo dọc trục tiêu chuẩn của bê tông, MN/m2; |
| λ | là hệ số dẫn nhiệt của bê tông, W/(m-°C); |
| σb | là ứng suất nén tính toán do tải trọng dài hạn tiêu chuẩn tác dụng lên bề mặt kết cấu mà khi cháy có thể bị chịu tác động lửa, MPa. |
Đối với bê tông đã qua xử lý nhiệt, giá trị thu được Wb,cr cần được giảm xuống 1,4 lần.
Giá trị Wb,cr sẽ được so sánh với giá trị độ ẩm sử dụng theo thể tích Wser đã được xác định theo công thức (C.5).
Nếu Wser > Wb,cr thì bê tông tráng kết cấu sẽ bị phá hoại giòn khi cháy. Trong trường hợp này phải tiến hành các biện pháp bảo vệ bê tông khỏi sự. phá hoại giòn khi cháy theo C.4.1, C.4.2 hoặc giảm ứng suất nén trong bê tông đến giá trị n · σb.
Giá trị hệ số giảm n phụ thuộc vào ứng suất nén tương đối tại thớ bê tông ngoài cùng được nêu trong Bảng C.9.
Bảng C.9 - Hệ số giảm n
| Ứng suất nén tương đối tại thớ bê tông ngoài cùng | Giá trị n |
| 0,0 | 1,00 |
| 0,1 | 0,95 |
| 0,3 | 0,85 |
| 0,5 | 0,80 |
| 0,7 | 0,70 |
| 0,9 | 0,65 |
Nếu Wser < Wb,cr thì bê tông của kết cấu này không bị phá hoại giòn khi cháy.
C.3.2 Để đánh giá sự phá hoại giòn của bê tông trong kết cấu chịu lực khi cháy, có thể sử dụng giá trị trung bình của độ ẩm tới hạn của bê tông theo khối lượng như đã nêu trong C.2.2. Khi đó, giá trị độ ẩm tới hạn của bê tông theo khối lượng cần được nhân với giá trị tương ứng của hệ số n phụ thuộc vào ứng suất nén tương đối tại thớ bê tông ngoài cùng mà bị đốt nóng trong khi chịu tải trọng dài hạn tiêu chuẩn.
C.3.3 Nếu bê tông có giá trị tiêu chí nằm trong khoảng 4 < F < 6 thì chiều dày tối thiểu của cấu kiện kết cấu lấy theo Bảng. C.10 phụ thuộc vào ứng suất nén tương đối.
Bảng C.10 - Chiều dày tối thiểu của cấu kiện
| Ứng suất nén tương đối σb/Rbn | Chiều dày tối thiểu của cấu kiện kết cấu, mm |
| 0,0 | 40 |
| 0,2 | 50 |
| 0,4 | 60 |
| 0,6 | 70 |
| 0,8 | 80 |
| 0,9 | 90 |
Giá trị tiêu chí phá hoại giòn của bê tông F phụ thuộc vào tính chất vật lý và độ ẩm sử dụng theo thể tích của bê tông. Độ ẩm bê tông càng lớn thì giá trị tiêu chí phá hoại giòn càng lớn và nguy cơ phá hoại giòn bê tông khi cháy cũng càng lớn.
C.3.4 Khi thiết kế kết cấu bê tông và bê tông cốt thép, lựa chọn trước cấp cường độ thiết kế của bê tông, còn thành phần của nó không được quy định. Do đó, việc xác định tiêu chí phá hoại giòn bê tông ở giai đoạn thiết kế là không, thể thực.hiện được.
Vì vậy, ở giai đoạn thiết kế, phải đưa rõ ràng giới hạn điều kiện ẩm khi sử dụng kết cấu bê tông. Nếu độ ẩm sử dụng của kết cấu chọn trước lớn hơn giá trị tới hạn của độ ẩm bê tông theo khối lượng Wb,cr nêu trong C.2.2, thì phải có các biện pháp bảo vệ kết cấu bê tông và bê tông cốt thép khỏi sự phá hoại giòn khi cháy.
C.3.5 Đối với dầm, bản và các cấu kiện chịu kéo, khi độ ẩm của bê tông lớn hơn độ ẩm tới hạn theo khối lượng Wb,cr thì ảnh hưởng của sự phá hoại giòn dạng nổ đến giới hạn chịu lửa về khả năng chịu lực R được kể đến một cách ước lượng như sau: Sự phá hoại cục bộ lớp bê tông bảo vệ được lấy bằng sự mất mát của một thanh thép hoặc một hàng thanh thép nằm gần biên bị đốt nóng của tiết diện cấu kiện (phụ thuộc vào sơ đồ bố trí cốt thép của cấu kiện hoặc kết cấu: đối với kết cấu dạng bản - một thanh cốt thép chịu lực, đối với dầm - một hàng cốt thép bị đốt nóng nhiều nhất), tiếp theo là kiểm tra sự mất khả năng chịu lực của tiết diện.
Nhiệt độ đốt nóng của các thanh cốt thép khác lấy không kể đến sự phá hoại lớp bê tông bảo vệ.
Không yêu cầu thực hiện việc kiểm tra này đối với kết cấu mà đã được thực nghiệm chứng minh hoặc có biện pháp bảo vệ chịu lửa bổ sung đã được thử nghiệm chứng minh là không bị phá hoại giòn.
C.4 Các biện pháp bảo vệ chống phá hoại giòn cho kết cấu bê tông và bê tông cốt thép
C.4.1 Đối với kết cấu bê tông và bê tông cốt thép được thiết kế bằng bê tông có giá trị tiêu chí phá hoại giòn F > 4, kết cấu làm từ bê tông cường độ cao B60 trở lên, cũng như kết cấu làm việc trong điều kiện độ ẩm nâng cao (kết cấu ngầm và tương tự) lớn hơn 3 % thì cần có các biện pháp bảo vệ chống phá hoại giòn dạng nổ khi cháy.
C.4.2 Các biện pháp bảo vệ kết cấu bê tông và bê tông cốt thép chống phá hoại giòn khi cháy chia thành 3 nhóm:
Nhóm I: Các biện pháp tránh hoàn toàn được sự phá hoại giòn bê tông khi cháy;
Nhóm II: Các biện pháp làm giảm khả năng phá hoại giòn;
Nhóm III: Các biện pháp kiểm tra định kỳ.
C.4.3 Nhóm biện pháp I:
- Khi thiết kế, giới hạn độ ẩm sử dụng trong gian phòng đến giá trị mà ở đó trong trường hợp cháy sự phá hoại giòn bê tông không xảy ra, và kiểm tra định kỳ (quan trắc) độ ẩm trong gian phòng trong quá trình khai thác sử dụng nhà và công trình;
- Đặt lưới thép chống vỡ bê tông ở lớp bề mặt bị đốt nóng của kết cấu tại khoảng cách không nhỏ hơn 15 mm tính từ bề mặt bị đốt nóng. Khi đó, sử dụng các lưới sợi thép đường kính không lớn hơn 4 mm với ô lưới không lớn hơn 75 mm;
- Sử dụng lớp vữa bảo vệ chịu lửa dùng cốt liệu perlite và vermiculite có chiều dày không nhỏ hơn 20 mm và trát nó lên bề mặt bê tông cần bảo vệ trên lưới thép. Khi đó, chiều dày lớp vữa bảo vệ chịu lửa cần được tính toán hoặc thử nghiệm thích hợp có kể đến giới hạn chịu lửa bản thân của kết cấu bê tông cốt thép;
- Bổ sung sợi polypropylen vào bê tông với lượng không nhỏ hơn 1 kg/m3. Khi đó, cần kể đến sự suy giảm các đặc trưng độ bền của bê tông do bổ sung sợi polypropylen. số liệu thực nhiệm về tỷ lệ suy giảm cường độ chịu nén và chịu kéo khi uốn của bê tông nặng dùng cốt liệu granit cấp B45 có bổ sung sợi polypropylen 1 kg/m3, tính bằng %, so với cường độ bê tông tương tự nhưng không có sợi ở trạng thái nguội sau cháy được nêu trong Bảng C.11. Sợi polypropylen không phải là sợi kết cấu và chỉ thực hiện chức năng bảo vệ chống phá hoại giòn bê tông khi cháy.
Bảng C.11 - Tỷ lệ suy giảm cường độ đối với bê tông nặng cốt liệu granit cấp B45 khi bổ sung sợi polypropylen với lượng 1 kg/m3 ở trạng thái nguội sau khi đốt nóng
| Loại cường độ bê tông | Tỷ lệ suy giảm cường độ, %, đối với bê tông nặng cốt liệu granit cấp B45 khi bổ sung sợi polypropylen với lượng 1 kg/m3 ở trạng thái nguội sau khi đốt nóng đến nhiệt độ, °C | ||||||
| 20 | 100 | 200 | 300 | 400 | 500 | 600 | |
| 1. Cường độ chịu nén | 15 | 14 | 13 | 12 | 13 | 23 | 35 |
| 2. Cường độ chịu kéo khi uốn | 18 | 17 | 3 | 7 | 15 | 7 | 8 |
C.4.4 Nhóm biện pháp II:
- Sử dụng cốt liệu lớn có hệ số giãn nhiệt thấp (đá vôi, bazan, diabas) thay thế granit;
- Thay thế một phần (không ít hơn 1/3) hoặc toàn phần cát tự nhiên bằng cát từ đá vôi, bazan, diabas, sienit hoặc diorit;
- Sử dụng bê tông cốt liệu sa mốt;
- Sử dụng các thành phần bê tông với lượng dùng chất kết dính hạn chế (poóc lăng không lớn hơn 400 kg/1 m3 hỗn hợp bê tông) và tỉ lệ N/X giảm (N/X ≥ ≤ 0,5);
- Sử dụng bê tông cốt liệu nhẹ;
- Sử dụng bê tông trên nền xi măng poóc lăng xỉ.
C.4.5 Nhóm biện pháp III:
- Tăng mức an toàn cháy bằng cách đảm bảo khả năng loại trừ được đám cháy ở giai đoạn đầu;
- Trong kết cấu bê tông cốt thép, sử dụng lượng cốt thép có cùng diện tích tiết diện tổng cộng nhưng với các thanh có đường kính nhỏ hơn;
- Sử dụng tiết diện ngang kết cấu không có góc lồi (ví dụ cột tiết diện tròn hoặc cột tiết diện vát góc thay vì cột tiết diện chữ nhật hoặc vuông);
Có thể sử dụng các biện pháp khác để bảo vệ kết cấu bê tông và bê tông cốt thép chống phá hoại giòn khi cháy khi có luận chứng bằng thực nghiệm.
C.5 Sự phá hoại giòn dạng nổ bê tông cường độ cao
C.5.1 Khi đánh giá khả năng chịu lửa của kết cấu làm từ bê tông cường độ cao cáp B60 trở lên cần kể đến sự phá hoại giòn dạng nổ của bê tông cường độ cao khi cháy mà dẫn đến xảy ra sớm giới hạn chịu lửa về mất khả năng chịu lực do giảm chiều dày lớp bê tông bảo vệ trên diện tích rộng (đến 60 % ÷ 80 %) diện tích bề mặt kết cấu và tăng tốc độ đốt nóng tiết diện. Khi thiết kế kết cấu bê tông cốt thép làm từ bê tông cường độ cao phải dự tính biện pháp bảo vệ khỏi phá hoại giòn khi cháy theo C.5.2.
Cần kể đến việc giới hạn chịu lửa về mất khả năng chịu lực của bản sàn làm từ bê tông cường độ cao dùng cốt liệu granit có phụ gia silicafume 20 min ít hơn giới hạn chịu lửa của kết cấu tương tự làm từ bê tông nặng thông thường.
C.5.2 Khi thiết kế kết cấu bê tông và bê tông cốt thép làm từ bê tông cường độ cao thì sử dụng các biện pháp bảo vệ chống phá hoại giòn khi cháy sau đây:
- Sử dụng bê tông có hàm lượng silic nhỏ hơn 6 % (việc giới hạn hàm lượng silic hữu cơ cần được chỉ rõ trong hồ sơ thiết kế);
- Sử dụng loại bê tông cường độ cao mà đã được chứng minh bằng thực nghiệm (bằng thử nghiệm chịu lửa kết cấu tấm lớn) là không xảy ra sự phá hoại giòn bê tông khi cháy;
- Bố trí cốt thép cấu tạo bổ sung cho lớp bê tông bảo vệ từ phía bề mặt bị đốt nóng bằng lưới sợi thép chống vỡ bê tông theo C.4.3. Chiều dày lớp bê tông bảo vệ đến cốt thép chịu lực phải lớn hơn 40 mm;
- Trát lên bề mặt bê tông bị đốt nóng một lớp bảo vệ chịu lửa đã được thử nghiệm về tính hiệu quả;
- Bổ sung vào hỗn hợp bê tông một lượng sợi polypropylen không ít hơn 1 kg/m3. Khi đó, phải kể đến việc thêm sợi nhỏ polypropylen làm giảm cường độ của nó đi 15 %.
Có thể sử dụng phương pháp thực nghiệm khác đã được kiểm chứng.
Thư mục tài liệu tham khảo
[1] QCVN 06:2022/BXD (được sửa đổi, bổ sung tại Sửa đổi 1:2023 QCVN 06:2022/BXD), Quy chuẩn kỹ thuật quốc gia về An toàn cháy cho nhà và công trình.
[2] QCVN 03:2022/BXD, Quy chuẩn kỹ thuật quốc gia về Phân cấp công trình phục vụ thiết kế xây dựng.
[1] Đang được biên soạn thành TCVN
Bạn chưa Đăng nhập thành viên.
Đây là tiện ích dành cho tài khoản thành viên. Vui lòng Đăng nhập để xem chi tiết. Nếu chưa có tài khoản, vui lòng Đăng ký tại đây!









