- Tổng quan
- Nội dung
- Tiêu chuẩn liên quan
- Lược đồ
- Tải về
Tiêu chuẩn TCVN 4085:2025 Thi công kết cấu khối xây - Yêu cầu kỹ thuật
| Số hiệu: | TCVN 4085:2025 | Loại văn bản: | Tiêu chuẩn Việt Nam |
| Cơ quan ban hành: | Bộ Khoa học và Công nghệ | Lĩnh vực: | Xây dựng |
| Trích yếu: | Thi công kết cấu khối xây - Yêu cầu kỹ thuật | ||
|
Ngày ban hành:
Ngày ban hành là ngày, tháng, năm văn bản được thông qua hoặc ký ban hành.
|
31/12/2025 |
Hiệu lực:
|
Đã biết
|
| Người ký: | Đang cập nhật |
Tình trạng hiệu lực:
Cho biết trạng thái hiệu lực của văn bản đang tra cứu: Chưa áp dụng, Còn hiệu lực, Hết hiệu lực, Hết hiệu lực 1 phần; Đã sửa đổi, Đính chính hay Không còn phù hợp,...
|
Đã biết
|
TÓM TẮT TIÊU CHUẨN VIỆT NAM TCVN 4085:2025
Nội dung tóm tắt đang được cập nhật, Quý khách vui lòng quay lại sau!
Tải tiêu chuẩn Việt Nam TCVN 4085:2025
TIÊU CHUẨN QUỐC GIA
TCVN 4085:2025
THI CÔNG KẾT CẤU KHỐI XÂY - YÊU CẦU KỸ THUẬT
Execution of masonry structures - Technical requirements
Lời nói đầu
TCVN 4085:2025 thay thế TCVN 4085:2011.
TCVN 4085:2025 được xây dựng trên cơ sở tham khảo SP 70.13330.2012 Load-bearing and separating constructions.
TCVN 4085:2025 do Viện Khoa học công nghệ xây dựng biên soạn, Bộ Xây dựng đề nghị, Ủy ban Tiêu chuẩn Đo lường Chất lượng Quốc gia thẩm định, Bộ Khoa học và Công nghệ công bố.
Lời giới thiệu
Cơ sở tham khảo chính để xây dựng TCVN 4085:2025 là SP 70.13330.2012 Load-bearing and separating constructions (Kết cấu chịu lực và bao che) và bổ sung lần cuối vào năm 2020, trong đó có một số nội dung hài hòa với tiêu chuẩn châu Âu và một số nội dung phù hợp hơn với các loại vật liệu hiện hành.
Trong TCVN 4085:2025 có nhiều điểm mới đáng được quan tâm chú ý, trong đó có cập nhật các tiêu chuẩn quốc gia về vật liệu khối xây như gạch, blốc bê tông các loại trong đó có một số vật liệu mới như bê tông khí chưng áp, blôc bê tông nhẹ polystyrene; vữa xây; thép cốt tại Việt Nam; phân loại các viên xây; cập nhật và điều chỉnh một số thuật ngữ trong tiêu chuẩn cho phù hợp; yêu cầu về chiều cao xây tối đa của các bức tường dạng khối xây đứng tự do, yêu cầu kỹ thuật cho việc gia cường kết cấu khối xây của công trình cải tạo và bị hư hỏng.
Ngoài ra, tiêu chuẩn cũng cập nhật lại các giá trị về độ sai lệch giới hạn cho các loại khối xây.
THI CÔNG KẾT CẤU KHỐI XÂY - YÊU CẦU KỸ THUẬT
Execution of masonry structures - Technical requirements
1 Phạm vi áp dụng
Tiêu chuẩn này áp dụng cho thi công các kết cấu khối xây và khối xây có cốt thép làm từ gạch, blốc (đất sét nung, bê tông) và đá tự nhiên (đá hộc, cưa, đẽo) và vữa xây dựng thông thường trong xây dựng nhà và công trình.
Tiêu chuẩn này không áp dụng cho thi công kết cấu khối xây sử dụng vữa mạch mỏng và vữa xi măng polymer.
Khi thi công kết cấu khối xây và khối xây có cốt thép cho các loại kết cấu đặc biệt hoặc ở những nơi có điều kiện đặc biệt, ngoài việc thực hiện theo các yêu cầu của tiêu chuẩn này, cần xét đến những yêu cầu bổ sung trong các tiêu chuẩn tương ứng phù mà trong đó phản ánh các đặc thù về sự làm việc của các kết cấu hoặc điều kiện làm việc này.
2 Tài liệu viện dẫn
Các tài liệu viện dẫn sau rất cần thiết cho việc áp dụng tiêu chuẩn này. Đối với các tài liệu viện dẫn ghi năm công bố thì áp dụng phiên bản được nêu. Đối với các tài liệu viện dẫn không ghi năm công bố thì áp dụng phiên bản mới nhất, bao gồm cả các sửa đổi, bổ sung (nếu có).
TCVN 1450, Gạch rỗng đất sét nung
TCVN 1451, Gạch đặc đất sét nung
TCVN 1651-1, Thép cốt cho bê tông - Phần 1: Thép thanh tròn trơn
TCVN 1651-2, Thép cốt cho bê tông- Phần 2: Thép thanh vằn
TCVN 2118, Gạch canxi silicat - Yêu cầu kỹ thuật
TCVN 2231, Vôi canxi cho xây dựng
TCVN 2682, Xi măng pooc lăng
TCVN 3121 (tất cả các phần), Vữa xây dựng - Phương pháp thử
TCVN 4314, Vữa xây dựng - Yêu cầu kỹ thuật
TCVN 4316, Xi măng poóc lăng xỉ lò cao
TCVN 4447, Công tác đất - Thi công và nghiệm thu
TCVN 4453, Kết cấu bê tông và bê tông cốt thép toàn khối- Quy phạm thi công và nghiệm thu
TCVN 4459, Hướng dẫn pha trộn và sử dụng vữa xây dựng
TCVN 4506, Nước cho bê tông và vữa - Yêu cầu kỹ thuật
TCVN 5573, Thiết kế kết cấu khối xây
TCVN 6052, Giàn giáo thép
TCVN 6067, Xi măng poóc lăng bền sunfat
TCVN 6069, Xi măng pooclăng ít tỏa nhiệt
TCVN 6260, Xi măng pooc lăng hỗn hợp
TCVN 6288 (ISO 10544:1992), Dây thép vuốt nguội để làm cốt bê tông và sản xuất lưới thép hàn làm cốt
TCVN 6477, Gạch bê tông
TCVN 7570, Cốt liệu cho bê tông và vữa - Yêu cầu kỹ thuật
TCVN 7712, Xi măng pooclăng hỗn hợp ít tỏa nhiệt
TCVN 7959, Bê tông nhẹ - Sản phẩm bê tông khí chưng áp - Yêu cầu kỹ thuật
TCVN 8826, Phụ gia hóa học cho bê tông
TCVN 9029, Bê tông nhẹ - Sản phẩm bê tông bọt và bê tông khí không chưng áp - Yêu cầu kỹ thuật
TCVN 9202, Xi măng xây trát
TCVN 14586, Hỗn hợp bê tông - Yêu cầu kỹ thuật
3 Thuật ngữ và định nghĩa
Trong tiêu chuẩn này sử dụng các thuật ngữ và định nghĩa theo TCVN 5573 và các thuật ngữ, định nghĩa sau:
3.1
Khối xây có cốt (reinforced masonry)
Khối xây có các thanh cốt hoặc lưới cốt đặt trong vữa hoặc bê tông sao cho tất cả các vật liệu cùng tham gia chịu lực.
3.2
Khối xây không có cốt (unreinforced masonry)
Khối xây không có cốt hoặc có lượng cốt ít hơn so với yêu cầu để được coi là khối xây có cốt.
4 Yêu cầu chung
4.1 Trong trường hợp phải ngừng thi công khối xây, các hàng xây cần được để mỏ giật chờ (hàng trên lùi vào nửa viên so với hàng dưới, hàng trên cùng - 2 viên nguyên).
4.2 Vật liệu và sản phẩm sử dụng để xây dựng các kết cấu khối xây phải theo đúng các yêu cầu của các tiêu chuẩn quốc gia, chỉ dẫn thiết kế, bản vẽ thi công và các tài liệu kỹ thuật khác có liên quan.
4.3 Công tác thi công kết cấu khối xây không có cốt và khối xây có cốt phải được thực hiện theo đúng thiết kế và phù hợp với biện pháp thi công, trong đó, ngoài các yêu cầu chung, cần định rõ: trình tự thi công; giải pháp đảm bảo độ chính xác của kết cấu; sự ổn định của kết cấu và các phần của công trình trong quá trình thi công và các yêu cầu về an toàn lao động.
4.4 Vật liệu khối xây phải phù hợp với TCVN 5573 tùy theo môi trường sử dụng (dưới đất hoặc trên mặt đất; trong hoặc ngoài nhà; có hoặc không có ăn mòn) và tuổi thọ thiết kế của kết cấu. Việc lựa chọn thành phần vữa xây cho các điều kiện sử dụng của nhà và công trình được thực hiện theo chỉ dẫn trong TCVN 4459.
4.5 Không cho phép tạo lỗ mở, rãnh, hộc, lỗ thi công làm giảm yếu kết cấu khối xây mà chưa được thiết kế xem xét hoặc không phù hợp với biện pháp thi công.
4.6 Khối xây chèn khung phải được thi công như kết cấu khối xây chịu lực.
4.7 Việc đặt neo tại các vị trí tiếp giáp với kết cấu bê tông cốt thép cần được thực hiện theo thiết kế.
4.8 Chiều cao tối đa của các bức tường dạng khối xây đứng tự do (không có sàn, giằng tường hoặc mái đặt phía trên) cần được chỉ dẫn trong hồ sơ thiết kế. Khi xây các bức tường đứng tự do có chiều cao vượt quá chiều cao tối đa, khối xây cần được neo, chống giữ tạm thời. Các tường dọc chịu tác động của gió trong quá trình thi công cần được xây đồng thời với các trụ, tường ngang (nếu có) hoặc phải chống đỡ tạm theo chỉ dẫn của thiết kế.
4.9 Chiều cao của các vách ngăn làm từ khối xây không có cốt, không có sàn kê phía trên hoặc neo giữ tạm, không được vượt quá:
- 1,5 m đối với vách ngăn dày 90 mm;
- 1,8 m đối với vách ngăn dày 120 mm.
Các giá trị trung gian có thể nội suy tuyến tính.
4.10 Khi vách ngăn dọc được liên kết với tường ngang hoặc vách ngăn ngang, cũng như với kết cấu cứng khác (gọi chung là kết cấu cứng), chiều cao xây của vách ngăn H được phép tăng lên:
- 15 % khi khoảng cách giữa các kết cấu cứng nhỏ hơn 3,5H;
- 25 % khi khoảng cách giữa các kết cấu cứng không lớn hơn 2,5H;
- 40 % khi khoảng cách giữa các kết cấu cứng không lớn hơn 1,5H.
Độ thẳng đứng của tường và cột trụ được kiểm tra bằng dây rọi. Độ lệch theo phương thẳng đứng không được quá 5 mm khi khối xây để hở mạch vữa (không trát) và không quá 7 mm khi có lớp trát. Độ ngang bằng và thẳng đứng của khối xây mặt cần được kiểm tra định kỳ bằng các thiết bị trắc đạc.
4.11 Sau khi kết thúc xây từng tầng, cần kiểm tra bằng thiết bị trắc đạc độ ngang bằng và cao độ đỉnh của khối xây, không phụ thuộc kết quả kiểm tra trung gian trước đó.
5 Công tác chuẩn bị
5.1 Mặt bằng và nền móng
5.1.1 Sau khi mặt bằng đã được chuẩn bị xong, phải tiến hành xác định trục nhà và công trình, xác định tim móng và đường mép hố móng theo bản vẽ thi công.
Trên mặt bằng, độ sai lệch các kích thước theo chiều dài, chiều rộng nhà và công trình được yêu cầu như sau:
- Không vượt quá 10 mm khi các kích thước này tới 10 m;
- Không vượt quá 30 mm khi các kích thước này từ 100 m trở lên;
- Với các kích thước trung gian khác, độ sai lệch giới hạn lấy theo nội suy.
5.1.2 Công tác xác định các mốc cao độ, trục nhà và công trình phải được kiểm tra, nghiệm thu và lập thành biên bản. Sau khi được bàn giao và trong quá trình thi công, đơn vị thi công có trách nhiệm bảo vệ các mốc cao độ và các cọc tim đúng theo kích thước và vị trí.
5.1.3 Trước khi xây móng, đáy và thành hố móng phải được kiểm tra và bảo vệ. Nước, rác phải được dọn sạch. Khi đất đáy móng nhão chảy hoặc có hiện tượng xấu khác thường phải báo cho thiết kế xử lý.
5.1.4 Sau khi xây xong móng, tường móng và các cột của tầng hầm, phải kiểm tra trục các kết cấu của tầng thứ nhất. Độ sai lệch do xê dịch trục các kết cấu không được vượt quá những giá trị cho phép nêu trong Bảng 1.
Bảng 1 - Độ sai lệch giới hạn cho phép do xê dịch của trục kết cấu
Đơn vị tính bằng milimét
| Loại khối xây | Độ sai lệch giới hạn |
| 1. Móng đá hộc | 20 |
| 2. Móng gạch và các loại đá đẽo | 10 |
| 3. Tường gạch | 10 |
| 4. Cột, trụ gạch | 10 |
| CHÚ THÍCH 1: Phải kiểm tra nền bằng nivô. CHÚ THÍCH 2: Độ sai lệch giới hạn so với kích thước thiết kế phải được điều chỉnh lại khi xây tiếp. CHÚ THÍCH 3: Độ xê dịch trục của kết cấu (trong phạm vi cho phép) phải được hiệu chỉnh dần ở các tầng. | |
5.1.5 Những móng mới đặt sát hoặc gần móng công trình cũ, các khe lún và khe co giãn phải thi công theo chỉ dẫn riêng của thiết kế.
5.1.6 Nếu không có chỉ dẫn khác, khi các hố móng gần nhau có chiều sâu chôn móng khác nhau, phải đào thành bậc chuyển từ chiều sâu này sang chiều sâu khác. Tỉ số giữa chiều cao và chiều rộng bậc phải tuân theo những yêu cầu sau:
- Với đất sét hoặc á sét: không lớn hơn 1:1, chiều cao bậc không lớn hơn 1 m;
- Với đất cát hoặc á cát: không lớn hơn 1:2, chiều cao không lớn hơn 0,6 m.
Nếu hố móng có chiều sâu từ 1 m trở lên hoặc sâu hơn đế móng của công trình liền kề, cần có biện pháp bảo vệ hố móng theo chỉ dẫn của thiết kế.
5.1.7 Việc thi công hố móng phải phù hợp với yêu cầu của tiêu chuẩn này và yêu cầu về thi công và nghiệm thu công tác đất theo TCVN 4447.
5.2 Vật liệu
5.2.1 Các loại cát dùng cho vữa xây, phải đáp ứng các yêu cầu của TCVN 7570.
Kích thước lớn nhất của hạt cát không được vượt quá:
- Đối với khối xây bằng gạch, blốc và đá đẽo: 2,5 mm;
- Đối với khối xây đá hộc: 5 mm.
5.2.2 Cát mịn (mô đun độ lớn Mdl < 2) dùng cho vữa xây cần đáp ứng các yêu cầu của TCVN 7570. Cát mịn chỉ nên dùng làm vữa mác thấp (thấp hơn M2,5) cho khối xây tường trong nhà. Không dùng cát mịn cho khối xây dưới đất ẩm, có nước ngầm và trong nước ăn mòn. Hạn chế dùng cát mịn làm vữa xây tường ngoài, và xây tường các gian phòng ẩm ướt trừ khi có biện pháp bảo vệ bề mặt thích hợp.
5.2.3 Cát biển, cát lấy ở vùng nước mặn tuyệt đối không dùng trong khối xây có cốt thép.
5.2.4 Vôi dùng để sản xuất vữa xây, phải đáp ứng các yêu cầu của TCVN 2231. Việc bảo quản và tôi vôi phải tuân theo các quy định về kỹ thuật an toàn trong xây dựng.
5.2.5 Xi măng cung cấp cho công trường phải có giấy chứng nhận chất lượng xuất xưởng của nhà máy sản xuất hoặc của tổ chức kiểm tra chất lượng sản phẩm.
5.2.6 Xi măng dùng cho vữa xây phải đáp ứng các yêu cầu của TCVN 2682 (đối với xi măng pooc lăng), TCVN 6260 (đối với xi măng pooc lăng hỗn hợp), TCVN 9202 (đối với xi măng xây trát).
5.2.7 Các loại xi măng đặc biệt như xi măng bền sun phát (TCVN 6067), xi măng pooc lăng xỉ lò cao (TCVN 4316), xi măng pooc lăng ít tỏa nhiệt (TCVN 6069) và xi măng pooc lăng hỗn hợp ít tỏa nhiệt (TCVN 7712) chỉ được dùng khi có yêu cầu của thiết kế.
5.2.8 Các loại xi măng khác nhau, có mác khác nhau, hoặc cùng mác nhưng do nhiều nhà máy khác nhau sản xuất không nên dùng chung trong một mẻ vữa và để chung lẫn lộn.
5.2.9 Các loại gạch, blốc, đá tự nhiên dùng cho khối xây phải đảm bảo yêu cầu: gạch đặc đất sét nung theo TCVN 1451; gạch rỗng đất sét nung theo TCVN 1450; gạch canxi silicát theo TCVN 2118; gạch bê tông (xi măng cốt liệu) theo TCVN 6477; blốc bê tông khí chưng áp theo TCVN 7959; blốc bê tông bọt và bê tông khí không chưng áp theo TCVN 9029.
Loại gạch, blốc, đá tự nhiên dùng cho các khối xây dưới đất (có hoặc không có nước ngầm), trên mặt đất (trong nhà hoặc ngoài trời) và trong môi trường ăn mòn phải phù hợp với các yêu cầu nêu trong TCVN 5573.
5.2.10 Các loại gạch cung cấp cho công trường đều phải có giấy chứng nhận về quy cách và chất lượng gạch do nhà sản xuất cấp.
5.2.11 Thép dùng cho khối xây có cốt phải theo yêu cầu của thiết kế và phù hợp các tiêu chuẩn: thép thanh tròn trơn theo TCVN 1651-1; thép thanh vằn TCVN 1651-2; dây thép vuốt nguội theo TCVN 6288 (ISO 10544). Các cấu kiện thép, chi tiết liên kết bằng thép phải theo yêu cầu của thiết kế.
5.2.12 Hỗn hợp bê tông dùng cho khối xây bê tông đá hộc phải có cấp cường độ và độ sụt phù hợp với yêu cầu của thiết kế, chất lượng phải phù hợp TCVN 14586.
5.2.13 Bãi chứa vật liệu trong công trường phải bố trí hợp lý, làm rãnh thoát nước, dọn sạch rác bẩn hoặc lót một lớp gạch, hoặc đầm chặt đất. Quanh đống cát dùng gỗ ván hoặc xếp gạch làm thành chắn cho cát không bị trôi khi mưa, chiều cao thành ít nhất là 0,3 m. Không đổ đống các vật liệu rời lẫn lộn với nhau.
Gạch, đá xếp đống phải đảm bảo kỹ thuật an toàn, không được để mọc rêu, mốc, bẩn.
5.3 Vữa xây dựng
5.3.1 Vữa dùng trong khối xây phải có mác và các chỉ tiêu kỹ thuật thỏa mãn yêu cầu thiết kế và yêu cầu của tiêu chuẩn này cũng như các yêu cầu của TCVN 4314 và TCVN 4459.
5.3.2 Trong nhà máy và trạm trộn vữa, phải kiểm tra chất lượng vữa theo từng đợt, khi giao nhận có ghi biên bản. Mỗi đợt giao nhận vữa phải có văn bản chỉ dẫn: loại vữa, mác và độ dẻo của vữa, ngày, giờ, tháng sản xuất, mác và loại xi măng sử dụng, loại và liều lượng phụ gia (nếu có).
5.3.3 Vữa xây dựng sản xuất bằng chất kết dính vô cơ dùng cho các kết cấu khối xây bao gồm các loại: vữa vôi, vữa xi măng, vữa xi măng vôi.
Loại vữa, mác vữa tối thiểu dùng cho các khối xây dưới đất (có hoặc không có nước ngầm), trên mặt đất (trong nhà hoặc ngoài trời), có hoặc không có cốt thép, trong môi trường ăn mòn hoặc không ăn mòn, cần phù hợp với yêu cầu nêu trong TCVN 5573.
5.3.4 Vật liệu để sản xuất vữa (chất kết dính, cốt liệu) phải đảm bảo yêu cầu và tiêu chuẩn kỹ thuật, đồng thời phải theo các yêu cầu trong 5.2.5.
Nước dùng để trộn vữa phải đảm bảo các yêu cầu của TCVN 4506 (không được chứa tạp chất có hại làm cản trở quá trình đông cứng của chất kết dính và ăn mòn cốt thép trong khối xây có cốt thép). Khi dùng nước ngầm tại chỗ, nước ao hồ hoặc nước của hệ thống cấp nước kỹ thuật để trộn vữa, phải phân tích bằng thí nghiệm, nếu lấy nước trong hệ thống cấp nước sinh hoạt - không cần phải kiểm tra.
5.3.5 Các loại chất kết dính để sản xuất vữa xây cho các kết cấu dưới nền đất có nước xâm thực, phải tuân theo chỉ dẫn của thiết kế.
Khi xây khối xây ở dưới mực nước ngầm hoặc trong đất ẩm bão hòa nước, phải dùng vữa xi măng - cát, không dùng vữa xi măng - vôi.
5.3.6 Hỗn hợp vữa khô do nhà máy sản xuất phải có bản chỉ dẫn thành phần và mác vữa đạt được sau khi trộn vữa. Khi vận chuyển hỗn hợp vữa khô, cần bảo quản tránh ẩm ướt, phát sinh bụi ra môi trường, rơi và bị bẩn.
5.3.7 Khi sản xuất vữa xây dựng phải đảm bảo:
- Sai lệch khi đo lường phối liệu so với thành phần vữa không lớn hơn 1 % đối với nước và xi măng; đối với cát không lớn hơn 5 %;
- Mác vữa theo yêu cầu của thiết kế;
- Độ lưu động của vữa tươi (TCVN 3121-3) phải phù hợp loại khối xây và thời tiết xây;
- Độ đồng đều theo thành phần và màu sắc;
- Khả năng giữ nước cao.
Để nâng cao độ lưu động, khả năng giữ nước và kéo dài thời gian đông kết của vữa, trong thành phần của vữa có thể cho thêm các chất phụ gia phù hợp TCVN 8826, với loại và liều lượng theo chỉ dẫn của thí nghiệm hoặc của người sản xuất phụ gia.
5.3.8 Thời gian trộn vữa bằng máy từ lúc đổ xong cốt liệu vào máy trộn không được nhỏ hơn 2 min.
Thời gian trộn vữa bằng tay kể từ lúc bắt đầu trộn không được nhỏ hơn 3 min. Trong quá trình trộn bằng máy, hoặc bằng tay, không được đổ thêm vật liệu vào cối vữa.
5.3.9 Vữa đã trộn phải dùng hết trước khi bắt đầu đông cứng, không dùng vữa đã đông cứng, vữa đã bị khô hoặc trộn thêm nước vào vữa. Nếu vữa đã bị phân tầng, trước khi dùng phải trộn lại cẩn thận tại chỗ thi công.
5.3.10 Khi thi công trong mùa hè, mùa khô, nếu không có chỉ dẫn nào khác từ thiết kế và nhà sản xuất, phải đảm bảo đủ độ ẩm cho vữa đóng rắn bằng cách: làm ẩm viên xây trước khi xây và dùng vữa có độ dẻo cao. Không đổ vữa ra nắng, tránh mất nước nhanh. Khi trời mưa phải che vữa cẩn thận.
5.3.11 Vôi tôi dùng để sản xuất vữa không được có những cục sống. Khi tôi vôi không để vôi bị cứng và bị bẩn. Vôi tôi xong ít nhất 7 ngày mới được dùng. Vôi tôi bằng máy có thể dùng được ngay.
5.3.12 Nên tận dụng các phương tiện cơ giới, máy bơm vữa, xe cải tiến dùng vận chuyển vữa, tránh cho vữa khỏi bị phân tầng và bị bẩn vì các tạp chất khác.
5.3.13 Chất lượng vữa phải được kiểm tra bằng thí nghiệm mẫu lấy ngay tại chỗ sản xuất vữa. Độ dẻo của vữa phải được kiểm tra trong quá trình sản xuất và ngay trên hiện trường, số liệu và kết quả thí nghiệm phải ghi trong sổ nhật ký công trình. Nếu không có yêu cầu khác thì có thể tham khảo phương án lấy ít nhất là 1 nhóm mẫu vữa (3 viên) trên cùng vật liệu chế tạo và cho mỗi hạng mục khối xây.
5.3.14 Việc xác định cấp phối để đảm bảo mác vữa phải được tiến hành trong phỏng thí nghiệm trước khi bắt đầu xây (trên vật liệu khô) và căn cứ độ sụt yêu cầu, điều chỉnh bớt nước khi trộn với cát ẩm trong quá trình thi công khối xây.
Khi thay đổi vật liệu (chất kết dính, cốt liệu, phụ gia), thay đổi thành phần và mác vữa thì cấp phối vữa phải được thí nghiệm kiểm tra lại. Khi không thay đổi vật liệu thành phần và mác vữa thì kiểm tra chất lượng vữa theo TCVN 3121 (tất cả các phần).
5.4 Giàn giáo, ván khuôn
5.4.1 Công tác ván khuôn và giàn giáo trong khi thi công khối xây phải được thực hiện theo TCVN 4453 về ván khuôn và TCVN 6052 về giàn giáo.
5.4.2 Các loại giàn giáo phải đảm bảo ổn định, bền vững, chịu được tác dụng do người, do đặt vật liệu viên xây và do di chuyển các thùng vữa trên giàn giáo khi xây. Giàn giáo không được gây trở ngại cho quá trình xây dựng, tháo lắp phải dễ dàng, di chuyển không cồng kềnh khó khăn.
5.4.3 Không được dùng các loại giàn giáo chống, dựa vào tường đang xây, không bắt ván lên tường mới xây, giàn giáo phải cách tường đang xây ít nhất là 50 mm. Khi chọn dùng các loại giàn giáo, phải tính toán kinh tế, kỹ thuật.
5.4.4 Việc dựng lắp giàn giáo, ván khuôn phải tiến hành theo chỉ dẫn của biện pháp thi công đã được phê duyệt.
Trong quá trình sử dụng phải thường xuyên kiểm tra độ bền vững và độ ổn định đúng yêu cầu kỹ thuật an toàn.
6 Thi công
6.1 Yêu cầu khi thi công
6.1.1 Viên xây khi vận chuyển đến phải xếp gọn không được chất đống. Không được đổ thẳng xuống đất. Khi vận chuyển vữa đến chỗ xây không đổ xuống đất, phải có tấm lót để đựng vữa.
6.1.2 Hố vôi phải bố trí gần đường vận chuyển, gần nơi có nước, gần nơi trộn vữa và tránh cản trở thi công. Đáy hố phải lót lớp gạch, thành hố phải xây gạch hoặc lót ván cao hơn mặt đất ít nhất 0,1 m. Quanh hố phải có rãnh thoát nước và hàng rào bảo hiểm.
Bề mặt lớp vôi tôi phải có một lớp nước dày 0,2 m hay lớn hơn, hoặc phủ một lớp cát luôn luôn ẩm dày ít nhất 0,2 m.
6.1.3 Chênh lệch độ cao giữa các phần kề nhau của khối xây móng không được lớn hơn 1,2 m.
6.1.4 Phải thi công các kết cấu khối xây theo đúng thiết kế.
Trong quá trình xây, phải chừa sẵn các lỗ, rãnh đường ống nước, đường thông hơi, chỗ có trang trí, những chỗ cho công tác lắp đặt sau này.
6.1.5 Để liên kết các khung cửa sổ và cửa đi vào tường, trong quá trình xây cần đặt sẵn các miếng gỗ tắc kê có ngâm tẩm chống mối mọt hoặc các biện pháp liên kết khác theo đúng chỉ dẫn của thiết kế.
6.1.6 Trong quá trình thi công các kết cấu khối xây, không được tự ý đổi thiết kế mà không có sự đồng ý của đơn vị thiết kế. Nếu phát hiện có sai sót trong thiết kế hoặc gặp những hiện tượng bất thường như: cát chảy, nước ngầm mạnh v.v. phải báo ngay cho cơ quan chủ quản và đơn vị thiết kế để kịp thời giải quyết. Nếu nền đất nơi xây dựng không phù hợp với nền đất thiết kế thì đơn vị thiết kế phải điều chỉnh lại chiều sâu chôn móng và kích thước móng.
6.1.7 Khi thi công khối xây bằng những blốc cỡ lớn, phải đảm bảo những trình tự sau:
- Lấy dấu trục móng, đánh dấu đường mép móng, định vị góc và những chỗ ghép nối;
- Đặt blốc góc và các blốc làm mốc;
- Lấy dấu vị trí blốc ở từng hàng;
- Xây blốc theo đường ngắm.
6.1.8 Khi xây xong mỗi hàng blốc, phải kiểm tra độ ngang, bằng cách đo độ cao các hàng đã xây.
6.1.9 Khi xây chân tường, chân cột của nhà, chỉ được dùng gạch đất sét nung dạng đặc, không được phép dùng gạch silicát.
6.1.10 Độ ngang bằng của hàng, độ thẳng đứng của mặt bên và các góc trong khối xây phải được kiểm tra ít nhất 2 lần trong một đoạn cao từ 0,5 m đến 0,6 m, nếu phát hiện độ nghiêng phải sửa ngay.
6.1.11 Ở những đoạn thi công kề nhau hoặc giao nhau giữa tường ngoài và tường trong, độ chênh lệch về độ cao không được vượt quá chiều cao của 1 tầng.
6.1.12 Trong khối xây có ô văng lắp ghép hoặc đổ tại chỗ, phải chờ bê tông đủ cường độ và khối xây bên trên lanh tô đủ độ cao đối trọng, đủ cường độ mới được tháo dỡ ván khuôn, thanh chống.
6.1.13 Chỉ sau khi xây xong những kết cấu chịu lực của tầng dưới mới được xây các kết cấu ở tầng trên tiếp theo.
6.1.14 Không được va chạm mạnh, không được vận chuyển, đặt vật liệu, tựa dụng cụ và đi lại trực tiếp trên khối xây đang thi công, khối xây còn mới.
Nếu xây tiếp trên các khối xây cũ, phải cạo hết mốc, rửa sạch và rưới nước lên khối xây cũ, rồi mới trải vữa để xây khối xây mới.
6.1.15 Trong quá trình xây, nếu phát hiện vết nứt nghiêm trọng hoặc bất thường, phải báo ngay cho chủ đầu tư và thiết kế để tìm nguyên nhân và biện pháp xử lý, đồng thời phải làm mốc để theo dõi sự phát triển của vết nứt.
6.1.16 Khi xây xong ống khói, ống thông hơi, các mạch phải đầy vữa, bề mặt bên trong ống khói phải vét vữa cẩn thận, miết phẳng, nhẵn.
6.2 Khối xây đá hộc và bê tông đá hộc
6.2.1 Trước khi xây, đáy hố móng phải được dọn sạch, sửa phẳng hàng đầu tiên và những chỗ góc và những chỗ chuyển tiếp mỏng, cần chọn những viên đá lớn, phẳng đáy để xây. Những viên đá nứt vỡ nên xây ở phía trong khối xây đá hộc, nhưng phải dùng đá nhỏ chèn vào chỗ gãy.
6.2.2 Khi xây móng, phải đặt đá hộc thành từng hàng cao 0,3 m, khi xây tường mỗi hàng cao 0,25 m.
Đá hộc phải được rải đều, các khe rỗng chèn đầy vữa. Trong mỗi hàng đá xây đều phải có các hòn đá câu chặt mặt ngoài khối xây, tạo hệ giằng theo các yêu cầu dưới đây:
- Mỗi mét vuông trên bề mặt đứng của tường phải có ít nhất một hòn đá câu dài 0,40 m;
- Khi xây tường đá dày không lớn hơn 0,40 m phải đặt mỗi mét vuông 3 viên đá câu suốt cả chân tường.
6.2.3 Khi xây cột, trụ, phải đặt hộc thành từng hàng cao 0,25 m. cần chọn những viên đá dài, dày mình; không nên dùng đá vát cạnh, đá mỏng. Phải bố trí các viên đá mặt có chân cắm sâu vào khối xây.
Khi xây tường giao nhau, trong từng hàng phải bố trí các viên đá câu chặt các đầu tường với nhau. Không xây theo kiểu dựng bia trong các khối xây móng, tường, cột, trụ. Phải chèn đệm chặt các khe mạch rỗng bên trong khuôn xây bằng vữa và đá nhỏ. Không xây trùng mạch ở mặt ngoài cũng như bên trong khối xây. Không được đặt đá tiếp xúc trực tiếp với nhau mà không đệm vữa.
6.2.4 Khi xây đá hộc không thành hàng (đá hộc thô), ngoài những yêu cầu như đối với đá hộc xây thành lớp, phải tuân theo những yêu cầu sau đây:
- Chiều dày các mạch vữa không lớn hơn 20 mm và phải đều nhau; các mạch xây ngang dọc không được tập trung vào thành một điểm nút, không để những mạch chéo nhau, những mạch đứng song song, mạch chéo chữ thập, mạch vữa lồi lõm;
- Đá lớn nhỏ phải phân bố đều trong khối xây. Không chèn đá vụn vào các mạch vữa ngoài mặt khối xây.
6.2.5 Khi xây đá đẽo, chiều dày mạch vữa không lớn hơn 15 mm, mặt ngoài phải phẳng nhẵn ở các góc phải xây theo kiểu chồng cũi lợn bằng các viên đá dài, rộng ít nhất là 0,30 m. Khi đặt phải chú ý cho thớ dọc viên đá tương đối thẳng góc với phương chịu lực.
Mạch vữa đứng cần được nhồi chặt vữa bằng bay hay bằng thanh thép ø10. Mạch xây phải theo đúng sơ đồ thiết kế.
6.2.6 Không xây móng đá hộc ở nơi đất lún. Đá quả dừa (cuội tròn nhẵn) chỉ dùng xây móng nhà không lớn hơn 2 tầng. Khối xây đá hộc tạo mạch bằng cách rót vữa lỏng vào các khe hở giữa các viên đá xếp trước chỉ được dùng cho kết cấu nhà (công trình) cao tới 10 m.
Bề mặt tường phô ra ngoài yêu cầu phải phẳng, nhẵn.
6.2.7 Lớp ốp gạch (hoặc đá) của khối xây đá hộc cần phải được làm cùng lúc với khối xây. Cách từ 4 đến 6 hàng gạch dọc, nhưng không quá 0,6 m, lớp ốp phải được giằng bằng một hàng gạch ngang; hàng gạch ngang này phải trùng với mạch ngang của khối tường xây đá hộc.
6.2.8 Khi thi công, độ chênh lệch chiều cao giữa những phần tường kề nhau không được lớn hơn 1,2 m. Chiều cao của tường (bằng đá hộc hay bê tông đá hộc) khi tạm ngừng trong giai đoạn thi công không được lớn hơn 1,2 m.
Trường hợp riêng (do điều kiện thi công tạo ra) có thể tăng chiều cao ngừng tới 4 m nhưng cần phải có biện pháp đảm bảo độ ổn định và quá trình liền khối của khối xây.
6.2.9 Trước khi ngừng xây, phải nhét đầy vữa và chèn đá nhỏ vào các khe rỗng bên trong hàng đá xây trên cùng. Khi xây tiếp, phải trải vữa trên bề mặt hàng này.
Trong mùa hè, mùa khô, khi ngừng tạm thời thì phải tưới nước cho khối xây đá hộc và bê tông đá hộc luôn luôn ẩm. Trước khi tiếp tục thi công, trên bề mặt của hàng đá hộc và bê tông đá hộc phải dọn sạch rác bẩn và tưới nước.
6.2.10 Khi thi công khối xây bê tông đá hộc, việc chế tạo hỗn hợp bê tông, dựng lắp và tháo dỡ ván khuôn, việc kiểm tra chất lượng bê tông phải thỏa mãn các yêu cầu của TCVN 4453.
6.2.11 Khối xây bê tông đá hộc là hỗn hợp của bê tông và đá hộc. Thể tích đá hộc trong bê tông chiếm khoảng 1/2 thể tích khối xây.
Trong khối xây bê tông đá hộc, hỗn hợp bê tông được dải theo từng lớp ngang dọc dày không lớn hơn 0,25 m. Đá hộc được độn liên tục thành hàng vào lớp bê tông trong quá trình đầm cho ngập quá nữa chiều dày đá với khoảng cách giữa các hàng từ 4 mm đến 6 mm. Kích thước của viên đá không được lớn hơn 1/3 chiều dày của kết cấu. Không được thả đá vào hỗn hợp bê tông đã bắt đầu đông kết.
6.2.12 Khối xây bê tông đá hộc được đầm rung từng lớp, hỗn hợp bê tông phải có độ sụt từ 50mm đến 70 mm.
Khi khối lượng công tác nhỏ, cho phép không đầm rung mà dùng đầm tay, nhưng bê tông phải có độ sụt từ 80 mm đến 120 mm.
6.2.13 Khi thành hố móng thẳng đứng và vững chắc, cho phép sử dụng thành hố móng thay cho ván khuôn để thi công bê tông đá hộc.
6.2.14 Chỉ được ngừng thi công sau khi đã độn xong đá hộc vào lớp bê tông và đầm chặt. Nếu xây tiếp phải dọn sạch rác bẩn và tưới nước bề mặt lớp bê tông đá hộc cũ rồi mới bắt đầu rải hỗn hợp bê tông.
6.2.15 Việc bảo dưỡng khối xây đá hộc và bê tông đá hộc cũng phải tiến hành giống như bảo dưỡng cho các kết cấu bê tông toàn khối (TCVN 4453).
6.3 Khối xây bằng gạch và đá tự nhiên hình khối đều đặn
6.3.1 Yêu cầu chung
6.3.1.1 Khối xây bằng gạch phải đảm bảo những nguyên tắc kỹ thuật thi công sau: Ngang - bằng; đứng - thẳng; góc - vuông; mạch không trùng; thành một khối đặc chắc.
6.3.1.2 Vữa xây dựng phải có cường độ đạt yêu cầu thiết kế và vữa tươi phải có độ lưu động phù hợp loại khối xây (vữa cần đủ dẻo để dễ san, đảm bảo mạch đầy và đều chiều dày). Khi xây trong thời tiết nóng, cũng như khi xây các kết cấu cột, tường gạch chịu tải trọng lớn, mạch vữa phải no và vữa phải có độ lưu động cao hơn khối xây thông thường.
Phần khối xây mới xây phải được che đậy cẩn thận, tránh mưa, nắng và phải được tưới nước thường xuyên.
6.3.1.3 Khối xây bằng gạch và đá tự nhiên hình khối đều đặn cần được giằng bằng các hàng gạch, đá quay ngang: Đối với khối xây tường gạch 220 mm - tối thiểu một hàng ngang trên 6 hàng gạch dọc; đối với khối xây tường gạch 330 mm - 1 hàng ngang trên 4 hàng gạch dọc (các hàng gạch ngang 220 mm hoán đổi vị trí trên các hàng gạch giằng); đối với khối xây tường đá hình khối đều đặn - 1 hàng ngang trên 4 hàng dọc. Các loại giằng khác - theo chỉ dẫn thiết kế hoặc bản vẽ thi công.
6.3.1.4 Khi không có yêu cầu khác, trong khối xây bằng gạch, chiều dày trung bình của mạch vữa ngang là 12 mm, của mạch vữa đứng là 10 mm. Gác mạch vữa đứng phải so le nhau ít nhất 50 mm.
6.3.1.5 Tất cả các mạch vữa ngang, dọc, đứng trong khối xây lanh tô, mảng tường cạnh cửa, cột phải đầy vữa (trừ khối xây mạch lõm).
Trong khối xây mạch lõm, chiều sâu không chét vữa của mạch phía mặt ngoài được yêu cầu như sau:
- Không lớn hơn 15 mm - đối với tường.
- Không lớn hơn 10 mm - đối với cột.
6.3.1.6 Phải dùng những viên gạch nguyên có lựa chọn để xây tường chịu lực, các mảng tường cạnh cửa, cột trụ, lanh tô, gờ, mái đua. Gạch vỡ đôi chỉ được dùng ở những chỗ tải trọng nhỏ như tường bao che, tường ngăn, tường dưới cửa sổ. Không được dùng gạch vỡ, gạch ngói vụn để chèn, đệm vào giữa khối xây chịu lực.
6.3.1.7 Cho phép dùng cốt thép đặt trước trong tường chính và cột để giằng các tường, móng (1/2 và một viên gạch) với tường chính và cột, khi các kết cấu này xây không đồng thời.
6.3.1.8 Trong khối xây, các hàng gạch đặt ngang phải là những viên gạch nguyên đặc chắc. Không phụ thuộc vào kiểu xây, các hàng gạch ngang này phải đảm bảo:
- Xây ở hàng đầu tiên (dưới cùng) và hàng cuối cùng (không tính hàng gạch nghiêng xây chèn) của tầng;
- Xây ở cao trình lùi vào của cột, tường;
- Xây trong các hàng nhô ra của kết cấu khối xây (mái đua, gờ, đai).
Khi các mạch xây được giằng nhiều hàng (ví dụ bức tường 220 mm) thì hàng xây nằm ngay dưới gối tựa của dầm, dàn, xà gồ, tấm sàn, cấu kiện đúc sẵn bắt buộc phải là hàng gạch ngang. Khi mạch xây được giằng bằng một hàng gạch ngang (ví dụ hàng gạch giằng 220 mm cho tường 330 mm hoặc dày hơn) nhưng hoán đổi vị trí cho nhau trên các hàng xây, cho phép các cấu kiện lắp ghép tựa trên hàng gạch dọc.
6.3.1.9 Phải xây mặt đứng phía ngoài của tường không trát, không ốp bằng những viên gạch nguyên đặc chắc, có lựa chọn màu sắc, góc cạnh đều đặn. Chiều dày các mạch vữa phải theo đúng thiết kế.
Mặt bậc mỏng gạch và các phần nhô ra của khối xây cần được bảo vệ tránh mưa theo thiết kế. Nếu không có chỉ định thiết kế - bằng vữa xi măng cát mác M10. Tường và cột cũng cần được chống ẩm từ móng, mặt đánh dốc và vỉa hè tiếp giáp bằng lớp cách nước đặt ở mức cao hơn các bộ phận này.
6.3.1.10 Sai số trong mặt cắt ngang của các gối tựa dưới xà gồ, vì kèo, các dầm cầu trục và các kết cấu chịu lực khác theo bất kì một hướng nào so với vị trí thiết kế phải nhỏ hơn hoặc bằng 10 mm.
6.3.1.11 Khi ngừng thi công do mưa bão, phải che kín trên khối xây cho khỏi bị ướt.
6.3.2 Lanh tô dạng khối xây
6.3.2.1 Các loại lanh tô đều phải xây bằng gạch nguyên, lựa chọn kỹ.
Lanh tô xây bằng phải dùng vữa có mác theo chỉ dẫn trong thiết kế nhưng không nhỏ hơn M5. Chiều cao lanh tô xây bằng phải tương đương với chiều cao của 5 hoặc 6 hàng gạch xây, hai đầu ăn sâu vào mảng tường hai bên cửa ít nhất 0,2 m kể từ mép. Dưới hàng gạch cuối cùng của lanh tô, phải đặt một lớp vữa có cốt thép dày 30 mm. Số lượng thanh thép đặt theo thiết kế nhưng không ít hơn 3 thanh. Những thanh cốt thép tròn trơn dùng cho lanh tô phải có đường kính không nhỏ hơn 6 mm, hai đầu thép ăn sâu vào hai bên tường ít nhất 0,25 m và có uốn móc. Các thanh thép vằn (gai) thì không cần uốn móc.
6.3.2.2 Lanh tô xây vỉa phải có mạch vữa hình nêm đặc, đầu dưới mạch có chiều dày ít nhất 5 mm, đầu trên không dày hơn 25 mm. Lanh tô phải xây đồng thời từ hai đầu dồn vào giữa, viên gạch khóa phải nằm chính giữa lanh tô (trục chính giữa lanh tô chia đôi viên gạch khóa). Chỉ cho phép dùng lanh tô xây bằng khi cửa có nhịp 1,2 m và xây vỉa khi nhịp trên 2 m nếu nhà và công trình không chịu chấn động hoặc không bị lún không đều.
6.3.2.3 Mạch ngừng thi công đối với lanh tô xây cuốn nhịp lớn được phép bố trí cách hai đầu của lanh tô một cung chắn góc ở tầm 30°. Phần vành cung chắn còn lại phải xây hết trong các đợt tiếp theo.
Vữa xây lanh tô cuốn phải phù hợp với yêu cầu của thiết kế.
6.3.2.4 Gạch và mạch vữa trong lanh tô xây vỉa và xây cuốn phải cùng hướng vào tâm của vòng cuốn. Cấm đặt gạch xây theo kiểu vỉa tiền.
Nếu chiều rộng phần tường giữa các lanh tô nhỏ hơn 1 m thì phải xây tường bằng vữa cùng mác với vữa lanh tô và không nhỏ hơn M5.
6.3.2.5 Thời hạn giữ lanh tô trên ván khuôn không được nhỏ hơn các giá trị nêu trong Bảng 2.
Bảng 2 - Thời hạn giữ lanh tô trên ván khuôn
| Kết cấu lanh tô | Mác vữa | Nhiệt độ không khí bên ngoài trong thời hạn giữ lanh tô (°C) | Thời hạn giữ lanh tô trong ván khuôn không ít hơn |
| 1. Xây bằng, gạch cốt thép và gạch máng | M5 và cao hơn | Nhỏ hơn hoặc bằng 5 | 24 |
| Lớn hơn 5 và nhỏ hơn hoặc bằng 10 | 18 | ||
| Lớn hơn 10 và nhỏ hơn hoặc bằng 15 | 12 | ||
| Lớn hơn 15 và nhỏ hơn hoặc bằng 20 | 8 | ||
| Lớn hơn 20 | 5 | ||
| 2. Xây vỉa và xây cuốn | M5 và cao hơn | Nhỏ hơn hoặc bằng 5 | 10 |
| Lớn hơn 5 và nhỏ hơn hoặc bằng 10 | 8 | ||
| Lớn hơn 10 | 5 |
6.3.3 Mái đua, tường chèn khung, tường mặt dạng khối xây
6.3.3.1 Khối xây mái đua phải được thực hiện theo thiết kế. Phần đua ra của mỗi hàng gạch trong khối xây mái đua không được phép lớn hơn 1/3 chiều dài viên gạch, còn toàn bộ phần đua ra của mái đua gạch không có cốt thép không được phép lớn hơn 1/2 chiều dày tường.
Mái đua ra lớn hơn 1/2 chiều dày tường phải được xây bằng gạch có cốt thép, hoặc bê tông cốt thép hoặc cấu kiện lắp ghép và phải neo chặt vào khối xây.
6.3.3.2 Khối xây mái đua có phần đua ra lớn hơn 1/2 chiều dày tường nhà, khối xây tường vượt mái có chiều cao lớn hơn 3 lần chiều dày tường nhà và lớn hơn 3 lần chiều dày của chính nó, thì đều phải được xây bằng vữa có mác không nhỏ hơn M5.
6.3.3.3 Mái đua được neo vào tường chỉ được xây sau khi tường đã đạt đủ cường độ thiết kế. Nếu cần làm sớm hơn thì phải gia cố tạm thời, đảm bảo cho khối xây mái đua và tường ổn định. Trong mọi trường hợp, đều phải chống giữ tạm đến khi mái đua và tường đạt cường độ yêu cầu.
6.3.3.4 Tường xây chèn kín trong các khung nhà phải được liên kết với cột khung bằng các giằng thép theo chỉ dẫn của thiết kế và liên kết vào các dầm dọc của khung. Tường chèn khung dày không quá 220 mm có khối xây bằng gạch có lỗ rỗng.
6.3.3.5 Trong khối xây tường bằng gạch có lỗ rỗng, những đường gờ, mái đua, tường vượt mái, tường phòng hỏa và các phần tường yêu cầu miết mạch ngoài phải xây bằng gạch đặc.
6.3.3.6 Việc trang trí mặt chính tòa nhà bằng lớp ốp có thể làm đồng thời khi xây tường. Các tấm ốp, chi tiết ốp cần làm phân loại và lựa chọn trước theo đúng kích thước và màu sắc đã được chỉ dẫn trong hồ sơ thiết kế.
6.3.3.7 Các lỗ thông gió trong tường phải được xây bằng gạch đất sét nung đặc có mác không nhỏ hơn M100 hoặc gạch silicát có mác M100 tới cao độ sàn tầng áp mái, còn ở cao hơn - bằng gạch đất sét nung đặc mác M100 miết mạch.
6.3.4 Khối xây bằng gạch cốt thép
6.3.4.1 Trong khối xây bằng gạch có các lưới cốt thép ngang, chiều dày của mạch vữa phải lớn hơn tổng đường kính các thanh thép đan nhau ít nhất là 4 mm và đồng thời vẫn đảm bảo độ dày trung bình 16 mm đối với khối xây. Khối xây cột và tường cạnh cửa phải dùng các cốt thép ngang đan lưới chữ nhật hoặc uốn chữ chi, buộc kỹ hoặc làm chặt. Khoảng cách giữa các thanh trong lưới không nhỏ hơn 3 mm và không lớn hơn 12 mm. Đường kính cốt thép trong lưới không nhỏ hơn 3 mm, không lớn hơn 8 mm. Khi cốt thép có đường kính lớn hơn 5 mm thì được làm lưới chữ chi.
6.3.4.2 Không được phép đặt các thanh thép rời để thay thế các lưới cốt thép buộc hoặc hàn trong khối xây.
Khi gia công và thi công, phải chú ý cho các đầu thanh cốt thép nhô ra khỏi mặt ngoài khối xây khoảng từ 2 mm đến 3 mm để tiện kiểm tra.
6.3.4.3 Lưới cốt thép ngang chữ nhật hoặc chữ chi đặt vào khối xây theo chỉ dẫn của thiết kế và không thưa quá 5 hàng gạch. Lưới chữ chi phải đặt sao cho các thanh thép của hai lưới trong hai hàng khối xây kế tiếp nhau có hướng thẳng góc với nhau.
6.3.4.4 Khi đặt cốt dọc, đường kính của thanh cốt thép dọc không nhỏ hơn 8 mm, cốt thép đai từ 3 mm đến 6 mm.
Cốt thép dọc phải nối với nhau bằng liên kết hàn. Nếu không hàn, các thanh phải uốn móc (nếu là thép tròn trơn) và nối chồng nhau 20d (d là đường kính thanh thép) bằng dây thép buộc. Đầu thanh cốt thép chịu kéo phải uốn móc (nếu là thép tròn trơn) để neo vào lớp bê tông hoặc vữa.
6.3.4.5 Chiều dày lớp bảo vệ (kể từ mép ngoài của cốt thép chịu lực) bằng vữa xi măng trong kết cấu gạch cốt thép không được nhỏ hơn các giá trị nêu trong Bảng 3. Mác vữa theo yêu cầu của thiết kế.
Bảng 3 - Chiều dày lớp bảo vệ tối thiểu cho cốt thép
Đơn vị tính bằng milimét
| Các loại kết cấu gạch cốt thép | Chiều dày lớp bảo vệ tối thiểu cho cốt thép | ||
| Trong các phòng có độ ẩm không khí bình thường | Trong các cấu kiện xây ngoài trời | Trong móng, trong các phòng ẩm ướt | |
| 1. Dầm và cột | 20 | 25 | 30 |
| 2. Tường | 10 | 15 | 20 |
6.3.5 Khối xây vòm, vỏ mỏng
6.3.5.1 Khối xây vòm (kể cả khối xây lanh tô cuốn) và vỏ phải dùng viên xây có kích thước tiêu chuẩn. Có thể sử dụng vữa xi măng hoặc vữa hỗn hợp để xây vòm, vỏ.
6.3.5.2 Đối với xây vòm, vỏ mỏng hình trụ, vỏ mỏng cong hai chiều, ván khuôn phải có kết cấu sao cho khi đỡ được đều nhau. Cột chống giữ ván khuôn phải đặt trên các nền gỗ hay hộp cát khô hoặc cột thép ống có chân chống điều chỉnh được.
6.3.5.3 Sai lệch kích thước của ván khuôn vỏ mỏng cong hai chiều so với thiết kế không được lớn hơn các giá trị sau: đối với giá trị độ võng tại điểm bất kì: 1/200 giá trị độ võng của vỏ; đối với độ xê dịch ván khuôn ở tiết diện giữa so với mặt phẳng đứng: 1/200 giá trị độ võng của vỏ; đối với chiều rộng nhịp vỏ: 10 mm. Những giá trị này không dùng cho ván khuôn di động của vỏ lượn sóng.
6.3.5.4 Trước khi xây phải dựa vào cỡ viên xây hiện có mà chia trước lên ván khuôn (từ đỉnh xuống chân) và điều chỉnh cho chẵn viên gạch.
Gạch, đá dùng cho khối xây vòm và vỏ mỏng phải được ngâm nước ít nhất 1 min trước khi xây. Gạch có vết nứt, vỡ, cong vênh đều phải loại bỏ.
6.3.5.5 Vật liệu xây chỉ được sắp xếp dàn đều trên đỉnh khuôn vòm cuốn. Nếu không xếp được thì phải làm giàn giáo riêng để đặt vật liệu. Phải tránh những va chạm mạnh làm méo, lệch ván khuôn. Chỉ nên đặt gạch đều bốn phía trên ván khuôn vỏ mỏng cong hai chiều.
6.3.5.6 Trong khối xây vòm, vỏ... chỉ nên dùng vữa, xi măng poóc lăng hoặc xi măng pooc lăng hỗn hợp, không được dùng vữa xi măng poóc lăng xỉ và xi măng poóc lăng pu-dơ-lan cũng như các loại xi măng khác đông cứng chậm khi xây ở nhiệt độ thấp.
6.3.5.7 Sau khi xây xong phần tường đỡ chân vòm, vỏ mỏng nếu nhiệt độ không khí cao hơn 10 °C, thì ít nhất 7 ngày mới được bắt đầu xây vòm và vỏ mỏng. Nếu nhiệt độ từ 5 °C đến 10 °C thì thời hạn trên kéo dài 1,5 lần, nếu từ 1 °C đến 5 °C - thì kéo dài 2 lần.
Nếu chân vòm là bê tông cốt thép lắp ghép có đặt dây kéo thì việc xây khối xây vòm có thể bắt đầu ngay sau khi xây xong phần đỡ chân vòm và trước cả lúc tháo dỡ ván khuôn.
6.3.5.8 Việc căng dây kéo trong các vòm và vỏ mỏng hình trụ, vỏ mỏng cong hai chiều phải làm ngay sau khi xây xong khối xây đó và trước lúc tháo dỡ ván khuôn.
6.3.5.9 Việc tháo dỡ ván khuôn phải làm nhẹ nhàng theo trình tự đối trên toàn diện vòm, vỏ mỏng. Trước hết tháo nêm hoặc hộp cát điều chỉnh chân chống hạ toàn bộ ván khuôn xuống từ 0,1 m đến 0,15 m. Sau khi kiểm tra không thấy các hiện tượng nứt vỡ, sụp đổ mới được tháo dỡ hẳn ván khuôn.
6.3.5.10 Đối với vỏ mỏng cong hai chiều có diện tích lỗ chiếm tới 1/4 chiều rộng vỏ thì trình tự tháo dỡ ván khuôn phải theo chỉ dẫn của thiết kế.
6.3.5.11 Sau khi tháo ván khuôn vỏ mỏng cong hai chiều, vỏ mỏng hình trụ, mới cho phép xây các tường vượt đầu hồi.
6.3.5.12 Sau khi xây xong vỏ mỏng hình trụ, vỏ mỏng cong hai chiều và chỗ tiếp giáp giữa các nhịp của lượn sóng, thời hạn giữ ván khuôn nên đảm bảo:
- Khi nhiệt độ không khí cao hơn 10 °C: không ít hơn 7 ngày;
- Khi nhiệt độ thấp hơn: thời hạn tăng như yêu cầu của 6.3.5.7.
6.3.5.13 Khi xây vỏ mỏng hình trụ, vỏ mỏng cong hai chiều và vòm, phải xây đồng thời từ hai chân dồn vào giữa. Các mạch vữa phải đều về chiều dày và độ đặc. Nếu khối xây dùng vữa xi măng thì phải bảo dưỡng (tưới ẩm và che nắng) trong ba ngày đầu sau khi xây xong. Khối xây vòm nhịp lớn hơn 2 m phải theo các yêu cầu của 6.3.2.2, 6.3.2.3, 6.3.2.4, 6.3.2.5.
6.3.5.14 Bề mặt trên của khối xây vỏ mỏng phải trát bằng vữa xi măng. Trước khi trát cần tưới nước thường xuyên lên mặt khối xây.
6.3.5.15 Thời hạn cho phép bắt đầu chất tải trọng lên mặt vỏ mỏng hình trụ và vỏ mỏng cong hai chiều được yêu cầu như sau:
- Khi nhiệt độ không khí lớn hơn 10 °C: 7 ngày;
- Khi nhiệt độ không khí nhỏ hơn 10 °C: Thời hạn trên được tăng theo yêu cầu của 6.3.5.7 của tiêu chuẩn này.
Khi chất tải trọng lên mặt vỏ mỏng và vòm sớm hơn thời hạn cho phép thì phải giữ nguyên ván khuôn, giáo chống. Không được xây các lớp cách nhiệt và lớp mái gây tải trọng tức thời về một phía của vỏ mỏng và vòm.
6.3.6 Yêu cầu bổ sung cho thi công các kết cấu khối xây trong vùng động đất
6.3.6.1 Khi thi công các khối xây trong vùng động đất (có agRS ≤ 0,1g (agR là đỉnh gia tốc nền tham chiếu trên nền loại A; S là hệ số nền; g là gia tốc trọng trường)), cần phải đặc biệt chú ý đảm bảo độ bám dính giữa viên xây và vữa.
Trước khi xây khối xây phải rửa sạch bụi và bùn. Sau khi ngừng, nếu tiếp tục thi công phải tưới nước lên hàng viên xây trên cùng của khối xây. Gạch nung bằng đất sét, đá tự nhiên nhẹ rỗng, có tính háo nước cao, trước khi xây phải ngâm nước ít nhất là 1 min.
Cần thực hiện hoàn chỉnh từng hàng xây, mạch đầy vữa, vữa thừa cắt phẳng (không xây thiếu vữa rồi chèn mạch sau). Khối xây cần được giằng móc xích từng hàng: Đối với tường 220 mm - một hàng ngang trên một hàng dọc: Đối với tường 330 mm - lớp dưới gồm một hàng ngang 220 mm và 1 hàng dọc 110 mm, thì lớp trên cũng như vậy nhưng hoán đổi vị trí của hàng ngang và hàng dọc). Mạch ngừng (nếu có) chỉ được theo kiểu mỏ giật.
6.3.6.2 Vữa xây phải dùng loại vữa dẻo (có phụ gia), độ lưu động của vữa phải đảm bảo để vữa dễ san, lấp kín mạch và đều chiều dày mạch. Các mạch vữa đứng, ngang phải đầy vữa.
Khi nhiệt độ không khí ban ngày ở nơi xây dựng là 25 °C và lớn hơn, phải trộn vữa trong nhà hoặc chỗ mát. Khối xây mới làm xong phải được bảo dưỡng bằng cách tưới nước 3 lần một ngày trong thời gian 3 ngày đêm.
Việc kiểm tra độ bám dính vữa với gạch (TCVN 3121 - phần 12) cần được thực hiện ở tuổi 7 ngày. Giá trị cường độ cần đạt không dưới 50 % cường độ bám dính ở tuổi 28 ngày. Khi không đáp ứng yêu cầu này, khối xây cần tạm dừng chờ quyết định của thiết kế.
6.3.6.3 Sau khi động đất hay bão lớn, các khối xây đang làm phải được xem xét cẩn thận nếu có hiện tượng nứt xấu (nứt, nghiêng v.v.) phải báo ngay cho thiết kế để kịp thời xử lý.
Trong quá trình thi công, các vị trí dừng xây trong tường, chờ đặt các tấm không được để vữa, rác vấy bẩn.
6.3.6.4 Không cho phép giảm chiều rộng của khe kháng chấn đã chỉ rõ trong thiết kế.
Các khe kháng chấn phải được tách khỏi cốp pha và các vật ngoại lai (không thuộc kết cấu của khe kháng chẩn). Không cho phép bịt kín các khe kháng chấn bằng gạch, vữa, đá và các vật liệu khác. Khi có nhu cầu các khe kháng chấn có thể được che kín bằng vật trang trí hoặc vật liệu mềm dán keo.
Khi lắp lanh tô hoặc blốc liên kết cần đảm bảo cốt thép đứng có thể luồn qua các lỗ chờ đã được thiết kế chỉ định trong các cấu kiện trên.
6.3.7 Gia cường kết cấu khối xây của công trình cải tạo và bị hư hỏng
6.3.7.1 Việc gia cường kết cấu khối xây của các công trình cải tạo và bị hư hỏng được thực hiện theo hồ sơ thiết kế, trong đó chỉ rõ trình tự chuẩn bị và gia cường của kết cấu.
6.3.7.2 Trước khi gia cường kết cấu khối xây cần chuẩn bị bề mặt theo trình tự: Kiểm tra mắt thường và gõ búa khối xây, làm sạch bề mặt khối xây khỏi bụi bẩn và vữa cũ, loại bỏ phần khối xây đã bị phá hoại.
6.3.7.3 Tùy theo mức độ hư hỏng hoặc yêu cầu tăng khả năng chịu lực của kết cấu, kết cấu khối xây có thể được gia cường bằng phương pháp bơm ép vữa xi măng, xi măng-polymer, polymer hoặc vữa xi măng-cát. Để làm vữa xi măng và xi măng-polymer, nên dùng xi măng poóc lăng PC40, PC50 (TCVN 2682).
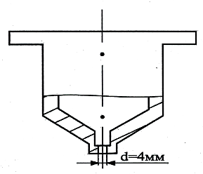
Khi chuẩn bị vữa bơm ép khối xây, cần kiểm soát độ nhớt (Hình 1) và độ tách nước của vữa. Độ nhớt, xác định bằng thời gian hồ vữa chảy qua phễu đo dung tích 100 cm3, đường kính và chiều cao đầu là 4 mm, cần đạt từ 13 min đến 17 min đối với vữa xi măng, từ 3 min đến 4 min đối với epoxy. Độ tách nước, xác định bằng cách giữ yên dung dịch 3 giờ trong ống đong 200 mL, không được vượt quá 5 % tổng thể tích mẫu hỗn hợp vữa.

Hình 1 - Phễu đo độ nhớt
6.3.7.4 Tường, cột, đoạn tường cạnh cửa có thể được gia cường bằng các lớp bọc bê tông cốt thép, cốt sợi polymer tổng hợp hoặc thép, cũng như sợi cacbon theo bản vẽ thiết kế.
6.3.7.5 Khi gia cường tường khối xây bằng thép ứng suất trước, ứng suất kéo căng của thép phải được kiểm soát chính xác bằng lực kế hoặc đồng hồ đo độ biến dạng với vạch chia tới 0,001 mm.
6.3.7.6 Khi cần thay thế cột và các đoạn tường giữa các ô cửa bằng khối xây mới, cần lắp chống tạm và tháo dỡ các cửa sổ theo bản vẽ thiết kế và biện pháp thi công được duyệt. Tường, cột cần được xây cẩn thận, ép chặt gạch để có mạch vữa mỏng.
Khi khối xây mới còn cách đỉnh của tường, cột cũ từ 30 mm đến 40 mm, khoảng hở này cần được nêm chặt bằng vữa mác không thấp hơn M10. Hệ chống tạm được phép dỡ bỏ sau khi khối xây mới đạt ít nhất 70 % cường độ thiết kế. Việc xác định cường độ của khối xây tại thời điểm kiểm tra được thực hiện theo phương thức tra bảng cường độ khối xây theo TCVN 5573 với giá trị cường độ viên xây và vữa xây tương ứng (nếu không có số liệu thí nghiệm, có thể tham khảo sự phát triển cường độ vữa xi măng sau 3, 7,14 ngày tương ứng là 50, 70, 85 % mác vữa).
6.3.7.7 Trong quá trình gia cường khối xây, cần kiểm tra:
- Chất lượng chuẩn bị bề mặt của khối xây;
- Sự phù hợp kết cấu đã gia cường so với thiết kế;
- Chất lượng hàn các chi tiết neo sau khi căng các cấu kiện kết cấu;
- Sự nguyên vẹn và chất lượng của lớp bảo vệ chống ăn mòn cho kết cấu gia cố.
Phụ lục A
(tham khảo)
Yêu cầu kỹ thuật khi nghiệm thu công tác thi công kết cấu khối xây
A.1 Việc nghiệm thu công tác thi công kết cấu khối xây phải được tiến hành trước khi trát, ốp bề mặt. Công tác nghiệm thu kết cấu khối xây, khi không có yêu cầu khác, được dựa trên các hồ sơ, tài liệu và tiêu chuẩn sau:
- Hồ sơ thiết kế kết cấu khối xây;
- Bản vẽ hoàn công kết cấu khối xây;
- Nhật ký thi công khối xây hoặc tài liệu khác tương đương;
- Các tài liệu về địa chất liên quan;
- Kết quả thí nghiệm vữa và các loại vật liệu khác của khối xây;
- TCVN 5573;
- Tiêu chuẩn này.
A.2 Công tác nghiệm thu phải tiến hành:
- Kiểm tra mức độ hoàn thành công tác thi công theo yêu cầu của thiết kế, và các tài liệu liên quan khác;
- Lập biên bản ghi rõ các sai sót phát hiện trong quá trình nghiệm thu, ghi rõ thời gian sửa chữa và đánh giá chất lượng kết cấu khối xây.
A.3 Khi nghiệm thu công tác thi công các kết cấu khối xây, phải kiểm tra những việc sau:
- Bảo đảm nguyên tắc xây ở các mặt đứng, mặt ngang, các góc của khối xây (mạch không trùng, chiều dày, độ đặc của mạch, độ thẳng đứng và nằm ngang, độ phẳng và thẳng góc v.v.);
- Chiều dày và độ đặc của các mạch vữa liên kết, vị trí các hàng gạch giằng;
- Việc đặt đúng và đủ các bộ mặt giằng neo;
- Việc thi công chính xác các khe lún, khe co giãn;
- Việc thi công đúng các đường ống thông hơi, ống dẫn khói, vị trí các lỗ chừa sẵn để đặt đường ống, đường dây sau này;
- Chất lượng mặt tường;
- Kích thước của khối xây;
- Đặt và gia công cốt thép;
- Các tài liệu xác định mác vật liệu, bán thành phẩm và sản phẩm được sử dụng.
Đối với tường xây gạch không trát phải đảm bảo: mặt ngoài các tường phải có màu sắc đồng đều, yêu cầu về mạch xây và miết mạch, các đường nét trang trí phải theo đúng thiết kế.
A.4 Những kết cấu và bộ phận công trình sẽ bị các kết cấu và bộ phận công trình làm sau che khuất phải được kiểm tra và nghiệm thu trước khi thi công các kết cấu và bộ phận công trình làm sau.
A.5 Công tác thi công những phần khuất sau đây cần lập biên bản nghiệm thu:
- Chất lượng và trạng thái đất nền, chiều sâu chôn móng, kích thước móng, chất lượng khối xây móng, công tác chống thấm ở móng và tường tầng hầm;
- Khe lún, khe co giãn, khe kháng chấn;
- Các lớp cách nước trong khối xây;
- Việc đặt cốt thép, cốt sợi polymer tổng hợp trong khối xây, chi tiết chờ bằng thép trong khối xây và biện pháp chống gỉ;
- Công tác neo các cấu kiện đúc sẵn;
- Gối tựa của giàn, dầm, xà gồ, bản sàn trên tường, cột, cột trang trí và sự bịt kín chúng trong khối xây, việc neo giữa những kết cấu thép và chống mối mọt cho các kết cấu gỗ đặt trên tường, cột;
- Các khối xây đua, ban công, ô văng, sê nô và các phần khuất khác.
A.6 Chất lượng của vật liệu, các bán thành phẩm và thành phẩm chế tạo tại nhà máy, khi nghiệm thu phải căn cứ vào lý lịch sản xuất của nhà máy. Chất lượng vữa và bê tông sản xuất tại công trường thì căn cứ vào kết quả thí nghiệm mẫu lấy tại hiện trường.
Việc nghiệm thu vật liệu phải lập thành biên bản, những vật liệu không hợp lệ phải loại bỏ và xử lý ngay.
A.7 Việc nghiệm thu các bộ phận đặc biệt của kết cấu, bể chứa, tường tầng ngầm, vòm hay vỏ mỏng phải lập thành các biên bản riêng.
A.8 Khi nghiệm thu các kết cấu khối xây xây trong vùng có động đất phải kiểm tra thêm:
- Đai gia cường tại mức mặt móng;
- Các đai kháng chấn theo từng tầng;
- Bố trí cốt thép tại các vị trí giao nhau của các tường trong và ngoài;
- Bố trí cốt thép trong khối xây tại các vị trí giao giữa tường ngoài và tường trong, chi tiết liên kết cố định các tường và vách ngăn với các tường chịu lực, với khung và với các sàn;
- Việc gia cường các tường gạch bằng các cấu kiện bê tông cốt thép lắp ghép và đổ tại chỗ;
- Neo các cấu kiện nhô lên khỏi sàn tầng áp mái, cũng như cường độ bám dính của vữa với các vật liệu tường gạch.
A.9 Độ sai lệch giới hạn so với thiết kế về: kích thước, vị trí đặt và độ xê dịch trong các kết cấu khối xây không được lớn hơn các giá trị nêu trong Bảng A.1.
Sai lệch của trục kết cấu và sai lệch cao độ theo chiều cao của tầng, phải được điều chỉnh lại ở tầng tiếp theo.
Nếu sai lệch thực tế ở các kết cấu khối xây lớn hơn các giá trị nêu trong Bảng A.1 thì việc tiếp tục thi công phải do đơn vị thiết kế quyết định.
Sai lệch vị trí gối tựa dưới dầm và dầm cầu chạy trong mặt bằng so với vị trí thiết kế không được lớn hơn 5 mm.
Bảng A.1 - Độ sai lệch giới hạn
Đơn vị tính bằng milimét
| Tên sai lệch | Độ sai lệch giới hạn | |||||
|
| Đối với kết cấu khối xây bằng đá hộc và bê tông đá hộc | Đối với kết cấu khối xây bằng gạch, đá tự nhiên hoặc gạch đất sét nung có hình dáng đều đặn, blốc, tấm lớn | ||||
| Móng | Tường | Cột | Móng | Tường | Cột | |
| 1. Sai lệch so với kích thước thiết kế: |
|
|
|
|
|
|
| a) Chiều dày kết cấu | ±30 | ±20 | ±20 | 15 | ±15 | ±10 |
| b) Cao độ bề mặt gối đỡ | -25 | -15 | -15 | - | -10 | -10 |
| c) Chiều rộng mảng tường giữa các cửa | - | -20 |
| - | -15 | - |
| d) Chiều rộng ở các ô cửa sổ | - | +20 | - | - | +15 | - |
| e) Xê dịch trục đứng các ô cửa sổ theo phương đứng | - | 20 | - | - | 20 | - |
| f) Xê dịch trục các kết cấu theo trục định vị | 20 | 15 | 10 | 10 | 10 | 10 |
| 2. Sai lệch mặt phẳng và góc giữa 2 mặt phẳng của khối xây so với phương thẳng đứng: |
|
|
|
|
|
|
| a) Một tầng | - | 20 | 15 | - | 10(5) | 10 |
| b) Toàn chiều cao nhà với nhà trên 2 tầng | 30 | 30 | 30 | - | 30 | 30 |
| 3. Độ lệch hàng khối xây trên chiều dài 10 m so với phương ngang | 30 | 20 | - | - | 15 | - |
| 4. Độ gồ ghề trên bề mặt thẳng đứng khối xây (phát hiện khi kiểm tra bằng thước 2 m): | - | 15 | 15 | - | 10 | 5 |
| 5. Kích thước tiết diện lỗ thông khí | - | - | - | - | ±5 | - |
| 6. Chiều dày mạch vữa khối xây |
|
|
|
|
|
|
| a) Phương ngang | - | - |
|
| -2; +3 | -2; +3 |
| b) Phương đứng | - | - | - | - | -2; +2 | -2; +2 |
| CHÚ THÍCH: Trong ngoặc đơn là giá trị độ sai lệch giới hạn cho kết cấu làm từ blốc và panel gạch, gạch rung | ||||||
Thư mục tài liệu tham khảo
[1 ] GOST 379-2015,
(Gạch và đá silicat. Thông số kỹ thuật)
[2] GOST 530-2012,
(Gạch và đá gốm. Điều kiện kỹ thuật chung)
[3] GOST 4001-2013,
(Đá ốp tường từ đá. Thông số kỹ thuật)
[4] GOST 5802-86,
(Vữa xây dựng. Phương pháp thử)
[5] GOST 6133-99,
(Đá ốp tường bê tông Điều kiện kỹ thuật)
[6] GOST 25485; 89,
(Bê tông xốp. Thông số kỹ thuật)
[7] GOST 28013:1998,
(Vữa xây dựng Điều kiện kỹ thuật chung)
[8] GOST P 57338-2016/EN 1015-11:1999+A1:2006,
(Vữa dùng cho khối xây Phương pháp xác định cường độ nén và uốn)
[9] GOST P 58767-2019,
(Vữa xây dựng, Phương pháp thử mẫu đối chứng)
[10] SP 70.13330.2012,
N 1, 3, 4) (Kết cấu chịu lực và bao che. Phiên bản cập nhật của SNiP 3.03.01-87 (cùng các Sửa đổi số 1, 3, 4))
Mục lục
Lời nói đầu
Lời giới thiệu
1 Phạm vi áp dụng
2 Tài liệu viện dẫn
3 Thuật ngữ và định nghĩa
4 Yêu cầu chung
5 Công tác chuẩn bị
6 Thi công
Phụ lục A (tham khảo) Yêu cầu kỹ thuật khi nghiệm thu công tác thi công kết cấu khối xây.
Thư mục tài liệu tham khảo
Bạn chưa Đăng nhập thành viên.
Đây là tiện ích dành cho tài khoản thành viên. Vui lòng Đăng nhập để xem chi tiết. Nếu chưa có tài khoản, vui lòng Đăng ký tại đây!