- Tổng quan
- Nội dung
- Tiêu chuẩn liên quan
- Lược đồ
- Tải về
Tiêu chuẩn TCVN 10736-18:2017 Lấy mẫu không khí bằng va đập để phát hiện nấm mốc
| Số hiệu: | TCVN 10736-18:2017 | Loại văn bản: | Tiêu chuẩn Việt Nam |
| Cơ quan ban hành: | Bộ Khoa học và Công nghệ | Lĩnh vực: | Tài nguyên-Môi trường |
|
Ngày ban hành:
Ngày ban hành là ngày, tháng, năm văn bản được thông qua hoặc ký ban hành.
|
2017 |
Hiệu lực:
|
Đã biết
|
| Người ký: | Đang cập nhật |
Tình trạng hiệu lực:
Cho biết trạng thái hiệu lực của văn bản đang tra cứu: Chưa áp dụng, Còn hiệu lực, Hết hiệu lực, Hết hiệu lực 1 phần; Đã sửa đổi, Đính chính hay Không còn phù hợp,...
|
Đã biết
|
TÓM TẮT TIÊU CHUẨN VIỆT NAM TCVN 10736-18:2017
Nội dung tóm tắt đang được cập nhật, Quý khách vui lòng quay lại sau!
Tải tiêu chuẩn Việt Nam TCVN 10736-18:2017
TIÊU CHUẨN QUỐC GIA
TCVN 10736-18:2017
ISO 16000-18:2011
KHÔNG KHÍ TRONG NHÀ - PHẦN 18: PHÁT HIỆN VÀ ĐẾM NẤM MỐC - LẤY MẪU BẰNG PHƯƠNG PHÁP VA ĐẬP
Indoor air - Part 18: Detection and enumeration of moulds - Sampling by impaction
Lời nói đầu
TCVN 10736-18:2017 hoàn toàn tương đương với ISO 16000-18:2011.
TCVN 10736-18:2017 do Ban kỹ thuật tiêu chuẩn quốc gia TCVN/TC 146 Chất lượng không khí biên soạn, Tổng cục Tiêu chuẩn Đo lường Chất lượng đề nghị, Bộ Khoa học và Công nghệ công bố.
Bộ TCVN 10736 (ISO 16000) Không khí trong nhà gồm các phần sau:
- TCVN 10736-1: 2015 (ISO 16000-1:2004) Phần 1: Các khía cạnh chung của kế hoạch lấy mẫu;
- TCVN 10736-2:2015 (ISO 16000-2:2004) Phần 2: Kế hoạch lấy mẫu formaldehyt;
- TCVN 10736-3:2015 (ISO 16000-3:2011) Phần 3: Xác định formaldehyt và hợp chất cacbonyl khác trong không khí trong nhà và không khí trong buồng thử - Phương pháp lấy mẫu chủ động;
- TCVN 10736-4:2015 (ISO 16000-4:2011) Phần 4: Xác định formaldehyt - Phương pháp lấy mẫu khuếch tán;
- TCVN 10736-5:2015 (ISO 16000-5:2007) Phần 5: Kế hoạch lấy mẫu đối với hợp chất hữu cơ bay hơi (VOC);
- TCVN 10736-6:2016 (ISO 16000-6:2011) Phần 6: Xác định hợp chất hữu cơ bay hơi trong không khí trong nhà và trong buồng thử bằng cách lấy mẫu chủ động trên chất hấp phụ Tenax TA®, giải hấp nhiệt và sắc ký khí sử dụng MS hoặc MS-FID;
- TCVN 10736-7:2016 (ISO 16000-7:2007) Phần 7: Chiến lược lấy mẫu để xác định nồng độ sợi amiăng truyền trong không khí;
- TCVN 10736-8:2016 (ISO 16000-8:2007) Phần 8: Xác định thời gian lưu trung bình tại chỗ của không khí trong các tòa nhà để xác định đặc tính các điều kiện thông gió;
- TCVN 10736-9:2016 (ISO 16000-9:2006) Phần 9: Xác định phát thải của hợp chất hữu cơ bay hơi từ các sản phẩm xây dựng và đồ nội thất - Phương pháp buồng thử phát thải;
- TCVN 10736-10:2016 (ISO 16000-10:2006) Phần 10: Xác định phát thải của hợp chất hữu cơ bay hơi từ các sản phẩm xây dựng và đồ nội thất - Phương pháp ngăn thử phát thải;
- TCVN 10736-11:2016 (ISO 16000-11:2006) Phần 11: Xác định phát thải của hợp chất hữu cơ bay hơi từ các sản phẩm xây dựng và đồ nội thất - Lấy mẫu, bảo quản mẫu và chuẩn bị mẫu thử;
- TCVN 10736-12:2016 (ISO 16000-12:2008) Phần 12: Chiến lược lấy mẫu đối với polycloro biphenyl (PCB), polycloro dibenzo-p-dioxin (PCDD), polycloro dibenzofuran (PCDF) và hydrocacbon thơm đa vòng (PAH);
- TCVN 10736-13:2016 (ISO 16000-13:2008) Phần 13: Xác định tổng (pha khí và pha hạt) polycloro biphenyl giống dioxin (PCB) và polycloro dibenzo-p-dioxin/polycloro dibenzofuran (PCDD/PCDF) - Thu thập mẫu trên cái lọc được hỗ trợ bằng chất hấp phụ;
- TCVN 10736-14:2016 (ISO 16000-14:2009) Phần 14: Xác định tổng (pha khí và pha hạt) polycloro biphenyl giống dioxin (PCB) và polycloro dibenzo-p-dioxin/polycloro dibenzofuran (PCDD/PCDF) - Chiết, làm sạch và phân tích bằng sắc ký khí phân giải cao và khối phổ.
- TCVN 10736-15:2017 (ISO 16000-15:2008) Phần 15: Cách thức lấy mẫu nitơ dioxit (NO2).
- TCVN 10736-16:2017 (ISO 16000-16:2008) Phần 16: Phát hiện và đếm nấm mốc - Lấy mẫu bằng cách lọc.
- TCVN 10736-17:2017 (ISO 16000-17:2008) Phần 17: Phát hiện và đếm nấm mốc - Phương pháp nuôi cấy.
- TCVN 10736-18:2017 (ISO 16000-18:2011) Phần 18: Phát hiện và đếm nấm mốc - Lấy mẫu bằng phương pháp va đập.
- TCVN 10736-19:2017 (ISO 16000-19:2012) Phần 19: Cách thức lấy mẫu nấm mốc.
- TCVN 10736-20:2017 (ISO 16000-20:2014) Phần 20: Phát hiện và đếm nấm mốc - Xác định số đếm bào tử tổng số.
- TCVN 10736-21:2017 (ISO 16000-21:2013) Phần 21: Phát hiện và đếm nấm mốc - Lấy mẫu từ vật liệu.
- TCVN 10736-23:2017 (ISO 16000-23:2009) Phần 23: Thử tính năng để đánh giá sự giảm nồng độ formaldehyt do vật liệu xây dựng hấp thu.
- TCVN 10736-24:2017 (ISO 16000-24:2009) Phần 24: Thử tính năng để đánh giá sự giảm nồng độ hợp chất hữu cơ bay hơi (trừ fomaldehyt) do vật liệu xây dựng hấp thu.
- TCVN 10736-25:2017 (ISO 16000-25:2011) Phần 25: Xác định phát thải của hợp chất hữu cơ bán bay hơi từ các sản phẩm xây dựng - Phương pháp buồng thử nhỏ.
- TCVN 10736-26:2017 (ISO 16000-26:2012) Phần 26: Cách thức lấy mẫu cacbon dioxit (CO2)
- TCVN 10736-27:2017 (ISO 16000-27:2014) Phần 27: Xác định bụi sợi lắng đọng trên bề mặt bằng kính hiển vi điện tử quét (SEM) (phương pháp trực tiếp)
- TCVN 10736-28:2017 (ISO 16000-28:2012) Phần 28: Xác định phát thải mùi từ các sản phẩm xây dựng sử dụng buồng thử.
- TCVN 10736-29:2017 (ISO 16000-29:2014) Phần 29: Phương pháp thử các thiết bị đo hợp chất hữu cơ bay hơi (VOC).
- TCVN 10736-30:2017 (ISO 16000-30:2014) Phần 30: Thử nghiệm cảm quan của không khí trong nhà.
- TCVN 10736-31:2017 (ISO 16000-31:2014) Phần 31: Đo chất chống cháy và chất tạo dẻo trên nền hợp chất phospho hữu cơ-este axit phosphoric.
- TCVN 10736-32:2017 (ISO 16000-32:2014) Phần 32: Khảo sát tòa nhà để xác định sự xuất hiện của các chất ô nhiễm.
- TCVN 10736-33:2017 (ISO 16000-33:2017) Phần 33: Xác định phtalat bằng sắc ký khí/khối phổ (GC/MS).
Lời giới thiệu
Nấm mốc là tên thông thường của nấm sợi từ các nhóm phân loại khác nhau (Ascomycota, Zygomycota và các tên gọi khác trước đây như Deuteromycota hoặc nấm bất toàn). Chúng tạo thành sợi nấm và các bào tử. Hầu hết các bào tử nằm trong khoảng kích thước từ 2 μm đến 10 μm, một số lên đến 30 μm và chỉ vài loài đến 100 μm. Bào tử của một số chi nấm mốc rất nhỏ và rất dễ phát tán vào không khí (ví dụ Aspergillus, Penicillium), trong khi các chi khác lớn hơn và/hoặc chìm trong chất lỏng (ví dụ Stachybotrys, Fusahum) và ít di động.
Các bào tử nấm mốc được phân tán rộng rãi trong môi trường ngoài trời, do đó xuất hiện trong không khí trong nhà với các nồng độ khác nhau. Tuy nhiên sự phát triển nấm mốc trong môi trường trong nhà được coi là một vấn đề vệ sinh vì các nghiên cứu dịch tễ học đã cho thấy rằng có ẩm ướt và/hoặc nấm mốc trong nhà và các vấn đề sức khỏe của cư dân có liên quan chặt chẽ với nhau.
Các phương pháp hài hòa đối với việc lấy mẫu, phát hiện và định lượng nấm mốc bao gồm các tiêu chuẩn về chiến lược lấy mẫu là rất quan trọng đối với việc đánh giá so sánh các vấn đề nấm mốc trong nhà. Trước khi thực hiện phép đo bất kỳ cần thực hiện kế hoạch đo.
Tiêu chuẩn này quy định phương pháp lấy mẫu chủ động ngắn hạn (1 min đến 10 min) trong khi quy trình lấy mẫu chủ động dài hạn (0,5 h đến vài giờ) được quy định ở TCVN 10736-16 (ISO 16000-16).
ISO 16017[8][9] và ISO 12219[3]-[7] tập trung vào phép đo hợp chất hữu cơ bay hơi (VOC).
KHÔNG KHÍ TRONG NHÀ - PHẦN 18: PHÁT HIỆN VÀ ĐẾM NẤM MỐC - LẤY MẪU BẰNG PHƯƠNG PHÁP VA ĐẬP
Indoor air - Part 18: Detection and enumeration of moulds - Sampling by impaction
CẢNH BÁO - Khi áp dụng tiêu chuẩn này có thể liên quan đến các vật liệu, thiết bị và các thao tác gây nguy hiểm. Tiêu chuẩn này không đề cập tới mọi vấn đề an toàn liên quan đến người sử dụng. Người sử dụng tiêu chuẩn này phải tự thiết lập các quy tắc an toàn, sức khỏe thích hợp và xác định khả năng áp dụng hoặc các giới hạn quy định trước khi sử dụng tiêu chuẩn.
1 Phạm vi áp dụng
Tiêu chuẩn quy định các yêu cầu lấy mẫu trong thời gian ngắn (1 min đến 10 min) các nấm mốc có trong không khí trong nhà bằng phương pháp va đập trên môi trường thạch đặc. Sau khi thực hiện các hướng dẫn đã nêu, sử dụng mẫu thu được để phát hiện nấm mốc bằng cách nuôi cấy theo TCVN 10736-17 (ISO 16000-17).
2 Tài liệu viện dẫn
Các tài liệu viện dẫn sau là rất cần thiết cho việc áp dụng tiêu chuẩn. Đối với các tài liệu viện dẫn ghi năm công bố thì áp dụng phiên bản được nêu. Đối với các tài liệu viện dẫn không ghi năm công bố thì áp dụng phiên bản mới nhất, bao gồm cả các sửa đổi, bổ sung (nếu có).
TCVN 10736-16 (ISO 16000-16), Không khí trong nhà - Phần 16: Phát hiện và đếm nấm mốc - Lấy mẫu bằng cách lọc.
TCVN 10736-17 (ISO 16000-17), Không khí trong nhà - Phần 17: Phát hiện và đếm nấm mốc - Phương pháp nuôi cấy.
3 Thuật ngữ và định nghĩa
Trong tiêu chuẩn này sử dụng các thuật ngữ và định nghĩa sau:
3.1
Đường kính khí động học (aerodynamic diameter)
Đường kính của một khối cầu có tỷ trọng tương đối bằng vận tốc rơi cuối giống như hạt bụi do lực trọng trường trong không khí tĩnh ở điều kiện nhiệt độ, độ ẩm tương đối và áp suất khí quyển bình thường.
CHÚ THÍCH: Được chấp nhận từ TCVN ISO 7708:1995[1], 2.2.
3.2
Hiệu suất bảo tồn sinh học (biological prevervation efficency)
Khả năng của bộ lấy mẫu để duy trì sự tồn tại của các vi sinh vật trong không khí trong quá trình thu thập mẫu và giữ được tính nguyên vẹn của các sản phẩm vi sinh vật.
[EN 13098: 2000 [10]].
3.3
Đơn vị hình thành khuẩn lạc, cfu (colony forming unit)
Đơn vị biểu thị số lượng vi sinh vật có thể cấy được.
[EN 13098:2000[10]]
CHÚ THÍCH 1: Một đơn vị hình thành khuẩn lạc có thể bắt nguồn từ một vi sinh vật, từ tập hợp của nhiều vi sinh vật cũng như từ một hoặc nhiều vi sinh vật dính vào một hạt.
CHÚ THÍCH 2: Số lượng khuẩn lạc có thể phụ thuộc vào các điều kiện nuôi cấy.
3.4
Giá trị ngưỡng (cut-off value)
Cỡ hạt (đường kính khí động học) có hiệu suất lấy mẫu là 50 %.
3.5
Nuôi cấy (cultivation)
<chất lượng không khí> sự phát triển của vi sinh vật trên môi trường nuôi cấy.
[TCVN 10736-16: 2017 (ISO 16000-16:2008), 3.6]
3.6
Nấm sợi (Filamentous fungus)
Nấm phát triển dưới dạng các sợi tế bào.
CHÚ THÍCH 1: Các sợi dính vào nhau được gọi là hệ nấm sợi.
CHÚ THÍCH 2: Thuật ngữ “nấm sợi” phân biệt với sợi phát triển từ nấm men.
[TCVN 10736-16:2017 (ISO 16000-16:2008), 3.3]
3.7
Va đập (impaction)
Lấy mẫu các hạt lơ lửng trong không khí bằng va đập lên bề mặt rắn.
CHÚ THÍCH: Đối với mục đích của tiêu chuẩn này, bề mặt rắn gồm có thạch (xem thêm ISO 4225:1984, 3.18, 3.19 đã xác định các dụng cụ sử dụng va đập.
3.8
Vi sinh vật (microorganism)
Mọi thực thể vi sinh, có tế bào hoặc không có tế bào có thể tái tạo hoặc di truyền hoặc các thực thể bị mất các đặc tính của chúng.
[EN 13098:2000[10]]
3.9
Nấm mốc (mould)
<chất lượng không khí> nấm sợi từ một vài nhóm phân loại như Ascomycete, Zygomycete và các trạng thái tiệm biến được gọi là deuteromycete hoặc nấm bất toàn.
CHÚ THÍCH: Nấm mốc hình thành các dạng bào tử khác nhau phụ thuộc vào nhóm phân loại của chúng, gọi là bào tử hạt đính (hạt đính), cuống túi bào tử hoặc nang bào tử.
[TCVN 10736-16 :2017 (ISO 16000-16:2008), 3.9]
3.10
Hiệu suất lấy mẫu bằng phương pháp vật lý (physical sampling efficiency)
Khả năng của bộ lấy mẫu thu nhận được các hạt lơ lửng với kích thước cụ thể có trong không khí
[EN 13098:2000[10]]
3.11
Hiệu suất lấy mẫu tổng thể (total sampking efficiency)
Tổng hiệu suất lấy mẫu phương pháp vật lý và hiệu suất lưu giữ đặc tính sinh học.
[EN 13098:2000[10]]
4 Nguyên tắc
Một lượng xác định của không khí được hút qua bộ lấy mẫu va đập có chứa một hoặc một vài đĩa chứa môi trường thạch (DG18 và thạch chất chiết malt hoặc thạch dextrose khoai tây). Các hạt trong dòng không khí va đập lên bề mặt thạch do quán tính của chúng khi hướng của dòng không khí bị lệch đi vòng qua bề mặt rắn.
Qua đó nấm mốc trong không khí được thu trực tiếp trên các đĩa thạch.
Dụng cụ lấy mẫu được thiết lập để phát hiện các hạt có kích thước bào tử nấm (> 1 μm đến 30 μm). Để đạt được điều này, giá trị ngưỡng của dụng cụ lấy mẫu tốt nhất là nhỏ hơn hoặc bằng 1 μm và không được quá 2 μm.
CHÚ THÍCH: Có hai kiểu bộ va đập chính được sử dụng rộng rãi và có sẵn trên thị trường: a) bộ lấy mẫu khe hở; b) lấy mẫu sàng. Trong bộ lấy mẫu khe hở, không khí được hút qua khe hở và các hạt giữ lại trên đĩa thạch quay. Trong bộ lấy mẫu sàng không khí được rút ra thông qua tấm đục lỗ (sáng) với lỗ có đường kính được xác định và các hạt bị giữ lại trên đĩa thạch cố định bên dưới. Bộ lấy mẫu sàng có thể hoạt động theo các tầng sàng khác nhau dẫn đến vận tốc dòng khác nhau để thu lấy các phần cỡ hạt khác nhau (ví dụ: bộ va đập Andersen sáu tầng). Dữ liệu đánh giá xác nhận chỉ được cung cấp cho các bộ va đập sàng từng tầng (chủ yếu bộ va đập trên 300 lỗ) sử dụng các đĩa thạch có đường kính 9 cm.
Sau khi lấy mẫu, các bào tử nấm được nuôi cấy và được đếm theo quy trình quy định trong TCVN 10736-17 (ISO 16000-17).
5 Thiết bị và vật liệu
5.1 Thiết bị lấy mẫu
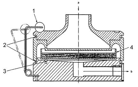
Ví dụ chi tiết của bộ va đập một tầng sàng được nêu trong Phụ lục A. Bộ va đập có nhiều tầng sàng chỉ được sử dụng cho các mục đích đặc biệt khi cần phân tách cỡ hạt.
5.1.1 Giá đỡ, để định vị bộ va đập ở độ cao lấy mẫu yêu cầu.
5.1.2 Bộ va đập, kiểu khe hở hoặc sàng.
5.1.3 Đĩa thạch, đường kính 9 cm chứa thạch DG18 và thạch chất chiết malt hoặc thạch dextrose khoai tây (xem Điều 6).
5.1.4 Bơm chân không đảm bảo tốc độ dòng ổn định trong quá trình hoạt động liên tục.
5.1.5 Đồng hồ đo thể tích khí, để xác định lượng khí được hút vào tại đầu lấy mẫu, theo mét khối.
5.1.6 Đồng hồ tính thời gian, để cài đặt trước thời gian và tính thời gian lấy mẫu
5.1.7 Hộp bảo vệ (tùy chọn, phần lớn để sử dụng ngoài trời), để bảo quản dụng cụ lấy mẫu khỏi các điều kiện bất lợi của môi trường.
5.2 Dụng cụ để chuẩn bị các đĩa thạch
Sử dụng thiết bị, dụng cụ thông thường của phòng thử nghiệm vi sinh vật và cụ thể như sau:
5.2.1 Máy đo pH với độ chính xác ± 0,1.
5.2.2 Đĩa Petri, vô trùng, đường kính ~ 9 cm.
5.2.3 Nồi hấp sấy, có khả năng hoạt động ở (121 ± 3) °C và (115 ± 3) °C.
5.3 Dụng cụ lấy mẫu
5.3.1 Túi bằng chất dẻo để bảo vệ các đĩa thạch trong khi vận chuyển.
5.3.2 Vật chứa lạnh và cách nhiệt để vận chuyển các đĩa thạch dưới 25 °C.
5.3.3 Chất tẩy trùng, ví dụ isopropanol hoặc etanol (70 % thể tích).
5.3.4 Không khí nén (không chứa dầu, tùy chọn) để làm khô dụng cụ sau khi khử trùng.
6 Môi trường nuôi cấy và thuốc thử
6.1 Yêu cầu chung
Sử dụng tất cả các thuốc thử và hóa chất có chất lượng tinh khiết phân tích dùng cho phân tích "vi sinh" hoặc tốt hơn. Nước được sử dụng phải là nước cất hoặc nước có chất lượng tương đương.
Sử dụng các cơ chất khô bán sẵn trên thị trường nếu phù hợp với mô tả quy định và phải được chuẩn bị theo hướng dẫn của nhà sản xuất.
6.2 Thạch dicloran 18 % glycerol (thạch DG18)
Các thành phần được liệt kê trong Bảng 1.
Bảng 1 - Thành phần của thạch dicloran 18 % glycerol (thạch DG18)
| Thành phần | Khối lượng |
| Pepton a | 5.0 g |
| Glucose | 10,0 g |
| Kali dihydro phosphat (KH2PO4) | 1,0 g |
| Magie Sulfat ngậm bảy phân tử nước (MgSO4.7H2O) | 0,5 g |
| Dicloran (2,6-dido-4-nitroanilin) 0,2 % thể tích trong etanol (100 %) | 1,0 ml |
| Chloramphenicol | 0,1 g |
| Glycerol | 220 gb |
| Thạch | 15,0 g |
| Nước | 1 000 ml |
| a Có thể sử dụng các pepton từ các hãng sản xuất khác nhau (pepton casein, pepton nấm). Điều này thường không ảnh hưởng đến các kết quả định lượng., nhưng có thể ảnh hưởng đến vẻ bên ngoài của các khuẩn lạc. Các kiểm chứng dương tính để so sánh độ thu hồi và so sánh hình thái của các khuẩn lạc là rất quan trọng b 18 % phần khối lượng của 1 220 g khối lượng cuối cùng = 220 g. | |
Bổ sung các thành phần với lượng nhỏ và thạch vào khoảng 800 ml nước và hòa tan bằng cách đun sôi. Thêm nước đến 1 000 ml và thêm 220 g glycerol. Khử trùng trong nồi hấp áp lực ở (121 ± 3) °C trong (15 ± 1) min. Sau khi khử trùng, pH phải là 5,6 ± 0,2 ở 25 °C. Phân phối các lượng khoảng 20 ml vào các đĩa Petri.
Giữ các đĩa Petri chứa thạch DG18 lưu giữ trong túi để ở nhiệt độ (15 ± 3) °C nơi tối trong một tuần.
CHÚ THÍCH 1: Tùy thuộc vào hệ vi sinh vật bị nhiễm, có thể sử dụng các loại kháng sinh khác, ví dụ: streptomycin hoặc ampicillin nếu chúng không ảnh hưởng đến các kết quả thử nghiệm.
CHÚ THÍCH 2: Thạch DG18 thích hợp cho việc phát hiện một phổ rộng các nấm mốc ưa khô (nghĩa là nấm ưa thích khô). Glycerol làm giảm hoạt độ nước, aH2O, đến 0,95. Cloramphenicol ức chế vi khuẩn, đặc biệt là vi khuẩn gram âm. Dicloran ức chế sự lây lan các khuẩn lạc nấm mốc phát triển nhanh và do đó ngăn ngừa mọc lan các khuẩn lạc phát triển chậm.
6.3 Thạch chất chiết malt
Các thành phần được liệt kê trong Bảng 2.
Bảng 2 - Thành phần của thạch chất chiết malt
| Thành phần | Khối lượng |
| Chất chiết malt | 30,0 g |
| Pepton từ đậu tương | 3,0 g |
| Thạch | 15,0 g |
| Nước | 1 000 ml |
CHÚ THÍCH 1: Có thể bổ sung cloramphenicol (0,05 g/l) nếu mẫu chứa nồng độ cao các vi khuẩn.
CHÚ THÍCH 2: Tùy thuộc vào hệ vi sinh vật bị nhiễm, có thể sử dụng các loại kháng sinh khác, ví dụ: streptomycin hoặc ampicillin nếu chúng không ảnh hưởng đến các kết quả thử nghiệm.
Cho các thành phần và thạch vào nước và hòa tan bằng cách đun sôi. Khử trùng trong nồi hấp áp lực ở (115 ± 3) °C trong (10 ± 1) min. Sau khi khử trùng, pH phải là 5,5 ± 0,2 ở 25 °C. Phân phối các lượng khoảng 20 ml vào các đĩa Petri.
Giữ các đĩa Petri chứa thạch chất chiết malt trong túi để ở nhiệt độ (5 ± 3) °C nơi tối một tháng.
LƯU Ý: Trên thị trường có nhiều loại thạch chất chiết malt với các thành phần khác nhau, cần đảm bảo rằng các thạch này có thành phần tương ứng với thành phần nêu trong Bảng 2.
6.4 Thạch dextrose khoai tây
Các thành phần được liệt kê trong Bảng 3.
Bảng 3 - Thành phần thạch dextrose khoai tây
| Thành phần | Khối lượng |
| Chất chiết khoai tây | 4,0 g |
| Glucose | 20,0 g |
| Thạch | 15,0g |
| Nước | 1 000 ml |
CHÚ THÍCH 1: Có thể cần bổ sung cloramphenicol (0,05 g/l) nếu mẫu chứa nồng độ cao các vi khuẩn.
CHÚ THÍCH 2: Tùy thuộc vào hệ vi sinh vật bị nhiễm, có thể sử dụng các loại kháng sinh khác, ví dụ: streptomycin hoặc ampicillin nếu chúng không ảnh hưởng đến các kết quả thử nghiệm.
Cho các thành phần và thạch vào nước và hòa tan bằng cách đun sôi. Khử trùng trong nồi hấp áp lực ở (115 ± 3) °C (10 ± 1) min. Sau khi khử trùng, pH phải là 5,6 ± 0,2 ở 25 °C. Phân phối các lượng khoảng 20 ml vào các đĩa Petri.
Giữ các đĩa thạch dextrose khoai tây để trong túi ở nhiệt độ (5 ± 3) °C nơi tối sẽ giữ được một tháng.
7 Cách tiến hành
7.1 Chuẩn bị lấy mẫu
Chuẩn bị số lượng bộ va đập và đĩa thạch yêu cầu phù hợp với mục đích của phép đo và cách thức đo. Đối với các phép đo thường xuyên dùng bộ va đập một tầng sàng, thì nên sử dụng các thể tích không khí khác nhau song song (ví dụ: 2 x 50 lít và 2 x 100 lít) tại mỗi điểm lấy mẫu cũng như mẫu trắng thực địa cho mỗi thực hành kiểm tra. Cần tối thiểu 4 đến 5 đĩa thạch DG18 và 4 đến 5 đĩa thạch chất chiết mail hoặc đĩa thạch dextrose khoai tây tại mỗi điểm lấy mẫu.
Kiểm tra thiết bị về tính đầy đủ và chức năng hoạt động bằng danh mục kiểm tra.
Kiểm tra tính hợp lệ của việc hiệu chuẩn thiết bị lấy mẫu; nếu không, thực hiện hiệu chuẩn mới trước khi bắt đầu đo (xem Điều 9).
Sử dụng bộ va đập dạng khe hoặc sàng vô trùng đối với mỗi điểm đo. Tùy chọn, khử trùng khe hoặc sàng bằng etanol hoặc isopropanol (70 % thể tích) và sau đó để khô trong không khí (ví dụ: bằng không khí nén). Tiếp theo, hút không khí qua bộ va đập không có đĩa thạch khoảng vài phút tại điểm lấy mẫu mới trước khi lấy mẫu bằng đĩa thạch.
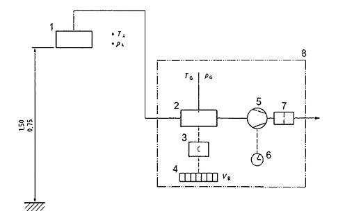
Lắp ráp bộ lấy mẫu theo Hình 1.
7.2 Lấy mẫu
Thực hiện kiểm soát chức năng hoạt động đều đặn. Kiểm soát chức năng chủ yếu là kiểm soát lưu lượng thể tích (xem Điều 9).
Lấy mẫu thường được tiến hành ở độ cao 0,75 m đến 1,5 m so với mặt sàn. Đối với các mục đích đặc biệt, có thể áp dụng các độ cao khác. Chú ý không để bụi bị lắng trong nhà hút vào các thiết bị lấy mẫu khi lấy mẫu ở các độ cao thấp hơn. Hướng của đầu vào bộ va đập trong môi trường trong nhà không có dòng không khí là không quan trọng. Đầu lấy mẫu treo lên chỉ cần thiết trong trường hợp của không khí chuyển động mạnh (ví dụ: ngoài trời).
Mở nắp đĩa thạch và lắp đĩa vào bộ va đập. Chú ý tránh làm bẩn các đĩa thạch hoặc thiết bị lấy mẫu.
Bật thiết bị lấy mẫu theo hướng dẫn vận hành của nhà sản xuất.
Sau khi lấy mẫu xong, tháo đĩa thạch ra khỏi thiết bị lấy mẫu, đậy nắp và gói đĩa thạch trong túi bằng chất dẻo để tránh nhiễm bẩn.
Điền đầy đủ thông tin vào biên bản lấy mẫu (xem Điều 11 và Phụ lục B).
Các phép đo nhiều lần khuyến cáo sử dụng các thể tích lấy mẫu khác nhau. Điều này đặc biệt quan trọng khi độ nồng độ nấm mốc dự kiến chưa được biết. Sử dụng đĩa thạch mới cho mỗi lần lấy mẫu.
Lấy tối thiểu một mẫu trắng thực địa đối với mỗi phép đo, tốt nhất là ở giữa dãy phép đo nhưng không không hút không khí qua thiết bị lấy mẫu. Với mục đích này, đặt một đĩa thạch đã mở nắp vào bộ va đập với máy bơm tắt, sau đó lấy đĩa ra, đậy nắp, bao gói đĩa rồi tiến hành phân tích. Tránh đĩa thạch đã mở nắp tiếp xúc kéo dài với không khí xung quanh. Kết quả phân tích mẫu trắng cho thấy số lượng cfu đi vào mẫu đơn giản bằng cách xử lý các đĩa thạch trong khi lấy mẫu.
Kích thước tính theo mét

CHÚ DẪN:
1 bộ va đập và giá đỡ
2 đồng hồ đo thể tích không khí (ví dụ: tấm đục lỗ, đồng hồ đo lưu lượng dòng)
3 mạch điện tử để chuyển đổi sang mét khối
4 hiển thị thể tích không khí lấy mẫu bằng mét khối
5 bơm chân không
6 đồng hồ tính thời gian
7 cái lọc đối với vật liệu mài mòn (nếu sử dụng bơm chân không có cánh gạt quay)
8 hộp bảo vệ (tùy chọn tránh các điều kiện môi trường bất lợi)
TA là nhiệt độ không khí
pA là áp suất không khí môi trường
TG nhiệt độ không khí mẫu
pG là áp suất không khí lấy mẫu
VB thể tích khí lấy mẫu
Hình 1 - Sơ đồ của bộ lấy mẫu
7.3 Thời gian lấy mẫu và thể tích lấy mẫu
Thời gian lấy mẫu và thể tích lấy mẫu được xác định bằng mục đích của phép đo và nồng độ nấm mốc dự kiến. Thời gian lấy mẫu từ 1 min đến 10 min. Không nên lấy mẫu nhỏ hơn 50 lít vì sẽ có sai số trong phép xác định thể tích không khí lấy mẫu do thể tích chết của thiết bị lấy mẫu (xem Phụ lục C).
7.4 Bảo quản và vận chuyển
Bảo quản đĩa thạch khỏi các yếu tố bất lợi (ánh nắng, độ ẩm hoặc khô, nhiệt nóng và bụi, v.v...) và vận chuyển đến các phòng thử nghiệm ngay sau khi lấy mẫu xong với bề mặt thạch hướng lên trên để trong vật chứa kín (xem 5.3.2). Nhiệt độ vận chuyển không được vượt quá nhiệt độ ủ (25 ± 3) °C. Làm mát mẫu trong khi vận chuyển, nếu cần. Chú ý không làm đông lạnh và tránh nhiệt độ quá thấp vì các vấn đề ngưng tụ. Ghi lại các điều kiện trong quá trình vận chuyển (nhiệt độ, độ ẩm, thời gian). Xử lý mẫu tốt nhất trong vòng 24 h, nhưng không muộn hơn 48 h sau khi lấy mẫu xong.
8 Hiệu suất của việc lấy mẫu và hạn chế của phương pháp
Những hạn chế của phương pháp này được xác định bằng hiệu suất lấy mẫu vật lý và sinh học.
Hiệu suất lấy mẫu vật lý được đưa ra bởi giá trị ngưỡng của thiết bị lấy mẫu. Giá trị ngưỡng tốt nhất là nhỏ hơn hoặc bằng 1 μm và không được vượt quá 2 μm để lấy mẫu hiệu quả các bào tử nhỏ.
Sự mất nước ảnh hưởng đến hiệu suất lấy mẫu sinh học là không thống nhất, mà phụ thuộc vào nhiệt độ, độ ẩm tương đối, thời gian lấy mẫu tại thời điểm đo, cũng như loại nấm mốc tại thời điểm đo. Nguy cơ mất nước trong quá trình va đập là thấp do thời gian lấy mẫu và va đập trực tiếp lên đĩa thạch là ngắn.
Dải số đếm khuẩn lạc tối ưu là 20 đến 40 trên một đĩa thạch (xem TCVN 10736-17 (ISO 16000-17) về dải khuẩn lạc từ 10 đến 100 trên đĩa). Do đó, cần điều chỉnh thể tích mẫu đến nồng độ nấm mốc dự kiến trong không khí để tránh:
- quá nhiều đĩa dẫn đến ước tính nồng độ thấp đi (xem phụ lục C);
- số khuẩn lạc trên mỗi đĩa là quá thấp để cho kết quả thống kê hợp lệ.
9 Hiệu chuẩn tốc độ dòng, kiểm soát chức năng và duy trì hệ thống lấy mẫu
9.1 Hiệu chuẩn lưu lượng dòng
Thực hiện hiệu chuẩn thiết bị lấy mẫu bằng phương pháp đo thể tích tham chiếu đã được chứng nhận có độ chính xác của phép đo không quá ± 2 % tính bằng mét khối, so sánh đến các điều kiện không khí xung quanh. Gắn đồng hồ đo lưu lượng với đầu vào của thiết bị lấy mẫu. Đảm bảo rằng lỗ hút của máy đo tham chiếu không bị cản trở. Sau khi điều chỉnh thành công tốc độ, kiểm tra độ chính xác hiển thị của thiết bị lấy mẫu dựa vào đồng hồ đo thể tích chuẩn. Thể tích không khí được hút qua thiết bị lấy mẫu trong khoảng 30 min phải cho thấy độ chính xác ± 1 % so với đồng hồ đo thể tích chuẩn.
Việc kiểm tra xác nhận thông thường tốc độ dòng (kiểm soát chức năng) phụ thuộc vào sự ổn định của thiết bị. Thực hiện hiệu chuẩn hoàn chỉnh trước khi bắt đầu chương trình đo mới hoặc sau những thay đổi đáng kể, ví dụ: khi sử dụng thiết bị mới hoặc sau khi sửa chữa hoặc sau khi bơm. Nếu lưu lượng dòng được xác định bằng cách sử dụng độ lệch chuẩn lớn hơn 2 % so với giá trị yêu cầu vận hành chính xác đầu vào, thì chỉnh bộ kiểm soát dòng theo hướng dẫn của nhà sản xuất, cần đảm bảo rằng dòng không khí không dao động quá ± 2 % trong khi lấy mẫu và thời gian để đạt được lưu lượng lấy mẫu mong muốn khi bắt đầu quá trình lấy mẫu được giữ càng ngắn càng tốt để giảm thiểu ảnh hưởng đến thể tích mẫu.
Đối với một số thiết bị lấy mẫu, người sử dụng không thể kiểm tra xác nhận và điều chỉnh dòng danh nghĩa nhưng được các nhà sản xuất thực hiện đều đặn. Trong trường hợp này, nhà sản xuất cần đảm bảo lưu lượng ổn định giữa các khoảng thời gian hiệu chuẩn và thiết bị phải có hệ thống kiểm soát nội bộ ngăn ngừa sai lệch so với lưu lượng danh nghĩa.
9.2 Kiểm soát chức năng và bảo dưỡng hệ thống lấy mẫu
Thực hiện bảo dưỡng phần cơ của hệ thống lấy mẫu (đầu vào và ống nối) bao gồm cả kiểm tra rò rỉ theo đúng hướng dẫn của nhà sản xuất.
10 Đảm bảo chất lượng
Việc xác định chế độ hoạt động chính xác của thiết bị lấy mẫu là rất quan trọng, ví dụ: kiểm tra để chắc chắn không có rò rỉ (xem 9.2) và hiệu chuẩn định kỳ tốc độ dòng để xác định thống nhất thể tích mẫu (xem 9.1). Ngoài ra, đặc biệt chú ý đến máy bơm và xử lý các đĩa thạch.
Phòng thử nghiệm phải thực hiện các biện pháp đảm bảo chất lượng được lập bằng văn bản và luôn sẵn có.
11 Biên bản lấy mẫu
Ghi nhãn các mẫu để nhận biết thống nhất.
Điền đầy đủ biên bản lấy mẫu đối với từng mẫu trước (hoặc sau) khi lấy mẫu.
Biên bản ít nhất phải bao gồm các thông tin sau:
a) Viện dẫn tiêu chuẩn này
b) Tên và địa chỉ của khách hàng;
c) Mục đích của phép đo
d) Kiểu loại thiết bị lấy mẫu được sử dụng;
e) Thể tích mẫu, ngày tháng, thời điểm lấy mẫu, vị trí và thời gian lấy mẫu;
f) Kết quả mẫu trắng thực địa;
g) Tên của người lấy mẫu.
Mục đích của việc phân tích và nếu có thể, liệt kê danh mục các thông số cần phân tích vì chúng có thể cần cho phòng thử nghiệm chọn phương pháp, có thể cần đến các chi tiết khác (ví dụ: nhiệt độ, độ ẩm, điểm lấy mẫu chính xác, kiểu thông gió mọi hiện tượng quan sát được mà có thể ảnh hưởng đến nồng độ nấm mốc có trong mẫu không khí).
Ví dụ về biên bản lấy mẫu được đưa ra trong Phụ lục B.
CHÚ THÍCH: Các thông số bổ sung như áp suất không khí, hướng gió, tốc độ gió và điều kiện khí hậu có thể quan trọng đối với các phép đo không khí xung quanh.
12 Đặc tính tính năng
Sự phù hợp của phương pháp đã được kiểm tra bằng các phép đo so sánh dùng đĩa thạch DG18 (xem Phụ lục C).
Phụ lục A
(tham khảo)
Mô tả kỹ thuật của một bộ va đập một tầng sàng thích hợp
Sơ đồ lắp ráp của thiết bị lấy mẫu thích hợp được nêu trong Hình A.1.

CHÚ DẪN:
1 kẹp
2 vòng đệm
3 bộ phận căn chỉnh đĩa Petri
4 đĩa Petri đựng môi trường thạch
a ống dẫn khi vào
b ống dẫn khí ra
Hình A1 - Sơ đồ của thiết bị va đập một sàng
Phụ lục B
(Tham khảo)
Biên bản lấy mẫu
CHÚ THÍCH Phụ lục này cung cấp cho người sử dụng tiêu chuẩn quyền sao lại hoặc nếu không thì sử dụng biên bản lấy mẫu trong trang này chỉ dùng cho mục đích thực thi tiêu chuẩn này.
| Khách hàng: | Số.: | ||||||||
| Mục đích: | Kiểu loại và số thiết bị.: | ||||||||
| Vị trí đo: | Ngày: | ||||||||
|
| |||||||||
| Kiểu thạch/Đĩa số | Thời gian bắt đầu đo | Thể tích lấy mẫu m3 | Thời gian đo min | Đo ở độ cao m | Nhiệt độ °C | Độ ẩm tương đối % | Lưu ý, ví dụ: cảm nhận về mùi | Nhiễu trong quá trình lấy mẫu, ví dụ: hoạt động của nhân viên trong phòng, HVACa | |
|
|
|
|
|
|
|
|
|
| |
|
|
|
|
|
|
|
|
|
| |
|
|
|
|
|
|
|
|
|
| |
|
|
|
|
|
|
|
|
|
| |
|
|
|
|
|
|
|
|
|
| |
|
|
|
|
|
|
|
|
|
| |
|
|
|
|
|
|
|
|
|
| |
|
|
|
|
|
|
|
|
|
| |
|
|
|
|
|
|
|
|
|
| |
| a Nóng, thông gió và điều hòa không khí. | |||||||||
Các lưu ý:
| Tên kỹ thuật viên phòng thử nghiệm
| Ngày tháng năm Ký tên |
Phụ lục C
(Tham khảo)
Trao đổi mẫu cho việc đánh giá xác nhận phương pháp
Sự phù hợp của phương pháp lấy mẫu quy định trong tiêu chuẩn này đã được thử nghiệm trong các điều kiện thực tế trong ba thí nghiệm phối hợp bởi Berufsverband Deutscher Baubiologen (Hiệp hội German Green Builder của Đức) (xem Tài liệu tham khảo [12]).
Các thí nghiệm được thực hiện trong hai phòng họp khác nhau (mỗi phòng thực hiện 2 thí nghiệm 1 và 2 tương ứng) và nhà thờ (thực hiện thí nghiệm 3) được thông gió tự nhiên. Cửa sổ đóng 1 h trước khi lấy mẫu. Trong tất cả các thử nghiệm các mẫu song song 50 l, 100 l và 200 l đã được lấy bằng phương pháp va đập. Trong thí nghiệm 3, các mẫu 50 l được lấy tại thời điểm bắt đầu và cuối chương trình lấy mẫu với kết quả tương đương cho thấy nồng độ của nấm là không đổi theo thời gian lấy mẫu.
Một phòng thử nghiệm trung tâm (Cơ quan Y tế Baden-Wurttemberg, Stuttgart) đã cung cấp các đĩa thạch DG18 cho tất cả các bên tham gia để tránh ảnh hưởng từ môi trường. Tất cả các đĩa đã được phòng thử nghiệm trung tâm ủ và phân tích. Trong thí nghiệm 1, các phòng thử nghiệm tham gia đã lấy mẫu bổ sung và phân tích các đĩa đã ủ.
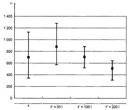
Trong thí nghiệm 1 (tháng 6 năm 2005), có 34 phòng thử nghiệm lấy mẫu bằng va đập sử dụng các thiết bị khác nhau. Nồng độ của nấm trong phòng tương đối thấp. Số đếm trung bình sử dụng các kết quả từ tất cả các thể tích lấy mẫu là khoảng 100 cfu/m3 (xem C.1). Tuy nhiên, các kết quả khác nhau khi được tính riêng cho các thể tích lấy mẫu khác nhau. Các số đếm cao hơn đáng kể đã tìm thấy khi lấy mẫu 50 l và 100 l (131 cfu/m3 và 120 cfu/m3 tương ứng) so với 200 l (85 cfu/m3). Kết quả này cho thấy đã có sự ức chế phát triển xảy ra ở số đếm khuẩn lạc tương đối thấp trên đĩa (khoảng 20 khuẩn lạc với thể tích lấy mẫu 200 I). Việc bị khô không giải thích được về các số đếm thấp khi lấy mẫu 200 I vì thời gian lấy mẫu và va đập lên bề mặt thạch là ngắn.

CHÚ DẪN:
|
| 95 phần trăm Trung vị 5 phần trăm |
| v | nồng độ/(cfu/m3) |
| V | thể tích lấy mẫu |
| a | tổng thể |
Hình C.1 - Nồng độ số đếm khuẩn lạc tổng số trên đĩa thạch DG18 sau khi lấy mẫu va đập với các thể tích lấy mẫu khác nhau trong thí nghiệm 1
Độ lệch chuẩn cao nhất đối với lấy mẫu 50 l và thấp nhất đối với 200 l. Các kết quả này cho thấy rằng số đếm khuẩn lạc thấp trên các đĩa dẫn đến độ lệch chuẩn cao. Điều này cũng đúng khi số đếm khuẩn lạc đối với chi khác nhau được so sánh. Nồng độ Cladosporium spp. và Penicillium spp. là 50 cfu/m3 với độ lệch chuẩn khoảng 30 %. Các loài khác có mặt ở nồng độ thấp hơn và độ lệch chuẩn của kết quả tăng từ 50 % đến 200 %. Độ lệch chuẩn số đếm khuẩn lạc tổng số khoảng 100 cfu/m3 là 23 %. số đếm khuẩn lạc phân bố chuẩn trong 100 l mẫu và 200 l mẫu, nhưng không phải mẫu 50 l (xem Hình C.2 đến C.4). Những kết quả này ủng hộ quan điểm cho rằng số đếm khuẩn lạc dưới 10 không nên sử dụng đối với các kết quả định lượng.
Độ lệch chuẩn về kết quả thu được từ các đĩa do các phòng thử nghiệm tham gia phân tích cao hơn nhiều so với kết quả do phòng thử nghiệm tham chiếu thực hiện. Đối với các nồng độ từ 40 cfu/m3 đến 100 cfu/m3 có độ lệch chuẩn từ 60 % đến 80 %.

CHÚ DẪN:
n số lượng kết quả
v nồng độ/(cfu/m3)
Hình C.2 - Số lượng kết quả trong dải nồng độ khác nhau khi lấy mẫu 50 l; Các kết quả không phân bố chuẩn

CHÚ DẪN:
n số lượng kết quả
v nồng độ/(cfu/m3)
Hình C.3 - Số lượng kết quả trong dải nồng độ khác nhau khi lấy mẫu 100 l; Các kết quả phân bố chuẩn

CHÚ DẪN:
n số lượng kết quả
V nồng độ/(cfu/m3)
Hình C.4 - Số lượng kết quả trong dải nồng độ khác nhau khi lấy mẫu 200 l; Các kết quả phân bố chuẩn
34 phòng thử nghiệm đã sử dụng các thiết bị lấy mẫu khác nhau (với số lượng dụng cụ lấy mẫu trong ngoặc đơn): Holbach LKS30D1) (15), MBASS30D1) (11), RCS1) (4), MAS-1001) (2), Spin Air1) (1), FH2 Loreco1) (1). Các kết quả cũng tương tự cho tất cả các thiết bị lấy mẫu trừ RCS. Số đếm khuẩn lạc trung bình với bộ lấy mẫu RCS là khoảng một nửa nồng độ so với các bộ lấy mẫu khác (xem Hình C.5).

CHÚ DẪN:
|
| 95 phần trăm Trung vị 5 phần trăm |
| n | số lượng kết quả |
| v | nồng độ/(cfu/m3) |
| a | Thiết bị có bán sẵn. Thông tin này được đưa ra chỉ tạo thuận lợi cho người sử dụng tiêu chuẩn và không phải xác nhận của tiêu chuẩn về sản phẩm này. |
Hình C.5 - Nồng độ của tổng sẽ đếm khuẩn lạc trên thạch DG18 sau khi lấy mẫu bằng các thiết bị lấy mẫu khác nhau trong thí nghiệm 1
Trong quá trình thực hiện thí nghiệm 2 (tháng 6 năm 2006), có 33 phòng thử nghiệm lấy mẫu va đập với các thiết bị khác nhau. Nồng độ của nấm trong phòng cao hơn so với thí nghiệm 1. Nồng độ trung bình tổng số sử dụng các kết quả từ tất cả các thể tích mẫu khoảng là 700 cfu/m3 (xem Hình C.6). Lần nữa thu được các kết quả khác nhau (có ý nghĩa thống kê) khi tính riêng cho các thể tích mẫu khác nhau. Nồng độ trung bình thu được giảm dần với thể tích mẫu tăng: 884 cfu/m3 đối với 50 l, 704 cfu/m3 đối với 100 l và 508 cfu/m3 đối với 200 l mẫu. Số khuẩn lạc trên các đĩa nằm trong dải tối ưu để tính (khoảng 90 khuẩn lạc) chỉ đối với các mẫu 50 l. Số khuẩn lạc trên các đĩa quá cao để có thể đếm chính xác là các mẫu 100 l và 200 l. Điều này giải thích các nồng độ trung bình thấp hơn được tìm thấy với thể tích mẫu cao hơn. Độ lệch chuẩn của các kết quả có thể so sánh được với các giá trị tính được trong thí nghiệm 1 (20 % trong dải số đếm tối ưu), số đếm khuẩn lạc phân bố chuẩn đối với tất cả các thể tích mẫu (dữ liệu không thể hiện).

CHÚ DẪN
|
| 95 phần trăm Trung vị 5 phần trăm |
| v | nồng độ/(cfu/m3) |
| V | thể tích lấy mẫu |
| a | tổng thể |
Hình C.6 - Nồng độ số đếm khuẩn lạc tổng số trên thạch DG18 sau khi lấy mẫu
va đập với các thể tích lấy mẫu khác nhau trong thí nghiệm 2
33 phòng thử nghiệm đã sử dụng các thiết bị lấy mẫu khác nhau (với số lượng các dụng cụ lấy mẫu khác nhau được sử dụng trong ngoặc đơn): Holbach LKS301) (11), MBASS301) (12), MAS-1001) (4), Spin Air1) (1), Zinsser Analytic pbi1) (1), Desaga GS1001) (1), SAS1) (1), MAS-100 Eco1) (1), Monty LS151) (1). Các kết quả tương tự nhau đối với MBASS, LKS30, MAS-100 và Desaga GS100. Còn Spin Air, Zinsser Analytic pbi, SAS và MAS-100 Eco đã cho kết quả nồng độ hơi thấp hơn, mặc dù việc so sánh là khó vì số lượng kết quả thu được thấp. Bộ lấy mẫu Monty LS15 cho kết quả nồng độ thu được thấp hơn đáng kể (xem Hình C.7). Việc sử dụng các đĩa thạch nhỏ khi lấy mẫu bằng Zinsser Analytic pbi, SAS và Monty LS15 có thể đã góp phần vào việc phát hiện nồng độ thấp hơn bằng những bộ lấy mẫu này.

CHÚ DẪN:
|
| 95 phần trăm Trung vị 5 phần trăm |
| v | nồng độ/(cfu/m3) |
| a | Thiết bị có bán sẵn. Thông tin này được đưa ra chỉ tạo thuận lợi cho người sử dụng tiêu chuẩn và không phải xác nhận của tiêu chuẩn về sản phẩm này. |
Hình C.7 - Nồng độ của nấm thu được bằng cách lấy mẫu sử dụng các thiết bị lấy mẫu khác nhau trong thí nghiệm 2
Trong quá trình thực hiện thí nghiệm 3 (tháng 6 năm 2007), có 35 phòng thử nghiệm lấy mẫu bằng va đập sử dụng các thiết bị khác nhau. Nồng độ nấm trong phòng thu được cao hơn so với kết quả của trong thí nghiệm 1 và thí nghiệm 2. Nồng độ trung bình tổng số là khoảng 2 000 cfu/m3 (xem Hình C.8). Chỉ có thể sử dụng các đĩa 50 l để đếm (khoảng 100 khuẩn lạc trên mỗi đĩa). Các đĩa mẫu 100 l hoặc 200 l khuẩn lạc mọc quá dày với số lượng dự kiến là 200 và 400 tương ứng. Các kết quả này cho thấy rõ sự hạn chế của phương pháp va đập khi nấm có nồng độ cao trong không khí. Độ lệch chuẩn của các kết quả là khoảng 5 % đối với tổng số đếm khuẩn lạc và đối với chi nấm Cladosporium chiếm ưu thế. Độ lệch chuẩn cao hơn (50 % đến 100 %) đối với hệ nấm có mặt với nồng độ thấp, số đếm khuẩn lạc phân bố chuẩn đối với mẫu 50 l (không cho thấy dữ liệu).
35 phòng thử nghiệm sử dụng thiết bị lấy mẫu khác nhau (số lượng thiết bị lấy mẫu được sử dụng trong ngoặc đơn): Holbach LKS301) (13), MBASS301) (15), MAS-1001) (5), Spin Air1) (1) và Desaga GS1001) (1). Các kết quả giống nhau của MBASS, LKS30 và MAS-100 (xem Hình C.8). Còn Spin Air và Desaga GS100 cho các kết quả hơi cao hơn mặc dù việc so sánh là khó vì số lượng kết quả sử dụng các thiết bị lấy mẫu này thấp.

CHÚ DẪN:
|
| 95 phần trăm Trung vị 5 phần trăm |
| v | nồng độ/(cfu/m3) |
| a | Thiết bị có bán sẵn. Thông tin này được đưa ra chỉ tạo thuận lợi cho người sử dụng tiêu chuẩn và không phải xác nhận của tiêu chuẩn về sản phẩm này. |
Hình C.8 - Nồng độ số đếm khuẩn lạc tổng số trên thạch DG18 sau khi lấy mẫu sử dụng các thiết bị lấy mẫu khác nhau trong thí nghiệm 3
Thư mục tài liệu tham khảo
[1 ] TCVN 5966 : 2009 (ISO 4225:1994), Chất lượng không khí - Những khái niệm chung - Thuật ngữ và định nghĩa
[2] TCVN 6753:2000 (ISO 7708:1995), Chất lượng không khí - định nghĩa về phân chia kích thước bụi hạt để lấy mẫu liên quan tới sức khỏe
[3] ISO 12219-1, Indoor air of road vehicles - Part 1: Whole vehicle test chamber - Specification and method for the determination of volatile organic compounds in cabin interiors
[4] ISO 12219-2, Indoor air of road vehicles - Part2: Screening method for the determination of the emissions of volatile organic compounds from vehicle interior parts and materials - Bag method
[5] ISO 12219-3, Indoor air of road vehicles - Part3: Screening method for the determination of the emissions of volatile organic compounds from vehicle interior parts and materials - Micro-chamber method
[6] ISO 12219-4, Indoor air of road vehicles - Part 4: Determination of the emissions of volatile organic compounds from car trim components - Small chamber method
[7] ISO 12219-5 Indoor air of road vehicles - Part 5: Screening method for the determination of emissions of volatile organic compounds (VOC) from car trim components - Static chamber method
[8] ISO 16017-1, Indoor, ambient and workplace air - Sampling and analysis of volatile organic compounds by sorbent tubeAhermal desorption/capillary gas chromatography- Parti: Pumped sampling
[9] ISO 16017-2, Indoor, ambient and workplace air - Sampling and analysis of volatile organic compounds by sorbent tubeAhermal desorption/capillary gas chromatography - Part 2: Diffusive sampling
[10] EN 13098:2000, Workplace atmosphere - Guidelines for measurement of airborne microorganisms and endotoxin
[11] VDI 4300 Part 10:2008, Messen von Innenraumluftverunreinigungen - Messstrategien zum Nachweis von Schimmelpilzen im Innenraum [Measurement of indoor air pollution - Measurement strategies for determination of mould fungi in indoor environment]
[12] Richardson, N., Szabo, E. Results of round-robin tests to proof impaction as a sampling method to collect mould fungi spores in indoor air. Gefahrst. Reinhalt. L 2007, 67, pp. 425-428
Bạn chưa Đăng nhập thành viên.
Đây là tiện ích dành cho tài khoản thành viên. Vui lòng Đăng nhập để xem chi tiết. Nếu chưa có tài khoản, vui lòng Đăng ký tại đây!