- Tổng quan
- Nội dung
- Quy chuẩn liên quan
- Lược đồ
- Tải về
Quy chuẩn QCVN 112:2023/BGTVT Van hãm sử dụng trên đầu máy, toa xe
| Số hiệu: | QCVN 112:2023/BGTVT | Loại văn bản: | Quy chuẩn Việt Nam |
| Cơ quan ban hành: | Bộ Giao thông Vận tải | Lĩnh vực: | Giao thông |
|
Ngày ban hành:
Ngày ban hành là ngày, tháng, năm văn bản được thông qua hoặc ký ban hành.
|
17/04/2023 |
Hiệu lực:
|
Đã biết
|
| Người ký: | Đang cập nhật |
Tình trạng hiệu lực:
Cho biết trạng thái hiệu lực của văn bản đang tra cứu: Chưa áp dụng, Còn hiệu lực, Hết hiệu lực, Hết hiệu lực 1 phần; Đã sửa đổi, Đính chính hay Không còn phù hợp,...
|
Đã biết
|
TÓM TẮT QUY CHUẨN VIỆT NAM QCVN 112:2023/BGTVT
Nội dung tóm tắt đang được cập nhật, Quý khách vui lòng quay lại sau!
Tải quy chuẩn Việt Nam QCVN 112:2023/BGTVT
QCVN 112 : 2023 / BGTVT
QUY CHUẨN KỸ THUẬT QUỐC GIA VỀ VAN HÃM SỬ DỤNG TRÊN ĐẦU MÁY, TOA XE
National technical regulation on brake valves for rolling stocks
MỤC LỤC
1. Quy định chung
1.1 Phạm vi điều chỉnh
1.2 Đối tượng áp dụng
2. Giải thích từ ngữ, ký hiệu và chữ viết tắt
2.1 Giải thích từ ngữ
2.2 Ký hiệu
2.3 Chữ viết tắt
3. Quy định kỹ thuật
3.1 Yêu cầu chung
3.2 Các yêu cầu liên quan đến khả năng chịu áp suất
3.3 Độ kín
3.4 Tự động hãm
3.5 Khả năng cấp khí nén bổ sung cho áp suất xi lanh hãm
3.6 Áp suất vận hành
3.7 Tính năng hãm và nhả hãm
3.8 Thời gian nạp khí nén ban đầu cho thùng gió phụ và buồng điều khiển
3.9 Nhận dạng và ký hiệu
4. Quy định quản lý
5. Tổ chức thực hiện
Phụ lục A: Quy định kiểm tra, thử nghiệm van hãm
A.1. Quy định chung
A.2. Kiểm tra, thử nghiệm các chức năng của van hãm
A.2.1 Điều kiện thử nghiệm
A.2.2 Thử nghiệm tính năng nạp gió (khí nén) thùng gió phụ và buồng điều khiển (hoặc thiết bị tương tự)
A.2.3 Thử độ kín
A.2.4 Thử nghiệm thời gian tác dụng hãm và nhả hãm
A.2.5 Thử tính năng hãm và nhả hãm
A.2.6 Thử nghiệm độ nhạy điều khiển hãm và nhả hãm giai đoạn
A.2.7 Thử nghiệm áp suất xi lanh hãm lớn nhất
A.2.8 Thử nghiệm độ nhạy
A.2.9 Thử nghiệm độ không nhạy
A.2.10 Thử khả năng cấp khí nén bổ sung áp suất xi lanh hãm trong quá trình tác dụng hãm
A.2.11 Thử nghiệm bảo vệ khi nạp quá áp suất ống hãm
A.2.12 Thử nghiệm chức năng nhả hãm thủ công
Phụ lục B: Sơ đồ bệ thử van hãm
Lời nói đầu
QCVN 112 : 2023/BGTVT do Cục Đăng kiểm Việt Nam biên soạn, Vụ Khoa học - Công nghệ và Môi trường trình duyệt, Bộ Khoa học và Công nghệ thẩm định, Bộ Giao thông vận tải ban hành theo Thông tư số 04/2023/TT-BGTVT ngày 17 tháng 04 năm 2023.
QUY CHUẨN KỸ THUẬT QUỐC GIA VỀ VAN HÃM SỬ DỤNG TRÊN ĐẦU MÁY, TOA XE
National technical regulation on brake valves for rolling stocks
1. Quy định chung
1.1 Phạm vi điều chỉnh
1.1.1 Quy chuẩn này quy định các yêu cầu kỹ thuật và việc kiểm tra chất lượng, an toàn kỹ thuật và bảo vệ môi trường đối với van hãm (còn gọi là van phân phối) sản xuất, lắp ráp và nhập khẩu mới sử dụng trên đầu máy, toa xe.
1.1.2 Quy chuẩn này áp dụng cho van hãm sử dụng trên đầu máy, toa xe thuộc nhóm có mã HS là 8607.21.00 được quy định theo Thông tư số 31/2022/TT-BTC ngày 08 tháng 6 năm 2022 của của Bộ Tài chính ban hành danh mục hàng hóa xuất khẩu, nhập khẩu Việt Nam.
1.1.3 Quy chuẩn này không áp dụng cho van hãm sử dụng trên toa xe đường sắt đô thị; van hãm sử dụng trên toa xe đường sắt tốc độ cao; van hãm sử dụng trên đầu máy, toa xe của quân đội, công an sử dụng vào mục đích quốc phòng, an ninh.
1.2 Đối tượng áp dụng
Quy chuẩn này áp dụng đối với tổ chức, cá nhân có liên quan đến việc quản lý, sản xuất, lắp ráp, nhập khẩu, kiểm tra, chứng nhận chất lượng, an toàn kỹ thuật và bảo vệ môi trường đối với van hãm của đầu máy, toa xe thuộc phạm vi điều chỉnh tại điểm 1.1 của quy chuẩn này.
2. Giải thích từ ngữ, ký hiệu và chữ viết tắt
2.1 Giải thích từ ngữ
Trong Quy chuẩn này, các thuật ngữ dưới đây được hiểu như sau:
2.1.1 Van hãm
Thiết bị có tính năng chính là điều khiển áp suất khí nén đầu ra theo tính năng đảo ngược sự thay đổi của các giá trị áp suất đầu vào. Trong quy chuẩn này, áp suất đầu vào là áp suất ống hãm và áp suất đầu ra là áp suất xi lanh hãm (còn gọi là nồi hãm) hoặc áp suất điều khiển áp suất xi lanh hãm thông qua bộ phận rơ le áp suất, xem Hình 1 & Hình 2.

Chú dẫn:
1 Áp suất đầu vào (là áp suất ống hãm - sau đây gọi là áp suất ống hãm)
2 Van hãm
3 Áp suất đầu ra (là áp suất xi lanh hãm - sau đây gọi là áp suất xi lanh hãm)

Chú dẫn:
1 Áp suất vận hành
2 Áp suất ống hãm
3 Áp suất xi lanh hãm
Hình 2 - Biểu đồ minh họa áp suất chức năng chính của van hãm
2.1.2 Tác dụng hãm
Quá trình hãm gây ra bởi sự giảm áp suất ống hãm từ áp suất vận hành xuống áp suất làm cho van hãm tạo ra các mức áp suất xi lanh hãm, áp suất xi lanh hãm này được cấp bởi thùng gió phụ (bình chứa khí nén phụ), xem minh họa tại Hình 3.

Chú dẫn:
1 Áp suất vận hành (5 bar hoặc 6 bar)
2 Đường áp suất ống hãm
3 Áp suất xi lanh hãm lớn nhất
4 Đường áp suất xi lanh hãm
Tác dụng hãm thường 
Tác dụng hãm khẩn 
Hình 3 - Sơ đồ minh họa tác dụng hãm thường và hãm khẩn
2.1.2.1 Tác dụng hãm thường
Quá trình hãm gây ra bởi sự giảm áp suất ống hãm từ áp suất vận hành xuống giá trị áp suất nằm trong dải giữa mức giảm áp suất nhỏ nhất và mức áp suất ống hãm cần thiết để đạt được áp suất xi lanh hãm lớn nhất.
2.1.2.2 Hãm giai đoạn
Tính năng hãm theo mức độ tăng dần của áp suất xi lanh hãm được điều khiển bởi mức độ giảm dần của áp suất ống hãm trong dải áp suất từ mức áp suất vận hành xuống mức áp suất tương ứng với hãm thường hoàn toàn.
2.1.2.3 Tác dụng hãm thường hoàn toàn
Quá trình hãm do sự giảm giá trị áp suất ống hãm từ mức áp suất vận hành hạ xuống mức áp suất làm cho van hãm tạo ra áp suất xi lanh hãm lớn nhất khi hãm thường.
2.1.2.4 Tác dụng hãm khẩn
Quá trình hãm do tác động làm giảm áp suất ống hãm nhanh nhất để đạt được giá trị áp suất xi lanh hãm lớn nhất trong thời gian nhỏ nhất. Thời gian giảm áp suất ống hãm từ giá trị áp suất vận hành xuống mức cần thiết (t1) nhỏ hơn thời gian đạt được áp suất xi lanh hãm lớn nhất (t2). Quá trình được minh họa tại Hình 4.

Chú dẫn
1 Áp suất vận hành
2 Đường áp suất ống hãm
3 Mức áp suất ống hãm cần thiết để thiết lập hãm khẩn
4 Áp suất xi lanh hãm lớn nhất
5 Đường áp suất xi lanh hãm
t1 Thời gian để đạt được áp suất ống hãm cần thiết tạo ra tốc độ giảm áp của hãm khẩn
t2 Thời gian để đạt được áp suất xi lanh hãm lớn nhất
Hình 4 - Sơ đồ minh họa quá trình hãm khẩn
2.1.3 Nhả hãm
Quá trình tăng áp suất ống hãm sau khi tác dụng hãm làm cho van hãm mở đường thông từ xi lanh hãm ra ngoài làm giảm áp suất xi lanh hãm.

Chú dẫn
1 Áp suất vận hành
2 Đường áp suất ống hãm
3 Đường áp suất xi lanh hãm
Hình 5 - Sơ đồ minh họa quá trình nhả hãm
2.1.3.1 Nhả hãm hoàn toàn
Quá trình tăng áp suất ống hãm đến áp suất vận hành sau khi tác dụng hãm, làm cho van hãm mở hoàn toàn đường thông ra ngoài (áp suất xi lanh hãm bằng 0).
2.1.3.2 Nhả hãm giai đoạn
Quá trình giảm dần áp suất xi lanh hãm do áp suất ống hãm tăng dần trong dải áp suất từ khi hãm thường hoàn toàn cho tới nhả hãm hoàn toàn.
2.1.4 Thời gian tác dụng hãm
Thời gian tăng áp suất xi lanh hãm từ khi bắt đầu tăng từ 0 bar đến 95 % giá trị áp suất xi lanh hãm lớn nhất, khi áp suất ống hãm được giảm từ áp suất vận hành về 0 bar với tốc độ giảm áp suất 1,5 bar đầu tiên trong khoảng thời gian nhỏ hơn hoặc bằng 2 s.
2.1.5 Thời gian nhả hãm
Thời gian giảm áp suất xi lanh hãm từ áp suất lớn nhất về 0,4 bar, khi áp suất ống hãm được tăng dần lên đến mức áp suất vận hành với tốc độ tăng áp suất bắt đầu từ 1,5 bar dưới áp suất vận hành lên đến áp suất vận hành trong thời gian nhỏ hơn hoặc bằng 2 s.
2.1.6 Nhả hãm thủ công
Chức năng yêu cầu thao tác thủ công có chủ đích để hủy bỏ tác dụng hãm do van hãm gây ra.
2.1.7 Chế độ hãm
Trạng thái hoạt động của van hãm được phân loại theo thời gian tác dụng hãm và nhả hãm tương ứng với áp suất xi lanh hãm mà van hãm có thể tạo ra theo trạng thái vận hành.
2.1.7.1 Chế độ hãm tàu khách K
Chế độ hãm xác định bằng thời gian tác dụng hãm và nhả hãm nhanh của loại van hãm thường được sử dụng cho các đoàn tàu vận tải khách.
2.1.7.2 Chế độ hãm tàu hàng H
Chế độ hãm xác định bằng thời gian tác dụng hãm và nhả hãm chậm của loại van hãm thường được sử dụng trên các đoàn tàu vận tải hàng (có tốc độ thấp, tải trọng lớn, đoàn dài).
2.1.8 Tự động hãm
Khả năng van hãm tự động đảm bảo áp suất xi lanh hãm lớn nhất trong trường hợp bị mất áp suất ống hãm.
2.1.9 Khả năng bảo áp
Khả năng van hãm đảm bảo duy trì mức áp suất xi lanh hãm nhất định ở các trạng thái hãm.
2.1.10 Vị trí vận chuyển (vị trí sẵn sàng hoạt động)
Trạng thái van hãm có thể kích hoạt chế độ hãm phù hợp với tất cả đặc tính kỹ thuật của van hãm.
2.1.11 Áp suất vận hành
Áp suất ống hãm thể hiện ở vị trí nhả hãm hoàn toàn, áp suất này có thể là 5 bar hoặc 6 bar.
2.1.12 Độ nhạy
Mức độ hoạt động của van hãm (tạo áp suất trong xi lanh hãm) trong điều kiện suy giảm nhất định của áp suất ống hãm. Giá trị suy giảm này sẽ làm giảm áp suất ống hãm với tốc độ nhỏ nhất làm cho van hãm hoạt động sau một khoảng thời gian nhất định, xem minh họa tại Hình 6.
2.1.13 Độ không nhạy
Mức độ hoạt động của van hãm (không tạo áp suất trong xi lanh hãm) trong điều kiện suy giảm nhất định của áp suất ống hãm. Giá trị suy giảm này sẽ làm giảm áp suất ống hãm với tốc độ lớn nhất làm cho van hãm không hoạt động, xem minh họa tại Hình 6.

| Chú dẫn |
| ||
|
| Van hãm hoạt động | 1 | Áp suất ống hãm |
|
| Van hãm có thể hoạt động | 2 | Áp suất vận hành |
|
| Van hãm không hoạt động | 3 | Vùng độ không nhạy |
|
|
| 4 | Vùng độ nhạy |
|
|
| 5 | Giới hạn độ nhạy |
|
|
| 6 | Giới hạn độ không nhạy |
Hình 6 - Sơ đồ minh họa vùng và giới hạn độ nhạy, độ không nhạy
2.1.14 Nạp quá áp
Sự gia tăng áp suất ống hãm trên mức áp suất vận hành để làm giảm thời gian nhả hãm của đoàn tàu và/hoặc điều chỉnh áp suất buồng điều khiển của các van hãm trên tất cả các phương tiện của đoàn tàu.
2.1.15 Thùng gió phụ (bình chứa khí nén phụ)
Thiết bị cấp khí nén cho xi lanh hãm khi thực hiện quá trình hãm.
2.1.16 Ống hãm
Ống chứa khí nén có khả năng điều khiển hãm đoàn tàu.
2.1.17 Buồng điều khiển
Buồng điều khiển chứa khí nén tạo ra áp suất trung gian theo áp suất ống hãm trong thời gian không xảy ra tác dụng hãm. Buồng chứa này được cô lập với áp suất ống hãm khi van hãm thực hiện tác dụng hãm.
2.1.18 Nhả hãm trực tiếp
Sự giảm hoàn toàn áp suất xi lanh hãm trong một thao tác nhả hãm thủ công.
2.1.19 Áp suất xi lanh hãm lớn nhất
Áp suất xi lanh hãm lớn nhất là áp suất xi lanh hãm đạt được sau khi hãm khẩn. Áp suất này có thể đạt được khi hãm thường hoàn toàn (xem minh họa tại Hình 3).
2.1.20 Độ nhạy điều khiển
Độ nhạy điều khiển xác định khả năng của van hãm khi phản hồi chính xác và nhạy bén với sự thay đổi áp suất ống hãm làm thay đổi áp suất xi lanh hãm tương ứng.
2.2 Ký hiệu
t Thời gian
p Áp suất
2.3 Chữ viết tắt
K Chế độ hãm tàu khách
H Chế độ hãm tàu hàng
3. Quy định kỹ thuật
3.1 Yêu cầu chung
3.1.1 Van hãm khi kiểm tra, thử nghiệm theo Quy chuẩn này phải có các tài liệu kỹ thuật sau:
a) Bản vẽ mô tả kích thước hình học tổng thể van hãm của nhà sản xuất;
b) Bản đặc tính kỹ thuật và hướng dẫn sử dụng van hãm của nhà sản xuất;
c) Báo cáo thử nghiệm van hãm trên bệ thử của nhà sản xuất;
d) Báo cáo chạy thử nghiệm van hãm trên đường tại nước ngoài đối với van hãm có kiểu loại mới lần đầu được sử dụng tại Việt Nam.
3.1.2 Đối với các van hãm chỉ hoạt động ở chế độ hãm tàu khách K (hoặc chế độ hãm tàu hàng H), chỉ áp dụng các chỉ tiêu đối với tàu khách (hoặc tàu hàng) theo quy định của Quy chuẩn này.
3.1.3 Các van hãm không có chức năng hãm và nhả hãm giai đoạn được kiểm tra theo báo cáo thử nghiệm của nhà sản xuất.
3.2 Các yêu cầu liên quan đến khả năng chịu áp suất
Van hãm phải làm việc an toàn ở áp suất vận hành lớn nhất của hệ thống hãm.
3.3 Độ kín
Độ kín của van hãm phải thỏa mãn các yêu cầu kiểm tra được quy định trong Phụ lục A của Quy chuẩn này.
3.4 Tự động hãm
Van hãm phải có khả năng tự động hãm trong trường hợp bị mất áp suất ống hãm.
3.5 Khả năng cấp khí nén bổ sung cho áp suất xi lanh hãm
Van hãm phải có khả năng cấp bù lại mọi tổn thất của áp suất xi lanh hãm trong quá trình tác dụng hãm.
3.6 Áp suất vận hành
Áp suất vận hành là 5 bar hoặc 6 bar để điều khiển các chế độ hãm (thông qua việc thay đổi áp suất ống hãm).
3.7 Tính năng hãm và nhả hãm
3.7.1 Nhả hãm hoàn toàn
Van hãm phải ở vị trí nhả hãm hoàn toàn khi áp suất xi lanh hãm là 0 bar.
3.7.2 Tác dụng hãm và nhả hãm
Khi thay đổi giá trị áp suất ống hãm, các chức năng hãm hoặc nhả hãm phải có tác dụng.
Van hãm phải có tác dụng hãm khi giảm áp suất ống hãm và phải nhả hãm khi tăng áp suất ống hãm. Van hãm phải có tính năng hãm sau:
a) Hãm khẩn;
b) Tác dụng hãm thường hoàn toàn;
c) Tác dụng hãm thường;
d) Hãm giai đoạn;
e) Nhả hãm hoàn toàn;
f) Nhả hãm giai đoạn;
g) Bảo áp;
Van hãm phải có khả năng kết hợp tác dụng hãm giai đoạn với nhả hãm giai đoạn.
3.7.3 Áp suất xi lanh hãm lớn nhất
Van hãm phải đạt được áp suất xi lanh hãm lớn nhất là 3,8 bar ± 0,1 bar khi giảm áp suất ống hãm 1,5 bar ± 0,1 bar (tác dụng hãm thường hoàn toàn) từ áp suất vận hành hiện có.
Van hãm phải đạt được áp suất xi lanh hãm lớn nhất quy định khi tác dụng hãm khẩn.
3.7.4 Chế độ hãm
Van hãm phải hoạt động ở chế độ hãm tàu khách K hoặc cả chế độ hãm tàu hàng H và khách K.
3.7.5 Thời gian tác dụng hãm và nhả hãm
3.7.5.1 Van hãm phải có thời gian tác dụng hãm theo chế độ hãm như sau:
a) Tàu hàng: 18 s ÷ 30 s;
b) Tàu khách: 4 s ÷ 6 s.
3.7.5.2 Van hãm phải có thời gian nhả hãm theo chế độ hãm như sau:
a) Tàu hàng: 45 s ÷ 60 s;
b) Tàu khách: 15 s ÷ 20 s.
3.7.6 Độ nhạy
Van hãm phải tăng áp suất xi lanh hãm sau tối đa 3 s khi áp suất ống hãm giảm xuống 0,6 bar trong 6 s từ áp suất vận hành.
3.7.7 Độ không nhạy
Van hãm phải không tăng áp suất xi lanh hãm khi áp suất ống hãm giảm xuống 0,3 bar trong 60 s từ áp suất vận hành.
3.7.8 Độ nhạy điều khiển
Van hãm phải tạo ra mức tăng áp suất xi lanh hãm tối thiểu 0,1 bar khi giảm áp suất ống hãm 0,1 bar và ngược lại, mức tăng áp suất ống hãm 0,1 bar phải tạo ra mức giảm áp suất xi lanh hãm tối thiểu 0,1 bar. Việc này thực hiện cho dải áp suất ống hãm đối với hãm thường.
3.7.9 Chức năng nhả hãm thủ công
Nếu van hãm có bộ phận để nhả hãm thủ công, bộ phận này phải có các chức năng sau:
a) Phải có khả năng xả khí nén trong xi lanh hãm ra ngoài, và từ đó là nhả hãm hoàn toàn sau khi tác dụng hãm;
b) Phải có khả năng xả khí nén trong xi lanh hãm ra ngoài sau khi tạm thời cấp quá mức áp suất ống hãm vượt quá áp suất vận hành gây ra hãm ngoài ý muốn khi trở về áp suất vận hành.
Van hãm phải không ảnh hưởng tới thùng gió phụ và áp suất ống hãm khi thực hiện chức năng nhả hãm thủ công.
3.7.10 Bảo vệ khi nạp quá áp suất ống hãm
3.7.10.1 Van hãm phải có khả năng bảo vệ không gây ra tác dụng hãm khi nạp quá áp suất ống hãm tối thiểu 1 bar trên áp suất vận hành và duy trì trong thời gian tối thiểu:
a) t = 40 s ở chế độ hãm tàu hàng;
b) t = 10 s ở chế độ hãm tàu khách,
và sau đó trở về áp suất làm việc bình thường.
t là thời gian từ khi áp suất ống hãm bắt đầu tăng và khi bắt đầu giảm về lại áp suất vận hành.
3.7.10.2 Áp suất vận hành lớn nhất
Van hãm phải có khả năng vận hành đúng quy định với áp suất cấp lên tới áp suất vận hành lớn nhất theo quy định của nhà sản xuất.
3.8 Thời gian nạp khí nén ban đầu cho thùng gió phụ và buồng điều khiển
Van hãm phải có thời gian nạp gió ban đầu:
a) Không nhỏ hơn 50 s và không vượt quá 135 s cho thùng gió phụ từ 0 bar lên đến mức dưới áp suất vận hành 0,2 bar;
b) Không nhỏ hơn 150 s và không vượt quá 200 s cho buồng điều khiển từ 0 bar lên đến mức dưới áp suất vận hành 0,2 bar.
3.9 Nhận dạng và ký hiệu
Van hãm phải có các ký hiệu sau:
a) Kiểu loại;
b) Nhà sản xuất;
c) Năm sản xuất;
d) Số nhận dạng.
4. Quy định quản lý
4.1 Van hãm sản xuất, lắp ráp và nhập khẩu mới sử dụng trên đầu máy, toa xe phải được kiểm tra, thử nghiệm theo các quy định tại phụ lục A của Quy chuẩn này.
4.2 Việc kiểm tra, chứng nhận van hãm sản xuất, lắp ráp và nhập khẩu mới thực hiện theo quy định của Bộ trưởng Bộ Giao thông vận tải quy định về việc kiểm tra chất lượng, an toàn kỹ thuật và bảo vệ môi trường phương tiện giao thông đường sắt
4.3 Trong trường hợp các văn bản, tài liệu được viện dẫn trong quy chuẩn này có thay đổi, bổ sung về các nội dung liên quan hoặc được thay thế thì thực hiện theo quy định trong văn bản mới.
5. Tổ chức thực hiện
5.1 Tổ chức đăng kiểm Việt Nam chịu trách nhiệm tổ chức thực hiện Quy chuẩn này.
5.2 Các tổ chức, cá nhân sản xuất, lắp ráp và nhập khẩu van hãm có trách nhiệm công bố hợp quy cho van hãm sau khi được kiểm tra, chứng nhận và đăng ký công bố hợp quy tại Cục Đăng kiểm Việt Nam theo các quy định hiện hành.
Phụ lục A
Quy định kiểm tra, thử nghiệm van hãm
A.1. Quy định chung
Các nội dung kiểm tra, thử nghiệm dưới đây áp dụng đối với tất cả van hãm sản xuất, lắp ráp và nhập khẩu mới sử dụng trên đầu máy, toa xe. Việc kiểm tra được thực hiện với từng van trên bệ thử có tính năng tương tự như minh họa trong Phụ lục B.
A.2. Kiểm tra, thử nghiệm các chức năng của van hãm
A.2.1 Điều kiện thử nghiệm
Van hãm phải được thử nghiệm trên bệ thử phù hợp. Các hình biểu đồ trong Quy chuẩn này được đưa ra để minh họa nội dung thử nghiệm.
Các thử nghiệm phải được thực hiện ở nhiệt độ môi trường, và không có nguồn cấp khí nén nào khác ngoài đường cấp thông qua van hãm và áp suất cấp tối đa, khi đó nguồn cấp được giữ liên tục ở mức áp suất đã quy định đảm bảo thực hiện được các phép thử. Thùng gió phụ đảm bảo dung tích trong phạm vi 90 l đến 100 l.
Các thử nghiệm phải được thực hiện ở các vị trí K và H. Đối với các van hãm chỉ có vị trí K hoặc H, việc thử nghiệm sẽ thực hiện ở vị trí được quy định.
A.2.2 Thử nghiệm tính năng nạp gió (khí nén) thùng gió phụ và buồng điều khiển (hoặc thiết bị tương tự)
Khi lắp van hãm lên bệ thử, đảm bảo các buồng của van hãm đã mở đường thông ra bên ngoài (áp suất các buồng bằng 0).
Sau đó kết nối van hãm với nguồn và cấp khí nén cho van hãm ở giá trị áp suất vận hành.
Yêu cầu:
Áp suất nạp cho thùng gió phụ phải tăng từ 0 bar lên đến mức áp suất vận hành. Thời gian nạp từ thời điểm áp suất nạp bắt đầu tăng và khi đạt đến 0,2 bar dưới mức áp suất vận hành phải nằm trong dải từ 50 s đến 135 s (Xem hình A.1). Đồng thời quan sát quá trình nạp gió của buồng điều khiển phải nằm trong dải từ 150 s đến 200 s.

Chú dẫn
| 1 | Áp suất vận hành | 4 | Đường áp suất nạp |
|
|
|
| Chú ý: Đường cong nạp có thể có dạng không liên tục |
| 2 | 0,2 bar | 5 | Thời gian nạp cho thùng gió phụ |
| 3 | Đường áp suất ống hãm |
|
|
Hình A.1 - Sơ đồ minh họa các bước thử nghiệm tính năng nạp gió (khí nén) của van hãm
A.2.3 Thử độ kín
Độ kín của van hãm phải được thử nghiệm trên bệ thử. Thời gian đánh giá từng thử nghiệm phải tối thiểu là trong 5 min, bắt đầu từ khi áp suất được ổn định sau các thay đổi áp suất thông thường.
A.2.3.1 Thử độ kín khi van hãm ở vị trí nhả hãm
Van hãm phải có khả năng vận hành mà không có sai khác với tính năng đã được quy định với áp suất cấp lên tới áp suất lớn nhất theo thiết kế của từng kiểu loại van. Đợi áp suất của buồng điều khiển và thùng gió phụ đạt đến áp suất vận hành.
Ngắt kết nối van hãm với nguồn cấp, kiểm tra độ kín của van hãm.
Yêu cầu:
Không có rò rỉ khí nén ở các “Cửa kiểm tra” và các mối lắp ghép của van hãm.
A.2.3.2 Thử độ kín sau khi giảm áp tối thiểu
Chờ van hãm ổn định áp suất xi lanh hãm sau khi giảm áp ống hãm từ áp suất vận hành tối thiểu 0,3 bar với tốc độ giảm 0,6 bar trong 6 s. Quá trình tăng áp suất xi lanh hãm phải bắt đầu sau tối đa 3 s từ thời điểm áp suất ống hãm bắt đầu giảm.
Yêu cầu:
Không có rò rỉ khí nén ở các “Cửa kiểm tra”.
A.2.3.3 Thử độ kín sau khi tác dụng hãm thường
Chờ van hãm ổn định áp suất xi lanh hãm sau tác dụng hãm thường khi áp suất ống hãm dưới 1,2 bar so với áp suất vận hành.
Yêu cầu:
Không có rò rỉ khí nén ở các “Cửa kiểm tra”.
A.2.3.4 Thử độ kín sau khi tác dụng hãm khẩn
Chờ van hãm ổn định áp suất xi lanh hãm đạt giá trị lớn nhất sau tác dụng hãm khẩn.
Yêu cầu:
Không có rò rỉ khí nén ở các “Cửa kiểm tra”.
A.2.4 Thử nghiệm thời gian tác dụng hãm và nhả hãm
Các thử nghiệm phải được thực hiện cho từng chế độ hãm đã được quy định.
Phải ghi lại thời gian tác dụng hãm cùng với lượng giảm áp suất ống hãm bắt đầu từ áp suất vận hành, bằng cách mở đường thông áp suất ống hãm ra ngoài về 0 bar với tốc độ không nhỏ hơn 2 s cho mức giảm áp suất 1,5 bar đầu tiên.
Thời gian tác dụng hãm được đo từ khi bắt đầu tăng áp suất xi lanh hãm lên đến 95 % áp suất xi lanh hãm lớn nhất (làm tròn đến 0,1 bar).
Phải ghi lại thời gian nhả hãm cùng với lượng tăng áp suất ống hãm từ 0 bar lên đến áp suất vận hành với tốc độ không nhỏ hơn 2 s cho mức tăng áp suất 1,5 bar cuối cùng.
Thời gian nhả hãm được đo từ khi áp suất xi lanh hãm bắt đầu giảm đến khi xuống 0,4 bar.
Yêu cầu:
Phải đáp ứng thời gian được yêu cầu theo quy định của 3.7.5 (xem Hình A.2).

Chú dẫn
| 1 Áp suất vận hành | 5 Đường áp suất xi lanh hãm |
| 2 Áp suất xi lanh hãm lớn nhất | 6 0,4 bar |
| 3 95% giá trị áp suất xi lanh hãm lớn nhất | 7 Thời gian tác dụng hãm |
| 4 Đường áp suất ống hãm | 8 Thời gian nhả hãm |
Hình A.2 - Sơ đồ minh họa các bước thử nghiệm thời gian tác dụng hãm và nhả hãm
A.2.5 Thử tính năng hãm và nhả hãm
A.2.5.1 Thử nghiệm 1
Thực hiện hãm thường hoàn toàn, sau đó nhả hãm đến khi áp suất ống hãm đạt giá trị nhỏ hơn 0,15 bar so với áp suất vận hành, duy trì áp suất này.
Yêu cầu:
Áp suất xi lanh hãm phải tiếp tục về 0 bar (xem Hình A.3).

Chú dẫn
| 1 Áp suất vận hành | 5 Đường áp suất ống hãm |
| 2 Áp suất vận hành - 0,15 bar | 6 Đường áp suất xi lanh hãm |
| 3 Áp suất xi lanh hãm lớn nhất | 7 Từ điểm này, áp suất xi lanh hãm phải tiếp tục về 0 mà áp suất ống hãm không tăng thêm |
| 4 Áp suất ống hãm sau khi tác dụng hãm thường hoàn toàn |
|
Hình A.3 - Sơ đồ minh họa các bước thử nghiệm 1
A.2.5.2 Thử nghiệm 2
Thực hiện hãm thường hoàn toàn sau đó nhả hãm đến khi áp suất ống hãm tương ứng với áp suất xi lanh hãm là 0,3 bar, sau 10 s đến 20 s giảm áp suất ống hãm với tốc độ của độ không nhạy (giảm áp 0,3 bar trong 60 s).
Yêu cầu:
Sau khi giảm áp suất ống hãm từ 10 s đến 20 s, áp suất xi lanh hãm phải bắt đầu tăng (xem Hình A.4).

Chú dẫn
| 1 Áp suất vận hành | 5 Đường áp suất ống hãm |
| 2 Áp suất xi lanh hãm lớn nhất | 6 Đường áp suất xi lanh hãm |
| 3 Áp suất ống hãm sau khi tác dụng hãm thường hoàn toàn | 7 Áp suất ống hãm giảm với tốc độ của độ không nhạy |
| 4 0,3 bar | 8 Áp suất xi lanh hãm phải bắt đầu tăng |
Hình A.4 - Sơ đồ minh họa các bước thử nghiệm 2
A.2.5.3 Thử nghiệm 3
Thực hiện hãm thường hoàn toàn sau đó nhả hãm đến khi áp suất ống hãm dưới áp suất vận hành 0,15 bar. Sau một thời gian, thực hiện giảm áp suất ống hãm với tốc độ của độ nhạy (giảm áp với tốc độ 0,6 bar trong 6 s).
Yêu cầu:
Van hãm phải thực hiện tác dụng hãm (tăng nhanh áp suất xi lanh hãm) với chức năng hãm nhanh bằng cách xả thêm áp suất ống hãm thông qua van hãm) (xem Hình A.5).

Chú dẫn
| 1 | Áp suất vận hành | 5 | Áp suất ống hãm giảm với tốc độ của độ nhạy |
| 2 | Áp suất xi lanh hãm lớn nhất | 6 | Đường áp suất xi lanh hãm |
| 3 | Áp suất ống hãm sau khi tác dụng hãm thường hoàn toàn | 7 | Tăng nhanh áp suất xi lanh hãm |
| 4 | Đường áp suất ống hãm | 8 | Áp suất vận hành - 0,15 bar |
Hình A.5 - Sơ đồ minh họa các bước thử nghiệm 3
A.2.6 Thử nghiệm độ nhạy điều khiển hãm và nhả hãm giai đoạn
Thực hiện các mức giảm áp ống hãm từng nấc về đến vị trí hãm thường hoàn toàn, sau đó xen kẽ với việc tăng áp suất ống hãm từng nấc cho đến vị trí nhả hãm hoàn toàn để xác nhận độ nhạy đối với các thay đổi nhỏ của áp suất ống hãm.
Thực hiện thay đổi áp suất ống hãm từ 0,3 bar đến 1,4 bar dưới áp suất vận hành làm thay đổi áp suất xi lanh hãm. Mức thay đổi áp suất ống hãm phải không nhỏ hơn 0,1 bar cho mỗi nấc thử và phải đi tới nấc thử cuối cùng.
Yêu cầu:
Số lần thực hiện thao tác tăng hoặc giảm áp suất ống hãm không ít hơn 6 hoặc theo quy định của nhà sản xuất, mỗi lần thay đổi áp suất ống hãm phải tương ứng với thay đổi áp suất xi lanh hãm (xem Hình A.6).

Chú dẫn
| 1 0,3 bar | 4 Áp suất hãm thường hoàn toàn |
| 2 Áp suất vận hành | 5 Đường áp suất ống hãm |
| 3 Áp suất xi lanh hãm lớn nhất | 6 Đường áp suất xi lanh hãm |
Hình A.6 - Sơ đồ minh họa các bước thử nghiệm độ nhạy điều khiển hãm và nhả hãm giai đoạn
A.2.7 Thử nghiệm áp suất xi lanh hãm lớn nhất
Thử nghiệm phải được thực hiện bằng cách giảm áp suất ống hãm, bắt đầu từ áp suất vận hành với tốc độ của độ nhạy (giảm 0,6 bar trong 6 s). Lượng giảm áp suất ống hãm phải dừng lại ở các giá trị 1,4 bar và 1,6 bar dưới áp suất vận hành.
Yêu cầu: Áp suất xi lanh hãm lớn nhất phải là 3,8 ± 0,1 bar
- Khi áp suất ống hãm ở giá trị 1,4 bar dưới áp suất vận hành, áp suất xi lanh hãm phải nhỏ hơn hoặc bằng 3,7 bar.
- Khi áp suất ống hãm ở giá trị 1,6 bar dưới áp suất vận hành, áp suất xi lanh hãm phải ≥ 3,7 bar và ≤ 3,9 bar (xem Hình A.7).

Chú dẫn
| 1 | Áp suất vận hành | 5 | Áp suất vận hành - 1,6 bar |
| 2 | Áp suất vận hành - 1,4 bar | 6 | ≤ 3,7 bar |
| 3 | Lượng giảm áp suất ống hãm với tốc độ của độ nhạy | 7 | ≤ 3,9 bar và ≥ 3,7 bar |
| 4 | Hãm khẩn |
|
|
Hình A.7 - Sơ đồ minh họa các bước thử nghiệm áp suất xi lanh hãm lớn nhất
A.2.8 Thử nghiệm độ nhạy
Từ áp suất vận hành, thực hiện giảm áp suất ống hãm với tốc độ 0,6 bar trong 6 s.
Yêu cầu:
Sau tối đa 3 s từ khi áp suất ống hãm bắt đầu giảm, áp suất xi lanh hãm phải bắt đầu tăng lên (xem Hình A.8).

Chú dẫn
| 1 Áp suất vận hành | 4 Đường giảm áp suất ống hãm khi thử nghiệm độ nhạy |
| 2 Đường áp suất ống hãm | 5 Tối đa 3 s |
| 3 Điểm van hãm tác dụng (phản hồi) và áp suất xi lanh hãm bắt đầu tăng lên | 6 Áp suất xi lanh hãm |
Hình A.8 - Sơ đồ minh họa các bước thử nghiệm độ nhạy
A.2.9 Thử nghiệm độ không nhạy
Từ áp suất vận hành, thực hiện giảm áp suất ống hãm với tốc độ 0,3 bar trong 60 s.
Yêu cầu:
Van hãm phải không làm tăng áp suất xi lanh hãm trong tối thiểu 60 s (xem Hình A.9).

Chú dẫn
| 1 Áp suất vận hành | 4 Không cho phép van hãm tăng áp suất xi lanh hãm trong tối thiểu 60 s từ khi bắt đầu giảm áp suất ống hãm |
| 2 Đường áp suất ống hãm |
|
| 3 Đường áp suất ống hãm khi thử nghiệm độ không nhạy | 5 Đường áp suất xi lanh hãm |
Hình A.9 - Sơ đồ minh họa các bước thử nghiệm độ không nhạy
A.2.10 Thử khả năng cấp khí nén bổ sung áp suất xi lanh hãm trong quá trình tác dụng hãm
Trong quá trình tác dụng hãm thường (Hình A.10) và tác dụng hãm khẩn (Hình A.11), tạo ra độ xì hở của xi lanh hãm qua ống dẫn có đường kính 1 mm.
Yêu cầu:
Van hãm phải có tác dụng bù tổn thất áp suất ngay khi áp suất xi lanh hãm giảm xuống tối đa 0,2 bar. Van hãm phải đạt được mức áp suất xi lanh hãm hiện có trước khi tạo ra xì hở với độ chính xác ± 0,1 bar, nếu có đủ áp suất trong thùng gió phụ (xem hình A.10 và Hình A.11).

Chú dẫn
| 1 Áp suất vận hành | 5 Đường áp suất xi lanh hãm |
| 2 Đường áp suất ống hãm | 6 Sai lệch không quá ± 0,1 bar |
| 3 Tối đa 0,2 bar | 7 Áp suất sau khi bù |
| 4 Áp suất trước khi bù |
|
Hình A.10 - Sơ đồ minh họa các bước thử nghiệm khả năng cấp khí nén bổ sung áp suất xi lanh hãm khi hãm thường

Chú dẫn
| 1 Áp suất vận hành | 5 Đường áp suất xi lanh hãm |
| 2 Đường áp suất ống hãm | 6 Sai lệch không quá ± 0,1 bar |
| 3 Tối đa 0,2 bar | 7 Áp suất sau khi bù |
| 4 Áp suất trước khi bù | 8 Áp suất xi lanh hãm lớn nhất |
Hình A.11 - Sơ đồ minh họa các bước thử nghiệm khả năng khí nén bổ sung xi lanh hãm khi hãm khẩn
A.2.11 Thử nghiệm bảo vệ khi nạp quá áp suất ống hãm
Tiến hành thử nghiệm với áp suất vận hành 5 bar.
Thực hiện theo các bước như sau:
Khi van hãm ở vị trí nhả hãm, giảm áp suất ống hãm khoảng 1,5 bar. Khi đó, áp suất xi lanh hãm được tăng lên áp suất lớn nhất. Tiếp theo, tăng áp suất ống hãm lên mức trên 1 bar so với áp suất vận hành và duy trì áp suất này trong thời gian:
- t = 40 s ở chế độ hãm tàu hàng (H).
- t = 10 s ở chế độ hãm tàu khách (K).
Sau đó giảm áp suất ống hãm về 5,2 bar, sau đó giảm về mức áp suất vận hành với tốc độ của độ không nhạy.
Yêu cầu:
Áp suất xi lanh hãm và buồng điều khiển van hãm không được tăng sau khi áp suất ống hãm đạt được mức áp suất vận hành (Hình A.12).

Chú dẫn
| 1 | Lượng giảm áp suất ống hãm với tác dụng hãm thường hoàn toàn | 6 | Lượng giảm áp suất ống hãm với tốc độ của độ không nhạy trong 50 s |
| 2 | Áp suất vận hành | 7 | Áp suất trên áp suất vận hành 1 bar |
| 3 | Áp suất xi lanh hãm lớn nhất | 8 | Đường áp suất xi lanh hãm |
| 4 | Đường áp suất ống hãm | 9 | 5,2 bar |
| 5 | Lượng giảm áp suất ống hãm với tốc độ độ không nhạy | 10 | Áp suất xi lanh hãm không tăng |
Hình A.12 -Sơ đồ minh họa các bước thử nghiệm bảo vệ khi nạp quá áp suất ống hãm
A.2.12 Thử nghiệm chức năng nhả hãm thủ công
Van hãm phải tự động nhả hãm hoàn toàn khi được kích hoạt chức năng nhả hãm thủ công.
A.2.12.1 Thử nghiệm 1
Bắt đầu từ vị trí nhả hãm, tăng áp suất ống hãm lên trên 1 bar so với áp suất vận hành. Duy trì áp suất ống hãm ở mức này trong tối thiểu 10 s, sau đó giảm áp suất ống hãm về mức áp suất vận hành trong thời gian ≤ 2 s. Áp suất xi lanh hãm sẽ tăng lên mức nhất định. Khi áp suất xi lanh hãm ở mức ổn định, kích hoạt (tác động) van nhả hãm thủ công đến khi có gió xả ra thì ngừng xả, van nhả hãm phải tự động điều tiết áp suất buồng điều khiển sao cho áp suất xi lanh hãm tự giảm về 0.
Yêu cầu:
Áp suất xi lanh hãm phải được giảm về 0 bar (xem Hình A.13).

Chú dẫn
| 1 6 bar | 4 Đường áp suất xi lanh hãm |
| 2 Áp suất vận hành | 5 Thời điểm kích hoạt van nhả hãm thủ công |
| 3 Đường áp suất ống hãm |
|
Hình A.13 - Sơ đồ minh họa các bước thử nghiệm chức năng nhả hãm thủ công - Thử nghiệm 1
A.2.12.2 Thử nghiệm 2
Bắt đầu từ vị trí nhả hãm, thực hiện tác dụng hãm khẩn và áp suất xi lanh hãm tăng lên tới mức áp suất xi lanh hãm lớn nhất. Sau khi áp suất xi lanh hãm ổn định, kích hoạt van nhả hãm thủ công.
Yêu cầu:
Áp suất xi lanh hãm phải được giảm về 0 bar (xem Hình A.14).

Chú dẫn
| 1 Áp suất vận hành | 4 Thời điểm kích hoạt van nhả hãm thủ công |
| 2 Áp suất xi lanh hãm lớn nhất | 5 Đường áp suất xi lanh hãm |
| 3 Đường áp suất ống hãm |
|
Hình A.14 - Sơ đồ minh họa các bước thử nghiệm chức năng nhả hãm thủ công - Thử nghiệm 2
A.2.12.3 Thử nghiệm 3
Bắt đầu từ vị trí được thiết lập sau thử nghiệm 2 với áp suất ống hãm, áp suất xi lanh hãm và áp suất buồng điều khiển ở mức 0 bar, tăng áp suất ống hãm với tốc độ 0,1 bar trong 3 s đến 5 s và theo dõi áp suất buồng điều khiển bắt đầu tăng lên.
Yêu cầu:
Áp suất buồng điều khiển phải bắt đầu tăng khi áp suất ống hãm là 3 bar (xem Hình A.15).

Chú dẫn
1 Áp suất vận hành
2 Áp suất buồng điều khiển.
Hình A.15 - Sơ đồ minh họa các bước thử nghiệm chức năng nhả hãm thủ công - Thử nghiệm 3
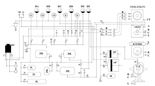
Phụ lục B
Sơ đồ bệ thử van hãm
Bệ thử trong Hình B.1 minh họa sơ đồ đơn giản hóa thể hiện các bộ phận cần thiết để thực hiện các thử nghiệm được quy chuẩn này quy định. Bệ thử cũng phải được thiết kế và chế tạo phù hợp với tất cả các nguyên tắc về an toàn. Đơn vị nhập khẩu hoặc cơ sở sản xuất, lắp ráp van hãm phải chuẩn bị bệ thử đảm bảo các thử nghiệm quy định tại Quy chuẩn này.

Hình B.1 - Sơ đồ minh họa các bộ phận trong bệ thử van hãm
Bạn chưa Đăng nhập thành viên.
Đây là tiện ích dành cho tài khoản thành viên. Vui lòng Đăng nhập để xem chi tiết. Nếu chưa có tài khoản, vui lòng Đăng ký tại đây!