- Tổng quan
- Nội dung
- Quy chuẩn liên quan
- Lược đồ
- Tải về
Quy chuẩn kỹ thuật quốc gia QCVN 72:2025/BGTVT Phân cấp và đóng phương tiện thủy nội địa
| Số hiệu: | QCVN 72:2025/BGTVT | Loại văn bản: | Quy chuẩn Việt Nam |
| Cơ quan ban hành: | Bộ Giao thông Vận tải | Lĩnh vực: | Giao thông , Công nghiệp |
| Trích yếu: | Phân cấp và đóng phương tiện thủy nội địa | ||
|
Ngày ban hành:
Ngày ban hành là ngày, tháng, năm văn bản được thông qua hoặc ký ban hành.
|
08/01/2025 |
Hiệu lực:
|
Đã biết
|
| Người ký: | Đang cập nhật |
Tình trạng hiệu lực:
Cho biết trạng thái hiệu lực của văn bản đang tra cứu: Chưa áp dụng, Còn hiệu lực, Hết hiệu lực, Hết hiệu lực 1 phần; Đã sửa đổi, Đính chính hay Không còn phù hợp,...
|
Đã biết
|
TÓM TẮT QUY CHUẨN VIỆT NAM QCVN 72:2025/BGTVT
Quy chuẩn kỹ thuật quốc gia về phân cấp và đóng phương tiện thủy nội địa
Ngày 08 tháng 01 năm 2025, Bộ Giao thông vận tải đã ban hành Quy chuẩn kỹ thuật quốc gia QCVN 72:2025/BGTVT về phân cấp và đóng phương tiện thủy nội địa. Quy chuẩn này thay thế những văn bản trước đó liên quan đến lĩnh vực thủy nội địa và có hiệu lực ngay sau khi ban hành.
Quy chuẩn này áp dụng cho việc phân cấp và đóng mới các phương tiện thủy nội địa hoạt động trên các tuyến rạch, kênh, hồ, và các vùng vận tải đường thủy ven bờ biển của Việt Nam. Đối tượng điều chỉnh bao gồm các tổ chức và cá nhân liên quan như cơ quan Đăng kiểm, chủ tàu, cũng như các cơ sở thiết kế, đóng mới, hoán cải tàu.
Nội dung quy định kỹ thuật
Quy chuẩn QCVN 72:2025/BGTVT bao gồm nhiều nội dung quan trọng về quy định kỹ thuật như sau:
Kiểm tra và cấp chứng nhận: Tất cả các phương tiện phải trải qua kiểm tra trong quá trình đóng mới, cũng như kiểm tra định kỳ để duy trì cấp. Quy định cũng chỉ rõ về thời hạn kiểm tra và các hạng mục kiểm tra cần thiết.
Kết cấu và vật liệu: Quy chuẩn quy định rõ về yêu cầu kết cấu đối với thân tàu, bao gồm các yêu cầu cụ thể về sức bền và ổn định của kết cấu, cũng như loại vật liệu sử dụng trong đóng tàu như thép, nhôm hay vật liệu composite.
Trang thiết bị an toàn: Các phương tiện phải được trang bị đầy đủ thiết bị cứu sinh, trang thiết bị cho phép định vị và giao tiếp, bảo vệ thuyền viên và hành khách trong mọi tình huống.
Phòng cháy chữa cháy: Quy định về hệ thống phòng cháy chữa cháy cần thiết, yêu cầu cụ thể cho các phương tiện chở hàng hóa dễ cháy và thực hiện các quy trình nghiệm thu hệ thống này.
Yêu cầu đặc biệt đối với một số loại tàu: Có các quy định bổ sung cho tàu chở hàng nguy hiểm, tàu chở hóa chất độc hại, tàu cánh ngầm và các phương tiện đặc biệt khác, nhằm đảm bảo an toàn tối đa trong quá trình sử dụng.
Phụ lục và các tài liệu dẫn chiếu
Quy chuẩn cũng đính kèm các phụ lục với thông tin về vùng hoạt động của tàu, thước nước và hệ số trong tính toán dung tích tàu, cung cấp cơ sở thiết lập các tiêu chuẩn an toàn và hoạt động liên quan đến phương tiện thủy nội địa.
Tóm lại, Quy chuẩn kỹ thuật quốc gia QCVN 72:2025/BGTVT cung cấp một khung pháp lý mới nhằm nâng cao an toàn và hiệu quả hoạt động của các phương tiện thủy nội địa, đồng thời bảo vệ môi trường và đảm bảo sức khỏe cho người dân.
Tải quy chuẩn Việt Nam QCVN 72:2025/BGTVT
QCVN 72:2025/BGTVT
QUY CHUẨN KỸ THUẬT QUỐC GIA VỀ
PHÂN CẤP VÀ ĐÓNG PHƯƠNG TIỆN THUỶ NỘI ĐỊA
National Technical Regulation on
Classification and Construction of Inland-Waterway Ships
Lời nói đầu
QCVN 72:2025/BGTVT do Cục Đăng kiểm Việt Nam biên soạn, Vụ Khoa học - Công nghệ và Môi trường trình duyệt, Bộ Khoa học và Công nghệ thẩm định, Bộ trưởng Bộ Giao thông vận tải ban hành theo Thông tư số 02/2025/TT-BGTVT ngày 08 tháng 01 năm 2025.
Quy chuẩn kỹ thuật quốc gia về phân cấp và đóng phương tiện thủy nội địa QCVN 72:2025/BGTVT thay thế QCVN 72:2013/BGTVT, Sửa đổi 1: 2015 QCVN 72:2013/BGTVT và Sửa đổi 2: 2018 QCVN 72:2013/BGTVT của Bộ Giao thông vận tải.
MỤC LỤC
I QUY ĐỊNH CHUNG
CHƯƠNG 1 QUY ĐỊNH CHUNG
1.1 Phạm vi điều chỉnh
1.2 Đối tượng áp dụng
1.3 Tài liệu viện dẫn
1.4 Giải thích từ ngữ
II QUY ĐỊNH KỸ THUẬT
PHẦN 1A QUY ĐỊNH CHUNG
CHƯƠNG 1 QUY ĐỊNH CHUNG
1.1 Quy định chung
1.2 Quy định chung về kiểm tra
CHƯƠNG 2 LOẠI VÀ THỜI HẠN KIỂM TRA
2.1 Kiểm tra đóng mới
2.2 Kiểm tra lần đầu để trao cấp
2.3 Kiểm tra duy trì cấp
2.4 Thời hạn kiểm tra
CHƯƠNG 3 DẤU HIỆU CẤP TÀU
3.1 Quy định chung
3.2 Ký hiệu cấp tàu
3.3 Cách xác định chiều cao sóng Hs
CHƯƠNG 4 HỒ SƠ THIẾT KẾ KỸ THUẬT
4.1 Quy định chung
4.2 Thời hạn hiệu lực của hồ sơ thiết kế kỹ thuật đã được thẩm định
PHẦN 1B QUY ĐỊNH CHUNG VỀ PHÂN CẤP
CHƯƠNG 1 QUY ĐỊNH CHUNG
1.1 Yêu cầu về phân cấp
1.2 Trao cấp tàu
1.3 Chuẩn bị kiểm tra và các nội dung khác
CHƯƠNG 2 KIỂM TRA PHÂN CẤP
2.1 Kiểm tra phân cấp trong đóng mới
2.2 Hồ sơ thiết kế kỹ thuật tàu đóng mới
2.3 Hạng mục kiểm tra đăng kiểm trong đóng mới
2.4 Hồ sơ thiết kế hoán cải
2.5 Hồ sơ thiết kế sửa đổi
2.6 Hồ sơ hoàn công
2.7 Kiểm tra phân cấp tàu không có kiểm tra của Đăng kiểm trong đóng mới
2.8 Tàu chuyển cấp từ tàu đang được đăng ký là tàu biển Việt Nam sang phương tiện thủy nội địa
CHƯƠNG 3 KIỂM TRA SẢN PHẨM CÔNG NGHIỆP
3.1 Yêu cầu chung về kiểm tra chứng nhận
3.2 Giải thích từ ngữ
3.3 Các yêu cầu đối với cơ sở chế tạo
3.4 Các yêu cầu cơ bản trong chứng nhận sản phẩm
3.5 Giấy chứng nhận, hồ sơ
3.6 Điều kiện sử dụng các dấu hiệu kiểm tra
3.7 Kiểm tra đơn chiếc và hàng loạt
3.8 Công nhận kiểu
CHƯƠNG 4 KIỂM TRA TÀU TRONG KHAI THÁC
4.1 Quy định chung
4.2 Kiểm tra hàng năm
4.3 Kiểm tra trung gian
4.4 Kiểm tra định kỳ
4.5 Kiểm tra trên đà
4.6 Khối lượng kiểm tra trang thiết bị an toàn (thiết bị cứu sinh, thiết bị tín hiệu, thiết bị vô tuyến điện, thiết bị hàng hải, hàng giang, cứu đắm)
CHƯƠNG 5 DUNG TÍCH TÀU
5.1 Quy định chung
5.2 Xác định dung tích cho tàu có chiều dài từ 24 m trở lên
5.3 Xác định dung tích cho tàu có chiều dài nhỏ hơn 24 m
PHẦN 2A THÂN TÀU
CHƯƠNG 1 QUY ĐỊNH CHUNG
1.1 Quy định chung
CHƯƠNG 2 YÊU CẦU ĐỐI VỚI KẾT CẤU THÂN TÀU THÉP
2.1 Quy định chung
2.2 Tính sức bền và ổn định kết cấu thân tàu
2.3 Những quy định chung trong thiết kế kết cấu thân tàu
2.4 Xác định quy cách các phần tử kết cấu thân tàu
CHƯƠNG 3 NHỮNG YÊU CẦU BỔ SUNG ĐỐI VỚI MỘT SỐ LOẠI TÀU
3.1 Tàu có chiều dài nhỏ hơn 65 m
3.2 Tàu hàng khô
3.3 Tàu chở hàng lỏng
3.4 Tàu khách có lượng chiếm nước
3.5 Tàu kéo và tàu đẩy
3.6 Tàu công trình
3.7 Tàu có chiều dài nhỏ hơn 20 m
3.8 Tàu chở dầu có các két độc lập đặt thẳng đứng
3.9 Tàu chở dầu có két liền hình trụ đặt dọc
3.10 Tàu chở dầu có két rời hình trụ đặt dọc
3.11 Bến nổi
CHƯƠNG 4 KẾT CẤU THÂN TÀU CÓ LƯỢNG CHIẾM NƯỚC LÀM TỪ HỢP KIM NHẸ
4.1 Quy định chung
4.2 Vật liệu và chiều dày tối thiểu của kết cấu thân tàu
4.3 Xác định kích thước cơ cấu bền của thân tàu
4.4 Ứng suất cho phép
4.5 Hàn
CHƯƠNG 5 KẾT CẤU TÀU HAI THÂN
5.1 Quy định chung
5.2 Tính toán sức bền dọc chung
5.3 Tính sức bền kết cấu cầu nối tàu hai thân
5.4 Xác định quy cách kết cấu thân tàu
5.5 Phương pháp tính sức bền cầu nối tàu hai thân
CHƯƠNG 6 KẾT CẤU TÀU CÁNH NGẦM
6.1 Quy định chung
6.2 Tính toán sức bền và độ ổn định
6.3 Tính độ bền cục bộ
6.4 Tính toán độ bền cơ cấu cánh
6.5 Tiêu chuẩn ứng suất cho phép và chiều dày tối thiểu
CHƯƠNG 7 KẾT CẤU TÀU ĐỆM KHÍ
7.1 Quy định chung
7.2 Giải thích từ ngữ
7.3 Tải trọng tính toán khi uốn chung và xoắn thân tàu
7.4 Tính tải trọng cục bộ
7.5 Tính sức bền chung
7.6 Tính sức bền cục bộ
7.7 Tính độ ổn định
7.8 Ứng suất cho phép
7.9 Kết cấu thân tàu
7.10 Quy định đối với kết cấu và tiêu chuẩn sức bền của váy đệm khí
7.11 Tính toán và tiêu chuẩn sức bền của váy đệm khí
7.12 Tính sức bền Monolit
7.13 Tính sức bền Polumonolit
7.14 Tính toán sức bền kết cấu tháo được
CHƯƠNG 8 THÂN TÀU BÊ TÔNG CỐT THÉP
8.1 Quy định chung
8.2 Vật liệu
8.3 Kết cấu thân tàu và thượng tầng
8.4 Tính toán và định mức sức bền
8.5 Thiết kế và tính toán thân tàu bằng bê tông cốt thép dự ứng lực
CHƯƠNG 9 BỘ PHẬN ĐÓNG KÍN LỖ KHOÉT TRÊN THÂN TÀU VÀ THƯỢNG TẦNG
9.1 Quy định chung
9.2 Cửa húp lô
9.3 Nắp cửa, nắp khoang, cửa bên ngoài, lối đi, cửa thông gió và lấy ánh sáng
9.4 Đóng khoang hàng
9.5 Bộ phận đóng lỗ khoét trên vách ngăn các khoang
PHẦN 2B TRANG THIẾT BỊ
CHƯƠNG 1 THIẾT BỊ LÁI
1.1 Quy định chung
1.2 Bánh lái và đạo lưu quay
1.3 Trục lái và sống bánh lái
1.4 Thiết bị hạn chế và thiết bị bảo vệ
CHƯƠNG 2 THIẾT BỊ NEO
2.1 Quy định chung
2.2 Đặc trưng cung cấp
2.3 Trang bị neo và xích neo
2.4 Thiết bị neo của đoàn đẩy
2.5 Thiết bị hãm neo và xích
2.6 Máy kéo neo
CHƯƠNG 3 THIẾT BỊ KÉO VÀ NỐI GHÉP
3.1 Quy định chung
3.2 Giải thích từ ngữ
3.3 Thành phần của thiết bị kéo
3.4 Cáp kéo
3.5 Móc kéo
3.6 Trang bị của tàu kéo
3.7 Tời kéo
3.8 Trang bị của tàu được kéo
3.9 Xác định tải trọng tính toán thiết bị nối ghép
3.10 Thiết bị nối ghép
CHƯƠNG 4 THIẾT BỊ CHẰNG BUỘC
4.1 Quy định chung
4.2 Thiết bị chằng buộc
CHƯƠNG 5 CỐ ĐỊNH CÔNG-TE-NƠ VÀ BỐ TRÍ THIẾT BỊ CỐ ĐỊNH
5.1 Quy định chung
5.2 Kiểu loại thiết bị cố định và thử vật liệu
5.3 Sắp xếp và cố định công-te-nơ
5.4 Xác định lực và sức bền của các thiết bị cố định
CHƯƠNG 6 THIẾT BỊ NÂNG HẠ BUỒNG LÁI
6.1 Quy định chung
6.2 Các yêu cầu kỹ thuật đối với kết cấu nâng và hạ
6.3 Các yêu cầu kỹ thuật đối với bộ phận truyền động của thiết bị nâng
CHƯƠNG 7 TẦM NHÌN TỪ BUỒNG LÁI
7.1 Quy định chung
CHƯƠNG 8 BẢO VỆ THUYỀN VIÊN VÀ HÀNH KHÁCH
8.1 Mạn chắn sóng và lan can
CHƯƠNG 9 PHƯƠNG TIỆN LÊN XUỐNG TÀU
9.1 Quy định chung
9.2 Tiêu chuẩn chế tạo
9.3 Bố trí và lắp đặt
PHẦN 3 HỆ THỐNG MÁY TÀU
CHƯƠNG 1 QUY ĐỊNH CHUNG
1.1 Quy định chung
1.2 Vật liệu
1.3 Những yêu cầu chung về hệ thống máy
1.4 Thử nghiệm
CHƯƠNG 2 ĐỘNG CƠ ĐI-Ê-DEN
2.1 Quy định chung
2.2 Vật liệu, kết cấu và sức bền
2.3 Trục khuỷu
2.4 Thiết bị an toàn
2.5 Thiết bị liên quan
2.6 Thử nghiệm
CHƯƠNG 3 THIẾT BỊ TRUYỀN ĐỘNG
3.1 Quy định chung
3.2 Vật liệu và kết cấu
3.3 Sức bền của bánh răng
3.4 Trục bánh răng và khớp nối
3.5 Thử tại xưởng
CHƯƠNG 4 HỆ TRỤC
4.1 Quy định chung
4.2 Vật liệu, kết cấu và độ bền
4.3 Thử nghiệm
CHƯƠNG 5 CHÂN VỊT
5.1 Quy định chung
5.2 Kết cấu và sức bền
5.3 Lắp ép chân vịt
5.4 Thử nghiệm
CHƯƠNG 6 DAO ĐỘNG XOẮN HỆ TRỤC
6.1 Quy định chung
6.2 Giới hạn ứng suất cho phép
6.3 Vùng vòng quay cấm
CHƯƠNG 7 NỒI HƠI
7.1 Quy định chung
7.2 Vật liệu và hàn
7.3 Yêu cầu về thiết kế
7.4 Ứng suất cho phép và hệ số bền của mối nối
7.5 Tính các kích thước quy định cho từng cơ cấu
7.6 Cửa quan sát, các lỗ khoét khác và sự gia cường chúng
7.7 Ống
7.8 Nối ghép các bộ phận
7.9 Phụ tùng
7.10 Thử nghiệm
7.11 Kết cấu của nồi hơi cỡ nhỏ
CHƯƠNG 8 BÌNH CHỊU ÁP LỰC
8.1 Quy định chung
8.2 Vật liệu và hàn
8.3 Yêu cầu về thiết kế
8.4 Ứng suất cho phép, hệ số độ bền mối nối và lượng dư ăn mòn
8.5 Độ bền
8.6 Các cửa người chui, các lỗ lắp họng để nối phụ tùng và việc gia cường chúng
8.7 Nối ghép các bộ phận
8.8 Phụ tùng
8.9 Thử nghiệm
CHƯƠNG 9 ỐNG, VAN, PHỤ TÙNG ỐNG VÀ MÁY PHỤ
9.1 Quy định chung
9.2 Chiều dày ống
9.3 Kết cấu các van và phụ tùng ống
9.4 Nối và uốn ống
9.5 Kết cấu máy phụ và két chứa
9.6 Thử nghiệm
CHƯƠNG 10 HỆ THỐNG ĐƯỜNG ỐNG
10.1 Quy định chung
10.2 Đường ống
10.3 Van hút nước ngoài mạn và van xả mạn
10.4 Các lỗ thoát nước và các lỗ xả vệ sinh
10.5 Hệ thống đường ống hút khô và dằn
10.6 Ống thông hơi
10.7 Ống tràn
10.8 Ống đo
10.9 Hệ thống dầu đốt
10.10 Hệ thống dầu bôi trơn và hệ thống dầu thủy lực
10.11 Hệ thống làm mát
10.12 Hệ thống đường ống không khí nén
10.13 Hệ thống ống hơi nước và hệ thống ngưng tụ
10.14 Hệ thống cấp nước cho nồi hơi
10.15 Đường ống khí thải
10.16 Thử nghiệm
CHƯƠNG 11 HỆ THỐNG ĐƯỜNG ỐNG, HỆ THỐNG THÔNG HƠI VÀ THOÁT KHÍ CỦA TÀU DẦU
11.1 Quy định chung
11.2 Bơm dầu hàng, hệ thống ống dầu hàng, hệ thống ống trong két dầu hàng
11.3 Hệ thống đường ống cho buồng bơm dầu hàng, khoang cách ly và két kề với các két dầu hàng
11.4 Hệ thống thông hơi, làm sạch khí và thoát khí
11.5 Tàu chỉ chở dầu có điểm chớp cháy lớn hơn 60 °C
11.6 Thử nghiệm
CHƯƠNG 12 HỆ THỐNG MÁY LÁI
12.1 Quy định chung
12.2 Đặc tính và bố trí máy lái
12.3 Điều khiển
12.4 Vật liệu, kết cấu và sức bền của máy lái
12.5 Thử nghiệm
CHƯƠNG 13 MÁY KÉO NEO VÀ TỜI CHẰNG BUỘC
13.1 Quy định chung
13.2 Máy kéo neo
13.3 Tời chằng buộc
CHƯƠNG 14 ĐIỀU KHIỂN TỰ ĐỘNG VÀ ĐIỀU KHIỂN TỪ XA
14.1 Quy định chung
14.2 Các hệ thống
14.3 Điều khiển tự động và điều khiển từ xa máy chính hoặc chân vịt biến bước
14.4 Điều khiển tự động và từ xa máy phát điện
14.5 Thử nghiệm
PHẦN 4 TRANG BỊ ĐIỆN
CHƯƠNG 1 QUY ĐỊNH CHUNG
1.1 Quy định chung
1.2 Thử nghiệm
CHƯƠNG 2 THIẾT BỊ VÀ HỆ THỐNG ĐIỆN
2.1 Quy định chung
2.2 Thiết kế hệ thống
2.3 Truyền động điện
2.4 Liên lạc nội bộ
2.5 Thiết bị sưởi và nấu ăn
2.6 Thiết bị bảo vệ
2.7 Máy phát điện
2.8 Các bảng điện, phân nhóm và phân phối
2.9 Bộ ngăt mạch (aptomat), công tắc điện từ, rơ le bảo vệ quá dòng
2.10 Khí cụ điện
2.11 Cơ cấu điều khiển động cơ và phanh điện từ
2.12 Cáp điện
2.13 Biến áp động lực và chiếu sáng
2.14 Ắc quy
2.15 Thiết bị chiếu sáng
2.16 Phụ kiện đi kèm đường đây điện
2.17 Thiết bị sưởi và nấu ăn
2.18 Thiết bị điện phòng nổ
2.19 Trang bị điện áp cao
2.20 Thử sau khi lắp đặt trên tàu
CHƯƠNG 3 THIẾT KẾ THIẾT BỊ ĐIỆN
3.1 Quy định chung
3.2 Nguồn điện chính
3.3 Hệ thống chiếu sáng
3.4 Nguồn điện sự cố
3.5 Đèn tín hiệu hành trình, đèn phân biệt
3.6 Hệ thống chống sét
CHƯƠNG 4 NHỮNG YÊU CẦU BỔ SUNG ĐỐI VỚI CÁC TÀU ĐẶC BIỆT
4.1 Quy định chung
4.2 Tàu chở dầu, tàu chở khí hóa lỏng và tàu chở hóa chất nguy hiểm
4.3 Tàu chở dầu và tàu chở hóa chất nguy hiểm có điểm chớp cháy từ 60 ºC trở xuống
4.4 Tàu chở dầu và tàu chở hóa chất nguy hiểm có điểm chớp cháy trên 60 ºC và hàng của chúng được hâm nóng với nhiệt độ lớn hơn nhiệt độ dưới nhiệt độ chớp cháy là 15 ºC
4.5 Tàu chở dầu và tàu chở hóa chất nguy hiểm có điểm chớp cháy lớn hơn 60 ºC và hàng của chúng không được hâm nóng hoặc được hâm nóng với nhiệt độ nhỏ hơn nhiệt độ dưới nhiệt độ chớp cháy 15 ºC
4.6 Các tàu chở hóa chất nguy hiểm mà hàng của chúng phản ứng với các sản phẩm khác tạo ra khí dễ cháy
4.7 Các tàu chở khí hóa lỏng
4.8 Các khoang kín dùng để chở ô tô có nhiên liệu sẵn trong két của chúng để hoạt động và các buồng kín kề với khoang hàng này, v.v...
4.9 Tàu chở than mang cấp VR-SB
4.10 Tàu chở hàng nguy hiểm
4.11 Các yêu cầu bổ sung cho thiết bị điện trên tàu vận chuyển công te nơ đẳng nhiệt
4.12 Tàu nhiều thân
CHƯƠNG 5 YÊU CẦU BỔ SUNG ĐỐI VỚI HỆ THỐNG ĐIỆN CHÂN VỊT
5.1 Quy định chung
5.2 Thiết bị điện chân vịt và cáp điện
5.3 Cấu tạo thiết bị điện chân vịt và mạch cấp điện
5.4 Thử đường dài
PHẦN 5 PHÒNG, PHÁT HIỆN VÀ CHỮA CHÁY
CHƯƠNG 1 QUY ĐỊNH CHUNG
1.1 Quy định chung
1.2 Các yêu cầu áp dụng cho tàu chở hàng lỏng dễ cháy
1.3 Sử dụng các công chất độc hại
1.4 Giải thích từ ngữ
CHƯƠNG 2 KẾT CẤU CHỐNG CHÁY
2.1 Kết cấu chống cháy
2.2 Yêu cầu bổ sung đối với tàu khách
2.3 Yêu cầu bổ sung đối với tàu chở dầu
2.4 Hệ thống thông gió
2.5 Yêu cầu miễn giảm đối với tàu có chiều dài nhỏ hơn 25 m
CHƯƠNG 3 PHÁT HIỆN VÀ BÁO ĐỘNG CHÁY
3.1 Quy định chung
3.2 Các yêu cầu chung
3.3 Hệ thống phát hiện và báo cháy cố định
CHƯƠNG 4 TRANG BỊ CHỮA CHÁY
4.1 Quy định chung
4.2 Hệ thống chữa cháy cố định bằng nước
4.3 Hệ thống chữa cháy cố định bằng khí
4.4 Hệ thống chữa cháy bằng phun nước áp lực và phun sương nước
4.5 Hệ thống chữa cháy bằng bọt cố định
4.6 Hệ thống chữa cháy bằng bọt cố định trên boong của tàu chở dầu
4.7 Bình chữa cháy
4.8 Bộ dụng cụ chữa cháy thủ công
4.9 Trang bị chữa cháy cá nhân
4.10 Đầu nối bờ chữa cháy tiêu chuẩn
4.11 Yêu cầu miễn giảm đối với tàu có chiều dài dưới 25 m
PHẦN 6A VẬT LIỆU
CHƯƠNG 1 QUY ĐỊNH CHUNG
1.1 Quy định chung
1.2 Đóng dấu mác thép và giấy chứng nhận thử đối với vật liệu được chế tạo tại nhà máy được Đăng kiểm công nhận
1.3 Trường hợp vật liệu nhập khẩu
CHƯƠNG 2 THÉP CÁN
2.1 Thép cán dùng đóng thân tàu
2.2 Thép cán tấm dùng chế tạo nồi hơi
2.3 Thép cán tấm dùng chế tạo bình áp lực
2.4 Thép cán sử dụng tại nhiệt độ thấp
2.5 Thép cán không gỉ
2.6 Thép cán tròn dùng chế tạo xích
2.7 Thép cán tròn dùng cho các kết cấu máy
2.8 Thép tấm có lớp phủ không gỉ
CHƯƠNG 3 ỐNG THÉP
CHƯƠNG 4 THÉP ĐÚC
4.1 Quy định chung
4.2 Thép đúc chân vịt
CHƯƠNG 5 THÉP RÈN
5.1 Quy định chung
5.2 Thép cán nóng
CHƯƠNG 6 ĐỒNG VÀ HỢP KIM ĐỒNG
CHƯƠNG 7 HỢP KIM NHÔM
PHẦN 6B HÀN
CHƯƠNG 1 QUY ĐỊNH CHUNG
1.1 Quy định chung
1.2 Thử trước khi hàn
1.3 Hàn
1.4 Kiểm tra hàn và chất lượng hàn
CHƯƠNG 2 HÀN
2.1 Quy định chung
2.2 Kế hoạch công việc
2.3 Những yêu cầu đối với quá trình hàn
2.4 Mối hàn
2.5 Kiểm tra hàn
CHƯƠNG 3 MẪU THỬ VÀ QUY TRÌNH THỬ CƠ TÍNH
CHƯƠNG 4 QUY TRÌNH HÀN VÀ CÁC THÔNG SỐ KĨ THUẬT LIÊN QUAN
CHƯƠNG 5 THỢ HÀN VÀ KIỂM TRA TAY NGHỀ THỢ HÀN
CHƯƠNG 6 VẬT LIỆU HÀN
CHƯƠNG 7 NHỮNG YÊU CẦU ĐẶC BIỆT VỀ CÔNG NGHỆ HÀN
7.1 Hàn thân tàu thép
7.2 Hàn trong chế tạo máy tàu thủy
7.3 Hàn đường ống tàu thủy
7.4 Hàn thép đúc và thép rèn
7.5 Hàn kết cấu nhôm và hợp kim nhôm
7.6 Hàn gang, đồng và hợp kim đồng
7.7 Biến dạng hàn và sửa nắn
7.8 Hàn vết nứt
CHƯƠNG 8 KIỂM TRA KHÔNG PHÁ HỦY (NDT)
8.1 Quy định chung
8.2 Phạm vi và tiêu chuẩn áp dụng
PHẦN 7 ỔN ĐỊNH NGUYÊN VẸN
CHƯƠNG 1 QUY ĐỊNH CHUNG
1.1 Phạm vi áp dụng
1.2 Giải thích từ ngữ
1.3 Các yêu cầu chung về ổn định
1.4 Hồ sơ kỹ thuật về ổn định
1.5 Đồ thị ổn định
1.6 Yêu cầu về thông báo ổn định
1.7 Thử nghiêng ngang và kiểm tra khối lượng tàu không
CHƯƠNG 2 YÊU CẦU CƠ BẢN VỀ ỔN ĐỊNH
2.1 Tiêu chuẩn ổn định cơ bản
2.2 Mô men nghiêng
2.3 Biên độ lắc ngang
2.4 Mô men cho phép tới hạn khi kiểm tra ổn định theo tiêu chuẩn cơ bản
2.5 Đồ thị ổn định
CHƯƠNG 3 CÁC YÊU CẦU BỔ SUNG
3.1 Tàu khách, tàu thủy lưu trú du lịch ngủ đêm, nhà hàng nổi, khách sạn nổi
3.2 Tàu chuyên dụng đặc biệt và tàu không phải là tàu khách
3.3 Tàu hàng
3.4 Tàu chở công te nơ
3.5 Tàu kéo
3.6 Tàu đẩy
3.7 Tàu cẩu
3.8 Tàu công trình (tàu cuốc, tàu hút,...)
3.9 Phà
3.10 Tàu cánh ngầm
3.11 Tàu đệm khí
3.12 Tàu đa thân
PHẦN 8 PHÂN KHOANG
CHƯƠNG 1 QUY ĐỊNH CHUNG
1.1 Quy định chung
1.2 Giải thích từ ngữ
1.3 Phân khoang
1.4 Lỗ thủng giả định
1.5 Hệ số ngập nước
1.6 Bản thông báo ổn định tai nạn
CHƯƠNG 2 ỔN ĐỊNH TAI NẠN
2.1 Quy định chung
2.2 Hư hỏng giả định
2.3 Góc nghiêng tai nạn
2.4 Đồ thị ổn định tĩnh tai nạn
2.5 Thông tin về ổn định tai nạn
PHẦN 9 MẠN KHÔ
CHƯƠNG 1 QUY ĐỊNH CHUNG
1.1 Quy định chung
1.2 Giải thích từ ngữ
1.3 Dấu mạn khô (vạch dấu mớn nước an toàn)
1.4 Quy cách dấu chở hàng
1.5 Quy cách đường boong
1.6 Vị trí dấu mạn khô
1.7 Chi tiết kẻ dấu mạn khô
1.8 Thước nước
CHƯƠNG 2 XÁC ĐỊNH MẠN KHÔ
2.1 Chiều cao mạn khô nhỏ nhất
2.2 Yêu cầu kỹ thuật riêng
2.3 Đường cong dọc boong, thượng tầng
CHƯƠNG 3 ĐIỀU KIỆN XÁC ĐỊNH MẠN KHÔ TỐI THIỂU
3.1 Các điều kiện xác định mạn khô tối thiểu
PHẦN 10 TRANG BỊ AN TOÀN
CHƯƠNG 1 THIẾT BỊ CỨU SINH
1.1 Quy định chung
1.2 Giải thích từ ngữ
1.3 Trang bị thiết bị cứu sinh cho tàu khách và phà mang cấp VR-SI; VR-SII và VR-SIII.
1.4 Trang bị thiết bị cứu sinh cho tàu hàng, tàu kéo và tàu công trình mang cấp VR-SI; VR-SII và VR-SIII
1.5 Trang bị thiết bị cứu sinh cho các công trình nổi tĩnh tại mang cấp VR-SI; VR-SII và VR-SIII
1.6 Trang bị thiết bị cứu sinh cho tàu thủy lưu trú du lịch ngủ đêm, nhà hàng nổi, khách sạn nổi
1.7 Trang bị thiết bị cứu sinh cho tàu mang cấp VR-SB
1.8 Yêu cầu về trang bị thiết bị phóng dây cho tàu cấp VR-SB
1.9 Bố trí dụng cụ nổi cứu sinh trên tàu
1.10 Bố trí phao tròn cứu sinh và phao áo cứu sinh trên tàu
1.11 Bố trí phao bè cứu sinh, xuồng cấp cứu, xuồng cứu sinh trên tàu
CHƯƠNG 2 THIẾT BỊ TÍN HIỆU GIAO THÔNG
2.1 Tín hiệu
2.2 Bảo quản trang bị tín hiệu dự trữ
CHƯƠNG 3 THIẾT BỊ HÀNG GIANG, HÀNG HẢI, VÔ TUYẾN ĐIỆN
3.1 Quy định chung
3.2 Nguồn cấp điện
3.3 Ăng ten và nối đất
3.4 Trang bị thiết bị vô tuyến điện
3.5 Trang bị thiết bị hàng giang, hàng hải
3.6 Trang bị cứu đắm
CHƯƠNG 4 TRANG BỊ CÁC BUỒNG
4.1 Quy định chung
4.2 Lối qua lại, cửa, cầu thang
4.3 Cửa húp lô
PHẦN 11 TÀU CHỞ HÀNG NGUY HIỂM, TÀU CHỞ HÓA CHẤT NGUY HIỂM VÀ TÀU CHỞ KHÍ HÓA LỎNG
CHƯƠNG 1 TÀU CHỞ HÀNG NGUY HIỂM DẠNG ĐÓNG GÓI
1.1 Phạm vi áp dụng
1.2 Giải thích từ ngữ
1.3 Các yêu cầu đối với tàu chở hàng nguy hiểm dạng đóng gói
CHƯƠNG 2 TÀU CHỞ HÀNG NGUY HIỂM DẠNG XÔ RỜI RẮN
2.1 Phạm vi áp dụng
2.2 Giải thích từ ngữ
2.3 Các yêu cầu đối với tàu chở hàng nguy hiểm dạng xô rời rắn
CHƯƠNG 3 KẾT CẤU VÀ TRANG THIẾT BỊ CỦA TÀU CHỞ HÓA CHẤT NGUY HIỂM
3.1 Phạm vi áp dụng
3.2 Yêu cầu đối với tàu chở hóa chất nguy hiểm
CHƯƠNG 4 KẾT CẤU VÀ TRANG THIẾT BỊ CỦA TÀU CHỞ KHÍ HÓA LỎNG
4.1 Phạm vi áp dụng
4.2 Các yêu cầu đối với tàu chở khí hóa lỏng
PHẦN 12 QUY ĐỊNH BỔ SUNG ĐỐI VỚI MỘT SỐ LOẠI TÀU CỤ THỂ
CHƯƠNG 1 TÀU CẨU
1.1 Quy định chung
1.2 Kết cấu thân tàu và trang thiết bị
1.3 Hệ thống máy
1.4 Trang bị điện
1.5 Phòng chống cháy, phương tiện thoát nạn và hệ thống dập cháy
1.6 Ổn định
1.7 Thử nghiệm
CHƯƠNG 2 TÀU TỰ NÂNG
2.1 Quy định chung
2.2 Tải trọng thiết kế
2.3 Kết cấu thân tàu và trang thiết bị
2.4 Hệ thống máy
2.5 Trang bị điện
2.6 Phòng chống cháy, phương tiện thoát nạn và hệ thống dập cháy
2.7 Ổn định và phân khoang
2.8 Thử nghiệm
2.9 Yêu cầu về vận hành
CHƯƠNG 3 TÀU CHỞ CÁT CHUYÊN DÙNG
3.1 Quy định chung
3.2 Kết cấu thân tàu và trang thiết bị
3.3 Hệ thống máy
3.4 Trang bị điện
3.5 Phòng, phát hiện và chữa cháy, phương tiện thoát nạn
3.6 Ổn định
CHƯƠNG 4 TÀU SỬ DỤNG PIN CUNG CẤP NĂNG LƯỢNG ĐIỆN CHO HỆ ĐỘNG LỰC TÀU
4.1 Quy định chung
4.2 Giải thích từ ngữ
4.3 Hồ sơ tài liệu
4.4 Quy định về chức năng và phân loại an toàn
4.5 Quy định kỹ thuật đối với pin sử dụng trên tàu
4.6 Quy định bổ sung đối với tàu sử dụng pin cung cấp năng lượng cho hệ thống đẩy tàu
4.7 Quy định về bố trí chung
4.8 Phòng cháy
4.9 Quy định kỹ thuật kiểm tra pin
CHƯƠNG 5 TÀU SỬ DỤNG NHIÊN LIỆU KHÍ
5.1 Quy định chung
5.2 Các két nhiên liệu khí
5.3 Các thiết bị và hệ thống chuẩn bị và cấp nhiên liệu khí cho các thiết bị sử dụng
5.4 Các thiết bị tiêu thụ nhiên liệu khí
5.5 Thông gió cho các không gian
5.6 Kiểm soát khí trong các không gian
5.7 Phòng cháy và chữa cháy
5.8 Thiết bị điện
5.9 Tự động hóa
5.10 Bảo vệ thuyền viên
III - QUY ĐỊNH VỀ QUẢN LÝ
IV TRÁCH NHIỆM CỦA TỔ CHỨC, CÁ NHÂN
V - TỔ CHỨC THỰC HIỆN
PHỤ LỤC I QUY ĐỊNH VỀ VÙNG HOẠT ĐỘNG CỦA TÀU
PHỤ LỤC II THƯỚC NƯỚC
PHỤ LỤC III HỆ SỐ K1 TRONG TÍNH TOÁN DUNG TÍCH TÀU
QUY CHUẨN KỸ THUẬT QUỐC GIA VỀ PHÂN CẤP VÀ ĐÓNG
PHƯƠNG TIỆN THUỶ NỘI ĐỊA
I QUY ĐỊNH CHUNG
CHƯƠNG 1 QUY ĐỊNH CHUNG
1.1 Phạm vi điều chỉnh
1.1.1 Quy chuẩn kỹ thuật quốc gia này (sau đây viết tắt là "Quy chuẩn") áp dụng cho việc phân cấp và đóng phương tiện thủy nội địa (sau đây gọi là tàu) hoạt động trên sông, kênh, rạch, hồ, đầm, phá, vụng, vịnh và các tuyến vận tải đường thủy nội địa ven bờ biển được công bố của nước Cộng hoà xã hội chủ nghĩa Việt Nam, có chiều dài thiết kế đến 140 m và không thuộc phạm vi áp dụng của QCVN 25: 2015/BGTVT;
1.1.2 Thay cho việc áp dụng toàn bộ quy định của Quy chuẩn này, phải áp dụng các Quy chuẩn sau đây nếu thuộc phạm vi áp dụng:
1 Tàu thể thao, vui chơi giải trí áp dụng QCVN 50: 2012/BGTVT;
2 Tàu xi măng lưới thép áp dụng QCVN 51: 2013/BGTVT;
3 Tàu chất dẻo cốt sợi thủy tinh áp dụng QCVN 56: 2013/BGTVT;
4 Tàu gỗ áp dụng QCVN 84: 2014/BGTVT;
5 Tàu cao tốc áp dụng QCVN 54: 2013/BGTVT;
6 Ụ nổi áp dụng QCVN 55: 2013/BGTVT.
1.1.3 Đối với phà mang cấp VR-SB có sức chở người trên 12 người, trừ thuyền viên, người lái phương tiện và trẻ em dưới 1 tuổi phải áp dụng các quy định tương ứng đối với tàu khách mang cấp VR-SB.
1.1.4 Quy chuẩn này không bắt buộc áp dụng đối với tàu làm nhiệm vụ quốc phòng, an ninh và tàu cá.
1.2 Đối tượng áp dụng
Quy chuẩn này áp dụng đối với các tổ chức và cá nhân có hoạt động liên quan đến các tàu thuộc phạm vi điều chỉnh nêu tại 1.1.1 bao gồm: cơ quan Đăng kiểm Việt Nam (sau đây viết tắt là "Đăng kiểm"); chủ tàu; cơ sở thiết kế, đóng mới, hoán cải, sửa chữa và khai thác phương tiện thủy nội địa; cơ sở thiết kế, chế tạo sản phẩm và vật liệu lắp đặt trên tàu; tổ chức, cá nhân nhập khẩu, xuất khẩu tàu và sản phẩm, vật liệu lắp đặt trên tàu.
1.3 Tài liệu viện dẫn
1.3.1 QCVN 21: 2015/BGTVT và các sửa đổi - Quy chuẩn kỹ thuật quốc gia về Quy phạm phân cấp và đóng tàu biển vỏ thép và các bổ sung sửa đổi;
1.3.2 QCVN 85: 2015/BGTVT - Quy chuẩn kỹ thuật quốc gia về chế tạo và kiểm tra thiết bị cứu sinh dùng cho phương tiện thủy nội địa;
1.3.3 QCVN 51: 2013/BGTVT - Quy chuẩn kỹ thuật quốc gia về Quy phạm phân cấp và đóng tàu xi măng lưới thép;
1.3.4 QCVN 50: 2012/BGTVT - Quy chuẩn kỹ thuật quốc gia về Quy phạm giám sát và kiểm tra an toàn kỹ thuật tàu thể thao, vui chơi giải trí;
1.3.5 QCVN 56: 2013/BGTVT - Quy chuẩn kỹ thuật quốc gia về phân cấp và đóng tàu bằng chất dẻo cốt sợi thủy tinh;
1.3.6 QCVN 84: 2014/BGTVT - Quy chuẩn kỹ thuật quốc gia về quy phạm phân cấp và đóng phương tiện thủy nội địa vỏ gỗ;
1.3.7 QCVN 54: 2013/BGTVT - Quy chuẩn kỹ thuật quốc gia về phân cấp và đóng tàu thủy cao tốc;
1.3.8 QCVN 17: 2011/BGTVT và các sửa đổi - Quy chuẩn kỹ thuật quốc gia về Quy phạm ngăn ngừa ô nhiễm do phương tiện thủy nội địa;
1.3.9 QCVN 24: 2010/BGTVT - Quy chuẩn kỹ thuật quốc gia về máy lái thủy lực trên phương tiện thủy - yêu cầu kỹ thuật và phương pháp thử;
1.3.10 QCVN 89: 2015/BGTVT - Quy chuẩn kỹ thuật quốc gia về cơ sở đóng mới, hoán cải, sửa chữa phục hồi phương tiện thủy nội địa;
1.3.11 QCVN 96: 2016/BGTVT - Quy chuẩn kỹ thuật quốc gia về thiết bị nâng trên các phương tiện thủy nội địa;
1.3.12 QCVN 55: 2013/BGTVT - Quy chuẩn kỹ thuật quốc gia về phân cấp và đóng ụ nổi.
1.3.13 Thông tư số 48/2015/TT-BGTVT ngày 22/9/2015 của Bộ trưởng Bộ Giao thông vận tải quy định về đăng kiểm phương tiện thủy nội địa (được sửa đổi, bổ sung một số điều bởi Thông tư số 16/2023/TT-BGTVT ngày 30/6/2023).
1.3.14 Thông tư số 20/2022/TT-BGTVT ngày 29/7/2022 của Bộ trưởng Bộ Giao thông vận tải Quy định về các biểu mẫu giấy chứng nhận, sổ an toàn kỹ thuật và bảo vệ môi trường cấp cho tàu biển, ụ nổi, kho chứa nổi, giàn di động, phương tiện thủy nội địa và sản phẩm công nghiệp sử dụng cho phương tiện thủy nội địa (được sửa đổi, bổ sung một số điều bởi Thông tư số 26/2024/TT-BGTVT ngày 02/7/2024).
1.3.15 QCVN 25: 2015/BGTVT - Quy chuẩn kỹ thuật quốc gia về quy phạm giám sát kỹ thuật và đóng phương tiện thủy nội địa cỡ nhỏ.
1.4 Giải thích từ ngữ
Trong Quy chuẩn này các thuật ngữ dưới đây được hiểu như sau:
1.4.1 Tàu hàng
Tàu hàng là tàu không phải tàu khách.
1.4.2 Tàu chở hàng khô
Tàu chở hàng khô là tàu hàng dùng để chở hàng tổng hợp đóng bao, kiện và nếu thân tàu được gia cường đặc biệt thì tàu có thể được dùng để chở những loại hàng nặng, hàng rời nặng khác theo sơ đồ phân bố tải trọng đã được quy định.
1.4.3 Tàu chở hàng rời
Tàu chở hàng rời là tàu hàng chuyên dùng để chở xô hàng rời rắn.
1.4.4 Tàu chở hàng lỏng
Tàu chở hàng lỏng là tàu được dùng để chở xô hàng lỏng trong không gian chở hàng.
1.4.5 Tàu chở dầu
Tàu chở dầu là tàu được dùng để chở xô dầu thô hoặc các sản phẩm dầu mỏ trong không gian chở hàng.
1.4.6 Tàu chở dầu loại I
Tàu chở dầu loại I là tàu chở dầu để chở dầu có điểm chớp cháy không vượt quá 60 °C.
1.4.7 Tàu chở dầu loại II
Tàu chở dầu loại II là tàu chở dầu để chở dầu có điểm chớp cháy trên 60 °C.
1.4.8 Tàu chở công-te-nơ
Tàu chở công-te-nơ là tàu được sử dụng và trang bị đặc biệt để vận chuyển hàng hóa trong công-te-nơ.
1.4.9 Tàu chở khí hóa lỏng
Tàu chở khí hóa lỏng là tàu hàng dùng để chở xô khí hóa lỏng.
1.4.10 Tàu chở hóa chất nguy hiểm
Tàu chở hóa chất nguy hiểm là tàu hàng dùng để chở xô hóa chất nguy hiểm ở dạng lỏng.
1.4.11 Tàu chở hàng nguy hiểm
Tàu chở hàng nguy hiểm là tàu được dùng để chở hàng nguy hiểm ở dạng đóng gói hoặc dạng xô rời rắn.
1.4.12 Tàu kéo/đẩy
Tàu kéo/đẩy là tàu có thiết bị chuyên dùng để kéo/đẩy các tàu và các công trình nổi khác.
1.4.13 Tàu công trình
Tàu công trình là tàu chuyên dùng để nạo vét luồng lạch hoặc để thi công các công trình dưới nước bao gồm tàu cuốc, tàu hút, tàu cần cẩu, tàu tự nâng và các tàu có công dụng tương tự.
1.4.14 Tàu chuyên dụng đặc biệt
Tàu chuyên dụng đặc biệt là tàu có trang thiết bị chuyên dụng liên quan đến công dụng của tàu và có một số nhân viên chuyên môn bao gồm tàu thuỷ văn, tàu huấn luyện, tàu chữa cháy, tàu y tế, tàu trục vớt, tàu cứu hộ và các tàu có công dụng tương tự.
1.4.15 Phà
Phà là phương tiện thủy nội địa dùng để chở các phương tiện đường bộ, người và hàng hoá từ bến phà này đến bến phà kia với thời gian hành trình liên tục một chiều (không kể thời gian dừng) nhỏ hơn hoặc bằng 2 giờ và khoảng cách hành trình một chiều nhỏ hơn hoặc bằng 20 km.
1.4.16 Sà lan
Sà lan là phương tiện thủy nội địa không tự hành, dùng để chở hàng, có thuyền viên hoặc không có thuyền viên trên phương tiện.
1.4.17 Tàu mặt boong
Tàu mặt boong là tàu chỉ sử dụng mặt boong, không có miệng hầm hàng, có các lỗ người chui để vào trong thân tàu được đóng kín bằng nắp có vòng đệm.
1.4.18 Tàu khách
Tàu khách là tàu chở trên 12 người, trừ thuyền viên, người lái phương tiện và trẻ em dưới 1 tuổi.
1.4.19 Tàu chở người
Tàu chở người là tàu chở từ 12 người trở xuống, trừ thuyền viên, người lái phương tiện và trẻ em dưới 1 tuổi.
1.4.20 Tàu cao tốc
Tàu được kiểm tra chứng nhận theo quy định của Quy chuẩn kỹ thuật quốc gia về phân cấp và đóng phương tiện thủy nội địa cao tốc.
1.4.21 Tàu cao tốc chở khách
Tàu cao tốc chở khách là tàu khách được kiểm tra chứng nhận phù hợp với quy chuẩn kỹ thuật quốc gia về phân cấp và đóng phương tiện thủy nội địa cao tốc.
1.4.22 Tàu cao tốc chở người
Tàu cao tốc chở người là tàu cao tốc chở từ 12 người trở xuống, trừ thuyền viên, người lái phương tiện và trẻ em dưới 1 tuổi.
1.4.23 Tàu thủy lưu trú du lịch ngủ đêm
Tàu thủy lưu trú du lịch ngủ đêm là phương tiện thủy nội địa chở khách du lịch, có buồng ngủ, trên hành trình có neo lại để cho khách du lịch ngủ qua đêm.
1.4.24 Nhà hàng nổi
Nhà hàng nổi là phương tiện thủy nội địa chở khách, có đăng ký kinh doanh nhà hàng nổi phục vụ ăn uống trên phương tiện mà không bố trí các buồng ngủ lưu trú trên phương tiện.
1.4.25 Khách sạn nổi
Khách sạn nổi là phương tiện thủy nội địa chở khách du lịch, có buồng ngủ, có đăng ký kinh doanh khách sạn, được neo tại một địa điểm trên đường thủy nội địa và có thể di chuyển từ địa điểm neo này tới địa điểm neo khác khi cần thiết.
1.4.26 Tàu nhiều thân
Tàu nhiều thân là tàu có lực nâng được đảm bảo từ ít nhất hai thân, liên kết với nhau bằng kết cấu đặc biệt ở phần trên mặt nước. Tàu hai thân được gọi là catamaran, tàu ba thân được gọi là trimaran.
1.4.27 Tàu đệm khí
Tàu đệm khí (Air Cushion Vehicle - ACV) là tàu mà toàn bộ hoặc phần lớn trọng lượng của nó có thể được nâng lên ở trạng thái đứng yên hoặc chuyển động nhờ đệm khí được sinh ra liên tục để nâng tàu lên bề mặt nước và chạy trên bề mặt đó.
1.4.28 Tàu cánh ngầm
Tàu cánh ngầm là tàu được nâng lên trên mặt nước khi chuyển động ở chế độ khai thác nhờ lực thủy động của cánh ở dưới nước.
1.4.29 Tốc độ lớn nhất
Tốc độ lớn nhất của tàu (v) là tốc độ thiết kế, tính bằng km/giờ mà tàu có đáy sạch có thể đạt được ở công suất liên tục lớn nhất của máy chính, chạy trên nước lặng, ở trạng thái toàn tải.
1.4.30 Hành khách
Hành khách là bất kỳ một người nào trên tàu, trừ thuyền viên, nhân viên chuyên môn hoặc nhân viên phục vụ và trẻ em dưới 1 tuổi.
1.4.31 Nhân viên chuyên môn, nhân viên phục vụ
Nhân viên chuyên môn, nhân viên phục vụ là những người không phải là thuyền viên nhưng thường xuyên có mặt trên tàu và có liên quan đến nhiệm vụ theo công dụng của tàu, và những người có liên quan đến hoạt động kinh doanh của tàu.
1.4.32 Trọng tải toàn phần
Trọng tải toàn phần (sau đây gọi là “trọng tải”) là hiệu số, tính bằng tấn, giữa lượng chiếm nước tương ứng với đường nước thiết kế toàn tải của tàu và khối lượng tàu không.
1.4.33 Khối lượng tàu không
Khối lượng tàu không là lượng chiếm nước của tàu tính bằng tấn khi không có hàng hoá, nhiên liệu, dầu bôi trơn, nước, nước dằn và nước cấp nồi hơi trong két, nước thải, các đồ dự trữ của tàu, cũng như không có hành khách, thuyền viên và đồ đạc của họ.
1.4.34 Những bộ phận chính của tàu
Những bộ phận chính của tàu là những phần chính tạo thành con tàu, bao gồm:
1 Thân tàu là hệ thống kết cấu bao gồm tấm vỏ, tấm boong, sàn đáy trong, các vách dọc và ngang, mạn trong, cơ cấu dọc và ngang (đáy, boong, mạn), thượng tầng tham gia sức bền chung thân tàu, thượng tầng của tàu khách;
2 Hệ thống máy tàu là hệ thống bao gồm máy chính, đường trục, bộ truyền động từ máy chính tới trục chân vịt, nồi hơi chính, nồi hơi phụ, các máy phụ, các bơm, đường ống và các trang thiết bị lắp đặt trong buồng máy;
3 Trang bị điện là hệ thống bao gồm các máy phát độc lập của trạm điện chung toàn tàu, các bảng phân phối điện chính, cáp điện chính, các mô tơ và động cơ điện, các trang thiết bị báo động và điều khiển được vận hành bằng điện.
1.4.35 Thượng tầng
Thượng tầng là kiến trúc kín trên boong mạn khô, có mạn kéo dài từ mạn này sang mạn kia hoặc cách mạn tàu một khoảng không quá 4% chiều rộng tàu.
1.4.36 Lầu
Lầu là kết cấu trên boong mạn khô hoặc trên boong thượng tầng, không kéo dài đến mạn tàu, cách mạn tàu một khoảng lớn hơn 4% chiều rộng tàu (B) và có cửa ra vào, cửa sổ và các lỗ mở khác trên các vách ngoài. Lầu có thể được bố trí trên một hoặc nhiều tầng.
1.4.37 Các yêu cầu bổ sung
Các yêu cầu bổ sung là những yêu cầu chưa được nêu trong Quy chuẩn này, nhưng được các cơ quan có thẩm quyền quy định trong các văn bản liên quan.
1.4.38 Sản phẩm công nghiệp
Sản phẩm công nghiệp (hay gọi tắt là sản phẩm) là thuật ngữ chỉ vật liệu, máy móc, trang thiết bị lắp đặt trên tàu.
1.4.39 Tàu đang đóng
Tàu đang đóng là tàu đang được đóng tính từ ngày tàu có giai đoạn bắt đầu đóng mới cho đến khi được cấp hồ sơ Đăng kiểm lần đầu cho phép đưa tàu vào khai thác.
1.4.40 Tàu đang khai thác
Tàu đang khai thác là những tàu thoả mãn các yêu cầu kỹ thuật, được đưa vào hoạt động khai thác, kinh doanh hoặc phục vụ dân sinh.
1.4.41 Tuyến vận tải đường thủy nội địa ven bờ biển được công bố
Tuyến vận tải đường thủy nội địa ven bờ biển được công bố là tuyến vận tải ven bờ biển, từ bờ ra đảo, nối giữa các đảo do Bộ trưởng Bộ Giao thông vận tải công bố, tổ chức quản lý khai thác, cách bờ hoặc nơi trú ẩn không quá 12 hải lý.
1.4.42 Nơi trú ẩn
Nơi trú ẩn là vùng nước tự nhiên hoặc nhân tạo được bảo vệ mà tàu có thể trú ở đó trong trường hợp sự an toàn của tàu bị đe dọa.
1.4.43 Kích thước tàu
1 Chiều dài tàu
Chiều dài tàu (L) là khoảng cách, tính bằng mét, đo theo phương nằm ngang trên đường nước thiết kế toàn tải, từ mép trước của sống mũi đến mép sau của trụ lái (hoặc tâm trục lái nếu không có trụ lái), hoặc bằng 96% chiều dài toàn bộ của đường nước thiết kế toàn tải, lấy trị số nào lớn hơn. Đối với tàu không có trục lái thì L là chiều dài của đường nước thiết kế toàn tải. Trong mọi trường hợp, L không được lớn hơn chiều dài toàn bộ đường nước thiết kế toàn tải.
2 Chiều rộng tàu
Chiều rộng tàu (B) là khoảng cách nằm ngang, tính bằng mét, đo từ mép ngoài của sườn mạn bên này đến mép ngoài của sườn mạn bên kia ở đường nước thiết kế toàn tải, tại vị trí rộng nhất của thân tàu.
3 Chiều dài lớn nhất
Chiều dài lớn nhất (Lmax) là khoảng cách đo theo phương song song với đường nước toàn tải và mặt phẳng dọc tâm tàu giữa hai mặt phẳng thẳng đứng vuông góc với mặt phẳng dọc tâm tàu, một mặt phẳng đi qua phần xa nhất phía mũi và một mặt phẳng đi qua phần xa nhất phía đuôi tàu, bao gồm tất cả các kết cấu và các phần tích hợp cùng với tàu như sống mũi, sống đuôi, mạn chắn sóng và các bộ phận khác gắn vào tàu.
Tùy từng trường hợp, chiều dài này bao gồm các bộ phận như hệ cột buồm, cột biểu tượng mũi tàu, lan can cố định mũi tàu, tấm cao su, đệm chống va cố định với tàu, bánh lái dạng bản lề, giá đỡ động cơ đặt ngoài xuồng, thiết bị lái bên ngoài, ống phụt nước và các chi tiết khác như sàn để xuống biển lặn hoặc sàn lên tàu.
Thiết bị lái đặt bên ngoài, ống phụt và các bộ phận dịch chuyển được phải được đo khi chúng ở điều kiện khai thác bình thường mà cho chiều dài lớn nhất khi tàu di chuyển.
Chiều dài này không bao gồm động cơ đặt ngoài xuồng và các thiết bị khác mà khi tháo khỏi tàu không cần phải sử dụng dụng cụ.
4 Chiều rộng lớn nhất
Chiều rộng lớn nhất (Bmax) là khoảng cách giữa hai mặt phẳng thẳng đứng song song với mặt phẳng dọc tâm tàu khi tàu không nghiêng ngang, hai mặt phẳng này đi qua các điểm xa nhất về hai bên mạn tàu so với mặt phẳng dọc tâm, bao gồm tất cả các kết cấu hoặc các phần liên kết với tàu như các phần mở rộng của thân tàu, các liên kết boong và thân tàu, mạn chắn sóng, tấm cao su, các đệm chống va cố định, tay vịn và các phần khác kéo dài lớn hơn mạn tàu.
5 Chiều cao mạn
Chiều cao mạn tàu (D) là khoảng cách thẳng đứng, tính bằng mét, đo ở mặt phẳng sườn giữa, từ mép trên của dải tấm giữa đáy đến mép dưới boong mạn khô tại mạn. Nếu tàu có mép boong lượn thì đo đến giao điểm của đường thẳng kéo từ mép dưới boong mạn khô với đường thẳng kéo từ mép trong của tấm mạn. Đối với tàu có tấm sống đáy thì chiều cao mạn được đo từ mép dưới của giao điểm giữa tôn đáy và tấm sống đáy.
Đối với tàu hở thì điểm phía trên trong tính toán chiều cao mạn được lấy là điểm mép mạn thấp nhất.
6 Chiều chìm thiết kế
Chiều chìm thiết kế của tàu (d) là khoảng cách thẳng đứng, tính bằng mét, đo ở mặt phẳng sườn giữa, từ mép trên của dải tấm giữa đáy đến đường nước thiết kế toàn tải.
Các kích thước nêu từ -1 đến -6 sẽ được xác định theo các quy định tương ứng của quy chuẩn áp dụng với các tàu nêu tại 1.1.2 nếu trong các Quy chuẩn này có quy định khác.
Đối với tàu có tấm sống đáy thì chiều chìm được đo từ mép dưới của giao điểm giữa tôn đáy và tấm sống đáy.
7 Đường nước thiết kế toàn tải
Đường nước thiết kế toàn tải là đường nước ứng với trạng thái tàu đầy tải (có đủ hàng/hành khách và dự trữ...) phụ thuộc vào dấu mạn khô đã được ấn định cho tàu.
8 Hệ số béo thể tích
Hệ số béo thể tích (CB) là hệ số tính được khi chia thể tích chiếm nước toàn tải cho tích số LBd.
9 Sườn giữa
Sườn giữa là điểm giữa của chiều dài tàu.
1.4.44 Đường vuông góc đuôi
Đường vuông góc đuôi là đường thẳng nằm trong mặt phẳng dọc tâm, vuông góc với đường cơ bản và trùng với tâm trục lái của tàu. Trường hợp trục lái không nằm trong mặt phẳng dọc tâm của tàu thì hình chiếu của trục lái lên mặt phẳng dọc tâm là vị trí của trục lái để xác định đường vuông góc đuôi. Nếu tàu không có trục lái thì đường vuông góc đuôi sẽ là đường thẳng vuông góc với đường cơ bản, đi qua giao điểm của đường nước toàn tải với mép sau của sống đuôi.
1.4.45 Đường vuông góc mũi
Đường vuông góc mũi là đường thẳng trong mặt phẳng dọc tâm của tàu, vuông góc với đường cơ bản, đi qua giao điểm của đường nước thiết kế toàn tải với mép trước của sống mũi.
1.4.46 Boong mạn khô
1 Boong mạn khô thường là boong liên tục cao nhất. Tuy nhiên, nếu có lỗ khoét mà không có thiết bị đóng kín thường xuyên tại những chỗ lộ ở trên boong liên tục cao nhất hoặc nếu có lỗ khoét mà không có thiết bị đóng kín nước thường xuyên ở mạn phía dưới boong liên tục cao nhất, thì boong mạn khô là boong liên tục dưới boong liên tục cao nhất đó.
2 Đối với tàu có boong mạn khô không liên tục (ví dụ boong mạn khô có bậc) thì boong mạn khô được xác định như sau:
(1) Nếu phần hõm của boong mạn khô kéo tới cả hai mạn tàu và dài quá 1 m, thì đường thấp nhất của boong lộ thiên và liên tục của đường đó song song với phần trên của boong không liên tục này được coi là boong mạn khô;
(2) Nếu phần hõm của boong mạn khô không kéo tới mạn tàu và không dài quá 1 m, thì phần trên của boong không liền này được coi là boong mạn khô;
(3) Nếu các phần hõm không kéo từ mạn này đến mạn kia ở một boong được dự kiến là boong mạn khô phù hợp với quy định -3 dưới đây, thì boong lộ thiên có thể không cần quan tâm, với điều kiện là tất cả các lỗ khoét ở boong lộ thiên đó đều có thiết bị đóng kín thời tiết cố định.
3 Nếu tàu có nhiều boong, thì một boong thực tế thấp hơn boong phù hợp với boong mạn khô được định nghĩa ở -1 hoặc -2 trên, có thể được thừa nhận là boong mạn khô, và đường nước chở hàng được kẻ tương ứng với boong mạn khô đó theo đúng yêu cầu của Phần 9 Mục II của Quy chuẩn này. Tuy nhiên, boong thấp hơn này phải liên tục theo hướng mũi và lái ít nhất là ở vùng giữa buồng máy và các vách mút của tàu và phải liên tục theo hướng ngang tàu. Trong vùng khoang hàng, phải là boong có kết cấu khung sườn thích hợp hoặc các sống có chiều cao thoả đáng và liên tục theo hướng mũi và lái tại các mạn và hướng ngang tại từng vách ngang kín nước mà vách đó kéo tới boong cao nhất. Nếu boong thấp hơn này có bậc thì đường thấp nhất của boong này và đoạn kéo dài của nó song song với phần trên của boong được coi là boong mạn khô.
1.4.47 Các vùng theo chiều dài thân tàu
1 Vùng mũi là vùng có chiều dài 0,15L tính từ đường vuông góc mũi về giữa tàu.
2 Vùng đuôi của tàu tự hành là đoạn tính từ đường vuông góc đuôi đến vách cuối của buồng máy, nếu buồng máy ở đuôi tàu hoặc là đoạn dài 0,15L tính từ đường vuông góc đuôi về giữa tàu nếu buồng máy không bố trí ở đuôi tàu.
Vùng đuôi của tàu không động cơ là đoạn dài 0,15L tính từ đường vuông góc đuôi về giữa tàu.
3 Vùng giữa là vùng có chiều dài bằng 0,5L tính từ sườn giữa về phía mũi một khoảng bằng 0,25L và về đuôi tàu một khoảng bằng 0,25L.
4 Vùng trung gian là vùng còn lại giữa vùng mũi và vùng giữa tàu hoặc vùng đuôi tàu và vùng giữa tàu.
5 Các vùng thân tàu nêu từ -1 đến -4 sẽ được xác định theo các quy định tương ứng của các quy chuẩn áp dụng với các tàu nêu tại 1.1.2 nếu trong các Quy chuẩn này có quy định khác.
1.4.48 Kín nước
Kín nước là khả năng ngăn ngừa được nước tràn vào bất kỳ hướng nào dưới áp lực của cột nước (cột áp) giả định có thể xảy ra trong trạng thái nguyên vẹn và hư hỏng. Ở trạng thái hư hỏng, kể cả giai đoạn ngập nước trung gian, cột áp phải được xem xét trong tình trạng xấu nhất ở trạng thái tàu cân bằng.
1.4.49 Kín thời tiết
Kín thời tiết là thuật ngữ áp dụng cho những cấu trúc nằm ở phần phía trên đường nước của tàu khi chịu ảnh hưởng trực tiếp của sóng gió mà nước không thể vào được bên trong của tàu. Cấu trúc phải ngăn được nước rò lọt khi chịu áp lực 10 mét cột nước với đường kính ống phun 16 mm, khoảng cách từ họng phun 1,5 mét, tốc độ di chuyển họng dọc theo khe hở với tốc độ 0,2 m/s.
1.4.50 Tàu có boong kín
Tàu có boong kín là tàu có boong liên tục trên suốt chiều dài tàu, các lỗ trên phần hở của tàu phải có thiết bị đóng kín thời tiết cố định và các lỗ phía dưới phải có phương tiện đảm bảo điều kiện kín nước.
1.4.51 Không gian sinh hoạt
Không gian sinh hoạt là không gian để người sử dụng trên tàu, bao gồm bếp, kho dự trữ, nhà vệ sinh và rửa, giặt là, hành lang nhưng không bao gồm lầu lái. Đối với tàu khách thì bao gồm khu vực hành khách. Bếp trên tàu khách không được xem là không gian sinh hoạt
1.4.52 Không gian phục vụ
Không gian phục vụ là những buồng sử dụng để làm bếp, buồng đựng thức ăn có các thiết bị nấu, các tủ, buồng thư tín, kho chứa, xưởng máy không nằm trong buồng máy, các buồng tương tự và các không gian lối đi thông các buồng đó.
1.4.53 Chiều cao sóng đáng kể (HS)
Chiều cao sóng đáng kể HS là chiều cao trung bình của nhóm 1/3 các chiều cao sóng lớn nhất trong phạm vi phổ sóng.
1.4.54 Hoán cải lớn
Hoán cải lớn là hoán cải đối với tàu hiện có mà:
1 Thay đổi đáng kể kích thước hoặc khả năng chở của tàu, ví dụ như kéo dài tàu bằng cách thêm một phần mới thân tàu vào giữa tàu;
2 Thay đổi loại tàu, ví dụ như thay đổi từ tàu chở hàng lỏng sang tàu chở hàng khô;
3 Thay đổi kết cấu có ảnh hưởng đến yêu cầu cần thiết liên quan đến phân khoang tàu.
1.4.55 Thẩm định hồ sơ thiết kế, tài liệu hướng dẫn của tàu
Thẩm định hồ sơ thiết kế, tài liệu hướng dẫn của tàu (sau đây gọi là “tài liệu”) là việc kiểm tra, soát xét của Đăng kiểm đối với tài liệu để đưa ra kết luận về việc tuân thủ của tài liệu với yêu cầu của Quy chuẩn này và các quy chuẩn kỹ thuật quốc gia liên quan của phương tiện thủy nội địa.
1.4.56 Bến nổi
Bến nổi là tàu khai thác tại vị trí cố định gần bờ cho mục đích để hành khách, phương tiện từ bờ xuống tàu và ngược lại.
1.4.57 Tàu vỏ gỗ bọc ngoài
Tàu vỏ gỗ bọc ngoài là tàu vỏ gỗ được bọc theo quy định tại 2.4.2 Mục II của QCVN 84: 2014/BGTVT.
1.4.58 Sửa chữa
Sửa chữa là việc tàu thực hiện sửa chữa các hạng mục liên quan nhằm thỏa mãn các điều khoản trong quy chuẩn này. Việc sửa chữa không bao gồm việc bảo trì bảo dưỡng các thiết bị nhằm duy trì tình trạng kỹ thuật của tàu.
1.4.59 Tàu cẩu
Tàu cẩu là tàu được trang bị thiết bị nâng mà thỏa mãn yêu cầu ở 1.1.1-1 Phần 12 của Quy chuẩn này.
1.4.60 Tổ chức đăng kiểm nước ngoài
Tổ chức đăng kiểm nước ngoài là tổ chức được định nghĩa tại khoản 8 Điều 3 Thông tư 48/2015/TT-BGTVT (đã được sửa đổi, bổ sung bởi Thông tư số 16/2023/TT-BGTVT).
1.4.61 Khu vực hành khách
Khu vực hành khách là khu vực trên tàu để hành khách sử dụng và không gian sinh hoạt đóng kín dành cho hành khách, cũng như văn phòng, cửa hàng, tiệm làm tóc, phòng sấy, giặt, xông hơi, vệ sinh, rửa tay, các lối đi, lối đi đến các cầu thang mà không bị quây kín.
1.4.62 Tàu có giai đoạn bắt đầu đóng mới
Tàu có giai đoạn bắt đầu đóng mới là tàu có sống chính (ky) được đặt hoặc tàu đang ở trong giai đoạn đóng mới tương tự. "Giai đoạn đóng mới tương tự" ở đây có nghĩa là giai đoạn mà:
1 Khởi công đóng mới tàu cụ thể có thể xác nhận được; và
2 Việc lắp đặt con tàu đó đã bắt đầu được ít nhất 50 tấn hoặc 1% khối lượng dự tính của tất cả các vật liệu kết cấu, lấy giá trị nhỏ hơn.
1.4.63 Trạng thái tốt
Trạng thái tốt là tình trạng kết cấu có những đốm rỉ nhỏ có tổng diện tích không quá 20% khu vực xem xét.
1.4.64 Kiểm tra bên ngoài
Kiểm tra bên ngoài là kiểm tra bằng mắt đối tượng kiểm tra mà không cần mở ra hoặc tháo rời.
1.4.65 Kiểm tra bên trong
Kiểm tra bên trong là kiểm tra bằng mắt đối tượng kiểm tra ở trạng thái mở, tháo rời hoặc nhìn được bên trong đối tượng kiểm tra.
II QUY ĐỊNH KỸ THUẬT
PHẦN 1A QUY ĐỊNH CHUNG
CHƯƠNG 1 QUY ĐỊNH CHUNG
1.1 Quy định chung
1.1.1 Nội dung phân cấp tàu của cơ quan đăng kiểm
Công tác phân cấp tàu của cơ quan đăng kiểm tàu bao gồm các nội dung sau đây:
1 Thẩm định thiết kế kỹ thuật;
2 Kiểm tra việc chế tạo vật liệu và sản phẩm mà Quy chuẩn này đã yêu cầu chứng nhận, dùng để chế tạo và sửa chữa các đối tượng chịu sự giám sát của Đăng kiểm;
3 Kiểm tra trong đóng mới hoặc hoán cải tàu;
4 Kiểm tra các tàu đang khai thác;
5 Trao cấp, xác nhận, phục hồi cấp, ghi vào “Hồ sơ kỹ thuật phương tiện thủy nội địa” và cấp các giấy chứng nhận, chứng chỉ của Đăng kiểm cho tàu, vật liệu và sản phẩm chịu sự kiểm tra của Đăng kiểm.
1.1.2 Nguyên tắc chung
1 Việc phân cấp và cấp các giấy chứng nhận của Đăng kiểm chỉ bao gồm việc thực hiện các yêu cầu của Quy chuẩn này về an toàn kỹ thuật và bảo vệ môi trường, chấp nhận vật liệu và sản phẩm chứng nhận theo quy định và không quy định tính hiệu quả theo công dụng của tàu.
2 Trong quá trình đóng mới, hoán cải, sửa chữa tàu, trách nhiệm duy trì trạng thái kỹ thuật và an toàn của tàu thuộc về Chủ tàu, cơ sở đóng và sửa chữa tàu.
3 Đối với các yêu cầu theo cấp tàu mà không có quy định cụ thể thì có thể áp dụng yêu cầu đối với cấp cao hơn.
1.1.3 Áp dụng Quy chuẩn cho các tàu đang đóng mới, đang hoán cải và các sản phẩm đang chế tạo
Đối với những tàu đang đóng mới, hoán cải và những sản phẩm đang chế tạo theo hồ sơ kỹ thuật được Đăng kiểm thẩm định trước khi Quy chuẩn này có hiệu lực, vẫn được phép áp dụng những quy định của các quy phạm, quy chuẩn còn hiệu lực lúc thẩm định các hồ sơ kỹ thuật đó.
1.1.4 Áp dụng Quy chuẩn cho các tàu đang khai thác
1 Nếu không có quy định khác trong Quy chuẩn này và những quy định bổ sung được công bố thì những tàu đang khai thác vẫn được áp dụng những quy chuẩn, quy phạm trước đây đã dùng để thiết kế và đóng chúng.
2 Việc hoán cải lớn các tàu đang khai thác kể từ khi Quy chuẩn này có hiệu lực phải được tiến hành trên cơ sở những quy định của Quy chuẩn này và các sửa đổi (nếu có).
3 Đối với những hoán cải không phải là hoán cải lớn, chỉ áp dụng các quy định của Quy chuẩn này liên quan đến các phần được hoán cải.
1.1.5 Thay thế tương đương
1 Cho phép sử dụng vật liệu, kết cấu hoặc những thiết bị và sản phẩm lắp đặt trên tàu khác với các quy định của Quy chuẩn này với điều kiện chúng phải có đặc tính tương đương so với yêu cầu của Quy chuẩn.
Trong trường hợp kể trên, phải trình cho Đăng kiểm những số liệu chứng minh được rằng những vật liệu, kết cấu hoặc những thiết bị và sản phẩm đó thỏa mãn các điều kiện bảo đảm an toàn của tàu, an toàn cho môi trường và bảo đảm an toàn tính mạng con người, hàng hóa được chuyên chở.
2 Trường hợp có loại phương tiện thủy nội địa, sản phẩm công nghiệp mà trong nước chưa có các quy định áp dụng hoặc quy định của Việt Nam chưa cập nhật so với thông lệ quốc tế, Cục Đăng kiểm Việt Nam nghiên cứu, báo cáo Bộ Giao thông vận tải để áp dụng các quy định, tiêu chuẩn của các tổ chức đăng kiểm quốc tế là thành viên của Hiệp hội các tổ chức phân cấp quốc tế (IACS) hoặc của các quốc gia có tiêu chuẩn chất lượng tiên tiến hoặc Tổ chức Tiêu chuẩn hoá quốc tế (ISO) phù hợp với thông lệ quốc tế hoặc áp dụng các quy định của quy chuẩn kỹ thuật, tiêu chuẩn kỹ thuật tàu biển.
1.2 Quy định chung về kiểm tra
1.2.1 Quy định chung
1 Để thực hiện công tác giám sát kỹ thuật, chủ tàu, chủ cơ sở đóng tàu, cơ sở chế tạo vật liệu và sản phẩm phải tạo mọi điều kiện thuận lợi cho Đăng kiểm tiến hành kiểm tra, thử nghiệm các sản phẩm chịu sự giám sát của Đăng kiểm.
2 Người thiết kế, chủ tàu, cơ sở đóng tàu, cơ sở chế tạo vật liệu và sản phẩm phải thực hiện các yêu cầu của Đăng kiểm khi thực hiện các công tác giám sát kỹ thuật.
3 Nếu có dự định các sửa đổi liên quan đến vật liệu, kết cấu thân tàu và trang thiết bị, các sản phẩm khác với vật liệu, kết cấu thân tàu và trang thiết bị, các sản phẩm đã được thẩm định thì sửa đổi phải được thẩm định trước khi thực hiện.
4 Trong trường hợp phát hiện thấy vật liệu hoặc sản phẩm có khuyết tật, tuy đã được cấp giấy chứng nhận theo quy định, Đăng kiểm có quyền yêu cầu tiến hành thử nghiệm lại hoặc phải khắc phục những khuyết tật đó. Trong trường hợp không thể khắc phục được những khuyết tật, Đăng kiểm có thể hủy bỏ giấy chứng nhận đã cấp.
5 Đăng kiểm có thể từ chối không thực hiện công tác giám sát kỹ thuật, nếu cơ sở đóng tàu, cơ sở chế tạo vật liệu hoặc sản phẩm vi phạm có hệ thống các quy định của Quy chuẩn này.
6 Chủ tàu, cơ sở đóng tàu, cơ sở chế tạo vật liệu và sản phẩm phải thực hiện các yêu cầu kiểm tra, đánh giá theo quy định tại Quy chuẩn này và các Quy chuẩn kỹ thuật liên quan. Trong trường hợp bất khả kháng đặc biệt do quy định hạn chế, phong tỏa của cơ quan có thẩm quyền vì lý do dịch bệnh, thiên tai..., khi đến thời hạn kiểm tra đánh giá theo quy định, chủ tàu, cơ sở đóng tàu, cơ sở chế tạo vật liệu và sản phẩm không thể bố trí để Đăng kiểm thực hiện kiểm tra, đánh giá trực tiếp, thì việc kiểm tra, đánh giá được thực hiện thông qua việc xem xét hồ sơ, báo cáo của chủ tàu, cơ sở đóng tàu, cơ sở chế tạo vật liệu và sản phẩm thông qua các phương tiện liên lạc như đàm thoại, truyền hình, hình ảnh, dữ liệu kỹ thuật để xác nhận tạm thời hoặc gia hạn hồ sơ Đăng kiểm liên quan cho đến khi có thể thực hiện được việc kiểm tra, đánh giá trực tiếp.
1.2.2 Công nhận các trạm thử và phòng thí nghiệm
Trong công tác giám sát kỹ thuật, các trạm thử, phòng thí nghiệm của cơ sở đóng tàu, cơ sở chế tạo vật liệu và sản phẩm phải được cơ quan có thẩm quyền công nhận.
1.2.3 Kiểm tra đóng mới, hoán cải tàu
1 Trước khi thực hiện kiểm tra đóng mới, hoán cải tại cơ sở đóng mới, hoán cải, Đăng kiểm phải kiểm tra điều kiện năng lực kỹ thuật của cơ sở đóng mới, hoán cải theo quy định hiện hành.
2 Căn cứ vào hồ sơ kỹ thuật đã được thẩm định, Đăng kiểm thực hiện việc kiểm tra trong đóng mới, hoán cải tàu.
3 Căn cứ vào các quy định của Quy chuẩn này, các quy định khác có liên quan và tùy thuộc vào điều kiện cụ thể, Đăng kiểm sẽ quyết định khối lượng kiểm tra, đo đạc và thử nghiệm trong quá trình kiểm tra.
1.2.4 Kiểm tra tàu đang khai thác
1 Điều kiện kiểm tra của Đăng kiểm
(1) Chủ tàu phải thực hiện đúng thời hạn kiểm tra được quy định trong Phần này. Phải chuẩn bị phương tiện sẵn sàng để đưa vào kiểm tra, đồng thời phải báo cho Đăng kiểm biết mọi sự cố, vị trí hư hỏng, việc sửa chữa hư hỏng giữa hai lần kiểm tra đối với các hạng mục được quy định tại Quy chuẩn này và các quy chuẩn kỹ thuật quốc gia có liên quan của phương tiện thủy nội địa.
(2) Nếu tàu được đưa lên khỏi nước chỉ để thực hiện kiểm tra phần chìm, mà không thực hiện công việc sửa chữa, hoán cải các hạng mục thuộc phần chìm được quy định tại Quy chuẩn này hoặc các hạng mục sửa chữa do thuyền viên của tàu tự thực hiện đảm bảo các yêu cầu kỹ thuật quy định trong Quy chuẩn này, thì không cần thực hiện tại cơ sở đóng mới, hoán cải đã được Đăng kiểm kiểm tra năng lực kỹ thuật của cơ sở theo quy định hiện hành.
2 Điều kiện lắp đặt thiết bị mới
Trong trường hợp lắp đặt lên tàu đang khai thác những thiết bị mới phải tuân thủ đúng các quy định đưa ra tại Chương 3 Phần 1B của Quy chuẩn này.
3 Đăng kiểm thực hiện việc kiểm tra theo những trình tự được quy định trong Quy chuẩn và các quy định khác có liên quan, đồng thời Đăng kiểm cũng có thể tiến hành kiểm tra đột xuất bất cứ hạng mục nào phù hợp với Quy chuẩn này trong trường hợp Đăng kiểm thấy cần thiết.
1.2.5 Tàu đã ngừng hoạt động
1 Tàu đã ngừng hoạt động không phải chịu sự kiểm tra duy trì cấp tàu như quy định ở 2.3. Tuy nhiên theo yêu cầu của chủ tàu, có thể kiểm tra bất thường.
2 Khi tàu đã ngừng hoạt động được chuẩn bị đưa vào hoạt động trở lại, thì phải tiến hành các nội dung kiểm tra sau đây và kiểm tra các hạng mục riêng lẻ đã bị hoãn kiểm tra do tàu ngừng hoạt động.
(1) Nếu tàu đang ngừng hoạt động mà đã quá hạn kiểm tra chu kỳ thì về nguyên tắc, phải tiến hành đợt kiểm tra chu kỳ. Tuy nhiên, trong trường hợp hai đợt kiểm tra chu kỳ trở lên đã quá hạn thì phải tiến hành đợt kiểm tra nào có nội dung quan trọng hơn.
(2) Việc ấn định ngày ấn định kiểm tra cho các đợt kiểm tra tiếp theo của tàu được thực hiện theo các quy định tại 2.4.1, 2.4.2, 2.4.3, 2.4.4 Phần 1A của Quy chuẩn này.
CHƯƠNG 2 LOẠI VÀ THỜI HẠN KIỂM TRA
2.1 Kiểm tra đóng mới
Tất cả các tàu đóng mới phải được Đăng kiểm kiểm tra và trao cấp phù hợp với các quy định có liên quan trong Quy chuẩn này tùy thuộc vào kiểu tàu và công dụng của tàu.
Trường hợp thời gian từ khi hạ thủy đến khi hoàn thành toàn bộ hoặc đến khi tàu được xuất xưởng bị kéo dài quá 06 tháng, nếu chủ tàu yêu cầu thì tàu phải kiểm tra trên đà trước khi đưa tàu vào hoạt động. Ngày kiểm tra trên đà này được dùng để xác định chu kỳ kiểm tra tiếp theo của tàu. Trường hợp thời gian từ khi hạ thủy đến khi hoàn thành toàn bộ hoặc đến khi tàu được xuất xưởng bị kéo dài quá khoảng thời gian yêu cầu kiểm tra trên đà thì tàu phải kiểm tra trên đà trước khi đưa tàu vào hoạt động.
2.2 Kiểm tra lần đầu để trao cấp
Kiểm tra lần đầu bao gồm kiểm tra đóng mới và kiểm tra trao cấp cho tàu lần đầu tiên được đăng kiểm để phân cấp.
Khối lượng kiểm tra phải phù hợp với các quy định nêu trong Quy chuẩn này để đánh giá trạng thái kỹ thuật toàn diện của tàu và tùy thuộc vào tuổi tàu cũng như hồ sơ kỹ thuật mà tàu có.
2.3 Kiểm tra duy trì cấp
2.3.1 Kiểm tra chu kỳ
Những tàu đã được Đăng kiểm trao cấp phải được Đăng kiểm kiểm tra chu kỳ nhằm duy trì cấp của chúng phù hợp với các yêu cầu của Quy chuẩn này. Tuy nhiên, theo yêu cầu của chủ tàu, khi có lý do xác đáng, Đăng kiểm có thể xem xét và quyết định khoảng thời gian kiểm tra chu kỳ thích hợp.
2.3.2 Kiểm tra khi thay đổi hoặc hoán cải
Trong trường hợp tàu được thay đổi hoặc hoán cải có ảnh hưởng đến hạng mục/nội dung kiểm tra quy định ở 2.1 của Phần này thì các nội dung thay đổi của tàu phải được Đăng kiểm kiểm tra phù hợp với các yêu cầu liên quan của Quy chuẩn này.
2.3.3 Ngày ấn định kiểm tra
Ngày ấn định kiểm tra là ngày và tháng của năm tương ứng với ngày hết hạn của Giấy chứng nhận an toàn và bảo vệ môi trường phương tiện thủy nội địa được cấp sau khi kết thúc kiểm tra lần đầu.
2.3.4 Kiểm tra bất thường
1 Kiểm tra bất thường tàu hoặc từng phần máy móc, thân tàu, trang thiết bị của chúng được tiến hành trong mọi trường hợp theo yêu cầu của chủ tàu, kiểm tra tình trạng kỹ thuật với mục đích cho việc đăng ký lại hoặc theo yêu cầu của các cơ quan quản lý Nhà nước. Căn cứ vào mục đích kiểm tra, tuổi tàu và trạng thái kỹ thuật của tàu, Đăng kiểm sẽ quyết định khối lượng kiểm tra và trình tự tiến hành.
2 Đối với tàu bị tai nạn thì việc kiểm tra bất thường phải được tiến hành khi có yêu cầu của chủ tàu và các cơ quan quản lý nhà nước khác. Việc kiểm tra này nhằm mục đích phát hiện hư hỏng, xác định khối lượng công việc cần thiết để khắc phục những hậu quả do tai nạn gây ra và tiến hành thử nghiệm nếu cần thiết cũng như xác định khả năng và điều kiện giữ cấp của tàu.
2.4 Thời hạn kiểm tra
2.4.1 Kiểm tra hàng năm
Kiểm tra hàng năm nhằm xác nhận các điều kiện duy trì cấp đã trao cho tàu. Thời gian kiểm tra hàng năm được quy định như sau:
1 12 tháng một lần;
2 Kiểm tra hàng năm phải được thực hiện trong khoảng thời gian một tháng trước hoặc một tháng sau ngày ấn định kiểm tra hàng năm. Tuy nhiên, nếu do yêu cầu của chủ phương tiện, kiểm tra hàng năm được thực hiện sớm hơn khoảng thời gian nêu trên thì thời hạn kiểm tra hàng năm lần tới là không quá 13 tháng tính từ ngày kết thúc kiểm tra hàng năm. Nếu đợt kiểm tra hàng năm được thực hiện sau khoảng thời gian nêu trên thì thời hạn kiểm tra hàng năm tới là không quá 12 tháng tính từ ngày ấn định kiểm tra.
2.4.2 Kiểm tra trung gian
Kiểm tra trung gian phải được thực hiện với thời hạn không quá 36 tháng, trong khoảng thời gian một tháng trước hoặc một tháng sau ngày ấn định kiểm tra và trùng với đợt kiểm tra hàng năm lần thứ hai hoặc lần thứ ba. Tuy nhiên, nếu do yêu cầu của chủ phương tiện, kiểm tra trung gian có thể được thực hiện sớm hơn khoảng thời gian nêu trên, thời hạn kiểm tra hàng năm lần tới là không quá 13 tháng tính từ ngày kết thúc kiểm tra trung gian. Nếu đợt kiểm tra trung gian được thực hiện sau khoảng thời gian nêu trên thì thời hạn kiểm tra hàng năm tới là không quá 12 tháng tính từ ngày kế thúc kiểm tra trung gian;
2.4.3 Kiểm tra định kỳ
Kiểm tra định kỳ để xác nhận lại cấp đã trao cho tàu. Thời hạn giữa hai lần kiểm tra định kỳ đối với tất cả các loại tàu là không quá 5 năm. Ngày ấn định kiểm tra định kỳ không được thay đổi nếu không có lý do chính đáng (như không có sẵn phương tiện ụ khô, không có sẵn phương tiện sửa chữa, không có sẵn vật liệu chính, trang thiết bị hoặc các bộ phận phụ tùng dự trữ hoặc bị chậm trễ hoặc cản trở do điều kiện thời tiết…) và được quy định dưới đây:
1 Kiểm tra định kỳ phải bắt đầu được thực hiện trong khoảng thời gian trước ngày hết hạn kiểm tra định kỳ. Nếu kiểm tra định kỳ kết thúc vào trong khoảng 1 tháng trước ngày ấn định kiểm tra định kỳ, thời hạn kiểm tra định kỳ lần tới là không đổi và được tính từ ngày ấn định kiểm tra định kỳ lần trước. Nếu kiểm tra định kỳ kết thúc vào trong khoảng thời gian lớn hơn 1 tháng trước ngày ấn định kiểm tra định kỳ, thời hạn kiểm tra định kỳ lần tới được thay đổi và được tính từ ngày kết thúc kiểm tra định kỳ đó.
2 Kiểm tra định kỳ nếu được thực hiện sau ngày ấn định kiểm tra định kỳ thì thời hạn kiểm tra định kỳ không được thay đổi trừ khi việc kiểm tra định kỳ kết thúc vào khoảng thời gian lớn hơn 6 tháng tính từ ngày ấn định kiểm tra định kỳ lần trước thì ngày ấn định kiểm tra định kỳ sẽ được thay đổi và được tính 5 năm từ ngày kết thúc kiểm tra định kỳ đó.
3 Hoãn kiểm tra định kỳ được chấp nhận như sau:
(1) Trong những trường hợp có lý do chính đáng, có thể hoãn ngày kiểm tra định kỳ sau khi đã tiến hành kiểm tra cụ thể tàu với khối lượng tối thiểu bằng kiểm tra hàng năm có tăng cường khối lượng kiểm tra phụ thuộc vào kiểu và công dụng tàu để đánh giá trạng thái kỹ thuật của tàu, trừ tàu thủy lưu trú du lịch ngủ đêm, nhà hàng nổi, khách sạn nổi, tàu chở hóa chất nguy hiểm, tàu chở hàng nguy hiểm, tàu chở khí hóa lỏng, tàu cao tốc chở khách, theo đề nghị của chủ tàu.
(2) Thời hạn hoãn kiểm tra định kỳ không quá 03 tháng nếu đợt kiểm tra nêu trên chỉ ra trạng thái kỹ thuật của tàu có thể đảm bảo an toàn trong thời gian hoãn đó. Ngày kiểm tra định kỳ lần tiếp theo được tính từ ngày ấn định kiểm tra định kỳ lần trước.
2.4.4 Kiểm tra trên đà
Kiểm tra trên đà nhằm xác nhận trạng thái kỹ thuật các phần chìm dưới nước để duy trì cấp đã trao cho tàu. Thời gian kiểm tra trên đà được quy định như sau:
1 Đối với tàu vỏ gỗ không được bọc ngoài, không quá 12 tháng một lần.
2 Đối với các tàu còn lại, kiểm tra trên đà phải được tiến hành như sau:
(1) Kiểm tra trên đà được tiến hành đồng thời với kiểm tra định kỳ;
(2) Kiểm tra trên đà được tiến hành trong vòng 36 tháng tính từ ngày kết thúc kiểm tra phân cấp hoặc tính từ ngày kết thúc đợt kiểm tra trên đà trước đó.
2.4.5 Các quy định riêng theo loại tàu
Tất cả các tàu phải thực hiện kiểm tra duy trì cấp theo thời hạn quy định tại 2.4.1 đến 2.4.4 trên, ngoại trừ đối với các tàu thỏa mãn yêu cầu ở -1 và -2 dưới đây không yêu cầu kiểm tra hàng năm khi tàu đến 5 tuổi:
1 Tàu mang cấp VR-SI, VR-SII, VR-SIII;
2 Tàu không phải là tàu khách, tàu chở người, tàu chở dầu, tàu chở khí hóa lỏng, tàu chở hóa chất nguy hiểm, tàu chở hàng nguy hiểm, tàu vỏ gỗ không bọc ngoài.
CHƯƠNG 3 DẤU HIỆU CẤP TÀU
3.1 Quy định chung
Các tàu thuộc phạm vi điều chỉnh tại 1.1 Mục I của Quy chuẩn này sẽ được Đăng kiểm trao cấp theo quy định tại Chương này sau khi đã được Đăng kiểm tiến hành kiểm tra thỏa mãn các yêu cầu của Quy chuẩn này và các quy phạm khác có liên quan mà tàu phải áp dụng.
3.2 Ký hiệu cấp tàu
3.2.1 Ký hiệu cấp tàu cơ bản
1 VR: Biểu tượng của Đăng kiểm giám sát tàu thỏa mãn các yêu cầu của Quy chuẩn này và các quy phạm khác áp dụng cho tàu.
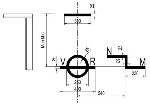
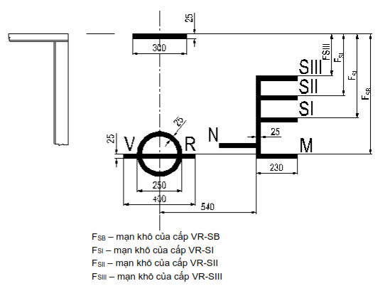
2 SB, SI, SII, SIII: Là những ký hiệu cơ bản của vùng nước mà tàu được phép hoạt động (nêu ở Phụ lục I), những tàu có dấu hiệu SB, SI, SII, SIII trong cấp tàu được phép hoạt động ở những vùng nước có chiều cao sóng đáng kể HS tương ứng là:
SB: 1,85 m;
SI: 1,30 m;
SII: 0,80 m;
SIII: 0,40 m.
3.2.2 Dấu hiệu bổ sung
1 Dấu hiệu về vật liệu thân tàu
Đối với các tàu đóng bằng vật liệu không phải thép, dấu hiệu cấp của tàu được ghi bổ sung dấu hiệu về vật liệu như sau:
- Nhôm hoặc hợp kim nhôm: AL
- Chất dẻo cốt sợi thủy tinh: FRP
- Gỗ: G
- Xi măng lưới thép: XMLT
- Bê tông cốt thép: BTCT
2 Dấu hiệu bổ sung khác
Ngoài những ký hiệu cấp tàu cơ bản và các dấu hiệu nêu ở 3.2.2-1, cấp tàu còn được bổ sung các dấu hiệu từ (1) đến (3) sau đây:
(1) Đối với các tàu là tàu cánh ngầm, tàu đệm khí, tàu nhiều thân, thì sau dấu hiệu nêu ở 3.2.2-1 sẽ bổ sung các từ: cánh ngầm, đệm khí, hai thân, ba thân;
(2) Đối với các tàu được quy định tại Phần 11 của Quy chuẩn này, được bổ sung dấu hiệu cấp tàu theo quy định tại 2.1.7 Phần 1A của QCVN 21:2015/BGTVT và các sửa đổi bổ sung;
(3) Các dấu hiệu khác mô tả chi tiết công dụng của tàu hoặc thể hiện các yêu cầu khác biệt được quy định trong Quy chuẩn này.
3.2.3 Thay đổi dấu hiệu cấp tàu
Đăng kiểm có thể hủy bỏ hoặc thay đổi bất kỳ các dấu hiệu đã ghi trong cấp tàu nếu có sự thay đổi hoặc vi phạm các quy định là cơ sở để trao dấu hiệu đó trong cấp tàu.
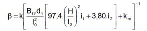
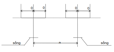
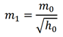
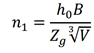
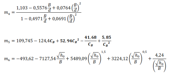
3.3 Cách xác định chiều cao sóng Hs
3.3.1 Quy định chung
1 Đối với vùng sông, hồ nơi không có số liệu về chiều cao sóng, chiều cao sóng Hs được tính toán dựa trên tốc độ gió, đà gió và chiều sâu vùng nước mà tàu hoạt động được chỉ ra theo Bảng 1A/3.1 dưới đây:
Bảng 1A/3.1 - Các thông số tính toán chiều cao sóng Hs
| Stt | Vận tốc gió (m/s) | Chiều sâu nước (m) | Đà gió (Km) | |||||||
| 0,50 | 1,00 | 2,00 | 3,00 | 4,00 | 5,00 | 10,00 | 20,00 | |||
| 1 | 16,0 | 2 | 0,3065 | 0,3984 | 0,5106 | 0,5863 | 0,6449 | 0,6933 | 0,8634 | 1,0724 |
| 2 | 5 | 0,3147 | 0,4175 | 0,5504 | 0,6438 | 0,7175 | 0,7790 | 0,9950 | 1,2506 | |
| 3 | 10 | 0,3171 | 0,4226 | 0,5625 | 0,6639 | 0,7457 | 0,8151 | 1,0665 | 1,3740 | |
| 4 | 20 | 0,3188 | 0,4254 | 0,5679 | 0,6722 | 0,7574 | 0,8306 | 1,1023 | 1,4501 | |
| 5 | 50 | 0,3207 | 0,4283 | 0,5723 | 0,6783 | 0,7650 | 0,8398 | 1,1206 | 1,4901 | |
| 6 | 80 | 0,3217 | 0,4296 | 0,5743 | 0,6807 | 0,7680 | 0,8432 | 1,1261 | 1,4997 | |
| 7 | 130 | 0,3227 | 0,4311 | 0,5763 | 0,6832 | 0,7708 | 0,8464 | 1,1309 | 1,5072 | |
| 8 | Trung bình | 0,3175 | 0,4218 | 0,5592 | 0,6583 | 0,7385 | 0,8068 | 1,0578 | 1,3777 | |
| 9 | 17,1 | 2 | 0,3305 | 0,4281 | 0,5485 | 0,6293 | 0,6918 | 0,7437 | 0,9258 | 1,1506 |
| 10 | 5 | 0,3399 | 0,4505 | 0,5931 | 0,6931 | 0,7719 | 0,8376 | 1,0680 | 1,3408 | |
| 11 | 10 | 0,3426 | 0,4563 | 0,6071 | 0,7162 | 0,8041 | 0,8787 | 1,1480 | 1,4767 | |
| 12 | 20 | 0,3444 | 0,4594 | 0,6132 | 0,7257 | 0,8176 | 0,8965 | 1,1892 | 1,5632 | |
| 13 | 50 | 0,3465 | 0,4625 | 0,6180 | 0,7323 | 0,8260 | 0,9067 | 1,2100 | 1,6094 | |
| 14 | 80 | 0,3475 | 0,4640 | 0,6202 | 0,7350 | 0,8292 | 0,9104 | 1,2161 | 1,6202 | |
| 15 | 130 | 0,3494 | 0,4655 | 0,6223 | 0,7377 | 0,8323 | 0,9139 | 1,2233 | 1,6285 | |
| 16 | Trung bình | 0,3430 | 0,4552 | 0,6032 | 0,7099 | 0,7961 | 0,8696 | 1,1401 | 1,4842 | |
| 17 | 20,0 | 2 | 0,3946 | 0,5007 | 0,6494 | 0,7435 | 0,8165 | 0,8771 | 1,0915 | 1,3591 |
| 18 | 5 | 0,4079 | 0,5390 | 0,7072 | 0,8246 | 0,9165 | 0,9931 | 1,2614 | 1,5797 | |
| 19 | 10 | 0,4112 | 0,5470 | 0,7266 | 0,8560 | 0,9600 | 1,0481 | 1,3634 | 1,7481 | |
| 20 | 20 | 0,4134 | 0,5510 | 0,7347 | 0,8692 | 0,9788 | 1,0729 | 1,4211 | 1,8637 | |
| 21 | 50 | 0,4159 | 0,5547 | 0,7407 | 0,8776 | 0,9896 | 1,0864 | 1,4496 | 1,9284 | |
| 22 | 80 | 0,4171 | 0,5565 | 0,7433 | 0,8807 | 0,9935 | 1,0908 | 1,4572 | 1,9427 | |
| 23 | 130 | 0,4171 | 0,5583 | 0,7458 | 0,8839 | 0,9971 | 1,0950 | 1,4637 | 1,9534 | |
| 24 | Trung bình | 0,4110 | 0,5439 | 0,7211 | 0,8479 | 0,9503 | 1,0376 | 1,3583 | 1,7679 | |
2 Tính toán tốc độ gió
(1) Việc tính toán tốc độ gió có thể được xác định dựa trên thông tin thời tiết sẵn có tại khu vực tàu dự định hoạt động dựa trên số lượng ngày có gió mạnh và được lấy giá trị gió tối đa ở xác suất 5%.
(2) Khi không có dữ liệu gió, việc tính toán tốc độ gió có thể được tính toán dựa trên trung bình số ngày có gió mạnh hàng năm N theo phương pháp sau:
(a) Khi N/365 ≥ 0,05 thì vận tốc gió lấy bằng 20,0 m/s;
(b) Khi 0,025 ≤ N < 0,05, vận tốc gió lấy bằng 17,10 m/s;
(c) Khi N < 0,025, vận tốc gió lấy bằng 16,0 m/s.
3 Tính toán đà gió
(1) Đối với vùng sông thì đà gió được tính toán dựa trên kích thước bề mặt sông tại mức nước của 3 năm. Đối với vùng hồ thì kích thước được lấy tại mực nước cao nhất trong 3 năm.
(2) Chiều dài đà gió được tính theo hướng gió đã được thống kê.
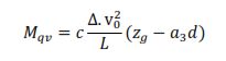
(3) Khi bề mặt nước có hình dạng khác thường thì đà gió được tính theo công thức sau:

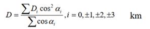
Trong đó:
Di là khoảng cách giữa hai bờ theo hướng đo, km
αi là hướng đo lấy bằng i x 7,5°
i là thứ tự đo lấy bằng 0, ±1, ±2, ±3
CHƯƠNG 4 HỒ SƠ THIẾT KẾ KỸ THUẬT
4.1 Quy định chung
4.1.1 Khối lượng hồ sơ thiết kế kỹ thuật trình thẩm định đóng mới, hoán cải tàu
1 Hồ sơ thiết kế kỹ thuật với khối lượng được quy định trong các mục tương ứng của Quy chuẩn này phải được Đăng kiểm thẩm định trước khi đóng tàu hoặc chế tạo vật liệu và sản phẩm chịu sự giám sát của Đăng kiểm.
2 Nếu tàu hoặc sản phẩm công nghiệp được chế tạo theo tiêu chuẩn được chấp thuận theo quy định thì khối lượng hồ sơ có thể thay được một phần hay toàn bộ hồ sơ tương ứng với tiêu chuẩn ấy.
3 Khối lượng hồ sơ thiết kế kỹ thuật của những tàu, sản phẩm công nghiệp có kết cấu đặc biệt, có thể phải bổ sung hồ sơ tùy vào đặc điểm riêng của tàu hoặc sản phẩm công nghiệp đó.
4.1.2 Yêu cầu về hồ sơ thiết kế kỹ thuật trình thẩm định
1 Hồ sơ thiết kế kỹ thuật trình Đăng kiểm thẩm định phải thể hiện đầy đủ các số liệu cần thiết để làm căn cứ chứng minh được rằng các yêu cầu của Quy chuẩn này đã được thực hiện.
2 Trong quá trình thẩm định, Đăng kiểm không xem xét tính chính xác của quá trình tính toán, Đăng kiểm chỉ xem xét kết quả tính toán cuối cùng. Tuy nhiên quá trình tính toán phải theo quy định của Quy chuẩn hoặc phương pháp được Đăng kiểm thống nhất.
4.1.3 Nội dung hồ sơ thiết kế kỹ thuật
1 Tàu hoặc sản phẩm công nghiệp phải được thi công theo hồ sơ thiết kế kỹ thuật được Đăng kiểm thẩm định;
2 Trong trường hợp có các thay đổi nhỏ không ảnh hưởng đến an toàn kỹ thuật và bảo vệ môi trường của tàu hoặc sản phẩm công nghiệp, theo quyết định của Đăng kiểm thì các thay đổi này có thể được ghi vào biên bản kiểm tra và lưu vào hồ sơ tàu hoặc sản phẩm công nghiệp mà không cần trình hồ sơ thiết kế kỹ thuật sửa đổi;
4.1.4 Đóng dấu thẩm định
Các hồ sơ yêu cầu thẩm định sẽ được đóng dấu thẩm định nếu chúng đáp ứng được các yêu cầu của Quy chuẩn này và các quy phạm khác liên quan.
4.2 Thời hạn hiệu lực của hồ sơ thiết kế kỹ thuật đã được thẩm định
4.2.1 Quy định về hồ sơ thiết kế kỹ thuật được thẩm định
Thời hạn hiệu lực của hồ sơ thiết kế kỹ thuật tàu hoặc sản phẩm công nghiệp đã được thẩm định là 5 năm. Khi hết thời hạn này hoặc thời gian tính từ ngày thẩm định tới ngày bắt đầu thi công đã quá 2,5 năm hoặc Quy chuẩn được sử dụng để thiết kế đã thay đổi, thì thiết kế phải được rà soát hoặc phải thẩm định lại các phần có thay đổi.
4.2.2 Quy định về việc áp dụng Quy chuẩn sửa đổi
Hồ sơ thiết kế kỹ thuật thẩm định lại phải phù hợp với các bổ sung, sửa đổi của Quy chuẩn này.
PHẦN 1B QUY ĐỊNH CHUNG VỀ PHÂN CẤP
CHƯƠNG 1 QUY ĐỊNH CHUNG
1.1 Yêu cầu về phân cấp
1.1.1 Điều kiện để phân cấp tàu là các yêu cầu của Quy chuẩn này đối với tàu đã được thoả mãn.
1.1.2 Cấp đã trao cho tàu sẽ được giữ đến khi tàu được kiểm tra theo quy định, nếu tàu vẫn được duy trì phù hợp với các yêu cầu của Quy chuẩn này.
1.1.3 Khi có các tai nạn, khuyết tật hoặc hư hỏng bất kỳ có thể làm ảnh hưởng đến các điều kiện đã được dùng làm cơ sở để trao cấp tàu thì chủ tàu phải thông báo cho Đăng kiểm biết.
1.1.4 Quy chuẩn này áp dụng cho các tàu được xếp hàng và sử dụng đúng theo quy định. Quy chuẩn này không áp dụng cho các trường hợp phân bố hoặc tập trung hàng hoá một cách đặc biệt.
1.1.5 Khi kiểm tra lần đầu để trao cấp, trừ khi được quy định tại văn bản quy phạm pháp luật khác, phải căn cứ vào thiết kế đã được thẩm định để định cấp cho tàu.
1.2 Trao cấp tàu
1.2.1 Mỗi tàu được đóng phù hợp với các yêu cầu từ Phần 1 đến Phần 12 Mục II của Quy chuẩn này hoặc các yêu cầu tương đương, được coi là đảm bảo an toàn để hoạt động trong vùng nước quy định khi chuyên chở hành khách, hàng hóa hoặc thực hiện những công việc đã dự kiến khi thiết kế đều được nhận một cấp theo quy định của Chương 3 Phần 1A Mục II của Quy chuẩn này.
1.2.2 Trường hợp tàu thỏa mãn các quy định tại 1.2.1 trên với nhiều cấp tàu thì sẽ được trao các cấp tương ứng.
1.2.3 Ký hiệu cấp tàu sẽ được ghi vào "Hồ sơ kỹ thuật phương tiện thủy nội địa".
1.3 Chuẩn bị kiểm tra và các nội dung khác
1.3.1 Chuẩn bị kiểm tra
Thiết bị kiểm tra, đo và thử mà đăng kiểm viên dựa vào đó để ra các quyết định ảnh hưởng đến cấp tàu phải được nhận dạng riêng biệt và hiệu chuẩn theo tiêu chuẩn được cơ quan có thẩm quyền công nhận. Tuy nhiên, đăng kiểm viên có thể chấp nhận các dụng cụ đo đơn giản (ví dụ như thước lá, thước dây, dưỡng đo kích thước mối hàn, vi kế) mà không cần nhận dạng hoặc hiệu chuẩn với điều kiện chúng được thiết kế phù hợp với hàng thương mại, bảo dưỡng tốt và định kỳ được so sánh với các mẫu thử hoặc dụng cụ tương tự. Đăng kiểm viên cũng có thể chấp nhận thiết bị được lắp trên tàu và sử dụng chúng để kiểm tra các trang thiết bị trên tàu (ví dụ như áp kế, nhiệt kế hoặc đồng hồ đo vòng quay) được dựa vào hồ sơ hiệu chuẩn hoặc so với các số đo của các dụng cụ đa năng.
1.3.2 Các cơ sở thực hiện kiểm tra, đo và bảo dưỡng
1 Trừ khi có quy định khác, nếu bên thứ ba tham gia vào đo chiều dày kết cấu, kiểm tra dưới nước bằng thợ lặn hoặc bằng thiết bị được điều khiển từ xa hoặc thử kín các thiết bị đóng kín như nắp hầm, cửa... sử dụng thiết bị siêu âm phải được cơ quan có thẩm quyền công nhận.
2 Trừ khi có quy định khác, bên thứ ba tham gia vào kiểm tra và bảo dưỡng hệ thống chữa cháy cố định, các bình chữa cháy xách tay, thiết bị thở có bình khí, thiết bị thở cho thoát nạn sự cố, hệ thống phát hiện và báo cháy phải được cơ quan có thẩm quyền công nhận.
CHƯƠNG 2 KIỂM TRA PHÂN CẤP
2.1 Kiểm tra phân cấp trong đóng mới
Trong quá trình đóng mới, tàu phải được kiểm tra thân tàu và trang thiết bị, ổn định, mạn khô, hệ thống máy tàu, trang bị điện, trang bị phòng, phát hiện và chữa cháy, phương tiện thoát nạn, trang thiết bị an toàn để đảm bảo rằng chúng thỏa mãn các yêu cầu tương ứng của Quy chuẩn này.
2.2 Hồ sơ thiết kế kỹ thuật tàu đóng mới
2.2.1 Quy định chung
Trước khi tiến hành đóng mới, hồ sơ thiết kế kỹ thuật từ 2.2.2 đến 2.2.8 và các hồ sơ thiết kế kỹ thuật khác nếu cần thiết thể hiện các yêu cầu của Quy chuẩn phải được trình cho Đăng kiểm. Các hồ sơ được đánh dấu (*) phải được thẩm định.
2.2.2 Thân tàu và trang thiết bị
1 Phần chung
(1) Thuyết minh chung toàn tàu;
(2) Bản vẽ bố trí chung (*);
(3) Bản tính dung tích.
2 Thân tàu
(1) Bản tính chọn kích thước các cơ cấu thân tàu, nắp hầm hàng;
(2) Bản vẽ mặt cắt ngang, vách ngang tiêu biểu và các cơ cấu chính của khung xương. Trong bản vẽ này phải chỉ rõ kích thước của tất cả các cơ cấu thân tàu, kể cả thượng tầng và lầu, vật liệu chế tạo, khoảng cách giữa các cơ cấu chính của các khung xương ngang và dọc, các kích thước chính của tàu, các tỷ số kích thước (*);
(3) Bản vẽ kết cấu cơ bản, gồm: các kết cấu mặt cắt dọc tiêu biểu, kết cấu mạn, vách dọc, dàn dọc; kết cấu boong và sàn có các chỉ dẫn về tải trọng tính toán, nếu tải trọng này lớn hơn quy định; kết cấu đáy đơn và đáy đôi, nếu có (*);
(4) Bản vẽ khai triển tấm vỏ bao (*);
(5) Bản vẽ kết cấu vùng đuôi (*);
(6) Bản vẽ kết cấu vùng mũi (*);
(7) Bản vẽ gối đỡ và trụ đỡ ổ trục chân vịt, giá chữ nhân, mạn chắn sóng, nắp hầm hàng, cột cẩu (*);
(8) Bản vẽ bệ máy và nồi hơi chính, kể cả kết cấu đáy ở dưới bệ (*);
(9) Bản vẽ kết cấu tại các lỗ đi qua trên kết cấu cho các ống, lỗ thông gió, cáp điện (*).
3 Trang thiết bị
(1) Bản tính thiết bị bao gồm: lái, neo, chằng buộc, kéo đẩy, nối ghép, nâng hạ buồng lái;
(2) Bản vẽ bố trí thiết bị bao gồm: các thiết bị boong, tín hiệu, chằng buộc ..., sơ đồ các lỗ khoét ở thân tàu, thượng tầng và lầu, có kèm các kích thước chiều cao thành miệng hầm hàng và nắp đậy các lỗ khoét (*);
(3) Các bản vẽ thiết bị lái, neo, chằng buộc, thiết bị kéo, tín hiệu, lan can, cầu thang cũng như thiết bị đẩy của tàu đẩy (*);
(4) Bản vẽ bố trí các thiết bị cố định công-te-nơ (đối với tàu chở công-te-nơ) (*);
(5) Bản vẽ cầu dẫn (đối với tàu chở hàng lỏng dễ cháy) (*)
4 Ổn định của tàu
(1) Bản vẽ tuyến hình;
(2) Bản tính hoặc bản vẽ các đường cong thủy lực;
(3) Bản tính hoặc bản vẽ các đường cong cánh tay đòn ổn định hình dáng (Pantokaren);
(4) Bản tính dung tích các khoang, két.
(5) Bản tính ổn định;
5 Chia khoang
Bản tính ổn định tai nạn (nếu áp dụng)
6 Mạn khô
(1) Bản tính mạn khô;
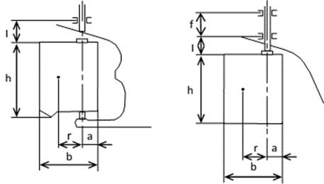
(2) Bản vẽ dấu mạn khô, thước nước (*).
2.2.3 Phòng, phát hiện và chữa cháy
1 Bản vẽ
(1) Bản vẽ bố trí các vách chống cháy chia tàu thành các vùng chống cháy chính, các vách chịu lửa và các vách ngăn lửa, có chỉ dẫn các cửa ra vào, nắp đậy, lối đi... ở trong các vách đó (*);
(2) Bản vẽ bố trí chung, có chỉ dẫn các lối sơ tán và thoát nạn (*);
(3) Bản vẽ sơ đồ nguyên lý của hệ thống chữa cháy, bố trí các trạm chữa cháy (*);
(4) Bản vẽ sơ đồ hệ thống phát hiện và báo cháy (*).
2 Bản tính
(1) Bản tính hệ thống chữa cháy (các bơm, thiết bị chữa cháy bằng bọt...);
(2) Thuyết minh về phòng và chữa cháy, có chỉ dẫn về vật liệu được dùng làm kết cấu cách nhiệt, chỗ đặt chúng và mức độ cháy của chúng;
(3) Bản kê các trang thiết bị phòng, chữa cháy.
2.2.4 Hệ thống máy tàu
1 Thuyết minh và bản tính
(1) Thuyết minh hệ thống máy tàu;
(2) Bản tính hệ trục;
(3) Bản tính dao động xoắn đường trục trong hệ “động cơ chân vịt” cho máy chính là động cơ đi-ê-den, kiểu pít tông có công suất từ 220 kW (300 sức ngựa) trở lên;
(4) Bản tính sức bền cánh của loại chân vịt cánh liền;
(5) Bản tính sức bền cánh chân vịt kiểu cánh tháo rời được và chi tiết nối để cố định cánh vào củ chân vịt;
(6) Bản tính độ bền cánh, các chi tiết của cơ cấu đổi bước chân vịt.
2 Bản vẽ
(1) Bản vẽ bố trí buồng máy, nồi hơi và trang thiết bị trong buồng máy và nồi hơi. Buồng có nguồn năng lượng ứng cấp tai nạn, có thể hiện các lối thoát (*);
(2) Bản vẽ buồng trung tâm điều khiển từ xa các máy chính, sơ đồ nguyên lý các thiết bị điều khiển, kể cả các hồ sơ đường ống của bộ điều khiển bằng thủy lực hoặc sơ đồ điều khiển cơ khí cũng như sơ đồ điện trong trường hợp điều khiển bằng điện (*);
(3) Bản vẽ bố trí hệ trục (*);
(4) Bản vẽ ống bao trục và các chi tiết có liên quan (*);
(5) Bản vẽ hệ trục (gồm trục chân vịt, trục trung gian, trục đẩy) (*);
(6) Bản vẽ nối trục và khớp nối (*);
(7) Bản vẽ toàn bộ chân vịt (*);
(8) Bản vẽ các cánh, củ chân vịt kiểu cánh tháo rời được và các chi tiết nối để cố định cánh vào củ chân vịt (*);
(9) Bản vẽ bố trí chung chân vịt biến bước (*);
(10) Bản vẽ cánh, củ chân vịt và các chi tiết để cố định cánh chân vịt biến bước với củ chân vịt (*);
(11) Bản vẽ sơ đồ hệ thống chân vịt biến bước (*).
2.2.5 Các bản vẽ và bản tính hệ thống động lực
1 Bản tính
(1) Bản tính các hệ thống nhiên liệu, dầu bôi trơn, làm mát;
(2) Bản tính hệ thống dầu hàng;
(3) Bản tính thủy lực đường ống;
(4) Bản tính hệ thống thông gió.
2 Bản vẽ
(1) Bản vẽ sơ đồ hệ thống hút khô, dằn (*);
(2) Bản vẽ sơ đồ hệ thống hố gom nước bẩn, ống dẫn và lỗ xả nước ra ngoài mạn (*);
(3) Bản vẽ sơ đồ hệ thống chữa cháy (*);
(4) Bản vẽ sơ đồ hệ thống điều chỉnh nghiêng ngang và dọc (*);
(5) Bản vẽ sơ đồ hệ thống nhận và chuyển nhiên liệu lỏng (*);
(6) Bản vẽ sơ đồ hệ thống ống đo và ống tràn có ghi đường kính các ống (*);
(7) Bản vẽ sơ đồ hệ thống dầu hàng và hệ thống làm vệ sinh của tàu chở dầu (*);
(8) Bản vẽ sơ đồ hệ thống thông hơi của tàu chở dầu (*);
(9) Bản vẽ sơ đồ hệ thống cấp và xả nước nồi hơi (*);
(10) Bản vẽ sơ đồ hệ thống nhiên liệu (*);
(11) Bản vẽ sơ đồ hệ thống ngưng tụ và bốc hơi (*);
(12) Bản vẽ sơ đồ hệ thống làm mát máy chính và phụ (*);
(13) Bản vẽ sơ đồ hệ thống bôi trơn (*);
(14) Bản vẽ sơ đồ hệ thống khí nén (*);
(15) Bản vẽ sơ đồ đường ống khí thải (*);
(16) Bản vẽ bầu giảm âm của tàu chở dầu (*);
(17) Bản vẽ sơ đồ hệ thống thông gió, gồm các vách kín nước, vách chống cháy cũng như việc bố trí các tấm chắn lửa (*);
(18) Bản vẽ hệ thống làm mát bằng nước mặt boong tàu chở dầu (*);
(19) Bản vẽ bố trí buồng bơm tàu chở dầu (*);
(20) Bản vẽ sơ đồ đường ống nước thải (đối với tàu thủy lưu trú du lịch ngủ đêm, nhà hàng nổi, khách sạn nổi) (*).
2.2.6 Trang bị điện
1 Bản tính
(1) Bản tính công suất cần thiết của trạm phát;
(2) Bản tính tiết diện cáp của mạch điện chính, mạch kích thích, điều khiển, kiểm tra, tín hiệu, bảo vệ;
(3) Bản tính đoản mạch và phân tích chọn lọc của phần tử kết cấu bảo vệ thiết bị;
(4) Bản tính chiếu sáng của buồng và các không gian;
(5) Bản tính sụt áp khi nối các thiết bị tiêu thụ có công suất khởi động lớn nhất;
(6) Bản kê các trang thiết bị có công dụng quan trọng có chỉ dẫn đặc tính kỹ thuật và các thông số.
2 Bản vẽ
(1) Bản vẽ sơ đồ nguyên lý phân phối năng lượng điện từ các nguồn điện chính và nguồn điện ứng cấp dùng cho chiếu sáng và đèn hành trình (*);
(2) Bản vẽ sơ đồ nguyên lý của mạng phân phối điện chính và sự cố (*);
(3) Sơ đồ nguyên lý nối bên ngoài các thiết bị điều khiển tàu, tín hiệu báo động và tín hiệu báo cháy (*);
(4) Sơ đồ nguyên lý hệ thống điều khiển tự động từ xa (*);
(5) Bản vẽ vùng nguy hiểm (đối với tàu chở chất lỏng dễ cháy) (*).
2.2.7 Các bản vẽ thiết bị cứu sinh, vô tuyến điện và nghi khí hàng hải
1 Thiết bị cứu sinh
(1) Bản vẽ bố trí chung và danh mục thiết bị cứu sinh và thiết bị hạ, phương tiện lên phương tiện cứu sinh, trạm tập trung và trạm lên phương tiện cứu sinh, thiết bị chiếu sáng, thiết bị bảo vệ tránh rơi xuống nước, thiết bị ngăn ngừa nước vào thiết bị cứu sinh khi hạ (*);
(2) Bản tính và số liệu cần thiết để đảm bảo thoả mãn yêu cầu của Quy chuẩn này.
2 Thiết bị thông tin liên lạc và vô tuyến điện
(1) Sơ đồ nối mạch thiết bị vô tuyến điện (*);
(2) Bản vẽ bố trí (tối thiểu hai mặt cắt) thiết bị vô tuyến điện và nguồn điện (*);
(3) Bản vẽ bố trí ăng ten (hình chiếu bằng và hình chiếu cạnh) (*);
(4) Sơ đồ hệ thống truyền thanh công cộng (*);
(5) Bản tính dung lượng ắc quy dùng làm nguồn dự phòng cho thiết bị vô tuyến điện;
(6) Thông tin về việc chứng nhận thiết bị vô tuyến điện của Đăng kiểm hoặc của tổ chức có thẩm quyền khác;
3 Thiết bị hàng hải
(1) Sơ đồ nối mạch thiết bị hàng hải (*);
(2) Bản vẽ (tối thiểu hai mặt cắt) chỉ ra việc bố trí thiết bị hàng hải và nguồn điện (*);
(3) Bản vẽ (hình chiếu bằng và hình chiếu cạnh) bố trí ăng ten (*);
(4) Thông tin về việc chứng nhận thiết bị hàng hải của Đăng kiểm hoặc của tổ chức có thẩm quyền khác;
2.2.8 Các bản vẽ và tài liệu đối với tàu sử dụng nhiên liệu khí
Phải trình các bản vẽ và tài liệu sau đây:
1 Bố trí chung của két chứa khí có thông tin về khoảng cách từ mạn tàu và đáy hố tụ đến két chứa khí;
2 Bản vẽ bệ đỡ và cố định két chứa;
3 Tính toán tỏa nhiệt từ ngọn lửa ảnh hưởng đến két chứa khí và các thiết bị khác và các khu vực liên quan đến nhiên liệu khí;
4 Bản vẽ và sơ đồ hệ thống nhiên liệu khí và đường ống (bộ máy nén, bích nối; van điều khiển và đóng, bản vẽ thiết bị đóng nhanh của hệ thống chứa khí, sơ đồ hệ thống xửa lý khí, hệ thống hâm và hệ thống điều áp, tính toán ứng suất trong các bộ phận hệ thống chứa khí và đường ống chứa khí tại nhiệt độ thấp hơn -110 °C);
5 Bản vẽ van an toàn và van chân không của các két chứa khí;
6 Bản vẽ và thông tin của tất cả các hệ thống và thiết bị được thiết kế để đo lượng và đặc tính của nhiên liệu khí và để phát hiện rò rỉ;
7 Sơ đồ của hệ thống quản lý áp suất và nhiệt độ nhiên liệu khí;
8 Sơ đồ và tính toán hệ thống bơm dằn và cặn trong khu vực nguy hiểm;
9 Sơ đồ và tính toán hệ thống thông gió trong không gian nguy hiểm;
10 Sơ đồ và tính toán đường ống khí ra được thiết kế cho khí ra từ van an toàn ra môi trường;
11 Sơ đồ các thiết bị lai điện và hệ thống điều khiển của trạm sơ chế nhiên liệu, thông gió cho không gian nguy hiểm nổ và khoang đệm khí;
12 Sơ đồ hệ thống báo động và đo bằng điện của các thiết bị liên quan đến nhiên liệu khí;
13 Bố trí chung hệ thống điện liên quan đến thiết bị điện liên quan đến nhiên liệu khí;
14 Bản vẽ cáp điện trong không gian nguy hiểm nổ và khu vực khí nguy hiểm;
15 Hình chiếu bằng của thiết bị điện, cáp và đường ống trong khu vực khí nguy hiểm;
16 Bản vẽ chứng minh các thiết bị điện phòng nổ trong không gian khí nguy hiểm theo yêu cầu của Phần 4.
17 Bố trí chung có chỉ rõ các két chứa nhiên liệu khí, không gian chứa két chứa khí và sơ chế; cửa ra vào, nắp hầm và các lỗ hở khác trên thượng tầng mà xung quanh không gian và khu vực chứa nhiên liệu khí và sơ chế và các không gian nguy hiểm nổ; đường ống khí ra và vào của hệ thống thông gió trong không gian nguy hiểm nổ; cửa ra vào, lỗ húp lô, khoang đệm khí, đầu ra của thông gió và các lỗ hở khác trong không gian gần với vùng nguy hiểm nổ;
18 Bố trí chung có kích thước của két chứa khí;
19 Chi tiết về đặc tính lý hóa của nhiên liệu khí sử dụng trên tàu;
20 Tính toán áp suất cho phép trong két tiêu chuẩn đối với CNG, nếu áp dụng;
21 Bản vẽ van an toàn lắp đặt trong thùng trục của động cơ và trong đường ống khí ra bao gồm đặc tính vận hành của van;
22 Tính toán khả thi đối với việc lựa chọn thiết bị dập tàn lửa lắp đặt trên đường ống khí ra;
23 Bố trí vùng khí nguy hiểm;
24 Phân tích hư hỏng bộ phận tiêu thụ khí, thiết bị và hệ thống buồng sơ chế và cấp khí cho bộ phận tiêu thụ;
25 Danh mục các biện pháp và vật liệu theo màu sắc để bảo vệ thân tàu khi tiếp xúc với LNG rò rỉ;
26 Bố trí khay hứng LNG rò rỉ.
2.3 Hạng mục kiểm tra đăng kiểm trong đóng mới
2.3.1 Yêu cầu chung
1 Xác nhận các sản phẩm công nghiệp phải có tài liệu hoặc chứng nhận theo yêu cầu.
2 Kiểm tra sự phù hợp của vật liệu, kích thước, bố trí các hạng mục phải phù hợp với bản vẽ được thẩm định.
3 Đối với các loại tàu được quy định tại các quy chuẩn liên quan quy định tại 1.1.2 Mục I thì phải áp dụng các yêu cầu kiểm tra (nếu có) theo quy định tại các Quy chuẩn đó.
4 Sản phẩm công nghiệp được kiểm tra theo yêu cầu tại Chương 3 của Phần này.
5 Kế hoạch thử tại bến và thử đường dài phù hợp với hạng mục kiểm tra từ 2.3.3 đến 2.3.7 phải được đăng kiểm viên kiểm tra trước khi tiến hành thử.
2.3.2 Thử nghiêng ngang và kiểm tra khối lượng tàu không
Sau khi hoàn thiện, các tàu phải được thử nghiêng ngang hoặc kiểm tra khối lượng tàu không theo yêu cầu tại 1.7 Phần 7 của Quy chuẩn này.
2.3.3 Thử kín nước và thử thủy lực
Khi kiểm tra tàu trong đóng mới, thử thủy lực, thử kín nuớc phải được thực hiện theo những quy định dưới đây.
1 Thân tàu và trang thiết bị
(1) Khi đã hoàn tất mọi công việc có liên quan đến tính kín nước, trước khi sơn phải tiến hành thử thủy lực, thử kín nước theo quy định ở Bảng 1B/2.1;
(2) Trong từng truờng hợp cụ thể, yêu cầu thử bằng vòi rồng có thể được xem xét và thay thế một phần hoặc toàn bộ bằng phương pháp khác được chấp nhận như: quét vôi thử dầu, chân không;
(3) Việc thay thế thử thủy lực các két như quy định ở Bảng 1B/2.1 bằng thử kín khí được thực hiện theo quy trình được phê duyệt, với điều kiện những két cụ thể được lựa chọn thử thủy lực khi tàu ở trạng thái nổi.
2 Hệ thống máy tàu
Tùy thuộc vào loại máy, việc thử thủy lực, thử rò rỉ hoặc thử kín khí phải đuợc tiến hành theo quy định ở từng chương ở Phần 3 của Quy chuẩn.
3 Tàu chở khí hoá lỏng và tàu chở hoá chất nguy hiểm
Đối với tàu chở khí hoá lỏng và tàu chở hoá chất nguy hiểm, ngoài việc thử như quy định ở -1 và -2 trên, phải thực hiện thử thủy lực, thử rò rỉ hoặc thử kín khí quy định ở Phần 11 của Quy chuẩn.
Bảng 1B/2.1 - Thử thủy lực
| T.T | Đối tượng áp dụng | Loại thử, áp suất thử hoặc cột áp thử | Chú thích |
| 1 | Đáy đôi, khoang mạn | Thử thủy lực có cột nước đến đỉnh của ống thông hơi hoặc boong vách, chọn trị số lớn hơn | Nếu sống giữa đáy nằm giữa các két chứa cùng loại chất lỏng, thì không cần thử sống giữa đáy. |
| 2 | Két chứa chất lỏng | Thử thủy lực có cột nước đến đường nước chở hàng, hoặc đến đỉnh của ống thông hơi, chọn trị số lớn hơn. | Nếu không thể tiến hành thử thủy lực cho từng két và khoang cách ly trên đà/ụ khô với cột nước thử quy định, thì có thể tiến hành thử thuỷ lực với cột nước đến mức đường nước khi dằn. Sau khi tàu hạ thuỷ, thử thuỷ lực đối với từng két và khoang cách ly với cột nước theo quy định của Bảng này. |
| 3 | Khoang dầu hàng và khoang cách ly của tàu chở dầu | Thử thủy lực có cột nước đến độ cao của hầm giãn nở và đến ống thông hơi đối với khoang cách ly. | |
| 4 | Khoang mút đuôi và khoang Ống bao trục | Thử thủy lực có cột nước đến đường nước chở hàng. Đối với những phần ở trên đường nước chở hàng, thử bằng vòi rồng với áp suất nước tại đầu vòi rồng không nhỏ hơn 0,2 MPa. | Nếu các khoang này được sử dụng như két chứa thì chúng phải được thử như quy định ở mục 2 của Bảng này. |
| 5 | Khoang mút mũi | Thử thủy lực có cột nước đến đường nước chở hàng hoặc đến đường nước ứng với chiều chìm bằng (2/3)D, chọn trị số lớn hơn. Đối với những phần ở trên đường nước chở hàng, thử bằng vòi rồng với áp lực nước tại đầu vòi rồng không nhỏ hơn 0,2 MPa. | Nếu các khoang được sử dụng như két chứa thì chúng phải được thử như quy định ở mục 2 của Bảng này. |
| 6 | Hầm xích neo kín | Thử thủy lực có cột nước đến đỉnh của hầm xích |
|
| 7 | Tôn bao | Tiến hành thử bằng vòi rồng với áp suất nước tại đầu vòi rồng không nhỏ hơn 0,2 MPa. | Đối với tôn bao tương ứng với các không gian nêu ở các mục từ 1 đến 6, phải thử như quy định trong từng mục tương ứng. |
| 8 | Boong kín nước | Đối với các boong tương ứng với các boong của các mục từ 2 đến 6, phải thử như quy định trong từng mục tương ứng. | |
| 9 | Vách kín nước và các hõm vách | Khi chúng tiếp giáp với các két sâu hoặc khoang mút thì thử theo quy định ở các mục tương ứng. | |
| 10 | Hầm trục và các đường hầm kín nước khác | ||
| 11 | Miệng khoang hàng có nắp thép kín nước | Thử khi nắp miệng khoang hàng ở vị trí đóng. | |
| 12 | Bánh lái lưu tuyến, đạo lưu | Thử thuỷ lực với cột áp bằng 1,5D hoặc 2d, chọn trị số nhỏ hơn, hoặc thử kín khí với áp suất thử bằng 0,05 MPa |
|
2.3.4 Hạng mục kiểm tra thân tàu và trang thiết bị
1 Kiểm tra các chi tiết, các cụm chi tiết được chế tạo xong để đưa xuống lắp đặt lên tàu;
2 Kiểm tra lắp ráp thân tàu: lắp ráp trên triền, lắp ráp tôn bao, lắp ráp tổng đoạn, đấu nối các tổng đoạn;
3 Kiểm tra hàn theo quy định ở Phần 6B, Mục II của Quy chuẩn này;
4 Thử thủy lực, thử kín nước hoặc kín dầu các két chứa, các cửa kín nước, các hộp van thông sông, thử không phá hủy;
5 Kiểm tra trước khi hạ thủy tàu;
(1) Các kích thước chính của tàu, kẻ đường nước chở hàng, gắn dấu mạn khô thước nước;
(2) Lắp đặt thiết bị lái, thiết bị neo, chân vịt, các lỗ thoát nước đáy, mạn tàu…
(3) Các trang thiết bị phần chìm khác;
6 Thử thiết bị lái, thiết bị neo, thiết bị chằng buộc, thiết bị kéo (nếu có);
7 Tham gia quá trình thử tại bến;
8 Tham gia quá trình thử nghiêng lệch hoặc khi kiểm tra khối lượng tàu không;
9 Tham gia quá trình thử đường dài;
10 Kiểm tra gắn số kiểm soát lên tàu;
11 Kiểm tra khi các phần của Quy chuẩn có yêu cầu cụ thể.
2.3.5 Hạng mục kiểm tra hệ thống máy và điện tàu
1 Các bộ phận chính của hệ thống máy và trang bị điện gồm:
(1) Kiểm tra các công việc thử được quy định ở Phần 3 và Phần 4, Mục II của Quy chuẩn này;
(2) Kiểm tra việc sử dụng vật liệu chế tạo các chi tiết thuộc hệ thống máy tàu và các chi tiết được lắp đặt lên tàu;
(3) Kiểm tra hoàn thiện việc gia công các bộ phận chính và nếu cần thì có mặt vào thời điểm thích hợp trong quá trình gia công.
2 Kiểm tra lắp đặt hệ trục chân vịt, khi máy chính và các máy phụ thiết yếu được lắp đặt lên tàu;
3 Thử hoạt động các thiết bị điều khiển từ xa các thiết bị đóng các lỗ khoét, thiết bị điều khiển từ xa đối với hệ thống máy tàu và hệ truyền động, các thiết bị điều khiển tự động, thiết bị lái, thiết bị chằng buộc, đường ống...;
4 Tham gia quá trình thử tại bến;
5 Tham gia quá trình thử đường dài;
6 Kiểm tra khi các phần của Quy chuẩn có yêu cầu cụ thể.
2.3.6 Hạng mục kiểm tra thiết bị phòng, phát hiện và chữa cháy
1 Kiểm tra lắp đặt kết cấu chống cháy;
2 Thử thiết bị phát hiện cháy và báo cháy;
3 Thử các thiết bị chữa cháy bao gồm thiết bị chữa cháy cố định và di động.
2.3.7 Hạng mục kiểm tra trang thiết bị an toàn (thiết bị cứu sinh, thiết bị tín hiệu, thiết bị vô tuyến điện, thiết bị hàng hải hàng giang, cứu đắm)
1 Kiểm tra lắp đặt và thử thiết bị cứu sinh nếu có yêu cầu;
2 Kiểm tra lắp đặt và thử thiết bị tín hiệu;
3 Kiểm tra lắp đặt và thử thiết bị vô tuyến điện;
4 Kiểm tra lắp đặt và thử thiết bị hàng hải, hàng giang, cứu đắm.
2.3.8 Xem xét điều chỉnh hạng mục kiểm tra
1 Những yêu cầu quy định ở 2.3.1 đến 2.3.7 có thể được điều chỉnh khi xét đến tình trạng thực tế của thiết bị, quy trình quản lý kỹ thuật và chất lượng sản phẩm của nhà máy, trừ thử đường dài.
2 Đối với các tàu chở khí hoá lỏng và chở hoá chất nguy hiểm, ngoài quy định ở 2.3.1 đến 2.3.7, hạng mục kiểm tra còn phải theo quy định ở Phần 11 của Quy chuẩn này.
3 Đối với tàu chở hàng có tổng dung tích nhỏ hơn 20 và tàu chở người có chiều dài thiết kế nhỏ hơn 20 m đóng hàng loạt theo cùng một thiết kế tại cùng một cơ sở đóng tàu, sử dụng máy, vật liệu, trang thiết bị và quy trình kiểm tra, thử giống hệt nhau, thì từ chiếc thứ 2 trở đi đăng kiểm viên chỉ thực hiện việc kiểm tra các kích thước chính của tàu và thử đường dài. Cơ sở đóng tàu phải chịu trách nhiệm kiểm tra và xác nhận sự phù hợp của tất cả các hạng mục nêu tại các yêu cầu từ 2.3.1 đến 2.3.7 của Chương này và cung cấp đầy đủ báo cáo kiểm tra, hồ sơ có liên quan đến quá trình đóng tàu cho đăng kiểm viên xem xét. Trong quá trình thử tàu và xem xét hồ sơ đóng mới do cơ sở đóng tàu cung cấp nếu có bất kỳ nghi ngờ nào về chất lượng đóng tàu, đăng kiểm viên phải mở rộng khối lượng kiểm tra để xác định tình trạng của tàu phù hợp với thiết kế và các yêu cầu của Quy chuẩn này.
2.4 Hồ sơ thiết kế hoán cải
Thiết kế hoán cải là thiết kế cho tàu hiện có nhằm mục đích cải tạo hoặc thay đổi một số phần như vỏ, máy, điện, tính năng, công dụng, cấp tàu hoặc khả năng khai thác của tàu đó. Trường hợp thay đổi máy cùng chủng loại (cùng nhãn hiệu, cùng các thông số kỹ thuật...) thì không phải là thiết kế hoán cải.
2.5 Hồ sơ thiết kế sửa đổi
Thiết kế sửa đổi là thiết kế cho các tàu hoặc sản phẩm công nghiệp chưa triển khai đóng mới, hoán cải/chế tạo hoặc đang trong giai đoạn đóng mới, hoán cải/chế tạo nhưng chưa hoàn thành, trong đó có sửa đổi một số phần hoặc chi tiết so với thiết kế đã được thẩm định.
2.6 Hồ sơ hoàn công
1 Hồ sơ hoàn công là tập hợp các bản vẽ/hồ sơ cuối cùng sau khi hoàn thành việc đóng tàu, phù hợp với thực tế đóng tàu, trong đó có cập nhật đầy đủ tất cả các bản vẽ/thông báo sửa đổi đã được chấp nhận, thể hiện đầy đủ và cụ thể hóa các yêu cầu, khuyến nghị do đăng kiểm viên thẩm định thiết kế đưa ra từ thiết kế đóng mới. Danh mục bản vẽ hoàn công bao gồm:
(1) Bố trí chung;
(2) Mặt cắt ngang giữa tàu, các bản vẽ quy cách kích thước (kết cấu cơ bản), các bản vẽ boong, khai triển tôn vỏ, các vách ngang, bản vẽ bánh lái, trục lái và bản vẽ các nắp đậy khoang hàng;
(3) Sơ đồ đường ống hàng, dằn và hút khô tàu;
(4) Các bản vẽ kết cấu chống cháy;
(5) Bố trí thiết bị chữa cháy (nếu có quy định);
(6) Sơ đồ dung tích khoang két (nếu có quy định);
(7) Đường cong hoặc bản tính thủy lực.
2 Hồ sơ hoàn công phải được trình nộp bởi tổ chức hoặc cá nhân đề nghị phân cấp tàu và được đơn vị Đăng kiểm kiểm tra đóng mới, hoán cải xác nhận.
2.7 Kiểm tra phân cấp tàu không có kiểm tra của Đăng kiểm trong đóng mới
2.7.1 Đối với các tàu được kiểm tra lần đầu không có Đăng kiểm kiểm tra trong đóng mới thì hồ sơ và bản vẽ cần thiết theo các yêu cầu tương ứng quy định tại 2.2 Chương 2 Phần này phải được trình Đăng kiểm để xem xét.
2.7.2 Trình hồ sơ liên quan:
1 Xác định năm đóng, nơi đóng;
2 Vật liệu đóng tàu, các máy và trang thiết bị đã sử dụng đóng tàu. Đối với vật liệu đóng tàu kim loại, nếu không có đủ cơ sở để xác định được đặc tính của vật liệu có thể tiến hành lấy mẫu thử để xác minh vật liệu thân tàu.
2.7.3 Khi kiểm tra lần đầu các tàu được đóng không có kiểm tra của Đăng kiểm trong đóng mới phải tiến hành kiểm tra với khối lượng như yêu cầu đối với đợt kiểm tra định kỳ lần thứ 4 để xác nhận rằng chúng thỏa mãn những yêu cầu tương ứng quy định trong Quy chuẩn này.
2.7.4 Việc xác định dung tích, ấn định mạn khô, xác định khối lượng và trọng tâm tàu không, trọng tải được thực hiện như khi kiểm tra trong đóng mới;
2.7.5 Đối với tàu bê tông cốt thép, tàu xi măng lưới thép, nếu kiểm tra bên trong các không gian ngâm nước không phát hiện khuyết tật và có đủ cơ sở để xác định được vật liệu, kết cấu thân tàu thì không cần phải lên đà.
2.7.6 Đối với tàu nhập khẩu
1 Đối với các tàu đang được các tổ chức Đăng kiểm nước ngoài cấp giấy chứng nhận an toàn kỹ thuật và bảo vệ môi trường:
(1) Hồ sơ và bản vẽ quy định tại khoản 4 Điều 8 của Thông tư 48/2015/TT-BGTVT (đã được sửa đổi, bổ sung bởi Thông tư số 16/2023/TT-BGTVT).
(2) Khối lượng kiểm tra lần đầu tương ứng với loại hình k i ể m t r a chu kỳ theo tuổi tàu quy định tại Chương 4 của Phần này.
2 Đối với các tàu không được các tổ chức Đăng kiểm nước ngoài cấp các giấy chứng nhận đăng kiểm thì thực hiện theo các quy định nêu từ 2.7.1 đến 2.7.5 Phần này.
2.8 Tàu chuyển cấp từ tàu đang được đăng ký là tàu biển Việt Nam sang phương tiện thủy nội địa
2.8.1 Hồ sơ và bản vẽ được Đăng kiểm thẩm định theo các yêu cầu tương ứng quy định tại 2.2 Chương 2 Phần này và hồ sơ kỹ thuật của tàu biển phải được trình Đăng kiểm để xem xét. Nếu tàu không thay đổi kết cấu, bố trí, công dụng và trọng tải, thì chỉ cần thẩm định thiết kế các nội dung được quy định tại Phần 10 của Quy chuẩn này nếu có sửa đổi liên quan.
2.8.2 Khối lượng kiểm tra lần đầu tương ứng với loại hình kiểm tra chu kỳ theo tuổi tàu quy định tại Chương 4 Phần 1B của Quy chuẩn này.
CHƯƠNG 3 KIỂM TRA SẢN PHẨM CÔNG NGHIỆP
3.1 Yêu cầu chung về kiểm tra chứng nhận
3.1.1 Kiểm tra và chứng nhận sản phẩm công nghiệp gồm máy, vật liệu và trang thiết bị dùng cho đóng mới, hoán cải và sửa chữa phương tiện thủy nội địa là một phần của kiểm tra tàu. Việc kiểm tra này nhằm đảm bảo rằng các sản phẩm công nghiệp thỏa mãn các yêu cầu của quy chuẩn, tiêu chuẩn, hoặc yêu cầu của tổ chức, cá nhân.
3.1.2 Các sản phẩm công nghiệp theo yêu cầu phải thỏa mãn các quy định của Quy chuẩn này, có thể được áp dụng theo quy chuẩn, tiêu chuẩn khác. Tuy nhiên trong bất kỳ trường hợp nào, các sản phẩm công nghiệp đó cũng phải được đánh giá thiết kế, kiểm tra trong chế tạo và thử để đảm bảo rằng chúng không thấp hơn các yêu cầu của quy chuẩn áp dụng.
3.1.3 Đối với các sản phẩm mà Quy chuẩn này không đưa ra các yêu cầu về kỹ thuật, chúng có thể được thiết kế, chế tạo và thử phù hợp với tiêu chuẩn quốc gia, tiêu chuẩn hoặc quy phạm theo thông lệ quốc tế do cơ sở chế tạo đề xuất. Việc kiểm tra các sản phẩm này phải bao gồm:
1 Bản vẽ và các thông số;
2 Điều kiện sử dụng trên tàu;
3 Các yêu cầu về vật liệu, và hàn (nếu có);
4 Kiểm tra và thử.
3.1.4 Đăng kiểm xem xét và chấp nhận giấy chứng nhận công nhận thiết kế, giấy chứng nhận công nhận kiểu; giấy chứng nhận công nhận quy trình chế tạo hoặc giấy chứng nhận sản phẩm đối với các sản phẩm công nghiệp dùng cho tàu hoạt động trên biển, đường thuỷ nội địa do tổ chức đăng kiểm nước ngoài cấp.
3.1.5 Các sản phẩm công nghiệp có công dụng tương ứng đã được kiểm tra và chứng nhận theo hệ thống kiểm tra và chứng nhận sản phẩm công nghiệp dùng cho tàu biển được phép lắp đặt trên phương tiện thủy nội địa.
3.2 Giải thích từ ngữ
Các định nghĩa sau đây được áp dụng khi kiểm tra sản phẩm công nghiệp theo yêu cầu của quy chuẩn:
3.2.1 Kiểm tra sản phẩm công nghiệp là quá trình đánh giá của Đăng kiểm về sự phù hợp của sản phẩm công nghiệp với các yêu cầu áp dụng. Kiểm tra sản phẩm công nghiệp bao gồm kiểm tra sản phẩm đơn chiếc hoặc kiểm tra theo loạt, công nhận kiểu sản phẩm công nghiệp.
3.2.2 Kiểm tra đơn chiếc hoặc theo loạt là kiểm tra của Đăng kiểm đối với từng sản phẩm đơn chiếc hoặc từng lô sản phẩm với mục đích cấp giấy chứng nhận sản phẩm công nghiệp.
3.2.3 Công nhận kiểu là quá trình đánh giá của Đăng kiểm để xác nhận năng lực của cơ sở chế tạo khi chế tạo các sản phẩm có chất lượng giống nhau thỏa mãn các yêu cầu của Quy chuẩn này và các tiêu chuẩn được chấp nhận khác, thông qua việc đánh giá thiết kế của sản phẩm, đánh giá hệ thống quản lý sản xuất.
3.2.4 Thử kiểu là việc thử trên mẫu thử được định nghĩa tại 3.2.7 dưới đây bao gồm việc thử vật liệu và các bộ phận của mẫu thử bằng phương pháp thử đã định để chứng nhận việc thỏa mãn tất cả các yêu cầu của tiêu chuẩn hoặc quy chuẩn áp dụng hoặc các tiêu chuẩn kỹ thuật được công nhận. Trong trường hợp đặc biệt, thử kiểu có thể là thử phá hủy.
3.2.5 Thử mẫu đầu tiên là việc thử và đo đạc đối với mẫu đầu tiên như định nghĩa tại 3.2.6 dưới đây bao gồm việc thử vật liệu và các bộ phận của mẫu đầu tiên để đánh giá thiết kế. Thử mẫu đầu tiên có thể thử phá hủy.
3.2.6 Mẫu đầu tiên là một sản phẩm mẫu được chế tạo theo thiết kế mà thông qua đó có thể đánh giá được sự phù hợp với các yêu cầu liên quan.
3.2.7 Mẫu thử là sản phẩm đại diện dùng cho việc thử hoặc kiểm tra. Về mặt chức năng, đặc tính và chất lượng chế tạo, mẫu thử được lựa chọn phải có khả năng đại điện hoặc bao trùm các sản phẩm hoặc loạt sản phẩm được kiểm tra.
3.2.8 Kiểm tra là việc đánh giá, kiểm tra và thử của đăng kiểm viên đối với những sản phẩm theo yêu cầu của quy chuẩn hoặc tiêu chuẩn ở giai đoạn trước hoặc trong quá trình chế tạo, hoặc sau khi kết thúc chế tạo.
3.2.9 Thử lần cuối là tất cả việc thử để công nhận sản phẩm và ghi vào giấy chứng nhận.
3.2.10 Đánh giá là một cuộc kiểm tra độc lập và có hệ thống để xác định các hoạt động chất lượng và các kết quả liên quan tuân thủ các quy trình đã được hoạch định và các quy trình này được thực thi có hiệu quả, phù hợp để đạt được các mục tiêu công bố.
3.2.11 Đánh giá chu kỳ là việc đánh giá để đảm bảo tính phù hợp được duy trì của giấy chứng nhận công nhận kiểu.
3.2.12 Bộ phận là các thành phần hoặc chi tiết cấu thành nên một thiết bị hoặc một hệ thống.
3.2.13 Thiết kế là tất cả những bản vẽ, hồ sơ và bản tính liên quan mô tả chức năng, việc lắp đặt và công nghệ chế tạo của các sản phẩm.
3.2.14 Tài liệu là tất cả những thông tin được viết ra liên quan đến thiết kế, quá trình, sản phẩm hoặc dịch vụ.
3.2.15 Cơ sở chế tạo là một tổ chức chế tạo hoặc lắp ráp sản phẩm hoàn chỉnh và hoàn toàn chịu trách nhiệm đối với sản phẩm đó.
3.2.16 Hồ sơ là những văn bản chính thức thể hiện việc tuân thủ các yêu cầu quy định của thiết kế, sản phẩm,dịch vụ hoặc quá trình chế tạo
3.2.17 Hồ sơ của cơ sở chế tạo là các văn bản công bố hoặc giấy chứng nhận được cấp bởi cơ sở chế tạo xác nhận việc kiểm tra do cơ sở đó thực hiện một cách độc lập.
3.3 Các yêu cầu đối với cơ sở chế tạo
3.3.1 Cơ sở chế tạo các sản phẩm phân cấp sử dụng trong đóng mới, hoán cải hoặc sửa chữa tàu do Đăng kiểm phân cấp hoặc dự định do Đăng kiểm phân cấp phải bố trí để Đăng kiểm thực hiện kiểm tra đối với các sản phẩm đó.
3.3.2 Ngoài các yêu cầu nêu trong 3.3.1, Đăng kiểm có thể thực hiện kiểm tra các sản phẩm theo các tiêu chuẩn do cơ sở chế tạo cung cấp phù hợp.
3.3.3 Cơ sở chế tạo được Đăng kiểm kiểm tra phải thỏa mãn các điều kiện về chế tạo, thử nghiệm, nhân lực và hệ thống quản lý chất lượng được nêu trong Quy chuẩn này.
3.3.4 Cơ sở chế tạo phải thực hiện kiểm soát có hiệu quả đối với chất lượng của nguyên liệu, các bộ phận và chi tiết của các sản phẩm của mình; trình cho Đăng kiểm thông tin về các nhà cung cấp nguyên liệu, các bộ phận và chi tiết có ảnh hưởng trực tiếp tới chất lượng của sản phẩm, trợ giúp Đăng kiểm có được thông tin cần thiết về nhà cung cấp. Trong trường hợp quy chuẩn áp dụng và các hướng dẫn có yêu cầu các nguyên liệu, bộ phận và chi tiết cần phải được chứng nhận, thì nhà cung cấp liên quan và các sản phẩm của họ phải được Đăng kiểm kiểm tra, chứng nhận hoặc công nhận.
3.4 Các yêu cầu cơ bản trong chứng nhận sản phẩm
3.4.1 Các sản phẩm công nghiệp có yêu cầu về kiểm tra trong Quy chuẩn này, lắp đặt trên tàu, thì trước khi lắp đặt hoặc trong quá trình chế tạo, phải được kiểm tra thỏa mãn các yêu cầu của quy chuẩn, sau đó sẽ được Đăng kiểm cấp giấy chứng nhận như nêu trong 3.5.2.
3.4.2 Đăng kiểm áp dụng loại hình công nhận kiểu sản phẩm công nghiệp khi cơ sở chế tạo đạt được sự đảm bảo chất lượng khi chế tạo hàng loạt sản phẩm theo một quá trình liên tục hoặc đầy đủ dựa trên quá trình và công nghệ chế tạo.
3.4.3 Cơ sở chế tạo phải chuẩn bị cho việc kiểm tra và tạo điều kiện cần thiết cho việc kiểm tra để đảm bảo đăng kiểm viên có thể:
1 Tiếp cận được sản phẩm để thực hiện việc kiểm tra theo quy định;
2 Chứng kiến các cuộc thử theo quy định tại hiện trường;
3 Thu thập hồ sơ, báo cáo và các thông tin cần thiết cho việc kiểm tra, bao gồm cả các thông tin của nhà cung cấp nguyên liệu, bộ phận và chi tiết.
3.4.4 Các sản phẩm có kiểu đã được công nhận thì phải được chế tạo tại cơ sở chế tạo nêu trong giấy chứng nhận công nhận; Đăng kiểm không chấp nhận kiểm tra những sản phẩm như vậy được chế tạo bởi nhà thầu phụ hoặc cơ sở khác với thông tin nêu trong giấy chứng nhận công nhận.
3.4.5 Các bản vẽ hoặc tài liệu nếu yêu cầu phải phải được xem xét đối với sản xuất hàng loạt và phải được thẩm định với sản xuất đơn chiếc.
3.5 Giấy chứng nhận, hồ sơ
3.5.1 Giấy chứng nhận công nhận
Đăng kiểm sẽ công nhận một sản phẩm thông qua việc cấp Giấy chứng nhận công nhận kiểu (STA) chỉ ra rằng thiết kế phù hợp với quy chuẩn và cơ sở chế tạo có khả năng chế tạo liên tục các sản phẩm hàng loạt nêu trong giấy chứng nhận thỏa mãn với quy chuẩn hoặc các tiêu chuẩn được công nhận;
3.5.2 Hồ sơ sản phẩm
Sau khi kiểm tra một sản phẩm đơn chiếc hoặc theo loạt sản phẩm, tài liệu được cấp cho sản phẩm như sau:
Giấy chứng nhận sản phẩm của Đăng kiểm (SCP) Giấy chứng nhận chỉ ra:
+ Sản phẩm thỏa mãn quy chuẩn;
+ Việc thử và kiểm tra theo yêu cầu đã được thực hiện;
+ Mẫu thử được lấy từ sản phẩm phải kiểm tra;
+ Sản phẩm đã được thử dưới sự chứng kiến của đăng kiểm viên hoặc theo thỏa thuận riêng.
3.6 Điều kiện sử dụng các dấu hiệu kiểm tra
3.6.1 Các sản phẩm do Đăng kiểm kiểm tra phải được đóng dấu dấu hiệu kiểm tra trên thân của sản phẩm hoặc tấm nhãn phù hợp với quy định của Đăng kiểm.
3.6.2 Khi bất kỳ một sản phẩm nào đã có dấu hiệu kiểm tra nhưng nếu phát hiện không thỏa mãn các điều kiện về chứng nhận, dấu hiệu này sẽ bị loại bỏ.
3.7 Kiểm tra đơn chiếc và hàng loạt
3.7.1 Phạm vi áp dụng
Trừ khi có những quy định khác, quy trình kiểm tra sản phẩm đơn chiếc hoặc hàng loạt đối với các sản phẩm được Giấy chứng nhận sản phẩm phải tuân thủ các yêu cầu của 3.7 này.
3.7.2 Quy định chung
1 Các sản phẩm, vật liệu, máy và thiết bị phải được kiểm tra đơn chiếc hoặc hàng loạt theo quy định tại Bảng 1B/3.1.
2 Quy trình kiểm tra sản phẩm đơn chiếc hoặc hàng loạt bao gồm các quá trình sau:
(1) Xem xét hoặc thẩm định bản vẽ và các tài liệu kỹ thuật hoặc lưu giữ chúng để tham khảo, thử sản phẩm đầu tiên hoặc kiểu hoặc đo đạc để đảm bảo chúng thỏa mãn quy chuẩn, hoặc các tiêu chuẩn được công nhận.
(2) Kiểm tra và thử trong chế tạo hoặc đối với sản phẩm hoàn thiện để đảm bảo chúng thỏa mãn với quy chuẩn hoặc bản vẽ thiết kế được thẩm định.
(3) Giấy chứng nhận sản phẩm được cấp cho sản phẩm thỏa mãn các yêu cầu liên quan.
3 Đối với một hay nhiều sản phẩm đã được Đăng kiểm công nhận kiểu, các yêu cầu trong 3.7.2-2(1) và (2) có thể được bỏ qua đối với các hạng mục kiểm tra đơn chiếc hoặc hàng loạt yêu cầu sự có mặt của đăng kiểm viên dựa trên kết quả đánh giá hiện trường tại cơ sở sản xuất.
4 Đối với sản phẩm yêu cầu công nhận kiểu, nếu chưa công nhận kiểu, sản phẩm phải thỏa mãn các quy định tại 3.7.2-2.
5 Đối với sản phẩm không yêu cầu công nhận kiểu thì sản phẩm phải được kiểm tra theo bản vẽ và hồ sơ được Đăng kiểm thẩm định.
3.7.3 Xem xét, thẩm định bản vẽ
1 Khi có yêu cầu kiểm tra sản phẩm đơn chiếc hoặc hàng loạt, tổ chức, cá nhân phải chuẩn bị bản vẽ thiết kế hoặc các tài liệu kỹ thuật hoặc các thông tin liên quan theo quy định của quy chuẩn để trình cho Đăng kiểm xem xét hoặc thẩm định. Bản vẽ thiết kế và tài liệu kỹ thuật phải chỉ rõ các yêu cầu về thiết kế, vật liệu, chế tạo, chức năng và việc sử dụng sản phẩm.
2 Các hồ sơ sau để đánh giá sự phù hợp của sản phẩm (nếu áp dụng):
(1) Tiêu chuẩn kỹ thuật áp dụng;
(2) Các thông tin chung về sản phẩm;
(3) Bản vẽ thiết kế hoặc bản vẽ chế tạo, bao gồm các bản vẽ, danh mục các bộ phận, chi tiết và vật liệu…;
(4) Kết quả tính toán của thiết kế;
(5) Báo cáo thử mẫu đầu tiên hoặc kiểu (nếu có);
(6) Kế hoạch thử và kiểm tra hoặc chương trình thử, và các tiêu chuẩn chấp nhận;
(7) Tài liệu công nghệ chính;
(8) Các tài liệu khác có liên quan.
3 Sau khi kiểm tra, đối với bản vẽ hoặc tài liệu yêu cầu thẩm định, nếu các hồ sơ kỹ thuật thỏa mãn với các yêu cầu liên quan của quy chuẩn, Đăng kiểm sẽ cấp giấy chứng nhận thẩm định thiết kế hoặc Thông báo thẩm định thiết kế, xác nhận tình trạng đã thẩm định trên các hồ sơ trình duyệt và gửi lại cho tổ chức, cá nhân.
3.7.4 Thử kiểu
1 Nếu thử kiểu được yêu cầu đối với sản phẩm nêu trong các phần liên quan của quy chuẩn hoặc Bảng 1B/3.1, thì việc thử kiểu phải được thực hiện đối với sản phẩm đơn chiếc hoặc hàng loạt đó.
2 Thử kiểu phải được thực hiện theo chương trình thử được Đăng kiểm công nhận.
3 Mẫu thử kiểu phải là mẫu đầu tiên hoặc sản phẩm có cùng đặc trưng kỹ thuật và việc chế tạo, được lấy ngẫu nhiên trong dây chuyền chế tạo. Sau đó, mẫu phải được lấy ra và có nhận biết và, nếu thấy cần thiết, phải được niêm phong với sự có mặt của đăng kiểm viên.
4 Những hạng mục liên quan đến chức năng của sản phẩm, môi trường… được nêu trong quy chuẩn, hoặc những yêu cầu kỹ thuật hoặc tiêu chuẩn áp dụng do nhà chế tạo đưa ra.
Cơ sở chế tạo có thể thực hiện việc thử tại các phòng thử nghiệm do cơ quan có thẩm quyền của quốc gia công nhận hoặc các phòng thử nghiệm được Đăng kiểm đánh giá thỏa mãn các yêu cầu về thử sản phẩm.
5 Một phần hoặc tất cả các hạng mục của việc thử kiểu có thể được thực hiện trong điều kiện thử do cơ sở chế tạo đưa ra. Tuy nhiên, năng lực thử phù hợp đối với các công việc thử như vậy phải được Đăng kiểm xác nhận.
6 Sau khi kết thúc việc thử kiểu, tổ chức thực hiện việc thử phải lập báo cáo thử, tối thiểu bao gồm các hạng mục sau:
(1) Kiểu, đặc trưng và nhận biết của sản phẩm;
(2) Các yêu cầu kỹ thuật của việc thử nghiệm;
(3) Các đặc trưng của thiết bị thử và thiết bị đo lường (bao gồm số nhận biết và ngày hiệu chuẩn lần cuối);
(4) Điều kiện môi trường của mỗi hạng mục thử;
(5) Ngày và nơi thử;
(6) Kết quả thử.
3.7.5 Thử vật liệu
1 Vật liệu phải được thử theo yêu cầu của Quy chuẩn. Nói chung, đăng kiểm viên phải xác nhận vào tài liệu về thử vật liệu nếu quy chuẩn yêu cầu.
2 Các thiết bị thử và đo lường phải được kiểm chuẩn và bảo dưỡng ở trạng thái thỏa mãn. Biên bản hiệu chuẩn phải được lưu giữ và trình cho đăng kiểm viên khi cần thiết.
3 Việc báo cáo phân tích vật liệu do cơ sở chế tạo thực hiện được chấp nhận. Tuy nhiên, đăng kiểm viên có thể yêu cầu kiểm tra ngẫu nhiên.
3.7.6 Kiểm tra
1 Trong quá trình chế tạo, cơ sở chế tạo phải tạo điều kiện để đăng kiểm viên có thể tiếp cận tới tất cả các nơi liên quan đến việc kiểm tra để xác nhận:
(1) Việc thực hiện có hiệu quả công nghệ chế tạo;
(2) Việc chế tạo phù hợp với các bản vẽ và các yêu cầu kỹ thuật;
(3) Sử dụng đúng vật liệu và vật liệu hàn;
(4) Thực hiện việc lấy mẫu và thử đúng quy định.
2 Kiểm tra và thử lần cuối đối với sản phẩm phải được thực hiện dưới sự chứng kiến của đăng kiểm viên, và phải tuân thủ theo hồ sơ thiết kế thực tế sử dụng, cũng như các yêu cầu áp dụng nêu trong Quy chuẩn. Đăng kiểm chỉ chịu trách nhiệm đối với các cuộc kiểm tra và thử yêu cầu có sự chứng kiến của đăng kiểm viên.
3.8 Công nhận kiểu
3.8.1 Quy định chung
1 Mục này quy định các nguyên tắc chung và quy trình công nhận kiểu cho sản phẩm nhằm xác nhận khả năng của cơ sở chế tạo để chế tạo các sản phẩm có chất lượng giống nhau phù hợp Quy chuẩn.
2 Trên cơ sở văn bản đề nghị của tổ chức, cá nhân, các sản phẩm không yêu cầu bởi Quy chuẩn có thể được công nhận theo tiêu chuẩn hoặc yêu cầu kỹ thuật thống nhất giữa Đăng kiểm và cơ sở chế tạo.
3 Việc công nhận kiểu sản phẩm được thực hiện như sau:
(1) Đánh giá thiết kế, bao gồm:
(a) Xem xét bản vẽ; (nếu có)
(b) Thử hoặc kiểm tra mẫu đầu tiên hoặc kiểu.
(2) Đánh giá quá trình chế tạo.
4 Đánh giá quá trình chế tạo bao gồm:
(1) Đánh giá hệ thống quản lý chất lượng: Hệ thống đảm bảo và kiểm soát chất lượng của cơ sở chế tạo phải được đánh giá, nhằm xem xét và xác minh khả năng của hệ thống có thể đáp ứng một cách nhất quán các yêu cầu về chất lượng sản phẩm và Quy chuẩn.
Hệ thống kiểm soát và đảm bảo chất lượng của cơ sở chế tạo sẽ thuộc một trong các loại sau đây:
a) Hệ thống quản lý chất lượng thỏa mãn các yêu cầu của Đăng kiểm. Hệ thống này thích hợp cho các sản phẩm được công nhận và hệ thống đảm bảo sự phù hợp của sản phẩm liên quan với quy chuẩn, các hướng dẫn hoặc tiêu chuẩn được chấp nhận khác.
b) Hệ thống quản lý chất lượng tương đương được chứng nhận bởi cơ quan chứng nhận có thẩm quyền, (VD: ISO 9001) hoặc những tiêu chuẩn quản lý chất lượng tương đương và được Đăng kiểm đánh giá thỏa mãn các yêu cầu của Đăng kiểm.
c) Đảm bảo chất lượng sản phẩm thỏa mãn a) hoặc b) ở trên, có quy trình đảm bảo rằng việc kiểm tra và thử phù hợp với các quy chuẩn và hướng dẫn liên quan.
(2) Đánh giá quá trình chế tạo: Quá trình chế tạo cụ thể của cơ sở chế tạo phải được đánh giá để thẩm tra và xác nhận rằng công nghệ chế tạo và kiểm tra đã được thiết lập với mục đích đạt được mức độ kiểm soát chất lượng theo yêu cầu của cơ sở chế tạo và phù hợp với Quy chuẩn.
3.8.2 Quy trình công nhận kiểu
1 Tổ chức, cá nhân đề nghị kiểm tra sản phẩm công nghiệp theo quy định.
2 Giấy chứng nhận công nhận kiểu được cấp cho các cơ sở chế tạo đáp ứng yêu cầu sau đây:
(1) Thiết kế sản phẩm phù hợp với yêu cầu của quy chuẩn hoặc các tiêu chuẩn có hiệu lực khác;
(2) Hệ thống chất lượng có hiệu quả cho các sản phẩm được thiết lập để đảm bảo mức độ kiểm soát chất lượng theo yêu cầu của cơ sở chế tạo.
3.8.3 Đánh giá thiết kế
1 Xem xét bản vẽ (nếu có).
(1) Các bản vẽ và hồ sơ kỹ thuật sau đây (nhưng không giới hạn trong số lượng này) sẽ phải trình để xem xét:
(a) Bản vẽ chi tiết kết cấu;
(b) Tài liệu nêu rõ chi tiết kỹ thuật;
(c) Thông tin tính năng;
(d) Tiêu chuẩn áp dụng;
(e) Tính toán kỹ thuật và báo cáo phân tích cần thiết khác.
(2) Xem xét bản vẽ nhằm mục đích chính xác nhận sự tuân thủ của thiết kế sản phẩm với quy chuẩn và hướng dẫn cần áp dụng hoặc tiêu chuẩn thay thế được công nhận. Trường hợp không có các yêu cầu kỹ thuật đặc biệt trong Quy chuẩn, thì việc xem xét thiết kế có thể dựa trên việc áp dụng các tiêu chuẩn công nghiệp được công nhận; hoặc trong trường hợp không có yêu cầu của Quy chuẩn hay tiêu chuẩn công nghiệp, thì tiêu chuẩn của nhà sản xuất hoặc các yêu cầu kỹ thuật, các tính toán và phân tích kỹ thuật cũng có thể được chấp nhận như là cơ sở để xem xét.
2 Thử kiểu phải phù hợp với 3.7.4.
3.8.4 Đánh giá quá trình chế tạo
1 Đánh giá hệ thống quản lý chất lượng
(1) Hệ thống quản lý chất lượng cho các sản phẩm công nghiệp được thiết lập bởi cơ sở chế tạo phải được đánh giá, nhằm xác minh hệ thống này thích hợp cho các sản phẩm được công nhận và hệ thống được thực hiện có khả năng đảm bảo sự phù hợp của sản phẩm liên quan của quy chuẩn, các hướng dẫn hoặc tiêu chuẩn được chấp nhận khác.
(2) Cơ sở chế tạo cần chứng minh sự phù hợp và đầy đủ những khía cạnh sau đây để xác nhận năng lực của các trang thiết bị dùng trong chế tạo, kiểm tra, thử nghiệm, và khả năng của đội ngũ nhân viên có ảnh hưởng đến chất lượng sản phẩm nhằm đáp ứng mức độ quy định về chất lượng sản phẩm một cách đồng nhất:
(a) Năng lực và điều kiện thử của thiết bị kiểm tra, thử nghiệm và đo đạc;
(b) Nhân viên kiểm tra và thử;
(c) Công nghệ và người vận hành của các quy trình thiết yếu;
(d) Nhiệm vụ và trình độ của người thực hiện kiểm tra và kiểm soát chất lượng;
(e) Quy trình kiểm soát mua hàng được lập thành văn bản (nếu có), việc chuẩn bị và duy trì danh sách các nhà cung cấp nguyên liệu, bộ phận, chi tiết để thông báo cho Đăng kiểm;
(f) Phương pháp kiểm soát chất lượng, bao gồm kiểm soát nhà thầu phụ (nếu có).
(3) Cơ sở chế tạo phải duy trì sổ tay chất lượng phù hợp với tiêu chuẩn chất lượng. Nếu hệ thống chất lượng được chứng nhận bởi tổ chức chứng nhận thích hợp được Đăng kiểm đánh giá là tuân thủ những yêu cầu của Đăng kiểm đối với hệ thống chất lượng, thì sổ tay chất lượng được chứng nhận bởi tổ chức đó phải được trình cho Đăng kiểm.
2 Đánh giá quá trình chế tạo
(1) Kế hoạch kiểm soát chất lượng cho các sản phẩm trong phạm vi công nhận phải được cơ sở chế tạo thiết lập và trình Đăng kiểm. Kế hoạch kiểm soát chất lượng này phải mô tả phương pháp đảm bảo và kiểm soát chất lượng được dùng trong quá trình chế tạo phù hợp với các yêu cầu kỹ thuật hoặc tiêu chuẩn của sản phẩm, phản ánh chi tiết các yêu cầu kiểm tra, thử theo Quy chuẩn áp dụng, hướng dẫn hoặc công ước.
(2) Các mẫu hoặc bộ phận đại diện của sản phẩm trong phạm vi công nhận phải được cơ sở chế tạo cung cấp cho đăng kiểm viên để xác minh rằng chúng được chế tạo phù hợp với hồ sơ thiết kế.
3.8.5 Đánh giá chu kỳ
1 Trong thời hạn hiệu lực của giấy chứng nhận công nhận kiểu, cơ sở chế tạo có sản phẩm là loại được công nhận kiểu phải thực hiện đánh giá chu kỳ để đảm bảo duy trì hiệu lực của giấy chứng nhận. Thời hạn ấn định đánh giá chu kỳ là 30 tháng tính từ ngày hiệu lực của Giấy chứng nhận công nhận. Việc đánh giá chu kỳ được thực hiện trong khoảng thời gian 6 tháng trước hoặc sau ngày ấn định đánh giá chu kỳ của Giấy chứng nhận.
Đánh giá chu kỳ bao gồm: Đánh giá hồ sơ của cơ sở cấp để xác nhận hoạt động của hệ thống chất lượng của cơ sở chế tạo, việc tuân thủ của công nghệ chế tạo với hồ sơ kỹ thuật được chấp nhận tại thời điểm công nhận kiểu, kiểm soát việc mua vật liệu, bộ phận, chi tiết; sử dụng ký hiệu kiểm tra, ngôn ngữ được sử dụng trong các biển tên và hướng dẫn hoạt động, phản hồi chất lượng sản phẩm. Đăng kiểm có thể tiến hành kiểm tra và thử các sản phẩm được công nhận nếu cần thiết, Các mẫu dùng kiểm tra và thử sẽ được chọn với sự có mặt của đăng kiểm viên, số lượng mẫu được xác định bởi đăng kiểm viên tùy thuộc mức độ phức tạp, quy mô chế tạo và kiểu của sản phẩm.
2 Trong trường hợp nếu việc sản xuất không liên tục thì không cần đánh giá chu kỳ trong thời gian không sản xuất. Tuy nhiên, tối thiểu phải thực hiện một lần đánh giá khi bắt đầu sản xuất lại.
3 Khi cơ sở chế tạo thỏa mãn với các điều kiện duy trì giấy chứng nhận tại đợt đánh giá chu kỳ, Đăng kiểm sẽ xác nhận giấy chứng nhận công nhận kiểu.
3.8.6 Đánh giá cấp mới
1 Việc đánh giá cấp mới giấy chứng nhận công nhận kiểu phải được thực hiện trong thời gian không quá 3 tháng trước ngày hết hạn của giấy chứng nhận hiện có. Cơ sở chế tạo gửi đề nghị đánh giá và thông báo cho Đăng kiểm bất kỳ sự thay đổi nào liên quan đến thiết kế sản phẩm. Đăng kiểm sẽ:
(1) Xem xét lại bản vẽ để xem có sự thay đổi nào của Quy chuẩn hay tiêu chuẩn áp dụng cho thiết kế hoặc thông số kỹ thuật của sản phẩm;
(2) Xem xét lại chương trình thử trong trường hợp có thay đổi;
(3) Đánh giá quá trình chế tạo theo 3.8.4.
2 Khi không có thay đổi thiết kế, nói chung có thể bỏ qua thử kiểu và nếu cần thiết, Đăng kiểm có thể yêu cầu kiểm tra lại.
3 Nếu việc đánh giá cho thấy cơ sở chế tạo vẫn duy trì thoả mãn các điều kiện công nhận kiểu, giấy chứng nhận công nhận kiểu sẽ được cấp mới với hạn hiệu lực không quá 5 năm.
3.8.7 Thay đổi sản phẩm được công nhận
1 Cơ sở chế tạo phải giám sát bất kỳ sự thay đổi của sản phẩm hoặc quy trình chế tạo sản phẩm đó, thông báo cho Đăng kiểm những thay đổi lớn và để nhận được những đánh giá của Đăng kiểm về những thay đổi đó.
2 Nếu có bất kỳ thay đổi nào đối với thiết kế các sản phẩm đã được công nhận và các chi tiết, bộ phận, vật liệu của chúng hoặc phương pháp chế tạo và việc thay đổi này ảnh hưởng đến các đặc tính và thông số chính của sản phẩm hoặc dẫn đến bất cứ sự thay đổi tiêu chuẩn chức năng của sản phẩm thì phải tiến hành công nhận kiểu mới.
Bảng 1B/3.1 - Danh mục sản phẩm công nghiệp yêu cầu kiểm tra và chứng nhận
| TT | Tên sản phẩm | Giấy chứng nhận SPCN | Kiểm tra đơn chiếc hoặc hàng loạt | Công nhận kiểu | Phạm vi áp dụng | |
| C | A | T | TA | |||
| 1 | Vật liệu kim loại - Thân tàu |
|
|
|
|
|
| 1.1 | Vật liệu tấm | X | - | X | O |
|
| 1.2 | Vật liệu định hình | X | - | X | O |
|
| 1.3 | Vật liệu đúc | X | - | X | O | Tàu có GT ≥ 500 |
| 1.4 | Vật liệu rèn | X | - | X | O | Tàu có GT ≥ 500 |
| 2 | Thiết bị neo và chằng buộc |
|
|
|
|
|
| 2.1 | Xích neo và các bộ phận liên quan | X | X | X | X | Đường kính xích ≥ 18 mm |
| 2.2 | Neo và phụ tùng | X | X | X | O | Khối lượng neo ≥ 150 kg |
| 2.3 | Tời neo | X | X | X | O | Tải trọng ≥ 10 kN |
| 2.4 | Tời dây | X | X | X | O | Tàu cấp VR-SB có GT ≥ 1600 |
| 3 | Trang thiết bị |
|
|
|
|
|
| 3.1 | Nắp hầm hàng | X | X | X | O | Áp dụng cho nắp hầm hàng đóng mở bằng thiết bị cơ giới chuyên dùng trên tàu cấp VR-SB |
| 3.2 | Móc kéo | X | X | X | O |
|
| 3.3 | Tời kéo | X | X | X | O | Áp dụng đối với tàu kéo |
| 3.4 | Cáp kéo | X | - | X | X | Lực kéo đứt ≥ 130 kN |
| 3.5 | Cửa húp lô | X | X | X | O |
|
| 3.6 | Cửa kín nước | X | X | X | O |
|
| 4 | Thiết bị lái và máy lái |
|
|
|
|
|
| 4.1 | Máy lái | X | X | X | O | Máy lái truyền động cơ giới có mô men từ 0,5 T.m trên tàu khách và tàu chở người. Máy lái truyền động cơ giới có mô men từ 1,0 T.m trên các tàu không phải tàu khách và tàu chở người. |
| 4.2 | Trục lái | X | X | X | - | Tàu cấp VR-SB có đường kính trục lái ≥ 150 mm. |
| 5 | Bơm và ống |
|
|
|
|
|
| 5.1 | Ống nhóm I và II | X | - | X | O | Tàu cấp VR-SB |
| 5.2 | Bơm hút khô, dằn, cứu hỏa | X | O | X | O | Bơm có lưu lượng từ 35 m3/h trở lên của tàu cấp VR-SB |
| 6 | Nồi hơi và bình chịu áp lực |
|
|
|
|
|
| 6.1 | Nồi hơi | X | X | X | O |
|
| 6.2 | Bình chịu áp lực nhóm I và nhóm II | X | X | X | O | Thể tích ≥ 0,5 m3 |
| 7 | Máy |
|
|
|
|
|
| 7.1 | Động cơ đốt trong | X | X | X | O | Công suất ≥ 220 kW |
| 7.2 | Hộp số | X | X | X | O | Công suất ≥ 220 kW |
| 7.3 | Động cơ điện lai chân vịt | X | X | X | O | Công suất ≥ 50 kW |
| 8 | Thiết bị điện và tự động |
|
|
|
|
|
| 8.1 | Tổ máy phát điện | - | - | - | - |
|
| 8.1.1 | Máy phát điện | X | X | X | O | Công suất ≥ 50 kW |
| 8.2 | Bảng điện chính | X | X | X | - | - Tàu cấp VR-SB có công suất ≥ 50 kW - Tàu chở hàng lỏng dễ cháy - Tàu khách - Tàu chở khí hóa lỏng - Tàu chở hóa chất nguy hiểm |
| 8.3 | Cáp điện | X | - | X | X | - Tàu cấp VR-SB có công suất bảng điện chính ≥ 50 kW - Tàu chở dầu - Tàu chở khách - Tàu chở khí hóa lỏng - Tàu chở hóa chất nguy hiểm |
| 8.4 | Công tắc phòng nổ | O | X | X | X |
|
| 8.5 | Đèn phòng nổ | O | X | X | X |
|
| 8.6 | Động cơ phòng nổ | X | X | X | X |
|
| 9 | Trục và thiết bị đẩy |
|
|
|
| Áp dụng cho động cơ lai chân vịt có công suất ≥ 220 kW |
| 9.1 | Trục đẩy | X | X | X | - |
|
| 9.2 | Trục trung gian và ổ đỡ | X | X | X | - |
|
| 9.3 | Trục ống bao, trục chân vịt | X | X | X | - |
|
| 9.4 | Ống bao trục | X | X | X | - |
|
| 9.5 | Ổ đỡ ống bao | X | X | X | - |
|
| 9.6 | Chân vịt | X | X | X | O |
|
| 9.7 | Hệ đẩy kiểu Z; Hệ đẩy kiểu phụt | X | X | X | O |
|
| 9.8 | Chân vịt có bước điều khiển được | X | X | X | O |
|
| 10 | Vật liệu và thiết bị chống cháy |
|
|
|
|
|
| 10.1 | Vật liệu chống cháy | O | - | X | X |
|
| 10.2 | Cửa ra vào hoặc cửa sổ chống cháy | X | X | X | X |
|
| 10.3 | Boong cấp A | O | X | X | X |
|
| 10.4 | Vách cấp A | O | X | X | X |
|
| 10.5 | Vách cấp B | O | X | X | X |
|
| 10.6 | Trần cấp B | O | X | X | X |
|
| 11 | Trang thiết bị và hệ thống dập cháy |
|
|
|
|
|
| 11.1 | Hệ thống chữa cháy cố định bằng khí CO2 |
|
|
|
|
|
| 11.1.1 | Bình chứa khí CO2 | X | X | X | X |
|
| 11.2 | Van áp suất, van chân không | X | X | X | X |
|
| 12 | Trang thiết bị cứu sinh |
|
|
|
|
|
| 12.1 | Xuồng cấp cứu | X | X | X | X |
|
| 12.2 | Bè cứu sinh (gồm bè cứng và tự bơm hơi) | X | X | X | X |
|
| 12.3 | Thiết bị hạ (gồm cần hạ, tời, puly, cơ cấu nhả và dây) | X | X | X | X |
|
| 12.4 | Phao áo | X | X | X | X |
|
| 12.5 | Phao tròn | X | X | X | X |
|
| 12.6 | Dụng cụ nổi | X | X | X | X |
|
| 13 | Thiết bị và vật liệu chống ô nhiễm |
|
|
|
|
|
| 13.1 | Thiết bị phân ly dầu nước 15 ppm | X | X | X | X |
|
| 13.2 | Thiết bị xử lý nước thải | X | X | X | X |
|
| 14 | Thiết bị hàng hải, tín hiệu và liên lạc |
|
|
|
|
|
| 14.1 | Thiết bị VHF 2 chiều cầm tay | X | X | X | X | Phục vụ cho mục đích cứu sinh |
| 14.2 | Thiết bị phát báo tìm kiếm cứu nạn (SART hoặc AIS-SART) | X | X | X | X |
|
| 14.3 | Máy thu NAVTEX | X | X | X | X |
|
| 14.4 | Phao vô tuyến chỉ báo vị trí sự cố EPIRB | X | X | X | X |
|
| 14.5 | Thiết bị vô tuyến điện MF/HF | X | X | X | X |
|
| 14.6 | Thiết bị vô tuyến điện VHF DSC | X | X | X | X | VHF DSC cấp D có thể chấp nhận giấy chứng nhận xuất xứ (CO), giấy chứng nhận chất lượng (CQ) và hồ sơ kỹ thuật thể hiện các thông số phù hợp cho mục đích sử dụng. |
| 14.7 | La bàn từ | X | X | X | X |
|
| 14.8 | Ra đa | X | X | X | X |
|
| 14.9 | Thiết bị định vị vệ tinh | X | X | X | X |
|
| 14.10 | Thiết bị đo sâu hồi âm | O | X | X | X |
|
| 14.11 | Hệ thống nhận dạng tự động (AIS) | X | X | X | X | AIS cấp A phải được chứng nhận theo quy định. AIS cấp B có thể chấp nhận giấy chứng nhận xuất xứ (CO), giấy chứng nhận chất lượng (CQ) và hồ sơ kỹ thuật thể hiện các thông số phù hợp cho mục đích sử dụng. |
| 15 | Thiết bị nâng |
|
|
|
|
|
| 15.1 | Cần trục | X | X | X | O |
|
| 15.2 | Hệ cần trục dây giằng | X | X | X | O |
|
| 15.3 | Thang máy | X | X | X | O |
|
| 15.4 | Cầu xe | X | X | X | O |
|
| 15.5 | Tời (gồm tời nâng hàng, tời nâng cần và tời quay cần) | X | X | X | O |
|
| 15.6 | Cáp nâng hàng, cáp nâng cần | X | - | X | X |
|
| 15.7 | Cụm móc, xà treo tải, võng nâng hàng, khung nâng hàng và các chi tiết tương tự. | X | X | X | O |
|
| Ký hiệu: A - Bản vẽ được thẩm định hoặc xem xét bởi Đăng kiểm (bản vẽ sản phẩm đơn chiếc hoặc bản vẽ nêu trong giấy chứng nhận công nhận kiểu); T - Kiểm tra và thử sản phẩm để cấp giấy chứng nhận sản xuất đơn chiếc quy định tại 3.7.3, 3.7.5, 3.7.6, hoặc - Kiểm tra cấp giấy chứng nhận sản phẩm đối với sản phẩm đã có giấy chứng nhận công nhận kiểu quy định tại 1.4.4-3 Mục III. C - Giấy chứng nhận sản phẩm do Đăng kiểm cấp; X - Áp dụng; O - Không bắt buộc. TA - Giấy chứng nhận công nhận kiểu. Ghi chú: 1) Đăng kiểm căn cứ vào Giấy chứng nhận công nhận kiểu /Giấy chứng nhận công nhận quy trình chế tạo/Giấy chứng nhận công nhận thiết kế và giấy chứng nhận sản phẩm của tổ chức Đăng kiểm nước ngoài và cấp giấy chứng nhận sản phẩm sau khi kiểm tra sản phẩm phù hợp giấy chứng nhận có kết quả thỏa mãn; 2) Đăng kiểm căn cứ vào các sản phẩm có Giấy chứng nhận công nhận kiểu /Giấy chứng nhận công nhận quy trình chế tạo / Giấy chứng nhận công nhận thiết kế đã được cấp theo hệ thống kiểm tra và chứng nhận sản phẩm công nghiệp dùng cho tàu biển để cấp giấy chứng nhận sản phẩm công nghiệp dùng cho phương tiện thủy nội địa sau khi kiểm tra sản phẩm phù hợp giấy chứng nhận có kết quả thỏa mãn. | ||||||
CHƯƠNG 4 KIỂM TRA TÀU TRONG KHAI THÁC
4.1 Quy định chung
4.1.1 Chương này quy định khối lượng kiểm tra các loại tàu thuộc phạm vi áp dụng của Quy chuẩn này có thân tàu được chế tạo bằng thép, nhôm, bê tông cốt thép, xi măng lưới thép, tàu gỗ, chất dẻo cốt sợi thủy tinh.
4.1.2 Khối lượng kiểm tra của từng loại hình kiểm tra được quy định trong chương này. Trường hợp có thông tin về khuyết tật liên quan đến thân tàu, máy tàu hoặc trang thiết bị của tàu thì khối lượng kiểm tra sẽ được tăng thêm để đảm bảo các khuyết tật đó được kiểm tra đầy đủ.
4.1.3 Khối lượng kiểm tra quy định trong chương này liệt kê đầy đủ các đối tượng kiểm tra của tàu tùy theo công dụng và loại tàu. Nếu thực tế bố trí trên tàu không có các đối tượng này thì khối lượng kiểm tra tương ứng sẽ được bỏ qua.
4.1.4 Sự không phù hợp trong quá trình kiểm tra bên ngoài theo yêu cầu là căn cứ để mở rộng việc kiểm tra hoặc kiểm tra bên trong nếu áp dụng được.
4.2 Kiểm tra hàng năm
4.2.1 Kiểm tra hồ sơ và nhận dạng tàu
Các nội dung kiểm tra bao gồm:
1 Giấy chứng nhận đăng ký phương tiện thủy nội địa, Giấy chứng nhận an toàn kỹ thuật và bảo vệ môi trường, tem kiểm định, số kiểm soát, số đăng ký, số đăng kiểm;
2 Tài liệu hướng dẫn: thông báo ổn định cho thuyền trưởng, hướng dẫn xếp hàng, sổ tay chằng buộc hàng hóa, sổ tay chở hàng hạt, kế hoạch ứng cứu ô nhiễm dầu của tàu, kế hoạch ứng cứu ô nhiễm của tàu do chở các chất lỏng độc hại, kế hoạch chuyển tải dầu giữa tàu với tàu.
4.2.2 Thân tàu và trang thiết bị
1 Kiểm tra bên ngoài:
(1) Tôn, tấm bên ngoài thân tàu phía trên đường nước;
(2) Tôn, tấm boong;
(3) Lan can, mạn chắn sóng;
(4) Thượng tầng và lầu boong;
(5) Các khoang hàng (ngoại trừ khoang hàng của các tàu chở dầu , tàu chở khí hóa lỏng và tàu tàu chở hóa chất nguy hiểm) bao gồm cả hố hút khô, các đường ống đo, thông hơi, xả mạn đi qua hầm hàng;
(6) Buồng máy bao gồm bệ máy chính và bệ các máy phụ, liên kết hộp van thông sông biển và các ống xả mạn với vỏ tàu cũng như các hố hút khô;
(7) Hầm xích neo;
(8) Thành quây miệng hầm hàng, nắp hầm hàng, các lỗ khoét, lỗ người chui và các ống thông gió;
(9) Đầu của các ống thông hơi, thông gió;
(10) Thiết bị đóng của các lỗ đo sâu và đường ống cấp nhiên liệu;
(11) Các lối thoát hiểm;
(12) Các thiết bị neo, buộc tàu;
(13) Dấu mạn khô, thước nước.
2 Kiểm tra bên trong:
Khoang mút mũi và mút lái nếu không có công dụng để chứa chất lỏng.
3 Thử hoạt động
(1) Các thiết bị đóng của nắp hầm và lỗ người chui trên boong thời tiết, cửa húp lô và cửa trời, cửa ra vào bên ngoài, cửa trên vách và các cửa chống cháy;
(2) Máy lái chính và sự cố;
(3) Thiết bị neo và buộc tàu;
(4) Thiết bị nâng hạ lầu lái.
4 Nếu phát hiện khu vực nghi ngờ có kết cấu thân tàu bị mòn hoặc biến dạng lớn phải đo độ mòn, độ biến dạng, nếu liên quan đến phần ngâm nước thì phải đưa tàu lên đà để kiểm tra, đo đạc.
4.2.3 Hệ thống máy
1 Kiểm tra bên ngoài:
(1) Tình trạng cố định máy chính với bệ và cố định của các bu lông trên trục máy chính;
(2) Hệ thống áo bọc ống dầu nhiên liệu áp suất cao;
(3) Lớp cách nhiệt của bầu góp khí xả;
(4) Các khớp nối mềm của hệ thống nước biển, dầu nhiên liệu và hệ thống dầu bôi trơn;
(5) Các chai khí nén;
(6) Các thiết bị cố định bạc trục với bệ đỡ.
2 Thử hoạt động:
(1) Thiết bị khởi động, hệ thống báo động và bảo vệ của máy chính;
(2) Động cơ lai máy phát điện bao gồm hệ thống báo động và bảo vệ của chúng;
(3) Các bơm (hút khô, nước làm mát, dùng chung, dằn, chữa cháy, bơm cấp và chuyển dầu nhiên liệu, dầu bôi trơn);
(4) Thiết bị vận hành chân vịt biến bước;
(5) Phương tiện liên lạc giữa buồng lái và buồng máy;
(6) Hệ thống hút khô, bao gồm báo động mức cao (nếu có);
(7) Hệ thống khí nén bao gồm máy nén và thử hoạt động van an toàn của hệ thống;
(8) Chân vịt điều động mũi và lái (nếu có).
4.2.4 Trang bị điện
1 Kiểm tra bên ngoài của nguồn điện chính, các nguy cơ cháy và an toàn cho người vận hành (bao gồm máy phát điện, bảng điện chính, bảng điện phân phối, cần điều khiển, các phụ tải, các lớp cách điện, nối đất).
2 Nguồn điện chính
(1) Thử hoạt động các tổ máy phát điện, bao gồm cả hòa đồng bộ (nếu có);
(2) Kiểm tra giá trị đặt của thiết bị bảo vệ máy phát điện khi quá tải và ngắn mạch;
(3) Thử bảo vệ công suất ngược khi hòa đồng bộ các máy phát điện (nếu có);
(4) Trường hợp có nghi ngờ về tình trạng cách điện của thiết bị thì phải đo kiểm tra điện trở cách điện.
3 Nguồn điện sự cố
(1) Thử hoạt động máy phát sự cố;
(2) Thử ắc quy sự cố.
4 Thiết bị phân phối
Thử các bảng điện chính và sự cố, thiết bị sạc ắc quy, đèn hàng hải, bàn điều khiển và theo dõi thông số, thiết bị nối và ngắt điện bờ.
5 Thử thiết bị chuyển đổi công suất lắp đặt trên các thiết bị tiêu thụ điện chủ yếu.
6 Thử các động cơ điện cùng với các thiết bị điều khiển và theo dõi của máy lái, máy kéo neo, tời kéo, tời dây, bơm, máy nén khí, quạt gió buồng máy.
7 Thử thiết bị chiếu sáng các buồng và không gian quan trọng liên quan đến an toàn và con người trên tàu.
8 Thử chiếu sáng sự cố.
9 Thử hoạt động của các thiết bị:
(1) Tay chuông truyền lệnh điện;
(2) Hiển thị điện chỉ báo góc bánh lái;
(3) Hệ thống báo động chung;
(4) Hệ thống phát hiện và báo cháy;
(5) Hệ thống cảnh báo xả CO2;
(6) Hệ thống báo động việc đóng cửa kín nước và cửa chống cháy;
(7) Báo động mức cao hố hút khô trong buồng máy (nếu có);
(8) Báo mức nước đáy khoang (nếu có).
4.2.5 Phòng phát hiện và chữa cháy
1 Hệ thống chữa cháy cố định
(1) Kiểm tra bên ngoài hệ thống;
(2) Đối với hệ thống chữa cháy bằng nước, phải thử hoạt động của tất cả các bơm chữa cháy, thử vận hành các họng chữa cháy, tình trạng các ống mềm và đầu phun;
(3) Đối với hệ thống phun nước tự động, phải thử hoạt động của bơm cấp nước (tự động khởi động bơm khi áp suất nước giảm), thử hoạt động của hệ thống báo động sau khi mở van nhánh, thử hoạt động của két tích áp và hệ thống bù nước;
(4) Đối với hệ thống chữa cháy cố định bằng khí CO2, thử báo động xả CO2;
(5) Hệ thống phun nước, thử hoạt động của hệ thống.
2 Đối với tàu khách, kiểm tra bên ngoài của các vách chống cháy, kênh thông gió, thử hoạt động của các thiết bị đóng các cửa và lỗ khoét khác trên vách chống cháy.
3 Thử hoạt động của các cảm biến báo cháy.
4 Kiểm tra bên ngoài hệ thống khí đốt sử dụng cho sinh hoạt.
5 Kiểm tra bên ngoài và kiểm tra hạn bảo dưỡng của các bình chữa cháy xách tay, di động, kiểm tra bên ngoài dụng cụ chữa cháy thủ công và trang bị chữa cháy cá nhân.
4.2.6 Các yêu cầu bổ sung đối với tàu chở dầu, tàu chở hóa chất nguy hiểm và tàu chở khí hóa lỏng
1 Tàu chở dầu và tàu chở hóa chất nguy hiểm
(1) Kiểm tra bên ngoài nắp két hàng và các thiết bị của chúng;
(2) Kiểm tra bên ngoài hệ thống thông hơi của két hàng bao gồm van chặn, van thở, cột thông hơi, lưới chặn lửa, hộp xả chất lỏng ngưng đọng, nối đất;
(3) Kiểm tra bên ngoài hệ thống khí trơ và thiết bị của hệ thống;
(4) Thử hệ thống kiểm soát tràn két hàng (báo động mức cao và rất cao);
(5) Kiểm tra bên ngoài và thử hệ thống đo mức két;
(6) Kiểm tra bên ngoài đường ống hàng, van và phụ tùng, nối đất;
(7) Đối với buồng bơm, kiểm tra bên ngoài các thiết bị bao gồm bơm hàng, hộp van thông sông/biển của buồng bơm, khóa liên động hệ thống thông gió.
2 Tàu chở khí hóa lỏng
(1) Kiểm tra bên ngoài hệ thống thông hơi két hàng, không gian giữa các lớp chắn và không gian khoang hàng, bố trí làm kín của các van xả két hàng.
(2) Kiểm tra bên ngoài hệ thống thông gió của không gian làm hàng và các không gian khác trong phạm vi khu vực hàng mà thường xuyên có người.
(3) Hệ thống an toàn và điều khiển làm hàng, nếu có, bao gồm:
(a) Thử van đóng khẩn cấp tại đầu nối bờ và két
(b) Kiểm tra bên ngoài hệ thống điều khiển tự động, hệ thống an toàn và báo động liên quan đến áp suất trong két hàng, không gian giữa hai lớp chắn và không gian khoang hàng;
(c) Kiểm tra bên ngoài hệ thống đo mức két hàng, bao gồm báo động mức cao và ngắt mức cao;
(d) Kiểm tra bên ngoài hệ thống hiển thị nhiệt độ của hàng, hệ thống chứa hàng, thân tàu và hệ thống đường ống;
(e) Kiểm tra bên ngoài hệ thống điều khiển tự động, hệ thống an toàn và báo động liên quan đến máy nén hàng và bơm hàng.
(4) Kiểm tra không gian làm hàng bao gồm:
(a) Kiểm tra bên ngoài các thiết bị làm hàng bao gồm bộ trao đổi nhiệt của hàng, bộ hóa hơi, bơm, máy nén;
(b) Thử thiết bị phát hiện khí;
(c) Kiểm tra bên ngoài thiết bị làm khô không khí bao gồm phương tiện ngăn hơi hàng lan truyền ngược vào không gian khí an toàn.
(5) Kiểm tra bên ngoài thiết bị làm kín đối với các két hoặc hầm đỉnh két xuyên qua boong;
(6) Kiểm tra bên ngoài các khay hứng cố định và di động hoặc lớp cách nhiệt bảo vệ boong trong trường hợp rò rỉ hàng;
(7) Kiểm tra bên ngoài tính kín khí của cửa trên buồng lái và các cửa sổ;
(8) Kiểm tra bên ngoài vách kín khí có làm kín lỗ xuyên vách.
4.2.7 Yêu cầu bổ sung đối với một số loại tàu khác
1 Tàu chở công-te-nơ, kiểm tra bên ngoài:
(1) Thiết bị chằng buộc công-te-nơ;
(2) Các gối đỡ công-te-nơ được hàn vào kết cấu thân tàu hoặc nắp hầm hàng;
(3) Các thanh dẫn công-te-nơ.
2 Tàu kéo đẩy, kiểm tra bên ngoài:
(1) Đối với tàu kéo, móc kéo, tời kéo và bộ nhả móc kéo;
(2) Đối với tàu đẩy, giá đẩy và hệ thống khớp nối mũi tàu.
3 Tàu cuốc hút
(1) Đối với tàu cuốc hút, tàu cuốc hút có khoang đất và sà lan có khoang đất, kiểm tra bên ngoài:
(a) Liên kết giữa ống hút, hệ thống nâng ống hút với kết cấu thân tàu, kiểm tra bên ngoài hệ thống ống hút trong buồng máy;
(b) Không gian buồng máy hút và các thiết bị liên quan đến chống điện giật, bảo vệ các máy quay, các nguy cơ cháy nổ.
(2) Đối với sà lan có khoang đất tự đổ và tàu cuốc hút có khoang đất tự đổ, kiểm tra bên ngoài các bản lề, các xy lanh thủy, hệ thống đường ống và các báo động.
4 Tàu và pông tông tự nâng, kiểm tra bên ngoài:
(1) Kết cấu khung giá nâng và liên kết với thân trên hoặc sàn;
(2) Hệ thống nâng và dẫn hướng chân;
(3) Chân phía trên đường nước đến mức có thể tiếp cận được;
(4) Tôn vỏ và các kết cấu đỡ ở thân trong khu vực chân.
4.3 Kiểm tra trung gian
4.3.1 Quy định chung
Khối lượng kiểm tra trung gian bao gồm khối lượng kiểm tra hàng năm và khối lượng kiểm tra bổ sung theo yêu cầu của mục này.
4.3.2 Các yêu cầu chung
1 Tàu phải thực hiện kiểm tra bên ngoài các kết cấu chính của thân tàu tại các vị trí có thể tiếp cận được. Ngoài ra phải thực hiện kiểm tra bên trong một két dằn đại diện cho mỗi loại két dằn của tàu.
2 Các buồng, phòng không thường xuyên tiếp cận hoặc mà tiếp cận phải có các chuẩn bị đặc biệt thì phải mở để kiểm tra bên trong.
4.3.3 Các yêu cầu bổ sung
1 Tàu chở dầu và tàu chở hóa chất nguy hiểm
(1) Thử hoạt động hệ thống thông gió buồng bơm;
(2) Thử hoạt động của thông hơi khoang hàng.
2 Tàu chở khí hóa lỏng
(1) Thử hoạt động của hệ thống thông gió không gian đáy đôi, mạn kép và các khoang cách ly;
(2) Kiểm tra bên ngoài và thử hoạt động của hệ thống thông gió cho không gian sinh hoạt, lầu lái và không gian phục vụ bên ngoài khu vực hàng.
(3) Thử hoạt động của hệ thống không gió buồng máy lạnh;
(4) Kiểm tra bên ngoài lớp cách nhiệt của đường ống và phụ tùng;
(5) Thử các thiết bị an toàn của máy nén, bộ ngưng tụ, bộ trao đổi nhiệt và két làm lạnh.
4.4 Kiểm tra định kỳ
4.4.1 Quy định chung
Khối lượng kiểm tra định kỳ bao gồm khối lượng kiểm tra hàng năm và khối lượng kiểm tra bổ sung theo yêu cầu của mục này. Đối với tàu chở dầu, tàu chở hóa chất nguy hiểm và tàu chở khí hóa lỏng khối, lượng kiểm tra định kỳ bao gồm khối lượng kiểm tra trung gian và khối lượng kiểm tra bổ sung theo yêu cầu của mục này.
4.4.2 Thân tàu và trang thiết bị
1 Tàu có thân tàu làm bằng kim loại phải thực hiện việc đo chiều dày theo yêu cầu chỉ ra ở Bảng 1B/4.1.
Bảng 1B/4.1 - Đo chiều dày
| Định kỳ lần 1 | Định kỳ lần 2 | Định kỳ lần 3 | Định kỳ lần 4 và các lần tiếp theo | |
| Các khu vực có nghi ngờ. | Các khu vực có nghi ngờ. | Các khu vực có nghi ngờ. | Các khu vực có nghi ngờ. | |
|
| Trong phạm vi chiều dài khoang hàng hoặc 0,5L giữa tàu: - Lựa chọn một tấm tôn boong đại diện; - Một mặt cắt ngang(4); - Lựa chọn tấm tôn đáy trong và đáy ngoài đại diện; - Lựa chọn tấm tôn mạn đại diện; - Lựa chọn nắp hầm hàng và thành quây đại diện (1). | Trong phạm vi chiều dài khoang hàng hoặc 0,5L giữa tàu: - Các tấm tôn boong lộ; - Hai mặt cắt ngang(4); - Lựa chọn tấm tôn đỉnh két đại diện; - Từng tấm tôn đáy trong và đáy ngoài; - Tất cả tấm tôn mạn; - Lựa chọn vách ngang và vách dọc khoang hàng(1); - Tất cả nắp hầm hàng và thành quây miệng hầm(1); | Trong phạm vi chiều dài khoang hàng hoặc 0,5L giữa tàu: - Từng tấm tôn boong - Ba mặt cắt ngang(3),(4); - Từng tấm tôn đáy trong và đáy ngoài; - Tất cả tấm tôn mạn; - Tất cả vách ngang và vách dọc khoang hàng(1); - Tất cả nắp hầm hàng và thành quây miệng hầm(1). | |
|
|
| Bên ngoài phạm vi chiều dài khoang hàng: - Lựa chọn một tấm tôn boong đại diện; - Lựa chọn một tấm tôn mạn đại diện; - Lựa chọn một tấm tôn đáy đại diện. | Bên ngoài phạm vi chiều dài khoang hàng: - Từng tấm tôn boong ; - Từng tấm tôn mạn; - Từng tấm tôn đáy. | |
|
| Vách chống va, vách trước không gian buồng máy, vách két mút lái. | Tất cả vách ngang và vách dọc bên ngoài khu vực khoang hàng(1),(2). | ||
|
| Trong buồng máy(2): - Hộp van thông sông/biển; - Ống nối giữa hai van thông sông/biển; - Tấm tôn và kết cấu sống hộp hoặc hầm ống. | |||
|
|
| Lựa chọn đại diện kết cấu bên trong két dằn. | ||
| Chú thích: (1) Bao gồm tất cả các tấm và nẹp. (2) Việc đo chiều dày có thể được miễn hoặc giảm nhẹ sau khi kiểm tra bằng mắt thường, khi các vách đó tạo thành vách biên của không gian trống hoặc van thông sông/biển, thấy rằng chúng ở trạng thái tốt. (3) Số lượng mặt cắt ngang có thể được giảm nhẹ theo sự chấp nhận của đăng kiểm viên đối với tàu có chiều dài nhỏ hơn 40 mét. (4) Mặt cắt ngang được lựa chọn là mặt cắt được xem có độ ăn mòn lớn nhất dựa trên đo chiều dày tôn boong. | ||||
2 Các két bao gồm ống thông hơi và ông đo sâu
(1) Kiểm tra bên trong két mút mũi và mút lái, phải thử kín nếu chúng được sử dụng để chứa nước dằn;
(2) Kiểm tra bên trong hầm xích neo;
(3) Kiểm tra bên trong két dằn: 1 két đại diện cho mỗi loại két dằn của tàu khi kiểm tra định kỳ lần 1; 50% số két dằn ở định kỳ lần 2; tất cả các két dằn từ định kỳ lần 3 trở đi;
(4) Kiểm tra bên ngoài tại mỗi đợt kiểm tra định kỳ và thử kín tại lần kiểm tra định kỳ lần thứ hai trở đi đối với két hàng, két dằn không được kiểm tra bên trong, két thải, két giữ nước đáy tàu;
(5) Kiểm tra bên ngoài và thử kín nếu phát hiện thấy có dấu hiệu rò rỉ đối với két dầu nhiên liệu, két dầu bôi trơn, két nước ngọt.
3 Đo đường kính xích neo tại đợt kiểm tra định kỳ lần thứ hai và các đợt kiểm tra định kỳ kế tiếp.
4 Thực hiện khối lượng kiểm tra trên đà.
5 Kiểm tra bên ngoài kết cấu các khoang hàng, nếu đáy có phủ lớp lót thì phải dỡ lớp lót tại tâm tàu, hai mạn và hai đầu khoang để kiểm tra kết cấu bên trong. Đối với tàu mà mặt trên đáy đôi có phủ xi măng hoặc nhựa đường thì không cần bóc lớp phủ nếu chúng vẫn đảm bảo độ kết dính với tôn đáy trên.
6 Kiểm tra bên ngoài kết cấu trong buồng máy, nếu kết cấu đáy buồng máy được che bằng sàn chống trượt thì phải dỡ lớp sàn trên để kiểm tra kết cấu bên dưới.
7 Đối với các không gian mà không tiếp cận được để kiểm tra như sống hộp, thành quây kín miệng hầm, nắp hầm hàng thì phải kiểm tra bên ngoài và phải đo chiều dày nếu có hiện tượng mòn rỉ. Nếu kết cấu bị biến dạng bên ngoài thì phải khoét lỗ để kiểm tra bên trong để Đăng kiểm viên xác nhận tình trạng kết cấu bên trong.
4.4.3 Hệ thống máy
1 Máy chính và máy phụ là động cơ đốt trong phải mở và kiểm tra các thiết bị bao gồm xy lanh, nắp xy lanh, các van xu páp, pít-tông, thanh truyền, con trượt, dẫn hướng, trục khuỷu và tất cả các bạc trục, khung động cơ, cửa các te và thiết bị an toàn phòng nổ thùng trục, bộ tăng áp và thiết bị làm mát đi kèm, máy nén khí và bộ làm mát trung gian, thiết bị lọc, bơm nhiên liệu và phụ tùng, trục cam, thiết bị giảm dao động xoắn, khớp nối mềm, ly hợp, hộp số, bánh răng đảo chiều, các bơm và thiết bị làm mát đi kèm.
Trong trường hợp tàu có tài liệu chứng tỏ rằng động cơ chưa hoạt động đến số giờ theo khuyến nghị của nhà sản xuất để tiến hành kiểm tra thì Đăng kiểm theo yêu cầu của Chủ tàu bỏ qua việc kiểm tra mở động cơ hoặc giới hạn phạm vi kiểm tra dựa trên kết quả thử hoạt động. Trong trường hợp này, Chủ tàu phải tháo mở để Đăng kiểm kiểm tra khi động cơ hoạt động đến số giờ theo khuyến nghị của nhà sản xuất.
Trong trường hợp máy chính hoặc máy phụ là loại lắp ngoài tàu có công suất bất kỳ hoặc loại lắp trong tàu có công suất nhỏ hơn 220 kW hoặc động cơ điện lai thiết bị đẩy tàu, chỉ yêu cầu kiểm tra tình trạng chung và thử hoạt động. Nếu phát hiện máy hoạt động không bình thường, yêu cầu kiểm tra ở trạng thái tháo mở.
2 Hộp số
Hộp số phải được mở nắp để kiểm tra bên trong và thử hoạt động, dựa vào kết quả kiểm tra và hồ sơ bảo dưỡng máy đăng kiểm viên có thể yêu cầu mở để kiểm tra.
3 Khớp nối trục
(1) Kiểm tra bên ngoài các ly hợp;
(2) Kiểm tra bên ngoài kết hợp với mở nắp máy kiểm tra các phần khớp nối mềm của khớp nối trục dạng lò xo;
(3) Kiểm tra bên ngoài khớp nối trục bằng cao su.
4 Kiểm tra bên ngoài các máy nén khí. Kiểm tra dạng tháo rời ít nhất 1 máy nén khí từ đợt kiểm tra định kỳ lần thứ 2 trở đi.
5 Kiểm tra bên ngoài các bơm bao gồm bơm hút khô, bơm nước làm mát, bơm dùng chung, bơm dằn, bơm chữa cháy, bơm cấp và vận chuyển nhiên liệu, bơm dầu bôi trơn.
6 Bình chứa khí nén
(1) Kiểm tra bên trong được thực hiện 5 năm một lần;
(2) Thử thủy lực tại lần kiểm tra định kỳ lần thứ hai và các lần kế tiếp. Dựa trên kết quả kiểm tra bên trong, có thể không cần thử thủy lực. Sau mỗi lần sửa chữa thì bình chứa khí nén phải được tiến hành thử thủy lực.
7 Kiểm tra bên ngoài các thiết bị lọc rác của các hệ thống lấy nước ngoài tàu.
8 Thiết bị trao đổi nhiệt
(1) Kiểm tra bên ngoài bầu hâm và sinh hàn;
(2) Thử thủy lực yêu cầu phụ thuộc vào kết quả kiểm tra và sau mỗi lần sửa chữa.
9 Hệ thống ống, van
(1) Thử hoạt động của các hệ thống bao gồm hệ thống nước làm mát, hệ thống dầu đốt, hệ thống dầu, hệ thống dầu bôi trơn trục, hệ thống nước dằn, hệ thống hút khô, hệ thống thủy lực;
(2) Thử thủy lực các đường ống đi qua két dầu, két hàng lỏng, các đường ống hâm bằng hơi;
(3) Kiểm tra bên ngoài các đường xả qua mạn tàu, boong và vách;
(4) Kiểm tra bên ngoài các kênh thông gió đi qua vách kín nước;
(5) Kiểm tra bên trong các két rời khi kiểm tra định kỳ lần 3 trở đi;
(6) Van thông sông/biển,van xả mạn phải được kiểm tra ở trạng thái mở.
10 Đối với máy lái chính và sự cố, có thể yêu cầu mở kiểm tra dựa trên kết quả thử hoạt động và kiểm tra bên ngoài.
11 Đối với máy kéo neo, tời chằng buộc, có thể yêu cầu mở kiểm tra dựa trên kết quả thử hoạt động và kiểm tra bên ngoài.
12 Kiểm tra bên ngoài các trục và bạc trục bao gồm trục lực đẩy, trục trung gian. Không cần phải kiểm tra nửa bạc phía dưới trục nếu định tâm và độ sụt có thể xác định được và chúng trong giới hạn cho phép.
4.4.4 Hệ thống điện
1 Kiểm tra bên ngoài cáp điện và lỗ xuyên cáp đi qua các vách phân vùng.
2 Kiểm tra bên ngoài nối đất và chống sét.
3 Thử hoạt động của thiết bị bảo vệ máy phát điện bao gồm quá tải và thấp áp.
4 Kiểm tra giá trị đặt cho các cảm biến của các hệ thống kiểm soát tự động trong buồng máy.
5 Đo điện trở cách điện của các thiết bị điện.
4.4.5 Phòng phát hiện và chữa cháy
1 Đối với hệ thống chữa cháy cố định bằng khí CO2, hệ thống chữa cháy bằng nước tự động: ống góp và đường ống đến van phân phối phải được thử thủy lực 10 năm một lần.
2 Thử thủy lực các chai CO2: thử 10% số bình sau 10 năm tính từ khi lắp đặt, thử 100% sau mỗi 10 năm tiếp theo.
4.4.6 Kiểm tra trục chân vịt
1 Thời hạn kiểm tra của trục chân vịt
(1) Trục chân vịt được rút để kiểm tra thông thường với khoảng thời gian 5 năm và nên được thực hiện trong quá trình kiểm tra định kỳ.
(2) Thay cho đợt kiểm tra thông thường, trục chân vịt có thể được kiểm tra từng phần với điều kiện sau:
(a) Trục chân vịt được bôi trơn bằng dầu hoặc mỡ bôi trơn ở gối sau của trục và thỏa mãn các yêu cầu sau:
(i) Thiết bị làm kín trục là loai được duyệt và trục không quá 12 năm từ khi lắp đặt lên tàu;
(ii) Trục chân vịt và phụ tùng không tiếp xúc trực tiếp với môi trường ăn mòn;
(iii) Thiết kế chi tiết của trục thỏa mãn các yêu cầu của Quy chuẩn.
(b) Trục chân vịt được bôi trơn bằng nước ở gối sau của trục và thỏa các yêu cầu sau:
(i) Trục chân vịt được chế tạo bằng thép không rỉ và được đỡ bằng bạc nhựa được duyệt;
(ii) Thiết kế chi tiết của trục thỏa mãn yêu cầu của Quy chuẩn.
(3) Trong trường hợp kiểm tra từng phần được thực hiện thì đợt kiểm tra tiếp theo phải thực hiện theo phạm vi của kiểm tra thông thường và khoảng thời gian giữa hai lần kiểm tra thông thường không quá 10 năm.
2 Phạm vi kiểm tra
(1) Kiểm tra thông thường (được thực hiện sau khi rút trục chân vịt từ ống bao) bao gồm:
(a) Kiểm tra trục và bạc trục;
(b) Kiểm tra côn trục phía sau;
(c) Kiểm tra không phá hủy tại các đầu trục;
(d) Kiểm tra ống bao trục;
(e) Đo độ sụt hoặc khe hở của bạc trục ống bao phía sau;
(f) Kiểm tra tết làm kín (nếu có);
(g) Thử kín tết làm kín (nếu có).
(2) Kiểm tra từng phần bao gồm:
(a) Kiểm tra các vị trí tiếp cận được của trục sau khi đã tháo tết làm kín dầu phía sau (nếu có);
(b) Kiểm tra phần phía sau của trục (côn hoặc bích);
(c) Kiểm tra không phá hủy các đầu trục;
(d) Đo độ sụt hoặc khe hở của bạc trục ống bao phía sau;
(e) Kiểm tra tết làm kín (nếu có);
(f) Thử kín tết làm kín (nếu có).
4.4.7 Kiểm tra nồi hơi
1 Nồi hơi được kiểm tra bên trong và kiểm tra bên ngoài .
2 Van hơi chính, kính thuỷ, van cấp nước, van xả đáy gắn trên nồi hơi và van an toàn phải được kiểm tra ở trạng thái mở. Các thiết bị gắn trên nồi hơi còn lại có thể được mở kiểm tra sau khi kiểm tra tình trạng bên ngoài. Lỗ người chui và các cửa có tay đóng mở phải được kiểm tra để đảm bảo rằng các mối hàn ở trong tình trạng tốt và khe hở giữa vành nắp lỗ và nồi hơi ở khoảng cách thỏa mãn.
3 Trong trường hợp sửa chữa, các phần chịu áp suất phải được thử thủy lực. Các kết cấu chống dịch chuyển dọc, lắc và giá đỡ nồi hơi phải được kiểm tra và ở trạng thái chắc chắn. Các tai hàn vào vỏ nồi cũng phải được kiểm tra. Các lớp cách nhiệt tại các vị trí trên có thể được tháo ra để kiểm tra.
4 Đối với nồi hơi đốt dầu sử dụng tuần hoàn cưỡng bức thì bơm sử dụng cho mục đích này phải được mở kiểm tra.
5 Việc hoạt động phù hợp của hiển thị mức nước nồi và van an toàn phải được xác nhận tại mỗi đợt kiểm tra và nồi hơi phải được kiểm tra ở trạng thái có hơi và van an toàn phải được điều chỉnh đến áp suất không lớn hơn 103% áp suất làm việc được duyệt. Hệ thống đốt dầu phải được kiểm tra trong điều kiện làm việc và phải kiểm tra tổng thể các van két nhiên liệu, đường ống và đường ống dầu chuyển giữa bơm và hệ thống đốt dầu.
4.4.8 Kiểm tra bình chịu áp lực
1 Quy định chung
(1) Các bình chứa trong hệ thống điều khiển thủy lực hoặc khí áp lực phải được kiểm tra trong quá trình bảo dưỡng và sửa chữa hệ thống;
(2) Các bình CO2 và các bình chứa khí dùng cho mục đích chữa cháy.
2 Phạm vi kiểm tra
(1) Kiểm tra bên ngoài;
(2) Kiểm tra bên trong các bình khí mà có tích của áp suất và thể tích thỏa mãn:
p x l ≥ 1000 (p tính bằng bar, l tính bằng lít)
(3) Thử thủy lực khi bình chịu áp lực không thể kiểm tra bên trong. Thử thủy lực phải được thực hiện tại áp suất thử bằng 1,5 lần áp suất làm việc lớn nhất cho phép. Nếu áp suất làm việc lớn nhất nhỏ hơn 2 bar thì áp suất thử nhiều hơn 1 bar so với áp suất làm việc cho phép lớn nhất. Bình chịu áp lực được sản xuất không theo tiêu chuẩn phải được thử ở các trị số áp suất nêu trên. Áp suất thử trong mọi trường hợp không được vượt quá áp suất thử lần đầu. Có lưu ý quy định 4.4.5-2.
(4) Xác nhận áp suất đặt của van an toàn, trừ khi chúng được thay mới.
4.4.9 Các yêu cầu bổ sung đối với tàu chở dầu, tàu chở hóa chất nguy hiểm và tàu chở khí hóa lỏng
1 Tàu chở dầu và tàu chở hóa chất nguy hiểm
(1) Kiểm tra bên trong các két hàng:
Đối với tàu chỉ chở hàng không có nguy cơ gây mòn rỉ thì kiểm tra 10 năm 1 lần. Đối với tàu chở dung dịch a-xít và kiềm thì kiểm tra tại mỗi lần kiểm tra định kỳ.
(2) Thử áp lực két hàng 10 năm 1 lần.
(3) Thử các đường ống nhận và trả hàng:
(a) Tại mỗi lần kiểm tra định kỳ: thử kín đến áp suất làm việc;
(b) 10 năm 1 lần phải thử đến áp suất bằng 1,25 lần áp suất làm việc lớn nhất cho phép, tối thiểu 10 bar.
(4) Thử áp lực các khoang cách ly 10 năm 1 lần với áp suất 0,1 bar.
(5) Đối với buồng bơm, kiểm tra bên ngoài:
(a) Ống nối với bơm hàng;
(b) Vách ngang, đặc biệt các chỗ rò rỉ, nứt, tết làm kín của các trục xuyên vách buồng bơm hàng;
(c) Thang tiếp cận;
(d) Hệ thống thông gió buồng bơm bao gồm các kênh thông gió, tấm chặn lửa.
(6) Đo điện trở cách điện của các thiết bị điện lắp đặt trong vùng nguy hiểm.
2 Tàu chở khí hóa lỏng
(1) Kiểm tra bên trong tất cả các két hàng:
Nếu chỉ chở các khí và hỗn hợp khí mà không gây mòn rỉ thì chỉ cần kiểm tra 10 năm 1 lần.
(2) Kiểm tra bên ngoài tất cả các két hàng:
Tất cả các két độc lập phải được kiểm tra bên ngoài. Đặc biệt lưu ý đến két hàng và lớp cách nhiệt tại vị trí tấm đệm, gối đỡ. Lớp cách nhiệt có thể được yêu cầu gỡ ra để xác nhận tình trạng của két hoặc ngay cả lớp cách nhiệt nếu cần thiết.
(3) Kiểm tra không phá hủy theo chương trình cụ thể phù hợp với thiết kế của két hàng:
(a) Đối với két độc lập, tối thiểu 10% chiều dài đường hàn ở các vị trí quan trọng phải được kiểm tra;
(b) Các kết cấu đỡ ngang, đỡ dọc, đỡ ngang giảm lắc ngang và kết cấu chống nổi két;
(c) Các giới hạn biên của vách lửng;
(d) Hầm đỉnh két và chỗ nối với vỏ két;
(e) Bệ bơm;
(f) Các ống nối;
(g) Các lớp cách nhiệt có thể được tháo ra nếu cần để kiểm tra không phá hủy.
(4) Xác nhận tình trạng kín của két hàng và hầm đỉnh két hàng:
(a) Đối với tàu nhỏ hơn 15 tuổi thì cuộc thử kín riêng lẻ có thể không yêu cầu đối với mỗi két, với điều kiện rằng nhật ký tàu chỉ ra rằng không có nghi ngờ gì về tình trạng kín của chúng;
(b) Nếu kết quả của cuộc thử và kiểm tra hoặc kiểm tra nhật ký tàu phát hiện có nghi ngờ về tính nguyên vẹn kết cấu hoặc tính kín của két hàng hoặc có sửa chữa lớn được thực hiện thì thử áp suất thủy lực phải được thực hiện bằng 1,5 lần áp suất cho phép làm việc lớn nhất hoặc áp suất cho phép lớn nhất của xả, lấy giá trị nào nhỏ hơn.
(5) Van xả áp suất của két hàng phải được mở để kiểm tra, điều chỉnh, niêm phong và thử.
(6) Van xả PV, nắp xả áp suất và đĩa mở của không gian giữa hai lớp chắn và không gian khoang hàng phải được kiểm tra theo thiết kế, mở, điều chỉnh và thử.
(7) Van xả áp suất trên ống công nghệ và ống hàng phải được mở để kiểm tra, điều chỉnh, niêm phong và thử.
(8) Hệ thống ống hàng
(a) Kiểm tra hệ thống hàng, ống ni tơ lỏng và ống công nghệ, bao gồm các van, thiết bị truyền động, thiết bị bù, bình chịu áp lực.. bao gồm cả việc gỡ các lớp cách nhiệt và mở kiểm tra;
(b) Tại mỗi đợt kiểm tra định kỳ xen kẽ hoặc khi kiểm tra mắt thường thấy có nghi ngờ về tính nguyên vẹn của hệ thống, thử áp suất bằng 1,25 lần áp suất đặt van xả lớn nhất cho phép phải được thực hiện. Nếu áp suất vận chuyển lớn nhất của hệ thống ống nhỏ hơn áp suất thiết kế của hệ thống ống, thử bằng áp suất khi bơm. Trong trường hợp này các ống co giãn được lựa chọn ngẫu nhiên có thể được tháo ra để kiểm tra bên trong và thử áp suất đến áp suất thiết kế.
(9) Kiểm tra bên ngoài các đoạn ống mềm và các đoạn nối ống sử dụng để cách ly hệ thống ống hàng, thông gió, khí trơ và ống hút khô.
4.4.10 Yêu cầu bổ sung đối với tàu chở hàng nguy hiểm ở dạng đóng gói hoặc dạng xô rời rắn
1 Kiểm tra bên ngoài và thử kín thời tiết các nắp hầm hàng.
2 Kiểm tra bên ngoài và thử hoạt động của các quạt thông gió.
3 Kiểm tra bên ngoài các nắp kín khí cho các nắp lỗ trong khu vực sinh hoạt và lầu lái ở phía trước khoang hàng.
4 Kiểm tra số lượng và tình trạng thiết bị theo các yêu cầu đặc biệt (bộ quần áo bảo hộ, thiết bị thở, thiết bị phát hiện khí độc, cháy nổ).
5 Kiểm tra các biển báo cấm hút thuốc và ngọn lửa hở.
6 Kiểm tra bên ngoài các ổ cắm trong khu vực được bảo vệ.
7 Kiểm tra bên ngoài thiết bị nối đất của cột đèn và các dây kim loại chạy phía trên các khoang hàng.
4.4.11 Yêu cầu bổ sung đối với tàu chế tạo bằng vật liệu khác
1 Tàu bê tông cốt thép, xi măng lưới thép
Khi kiểm tra thân tàu bê tông cốt thép, đăng kiểm viên phải chú ý đến các vết nứt, lỗ thủng, tróc lớp bê tông ra khỏi cốt, rò và thấm nước. Những chỗ hỏng đã sửa chữa phải ghi vào bản vẽ kết cấu.
2 Tàu gỗ
Khi kiểm tra thân tàu gỗ phải kiểm tra tất cả các kết cấu và ván gỗ. Phải đặc biệt chú ý kiểm tra các mộng, các kết cấu dọc và những chỗ dễ bị mục nát. Phải kiểm tra tỉ mỉ độ kín nước của các mối xảm và tình trạng của các bu lông liên kết. Khi kiểm tra thân tàu bằng gỗ, cần chú ý đến hiện tượng phân lớp, mài mòn, xoắn vỏ đỗ của ván vỏ, vết nứt ở kết cấu, ở các lớp của kết cấu, ở các lớp của sống tàu và ở các chỗ nối sống đáy với sống mũi, sống đuôi.
3 Tàu chất dẻo cốt sợi thủy tinh
Kiểm tra để phát hiện trên tấm vỏ, vách, khung, thượng tầng các vị trí bị mài mòn, bị xước, cũng như các vị trí bị rỉ nước.
4.4.12 Yêu cầu bổ sung đối với tàu và pông tông tự nâng
1 Kiểm tra các chân
(1) Tất cả các chân, kể cả các phần chân đứng, thanh giằng, thanh chéo, các tấm đệm, thanh răng, các mối nối, cùng với các thanh dẫn hướng phải được kiểm tra bên ngoài.
(2) Đối với các chân kiểu ống hoặc kiểu tương tự, các chân phải được kiểm tra bên ngoài và bên trong, cùng với các nẹp gia cường bên trong và các lỗ chốt, nếu có.
(3) Phạm vi của kiểm tra bên ngoài có thể hạn chế đối với các chân ở phạm vi vùng nước bắn tóe.
2 Đo chiều dày chân và đế chống lún
(1) Định kỳ lần 1
Đo chiều dày các vị trí nghi ngờ của chân tại vùng dao động sóng.
(2) Định kỳ lần 2
Đo chiều dày chân tại vùng dao động sóng.
(3) Định kỳ lần 3 trở đi
Đo chiều dày chân tại vùng dao động sóng và đo đại diện tôn của đế chống lún.
3 Hệ thống nâng hạ chân
(1) Hệ thống nâng hạ chân phải được kiểm tra bên ngoài;
(2) Các bánh răng và cơ cấu của các hệ thống bánh răng leo phải được kiểm tra bởi phương pháp phát hiện vết nứt hiệu quả.
(3) Tại đợt kiểm tra định kỳ lần 2 và các đợt kiểm tra định kỳ sau đó, hệ thống nâng hạ chân phải được kiểm tra hoạt động, với sự chứng kiến của đăng kiểm viên, bởi nhà chế tạo thiết bị ban đầu hoặc bên thứ ba được công nhận bởi chủ tàu và Đăng kiểm.
4.5 Kiểm tra trên đà
4.5.1 Quy định chung
1 Kiểm tra trên đà phải được thực hiện trên ụ khô, ụ nổi hoặc trên triền. Tuy nhiên, đợt kiểm tra trên đà không trùng với kiểm tra định kỳ của tàu không quá 18 tuổi có thể thực hiện ở dưới nước với điều kiện quy định tại 4.5.4.
2 Về nguyên tắc, khi kiểm tra định kỳ thân tàu phải đưa tàu lên đà để xem xét phần ngâm nước của tàu. Đối với tàu bê tông cốt thép, tàu xi măng lưới thép, nếu việc kiểm tra bên trong các không gian, khoang, két liền vỏ không phát hiện có khuyết tật thì không phải đưa tàu lên đà để kiểm tra.
3 Đối với công trình nổi tĩnh tại hoặc các phương tiện chỉ hoạt động ở vùng hồ nước ngọt mà không thể có điều kiện lên đà thì việc kiểm tra phần ngâm nước của phương tiện bằng cách làm nghiêng phương tiện để kiểm tra được phần đáy tàu.
4.5.2 Kiểm tra tổng thể
1 Kiểm tra tấm tôn vỏ bên ngoài tàu, sống mũi, sống đuôi.
2 Kiểm tra các lỗ khoét trên vỏ tàu (lỗ xả trên vỏ tàu, hộp van thông sông biển).
3 Giá chữ nhân và các phần nhô ra khác của đáy, mạn.
4.5.3 Kiểm tra chi tiết
1 Hệ bánh lái và bạc trục
(1) Phải kiểm tra bên ngoài của các chi tiết sau:
(a) Bánh lái;
(b) Giá đỡ bánh lái;
(c) Gót ky đỡ bánh lái;
(d) Trục lái;
(e) Chốt lái.
Trường hợp phát hiện hư hỏng, các chi tiết hệ bánh lái có thể được yêu cầu tháo rời để kiểm tra.
(2) Đối với bạc bánh lái bôi trơn bằng dầu hoặc mỡ, thì thiết bị làm kín phải được kiểm tra tính kín và bạc phải được kiểm tra độ hao mòn đến mức nhiều nhất mà thực tế có thể thực hiện được;
(3) Các khu vực có nguy cơ bị nứt phải được kiểm tra bằng các phương pháp nhận biết vết nứt hiệu quả;
(4) Đối với bánh lái kiểu gập các bản lề và liên kết phần gập với bánh lái chính phải được kiểm tra bên ngoài;
(5) Khe hở bạc trục lái phải được đo và lưu lại.
2 Chân vịt và trục chân vịt
(1) Kiểm tra bên ngoài cánh chân vịt, củ chân vịt, kiểm tra phần nhô ra của trục chân vịt phía lái và trong buồng máy;
(2) Bộ làm kín bên ngoài trục chân vịt và làm kín cánh chân vịt phải được thử kín (đối với chân vịt biến bước). Đo khe hở bạc trục chân vịt;
(3) Các thiết bị cố định.
(a) Kiểm tra bên ngoài đai ốc đầu trục chân vịt (đối với chân vịt không có mũ bảo vệ);
(b) Đối với chân vịt có mũ bảo vệ, phải kiểm tra bên ngoài việc cố định mũ chân vịt;
(c) Kiểm tra bên ngoài bu lông cánh chân vịt (đối với chân vịt biến bước).
4.5.4 Kiểm tra dưới nước
1 Kiểm tra dưới nước phải cung cấp được các thông tin như kiểm tra trên đà.
2 Việc kiểm tra dưới nước được thực hiện với điều kiện sau:
(1) Chủ tàu cam kết rằng từ lần lên đà trước tàu không bị mắc cạn và không có hư hỏng phần dưới đường nước, không có hư hỏng liên quan đến hệ bánh lái, trục, chân vịt và thiết bị đẩy điều động tàu;
(2) Chiều sâu nước đảm bảo khoảng cách từ đáy vùng nước kiểm tra đến đáy tàu lớn hơn 1 mét, tầm nhìn dưới nước tối thiểu 0,5 mét;
(3) Thân tàu phải được chuẩn bị, đánh dấu để thợ lặn có thể nhận biết được các vị trí dưới nước của thân tàu;
(4) Cơ sở cung cấp dịch vụ kiểm tra phần thân tàu dưới nước phải được cơ quan có thẩm quyền công nhận;
(5) Việc kiểm tra bằng thợ lặn phải được chứng kiến bởi đăng kiểm viên hiện trường;
(6) Báo cáo kết quả kiểm tra dưới nước phải được xác nhận bởi đăng kiểm viên.
4.5.5 Kiểm tra bổ sung đối với tàu và pông tông tự nâng
1 Các đế chân, đế chống lún, phần dưới nước của các chân cùng với các liên kết của chúng, tùy theo khả năng áp dụng được, phải được lựa chọn làm sạch và kiểm tra bên ngoài.
2 Kiểm tra bên trong các két dằn đại diện hoặc các khoang ngập nước tự do trong đế chống lún hoặc đế chân, nếu tiếp cận được.
4.6 Khối lượng kiểm tra trang thiết bị an toàn (thiết bị cứu sinh, thiết bị tín hiệu, thiết bị vô tuyến điện, thiết bị hàng hải, hàng giang, cứu đắm)
Khối lượng kiểm tra chu kỳ trang thiết bị an toàn (thiết bị cứu sinh, thiết bị tín hiệu, thiết bị vô tuyến điện, thiết bị hàng hải) thực hiện theo quy định tại Bảng 1B/4.2.
Bảng 1B/4.2 - Danh mục kiểm tra chu kỳ
| TT | Tên thiết bị | Kiểm tra tàu | ||||
| Hàng năm lần 1 | Hàng năm lần 2 | Hàng năm lần 3 | Hàng năm lần 4 | Định kỳ | ||
| (1) | (2) | (3) | (4) | (5) | (6) | (7) |
| 1 Thiết bị cứu sinh | ||||||
| 1.1 | Thiết bị hạ | T1 | T1 | T1 | T1 | T1 |
| 1.2 | Xuồng cấp cứu | KT1,2 | KT1,2 | KT1,2 | KT1,2 | KT1,2 |
| 1.3 | Dụng cụ nổi | K 1 | K 1 | K 1 | K 1 | K 1 |
| 1.4 | Phao bè cứu sinh bơm hơi, xuồng cấp cứu bơm hơi, cơ cấu nhả thuỷ tĩnh. | NH3 | NH3 | NH3 | NH3 | NH3 |
| 1.5 | Phao tròn và phao áo | N | N | N | N | N |
| 1.6 | Thiết bị phóng dây | N | N | N | N | N |
| 1.7 | Các biểu tượng | N | N | N | N | N |
| 2 Thiết bị tín hiệu | ||||||
| 2.1 | Đèn hiệu, âm hiệu, dấu hiệu, cờ hiệu | T | T | T | T | T |
| 2.2 | Tín hiệu dự trữ | - | - | - | - | N |
| 2.3 | Pháo hiệu | N | N | N | N | N |
| 3 Thiết bị hàng hải, hàng giang, cứu đắm | ||||||
| 3.1 | La bàn từ chuẩn, la bàn từ lái | T | T | T | T | H,T |
| 3.2 | La bàn từ dự trữ | T | N | T | N | T |
| 3.3 | Thiết bị định vị vệ tinh | T | T | T | T | T |
| 3.4 | Ra đa | T | T | T | T | T |
| 3.5 | Hệ thống nhận dạng tự động (AIS) | HT | HT | HT | HT | HT |
| 3.6 | Thiết bị đo sâu hồi âm | T | T | T | T | KT |
| 3.7 | Nối đất | N | N | N | N | N |
| 3.8 | Hệ thống di chuyển hoa tiêu | T | T | T | T | T |
| 3.9 | Các thiết bị hàng giang, hàng hải khác | T | T | T | T | T |
| 4 Thiết bị vô tuyến điện | ||||||
| 4.1 | Khu vực lắp đặt thiết bị vô tuyến điện | N | N | N | N | N |
| 4.2 | Khu vực để thiết bị vô tuyến điện dùng cho phương tiện cứu sinh | N | N | N | N | N |
| 4.3 | Thiết bị vô tuyến điện VHF DSC | T | T | T | T | KĐT |
| 4.4 | Thiết bị vô tuyến điện MF/HF | T | T | T | T | KĐT |
| 4.5 | Phao vô tuyến điện chỉ báo vị trí sự cố EPIRB | HT | HT | HT | HT | HT |
| 4.6 | Thiết bị VHF hai chiều cầm tay 4 | NT | NT | NT | NT | NT |
| 4.7 | Thiết bị phát báo tìm kiếm cứu nạn (SART hoặc AIS-SART) | HT | HT | HT | HT | HT |
|
| Máy thu NAVTEX | T | T | T | T | T |
| 4.8 | Nguồn điện | T | T | T | T | KĐT |
| 4.9 | Ăng ten | ĐT | ĐT | ĐT | ĐT | KĐT |
| 4.10 | Dây dẫn vào và nối trong của ăng ten | N | N | N | N | K |
| 4.11 | Nối đất | N | N | N | N | KĐ |
| 4.12 | Phụ tùng dự trữ, dụng cụ đo xách tay | N | N | N | N | NT |
| Ghi chú: 1 Các chữ cái được sử dụng có nghĩa: K: Kiểm tra kết hợp đo đạc, nếu cần thiết, thiết bị phải được mở hoặc tháo ra; N: Kiểm tra bên ngoài; Đ: Đo độ mài mòn, khe hở, điện trở cách điện; T: Thử hoạt động của động cơ và thiết bị, bao gồm cả kiểm tra bên ngoài; H: Kiểm tra hồ sơ hoặc nhãn mác do người được Đăng kiểm thừa nhận xác nhận khi tiến hành kiểm tra chu kỳ bắt buộc. 2 Các số có nghĩa 1 Khi xác định trạng thái kỹ thuật của thiết bị cứu sinh liên quan đến độ bền hoặc độ kín, thì việc thử tải của thiết bị hạ, thiết bị nhả móc của xuồng, xuồng cứu sinh và xuồng cấp cứu hoặc kiểm tra độ kín của xuồng và hộp khí của chúng hoặc khoang của bè cứu sinh cứng và dụng cụ nổi có thể do đăng kiểm viên đưa ra trên cơ sở Hướng dẫn hiện hành của Đăng kiểm. Việc thử và kiểm tra như vậy là bắt buộc trong kiểm tra định kỳ tàu đối với xuồng cứu sinh, xuồng cấp cứu có kết cấu cứng và kết cấu kết hợp cứng với bơm hơi, bè cứu sinh cứng và dụng cụ nổi có tuổi thọ 10 năm trở nên; đối với xuồng cấp cứu bơm hơi có tuổi thọ 5 năm trở nên; còn với thiết bị hạ và cơ cấu nhả móc thì không ít hơn 5 năm một lần. Đăng kiểm viên sẽ quy định việc đo chiều dày kết cấu kim loại của thiết bị cứu sinh trên cơ sở Hướng dẫn hiện hành của Đăng kiểm. 2 Kiểm tra hoạt động của các xuồng cứu sinh và xuồng cấp cứu có động cơ (trong lúc kiểm tra định kỳ), cơ cấu đẩy, thiết bị nâng hạ, bố trí hút khô cũng như hệ thống phun nước và nén khí của xuồng cứu sinh dùng cho tàu chở dầu. 3 Kiểm tra hồ sơ để xác nhận thực hiện kiểm tra và thử chu kỳ tại trạm bảo dưỡng phương tiện cứu sinh cũng như tại cơ sở chuyên phục vụ việc kiểm tra, thử và sửa chữa dụng cụ cứu sinh cá nhân. 4 Thiết bị VHF hai chiều cầm tay phải được cấp nguồn bằng pin chính không dùng cho mục đích cấp cứu. | ||||||
CHƯƠNG 5 DUNG TÍCH TÀU
5.1 Quy định chung
Tổng dung tích (GT) của các tàu nêu tại 1.1 Mục I của Quy chuẩn này được đo và xác định theo các quy định tại chương này. Trị số cuối cùng của tổng dung tích được lấy tròn đến hàng đơn vị.
5.2 Xác định dung tích cho tàu có chiều dài từ 24 m trở lên
Tổng dung tích tàu (GT) được xác định theo công thức:
GT = K1V
Trong đó:
K1 = 0,2 + 0,02log10(V) (hoặc K1 được lấy theo Phụ lục III, phụ thuộc vào V);
V - tổng thể tích các không gian kín của tàu, m3.
Các xác định tổng thể tích V được lấy theo quy định của QCVN 63:2013/BGTVT
5.3 Xác định dung tích cho tàu có chiều dài nhỏ hơn 24 m
Tổng dung tích của tàu được xác định như sau:
GT = (V1 + V2)K1
Trong đó:
V1: Thể tích của tàu đến boong trên (m3);
V1 = L.B.D.C;
L: Chiều dài tàu (m);
B: Chiều rộng tàu (m);
D: Chiều cao mạn (m);
C: Hệ số không đổi lấy bằng 0,68;
V2: Thể tích các không gian kín trên boong (m3);
PHẦN 2A THÂN TÀU
CHƯƠNG 1 QUY ĐỊNH CHUNG
1.1 Quy định chung
1.1.1 Phạm vi áp dụng
Phần này quy định độ bền và kích thước kết cấu thân tàu của các tàu sau đây: tàu một thân, tàu đa thân, tàu cánh ngầm, tàu đệm khí; tàu bằng thép hàn, tàu có lượng chiếm nước làm bằng hợp kim nhẹ, tàu bê tông cốt thép.
1.1.2 Tàu bằng chất dẻo cốt sợi thủy tinh
Đối với tàu không phải tàu cao tốc, độ bền và kích thước kết cấu thân tàu làm bằng chất dẻo cốt sợi thủy tinh phải thỏa mãn các yêu cầu của QCVN 56: 2013/BGTVT.
1.1.3 Tàu xi măng lưới thép
Độ bền và kích thước kết cấu thân tàu xi măng lưới thép phải thỏa mãn các yêu cầu của QCVN 51: 2012/BGTVT.
1.1.4 Tàu vỏ gỗ
1 Đối với tàu cấp VR-SI, VR-SII, VR-SIII có chiều dài tàu dưới 20 m hoặc công suất máy chính dưới 50 sức ngựa, độ bền và kích thước kết cấu thân tàu phải thỏa mãn các yêu cầu của QCVN 25: 2010/BGTVT.
2 Đối với tàu cấp VR-SB không phụ thuộc vào chiều dài tàu và công suất máy chính; tàu cấp VR-SI, VR-SII, VR-SIII có chiều dài tàu từ 20 m trở lên hoặc công suất máy chính từ 50 sức ngựa trở lên, độ bền và kích thước kết cấu thân tàu phải thỏa mãn các yêu cầu của QCVN 84: 2014/BGTVT.
1.1.5 Đối với tàu cao tốc
1 Độ bền và kích thước kết cấu thân tàu của các tàu hoạt động vùng SI, SII, SIII trừ khi đã được quy định rõ, phải thỏa mãn các yêu cầu của QCVN 54: 2013/BGTVT đối với tàu hạn chế IV.
2 Độ bền và kích thước kết cấu thân tàu của các tàu hoạt động vùng SB trừ khi đã được quy định rõ, phải thỏa mãn các yêu cầu của QCVN 54: 2013/BGTVT đối với tàu hạn chế III.
1.1.6 Các yêu cầu chung
1 Phần này được áp dụng cho các tàu thuộc các cấp, hoạt động ở những vùng nước tương ứng có chiều cao sóng tính toán cho trong Bảng 2A/1.1 của Quy chuẩn này.
Bảng 2A/1.1 - Chiều cao sóng tính toán tương ứng theo vùng hoạt động của tàu
| Vùng hoạt động của tàu | Chiều cao sóng đáng kể Hs (m) | Chiều cao sóng tính toán quy đổi h (m) |
| SB | 1,85 | 2,5 |
| SI | 1,30 | 2,0 |
| SII | 0,80 | 1,2 |
| SIII | 0,40 | 0,6 |
2 Các yêu cầu ở phần này áp dụng cho các kiểu tàu khác nhau như được nêu tại Bảng 2A/1.2 của Quy chuẩn này.
3 Các yêu cầu ở -5 đến -9 Chương này và các yêu cầu của Chương 2, Chương 3 được áp dụng cho các tàu có thân làm bằng thép có tỷ số kích thước chính không lớn hơn các tỷ số giới hạn cho trong Bảng 2A/1.3 của Quy chuẩn này.
4 Đối với tàu có thân làm bằng thép, các tàu có các tỷ số kích thước chính lớn hơn tỷ số giới hạn cho trong Bảng 2A/1.3 thì kết cấu và quy cách các phần tử kết cấu phải được tính kiểm tra bổ sung bằng tính toán độ bền trực tiếp đối với các yếu tố kết cấu liên quan đến tỉ số kích thước lớn hơn tỉ số giới hạn.
Bảng 2A/1.2 - Kiểu tàu áp dụng các yêu cầu ở phần này
| TT | Số mục/đề mục của phần 2A | Kiểu tàu |
| 1 | 1.1.6-3 đến 1.1.6-9, Chương 1; Chương 2; Chương 3; Chương 9. | Tàu có lượng chiếm nước có chiều dài đến 140 m, bao gồm: 1. Tàu tự hành chở hàng khô trong khoang, một boong, có buồng máy bố trí ở phía đuôi; 2. Tàu tự hành chở hàng lỏng, có buồng máy bố trí ở phía đuôi; 3. Tàu không động cơ chở hàng khô trong khoang, một boong; 4. Tàu không động cơ chở hàng lỏng; 5. Tàu tự hành chở hàng trên boong, có buồng máy bố trí ở phía đuôi và tàu không động cơ chở hàng trên boong; 6. Tàu khách; 7. Tàu kéo/đẩy; 8. Tàu công trình; 9. Tàu chuyên dụng đặc biệt. |
| 2 | Chương 4; Chương 9 | Tàu có lượng chiếm nước làm từ hợp kim nhẹ. |
| 3 | Chương 5; Chương 9 | Tàu đa thân. |
| 4 | Chương 6 | Tàu cánh ngầm. |
| 5 | Chương 7 | Tàu đệm khí. |
| 6 | Chương 8; Chương 9 | Tàu có thân làm từ bê tông cốt thép. |
Bảng 2A/1.3 - Trị số tối đa của các tỷ số kích thước chính của tàu vỏ thép
|
| Vùng hoạt động của tàu | |||||
| SB | SI | SII và SIII | ||||
| L/D | B/D | L/D | B/D | L/D | B/D | |
| 1. Tàu tự hành và không tự hành chở hàng khô trong khoang | 25 | 4,0 | 27 | 5,0 | 28 | 5,0 |
| 2. Tàu tự hành chở hàng lỏng | 25 | 4,0 | 27 | 5,0 | 35 | 6,0 |
| 3. Tàu tự hành và không tự hành chở hàng trên boong; tàu không tự hành chở hàng lỏng | 25 | 5,0 | 35 | 6,0 | 40 | 7,0 |
| 4. Tàu khách có lượng chiếm nước | 25 | 4,0 | 27 | 5,0 | 28 | 5,0 |
| 5. Tàu kéo/đẩy | 18 | 3,5 | 18 | 3,5 | 20 | 4,0 |
| 6. Tàu công trình | 20 | 4,0 | 20 | 4,0 | 22 | 5,0 |
| 7. Tàu chuyên dụng đặc biệt và tàu có chiều dài đến 20 m | 18 | 3,5 | 18 | 3,5 | 18 | 4,0 |
5 Kết cấu và quy cách các phần tử kết cấu thân tàu thép phải thỏa mãn các yêu cầu nêu ở 2.3, 2.4. Ngoài ra, kết cấu và kích thước kết cấu thân tàu có chiều dài lớn hơn 65 mét còn phải được kiểm tra bằng tính toán theo các yêu cầu nêu ở 2.2 Phần này. Đối với các loại tàu khác phải thỏa mãn các yêu cầu của Chương 3 và Chương 9 Phần này. Đối với kết cấu chịu tải trọng cục bộ lớn hơn tải trọng tính toán theo yêu cầu ở 2.3, 2.4 và Chương 3 đến Chương 8 thì kết cấu đó phải được gia cường với tải trọng yêu cầu tại 2.2.2-13. Đối với trường hợp bố trí, quy cách kết cấu khác với yêu cầu nêu trong Quy chuẩn này thì phải xác định kích thước các phần tử kết cấu thân tàu bằng phương pháp tính toán độ bền trực tiếp, kể cả độ bền ổn định của kết cấu thân tàu.
6 Với tàu có chiều dài lớn hơn 65 m mang cấp VR-SB, tàu phải có các tài liệu sau được Đăng kiểm thẩm định:
(1) Hướng dẫn xếp hàng trình bày đầy đủ các số liệu sau đây:
(a) Các trạng thái tải trọng làm cơ sở thiết kế tàu, bao gồm cả giới hạn cho phép của mô men uốn dọc và lực cắt theo ứng suất cho phép quy định tại mục 1,2,7 của Bảng 2A/2.8.
(b) Kết quả tính toán của mô men uốn và lực cắt tương ứng với các trạng thái tải trọng.
(c) Giới hạn cho phép của tải trọng cục bộ được áp dụng đối với nắp miệng hầm hàng, boong, kết cấu đáy đôi...
(d) Hướng dẫn xếp hàng có thể được tích hợp chung với Thông báo ổn định của tàu.
(2) Sổ tay chằng buộc hàng hóa được biên soạn theo hướng dẫn của Tổ chức Hàng hải quốc tế (IMO) tại Thông tư số MSC/Circ.745 đối với tàu chở phương tiện cơ giới đường bộ, tàu chở công te nơ. Tải trọng tác để tính thiết bị chằng buộc có thể xác định theo 1.2.2 Phần 12 của Quy chuẩn này.
(3) Sổ tay chở hàng hạt (áp dụng cho tàu chở xô hàng hạt) được biên soạn theo quy định của Tổ chức hàng hải quốc tế (IMO) tại Nghị quyết MSC.23(59) đối với tàu chở hàng hạt.
7 Nếu sử dụng hệ thống phần mềm tính toán kết cấu được lập trình dựa trên việc sử dụng phương pháp phần tử hữu hạn, để thực hiện việc tính toán trực tiếp theo -5 cần phải trình Đăng kiểm các tài liệu sau:
(1) Tên gọi sản phẩm chương trình được sử dụng với số nhận dạng của phiên bản;
(2) Các kết quả tính toán xuất ra từ chương trình được sử dụng;
(3) Loại phần tử được sử dụng và tính chất của chúng, tính chất của vật liệu và điều kiện biên áp dụng cho giới hạn mô hình thân tàu hoặc các phần tử kết cấu của nó;
(4) Phương pháp tính tải trọng xác định uốn chung thân tàu và biến dạng cục bộ các phần tử kết cấu thân tàu;
(5) Trị số và hướng tác động của lực (rải đều, tập trung, quán tính);
(6) Kết quả tính toán ứng suất và kết quả kiểm tra độ ổn định các phần tử kết cấu thân tàu;
(7) Kết quả xác định của giới hạn mô hình thân tàu hoặc phần tử kết cấu của nó, với mức ứng suất sinh ra được tạo nên từ hơn 97% ứng suất nguy hiểm được nêu tại 2.2.6.
8 Từ kết quả xem xét các tài liệu nêu ở -7, Đăng kiểm có thể yêu cầu thực hiện các tính toán bổ sung với các thông số thay đổi nêu ở -7(3) hoặc với kích thước mạng phần tử hữu hạn thay đổi ở vùng giới hạn mô hình thân tàu được nêu ở -7(7).
9 Khi sử dụng các số liệu được nêu trong các Bảng thuộc phần này của Quy chuẩn, các trị số trung gian của các thông số phải xác định theo phương pháp nội suy bậc nhất.
CHƯƠNG 2 YÊU CẦU ĐỐI VỚI KẾT CẤU THÂN TÀU THÉP
2.1 Quy định chung
2.1.1 Phạm vi áp dụng
1 Chương này quy định độ bền và kích thước kết cấu của thân tàu bằng thép hàn thuộc phạm vi điều chỉnh được quy định tại 1.1 Chương 1 Mục I của Quy chuẩn này.
2 Chương này được áp dụng cho các tàu thuộc các cấp, hoạt động ở những vùng nước có chiều cao sóng tính toán nêu tại Bảng 2A/1.1 Chương 1 Phần này.
3 Các tỷ số kích thước chính L/D và B/D của thân tàu thép được quy định tại Bảng 2A/1.3 Chương 1 Phần này.
2.1.2 Vật liệu
1 Thép làm kết cấu thân tàu, quy định trong Chương này là thép có giới hạn chảy từ 235 MPa đến 395 MPa.
2 Trị số mô đun chống uốn tiết diện của các phần tử kết cấu thân tàu, tính theo công thức nêu ở 2.4 Chương này là ứng với giới hạn chảy ReH = 235 Mpa. Với những kết cấu làm bằng thép có giới hạn chảy ReH > 235 MPa thì mô đun chống uốn có thể được giảm tỷ lệ với hệ số k = 235/ReH.
3 Vật liệu chế tạo các chi tiết kết cấu thân tàu áp dụng theo Phần 6A của Quy chuẩn.
2.2 Tính sức bền và ổn định kết cấu thân tàu
2.2.1 Các tải trọng tính toán trong uốn chung của thân tàu
1 Mô men uốn Msw và lực cắt Nsw trên nước tĩnh phải tính bằng cách tích phân đường cong tải trọng với ít nhất 21 tọa độ cách đều nhau của các phương án tải trọng tính toán, phụ thuộc vào từng loại tàu. Với các tàu có kiểu và công dụng đặc biệt, cần xem xét các phương án tải trọng bất lợi nhất có thể xảy ra.
2 Các phương án tải trọng tính toán được lấy theo các trạng thái tải trọng tiêu chuẩn quy định trong Phần 7 của Quy chuẩn.
3 Các phương án tải trọng tính toán có thể được tăng lên hoặc giảm xuống tùy thuộc vào đặc điểm kết cấu và điều kiện khai thác của tàu và phải được Đăng kiểm chấp thuận.
Đối với tàu có chuyên dụng đặc biệt, cơ quan thiết kế phải xuất phát từ đặc điểm kết cấu và công dụng của tàu để quy định các phương án tải trọng tính toán và phải được Đăng kiểm chấp thuận.
4 Mô men uốn bổ sung trên sóng ở đoạn giữa tàu, kN.m, được tính theo công thức:
Maw = ± (kpMw + Msl)
Trong đó:
Mw - mô men uốn tạo nên bởi tác động trực tiếp của sóng (mô men uốn trên sóng), kN.m;
kp - hệ số ảnh hưởng của dao động sóng;
Msl - mô men uốn tạo nên do va đập của sóng vào vùng đuôi tàu (mô men uốn va đập), kN.m.
(1) Mô men uốn trên sóng Mw, kN.m, được xác định theo công thức sau:
![]()
Trong đó:
h - chiều cao sóng tính toán quy đổi xác định theo Bảng 2A/1.1, m;
ε - hệ số xác định theo Bảng 2A/2.1;
Các hệ số
, kT, kB được xác định theo các công thức sau:

CB - hệ số béo thể tích chiếm nước;
η - hệ số lấy theo Bảng 2A/2.1;
exp - hàm số mũ của cơ số e.
Các hệ số nêu trên cũng có thể xác định theo Bảng 2A/2.2 đến Bảng 2A/2.4, trong đó trị số a và b được tính theo công thức sau:

Các trị số L, B, d và CB cần xác định theo chiều chìm của tàu tương ứng với trường hợp tính toán tải trọng theo mô men uốn trên nước tĩnh Msw.
Bảng 2A/2.1 - Giá trị của các thông số để xác định các thành phần của mô men uốn bổ sung trên sóng
| Vùng | ε | η | ωmid, s-1 | v1, m/s |
| SB | 0,920 | 1,000 | 1,11 | 5,42 |
| SI | 0,805 | 0,874 | 1,46 | 4,14 |
| SII | 0,848 | 0,874 | 1,88 | 3,21 |
| SIII | 0,874 | 0,874 | 2,68 | 2,26 |
Bảng 2A/2.2 - Giá trị của hệ số
phụ thuộc vào hệ số béo thể tích chiếm nước
| CB | 0,55 | 0,60 | 0,65 | 0,70 | 0,75 | 0,80 | 0,85 | 0,90 | 0,95 | 1,00 |
|
| 0,487 | 0,527 | 0,571 | 0,619 | 0,670 | 0,726 | 0,787 | 0,852 | 0,923 | 1,000 |
Bảng 2A/2.3 - Giá trị của hệ số kT phụ thuộc vào vùng hoạt động và thông số a
| Vùng | a (m) | |||||||||
| 0,0 | 0,5 | 1,0 | 1,5 | 2,0 | 2,5 | 3,0 | 3,5 | 4,0 | 4,5 | |
| SB | 1,000 | 0,939 | 0,881 | 0,827 | 0,776 | 0,729 | 0,684 | 0,642 | 0,603 | 0,566 |
| SI | 1,000 | 0,897 | 0,805 | 0,722 | 0,647 | 0,581 | 0,521 | 0,467 | 0,419 | 0,376 |
| SII | 1,000 | 0,834 | 0,696 | 0,581 | 0,485 | 0,404 | 0,337 | 0,281 | 0,235 | 0,196 |
| SIII | 1,000 | 0,696 | 0,485 | 0,337 | 0,235 | 0,163 | 0,114 | 0,079 | 0,055 | 0,038 |
Bảng 2A/2.4 - Giá trị hệ số kB phụ thuộc vào vùng hoạt động và thông số b
| Vùng | b (m) | |||||||||
| 3,0 | 6,0 | 9,0 | 12,0 | 15,0 | 18,0 | 21,0 | 24,0 | 27,0 | 30,0 | |
| SB | 0,911 | 0,832 | 0,762 | 0,700 | 0,646 | 0,597 | 0,553 | 0,514 | 0,479 | 0,448 |
| SI | 0,853 | 0,735 | 0,638 | 0,559 | 0,493 | 0,439 | 0,393 | 0,355 | 0,323 | 0,295 |
| SII | 0,771 | 0,610 | 0,493 | 0,408 | 0,344 | 0,295 | 0,257 | 0,227 | 0,203 | 0,183 |
| SIII | 0,610 | 0,408 | 0,295 | 0,227 | 0,183 | 0,153 | 0,131 | 0,115 | 0,102 | 0,092 |
Hệ số kp được tính theo công thức sau:

Trong đó:

kμ = 0,0612(1 - 0,047σ - 0,0077σ2)
(Hệ số kμ không được lấy nhỏ hơn 0)
Giá trị ωmid được xác định theo Bảng 2A/2.1
vsw - vận tốc của tàu trên nước tĩnh đối với phương án tải trọng tính toán, km/h;
Hệ số kv được tính theo công thức sau:
kv = 1 − 19,9h/L + 143(h/L)2
ks = 123.104 - đối với tàu hàng;
ks = 117.104 - đối với tàu khách;
ks = 104.104 - đối với tàu kéo và tàu đẩy;
I - mô men quán tính tiết diện ngang thân tàu ở lần gần đúng thứ nhất, m4;
∆ - lượng chiếm nước trọng lượng của tàu ứng với phương án tính toán tải trọng, kN.
ψ - hệ số xác định theo các công thức sau:
![]()
![]()
(2) Mô men uốn va đập được xác định theo công thức sau, kN.m:
Msl = kslφ1∆L
Trong đó:

df - chiều chìm mũi ứng với phương án tải trọng tính toán, m;
- chiều chìm giới hạn mũi, m, tính theo công thức sau:
![]()
φo - hệ số, xác định theo công thức:

Trị số vo được tính theo công thức sau:
![]()
Trị số v1 được lấy theo Bảng 2A/2.1.
Giá trị của mô men uốn bổ sung trên sóng được lấy không đổi trên suốt đoạn 0,5L ở vùng giữa tàu và được giảm dần tuyến tính về 0 tại phần mút tàu (xem Hình 2A/2.1). Với các tàu hoạt động ở vùng SB và SI, có thể cho phép sai số với biểu đồ Maw (xem Hình 2A/2.1), trong đó giới hạn đoạn không đổi của biểu đồ cần cách sườn giữa tàu về phía mũi và đuôi một đoạn không nhỏ hơn 0,15L.

Hình 2A/2.1 - Biểu đồ mô men uốn và lực cắt bổ sung trên sóng
5 Trị số lớn nhất của lực cắt bổ sung trên sóng Naw được xác định theo công thức sau, kN:
Naw = 4Maw/L
Biểu đồ lực cắt bổ sung trên sóng cần được lấy theo Hình 2A/2.1.
6 Giá trị tính toán của mô men uốn tại mỗi mặt cắt đang xét trong trường hợp tàu uốn vồng lên và uốn võng xuống cần được tính bằng tổng đại số của mô men uốn trên nước tĩnh và mô men uốn bổ sung trên sóng tại mặt cắt đó, kN.m:
Mc = Msw + Maw
7 Giá trị tính toán của lực cắt với trường hợp uốn vồng lên và uốn võng xuống tại mặt cắt tính toán thân tàu cần được tính bằng tổng giá trị tuyệt đối của lực cắt trên nước tĩnh và lực cắt bổ sung trên sóng tại mặt cắt đó, kN:
Nc = |Nsw| + |Naw|
8 Mô men uốn tính toán lớn nhất và lực cắt cần được xác định theo chỉ dẫn ở 2.2.1-6 và 2.2.1-7 với các phương án tính toán tải trọng theo 2.2.1-2.
9 Với trường hợp tính toán theo 2.2.1-2, nếu không cho phép việc xếp dỡ hàng hóa trong điều kiện sóng, thì giá trị Maw và Naw trong các công thức ở 2.2.1-6 và 2.2.1-7 không được lấy nhỏ hơn 0,7 giá trị tương ứng được xác định theo 2.2.1-4 và 2.2.1-5 đối với tàu hoạt động ở vùng SII và SIII. Nếu cho phép thực hiện việc xếp dỡ hàng hóa trong vùng nước không được bảo vệ, thì Maw và Naw được xác định ở 2.2.1-4(1) và 2.2.1-5 đối với tàu hoạt động ở vùng có vùng nước không được bảo vệ này.
Giá trị Msw và Nsw trong quá trình xếp và dỡ hàng cần được tính với việc phân bố hàng theo chiều dài tàu theo 2.2.1-1.
2.2.2 Tải trọng tính toán sức bền cục bộ
1 Phải tính các phương án tải trọng sau đây:
(1) Tàu đủ hàng;
(2) Tàu không hàng hoặc chạy dằn;
2 Phải kiểm tra sức bền cục bộ của kết cấu với tải trọng gây ra ứng suất lớn nhất. Phải kiểm tra sức bền của các kết cấu dọc thân tàu theo ứng suất tổng do uốn dọc chung thân tàu và do tải trọng cục bộ gây ra.
3 Tải trọng tính toán cục bộ p, kPa, là áp suất mà giá trị được lấy bằng trị số lớn nhất trong các trị số xác định từ 2.2.2-4 đến 2.2.2-14, trong đó:
Dm - chiều cao mạn tàu tại tiết diện đang được xét, m;
dh - chiều chìm của tàu đủ tải tại tiết diện đang được xét, m;
dk - chiều chìm của tàu không tải tại tiết diện đang được xét, m;
dd - chiều chìm của tàu chạy dằn tại tiết diện đang được xét, m;
hk - chiều cao của két nước dằn, tính từ đáy két đến miệng ống thông khí, m;
ht - chiều cao của thành quây miệng dãn nở của tàu hàng lỏng, tính từ đường cơ bản của tàu, m;
hcn - chiều cao cột nước, m, được lấy tương ứng với áp suất tính toán của van thở;
r - nửa chiều cao sóng tính toán, được lấy theo Bảng 2A/1.1, m;
pcr - áp lực hàng, chưa tính đến sự phân bố không đều của hàng, kPa;
Hhd - chiều cao khoang hàng tại tiết diện đang xét, tính từ mặt phẳng cơ bản, m;
pu - áp lực hàng, có tính đến sự phân bố không đều của chúng theo 2.2.2-4, kPa;
γcr - trọng lượng riêng của hàng rời hoặc hàng lỏng, kN/m3;
hd - chiều cao đáy đôi, m.
4 Áp lực hàng pu có tính đến sự phân bố không đều của hàng được tính theo công thức sau, kPa:
(1) Đối với hàng khô:
pu = kupcr
trong đó ku - hệ số độ không đều của áp lực hàng, được lấy bằng 1,25 trong tính toán kết cấu khỏe và bằng 1,5 trong tính toán kết cấu thường và tấm (ngoại trừ các tàu chở hàng rời xếp hàng theo đống dàn đều hoặc đống có ngọn).
(2) Đối với tàu hàng lỏng:
pu = pcr ± ∆pu
trong đó ∆pu - lượng điều chỉnh áp suất hàng hóa cho phép có tính đến sự không đồng đều của hàng được quy định trong bản hướng dẫn xếp và dỡ hàng;
(3) Khi tính kết cấu thường và tấm của tàu hàng khô chở xô hàng rời xếp đống có ngọn:

Trong đó:
| Hhl | - | chiều cao của ngọn đống hàng, m, được xác định theo khối lượng hàng trong đống tăng thêm 10% để tính độ không đồng đều của việc xếp hàng (chiều cao này được lấy tăng thêm 15% đối với tàu chở xô hàng nặng xếp cục bộ); |
| θ | - | góc đổ tự nhiên của hàng rời, rad; |
| h | - | chiều cao điều chỉnh của đống hàng, m, được xác định theo công thức: |
![]()
trong đó, Lhl, Bhl - chiều dài và chiều rộng tương ứng của phần tấm tôn nằm dưới một đống hàng, m.
Nếu kết quả tính toán cho h < 0 thì lấy h = 0.
(4) Khi tính kết cấu thường và tấm của tàu hàng khô chở xô hàng rời xếp đống dàn đều:

Trong đó:
| hst | - | chiều cao phần hình chữ nhật của mặt cắt ngang của đống hàng, m; |
| Hst | - | chiều cao toàn bộ của đống hàng, được xác định theo khối lượng hàng trên đơn vị chiều dài đống tăng thêm 10% để tính độ không đồng đều của việc xếp hàng (chiều cao này được lấy tăng thêm 15% đối với tàu chở xô hàng nặng xếp cục bộ). |
(5) Khi tính kết cấu khỏe của tàu hàng khô chở xô hàng rời xếp đống có ngọn, áp lực hàng được coi là phân bố không đồng đều theo diện tích tấm.
Áp lực hàng không đổi và bằng áp lực pu, được xác định ở 2.2.2-4(3) ở phần bên trong hình tròn có tâm là tâm của đống hàng với bán kính như sau:
r1 = (0,12 + 0,39θ)R1
Trong đó:
R1 - bán kính phần hình nón (côn) của đống, được xác định theo công thức, m:
R1 = (Hhl - h)ctgθ
Bên trong vòng r1 ≤ rM ≤ R1, áp lực thay đổi dọc theo bán kính theo quy luật tuyến tính

Trong đó:
rM - khoảng cách từ điểm M, tại đó áp lực pM được tính đến tâm của đống hàng, m;
pc - thông số có giá trị bằng:
pc = γcrh
Áp lực hàng tại các điểm M có bán kính rM > R1 được lấy như sau:
pM = pc
(6) Khi tính toán kết cấu khỏe của tàu hàng khô chở xô hàng rời xếp đống dàn đều, áp lực hàng cần được coi là phân bố đều theo chiều dài đống hàng và phân bố không đều theo chiều ngang đống hàng. Ở phần giữa tấm dưới đống hàng, áp lực cần được coi là không đổi và bằng áp lực pu xác định ở 2.2.2-4(4).
Phần giữa được hiểu là khu vực, trong đó:
yM ≤ (0,037 + 0,165θ)Bst
Bst -chiều rộng đống, m;
yM - khoảng cách từ trục dọc của đống hàng đến điểm được xác định áp lực lên tấm dưới đống hàng, m.
Hướng về phía mép của đống, áp lực hàng cần được coi là phân bố theo hướng ngang và theo quy luật tuyến tính.

(7) Khi tính toán kết cấu khỏe của tàu hàng khô chở xô hàng rời xếp đống có ngọn, áp lực hàng cho phép được coi là phân bố đều theo diện tích tấm nếu chiều rộng đống hàng không nhỏ hơn chiều rộng phễu rót hàng. Trong trường hợp này cần sử dụng công thức nêu ở 2.2.2-4(1), trong đó hệ số không đồng đều ku được xác định như sau:

Trong đó: Kz - hệ số được tính theo công thức sau:

nbm - số dầm theo hướng chính (dầm ngang) đi qua 1 đống hàng;
ncross - số mối liên kết giao nhau (dầm dọc) trong dàn;
Ibm, Icross - mô men quán tính tiết diện mặt cắt ngang đối với trục trung hoà tương ứng với dầm hướng chính ngang và mối liên kết (dầm dọc);
h - chiều cao quy đổi, được tính theo 2.2.2-4(3).
Hệ số không đồng đều phải được lấy không nhỏ hơn 1,25.
(8) Khi tính toán kết cấu khỏe của tàu hàng khô chở xô hàng rời xếp đống dàn đều, áp lực hàng được phép coi là phân bố đều theo diện tích tấm nếu chiều rộng đống không nhỏ hơn chiều rộng phễu rót hàng. Trong trường hợp này, cần sử dụng công thức nêu ở 2.2.2-4(1) trong đó hệ số không đồng đều ku được xác định như sau:

trong đó: hst - chiều cao phần hình chữ nhật mặt cắt ngang của đống.
Hệ số không đồng đều ku phải được lấy không nhỏ hơn 1,25.
5 Tải trọng tính toán ở vùng mũi của tàu được coi là phân bố đều (theo hình chữ nhật) đối với đáy và theo hình tam giác hoặc hình thang theo chiều cao mạn. Đối với đáy được lấy bằng, kPa:
(1) Với vùng mũi có dạng nêm
p = 9,81(dh + 2r)
(2) Với vùng mũi có dạng thìa
p = 9,81(dh + 2,5r)
(3) Với vùng mũi có dạng giày trượt băng
p = 9,81(dh + 3r)
6 Tải trọng tính toán ở vùng đuôi của tàu được coi là phân bố đều theo chỉ dẫn ở 2.2.2-5 và đối với đáy được lấy bằng, kPa:
p = 9,81(dh + r)
7 Áp lực lên đáy ở khu vực két dằn được lấy bằng, kPa:
p = 9,81(hk - dd + r)
nhưng không lớn hơn
p = 9,81hk
8 Tải trọng tính toán lên đáy ngoài và đáy trong, trừ vùng mũi và đuôi tàu, được xác định theo công thức, kPa:
(1) Đối với cơ cấu thường và tấm đáy của tất cả các khoang không chịu áp lực của hàng hoặc dằn:
(a) Tàu có hàng: p = 9,81(dh + r)
(b) Tàu không: p = 9,81(dk + r)
(c) Tàu có dằn: p = 9,81(dd + r)
(2) Đối với cơ cấu khỏe:
(a) Vùng khoang hàng của tàu chở hàng khô khi có hàng:
p = pu - 9,81(dh - r)
(b) Các khoang không chịu áp lực của hàng (tàu chở hàng trên boong, buồng máy, buồng ở của tàu khách và tàu kéo/ đẩy,…):
p = 9,81(dh + r)
(c) Đối với trạng thái tàu không, có dằn trong đáy đôi:
p = 9,81(dd + r - hd),
trong đó hd - chiều cao đáy đôi, m.
(d) Đối với trạng thái tàu không, có dằn ở ngoài đáy đôi:
p = 9,81(dd + r)
(e) Đối với trạng thái tàu không và không có dằn:
p = 9,81(dk + r)
(3) Đối với cơ cấu thường và tấm đáy vùng khoang hàng của tàu hàng lỏng khi có hàng:
(a) Trường hợp tàu không có đáy đôi, khoang đầy hàng:
p = γcr (Hhd + hst) - 9,81(dh - hcn - r)
(b) Trường hợp tàu không có đáy đôi, khoang không đầy hàng:
p = pu - 9,81(dh - r - hcn)
Nếu tàu có đáy đôi thì áp lực đáy được xác định theo công thức ở 2.2.2-8(2)(b)
Trạng thái tàu không nhưng có dằn ở trong đáy đôi, tải trọng tính toán cho đáy được xác định theo 2.2.2-7; trạng thái tàu không nhưng có dằn ở ngoài đáy đôi được tính theo 2.2.2-8(2)(d); trạng thái tàu không và không có dằn được tính theo 2.2.2-8(2)(e).
(4) Đối với cơ cấu thường và tấm đáy trong của tàu hàng khô:
(a) Ở trạng thái đầy hàng
p = pu
(b) Ở trạng thái tàu không, có dằn trong đáy đôi
p = 9,81(hk - hd),
trong đó hd được lấy theo 2.2.2-8(2).
(5) Đối với cơ cấu thường và tấm đáy trong của tàu hàng lỏng ở trạng thái có hàng:
(a) Trường hợp khoang đầy hàng:
p = γcr (Hhd - hd + hst) + 9,81hcn
(b) Trường hợp khoang không đầy hàng:
p = pu + 9,81hcn
(c) Đối với tính toán cơ cấu khỏe vùng khoang hàng của tàu hàng lỏng ở trạng thái có hàng, tải trọng tính cho đáy được tính theo 2.2.2-8(3)(a).
9 Khi tính toán cơ cấu khỏe, cơ cấu thường và tấm mạn, tải trọng tác dụng lên mạn được coi là phân bố theo chiều cao tại mạn theo hình tam giác hoặc hình thang.
(1) Tải trọng tác dụng lên mạn trong và mạn ngoài (tính ở mức đáy) của tàu có mạn kép (trừ vùng mút mũi và mút đuôi) được lấy như sau:
(a) Đối với tất cả các tàu, trừ khu vực két dằn và khu vực két hàng của tàu hàng lỏng, tính theo 2.2.2-8(2)(b).
(b) Ở khu vực két hàng của tàu hàng lỏng, tính theo 2.2.2-8(3)(a) hoặc 2.2.2-8(3)(b).
(c) Ở khu vực két dằn, tính theo 2.2.2-7.
(2) Áp lực tác dụng lên mạn trong của tàu có mạn kép và đáy đôi ở mức đáy đôi được lấy như sau, kPa:
(a) Với tàu hàng lỏng, tính theo 2.2.2-8(5)(a) hoặc 2.2.2-8(5)(b)
(b) Với tàu hàng khô
p = 9,81(Dm - hd)
(c) Với tàu có dằn trong mạn kép
p = 9,81(hk - hd)
nhưng không được nhỏ hơn giá trị tính theo b).
10 Tải trọng tính toán lên vách chịu lực kín nước của tàu được coi là phân bố theo quy luật hình tam giác hoặc hình thang và bằng ở mức đáy, kPa:
(1) Đối với các vách của tàu khách, vách khoang mũi của tất cả các tàu thuộc các cấp và vách khoang đuôi của tàu đẩy thuộc các cấp:
p = 9,81Dm
(2) Đối với các vách phân chia các khoang hoặc các két của tất cả các tàu thuộc các cấp (trừ các vách khoang hàng của tàu hàng lỏng):
p = pu
trong đó pu được lấy theo 2.2.2-4;
(3) Đối với các vách còn lại của tất cả các tàu thuộc các cấp:
p = 5,9Dm
(4) Đối với các vách khoang hàng của tàu chở hàng lỏng:
![]()
11 Tải trọng tính toán lên dàn boong được lấy như sau, kPa:
(1) Đối với boong chở hàng của tàu hàng khô
p = pu, trong đó pu được lấy theo 2.2.2-4;
(2) Đối với boong ở khu vực khoang hàng của tàu hàng lỏng
p = 9,81(hst + hcn)
(3) Đối với các phần boong hở không dùng để chở hàng của tất cả các tàu, trừ tàu hàng lỏng:
p = 5
(4) Đối với các phần boong kín của thân tàu, thượng tầng và lầu lái dành cho hành khách và bố trí thuyền viên:
p = 3,5
(5) Đối với boong trên của thượng tầng và lầu lái, nơi không dành cho hành khách đến và không dùng để xếp hàng:
p = 1
12 Tải trọng khi thử kín nước và kín khí thân tàu phải được lấy trên cơ sở sơ đồ thử đã được thông qua.
Tải trọng cục bộ trong quá trình xếp và dỡ hàng phải được xác định phù hợp với 2.2.2-4 đến 2.2.2-9, trong đó sử dụng các chiều chìm tại tiết diện đang xét trong giai đoạn cụ thể của quá trình làm hàng, thay cho dd, dk và db, mức chất lỏng trong các két dằn hoặc két hàng đối với trạng thái chất tải của tàu thay tương ứng cho Dm, hk và Hhd.
Trong đó nửa chiều cao sóng tính toán được lấy bằng 0,2 m nếu không cho phép việc làm hàng trong điều kiện sóng. Nếu cho phép làm hàng trong khu vực nước không được bảo vệ thì nửa chiều cao sóng tính toán được lấy theo Bảng 2A/1.1 cho tàu khai thác ở vùng có khu vực nước làm hàng đó. Việc tính toán giới hạn bổ sung ảnh hưởng của sóng theo nửa chiều cao sóng tính toán phải được thực hiện theo phương pháp được Đăng kiểm công nhận.
13 Tùy thuộc vào đặc điểm kết cấu của tàu, các tổ hợp tải trọng cục bộ khác gây nên ứng suất cục bộ lớn nhất cũng cần được tính đến.
14 Khi chở ô tô và phương tiện có bánh khác (loại bánh hơi) cũng như khi sử dụng xe xếp dỡ hàng, áp suất bánh xe cần được coi là phân bố đều theo vết của nó và bằng áp suất trong lốp. Vết của một bánh xe ô tô cần được coi là hình chữ nhật có các cạnh l1 và l2 (cạnh l1 theo hướng chiều rộng của bánh xe). Kích thước các cạnh được lấy bằng, cm:
Đối với lốp có bố chéo:

Đối với lốp có bố hướng tâm (ký hiệu có chữ “R” hoặc “Radial”):
l1 = 0,7btr
l2 = 10KdQ/(ptrl1)
Trong đó:
ptr - áp suất trong lốp, MPa;
Q - tải trọng lên lốp, kN;
btr - chiều rộng lốp, cm;
dtr - đường kính lốp, cm;
Kd - hệ số động, lấy Kd = 1 cho trường hợp sử dụng xe xếp dỡ hàng và Kd = 1,1 cho trường hợp chở ô tô.
Nếu trong giai đoạn thiết kế chưa rõ loại lốp nào sẽ được sử dụng làm bánh xe của phương tiện thì cần lấy trị số l1 và l2 cho bánh xe có diện tích vết nhỏ nhất.
Đối với xe xếp dỡ hàng, tất cả tải trọng (khối lượng máy cùng với hàng được xếp dỡ) được coi như truyền toàn bộ qua trục trước.
2.2.3 Tính toán sức bền chung
1 Phải kiểm tra mô đun chống uốn tiết diện giữa thân tàu do uốn chung trong hai trường hợp:
(1) Tàu uốn vồng lên (đáy bị nén, boong bị kéo);
(2) Tàu uốn võng xuống (đáy bị kéo, boong bị nén).
Nếu thấy cần thiết thì phải tính những tiết diện thân tàu mà ở đó có thể phát sinh ứng suất lớn, ví dụ như ở các tiết diện yếu nhất vùng giữa tàu, nơi kết thúc các cơ cấu dọc chính, ở các tiết diện nơi chuyển tiếp từ hệ thống kết cấu kiểu này sang kiểu khác, hoặc trong trường hợp thay đổi vật liệu thân tàu.
2 Điều kiện để được tham gia vào uốn chung của thanh tương đương được giải quyết theo những nguyên tắc sau:
(1) Các kết cấu dọc tại vùng tiết diện đang xét, được tính vào thanh tương đương nếu chúng liên tục, tính từ tiết diện đang được xét kéo dài trên một đoạn lớn hơn 2 lần chiều cao mạn với điều kiện sự liên kết của chúng với thân tàu được xem là tham gia vào uốn chung;
(2) Nếu ở đoạn liên tục của boong, chiều rộng b0 của lỗ khoét nhỏ hơn 0,05 chiều rộng B1 của boong tại chỗ có lỗ khoét đó thì không cần xét đến lỗ khoét đó trong tính toán mô đun chống uốn tiết diện ngang thân tàu. Nếu chiều rộng b0 của lỗ khoét bằng hoặc lớn hơn 0,05B1 thì những kết cấu dọc ở phần boong từ phần mép dọc lỗ khoét đến mạn tàu được tham gia vào thanh tương đương. Còn ở ngoài lỗ khoét thì một phần các kết cấu dọc boong giữa hai đường mép dọc lỗ khoét không được tham gia vào thanh tương đương;
(Phần gạch ở Hình 2A/2.2 không được tham gia vào thanh tương đương).
(3) Các kết cấu dọc không liên tục tại vùng kết thúc (phần gạch ở Hình 2A/2.3) không được tham gia vào uốn chung của thanh tương đương;
(4) Thượng tầng (lầu) một tầng hoặc tầng 1 của thượng tầng đặt trên boong chính được tham gia vào thanh tương đương theo nếu chúng tựa lên 3 vách ngang;
(5) Thành quầy hàng của tàu chở hàng trên boong, con chạch chống va không được tham gia vào thanh tương đương.
Biện pháp loại trừ sự tham gia của các kết cấu này phải sao cho không được gây hiện tượng tập trung ứng suất.
3 Đối với tàu nhỏ hơn 65 mét và không thỏa mãn quy định 3.1.2, việc tính ứng suất pháp ở các kết cấu của thanh tương đương phải theo phương pháp đúng dần, có điều chỉnh các tấm mềm của tấm vỏ, tấm đáy trên, tấm sàn, tấm boong và tấm vách dọc. Lần gần đúng cuối cùng phải là lần mà hiệu số giữa các ứng suất pháp ở mỗi mép biên của thanh tương đương với lần tính áp trước không được vượt quá 5%. Không cần điều chỉnh phần tấm kề với mỗi bên của kết cấu dọc và có chiều rộng bằng 0,25 cạnh ngắn a của khung đế (phần gạch chéo ở các Hình 2A/2.5).
4 Trong hệ thống kết cấu dọc, hệ số điều chỉnh φ của tấm bị nén được tính theo công thức:
φ = σcrt / |σhc|
Trong đó:
σcrt - ứng suất tới hạn của tấm bị nén được tính theo 2.2.7-4, MPa ;
|σhc| - giá trị tuyệt đối của ứng suất nén tại các liên kết cứng ở mức trọng tâm của tấm, có được từ việc tính toán dầm tương đương (uốn chung) theo cách gần đúng tương ứng, MPa .
Hệ số điều chỉnh φ không được lấy lớn hơn 1;
Trong hệ thống kết cấu dọc không cần điều chỉnh tấm bị kéo.
5 Đối với hệ thống kết cấu ngang, hệ số giảm của tấm được cho ở Bảng 2A/2.5. Có thể xác định các hệ số đó theo quy định của cơ học đóng tàu. Trong đó, tải trọng cục bộ ngang lên tấm được cho theo chỉ dẫn ở 2.2.2-4 đến 2.2.2-13, độ võng ho cần được lấy không nhỏ hơn trị số tính theo công thức sau, m:
![]()
Trong đó:
a - chiều dài cạnh ngắn của tấm, m;
t - chiều dày tấm, m.
Bảng 2A/2.5 - Hệ số điều chỉnh đối với tấm ngang
| Loại biến dạng | Hệ số giảm φ ứng với chiều dày tấm (mm) | |||
| 4 | 6 | 8 | 12 | |
| Kéo | 0,07 | 0,18 | 0,33 | 0,56 |
| Nén | 0,03 | 0,07 | 0,12 | 0,28 |
Đối với các tấm của boong chở hàng và đáy đôi của tàu để xếp dỡ hàng bằng gầu ngoạm, độ võng ho tính theo công thức trên cần được tăng lên 2 lần; độ võng ban đầu cần được coi là có hình cosinxoit, còn dầm thanh - được coi là được ngàm cứng, không phụ thuộc vào việc tải trọng ngang có tác động lên tấm hay không. Hệ số giảm φ khi nén không được lớn hơn trị số tính theo công thức sau:

Trong đó:
|σhc| - xem 2.2.3-4;
a - chiều dài cạnh ngắn của tấm, m;
b - chiều dài cạnh dài của tấm, m.
6 Trong tính toán uốn chung thân tàu, các ứng suất sau đây của các kết cấu thân tàu phải được xác định:
(1) Ứng suất pháp, MPa
σl = 10-3Mczi / I
(2) Ứng suất tiếp tại trục trung hòa của dầm tương đương, MPa:
![]()
Trong đó:
Mc - mô men uốn tính toán lớn nhất ở tiết diện ngang, kN.m;
I - mô men quán tính tiết diện ngang của dầm tương đương, m4;
zi - khoảng cách từ cơ cấu i đến trục trung hoà của dầm tương đương (có dấu “+” khi cao hơn trục trung hoà và có dấu “-” khi thấp hơn trục trung hoà), m;
Nc - lực cắt tính toán lớn nhất ở tiết diện ngang, kN;
S - mô men tĩnh của phần tiết diện ngang dầm tương đương nằm cao hơn hoặc thấp hơn trục trung hoà, được lấy tương đương với trục này, m3;
∑t - tổng chiều dày tấm mạn và tấm vách dọc tại trục trung hoà của dầm tương đương, m.

Hình 2A/2.2 - Thành phần kết cấu không tham gia vào uốn chung

Hình 2A/2.3 - Thành phần kết cấu không tham gia vào uốn chung

Hình 2A/2.4 - Điều chỉnh tấm

Hình 2A/2.5 - Điều chỉnh tấm
2.2.4 Tính toán sức bền cục bộ
1 Trong tính toán sức bền cục bộ phải tuân theo những quy định sau:
(1) Các kết cấu khỏe (đà ngang, sườn khỏe, xà ngang khỏe) phải được coi tương ứng là các đế cứng của dầm dọc đáy, sống mạn, nẹp dọc, sống boong, xà dọc;
Sống đáy, sống mạn, sống boong phải được coi tương ứng là đế cứng của dầm ngang đáy, sườn thường, xà ngang thường. Sống đứng, sống nằm của vách phải được coi tương ứng là các đế cứng của nẹp nằm, nẹp đứng của vách;
(2) Khi giải hệ siêu tĩnh không cần xét đến sự thay đổi các đặc trưng về độ cứng của tiết diện của các kết cấu khỏe do các mã gây ra;
(3) Khi tính ứng suất ở tiết diện đế của dầm phải xét tới sự tham gia của mã bằng cách tính mô đun chống uốn của tiết diện trong đó có cả tiết diện mã, hoặc phải tính với trị số mô men uốn ở đầu mã;
(4) Chiều dài nhịp của các thanh trong khung sườn được lấy theo kích thước bao (chiều cao mạn, chiều rộng, khoảng cách các vách dọc...);
(5) Nếu dầm có chiều cao tiết diện thay đổi (đà ngang, sườn khỏe, sống đứng của vách...) thì trong việc tính đặc trưng của tiết diện, để giải hệ siêu tĩnh cho phép dùng đặc trưng của tiết diện giữa nhịp;
(6) Ứng suất tiếp ở tấm thành của kết cấu khỏe được tính có loại trừ diện tích mất đi do có lỗ khoét ở tấm thành.
2 Trong tính toán khung phải tuân theo những quy định sau đây:
(1) Bỏ qua độ cong của kết cấu ngang boong và độ cong của cung hông, các thanh của khung được coi là thẳng. Chiều dài nhịp của thanh phải theo quy định ở 2.2.4-1(4);
(2) Cột chống trong khung chỉ được coi là cân bằng độ võng của các điểm đặt cột tại nhánh boong và nhánh đáy. Cột chỉ chịu lực tập trung. Trong tính hệ siêu tĩnh cho phép bỏ qua biến dạng dọc của cột, bỏ qua ảnh hưởng của độ cứng do mã. Cột chống có độ cứng xấp xỉ bằng độ cứng của các nhánh khung sườn được coi như một nhánh khung chịu lực dọc và mô men uốn ở các đầu cột;
(3) Nếu các sống ngang được đỡ các sống dọc (điều này có thể thấy được trong tính sơ đồ khung dàn mạn) thì phải xét đến tác dụng đỡ của sống dọc dưới dạng các phản lực tập trung tác dụng vào sống ngang;
(4) Những khung không có cột và không chịu tải trọng trên boong thì được coi là khung hở (không đưa thành phần boong vào khung), sườn được coi là tựa tự do trên đế cứng tại boong;
(5) Nếu trên các boong không có tải trọng thì khung nhiều tầng được coi là khung một tầng;
(6) Những dầm ngang đáy trong phạm vi từng nhịp giữa các sống đáy được coi là dầm chịu tải trọng của nước từ dưới lên và của hàng từ trên xuống. Nếu những dầm trên và dầm dưới được liên kết với nhau bằng thanh chống thì được phép giả thiết rằng độ võng của các dầm tại các đầu thanh chống là bằng nhau.
3 Trong tính toán kết cấu khung dàn (đáy, boong), hệ số ngàm của các mút dầm chính được xác định bằng cách tính toán khung sườn. Nếu không giải khung sườn thì hệ số ngàm của đà ngang tại hông và của xà ngang khỏe tại mạn được tính theo công thức:

Trong đó:
l - chiều dài nhịp sườn, m;
B1 - chiều dài nhịp của xà ngang khỏe hoặc của đà ngang, m;
J - mô men quán tính của tiết diện xà ngang khỏe hoặc đà ngang, cm4;
i - mô men quán tính của tiết diện sườn, cm4;
f - hệ số, được lấy theo Bảng 2A/2.6.
4 Hệ số ngàm của đà ngang và xà ngang khỏe đối với tàu có vách dọc (hoặc dàn dọc) được lấy như sau:
Nếu khoảng cách vách dọc (dàn dọc) lân cận và khoảng cách các vách dọc (dàn dọc)
đến mạn khác nhau ít hơn 20% thì:
= 1;
Nếu các khoảng cách nói trên khác nhau nhiều hơn 20% thì:
= 0,75 - đối với nhịp dài hơn;
= 1,00 - đối với nhịp ngắn hơn.
5 Hệ số ngàm của các kết cấu giao nhau trong khung dàn được lấy như sau:
Nếu chiều dài các khoang kế cận sai khác nhau ít hơn 20% thì:
= 1,0
Nếu chiều dài các khoang kề cận sai khác nhau nhiều hơn 20% thì:

Trong đó:
q - cường độ tải trọng tính toán tác dụng lên khung dàn đang được xét, kPa;
q’ - cường độ tải trọng tính toán tác dụng lên khung dàn kề cận, kPa;
l - chiều dài của khung dàn đang được xét, m;
l’ - chiều dài của khung dàn kề cận, m.
6 Nếu sống boong với sống đáy, xà ngang khỏe với đà ngang được liên kết với nhau bằng cột chống đặt trong mặt phẳng của sườn khỏe thì có thể tính chúng như là khung dàn bằng bằng cách xem chúng là một dầm có độ cứng bằng tổng độ cứng và chia phản lực tại các điểm sống giao nhau theo tỉ lệ độ cứng của sống boong và sống đáy;
Đối với khung dàn đáy, phải xác nhận ứng suất tiếp trên bản thành của sống tại gối đỡ.
7 Các cột chống phải được xem là ngàm đối với khung khỏe.
8 Sườn thường và xà ngang phải được tính như dầm nhiều nhịp mà các kết cấu khỏe (sống đáy, sống mạn, sống boong) được coi là ngàm không dịch chuyển
Nếu chân sườn với đà ngang được liên kết với nhau bằng mã hông thì chân sườn được coi là ngàm. Đỉnh sườn và đầu xà ngang cũng như chỗ tựa lên thành miệng khoang được coi là tựa lên đế tự do.
Bảng 2A/2.6 - Hệ số f
| Số vách dọc | Tỷ số | Hệ số f của tàu | |
| Tàu có hàng | Tàu không | ||
| 0 | - | 0,50 | 0,65 |
| 1 | Nhỏ hơn 1 | 0,50 | 1,35 |
| Từ 1 trở lên | 0,17 | ||
| Từ 2 trở lên | Nhỏ hơn 1 | 0,50 | 1,10 |
| Từ 1 trở lên | 0,17 | ||
9 Dầm dọc của hệ thống kết cấu dọc phải được tính theo các yêu cầu bao gồm:
(1) Sức bền cục bộ: sơ đồ dầm một nhịp được ngàm cứng ở chỗ gặp kết cấu ngang (đà ngang khoẻ, sườn khoẻ, xà ngang khoẻ) nếu tải trọng ở các nhịp giống nhau, hoặc theo sơ đồ dầm nhiều nhịp nếu tải trọng ở các nhịp là khác nhau;
(2) Dầm dọc của hệ thống dọc còn phải được tính ổn định kết cấu theo sơ đồ dầm tựa lên đế tự do ở chỗ gặp kết cấu ngang khỏe;
10 Sống mạn phải được tính như kết cấu trong khung dàn mạn. Nếu sống mạn ngoài được liên kết với sống mạn trong thì sống mạn phải được tính như một hệ thanh có thanh chống.
11 Vách được kết cấu bởi sống đứng và sống nằm, với điều kiện sống nằm đỡ sống đứng thì vách phải tính như là khung dàn.
Nẹp đứng của vách phải được tính như dầm một nhịp nếu vách không có sống nằm và phải được tính như dầm liền nhịp nếu vách có sống nằm;
Nẹp nằm của vách phải được tính như dầm một nhịp nếu vách không có sống đứng và phải được tính như dầm một nhịp ngàm cứng ở chỗ gặp sống đứng nếu vách có sống đứng đặt ở những khoảng cách đều nhau. Nếu sống đứng không được đặt ở những khoảng cách đều nhau thì hệ số ngàm phải được tính theo -4 ở trên.
12 Trong tính toán sức bền của tấm chịu áp lực thì tấm được coi là kết cấu ngàm cứng theo cạnh dài và tấm có độ cứng hữu hạn;
Nếu tỷ số kích thước cạnh dài trên kích thước cạnh ngắn mà lớn hơn 2 thì tấm được coi là uốn theo mặt ống và được tính theo sơ đồ dầm dải.
13 Chiều rộng của mép kèm, cm, được tính như sau:
(1) Với dầm dọc đáy dưới, dầm dọc đáy trên, dầm dọc boong trong hệ thống kết cấu dọc; với xà ngang, sườn, đà ngang trong hệ thống kết cấu ngang và với nẹp vách, chiều rộng mép kèm được lấy bằng:
c1 = 0,5a
Trong đó:
a - khoảng cách các kết cấu cùng loại nói trên, cm. Tuy nhiên c1 không được lớn hơn 50 lần chiều dày của tấm mép kèm.
(2) Với kết cấu khỏe đặt vuông góc với kết cấu thường (xà ngang khỏe, sườn khỏe, đà ngang trong hệ thống kết cấu dọc; sống boong, sống mạn, sống đáy trong hệ thống kết cấu ngang...), chiều rộng của mép kèm được lấy bằng:
c2 = c1 + (b - c1)φ
Trong đó:
c1 - chiều rộng mép kèm lấy theo 2.2.4-13(1), cm;
b - khoảng cách các kết cấu khỏe, cm;
φ - hệ số điều chỉnh, lấy theo Bảng 2A/2.5, phụ thuộc đặc điểm của tấm gắn với kết cấu khỏe đang được xét.
(3) Với kết cấu khỏe đặt song song với kết cấu thường (sống boong, sống đáy trong hệ thống kết cấu dọc; sườn khỏe trong hệ thống kết cấu ngang...) chiều rộng mép kèm được lấy bằng:

Trong đó:
a - khoảng cách các kết cấu thường, cm;
b - khoảng cách các kết cấu khỏe, cm;
t - chiều dày của tấm mép kèm, cm.
Diện tích tiết diện mép kèm bao gồm cả diện tích tiết diện tấm mép kèm và diện tích tiết diện các kết cấu thường gắn vào tấm mép kèm đó;
Trong mọi trường hợp chiều rộng của mép kèm c3 không được lấy lớn hơn khoảng cách các kết cấu khỏe (c3 ≤ b).
(4) Trong mọi trường hợp chiều rộng mép kèm không được lấy lớn hơn 1/6 chiều dài nhịp tính toán của kết cấu đang được xét.
(5) Với những kết cấu không trực tiếp hàn với tấm tôn mà chỉ được hàn đè lên một hệ kết cấu khác thì chiều rộng mép kèm được lấy bằng 0.
(6) Trong kết cấu vách kiểu sóng:
Với những kết cấu khỏe đặt vuông góc với gân sóng và trực tiếp hàn với tôn sóng trên suốt chiều dài của kết cấu khỏe thì chiều rộng mép kèm của kết cấu khỏe đó được lấy bằng 12 lần chiều dày của tôn sóng;
Với những kết cấu khỏe đặt vuông góc với gân sóng và không hàn trực tiếp với tôn sóng trên suốt chiều dài của kết cấu khỏe đó thì chiều rộng của mép kèm được lấy bằng 0.
14 Tải trọng tính toán, kN, tác dụng lên cột được tính theo công thức:
P = f.p + Php
Trong đó:
f - diện tích phần boong hoặc sàn mà chiếc cột trực tiếp phải đỡ, kể cả miệng khoang hàng trong phần boong đó, m2;
p - cường độ tải trọng tính toán tác dụng lên diện tích f đó, lấy theo 2.2.2-11, kPa;
Php - cường độ tải trọng tính toán từ các cột ở tầng trên mà theo sơ đồ kết cấu có thể truyền xuống chiếc cột đang được xét, kN.
Diện tích tiết diện ngang của cột F, m2, không được nhỏ hơn:
F = 2.10-3P/σcrt
Trong đó:
σcrt - ứng suất chảy giới hạn, MPa, xác định theo 2.2.7-3 theo trị số của ứng suất Ơle.
σE = 2.105 J/l2F
l - chiều dài tính toán của cột, m;
J - mô men quán tính nhỏ nhất tiết diện ngang của cột, m4.

Hình 2A/2.6 - Sơ đồ cột chống thanh giằng
15 Diện tích tiết diện thanh giằng, cm2, không được nhỏ hơn trị số tính theo các công thức ở 2.2.4-14 phụ thuộc vào tải trọng tính toán Pc và chiều dài quy đổi l’d:
Tải trọng tính, kN, được tính theo công thức: ![]()
Trong đó:
P - tải trọng tính toán lên cột, kN, được xác định theo 2.2.4-14;
k - hệ số được lấy bằng:
1,0 - đối với các sơ đồ A và B trong Hình 2A/2.6;
2,0 - đối với sơ đồ C trong Hình 2A/2.6.
α - Góc giữa các trục dọc của cột và thanh giằng;
Chiều dài quy đổi l’d được tính theo công thức:
l’d = k1ld
Trong đó:
ld - chiều dài toàn bộ của thanh giằng, m;
k1 - hệ số bằng:
1,0 - đối với các sơ đồ A và B trong Hình Hình 2A/2.6;
0,6 - đối với sơ đồ C trong Hình 2A/2.6.
16 Độ bền ngang của tàu hàng có mạn kép với độ mở lớn của boong được đánh giá qua việc tính toán dàn đáy khoang hàng cùng với khung sườn mạn kép với giả thiết rằng tất cả các nút liên kết của các khung này là cố định, mạn ngoài và mạn trong là các gối đỡ cứng cho đà ngang, phải thỏa mãn điều kiện:

Trong đó:
lhd - chiều dài của khoang hàng có chiều dài lớn nhất, m;
Bfl - chiều dài đà ngang, m, (khoảng cách giữa các mạn trong ở vị trí đáy đôi);
d1 - khoảng cách giữa các đà ngang, m;
km - hệ số ngàm trung bình của đà ngang:
km = (kfrnfr + khnh) / (nfr + nh)
nfr - số đà ngang trong khoang được bố trí trong mặt phẳng của các khung sườn;
nh - số đà ngang trong khoang được bố trí trong mặt phẳng của các vách lửng;
kfr - hệ số ngàm của đầu đà ngang tại khung:

D - chiều cao mạn, m;
ac - hệ số dịch chuyển, được tính theo công thức:

Ifl, Id, Ib - mô men quán tính diện tích tiết diện ngang của đà ngang trong khu vực hầm hàng, đà ngang trong vùng mạn kép và sườn mạn trong có mép kèm, m4;
fd - diện tích tiết diện ngang bản thành đà ngang trong vùng mạn kép, m2;
bd - chiều rộng mạn kép ở vị trí boong đáy, m;
kh - hệ số ngàm của đà ngang tại vách lửng, được tính theo công thức:

nhưng không được nhỏ hơn kfr;
th - chiều dày tôn vách ở phần dưới của vách lửng, m;
hd - chiều cao đáy đôi, m;
i1 - mô men quán tính tương đối của mạn kép khi xoắn co ép, xác định như sau:

bd - chiều rộng mạn kép tại vị trí boong, m;
i2 - mô men quán tính tương đối của mạn kép khi xoắn tự do, xác định như sau:

td, ts - chiều dày trung bình tôn boong và tôn mạn (trong và ngoài), m;
bhs - chiều rộng mạn kép tại vị trí nửa chiều cao mạn, m.
17 Nếu điều kiện 2.2.4-16 không được thỏa mãn, thì việc tính toán biến dạng liên kết của các mạn kép và khung giàn đáy trên nước tĩnh đối với tải trọng cục bộ được quy định trong Quy chuẩn này phải được thực hiện.
18 Đối với tàu có diện tích các boong hở lớn, khi điều kiện 2.2.4-16 không được thỏa mãn, thì lực cắt bổ sung trên sóng và mô men uốn bổ sung trên sóng tại các tiết diện đà ngang tại vị trí mặt phẳng dọc tâm và mạn trong phải được bổ sung vào các lực và mô men tương ứng đó trên nước tĩnh.
Đối với tàu hoạt động ở vùng SB và SI, trị số lớn nhất của lực cắt và mô men có thể được tính theo công thức sau:
Lực cắt tại tiết diện theo mạn trong, kN:

Mô men uốn tại tiết diện mạn trong, kNm:

Mô men uốn tại tiết diện mặt phẳng dọc tâm, kN.m:

Trong đó:
h - chiều cao sóng quy đổi được xác định theo Bảng 2A/1.1, m;
k - tần số hình dạng của sóng giả định; được lấy bằng 0,140 (m-1) đối với tàu hoạt động ở vùng SI và 0,0838 (m-1) đối với tàu hoạt động ở vùng SB;
d - chiều chìm (m) tại giữa khoang;
B - chiều rộng tàu, m;

l0 (m) được lấy bằng chiều dài khoang với lhd ≤ 65 m và được lấy bằng 65 m với lhd > 65 m;
Bfl, d1, i1, i2, km - xem 2.2.4-16.
Khi tính mô men uốn, tác động trong tiết diện đà ngang được đặt trong mặt phẳng khung sườn, cần lấy k = kfr; còn trong tiết diện đà ngang được đặt trong mặt phẳng vách lửng k = kh.
19 Khi chở ô tô và sử dụng xe xếp dỡ hàng, độ bền của tấm được xác định bởi trị số uốn dư Wr, được nhận bởi tấm khi có tác động của tải trọng từ bánh xe hoặc nhóm bánh xe lên nó.
(1) Độ uốn cong cần thoả mãn điều kiện sau:
Wr / b ≤ 0,01
trong đó b - cạnh nhỏ nhất của tấm trong sơ đồ (khoảng cách giữa các nẹp, xem Hình 2A/2.7), m.

Hình 2A/2.7 - Sơ đồ bố trí vết tải trọng trên boong
(2) Thông số Wr / b được tính theo công thức sau:

Trong đó:
k1 - hệ số bằng 1,4 với thép có ReH = 235 MPa và bằng 1 với thép có độ bền cao hơn;

pk - áp lực của vết tải trọng (Hình 2A/2.7) bằng áp lực trong lốp, MPa;
py - áp lực gây nên sự xuất hiện chảy sợi, MPa:

tmin - chiều dày tấm ở cuối thời hạn hoạt động của tàu mà không có sửa chữa phục hồi, được xác định theo công thức 2.2.4-19(3), m;
σhc - giá trị tuyệt đối của ứng suất nén lớn nhất ở các liên kết cứng ở mức tấm: đối với hệ thống kết cấu ngang - tại mép kèm của sống dọc boong hoặc sống dọc đáy trong uốn chung thân tàu, đối với hệ thống kết cấu dọc - tại mép kèm của xà ngang hoặc đà ngang trong uốn dàn; khi tính toán đến tác động của bánh xe ô tô trong hành trình được tìm thấy với việc tính đến sóng, khi tính toán đến tác động của bánh xe của xe xếp dỡ hàng - với việc tính đến tải trọng tác động trong thời gian làm hàng, MPa;
σ0 - ứng suất được lấy bằng trị số ứng suất nhỏ nhất trong các ứng suất σhc và σb, MPa, trong đó:

a0 - kích thước của vết đặt tải trọng dọc theo cạnh dài của tấm, m;
b0 - kích thước của vết đặt tải trọng dọc theo cạnh ngắn của tấm, m;
ReH - giới hạn chảy của vật liệu làm tấm, MPa;
E - mô đun đàn hồi, MPa;
kσ - hệ số ứng suất trong tấm, được xác định theo Bảng 2A/2.7.
Bảng 2A/2.7 - Trị của hệ số kσ phụ thuộc vào tỷ số bo/b và ao/b
| bo/b | Trị số kσ với a0 /b, bằng | ||||
| 0,3 | 0,6 | 1,2 | 1,8 | 2,4 | |
| 0,2 | 1,056 | 0,904 | 0,652 | 0,492 | 0,387 |
| 0,4 | 0,896 | 0,766 | 0,550 | 0,409 | 0,316 |
| 0,6 | 0,734 | 0,630 | 0,456 | 0,342 | 0,266 |
| 0,8 | 0,602 | 0,518 | 0,376 | 0,284 | 0,222 |
| 1,0 | 0,494 | 0,424 | 0,309 | 0,233 | 0,183 |
Kích thước của vết đặt tải trọng ao và bo được lấy phụ thuộc vào định hướng bánh xe, bằng l1 hoặc l2. Trị số l1 và l2 được xác định theo 2.2.2-14.
Đối với bánh xe đôi l1 được thay thế bằng l1*
l1* = l1 + btr + δ
Trong đó: btr - xem 2.2.2-14
Còn áp suất trong lốp p được thay thế bằng áp suất quy đổi p*
p* = 2p.l1 / l1*
trong đó δ - khoảng cách giữa các lốp của bánh đôi.
Với bo > b, lấy bo = b. Với p < py độ uốn dư Wr = 0.
Áp dụng công thức xác định Wr / b ở 2.2.4-19(2) nếu:
30 ≤ b/tmin ≤170;
0,15 ≤ a0 /b ≤ 2,10;
0,20 ≤ b0 /b ≤ 1,00;
0,11 ≤ 100ReH/Е ≤ 0,17;
0 ≤ 104σhc /Е ≤ 8,0.
(3) Chiều dày tấm ở cuối thời gian hoạt động của tàu không có sửa chữa phục hồi
tmin = t - ∆t
Trong đó:
t - chiều dày thiết kế của tấm và không được nhỏ hơn trị số yêu cầu ở 2.4.1-5, m;
∆t - hao mòn trong thời gian hoạt động, m;
![]()
-thời gian hoạt động của tàu không có sửa chữa phục hồi, năm.
20 Ở khu vực lỗ khoét của bản thành cơ cấu khỏe, với lực cắt lớn nhất tác động, cần xác định các ứng suất sau, MPa:
Ứng suất pháp:

Ứng suất tiếp:
![]()
Trong đó:
M - mô men uốn tác động lên dầm ở tiết diện đi qua giữa lỗ khoét, kN.m;
I - mô men quán tính trung tâm diện tích tiết diện ngang của dầm ở khu vực lỗ khoét, m4;
z - khoảng cách từ điểm mà tại điểm đó xác định ứng suất đến trục trung hòa của dầm, m;
Ndam - lực cắt tác động lên nẹp của bản thành tại tiết diện đi qua giữa lỗ khoét, kN; lực cắt ở tiết diện đó cần được coi là phân bố giữa các nẹp của bản thành tỷ lệ thuận với mô men quán tính diện tích tiết diện ngang của các nẹp;
lcut - chiều dài lỗ khoét, m;
x - khoảng cách từ mép trái của lỗ khoét đến tiết diện tính toán, m;
Id - mô men quán tính của phần diện tích tiết diện ngang của dầm, nằm phía trên hoặc phía dưới lỗ khoét so với trục trung hòa riêng, m4;
zd - khoảng cách từ trục trung hòa của nẹp của bản thành đến điểm đang xét, m;
Ncut, Fc - lực cắt, kN, và diện tích tương ứng của tiết diện ngang của bản thành, m2, tại tiết diện yếu nhất của dầm.
2.2.5 Cộng ứng suất
1 Ứng suất tính toán ở các kết cấu thân tàu do uốn chung và do tải trọng cục bộ phải được xác định phụ thuộc trị số, vị trí và chiều của ngoại lực. Để xác định ứng suất do một số ngoại lực đồng thời tác dụng thì phải cộng ứng suất do từng ngoại lực tác dụng theo những nguyên tắc của cơ học kết cấu.
Trong các phương án kết hợp các ngoại lực có thể xảy ra phải chọn phương án mà trong đó ở kết cấu thân tàu được kiểm tra, tổng ứng suất có trị số lớn nhất (xét cả về ứng suất âm và ứng suất dương) làm phương án tính toán kiểm tra kết cấu đó. Phải lấy tổng ứng suất pháp lớn nhất và tổng ứng suất tiếp lớn nhất làm ứng suất tính toán. Ứng suất tính toán này không được lớn hơn ứng suất cho phép ở Bảng 2A/2.8.
2 Phải kiểm tra sức bền của kết cấu dọc tham gia vào uốn chung của thân tàu theo tổng ứng suất do uốn chung và tải trọng cục bộ.
Phải kiểm tra sức bền của các kết cấu ngang tham gia vào uốn chung của những thân tàu không có boong và những tàu có tỷ số B/D lớn hơn trị số quy định ở Bảng 2A/1.3, theo tổng ứng suất do uốn ngang chung và do tải trọng cục bộ.
3 Đối với những tàu không chở hàng trên boong thì chỉ cần cộng ứng suất để tính tổng ứng suất ở các kết cấu đáy, còn ở các kết cấu boong, thì chỉ cần tính ứng suất do uốn chung. Tuy nhiên nếu ở những tàu này tải trọng tác dụng lên đáy có thể thông qua cột hoặc các kết cấu tương tự mà truyền lên boong gây uốn kết cấu boong thì phải tính tổng ứng suất ở kết cấu boong có xét đến tải trọng truyền này.
Đối với những tàu chở hàng trên boong, phải tính tổng ứng suất ở các kết cấu boong và ở kết cấu đáy do uốn chung và do tải trọng cục bộ.
4 Phải tính tổng ứng suất cho hai trường hợp của mô men uốn: khi tàu uốn vồng lên và võng xuống. Các ứng suất do tải trọng cục bộ dùng để cộng với ứng suất do uốn chung tính được với mỗi mô men. Tổng ứng suất do uốn chung và do uốn khung dàn phải được xác định ở mép ngoài và ở mép trong của kết cấu, ở tiết diện đế và tiết diện nhịp của khung dàn.
2.2.6 Ứng suất cho phép
1 Trong tính toán ứng suất do uốn chung và ứng suất do tải trọng cục bộ và ứng suất tổng thì ứng suất pháp nguy hiểm σo và ứng suất tiếp nguy hiểm
được lấy bằng:

Trong đó:
ReH - giới hạn chảy của vật liệu;
kn - hệ số, với 235 MPa ≤ ReH ≤ 395 MPa được tính theo công thức:

2 Ứng suất cho phép thể hiện theo giới hạn chảy được quy định trong Bảng 2A/2.8.
2.2.7 Tính ổn định kết cấu
1 Phải kiểm tra ổn định các kết cấu sau đây:
(1) Các kết cấu chịu tác động của ứng suất nén do uốn chung thân tàu:
(a) Dàn boong;
(b) Dàn đáy của tàu không có đáy trên;
(c) Dầm dọc của boong, đáy dưới, của đáy trên, mạn và của vách dọc.
(2) Cột (làm việc độc lập hoặc trong thành phần của dàn) và thanh giằng chịu tác động của ứng suất nén lớn nhất;
(3) Tấm mạn và tấm vách dọc chịu tác động của ứng suất tiếp lớn nhất trong uốn chung thân tàu.
Bảng 2A/2.8 - Tỷ lệ của ứng suất cho phép đối với các cơ cấu khác nhau của thân tàu và các đặc tính của ứng suất tính toán
| TT | Tên và đặc tính của kết cấu thân tàu | Đặc tính của ứng suất tính toán do tải trọng | Tỷ lệ của ứng suất cho phép tính theo ứng suất nguy hiểm |
| 1 | Kết cấu cứng của thanh tương đương chỉ tham gia uốn chung mà không chịu tải trọng cục bộ (thành dọc liên tục của miệng khoang, kết cấu của boong không chịu tải…) | Ứng suất pháp do uốn chung | (Xem chú thích 1) |
| 2 | Kết cấu cứng của thanh tương đương tham gia uốn chung và chịu tải trọng cục bộ (các cơ cấu đáy của tất cả các tàu, boong chịu tải và thành miệng dọc liên tục chịu tải của khoang, trừ thành miệng khoang của tàu có mạn kép hoạt động ở vùng SI và SII) | Ứng suất pháp do uốn chung | 0,60 |
| 3 | Thành dọc liên tục và sống boong tàu chở hàng trên nắp khoang và trên boong; sống đáy của tất cả các tàu | Tổng ứng suất pháp do uốn chung và uốn dàn, |
|
| Ở nhịp: | 0,75 | ||
| Ở đế: | 0,95 | ||
| 4 | Dầm dọc (nẹp gia cường liên tục) | Tổng ứng suất pháp do uốn chung và uốn cục bộ, |
|
| Ở nhịp: | 0,85 | ||
| Ở đế: | 0,95 | ||
| 5 | Tấm vỏ, tấm boong trong hệ thống kết cấu ngang | Ứng suất pháp do tải trọng cục bộ, |
|
| Ở nhịp: | 0,80 | ||
| Ở đế: | 0,95 | ||
| 6 | Tấm vỏ, tấm boong trong hệ thống kết cấu dọc | Ứng suất pháp do tải trọng cục bộ, |
|
| Ở nhịp: | 0,80 | ||
| Ở đế: | 0,95 | ||
| 7 | Cơ cấu thân tàu chịu tác động của lực cắt trong uốn chung (tấm mạn, vách dọc) | Ứng suất tiếp | 0,60 |
| 8 | Kết cấu ngang khỏe: đà ngang, sườn khỏe và xà ngang | Ứng suất pháp do tải trọng cục bộ, |
|
| Ở nhịp: | 0,75 | ||
| Ở đế: | 0,85 | ||
| 9 | Kết cấu ngang thường: đà ngang, sườn và xà ngang trong hệ thống kết cấu ngang | Ứng suất pháp do tải trọng cục bộ, |
|
| Ở nhịp: | 0,85 | ||
| Ở đế: | 0,95 | ||
| 10 | Vách dọc, vách ngang, vách két: | Ứng suất pháp do tải trọng cục bộ, |
|
| Sống vách | Ở nhịp: Ở đế: | 0,85 0,90 | |
| Nẹp vách | Ở nhịp: Ở đế: | 0,85 0,95 | |
| Tấm vách | Ở nhịp: Ở đế: | 0,85 0,95 | |
| 11 | Tấm thành của kết cấu khỏe | Ứng suất tiếp tại tiết diện liền | 0,80 |
| Ứng suất pháp tại khu vực có lỗ khoét | 0,95 | ||
| Ứng suất tiếp tại khu vực có lỗ khoét | 0,80 | ||
| Chú thích: 1. Đối với các cơ cấu ở mục 1 của Bảng, trị số định mức của ứng suất cho phép theo ứng suất nguy hiểm cần được lấy bằng 0,70 đối với các tàu hoạt động ở vùng SB và bằng 0,75 đối với các tàu hoạt động ở các khu vực còn lại. 2. Trong tính toán sức bền của thân tàu khi nâng từ dưới nước lên (lên đà) và khi hạ thuỷ, khi thử kín nước và kín khí, cũng như khi khoang tàu bị ngập, trị số định mức của ứng suất tổng cho phép (do uốn chung và do tải trọng cục bộ) cần được lấy bằng 0,95 giới hạn chảy của vật liệu làm cơ cấu. 3. Với những kết cấu làm việc biệt lập (cột chống, thanh giằng), được kiểm tra độ ổn định, trị số định mức của ứng suất cho phép khi bị nén cần được lấy bằng 0,50 ứng suất giới hạn, và bằng 0,75 ứng suất giới hạn đối với cặp thanh giằng chéo nhau, nhưng không được lớn hơn 0,50 giới hạn chảy của vật liệu làm cơ cấu. 4. Trị số của ứng suất cho phép do tải trọng cục bộ được sử dụng đối với tàu đang hoạt động. | |||
2 Việc kiểm tra ổn định kết cấu cần được thực hiện với lưu ý đến việc ứng suất giới hạn (ứng suất Ơle điều chỉnh) σcrt không tuân thủ định luật Húc. Ứng suất giới hạn phụ thuộc vào ứng suất Ơle σE, được tính với giả thiết rằng vật liệu làm cơ cấu thân tàu tại thời điểm mất ổn định, tuân thủ định luật Húc.
3 Đối với dầm thép bị nén, ứng suất giới hạn cần được tính theo công thức, MPa:
σcrt = σE với σE ≤ 0,6 ReH
σcrt = (1,12 - 0,312 ReH/σE) ReH với 0,6 ReH < σE < 2,6 ReH
σcrt = ReH với σE ≥ 2,6 ReH
Trong đó: ReH - giới hạn chảy của vật liệu, MPа.
4 Ứng suất giới hạn của tấm, của hệ thống kết cấu dọc, cần được tính theo công thức, MPa:
σcrt = σE với σE ≤ 0,6 ReH
![]()
σcrt = ReH với σE ≥ 1,6 ReH
Trong đó:
σE - ứng suất Ơle, MPа:
![]()
t - chiều dày tấm, m;
a - chiều dài mép ngắn, m;
ReH - giới hạn chảy của vật liệu, MPа.
5 Ứng suất giới hạn của tấm, của hệ thống kết cấu ngang, cần được tính theo công thức, MPa:
σcrt = σE
Trong đó:
σE - ứng suất Ơle, MPа:
![]()
t - chiều dày tấm, m;
a - chiều dài cạnh ngắn của tấm, m;
b - chiều dài cạnh dài của tấm, m;
6 Ứng suất giới hạn khi nén khung dàn đáy và boong, cũng như các nẹp gia cường dọc phải không nhỏ hơn ứng suất chảy giới hạn của vật liệu.
Trong trường hợp hệ thống kết cấu ngang, độ cứng của đà ngang thường đáy và xà ngang boong thường không được thấp hơn độ cứng giới hạn. Cho phép hạ thấp ứng suất giới hạn của khung dàn đáy và boong của hệ thống kế cấu dọc, cũng như của nẹp gia cường dọc đến trị số thoả mãn điều kiện sau:
σcrt ≥ Kfσcom
σcom - ứng suất nén lớn nhất ở dàn hoặc nẹp dọc trong uốn chung do tác động của tải trọng tính toán, MPa;
Kf - hệ số dự trữ ổn định kết cấu, được xác định theo công thức sau:

Trong đó: ReH - xem 2.2.7-3, MPa;
Kin - hệ số dự trữ ổn định kết cấu của Kf
Kin = 1,43 đối với tàu hoạt động ở vùng SB;
Kin = 1,33 đối với tàu hoạt động ở vùng còn lại.
7 Khi tính ổn định kết cấu, nẹp gia cường dọc được coi là tựa tự do trên cơ cấu ngang tương ứng (đà ngang, sườn khoẻ, và xà ngang khỏe). Ứng suất Ơle của nẹp dọc khi bị nén, MPa, bằng:

Trong đó:
E - mô đun đàn hồi, MPa;
I - mô men quán tính diện tích tiết diện ngang của nẹp cùng mép kèm, kích thước của mép kèm được được quy định ở 2.2.4-13(1), m4;
b - nhịp của nẹp, m;
f - diện tích tiết diện ngang của nẹp không tính mép kèm, m2;
a - khoảng cách giữa các nẹp (chiều dài cạnh ngắn của tấm), m;
t - chiều dày tấm, m.
8 Ứng suất tiếp của tôn mạn và vách dọc trong uốn chung, được xác định theo 2.2.3-6(2), không được lớn hơn 0,95 lần ứng suất tiếp giới hạn được tính theo công thức, MPa:

Trong đó: ReH - Xem 2.2.7-3.
- ứng suất tiếp Ơle, được xác định theo công thức, МPа:
![]()
Trong đó: k - hệ số được xác định phụ thuộc vào tỷ số chiều dài các cạnh của tấm b/a (b - chiều dài cạnh dài, m) theo Bảng 2A/2.9;
t, a - Xem 2.2.7-7.
Bảng 2A/2.9 - Hệ số k phụ thuộc vào tỷ số b/a
| b/a | 1,0 | 1,1 | 1,2 | 1,3 | 1,4 | 1,6 | 1,8 | 2,0 | 2,5 | 3,0 | ∞ |
| k | 9,34 | 8,56 | 8,00 | 7,60 | 7,30 | 6,92 | 6,70 | 6,56 | 6,07 | 5,86 | 5,35 |
2.3 Những quy định chung trong thiết kế kết cấu thân tàu
2.3.1 Quy định chung
1 Trừ khi có quy định khác, các phần từ kết cấu phải bố trí đủ không gian để kiểm tra và bảo dưỡng. Các kết cấu thân tàu phải cố gắng đặt trong một mặt phẳng để tạo thành những khung kín (sống boong, sống đứng vách ngang và sống đáy tạo thành một khung phẳng kín; xà dọc boong hoặc sàn, nẹp đứng vách ngang và dầm dọc đáy đơn, đáy đôi hoặc sàn tạo thành một khung phẳng kín; đà ngang, sườn và xà ngang tạo thành một khung phẳng kín; sống mạn, dầm ngang vách ngang, dầm ngang vách dọc tạo thành một khung phẳng kín…).
2 Nếu cần phải thay đổi chiều dày, chiều cao, tiết diện hoặc hình dạng của kết cấu thì sự thay đổi đó phải được thực hiện dần đều.
Hiệu chiều dày của hai tấm tôn kề nhau không được lớn hơn 30% chiều dày của tấm dày hơn hoặc không được lớn hơn 5 mm, lấy trị số nào nhỏ hơn (điều này không áp dụng cho các tấm tôn tạo thành các rãnh, cũng như các tấm tôn dày hơn ở đầu các thượng tầng, ở lỗ thả neo, ở dưới các máy…). Phải vát mép tấm dày hơn để chiều dày của tấm dày chuyển tiếp bằng chiều dày của tấm mỏng và việc đó phải theo tiêu chuẩn hiện hành.
3 Việc chuyển chiều cao bản thành của dầm và nẹp gia cường từ cao xuống thấp hoặc ngược lại được thực hiện với một đoạn chuyển tiếp có chiều dài được khuyến nghị lấy không nhỏ hơn 5 lần hiệu các chiều cao bản thành của cơ cấu. Cho phép giảm chiều dài đoạn chuyển tiếp (trừ bản thành của sống đáy và sống boong ở khu vực giữa tàu) xuống còn bằng 2 lần hiệu các chiều cao.
Cũng tương tự như vậy, chiều rộng và chiều dày tấm mép của kết cấu phải được chuyển tiếp dần đều.
4 Phải đảm bảo sự liên tục của các kết cấu cơ bản của thân tàu đến mức độ tối đa có thể được.
5 Ở một tiết diện ngang thân tàu không cho phép gián đoạn nhiều hơn 1/3 số lượng kết cấu dọc thường và không cho phép gián đoạn nhiều hơn 2 kết cấu dọc khỏe của đáy hoặc boong tàu;
Những tiết diện có kết cấu dọc gián đoạn, phải cách xa nhau ít nhất là 2 khoảng sườn. Sự chuyển tiếp từ hệ thống kết cấu dọc sang ngang phải được thực hiện dần dần.
6 Không cho phép kết thúc các kết cấu dọc tại tiết diện đã bị yếu đi do có lỗ khoét lớn, tại vùng tập trung ứng suất, ví dụ: tại chỗ lượn tròn của góc lỗ khoét hình chữ nhật, chỗ kết thúc thượng tầng và thành quây dọc.
7 Tại vùng kết thúc của boong, của sàn, của đáy trên, của vách dọc phải đặt các tấm mã hoặc những kết cấu tương đương khác nhằm tránh sự kết thúc đột ngột và giảm tình trạng tập trung ứng suất (xem Hình 2A/2.8).
8 Mút cuối của nẹp phải kéo dài tới kết cấu ngang và được gia cường bằng các mã.
Cho phép vát mép đầu mút các cơ cấu sau:
(1) Nẹp gia cường chống rung động;
(2) Nẹp gia cường cho bản thành của kết cấu;
(3) Nẹp thường vách ngang ở các tàu kết cấu theo hệ thống ngang, trừ vách buồng máy, vách mũi, vách đuôi;
(4) Nẹp thường vách dọc ở tàu có hệ thống kết cấu dọc.
Không cho phép vát mép đầu mút kết cấu khỏe ở gần lỗ khoét không có viền gia cường, kể cả lỗ khoét cho cơ cấu thường xuyên qua.
9 Kết cấu dọc khỏe phải được kết thúc tại vách ngang hoặc tại kết cấu ngang khỏe. Ở mặt đối diện phải đặt mã có chiều dài không nhỏ hơn 1,5 lần chiều cao của cơ cấu đó. Mã phải được kéo đến cơ cấu ngang gần nhất và hàn với cơ cấu ngang đó, chiều cao mã bằng chiều cao cơ cấu dọc và giảm dần đến 1/4 chiều cao cơ cấu dọc tại vị trí hàn với cơ cấu ngang. Chiều dày bản thành mã và kích thước mép bẻ hoặc mép gắn của mã phải lấy giống như kích thước của cơ cấu kết thúc. Mép bẻ hoặc mép hàn của mã phải được vát mép (Hình 2A/2.9, a và b). Nếu cơ cấu khỏe kết thúc chuyển sang cơ cấu thường dọc thì không cần thiết phải kéo dài mã đến cơ cấu ngang (Hình 2A/2.9, c).
10 Nếu boong, đáy hoặc sàn được kết cấu theo hệ thống dọc, mạn kết cấu theo hệ thống ngang thì đầu mút sườn thường phải được liên kết với chiếc dầm dọc gần nhất của boong, đáy hoặc sàn bằng mã.
Nếu mạn kết cấu theo hệ thống hỗn hợp thì tại các điểm liên kết của sườn thường với sống mạn hoặc sàn phải đặt mã trong mặt phẳng sườn.
Nếu mạn kết cấu theo hệ thống hỗn hợp hoặc hệ thống dọc, thì giữa các sườn khỏe, tại vị trí hông và chỗ liên kết mạn với boong trong mặt phẳng của từng sườn thực phải đặt các mã liên kết với dầm dọc gần nhất.
11 Cần có các biện pháp kết cấu để tăng độ bền và độ cứng của các cơ cấu thân tàu mà các cơ cấu đó trong điều kiện hoạt động chịu tải trọng cục bộ tập trung hoặc tải trọng va đập, không được tính đến trong tính toán sức bền, ví dụ: mạn và đáy cần cầu nổi; đoạn đầu và đuôi của tàu đẩy và tàu được đẩy; boong của tàu chở hàng trên boong; đáy trên và mạn trong của tàu hàng khô…

2.3.2 Thiết kế các phần tử kết cấu
1 Các phần tử kết cấu có các tấm thành nằm trong cùng một mặt phẳng (xà ngang với sườn, sườn với đà ngang...), theo nguyên tắc phải được liên kết với nhau bằng mã đặt trong mặt phẳng đó; nếu những kết cấu đó là những kết cấu khỏe thì chúng còn phải được hàn với nhau. Liên kết các phần tử kết cấu thường được phép sử dụng mã đè.
Trong liên kết các kết cấu khỏe, mã phải có kích thước ít nhất bằng chiều cao tiết diện của kết cấu nhỏ hơn, trong liên kết các kết cấu thường mã phải có kích thước ít nhất bằng 2 lần chiều cao của tiết diện kết cấu nhỏ hơn (đối với mã đè thì phần đè được đo từ bản mép của kết cấu). Chiều dày mã liên kết cơ cấu khỏe và cơ cấu thường phải không nhỏ hơn chiều dày của bản thành mỏng hơn của các cơ cấu liên kết đó. Cho phép giảm chiều dày mã liên kết các cơ cấu thường: mã không có mép bẻ - giảm tối đa đi 1 mm với chiều dày bản thành cơ cấu từ 7 mm đến 9 mm và giảm đi 2 mm với chiều dày bản thành cơ cấu từ 10 mm trở lên; với mã có mép bẻ hoặc mép hàn - giảm đi 1 mm với chiều dày bản thành trong khoảng từ 6 đến 8 mm và giảm đi 2 mm với chiều dày 9 mm trở lên.
2 Các mã được đặt ở nút liên kết các cơ cấu khỏe phải có bản cánh/nẹp được vát mép ở mép tự do. Ở trường hợp cơ cấu thường, phải gia cường cạnh tự do của mã nếu chiều dài một trong các cạnh được hàn của mã hoặc tấm gia cường lớn hơn 35 lần chiều dày của chúng. Chiều dày mép gia cường được hàn không được nhỏ hơn chiều dày bản thành của mã, còn chiều rộng không nhỏ hơn 8 lần chiều dày của mép, đồng thời không được nhỏ hơn 40 mm ở mỗi phía của đường hàn. Chiều rộng mép bẻ không được nhỏ hơn 8 lần chiều dày mã đồng thời không nhỏ hơn 40 mm. Chiều rộng tối đa của dải gia cường, được đo từ bản thành mã, không được lớn hơn 10 lần chiều dày của nó. Diện tích tiết diện bản mép của mã ở nút liên kết các cơ cấu khỏe không được nhỏ hơn 0,8 lần diện tích mép nhỏ hơn của các cơ cấu liên kết.
3 Ở chỗ giao với vách, cơ cấu khỏe phải được gia cường ở cả hai phía của vách bằng các mã phủ lên các cơ cấu này trên một đoạn có chiều dài không nhỏ hơn chiều cao của chúng. Bản thành và bản mép của cơ cấu phải được hàn với tôn vách. Ở vách buồng máy và vách mũi hoặc vách đuôi, cũng như ở vách chịu tải trọng tác dụng ngược chiều nhau, bản mép cơ cấu phải được vát mép.
4 Cơ cấu thường phải xuyên qua lỗ khoét của cơ cấu khỏe không kín nước hoặc xuyên qua vách không kín nước. Bản thành của kết cấu thường phải được hàn với bản thành của kết cấu khỏe không kín nước hoặc với vách không kín nước, hoặc các cơ cấu phải được liên kết bằng mã hoặc tấm liên kết (Hình 2A/2.10), nẹp gia cường hoặc bằng cách kết hợp các biện pháp trên.

Hình 2A/2.10 - Liên kết cơ cấu thường và cơ cấu khoẻ không kín nước (vách không kín nước)
Chiều dày mã được lấy theo 2.3.2-1, chiều dày tấm liên kết và nẹp gia cường không được nhỏ hơn chiều dày bản thành cơ cấu khoẻ hoặc vách.
Các cạnh của mã không được nhỏ hơn 1,5 lần chiều cao cơ cấu thường, chiều cao của nẹp không được nhỏ hơn 0,6 lần chiều cao của cơ cấu đó. Đồng thời phải thoả mãn yêu cầu đối với nẹp gia cường ở 2.3.2-9. Khoảng dịch chuyển mã hoặc nẹp gia cường lệch với mặt phẳng bản thành tiết diện không đối xứng không được lớn hơn chiều cao mối hàn cộng với 1 mm.
Ở kết cấu kiểu treo với cơ cấu thường làm bằng thép góc, cho phép liên kết với các cơ cấu khoẻ bằng cách hàn các bản mép mối hàn hai phía. Trong trường hợp sử dụng thép mỏ làm cơ cấu thường, việc liên kết phải được thực hiện bằng mã. Ở kết cấu kiểu treo (2 tầng) có thể dùng thép cán hoặc thép chữ I và thép chữ U cũng như thép chữ U uốn với bản mép có cùng chiều rộng.
Không khuyến khích việc đặt tấm đế lót giữa cơ cấu khoẻ và tôn vỏ. Cho phép đặt tấm đế lót ở chỗ giao của cơ cấu khoẻ với vách và sống đáy không bị cắt, cũng như ở các chỗ chuyển tiếp kết cấu kiểu treo sang kiểu thông thường (“bị cắt”). Trong đó, cạnh tự do của tấm đế lót được khuyến nghị thực hiện với lỗ khoét có hình dạng như trên Hình 2A/2.11.

Hình 2A/2.11 - Kết cấu hệ thống kiểu treo
5 Việc liên kết các cơ cấu thường dọc bị gián đoạn tại cơ cấu khoẻ kín nước hoặc vách kín nước phải được thực hiện bởi mã hoặc tấm liên kết được đặt ở cả 2 phía của cơ cấu khoẻ hoặc vách trong mặt phẳng bản thành của cơ cấu được liên kết. Chiều dày mã phải theo 2.3.2-1. Chiều dài đoạn mối hàn liên kết mã với cơ cấu dọc không được nhỏ hơn 2,5 lần chiều cao cơ cấu, còn mép tự do của mã phải được bẻ mép phụ thuộc vào chiều dày và kích thước cạnh mã (Hình 2A/2.12).

Hình 2A/2.12 - Gia cường bù cho cơ cấu dọc bị gián đoạn ở cơ cấu khoẻ kín nước (vách kín nước)
6 Để tạo thành các rãnh thoát nước ở các cơ cấu ngang, cho phép không kéo dài các nẹp dọc gia cường đáy và boong đến tấm cơ cấu. Khoảng cách giữa các mặt mút của nẹp và tấm cơ cấu không được lớn hơn 10 lần chiều dày tôn đáy, đồng thời không lớn hơn 100 mm (lấy trị số nhỏ hơn). Việc liên kết các nẹp dọc gia cường phải được thực hiện theo 2.3.2-5.
7 Mút cơ cấu thường bị gián đoạn tại vách hoặc cơ cấu khoẻ, không cho phép liên kết cơ cấu thường với vách hoặc cơ cấu khỏe tại chỗ không được gia cường bằng mã hàn. Nẹp gia cường phải nằm trong mặt phẳng mã (Hình 2A/2.13) hoặc ở mút của một trong các mã phải được đặt nẹp gia cường làm từ thép thanh hoặc thép cán (Hình 2A/2.15) kéo đến cơ cấu gần nhất. Mút của nẹp gia cường cho phép vát mép. Mã gia cường mút cơ cấu thường tại cơ cấu ngang khoẻ phải được dẫn đến bản mép của cơ cấu khoẻ đó. Trong đó, cho phép khe hở công nghệ từ 10 đến 20 mm (Hình 2A/2.14).
Các cạnh của mã hoặc hoặc tấm gia cường, được hàn với bản thành của cơ cấu khoẻ, không được dẫn đến mép tự do của bản thành gần quá một khoảng 10 đến 20 mm.

8 Ở nút giao 3 cơ cấu vuông góc với nhau từng cặp một (ví dụ: sàn, vách dọc và vách ngang) phải đặt các mã hoặc các nẹp gia cường phân tán lực gây ra ở điểm giao cắt (Hình 2A/2.16).

Hình 2A/2.16 - Đặt mã để phân tán lực gây ra ở điểm giao 3 cơ cấu vuông góc với nhau từng cặp một
9 Bản thành cơ cấu khoẻ có tỷ số chiều cao h và chiều dày t, cm, lớn hơn
(trong đó ReH - giới hạn chảy của vật liệu làm cơ cấu, MPa), phải được gia cường bằng các nẹp gia cường vuông góc hoặc song song với bản mép cơ cấu khoẻ và phải tuân thủ các điều kiện sau:
(1) Khoảng cách S (cm) giữa các nẹp gia cường được đặt vuông góc với bản mép cơ cấu khoẻ không được nhỏ hơn:

(2) Mô men quán tính diện tích tiết diện ngang của nẹp gia cường (cm4) vuông góc với bản mép của cơ cấu khoẻ, kể cả mép kèm, không được nhỏ hơn:
i = 0,1St3eKS/h
Trong đó: K - hệ số được xác định theo Bảng 2A/2.10.
Bảng 2A/2.10 - Trị số của hệ số K phụ thuộc vào tỷ số ![]()
|
| 80 | 85 | 90 | 95 | 100 | 105 | 110 | 115 | 120 |
| K | 0 | 1,05 | 3,53 | 5,04 | 6,65 | 7,89 | 9,23 | 10,31 | 12,00 |
(3) Mô men quán tính diện tích tiết diện ngang của nẹp gia cường (cm4) song song với bản mép của cơ cấu khoẻ, kể cả mép kèm, không được nhỏ hơn:
![]()
Trong đó:
ReH - giới hạn chảy của vật liệu làm nẹp, МPа;
f - diện tích tiết diện ngang của nẹp (không kể mép kèm), сm2;
a - khoảng cách giữa các nẹp gia cường, сm;
l - chiều dài đoạn gia cường của bản thành, сm.
Các nẹp được phép làm từ các thanh thép dẹt, nếu tỷ số giữa chiều cao và chiều dày của chúng không lớn hơn 10; trong đó chiều cao của thanh không được nhỏ hơn 50 mm, còn chiều dày không được nhỏ hơn 0,8 lần chiều dày bản thành được gia cường.
Tỷ số h/t đối với bản thành của cơ cấu khoẻ, chịu tác động của tải trọng cục bộ lớn (dàn mạn của tất cả các tàu; dàn boong của tàu chở hàng trên boong, có bố trí xếp dỡ tải bằng gầu ngoạm) không được lớn hơn
.
10 Chiều dày bản thành cơ cấu khoẻ được xác định căn cứ vào chiều dày tấm mà nó gia cường, lấy không được nhỏ hơn trị số ở Bảng 2A/2.11.
Với chiều dày tấm từ 12 mm trở lên, chiều dày cơ cấu khỏe của cơ cấu gia cường có thể giảm tối đa 4 mm so với chiều dày tấm.
Có thể cho phép giảm chiều dày bản thành của cơ cấu khoẻ kề với tôn mép boong hoặc thành quây của tàu hở đi 1 lượng hơn nữa, nhưng không nhiều hơn 0,5 lần chiều dày tấm kề với tôn mép boong hoặc thành quây đó.
Chiều dày bản thành cơ cấu khoẻ của tàu hàng có chiều dài từ 50 m trở lên được khuyến nghị lấy không nhỏ hơn trị số theo Bảng 2A/2.12.
Bảng 2A/2.11 - Chiều dày bản thành cơ cấu khoẻ phụ thuộc vào chiều dày tấm được gia cường
| Chiều dày tôn vỏ, mm | 4,0 | 4,5 | 5,0 | 5,5 | 6,0 | 7,0 | 8,0 | 9,0 | 10,0 | 11,0 |
| Chiều dày bản thành, mm | 4,0 | 4,0 | 4,5 | 5,0 | 5,0 | 6,0 | 6,0 | 7,0 | 7,0 | 8,0 |
11 Chiều dày bản mép của kết cấu khỏe hàn không được lớn hơn 2 lần chiều dày bản thành của nó. Chiều rộng bản mép đối xứng không được lớn hơn 24 lần chiều dày của nó, còn chiều dày bản mép được hàn từ 1 phía của bản mép - không được lớn hơn 12 lần chiều dày của nó. Chiều rộng mép bẻ phải được lấy bằng khoảng từ 8 đến 12 lần chiều dày của nó.
Ở cơ cấu có tiết diện hình chữ L, tỷ số giữa chiều rộng mép bẻ và chiều dày của nó không được lớn hơn 30. Chiều rộng mép bẻ của thép mỏ không được nhỏ hơn 30 mm.
12 Khi tính toán mô đun chống uốn và mô men quán tính tiết diện ngang của kết cấu khỏe không đối xứng có mép bẻ bị uốn, diện tích mép bẻ ffl phải được nhân với hệ số φ được xác định theo công thức:

Trong đó:
l - nhịp của cơ cấu, cm;
η - hệ số phụ thuộc vào kiểu ngàm của mút cơ cấu, bằng:
1,5 - với các mút được ngàm cứng;
1,25 - với 1 mút được ngàm cứng còn mút kia tựa tự do;
1 - với các mút tựa tự do;
h - chiều cao bản thành, сm;
fw - diện tích tiết diện ngang của bản thành, cm2;
ffl - diện tích tiết diện ngang của bản mép, сm2;
t - chiều dày bản mép, сm;
b - chiều rộng bản mép, сm.
Bảng 2A/2.12 - Trị số chiều dày bản thành cơ cấu khoẻ của tàu hàng có chiều dài từ 50 m trở lên
| Cơ cấu | Chiều dày tối thiểu bản thành của cơ cấu khoẻ, mm | |||||
| Tàu chở hàng nặng xếp cục bộ, có chiều dài tàu L, m | Các tàu hàng khác có chiều dài tàu L, m | |||||
| 50 | 80 | ≥ 110 | 50 | 80 | ≥ 110 | |
| Cơ cấu khoẻ dàn mạn ở khu vực giữa và đuôi tàu | 6 | 7 | 8 | 5 | 6 | 8 |
| Cơ cấu khoẻ dàn mạn ở khu vực mũi tàu | 7 | 8 | 8 | 6 | 7 | 8 |
| Cơ cấu khoẻ dàn đáy khu vực mũi tàu | 6 | 7 | 8 | 6 | 7 | 8 |
2.3.3 Lỗ khoét ở kết cấu thân tàu
1 Ở các kết cấu dọc của thân tàu, các góc của lỗ khoét chữ nhật phải được lượn tròn với bán kính không được nhỏ hơn 0,1 chiều rộng lỗ khoét. Bán kính lượn tròn của các lỗ khoét miệng khoang hàng ở boong chính được đậy bởi các thành dọc miệng khoang hàng liên tục có thể giảm xuống đến còn 0,5 m.
2 Các lỗ khoét ở các cơ cấu dọc của thân tàu nên bố trí hướng cạnh dài theo chiều dọc thân tàu.
3 Các cơ cấu ở lỗ khoét phải được kết thúc ở các cơ cấu đặt thêm và được hàn với kết cấu được đặt thêm đó (Hình 2A/2.17). Nếu có một vài lỗ khoét thì nên bố trí những lỗ khoét đó theo một đường dọc tàu. Không bố trí một vài lỗ khoét trên một tiết diện ngang thân tàu.
4 Ở tấm thành của cơ cấu, không được khoét lỗ ở gần đế của kết cấu và ở gần mã liên kết kết cấu. Lỗ khoét phải cách đầu mã một khoảng không được nhỏ hơn 0,5 chiều cao tấm thành của kết cấu.

Hình 2A/2.17 - Các cơ cấu gia cường ở lỗ khoét
5 Chiều cao lỗ khoét ở bản thành cơ cấu khoẻ để cơ cấu thường chui qua không được lớn hơn 0,4 lần chiều cao của cơ cấu khoẻ. Nếu bản thành của cơ cấu được liên kết bằng phương pháp hàn, còn việc yếu đi do khoét lỗ được gia cường bù lại bằng việc đặt thêm các tấm, thì chiều cao lỗ khoét được tăng lên đến 0,6 lần chiều cao cơ cấu khỏe. Ở khu vực mạn kép, chiều cao lỗ khoét có thể lấy bằng 0,6 lần chiều cao nửa xà ngang khoẻ. Tổng chiều cao của các lỗ khoét để các cơ cấu thường chui qua ở bản thành của đà ngang đặc và sống đáy đôi, cũng như các sườn khoẻ đặc “sườn chắn” và sàn mạn kép, không được lớn hơn 0,4 lần chiều cao (chiều rộng) các cơ cấu nêu trên.
Chiều cao lỗ khoét nhằm giảm trọng lượng kết cấu và lỗ khoét để người chui, không được lớn hơn 0,5 chiều cao cơ cấu khoẻ tại chỗ có lỗ khoét. Chiều rộng của những lỗ khoét đó không được lớn hơn 0,75 chiều cao cơ cấu khoẻ tại chỗ có lỗ khoét. Cho phép chiều cao lỗ khoét tăng lên đến 60% chiều cao cơ cấu khỏe với điều kiện phải được gia cường bằng các nẹp gia cường theo mục 2.3.2-9 và 2.3.3-7.
Khoảng cách từ các mép của tất cả các lỗ khoét của cơ cấu khỏe đến mép lỗ khoét để cơ cấu thường chui qua kết cấu khỏe đó không được nhỏ hơn chiều cao tiết diện của kết cấu thường đó.
6 Chiều cao lỗ khoét thông khí (thông thuỷ) ở cơ cấu không được lớn hơn 20% chiều cao cơ cấu và chiều dài không được lớn hơn 15 lần chiều dày tôn vỏ hoặc tấm.
7 Bản thành của cơ cấu khoẻ bị yếu đi do khoét lỗ phải được gia cường bằng các nẹp gia cường song song với bản mép của cơ cấu đó, mô men quán tính diện tích tiết diện ngang của chúng kể cả mép kèm không được nhỏ hơn trị số được xác định theo công thức ở 2.3.2-9(3).
8 Có thể không phải thực hiện việc gia cường nêu ở 2.3.3-7 trên đối với cơ cấu có lỗ khoét, nếu các lỗ khoét có dạng hình tròn và đường kính của chúng không lớn hơn 20% chiều cao của cơ cấu khoẻ, đồng thời chúng được bố trí cách nhau hoặc cách các lỗ khoét khác 1 khoảng không nhỏ hơn 2 lần chiều cao của cơ cấu.
9 Các đoạn của bản thành cơ cấu khoẻ liền kề với mạn trong, vách ngang và vách dọc, phải được gia cường bằng các nẹp gia cường nghiêng (Hình 2A/2.18), lỗ khoét phải được bố trí ở giữa bản thành được gia cường. Các nẹp gia cường nghiêng phải có diện tích f (cm2) tiết diện ngang (không tính mép kèm) và mô men quán tính i (cm4) diện tích tiết diện ngang của nẹp gia cường kể cả mép kèm không được nhỏ hơn:

Trong đó:
V, Fw - lực cắt (kN) và diện tích tiết diện ngang tương ứng (cm2) của bản thành tại tiết diện yếu nhất của cơ cấu;
- ứng suất tiếp nguy hiểm của vật liệu làm bản thành theo công thức ở 2.2.6-1, МPа;
ReH - giới hạn chảy của vật liệu làm nẹp, МPа;
h, t - chiều cao và chiều dày tương ứng của bản thành, сm;
α - góc nghiêng của nẹp gia cường so với trục trung hoà của bản thành, độ.
Khi đặt các nẹp gia cường nghiêng độ bền của bản thành không cần kiểm tra theo 2.2.4-20.

Hình 2A/2.18 - Gia cường bằng các nẹp gia cường nghiêng
2.3.4 Kết cấu dạng sóng
1 Có thể dùng kết cấu dạng sóng để làm vách kín nước và vách không kín nước thân tàu cũng như làm các kết cấu thứ yếu khác không tham gia vào uốn chung, như các chỗ nhô ra, vách và nóc lầu lái...
2 Sức bền của kết cấu dạng sóng không được nhỏ hơn sức bền của kết cấu phẳng tương ứng.
3 Gân sóng các vách kín nước thân tàu phải là kiểu xuyên suốt toàn phần, có tiết diện ngang hình thang (Hình 2A/2.19, a) hoặc hình sin (Hình 2A/2.19, b). Gân sóng của các vách dọc có thể là gân đứng hoặc gân nằm. Vách dọc có gân đứng không được tính vào tiết diện của thanh tương đương.
4 Có thể dùng kết cấu dạng sóng để làm vách kín nước và làm các kết cấu thứ yếu khác. Sức bền của kết cấu sóng không được nhỏ hơn sức bền của kết cấu phẳng tương ứng. Ở đầu của mã liên kết các kết cấu gặp kết cấu sóng phải đặt nẹp ngang đi đến tận mặt gân gần nhất nhằm phân bố tải trọng tập trung ở đầu mã (Hình 2A/2.20).

a - Dạng hình thang b - Dạng hình sin
Hình 2A/2.19 - Các dạng tiết diện ngang của gân sóng của vách kín nước

Hình 2A/2.20 - Vị trí bố trí nẹp
2.3.5 Mối hàn
1 Phải tuân thủ một số quy định sau đây trong việc bố trí các đường hàn:
(1) Mối hàn giáp mép của tấm vỏ, tấm boong không được bố trí gần vùng có ứng suất tập trung lớn (ở góc các lỗ khoét, ở đầu bệ máy...);
(2) Phải tránh tình trạng tập trung mật độ các đường hàn. Khoảng cách giữa các đường hàn giáp mép song song và giữa các đường hàn góc song song không được nhỏ hơn 10t nếu chiều dày của tấm được hàn t = (3 ÷10) mm và không được nhỏ hơn 100 mm nếu t > 10 mm.
(3) Khoảng cách giữa mối hàn giáp mép và mối hàn góc song song không được nhỏ hơn 30 mm;
(4) Các đường hàn đối đầu của tấm vỏ, tấm boong để lắp ráp các phân đoạn và các tổng đoạn nên bố trí trong cùng một mặt phẳng.
2 Kiểu và ký hiệu đường hàn trong mối hàn chữ T được quy định ở Bảng 2A/2.13. Mặt đường hàn nên có dạng lõm đều và chuyển tiếp dần sang mặt chi tiết được hàn. Trong mối hàn chữ T chịu tải trọng kéo, tải trọng chấn động, tải trọng thay đổi và tải trọng xung phải dùng đường hàn liên tục 2 phía, bảo đảm hàn ngấu hoàn toàn;
Các phần tử kết cấu của đường hàn trong mối hàn chữ T không vát mép của các kết cấu thân tàu, được quy định ở Bảng 2A/2.14, trong đó hệ số độ bền, ứng với số hiệu mối hàn, là tỷ số giữa tổng chiều cao tính toán của mối hàn liên tục và chiều dày của tấm mỏng nhất trong các tấm được hàn. Chiều cao tính toán của mối hàn được lấy bằng 0,7 lần chiều dài cạnh mối hàn. Đối với mối hàn gián đoạn và hàn điểm trong Bảng ghi hệ số bền của mối hàn liên tục tương đương với chúng.
3 Các đường hàn chữ T của kết cấu thân tàu được quy định tại Bảng 2A/2.14 có thể được thay thế bằng những đường hàn khác nếu có hồ sơ chứng minh được sức bền tương đương và với các kích thước khác của các phần tử kết cấu.
4 Số hiệu đường hàn của mối hàn chữ T của các kết cấu thân tàu hoạt động ở các vùng khác nhau được quy định ở Bảng 2A/2.15.
5 Với tàu kéo, đẩy và tàu được đẩy, ở vùng đặt các thiết bị nối ghép, các kết cấu phải được hàn với tôn vỏ và boong bằng đường hàn liên tục.
6 Các liên kết chữ T chịu kéo phải hàn bằng đường hàn số 1 và đảm bảo độ bền tương đương với bản thành được hàn (chịu lực cắt và kéo).
7 Các đầu tự do của bản thành cơ cấu và nẹp khi hàn một phía phải hàn liên tục xung quanh với đoạn chuyển sang phía đối diện với chiều dài không nhỏ hơn 30 mm.
Tương tự như vậy đối với các đoạn của bản thành cơ cấu tại chỗ có lỗ khoét và tại lỗ khoét trên vách.
8 Ở các bản thành của cơ cấu phải bố trí lỗ khoét ở những chỗ giao nhau của chúng tấm, nếu các tấm này được hàn sau khi lắp đặt cơ cấu.
9 Không cho phép sử dụng mối hàn điểm, nêu ở Bảng 2A/2.14, ở những khu vực thân tàu nằm dưới nước, cũng như ở khu vực chịu tác động của tải trọng rung động và tải trọng va đập cục bộ (ở khu vực buồng máy, chân vịt, vùng mũi).
10 Những cơ cấu thường, chui qua bản thành của cơ cấu khỏe, xuyên qua vách không kín nước, xuyên qua trần, xuyên qua sàn mà không được liên kết bằng mã, nẹp thì phải được hàn với kết cấu đó bằng đường hàn có số hiệu 2.
Bảng 2A/2.13 - Các dạng mối hàn chữ T của các kết cấu thân tàu
| TT | Kiểu đường hàn | Ký hiệu | Hình vẽ |
| 1 | Hai bên liên tục | HK |
|
| 2 | Một bên liên tục | MK |
|
| 3 | Một bên gián đoạn | MK - a/t |
|
| 4 | So le gián đoạn | HK - aZt |
|
| 5 | Hàn điểm | Đ- b/t |
|
| Chú thích: H - hàn hai bên; M - hàn một bên; Đ - hàn điểm; K - chiều dài cạnh của đường hàn, mm; a - chiều dài của đoạn hàn, mm; t - bước hàn, mm; b - chiều rộng điểm hàn. | |||
Đầu các cơ cấu khỏe (bản thành và bản mép tự do) nếu không được liên kết bằng mã thì phải được hàn bằng đường hàn số hiệu 2 trên một đoạn dài bằng chiều cao tiết diện của cơ cấu khỏe.
Đối với cơ cấu khỏe bị cắt (đà ngang, xà ngang khỏe, sống phụ đáy, sống boong, sống mạn…), các đầu các cơ cấu được hiểu là các mặt cắt liền kề tại chỗ giao nhau của kết cấu (mạn, vách, cột chống), các đoạn đó là các ổ đỡ cứng cho cơ cấu khỏe.
Đầu các cơ cấu thường, nếu không được gắn mã thì phải được hàn bằng đường hàn số hiệu 2 trên một đoạn dài bằng 2 lần chiều cao tiết diện của cơ cấu đó.
11 Trên các đoạn của cơ cấu được liên kết bằng mã (trên một đoạn a và a’ kể từ chỗ tựa đến mép ngoài của mã - Hình 2A/2.21), bản thành cơ cấu phải được hàn với bản mép và hàn với tấm liên kết bởi đường hàn có số hiệu bằng số hiệu của đường hàn dùng để hàn mã.

Hình 2A/2.21 - Liên kết mã
12 Mối hàn chữ T của các cơ cấu của thiết bị liên kết và cột kéo phải là mối hàn 2 phía liên tục.
13 Liên kết hàn còn phải được thực hiện phù hợp với quy định của các tiêu chuẩn hiện hành.
14 Bích của ống xuyên qua vách kín nước phải được hàn liên tục 2 phía.
Bảng 2A/2.14 - Số hiệu đường hàn trong mối hàn chữ T không vát mép của các kết cấu thân tàu
| Chiều dày của tấm mỏng hơn trong các tấm được hàn, mm | Số hiệu đường hàn | ||||
| 1 | 2 | 3 | 4 | 5 | |
| Hệ số bền | |||||
| 1,0 | 0,75 | 0,5 | 0,35 | 0,20 | |
| 3,0 đến dưới 4,0 | H3 | H2 | M3 | 3-50/100 hoặc Đ-10/40 | 3-50/100 hoặc Đ-10/50 |
| 4,0 đến dưới 5,0 | H3 | H3 | M4 | M3 | 4-75/200 hoặc Đ-10/50 |
| 5,0 đến dưới 6,0 | H4 | H4 | M4 | M3 | 4-75/200 hoặc Đ-10/40 |
| 6 đến dưới 8 | H5 | H4 | H3,5 | 4-75Z150 | 4-75Z300 |
| 8 đến dưới 10 | H6 | H5 | H4 | 5-75Z150 | 4-75Z200 |
| 10 đến dưới 12 | H7 | H6 | H5 | 6-75Z150 | 5-75Z200 |
| 12 trở lên | H9 | H6 | H5 | 6-75Z150 | 5-75Z200 |
| Chú thích: Chiều dài cạnh của đường hàn từ 5 mm trở lên, được thực hiện hàn tự động và bán tự động dưới lớp thuốc hàn hoặc khí các bon, được phép giảm đi 1 mm. | |||||
Bảng 2A/2.15 - Số hiệu đường hàn của mối hàn chữ T của các cơ cấu thân tàu
| TT | Các cơ cấu được hàn | Vùng hoạt động | |
| SB và SI | SII, SIII | ||
|
| A. Kết cấu đáy |
|
|
| 1 | Tấm thành của sống đáy, đà ngang hàn với tấm vỏ, trừ những kết cấu nói ở dòng 3 và 5 | 3 | 4 |
| 2 | Tấm thành của sống đáy, đà ngang hàn với tấm mép, tấm đáy trên, trừ những kết cấu nói ở các dòng 3,4,5 | 4 | 4 |
| 3 | Tấm thành của sống đáy, đà ngang hàn với tấm mép, với tấm đáy trên và tấm vỏ trong buồng máy ở khu vực bệ máy | 2 | 3 |
| 4 | Tấm thành của sống đáy, đà ngang hàn với tấm đáy trên của tàu hàng khô thực hiện bốc xếp hàng bằng gầu ngoạm | 3 | 3 |
| 5 | Tấm thành của đà ngang kín nước và sống đáy kín nước hàn với tấm vỏ và tấm đáy trên | 2 | 2 |
| 6 | Tấm thành của đà ngang, sống đáy hàn với nhau và với vách | 2 | 2 |
| 7 | Kết cấu thường hàn với tấm vỏ ở trong buồng máy cũng như đoạn 0,2L mũi tàu hoặc đuôi tàu | 3 | 3 |
| 8 | Kết cấu thường hàn với tấm vỏ ở những đoạn ngoài đoạn nói ở dòng 7 | 5 | 5 |
| 9 | Kết cấu thường hàn với tấm đáy trên của tàu hàng khô thực hiện bốc xếp hàng bằng gầu ngoạm | 3 | 3 |
| 10 | Kết cấu thường hàn với tấm đáy trên của những tàu chưa nói ở dòng 9 | 4 | 4 |
| 11 | Tấm đáy trên hàn với tấm vỏ và tấm mạn trong | 2 | 2 |
|
| B. Kết cấu mạn |
|
|
| 12 | Tấm thành của sườn khỏe, sườn đồng nhất, sống mạn hàn với tấm mép của chúng, với tấm vỏ và tấm mạn trong | 3 | 4 |
| 13 | Tấm thành của sống mạn, sườn khỏe, sườn đồng nhất, và cơ cấu thường hàn với tấm mạn trong của tàu được bốc xếp hàng bằng gầu ngoạm | 3 | 3 |
| 14 | Tấm thành sườn khỏe, sườn đồng nhất và sống mạn hàn với nhau và với vách | 2 | 2 |
| 15 | Cơ cấu thường hàn với tấm vỏ và tấm mạn trong | 4 | 4 |
|
| C. Kết cấu boong và sàn |
|
|
| 16 | Kết cấu boong hàn với tấm boong ở vùng đặt tời của cần cẩu nổi | 1 | 1 |
| 17 | Kết cấu boong hàn với tấm boong của tàu chở hàng trên boong | 2 | 2 |
| 18 | Kết cấu boong hàn với tấm boong của các tàu khác với dòng 17 | 5 | 5 |
| 19 | Tấm thành của kết cấu khỏe hàn với tấm mép của nó | 4 | 4 |
| 20 | Tấm thành của xà ngang khỏe và tấm thành của sống boong hàn với nhau, với tấm mạn và với vách | 2 | 2 |
| 21 | Tấm thành của thành quây miệng khoang hàng hàn với tấm boong và với xà ngang boong | 2 | 2 |
|
| D. Kết cấu vách |
|
|
| 22 | Vách đầu, vách đuôi, vách két nước, vách két dầu hàn với tôn vỏ và hàn với tôn boong | 2 | 2 |
| 23 | Vách kín nước, trừ các vách nêu ở mục 22, hàn với tôn vỏ, hàn với tôn đáy trên và hàn với tôn boong. | 2 | 2 |
| 24 | Bản thành của cơ cấu khỏe hàn với bản mép của nó và hàn với tôn vách | 4 | 4 |
| 25 | Bản thành cơ cấu khỏe của vách hàn với nhau và hàn với cơ cấu đáy, hàn với cơ cấu mạn và hàn với cơ cấu boong | 2 | 2 |
| 26 | Vách dọc với vách ngang | 2 | 2 |
| 27 | Cơ cấu thường của vách hàn với tôn vách đó | 5 | 5 |
|
| E. Boong, sàn và thượng tầng |
|
|
| 28 | Tôn mép boong tính toán cao nhất hàn với tôn vỏ | 1 | 1 |
| 29 | Tôn mép các boong, trừ boong nêu ở mục 28 trên, và sàn hàn với tôn vỏ | 2 | 2 |
| 30 | Cột hàn với bản mép của cơ cấu khỏe và tôn đáy trên | 2 | 2 |
| 31 | Vách biên của lầu và thượng tầng hàn với boong | 3 | 3 |
| 32 | Kết cấu của thượng tầng và lầu hàn với vách thượng tầng và vách lầu | 5 | 5 |
| 33 | Vách của thượng tầng và lầu hàn với boong | 4 | 4 |
|
| G. Mã và nẹp gia cường kết cấu khỏe |
|
|
| 34 | Mã hàn với kết cấu và hàn với tấm của kết cấu | 2 | 2 |
| 35 | Bản mép của mã hàn với bản thành của mã | 2 | 3 |
| 36 | Nẹp gia cường và dải tấm viền lỗ khoét ở tấm thành của kết cấu khỏe hàn với tấm thành của kết cấu khỏe đó | 4 | 5 |
|
| H. Bệ máy |
|
|
| 37 | Bản thành, tấm gia cường và mã của bệ máy của động cơ đốt trong hàn với nhau và hàn với tôn vỏ, hàn với tôn đáy trên và tấm mép tựa | 1 | 1 |
| 38 | Bản thành, tấm gia cường và mã của bệ máy của động cơ (trừ động cơ nêu ở mục 37) hàn với tôn vỏ, tôn đáy trên và tấm mép tựa | 2 | 2 |
| 39 | Bản mép của mã hàn với bản thành của chúng | 2 | 3 |
2.4 Xác định quy cách các phần tử kết cấu thân tàu
2.4.1 Quy định chung
Có thể tính chiều dày kết cấu thân tàu theo 2.4.1-1 và 2.4.1-2.
1 Theo điều kiện bền:
Chiều dày các kết cấu thân tàu của tàu có cấp VR-SB, VR-SI không được nhỏ hơn trị số tính theo công thức:
t = to + ∆t
Trong đó:
to - chiều dày tính theo điều kiện bền, mm;
∆t - lượng hao mòn của tấm do han gỉ (mm), được tính theo công thức: ∆t = uT/2;
u - lượng hao mòn han gỉ trung bình hàng năm của chiều dày tấm tôn, mm/năm;
Nếu không được có quy định nào khác thì có thể lấy u theo Bảng 2A/2.16, trong đó T được lấy bằng 25 năm.
Bảng 2A/2.16 - Trị số u
| TT | Kết cấu thân tàu | Lượng hao mòn do han gỉ (mm/năm) |
| 1 | Tấm boong của tàu chở hàng trên boong | 0,12 |
| 2 | Tấm boong, kết cấu boong, những tấm trên của mạn, vách ở vùng khoang hàng của tàu hàng lỏng | 0,12 |
| 3 | Tấm boong, kết cấu boong, tấm trên của mạn, của vách ở vùng khoang hàng của tàu chở dầu | 0,18 |
| 4 | Tấm boong, kết cấu boong, thành quầy miệng khoang hàng chưa được nói đến ở các dòng 1, 2 và 3 | 0,03 |
| 5 | Tấm mạn ở vùng trên đường nước đủ tải và kết cấu mạn | 0,04 |
| 6 | Tấm mạn ở vùng dưới đường nước đủ tải | 0,05 |
| 7 | Tấm đáy trên, những tấm dưới của mạn trong, vách của tàu chở hàng rời | 0,12 |
| 8 | Tấm đáy trên, tấm dưới của mạn trong, vách chưa được nói đến ở dòng 7 | 0,05 |
| 9 | Vùng trên và vùng giữa của mạn trong, vách, thành quầy miệng khoang của tàu chở hàng rời | 0,07 |
| 10 | Vùng trên và vùng giữa mạn trong của vách chưa được nói đến ở dòng 9 | 0,03 |
| 11 | Dải tấm hông và dải tấm đáy kề với dải tấm hông | 0,08 |
| 12 | Tấm đáy và kết cấu đáy | 0,05 |
| 13 | Kết cấu trong vùng đáy đôi | 0,06 |
2 Theo các công thức:
(1) Chiều dày tấm giữa đáy ở vùng giữa tàu phải lớn hơn chiều dày tấm đáy ở cùng vùng đó 1 mm, còn chiều rộng phải bằng 0,75 m hoặc 0,1B, lấy trị số nào lớn hơn;
(2) Chiều dày tấm đáy t, mm, không được nhỏ hơn trị số tính theo công thức:
t = s(αL + βa +γ)
Trong đó:
a - khoảng cách các cơ cấu, m (đà ngang hoặc dầm dọc đáy);
s - hệ số phụ thuộc vào vùng hoạt động của tàu:
s = 1,00 - đối với tàu hoạt động ở vùng SB và SI;
s = 0,85 - đối với tàu hoạt động ở vùng SII và SIII;
α, β, γ - các hệ số được lấy theo Bảng 2A/ 2.17.
Bảng 2A/ 2.17 - Hệ số
| Hệ số | α | β | γ |
| Đà ngang | 0,066 | 4,5 | - 0,80 |
| Dầm dọc đáy | 0,076 | 4,5 | - 0,40 |
(3) Chiều dày tấm hông: chiều dày tấm hông ở vùng giữa tàu phải lớn hơn chiều dày tấm đáy 1 mm. Nếu chiều dày tấm đáy lớn hơn 8 mm thì chiều dày tấm hông được lấy bằng chiều dày tấm đáy;
(4) Tấm mạn: chiều dày tấm mạn không được nhỏ hơn 0,9 lần chiều dày tấm đáy. Mạn phải có dải mép mạn, chiều dày dải mép mạn phải lớn hơn chiều dày tấm mạn 1 mm;
(5) Chiều dày sống mũi, sống đuôi dạng tấm phải lớn hơn chiều dày dải tấm giữa đáy ít nhất là 1 mm;
(6) Chiều dày tấm boong, mm, ở vùng khoang hàng không được nhỏ hơn trị số tính theo công thức:
Trong đó:
![]()
a - khoảng cách các cơ cấu, m (xà ngang/xà dọc);
h - tải trọng boong tính toán, m, được lấy như sau:
h = 0,50 - đối với boong bền;
h = 0,45 - đối với boong chở khách;
h = 0,35 - đối với boong sinh hoạt;
h = kM/f - đối với boong chở hàng, trong đó:
M - tổng khối lượng hàng hóa xếp lên boong, tấn;
f - diện tích vùng boong xếp hàng hóa, m2;
k = 1,30 - đối với quặng kim loại;
k = 1,15 - đối với các loại hàng khác.
Trong mọi trường hợp chiều dày của các kết cấu thân tàu không được nhỏ hơn trị số tmin, mm, tính theo Bảng 2A/2.7.
3 Mô đun chống uốn Wc, cm3, của các cơ cấu thân tàu có mép kèm được quy định trong các điều tương ứng từ 2.4.2 đến 2.4.12.
4 Sức bền dọc
(1) Đối với tàu có chiều dài L ≥ 65 m thì ngoài việc tính các yếu tố kết cấu thân tàu còn phải tính mô đun chống uốn tiết diện ngang thân tàu. Mô đun chống uốn tối thiểu, cm2m, của tiết diện ngang thân tàu không được nhỏ hơn trị số tính theo công thức:
Zmin = skLBd(CB + 1,2)
Trong đó:
L, B - chiều dài và chiều rộng tàu, m;
d - chiều chìm tàu, m;
CB - hệ số béo thể tích của tàu;
s - hệ số lấy như sau:;
s = 1,00 - đối với tàu hoạt động ở vùng SB;
s = 0,90 - đối với tàu hoạt động ở vùng SI;
s = 0,85 - đối với tàu hoạt động ở vùng SII và SIII;
k =
.
(2) Tiết diện được lựa chọn để tính mô đun chống uốn tiết diện ngang thân tàu là tiết diện yếu nhất ở vùng giữa tàu, nơi có lỗ khoét rộng nhất.
(3) Boong chịu lực và tất cả các kết cấu dọc bằng thép liên tục nằm dưới boong chịu lực trong phạm vi đoạn 0,5L giữa tàu đều có thể được đưa vào tính mô đun chống uốn của tiết diện ngang thân tàu nếu chúng được coi là có tác dụng hữu hiệu trong uốn chung thân tàu.
5 Chiều dày kết cấu và khoảng cơ cấu
(1) Chiều dày của các kết cấu thân tàu không được nhỏ hơn trị số tmin, tính theo Bảng 2A/2.18.
Bảng 2A/2.18 - Chiều dày tối thiểu tmin
| Tên kết cấu | Chiều dày tối thiểu tmin, mm, của các kết cấu ứng với chiều dài tàu (m) và vùng hoạt động | |||||||
| SB | SI | SII và SIII | ||||||
| 20 | 80 | 140 | 20 | 80 | 140 | 20 | 80 | |
| 1. Tôn vỏ | ||||||||
| 1.1 Tôn vỏ (trừ trường hợp nêu ở các mục 1.2 đến 1.6) | 4,0 | 6,0 | 8,0 | 4,0 | 6,0 | 7,0 | 3,0 | 5,0 |
| 1.2 Tôn vỏ tạo thành 1 phần các két dằn và két nhiên liệu | 4,5 | 7,0 | 9,0 | 4,5 | 7,0 | 8,0 | 3,5 | 6,0 |
| 1.3 Dải tôn hông | 5,0 | 7,0 | 9,0 | 5,0 | 7,0 | 8,0 | 4,0 | 6,0 |
| 1.4 Dải tôn mép mạn ở vùng giữa tàu | 5,0 | 8,0 | 10,0 | 5,0 | 7,0 | 8,5 | 4,0 | 6,0 |
| 1.5 Tôn ở vùng mũi tính từ mặt phẳng cơ bản đến chiều cao 0,04B | 5,0 | 8,0 | 9,0 | 4,5 | 7,0 | 8,0 | 4,0 | 6,0 |
| 1.6 Tôn mạn ở vùng mũi | 4,5 | 7,0 | 9,0 | 4,5 | 7,0 | 8,0 | 4,0 | 6,0 |
| 2. Tôn boong và sàn | ||||||||
| 2.1 Tôn boong (trừ trường hợp nêu tại các mục từ 2.2 đến 2.8) | 4,0 | 6,5 | 8,0 | 4,0 | 6,0 | 7,0 | 3,5 | 5,5 |
| 2.2 Tôn mép boong ở vùng giữa tàu | 5,0 | 8,0 | 10,0 | 5,0 | 7,0 | 8,5 | 4,0 | 6,0 |
| 2.3 Tôn boong ở vùng đuôi, vùng mũi, ở vùng giữa các thành dọc miệng khoang, boong thượng tầng đuôi và thượng tầng (không tham gia uốn chung thân tàu) thuộc các vùng lộ thiên; tôn boong thượng tầng mũi | 4,0 | 5,0 | 5,5 | 4,0 | 5,0 | 5,5 | 3,0 | 4,0 |
| 2.4 Tôn boong ngoài vùng giữa tàu, tôn boong nâng đuôi và thượng tầng (không tham gia uốn chung thân tàu) thuộc các vùng trong thượng tầng và trong lầu; tôn sàn | 3,0 | 4,0 | 4,0 | 3,0 | 4,0 | 4,0 | 3,0 | 3,5 |
| 2.5 Tôn boong khu vực khoang hàng của tàu chở hàng lỏng | 5,0 | 7,0 | 9,5 | 5,0 | 7,0 | 8,5 | 4,5 | 6,0 |
| 2.6 Tôn boong ở vùng đuôi và vùng mũi của tàu được đẩy | 4,0 | 7,0 | 8,0 | 4,0 | 7,0 | 8,0 | 4,0 | 6,0 |
| 2.7 Tôn boong thượng tầng tham gia uốn chung thân tàu ở khu vực giữa tàu và ở các vùng lộ thiên | 4,0 | 5,0 | 5,5 | 4,0 | 5,0 | 5,5 | 3,0 | 4,0 |
| 2.8 Tôn boong thượng tầng tham gia uốn chung thân tàu nằm ngoài khu vực giữa tàu và các vùng trong thượng tầng và trong lầu | 3,0 | 4,0 | 4,0 | 3,0 | 4,0 | 4,0 | 3,0 | 3,5 |
| 3. Tôn đáy trên tàu hàng | ||||||||
| 3.1 Tôn đáy trên của tàu hàng (trừ các trường hợp nêu ở các mục từ 3.2 đến 3.3) | 4,5 | 6,0 | 7,0 | 4,0 | 5,5 | 6,5 | 3,0 | 5,0 |
| 3.2 Tôn đáy trên của tàu chở hàng khô dưới miệng khoang trong khu vực khoang hàng nếu xếp dỡ bằng gầu ngoạm và tôn boong của tàu chở hàng trên boong ở khu vực chở hàng | 7,0 | 10,0 | 10,5 | 7,0 | 9,5 | 10,0 | 7,0 | 9,0 |
| 3.3 Tôn đáy trên của tàu chở hàng lỏng ở khu vực bố trí két hàng | 6,0 | 7,5 | 8,0 | 5,5 | 7,0 | 8,0 | 5,0 | 6,0 |
| 4. Vách và mạn trong | ||||||||
| 4.1 Tôn vách kín nước và mạn trong (trừ các trường hợp nêu ở các mục từ 4.2 đến 4.12) | 3,0 | 5,0 | 5,0 | 3,0 | 4,0 | 5,0 | 3,0 | 4,0 |
| 4.2 Tôn vách mũi | 3,5 | 5,5 | 5,5 | 3,0 | 4,5 | 5,5 | 3,0 | 4,5 |
| 4.3 Tôn mạn trong của tàu hàng khô ở khu vực khoang hàng | 4,5 | 6,0 | 7,0 | 4,0 | 5,5 | 6,5 | 3,0 | 5,0 |
| 4.4 Tôn vách kín nước (trừ dải dưới) ở khu vực khoang hàng của tàu hàng khô | 3,5 | 5,5 | 6,0 | 3,5 | 5,0 | 5,5 | 3,0 | 4,0 |
| 4.5 Dải dưới vách kín nước trong khu vực khoang hàng của tàu hàng khô | 4,0 | 6,0 | 6,5 | 4,0 | 5,5 | 6,0 | 3,5 | 4,5 |
| 4.6 Tôn mạn trong khoang hàng mở hoàn toàn, dải dưới của tôn mạn trong của khoang hàng mở không hoàn toàn, dải dưới của vách ngang trong khu vực khoang hàng nếu bốc xếp hàng bằng gầu ngoạm | 5,0 | 7,0 | 8,0 | 5,0 | 7,0 | 8,0 | 4,5 | 6,0 |
| 4.7 Dải trên của vách của tàu chở hàng trên boong ở khu vực boong chở hàng | 5,0 | 8,0 | 8,0 | 5,0 | 8,0 | 8,0 | 5,0 | 7,0 |
| 4.8 Tôn mạn trong, tôn vách ngang ngăn các khoang hàng với các khoang trống của tàu hàng lỏng ở khu vực khoang hàng (trừ dải dưới và dải trên) | 5,0 | 6,5 | 7,5 | 4,5 | 6,0 | 7,0 | 3,5 | 5,5 |
| 4.9 Dải trên của tôn mạn trong, của vách ngang ngăn các khoang hàng với các khoang trống của tàu hàng lỏng ở khu vực khoang hàng | 5,5 | 7,0 | 8,0 | 5,0 | 6,5 | 7,5 | 4,0 | 6,0 |
| 4.10 Dải dưới của tôn mạn trong, của vách ngang ngăn các khoang hàng với các khoang trống của tàu hàng lỏng ở khu vực khoang hàng | 6,0 | 7,5 | 8,0 | 5,5 | 7,0 | 8,0 | 5,0 | 6,0 |
| 4.11 Tôn vách ngang ngăn các khoang hàng trên tàu hàng lỏng (trừ dải trên) | 4,5 | 6,0 | 6,5 | 4,0 | 5,5 | 6,5 | 3,5 | 5,0 |
| 4.12 Dải trên của tôn vách ngang ngăn các khoang hàng trên tàu hàng lỏng | 5,0 | 6,5 | 7,0 | 4,5 | 6,0 | 7,0 | 4,0 | 5,5 |
| 5. Các cơ cấu khác | ||||||||
| 5.1 Cơ cấu dạng tấm và bản thành của cơ cấu khoẻ của boong chở hàng tàu chở hàng trên boong và cơ cấu đáy trên trong khu vực khoang hàng của tàu hàng khô khi xếp dỡ bằng gầu ngoạm | 5,0 | 8,0 | 8,0 | 5,0 | 8,0 | 8,0 | 5,0 | 7,0 |
| 5.2 Cơ cấu dạng tấm và cơ cấu bên trong các két dằn | 4,0 | 6,0 | 6,0 | 4,0 | 6,0 | 6,0 | 3,5 | 5,0 |
| 5.3 Cơ cấu boong và cơ cấu vách bên trong két hàng và két nhiên liệu | 4,5 | 7,0 | 7,0 | 4,5 | 7,0 | 7,0 | 4,0 | 5,5 |
| 5.4 Thành dọc liên tục của miệng khoang hàng | 7,0 | 10,0 | 12,0 | 6,0 | 9,0 | 11,0 | 5,5 | 7,5 |
| 5.5 Thành ngang miệng khoang hàng | 4,0 | 7,0 | 8,0 | 4,0 | 6,0 | 7,0 | 4,0 | 6,0 |
| 5.6 Tấm thành quây miệng buồng máy và tấm cửa lùa của buồng máy, vách biên thượng tầng không tham gia vào uốn chung thân tàu | 3,0 | 4,0 | 4,0 | 3,0 | 4,0 | 4,0 | 3,0 | 4,0 |
| 5.7 Tôn vách thượng tầng tham gia vào uốn chung thân tàu | 3,5 | 5,0 | 5,0 | 3,5 | 5,0 | 5,0 | 3,5 | 5,0 |
| Chú thích: 1. Chiều dày tấm, cơ cấu nói ở các mục trong Bảng ứng với khoảng cách cơ cấu ao bằng 550 mm; 2. Phần thập phân của chiều dày tính theo nội suy được làm tròn về phía nhỏ hơn nếu phần thập phân nhỏ hơn 0,25 mm và ngược lại. Với chiều dày trên 6 mm cho phép lấy tròn về phía nhỏ hơn nếu phần thập phân nhỏ hơn 0,5 mm và ngược lại; 3. Với tàu hoạt động ở vùng SB và SI có chiều dài L ≥ 50 m và có hệ thống kết cấu ngang ở khu vực giữa tàu thì chiều dày tối thiểu quy định trong Bảng phải được tăng lên một lượng như sau: với tôn đáy ngoài (mục 1.1) lên một lượng bằng: 1,2(L-50)/90; Với tôn đáy trên (mục 3.1) và các dải dưới của mạn trong ở khu vực khoang hàng của tàu chở hàng lỏng (mục 4.10) lên một lượng bằng: 0,7(L-50)/90; 4. Chiều dày tôn ở mục 1.5 đối với tàu hoạt động ở vùng SB có thể giảm đi lượng bằng 0,5 mm nếu ở các khu vực đáy tàu gồm các nẹp dọc gia cường và dầm ngang được đặt ở mỗi mặt sườn; 5. Với tàu có mũi dạng hình giầy trượt băng (nhọn), quy định ở mục 1.5 áp dụng cho đoạn tôn vỏ cao hơn phần đáy phẳng ở khu vực mũi tàu một đoạn bằng 4% chiều rộng tàu. | ||||||||
(2) Khoảng cách ao là khoảng cách giữa các dầm dọc của hệ thống kết cấu dọc hoặc khoảng cách giữa các sườn của hệ thống kết cấu ngang, không được lấy lớn hơn 650 mm. Khoảng cách ao thông thường là 550 mm.
(3) Nếu khoảng cách ao lớn hơn (nhỏ hơn) 550 mm thì chiều dày tấm phải được tăng (hoặc giảm) theo tỷ lệ tuyến tính (trừ chiều dày nêu ở các mục 4.9, 4.12, 5.1 đến 5.3 trong Bảng 2A/2.18).
(4) Chiều rộng các dải tôn nêu ở mục 4.5, 4.7, 4.9 và 4.12 trong Bảng 2A/2.18 không được nhỏ hơn 0,6 m.
(5) Chiều dày tôn ở mục 1.4 và 2.2 trong Bảng 2A/2.18 chỉ áp dụng cho các tàu có chiều cao mạn D ≥ 2,5 m; Chiều rộng dải tôn mép mạn không được nhỏ hơn 0,2D và chiều rộng dải tôn mép boong không được nhỏ hơn 0,6 m; Với D < 2,5 m thì chiều dày tôn mép mạn có thể lấy bằng chiều dày tôn mạn.
(6) Chiều dày của các kết cấu chịu ăn mòn và hư hỏng đặc biệt (hao mòn va đập, hao mòn tôn và cơ cấu trong khu vực khoang hàng của tàu chở các sản phẩm lưu huỳnh, chở hàng nguy hiểm…) phải được tăng lên thích đáng so với Bảng 2A/2.18 phù hợp với tốc độ hao mòn thực tế.
(7) Chiều dày tôn đáy và dải tôn hông của tàu hoạt động ở vùng nước nông, yêu cầu phải tăng lên 1 mm so với chiều dày ở các mục 1.1 đến 1.3 và mục 1.5 trong Bảng 2A/2.18.
(8) Việc thay đổi chiều dày ở các khu vực chuyển tiếp cần được chuyển dần dần (xem 2.3.1-2).
2.4.2 Kết cấu đáy đơn
Kết cấu đáy đơn là kết cấu đáy ở tàu không có đáy trên và ở những vùng không có đáy trên.
1 Khoảng cách giữa các đà ngang d1, m, phải là bội số của khoảng sườn và không được lớn hơn:
1,8 - đối với tàu chở hàng trên boong (kể cả boong lửng);
2,4 - đối với tàu khách và tàu hàng lỏng;
2,0 - đối với các tàu còn lại.
2 Mô đun chống uốn, cm3, của tiết diện đà ngang có mép kèm không được nhỏ hơn trị số tính theo công thức:
![]()
Ngoài ra, đối với tàu hoạt động ở vùng SIII, mô đun chống uốn tiết diện đà ngang có mép kèm không được nhỏ hơn trị số tính theo công thức:
![]()
Trong đó:
k1, k2 - hệ số được xác định theo Bảng 2A/2.19 và Bảng 2A/2.20;
d1 - khoảng cách giữa các đà ngang, (m);
B1 - khoảng cách lớn nhất của các vách dọc (dàn dọc) hoặc từ vách dọc (dàn dọc) đến mạn, m;
Nếu có 3, 4 vách dọc (dàn dọc) thì B1 không được lấy nhỏ hơn B/3;
Nếu có 5 vách dọc (dàn dọc) trở lên thì B1 không được lấy nhỏ hơn B/4;
Nếu không có vách dọc (dàn dọc) thì B1 phải được lấy bằng B.
d - chiều chìm lớn nhất của tàu tại tiết diện đang xét, m;
r - nửa chiều cao sóng tính toán lấy theo Bảng 2A/1.1, m.
Diện tích tiết diện ngang bản thành của đà ngang ffl, cm2, không được nhỏ hơn trị số tính theo công thức:
ffl = 0,46d1B1(d + r)
Diện tích tiết diện ngang bản thành của đà ngang tại vị trí khoét lỗ ffc, cm2, không được nhỏ hơn trị số tính theo công thức:

Trong đó: l′ - khoảng cách ngắn nhất từ mép của lỗ khoét đến gối tựa, m.
Bảng 2A/2.19 - Hệ số k1
| 1 sống đáy | ≥ 3 sống đáy | |||||
| Lbh/B1 | Có sườn khỏe | Không có sườn khỏe | Lbh/B1 | Có sườn khỏe | Không có sườn khỏe | |
| ≤ 0,7 | 0,80 | 0,90 | ≤ 0,7 | 0,55 | 0,65 | |
| 0,8 | 0,90 | 1,00 | 0,9 | 0,60 | 0,70 | |
| ≥ 0,9 | 1,00 | 1,00 | 1,1 | 0,65 | 0,75 | |
|
|
|
| 1,3 | 0,70 | 0,80 | |
|
|
|
| 1,5 | 0,75 | 0,90 | |
|
|
|
| 1,7 | 0,80 | 1,0 | |
|
|
|
| 1,9 | 0,90 | 1,0 | |
|
|
|
| ≥ 2,1 | 1,00 | 1,0 | |
| Chú thích: Lbh - khoảng cách giữa các vách ngang (dàn ngang), m. | ||||||
Bảng 2A/2.20 - Hệ số k2
| B1/D | Có sườn khỏe hoặc sườn đồng nhất hoặc có sống đứng của vách dọc trong mỗi mặt phẳng của đà ngang | Không có sườn khỏe hoặc không có sống đứng của vách dọc trong mỗi mặt phẳng của đà ngang |
| ≤ 1 | 0,9 | 0,95 |
| 2 | 0,6 | 0,70 |
| ≥ 3 | 0,5 | 0,60 |
3 Với dàn đáy có kết cấu ngang, nếu đà ngang không được đặt ở mỗi mặt sườn thì tại mỗi mặt sườn còn lại phải đặt dầm ngang đáy. Mô đun chống uốn, cm3, của tiết diện dầm ngang đáy có mép kèm không được nhỏ hơn trị số tính theo công thức:
W = 5,5ac2 (d + r)
và mô men quán tính, сm4, của tiết diện dầm ngang đáy có mép kèm không được nhỏ hơn trị số tính theo công thức:
![]()
Trong đó:
a - khoảng sườn, m;
c - khoảng cách lớn nhất giữa các sống đáy hoặc từ sống đáy đến mạn, đến vách dọc (dàn dọc), m;
t - chiều dày tôn đáy tại vị trí đang xét, cm;
d, r, d1 - xem 2.4.2-2.
4 Trong mặt phẳng dọc tâm tàu phải đặt sống đáy liên tục (sống chính). Các sống đáy phải được kéo dài về phía đầu và đuôi tàu. Cho phép thay thế cho sống chính có thể đặt 2 sống phụ đối xứng ở hai bên của mặt phẳng dọc tâm tàu với khoảng cách không quá 1,1 m; Trong trường hợp này hệ số k1 trong công thức ở 2.4.2-2 được xác định như đối với trường hợp đặt một sống chính.
Khoảng cách giữa các sống đáy, khoảng cách từ sống đáy đến mạn, đến vách dọc hoặc dàn dọc không được lớn hơn 2,5 m. Các sống đáy phải được kéo dài đến mức có thể về phía mũi và đuôi tàu. Mô đun chống uốn của sống đáy không được nhỏ hơn mô đun chống uốn của đà ngang.
5 Trong hệ thống kết cấu dọc, mô đun chống uốn, cm3, của tiết diện dầm dọc có mép kèm không được nhỏ hơn trị số tính theo công thức:
![]()
và mô men quán tính, cm4, của tiết diện dầm dọc có mép kèm không được nhỏ hơn trị số tính theo công thức:
![]()
Trong đó:
a1 - khoảng cách giữa các dầm dọc đáy, m;
f - diện tích tiết diện ngang của dầm dọc đáy không kể mép kèm, cm3;
d, d1, r - xem 2.4.2-2
t - xem 2.4.2-3.

Hình 2A/2.22 - Quy cách mã hông
6 Với những tàu có đáy vát, ở đoạn giữa tàu chiều cao tiết diện đà ngang ở tiết diện cách mạn tàu một khoảng bằng 0,125B không được nhỏ hơn 0,5 chiều cao tiết diện của chúng ở mặt phẳng dọc tâm tàu.
7 Với những tàu có đáy vát, đà ngang và dầm ngang ở phần hông tàu phải được nâng cao chuyển dần lên mạn, bắt đầu từ điểm A cách giao điểm C của tấm vỏ với đường thẳng kéo dài của cạnh trên của đà ngang (hoặc dầm ngang đáy) một khoảng không được nhỏ hơn 0,05B. Chiều cao được nâng tính từ giao điểm C không được nhỏ hơn 3 lần chiều cao tiết diện sườn thường. Phải dùng mã hông để thực hiện độ nâng đó. Chiều dày của mã hông phải bằng chiều dày tấm mép của đà ngang (Hình 2A/2.22).
2.4.3 Kết cấu đáy đôi
1 Khoảng cách các đà ngang phải bằng bội số của khoảng sườn và không được lớn hơn:
1,8 m - ở vùng dưới miệng khoang hàng của tàu hàng khô;
2,4 m - ở tàu khách và tàu hàng lỏng;
2,0 m - ở ngoài vùng dưới miệng khoang hàng của tàu hàng khô và các loại tàu khác.
2 Chiều cao của đáy đôi đo tại mặt phẳng dọc tâm tàu không được nhỏ hơn:
0,7 m - với tàu có chiều dài đến 120 m;
0,9 m - với tàu có chiều dài trên 120 m.
3 Trong đáy đôi phải đặt sống chính liên tục ở mặt phẳng dọc tâm tàu và những sống phụ. Khoảng cách giữa các sống đáy và giữa sống đáy đến mạn hoặc đến vách dọc (dàn dọc) không được lớn hơn 3 m.
4 Sống đáy phải được kéo dài về phía đầu và đuôi tàu. Chiều dày của sống đáy không được lấy nhỏ hơn chiều dày của đà ngang đáy.
5 Chiều dày tối thiểu của đà ngang được quy định ở mục 5.1 và 5.2 trong Bảng 2A/2.18.
6 Trong hệ thống kết cấu ngang của đáy, nếu đà ngang không được đặt ở mỗi mặt sườn thì ở mỗi mặt sườn còn lại phải đặt đà ngang hở gồm các dầm ngang đáy trên (gắn với tấm đáy trên) và những dầm ngang đáy dưới (gắn với tấm đáy dưới), liên tục và liên kết với nhau bằng những mã đặt ở sống đáy, vách dọc và ở sống hông.

Hình 2A/2.23 - Kết cấu đà ngang hở
7 Mã liên kết dầm ngang đáy trên với dầm ngang đáy dưới phải có mép bẻ hoặc mép gắn và
có chiều dày không nhỏ hơn chiều dày của đà ngang tại vùng đó.
8 Các đầu dầm ngang phải đè lên mã một đoạn không nhỏ hơn 2 lần chiều cao của tiết diện dầm.
9 Chiều rộng mã ở mỗi bên của sống chính và ở sống hông không được nhỏ hơn nửa chiều cao của đáy đôi. Chiều rộng của mã ở sống phụ không được nhỏ hơn 0,3 chiều cao của đáy đôi. Cho phép dầm ngang được gián đoạn ở chỗ gặp sống phụ, trong trường hợp này ở 2 bên của sống phụ phải đặt mã, có chiều rộng không nhỏ hơn 0,3 chiều cao của đáy đôi (Hình 2A/2.23).
10 Có thể đặt thanh chống để liên kết các trung điểm của các dầm ngang đáy trên và dưới. Diện tích tiết diện thanh chống không được nhỏ hơn diện tích tiết diện của chiếc dầm ngang đáy nhỏ hơn.
11 Mô đun chống uốn, cm3, của tiết diện dầm ngang đáy dưới có mép kèm không được nhỏ hơn trị số tính theo công thức:
![]()
Mô đun chống uốn, cm3, của tiết diện dầm ngang đáy trên có mép kèm không được nhỏ hơn trị số tính theo công thức:
![]()
Ngoài ra đối với tàu hàng, mô đun chống uốn, cm3, của tiết diện dầm ngang đáy trên có mép kèm không được nhỏ hơn trị số tính theo công thức:
![]()
Trong đó:
K0 - hệ số được lấy bằng:
1,0 - nếu không có thanh chống;
0,6 - nếu có thanh chống;
c1 - khoảng cách lớn nhất giữa các sống đáy hoặc từ sống đáy đến mạn, đến vách dọc (dàn dọc), m;
D1 - chiều cao mạn ở tiết diện đang xét, m;
pu - áp lực hàng lên tôn đáy trên được xác định theo 2.2.2-8(4), kPа;
a - xem 2.4.2-3,
d, r - xem 2.4.2-2.
12 Nếu đáy kết cấu theo hệ thống dọc, mô đun chống uốn, cm3, của tiết diện dầm dọc đáy dưới có mép kèm không được nhỏ hơn trị số tính theo công thức:
![]()
và mô men quán tính, сm4, của tiết diện dầm dọc đáy dưới có mép kèm không nhỏ hơn trị số tính theo công thức:
![]()
Mô đun chống uốn, cm3, của tiết diện dầm dọc đáy trên có mép kèm không được nhỏ hơn trị số tính theo công thức:
![]()
Ngoài ra đối với tàu hàng, mô đun chống uốn, cm3, của tiết diện dầm dọc đáy trên có mép kèm không được nhỏ hơn trị số tính theo công thức:
![]()
Trong đó:
K0, D1, pu - xem 2.4.3-11;
a1, f - xem 2.4.2-5;
d1, d, r - xem 2.4.2-2;
t - xem 2.4.2-3.
13 Có thể đặt thanh chống để liên kết các trung điểm của các dầm dọc đáy trên và dưới. Diện tích tiết diện của thanh chống không được nhỏ hơn diện tích tiết diện của chiếc dầm dọc đáy nhỏ hơn.
14 Đối với tàu chở xô hàng rời và bốc xếp hàng bằng gầu ngoạm, mô đun chống uốn, cm3, của tiết diện dầm ngang đáy trên (W1) và dầm dọc đáy trên (W2) có mép kèm, trong phạm vi dưới miệng khoang hàng không được nhỏ hơn trị số tính theo công thức:
W1 = 91kac1
Trong đó:
a, с1 - xem 2.4.3-11;
W2 = 91ka1d1
Trong đó:
a1, d1 - xem 2.4.3-12;
k - hệ số được lấy bằng:
0,5 - với cần cẩu có sức nâng 50 kN;
1,0 - với cần cẩu có sức nâng 100 và 160 kN;
1,5 - với cần cẩu có sức nâng 200 kN.
Nếu có đặt thanh chống theo 2.4.3-10 thì trị số mô đun chống uốn W1 và W2 có thể được giảm đi 30%.
15 Nếu đáy đôi kết thúc tại mạn trong, chiều cao đà ngang ở giữa 2 mạn tại vị trí mạn trong phải bằng chiều cao đáy đôi. Cần phải đảm bảo sự chuyển tiếp dần đều từ tôn đáy trên đến bản mép của đà ngang đó bằng các mã viền hoặc mã gắn được bố trí trong cùng mặt phẳng với bản mép đà ngang. Chiều rộng mã viền hoặc tổng chiều rộng của bản mép và mã gắn tại chỗ liên kết chúng với mạn trong không được nhỏ hơn 0,25 lần khoảng cách giữa các đà ngang. Chiều dày mã phải được lấy bằng chiều dày tôn đáy trên. Cho phép giảm chiều dày mã đi 2 mm so với chiều dày tôn đáy trên đã được tăng lên theo điều kiện xếp dỡ hàng bằng gầu ngoạm.
16 Với đáy dưới và đáy trên có hệ thống kết cấu dọc kéo dài đến mạn ngoài, ở đoạn giữa các đà ngang trong mặt phẳng của mỗi sườn thực cần đặt mã hông kéo đến dầm dọc đáy dưới và đáy trên gần nhất. Chiều dày mã phải được lấy bằng chiều dày đà ngang.
2.4.4 Kết cấu mạn
1 Mạn tàu được kết cấu theo các hệ thống như sau: hệ thống ngang có sườn khỏe xen kẽ với các sườn thường; hệ thống ngang với sườn khỏe đồng nhất; hệ thống kết cấu hỗn hợp (kết cấu dọc ở phần trên và dưới mạn và kết cấu ngang ở phần giữa mạn).
2 Sườn khỏe phải được đặt cùng mặt phẳng của đà ngang.
Khoảng cách giữa các sườn khoẻ (d1) không được lớn hơn khoảng cách được quy định giữa các đà ngang (theo 2.4.2-1).
3 Chiều cao bản thành của sườn khỏe ở vùng không có đáy đôi không được nhỏ hơn 0,65 chiều cao đà ngang. Bản mép của sườn khỏe ở vùng không có đáy đôi phải có diện tích tiết diện ngang không nhỏ hơn 0,65 lần diện tích tiết diện bản mép của đà ngang.
4 Mô đun chống uốn, cm3, của tiết diện sườn khỏe có mép kèm không được nhỏ hơn trị số tính theo công thức:
W = 10kD1d1
Trong đó:
k - hệ số bằng:

D1 - chiều cao mạn tại tiết diện đang xét, m;
d1 - khoảng cách sườn khỏe, m.
5 Trong hệ thống kết cấu ngang có sườn khỏe, mô đun chống uốn, cm3, của sườn thường có mép kèm không được nhỏ hơn trị số tính theo công thức:
W = 12kla
Trong đó:
k - xem 2.4.4-4;
l - khoảng cách đo theo mạn từ bản mép của đà ngang (hoặc từ đáy trên nếu tàu có đáy đôi) đến chiếc sống mạn thấp nhất, hoặc khoảng cách các sống mạn, hoặc khoảng cách từ chiếc sống mạn trên cùng đến boong, lấy trị số nào lớn hơn, m;
a - khoảng sườn, m.
6 Nếu mạn được kết cấu theo hệ thống ngang đồng nhất thì mô đun chống uốn, cm3, của tiết diện sườn khỏe đồng nhất có mép kèm không được nhỏ hơn trị số tính theo công thức:
W = 14kD1a
Trong đó:
k và D1 - xem 2.4.4-4;
a - khoảng sườn, m.
7 Ở các mút sườn phải đặt mã xà ngang và mã hông tương ứng. Mã hông của sườn thường hoặc của sườn trong hệ thống kết cấu ngang đồng nhất theo chiều rộng tàu mã phải phủ hết đoạn cong hông, theo chiều cao mã phải phủ lên sườn một đoạn bằng 2 lần chiều cao tiết diện sườn thường.
Nếu mô đun chống uốn của tiết diện dầm ngang đáy không nhỏ hơn mô đun chống uốn của tiết diện sườn thường thì dầm ngang đáy có thể được kéo dài tiếp qua hông lên mạn mà không cần đặt mã hông.
8 Nếu tàu có đáy đôi và mạn đơn thì sườn khoẻ và sườn thường phải kết thúc ở đáy trên bởi các mã có kích thước phù hợp với 2.3.2-1. Cho phép thay các mã được bố trí trong mặt phẳng bản thành của sườn bằng các mã gắn hoặc mã viền, được bố trí trong mặt phẳng của sườn. Chiều rộng tổng của các mã gắn và bản thành hoặc chiều rộng mã viền phải không được nhỏ hơn 3 lần chiều rộng bản thành. Trong mặt phẳng của các mã này ở dưới đáy đôi phải đặt các nẹp gia cường hoặc các mã để giảm tập trung ứng suất.
9 Nếu mạn được kết cấu theo hệ thống dọc thì mô đun chống uốn, cm3, của tiết diện dầm dọc mạn có mép kèm không được nhỏ hơn trị số tính theo công thức:
![]()
Trong đó: k và d1 - xem 2.4.4-4.
10 Nếu chiều cao của mạn tàu D > 2 m thì phải đặt ít nhất 01 sống mạn, còn nếu D ≥ 5 m thì phải đặt ít nhất là hai sống mạn. Trên tàu có chiều cao mạn tàu D > 2 m, có bố trí hai con chạch thì sống dọc mạn phải đặt tại vị trí con chạch dưới. Nếu trên tàu có dải chống va bắt buộc phải bố trí sống mạn.
Kích thước của sống mạn không được nhỏ hơn kích thước yêu cầu của sườn khỏe, hoặc không được nhỏ hơn kích thước yêu cầu của sườn đồng nhất nếu mạn được kết cấu theo hệ thống ngang đồng nhất.
11 Để tăng diện tích tính toán dải trên của thanh tương đương trong hệ thống kết cấu ngang của mạn, cho phép đặt các nẹp dọc vát mép hai đầu, gián đoạn có cùng tiết diện với sườn thường gia cường cho dải tôn mép mạn và ở phần trên của mạn trong. Các nẹp có thể là các tấm tôn có chiều dày bằng tôn vỏ và có chiều cao tối đa bằng 10 lần chiều dày. Khoảng cách giữa các đầu nẹp gia cường và sườn không được lớn hơn 30 mm.
Các nẹp dọc ở giữa các sườn không được tính tham gia thanh tương đương, chỉ có mép kèm của nẹp dọc được tính tham gia.
12 Tôn mạn trong phải được kéo đến tôn đáy ngoài hoặc nếu trong trường hợp kết thúc ở tôn đáy trên thì phải có sống phụ đáy bổ sung phía dưới đáy đôi.
Cho phép kết cấu của mạn trong là hệ thống ngang hoặc hệ thống dọc. Kích thước của sườn khỏe, sườn thường của mạn trong cũng được lấy như kích thước sườn cùng loại của mạn ngoài.
13 Nếu tàu có mạn kép thì có thể bố trí sàn thay cho các sống mạn trong và sống mạn ngoài cùng chiều cao và các tấm đứng thay cho sườn khoẻ. Chiều dày sàn và tấm đứng phải lấy theo 2.3.2-10, còn trong trường hợp dùng không gian giữa các mạn để dằn thì phải theo Bảng 2A/2.18. Phải bố trí lỗ khoét có kích thước theo mục 2.3.3-5 để có thể tiếp cận được tất cả các khu vực của mạn kép. Sàn và tấm phải được gia cường bằng các nẹp gia cường theo mục 2.3.2-9 và 2.3.3-7.
14 Mô đun chống uốn đối với cơ cấu khoẻ ở mạn ngoài và mạn trong có thể được giảm đi 30% nếu có 1 sàn và giảm đi 50% nếu có 2 sàn. Cho phép giảm tương tự như trên nếu bố trí 1 hoặc 2 thanh chống. Diện tích F, cm2, của tiết diện thanh chống không được nhỏ hơn trị số tính theo công thức:
F = 0,22d1D2
Mô men quán tính diện tích tiết diện, cm4, của thanh chống không được nhỏ hơn trị số tính theo công thức:
J = 0,25D2d1l2
Trong đó:
D - chiều cao mạn, m;
d1 - khoảng cách giữa các thanh chống, m;
l - chiều dài nhịp của thanh chống, m.
2.4.5 Kết cấu boong
1 Nếu boong được kết cấu theo hệ thống ngang thì xà ngang thường phải được đặt ở mỗi mặt sườn, còn xà ngang khỏe phải được đặt trong mặt phẳng của thành ngang miệng khoang hàng, miệng buồng máy, ở mỗi mặt phẳng khung sườn khỏe và ở những chỗ đặt máy thiết bị trên boong.
Nếu boong được kết cấu theo hệ thống dọc thì xà ngang khỏe phải được đặt trong mặt phẳng của thành ngang miệng khoang hàng, miệng buồng máy, ở mỗi mặt phẳng khung sườn khỏe và ở những chỗ đặt máy, thiết bị trên boong.
Boong lửng là boong có chiều cao cách mặt phẳng cơ bản không nhỏ hơn nửa chiều cao mạn tàu. Boong lửng dùng để chở hàng thì kết cấu của nó được tính như kết cấu boong của tàu chở hàng trên boong.
2 Mô đun chống uốn, cm3, của tiết diện xà ngang có mép kèm không được nhỏ hơn trị số tính theo công thức:
(1) Với phần boong dùng để xếp hàng hoá (kể cả boong lửng):
![]()
Trong đó:
k0 - hệ số bằng:
4,0 - đối với xà ngang thường, không bốc xếp hàng bằng gầu ngoạm;
5,0 - đối với xà ngang cụt thường;
7,0 - đối với xà ngang khoẻ;
28 - đối với xà ngang cụt khỏe ở tàu mạn đơn.
k1 - hệ số bằng:
1 - đối với xà ngang thường và xà ngang cụt thường;
Đối với xà ngang khỏe lấy theo Bảng 2A/2.19, trong đó thay từ “sống đáy” bằng “sống boong”.
k2 - hệ số bằng:
1 - đối với xà ngang thường và xà ngang cụt thường;
Đối với xà ngang khoẻ lấy theo Bảng 2A/2.20, trong đó thay từ “đà ngang” bằng “xà ngang”.
d - là khoảng sườn nếu tính đối với xà ngang thường và xà ngang cụt thường, m;
là khoảng cách giữa các xà ngang khỏe nếu tính đối với xà ngang khỏe và xà ngang cụt khỏe, m;
B1 - trị số lấy bằng khoảng cách lớn nhất, m, trong các khoảng cách sau đây:
(a) Với xà ngang khỏe: khoảng cách các vách dọc hoặc dàn dọc; khoảng cách từ mạn đến vách dọc hoặc dàn dọc; khoảng cách từ mạn đến mạn (nếu không có vách dọc, dàn dọc);
Nếu có 3 hoặc 4 vách dọc (dàn dọc) thì B1 không được lấy nhỏ hơn B/3; Nếu có từ 5 vách dọc (dàn dọc) trở lên thì B1 không được lấy nhỏ hơn B/4.
(b) Với xà ngang thường: khoảng cách từ sống boong đến vách dọc (dàn dọc), khoảng cách từ sống boong đến mạn.
p - áp lực tính toán của hàng hoá, kPa, được xác định theo công thức:
![]()
Trong đó:
M - khối lượng tối đa hàng hóa tác dụng lên phần boong đang xét, tấn;
f - diện tích phần boong đang được xét, m2;
Áp lực p tính theo công thức trên không được nhỏ hơn áp lực của hàng hoá được xác định theo 2.2.2-4.
Nếu bốc xếp hàng bằng gầu ngoạm thì trị số mô đun chống uốn đối với xà ngang khoẻ còn không được nhỏ hơn trị số tính theo 2.4.5-2(5).
Nếu giữa mạn và vách dọc (dàn dọc) có đặt các cột chống thì trị số mô đun chống uốn của xà ngang có thể giảm đi 20%. Khoảng cách giữa các cột chống không được lớn hơn 2 lần khoảng cách giữa các đà ngang.
(2) Với phần boong ở vùng khoang hàng của tàu hàng lỏng:
![]()
Trong đó: k0, k1, k2, d, B1 - xem 2.4.5-2(1)
(3) Với các phần boong lộ thiên không dùng để xếp hàng hoá, trừ tàu hàng lỏng:
![]()
Trong đó:
k0 - hệ số bằng:
5,50 - đối với xà ngang thường của tàu hoạt động ở vùng SI và SB;
3,70 - đối với xà ngang thường của tàu hoạt động ở vùng SII;
7,50 - đối với xà ngang cụt thường của tàu hoạt động ở vùng SI và SB;
5,00 - đối với xà ngang cụt thường của tàu hoạt động ở vùng SII;
11,0 - đối với xà ngang khỏe của tàu hoạt động ở vùng SI và SB;
7,20 - đối với xà ngang khỏe của tàu hoạt động ở vùng SII;
42,0 - đối với xà ngang cụt khỏe của tàu mạn đơn hoạt động ở vùng SI và SB;
28,0 - đối với xà ngang cụt khỏe của tàu hoạt động ở vùng SII;
k1, k2, d, B1 - xem 2.4.5-2(1);
Với các phần boong chịu tải trọng từ các boong bố trí phía trên được truyền xuống thông qua cột chống, vách thượng tầng… thì mô đun chống uốn tiết diện của các xà ngang khỏe, quy định trong 2.4.5-2(3) phải được nhân với hệ số m = (n + 1), n là số lượng boong ở trên chiếc boong đang được xét, ngoại trừ các boong nêu ở 2.4.5-2(4). B1 lấy bằng khoảng cách lớn nhất giữa các dãy cột chống dọc (dàn dọc) hoặc giữa dãy cột chống dọc (dàn dọc) và vách dọc (mạn).
(4) Với các phần boong vùng trong thượng tầng và trong lầu, boong thượng tầng và boong lầu lái dùng để bố trí hành khách và bố trí thuyền viên:
![]()
Trong đó:
k0 - hệ số bằng:
1,85 - đối với xà ngang thường;
2,50 - đối với xà ngang cụt thường;
3,60 - đối với xà ngang khoẻ;
14,0 - đối với xà ngang cụt khỏe ở tàu mạn đơn;
k1, k2, d, B1 - xem 2.4.5-2(1);
Với các boong trên cùng của thượng tầng và lầu không dùng để bố trí hàng hoá và không dành cho hành khách lui tới thì mô đun chống uốn tối thiểu có thể giảm đi 30% so với trị số được tính theo công thức ở 2.4.5-2(4).
(5) Đối với xà ngang thường của tàu chở hàng trên boong hoặc boong lửng khi bốc xếp hàng bằng gầu ngoạm:
W = 115kac1
Trong đó:
a, c1 - xem 2.4.3-11;
k - xem 2.4.3-14.
(6) Nếu Lbh/B1 < 0,7 thì kích thước của xà ngang khoẻ sẽ được lấy bằng kích thước của sống boong nêu ở 2.4.5-7, trong công thức đó:
Lbh - khoảng cách giữa các vách ngang (dàn ngang), m;
B1 - xem 2.4.5-2(1).
3 Chiều cao bản thành của xà ngang khoẻ hoặc xà ngang cụt khỏe không nhỏ hơn 2/3 chiều cao bản thành sườn khoẻ. Diện tích tiết diện bản mép của xà ngang khoẻ hoặc xà ngang cụt khoẻ không nhỏ hơn 0,75 lần diện tích bản mép của sườn khoẻ.
4 Mô men quán tính tiết diện ngang, cm4, của xà ngang khoẻ có mép kèm không được nhỏ hơn trị số tính theo công thức:
J = 3B1W
Mô men quán tính tiết diện ngang, cm4, của xà ngang thường hoặc xà ngang cụt thường không được nhỏ hơn trị số xác định theo công thức ở 2.4.2-3, trong đó:
| c | - | khoảng cách lớn nhất giữa các sống boong hoặc giữa sống boong với vách dọc (mạn), m; |
| t | - | chiều dày tôn boong (cm). |
5 Xà dọc phải được đặt trong mặt phẳng của dầm dọc đáy. Mô đun chống uốn, cm3, của tiết diện xà dọc có mép kèm không được nhỏ hơn trị số tính theo công thức:
(1) Với phần boong (kể cả boong lửng) dùng để xếp hàng hoá nhưng không thực hiện việc xếp dỡ hàng bằng gầu ngoạm:
![]()
Trong đó: a1 - khoảng cách giữa các xà dọc, m;
d1 - khoảng cách giữa các xà ngang khỏe;
p - được lấy theo 2.4.5-2(1).
(2) Với boong của tàu chở hàng trên boong (kể cả boong lửng) thực hiện bốc xếp hàng bằng gầu ngoạm:
W = 115ka1d1
Trong đó: k - xem 2.4.3-14.
(3) Với các phần boong ở khoang hàng của tàu hàng lỏng:
![]()
(4) Với các phần boong lộ thiên không dùng để xếp hàng hóa:
(a) Các tàu hoạt động ở vùng SB, SI (trừ tàu hàng lỏng):
Ở vùng giữa tàu: ![]()
Ở vùng mũi và đuôi: ![]()
(b) Các tàu hoạt động ở vùng SII và SIII:
Ở vùng giữa tàu: ![]()
Ở vùng mũi và đuôi: ![]()
(5) Với các phần boong vùng trong thượng tầng và trong lầu dùng để bố trí hành khách và thuyền viên của tàu hoạt động ở tất cả các vùng:
Ở vùng giữa tàu: ![]()
Ở vùng mũi và đuôi: ![]()
(6) Với các phần boong của thượng tầng không tham gia uốn chung thân tàu nhưng có dùng để bố trí hành khách và thuyền viên:
![]()
Trong đó:
a1 - khoảng cách giữa các xà dọc, m;
d1 - khoảng cách giữa các xà ngang khoẻ, m;
Với các boong trên cùng của thượng tầng và lầu không dùng để bố trí hàng hoá và không dành cho hành khách lui tới thì trị số mô đun chống uốn tối thiểu có thể giảm đi 30% so với trị số được tính theo công thức ở 2.4.5-5(6).
6 Mô men quán tính, cm4, của tiết diện xà dọc boong có mép kèm không được nhỏ hơn trị số tính theo công thức:
![]()
Trong đó:
ReH - giới hạn chảy của vật liệu, МPа;
f - diện tích tiết diện xà dọc không kể mép kèm, cm2;
t - chiều dày tôn boong, сm;
a1, d1 - xem 2.4.5-5.
7 Sống boong phải được đặt trong cùng mặt phẳng với sống đáy.
Khi Lbh/B1 ≥ 0,7 thì kích thước sống boong không được nhỏ hơn kích thước của xà ngang boong khoẻ.
Khi Lbh/B1 < 0,7 thì mô đun chống uốn, cm3, của tiết diện sống boong không được nhỏ hơn trị số tính theo công thức:
(1) Với các phần boong dùng để bố trí hàng hóa:
![]()
(2) Với các phần boong của tàu hàng lỏng ở khu vực két hàng, cũng như với các phần boong hở không để bố trí hàng hoá của các loại tàu:
![]()
(3) Với các phần boong trên cùng của thượng tầng và lầu không để bố trí hàng hoá và không dành cho hành khách lui tới:
![]()
Trong đó:
k1 - hệ số bằng:
1 - nếu có một xà ngang khoẻ đỡ sống boong; còn nếu có 3 xà ngang khoẻ trở lên thì k1 được xác định theo Bảng 2A/2.19;
k2 - hệ số được xác định theo Bảng 2A/2.20;
b - chiều rộng trung bình phần diện tích boong được đỡ bởi sống boong, m;
lc - chiều dài nhịp của sống boong, được lấy bằng khoảng cách lớn nhất giữa các vách ngang (dàn ngang) hoặc giữa vách ngang (dàn ngang) với dãy cột chống ngang, m;
p - xem 2.4.5-2(1);
Lbh - khoảng cách giữa các vách ngang (dàn ngang), m.
Bảng 2A/2.21 - Hệ số k1
| B1/lc | k1 | |
| Có sống đứng vách ngang trong mặt phẳng của mỗi sống boong | Không có sống đứng vách ngang trong mặt phẳng của mỗi sống boong | |
| 1,4 | 0,73 | 0,85 |
| 1,5 | 0,75 | 0,90 |
| 1,6 | 0,77 | 0,95 |
| 1,7 | 0,80 | 1,00 |
| 1,8 | 0,85 | 1,00 |
| 1,9 | 0,90 | 1,00 |
| 2,0 | 1,00 | 1,00 |
Bảng 2A/2.22 - Hệ số k2
| lc/D | k2 | |
| Có sống đứng vách ngang trong mặt phẳng của mỗi sống boong | Không có sống đứng vách ngang trong mặt phẳng của mỗi sống boong | |
| ≤ 1 | 0,9 | 1 |
| 2 | 0,6 | 1 |
| ≥ 3 | 0,5 | 1 |
8 Chiều rộng của miệng lỗ khoét ở boong không được lớn hơn 0,7 lần chiều rộng B của tàu tại nơi có miệng lỗ khoét. Nếu thực hiện những biện pháp gia cường thích đáng được Đăng kiểm thẩm định (tăng độ cứng kết cấu ngang, bố trí mạn kép với vách lửng, giảm chiều dài miệng khoét…) thì có thể tăng chiều rộng của miệng khoét lên, nhưng cũng không được vượt quá 0,85B.
9 Nếu chiều rộng miệng khoét lớn hơn 0,7B thì thành quây dọc của miệng khoang phải liên tục trên chiều dài của tất cả các khoang hàng và kết thúc bằng mã có chiều dài không nhỏ hơn hai lần chiều cao tiết diện thành quây.
Thành quây dọc của miệng khoang hàng được bố trí theo chiều dài mỗi khoang, nên được nối lượn với thành quây ngang theo đường lượn góc miệng khoang.
Cho phép nối thành quây dọc với thành quây ngang bằng mã ngang bản mép, đặt trong mặt phẳng của boong.
10 Bản thành của thành quây dọc phải được đặt trong mặt phẳng bản thành của sống boong.
11 Không cho phép bố trí đường hàn giáp mối và những lỗ khoét ở góc miệng khoang hàng tại giữa tàu trong phạm vi diện tích có kích thước nêu ở Hình 2A/2.24 (phần gạch chéo),
Trong đó:
r - bán kính góc lượn miệng khoang hàng xem 2.3.3-1;
b0 - chiều rộng miệng khoang hàng;
Kích thước khu vực góc miệng khoang hàng thuộc phần đầu và đuôi tàu có thể được giảm theo sự chấp thuận của Đăng kiểm.

Hình 2A/2.24 - Phần boong không được bố trí đường hàn giáp mối và khoét lỗ
12 Ở bản thành của thành quây miệng khoang hàng trong mặt phẳng của xà ngang khoẻ phải đặt các mã đứng. Chiều rộng mã trên boong không được nhỏ hơn chiều cao của xà ngang khoẻ hoặc nửa chiều cao thành miệng khoang hàng, lấy trị số nào nhỏ hơn, nhưng không được nhỏ hơn chiều rộng của bản mép thành miệng khoang. Mép trên của mã phải được hàn với bản mép của thành miệng khoang hàng. Các dải tôn hoặc mép gắn để gia cường cho mép tự do của mã không được kéo đến bản mép của thành miệng khoang hàng và phải được vát mép, còn tại boong có thể vát mép hoặc tăng chiều rộng và được hàn với tôn boong, khi đó ở phía dưới của tôn boong cần đặt nẹp hoặc mã gia cường để loại bỏ tập trung ứng suất.
13 Mép trên của thành miệng khoang hàng phải được gia cường bằng các dải tôn hoặc cơ cấu để bảo đảm độ ổn định cần thiết cho các tấm của thành miệng khoang hàng. Nếu tỷ số giữa chiều cao bản thành và chiều dày của nó lớn hơn 40 thì bản thành của thành miệng khoang hàng cũng phải được gia cường bằng các nẹp ngang theo quy định tại 2.3.2-9.
14 Bản thành của miệng khoang hàng phải được đưa xuống đến mép dưới của xà ngang khoẻ, còn mép dưới của bản thành miệng khoang hàng phải được bẻ mép hoặc gắn mép có chiều rộng bằng (8÷12) lần chiều dày.
15 Các lỗ khoét đơn lẻ trên boong được bố trí ở các phần từ mạn đến lỗ khoét của các miệng khoang hàng thuộc vùng giữa tàu, phải có kích thước nhỏ nhất đến mức có thể và phải cách góc lỗ khoét miệng khoang hàng và miệng buồng máy cũng như cách vách mút của thượng tầng một khoảng cần thiết. Nếu chiều rộng (đường kính) lỗ khoét lớn hơn 20 lần chiều dày tôn boong hoặc 0,05 chiều rộng phần liên tục của boong theo Hình 2A/2.2 thì lỗ khoét phải được gia cường sao cho các chỉ số độ bền của boong có lỗ khoét không nhỏ hơn các trị số tương ứng của boong không có lỗ khoét.
2.4.6 Vách kín nước
1 Số lượng và vị trí của vách ngang kín nước được quy định phụ thuộc vào cấp, kiểu và công dụng của tàu. Khoảng cách vách ngang kín nước không được vượt quá 6 lần chiều cao mạn tàu. Ở các tàu phải thỏa mãn yêu cầu ở Phần 8 của Quy chuẩn này thì số lượng và vị trí của vách ngang kín nước và vách lửng còn phải căn cứ theo kết quả tính toán ổn định tai nạn.
2 Tất cả các tàu phải có vách đầu và vách đuôi kín nước. Vách đầu phải cách đường vuông góc mũi một khoảng đo ở độ cao của mặt phẳng đường nước thiết kế không nhỏ hơn 0,04L, nhưng không lớn hơn 0,04L+2 m. Có thể cho phép vách đầu bố trí ở khoảng cách lớn hơn với điều kiện boong tàu tại vị trí vách đầu không bị ngập khi giả định khoang phía trước vách đầu bị thủng. Cũng cho phép bố trí vách đầu tối thiểu bằng 0,03L với điều kiện boong tàu tại vị trí vách đầu không bị ngập khi giả định khoang phía trước vách và sau vách đầu bị thủng.
3 Nếu tàu bị đẩy, được chằng buộc đầu hoặc đuôi với tàu đẩy thì cả vách đầu và vách đuôi cũng phải thoả mãn quy định như đối với vách mũi.
4 Ở tàu tự hành, các vách ngang giới hạn buồng máy phải là vách kín nước.
5 Vách ngang kín nước phải đi từ đáy ngoài đến boong mạn khô.
6 Ở vách đầu và đuôi không được bố trí cửa và lỗ người chui. Nếu ở các vách ngang kín nước khác có bố trí cửa và lỗ chui thì chúng phải là loại kín nước và phải đóng được từ hai phía. Với những tàu có yêu cầu ổn định tai nạn thì chúng còn phải đóng được từ boong mạn khô.
7 Nếu đường ống, cáp điện, các phần chuyển động của cáp lái và hệ trục các đăng đi qua vách kín nước thì phải đặt ống xuyên vách với các vòng bít kín hoặc sử dụng các kết cấu khác để đảm bảo tính kín nước của vách.
8 Ở tàu hàng khô, số lượng tối thiểu của vách ngang kín nước kể cả vách đầu và vách đuôi được quy định phụ thuộc vào chiều dài của tàu được lấy như sau:
3 vách ngang với tàu có chiều dài: 20 m < L ≤ 40 m;
4 vách ngang với tàu có chiều dài: 40 m < L ≤ 60 m;
5 vách ngang với tàu có chiều dài: 60 m < L ≤ 80 m;
6 vách ngang với tàu có chiều dài: L > 80 m.
9 Nếu tàu có đáy đôi mạn kép thì trong phạm vi khoang hàng có thể không cần đặt vách ngang kín nước. Trong trường hợp này, vách ngang kín nước đặt trong vùng mạn kép (vách lửng) phải cách xa nhau không quá 15 khoảng sườn và có chiều dày được quy định theo mục 2.4.4-13, còn kết cấu của chúng phải thoả mãn các quy định trong 2.4.6-12, 2.4.6-13, 2.4.6-15 và 2.4.6-16.
Ở những tàu chở công te nơ, khoang chở hàng có thể có chiều dài liên tục với điều kiện phải có biện pháp gia cường thích đáng kết cấu dọc để chống vặn thân tàu và phải được Đăng kiểm thẩm định.
10 Ở những tàu chở hàng trên boong kể cả boong lửng phải đặt 1 vách dọc tâm và các dàn dọc hoặc các dãy cột chống cách nhau và cách mạn không xa quá 2,5 m. Khoảng cách giữa các cột chống không được lớn hơn 2 lần khoảng cách giữa các đà ngang.
Trên các tàu có chiều dài nhỏ hơn 50 m, có thể thay vách dọc tâm bằng dàn dọc tâm.
Ở những tàu này ngoài các vách ngang theo 2.4.6-8, phải đặt những dàn ngang cách nhau và cách vách ngang kín nước không xa quá 12 khoảng sườn với tàu có chiều cao mạn D ≤ 2,5 m và không xa quá 18 khoảng sườn với tàu có chiều cao mạn D > 2,5 m. Quy định này không áp dụng đối với phà.
11 Vách kín nước có thể có dạng phẳng hoặc dạng sóng. Chiều dày tối thiểu của tôn vách kín nước không được nhỏ hơn chiều dày quy định ở Bảng 2A/2.18.
12 Vách dạng phẳng phải được gia cường bằng các sống đứng. Các sống đứng của vách ngang được bố trí trong mặt phẳng sống đáy và sống boong phải là cơ cấu khỏe.
Trong trường hợp nếu sống đáy và sống boong không nằm trong cùng 1 mặt phẳng dọc thì có thể đặt nẹp đứng khỏe từng phần được kéo dài tới dầm ngang gần nhất của vách và chuyển tiếp tới nẹp thường theo Hình 2A/2.9, và ở các dầm dọc, chúng kết thúc bằng mã có chiều dài không nhỏ hơn 1,5 lần chiều cao bản thành nẹp đứng và kéo đến nẹp.
Các nẹp khỏe và nẹp thường của vách dọc phải được đặt tương ứng trong mặt phẳng sườn khoẻ và sườn thường.
Mô đun chống uốn tiết diện ngang của nẹp đứng khỏe có mép kèm không được nhỏ hơn mô đun chống uốn được quy định đối với tiết diện ngang sườn khoẻ có mép kèm nhưng không phải áp dụng các quy định ở Bảng 2A/2.12.
13 Nếu tàu có sống mạn thì ở mặt phẳng của sống mạn phải đặt sống nằm tại vách. Mô đun chống uốn, cm3, của tiết diện sống nằm có mép kèm không được nhỏ hơn mô đun chống uốn của sống mạn.
14 Ở vách chống va các nẹp đứng phải cách nhau không quá 0,60 m và ở các vách kín nước khác không lớn hơn 0,75 m.
Nếu boong và đáy được kết cấu theo hệ thống dọc thì nẹp đứng của vách ngang phải được đặt trong mặt phẳng của xà dọc boong và dầm dọc đáy và được liên kết bằng mã. Nẹp đứng đặt trong mặt phẳng của sống boong và sống đáy phải là sống khỏe đứng. Với vách dọc, nẹp đứng phải được đặt trong mặt phẳng của sườn, sống đứng được đặt trong mặt phẳng đà ngang khỏe và xà ngang khỏe.
15 Đối với vách kín nước thì mô đun chống uốn tiết diện của nẹp đứng thường có mép kèm không được nhỏ hơn mô đun chống uốn tiết diện của sườn thường có mép kèm.
16 Khoảng cách giữa các nẹp ngang của vách kín nước nên lấy bằng 550 mm. Mô đun chống uốn tiết diện có mép kèm không được nhỏ hơn trị số tính theo công thức ở 2.4.4-9; trong đó trị số d1(m) phải được lấy bằng khoảng cách giữa các sống đứng vách.
17 Với các vách dọc, mô men quán tính tiết diện nẹp ngang trên cùng có mép kèm của vách không được nhỏ hơn trị số quy định đối với xà dọc boong trong 2.4.5-6.
18 Kết cấu của vách dạng sóng phải theo các quy định sau đây:
(1) Vách ngang kết cấu dạng sóng của tàu phải được đặt trên đà ngang đặc kín nước hoặc phải được đặt trực tiếp lên tôn đáy hoặc tôn đáy đôi (nếu tàu có đáy đôi);
Tâm của gân đứng ở vách ngang phải được bố trí trong mặt phẳng bản thành sống đáy tiếp giáp với vách;
Sống boong, sống đáy và dầm dọc boong và đáy phải được liên kết với gân dạng sóng bằng mã.
(2) Vách dạng sóng có gân đứng phải được gắn sống nằm trong mặt phẳng của sống mạn;
Vách dạng sóng có gân nằm phải được gia cường bằng sống đứng khỏe trong mặt phẳng của sườn khỏe hoặc trong mặt phẳng của sống boong và sống đáy.
(3) Gân vách dạng sóng phải có mô đun chống uốn không nhỏ hơn trị số quy định ở 2.4.6-15 và 2.4.6-16.
(4) Mô đun chống uốn, cm3, của gân vách (Hình 2A/2.19) được tính theo công thức:
Với gân hình thang:
W = ht(a + b/3)
Với gân hình sin:
W = γtR2
Trong đó: 
(5) Kích thước của gân sóng được chọn lựa sao cho đảm bảo điều kiện sau (Hình 2A/2.19):
(a) Với gân hình thang:
a/t < 55
hoặc b/t < 55, nếu b > a
(b) Với gân hình sin: R/t < 65.
Trong đó: h, t, a, b, R được lấy bằng cen-ti-mét (cm).
2.4.7 Cột chống và dàn
1 Diện tích tiết diện ngang của cột chống, cm2, không được nhỏ hơn diện tích được xác định theo công thức:
F = 98,1fm/(nReH)
Trong đó:
f - diện tích boong hoặc sàn bao gồm cả nắp khoang hàng mà cột đỡ, m2;
n - hệ số được xác định theo Bảng 2A/2.23 phụ thuộc vào trị số N;
![]()
Trong đó:
β - hệ số được lấy bằng:
1,00 - với tiết diện ống;
0,61 - với tiết diện dạng hộp vuông và tiết diện chữ thập được làm từ 2 thanh thép góc có cùng cạnh;
0,44 - với tiết diện 1 thanh thép góc có 2 cạnh bằng nhau;
ƞT = ReH/235
l - chiều dài cột, m;
ReH - giới hạn chảy của thép, МPа;
m - hệ số được lấy bằng:
Với boong để chở hàng của tàu hàng khô:
![]()
Trong đó: M - khối lượng tối đa hàng hóa, tấn, được bố trí trên boong có diện tích f;
Với các phần boong không dùng để xếp hàng hoá:
m = 0,5j
Trong đó: j - số lượng boong mà cột chống phải đỡ;
Với boong của khoang hàng của tàu hàng lỏng:
m = 1,0
Bảng 2A/2.23 - Trị số n
| N | Trị số n | |
| Với cột chống và giằng không giao nhau | Cột chống và giằng giao nhau | |
| 0 | 0 | 0 |
| 0,2 | 0,085 | 0,125 |
| 0,4 | 0,168 | 0,250 |
| 0,6 | 0,250 | 0,370 |
| 0,8 | 0,315 | 0,475 |
| 1,0 | 0,375 | 0,500 |
| 1,2 | 0,420 | 0,500 |
| 1,4 | 0,450 | 0,500 |
| 1,6 | 0,475 | 0,500 |
| 1,8 | 0,495 | 0,500 |
| 2,0 | 0,500 | 0,500 |
2 Mô men quán tính diện tích tiết diện, cm4, của một cột chống hoặc một thanh giằng không được nhỏ hơn trị số tính theo công thức:
J = β2F2
Trong đó:
β - xem 2.4.7-1;
F - diện tích tiết diện ngang của một cột hoặc một thanh giằng được tính theo 2.4.7-1.
3 Nếu cột chống gồm một số thép hình ghép lại thì chúng phải liên kết với nhau bằng các tấm được bố trí cách nhau không quá 1 m. Đầu và chân của các cột đỡ boong chở hàng và boong của tàu hàng lỏng phải được liên kết với đáy và boong bằng 4 mã. Đầu và chân của các cột đỡ boong khác được phép liên kết bằng 2 mã. Chiều cao mã không được nhỏ hơn 2 lần chiều cao tiết diện ngang của cột.
4 Nên đặt cột chống tại các chỗ giao của đà ngang với sống đáy và chỗ giao của sống boong với xà ngang. Ở bản thành của sống đáy và đà ngang phía dưới cột chống không được phép khoét lỗ.
Nếu cột chống không được đặt tại chỗ giao giữa sống đáy với đà ngang thì ở dưới cột chống phải đặt cơ cấu có cùng kích thước với cơ cấu khỏe tại khu vực đó và phải kéo về 2 phía tới cơ cấu khỏe gần nhất. Kết cấu tương tự áp dụng cho liên kết cột chống với cơ cấu khỏe của boong.
5 Đối với cơ cấu dạng bẻ mép thì tâm cột chống phải trùng với bản thành của cơ cấu. Cột chống dạng ống đặt ở cơ cấu bẻ mép phải được đỡ trên các tấm đệm ngang.
6 Kết cấu của dàn ngang và dàn dọc (Hình 2A/2.6) được tạo thành từ đà ngang và xà ngang khỏe hoặc sống đáy và sống boong tương ứng, được liên kết với nhau bằng cột chống và thanh giằng.
7 Các kết cấu dọc và ngang (sống đáy, sống boong hoặc đà ngang, xà ngang khỏe tương ứng) tạo thành dãy của dàn dọc và dàn ngang phải có tiết diện chữ T.
8 Ở các đầu mút và các điểm giao nhau của các thanh giằng chéo phải đặt mã. Kích thước của mã phải đủ để các thanh liên kết với mã một đoạn dài ít nhất bằng hai lần chiều cao tiết diện thanh, chiều dày của mã không được nhỏ hơn chiều dày của tấm thành của thanh liên kết.
9 Ở các dàn được làm từ vài thanh thép hình, được bố trí theo sơ đồ chỉ ra ở Hình 2A/2.6(A), Hình 2A/2.6(B) phải có không ít hơn 3 miếng liên kết và bố trí theo Hình 2A/2.6(C) không ít hơn 2 miếng liên kết.
10 Cột chống của dàn phải thỏa mãn các quy định từ 2.4.7-1 đến 2.4.7-6.
2.4.8 Kết cấu buồng máy
1 Khoảng sườn vùng buồng máy không được lớn hơn khoảng sườn ở đoạn giữa tàu. Đà ngang phải đặt ở mỗi mặt sườn. Khoảng cách giữa các sườn khỏe và giữa các xà ngang khỏe không được lớn hơn ba khoảng sườn.
Các cơ cấu đáy, mạn và boong phải thỏa mãn các quy định từ 2.4.2-1 đến 2.4.5-15 và kích thước của chúng phải không được nhỏ hơn kích thước yêu cầu tương ứng của các cơ cấu vùng giữa tàu nhưng không áp dụng các yêu cầu bổ sung do bốc xếp hàng bằng gầu ngoạm.
Các cơ cấu buồng máy phải có liên kết phù hợp với các cơ cấu của các khoang kề với buồng máy.
2 Không cho phép sử dụng đà ngang và sống đáy có mép bẻ.
3 Chiều dày bản thành đà ngang trong buồng máy phải lớn hơn trị số yêu cầu đối với chiều dày đà ngang vùng giữa tàu ít nhất là 1 mm.
4 Số lượng sống đáy và việc bố trí chúng phải phù hợp với việc bố trí bệ máy và sống đáy ở các khoang lân cận.
Một trong những thành dọc của bệ máy chính phải trùng với một trong những sống đáy. Trong trường hợp không thể bố trí sống đáy trùng với thành dọc bệ máy chính thì phải đặt sống đáy bổ sung trong mặt phẳng thành dọc bệ máy trên suốt chiều dài buồng máy (từ vách trước đến vách sau buồng máy) được liên kết với sống đứng của vách ngang.
Sống đáy buồng máy phải có kích thước không nhỏ hơn kích thước đà ngang buồng máy.
5 Bệ máy phải có tấm thành và tấm mép, chiều dày tấm thành và tấm mép, mm, được tính theo công thức:
Tấm mép: ![]()
Tấm thành: tt = (0,1h + 0,6)tm
Chiều dày mã, mm, gia cường bệ máy không được nhỏ hơn trị số sau:
t = 0,77tt
Trong đó:
Ne - công suất định mức của máy chính, kW;
h - chiều cao tấm thành bệ máy, m;
Có thể khoét lỗ trên tấm thành bệ máy, nhưng chiều cao lỗ khoét không được vượt quá 1/3 chiều cao tấm thành, còn chiều rộng lỗ (theo hướng dọc bệ) không được vượt quá 150 mm.
Phải đặt các mã gia cường bệ máy ở mỗi mặt sườn. Mã phải có mép gắn và được đặt ở phía ngoài của thành dọc bệ máy.
2.4.9 Kết cấu vùng mũi và vùng đuôi tàu
1 Vùng mũi và đuôi tàu phải được kết cấu theo hệ thống ngang. Khoảng cách các tiêu chuẩn ở vùng này được lấy tiêu chuẩn khoảng cách sườn bằng 550 mm. Quy cách kết cấu được tính theo trị số tương ứng ở đoạn giữa tàu. Nếu khoảng sườn lớn hơn 550 mm, quy cách kết cấu phải được tăng tương ứng. Tuy nhiên trong mọi trường hợp khoảng sườn không quá 610 mm.
Kích thước các cơ cấu không được nhỏ hơn kích thước yêu cầu tương ứng của các cơ cấu vùng giữa tàu, đồng thời phải thoả mãn các quy định từ 2.4.9-2 đến 2.4.9-4 dưới đây.
2 Kết cấu vùng mũi tàu phải theo các quy định sau:
(1) Đà ngang ở vùng mũi phải được đặt ở mỗi mặt sườn. Khoảng cách khoảng sườn tiêu chuẩn ở vùng này được lấy bằng 550 mm. Quy cách kết cấu được lấy không nhỏ hơn trị số tương ứng ở đoạn giữa tàu. Nếu khoảng sườn lớn hơn 550 mm, quy cách kết cấu phải được tăng tương ứng. Tuy nhiên trong mọi trường hợp khoảng sườn không quá 610 mm. Chiều dày bản thành của đà ngang phải lớn hơn trị số được yêu cầu đối với chiều dày bản thành của đà ngang ở vùng giữa tàu 1 mm.
Chiều dày bản thành đà ngang ở khoang mũi của tàu được chằng buộc mũi với bờ không được trang bị thiết bị chuyên dụng phải lớn hơn trị số được yêu cầu đối với chiều dày bản thành của đà ngang ở vùng giữa tàu 2 mm.
Mô đun chống uốn tiết diện ngang của đà ngang có mép kèm đối với tàu có đầu tàu có dạng giầy trượt băng và dạng thìa, được tính theo 2.4.2-2 phải được tăng lên 1,5 lần; trong đó B1 được xác định ở vị trí bản mép đà ngang gần vách đầu nhất.
Với tàu có mũi dạng nêm, chiều cao đà ngang phải không được nhỏ hơn 1,8 chiều cao đà ngang vùng giữa tàu.
(2) Kích thước tiết diện sống đáy phải không được nhỏ hơn kích thước tiết diện đà ngang. Sống chính đáy phải được liên kết chắc chắn với sống mũi. Nếu có vách biên ngang thì sống chính phải được liên kết chắc chắn với sống đứng dọc tâm của vách biên ngang đó.
(3) Khoảng cách giữa các sườn khoẻ không được lớn hơn 2 khoảng sườn.
Mô đun chống uốn tiết diện ngang của sườn khỏe và sườn thường phải được tăng 25% so với các trị số tính theo 2.4.4-4 và 2.4.4-5.
(4) Sống mạn phải được đặt theo quy định 2.4.4-10.
Nếu sống mạn được kết thúc ở sống mũi thì phải được liên kết với sống mũi bằng mã nằm có chiều dài không nhỏ hơn một khoảng sườn. Mã nằm phải có tấm mép bằng tấm mép của sống mạn.
3 Kết cấu đoạn đuôi tàu phải theo những quy định sau:
Ở đoạn đuôi tàu, đà ngang phải được đặt ở mỗi mặt sườn. Đà ngang phải được đưa lên cao hơn trục chân vịt hoặc ống bao trục chân vịt một khoảng không nhỏ hơn 0,5 đường kính của lỗ khoét ở bản thành của đà ngang. Đà ngang có thể được đưa lên đến trục chân vịt hoặc ống bao trục, còn ở phía trên thì phải hàn các thanh giằng ngang có bản mép với các sườn và liên kết chúng; chiều dày thanh giằng phải bằng chiều dày đà ngang (Hình 2A/2.25). Phải cố gắng kéo dài sống đáy về phía đuôi tàu. Nếu ở buồng máy, sống đáy được thay bằng thành dọc bệ máy thì phải kéo dài thành dọc bệ máy về phía đuôi tàu. Khoảng cách khoảng sườn tiêu chuẩn ở vùng này được lấy bằng 550 mm. Nếu khoảng cách sườn lớn hơn 550 mm, Quy cách kết cấu phải được tăng tương ứng. Tuy nhiên trong mọi trường hợp khoảng sườn không quá 610 mm.

Hình 2A/2.25 - Liên kết thanh giằng
Ở những tàu có đuôi bầu nên dùng sườn quay đặt vuông góc với tấm vỏ. Khoảng cách các sườn quay không được lớn hơn khoảng cách sườn ở đoạn giữa tàu.
Mô đun chống uốn tiết diện ngang của sườn khỏe và sườn thường phải được tăng 15% so với các trị số tính theo 2.4.4-4 và 2.4.4-5.
4 Ở đuôi các tàu bị đẩy phải đặt kết cấu gia cường sao cho lực đẩy phân bố đều cho mạn và cho vách dọc. Trong mặt phẳng của lực đẩy phải đặt vách dọc có nẹp nằm hoặc dàn dọc liên kết chắc chắn với thân tàu và đi đến tận vách đuôi. Ở vùng đẩy phải đặt những khung sườn kín.
2.4.10 Sống mũi, sống đuôi, sống đáy đặc, giá đỡ trục chân vịt
1 Kích thước tiết diện ngang của sống mũi đặc, mm, ở đoạn dưới đường nước toàn tải không được nhỏ hơn trị số tính theo công thức:
Với tàu hoạt động ở vùng SB, SI và với tàu kéo/đẩy hoạt động ở tất cả các vùng:
t = 12 + 0,4L (L - chiều dài tàu);
a = 64 + 1,5L - khi L ≤ 50 m;
a = 90 + 1,0 L - khi L > 50 m;
Với tàu hoạt động ở vùng SII, trừ tàu kéo/đẩy:
t = 10 + 0,2L (L - chiều dài tàu, m);
a = 55 + 0,5L - khi L ≤ 50 m;
a = 30 + 1,0L - khi L > 50 m;
Trong đó:
t - chiều dày tiết diện ngang của sống mũi, mm;
a - chiều rộng tiết diện ngang của sống mũi (tính theo chiều ngang tàu), mm.
2 Đường kính tiết diện ngang, mm, của sống mũi làm từ thép tròn ở đoạn dưới đường nước toàn tải không được nhỏ hơn trị số tính theo công thức:
Với tàu hoạt động ở vùng SB, SI và với tàu kéo, tàu đẩy hoạt động ở tất cả các vùng:
d = 46 + 0,96L
Với tàu hoạt động ở vùng SII và SIII, trừ tàu kéo, tàu đẩy:
d = 32 + 0,63L
3 Diện tích tiết diện ngang của sống mũi, cm2, làm từ thép góc đều, ở đoạn dưới đường nước toàn tải, không được nhỏ hơn trị số tính theo công thức:
Với tàu hoạt động ở vùng SB, SI và với tàu kéo/đẩy hoạt động ở tất cả các vùng:
F = 11 + 0,22L
Với tàu hoạt động ở vùng SII và SIII, trừ tàu kéo, tàu đẩy:
F = 7 + 0,22L
4 Ở đoạn trên đường nước toàn tải, diện tích tiết diện ngang của sống mũi có thể được giảm dần và lên đến đỉnh cho phép còn 70% diện tích tính theo các công thức ở 2.4.10-3.
Nếu sống mũi được làm thành từng đoạn thì mối nối các đoạn không được gần khu vực đường nước toàn tải.
Đỉnh của sống mũi phải được đưa lên đến boong hoặc sàn gần nhất nằm phía trên đường nước toàn tải.
Chân của sống mũi phải được đưa đến tiết diện phía trước vách mũi một khoảng không lớn hơn 2-3 khoảng sườn.
5 Cho phép dùng thép tấm có chiều dày lớn hơn 25% chiều dày tôn vỏ ở vùng mũi của tàu để uốn thành sống mũi (Hình 2A/2.26).

Hình 2A/2.26 - Sống mũi làm bằng thép tấm
6 Sống mũi phải được liên kết với tôn vỏ kề với nó bằng mã nằm, vị trí của mã nằm phải phù hợp với sống mạn và các kết cấu khác của mũi tàu. Chiều dày của mã không được nhỏ hơn chiều dày của tôn vỏ kề với nó. Mã nằm nên được đưa ra đến sườn.
7 Nếu sống mũi làm bằng thép tấm uốn thì mã nằm phải đi ra quá đường hàn tôn vỏ với tôn sống mũi một khoảng không được nhỏ hơn 5 lần chiều dày tấm sống mũi (Hình 2A/2.26).
8 Thân trước của sống đuôi đoạn trên lỗ ống bao trục chân vịt phải có kích thước tiết diện ngang, mm, không nhỏ hơn trị số tính theo công thức:
Với tàu hoạt động ở vùng SB:
t = 16 + 0,25L + 0,8D2 (D - chiều cao mạn tàu, m);
a = 55 + 2L - khi L< 20 m;
a = 65 + 1,5L - khi 20 ≤ L ≤ 50 m;
a = 90 + L - khi L > 50 m;
Với tàu hoạt động ở vùng SI:
t = 12 + 0,25L + 0,8D2;
a = 30 + 2L - khi L < 20 m;
a = 50 + L - khi 20 ≤ L ≤ 50 m;
a = 40 +1,2L - khi L > 50 m;
Với tàu hoạt động ở vùng SII:
t = 10 + 0,18L + 0,8D2;
a = 30 + 2L - khi L < 20 m;
a = 50 + L - khi 20 ≤ L ≤ 50 m;
a = 40 + 1,2L - khi L > 50 m;
Trong đó: a,t - chiều rộng (theo chiều ngang thân tàu) và chiều dày (theo chiều dọc thân tàu) tiết diện ngang đoạn dưới của sống đuôi, mm.
9 Chiều dày tiết diện thân sau và đoạn dưới lỗ ống bao trục chân vịt của thân trước phải bằng hai lần chiều dày được xác định theo các công thức ở 2.4.10-8.
Chiều rộng tiết diện ngang thân trên của sống đuôi có thể được giảm 15% so với chiều rộng được xác định theo các công thức 2.4.10-8.
10 Chiều dày của thành lỗ ống bao trục chân vịt (ở dạng khai triển) không được nhỏ hơn 60% chiều dày tương ứng, được xác định theo các công thức ở 2.4.10-8.
11 Thân dưới của sống đuôi (đoạn giữa thân trước và thân sau) phải ngắn và có diện tích tiết diện lớn hơn diện tích tiết diện xác định từ các công thức 2.4.10-8 là 25%.
Thân dưới phải được kéo dài về phía trước, kể từ thân trước, một đoạn không được ngắn hơn 10 lần chiều dày của thân trước, ở đoạn dưới lỗ ống bao trục chân vịt. Thân dưới phải được chuyển tiếp đến thân sau theo độ dốc 1/10.

Hình 2A/2.27 - Sống đuôi đặc
12 Sống đáy đặc
Nếu sống đáy của tàu có tiết diện đặc thì kích thước, mm, của nó không được nhỏ hơn trị số tính theo công thức:
h = 100 + L và b = 12 + 0,4L
Trong đó: h, b - chiều cao và chiều rộng của sống đáy đặc, mm.
13 Giá đỡ trục chân vịt (Hình 2A/2.28)
Giá đỡ trục chân vịt có thể theo kiểu một hoặc hai gọng tạo với nhau một góc 80°÷100°.
Đường tâm của hai gọng phải giao nhau ở đường tâm của trục chân vịt. Kích thước tiết diện gọng của giá hai gọng không được nhỏ hơn trị số tính theo công thức:
| Chiều cao: | h = 0,45d, | mm; |
| Diện tích: Chiều dài củ: | F = 0,47d2, lc = 3d, | mm2; mm; |
| Chiều dày củ: | tc = 0,35d, | mm; |
Trong đó: d - đường kính của trục chân vịt, mm;
Chiều dày củ tc, mm, ở giá hai gọng trên tàu có chiều dài nhỏ hơn 20 m có thể giảm còn 0,25d.
Các gọng của giá đỡ phải được hàn với tôn vỏ và kết cấu thân tàu. Chiều dày của tôn vỏ ở khu vực liên kết gọng của giá đỡ phải được tăng 25% so với chiều dày tôn vỏ ở vùng đuôi được xác định theo Bảng 2A/2.18.

Hình 2A/2.28 - Giá đỡ trục chân vịt
2.4.11 Thượng tầng và các bậc của boong chính
1 Kết cấu ngang của thượng tầng phải được đặt trong cùng một mặt phẳng với kết cấu ngang của thân tàu. Mô đun chống uốn của tiết diện sườn thượng tầng có mép kèm của tàu hoạt động ở vùng SB và SI không được nhỏ hơn 9 cm3.
2 Chiều dày tôn bao thượng tầng mũi và thượng tầng đuôi của các tàu hoạt động ở vùng SB không được nhỏ hơn 3,5 mm, còn đối với tàu hoạt động ở vùng SI không được nhỏ hơn 3 mm.
3 Mạn của thượng tầng phải kéo qua vách mút của thượng tầng một đoạn có chiều dài bằng chiều cao thượng tầng và chuyển tiếp dần đến boong (Hình 2A/2.29).

Hình 2A/2.29 - Chuyển tiếp mạn thượng tầng
Chiều dày của mép mạn tàu vùng dưới boong thượng tầng (1), của các dải tấm dưới của mạn thượng tầng vùng đầu và đuôi (2) phải được tăng:
40% - đối với tàu hoạt động ở vùng SB;
25% - đối với tàu hoạt động ở vùng SI;
10% - đối với tàu hoạt động ở vùng SII và SIII.
Tương tự chiều dày của dải tấm mép boong tàu vùng dưới thượng tầng tương ứng với dải tấm gia cường của mép mạn tàu phải được tăng:
20% - đối với tàu hoạt động ở vùng SB và SI;
10% - đối với tàu hoạt động ở vùng SII và SIII.
Với những thượng tầng đầu và đuôi có chiều dài nhỏ hơn 0,25L thì không cần thiết phải dùng biện pháp gia cường nói trên.
Mạn thượng tầng nếu không trùng với mạn tàu thì phải được tựa lên sống của boong chính đặt trong mặt phẳng của thượng tầng.
4 Bậc của boong chính
Ở chỗ ngắt bậc của boong chính phải có những biện pháp gia cường đặc biệt. Việc chuyển tiếp sống boong phải thực hiện dần. Các biện pháp sau đây nhằm làm giảm sự thay đổi đột ngột của tiết diện thân tàu:
(1) Chiều dày của tấm mép mạn, trên đoạn dài ít nhất bằng ba khoảng sườn về phía trước và phía sau kể từ chỗ ngắt bậc, phải được tăng 35%;
(2) Nếu bậc ngắt là nghiêng thì chiều dài của bậc ngắt ít nhất phải bằng hai chiều cao bậc ngắt;
(3) Boong chính và boong nâng ở chỗ ngắt bậc phải vượt trùm lên nhau một đoạn dài ít nhất là bằng 6 khoảng sườn. Ở đoạn trùm đó trong vùng giữa hai boong phải đặt những mã đứng.
2.4.12 Mạn chắn sóng
1 Vùng đặt mạn chắn sóng, phạm vi và chiều cao của mạn chắn sóng phải theo quy định tại Chương 8 Phần 2B của Quy chuẩn này.
2 Chiều dày tôn mạn chắn sóng có thể nhỏ hơn chiều dày tôn mạn được quy định ở đoạn giữa tàu 2 mm, nhưng ít nhất phải bằng 2 mm.
3 Ở đoạn giữa tàu, mạn chắn sóng phải được kết cấu sao cho không tham gia vào uốn chung thân tàu.
4 Mạn chắn sóng phải được gắn những mã đứng đặt trong mặt phẳng của xà ngang boong và cách nhau không được xa quá 3 khoảng sườn.
5 Ở những chỗ được khoét lỗ để luồn cáp, gần đoạn ngắt để đặt cầu lên xuống tàu, tấm mạn chắn sóng phải được tăng 1 mm và phải được gắn nẹp gia cường.
6 Ở mỗi đoạn liên tục của mạn chắn sóng phải có các lỗ khoét thoát nước có tổng diện tích bằng ít nhất 10% diện tích phần liên tục của mạn chắn sóng.
CHƯƠNG 3 NHỮNG YÊU CẦU BỔ SUNG ĐỐI VỚI MỘT SỐ LOẠI TÀU
3.1 Tàu có chiều dài nhỏ hơn 65 m
3.1.1 Đối với tàu có chiều dài nhỏ hơn 65 mét, nếu không thoả mãn quy định ở 3.1.2, thì cần phải tính toán sức bền chung theo 2.2.
3.1.2 Đối với các tàu có chiều dài L nhỏ hơn 65 mét, không cần phải tính sức bền dọc nêu ở 3.1.1, nếu tổng diện tích, cm2, của các tiết diện kết cấu dọc của dải boong hoặc của dải đáy (lấy trị số nào nhỏ hơn), không nhỏ hơn trị số tính theo công thức:

Trong đó:
∆ - lượng chiếm nước khối lượng của tàu khi đầy tải, tấn;
k1 - hệ số lấy theo Bảng 2A/3.1;
k2 = 1,0/L - đối với tàu tự hành;
k1 = 0,67/L - đối với tàu không tự hành;
ƞ - hệ số bằng:
0,65 - với các kết cấu của dải boong không chịu tải trọng cục bộ;
0,75 - với các kết cấu của dải boong chịu tải trọng cục bộ và kết cấu của dải đáy.
α - hệ số, phụ thuộc vào khoảng cách tương đối х/L từ mặt cắt đang xét đến mặt cắt ngang giữa tàu và nhận các giá trị sau:
α = 1,0 khi |x/L| ≤ 0,25 và α = 2 - |x/L|/0,25 khi |x/L| > 0,25
Trong đó: x - khoảng cách từ mặt cắt đang xét đến mặt cắt ngang giữa tàu, m;
Trị số trong dấu ngoặc [] của công thức trên được lấy ≤ 0,125
Bảng 2A/3.1 - Hệ số k1
| Vùng hoạt động của tàu | k1 phụ thuộc vào chiều dài tàu(m) | Vùng hoạt động của tàu | k1 phụ thuộc vào chiều dài tàu(m) | ||
| 20 | 65 | 20 | 65 | ||
| SB | 13 | 47 | SII SIII | 50 132 | 193 483 |
| SI | 25 | 93 | |||
| Chú thích: Với trị số trung gian của L thì k1 được lấy theo phép nội suy bậc nhất. | |||||
1 Tham gia tổng diện tích tiết diện các kết cấu dọc của dải boong gồm có:
(1) 65% diện tích tiết diện tấm boong nếu boong được kết cấu theo hệ thống dọc;
(2) Diện tích tiết diện các dải tấm boong về mỗi bên của sống boong, có chiều rộng bằng 0,25 khoảng cách các sống boong (Hình2A/3.1) nếu boong được kết cấu theo hệ thống ngang;
(3) 10% diện tích còn lại của tiết diện tấm boong nếu boong được kết cấu theo hệ thống ngang;
(4) Diện tích tiết diện các xà dọc liên tục;
(5) Diện tích tiết diện thành dọc liên tục của miệng khoang hàng và của các nẹp dọc gia cường thành dọc đó;
(6) Diện tích tiết diện các sống boong;
(7) Diện tích tiết diện dải trên của mép mạn có chiều rộng xuống đến độ cao dưới boong một khoảng bằng 0,5 khoảng sườn nếu mạn được kết cấu theo hệ thống ngang và bằng 0,25 khoảng cách dầm dọc mạn nếu mạn được kết cấu theo hệ thống dọc;
(8) Diện tích tiết diện của dải tấm trên của vách dọc và của mạn trong có chiều rộng được xác định tương tự như ở (g) trên.
2 Tham gia tổng diện tích tiết diện của các kết cấu dọc của dải đáy gồm có:
(1) 65% diện tích tiết diện tấm đáy dưới và đáy trên (nếu có) nếu đáy được kết cấu theo hệ thống dọc;
(2) Diện tích tiết diện các dải tấm đáy dưới và tấm đáy trên (nếu có) kề mỗi bên với sống đáy có chiều rộng bằng 0,25 khoảng cách các sống đáy nếu đáy được kết cấu theo hệ thống ngang (Hình2A/3.2);
(3) 10% diện tích còn lại của tấm đáy nếu đáy kết cấu theo hệ thống ngang;
(4) Diện tích tiết diện các dầm dọc liên tục của đáy trên và đáy dưới;
(5) Diện tích tiết diện các sống đáy, sống hông;
(6) Diện tích tiết diện của tấm hông;
(7) Diện tích tiết diện các dải tấm dưới của vách dọc, của mạn ngoài, mạn trong có chiều rộng đến độ cao (kể từ cạnh trên của đà ngang hoặc từ tấm đáy trên) bằng 0,25 khoảng sườn nếu mạn ngoài, mạn trong và vách được kết cấu theo hệ thống ngang và bằng 0,25 khoảng cách các dầm dọc nếu mạn ngoài, mạn trong và vách được kết cấu theo hệ thống dọc.
Các cơ cấu dọc tham gia vào tổng diện tích tiết diện ngang của dải boong và dải đáy tùy thuộc vào vị trí tương đối so với tiết diện đang xét, chiều dài cơ cấu, liên kết với thân tàu phải thỏa mãn yêu cầu của 2.2.3-2(1).

Hình 2A/3.1 - Các kết cấu dọc của boong tham gia vào tổng diện tích

Hình 2A/3.2 - Các kết cấu dọc của đáy dưới tham gia vào tổng diện tích
3.2 Tàu hàng khô
3.2.1 Trên tàu chở công-te-nơ tiêu chuẩn, phải có các gối đỡ để cố định công-te-nơ và kết cấu tại các gối đỡ này phải được gia cường thích hợp.
3.2.2 Tàu chở thép cuộn, kết cấu cơ cấu thân tàu phải thỏa mãn những quy định sau đây:
1 Tính toán được quy định như ở dưới đây dựa trên cơ sở các cuộn thép được xếp như theo Hình 2A/3.3 hướng lõi của chúng theo phương ngang tàu.

Hình 2A/3.3 - Phương tiện chằng buộc cuộn thép
2 Chiều dày tôn đáy trên đối với tàu có hệ thống kết cầu dọc phải không nhở hơn trị số tính theo công thức sau đây:
![]()
Trong đó:
k : Hệ số. Với thép thường k = 1,65;
Q : Khối lượng của các cuộn thép xếp lên mỗi tấm tôn đáy trên, được tính theo công thức sau đây:
![]()
Nếu các cuộn thép được xếp có cuộn khóa thì Q được lấy bằng 1,4 lần trị số tính theo công thức trên.
W : Khối lượng của một cuộn thép (kg).
n1 : Số tầng cuộn thép.
n2 : Số điểm đặt tải trên một tấm tôn đáy trên, được cho trong
Bảng 2A/3.3 phụ thuộc vào trị số của n3 và a/ls.
n3 : Số lượng tấm ván lót một cuộn thép.
α : Tỷ số hình dạng của tấm tôn đáy trên. Nếu a >3,0 thì lấy a = 3,0.
β : Tính theo công thức sau: c/a.
a : Khoảng cách đà ngang đáy (mm).
c : Khoảng cách giữa các điểm đặt tải lên một tấm tôn đáy trên theo hướng chiều dài tàu (mm) lấy theo Bảng 2A/3.2, phụ thuộc vào trị số n2 và n3.
ls : Chiều dài một cuộn thép (mm).
3 Nếu tôn đáy trên là thép có độ bền cao thì công thức nêu ở -2 được áp dụng như sau:
Nếu là thép A32, D32, E32 hoặc F32: 0,78k được thay thế cho k;
Nếu là thép A36, D36, E36 hoặc F36: 0,72k được thay thế cho k
Nếu là thép A40, D40, E40 hoặc F40: 0,68k được thay thế cho k
4 Quy cách của dầm dọc đáy trên, cột chống được xác định theo lý thuyết dầm đơn giản với các điều kiện sau:
(1) Mô hình:
Dầm đơn giản cố định ở đà ngang đặc và/hoặc được đỡ bằng thanh chống thẳng đứng.
(2) Ứng suất cho phép:
8,2(24-12fB) (N/mm2),
trong đó: fB Tỉ số giữa mô đun chống uốn của tiết diện ngang thân tàu yêu cầu và mô đun chống uốn thực của tiết diện ngang thân tàu lấy với đáy tàu.
(3) Điều kiện tải trọng:
Tải trọng tập trung tại vị trí tấm lót nơi mà cuộn thép tựa lên dầm dọc.
(4) Thanh chống thẳng đứng
(a) Thanh chống thẳng đứng không được làm bằng thép dẹt hoặc thép mỏ và phải được hàn đè chắc chắn vào bản thành của dầm dọc đáy dưới và dầm dọc đáy trên.
(b) Diện tích tiết diện thanh chống thẳng đứng nói trên phải không nhỏ hơn trị số tính theo công thức sau đây:
1,8 CSbh (cm2)
Trong đó:
S : Khoảng cách giữa các dầm dọc (m).
b : Chiều rộng của vùng mà thanh chống phải đỡ (m).
h =d+r+hi/(S.b)
hi: tải trọng cột chống do tải cuộn thép (tấn).
C: Hệ số tính theo công thức sau đây:

Trị số của C phải không nhỏ hơn 1,43.
ls: Chiều dài của thanh chống (m).
k: Bán kính quán tính nhỏ nhất của tiết diện thanh chống (cm) tính theo công thức sau đây:
![]()
I : Mô men quán tính nhỏ nhất của tiết diện thanh chống (cm4).
A : Diện tích tiết diện thanh chống (cm2).
(5) Đà ngang đặc và tấm sống đáy chịu tải trọng từ cuộn thép phải được kiểm tra độ ổn định nén.
Bảng 2A/3.2 - Khoảng cách các điểm đặt tải theo phương chiều dài tàu trên một tấm đáy trên
| n2 | n3 | |||
| 2 | 3 | 4 | 5 | |
| 1 | Chiều rộng thực của tấm lót |
| ||
| 2 | 0,5 ls | 0,33 ls | 0,25 ls | 0,2 ls |
| 3 | 1,2 ls | 0,67 ls | 0,50 ls | 0,4 ls |
| 4 | 1,7 ls | 1,20 ls | 0,75 ls | 0,6 ls |
| 5 | 2,4 ls | 1,53 ls | 1,20 ls | 0,8 ls |
| 6 | 2,9 ls | 1,87 ls | 1,45 ls | 1,2 ls |
| 7 | 3,6 ls | 2,40 ls | 1,70 ls | 1,4 ls |
| 8 | 4,1 ls | 2,73 ls | 1,95 ls | 1,6 ls |
| 9 | 4,8 ls | 3,07 ls | 2,40 ls | 1,8 ls |
| 10 | 5,3 ls | 3,60 ls | 2,65 ls | 2,0 ls |
Bảng 2A/3.3 - Số lượng điểm đặt tải trên một tấm
| n2 | n3 | |||
| 2 | 3 | 4 | 5 | |
| 1 | 0 < a/ls ≤ 0,5 | 0 < a/ls ≤ 0,33 | 0 < a/ls ≤ 0,25 | 0 < a/ls ≤ 0,20 |
| 2 | 0,5 < a/ls ≤ 1,2 | 0,33 < a/ls ≤ 0,67 | 0,25 < a/ls ≤ 0,50 | 0,20 < a/ls ≤ 0,40 |
| 3 | 1,2 < a/ls ≤ 1,7 | 0,67 < a/ls ≤ 1,20 | 0,50 < a/ls ≤ 0,75 | 0,40 < a/ls ≤ 0,60 |
| 4 | 1,7 < a/ls ≤ 2,4 | 1,20 < a/ls ≤ 1,53 | 0,75 < a/ls ≤ 1,20 | 0,60 < a/ls ≤ 0,80 |
| 5 | 2,4 < a/ls ≤ 2,9 | 1,53 < a/ls ≤ 1,87 | 1,20 < a/ls ≤ 1,45 | 0,80 < a/ls ≤ 1,20 |
| 6 | 2,9 < a/ls ≤ 3,6 | 1,87 < a/ls ≤ 2,40 | 1,45 < a/ls ≤ 1,70 | 1,20 < a/ls ≤ 1,40 |
| 7 | 3,6 < a/ls ≤ 4,1 | 2,40 < a/ls ≤ 2,73 | 1,70 < a/ls ≤ 1,95 | 1,40 < a/ls ≤ 1,60 |
| 8 | 4,1 < a/ls ≤ 4,8 | 2,73 < a/ls ≤ 3,07 | 1,95 < a/ls ≤ 2,40 | 1,60 < a/ls ≤ 1,80 |
| 9 | 4,8 < a/ls ≤ 5,3 | 3,07 < a/ls ≤ 3,60 | 2,40 < a/ls ≤ 2,65 | 1,80 < a/ls ≤ 2,00 |
| 10 | 5,3 < a/ls ≤ 6,0 | 3,60 < a/ls ≤ 3,93 | 2,65 < a/ls ≤ 2,90 | 2,00 < a/ls ≤ 2,40 |
Chú thích:
Nếu n2 ≥ 11 và/hoặc n3 ≥ 6 thì tải trọng lên tấm tôn đáy trên có thể được coi là phân bố đều
3.2.3 Kích thước sườn khoang chịu tải trọng từ các cuộn thép khi tàu bị lắc không những phải thỏa mãn yêu cầu ở 2.4.4 mà còn phải thỏa mãn những quy định sau đây dựa trên lý thuyết dầm đơn giản.
1 Mô hình: Dầm đơn giản tựa ở boong và cố định ở đáy trên.
2 Ứng suất cho phép: 196 (N/mm2)
3 Điều kiện tải trọng: Áp suất tĩnh từ mạn tàu và khối lượng của các cuộn thép được tính toán theo (1) hoặc (2) sau đây:
(1) Nếu các cuộn thép được xếp một tầng
![]()
W : Khối lượng của một cuộn thép (kg).
C1 : Hệ số phụ thuộc cách bố trí cuộn thép chèn.
4,0 : Nếu các cuộn thép chèn được bố trí giữa cuộn thứ nhất và cuộn thứ hai tính từ mạn tàu;
3,0 : Nếu các cuộn thép chèn được bố trí gần đường tâm tàu hơn cuộn thứ hai tính từ mạn tàu;
θ : Góc nghiêng lớn nhất của tàu (độ).
k : Hệ số tùy thuộc phương gia tốc do tàu bị lắc, thường được lấy bằng 1,0;
n : Số lượng sườn đỡ một cuộn thép.
(2) Nếu các cuộn thép được xếp hai tầng
![]()
C2 : Hệ số phụ thuộc cách bố trí các cuộn thép, thường được lấy bằng 0,7.
Tuy nhiên, nếu các cuộn thép ở tầng dưới được xếp gần nhau mà áp lực tiếp xúc với nhau đủ lớn, thì giá trị C2 có thể được giảm;
W, θ và n : Như quy định ở (a).
m : Tổng số lượng cuộn thép tại mặt cắt sườn liên quan
3.3 Tàu chở hàng lỏng
3.3.1 Tàu chở hàng trong khoang hoặc trong các két độc lập (xem 3.8.1 đến 3.8.16, và 3.10.1 đến 3.10.6) hoặc két liền (xem 3.9.1 đến 3.9.15).
3.3.2 Các quy định từ 3.3.2 đến 3.3.4 không áp dụng cho các tàu chở hàng lỏng bằng các két độc lập.
Tàu chở hàng lỏng có chiều dài dưới 80 m phải có một vách dọc tâm trong khu vực khoang hàng, đối với tàu có chiều dài L ≥ 80 m phải có tối thiểu hai vách dọc. Với tàu có mạn kép chỉ cần 1 vách dọc tại tâm tàu.
Việc không bố trí các hầm giãn nở trên khoang hàng phải được tính toán có xét đến điều kiện nhiệt độ và khả năng sử dụng thể tích trống dưới boong.
3.3.3 Đối với tàu chở hàng lỏng có tỷ số B/D > 3,5 ngoài các vách dọc cần bổ sung thêm dàn dọc hoặc dàn cột chống. Khoảng cách giữa vách dọc và dàn dọc hoặc giữa dàn dọc và mạn không được lớn hơn 2,5 m.
3.3.4 Trên tàu chở hàng lỏng phải bố trí các vách ngang nằm cách nhau một khoảng không quá:
- 24 khoảng sườn đối với tàu có chiều cao mạn D ≤ 2,5 m;
- 36 khoảng sườn đối với tàu có chiều cao mạn D > 2,5 m;
Trên tàu hàng lỏng không tự hành, giữa các vách ngang phải bố trí các dàn ngang hoặc hàng cột chống hoặc các vách ngang không kín nước. Khoảng cách giữa các vách ngang hoặc giữa vách và dàn ngang phải không được lớn hơn 12 khoảng sườn đối với tàu có chiều cao mạn D ≤ 2,5 m và 18 khoảng sườn đối với tàu có chiều cao mạn D > 2,5 m.
3.4 Tàu khách có lượng chiếm nước
3.4.1 Thân tàu khách có thể có những kiểu sau đây:
1 Tàu một boong với thượng tầng nhẹ không tham gia vào uốn chung thân tàu;
2 Tàu nhiều boong gồm boong chính chịu lực và boong chịu lực của thượng tầng tầng 1 tham gia vào uốn chung thân tàu;
3 Tàu hở có đáy đôi hoặc không có đáy đôi, có thượng tầng tham gia hoặc không tham gia vào uốn chung thân tàu.
3.4.2 Nếu thượng tầng (hoặc lầu) tham gia vào uốn chung thân tàu thì phải có biện pháp kết cấu bảo đảm sức bền của các kết cấu boong (hoặc lầu), bảo đảm sức bền của mối nối thượng tầng (hoặc lầu) với thân tàu ở chỗ có ứng suất tiếp lớn nhất trong khu vực đầu và cuối mạn thượng tầng (hoặc lầu). Nếu những yêu cầu này không được đảm bảo thì phải có biện pháp kết cấu để giảm mức độ tham gia của thượng tầng (hoặc lầu) vào uốn chung thân tàu, giảm tập trung ứng suất.
3.4.3 Mạn của thượng tầng có chiều dài lớn hơn 6 lần chiều cao mà không trùng với mặt phẳng mạn tàu thì phải được nối lượn đều với các vách biên ngang với bán kính góc lượn không được nhỏ hơn 1/3 chiều cao của thượng tầng. Với những thượng tầng có chiều dài nhỏ hơn 6 lần chiều cao thì bán kính góc lượn nói trên có thể giảm theo tỷ lệ.
Quy định trên cũng được áp dụng cho thượng tầng (lầu) đặt trên boong chính và cho trường hợp mà mạn của thượng tầng (lầu) không trùng với mặt phẳng của mạn thượng tầng nằm phía dưới nó.
3.4.4 Vị trí và kết cấu của lỗ khoét ở các vách của thượng tầng (hoặc lầu) tham gia vào uốn chung của thân tàu phải theo quy định của 2.3.3.
3.4.5 Chiều dày dải tấm boong bền trên cùng và boong phía dưới boong đó của tàu khách phải không được nhỏ hơn trị số ở mục 2.1 của Bảng 2A/2.18; chiều dày tấm boong của thượng tầng (hoặc lầu) ở khu vực giữa tàu của tàu khách không được nhỏ hơn trị số ở mục 2.3 của Bảng 2A/2.18.
3.4.6 Chiều dày tấm mạn của thượng tầng (lầu) không được nhỏ hơn trị số quy định ở mục 5.6 của Bảng 2A/2.18, với thượng tầng (lầu) có tham gia vào uốn chung thân tàu thì không được nhỏ hơn trị số ở mục 5.7 của Bảng 2A/2.18.
3.5 Tàu kéo và tàu đẩy
3.5.1 Chiều dày tấm vỏ ở đoạn giữa và đoạn đuôi của tàu kéo, tàu đẩy, mm, không được nhỏ hơn trị số tính theo công thức:
t = (L + 100)/30 + tad
Trong đó:
tad = 0 - nếu tàu có công suất máy chính Pe ≤ 330 kW;
tad =
- nếu tàu có công suất máy chính Pe > 330 kW;
Trong đó: Pe - công suất máy chính, kW;
Đối với tàu kéo và tàu đẩy hoạt động ở quanh khu vực âu tàu và khu vực neo đậu, vùng SB và SI, chiều dày tôn vỏ ở khu vực giữa tàu phải được tăng lên 2 mm so với chiều dày được xác định theo công thức trên.
Trong mọi trường hợp chiều dày tôn vỏ ở khu vực giữa tàu phải không được nhỏ hơn trị số quy định trong Bảng 2A/2.18.
3.5.2 Chiều dày tấm mép mạn và tấm hông được lấy bằng chiều dày tấm vỏ tại tiết diện đang xét của thân tàu nhưng không được nhỏ hơn trị số được quy định trong mục 1.3 và 1.4 ở Bảng 2A/2.18.
3.5.3 Chiều dày tấm vỏ ở đoạn đầu tàu kéo và tàu đẩy không được nhỏ hơn chiều dày tôn vỏ tại giữa tàu được xác định theo 3.5.1 và 3.53.5.2, trong mọi trường hợp không được nhỏ hơn chiều dày tấm vỏ khu vực đầu tàu được quy định trong Bảng 2A/2.18.
3.5.4 Chiều dày của tấm mép boong khu vực giữa tàu không được nhỏ hơn chiều dày của tấm mạn. Chiều rộng của dải tấm mép boong không được nhỏ hơn 500 mm.
3.5.5 Chiều dày tấm boong, mm, của tàu kéo và tàu đẩy không được nhỏ hơn trị số tính theo công thức:
Với vùng boong lộ thiên:
t = (220 + L)/60 + tad
Với phần boong trong thượng tầng (lầu lái):
t = (180 + L)/60 + tad
Trong đó: tad - xem 3.5.1;
Đối với tàu kéo, tàu đẩy hoạt động ở quanh khu vực âu tàu và khu vực neo đậu thì chiều dày tấm boong không được nhỏ hơn chiều dày của tấm vỏ ở khu vực giữa tàu.
3.5.6 Chiều dày tối thiểu của tôn vách ngang được lấy theo Bảng 2A/2.18 và tăng thêm 1 mm.
3.5.7 Chiều dày tấm vách mút mũi của tàu đẩy và chiều dày tấm của giá đẩy phải không nhỏ hơn chiều dày của tấm boong ở vùng mũi.
3.5.8 Mũi tàu đẩy phải được gia cường sao cho đảm bảo phân bố đều lực từ giá đẩy tới mạn và cơ cấu dọc thân tàu.
3.5.9 Phải bố trí vách dọc hoặc dàn dọc trong mặt phẳng vuông góc với giá đẩy, liên kết chắc chắn với thân tàu và kéo đến vách mũi.
3.6 Tàu công trình
3.6.1 Kích thước kết cấu thân tàu phải thỏa mãn quy định ở 1.1.6-5 Phần này, ngoài ra còn thoả mãn các yêu cầu từ 3.6.2 đến 3.6.5 dưới đây.
3.6.2 Trong tính toán sức bền chung đối với tàu có chiều dài lớn hơn 65 mét, sức bền cục bộ, độ bền ổn định phải xét đến các điều kiện đặc biệt trong khai thác tàu và các đặc trưng làm việc của máy và trang thiết bị.
3.6.3 Ở các vùng đặt tháp, gầu, tháp nâng cần gầu, kết cấu của thân tàu phải được gia cường. Chân đế của tháp nâng cần gầu có thể được kết thúc ở boong nhưng dưới chân đế phải đặt cột chống, thanh chống khỏe hoặc những kết cấu tương đương khác. Chân đế của tháp gầu phải đi xuống tận đáy tàu và được liên kết chắc chắn với các kết cấu ngang và kết cấu dọc của thân tàu, hoặc dưới chân đế phải đặt vách ngang. Chiều dày của tấm boong ở chỗ chân đế của tháp gầu xuyên qua và ở chỗ đặt chân đế của tháp nâng cần gầu, phải được tăng 25%.
3.6.4 Ở vùng lắp ống hút, mạn tàu phải được kết cấu theo hệ thống ngang có sườn khỏe. Chiều dày tấm mạn ở vùng lắp ống hút phải được tăng 25%.
3.6.5 Ở buồng bơm phải có những đoạn kín nước của đà ngang và của sống đáy để tạo thành những hố tụ.
3.7 Tàu có chiều dài nhỏ hơn 20 m
3.7.1 Những quy định từ 3.7.2 đến 3.7.37 dưới đây được áp dụng cho các tàu có chiều dài nhỏ hơn 20 m được nêu tại 1.1.6-2 Phần này.
Nếu trong 3.7.2 đến 3.7.37 dưới đây không đưa ra các quy định cụ thể, thì phải áp dụng các quy định trong Chương 1 và 2.3 đến 2.4 của của Phần này.
3.7.2 Chiều dày kết cấu thân tàu trong mọi trường hợp không được nhỏ hơn 2,5 mm.
3.7.3 Chiều dày, mm, của tấm đáy và tấm hông ở vùng giữa tàu và vùng đuôi tàu không được nhỏ hơn trị số xác định theo công thức:
![]()
Trong đó:
a - khoảng sườn, m;
d, r - xem 2.4.2-2;
m - giá trị,m, được lấy như sau:
m = 0,6 - đối với tàu hoạt động ở vùng SB và SI;
m = 0,9 - đối với tàu hoạt động ở vùng SII và SIII;
ReH - giới hạn chảy của vật liệu, MPа;
Ở vùng giữa và đuôi tàu chiều dày tôn đáy không lấy nhỏ hơn 3 mm và chiều dày tôn hông không lấy nhỏ hơn 4 mm.
3.7.4 Chiều dày tấm đáy và tấm hông của tàu kéo và tàu hoạt động trong các khu vực nước nông được tăng lên 1 mm so với trị số tính theo 3.7.3.
3.7.5 Chiều dày tấm vỏ thuộc vùng mũi của các tàu (trừ các tàu chỉ ra trong 3.7.6) phải tăng thêm 1 mm so với trị số tính theo 3.7.3.
3.7.6 Chiều dày tấm vỏ của tàu hoạt động trong điều kiện đặc biệt khắc nghiệt của vùng nước nông phải được tăng thêm 2 mm so với trị số tính theo 3.7.3.
3.7.7 Chiều dày tấm mạn cho phép lấy nhỏ hơn 1 mm so với chiều dày yêu cầu đối với tấm đáy, ngoại trừ tàu kéo và tàu hoạt động trong các khu vực nước nông.
3.7.8 Chiều dày của tôn boong, mm, không được nhỏ hơn trị số tính theo công thức:
![]()
Trong đó:
a - khoảng sườn, m;
p - tải trọng tính toán được xác định theo 2.2.2-11, kPа.
3.7.9 Chiều dày tấm vách không được nhỏ hơn, mm:
![]()
Trong đó:
a - khoảng cách giữa các nẹp đứng, m;
D1 - chiều cao mạn tại tiết diện đang xét, m.
3.7.10 Chiều dày bản thành của đà ngang ở vùng đầu và đuôi tàu được lấy bằng chiều dày bản thành của đà ngang tại vùng giữa tàu.
3.7.11 Chiều dày bản thành cơ cấu khỏe cho phép nhỏ hơn chiều dày tấm mà nó gia cường 1 mm nhưng không được lấy nhỏ hơn 2,5 mm.
3.7.12 Cho phép sử dụng thép góc ở khu vực hông tàu có đường bẻ góc để nối tôn mạn và tấm đáy tàu. Chiều dày của thép góc phải bằng chiều dày tôn đáy nhưng không được nhỏ hơn 4 mm.
3.7.13 Với hệ thống kết cấu dọc, mô đun chống uốn, сm3, của tiết diện dầm dọc đáy và dầm dọc boong có mép kèm không nhỏ hơn trị số tính theo công thức:
W = 130pal2/ReH
Trong đó:
p - tải trọng tính toán lên dàn được xác định theo 2.2.2-11, kPа;
a - khoảng cách giữa các dầm dọc, m;
l - chiều dài nhịp của dầm dọc, m.
3.7.14 Vách phải được gia cường bằng nẹp đứng. Mô đun chống uốn, сm3, của tiết diện nẹp đứng có mép kèm không được nhỏ hơn trị số tính theo công thức:
Trong đó:
W = 75pal2/ReH
p - áp suất tính toán tại đầu dưới của nẹp được xác định theo 2.2.2-10, kPа;
a - khoảng cách giữa các nẹp, m;
l - nhịp của nẹp, m;
Phần kết thúc của nẹp phải được gia cường bằng mã hoặc được vát mép.
3.7.15 Khoảng cách giữa các đà ngang đặc phải bằng bội số của khoảng sườn nhưng không lớn hơn 1,5 m, đối với tàu kéo khoảng cách này không lớn hơn 1,0 m.
3.7.16 Cho phép giảm 15% chiều cao và diện tích tiết diện ngang của sống dọc đáy so với chiều cao và diện tích đà ngang ở vùng tương ứng.
3.7.17 Các sống dọc hoặc các dầm dọc ở đáy và boong tàu cho phép cùng kết thúc ở vách mũi hoặc vách đuôi tàu.
3.7.18 Chiều dài của mã được quy định trong 2.3.1-9 cho phép lấy bằng một khoảng sườn.
3.7.19 Chiều rộng bản cánh của cơ cấu có mép bẻ hoặc mép gắn cho phép lấy sai số so với yêu cầu ở 2.3.2-11.
3.7.20 Không cần lắp đặt sườn khỏe, xà ngang boong khoẻ, sống đứng vách, đà ngang đặc, sống nằm vách và sống dọc mạn nếu sức bền tàu được bảo đảm. Mô đun chống uốn theo yêu cầu của kết cấu dọc và ngang ở trường hợp này được xác định từ phép tính sức bền trực tiếp theo 2.2.
3.7.21 Tàu có chiều dài nhỏ hơn 20 m phải có ít nhất 2 vách ngang.
3.7.22 Khu vực buồng máy phải được cách ly với các không gian còn lại trên tàu bởi các vách. Cho phép vách buồng máy được coi là vách khoang đuôi với điều kiện thỏa mãn các yêu cầu của Quy chuẩn về tính chống chìm và ổn định tai nạn.
3.7.23 Với tàu có chiều dài nhỏ hơn 20 m, cho phép không áp dụng các quy định trong 2.3.1-7.
3.7.24 Cho phép sử dụng kết cấu sóng đối với vách, mạn, boong, vách thượng tầng và cho các vách, sàn phụ khác.
3.7.25 Đối với mạn, kết cấu sóng phải có tiết diện hình thang hoặc hình bán tròn. Đối với vách kín nước kết cấu sóng phải đảm bảo thông suốt và có tiết diện hình thang, hình lượn sóng bán nguyệt hay hình tam giác lượn đỉnh. Đối với boong chỉ cho phép sử dụng kết cấu sóng có tiết diện bán tròn.
3.7.26 Tổng chiều cao của lỗ khoét trên bản thành của cơ cấu khỏe cho cơ cấu thường chui qua không được vượt quá 50% chiều cao bản thành.
3.7.27 Chiều cao lỗ khoét cho ống đi qua không vượt quá 30% chiều cao bản thành.
3.7.28 Chiều rộng phần boong giữa mạn và lỗ khoét không được nhỏ hơn 0,2 m.
3.7.29 Lỗ khoét trên boong có chiều dài lớn hơn 6 khoảng sườn và chiều rộng lớn hơn 0,2B tại khu vực giữa tàu và phía trước buồng máy phải được lượn tròn với bán kính không nhỏ hơn 10% chiều rộng lỗ khoét. Các lỗ khoét tương tự ở các vùng còn lại trên tàu phải lượn tròn với bán kính không nhỏ hơn 5% chiều rộng lỗ khoét. Các lỗ khoét còn lại phải được lượn tròn với bán kính không nhỏ hơn 5 lần chiều dày tôn boong.
3.7.30 Chiều dày mạn chắn sóng cho phép nhỏ hơn chiều dày yêu cầu của tôn mạn tại vùng giữa tàu là 2 mm nhưng trong mọi trường hợp không được nhỏ hơn 1,5 mm.
3.7.31 Kích thước tiết diện sống mũi tàu cho phép giảm 25% so với trị số xác định tương ứng trong 2.4.10-1 và 2.4.10-2.
3.7.32 Diện tích tiết diện sống mũi làm từ thép góc đều cạnh cho phép giảm 50% so với trị số xác định theo 2.4.10-3, cho phép sử dụng thép cán đối xứng.
3.7.33 Kích thước tiết diện sống đáy đặc cho phép giảm 50% so với trị số xác định theo 2.4.10-12,
3.7.34 Không cần tính toán sức bền chung theo 2.2 nếu thỏa mãn các quy định của với hệ số k1 trong 3.1.2 với hệ số k1 trong Bảng 2A/3.1 được lấy đối với tàu có chiều dài 20 m.
3.7.35 Khi hàn vách kín nước có độ dày t ≤ 3 mm (trừ vách mũi, đuôi và vách các két) với nhau và với tôn vỏ cho phép thực hiện bằng mối hàn liên tục một phía với chiều cao mối hàn bằng chiều dày tôn vách.
3.7.36 Các đầu tự do của cơ cấu phải hàn với tôn bằng mối hàn gián đoạn hoặc hàn điểm và phải hàn khóa đầu tương ứng theo 2.3.5-9.
3.7.37 Cho phép liên kết khung xương bằng các mã đè. Khi hàn mã đè phải hàn bao xung quanh.
3.8 Tàu chở dầu có các két độc lập đặt thẳng đứng
3.8.1 Các quy định từ 3.8.2 đến 3.8.16 dưới đây áp dụng cho tàu chở dầu trong két độc lập hình trụ thẳng đứng có chiều chìm khi đầy tải không lớn hơn 2,25 m và dung tích (GT) không quá 1000. Nếu trong 3.8.2 đến 3.8.16 dưới đây không đưa ra các quy định cụ thể, thì phải áp dụng các quy định trong Chương 1 và các quy định trong 2.2, 2.3 và 2.4 của Phần này.
3.8.2 Các tỷ số kích thước chính L/D và B/D không vượt quá trị số nêu trong Bảng 2A/1.3 đối với tàu tự hành và không tự hành chở hàng khô trong khoang.
3.8.3 Số lượng vách ngang kín nước phải thỏa mãn quy định trong 2.4.6-8.
3.8.4 Tốc độ ăn mòn trung bình của tấm quy định trong Bảng 2A/2.16.
3.8.5 Chiều dày tối thiểu của kết cấu thân tàu được quy định trong Bảng 2A/2.18 giống như đối với tàu chở hàng khô. Chiều dày tấm vách kín nước và mạn trong ở khu vực khoang hàng theo mục 4.1 của Bảng 2A/2.18. Chiều dày tấm boong và sàn khu vực giữa mạn và miệng khoang hàng theo mục 1.1 của Bảng 2A/2.18.
3.8.6 Các két hàng rời thẳng đứng phải được đặt trên khung xương khỏe của đáy và được liên kết chắc chắn với chúng. Trong một khoang hàng giới hạn bởi các vách ngang kín nước chỉ được đặt nhiều nhất 2 két hàng. Giữa các két nằm bên trong khoang hàng phải đặt bổ sung thêm các khung dàn ngang. Đối với tàu có mạn kép thì dàn ngang phải nằm trên cùng mặt phẳng với vách lửng trong mạn kép.
Với tàu mạn đơn, trong mặt phẳng của thành quây dọc miệng khoang hàng hoặc trong mặt phẳng của sống dọc boong nằm giữa mạn và két hàng phải có các khung dàn dọc hoặc cột chống đặt tại các nút giao nhau giữa sống đáy và đà ngang.
Trên mặt boong của tàu tại các vị trí két phải có miệng khoang với thành quây xung quanh. Đường kính miệng khoang phải lớn hơn đường kính của két từ 80 mm đến 100 mm và không được lớn hơn 0,75 chiều rộng tàu.
Liên kết két với boong tàu phải bằng các thanh viền khoẻ nằm ngang chạy xung quanh két và được hàn với thành quây của miệng khoang bằng mối hàn liên tục.
3.8.7 Trong khoang hàng kết cấu đáy đơn, khoảng cách giữa các đà ngang phải là bội số của khoảng sườn và không được lớn hơn 2,0 m.
3.8.8 Khi xác định tải trọng tính toán sức bền của dàn đỡ két tại khoang hàng, coi trọng lượng của két rỗng và trọng lượng của két đầy hàng được phân bố đều trên toàn bộ bề mặt của dàn đỡ. Tải trọng pemp và pcrg, kPa, do khối lượng két hàng rỗng và két đầy hàng được xác định tương ứng theo các công thức:
pemp = 9,81Qemp/(LbhB1)
pcrg = 9,81Qcrg/(LbhB1)
Trong đó:
Qemp, Qcrg - khối lượng két rỗng và két đầy hàng, tấn;
Lbh - xem Bảng 2A/2.19;
B1 - chiều dài nhịp, m, của đà ngang được lấy như sau:
Là khoảng cách lớn nhất của các vách dọc (dàn dọc) hoặc từ vách dọc (dàn dọc) đến mạn;
Nếu không có vách dọc (dàn dọc) thì B1 phải được lấy bằng chiều rộng tàu B.
3.8.9 Khi xác định chiều dài nhịp của đà ngang, xà ngang boong và xác định tải trọng tính toán lên cột chống đối với tàu có lỗ khoét với thành quây dọc liên tục có độ cứng lớn hơn độ cứng của sống dọc đáy tương ứng bên dưới ít nhất 8 lần. Ở trường hợp có các cột chống đặt giữa thành quây và sống đáy tại các nút giao nhau giữa sống dọc đáy và đà ngang, thì hệ thống thành quây và sống đáy nói trên được coi như dàn dọc.
3.8.10 Mô đun chống uốn, сm3, của tiết diện đà ngang có mép kèm trong khoang hàng ở vùng đáy đơn không được nhỏ hơn trị số tính theo công thức:
![]()
Trong đó:
k1, k2, d1, d, B1 - xem 2.4.2-2;
р - áp suất tính toán, kPa, lên dàn đáy lấy trị số lớn nhất trong các trị số tính theo các công thức:
p = 9,81(d + r + m) - pemp
p = pcrg - 9,81(d - r - m)
Trong đó:
рcrg, рemp - xem 3.8.8;
m = 0,6 m - với tàu hoạt động trong vùng SB và SI;
m = 0,9 m - với tàu hoạt động trong vùng SII và SIII;
r - xem 2.4.2-2.
3.8.11 Diện tích, m2, của đáy khoang hàng đỡ dưới 1 cột của dàn ngang được xác định theo công thức:
f = LbhB1/(ncl + 2nfl)
Trong đó:
Lbh - xem Bảng 2A/2.19;
B1 - xem 2.4.2-2;
ncl - số lượng sống dọc đáy nằm giữa dàn dọc và mạn trong, khi không có mạn trong (dàn dọc) ncl là số lượng sống dọc đáy nằm giữa các mạn ngoài;
nfl - số lượng đà ngang nằm giữa các vách ngang hoặc dàn ngang.
Diện tích, m2, đáy khoang hàng được đỡ dưới 1 cột của dàn dọc được xác định theo công thức:
![]()
Trong đó: b - khoảng cách từ mạn đến dàn dọc.
Tải trọng, kN, tính toán lên cột của dàn xác định theo công thức:
P = fp
Trong đó: р - xem 3.8.10.
Trong khoang hàng không có dàn dọc, lực lên một cột của hàng dọc cột chống được xác định theo 2.2.4-14 và 2.2.2-11(3).
3.8.12 Tải trọng tính toán kết cấu mạn trong khu vực đặt két được xác định tương ứng theo 2.2.2-9 giống như đối với tàu hàng khô. Trường hợp khi không có đáy đôi thì xác định theo 2.2.2-9(1) và 2.2.2-9(2) với hd = 0.
3.8.13 Tải trọng tính toán kết cấu vách ngang khoang hàng khu vực đặt két được xác định theo 2.2.2-10(3).
3.8.14 Tải trọng tính toán kết cấu boong trong khu vực đặt két rời thẳng đứng được xác định theo 2.2.2-4(3).
3.8.15 Mô đun chống uốn tiết diện của xà ngang boong và xà ngang boong cụt có mép kèm ở khu vực đặt két được xác định theo 2.4.5-2(3).
3.8.16 Mô đun chống uốn tiết diện của dầm dọc boong có mép kèm trong khu vực đặt két rời thẳng đứng được xác định theo 2.4.5-5(4).
3.9 Tàu chở dầu có két liền hình trụ đặt dọc
3.9.1 Các quy định từ 3.9.2 đến 3.9.15 dưới đây áp dụng cho tàu chở dầu có 1 hoặc 2 két liền hình trụ đặt dọc tàu (két dầu hàng) được liên kết cố định với thân tàu và tham gia vào uốn chung thân tàu.
3.9.2 Nếu trong 3.9.3 đến 3.9.15 dưới đây không đưa ra các các quy định cụ thể, thì phải áp dụng các quy định trong Chương 1 và các quy định trong 2.2, 2.3 và 2.4 của Chương 2 Phần này.
3.9.3 Khoảng cách theo phương thẳng đứng từ mép trên của két liền hình trụ đến boong tại mặt phẳng dọc tâm phải không được lớn hơn:
0,7Dcyl - với tàu hoạt động ở các vùng SI, SII, SIII;
0,6Dcyl - với tàu hoạt động ở các vùng SB;
Trong đó: Dcyl - đường kính của két liền hình trụ, m.
3.9.4 Khoảng cách từ mép dưới của két liền hình trụ tới tôn đáy dưới phải tương đương với chiều cao đáy đôi theo quy định ở 2.4.3-2.
3.9.5 Tỷ số giữa bán kính két liền hình trụ đặt dọc và chiều dày lớp tôn vỏ két liền hình trụ phía trên mặt boong không được lớn hơn:
235 - đối với tàu hoạt động ở các vùng SB;
285 - đối với tàu hoạt động ở các vùng SI, SII;
Trong mọi trường hợp chiều dày tôn vỏ két liền không được nhỏ hơn:
12 mm - đối với tàu hoạt động ở các vùng SB;
10 mm - đối với tàu hoạt động ở các vùng SI, SII;
Chiều dày t1 của tôn vỏ két liền phía dưới mặt boong có thể nhỏ hơn 30% so với chiều dày tấm vỏ két phía trên boong.
3.9.6 Chiều dày của các tấm vỏ két liền hình trụ khi nối với nhau không được chênh quá 15% chiều dày của tấm dày hơn hoặc không được lớn hơn 3 mm lấy trị số nào nhỏ hơn. Độ lồi lõm của mối nối két liền hình trụ không được vượt quá chiều dày của tấm dày hơn trong các tấm được nối với nhau. Sai lệch cho phép đối với đường kính của két liền hình trụ được đo theo các hướng trên mặt phẳng của sườn không vượt quá 0,3% trị số đường kính két liền hình trụ theo thiết kế.
3.9.7 Ở hai đầu két liền hình trụ cần được kết thúc trơn đều bằng cách sử dụng những tấm phẳng nghiêng ở đầu két. Góc nghiêng của tấm phẳng so với mặt boong không được vượt quá 30°.
3.9.8 Số lượng vách ngang và dàn ngang của tàu phải theo quy định ở 3.3.4. Trong két liền hình trụ, vách ngang ở hai đầu két và vách ngang ở giữa két phải đặt trên cùng mặt phẳng với vách ngang của tàu. Các vách ngang còn lại của két liền hình trụ phải đặt trong các mặt phẳng sườn khỏe của tàu.
3.9.9 Phần vỏ két liền hình trụ dưới boong phải được cố định bằng các sườn khỏe được đặt cách xa nhau không quá 4 m và phải ôm theo két.
3.9.10 Giữa két liền hình trụ và đáy tàu phải bố trí các sống dọc theo suốt chiều dài két. Két liền hình trụ phải được liên kết với đáy tàu bằng các mã cong tại vị trí liên kết giữa sườn khỏe và đà ngang đáy. Ở hai phía sống dọc đáy đặt các mã trên đà ngang với chiều dài bằng bán kính của két liền hình trụ.
3.9.11 Kích thước cơ cấu thân tàu được xác định theo 2.4 như đối với tàu chở hàng khô đáy đơn, khi đó trị số B1 (xem 2.4.2-2) không nhỏ hơn B/2 đối với tàu có 1 két và không nhỏ hơn B/3 đối với tàu có 2 két.
3.9.12 Chiều dày tối thiểu của tôn vỏ, tấm mép mạn và tấm mép boong ở vùng giữa tàu xác định theo Bảng 2A/2.18 trong đó chiều dài tàu, m, được lấy theo chiều dài quy ước được xác định như sau:
Lcon = LD/D1
Trong đó: D1 - chiều cao của tàu tính đến đỉnh két, m.
3.9.13 Ứng suất pháp lớn nhất ở mặt trên của két khi bị nén ở trạng thái giới hạn (khi tàu võng xuống) không được vượt quá ứng suất nguy hiểm, Mpa, được xác định theo công thức:
σcr = kEt/R
Trong đó:
k - hệ số bằng 0,36 khi 75 < R/t < 300;
E - mô đun đàn hồi vật liệu làm vỏ két, МPа;
R/t - tỷ số giữa bán kính của két liền hình trụ với chiều dày tấm vỏ két liền hình trụ ở phía trên mặt boong.
3.9.14 Khi tính toán áp suất tới hạn pcr, kPa, được coi phân bố đều trên bề mặt lớp vỏ két do lực hút khi xả hàng phải thỏa mãn điều kiện:
pcr ≥ 1,5pvac
Trong đó: pvac - áp suất chân không, kPа, khi xả hàng với áp suất dư của van thở bằng 7 kPа.
Áp suất tới hạn pcr, kPа, được xác định theo công thức:
pcr = 920ER(t/R)2,5 /Lh
Trong đó:
E - mô đun đàn hồi của vật liệu vỏ két liền hình trụ, МPа;
R - bán kính của két liền hình trụ, mm;
Lh - chiều dài lớn nhất của các ngăn hàng trong két liền hình trụ, mm;
t - chiều dày tôn vỏ két liền hình trụ phần phía trên mặt boong, mm.
3.9.15 Ứng suất pháp vòng, МPа, ở đáy két liền hình trụ phải thỏa mãn điều kiện:
![]()
Trong đó:
pex - áp suất dư trong két liền hình trụ lấy bằng áp suất đặt của van thở, kPa;
R - bán kính két liền hình trụ, mm;
t1 - chiều dày tấm vỏ két liền hình trụ phần dưới mặt boong, mm;
ReH - giới hạn chảy của vật liệu vỏ két liền hình trụ, МPа.
3.10 Tàu chở dầu có két rời hình trụ đặt dọc
3.10.1 Các quy định từ 3.10.1 đến 3.10.6 áp dụng cho tàu chở dầu có một hoặc hai két rời hình trụ đặt dọc tàu (két dầu hàng) và không tham gia vào uốn chung thân tàu. Các két rời hình trụ phải được cố định với thân tàu sao cho không bị dịch chuyển và ngăn ngừa truyền tải trọng từ thân tàu sang két rời hình trụ. Khối lượng két rời hình trụ và khối lượng hàng phải được phân chia đều lên kết cấu thân tàu.
3.10.2 Két rời hình trụ phải được thiết kế có độ bền như bình chịu áp lực được nêu tại Chương 8, Phần 3 của Quy chuẩn này và là đối tượng xem xét riêng của Đăng kiểm trong từng trường hợp cụ thể.
3.10.3 Chiều dài két rời hình trụ không được vượt quá 10 m hoặc một trong các trị số trong Bảng 2A/3.4, chọn giá trị lớn hơn.
3.10.4 Két rời hình trụ phải được chế tạo bằng vật liệu chịu được ăn mòn của hàng hoá hoặc phải có lớp phủ bảo vệ được Đăng kiểm thẩm định.
3.10.5 Nắp khoang hàng và nắp lỗ người chui phải là kiểu kín khí và được Đăng kiểm thẩm định.
3.10.6 Khoảng cách từ két rời hình trụ tới mạn và tới đáy tàu phải không được nhỏ hơn khoảng cách tương tự của két liền hình trụ đặt dọc.
Bảng 2A/3.4 - Chiều dài lớn nhất của két rời
| Bố trí vách trong két rời hình trụ | Chiều dài lớn nhất của két rời hình trụ, m |
|
| Không có vách dọc Có một vách dọc ở mặt phẳng dọc tâm két rời Có hai hay nhiều vách dọc: Với hai két rời hình trụ đặt sang hai bên mạn tàu Với một két rời hình trụ đặt ở trung tâm tàu: Khi b/B ≥ 1/5 Khi b/B < 1/5: Không có vách dọc tại mặt phẳng dọc tâm két rời hình trụ Có vách dọc tại dọc tâm két rời hình trụ | (0,5b/B + 0,1)L, nhưng không lớn hơn 0,2L (0,25b/В + 0,15)L
0,2L
0,2L
(0,25b/В + 0,15)L |
|
| Chú thích: b - khoảng cách nhỏ nhất từ mạn tàu đến vỏ két, m, được đo từ mặt trong tôn mạn tàu theo phương vuông góc với mặt phẳng dọc tâm tàu tại đường nước thiết kế; B, L - chiều rộng và chiều dài tàu. | ||
3.11 Bến nổi
Nếu tàu cho phép phương tiện đường bộ lên xuống tàu thì phải được tính toán kết cấu bổ sung theo quy định tại 2.2.4-19 tại vị trí phương tiện đường bộ đi qua. Tại vị trí lối đi cho khách tải trọng boong được lấy bằng 5 kPa.
CHƯƠNG 4 KẾT CẤU THÂN TÀU CÓ LƯỢNG CHIẾM NƯỚC LÀM TỪ HỢP KIM NHẸ
4.1 Quy định chung
4.1.1 Chương này chỉ áp dụng cho tàu có lượng chiếm nước và có thân tàu làm từ hợp kim nhẹ.
4.1.2 Nếu trong Chương này không đưa ra các quy định, thì tàu có lượng chiếm nước làm từ hợp kim nhẹ phải áp dụng các quy định tương ứng trong Chương 1 đến Chương 3 của Phần này.
4.2 Vật liệu và chiều dày tối thiểu của kết cấu thân tàu
4.2.1 Vật liệu sử dụng để chế tạo kết cấu thân tàu từ hợp kim nhẹ được nêu ra ở Phần 6A trong Quy chuẩn này.
4.2.2 Chiều dày tối thiểu của kết cấu trong thành phần vỏ tàu phải không được nhỏ hơn chiều dày tối thiểu đối với tàu vỏ thép.
4.3 Xác định kích thước cơ cấu bền của thân tàu
4.3.1 Phải tính đến ảnh hưởng của độ mềm thân tàu đến mô men uốn và lực cắt nếu:
L4B/EJ > 6,01.103
Trong đó:
L, B - chiều dài và chiều rộng tàu, m;
E - mô đun đàn hồi vật liệu vỏ tàu, МPа;
J - mô men quán tính tiết diện thanh tương đương, m4.
4.3.2 Chiều rộng của mép kèm, cm, được tính như sau:
1 Với dầm dọc đáy đơn và dầm dọc đáy đôi, sườn thường và xà ngang boong (Hình 2A/4.1, а, d), chiều rộng mép kèm được lấy bằng:
c1 = 0,5a
Trong đó: a - khoảng cách các kết cấu cùng loại nói trên, cm.

Hình 2A/4.1 - Chiều rộng mép kèm
2 Đối với đà ngang đáy, xà ngang boong và sườn trong hệ thống kết cấu dọc; sống phụ đáy, sống dọc boong của hệ thống kết cấu ngang, nếu chúng đỡ các dầm hướng chính (Hình 2A/4.1, b, d), chiều rộng mép kèm lấy bằng:
c2 = c1 + (b - c1)φ1
Trong đó:
c1 - chiều rộng mép kèm theo 4.3.2-1‚ сm;
φ1 - hệ số bằng 0 nếu mép kèm bị nén và được xác định theo Bảng 2A/4.1 nếu mép kèm bị kéo.
Bảng 2A/4.1 -Trị số hệ số φ1
| p | φ1 khi 100 t/a | ||||
| 0,8 | 0,9 | 1,0 | 1,1 | 1,2 | |
| σac = 70,6 МPа | |||||
| 10 | 0,10 | 0,14 | 0,16 | 0,19 | 0,22 |
| 20 | 0,14 | 0,16 | 0,18 | 0,21 | 0,24 |
| 30 | 0,16 | 0,19 | 0,20 | 0,23 | 0,26 |
| 40 | 0,18 | 0,22 | 0,23 | 0,25 | 0,28 |
| σac = 98,2 МPа | |||||
| 10 | 0,11 | 0,15 | 0,17 | 0,20 | 0,23 |
| 20 | 0,14 | 0,16 | 0,19 | 0,22 | 0,25 |
| 30 | 0,16 | 0,19 | 0,21 | 0,23 | 0,26 |
| 40 | 0,18 | 0,22 | 0,24 | 0,25 | 0,28 |
| σac = 137 МPа | |||||
| 10 | 0,12 | 0,16 | 0,19 | 0,22 | 0,25 |
| 20 | 0,14 | 0,17 | 0,20 | 0,23 | 0,26 |
| 30 | 0,16 | 0,20 | 0,22 | 0,24 | 0,27 |
| 40 | 0,19 | 0,23 | 0,25 | 0,25 | 0,29 |
| Chú thích: σac - ứng suất cho phép, МPа; p - áp suất tính toán, kPа; t - chiều dày tấm, сm. | |||||
3 Đối với đà ngang đáy, xà ngang boong và sườn của hệ thống kết cấu ngang sống phụ đáy và dầm dọc boong trong hệ thống kết cấu dọc (Hình 2A/4.1 b, d), chiều rộng mép kèm được lấy bằng:
c3 = 0,5na(1 + φ2)
Trong đó:
n - số tiết diện tham gia mép kèm;
φ2 - hệ số bằng 1 đối với mép kèm bị kéo và được xác định theo đồ thị trên Hình 2A/4.2 đối với mép kèm bị nén.
Trong mọi trường hợp chiều rộng mép kèm không được lấy lớn hơn 1/6 chiều dài nhịp tính toán của kết cấu đang được xét.

Hình 2A/4.2 - Đồ thị xác định hệ số φ2
4.3.3 Bản thành thép hình có chiều cao lớn hơn 60 lần chiều dày phải được gia cường bằng các nẹp.
4.3.4 Tỷ số chiều rộng bb với chiều dày tb của bản mép không được vượt quá trị số được xác định theo công thức:
![]()
Trong đó: ReH - giới hạn chảy của vật liệu, Мpа.
Trong mọi trường hợp bb/tb ≤ 14.
4.3.5 Đối với ứng suất lớn nhất σ tại tiết diện mặt cắt đế tựa của tấm ngàm cứng chịu kéo dưới tác động của tải trọng ngang được xác định theo đồ thị Hình 2A/4.3.
4.3.6 Đối với tấm có ứng suất không được tiêu chuẩn hoá tại mặt cắt biên, ứng suất σ do tác động của tải trọng ngang gây ra được xác định theo đồ thị Hình 2A/4.4.

4.3.7 Ứng suất Ơle, МPа, của tấm xác định theo công thức:
1 Khi nén dọc cạnh dài ở mặt cắt đế tựa
σE = 26(100t/a)2
2 Khi nén dọc cạnh ngắn ở mặt cắt đế tựa
σE = 6,37(100t/a)2(1 + а2/b2)2
3 Do lực cắt tấm mạn
![]()
Trong đó:
t - chiều dày tấm‚ cm;
a, b - chiều rộng và chiều dài của tấm‚ cm;
k - hệ số xác định theo Bảng 2A/2.9;
Ứng suất pháp giới hạn được xác định theo đồ thị Hình 2A/4.5.

Hình 2A/4.5 - Đồ thị xác định ứng suất pháp nguy hiểm
4.3.8 Khi tàu kết cấu theo hệ thống ngang thì khoảng sườn không được lớn hơn 500 mm.
Trong trường hợp đáy và boong là hệ thống kết cấu dọc, khoảng cách dầm dọc đáy và boong (khoảng cách cơ cấu) không được lớn hơn 600 mm.
Trong khoang mũi, khoảng sườn chuẩn không được lớn hơn 400 mm.
4.3.9 Khoảng cách đà ngang đặc (tấm) không được quá 3 khoảng sườn. Không được sử dụng đà ngang hở (đà ngang có dầm đáy trên và dưới).
4.3.10 Mô đun chống uốn, сm3, của tiết diện đà ngang đặc không được nhỏ hơn trị số tính theo công thức:
W = 62,5QBfl/σac
Trong đó:
Q - tổng tải trọng lên đà ngang, kN;
Bfl - chiều rộng khoang đo ở mép trên của đà ngang, m;
σac - ứng suất cho phép, МPа.
4.3.11 Khoảng cách giữa các sống đáy không được lớn hơn 2 m. Trị số mô men quán tính tiết diện của sống chính đáy không được nhỏ hơn 1,5 lần trị số mô men quán tính tiết diện của đà ngang và đối với sống phụ đáy thì không nhỏ hơn 0,75 trị số mô men quán tính tiết diện của đà ngang.
4.3.12 Chiều dày tối thiểu của tôn vỏ lấy theo kết quả tính toán.
4.3.13 Mô men quán tính, сm4, của tiết diện sườn khỏe không nhỏ hơn trị số tính theo công thức:
J1 = 2JD/Bfl
Trong đó:
J - mô men quán tính tiết diện đà ngang, сm4;
D - chiều cao mạn tàu, m;
Bfl - chiều rộng khoang đo ở mép trên của đà ngang, m;
4.3.14 Nếu chiều cao mạn tàu từ 2 m đến 3 m phải đặt tối thiểu một sống dọc mạn, nếu chiều cao mạn lớn hơn 3 m thì phải đặt tối thiểu là hai sống dọc mạn.
4.3.15 Chiều dày tôn mạn được lấy bằng chiều dày tôn đáy.
4.3.16 Tiêu chuẩn ổn định của dầm là tỷ số giữa ứng suất tới hạn và giới hạn chảy của vật liệu:
α = σcr/ReH
Trong đó:
α - được xác định theo đồ thị Hình 2A/4.5 và không được nhỏ hơn:
0,95 - với cơ cấu dọc khỏe của dàn boong và dàn đáy (sống đáy, boong) của tất cả các loại tàu;
với dầm dọc của dàn boong:
0,9 - nếu sống dọc tham gia vào uốn chung của dàn;
0,7 - nếu sống dọc không tham gia vào uốn chung khi lov/Bov > 1‚5 (lov và Bov là chiều dài và chiều rộng của dàn tương ứng, m). với dầm dọc của dàn boong:
0,90 - với tàu boong hở;
0,75 - với tàu boong kín;
0,70 - với dầm dọc dàn boong và dàn đáy của tàu chở hàng trên boong.
4.4 Ứng suất cho phép
4.4.1 Đối với ứng suất do uốn chung, ứng suất do tải trọng cục bộ và tổng ứng suất thì ứng suất pháp nguy hiểm σ0‚ MPa, và ứng suất tiếp nguy hiểm
, MPa, là hằng số và được tính như sau:
1 Khi kéo:
σ0 = kRp0,2
Trong đó:
Rp0,2 - giới hạn chảy quy ước của vật liệu ứng với biến dạng dư 0,2%, МPа;
k - hệ số được lấy bằng:
0,9 - đối với kết cấu đinh tán;
0,7 - đối với kết cấu hàn khi 3 ≤ t < 4 và bằng 0,8 khi t ≥ 4;
với t - chiều dày các thành phần kết cấu liên kết với nhau, mm.
2 Khi nén:
σ0 = σcr
3 Ứng suất tiếp nguy hiểm
được tính theo công thức:
![]()
4.4.2 Giá trị ứng suất pháp và ứng suất tiếp cho phép được nêu trong Bảng 2A/4.2.
Bảng 2A/4.2 - Ứng suất cho phép
| Kết cấu thân tàu | Ứng suất tính toán | Ứng suất cho phép tính theo % của ứng suất nguy hiểm |
|
| 1. Kết cấu cứng của thanh tương đương chỉ tham gia uốn chung mà không chịu tải trọng cục bộ | Ứng suất pháp và ứng suất tiếp do uốn chung | 75 |
|
| 2. Kết cấu cứng của thanh tương đương tham gia sự uốn chung và chịu tải trọng cục bộ | Như trên | 60 |
|
| Tổng ứng suất pháp và ứng suất tiếp do uốn chung và uốn dàn: |
|
| |
| Tại nhịp | 75 |
| |
| Tại đế | 90 |
| |
| 3. Dầm dọc tham gia vào uốn chung và chịu tải trọng cục bộ | Tổng ứng suất pháp và ứng suất tiếp do uốn chung và uốn cục bộ: |
|
|
| Tại nhịp | 80 |
| |
| Tại đế | 90 |
| |
| 4. Kết cấu ngang thường và khoẻ (đà ngang, sườn, xà ngang) | Ứng suất pháp và ứng suất tiếp do tải trọng cục bộ: |
|
|
| Tại nhịp | 80 |
| |
| Tại đế | 90 |
| |
| 5. Tấm vỏ, boong, tôn vách và két | Ứng suất pháp do tải trọng cục bộ: Tại nhịp Tại đế |
85 95 | |
| 6. Vách dọc, vách ngang, vách két và sống đứng, sống nằm, nẹp đứng, nẹp nằm | Ứng suất pháp do tải trọng cục bộ: Tại nhịp Tại đế |
80 90 | |
| 7. Thanh giằng và cột chống đã được kiểm tra tính ổn định | Ứng suất pháp do tải trọng cục bộ: Với thanh giằng không giao nhau Với thanh giằng giao nhau |
50 75 (nhưng không quá 0,5Rp0,2) | |
4.5 Hàn
4.5.1 Phải thực hiện mối hàn góc hai phía của các liên kết chữ T:
1 Các liên kết của cơ cấu cơ bản của thân tàu (đà ngang với sống đáy, sườn với sống mạn, xà boong với sống dọc boong và thành dọc miệng hầm…).
2 Vách kín nước, đà ngang, sống đáy… với tôn vỏ và tôn sàn.
3 Kết cấu tàu trong các khu vực buồng máy, khu lắp đặt thiết bị chuyển động và tại những vị trí chịu tác động của dao động cục bộ, tải trọng biến đổi và tải trọng va đập.
4 Bệ máy chính, máy phụ và các thiết bị kỹ thuật khác.
4.5.2 Không được sử dụng mối hàn gián đoạn đối với liên kết chữ T của kết cấu thân tàu.
4.5.3 Khi kết thúc mối hàn một phía phải hàn khoá đầu bằng cách hàn sang phía đối diện một khoảng không nhỏ hơn 30 mm ở đầu tự do bản thành của cơ cấu, mã cũng như ở các đầu dầm gặp vách.
CHƯƠNG 5 KẾT CẤU TÀU HAI THÂN
5.1 Quy định chung
5.1.1 Các quy định trong Chương này được áp dụng cho các loại tàu hai thân sau:
1 Tàu hàng khô, một boong, tự hành và khoang máy nằm ở đuôi tàu.
2 Tàu khách.
3 Tàu kéo và tàu đẩy.
Thay cho các yêu cầu ở Chương này, tàu khách, tàu hàng khô hai thân có thể áp dụng các quy định tương ứng quy định tại Phần 2 Mục II QCVN 54: 2013/BGTVT.
5.1.2 Kích thước chính tàu hai thân:
L - chiều dài thiết kế, m;
B - chiều rộng thiết kế, m;
Bh - chiều rộng thiết kế một thân, m;
D - chiều cao mạn ngoài ở giữa tàu, m;
F - chiều cao mạn khô ở giữa tàu, m;
с - khe hở ngang là khoảng cách nhỏ nhất giữa hai mạn trong của thân tàu, m;
hvi - khe hở đứng tại sườn lý thuyết thứ i là khoảng cách thẳng đứng từ đường nước thiết kế đến sàn của cầu nối hoặc đến điểm dưới của cơ cấu (khung xương) tại mặt phẳng dọc tâm tàu, m.
5.1.3 Quy định trong Chương này được áp dụng cho tàu có tỷ số kích thước chủ yếu thỏa mãn các điều kiện dưới đây:
L/D < 25;
L/B = 4 ÷ 6;
hv/F > 0,65;
Trong đó: hv - khe hở đứng ở mặt cắt ngang giữa tàu khi tàu đầy tải, m.
Trong trường hợp tỷ số L/B khác với giá trị nêu trên, tàu được áp dụng các quy định của Chương này với điều kiện kết cấu cầu nối phải được xác định bằng phương pháp tính toán độ bền trực tiếp.
5.1.4 Thân tàu hai thân áp dụng quy định của Chương này phải được chế tạo bằng thép hoặc hợp kim nhôm thỏa mãn quy định trong Phần 6A của Quy chuẩn này.
5.1.5 Trong Chương này liên kết các thân của tàu hai thân phải bằng một trong các phương pháp dưới đây:
1 Liên kết bằng thượng tầng hoặc lầu có chiều dài không nhỏ hơn một nửa chiều dài thân tàu và có ít nhất 3 vách ngang (ở đầu, giữa và đuôi của thượng tầng hoặc lầu).
2 Liên kết bằng cầu nối gồm hệ thống dầm ngang có sàn ở một mặt hoặc hai mặt. Thượng tầng ở vùng đầu và đuôi tàu có chiều dài ≤ 0,15L khi tính toán sức bền được coi như là một phần của cầu nối.
5.1.6 Boong của thân tàu hai thân tại khu vực cầu nối không được khoét lỗ có chiều rộng lớn hơn một nửa chiều rộng một thân và chiều dài không được lớn hơn một nửa chiều dài khoang. Quy định này không áp dụng với lỗ khoét mà phía trên của lỗ khoét là thượng tầng hoặc lầu có vách đủ bền, nếu thỏa mãn các quy định ở 5.4.3 và 2.4.5-8 đến 2.4.5-10;
Trong buồng máy, trên chiều dài của máy chính nên đặt toàn bộ sườn khỏe.
5.1.7 Các quy định được nêu trong Chương này về kiểm tra sức bền tàu hai thân được áp dụng đối với tàu có số Frud theo chiều dài không vượt quá 0,4.
5.1.8 Những miễn giảm đối với các quy định từ 5.1.5 đến 5.1.7 được chấp nhận khi sức bền của tàu và các thành phần kết cấu thân tàu được khẳng định bằng các phép tính toán đặc biệt và thử nghiệm.
5.1.9 Nếu trong Chương này không đưa ra các quy định thì phải áp dụng các quy định tương ứng ở Chương 2 đối với tàu hai thân vỏ thép và Chương 4 đối với tàu hai thân vỏ hợp kim nhẹ.
5.1.10 Kích thước cơ cấu của tàu hai thân có thể được chọn trên cơ sở tính toán sức bền bằng các phương pháp khác và được Đăng kiểm thẩm định cùng với tính toán phân cấp theo các quy định của Chương này.
5.1.11 Sức bền thân tàu khi xác định bằng phương pháp thử nghiệm ở chiếc tàu đầu tiên trong loạt tàu được đóng tiến hành theo quy trình được Đăng kiểm thẩm định.
Trong quy trình thử phải quy định các dụng cụ đo và điều kiện sóng gió tương ứng với từng tải trọng và ứng suất tương ứng, và phải có khả năng phân chia chúng ra thành các thành phần biến đổi tĩnh hoặc thành phần va đập.
Khi đánh giá sức bền các thành phần thân tàu bằng thực nghiệm, các bộ cảm biến phải được lắp đặt tại các mặt cắt mà theo tính toán sẽ có ứng suất và biến dạng lớn nhất.
Số lượng bộ cảm biến phải đủ in ra biểu đồ ứng suất theo mặt cắt.
Khi thử thành phần kết cấu đảm bảo độ bền ngang, bao gồm vách ngang thượng tầng hoặc lầu kể cả các tấm liền kề thì phải đánh giá được trạng thái ứng suất nén. Các cảm biến phải được đặt ở mạn trong và trong mặt phẳng dọc tâm để đánh giá biến dạng đối xứng và biến dạng không đối xứng của kết cấu ngang.
Phải đảm bảo tính đồng bộ việc ghi chép các số liệu của bộ cảm biến.
5.1.12 Kết cấu và kích thước cơ cấu của tàu hai thân phải thỏa mãn các quy định từ 5.4.1 đến 5.4.22.
Kích thước cơ cấu của tàu có chiều dài L ≥ 50 m phải thoả mãn các yêu cầu từ 5.2.1 đến 5.3.2 dưới đây.
5.2 Tính toán sức bền dọc chung
5.2.1 Mô men uốn Msw và lực cắt Nsw trên nước tĩnh được tính bằng cách lấy tích phân đường cong tải trọng ít nhất theo 21 tung độ cách đều nhau.
5.2.2 Mô men uốn bổ sung trên sóng ở đoạn giữa tàu, kN.m, được xác định theo công thức:
![]()
Trong đó:
k0 - hệ số được tính theo công thức:
với tàu hoạt động trong vùng SB và SI:
k0 = 1,24 - 1,7B0/L
với tàu hoạt động trong vùng SII:
k0 = 1,24 - 2B0/L
Trị số k0 không được lấy lớn hơn 1;
Trong đó:
B0 - chiều rộng tính toán được xác định như sau:
Bằng chiều rộng một thân Bh, nếu chiều dài tàu L ≤ 30 m với tàu hoạt động trong vùng SB và L ≤ 20 m với tàu hoạt động trong các vùng khác;
Bằng chiều rộng tàu B, nếu chiều dài tàu L ≥ 60 m với tàu hoạt động trong vùng SB, và L ≥ 40 m với tàu hoạt động trong các vùng khác;
Trị số trung gian B0 nằm giữa Bh và B được xác định theo nội suy bậc nhất.
k1 - hệ số được lấy theo Bảng 2A/5.1;
Bảng 2A/5.1 - Hệ số k1 phụ thuộc vào vùng hoạt động và chiều dài tàu
| Vùng hoạt động | Chiều dài tàu L (m) | |||
| 20 | 60 | 100 | 140 | |
| SB | 0,0234 | 0,0172 | 0,0136 | 0,0116 |
| SI | 0,0207 | 0,0134 | 0,0099 | 0,0077 |
| SII | 0,0168 | 0,0107 | 0,0078 | 0,0055 |
k2 - hệ số lấy bằng trị số lớn nhất trong ba trị số sau:

Trong đó:
df - chiều chìm mũi tại tải trọng tính toán của tàu, m;
с - khe hở ngang tại mặt cắt giữa tàu, m;
hv.av - trị số trung bình của khe hở đứng, m, trong khu vực tính từ sườn 0 (mút mũi) của cầu nối đến sườn lý thuyết số 5; nếu cầu nối kéo dài đến sườn lý thuyết số 0 (mút mũi) thì hv.av được xác định như sau:
![]()
nếu cầu nối kết thúc cách sườn 0 (mút mũi) về phía lái một khoảng xm‚ m, thì hv.av được xác định như sau:
![]()
Trong đó: hvf - khe hở đứng tại đầu kết thúc của cầu nối ở phía mũi, m;
k - hệ số lấy bằng:
![]()
Trong đó:
βc, βh - hệ số tính toán ảnh hưởng của khe hở ngang và khe hở đứng ở vùng mũi do sự co ép dòng nước giữa hai thân được xác định bằng công thức:

Trong đó: c2 - khe hở ngang ở sườn lý thuyết số 2, m;
ψc, ψh - hệ số tính toán ảnh hưởng của khe hở ngang và đứng tại mặt cắt ngang giữa tàu lên sự lắc dọc của tàu được xác định như sau:
ψc = 0,43c/Bh
ψh = 0,2 + 0,07(2hv10/h)
k3 - hệ số phụ thuộc vào số Frud theo chiều dài được xác định như sau:
![]()
k4 - hệ số xét đến mô men va đập do giảm chiều dài cầu nối ở mũi;
k4 = 1 - nếu cầu nối kéo dài đến sườn lý thuyết số 0 (mút mũi);
Khi cầu nối kết thúc cách sườn 0 (mút mũi) về đuôi một khoảng xm, m, thì k4 được xác định như sau:
![]()
CB - hệ số béo thể tích của tàu tại trạng thái tải trọng tính toán xác định Msw;
h - chiều cao sóng tính toán lấy theo Bảng 2A/1.1, m.
5.2.3 Ứng suất pháp và ứng suất tiếp do uốn dọc chung được tính tương ứng theo 2.2.3-6, khi đó các kết cấu của cầu nối nằm trong thành phần thanh tương đương.
5.2.4 Tổng ứng suất do uốn dọc chung và uốn cục bộ, được xác định bằng tổng ứng suất tương ứng theo quy định ở 2.2.5.
5.2.5 Ứng suất pháp và ứng suất tiếp lớn nhất do uốn chung và tổng ứng suất không được vượt quá ứng suất cho phép được quy định trong hai bảng sau:
1 Bảng 2A/2.8 - với tàu vỏ thép.
2 Bảng 2A/4.2 - với tàu vỏ hợp kim nhẹ.
5.3 Tính sức bền kết cấu cầu nối tàu hai thân
5.3.1 Phải tiến hành tính toán để xác định độ bền của cơ cấu cầu nối của tàu hai thân trong trường hợp tải trọng tổng hợp bất lợi nhất.
5.3.2 Tính độ bền cơ cấu cầu nối hai thân phải thực hiện theo các quy định tại 5.5 của Chương này hoặc theo phương pháp khác được Đăng kiểm thẩm định.
5.4 Xác định quy cách kết cấu thân tàu
5.4.1 Chiều dày tối thiểu của thân tàu được xác định theo Bảng 2A/2.18.
Với tàu có chiều dài nhỏ hơn 20 m chiều dày tối thiểu được xác định theo 3.7.
Nếu tàu có độ cất ngang đáy thì chiều dày dải tôn giữa đáy không được nhỏ hơn dải tôn hông được quy định trong Bảng 2A/2.18. Với tàu có chiều dài nhỏ hơn 20 m chiều dày dải tôn giữa đáy phải không được nhỏ hơn trị số xác định trong 3.7.3 và 3.7.4.
Chiều dày tối thiểu của tôn sàn cầu nối muốn đảm bảo độ bền chung và độ bền cục bộ phải lấy bằng tôn vỏ vùng giữa tàu quy định trong Bảng 2A/2.18. Đối với tàu có chiều dài nhỏ hơn 20 m thì chiều dày tôn vỏ phải không được nhỏ hơn trị số trong 3.7.3.
5.4.2 Cầu nối nên kết cấu theo hệ thống ngang. Dầm ngang khỏe và dầm ngang thường của cầu nối phải bố trí nằm trên một mặt phẳng của kết cấu thân tàu tương ứng.
5.4.3 Trong trường hợp lỗ khoét trên mặt boong của một thân tàu lớn hơn 0,7 chiều rộng của một thân đó, boong của cầu nối ở khu vực lỗ khoét và ở khu vực cách lỗ khoét một khoảng bằng 0,5 chiều rộng lỗ khoét về phía lái và mũi phải được gia cường thích đáng.
5.4.4 Trong trường hợp thân tàu ở khu vực thân ống với mạn kết cấu theo hệ thống ngang và đáy kết cấu theo hệ thống dọc thì các sườn thường của mạn phải được kéo dài và kết thúc tại sống đáy hoặc nẹp khoẻ.
5.4.5 Nếu độ bền ngang của tàu được đảm bảo bằng các vách ngang hoặc dàn ngang bố trí trên boong thì trong mặt phẳng của vách ngang và dàn ngang đó ở dưới thân tàu phải đặt các vách ngang. Nếu không thể bố trí được vách ngang thì thay thế cho vách ngang bằng các sườn khỏe ở mạn với chiều cao bản thành của sườn khoẻ phải lớn hơn 1,5 lần chiều cao của đà ngang. Liên kết sườn khỏe với xà ngang khỏe phải bằng mã.
5.4.6 Chiều dày và kích thước cơ cấu của vách thượng tầng để bảo đảm độ bền ngang chung của tàu theo quy định trong 2.4.6. Trong trường hợp này giữa hai mặt phẳng dọc tâm của hai thân tàu đặt các dầm ngang và theo phương thẳng đứng, dọc theo mép mạn trong ở phía trên boong phải đặt các tấm chống thẳng đứng đến sàn trên cầu nối (nếu không có vách dọc).
Ở các vách thượng tầng khi đảm bảo độ bền ngang chung chiều rộng lỗ khoét không được vượt quá 0,5 chiều cao của vách, nếu chiều rộng lỗ khoét lớn hơn quy định trên thì lỗ khoét phải được gia cường bằng viền xung quanh. Các lỗ khoét cửa ra vào phải cách phần kết thúc của vách và mạn trong một khoảng không nhỏ hơn 0,5 chiều cao lỗ khoét.
5.4.7 Cầu nối của tàu phải được kết cấu thuận tiện cho việc kiểm tra và sửa chữa.
Chiều cao của cầu nối kín (đôi) được giới hạn bởi sàn kín nước phía dưới và boong kín nước phía trên phải không được nhỏ hơn 700 mm.
5.4.8 Chiều dày tối thiểu của bản thành xà ngang khỏe và sống dọc khỏe của cầu nối kín được quy định tại mục 5.1 đến mục 5.3 của Bảng 2A/2.18.
5.4.9 Chiều cao bản thành của xà ngang khỏe tại vị trí mạn tàu phải bằng chiều cao bản thành xà ngang khỏe của cầu nối. Chiều cao bản thành xà ngang khoẻ phải được giảm đều từ mạn đến sống boong gần nhất. Ở sàn dưới của cầu nối tại mạn trong phải bố trí các sống dọc theo Hình 2A/5.1 hoặc mã gia cường theo Hình 2A/5.2.
5.4.10 Xà ngang khỏe của cầu nối hở phía trên hoặc phía dưới (cầu nối có sàn bên dưới không tham gia độ bền cục bộ, độ bền chung và cầu nối có sàn trên tháo ra được) được quy định tại 2.4.5-2.
Kích thước tiết diện của xà ngang khỏe của cầu nối phải không được nhỏ hơn kích thước tiết diện xà ngang khỏe của thân tàu.

5.4.11 Tại vị trí liên kết giữa xà ngang khỏe của cầu nối hở bên dưới với mạn tàu phải bố trí mã đứng tương ứng theo quy định tại 2.3.2-1 và 2.3.2-2, hoặc mã nằm như Hình 2A/5.3.
5.4.12 Bản mép xà ngang khỏe của cầu nối hở phía trên phải được liên kết với boong bằng mã ngang như Hình 2A/5.4.
Các mã như trên phải được đặt tại các vị trí liên kết giữa xà ngang khỏe với mạn tàu ở độ cao sàn bên dưới của cầu nối. Có thể sử dụng mã lượn có kích thước tương ứng.
5.4.13 Ở hệ thống ngang của cầu nối kín và cầu nối hở có sàn trên tháo ra được, giữa các xà ngang khỏe phải bố trí các dầm đỡ thường phía trên và phía dưới được liên kết với các sống và mạn trong bằng mã.
5.4.14 Chiều rộng của mã không được nhỏ hơn 0,3 chiều cao của cầu nối kín hoặc khoảng cách từ sàn dưới đến sàn bên trên tháo ra được, chiều dày mã không nhỏ hơn chiều dày bản thành của xà ngang khỏe. Khi tỷ số chiều rộng với chiều dày của mã lớn hơn 35 thì mã phải có mép (mép gắn hoặc mép bẻ).

5.4.15 Trong nhịp và giữa các mã của dầm phía trên và dầm phía dưới của cầu nối có thể được liên kết bằng các thanh chống. Với cầu nối hở phía trên khi khoảng cách giữa xà dọc khoẻ hay giữa xà dọc khoẻ với mạn lớn hơn 1,5 m thì phải đặt thanh chống ở giữa nhịp.
Diện tích tiết diện thanh chống không được nhỏ hơn diện tích tiết diện nhỏ nhất trong các dầm được chống.
5.4.16 Kích thước xà ngang thường của cầu nối và xà ngang của sàn tháo ra được xác định theo 2.4.5-2. Trong trường hợp sàn tháo ra được thì mô đun chống uốn của xà ngang thường phía trên được tính không có mép kèm.
5.4.17 Kích thước xà ngang thường của cầu nối không được lấy nhỏ hơn kích thước của sườn thường hoặc nẹp của mạn trong.
5.4.18 Nếu có thanh chống thì mô đun chống uốn của xà đỡ phía trên và xà đỡ phía dưới của cầu nối có thể giảm đến 40%.
5.4.19 Khi mạn trong và boong tàu kết cấu theo hệ thống dọc thì giữa dầm dọc boong và mạn tàu phải đặt các mã tại vị trí của xà đỡ của cầu nối và được kéo đến dầm trên cùng của mạn.
5.4.20 Xà ngang boong thường của cầu nối hở phía dưới phải được liên kết với mạn tàu bằng mã.
5.4.21 Trong trường hợp nếu độ bền ngang của tàu được đảm bảo bằng các dầm khoẻ riêng (khi kết cấu của cầu nối không đồng nhất), thì các dầm này phải đặt trùng với vách ngang của thân tàu. Nếu không thực hiện được yêu cầu trên thì thay thế cho vách ngang của thân tàu bằng các sườn khỏe.
Bản thành dầm khoẻ phải nằm trong cùng mặt phẳng bản thành sườn khỏe của thân tàu.
5.4.22 Liên kết thanh gia cường với thân tàu phải được thực hiện bằng cách kéo dài thanh gia cường vào bên trong tàu một đoạn không nhỏ hơn 0,25 chiều rộng thân tàu hoặc bằng cách bố trí mã dọc trong thân tàu ở mép dưới của thanh liên kết. Bản mép của thanh liên kết với mạn trong của tàu phải đặt các mã ngang.
5.5 Phương pháp tính sức bền cầu nối tàu hai thân
5.5.1 Trong các tính toán sức bền của cầu nối phải xét tới ba biến dạng chính của cầu nối là: biết dạng do uốn ngang, biết dạng do xoắn ngang và biến dạng không đối xứng do uốn theo phương thẳng đứng của thân tàu theo các hướng ngược nhau.
Phải kiểm tra sức bền kết cấu của cầu nối tại ba vị trí của tàu so với sóng:
1 Tàu ngang sóng (góc hướng φ = 90º), khi đó mô men uốn ngang lớn nhất; mô men được tính theo 5.5.5 và 5.5.6, còn nội lực và ứng suất tính theo 5.5.15.
2 Tàu có hướng xiên so với sóng khi đó thân tàu bị uốn ngang đồng thời bị xoắn ngang. Để xác định tổng ứng suất lớn nhất trong kết cấu của cầu nối phải tính toán với một vài giá trị của góc φ gần với trị số của góc φ1 được xác định theo 5.5.7. Ngoại lực được xác định theo 5.5.7, còn nội lực được xác định theo 5.5.16 và 5.5.18.
3 Khi tàu có hướng xiên so với sóng, ở trường hợp mà thân tàu bị uốn theo các hướng ngược chiều. Để xác định được tổng ứng suất lớn nhất do biến dạng gây ra bởi uốn thân tàu trên sóng và bởi uốn ngang trên nước tĩnh phải thực hiện tính toán với một vài trị số góc φ gần với trị số của góc φ2 được xác định theo 5.5.8. Tải trọng được xác định theo 5.5.8, còn nội lực được xác định theo 5.5.19.
Nếu thân tàu được nối bằng thượng tầng bền hoặc lầu thì chỉ cần kiểm tra sức bền của kết cấu cầu nối khi uốn ngang theo quy định tại 5.5.9.
5.5.2 Các trường hợp tính toán kiểm tra sức bền kết cấu cầu nối phải ở trạng thái khi tàu đầy tải và trạng thái tai nạn được quy định tại 2.2.1-2 của Phần này. Đối với tàu chở hàng cần tính đến việc phân bố không đồng đều lớn nhất cho phép của hàng theo chiều rộng được quy định trong hướng dẫn xếp hàng.
5.5.3 Mô men uốn ngang trên nước tĩnh được tính giống như đối với mô men uốn dọc bằng cách tích phân đường phân bố tải trọng ít nhất tại 21 tọa độ. Phải tính hai trị số mô men uốn ngang trên nước tĩnh bằng cách lấy tổng của mô men do trọng lực và lực nâng:
M1 - tại mặt cắt của mặt phẳng tiếp tuyến với mạn trong ở khu vực giữa tàu, song song với mặt phẳng dọc tâm tàu;
M2 - tại mặt phẳng dọc tâm tàu.
Nếu phần ngâm nước của thân tàu đối xứng tương đối qua mặt phẳng dọc tâm với tải trọng đối xứng qua mặt phẳng dọc tâm trên toàn bộ chiều dài tàu thì mô men М1 và М2, kN.m, được xác định theo công thức:
M1 = - 0,5PbBh - Phyh
M2 = - Pb[0,5(Bh + c) - yb] - Phyh
Trong đó:
Pb - khối lượng một nửa cầu nối cùng hàng hoá và các tải trọng khác (giữa các mặt phẳng tiếp tuyến với mạn trong song song với mặt phẳng dọc tâm ở mặt cắt ngang giữa tàu và mặt phẳng dọc tâm trên toàn bộ tàu), kN;
Ph - khối lượng của một thân tàu và khối lượng một phần kề cận với thân tàu tại các vùng cuối cầu nối cùng với hàng hóa, thiết bị và các tải trọng khác đến mặt cắt song song với mặt phẳng dọc tâm và đi qua mạn trong tại mặt cắt ngang giữa tàu, kN;
yh - khoảng cách từ trọng tâm khối lượng Рh đến mặt phẳng dọc tâm tàu, khoảng cách này có giá trị dương khi trọng tâm nằm gần mạn trong, m;
yb - khoảng cách từ trọng tâm khối lượng Рb đến mặt phẳng dọc tâm tàu, m.
5.5.4 Lực bổ sung tác dụng lên kết cấu cầu nối trên sóng có thể được tính theo 5.5.5, 5.5.6 và 5.5.7 dưới đây với chiều dài sóng tính toán (λ) có trị số bằng các trị số sau:
40 m - đối với tàu hoạt động trong vùng SB;
20 m - đối với tàu hoạt động trong vùng SI;
12 m - đối với tàu hoạt động trong vùng SII;
6 m - đối với tàu hoạt động trong vùng SIII.
5.5.5 Khi thỏa mãn bất đẳng thức:
2(c + Bh) ≤ λ
mô men uốn ngang lớn nhất, kN.m, xuất hiện khi tàu ngang sóng được xác định theo công thức:
![]()
Trong đó:
d - chiều chìm đo tại mặt cắt ngang giữa tàu‚ m;
H1 - khoảng cách từ trục trung hòa của các kết cấu cầu nối tại mặt cắt giữa tàu tới mặt phẳng cơ bản (khi thân tàu được liên kết với nhau bằng thượng tầng bền hay lầu thì H1 là khoảng cách từ trục trung hòa thanh tương đương của thượng tầng bền hay lầu tới mặt phẳng cơ bản), m;
П1, П6 - hệ số xác định theo Bảng 2A/5.2 phụ thuộc vào hệ số béo diện tích đường nước đang xét của một thân tàu CWh và đại lượng b0 có trị số bằng:
b0 = 0,5Bh/(Bh + c).
Bảng 2A/5.2 - Hệ số П1‚ П6
| CWh | Hệ số П1 nếu b0 bằng: | Hệ số П6 nếu b0 bằng: | ||||
| 0 | 0,25 | 0,50 | 0 | 0,25 | 0,50 | |
| 0,5 | 0,307 | 0,293 | 0,252 | 0,500 | 0,469 | 0,385 |
| 0,6 | 0,384 | 0,366 | 0,315 | 0,600 | 0,561 | 0,457 |
| 0,7 | 0,512 | 0,485 | 0,413 | 0,700 | 0,649 | 0,511 |
| 0,8 | 0,673 | 0,636 | 0,532 | 0,800 | 0,732 | 0,553 |
| 0,9 | 0,833 | 0,784 | 0,651 | 0,900 | 0,816 | 0,595 |
| 1,0 | 1,000 | 0,940 | 0,774 | 1,000 | 0,900 | 0,637 |
Đồng thời với mô men
còn có lực kéo (dương) hay lực nén (âm), kN, tác động lên kết cấu cầu nối được xác định theo công thức:
![]()
Trong các công thức trên lấy trị số âm hay dương phụ thuộc vào mô men uốn, lấy trị số dương khi mô men uốn gây ra sự kéo các thớ trên của kết cấu.
5.5.6 Khi không thỏa mãn bất đẳng thức nêu tại 5.5.5, mô men uốn ngang lớn nhất, kN.m, xuất hiện khi tàu ngang sóng được xác định theo công thức:
![]()
Trong đó: П1, П6 - hệ số xác định theo Bảng 2A/5.2 phụ thuộc vào hệ số béo diện tích đường nước đang xét của một thân tàu CWh và đại lượng b0 xác định bằng công thức:
b0 = Bh/λ
Lực kéo hay lực nén, kN, xác định theo công thức:
![]()
5.5.7 Tại vị trí khi mặt phẳng dọc tâm của tàu tạo thành một góc φ với hướng truyền sóng, các mô men và lực dưới đây áp dụng cho kết cấu cầu nối:
Mô men uốn ngang bổ sung, kN.m, được xác định theo công thức:
![]()
Mô men xoắn, kN.m, được xác định theo công thức:
![]()
Làm quay một thân so với thân khác xung quanh trục ngang, lực nén hoặc lực kéo được xác định theo công thức:
![]()
Trong đó:

Hệ số П2 - được xác định theo Bảng 2A/5.3;
Hệ số П3 - được xác định theo Bảng 2A/5.4;
Hệ số П4 - được xác định theo Bảng 2A/5.5;
Các hệ số tra bảng trên phụ thuộc vào hệ số béo diện tích đường nước đang xét của một thân tàu CWh và đại lượng l0 được xác định bằng công thức:
![]()
Mô men M5 đạt trị số lớn nhất khi góc φ có trị số gần tới trị số góc được xác định theo công thức:
![]()
Bảng 2A/5.3 - Hệ số П2
| l0 | Hệ số П2 nếu CWh bằng: | |||||
| 0,5 | 0,6 | 0,7 | 0,8 | 0,9 | 1,0 | |
| 0 | 0,307 | 0,384 | 0,512 | 0,673 | 0,833 | 1,000 |
| 0,1 | 0,306 | 0,383 | 0,509 | 0,668 | 0,823 | 0,984 |
| 0,2 | 0,304 | 0,378 | 0,500 | 0,651 | 0,794 | 0,935 |
| 0,3 | 0,299 | 0,370 | 0,485 | 0,625 | 0,748 | 0,853 |
| 0,4 | 0,293 | 0,359 | 0,465 | 0,589 | 0,686 | 0,757 |
| 0,5 | 0,286 | 0,345 | 0,440 | 0,544 | 0,611 | 0,637 |
| 0,6 | 0,277 | 0,329 | 0,411 | 0,493 | 0,526 | 0,505 |
| 0,7 | 0,267 | 0,311 | 0,379 | 0,437 | 0,434 | 0,368 |
| 0,8 | 0,255 | 0,291 | 0,344 | 0,377 | 0,340 | 0,234 |
| 0,9 | 0,243 | 0,270 | 0,307 | 0,315 | 0,246 | 0,109 |
| 1,0 | 0,230 | 0,248 | 0,270 | 0,253 | 0,156 | 0,000 |
| 1,1 | 0,216 | 0,225 | 0,232 | 0,193 | 0,074 | - 0,089 |
| 1,2 | 0,202 | 0,203 | 0,196 | 0,135 | 0,002 | - 0,156 |
| 1,3 | 0,188 | 0,180 | 0,161 | 0,088 | - 0,059 | - 0,198 |
| 1,4 | 0,173 | 0,159 | 0,128 | 0,036 | - 0,106 | - 0,216 |
| 1,5 | 0,159 | 0,139 | 0,098 | - 0,005 | - 0,140 | - 0,212 |
Bảng 2A/5.4 - Hệ số П3
| l0 | Hệ số П3 nếu CWh bằng: | |||||
| 0,5 | 0,6 | 0,7 | 0,8 | 0,9 | 1,0 | |
| 0 | 0 | 0 | 0 | 0 | 0 | 0 |
| 0,1 | 0,042 | 0,067 | 0,089 | 0,116 | 0,154 | 0,207 |
| 0,2 | 0,082 | 0,131 | 0,176 | 0,227 | 0,300 | 0,403 |
| 0,3 | 0,120 | 0,189 | 0,254 | 0,328 | 0,432 | 0,574 |
| 0,4 | 0,154 | 0,241 | 0,323 | 0,414 | 0,542 | 0,713 |
| 0,5 | 0,183 | 0,283 | 0,377 | 0,483 | 0,627 | 0,811 |
| 0,6 | 0,207 | 0,315 | 0,417 | 0,531 | 0,682 | 0,863 |
| 0,7 | 0,225 | 0,336 | 0,440 | 0,557 | 0,705 | 0,869 |
| 0,8 | 0,236 | 0,344 | 0,447 | 0,561 | 0,697 | 0,830 |
| 0,9 | 0,241 | 0,342 | 0,438 | 0,544 | 0,660 | 0,750 |
| 1,0 | 0,240 | 0,328 | 0,414 | 0,507 | 0,596 | 0,637 |
| 1,1 | 0,233 | 0,306 | 0,378 | 0,454 | 0,511 | 0,499 |
| 1,2 | 0,221 | 0,276 | 0,331 | 0,388 | 0,410 | 0,347 |
| 1,3 | 0,205 | 0,239 | 0,277 | 0,313 | 0,300 | 0,191 |
| 1,4 | 0,185 | 0,200 | 0,219 | 0,234 | 0,187 | 0,042 |
| 1,5 | 0,163 | 0,158 | 0,160 | 0,154 | 0,077 | -0,090 |
Bảng 2A/5.5 - Hệ số П4
| l0 | Hệ số П4 nếu CWh bằng: | |||||
| 0,5 | 0,6 | 0,7 | 0,8 | 0,9 | 1,0 | |
| 0 | 0,500 | 0,600 | 0,700 | 0,800 | 0,900 | 1,000 |
| 0,1 | 0,497 | 0,595 | 0,693 | 0,790 | 0,887 | 0,983 |
| 0,2 | 0,487 | 0,579 | 0,672 | 0,764 | 0,851 | 0,935 |
| 0,3 | 0,471 | 0,554 | 0,638 | 0,720 | 0,794 | 0,858 |
| 0,4 | 0,449 | 0,520 | 0,593 | 0,661 | 0,717 | 0,757 |
| 0,5 | 0,423 | 0,479 | 0,538 | 0,591 | 0,625 | 0,637 |
| 0,6 | 0,392 | 0,432 | 0,475 | 0,511 | 0,522 | 0,505 |
| 0,7 | 0,358 | 0,380 | 0,407 | 0,425 | 0,412 | 0,368 |
| 0,8 | 0,322 | 0,327 | 0,337 | 0,337 | 0,302 | 0,234 |
| 0,9 | 0,284 | 0,273 | 0,268 | 0,250 | 0,195 | 0,109 |
| 1,0 | 0,246 | 0,220 | 0,201 | 0,167 | 0,096 | - 0,000 |
| 1,1 | 0,209 | 0,170 | 0,138 | 0,091 | 0,008 | - 0,089 |
| 1,2 | 0,173 | 0,124 | 0,082 | 0,025 | - 0,064 | - 0,156 |
| 1,3 | 0,140 | 0,084 | 0,034 | - 0,030 | - 0,120 | - 0,198 |
| 1,4 | 0,109 | 0,049 | - 0,002 | - 0,073 | - 0,158 | - 0,216 |
| 1,5 | 0,082 | 0,021 | - 0,034 | - 0,140 | - 0,179 | - 0,212 |
5.5.8 Lực thẳng đứng, kN/m, phân bố theo chiều dài tàu theo quy luật tác động lên mỗi thân ở vị trí khi mặt phẳng dọc tâm tàu tạo với hướng truyền sóng một góc φ, được xác định theo công thức:
![]()
Khi gốc tọa độ nằm ở mặt cắt ngang giữa tàu và trục x hướng về mũi. Nếu tải trọng lên một thân lấy dấu dương thì tải trọng lên thân kia phải lấy dấu âm;
trong đó hệ số b1 và b2 được xác định bằng công thức:

Trong đó:

Trị số
, b0, П2 và П4 được xác định theo công thức ở 5.5.7, hệ số i1 và i2 theo Bảng 2A/5.6 phụ thuộc vào hệ số béo diện tích đường nước đang xét của một thân CWh, hệ số П5 lấy theo Bảng 2A/5.7 phụ thuộc vào hệ số béo diện tích đường nước CWh và đại lượng l0 được xác định theo 5.5.7;
Tải trọng lớn nhất tác động khi góc φ có trị số gần với góc φ2 được xác định theo công thức:
φ2 = arccos(λ/L).
Bảng 2A/5.6 - Hệ số i1 và i2
| CWh | 0,5 | 0,6 | 0,7 | 0,8 | 0,9 | 1,0 |
| i1 | 0,307 | 0,384 | 0,512 | 0,673 | 0,822 | 1,000 |
| i2 | 0,150 | 0,210 | 0,267 | 0,330 | 0,407 | 0,500 |
Bảng 2A/5.7 - Hệ số П5
| l0 | Hệ số П5 khi CWh | |||||
| 0,5 | 0,6 | 0,7 | 0,8 | 0,9 | 1,0 | |
| 0 | 0 | 0 | 0 | 0 | 0 | 0 |
| 0,1 | 0,0008 | 0,0013 | 0,0018 | 0,0020 | 0,0025 | 0,0041 |
| 0,2 | 0,0031 | 0,0052 | 0,0069 | 0,0083 | 0,0108 | 0,0160 |
| 0,3 | 0,0068 | 0,0115 | 0,0151 | 0,0184 | 0,0240 | 0,0349 |
| 0,4 | 0,0117 | 0,0197 | 0,0258 | 0,0316 | 0,0413 | 0,0592 |
| 0,5 | 0,0176 | 0,0295 | 0,0385 | 0,0471 | 0,0615 | 0,0870 |
| 0,6 | 0,0243 | 0,0403 | 0,0524 | 0,0641 | 0,0832 | 0,1161 |
| 0,7 | 0,0314 | 0,0514 | 0,0667 | 0,0813 | 0,1050 | 0,1443 |
| 0,8 | 0,0386 | 0,0624 | 0,0805 | 0,0978 | 0,1254 | 0,1694 |
| 0,9 | 0,0456 | 0,0726 | 0,0931 | 0,1126 | 0,1432 | 0,1893 |
| 1,0 | 0,0520 | 0,0814 | 0,1037 | 0,1247 | 0,1571 | 0,2026 |
| 1,1 | 0,0578 | 0,0884 | 0,1117 | 0,1336 | 0,1662 | 0,2080 |
| 1,2 | 0,0624 | 0,0934 | 0,1167 | 0,1386 | 0,1698 | 0,2052 |
| 1,3 | 0,0660 | 0,0960 | 0,1186 | 0,1395 | 0,1678 | 0,1942 |
| 1,4 | 0,0682 | 0,0951 | 0,1171 | 0,1362 | 0,1601 | 0,1757 |
| 1,5 | 0,0691 | 0,0940 | 0,1125 | 0,1290 | 0,1473 | 0,1511 |
5.5.9 Nếu thân tàu được liên kết bằng thượng tầng bền hay lầu (xem 5.1.5-1) thì phải kiểm tra sức bền cầu nối với mô men uốn ngang. Tính toán mô men uốn ngang tương tự như tính toán mô men uốn dọc. Phải xác định ứng suất trong hai mặt cắt dọc sau đây:
1 Tại mặt cắt tiếp tuyến với mạn trong ở khu vực giữa tàu song song với mặt phẳng dọc tâm, với tác động của mô men: M1 + M3;
2 Tại mặt phẳng dọc tâm tàu, với tác động của mô men: M2 + M3;
Thanh tương đương bao gồm: tôn của các vách ngang bền nối thân tàu, các cơ cấu ngang ở vách; mép kèm mặt boong và boong thượng tầng cùng với các cơ cấu ngang nằm ở giới hạn bản mép. Vách ngang được coi là bền nếu có kết cấu thỏa mãn các quy định 5.4.5 và 5.4.6. Chiều rộng mép kèm được quy định trong 5.5.10 đối với tải trọng đối xứng. Dấu của mô men M3 được lấy trùng với dấu của mô men uốn ngang trên nước tĩnh.
Ứng suất do uốn ngang gây ra, МPа, là tổng đại số ứng suất nén hay ứng suất kéo do lực (Тcc) gây nên được xác định theo công thức:
σt = 0,001Tcc/[Fcc]
Trong đó: Fcc - tổng diện tích (đã hiệu chỉnh) của cơ cấu thanh tương đương, m2. Tổng ứng suất không vượt quá ứng suất cho phép khi uốn dọc chung.
5.5.10 Chiều rộng tương đối của mép kèm ở boong cầu nối hoặc boong nóc thượng tầng được lấy theo tỷ lệ với chiều dài vách biên nối với vách thượng tầng hoặc lầu theo Bảng 2A/5.8 đối với các trường hợp:
1 Tải trọng đối xứng khi tính uốn ngang được xét dưới đây;
2 Tải trọng không đối xứng khi tính toán xoắn ngang hay biến dạng do uốn thẳng đứng thân tàu theo các hướng ngược chiều.
Bảng 2A/5.8 - Chiều rộng tương đối của tôn boong hay nóc thượng tầng
| a/lblh | Tải trọng đối xứng ở mặt cắt qua: | Tải trọng không đối xứng ở mặt cắt qua mạn trong | |
| Mạn trong | Mặt phẳng dọc tâm tàu | ||
| 0 | 0,10 | 0,32 | 0,08 |
| 0,1 | 0,15 | 0,32 | 0,12 |
| 0,2 | 0,24 | 0,32 | 0,16 |
| 0,3 | 0,28 | 0,32 | 0,16 |
| 0,4 | 0,32 | 0,32 | 0,12 |
| 0,5 | 0,28 | 0,28 | 0,08 |
| Chú thích: а - khoảng cách từ cuối vách đến mạn trong (chiều dài phần vách ở một thân tàu); lblh - chiều dài vách ngang thượng tầng. | |||
Chiều rộng mép kèm không vượt quá khoảng cách đến vách ngang bền tiếp theo. Đối với vách mút thượng tầng chiều rộng mép kèm có trị số nhỏ hơn hai lần nếu mép chỉ ở một phía so với vách.
5.5.11 Nếu thân tàu được nối với nhau bằng cầu nối thì để xác định ứng suất trong cơ cấu cầu nối phải xem xét hệ siêu tĩnh gồm 2 dầm dọc (các thân tàu) được nối với nhau bằng các dầm ngang và tấm tôn (tôn sàn dưới và tôn sàn trên cầu nối);
Thân tàu là đối tượng bị biến dạng uốn trong các mặt phẳng đứng và ngang và biến dạng do xoắn; dầm ngang của cầu nối là đối tượng biến dạng do uốn (đối với dầm ngắn có chiều dài nhỏ hơn 10 lần chiều cao cần tính toán biến dạng do dịch chuyển); các tấm ở trạng thái ứng suất phẳng.
Nếu thỏa mãn các yêu cầu trong 5.1.6 thì việc đánh giá sức bền cầu nối được thực hiện trên cơ sở các phép tính toán rút gọn (dưới đây) mà trong đó biến dạng xoắn thân tàu và liên kết biến dạng dọc thân tàu thông qua tôn sàn dưới và tôn sàn trên cầu nối được bỏ qua.
5.5.12 Đối với mỗi cơ cấu ngang của cầu nối, độ cứng xoắn được tính với giả thiết cơ cấu đó chịu mô men uốn
, kN.m, khi xoắn đối xứng thân tàu ở một góc một đơn vị. Nếu thanh thứ i nằm trên mặt phẳng vách hay vách lửng của thân tàu thì mô men uốn được xác định theo công thức:
![]()
Trong đó: Ji, li - mô men quán tính tiết diện ngang và chiều dài thanh thứ i của cầu nối tương ứng.
Đối với các dầm khác, mô men
được xác định theo phương pháp tính khung không chịu tải trọng với góc dịch chuyển cho trước (với góc quay cho trước của các dầm thẳng liên kết ở hai đầu cầu nối).
5.5.13 Phải xác định ứng suất trong cơ cấu của cầu nối do tải trọng cục bộ gây ra. Hệ dầm để tính toán được tạo thành bởi các cơ cấu khỏe của cầu nối và thân tàu khi giả thiết thân tàu là cố định (không xoay tương đối với thân khác). Các dầm ngang của cầu nối nằm trong mặt phẳng của vách ngang hay vách lửng của tàu được coi là ngàm cứng ở đầu mút; các dầm khác xét tương tự như một phần của khung cố định tạo nên bởi khung sườn thân tàu và thanh ngang của cầu nối. Độ cất ngang đáy và độ cong tôn vỏ được bỏ qua.
Phải tính toán tải trọng cục bộ áp dụng cho cơ cấu ngang của cầu nối và thân tàu ở trạng thái tải trọng của tàu. Đối với dầm thứ i của cầu nối, mô men uốn
tác dụng tại mặt phẳng tiếp tuyến với mạn trong ở giữa tàu song song với mặt phẳng dọc tâm sẽ là kết quả tính toán.
Khi xác định ứng suất do tải trọng uốn cục bộ, cơ cấu ngang thứ i của cầu nối được xét như thanh tựa tự do chịu tải trọng cục bộ, tại đầu mút đặt hai mô men ngược chiều có trị số bằng nhau:
![]()
Giá trị
và
được xác định bằng cách lấy tổng theo toàn bộ cơ cấu ngang.
5.5.14 Mô men đặt vào đầu mút của cơ cấu ngang thứ i khi uốn ngang chung ở nước tĩnh được xác định bằng công thức:
![]()
5.5.15 Mô men bổ sung do sóng đặt vào đầu mút của cơ cấu ngang cầu nối khi tàu chạy ngang với sóng được tính theo công thức:
![]()
Trong đó:
M3 - được xác định theo 5.5.5 hoặc 5.5.6;
Тcc - được xác định theo 5.5.5 hoặc 5.5.6, gây ra ứng suất, МPа, kéo hay nén:
σt = 0,001Tcc/∑ Fi
Trong đó: Fi - diện tích tiết diện ngang cơ cấu ngang thứ i, m2.
5.5.16 Khi hướng tàu chéo so với sóng, mô men uốn ngang bổ sung М4 được tính theo 5.5.7 tạo ra ở các đầu mút của cơ cấu ngang thứ i của cầu nối mô men:
![]()
và lực Tcc - tính theo công thức ở 5.5.7 sinh ra ứng suất σt được xác định theo công thức ở 5.5.15.
5.5.17 Đối với mỗi cơ cấu ngang của cầu nối khi dịch chuyển thẳng đứng (dịch chuyển một thân lên trên một đơn vị, còn thân khác xuống dưới một đơn vị) coi tính toán độ cứng quy ước của cơ cấu giống như lực cắt xuất hiện ở cơ cấu ngang của cầu nối có trị số bằng phản lực Ri1 (Hình 2A/5.5). Nếu cơ cấu thứ i nằm trong mặt phẳng vách lửng của thân tàu thì phản lực được xác định như sau:
![]()
Trong đó: fi - diện tích bản thành của cơ cấu thứ i.
Đối với các thanh khác độ cứng quy ước cần xác định bằng tính khung với góc dịch chuyển cho trước (Hình 2A/5.5).

Hình 2A/5.5 - Khung với góc dịch chuyển cho trước
5.5.18 Khi tính toán cầu nối chịu tác động của mô men xoắn ngang M5, độ cứng thân tàu khi uốn và xoắn nhận giá trị rất lớn. Lực cắt, kN, tác động lên cơ cấu ngang đặt ở khoảng cách xi cách mặt cắt giữa tàu (trục x có hướng về mũi) được xác định theo công thức:
![]()
Và mô men uốn, kN.m, tại các điểm cuối xác định theo công thức:
![]()
Trong đó:
с1‚ с2 - xác định như sau:

5.5.19 Khi xác định ứng suất ở cơ cấu ngang của cầu nối gây ra do uốn thân tàu theo các hướng ngược chiều, cho phép coi thân tàu được liên kết bằng các dầm ngang tạo thành một khung (kết cấu) đàn hồi đối với thân tàu. Sự ảnh hưởng tôn sàn, tôn vỏ được tính bằng cách đưa vào mặt cắt của một thân tàu các cơ cấu dọc của cầu nối nằm ở một phía đối với mặt phẳng dọc tâm. Tải trọng tác động lên thân tàu cần xác định theo công thức ở 5.5.8, còn nội lực trong các cơ cấu của cầu nối tương ứng với 5.5.20; góc φ được chọn để có ứng suất lớn nhất.
5.5.20 Khi uốn thân tàu theo các hướng ngược nhau, ở cơ cấu ngang thứ i của cầu nối, lực cắt, kN, được xác định theo công thức:
![]()
Còn mô men uốn, kN.m, tại điểm cuối xác định theo công thức:
![]()
Trong đó: Ri1 - độ cứng quy ước của cơ cấu thứ i, được xác định tại 5.5.17;

Trong đó: xi - khoảng cách từ cơ cấu thứ i tới mặt phẳng giữa tàu (trục x hướng về mũi);
Hệ số a0 - a4 xác định từ hệ phương trình sau:

Trong đó:
Jb - mô men quán tính tiết diện ngang của một thân và một nửa cầu nối (xem 5.5.19) tại mặt phẳng giữa tàu, m4;
p, b1, b2 - thông số tải trọng được xác định theo công thức ở 5.5.8.
5.5.21 Chiều rộng mép kèm đối với thanh ngang của cầu nối được quy định tương ứng với quy định tại 2.3 của Chương 2, Chương 3 và Chương 4, Phần 2A.
5.5.22 Khi tính sức bền của cầu nối thượng tầng ngắn (lầu) cần thay thế bằng các thanh ngang phân bố tại mặt phẳng của vách ngang thuộc thượng tầng (lầu), kết cấu được nối với thân tàu. Các đặc điểm hình học của thanh được xác định tương ứng với quy định ở 5.5.8.
CHƯƠNG 6 KẾT CẤU TÀU CÁNH NGẦM
6.1 Quy định chung
6.1.1 Quy định trong Chương này được áp dụng cho tàu cánh ngầm hoạt động trong các vùng SI, SII và SIII‚ với 2 cánh chìm ít và có đặc điểm sau:
Độ cứng:
![]()
Vận tốc:
![]()
Trong đó:
J - mô men quán tính tiết diện ngang yếu nhất của thanh tương đương trong vùng giữa tàu, m4;
∆ - lượng chiếm nước khối lượng của tàu khi đầy tải, tấn;
L - chiều dài lớn nhất của tàu (Hình 2A/6.1), m;
v - vận tốc tính toán của tàu trên nước tĩnh, m/s.

Hình 2A/6.1 - Biểu đồ Mc và Nc cho tàu cánh ngầm
6.1.2 Quy định của Chương này áp dụng đối với hệ thống khung dọc của thân tàu và thượng tầng.
Thượng tầng trong Chương này là một phần của tàu nằm phía trên mép dưới của lỗ khoét cửa sổ, nếu không có cửa sổ là phần nằm trên boong chính của tàu.
6.1.3 Nếu thân tàu và thượng tầng được làm bằng vật liệu hợp kim nhôm thì phải thỏa mãn các quy định trong Phần 6A của Quy chuẩn này.
6.1.4 Bất kỳ vật liệu nào sử dụng để chế tạo thân tàu phải thoả mãn các tính toán sau đây:
1 Độ bền chung của tàu;
2 Độ bền cục bộ của tàu;
3 Độ bền cơ cấu cánh.
6.1.5 Có thể dùng các phương pháp tính toán độ bền khác nhưng phải trình thẩm định đồng thời với các tính toán phân cấp tàu theo các quy định trong Chương này.
6.1.6 Ở chiếc tàu đầu tiên của mỗi loạt đóng mới phải được thử nghiệm để kiểm tra độ bền theo quy trình đã được thẩm định. Kết quả thử phải được thẩm định để phân cấp tàu.
6.1.7 Tàu có sức bền thỏa mãn các quy định từ 6.2.1 đến 6.2.15 dưới đây được coi là đủ điều kiện để hoạt động ở trạng thái có lượng chiếm nước.
6.2 Tính toán sức bền và độ ổn định
6.2.1 Sức bền chung của tàu phải được kiểm tra theo ứng suất pháp và ứng suất tiếp do mô men uốn tính toán và lực cắt khi tàu chuyển động trên cánh (ở trạng thái không có lượng chiếm nước) trong điều kiện chiều cao sóng tính toán.
Phải kiểm tra độ ổn định toàn bộ kết cấu và từng bộ phận riêng biệt.
6.2.2 Chiều cao sóng tính toán quy đổi (h) khi tàu chuyển động trên cánh được lấy không nhỏ hơn trị số trong Bảng 2A/6.1.
Bảng 2A/6.1 - Chiều cao sóng tính toán quy đổi khi tàu chuyển động trên cánh
| Vùng hoạt động | Chiều cao sóng tính toán quy đổi h (m) |
| SI | 1,3 |
| SII | 0,8 |
| SIII | 0,4 |
6.2.3 Mô men uốn tính toán, kN.m, và lực cắt, kN, (Hình 2A/6.1) được tính theo công thức:

Trong đó:
Msw, Nsw - mô men uốn, kN.m, và lực cắt, kN, tại tiết diện đang xét khi tàu chuyển động trên cánh ở nước tĩnh;
kM, kN - hệ số phụ thuộc vào vị trí của tiết diện ngang đang xét trên chiều dài tàu và được xác định theo công thức:
kM = 1 - 0,040j
kN = 0,7 - 0,015j
Trong đó:
j - sườn tính toán: với sườn mũi ngoài cùng j = 0, với sườn lái ngoài cùng j = 20;
n - sự quá tải bổ sung (tỷ số của gia tốc bổ sung với gia tốc rơi tự do tại mặt cắt phía trên cánh ở mũi khi tàu chuyển động trên cánh với chiều cao sóng tính toán);
Trị số n được xác định theo tàu mẫu hoặc theo kết quả thử nghiệm mô hình. Trong trường hợp không có số liệu trên cho phép xác định trị số n theo công thức:
![]()
Trong đó:
∆1 - lượng chiếm nước khối lượng quy đổi của tàu, tấn, được tính theo công thức:
![]()
Trong đó: lfw - khoảng cách từ trọng tâm tàu đến điểm đặt của lực nâng ở cánh mũi (điểm 0 trên Hình 2A/6.2);

Hình 2A/6.2 - Điểm đặt lực nâng ở cánh mũi
k - hệ số bằng:
0,035 khi h = 1,5 m;
0,030 khi h = 1,3 m;
0,020 khi h = 0,8 m;
0,010 khi h = 0,4 m.
m - hệ số được xác định theo đồ thị trên Hình 2A/6.3 trong mối liên hệ với góc cất ngang tính toán của đáy βº, độ, trong mặt cắt A - A (Hình 2A/6.4);
vw - vận tốc, km/h, của tàu trên cánh trong điều kiện cấp sóng tính toán được xác định theo công thức:
vw = 0,85v
Trong đó: v - vận tốc tàu trên cánh ở nước tĩnh, km/h;

Hình 2A/6.3 - Đồ thị mối liên hệ của hệ số m với góc cất ngang tính toán của đáy tàu β
Đối với các trị số trung gian của chiều cao sóng hệ số k được xác định bằng nội suy bậc nhất;
Trị số vw và k sẽ hiệu chỉnh theo dữ liệu của quá trình thử mô hình hoặc dữ liệu của tàu mẫu;
Trị số n trong công thức trên không được lấy nhỏ hơn:
1,0 khi h = 1,5 m;
0,9 khi h = 1,3 m;
0,6 khi h = 0,8 m;
0,3 khi h = 0,4 m.

Hình 2A/6.4 - Mặt cắt để xác định góc cất ngang đáy tàu β
Lựa chọn chiều cao sóng tính toán khi tàu chuyển động trên cánh (phụ thuộc vào vùng hoạt động của tàu) phải dựa trên cơ sở nhiệm vụ thư thiết kế. Chiều cao của sóng sẽ giới hạn đối với tàu khi chạy trên cánh và phải đưa vào tài liệu hướng dẫn vận hành tàu.
6.2.4 Khi tính mô men uốn Мsw và lực cắt Nsw phải theo quy định sau:
1 Đường cong tải trọng phải được xây dựng với ít nhất theo 21 tung độ cách đều.
2 Trị số tính toán lực nâng‚ kN, của cánh được xác định theo công thức:
Với cánh phía mũi:
![]()
Với cánh phía lái:
![]()
Trong đó: l0 - khoảng cách giữa các điểm đặt của lực nâng ở cánh phía mũi và lái, m.
3 Điểm đặt lực nâng Ftf và Fta được xác định tương ứng theo Hình 2A/6.2.
4 Lực nâng cánh Ftf và Fta phân bố theo chiều dài tính toán và phụ thuộc vào việc kéo dài của cánh mũi (lái) theo thân tàu.
6.2.5 Kiểm tra độ bền chung của thân tàu theo ứng suất pháp phải ở các mặt cắt (xem Hình 2A/6.1) dự tính tại những mặt cắt đó có thể xuất hiện ứng suất pháp lớn nhất:
Tại mặt cắt I - I có tác động của mô men uốn lớn nhất;
Tại các mặt cắt yếu hơn II - II và III - III ở khu vực giữa tàu;
Tại mặt cắt IV - IV, nằm ở đoạn cánh phía mũi, nếu không có mạn liên tục của thượng tầng mũi;
Nếu mô men uốn tính toán trong mặt cắt I - I có trị số khác với mô men ở mặt cắt II - II và III - III không quá 10%, thì có thể không cần tính độ bền chung ở mặt cắt I - I.
6.2.6 Khi xác định mô men chống uốn của thanh tương đương ở các mặt cắt I - I, II - II và III - III bao gồm các cơ cấu của thân tàu và thượng tầng tham gia vào mô đun chống uốn, còn trong mặt cắt IV - IV chỉ có cơ cấu thân tàu tham gia.
Nếu thượng tầng có kết cấu đinh tán, thân tàu có kết cấu hàn, thì cơ cấu thượng tầng đưa vào thanh tương đương phải nhân với hệ số 0,9.
6.2.7 Khi các lỗ khoét của cửa sổ bố trí ở thượng tầng phải xét hai vùng mạn thượng tầng liên tục có chiều dài c (Hình 2A/6.1), phải lớn hơn chiều của cửa sổ ít nhất 20%, hoặc không tính đến sự tham gia của thượng tầng vào uốn chung thân tàu.
6.2.8 Các tấm bị nén tham gia vào thành phần thanh tương đương phải nhân với hệ số giảm như sau:
![]()
Trong đó:
σcr - ứng suất pháp giới hạn của tấm bị nén, được xác định theo đồ thị Hình 2A/4.5, phụ thuộc vào tỷ số σE/ReH;
σE - ứng suất pháp Ơle của tấm, МPа, với hệ thống kết cấu dọc ứng suất được tính theo 4.3.7-1;
σac - ứng suất pháp giới hạn khi uốn chung thân tàu;
Các phần của tấm bị nén không phải giảm là phần nằm kề với các dầm dọc, có chiều rộng (ở mỗi bên), bằng:
0,25а - khi a/t ≤ 80
20t - khi a/t > 80
Trong đó:
а - khoảng cách giữa các dầm dọc;
t - chiều dày tấm.
6.2.9 Ứng suất pháp tính toán ở các cơ cấu xa nhất của thanh tương đương được tính theo công thức:
σup = 10αupMc/Wup
σlw = 10αlwMc/Wlw
Trong đó:
σup, σlw - ứng suất tính toán ở cơ cấu cao nhất và thấp nhất của thanh tương đương (thượng tầng);
αup, αlw - hệ số bằng:
1,0 - với mặt cắt đi qua phần mạn liên tục của thượng tầng (phần nằm ngoài lỗ khoét cửa sổ) hoặc với mặt cắt IV - IV (Hình 2A/6.1);
0,85 và 1,4 - tương ứng với mặt cắt trong khu vực lỗ khoét cửa sổ;
Mc - mô men uốn tính toán tại mặt cắt ngang đang xét (xem 6.2.3);
Wup, Wlw - mô men chống uốn của cơ cấu trên và dưới của thanh tương đương (xem 6.2.6);
Khi kết cấu thượng tầng liên kết đinh tán và kết cấu thân tàu liên kết hàn thì hệ số αup được giảm 10%.
6.2.10 Kiểm tra độ bền chung thân tàu theo ứng suất tiếp được thực hiện tại các mặt cắt có ứng suất tiếp lớn nhất gồm:
1 Tại các mặt cắt V - V và VI - VI (Hình 2A/6.1), tại đây chịu tác động của lực cắt lớn nhất;
2 Tại các mặt cắt yếu hơn;
3 Tại các mặt cắt ở biên phần liên tục của thượng tầng.
6.2.11 Ứng suất tiếp tính toán‚ МPа, được xác định theo công thức:
![]()
Trong đó:
Nc - lực cắt tính toán tại mặt cắt đang xét, kN;
J - mô men quán tính tiết diện thanh tương đương, m4;
S - mô men tĩnh phần tiết diện thanh tương đương nằm phía trên hay phía dưới trục trung hòa, xác định với trục trung hoà, сm3;
∑t - tổng chiều dày tôn mạn tàu và mạn thượng tầng tính từ trục trung hòa của thanh tương đương, сm.
6.2.12 Tại các mặt cắt yếu nhất của cửa sổ hoặc cửa ra vào, ứng suất tiếp tính toán được xác định theo 6.2.11 nhưng không tính phần thượng tầng phía trên lỗ khoét.
6.2.13 Tại các mặt cắt biên phần liên tục của mạn thượng tầng, ứng suất tiếp tính toán
, МPа, được xác định bằng trị số lớn nhất trong trị số tính toán theo 6.2.11 và theo công thức:
![]()
Trong đó:
σup - ứng suất tính toán ở boong thượng tầng tại mặt cắt II - II (Hình 2A/6.1), МPа;
f - diện tích tiết diện của các cơ cấu dọc thượng tầng bên trên lỗ khoét tại mặt cắt II - II có tính đến hệ số giảm, сm2;
k - hệ số bằng:
3,0 - với biên phần liên tục của thượng tầng ở khu vực đặt cánh;
1,5 - với biên phần liên tục của thượng tầng ở khu vực giữa tàu;
t, c - chiều dày và chiều dài của phần liên tục của mạn thượng tầng đang xét, сm.
6.2.14 Ứng suất pháp giới hạn phải thỏa mãn các điều kiện sau:
đối với dầm dọc boong thượng tầng:
σcr/σ ≥ 1,5
đối với dầm dọc đáy:
σcr/ReH ≥ 0,7
Trong đó:
σ - ứng suất tính toán tại boong thượng tầng‚ МPа;
ReH - giới hạn chảy của vật liệu dầm dọc đáy‚ МPа;
Ứng suất pháp giới hạn của dầm σcr được xác định theo đồ thị Hình 2A/4.5 phụ thuộc vào tỷ số σE/ReH, với σE - ứng suất pháp Ơle của dầm, khi tính toán dầm được coi là gối tự do ở 2 đầu.
6.2.15 Ứng suất tiếp Ơle của tấm mạn tàu và mạn thượng tầng phải thỏa mãn các điều kiện:
![]()
Trong đó:
- ứng suất tiếp tính toán của tấm trong mặt cắt; \
Khi xác định
của tấm coi như tấm gối tự do theo vòng.
6.3 Tính độ bền cục bộ
6.3.1 Tải trọng tính toán cục bộ xác định theo áp suất tính toán p, kPа‚ theo chiều dài tàu khi kiểm tra độ bền tôn đáy và dầm dọc đáy nhận các trị số theo đồ thị Hình 2A/6.5.
Trong đó: p0 - tải trọng ở vùng tính từ sườn tính toán số 0 đến mặt cắt A- A (Hình 2A/6.5), được xác định theo công thức:
![]()
Trong đó:
αp0 - tại sườn tính toán số 10;
0,7αp0 - tại sườn tính toán số 20.
Trong đó: α - hệ số xác định theo đồ thị Hình 2A/6.6 phụ thuộc vào tỷ số β10/βА (với β10 và βA - góc được đo theo Hình 2A/6.7, tại sườn tính toán số 10 và mặt cắt A - A);

Hình 2A/6.5 - Áp suất tính toán p theo chiều dài tàu

Hình 2A/6.6 - Hệ số α
Đối với các mặt cắt nằm giữa sườn А‚ 10‚ 20 (xem Hình 2A/6.5) trị số áp suất tính toán p được xác định theo phép nội suy bậc nhất. Tải trọng tính toán phải được phân bố đều theo chiều rộng đáy.
k - hệ số phụ thuộc vào chiều cao sóng tính toán (h) khi tàu chuyển động trên cánh lấy bằng:
0,035 khi h = 1,5 m;
0,030 khi h = 1,3 m;
0,020 khi h = 0,8 m;
0,015 khi h = 0,4 m.
Với giá trị chiều cao sóng trung gian, trị số k được xác định theo phép nội suy bậc nhất.
∆1, vw và m xem 6.2.3.
6.3.2 Độ bền đà ngang và tôn đáy phải được kiểm tra dưới tác động của tải trọng phân bố đều do áp suất có trị số 0,5p, với p - áp suất lên đà ngang đang xét hay lên đà ngang nằm giữa chiều dài tấm (khi tính toán độ bền tấm) theo 6.3.1.
6.3.3 Tải trọng tính toán lên tôn vỏ và sườn mạn được phân bố theo chiều cao mạn theo dạng hình thang, biến thiên từ áp suất 3 kPа ở cạnh dưới lỗ khoét cửa sổ đến 0,5p ở hông tàu, với p - áp suất đối với tôn vỏ, dầm dọc được xác định theo 6.3.1 và đối với sườn, tôn mạn được xác định theo 6.3.2.
6.3.4 Tải trọng tính toán, kPa, theo áp suất được lấy bằng:
5,0 - đối với boong và mặt sàn phục vụ để vận chuyển hành khách và thuyền viên và boong của thượng tầng nơi hành khách thường xuyên lui tới;
3,5 - đối với boong trong khu vực bố trí ghế cho hành khách;
3,0 - đối với boong thượng tầng;
Các tải trọng này được truyền đến phần boong bị giới hạn bởi các đường thẳng mà góc giữa tiếp tuyến với tôn vỏ và mặt phẳng cơ bản nhỏ hơn 30º.
6.3.5 Độ bền của xà ngang và xà ngang boong cụt của thượng tầng phải được kiểm tra dưới tác động của mô men uốn, kN.m, được tính theo công thức:
![]()
Trong đó:
kb - hệ số xác định theo đồ thị Hình 2A/6.7;
B - chiều rộng của boong tàu, m;
d - khi xác định mô men uốn đối với xà ngang boong thì d, m, nhận các giá trị sau:
Khi chỉ có xà ngang boong:
d = 0,500(d1 + d2)
Khi bố trí xà ngang boong xen kẽ xà ngang boong cụt:
d = 0,375(d1 + d2)
Trong đó: d1, d2 - khoảng cách từ xà ngang đang xét tới xà ngang gần nhất hay tới vách ngang, m;
d - khi xác định mô men uốn đối với xà ngang boong cụt thì d nhận giá trị sau:
![]()
Trong đó:
- khoảng cách từ xà ngang boong cụt đang xét tới xà ngang gần nhất hay tới vách ngang, m;
Việc xác định kích thước của xà ngang và xà ngang boong cụt theo tải trọng phân bố đều có giá trị bằng 0,15d, kN/m;
Mô men quán tính, сm4, của tiết diện xà ngang và xà ngang boong cụt có mép kèm phải không nhỏ hơn trị số tính theo công thức:
J = 0,55dB3

Hình 2A/6.7 - Hệ số kb
6.3.6 Áp suất tính toán áp dụng với vách trước và cửa sổ thượng tầng nhận các trị số sau:
| Vùng hoạt động | Áp suất tính toán (kPа) |
| SI | 20 |
| SII | 10 |
| SIII | 5 |
Đối với mạn và cửa sổ thượng tầng áp suất tính toán lấy bằng 3 kPа.
6.3.7 Tải trọng tính toán lên vách ngang kín nước được phân bố theo quy luật hình tam giác có cột áp suất cột nước lớn nhất tại đáy tàu với chiều cao từ đáy tàu đến boong vách, trường hợp không có boong vách thì bằng 2 lần chiều chìm trung bình của tàu trong trạng thái tàu có lượng chiếm nước.
6.3.8 Tải trọng tính toán lên kết cấu giới hạn các két phân bố theo chiều cao với quy luật hình thang có áp suất cột nước lớn nhất tại đáy két với chiều cao từ đáy két đến mép trên của ống thông hơi.
6.3.9 Khi tính toán sức bền của tấm chịu tải trọng trong Chương này coi tấm có độ cứng tuyệt đối và được cố định trên đế tựa không biến dạng.
Khi tính toán độ bền cục bộ, dầm dọc được coi như ngàm cứng.
6.3.10 Các thành phần diện tích tiết diện ngang của cơ cấu được xác định có mép kèm hoặc sàn.
1 Với cơ cấu gia cường tôn vỏ, chiều rộng mép kèm c, cm, được tính như sau:
c = 0,5a khi a/t ≤ 80
c = 40t khi a/t > 80
Trong đó:
a - khoảng cách các cơ cấu cùng loại;
t - chiều dày của tấm vỏ hoặc sàn;
Trong mọi trường hợp chiều rộng mép kèm không được lấy lớn hơn 1/6 chiều dài nhịp tính toán của cơ cấu đang được xét.
2 Với cơ cấu đặt trực tiếp trên dầm dọc (cơ cấu treo) chiều rộng mép kèm được lấy bằng 0.
6.3.11 Khi tính toán độ ổn định của cơ cấu để xác định diện tích tiết diện của chúng, chiều rộng mép kèm được lấy bằng khoảng cách trung bình giữa các cơ cấu cùng loại, khi xác định mô đun chống uốn tiết diện ngang của cơ cấu, chiều rộng mép kèm được quy định như 6.3.10.
6.3.12 Tính toán sức bền cục bộ của thân tàu khi trên đà và khi được nâng lên bằng cần cẩu phải thực hiện ở trạng thái tàu không. Khi đó độ ổn định kết cấu phải được tăng lên với hệ số an toàn 1,5 lần ứng suất tính toán.
6.3.13 Tính toán độ bền cục bộ và độ ổn định kết cấu thân tàu tại vị trí cơ cấu cánh được xác định với tải trọng được nêu trong 6.4.1.
6.3.14 Kích thước của tấm tôn ở giữa các cửa sổ phải thỏa mãn một trong các tỷ lệ sau:
h0/b0 > 5
h0/b0 < 2,5
Trong đó:
h0 - chiều cao của tấm tôn giữa các cửa sổ (chiều cao cửa sổ)‚ m;
b0 - chiều rộng của tấm tôn giữa các cửa sổ (khoảng cách giữa các cửa sổ)‚ m;
Bán kính góc lượn ở góc cửa sổ, m, không nhỏ hơn trị số tính theo công thức:
r = 0,15h0
6.4 Tính toán độ bền cơ cấu cánh
6.4.1 Cơ cấu cánh phải được tính tương tự như thanh có tiết diện thay đổi theo chiều dài và được cố định chắc chắn với thân tàu.
Độ bền cơ cấu cánh phải được kiểm tra dưới tác động tải trọng do lực thẳng đứng có trị số xác định như sau:
Đối với cánh mũi:
Pf = kFtf
Đối với cánh lái:
Pa = 0,75kFta
Trong đó:
k - hệ số ứng với chiều cao tính toán sóng h (khi tàu hoạt động trên cánh) lấy bằng:
2,2 khi h = 1,5 m;
2,0 khi h = 1,3 m;
1,8 khi h ≤ 0,8 m;
Với chiều cao sóng trung gian trị số k được xác định theo phép nội suy bậc nhất;
Ftf, Fta - lực nâng ở cánh phía mũi và lái được xác định tương ứng tại 6.2.4;
Độ bền cơ cấu cánh phải được kiểm tra khi chịu tác động đồng thời của lực nâng Ftf, Fta và tải trọng ngang do lực tập trung ngang, kN, có điểm đặt ở vị trí nối giữa thanh chống và cánh có trị số được xác định theo công thức:
![]()
Trong đó: l0 - khoảng cách giữa các điểm đặt lực nâng ở cánh phía mũi và lái, m;
Lực tổng hợp Pc được phân bố giữa các cánh tỷ lệ thuận với hình chiếu vùng diện tích ngập nước của chúng trên mặt phẳng dọc tâm.
Các lực Ftf, Fta, Pf và Pa phân bố đều theo dây cung của cánh và có hướng vuông góc với mặt phẳng phía dưới của chúng (Hình 2A/6.8).

Hình 2A/6.8 - Phân bố lực trên cánh
6.4.2 Ứng suất Ơle của tấm tôn vỏ của cánh rỗng phải không nhỏ hơn ứng suất khi tính cơ cấu của cánh chịu tải trọng Pf và Pa.
6.4.3 Độ bền cánh phía mũi và cột đỡ cánh phía sau phải được kiểm tra khi chịu tải trọng do các lực thẳng đứng Q, kN, được xác định theo công thức:
![]()
Trong đó:
v1 - vận tốc tàu khi nâng lên khỏi mặt nước trên cánh bổ sung ở nước tĩnh, m/s;
cy - hệ số lực nâng khi góc tới α1 tương ứng khi cánh mũi bổ sung nâng lên khỏi mặt nước được xác định theo công thức:
![]()
Trong đó:
αin - góc xác lập của cánh bổ sung và cột đỡ cánh phía sau;
ψ - góc chúi tương ứng khi nâng cánh mũi bổ sung ở nước tĩnh;
α0 - góc nghiêng profin của cánh bổ sung hay cột đỡ cánh;
k - hệ số xem 6.4.1;
S1 - diện tích của cánh bổ sung phía mũi hay cột đỡ cánh, m2;
Trong trường hợp không có dữ liệu thực tế cho phép nhận các trị số sau:
kcy = 1
v1 = 0,7v
6.5 Tiêu chuẩn ứng suất cho phép và chiều dày tối thiểu
6.5.1 Ứng suất pháp cho phép σac khi tính độ bền chung và độ bền cục bộ nhận các trị số nhỏ nhất trong các giá trị nêu ra ở Bảng 2A/6.2 (là một phần của giới hạn chảy ReH và giới hạn bền Rm của vật liệu).
6.5.2 Ứng suất tiếp cho phép
lấy bằng 0,57 ứng suất pháp cho phép tương ứng:
![]()
Bảng 2A/6.2 - Ứng suất pháp cho phép
| Kết cấu thân tàu | Ứng suất tính toán | Ứng suất cho phép |
| Kết cấu thân tàu và thượng tầng | Ứng suất do uốn chung | 0,35ReH hoặc 0,25Rm |
| Ứng suất do tải trọng cục bộ và tải trọng khi trên đà: |
| |
| Trong cơ cấu | 0,80ReH hoặc 0,55Rm | |
| Trong tôn vỏ | 0,95ReH hoặc 0,70Rm | |
| Cánh và cột đỡ cánh | Ứng suất do tải trọng tính toán | 0,95ReH hoặc 0,55Rm |
| Sống của cơ cấu cánh | Ứng suất do tải trọng tính toán | 0,80ReH hoặc 0,45Rm |
| Chi tiết của bộ phận nâng và gia cường bên dưới | Ứng suất cục bộ khi nâng bằng cần cẩu | 0,20Rm |
6.5.3 Trị số ứng suất pháp giới hạn của phần tử kết cấu (cột, thanh chống...) phải không nhỏ hơn 2 lần trị số ứng suất pháp do tải trọng tính toán.
6.5.4 Chiều dày tôn vỏ, tôn boong và tôn vách không phụ thuộc vào vật liệu không được nhỏ hơn trị số nêu ra trong Bảng 2A/6.3.
Bảng 2A/6.3 - Chiều dày tối thiểu của kết cấu thân tàu
| Tên kết cấu | Chiều dày tối thiểu, mm, của kết cấu thân tàu ứng với vùng hoạt động | |
| SI | SII | |
| Tôn đáy | 3,0 | 2,5 |
| Tôn mạn | 2,5 | 2,0 |
| Tôn boong, sàn và vách | 2,0 | 2,0 |
| Tôn mạn và vách mút thượng tầng | 1,5 | 1,0 |
CHƯƠNG 7 KẾT CẤU TÀU ĐỆM KHÍ
7.1 Quy định chung
7.1.1 Quy định trong Chương này được áp dụng cho tàu khách, tàu hoa tiêu và tàu hàng đệm khí (viết tắt - СВП) với dạng tàu đệm khí sử dụng hiệu ứng mặt thoáng (viết tắt - SES) và dạng tàu trên gối khí (viết tắt - ACV) có khả năng di chuyển ở chế độ trên đệm khí và chế độ bơi trong các vùng SI, SII và thỏa mãn các điều kiện sau:

Trong đó:
E - mô đun đàn hồi vật liệu, kPа;
J - mô men quán tính tiết diện ngang với giả thiết thượng tầng tham gia toàn bộ vào uốn chung thân tàu, m4 (với những tàu không có thượng tầng thì J là mô men quán tính tiết diện ngang phần thân tàu);
g - gia tốc rơi tự do, m/s2;
Các ký hiệu còn lại xem trong 6.2.3.
Quy định của Chương này áp dụng với tàu SES có tỷ số kích thước chính thỏa mãn các điều kiện sau:
L/D < 20;
L/B = 3 ÷ 6;
D/hsk = 2 ÷ 3;
7.1.2 Vật liệu chế tạo tàu CBП bằng hợp kim nhôm phải thỏa mãn các quy định ở Phần 6A của Quy chuẩn này.
7.1.3 Phải xem xét các trường hợp thân tàu chịu tải trọng bất lợi nhất có thể xảy ra của 2 loại tàu SES và ACV. Khối lượng tính toán cụ thể (có tính sức bền ngang chung) do người thiết kế thực hiện và phụ thuộc vào đặc điểm kết cấu thân tàu.
Khối lượng tính toán phải đầy đủ để đánh giá được sức bền chung và sức bền cục bộ thân tàu.
7.1.4 Cho phép sử dụng các phương pháp tính sức bền khác khi có cơ sở vững chắc nhưng phải thực hiện theo các quy định của Chương này và được trình đồng thời cùng với các tính toán phân cấp tàu.
7.1.5 Chiều cao sóng tính toán ở vùng hoạt động SI, SII và SIII lấy tương ứng trong Bảng 2A/1.1.
Vận tốc thiết kế ở chế độ trên đệm khí và bơi phải được định rõ trong hồ sơ thiết kế kỹ thuật của tàu.
7.1.6 Chiếc tàu đầu tiên phải được thử nghiệm trong các điều kiện được quy định trong quy trình thử được Đăng kiểm thẩm định nhằm kiểm tra sức bền thân tàu. Kết quả thử phải được Đăng kiểm thẩm định.
7.1.7 Thông số sóng cho phép có xét đến sức bền và vận tốc tương ứng của tàu ở chế độ trên đệm khí và bơi được hiệu chỉnh trên cơ sở thử nghiệm chiếc tàu đầu tiên trong sê ri tàu.
7.2 Giải thích từ ngữ
7.2.1 Thượng tầng trong Chương này là một phần của tàu nằm phía trên mép dưới của lỗ khoét cửa sổ, khi không có lỗ khoét cửa sổ là phần nằm trên boong chính của tàu.
7.2.2 Quá tải được hiểu là tỷ số giữa tổng gia tốc thẳng đứng ở vị trí đang xét trên thân tàu so với gia tốc rơi tự do.
7.2.3 Các thuật ngữ về kích thước:
L - chiều dài thiết kế trong trạng thái tàu nổi, m;
B - chiều rộng thiết kế, m;
D - chiều cao mạn ở mặt cắt ngang giữa tàu, được tính từ mép dưới của skeg (nếu tàu không có skeg thì tính từ đáy tàu) đến mép dưới của thượng tầng được xác định theo 7.2.1, với tàu không có thượng tầng thì tính đến boong chính, m;
d - chiều chìm trong trạng thái tàu nổi, tính từ mép dưới của skeg (đối với tàu không có skeg thì tính từ đáy tàu) đến đường nước thiết kế, m;
∆cg - lượng chiếm nước khối lượng của tàu đầy tải, tấn;
∆sk - tổng lượng chiếm nước khối lượng của các skeg tương ứng với lượng chiếm nước khối lượng tính toán của tàu ∆, tấn;
bsk - chiều rộng của skeg, được đo ở đáy tàu khi ∆sk < ∆ và đo tại đường nước thiết kế khi ∆sk > ∆, m;
hsk - chiều cao của skeg, m;
l0 - khoảng cách từ trọng tâm tàu tới đường vuông góc lái, m;
v - vận tốc tính toán của tàu ở chế độ trên đệm khí trên nước tĩnh, m/s;
Lpc - chiều dài gối khí, m;
Fpc - diện tích của gối khí, m2;
ppc - áp suất bình thường trong gối khí, МPа.
7.3 Tải trọng tính toán khi uốn chung và xoắn thân tàu
7.3.1 Tải trọng tính toán do uốn chung và xoắn thân tàu được xác định trong các điều kiện sau:
1 Chuyển động ở chế độ trên đệm khí trên sóng tính toán.
2 Chuyển động ở chế độ bơi trên sóng tính toán.
3 Ở trên bờ (tựa trên các đế kê).
4 Nâng bởi cần cẩu.
7.3.2 Với các điều kiện chỉ ra trong 7.3.1 phải xét đến các trường hợp tải trọng bất lợi nhất phụ thuộc vào kết cấu và đặc tính khi vận hành của tàu đệm khí.
7.3.3 Tải trọng tính toán do uốn chung và xoắn thân tàu được xác định theo sự quá tải lớn nhất đo ở trọng tâm tàu G (xem Hình 2A/7.1). Trị số quá tải khi tàu chuyển động trên sóng phải được xác định bằng kết quả thử mô hình tàu thiết kế hay theo tàu mẫu (riêng biệt với mỗi chế độ vận hành và mỗi dạng biến dạng chung của thân tàu). Trị số quá tải ở các điểm khác được xác định theo công thức:
![]()
Trong đó:
μ1, μ2 - hệ số xác định theo Bảng 2A/7.1;
x1, x2, y1, y2 - tọa độ ngoại lực tương ứng theo Hình 2A/7.1;
xg - hoành độ trọng tâm tàu;
x, y - tọa độ các điểm mà tại đó tính toán quá tải;
ρ1 - bán kính quán tính của khối lượng tàu lấy tương đối với trục ngang đi qua trọng tâm, m;
ρ2 - bán kính quán tính của khối lượng tàu lấy tương đối với trục dọc đi qua trọng tâm, m;
ng - hệ số quá tải ở trọng tâm tàu;
Nếu không có dữ liệu cần thiết để tính toán sức bền dọc, trong các bước thiết kế ban đầu, quá tải ở trọng tâm tàu khi chuyển động ở chế độ trên đệm khí có thể được xác định theo công thức:
![]()
7.3.4 Trị số quá tải được tính chính xác hơn khi thử tàu đầu tiên tương ứng theo 7.3.5 với sự hiệu chỉnh tính toán sức bền tiếp theo trên cơ sở quá tải thực tế.
7.3.5 Sơ đồ phân bố và tỷ số tính toán của ngoại lực khi tàu chuyển động trên sóng ở chế độ trên đệm khí và ở chế độ bơi tương ứng với Hình 2A/7.1 và Bảng 2A/7.1.
Trị số ngoại lực, kN, được xác định theo công thức:


Hình 2A/7.1 - Sơ đồ phân bố ngoại lực
7.3.6 Tải trọng tính toán khi tàu trên đế kê và nâng tàu bằng cần cẩu được xác định trên cơ sở sơ đồ bố trí đế kê và tai cẩu. Khi đó phải tính đến vận tốc thẳng đứng khi đặt tàu lên đế kê và tính đến động lực phân bố tải trọng khi nâng bằng cẩu. Hệ số quá tải (ng) được lấy bằng 1,25.
Sơ đồ bố trí đế kê và tai cẩu phải được bố trí sao cho mô men uốn ở các mặt cắt ngang của tàu đệm khí không được lớn hơn trị số tương ứng với các trường hợp tải trọng thực tế.
Bảng 2A/7.1 - Các thông số của vùng phân bố ngoại lực khi tàu chuyển động trên sóng ở các chế độ khác nhau
| Trị số | Tàu hành trình trên sóng ở các chế độ | |||||||
| Trên đệm khí | Bơi | |||||||
| Uốn dọc | Uốn ngang | Xoắn | Uốn dọc | Uốn ngang | Xoắn | |||
| Võng | Vồng | Võng | Võng | Vồng | Võng | |||
| l1 | 0,2L | 0,4L | 2l0 | 0,2L | 0,2L | 0,4L | 2l0 | 0,2L |
| l2 | 2l0 | 2l0 | 2l0 | 2l0 | 0,2L | 0 | 2l0 | 0,2L |
| b1 | B | B | ε1 | ε1 | B | B | ε1 | ε1 |
| b2 | B | B | B | B | B | 0 | ε1 | ε1 |
| x1 | 0,4L | xg | xg | 0,4L | 0,4L | xg | xg | 0,4L |
| x2 | xg | xg | xg | xg | - 0,4L | 0 | xg | - 0,4L |
| y1 | 0 | 0 | ε2 | ε2 | 0 | 0 | ε2 | ε2 |
| y2 | 0 | 0 | 0 | 0 | 0 | 0 | - ε2 | ε2 |
| μ1 | (ng-1)/ng | (ng-1)/ng | (ng-1)/ng | (ng-1)/ng | 2/3 | 1 | 1/2 | 2/3 |
| μ2 | 1/ng | 1/ng | 1/ng | 1/ng | 1/3 | 0 | 1/2 | 1/3 |
| Chú ý: Đối với tàu đệm khí dạng ACV thì ε1 = 0,2B và ε2 = 0‚4B; đối với tàu đệm khí dạng SES thì ε1 = lsk và ε2 = 0,5(B - bsk). | ||||||||

Hình 2A/7.2 - Phân bố mô men uốn và lực cắt theo chiều dài tàu
7.3.7 Tổng mô men uốn М và lực cắt N khi uốn dọc tàu được tính bằng cách tích phân đường cong tải trọng tính toán, là hiệu số giữa trọng lực g(x) nhân với hệ số quá tải ng ở trọng tâm khoảng sườn ngang đang xét với lực nâng được tính tương ứng theo 7.3.3 đến 7.3.5.
7.3.8 Ở các bước đầu khi thiết kế, tổng mô men uốn, kN.m, ở mặt cắt ngang giữa tàu được xác định theo công thức:
1 Tàu dạng ACV và SES chuyển động ở chế độ trên đệm khí:
![]()
2 Tàu dạng ACV chuyển động ở chế độ bơi:
![]()
3 Tàu dạng SES chuyển động ở chế độ bơi:
![]()
Trong đó:
ksw = Msw/(9,81DL) - hệ số của mô men uốn dọc trên nước tĩnh (có xét dấu);
Msw - mô men uốn dọc có trị số được xác định tương ứng theo 2.2.1-1;
ng - được xác định theo 7.3.3; (ng - trong các công thức 7.3.8-2 và 7.3.8-3 được xác định theo tàu mẫu hay thử nghiệm mô hình).
Dấu (+) trong các công thức trên ứng với uốn vồng lên.
Lực cắt lớn nhất được xác định theo công thức:
N0 = 4M0/L
Trị số tính toán của tổng mô men uốn và lực cắt tại các tiết diện của tàu trong trường hợp này được xác định theo Hình 2A/7.2.
7.3.9 Mô men M’ và lực cắt N’ khi uốn ngang được tính bằng tích phân đường cong tải trọng tính toán, là hiệu số trọng lực g(y) nhân với hệ số quá tải ở trọng tâm khoảng sườn dọc đang xét, và lực nâng được xác định tương ứng theo 7.3.3 đến 7.3.6.
7.3.10 Tổng mô men uốn, kN.m, tại mặt phẳng dọc tâm tàu khi uốn ngang, ở các bước đầu thiết kế được xác định theo các công thức:
1 Tàu dạng ACV và SES chuyển động ở chế độ trên đệm khí:
![]()
2 Tàu dạng ACV chuyển động ở chế độ bơi:
![]()
3 Tàu dạng SES chuyển động ở chế độ bơi:
![]()
Trong đó:
- hệ số mô men uốn ngang trên nước tĩnh (có xét dấu);
Msw - mô men uốn ngang được xác định theo 2.2.1-1, trong đó thay thế từ “dọc” thành từ “ngang”;
- hệ số được xác định theo tàu mẫu hay thử nghiệm mô hình.
Lực cắt lớn nhất, kN, được xác định theo công thức:
![]()
7.3.11 Mô men xoắn ngoài Mtor, kN.m, được xác định theo tích phân đường cong tính toán cường độ mô men xoắn, được hiểu là tổng đại số cường độ mô men m1 do lực nâng P1, cường độ mô men m2 do lực nâng P2 và mô men theo đơn vị dài m3 do lực quán tính khối lượng tàu lấy đối với trục quay dọc như sau:

Trị số cường độ mô men m1 và m2 theo chiều dài tàu nhận giá trị tương ứng theo Hình 2A/7.1 và Bảng 2A/7.1. Trị số cường độ mô men m3 lấy theo toàn bộ chiều dài tàu.
7.3.12 Khi thử nghiệm sức bền của chiếc tàu đầu tiên trên sóng theo quy định ở 7.1.6 cần làm chính xác tổng mô men uốn tại mặt cắt giữa tàu khi uốn dọc.
Trong trường hợp này nếu giá trị tìm được lớn hơn trị số tính toán theo 7.3.8, phép tính sức bền kết cấu thân tàu đóng hàng loạt phải được hiệu chỉnh tương ứng với mô men uốn dọc ở mặt cắt ngang giữa tàu nhận được khi thử.
7.4 Tính tải trọng cục bộ
7.4.1 Tải trọng cục bộ lên đáy và skeg của tàu đệm khí được xác định trong các trường hợp sau:
1 Áp suất trong gối khí (khi không có sự tiếp xúc kết cấu của tàu với nước);
2 Va đập kết cấu thân tàu vào nước;
3 Áp suất thủy tĩnh (trong trạng thái nổi);
4 Tàu đặt trên đế kê.
7.4.2 Sự phân bố áp suất đệm khí lên đáy tàu theo chiều dài tàu khi không có sự tiếp xúc với nước tương ứng theo Hình 2A/7.3. Áp suất lên đáy tàu theo chiều rộng tàu được coi là phân bố đều.
Tung độ biểu đồ áp suất được tính bằng công thức:
p1 = 9,81(2∆ng/Fpc)
p2 = 9,81∆ng/Fpc
Trị số áp suất tính toán phải không nhỏ hơn trị số áp suất do thiết bị quạt tại lưu lượng không khí bằng không lấy tăng thêm 30%.

Hình 2A/7.3 - Phân bố áp suất gối khí lên đáy tàu theo chiều dài tàu khi không tiếp xúc với nước
7.4.3 Phân bố áp suất theo chiều dài khi va đập đáy phẳng vào sóng theo Hình 2A/7.4. Áp suất theo chiều rộng tàu được coi là phân bố đều.
Trị số áp suất‚ kPа, tác động lên kết cấu trong quá trình va đập có trị số bằng:

Trong đó:
k - hệ số không đồng đều lấy bằng:
k = 1 - khi tính dàn;
k = 3 - khi tính toán dầm dọc và tấm trong khu vực từ sườn 0 đến sườn 10;
k = 1,25 - khi tính dầm dọc và tấm ở sườn 20.

Hình 2A/7.4 - Phân bố áp suất lên đáy tàu theo chiều dài tại bề mặt đáy phẳng va đập vào sóng
7.4.4 Áp suất thủy tĩnh‚ kPа, có trị số bằng:
p = 9,81(d + 0,5h - hsk) - tác động lên đáy;
p = 9,81(d + 0,5h - z) - lên skeg và mạn;
Trong đó:
h - chiều cao sóng tính toán, m;
z - khoảng cách thẳng đứng từ mặt phẳng cơ bản đến điểm đang xét trên bề mặt của skeg và mạn, m.
7.4.5 Tải trọng cục bộ tác động lên đáy và skeg, khi tàu trên đế kê xác định theo 7.3.6.
7.4.6 Áp suất gối khí lên bề mặt bên trong của skeg được coi như phân bố đều theo chiều cao. Áp suất gối khí phân bố theo chiều dài tàu được lấy theo Hình 2A/7.3.
7.4.7 Tải trọng tính toán, kPа, lên boong có trị số bằng:
1 5,0 - với boong tập trung hành khách và thủy thủ;
2 3,5 - với boong bố trí ghế ngồi cho hành khách;
3 3,0 - với tôn và xà dọc boong thượng tầng;
4 1,0 - với xà ngang boong thượng tầng.
7.4.8 Tải trọng tính toán áp dụng cho vách trước và cửa sổ của thượng tầng tầng 1 được phân bố đều và có trị số lấy theo bảng sau:
| Vùng hoạt động | Tải trọng tính toán phân bố đều (kPа) |
| SI | 20 |
| SII | 10 |
| SIII | 5 |
Với mạn và cửa sổ thượng tầng tầng 1 tải trọng tính toán phân bố đều được lấy bằng 3,0 kPа.
7.4.9 Tải trọng tính toán lên kết cấu giới hạn các két và khoang kín nước được lấy tương ứng với sơ đồ thử kín nước.
7.4.10 Tải trọng tính toán lên vách kín nước được phân bố theo chiều cao vách theo quy luật hình tam giác với áp suất cột nước lớn nhất ứng với mặt phẳng cơ bản có trị số bằng khoảng cách từ mặt phẳng cơ bản đến boong; khi không có boong thì lấy bằng hai lần chiều chìm của tàu ở trạng thái nổi.
7.4.11 Tải trọng tính toán lên boong hàng là áp suất của hàng (có xét đến sự phân bố không đồng đều) nhân với hệ số quá tải tại điểm đang xét. Khi chở các phương tiện kỹ thuật (có bánh xe hoặc xích) tải trọng tác động lên boong được xác định dựa trên cơ sở sự phân bố tải trọng theo trục, theo số lượng và diện tích vết bánh xe, kích thước bề mặt tựa của xích và có tính đến sự bố trí các phương tiện thực tế trong khoang hàng và sự quá tải của tàu khi chuyển động trên sóng.
7.5 Tính sức bền chung
7.5.1 Sức bền chung thân tàu phải được kiểm tra theo ứng suất pháp và ứng suất tiếp. Phải kiểm tra uốn dọc theo ứng suất tổng hợp và theo mô men uốn giới hạn.
7.5.2 Kiểm tra sức bền chung thân tàu phải được thực hiện đối với các trường hợp tải trọng bất lợi nhất tương ứng với uốn vồng lên và uốn võng xuống lớn nhất của thân tàu. Khi đó phải xét đến các mặt cắt chính liên quan đến độ bền thân tàu: Trong vùng chịu tác động của mô men uốn và lực cắt lớn nhất cũng như mô men xoắn; tại các vị trí có lỗ khoét lớn... Số lượng mặt cắt phải kiểm tra phụ thuộc vào đặc điểm kết cấu của tàu và phải được chứng minh trong các phép tính toán sức bền để Đăng kiểm thẩm định.
7.5.3 Các cơ cấu tham gia vào thành phần thanh tương đương khi tính toán sức bền dọc phải theo quy định tại 2.2.3-2. Diện tích tiết diện dàn ngang của thượng tầng khi tỷ số chiều dài thượng tầng với chiều rộng dàn nhỏ hơn 5 phải đưa vào thành phần thanh tương đương với hệ số giảm ψ tính đến sự phân bố không đồng đều của ứng suất pháp theo chiều rộng, trị số hệ số giảm ψ lấy theo Bảng 2A/7.2, trong đó:
B1 - chiều rộng dàn, m;
ls - chiều dài tính toán (khoảng cách giữa các vách phía đầu, cuối thượng tầng), m.
Bảng 2A/7.2 - Hệ số giảm ψ
| В1/ls | 0,2 | 0,3 | 0,4 | 0,5 | 0,6 | 0,7 |
| ψ | 1,00 | 0,83 | 0,74 | 0,66 | 0,58 | 0,52 |
7.5.4 Phải kiểm tra ổn định toàn bộ dàn và các thành phần của dàn (dầm gia cường và tấm tôn) tương ứng theo 7.3.5. Phần cứng của tấm tôn tựa vào dầm dọc ở mỗi bên của dầm có trị số bằng:
0,25 khoảng cách cơ cấu - nếu b/t ≤ 80,
20t - nếu b/t > 80.
7.5.5 Ứng suất tại mặt cắt ngang thân tàu đệm khí với thượng tầng bền được tính tham gia vào uốn chung thân tàu. Nếu thượng tầng liên kết dạng đinh tán, thân tàu liên kết hàn, diện tích tiết diện cơ cấu thượng tầng đưa vào thành phần thanh tương đương phải nhân với hệ số 0,9.
7.5.6 Không xét đến ứng suất pháp tại tiết diện ngang thân tàu do xoắn.
7.5.7 Tổng trị số tính toán của ứng suất pháp và ứng suất tiếp ở tấm giữa hai cửa sổ của thượng tầng bền được xác định theo công thức:

Trong đó:
- ứng suất pháp và ứng suất tiếp ở tấm giữa hai cửa sổ do sự xoắn thân tàu gây ra, MPa;
- ứng suất pháp và ứng suất tiếp ở tấm giữa hai cửa sổ do uốn dọc chung thân tàu gây ra, МPа.
7.5.8 Tổng ứng suất tiếp tính toán tại tiết diện ngang thân tàu có trị số tính bằng:
![]()
Trong đó:
- ứng suất tiếp trong thân tàu do xoắn, МPа;
- ứng suất tiếp thân tàu do uốn dọc chung, МPа.
7.5.9 Để đảm bảo sức bền giới hạn chung, thân tàu phải thỏa mãn các điều kiện:
Mlim ≥ kMc
Trong đó:
Mc - mô men uốn khi uốn dọc hay uốn vồng lên, kN.m;
Mlim - mô men uốn giới hạn, kN.m;
k = 1,5 - hệ số sức bền an toàn theo mô men giới hạn.
7.5.10 Khi tàu chuyển động ở chế độ bơi, phải kiểm tra sức bền dọc chung theo tổng ứng suất uốn chung và uốn cục bộ tại các cơ cấu đáy và skeg. Tải trọng cục bộ khi đó có trị số xác định theo 7.4.4.
7.5.11 Với tàu chở hàng các tính toán chỉ thực hiện với boong hàng (hay mặt sàn), khi tàu chuyển động ở chế độ trên đệm khí và chế độ bơi. Tải trọng cục bộ ở chế độ trên đệm khí và bơi được xác định theo 7.4.11.
7.5.12 Phạm vi và phương pháp của việc tính sức bền ngang chung được xác định tuỳ thuộc vào đặc điểm thiết kế tàu.
7.6 Tính sức bền cục bộ
7.6.1 Khi tính sức bền cục bộ sự biến dạng cong của xà ngang boong không quá 10% chiều rộng dàn thì có thể bỏ qua.
7.6.2 Đối với cơ cấu gắn trực tiếp gia cường tấm vỏ, chiều rộng mép kèm, сm, được tính như sau:
1 Với cơ cấu thường và cơ cấu khỏe bố trí vuông góc với cơ cấu thường:
d = 0,5b nếu b/t ≤ 80 và d = 40t nếu b/t > 80
2 Khi tính toán cơ cấu khỏe cùng hướng với cơ cấu thường:
d = 0,5A nếu b/t ≤ 80 và d = 40A/b nếu b/t > 80
Trong đó:
b - khoảng cách giữa các cơ cấu thường cùng loại, сm;
A - khoảng cách giữa các cơ cấu khỏe cùng loại, сm;
Các nẹp cùng hướng với cơ cấu khoẻ gắn ở mép kèm phải đưa vào mép kèm.
Với cơ cấu đặt trực tiếp lên trên dầm dọc (cơ cấu treo) chiều rộng mép kèm được lấy bằng 0.
Trong mọi trường hợp chiều rộng mép kèm không được lấy lớn hơn 1/6 chiều dài nhịp tính toán của cơ cấu đang được xét.
7.7 Tính độ ổn định
7.7.1 Khi tính toán độ ổn định của cơ cấu để xác định diện tích mặt cắt của chúng thì chiều rộng mép kèm phải có trị số bằng khoảng cách trung bình giữa các cơ cấu cùng loại, khi xác định mô men quán tính tiết diện ngang của cơ cấu chiều rộng mép kèm phải tính theo
7.6.2.
7.7.2 Ứng suất pháp Ơle giới hạn của cơ cấu phải thỏa mãn các điều kiện: σcr ≥ 1,5σ.
7.7.3 Ứng suất tiếp Ơle trong tôn mạn, vách thượng tầng và vách tham gia vào uốn chung thân tàu phải thỏa mãn điều kiện: ![]()
7.7.4 Độ ổn định của cơ cấu khoẻ ở dàn bị nén được xác định theo độ cứng yêu cầu của cơ cấu ngang khỏe mà khi đó dàn chịu được ứng suất nén quy định.
7.7.5 Độ ổn định các cơ cấu riêng biệt (cột, thanh chống, giằng…) phải thoả mãn với hệ số an toàn bằng 2 so với ứng suất thiết kế.
7.8 Ứng suất cho phép
7.8.1 Ứng suất cho phép σac và
khi tính sức bền chung, sức bền cục bộ thân tàu lấy theo tỷ số với ứng suất nguy hiểm trong Bảng 2A/7.3.
Bảng 2A/7.3 - Ứng suất cho phép của thân tàu đệm khí
| Kết cấu thân tàu | Ứng suất tính toán | Tỷ số giữa ứng suất cho phép với ứng suất nguy hiểm |
| Cơ cấu thân tàu và thượng tầng tham gia vào uốn dọc chung và uốn ngang chung (loại trừ các cơ cấu giữa các cửa sổ của thượng tầng) | Ứng suất pháp và ứng suất tiếp do uốn dọc hay uốn ngang chung | 0,50 |
| Tổng ứng suất pháp và ứng suất tiếp do uốn dọc chung và xoắn | 0,70 | |
| Cơ cấu khỏe của thân tàu tham gia vào uốn dọc chung (cơ cấu boong chở hàng và đáy) | Tổng ứng suất pháp và ứng suất tiếp do uốn chung và uốn tấm hay các cơ cấu khỏe riêng biệt: |
|
| Tại nhịp | 0,75 | |
| Tại đế | 0,90 | |
| Cơ cấu thường thân tàu tham gia vào uốn dọc chung và chịu tải trọng cục bộ ở gối (cơ cấu boong chở hàng, đáy và vách ngăn mạn cứng) | Tổng ứng suất pháp và ứng suất tiếp do uốn chung và uốn cục bộ tấm (nếu có 1 vị trí) và uốn cục bộ của dầm: |
|
| Tại nhịp | 0,80 | |
| Tại đế | 0,90 | |
| Tôn vỏ và tôn thượng tầng, các tấm tôn của vách và két | Ứng suất pháp do tải trọng cục bộ gây ra: |
|
| Tại nhịp | 0,85 | |
| Tại đế | 0,95 | |
| Cơ cấu khỏe thân tàu và thượng tầng không tham gia vào uốn chung | Ứng suất pháp và tiếp do tải trọng cục bộ gây ra: |
|
| Tại nhịp | 0,75 | |
| Tại đế | 0,90 | |
| Cơ cấu thường thân tàu và thượng tầng không tham gia vào uốn chung | Ứng suất pháp và ứng suất tiếp do tải trọng cục bộ gây ra: |
|
| Tại nhịp | 0,80 | |
| Tại đế | 0,90 | |
| Cơ cấu khỏe của vách và két | Ứng suất pháp và ứng suất tiếp do tải trọng cục bộ gây ra: Tại nhịp Tại đế | 0,80 0,95 |
|
|
|
|
| Cơ cấu thường của vách và két | Ứng suất pháp và ứng suất tiếp do tải trọng cục bộ gây ra: |
|
| Tại nhịp | 0,85 | |
| Tại đế | 0,95 | |
| Thanh giằng và cột chống đã được kiểm tra sức bền | Ứng suất pháp và ứng suất tiếp do tải trọng cục bộ gây ra: |
|
| Thanh giằng không giao nhau | 0,50 | |
| Với thanh giằng giao nhau | 0,75 (nhưng không lớn hơn 0,5Rp0,2) |
7.8.2 Ứng suất pháp nguy hiểm, МPа, có trị số bằng:
σ0 = kRp0,2 - khi kéo
σ0 = σcr - khi nén
Trong đó:
Rp0,2 - giới hạn chảy của vật liệu, МPа, tương ứng với độ biến dạng dư 2%;
σcr - ứng suất tới hạn của dầm cứng được tính toán với sự hiệu chỉnh do thay đổi mô đun đàn hồi, МPа;
k - hệ số bằng:
với kết cấu đinh tán:
k = 0,9;
với kết cấu hàn:
k = 0,6 khi 2 ≤ t < 3 mm;
k = 0,7 khi 3 ≤ t < 4 mm;
k = 0,8 khi t ≥ 4 mm;
t - chiều dày các kết cấu được liên kết;
Ứng suất tiếp nguy hiểm
có trị số bằng 0,57 trị số ứng suất pháp nguy hiểm σ0‚ tác dụng lên tiết diện đang xét.
7.9 Kết cấu thân tàu
7.9.1 Chiều dày cơ cấu thân tàu phải không nhỏ hơn trị số nêu ra trong Bảng 2A/7.4.
7.9.2 Tôn vỏ ở khu vực lắp đặt bệ máy, ở vị trí giá đỡ trục chân vịt và giá đỡ thiết bị phụt, và các tấm bị mài mòn do cơ khí (chịu ma sát) phải được tăng chiều dày lên ít nhất là 40%.
Bảng 2A/7.4 - Chiều dày tôn tối thiểu của kết cấu thân tàu
| Dạnh mục kết cấu | Chiều dày tối thiểu, mm, với chiều dài tàu L, m | |||||
| L ≤ 20 | 20 < L ≤ 40 | L > 40 | ||||
| Đối với tàu hoạt động trong vùng: | ||||||
| SII | SI | SII | SI | SII | SI | |
| Tôn đáy | 2,0 | 2,5 | 2,5 | 3,0 | 3,0 | 3,5 |
| Tôn mạn | 2,0 | 2,5 | 2,0 | 2,5 | 2,5 | 3,0 |
| Tôn boong, tôn vách | 1,5 | 2,0 | 2,0 | 2,5 | 2,5 | 3,0 |
| Tôn skeg | 3,0 | 3,0 | 3,5 | 4,0 | 4,5 | 5,0 |
| Tôn thượng tầng | 1,0 | 1,5 | 1,5 | 2,0 | 2,5 | 3,0 |
| Tôn còn lại | 0,8 | 1,0 | 1,0 | 1,5 | 1,5 | 1,5 |
7.9.3 Khoảng cách giữa các cơ cấu thường (một khoảng cách) không được lớn hơn 300 mm khi chiều dày tấm nhỏ hơn 3 mm và không lớn hơn 400 mm cho các trường hợp khác.
7.9.4 Khoảng cách giữa sườn khỏe không được lớn hơn 1200 mm khi khoảng cách giữa các cơ cấu thường nhỏ hơn 300 mm và không được lớn hơn 1500 mm cho các trường hợp khác.
7.9.5 Khoảng cách giữa các sống đáy và khoảng cách giữa sống đáy với mạn hay vách dọc không được lớn hơn 1500 mm đối với tàu đáy đơn và 2000 mm đối với tàu đáy đôi.
7.9.6 Tại khu vực mép dưới của skeg phải được gia cường bằng cách tăng chiều dày tôn hoặc các gia cường khác. Chiều dày gia cường phải tăng ít nhất bằng 2 lần chiều dày của tôn skeg. Tàu chỉ khai thác ở nước ngọt cho phép mã gia cường bằng thép.
7.9.7 Cho phép sử dụng các biện pháp tăng độ cứng của mặt boong ở vị trí tập trung hành khách khi lên tàu. Chiều dày tôn boong ở các vị trí đó tối thiểu là 3 mm.
7.9.8 Khi các cửa sổ đặt liên tiếp quanh thượng tầng thì hai đoạn mút (mũi và lái) của vách phải liên tục. Chiều dài mỗi đoạn đó phải lớn hơn chiều cao cửa sổ 20%.
7.10 Quy định đối với kết cấu và tiêu chuẩn sức bền của váy đệm khí
7.10.1 Các quy định dưới đây áp dụng cho váy đệm khí mềm của tàu đệm khí dạng ACV và SES được chế tạo từ vật liệu vải cao su thích hợp có liên kết bằng keo, vít, hoặc dạng đinh đã được Đăng kiểm thẩm định.
7.10.2 Lựa chọn kích thước, kết cấu, kiểu liên kết và liên kết của váy đệm khí phải được lựa chọn ở các giai đoạn đầu thiết kế tương ứng theo các yêu cầu kỹ thuật và tính đến cả kinh nghiệm thiết kế và vận hành tàu, các thông số về tính chất cơ-lý của vật liệu váy đệm khí được nhà sản xuất đưa ra và nhận được từ phòng thí nghiệm.
7.10.3 Trong trường hợp kết cấu của váy đệm khí có vật liệu và thiết kế tiên tiến hoặc được dự kiến hoạt động ở điều kiện vận hành đặc biệt thì việc sản xuất và thử nghiệm của mẫu thử nghiệm của váy đệm khí phải tuân thủ các quy trình đã được Đăng kiểm thẩm định. Mẫu thử nghiệm của váy đệm khí phải chịu chu trình thử nghiệm ở chiếc tàu đệm khí đầu tiên trong sê ri tàu ở các điều kiện vận hành trong chu kỳ phục vụ được dự kiến của váy đệm khí theo quy trình đã được Đăng kiểm thẩm định.
7.10.4 Trên cơ sở thẩm định của Đăng kiểm, có thể sản xuất và thử nghiệm vận hành của hai hay nhiều mẫu thử nghiệm váy đệm khí theo yêu cầu để lựa chọn ra thiết kế và vật liệu váy đệm khí phù hợp nhất. Khi chọn lựa, vật liệu thỏa mãn là vật liệu chịu được các điều kiện vận hành tốt nhất (ở trong nước một chu kỳ dài, ở trong môi trường có sản phẩm dầu, có bức xạ mặt trời, có sự thay đổi nhiệt độ, hư hỏng do mỏi và do mài mòn khi vận hành ở chế độ đệm khí).
7.10.5 Kết quả xác định tình trạng kỹ thuật của váy đệm khí và báo cáo thử trong quá trình thử nghiệm vận hành phải gửi Đăng kiểm để hiệu chỉnh các yêu cầu thiết kế và chỉ tiêu độ bền của váy đệm khí trên cơ sở xử lý các dữ liệu thống kê.
7.10.6 Kết cấu váy đệm khí phải thỏa mãn các điều kiện sau:
1 Phải đảm bảo hoạt động đáng tin cậy ở các điều kiện vận hành trong giới hạn tuổi thọ dự kiến.
2 Chi tiết cố định váy đệm khí phải được sản xuất từ hợp kim chống ăn mòn hoặc có lớp mạ chống ăn mòn.
3 Phải có tính công nghệ là gia công được, dễ tiếp cận để bảo dưỡng, dễ dàng lắp ráp, tháo rời và đảm bảo khả năng thay thế hay sửa chữa các ngăn hư hỏng và các chi tiết bên ngoài trong điều kiện của nhà máy.
4 Để vận hành an toàn và giảm khả năng gây hư hỏng của váy đệm khí, hình dạng và kết cấu của váy đệm khí trong trạng thái trên đệm khí ở bề mặt bằng phẳng phải bảo đảm chiều cao cần thiết của đệm khí và các thông số kỹ thuật của độ ổn định tàu đệm khí, phải ngăn chặn biến dạng uốn đột ngột và sự rò rỉ không khí trên các chỗ nối của tấm và ở các điểm bắt chặt và phần túi khí.
7.11 Tính toán và tiêu chuẩn sức bền của váy đệm khí
7.11.1 Sức bền chung các thành phần chính của váy đệm khí phải được kiểm tra tương ứng với các phương pháp tính toán sức căng của váy đệm khí dưới tác động của áp suất dư bên trong.
7.11.2 Điều kiện sức bền váy đệm khí được xác định theo công thức:
Т ≤ Тac
Trong đó:
Т - sức căng tính toán;
Тac - sức căng cho phép trong thành phần váy đệm khí.
7.11.3 Sức căng cho phép của vật liệu váy đệm khí trong thiết kế tàu đệm khí được xác định theo công thức:
![]()
Trong đó:
- giới hạn sức bền căng vật liệu váy đệm khí, kN/cm;
m - hệ số giảm sức bền vật liệu bởi sai số kỹ thuật khi lắp ráp váy đệm khí, độ mài mòn và sự già hóa tự nhiên của vật liệu trong khi vận hành phải được quy định tương ứng trong Bảng 2A/7.5.
Bảng 2A/7.5 - Hệ số n và m
| Các trường hợp tính toán | Hệ số | Kiểu váy đệm khí | |||
| Hai tầng nguyên khối | Hai tầng bán nguyên khối | Tàu đệm khí với skeg cứng | Thành phần tháo được của tàu đệm khí có váy đệm khí hay skeg cứng bơm hơi | ||
| Tàu trên đệm khí trên mặt phẳng ngang không hành trình và không có lắc ngang, lắc dọc (trường hợp cơ bản) | n | 1 | 1 | 1 | 1 |
| m | 0,2 | 0,2 | 0,2 | 0,09(1) | |
| Có tiếp xúc với mặt nước khi lắc | n | 2,4 | 2,4 | 3,5 | 2,4 |
| m | 0,2 | 0,2 | 0,2 | 0,09(1) | |
| Tiếp xúc với chướng ngại vật: | m | 0,2 | 0,2 | - | 0,09(1) |
| Ngang | n | 2,2 | - | - | 2,2 |
| Dọc | n | 1,5 | - | - | 1,5 |
| Chú thích: (1) Tính tới sự hao mòn bổ sung của các thành phần kể trên của váy đệm khí khi tiếp xúc với bùn. | |||||
7.11.4 Trong thiết kế váy đệm khí phải bổ sung hệ số (n) tăng tải trọng động tương đối với tải trọng trong các trường hợp tính toán cơ bản được quy định theo Bảng 2A/7.5.
7.11.5 Các trường hợp tính toán cơ bản bao gồm:
1 Tàu ở trạng thái trên đệm khí ở nước tĩnh (trường hợp cơ bản).
2 Tương tác với mặt nước có sóng trong chế độ hành trình trên đệm khí ở biên độ bằng chiều cao đệm khí:
2z = hpc
3 Tiếp xúc với chướng ngại vật có hướng dọc hoặc ngang so với khung viền của váy đệm khí trong chế độ trên đệm khí.
7.11.6 Hệ số n và m sẽ được chính xác hơn với sự tính toán các dữ liệu của quá trình vận hành thử và vận hành lâu dài của tàu đệm khí.
7.12 Tính sức bền Monolit
7.12.1 Monolit là lớp vỏ tầng trên của của váy đệm khí hai tầng quanh chu vi thân tàu được gắn chặt vào thân tàu đệm khí nhờ cố định mép trên và mép dưới cũng như nhờ túi khí trong các ngăn của váy đệm khí của các loại tàu đệm khí tương ứng.
7.12.2 Sức căng ở vỏ ngoài monolit (ở đường ngăn cách với không khí xung quanh), kN/сm, trong chế độ trên đệm khí khi không hành trình (chế độ cơ bản) được xác định theo công thức:
Тm = Pmrext10-4
Trong đó:
Pm - áp suất trong monolit (bình chứa), kPа;
rext - bán kính độ cong của vỏ ngoài monolit, сm;
Chú thích: Theo điều kiện cân bằng lớp vỏ monolit của váy đệm khí, sức căng bên trong của lớp vỏ (ở đường ngăn cách với không khí xung quanh) có trị số bằng sức căng ở vỏ ngoài.
7.12.3 Sức căng lớn nhất ở lớp vỏ phần thân ống monolit, kN/сm, khi tàu chuyển động trên sóng (ở trường hợp tính toán 1 và 2) được xác định theo công thức:
![]()
Trong đó: n - hệ số tăng áp suất được xác định với mỗi trường hợp tính toán theo kết quả thử của tàu mẫu, còn khi không có tàu mẫu được xác định tương ứng theo Bảng 2A/7.5.
7.12.4 Sức căng lớn nhất phần hình xuyến của vỏ monolit, kN/сm, (phân đoạn mũi và phân đoạn lái) được xác định theo công thức:
![]()
7.13 Tính sức bền Polumonolit
7.13.1 Polumonolit là lớp vỏ tầng trên của váy đệm khí bao quanh nửa chu vi thân tàu, được gắn chặt với vỏ tàu nhờ cố định phía mép trên.
7.13.2 Sức căng lớn nhất trong lớp vỏ của tiết diện thân ống polumonolit, kN/сm, được xác định theo công thức:
![]()
Trong đó: Рc - áp suất ở trong khoang đệm khí, kPа.
7.13.3 Sức căng lớn nhất ở phần hình xuyến lớp vỏ polumonolit (phân đoạn mũi và phân đoạn lái), kN/сm, được xác định theo công thức:
![]()
7.14 Tính toán sức bền kết cấu tháo được
7.14.1 Sức căng vật liệu của kết cấu tháo được dạng hở, kN/сm, được xác định theo công thức:
Тe = nPcre10-4
Trong đó: re - bán kính độ cong vỏ ngoài của tiết diện ngang của kết cấu, сm.
7.14.2 Sức căng bên trong vật liệu của kết cấu tháo được dạng kín được xác định theo công thức dành cho monolit.
CHƯƠNG 8 THÂN TÀU BÊ TÔNG CỐT THÉP
8.1 Quy định chung
8.1.1 Chương này áp dụng đối với các tàu được chế tạo bằng bê tông cốt thép (cả thân tàu và thượng tầng).
8.1.2 Chương này cũng áp dụng cho ụ nổi dùng để đóng mới, sửa chữa tàu và là phần bổ sung cho Quy chuẩn kỹ thuật quốc gia về phân cấp và đóng ụ nổi.
8.1.3 Chương này không áp dụng cho tàu xi măng lưới thép.
8.2 Vật liệu
8.2.1 Quy định chung
1 Các vật liệu dùng để chế tạo thân tàu bê tông cốt thép phải thỏa mãn các tiêu chuẩn kỹ thuật hiện hành và các yêu cầu của Chương này.
2 Những khoang tàu dùng để chứa các sản phẩm dầu phải được chế tạo bằng bê tông kín dầu hoặc phải dùng những két chứa độc lập. Nếu dùng các két chứa độc lập thì phải bảo đảm sao cho có thể quan sát được khoang tàu và két chứa dầu.
8.2.2 Bê tông
1 Thân tàu phải được chế tạo bằng bê tông nặng có mác không thấp hơn M30 (Xem Bảng 1 TCVN 6025:1995). Nếu thân tàu được chế tạo bằng bê tông nhẹ thì mác không được thấp hơn M25.
Thân cần cẩu nổi và tàu vận tải phải được chế tạo bằng bê tông có mác không thấp hơn M40. Tỷ lệ xi măng trong bê tông nặng và bê tông nhẹ phải ở trong phạm vi (400 ÷ 500) kg/m3. Với bê tông để chế tạo phần boong khuất và vách, tỷ lệ xi măng không được giảm quá 15%.
2 Bê tông đóng tàu phải dễ điền khuôn, không bị phân lớp, không bị nứt khi co ngót.
Những yêu cầu về kín dầu, chống bị mài mòn và chịu tác động của môi trường độc hại của bê tông đóng tàu, phải được ghi chú rõ ràng và được Đăng kiểm chấp thuận.
Bê tông dùng để nối các phân đoạn phải là bê tông hạt nhỏ có thành phần và phương pháp dầm được Đăng kiểm chấp thuận.
3 Độ kín nước của bê tông đóng tàu phải sao cho khi thử mẫu có chiều dày bằng 5 cm dưới áp suất 200 KPa (trong thời gian là 48 giờ mà không xuất hiện giọt rò).
Quy định thử bê tông đóng tàu để xác định sức bền, độ kín nước phải phù hợp với các tiêu chuẩn và hướng dẫn kỹ thuật hiện hành, đồng thời phải được Đăng kiểm chấp thuận trên cơ sở các yêu cầu sau đây:
(1) Toàn bộ bê tông cần được kiểm tra phải được phân thành từng nhóm gồm bê tông có cùng loại vật liệu, cùng tỷ lệ và cùng chế độ đông cứng. Các mẫu thử phải được tạo ra từ mỗi nhóm này.
(2) Để kiểm tra sức bền thì lượng bê tông của mỗi nhóm không được lớn hơn:
50 m3 - đối với bê tông để chế tạo các phân đoạn.
20 m3 - đối với bê tông để chế tạo ra mối nối và các chi tiết nguyên khối.
(3) Để kiểm tra độ kín nước, trong mỗi nhóm chỉ gồm có bê tông có cùng thành phần và cùng chế độ đông cứng cưỡng bức.
Nếu theo thiết kế kỹ thuật cần phải xét sức bền của bê tông qua từng thời hạn cách nhau 28 ngày đêm thì phải chế những mẫu thử từ mỗi nhóm theo từng thời hạn đó.
8.2.3 Các thành phần của bê tông
1 Xi măng
Để chế tạo bê tông đóng tàu phải dùng xi măng có mác không thấp hơn M50. Để dầm mối nối, để vá lỗ xuyên suốt có thể dùng xi măng thạch cao đất sét có mác không thấp hơn M40. Nếu tàu có thể hoạt động ở vùng nước mặn thì bê tông đóng tàu phải được chế tạo bằng xi măng chống sun phát hóa có mác không thấp hơn M50.
Đặc tính của xi măng phải đảm bảo chế tạo được bê tông đóng tàu có mác theo đúng yêu cầu với lượng xi măng không lớn hơn quy định ở 8.2.2-1.
Không được dùng loại xi măng không có giấy chứng nhận của nhà máy xi măng và pha trộn nhiều loại xi măng. Chỉ được dùng xi măng sau khi đã thử kiểm tra mác, kiểm tra thời gian đông cứng và sự nở thể tích. Thời gian thử cho đến lúc dùng không lâu quá 2 tháng đối với xi măng thường và không quá 1 tháng đối với xi măng đông cứng nhanh. Xi măng phải được bảo quản theo đúng quy định trong những kho tránh ẩm.
2 Chất độn
(1) Chất độn hạt to phải là đá dăm nghiền từ đá núi loại cứng hoặc đá cuội tự nhiên.
Để chế tạo bê tông nhẹ đóng tàu, chất độn hạt to phải là đá sỏi có khối lượng riêng ở trạng thái xốp bằng (600 ÷ 800) kg/m3 và độ hút nước trong 2 giờ không vượt quá 15%. Kích thước của hạt độn không được hơn 20 mm hoặc 0,25 kích thước nhỏ nhất của chi tiết bê tông và phải nhỏ hơn khoảng cách tối thiểu của các cốt thép song song.
(2) Chất độn hạt nhỏ phải là cát thạch anh, cát tự nhiên cỡ to, cỡ trung bình, mạt đá, mạt sỏi.
(3) Chất độn phải được bảo quản tránh ẩm, tránh bẩn, tránh lẫn loại.
3 Nước pha và nước tưới bê tông đóng tàu phải thỏa mãn các quy định về vật liệu dùng để chế tạo bê tông đóng tàu.
4 Có thể dùng thêm chất phụ để tăng tính công nghệ, chịu lạnh, kín nước, kín dầu của bê tông và để bảo vệ cốt thép. Không được dùng clorua natri, canxi để tăng tốc độ đông cứng của bê tông. Có thể dùng bê tông dẻo để bịt các vết rò rỉ nhỏ ở thân tàu.
8.2.4 Cốt thép
Cốt thép và các chi tiết thép để chế tạo bê tông cốt thép phải là thép cán nóng. Trong một tiết diện thân tàu có thể dùng các loại thép khác nhau có giới hạn chảy khác nhau không lớn hơn 30%.
8.3 Kết cấu thân tàu và thượng tầng
8.3.1 Quy định chung
1 Hệ thống kết cấu
Thân tàu bê tông cốt thép có thể kết cấu theo hệ thống ngang, hệ thống dọc hoặc hệ thống hỗn hợp.
Tàu tĩnh tại kiểu bến nổi, tàu dịch vụ trong cảng có chiều dài đến 35 m, có thể được kết cấu theo hệ thống trơn (không nẹp) có vách ngang đặt gần nhau. Ở phần trong của thân tàu (vách, sàn...) có thể dùng hệ thống hỗn hợp gồm các phần tử có nẹp và các phần tử không nẹp.
2 Thiết kế kết cấu
Thân tàu bê tông có thể là kết cấu lắp ghép, nửa lắp ghép hoặc đúc liền.
Phần lộ của boong phải có độ dốc để nước chảy được ra ngoài mạn. Ở mũi và đuôi tàu tĩnh tại có chiều dài lớn hơn 30 m, đáy tàu phải có độ dốc lên đến độ cao của đường nước tải trọng. Góc tạo bởi mạn và vách biên đuôi hoặc vách biên mũi phải được xén vát.
Vị trí của vách ngang kín nước phải bảo đảm tính chống chìm của tàu theo yêu cầu của Phần 8 của Quy chuẩn này.
Ở những tàu tĩnh tại cấp SII nếu trong trường hợp ngập khoang bất lợi nhất mà chiều cao mạn khô còn không nhỏ hơn 0,7 m thì mối nối vách với boong không cần phải kín nước. Sự cho phép này không được áp dụng cho vách mũi, vách đuôi và vách biên của buồng máy.
Nếu trong khai thác, tàu có thể bị đâm va thì phải đặt thanh đai, thiết bị chống va hoặc tấm chống va. Liên kết của các chi tiết chống va với thân tàu phải được bố trí sao cho lực đâm va được truyền đến các kết cấu cứng của thân tàu.
Các mặt có thể bị mài mòn nhanh (tấm vỏ, tấm boong ở vùng lỗ neo, thành miệng khoang...) phải được bọc bằng kim loại hoặc bằng những vật liệu khác.
Trong thiết kế thân tàu cần phải tránh những nguồn gây tập trung ứng suất, muốn vậy phải thỏa mãn các quy định sau:
(1) Ở các kết cấu cơ bản, số lượng các thanh cốt bị ngắt phải bố trí sao cho trên mỗi tiết diện, diện tích các thanh cốt bị kéo không được thay đổi nhiều hơn 25% đối với tấm và nhiều hơn 30% đối với dầm. Diện tích tiết diện các thanh cốt bị nén không được thay đổi nhiều hơn 40%.
(2) Các kết cấu bị ngắt phải được liên kết với các kết cấu ngang gần nhất hoặc với phần được gia cường của tấm.
(3) Sự thay đổi chiều dày của tấm hoặc sự thay đổi kích thước của kết cấu phải dần dần theo độ dốc không lớn hơn 1:3.
(4) Các góc vuông, nhọn của các chi tiết phải có mặt vát rộng ít nhất là 25 mm.
3 Cốt thép
(1) Số lượng và vị trí của cốt thép được quy định xuất phát từ điều kiện bền và điều kiện hạn chế phát sinh vết nứt. Vị trí của thanh cốt phải bố trí sao cho:
(a) Khoảng thông của 2 cốt song song gần nhau không được nhỏ hơn đường kính của cốt có đường kính lớn hơn và không nhỏ hơn 20 mm.
(b) Khoảng thông từ các phần nhô của đoạn chồng hoặc từ các tấm đệm của mối nối đến các thanh cốt song song gần nhất không được nhỏ hơn 10 mm.
(c) Thanh cốt không được che lấp vượt quá 40% diện tích lỗ khoét dùng làm đường nhồi bê tông xuống các kết cấu ở phía dưới.
(2) Diện tích tiết diện cốt thép bị kéo so với diện tích tiết diện kết cấu bê tông cốt thép không được nhỏ hơn:
(a) 0,5% - với cốt bằng thép nhóm AI (thép thường, ReH = 240 MPa);
(b) 0,4% - với cốt bằng thép nhóm AII (thép sức bền cao, ReH = 300 MPa);
(c) 0,3% - với cốt bằng thép nhóm AIII (thép siêu bền cao, ReH = 400 MPa).
Ở các kết cấu thân tàu, đặc biệt là ở tấm vỏ, yêu cầu nói trên phải được đảm bảo bằng cách sử dụng nhiều thanh cốt có đường kính nhỏ, đồng thời bảo đảm khoảng cách tối thiểu cho phép của các thanh cốt. Đường kính của các thanh cốt dọc của dầm không được nhỏ hơn 10 mm. Đường kính của các thanh cốt lưới không được nhỏ hơn 6 mm.
(3) Cốt thép thân tàu phải là kết cấu hàn, gồm các khung hàn phẳng hoặc khung hàn khối. Để chế tạo những phần tử liền hoặc từng phân đoạn có thể dùng cốt buộc với điều kiện là cốt được buộc ngay tại chỗ đổ bê tông.
(4) Kỹ thuật hàn cốt thép phải theo đúng các tiêu chuẩn hiện hành. Mối liên kết các thanh có đường kính nhỏ hơn 10 mm phải là mối hàn chồng, mối hàn có tấm nối hoặc mối hàn có máng nối.
Mối liên kết các thanh giao nhau phải là mối hàn điểm, mối liên kết các thanh có đường kính lớn hơn 10 mm phải là mối hàn đối đầu, mối hàn chồng, mối hàn có tấm nối hoặc mối hàn có máng nối.
(5) Các thanh có đường kính nhỏ hơn 10 mm có thể được liên kết với nhau bằng cách chồng đầu mà không cần hàn. Chiều dài đoạn chồng không được lớn hơn 40 lần đường kính của thanh có đường kính lớn hơn nếu đoạn chồng là ở vùng chịu kéo và không nhỏ hơn 30 lần đường kính của thanh có đường kính lớn hơn nếu đoạn chồng ở vùng chịu nén.
Ở vùng chịu kéo, các mối liên kết không hàn phải được phân bố sao cho tổng diện tích tiết diện các thanh bị kéo tại tiết diện đó của phần tử bê tông cốt thép không được lớn hơn 25% nếu là cốt nhẵn.
(6) Đầu các thanh cốt phải được liên kết chặt chẽ như sau:
Các thanh cốt nhẵn được lưu ý tới trong tính toán sức bền có đường kính bằng và lớn hơn 10 mm. Các thanh néo chịu kéo có chiều dài lớn hơn 20 lần đường kính phải có khóa móc đầu thanh.
Nếu các thanh không tham gia trong tính toán sức bền được đặt chồng lên nhau thì chiều dài đoạn chồng phải được lấy bằng:
(a) 30 lần đường kính của thanh, đối với các cốt bị kéo bằng thép nhóm AI, AII;
(b) 40 lần đường kính của thanh, đối với các cốt bị kéo bằng thép thuộc nhóm AIII;
(c) 30 lần đường kính của thanh, đối với các cốt bị nén không có khóa móc đầu bằng thép thuộc nhóm AI;
(d) 10 lần đường kính ngắn hơn chiều dài đoạn chồng của các thanh bị kéo, đối với các thanh bị nén.
Các thanh cốt dọc chịu lực bị ngắt ở những chỗ dầm giao nhau hoặc nối nhau phải được hàn với thanh néo với thanh gặp gần nhất.
(7) Đoạn uốn cong của cốt phải được uốn theo cung tròn có bán kính không nhỏ hơn 10 lần đường kính của thanh cốt.
Không cho phép gấp thanh cốt bị kéo theo góc nhỏ hơn 165º, nếu cần tạo góc gấp nhỏ hơn 165 º thì phải dùng 2 thanh cốt riêng biệt giao nhau đặt dọc theo mép của chi tiết. Có thể gấp thanh cốt bị kéo theo góc nhỏ hơn 165 º nhưng phải đặt thêm những cốt đai.
4 Lớp bảo vệ
Tấm vỏ và các tấm có thể bị thấm ướt phải có lớp bê tông bảo vệ dày ít nhất là 10 mm. Các loại tấm khác phải có lớp bê tông bảo vệ dày ít nhất là 5 mm. Các tấm chịu tác động của nước mặn và các tấm bị mài mòn mạnh mà không có lớp lát thì phải có lớp bê tông bảo vệ dày ít nhất 15 mm.
Nếu thanh cốt có đường kính lớn hơn 10 mm thì chiều dày của lớp bê tông bảo vệ ít nhất phải bằng đường kính của thanh cốt.
8.3.2 Tấm
1 Chiều dày của tấm
Bảng 2A/8.1 - Chiều dày tấm
| Các bộ phận thân tàu | Chiều dày tối thiểu của tấm, mm, phụ thuộc mác của bê tông | ||
| M25 | M30 | M40÷M60 | |
| Vách và boong khuất | 40 | 40 | 35÷40 |
| Đáy và phần lộ của boong | 50 | 40÷50 | 40 |
| Mạn và vách biên đuôi tàu | 60 | 50÷60 | 40÷50 |
| Chú thích: 1. Trị số giới hạn dưới được dùng cho những tàu có chiều dài đến 40 m; 2. Tấm vỏ theo hệ thống kết cấu trơn phải có chiều dày không nhỏ hơn 60 mm. | |||
(1) Chiều dày của tấm được quy định phụ thuộc vào loại tàu, kích thước của tàu, kết cấu của thân tàu và điều kiện đảm bảo sức bền. Trong mọi trường hợp chiều dày của tấm không được nhỏ hơn trị số ghi ở Bảng 2A/8.1;
(2) Ở vùng hông tàu, ở những chỗ đặt tấm đệm để lắp máy móc, trang thiết bị chiều dày của tấm phải được tăng 25% so với chiều dày bình thường;
(3) Chiều dày của các tấm đáy, tấm boong ở đoạn đầu và đoạn đuôi tàu có thể được giảm nhưng không quá 25% chiều dày của tấm ở đoạn giữa tàu.
2 Cốt thép
(1) Các tấm của thân tàu phải có 2 lưới cốt đơn đặt cách nhau một khoảng bằng chiều dày của lớp bê tông bảo vệ. Mỗi lưới cốt đơn gồm những thanh cốt phân bố đặt vuông góc với những thanh cốt chịu lực;
Ở những tấm không chịu tải trọng động, thay thế cho 2 lưới cốt đơn có thể dùng 1 lưới cốt kép gồm những thanh cốt phân bố đặt ở lớp giữa của tấm và những thanh cốt chịu lực đặt ở 2 lớp vuông góc với những thanh cốt phân bố;
Tấm hông tàu, tấm mép boong và những tấm chịu tải trọng động, tải trọng tập trung, phải được gia cường bằng những thanh cốt và lưới cốt cục bộ;
(2) Diện tích tiết diện các thanh cốt phân bố không được nhỏ hơn 20% diện tích tiết diện các thanh cốt chịu lực và không được nhỏ hơn trị số yêu cầu ở 8.3.1-3(2);
Các thanh cốt phân bố và các thanh cốt chịu lực được liên kết với nhau bằng mối hàn điểm hoặc mối buộc.
(3) Kích thước và vị trí của thanh cốt phải thỏa mãn các yêu cầu sau:
(a) Ở một hàng của lưới, trên 1 m chiều dài của nhịp tấm phải có ít nhất là 5 và nhiều nhất là 25 thanh cốt;
(b) Khoảng cách các thanh cốt chịu lực không được lớn hơn 2,5 lần chiều dày của tấm; Khoảng cách các thanh cốt phân bổ không được lớn hơn 4 lần chiều dày của tấm. Đường kính của thanh cốt không được nhỏ hơn 6 mm và không được lớn hơn 0,25 lần chiều dày của tấm;
(c) Nếu các thanh cốt có đường kính khác nhau thì đường kính đó không được khác nhau hơn 2 mm.
3 Liên kết các tấm
Tiết diện đế của tấm có thể được gia cường bằng các nách tấm. Nếu nách tấm được tham gia sức bền thì nách tấm phải có những thanh cốt hoặc lưới cốt.
Nếu các tấm giao nhau thì các thanh cốt của chúng phải được hàn với nhau hoặc ít nhất là 60% thanh cốt của tấm này phải được vươn sang tấm bên kia một đoạn dài bằng 15 lần đường kính của thanh cốt nhưng không ngắn hơn 150 mm.
Nếu các tấm giao nhau theo hình chữ T thì các thanh cốt của chúng phải được hàn với nhau hoặc cốt của tấm bị ngắt phải được bẻ cong vươn sang giữa các lưới cốt của tấm bên kia. Chiều dài của đầu bẻ ít nhất bằng 10 đường kính của thanh cốt.
8.3.3 Dầm
1 Dầm nẹp gia cường tấm phải có tiết diện chữ nhật, hình thang, hình chữ T hoặc hình mỏ. Chiều cao của tiết diện dầm nẹp phải lớn hơn 10 lần chiều dày của tấm, còn chiều rộng của tiết diện dầm nẹp không được nhỏ hơn 1,5 lần chiều dày của tấm.
2 Cốt dọc của dầm
(1) Cốt dọc của dầm phải thỏa mãn các yêu cầu sau:
(a) Đường kính của cốt dọc chịu lực không nhỏ hơn 10 mm;
(b) Đường kính của cốt lắp ráp không nhỏ hơn 6 mm;
(c) Cốt dọc chịu lực phải cố gắng bố trí ở gần mặt ngoài, theo chiều cao tiết diện phải có ít nhất là 3 hàng cốt, theo chiều rộng phải có ít nhất là 2 hàng cốt;
(d) Nếu chiều cao tiết diện lớn hơn 500 mm thì dọc theo mặt bên của dầm phải đặt thêm những cốt dọc có đường kính không nhỏ hơn 8 mm. Theo chiều cao tiết diện dầm, các cốt dọc bổ sung phải cách nhau không xa quá 200 mm.
(2) Đoạn cốt nghiêng được tạo thành bằng cách để cốt dọc chuyển từ vùng bị kéo sang vùng bị nén hoặc bằng cách đặt thêm đoạn cốt nghiêng có 2 đoạn bẻ đầu hàn đè lên cốt dọc. Đoạn cốt nghiêng phải làm với trục dầm 1 góc nhỏ hơn 30º và không lớn hơn 60°;
(3) Không được dùng các đoạn cốt rời không liên kết với cốt cơ bản;
(4) Trong kết cấu của những khoang nước dằn hoặc khoang nhiên liệu, để tạo các lỗ thông nước hoặc thông khí, không được cắt cốt dọc. Khoảng cách từ mép lỗ đến cốt dọc ít nhất phải bằng 10 mm;
(5) Ở những đoạn dầm giao nhau phải bảo đảm sự liên tục của các cột dọc, muốn vậy phải phân bố các cột dọc của các dầm ở những độ cao khác nhau theo chiều cao của tiết diện dầm;
Nếu chiều cao của các tiết diện của các dầm giao nhau là khác nhau hơn 20% thì ở chỗ giao nhau, chiếc dầm có tiết diện thấp phải được gia cường bằng nách có cốt;
Với những dầm chịu tải trọng nhỏ có kích thước không quy định từ tính toán sức bền thì không cần thiết phải đặt nách gia cường.
3 Cốt ngang
(1) Cốt ngang gồm các thanh cốt đai thỏa mãn những yêu cầu sau:
(a) Đường kính của cốt đai phải bằng 0,25 lần đường kính cốt dọc nhưng không nhỏ hơn 6 mm;
(b) Khoảng cách các cốt đai không được lớn hơn trị số nhỏ nhất trong các trị số sau đây: 0,75 lần chiều cao tiết diện dầm, 15 lần đường kính của cốt nén và 250 mm. Ở các cốt và dầm chịu lực nén dọc các cốt đai còn không được cách nhau xa quá 1,5 lần chiều rộng của tiết diện dầm;
(c) Nếu diện tích tiết diện các cốt dọc bị nén lớn hơn 3% diện tích tiết diện dầm thì khoảng cách các cốt đai không được lớn hơn 10 lần đường kính của cốt bị nén đó;
(d) Mỗi cốt đai chỉ được phép bao nhiều nhất 5 thanh cốt bị nén. Nếu điều này không thực hiện được thì phải đặt thêm những đai phụ, những móc hoặc những thanh liên kết các cốt dọc hoặc những nhánh ngược của đai.
(2) Nếu cốt thép là những khung hàn thì chúng phải có những kết cấu ngang là những thanh hoặc những tấm. Ở những vùng bị kéo, khoảng cách các kết cấu ngang không được lớn hơn 20 lần đường kính của các thanh cốt dọc và không lớn hơn 500 mm.
Ở vùng bị nén, khoảng cách các kết cấu ngang không được lớn hơn 15 lần đường kính của thanh cốt dọc và không lớn hơn 2 lần chiều rộng của dầm.
Nếu diện tích tiết diện bị nén lớn hơn 3% diện tích tiết diện dầm thì khoảng cách các kết cấu ngang không được lớn hơn 10 lần đường kính của thanh cốt dọc.
8.3.4 Lỗ khoét
Lỗ khoét ở tấm boong có đường kính lớn hơn 1,5 m hoặc giảm quá 15% diện tích tiết diện tham gia vào thanh tương đương phải được gia cường bằng cốt thép, phải có tấm thành bằng kim loại hoặc bê tông cốt thép. Các thanh cốt bị cắt đứt phải được liên kết chặt với các thanh cốt gia cường và với tấm thành của lỗ khoét.
Góc của lỗ khoét có khả năng xuất hiện ứng suất tập trung thì phải đặt thêm các thanh cốt vuông góc với đường phân giác của góc lỗ khoét đó.
8.3.5 Mối nối các phân đoạn
1 Kết cấu mối nối
(1) Mối nối nên được bố trí ở vùng có ứng suất không lớn;
(2) Các phân đoạn phải được nối với nhau hoặc với các chi tiết liền khối bằng các mối nối có thanh cốt vươn. Với các mối nối ở bên trong thân tàu, có thể dùng chi tiết liên kết;
(3) Kết cấu của các mối nối phải theo các yêu cầu sau đây:
(a) Ở mối nối có thanh cốt vươn của các tấm, các mép của các phân đoạn được nối phải cách nhau ít nhất bằng 2 chiều dày của tấm;
(b) Ở mối nối có thanh cốt vươn của dầm, khoảng cách các đầu dầm được nối phải nhỏ hơn 2 lần chiều rộng của tiết diện dầm hoặc 0,5 chiều cao của tiết diện dầm và trong mọi trường hợp không nhỏ hơn 100 mm;
(c) Khoảng cách các thanh cốt song song hoặc khoảng cách chi tiết liên kết ở mối nối ít nhất phải bằng 0,5 lần đường kính của thanh cốt và không được nhỏ hơn 10 mm;
(d) Ở mối nối không được tăng chiều dày của tấm;
(e) Ở mối nối có thanh cốt vươn các thanh này phải được hàn đè đầu hoặc đối đầu có thanh nối;
(f) Ở mỗi nối góc các thanh cốt không chịu kéo có thể được ngắt đứt nhưng phải bảo đảm các quy định của 8.3.1-3(6);
(g) Ở mối nối dùng chi tiết liên kết phải phân bố chính xác và gắn ghép chắc chắn các chi tiết liên kết;
(h) Ở mối nối kín nước dùng chi tiết liên kết, khoảng cách các chi tiết liên kết không được lớn hơn 250 mm;
(i) Ở các chi tiết liên kết không được cản trở việc nhồi bê tông, không được phương hại đến tính liền khối của kết cấu.
2 Thi công mối nối
Mác bê tông nhồi dầm mối nối không được thấp hơn mác bê tông của phân đoạn được nối.
Mối nối có thể được nhồi dầm theo phương pháp thủ công hoặc theo phương pháp cơ giới. Các mối nối ở trong thân tàu có chiều dài đến 35 m (mối nối vách với đáy, với boong, với mạn...) có thể được giảm. Công việc nhồi dầm mối nối phải được tiến hành ở nhiệt độ cao hơn 5 °C. Không được làm lạnh bê tông trước khi bê tông của mối nối đạt tới 70% sức bền của mác. Chưa được tháo ván khuôn của mối nối trước khi bê tông của mối nối đạt tới 35% sức bền theo mác, nếu là mối nối đứng và 30% sức bền theo mác, nếu là mối nối nằm ngang.
8.3.6 Lắp đặt máy và trang bị trên tàu
1 Ở vùng gắn các máy móc, trang thiết bị thân tàu phải được gia cường thích đáng.
2 Các máy móc, trang thiết bị được lắp đặt với thân tàu bằng các chi tiết lắp, bằng bu lông xuyên suốt hoặc bằng bu lông móc. Để lắp với boong tàu, với các dầm và các phần nhô của thân tàu được phép dùng bu lông xuyên suốt.
Để lắp với một bộ phận thân tàu, trừ tấm vỏ và tấm vách kín nước có thể dùng bu lông móc có đường kính không nhỏ hơn 12 mm. Nếu các máy móc, thiết bị, trang bị được hàn với chi tiết lắp thì chi tiết lắp phải có chiều dày không nhỏ hơn 5 mm và phải được lắp vào bê tông bằng ít nhất 2 móc có đường kính không nhỏ hơn 8 mm. Để tránh biến dạng hàn và để bê tông không bị nóng phải dùng đường hàn điểm hoặc đường hàn gián đoạn, chiều dài đoạn hàn không được lớn hơn 40 mm, cỡ của đường hàn không được lớn hơn 5 mm.
3 Đường ống xuyên qua tấm vách kín nước và tấm vỏ tàu phải được gắn với tấm bằng các chi tiết lắp đặc biệt (ống lót có bích, hộp, tấm lắp...) được hàn với thanh cốt của tấm hoặc có thành móc.
4 Những lớp cách ly và những chi tiết trang trí được lắp vào thân tàu bằng những đoạn cốt ngàm chặt vào bê tông và có đường kính không nhỏ hơn 8 mm.
5 Các phần tử chịu tải trọng nhỏ có thể được lắp bằng đinh vít hoặc đinh cấy. Theo thỏa thuận với Đăng kiểm các chi tiết chịu tải trọng có thể được gắn với thân tàu bằng keo dán.
8.3.7 Thượng tầng bê tông cốt thép
1 Thượng tầng bằng bê tông cốt thép không nên để tham gia vào sức bền chung của thân tàu.
Nếu thượng tầng được kết cấu để tham gia vào sức bền dọc chung của thân tàu thì mối nối liên kết phải đủ chắc chắn để đảm bảo sự làm việc đồng thời của thân tàu và thượng tầng.
2 Vật liệu và kết cấu của thượng tầng tham gia vào sức bền chung của thân tàu phải thỏa mãn các yêu cầu của Phần này.
8.4 Tính toán và định mức sức bền
8.4.1 Quy định chung
1 Sức bền của thân tàu và của từng phần tử thân tàu phải được tính toán với tác dụng của tải trọng thường xuyên, tải trọng hãn hữu, tải trọng tai nạn sau đây:
(1) Tải trọng thường xuyên là tải trọng tác dụng liên tục theo thời gian hoặc trong một thời gian dài (thí dụ: áp lực nước tác dụng vào phần ngâm nước của thân tàu khi không có sóng, trọng lượng của máy móc, trang thiết bị của tàu, trọng lượng bản thân của kết cấu, áp lực của nhiên liệu, của nước, của dầu nhờn tác dụng lên thành của két...).
(2) Tải trọng hãn hữu là tải trọng ít khi tác dụng (thí dụ: tải trọng khi thử kín nước, khi hạ thủy, khi đặt tàu lên ụ, khi tàu ở trên sóng tính toán...).
(3) Tải trọng tai nạn là tải trọng làm cho từng kết cấu của thân tàu ở trạng thái cần phải được thay thế hoặc sửa chữa tuy rằng toàn thân tàu chưa bị phá hủy (thí dụ: tải trọng tính toán chống chìm...).
2 Tải trọng tính toán bao gồm: trọng lượng bản thân của kết cấu, áp lực nước, trọng lượng hàng hóa, trọng lượng máy móc và trang thiết bị và các tải trọng khác phát sinh từ điều kiện thi công và khai thác.
Tải trọng gây uốn chung thân tàu hoặc gây biến dạng cục bộ của từng kết cấu được xác định theo các quy định của phần uốn chung.
Tải trọng tai nạn được xác định từ điều kiện ngập khoang bất lợi nhất cho sức bền tàu.
Để kiểm tra sức bền của các phần tử lắp ghép khi vận chuyển và lắp ráp, tải trọng tính toán phải được lấy bằng trọng lượng của bản thân nhân với hệ số động bằng 1,5.
8.4.2 Nội lực tính toán do uốn chung thân tàu
1 Các ký hiệu
(1) Nội lực tính toán do uốn chung ở tiết diện đang được xét:
M - mô men uốn, kNm;
N - lực dọc, kN;
Q - lực cắt, kN;
- ứng suất tiếp, MPa.
(2) Đặc trưng hình học của tiết diện:
J - mô men quán tính của tiết diện quy đổi của toàn tiết diện của thanh tương đương, cm2m2;
S - mô men tĩnh của phần diện tích quy đổi của tiết diện thanh tương đương nằm ở một phía của trục trung hòa đối với trục đó, cm2m;
So - mô men tĩnh của diện tích quy đổi của tiết diện của phần tử đang được xét lấy đối với trục trung hòa của tiết diện thanh tương đương, cm2m;
Fo - diện tích quy đổi của tiết diện của phần tử đang được xét, cm2;
Fm - diện tích quy đổi của tiết diện tấm mép (boong hoặc đáy) thuộc tiết diện thanh tương đương, cm2;
D - chiều cao mạn đo từ mặt ngoài của tấm đáy và tấm boong, m;
∑t - tổng chiều dày của các mạn và vách dọc ở độ cao của trục trung hòa của tiết diện thanh tương đương, cm.
Diện tích quy đổi của tiết diện gồm tổng diện tích tiết diện của các thanh cốt và 1/10 diện tích tiết diện vùng bê tông bị nén.
2 Nội lực tính toán do uốn chung được xác định bằng cách coi thân tàu như một thanh (gọi là thanh tương đương);
Nội lực tính toán được xác định ứng với 2 vị trí của tàu:
(1) Tàu uốn võng xuống: boong bị nén, đáy bị kéo;
(2) Tàu uốn vồng lên: boong bị kéo, đáy bị nén.
Nội lực tính toán phải được xác định ở tiết diện làm việc nặng nề nhất (tiết diện giữa tàu, tiết diện có lỗ khoét lớn, tiết diện nơi có sự thay đổi hệ thống kết cấu, tiết diện nơi có sự gián đoạn của nhiều kết cấu dọc...).
Các kết cấu dọc của thân tàu và thượng tầng được đưa vào thanh tương đương theo quy định ở Phần uốn chung cho các kết cấu dọc tương tự của thân tàu thép, không cần xét tới các lỗ khoét biệt lập có kích thước lớn nhất không lớn hơn 5 lần chiều dày của tấm và giảm diện tích tiết diện tấm mép của thanh tương đương không quá 3%.
3 Lực dọc, kN, do mô men uốn ở các phần tử của thanh tương đương được xác định không tính đến bê tông ở vùng bị kéo, theo công thức:
![]()
Với tàu 1 boong và có đáy đơn phẳng, lực dọc, kN, do mô men uốn có thể được tính theo công thức gần đúng:

4 Ứng suất tiếp lớn nhất
, MPa, ở phần tử đứng của tiết diện thanh tương đương (mạn, vách dọc) được tính theo công thức:
![]()
Với tàu có một boong và đáy đơn phẳng, ứng suất tiếp lớn nhất, MPa, có thể được tính theo công thức:

8.4.3 Nội lực tính toán do tải trọng cục bộ
1 Các ký hiệu
(1) Tải trọng:
q và q1 - cường độ tải trọng tính toán, kN/m;
ht - tải trọng thủy tĩnh tác dụng lên mạn tàu, tính bằng mét cột nước;
(2) Nội lực:
Md - mô men uốn tại tiết diện đế dầm dải, kN.m;
Mn - mô men uốn tại giữa nhịp của dầm dải, kN.m.
(3) Đặc trưng hình học (Hình 2A/8.1):
l - chiều dài nhịp của dầm dải đo bằng khoảng cách các trục của đế tựa, m;
l1 - chiều dài nhịp thông của dầm dải đo bằng khoảng cách 2 mép trong của đế, m;
ln - chiều dài của nách dầm, m;
hn - chiều cao của nách dầm, m;
- chiều cao tính toán của nách dầm, cm;
h - chiều dày của tấm, cm;
h′ - chiều dày tính toán của tấm, cm.
2 Các kết cấu ngang được tính toán trong bộ khung sườn như một dầm đơn giản hoặc dầm nhiều nhịp;
Các kết cấu dọc được coi là ngàm cứng tại vách ngang, nhận sườn khỏe hoặc xà ngang khỏe của boong làm đế đàn hồi hoặc đế cứng. Các tấm chữ nhật tựa tự do lên 3 hoặc 4 cạnh đế có tỷ số các cạnh nhỏ hơn 2:1 thì tấm được tính như một tấm mỏng đẳng hướng.
Các tấm chữ nhật tựa tự do lên hai cạnh đế đối diện được tính toán như một dầm có chiều dài nhịp bằng khoảng cách các cạnh đế.
3 Chiều dài nhịp tính toán của dầm và của tấm được lấy bằng khoảng cách các đường trục của đế tựa.
Kích thước hình học của khung sườn được lấy theo mặt trong của tấm vỏ.
Ở những dầm và tấm có nách với hn < ln/3 thì toàn bộ nách được đưa vào tính toán. Với những nách có hn > ln/3 thì trong tính toán chỉ lấy h = ln/3.
Để xác định tỷ số các độ cứng của các kết cấu, mô men quán tính của tiết diện được tính toán với giả định rằng, tiết diện làm việc trong giai đoạn đàn hồi, không xét đến cốt thép. Tiết diện dầm được tính toán gồm có tấm mép kèm được lấy bằng nửa tổng chiều dài hai nhịp tấm kề với dầm đó, nhưng không được lớn hơn 20 lần chiều dày của tấm hoặc không được lớn hơn 25 lần chiều dày của tấm, nếu tấm được liên kết với dầm bằng nách có cốt thép. Chiều rộng của tấm mép kèm không được lấy lớn hơn 1/3 chiều dài nhịp dầm.
4 Đối với dầm liền nhịp và tấm - dầm liền nhịp, mô men uốn Md được tính ở tiết diện trùng với mặt phẳng của mặt bên của đế (tiết diện d, Hình 2A/8.2).
Đối với dầm dải có 2 đầu kết cấu ngàm cứng và nách có thanh cốt chịu tải trọng phân bố đều thì mô men uốn Md và Mn được tính theo các công thức:

Trong đó:
- hệ số được lấy theo Bảng 2A/8.2.
Bảng 2A/8.2 - Hệ số ![]()
| h/h′ | Hệ số | |||||
| 0,10 | 0,12 | 0,14 | 0,16 | 0,18 | 0,20 | |
| 0,5 | 1,11 | 1,13 | 1,15 | 1.16 | 1,10 | 1,19 |
| 0,6 | 1,09 | 1,11 | 1,12 | 1,14 | 1,15 | 1,16 |
| 0,7 | 1,07 | 1,08 | 1,09 | 1,10 | 1,11 | 1,12 |
| 0,8 | 1,05 | 1,06 | 1,06 | 1,07 | 1,07 | 1,08 |
5 Khi kiểm tra sức bền của tấm mạn theo hệ thống ngang, của tấm vách có nẹp đứng, cường độ tải trọng q, kPa, tác dụng lên dầm dải được lấy bằng trị số lớn hơn trong các trị số tính theo công thức:


Hình 2A/8.1 - Đặc trưng hình học
8.4.4 Kiểm tra sức bền của các kết cấu thân tàu bê tông cốt thép thông thường
1 Các ký hiệu
(1) Đặc trưng tính toán của vật liệu:
Rn - giới hạn bền nén của bê tông trong biến dạng nén dọc trục, MPa;
Rk - giới hạn bền kéo của bê tông trong biến dạng kéo dọc trục, MPa;
ReH - giới hạn chảy của cốt, MPa.
(2) Nội lực do tải trọng và nội lực phá hủy:
M - mô men uốn do tải trọng tính toán ở tiết diện ngang của kết cấu, Ncm;
Mp - mô men uốn do phá hủy ở tiết diện ngang của kết cấu, Ncm;
N - lực dọc do tải trọng tính toán, N;
Np - lực dọc phá hủy, N;
Q - lực cắt do tải trọng tính toán, N;
Qp - lực cắt phá hủy, N;
Q - hình chiếu của nội lực tới hạn của bê tông ở tiết diện nghiêng của kết cấu lên phương vuông góc với trục kết cấu, N;
σ - ứng suất chính kéo, MPa;
- ứng suất tiếp lớn nhất ở mạn và ở các vách uốn chung, MPa.
(3) Đặc trưng hình học:
Fc - diện tích tiết diện của cốt bị kéo, cm2;
- diện tích tiết diện của cốt bị nén, cm2;
fc - diện tích tiết diện của các cốt đứng hoặc các cốt nằm trên 1 m chiều dài của tiết diện mạn hoặc vách dọc, cm2;
a - khoảng cách từ tâm diện tích tiết diện Fc của cốt đến cạnh gần nhất của tiết diện, cm;
b - chiều rộng của diện tích tiết diện chữ nhật, chiều dày của tấm thành của tiết diện chữ T, cm;
h - chiều cao của diện tích tiết diện chữ nhật hoặc chữ T, chiều dày của tấm mạn và tấm vách dọc, cm;
ho = h - a: chiều cao làm việc của tiết diện, cm;
e = M/N - độ lệch tâm của lực dọc, cm.
(4) Hệ số dự trữ sức bền k và k1 được lấy theo Bảng 2A/8.3;
Để kiểm tra sức bền của các kết cấu lắp ghép chịu tải trọng khi vận chuyển hoặc khi lắp ráp thì: k = 1,5; k1 = 2,0
2 Kiểm tra sức bền của kết cấu
(1) Theo tiết diện ngang dưới tác dụng của mô men uốn, của lực dọc và của đồng thời mô men uốn và lực dọc;
(2) Theo tiết diện nghiêng dưới tác dụng của lực cắt, mạn và vách dọc còn phải được kiểm tra theo tác dụng của lực cắt trong uốn chung của thân tàu.
Bảng 2A/8.3 - Hệ số dự trữ sức bền k và k1
| Nguyên nhân phá hủy | Đặc điểm của kết cấu và tải trọng | ||||||
| Ký hiệu của hệ số dự trữ sức bền | Kết cấu tham gia sức bền chung, kết cấu tham gia đồng thời sức bền chung và sức bền cục bộ | Kết cấu chỉ tham gia sức bền cục bộ | |||||
| 1 | 2 | 3 | 1 | 2 | 3 | ||
| Khi bê tông đạt giới hạn bền nén hoặc khi cốt đạt giới hạn chảy | k | 1,8 | 1,6 | 1,4 | 1,6 | 1,5 | 1,3 |
| Khi ứng suất chính kéo của bê tông đạt tới trị số tới hạn | k1 | 2,5 | 2,2 | 2,0 | 2,2 | 2,0 | 1,8 |
| Chú thích: 1. Tải trọng thường xuyên; 2. Tải trọng thường xuyên và hãn hữu, tải trọng hãn hữu; 3. Tải trọng tai nạn. | |||||||
3 Phải kiểm tra sức bền theo tiết diện ngang ở những chỗ chịu tác dụng của mô men uốn lớn nhất và có sự thay đổi đột ngột của tiết diện, ở những chỗ có cốt bị ngắt:
(1) Dưới tác dụng của mô men uốn: Mp/M ≥ k
(2) Dưới tác dụng của lực dọc dưới tác dụng đồng thời của mô men uốn và lực dọc: Np/N ≥ k
4 Phải kiểm tra sức bền theo tiết diện nghiêng dưới tác dụng của các lực cắt:
(1) Ở những chỗ chịu tác dụng của lực cắt lớn nhất;
(2) Ở những chỗ có sự thay đổi đột ngột của tiết diện kết cấu;
(3) Ở những tiết diện ngang đi qua mặt bên của đế (tiết diện a, Hình 2A/8.2);

Hình 2A/8.2 - Tiết diện nghiêng
(4) Ở những tiết diện ngang đi qua điểm gập thanh cốt thuộc vùng bị kéo (tiết diện b, c, d ở Hình 2A/8.2);
(5) Ở những tiết diện ngang đi qua điểm thay đổi mật độ cốt ngang thuộc vùng bị kéo (tiết diện e, Hình 2A/8.2);
Phải bảo đảm điều kiện:
Qp/Q ≥ k1
Q ≤ bhoRn/7
Nếu thanh cốt nghiêng thì trị số tính toán của lực cắt được lấy bằng:
(a) Lực cắt ở tiết diện ở mặt bên của đế: đối với tiết diện nghiêng thứ nhất đi qua đoạn gập;
(b) Lực cắt ở điểm gập dưới: đối với tiết diện nghiêng tiếp theo đi qua đoạn gập;
Không cần kiểm tra sức bền theo những mặt phẳng nghiêng dưới tác dụng của lực cắt, nếu: bhoRk/Q ≥ k1
Phải kiểm tra sức bền của các kết cấu bị nén lệch tâm theo mặt phẳng nghiêng dưới tác dụng của lực cắt tiến hành như đối với kết cấu bị uốn không xét đến lực nén dọc tâm.
(6) Phải kiểm tra sức bền của các kết cấu bị kéo lệch tâm theo quy định sau:
(a) Nếu độ lệch tâm nhỏ (lực kéo được đặt trong phạm vi giữa các tâm của các diện tích Fc và F’c) thì toàn bộ lực cắt ở các tiết diện nghiêng một góc bằng và nhỏ hơn 60° với trục dọc, của kết cấu, được tiếp nhận bởi những cốt ngang. Không cần kiểm tra sức bền của các kết cấu theo các tiết diện nghiêng một góc lớn hơn 60° với trục dọc của kết cấu;
(b) Nếu độ lệch tâm lớn (lực kéo đặt ngoài phạm vi giữa các tâm của các diện tích Fc và F’c) việc kiểm tra sức bền được tiến hành như đối với kết cấu bị uốn;
(c) Nếu độ lệch tâm e ≤ 1,5ho thì trị số Q được tính theo công thức ở 8.4.5-6 phải được nhân với hệ số k′: k′ = e/ho - 0,5
(d) Nếu độ lệch tâm lớn thì cần kiểm tra sức bền của các kết cấu bị kéo lệch tâm dưới tác dụng của lực cắt nếu một trong các điều kiện sau đây được thỏa mãn:
σ1 ≤ Rk/k1
Q ≤ k′Rkbho/k1
Trong đó: k′ được tính theo công thức ở 8.4.4-4(6)(c). Nếu độ lệch tâm nhỏ thì không cần kiểm tra sức bền nếu thỏa mãn điều kiện:
σ1 ≤ Rk/k1
5 Sức bền của mạn và của vách dọc dưới tác dụng của lực cắt trong uốn chung được kiểm tra theo các điều kiện sau: ![]()

Trong diện tích fc của các cốt đứng hoặc các cốt nằm có diện tích tiết diện của dầm nẹp đứng hoặc của dầm nẹp nằm giả định là phân bố đều trên tiết diện;
Nếu:
thì không cần kiểm tra sức bền của mạn và của vách dọc dưới tác dụng của lực cắt.
8.4.5 Đặc trưng tính toán của vật liệu và xác định nội lực phá hủy
1 Các ký hiệu
(1) Các đặc trưng tính toán của vật liệu:
Rn - giới hạn bền của bê tông trong biến dạng nén dọc trục, MPa;
Rk - giới hạn bền của bê tông trong biến dạng kéo dọc trục, MPa;
Ru - giới hạn bền của bê tông chịu nén trong biến dạng uốn, MPa;
Eb - mô đun đàn hồi ban đầu của bê tông trong biến dạng nén và biến dạng kéo, MPa;
Ec - mô đun đàn hồi ban đầu của vật liệu cốt, MPa;
ReH - giới hạn chảy của vật liệu cốt, MPa.
(2) Nội lực do tải trọng và nội lực phá hủy:
M - mô men uốn do tải trọng tính toán ở tiết diện ngang của kết cấu, Ncm;
Mp - mô men uốn phá hủy ở tiết diện ngang của kết cấu, Ncm;
N - lực dọc do tải trọng tính toán, N;
Np - lực dọc phá hủy, N;
Q - lực cắt do tải trọng tính toán, N;
Qp - lực cắt dọc phá hủy, N;
Q - hình chiếu của nội lực tới hạn của bê tông tại tiết diện nghiêng của kết cấu lên phương vuông góc của trục cơ bản, N;
qx - lực tới hạn của các thanh ngang (cốt đai) trên một đơn vị chiều dài của kết cấu, N/cm.
(3) Đặc trưng hình học:
lo - chiều dài tính toán của kết cấu, cm;
r - bán kính quán tính nhỏ của tiết diện kết cấu, cm;
Fo - diện tích tiết diện toàn bộ của kết cấu, cm2;
Fb - diện tích tiết diện bê tông, cm2;
Fcd - diện tích tiết diện tất cả các cốt dọc, cm2;
Fc - diện tích tiết diện cốt dọc, cm2, được lấy như sau:
Ở vùng bị kéo - đối với kết cấu chịu uốn;
Ở mép tiết diện gần điểm đặt của lực dọc nhất - đối với kết cấu chịu nén lệch tâm;
Ở mép tiết diện xa điểm đặt của lực dọc nhất đối với kết cấu bị kéo lệch tâm;
F’c - diện tích tiết diện các cốt dọc, cm2, được lấy như sau:
Ở vùng bị kéo đối với kết cấu chịu uốn;
Ở mép tiết diện gần điểm đặt của lực dọc nhất đối với kết cấu chịu nén lệch tâm;
Ở mép tiết diện xa điểm đặt của lực dọc nhất đối với kết cấu bị kéo lệch tâm.
Fn - diện tích tiết diện các cốt nghiêng trong một mặt phẳng cắt tiết diện nghiêng đang được xét, cm2;
Fcn - diện tích tiết diện các cốt ngang trong một mặt phẳng vuông góc với trục kết cấu và cắt tiết diện nghiêng đang được xét, cm2;
fx - diện tích tiết diện một nhánh của cốt đai, cm2;
n - số lượng nhánh của cốt đai ở một tiết diện của kết cấu;
t - khoảng cách các thanh ngang (đai cốt) theo chiều dài của kết cấu, cm;
α - góc nghiêng của cốt nghiêng làm với trục của kết cấu, độ;
a - khoảng cách từ tâm của diện tích Fc đến mép gần nhất của tiết diện, cm;
a′ - khoảng cách từ tâm của diện tích F’c đến mép gần nhất của tiết diện, cm;
b - chiều rộng của tiết diện chữ nhật, chiều dày tấm thành của tiết diện chữ T, cm;
bm - chiều rộng của tấm mép kèm, cm;
h - chiều cao của tiết diện chữ nhật hoặc chữ T, cm;
ho = h - a; h′o = h - a′: chiều cao làm việc của tiết diện, cm;
hm - chiều dày của tấm mép kèm, cm;
Z - chiều cao của phần bê tông chịu nén của tiết diện, có xét đến sự làm việc của cốt bị nén, cm;
Zo - chiều cao của phần bê tông bị nén của tiết diện, không xét đến sự làm việc của cốt bị nén, cm;
So - mô men tĩnh của phần tiết diện bê tông bị nén đối với trục đi qua tâm của diện tích tiết diện cốt Fc, cm3;
Sb - mô men tĩnh của toàn tiết diện bê tông bị nén đối với trục đi qua tâm của diện tích tiết diện cốt Fc, cm3;
eo = M/N - khoảng cách lệch tâm của lực dọc, cm;
e - khoảng cách từ đường tác dụng của lực dọc đến tâm của diện tích tiết diện cốt Fc, cm;
e′ - khoảng cách từ đường tác dụng của lực dọc đến tâm của diện tích tiết diện cốt F’c, cm;
c - khoảng cách từ tâm của diện tích tiết diện Fc đến mép bị kéo hoặc đến mép bị nén ít nhất, cm;
c′ - khoảng cách từ tâm của diện tích tiết diện F’c đến mép bị kéo hoặc đến mép bị nén ít nhất, cm.
(4) Các đặc trưng tính toán của vật liệu được lấy theo các Bảng 2A/8.4 đến Bảng 2A/8.8
2 Nén đúng tâm
Lực phá hủy, Np, kết cấu chịu nén đúng tâm được xác định theo công thức:
![]()
Trong đó: φ - hệ số uốn dọc được lấy theo Bảng 2A/8.9.
3 Uốn
(1) Mô men uốn phá hủy, Ncm, là lực dọc do tải trọng tính toán kết cấu chịu uốn có tiết diện chữ nhật (Hình 2A/8.3) được xác định theo công thức:
![]()
Trong đó:

Với giả thiết rằng trị số Z thỏa mãn điều kiện: 2a’ ≤ Z ≤ 0,55ho
Chiều dài lo của kết cấu được xác định bằng cách nhân chiều dài hình học của kết cấu với hệ số phụ thuộc tình hình liên kết các đầu kết cấu và được lấy bằng:
0,50 - nếu 2 đầu kết cấu được ngàm cứng;
0,70 - nếu kết cấu có một đầu ngàm cứng, một đầu chốt cố định;
1,00 - nếu kết cấu một đầu ngàm cứng, một đầu tự do;
0,70 - nếu kết cấu có hai đầu ngàm không cứng hoặc trong khung có các điểm nút không dịch chuyển.
Lực phá hủy, Np, là lực do tải trọng tính toán của kết cấu chịu nén đúng tâm được xác định theo công thức: Np = 102ReHFcd
Nếu Z < 2a’ ≤ Zo,
Trong đó:

thì mô men phá hủy Mp được tính với:
Z = 2a’
F’c = F c - 2a’(Rub/ReH)
Nếu Z < 2a’
thì mô men phá hủy Mp được tính với F’c = 0.
(2) Mô men uốn phá hủy kết cấu chịu uốn có tiết diện chữ T với mép kèm ở vùng bị kéo, được xác định như đối với kết cấu chịu uốn có tiết diện chữ nhật có chiều rộng bằng chiều rộng tấm thành của tiết diện chữ T;
(3) Mô men uốn phá hủy kết cấu chịu uốn có tiết diện chữ T (Hình 2A/8.4, Hình 2A/8.5), có mép kèm ở vùng bị nén phải được tính toán như sau:
Nếu: FcReH ≤ Rubmhm + F’c ReH
thì mô men phá hủy Mp được tính như đối với kết cấu chịu uốn có tiết diện chữ nhật có kích thước bm x h;
![]()
thì mô men uốn phá hủy Mp được tính theo công thức:
![]()
Trong đó:

4 Nén lệch tâm
(1) Lực phá hủy (Np, N) kết cấu chịu nén lệch tâm có tiết diện chữ nhật ( Hình 2A/8.7):

Trong công thức ở 8.4.5-4(1), dấu (-) ở số hạng thứ 2 trong dấu căn là ứng với trường hợp mà lực dọc tác dụng ở ngoài vùng giới hạn bởi tâm của các diện tích tiết diện cốt Fc và F’c (như của Hình 2A/8.7) và dấu (+) là ứng với trường hợp ngược lại.
(b) Nếu Z < 2a’ ≤ Zo
Trong đó:

thì lực phá hủy kết cấu chịu nén lệch tâm có tiết diện hình chữ nhật được tính theo công thức ở 8.4.5-4(1);
Với giả định rằng: Z = 2a’ và F’c = ![]()
(c) Nếu Zo < 2a’ thì lực phá hủy kết cấu chịu nén lệch tâm có tiết diện chữ nhật được tính theo 8.4.5-4(1), với F’c = 0;
(d) Nếu Z > 0,55ho (Hình 2A/8.4.7),
thì lực phá hủy kết cấu chịu nén lệch tâm có tiết diện chữ nhật được tính toán theo công thức:

Trong đó nếu lực dọc được đặt trong phạm vi giới hạn bởi các tâm của Fc và F’c thì phải bảo đảm điều kiện: ![]()
(2) Lực phá hủy của kết cấu chịu nén lệch tâm có tiết diện chữ T:
(a) Lực phá hủy kết cấu chịu nén lệch tâm có tiết diện chữ T có mép kèm thuộc vùng bị kéo hoặc vùng bị nén ít nhất được xác định như đối với kết cấu tiết diện chữ nhật chịu nén lệch tâm có chiều rộng tiết diện bằng chiều dày tấm thành của tiết diện chữ T;
(b) Nếu Z ≤ hm thì lực phá hủy kết cấu chịu nén lệch tâm có tiết diện chữ T có mép kèm thuộc vùng bị nén được tính theo công thức ở 8.4.5-4(1) với b = bm;
(c) Nếu Z > hm
Trong đó: Z được tính theo công thức ở 8.4.5-4(1) với b = bm thì lực phá hủy kết cấu chịu nén lệch tâm có tiết diện chữ T với mép kèm thuộc vùng bị nén được tính toán theo trình tự sau đây:
(i) Xác định chiều cao Z, cm, của vùng bị nén theo công thức:

Dấu (-) trong số hạng thứ 2 trong dấu căn là ứng với trường hợp mà điểm đặt của lực dọc ở ngoài phạm vi vùng giới hạn bởi các tâm của diện tích Fc và F’c. Dấu (+) là ứng với trường hợp ngược lại;
(ii) Xác định các trường hợp nén lệch tâm:
Độ lệch tâm được coi là lớn nếu: Sb ≤ 0,8So
Độ lệch tâm được coi là nhỏ nếu: Sb > 0,8So
Nếu độ lệch tâm lớn thì lực phá hủy được xác định theo công thức:
![]()
Nếu độ lệch tâm nhỏ thì lực phá hủy được xác định theo công thức:

Nếu toàn tiết diện bị nén thì lực phá hủy được lấy bằng trị số nhỏ hơn trong các trị số tính theo công thức ở 8.4.5-4(2) và tính theo công thức:
![]()
(3) Đối với tiết diện hình chữ nhật, nếu l0/b >10 và đối với tiết diện khác, nếu l0/b > 10 thì phải lưu ý tới độ mảnh của kết cấu chịu nén lệch tâm tàu bằng cách nhân eo với hệ số ƞ, được xác định theo công thức:
(a) Đối với tiết diện hình chữ nhật:

(b) Đối với tiết diện khác:

Trong đó: hệ số k được lấy theo Bảng 2A/8.3.
5 Kéo lệch tâm
(1) Nếu lực kéo được đặt trong phạm vi giới hạn bởi các tâm của các diện tích Fc và F’c (Hình 2A/8.8) thì lực phá hủy Np, N, của kết cấu chịu kéo lệch tâm có tiết diện chữ nhật, được xác định theo công thức:

Trong đó:

c - khoảng cách từ tâm của diện tích tiết diện các cốt cạnh bị kéo nặng nề nhất, cm;
c’ - khoảng cách từ tâm của diện tích tiết diện các cốt đến cạnh bị kéo ít nhất, cm;
Để kiểm tra sức bền của kết cấu phải dùng trị số nhỏ hơn trong các trị số tính theo công thức ở 8.4.5-5(1).
(2) Nếu lực kéo nằm ngoài phạm vi giới hạn bởi các tâm của diện tích Fc và F’c (Hình 2A/8.9) thì lực phá hủy Np, N, của kết cấu chịu nén lệch tâm có tiết diện chữ nhật, được xác định theo công thức:

Trong trường hợp này chiều cao của vùng bị nén của bê tông phải thỏa mãn điều kiện:

thì lực phá hủy được xác định theo công thức ở 8.4.5-5(2), với Z = 2a’

Nếu Z < 2a’ thì lực phá hủy được xác định theo 8.4.5-5(2), với F’c = 0.
(3) Lực phá hủy kết cấu tiết diện chữ T bị kéo lệch tâm, có mép kèm thuộc vùng bị kéo, khi lực kéo được đặt ngoài phạm vi vùng giới hạn bởi tâm của các tiết diện Fc và F’c được xác định như đối với kết cấu tiết diện chữ nhật có chiều rộng bằng chiều dày tấm thành của tiết diện chữ T;
Lực phá hủy kết cấu tiết diện chữ T bị kéo lệch tâm có mép kèm thuộc vùng bị nén khi lực kéo nằm ngoài phạm vi vùng giới hạn bởi tâm của các diện tích Fc và F’c được xác định như sau:
(a) Nếu Z < hm trong đó Z được xác định theo công thức ở 8.4.5-5(2) với b = bm thì lực phá hủy được xác định như đối với kết cấu tiết diện chữ nhật có chiều rộng bằng chiều rộng của tấm mép kèm;
(b) Nếu Z > hm trong đó Z được tính như nói trên thì lực phá hủy được xác định theo công thức:

Với e và e’ được xác định theo 8.4.5-5(2).
6 Lực cắt phá hủy Qp, N, ở tiết diện nghiêng được xác định theo công thức:
![]()
Trong đó: 
mà co là chiều dài tính toán của hình chiếu của tiết diện nghiêng bất lợi nhất lên trục của kết cấu có chiều dài nhận được bằng cách tăng số lượng bước của các thanh cốt đai đến trị số nguyên của c’o bằng:

Nếu không có những thanh cốt nghiêng thì lực cắt phá hủy Qp, N, được xác định theo công thức:

Với những kết cấu chịu tác dụng của tải trọng phân bố đều do áp lực nước thì lực cắt phá hủy được tính toán như trên với q’x thay thế cho qx.
q’x = q x + p
Trong đó: p - tải trọng tính toán do áp lực nước trên 1 đơn vị chiều dài, N/cm.
Bảng 2A/8.4 - Đặc trưng tính toán của vật liệu
| Trạng thái biến dạng | Ký hiệu | Giới hạn bền, MPa, của bê tông nặng và bê tông nhẹ ứng với mác | |||||
| M25 | M30 | M35 | M40 | M50 | M60 | ||
| Nén dọc tâm | Rn | 17,5 | 21 | 24,5 | 28 | 35 | 42 |
| Nén do biến dạng | Ru | 22 | 26 | 30,5 | 35 | 44 | 52 |
| Kéo dọc tâm | Rk | 2,3 | 2,5 | 2,7 | 3,0 | 3,4 | 3,9 |
| Chú thích: Khi kiểm tra sức bền của các phần tử lắp ghép dưới tác dụng của lực do vận chuyển và do lắp ráp, giới hạn tính toán được lấy bằng 30% nhỏ hơn trị số tương ứng ghi trong Bảng. | |||||||
Bảng 2A/8.5 - Đặc trưng tính toán của vật liệu
| Loại bê tông | Mô đun đàn hồi ban đầu, MPa, của bê tông chịu nén và chịu kéo ứng với mác | |||||
| M25 | M30 | M35 | M40 | M50 | M60 | |
| Nhẹ | - | 31500 | 33000 | 35000 | 38000 | 40000 |
| Nặng | 18000 | 19500 | 21000 | 22500 | - | - |
Bảng 2A/8.6 - Đặc trưng tính toán của vật liệu
| Cốt | Giới hạn chảy, MPa |
| Thép tròn, cán nóng từ thép thường (nhóm AI) | 240 |
| Thép vằn, cán nóng từ thép sức bền cao (nhóm AII) | 300 |
| Thép vằn, cán nóng từ thép siêu bền (nhóm A-III) | 400 |
| Chú thích: Trị số tính toán sức chịu giới hạn của cốt thép có sức bền cao của bó cốt, của cáp phải được lấy theo những tiêu chuẩn và những điều kiện kỹ thuật hiện hành. | |
Bảng 2A/8.7 - Đặc trưng tính toán của vật liệu
| Cốt | Mô đun đàn hồi, MPa |
| Thép tròn cán nóng và thép vằn cán nóng từ thép thường và thép sức bền cao | 2,1x105 |
| Thép tròn cán nóng và thép vằn cán nóng từ thép siêu bền | 2,0x105 |
| Cốt bằng thép siêu bền có ReH > 400 MPa | 1,8x105 |
Bảng 2A/8.8 - Đặc trưng tính toán của vật liệu
| Mác | Trọng lượng riêng, T/m3, của bê tông | Mác | Trọng lượng riêng của bê tông, T/m3 |
| M25 | 1,7 | M35 | 1,9 |
| M30 | 1,8 | M40 | 2,0 |
| Chú thích: 1. Trọng lượng riêng của bê tông nặng được xác định theo kết quả của thí nghiệm. Nếu không có những số liệu thí nghiệm thì trọng lượng riêng của bê tông nặng được lấy bằng 2,4 t/m3; 2. Trọng lượng riêng của bê tông cốt thép là tổng trọng lượng của bê tông và của cốt thép trên một đơn vị thể tích của kết cấu. | |||
Bảng 2A/8.9 - Hệ số φ
| lo/b | lo/r | Trị số φ ứng với | lo/b | lo/r | Trị số φ ứng với | ||
| Tải trọng hãn hữu | Tải trọng thường xuyên | Tải trọng hãn hữu | Tải trọng thường xuyên | ||||
| ≤ 10 | ≤ 35 | 1,0 | 1,0 | 26 | 90 | 0,65 | 0,51 |
| 12 | 42 | 0,96 | 0,96 | 28 | 97 | 0,61 | 0,45 |
| 14 | 48 | 0,92 | 0,92 | 30 | 104 | 0,56 | 0,39 |
| 16 | 55 | 0,88 | 0,87 | 32 | 111 | 0,51 | 0,34 |
| 18 | 62 | 0,84 | 0,79 | 34 | 118 | 0,47 | 0,29 |
| 20 | 69 | 0,79 | 0,71 | 36 | 125 | 0,42 | 0,25 |
| 22 | 76 | 0,75 | 0,64 | 38 | 132 | 0,38 | 0,21 |
| 24 | 83 | 0,70 | 0,58 | 40 | 139 | 0,34 | 0,17 |

Hình 2A/8.3 - Tiết diện kết cấu chịu uốn

Hình 2A/8.4 - Kết cấu chịu uốn có tiết diện chữ T

Hình 2A/8.5 - Kết cấu chịu uốn có tiết diện chữ T

Hình 2A/8.6 - Diện tích cốt Fc và F’c

Hình 2A/8.7 - Phần tử hình chữ nhật chịu nén lệch tâm

Hình 2A/8.8 - Phạm vi đặt lực kéo

Hình 2A/8.9 - Phạm vi đặt lực kéo
8.4.6 Tính toán kiểm tra vết nứt ở thân tàu
1 Các ký hiệu
(1) Đặc trưng của vật liệu:
Ec - mô đun đàn hồi của vật liệu cốt, MPa;
Eb - mô đun đàn hồi ban đầu của bê tông bị kéo và bị nén, MPa;
(2) Nội lực của tiết diện ngang của kết cấu do tải trọng gây ra:
M - mô men uốn, Ncm;
N - lực dọc, N;
σk - ứng suất của cốt dưới tác dụng của lực kéo dọc, MPa;
σn - ứng suất của cốt dưới tác dụng của mô men uốn, MPa.
(3) Đặc trưng hình học:
av - chiều rộng tính toán của vết nứt, mm;
ev - khoảng cách các vết nứt, cm;
Fcd - diện tích tiết diện toàn bộ các thanh cốt dọc tại tiết diện đang xét, cm2;
Fc - diện tích tiết diện của các thanh cốt bị kéo tại tiết diện đang xét, cm2;
Fb - diện tích toàn bộ tiết diện bê tông, cm2;
F’b - diện tích phần tiết diện bê tông bị nén, cm2;
a - khoảng cách từ tâm tiết diện cốt đến cạnh gần nhất của tiết diện, cm;
b - chiều rộng của tiết diện hình chữ nhật, chiều dày tấm thành của tiết diện chữ T, trong Bảng 2A/8.11 thì b là chiều dày của tấm thành dùng làm đế tựa cho tấm, cm;
h = chiều cao của tiết diện chữ nhật hoặc chữ T, cm;
ho = h - a: chiều cao làm việc của tiết diện, cm;
l1 - chiều dài nhịp thông của tấm, đo bằng khoảng cách các mép trong của 2 đế tựa (xem Hình 2A/8.1), cm;
d - đường kính của thanh cốt bị kéo, cm;
t - khoảng cách (bước) của các thanh cốt bị kéo theo chu vi của tiết diện đó, cm;
u - tỷ số của diện tích tiết diện của thanh cốt bị kéo trên chu vi của tiết diện đó, cm.
2 Các kết cấu được tính toán sức bền phải được tính toán vết nứt dưới tác dụng của tải trọng thường xuyên và tải trọng hãn hữu.
3 Chiều rộng của vết nứt.
(1) Chiều rộng tính toán của vết nứt được xác định theo công thức:
aV = 10(φkσk + φuσu)ev/Ec
Trong đó:
φk, φu - các hệ số lấy theo Bảng 2A/8.10.
Bảng 2A/8.10 - Hệ số φk, φu
| Tải trọng | φk | φu |
| Hãn hữu | 0,65 | 0,8 |
| Thường xuyên | 0,80 | 1,0 |
| Lặp lại nhiều lần và dao động | 0,95 | 1,2 |
Ứng suất ở cốt dưới tác dụng của lực kéo dọc được tính theo công thức:

Ứng suất ở cốt dưới tác dụng của mô men uốn được tính theo công thức:

Trong đó:
ƞ - hệ số bằng:
0,85 - đối với tấm và dầm tiết diện chữ T có tấm mép kèm ở vùng bị kéo;
0,90 - đối với dầm tiết diện chữ T có tấm mép kèm ở vùng bị nén;
θ - hệ số lấy bằng 1,0 đối với mọi trường hợp với tiết diện đế của tấm thì được xác định theo Bảng 2A/8.11.
Bảng 2A/8.11 - Hệ số θ
| b/ev | Trị số của θ đối với tiết diện đế của tấm, khi ev/l1 bằng | ||||
| 0,025 | 0,050 | 0,100 | 0,150 | 0,200 | |
| ≤ 0,5 | 0,73 | 0,71 | 0,68 | 0,65 | 0,62 |
| 0,6 | 0,78 | 0,76 | 0,73 | 0,70 | 0,67 |
| 0,7 | 0,83 | 0,82 | 0,78 | 0,75 | 0,72 |
| 0,8 | 0,89 | 0,86 | 0,83 | 0,80 | 0,77 |
| 0,9 | 0,93 | 0,91 | 0,88 | 0,85 | 0,82 |
| ≥ 1,0 | 0,99 | 0,96 | 0,93 | 0,90 | 0,87 |
Khoảng cách các vết nứt ev, cm, được tính theo công thức:
![]()
Trong trường hợp mà các cốt bị kéo có đường kính bằng nhau thì khoảng cách các vết nứt được tính theo công thức:
![]()
Trong đó:
β - hệ số bằng:
1,0 - đối với thanh cốt nhẵn;
0,7 - đối với thanh cốt vằn;
- hệ số:
Lấy theo biểu đồ Hình 2A/8.10 đối với tấm và dầm tiết diện chữ T có mép kèm trong vùng bị nén. Lấy theo biểu đồ Hình 2A/8.11 đối với dầm tiết diện chữ T có mép kèm trong vùng bị kéo;

Với các kết cấu chịu kéo đúng tâm hoặc kéo lệch tâm với độ lệch tâm nhỏ thì khoảng cách ev, cm, của các vết nứt được xác định theo công thức:
ev = βu Fb/Fcd
Các kết cấu bị uốn có cốt nhẵn, nếu ở vùng bị kéo có các cốt ngang có đường kính d ≥ 0,07h đặt cách nhau theo bước t thì khoảng cách các vết nứt được lấy bằng t nếu thoả mãn điều kiện sau:
0,7ev ≤ t ≤ 1,3ev
(2) Chiều rộng tính toán, mm, của vết nứt không được lớn hơn trị số trong Bảng 2A/8.12.
Bảng 2A/8.12 - Chiều rộng tính toán
| Kết cấu | Uốn do nén lệch tâm và kéo lệch tâm của các kết cấu có vùng nén trong tiết diện | Kéo đúng tâm và lệch tâm của các kết cấu không có vùng nén trong tiết diện | |
| Phía mặt ướt | Phía mặt khô | ||
| Tấm đáy tàu | 0,10 | 0,15 | 0,05 |
| Tấm mạn, tấm vách biên ngang | 0,70 | 0,15 | 0,05 |
| Tấm lộ của boong, tấm và dầm của khoang dằn | 0,15 | 0,15 | 0,10 |
| Tấm khuất của boong, tấm vách và dầm của khoang khô | 0,20 | 0,20 | 0,15 |
8.5 Thiết kế và tính toán thân tàu bằng bê tông cốt thép dự ứng lực
8.5.1 Quy định chung
1 Có thể dùng bê tông cốt thép dự ứng lực (cốt thép căng sẵn) để chế tạo từng kết cấu hoặc chế tạo toàn bộ thân tàu theo phương pháp lắp ghép hoặc liền khối.
2 Quy trình công nghệ đóng tàu bằng bê tông cốt thép dự ứng lực phải được sự chấp thuận của Đăng kiểm.

8.5.2 Vật liệu
1 Để chế tạo bê tông cốt thép dự ứng lực phải dùng bê tông nặng có mác không nhỏ hơn M40 và bê tông nhẹ có mác không nhỏ hơn M30;
Bê tông dùng để nhồi rãnh phải có mác không nhỏ hơn M30. Lúc đặt lực ép bê tông thì sức bền của bê tông không nhỏ hơn 70% sức bền theo mác.
2 Cốt thép căng sẵn có thể là:
(1) Thép tròn cán lạnh có sức bền cao, có tiết diện vằn;
(2) Thép tròn cán lạnh có sức bền cao, bằng thép các bon;
(3) Bó 7 sợi thép;
(4) Cáp thép không lõi hữu cơ, làm bằng sợi thép có đường kính không nhỏ hơn 2 mm;
(5) Những cốt thép không căng sẵn được quy định ở 8.2.4.
8.5.3 Thiết kế các kết cấu
1 Để nén ép chung thân tàu phải dùng cốt thép căng sẵn đặt trong các dầm dọc hoặc trong các kết cấu gia cường thân tàu. Để nén cục bộ thân tàu phải dùng cốt thép sẵn của tâm và của kết cấu.
Phải kéo căng cốt trên những đế tựa hoặc những điểm mà bê tông đã đông cứng. Có thể căng cốt thép bằng phương pháp nhiệt với điều kiện là nhiệt độ đốt tối đa của thanh cốt không được lớn hơn 350 °C và nhiệt độ đốt tối đa của dây cốt không được lớn hơn 300 °C.
Cốt căng sẵn phải được néo chặt vào bê tông bằng những thiết bị néo. Nếu cốt căng sẵn được đặt trong máng thì máng phải được chứa đầy vữa có áp lực.
Ở đầu của cốt căng sẵn, trên 1 đoạn dài bằng 2 lần chiều dài của chi tiết nén (nếu không có chi tiết néo thì trên 1 đoạn dài bằng 10 lần đường kính của cốt), nhưng ít nhất phải bằng 200 mm, phải đặt các lưới hãm hoặc các vòng đai kín đặt gần nhau. Đường kính của thanh lưới hàn và của vòng đai ít nhất phải bằng 6 mm.
2 Chiều dày của lớp bảo vệ thanh cốt căng sẵn phải bằng đường kính của thanh cốt, nhưng ít nhất phải bằng 10 mm.
Nếu đặt thanh cốt căng sẵn trong những máng thì chiều dày của lớp bảo vệ phải bằng đường kính của máng nhưng ít nhất phải bằng 20 mm.
Chiều dày lớp bảo vệ của các thanh cốt không căng sẵn được quy định ở 8.3.1-4.
8.5.4 Tính toán sức bền
1 Các ký hiệu
(1) Các đặc trưng vật liệu:
Rn - giới hạn bền của bê tông chịu nén dọc, MPa;
Rk - giới hạn bền của bê tông chịu kéo dọc, MPa.
(2) Nội lực do tải trọng:
N - lực kéo dọc do tải trọng tính toán, N;
M - mô men uốn, Ncm;
No - lực dọc trục do bê tông tiếp thu khi bị nén ép, N;
σk - ứng suất ở cốt dưới tác dụng của lực kéo, MPa;
σu - ứng suất ở cốt dưới tác dụng của mô men uốn, MPa.
(3) Đặc trưng hình học:
Fcd - diện tích tiết diện của toàn bộ các thanh cốt dọc, cm2;
Fc - diện tích của toàn bộ các thanh cốt bị kéo, cm2;
a - khoảng cách từ tâm của diện tích Fc đến cạnh gần nhất của tiết diện, cm;
h - chiều cao của tiết diện chữ nhật hoặc chữ T, cm;
ho = h - a: chiều cao làm việc của tiết diện, cm;
ex - khoảng cách từ tâm của diện tích Fc đến đường tác dụng của No, cm;
ƞ và θ - những hệ số lấy theo 8.4.6-3(1).
2 Kết cấu bằng bê tông cốt thép căng sẵn phải được tính toán:
(1) Dưới tác dụng của tải trọng tính toán cùng với tải trọng do sơ bộ nén ép bê tông;
(2) Dưới tác dụng của tải trọng do sơ bộ nén ép bê tông trong quá trình chế tạo kết cấu;
(3) Dưới tác dụng của lực phát sinh khi vận chuyển lắp ráp cùng với tải trọng do sơ bộ nén ép bê tông;
Các kết cấu bằng bê tông cốt thép phải được kiểm tra chống nứt, sức bền của vùng bê tông bị nén, sức bền theo lực phá hủy. Những kết cấu hỗn hợp (gồm bê tông cốt thép căng sẵn và bê tông cốt thép thông thường), những kết cấu bê tông cốt thép căng sẵn làm bằng thép cán nóng và không tiếp xúc nước chỉ cần kiểm tra chống nứt theo lực phá hủy.
Các kết cấu bê tông dự ứng lực phải được kiểm tra theo ứng suất chính kéo. Các kết cấu có chiều dày tấm thành bằng và nhỏ hơn 1/15h còn phải được kiểm tra theo ứng suất chính nén. Cũng phải kiểm tra sức bền của bê tông nơi đặt các chi tiết néo.
3 Ứng suất ở vùng bê tông bị nén dưới tác dụng của tải trọng tính toán cùng với tải trọng sơ bộ ép nén bê tông phải:
(1) Không lớn hơn 0,6Rn - đối với các kết cấu bị nén hoặc bị uốn và nén;
(2) Không lớn hơn 0,7Rn - đối với các kết cấu bị uốn.
Tính toán kiểm tra chống nứt được tiến hành theo 8.4.6. Ứng suất, MPa, được tính theo công thức:

Hệ số an toàn trong tính toán chống nứt và tính toán sức bền theo lực phá hủy ít nhất phải bằng trị số tương ứng ghi ở Bảng 2A/8.13.
Ứng suất nén cục bộ bê tông nơi đặt chi tiết néo không được lớn hơn 0,7Rn.
Bảng 2A/8.13 - Hệ số an toàn
| Tải trọng | Kết cấu tham gia sức bền chung, kết cấu tham gia đồng thời sức bền chung và sức bền cục bộ | Kết cấu chỉ tham gia sức bền cục bộ | ||
| Tính toán chống nứt | Tính toán sức bền | Tính toán chống nứt | Tính toán sức bền | |
| Thường xuyên | 1,35 | 2,10 | 1,25 | 1,90 |
| Thường xuyên và hãn hữu hoặc chỉ hãn hữu | 1,20 | 1,90 | 1,10 | 1,70 |
| Tai nạn | Không quy định | 1,60 | Không quy định | 1,50 |
CHƯƠNG 9 BỘ PHẬN ĐÓNG KÍN LỖ KHOÉT TRÊN THÂN TÀU VÀ THƯỢNG TẦNG
9.1 Quy định chung
9.1.1 Các quy định trong Chương này áp dụng cho các lỗ khoét ở kết cấu thân tàu được nêu trong 2.3.3, ngoài ra các lỗ khoét còn phải thoả mãn các yêu cầu nêu tại Chương 3 Phần 9 và Chương 4 Phần 10 của Quy chuẩn này.
9.1.2 Nắp đậy của lỗ khoét trên thân tàu, thượng tầng và lầu phải thỏa mãn yêu cầu về kết cấu chống cháy được quy định tại Chương 2 Phần 5 của Quy chuẩn này.
9.2 Cửa húp lô
Cửa húp lô phải được bố trí thỏa mãn yêu cầu 3.1.11 Phần 9 và 4.3 Phần 10 của Quy chuẩn này.
9.3 Nắp cửa, nắp khoang, cửa bên ngoài, lối đi, cửa thông gió và lấy ánh sáng
9.3.1 Nắp cửa két và cửa xuống khoang cách ly trên boong mạn khô phải được làm bằng thép hoặc vật liệu khác phù hợp đã được Đăng kiểm thẩm định.
Chiều dày tối thiểu nắp phải bằng chiều dày tôn vỏ nơi bố trí nắp. Nắp phải được cố định chắc chắn với thành quây hoặc ngưỡng bằng bu lông hoặc chốt có đai ốc và có gioăng làm kín.
Nắp khi đóng phải đảm bảo tính kín dưới tác động của áp suất bên trong tương ứng với áp suất thử đối với khoang hay két đang xét. Tính kín được đảm bảo nhờ các gioăng làm kín chịu được chất lỏng được chứa trong khoang hay két.
Nắp tháo được phải có thiết bị giữ cho chúng không thể tự dịch chuyển. Các cửa ra vào phải đảm bảo khả năng an toàn khi di chuyển trên boong.
9.3.2 Cửa ra vào của thượng tầng tầng 1 và lầu phải có kết cấu bền tương tự như vách nơi đặt cửa.
9.3.3 Nếu thỏa mãn các yêu cầu của Quy chuẩn này, phụ thuộc vào vùng hoạt động và công dụng của tàu, cửa bên ngoài thượng tầng và lầu mà không cần đóng kín có thể được làm từ gỗ và các vật liệu khác.
9.3.4 Các lỗ khoét trên boong lộ thiên có cầu thang dẫn xuống các buồng phía dưới boong phải có nắp thường xuyên đóng và được làm từ thép hay vật liệu khác được Đăng kiểm thẩm định.
Chiều dày nắp bằng kim loại không nhỏ hơn 0,01 khoảng cách giữa các dầm gia cường nắp nhưng không được nhỏ hơn 3 mm.
9.3.5 Các lỗ khoét trên mặt boong để thông gió và chiếu sáng buồng bếp, khoang máy, buồng vệ sinh… phải có nắp bảo vệ, nắp bảo vệ phải có kết cấu chắc chắn và kín thời tiết.
9.3.6 Kính phải được cố định chắc chắn với nắp bằng khung xung quanh có tấm đệm kín bằng cao su hay từ các vật liệu phù hợp.
9.3.7 Nắp lấy ánh sáng, thông gió phải có bộ phận để đóng, mở. Nếu nắp được sử dụng như là lối thoát hiểm thì bộ phận để đóng, mở phải được điều khiển từ cả hai phía của cửa.
9.3.8 Nắp lỗ người chui bố trí ở vách đứng của két phải được trang bị tay nắm dạng cài.
9.3.9 Lực nâng nắp lỗ người chui hay nâng nắp từ phía dưới cũng như các cửa ra vào không được lớn hơn 160 N.
9.3.10 Miệng khoang phải tiếp cận dễ dàng và an toàn trong sử dụng. Các thành phần đóng miệng khoang hàng có khối lượng lớn hơn 40 kg thì phải có đối trọng hoặc mở bằng cách quay hoặc phải trang bị các bộ phận mở cơ giới.
Khi sử dụng các thiết bị để đóng và mở nắp miệng khoang hàng, thì phải bố trí chúng ở những nơi dễ tiếp cận.
Trên nắp miệng khoang hàng và trên thiết bị mở (nếu có) phải đánh dấu để chỉ ra chúng tương ứng với miệng khoang hàng nào và vị trí của chúng trên miệng khoang hàng.
9.3.11 Phải đảm bảo cố định chắc chắn nắp miệng khoang hàng ở vị trí làm việc của chúng. Trong trường hợp nắp di động cần đảm bảo khả năng khoá hãm ở vị trí biên. Chúng phải được trang bị các bộ phận hãm để ngăn cản sự dịch chuyển vô ý theo các hướng khác nhau trên một khoảng lớn hơn 0,4 m. Phải xét đến các bộ phận tương ứng để quay nắp khoang hàng đã được lắp.
9.3.12 Đối với nắp hầm dẫn động bằng cơ khí phải tự động ngắt việc cung cấp năng lượng khi ngắt thiết bị điều khiển.
9.3.13 Ống thoát nước trên boong và lỗ khoét trên mạn chắn sóng phải có kích thước đủ để thoát nước từ mặt boong ra ngoài mạn.
9.4 Đóng khoang hàng
9.4.1 Quy định chung
1 Miệng khoang hàng phải có thành quây bao quanh. Đồng thời phải loại trừ khả năng thiết bị nâng móc vào mép dưới miệng khoang.
2 Nắp miệng khoang hàng phải chịu được tải trọng quy định. Nắp miệng khoang hàng không tính toán chịu tải trọng phải có ký hiệu phù hợp. Nếu trên nắp miệng khoang hàng cho phép người di chuyển thì nắp đó phải chịu được tải trọng tập trung ít nhất 75 kg. Nắp miệng khoang hàng được tính toán để xếp hàng hoá phải có ký hiệu phù hợp và trên nắp phải ghi tải trọng cho phép, t/m2.
Nếu việc phân bố tải trọng cho phép lớn nhất yêu cầu phải đặt cột chống thì trong trường hợp này vị trí của cột chống phải được chỉ rõ và sơ đồ đặt cột chống phải được lưu giữ trên tàu.
3 Nắp miệng khoang hàng và các dầm ngang gia cường phải có kết cấu sao cho không thể bị di chuyển do gió, do bốc xếp hàng hoá, thiết bị chằng buộc và kéo...
4 Phải quy định sử dụng an toàn đối với các nắp miệng khoang hàng và các bộ phận khác (xà dọc, xà ngang miệng khoang).
9.4.2 Nắp khoang hàng của tàu hàng lỏng
1 Nắp miệng khoang hàng của tàu hàng lỏng phải kín nước. Tính kín nước được bảo đảm nhờ các tấm đệm cao su hay các vật liệu phù hợp khác lâu hỏng trong môi trường chất lỏng vận chuyển.
2 Nắp miệng khoang hàng phải được làm từ thép, nếu sử dụng các vật liệu khác phải được Đăng kiểm thẩm định.
3 Chiều dày tôn nắp thép phải không nhỏ hơn chiều dày tôn boong tại nơi đặt miệng khoang hàng, nhưng không được nhỏ hơn 6 mm;
Chiều dày tôn nắp bằng hợp kim nhẹ phải được tăng lên 20%;
4 Trên nắp miệng khoang hàng có thể lắp các lỗ quan sát có đường kính đến 150 mm được đóng kín bằng nắp hoặc bằng cách quan sát khác được Đăng kiểm thẩm định.
9.4.3 Nắp khoang hàng của tàu hàng khô
1 Khoang hàng của tàu hàng khô yêu cầu chịu được mọi điều kiện thời tiết bất lợi và phải có nắp đảm bảo tính kín thời tiết hoặc thiết bị tương đương. Đối với tàu hở không phải trang bị nắp hầm theo quy định thì không cần thỏa mãn quy định tại mục này mà chỉ cần thỏa mãn nếu trên nắp miệng khoang hàng cho phép người di chuyển thì nắp đó phải chịu được tải trọng tập trung ít nhất 75 kg.
2 Tải trọng tính toán lên nắp bao gồm cả khối lượng riêng (p) tính cho nắp miệng khoang bằng thép, nắp hộp bằng thép, nắp thép kín thời tiết, xà tháo lắp được lấy theo từ (1) tới (5) dưới đây:
(1) Đối với tàu cấp VR-SI p - không được lấy nhỏ hơn 2,45 kN/m2, VR-SII, VR-SIII thì p - không được lấy nhỏ hơn 1,5 kN/m2;
(2) Đối với tàu cấp VR-SB chiều dài (L) ≤ 24 m thì p - không được lấy nhỏ hơn 4,9 kN/m2 và với tàu cấp VR-SB chiều dài (L) ≥ 100 m thì p - không được lấy nhỏ hơn 9,81 kN/m2; Với tàu cấp VR-SB có chiều dài (L) từ trên 24 m đến dưới 100 m thì p - được nội suy tuyến tính.
(3) Nếu nắp miệng khoang hàng được tính toán để xếp hàng hoá thì tải trọng tính toán lên nắp khoang hàng bao gồm tải trọng được quy định ở (1) và (2) cộng với tải trọng của hàng hoá tác dụng lên nắp khoang hàng
(4) Trong các trường hợp đặc biệt khác, ví dụ khi giới hạn vùng hoạt động theo sự thống nhất với Đăng kiểm có thể giảm tải trọng p.
3 Tiêu chuẩn về độ bền của nắp miệng khoang bằng thép và xà đỡ miệng khoang
(1) Độ võng cho phép
Độ võng theo phương đứng của các cơ cấu đỡ chính phải lấy không lớn hơn so với giá trị dưới đây:
0,0056 l đối với nắp miệng khoang bằng thép và nắp thép kín thời tiết.
0,0044 l đối với nắp hộp bằng thép và xà tháo lắp.
l : Nhịp của các cơ cấu đỡ chính (m).
(2) Chiều dày hữu hiệu cục bộ của tôn nắp miệng khoang bằng thép
Chiều dày hữu hiệu cục bộ tnet (mm) của tấm trên cùng của nắp miệng khoang bằng thép phải không nhỏ hơn giá trị tính toán bằng công thức dưới đây, và phải không nhỏ hơn 1% khoảng cách các nẹp hoặc 4,5 mm, lấy giá trị lớn hơn.
![]()
Fp : Hệ số lấy bằng 1,5
S: Khoảng cách giữa các nẹp (m).
p: Tải trọng thiết kế (kN/m2)
σF : Ứng suất chảy trung bình phía trên hoặc ứng suất chảy quy ước của vật liệu (N/mm2).
Đối với tàu mang cấp VR-SI, chiều dày tôn nắp hầm không được lấy nhỏ hơn 2 mm.
Đối với tàu mang cấp VR-SII, VR-SIII chiều dày tôn nắp hầm không được lấy nhỏ hơn 1,5 mm.
4 Quy cách hiệu dụng của các nẹp phụ
(1) Mô đun chống uốn tiết diện hiệu dụng Znet (cm3) của các nẹp phụ gia cường cho tấm nóc của nắp miệng khoang, dựa trên cơ sở chiều dày hiệu dụng của nẹp, phải không nhỏ hơn giá trị tính toán bằng công thức dưới đây. Mô đun chống uốn tiết diện hiệu dụng của nẹp phụ phải được xác định dựa vào giả thiết là chiều rộng mép kèm bằng khoảng cách các nẹp.

l: Nhịp của nẹp phụ (m), phải lấy bằng khoảng cách các cơ cấu đỡ chính
hoặc khoảng cách giữa cơ cấu đỡ chính và cơ cấu đỡ mép ngoài, nếu có.
S: Khoảng cách các nẹp (m);
p: Tải trọng thiết kế (kN/m2)
σF: ứng suất chảy trung bình phía trên hoặc ứng suất chảy quy ước của vật liệu (N/mm2).
(2) Diện tích tiết diện chịu cắt hữu hiệu A net (cm 2 ) của nẹp phụ gia cường cho tấm nóc của nắp miệng khoang phải không nhỏ hơn giá trị tính toán bằng công thức sau:

l, S, và 𝑝 : Như quy định tại (1) trên.
(3) Với các nẹp phụ làm bằng thép dẹt và các nẹp gia cường chống mất ổn định tấm, phải tính toán theo công thức dưới đây:

h: Chiều cao tiết diện nẹp (mm);

twnet : Chiều dày hữu hiệu của nẹp (mm);
σF : Như quy định ở (1) trên.
5 Cơ cấu đỡ chính của nắp miệng khoang bằng thép và xà đỡ miệng khoang
(1) Quy cách cơ cấu đỡ chính của nắp miệng khoang bằng thép và xà đỡ miệng khoang phải được xác định theo mục (4) dưới đây, có tính đến ứng suất cho phép.
(2) Quy cách cơ cấu đỡ chính của nắp miệng khoang bằng thép và xà đỡ miệng khoang với các tiết diện khác nhau phải không nhỏ hơn giá trị được tính bằng công thức dưới đây. Đối với nắp miệng khoang bằng thép, S và l phải được hiểu tương ứng là b và S.
Mô đun chống uốn hữu hiệu mặt cắt ngang (cm3 ) của xà đỡ miệng khoang hoặc điểm giữa của cơ cấu đỡ chính được tính bằng công thức dưới đây:

Mô men quán tính hữu hiệu mặt cắt ngang (cm4) của xà đỡ miệng khoang hoặc điểm giữa của cơ cấu đỡ chính tính bằng công thức dưới đây:

Znet_cs: Mô đun chống uốn hữu hiệu thỏa mãn quy định ở (1) trên (cm3);
Inet_cs: Mô men quán tính hữu hiệu thỏa mãn quy định ở (1) trên (cm4);
S : Khoảng cách giữa các xà tháo lắp hoặc khoảng cách giữa các cơ cấu đỡ chính (m);
L : Nhịp của xà tháo lắp hoặc cơ cấu đỡ chính (m);
B : Chiều rộng của nắp miệng khoang bằng thép (m);
k1 và k2 : Hệ số được tính bằng các công thức trong Bảng 2A/9.1.
Bảng 2A/9.1 - Hệ số k1 và k2

(3) Ngoài các quy định ở (1) và (2) trên, quy cách của các cơ cấu đỡ chính của nắp miệng khoang bằng thép phải thỏa mãn các yêu cầu quy định ở -6.
(4) Khi xem xét các bản mép chịu nén hai chiều của cơ cấu, chiều rộng hữu hiệu của bản mép phải thỏa mãn các yêu cầu ở (3).
(5) Ngoài các yêu cầu ở (1) đến (4) bên trên, chiều dày hữu hiệu tnet (mm) của bản thành cơ cấu đỡ chính phải không nhỏ hơn giá trị tính bằng các công thức dưới đây, lấy giá trị lớn hơn.
tnet = 6,5S (mm)
tnet = 5,0 (mm)
S: Khoảng cách các nẹp (m).
(6) Ngoài các yêu cầu ở (1) đến (5) trên, chiều dày hữu hiệu tnet (mm) của mép dầm mà nước biển có thể tiếp xúc tới phải không nhỏ hơn giá trị tính bằng các công thức dưới đây, lấy giá trị lớn hơn:
tnet = 8,5S
p : Tải trọng thiết kế (kN/m2 )
S: Khoảng cách các nẹp (m);
σF : Là ứng suất chảy trung bình phía trên hoặc ứng suất chảy quy ước của vật liệu (N/mm2).
6 Đối với nắp hầm đóng bằng nắp di động và che kín thời tiết bằng vải bạt và các cơ cấu chằng bạt
(1) Thành miệng khoang phải có kết cấu vững chắc và có chiều cao theo yêu cầu ở Phần 9 của Quy chuẩn này.
(2) Chiều rộng mặt tiếp xúc của nắp khoang tối thiểu phải bằng 65 mm.
(3) Nếu nắp đậy khoang hàng làm bằng gỗ thì chiều dày ván nắp miệng khoang sau khi bào chuốt xong ít nhất phải bằng 45 mm và nhịp của chúng không vượt quá 1,5 m.
(4) Ổ đỡ hoặc ngăn của xà ngang di động phải có kết cấu vững chắc để lắp ráp và giữ chắc chắn cho xà ngang này. Nếu dùng xà ngang có bánh xe lăn thì các thiết bị này phải đảm bảo sao cho các xà ngang di động nằm đúng vị trí khi miệng khoang đóng.
(5) Các ổ nêm phải khít với độ nghiêng của các nêm. ổ nêm phải có chiều rộng không nhỏ hơn 65 mm và nằm cách nhau không lớn hơn 600 mm tính từ tâm. Các ổ nêm gần góc miệng khoang không được lớn hơn 150 mm tính từ góc miệng khoang.
(6) Các thiết bị chằng bạt và các nêm phải chắc chắn và tốt. Nêm phải làm bằng gỗ cứng hoặc vật liệu khác tương đương. Độ nghiêng của nêm không được lớn hơn 1/6. Chiều dầy của đầu nêm không được nhỏ hơn 13 mm.
(7) Mỗi nắp miệng phải được trang bị ít nhất hai tấm vải bạt tốt. Vải bạt không được thấm nước và có độ bền cao. Vật liệu làm bạt phải có trọng lượng tiêu chuẩn được chấp nhận, đảm bảo chất lượng.
(8) Đối với tất cả nắp miệng khoang, sau khi đã phủ bạt phải dùng những đai thép hoặc phương tiện tương đương khác để chằng buộc hiệu quả và độc lập từng phần với nhau. Nắp miệng khoang hàng dài hơn 1,5 mét phải có ít nhất hai đai.
(9) Phương tiện tương đương để chằng buộc thay cho đai thép phải được sẩn xuất bằng vạt liệu có sức bền và đàn hồi tương đương và tích của chúng không được lớn hơn thép. Cáp thép không được xem là phương tiện tương đương để chằng buộc.
(10) Nếu thiết bị chằng buộc không có bề mặt phẳng được sử dụng thì phải có biện pháp bảo vệ thích hợp để tránh khả năng làm rách bạt.
7 Đối với tàu cấp VR-SI, VR-SII, VR-SIII thay cho yêu cầu từ -1 đến -6, có thể áp dụng quy định sau:
(1) Chiều dày tôn nắp miệng khoang không có đế tựa ở giữa mà chỉ tựa vào thành quây dọc khoang hàng phải không được nhỏ hơn 3 mm.
(2) Mô đun chống uốn, сm3, của tiết diện ngang nắp khoang hàng ở vùng giữa không được nhỏ hơn trị số tính theo công thức:
W = 1,3pbl2
(3) Mô men quán tính, сm4, của tiết diện ngang nắp khoang hàng ở vùng giữa không được nhỏ hơn trị số tính theo công thức:
J = 1,5pbl3
Trong đó:
р - tải trọng tính toán lên nắp bao gồm cả khối lượng riêng nhưng không được lấy nhỏ hơn 2,45 kPa đối với tàu cấp SI và 1,5 KPа đối với tàu cấp SII, SIII;
b - chiều rộng nắp khoang, m;
l - khoảng các giữa các đế tựa, m;
Trong các trường hợp đặc biệt khác, ví dụ khi giới hạn vùng hoạt động theo sự thống nhất với Đăng kiểm có thể giảm tải trọng р.
(4) Chiều dày tấm của nắp khoang hàng làm từ thép tráng kẽm dạng sóng không có đế tựa ở giữa và chỉ tựa vào thành quây dọc miệng khoang phải không nhỏ hơn 1,5 mm. Các trường hợp còn lại phải thỏa mãn các quy định tại (3).
(5) Mô đun chống uốn của tiết diện ngang nắp khoang hàng làm từ hợp kim nhẹ không có đế tựa ở giữa và chỉ tựa vào thành quây dọc miệng khoang hàng được tính theo công thức ở 9.4.3-3 phải được nhân thêm với hệ số k = 1,5;
Mô men quán tính, сm4, của tiết diện ngang nắp khoang hàng làm từ hợp kim nhẹ phải không nhỏ hơn trị số tính theo công thức:
J = 4,1pbl3
Trong đó:
р, b, l - xem (3).
(6) Chiều dày tấm ván dọc và tấm ván nối ngang của nắp miệng khoang bằng gỗ phải không được nhỏ hơn 30 mm. Tấm ván nối ngang phải có chiều rộng 120 mm và được bố trí cách nhau không quá 1,5 m;
Gỗ được sử dụng cho nắp khoang hàng phải có chất lượng tốt, khô, không bị lỗi…
(7) Nắp khoang hàng bằng gỗ phải được xử lý để chúng khỏi mục trong quá trình sử dụng.
(8) Nắp miệng khoang hàng phải được cố định sao cho chúng không tự di chuyển và bị lật bởi gió, các thiết bị nâng hạ, chằng buộc và kéo...
9.5 Bộ phận đóng lỗ khoét trên vách ngăn các khoang
9.5.1 Các quy định từ 9.5.2 đến 9.5.9 dưới đây, trừ các trường hợp đặc biệt được áp dụng cho tàu khách phải thỏa mãn các quy định ở Phần 7 của Quy chuẩn này.
Các quy định từ 9.5.2 đến 9.5.9, áp dụng cho các vách được nêu trong 2.4.6-1 đến 2.4.6-17. Ở từng trường hợp cụ thể nếu được sự đồng ý của Đăng kiểm có thể không bắt buộc phải áp dụng tất cả các quy định từ 9.5.2 đến 9.5.9 dưới đây.
9.5.2 Phải hạn chế tối đa số lượng lỗ khoét trên vách kín nước, các lỗ khoét phải phù hợp với kết cấu và các điều kiện khai thác của tàu.
Không được lắp đặt cửa và lỗ chui ở vách chống va và vách phân chia buồng máy với buồng hành khách hoặc buồng cho thủy thủ đoàn.
9.5.3 Nếu có đường ống hay cáp điện đi xuyên qua vách kín nước thì phải theo các quy định được nêu trong Phần 3 và Phần 4 của Quy chuẩn này.
9.5.4 Các cửa đặt trên vách kín nước phải thỏa mãn các quy định trong 9.3.1.
9.5.5 Cửa trên vách kín nước phải có bộ phận đóng đảm bảo tính kín nước. Cửa phải có dạng trượt theo chiều ngang hoặc thẳng đứng. Khi sử dụng cửa bản lề phải đáp ứng yêu cầu tại 9.5.7.
Cửa phải chịu được áp lực nước với chiều cao tính từ mép dưới lỗ khoét đến mép trên boong trong mặt phẳng dọc tâm. Chiều rộng cửa không được lớn hơn 1,2 m.
9.5.6 Cửa mở thường xuyên trên vách kín nước phải được đóng, mở từ 2 phía của vách và phải đóng, mở được từ trên boong mạn khô.
Phải có thiết bị chỉ báo tình trạng đóng hay mở của cửa ở vách kín nước trên mỗi trạm điều khiển.
Sau khi đóng, mở cửa từ xa phải đảm bảo khả năng đóng, mở cửa được tại trạm điều khiển tại chỗ. Thời gian đóng cửa phải lớn hơn 20 giây nhưng không quá 60 giây. Phải có tín hiệu âm thanh tự động trong thời gian cửa đóng.
Phải có nguồn điện dự phòng cho bộ phận đóng, mở cửa và cho hệ thống tín hiệu.
Trong buồng lái phải có thiết bị chỉ báo vị trí cửa đang đóng hay mở trên các vách kín nước.
9.5.7 Các cửa (trong đó gồm cả cửa bản lề) trên vách kín nước được đóng và mở bằng tay và không có điều khiển từ xa được phép bố trí ở các vị trí hành khách không lui tới. Các cửa đó phải thường xuyên đóng và chỉ mở ở thời điểm đi qua, không cần khóa, cửa phải đóng mở được từ cả hai phía, có chỉ báo đóng mở trên lầu lái. Phải có bộ phận thích hợp để đóng kín cửa nhanh chóng và chắc chắn, khi đó lực trên tay quay, tay nắm hay các trang thiết bị khác để đóng, mở cửa phải không được vượt quá 160 N.
Ở cả hai phía của cửa phải có dòng lưu ý “Phải đóng cửa sau khi đi qua”.
9.5.8 Khoảng cách từ mạn tàu đến mép cửa của vách và các bộ phận đóng, mở phải bằng ít nhất 1/5 chiều rộng tàu, khoảng cách được đo vuông góc với mặt phẳng dọc tâm tàu ứng với chiều chìm lớn nhất của tàu.
9.5.9 Mỗi bên mạn tàu phải treo các bảng chỉ dẫn Chú thích trong các trường hợp khẩn cấp tất cả các lỗ khoét và cửa trên vách kín nước phải nhanh chóng đóng lại.
PHẦN 2B TRANG THIẾT BỊ
CHƯƠNG 1 THIẾT BỊ LÁI
1.1 Quy định chung
1.1.1 Quy định chung
1 Những yêu cầu của Chương này được áp dụng cho các thiết bị lái với bánh lái tấm kiểu đơn giản, bánh lái dạng lưu tuyến (cân bằng và bán cân bằng) và đạo lưu quay.
Những thiết bị có kết cấu đặc biệt không quy định trong Chương này, phải được Đăng kiểm xem xét trong từng trường hợp cụ thể.
2 Thiết bị lái phải được trang bị cho tất cả các tàu có động cơ. Những tàu không có động cơ được khai thác bằng phương pháp kéo, có thể thay thế thiết bị lái bằng thiết bị ổn định hướng cố định.
3 Những công trình nổi và những tàu không có động cơ khai thác bằng phương pháp đẩy hoặc lai áp mạn có thể không cần bố trí thiết bị ổn định hướng cố định.
4 Thiết bị lái được thiết kế phải bảo đảm việc điều khiển tàu dễ dàng phù hợp với các tiêu chuẩn quy định.
1.1.2 Vật liệu
1 Bánh lái và đạo lưu quay phải được chế tạo bằng thép có hàm lượng các bon không vượt quá 0,23%.
2 Đạo lưu quay có thể sử dụng kết cấu hàn hoặc hàn và đúc, có hàm lượng các bon của vật liệu không được lớn hơn 0,25%.
3 Trục bánh lái, chốt lái, bu lông liên kết, then, các thanh mép và các phần đúc của bánh lái phải được làm bằng thép cán, thép rèn hoặc thép các bon đúc phù hợp với các yêu cầu quy định ở Phần 6A của Quy chuẩn này. Trừ khi có quy định cụ thể ở các quy chuẩn liên quan, thành phần các bon của vật liệu không được vượt quá 0,23%.
1.2 Bánh lái và đạo lưu quay
1.2.1 Chiều dày t, mm, tấm vỏ bánh lái dạng lưu tuyến không được nhỏ hơn trị số xác định theo công thức sau:
t = kdo + 3
Với tàu hoạt động tuyến SB, được tính theo công thức sau:
t = kdo + 4
Trong đó:
do - đường kính trục lái, xác định theo 1.3.1 hoặc 1.3.3, mm;
k - hệ số phụ thuộc vào cấp tàu:
k = 0,025 - đối với tàu cấp VR-SB;
k = 0,020 - đối với tàu cấp VR-SI;
k = 0,015 - đối với tàu cấp VR-SII, VR-SIII.
Chiều dày tấm mặt đầu trên bánh lái dạng lưu tuyến và thiết bị cân bằng không được nhỏ hơn 1,5 lần đối với tàu mang cấp VR-SB và 1,4 lần đối với tàu mang cấp VR-SI, VR-SII và VR-SIII chiều dày tấm vỏ bánh lái xác định theo 1.2.1.
1.2.2 Chiều dày ttt, mm, tấm của bánh lái tấm không được nhỏ hơn trị số xác định theo công thức:
ttt = kdo + 4
Trong đó:
do - đường kính trục lái xác định theo 1.3.1 hoặc 1.3.3, mm;
k - hệ số phụ thuộc vào cấp tàu:
k = 0,080 - đối với tàu cấp VR-SB
k = 0,055 - đối với tàu cấp VR-SI
k = 0,030 - đối với tàu cấp VR-SII, VR-SIII.
1.2.3 Chiều dày nhỏ nhất của tấm vỏ ngoài đạo lưu quay thân rỗng và chiều dày tấm vỏ của thiết bị cân bằng không nhỏ hơn t1 = t +1, mm, trong đó, t - chiều dày tấm vỏ xác định theo 1.2. Chiều dày nhỏ nhất của tấm vỏ trong của đạo lưu không nhỏ hơn t2 = 1,25t1.
1.2.4 Giữa hai lớp của đạo lưu thân rỗng phải đặt các nẹp dọc và đai gia cường. Chiều dày nẹp không nhỏ hơn t3 = 2t2. Đai gia cường nên chế tạo bằng thép không gỉ.
1.2.5 Trong bất kỳ trường hợp nào, chiều dày tấm vỏ bánh lái dạng lưu tuyến, tấm vỏ đạo lưu thân rỗng và thiết bị cân bằng không được nhỏ hơn chiều dày tấm vỏ phần đuôi tàu.
1.2.6 Tấm vỏ bánh lái dạng lưu tuyến và thiết bị cân bằng phải được gia cường từ bên trong bằng các nẹp đứng và sống ngang. Chiều dày của nẹp và sống không được nhỏ hơn chiều dày tấm vỏ bánh lái dạng lưu tuyến hoặc thiết bị cân bằng. Trên các nẹp và sống có thể có các lỗ khoét phù hợp để giảm trọng lượng của thiết bị. Trên các tấm mặt đầu của bánh lái, điểm trên và điểm dưới của đạo lưu quay phải đặt các nút làm bằng thép không gỉ.
1.2.7 Bánh lái không được đặt nhô ra ngoài kích thước giới hạn của tàu. Trường hợp không thực hiện được yêu cầu này thì phải đặt các thiết bị bảo vệ (lưới hoặc hàng rào thép bao quanh).
1.2.8 Khi bố trí bánh lái phải chú ý đến độ chúi tính toán lớn nhất ở phía đuôi tàu để loại trừ khả năng gây hư hỏng bánh lái;
Khi thiết kế bánh lái cho tàu hoạt động trong vùng nước cạn phải đặt ổ đỡ tựa phía dưới.
1.2.9 Chiều dày tấm vỏ của thiết bị cân bằng đặt thay bánh lái phải xác định phù hợp với các yêu cầu nêu ở 1.2.1 và 1.2.5. Kết cấu của thiết bị cân bằng cố định phải thoả mãn các yêu cầu nêu ở 1.2.6.
1.3 Trục lái và sống bánh lái
1.3.1 Đường kính trục lái và đạo lưu tại vùng ổ đỡ dưới phải được chứng minh bằng tính toán phù hợp với các yêu cầu của chương này. Tải trọng thủy động, mômen uốn, lực cắt và phản lực gối tác dụng lên hệ trục bánh lái được tính toán bằng phương pháp thích hợp.
1.3.2 Vận tốc tiến toàn phần của tàu được dùng làm vận tốc tính toán, được lấy như sau:
1 Với tàu tự hành hoạt động vùng SI, SII và SIII, không được lấy nhỏ hơn 12,6 km/h (3,5 m/s);
2 Với tàu không tự hành hoạt động vùng SI, SII và SIII, không được lấy nhỏ hơn 10,8 km/h (3,0 m/s);
3 Với tàu hoạt động tuyến SB, không được lấy nhỏ hơn 14,4 km/h (4,0 m/s).
1.3.3 Đường kính trục lái do, mm, tại vùng ổ đỡ dưới không được lấy nhỏ hơn trị số xác định theo công thức sau:
1 Đối với bánh lái treo:

2 Đối với bánh lái có ổ đỡ dưới nằm trên thân dưới của sống đuôi:

3 Đối với bánh lái có chốt bản lề nằm trên thân sau của sống đuôi:
![]()
Trong đó:
k2 - Hệ số dự trữ sức bền của vật liệu trục lái, phụ thuộc vào cấp tàu:
k2 = 2,5 - đối với tàu mang cấp VR-SB, VR-SI;
k2 = 2,0 - đối với tàu mang cấp VR-SII, VR-SIII.
ReH - giới hạn chảy của vật liệu trục, MPa;
Mtorque - Momen quay tính toán bằng công thức sau, kN.m:
Mtorque = Rr
R - Hợp lực tác dụng lên bánh lái được tính theo công thức sau, kN:
![]()
c - Hệ số phụ thuộc vào độ dãn dài tương đối của bánh lái, được xác định theo công thức:
![]()
λ- Độ dang của bánh lái xác định như sau:
![]()
- hệ số lấy bằng:
1,0 - cho bánh lái bố trí sau chân vịt;
0,9 - cho bánh lái không bố trí sau chân vịt.
A - diện tích bánh lái, m2;
v - vận tốc tính toán của tàu khi đầy tải (đối với tàu đẩy phải kể cả đoàn được đẩy), km/h;
Mb- Mô men uốn tính toán bằng công thức sau, kN.m:
Mb = R (0,5h + l);
r - Khoảng cách từ điểm đặt của tải trọng tính toán giả định đến trục quay của bánh lái ở mức ngang với trọng tâm diện tích, xác định theo công thức:

Trong đó:
b - chiều rộng bánh lái, m;
A1 - phần diện tích bánh lái nằm về phía đầu tàu tính từ trục quay, m2;
a - khoảng cách tính từ trục quay đến mép trước của bánh lái ở mức ngang với trọng tâm diện tích bánh lái, m;
h - chiều cao bánh lái, m;
l - khoảng cách giữa tấm mặt đầu trên của bánh lái và ổ trục giữa của trục lái, m;

Hình 2B/1.1 - Minh họa kích thước
1.3.4 Đường kính ngoài dn, mm, nhỏ nhất cho phép của trục lái rỗng, không được nhỏ hơn trị số, xác định theo công thức:
dn = αdo
Trong đó:
do - đường kính trục lái, xác định theo 1.3.1 hoặc 1.3.3, mm;
α - hệ số lấy theo Bảng 2B/1.1, phụ thuộc vào tỷ số định trước giữa chiều dày thành trục lái và đường kính ngoài của trục lái
.
Bảng 2B/1.1 - Hệ số α
|
| 0,50 | 0,25 | 0,20 | 0,15 | 0,10 | 0,08 |
| α | 1,00 | 1,02 | 1,05 | 1,10 | 1,20 | 1,26 |
1.3.5 Sức bền của trục lái được kiểm tra bằng lực tác dụng lớn nhất của máy lái trong trường hợp lái hoặc đạo lưu bị kẹt. Trong trường hợp này ứng suất tính toán không được vượt quá 0,8ReH hoặc 0,6Rm, lấy trị số nào nhỏ hơn (Rm là giới hạn bền kéo của vật liệu).
1.3.6 Trục lái và sống bánh lái có thể chế tạo bằng phương pháp rèn hoặc hàn. Cho phép sử dụng thép đúc-hàn và rèn-hàn, khi đó đường kính phần đúc của trục lái phải được tăng thêm 15% so với đường kính của trục rèn. Đối với tàu mang cấp VR-SI, VR-SII, VR-SIII cho phép sử dụng thép tròn cán nóng để làm trục lái có đường kính nhỏ hơn 150 mm.
1.3.7 Diện tích mặt cắt sống bánh lái ở phần trên phải bằng diện tích trục tại khu vực đó. Diện tích sống bánh lái phía dưới có thể được giảm đều đến 50% so với phần phía trên.
Mối nối của trục lái với tấm bánh lái hoặc ống đạo lưu phải có sức bền tương đương với sức bền của trục lái.
1.3.8 Bánh lái thân rỗng dạng lưu tuyến có thể không có sống bánh lái. Trong trường hợp này phải dùng những tấm đứng liên tục, được kết cấu tiếp xúc với tấm vỏ bánh lái có tiết diện dạng hộp hoặc dạng ống dùng làm sống bánh lái (xem Hình 2B/1.2).
Với bánh lái cân bằng, đặt 2 tấm chắn thẳng đứng ở phía trước và phía sau trục quay với khoảng cách đến tâm trục quay không lớn hơn nửa chiều dày s của bánh lái. Với bánh lái không cân bằng thì phải đặt một tấm chắn cách mép trước của bánh lái một khoảng không lớn hơn chiều dày s của bánh lái. Đường kính ngoài ống thay thế trục lái phải bằng chiều dày s của bánh lái.
Chiều dày của tấm chắn và thành ống với tấm vỏ tiếp xúc không được nhỏ hơn 2 lần chiều dày của tấm vỏ bánh lái, xác định theo 1.2.1.

Hình 2B/1.2 - Tiết diện sống bánh lái
1.3.9 Mối nối giữa bánh lái với trục lái phải là mối nối bu lông thông qua mặt bích nằm. Đối với mối nối kiểu côn phải được tính toán để đảm bảo đặc tính liên kết.
Đối với tàu có chiều dài nhỏ hơn 10 mét và lái bằng tay thì mối nối giữa bánh lái và trục lái có thể được hàn.

Ghi chú: D1 = 1,1D không nhỏ hơn D+20 mm.
Hình 2B/1.3 - Mối nối hàn giữa trục lái và tấm bánh lái
1.3.10 Tất cả các bu lông nối bích phải được lắp chặt. Trong mối nối kiểu then thì số bu lông này có thể giảm nhưng không ít hơn 2 cái. Tổng diện tích các bu lông nối ∑F, mm2, không được nhỏ hơn trị số xác định theo công thức:
∑F = 0,3do2
Trong đó:
do - đường kính trục lái xác định theo 1.3.1 hoặc 1.3.3, mm.
1.3.11 Đai ốc của bu lông nối bích phải được hãm chắc chắn bằng các đai ốc đôi và được bảo vệ bằng các chốt chẻ hoặc tấm hàn để tránh hiện tượng tự xoáy ra của các đai ốc.
1.3.12 Khoảng cách từ mép lỗ bu lông đến gờ ngoài của mặt bích nối không được nhỏ hơn 0,65 lần đường kính bu lông nối.
Khoảng cách từ tâm bích đến tâm của chiếc bu lông nối bất kỳ nào cũng không được nhỏ hơn 0,7 lần đường kính trục lái, xác định theo 1.3.1 hoặc 1.3.3. Nếu ngoài biến dạng xoắn còn bị biến dạng uốn thì phải thêm yêu cầu sao cho khoảng cách từ tâm của chiếc bu lông bất kỳ đến mặt dọc tâm của bích lái không được nhỏ hơn 0,6 lần đường kính trục lái xác định theo 1.3.1 hoặc 1.3.3.
1.3.13 Đối với bánh lái không có sống bánh lái, mối nối giữa bích nằm ngang với tấm mặt trên bánh lái sao cho chiều dày bích giảm dần và hàn vào đầu tấm mặt và tấm cốt bánh lái bằng mối hàn ngấu hoàn toàn theo quy cách như Hình 2B/1.4 hoặc tương đương.
![]()
t: Chiều dày thực tế tôn bánh lái;
tf: Chiều dày thực tế của bích.

Hình 2B/1.4 - Mối nối hàn giữa bích nằm ngang và tấm mặt bánh lái và cốt bánh lái
1.3.14 Chiều dày của bích nối không được nhỏ hơn đường kính của bu lông nối. Phần chuyển tiếp từ trục lái tới mặt bích nối phải có bán kính lượn tròn và bố trí theo Hình 2B/1.5.
Đối với tàu có chiều dài nhỏ hơn 100 mét, phần chuyển tiếp từ trục lái tới mặt bích nối phải có bán kính lượn không nhỏ hơn 0,12 lần đường kính trục lái tại chỗ nối hoặc 10 mm lấy giá trị nào lớn hơn theo bố trí như Hình 2B/1.6.

Hình 2B/1.5 - Mối nối hàn giữa trục lái và bích lái

Hình 2B/1.6 - Mối nối hàn giữa trục lái và bích lái tàu có chiều dài nhỏ
1.3.15 Nếu mối nối giữa trục lái với bánh lái là dạng côn thì chiều dài đoạn côn để gắn với bánh lái không được nhỏ hơn 1,5 lần đường kính trục lái xác định theo 1.3.1 hoặc 1.3.3, còn độ côn theo đường sinh c = (du-do)/l từ 1/10 đến 1/12. Đoạn hình côn chuyển sang đoạn hình trụ không được có bậc. Dọc theo đường sinh của côn phải đặt then. Chiều cao bu lông hn = 0,6dg, kích thước côn và rãnh then phải được xác định theo tiêu chuẩn hoặc bằng tính toán trực tiếp.

Hình 2B/1.7 - Mối nối côn giữa trục lái và bánh lái
1.3.16 Có thể dùng ổ trượt hoặc ổ lăn làm các ổ tựa cho trục lái.
1.3.17 Chiều cao bạc lót ổ trượt hbt, mm, của các ổ tựa trục lái không được nhỏ hơn trị số xác định theo công thức:
![]()
Trong đó:
BH - phản lực giả định tại ổ tựa của trục lái khi tính dầm “Trục lái, sống bánh lái” chịu uốn được xác định theo 1.3.18, kN;
d1 - đường kính trục lái tại ổ tựa (kể cả lớp bọc, nếu có), mm;
p - ứng suất riêng cho phép của vật liệu bạc trục lái, lấy theo Bảng 2B/1.2, MPa. Trong mọi trường hợp chiều cao bạc trục lái không được lấy nhỏ hơn 0,8d1.
Bảng 2B/1.2 - Ứng suất riêng cho phép p, MPa
| TT | Vật liệu của cặp ma sát | Bằng nước | Bằng dầu nhờn |
| 1 | Thép ma sát với đồng thanh | 6,85 | - |
| 2 | Thép ma sát với ba bít | - | 4,41 |
| 3 | Thép hoặc đồng thanh ma sát với ba bít | 2,36 | - |
| 4 | Thép hoặc đồng thanh ma sát với vật liệu tổng hợp | Được Đăng kiểm quyết định trên cơ sở tiêu chuẩn quốc gia hoặc quy phạm, tiêu chuẩn theo thông lệ quốc tế | |
1.3.18 Phản lực giả định tại ổ tựa của trục lái BH, kN, tính từ phía ổ đỡ của trục lái không được nhỏ hơn trị số xác định theo công thức:
1 Đối với bánh lái treo:

2 Đối với bánh lái có ổ đỡ dưới:
![]()
Trong đó:

1.3.19 Cho phép sử dụng ổ lăn tiêu chuẩn để làm các ổ đỡ của trục lái nhưng phải đảm bảo sự bôi trơn tin cậy và tránh nước lọt vào.
1.3.20 Khi thiết kế ổ đỡ cho trục lái phải lưu ý đến các biện pháp ngăn ngừa sự chuyển dịch dọc trục của bánh lái.
1.3.21 Kết cấu ống bao trục lái phải loại trừ khả năng nước lọt vào thân tàu. Đệm kín nước bố trí cao hơn mớn nước chở hàng và dễ tiếp cận kiểm tra khi tàu hoạt động.
1.3.22 Áo trục và bạc trục
1 Khe hở trục, áo trục và bạc trục bằng di/1000+1,0 mm; trong đó di là đường kính trong của bạc trục (mm);
2 Đối với bạc trục phi kim loại, để tránh giãn nở nhiệt thì khe hở không được nhỏ hơn 1,5 mm;
3 Đối với tàu hoạt động vùng SB, trục phía dưới phải có áo trục bằng thép không rỉ, bằng hợp kim đồng hoặc phải có phương pháp bảo vệ chống ăn mòn khác.
1.3.23 Ổ đỡ bánh lái
1 Phải đặt ổ chặn phù hợp với kiểu và trọng lượng của bánh lái và phải chú ý bôi trơn tốt;
2 Kết cấu thân tàu tại ổ đỡ bánh lái phải được gia cường.
1.3.24 Chặn nhảy bánh lái
Phải lắp đặt một cơ cấu phù hợp để tránh hiện tượng bánh lái bị nhảy do va đập của sóng.
1.4 Thiết bị hạn chế và thiết bị bảo vệ
1.4.1 Phải có thiết bị khống chế cho máy lái, séc tơ, cần lái, để giới hạn sự dịch chuyển của bánh lái.
1.4.2 Thiết bị khống chế của máy lái (ngắt giới hạn) phải cho phép dịch chuyển lái một góc không nhỏ hơn 35°.
1.4.3 Thiết bị khống chế séc tơ hoặc tay lái phải cho phép dịch chuyển bánh lái một góc lớn hơn góc của thiết bị khống chế máy lái 1,5°.
1.4.4 Phải tính lực tương ứng với mô men xoắn giới hạn Mk, kNm, trên trục lái cho thiết bị khống chế quay bánh lái. Mô men xoắn giới hạn được xác định theo công thức:
![]()
Trong đó:
d1 - đường kính trục lái tại tiết diện nhỏ nhất, m;
ReH - giới hạn chảy của vật liệu trục lái, MPa.
1.4.5 Trên tàu mang cấp VR-SB và VR-SI phải có thiết bị chốt để loại trừ khả năng quay tự do của bánh lái khi không nối chúng với máy lái.
CHƯƠNG 2 THIẾT BỊ NEO
2.1 Quy định chung
2.1.1 Quy định chung
1 Chương này bao gồm các định mức trang bị về neo và xích neo cho tàu cũng như các yêu cầu đối với máy kéo neo và các chi tiết của thiết bị neo.
2 Trên mỗi tàu, trừ những trường hợp nêu ở -3 dưới đây, phải trang bị thiết bị neo để đảm bảo giữ được tàu khi đậu.
3 Theo đặc điểm luồng lạch và điều kiện neo đậu đối với tàu chạy trên các nhánh sông nhỏ, trong hồ, những công trình nổi thường xuyên khai thác ở gần bờ (bến nổi, trạm trực ca, trạm chuyển hàng, trạm bơm nổi...) cũng như các tàu được đẩy mang cấp VR-SII hoặc VR- SIII hành trình trên các đoạn đường ngắn và các tàu có thể đảm bảo an toàn kỹ thuật mà không cần thả neo theo một số hạn chế nhất định có thể không cần trang bị thiết bị neo đậu nếu chủ tàu đảm bảo an toàn cho phương tiện khi vận hành và khi đậu. Các điều kiện hạn chế và thông tin liên quan phải được ghi rõ trong Giấy chứng nhận an toàn kỹ thuật và bảo vệ môi trường của tàu.
4 Định mức trang bị neo cho cần trục nổi, trạm bơm dầu, các tàu và công trình nổi có kết cấu đặc biệt và làm nhiệm vụ đặc biệt, phải xác định bằng tính toán trong khi thiết kế, phụ thuộc vào tính chất cũng như đặc điểm khai thác của chúng và tài liệu tính toán phải được trình Đăng kiểm thẩm định.
5 Những yêu cầu của Chương này được áp dụng cho neo Hall. Trừ khi được yêu cầu cụ thể trong Chương này, các yêu cầu kỹ thuật của neo và xích neo được lấy theo Phần 7B Mục II QCVN 21:2015/BGTVT và các bổ sung sửa đổi.
6 Thiết bị neo trên tàu chở dầu có điểm chớp cháy nhỏ hơn hoặc bằng 60°C phải thỏa mãn thêm các yêu cầu nêu tại Phần 5 của Quy chuẩn này.
2.1.2 Phân loại neo
1 Neo gồm 2 loại đưa ra dưới đây:
(1) Neo có thanh ngáng (neo Hải quân v.v...);
(2) Neo không có thanh ngáng (neo Hall v.v...).
2 Neo được phân cấp theo hệ số bám của neo (là giá trị của lực bám chia cho khối lượng neo). Nếu hệ số này lớn hơn 6 và ≤ 12 thì được gọi là neo có độ bám cao, và lớn hơn 12 là neo có độ bám rất cao.
2.1.3 Phân loại xích neo
1 Xích được phân thành các loại sau đây:
(1) Xích không có ngáng;
(2) Xích có ngáng:
- Xích có ngáng cấp 1;
- Xích có ngáng cấp 2;
- Xích có ngáng cấp 3.
2 Vật liệu được dùng để chế tạo xích phải phù hợp một cách tương ứng với từng cấp xích và phương pháp chế tạo chúng quy định tại Bảng 2B/2.1.
3 Bất kể các quy định tại -2 trên, có thể dùng thép tròn để chế tạo xích, nếu chúng thỏa mãn những quy định tại 3.6.4 Phần 7A Mục II QCVN 21: 2015/BGTVT và các sửa đổi và những quy định khác của Đăng kiểm.
4 Các ngáng phải được chế tạo bằng thép có hàm lượng các bon nói chung nhỏ hơn 0,25%, nếu ngáng được hàn. Tuy nhiên, ngáng có thể chế tạo từ các thanh thép tương ứng với thép chế tạo xích.
5 Chi tiết của xích phải được chế tạo từ những vật liệu quy định ở Bảng 2B/2.1, phù hợp với cấp xích và phương pháp chế tạo chúng.
Bảng 2B/2.1 - Vật liệu dùng để chế tạo xích
| Cấp xích | Phương pháp chế tạo xích | ||
| Hàn giáp mép áp lực | Hàn giáp mép nóng chảy | Đúc | |
| Xích không ngáng | Thép tròn cấp 1 (SBC31) | Thép tròn cấp 1 (SBC31) |
|
| Xích có ngáng cấp 1 |
| Thép tròn cấp 1 (SBC31) |
|
| Xích có ngáng cấp 2 |
| Thép tròn cấp 2 (SBC50) | Thép đúc xích cấp 2 (SCC50) |
| Xích có ngáng cấp 3 |
| Thép tròn cấp 3 (SBC70) | Thép đúc xích cấp 3 (SCC70) |
Chú thích:
Vật liệu dùng để chế tạo xích cấp 2 có thể dùng cho xích cấp 1.
Bảng 2B/2.2 - Vật liệu dùng để chế tạo các chi tiết của xích
| Loại mắt nối | Phương pháp chế tạo | |
| Đúc | Rèn | |
| Xích không ngáng Xích có ngáng cấp 1 Xích có ngáng cấp 2 | Thép đúc xích cấp 2 (SCC50) | Thép rèn xích cấp 2 (SFC50) |
| Xích có ngáng cấp 3 | Thép đúc xích cấp 3 (SCC70) | Thép rèn xích cấp 3 (SFC70) |
Chú thích: Vật liệu dùng chế tạo xích cấp 3 có thể dùng chế tạo các chi tiết của xích cấp 2.
2.2 Đặc trưng cung cấp
2.2.1 Việc trang bị neo phụ thuộc vào đặc trưng cung cấp Neq, m2, được xác định theo công thức:
Neq = L(B + D) + k∑lh
Trong đó:
L, B, D - kích thước chính của tàu, m;
k - hệ số lấy theo 2.2.2 và 2.2.3;
l - chiều dài của thượng tầng và lầu riêng biệt, m;
h - chiều cao trung bình của thượng tầng và lầu riêng biệt, m.
Đặc trưng cung cấp của tàu hai thân được xác định theo công thức:
Neq = 2L(Bt +d) + L(Bc + D - d) + k∑lh
Trong đó:
Bt - chiều rộng một thân, m;
Bc - chiều rộng toàn bộ của tàu, m;
d - chiều chìm của tàu khi đầy tải, m.
2.2.2 Hệ số k = 1 cho các tàu có tổng chiều dài thượng tầng và lầu bố trí trên tất cả các boong lớn hơn 0,5 lần chiều dài tàu;
Hệ số k = 0,5 cho các tàu có tổng chiều dài thượng tầng và lầu bố trí trên tất cả các boong ≤ 0,5 lần chiều dài tàu.
2.2.3 Với các tàu chở hàng trên boong, trên boong lửng, ∑lh được lấy bằng tích số giữa chiều dài hình chiếu cạnh của hàng trên boong, trên boong lửng, với chiều cao trung bình của nó (kể cả các kết cấu giới hạn hàng trên boong);
Hệ số k = 0,5 - cho các tàu chỉ chuyên chở hàng rời trên boong, trên boong lửng;
Hệ số k = 1,0 - cho các tàu chỉ chuyên chở hàng khác trên boong, trên boong lửng.
2.3 Trang bị neo và xích neo
2.3.1 Khối lượng neo
1 Tổng khối lượng các neo mũi với lực giữ neo thông thường (neo Hall) cho các tàu tự hành, không tự hành và các tàu kéo phải được xác định theo công thức sau:
∑manch = k1k2Neq
k1: Hệ số tính đến lực tác động lên tàu khi neo được lấy theo công thức Bảng 2B/2.3.
Bảng 2B/2.3 - Hệ số k1


k2: Hệ số tính đến vùng nước neo đậu của tàu được lấy theo Bảng 2B/2.4.
Bảng 2B/2.4 - Hệ số k2
| Cấp tàu | Giá trị k2 (tại Neq, m2) | |
| Cho tàu tự hành và không tự hành | Cho tàu kéo | |
| SB | k2 = 1,025 | k2 = 1,160 |
| SI | Tại Neq < 100 and Neq ≥ 700, k2 = 1,0 | Tại Neq < 100, k2 = 1,0 |
| Tại 100 ≤ Neq < 700, k2 = 1,0 + 49,98/Neq | Tại 100 ≤ Neq, k2 = 0,9 + 2,515/(Neq)0.5 | |
| SII | k2 = 1,0275 | |
| SIII | k2 = 0,989 | |
Tổng khối lượng neo được làm tròn về phía lớn hơn đến giá trị gần nhất theo khối lượng neo của nhà sản xuất theo tiêu chuẩn.
2 Sử dụng neo có độ bám cao
(1) Khi sử dụng neo có độ bám cao và rất cao phải cung cấp hồ sơ kỹ thuật của neo, khối lượng neo giảm đi phải dựa trên tính toán lực bám của neo so với neo Hall.
(2) Nếu sử dụng neo có ngáng thì khối lượng neo (trừ ngáng) không được nhỏ hơn 0,80 lần khối lượng tính theo 2.3.1-1 đối với neo không ngáng thông thường.
(3) Nếu dùng neo có lực bám cao thì khối lượng của mỗi neo có thể lấy bằng 0,75 lần khối lượng tính theo 2.3.1-1 đối với neo không ngáng thông thường.
(4) Nếu dùng neo có lực bám rất cao thì khối lượng của mỗi neo có thể bằng 0,5 lần khối lượng quy định đối với neo không ngáng thông thường. Tuy nhiên nói chung, khối lượng của neo có lực bám rất cao không vượt quá 1500 kg.
3 Số lượng neo
Nếu giá trị đặc trưng cung cấp Neq không vượt quá giá trị theo Bảng 2B/2.4 dưới đây thì tàu chỉ cần trang bị một neo mũi. Nếu không tàu phải được trang bị 2 neo mũi.
Bảng 2B/2.5 - Giới hạn Neq để tàu trang bị một neo
| Cấp tàu | Neq |
| VR-SI | 100 |
| VR-SII | 125 |
| VR-SIII | 250 |
| Theo yêu cầu này đối với tàu chở hàng khô có Neq dưới 1500 chỉ cần trang bị một neo mũi bố trí tại mặt phẳng dọc tâm tàu và khi trang bị một neo, khối lượng neo được giảm 15% so với giá trị tính theo 2.3.1-1. | |
2.3.2 Tàu cuốc hút có thể bố trí một neo mũi với khối lượng tối thiểu bằng một nửa khối lượng neo tính theo 2.3.1-1;
Trên các tàu hút tự hành, thiết bị neo phải bố trí ở phần mũi tàu, còn trên các tàu hút không có động cơ, thiết bị neo được bố trí ở đuôi tàu và đối diện với thiết bị làm việc chính của tàu (bộ phận hút, khung gầu...).
2.3.3 Neo đuôi của tàu không phải tàu kéo đẩy quy định tại 2.3.5 và tàu tự hành quy định tại 2.3.6 được trang bị nếu chủ tàu yêu cầu.
2.3.4 Đối với tàu có chiều dài nhỏ hơn 25 mét không phải tàu kéo đẩy, nếu không bố trí được neo mũi thì chỉ cần bố trí neo đuôi với khối lượng bằng neo mũi.
2.3.5 Ngoài thiết bị neo mũi, các tàu kéo đẩy phải trang bị neo đuôi như yêu cầu ở 2.4.
2.3.6 Đối với tàu tự hành có Neq từ 1000 trở lên phải được lắp đặt neo đuôi thêm vào cùng với neo mũi khi:
1 Hoạt động trong vùng không có dòng chảy hoặc có tốc độ dòng chảy thấp (≤ 2 km/h) thì khối lượng neo đuôi lấy bằng 0,25 tổng khối lượng neo mũi;
2 Tàu hoạt động trong các vùng có nhiều đoạn hẹp, chiều rộng sông ở các đoạn này không cho phép tàu quay vòng để thả neo mũi ngược với dòng chảy. Trong trường hợp này khối lượng neo đuôi phải lấy không nhỏ hơn 0,4 tổng khối lượng của các neo mũi;
3 Đối với tàu mang cấp VR-SB, khối lượng neo đuôi tối thiểu lấy bằng 0,25 tổng khối lượng neo mũi tính theo 2.3.1-1;
2.3.7 Khi xác định khối lượng của mỗi neo trong số 2 neo mũi trang bị cho tàu có thể lấy tổng khối lượng neo theo 2.3.1-1 chia đều. Cho phép lấy khối lượng của một neo (neo phải) đến 0,6 lần khối lượng neo tổng cộng, khối lượng còn lại là của neo kia. Khối lượng của mỗi neo mũi có thể được phép sai khác ±7% nhưng với điều kiện tổng khối lượng của các neo mũi được chọn không được nhỏ hơn tổng khối lượng neo được quy định tại 2.3.1-1.
2.3.8 Chiều dài xích của neo mũi
1 Tổng chiều dài của xích neo mũi được tính toán theo công thức sau:

Trong đó:
a: Hệ số được lấy bằng 1,25 đối với vùng SB, 1,0 đối với vùng khác;
b,c: Hệ số được lấy theo
Bảng 2B/2.6.
Bảng 2B/2.6 - Hệ số b,c
| Kiểu tàu | Cấp tàu | b.102 | c |
| Tàu tự hành | SB | 0,275 | 0,172 |
| SI | 0,364 | 0,229 | |
| SII | 0,566 | 0,263 | |
| SIII | 0,670 | 0,329 | |
| Không tự hành | SB | 0,305 | 0,172 |
| SI | 0,417 | 0,233 | |
| SII | 0,719 | 0,250 | |
| SIII | 0,915 | 0,280 | |
| Tàu kéo | SB | 0,240 | 0,180 |
| SI | 0,303 | 0,231 | |
| SII | 0,299 | 0,205 | |
| SIII | 0,779 | 0,263 |
2 Giá trị tổng chiều dài xích theo công thức trên phải được làm tròn đối với tàu trang bị hai neo mũi đến giá trị lớn hơn gần nhất bằng bội số của chiều dài một tiết xích (27,5 m);
Đối với tàu hoạt động vùng SB có đặc trưng cung cấp Neq bằng 1000 trở lên trừ tàu kéo, tổng chiều dài xích neo phải tăng lên một tiết xích.
3 Nếu tổng chiều dài xích neo của hai neo mũi tương ứng với số tiết xích chẵn, thì chiều dài xích của một neo được lấy bằng một nửa của tổng chiều dài xích neo;
Nếu tổng chiều dài của xích neo của hai neo mũi tương ứng với số tiết xích lẻ thì chiều dài một bên được lấy dài hơn một tiết xích so với bên còn lại. Xích dài hơn được nối vào neo có khối lượng lớn hơn nếu neo có khối lượng khác nhau;
Chiều dài xích của các tàu tự hành có bố trí neo đuôi thêm vào neo mũi được lấy bằng 75% của chiều dài xích neo mũi ngắn hơn.
2.3.9 Đường kính xích neo
1 Đường kính xích neo kstr, mm cho xích neo có ngáng được tính theo công thức sau:
![]()
Trong đó: Manch - Khối lượng của neo (được chọn theo 2.3.1) mà dự định trang bị xích tương ứng, kg;
c, d, e và f - các hệ số được lấy từ Bảng 2B/2.7 cho xích neo có ngáng.
Bảng 2B/2.7 - Các hệ số c, d, e và f
| Hệ số | Giá trị hệ số theo cấp tàu | |||
| VR-SB, VR-SI | VR-SII, VR-SIII | |||
| Cho cấp xích theo độ bền | ||||
| 1 | 2 | 1 | 2 | |
| c | 17,890 | 17,939 | 12,529 | 12,455 |
| d | 0,0196 | 0,0139 | 0,0226 | 0,0168 |
| e.106 | -2,541 | -1,361 | -3,627 | -2,219 |
| f | -1560,571 | -1884,867 | -899,875 | -1101,673 |
Đối với xích neo không ngáng kstr, mm được tính theo công thức sau:

Trong đó:
a1 = 5,071; b1 = 0,234 đối với tàu cấp VR-SII và VR-SIII;
a1 = 6,197; b1 = 0,253 đối với tàu cấp VR-SB và VR-SI.
Đường kính xích neo trong mọi trường hợp không được nhỏ hơn 6 mm và được làm tròn về phía lớn hơn đến giá trị gần nhất theo đường kính xích neo của nhà sản xuất theo tiêu chuẩn.
Đối với neo có khối lượng lớn hơn 2500 kg thì xích neo có ngáng cấp 2 có đường kính 46, 48, 50 và 52 được sử dụng cho khối lượng neo tương ứng là 2700, 3000, 3300 và 3600 kg.
2 Trường hợp dùng xích neo đúc thay cho xích neo hàn thì đường kính xích của nó được giảm 12%.
2.3.10 Có thể thay thế xích neo bằng cáp thép, cáp sợi tổng hợp hoặc cáp sợi thảo mộc đối với tàu mang cấp VR-SB có chiều dài nhỏ hơn 40 m; tàu mang cấp VR-SI, VR-SII và VR- SIII; sà lan nhưng phải thỏa mãn các điều kiện sau đây:
1 Cáp thay thế xích phải mềm và có sức bền kéo như đường kính xích yêu cầu, chiều dài cáp phải tăng 20% so với chiều dài xích yêu cầu;
2 Cáp thép phải được mạ kẽm, còn cáp sợi tổng hợp phải được bọc nhựa;
3 Cáp phải được nối với neo bằng một đoạn xích có sức bền tương đương với cáp và phải có đủ chiều dài để giữ neo qua hãm xích khi neo ở vị trí cất giữ trên tàu. Đoạn xích có thể không cần trang bị nếu thiết kế neo có hãm xích cố định neo khi được nâng lên.
2.3.11 Đối với tàu kéo đẩy có công suất máy chính đến 1000 kW được trang bị tời kéo riêng thì xích neo có thể thay thế bằng cáp neo đối với neo đuôi.
Đối với tàu công trình không tự hành của tất cả các cấp tàu mà có tời neo mũi đảm bảo rằng cáp có thể trượt khi trống tời thả cáp thì xích neo có đường kính tới 31 mm có thể thay thế bằng cáp thép. Trong cả hai trường hợp phải thỏa mãn 2.3.10-1 và 2.3.10-3.
2.3.12 Đối với tàu mang cấp VR-SII dự định hoạt động ở khu vực có vận tốc dòng chảy từ 6 đến 9 km/giờ thì tổng khối lượng neo phải tăng 25% so với giá trị tại 2.3.1-1 và với vận tốc dòng chảy lớn hơn 9 km/giờ thì tổng khối lượng neo phải tăng 55%. Tổng chiều dài xích neo đối với Neq từ 500 trở lên phải tăng thêm một tiết xích.
2.3.13 Đối với tàu mang cấp VR-SIII dự định hoạt động ở khu vực có vận tốc dòng chảy từ 6 đến 9 km/giờ thì tổng khối lượng neo phải tăng 15% so với giá trị ở 2.3.1-1 và với vận tốc dòng chảy lớn hơn 9 km/giờ thì tổng khối lượng neo phải tăng 45%. Tổng chiều dài xích neo đối với Neq từ 500 trở lên phải tăng thêm một tiết xích.
Đối với tàu mang cấp VR-SIII hoạt động trong sông có vận tốc dòng chảy đến 2 km/giờ thì chiều dài xích neo không cần lớn hơn 25 mét.
Đối với tàu tự hành mang cấp VR-SIII mà có Neq không quá 450, vận tốc dòng chảy đến 2 km/giờ, có thể bố trí một neo mũi có khối lượng không nhỏ hơn 0,5 lần khối lượng tính toán của hai neo.
2.4 Thiết bị neo của đoàn đẩy
2.4.1 Khi ấn định thiết bị neo của đoàn đẩy, đoàn đẩy trên nước được bố trí theo sơ đồ T+1+1 (tàu đẩy + sà lan + sà lan) được lấy làm đoàn tàu thiết kế.
2.4.2 Tổng khối lượng neo mũi của đoàn đẩy ∑ma, kg được xác định theo công thức:
![]()
Trong đó:
L và B - kích thước của đoàn trong mặt đường nước, m;
D - chiều cao mạn thiết kế (cho sà lan lớn nhất trong đoàn), m;
l và h - chiều dài và chiều rộng của hình chiếu đứng của hàng và thượng tầng trên boong, m;
k - hệ số bằng 0,5 cho tàu chở hàng rời và bằng 1,0 cho tàu chở hàng khác trên boong;
kt - hệ số được xác định tại 2.4.3;
kw - hệ số được xác định tại 2.4.4;
2.4.3 Hệ số kt, cho đoàn đẩy được lấy theo Bảng 2B/2.8.
Bảng 2B/2.8 - Hệ số kt
| Loại lưu vực sông | kt |
| Vùng SB, SI | 0,60 |
| Vùng SII, SIII tại lưu lượng dòng hơn 6 km/h | 0,51 |
| Vùng SII, SIII tại lưu lượng dòng tới 6 km/h | 0,38 |
2.4.4 Hệ số kw phụ thuộc vào chiều cao zw, m của chiều cao tâm hứng gió trên bề mặt nước, lưu vực sông và tốc độ dòng chảy.
Tại 1,25 ≤ zw ≤ 4,0 hệ số kw được xác định theo công thức:
kw = 1 - A(4,0 - zw)
Trong đó:
A - hệ số cho theo Bảng 2B/2.9;
tại zw < 1,25 m hệ số kw được xác định bằng tính toán tại 2.4.4 với zw = 1,25;
tại zw > 4,0 hệ số kw được lấy bằng 1,0.
Bảng 2B/2.9 - Hệ số A
| Loại lưu vực sông | A |
| Vùng SB, SI | 0,09 |
| Vùng SII tại tốc độ dòng chảy lên tới 6 km/h | 0,12 |
| Vùng SII tại tốc độ dòng chảy lớn hơn 6 km/h | 0,04 |
| Vùng SIII tại tốc độ dòng chảy lên tới 6 km/h | 0,15 |
| Vùng SIII tại tốc độ dòng chảy lớn hơn 6 km/h | 0,06 |
2.4.5 Khi ấn định khối lượng của mỗi neo trong hai neo mũi và hai neo đuôi, áp dụng quy định từ 2.3.1 đến 2.3.3, 2.3.6, 2.3.7 và 2.3.12. Đường kính xích neo tương ứng với mỗi neo được tính theo 2.3.9.
2.4.6 Tổng khối lượng neo đuôi của tàu đẩy phải được lấy như sau:
(1) Chiều dài đoàn đẩy nhỏ hơn 86 m, khối lượng neo đuôi lấy bằng 25% tổng khối lượng neo mũi của toàn đoàn đẩy;
(2) Chiều dài đoàn đẩy lớn hơn 86 m, khối lượng neo đuôi lấy bằng 50% tổng khối lượng neo mũi của toàn đoàn đẩy.
2.4.7 Chiều dài của mỗi cáp, xích neo mũi và neo đuôi của đoàn đẩy phải bằng tổng chiều dài của tàu đẩy và một sà lan của đoàn đẩy, nhưng không nhỏ hơn 50 m và không lớn hơn 150 m.
2.4.8 Đoàn đẩy hoạt động ở vùng SB và các cửa sông lớn thuộc vùng SI thì chiều dài xích neo phải được cộng thêm so với chiều dài thiết kế ít nhất là một tiết xích.
2.4.9 Khi tính đặc trưng cung cấp cho tàu cuốc thì các tháp, gầu múc và máng dẫn được coi như các lầu có diện tích mặt hứng gió, xác định theo đường viền ngoài.
2.4.10 Việc tính toán tổng khối lượng neo cho các đoàn đẩy được ghép thành đội hình tiêu chuẩn hóa (kể cả tàu đẩy), được coi là một khối thống nhất, không phụ thuộc vào số lượng phương tiện ghép đoàn.
2.4.11 Việc tính toán tổng khối lượng neo cho các đoàn đẩy theo đội hình hàng một và các đoàn được đẩy khác không phải là hàng một (không được tiêu chuẩn hoá) trong từng trường hợp phải được trình nộp thẩm định.
2.5 Thiết bị hãm neo và xích
2.5.1 Mỗi đường xích neo phải có 2 thiết bị hãm: một để hãm xích khi tàu thả neo và một để hãm neo ở vị trí cất giữ trên tàu;
Bộ phận hãm của máy kéo neo có thể được dùng làm thiết bị hãm xích neo;
Để hãm neo khi tàu chạy phải sử dụng các thiết bị hãm tiêu chuẩn dạng cam, lực ma sát hoặc bộ hãm xích. Với neo có độ bám cao, độ bám rất cao và các neo tương tự có khối lượng nhỏ hơn 25 kg và neo Hall khối lượng nhỏ hơn 50 kg cho phép bố trí một thiết bị hãm xích.
2.5.2 Tiết gốc của xích hoặc đoạn gốc của cáp neo phải được nối tin cậy với thân tàu bằng mối nối tháo được bằng tay để giải phóng nhanh các đoạn này khi tàu đang neo, nếu bị sự cố;
Các chi tiết của thiết bị hãm xích neo, cáp neo và neo cũng như mối nối tháo được phải có sức bền như xích hoặc cáp neo.
2.5.3 Kết cấu và bố trí lỗ thả neo phải thỏa mãn các yêu cầu sau:
1 Đường kính trong của ống thả neo không được nhỏ hơn 10 lần đường kính xích neo, còn chiều dày thành ống không được nhỏ hơn 0,4 lần đường kính xích neo;
2 Phải đảm bảo kéo tự do thân neo vào ống thả neo;
3 Chỗ gấp của xích khi đi qua bộ hãm và ống thả neo phải là ít nhất. Khi không thực hiện được các yêu cầu trên cho phép đặt trục dẫn.
2.5.4 Các hầm xích neo phải có sức chứa đủ để bố trí dễ dàng toàn bộ xích neo.
2.6 Máy kéo neo
2.6.1 Phải đặt máy kéo neo để kéo và thả neo khi khối lượng neo ≥ 50 kg. Phải dùng máy kéo neo có truyền động bằng bánh răng khi khối lượng neo ≥ 150 kg;
Với neo Hall có khối lượng từ 600 kg trở lên hoặc neo có độ bám cao, độ bám rất cao có khối lượng từ 300 kg trở lên, phải trang bị máy kéo neo truyền động bằng cơ giới.
2.6.2 Cho phép dùng máy kéo neo cáp thay máy kéo neo khi sử dụng cáp thay xích neo.
2.6.3 Những yêu cầu về kết cấu cũng như công suất của máy kéo neo được trình bày ở Chương 13 Phần 3 của Quy chuẩn này.
CHƯƠNG 3 THIẾT BỊ KÉO VÀ NỐI GHÉP
3.1 Quy định chung
3.1.1 Phạm vi áp dụng
Chương này được áp dụng cho các thiết bị kéo của tàu kéo, tàu kéo/đẩy, tàu không có động cơ được kéo hoặc đẩy, thiết bị nối cáp và thiết bị cơ khí của tàu.
3.1.2 Yêu cầu chung
1 Mỗi tàu phải được trang bị thiết bị kéo và thiết bị nối ghép đảm bảo để kéo tàu, công trình nổi hoặc bến nổi và cố định chúng với các công trình nói trên.
2 Khi thiết kế thiết bị kéo, phải tính chọn số lượng, kiểu và các chi tiết của móc kéo, thiết bị nối ghép cũng như việc bố trí chúng trên tàu phải phù hợp với các đặc điểm kết cấu và công dụng của tàu theo yêu cầu của Chương này.
3 Kết cấu móc mạn, các chi tiết chịu lực uốn của thiết bị nối ghép cũng như các thiết bị kéo chính của tàu có động cơ (tàu phục vụ, tàu hàng khô...) chưa được quy định trong Chương này phải được tính toán và trình Đăng kiểm thẩm định.
4 Việc bố trí móc kéo và bộ khống chế cáp kéo trên tàu kéo phải phù hợp với vị trí đã thiết kế khi tính toán ổn định của tàu.
5 Thiết bị kéo và nối ghép còn phải thỏa mãn các yêu cầu của Phần 3 và Phần 5 của Quy chuẩn này.
3.2 Giải thích từ ngữ
3.2.1 Tàu kéo
Tàu kéo là tàu có thiết bị dùng để kéo thường xuyên các phương tiện khác và các công trình nổi.
3.2.2 Tàu đẩy
Tàu đẩy là tàu có thiết bị nối ghép dùng để đẩy thường xuyên các phương tiện khác và các công trình nổi.
3.2.3 Trang bị chuyên dùng của các thiết bị kéo
Trang bị chuyên dùng của các thiết bị kéo gồm: tời kéo, móc kéo, cột kéo, cáp, cung kéo và bộ khống chế. Thành phần của trang thiết bị chuyên dùng được tiêu chuẩn hóa trong Chương này dùng cho tàu kéo và tàu kéo/đẩy.
3.2.4 Trang bị phụ của thiết bị kéo
Trang bị phụ của thiết bị kéo, gồm: ròng rọc, lỗ dẫn cáp, bộ phận hãm, quai treo, được trang bị để định hướng và bảo vệ cáp kéo.
3.2.5 Trang bị nối ghép
Trang bị nối ghép gồm: khóa, tăng đơ, tời...
3.2.6 Kết cấu của thiết bị nối ghép
Kết cấu của thiết bị nối ghép gồm: ổ đỡ, thanh móc, kết cấu gia cường, bệ...
3.2.7 Mối nối tháo được của thiết bị nối ghép
Mối nối tháo được của thiết bị nối ghép, theo đặc tính làm việc được phân thành:
1 Nối ghép tiếp xúc - nối ghép chỉ có lực nén truyền qua khớp của chúng (cữ chặn đứng, thanh chống nằm ngang...);
2 Nối ghép kéo - nối ghép chỉ có lực kéo truyền qua khớp nối của chúng (cáp, bộ căng, móc kiểu bản lề);
3 Nối ghép tổng hợp - nối ghép có cả lực kéo và lực nén truyền qua khớp nối của chúng (thanh, khóa, thanh móc...).
3.2.8 Mô men uốn tính toán
Mô men uốn tính toán Mut - mô men lớn nhất của ngoại lực (kể cả lực quán tính tác dụng trong mặt phẳng nằm ngang tương đối so với trục đứng của nối ghép và đường cắt của mặt khớp nối ghép với mặt phẳng dọc tâm của bộ phận nối ghép).
3.2.9 Tải trọng tính toán
Tải trọng tính toán Pt - lực phát sinh do tác dụng của mô men uốn tính toán.
3.2.10 Tay đòn tác dụng của tải trọng tính toán
Tay đòn tác dụng của tải trọng tính toán at - khoảng cách giữa các lực tổng hợp của lực kéo và lực nén phát sinh do mô men uốn.
3.2.11 Khe hở góc của thiết bị nối ghép
Khe hở góc của thiết bị nối ghép - góc quay tương hỗ của tàu trong giới hạn khe hở tự do của nối ghép khi thay đổi hướng của mô men quay.
3.3 Thành phần của thiết bị kéo
3.3.1 Bố trí thiết bị kéo trên tàu kéo và tàu kéo/đẩy bao gồm:
1 Ít nhất hai thiết bị để cố định cáp kéo: Thiết bị chính và thiết bị dự trữ. Cáp kéo có thể được cố định bằng thiết bị sau:
(1) Tời kéo và móc kéo;
(2) Móc kéo và cột bít hoặc cột kéo;
(3) Tời kéo và cột bít hoặc cột kéo;
2 Cáp kéo;
3 Cung kéo và các thanh dẫn cáp khác;
4 Bộ khống chế mạn.
Lưu ý: 1. Móc kéo có thể được sử dụng thay vì cột bít hoặc cột kéo, và tời kéo thay cho móc kéo.
2. Trong trường hợp một tàu kéo có lắp hai tời kéo cùng loại hoặc hai móc kéo cùng loại thì một trong số đó được coi là chính và thiết bị còn lại là dự phòng.
3.3.2 Cáp kéo phải thỏa mãn các yêu cầu nêu tại 3.4.
3.3.3 Cung kéo và kết cấu dẫn cáp phải thỏa mãn những yêu cầu nêu tại 3.6.5, 3.6.6 và 3.6.7.
3.3.4 Bộ khống chế mạn phải thỏa mãn các yêu cầu nêu tại 3.6.8, 3.6.9.
3.4 Cáp kéo
3.4.1 Sức bền của cáp kéo được xác định theo giá trị lực kéo, tính tại móc kéo F, kN, nếu không có số liệu thì lực kéo tại móc tính theo công thức sau:
F = 0,16 Ne
Trong đó:
Ne - tổng công suất các động cơ chính, kW.
3.4.2 Tải trọng kéo đứt tối thiểu cho phép Fd, kN, của toàn bộ dây cáp được sử dụng để kéo tại móc không được nhỏ hơn trị số tính theo công thức sau:
Fd = k.F
Trong đó:
F - lực kéo tính toán ở móc, kN;
k - hệ số an toàn, lấy bằng:
5 - khi lực kéo tính ở móc kéo đến 120 kN;
4 - khi lực kéo tính ở móc kéo lớn hơn 120 kN;
3 - đối với cáp kéo, trang bị cho tời kéo tự động;
6 - đối với cáp làm từ sợi thảo mộc và sợi tổng hợp.
Chú thích: Đối với tàu kéo/đẩy, hệ số dự trữ sức bền có thể giảm đến 4 khi lực kéo tính toán tại móc kéo đến 120 kN và đến 3 khi lực kéo tính lớn hơn 120 kN.
3.4.3 Chiều dài của cáp kéo phụ thuộc vào vùng hoạt động của tàu nhưng không ngắn hơn 180 m đối với tàu mang cấp VR-SB, 100 m đối với tàu mang cấp VR-SI và 60 m đối với tàu mang cấp VR-SII và VR-SIII.
3.4.4 Cáp thép dùng để kéo phải có ít nhất là 144 sợi và 7 lõi hữu cơ. Cáp dùng cho tời kéo tự động là loại có 216 sợi và 1 lõi hữu cơ, có giới hạn bền kéo là (1177÷1373) MPa;
Trong tất cả các trường hợp, cáp thép phải là loại chống xoắn, các sợi phải được mạ kẽm.
3.4.5 Có thể sử dụng cáp sợi để thay thế cho cáp kéo. Cáp sợi có thể chế tạo từ sợi tổng hợp loại ba dảnh, có chu vi đến 200 mm.
3.4.6 Chão dùng để kéo phải có nút buộc ở một đầu (có vòng cốt hoặc không) hoặc đấu (ở một hoặc hai đầu). Nút buộc không có vòng cốt chỉ cho phép dùng trong trường hợp chão dùng để kéo được buộc chặt lên cột bít hoặc cột kéo.
3.4.7 Không được sử dụng cáp thép trong không gian hoặc khu vực có khả năng cháy nổ.
3.5 Móc kéo
3.5.1 Cho phép bố trí trên tàu móc kéo tiêu chuẩn kiểu bản lề, loại mở và đóng, có hoặc không có lò xo giảm chấn, với khóa cơ khí hoặc thủy lực;
Tàu kéo các cấp có tổng công suất lớn hơn 250 kW phải được trang bị móc kéo kiểu bản lề, có lò xo giảm chấn. Móc kéo không có bản lề cho phép bố trí làm thiết bị chính để giữ cáp kéo trên tàu được kéo và làm thiết bị dự phòng của tàu kéo.
3.5.2 Tất cả các kết cấu chịu tải của móc kéo và các chi tiết cố định móc kéo với thân tàu phải được thiết kế chịu được tải trọng kéo đứt của cáp kéo theo tính toán. Khi đó, ứng suất trong các cơ cấu này không được vượt quá giới hạn chảy của vật liệu chế tạo cơ cấu đó.
3.5.3 Tải trọng khi lò xo giảm chấn bị nén đến tâm tấm chắn không được nhỏ hơn 1,3 lần lực đứt định mức tại móc kéo.
3.5.4 Mỏ của móc kéo phải được rèn liền khối. Vật liệu chế tạo mỏ móc kéo có độ dãn dài không nhỏ hơn 18% trên 5 mẫu thử, còn giới hạn chảy không nhỏ hơn 245 MPa.
3.5.5 Trước khi lắp đặt lên tàu, móc kéo phải được thử kéo. Tải trọng thử phải bằng 2 lần lực kéo tính toán tại móc kéo, được xác định trong khi kéo.
3.5.6 Việc cố định móc kéo với kết cấu thân tàu phải đảm bảo khi ở góc kéo bất kỳ nào, móc kéo cũng không chịu lực uốn trong mặt phẳng nằm ngang và không chạm trực tiếp hoặc gián tiếp vào kết cấu thân tàu trong giới hạn góc quay quy định của bộ khống chế mạn.
3.5.7 Móc kéo không làm việc phải được cố định khi tàu chạy.
3.5.8 Việc mở móc kéo phải được tiến hành từ 2 nơi:
1 Điều khiển từ xa đặt trong buồng lái;
2 Điều khiển trực tiếp đặt gần móc kéo ở vùng an toàn.
3.5.9 Thiết bị mở móc phải làm việc trong khoảng tải trọng từ 0 đến lực đứt của cáp với bất kỳ độ lệch thực tế nào của cáp so với mặt phẳng dọc tâm tàu.
3.6 Trang bị của tàu kéo
3.6.1 Số lượng và vị trí cột bít, cột kéo, xôma, puli dẫn, bộ hãm phải phù hợp với đặc điểm kết cấu và bố trí chung của thiết bị kéo (tời móc) trên tàu.
3.6.2 Bộ hãm cáp phải chịu được tải trọng bằng nửa lực kéo tính toán tại móc, theo 3.4.1.
3.6.3 Cột kéo và các kết cấu của thiết bị kéo phải được đặt trên bệ. Bệ phải cố định với boong và kết cấu thân tàu. Boong ở khu vực đó phải được gia cường thỏa đáng.
3.6.4 Đường kính ống của cột kéo không được nhỏ hơn 10 lần đường kính của cáp kéo bằng thép hoặc một lần chu vi của chão kéo bằng sợi thảo mộc hoặc không nhỏ hơn 5,5 lần đường kính của dây kéo bằng sợi tổng hợp.
3.6.5 Ở phần đuôi tàu kéo, tại khu vực có khả năng di chuyển của cáp kéo, phải đặt các cung kéo chạy ngang tàu từ mạn này sang mạn kia hoặc kết cấu dẫn cáp khác. Số lượng cung kéo cho mỗi tàu kéo được xác định phụ thuộc vào chiều dài phần đuôi tàu.
3.6.6 Chiều cao của cung kéo và hàng rào bảo vệ phải đảm bảo an toàn cho mọi hoạt động của thuyền viên ở vùng cáp kéo. Khi cần thiết, phải có biện pháp thỏa đáng để thực hiện yêu cầu này.
3.6.7 Cung kéo, thanh chống gia cường và các chi tiết khác của thiết bị cáp kéo cọ sát phải được chế tạo bằng thép ống hoặc có kết cấu phù hợp với bán kính lượn, không nhỏ hơn đường kính cáp kéo.
3.6.8 Trên tất cả các tàu có thiết bị kéo phải đặt thiết bị khống chế mạn.
3.6.9 Thiết kế bộ khống chế mạn phải tính đến tải trọng tiếp nhận bằng lực đứt của cáp kéo, trong đó ứng suất trong các kết cấu chịu lực của bộ khống chế mạn cũng như các chi tiết cố định chúng với thân tàu không được lớn hơn 0,95 giới hạn chảy của vật liệu chế tạo chúng.
3.7 Tời kéo
3.7.1 Tàu kéo và tàu kéo/đẩy có công suất từ 440 kW trở lên, phải đặt tời kéo có truyền động cơ giới.
Tàu kéo và tàu kéo/đẩy cấp VR-SB với động cơ chính có công suất lớn hơn 300 kW, phải lắp tời kéo có truyền động cơ giới;
Tàu kéo cấp VR-SB có công suất máy chính trên 440 kW khuyến nghị lắp tời cô dây tự động;
Các loại tàu khác có công suất lớn hơn 300 kW có bố trí thiết bị kéo nhưng không trang bị tời kéo thì phải trang bị thiết bị để cuộn và rải cáp kéo.
3.7.2 Tời kéo phải thỏa mãn các yêu cầu sau:
1 Tời kéo phải được lắp đặt phanh có khả năng giữ được tải không nhỏ hơn lực đứt của dây kéo.
2 Sức bền chịu tải của các chi tiết tời kéo phải được kiểm tra khi chịu mô men lai lớn nhất tác dụng. Ứng suất trên các chi tiết không được vượt quá 0,95 giá trị ứng suất chảy của vật liệu.
Dưới tác dụng lực kéo định mức khi dây kéo ở lớp dây trung bình trên trống tời thì ứng suất của cá chi tiết không được vượt quá 0,4 giá trị ứng suất chảy của vật liệu.
3 Sức bền của các chi tiết của tời chịu tải bằng lực đứt của dây kéo khi dây bị khóa trên trống tời tại lớp ngoài cùng thì ứng suất trên các chi tiết không được vượt quá 0,95 ứng suất chảy của vật liệu.
4 Tời cô dây tự động phải được trang bị:
(1) Thiết bị điều chỉnh tự động lực kéo của dây. Thiết bị tự động này phải đảm bảo nhả dây khi lực kéo trên tời vượt quá giá trị lớn nhất cho phép, thu dây khi lực kéo giảm dưới giá trị nhỏ nhất cho phép và giữ dây khi lực kéo trong phạm vi lực kéo lớn nhất và nhỏ nhất. Bộ hiển thị lực kéo được đặt gần tời kéo và trong lầu lái.
(2) Thiết bị hãm thường đóng tự động theo 13.3.4 Phần 3.
(3) Thiết bị điều khiển từ xa tời đảm bảo các thao tác sau:
(a) Điều khiển từ lầu lái;
(b) Tốc độ và hướng cuấn dây;
(c) Kích hoạt/ ngắt trống tời;
(d) Nhả dây kéo;
(e) Dừng khẩn cấp;
(f) Nhả khẩn cấp dây kéo;
(g) Điều khiển/hiển thị các thông số từ trạm điều khiển
(h) Chiều dài dây đã nhả;
(i) Sức căng của dây.
5 Báo động bằng âm thanh khi dây kéo nhả đến mức lớn nhất.
6 Tời có khả năng nhả dây tự do tại chỗ hoặc trên lầu lái.
7 Trống tời phải cuốn cáp theo các lớp.
8 Thiết bị phanh trống tời được lai bằng nguồn có thể thao tác bằng tay.
3.7.3 Tời phải được thử các chức năng nêu tại 3.7.2-1, 3.7.2-4, 3.7.2-5 đến -8 ở trên và thử tải theo yêu cầu 13.2.8 Phần 3 trước khi lắp đặt xuống tàu.
3.8 Trang bị của tàu được kéo
3.8.1 Các tàu phải trang bị thiết bị kéo để cho tàu khác kéo, gồm:
1 Hai cột bít hoặc hai cột kéo bố trí ở đầu và đuôi tàu;
2 Lỗ để luồn cáp qua mạn chắn sóng.
3.8.2 Cần trục nổi, bến nổi, công trình nổi và các tàu khác có đuôi phẳng phải trang bị hai đôi cột bít kéo hoặc hai cột kéo đặt ở gần hai mép mạn của phương tiện.
3.8.3 Cho phép thay thế lỗ luồn cáp bằng xôma có con lăn hoặc cột bít dẫn hướng.
3.8.4 Kích thước cột kéo phải được thiết kế chịu được tải trọng kéo đứt của cáp kéo theo tính toán.
3.9 Xác định tải trọng tính toán thiết bị nối ghép
3.9.1 Thiết bị nối ghép của đoàn tàu được đẩy phải có đủ sức bền, làm việc được:
Với điều kiện thời tiết lớn nhất theo cấp tàu, tốc độ dịch chuyển lớn nhất của bánh lái từ mạn này sang mạn kia khi tàu chạy hết tốc độ.
3.9.2 Khi tính toán xác định mô men uốn Mu, Tm, phát sinh do tác dụng tổng hợp của các lực thủy động, do dịch chuyển bánh lái, do chòng chành mạn và áp lực sóng lên mạn tàu, cũng như xác định tải trọng tính toán Pt, tác dụng lên các chi tiết của thiết bị nối ghép, trong từng trường hợp phải được Đăng kiểm quyết định trên cơ sở tiêu chuẩn quốc gia hoặc quy phạm, tiêu chuẩn theo thông lệ quốc tế.
3.9.3 Khi tính toán sức bền của các chi tiết thiết bị nối ghép phải xuất phát từ ứng suất cho phép, được lấy bằng 0,65 giới hạn chảy của vật liệu.
3.9.4 Tải trọng dùng để thử thiết bị nối ghép trên bệ không nhỏ hơn 1,5Pt (Pt - tải trọng tính toán);
Khi chịu tác dụng của tải trọng thử, ứng suất phát sinh lớn nhất trong các chi tiết của thiết bị nối ghép không được vượt quá 0,95 giới hạn chảy của vật liệu.
3.9.5 Tải trọng phá khi thử mẫu đầu tiên của thiết bị nối ghép không được nhỏ hơn 2Pt. Lực đứt của cáp không được nhỏ hơn 1,5Pt.
3.9.6 Kết cấu của thiết bị nối ghép phải đảm bảo chắc chắn khi biên độ chòng chành ngang và chòng chành dọc lớn nhất có thể có, cũng như trong tất cả các trường hợp xếp hàng của tàu.
3.10 Thiết bị nối ghép
3.10.1 Thép dùng để hàn các chi tiết của thiết bị nối ghép phải có hàm lượng các bon không lớn hơn 0,21%. Thép hợp kim thấp phải có cơ tính đảm bảo hàn tốt.
3.10.2 Tất cả các chi tiết rèn hoặc đúc cũng như các chi tiết có các mối hàn liên tục, giao nhau hoặc các mối hàn gián đoạn, cách nhau một khoảng bằng 5 lần chiều dày chi tiết nhỏ hơn. Sau khi chế tạo phải được nhiệt luyện.
3.10.3 Khi lắp đặt các thiết bị nối ghép, khe hở góc tự do tạo ra không lớn hơn 0,06°, khi có giảm chấn và không lớn hơn 0,1°, khi không có giảm chấn.
3.10.4 Bu lông nối cố định thiết bị nối ghép với bệ phải có các chi tiết chịu lực chuyển (bu lông nối, chốt, cữ chặn kiểu then). Bu lông nối phải được xiết chặt sao cho khi chịu tác dụng của lực tính toán Pt mối nối không bị nới lỏng ra;
Đai ốc của bu lông nối ở bệ phải được hãm chắc chắn, tránh hiện tượng tự nới lỏng.
3.10.5 Khóa móc, thiết bị căng dây và nối ghép khác có giảm chấn phải có khả năng làm việc bình thường khi giải phóng tức thời tải trọng trong lúc giảm chấn bị nén toàn bộ.
3.10.6 Khóa móc kiểu rơi phải có bộ hãm để giữ chặt chúng khi chạy.
3.10.7 Các chi tiết chính của vỏ thiết bị nối ghép phải được nối lượn với kết cấu cứng của thân tàu.
3.10.8 Chiều dày của tấm chặn nối ghép tiếp xúc cho trong Bảng 2B/3.1, được lấy phụ thuộc vào lực tính toán Pt. Mép của tấm nối ghép tiếp xúc phải được cuốn tròn. Thanh chống và tấm chặn phải được kết cấu theo dạng tấm chịu lực có mặt đỡ tin cậy.
Bảng 2B/3.1 - Chiều dày của tấm chặn nối ghép tiếp xúc
| Lực tính toán Pt, kN | 100 | 250 | 500 | 1000 | 1500 | 2000 | 2500 | 3000 | ≥ 5000 |
| Chiều dày của tấm nhỏ nhất, mm | 6 | 8 | 12 | 14 | 16 | 18 | 20 | 22 | 24 |
3.10.9 Kết cấu của thiết bị nối ghép không nhô ra ngoài con chạch, không được cọ xát vào thành khác và bến khi buộc tàu;
Thiết bị bảo vệ và bao ngoài thiết bị nối ghép từ phía mạn cũng như các rào chắn đặt giữa các tấm chặn nên đặt trên bệ giảm chấn hoặc làm bằng vật liệu có tính giảm chấn.
3.10.10 Trang bị của thiết bị nối ghép phải bảo đảm mở được móc khi tàu gặp tai nạn, khi lực trong nối ghép vượt quá Pt;
Đối với móc có hai khóa, có thể cho phép mở móc khi tải trọng nhỏ hơn Pt.
3.10.11 Đóng khóa móc tự động phải được thực hiện khi tàu va vào nhau, còn mở khóa móc phải tiến hành tại chỗ bằng tay. Đối với tàu đẩy phải có thiết bị mở khóa móc từ buồng lái.
3.10.12 Tất cả các kết cấu của thiết bị nối ghép có truyền động bằng tay phải làm việc với lực tác dụng không lớn hơn 157 N.
3.10.13 Các nối ghép đứng và thanh dẫn hướng phải có kết cấu khống chế sự dịch chuyển của khóa ở phía dưới.
3.10.14 Mối hàn các kết cấu dày của thiết bị nối ghép phải thực hiện hàn liên tục cả hai phía. Chỉ cho phép thực hiện mối hàn liên tục ở một phía trong trường hợp ở phía bên kia không thực hiện được, song phải áp dụng biện pháp công nghệ cần thiết để đảm bảo sức bền cho mối nối.
3.10.15 Kết cấu các chi tiết của thiết bị nối ghép cũng như việc bố trí chúng trên tàu phải được đặc biệt chú ý trong khi thiết kế để đảm bảo việc qua lại của thuyền viên giữa các tàu cũng như việc giám sát và thao tác thuận lợi trong khi hoạt động.
CHƯƠNG 4 THIẾT BỊ CHẰNG BUỘC
4.1 Quy định chung
4.1.1 Mỗi tàu phải được trang bị thiết bị chằng buộc đảm bảo để cố định chúng với các công trình hoặc bến nổi.
4.1.2 Khi thiết kế thiết bị chằng buộc phải tính chọn số lượng, kiểu cũng như việc bố trí chúng trên tàu phù hợp với các đặc điểm kết cấu và công dụng của tàu theo yêu cầu của Chương này.
4.1.3 Việc cố định bến nổi bằng phương pháp buộc hoặc neo phải theo yêu cầu của quy chuẩn này. Có thể sử dụng phương pháp hệ dây neo nếu tính toán thỏa mãn tiêu chuẩn quốc gia hoặc tiêu chuẩn, quy phạm theo thông lệ quốc tế áp dụng cho phương tiện thủy.
4.2 Thiết bị chằng buộc
4.2.1 Cáp chằng buộc phải lấy phụ thuộc vào đặc trưng cung cấp Neq, phù hợp với 2.2 Chương 2 của Phần này.
4.2.2 Số lượng và chiều dài của cáp chằng buộc trên tàu phụ thuộc vào loại tàu và điều kiện khai thác của chúng. Tổng chiều dài của cáp chằng buộc không được nhỏ hơn 2 lần chiều dài tàu, còn số lượng không ít hơn 2 sợi.
4.2.3 Lực đứt Fd, kN, của cáp thép chằng buộc không được nhỏ hơn:
1 Đối với tàu có Neq ≤ 1000 m2:
Fd = 0,147Neq + 24,5
2 Đối với tàu có Neq > 1000 m2:
Fd = 171 + 3,92.10-2 (Neq - 1000)
Trong đó:
Neq - đặc trưng cung cấp lấy theo 2.2 Chương 2 của Phần này.
4.2.4 Cáp chằng buộc có thể là cáp thép hoặc cáp làm từ sợi thảo mộc hoặc sợi tổng hợp.
4.2.5 Cột bít chằng buộc phải được chế tạo bằng thép hoặc bằng gang. Với tàu nhỏ dùng cáp sợi, cho phép chế tạo cột bít bằng hợp kim nhẹ.
4.2.6 Đường kính ngoài của cột bít chằng buộc không được nhỏ hơn 10 lần đường kính của cáp thép hoặc chu vi của cáp sợi hoặc bằng 5,5 lần đường kính của cáp sợi tổng hợp.
4.2.7 Cột bít phải được đặt trên bệ, bệ phải được cố định với tấm boong và với kết cấu thân tàu.
4.2.8 Cột bít, xôma và các chi tiết khác của thiết bị chằng buộc cũng như bệ của chúng khi thiết kế phải lưu ý lực tác dụng vào chúng. Lực này bằng lực đứt của cáp chằng buộc, còn ứng suất phát sinh trong các chi tiết không vượt quá 0,95 giới hạn chảy của vật liệu chế tạo chúng.
4.2.9 Kết cấu của vỏ tàu tại vùng đặt thiết bị chằng buộc phải được gia cường thỏa đáng.
4.2.10 Để cuộn cáp có thể dùng các thiết bị chằng buộc chuyên dùng (tời đứng, tời nằm) hoặc thiết bị trên boong (máy kéo neo, tời nâng hàng) có tang cuốn cáp.
4.2.11 Khi sử dụng các thiết bị chằng buộc bằng cơ khí còn phải thỏa mãn các yêu cầu nêu ở Chương 13 Phần 3 của Quy chuẩn này.
4.2.12 Cột bích chằng buộc đặt ở khu vực và không gian có nguy cơ nổ (xem Chương 13 Phần 3 của Quy chuẩn này), phải đặt trên bệ sao cho phải thông thoáng.
4.2.13 Cơ cấu thân tàu trong khu vực lắp đặt thiết bị chằng buộc phải được gia cường chắc chắn.
4.2.14 Để cuốn dây sử dụng máy cuốn (như tời cáp, tời chằng buộc …) hoặc các máy móc trên boong khác (trục quay, tời vận chuyển hàng hóa…) phải lắp đặt tang trống.
4.2.15 Không được sử dụng hoặc cất giữ dây buộc bằng thép trong khu vực và không gian gây nổ (xem Chương 13 Phần 3 của Quy chuẩn này).
CHƯƠNG 5 CỐ ĐỊNH CÔNG-TE-NƠ VÀ BỐ TRÍ THIẾT BỊ CỐ ĐỊNH
5.1 Quy định chung
5.1.1 Phạm vi áp dụng
1 Chương này áp dụng trong việc sắp xếp và cố định công-te-nơ trên tàu.
2 Sức bền của các chi tiết nối góc ở đỉnh và đáy công-te-nơ phải tuân theo các yêu cầu của Quy chuẩn kỹ thuật quốc gia về kiểm tra và chế tạo công-te-nơ vận chuyển trên các phương tiện vận tải (QCVN 38:2015/BGTVT).
3 Định nghĩa về chồng xếp công-te-nơ như sau:
Hàng: số công-te-nơ được xếp theo hướng mũi - đuôi dọc theo chiều dài tàu;
Ngăn: số công-te-nơ được xếp theo hướng mũi - đuôi dọc theo chiều dài tàu, được tính từ mạn này sang mạn kia trên cùng một mặt cắt ngang;
Tầng: số công-te-nơ được xếp từ dưới lên trên.
4 Số tầng công-te-nơ trong khu vực khoang hàng nói chung không lớn hơn 5. Số tầng công- te-nơ trên boong và/hoặc trên nắp hầm hàng nói chung không lớn hơn 3.
5.2 Kiểu loại thiết bị cố định và thử vật liệu
5.2.1 Khái quát
Đối với các thiết bị cố định không đề cập đến trong Mục này, phải tiến hành thử sức bền và các yêu cầu liên quan phải được tuân thủ.
5.2.2 Các loại thiết bị cố định
1 Thiết bị cố định công-te-nơ gồm các dụng cụ khóa góc, chi tiết chằng buộc, các thanh dẫn hướng vào ngăn và các thiết bị chằng buộc tương đương khác phải theo tiêu chuẩn quốc gia hoặc quy phạm, tiêu chuẩn theo thông lệ quốc tế.
2 Loại thiết bị cố định gồm dây cáp néo, thanh giằng, chi tiết nối chồng, chi tiết nối bắc cầu, các chi tiết trên boong hoặc móc kéo, côn định vị, đai ốc, bộ tháo móc, móc vòng, bộ tháo nhanh, v.v… như được chỉ ra trong Hình 2B/5.1 và các Bảng 2B/5.1 và Bảng 2B/5.2.

Hình 2B/5.1 - Các loại thiết bị cố định
Bảng 2B/5.1 - Tải trọng thử và kéo đứt thiết kế (thiết bị chằng buộc)
| Hạng mục thiết bị cố định | Tải trọng kéo đứt thiết kế nhỏ nhất, kN | Tải trọng thử nhỏ nhất, kN |
| Dây cáp | 3SWL |
|
| Thanh giằng (thép mềm) | 3SWL | 1,5SWL |
| Thanh giằng (thép cường độ cao) | 2SWL | 1,5SWL |
| Xích (thép mềm) | 3SWL | - |
| Xích (thép cường độ cao) | 2SWL | - |
| Chi tiết và thiết bị cố định | 2SWL | 1,5SWL |
| Chú thích: 1. Trong Chương này, giới hạn chảy của thép cường độ cao là không nhỏ hơn 315 N/mm2; 2. Các tải trọng kéo đứt và tải trọng thử của thiết bị cố định làm bằng vật liệu khác sẽ được xem xét riêng; 3. SWL là tải trọng làm việc an toàn (Safe Working Load), kN; Các chi tiết cố định công-te-nơ phải tuân theo các yêu cầu ở Bảng 2B/5.2. | ||
5.2.3 Vật liệu và thử
1 Phải tiến hành thử nguyên mẫu để xác định tải trọng kéo đứt của các chi tiết và thiết bị cố định theo các yêu cầu ở Bảng 2B/5.1. Phải tiến hành thử ít nhất hai mẫu cho mỗi một hạng mục.
2 Nếu một trong số các mẫu thử bị hỏng trước khi đạt đến tải trọng kéo đứt thiết kế thì phải thử một mẫu bổ sung. Thử nguyên mẫu có thể được chấp nhận, nếu thỏa mãn các điều kiện sau:
(1) Tải trọng phá hủy không nhỏ hơn 95% tải trọng kéo đứt thiết kế;
(2) Mẫu bổ sung được thử đạt yêu cầu;
(3) Tải trọng phá hủy trung bình của 3 mẫu là không nhỏ hơn tải trọng kéo đứt thiết kế.
3 Khi nhà chế tạo sản xuất từng lô theo các bản vẽ và tài liệu của các chi tiết và thiết bị cố định mà chúng đã được chấp nhận trong cuộc thử nguyên mẫu thì sản phẩm của các bộ phận và chi tiết đó phải được thử theo một trong hai phương án sau:
(1) Thử lô
Đối với các thanh giằng, các chi tiết và thiết bị cố định: lấy một mẫu thử từ mỗi 50 chiếc hoặc từ mỗi lô, nếu lô có ít hơn 50 chiếc. Các mẫu đó phải chịu tải trọng thử bằng 1,5 lần SWL của hạng mục định thử;
Đối với xích hoặc dây cáp: cứ 50 chiếc lấy một mẫu thử hoặc mỗi lô lấy một mẫu thử nếu lô có ít hơn 50 chiếc. Các mẫu đó phải chịu thử kéo đứt.
(2) Thử riêng rẽ
Cách khác, mỗi chi tiết và thiết bị cố định và các thanh giằng phải thử với tải trọng thử đến tải trọng làm việc an toàn của hạng mục. Ngoài ra, một mẫu lấy từ mỗi lô của xích hoặc dây cáp phải được thử kéo đứt bởi nhà chế tạo trước khi gửi sản phẩm đi.
4 Đối với các cuộc thử trong sản xuất được thực hiện theo 5.2.3-3(1) của chương này, sẽ không chấp nhận biến dạng vĩnh cửu trong khoảng tải trọng thấp dưới:
(1) 1,5 lần SWL, khi SWL < 25×9,81, kN;
(2) SWL + 12,5×9,81 khi SWL ≥ 25×9,81, kN.
5 Khi xảy ra phá hủy sớm hoặc biến dạng dẻo trầm trọng trên mẫu thử thì phải chọn tiếp thêm hai mẫu nữa để thử lại. Nếu thử lại thấy thỏa mãn thì có thể chấp nhận lô sản phẩm liên đới.
6 Đối với các cuộc thử trong sản xuất được thực hiện theo 5.2.3-3(2) của Chương này, biến dạng vĩnh cửu sẽ không được chấp nhận.
7 Thép được dùng để chế tạo thiết bị cố định và các chi tiết ráp nối cố định được gắn vào kết cấu của tàu phải tuân theo các yêu cầu liên quan về vật liệu trong Quy chuẩn này. Thép được dùng để chế tạo các bộ phận và chi tiết giữ khác phải theo tiêu chuẩn quốc gia hoặc quy phạm, tiêu chuẩn theo thông lệ quốc tế.
5.3 Sắp xếp và cố định công-te-nơ
5.3.1 Các yêu cầu chung
1 Các công-te-nơ phải được cố định nhờ một hay kết hợp nhiều bộ phận và chi tiết đã nêu trong Bảng 2B/5.1 tuân theo các yêu cầu ở 5.3.2 hoặc 5.3.3.
2 Phương pháp cố định công-te-nơ phải được xác định bằng cách tính toán lực tác dụng lên công-te-nơ theo 5.4 của chương này, và phải có khả năng đảm bảo cho sức bền của các công-te-nơ và các thiết bị cố định.
3 Phương pháp khác cố định công-te-nơ không được nói đến trong Quy chuẩn này cũng có thể được sử dụng với sự chấp thuận của Đăng kiểm.
4 Phải gia cường cục bộ cho các kết cấu tàu ở vị trí cố định công te nơ.
5.3.2 Sắp xếp công-te-nơ và việc cố định chúng trên các boong lộ hoặc nắp hầm hàng
1 Sắp xếp công-te-nơ trên các boong lộ phải thỏa mãn các yêu cầu sau:
(1) Bố trí sao cho có đủ không gian hoặc lối đi cho việc thao tác và kiểm tra các thiết bị cố định;
(2) Các công-te-nơ không được xếp vượt ra ngoài giới hạn mạn tàu;
(3) Các công-te-nơ ở tầng trên cùng phải được giữ bằng các chi tiết nối bắc cầu.
2 Cố định công-te-nơ:
(1) Các công-te-nơ được cố định ở mỗi tầng bằng các bộ phận khóa góc;
(2) Thay cho (1), các công-te-nơ có thể được cố định bằng các bộ dây néo được lắp chéo ở cả hai đầu khối công-te-nơ, như Hình 2B/5.2, đi kèm với các chi tiết định vị hình côn ở các góc dưới của tầng thứ nhất, tầng thứ hai của công-te-nơ và các bộ khóa góc ở tầng công-te-nơ thứ ba;
Bảng 2B/5.2 - Đặc tính tải trọng của các loại thiết bị cố định công-te-nơ
| TT | Loại | Tải trọng | SWL, kN | Tải trọng thử P, kN | Tải trọng kéo đứt nhỏ nhất BL, kN | ||
| 1 | Khóa | Đồng nhất hai đầu |
| Kéo | 147 | 221 | 353 |
| Cắt | 73,5 | 110,25 | 147 | ||||
| Hai nửa được nối có hai đầu |
| Kéo | 147 | 221 | 353 | ||
| Cắt | 147 | 221 | 294 | ||||
| Loại đuôi nhạn có một đầu |
| Kéo | 147 | 221 | 294 | ||
| Cắt | 147 | 221 | 294 | ||||
Bảng 2B/5.2 - Đặc tính tải trọng của các loại thiết bị cố định công-te-nơ (tiếp theo)

Bảng 2B/5.2 - Đặc tính tải trọng của các loại thiết bị cố định công-te-nơ (tiếp theo)

(3) Đối với việc cố định công-te-nơ đã nêu ở (2) trên đây, nếu tính toán cho thấy rằng các lực tách có thể xảy ra ở một điểm nào đó trong ngăn thì phải lắp các bộ phận khóa tại điểm đó.
3 Khi các công-te-nơ được xếp nhiều hơn hai tầng và hai hàng thì phải cố định bằng các chi tiết nối chồng và nối bắc cầu.
4 Nếu tính toán cho thấy rằng các lực tách có thể xảy ra thì phải lắp các côn định vị.
5 Phương pháp cố định trên Hình 2B/5.2 có thể được áp dụng cho hai đầu của công-te-nơ ở mỗi hàng dọc theo chiều dài tàu.

Hình 2B/5.2 - Phương pháp cố định công-te-nơ
6 Các kết cấu tàu ở chỗ lỗ móc phải được gia cường cục bộ.
7 Phương pháp khác giữ cố định công-te-nơ không chỉ ra trên Hình 2B/5.2 cũng có thể được áp dụng với sự chấp thuận của Đăng kiểm.
5.3.3 Sắp xếp công-te-nơ và việc cố định chúng trong các hầm hàng
Việc sắp xếp công-te-nơ trong các hầm hàng phải thỏa mãn các yêu cầu sau:
1 Các công-te-nơ có thể được cố định bằng các bộ phận khóa hoặc bằng cách kết hợp các côn định vị và dây néo, và phương pháp cố định có thể dựa vào 5.3.2, chương này.
2 Khi tính toán chỉ ra rằng các lực tách có thể xảy ra ở một cao độ cụ thể nào đó thì phải lắp các bộ phận khóa ở cao độ đó. Ở các vị trí khác có thể sử dụng các côn hai ngang.
3 Các công-te-nơ ở tầng trên cùng phải được cố định bằng chi tiết nối bắc cầu.
5.4 Xác định lực và sức bền của các thiết bị cố định
5.4.1 Các yêu cầu chung
1 Các lực tác dụng lên công-te-nơ phải được xác định theo điều kiện tải trọng, vùng hoạt động và các dao động liên quan của tàu. Phải xét đến các lực sau đây: trọng lượng tĩnh, lực gió, lực ma sát, lực do các thiết bị cố định tác động vào và lực quán tính của công-te-nơ do gia tốc trong các dao động của tàu (xoay quanh trục dọc, xoay quanh trục ngang và thẳng theo trục đứng).
2 Trục dọc mà tàu xoay quanh (roll, lắc ngang) phải được lấy là đường tâm của mặt phẳng đường nước trong điều kiện toàn tải hoặc đường thẳng cách ky một khoảng bằng nửa chiều cao mạn, lấy giá trị nào lớn hơn; còn trục ngang mà tàu xoay quanh (pitch, lắc dọc) phải được lấy là giao tuyến giữa mặt phẳng đường nước và mặt cắt ngang qua tâm nổi.
3 Đối với các công-te-nơ không chứa hàng, trọng tâm và điểm đặt của lực quán tính được giả thiết là tại tâm của công te nơ. Đối với các công-te-nơ chứa hàng, trọng tâm và điểm đặt của lực quán tính được giả thiết là tại tâm của mặt cắt nằm ngang ở độ cao bằng 1/3 chiều cao của công-te-nơ.
5.4.2 Các thông số dao động của tàu
Các thông số của các dao động xoay quanh trục dọc, xoay quanh trục ngang và thẳng theo trục đứng của công-te-nơ có thể được lấy theo Bảng 2B/5.3.
5.4.3 Các lực tác dụng lên một công-te-nơ
1 Các lực tác dụng lên một công-te-nơ được chỉ ra trên Hình 2B/5.3 và các giá trị của chúng tính toán theo các công thức sau:

Trong đó:
G - tổng khối lượng của một công-te-nơ , tấn;
θm - góc lắc ngang, được xác định theo Bảng 2B/5.3, rad;
φm - góc lắc dọc, được xác định theo Bảng 2B/5.3, rad;
Zm - biên độ của dao động thẳng theo trục đứng, được xác định theo Bảng 2B/5.3, m;
Tφ - chu kỳ dao động xoay quanh trục ngang, được xác định theo Bảng 2B/5.3, s;
Tθ - chu kỳ dao động xoay quanh trục dọc, được xác định theo Bảng 2B/5.3, s;
Tz - chu kỳ dao động thẳng theo trục đứng, được xác định theo Bảng 2B/5.3, s;
Xc - khoảng cách theo chiều dài tàu từ điểm đặt lực tác dụng lên một công-te-nơ đến trục ngang mà tàu dao động xoay quanh, m;
Yc - khoảng cách theo chiều ngang tàu từ điểm đặt lực tác dụng lên một công-te-nơ đến trục dọc mà tàu dao động xoay quanh, m;
Zc - khoảng cách theo chiều đứng từ điểm đặt lực tác dụng lên một công-te-nơ đến mặt phẳng chứa trục ngang và trục dọc mà tàu dao động xoay quanh, m;
Bảng 2B/5.3 - Các thông số dao động của tàu


Hình 2B/5.3 - Các lực tác dụng lên công-te-nơ
2 Lực gió F, kN, tác dụng vào ngăn thứ i tầng thứ j của mỗi hàng phải được tính theo công thức sau, trong trường hợp tàu ở tư thế vuông góc:
Fj = 10-3pA
Trong đó:
p - áp lực gió, được tính theo các yêu cầu về tính toán áp lực gió trong Quy chuẩn này, Pa;
A - diện tích chịu áp lực gió của công-te-nơ thuộc ngăn i tầng j của mỗi hàng, được lấy bằng diện tích mặt bên chiếu lên mặt phẳng vuông góc với hướng gió của công-te- nơ thuộc ngăn i tầng j của mỗi hàng nằm ngoài thành quây miệng hầm hàng, m2.
3 Các lực ở đầu mỗi tầng công-te-nơ
(1) Lực xô ngang Ri, kN, tác dụng lên đầu mỗi công te nơ ở tầng thứ i của hàng bất kỳ được tính theo công thức:
- Đối với tầng công-te-nơ trên cùng:
![]()
- Đối với các công-te-nơ khác:
![]()
Trong đó:
Nyi, Nys - được tính theo 5.4.3-1;
i - số thứ tự tầng của công-te-nơ đang xét;
s - số thứ tự tầng trên tầng của công-te-nơ đang xét, s = i + 1;
l - số thứ tự tầng công-te-nơ trên cùng.
(2) Lực ép thẳng đứng nhỏ nhất PAi, kN, tác dụng lên đầu mỗi công-te-nơ ở tầng thứ i của hàng bất kỳ được tính theo công thức:
![]()
Trong đó:
b - chiều rộng của công-te-nơ , m;
Nzi, Nyi - được tính theo 5.4.3-1;
hi - khoảng cách thẳng đứng từ điểm đặt của các lực quán tính của công-te-nơ đang xét và các công-te-nơ đặt trên nó đến góc ở đáy của công-te-nơ tầng thấp nhất. Điểm đặt của các lực quán tính của mỗi công-te-nơ được xác định theo 5.4.1-3, m;
Fj - lực gió ở công-te-nơ đang xét và các công-te-nơ đặt trên nó, được xác định theo 5.4.3-2;
Hj - khoảng cách thẳng đứng từ điểm đặt của các lực gió ở các công-te-nơ đến góc ở đáy của công-te-nơ tầng thấp nhất, m;
i - số thứ tự tầng của công-te-nơ đang xét;
j - số thứ tự của tầng công-te-nơ thấp nhất chịu lực gió;
l - số thứ tự tầng công-te-nơ trên cùng.
Nếu PAi mang giá trị âm thì điều đó nói lên rằng lực này không ép xuống mà làm tách công-te-nơ.
(3) Lực ép thẳng đứng lớn nhất PBi, kN, tác dụng lên đầu mỗi công-te-nơ ở tầng thứ i của hàng nào đó được tính theo công thức:
![]()
Trong đó:
b, hi, Fj, Hj, i, j, l - được định nghĩa ở 5.4.3-2;
Nzi, Nyi - được tính theo 5.4.3-1.
(4) Lực cắt Si, kN, tại mỗi góc ở tầng thứ i của hàng nào đó được tính theo công thức sau:
![]()
Trong đó:
Nyi - được tính theo 5.4.3-1;
i - số thứ tự tầng công-te-nơ đang xét;
j - số thứ tự của tầng công-te-nơ thấp nhất chịu lực gió;
l - số thứ tự tầng công-te-nơ trên cùng;
Fj - được tính theo 5.4.3-2.
5.4.4 Tính toán các dây néo
1 Lực kéo T, kN, tác dụng lên các đồ trang bị giữ của một công-te-nơ nào đó phải được tính theo công thức sau đây (các công-te-nơ xếp chồng 3 tầng như trên Hình 2B/5.4):
![]()
Trong đó:
Nyik - xem 5.4.3-1;
φm - xem 5.4.3-1;
Fj - xem 5.4.3-2;
Hj - khoảng cách thẳng đứng từ điểm đặt của các lực gió ở các công-te-nơ đến góc ở đáy của công-te-nơ tầng thấp nhất, m;
hik - khoảng cách thẳng đứng từ điểm đặt của các lực quán tính của các công-te-nơ đến góc ở đáy của công-te-nơ tầng thấp nhất, m;
α - góc giữa dây néo và mặt phẳng nằm ngang, như trên Hình 2B/5.4;
i - số thứ tự tầng công-te-nơ đang xét;
l - số tầng công-te-nơ;
k - số thứ tự hàng công-te-nơ đang xét;
n - số hàng xếp công-te-nơ;
H’ - khoảng cách thẳng đứng từ điểm giữ công-te-nơ đến góc ở đáy của công-te-nơ tầng thấp nhất, m.

Hình 2B/5.4 - Xếp chồng các công-te-nơ
2 Các lực giữ tạo ra bởi dây néo phải không vượt quá tải trọng cho phép trên các chi tiết nối góc.
5.4.5 Tải trọng cho phép trên công-te-nơ
1 Các lực tác dụng lên công-te-nơ phải không vượt quá các tải trọng cho phép trên công-te-nơ, bất kể cố định công-te-nơ bằng hình thức nào.
2 Tải trọng cho phép trên công-te-nơ chuyên chở hàng hoá được chỉ ra trên Hình 2B/5.5 là như sau:
(1) Các lực néo tác dụng lên chi tiết nối góc: xem Hình 2B/5.5(1)
- theo phương nằm ngang: 150 kN;
- theo phương thẳng đứng: 300 kN.
Không khi nào lực tổng hợp ngang và đứng được vượt 300 kN.
(2) Lực xô ngang lớn nhất trên công-te-nơ : xem Hình 2B/5.5(2)
- trên mỗi đầu công-te-nơ : 150 kN;
- trên mỗi mặt bên: 75 kN;
(3) Các lực kéo và nén lớn nhất theo phương đứng tác dụng lên các chi tiết nối góc: xem Hình 2B/5.5(3)
- tại các góc ở nóc: 150 kN;
- tại các góc ở đáy: 150 kN;
Lực nén thẳng đứng lên mỗi trụ góc, từ trên xuống: 848 kN;
Lực nén thẳng đứng lên mỗi trụ góc, từ dưới lên: (848 + 105) kN.
(4) Lực nén lớn nhất theo chiều ngang hay chiều dọc hoặc lực kéo lớn nhất tác dụng song song vào mặt nóc hoặc mặt đáy: xem Hình 2B/5.5(4)

Hạn chế của các lực néo

Hình 2B/5.5 - Tải trọng cho phép trên các công-te-nơ loại 20 ft và 40 ft
(a) Tại nóc công-te-nơ
- đối với công-te-nơ 20 ft: 100 kN;
- đối với công-te-nơ 40 ft: 340 kN.
(b) Tại đáy công-te-nơ
- đối với công-te-nơ 20 ft: 150 kN;
- đối với công-te-nơ 40 ft: 500 kN.
(c) Tại các chi tiết nối góc bên trên, lực nén theo chiều dọc hoặc lực kéo: 75 kN;
(d) Tại các chi tiết nối góc bên dưới, lực nén theo chiều dọc hoặc lực kéo: 300 kN.
CHƯƠNG 6 THIẾT BỊ NÂNG HẠ BUỒNG LÁI
6.1 Quy định chung
6.1.1 Buồng lái di chuyển theo chiều cao và thiết bị nâng buồng lái phải được thiết kế để đảm bảo sự an toàn cho mọi người trên tàu.
Trong tất cả các điều kiện hoạt động, bao gồm cả việc ngừng cấp năng lượng hoàn toàn, phải đảm bảo khả năng kích hoạt ngay lập tức các thiết bị cố định.
6.1.2 Nâng hoặc hạ buồng lái không được gây cản trở các hoạt động được thực hiện từ buồng lái.
6.1.3 Việc hạ buồng lái trong tất cả các điều kiện hoạt động của tàu phải do một người chịu trách nhiệm từ buồng lái. Việc hạ khẩn cấp phải được thực hiện từ buồng lái cũng như từ vị trí điều khiển bên ngoài buồng lái.
6.2 Các yêu cầu kỹ thuật đối với kết cấu nâng và hạ
6.2.1 Cơ cấu truyền động của thiết bị phải được thiết kế nâng tải tối thiểu bằng 1,5 lần toàn bộ khối lượng trang thiết bị của buồng lái và nhân viên trực.
6.2.2 Kết cấu của thiết bị nâng và hạ phải đảm bảo dừng và giữ buồng lái ở bất kỳ vị trí yêu cầu nào, đồng thời phải đảm bảo lối vào và ra khỏi buồng lái một cách an toàn.
6.2.3 Máy nâng phải hoạt động tin cậy và không bị kẹt trong tất cả các trường hợp có thể xảy ra khi tải không đối xứng, cũng như ở tất cả các góc nghiêng có thể phát sinh trong điều kiện hoạt động bình thường của tàu.
6.2.4 Máy nâng phải đảm bảo giảm dần chuyển động của buồng lái khi tiếp cận đến vị trí cuối cùng phía trên và phía dưới hoặc phải có thiết bị đệm.
6.2.5 Máy nâng phải được ngắt tự động khi buồng lái tiếp cận vị trí cuối.
6.2.6 Phải có hệ thống báo hiệu di chuyển buồng lái, vị trí cuối phía trên và phía dưới bằng hình ảnh và âm thanh. Hệ thống báo hiệu này phải dễ thấy và nghe được rõ trong buồng lái và gần buồng lái.
6.3 Các yêu cầu kỹ thuật đối với bộ phận truyền động của thiết bị nâng
6.3.1 Thiết bị nâng và hạ buồng lái phải có bộ phận truyền động từ nguồn năng lượng có khả năng hoạt động trong mọi điều kiện hoạt động bình thường của tàu.
Việc hạ buồng lái có thể được thực hiện bởi bộ phận truyền động từ nguồn năng lượng hoặc dưới tác động bởi khối lượng của chính nó.
6.3.2 Buồng lái phải có thiết bị hạ khẩn cấp hoạt động độc lập với bộ phận truyền động chính.
Việc hạ khẩn cấp phải được thực hiện dưới tác động bởi khối lượng của chính buồng lái, nhịp nhàng và kiểm soát được.
6.3.3 Vận tốc hạ khẩn cấp buồng lái không được nhỏ hơn vận tốc hạ nhờ bộ phận truyền động từ nguồn năng lượng.
6.3.4 Không được phép sử dụng máy nâng tự hãm.
CHƯƠNG 7 TẦM NHÌN TỪ BUỒNG LÁI
7.1 Quy định chung
7.1.1 Phạm vi áp dụng
Chương này áp dụng cho các tàu sau:
1 Các tàu có chiều dài lớn nhất từ 55 m trở lên ;
2 Các tàu có bố trí hàng hóa, thiết bị gây cản trở đến phạm vi quan sát của điều khiển tàu.
7.1.2 Thẩm định thiết kế
Các bản vẽ sau đây phải được trình Đăng kiểm thẩm định:
1 Bố trí chung của lầu lái (chỉ rõ vị trí điều khiển, cửa sổ, cửa ra vào của lầu lái ...) ;
2 Bản vẽ chỉ rõ phạm vi quan sát thẳng đứng và nằm ngang tính từ vị trí điều khiển khi tàu đang ở trạng thái bất lợi nhất như là trạng thái đầy tải, trạng thái dằn không tải… (Nếu nhìn từ vị trí điều khiển mà bị hàng hoá, thiết bị làm hàng và các chướng ngại vật khác bên ngoài buồng lái che khuất, thì các chướng ngại này phải được ghi trên bản vẽ).
7.1.3 Tầm nhìn của buồng lái
1 Buồng lái phải được bố trí và trang bị sao cho người người điều khiển tàu có thể thực hiện các chức năng của mình khi tàu đang hành trình;
2 Buồng lái phải được cung cấp tầm nhìn rõ ràng theo tất cả các hướng từ vị trí lái;
3 Vùng mù không nhìn thấy của người điều khiển có chiều cao tầm mắt 1,65 mét về phía trước tàu trong phạm vi 10° tính từ mũi tàu trong tất cả các trạng thái vận hành không lớn hơn hai lần chiều dài tàu đối với tàu cấp VR-SB và 250 mét đối với các tàu còn lại;
4 Góc quan sát ngang từ vị trí điều khiển không bị cản trở tối thiểu bằng 240°. Góc quan sát không bị cản trở ở nửa vòng tròn phía trước phải tối thiểu bằng 140°;
5 Mép trên của các cửa sổ phía trước lầu lái cho phép người có chiều cao đến tầm mắt từ 1,8 m trở lên có thể nhìn ngang về phía trước tối thiểu 10 độ phía trên mắt người điều khiển;
6 Không được có hàng hóa hoặc cấu trúc nào của tàu bên ngoài buồng lái ngăn cản tầm nhìn về phía trước người điều khiển tàu một góc quá 5° trong phạm vi yêu cầu ở -3. Góc khuất trong phạm vi khác không quá 10° và góc giữa hai vật cản không nhỏ hơn 5°;
7 Nếu không có tầm nhìn thông thoáng về phía sau tàu, các gương, thiết bị nhìn và các thiết bị quang học phụ trợ khác có thể được lắp đặt để bổ sung tầm nhìn;
8 Tầm nhìn thông thoáng qua các cửa sổ của buồng lái vào mọi thời điểm phải được đảm bảo bằng các thiết bị chiếu sáng (đèn pha);
9 Khung giữa các cửa sổ phải được bố trí ở mức nhỏ nhất và không được đặt ngay ở phía trước vị trí của người điều khiển ;
10 Để tránh ánh sáng bị phản chiếu, các cửa sổ trước lầu lái phải được bố trí nghiêng phía trên ra ngoài với góc nghiêng không dưới 10° nhưng không quá 25°;
11 Không cho phép lắp cửa sổ kiểu phản quang và kính màu ;
12 Đối với tàu mang cấp VR-SB, ít nhất hai cửa sổ phía trước buồng lái phải có thiết bị gạt nước.
CHƯƠNG 8 BẢO VỆ THUYỀN VIÊN VÀ HÀNH KHÁCH
8.1 Mạn chắn sóng và lan can
8.1.1 Yêu cầu về bố trí
1 Mạn chắn sóng và lan can phải được đặt xung quanh các phần lộ của boong mạn khô, của boong thượng tầng, của lầu boong nơi thuyền viên và hành khách có thể tiếp cận và của vị trí làm việc ở độ cao lớn hơn 0,5 m so với mặt boong hoặc sàn phía dưới.
2 Các lan can quy định tại -1 trên phải thỏa mãn các yêu cầu sau:
(1) Các cột cố định, tháo lắp được hoặc ghép bằng bản lề phải được đặt cách nhau khoảng không quá 1,5 m hoặc 3 khoảng sườn lấy theo giá trị nào lớn hơn. Các cột tháo lắp được hoặc cột ghép bằng bản lề phải có khả năng khóa được từ phía trên;
(2) Ít nhất cứ mỗi ba thanh đứng thì phải đỡ bởi một mã hoặc cột nẹp. Hoặc biện pháp khác tương đương;
(3) Nếu cần thiết cho sự vận hành bình thường của tàu, dây thép có thể được chấp nhận thay cho lan can. Trong trường hợp này, các dây thép phải được căng bằng các tăng- đơ;
(4) Nếu cần thiết cho sự vận hành bình thường của tàu, xích có thể được lắp giữa hai cột cố định và/hoặc mạn chắn sóng được chấp nhận thay thế cho lan can.
3 Chiều cao lan can hoặc mạn chắn sóng phải bằng ít nhất 1 mét tính từ mặt boong. Nhưng nếu chiều cao này gây trở ngại cho hoạt động bình thường của tàu thì chiều cao nhỏ hơn có thể chấp nhận trên cơ sở chứng minh được cung cấp bởi nhà thiết kế khẳng định sự bảo vệ của thuyền viên.
4 Lan can lắp đặt ở boong thượng tầng và boong mạn khô phải có ít nhất ba khoảng hở. Khoảng hở giữa thanh lan can thấp nhất và mặt boong không được cao quá 230 mm, các thanh lan can còn lại không được đặt cách nhau quá 380 mm. Ở các khu vực khác phải lắp các lan can có ít nhất hai khoảng hở. Những chỗ hành khách thường đến thì khoảng hở dưới cùng cách mặt boong không quá 0,18 mét các khoảng hở khác không quá 0,28 mét, nếu bố trí trụ lan can đứng thay cho các thanh ngang thì khoảng cách các trụ không quá 100 mm. Trong trường hợp tàu có mép boong lượn tròn thì các cột đỡ lan can phải đặt ở phần mặt boong phẳng.
5 Không phụ thuộc vào yêu cầu tại -1 trên và trừ các quy định tại Phần 9 của Quy chuẩn này, đối với tàu chở hàng khô mang cấp VR-SI, VR-SII, VR-SIII và tàu công trình, mạn chắn sóng hoặc lan can trên boong chính chỉ cần có chiều cao tối thiểu 550 mm được bố trí ở phía mũi và đuôi tàu, kéo dài từ mũi tàu đến thành quây ngang phía trước của miệng hầm hàng mũi và từ đuôi tàu tới vách trước của lầu trên boong phía đuôi. Giữa hai khu vực này chỉ cần bố trí gờ bảo vệ ở mép mạn có chiều cao tối thiểu 50 mm, lầu boong hoặc thành quây miệng hầm tại vị trí này phải bố trí tay bám hoặc dây bám.
6 Cầu thang có nhiều hơn 3 bậc phải có lan can và tay vịn.
7 Đối với tàu chở dầu mang cấp VR-SB, phải có cầu dẫn đặt cao hơn mặt boong để làm lối đi an toàn cho thuyền viên trong mọi điều kiện vận hành tàu từ phía mũi tàu và giữa các không gian sinh hoạt và không gian phục vụ riêng biệt. Cầu dẫn phải đáp ứng các yêu cầu sau:
(1) Có chiều rộng tối thiểu bằng 1 m và đặt tại mặt phẳng dọc tâm;
(2) Trang bị lan can có chiều cao tối thiểu 1,0 m với các cột nằm cách nhau không quá 1,5 m hoặc 3 lần khoảng sườn lấy giá trị nào lớn hơn;
(3) Có các lối vào bên cạnh từ boong được bố trí cách nhau không quá 40 m.
(4) Nếu boong hở có chiều dài lớn hơn 75 m thì phải bố trí chỗ trú ẩn thích hợp nằm cách nhau không quá 45 m, chỗ trú ẩn phải đủ chỗ cho ít nhất một người và để bảo vệ người khỏi điều kiện thời tiết xấu.
Đối với tàu cấp còn lại, cầu dẫn có thể bố trí trên mặt boong, có sàn hoặc sơn chống trượt và cầu dẫn phải có tay vịn.
8.1.2 Yêu cầu về kết cấu
1 Mạn chắn sóng và lan can nếu trang bị phải thỏa mãn yêu cầu tại 2.4.12, 3.7.30 và 9.3.13 Phần 2A của Quy chuẩn này.
2 Lan can phải chịu được tải trọng tập trung 890 KN tác dụng tại bất kỳ điểm nào của lan can.
CHƯƠNG 9 PHƯƠNG TIỆN LÊN XUỐNG TÀU
9.1 Quy định chung
Nếu tàu được thiết kế có thang mạn thì thang mạn phải thoả mãn các yêu cầu tại Chương này.
9.2 Tiêu chuẩn chế tạo
9.2.1 Cầu thang mạn và cầu lên xuống dùng làm phương tiện cho người lên và xuống tàu phải thỏa mãn các tiêu chuẩn sau đây:
1 ISO 5488:2015, Đóng tàu - Cầu thang mạn;
2 ISO 7061, Đóng tàu - Cầu lên xuống bằng nhôm dùng để lên bờ của tàu biển;
3 Tiêu chuẩn công nghiệp thích hợp khác tương đương.
9.2.2 Tời dùng cho cầu thang mạn phải được chế tạo phù hợp với các tiêu chuẩn sau đây:
1 ISO 7364:2016, Đóng tàu - Thiết bị trên boong - Tời cầu thang mạn;
2 Tiêu chuẩn công nghiệp thích hợp khác tương đương.
9.3 Bố trí và lắp đặt
9.3.1 Cầu thang mạn phải có đủ chiều dài để đảm bảo rằng, khi ở góc nghiêng làm việc thiết kế lớn nhất, sàn dưới cùng của cầu thang cách đường nước ở trạng thái nhẹ tải nhất của tàu không quá 600 mm.
9.3.2 Đầu trên của cầu thang mạn phải tạo ra lối đi trực tiếp giữa cầu thang và boong tàu thông qua sàn được bảo vệ bởi lan can và tay bám thích hợp. Thang phải được liên kết chắc chắn với tàu để không bị lật, đổ.
Đối với tàu có chiều cao của boong để cho người lên/ xuống tàu lớn hơn 20 m tính từ đường nước ở trạng thái nhẹ tải nhất của tàu và việc áp dụng tại 9.3.1 là không thể thực hiện được, Đăng kiểm có thể chấp nhận phương tiện thay thế khác để có thể tiếp cận tàu an toàn, hoặc phương tiện bổ sung để tiếp cận an toàn sàn dưới cùng của cầu thang mạn.
PHẦN 3 HỆ THỐNG MÁY TÀU
CHƯƠNG 1 QUY ĐỊNH CHUNG
1.1 Quy định chung
1.1.1 Phạm vi áp dụng
1 Những yêu cầu của Phần này được áp dụng cho máy chính lai chân vịt, thiết bị truyền động, hệ trục, chân vịt, động cơ dẫn động không phải là máy chính lai chân vịt, nồi hơi, bình chịu áp lực, máy phụ, hệ thống ống và các hệ thống điều khiển chúng (sau đây gọi chung là "Hệ thống máy").
2 Đối với hệ thống máy lắp đặt trên các tàu có chiều dài nhỏ hơn 20 m, một số yêu cầu trong Phần này có thể được miễn giảm một cách hợp lý nếu có biện pháp thay thế đảm bảo an toàn kỹ thuật tương đương.
3 Đối với hệ thống máy lắp ngoài đồng bộ được nhập khẩu có công suất nhỏ hơn 220 kW, Đăng kiểm có thể chấp nhận giấy chứng nhận của nhà sản xuất để lắp đặt lên tàu mà không cần kiểm tra theo các quy định tại phần này.
1.1.2 Thay thế tương đương
Hệ thống máy không phù hợp với những yêu cầu của Phần này có thể cũng được chấp nhận nếu chúng được Đăng kiểm công nhận là tương đương với các yêu cầu được quy định ở Phần này.
1.1.3 Hệ thống máy có đặc điểm thiết kế mới
Hệ thống máy có các đặc điểm thiết kế mới có thể được chấp nhận nếu như chúng thỏa mãn các yêu cầu bổ sung về thiết kế và các quy trình thử ngoài các yêu cầu về thiết kế và quy trình thử trong Phần này với kết quả thử đạt yêu cầu của Đăng kiểm.
1.1.4 Sửa đổi các yêu cầu
Đối với hệ thống máy và hệ thống điều khiển chúng nêu dưới đây có thể sửa đổi một số yêu cầu của Phần này, nếu Đăng kiểm thấy có thể chấp nhận được.
1 Động cơ dẫn động nhỏ dùng để lai máy phát điện hoặc máy phụ (bao gồm cả thiết bị truyền động và hệ trục);
2 Máy phụ để làm hàng và các động cơ dẫn động chúng;
3 Hệ thống máy phù hợp về công suất, mục đích và điều kiện làm việc.
1.1.5 Thuật ngữ
1 Trong Phần này, máy phụ được phân loại thành những nhóm sau:
Khi các máy phụ liệt kê từ (1) đến (5) dưới đây được dùng vào nhiều mục đích thì chúng phải được xếp vào loại máy phụ quan trọng hơn.
(1) Máy phụ được sử dụng để phục vụ máy chính;
(2) Máy phụ dùng để điều động và an toàn
Máy phụ dùng vào mục đích điều động tàu an toàn và máy phụ dùng để đảm bảo an toàn cho tàu và sinh mạng con người trên tàu;
(3) Máy phụ dùng để làm hàng
Máy phụ dùng để bốc, dỡ hàng cũng như để bảo quản hàng hóa;,
(4) Máy phụ chuyên dụng;
Máy phụ dùng vào các hoạt động cụ thể theo công dụng của tàu;
(5) Máy phụ khác
Các máy phụ không thuộc loại được nêu từ (1) đến (4) trên đây.
2 Hệ trục chân vịt
Hệ trục chân vịt là hệ gồm trục đẩy, trục trung gian, ống bao, trục chân vịt, các ổ đỡ tương ứng và chân vịt.
3 Công suất liên tục lớn nhất của động cơ
Công suất liên tục lớn nhất của động cơ là công suất lớn nhất mà tại đó động cơ có thể chạy an toàn và liên tục trong điều kiện thiết kế (đối với máy chính, điều kiện thiết kế là điều kiện máy chạy toàn tải).
4 Vòng quay liên tục lớn nhất
Vòng quay liên tục lớn nhất là số vòng quay khi động cơ chạy đạt được công suất liên tục lớn nhất.
5 Đơn vị công suất
(1) Đơn vị công suất ghi trong giấy chứng nhận thẩm định thiết kế phương tiện thủy nội địa là sức ngựa.
(2) Nếu hồ sơ máy ghi đơn vị công suất là kW thì công thức quy đổi như sau: 1 kW = 1,3596 sức ngựa.
(3) Nếu đơn vị công suất là CV, HP hoặc PS thì sẽ quy đổi ra kW và quy đổi ra sức ngựa như công thức nêu ở mục 2. Công thức quy đổi như sau:
1 HP = 0,7457 kW
1 CV/PS = 0,7355 kW
(4) Việc quy đổi này chỉ được áp dụng khi quy chuẩn này có hiệu lực, công suất các máy đã được tính toán trước khi quy chuẩn này có hiệu lực sẽ không thay đổi.
1.1.6 Bản vẽ và tài liệu trình thẩm định
Bản vẽ và tài liệu trình thẩm định liên quan đến hệ thống máy phải phù hợp với các yêu cầu
quy định ở trong từng Chương của Phần này.
1.2 Vật liệu
1.2.1 Chọn vật liệu
Vật liệu dùng chế tạo hệ thống máy phải được chọn theo những quy định của từng chương trong Phần này xuất phát từ những yêu cầu tương ứng đã được quy định ở Phần 6A của Quy chuẩn này, có xét đến mục đích và điều kiện làm việc của chúng.
1.2.2 Vật liệu khác
Vật liệu dùng chế tạo hệ thống máy không được quy định trong từng chương của Phần này phải thỏa mãn những quy định sau đây:
1 Đối với các vật liệu của hệ thống máy, vật liệu được sử dụng để chế tạo máy chính, thiết bị truyền động, hệ trục, chân vịt, nồi hơi, bình chịu áp lực, hệ thống điều khiển và các vật liệu dùng để chế tạo máy phụ có công dụng quan trọng phục vụ máy chính và máy phụ dùng để điều động và bảo đảm an toàn cho tàu phải phù hợp với các yêu cầu của tiêu chuẩn quốc gia, quy phạm, tiêu chuẩn theo thông lệ quốc tế;
2 Đối với các vật liệu của hệ thống máy, vật liệu được sử dụng để chế tạo máy phụ trừ máy phụ có công dụng quan trọng phục vụ máy chính, máy phụ dùng để điều động (sau đây được gọi là "máy phụ chuyên dụng") và các vật liệu sử dụng cho thiết bị truyền động liên quan của chúng, hệ trục, hệ thống đường ống và hệ thống điều khiển phải được chọn lựa trên cơ sở xem xét mục đích và điều kiện làm việc của chúng.
1.3 Những yêu cầu chung về hệ thống máy
1.3.1 Quy định chung
1 Hệ thống máy phải được thiết kế và chế tạo phù hợp với mục đích sử dụng, phải được lắp đặt và bảo vệ sao cho làm giảm đến mức tối thiểu nguy hiểm đối với con người ở trên tàu nhờ quan tâm đúng mức đến các bộ phận chuyển động, bề mặt bị đốt nóng và các nguy hiểm khác có thể xảy ra.
Khi thiết kế phải quan tâm đến mục đích sử dụng của thiết bị, điều kiện làm việc của thiết bị cũng như điều kiện môi trường trên tàu.
2 Máy chính lai chân vịt, máy phụ (trừ máy phụ chuyên dụng...) của các tàu có cấp VR-SI và VR-SB phải được thiết kế để làm việc trong các điều kiện nghiêng ngang tĩnh tới 10° và chúi tĩnh tới 5° khi được lắp trên tàu. Có thể cho phép sai lệch so với các giá trị này trên cơ sở xem xét kiểu tàu, kích thước tàu và điều kiện làm việc của tàu.
3 Hệ thống máy phải được thiết kế để làm việc tốt trong điều kiện nhiệt độ được quy định ở Bảng 3/1.1.
4 Phải quy định biện pháp nhằm tạo điều kiện dễ dàng cho việc vận hành, vệ sinh, kiểm tra và bảo dưỡng hệ thống máy.
5 Phải đặc biệt quan tâm đến thiết kế, chế tạo và lắp đặt hệ thống máy sao cho không để xảy ra hiện tượng dao động gây nên ứng suất lớn trong khu vực tốc độ làm việc bình thường.
1.3.2 Công suất lùi
1 Phải bảo đảm đủ công suất chạy lùi nhằm duy trì sự điều khiển tàu trong mọi trạng thái làm việc bình thường.
2 Máy chính lai chân vịt phải có khả năng duy trì hành trình chạy lùi ít nhất bằng 70% số vòng quay chạy tiến trong thời gian ít nhất là 30 phút. Công suất lùi có thể được tạo ra trong khoảng thời gian chuyển tiếp sao cho có thể hãm được tàu trong khoảng thời gian hợp lý.
3 Đối với máy chính lai chân vịt qua hộp số hoặc lai chân vịt biến bước thì việc chạy lùi không được làm cho máy chính bị quá tải.
1.3.3 Hạn chế trong việc sử dụng dầu đốt
1 Trừ các trường hợp được quy định ở 1.3.3-2, 1.3.3-3 và 1.3.8 của Chương này, không cho phép dùng dầu đốt có điểm chớp cháy dưới 60 °C.
2 Cho phép sử dụng dầu đốt có điểm chớp cháy dưới 60 °C nhưng không dưới 43 °C với các điều kiện sau:
(1) Trong mọi trường hợp nhiệt độ ở trong buồng chứa hoặc không gian chứa két nhiên liệu phải thấp hơn 10 °C so với điểm chớp cháy của dầu đốt;
(2) Phải lắp đặt thiết bị đo và kiểm soát nhiệt độ của các buồng và không gian đề cập ở (1) trên.
3 Sử dụng khí thiên nhiên chứa hơn 85% khí mê-tan được lưu trữ dưới dạng khí thiên nhiên nén (CNG) và khí thiên nhiên hóa lỏng (LNG) hoặc khí dầu mỏ hóa lỏng (LPG) có chứa (50±10) % propan - để cung cấp nhiên liệu cho hoạt động của động cơ chính, phụ và nồi hơi cho các mục đích khác nhau cũng như các thiết bị sinh hoạt trên tàu;
4 Xăng phù hợp với tiêu chuẩn quốc gia - để cung cấp cho hoạt động của động cơ trên các tàu được nêu ở 1.3.8 của Phần này.
1.3.4 Phòng cháy
1 Đường ống dầu bôi trơn, dầu đốt và các hệ thống dầu dễ cháy khác không được đặt ngay trên động cơ đốt trong, nồi hơi, ống hơi nước, hệ thống khí xả, các động cơ tua bin, bảng điện chính và các thiết bị điện... hoặc các bề mặt khác bị đốt nóng cao và tùy theo điều kiện thực tế, phải bố trí xa các mục nêu trên, trừ khi có dụng cụ thích hợp để hứng dầu rò rỉ. Nếu không tránh được việc bố trí các đường ống đi qua các vị trí nguy hiểm thì không được bố trí hoặc hạn chế đến mức tối thiểu các bích nối và các mối nối ở những vị trí này trừ khi có biện pháp thích hợp để tránh dầu phun tóe hoặc rò rỉ phù hợp.
2 Tất cả các bề mặt của hệ thống máy có nhiệt độ cao hơn 220 °C phải được làm mát hoặc cách nhiệt tốt bằng vật liệu không cháy. Nếu như lớp cách nhiệt thấm dầu hoặc có thể cho phép thấm dầu thì lớp cách nhiệt phải được bọc bằng lớp thép hoặc vật liệu tương đương.
3 Khoảng cách giữa két chứa dầu dễ cháy đến bề mặt hệ thống máy có nhiệt độ cao phải ít nhất là 230 mm để đề phòng dầu bị nung nóng đến nhiệt độ cao hơn nhiệt độ chớp cháy của dầu.
4 Cơ cấu dẫn động quạt thông gió cho buồng máy, buồng ở, buồng phục vụ, khoang hàng và trạm điều khiển phải có khả năng dừng được từ vị trí dễ đến bên ngoài không gian có liên quan trong trường hợp xảy ra hỏa hoạn trong khoang.
Phương tiện dừng quạt thông gió của buồng máy phải riêng biệt hoàn toàn với các phương tiện dừng quạt thông gió của các buồng khác.
5 Cơ cấu dẫn động bơm chuyển dầu đốt, máy lọc dầu đốt, bơm dầu hàng và bơm cấp dầu đốt của nồi hơi... phải có khả năng dừng được từ vị trí dễ đến ở bên ngoài không gian lắp đặt chúng trong trường hợp xảy ra hỏa hoạn trong khoang đặt các cơ cấu này hoặc vùng lân cận.
6 Hệ thống máy phải được bố trí và lắp đặt sao cho không để rò rỉ dầu đốt, dầu nhờn và các loại dầu dễ cháy khác. Đối với các máy móc bị rò rỉ dầu thì phải trang bị phương tiện đảm bảo dẫn dầu rò rỉ vào nơi chứa an toàn.
7 Hệ thống máy phải được bố trí và lắp đặt sao cho không để rò rỉ khí độc hại hoặc khí dễ cháy có thể gây ra hỏa hoạn. Đối với hệ thống máy bị rò rỉ khí thì phải được lắp đặt ở trong khoang được thông gió tốt có khả năng xả sạch nhanh khí này.
8 Nếu như kết cấu nằm trên hệ thống máy và khu vực bao quanh chúng được làm bằng vật liệu dễ cháy như gỗ và vật liệu tương tự thì phải có biện pháp thích hợp để đề phòng hỏa hoạn và đẩy khí độc ra ngoài tàu.
9 Phương tiện được quy định ở (1) và (2) dưới đây phải được bố trí cho từng không gian nếu như trong đó có lắp đặt các máy xử lý sơ bộ đối với chất lỏng dễ cháy như máy lọc, bầu hâm dầu... Tuy nhiên, có thể bỏ qua yêu cầu này, nếu kết cấu của tàu về mặt phòng cháy hoặc bố trí các máy móc trên cũng như biện pháp ứng phó của tàu khi có rò rỉ dầu và hỏa hoạn:
(1) Mọi không gian có lắp đặt các bộ phận chính của hệ thống đã nêu trên phải được cách ly khỏi các máy móc khác;
(2) Thiết bị được quy định ở (a) đến (d) dưới đây phải được bố trí cho từng buồng kín phù hợp với các yêu cầu (1) trên.
(a) Hệ thống phát hiện và báo động cháy cố định phù hợp với các yêu cầu ở Chương 3, Phần 5 của Quy chuẩn này;
(b) Hệ thống chữa cháy phù hợp với các yêu cầu ở Chương 4, Phần 5 của Quy chuẩn này có khả năng hoạt động từ bên ngoài buồng;
(c) Thông gió cưỡng bức do động cơ độc lập lai quạt gió được bố trí cách ly với hệ thống thông gió tự nhiên buồng máy;
(d) Trang bị đóng các lỗ thông gió nêu trên từ vị trí gần với nơi đặt hệ thống chữa cháy cố định.
Bảng 3/1.1 - Nhiệt độ làm việc
|
| Nơi lắp đặt | Nhiệt độ (°C) |
| Ở khu vực kín | 0 đến 45 (*) | |
| Không khí | Các chi tiết máy hoặc nồi hơi ở các khoang có nhiệt độ vượt quá 45 °C và dưới 0 °C | Tùy theo điều kiện riêng cục bộ |
| Trên boong hở | 0 đến 45 (*) | |
| Nước ngoài mạn | - | 32 (*) |
| Chú thích: (*) Đăng kiểm có thể chấp nhận nhiệt độ khác nếu thấy phù hợp. | ||
1.3.5 Hệ thống thông gió buồng máy
Buồng máy phải được thông gió tốt sao cho đảm bảo máy móc hoặc nồi hơi bên trong hoạt động ở chế độ toàn tải trong mọi điều kiện thời tiết, bao gồm cả thời tiết xấu nhất và phải duy trì chế độ cung cấp đủ không khí cho buồng máy nhằm đảm bảo an toàn và thuận lợi cho thợ máy và sự hoạt động của máy móc. Các buồng máy khác phải được thông gió tốt phù hợp với mục đích sử dụng của buồng máy.
1.3.6 Thông tin liên lạc giữa buồng lái và buồng máy
1 Thông tin liên lạc giữa buồng lái và buồng máy phải thỏa mãn các yêu cầu sau đây:
(1) Phải trang bị ít nhất hai phương tiện độc lập để truyền lệnh từ buồng lái đến buồng máy. Một trong những phương tiện này là chuông truyền lệnh buồng máy. Chuông truyền lệnh này phải đảm bảo truyền đạt rõ ràng lệnh được phát ra từ buồng lái và sự trả lời từ buồng máy nêu trên;
(2) Phương tiện thông tin liên lạc bằng giọng nói phải có biện pháp đảm bảo nghe được lệnh rõ ràng khi máy đang hoạt động.
2 Trên tàu có máy chính được điều khiển từ buồng lái cho phép đặt một phương tiện thông tin liên lạc giữa buồng lái và buồng máy.
3 Đối với tàu có chiều dài dưới 20 m hoặc tàu có tổng công suất liên tục của máy chính không quá 220 kW chỉ yêu cầu một phương tiện thông tin liên lạc.
4 Đối với tàu hai thân, bên cạnh việc liên lạc của các vị trí điều khiển tại chỗ với vị trí chung trên buồng lái và vị trí điều khiển trung tâm, phải đảm bảo liên lạc bằng âm thanh giữa các vị trí tại chỗ của từng thân tàu.
1.3.7 Lối đi và lối thoát nạn
1 Trong buồng máy, máy chính và máy phụ phải được bố trí sao cho thuận tiện cho việc vận hành và bảo dưỡng.
2 Mỗi buồng máy, trừ các buồng nêu ở 1.3.7-3 dưới đây phải có ít nhất hai lối thoát nạn, một trong các lối thoát nạn đó có thể đi qua cửa kín nước vào buồng có lối ra độc lập. Lối thứ hai phải có lối dẫn ra boong hở. Có thể dùng cầu thang thép thẳng đứng làm lối thoát nạn này. Các lối thoát nạn phải được bố trí ở hai mạn và cách nhau càng xa càng tốt. Kích thước của khoảng không gian thẳng đứng trong đó có bố trí cầu thang không được nhỏ hơn (600 × 600) mm. Đối với tàu có GT ≥ 1000, độ dốc của cầu thang trong buồng máy không được lớn hơn 60°.
3 Lối thoát nạn thứ hai không yêu cầu cho buồng máy:
(1) Buồng máy có diện tích không lớn hơn 25 m2 nếu có lối ra không dẫn vào buồng máy bên cạnh hoặc vào buồng ở. Đối với buồng máy được tạo thành từ các kết cấu không thẳng đứng, diện tích buồng máy được tính theo diện tích mặt phẳng nằm ngang của buồng máy tại mức giữa chiều cao từ sàn tới trần;
(2) Buồng máy của tàu có chiều dài dưới 25 m.
4 Nếu hai buồng máy kề nhau có cửa thông nhau và mỗi buồng chỉ có một lối thoát nạn dẫn ra boong hở thì các lối thoát nạn này phải được bố trí ở hai mạn đối diện nhau.
5 Buồng bơm hàng trên tàu chở dầu phải có ít nhất một lối thoát dẫn trực tiếp lên trên boong hở. Các lối thoát không được dẫn vào buồng máy.
1.3.8 Sử dụng động cơ xăng
1 Động cơ xăng được phép sử dụng:
(1) Trên tàu có chiều dài dưới 12 m;
(2) Làm máy chính lắp ngoài trên tàu có chiều dài dưới 20 m;
(3) Để truyền động bơm chữa cháy di dộng và bơm hút khô di động trên tất cả các tàu không phải là tàu dầu, tàu chở hàng nguy hiểm, chở khi hóa lỏng, chở xô hóa chất nguy hiểm, tàu khách, tàu chở người, nhà hàng nổi, khách sạn nổi, tàu thủy lưu trú du lịch ngủ đêm.
2 Động cơ xăng dùng làm máy chính lắp trong
(1) Động cơ trên các tàu hở phải có nắp đậy bảo vệ, nắp đậy bảo vệ được làm bằng vật liệu dễ cháy thì mặt trong phải được lót một lớp thép ốp lên lớp cách nhiệt.
Trên các tàu kín, tất cả các phần bằng gỗ trong không gian buồng máy phải ốp lớp thép bọc ngoài lớp cách nhiệt.
(2) Phía trước và phía sau động cơ phải có đà ngang kín nước. Phải trang bị bơm tay hút khô hoặc bơm hút khô được dẫn động bởi động cơ điện tại nơi đặt động cơ trong không gian máy được ngăn cách bởi các đà ngang cũng như tại chỗ đặt các két nhiên liệu.
(3) Bộ chế hòa khí và bơm nhiên liệu động cơ phải lắp đặt sao cho tránh được ngọn lửa từ bộ chế hòa khí lan tới bơm nhiên liệu.
(4) Đường ống hút của bộ chế hòa khí phải dẫn lên bên ngoài hộp bảo vệ động cơ và nâng cao hơn phía trên hộp ít nhất 500 mm. Đầu cuối của đường ống hút phải lắp thiết bị chặn lửa.
(5) Đường ống hút vào của bộ chế hòa khí phải bố trí cao hơn nắp xi lanh ít nhất 300 mm và được bọc lưới dập lửa khi động cơ được lắp đặt trong không gian kín. Nếu không có đường ống hút, thiết bị chặn lửa phải được lắp đặt tại cửa nạp không khí của bộ chế hòa khí.
(6) Khay hứng trên các tàu gỗ phải được lắp đặt phía dưới động cơ, các bơm, két nhiên liệu, các van và tất cả các bộ phận khác của hệ thống nhiên liệu, ở chỗ nhiên liệu có thể bị rò rỉ. Các cạnh của khay hứng phải có vành.
(7) Két xăng phải đặt trong khoang kín cách ly với khoang chứa động cơ đốt trong trên tàu với boong liên tục. Các khoang kín này phải được trang bị thông gió tự nhiên để thoát hơi xăng ra ngoài.
(8) Nắp đậy bảo vệ động cơ, không gian buồng máy, các buồng có két nhiên liệu phải được thông gió cưỡng bức. Các ống thông gió của buồng này không được liên kết với nhau.
Các ống thông gió từ nắp đậy bảo vệ động cơ và các ống thông gió từ két nhiên liệu phải được lắp đặt thiết bị chặn lửa.
(9) Ống thông hơi từ két xăng và từ khoang chứa két xăng phải tách biệt với nhau, đầu ra của các ống thông hơi phải bố trí càng xa nhau càng tốt và phải lắp đầu thông hơi kiểu áp suất chân không với thiết bị chặn lửa.
(10) Phải thông gió cho những không gian kín chứa động cơ để loại bỏ hơi xăng tích tụ trong không gian kín trước khi khởi động động cơ.
(11) Các két nhiên liệu và các đường ống dẫn phải được chế tạo bằng kim loại hoặc bằng vật liệu khác có biện pháp chống cháy hiệu quả và không bị ăn mòn trong môi trường nhiên liệu.
(12) Để nạp nhiên liệu vào két, đường ống nạp nhánh phải dẫn ra ngoài boong để ngăn nhiên liệu rò lọt vào thân tàu.
Đối với tàu vỏ gỗ, gỗ xung quanh đường ống nạp nhánh phải được bọc chống cháy hiệu quả.
(13) Không được lắp chỉ báo mức nhiên liệu dạng ống thủy tinh trên két nhiên liệu.
(14) Chỉ báo mức két nhiên liệu điện tử phải là loại phòng nổ.
(15) Không được phép lắp thiết bị xả cặn trên két nhiên liệu. Nếu thiết bị xả cặn cho két nhiên liệu được sử dụng thì phải có van tự đóng được lắp bằng ren vào đầu cuối và phải có khay hứng đặt phía dưới két.
(16) Trên đường ống dẫn nhiên liệu tới động cơ phải bố trí một thiết bị khóa ngay trước động cơ và cho phép khóa được từ vị trí điều khiển tàu. Đường ống nhiên liệu phải được bảo vệ chống lại hư hỏng do tác động cơ khí và được lắp đặt sao cho dễ dàng kiểm tra toàn bộ đường ống. Đường ống phải được nối bằng khớp nối ren ngoài bằng đai ốc.
(17) Chỗ nối đường ống dẫn xăng phải không có đệm kín. Đường ống dẫn xăng phải được lắp đặt ở chỗ dễ tiếp cận và được bảo vệ chống lại hư hỏng. Khi động cơ lắp đặt trên đệm giảm chấn, cho phép sử dụng nối mềm trên ống dẫn xăng, vật liệu của chỗ nối mềm phải là loại chịu được xăng và có khả năng chống cháy.
(18) Tất cả bộ phận của hệ thống nhiên liệu phải được lắp đặt phía đối diện với bầu góp khí xả.
(19) Trong không gian lắp đặt động cơ, ắc quy phải đặt trong hộp kín và ở phía đối diện với bộ chế hòa khí hoặc thiết bị phun nhiên liệu, hộp đựng ắc quy phải được thông gió. Ắc quy không được đặt dưới két nhiên liệu.
3 Động cơ xăng dùng làm máy chính lắp ngoài
Các yêu cầu (7), (9), (11), (12), (13), (14) và (17) tại -2 trên phải được áp dụng.
4 Các thiết bị điện bồ trí trong phạm vi buồng đặt động cơ xăng và két nhiên liệu phải là loại phòng nổ.
1.4 Thử nghiệm
1.4.1 Thử tại xưởng
1 Trước khi lắp đặt trên tàu, thiết bị và các chi tiết tạo nên hệ thống máy (trừ thiết bị và các chi tiết máy đã được Đăng kiểm hoặc tổ chức có thẩm quyền được Cục Đăng kiểm Việt Nam thừa nhận chứng nhận, các động cơ có công suất nhỏ hơn 220 kW và máy phụ chuyên dụng...) phải được thử tại nhà xưởng có máy móc và trang thiết bị cần thiết cho thử nghiệm (sau đây gọi là "Thử tại xưởng") phù hợp với các yêu cầu tương ứng trong Phần này.
2 Đối với trang thiết bị và các chi tiết của máy móc, trong các Chương của Phần này không quy định yêu cầu thử tại xưởng và các chi tiết của máy phụ chuyên dụng... thì các biên bản thử của nhà chế tạo phải được trình cho Đăng kiểm khi có yêu cầu.
1.4.2 Trang thiết bị sản xuất hàng loạt
Ngoài những yêu cầu quy định ở 1.4.1-1 trên, đối với thiết bị được sản xuất theo hệ thống sản xuất hàng loạt khi Đăng kiểm thấy phù hợp thì có thể chấp nhận quy trình thử tương ứng với phương pháp sản xuất thay cho các yêu cầu thử nghiệm được quy định trong Quy chuẩn nếu Nhà chế tạo yêu cầu.
1.4.3 Miễn thử nghiệm
Nếu như giấy chứng nhận thử hệ thống máy có nội dung phù hợp với yêu cầu của Đăng kiểm thì Đăng kiểm có thể bỏ qua một phần hay toàn bộ các cuộc thử nghiệm đối với máy móc quy định ở 1.4.1.
1.4.4 Thử sau khi lắp đặt trên tàu
1 Hệ thống máy phải được thử nghiệm sau khi lắp đặt lên tàu phù hợp với các yêu cầu được quy định trong từng chương của Phần này.
2 Các máy phụ chuyên dụng phải được thử hoạt động vào một dịp thích hợp trước khi chúng được sử dụng để xác định rằng chúng không gây nguy hiểm cho tàu và thuyền viên trên tàu.
3 Khi thấy cần thiết, Đăng kiểm có thể yêu cầu các việc thử khác với các việc thử đã quy định trong Phần này.
CHƯƠNG 2 ĐỘNG CƠ ĐI-Ê-DEN
2.1 Quy định chung
2.1.1 Phạm vi áp dụng
Các yêu cầu của Chương này áp dụng cho các động cơ đi-ê-den có công suất từ 220 kW trở lên (trừ các máy phụ chuyên dụng).
2.1.2 Bản vẽ và tài liệu
1 Các bản vẽ và tài liệu để thẩm định
(1) Bản thuyết minh về động cơ (theo mẫu của Đăng kiểm);
(2) Quy trình hàn đối với các bộ phận chính;
(3) Trục khuỷu (gồm cả các chi tiết, bu lông nối trục, các đối trọng và các bu lông ghép chặt chúng);
(4) Thanh truyền và các ổ đỡ (kể cả các bu lông và các chi tiết) của động cơ 4 kỳ;
(5) Sự bố trí các bu lông bệ máy;
(6) Kết cấu và sự bố trí các van phòng nổ thùng trục;
(7) Đặc tính vật liệu của các bộ phận chính;
(8) Hệ thống đường ống lắp trên động cơ (bao gồm đường ống dầu đốt, dầu bôi trơn, nước làm mát, các hệ thống thủy lực và khí nén, có số ghi kích thước, vật liệu và áp suất của đường ống);
(9) Mặt cắt lắp ráp tua bin khí thải (tua bin được dẫn động bằng khí thải).
2 Các bản vẽ và tài liệu để tham khảo
(1) Danh mục các bản vẽ và tài liệu phải trình thẩm định (với số hiệu bản vẽ liên quan và tình trạng soát xét lại);
(2) Mặt cắt dọc của động cơ;
(3) Mặt cắt ngang của động cơ;
(4) Đế máy và ổ chặn (nếu nó đồng bộ với động cơ);
(5) Thân động cơ;
(6) Nắp xi lanh, thân xi lanh và sơ mi xi lanh;
(7) Pít tông và chốt pít tông;
(8) Gu dông liên kết (kể cả bu lông nối và vít định vị);
(9) Thanh truyền và các ổ đỡ (kể cả các bu lông) của động cơ 2 kỳ;
(10) Lắp ráp ổ đỡ chặn;
(11) Cơ cấu dẫn động trục cam và sự lắp ráp cam với trục cam;
(12) Cơ cấu xu páp (cơ cấu van kiểu đòn);
(13) Bơm cao áp;
(14) Các bu lông ổ đỡ chính;
(15) Các bu lông cố định nắp xi lanh và các bu lông cố định hộp van;
(16) Bánh đà (đối với trường hợp là một thành phần truyền lực);
(17) Sơ đồ hệ thống điều khiển động cơ (kể cả các hệ thống kiểm tra, an toàn và tín hiệu báo động);
(18) Kết cấu và bố trí các bộ giảm chấn, bộ chống rung, thiết bị cân bằng hoặc cơ cấu bù chỉnh, các bản tính toán về cân bằng và ngăn ngừa dao động động cơ;
(19) Các tài liệu hướng dẫn sử dụng và vận hành động cơ;
(20) Các bản vẽ và tài liệu theo yêu cầu cụ thể của Quy chuẩn;
2.2 Vật liệu, kết cấu và sức bền.
2.2.1 Vật liệu
1 Vật liệu dùng để làm các chi tiết chính của động cơ đi-ê-den và thử chúng bằng phương pháp không phá hủy phải phù hợp với các yêu cầu được quy định ở Bảng 3/2.1. Trong trường hợp thử bằng siêu âm phải trình kết quả thử cho đăng kiểm viên xem xét.
2 Các xi lanh, pít tông và các bộ phận khác chịu nhiệt độ cao hoặc áp suất cao và các bộ phận truyền mô men dẫn động phải được làm bằng vật liệu phù hợp với nhiệt độ và tải trọng mà các bộ phận đó phải chịu.
2.2.2 Kết cấu, lắp đặt và quy định chung
1 Các xi lanh, pít tông và các bộ phận chịu nhiệt độ hoặc áp suất cao phải có kết cấu phù hợp với ứng suất nhiệt và ứng suất cơ học mà chúng phải chịu.
2 Khi các chi tiết chính của động cơ đi-ê-den là kết cấu hàn thì chúng phải thỏa mãn các yêu cầu ở Phần 6B của Quy chuẩn này.
3 Các khung và đế máy phải có kết cấu cứng vững và kín dầu, đế máy phải được trang bị đủ số lượng bu lông cần thiết để cố định máy trên toàn bộ chiều dài bệ máy.
4 Thùng trục và các cửa thùng trục phải có đủ sức bền và các cửa thùng trục phải được bắt chặt sao cho không bị rời ra khi xảy ra nổ bên trong thùng trục.
5 Phải gắn lời cảnh báo ở nơi nhô cao, thích hợp trên cửa thùng trục ở cả hai phía của động cơ hoặc ở trạm điều khiển trong buồng máy. Lời cảnh báo này phải chỉ rõ rằng bất cứ khi nào nhiệt độ trong thùng trục tăng quá cao thì các cửa thùng trục hoặc các lỗ quan sát không được phép mở cho đến khi trong thùng trục nguội đi sau khi dừng động cơ.
6 Cấm thông gió thùng trục và bố trí bất kỳ thiết bị nào để đưa không khí bên ngoài vào trong thùng trục trừ trường hợp (1) và (2) dưới đây:
(1) Các ống thông hơi, nếu có, thì phải được làm nhỏ tới mức có thể được để giảm đến mức tối thiểu lượng không khí vào thùng trục sau khi nổ. Tuy nhiên, không được nối chung các ống thông hơi của hai động cơ hoặc nhiều hơn với nhau. Các ống thông hơi thùng trục của máy chính phải được dẫn ra vị trí an toàn trên boong hoặc một vị trí khác được chấp thuận;
(2) Khi thực hiện hút khí ra khỏi thùng trục (chẳng hạn để phát hiện hơi dầu) thì độ chân không trong thùng trục không được vượt quá 2,5.10-4 N/mm2.
7 Điều kiện môi trường để xác định công suất của các động cơ đi-ê-den phải như sau:
(1) Áp suất khí quyển: 0,1 MPa;
(2) Nhiệt độ không khí: 45 ºC;
(3) Độ ẩm tương đối: 60%;
(4) Nhiệt độ nước ngoài mạn (tại cửa vào bầu làm mát trung gian không khí nạp): 32 ºC.
2.2.3 Ổ đỡ cổ biên của động cơ 4 kỳ
Ổ đỡ cổ biên của động cơ 4 kỳ phải được thiết kế và chế tạo sao cho áp suất nén đều trên bề mặt tiếp xúc của các nắp ổ đỡ và không gây ra ứng suất quá mức lên các bu lông ổ đỡ cổ biên, chịu được tải trọng thay đổi tác dụng lên thanh truyền.
Bảng 3/2.1 - Sử dụng vật liệu và thử không phá hủy đối với các chi tiết chính của động cơ đi-ê-den
| Các chi tiết chủ yếu | Đường kính xi lanh D (mm) |
| ||||||||||
| D ≤ 300 | 300 < D ≤ 400 | 400 < D |
| |||||||||
| (1) | (2) | (3) | (1) | (2) | (3) | (1) | (2) | (3) |
| |||
| 1 | Trục khuỷu | Kiểu rèn liền | x | x | x | x | x | x | x | x | x |
|
| Kiểu má khuỷu, cổ biên và cổ trục lắp ghép hoặc bán lắp ghép | x | x | x | x | x | x | x | x | x |
| ||
| Các kiểu khác (ví dụ kiểu hàn) | x | x | x | x | x | x | x | x | x |
| ||
| 2 | Các bích nối trên trục khuỷu (nếu rời) |
|
|
|
|
|
| x |
|
|
| |
| 3 | Bu lông nối trục khuỷu |
|
|
|
|
|
| x |
|
|
| |
| 4 | Đỉnh pít tông bằng thép |
|
| x |
|
| x | x | x | x |
| |
| 5 | Thanh truyền cùng với nắp ổ đỡ | x | x |
| x | x |
| x | x | x |
| |
| 6 | Phần bằng thép của sơ mi xi lanh |
|
|
| x |
|
| x |
|
|
| |
| 7 | Nắp xi lanh bằng thép |
|
| x | x |
| x | x | x | x |
| |
| 8 | Đế máy kết cấu hàn | Các tấm, các dầm ổ đỡ ngang bằng thép rèn hoặc đúc | x |
|
| x |
|
| x |
|
|
|
| Các phần thép đúc kể cả mối hàn |
| x | x |
| x | x |
| x | x |
| ||
| 9 | Ổ chặn kết cấu hàn, các tấm và dầm ổ đỡ ngang làm bằng thép rèn và thép đúc | x |
|
| x |
|
| x |
|
|
| |
| 10 | Gu dông liên kết | x | x |
| x | x |
| x | x |
|
| |
| 11 | Các bánh răng bằng thép dẫn động trục cam |
|
|
|
|
|
| x | x |
|
| |
| 12 | Các bu lông, vít cấy (dùng cho nắp xi lanh, ổ thanh truyền, ổ trục khuỷu) |
|
|
| x |
|
| x | x |
|
| |
| 13 | Các vành đĩa tua bin, cánh tua bin, cánh quạt thổi và trục rô to của tua bin khí thải | x | x | x | x | x | x | x | x | x |
| |
| Chú thích: 1. Vật liệu dùng chế tạo các chi tiết được đánh dấu “x” ở cột (1) thì phải thỏa mãn các yêu cầu ở Phần 6A của Quy chuẩn này; 2. Vật liệu dùng chế tạo các chi tiết được đánh dấu “x” ở cột (2) thì phải được kiểm tra bằng phương pháp từ tính hoặc thẩm thấu chất lỏng; 3. Vật liệu dùng chế tạo các chi tiết được đánh dấu “x” ở cột (3) thì phải được kiểm tra bằng phương pháp siêu âm. | ||||||||||||
2.2.4 Trục lắp bánh đà và các trục khác
Ổ chỗ lắp bánh đà hoặc các puli lệch tâm dùng cho các bơm trên trục khuỷu hoặc trục phụ ở giữa ổ trục cuối cùng và trục chịu lực đẩy, đường kính trục ở phần trục đó không được nhỏ hơn đường kính trục khuỷu được xác định bằng công thức ở 2.3.
2.3 Trục khuỷu
2.3.1 Trục khuỷu liền
1 Đường kính cổ biên và cổ trục không được nhỏ hơn giá trị tính theo công thức sau:
![]()
Trong đó:
dc - đường kính quy định của trục khuỷu, mm;
M = 10-2ALPmax
T = 10-2BSPmin
S - hành trình pít tông, mm;
L - khoảng cách giữa hai tâm ổ đỡ liền nhau, mm;
Pmax - áp suất cháy lớn nhất trong xi lanh, MPa;
Pmin - áp suất có ích chỉ thị trung bình, MPa;
A và B - hệ số lấy theo Bảng 3/2.2 và Bảng 3/2.3 đối với các động cơ có khoảng nổ bằng nhau (trong trường hợp động cơ chữ V thì các khoảng nổ trên mỗi hàng bằng nhau). Đối với động cơ đi-ê-den có các khoảng nổ không bằng nhau hoặc không nằm trong các bảng trên, các giá trị A và B sẽ được xem xét trong từng trường hợp cụ thể;
D - đường kính xi lanh, mm;
km - giá trị được lấy theo (1) hoặc (2) dưới đây tùy theo giới hạn bền kéo danh nghĩa của vật liệu làm trục khuỷu. Tuy vậy, giá trị của km đối với các vật liệu không phải là thép rèn và thép đúc phải được Đăng kiểm quy định trong từng trường hợp cụ thể.
(1) Khi giới hạn bền kéo danh nghĩa của vật liệu trên 440 N/mm2:

Trong đó:
Ts - giới hạn bền kéo danh nghĩa của vật liệu, N/mm2. Giá trị của Ts không được quá 760 N/mm2 đối với thép các bon rèn và không quá 1080 N/mm2 đối với thép hợp kim thấp rèn.
(2) Khi giới hạn bền kéo danh nghĩa của vật liệu không lớn hơn 440 N/mm2 nhưng không dưới 400 N/mm2 thì km = 1,0.
ks - giá trị được lấy theo (a), (b) hoặc (c) sau đây, tùy theo phương pháp chế tạo trục khuỷu.
(a) Khi trục khuỷu được chế tạo bằng phương pháp đặc biệt đã được Đăng kiểm thừa nhận rằng rèn tạo thớ liên tục và chất lượng sản phẩm ổn định, sức bền mỏi được tăng thêm từ 20% trở lên so với quá trình rèn tự do:

(b) Khi trục khuỷu được chế tạo bằng phương pháp đặc biệt đã được Đăng kiểm thừa nhận rằng đã tăng độ cứng bề mặt và chất lượng sản phẩm ổn định, sức bền mỏi được nâng cao:

Trong đó:
ρ - mức độ (cải thiện) tăng hơn về sức bền tùy theo độ cứng bề mặt (%) đã được Đăng kiểm thừa nhận.
(c) Khi không nằm trong trường hợp (a) hoặc (b) nói trên:
ks = 1,0
kh - Giá trị lấy theo 1) hoặc 2) tùy theo đường kính trong của cổ biên hoặc cổ trục:
1) Khi đường kính trong bằng và lớn hơn 1/3 đường kính ngoài:

Trong đó:
R - tỷ số giữa đường kính trong của trục chia cho đường kính ngoài của trục.
2) Khi đường kính trong nhỏ hơn 1/ 3 đường kính ngoài: kh = 1,0
2 Kích thước của các má khuỷu phải thỏa mãn các yêu cầu ở (1) và (2) sau đây:
(1) Chiều dày và rộng của các má khuỷu phải thỏa mãn công thức sau đây liên quan tới đường kính của cổ biên và cổ trục. Trong trường hợp này, chiều dày má khuỷu không được nhỏ hơn 0,36 lần đường kính của cổ biên và cổ trục. Khi đường kính thực tế của cổ biên và cổ trục lớn hơn đường kính yêu cầu của trục khuỷu được xác định bởi công thức ở 2.3.1-1 thì vế trái của công thức sau đây có thể được nhân với (dc/ da)3.

Trong đó:
b - chiều rộng má khuỷu, mm;
da - đường kính thực tế của cổ trục hoặc cổ biên, mm;
t - chiều dày má khuỷu, mm.
(2) Bán kính góc lượn tại chỗ nối của má khuỷu với cổ biên hoặc cổ trục không được nhỏ hơn 0,05 lần đường kính thực tế của cổ biên hoặc cổ trục.
Bảng 3/2.2 - Giá trị hệ số A và B đối với động cơ một hàng xi lanh tác dụng đơn
| Số lượng xi lanh | Động cơ 2 kỳ | Động cơ 4 kỳ | ||
| A | B | A | B | |
| 1 | 1,00 | 8,8 | 1,25 | 4,7 |
| 2 | 8,8 | 4,7 | ||
| 3 | 10,0 | 4,7 | ||
| 4 | 11,1 | 4,7 | ||
| 5 | 11,4 | 5,4 | ||
| 6 | 11,7 | 5,4 | ||
| 7 | 12,0 | 6,1 | ||
| 8 | 12,3 | 6,1 | ||
| 9 | 12,6 | 6,8 | ||
| 10 | 13,4 | 6,8 | ||
| 11 | 14,2 | 7,4 | ||
| 12 | 15,0 | 7,4 | ||
2.3.2 Trục khuỷu lắp ghép
1 Đường kính của cổ biên và cổ trục của trục khuỷu lắp ghép phải thỏa mãn yêu cầu ở 2.3.1-1.
2 Kích thước của các má khuỷu phải thỏa mãn các yêu cầu ở (1) và (2) sau đây:
(1) Chiều dày các má khuỷu loại lắp ép nóng phải thỏa mãn các công thức sau đây:

Trong đó:
t - chiều dày của má khuỷu đo song song với đường tâm trục, mm;
c1 = 10 đối với động cơ 2 kỳ 1 hàng xi lanh;
c1 = 16 đối với động cơ 4 kỳ 1 hàng xi lanh;
t - tương tự như ở 2.3.1-1;
D - đường kính trong của xi lanh, mm;
c2 = 12,8α - 2,4 α2, nhưng trong trường hợp trục rỗng thì c2 được nhân với (1 - R2);

dh - đường kính lỗ tại chỗ ép nóng, mm;
dc - đường kính quy định của trục khuỷu được xác định bằng công thức ở 2.3.1-1.
(2) Kích thước tại góc lượn chỗ nối của má khuỷu với cổ biên của các trục khuỷu bán lắp ghép phải thỏa mãn các yêu cầu ở 2.3.1-2, mm.
3 Đối với trục khuỷu lắp ghép thì giá trị α được dùng ở 2.3.2-2(1) phải nằm trong giới hạn sau:

Trong đó:
Y - giới hạn chảy danh nghĩa của vật liệu má khuỷu, N/mm2;

Khi giới hạn chảy danh nghĩa của má khuỷu trên 390 N/mm2 hoặc khi giá trị tính theo công thức sau đây nhỏ hơn 0,1 thì giá trị α sẽ có thể được tính toán phù hợp với tiêu chuẩn hoặc quy phạm theo với thông lệ quốc tế:

Trong đó:
S - hành trình pít tông, mm;
dp - đường kính cổ biên, mm;
dj - đường kính cổ trục, mm.
Bảng 3/2.3 - Giá trị hệ số A và B đối với động cơ chữ V tác dụng đơn với thanh truyền song song
a) Động cơ 2 kỳ
| Số lượng xi lanh | Khoảng nổ nhỏ nhất giữa hai xi lanh trên cùng một cổ biên | |||||
| 45° | 60° | 90° | ||||
| A | B | A | B | A | B | |
| 6 | 1,05 | 17,0 | 1,00 | 12,6 | 1,00 | 17,0 |
| 8 | 17,0 | 15,7 | 20,5 | |||
| 10 | 19,0 | 18,7 | 20,5 | |||
| 12 | 20,5 | 21,6 | 20,5 | |||
| 14 | 22,0 | 21,6 | 20,5 | |||
| 16 | 23,5 | 21,6 | 23,0 | |||
| 18 | 24,0 | 21,6 | 23,0 | |||
| 20 | 24,5 | 24,2 | 23,0 | |||
b) Động cơ 4 kỳ
| Số lượng xi lanh | Khoảng nổ nhỏ nhất giữa hai xi lanh trên cùng một cổ biên | |||||||||||
| 45° | 60° | 90° | 270° | 300° | 315° | |||||||
| A | B | A | B | A | B | A | B | A | B | A | B | |
| 6 | 1,60 | 4,1 | 1,47 | 4,0 | 1,40 | 4,0 | 1,40 | 4,0 | 1,30 | 4,4 | 1,20 | 4,3 |
| 8 | 5,5 | 5,5 | 5,5 | 5,5 | 5,3 | 5,2 | ||||||
| 10 | 6,7 | 7,0 | 6,5 | 6,5 | 6,1 | 5,9 | ||||||
| 12 | 7,5 | 8,2 | 7,5 | 7,5 | 6,9 | 6,6 | ||||||
| 14 | 8,4 | 9,2 | 8,5 | 8,5 | 7,5 | 7,3 | ||||||
| 16 | 9,3 | 10,1 | 9,5 | 9,5 | 8,2 | 7,9 | ||||||
| 18 | 10,1 | 11,1 | 10,5 | 10,5 | 8,8 | 8,5 | ||||||
| 20 | 11,5 | 14,0 | 11,5 | 11,5 | 9,5 | 9,2 | ||||||
2.3.3 Nối trục và bu lông nối trục
1 Đường kính của các bu lông nối trục tại bề mặt nối của mối nối giữa các trục khuỷu hoặc giữa trục khuỷu với trục chịu lực đẩy hoặc giữa trục khuỷu với trục quy định ở 2.2.4 không được nhỏ hơn giá trị tính theo công thức sau:

Trong đó:
db- đường kính bu lông nối trục, mm;
n - số lượng bu lông;
D - đường kính vòng tròn chia, mm;
dc - đường kính quy định của trục khuỷu, mm được tính bằng công thức ở 2.3.1-1 khi các giá trị km, ks và kh được lấy bằng 1,0;
Tb - giới hạn bền kéo danh nghĩa của vật liệu làm bu lông, N/mm2. Khi giá trị này trên 1000 N/mm2 thì trị số dùng cho công thức trên cần được tính toán phù hợp với tiêu chuẩn, quy phạm theo thông lệ quốc tế.
2 Các chỗ nối trục phải đủ bền để chịu được các ứng suất khi làm việc. Các góc lượn ở các chỗ nối trục phải có bán kính đủ lớn để tránh sự tập trung ứng suất quá mức. Khi các mối nối trục tách biệt so với trục, thì phương pháp lắp ghép và kết cấu của mối nối phải có khả năng chịu được lực kéo khi tàu lùi. Khi lắp then cho các mối nối trục thì các rãnh then phải có kết cấu tránh được sự tập trung ứng suất quá mức.
2.3.4 Đánh giá chi tiết về sức bền
Khi trục khuỷu không thỏa mãn các yêu cầu ở 2.3.1 và 2.3.2 thì phải trình các tài liệu thiết kế và bản tính về sức bền trục khuỷu cho Đăng kiểm xem xét.
2.4 Thiết bị an toàn
2.4.1 Thiết bị chống vượt tốc và điều tốc
1 Khi trên tàu mà động cơ đi-ê-den được dùng để lai trục chân vịt thì nó phải được trang bị một bộ điều tốc được điều chỉnh để ngăn ngừa tốc độ của động cơ vượt quá 15% số vòng quay liên tục lớn nhất.
2 Ngoài bộ điều tốc thông thường, mỗi động cơ đi-ê-den lai trục chân vịt có công suất liên tục lớn nhất từ 220 kW trở lên có thể nhả khớp được hoặc lai chân vịt biến bước thì phải trang bị cho mỗi động cơ đó một thiết bị chống vượt tốc. Thiết bị chống vượt tốc và bánh răng lai nó phải độc lập với bộ điều tốc quy định ở 2.4.1-1 và phải điều chỉnh sao cho tốc độ của động cơ không thể vượt quá 20% số vòng quay liên tục lớn nhất của nó.
3 Các động cơ đi-ê-den lai máy phát điện phải được trang bị các bộ điều tốc thỏa mãn các yêu cầu ở 2.7.2, Phần 4 của Quy chuẩn này.
4 Ngoài bộ điều tốc thông thường, mỗi động cơ đi-ê-den là máy chính trên tàu chạy bằng điện và động cơ đi-ê-den lai máy phát điện có công suất liên tục lớn nhất từ 220 kW trở lên phải được trang bị một thiết bị chống vượt tốc riêng biệt. Trong trường hợp này, thiết bị chống vượt tốc và cơ cấu dẫn động nó phải độc lập với bộ điều tốc yêu cầu ở 2.4.1-3 và đảm bảo sao cho tốc độ không thể vượt quá 15% số vòng quay liên tục lớn nhất.
2.4.2 Van an toàn cho xi lanh
Phải trang bị một van an toàn cho mỗi xi lanh của động cơ đi-ê-den có đường kính xi lanh trên 230 mm, van đó phải hoạt động ở áp suất không quá 40% trên áp suất cháy lớn nhất tại công suất liên tục lớn nhất và van đó phải được bố trí sao cho khí xả ra không gây nguy hiểm cho người vận hành. Van an toàn có thể được thay thế bằng thiết bị chỉ báo sự vượt quá của áp suất trong mỗi xi lanh.
2.4.3 Phòng chống nổ thùng trục
1 Đối với các động cơ có đường kính xi lanh không dưới 200 mm hoặc có tổng thể tích thùng trục không dưới 0,6 m3 thì thùng trục phải được trang bị van có kiểu đã được thẩm định để ngăn ngừa áp suất tăng quá mức trong trường hợp nổ bên trong thùng trục. Van an toàn thùng trục phải được thiết kế và chế tạo để mở nhanh chóng khi áp suất trong thùng trục tăng quá 0,02 MPa và tự động đóng lại ngay khi có lượng không khí rất nhỏ bên ngoài lọt vào thùng trục.
2 Số lượng và vị trí của các van quy định ở 2.4.3-1 phải tuân theo Bảng 3/2.4.
3 Phải lắp thêm các van an toàn ngoài những van quy định ở 2.4.3-1 cho những ngăn riêng biệt trong thùng trục, chẳng hạn như ngăn bánh răng hoặc hộp xích lai trục cam hay những thiết bị dẫn động tương tự khi tổng dung tích của những ngăn như vậy không dưới 0,6 m3.
4 Kích thước của mỗi van an toàn quy định ở 2.4.3-1 và 2.4.3-3 bên trên phải thỏa mãn các yêu cầu quy định ở (1), (2) và (3) dưới đây:
(1) Tiết diện lưu thông của mỗi van an toàn không được dưới 45 cm2;
(2) Tiết diện lưu thông kết hợp của các van an toàn đặt trên một động cơ không được dưới 115 cm2 cho mỗi mét khối tổng dung tích thùng trục. Thể tích của các bộ phận không chuyển động trong thùng trục hoặc ngăn cách ly có thể bớt đi theo sự tính toán tổng dung tích đó;
(3) Mỗi van an toàn được trang bị theo các yêu cầu trên có thể được thay bằng hai van an toàn nhỏ hơn có tổng tiết diện lưu thông của van không dưới 45 cm2;
(4) Các cửa xả của van an toàn phải được che chắn thích hợp để giảm thiểu nguy hiểm do ngọn lửa phát ra.
2.4.4 Phòng nổ cho không gian khí quét
Không gian khí quét thông với xi lanh phải được trang bị van an toàn phòng nổ. Các van an toàn đó phải được bố trí sao cho khí xả ra không gây nguy hiểm cho người vận hành.
Bảng 3/2.4 - Số lượng và vị trí các van an toàn
| Đường kính xi lanh, mm | Số lượng và vị trí các van an toàn |
| 200 đến dưới 250 | - Ít nhất ở gần mỗi đầu lắp một van nhưng khi có trên 8 khuỷu trục thì phải đặt thêm một van ở gần giữa động cơ |
| 250 đến dưới 300 | - Ít nhất cách một khuỷu trục đặt một van nhưng ít nhất là 2 van |
| 300 trở lên | - Ít nhất mỗi khuỷu trục một van |
2.5 Thiết bị liên quan
2.5.1 Tua bin khí thải
1 Đối với máy chính được trang bị tua bin khí thải thì phải trang bị thiết bị để bảo đảm rằng động cơ đó có thể khai thác với công suất đủ để tạo ra tốc độ tối thiểu cho tàu trong trường hợp hỏng một trong các tua bin.
2 Khi máy chính không thể hoạt động được với tua bin khí thải lúc khởi động hoặc ở dãy tốc độ thấp thì phải trang bị một hệ thống khí quét phụ. Khi hỏng hệ thống phụ này thì phải có thiết bị thích hợp sao cho máy chính có thể tăng công suất đủ để tua bin khí thải hoạt động theo yêu cầu.
2.5.2 Thiết bị khí thải
1 Các ống khí thải có nhiệt độ bề mặt quá 220 °C phải được làm mát bằng nước hoặc được bọc cách nhiệt một cách có hiệu quả. Tuy vậy, trong trường hợp có thể đảm bảo an toàn về cháy thì các yêu cầu đó có thể được miễn trừ.
2 Các thiết bị khí thải phải thỏa mãn thêm các yêu cầu được quy định ở 10.15 trong Phần này.
2.5.3 Thiết bị khởi động
1 Các ống dẫn khí khởi động phải chống được nổ do lửa quay ngược lại từ các xi lanh bằng các thiết bị sau:
(1) Một van một chiều độc lập hoặc thiết bị tương đương được lắp trên ống dẫn khí tới mỗi động cơ;
(2) Trên động cơ đảo chiều trực tiếp có một cụm ống dẫn khí khởi động, phải lắp một đĩa ngăn lửa hoặc bộ dập lửa trên van khởi động ở mỗi xi lanh, trên các động cơ không đảo chiều có một cụm ống dẫn khí khởi động, phải lắp ít nhất một thiết bị như vậy ở đầu vào cụm ống khí khởi động trên mỗi động cơ. Tuy nhiên thiết bị đó có thể không cần đối với các động cơ có đường kính xi lanh không quá 230 mm.
2 Khi máy chính được khởi động bằng khí nén thì phải trang bị ít nhất hai bình chứa khí nén. Các bình chứa này phải được nối với nhau để sẵn sàng sử dụng. Trong trường hợp này tổng dung tích của các bình khí nén khởi động phải đủ, mà không cần phải nạp bổ sung, để đảm bảo số lần khởi động liên tục không nhỏ hơn trị số được quy định từ (1) và (3) dưới đây.
(1) Đối với các động cơ có thể đảo chiều trực tiếp: Z = 12C,
Trong đó:
Z - tổng số lần khởi động cho mỗi động cơ;
C - hằng số = 1,0.
(2) Đối với các động cơ sử dụng cơ cấu đảo chiều độc lập hoặc sử dụng chân vịt biến bước thì có thể chấp nhận số lần khởi động bằng 1/2 giá trị quy định ở (1) trên;
(3) Đối với các tàu chạy bằng điện:
Z = 6 + 3(k-1)
Trong đó:
k - số lượng động cơ, nhưng không cần thiết lấy giá trị của k quá 2.
3 Khi các máy chính được khởi động bằng ắc quy, thì phải lắp đặt 2 tổ ắc quy. Tổng dung lượng của các ắc quy phải đủ để đảm bảo số lần khởi động máy chính quy định ở 2.5.3-2 trong 30 phút mà không phải nạp thêm.
4 Hệ thống khí nén khởi động phải thỏa mãn thêm các yêu cầu ở 10.12 của Phần này.
2.5.4 Thiết bị dầu đốt
1 Trên tất cả các động cơ có đường kính xi lanh từ 230 mm trở lên thì ống dẫn dầu đốt của bơm cao áp phải được che chắn và bảo vệ một cách đảm bảo. Sự bảo vệ này phải ngăn ngừa được dầu đốt hoặc hơi dầu đốt tiếp xúc với nguồn gây cháy trên động cơ hoặc những thiết bị xung quanh động cơ và có khả năng xả được lượng dầu đốt rò rỉ bên trong vỏ bọc bảo vệ qua hệ thống xả dầu của động cơ.
2 Các thiết bị dầu đốt phải thỏa mãn thêm các yêu cầu ở 10.9 của Phần này.
2.5.5 Thiết bị dầu bôi trơn
1 Thiết bị dầu bôi trơn của các động cơ đi-ê-den có công suất liên tục lớn nhất trên 220 kW phải được trang bị thiết bị báo động bằng âm thanh và ánh sáng khi có hư hỏng ở việc cấp dầu bôi trơn hoặc áp suất dầu bôi trơn giảm đáng kể và thiết bị dừng động cơ hoạt động một cách tự động do áp suất thấp hơn sau khi báo động.
2 Phải trang bị ống nối lấy mẫu dầu ở các vị trí thích hợp.
3 Thiết bị bôi trơn trục rô to của tua bin khí xả phải được thiết kế sao cho dầu bôi trơn không thể chảy vào đường khí nạp.
4 Ngoài ra, hệ thống dầu bôi trơn phải thỏa mãn thêm các yêu cầu ở 10.10 của Phần này.
Bảng 3/2.5 - Áp suất thử thủy lực
| Chi tiết thử | Áp suất thử (5), N/mm2 |
| Nắp xi lanh, khoang làm mát (1) | 0,7 |
| Ống lót xi lanh trên toàn bộ chiều dài khoang làm mát(2) | 0,7 |
| Vỏ xi lanh, khoang làm mát | 0,4(3) hoặc 1,5P, lấy giá trị nào lớn hơn |
| Van xả, khoang làm mát | 0,4 hoặc 1,5P, lấy giá trị nào lớn hơn |
| Đỉnh pít tông (1), | 0,7 |
| Hệ thống phun nhiên liệu: thân bơm, phía chịu áp lực(4) van(4), đường ống | 1,5P hoặc P + 30 lấy giá trị nhỏ hơn |
| Tua bin, khoang làm mát | 0,4 hoặc 1,5P, lấy giá trị nào lớn hơn |
| Ống xả, khoang làm mát | 0,4 hoặc 1,5P, lấy giá trị nào lớn hơn |
| Bộ trao đổi nhiệt | 0,4 hoặc 1,5P, lấy giá trị nào lớn hơn |
| Bơm được động cơ dẫn động | 0,4 hoặc 1,5P, lấy giá trị nào lớn hơn |
| Hệ thống đường ống | Theo yêu cầu ở 9.6 |
| Chú thích: (1) Đối với các nắp xi lanh bằng thép rèn mà khoang làm mát của nó được gia công cơ khí không có quá trình hàn hoặc đối với các đỉnh pít tông mà chiều dày được đo chính xác sau khi gia công cơ khí cả bên trong và bên ngoài và được Đăng kiểm viên xác nhận là không có khuyết tật bề mặt thì có thể không cần thử thủy lực; (2) Khi sơ mi xi lanh được gia công tinh bằng máy cả bên trong và bên ngoài, được Đăng kiểm viên kiểm tra chính xác chiều dày và xác nhận không có các khuyết tật bề mặt, thì áp suất thử nêu trên của sơ mi xi lanh có thể được giảm đến 0,4 N/mm2; (3) Đối với các động cơ đi-ê-den không có sơ mi xi lanh thì áp suất thử thủy lực bằng 0,7 N/mm2; (4) Khi các bơm phun nhiên liệu và van phun nhiên liệu được làm bằng thép rèn thì có thể không cần thử thủy lực; (5) P là áp suất làm việc lớn nhất (N/mm2) của các bộ phận cần thử. | |
2.5.6 Thiết bị làm mát
Thiết bị làm mát phải thỏa mãn các yêu cầu ở 10.11 của Phần này và các yêu cầu sau đây:
1 Đối với các động cơ có từ hai xi lanh trở lên thì phải trang bị thiết bị thích hợp để làm mát đồng bộ cho mỗi xi lanh và pít tông;
2 Phải lắp các vòi xả cho các áo nước và các đường ống dẫn nước làm mát tại vị trí thấp nhất.
2.6 Thử nghiệm
Thử tại xưởng:
2.6.1 Đối với các chi tiết hoặc phụ tùng quy định ở Bảng 3/2.5 thì phải tiến hành thử thủy lực với áp suất quy định ở bảng đó.
2.6.2 Đối với các bộ phận quay của tua bin khí xả, phải tiến hành thử cân bằng động trước khi lắp ráp chúng.
2.6.3 Đối với các động cơ đi-ê-den, phải tiến hành thử ở xưởng bằng các phương pháp thử phù hợp với tiêu chuẩn quốc gia hoặc tiêu chuẩn, quy phạm theo thông lệ quốc tế.
2.6.4 Đối với các động cơ đi-ê-den có các đặc điểm thiết kế mới phải tiến hành thử để kiểm tra lại khả năng làm việc của động cơ bằng các phương pháp phù hợp với tiêu chuẩn quốc gia hoặc tiêu chuẩn, quy phạm theo thông lệ quốc tế.
2.6.5 Đối với các động cơ đi-ê-den đã qua sử dụng dùng làm máy chính (trừ các động cơ có công suất dưới 220 kW) thì phải có giấy chứng nhận do Đăng kiểm hoặc tổ chức được Cục Đăng kiểm Việt Nam thừa nhận cấp để sử dụng trên phương tiện thuỷ thì không áp dụng các yêu cầu của Chương này tuy nhiên phải tiến hành kiểm tra, đo đạc các chi tiết và thử theo quy định của hướng dẫn giám sát phương tiện thủy nội địa.
CHƯƠNG 3 THIẾT BỊ TRUYỀN ĐỘNG
3.1 Quy định chung
3.1.1 Phạm vi áp dụng
Những yêu cầu đưa ra trong Chương này được áp dụng cho các thiết bị truyền động từ động cơ chính, động cơ dẫn động máy phát điện và các máy phụ, trừ máy phụ chuyên dụng.
3.1.2 Bản vẽ và tài liệu
Bản vẽ và tài liệu trình Đăng kiểm bao gồm:
1 Bản vẽ trình Đăng kiểm thẩm định:
(1) Lắp ráp tổng thể;
(2) Bánh răng;
(3) Trục bánh răng;
(4) Khớp nối;
(5) Kết cấu các bộ phận chính.
2 Tài liệu tham khảo:
(1) Các thông số về vật liệu dùng trong các bộ phận truyền động (thành phần hóa học, phương pháp nhiệt luyện, cơ tính và phương pháp thử chúng);
(2) Công suất được truyền và tốc độ quay của từng bánh răng ở công suất liên tục lớn nhất;
(3) Thông số kỹ thuật của từng bánh răng (số răng, mô đun, đường kính vòng chia, góc áp lực của răng, góc xoắn, chiều rộng mặt, khoảng cách tâm, bán kính đỉnh răng, khe hở bánh răng, phương pháp đánh bóng sườn răng, độ bóng bánh răng);
(4) Phương pháp hàn các bộ phận chính (bao gồm cả thử và kiểm tra);
(5) Tài liệu cần thiết để tính toán sức bền của các bộ phận chính của thiết bị truyền động.
3.2 Vật liệu và kết cấu
3.2.1 Vật liệu
1 Vật liệu dùng cho các chi tiết sau (sau đây gọi là các chi tiết chính của thiết bị truyền động) phải phù hợp với các yêu cầu có liên quan ở Phần 6A của Quy chuẩn này.
(1) Trục và bánh răng truyền công suất;
(2) Các bộ phận truyền công suất của khớp nối;
(3) Các bộ phận truyền công suất của ly hợp;
(4) Bu lông khớp nối.
2 Các chi tiết chính của thiết bị truyền động (trừ các bu lông khớp nối, đĩa ly hợp và các chi tiết tương tự) phải qua thử không phá hủy theo yêu cầu quy định tương ứng ở Phần 6A của Quy chuẩn này.
3.2.2 Hàn
Nếu như các chi tiết chính của thiết bị truyền động là kết cấu hàn thì phải thỏa mãn các yêu cầu quy định ở Phần 6B của Quy chuẩn này.
3.2.3 Kết cấu của bánh răng
1 Kết cấu của các bánh răng phải thỏa mãn các yêu cầu quy định từ (1) đến (3) sau đây:
(1) Nếu vành răng được lắp ép vào may ơ thì vành răng phải có chiều dày đảm bảo đủ sức bền và lực ép để chịu được công suất truyền. Nếu như tiến hành lắp ép nóng sau khi cắt răng thì kết cấu của bánh răng phải đảm bảo hoàn toàn độ chính xác của cơ cấu hoặc gia công tinh phải được tiến hành sau khi lắp ép chúng;
(2) Nếu bánh răng có kết cấu hàn thì chúng phải có đủ độ cứng và phải được khử ứng suất trước khi cắt răng;
(3) Bánh răng không được có trọng lượng thừa gây mất cân bằng.
2 Hộp bánh răng phải có đủ độ cứng và kết cấu phải sao cho có thể kiểm tra và bảo dưỡng bánh răng một cách dễ dàng.
3 Trong trường hợp nếu như có các phần nặng được lắp vào phần kéo dài của trục bánh răng thì kết cấu của các bánh răng phải sao cho độ sai lệch của tâm trục là nhỏ nhất.
3.2.4 Kết cấu của thiết bị truyền động không phải kiểu bánh răng
1 Thiết bị truyền động không phải kiểu bánh răng phải là kiểu được Đăng kiểm thẩm định về kết cấu và vật liệu, phải làm việc an toàn, tin cậy và phải có đủ sức bền để chịu được công suất truyền qua.
2 Kết cấu của khớp trượt điện từ phải phù hợp với tiêu chuẩn quốc gia hoặc tiêu chuẩn, quy phạm theo thông lệ quốc tế.
3 Nếu như bộ ly hợp của thiết bị truyền động của máy chính được điều khiển bằng hệ thống thủy lực hoặc không khí nén thì bơm hoặc máy nén khí phải sẵn sàng sử dụng hoặc phải trang bị các cụm chi tiết tương ứng khác sao cho đảm bảo con tàu có thể duy trì được chế độ làm việc bình thường.
4 Khớp nối cao su phải được thiết kế đảm bảo tỏa nhiệt có hiệu quả từ các chi tiết cao su và có kết cấu sao cho có thể kiểm tra một cách dễ dàng.
3.2.5 Thiết bị của hệ thống dầu bôi trơn
1 Thiết bị của hệ thống dầu bôi trơn phải thỏa mãn những yêu cầu quy định ở 10.10. Ngoài ra, nên sử dụng bầu lọc có nam châm để hút mạt sắt trong các kết cấu truyền động bằng bánh răng.
2 Các thiết bị của hệ thống dầu bôi trơn của thiết bị truyền động trên 370 kW phải lắp thiết bị báo động bằng âm thanh và ánh sáng trong trường hợp hư nguồn cung cấp dầu bôi trơn hoặc hạ áp suất dầu trong hệ thống.
3.3 Sức bền của bánh răng
3.3.1 Phạm vi áp dụng
Những yêu cầu quy định ở 3.3 này được áp dụng cho các bánh răng hình trụ với răng ăn khớp ngoài có prôfin răng dạng thân khai. Đối với các loại bánh răng khác thì phải phù hợp với tiêu chuẩn quốc gia hoặc tiêu chuẩn, quy phạm theo thông lệ quốc tế.
3.3.2 Yêu cầu chung
1 Chân của răng phải được liên kết bằng góc lượn có bán kính càng lớn càng tốt. Đỉnh răng và cả hai đầu chân răng phải được vát góc phù hợp.
2 Các bánh răng được làm cứng bề mặt phải có đủ độ cứng ở hông và có đủ độ sâu ở vùng được làm cứng.
3.3.3 Tải trọng tiếp tuyến cho phép đối với ứng suất uốn
Tải trọng tiếp tuyến PMCR lên bánh răng phải thỏa mãn điều kiện sau đây đối với ứng suất uốn tại mặt cắt chân răng:

Trong đó:
PMCR - tải trọng tiếp tuyến tác dụng lên răng ở công suất liên tục lớn nhất phải được tính theo công thức sau đây:
![]()
H - công suất do bánh răng nhận được tại công suất liên tục lớn nhất, kW;
N - vòng quay của bánh răng tại công suất lớn nhất, vòng/phút;
D1 - đường kính vòng lăn của bánh răng, cm;
b - chiều rộng bề mặt có ích của bánh răng trên vòng lăn của mặt cắt song song với trục, cm;
Z - số răng;
mn - mô đun vuông góc của răng;
K1 - hệ số khuếch đại tải trọng bên ngoài, được xác định bởi tổng tải trọng thay đổi bất thường tác động lên bánh răng và được tính theo công thức sau đây:
K1 = 1,10PMCR/Pmax
Pmax - tải trọng tiếp tuyến lớn nhất tức thời xảy ra bên trong dải vòng quay làm việc (N/mm2); tuy nhiên, khi trị số K1 không biết, có thể lấy các giá trị của hệ số này ở Bảng 3/3.1;
K2 - trị số khuếch đại tải bên trong được tính từ công thức sau đây hoặc từ Hình 3/3.1 phụ thuộc vào độ chính xác của bánh răng và tỷ số trùng điệp của chúng;
K2 = k2 (Dn)0,8
D - đường kính vòng lăn của bánh răng, cm;
n - số vòng quay của bánh răng trong một phút chia cho 1000;
k2 - trị số quy định ở Bảng 3/3.2. Trong trường hợp này, trị số εSP được tính theo công thức sau:
![]()
be - chiều rộng mặt (trong trường hợp bánh răng có dạng xoắn kép, chiều rộng mặt là chiều rộng ở một phía), cm;
β0 - góc xoắn;
K3 - hệ số khuếch đại tải trọng do độ đàn hồi tính theo công thức sau hoặc lấy theo Hình 3/3.2, giá trị này phụ thuộc vào chiều rộng bề mặt và đường kính vòng lăn

bt - tổng chiều rộng bề mặt của bánh răng (trong trường hợp bánh răng xoắn kép, bao gồm cả khe hở ở tâm), cm;
D1 - đường kính vòng lăn của bánh răng, cm;
k3 - giá trị cho ở Bảng 3/3.3;
Sb - giá trị liên quan chủ yếu đến vật liệu của bánh răng, cho theo công thức sau. Tuy nhiên, trong trường hợp bánh răng trung gian hành tiến chỉ lấy bằng 0,7 lần, còn bánh răng hành lùi lấy bằng 1,2 lần giá trị tính theo công thức sau đây. Trong trường hợp này Sb không vượt quá 25.
Trong trường hợp bánh răng có áp dụng quá trình làm cứng bề mặt bao gồm cả vùng đáy thì: ![]()
Trong trường hợp các loại bánh răng khác:

Trong đó:
T - giới hạn bền kéo danh nghĩa của vật liệu bánh răng, N/mm2;
Y - giới hạn chảy danh nghĩa của vật liệu bánh răng, N/mm2;
r0 - tỷ số của bán kính đỉnh răng với mô đun.
Bảng 3/3.1 - Trị số của K1(1), (2)
| Cụm chi tiết chủ động | Kết cấu | Sử dụng | |
| Loại khớp nối | Bánh răng của máy chính | Bánh răng của máy phụ | |
| Mô tơ điện | Hộp giảm tốc một cấp Hộp giảm tốc nhiều cấp | 1,00 1,00 (3); 1,10 (4) | 1,15 1,15 |
| Động cơ đi-ê-den | Khớp thủy lực hoặc điện từ Khớp đàn hồi cao Khớp đàn hồi | 1,00 0,90 0,80 | 1,15 1,05 0,95 |
| Chú thích: (1) Nếu ăn khớp bánh răng với trên hai vành răng, lấy K1 bằng 0,9 lần giá trị này; (2) Đối với giá trị K1 của khớp nối cứng, giá trị K1 phải được Đăng kiểm xét và chấp nhận; (3) Chỉ áp dụng cho hệ bánh răng liên kết trực tiếp với hệ trục của máy chính; (4) Áp dụng cho hệ bánh răng liên kết với hệ trục chân vịt qua khớp nối mềm. | |||

Hình 3/3.1 - Trị số K2

Hình 3/3.2 - Trị số K3
Bảng 3/3.2 - Giá trị k2
| Độ chính xác | εsp ≥ 1,25 | εsp < 1,25 |
| Giá trị tương ứng với bào tinh hoặc mài | 0,044 | 0,088 |
| Giá trị tương ứng với phay tinh | 0,11 | 0,22 |
Bảng 3/3.3 - Trị số của k3
| Hệ số | Khi một bánh răng ăn khớp với một vành răng | Khi hai vành răng ăn khớp với một bánh răng tạo nên một hàng |
| k3 | 0,01 | 0,003 |
3.3.4 Tải trọng tiếp tuyến đối với ứng suất bề mặt
Tải trọng tiếp tuyến tác dụng lên các răng phải thỏa mãn điều kiện sau đây để hạn chế ứng suất tác dụng lên bề mặt răng, nhưng không áp dụng cho các bánh răng phía lùi:
![]()
Trong đó:
Ss - giá trị liên quan chủ yếu đến vật liệu của bánh răng tính theo công thức sau:
Sự ăn khớp của bánh răng được làm cứng: ![]()
Sự ăn khớp của các bánh răng khác:
![]()
Trong đó:
HBP - độ cứng bề mặt của bánh răng, độ cứng Brinen;
HBW - độ cứng bề mặt răng của vành răng, độ cứng Brinen;
Tw - giới hạn bền danh nghĩa của vật liệu bánh răng, N/mm2;
K4 - hệ số bôi trơn được lấy theo công thức sau hoặc Hình 3/3.3 phụ thuộc vào đường kính vòng lăn và số vòng/phút. Tuy nhiên, trong trường hợp ăn khớp của các bánh răng được làm cứng thì K4 = 0,53
K4 = 0,3(Dn)1/6
i - tỷ số răng, số răng của vành răng chia cho số răng của bánh răng.
Các ký hiệu khác xem ở 3.3.3.
3.3.5 Đánh giá chi tiết về sức bền
Ngoài những yêu cầu quy định ở 3.3.3 và 3.3.4, còn phải có các tài liệu và bản tính chi tiết về sức bền của cơ cấu bánh răng.
3.4 Trục bánh răng và khớp nối
3.4.1 Trục bánh răng
1 Đường kính của trục bánh răng phải thỏa mãn các yêu cầu quy định từ (1) đến (3) sau đây:
(1) Đường kính của trục bánh răng dùng để truyền công suất không được nhỏ hơn trị số tính theo công thức 4.2.2 Phần 3 của Quy chuẩn này. Trong công thức này H là công suất, N là số vòng quay của trục trong một phút tại công suất liên tục lớn nhất;
(2) Đường kính của trục bánh răng tại điểm giữa của hai ổ đỡ trục bánh răng phải có đủ độ cứng để chịu được lực uốn sinh ra do bánh răng ăn khớp với nhau;
(3) Đường kính của trục bánh răng giữa các ổ đỡ trục không được nhỏ hơn 1,16 lần giá trị quy định ở 3.4.1-1(1), nếu một bánh răng được ăn khớp với nhau hoặc hai bánh răng được bố trí ở một góc nhỏ hơn 120° được ăn khớp với nhau và không quá 1,1 lần giá trị quy định ở 3.4.1-1(1), khi hai bánh răng được bố trí ở một góc lớn hơn 120º ăn khớp với nhau.
2 Các tài liệu và bản tính chi tiết về sức bền của cơ cấu bánh răng được trình nộp để thẩm định.

Hình 3/3.3 - Trị số K4
3.4.2 Khớp nối và bu lông khớp nối
Kích thước của khớp nối và bu lông khớp nối không được nhỏ hơn trị số tính theo công thức quy định ở 4.2.11-1 trong Phần này. Mặt khác, trong trường hợp đỡ vật có trọng lượng nặng kiểu công xon thì chúng phải được thiết kế sao cho có đủ sức bền để giữ được trọng lượng đó. Ngoài ra, giá trị đường kính trục d tính trong công thức này phải được xác định tương ứng theo từng loại trục.
3.5 Thử tại xưởng
1 Đối với các chi tiết được làm cứng bề mặt thì việc đo độ sâu lớp được làm cứng phải được tiến hành trên vật liệu mẫu.
2 Đối với các chi tiết được làm cứng bề mặt, phải tiến hành thử độ cứng và thử không phá hủy theo quy trình thử phù hợp.
3 Đối với bánh răng, phải tiến hành kiểm tra độ chính xác gia công sau khi hoàn thành.
4 Trong trường hợp truyền động bánh răng, trị số tính theo tỷ số sau đây vượt quá 50 thì phải tiến hành thử cân bằng động.
DN/1000
Trong đó:
D - đường kính vòng lăn của bánh răng, cm;
N - vòng quay của bánh răng, vòng/phút.
5 Phải kiểm tra bề mặt tiếp xúc của răng đối với tất cả các cơ cấu truyền động bánh răng bằng loại sơn thích hợp được quét lớp mỏng và đều với điều kiện tải trọng tương ứng.
CHƯƠNG 4 HỆ TRỤC
4.1 Quy định chung
4.1.1 Phạm vi áp dụng
Những yêu cầu trong Chương này được áp dụng cho hệ trục chân vịt, hệ trục truyền công suất từ máy dẫn động đến máy phát điện và máy phụ (trừ máy phụ chuyên dụng). Đối với dao động xoắn, còn phải thỏa mãn những yêu cầu ở Chương 6 của Phần này.
4.1.2 Bản vẽ, tài liệu và giải thích từ ngữ
1 Bản vẽ và tài liệu trình Đăng kiểm bao gồm:
(1) Bản vẽ (trong đó ghi rõ cả các đặc tính kỹ thuật của vật liệu) trình Đăng kiểm thẩm định:
(a) Bố trí hệ trục;
(b) Trục đẩy;
(c) Trục trung gian;
(d) Trục chân vịt;
(e) Những bản vẽ cần thiết khác mà Đăng kiểm yêu cầu.
(2) Tài liệu tham khảo:
(a) Số liệu để tính sức bền của trục trong Chương này;
(b) Những tài liệu cần thiết khác mà Đăng kiểm yêu cầu.
2 Giải thích từ ngữ
Các thuật ngữ sau đây áp dụng cho hệ trục chân vịt tàu cao tốc:
(1) Trục chân vịt loại 1 là trục chân vịt có khả năng chống lại sự ăn mòn của nước ngoài tàu một cách hữu hiệu do có áp dụng các biện pháp chống ăn mòn được Đăng kiểm thẩm định hoặc được chế tạo bằng vật liệu chống ăn mòn phù hợp với tiêu chuẩn quốc gia hoặc tiêu chuẩn, quy phạm theo thông lệ quốc tế. Các trục chân vịt loại 1 được phân loại như sau:
(a) Trục chân vịt loại 1A là trục chân vịt được lắp với chân vịt bằng then hoặc không then hoặc bằng bích nối tại đầu sau của trục mà ở đó sử dụng ổ đỡ trong ống bao trục được bôi trơn bằng nước (kể cả ổ đỡ trong giá đỡ trục chân vịt);
(b) Trục chân vịt loại 1B là trục chân vịt được lắp với chân vịt bằng then hoặc không then, hoặc bằng bích nối tại đầu sau của trục mà ở đó sử dụng ổ đỡ trong ống bao trục được bôi trơn bằng dầu;
(c) Trục chân vịt loại 1C là loại trục chân vịt thỏa mãn những điều kiện ở (b) và những quy định ở 4.2.13 của Chương này.
(2) Trục chân vịt loại 2 là trục chân vịt không được quy định ở (1) trên;
(3) Trục trong ống bao
Trục trong ống bao là trục trung gian nằm trong ống bao;
(4) Trục trong ống bao loại 1 và loại 2
(a) Trục trong ống bao loại 1 là trục trong ống bao được bảo vệ hữu hiệu chống ăn mòn của nước ngoài tàu bằng biện pháp được Đăng kiểm thẩm định hoặc được làm bằng vật liệu chịu ăn mòn được Đăng kiểm thẩm định. Trong trường hợp này, nếu trục được bôi trơn bằng nước gọi là trục trong ống bao loại 1A, còn trục được bôi trơn bằng dầu được gọi là trục trong ống bao loại 1B;
(b) Trục trong ống bao loại 2 là trục ống bao không phải là các loại trục được quy định ở (a) trên.
4.2 Vật liệu, kết cấu và độ bền
4.2.1 Vật liệu
1 Vật liệu dùng để chế tạo các chi tiết chính được quy định dưới đây (sau đây gọi là “các chi tiết chính của hệ trục”) phải là thép rèn, thép rèn không gỉ, thép cán tròn không gỉ được chấp nhận để làm trục thỏa mãn yêu cầu tương ứng ở Phần 6A hoặc vật liệu phù hợp với tiêu chuẩn quốc gia hoặc tiêu chuẩn, quy phạm theo thông lệ quốc tế để sử dụng làm trục theo 1.1.1-2 Phần 6A của Quy chuẩn này. Vật liệu dùng để chế tạo các khớp nối dạng tháo lắp được có thể là thép đúc thỏa mãn những yêu cầu ở Phần 6A của Quy chuẩn này. Đối với tàu cấp VR-SI, VR-SII, VR-SIII cho phép sử dụng thép tròn cán nóng để làm trục có đường kính nhỏ hơn 150 mm.
(1) Trục đẩy;
(2) Trục trung gian;
(3) Trục chân vịt;
(4) Trục truyền công suất tới các máy phát hoặc máy phụ;
(5) Khớp nối trục;
(6) Bu lông khớp nối.
2 Các chi tiết chính của trục, trừ các bu lông khớp nối, phải tiến hành thử không phá hủy theo loại vật liệu như quy định có liên quan ở Phần 6A của Quy chuẩn này.
3 Vật liệu chế tạo trục phải có giới hạn bền kéo danh nghĩa nằm trong khoảng 400 đến 800 N/mm2. Việc sử dụng thép rèn có giới hạn bền kéo danh nghĩa lớn hơn 800 N/mm2 để chế tạo trục phải phù hợp với tiêu chuẩn quốc gia hoặc tiêu chuẩn, quy phạm theo thông lệ quốc tế.
4.2.2 Trục trung gian
1 Đường kính trục trung gian được chế tạo bằng thép rèn (trừ thép rèn không gỉ) không được nhỏ hơn trị số tính theo công thức sau:

Trong đó:
d0 - đường kính trục trung gian, mm;
H - công suất liên tục lớn nhất của động cơ, kW;
N - vòng quay của trục trung gian ở công suất liên tục lớn nhất, vòng/phút;
F1 - hệ số lấy theo Bảng 3/4.1;
k1 - hệ số lấy theo Bảng 3/4.2;
Ts - giới hạn bền kéo danh nghĩa của vật liệu làm trục trung gian (N/mm2). Giới hạn trên của Ts dùng để tính toán chỉ được lấy tới 760 N/mm2 đối với thép rèn các bon và 800 N/mm2 đối với thép rèn hợp kim thấp;
K - hệ số trục rỗng tính theo công thức sau:

Trong đó:
di - đường kính trong của trục rỗng, mm;
da - đường kính ngoài của trục rỗng, mm;
Nếu di ≤ 0,4da, có thể lấy K = 1.
2 Đường kính của trục trung gian được chế tạo từ các vật liệu khác với vật liệu quy định ở -1 trên đây phải phù hợp với tiêu chuẩn quốc gia hoặc tiêu chuẩn, quy phạm theo thông lệ quốc tế.
4.2.3 Trục đẩy
1 Đối với trục đẩy truyền mô men xoắn của máy chính, đường kính ở cả hai phía của vành chặn hoặc ở khu vực ổ đỡ dọc trục, nếu như ổ đỡ bi đũa được sử dụng làm ổ đỡ chặn, không được nhỏ hơn trị số tính theo công thức sau:

Trong đó:
dt - đường kính trục đẩy, mm;
Các ký hiệu khác xem 4.2.2-1.
2 Nếu đường kính trục đẩy quy định ở 4.2.3-1 lớn hơn đường kính của trục trung gian thì đường kính của trục đẩy có thể giảm dần về phía mũi hoặc phía lái bằng cách nhân 0,91 với giá trị đường kính tính theo 4.2.3-1.
Bảng 3/4.1 - Trị số F1
| Đối với thiết bị đi-ê-den có khớp nối kiểu trượt (xem chú thích), thiết bị đẩy bằng điện | Đối với tất cả các thiết bị đi-ê-den không phải là các thiết bị ghi ở cột trái |
| 83 | 87 |
| 95 (đối với tàu được phân cấp VR-SB) | 100 (đối với tàu được phân cấp VR-SB) |
| Chú thích: Khớp nối kiểu trượt nghĩa là khớp nối thủy lực, khớp điện từ hoặc các khớp nối tương đương. | |
Bảng 3/4.2 - Trị số k1
| Trục có khớp nối bích liền | Trục có khớp nối bích ép nóng, ép nguội hoặc lắp nguội | Trục có rãnh then(1) | Trục có lỗ khoét ngang(2) | Trục có khe khoét dọc(3) | Trục có then trượt(4) |
| 1,0 | 1,0 | 1,1 | 1,1 | 1,2 | 1,15 |
| Chú thích: (1) Sau một khoảng chiều dài không nhỏ hơn 0,2do tính từ đầu rãnh then, đường kính của trục có thể được giảm từ từ tới đường kính được tính toán với k1 = 1,0. Bán kính góc lượn ở mặt cắt ngang của đáy rãnh then phải từ 0,0125do trở lên; (2) Đường kính lỗ khoét không được lớn hơn 0,3do; (3) Chiều dài rãnh khoét phải bằng hoặc nhỏ hơn 1,4d, chiều rộng phải bằng hoặc nhỏ hơn 0,2d (trong đó: d - đường kính được tính toán với k1 = 1,0); (4) Dạng của then trượt phải phù hợp với TCVN hoặc tiêu chuẩn tương đương khác. | |||||
4.2.4 Trục chân vịt
1 Đường kính của trục chân vịt làm bằng thép các bon rèn hoặc thép hợp kim thấp rèn không được nhỏ hơn trị số tính theo công thức sau đây. Đối với trục chân vịt loại 2 phải phù hợp với tiêu chuẩn quốc gia hoặc tiêu chuẩn, quy phạm theo thông lệ quốc tế.

Trong đó:
ds - đường kính quy định của trục chân vịt, mm;
k2 - hệ số liên quan đến thiết kế trục của phương tiện hoạt động vùng SI, SII, SIII được quy định ở Bảng 3/4.3; đối với trục của phương tiện hoạt động vùng SB, hệ số k2 được quy định ở Bảng 3/4.4;
Ts - giới hạn bền kéo danh nghĩa của vật liệu trục, N/mm2. Nếu vật liệu làm trục có giới hạn bền kéo danh nghĩa lớn hơn 600, N/mm2 thì giới hạn trên của trị số Ts dùng để tính toán chỉ được lấy tới 600, N/mm2.
Các ký hiệu khác xem 4.2.2-1.
2 Đường kính của trục chân vịt được chế tạo từ thép rèn không gỉ như chỉ ra ở Bảng 3/4.5 và Bảng 3/4.6 không được nhỏ hơn trị số tính theo công thức sau đây:

Trong đó: k3 - hệ số liên quan đến vật liệu trục. Đối với tàu hoạt động vùng SI, SII và SIII, hệ số k3 được quy định ở Bảng 3/4.5. Đối với tàu hoạt động vùng SB, hệ số k3 được quy định ở Bảng 3/4.6. Vật liệu khác với vật liệu được quy định trong Bảng này phải phù hợp với tiêu chuẩn quốc gia hoặc tiêu chuẩn, quy phạm theo thông lệ quốc tế.
3 Đường kính của trục chân vịt khác với trị số được tính theo 4.2.4-1 và 4.2.4-2 trên phải thỏa mãn các yêu cầu do Đăng kiểm quy định riêng.
Bảng 3/4.3 - Trị số k2 đối với tàu hoạt động vùng SI, SII, SIII
| TT | Phạm vi áp dụng | k2 | |
| 1 | Phần giữa đầu lớn của phần côn của trục chân vịt (trong trường hợp chân vịt được lắp bích, mặt trước của bích) và đầu trước của ổ đỡ sau cùng trong ống bao trục hoặc 2,5 ds, lấy trị số nào lớn hơn | Đối với mối ghép trục và chân vịt không dùng then hoặc nếu chân vịt được gắn bích liền | 1,154 |
| Đối với trục có rãnh then để lắp chân vịt | 1,192 | ||
| 2 | Trừ phần trục quy định ở 1 bên trên, phần trục tính về phía mũi cho đến phần trước của đệm kín ống bao trục trước | 1,087(1) | |
| 3 | Phần trục nằm ở phía trước của đầu trước đệm kín ống bao trục trước | 1,087(2) | |
| Chú thích: (1) Tại vùng chuyển tiếp, đường kính trục phải được giảm bằng côn trơn hoặc bán kính lượn gần bằng độ chênh đường kính. (2) Đường kính trục có thể được giảm bằng côn trơn hoặc bán kính lượn gần bằng độ chênh đường kính đến đường kính tính theo công thức ở 4.2.2-1. | |||
Bảng 3/4.4 - Trị số k2 đối với tàu hoạt động vùng SB
| TT | Phạm vi áp dụng | k2 | |
| 1 | Phần giữa đầu lớn của phần côn của trục chân vịt (trong trường hợp chân vịt được lắp bích, mặt trước của bích) và đầu trước của ổ đỡ sau cùng trong ống bao trục hoặc 2,5 ds, lấy trị số nào lớn hơn. | Đối với mối ghép trục và chân vịt không dùng then hoặc nếu chân vịt được gắn bích liền | 1,22 |
| Đối với trục có rãnh then để lắp chân vịt | 1,26 | ||
| 2 | Trừ phần trục quy định ở 1 bên trên, phần trục tính về phía mũi cho đến phần trước của đệm kín ống bao trục trước | 1,15(1) | |
| 3 | Phần trục nằm ở phía trước của đầu trước đệm kín ống bao trục trước | 1,15(2) | |
| Chú thích: (1) Tại vùng chuyển tiếp, đường kính trục phải được giảm bằng côn trơn hoặc bán kính lượn gần bằng độ chênh đường kính. (2) Đường kính trục có thể được giảm bằng côn trơn hoặc bán kính lượn gần bằng độ chênh đường kính đến đường kính tính theo công thức ở 4.2.2-1. | |||
Bảng 3/4.5 - Trị số k3 đối với tàu hoạt động vùng SI, SII, SIII
| Vật liệu | Thành phần hóa học, % | Giới hạn chảy, Remin | Giới hạn bền Rmin | k3 | |
| Thép không gỉ Austenit (loại 316) | C ≤ 0,08 | Mn ≤ 2,0 | 175 | 470 | 98,8 |
| Si ≤ 1,0 | Cr: 16-18 | ||||
| Ni: 11-13 | Mo: 2 -3 | ||||
| Thép không gỉ Mactenxit (loại 431) | C ≤ 0,2 Mn: 1, | 675 | 850 | 89,3 | |
| Si: 0,8 Cr: 15-18 Ni: 2-3 | |||||
Bảng 3/4.6 - Trị số k3 đối với tàu hoạt động vùng SB
| TT | Phạm vi áp dụng | SUSF316 SUS 316-SU | SUSF316 L SUS 316 L-SU |
| 1 | Phần giữa đầu lớn của phần côn của trục chân vịt (trong trường hợp chân vịt được lắp bích, mặt trước của bích) và đầu trước của ổ đỡ sau cùng trong ống bao trục hoặc 2,5 ds, lấy trị số nào lớn hơn | 128 | 134 |
| 2 | Trừ phần trục quy định ở 1 bên trên, phần trục tính về phía mũi cho đến phần trước của đệm kín ống bao trục trước | 116(1) | 122(1) |
| 3 | Phần trục nằm ở phía trước của đầu trước đệm kín ống bao trục trước | 116(2) | 122(2) |
| Chú thích: (1) Đường kính trục phải được vuốt côn theo đường biên. (2) Đường kính trục có thể được vuốt côn đến đường kính tính theo công thức ở 4.2.2 nhưng lấy Ts = 400 N/mm2. | |||
4.2.5 Các trục khác
1 Đường kính của các trục truyền công suất vào máy phát điện hoặc máy phụ có công dụng quan trọng phải phù hợp với những yêu cầu quy định ở 4.2.2.
2 Trục các đăng
(1) Đường kính trục các đăng không được nhỏ hơn đường kính trục trung gian tính theo công thức ở 4.2.2 Phần 3 của Quy chuẩn này;
(2) Tỉ số giữa đường kính trong chia cho đường kính ngoài của trục các đăng không được lớn hơn 0,7.
3 Mặt bích của khớp nối trục các đăng phải thỏa mãn các yêu cầu sau:
(1) Chiều dày của bích khớp nối đo tại khu vực đường tâm bu lông khớp nối không được nhỏ hơn đường kính bu lông khớp nối quy định ở 4.2.11;
(2) Góc lượn của bích khớp nối phải có bán kính lượn ít nhất không nhỏ hơn trị số quy định ở 4.2.11-3 của Phần này.
4.2.6 Đánh giá chi tiết về độ bền
Đăng kiểm có thể xem xét và chấp thuận các giá trị đường kính trục được tính toán không tuân theo các yêu cầu ở 4.2.2, 4.2.3, 4.2.4 và 4.2.5 nếu như có các tài liệu và bản tính chi tiết chứng minh rằng chúng đủ bền để trình Đăng kiểm thẩm định.
4.2.7 Bảo vệ chống ăn mòn cho trục chân vịt
1 Trục chân vịt phải được bảo vệ chống ăn mòn do nước ngoài mạn bằng một trong các phương tiện có hiệu quả sau:
(1) Bảo vệ có hiệu quả trục chân vịt chống lại sự tiếp xúc với nước ngoài tàu bằng phương pháp phù hợp với tiêu chuẩn quốc gia hoặc tiêu chuẩn, quy phạm theo thông lệ quốc tế. Ngoài ra, đối với trục chân vịt loại 1 có thể dùng các biện pháp như nêu ở (2) và (3) dưới đây;
(2) Dùng các vật liệu SUSF316, SUSF316L, SUS316-SU hoặc SUS316L-SU được quy định ở Phần 6A của Quy chuẩn này cho các trục có đường kính không vượt quá 200 mm;
(3) Dùng vật liệu chịu ăn mòn khác với các vật liệu quy định ở (2) phải phù hợp với tiêu chuẩn quốc gia hoặc tiêu chuẩn, quy phạm theo thông lệ quốc tế.
2 Các biện pháp hữu hiệu phải được đảm bảo để ngăn ngừa nước ngoài mạn thâm nhập vào phần giữa đầu sau của áo trục chân vịt hoặc đầu sau của ổ đỡ phía sau cùng trong ống bao và củ chân vịt.
3 Khoảng không gian giữa ê cu chỉnh dòng của chân vịt hoặc củ chân vịt và trục chân vịt phải chứa đầy mỡ, hoặc phải có các biện pháp bảo vệ trục hữu hiệu chống lại sự ăn mòn của nước ngoài mạn.
4.2.8 Áo trục chân vịt
Áo trục được lắp vào trục chân vịt phải thỏa mãn những yêu cầu sau đây:
1 Áo trục phải làm bằng đồng thanh, thép không gỉ hoặc vật liệu tương đương. Vật liệu phải không được có vết rỗ và những khuyết tật khác;
2 Chiều dày của áo trục bằng đồng thanh không được nhỏ hơn giá trị tính theo công thức sau:
t1 = 0,03ds + 7,5
t2 = 0,75 t1
Trong đó:
t1 - chiều dày của áo trục ở vùng ổ đỡ ống bao trục hoặc ổ đỡ trong giá đỡ tiếp xúc với bề mặt ổ đỡ, mm;
t2 - chiều dày của áo trục ở các phần còn lại, mm;
ds - đường kính quy định của trục chân vịt tính theo công thức 4.2.4, mm.
3 Chiều dày của áo trục bằng thép không gỉ không được nhỏ hơn 1/2 (một phần hai) chiều dày áo trục bằng đồng thanh hoặc 6,5 mm lấy giá trị nào lớn hơn.
4 Áo trục phải được lắp vào trục theo phương pháp sao cho tránh được sự tập trung ứng suất lớn.
4.2.9 Cố định chân vịt vào trục
1 Nếu chân vịt được lắp ép vào trục chân vịt thì bề mặt lắp ghép phải đủ sức bền để chịu được mô men xoắn truyền qua trục.
2 Nếu dùng then để cố định chân vịt vào trục thì các góc của rãnh then phải được lượn tròn thích đáng và then phải được lắp khít vào rãnh then. Đầu trước của rãnh then trên trục chân vịt phải được lượn tròn đều để tránh tập trung ứng suất quá mức.
3 Nếu chân vịt và mặt bích trục chân vịt được nối với nhau bằng bu lông thì các bu lông và chốt bu lông phải đủ bền.
4 Chiều dày mặt bích trục chân vịt phía sau tại vòng chia không nhỏ hơn 0,27 lần đường kính của trục trung gian (được tính với k1 = 1,0; K = 1,0 và Ts = 400), quy định ở 4.2.2.
4.2.10 Ổ đỡ trong ống bao và ổ đỡ trong giá đỡ trục
1 Ổ đỡ sau cùng trong ống bao hoặc ổ đỡ ở giá đỡ trục đỡ trọng lượng chân vịt phải thỏa mãn các yêu cầu quy định từ (1) đến (3) dưới đây:
(1) Trong trường hợp ổ đỡ làm bằng gỗ gai ắc được bôi trơn bằng nước:
(a) Chiều dài ổ đỡ không được nhỏ hơn 4 lần đường kính yêu cầu của trục chân vịt tính theo công thức ở 4.2.4-1 hoặc 4.2.4-2 hoặc 3 lần đường kính trục thực, lấy trị số nào lớn hơn;
(b) Phải có biện pháp thích đáng để cung cấp một lượng nước sạch để bôi trơn và làm mát.
(2) Trong trường hợp ổ đỡ làm bằng kim loại màu được bôi trơn bằng dầu:
(a) Chiều dài của ổ đỡ không được nhỏ hơn 2 lần đường kính yêu cầu của trục chân vịt tính theo công thức 4.2.4-1 hoặc 4.2.4-2, hoặc 1,5 lần giá trị đường kính thực, lấy trị số nào lớn hơn. Tuy nhiên ổ đỡ có kết cấu và bố trí kiểu khác vẫn được chấp nhận nếu có các tính toán phù hợp với tiêu chuẩn quốc gia hoặc tiêu chuẩn, quy phạm theo thông lệ quốc tế. Trong trường hợp này, chiều dài của ổ đỡ trục có thể ngắn hơn so với giá trị quy định trên nhưng không được nhỏ hơn 1,5 lần đường kính thực của trục chân vịt;
(b) Ống bao trục chân vịt phải luôn chứa đầy dầu để đảm bảo bôi trơn và làm mát;
(c) Nếu có sử dụng két dầu trọng lực để cấp dầu bôi trơn cho ổ đỡ trong ống bao trục thì phải đặt két này cao hơn đường nước chở hàng. Tuy nhiên, trong trường hợp hệ thống bôi trơn được thiết kế để sử dụng ở điều kiện áp lực dầu tĩnh của két trọng lực nhỏ hơn áp lực nước thì két này không yêu cầu đặt cao hơn đường nước chở hàng;
(d) Dầu bôi trơn phải được làm mát bằng cách ngâm ống bao trong nước tại két chứa phía đuôi tàu hoặc bằng các biện pháp thích hợp khác.
(3) Nếu sử dụng vật liệu làm ổ đỡ không phải loại vật liệu quy định ở (1) và (2) thì vật liệu, kết cấu và bố trí ổ đỡ phải phù hợp với tiêu chuẩn quốc gia hoặc tiêu chuẩn, quy phạm theo thông lệ quốc tế. Chiều dài của các ổ đỡ này phải thỏa mãn những yêu cầu ở (a) và (b) dưới đây:
(a) Trường hợp ổ đỡ bôi trơn bằng dầu được chế tạo từ vật liệu tổng hợp:
Đối với ổ đỡ được làm bằng cao su tổng hợp, nhựa hoặc chất dẻo được thẩm định để sử dụng trong ống bao trục bôi trơn bằng dầu thì chiều dài của ổ đỡ không được nhỏ hơn 2 lần đường kính của trục chân vịt tính theo công thức 4.2.4-1 hoặc 4.2.4-2, hoặc 1,5 lần đường kính thực, lấy giá trị nào lớn hơn. Tuy nhiên, đối với các ổ đỡ có kết cấu và bố trí được Đăng kiểm thẩm định riêng thì chiều dài của ổ đỡ có thể ngắn hơn so với chiều dài quy định ở trên nhưng không được nhỏ hơn 1,5 lần đường kính thực của trục chân vịt;
(b) Trường hợp ổ đỡ trục chân vịt làm bằng vật liệu tổng hợp được bôi trơn bằng nước:
Đối với ổ đỡ làm bằng vật liệu tổng hợp được thẩm định để sử dụng làm ổ đỡ trong ống bao trục bôi trơn bằng nước giống như cao su hoặc chất dẻo thì chiều dài của ổ đỡ không được nhỏ hơn 4 lần đường kính trục tính theo công thức 4.2.4-1 hoặc 4.2.4-2, hoặc 3 lần đường kính thực, lấy trị số nào lớn hơn. Tuy nhiên, đối với những ổ đỡ có kết cấu và bố trí được Đăng kiểm thẩm định riêng thì chiều dài của ổ đỡ có thể lấy ngắn hơn so với chiều dài quy định trên nhưng không được nhỏ hơn 2 lần đường kính trục chân vịt tính theo công thức ở 4.2.4-1 hoặc 1,5 lần đường kính thực, lấy trị số nào lớn hơn.
2 Trừ kiểu thiết bị làm kín nước ngoài mạn kiểu hộp bích nén tết, các thiết bị làm kín khác phải được Đăng kiểm thẩm định bổ sung về vật liệu, kết cấu và bố trí.
4.2.11 Khớp nối trục và bu lông khớp nối
1 Đường kính của bu lông khớp nối tại mặt phẳng lắp ghép của khớp nối không được nhỏ hơn trị số tính theo công thức sau:

Trong đó:
db - đường kính bu lông, mm;
do - đường kính của trục trung gian tính với k1 = 1,0 và k = 1,0 theo công thức ở 4.2.2, mm;
n - số bu lông;
D - đường kính vòng chia, mm;
Ts - giới hạn bền kéo danh nghĩa của vật liệu làm trục trung gian, N/mm2;
Tb - giới hạn bền kéo danh nghĩa của vật liệu làm bu lông, N/mm2, Ts ≤ Tb ≤ 1,7Ts và giới hạn trên của Tb được sử dụng trong tính toán chỉ được lấy tối đa là 1000, N/mm2.
2 Chiều dày của mặt bích nối tại vòng chia không được nhỏ hơn đường kính yêu cầu của bu lông tính theo công thức ở 4.2.11-1 với giả thiết các bu lông phải có sức bền phù hợp với vật liệu làm trục tương ứng. Tuy nhiên, đường kính của bu lông không được nhỏ hơn 0,2 lần đường kính của trục tương ứng.
3 Bán kính góc lượn ở chân mặt bích không được nhỏ hơn 0,08 lần đường kính của trục và góc lượn không được nằm trong khu vực lắp ê cu và bu lông.
4 Nếu khớp nối trục không liền với trục thì các khớp nối phải đủ bền để chịu được mô men xoắn truyền vào trục và chịu được cả mô men khi tàu chạy lùi. Trong trường hợp này, phải xem xét kỹ để tránh gây ra tập trung ứng suất lớn.
4.2.12 Vật liệu, kết cấu và độ bền của hệ trục là động cơ đi-ê-den cao tốc
1 Vật liệu dùng để chế tạo các bộ phận chính của hệ trục và việc thử không phá hủy chúng phải tuân theo các yêu cầu ở 4.2.1-1, 4.2.1-2 và 4.2.1-3 của Chương này.
2 Kích thước của các trục và các bu lông khớp nối phải thỏa mãn các yêu cầu ở 4.2.2, 4.2.3, 4.2.4, 4.2.5, 4.2.6 và 4.2.11 của Chương này.
(1) Đối với tàu có máy chính là động cơ đi-ê-den cao tốc, đường kính trục chân vịt có thể phải tuân theo các yêu cầu từ (a) tới (c) dưới đây. Ngoài ra, trong các trường hợp đặc biệt, ví dụ khi tàu dự định sẽ thường xuyên hoạt động trong điều kiện sóng to gió lớn, phải lưu ý đặc biệt đến các đặc điểm có ảnh hưởng tới độ bền.
(a) Định nghĩa “động cơ đi-ê-den cao tốc”
Thuật ngữ “động cơ đi-ê-den cao tốc” được định nghĩa là các động cơ đồng thời phù hợp các điều kiện sau:

Trong đó:
S - hành trình pít tông, mm;
n - vòng quay của máy ở công suất liên tục lớn nhất (vòng/phút);
dj - đường kính cổ trục, mm. (b) Đường kính yêu cầu của trục chân vịt
Đường kính trục chân vịt không nhỏ hơn giá trị tính theo công thức sau:
![]()
Trong đó:
ds - đường kính yêu cầu của trục chân vịt, mm;
H - công suất liên tục lớn nhất do động cơ chính phát ra, kW;
N0 - số vòng quay của trục ở công suất liên tục lớn nhất, vòng/phút;
k - hệ số cho trong Bảng 3/4.7. Với trục chân vịt loại 1 hoặc trục trong ống bao loại 1 chế tạo từ thép các bon hoặc thép hợp kim thấp có giới hạn bền kéo lớn hơn 400 N/mm2, hệ số k có thể được nhân với Km1

Ts - giới hạn bền kéo, N/mm2.
Bảng 3/4.7 - Hệ số k
| Thép các bon hoặc thép hợp kim thấp | SUSF316 SUS316-SU | SUSF316L SUS316L-SU | Thép lắng không gỉ Mactenxit | |
| Loại 1 | Loại 2 | |||
| 1,00 | 1,05 | 1,03 | 1,08 | 0,85 |
(c) Dao động xoắn
Giới hạn cho phép của ứng suất dao động xoắn
và
được tính như sau:
(i) Cho chế độ chạy liên tục, giới hạn cho phép của ứng suất dao động xoắn
với dải vòng quay từ 80% đến 105% vòng quay liên tục lớn nhất tính như sau:

Trong đó:
- giới hạn cho phép của ứng suất dao động xoắn với dải (0,8 ≤ λ < 1,05) của vòng quay liên tục lớn nhất, N/mm2;
λ - tỷ số số vòng quay trên số vòng quay liên tục lớn nhất;
A, B,C - các hệ số tuỳ thuộc vào vật liệu trục cho trong Bảng 3/4.8.
Đối với trục chân vịt loại 1 chế tạo từ thép các bon hoặc thép hợp kim thấp có giới hạn bền kéo vượt quá 400 N/mm2, các giá trị nhận được từ công thức trên có thể được nhân với Km2 sau đây:

Trong đó: Ts - giới hạn bền kéo của vật liệu trục, N/mm2.
Bảng 3/4.8 - Trị số A,B,C
|
| Thép các bon hoặc thép hợp kim thấp | Thép không gỉ Austentic | Thép lắng không gỉ Mactenxit | ||
| Trục loại 1 | Trục loại 2 | SUSF316 SUS 316-SU | SUSF316L SUS 316L-SU | ||
| A | 24,5 | 21,0 | 26,4 | 24,4 | 39,6 |
| B | 24,3 | 20,0 | 27,1 | 25,3 | 39,0 |
| C | 4,8 | 4,8 | 4,5 | 3,9 | 8,1 |
| Chú thích: Nếu vật liệu khác vật liệu trên, các trị số phải được lựa chọn trên cơ sở tiêu chuẩn quốc gia hoặc tiêu chuẩn, quy phạm theo thông lệ quốc tế. | |||||
(ii) Giới hạn cho phép của ứng suất dao động xoắn với dải vòng quay dưới 80% vòng quay liên tục lớn nhất được tính theo công thức ở dưới đây. Trường hợp ứng suất dao động xoắn vượt quá
, phải chỉ rõ dải vòng quay cấm theo quy định tại 8.3 Phần 3 Mục II của QCVN 21: 2010/BGTVT.
![]()
- giới hạn cho phép của ứng suất dao động xoắn với dải λ ≤ 0,8 vòng quay liên tục lớn nhất, N/mm2;
- giá trị được tính theo công thức ở (i) trên với λ ≤ 0,9, N/mm2.
Trong đó:
λ - tỷ số số vòng quay trên số vòng quay liên tục lớn nhất.
4.2.13 Những yêu cầu bổ sung đối với trục chân vịt loại 1C
Phải có phương tiện để đảm bảo đầy đủ tính nguyên vẹn của các ổ đỡ trong ống bao trục, phù hợp với những yêu cầu khác của Đăng kiểm, nếu trục chân vịt là trục loại 1C.
4.3 Thử nghiệm
4.3.1 Thử tại xưởng
Các chi tiết sau đây phải được thử thủy lực với áp suất quy định sau đây:
1 Ống bao trục: 0,2 MPa;
2 Áo trục chân vịt: 0,1 MPa (phải tiến hành thử trước khi lắp nóng).
4.3.2 Thử sau khi lắp lên tàu
1 Phải tiến hành thử thiết bị đệm kín quy định ở 4.2.10-2 để phát hiện rò rỉ dầu ở điều kiện áp suất làm việc của dầu;
2 Đối với hệ trục chân vịt (trừ các hệ thống đẩy kiểu phụt hoặc hệ đẩy kiểu xoay), việc kiểm tra xác nhận liên quan đến định tâm đường trục phải được thực hiện phù hợp với các yêu khác của Đăng kiểm.
CHƯƠNG 5 CHÂN VỊT
5.1 Quy định chung
5.1.1 Phạm vi áp dụng
Những yêu cầu trong Chương này được áp dụng cho chân vịt của tàu.
5.1.2 Bản vẽ và tài liệu
Bản vẽ và tài liệu trình cho Đăng kiểm bao gồm:
1 Bản vẽ trình Đăng kiểm thẩm định:
(1) Chân vịt;
(2) Sơ đồ đường ống dầu của chân vịt biến bước có chỉ rõ vật liệu làm ống, kích cỡ ống và áp suất làm việc;
(3) Bu lông cố định cánh của chân vịt biến bước.
2 Tài liệu tham khảo:
(1) Các thông số của chân vịt (công suất liên tục lớn nhất và số vòng quay (vòng/phút) của trục chân vịt, chi tiết prôfin cánh, đường kính, bước, diện tích khai triển, tỷ số bước chân vịt, độ nghiêng hoặc góc nghiêng, số lượng cánh, khối lượng, mô men quán tính, các đặc tính kỹ thuật của vật liệu ...);
(2) Bản tính chiều dài ép chân vịt lên trục (chỉ yêu cầu khi lắp chân vịt không dùng then).
5.1.3 Vật liệu
Vật liệu chế tạo chân vịt và bu lông cố định cánh của chân vịt biến bước phải thỏa mãn những yêu cầu có liên quan quy định ở Phần 6A của Quy chuẩn này.
5.2 Kết cấu và sức bền
5.2.1 Chiều dày cánh
1 Chiều dày cánh chân vịt tại bán kính 0,25R và 0,6R đối với chân vịt cố định và tại bán kính 0,35R và 0,6R đối với chân vịt biến bước không được nhỏ hơn trị số tính theo công thức dưới đây. Chiều dày của cánh chân vịt có độ nghiêng lớn phải được Đăng kiểm xem xét cho từng trường hợp cụ thể.

Trong đó:
t - chiều dày cánh (trừ góc lượn của chân cánh), cm;
H - công suất liên tục lớn nhất của máy chính, kW;
Z - số cánh;
N - số vòng quay liên tục lớn nhất chia cho 100, vòng/phút/100;
l - chiều rộng của cánh tại bán kính đang xét, cm;
K1 - hệ số tính theo công thức sau đây tại bán kính đang xét:

Trong đó:
D - đường kính chân vịt, m;
k1, k2, k3 - các hệ số lấy theo Bảng 3/5.1;
P' - bước tại bán kính đang xét, m;
P - bước tại bán kính 0,7R, m; (R là bán kính của chân vịt, m).
Bảng 3/5.1 - Trị số k1, k2, k3, k4, k5
| Vị trí theo hướng kính | k1 | k2 | k3 | k4 | k5 |
| 0,25R | 1,62 | 0,386 | 0,239 | 1,92 | 1,71 |
| 0,35R | 0,827 | 0,308 | 0,131 | 1,79 | 1,56 |
| 0,60R | 0,281 | 0,113 | 0,022 | 1,24 | 1,09 |
K2 - hệ số được tính theo công thức sau:
![]()
Trong đó:
k4, k5 - các hệ số tra theo Bảng 3/5.1;
E - độ nghiêng tại đầu mút cánh (đo từ đường chuẩn mặt bên và lấy giá trị dương đối với độ nghiêng theo chiều ngược), cm;
to - chiều dày giả định của cánh tại đường tâm của trục chân vịt (to có thể nhận được nhờ kéo dài từng đường mép nối chiều dày đỉnh cánh với chiều dày cánh ở 0,25R (hoặc 0,35R đối với chân vịt biến bước), tại hình chiếu của tiết diện cánh dọc theo đường chiều dày cánh lớn nhất, cm;
K - hệ số tra theo Bảng 3/5.2;
S - hệ số liên quan đến tăng ứng suất do thời tiết. Nếu S > 1,0 thì S lấy bằng 1,0. Nếu S < 0,8 thì giá trị của S lấy bằng 0,80;
S = 0,095Ds/ds + 0,677
Trong đó:
Ds - chiều cao mạn để tính sức bền của tàu;
ds - chiều chìm chở hàng;
W - hệ số liên quan đến ứng suất đổi dấu được tính theo công thức dưới đây:
Nếu W < 2,8 thì giá trị của W lấy bằng 2,8;

Bảng 3/5.2 - Trị số K
|
| Vật đúc bằng hợp kim đồng | Thép đúc | Gang xám đúc | ||||
| HBsC1 | HBsC2 | AlBC3 | AlBC4 | Sức bền kéo ≥ 480 N/mm2 | Sức bền kéo < 480 N/mm2 |
| |
| Hệ số K | 1,15 | 1,15 | 1,30 | 1,15 | 1 | 0,9 | 0,6 |
| Chú thích: 1. Đối với cánh làm bằng vật liệu khác với các vật liệu trong Bảng trên thì giá trị K được xác định trong từng trường hợp cụ thể. 2. Đối với chân vịt có đường kính 2,5 m trở xuống, trị số K có thể lấy giá trị ở Bảng trên nhân với các hệ số sau đây: 2 - 0,4D đối với 2,0 < D ≤ 2,5; 1,2 đối với D ≤ 2,0. | |||||||
2 Bán kính góc lượn giữa chân của cánh và củ chân vịt không được nhỏ hơn giá trị Ro tính theo công thức sau tại mặt đạp ở phần cánh có chiều dày lớn nhất:
Ro = tr + (e - rB)(to - tr)/e
Trong đó:
Ro - bán kính yêu cầu của góc lượn, cm;
tr - chiều dày yêu cầu của cánh ở bán kính 0,25R (hoặc 0,35R đối với chân vịt biến bước) quy định ở 5.2.1-1, cm;
to - như quy định ở 5.2.1-1;
rB - tỷ số củ chân vịt;

e - 0,25 (hoặc 0,35 áp dụng cho chân vịt biến bước)
3 Ngoài những yêu cầu quy định ở 5.2.1-1 hoặc 5.2.1-2 trên đây, khi có các tài liệu chi tiết và bản tính được trình thẩm định, Đăng kiểm vẫn tiến hành xem xét và thẩm định chiều dày của cánh hoặc bán kính của góc lượn một cách thích hợp.
5.2.2 Chân vịt biến bước
1 Chiều dày cánh của chân vịt biến bước phải thỏa mãn những yêu cầu quy định ở 5.2.1.
2 Đường kính của bu lông cố định cánh chân vịt biến bước không được nhỏ hơn trị số tính theo công thức sau đây:

Trong đó:
d - đường kính yêu cầu của bu lông cố định cánh, mm (xem Hình 3/5.1);
A - trị số tính theo công thức sau đây, trong đó H, N và Z phải bằng trị số quy định ở 5.2.1;
A = 3,0.104H/NZ
K3 - trị số tính theo công thức sau:

x0 - tỷ số bán kính tại đường viền giữa bích cánh và cơ cấu điều khiển bước trên bán kính chân vịt (xem Hình 3/5.1). Nếu xo > 0,3 thì tỷ số này được lấy bằng 0,3;
L - giá trị trung bình của L1 và L2, cm;
L1 và L2 - chiều dài của hai đường vuông góc vẽ đến đường qua tâm quay của bích cánh và có góc nghiêng tương ứng với góc bước β tại 0,7R ở công suất liên tục lớn nhất tính từ đường tâm của bu lông đặt ở phía mép ở phía bề mặt khi góc bước là β (xem Hình 3/5.2);
Fc - lực ly tâm, N của cánh chân vịt tính theo công thức sau:
Fc = 1,1mR'N2
m - khối lượng của một cánh, kg;
R’ - khoảng cách giữa trọng tâm của cánh và đường tâm trục chân vịt, cm;
n - số bu lông của bích cánh;
σa - ứng suất cho phép của vật liệu bu lông, N/mm2, tính theo công thức sau đây:

σb - giới hạn bền kéo danh nghĩa của vật liệu làm bu lông, N/mm2. Nếu σb > 800 N/mm2 thì chỉ được lấy σb = 800 N/mm2.
Các ký hiệu khác xem ở công thức ở 5.2.1-1.
3 Đối với bu lông cố định cánh phải sử dụng vật liệu chịu ăn mòn hoặc phải có phương pháp hữu hiệu để bu lông không tiếp xúc trực tiếp với nước ngoài mạn.
4 Chiều dày của bích để lắp cánh chân vịt vào cơ cấu điều khiển bước (chiều dày đo từ mặt tiếp xúc của bu lông cố định hoặc ê cu đến mặt bao giữa bích và cơ cấu điều khiển bước) không được nhỏ hơn trị số tính theo công thức:
tf = 0,9d
Trong đó:
tf - chiều dày bích, mm (xem Hình 3/5.1);
d - đường kính quy định của bu lông được tính theo công thức ở 5.2.2-2, mm.

Hình 3/5.1 - Phương pháp đo kích thước của bu lông cố định cánh

Hình 3/5.2 - Xác định kích thước của L
5 Bu lông cố định cánh phải được lắp chặt vào cơ cấu điều khiển bước và được hãm tốt.
6 Trong trường hợp nếu như lỗ bắt bu lông nằm đúng vào góc lượn của chân cánh thì tiết diện cánh thiết kế có chiều dày theo yêu cầu quy định ở 5.2.1 không được giảm để lỗ khoét chui qua.
7 Bề mặt bích của cánh phải được lắp chặt vào bề mặt của cơ cấu điều khiển bước và khe hở vòng của mép ngoài của bích phải là nhỏ nhất.
8 Nếu cơ cấu điều khiển bước làm việc bằng bơm dầu thủy lực thì phải trang bị thêm một bơm dầu dự phòng được đấu vào hệ thống để sẵn sàng sử dụng hoặc một thiết bị tương ứng khác, để đảm bảo tàu vẫn giữ được điều kiện làm việc bình thường trong trường hợp bơm dầu chính bị hỏng.
9 Việc bố trí đường ống dầu thủy lực phải thỏa mãn thêm yêu cầu quy định ở 10.10.
5.2.3 Lắp ráp cánh của chân vịt kiểu cánh rời
Bu lông cố định cánh và bích để lắp cánh của chân vịt kiểu cánh rời phải được thiết kế thỏa mãn các yêu cầu như đối với chân vịt biến bước quy định ở 5.2.2.
5.3 Lắp ép chân vịt
5.3.1 Chiều dài đoạn ép căng chân vịt
1 Nếu chân vịt được ép vào trục chân vịt trong mối ghép không dùng then thì giới hạn dưới và giới hạn trên của chiều dài đoạn ép căng chân vịt phải bằng trị số tính theo công thức sau đây. Đối với độ côn lớn hơn 1/15 thì giới hạn chiều dài đoạn ép căng chân vịt phải được tính toán phù hợp với tiêu chuẩn quốc gia hoặc tiêu chuẩn, quy phạm theo thông lệ quốc tế.

Trong đó:
L1 - giới hạn dưới của chiều dài đoạn ép căng chân vịt, mm;
L2 - giới hạn trên của chiều dài đoạn ép căng chân vịt, mm (nếu khác với trường hợp L3 đưa ra dưới đây);
L3 - giới hạn trên của chiều dài đoạn ép căng chân vịt, mm (trong trường hợp nếu vật liệu của củ chân vịt là bằng đồng thau đúc có sức bền cao và KR1 < 1,89);
Kw - trị số quy định ở Bảng 3/5.3. Nếu vật liệu của củ chân vịt khác vật liệu quy định ở Bảng 3/5.3 thì trị số này phải được tính toán phù hợp với tiêu chuẩn quốc gia hoặc tiêu chuẩn, quy phạm theo thông lệ quốc tế;
KR1 - tỷ số của R1 trên Ro (R1/Ro);
KR2 - tỷ số của R2 trên Ro (R2/Ro);
R0 - bán kính của trục chân vịt tại điểm giữa của đoạn côn theo hướng dọc trục, mm;
R1 - bán kính của củ chân vịt tại điểm xác định tỷ số củ chân vịt, mm;
R2 - bán kính trong tại mặt cắt tương ứng với R0 đối với trục chân vịt rỗng, mm;
Cb - nhiệt độ của củ chân vịt tại thời điểm lắp ráp chân vịt, °C;
Co - trị số nhiệt độ cho như sau: 35 °C - đối với L1 và 0 °C - đối với L2 và L3;
P - trị số tính theo công thức sau, N/mm2:

S - diện tích tiếp xúc giữa trục chân vịt và củ chân vịt trên bản vẽ, mm2;
α - nửa góc của đoạn côn tại phần côn của trục chân vịt, radian;
B = 0,0169 - 7,84 tg2α
T - lực đẩy tính theo công thức sau, N;
T = 1,76.103, H/vs
Fv - lực tiếp tuyến tác dụng lên bề mặt tiếp xúc được tính theo công thức sau, N:

c = 1,0 - đối với tàu lắp động cơ tua bin;
c = 1,2 hoặc trị số tính theo công thức sau, lấy trị số nào lớn hơn. Đối với tàu lắp động cơ đi-ê-den. Tuy nhiên, nếu mô men xoắn cực đại tác dụng lên phần lắp chân vịt được xác định chính xác thỏa mãn với các yêu cầu của Đăng kiểm thì nó cũng có thể thỏa mãn các quy định khác.

Trong đó:
Qv - mô men dao động xoắn tác dụng lên phần lắp chân vịt tại vòng quay cộng hưởng trên 25% vòng quay liên tục lớn nhất, Nm;
H, N - xem 5.2.1-1;
Nc - số vòng quay cộng hưởng, vòng/phút chia cho 100.
vs - tốc độ của tàu ở công suất liên tục lớn nhất, hải lý/giờ;
KE - trị số tính theo công thức sau, mm3/N:

Nếu vật liệu của trục chân vịt không phải là thép rèn hoặc vật liệu của củ chân vịt không phải là vật liệu quy định ở Bảng 3/5.3 thì trị số KE phải được Đăng kiểm xem xét chấp thuận;
K4 và K5 - trị số quy định ở Bảng 3/5.3.
Kc - trị số tính theo công thức sau, mm/ºC:

Nếu vật liệu của trục chân vịt không phải là thép rèn hoặc vật liệu của củ chân vịt không phải là vật liệu quy định ở Bảng 3/5.3 thì trị số Kc phải được tính toán phù hợp với tiêu chuẩn quốc gia hoặc tiêu chuẩn, quy phạm theo thông lệ quốc tế;
Cs - nhiệt độ của chân vịt tại thời điểm lắp chân vịt, ºC;
L0 - nửa chiều dài của phần côn ở lỗ củ chân vịt theo hướng dọc trục, mm;
K6, K7 - trị số lấy theo Bảng 3/5.3.
2 Nếu chân vịt được lắp ép vào trục chân vịt có sử dụng then thì phần lắp ráp phải đủ bền để truyền mô men xoắn do chân vịt tạo ra.
Bảng 3/5.3 - Trị số K4, K5, K6, K7 và Kw
| Vật liệu củ chân vịt | K4 | K5 | K6 | K7 | Kw |
| HBsC1 | 9,27 | 1,65 | 0,55 | 1,20 | 123 |
| HBsC2 | 9,27 | 1,65 | 0,55 | 1,20 | 123 |
| AlBC3 | 8,49 | 1,40 | 0,55 | 1,20 | 172 |
| AlBC4 | 8,49 | 1,40 | 0,55 | 1,20 | 193 |
5.3.2 Củ chân vịt
1 Nếu chân vịt được lắp ép vào trục chân vịt thì mép ở đầu phía mũi của lỗ hình côn của củ chân vịt phải được lượn tròn một cách thích hợp.
2 Củ chân vịt không được nung nóng cục bộ đến nhiệt độ cao tại thời điểm ép chân vịt vào trục hoặc rút chân vịt ra khỏi trục.
5.4 Thử nghiệm
5.4.1 Thử tại xưởng
Chân vịt phải được thử cân bằng tĩnh.
5.4.2 Thử sau khi lắp lên tàu
Khi chân vịt được lắp ép vào trục chân vịt, kể cả lắp then hoặc không lắp then, đều phải đo và ghi độ dài đoạn côn được ép.
Cuộc thử này được tiến hành giống như cuộc thử ở xưởng.
CHƯƠNG 6 DAO ĐỘNG XOẮN HỆ TRỤC
6.1 Quy định chung
6.1.1 Phạm vi áp dụng
Những yêu cầu trong Chương này được áp dụng cho các thiết bị truyền động để đẩy tàu và hệ trục chân vịt (trừ chân vịt), các hệ trục để truyền công suất từ máy chính đến máy phát điện, trục khuỷu của động cơ đi-ê-den dùng làm máy chính hoạt động trong vùng SB.
6.1.2 Tài liệu trình Đăng kiểm
1 Trừ khi có quy định khác, phải trình bản tính dao động xoắn của hệ trục nêu ở 6.1.1 khi máy chính là động cơ đi-ê-den trên một trục có công suất từ 220 kW trở lên cũng như động cơ đi-ê-den sử dụng làm máy phụ có công suất từ 220 kW trở lên, phải bao gồm các nội dung sau đây:
(1) Bản tính tần số dao động tự do đối với dao động 1 nút và 2 nút, cũng như dao động nhiều nút nếu thấy cần thiết;
(2) Kết quả tính ứng suất dao động xoắn được tiến hành ở vòng quay cộng hưởng bên trong dải tốc độ đến 120% số vòng quay liên tục lớn nhất, còn đối với động cơ đi-ê-den, kết quả tính ứng suất dao động xoắn đối với dải tốc độ từ 90% đến 120% gây ra bởi cộng hưởng của bậc điều hòa chính đầu tiên, có nghĩa là bậc thứ n và bậc thứ n/2 (n là số xi lanh của động cơ), khi động cơ có số vòng quay cộng hưởng trên 120% số vòng quay liên tục lớn nhất;
(3) Bố trí của khuỷu trục và thứ tự nổ (trong trường hợp lắp động cơ đi-ê-den);
(4) Đối với hệ trục chân vịt phải hoạt động liên tục ở trạng thái một xi lanh của máy chính không nổ (ví dụ không phun dầu nhưng vẫn chịu nén), kết quả tính ứng suất dao động xoắn với một xi lanh bất kỳ không nổ gây ra ứng suất dao động xoắn cao nhất.
2 Bất kể những yêu cầu quy định ở -1, những trường hợp sau đây có thể không cần trình Đăng kiểm bản tính dao động xoắn:
(1) Trong trường hợp hệ trục cùng kiểu với hệ trục đã được thẩm định trước đó;
(2) Trong trường hợp nếu như có sự thay đổi nhỏ về các thông số kỹ thuật của hệ thống dao động, tần số và ứng suất của dao động xoắn có thể suy ra với độ chính xác đạt yêu cầu trên cơ sở kết quả tính toán hoặc đo đạc trước đó;
(3) Đối với động cơ đi-ê-den đã qua sử dụng hoặc động cơ đi-ê-den mới mà không có đầy đủ các thông số đầu vào chính xác để phục vụ việc tính toán dao động xoắn thì không cần trình Đăng kiểm bản tính dao động xoắn với điều kiện sau:
(a) Trong quy trình thử tàu đường dài và quá trình thử tàu đường dài, ngoài các chế độ thử thông thường, phải thử máy chính ở các vòng quay khác nhau với bước dịch chuyển nhỏ một cách thích hợp để theo dõi và khẳng định được trong toàn bộ dải vòng quay khai thác không có các rung động bất thường;
(b) Trong quá trình thử tàu đường dài nếu phát hiện thấy có rung động quá mức hoặc bất thường ở hệ trục, đăng kiểm sẽ thông báo cho đơn vị thiết kế và chủ tàu cùng nghiên cứu/xử lý.
6.1.3 Đo dao động xoắn
Đối với hệ trục yêu cầu phải trình thẩm định bản tính dao động xoắn thì phải tiến hành đo để xác nhận độ chính xác của các trị số tính toán. Tuy nhiên, nếu như bản tính dao động xoắn không cần trình thẩm định như nêu ở 6.1.2-2 và nếu Đăng kiểm xét thấy rằng không tồn tại vùng dao động xoắn cộng hưởng ở bên trong dải vòng quay làm việc thì có thể bỏ qua việc đo dao động xoắn.
6.2 Giới hạn ứng suất cho phép
6.2.1 Trục khuỷu
1 Ứng suất do dao động xoắn gây ra trên trục khuỷu của động cơ đi-ê-den sử dụng làm máy chính của tàu phải phù hợp với những yêu cầu đưa ra từ (1) đến (4) sau đây:
(1) Khi động cơ hoạt động lâu dài, ứng suất dao động xoắn không được vượt quá
đưa ra dưới đây trong dải vòng quay trên 80% đến 100% số vòng quay liên tục lớn nhất.
(a) Đối với động cơ đi-ê-den thẳng hàng 4 kỳ hoặc động cơ đi-ê-den kiểu chữ V, bốn kỳ có góc nổ 45° hoặc 60° thì trị số của
được tính theo công thức sau:
![]()
(b) Đối với động cơ đi-ê-den 2 kỳ hoặc động cơ đi-ê-den hình chữ V, 4 kỳ khác kiểu đã quy định ở (a) trên, thì trị số
được tính theo công thức sau:
![]()
Trong đó:
- giới hạn cho phép của ứng suất dao động xoắn đối với dải 0,8 < λ ≤ 1,0, N/mm2;
λ - tỷ số giữa số vòng quay cộng hưởng trên số vòng quay liên tục lớn nhất.
(2) Trong vùng vòng quay từ 80% số vòng quay liên tục lớn nhất trở xuống, ứng suất dao động xoắn phải không được vượt quá trị số
tính theo công thức sau. Trong trường hợp nếu ứng suất này vượt quá trị số tính theo công thức
ở (1) thì phải áp dụng dải vòng quay cấm quy định ở 6.3.
![]()
Trong đó:
- giới hạn cho phép của ứng suất dao động xoắn đối với dải λ ≤ 0,8, N/mm2;
λ - tỷ số giữa số vòng quay cộng hưởng trên số vòng quay liên tục lớn nhất.
(3) Ứng suất dao động xoắn không được vượt quá
đưa ra dưới đây trong dải vòng quay từ số vòng quay liên tục lớn nhất đến 115%.
(a) Đối với động cơ đi-ê-den thẳng hàng 4 kỳ hoặc động cơ đi-ê-den hình chữ V, bốn kỳ có góc nổ 45° hoặc 60° thì trị số của
được tính theo công thức sau:
![]()
(b) Đối với động cơ đi-ê-den 2 kỳ hoặc động cơ đi-ê-den 4 kỳ không phải là các loại động cơ quy định ở (a) trên đây, thì trị số
được tính theo công thức sau:
![]()
Trong đó:
- giới hạn cho phép của ứng suất dao động xoắn đối với vùng vòng quay
1,0 < λ ≤ 1,15, N/mm2
λ - tỷ số giữa số vòng quay cộng hưởng trên số vòng quay liên tục lớn nhất.
(4) Trong trường hợp nếu giới hạn bền của vật liệu vượt quá 440 N/mm2 hoặc giới hạn chảy vượt quá 225 N/mm2 thì trị số
quy định ở (1), (2), (3) có thể tăng lên bằng cách nhân thêm với hệ số fm quy định ở công thức dưới đây:

Trong đó:
fm - hệ số hiệu chỉnh đối với giới hạn cho phép của ứng suất dao động xoắn của vật liệu trục;
Ts - giới hạn bền kéo danh nghĩa của vật liệu trục, N/mm2;
Tuy nhiên, trị số Ts để tính fm không được vượt quá 760 N/mm2, đối với thép rèn các bon, hoặc 1080 N/mm2, đối với thép rèn hợp kim thấp.
Y - giới hạn chảy danh nghĩa của vật liệu trục, N/mm2.
6.2.2 Trục trung gian, trục đẩy và trục chân vịt
1 Đối với tàu sử dụng động cơ đi-ê-den làm máy chính, ứng suất dao động xoắn ở trục trung gian, trục đẩy và trục chân vịt chế tạo bằng thép rèn (trừ thép không gỉ) phải thỏa mãn các yêu cầu ở (1) và (2) sau đây. Tuy nhiên, ứng suất dao động xoắn đối với các trục chân vịt loại 2 phải được Đăng kiểm xem xét phù hợp.
(1) Để đảm bảo động cơ làm việc lâu dài, ứng suất dao động xoắn không được vượt quá giá trị
được tính theo công thức sau đây ở vòng quay từ 80% đến 105% số vòng quay liên tục lớn nhất.

Trong đó:
- giới hạn cho phép của ứng suất dao động xoắn đối với vùng 0,8 < λ ≤ 1,05, N/mm2;
λ - tỷ số số vòng quay cộng hưởng trên số vòng quay liên tục lớn nhất;
Ts - giới hạn bền kéo danh nghĩa của vật liệu trục, N/mm2.
Tuy nhiên, trị số Ts để sử dụng trong công thức này không được lớn hơn 800 N/mm2 (600 N/mm2 cho thép các bon) đối với trục trung gian, trục đẩy và 600 N/mm2 đối với trục chân vịt. Nếu trục chân vịt được làm bằng vật liệu chịu ăn mòn được thẩm định hoặc vật liệu khác không được bảo vệ hữu hiệu để chống nước biển ăn mòn thì trị số Ts sử dụng trong các công thức này phải do Đăng kiểm xem xét và quyết định phù hợp.
CK - hệ số liên quan đến kiểu và hình dáng của trục khuỷu được quy định ở Bảng 3/6.1;
CD - hệ số liên quan đến kích thước trục và được xác định theo công thức sau:
CD = 0,35 + 0,93d-0,2
d - đường kính trục, mm
(2) Trong vùng vòng quay từ 80% số vòng quay liên tục lớn nhất trở xuống, ứng suất dao động xoắn (bao gồm trường hợp ở trạng thái một xi lanh của máy chính không nổ nếu vẫn thường xuyên hoạt động ở trạng thái này) không được vượt quá
đưa ra trong công thức dưới đây. Trong trường hợp nếu ứng suất này vượt quá trị số tính theo công thức
đối với vùng λ ≤ 0,9 ở (1), thì phải sử dụng vùng vòng quay cấm được quy định ở 6.3.
![]()
Trong đó:
- giới hạn cho phép của ứng suất dao động xoắn đối với vùng λ ≤ 0,8, N/mm2;
Các ký hiệu khác như quy định ở (1).
Bảng 3/6.1 - Trị số Ck (3)
| Trục trung gian | Trục lực đẩy | Trục chân vịt | |||||||
| Khớp nối bích liền | Khớp nối rời, lắp kiểu co ngót, lắp ép hoặc lắp nguội | Rãnh then, côn phần nối | Rãnh then, phần nối hình trụ | Lỗ khoét ngang | Lỗ khoét dọc | Trên hai phía của vòng chặn | Ở khu vực chịu tải dọc trục của ổ đỡ bi đũa | Gần đầu to phần côn trục chân vịt (1) | Trừ các phần cho ở cột bên trái (2) |
| 1,0 | 1,0 | 0,6 | 0,45 | 0,50 | 0,30 | 0,85 | 0,85 | 0,55 | 0,80 |
| Chú thích: (1) Phần giữa đầu to côn của phần côn trục chân vịt (trong trường hợp chân vịt được lắp bằng bích nối, mặt trước của bích) và phần trước của ổ đỡ ống bao phía sau, hoặc 2,5ds, lấy giá trị nào lớn hơn. Trong đó: ds - đường kính của trục chân vịt; (2) Phần hướng về phía mũi tính từ phần trước của ổ đỡ ống bao phía sau cho tới mặt trước của bộ làm kín ống bao phía trước; (3) Giá trị Ck nằm ngoài các trị số nêu ở bảng trên phải do Đăng kiểm quyết định dựa trên tài liệu trình thẩm định trong từng trường hợp. | |||||||||
2 Đối với tàu sử dụng động cơ đi-ê-den làm máy chính, ứng suất dao động xoắn ở trục chân vịt làm bằng thép rèn không gỉ phải thoả mãn các yêu cầu (1) và (2) sau:
(1) Khi hoạt động liên tục, ứng suất dao động xoắn không được vượt quá
được xác định theo công thức dưới đây trong phạm vi từ 80% đến 105% số vòng quay liên tục lớn nhất.

Trong đó:
- giới hạn cho phép của ứng suất dao động xoắn đối với vùng 0,8 < λ ≤ 1,05, N/mm2;
λ - tỷ số số vòng quay cộng hưởng trên số vòng quay liên tục lớn nhất;
A, B, C là các giá trị phụ thuộc vào vật liệu sử dụng cho ở Bảng 3/6.2. Tuy nhiên, đối với các loại vật liệu khác với các vật liệu trong Bảng 3/6.2, các giá trị này phải được lựa chọn phù hợp với tiêu chuẩn quốc gia hoặc tiêu chuẩn, quy phạm theo thông lệ quốc tế.
Bảng 3/6.2 - Giá trị các hệ số A, B, C
|
| A | B | C |
| SUSF 316 SUS 316-SU | 40,7 | 30,6 | 15,9 |
| SUSF 316L SUS 316L-SU | 37,6 | 28,3 | 14,3 |
(2) Trong vùng vòng quay từ 80% số vòng quay liên tục lớn nhất trở xuống, ứng suất dao động xoắn không được vượt quá
đưa ra trong công thức dưới đây. Trong trường hợp nếu ứng suất này vượt quá trị số tính theo công thức
đối với vùng λ ≤ 0,9 ở (1), thì phải sử dụng vùng vòng quay cấm được quy định ở 6.3.
![]()
Trong đó:
- giới hạn cho phép của ứng suất dao động xoắn đối với vùng λ ≤ 0,8, N/mm2;
Các ký hiệu khác như quy định ở (1).
3 Giới hạn ứng suất dao động xoắn cho phép của các đoạn trục làm bằng vật liệu khác với vật liệu quy định ở -1 và -2 trên đây và giới hạn ứng suất dao động xoắn cho phép của các đoạn trục trung gian, trục đẩy, trục chân vịt của tàu tua bin hơi nước, tàu tua bin khí và tàu có chân vịt chạy bằng động cơ điện hoặc đối với tàu đi-ê-den có khớp trượt điện từ giữa máy chính và hệ trục chân vịt phải phù hợp với tiêu chuẩn quốc gia hoặc tiêu chuẩn, quy phạm theo thông lệ quốc tế.
6.2.3 Hệ trục của trạm phát điện
1 Ứng suất dao động xoắn trên trục khuỷu của động cơ đi-ê-den dùng để lai máy phát điện (kể cả các tổ máy phát điện để đẩy tàu), phải thỏa mãn các yêu cầu (1) và (2) sau đây:
(1) Ứng suất dao động xoắn phải không được vượt quá
cho sau đây trong vùng vòng quay từ 90% đến 110% số vòng quay liên tục lớn nhất.
(a) Đối với động cơ đi-ê-den 4 kỳ thẳng hàng hoặc động cơ đi-ê-den 4 kỳ hình chữ V có góc nổ 45° hoặc 60°, thì trị số
được lấy theo công thức sau:
= 21 N/mm2
(b) Đối với động cơ đi-ê-den 2 kỳ và động cơ đi-ê-den 4 kỳ hình chữ V, trừ các loại động cơ đã quy định ở (a), thì trị số
được lấy theo công thức sau:
= 16 N/mm2
(2) Trong vùng vòng quay từ 90% số vòng quay liên tục lớn nhất trở xuống, ứng suất dao động xoắn không được vượt quá
cho dưới đây. Trong trường hợp nếu ứng suất này vượt quá trị số
quy định ở (1) thì phải áp dụng vùng vòng quay cấm quy định ở 6.3.
= 90 N/mm2
2 Ứng suất dao động xoắn trên trục máy phát điện do động cơ đi-ê-den lai phải thỏa mãn các yêu cầu (1) và (2) sau đây:
(1) Ứng suất dao động xoắn không được vượt quá
cho sau đây trong khu vực vòng quay từ 90% đến 110% số vòng quay liên tục lớn nhất.
= 31 N/mm2
(2) Trong vùng vòng quay từ 90% số vòng quay liên tục lớn nhất trở xuống, ứng suất dao động xoắn không được vượt quá
cho sau đây. Trong trường hợp nếu như ứng suất này vượt quá trị số
cho ở (1) thì phải áp dụng vùng vòng quay cấm được quy định ở 6.3.
= 118 N/mm2
3 Trong trường hợp giới hạn bền của vật liệu trục vượt quá 440 N/mm2 hoặc giới hạn chảy vượt quá 225 N/mm2 thì trị số
và
quy định ở -1 và -2 có thể được tăng lên bằng cách nhân thêm hệ số fm quy định ở 6.2.1-1(4).
6.2.4 Thiết bị truyền động
1 Mô men dao động xoắn trên thiết bị truyền động phải thỏa mãn với các yêu cầu (1) và (2) sau đây:
(1) Trong vùng áp dụng giới hạn cho phép của
được quy định ở 6.2.1, 6.2.2 và 6.2.3 thì biên độ của mô men dao động xoắn phải không được vượt quá mô men truyền trung bình của hệ thống;
(2) Bên trong vùng, trừ vùng quy định ở (1) thì phải áp dụng vùng vòng quay cấm trong trường hợp nếu như biên độ của mô men dao động xoắn vượt quá mô men xoắn trung bình được truyền.
2 Ứng suất dao động xoắn trên trục bánh răng phải thỏa mãn các yêu cầu đối với trục trung gian được quy định ở 6.2.2.
3 Giới hạn cho phép của mô men dao động xoắn, ứng suất hoặc biên độ đối với thiết bị truyền động (bao gồm cả khớp nối trục) không phải là cơ cấu bánh răng phải thỏa mãn thêm các yêu cầu khác nữa.
6.2.5 Tránh bậc cộng hưởng chính
Bậc cộng hưởng chính của dao động một nút trong động cơ đi-ê-den thẳng hàng, ví dụ: bậc thứ n và thứ n/2 đối với động cơ 4 kỳ và bậc thứ n đối với động cơ 2 kỳ (n là số xi lanh) không được tồn tại bên trong vùng vòng quay sau đây:
- Đối với hệ trục lai chân vịt: 0,8 ≤ λ ≤ 1,1;
- Đối với hệ trục lai máy phát điện: 0,9 ≤ λ ≤ 1,1.
λ - tỷ số số vòng quay cộng hưởng chính trên số vòng quay liên tục lớn nhất.
6.2.6 Đánh giá chi tiết về độ bền
Đăng kiểm sẽ xem xét riêng đối với giới hạn cho phép của ứng suất dao động xoắn không thỏa mãn các yêu cầu ở 6.2.1, 6.2.2 và 6.2.3 với điều kiện các tài liệu chi tiết và bản tính được trình Đăng kiểm thẩm định.
6.3 Vùng vòng quay cấm
6.3.1 Vùng vòng quay cấm làm việc lâu dài
1 Trong trường hợp nếu ứng suất dao động xoắn vượt quá giới hạn cho phép
quy định ở 6.2 thì phải áp dụng vùng vòng quay cấm giữa các giới hạn tốc độ sau đây. Vùng vòng quay cấm được đánh dấu bằng sơn màu đỏ trên đồng hồ đo tốc độ quay của động cơ để chuyển nhanh qua khỏi khu vực này trong khi khai thác động cơ.
(1) Vùng vòng quay cấm phải giữa các giới hạn tốc độ sau:
![]()
Trong đó:
N0 - số vòng quay cấm, vòng/phút;
Nc - số vòng quay cộng hưởng, vòng/phút;
λ - tỷ số giữa số vòng quay cộng hưởng trên số vòng quay liên tục lớn nhất.
(2) Đối với chân vịt biến bước, cả hai trạng thái bước chân vịt lớn nhất và bằng không đều phải được xem xét;
(3) Vùng vòng quay cấm trong trường hợp một xi lanh của máy chính không nổ phải có khả năng cho phép hành hải an toàn kể cả trong trường hợp tàu trang bị một máy chính.
2 Nếu dải vòng quay được kiểm tra bằng cách đo mà ứng suất vượt quá giới hạn cho phép
quy định ở 6.2 thì dải vòng quay này cũng được coi là khu vực vòng quay cấm để tránh cho động cơ làm việc lâu dài ở đó, bất kể dải vòng quay quy định ở -1. Trong trường hợp này, phải lưu ý đến độ chính xác của đồng hồ đo vòng quay.
3 Đối với động cơ nếu như không thể tránh được làm việc lâu dài ở vùng vòng quay cấm như quy định ở -1 và -2 trên đây thì phải cho động cơ chuyển nhanh qua vòng quay cộng hưởng và phải đưa ra các biện pháp cần thiết khác.
CHƯƠNG 7 NỒI HƠI
7.1 Quy định chung
7.1.1 Phạm vi áp dụng
Những yêu cầu trong Chương này áp dụng cho các nồi hơi, trừ các nồi hơi được nêu dưới đây:
1 Nồi hơi với áp suất thiết kế không quá 0,1 MPa và bề mặt hấp nhiệt không quá 1 m2;
2 Nồi nước nóng với áp suất thiết kế không quá 0,1 MPa và bề mặt hấp nhiệt không quá 8 m2.
7.1.2 Thuật ngữ
Các thuật ngữ được sử dụng trong Chương này được định nghĩa như sau:
1 Nồi hơi là thiết bị tạo ra hơi nước hoặc nước nóng nhờ lửa, khí cháy hoặc các hơi nóng khác bao gồm: bộ quá nhiệt, bầu hâm, bộ tiết kiệm, bộ tiết kiệm khí thải và các thiết bị tương đương khác;
2 Nồi hơi phụ thiết yếu là nồi hơi cung cấp hơi nước cho hoạt động của các máy phụ cần thiết cho máy chính, các máy phụ dùng để điều động và an toàn cũng như máy phát điện;
3 Nồi hơi khí thải là nồi hơi chỉ dùng nhiệt khí thải của động cơ đi-ê-den để tạo ra hơi nước hoặc nước nóng, có một buồng chứa hơi hoặc một bình ngưng và có một lối ra cho hơi hay nước nóng;
4 Bộ tiết kiệm khí thải là thiết bị tạo ra hơi nước hay nước nóng chỉ nhờ dùng nhiệt của khí thải của động cơ đi-ê-den, không có buồng chứa hơi nước hoặc bình ngưng;
5 Mặt hấp nhiệt của nồi hơi là diện tích được tính cho bề mặt phía khí cháy nơi mà một phía tiếp xúc với khí cháy còn phía kia với nước nhưng không kể mặt hấp nhiệt của bộ quá nhiệt, bầu hâm, bộ tiết kiệm và bộ tiết kiệm khí thải trừ khi được quy định riêng;
6 Áp suất làm việc đã được thẩm định và áp suất danh nghĩa của nồi hơi có bộ quá nhiệt lắp đặt trong nồi hơi tương ứng là áp suất lớn nhất trong thân nồi hơi và áp suất lớn nhất tại cửa ra của bộ quá nhiệt và là áp suất điều chỉnh để mở van an toàn của bộ quá nhiệt;
7 Áp suất thiết kế là áp suất được dùng khi tính toán để quyết định các kích thước của các chi tiết và là áp suất làm việc cho phép lớn nhất của chi tiết. Áp suất thiết kế cho thân nồi hơi không được nhỏ hơn áp suất làm việc được quy định cho nồi hơi.
7.1.3 Các bản vẽ và tài liệu trình thẩm định
Các bản vẽ và tài liệu trình Đăng kiểm bao gồm:
1 Các bản vẽ (có chỉ rõ vật liệu và kích thước) trình Đăng kiểm thẩm định: (1) Bố trí chung của nồi hơi;
(2) Các chi tiết vỏ và ống góp (bao gồm cả các phụ tùng bên trong);
(3) Các chi tiết của giá lắp phụ tùng và vòi phun của nồi hơi;
(4) Bố trí và các chi tiết của các ống nồi hơi;
(5) Bố trí và các chi tiết của các ống của bộ quá nhiệt và bầu hâm nóng;
(6) Bố trí và các chi tiết của các ống của bộ hâm tiết kiệm và bầu hâm tiết kiệm khí thải;
(7) Các chi tiết của bộ hâm trước không khí;
(8) Bố trí và các chi tiết phụ tùng của nồi hơi;
(9) Bố trí các van an toàn (cùng với các thông số kỹ thuật);
(10) Các bản vẽ khác theo yêu cầu cụ thể của Quy chuẩn.
2 Tài liệu tham khảo:
(1) Đặc tính kỹ thuật nồi hơi;
(2) Các đặc điểm kỹ thuật hàn (với quy trình hàn, vật liệu hàn và điều kiện hàn);
(3) Các tài liệu khác theo yêu cầu cụ thể của Quy chuẩn.
7.2 Vật liệu và hàn
7.2.1 Vật liệu
1 Vật liệu được dùng để chế tạo các chi tiết chịu áp suất của nồi hơi phải tuân theo các yêu cầu trong Phần 6A tùy theo công dụng và phải được thử nghiệm theo các yêu cầu trong Phần 6A của Quy chuẩn này. Tuy nhiên, các loại vật liệu khác với nêu trên có thể được sử dụng với điều kiện là các đặc tính kỹ thuật của vật liệu phải phù hợp với tiêu chuẩn quốc gia hoặc tiêu chuẩn, quy phạm theo thông lệ quốc tế.
2 Mặc dù có yêu cầu ở -1, nhưng các vật liệu được nêu trong các tiêu chuẩn đã được công nhận có thể được sử dụng cho các phụ tùng như các van, các vòi phun lắp trên nồi hơi nếu được Đăng kiểm thẩm định trên cơ sở xem xét các kích thước và điều kiện phục vụ.
7.2.2 Giới hạn sử dụng của vật liệu dùng làm các phụ tùng
Giới hạn sử dụng của các vật liệu dùng làm các phụ tùng phải tuân theo quy định 7.9.1.
7.2.3 Xử lý nhiệt thép tấm
Trong trường hợp xử lý nhiệt, như gia công tạo hình nóng hoặc khử ứng suất được thực hiện đối với thép tấm trong quá trình chế tạo nồi hơi, cơ sở chế tạo nồi hơi phải nêu rõ dự định cùng với đơn đặt hàng vật liệu. Trong trường hợp này, những nội dung cần thiết đối với nhà sản xuất thép tấm được nêu ở Phần 6A của Quy chuẩn này.
7.2.4 Thử không phá hủy đối với thép đúc
Vật liệu thép đúc được dùng làm thân nồi hơi chịu áp suất trong phải được thử nghiệm bằng chụp tia phóng xạ, kiểm tra bằng từ tính và phải được xác nhận rằng chúng không có khuyết tật có hại.
7.2.5 Hàn
Trình độ thợ hàn nồi hơi phải phù hợp với những quy định trong Phần 6B của Quy chuẩn này.
7.3 Yêu cầu về thiết kế
7.3.1 Các ký hiệu
Nếu không có các chỉ dẫn riêng nào khác thì các ký hiệu được dùng trong Chương này như sau:
f - ứng suất cho phép, N/mm2 phù hợp với các yêu cầu trong 7.4.1 hoặc 9.2.1;
Tr - chiều dày yêu cầu, mm được tính theo áp suất thiết kế. Áp suất cho phép là áp suất có được khi thay chiều dày yêu cầu bằng chiều dày thực trong công thức;
P - áp suất thiết kế, MPa;
J - giá trị nhỏ nhất của hệ số bền của mối nối được quy định ở 7.4.2;
R - bán kính trong của thân nồi hơi, mm.
7.3.2 Áp suất thiết kế của bộ tiết kiệm và bộ tiết kiệm khí thải
1 Áp suất thiết kế của bộ tiết kiệm không được nhỏ hơn áp suất làm việc lớn nhất của bộ tiết kiệm, được xác định trên cơ sở áp suất làm việc lớn nhất của bơm cấp nước.
2 Áp suất thiết kế của bộ tiết kiệm khí thải không được nhỏ hơn áp suất làm việc lớn nhất của bộ tiết kiệm khí thải, được xác định trên cơ sở áp suất làm việc lớn nhất của bơm tuần hoàn nước nồi hơi.
7.3.3 Các lưu ý đối với độ bền kết cấu
1 Khi tác động của các ứng suất bổ sung như tập trung ứng suất cục bộ, tải trọng lặp lại và ứng suất nhiệt là đáng kể thì phải có các biện pháp thích hợp như tăng chiều dày nếu thấy cần thiết.
2 Những phần được cố định của ống lửa của nồi hơi kiểu đứng phải được thiết kế sao cho sự biến dạng của ống lửa do giãn nở nhiệt của lò đốt bán cầu không bị khống chế quá chặt.
3 Cần phải xem xét đầy đủ theo các quy định (1) và (2) dưới đây để ngăn ngừa trước sự quá nóng các ống nước của nồi hơi có sản lượng nhiệt của buồng cháy cao.
(1) Nước nồi hơi phải đủ tuần hoàn tới các ống nước;
(2) Các phương tiện thích hợp như làm mềm nước..., phải được trang bị.
7.3.4 Nồi hơi có dạng không thông thường
1 Khi việc tính độ bền theo các quy định từ 7.5 tới 7.7 là không thực tế hoặc không hợp lý vì hình dạng của bộ phận chịu áp suất khác thường thì phải tiến hành các tính toán chi tiết thích hợp khác. Kết quả tính toán này phải được nộp thẩm định để có thể coi là phù hợp với các quy định 7.5 đến 7.7.
2 Khi việc thiết kế theo các yêu cầu từ 7.5 tới 7.7 không thích hợp vì hình dạng các bộ phận chịu áp suất khác thường, phải đo ứng suất hoặc biến dạng do tải trọng phù hợp với sự chấp thuận của Đăng kiểm và Đăng kiểm sẽ xem xét việc đo và coi như chúng phù hợp các quy định ở 7.5 đến 7.7.
7.3.5 Các lưu ý đối với việc lắp đặt
1 Nồi hơi phải được lắp đặt sao cho tác động của các tải trọng hoặc ngoại lực sau đây là nhỏ nhất:
(1) Các chuyển động hoặc chấn động của tàu do máy móc sinh ra;
(2) Ngoại lực sinh ra do các ống và các chi tiết đỡ được lắp vào nồi hơi;
(3) Sự giãn nở nhiệt do sự thay đổi nhiệt độ.
2 Nồi hơi phải được lắp đặt ở vị trí xa các vách ngăn đến mức có thể thực hiện được.
3 Bộ tiết kiệm khí thải loại khung sườn phải được lắp đặt sao cho có thể kiểm tra được dễ dàng tấm lắp ống vào thân vỏ.
7.3.6 Bảo vệ tránh ảnh hưởng của ngọn lửa
Khi phần bầu góp và ống góp là phần tiếp xúc với lửa hoặc khí có nhiệt độ cao thì phải có thêm cách nhiệt hoặc các biện pháp thích hợp khác. Đối với bộ tiết kiệm khí thải loại khung sườn, bọc cách nhiệt ở vị trí chu vi của tấm đầu ống phải sao cho có thể kiểm tra bằng siêu âm được đối với tấm lắp ống vào thân vỏ.
7.3.7 Lưu ý cháy muội
Đối với nồi hơi khí thải và bộ tiết kiệm khí thải phải lưu ý để tránh cho chúng khỏi bị hư hại do cháy muội.
7.4 Ứng suất cho phép và hệ số bền của mối nối
7.4.1 Ứng suất cho phép
1 Ứng suất cho phép đối với từng loại vật liệu được xác định như sau. Trong trường hợp này, nhiệt độ kim loại thường được dùng để đánh giá ứng suất cho phép của nồi hơi là nhiệt độ thiết kế lớn nhất của chất lỏng bên trong và nhiệt độ của bề mặt hấp nhiệt phải được tăng thêm trị số nhiệt độ cho trong Bảng 3/7.1. Nhiệt độ kim loại phải không nhỏ hơn 250 °C.
(1) Ứng suất cho phép (f) của thép các bon (kể cả thép các bon mangan được nói đến trong Chương này) và thép hợp kim thấp (không kể thép đúc) phải không lớn hơn giá trị có được từ các công thức sau đây, lấy giá trị nào nhỏ hơn. Ứng suất cho phép ở mỗi một nhiệt độ kim loại cũng có thể lấy theo những giá trị được cho trong Bảng 3/7.2 thay cho việc tính theo công thức sau đây:

Trong đó:
R20 - giới hạn bền kéo danh nghĩa của thép ở nhiệt độ trong phòng, N/mm2;
Et - giới hạn chảy của kim loại đang xét ở nhiệt độ của kim loại (hoặc giới hạn chảy quy ước) , N/mm2);
SR - ứng suất trung bình của thép đang xét để gây ra sự phá hủy trong 100.000 giờ ở nhiệt độ kim loại, nếu độ rộng của giới hạn dải phân tán các kết quả vượt quá ± 20% giá trị trung bình thì bằng 1,25 lần ứng suất nhỏ nhất ở nhiệt độ kim loại gây ra sự phá hủy trong 100.000 giờ, N/mm2;
Sc - ứng suất trung bình để tạo ra sự giãn dài 1% của thép đang xét trong 100.000 giờ ở nhiệt độ của kim loại, N/mm2.
(2) Ứng suất cho phép của ống thép hàn điện trở (hàn tiếp xúc) phải bằng 85% giá trị trong Bảng 3/7.2;
(3) Ứng suất cho phép của thép đúc phải bằng 80% giá trị tính được theo công thức ở (1) hoặc giá trị cho phép trong Bảng 3/7.2. Việc sử dụng thép đúc có chiều dày trên 50 mm phải phù hợp với tiêu chuẩn quốc gia hoặc tiêu chuẩn, quy phạm theo thông lệ quốc tế;
(4) Giá trị ứng suất cho phép của vật liệu khác với các loại được chỉ ra trong (1) đến (3) trên phải phù hợp với tiêu chuẩn quốc gia hoặc tiêu chuẩn, quy phạm theo thông lệ quốc tế có tính tới các đặc tính cơ học của vật liệu.
Bảng 3/7.1 - Lượng tăng nhiệt độ so với nhiệt độ chất lỏng bên trong cho nhiệt độ kim loại tại mặt hấp nhiệt
| Mặt hấp nhiệt | Hấp nhiệt tiếp xúc | 25 °C |
| Hấp nhiệt bằng bức xạ | 50 °C | |
| Mặt hấp nhiệt của bộ quá nhiệt | Hấp nhiệt tiếp xúc | 35 °C |
| Hấp nhiệt bằng bức xạ | 50 °C | |
| Mặt hấp nhiệt của bộ tiết kiệm và bộ tiết kiệm khí thải | 25 °C | |
Bảng 3/7.2 - Trị số ứng suất cho phép
| Loại vật liệu (cấp) | Ứng suất cho phép (f), N/mm2 | ||||||||||||
| 250 ºC hoặc dưới | 300 ºC | 350 ºC | 375 ºC | 400 ºC | 425 ºC | 450 ºC | 475 ºC | 500 ºC | 525 ºC | 550 ºC | 575 ºC | ||
| Tấm thép cán dùng cho nồi hơi | P 42 | 110 | 104 | 103 | 96 | 88 | 76 | 57 | 39 | - | - | - | - |
| P 46 | 122 | 117 | 113 | 106 | 95 | 80 | 58 | 39 | - | - | - | - | |
| P 49 | 124 | 122 | 121 | 114 | 102 | 84 | 58 | 39 | - | - | - | - | |
| PA 46 | 122 | 117 | 113 | 113 | 113 | 108 | 101 | 90 | 69 | 48 | - | - | |
| PA 49 | 124 | 122 | 121 | 121 | 121 | 117 | 106 | 91 | 69 | 48 | - | - | |
| Bầu góp bằng thép | BH 1 | 105 | 104 | 103 | 97 | 88 | 76 | 57 | 39 | - | - | - | - |
| BH 2 | 117 | 115 | 113 | 106 | 95 | 80 | 58 | 39 | - | - | - | - | |
| BH 3 | 102 | 99 | 96 | 96 | 96 | 93 | 91 | 87 | 67 | - | - | - | |
| BH 4 | 106 | 104 | 103 | 103 | 103 | 102 | 98 | 92 | 74 | - | - | - | |
| BH 5 | 106 | 104 | 103 | 103 | 103 | 102 | 98 | 92 | 81 | 64 | - | - | |
| BH 6 | 106 | 104 | 103 | 103 | 103 | 102 | 98 | 92 | 81 | 64 | - | - | |
| Ống thép dùng cho nồi hơi | STB33 | 86 | 84 | 81 | 78 | 74 | 66 | - | - | - | - | - | - |
| STB35 | 88 | 87 | 86 | 82 | 76 | 76 | 53 | - | - | - | - | - | |
| STB42 | 113 | 104 | 103 | 97 | 88 | 94 | 57 | - | - | - | - | - | |
| STB12 | 102 | 99 | 96 | 96 | 96 | 102 | 91 | 87 | 69 | - | - | - | |
| STB22 | 106 | 104 | 103 | 103 | 103 | 102 | 98 | 92 | 81 | 64 | 44 | - | |
| STB23 | 106 | 104 | 103 | 103 | 103 | 102 | 98 | 92 | 81 | 64 | 47 | 34 | |
| STB24 | 106 | 104 | 103 | 103 | 103 | 102 | 98 | 92 | 81 | 64 | 48 | 36 | |
| Thép rèn (xem Phần 6A) | 1/4 giới hạn bền kéo danh nghĩa của vật liệu (khi được dùng ở 350 °C hoặc thấp hơn) | ||||||||||||
| Thép đúc (xem Phần 6A) | 1/5 giới hạn bền kéo danh nghĩa của vật liệu (khi được dùng ở 350 °C hoặc thấp hơn) | ||||||||||||
| Chú thích: Trong trường hợp nhiệt độ kim loại ở giữa các trị số đã cho trong bảng thì trị số ứng suất cho phép phải được xác định bằng phép nội suy. | |||||||||||||
7.4.2 Hệ số độ bền của mối nối và thanh giằng
1 Hệ số độ bền của mối nối được xác định như sau:
(1) Vỏ liền: 1,00
(2) Vỏ hàn:
(a) Mối nối hàn giáp mép hai phía: 1,00;
(b) Trường hợp khác: 0,90.
2 Hệ số độ bền của thanh giằng được tính như sau:
(1) Hệ số độ bền của thanh giằng dọc (dưới đây được gọi là "hệ số dọc") hướng theo hàng của các lỗ ống trên tấm vỏ có hàng song song hoặc gần song song với các trục vỏ, hoặc vỏ hay mặt sàng có một số hàng song song với khoảng cách đủ giữa chúng phải được xác định theo công thức sau:
(a) Khi khoảng cách tâm các lỗ ống là đều:

Trong đó:
J1 - hệ số độ bền của thanh giằng;
p - khoảng cách tâm các lỗ ống, mm;
d - đường kính các lỗ ống, mm.
(b) Khi khoảng cách tâm các lỗ ống không đều
![]()
Trong đó:
J2 - hệ số độ bền của thanh giằng;
D - giống như ở (a);
L - tổng độ dài khoảng cách giữa các tâm tương ứng với n thanh giằng liên tiếp, mm;
n - số lỗ ống trên chiều dài L.
(2) Hệ số độ bền của thanh giằng vòng tròn (dưới đây được gọi là “hệ số vòng tròn”) ở vùng các lỗ ống được khoan theo hướng vòng tròn của vỏ phải được tính tương tự như ở (1) và không nhỏ hơn 50% hệ số dọc. Trong trường hợp này khoảng cách giữa các lỗ ống theo hướng vòng tròn được đo trên tấm phẳng trước khi khoan lỗ hoặc dọc theo đường giữa của chiều dày tấm sau khi khoan.
(3) Hệ số độ bền của thanh giằng ở vùng lỗ ống khoan theo hướng đường chéo của vỏ được xác định bằng công thức sau:
(a) Khi các lỗ ống được khoan theo đường chéo như được chỉ trong Hình 3/7.1 và Hình 3/7.2: lấy giá trị nhỏ hơn giữa hệ số tính được từ công thức dưới đây hoặc hệ số dọc để làm hệ số của thanh giằng ở phần lỗ ống.

Trong đó:
J3 - hệ số độ bền của thanh giằng

α - như được quy định ở Hình 3/7.1, Hình 3/7.2 và Hình 3/7.3;
a, b - như được quy định ở Hình 3/7.1, Hình 3/7.2 và Hình 3/7.3, mm;
d - đường kính lỗ ống, mm.
(b) Trong (a) khi các lỗ ống được sắp xếp theo hình so le đều như được chỉ ở Hình 3/7.3 thì hệ số độ bền thanh giằng của phần lỗ ống được lấy theo giá trị nhỏ nhất trong các trị số sau:
Hệ số được tính theo công thức ở (a), hai lần hệ số vòng tròn hoặc hệ số dọc.
Chú ý: Các hệ số độ bền của thanh giằng tính được từ (a) và (b) được chỉ trên Hình 3/7.4 và Hình 3/7.5 với tỉ số b/a trên trục hoành còn tỉ số (2a-d) /2a là thông số.
(4) Hệ thống bền của thanh giằng theo đơn vị chiều dài khi lỗ ống được bố trí không đều theo hướng dọc của vỏ phải là giá trị nhỏ nhất trong các trị số được tính theo (a) hoặc (b) dưới đây. Tuy nhiên, hệ số này không cần nhỏ hơn hệ số nhỏ nhất tính được khi lấy L1 là khoảng cách giữa tâm của các ống đo tại hai đầu của các hàng ống trong phạm vi chiều dài bằng đường kính trong của vỏ (khoảng cách tới tâm của lỗ ống kề sát nếu chỉ có một lỗ ống trong phạm vi chiều dài bằng đường kính trong của vỏ).

(a) Với chiều dài L1 bằng đường kính trong của vỏ (không quá 1520 mm)

(b) Với chiều dài L2 bằng bán kính trong của vỏ (không quá 760 mm)
![]()
Trong đó:
J4 và J5 - hệ số độ bền của thanh giằng;
a, b, c - các khoảng cách giữa các lỗ ống được bố trí theo chiều dọc của vỏ.
Nếu chúng được bố trí theo hướng đường chéo thì các khoảng cách phải lấy là độ dài chiếu trên hướng dọc nhân với hệ số nhận được từ (3).

Hình 3/7.4 - Hệ số độ bền của thanh giằng ở phần lỗ ống được khoan theo vòng tròn

Chú thích:
Khi điểm rơi trên vùng bên phải của đường giao Z - Z hệ số dọc được coi như là hệ số của phần các lỗ ống.
Hình 3/7.5 - Hệ số độ bền của thanh giằng ở phần lỗ ống được khoan theo đường chéo
7.5 Tính các kích thước quy định cho từng cơ cấu
7.5.1 Giới hạn chiều dày của từng cơ cấu
1 Chiều dày tấm vỏ và các tấm đáy không được nhỏ hơn 6 mm. Chiều dày tấm đáy được tạo hình trừ tấm đáy hình bán cầu không được nhỏ hơn chiều dày vỏ (được tính khi lấy hệ số độ bền bằng 1) mà tấm đáy được gắn vào.
2 Chiều dày mặt sàng không được nhỏ hơn 10 mm, chiều dày tấm phẳng không được nhỏ hơn 6 mm.
3 Chiều dày của miệng ống hàn vào thân và liên kết với giá đỡ không được nhỏ hơn 2,5 mm cộng thêm 1/25 đường kính ngoài của miệng ống, hoặc giá trị tính toán theo công thức cho trong 7.7.4. Tuy nhiên, trị số này không cần lớn hơn độ dày của thân nơi miệng ống được hàn vào.
4 Chiều dày của tấm buồng đốt không được nhỏ hơn 5 mm và không cần lớn hơn 22 mm.
7.5.2 Chiều dày yêu cầu của tấm vỏ hình trụ chịu áp suất bên trong
Chiều dày yêu cầu của tấm vỏ hình trụ chịu áp suất trong được tính toán theo công thức dưới đây. Tuy nhiên, nếu tấm vỏ hình trụ có các lỗ cần được gia cường thì các lỗ này phải được gia cường theo yêu cầu trong 7.6.3.

7.5.3 Chiều dày yêu cầu của tấm đáy được tạo hình chịu áp suất ở phía lõm không có thanh giằng, hay giá đỡ khác.
1 Chiều dày yêu cầu của tấm đáy không có lỗ được tính theo công thức sau:
(1) Tấm đáy hình lòng đĩa hay bán cầu:

Trong đó:
cho tấm đáy hình lòng đĩa;
W = 1 cho tấm đáy hình bán cầu;
R1 - bán kính trong của chỏm, R1 phải nhỏ hơn đường kính ngoài của tấm đáy;
r - bán kính trong của mối nối, r không được nhỏ hơn 6% trị số lớn nhất giữa đường kính ngoài của phần viền tấm đáy hoặc 3 lần chiều dày thực của tấm đáy.
(2) Tấm đáy hình nửa e lip (khi tấm đáy có nửa trục ngắn bên trong không nhỏ hơn 1/4 trục dài tấm đáy):

2 Chiều dày yêu cầu của tấm đáy có lỗ khoét phải tuân theo yêu cầu trong (1), (2) hoặc (3) sau đây:
(1) Khi lỗ khoét không cần phải gia cường theo các yêu cầu trong 7.6.2 hoặc lỗ khoét được gia cường theo yêu cầu trong 7.6.3-3 và 7.6.3-4 thì chiều dày phải được tính theo công thức trong -1;
(2) Khi tấm đáy có lỗ kiểm tra có gờ trong hoặc cửa người chui với đường kính lớn nhất vượt quá 150 mm và việc gia cường bằng gờ trong tuân theo các yêu cầu nêu ở 7.6.3-7 thì chiều dày được tính như sau:
(a) Tấm đáy hình lòng đĩa hoặc bán cầu
Chiều dày phải tăng thêm không ít hơn 15% (nếu trị số tính toán nhỏ hơn 3 mm thì lấy bằng 3 mm) chiều dày được tính bằng công thức ở -1(1). Khi bán kính trong chỏm cầu của tấm đáy nhỏ hơn 0,8 lần đường kính trong của vỏ thì trị số bán kính trong chỏm cầu trong công thức phải là 0,8 lần đường kính trong của vỏ. Khi tính chiều dày của tấm đáy có hai lỗ người chui như nói trong mục (a) thì khoảng cách giữa hai lỗ không nhỏ hơn 1/4 đường kính ngoài của tấm đáy;
(b) Tấm đáy dạng nửa e lip
Những yêu cầu trong -1(1) phải được áp dụng. Tuy nhiên, khi đó R1 phải là 0,8 lần đường kính trong của vỏ và W = 1,77.
(3) Khi lỗ khoét không được gia cường theo những yêu cầu trong (1), (2) thì chiều dày yêu cầu phải được tính theo công thức sau đây. Tuy nhiên, chiều dày này không được nhỏ hơn trị số tính được bởi công thức cho ở -1.
![]()
Trong đó:
D0 - đường kính ngoài của tấm đáy, mm;
K - như được chỉ ra trong Hình 3/7.6, tuy vậy điều này có thể áp dụng cho tấm đáy phù hợp với điều kiện sau:
Tấm đáy hình bán cầu:
0,003D0 ≤ Te ≤ 0,16D0
Tấm đáy dạng nửa e lip:
0,003D0 ≤ Te ≤ 0,08D0
H ≥ 0,18D0
Tấm đáy hình lòng đĩa
0,003D0 ≤ Te ≤ 0,08D0
r ≥ 0,1D0
r ≥ 3Te
R1 ≤ D0
H ≥ 0,18D0
hoặc 0,01D0 ≤ Te ≤ 0,03D0
r ≥ 0,06D0
H = 0,18 D0
hoặc 0,02D0 ≤ Te ≤ 0,03D0
r ≥ 0,06D0
0,18D0 ≤ H ≤ 0,22D0
Te - chiều dày thực của tấm đáy, mm;
H - chiều sâu của tấm đáy tính từ mặt ngoài tới mặt nối của phần hình lòng đĩa với phần hình trụ, mm;
R1 và r - như đã chỉ ra trong -1(1).

Chú thích:
d - đường kính lỗ khoét, mm;
H - chiều sâu của tấm đáy tính từ mặt ngoài tới mặt nối ghép của phần hình lòng đĩa với phần hình trụ, mm;
Do - đường kính ngoài của tấm đáy, mm.
Hình 3/7.6 - Trị số K
7.5.4 Chiều dày yêu cầu của tấm đáy được tạo hình và chịu áp suất ở mặt lồi
Chiều dày yêu cầu của tấm đáy được tạo hình và chịu áp suất ở phía mặt lồi không được nhỏ hơn chiều dày tính toán khi cho rằng phía mặt lõm chịu áp suất ít nhất là 1,67 lần áp suất thiết kế.
7.5.5 Chiều dày yêu cầu của tấm đáy phẳng và nắp không có thanh giằng hoặc giá đỡ
1 Khi đáy phẳng và nắp không có thanh giằng hoặc giá đỡ được hàn vào tấm vỏ thì chiều dày được tính theo công thức sau:
(1) Tấm tròn

(2) Tấm không tròn

Trong đó:
C1 - hằng số được chỉ ra trên
Hình 3/7.9;
, nhưng không cần quá 1,6;
d - đường kính được chỉ trên
Hình 3/7.9 (đối với tấm tròn), hoặc độ dài nhỏ nhất (đối với tấm không tròn), mm;
D'- chiều dài của tấm đáy hoặc nắp không tròn được đo vuông góc với chiều ngắn, mm.
2 Khi nắp phẳng không có thanh giằng được bắt bu lông vào tấm vỏ thì chiều dày yêu cầu phải được tính theo công thức sau:
(1) Khi có các tấm đệm trên bề mặt:
Đối với tấm tròn

Đối với tấm không tròn

(2) Khi xét tới mô men do phản lực của đệm
Đối với tấm tròn

Đối với tấm không tròn

Trong đó:
C3 - hằng số được xác định bởi phương pháp ghép bằng bu lông được chỉ ở Hình 3/7.10;
, nhưng không cần quá 2,5;
d - đường kính được chỉ trong Hình 3/7.10 (cho tấm tròn) hoặc chiều dài nhỏ nhất (cho tấm không tròn), mm;
D' - chiều dài của tấm đáy hoặc nắp không tròn được đo vuông góc với chiều ngắn,
mm;
W - tải trọng trung bình của các tải trọng trên bu lông để làm kín nước và tải trọng cho phép đối với bu lông đang dùng, N;
L - tổng chu vi đường tròn đi qua tâm các bu lông, mm;
hg - cánh tay đòn của mô men do phản lực của đệm được chỉ ra trong Hình 3/7.10, mm.
7.5.6 Chiều dày của tấm phẳng có thanh giằng hoặc giá đỡ khác
1 Chiều dày của tấm phẳng không kể chiều dày chỗ cụm ống được đỡ bởi thanh giằng hay ống giằng được tính theo công thức sau:

Trong đó:
C5- hằng số được xác định theo phương pháp cố định thanh giằng hoặc ống giằng được cho trong Bảng 3/7.3. Khi dùng các phương pháp cố định khác nhau, trị số C5 là trung bình của các hằng số cho từng phương pháp;
S- khi thanh giằng hoặc ống giằng được bố trí đều, “S” được tính theo công thức sau đây:
![]()
a - khoảng cách theo phương ngang của thanh giằng hay ống giằng, mm;
b - khoảng cách theo phương thẳng đứng, mm
Khi thanh giằng hoặc ống giằng được bố trí không đều “S” là đường kính của đường tròn lớn nhất, mm đi qua ít nhất 3 điểm đỡ nhưng không bao gồm bất kỳ điểm đỡ nào trong đường tròn.
Bảng 3/7.3 - Trị số C5
| Phương pháp cố định thanh giằng hoặc ống giằng | Khi các tấm không tiếp xúc với lửa | Khi các tấm tiếp xúc với lửa | |
| (1) | Khi thanh giằng gắn vào tấm như (5) A ở Hình 3/7.9 | 0,35 | 0,38 |
| (2) | Khi thanh giằng gắn vào tấm như (5) B ở Hình 3/7.9 | 0,37 | 0,40 |
| (3) | Khi thanh giằng gắn vào tấm như (5) C ở Hình 3/7.9 | 0,41 | 0,44 |
| (4) | Khi thanh giằng gắn vào tấm như (5) D ở Hình 3/7.9 | 0,50 | 0,53 |
| (5) | Khi ống giằng gắn vào tấm như (6) A ở Hình 3/7.9 | 0,42 | 0,45 |
| (6) | Khi ống giằng gắn vào tấm như (6) B ở Hình 3/7.9 | 0,49 | 0,52 |
| (7) | Khi ống giằng gắn vào tấm như (6) C ở Hình 3/7.9 | 0,49 | 0,52 |
2 Vị trí và hằng số C5 của điểm đỡ tại phần hàn giữa đầu phẳng và gờ cong hoặc vỏ, lò đốt... như sau:
(1) Chỗ bắt đầu đường cong của gờ phải được coi là điểm đỡ. Tuy thế khi bán kính trong của đường cong lớn hơn 2,5 lần chiều dày của tấm thì những điểm ở cách 3,5 lần chiều dày tấm tính từ mặt ngoài của gờ có thể được coi như là bắt đầu của đường cong. Trong trường hợp này trị số C5 phải bằng 0,39 nếu tấm tiếp xúc với lửa và 0,36 nếu tấm không tiếp xúc với lửa.
(2) Phía trong của phần được hàn giữa đầu phẳng với vỏ, lò đốt... được coi như điểm đỡ. Khi đó giá trị của hằng số C5 là 0,47 nếu tấm tiếp xúc với lửa và 0,43 nếu tấm không tiếp xúc với lửa.
3 Chiều dày mặt sàng của cụm ống được đỡ bởi ống giằng phải được tính theo công thức sau:

Trong đó:
C6 - hằng số được xác định bởi phương pháp cố định các ống giằng được cho trong Bảng 3/7.4;
p - khi ống giằng được bố trí đều, khoảng cách trung bình của các ống giằng tính được khi chia tổng 4 cạnh của hình được tạo bởi 4 điểm đỡ, mm. Khi ống giằng được bố trí không đều, “S”, mm là đường kính vòng tròn lớn nhất đi qua ít nhất 3 điểm đỡ nhưng không bao gồm một điểm đỡ nào trong vòng tròn, và
được dùng thay cho “p”.
4 Chiều dày yêu cầu của mặt sàng của các nồi hơi đứng có ống khói nằm ngang mà nó tạo thành các hốc ống khói phải là giá trị lớn nhất trong các trị số tính theo công thức trong -3 hoặc công thức sau:

Trong đó:
D - 2 lần khoảng cách hướng kính của tâm dãy lỗ ống phía ngoài tới đường tâm vỏ, mm;
p - bước theo phương đứng của các ống, mm;
ds - đường kính lỗ ống trên mặt sàng, mm.
5 Chiều dày yêu cầu của mặt sàng sau trong nồi hơi hình trụ với buồng đốt kiểu ướt phải là trị số lớn nhất trong các trị số được tính theo công thức trong -3 hoặc theo công thức sau:

Trong đó:
H - khoảng cách theo phương ngang của các ống khói, mm;
di - đường kính trong của ống khói thông thường, mm;
W - chiều sâu của phần trên buồng đốt, mm.
6 Đối với kích thước của các tấm đỉnh và tấm cạnh được giằng của buồng đốt của nồi hơi hình trụ, khoảng cách giữa các hàng thanh giằng gần nhất với mặt sàng hoặc tấm sau và đường bắt đầu cong của mặt sàng hay tấm sau không được lớn hơn “a” được xác định bởi công thức trong -1, thay chiều dày thực cho chiều dày yêu cầu.
Bảng 3/7.4 - Trị số C6
| Phương pháp cố định ống giằng | Khi tấm không tiếp xúc với lửa | Khi tấm tiếp xúc với lửa |
| Khi ống giằng được gắn vào tấm như (6) A Hình 3/7.9 | 0,51 | 0,54 |
| Khi ống giằng được gắn vào tấm như (6) B Hình 3/7.9 | 0,57 | 0,61 |
| Khi ống giằng được gắn vào tấm như (6) C Hình 3/7.9 | 0,57 | 0,61 |
7.5.7 Chiều dày yêu cầu của lò kiểu gợn sóng
Chiều dày của lò kiểu gợn sóng được tính theo công thức sau:
![]()
Trong đó:
D - đường kính ngoài nhỏ nhất của phần gợn sóng của lò, mm;
C - hằng số được cho theo Bảng 3/7.5
Bảng 3/7.5 - Trị số C
| Kiểu lò | C |
| Lò Mo-ri-xơn, Đây-tôn hay tương tự | 107 |
| Lò hình củ hành được rèn | 114 |
7.5.8 Độ dày yêu cầu của lò hình trụ trơn
Chiều dày yêu cầu của lò hình trụ trơn hoặc đáy trụ và ống khói của buồng đốt không được gia cường bằng các thanh giằng hoặc bằng cách khác phải được tính theo các công thức dưới đây lấy giá trị nào lớn hơn:

Trong đó:
D - đường kính ngoài của đáy buồng đốt của lò, mm;
L - chiều dài lò hoặc chiều sâu của đáy buồng đốt, mm.
Chiều dài của lò được tính từ chỗ bắt đầu cong nơi các tấm lò có gờ và được nối với các tấm, vòng gia cường khác…
7.5.9 Chiều dày yêu cầu của lò hình bán cầu không có thanh giằng hoặc giá đỡ khác
Chiều dày yêu cầu của lò hình bán cầu không có thanh giằng hay giá đỡ khác được tính theo công thức sau:
![]()
Trong đó:
Rf - bán kính ngoài của mặt cong của lò, mm.
7.5.10 Chiều dày yêu cầu của vòng gờ hình chữ S của nồi hơi đứng
Chiều dày của vòng gờ hình chữ S nối đáy lò của nồi hơi đứng với vỏ chịu toàn bộ tải đứng của lò phải được tính theo công thức sau:

Trong đó:
D - đường kính trong của vỏ, mm;
d - đường kính ngoài của phần thấp của lò nơi nối với vòng gờ hình chữ S, mm.
7.5.11 Chiều dày yêu cầu của tấm đai bệ lò của nồi hơi đứng
Chiều dày yêu cầu của tấm đai bệ lò (xem Hình 3/7.9(4) E) nối đáy lò nồi hơi đứng với vỏ được tính theo công thức sau:
![]()
Trong đó:
D - đường kính trong của vỏ, mm.
7.5.12 Đường kính yêu cầu của thanh giằng
1 Đường kính yêu cầu của thanh giằng được tính theo công thức sau:
![]()
Trong đó:
d - đường kính yêu cầu của thanh giằng, mm;
A - diện tích thực được đỡ bởi một thanh giằng, mm2;
C = 0,13.
2 Khi áp dụng công thức trong -1 cho thanh giằng chéo, C trong công thức được thay bằng C1 mà trị số được tính theo công thức sau:

Trong đó:
L - chiều dài thanh giằng chéo, mm;
H - chiều dài tương đương của thanh giằng vuông góc với mặt đỡ, mm.
7.5.13 Kích thước yêu cầu của ống giằng
Các kích thước yêu cầu của ống giằng đỡ mặt sàng được tính theo công thức sau đây.
Tuy nhiên, chiều dày của ống giằng không được nhỏ hơn 6 mm cho những ống ở hàng biên của các cụm ống và 4,5 mm cho các ống khác.

Trong đó:
a - diện tích mặt cắt thực bé nhất của một ống giằng, mm2;
A - diện tích thực được đỡ bởi một ống giằng, mm2.
7.5.14 Chiều dày yêu cầu của các xà đỡ tấm đỉnh của buồng đốt và khoảng cách của chúng với các tấm cạnh
1 Chiều dày của xà thép đỡ tấm đỉnh của buồng đốt được tính theo công thức sau:
![]()
Trong đó:
T - chiều dày yêu cầu của xà hoặc là tổng chiều dày các tấm khi xà có kết cấu tấm kép, mm;
d - chiều cao của các xà ở trung tâm, mm;
L - chiều rộng của buồng đốt được đo dọc bên trong phần trên; mm;
p - bước của các thanh giằng đỡ các xà, mm;
D - khoảng cách của các xà, mm;
S - giới hạn bền kéo danh nghĩa của vật liệu làm xà, N/mm2;
C - hằng số cho trong Bảng 3/7.6.
2 Khi bán kính ngoài của mối nối tấm đỉnh với tấm bên của buồng đốt của nồi hơi nhỏ hơn 1/2 bước D của dầm đỡ tính được từ công thức ở -1, nhờ thay độ dày thực của xà nồi hơi vào công thức, khoảng cách giữa mặt trong của tấm cạnh và tâm dầm đỡ gần nhất không được lớn hơn bước D. Khi bán kính ngoài của mối nối lớn hơn D/2 thì chiều rộng của bề mặt phẳng tính từ tâm dầm đỡ tới điểm bắt đầu của mối nối không được lớn hơn D/2.
Bảng 3/7.6 -Trị số C
| Khi số thanh giằng (n) của mỗi xà là lẻ |
|
| Khi số thanh giằng (n) của mỗi xà là chẵn |
|
7.5.15 Chiều dày yêu cầu của bầu góp hình trụ
Chiều dày yêu cầu của bầu góp hình trụ phải được tính theo công thức 7.5.2. Tuy vậy, khi chiều dày của bầu góp vượt quá 1/2 bán kính trong của nó và nhiệt độ vật liệu nhỏ hơn hoặc bằng 375 °C thì chiều dày được tính theo công thức sau:

7.5.16 Chiều dày yêu cầu của bầu góp hình vuông
Chiều dày của bầu góp hình vuông được làm từ thép rèn hoặc thép tấm hàn phải được tính theo công thức sau:
1 Khi các lỗ không được bố trí nối tiếp:

2 Khi các lỗ được bố trí nối tiếp:

Trong đó:
l1 - chiều rộng bên trong được đo giữa các điểm đỡ của mặt phẳng để tính độ bền, mm;
l2 - chiều rộng bên trong của cạnh khác kề với l1, mm.
7.6 Cửa quan sát, các lỗ khoét khác và sự gia cường chúng
7.6.1 Cửa chui, cửa làm vệ sinh và cửa kiểm tra
1 Nồi hơi phải có các cửa để chui vào hoặc cửa để làm vệ sinh với kích thước đủ tại vị trí thích hợp sao cho dễ đến gần để kiểm tra và bảo dưỡng. Tuy nhiên, do kết cấu hoặc do kích thước, yêu cầu làm cửa chui hoặc cửa làm vệ sinh là không thực tế thì việc bố trí hai cửa kiểm tra hoặc nhiều hơn ở các vị trí thích hợp để kiểm tra bên trong sẽ được coi là đủ.
2 Kết cấu của cửa chui hay cửa làm vệ sinh phải tuân theo những yêu cầu từ (1) đến (3) sau đây:
(1) Trục ngắn của cửa chui hình ôvan đặt trên tấm vỏ phải song song với phương dọc của trống (nồi hơi);
(2) Nắp cửa chui kiểu trong phải có vành gờ có khe hở không quá 1,5 mm trên toàn bộ chu vi lỗ cửa;
(3) Nắp cửa phải đủ bền và được kết cấu sao cho việc đóng mở lặp đi lặp lại không được gây tác hại cho sự an toàn. Trong trường hợp nắp được bắt bu lông thì nắp phải có kết cấu sao cho sự hư hỏng của bu lông không gây ra nguy hiểm.
3 Cửa để kiểm tra bầu góp phải được hoàn tất bằng máy sao cho nắp lỗ kiểm tra có thể lắp được một cách hữu hiệu.
7.6.2 Gia cường các lỗ khoét
Khi trên vỏ có các cửa chui, các lỗ khoét cho các họng... thì các lỗ khoét này phải được gia cường. Tuy thế, sự gia cường có thể được miễn khi chỉ có một lỗ trong các trường hợp sau:
1 Đường kính lớn nhất của lỗ khoét (ở lỗ khoét có ren là đường kính chân ren) không quá 60 mm và cũng không lớn hơn 1/4 đường kính trong của vỏ;
2 Những lỗ khoét trên tấm vỏ có đường kính lớn nhất không quá trị số cho trong Hình 3/7.7. Khi đó đường kính lỗ khoét không được gia cường không vượt quá 200 mm;
3 Những lỗ khoét trên tấm đáy phù hợp với yêu cầu trong 7.5.3-2(3) khi không có yêu cầu gia cường do việc tăng chiều dày của các tấm đáy;
4 Những lỗ khoét trên tấm đáy hoặc tấm nắp khi chiều dày của tấm đáy hoặc tấm nắp đã được tăng lên phù hợp với yêu cầu trong 7.6.3-3(2).

Dot × 10-3
Chú thích:
d - đường kính lớn nhất của lỗ khoét, mm không yêu cầu phải gia cường, khi đó đường kính lớn của lỗ khoét hình ôvan là trị trung bình của trục dài và trục ngắn;
Do - đường kính ngoài của vỏ, mm;
T - độ dày thực của tấm vỏ, mm.
![]()
Hình 3/7.7(a) - Đường kính lớn nhất của lỗ khoét trên vỏ được phép không phải gia cường

Dot x 10-3
Chú thích:
D - đường kính lớn nhất của lỗ khoét, mm không yêu cầu phải gia cường, khi đó đường kính lớn của lỗ khoét hình ôvan là trị số trung bình của trục dài và trục ngắn;
Do - đường kính ngoài của vỏ, mm;
t - độ dày thực của tấm vỏ, mm.

Hình 3/7.7(b) - Đường kính lớn nhất của lỗ khoét trên vỏ được phép không phải gia cường
7.6.3 Phương pháp gia cường lỗ khoét
1 Ý nghĩa của các ký hiệu được dùng trong 7.6.3 như sau:
a - diện tích vỏ hoặc tấm đáy có thể gia cường, mm2;
Ao - diện tích yêu cầu của tiết diện ngang của phần gia cường, mm2;
d1 - đường kính lỗ khoét trên tiết diện ngang nơi dự định gia cường, mm;
do - đường kính lớn nhất của lỗ khoét được gia công trên mặt cắt dọc của tấm vỏ hoặc mặt cắt ngang của tấm đáy, mm;
h - độ dày của gờ được đo dọc theo trục lớn của lỗ khoét tính từ mặt ngoài của tấm đáy, mm;
tn - chiều dày thực của họng, mm;
Tnr - chiều dày yêu cầu của họng, mm;
T - chiều dày thực của tấm vỏ hoặc tấm đáy, mm;
To - chiều dày yêu cầu của tấm vỏ hoặc của tấm đáy trống, mm được tính theo giả định hệ số độ bền mối nối bằng 1, trừ trường hợp khi các lỗ khoét và gia cường của nó hoàn toàn ở trong phần hình cầu của tấm đáy hình lòng đĩa, thì To là chiều dày yêu cầu cho tấm đáy hình bán cầu có cùng bán kính với phần hình cầu của tấm đáy, hoặc khi lỗ khoét cùng với phần gia cường ở trong tấm đáy dạng nửa elip và toàn bộ nằm trong hình tròn trên tấm đáy với đường kính của đường tròn bằng 80% đường kính trong của vỏ thì To là chiều dày yêu cầu của tấm đáy mặt bán cầu có bán kính đến 90% đường kính trong của vỏ.
2 Đối với lỗ khoét trên tấm vỏ và trên tấm đáy được tạo hình, phần gia cường phải sao cho diện tích mặt cắt ngang đi qua tâm lỗ khoét và trực giao với mặt lỗ khoét không nhỏ hơn trị số được tính theo công thức: Ao = doTo
3 Khi tấm đáy phẳng hoặc tấm nắp được quy định ở 7.5.5 có lỗ khoét thì chúng phải phù hợp với yêu cầu sau:
(1) tấm đáy phẳng hoặc tấm nắp có lỗ khoét với đường kính không quá 0,5 lần đường kính đối với tấm tròn hoặc chiều dài nhỏ nhất (d được cho trong Hình 3/7.9 và Hình 3/7.10) đối với tấm không tròn thì tấm đáy hoặc tấm nắp phải có tổng diện tích mặt cắt ngang của phần gia cường không nhỏ hơn trị số được tính theo công thức sau: Ao = 0,5doTo
(2) Khi tấm đáy phẳng hoặc tấm nắp có lỗ khoét với đường kính quá 0,5 đường kính đối với tấm tròn hoặc chiều dài nhỏ nhất (d được chỉ ra trong Hình 3/7.9 và Hình 3/7.10) đối với tấm không tròn thì chiều dày của tấm đáy hoặc tấm nắp phải bằng 1,5 lần chiều dày yêu cầu được chỉ ra trong 7.5.5 không kể đến lượng dư ăn mòn.

Hình 3/7.8 - Phạm vi có hiệu quả của phần gia cường
4 Việc gia cường phải được thực hiện trong phạm vi có hiệu quả. Phạm vi hiệu quả của việc gia cường được giới hạn bởi hai đường dọc theo thành và hai đường song song với trục của lỗ khoét trên mặt thẳng đứng tới thành chứa tâm lỗ khoét. Chiều dài của bốn đường như sau (xem Hình 3/7.8):
(1) Chiều dài của những đường dọc theo thành phải là khoảng cách tính từ tâm lỗ khoét về mỗi phía và bằng giá trị lớn nhất trong các giá trị sau:
(a) Đường kính của lỗ khoét được gia công trên mặt cắt ngang, mm;
(b) Bán kính của lỗ khoét được gia công trên mặt cắt ngang cộng với chiều dày của thành và chiều dày thành của họng, mm.
(2) Chiều dài của các đường song song với trục của lỗ khoét tính từ mặt của thành phải bằng trị số nhỏ hơn trong các giá trị sau, mm:
(a) 2,5 lần chiều dày của thành, mm;
(b) 2,5 lần chiều dày thành của họng cộng với chiều dày của bất kỳ chi tiết gia cường nào trừ phần kim loại hàn.
5 Bất kỳ phần nào dày hơn chiều dày yêu cầu của vỏ, tấm đáy hoặc họng nối được tính theo yêu cầu trong 7.5.2 và kim loại hàn đắp có thể được coi là phần gia cường, với điều kiện là nó nằm trong phạm vi hiệu quả của phần gia cường. Khi đó diện tích của vỏ hoặc tấm đáy có thể gia cường phải là trị số lớn nhất trong các diện tích được tính theo các công thức sau:
a = d1(T-T0)
a = 2(T-T0) (T+tn)
6 Khi ứng suất cho phép của vật liệu gia cường khác với ứng suất của vật liệu dùng làm vỏ, phải tiến hành hiệu chỉnh theo công thức sau:

Trong đó:
KR - hệ số được nhân với diện tích gia cường và hệ số này không được vượt quá 1;
fs - ứng suất cho phép của vật liệu được sử dụng làm vỏ, N/mm2;
fR - ứng suất cho phép của vật liệu phần gia cường, N/mm2.
7 Lỗ khoét ở tấm đáy có thể được gia cường bằng gờ. Trong trường hợp này, chiều cao của gờ không nhỏ hơn trị số tính được từ công thức sau:
(1) Khi chiều dày của tấm không lớn hơn 38 mm
h = 3T0
(2) Khi chiều dày của tấm lớn hơn 38 mm
h = T0+76
7.7 Ống
7.7.1 Lắp ống
1 Ống phải được lắp vào mặt sàng nhờ nong rộng hoặc phương pháp thích hợp khác và ống phải được đặt nhô ra không ít hơn 6 mm qua một cổ hay đai của mặt tựa song song, trừ trường hợp lắp ống bằng hàn. Khi đầu ống được cố định bằng hàn phải xem xét để tránh biến dạng của ống do chênh lệch về giãn nở nhiệt của ống đối với ống.
2 Khi các ống nước được liên kết với mặt sàng bằng cách làm loe miệng ống thì góc trong của miệng loe phải không nhỏ hơn 30°.
3 Lỗ ống phải được gia công sao cho ống được đặt khít trong đó. Khi ống hầu như trực giao với mặt sàng thì mặt tựa song song của các lỗ phải dày không dưới 10 mm. Khi các đầu ống không trực giao với mặt sàng ống thì chiều dày của lỗ ống vuông góc với mặt sàng không được nhỏ hơn 10 mm đối với ống có đường kính ngoài không quá 60 mm và không được nhỏ hơn 13 mm đối với ống có đường kính ngoài lớn hơn 60 mm.
4 Ở nồi hơi đứng có các ống khói nằm ngang thì mỗi ống khói xen kẽ ở các hàng ống ngoài thẳng đứng phải là ống giằng.
7.7.2 Chiều dày tối thiểu của ống
Chiều dày của ống được dùng cho nồi hơi phải không được nhỏ hơn 2 mm đối với ống có đường kính ngoài nhỏ hơn 30 mm và không được nhỏ hơn 2,5 mm đối với ống có đường kính ngoài từ 30 mm trở lên.
7.7.3 Chiều dày của ống khói
Chiều dày của ống khói được tính theo công thức sau:
Tr = (PD/70) + 2
Trong đó:
D - đường kính ngoài của ống khói, mm.
7.7.4 Chiều dày của ống chịu áp suất bên trong
Chiều dày của ống (ống bay hơi, ống nước vách, ống tuần hoàn, ống của thiết bị quá nhiệt, ống của bình hâm tiết kiệm, ống bình hâm tiết kiệm khí thải...) chịu áp suất bên trong phải được tính theo công thức:
![]()
Trong đó:
D - đường kính ngoài của ống, mm.
7.8 Nối ghép các bộ phận
7.8.1 Nối bằng hàn
1 Kích thước và hình dạng của mép hàn được chuẩn bị phải sao cho mối hàn ngấu, không có khuyết tật. Mỗi mối hàn phải được thiết kế sao cho không phải chịu ứng suất uốn lớn quá. Khi kết cấu có ứng suất uốn tập trung ở chân mối hàn do biến dạng gây ra bởi uốn phải tránh hàn nối góc hoặc mối hàn giáp mép đơn.
2 Khi các tấm có chiều dày khác nhau được nối bằng mối hàn giáp mép thì tấm dày hơn phải được vát mép để giảm dần chiều dày trong khoảng không nhỏ hơn bốn lần khoảng chênh lệch chiều dày giữa hai tấm sao cho 2 tấm có chiều dày bằng nhau ở chỗ được hàn. Trong trường hợp này, việc vát mép có thể được thực hiện ở một phía chỉ đối với những mối nối theo chu vi của vỏ còn đối với những mối nối dọc, việc vát mép phải được thực hiện ở cả hai phía sao cho đường tâm của cả hai tấm có thể trùng khớp. Trong trường hợp việc giảm chiều dày được thực hiện ở một phía của mối nối dọc, khoảng cách giữa đường tâm của mối hàn và điểm xuất phát của đường vát không được nhỏ hơn chiều dày của tấm mỏng hơn.
3 Mối nối theo chu vi hoặc dọc tấm vỏ phải là mối hàn hai phía hoặc mối hàn một phía.
7.8.2 Hình dạng mối nối và ghép
Các mẫu mối nối hàn và ghép phải như được quy định ở Hình 3/7.9 hoặc tương đương.
7.8.3 Kết cấu các tấm nắp bắt bu lông
Kết cấu những tấm nắp phẳng không có giá đỡ được bắt bu lông vào vỏ được chỉ ra trong Hình 3/7.10 hoặc tương tự.
7.9 Phụ tùng
7.9.1 Vật liệu phụ tùng
1 Vật liệu của các miệng ống, gờ hay thanh giằng được gắn trực tiếp vào trống nồi hơi (kể cả các bầu góp) phải là thép thích hợp với nhiệt độ làm việc.
2 Trừ những điều đã được chỉ rõ trong -1 vật liệu làm hộp van hay các phụ tùng được lắp trên nồi hơi và chịu áp suất phải thích hợp với nhiệt độ làm việc và phải là thép, trừ những trường hợp sau:
(1) Vật đúc bằng hợp kim đồng có thể được sử dụng khi nhiệt độ làm việc tối đa không quá 210 °C;
(2) Vật đúc bằng gang xám có thể được sử dụng khi nhiệt độ làm việc tối đa không quá 220 °C và áp suất thiết kế quy định không quá 1 MPa, trừ các van xả;
(3) Gang đúc đặc biệt được chế tạo bởi nhà sản xuất được chấp nhận có thể được sử dụng khi nhiệt độ làm việc tối đa không quá 350 °C và áp suất thiết kế quy định không quá 2,5 MPa.

Hình 3/7.9 - Các ví dụ về mối hàn được chấp nhận cho từng trường hợp

Hình 3/7.9 - Các ví dụ về mối hàn được chấp nhận cho từng trường hợp (tiếp theo)

Hình 3/7.9 - Các ví dụ về mối hàn được chấp nhận cho từng trường hợp (tiếp theo)

Hình 3/7.9 - Các ví dụ về mối hàn được chấp nhận cho từng trường hợp (tiếp theo)

Hình 3/7.9 - Các ví dụ về mối hàn được chấp nhận cho từng trường hợp (tiếp theo)

Hình 3/7.9 - Các ví dụ về mối hàn được chấp nhận cho từng trường hợp (tiếp theo)

Hình 3/7.9 - Các ví dụ về mối hàn được chấp nhận cho từng trường hợp (kết thúc)
Chú thích:
1) Hằng số C1 là trị số dùng cho công thức ở 7.5.5;
2) Kích thước các phần hàn là trị số nhỏ nhất;
3) Đơn vị của các trị số ở các hình đều là mm;
4) Kích thước (đơn vị: mm) của các ký hiệu đặc trưng ở các hình như sau:
Ts - chiều dày thực của tấm vỏ;
Th - chiều dày thực của tấm đáy được tạo hình;
Te - chiều dày thực của tấm đáy phẳng hoặc tấm nắp;
Tro - chiều dày quy định của vỏ không ghép nối;
Tp - chiều dày thực của mặt sàng hoặc tấm đáy phẳng (tấm đáy được tạo hình);
Trf - chiều dày quy định của tấm vòng bệ lò;
Tk - chiều dày thực của ống hay ống giằng;
Tn - chiều dày thực của họng lắp phụ tùng;
tm - giá trị nhỏ của tấm được hàn nhưng lớn nhất là 20 mm.
| Phương pháp nối | Kích thước và hình dạng | C3 |
| Bu lông có đệm kín phủ toàn bộ bề mặt |
| 0,25 |
| Bu lông |
| 0,3 |
Hình 3/7.10 - Các ví dụ về kiểu nối bu lông các nắp đậy và mặt sàng
7.9.2 Kết cấu phụ tùng
1 Các phụ tùng như van, các bích nối, bu lông, đai ốc, đệm... phải có kết cấu và kích thước phù hợp với các tiêu chuẩn được thừa nhận và chúng cũng phải phù hợp với những điều kiện phục vụ được ghi trong các tiêu chuẩn ấy.
2 Phải trang bị van đóng bằng tay cùng với thiết bị chỉ thị cho biết van đang đóng hay mở trừ van kiểu cần nhô dài.
3 Các phụ tùng phải được lắp vào trống nồi hơi bằng mặt bích hoặc hàn. Tuy nhiên, khi chiều dày của tang lớn hơn 12 mm hoặc đế có ren được cố định trên tang, thì các phụ tùng có đường kính danh nghĩa từ 32 mm trở xuống có thể được lắp thẳng vào nồi hơi bằng ren.
4 Khi các phụ tùng của nồi hơi được bắt chặt bằng các vít cấy, thì lỗ của vít cấy không được xuyên hết chiều dày của vỏ và chiều sâu của ren không nhỏ hơn đường kính của vít cấy.
7.9.3 Van an toàn và van xả áp
1 Mỗi nồi hơi phải có ít nhất hai van an toàn kiểu lò xo. Tuy nhiên, chỉ một van an toàn cũng được chấp nhận cho các trường hợp sau:
(1) Nồi hơi có diện tích hấp nhiệt nhỏ hơn 10 m2;
(2) Nồi hơi có áp suất thiết kế được thẩm định không quá 1 MPa, với điều kiện được trang bị thiết bị kiểm tra áp suất và thiết bị tự động cắt nhiên liệu khi áp suất vượt quá áp suất thiết kế được thẩm định;
(3) Nồi hơi khí thải được lắp van xả áp được chỉ rõ trong -11.
2 Van an toàn có van dẫn hướng kiểu lò xo có thể được sử dụng thay cho van an toàn kiểu lò xo.
3 Đường kính đế van an toàn không được nhỏ hơn 25 mm, trừ những trường hợp được xét riêng.
4 Các van an toàn phải bắt đầu tự động xả hơi nước ở áp suất đã đặt theo yêu cầu trong -14 và phải có khả năng xả toàn bộ lượng hơi được sinh ra của nồi hơi trong điều kiện vận hành tối đa đã được thiết kế và áp suất nồi hơi không tăng quá từ 10% trở lên so với áp suất làm việc của nồi hơi.
5 Diện tích toàn bộ của các van an toàn, khi xét đến sự sinh hơi tối đa theo thiết kế của nồi hơi, không được nhỏ hơn diện tích yêu cầu được tính trong từng trạng thái hơi nước và đối với mỗi kiểu van an toàn được quy định dưới đây. Tuy nhiên, van an toàn của nồi hơi có bộ quá nhiệt hơi phải phù hợp với những yêu cầu trong -7, -8 và -9. Ngoài ra, đối với bất kỳ nồi hơi nào có bộ tiết kiệm khí thải được thiết kế để gia nhiệt thêm trong sử dụng thì diện tích yêu cầu của các van an toàn phải được tính theo sự sinh hơi tối đa của nồi hơi được cộng với sự sinh hơi của bộ tiết kiệm khí thải.
(1) Đối với hơi bão hòa
(a) Đối với van có độ nâng thấp (D/24 ≤ L < D/15)

(b) Đối với van có độ nâng lớn (D/15 ≤ L < D/7)

A W 102
K2 1,03P 0,1
(c) Đối với van có độ nâng mở hết (D/7 ≤ L)

(d) Đối với van có đường kính của đế lớn hơn hoặc bằng 1,15 lần đường kính họng van:

Trong đó:
D - đường kính mặt tựa của van an toàn, mm;
L - hành trình của van an toàn, mm;
A - diện tích yêu cầu của đế van an toàn, mm2;
A' - diện tích họng của van an toàn, mm2;
W - sản lượng sinh hơi thiết kế lớn nhất của nồi hơi, g/h;
P - áp suất đặt cho van an toàn, MPa;
K1 = 4,8
K2 = 10,0
K3 = 20,0
K4 = 30,0
Tuy nhiên, nếu thử và kiểm tra do Đăng kiểm chỉ định như thử lưu lượng hơi xả và đo độ nâng của van được tiến hành cho từng mẫu đầu tiên trong điều kiện tương đương với loại thực, trong các giá trị K2, K3, K4 có thể nâng tới giá trị phù hợp với tiêu chuẩn quốc gia hoặc tiêu chuẩn, quy phạm theo thông lệ quốc tế trên cơ sở các kết quả này.
(2) Đối với hơi quá nhiệt:

Trong đó:
As - diện tích yêu cầu của đế van an toàn (mm2);
A - như đã được chỉ ra trong (1);
VH - thể tích riêng của hơi bão hòa (mm3/g);
Vs - thể tích riêng của hơi quá nhiệt (mm3/g).
6 Diện tích đường hơi của van an toàn phải bằng trị số dưới đây cho mỗi loại van an toàn.
(1) Diện tích tối thiểu đường hơi của van an toàn có độ nâng thấp ở cửa vào hộp van không được nhỏ hơn 0,5 lần và ở cửa ra không được nhỏ hơn 1,1 lần diện tích yêu cầu của mặt tựa van;
(2) Diện tích tối thiểu đường hơi của van an toàn có độ nâng lớn ở cửa vào hộp van không được nhỏ hơn 1,0 lần và ở cửa ra không được nhỏ hơn 2 lần diện tích yêu cầu của mặt tựa van;
(3) Diện tích tối thiểu đường hơi của van an toàn có độ nâng mở hết tại cửa vào không được nhỏ hơn 1,1 lần và ở cửa ra không nhỏ hơn 2 lần diện tích của đường hơi khi van được nâng lên 1/7 đường kính của mặt tựa van;
(4) Khi van mở, diện tích tối thiểu của đường hơi tại mặt tựa van không được nhỏ hơn 1,05 lần diện tích họng van. Ngoài ra, diện tích tối thiểu của các đường hơi ở cửa vào van và họng không được nhỏ hơn 1,7 lần diện tích họng van và diện tích đường hơi tối thiểu ở cửa ra không được nhỏ hơn 2 lần diện tích tại mặt tựa van khi van mở.
7 Trong trường hợp nồi hơi có bộ quá nhiệt thì phải có ít nhất một van an toàn lắp tại cửa ra của bộ quá nhiệt.
8 Khả năng xả của van an toàn lắp vào thiết bị quá nhiệt phải đảm bảo cho thiết bị quá nhiệt không bị hư hỏng khi nguồn cấp hơi chính bị đóng lại trong trường hợp sự cố trong khi nồi hơi đang hoạt động với tải ở công suất liên tục lớn nhất. Khi yêu cầu này không được đáp ứng đầy đủ thì phải có phương tiện để tự động đóng hoặc điều khiển việc cấp nhiên liệu cho nồi hơi trong trường hợp sự cố để bảo vệ thiết bị quá nhiệt khỏi hư hại.
9 Khi không có các thiết bị xen giữa thiết bị quá nhiệt và nồi hơi thì diện tích của các van an toàn cho thiết bị quá nhiệt có thể được gộp vào tổng diện tích của các van an toàn của nồi hơi. Tuy nhiên, tổng diện tích của các van an toàn lắp trên các phần sinh hơi của nồi hơi không được nhỏ hơn 0,75 lần diện tích yêu cầu được tính theo công thức trong -5.
10 Các van an toàn phải được lắp riêng biệt trên cửa vào và cửa ra của bầu hâm độc lập hoặc bộ quá nhiệt độc lập và tổng sản lượng xả không được nhỏ hơn lượng hơi đi qua lớn nhất. Tổng sản lượng xả của các van an toàn đặt trên đường ra của nó phải nhỏ hơn lượng hơi cần thiết để giữ cho nhiệt độ hơi của bầu hâm độc lập hoặc bộ quá nhiệt độc lập không cao hơn trị số thiết kế. Tuy nhiên, đối với bộ quá nhiệt độc lập được nối trực tiếp với nồi hơi được thiết kế có cùng áp suất thiết kế quy định như của nồi hơi thì có thể lắp ở cửa ra một van an toàn có khả năng xả một lượng hơi đủ để giữ cho nhiệt độ hơi của bộ quá nhiệt độc lập không cao hơn trị số thiết kế.
11 Đối với bộ tiết kiệm và bộ tiết kiệm khí thải (kể cả bộ phận hấp nhiệt của nồi hơi khí thải) được trang bị van xen giữa nồi hơi và bộ tiết kiệm hoặc bộ tiết kiệm khí thải, phải lắp tối thiểu một van an toàn có khả năng xả một lượng hơi không ít hơn trị số tính toán từ năng lượng hấp thụ lớn nhất. Tuy nhiên, đối với bộ tiết kiệm khí thải loại khung sườn có tổng bề mặt hấp nhiệt từ 50 m2 trở lên, phải có ít nhất hai van an toàn.
12 Kết cấu của van an toàn phải tuân theo các yêu cầu sau:
(1) Van an toàn phải có kết cấu sao cho lò xo và van phải được đặt trong hộp van và chúng không thể bị quá tải do tác động cố tình từ bên ngoài và trong trường hợp lò xo bị hỏng cũng không thể bị rơi ra khỏi hộp van;
(2) Van an toàn phải được lắp vào vỏ nồi hơi, bầu góp hoặc đầu ống ra của bộ quá nhiệt bằng mối nối bích hoặc mối nối hàn. Hộp van an toàn không được làm chung với các hộp van khác. Tuy nhiên, van an toàn của bộ quá nhiệt có thể được lắp bằng bích vào các ống lắp van được hàn vào đầu ống ra;
(3) Van an toàn của nồi hơi phải có cơ cấu thuận tiện và tay van phải được bố trí sao cho có thể thao tác được từ chỗ dễ tiếp cận mà không bị nguy hiểm;
(4) Các van an toàn của bộ tiết kiệm khí thải loại khung sườn phải có thêm các đặc tính có thể đảm bảo việc xả áp ngay cả khi có các cặn rắn trên van và ống dẫn hướng, hoặc phải có đặc tính ngăn được sự tích tụ cặn rắn ở gần van và trong khe giữa cán van và ống dẫn hướng. Tuy nhiên, nếu van an toàn không có các đặc tính đó thì ngoài các van an toàn ra, phải trang bị thêm đĩa nổ để xả vào ống hơi xả thích hợp. Có thể bố trí theo cách khác để đảm bảo việc xả áp khi có cặn rắn trên van và ống dẫn hướng. Trường hợp này, phải đảm bảo thiết bị hoạt động khi áp suất không vượt quá 1,25 lần áp suất thiết kế của bộ tiết kiệm và phải có lưu lượng đủ để đề phòng hư hỏng cho bộ tiết kiệm khi vận hành ở mức độ cấp nhiệt thiết kế của nó;
(5) Hộp của van an toàn, van xả và đĩa nổ phải có hệ thống tiêu thoát nước được bố trí ở phần thấp nhất. Ống thoát nước phải được dẫn tới nơi an toàn ở xa nồi hơi hoặc bộ tiết kiệm khí thải và không được gây nguy hiểm cho người hoặc máy, đồng thời phải đảm bảo nước có thể thoát liên tục. Không được lắp bất cứ van nào trên ống thoát đó.
13 Ống hơi thải của van an toàn phải tuân theo các yêu cầu sau:
(1) Đường ống hơi thải của van an toàn phải được kết cấu sao cho lực phản áp không gây trở ngại cho hoạt động của van. Đường kính trong của ống hơi thải không được nhỏ hơn đường kính cửa ra của van và phải được thiết kế ở áp suất bằng hoặc lớn hơn 1/4 áp suất đặt của van an toàn;
(2) Khi đường ống hơi thải được thiết kế chung cho hai hay nhiều van an toàn thì diện tích tiết diện của ống không được nhỏ hơn tổng diện tích lỗ thoát hơi của từng van an toàn đó. Các ống hơi thải của van an toàn cho nồi hơi phải được tách biệt với các đường ống mà có thể chứa lượng lớn hơi thải như các ống xả hơi nước ra khí quyển hay ống hơi nước thải của van an toàn của bộ tiết kiệm khí thải.
14 Sau khi lắp đặt trên tàu van an toàn hay van xả áp phải được đặt chế độ làm việc phù hợp với những yêu cầu từ (1) đến (5) sau đây:
(1) Van an toàn phải được đặt mức xả hơi tự động ở áp suất không lớn hơn 1,03 lần áp suất làm việc quy định của nồi hơi;
(2) Van an toàn của bộ quá nhiệt phải được đặt mức xả hơi tự động ở áp suất không lớn hơn trị số đạt được khi trừ áp suất đã đặt của van an toàn lắp trên trống nồi hơi một trị số bằng 0,035 MPa cộng với độ giảm áp suất hơi trong bộ quá nhiệt ở tải bình thường;
Tuy nhiên, khi áp suất này vượt quá 1,03 lần áp suất định mức của nồi hơi thì ít nhất một van an toàn phải được đặt mức xả hơi ở áp suất không quá 1,03 lần áp suất định mức và các van khác xả ở áp suất không quá 1,05 lần áp suất định mức.
(3) Áp suất xả của van an toàn ở cửa ra của bộ quá nhiệt phải được đặt ở mức thấp hơn áp suất ở cửa vào;
(4) Áp suất xả của van xả áp lắp trên bộ tiết kiệm hoặc bộ tiết kiệm khí thải được đặt ở áp suất không lớn hơn áp suất thiết kế tương ứng đã quy định;
(5) Van an toàn hoặc van xả áp phải hoạt động tốt khi xả ở áp suất đã được đặt theo những yêu cầu tương ứng từ (1) đến (4);
15 Khi lưu lượng xả tính toán của van an toàn không phù hợp với quy định ở -5 vì sự giảm áp suất làm việc quy định của nồi hơi, nó có thể được chấp nhận với điều kiện việc thử tích hơi đã được thực hiện thỏa mãn yêu cầu của Đăng kiểm và được xác nhận rằng áp suất trong trống nồi hơi không vượt quá 110% áp suất làm việc quy định.
7.9.4 Nối ống hơi nước
1 Van chặn phải được lắp trực tiếp trên trống nồi hơi ở mỗi đường hơi ra.
2 Khi hơi từ hai nồi hơi trở lên được dẫn tới một ống dẫn hơi nước chung thì van chặn được trang bị ở mỗi cửa dẫn hơi ra như yêu cầu ở -1 phải là van chặn một chiều và một van chặn thêm vào giữa van chặn một chiều với điểm nối ống hơi.
3 Trên tàu có từ hai nồi hơi chính hoặc hai nồi hơi phụ thiết yếu trở lên thì đường ống hơi phải được dẫn sao cho việc cấp hơi nước liên tục cho các máy phụ dùng để quay trở tàu và đảm bảo an toàn ngay cả trong trường hợp hư hỏng có thể xảy ra ở một trong các nồi hơi này.
7.9.5 Hệ thống nước cấp
1 Phải có một van chặn lắp vào chỗ nối ống nước cấp và một van chặn một chiều ở điểm sát với van chặn đến mức có thể thực hiện được. Bộ điều chỉnh cung cấp nước được chấp thuận có thể được đặt giữa van chặn một chiều và van chặn.
2 Bất kể các yêu cầu ở -1, khi nồi hơi có bộ tiết kiệm được coi là một phần của nồi hơi thì có thể đặt một van chặn nước cấp tại cửa vào của bộ tiết kiệm. Khi đó phải có van chặn một chiều đặt ở điểm sát với van chặn đến mức có thể thực hiện được.
3 Phần trống nồi hơi nơi nước cấp được dẫn vào phải có các ống bọc hoặc thiết bị thích hợp khác sao cho không có ứng suất nhiệt quá cao do tiếp xúc trực tiếp của nước cấp lạnh với tang. Yêu cầu này cũng áp dụng cho bộ giảm quá nhiệt nếu có trong trống nồi hơi, khi mà các ống hơi nước quá nhiệt xuyên qua trống. Ngoài ra, việc xả nước cấp trong trống phải được phân bố sao cho nước không tiếp xúc trực tiếp vào bề mặt hấp nhiệt đang ở nhiệt độ cao của nồi hơi.
7.9.6 Hệ thống xả cặn
1 Mỗi nồi hơi phải được trang bị một van xả cặn lắp trực tiếp vào trống sao cho nước của nồi hơi có thể xả từ đáy của khoang chứa nước của nồi. Đường kính danh nghĩa của van không được nhỏ hơn 25 mm nhưng không cần quá 65 mm, trừ trường hợp nồi hơi có diện tích mặt hấp nhiệt bằng hoặc nhỏ hơn 10 m2 van xả có thể có đường kính danh nghĩa bằng 20 mm.
2 Khi đường ống xả cặn tiếp xúc với ống khói thì chúng phải được bảo vệ bằng các vật liệu cách nhiệt và được bố trí sao cho việc kiểm tra chúng được dễ dàng.
3 Áp suất thiết kế cho ống xả cặn không được nhỏ hơn 1,25 lần áp suất thiết kế của nồi hơi.
4 Van xả cặn phải có kết cấu sao cho không bị lắng đọng cáu, cặn.
5 Khi đường ống xả cặn của hai nồi hơi trở lên được ghép vào một đường xả chung thì phải có một van chặn một chiều trên mỗi đường ống của mỗi nồi hơi.
7.9.7 Hệ thống đốt nhiên liệu
1 Mỏ đốt dầu
(1) Mỏ đốt dầu phải được bố trí sao cho không thể tháo mỏ đốt ra trừ khi nguồn cấp dầu cho các mỏ đốt này đã khóa;
(2) Đối với nồi hơi đốt ở trên đỉnh, để tránh rung động bất thường, phải trang bị mối nối mềm có kiểu được Đăng kiểm thẩm định ở chỗ nối giữa mỏ đốt dầu và ống cấp nhiên liệu.
2 Các quạt thông gió
Các nồi hơi phải có quạt thông gió có đủ sản lượng cho sản lượng hơi nước thiết kế lớn nhất của nồi hơi và đảm bảo sự đốt cháy ổn định trong phạm vi hoạt động của nồi. Phải có các phương tiện thay thế có thể bảo đảm chắc chắn cho hành trình bình thường và cấp nhiệt cho hàng có yêu cầu hâm liên tục trong trường hợp quạt thông gió hư hỏng.
7.9.8 Thiết bị chỉ báo mức nước
1 Mỗi nồi hơi phải có ít nhất hai thiết bị chỉ báo mức nước độc lập, một trong số đó phải là thước chỉ mức nước bằng kính và chiếc kia phải tuân theo một trong các yêu cầu sau:
(1) Thước chỉ báo mức nước bằng kính được đặt ở nơi mà mức nước dễ đọc nhất;
(2) Thiết bị chỉ báo mức nước từ xa, nhưng khi nồi hơi có áp suất thiết kế từ 1 MPa trở xuống có thể thay bằng thiết bị báo động mức nước cao và thấp.
2 Đối với nồi hơi tuần hoàn cưỡng bức hay nồi hơi dòng thẳng khi các yêu cầu trong -1 không thể áp dụng để chỉ báo mức nước thì phải trang bị thiết bị chỉ báo mức nước thích hợp và thiết bị an toàn cho mức nước thấp gồm hai bộ chỉ báo được thiết kế để ngăn sự quá nhiệt cho bất cứ phần nào của nồi hơi do thiếu nước cấp.
3 Trong trường hợp khi mà khoang nước trong nồi hơi đặt dọc theo chiều ngang của tàu hoặc sự chênh lệch mức nước quá nhiều có thể xảy ra thì các thiết bị chỉ báo mức nước được chỉ ra trong -1 phải được bố trí sao cho chỉ báo được mực nước ở cả hai đầu của khoang nước.
4 Phần thấp nhất có thể nhìn thấy của thước chỉ mức nước bằng thước thủy tinh không được nhỏ hơn 50 mm ở trên mức nước giới hạn thấp nhất. Phạm vi nhìn thấy được của thiết bị chỉ báo mức nước từ xa phải bao hàm tất cả các khoảng có liên quan tới việc kiểm tra mức nước trong nồi hơi.
5 Kết cấu của thiết bị chỉ báo mực nước phải tuân theo những yêu cầu sau:
(1) Cấu tạo của thước chỉ báo bằng thủy tinh phải là kiểu hộp tiết diện hình chữ nhật (kiểu tấm kép) phù hợp với tiêu chuẩn quốc gia hoặc tiêu chuẩn, quy phạm theo thông lệ quốc tế;
(2) Khi thước đo mức nước được đặt ở bên ngoài nồi hơi thì phải có van chặn (hoặc vòi) lắp riêng trên đỉnh và đáy của thước và thêm vào đó phải có một thiết bị xả có hiệu quả;
(3) Khi thước đo nước hoặc ống thủy được nối bằng ống với trống nồi hơi thì phải lắp một van chặn vào trống nồi hơi;
(4) Các van chặn (hay vòi) dùng cho thước đo nước và đường ống nối với trống nồi hơi phải có dạng không bị lắng cặn hoặc cáu bẩn khác từ nước của nồi hơi;
(5) Ống thủy và thước đo nước được bắt vào đó phải được đỡ chắc chắn sao cho có thể duy trì được vị trí đúng của nó. Đường kính trong của ống thủy phải không được nhỏ hơn 45 mm và ở đáy phải có lỗ xả có kích thước đủ lớn;
(6) Các ống nối với trống nồi hơi phải có đường kính danh nghĩa bằng hay lớn hơn 15 mm dùng cho thước đo nước và bằng hay lớn hơn 25 mm cho ống thủy;
(7) Khi ống nối từ ống thủy tới nồi hơi xuyên qua ống thông hơi thì toàn bộ đoạn qua ống thông hơi phải được bọc kín và phải bố trí các lỗ không khí không nhỏ hơn 50 mm quanh các ống.
7.9.9 Các thiết bị đo áp suất và nhiệt độ
1 Mỗi nồi hơi phải có một bộ thiết bị đo áp suất trên trống nồi hơi và một bộ ở cửa ra của bộ quá nhiệt và các đồng hồ áp suất phải được bố trí tại các trạm điều khiển.
2 Đồng hồ đo áp suất phải có thang chia tới 1,5 lần hay cao hơn áp suất của van an toàn.
3 Áp suất làm việc quy định đối với trống nồi hơi hoặc áp suất chuẩn đối với bộ quá nhiệt phải được đánh dấu riêng trên thang chia của đồng hồ áp suất tương ứng.
4 Thiết bị đo và chỉ báo áp suất phải làm việc khi nồi hơi đang được vận hành.
5 Phải có các thiết bị đo nhiệt độ ở cửa hơi nước của bộ quá nhiệt hoặc bầu hâm.
7.9.10 Thiết bị an toàn và thiết bị báo động
1 Thiết bị cắt dầu đốt
Mỗi nồi hơi phải có thiết bị an toàn có khả năng tự động cắt nguồn cấp nhiên liệu cho toàn bộ vòi phun trong các trường hợp sau:
Các tín hiệu báo động chỉ báo sự hoạt động của thiết bị an toàn phải phù hợp với 14.2.6-2.
(1) Khi đánh lửa tự động không thành;
(2) Khi mất lửa (trong trường hợp này, việc cấp dầu phải được cắt trong vòng 4 giây sau khi mất lửa);
(3) Khi mức nước hạ xuống;
(4) Khi việc cung cấp không khí cho sự cháy bị ngừng;
(5) Khi áp suất cấp nhiên liệu cho các vòi phun hạ xuống trong trường hợp phun nhiên liệu bằng áp suất, hoặc khi áp suất hơi nước đến các vòi phun hạ xuống trong trường hợp phun nhiên liệu bằng hơi nước;
2 Thiết bị báo động
(1) Mỗi nồi hơi phải có thiết bị báo động hoạt động khi mức nước trong trống nồi hơi hạ xuống;
(2) Ngoài yêu cầu nói trên, các nồi hơi chính phải có thiết bị báo động làm việc trong các trường hợp sau:
(a) Khi việc cấp không khí đốt bị giảm hoặc khi quạt thông gió dừng;
(b) Khi áp suất nhiên liệu được cấp cho các vòi phun hạ xuống (trường hợp phun dầu bằng áp suất), hay khi áp suất hơi nước cho các vòi phun hạ xuống (trường hợp phun bằng hơi nước);
(c) Khi mức nước trong trống nồi hơi đạt tới mức cao;
(d) Khi nhiệt độ hơi nước ở cửa ra của bộ quá nhiệt tăng lên (khi có bộ quá nhiệt);
(e) Khi nhiệt độ khí thải tại cửa ra của bộ hâm nóng không khí kiểu khí hay kiểu bộ tiết kiệm tăng lên.
(3) Đối với các nồi hơi phụ cấp hơi nước cho các tua bin lai máy phát điện chính thì thiết bị báo động sẽ hoạt động khi mức nước trong trống nồi hơi đạt tới mức cao thì phải có thêm các thiết bị báo động nêu trong (1).
3 Thiết bị chỉ báo mức nước
Các bộ chỉ báo mức nước của các thiết bị được quy định trong -1(3) phải được tách riêng ra khỏi các thiết bị của hệ thống điều chỉnh nước cấp và thiết bị chỉ báo mức nước từ xa được quy định trong 7.9.8-1(2).
7.9.11 Kiểm tra nước nồi hơi
1 Mỗi nồi hơi phải có ống nối để lấy mẫu nước nồi hơi ở vị trí thuận lợi, nhưng van lấy mẫu không được nối với ống thủy của thiết bị chỉ mức nước.
2 Nồi hơi phải có các phương tiện như bộ phân tích nước hoặc thiết bị thích hợp khác để giám sát và kiểm tra chất lượng của nước cấp và nước nồi hơi.
7.9.12 Thiết bị tháo nước của bộ quá nhiệt và bầu hâm
Bộ quá nhiệt và bầu hâm phải có các hệ thống tháo nước có hiệu quả và các phương tiện phòng hư hỏng xảy ra do ứng suất nhiệt hoặc sự thay đổi nhiệt độ đột ngột.
7.10 Thử nghiệm
7.10.1 Thử tại xưởng
1 Thử mối hàn phải theo các yêu cầu trong Phần 6B của Quy chuẩn này.
2 Nồi hơi phải được thử thủy lực ở áp suất bằng 1,5 lần áp suất thiết kế của nồi hơi và 2 lần áp suất thiết kế cho các phụ tùng.
7.10.2 Thử nghiệm sau khi lắp lên tầu
Đối với nồi hơi, việc thử “nổ” van an toàn và thử chức năng của các thiết bị an toàn và các thiết bị báo động phải được thực hiện sau khi đã được lắp đặt lên tàu.
7.11 Kết cấu của nồi hơi cỡ nhỏ
7.11.1 Quy định chung
Bất kể các yêu cầu trong các điều từ 7.2 đến 7.10, những yêu cầu trong 7.11 có thể được áp dụng cho nồi hơi có áp suất thiết kế không quá 0,35 MPa (sau đây được gọi là “nồi hơi nhỏ”).
7.11.2 Vật liệu, kết cấu, độ bền và phụ tùng của nồi hơi nhỏ
1 Vật liệu, kết cấu, độ bền và phụ tùng của nồi hơi nhỏ phải tuân theo những yêu cầu trong các tiêu chuẩn đã được công nhận.
2 Nồi hơi nhỏ phải có các van an toàn hoặc ống xả áp có đủ dung lượng.
3 Nồi hơi nhỏ phải có các thiết bị an toàn sau:
(1) Hệ thống làm sạch trước để đề phòng nổ khí lò;
(2) Hệ thống ngừng cấp dầu đốt hoạt động trong trường hợp mất lửa, hỏng bộ đánh lửa tự động hoặc quạt thông gió ngừng làm việc;
(3) Hệ thống ngừng cấp dầu đốt hoạt động khi áp suất vượt quá áp suất làm việc đã quy định;
(4) Hệ thống ngừng cấp dầu đốt để ngăn ngừa quá nhiệt trong trường hợp nước cạn.
7.11.3 Thử nghiệm
1 Thử ở xưởng
Các bộ phận chịu áp suất phải được thử thủy lực ở áp suất bằng 2 lần áp suất thiết kế hoặc 0,2 MPa lấy trị số nào lớn hơn.
2 Thử sau khi lắp lên tàu
Đối với nồi hơi nhỏ sau khi lắp lên tàu phải tiến hành thử chức năng của các thiết bị an toàn được quy định trong 7.11.2-3.
CHƯƠNG 8 BÌNH CHỊU ÁP LỰC
8.1 Quy định chung
8.1.1 Phạm vi áp dụng
1 Các yêu cầu trong Chương này áp dụng cho các bình chứa khí hay chất lỏng chịu áp suất vượt quá áp suất khí quyển, kể cả các thiết bị trao đổi nhiệt nhưng không tiếp xúc với lửa, khí cháy hay khí nóng.
2 Các thiết bị trao đổi nhiệt... có áp suất bên trong nhỏ hơn áp suất khí quyển thì cũng phải áp dụng những yêu cầu thích hợp trong Chương này (khi đó, áp suất có giá trị âm đo được của bình thì phải được thay bằng áp suất dương có cùng trị số).
8.1.2 Áp suất thiết kế
Áp suất thiết kế được dùng cho tính toán độ bền của từng chi tiết kết cấu của bình chịu áp lực không được nhỏ hơn trị số lớn nhất trong các trị số sau:
1 Áp suất làm việc đã được duyệt là áp suất lớn nhất trong thân bình;
2 Áp suất làm việc lớn nhất ở nhiệt độ lớn nhất (nhiệt độ làm việc lớn nhất) được nhà chế tạo quy định;
3 Trong trường hợp bình chịu áp lực được dùng để chứa khí hóa lỏng và được duy trì trong trạng thái áp suất ở nhiệt độ khí quyển hay gần nhiệt độ khí quyển thì lấy theo áp suất sau đây, lấy giá trị nào lớn nhất:
(1) Áp suất hơi của khí ở 45 °C;
(2) Áp suất làm việc lớn nhất;
(3) 0,7 MPa.
8.1.3 Phân loại bình chịu áp lực
1 Các bình chịu áp lực được phân thành 3 nhóm tùy theo chiều dày tấm vỏ và điều kiện làm việc của chúng.
(1) Các bình chịu áp lực nhóm I (PV-1)
Các bình chịu áp lực phù hợp với một trong những mục sau:
(a) Tấm vỏ dầy hơn 38 mm (xem chú thích 1);
(b) Áp suất thiết kế lớn hơn 4 MPa (xem chú thích 1);
(c) Nhiệt độ làm việc lớn nhất cao hơn 350 ºC;
(d) Thiết bị sinh hơi có áp suất thiết kế cao hơn 0,35 MPa;
(e) Bình chứa khí dễ cháy áp suất cao có áp suất hơi không nhỏ hơn 0,2 MPa ở 38 ºC (xem chú thích 2)
Chú thích:
1) Bình chịu áp lực có tấm vỏ dầy hơn 38 mm hoặc áp suất thiết kế cao hơn 4 MPa nhưng chỉ chịu áp suất thủy tĩnh của dầu hay nước ở nhiệt độ khí quyển thì được phân là loại “ PV-2”;
2) Những yêu cầu đối với “PV-2” áp dụng cho các vật liệu, kết cấu và hàn khi bình chịu áp lực có dung tích không quá 500 lít.
(2) Bình chịu áp lực nhóm II (PV-2)
Bình chịu áp lực phù hợp với một trong những mục sau:
(a) Tấm vỏ dày hơn 16 mm;
(b) Áp suất thiết kế lớn hơn 1 MPa;
(c) Nhiệt độ làm việc tối đa lớn hơn 150 ºC;
(d) Thiết bị sinh hơi với áp suất thiết kế không quá 0,35 MPa.
(3) Bình chịu áp lực nhóm III (PV-3)
Các bình chịu áp lực không nằm trong các nhóm I và II.
2 Loại bình chịu áp lực chứa chất nguy hiểm không quy định ở -1 sẽ được quy định trong từng trường hợp phù hợp với tính chất của chất đó, sự làm việc và điều kiện làm việc...
8.1.4 Bản vẽ và tài liệu trình thẩm định
Các bản vẽ và tài liệu cần phải trình như dưới đây. Tuy nhiên đối với các bình chịu áp lực thuộc nhóm III không phải trình nếu Đăng kiểm không có yêu cầu riêng.
1 Các bản vẽ (có chỉ rõ loại và kích thước vật liệu) trình thẩm định
(1) Bố trí chung;
(2) Các chi tiết về vỏ;
(3) Bố trí các thiết bị xả áp;
(4) Các chi tiết vòng đệm cho các phụ tùng và các họng để lắp phụ tùng;
(5) Các bản vẽ khác theo yêu cầu cụ thể của Quy chuẩn.
2 Tài liệu tham khảo
(1) Thuyết minh các đặc điểm chính;
(2) Đặc điểm kĩ thuật hàn (quy trình hàn, chất liệu hàn và điều kiện hàn);
(3) Các tài liệu khác theo yêu cầu cụ thể của Quy chuẩn.
8.2 Vật liệu và hàn
8.2.1 Vật liệu
1 Vật liệu dùng làm các chi tiết chịu áp suất của bình chịu áp lực phải thích hợp với điều kiện làm việc của chúng và tuân theo những yêu cầu trong các mục từ (1) đến (3) dưới đây. Tuy nhiên, nếu dự định sử dụng những vật liệu đặc biệt, phải trình đầy đủ các thông tin có liên quan với việc thiết kế và cách sử dụng loại vật liệu đó cho Đăng kiểm thẩm định.
(1) Bình chịu áp lực nhóm I (PV-1)
Mọi vật liệu phải tuân theo các quy định ở Phần 6A của Quy chuẩn này.
(2) Bình chịu áp lực nhóm II (PV-2)
Giống như nhóm I. Tuy nhiên, nếu bình chịu áp lực nằm trong một trong những hạng mục sau thì vật liệu có thể áp dụng theo những yêu cầu ở (3).
(a) Áp suất thiết kế dưới 0,7 MPa;
(b) Áp suất thiết kế không quá 2 MPa, nhiệt độ làm việc tối đa không quá 150 ºC và dung tích không quá 500 lít.
(3) Bình chịu áp lực nhóm III (PV- 3)
Sử dụng các vật liệu thoả mãn các quy định trong các tiêu chuẩn đã được công nhận.
2 Bất kể các yêu cầu trong -1(1) và -1(2), vật liệu của các phụ tùng được lắp vào các bình chịu áp lực thuộc nhóm I, II như van, các họng để lắp phụ tùng... có thể lấy theo các quy định ở -1(3) khi được Đăng kiểm thẩm định trên cơ sở xem xét kích thước và điều kiện làm việc.
8.2.2 Giới hạn sử dụng gang
1 Không được dùng gang xám làm vỏ các bình chịu áp lực sau:
(1) Nhiệt độ làm việc tối đa cao hơn 220 ºC hoặc áp suất thiết kế lớn hơn 1 MPa;
(2) Chứa hoặc giữ các chất dễ cháy hoặc độc.
2 Các loại gang đúc đặc biệt như gang graphít cầu có thể được dùng làm bình chịu áp lực với nhiệt độ làm việc tối đa không quá 350 ºC và áp suất thiết kế không quá 1,8 MPa khi được sự đồng ý của Đăng kiểm.
8.2.3 Giới hạn sử dụng các vật liệu dùng làm phụ tùng
Giới hạn sử dụng các vật liệu dùng làm phụ tùng phải tuân theo các quy định ở 8.9. Đối với các phụ tùng của bình chịu áp lực dùng để chứa hoặc giữ các chất dễ cháy, độc thì không được dùng gang nếu không được sự chấp thuận của Đăng kiểm.
8.2.4 Xử lý nhiệt các tấm thép
Khi tiến hành xử lý nhiệt như tạo hình nóng hay khử ứng suất trên thép tấm trong quá trình chế tạo bình chịu áp lực, nhà chế tạo phải thông báo ý định cùng với đơn đặt hàng vật liệu.
Trong trường hợp này, những nội dung cần thiết đối với nhà sản xuất thép tấm được nêu ở Phần 6A của Quy chuẩn này.
8.2.5 Xử lý nhiệt cho vật liệu định hình nguội
Phải tiến hành biện pháp thích hợp như xử lý nhiệt khi định hình nguội được coi là có hại cho vật liệu làm bình chịu áp lực khi bình được sử dụng trong môi trường có thể xảy ra ứng suất do ăn mòn, nứt.
8.2.6 Thử không phá hủy đối với thép đúc và gang
1 Thép đúc và gang được dùng làm vỏ bình chịu áp lực nhóm I chịu áp suất bên trong phải được thử bằng chụp X quang hay thử bằng siêu âm cũng như thử bằng hạt từ tính hoặc thử bằng thấm màu để khẳng định rằng chúng không có khuyết tật có hại.
2 Thép đúc và gang được dùng làm vỏ bình chịu áp lực nhóm II chịu áp suất bên trong phải được thử không phá hủy thỏa đáng để khẳng định rằng chúng không có khuyết tật có hại.
8.2.7 Hàn
Trình độ thợ hàn bình chịu áp lực phải phù hợp với những yêu cầu trong Phần 6B của Quy chuẩn này.
8.3 Yêu cầu về thiết kế
8.3.1 Kí hiệu
Nếu không có chỉ dẫn đặc biệt nào khác, các kí hiệu được dùng trong Chương này như sau:
f - ứng suất cho phép, N/mm2 phù hợp với các yêu cầu trong 8.4.1-1, 8.4.1-2 hoặc 9.2.1;
a - lượng dư ăn mòn, mm phù hợp với yêu cầu trong 8.4.3;
Tr - chiều dày yêu cầu, mm được tính toán theo áp suất thiết kế. Áp suất cho phép là áp suất có được khi thay chiều dày yêu cầu bằng chiều dày thực trong công thức;
P - áp suất thiết kế, MPa;
j - giá trị nhỏ nhất của hệ số độ bền mối nối được quy định ở 8.4.2;
R - bán kính trong của vỏ, mm;
R20 - giới hạn bền kéo danh nghĩa của vật liệu đang xét ở nhiệt độ trong phòng, N/mm2;
E20 - giới hạn chảy danh nghĩa nhỏ nhất (hoặc giới hạn chảy quy ước của vật liệu đang xét ở nhiệt độ trong phòng), N/mm2.
8.3.2 Tải trọng thiết kế
1 Trong thiết kế bình chịu áp lực các tải trọng sau được đưa vào tính toán, khi cần thiết được cộng thêm áp suất bên trong.
(1) Cột áp tĩnh của chất lỏng trong bình;
(2) Áp suất ngoài;
(3) Tải trọng động gây ra do chuyển động của tàu;
(4) Ứng suất nhiệt;
(5) Tải trọng từ các phụ tùng;
(6) Tải trọng do các phản lực từ các kết cấu đỡ;
(7) Tải trọng áp suất thử thủy lực;
(8) Các tải trọng khác hay ngoại lực tác động lên bình chịu áp lực.
2 Nếu thấy cần thiết phải tiến hành phân tích mỏi và phân tích sự lan truyền nứt sau khi xem xét đến tải trọng ở -1.
8.3.3 Bình chịu áp lực dạng không thông thường
Khi việc thiết kế theo các yêu cầu trong 8.5 và 8.6 là không hợp lí do phần chịu áp suất có hình dạng không thông thường thì Đăng kiểm có thể chấp nhận việc đo sự biến dạng dưới tác động của tải trọng thích hợp và Đăng kiểm sẽ xem xét kết quả đo được để coi như chúng thoả mãn các yêu cầu trong 8.5 và 8.6.
8.3.4 Những lưu ý đối với thiết kế
1 Bình chịu áp lực làm việc ở nhiệt độ thấp phải có đủ độ vững chắc để chịu được nhiệt độ làm việc thấp nhất theo yêu cầu.
2 Bình chịu áp lực được dùng trong môi trường ăn mòn mạnh phải có các biện pháp kiểm tra ăn mòn có hiệu quả.
3 Các thiết bị trao đổi nhiệt phải có cơ cấu làm kín có hiệu quả tại chỗ nối các ống với mặt sàng và mặt sàng với vỏ sao cho tránh được sự trộn lẫn của hai loại chất lỏng trao đổi nhiệt.
8.3.5 Các lưu ý đối với sự lắp đặt
1 Bình chịu áp lực phải được lắp đặt sao cho có thể giảm tối đa các tác động do chuyển động của tàu, chấn động từ các hệ thống máy, các ngoại lực do ống dẫn và các giá đỡ cũng như sự giãn nở vì nhiệt do sự khác biệt về nhiệt độ.
2 Bình chịu áp lực và các phụ tùng của nó phải được bố trí tại các vị trí thuận tiện cho vận hành, sửa chữa và kiểm tra.
8.4 Ứng suất cho phép, hệ số độ bền mối nối và lượng dư ăn mòn
8.4.1 Ứng suất cho phép
1 Ứng suất cho phép của các vật liệu được dùng ở điều kiện nhiệt độ phòng phải được xác định theo các quy định sau:
(1) Ứng suất cho phép (f) của thép các bon (kể cả thép các bon mangan) và thép hợp kim thấp không kể thép đúc không được lấy lớn hơn giá trị nhỏ nhất trong các trị số tính được từ các công thức sau. Đối với bình chịu áp lực dùng cho khí hóa lỏng, giá trị của mẫu số cho f1 phải bằng 3 và cho f2 phải bằng 2.

(2) Ứng suất cho phép của ống thép hàn bằng phương pháp điện trở, trừ khi chúng được dùng làm vỏ bình chịu áp lực, phải lấy theo các giá trị được nêu ở (1) và các ống này được thử siêu âm hay bất kì một phương pháp phát hiện khuyết tật tương tự nào khác thích hợp trên toàn bộ chiều dài mối hàn. Trong các trường hợp khác, phải lấy bằng 85% giá trị được nêu ở (1).
(3) Ứng suất cho phép của thép đúc phải lấy bằng giá trị có được từ (1) nhân với hệ số được cho trong Bảng 3/8.1.
(4) Ứng suất cho phép của gang phải được lấy bằng 1/8 ứng suất kéo tối thiểu danh nghĩa. Tuy nhiên, ứng suất cho phép của gang loại đặc biệt được Đăng kiểm đồng ý có thể lấy tới 1/6 ứng suất kéo tối thiểu danh nghĩa.
(5) Ứng suất cho phép của thép ôstenit phải được lấy bằng trị nhỏ nhất trong các số f1, f2 dưới đây:

(6) Ứng suất cho phép của hợp kim nhôm phải được lấy bằng trị nhỏ nhất trong các trị f1, f2 dưới đây:

Bảng 3/8.1 - Hệ số để nhân với ứng suất cho phép của thép đúc
| Dạng thử | Hệ số |
| Khi không tiến hành thử bằng chụp X quang hay bất kì một sự thử nghiệm theo lựa chọn nào khác | 0,7 |
| Khi tiến hành thử bằng chụp X quang ngẫu nhiên hoặc thử nghiệm theo lựa chọn | 0,8 |
| Khi các thử nghiệm trên được thực hiện trên toàn bộ các bộ phận | 0,9 |
2 Đối với ứng suất cho phép của vật liệu dùng làm bình chịu áp lực làm việc ở nhiệt độ cao phải áp dụng các yêu cầu trong 7.4.1 hoặc giá trị được Đăng kiểm coi là thích hợp.
3 Ứng suất kéo cho phép phải phù hợp với các yêu cầu trong -1 và -2. Tuy nhiên, ứng suất kéo cho phép của bu lông phải tuân theo những yêu cầu sau:
(1) Khi bu lông được sử dụng ở nhiệt độ trong phòng, trị số ứng suất kéo cho phép được lấy theo (a) hoặc (b) dưới đây, lấy trị số nào nhỏ hơn. Tuy nhiên đối với các bu lông phù hợp với các tiêu chuẩn đã được công nhận thì trị số ứng suất kéo cho phép có thể bằng 1/3 tải trọng thử được định ra ở đó.

(2) Trong trường hợp bu lông được dùng ở nhiệt độ cao thì trị số ứng suất kéo cho phép phải được lấy phù hợp với tiêu chuẩn quốc gia hoặc tiêu chuẩn, quy phạm theo thông lệ quốc tế.
4 Ứng suất uốn cho phép phải phù hợp với các yêu cầu sau:
(1) Khi vật liệu được sử dụng ở nhiệt độ trong phòng thì phải phù hợp với yêu cầu ở -1. Tuy nhiên, đối với thép đúc hoặc gang, trị số này được lấy bằng 1,2 lần giá trị trên.
(2) Khi vật liệu được sử dụng ở nhiệt độ cao, giá trị ứng suất phải được lấy phù hợp với tiêu chuẩn quốc gia hoặc tiêu chuẩn, quy phạm theo thông lệ quốc tế.
5 Ứng suất cắt cho phép đối với ứng suất cắt chính trung bình ở tiết diện chịu tải trọng cắt phải được lấy bằng 80% ứng suất kéo cho phép.
6 Ứng suất nén cho phép ở vỏ hình trụ của bình chịu áp lực ở nhiệt độ trong phòng chịu tải trọng gây ra ứng suất nén theo phương dọc trục được lấy theo (1) hoặc (2) sau đây, lấy giá trị nào nhỏ hơn.
(1) Trị số được nêu ở -1
(2) Ứng suất uốn dọc cho phép theo công thức sau:

Trong đó:
σz - ứng suất uốn dọc cho phép, N/mm2;
E - mô đun đàn hồi dọc ở nhiệt độ trong phòng, N/mm2;
To - chiều dày thực của tấm vỏ không kể đến lượng ăn mòn cho phép của tấm vỏ thực, mm;
Dm - đường kính trung bình của vỏ, mm.
7 Khi thực hiện tính toán một cách chi tiết các ứng suất cho phép cho các loại ứng suất khác của thép các bon hoặc thép các bon măng gan được dùng làm vỏ bình chịu áp lực được chế tạo bởi máy quay thì được lấy như sau:
Pm ≤ f
PL ≤ 1,5f
Pb ≤ 1,5f
PL + Pb ≤ 1,5f
Pm + Pb ≤ 1,5f
PL + Pb + Q ≤ 3f
Trong đó:
Pm - ứng suất màng chung chính tương đương, N/mm2;
PL - ứng suất màng cục bộ chính tương đương, N/mm2;
Pb - ứng suất uốn chính tương đương, N/mm2;
Q - ứng suất phụ tương đương, N/mm2.
8.4.2 Hệ số độ bền mối nối
Hệ số độ bền của mối nối phải như sau:
1 Vỏ không ghép nối: 1,00;
2 Vỏ hàn: như cho ở Bảng 3/8.2;
3 Ống thép hàn điện được dùng làm vỏ: như nêu ở -1 trong Bảng 3/8.2.
Bảng 3/8.2 - Hệ số độ bền mối nối hàn
| Kiểu thử X quang Kiểu nối | Thử X quang toàn | Thử X quang một phần | Không thực hiện thử bằng X quang |
| (1) Mối hàn giáp mép hai phía hoặc mối hàn giáp mép được Đăng kiểm coi là tương đương | 1,00 | 0,85 | 0,75 |
| (2) Mối hàn giáp mép một phía nhưng tấm lót lưng không tháo bỏ hoặc mối hàn giáp mép một phía được Đăng kiểm coi là tương đương | 0,90 | 0,80 | 0,70 |
| (3) Mối hàn giáp mép một phía khác với (1) và (2) | - | - | 0,60 |
| (4) Mối nối chồng hàn hai phía đầy góc | - | - | 0,55 |
| Chú thích: Thử bằng X quang có thể được thay bằng thử siêu âm phù hợp với tiêu chuẩn quốc gia hoặc tiêu chuẩn, quy phạm theo thông lệ quốc tế. | |||
8.4.3 Lượng dư ăn mòn
1 Lượng dư ăn mòn của vật liệu được dùng để tính độ bền, trừ trường hợp chúng bị ăn mòn hoặc mòn và xây xát quá mức phải được lấy không nhỏ hơn 1 mm hoặc 1/6 chiều dày yêu cầu không kể lượng dư ăn mòn cho mặt trong lấy giá trị nào nhỏ hơn. Trong trường hợp sử dụng vật liệu chịu ăn mòn hoặc có các biện pháp kiểm tra ăn mòn có hiệu quả hoặc không có khả năng xảy ra ăn mòn thì giá trị này có thể được giảm tương ứng.
2 Trong trường hợp mặt ngoài của bình chịu áp lực có thể bị ăn mòn được bọc cách nhiệt, lớp cách nhiệt này làm trở ngại cho việc kiểm tra bên ngoài thì cũng phải có một lượng dư ăn mòn thích hợp trên mặt ngoài của bình chịu áp lực.
8.5 Độ bền
8.5.1 Chiều dày tối thiểu của mỗi bộ phận
1 Chiều dày tấm vỏ và tấm đáy không được nhỏ hơn 5 mm trừ trường hợp có căn cứ theo tiêu chuẩn quốc gia hoặc tiêu chuẩn, quy phạm theo thông lệ quốc tế với sự xét đến đường kính, áp suất, nhiệt độ, vật liệu... Trừ trường hợp tấm đáy là nửa hình cầu, chiều dày tấm đáy được tạo hình không được nhỏ hơn chiều dày yêu cầu (được tính toán theo giả định hệ số bền mối nối bằng 1) của vỏ mà tấm đáy được hàn vào.
2 Chiều dày của các họng để lắp phụ tùng được hàn vào bình chịu áp lực phải phù hợp với những yêu cầu dưới đây. Những yêu cầu này sẽ được sửa đổi nếu có căn cứ theo tiêu chuẩn quốc gia hoặc tiêu chuẩn, quy phạm theo thông lệ quốc tế trên cơ sở xem xét các kích thước hoặc hình dạng, vật liệu ...
(1) Chiều dày này không được nhỏ hơn giá trị 2,5 mm cộng với 1/25 lần đường kính ngoài của họng lắp phụ tùng hoặc trị số được tính theo công thức trong 8.5.2-2. Tuy nhiên, chiều dày này không cần lớn hơn chiều dày của vỏ bình nơi họng lắp phụ tùng được hàn vào.
(2) Bất kể các yêu cầu ở (1) chiều dày của những bình chịu áp lực thuộc nhóm II, III không cần lớn hơn 4 mm nếu nó không nhỏ hơn trị số được tính theo công thức 8.5.2-2.
8.5.2 Độ bền tấm vỏ, tấm đáy và tấm phẳng chịu áp suất bên trong
1 Quy định chung
Tấm vỏ, tấm đáy và tấm phẳng không có thanh giằng hoặc giá đỡ nào khác (không kể mặt sàng của thiết bị trao đổi nhiệt) chịu áp suất bên trong phải tuân theo những yêu cầu được nêu từ -2 tới -6 dưới đây. Tuy nhiên, độ bền của các tấm vỏ của bình chịu áp lực ở các điều kiện sau phải được tính toán theo các công thức phù hợp với tiêu chuẩn quốc gia hoặc tiêu chuẩn, quy phạm theo thông lệ quốc tế.
(1) Bình chịu áp lực hình trụ

(2) Bình chịu áp lực hình cầu

2 Chiều dày của các tấm vỏ hình trụ chịu áp suất bên trong:
Chiều dày yêu cầu của các tấm vỏ chịu áp suất bên trong phải được tính theo công thức dưới đây. Tuy nhiên, khi tấm vỏ hình trụ có lỗ khoét đòi hỏi được gia cường thì lỗ phải được gia cường theo những yêu cầu trong 8.6.3.

3 Chiều dày yêu cầu của tấm vỏ hình cầu chịu áp suất bên trong:
Chiều dày yêu cầu của tấm vỏ hình cầu chịu áp suất bên trong phải được tính toán theo công thức dưới đây. Khi tấm vỏ hình cầu có lỗ khoét đòi hỏi gia cường thì lỗ khoét phải được gia cường theo các yêu cầu trong 8.6.3.

4 Chiều dày của tấm đáy được tạo hình chịu áp suất trên phía lõm không có thanh giằng hay giá đỡ nào khác:
(1) Chiều dày yêu cầu của tấm đáy không có lỗ khoét phải được tính theo công thức sau:
(a) Tấm đáy hình đĩa hoặc hình bán cầu:

Trong đó:
cho tấm đáy hình lòng đĩa;
W = 1 cho tấm đáy hình bán cầu;
R1 - bán kính trong chỏm cầu, R1 phải nhỏ hơn đường kính ngoài của phần viền mặt đáy;
r - bán kính trong của chỗ nối, r không được nhỏ hơn 6% của đường kính ngoài của phần viền của tấm đáy hoặc 3 lần chiều dày thực của tấm đáy, lấy trị số nào lớn hơn.
(b) Các tấm đáy hình nửa elíp (khi nửa trục ngắn trong của tấm đáy không nhỏ hơn 1/4 trục dài trong của tấm đáy)

(2) Chiều dày yêu cầu của tấm đáy có lỗ khoét phải phù hợp với những yêu cầu ở (a), (b) hoặc (c) dưới đây:
(a) Khi không gia cường cho lỗ khoét theo các yêu cầu ở 8.6.2 hoặc lỗ khoét được gia cường theo yêu cầu trong 7.6.3-3 và 7.6.3-4 thì chiều dày yêu cầu phải được tính theo công thức trong (1).
(b) Khi tấm đáy có cửa hay lỗ quan sát có gờ với đường kính lớn nhất vượt quá 150 mm và gờ gia cường phù hợp với yêu cầu trong 7.6.3-7 thì chiều dày phải được tính như sau:
(i) Tấm đáy hình lòng đĩa hoặc hình bán cầu
Chiều dày phải được tăng thêm không dưới 15% (nếu trị số được tính toán nhỏ hơn 3 mm thì được lấy bằng 3 mm) chiều dày yêu cầu tính theo công thức ghi trong (1)(a). Trường hợp khi bán kính chỏm cầu trong của tấm đáy nhỏ hơn 0,8 lần đường kính trong của vỏ thì trị số của bán kính chỏm cầu trong công thức phải lấy bằng 0,8 lần đường kính trong của vỏ.
Khi tính chiều dày của tấm đáy có hai cửa theo (i), khoảng cách giữa hai cửa không được nhỏ hơn 1/4 đường kính ngoài của tấm đáy.
(ii) Tấm đáy hình nửa elíp
Phải áp dụng các yêu cầu trong (1)(a), tuy nhiên khi đó R1 phải bằng 0,8 lần đường kính trong của vỏ và W bằng 1,77.
(c) Khi các lỗ khoét không được gia cường theo các quy định ở (a) hoặc (b) thì chiều dày yêu cầu phải được tính theo công thức sau. Tuy nhiên, chiều dày không được nhỏ hơn trị số tính được từ công thức ở (1).
![]()
Trong đó:
Do - đường kính ngoài của tấm đáy, mm;
K - được chỉ ra trên Hình 3/7.6. Tuy vậy, điều này thích hợp cho tấm đáy tuân theo các điều kiện sau:
Tấm đáy hình bán cầu: 0,003Do ≤ Te ≤ 0,16Do
Tấm đáy hình nửa elíp: 0,003Do ≤ Te ≤ 0,08Do, H ≥ 0,18Do
Tấm đáy hình lòng đĩa: 0,003Do ≤ Te ≤ 0,08Do
r ≥ 0,1Do
r ≥ 3Te
R1 ≤ Do
H ≥ 0,18Do
hoặc 0,01Do ≤ Te ≤ 0,03Do
r ≥ 0,06Do
H = 0,18Do
hoặc 0,02Do ≤ Te ≤ 0,03Do
r ≥ 0,06Do
0,18Do ≤ H ≤ 0,22Do
Te - chiều dày thực của tấm đáy, mm;
H - chiều cao tấm đáy tính từ mặt ngoài tới mặt nối phần đĩa với phần hình trụ, mm;
R1 và r - như đã được quy định ở (1)(a).
5 Chiều dày yêu cầu của tấm đáy được tạo hình chịu áp suất trên mặt lồi
Chiều dày yêu cầu của tấm đáy được tạo hình chịu áp suất trên mặt lồi không được nhỏ hơn chiều dày khi tính toán với giả thiết rằng phía lõm của chúng chịu áp suất ít nhất là 1,67 lần áp suất thiết kế.
6 Chiều dày yêu cầu của tấm đáy và nắp phẳng không có thanh giằng hoặc giá đỡ:
(1) Khi tấm đáy và tấm nắp phẳng không có thanh giằng hoặc giá đỡ được hàn vào tấm vỏ thì chiều dày yêu cầu phải được tính theo công thức sau:
(a) Tấm tròn ![]()
(b) Tấm không tròn 
Trong đó:
C1 - hằng số cho trong Hình 3/7.9;
, nhưng không cần quá 1,6;
d - đường kính được cho trong Hình 3/7.9 (cho tấm đáy tròn), hoặc chiều ngắn nhất (cho tấm đáy không tròn), mm;
D' - chiều dài của tấm đáy hoặc nắp không tròn được đo thẳng góc với chiều ngắn, mm.
(2) Khi tấm nắp phẳng không có thanh giằng được bắt bu lông vào tấm vỏ thì chiều dày yêu cầu phải được tính theo công thức sau:
(a) Khi dùng tấm đệm trên toàn mặt

(b) Khi phải đưa mô men do phản lực của đệm vào tính toán:

Trong đó:
C3 - hằng số được xác định bởi phương pháp bắt bu lông cho trong Hình 3/7.10;
C4 = 3,4 - 2,4d/D', nhưng không cần quá 2,5;
d - đường kính được cho trong Hình 3/7.10 (cho tấm tròn) hoặc chiều ngắn nhất (cho tấm không tròn), mm;
D' - chiều dài của tấm đáy hoặc nắp không tròn được đo thẳng góc với chiều ngắn, mm;
W - trị số trung bình (N) của các tải trọng bu lông cần để làm kín và tải trọng cho phép cho bu lông được dùng thực tế;
L - tổng chiều dài của vòng tròn qua các tâm bu lông, mm;
hg - cánh tay đòn mô men của phản lực từ tấm đệm cho trong Hình 3/7.10, mm.
8.5.3 Chiều dày yêu cầu của mặt sàng của thiết bị trao đổi nhiệt
Chiều dày các mặt sàng của thiết bị trao đổi nhiệt không có thanh giằng hoặc giá đỡ phải tuân theo những yêu cầu sau:
1 Không kể đầu tự lựa, chiều dày yêu cầu của mặt sàng phẳng không có ống giằng của thiết bị trao đổi nhiệt và thiết bị tương tự phải bằng trị số lớn nhất trong các trị số được tính theo các công thức dưới đây:

Trong đó:
fb - ứng suất uốn cho phép của vật liệu, N/mm2;
- ứng suất cắt cho phép của vật liệu, N/mm2;
C5 - hệ số được xác định bởi phương pháp đỡ ống và mặt sàng. Khi mặt sàng không liền với vỏ, nếu ống thẳng thì trị số được lấy là 1, nếu ống hình chữ U thì trị số được lấy bằng 1,25. Khi mặt sàng liền với vỏ trị số này được lấy theo Hình 3/8.1;
D - đường kính vòng tròn ngoài của mặt sàng đáy, mm khi nó được bắt bu lông vào mặt bích, D là đường kính của vòng tròn đi qua các vị trí mà phản lực của đệm tác dụng vào, khi mặt sàng được cố định vào vỏ thì D là đường kính trong của vỏ (lượng dư ăn mòn phải được khấu trừ đi);
A - diện tích đa giác được tạo thành khi nối tâm các lỗ ống ngoài cùng (xem Hình 3/8.2), mm2;
L - chiều dài - bằng chu vi ngoài của đa giác nói trên trừ đi tổng các đường kính các lỗ ống ở ngoài cùng, mm;
a - lượng ăn mòn cho phép, mm. Trong trường hợp nếu bố trí rãnh xoi cho tấm ngăn hoặc rãnh xoi cho vòng đệm kín thì chiều sâu lớn hơn lượng dư ăn mòn quy định ở 8.4.3 thì a được lấy bằng chiều sâu của rãnh xoi này.
2 Việc tính Tr tại -1 trên phải tính cho cả 2 phía với việc sử dụng các giá trị P, C5 và D. Tuy nhiên khi có thực hiện tính chênh lệch áp suất, Đăng kiểm sẽ thẩm định trong từng trường hợp cụ thể.
8.5.4 Chiều dày yêu cầu của ống của thiết bị trao đổi nhiệt
1 Vật liệu ống của thiết bị trao đổi nhiệt phải phù hợp với công dụng và chiều dày yêu cầu phải được tính theo công thức sau:

Trong đó:
Do - đường kính ngoài của ống, mm;
a - 1,5 mm cho ống thép, 0,1T cho ống đồng hay hợp kim đồng;
T - chiều dày thực của ống, mm;
f - được cho trong 8.4.1 hay Bảng 3/8.3.
2 Phải lưu ý đầy đủ đến sự giảm độ dày khi uốn đối với ống hình chữ U của thiết bị trao đổi nhiệt.

Hình 3/8.1 - Trị số C5

Hình 3/8.2 - Cách xác định đa giác để tính toán mặt sàng ống
Bảng 3/8.3 - Giá trị ứng suất cho phép của các ống bằng đồng và hợp kim đồng
| Nhiệt độ thiết kế °C
Loại vật liệu (cấp) | Ứng suất cho phép của các ống đồng và hợp kim đồng (f) N/mm2 | |||||||||||
| 50 trở xuống | 75 | 100 | 125 | 150 | 175 | 200 | 225 | 250 | 275 | 300 | ||
| Ống đồng đi ô xít phốt pho liền | C 1201 C 1220 | 41 | 41 | 40 | 40 | 34 | 27,5 | 18,5 | - | - | - | - |
| Ống đồng thau liền dùng cho bầu ngưng và thiết bị trao đổi nhiệt | C 4430 | 68 | 68 | 68 | 68 | 68 | 67 | 24 | - | - | - | - |
| C 6870 C 6871 C 6872 | 78 | 78 | 78 | 78 | 78 | 51 | 24,5 | - | - | - | - | |
| Ống đồng ni ken liền dùng cho bầu ngưng và bộ trao đổi nhiệt | C 7060 | 68 | 68 | 67 | 65,5 | 64 | 62 | 59 | 56 | 52 | 48 | 44 |
| C 7100 | 73 | 72 | 72 | 71 | 70 | 70 | 67 | 65 | 63 | 60 | 57 | |
| C 7150 | 81 | 79 | 77 | 75 | 73 | 71 | 69 | 67 | 65,5 | 64 | 62 | |
| Chú thích: Các giá trị trung gian được xác định bằng nội suy. | ||||||||||||
8.5.5 Độ bền của các bình chịu áp lực bên ngoài
Khi áp suất bên trong của bình chịu áp lực thấp hơn áp suất bên ngoài phải tính độ bền theo uốn dọc.
8.5.6 Tính toán mỏi
Đối với các bình áp lực chịu tải trọng động hoặc xuất hiện tải trọng ngoài quá lớn có chu kỳ thì phải tính mỏi. Mức độ tích lũy mỏi trong trường hợp này phải phù hợp với công thức sau đây. Tuy nhiên, nếu có căn cứ theo tiêu chuẩn quốc gia hoặc tiêu chuẩn, quy phạm theo thông lệ quốc tế, giá trị trong vế phải của công thức có thể được tăng đến giá trị thích hợp theo đường cong S-N được dùng trong tính toán nhưng không vượt quá 1,0.

Trong đó:
ni - số chu kỳ ở mỗi mức ứng suất;
Ni - số chu kỳ tính tới khi nứt đối với mỗi mức ứng suất tương ứng được chỉ bằng đường cong S-N của vật liệu sử dụng.
8.5.7 Xem xét ứng suất phụ
Khi tính toán độ bền, nếu có phát sinh ứng suất phụ, phải lưu ý đến ảnh hương do ứng suất phụ.
8.5.8 Xem xét ứng suất nhiệt
Đối với các bình chịu áp lực có thể phải chịu ứng suất nhiệt quá mức hoặc chứa chất lỏng có nhiệt độ sôi thấp hơn -55 ºC, thì phải xem xét đến sức bền để chịu ứng suất nhiệt.
8.5.9 Tính độ bền theo phương pháp đặc biệt
Nếu bản tính độ bền chi tiết được trình duyệt, ngay cả khi kích thước của các bộ phận bình chịu áp lực không phù hợp với các quy định tại 8.5, yêu cầu về độ bền phải phù hợp với tiêu chuẩn quốc gia hoặc tiêu chuẩn, quy phạm theo thông lệ quốc tế.
8.6 Các cửa người chui, các lỗ lắp họng để nối phụ tùng và việc gia cường chúng
8.6.1 Các cửa người chui, cửa làm vệ sinh và cửa kiểm tra
1 Bình chịu áp lực phải có cửa chui, cửa làm vệ sinh và cửa kiểm tra ở vỏ bình hoặc tấm đáy để kiểm tra và bảo dưỡng phù hợp với Bảng 3/8.4. Việc giảm số lượng và kích thước của các lỗ khoét phải căn cứ theo tiêu chuẩn quốc gia hoặc tiêu chuẩn, quy phạm theo thông lệ quốc tế và phải được Đăng kiểm thẩm định.
2 Kích thước tiêu chuẩn của các cửa nói trên được cho ở Bảng 3/8.5.
3 Kết cấu của các lỗ và nắp phải phù hợp với các quy định ở 7.6.1-2.
8.6.2 Gia cường lỗ khoét
1 Khi trên vỏ có cửa, lỗ khoét cho các họng lắp phụ tùng... thì chúng phải được gia cường. Tuy nhiên, trong trường hợp chỉ có một lỗ như sau đây, có thể không gia cường:
(1) Lỗ có đường kính tối đa không quá 60 mm (nếu lỗ được ren, thì đó là đường kính chân ren) nhưng không lớn hơn 1/4 đường kính trong của vỏ hay mặt bích của tấm đáy.
(2) Lỗ trên tấm vỏ có đường kính lớn nhất không vượt quá các trị số được quy định trên Hình 3/7.7. Trong trường hợp này, lỗ không gia cường không được vượt quá 200 mm.
(3) Lỗ trên tấm đáy phù hợp với các yêu cầu trong 8.5.2-4(2)(c) là lỗ không yêu cầu phải gia cường do chiều dày của tấm đáy đã được tăng lên.
Bảng 3/8.4 - Số lượng cửa chui, lỗ làm vệ sinh và lỗ kiểm tra
| Đường kính trong của vỏ | Số cửa chui, lỗ làm vệ sinh và lỗ kiểm tra | |
| Bình có dung tích trong không quá 100 lít và chiều dài trong không quá 1,5 m | Các bình khác | |
| 300 mm hoặc nhỏ hơn | Một lỗ kiểm tra trở lên | Hai lỗ kiểm tra trở lên |
| Lớn hơn 300 tới 500 mm | Hai lỗ làm vệ sinh trở lên, hoặc một lỗ làm vệ sinh trở lên và lỗ kiểm tra | |
| Lớn hơn 500 mm tới 750 mm | - | Một cửa chui trở lên, hoặc hai lỗ làm vệ sinh trở lên, hoặc một lỗ làm vệ sinh trở lên (1) và lỗ kiểm tra |
| Lớn hơn 750 mm | Một cửa chui hoặc nhiều hơn (2) | |
| Chú thích: (1) Kích thước lỗ làm vệ sinh phải phù hợp với các trị số dùng cho lỗ làm vệ sinh đối với vỏ có đường kính trong lớn hơn 750 mm được cho trong Bảng 3/8.5; (2) Bình chịu áp lực cũng như thiết bị trao đổi nhiệt... mà không cần phải có cửa chui vì hình dạng, công dụng... có thể có hai lỗ làm vệ sinh trở lên thay cho cửa chui. | ||
Bảng 3/8.5 - Kích thước của lỗ
| Loại lỗ | Đường kính trong của vỏ | Đường kính của lỗ |
| Cửa chui | Cho tất cả các cỡ | Ô van: 400 mm x 300 mm Tròn: 400 mm |
| Lỗ làm vệ sinh | Lớn hơn 750 mm | Ô van: 150 mm x 100 mm Tròn: 150 mm |
| 750 mm trở xuống | Ô van: 100 mm x 75 mm Tròn: 100 mm | |
| Lỗ kiểm tra | Cho tất cả các cỡ | 50 mm |
8.6.3 Phương pháp gia cường lỗ khoét
Phương pháp gia cường đối với các lỗ trên tấm vỏ hoặc tấm đáy chịu áp suất bên trong phải tuân theo các yêu cầu ở 7.6.3. Tuy nhiên, gia cường các lỗ sau đây sẽ được Đăng kiểm xem xét cho từng trường hợp.
1 Lỗ khoét trên tấm vỏ và có đường kính không nhỏ hơn 1/2 đường kính trong của vỏ;
2 Lỗ khoét có khoảng cách từ mép ngoài của lỗ tới mặt ngoài của vỏ bằng 1/10 đường kính ngoài của vỏ;
3 Tổ hợp lỗ mà khoảng cách giữa trục của chúng quá gần.
8.7 Nối ghép các bộ phận
8.7.1 Mối nối hàn
1 Việc chuẩn bị kích thước và hình dạng của mép mối hàn cũng như cách tạo độ vát các tấm có độ dày khác nhau phải tuân theo các yêu cầu trong 7.8.1-1 và 7.8.1-2.
2 Mối nối hàn của vỏ bình chịu áp lực thuộc nhóm I phải tuân theo các yêu cầu sau:
(1) Mối nối theo chiều dọc: phải là mối nối giáp mép hàn hai phía hoặc mối nối hàn giáp mép được Đăng kiểm coi là tương đương;
(2) Mối nối theo đường tròn: phải phù hợp với (1). Tuy nhiên, nếu được Đăng kiểm đồng ý mối nối giáp mép hàn hai phía có thể thay bằng mối hàn giáp mép một phía với tấm đệm hoặc mối hàn giáp mép khác được Đăng kiểm coi là tương đương.
3 Mối nối hàn vỏ các bình chịu áp lực thuộc nhóm II phải phù hợp với các yêu cầu sau đây:
(1) Mối nối theo chiều dọc
Phải phù hợp với -2(1);
(2) Mối nối theo vòng tròn
Phải phù hợp với (1) hoặc mối nối giáp mép hàn một phía có tấm đệm hoặc mối hàn giáp mép khác được Đăng kiểm coi là tương đương. Tuy nhiên, đối với tấm có độ dày không quá 16 mm thì mối nối giáp mép hàn một phía có thể được chấp thuận.
4 Mối hàn của vỏ bình chịu áp lực thuộc nhóm III phải thỏa mãn những yêu cầu sau:
(1) Mối nối theo chiều dọc
(a) Đối với các tấm dày hơn 9 mm phải phù hợp với -3(1) hoặc là mối hàn giáp mép một phía có tấm đệm hoặc là mối hàn giáp mép khác được Đăng kiểm coi là tương đương;
(b) Đối với tấm dày không quá 9 mm phải phù hợp với (a) hoặc là mối hàn chồng hai phía đầy góc;
(c) Đối với tấm dày không quá 6 mm phải phù hợp với (b) hoặc là mối hàn giáp mép một phía.
(2) Mối nối theo vòng tròn phải phù hợp với (1)(c) hoặc là mối nối hàn liên tục ghép chồng một phía.
8.7.2 Hình dạng mối hàn và mối nối
Hình dạng mối hàn và mối nối phải như được chỉ ra trên Hình 3/7.9 hoặc được Đăng kiểm coi là tương đương.
8.7.3 Kết cấu của tấm nắp bắt bu lông
Kết cấu của tấm nắp phẳng không thanh giằng bắt bu lông vào vỏ phải phù hợp với các yêu cầu trong 7.8.3.
8.8 Phụ tùng
8.8.1 Vật liệu của phụ tùng
Vật liệu làm các họng lắp phụ tùng, mặt bích hay ống nối bắt trực tiếp vào vỏ bình chịu áp lực thuộc nhóm I hoặc nhóm II phải tương đương với vật liệu làm vỏ bình. Tuy nhiên, yêu cầu này có thể được miễn đối với mặt bích được bắt bu lông hoặc phù hợp với tiêu chuẩn quốc gia hoặc tiêu chuẩn, quy phạm theo thông lệ quốc tế.
8.8.2 Kết cấu của phụ tùng
1 Các phụ tùng như van, mặt bích, bu lông, đai ốc, đệm kín... phải có kết cấu, kích thước phù hợp với các tiêu chuẩn được công nhận và chúng phải thích hợp với điều kiện làm việc được chỉ ra trong tiêu chuẩn.
2 Các phụ tùng phải được bắt vào vỏ bình chịu áp lực thuộc nhóm I và nhóm II nhờ nối bích hay hàn. Khi vỏ dày hơn 12 mm hoặc khi đế của phụ tùng lắp vào vỏ bằng ren thì phụ tùng có đường kính danh nghĩa không quá 32 mm có thể được bắt vào vỏ bằng ren.
8.8.3 Lắp đặt các thiết bị an toàn
1 Các bình chịu áp lực mà áp suất bên trong bình có thể vượt quá áp suất thiết kế ở trạng thái làm việc phải có van an toàn, van này phải được đặt ở áp suất không lớn hơn áp suất thiết kế và có khả năng tránh được áp suất vượt quá 10% áp suất thiết kế.
2 Khi có thể xảy ra nguy hiểm do bình chịu áp lực tiếp xúc với lửa hoặc nguồn nhiệt bất thường bên ngoài khác, phải có thiết bị an toàn áp suất để tránh cho áp suất vượt quá 1,2 lần áp suất thiết kế. Nhưng nếu bình chứa khí nén được trang bị nút chảy có điểm nóng chảy ở nhiệt độ không quá 150 °C để có thể tự động giảm áp suất bên trong trong trường hợp gặp cháy thì có thể không cần lắp thiết bị an toàn áp suất.
3 Các thiết bị trao đổi nhiệt hoặc các bình chịu áp lực tương tự khác khi áp suất bên trong có thể vượt quá áp suất thiết kế do hỏng ống trao đổi nhiệt, mặt sàng, tấm vách và các bộ phận bên trong khác thì phải có van an toàn thích hợp.
4 Các thiết bị sinh hơi nước thuộc nhóm I phải có các van an toàn được quy định ở 7.9.3.
5 Không được đặt van chặn giữa bình chịu áp lực với van an toàn hoặc thiết bị xả áp khác trừ trường hợp có các biện pháp nào đó không làm giảm chức năng của các thiết bị xả áp khi sử dụng bình chịu áp lực.
6 Có thể đặt một đĩa nổ giữa bình chịu áp lực và van an toàn hoặc trên đường xả của van an toàn. Khi đó áp suất nổ của đĩa nổ không được quá áp suất được đặt cho van an toàn. Ngoài ra sản lượng xả của đĩa nổ không được ít hơn sản lượng xả của van an toàn.
8.8.4 Thiết bị đo áp suất và nhiệt độ
Phải có thiết bị đo áp suất và nhiệt độ trên bình chịu áp lực khi thấy cần thiết.
8.8.5 Các phụ tùng của bình chứa không khí
1 Các thiết bị xả áp cho các bình chứa không khí phải phù hợp với các yêu cầu trong 8.8.3.
2 Các bình chứa không khí phải có hệ thống xả nước có hiệu quả.
3 Bình chứa không khí phải có các thiết bị đo áp suất.
8.9 Thử nghiệm
Thử tại xưởng, các thử nghiệm sau đây phải được thực hiện:
8.9.1 Thử mối hàn phải phù hợp với các yêu cầu trong Phần 6B của Quy chuẩn này.
8.9.2 Sau khi chế tạo xong bình chịu áp lực và phụ tùng của nó phải thử thủy lực theo các yêu cầu sau:
1 Vỏ của bình chịu áp lực
Bình chịu áp lực thuộc nhóm I và nhóm II phải được thử thủy lực ở áp suất bằng 1,5 lần áp suất thiết kế. Nhưng khi ứng suất tổng hợp chính của vỏ vượt quá 90% giới hạn chảy danh nghĩa của vật liệu do thử nghiệm này thì áp suất thử phải được hạ xuống sao cho ứng suất vào khoảng 90% giới hạn chảy danh nghĩa của vật liệu;
2 Phụ tùng của bình chịu áp lực
Phụ tùng của bình chịu áp lực thuộc nhóm I và nhóm II phải được thử thủy lực ở áp suất bằng 2 lần áp suất thiết kế;
3 Thử thủy lực cho các thiết bị trao đổi nhiệt không thuộc -1 và -2 và các bình chịu áp lực đặc biệt khác cũng như các phụ tùng của chúng phải phù hợp với tiêu chuẩn quốc gia hoặc tiêu chuẩn, quy phạm theo thông lệ quốc tế.
CHƯƠNG 9 ỐNG, VAN, PHỤ TÙNG ỐNG VÀ MÁY PHỤ
9.1 Quy định chung
9.1.1 Phạm vi áp dụng
Các yêu cầu trong Chương này áp dụng cho thiết kế, chế tạo và thử nghiệm ống, van, phụ tùng ống và máy phụ.
9.1.2 Thuật ngữ
1 Áp suất thiết kế
Áp suất thiết kế là áp suất lớn nhất của chất làm việc trong ống và không được nhỏ hơn các áp suất nêu từ (1) đến (4) dưới đây:
(1) Đối với các hệ thống có van an toàn hoặc thiết bị phòng quá áp khác, là áp suất đặt của van an toàn hoặc thiết bị phòng quá áp. Tuy nhiên, đối với hệ thống ống hơi được nối với nồi hơi hay hệ thống ống gắn với bình chịu áp lực, là áp suất thiết kế của thành nồi hơi (là áp suất danh nghĩa, nếu nồi hơi có bộ quá nhiệt) hoặc áp suất thiết kế của thành bình chịu áp lực;
(2) Đối với ống ở phía đẩy của bơm, là áp suất đẩy khi bơm làm việc ở tốc độ định mức mà van ở phía đẩy đóng. Tuy nhiên, đối với các bơm có van an toàn hoặc thiết bị phòng quá áp, là áp suất đặt của van an toàn hoặc thiết bị phòng quá áp;
(3) Đối với đường ống thổi xả của nồi hơi, áp suất thiết kế được quy định riêng ở 7.9.6-3;
(4) Đối với ống, van và phụ tùng ống dầu đốt, là áp suất làm việc lớn nhất hoặc 0,3 MPa, lấy trị số nào lớn hơn. Tuy nhiên, với ống, van và phụ tùng ống dầu đốt có nhiệt độ làm việc trên 60 °C và áp suất làm việc trên 0,7 MPa, là áp suất làm việc lớn nhất hoặc 1,4 MPa, lấy trị số nào lớn hơn.
2 Nhiệt độ thiết kế
Nhiệt độ thiết kế là nhiệt độ lớn nhất của chất làm việc trong ống ở điều kiện thiết kế.
3 Phụ tùng ống
Phụ tùng ống trong Phần này là các phụ tùng nối ống như bích nối ống, mối nối cơ khí, các đoạn ống, mối nối giãn nở, mối nối mềm... và các thiết bị khác của hệ thống đường ống như các thiết bị lọc và các thiết bị phân ly.
4 Đường kính danh nghĩa
Đường kính danh nghĩa là đường kính quy ước của ống (sau đây, được ký hiệu là "A" phía sau chỉ số kích thước).
9.1.3 Phân loại ống
1 Các ống được phân loại như nêu ở Bảng 3/9.1 theo loại chất lỏng, áp suất và nhiệt độ thiết kế. Tuy nhiên, với các ống có đầu hở như ống thoát, ống tràn, ống khí thải, ống xả của van an toàn và ống xả áp suất hơi nước được xếp vào nhóm III không kể đến nhiệt độ thiết kế.
2 Hệ thống ống của các chất lỏng khác với ở -1 sẽ được Đăng kiểm xem xét tùy theo đặc tính và điều kiện làm việc của chất lỏng.
Bảng 3/9.1 - Phân loại ống
| Loại chất | Áp suất thiết kế (P) và nhiệt độ thiết kế (T) | ||
| Nhóm I | Nhóm II (Chú thích) | Nhóm III | |
| Hơi nước | P > 1,6 MPa hoặc T > 300 ºC | P ≤ 1,6 MPa và T ≤ 300 ºC | P ≤ 0,7 MPa và T ≤ 170 ºC |
| Dầu nóng | P > 1,6 MPa hoặc T > 300 ºC | P ≤ 1,6 MPa và T ≤ 300 ºC | P ≤ 0,7 MPa và T ≤ 150 ºC |
| Dầu đốt, dầu bôi trơn và dầu thuỷ lực dễ cháy | P > 1,6 MPa hoặc T > 150 ºC | P ≤ 1,6 MPa và T ≤ 150 ºC | P ≤ 0,7 MPa và T ≤ 60 ºC |
| Không khí, khí CO2, nước và dầu thủy lực không cháy | P > 4,0 MPa hoặc T > 300 ºC | P ≤ 4,0 MPa và T ≤ 300 ºC | P ≤1,6 MPa và T ≤ 200 ºC |
| Chú thích: Trừ các ống thoả mãn điều kiện của nhóm III. | |||
9.1.4 Vật liệu
1 Vật liệu chế tạo máy phụ phải phù hợp với điều kiện làm việc của máy. Vật liệu chế tạo các phần quan trọng của máy phụ phải thỏa mãn các tiêu chuẩn đã được chấp nhận.
2 Vật liệu ống phải phù hợp với điều kiện làm việc của ống và thỏa mãn các yêu cầu sau:
(1) Vật liệu ống nhóm I hoặc nhóm II của tàu cấp VR-SB phải thỏa mãn các yêu cầu ở Phần 6A của Quy chuẩn này;
(2) Vật liệu ống nhóm III phải thỏa mãn các tiêu chuẩn đã được chấp nhận.
3 Vật liệu van và phụ tùng ống phải phù hợp với điều kiện làm việc của thiết bị đó và phải thỏa mãn các yêu cầu sau:
(1) Vật liệu chế tạo các van và phụ tùng ống nhóm I hoặc nhóm II, cũng như các van và phụ tùng gắn trực tiếp vào vỏ tàu và vách chống va phải thỏa mãn các yêu cầu ở Phần 6A của Quy chuẩn này. Tuy nhiên, có thể dùng vật liệu trong các tiêu chuẩn được chấp nhận để chế tạo van và phụ tùng sau khi xem xét kích thước và điều kiện làm việc;
(2) Vật liệu van và phụ tùng ống nhóm III phải thỏa mãn các tiêu chuẩn được chấp nhận.
4 Các ống, van và phụ tùng ống của các hệ thống chữa cháy phải được chế tạo bằng các vật liệu chịu ăn mòn hoặc được bảo vệ hữu hiệu tránh cho hệ thống chữa cháy không bị hư hỏng do bị ăn mòn bên trong.
9.1.5 Giới hạn sử dụng vật liệu
1 Thông thường, các ống được chế tạo bằng thép, đồng, hợp kim đồng hoặc gang. Vật liệu phải thỏa mãn các yêu cầu về giới hạn sử dụng như nêu dưới đây theo nhiệt độ thiết kế, sự phân loại, công dụng... trừ khi có quy định khác. Tuy nhiên, các ống có đầu hở và thuộc nhóm III không kể đến nhiệt độ thiết kế, không phải áp dụng theo giới hạn sử dụng về nhiệt độ.
(1) Không được dùng các ống thép để làm các ống sau:
(a) Các ống có nhiệt độ thiết kế trên 350 °C với các ống cấp 1 và cấp 2 được nêu ở Phần 6A của Quy chuẩn này. Tuy nhiên, có thể dùng các ống thép này cho nhiệt độ thiết kế tới 400 °C nếu bảo đảm được ứng suất cho phép;
(b) Các ống có nhiệt độ thiết kế trên 450 °C đối với các ống cấp 3, số hiệu 2 và 3 nêu ở Phần 6A của Quy chuẩn này;
(c) Các ống có nhiệt độ thiết kế trên 425 °C đối với các ống cấp 3 số hiệu 4 nêu ở Phần 6A của Quy chuẩn này;
(d) Các ống có nhiệt độ thiết kế trên 500 °C đối với các ống cấp 4, số hiệu 12 nêu ở Phần 6A của Quy chuẩn này;
(e) Các ống có nhiệt độ thiết kế trên 550 °C đối với ống cấp 4, số hiệu 22, 23 và 24 nêu ở Phần 6A của Quy chuẩn này;
(f) Các ống nhóm I và các ống thép các bon với áp suất thiết kế trên 1,0 MPa hoặc nhiệt độ tính toán trên 230 °C đối với hệ thống thông thường nêu ở Phần 6A của Quy chuẩn này;
(g) Các ống thép khác có rủi ro tương tự.
(2) Các ống đồng và hợp kim đồng không được dùng làm các ống sau:
(a) Các ống có nhiệt độ thiết kế lớn hơn 200 °C đối với các ống liền làm bằng hợp kim đồng - phốt pho đi-ô-xít, ống liền bằng đồng thau và ống của bầu ngưng;
(b) Các ống có nhiệt độ thiết kế lớn hơn 300 °C đối với các ống liền làm bằng hợp kim đồng ni ken và ống của bầu ngưng;
(c) Các ống hợp kim đồng xuyên qua các kết cấu cấp A và B, trừ trường hợp ống phù hợp tiêu chuẩn quốc gia, quy phạm, tiêu chuẩn theo thông lệ quốc tế;
(d) Giới hạn sử dụng theo nhiệt độ đối với các ống đồng và hợp kim đồng khác do Đăng kiểm quy định.
(3) Không được dùng các ống gang để làm các ống sau:
(a) Các ống thuộc nhóm I và II đối với ống gang có độ giãn dài nhỏ hơn 12%;
(b) Các ống thuộc nhóm I đối với ống gang có độ giãn dài từ 12% trở lên;
(c) Các ống có thể bị va đập thủy lực và các ống phải chịu uốn hoặc chấn động lớn hoặc bị lệch tâm nhiều.
(4) Ngoài các quy định (2) và (3) trên đây, các ống đồng, hợp kim đồng và gang phải thỏa mãn các yêu cầu về công dụng trong Bảng 3/9.2.
2 Thông thường, các van và phụ tùng ống được chế tạo bằng thép, hợp kim đồng hoặc gang. Trừ các trường hợp được quy định khác đi, chúng phải thỏa mãn các yêu cầu dưới đây về giới hạn sử dụng theo nhiệt độ thiết kế, loại, công dụng... Tuy nhiên, đối với các van và phụ tùng ống có đầu hở và được phân loại ở nhóm III, bất kể nhiệt độ thiết kế, không phải áp dụng giới hạn sử dụng theo nhiệt độ.
(1) Không được dùng các sản phẩm thép rèn và đúc để làm van và phụ tùng ống sau:
(a) Các van và phụ tùng ống có nhiệt độ thiết kế lớn hơn 425 °C bằng thép các bon đúc và rèn được nêu ở Phần 6A của Quy chuẩn này;
(b) Các van và phụ tùng ống với nhiệt độ thiết kế lớn hơn 550 °C đối với thép hợp kim thấp đúc và thép hợp kim thấp rèn nêu ở Phần 6A của Quy chuẩn này;
(c) Các sản phẩm thép đúc và rèn khác phù hợp với tiêu chuẩn quốc gia hoặc tiêu chuẩn, quy phạm theo thông lệ quốc tế.
Bảng 3/9.2 - Giới hạn sử dụng theo công dụng ống
| Vật liệu Công dụng ống (chú thích 1) | Đồng | Hợp kim đồng | Gang | |
| Ống dầu đốt Ống dầu bôi trơn trong buồng máy Ống dầu thủy lực trong buồng máy Ống dầu nóng trong buồng máy Ống dầu hàng Ống không khí Ống đo ở ngoài vùng đo |
- (2) |
- (2) |
- (3) | |
| Ống tràn Ống hút khô Ống nước dằn Ống thải ra mạn và ống vệ sinh Ống ở dưới boong mạn khô Ống chữa cháy trên tàu Ống làm tăng nguy hiểm hoặc ngập nước do hỏng ống khi bị cháy Ống xả nước nồi hơi | - | - | - | |
| Ống dầu điều khiển trong buồng máy | x | - (2) | - | |
| Ống khí nén để đóng từ xa van hút của két Ống khí nén điều khiển từ xa máy phụ, van... dùng khi có cháy | x | - | - | |
| Chú thích: (1) Không bao gồm các ống đo, ống thải và các ống thông hơi; (2) Có thể sử dụng cho phần đặt trong két; (3) Bao gồm cả ở ngoài khoang máy. Dấu hiệu: x : có thể sử dụng; - : cấm sử dụng. | ||||
(2) Không được dùng các van và phụ tùng ống bằng hợp kim đồng để làm van và phụ tùng có nhiệt độ thiết kế lớn hơn 210 °C. Tuy nhiên, có thể dùng đồng đỏ đặc biệt làm van và phụ tùng ống có nhiệt độ bằng hoặc nhỏ hơn 260 °C khi được Đăng kiểm đồng ý;
(3) Không được dùng các sản phẩm gang có độ dãn dài nhỏ hơn 12% để làm van và phụ tùng ống sau:
(a) Van và phụ tùng ống có nhiệt độ thiết kế lớn hơn 220 °C;
(b) Van và phụ tùng ống thuộc nhóm I, trừ khi được chấp nhận sau khi xem xét kết cấu và công dụng của chúng theo tiêu chuẩn quốc gia hoặc tiêu chuẩn, quy phạm theo thông lệ quốc tế;
(c) Van và phụ tùng ống thuộc nhóm II (trừ các ống hơi nước), trừ khi được chấp nhận sau khi xem xét kết cấu và công dụng của chúng theo tiêu chuẩn quốc gia hoặc tiêu chuẩn, quy phạm theo thông lệ quốc tế;
(d) Các van lắp trên vách ngoài của két dầu đốt hoặc két dầu bôi trơn và chịu cột áp tĩnh của chất lỏng bên trong;
(e) Van, mặt tựa và đoạn ống lắp van vào tôn vỏ hoặc cửa thông sông;
(f) Van được lắp trực tiếp vào vách chống va;
(g) Van và phụ tùng của hệ thống ống xả nước của nồi hơi;
(h) Hệ thống ống có thể bị va đập thủy lực và van, phụ tùng ống của hệ thống ống có thể bị lệch tâm hoặc chấn động lớn;
(i) Van và phụ tùng của hệ thống ống dằn sạch xuyên qua két dầu hàng để tới két mũi;
(j) Van và phụ tùng của hệ thống ống dầu hàng có áp suất thiết kế lớn hơn 1,6 MPa;
(k) Van nối của hệ thống hàng lỏng dễ cháy giữa bờ và tàu.
(4) Không được dùng các sản phẩm gang có độ dãn dài bằng hoặc lớn hơn 12% để làm van, phụ tùng ống cho các ống thuộc nhóm I, trừ trường hợp ống phù hợp với tiêu chuẩn quốc gia hoặc tiêu chuẩn, quy phạm theo thông lệ quốc tế.
9.1.6 Sử dụng vật liệu đặc biệt
1 Có thể sử dụng vật liệu đặc biệt như ống cao su mềm, ống nhựa, ống vinyl, hợp kim nhôm... không theo các điều ở 9.1.5 nêu trên, nếu được Đăng kiểm đồng ý sau khi xem xét về an toàn chống cháy, ngập nước cũng như điều kiện làm việc.
2 Đối với hệ thống ống nước sinh hoạt, vệ sinh, được phép dùng ống phi kim loại cho những phần đường ống nằm phía trên boong chính.
9.2 Chiều dày ống
9.2.1 Chiều dày quy định của ống chịu áp lực bên trong
1 Chiều dày quy định của ống chịu áp lực bên trong được xác định theo công thức sau:
tr = t0 + b + C
Trong đó:
tr - chiều dày yêu cầu của ống, mm
![]()
P - áp suất thiết kế, MPa;
D - đường kính ngoài của ống, mm;
f - ứng suất cho phép, nêu ở -3, N/mm2;
J - hệ số bền của mối nối được cho như sau:
- Các ống liền: 1,00;
- Các ống hàn điện trở: 0,85 (có thể lấy là 1,00 trong trường hợp phải tiến hành kiểm tra khuyết tật bằng siêu âm hoặc phương pháp kiểm tra khác theo tiêu chuẩn quốc gia, quy phạm, tiêu chuẩn theo thông lệ quốc tế);
b - số bù thêm cho chiều dày ống bị biến mỏng khi uốn, được tính theo công thức sau:

R - bán kính cong trung bình, mm
Tuy nhiên không cần xét đến b khi đảm bảo rằng ứng suất màng tính toán ở chỗ cong không vượt quá trị số cho phép;
C - lượng bù thêm cho ăn mòn nêu ở -5, mm.
2 Chiều dày của ống có dung sai chiều dày âm không được nhỏ hơn trị số t1 theo công thức sau:

Trong đó:
tr - xác định như ở -1 trên đây;
a - dung sai âm lớn nhất, %.
3 Ứng suất cho phép của từng vật liệu phải thỏa mãn các yêu cầu sau:
(1) Ứng suất cho phép (f) của các ống thép các bon và thép hợp kim thấp phải được chọn là trị số nhỏ nhất trong các trị số tính toán bởi các công thức sau, hoặc là trị số cho trong Bảng 3/9.3. Tuy nhiên, nếu nhiệt độ thiết kế không thuộc vào vùng rão thì không cần xét trị số f3:

Trong đó:
R20 - giới hạn bền kéo nhỏ nhất của vật liệu ở nhiệt độ trong phòng, N/mm2;
Et - giới hạn chảy hoặc giới hạn chảy quy ước của vật liệu ở nhiệt độ thiết kế, N/mm2;
SR - ứng suất trung bình của vật liệu gây phá hủy (nứt, gãy) sau 100.000 giờ ở nhiệt độ thiết kế, N/mm2.
(2) Ứng suất cho phép của ống đồng, ống đồng thau và ống đồng niken lấy theo các trị số cho trong Bảng 3/9.4;
(3) Ứng suất cho phép của các vật liệu khác với vật liệu nêu tại (1) và (2) trên phải được kiểm tra phù hợp với tiêu chuẩn quốc gia hoặc tiêu chuẩn, quy phạm theo thông lệ quốc tế cho từng trường hợp.
4 Khi tính to ở -1, lấy ứng suất cho phép bằng 1/5 giới hạn bền kéo nhỏ nhất của vật liệu ở nhiệt độ trong phòng thay cho ứng suất cho phép nêu ở -3(1) đối với ống thép có nhiệt độ thiết kế không vượt quá 250 °C, cần phải có b trong công thức tính tr ở -1 và không cần xét yêu cầu tăng thêm cho dung sai âm nêu ở -2.
5 Lượng bù thêm cho ăn mòn của các ống thép, đồng và hợp kim đồng phải lấy theo Bảng 3/9.5 và Bảng 3/9.6 tương ứng.
9.2.2 Chiều dày nhỏ nhất của ống
1 Chiều dày các ống thép phải thỏa mãn các yêu cầu nêu ở 9.2.1 và tùy theo công dụng và vị trí đặt ống, không được nhỏ hơn trị số cho trong Bảng 3/9.7 và Bảng 3/9.8. Nhưng nếu dùng ống thép hợp kim chống ăn mòn thay cho ống thép, chiều dày nhỏ nhất của ống phải được tính toán phù hợp với tiêu chuẩn quốc gia hoặc tiêu chuẩn, quy phạm theo thông lệ quốc tế cho từng trường hợp.
2 Với các ống được bảo vệ chống ăn mòn hiệu quả, có thể giảm chiều dày nhỏ nhất nêu trong Bảng 3/9.8 xuống không quá 1 mm, trừ các ống thép dùng cho hệ thống dập cháy bằng CO2.
3 Khi xác định chiều dày ống theo Bảng 3/9.8, không cần tính đến dung sai âm và giảm độ dày do uốn ống. Nhưng đối với các ống có ren, phải đo chiều dày nhỏ nhất tại chân ren, trừ các phần ren để lắp đầu ống của các ống thông hơi, của các ống tràn và các ống đo cũng như phần ren của các ống dập cháy bằng CO2 từ trạm phân phối tới các đầu phun.
4 Chiều dày nhỏ nhất của các ống đồng và hợp kim đồng phải như quy định trong Bảng 3/9.9.
Bảng 3/9.3 - Trị số ứng suất cho phép của ống thép (f)
| Nhiệt độ thiết kế, ºC
Vật liệu | Ứng suất cho phép của ống thép (f), N/mm2 | ||||||||||||||
| 100 hoặc nhỏ hơn | 150 | 200 | 250 | 300 | 350 | 375 | 400 | 425 | 450 | 475 | 500 | 525 | 550 | ||
| Cấp 1 | No.2 | 123 | 114 | 105 | 96 | 87 | 78 | - | - | - | - | - | - | - | - |
| No.3 | 138 | 128 | 118 | 107 | 96 | 90 | - | - | - | - | - | - | - | - | |
| Cấp 2 | No.2 | 123 | 114 | 105 | 96 | 87 | 78 | - | - | - | - | - | - | - | - |
| No.3 | 138 | 128 | 118 | 107 | 96 | 90 | - | - | - | - | - | - | - | - | |
| No.4 | 156 | 145 | 133 | 122 | 117 | 113 | - | - | - | - | - | - | - | - | |
| Cấp 3 | No.2 | 123 | 114 | 105 | 96 | 87 | 78 | 75 | 70 | 63 | 56 | - | - | - | - |
| No.3 | 138 | 128 | 118 | 107 | 96 | 90 | 87 | 84 | 71 | 57 | - | - | - | - | |
| No.4 | 156 | 145 | 133 | 122 | 117 | 113 | 105 | 96 | 77 | - | - | - | - | - | |
| Cấp 4 | No.12 | 119 | 112 | 105 | 97 | 89 | 85 | 83 | 80 | 77 | 73 | 70 | 65 | - | - |
| No.22 | 121 | 116 | 111 | 105 | 99 | 93 | 91 | 89 | 85 | 80 | 76 | 71 | 55 | 38 | |
| No.23 | 121 | 116 | 111 | 105 | 99 | 93 | 91 | 89 | 85 | 80 | 76 | 71 | 56 | 40 | |
| No.24 | 121 | 116 | 111 | 105 | 99 | 93 | 91 | 89 | 85 | 80 | 76 | 71 | 56 | 41 | |
| Chú thích: 1. Các giá trị trung gian được xác định bằng nội suy; 2. Vật liệu của ống thép trong bảng phải thỏa mãn các yêu cầu trong Phần 6A của Quy chuẩn này. | |||||||||||||||
Bảng 3/9.4 - Trị số ứng suất cho phép của ống đồng và hợp kim đồng (f)
| Loại vật liệu | Nhiệt độ thiết kế, °C | ||||||||||
| 50 hoặc nhỏ hơn | 75 | 100 | 125 | 150 | 175 | 200 | 225 | 250 | 275 | 300 | |
| Ống đồng phốt pho khử ôxy liền | |||||||||||
| C1201 C1220 | 41 | 41 | 40 | 40 | 34 | 27,5 | 18,5 | - | - | - | - |
| Ống đồng thau liền và ống của bầu ngưng và thiết bị trao đổi nhiệt | |||||||||||
| C4430 | 68 | 68 | 68 | 68 | 68 | 67 | 24 | - | - | - | - |
| C6870 C6871 C6872 | 78 | 78 | 78 | 78 | 78 | 51 | 24,5 | - | - | - | - |
| Ống đồng niken liền và ống của bầu ngưng và thiết bị trao đổi nhiệt | |||||||||||
| C7060 | 68 | 68 | 67 | 65,5 | 64 | 62 | 59 | 56 | 52 | 48 | 44 |
| C7100 | 73 | 72 | 72 | 71 | 70 | 70 | 67 | 65 | 63 | 60 | 57 |
| C7150 | 81 | 79 | 77 | 75 | 73 | 71 | 69 | 67 | 65,5 | 64 | 62 |
| Chú thích: Các giá trị trung gian được xác định bằng nội suy. | |||||||||||
Bảng 3/9.5 - Lượng bù thêm cho ăn mòn của ống thép (C)
| Công dụng của đường ống | C, mm | |
| Hệ thống hơi quá nhiệt | 0,3 | |
| Hệ thống hơi bão hòa | Công dụng chung | 0,8 |
| Hệ thống ống xoắn hơi nước trong các két dầu hàng | 2 | |
| Hệ thống ống xoắn hơi nước trong các két dầu đốt | 1 | |
| Hệ thống cấp nước nồi hơi | Hệ thống tuần hoàn hở | 1,5 |
| Hệ thống tuần hoàn kín | 0,5 | |
| Hệ thống xả của nồi hơi | 1,5 | |
| Hệ thống không khí nén | 1 | |
| Hệ thống dầu bôi trơn và dầu thủy lực | 0,3 | |
| Hệ thống dầu đốt | 1 | |
| Hệ thống dầu hàng | 2 | |
| Hệ thống công chất làm lạnh của hệ thống làm lạnh | 0,3 | |
| Hệ thống nước ngọt | 0,8 | |
| Hệ thống nước ngoài mạn | 3 | |
| Chú thích: 1. Với các ống được bảo vệ chống ăn mòn bên trong có hiệu quả, có thể giảm lượng bù thêm cho ăn mòn trong bảng tới 50%. 2. Nếu dùng thép hợp kim đặc biệt có khả năng chống ăn mòn, có thể giảm lượng bù thêm cho ăn mòn tới 0. 3. Với các ống nước ngoài bằng thép có đường kính danh nghĩa bằng hoặc nhỏ hơn 25A, có thể giảm lượng bù thêm cho ăn mòn xuống tới 1,5 mm. 4. Khi khí áp dụng theo Bảng này hoặc dùng chất lỏng không có trong Bảng, lượng bù thêm cho ăn mòn sẽ được xác định trong từng trường hợp cụ thể trên cơ sở tiêu chuẩn quốc gia hoặc tiêu chuẩn, quy phạm theo thông lệ quốc tế. 5. Đối với các đường ống đi qua các két, lượng bù thêm cho ăn mòn phải phù hợp với các trị số trong Bảng và tùy thuộc chất lỏng ngoài ống để tính độ ăn mòn bên ngoài ống. | ||
Bảng 3/9.6 - Lượng bù thêm cho ăn mòn của đồng và hợp kim đồng (C)
| Loại vật liệu | C, mm |
| Ống liền hợp kim đồng phốt pho đi-ô-xít và ống liền đồng thau nêu trong Bảng 3/9.4 | 0,8 |
| Ống liền đồng niken nêu trong Bảng 3/9.4 | 0,5 |
| Chú thích: Với các chất lỏng không gây ăn mòn cho vật liệu được dùng, có thể lấy lượng bù thêm cho ăn mòn bằng 0. | |
9.3 Kết cấu các van và phụ tùng ống
9.3.1 Quy định chung
Các van, phụ tùng ống, vòng đệm, đệm kín phải phù hợp với điều kiện sử dụng và phải có kết cấu theo tiêu chuẩn quốc gia, quy phạm, tiêu chuẩn theo thông lệ quốc tế hoặc có kết cấu tương đương.
9.3.2 Van và phụ tùng ống đặc biệt
Van, phụ tùng ống, vòng đệm và đệm kín có kết cấu đặc biệt hoặc được chế tạo theo một phương pháp công nghệ đặc biệt được dùng cho các ống nhóm I và II phải phù hợp với tiêu chuẩn quốc gia hoặc tiêu chuẩn, quy phạm theo thông lệ quốc tế.
9.4 Nối và uốn ống
9.4.1 Hàn ống
Việc hàn hệ thống ống phải thỏa mãn các yêu cầu ở Phần 6B của Quy chuẩn này.
9.4.2 Nối các đoạn ống
1 Việc nối trực tiếp các đoạn ống thuộc nhóm I hoặc II phải theo dạng hàn giáp mép. Tuy nhiên, đối với các ống có đường kính danh nghĩa không lớn hơn 80A, có thể dùng cách hàn có ống lồng ngoài (hàn chồng mép nhờ vòng đệm).
2 Các mối nối ống bằng ren (chỉ ren côn nếu sử dụng cho các ống thuộc nhóm I và nhóm II) không được sử dụng cho các ống sau. Tuy nhiên, có thể chấp nhận việc nối bằng ren cho các ống nêu tại (3) và (4) khi xét đến công dụng của đường ống.
(1) Ống chứa chất dễ cháy, trừ các ống có đường kính nhỏ sử dụng cho khí cụ;
(2) Đường ống CO2, trừ trường hợp ống bên trong các khoang được bảo vệ và ở trong buồng chứa các bình CO2;
(3) Ống thuộc nhóm I với đường kính danh nghĩa lớn hơn 25A;
(4) Ống thuộc nhóm II và III với đường kính danh nghĩa lớn hơn 50A.
Bảng 3/9.7 - Chiều dày nhỏ nhất của ống thép
| Công dụng của ống | Vị trí ống | Chiều dày nhỏ nhất (Các chữ cái được đặt trong ngoặc ứng với Bảng 3/9.8) | |
| Ống hút khô | Đi qua các két trừ két dầu hàng | (E) | |
| Đi qua các két dầu hàng | 10 mm | ||
| Không qua các két | (H) | ||
| Ống nước dằn | Đi qua các két trừ két dầu hàng (chú thích 2) | (E) | |
| Đi qua két dầu hàng | Để xả ra ngoài mạn | 10 mm | |
| Cho các két dằn trước vách chống va | 10 mm | ||
| Cho các trường hợp khác | (E) nhưng là (D) khi D ≥ 100A | ||
| Không đi qua các két | (H) | ||
| Ống thoát nước Ống vệ sinh (chú thích 1) | Xuyên qua vỏ tàu trừ các két dầu hàng và các khoang hàng và yêu cầu có van một chiều tự động | (G) | |
| Xuyên qua vỏ tàu trừ các két dầu hàng và các khoang hàng và không yêu cầu có van một chiều tự động | (D) | ||
| Dẫn từ boong trống và đi qua các két dầu hàng | (A) nhưng là 16 mm khi D ≥ 150A | ||
| Đi qua khoang hàng | Không được bảo vệ | (A) (3) | |
| Được bảo vệ | (C) (3) | ||
| Đi qua két dằn | (G) | ||
| Không đi qua các két | (G) | ||
| Ống thông hơi, Ống tràn, Ống đo | Đi qua các két trừ két dầu hàng | (E) | |
| Đi qua các két dầu hàng | (B) | ||
| Cho các két liền vỏ | (G) | ||
| Phần đầu cùng của ống thông hơi lộ ra phía trên boong mạn khô và boong thượng tầng | (G) | ||
| Ống dầu đốt | Đi qua các két trừ các két dầu đốt | (E) | |
| Ống nước | Đi qua các két | (E) | |
| Không đi qua các két | (H) | ||
| Ống nước ngọt | Đi qua các két | (E) | |
| Ống dầu hàng | Đi qua các két dằn | (E) nhưng là (D) khi D ≥ 100A | |
| Đi qua các két dầu hàng | (E) nhưng là (F) khi D ≥ 250A | ||
| Không đi qua két | (F) | ||
| Ống dập cháy bằng CO2 | Từ các bình tới trạm phân phối | (I) | |
| Từ trạm phân phối đến các đầu phun | (J) | ||
| Các ống khác với các ống trên | (K) | ||
| Chú thích: (1) Các ống thoát nước và các ống vệ sinh của các tàu có chiều dài nhỏ hơn 24 m sẽ được miễn giảm một cách thích hợp; (2) (H) được áp dụng khi một ống nước dằn an toàn (nguy hiểm) qua một két nước dằn an toàn (nguy hiểm); Ống nước dằn nguy hiểm là ống để hút và xả nước dằn của một két nước dằn nguy hiểm (két nước dằn kề với két dầu hàng hoặc két nước dằn nối với két dầu hàng qua một ống hở đầu); Ống nước dằn an toàn là ống để hút và xả nước dằn cho một két nước dằn an toàn (két nước dằn không phải là két nước dằn nguy hiểm). (3) Chiều dày của ống không cần vượt quá chiều dày của tôn vỏ ở chỗ ống xuyên qua. | |||
Bảng 3/9.8 - Chiều dày nhỏ nhất của ống thép (1),(3), mm
| Đường kính danh nghĩa (A) | Đườn gkính ngoài, mm | Chữ cái tương ứng | ||||||||||
| (A) | (B) | (C) | (D) | (E) | (F) | (G) | (H) | (I)(2) | (J)(2) | (K) | ||
| 6 | 10,5 | - | - | - | - | - | - | - | - | - | - | 1,6 |
| 8 | 13,8 | - | - | - | - | - | - | - | - | - | - | 1,8 |
| 10 | 17,3 | - | - | - | - | - | - | - | - | - | - | 1,8 |
| 15 | 21,7 | - | - | - | - | - | 2,8 | - | 3,2 | 3,2 | 2,6 | 2,0 |
| 20 | 27,2 | - | - | - | - | - | 2,9 | - | 3,2 | 3,2 | 2,6 | 2,0 |
| 25 | 34,0 | - | - | - | - | - | 3,4 | - | 3,2 | 4,0 | 3,2 | 2,0 |
| 32 | 42,7 | 6,4 | - | 4,9 | - | 6,3 | 3,6 | 4,5 | 3,6 | 4,0 | 3,2 | 2,0 |
| 40 | 48,6 | 7,1 | - | 5,1 | - | 6,3 | 3,7 | 4,5 | 3,6 | 4,0 | 3,2 | 2,3 |
| 50 | 60,5 | 8,7 | 8,7 | 5,5 | - | 6,3 | 3,9 | 4,5 | 4,0 | 4,5 | 3,6 | 2,3 |
| 65 | 76,3 | 9,5 | 8,7 | 7,0 | 7,0 | 6,3 | 5,2 | 4,5 | 4,5 | 5,0 | 3,6 | 2,6 |
| 80 | 89,1 | 11,1 | 8,7 | 7,6 | 7,6 | 7,1 | 5,5 | 4,5 | 4,5 | 5,6 | 4,0 | 2,9 |
| 90 | 101,6 | 12,7 | 8,7 | 8,1 | 8,0 | 7,1 | 5,7 | 4,5 | 4,5 | 6,3 | 4,0 | 2,9 |
| 100 | 114,3 | 13,5 | 11,1 | 8,6 | 8,6 | 8,0 | 6,0 | 4,5 | 4,5 | 7,1 | 4,5 | 3,2 |
| 125 | 139,8 | 15,9 | 11,1 | 9,5 | 9,5 | 8,0 | 6,6 | 4,5 | 4,5 | 8,0 | 5,0 | 3,6 |
| 150 | 165,2 | 18,2 | 11,1 | 11,0 | 11,0 | 8,8 | 7,1 | 4,5 | 4,5 | 8,8 | 5,6 | 4,0 |
| 175 | 191,0 | 20,6 | 11,1 | 11,9 | 11,8 | 8,8 | 7,7 | 5,3 | 5,3 | - | - | 4,5 |
| 200 | 216,3 | 23,0 | 12,7 | 12,7 | 12,5 | 8,8 | 8,2 | 5,8 | 5,8 | - | - | 4,5 |
| 225 | 242,6 | 25,8 | 12,7 | 13,9 | 12,5 | 8,8 | 8,8 | 6,2 | 6,2 | - | - | 5,0 |
| 250 | 267,4 | 28,6 | 15,1 | 15,1 | 12,5 | 8,8 | 9,3 | 6,3 | 6,3 | - | - | 5,0 |
| 300 | 318,5 | 33,3 | 15,1 | 17,4 | 12,5 | 8,8 | 10,3 | 6,3 | 6,3 | - | - | 5,6 |
| 350 | 355,6 | 35,7 | - | 19,0 | 12,5 | 8,8 | 11,1 | 6,3 | 6,3 | - | - | 5,6 |
| 400 | 406,4 | 40,5 | - | 21,4 | 12,5 | 8,8 | 12,7 | 6,3 | 6,3 | - | - | 6,3 |
| 450 | 457,2 | 45,2 | - | 23,8 | 12,5 | 8,8 | 12,7 | 6,3 | 6,3 | - | - | 6,3 |
| Chú thích: (1) Khi chiều dày ống trong các tiêu chuẩn không khớp với chiều dày nhỏ nhất trong bảng này, có thể dùng ống tiêu chuẩn nếu chênh lệch không quá 0,4 mm; (2) Các ống phải được mạ kẽm ít nhất ở bên trong trừ các ống lắp trong buồng máy; (3) Đối với các ống có đường kính danh nghĩa khác với cho trong Bảng này, đường kính tối thiểu của chúng phải được tính toán phù hợp với tiêu chuẩn quốc gia hoặc tiêu chuẩn, quy phạm theo thông lệ quốc tế. | ||||||||||||
9.4.3 Nối ống với phụ tùng ống
1 Mối nối giữa ống và bích ống phải phù hợp với điều kiện làm việc, có kết cấu và độ bền thỏa mãn các yêu cầu ở Hình 3/9.1 theo sự phân loại để áp dụng nêu trong Bảng 3/9.10 hoặc các dạng mối nối khác theo tiêu chuẩn quốc gia, quy phạm, tiêu chuẩn theo thông lệ quốc tế.
2 Các van và phụ tùng ống bằng kim loại màu có thể được nối vào ống kim loại màu bằng hàn hơi. Trong trường hợp này, dạng hàn hơi và phương pháp áp dụng phải phù hợp với các điều kiện sử dụng của chúng.
3 Mối nối giữa ống với phụ tùng ống trừ bích nối phải thỏa mãn các yêu cầu ở 9.4.2 và -1 nêu trên.
9.4.4 Uốn ống và xử lý nhiệt sau khi uốn
1 Uốn nóng các ống thuộc nhóm I và II phải thỏa mãn các yêu cầu sau:
(1) Uốn nóng phải tiến hành trong phạm vi nhiệt độ 1000 °C ÷ 850 °C.
Tuy nhiên, nhiệt độ có thể giảm tới 750 °C trong quá trình uốn ống;
(2) Với các ống thép cấp 4 trong Bảng 3/9.7 và Bảng 3/9.8, việc xử lý nhiệt để khử ứng suất phải tiến hành theo yêu cầu nêu ở Phần 6A của Quy chuẩn này đối với nhiệt độ và thời gian duy trì cho ống.
2 Khi các ống nhóm I và II được uốn nguội, phải tiến hành xử lý nhiệt thích hợp tùy theo vật liệu ống, môi trường làm việc... và xét đến biến dạng dẻo có hại do uốn nguội và phát sinh ứng suất dư.
3 Đối với việc uốn ống và xử lý nhiệt sau khi uốn cho các ống thép khác với các ống nêu ở Phần 6A của Quy chuẩn này và các ống làm bằng vật liệu khác với thép phải phù hợp với tiêu chuẩn quốc gia hoặc tiêu chuẩn, quy phạm theo thông lệ quốc tế.
9.5 Kết cấu máy phụ và két chứa
1 Máy phụ và két chứa phải đủ độ bền và phải có kết cấu sao cho dễ bảo dưỡng và kiểm tra.
2 Chiều dày tôn vỏ két chứa dầu đốt không được nhỏ hơn 6 mm. Nhưng đối với các két chứa dầu đốt có dung tích không lớn hơn 1000 lít có thể giảm chiều dày xuống tới 3 mm.
3 Các két chứa dầu đốt và két dầu bôi trơn được hâm nóng, két dầu thủy lực... được đặt trong buồng máy không được có các lỗ khoét hở trong buồng máy.
Bảng 3/9.9 - Chiều dày nhỏ nhất của ống đồng và hợp kim đồng, mm
| Đường kính ngoài | Ống đồng | Ống hợp kim đồng |
| 8 - 10 | 1 | 0,8 |
| 12 - 22 | 1,2 | 1 |
| 25 - 45 | 1,5 | 1,2 |
| 50 - 76,2 | 2 | 1,5 |
| 80 -120 | 2,5 | 2 |
| 130 - 190 | 3 | 2,5 |
| 200 - 270 | 3,5 | 3 |
| 280 | 4 | 3,5 |
Bảng 3/9.10 - Các kiểu mối nối giữa ống và bích ống và công dụng của chúng
| Cấp của ống | Nhiệt độ thiết kế °C | Kiểu mối nối | |
| Hơi nước, không khí và nước | Dầu đốt, dầu bôi trơn, dầu thủy lực và dầu nóng | ||
| Nhóm I | > 400 | A, B (1) | A, B |
| ≤ 400 | A, B (2) |
| |
| Nhóm II | > 250 | A, B, C | A, B, C |
| ≤ 250 | A, B, C, D, E | A, B, C, E (3) | |
| Nhóm III | - | A, B, C, D, E, F(4) | A, B, C, E (3) |
| Chú thích: (1) Kiểu mối nối (B) có thể dùng cho các ống hơi nước có đường kính danh nghĩa nhỏ hơn hoặc bằng 50A; (2) Kiểu mối nối (B) có thể dùng cho các ống hơi nước có đường kính danh nghĩa nhỏ hơn hoặc bằng 150A; (3) Kiểu mối nối (E) có thể dùng cho các ống có áp suất thiết kế nhỏ hơn hoặc bằng 1,0 MPa; (4) Kiểu mối nối (F) có thể dùng cho các ống nước hoặc các ống một đầu hở. | |||
9.6 Thử nghiệm
9.6.1 Thử tại xưởng
1 Thử nghiệm các đường hàn của hệ thống ống và máy phụ phải thỏa mãn các yêu cầu trong Phần 6B của Quy chuẩn này.
2 Các ống nhóm I, II, các ống hơi nước, các ống cấp nước, các ống không khí nén và các ống dầu đốt có áp suất thiết kế trên 0,35 MPa phải được thử thủy lực cùng với các phụ tùng đã được hàn sau khi hoàn thành quá trình gia công, ở áp suất bằng 1,5 lần áp suất thiết kế. Thử nghiệm này có thể được tiến hành sau khi lắp ráp xuống tàu.
3 Các ống thép có nhiệt độ thiết kế lớn hơn 300 °C phải được thử thủy lực ở áp suất xác định theo công thức dưới đây. Nhưng không cần thử vượt quá 2 lần áp suất thiết kế. Trị số áp suất thử có thể giảm xuống 1,5 lần áp suất thiết kế để tránh ứng suất quá mức ở các chỗ bị uốn, ở các chi tiết chữ T,... thử nghiệm này có thể được tiến hành sau khi lắp ráp trên tàu.
![]()
Trong đó:
Ph - áp suất thử, MPa;
K100 - ứng suất cho phép của vật liệu ống ở 100 °C, N/mm2;
Kt - ứng suất cho phép của vật liệu ống ở nhiệt độ thiết kế, N/mm2;
P - áp suất thiết kế, MPa.
4 Nếu chắc rằng tổng áp suất màng chính trong thành ống vượt quá 90% giới hạn chảy danh nghĩa ở áp suất thử được quy định ở -2 và -3, phải hạ thấp áp suất thử để giảm ứng suất xuống 90% giới hạn chảy danh nghĩa.
5 Các van và phụ tùng ống nhóm I và II phải được thử thủy lực ở áp suất bằng 1,5 lần áp suất thiết kế.
6 Các van và đoạn ống để lắp van vào mạn tàu phía dưới đường nước chở hàng phải được thử thủy lực với áp suất bằng 1,5 lần áp suất thiết kế hoặc 0,5 MPa, lấy giá trị nào lớn hơn.
7 Các phần chịu áp lực của các máy phụ (trừ máy phụ chuyên dụng...) phải được thử thủy lực ở áp suất bằng 1,5 lần áp suất thiết kế và 0,2 MPa lấy giá trị nào lớn hơn.
8 Các két chứa dầu đốt rời phải được thử thủy lực với áp suất ứng với cột áp cao hơn tấm đỉnh 2,5 m.
9 Các máy phụ (trừ máy phụ chuyên dụng) phải được thử hoạt động khi Đăng kiểm yêu cầu.
9.6.2 Thử nghiệm sau khi lắp ráp trên tàu
Khi các mối nối giữa các ống hoặc giữa ống và van được hàn trên tàu, hệ thống đường ống này phải được thử thủy lực khi Đăng kiểm yêu cầu.
|
| Các kiểu nối và kích thước |
| A |
|
| B |
|
| C |
|
| D |
|
| E |
|
| F |
|
| Chú thích: (1) Các kích thước tiêu chuẩn của các mối hàn như sau: e = 1,4t ; m = t ; S1 = t ; S2 = 0,5t Trong đó: t - chiều dày quy định của ống. (2) Đối với kiểu D, ống và bích phải nối bằng ren côn và phải bắt chặt vào bích bằng độ căng. Tuy nhiên, đường kính ngoài của phần ren của ống không được nhỏ hơn so với đường kính ngoài của ống không cắt ren. | |
Hình 3/9.1 - Các kiểu nối bích
CHƯƠNG 10 HỆ THỐNG ĐƯỜNG ỐNG
10.1 Quy định chung
10.1.1 Phạm vi áp dụng
Các yêu cầu trong Chương này áp dụng cho các hệ thống đường ống lắp đặt trên tàu.
10.1.2 Các bản vẽ và tài liệu
1 Các bản vẽ và tài liệu phải trình Đăng kiểm như sau:
(1) Các bản vẽ (có ghi vật liệu, kích thước, kiểu, áp suất và nhiệt độ thiết kế... của ống, van...) thẩm định:
(a) Sơ đồ đường ống trong tàu;
(b) Sơ đồ đường ống trong buồng máy;
(c) Các bản vẽ khác theo yêu cầu cụ thể của Quy chuẩn.
(2) Các tài liệu tham khảo:
(a) Bản thuyết minh trang bị;
(b) Các tài liệu khác theo yêu cầu cụ thể của Quy chuẩn.
10.2 Đường ống
10.2.1 Quy định chung
1 Cố định ống
(1) Phải có phần ống dôi để bù hòa ảnh hưởng do giãn nở, co, biến dạng của vỏ tàu và chấn động. Độ dài nhịp được đỡ của ống phải thích hợp để tránh mọi quá tải;
(2) Phải giảm đến mức tối thiểu số lượng mối nối ống tháo được.
2 Bán kính uốn ống
Bán kính cong của đường tâm ống ở chỗ bị uốn không được nhỏ hơn 2 lần đường kính ngoài của ống.
3 Sự hoạt động của ống
Phải bố trí các ống sao cho không ảnh hưởng đến sự hoạt động của thiết bị do đọng nước, không khí hoặc tổn thất áp suất trong các ống.
4 Đường ống ở gần thiết bị điện
Không đưa đường ống đến gần các thiết bị điện như máy phát, bảng điện, thiết bị điều khiển... Nếu không thể tránh được thì phải chú ý để không bố trí bích hoặc mối nối ở phía trên hoặc gần thiết bị điện, trừ khi đã có biện pháp phòng chống sự rò rỉ xuống thiết bị.
5 Bảo vệ ống và phụ tùng
(1) Phải bảo vệ thích hợp tất cả các ống, van, phụ tùng ống, cần van, tay vặn... đặt ở trong hầm hàng hoặc trên boong hở mà ở đó chúng có khả năng bị hư hỏng. Hộp bảo vệ phải dễ tháo được để kiểm tra;
(2) Phải lưu ý thích đáng đến việc bảo vệ chống ăn mòn cho các ống bố trí ở nơi khó tới bảo dưỡng và kiểm tra.
6 Các van xả áp
(1) Phải bảo vệ tất cả các đường ống có thể có áp suất bên trong vượt quá áp suất thiết kế bằng các van xả áp hoặc các thiết bị phòng quá áp khác;
(2) Các đầu xả của các van xả áp hoặc thiết bị phòng quá áp phải được dẫn tới các nơi an toàn.
7 Thiết bị đo áp suất và nhiệt độ
(1) Phải đặt các thiết bị đo áp suất và nhiệt độ ở những nơi cần thiết trên các hệ thống đường ống;
(2) Các vòi hoặc van phải được lắp ở chân thiết bị đo áp suất để cách ly thiết bị đo khỏi đường ống có áp suất.
8 Dấu hiệu phân biệt đường ống
(1) Phải sơn bằng các màu riêng cho các ống đặt ở những nơi cần an toàn để tránh sử dụng sai;
(2) Để đảm bảo an toàn trong sử dụng phải gắn thẻ ghi công dụng vào các van. Các van của hệ thống cứu hỏa phải được sơn màu đỏ;
(3) Phải gắn thẻ tên vào các đầu hở của các ống thông hơi, ống đo và ống tràn.
9 Vệ sinh hệ thống đường ống
Phải làm sạch các hệ thống đường ống sau khi chế tạo hoặc lắp ráp trên tàu nếu thấy cần thiết.
10.2.2 Nối và dùng chung ống
1 Nối ống dầu với ống khác
(1) Các ống dầu đốt phải độc lập hoàn toàn với các ống khác, trừ khi có các phương tiện ngăn ngừa trộn lẫn tình cờ với các chất lỏng khác trong khi hoạt động;
(2) Các ống dầu bôi trơn phải độc lập hoàn toàn với các đường ống khác;
(3) Các ống nước ngọt cấp cho nồi hơi hoặc nước ngọt sinh hoạt phải độc lập hoàn toàn với các ống khác để tránh nhiễm bẩn dầu hoặc nước chứa dầu;
(4) Các ống dầu và các ống hâm trong các két sâu có thể được dùng để chứa hàng thông thường phải có khả năng tháo rời được hoặc có các thiết bị thích hợp như nắp bích hoặc ống cuộn. Các ống hút khô và ống nước dằn trong các két sâu này phải thỏa mãn các yêu cầu ở 10.5.1-10.
2 Dùng chung các ống nước ngoài tàu và nước ngọt
Các ống nước ngoài tàu và nước ngọt phải độc lập nhau trừ khi có biện pháp thích hợp tránh trộn lẫn tình cờ của nước ngọt với nước ngoài mạn.
10.2.3 Ống xuyên vách
Nơi ống xuyên qua vách kín nước, boong và tấm đỉnh, tấm đáy và các vách của két sâu và tấm đáy trong, phải có biện pháp đảm bảo kín nước cho các kết cấu.
10.2.4 Mối nối trượt
Không được dùng mối nối trượt ở các đường ống trong các hầm hàng và các khoang khó tiếp cận, trừ khi có biện pháp theo dõi và kiểm soát tình trạng của mối nối một cách hữu hiệu.
10.2.5 Van trên vách ngăn
1 Các van vặn hoặc van gạt, ví dụ như các van xả không phải là một phần của một hệ thống đường ống nào cả thì không được lắp trên vách chống va.
2 Các ống xuyên qua vách chống va phải có van thích hợp thao tác được từ phía trên boong mạn khô và hộp van phải cố định chắc ở vách bên trong hầm mũi. Tuy nhiên có thể lắp van phía sau vách chống va với điều kiện là dễ đến gần được ở mọi điều kiện khai thác và nơi đặt van không phải là khoang chứa hàng. Khi đó có thể không cần có thiết bị điều khiển từ xa các van này.
Các ống xuyên qua các két đuôi phải được lắp van ngắt tại vị trí phía trước của vách.
3 Các van như van xả không phải là một phần của bất cứ hệ thống đường ống nào, có thể lắp trên vách kín nước không phải là vách chống va, với điều kiện là dễ đến gần được vào mọi lúc cần kiểm tra. Phải thao tác được các van này từ phía trên boong chính và có chỉ báo đóng mở, trừ khi các van được bắt chắc vào vách trước hoặc vách sau phía trong buồng máy.
4 Các phương tiện để điều khiển các van từ trên boong mạn khô hoặc trên boong chính phải được kết cấu sao cho trọng lượng của chúng không đè lên van.
10.2.6 Ngăn ngừa đóng băng trong các ống
Phải có biện pháp thích hợp để ngăn ngừa việc đóng băng đối với các loại ống hút khô, thông hơi, ống đo, ống xả... đi qua hoặc đặt gần buồng lạnh, nơi có nguy cơ đóng băng mặt trong của ống.
10.3 Van hút nước ngoài mạn và van xả mạn
10.3.1 Nối ống hút nước ngoài mạn và các ống xả mạn
Các ống lấy nước ngoài mạn vào và xả ra mạn phải được nối vào các van hoặc vòi theo đúng các yêu cầu ở 10.3.2-2 và 10.3.2-3. Tuy nhiên, đối với các đường ống xả từ vị trí bên trên boong mạn khô mà có đoạn ống dâng đến độ cao thích hợp trên boong mạn khô có chiều dày lớn để được miễn van một chiều phù hợp với quy định 10.4.1-5 thì không cần phải áp dụng các quy định ở 10.3.2-2.
10.3.2 Vị trí và kết cấu của các van hút nước ngoài tàu và các van xả mạn
1 Các van hút nước ngoài tàu và các van xả mạn được lắp vào mạn tàu, hộp van thông sông tạo thành một phần kết cấu tàu hoặc lắp vào đoạn ống nối vào tấm vỏ và phải được bố trí ở các vị trí dễ tới gần.
2 Các van quy định ở 10.3.2-1 phải được lắp thỏa mãn các yêu cầu sau đây:
(1) Các van phải được lắp vào các tấm ốp được hàn vào tấm vỏ hoặc vào hộp van thông nước ngoài tàu bằng các vít cấy. Các vít cấy này không được xuyên qua tấm vỏ và hộp van thông nước ngoài tàu;
(2) Các van phải được lắp bằng bu lông với đoạn ống lắp van được cố định chắc vào vỏ tàu. Trong trường hợp này, các đoạn ống lắp van phải có kết cấu cứng và càng ngắn càng tốt.
3 Các cần van của các van hút nước ngoài tàu phải nhô lên cao hơn mặt sàn thấp, nơi dễ thao tác. Các van hút nước ngoài tàu dẫn động bằng cơ giới cũng phải dẫn động được bằng tay. Các van hút nước ngoài tàu phải có dụng cụ chỉ báo van đóng hay mở.
4 Các van xả mạn và vòi phải được trang bị các đầu nối đi qua tấm vỏ và các vòng bảo vệ nêu ở 10.3.2-5(1). Nhưng có thể không cần trang bị các đầu nối này nếu các phụ tùng được gắn vào các đệm lót hoặc đoạn ống lắp van tạo nên dạng đầu nối ở vùng tấm vỏ và vòng bảo vệ. Các van xả mạn phải có dụng cụ chỉ báo van đóng hay mở.
5 Các van xả của nồi hơi và thiết bị bốc hơi phải thỏa mãn các yêu cầu (1) và (2) sau đây:
(1) Các van xả của nồi hơi và thiết bị bốc hơi phải được lắp ở các vị trí dễ tiếp cận và phải có các vòng bảo vệ ở phía ngoài của tấm vỏ để chống ăn mòn;
(2) Các tay vặn van không thể tháo ra được trừ khi van đang đóng và nếu dùng van đóng mở bằng vô lăng, các vô lăng phải được giữ đúng vị trí trên cần van.
10.3.3 Kết cấu của các cửa thông ngoài mạn
Các cửa thông ngoài mạn phải có kết cấu đảm bảo không bị tắc hút do nút không khí.
10.3.4 Mặt sàng của các cửa hút nước ngoài mạn
1 Phải trang bị các mặt sàng cho các cửa lấy nước ngoài mạn vào. Diện tích thông qua các mặt sàng không được nhỏ hơn 2 lần tổng diện tích cửa vào của các van hút nước ngoài mạn.
2 Phải có thiết bị để làm sạch các mặt sàng nêu ở 10.3.4-1 trên bằng hơi nước, không khí nén, nước... áp suất thấp.
10.4 Các lỗ thoát nước và các lỗ xả vệ sinh
10.4.1 Quy định chung
1 Hệ thống ống thoát nước với số lượng và kích thước ống đủ cho việc tiêu nước có hiệu quả phải được trang bị ở tất cả các boong. Tuy nhiên, Đăng kiểm có thể cho phép miễn trừ các phương tiện thoát nước trong một khoang bất kỳ của một tàu hoặc một loại tàu nếu thỏa mãn điều kiện là kích thước hoặc sự phân khoang không ảnh hưởng đến an toàn của tàu.
2 Các ống thoát từ các khoang dưới boong mạn khô hoặc bên trong thượng tầng kín, lầu kín trên boong mạn khô phải đưa thẳng tới các hố gom nước trong tàu. Tuy nhiên, có thể đưa chúng ra mạn khi có các van thỏa mãn các yêu cầu sau:
(1) Mỗi lỗ thoát độc lập phải có một van tự động một chiều có phương tiện đóng cưỡng bức từ trên boong mạn khô, hoặc là có một van tự động một chiều không có phương tiện đóng cưỡng bức và một van chặn điều khiển được từ trên boong mạn khô. Tuy nhiên, ở chỗ các ống thoát nước dẫn ra mạn qua tấm vỏ ở buồng máy có người trực, việc lắp với tấm vỏ một van đóng cưỡng bức điều khiển tại chỗ cùng với một van một chiều ở trong tàu cũng được chấp nhận. Các phương tiện để thao tác van cưỡng bức từ phía trên boong mạn khô phải dễ tiếp cận và phải có dụng cụ chỉ báo van đóng hay mở;
(2) Nếu chiều cao từ đường nước chở hàng tới đầu ống thoát nước trong tàu lớn hơn 0,01Lf, thì ống thoát nước có thể có 2 van tự động một chiều không cần phương tiện đóng cưỡng bức để thay cho các van quy định ở (1). Trong trường hợp này, van phía trong tàu phải đặt cao hơn đường nước chở hàng và luôn tiếp cận được để kiểm tra ở điều kiện khai thác. Nếu không thể đặt được van trong tàu ở trên đường nước trên thì có thể đặt thấp hơn với điều kiện một van chặn điều khiển tại chỗ được lắp đặt giữa hai van tự động một chiều;
(3) Nếu chiều cao nêu ở (2) vượt quá 0,02Lf thay cho các van quy định ở (1) và (2) trên có thể chỉ dùng một van tự động một chiều không cần phương tiện đóng cưỡng bức, nếu được Đăng kiểm đồng ý.
Trong đó: Lf - chiều dài tàu để xác định mạn khô.
3 Bất kể các yêu cầu ở 10.4.1-2, các ống thoát nước từ các khoang hàng kín trên boong mạn khô phải tuân theo các yêu cầu sau:
(1) Nếu mạn khô của boong mạn khô bị ngập lúc tàu nghiêng quá 5°, phải có các ống thoát nước đưa thẳng ra mạn thỏa mãn các yêu cầu ở 10.4.1-2;
(2) Nếu mạn khô của boong mạn khô bị ngập khi tàu nghiêng bằng hoặc nhỏ hơn 5°, các ống thoát nước phải thỏa mãn các yêu cầu sau:
(a) Các ống thoát phải đưa thẳng tới các hố gom nước;
(b) Ở khoang hàng kín được bảo vệ bởi hệ thống dập cháy bằng CO2, các ống thoát nước cho boong phải có phương tiện ngăn ngừa khí ngạt thoát ra.
4 Bất kể các yêu cầu ở 10.4.1-2 có thể bố trí chỉ một van chặn cho các ống thoát mạn. Các ống này phải luôn luôn đóng trừ lúc tháo nước trong thời gian tàu hoạt động. Tuy nhiên, van chặn này phải đóng được từ một nơi dễ tiếp cận trong thời gian tàu hoạt động bằng một thiết bị đóng có chỉ báo.
5 Các ống thoát nước xuất phát ở độ cao bất kỳ và xuyên qua tấm vỏ ở vị trí thấp hơn boong mạn khô 300 mm hoặc cao hơn đường nước chở hàng dưới 400 mm đối với tất cả các tàu khách và các tàu khác có ký hiệu cấp tàu là SI, SB đều phải có một van một chiều ở chỗ tấm vỏ đó. Van này, trừ khi được quy định riêng ở 10.4.1-2 có thể không cần có với điều kiện là chiều dày của các ống thoát nước thỏa mãn các yêu cầu trong Bảng 3/9.7 và Bảng 3/9.8.
10.4.2 Lỗ xả mạn chung
Số lượng lỗ thoát nước, lỗ thoát vệ sinh và các lỗ tương tự khác ở tấm vỏ phải được giảm tới mức ít nhất bằng cách mỗi lỗ xả được dùng chung cho càng nhiều ống vệ sinh và các ống khác càng tốt, hoặc bằng bất cứ cách phù hợp nào khác. Tuy nhiên, các hệ thống xả ra mạn khác nhau không được nối với nhau, trừ khi có biện pháp đảm bảo hệ thống hoạt động đúng đắn và hiệu quả.
10.4.3 Hệ thống xả vệ sinh
Hệ thống vệ sinh phải thỏa mãn các yêu cầu ở 10.4.1 và 10.4.2.
10.5 Hệ thống đường ống hút khô và dằn
10.5.1 Quy định chung
1 Phải có hệ thống hút khô đủ khả năng bơm hút khô cho một khoang kín nước bất kỳ, trừ các khoang luôn dùng để chở chất lỏng đã có đủ phương tiện bơm khác, ở điều kiện hoạt động của phương tiện.
2 Phải có hệ thống nước dằn đủ khả năng bơm nước dằn vào và hút ra khỏi bất kỳ két chứa nước dằn nào ở điều kiện hoạt động của phương tiện.
3 Nếu hệ thống chữa cháy cố định bằng phun sương nước nhờ áp suất hoặc hệ thống chữa cháy cố định khác tạo ra nhiều nước hoặc khi có các phương tiện làm mát khoang hàng dưới boong chứa các hàng nguy hiểm bằng các vòi phun hoặc làm ngập khoang bằng nước, phải có hệ thống bơm đảm bảo xả được nước đó trực tiếp ra mạn.
4 Phải có biện pháp thích hợp cho hệ thống hút khô để phòng tránh nước ngoài mạn tràn vào khoang kín nước và do vô ý nước đáy tàu tràn từ khoang này sang khoang khác. Để thỏa mãn được yêu cầu này, tất cả các hộp van phân phối nước đáy tàu và các van điều khiển bằng tay gắn với hệ thống hút khô phải đặt ở những nơi tiếp cận được trong các tình huống thông thường. Tất cả các van trong hộp van phân phối nước đáy tàu phải là van một chiều.
5 Các ống hút khô cho các hầm hàng, buồng máy và hầm trục phải độc lập hoàn toàn với các ống không phải là ống hút khô.
6 Các ống hút khô đi qua các két sâu chỉ dùng để dằn và các ống hút khô, dằn đi qua các két sâu không phải là két dằn phải dẫn qua một hầm ống kín dầu hoặc kín nước, hoặc phải có đủ chiều dày thỏa mãn các yêu cầu ở Bảng 3/9.7 và Bảng 3/9.8 và tất cả các mối nối phải được hàn.
7 Các ống hút khô qua các két đáy đôi phải dẫn qua hầm kín dầu hoặc kín nước hoặc phải đủ chiều dày thỏa mãn các yêu cầu ở Bảng 3/9.7 và Bảng 3/9.8.
8 Các ống hút khô đi qua các đáy đôi, các két mạn, các hầm chứa nước đáy tàu hoặc qua các khoang trống có thể bị hư hỏng do mắc cạn hoặc va chạm, phải có các van một chiều ở gần các đầu hút nước đáy tàu, hoặc phải có các van chặn đóng được từ các vị trí dễ tiếp cận.
9 Hệ thống ống nước dằn phải có thiết bị dự phòng thích hợp như van một chiều hoặc van chặn luôn đóng trừ khi đang hút và xả dằn và phải có chỉ báo đóng mở để tránh do sơ suất nước ngoài mạn chảy vào két dằn hoặc chảy từ két dằn này sang két dằn khác.
10 Khi một hầm hàng được chứa nước dằn xen kẽ với chứa hàng, phải có các trang bị thích hợp như bích tịt, ống cuộn ở trong hệ thống ống nước dằn để tránh do sơ suất nước ngoài mạn chảy vào qua các ống nước dằn khi đang chở hàng và ở trong hệ thống ống hút khô để tránh do sơ suất nước dằn qua các ống hút khô chảy vào khi đang chứa nước dằn.
11 Nếu một két vừa để chứa dầu đốt vừa để chứa nước dằn, cần có trang bị thích hợp như bích tịt hoặc ống cuộn để ngăn sự pha trộn dầu đốt vào nước dằn trong ống dằn khi két đang chứa dầu đốt và trong ống dầu đốt khi két đang chứa nước dằn.
10.5.2 Các thuật ngữ
1 Đường ống hút khô chính là phần chính của đường ống hút khô nối vào các bơm hút khô được dẫn động cơ giới độc lập nêu ở 10.5.4-1 và nối vào nó tất cả các ống hút khô nhánh từ các đầu hút nêu ở 10.5.5 và từ 10.5.7-1 đến 10.5.7-4.
2 Đường ống hút khô nhánh là ống hút từ đầu hút của mỗi khoang nối vào đường ống hút khô chính.
3 Ống hút khô trực tiếp là ống hút khô được nối trực tiếp với một bơm được dẫn động cơ giới độc lập nêu ở 10.5.4-1 và hoàn toàn tách biệt với các ống khác.
4 Ống hút khô sự cố là ống hút khô được dùng trong trường hợp sự cố và được nối trực tiếp với một bơm được dẫn động cơ giới nêu ở 10.5.7-6(1).
10.5.3 Kích thước của các ống hút khô
1 Đường ống hút khô chính, các ống hút khô trực tiếp và ống nhánh từ các khoang kín nước phải có đường kính trong tính theo các công thức (1) và (2) dưới đây, hoặc phải là các ống tiêu chuẩn có đường kính trong gần nhất với đường kính tính được. Trong trường hợp đường kính trong của các ống tiêu chuẩn này nhỏ hơn giá trị tính được từ 13 mm trở lên, phải dùng các ống tiêu chuẩn lớn hơn một mức.
(1) Với đường ống hút khô chính và các ống hút khô trực tiếp:
![]()
(2) Với các ống hút khô nhánh:
![]()
Trong đó:
d - đường kính trong của đường ống hút khô chính hoặc của các ống hút khô trực tiếp, mm;
d' - đường kính trong của ống hút khô nhánh, mm;
L, B, D - chiều dài, chiều rộng, chiều cao thiết kế của tàu, m.
Tuy nhiên, đối với các tàu thỏa mãn yêu cầu 10.4.1-3(2), đại lượng "D" được xác định như sau:
(a) Đối với các tàu có các khoang hàng kín kéo dài hết toàn bộ chiều dài tàu, "D" là chiều cao của tàu đo tới boong kề trên boong mạn khô, m;
(b) Đối với các tàu có khoang hàng kín không kéo hết toàn bộ chiều dài tàu, "D" là chiều cao của tàu cộng với l 'xh/L, m; trong đó l ', h tương ứng là chiều dài và chiều cao trung bình của các khoang hàng kín;
l - chiều dài của khoang được các ống hút khô nhánh hút, m.
2 Đường kính trong của đường ống hút khô chính không được nhỏ hơn bất cứ đường kính của ống hút khô nhánh nào tính theo công thức ở 10.5.3-1(2).
3 Đường kính trong của các ống hút khô trực tiếp cũng phải thỏa mãn các yêu cầu ở 10.5.7-5.
4 Khi các đầu hút khô ở phần trước và sau của hầm hàng thỏa mãn các yêu cầu ở 10.5.5-1, đường kính trong của ống hút khô nhánh ở phần trước có thể giảm tới 0,7 lần đường kính tính theo công thức ở 10.5.3-1(2).
5 Khi các bơm hút khô trong khoang máy chỉ dùng riêng cho hút khô nước trong buồng máy, đường kính trong của đường kính hút khô chính và của các ống hút khô trực tiếp có thể giảm xuống tới trị số tính theo công thức sau:
![]()
Trong đó:
l - chiều dài buồng máy, m;
d, B, D - như được nêu ở 10.5.3-1 trên.
6 Đường kính trong của ống hút khô nhánh không được nhỏ hơn 40 mm, trừ khi hút khô cho một khoang nhỏ đường kính trong có thể giảm tới trị số phù hợp với tiêu chuẩn quốc gia hoặc tiêu chuẩn, quy phạm theo thông lệ quốc tế.
7 Diện tích tiết diện trong của các ống hút khô nối hai ống hút khô nhánh hoặc nhiều hơn vào đường ống hút khô chính không được nhỏ hơn tổng diện tích tiết diện trong của hai ống hút khô nhánh lớn nhất nhưng không cần vượt quá diện tích tiết diện trong của đường ống hút khô chính tính theo công thức ở 10.5.3-1(1).
8 Đường kính trong của các ống hút khô ở hầm mũi, hầm lái và hầm trục không được nhỏ hơn 40 mm.
10.5.4 Bơm hút khô
1 Số lượng bơm hút khô:
(1) Tàu cấp VR-SB phải có ít nhất hai bơm hút khô độc lập được truyền động cơ giới, nối vào các ống hút khô chính. Tuy nhiên, đối với các tàu có chiều dài không quá 90 m, một trong các bơm có thể do động cơ chính lai. Đối với tàu có chiều dài dưới 20 m chỉ phải trang bị một bơm hút khô do động cơ chính lai và một bơm hút khô di động dự phòng trong trường hợp bơm do động cơ chính lai bị sự cố.
(2) Tàu cấp VR-SI có tổng công suất máy chính từ 220 kW trở lên phải có ít nhất hai bơm hút khô độc lập được truyền động cơ giới, nối vào các ống hút khô chính. Tuy nhiên, đối với các tàu có chiều dài không quá 90 m, một trong các bơm có thể do động cơ chính lai. Đối với tàu có chiều dài dưới 20 m chỉ phải trang bị một bơm hút khô do động cơ chính lai.
(3) Tàu cấp VR-SII, VR-SIII phải trang bị một bơm hút khô do máy chính lai và một bơm hút khô độc lập truyền động cơ giới, nối vào các ống hút khô chính. Tuy nhiên, đối với tàu có chiều dài không quá 60 m chỉ phải trang bị một bơm hút khô do máy chính lai.
(4) Đối với các tàu có chiều dài nhỏ hơn 20 m có thể trang bị các bơm chìm, truyền động điện, có kèm phao tự động bật nguồn khi có nước và ngắt nguồn khi cạn nước. Bơm được đặt ở từng khoang hút khô riêng biệt để hút khô trực tiếp cho các khoang này. Lưu lượng tối thiểu của bơm là 6 m3/h. Nguồn năng lượng phải đảm bảo cung cấp cho bơm làm việc liên tục không ít hơn 2 giờ.
(5) Nếu trên tàu có trang bị các bơm nước dằn, bơm vệ sinh và bơm dùng chung được dẫn động cơ giới độc lập có thể dùng làm các bơm hút khô độc lập, dẫn động bằng cơ giới với điều kiện là chúng được nối thích hợp vào đường ống hút khô chính;
Một trong các bơm hút khô độc lập được truyền động cơ giới quy định ở (1), (2), (3) có thể được thay bằng một bơm phụt nối với một bơm nước ngoài mạn không phải là bơm hút khô. Trong trường hợp này sản lượng của bơm phụt phải thỏa mãn yêu cầu ở -2.
(6) Bất kể các yêu cầu từ (1) đến (5) ở trên, bơm hút khô do máy chính lai có thể được thay thế bằng bơm hút khô độc lập.
2 Sản lượng của bơm hút khô
(1) Mỗi bơm quy định ở -1 phải có khả năng hút được một lượng nước không nhỏ hơn trị số tính theo công thức dưới đây qua đường ống hút khô chính nêu ở 10.5.3:
Q = 5,66d2 x 10-3
Trong đó:
Q - sản lượng quy định, m3/h;
d - đường kính trong của đường ống hút khô chính quy định ở 10.5.3, mm.
(2) Đối với tàu không phải là tàu khách có chiều dài không quá 30 m thì sản lượng của bơm hút khô có thể được xác định theo công thức sau:
Q = 3,45d2 x 10-3
Trong đó: Q - (m3/h), d (mm) - giống như quy định ở (1) trên đây.
(3) Đối với tàu không tự hành có thiết bị năng lượng hoặc được cung cấp điện từ bờ hoặc tàu khác, phải có một bơm cố định hoặc di động được truyền động cơ giới và một bơm tay có sản lượng ít nhất là 3,5 m3/h;
(4) Đối với tàu không tự hành khi hoạt động không cần thuyền viên thì việc hút khô có thể được tiến hành nhờ thiết bị của tàu kéo, tàu đẩy hoặc tàu phục vụ ở cảng;
(5) Đối với tàu không tự hành khi hoạt động cần thuyền viên, không có thiết bị năng lượng, phải có bơm tay hút khô kiểu pít tông hoặc bơm hút khô di động truyền động cơ giới độc lập, sản lượng của bơm này được xác định theo Bảng 3/10.1.
Bảng 3/10.1 - Lưu lượng bơm hút khô của tàu không tự hành
| 0,8LxBxD, m3 | Lưu lượng, m3/h |
| Đến 50 | 4 |
| Từ 51 đến 200 | 6 |
| Từ 201 trở lên | 8 |
L, B, D là chiều dài, chiều rộng và chiều cao của tàu như quy định ở 10.5.3-1.
(6) Đối với tàu không tự hành có trọng tải toàn phần từ 1000 tấn trở lên hoặc có chiều dài thiết kế lớn hơn 60 m thì phải có một bơm di động được truyền động cơ giới và một bơm tay có sản lượng ít nhất là 3,5 m3/h;
(7) Nếu sản lượng của một trong các bơm này nhỏ hơn quy định thì có thể bổ sung lượng thiếu hụt bằng sản lượng dư của một bơm khác.
(8) Đối với tàu hở chở công-te-nơ, phải trang bị ít nhất hai bơm được truyền động cơ giới để bơm nước mưa và nước chữa cháy có thể tích tụ trong các không gian chở hàng của tàu. Sản lượng của bơm hút khô bằng giá trị lớn hơn của lượng mưa 100 mm mỗi giờ và sản lượng của bơm chữa cháy.
3 Kiểu bơm hút khô
(1) Tất cả các bơm hút khô độc lập được truyền động cơ giới quy định ở 10.5.4-1 phải là loại tự hút hoặc tương đương và phải bố trí thích hợp để khi sử dụng có thể hoạt động được ngay;
(2) Bơm tay phải đảm bảo hút được tất cả các khoang mà bơm phục vụ, bơm phải bố trí thích hợp để khi sử dụng có thể hoạt động được ngay.
4 Nối các bơm hút khô và các ống hút
Tất cả các bơm được truyền động cơ giới quy định ở 10.5.4-1 phải được bố trí để hút khô nước đáy tàu ra khỏi tất cả các hầm hàng, buồng máy và hầm trục (nếu có). Tuy nhiên, nếu một bơm phụt chỉ dùng riêng cho hút khô trong một hầm hàng thì đường ống hút khô hầm này không cần nối với các bơm hút khô quy định ở 10.5.4-1. Trong trường hợp này bơm phụt phải bố trí sao cho được dẫn động bởi hai bơm trở lên. Lưu lượng của bơm nước ngoài mạn dùng dẫn động cho bơm phụt, lưu lượng của bơm phụt, đường kính trong của ống hút phải được Đăng kiểm thẩm định.
10.5.5 Bố trí đầu hút trong các hầm hàng
1 Ở các tàu chỉ có một hầm hàng với chiều dài quá 33 m thì các đầu hút phải được bố trí thích hợp ở nửa phía sau và ở nửa phía trước theo chiều dài hầm hàng.
2 Nếu sàn đáy trong của sàn đáy đôi kéo dài tới hai mạn tàu, thì phải đặt các đầu hút trong các hố gom nước ở cả hai bên hông; và nếu sàn cao có độ khum ngược lại còn phải đặt đầu hút ở đường tâm tàu.
3 Khi đặt tấm lót kín ở trên nước đáy tàu của hầm hàng, phải bố trí sao cho nước ở các phần của hầm hàng có thể chảy đến được các đầu hút.
10.5.6 Hút khô các két mút mũi, két mút đuôi và hầm xích
1 Có thể dùng bơm phụt hoặc bơm tay để hút khô các két mút mũi, két mút đuôi và các hầm xích. Các bơm phụt và bơm tay này phải hoạt động được bất kỳ lúc nào từ vị trí dễ đến ở trên đường nước chở hàng.
2 Đường ống hút đi qua vách chống va phải thỏa mãn các yêu cầu ở 10.2.5-2.
10.5.7 Bố trí đầu hút khô trong buồng máy
1 Trong buồng máy không có đáy đôi phải có ít nhất hai đầu hút ở gần đường tâm tàu. Một đầu cho ống hút khô nhánh và đầu kia cho ống hút khô trực tiếp. Nếu độ nghiêng của sàn nhỏ hơn 5° phải có thêm các đầu hút ở hai bên hông tàu.
2 Nếu đáy đôi trong buồng máy tạo thêm các rãnh nước ở hai bên hông tàu, phải có một ống hút khô nhánh và một ống hút khô trực tiếp cho mỗi bên hông tàu.
3 Khi sàn đáy đôi kéo dài tới hai mạn tàu phải tạo các hố gom nước ở cả hai bên hông tàu và phải có một ống hút nhánh và một ống hút trực tiếp cho mỗi hố gom nước.
4 Khi buồng máy có các vách kín nước cách ly với khoang nồi hơi và buồng máy phụ thì phải bố trí các ống hút khô trong khoang nồi hơi và buồng máy phụ để thỏa mãn các yêu cầu ở 10.5.7-1 cho trường hợp không có đáy đôi và phải thỏa mãn các yêu cầu ở 10.5.7-2 và 10.5.7-3 khi có đáy đôi. Cho phép chỉ cần một ống hút khô trực tiếp cho trường hợp có đáy đôi.
5 Các ống hút khô trực tiếp phải thỏa mãn các yêu cầu sau:
(1) Đường kính trong của ống hút khô trực tiếp không được nhỏ hơn trị số tính theo công thức ở 10.5.3-1(1). Khi ở mỗi mạn buồng máy có một ống hút khô trực tiếp thỏa mãn các yêu cầu ở 10.5.7-2 hoặc 10.5.7-3, đường kính trong của một trong các ống hút có thể giảm tới trị số theo công thức ở 10.5.3-1(2). Trong trường hợp này phải đặt ống có đường kính đã giảm ở cùng phía với các ống hút khô sự cố nêu ở 10.5.7-6;
(2) Nếu các khoang có kích thước nhỏ thì không cần thỏa mãn các yêu cầu ở 10.5.7-5(1) và có thể giảm thích đáng đường kính trong của các ống hút khô trực tiếp.
6 Ống hút khô sự cố cho các tàu có máy chính là động cơ đi-ê-den phải thỏa mãn các yêu cầu sau:
(1) Phải lắp một ống hút khô sự cố với van chặn một chiều có tay quay dễ điều khiển từ sàn buồng máy vào bơm làm mát chính và ống hút phải được dẫn đến độ cao thích hợp trong buồng máy để hút khô được nước đáy tàu trong trường hợp sự cố. Đường kính trong của ống hút này phải bằng đường kính trong của ống hút của bơm;
(2) Nếu bơm làm mát chính không đáp ứng được việc hút khô, có thể nối ống hút khô sự cố với bơm thay cho bơm làm mát chính được dẫn động cơ giới lớn nhất có trong buồng máy nhưng không phải là bơm hút khô nêu ở 10.5.4-1. Đường kính trong của ống hút khô này phải bằng đường kính ống hút của bơm;
(3) Nếu bơm quy định ở 10.5.7-6(1) và 10.5.7-6(2) là loại tự hút, thì có thể bỏ ống hút khô trực tiếp ở cùng mạn tàu với ống hút khô sự cố.
10.5.8 Các hố gom nước đáy tàu
1 Chiều sâu của hố gom nước trong đáy đôi và chiều cao giữa tấm đáy trong và đáy của hố phải cố gắng để chiều sâu của nó không được lớn hơn một nửa chiều cao đáy đôi và đáy hố phải cách tấm bao đáy không nhỏ hơn 300 mm.
2 Thể tích của mỗi hố gom nước không được nhỏ hơn 0,15 m3.
3 Có thể thay các hố bằng các điểm gom nước bằng thép có thể tích thích hợp khi khoang phải hút khô nhỏ và không thể bố trí được các hố gom nước có thể tích quy định ở 10.5.8-2.
10.5.9 Các hộp xả cặn và các hộp lưới lọc
1 Trừ các ống hút khô sự cố trong buồng máy và trong hầm trục, các ống hút khô phải có các hộp xả cặn. Các hộp này phải dễ tới được từ sàn buồng máy, có nắp dễ đóng mở và phải nối các ống thẳng phía sau của các hố gom nước vào phía nạp của hộp xả cặn.
2 Các đầu hút trong các khoang hầm hàng phải có các hộp lưới lọc có lỗ với đường kính không lớn hơn 10 mm. Hộp lưới lọc phải có diện tích thông của các lỗ không nhỏ hơn 2 lần diện tích thông của các ống hút trừ khi sử dụng bơm phụt phải tương thích lưu lượng hút và không cần tháo bất kỳ mối nối nào của các ống hút cũng làm vệ sinh được.
10.5.10 Hệ thống hút khô và dằn của tàu cấp VR-SB
1 Hệ thống hút khô và dằn của tàu cấp VR-SB phải thỏa mãn các yêu cầu nêu từ 10.5.1 đến 10.5.9 của chương này và các yêu cầu từ -2, đến -5 dưới đây.
2 Đường kính ống hút khô và dằn được tính theo các công thức dưới đây:
(1) Với ống hút khô chính và hút khô trực tiếp:
![]()
(2) Với ống hút khô nhánh:
![]()
Trong đó:
d; d’ - các đường kính trong của ống, mm;
L, B, D - chiều dài, chiều rộng, chiều cao thiết kế của tàu, m;
l - chiều dài của khoang do các ống nhánh hút, m.
3 Khi bơm hút khô đặt trong buồng máy và chỉ dùng riêng cho việc hút khô buồng máy thì đường kính trong của ống hút chính và trực tiếp có thể giảm xuống tới trị số tính theo công thức sau:
![]()
Trong đó:
l - chiều dài buồng máy, m;
d, B, D - như nêu ở -1 trên.
4 Đường kính trong của ống hút khô nhánh không được nhỏ hơn 50 mm, trừ khi hút khô cho một khoang nhỏ, đường kính trong của ống hút có thể giảm tới trị số 40 mm nếu. Việc giảm trị số này phải phù hợp với tiêu chuẩn quốc gia hoặc tiêu chuẩn, quy phạm theo thông lệ quốc tế.
5 Đường kính trong của các ống hút khô ở két mút mũi, mút đuôi và hầm trục không được nhỏ hơn 65 mm, trừ các tàu có chiều dài dưới 60 m thì có thể giảm tới 50 mm, hoặc bằng đường kính ống hút của bơm tay sử dụng để hút khô.
10.6 Ống thông hơi
10.6.1 Quy định chung
1 Tất cả các két và các khoang cách ly cũng như các hộp van thông ngoài mạn phải có ống thông hơi đủ tiết diện ngang cho phép dễ dàng thông hơi từ mọi phần của các két và khoang cách ly. Ống thông hơi của các hộp van thông ngoài mạn phải có van chặn lắp trực tiếp trên hộp van.
2 Các két có tấm nóc có chiều dài hoặc rộng từ 7 m trở lên phải có từ hai ống trở lên ở các khoảng cách thích hợp. Các két có tấm nóc nghiêng chỉ cần có một ống thông hơi đặt ở phần cao nhất của tấm nóc.
3 Các két hoặc các khoang cách ly có hình dạng phức tạp sẽ được xem xét riêng về số lượng và vị trí các ống thông hơi.
4 Phải bố trí các ống thông hơi sao cho có thể tự xả nước.
5 Đối với tàu mang cấp VR-SB, các ống thông hơi của các két dầu đốt trực nhật, các két lắng và các két dầu bôi trơn phải được bố trí sao cho không trực tiếp dẫn tới nguy cơ lọt nước ngoài tàu hoặc nước mưa vào két khi các ống thông hơi này hỏng
10.6.2 Các đầu hở của các ống thông hơi
1 Tùy theo loại và công dụng của các két, vị trí các đầu hở của các ống thông hơi phải thỏa mãn các yêu cầu từ (1) đến (4) sau đây:
(1) Phải dẫn lên trên boong chính các ống thông hơi cho các két và khoang cách ly sau đây:
(a) Các két đáy đôi;
(b) Các két có thể bị nước ngoài mạn chảy ngược lên;
(c) Các khoang cách ly.
(2) Phải đưa các ống thông hơi cho các két và khoang cách ly sau lên boong hở:
(a) Các két dầu đốt;
(b) Các két dầu hàng;
(c) Các két dầu bôi trơn được hâm nóng và các két dầu thủy lực;
(d) Các két có thể được nạp bằng bơm (chỉ các két ở ngoài khoang máy và không có ống tràn);
(e) Khoang cách ly kề với các két dầu đốt và các két dầu hàng.
(3) Các ống thông hơi cho các két có thể được nạp bằng bơm phải được dẫn tới một vị trí an toàn, tránh thiết bị bị hỏng do chất lỏng tràn từ két trong quá trình nạp;
(4) Phải đưa ống thông hơi của các két chứa chất lỏng dễ cháy tới một vị trí an toàn, nơi không có khả năng cháy hơi dầu hoặc khí thoát ra từ các đầu hở khi két đang được nạp.
2 Phải trang bị các phương tiện đóng các lỗ của ống thông hơi dẫn lên boong hở để ngăn nước ngoài mạn vào trong tàu khi thời tiết xấu cho các tàu khách mang cấp VR-SI và VR- SB. Phương tiện đóng nếu trang bị phải là loại tự động cho các két chứa chất lỏng và ở nơi khó thao tác trên các tàu chở gỗ trên boong hở. Các đầu ống không được trang bị thiết bị đóng hoặc không phải loại đóng tự động phải có dạng cổ ngỗng.
3 Đầu hở của các ống thông hơi của các két dầu đốt phải có thiết bị tự đóng và lưới chặn lửa bằng vật liệu chống ăn mòn, dễ vệ sinh, dễ tháo và có diện tích thông qua lưới không nhỏ hơn diện tích mặt cắt ngang cần thiết của ống thông hơi.
10.6.3 Kích thước của các ống thông hơi
Kích thước của các ống thông hơi phải như sau:
1 Tổng diện tích tiết diện của các ống thông hơi cho các két có thể nạp bằng bơm không được nhỏ hơn 1,25 lần tổng diện tích tiết diện của các ống nạp. Có thể giảm đường kính của ống thông hơi xuống 40 mm khi két có ống tràn quy định ở 10.7;
2 Phải có biện pháp an toàn tránh tạo ra chân không khi két được bơm ra;
3 Đường kính trong của các ống thông hơi cho các két hoặc khoang cách ly liền vỏ không được nhỏ hơn 40 mm.
10.6.4 Chiều cao của các ống thông hơi
Khi các ống thông hơi kéo dài lên quá boong mạn khô hoặc boong thượng tầng, các phần nhô lên của các ống phải có kết cấu vững chắc. Chiều cao ống thông hơi phải thỏa mãn quy định tài Phần 9 của Quy chuẩn này.
10.7 Ống tràn
10.7.1 Quy định chung
1 Phải trang bị các ống tràn cho các két được nạp bằng bơm thuộc một trong các loại sau:
(1) Khi diện tích tiết diện của các ống thông hơi không thỏa mãn các yêu cầu ở 10.6.3-1;
(2) Khi có một lỗ khoét ở phía dưới các đầu hở của các ống thông hơi của két;
(3) Các két lắng dầu đốt và các két dầu đốt trực nhật.
2 Phải đưa các ống tràn không phải của các két dầu đốt, dầu bôi trơn và các dầu dễ cháy khác ra ngoài trời hay tới các vị trí thích hợp cho việc xử lý tràn.
10.7.2 Kích thước các ống tràn
Diện tích tiết diện toàn bộ các ống tràn nêu ở 10.7.1-1 không được nhỏ hơn 1,25 lần diện tích tiết diện toàn bộ các ống nạp.
10.7.3 Các ống tràn cho các két dầu đốt, dầu bôi trơn và các dầu dễ cháy khác
1 Các ống tràn phải được dẫn tới các két tràn có dung tích thích hợp hoặc tới một két chứa có thể tích đủ chứa dầu tràn.
2 Các ống tràn phải có kính quan sát ở các vị trí dễ thấy trên các ống thẳng đứng, trừ khi đã trang bị một thiết bị báo động cho trường hợp mức dầu tăng đến điểm định trước trong két.
10.7.4 Các phương tiện ngăn ngừa dòng tràn ngược
1 Phải trang bị các phương tiện thích hợp trên các ống tràn để ngay cả khi một két nào đó bị ngập, các két khác cũng không bị ngập do nước ngoài mạn vào qua các ống tràn.
2 Phải kéo dài các ống tràn xả qua mạn tàu lên quá đường nước chở hàng và phải có các van một chiều trên các mạn tàu. Khi không thể kéo các ống tràn lên quá boong mạn khô thì phải có các phương tiện phụ để ngăn có hiệu quả nước ngoài mạn vào trong tàu.
10.8 Ống đo
10.8.1 Quy định chung
Phải có ống đo hoặc thiết bị chỉ báo mức chất lỏng cho tất cả các két, khoang cách ly và các vùng khó tiếp cận. Mỗi két dùng để chứa chất lỏng, cũng như các hố gom nước la canh đáy tàu và các khoang, két không chứa chất lỏng nơi khó tiếp cận đều phải được trang bị ống đo dẫn lên boong hở hoặc nối vào thiết bị chỉ báo mức chất lỏng khác.
10.8.2 Đầu trên của ống đo
1 Phải đưa các ống đo tới các vị trí tiếp cận được vào bất cứ lúc nào ở trên boong chính và phải có phương tiện đóng có hiệu quả ở đầu trên của các ống đo. Tuy nhiên, có thể dẫn các ống đo tới các vị trí dễ đến gần từ sàn khoang máy, với điều kiện là phải có các phương tiện đóng sau đây tùy theo các loại két:
(1) Các ống đo cho các két dầu đốt
(a) Các thiết bị khóa tự đóng trên các phần kết thúc của ống đo;
(b) Vòi kiểm tra có đường kính nhỏ đặt dưới thiết bị khóa để chắc chắn rằng không rò nhiên liệu trước khi mở khóa;
(c) Các phương tiện để đảm bảo bất cứ nhiên liệu rò nào qua vòi kiểm tra không gây nguy cơ cháy.
(2) Các ống đo cho các két dầu bôi trơn và các két dầu dễ cháy khác phải có các van thông và vòi tự đóng;
(3) Các ống đo cho các két không phải là két nêu ở (1), (2) và các khoang cách ly: phải có các van thông, vòi hoặc các nắp chụp có ren gắn vào đường ống bằng xích.
2 Các đầu trên của các ống đo cho các két dầu đốt, dầu bôi trơn và các loại dầu dễ cháy khác không được kết thúc ở các buồng ở và kề với các thiết bị điện, nồi hơi và các bề mặt bị nung nóng khác.
10.8.3 Kết cấu các ống đo
1 Các ống đo phải thật thẳng, nếu cong thì độ cong phải đủ lớn.
2 Phải lắp các tấm có kích thước thích hợp và đủ dày vào tấm đáy dưới các ống đo có đầu hở để phòng hỏng tấm đáy khi va đập với thước đo. Nếu dùng các ống đo kín đầu, các nút kín ở các đầu phải có kết cấu chắc chắn.
3 Đường kính trong của các ống đo không được nhỏ hơn 32 mm.
10.8.4 Kết cấu của các dụng cụ chỉ báo mức chất lỏng
1 Mỗi dụng cụ chỉ báo mức chất lỏng quy định ở 10.8.1 phải là kiểu được Đăng kiểm thẩm định. Tuy nhiên, khi dụng cụ chỉ báo mức chất lỏng thỏa mãn một tiêu chuẩn Đăng kiểm đã duyệt hoặc có chứng chỉ được chấp nhận thì không cần áp dụng các yêu cầu này.
2 Thiết bị chỉ báo mức chất lỏng bằng kính của các két nhiên liệu, két dầu bôi trơn và các két chở chất lỏng dễ cháy khác phải thỏa mãn các yêu cầu (1) đến (2) dưới đây:
(1) Kính dùng cho thiết bị chỉ báo mức chất lỏng phải là kiểu phẳng, chịu nhiệt và được bảo vệ tránh các hư hỏng cơ học;
(2) Các van hoặc vòi ở các đầu dưới của các thiết bị có kính phải có các phương tiện tự đóng.
10.9 Hệ thống dầu đốt
10.9.1 Quy định chung
1 Giới hạn sử dụng đối với dầu đốt phải thỏa mãn các yêu cầu ở 1.3.3 của Phần 3 này.
2 Không được hâm nóng dầu đốt tới nhiệt độ thấp hơn 10 °C so với điểm chớp cháy của dầu đốt, trừ khi thiết kế của hệ thống phù hợp với tiêu chuẩn quốc gia hoặc tiêu chuẩn, quy phạm theo thông lệ quốc tế.
3 Các khoang có bố trí các hệ thống đốt dầu đốt, các két dầu lắng và két dầu trực nhật, thiết bị phân ly dầu phải được bố trí ở những nơi dễ tiếp cận và phải được thông gió tốt.
4 Hệ thống dầu đốt trong buồng máy chính và buồng nồi hơi phải được xem xét cẩn thận để dễ bảo dưỡng và kiểm tra. Phải chú ý đề phòng rò lọt dầu để không gây hỏa hoạn và dễ phát hiện khi có rò lọt. Phải có khả năng thao tác được tất cả các van từ trên sàn.
5 Phải bố trí các van và các phụ tùng nối khác trên các két dầu đốt ở các vị trí an toàn tránh các hư hỏng từ bên ngoài.
6 Phải có các van chặn ở cả phía hút và đẩy của các bơm dầu đốt.
7 Nếu có van xả áp ở phía đẩy của bơm dầu đốt, thì phải bố trí để dầu xả ra có thể đưa về cửa hút của bơm.
8 Các van và phụ tùng ống với nhiệt độ thiết kế trên 60 °C và áp suất thiết kế trên 1,0 MPa phải thích hợp với áp suất không nhỏ hơn 1,6 MPa. Các van và phụ tùng ống dùng cho hệ thống vận chuyển dầu đốt, hệ thống ống nạp dầu đốt và các hệ thống ống dầu đốt áp suất thấp khác phải thích hợp đối với áp suất không nhỏ hơn 0,5 MPa.
9 Các mối nối ren dùng để nối các ống phun dầu đốt của động cơ đi-ê-den hoặc các ống của hệ thống đốt của nồi hơi phải có kết cấu cứng và có vòng đệm kim loại kín dầu.
10.9.2 Ống nạp dầu đốt
1 Các ống nạp dầu đốt từ ngoài tàu phải là loại chuyên dùng. Phải cố gắng đưa các đầu hở của các ống này lên trên các boong và các đầu này phải có các nắp cứng.
2 Nếu các ống nạp dầu đốt không được đặt ở trên hoặc ở gần đỉnh các két dầu đốt, thì cần phải đặt van một chiều sát với két hoặc phải có van hoặc vòi có phương tiện đóng từ xa nêu ở 10.9.3.
3 Bất kể các yêu cầu ở 10.9.2-1, khi các ống nạp dầu đốt được nối với các ống hút thì phải có các van chặn trên đường ống nạp. Phải có thêm các van chặn nếu các két nằm ở vị trí cao hơn đáy đôi và dầu đốt có thể vào các két dầu đốt khác qua các ống nạp và tràn từ các lỗ khoét của các ống đo...
10.9.3 Các van của các ống hút két
1 Các ống hút dầu đốt từ các két đặt cao hơn đáy đôi phải có các van chặn bắt chặt trực tiếp vào các vách két.
2 Nếu các van nêu ở 10.9.3-1 ở vị trí thường mở thì chúng phải đóng được tại chỗ và đóng được từ một vị trí an toàn bên ngoài buồng máy.
3 Khi các van hoặc vòi của các két dầu sâu ở bên trong một hầm trục hoặc hầm ống hoặc một không gian tương tự thì phải có các van trên các két, nhưng trong trường hợp hỏa hoạn có thể điều khiển được nhờ một van phụ trên ống hoặc trên các ống nằm ngoài hầm hoặc không gian tương tự. Nếu van phụ đặt ở trong khoang máy thì phải cố gắng đặt thật gần vách và thao tác được từ vị trí bên ngoài khoang máy này.
4 Bất kể các yêu cầu ở 10.9.3-2 và 10.9.3-3, trong trường hợp các két có dung tích nhỏ hơn 500 lít thì không yêu cầu phải có van đóng nhanh điều khiển từ xa.
10.9.4 Bơm vận chuyển dầu đốt
1 Trên các tàu dùng bơm được dẫn động cơ giới để nạp cho các két lắng và két trực nhật phải có ít nhất một bơm chuyển dầu độc lập được dẫn động cơ giới. Nếu có một bơm dầu đốt độc lập dẫn động cơ giới nào đó đa dụng sẵn sàng hoạt động như là một bơm chuyển dầu đốt thì có thể dùng bơm này làm bơm vận chuyển dầu đốt.
2 Đối với tàu có lượng tiêu hao dầu đốt trong 20 giờ liên tục không quá 2000 kg thì chỉ cần đặt một bơm tay vận chuyển dầu đốt.
10.9.5 Các khay hứng dầu rò rỉ và hệ thống xả nước
1 Phải có khay hứng dầu rò rỉ đủ chiều cao đặt dưới các thiết bị liên quan với dầu đốt như động cơ đi-ê-den (trừ máy chính), các mỏ đốt, các bơm dầu đốt, các bộ lọc dầu đốt và các két dầu đốt như két lắng dầu đốt và két dầu đốt trực nhật. Khi không thể trang bị các khay kim loại hứng dầu rò rỉ thì phải làm các thành quây để giữ dầu rò rỉ lại.
2 Các két lắng dầu đốt và các két trực nhật phải có các van xả nước đọng khỏi đáy két.
3 Các van xả của các két dầu đốt phải là loại tự đóng.
4 Các thiết bị xả nước phải thỏa mãn các yêu cầu sau:
(1) Dầu trong các khay hứng hoặc trong các thành quây nêu ở 10.9.5-1 và 10.9.5-2 và dầu xả ra từ các van xả lắp trên các két dầu đốt phải được đưa vào các két thải hoặc thiết bị phù hợp khác;
(2) Các két dầu đốt thải quy định trong 10.9.5-4(1) không được tạo thành một phần của hệ thống tràn;
(3) Phải trang bị các thiết bị thích hợp để xử lý dầu đốt thải chứa trong các két dầu thải quy định ở 10.9.5-4(1).
10.9.6 Hệ thống dầu đốt cho động cơ đi-ê-den
1 Số lượng và sản lượng của các bơm cấp dầu đốt cho máy chính
Phải trang bị cho máy chính một hệ thống cấp nhiên liệu có đủ sản lượng để duy trì lượng cấp dầu đốt ở công suất liên tục lớn nhất của máy chính;
2 Các bộ lọc dầu đốt
(1) Phải có các bộ lọc dầu trên đường ống cấp dầu đốt cho các động cơ đi-ê-den. Các bộ lọc cho động cơ đi-ê-den là máy chính phải có khả năng vệ sinh được mà không phải ngừng việc cấp dầu đã lọc;
(2) Các bộ lọc dầu đốt nêu ở (1) trên phải có các van để giảm áp suất trước khi mở.
3 Nếu trên đường dầu hồi từ các động cơ diesel có lắp van chặn thì tại vị trí các van phải có lưu ý van phải luôn mở để tránh hiện tượng dầu không hồi được về két sẽ dẫn đến hỏng bơm cao áp.
10.9.7 Thiết bị đốt của nồi hơi
1 Thiết bị đốt cho nồi hơi
(1) Khi nồi hơi có thiết bị đốt kiểu phun nhiên liệu áp suất cao phải có hai tổ bơm và thiết bị hâm dầu. Mỗi tổ phải có khả năng cung cấp đủ lượng dầu để tạo hơi ở tốc độ sinh hơi lớn nhất ngay cả khi một tổ bị hỏng. Các bơm này phải được nối với nhau để sẵn sàng sử dụng;
(2) Phải trang bị các bộ lọc ở phía hút và phía đẩy của bơm phun nhiên liệu. Các bộ lọc phải có khả năng làm vệ sinh được mà không phải ngừng việc cấp dầu đã lọc;
(3) Khi cấp dầu đốt cho các vòi phun bằng trọng lực phải có các bộ lọc dầu đốt có thể vệ sinh được mà không cần phải ngừng cấp dầu đã lọc.
2 Đề phòng sự trộn lẫn dầu đốt vào các ống hơi nước và không khí nén.
Khi tiến hành thu dầu thừa trong các mỏ đốt bằng hơi nước hoặc khí nén, phải có các phương tiện để ngăn sự trộn lẫn dầu vào hơi nước và khí nén.
10.10 Hệ thống dầu bôi trơn và hệ thống dầu thủy lực
10.10.1 Quy định chung
1 Vị trí các khay hứng và thiết bị xả của hệ thống dầu bôi trơn phải thỏa mãn các yêu cầu 10.9.1 và 10.9.5. Việc bố trí các van cho các ống hút từ các két dầu bôi trơn trong khoang máy phải thỏa mãn các yêu cầu ở 10.9.3.
2 Vị trí các khay hứng dầu và thiết bị xả của các hệ thống dầu thủy lực phải thỏa mãn các yêu cầu ở 10.9.1; 10.9.5 (trong trường hợp này thay cho "dầu đốt" cần đọc là "dầu thủy lực").
10.10.2 Các bộ lọc dầu bôi trơn
1 Khi dùng hệ thống bôi trơn cưỡng bức (bao gồm cả việc cấp dầu bằng trọng lực từ két áp lực) để bôi trơn các máy thì phải trang bị các bộ lọc dầu bôi trơn.
2 Các bộ lọc dùng trong hệ thống bôi trơn cho máy chính, thiết bị truyền động và chân vịt biến bước phải có khả năng làm vệ sinh được mà không phải ngừng cấp dầu bôi trơn đã được lọc.
10.10.3 Các thiết bị lọc dầu bôi trơn
Các hệ thống dầu bôi trơn phải có thiết bị lọc dầu bôi trơn như các máy lọc dầu bôi trơn hoặc các bầu lọc dầu bôi trơn.
10.11 Hệ thống làm mát
10.11.1 Bơm làm mát
1 Số lượng và lưu lượng của bơm làm mát cho máy chính
Trong hệ thống nước làm mát gián tiếp máy chính, các bơm làm mát phải có đủ lưu lượng để cung cấp ổn định nước làm mát ở công suất liên tục lớn nhất của máy chính, các bơm này có thể được truyền động độc lập hoặc được máy chính dẫn động, không cần có bơm dự phòng, song phải đảm bảo sự làm mát máy chính bằng nước ngoài tàu khi hỏng bơm nước ngọt làm mát.
2 Việc sử dụng các bơm khác
(1) Để làm bơm nước ngọt làm mát dự trữ có thể dùng bơm nước dằn và những bơm dùng chung khác, nếu chỉ dùng bơm nước sạch;
(2) Ngoài các bơm nêu trên có thể sử dụng bơm hút khô làm bơm nước ngoài tàu làm mát dự phòng.
3 Làm mát trực tiếp
Đối với tàu hoạt động tuyến ven biển, nếu dùng nước biển để làm mát trực tiếp máy chính hoặc động cơ đi-ê-den lai máy phát điện hay máy phụ thì phải trang bị bộ lọc đặt giữa van hút và bơm làm mát nước biển. Có thể làm vệ sinh được bộ lọc mà không phải ngừng cấp nước làm mát. Khoang làm mát máy phải được lắp kẽm chống ăn mòn.
10.11.2 Việc hút nước ngoài tàu
Phải có thiết bị để dẫn nước ngoài tàu vào làm mát vào từ các van hút nước đặt trong hai hộp thông nước ngoài tàu trở lên. Đối với tàu có công suất máy chỉnh nhỏ hơn 220 kW thì chỉ cần một hộp thông nước ngoài tàu.
10.11.3 Hệ thống làm mát cho động cơ đi-ê-den
Khi dùng nước ngoài tàu để làm mát trực tiếp máy chính thì phải trang bị bộ lọc đặt giữa van hút nước ngoài tàu và bơm nước ngoài tàu làm mát. Nó có thể làm vệ sinh được mà không phải ngừng cấp nước đã lọc.
10.12 Hệ thống đường ống không khí nén
10.12.1 Bố trí máy nén khí và hệ thống xả áp
1 Phải bố trí máy nén sao cho dầu vào không khí nén ít nhất.
2 Mỗi máy nén phải có một van an toàn phòng áp suất tăng quá 10% áp suất làm việc lớn nhất trong các xi lanh.
3 Khi các áo nước của bộ làm mát khí có thể bị quá áp nguy hiểm do rò không khí nén vào, phải có thiết bị xả áp thích hợp cho các áo nước này.
10.12.2 Thiết bị an toàn và phụ tùng khác cho bình không khí nén
Thiết bị an toàn và phụ tùng khác cho các bình không khí nén phải thỏa mãn các yêu cầu ở 8.8.
10.12.3 Số lượng và tổng lưu lượng của các máy nén
1 Khi máy chính được khởi động bằng không khí nén thì phải có ít nhất một máy nén khí và phải được bố trí sao cho có thể nạp được cho mỗi bình chứa khí. Khi máy chính của tàu khách cấp VR-SI, VR-SB được khởi động bằng không khí nén thì phải có hai máy nén khí trở lên và phải được bố trí sao cho có thể nạp được cho mỗi bình chứa khí. Tuy nhiên, khi các xi lanh của máy chính có van nạp không khí nén thì các van nạp này sẽ được coi tương đương với một máy nén khí được dẫn động bởi máy chính.
2 Một trong các máy nén quy định ở 10.12.3-1 phải được dẫn động bằng cơ giới.
3 Tổng lưu lượng của các máy nén phải đủ để cấp khí từ áp suất khí trời vào các bình tới áp suất cần cho khởi động liên tục quy định ở 2.5.3-2 trong vòng một giờ.
10.12.4 Đường ống không khí nén
1 Phải có nút xả nước cho đường ống không khí nén có nước đọng bên trong các ống.
2 Tất cả các đường ống xả dẫn vào các bình khí khởi động phải được dẫn thẳng từ máy nén khí khởi động.
3 Các ống khí nén khởi động từ các bình khí tới máy chính hoặc các máy phụ phải hoàn toàn tách biệt với hệ thống xả của máy nén nêu ở -2.
10.13 Hệ thống ống hơi nước và hệ thống ngưng tụ
10.13.1 Các thiết bị xả nước
Thiết bị xả nước phải được lắp ở vị trí thích hợp trong các ống hơi nước.
10.13.2 Ống hơi qua hầm hàng
Ống hơi nước không được đi qua các hầm hàng, nhưng khi không thể tránh được sự bố trí như vậy, thì các ống hơi phải được cách nhiệt và bảo vệ bằng các tấm thép và tất cả các mối nối phải được hàn.
10.13.3 Hệ thống ngưng tụ
Phải có bầu ngưng chính có hai bơm ngưng tụ được dẫn động bằng cơ giới độc lập và các thiết bị duy trì độ chân không trong các bầu ngưng với lưu lượng đáp ứng tốc độ ngưng tụ thiết kế lớn nhất tương ứng từ bầu ngưng chính. Có thể không trang bị các thiết bị này khi được Đăng kiểm coi là không cần thiết do xét đến kiểu của bầu ngưng chính.
10.14 Hệ thống cấp nước cho nồi hơi
10.14.1 Hệ thống cấp nước cho nồi hơi chính
1 Phải có hai hệ thống cấp nước cho nồi hơi chính. Mỗi hệ thống có một van chặn, một van một chiều nêu ở 7.9.5-1 và một bơm cấp. Các hệ thống cấp nước này phải có khả năng cấp nước cho nồi hơi khi một hệ thống bị hỏng.
2 Nồi hơi chính phải có hai bơm cấp nước có thể cấp đủ cho lượng bốc hơi lớn nhất dù bất cứ một bơm nào bị ngừng hoạt động. Các bơm này phải được nối vào để sẵn sàng sử dụng.
3 Các bơm cấp nước nêu ở 10.14.1-2 phải được các động cơ độc lập dẫn động.
4 Các hệ thống cấp nước phải có thiết bị điều chỉnh có khả năng tự động điều chỉnh lưu lượng nước cấp.
5 Các bơm cấp không được dùng cho việc khác ngoài việc cấp nước cho nồi hơi.
10.14.2 Hệ thống cấp nước cho nồi hơi phụ
Các nồi hơi phụ quan trọng dùng để cấp hơi liên tục cho việc hâm nóng hàng phải có các hệ thống cấp nước phù hợp với yêu cầu ở 10.14.1. Không phải áp dụng các yêu cầu 10.14.1-1 và 10.14.1-2 nếu có các phương tiện khác bảo đảm cho tàu hành trình bình thường và hâm nóng hàng khi một hệ thống cấp nước bị ngừng làm việc.
10.14.3 Các ống qua két
Các ống nước cấp cho nồi hơi không được đi qua các két chứa dầu hoặc không được để các ống dầu đi qua các két nước cấp cho nồi hơi.
10.15 Đường ống khí thải
10.15.1 Các ống khí thải của động cơ đi-ê-den
1 Không được nối các ống khí thải của hai động cơ đi-ê-den trở lên với nhau. Nếu các ống khí thải được nối vào một bộ giảm âm chung thì phải có phương tiện ngăn hiệu quả khí thải quay ngược về xi lanh của động cơ không hoạt động.
2 Nếu hệ thống khí thải xả qua mạn gần đường nước thì phải bố trí sao cho tránh chảy ngược nước qua xy phông vào các xi lanh.
3 Đối với tàu chở hàng nguy hiểm, tàu chở gỗ, tàu dầu và tàu phục vụ tàu dầu cho phép dẫn đường ống khí xả qua tấm mạn tàu với điều kiện miệng xả phải ở dưới đường nước không tải một khoảng không dưới 0,3 m.
4 Không được nối ống khói của nồi hơi với hệ thống khí thải của động cơ đi-ê-den, trừ trường hợp có nồi hơi khí thải tận dụng nhiệt thải của động cơ đi-ê-den.
5 Không dùng a-mi-ăng để làm chất cách nhiệt cho đường ống khí thải của động cơ.
10.15.2 Các ống khí thải của nồi hơi
Nếu lắp các bướm khí thải trong các ống khói nồi hơi thì độ mở của chúng không được giảm diện tích ống khói xuống quá 2/3 so với khi đóng. Các bướm phải khóa được ở vị trí mở bất kỳ và độ mở phải được chỉ rõ.
10.16 Thử nghiệm
10.16.1 Thử tại xưởng
Các máy chính, máy phụ và đường ống sau khi được chế tạo phải qua thử nghiệm theo các yêu cầu ở 9.6.
10.16.2 Thử sau khi lắp đặt trên tàu
1 Các máy chính, máy phụ (trừ máy chuyên dùng...) phải qua thử hoạt động sau khi được lắp ráp trên tàu. Nhưng với máy đã qua thử nghiệm hoạt động nêu ở 9.6.1-9, phương pháp thử trên tàu có thể thay đổi thích hợp theo tiêu chuẩn quốc gia hoặc tiêu chuẩn, quy phạm theo thông lệ quốc tế.
2 Các hệ thống dầu đốt và các ống xoắn hâm nóng trong các két phải qua thử kín sau khi lắp, với áp suất là 1,5 lần áp suất thiết kế hoặc 0,4 MPa, lấy giá trị nào lớn hơn.
CHƯƠNG 11 HỆ THỐNG ĐƯỜNG ỐNG, HỆ THỐNG THÔNG HƠI
VÀ THOÁT KHÍ CỦA TÀU DẦU
11.1 Quy định chung
11.1.1 Phạm vi áp dụng
1 Các quy định trong Chương này áp dụng cho các hệ thống đường ống, hệ thống thông hơi và hệ thống thoát khí của các tàu dầu.
2 Hệ thống đường ống, hệ thống thông hơi và hệ thống thoát khí của các tàu chở xô hóa chất nguy hiểm phải tuân theo các quy định của Chương này, trừ khi được quy định riêng trong QCVN 01: 2008/BGTVT.
11.1.2 Bản vẽ và tài liệu
Các bản vẽ và tài liệu phải trình bao gồm:
1 Các bản vẽ và tài liệu để thẩm định (kèm vật liệu, kích thước, áp suất tính toán... của các ống, van... và bố trí phương tiện ngăn sự lan truyền ngọn lửa);
(1) Sơ đồ đường ống của các ống dầu hàng và trang bị;
(2) Bố trí chung của hệ thống hút khô và hệ thống thông gió của buồng bơm dầu hàng;
(3) Bố trí chung của hệ thống thông hơi cho két dầu hàng;
(4) Sơ đồ hệ thống đường ống nước làm mát mặt boong tàu dầu;
(5) Sơ đồ hệ thống cứu hỏa bằng bọt cố định trên boong tàu dầu;
(6) Các bản vẽ và tài liệu khác theo yêu cầu cụ thể của Quy chuẩn;
2 Bản vẽ và tài liệu để tham khảo
Các bản vẽ và tài liệu để tham khảo theo yêu cầu cụ thể của Quy chuẩn.
11.2 Bơm dầu hàng, hệ thống ống dầu hàng, hệ thống ống trong két dầu hàng
11.2.1 Bơm dầu hàng
1 Bơm dầu hàng phải thỏa mãn các yêu cầu sau:
(1) Mỗi bơm phải được thiết kế để giảm đến mức nhỏ nhất nguy cơ phát ra tia lửa và rò dầu ở chỗ làm kín;
(2) Khi bơm dầu hàng được dẫn động bằng trục đi qua vách hoặc boong buồng bơm, thì phải lắp hộp đệm kín khí có kiểu được Đăng kiểm thẩm định tại phần trục xuyên qua vách và đường trục nên có khớp nối mềm. Hộp đệm kín phải được bôi trơn từ phía ngoài buồng bơm dầu hàng và phải có thiết bị đo nhiệt độ. Phần đệm kín của hộp đệm phải được chế tạo bằng vật liệu không phát ra tia lửa;
(3) Phải trang bị một van chặn ở bên phía đẩy của bơm. Tuy nhiên, van chặn này có thể bỏ được với điều kiện là ống dầu hàng phía đẩy của bơm có một van chặn ở vị trí thích hợp;
(4) Khi có van an toàn bên phía đẩy của bơm thì phải bố trí để dầu thoát ra được dẫn về phía hút của bơm;
(5) Thiết bị đo áp suất phải được lắp ở phía đẩy của mỗi bơm. Khi bơm được dẫn động bằng động cơ lai đặt ở không gian khác với buồng bơm, thì phải lắp thêm một thiết bị đo áp suất ở một vị trí thích hợp, có thể nhìn thấy được từ vị trí điều khiển.
2 Khi các động cơ dẫn động các bơm dầu hàng được đặt trong buồng bơm không phải là động cơ thủy lực thì phải trình Đăng kiểm duyệt thuyết minh và kết cấu của động cơ lai cùng với hệ thống dẫn động.
3 Các bơm dầu hàng không được dùng cho các mục đích khác ngoài việc vận chuyển dầu hàng hoặc dằn trong các két dầu hàng, vận chuyển nước vệ sinh cho các két dầu hàng, tháo nước đáy tàu như quy định ở 11.3.1-2 hoặc xả dằn như quy định ở 11.3.2-2 của Chương này.
11.2.2 Bố trí hệ thống ống dầu hàng
1 Các ống dầu hàng được xếp vào nhóm III, trừ khi được Đăng kiểm quy định khác.
2 Mỗi két dầu hàng phải có một (hoặc nhiều) ống hút được bố trí sao cho để có thể tiến hành xả hàng khi một trong các bơm dầu hàng bị hỏng.
3 Các ống dầu hàng phải bố trí sao cho có thể nạp dầu hàng vào các két dầu hàng không qua các bơm dầu hàng.
Khi các ống nạp hàng được dẫn trực tiếp từ trên boong tới các két thì đầu hở của các ống này phải được dẫn tới phần thấp hơn của các két đến mức có thể được để đề phòng tai nạn gây ra do phát sinh tĩnh điện.
4 Khi các ống hút nước ngoài mạn dùng để dằn được nối với các ống dầu hàng thì phải có van chặn ở giữa các van hút nước ngoài mạn và đường ống dầu hàng.
5 Các mối nối trượt dùng trong các ống dầu hàng phải có đủ sức bền.
6 Các ống hút nước ngoài mạn và các ống xả cho các két dằn thường xuyên không được nối với các ống hút nước ngoài mạn và các ống xả của két dầu hàng.
11.2.3 Sự cách ly các bơm dầu hàng và đường ống dầu hàng
1 Đường ống dầu hàng phải tách biệt hoàn toàn với các đường ống khác, trừ khi được phép trong 11.2.2, 11.3.1 và 11.3.2 của Chương này.
2 Đường ống dầu hàng không được đi qua các két nhiên liệu, buồng máy, buồng ở và các khoang thường có nguồn phát sinh tia lửa do hơi. Ngoài ra, các ống này không được đưa tới các khoang phía trước vách chống va và phía sau vách trước của buồng máy.
3 Các ống dầu hàng trên boong hở phải được bố trí xa các khoang người ở.
4 Các ống dầu hàng và các ống tương tự dẫn tới các két dầu hàng không được đi qua các két dằn. Tuy nhiên, các ống này có thể đi qua các két dằn với điều kiện là trong các két dằn chiều dài của chúng ngắn và nối các ống này bằng mối hàn hoặc nối bích không có nguy cơ rò lọt.
11.2.4 Các van ở vách của hệ thống ống dầu hàng
1 Các ống dầu hàng đi qua các vách kín dầu giữa két dầu hàng và buồng bơm phải có các van chặn ở càng gần vách càng tốt.
2 Khi các van nêu ở 11.2.4-1 được đặt trong buồng bơm, chúng phải làm bằng thép và phải đóng được tại chỗ đặt van và từ vị trí dễ tới bên ngoài khoang đặt van. Tuy nhiên, nếu các van này hoạt động được từ một vị trí phía trên boong và được lắp trên mỗi ống nhánh dầu hàng thì các van đặt trong buồng bơm có thể làm bằng gang không có thiết bị điều khiển từ xa.
3 Khi các van nêu ở 11.2.4-1 được đặt trong két, thì các van này có thể bằng gang và không cần đóng được tại chỗ của van, nhưng chúng phải có thiết bị điều khiển từ xa và các ống phải có các van khác trong buồng bơm.
4 Khi các van cần phải điều khiển từ xa theo các yêu cầu ở 11.2.4-2 và 11.2.4-3 thì phải có các phương tiện chỉ báo đóng mở.
11.2.5 Van xuyên qua boong
Phải có các hộp đệm kín ở các nơi cần thao tác van dầu hàng xuyên qua các boong kín dầu hoặc kín khí.
11.2.6 Đường ống trong két dầu hàng
1 Các ống không phải ống dầu hàng, ống dằn của các két dầu hàng và các ống được cho phép trong 11.2.4-2 tới 11.2.4-4 dưới đây không được đi qua các két dầu hàng hoặc không được nối với các khoang này.
2 Các ống dùng để điều khiển từ xa hệ thống ống dầu hàng, các ống xả hơi, các ống vệ sinh két và các thiết bị đo của các két dầu hàng có thể đi qua các két dầu hàng.
3 Các ống thoát nước, các ống vệ sinh... có thể đi qua các két dầu hàng nếu được Đăng kiểm đồng ý.
4 Các ống dằn và các ống khác, như các ống đo và thông hơi cho két dằn, không được đi qua két dầu hàng. Tuy nhiên, các ống này có thể qua các két dầu hàng với điều kiện là trong các két này chúng ngắn và nối các ống này bằng mối hàn hoặc nối bích không có nguy cơ rò lọt.
11.2.7 Thiết bị đo của két dầu hàng
Phải lắp trên mỗi két dầu hàng một thiết bị đo thích hợp. Thiết bị đo này phải được thiết kế hoặc bố trí để ngăn được tất cả các dòng hơi dễ cháy từ ngoài vào các không gian như buồng máy, buồng ở... nơi thường có các nguồn gây cháy do hơi dầu.
11.2.8 Ống hơi nước
1 Các ống cấp hơi nước hâm dầu hàng và ống hồi không được xuyên qua tôn vỏ két dầu hàng, trừ tôn đỉnh két và các ống cấp chính phải bố trí trên boong hở.
2 Các van hoặc vòi ngắt cách ly phải được trang bị ở các chỗ nối vào và ra khỏi hệ thống hâm nóng của mỗi két.
3 Các ống hồi hơi nước hâm nóng dầu hàng phải dẫn tới một két kiểm tra hoặc các thiết bị phát hiện dầu khác lắp ở một vị trí càng xa các bề mặt nóng như nồi hơi hoặc nguồn tia lửa càng tốt để phát hiện dầu nhiễm bẩn trong ống dẫn hơi nước.
4 Nhiệt độ hơi nước trong các ống hơi nước bố trí ở các buồng bơm dầu hàng và các ống hơi nước hâm dầu hàng không được vượt quá 220 °C.
5 Trong buồng bơm dầu hàng, các ống xả nước từ các ống hơi hoặc các ống xả nước từ các xi lanh hơi nước của các bơm phải kết thúc hợp lý phía trên các hố gom nước đáy tàu.
6 Mỗi nhánh nối của các ống hơi nước làm vệ sinh của các két dầu hàng hoặc các két khác có ống dầu hàng nối vào, phải có một van chặn một chiều hoặc hai van chặn.
11.2.9 Ống dầu nóng
1 Việc bố trí đường ống dầu nóng cho các két dầu hàng phải thoả mãn các yêu cầu sau:
(1) Tất cả các mối nối nằm trong két dầu hàng phải là loại hàn giáp mép;
(2) Phải trang bị van ngắt cách ly tại các chố nối vào và ra các két dầu hàng. Khi đường ống dầu nóng đi qua vách kín dầu giữa két dầu hàng và buồng bơm, van ngắt đó có thể được đặt càng gần vách càng tốt;
(3) Việc bố trí hệ thống phải đảm bảo áp suất trong ống xoắn lớn hơn cột áp tĩnh của hàng ít nhất là 3 m cột nước khi bơm tuần hoàn không hoạt động.
2 Nhiệt độ dầu nóng trong khu vực hàng không được vượt quá 220 °C.
11.3 Hệ thống đường ống cho buồng bơm dầu hàng, khoang cách ly và két kề với các két dầu hàng
11.3.1 Hệ thống ống hút khô buồng bơm, khoang cách ly kề với các két dầu hàng
1 Phải trang bị cho hệ thống ống hút khô gồm một bơm được dẫn động cơ giới hoặc một bơm phụt để hút khô buồng bơm dầu hàng và khoang cách ly kề với một két dầu hàng. Nước đáy tàu trong các khoang này không được đưa vào buồng máy, trừ khi được phép ở 11.5.
2 Bơm dầu hàng có thể dùng làm bơm hút khô nêu ở 11.3.1-1 với điều kiện là mỗi ống hút khô có một van chặn một chiều và một van chặn hoặc khóa vòi lắp trên phía cửa hút của bơm và ngoài ra có một van chặn lắp giữa ống dầu hàng và van xả mạn.
3 Các ống hút khô cho khoang cách ly kề với một két dầu hàng phải độc lập hoàn toàn với các ống hút khô cho các khoang không kề với két dầu hàng. Tuy nhiên, bơm hút khô dùng chung (trừ bơm dầu hàng) có thể dùng hút khô cho các khoang này nếu Đăng kiểm đồng ý với điều kiện là ống hút khô cho các khoang không kề với két dầu hàng có một van một chiều.
4 Đường kính trong của các ống đo của các khoang cách ly kề với một két dầu hàng, không được nhỏ hơn 38 mm và phải dẫn lên trên boong hở trừ khi đầu ống là loại được Đăng kiểm duyệt cho phép kết thúc bên trong tàu.
5 Các bơm nước dằn được dẫn động bằng trục đi qua vách hoặc boong buồng bơm phải tuân theo các quy định ở 11.2.1-1(2).
11.3.2 Két dằn kề với két dầu hàng
1 Các yêu cầu ở 11.3.2 cũng áp dụng cho két dằn được dùng làm khoang cách ly ở trước và sau của két dầu hàng. Tuy nhiên, nếu đầu trước của két dằn này đặt phía trước của vách chống va thì phải áp dụng các yêu cầu khác.
2 Các ống dằn nguy hiểm (xem chú thích 2 của Bảng 3/9.7) như các ống dằn của két dằn kề với két dầu hàng phải độc lập với các ống khác và không được đưa vào buồng máy, trừ khi được phép ở 11.5. Để nhằm mục đích này, phải có một bơm riêng cho việc cấp nước dằn và hút nước dằn cho các két này ở trong buồng bơm. Tuy nhiên, bơm dầu hàng có thể sử dụng chỉ để hút nước dằn ra trong trường hợp sự cố.
3 Các mối nối trượt dùng trong các ống dằn của két dằn kề với một két dầu hàng phải có đủ sức bền.
4 Mỗi ống thông hơi cho két dằn kề với một két dầu hàng phải có lưới dây đan dễ thay mới để phòng lửa đi vào tại các lối ra của ống, trừ khi được phép ở 11.5. Trong trường hợp này, phải đảm bảo yêu cầu tại 10.6.3 đối với kích thước của ống thông hơi.
5 Các ống đo của két dằn kề với một két dầu hàng phải được đưa lên trên boong hở, trừ khi được phép ở 11.5.
11.3.3 Các két dầu đốt kề với két dầu hàng
Các ống đo của két dầu đốt kề với két dầu hàng phải được đưa lên trên boong hở trừ khi ống là kiểu phù hợp với tiêu chuẩn quốc gia hoặc tiêu chuẩn, quy phạm theo thông lệ quốc tế.
11.3.4 Bố trí bơm của khoang mũi
Phải có riêng một bơm đặt ở phần mũi tàu dùng để hút khô hoặc chuyển nước dằn hay nhiên liệu trong một khoang phía trước các két dầu hàng, trừ khi đường ống không đi qua két dầu hàng có thể dùng bơm thích hợp khác với bơm nêu trên để hút khô hoặc chuyển nước dằn trong một khoang phía trước các két dầu hàng theo tiêu chuẩn quốc gia, quy phạm, tiêu chuẩn theo thông lệ quốc tế.
11.4 Hệ thống thông hơi, làm sạch khí và thoát khí
11.4.1 Hệ thống thông hơi của két dầu hàng
1 Hệ thống thông hơi của két dầu hàng phải độc lập hoàn toàn với ống thông hơi của các khoang khác trên tàu.
2 Thiết bị thông hơi phải được thiết kế và vận hành sao cho bảo đảm áp suất hay độ chân không trong các két dầu hàng không vượt quá các thông số thiết kế và sao cho có thể cho phép:
(1) Một lượng thể tích nhỏ của hơi hoặc không khí gây nên bởi biến đổi nhiệt trong két dầu hàng, trong mọi trường hợp, đi qua các van áp suất/chân không; và
(2) Một lượng thể tích lớn của hơi hoặc hỗn hợp không khí đi qua trong khi nạp hàng và dằn tàu hoặc trong khi xả.
3 Thiết bị thông hơi trong mỗi két dầu hàng có thể độc lập hoặc kết hợp với các két dầu hàng khác.
4 Khi bố trí kết hợp với các két dầu hàng khác phải có các van chặn hoặc các thiết bị thích hợp khác để cách ly từng két dầu hàng. Khi lắp các van chặn thì chúng phải có thiết bị khóa. Mọi sự cách ly phải được duy trì sao cho luồng hơi được tạo bởi sự biến đổi nhiệt trong một két dầu hàng thỏa mãn 11.4.1-2(1).
5 Thiết bị thông hơi phải được nối với đỉnh của mỗi két dầu hàng và phải tự xả nước đọng vào các két hàng ở mọi điều kiện chúi và nghiêng thông thường của tàu. Khi không thể trang bị đường ống tự chảy thì phải có thiết bị cố định để tháo nước đọng của ống thông hơi tới một két dầu hàng.
6 Hệ thống thông hơi phải có thiết bị phòng ngọn lửa đi vào két dầu hàng. Việc thiết kế, thử và lắp đặt các thiết bị này phải thỏa mãn các yêu cầu tương ứng được Đăng kiểm công nhận.
7 Các lỗ để xả áp theo yêu cầu bởi 11.4.1-2(1) phải:
(1) Có chiều cao càng lớn càng tốt ở trên boong két dầu hàng để phân tán được tối đa hơi dễ cháy nhưng trong mọi trường hợp không được nhỏ hơn 2 m trên boong két dầu hàng;
(2) Bố trí cách càng xa càng tốt nhưng không được nhỏ hơn 5 m từ các cửa nạp không khí gần nhất và các lỗ khoét của các không gian kín chứa nguồn tia lửa và từ các máy trên boong và thiết bị có thể gây nguy hiểm đánh lửa.
8 Các van áp suất/chân không đòi hỏi ở 11.4.1-2(1) có thể có một van phụ khi chúng được đặt trên ống thông hơi chính. Khi có thiết bị này thì phải có thiết bị cách ly với chỉ báo thích hợp để chỉ van phụ đóng hay mở.
9 Cửa thoát hơi dùng cho nạp hàng, xả và dằn yêu cầu ở 11.4.1-2(2) phải:
(1) Cho phép luồng thoát tự do của hỗn hợp hơi hoặc cho phép tiết lưu xả hỗn hợp hơi để đạt được tốc độ không nhỏ hơn 30 m/s;
(2) Bố trí để hỗn hợp hơi được xả thẳng đứng lên phía trên;
(3) Khi dùng phương pháp luồng thoát tự do của hỗn hợp hơi thì cửa ra phải cao hơn ít nhất 6 m so với boong két dầu hàng hoặc nếu đặt cầu đi dọc mũi và đuôi phải ở trong phạm vi 4 m của cầu đi dọc và được đặt theo chiều ngang cách các ống nạp không khí gần nhất và các cửa của các không gian kín chứa nguồn phát tia lửa và các máy trên boong và thiết bị có thể gây nguy cơ phát tia lửa không nhỏ hơn 10 m;
(4) Khi dùng phương pháp xả tốc độ cao, phải đặt ở độ cao không dưới 2 m trên boong két dầu hàng và theo chiều ngang không nhỏ hơn 10 m cách các cửa nạp không khí gần nhất, các cửa của các không gian kín chứa nguồn phát tia lửa và các máy trên boong và thiết bị có thể gây nguy cơ phát tia lửa;
(5) Được thiết kế cho mức nạp hàng thiết kế lớn nhất nhân với một hệ số ít nhất bằng 1,25, do kể đến sự bốc hơi, để tránh áp suất ở một két dầu hàng nào đó vượt quá áp suất thiết kế. Tàu phải có thông báo về tiêu chuẩn nạp hàng cho phép lớn nhất cho mỗi két dầu hàng và cho mỗi nhóm két dầu hàng trong trường hợp kết hợp các hệ thống thông hơi.
11.4.2 Hệ thống làm sạch khí và/hoặc hệ thống thoát khí của két dầu hàng
1 Phải trang bị cho các két dầu hàng hệ thống thoát khí có thể đưa không khí sạch vào để đẩy khí độc hại và hơi dễ cháy làm tăng hàm lượng ôxy tới 21% thể tích.
2 Hệ thống làm sạch khí và/hoặc hệ thống thoát khí phải sao cho hạn chế đến mức nhỏ nhất nguy hiểm do phân tán hơi dễ cháy vào không khí và vào hỗn hợp dễ cháy trong két dầu hàng. Khi nồng độ hơi dễ cháy ở cửa ra được giảm tới 30% của giới hạn thấp có thể cháy được thì việc thoát khí sau đó có thể tiếp tục ở mức boong két dầu hàng.
11.4.3 Hệ thống thông gió trong buồng bơm dầu hàng
1 Phải trang bị hệ thống thông gió kiểu hút cơ giới cho buồng bơm dầu hàng. Đầu ra của các ống xả phải được đưa tới vị trí an toàn trên boong hở và được lắp lưới dây kim loại với mắt lưới thích hợp.
2 Hệ thống thông gió nêu ở 11.4.3-1 phải có khả năng tuần hoàn lượng không khí đủ cho ít nhất 20 lần đổi không khí trong một giờ cho tổng thể tích của buồng bơm để tránh tích tụ hơi dễ cháy. Quạt thông gió phải là loại có kết cấu không phát sinh tia lửa. Khi hệ thống thông gió được dẫn động bằng trục đi qua vách hoặc boong buồng bơm thì tại vị trí trục xuyên qua vách phải lắp hộp đệm kín khí có kiểu được Đăng kiểm duyệt.
3 Phải bố trí các ống cho phép thông gió vùng lân cận của đáy buồng bơm ở phía trên của tấm sàn ngang hoặc cơ cấu dọc đáy. Một cửa nạp không khí ứng cấp đặt cao khoảng 2 m trên sàn thấp buồng bơm được lắp vào các ống và cửa nạp ứng cấp này phải có một van tiết lưu có thể đóng mở được từ boong hở và mức sàn thấp.
11.4.4 Hệ thống thông hơi của các khoang cách ly kề với két dầu hàng
Phải có các hệ thống thông hơi có hiệu quả cho các khoang cách ly kề với một két dầu hàng. Khi có các ống thông hơi dùng cho mục đích này thì mỗi ống thông hơi phải có lưới dây dễ thay mới để phòng lan ngọn lửa ở lối ra và đường kính trong của chúng không được nhỏ hơn 50 mm. Khi có hệ thống thông gió, kết cấu của quạt thông gió và lưới dây kim loại lắp ở các ống xả phải thỏa mãn các yêu cầu ở 11.4.3. Phải khoét các lỗ thông hơi ở mỗi phần kết cấu nơi mà ở đó có thể có sự thay đổi khí bị đọng.
11.4.5 Vị trí các lỗ khoét ở buồng máy, lầu lái... và các thiết bị điện
Việc bố trí cửa vào và cửa ra của các kênh thông gió và các lỗ khoét của lầu và của các khoang cạnh thượng tầng khác phải thỏa mãn các yêu cầu ở 11.4.1. Đặc biệt lỗ thông hơi cho khoang máy đặt càng xa về phía đuôi tàu càng tốt. Phải quan tâm thích đáng điều này khi tàu được trang bị để nạp hoặc xả ở đuôi tàu. Nguồn gây tia lửa như thiết bị điện cần bố trí sao cho tránh được nguy hiểm do nổ.
11.4.6 Phát hiện khí
1 Phải trang bị các thiết bị di động thích hợp để đo nồng độ ô xy và hơi có thể cháy ở trên tàu. Các thiết bị di động để đo nồng độ hơi có thể cháy được phải được trang bị ít nhất một bộ ở trên tàu.
2 Vật liệu, kết cấu và kích thước của đường ống lấy mẫu thử khí phải sao cho tránh được hiện tượng khép mạch. Khi dùng vật liệu plastic, chúng phải dẫn được điện.
11.5 Tàu chỉ chở dầu có điểm chớp cháy lớn hơn 60 °C
Đối với tàu chỉ chở dầu có điểm chớp cháy trên 60 °C, có thể sửa đổi từng phần các yêu cầu ở 11.1 tới 11.4 thỏa mãn các yêu cầu từ (1) tới (5) sau đây:
(1) Các yêu cầu ở 11.2.2 tới 11.2.8 có thể được sửa đổi thích hợp;
(2) Nước đáy tàu của buồng bơm dầu hàng và các khoang cách ly kề với két dầu hàng có thể được dẫn vào buồng máy (xem 11.3.1);
(3) Có thể đưa các ống dằn của két dằn kề với két dầu hàng tới buồng máy (xem 11.3.2-2). Có thể không cần lưới dây kim loại để ngăn ngọn lửa, được quy định cho đầu ra của các ống thông hơi của két dầu hàng (xem 11.3.2-4). Có thể bố trí các ống đo của các két này có các lỗ khoét ở dưới boong hở (xem 11.3.2-5);
(4) Có thể không cần đưa ống đo của két nhiên liệu kề với két dầu hàng lên trên boong hở (xem 11.3.3);
(5) Đối với hệ thống thông hơi, hệ thống làm sạch khí và thoát khí thì các yêu cầu ở 11.4 có thể sửa đổi thích hợp.
11.6 Thử nghiệm
11.6.1 Thử tại xưởng
Sau khi chế tạo hệ thống đường ống, hệ thống thông hơi của tàu hàng lỏng, việc thử phải được tiến hành đúng theo các quy định ở 9.6.
11.6.2 Thử nghiệm sau khi lắp đặt trên tàu
1 Sau khi hoàn thành lắp ráp đường ống dầu hàng, chúng phải được thử rò rỉ ở áp suất bằng 1,25 lần áp suất thiết kế trở lên.
2 Các ống hâm nóng trong các két dầu hàng phải được thử rò rỉ ở áp suất bằng 1,5 lần áp suất thiết kế trở lên.
3 Sau khi lắp đặt trên tàu, các thiết bị phụ và hệ thống đường ống phải qua các thử nghiệm sau:
(1) Thử hoạt động các bơm dầu hàng;
(2) Thử hoạt động hệ thống thông hơi;
(3) Thử hoạt động các hệ thống khác liên quan đến các phương tiện an toàn nêu trong Chương này.
CHƯƠNG 12 HỆ THỐNG MÁY LÁI
12.1 Quy định chung
12.1.1 Phạm vi áp dụng
1 Những yêu cầu trong Chương này được áp dụng để thiết kế, chế tạo và thử nghiệm hệ thống máy lái được truyền động cơ giới lắp đặt trên tàu.
2 Đối với các hạng mục được quy định riêng ở Chương này thì các yêu cầu trong Chương này được áp dụng thay cho các yêu cầu ở Chương 9 và Chương 10 Phần này.
3 Ngoài việc thỏa mãn các yêu cầu nêu ra ở Phần này, trang bị điện và dây cáp dùng cho thiết bị lái còn phải thỏa mãn các yêu cầu trong Phần 4 của Quy chuẩn này.
12.1.2 Thuật ngữ
Các thuật ngữ dùng trong Chương này được định nghĩa như sau:
1 Hệ thống máy lái chính là máy móc, thiết bị dẫn động bánh lái, máy lái, trang bị phụ và phương tiện truyền mô men cần thiết cho trục lái (cần bánh lái...) làm chuyển dịch bánh lái nhằm mục đích điều khiển hướng con tàu ở các chế độ khai thác bình thường. Máy lái chính có khả năng cung cấp mô men lái lớn nhất cho trục lái đáp ứng mọi chế độ khai thác của tàu;
2 Hệ thống máy lái phụ là thiết bị lái khác với các phần của hệ thống máy lái chính, cần thiết cho việc lái tàu trong trường hợp máy lái chính bị sự cố;
3 Máy lái:
(1) Máy lái điện gồm động cơ điện và các thiết bị gắn với nó;
(2) Máy lái xi lanh thủy lực: là máy lái thủy lực, đi-ê-den hoặc điện-thuỷ lực, truyền lực lái từ bơm tới trục lái bằng hệ thống ống dầu và xi lanh thuỷ lực;
(3) Máy lái động cơ thủy lực: là máy lái điện-thuỷ lực, truyền lực lái từ bơm tới trục lái bằng hệ thống ống dầu và động cơ thuỷ lực khác kiểu ở (2).
4 Hệ thống truyền động là thiết bị cơ khí hoặc thủy lực để tạo lực quay trục bánh lái, gồm một hoặc nhiều bộ phận tạo lực cùng với các đường ống thủy lực và phụ tùng nối với chúng và một thiết bị dẫn động bánh lái. Các hệ thống truyền động cơ giới có thể có các bộ phận cơ khí chung như cần bánh lái...;
5 Thiết bị tác động bánh lái là thiết bị chuyển trực tiếp lực quay từ vô lăng hoặc áp suất thủy lực thành tác dụng cơ giới để chuyển dịch bánh lái;
6 Hệ thống điều khiển là thiết bị dùng để truyền mệnh lệnh từ buồng lái đến buồng đặt máy lái. Các hệ thống điều khiển thiết bị lái gồm các thiết bị truyền, nhận, các bơm điều khiển bằng thủy lực và các động cơ nối với chúng, thiết bị điều khiển động cơ, đường ống và các dây cáp.
12.1.3 Bản vẽ và tài liệu
Các bản vẽ và tài liệu phải trình bao gồm:
1 Bản vẽ trình thẩm định:
(1) Bố trí chung hệ thống máy lái;
(2) Các chi tiết của cần bánh lái;
(3) Lắp ráp và chi tiết của máy lái;
(4) Lắp ráp và chi tiết của thiết bị dẫn động bánh lái;
(5) Sơ đồ đường ống thủy lực và hệ thống thủy lực;
(6) Sơ đồ hệ thống điều khiển và điện (kể cả thiết bị báo động);
(7) Bố trí và sơ đồ của nguồn năng lượng dự phòng;
(8) Sơ đồ của thiết bị chỉ báo góc bánh lái;
(9) Những bản vẽ khác theo yêu cầu cụ thể của Quy chuẩn.
2 Tài liệu tham khảo:
(1) Bản kê các chi tiết;
(2) Các chỉ dẫn vận hành (kể cả các bản vẽ trình bày quy trình chuyển đổi giữa các máy lái và giữa các hệ thống điều khiển. Các bản vẽ thể hiện trình tự cấp năng lượng tự động từ một nguồn năng lượng dự phòng, kiểu loại, chi tiết và sự lắp ráp nguồn năng lượng trong trường hợp nguồn dự phòng là nguồn độc lập);
(3) Tài liệu hướng dẫn biện pháp đối phó khi có hỏng hóc riêng ở hệ thống truyền động;
(4) Bản tính sức bền của những bộ phận quan trọng;
(5) Các tài liệu khác theo yêu cầu cụ thể của Quy chuẩn.
12.2 Đặc tính và bố trí máy lái
12.2.1 Số lượng máy lái
1 Mỗi tàu bất kỳ phải có ít nhất một máy lái chính và một máy lái phụ. Máy lái chính và máy lái phụ phải được bố trí sao cho máy này hỏng không làm ngừng hoạt động của máy kia.
2 Khi máy lái chính có hai bộ động lực giống nhau thì không cần phải có máy lái phụ với điều kiện là:
(1) Máy lái chính có khả năng điều khiển hoạt động của bánh lái thỏa mãn các yêu cầu ở 12.2.2-1(1) yêu cầu khi làm việc với tất cả các bộ động lực;
(2) Máy lái chính được thiết kế sao cho sau khi có hỏng hóc riêng trong hệ thống của nó hoặc ở một trong các máy lái thì chỗ hỏng hóc được cách ly ra để khả năng lái có thể duy trì hoặc nhanh chóng phục hồi.
3 Không phải trang bị máy lái phụ trên các tàu truyền động lái bằng cần đặt trực tiếp vào trục bánh lái.
12.2.2 Đặc tính của máy lái chính
1 Máy lái chính phải:
(1) Có khả năng quay bánh lái từ 35° mạn này sang 35° mạn kia khi tàu ở mớn nước đầy tải và chạy tiến với tốc độ thiết kế mà tàu có đáy sạch có thể đạt được ở công suất liên tục lớn nhất của máy chính ở trạng thái ứng với đường nước chở hàng thiết kế lớn nhất; và ở các điều kiện đó, thời gian quay bánh lái từ 35° mạn này sang 30° mạn kia không được quá 28 giây;
(2) Được thiết kế sao cho không bị hỏng khi lùi ở tốc độ lớn nhất. Tuy nhiên yêu cầu thiết kế này không cần phải chứng minh bằng thử ở tốc độ lùi lớn nhất và ở góc bẻ lái lớn nhất.
12.2.3 Đặc tính của máy lái phụ
Máy lái phụ phải có khả năng quay bánh lái từ 15° mạn này sang 15° mạn kia trong thời gian không quá 60 giây khi tàu ở trạng thái đầy tải và chạy tiến với tốc độ bằng số lớn hơn giữa trị số một nửa tốc độ thiết kế mà tàu có đáy sạch có thể đạt được ở công suất liên tục lớn nhất của máy chính và 6 km/h và có khả năng khởi động nhanh chóng trong trường hợp khẩn cấp.
12.2.4 Bố trí các bộ phận của hệ truyền động cơ khí
1 Tất cả các chi tiết của bộ phận truyền động lái phải được bố trí sao cho dễ tiếp cận để kiểm tra, sửa chữa khi cần thiết.
2 Những đoạn cáp dùng làm dây lái và trục dẫn động của bộ phận truyền động lái bố trí trên mặt boong hoặc các chỗ khác phải có hộp che chắn bảo vệ và dễ tháo lắp để kiểm tra. Dây cáp hoặc trục dẫn động lái không được cọ sát vào thân tàu.
3 Việc bố trí cáp lái, trục dẫn động của bộ phận truyền động lái phải cố gắng sao cho số điểm gấp khúc là ít nhất.
4 Để dung hòa các điểm gấp khúc và sự dịch chuyển dọc trong hệ cáp và trục dẫn phải bố trí các khớp quay và các khớp trượt có khe hở nhất định.
5 Chỗ dây cáp và trục dẫn đi qua vách ngang phải bố trí cao hơn boong mạn khô. Nếu không thể thực hiện được yêu cầu này thì tại các chỗ đó phải có các đệm kín nước. Cáp dùng làm dây lái phải mềm, được tráng kẽm, không bị vặn, xoắn.
12.2.5 Đường ống
1 Hệ thống ống thủy lực phải được bố trí để sao cho có thể luôn sẵn sàng chuyển đổi được giữa các máy lái.
2 Phải bố trí các thiết bị thích hợp để giữ sạch dầu thủy lực có để ý tới kiểu loại và thiết kế của hệ thống truyền động cơ giới.
3 Phải có thiết bị để xả khí ra khỏi hệ thống truyền động cơ giới nếu thấy cần thiết.
4 Van an toàn phải lắp ở phần bất kỳ của hệ thống thủy lực có thể bị cô lập và sinh ra áp suất bởi nguồn năng lượng hoặc ngoại lực. Áp suất đặt của van an toàn không được nhỏ hơn 1,25 lần áp suất làm việc lớn nhất có thể có trong phần được bảo vệ này. Sản lượng xả nhỏ nhất của các van an toàn này không được nhỏ hơn sản lượng tổng của các bơm cấp năng lượng cho thiết bị dẫn động khi đã tăng lên 10%. Ở điều kiện như vậy, sự tăng áp suất không được vượt quá 10% áp suất đặt van an toàn. Về mặt này, phải chú ý thích đáng tới các điều kiện xung quanh tối đa dự kiến trước được đối với độ nhớt của dầu.
5 Trường hợp không cần thiết trang bị máy lái phụ thỏa mãn 12.2.1-1 thì phải trang bị két dự trữ cố định có đủ dung tích để nạp lại cho ít nhất một hệ thống truyền động, kể cả két làm việc. Két dự trữ phải luôn nối với hệ thống ống để hệ thống thủy lực luôn có thể dễ dàng được nạp lại từ một vị trí trong phạm vi khoang máy lái và phải có đồng hồ chỉ mức dầu.
12.2.6 Trang bị điện cho máy lái điện và điện thủy lực
1 Mỗi máy lái điện hoặc điện - thủy lực phải có ít nhất hai mạch điện riêng cấp trực tiếp từ bảng điện chính. Tuy vậy, một trong các mạch này có thể được cấp qua bảng điện sự cố.
2 Phải trang bị thiết bị bảo vệ ngắn mạch và báo động quá tải cho các mạch và các động cơ. Tín hiệu báo động quá tải phải bằng âm thanh và ánh sáng và phải được đặt ở vị trí dễ thấy ở buồng lái.
3 Thiết bị bảo vệ quá dòng điện trong đó có dòng khởi động, nếu có, phải chịu được không ít hơn hai lần dòng toàn tải của động cơ hoặc của mạch được bảo vệ và được bố trí để cho phép dòng khởi động thích hợp đi qua.
4 Với các tàu có thiết bị lái phụ bằng tay thì có thể chỉ cần một mạch điện cung cấp từ bảng điện chính cho thiết bị lái chính.
5 Phương tiện chỉ báo các máy lái hoạt động, được đặt trên buồng lái và ở vị trí dễ quan sát.
12.2.7 Vị trí lắp đặt máy lái
1 Máy lái phải được đặt ở vị trí thuận tiện cho việc thao tác vận hành hệ thống.
2 Khoang máy lái phải được trang bị phù hợp để đảm bảo lối vào làm việc và điều khiển khi cần. Ở những khoang có thể thực hiện được, các trang bị này gồm cả tay vịn cầu thang và lưới sắt hoặc các bề mặt không trơn để đảm bảo điều kiện làm việc thích hợp trong trường hợp rò rỉ chất lỏng thủy lực. Khoang máy phải được thông gió tự nhiên hoặc cưỡng bức.
12.2.8 Phương tiện liên lạc
Các tàu cấp VR-SI, VR-SB gồm tàu hàng có GT từ 1000 trở lên và tàu khách chở trên 200 khách phải có phương tiện liên lạc giữa buồng máy và buồng máy lái.
12.2.9 Thiết bị chỉ báo góc bánh lái
1 Vị trí góc bánh lái phải được:
(1) Chỉ báo trong buồng lái: thiết bị chỉ báo góc bánh lái phải độc lập với hệ thống điều khiển; (2) Nhận biết được trong khoang máy lái.
12.3 Điều khiển
12.3.1 Quy định chung
1 Hệ thống điều khiển máy lái phải được trang bị:
(1) Cho máy lái chính cả ở buồng lái lẫn trong khoang máy lái;
(2) Hai hệ thống điều khiển độc lập nếu thiết bị lái chính được bố trí thỏa mãn yêu cầu 12.2.1-2; cả hai đều có thể vận hành được từ buồng lái. Trong trường hợp này không đòi hỏi phải trang bị gấp đôi vô lăng lái hoặc cần lái.
2 Bất kỳ hệ thống điều khiển máy lái chính và phụ có thể vận hành được từ buồng lái đều phải thỏa mãn các quy định sau:
(1) Nếu điều khiển bằng điện thì phải có mạng điện riêng và được cấp điện từ một mạng điện của máy lái từ một điểm trong phạm vi khoang máy lái hoặc trực tiếp từ các thanh dẫn của bảng điện cấp điện cho mạch điện của thiết bị lái đó tại một điểm trên bảng điện ở cạnh nguồn điện cấp cho mạch điện của máy lái;
(2) Ở trong khoang máy lái phải có phương tiện để ngắt bất kỳ hệ thống điều khiển vận hành được từ buồng lái ra khỏi máy lái mà nó điều khiển;
(3) Phải có khả năng đưa hệ thống vào hoạt động được từ một vị trí trên buồng lái;
(4) Trong trường hợp mất điện cấp cho hệ thống điều khiển, thì tín hiệu báo động bằng âm thanh và ánh sáng phải phát ra được trên buồng lái;
(5) Phải trang bị thiết bị bảo vệ ngắn mạch cho các mạch cấp cho hệ thống điều khiển máy lái.
(6) Trong máy lái phải có bộ phận bảo vệ quá tải cho thiết bị. Mô men quá tải cho phép trên trục lái bằng 1,5 lần mô men lái tính toán. Máy lái tay chính chỉ cần có lò xo giảm chấn. Máy lái tay phụ không cần bảo vệ quá tải.
3 Các dây cáp và hệ thống điều khiển mà Chương này yêu cầu mắc kép phải cố gắng đặt xa nhau nhất trên suốt chiều dài của chúng.
12.4 Vật liệu, kết cấu và sức bền của máy lái
12.4.1 Vật liệu
1 Vật liệu dùng chế tạo máy lái phải đủ bền, không có khuyết tật và thích hợp với điều kiện khai thác.
2 Vật liệu làm xi lanh và vỏ của thiết bị dẫn động bánh lái, các đường ống chịu áp lực thủy lực và các bộ phận truyền lực cơ giới cho trục bánh lái phải có độ dãn dài tối thiểu không nhỏ hơn 12% hoặc giới hạn bền kéo không lớn hơn 650 MPa.
3 Vật liệu làm cần bánh lái phải là thép rèn hoặc thép đúc đã được thử thỏa mãn các yêu cầu có liên quan ở Phần 6A của Quy chuẩn này.
4 Vật liệu làm may-ơ và các cánh của thiết bị dẫn động bánh lái kiểu cánh quay phải là thép cán, thép rèn hoặc thép đúc đã thử thỏa mãn các yêu cầu có liên quan ở Phần 6A của Quy chuẩn này.
5 Vật liệu bu lông để lắp ghép cần bánh lái kiểu rời và bu lông cố định các cánh vào may-ơ của thiết bị dẫn động bánh lái kiểu cánh quay phải là thép rèn hoặc thép cán đã thử thỏa mãn các yêu cầu có liên quan ở Phần 6A của Quy chuẩn này.
6 Vật liệu làm các bộ phận chính khác với các bộ phận ở 12.4.1-3 đến 12.4.1-5 phải thỏa mãn các tiêu chuẩn hiện hành.
7 Có thể dùng các vật liệu khác với vật liệu ở 12.4.1-2 đến 12.4.1-6 nếu phù hợp với tiêu chuẩn quốc gia hoặc tiêu chuẩn, quy phạm theo thông lệ quốc tế.
12.4.2 Hàn
1 Tất cả các mối hàn của các bộ phận của hệ thống truyền động bằng cơ giới phải ngấu hoàn toàn và không có các khuyết tật có hại.
2 Các mối hàn trong các bộ phận chịu áp lực bên trong của hệ thống truyền động bằng cơ giới phải có đủ sức bền.
12.4.3 Kết cấu chung của máy lái
1 Máy lái phải có đủ sức bền và độ tin cậy.
2 Áp suất thiết kế để xác định kích thước đường ống và các chi tiết khác của máy lái chịu áp lực thủy lực bên trong phải bằng ít nhất 1,25 lần áp suất làm việc lớn nhất có thể có trong các điều kiện làm việc đã được quy định ở 12.2.2-1(1), có tính đến mọi áp suất có thể có ở phía bên áp suất thấp của hệ thống. Áp suất thiết kế không được nhỏ hơn áp suất đặt của van an toàn.
12.4.4 Sức bền của thiết bị dẫn động bánh lái
Sức bền của tất cả các bộ phận của thiết bị dẫn động bánh lái chịu áp lực bên trong phải thỏa mãn các yêu cầu tương ứng ở Chương 9 của Phần này.
12.4.5 Đệm kín dầu ở thiết bị dẫn động bánh lái
1 Các đệm kín dầu giữa các bộ phận không chuyển động tạo thành một phần của ranh giới áp suất bên ngoài phải là kiểu kim loại áp lên kim loại hoặc kiểu tương đương.
2 Các đệm kín dầu giữa các chi tiết chuyển động tạo thành một phần của ranh giới áp suất bên ngoài phải được trang bị kép để nếu một đệm kín bị hỏng không làm cho thiết bị dẫn động không hoạt động được. Có thể dùng các thiết bị dự phòng chống rò rỉ tương đương phù hợp với tiêu chuẩn quốc gia hoặc tiêu chuẩn, quy phạm theo thông lệ quốc tế.
12.4.6 Ống mềm
1 Các tổ hợp ống có kiểu đã được Đăng kiểm thẩm định và thỏa mãn các yêu cầu sau, có thể được phép lắp đặt ở những nơi đòi hỏi tính mềm dẻo:
(1) Các ống không bị biến dạng xoắn ở điều kiện làm việc bình thường;
(2) Phải giới hạn chiều dài cần thiết của ống để bảo đảm độ linh hoạt và sự làm việc chính xác của máy;
(3) Các ống phải là ống thủy lực chịu áp suất cao và thích hợp với điều kiện làm việc, tức là phù hợp với chất lỏng bên trong, áp suất, nhiệt độ ...;
(4) Áp suất nổ vỡ ống không được nhỏ hơn 4 lần áp suất thiết kế.
12.4.7 Thiết bị chặn
1 Các cần bánh lái phải có các thiết bị chặn bánh lái.
2 Thiết bị lái phải có các thiết bị cuỡng bức như là các công tắc giới hạn để dừng máy lái trước khi bánh lái đến vị trí dừng. Các thiết bị này phải đồng bộ với riêng máy lái và không đồng bộ với hệ thống điều khiển máy lái. Tuy nhiên, thiết bị này có thể hoạt động được thông qua các thanh nối cơ khí như là các cần lắc.
3 Phải có các thiết bị chặn hoặc dây cáp thích hợp cho cần bánh lái để giữ bánh lái chắc chắn trong trường hợp khẩn cấp. Trong trường hợp dùng thiết bị lái thủy lực, nếu có thể dừng bánh lái một cách an toàn bằng cách đóng các van áp lực dầu thì không yêu cầu thiết bị chặn này.
12.4.8 Thiết bị giảm chấn
Những thiết bị lái không phải là kiểu thủy lực phải có các thiết bị giảm chấn kiểu lò xo hoặc thiết bị giảm chấn thích hợp khác để giảm va đập mạnh cho bánh răng truyền động gây nên do bánh lái.
12.5 Thử nghiệm
12.5.1 Thử tại xưởng
1 Các bình chịu áp lực và hệ thống ống đều phải được thử thỏa mãn các yêu cầu 8.9, 9.6, 10.16 ngoài các thử nghiệm quy định ở 12.5 của Chương này.
2 Tất cả các phần chịu áp suất đều phải qua thử áp lực với áp suất bằng 1,5 lần áp suất thiết kế.
12.5.2 Thử nghiệm sau khi lắp đặt trên tàu
1 Các hệ thống ống thủy lực sau khi lắp đặt trên tàu phải được thử rò rỉ ở áp suất ít nhất bằng áp suất làm việc lớn nhất.
2 Phải thử hoạt động thiết bị lái sau khi lắp đặt trên tàu.
3 Nếu thiết bị lái được thiết kế để tránh hiện tượng khóa thủy lực thì đặc tính này phải được thử nghiệm. Nếu cần, việc thử nghiệm này phải được tiến hành trong khi thử đường dài.
CHƯƠNG 13 MÁY KÉO NEO VÀ TỜI CHẰNG BUỘC
13.1 Quy định chung
1 Các yêu cầu ở Chương này áp dụng đối với các máy kéo neo, tời chằng buộc dẫn động bằng điện, thủy lực, động cơ đi-ê-den hoặc hơi nước được lắp đặt trên tàu.
2 Các máy kéo neo và tời chằng buộc khác với các loại tời ở -1 phải được Đăng kiểm thẩm định.
13.2 Máy kéo neo
13.2.1 Bản vẽ và tài liệu
Phải trình Đăng kiểm các bản vẽ và tài liệu dưới đây:
1 Bản vẽ thẩm định:
(1) Bố trí chung;
(2) Các bản vẽ khác theo yêu cầu cụ thể của Quy chuẩn.
2 Tài liệu tham khảo:
(1) Quy trình thử sản phẩm;
(2) Bản tính sức bền của các bộ phận chính;
(3) Các tài liệu khác theo yêu cầu cụ thể của Quy chuẩn.
13.2.2 Kết cấu
1 Máy kéo neo phải thỏa mãn các tiêu chuẩn Việt Nam hoặc các tiêu chuẩn được Đăng kiểm công nhận.
2 Máy kéo neo và bệ đỡ tời cùng các chi tiết và phụ tùng của nó phải được lắp đặt chắc chắn vào boong tàu.
13.2.3 Truyền động
1 Công suất của bộ truyền động máy neo phải đảm bảo kéo tàu tới gần neo, nhổ neo và nâng neo với tốc độ không nhỏ hơn 0,12 m/s ứng với lực kéo định mức F1, N trên tang xích bằng:
F1 = 22,6 md2 đối với tàu mang cấp VR-SI, VR-SII, VR-SIII.
F1 = 37,5 md2 đối với tàu mang cấp VR-SB.
Trong đó:
d - đường kính của xích neo, mm;
m - hệ số bền lấy bằng 1 đối với xích có ngáng và bằng 0,9 đối với xích không có ngáng.
2 Bộ truyền động phải đảm bảo cuốn xích neo với tốc độ và lực kéo đã nêu ở 13.2.3-1 liên tục trong thời gian không ít hơn 30 phút và thả một neo xuống độ sâu tính toán của nơi thả neo.
3 Khi kéo neo, gần đến lỗ neo tốc độ thu kéo xích phải không lớn hơn 0,12 m/s.
4 Mô men khởi động của bộ truyền động máy neo phải tạo ra lực kéo trên tang xích không nhỏ hơn 2F1 khi xích neo chưa chuyển động.
5 Bộ truyền động bằng tay phải đảm bảo tốc độ kéo neo không nhỏ hơn 0,042 m/s, khi có lực kéo tác dụng lên tang xích phù hợp với yêu cầu ở 13.2.3-1. Khi đó lực của một người tác dụng lên tay quay không được lớn hơn 120 N.
6 Thiết bị dẫn động neo của các tàu được thiết kế hoạt động trong các vùng SI và SB phải đảm bảo nâng một cách thông suốt đồng thời các neo ở trạng thái treo từ 1/2 độ sâu thả neo tính toán.
7 Đường ống dẫn của các hệ thống thủy lực của các thiết bị neo kết nối với các đường ống dẫn của các hệ thống khác phải được trang bị 2 tổ hợp bơm độc lập, mỗi tổ hợp phải đảm bảo việc vận hành thiết bị neo với lực kéo danh nghĩa và vận tốc kéo danh nghĩa của xích neo.
8 Nếu thiết bị dẫn động neo có thể làm xuất hiện mô men gây ra ứng lực trong các chi tiết của thiết bị neo vượt quá 0,95 giới hạn chảy vật liệu của chi tiết thì phải trang bị thiết bị bảo vệ đặt giữa thiết bị dẫn động và thiết bị neo.
13.2.4 Thiết bị phanh và khớp nối
1 Máy neo phải được trang bị các khớp nối ly hợp đặt giữa tang xích và trục truyền động của nó. Máy neo phải có thiết bị phanh.
Các máy neo được truyền động điện hoặc đi-ê-den phải có thiết bị phanh tự động lắp trên trục truyền động. Thiết bị phanh tự động hoạt động khi bộ truyền động bị ngắt hoặc hư hỏng.
Khi có bộ truyền động tự phanh thì không yêu cầu có thiết bị phanh tự động.
2 Thiết bị phanh tự động phải đảm bảo mô men phanh tương ứng với lực tác dụng trên tang xích không nhỏ hơn 2F1
3 Mỗi tang xích phải có thiết bị phanh, mô men phanh của nó phải tương ứng với lực trong xích trên tang không nhỏ hơn 0,3 Fth (Fth - tải trọng thử xích neo) trong mọi trường hợp không được nhỏ hơn 2F1.
Lực tác dụng trên tay quay của bộ truyền động thiết bị phanh không được lớn hơn 490 N.
13.2.5 Tang xích
1 Tang xích phải có ít nhất 5 vấu.
Đối với tang xích đặt nằm ngang góc ôm của xích phải không nhỏ hơn 115°, còn đối với tang đặt đứng, góc ôm của xích phải không nhỏ hơn 150°.
2 Tang xích phải đảm bảo cho các mắt nối xích đi qua dễ dàng ở tư thế nằm ngang và đứng.
13.2.6 Tính nghiệm độ bền
1 Các chi tiết của máy neo nằm trong đường truyền lực phải được kiểm tra độ bền chịu tác dụng của lực tương ứng với mô men lớn nhất của bộ truyền động hoặc với mô men tương ứng của thiết bị bảo vệ giới hạn. Khi đó, ứng suất quy đổi trong các chi tiết không được lớn hơn 0,95 giới hạn chảy của vật liệu chế tạo chi tiết. Dưới tác dụng của các lực kéo định mức ứng suất không được lớn hơn 0,4 giới hạn chảy của vật liệu.
2 Các chi tiết cố định máy neo với cơ cấu thân tàu và các chi tiết của máy neo nằm trong đường truyền lực khi tang xích được hãm phải được tính nghiệm độ bền dưới tác dụng của tải trọng kéo đứt xích, khi đó ứng suất không được lớn hơn 0,95 giới hạn chảy của vật liệu.
13.2.7 Yêu cầu bổ sung
Ngoài việc thỏa mãn các yêu cầu của mục này, máy neo dùng để quấn dây chằng buộc tàu còn phải thực hiện các yêu cầu nêu ở 13.3 của Chương này.
13.2.8 Thử nghiệm
1 Thử tại xưởng
(1) Trước khi lắp ráp, các chi tiết sau đây phải được tiến hành thử thủy lực phù hợp với các yêu cầu quy định ở 9.6.1 của Phần 3 này. Áp suất thử phải bằng 1,5 lần áp suất thiết kế. Tuy nhiên, áp suất thử của dầu thủy lực có thể lấy bằng 1,5 lần áp suất làm việc.
(a) Đường ống;
(b) Van và phụ tùng;
(c) Bình chịu áp lực;
(d) Các mô tơ thủy lực.
(2) Phải tiến hành thử tải, thử hoạt động và thử hãm vành xích cùng với động cơ dẫn động máy kéo neo. Nếu máy kéo neo đã được Đăng kiểm công nhận thì có thể bỏ qua các cuộc thử nghiệm này.
(3) Có thể miễn thử cho các máy kéo neo đã được Đăng kiểm thử nhiều lần theo yêu cầu quy định ở (2) trên với kết quả đạt yêu cầu.
2 Thử sau khi lắp đặt lên tàu
Khi thử tải đường dài, phải tiến hành thử hoạt động các máy kéo neo.
13.3 Tời chằng buộc
13.3.1 Kết cấu
1 Tời chằng buộc phải thỏa mãn các tiêu chuẩn Việt Nam hoặc các tiêu chuẩn được Đăng kiểm công nhận.
2 Tời chằng buộc và bệ đỡ tời cùng các chi tiết và phụ tùng của nó phải được lắp đặt chắc chắn vào boong tàu.
13.3.2 Truyền động
1 Truyền động của tời chằng buộc phải bảo đảm quấn dây liên tục trong ít nhất 30 phút với lực kéo định mức ở tốc độ định mức. Tốc độ quấn dây với lực kéo định mức không được nhỏ hơn 0,15 m/s và không lớn hơn 0,3 m/s.
2 Truyền động của tời chằng buộc tàu phải đảm bảo khả năng sinh ra lực kéo không nhỏ hơn hai lần lực kéo định mức trong thời gian 15 s.
13.3.3 Chống quá tải
Nếu mô men truyền động lớn nhất có thể dẫn tới trường hợp tải trọng của các chi tiết của tời chằng buộc tàu lớn hơn so với tính nghiệm độ bền ở 13.3.5 thì phải có thiết bị chống quá tải.
13.3.4 Thiết bị hãm
Tời chằng buộc phải có thiết bị hãm, thiết bị hãm phải đảm bảo giữ cho lực bên ngoài tác dụng lên tang cuốn bằng 1,5 lần lực kéo định mức và bảo vệ tang trong trường hợp phải chịu tải trọng kéo đứt dây cáp.
13.3.5 Tính nghiệm độ bền
Các chi tiết của tời chằng buộc nằm trong đường truyền lực phải được kiểm tra độ bền khi chịu lực tương ứng với mô men lớn nhất truyền động hoặc mô men ứng với trị số bảo vệ giới hạn chảy của vật liệu. Ứng suất tương đương trong các chi tiết không được lớn hơn 95% giới hạn chảy của vật liệu. Dưới tác dụng của lực kéo định mức, ứng suất trong các chi tiết không được lớn hơn 0,4 giới hạn chảy của vật liệu.
13.3.6 Thử nghiệm
Tất cả các tời chằng buộc phải qua các thử nghiệm sau đây trước khi lắp đặt lên tàu:
1 Chạy không tải 15 phút theo từng hướng quay với tốc độ lớn nhất để kiểm tra các hỏng hóc.
2 Thử chức năng của bộ hãm tang trống dưới điều kiện hoạt động được quy định ở -1 trên.
3 Mặc dù đã có các quy định ở -1 và -2 trên, nếu như có nhiều cụm chi tiết cùng loại thì Đăng kiểm có thể giảm thời gian quá trình thử và số lượng cụm chi tiết phải thử.
CHƯƠNG 14 ĐIỀU KHIỂN TỰ ĐỘNG VÀ ĐIỀU KHIỂN TỪ XA
14.1 Quy định chung
1 Những yêu cầu trong Chương này áp dụng đối với hệ thống điều khiển tự động và điều khiển từ xa được sử dụng để điều khiển các máy và thiết bị sau:
(1) Máy chính (bao gồm cả động cơ lai chân vịt trên tàu truyền động điện);
(2) Chân vịt biến bước;
(3) Máy phát điện (bao gồm cả động cơ điện lai chân vịt trên tàu trang bị hệ thống điện chân vịt).
2 Những yêu cầu của Chương này được áp dụng phù hợp với hệ thống điều khiển tự động và điều khiển từ xa dùng để điều khiển các máy và thiết bị không nêu từ -1(1) đến -1(3) trên. Đối với hệ thống điều khiển tự động và từ xa khác, phải phù hợp với tiêu chuẩn quốc gia hoặc tiêu chuẩn, quy phạm theo thông lệ quốc tế.
14.1.1 Giải thích từ ngữ
Những từ ngữ sử dụng trong Chương này được hiểu như sau:
1 Trạm điều khiển là địa điểm tập trung các thiết bị đo lường, chỉ báo, báo động... cho các máy, thiết bị và thu nhận những thông tin cần thiết để nắm rõ trạng thái hoạt động của các máy và thiết bị đó và thiết bị có thể được điều khiển;
2 Thiết bị điều khiển trên buồng lái là thiết bị điều khiển từ xa máy chính hoặc chân vịt biến bước được đặt trên buồng lái;
3 Điều khiển theo trình tự là mô hình điều khiển được thực hiện tự động theo trình tự đã định;
4 Điều khiển theo chương trình là mô hình điều khiển mà những giá trị mong muốn có thể được chuyển đổi theo sơ đồ đã định;
5 Điều khiển tại chỗ là việc điều khiển trực tiếp bằng tay các máy và thiết bị tại chỗ hoặc gần vị trí lắp đặt chúng và tại đó nhận được những thông tin cần thiết từ dụng cụ đo, chỉ báo...;
6 Hệ thống an toàn là hệ thống hoạt động tự động nhằm ngăn ngừa các tổn thất đối với máy và thiết bị trong trường hợp:
(1) Khởi động máy hoặc thiết bị dự phòng;
(2) Giảm công suất của máy hoặc thiết bị;
(3) Ngừng cấp nhiên liệu hoặc ngắt nguồn cấp điện để dừng máy và thiết bị.
14.1.2 Bản vẽ và tài liệu
1 Các bản vẽ và tài liệu phải trình thẩm định bao gồm:
(1) Các bản vẽ và tài liệu liên quan đến tự động hóa:
(a) Danh mục các điểm đo;
(b) Danh mục các điểm báo;
(c) Thiết bị điều khiển và thiết bị an toàn:
(i) Danh mục các thiết bị được điều khiển và các tham số được điều khiển;
(ii) Kiểu nguồn năng lượng điều khiển (tự nạp, khí nén, điện...);
(iii) Danh mục các trạng thái ngừng sự cố, giảm tốc (giảm tự động hoặc giảm theo lệnh)....
(2) Các bản vẽ và tài liệu cho thiết bị điều khiển tự động và thiết bị điều khiển từ xa máy chính hoặc chân vịt biến bước:
(a) Tài liệu hướng dẫn sử dụng máy chính như khởi động và tắt, thay đổi hướng quay, tăng hoặc giảm công suất...;
(b) Bản vẽ bố trí các thiết bị an toàn (gồm cả những thiết bị đã gắn vào động cơ) và đèn báo hiệu;
(c) Sơ đồ điều khiển.
(3) Sơ đồ và tài liệu hướng dẫn sử dụng thiết bị điều khiển tự động dùng cho máy phát điện (thiết bị phân chia tải tự động, thiết bị khởi động tự động, thiết bị tạo đồng bộ tự động, thiết bị khởi động theo trình tự...);
(4) Bản vẽ bố trí bảng giám sát, bảng báo động và vị trí điều khiển tại các trạm điều khiển tương ứng.
2 Các bản vẽ và tài liệu trình để tham khảo nếu trong Quy chuẩn có yêu cầu cụ thể.
14.2 Các hệ thống
14.2.1 Thiết kế hệ thống
1 Hệ thống điều khiển, hệ thống báo động và hệ thống an toàn phải được thiết kế sao cho sự cố này không kéo theo sự cố khác và không làm gia tăng những tổn thất nhất định.
2 Hệ thống điều khiển, hệ thống báo động và hệ thống an toàn phải được thiết kế trên nguyên tắc an toàn. Đặc tính an toàn không những được đánh giá đối với các hệ thống tương ứng và các thiết bị, máy móc kèm theo mà còn được đánh giá trên cơ sở an toàn chung toàn tàu.
3 Hệ thống điều khiển từ xa hoặc điều khiển tự động phải đủ tin cậy ở các điều kiện khai thác.
4 Cáp tín hiệu phải được lắp đặt sao cho tránh được các sự cố, kể cả nhiễu nội bộ.
14.2.2 Nguồn cấp năng lượng
1 Nguồn cấp điện
Nguồn cấp điện phải thỏa mãn những yêu cầu sau đây:
(1) Mạch cấp điện nguồn cho hệ thống điều khiển, hệ thống báo động và hệ thống an toàn phải được thiết kế độc lập với mạch điện động lực và mạch điện chiếu sáng, trừ trường hợp nguồn điện cho hệ thống điều khiển, hệ thống báo động và hệ thống an toàn được cấp từ mạch điện cho máy và thiết bị mà chúng phục vụ;
(2) Nguồn điện cho hệ thống báo động và hệ thống an toàn dùng cho máy phát điện phải được cấp từ ắc quy.
2 Nguồn cấp dầu thủy lực
Nguồn cấp dầu thủy lực phải thỏa mãn những yêu cầu sau đây:
(1) Nguồn cấp dầu thủy lực phải có khả năng cấp ổn định dầu đã được làm sạch với áp suất và số lượng cần thiết;
(2) Phải lắp đặt thiết bị quá áp trên phía đẩy của bơm áp lực;
(3) Phải trang bị bơm áp lực dầu cho việc điều khiển máy chính.
3 Nguồn cấp áp lực khí
Nguồn cấp khí điều khiển phải thỏa mãn những yêu cầu sau đây:
(1) Hệ thống điều khiển phải trang bị bình khí có dung tích đủ khả năng cấp khí cho thiết bị điều khiển ít nhất 5 phút trong trường hợp xảy ra sự cố của máy nén khí điều khiển;
(2) Khi bình khí khởi động của động cơ đi-ê-den dùng làm máy chính được sử dụng như là bình khí điều khiển thì phải tăng gấp đôi số van giảm áp hoặc phải có van giảm áp dự trữ trên tàu;
(3) Phải có máy nén khí để có thể sử dụng làm nguồn cấp khí điều khiển;
(4) Khí điều khiển phải đi qua phin lọc và cần thiết phải được làm khô để khử bỏ tối đa các vật rắn, dầu và nước;
(5) Đường ống dẫn khí điều khiển phải độc lập với đường ống khí phục vụ chung và khí khởi động.
14.2.3 Điều kiện môi trường
Hệ thống điều khiển tự động hoặc điều khiển từ xa phải có khả năng chịu được tác động của môi trường ở nơi lắp đặt.
14.2.4 Hệ thống điều khiển
1 Tính độc lập của hệ thống điều khiển
Hệ thống điều khiển máy chính hoặc chân vịt biến bước và máy phát điện phải độc lập với nhau. Tuy nhiên, khi động cơ lai chân vịt và tổ hợp phát điện chính được liên kết với nhau thành một tuyến thì hệ thống điều khiển chúng có thể được kết hợp lại với nhau.
2 Thiết bị liên kết
Khi máy chính hoặc chân vịt biến bước, máy phát điện được thiết kế để hoạt động đồng thời trong nhiều nhánh dưới cùng điều kiện thì phải trang bị thiết bị liên kết giữa các thiết bị điều khiển của các trạm với nhau.
3 Đặc tính điều khiển
Thiết bị điều khiển tự động và thiết bị điều khiển từ xa phải có đặc tính điều khiển phù hợp với tính chất động lực học của máy và thiết bị được chúng điều khiển và phải lưu ý để không tạo ra các chức năng giả và loạn do nhiễu.
4 Khóa liên động
Thiết bị điều khiển phải được trang bị khóa liên động thích hợp để ngăn ngừa hư hỏng cho máy và thiết bị do chức năng giả và thao tác giả của máy và thiết bị được dự kiến trước.
5 Bộ chuyển đổi thao tác bằng tay
Bộ chuyển đổi thao tác bằng tay phải thỏa mãn những yêu cầu sau:
(1) Máy chính hoặc chân vịt biến bước và máy phát điện phải được lắp đặt sao cho có thể được khởi động, thao tác và điều khiển bằng tay cả trong trường hợp thiết bị điều khiển tự động không hoạt động;
(2) Thiết bị điều khiển tự động phải được trang bị các bộ phận để ngắt bằng tay các chức năng tự động của thiết bị;
(3) Bộ phận quy định ở (2) trên phải có khả năng ngắt các chức năng tự động của thiết bị điều khiển tự động trong trường hợp bất cứ bộ phận nào của thiết bị điều khiển tự động không hoạt động.
6 Ngắt chức năng điều khiển từ xa
Đối với thiết bị điều khiển từ xa, chức năng điều khiển từ xa phải có khả năng ngắt được bằng tay.
14.2.5 Hệ thống báo động
1 Chức năng của hệ thống báo động phải thỏa mãn những yêu cầu sau đây:
(1) Khi một trạng thái khác thường được phát hiện thì thiết bị phát tín hiệu ánh sáng và âm thanh (sau đây gọi tắt là “Thiết bị báo động”) phải hoạt động;
(2) Khi thiết bị được chế tạo để phát báo động âm thanh nhỏ thì chúng không được tắt tín hiệu ánh sáng;
(3) Đồng thời cùng một lúc phải chỉ báo được hai hoặc nhiều hơn các sai sót;
(4) Tín hiệu âm thanh cho máy và thiết bị phải có khả năng phân biệt rõ ràng so với các tín hiệu khác như tín hiệu báo động chung, tín hiệu báo nồng độ CO2, tín hiệu báo động cháy...
2 Chức năng của hệ thống báo động đặt trong trạm điều khiển máy chính hoặc chân vịt biến bước phải thỏa mãn những yêu cầu sau đây, để bổ sung cho 14.2.5-1:
(1) Tín hiệu ánh sáng phải được lưu giữ đến khi khắc phục xong sự cố;
(2) Nhận tín hiệu này không làm ảnh hưởng đến tín hiệu khác;
(3) Nếu đang nhận tín hiệu này mà sự cố thứ hai xảy ra trong thời gian sự cố đầu chưa khắc phục xong thì thiết bị báo động phải hoạt động trở lại;
(4) Phải chỉ báo rõ ràng vị trí ngắt bằng tay của mỗi hệ thống báo động.
3 Tín hiệu ánh sáng phải được bố trí sao cho có thể thông báo đầy đủ với tín hiệu rõ ràng, dễ nhận biết đối với mỗi trạng thái khác thường của máy và thiết bị.
14.2.6 Hệ thống an toàn
1 Cấu trúc hệ thống
Cấu trúc hệ thống phải thỏa mãn những yêu cầu sau đây:
(1) Hệ thống an toàn phải được trang bị độc lập với hệ thống điều khiển và hệ thống báo động đến mức có thể được;
(2) Hệ thống an toàn dùng cho máy chính và máy phát điện phải độc lập với nhau.
2 Chức năng của hệ thống an toàn
Chức năng của hệ thống an toàn phải thỏa mãn những yêu cầu sau:
(1) Hệ thống báo động có chức năng được quy định ở 14.2.5 phải hoạt động khi hệ thống an toàn đi vào hoạt động;
(2) Khi hệ thống an toàn đi vào hoạt động và thao tác của máy hoặc thiết bị bị ngừng thì không được khởi động tự động lại trước khi thực hiện khởi động bằng tay.
3 Thiết bị xóa bỏ tác động an toàn
Khi có bố trí thiết bị xóa bỏ tác động an toàn cho hệ thống an toàn thì những yêu cầu (1) và (2) dưới đây phải thỏa mãn:
(1) Tín hiệu ánh sáng phải hoạt động tại các trạm điều khiển máy và thiết bị có liên quan khi thiết bị xóa bỏ tác động an toàn hoạt động;
(2) Thiết bị xóa bỏ tác động an toàn phải sao cho ngăn ngừa được các thao tác sai.
14.3 Điều khiển tự động và điều khiển từ xa máy chính hoặc chân vịt biến bước
14.3.1 Quy định chung
Thiết bị điều khiển tự động hoặc từ xa máy chính hoặc chân vịt biến bước phải thỏa mãn những yêu cầu quy định ở 14.3.
14.3.2 Thiết bị điều khiển từ xa máy chính hoặc chân vịt biến bước
1 Quy định chung
Thiết bị điều khiển tự động hoặc điều khiển từ xa máy chính hoặc chân vịt biến bước phải thỏa mãn những yêu cầu sau:
(1) Thiết bị điều khiển từ xa máy chính hoặc chân vịt biến bước phải có khả năng điều khiển được vòng quay chân vịt và hướng lực đẩy (góc cánh chân vịt trong trường hợp là chân vịt biến bước) bằng các phương tiện thao tác đơn giản;
(2) Thiết bị điều khiển từ xa máy chính hoặc chân vịt biến bước phải được trang bị cho từng chân vịt. Tuy nhiên, khi hai chân vịt cùng được điều khiển tại cùng một thời điểm thì những chân vịt này có thể được điều khiển bằng các thiết bị của một bộ điều khiển từ xa;
(3) Khi tốc độ của động cơ đi-ê-den sử dụng làm máy chính được điều khiển bằng bộ điều tốc thì bộ điều tốc phải được hiệu chỉnh sao cho máy chính không vượt quá 103% vòng quay liên tục lớn nhất. Bộ điều tốc phải có khả năng duy trì tốc độ tối thiểu an toàn;
(4) Khi chọn cách điều khiển theo chương trình thì chương trình để làm tăng hoặc giảm công suất phải được thiết kế sao cho ứng suất cơ học và ứng suất nhiệt quá giới hạn cho phép không xảy ra tại bất cứ bộ phận nào của máy;
(5) Tại các trạm điều khiển từ xa máy chính hoặc chân vịt biến bước phải trang bị những thiết bị sau đây:
(a) Thiết bị chỉ báo vòng quay chân vịt và hướng quay chân vịt trong trường hợp chân vịt có bước cố định;
(b) Thiết bị chỉ báo vòng quay và trị số bước chân vịt trong trường hợp chân vịt biến bước.
(6) Tại các trạm điều khiển từ xa máy chính hoặc chân vịt biến bước phải trang bị các thiết bị báo động cần thiết phục vụ việc điều khiển máy chính hoặc chân vịt biến bước.
2 Chuyển điều khiển
Thiết bị điều khiển từ xa máy chính hoặc chân vịt biến bước phải thỏa mãn những yêu cầu sau đây về chuyển điều khiển:
(1) Mỗi trạm điều khiển máy chính hoặc chân vịt biến bước phải được trang bị thiết bị để chỉ báo rằng chúng đang trong trạng thái được điều khiển;
(2) Việc điều khiển từ xa máy chính hoặc chân vịt biến bước chỉ có thể thực hiện được từ một vị trí tại cùng một thời điểm;
(3) Việc chuyển điều khiển chỉ có thể thực hiện được theo lệnh từ trạm phục vụ và nhận tín hiệu điều khiển trong trạm tiếp nhận, trừ các trường hợp sau đây:
(a) Chuyển điều khiển giữa trạm điều khiển tại chỗ máy chính hoặc chân vịt biến bước và trạm điều khiển chính hoặc trạm điều khiển dự phòng. Đối với tàu có chiều dài nhỏ hơn 25 mét, không cần bố trí điều khiển tại chỗ.
(b) Chuyển điều khiển thực hiện trong trạng thái máy chính không làm việc.
(4) Phải có biện pháp ngăn ngừa lực đẩy chân vịt thay đổi quá lớn khi chuyển điều khiển từ vị trí này sang vị trí khác trừ việc chuyển điều khiển như quy định ở (3).
3 Sự cố của hệ thống điều khiển từ xa máy chính hoặc chân vịt biến bước
Những yêu cầu sau đây phải được thỏa mãn trong trường hợp xảy ra sự cố của hệ thống điều khiển từ xa máy chính hoặc chân vịt biến bước:
(1) Phải trang bị thiết bị báo động hoạt động khi xảy ra sự cố của thiết bị điều khiển từ xa máy chính hoặc chân vịt biến bước trong các trạm điều khiển từ xa máy chính hoặc chân vịt biến bước;
(2) Khi xảy ra sự cố của thiết bị điều khiển từ xa máy chính hoặc chân vịt biến bước thì máy chính hoặc chân vịt biến bước phải có khả năng điều khiển được tại chỗ;
(3) Trạm điều khiển từ xa máy chính hoặc chân vịt biến bước phải được trang bị thiết bị ngắt khẩn cấp độc lập dùng cho máy chính. Thiết bị này sẽ tác động khi xảy ra sự cố của thiết bị điều khiển từ xa máy chính hoặc chân vịt biến bước.
4 Khởi động từ xa máy chính là động cơ đi-ê-den
Việc khởi động bằng thiết bị điều khiển từ xa máy chính phải thỏa mãn những quy định sau đây:
(1) Số lần khởi động máy chính phải thỏa mãn yêu cầu ở 2.5.3;
(2) Thiết bị khởi động từ xa máy chính có bộ khởi động tự động phải được thiết kế sao cho số lần khởi động tự động liên tục không thành được giới hạn đến 3 lần. Khi có sự cố khởi động thì các tín hiệu ánh sáng và âm thanh phải hoạt động tại các trạm điều khiển máy chính hoặc chân vịt biến bước;
(3) Khi sử dụng khí nén để khởi động máy chính, thì phải trang bị thiết bị báo động để chỉ báo áp suất khí khởi động thấp tại trạm điều khiển từ xa và trạm giám sát máy chính;
(4) Áp suất khí khởi động thấp như quy định ở (3) để thiết bị báo động làm việc phải được đặt ở mức cho phép các thao tác khởi động máy chính làm việc thêm.
14.3.3 Biện pháp an toàn
1 Biện pháp an toàn cho máy chính hoặc chân vịt biến bước
Biện pháp an toàn cho máy chính hoặc chân vịt biến bước phải thỏa mãn những yêu cầu sau đây:
(1) Phải sử dụng những thiết bị an toàn dưới đây cho những thiết bị điều khiển từ xa máy chính hoặc chân vịt biến bước:
(a) Khóa liên động để ngăn ngừa tổn thất nghiêm trọng do vận hành sai;
(b) Máy phụ cần thiết cho máy chính của tàu được dẫn động bằng mô tơ điện, thì máy chính phải được thiết kế sao cho dừng tự động trong trường hợp có sự cố nguồn cấp điện hoặc phải có khả năng dừng máy lại;
(c) Máy chính phải được thiết kế lắp đặt sao cho không có khả năng tự khởi động khi nguồn điện được phục hồi sau khi xảy ra sự cố nguồn điện làm cho máy chính dừng lại;
(d) Thiết bị điều khiển từ xa máy chính hoặc chân vịt biến bước phải được thiết kế sao cho động cơ không bị quá tải trong trường hợp xảy ra sự cố của chúng.
(2) Thiết bị dừng máy chính phải được đặt trong trạm giám sát máy chính hoặc chân vịt biến bước.
2 Hệ thống an toàn của máy chính
Hệ thống an toàn của máy chính phải thỏa mãn những yêu cầu sau đây:
(1) Thiết bị cắt nhiên liệu hoặc nguồn cấp hơi (gọi tắt là “Thiết bị an toàn”) máy chính không được tự động hoạt động trừ khi có thể tạo ra hỏng máy, tổn thất nghiêm trọng hoặc nổ;
(2) Hệ thống an toàn máy chính phải được thiết kế sao cho không làm mất các chức năng của chúng hoặc mất an toàn ngay cả khi xảy ra sự cố nguồn điện chính hoặc nguồn không khí.
3 Động cơ đi-ê-den tự đảo chiều
Ít nhất phải có các biện pháp an toàn sau đây được áp dụng đối với thiết bị điều khiển từ xa động cơ đi-ê-den tự đảo chiều:
(1) Thao tác khởi động chỉ có khả năng thực hiện được khi trục cam chắc chắn ở vị trí “tiến” hoặc “lùi”;
(2) Trong khi thao tác đổi chiều nhiên liệu không được phun vào;
(3) Thao tác đảo chiều phải được điều khiển sau vòng quay “tiến“ được giảm đến một giá trị định trước.
4 Máy chính có khớp ly hợp
Ít nhất các biện pháp an toàn sau đây phải được áp dụng đối với máy chính có khớp ly hợp:
(1) Việc đóng và nhả khớp ly hợp chỉ được thực hiện dưới vòng quay được quy định trước của máy chính;
(2) Phải lắp thiết bị bảo vệ quá tốc quy định ở 2.4.1-2;
(3) Phải lắp thiết bị bảo vệ quá tốc để đề phòng tốc độ của mô tơ đẩy vượt quá 125% vòng quay định mức khi ly hợp được nhả ra mà máy chính không có thiết bị bảo vệ quá tốc.
5 Máy chính dẫn động chân vịt biến bước
Ít nhất các biện pháp an toàn sau đây phải được áp dụng đối với thiết bị điều khiển từ xa động cơ lai chân vịt biến bước:
(1) Phải lắp đặt thiết bị đề phòng quá tải;
(2) Khởi động động cơ hoặc đóng khớp ly hợp phải được thực hiện trong thời gian cánh chân vịt đang ở vị trí có bước bằng không;
(3) Phải lắp đặt thiết bị chống quá tốc như quy định ở 2.4.1-2;
(4) Trong trường hợp cần đề phòng tốc độ của mô tơ lai chân vịt vượt quá 125% vòng quay định mức khi bước chân vịt thay đổi thì phải trang bị thiết bị chống vượt tốc nếu mô tơ lai không có thiết bị bảo vệ quá tốc.
14.3.4 Thiết bị điều khiển trên buồng lái bằng dây điều khiển kéo dài
1 Quy định chung
Nếu thiết bị điều khiển vòng quay và khớp ly hợp trên buồng lái là loại đơn giản sử dụng dây điều khiển cơ học kéo dài, không phụ thuộc và nguồn năng lượng bên ngoài thì phải thỏa mãn những yêu cầu sau đây:
(1) Yêu cầu 14.2.2-1 về nguồn cấp điện chỉ áp dụng cho hệ thống báo động và hệ thống an toàn;
(2) Không áp dụng các yêu cầu 14.2.4-2, 14.2.4-3 và 14.2.4-4;
(3) Không áp dụng các yêu cầu 14.3.2-2 và 14.3.2-3 và 14.3.2-4. Việc chuyển điều khiển lên buồng lái chỉ được thực hiện tại chỗ và trong bất cứ trường hợp nào, máy chính hoặc khớp ly hợp phải có khả năng điều khiển được tại chỗ;
(4) Trừ yêu cầu 14.3.3-1(2) về thiết bị dừng máy chính và 14.3.3-4(2) về thiết bị bảo vệ quá tốc, không áp dụng 14.3.3;
(5) Không sử dụng cho trường hợp động cơ diesel tự đảo chiều và máy chính dẫn động chân vịt biến bước.
2 Yêu cầu về dây điều khiển cơ học kéo dài
Hệ thống dây điều khiển cơ học, dẫn hướng, tay điều khiển phải thỏa mãn những yêu cầu sau đây:
(1) Dây điều khiển phải dùng cáp thép ít co giãn, vật liệu là thép không gỉ hoặc được bảo vệ chống ăn mòn hiệu quả trong quá trình sử dụng;
(2) Hệ thống dây điều khiển, dẫn hướng phải được bảo vệ thích đáng tránh tác động cơ khí do va chạm, kẹt, đứt, rung động … dẫn đến hư hỏng hoặc sai lệch điều khiển;
(3) Hệ thống dây điều khiển, dẫn hướng phải có khả năng tự duy trì độ căng và được bôi trơn đầy đủ;
(4) Việc chuyển đổi điều khiển phải được thực hiện nhanh chóng tại chỗ. Phải có biện pháp ngăn ngừa vô tình mất điều khiển trong quá trình hoạt động;
(5) Tay điều khiển phải được chia nhỏ cho các mức hoạt động của động cơ, phải có cơ cấu khóa để tránh việc vô tình thay đổi vị trí.
14.4 Điều khiển tự động và từ xa máy phát điện
14.4.1 Quy định chung
1 Máy phát điện được trang bị để khởi động tự động hoặc từ xa phải được trang bị thiết bị khóa liên động để đảm bảo thao tác an toàn.
2 Máy phát điện được trang bị để khởi động tự động phải được thiết kế sao cho số lần khởi động liên tiếp không thành công chỉ được giới hạn đến hai lần và phải trang bị thiết bị báo động trong thời gian xảy ra sự cố khởi động.
3 Khi động cơ đi-ê-den lai máy phát điện chính được khởi động từ xa thì số lần khởi động phải theo số lần yêu cầu quy định ở 2.5.3.
4 Khi khởi động từ xa máy phát dự phòng có nối tự động với thanh dẫn của bảng điện thì việc tự động đóng điện vào thanh dẫn được giới hạn một lần trong trường hợp xảy ra sự cố nguồn điện ban đầu do ngắn mạch.
14.5 Thử nghiệm
14.5.1 Thử tại xưởng
Sau khi chế tạo, hệ thống điều khiển tự động hoặc điều khiển từ xa các máy và thiết bị phải chịu những đợt thử sau đây:
1 Thử điều kiện môi trường
Các chi tiết, bộ phận, đầu dò (gọi tắt là “Thiết bị tự động”) và hệ tự động bao gồm cả thiết bị tự động phải trải qua các lần thử ở điều kiện môi trường dưới đây tại cơ sở sản xuất. Quy trình thử phải trình Đăng kiểm thẩm định.
(1) Kiểm tra bên ngoài;
(2) Thử hoạt động và thử tính năng;
(3) Thử sự cố cung cấp nguồn điện (áp dụng cho các thiết bị điện, điện tử...);
(4) Thử dao động nguồn cấp năng lượng (áp dụng cho các thiết bị thủy lực, khí nén...);
(5) Thử dao động nguồn điện (áp dụng cho các thiết bị điện và điện tử ...);
(6) Thử độ cách điện (áp dụng cho các thiết bị điện, điện tử...);
(7) Thử điện áp cao (áp dụng cho các thiết bị điện, điện tử ...);
(8) Thử áp lực (áp dụng cho các thiết bị thủy lực, khí nén...);
(9) Thử nhiệt độ cao ở môi trường khô;
(10) Thử nhiệt độ cao ở môi trường ẩm;
(11) Thử chấn động;
(12) Thử chịu nghiêng (chỉ khi lắp trên các tàu có cấp VR-SI);
(13) Thử chịu lạnh;
(14) Thử mù muối (áp dụng cho các thiết bị sẽ được đặt trong khu vực không đóng kín như là boong hở và khi lắp trên các tàu có cấp VR-SI);
(15) Thử độ khử tĩnh điện (áp dụng cho các thiết bị điện tử và...);
(16) Thử nhiễm điện từ (áp dụng cho các thiết bị điện tử và...);
(17) Thử quá độ và hoặc tăng đột ngột (áp dụng cho các thiết bị điện và điện tử...);
(18) Các dạng thử khác mà Đăng kiểm xét thấy cần thiết.
2 Thử đồng bộ hệ tự động
Các thiết bị tự động sau khi đã trải qua các lần thử quy định ở 1 phải chịu các lần thử dưới đây sau khi đã lắp ráp đồng bộ thành hệ tự động:
(1) Kiểm tra bên ngoài;
(2) Thử hoạt động và thử tính năng;
(3) Thử độ cách điện và thử điện áp cao (áp dụng cho các thiết bị điện, điện tử...);
(4) Thử áp lực (áp dụng cho các thiết bị thủy lực, khí nén);
(5) Các dạng thử khác mà Đăng kiểm xét thấy cần thiết.
14.5.2 Thử sau khi lắp đặt trên tàu
Hệ thống điều khiển tự động hoặc điều khiển từ xa các máy và thiết bị, sau khi lắp đặt trên tàu phải được thử để xác nhận rằng chúng hoạt động có hiệu quả, chính xác theo các điều kiện có thể. Tuy nhiên, một phần của những thử nghiệm này có thể được thực hiện trong lần thử đường dài.
PHẦN 4 TRANG BỊ ĐIỆN
CHƯƠNG 1 QUY ĐỊNH CHUNG
1.1 Quy định chung
1.1.1 Phạm vi điều chỉnh
1 Những yêu cầu ở Phần này áp dụng cho thiết bị điện và dây dẫn (sau đây gọi là "trang bị điện") dùng trên phương tiện thủy nội địa (sau đây gọi là “tàu”).
2 Phần này khuyến khích áp dụng cho trang bị điện dùng trên các tàu không thuộc phạm vi áp dụng của Quy chuẩn này.
3 Việc thay thế một hay nhiều máy điện quan trọng (bao gồm: máy phát điện, động cơ điện phục vụ hoạt động của máy chính, động cơ điện máy lái, máy kéo neo) và một hay nhiều đường cáp điện động lực cũng như trang bị thiết bị điện mới phải phù hợp với những yêu cầu ở Phần này.
4 Trang bị điện của tàu trong quá trình khai thác phải được kiểm tra theo quy định ở Chương 4 Phần 1B của Quy chuẩn này.
1.1.2 Thay thế tương đương
Có thể chấp nhận trang bị điện không hoàn toàn phù hợp với những yêu cầu của Phần này, nếu chúng được chúng mình là tương đương với những quy định nêu trong Phần này.
1.1.3 Trang bị điện có đặc điểm thiết kế kiểu mới
Đối với trang bị điện được chế tạo hoặc lắp đặt có đặc điểm thiết kế kiểu mới, thì chúng được áp dụng những yêu cầu của Phần này tới mức có thể được kèm theo những yêu cầu bổ sung nêu trong thiết kế và quy định thử khác với yêu cầu đã nêu ở Phần này. Trong trường hợp này, chúng phải được chứng minh phù hợp với mục đích sử dụng và có thể duy trì hoạt động của hệ thống máy tàu, của toàn tàu và đảm bảo an toàn cho con người và tàu.
1.1.4 Thuật ngữ và định nghĩa
Trong Phần này sử dụng các thuật ngữ được định nghĩa sau đây:
1 “Khu vực nguy hiểm” là các khu vực hoặc không gian dưới đây, nơi có chứa các chất dễ cháy hoặc dễ nổ và nơi dễ dàng sinh ra khí hoặc hơi dễ cháy hoặc dễ nổ từ các chất này:
(1) Vùng 0: Khu vực hoặc không gian mà ở đó thường xuyên hoặc trong một thời gian dài tồn tại môi trường khí dễ nổ;
(2) Vùng 1: Khu vực hoặc không gian mà ở đó trong điều kiện bình thường dễ dàng tạo ra môi trường khí dễ nổ;
(3) Vùng 2: Khu vực hoặc không gian mà ở đó chỉ khi có điều kiện khác thường mới có thể tạo ra môi trường khí dễ nổ.
2 “Khu vực không nguy hiểm” là khu vực hoặc không gian không thể tồn tại lượng khí dễ nổ đủ lớn đến mức phải có yêu cầu đề phòng đặc biệt đối với kết cấu, lắp đặt và sử dụng thiết bị điện;
3 “Nguồn xả” là điểm hoặc vị trí mà từ đó khí, hơi, muội hoặc chất lỏng có thể được xả vào môi trường tới mức có thể tạo thành môi trường khí dễ nổ dưới các điều kiện hoạt động bình thường, ví dụ các van và các bích nối ở hệ thống dầu hàng. Các bộ phận được hàn liên tục không được xem là nguồn xả;
4 Cắt chọn lọc là sự bố trí sao cho chỉ có thiết bị bảo vệ gần điểm hư hỏng được mở tự động nhằm duy trì nguồn cung cấp năng lượng cho phần còn lại của mạch không hỏng khi xuất hiện hư hỏng ở mạch có các thiết bị bảo vệ được mắc nối tiếp;
5 Cắt ưu tiên là sự bố trí sao cho các thiết bị bảo vệ các mạch không quan trọng được mở tự động để bảo toàn nguồn cấp năng lượng cho các thiết bị quan trọng khi bất kỳ một máy phát nào bị quá tải hoặc tương tự;
6 Điều kiện hoạt động và sinh hoạt bình thường là điều kiện mà ở đó tàu nói chung, máy móc, thiết bị phục vụ, phương tiện và thiết bị trợ giúp máy chính, khả năng lái, an toàn hàng giang/hàng hải, an toàn phòng cháy và ngập nước, thông tin tín hiệu nội bộ và bên ngoài, các phương tiện thoát thân cũng như các điều kiện tiện lợi phục vụ sinh hoạt cho con người làm việc bình thường và đúng chức năng;
7 Điều kiện sự cố là điều kiện mà ở đó các thiết bị phục vụ cần thiết cho điều kiện hoạt động và sinh hoạt bình thường không thể hoạt động do mất nguồn điện chính;
8 Nguồn điện chính là nguồn cấp điện cho bảng điện chính để phân phối cho các thiết bị phục vụ cần thiết để duy trì tàu ở điều kiện hoạt động và sinh hoạt bình thường;
9 Trạm phát điện chính là không gian đặt nguồn điện chính;
10 Bảng điện chính là bảng điện được cấp điện trực tiếp bằng nguồn điện chính và dùng để phân phối điện năng cho các thiết bị phục vụ tàu;
11 Nguồn điện sự cố là nguồn điện dùng để cấp điện cho bảng điện sự cố khi mất nguồn điện chính;
12 Bảng điện sự cố là bảng điện mà trong điều kiện hư hỏng hệ thống cấp nguồn điện chính thì nó được cấp điện trực tiếp bằng nguồn điện sự cố tạm thời và dùng để phân phối điện năng cho các thiết bị phục vụ sự cố;
13 Thiết bị điện có kiểu bảo vệ “n” là thiết bị mà trong điều kiện làm việc bình thường không thể phát sinh tia lửa ra môi trường khí dễ nổ bao quanh và cũng không dễ bị hư hỏng do phát sinh tia lửa;
14 Vật liệu cách điện là vật liệu có khả năng cách điện theo quy định của các tiêu chuẩn liên quan;
15 Tính chịu dầu của vật liệu cách điện là khả năng giữ được tính cách điện và tính cơ học của vật liệu khi có tác dụng của dầu mỏ và sản phẩm dầu trên bề mặt vật liệu cách điện;
16 Trạng thái nguội của vật liệu cách điện là trạng thái mà nhiệt độ của bất kỳ phần nào của chúng không sai khác quá 3 °C so với nhiệt độ môi trường đặt chúng;
17 Nhiệt độ quy định của thiết bị điện là nhiệt độ không đổi của thiết bị điện khi thiết bị điện làm việc sau 1 giờ ở tải định mức với nhiệt độ làm mát không đổi;
18 Nhiệt độ quá nhiệt là nhiệt độ tăng vượt quá nhiệt độ cho phép;
19 Thiết bị dòng điện yếu là dụng cụ, thiết bị, hệ thống điều khiển tàu, đo lường điện, kiểm tra đại lượng không điện, hệ thống tín hiệu và liên lạc trên tàu. Còn lại là “thiết bị dòng điện mạnh”;
20 Buồng điện riêng biệt là buồng hoặc không gian chỉ dùng để đặt thiết bị điện và chỉ người làm chuyên môn mới được đến đó làm việc;
21 Nối đất là nối về điện của các phần được nối đất với thân tàu;
22 Thân tàu là tất cả các phần kim loại trên tàu có nối điện một cách tin cậy với vỏ bao của tàu. Đối với những tàu phi kim loại là tấm tiếp mát được đặt ở phần chìm phía ngoài tàu đảm bảo ngâm trong nước ở bất kỳ trạng thái nào của tàu;
23 Thiết bị điện thiết yếu là thiết bị cần thiết phải hoạt động liên tục để duy trì khả năng điều động tàu.
1.1.5 Bản vẽ và các tài liệu trình thẩm định
Các bản vẽ và tài liệu kỹ thuật nêu dưới đây phải được trình:
1 Bản vẽ trình thẩm định
(1) Bản vẽ lắp ráp chi tiết các máy phát, động cơ và các khớp nối điện từ dùng cho thiết bị điện chân vịt. Trong đó có ghi rõ công suất, kích thước chính, vật liệu sử dụng chính và trọng lượng (nếu có trang bị);
(2) Sơ đồ nguyên lý và thuyết minh các cơ cấu điều khiển thiết bị điện chân vịt (nếu có trang bị);
(3) Bản vẽ lắp ráp chi tiết các máy phát (chính, phụ, sự cố) có công suất từ 50 kW trở lên. Trong đó có ghi rõ công suất, kích thước chính, vật liệu chính được dùng và trọng lượng;
(4) Bản vẽ bố trí (trong đó ghi rõ đặc điểm kỹ thuật của các bộ phận chính như: bộ ngắt mạch, cầu chì, dụng cụ đo và cáp điện) và sơ đồ nguyên lý của bảng điện chính, bảng điện sự cố;
(5) Bản vẽ bố trí thiết bị điện và lắp đặt cáp điện;
(6) Sơ đồ hệ thống đi dây, trong đó ghi rõ: dòng điện làm việc bình thường, dòng điện định mức, dòng ngắn mạch có thể xảy ra trong mạch, sụt áp đường dây, kiểu cáp điện, kích thước cáp điện, trị số và dải điều chỉnh của các bộ ngắt mạch, cầu chì và công tắc và khả năng ngắt của các bộ ngắt mạch và cầu chì;
(7) Bộ cấp nguồn bán dẫn dùng cho thiết bị điện chân vịt và cho các máy phát điện;
(8) Bản vẽ lắp ráp chi tiết động cơ điện tời kéo có công suất từ 50 kW trở lên, trong đó ghi rõ công suất, các kích thước chính, vật liệu chính được sử dụng và trọng lượng.
(9) Các bản vẽ cần thiết khác thể hiện yêu cầu cụ thể quy định tại Phần này
2 Tài liệu tham khảo
(1) Thuyết minh điện;
(2) Bản tính nguồn điện;
(3) Danh mục chi tiết thiết bị điện áp cao (kể cả điện áp thử sức bền chất cách điện);
(4) Đối với tàu chở dầu, tàu chở khí hoá lỏng và tàu chở hoá chất nguy hiểm ở dạng lỏng: Bản vẽ chỉ ra khu vực nguy hiểm và các thiết bị điện bố trí trong khu vực nguy hiểm đó;
(5) Đối với các tàu chở hàng nguy hiểm: Danh mục thiết bị điện được lắp đặt ở khu vực chứa hàng nguy hiểm;
1.1.6 Điều kiện môi trường
1 Trừ khi có quy định khác, yêu cầu phải áp dụng điều kiện môi trường như nêu ở Bảng 4/1.1 cho việc thiết kế, lựa chọn và bố trí các trang bị điện để chúng làm việc có hiệu quả.
2 Thiết bị điện phải đảm bảo làm việc tốt khi có chấn động xảy ra trong lúc chúng đang làm việc bình thường.
3 Thiết bị điện phải làm việc tốt trong điều kiện độ ẩm tương đối bằng 90±5% khi nhiệt độ bằng 25±5 ºC.
Bảng 4/1.1 - Nhiệt độ môi trường
| Vị trí đặt thiết bị điện | Nhiệt độ, oC | |
| Không khí | Nước | |
| a) Buồng máy, buồng bếp, buồng điện riêng biệt | Từ +30 tới +50 | + 25 |
| b) Trên boong hở | Từ +10 tới +40 | - |
| c) Các buồng và không gian khác | Từ +30 tới +45 | - |
4 Thiết bị điện trên các tàu mang cấp SB, SI phải hoạt động tốt trong các điều kiện nghiêng ngang tĩnh tới 10° và chúi tĩnh tới 5° khi được lắp trên tàu. Có thể cho phép sai lệch so với các giá trị này trên cơ sở xem xét kiểu tàu, kích thước tàu và điều kiện làm việc của tàu.
5 Trên các tàu chở khí hóa lỏng, tàu chở chở hóa chất nguy hiểm, nguồn cấp điện sự cố phải hoạt động được khi tàu ngập nước với góc nghiêng tối đa là 30º.
1.2 Thử nghiệm
1.2.1 Thử tại xưởng
1 Các máy điện, bảng điện và bộ cấp nguồn có công suất bằng và trên 50 kW phải được thử phù hợp với các yêu cầu tương ứng trong Phần này tại xưởng chế tạo hoặc các xưởng khác có đầy đủ thiết bị cho việc thử và kiểm tra. Cáp điện và thiết bị điện khác phải được thử theo tiêu chuẩn được công nhận.
2 Đối với thiết bị điện được dùng cho máy phụ chuyên dụng vì mục đích sử dụng riêng của tàu như nêu ở 1.1.5-1(4) Phần 3 phải được thử phù hợp với những yêu cầu tương ứng của Phần này.
3 Đối với thiết bị điện được chế tạo hàng loạt, có thể áp dụng quy trình thử phù hợp với phương pháp sản xuất thay cho những yêu cầu nêu ở 1.2.1-1.
1.2.2 Thử sau khi lắp đặt trên tàu
Sau khi thiết bị điện và cáp điện đã được lắp đặt hoàn chỉnh trên tàu thì chúng phải được thử và kiểm tra phù hợp với những yêu cầu nêu tại 2.20.
CHƯƠNG 2 THIẾT BỊ VÀ HỆ THỐNG ĐIỆN
2.1 Quy định chung
2.1.1 Phạm vi áp dụng
Chương này quy định những yêu cầu đối với thiết bị điện và cáp điện cũng như việc thiết kế hệ thống liên quan đến điện.
2.1.2 Điện áp và tần số
1 Điện áp định mức đầu nguồn ra cung cấp cho mạng điện tàu không được lớn hơn các trị số dưới đây:
(1) 400 V đối với dòng điện xoay chiều 3 pha tần số 50 Hz hoặc 450 V đối với dòng điện xoay chiều 3 pha tần số 60 Hz;
(2) 230 V đối với dòng điện xoay chiều 1 pha tần số 50 Hz hoặc 270 V đối với dòng điện xoay chiều 1 pha tần số 60 Hz; (3) 230 V đối với dòng điện 1 chiều.
Cho phép dùng dòng điện xoay chiều 3 pha có điện áp cao hơn giá trị nêu trên nhưng không quá 10.000 V và chỉ áp dụng đối với tàu công trình, thiết bị điện chân vịt và các tàu đặc biệt.
2 Điện áp định mức ở đầu vào các phụ tải không được lớn hơn các trị số nêu ở Bảng 4/2.1.
Bảng 4/2.1 - Điện áp đầu vào các phụ tải
| TT | Tên phụ tải | Điện áp, V | ||
| Một chiều | Xoay chiều | |||
| 1 | Thiết bị điện động lực và mạch điều khiển chúng, thiết bị đốt nóng và nấu ăn được nối dây cố định | 220 | 380 hoặc 440 | |
| 2 | Thiết bị trong buồng sinh hoạt, chiếu sáng chính, chiếu sáng tín hiệu | 220 | 220 | |
| 3 | Ổ cắm di động | 24 | 24 | |
Bảng 4/2.2 - Giới hạn dao động điện áp và tần số
| Thông số dao động | Giới hạn dao động | |
| Lâu dài, % | Tức thời, % | |
| Điện áp | +6, -10 | +15, -25 (1,5 giây) |
| Tần số | ± 5 | ± 10 (5 giây) |
| Chú thích 1. Các trị số (không kể thời gian) ở Bảng nghĩa là tỷ lệ phần trăm so với giá trị định mức; 2. Bảng 4/2.2 không áp dụng cho thiết bị điện dùng điện ắc quy. | ||
3 Thiết bị điện được cấp điện từ bảng điện chính và sự cố phải được thiết kế và chế tạo sao cho chúng có thể hoạt động tốt khi có dao động điện áp và tần số. Nếu không có quy định khác, thiết bị điện phải hoạt động tốt khi điện áp và tần số dao động với mức như nêu ở Bảng 4/2.2. Bất kỳ hệ thống đặc biệt nào, ví dụ: các mạch điện tử mà khả năng chúng không thể hoạt động tốt trong giới hạn nêu ở Bảng 4/2.2. thì phải cấp điện cho chúng bằng biện pháp thích hợp (ví dụ: bộ ổn áp...).
2.1.3 Kết cấu, vật liệu, lắp đặt
1 Các bộ phận của máy điện chịu sức bền cơ học phải được làm bằng vật liệu không có khuyết tật. Việc lắp chính xác và khe hở của các bộ phận phải phù hợp với môi trường làm việc của nó.
2 Tất cả các thiết bị phải được kết cấu và được lắp đặt sao cho đảm bảo an toàn cho người vận hành khi chạm vào thiết bị.
3 Các vật liệu cách điện dùng cho các bộ phận cần được cách điện thấp nhất phải là cấp A, chịu được hơi nước và hơi dầu.
4 Tất cả các phần dẫn điện phải được chế tạo bằng đồng đỏ hoặc hợp kim đồng hoặc bằng các vật liệu khác có đặc tính tương tự, trừ các bộ phận sau:
(1) Điện trở phải được chế tạo bằng các vật liệu có sức bền cơ học cao, có điện trở suất cao và chịu được nhiệt độ;
(2) Các vòng ngắn mạch của rô to động cơ dị bộ phải được chế tạo bằng nhôm hoặc hợp kim nhôm chịu được các điều kiện đặc biệt;
(3) Chổi than và các bộ phận tương tự.
5 Đối với các cuộn dây của máy điện và của các thiết bị điện quan trọng thì phải dùng vật liệu cách điện tối thiểu là cấp E.
6 Dây dẫn dùng để nối bên trong các thiết bị điện được cách điện thì chất cách điện phải là loại khó cháy. Ở các dụng cụ bị nung nóng cao thì vật liệu cách điện phải là loại không cháy.
7 Các bu lông, ê cu, chốt, vít, cọc đấu dây, vít cấy, lò xo và các chi tiết nhỏ khác phải được làm bằng vật liệu chịu ăn mòn hoặc phải được bảo vệ chống ăn mòn một cách thích hợp.
8 Thiết bị điện có làm mát cưỡng bức đặt ở phía dưới của buồng có độ ẩm cao phải bố trí hệ thống làm mát sao cho hơi ẩm và hơi dầu không bị hút vào bên trong thiết bị điện.
9 Tất cả các ê cu và các vít dùng để nối các phần mang điện và các bộ phận làm việc phải được hãm chắc chắn.
10 Thiết bị điện phải được đặt ở vị trí dễ tiếp cận để vận hành và bảo dưỡng, ở khu vực được thông gió tốt, được chiếu sáng đủ và nơi đó không thể có nguy cơ bị hư hỏng do cơ khí hoặc nước, hơi hoặc dầu. Nếu ở những nơi mà có những rủi ro không thể tránh được thì thiết bị điện phải có kết cấu sao cho phù hợp với các điều kiện của vị trí đặt. Việc lắp đặt máy điện quay phải quan tâm đến khả năng thay thế rô to.
11 Thiết bị điện phải có kết cấu sao cho các chi tiết thường hay hỏng trong thời gian sử dụng thì khi thay thế chúng không cần phải tháo các chi tiết khác và không cần phải dùng đồ nghề chuyên dùng.
12 Không được đặt thiết bị điện gần các nguồn nhiệt. Thiết bị điện được làm mát bằng không khí phải được bố trí xa nơi có ống nước xả hoặc những nơi có chất bẩn có thể gây hại đến chất cách điện.
13 Thiết bị điện được lắp đặt ở những nơi có thể xuất hiện rung động lớn (tần số trên 30 Hz) mà không thể khắc phục được thì phải có kết cấu sao cho đảm bảo thiết bị hoạt động bình thường khi có rung động, hoặc phải đặt chúng trên bộ giảm chấn.
14 Thiết bị điện phải được cố định sao cho không làm giảm sức bền và tính nguyên vẹn của boong/vách.
15 Các vật liệu dễ cháy ở gần các phần hở có mang điện của thiết bị điện với khoảng cách nhỏ hơn 300 mm theo chiều ngang và 1200 mm theo chiều thẳng đứng thì phải được bảo vệ thích hợp.
16 Thiết bị điện có điện áp lớn hơn 1000 V phải được đặt trong buồng điện riêng biệt. Trong trường hợp có lý do xác đáng có thể cho phép miễn trừ với điều kiện phải đảm bảo sao cho chỉ có thể tới gần được phần dẫn điện khi nó không có điện áp, hoặc chỉ khi sử dụng các đồ nghề chuyên dụng. Cửa buồng có điện áp trên 500 V và nắp của các thiết bị có điện áp lớn hơn 1000 V phải có biển báo nguy hiểm. Buồng điện riêng biệt phải thỏa mãn các yêu cầu dưới đây:
(1) Cửa của buồng điện riêng biệt phải được mở ra phía ngoài, trong trường hợp đặc biệt mà cửa thông ra hành lang buồng ở hay buồng làm việc thì cho phép mở cửa vào trong với điều kiện phải đặt hàng rào che chắn. Cửa của buồng này phải được đóng bằng khóa, nhưng ở trong buồng có thể mở được mà không cần chìa;
(2) Buồng điện riêng biệt không được đặt kề với các két chứa chất lỏng dễ cháy;
(3) Không được bố trí các lối ra, các cửa sổ, hoặc lỗ khác từ buồng điện riêng biệt thông với các buồng hoặc không gian có nguy cơ nổ;
(4) Trong buồng điện riêng biệt, chỗ vận hành các thiết bị điện kiểu hở phải có hàng rào che chắn và có tay vịn chế tạo bằng vật liệu cách điện.
17 Phải đặt các thiết bị điện cách xa két dầu đốt, dầu bôi trơn với khoảng cách tối thiểu 75 mm. Thiết bị chỉ báo mức dầu dùng điện có thể được phép đặt trực tiếp trên két.
18 Không được phép đặt trang bị điện ở những nơi có tích tụ khí dễ nổ hoặc trong buồng đặt ắc quy, kho sơn, kho chứa axêtilen hoặc các không gian tương tự, trừ khi chúng thỏa mãn những yêu cầu từ (1) đến (4) dưới đây:
(1) Thiết bị điện có công dụng thiết yếu;
(2) Thiết bị điện có kiểu không đánh lửa làm cháy hỗn hợp liên quan;
(3) Thiết bị điện phù hợp với các không gian liên quan;
(4) Thiết bị điện được chứng nhận phù hợp cho việc sử dụng an toàn trong bụi bẩn, hơi dầu hoặc khí mà nó thường xuyên phải tiếp xúc.
19 Thiết bị điện và cáp điện phải được bảo vệ sao cho ảnh hưởng của từ trường bên ngoài được hạn chế đến mức không đáng kể ngay cả khi đang đóng mạch hay mở mạch.
20 Tùy thuộc vị trí lắp đặt, thiết bị điện phải có cấp bảo vệ của vỏ thích hợp. Cấp bảo vệ này không được nhỏ hơn mức được đưa ra ở Bảng 4/2.3.
21 Đặc tính của cấp bảo vệ vỏ thiết bị điện được quy ước ký hiệu là IP và tiếp sau đó là hai chữ số, chữ số thứ nhất phù hợp với Bảng 4/2.4 và chữ số thứ hai phù hợp với Bảng 4/2.5.
22 Thiết bị điện lắp đặt trong buồng ắc quy phải thỏa mãn quy định ở 2.14.6.
23 Thiết bị điện lắp đặt trong kho sơn phải thỏa mãn Bảng 4/2.6.
Bảng 4/2.3 - Mức bảo vệ tối thiểu của vỏ thiết bị điện theo vị trí lắp đặt
| TT | Vị trí lắp đặt thiết bị điện | Đặc điểm của nơi đặt | Kiểu vỏ bảo vệ | Cấp bảo vệ |
| 1 | Buồng ở, buồng công cộng, buồng làm việc, các hành lang và cầu thang | Khô ráo |
| IP30 |
| 2 | Các buồng đặc biệt để đặt các thiết bị phân phối, các trạm và bảng điều khiển, biến áp và các máy điện | Khô ráo, có khả năng ngưng đọng giọt nước | Kiểu bảo vệ phòng giọt nước | IP223 IP112,3 |
| 3 | Buồng máy, buồng nồi hơi | Có độ ẩm cao | Kiểu bảo vệ phòng giọt nước | IP231;3 |
| 4 | Buồng VTĐ, buồng lái | Có khả năng ngưng đọng giọt nước | Kiểu bảo vệ phòng giọt nước | IP22 |
| 5 | Buồng máy lái, buồng bếp, nhà tắm, buồng vệ sinh | Có độ ẩm cao | Kiểu phòng giọt nước tóe vào | IP44 |
| 6 | Khoang hàng dùng để chuyên chở hoặc chứa nhiên liệu rắn và lỏng hoặc hàng dễ bốc cháy | Ẩm ướt | Kiểu phòng nước | IP55 |
| 7 | Boong lộ thiên | Ẩm ướt | Kiểu phòng nước | IP56 |
| 8 | Buồng hoặc khoang có thiết bị điện làm việc dưới nước | Ngập nước | Kiểu bảo vệ ngâm trong nước | IP68 |
| Chú thích: Thiết bị điện được đặt gần vách phía trước phải có cấp bảo vệ thấp nhất là IP44. (1) Kiểu vỏ ngoài của thiết bị điện hoặc các bộ phận của nó đặt ở dưới sàn buồng máy phải có cấp bảo vệ thấp nhất là IP34; (2) Cho phép đặt thiết bị điện có cấp bảo vệ IP00 trong các buồng điện riêng biệt khi có khóa liên động ngắt điện áp khỏi các thiết bị điện hoặc điện áp bị ngắt khi cửa mở (ví dụ vòng dẫn điện trên cần cẩu nổi); (3) Đối với các bảng phân phối điện chính, sự cố và các bảng điều khiển cho phép chỉ cần cấp IP21. | ||||
Bảng 4/2.4 - Ý nghĩa chữ số thứ nhất
| Cấp bảo vệ | Đặc tính |
| 0 | Phần dẫn điện, phần chuyển động không có bảo vệ tránh người va chạm, và cũng không có bảo vệ tránh vật rơi vào bên trong |
| 1 | Phần dẫn điện, phần quay có bảo vệ tránh dụng cụ va chạm vào cơ thể con người có bề mặt tiếp xúc lớn, nhưng không có bảo vệ tránh tiếp cận với các phần dẫn điện và phần quay nói trên. Bảo vệ tránh các vật rắn có đường kính từ 52,5 mm trở lên rơi vào trong. |
| 2 | Phần dẫn điện, phần chuyển động có bảo vệ tránh ngón tay người va chạm vào, có bảo vệ tránh các vật rắn có đường kính từ 12,5 mm trở lên rơi vào trong. |
| 3 | Phần dẫn điện, phần chuyển động có bảo vệ tránh các dụng cụ va chạm vào, có bảo vệ tránh các vật rắn có đường kính từ 12,5 mm trở lên rơi vào trong. |
| 4 | Bảo vệ tránh sự va chạm của các phụ tùng của dây hoặc của các vật tương tự có chiều dày lớn hơn 1 mm với các phần dẫn điện trong vỏ thiết bị và bảo vệ các vật rắn có chiều dày nhỏ hơn 1 mm rơi vào bên trong. |
| 5 | Bảo vệ hoàn toàn tránh người va chạm các phần dẫn điện hoặc các phần chuyển động và bảo vệ tránh bụi có hại rơi vào trong thiết bị. |
| 6 | Bảo vệ hoàn toàn tránh người va chạm các phần dẫn điện hoặc các phần chuyển động và bảo vệ hoàn toàn tránh bụi có hại rơi vào trong thiết bị. |
Bảng 4/2.5 - Ý nghĩa chữ số thứ hai
| Cấp bảo vệ | Đặc tính |
| 0 | Không bảo vệ. |
| 1 | Bảo vệ phòng giọt nước đọng: Giọt nước đọng rơi thẳng lên vỏ thiết bị không gây tác hại đến thiết bị đặt trong vỏ. |
| 2 | Bảo vệ phòng giọt nước: Giọt nước rơi lên vỏ thiết bị nghiêng 15o so với phương thẳng đứng, không có tác hại đến thiết bị đặt trong vỏ. |
| 3 | Bảo vệ tránh mưa: Khi mưa rơi lên vỏ thiết bị theo góc nghiêng 60o so với phương thẳng đứng không có tác hại đến thiết bị đặt trong vỏ. |
| 4 | Bảo vệ tránh tia nước: Tia nước rơi vào vỏ thiết bị theo bất cứ phương nào không tác hại đến thiết bị đặt trong vỏ. |
| 5 | Bảo vệ chống tia nước: Nước được phun ra qua đầu phun lên vỏ thiết bị theo phương bất kỳ không tác hại đến thiết bị đặt trong vỏ. |
| 6 | Bảo vệ thiết bị trên boong lộ thiên: Khi sóng nước phủ lên boong không lọt vào bên trong vỏ thiết bị với điều kiện kỹ thuật đã quy định cho mỗi loại thiết bị. |
| 7 | Bảo vệ kín nước: Khi bị nhúng chìm với áp lực và thời gian đã nêu trong các tiêu chuẩn hoặc điều kiện kỹ thuật cho mỗi loại thiết bị, nước không lọt vào vỏ thiết bị. |
| 8 | Bảo vệ kín nước hoàn toàn: Khi bị nhúng chìm lâu dài dưới nước với áp lực đã nêu trong các tiêu chuẩn hoặc các điều kiện kỹ thuật cho mỗi loại thiết bị, nước không lọt vào bên trong vỏ của thiết bị. |
Bảng 4/2.6 - Thiết bị điện được phép lắp đặt trong kho sơn và khu vực lân cận
|
| Khu vực | Trang bị điện được phép lắp đặt |
| (a) | Kho sơn | (1) Thiết bị điện phòng nổ như dưới đây có nhóm khí và cấp nhiệt độ tối thiểu là IIB T3 và cáp điện đi kèm với chúng; - kiểu an toàn về bản chất: ia hoặc ib - kiểu chống lan truyền tia lửa: “d” - kiểu được nén áp suất dư: “p” - kiểu tăng độ an toàn: “e” (2) Các cáp chạy xuyên qua; (3) Quạt thông gió kiểu không phát sinh tia lửa. |
| (b) | Đầu vào và ống xả thông gió | |
| (c) | Khu vực trên boong hở trong phạm vi 1 m của đầu hút vào và thổi ra của nấm thông gió | (1) Trang bị điện được phép cho những khu vực quy định tại (a) và (b); (2) Thiết bị điện với kiểu bảo vệ “n” cũng như các cáp liên đới với chúng; (3) Thiết bị điện có kiểu không gây tia lửa hoặc hồ quang và không bộ phận nào của chúng có nhiệt độ làm việc đến mức có thể gây đánh lửa vào môi trường khí hoặc hơi của chất lỏng dễ cháy chứa trong kho, và cáp điện liên đới với chúng; (4) Thiết bị điện có vỏ bảo vệ được nén áp suất dư hoặc vỏ phòng hơi đơn giản (Tối thiểu là cấp bảo vệ IP55), và không bộ phận nào của chúng có nhiệt độ làm việc đến mức có thể gây đánh lửa vào môi trường khí hoặc hơi của chất lỏng dễ cháy chứa trong kho, cũng như các cáp điện liên đới với chúng. |
| (d) | Vùng trên boong hở trong phạm vi 3 m từ lối ra cửa thông gió cơ khí | |
| (e) | Không gian kín có cửa mở trực tiếp (Không phải là cửa mở có thể đóng được như của ra vào) vào kho sơn. | Các không gian này có thể được coi là không nguy hiểm với điều kiện: (1) Cửa vào kho sơn là cửa kín khí có thiết bị tự đóng; (2) Kho sơn được trang bị hệ thống thông gió tự nhiên độc lập hữu hiệu; và (3) Biển cảnh báo được đặt bên cạnh lối vào kho sơn chỉ ra kho này có chứa chất lỏng dễ cháy. |
2.1.4 Nối đất
1 Các phần kim loại để trần không mang điện của thiết bị điện, mà bình thường không thể có điện nhưng do hư hỏng có thể trở thành có điện thì phải được nối đất tin cậy, trừ các trường hợp sau:
(1) Chúng được cấp điện với điện áp an toàn, tức là không quá 50 V dòng một chiều hoặc không quá 50 V điện áp hiệu dụng dòng xoay chiều. Tuy nhiên, không cho phép dùng biến áp tự ngẫu để tạo ra điện áp này;
(2) Chúng được cấp điện không quá 250 V qua biến áp cách ly an toàn dành riêng cho chúng;
(3) Chúng có kết cấu cách điện kép;
(4) Các bộ phận bằng kim loại của thiết bị điện được cố định trong các vật liệu cách điện hoặc xuyên qua vật liệu cách điện để cách ly với các bộ phận có điện áp đã được nối đất sao cho ở điều kiện làm việc bình thường không có xuất hiện điện áp hoặc tiếp xúc với các phần đã được nối đất;
(5) Thân của ổ đỡ được cách điện đặc biệt;
(6) Đui đèn và các bộ phận bắt chặt với đèn huỳnh quang, các bộ phận bên ngoài được bắt chặt với đui đèn được chế tạo bằng vật liệu cách điện hoặc được vặn vào các vật liệu cách điện;
(7) Các chi tiết cố định cáp điện.
Việc nối đất được biểu thị bằng dấu hiệu:
2 Các thiết bị điện đặt cố định phải được nối đất bằng dây nối đất riêng bên ngoài hoặc phải được nối đất bằng lõi nối đất của cáp điện.
Cho phép nối đất thiết bị điện bằng cách đặt trực tiếp trên bề mặt và giá đỡ kim loại hoặc trên những kết cấu nối đất tin cậy khác của tàu. Trong trường hợp này phải cố định thiết bị ít nhất bằng hai bu lông và đảm bảo tiếp xúc tin cậy về điện giữa thân thiết bị điện và kết cấu của thân tàu. Tiết diện dây nối đất không được nhỏ hơn 10 mm2 nếu là dây đồng và 50 mm2 nếu là dây thép.
Đối với những tàu phi kim loại thì chiều dài dây nối đất không được phép lớn hơn 2,5 m.
Đối với các dụng cụ đo, khí cụ đo có công suất nhỏ và vỏ cáp điện dùng cho chúng thì cho phép dùng dây nối đất bằng đồng có tiết diện tối thiểu là 1,5 mm2.
Đối với bảng điện chính và bảng điện bờ thì tiết diện dây nối đất lấy bằng 0,5 tiết diện dây cáp điện đi vào trong bảng điện, nhưng không lớn hơn 70 mm2 nếu là dây đồng và 700 mm2 nếu là dây thép.
3 Không được phép đặt thiết bị ngắt mạch trong mạch nối đất.
4 Vỏ bọc ngoài và vỏ bọc kim loại của cáp điện phải được nối đất. Phải tiến hành nối đất bằng một trong các biện pháp sau đây:
(1) Bằng dây đồng có tiết diện không nhỏ hơn 2,5 mm2 đối với cáp có tiết diện lõi đến 25 mm2 và không nhỏ hơn 4 mm2 đối với cáp có tiết diện lớn hơn 25 mm2;
(2) Kẹp chặt lõi nối đất hoặc vỏ bọc kim loại của cáp với thân tàu bằng các vòng kẹp chắc chắn và dẫn điện tốt;
(3) Dùng các vòng đệm cáp làm bằng vật liệu chống gỉ, dẫn điện tốt và có tính đàn hồi. Phải tiến hành nối đất cả hai đầu cáp điện, với mạch nhánh cuối thì chỉ cần nối đất ở 1 đầu.
5 Khi dùng một trong các lõi cáp để nối đất thì phải cố định nó với các phần nối đất ở bên trong vỏ của thiết bị.
6 Cuộn thứ cấp của biến áp đo lường, biến áp thấp áp, các thiết bị điều khiển truyền động điện phải được nối đất.
7 Vị trí nối đất phải đảm bảo dễ tiếp cận để kiểm tra và bảo quản tránh hư hỏng do cơ khí hoặc han gỉ gây ra. Bề mặt chỗ nối đất phải được đánh sạch tới ánh kim và được phủ một lớp kim loại chống gỉ. Phải dùng vít hoặc bu lông có đường kính không nhỏ hơn 6 mm để nối đất với thân tàu hay với dây dẫn nối đất.
8 Thượng tầng có kết cấu bằng hợp kim nhôm mà có cách điện với thân tàu thì phải được nối đất ít nhất bằng hai dây dẫn, mỗi dây có tiết diện không nhỏ hơn 16 mm2, không gây ăn mòn điện hóa ở vị trí tiếp xúc giữa thượng tầng và thân tàu. Phải nối đất ở những vị trí khác nhau theo chu vi của thượng tầng, các vị trí nối đất phải dễ tiếp cận để kiểm tra và bảo quản.
9 Vỏ kim loại của dụng cụ, thiết bị điện di động có điện áp lớn hơn 24 V phải được nối đất. Việc nối đất ổ cắm phải dùng chốt cắm nối đất riêng.
10 Không được dùng ống dẫn, két, bình chứa khí nén và chứa các sản phẩm dầu làm chỗ nối đất.
11 Cần phải có biện pháp an toàn bổ sung cho thiết bị điện xách tay dùng trong buồng kín hoặc buồng ẩm ướt, nơi mà có thể có các rủi ro đặc biệt do điện.
12 Đối với các tàu mà kết cấu chính của chúng được làm bằng vật liệu phi kim loại thì phải thoả mãn những yêu cầu từ (1) đến (5) dưới đây:
(1) Tất cả các phần kim loại của tàu phải được nối đất với nước sông/biển, cố gắng hạn chế ăn mòn điện hoá giữa các kim loại khác nhau. Nói chung, không cần nối đất các bộ phận cách ly bên trong kết cấu, trừ két dầu đốt;
(2) Phải có biện pháp nối đất thiết bị nhận dầu với tàu ở mỗi điểm giao nhận dầu có áp lực;
(3) Các đường ống kim loại có thể phát ra tĩnh điện do dòng chảy của chất lỏng hoặc khí phải được liên kết sao cho đảm bảo tính liên tục về điện suốt chiều dài của chúng và phải được nối đất thích hợp;
(4) Dây dẫn thứ cấp được trang bị để cân bằng sự phóng tĩnh điện, dây liên kết thiết bị... nhưng không dùng để dẫn phóng điện sét phải là dây đồng có tiết diện tối thiểu 5 mm2 hoặc là dây nhôm có tiết diện đảm bảo khả năng dẫn điện tăng đột ngột tương đương;
(5) Điện trở giữa các vật liên kết và kết cấu chính không vượt quá 0,05Ω. Đường dây liên kết phải có đủ tiết diện để chịu dòng lớn nhất thường xuyên chạy qua đó mà không làm sụt áp quá mức.
2.1.5 Khe hở và khoảng cách cách điện
1 Khe hở và khoảng cách cách điện giữa các phần mang điện với nhau và giữa các phần mang điện với phần kim loại nối đất (sau đây gọi là "Khe hở và khoảng cách cách điện") phải tương ứng với điện áp làm việc, có xét đến bản chất và điều kiện làm việc của vật liệu cách điện.
2 Khe hở và khoảng cách cách điện bên trong hộp đấu dây của các máy điện quay, các thanh dẫn ở bảng điện và các thiết bị điều khiển phải phù hợp với những yêu cầu tương ứng của phần này.
2.2 Thiết kế hệ thống
2.2.1 Các hệ thống phân phối
1 Chỉ cho phép sử dụng các hệ thống phân phối sau:
(1) Hệ thống điện một chiều hai dây;
(2) Hệ thống điện xoay chiều một pha hai dây;
(3) Hệ thống điện xoay chiều ba pha ba dây;
(4) Hệ thống điện xoay chiều ba pha bốn dây.
2 Chỉ cho phép sử dụng thân tàu làm dây dẫn trong các trường hợp sau:
(1) Các hệ thống bảo vệ dòng catốt dùng để bảo vệ phía ngoài thân tàu;
(2) Các hệ thống nối đất giới hạn và cục bộ, với điều kiện bất kỳ dòng điện có thể xuất hiện không được chạy trực tiếp qua vùng nguy hiểm;
(3) Hệ thống kiểm tra cách điện, với điều kiện trong bất kỳ trường hợp nào dòng điện khép kín không được vượt quá 30 mA;
(4) Mạch ắc quy khởi động điện động cơ đi-ê-den;
(5) Mạch điện 1 chiều hoặc xoay chiều có điện áp không quá 30 V với điều kiện:
(a) Thiết bị điện đặt trong các buồng ắc quy, kho, hầm hàng phải được cấp điện bằng hệ thống hai dây;
(b) Dây âm hoặc “0” của phụ tải này phải được nối với thân tàu ở ngay vị trí đặt chúng (ở đây cực âm hoặc “0” của thanh dẫn của bảng điện đã được nối với thân tàu);
(c) Trực tiếp trên mặt tôn vỏ tàu;
(d) Của nhóm phụ tải phải được nối tin cậy với thân tàu bằng dây dẫn riêng, tiết diện của dây dẫn này phải được lựa chọn phù hợp với tổng dòng điện tiêu thụ của các phụ tải.
2.2.2 Hệ thống kiểm tra cách điện
Khi một hệ thống phân phối hoặc sơ cấp hoặc thứ cấp dùng cho mạng động lực, sưởi hoặc chiếu sáng mà không được nối đất thì phải dùng thiết bị có thể kiểm tra liên tục độ cách điện so với đất và nó phải phát ra tín hiệu bằng âm thanh hoặc ánh sáng khi trị số cách điện thấp hơn quy định. Với các tàu mà tổng công suất của các tổ máy phát chính dưới 100 kW thì chỉ cần dùng hệ thống đèn kiểm tra trạng thái chạm mát.
2.2.3 Chênh lệch dòng tải
Sự chênh lệch dòng tải giữa các pha ở các bảng điện, các bảng phân nhóm và các bảng phân phối không được vượt quá 15% dòng toàn tải (càng thấp càng tốt).
2.2.4 Hệ số đồng thời
1 Các mạch điện cấp cho từ hai mạch nhánh cuối trở lên phải được tính phù hợp với tất cả mọi phụ tải được nối vào, ở đây có thể dùng hệ số đồng thời.
2 Hệ số đồng thời được nêu ở 2.2.4-1 có thể áp dụng để tính tiết diện dây dẫn và công suất của các cơ cấu ngắt (bao gồm các bộ ngắt mạch và các công tắc) và các cầu chì.
2.2.5 Mạch cấp điện
1 Các phụ tải sau đây phải được cấp điện trực tiếp từ thanh cái bảng điện chính:
(1) Thiết bị lái dùng điện;
(2) Thiết bị neo dùng điện;
(3) Máy nén khí dùng điện, các động cơ bơm phục vụ máy chính, bảng điện quạt;
(4) Các bảng điện chiếu sáng chính;
(5) Tủ nạp điện;
(6) Bảng đèn điện tín hiệu hành trình, phân biệt;
(7) Bảng điện cần cẩu, tời làm dây.
2 Các phụ tải của nguồn điện sự cố phải được cấp điện từ bảng điện sự cố.
3 Các động cơ điện có công dụng thiết yếu yêu cầu bố trí kép, phải được cấp điện bằng các mạch riêng biệt không dùng vào các mạch cấp chung, các thiết bị bảo vệ và các cơ cấu điều khiển.
4 Mạch nhánh cuối dùng cho phụ tải nhỏ phải có dòng không lớn hơn 10 A.
5 Mạch nhánh cuối có dòng lớn hơn 15 A thì chỉ được cấp điện cho tối đa một thiết bị.
2.2.6 Mạch động cơ
1 Động cơ có công dụng thiết yếu và động cơ khác có công suất lớn hơn hoặc bằng 1 kW phải được cấp điện bằng mạch nhánh cuối riêng biệt.
2 Thiết bị lái điện hoặc điện thủy lực phải được cung cấp điện bằng hai đường dây riêng biệt lấy trực tiếp từ bảng điện chính và chúng phải được đặt càng xa nhau càng tốt theo chiều dọc cũng như chiều rộng thân tàu. Mỗi đường dây phải được tính toán sao cho tất cả các động cơ nhận điện qua nó phải làm việc đồng thời.
2.2.7 Mạch chiếu sáng
1 Các mạch chiếu sáng phải được cấp điện bằng các mạch nhánh cuối tách biệt khỏi mạch thiết bị sưởi và thiết bị động lực. Các động cơ điện có công suất tới 0,25 kW và các lò sưởi trong buồng có dòng định mức tới 10 A được phép nhận điện từ bảng điện chiếu sáng chính.
2 Dòng điện cuối mạch chiếu sáng không được lớn hơn 10 A.
3 Số điểm chiếu sáng ở mạch nhánh cuối dùng cho buồng ở và buồng công cộng không được vượt quá:
(1) 10 đối với mạch có điện áp tới 55 V;
(2) 14 đối với mạch có điện áp 110 V;
(3) 18 đối với mạch có điện áp 220 V.
Trong trường hợp khi mà số điểm chiếu sáng và dòng toàn tải là không đổi thì có thể cho phép nối nhiều hơn số điểm nêu trên vào mạch nhánh cuối, với điều kiện dòng tải tổng cộng không vượt quá 10 A.
4 Đối với tàu khách, trong không gian như buồng máy, lối dẫn ra boong cứu sinh thì các đèn chiếu sáng phải được cấp ít nhất từ hai mạch và phải bố trí sao cho khi một mạch bị hư hỏng thì các không gian này vẫn được chiếu sáng đủ và đều. Một trong hai mạch này có thể là mạch chiếu sáng sự cố.
5 Đối với tàu khách, các đèn chiếu sáng và các ổ cắm trong buồng khách phải được cấp điện từ bảng điện chiếu sáng bằng đường dây riêng biệt.
6 Nếu tàu được phân chia theo các vùng chống cháy chính thì mạch điện chiếu sáng của mỗi vùng phải được cấp điện theo đường dây riêng biệt. Các đường dây phải được đặt sao cho khi xảy ra cháy ở một vùng nào đó không làm ảnh hưởng đến các mạch cấp điện ở vùng khác.
7 Khi tính toán tiết diện dây dẫn, dây cáp điện thì công suất của mỗi ổ cắm trong buồng phải lấy bằng:
(1) 60 W với điện áp 110 V và lớn hơn;
(2) 25 W với điện áp 24 V.
8 Các mạch chiếu sáng sự cố phải phù hợp với các yêu cầu nêu ở 3.3.
2.2.8 Mạch dùng cho hệ thống thông tin nội bộ và thiết bị hàng giang, hàng hải
1 Các cáp điện dùng cho hệ thống thông tin phải được bố trí sao cho không gây ra nhiễu.
2 Không cho phép bố trí công tắc trên các mạch cấp điện của các thiết bị báo động chung, trừ công tắc nguồn. Ở chỗ có sử dụng bộ ngắt mạch thì phải có các biện pháp thích hợp để tránh bộ ngắt nằm ở vị trí "ngắt".
3 Các hệ thống tín hiệu và thông tin nội bộ quan trọng và các thiết bị phục vụ hàng hải phải có mạch tự giữ hoàn toàn để đảm bảo duy trì tốt chức năng của chúng.
2.2.9 Mạch dùng cho trang bị vô tuyến điện
Trang bị vô tuyến điện phải được cấp điện từ nguồn điện chính và sự cố, trừ khi chúng được cấp từ nguồn ắc quy độc lập.
2.2.10 Mạch dùng cho thiết bị sưởi và nấu ăn
1 Mỗi một thiết bị sưởi và nấu ăn dùng điện phải được nối với mạch nhánh cuối riêng biệt, trừ khi chỉ tối đa 5 bộ sưởi điện loại nhỏ có dòng tổng cộng nhỏ hơn hoặc bằng 10 A thì có thể được nối với 1 mạch nhánh cuối đơn.
2 Thiết bị sưởi và nấu ăn phải được khống chế bằng công tắc nhiều cực đặt ở gần thiết bị. Tuy nhiên, các bộ sưởi điện loại nhỏ được nối với mạch nhánh cuối có dòng nhỏ hơn hoặc bằng 10 A thì có thể cho phép dùng công tắc một cực để khống chế.
2.2.11 Cung cấp điện cho đèn tín hiệu hành trình
1 Đối với tàu mang cấp VR-SB, VR-SI, bảng điện của đèn hành trình phải được cấp điện bằng 2 đường dây riêng biệt, một lấy từ bảng điện chính và một lấy từ bảng điện chiếu sáng gần nó nhất. Đối với tàu khách mang cấp VR-SB, VR-SI trên bảng đèn hành trình phải có đèn chỉ báo trạng thái làm việc của các đèn.
2 Từ bảng điện của đèn tín hiệu hành trình phải có đường dây riêng biệt đến các đèn.
3 Trên các tàu mà các đèn tín hiệu hành trình được cấp nguồn từ ắc quy thì không cần bảng đèn dự phòng.
4 Việc cấp điện cho các đèn cột, đèn chăng dây v.v... được phép dùng bảng điện riêng hoặc nhóm bảng điện chiếu sáng gần nhất. Các đèn dùng tạm thời được phép nhận điện qua ổ cắm lấy ở mạch điện chiếu sáng gần vị trí treo đèn.
2.2.12 Cung cấp điện từ nguồn điện bên bờ
1 Khi có bố trí dùng nguồn điện bờ để cấp cho tàu thì phải đặt hộp nối ở vị trí thích hợp. Trong trường hợp khi mà các cáp nối bờ có thể được kéo vào bảng điện dễ dàng và đảm bảo an toàn thì có thể cho phép bỏ hộp nối với điều kiện phải trang bị các thiết bị bảo vệ và kiểm tra như nêu ở 2.2.12-2.
2 Hộp nối phải có các cọc đấu dây để tạo thuận tiện cho việc nối và phải có bộ ngắt mạch hoặc cầu dao kèm cầu chì. Phải có biện pháp để kiểm tra liên tục thứ tự pha (với dòng xoay chiều ba pha) hoặc cực tính (với dòng một chiều).
3 Ở hộp nối phải có ghi chú đưa ra thông tin về hệ thống cung cấp và điện áp định mức của hệ thống (và tần số nếu là điện xoay chiều) và quy trình thực hiện nối dây.
4 Cáp điện giữa hộp nối và bảng điện phải được cố định chắc chắn và phải bố trí đèn báo nguồn và công tắc hoặc bộ ngắt mạch.
5 Không cho phép trạm điện tàu và điện bờ làm việc song song.
2.2.13 Cung cấp điện cho sà lan từ tàu khác
1 Phía trước ổ cắm điện phải có thiết bị ngắt hoàn toàn điện áp.
2 Phích cắm phải có kết cấu sao cho khi cần rút ra thì tay không thể chạm vào phần có điện áp.
2.3 Truyền động điện
2.3.1 Truyền động điện máy lái
Truyền động điện máy lái và các hệ thống liên quan đến điện đi kèm phải phù hợp với các yêu cầu tương ứng được nêu ở Chương 12 Phần 3 của Quy chuẩn.
2.3.2 Truyền động điện máy kéo neo và tời làm dây
1 Khi dùng động cơ xoay chiều rô to lồng sóc truyền động máy kéo neo thì sau 30 phút làm việc với tải định mức động cơ điện phải có khả năng dừng dưới điện trong thời gian khoảng 30 giây, còn với tời làm dây thì thời gian là 15 giây. Động cơ điện một chiều và động cơ điện xoay chiều rô to lồng sóc phải chịu được chế độ xác lập nói trên khi mô men bằng 200% định mức, đồng thời điện áp có thể nhỏ hơn điện áp định mức.
2 Truyền động điện máy neo và tời làm dây phải có nút ấn cưỡng bức khi thiết bị bảo vệ quá tải tác động ngắt nguồn động cơ trong trường hợp mà việc ngắt đó ảnh hưởng đến an toàn của tàu.
2.3.3 Truyền động điện cho bơm, quạt gió
1 Quạt thông gió động lực các buồng sinh hoạt, khoang hàng, các trạm điều khiển và buồng máy phải có thể dừng được từ vị trí dễ tới gần phía ngoài buồng được thông gió. Khi có cháy xảy ra ở các buồng được thông gió thì vị trí này không được dễ dàng bị ảnh hưởng. Các thiết bị để dừng quạt thông gió động lực của buồng máy phải tách biệt hoàn toàn với thiết bị dừng quạt thông gió các buồng khác.
2 Các động cơ điện dùng cho các bơm dầu đốt, các bơm vận chuyển dầu đốt, các bơm dầu làm mát vòi phun nhiên liệu hoặc các bơm khác tương tự, các máy lọc dầu đốt, các bơm dầu hàng, các quạt thổi gió cưỡng bức phải có thể dừng được từ vị trí dễ tới gần bên ngoài buồng đặt chúng. Vị trí này không được dễ dàng bị ảnh hưởng khi xảy ra cháy ở không gian đặt máy.
3 Nếu dùng cầu chì để bảo vệ mạch dừng từ xa như nêu ở 2.3.3-1 hoặc 2.3.3-2 và mạch chỉ được khép kín khi hoạt động thì cần phải quan tâm đến việc hư hỏng dây chảy.
2.4 Liên lạc nội bộ
2.4.1 Liên lạc điện thoại giữa buồng lái với buồng máy và buồng máy lái
Liên lạc điện thoại giữa buồng lái với buồng máy và buồng máy lái phải được trang bị phù hợp với các yêu cầu tương ứng được nêu ở 1.3.9 Chương 1 và 12.2.8 Chương 12 Phần 3 của Quy chuẩn.
2.4.2 Hệ thống truyền thanh công cộng
Hệ thống truyền thanh công cộng phải được trang bị phù hợp với Phần 10.
2.4.3 Hệ thống báo động chung
1 Các tàu tự hành có tổng dung tích từ 500 trở lên phải được trang bị chuông báo hiệu dùng điện để thông báo. Việc bố trí các chuông phải đảm bảo ở bất kỳ chỗ nào trên tàu cũng nghe thấy được.
2 Chuông phải được đặt ở các vị trí sau:
(1) Trong buồng máy;
(2) Trong các buồng công cộng có tổng diện tích trên 100 m2;
(3) Trong các hành lang khu vực sinh hoạt và làm việc;
(4) Trên boong lộ thiên.
3 Nguồn điện cấp cho hệ thống báo động chung phải đảm bảo liên tục.
4 Công tắc điều khiển hệ thống báo động chung phải được đặt ở buồng lái, có nhãn ghi rõ công dụng và vị trí “đóng, ngắt”.
5 Âm thanh của chuông công vụ phải khác với tất cả các âm thanh khác ở trên tàu.
6 Chỉ được bố trí thiết bị bảo vệ ngắn mạch trong mạch điện báo động chung.
7 Hệ thống báo động chung phải đảm bảo khi một chuông hay mạch nào đó bị hư hỏng không làm ảnh hưởng đến sự hoạt động bình thường của các chuông và các mạch khác.
2.4.4 Hệ thống phát hiện và báo động cháy cố định
Hệ thống phát hiện và báo động cháy cố định phải được trang bị phù hợp với Chương 3 Phần 5.
2.5 Thiết bị sưởi và nấu ăn
Chỉ được phép dùng thiết bị sưởi và nấu ăn kiểu cố định ở trên tàu.
Cấm bố trí các móc, giá treo quần áo ở không gian phía trên bề mặt dụng cụ sưởi và nấu ăn.
2.6 Thiết bị bảo vệ
2.6.1 Quy định chung
1 Trang bị điện tàu thủy phải được bảo vệ quá tải, kể cả ngắn mạch. Các thiết bị bảo vệ phải có khả năng phục vụ liên tục các mạch khác tới mức thực hiện được bằng cách ngắt mạch hư hỏng ra và loại bỏ hỏng hóc cho hệ thống và nguy hiểm do cháy.
2 Thiết bị bảo vệ phải được chọn phù hợp với các đặc tính kỹ thuật của thiết bị, đảm bảo chúng tác động tin cậy trong mọi tình trạng quá tải trước khi nhiệt độ tăng tới mức gây ra làm hỏng lớp cách điện.
3 Phải bố trí thiết bị bảo vệ ngắn mạch ở mỗi cực hoặc mỗi pha của tất cả các mạch riêng biệt trừ mạch trung tính và dây cân bằng.
4 Tất cả các mạch có khả năng bị quá tải phải được bố trí thiết bị bảo vệ quá tải như chỉ ra dưới đây:
(1) Hệ thống một chiều hai dây hoặc xoay chiều một pha hai dây: ở ít nhất một cực hoặc một pha;
(2) Hệ thống ba pha ba dây: ở ít nhất hai pha;
(3) Hệ thống ba pha bốn dây: ở cả ba pha.
5 Không cho phép đặt cầu chì, công tắc không tiếp điểm hoặc bộ ngắt mạch không tiếp điểm ở dây dẫn nối đất và dây trung tính.
6 Nếu trong một phân đoạn nào đó của mạch cung cấp điện dùng cáp có tiết diện nhỏ hơn thì trên đoạn cáp này phải đặt thêm thiết bị bảo vệ nếu thiết bị đặt trước không bảo vệ được nó.
7 Khi không có số liệu chính xác của máy điện quay thì các dòng ngắn mạch dưới đây tại các cọc đấu dây máy điện phải được coi là tiêu chuẩn. Khi các động cơ điện là phụ tải thì dòng ngắn mạch phải là tổng các dòng ngắn mạch của các máy phát và dòng ngắn mạch của động cơ điện đó.
(1) Hệ thống điện một chiều
10 lần dòng định mức đối với các máy phát được nối mạch thường xuyên (kể cả dự trữ);
6 lần dòng định mức đối với các động cơ điện làm việc đồng thời.
(2) Hệ thống điện xoay chiều
(a) 10 lần dòng định mức đối với các máy phát được nối mạch thường xuyên (kể cả dự trữ);
(b) 3 lần dòng định mức đối với các động cơ điện làm việc đồng thời.
2.6.2 Bảo vệ các máy phát điện
1 Các máy phát điện phải được bảo vệ ngắn mạch và quá tải bằng bộ ngắt mạch nhiều cực có thể ngắt được đồng thời tất cả các cực riêng biệt, trường hợp máy phát nhỏ hơn 50 kW không làm việc song song thì có thể được bảo vệ bằng công tắc nhiều cực có cầu chì hoặc bộ ngắt mạch đặt ở mỗi cực riêng biệt. Thiết bị bảo vệ quá tải phải phù hợp với khả năng chịu nhiệt của máy phát.
2 Thiết bị bảo vệ quá tải máy phát phải đảm bảo tác động:
(1) Sau 15 phút nếu quá tải tới 10%;
(2) Bằng thời gian chịu nhiệt của máy phát khi quá tải từ 10% đến 50%;
(3) Sau 2 phút với máy phát xoay chiều và sau 2 giây với máy phát một chiều khi tải lên tới 150% tải định mức. Bảo vệ quá tải và thời gian duy trì quá tải phải được chọn tùy thuộc vào đặc tính của động cơ lai máy phát, sao cho trong thời gian duy trì quá tải động cơ lai có thể tạo lập được công suất cần thiết.
3 Đối với các máy phát điện một chiều làm việc song song, ngoài yêu cầu ở 2.6.2-1, phải có thiết bị bảo vệ dòng điện ngược tác động nhanh khi trị số dòng điện ngược nằm trong giới hạn từ 2% đến 15% dòng định mức của máy phát. Tuy nhiên, yêu cầu này không áp dụng cho dòng điện ngược được phát ra từ phía tải, ví dụ: các động cơ máy kéo neo v.v...
4 Đối với các máy phát xoay chiều làm việc song song, ngoài yêu cầu nêu ở 2.6.2-1, phải có thiết bị bảo vệ công suất ngược có trễ thời gian khi trị số công suất ngược nằm trong giới hạn từ 2% đến 15% công suất toàn tải, việc lựa chọn và đặt trị số trong giới hạn trên tùy thuộc vào các đặc tính của động cơ lai.
2.6.3 Bảo vệ các thiết bị thiết yếu
Khi các máy phát làm việc song song và các máy có công dụng thiết yếu được truyền động bằng điện thì phải bố trí thiết bị để ngắt tự động các tải không quan trọng khi các máy phát bị quá tải. Nếu có yêu cầu thì việc ngắt ưu tiên này có thể được tiến hành ở một hoặc nhiều giai đoạn.
2.6.4 Bảo vệ các mạch cấp điện
1 Các mạch cấp điện cho các bảng phân nhóm, các bảng phân phối, các nhóm khởi động động cơ và tương tự phải được bảo vệ ngắn mạch bằng các bộ ngắt mạch nhiều cực hoặc cầu chì.
2 Mỗi cực riêng biệt của các mạch nhánh cuối phải được bảo vệ ngắn mạch và quá tải bằng các bộ ngắt mạch hoặc cầu chì.
3 Các mạch cấp điện cho các động cơ đã có thiết bị bảo vệ quá tải thì chỉ cần có thiết bị bảo vệ ngắn mạch.
4 Trường hợp khi dùng các cầu chì để bảo vệ các mạch động cơ xoay chiều ba pha thì phải quan tâm đến khả năng mất pha.
5 Trường hợp khi dùng các tụ điện để kích pha thì yêu cầu phải có các thiết bị bảo vệ quá áp.
2.6.5 Bảo vệ các biến áp
1 Các mạch sơ cấp của các biến áp động lực và chiếu sáng phải được bảo vệ ngắn mạch và quá tải bằng bộ ngắt mạch nhiều cực hoặc cầu chì.
2 Khi các biến áp làm việc song song thì phải đặt các thiết bị cách ly ở cả phía sơ cấp và thứ cấp, nhưng các thiết bị này không phải tác động đồng thời.
3 Việc chuyển mạch của biến áp đo dòng điện phải được thực hiện sao cho luôn luôn duy trì kín mạch cuộn dây thứ cấp.
2.6.6 Bảo vệ các động cơ điện
1 Các động cơ điện có công suất lớn hơn 0,5 kW và tất cả các động cơ dùng cho các máy có công dụng thiết yếu, trừ động cơ máy lái, phải được bảo vệ quá tải riêng biệt. Đối với động cơ điện của thiết bị lái điện hay điện thủy lực thì chỉ cần thiết bị bảo vệ ngắn mạch, thay thế cho thiết bị bảo vệ quá tải phải bố trí tín hiệu báo quá tải khi động cơ bị quá tải tới 125% dòng định mức.
2 Thiết bị bảo vệ phải có các đặc tính trễ để có thể khởi động được động cơ.
3 Đối với các động cơ làm việc ngắn hạn lặp lại thì phải chọn trị số dòng đặt và độ trễ theo hệ số tải của động cơ.
2.6.7 Bảo vệ mạch chiếu sáng
Các mạch chiếu sáng phải được bảo vệ ngắn mạch và quá tải.
2.6.8 Bảo vệ các dụng cụ đo, đèn hiệu và các mạch điều khiển
1 Cuộn dây điện áp của các dụng cụ đo, các thiết bị chỉ báo chạm đất và các đèn hiệu cùng với các dây dẫn chính nối với chúng phải được bảo vệ bằng các cầu chì đặt ở mỗi cực riêng biệt. Đèn hiệu được lắp chung trong thiết bị thì không cần có bảo vệ riêng, với điều kiện bất kỳ sự hư hỏng nào của mạch đèn hiệu cũng không gây ra mất nguồn cấp cho thiết bị thiết yếu.
2 Các đường dây cách ly của các mạch điều khiển và dụng cụ đo được cấp điện trực tiếp từ thanh dẫn và các máy phát chính phải được bảo vệ bằng cầu chì tại vị trí gần nhất với điểm nối. Các dây dẫn giữa cầu chì và điểm nối không được bó cùng với dây của các mạch khác.
3 Cầu chì ở các mạch như mạch của các bộ điều chỉnh điện áp mà khi mất điện áp có thể gây hậu quả nghiêm trọng thì có thể được miễn trừ. Nếu có miễn trừ dùng cầu chì thì phải có các biện pháp hữu hiệu để tránh rủi ro do cháy ở phần không được bảo vệ của thiết bị.
2.6.9 Bảo vệ ắc quy
1 Các tổ ắc quy không phải là ắc quy khởi động động cơ Đi-ê-den phải được bảo vệ quá tải và ngắn mạch bằng các thiết bị đặt càng gần ắc quy càng tốt. Các ắc quy sự cố cấp điện cho thiết bị điện quan trọng thì có thể chỉ cần bảo vệ ngắn mạch.
2 Mỗi hệ thống nạp ắc quy phải có thiết bị bảo vệ phù hợp để tránh ắc quy phóng điện do điện áp của nguồn nạp bị giảm hoặc mất.
2.7 Máy phát điện
2.7.1 Động cơ lai máy phát
Các động cơ lai máy phát điện phải có kết cấu phù hợp với các yêu cầu ở Phần 3 của Quy chuẩn này và các bộ điều tốc của chúng phải phù hợp với các yêu cầu nêu ở 2.7.2 Chương 2 Phần này.
2.7.2 Đặc tính của bộ điều tốc
1 Đặc tính của các bộ điều tốc của các động cơ lai máy phát điện chính phải có khả năng duy trì tốc độ trong khoảng giới hạn sau:
(1) Sai khác tức thời là 10% hoặc nhỏ hơn so với tốc độ định mức lớn nhất khi tải định mức của máy phát đột ngột mất;
(2) Sai khác tức thời là 10% hoặc nhỏ hơn so với tốc độ định mức lớn nhất khi máy phát đột ngột nhận 50% tải định mức và sau khi khôi phục trạng thái ổn định lại đột ngột nhận 50% tải định mức còn lại. Tốc độ phải trở lại với sai số 1% so với tốc độ ổn định cuối trong thời gian không quá 5 giây. Khi khó đạt được các yêu cầu ở trên hoặc khi thiết bị yêu cầu có đặc tính sai số thì các đặc tính của bộ điều tốc phải được Đăng kiểm đồng ý;
(3) Ở tất cả các mức tải từ không tải đến định mức thì sai khác tốc độ lâu dài không được vượt quá 5% tốc độ định mức lớn nhất.
2 Các đặc tính của bộ điều tốc ở các động cơ lai máy phát sự cố phải có khả năng duy trì tốc độ trong khoảng giới hạn sau:
(1) Sự sai khác các giá trị tức thời như nêu ở 2.7.2-1(1) và 2.7.2-1(2) khi toàn bộ phụ tải sự cố đột ngột được đưa vào hoặc ngắt ra;
(2) Ở tất cả các mức tải từ không tải đến tới toàn bộ phụ tải sự cố, sự sai khác tốc độ phải như các giá trị nêu ở 2.7.2-1(3).
3 Đối với các tổ máy phát xoay chiều làm việc song song thì các đặc tính của bộ điều tốc phải sao cho đảm bảo được việc phân phối tải như nêu ở 2.7.11-3 và 2.7.11-4, và phải có biện pháp dễ dàng chỉnh định bộ điều tốc đủ chính xác để cho phép chỉnh định mức tải không quá 5% tải định mức ở tần số định mức.
4 Khi có một máy phát điện một chiều truyền động bằng tua bin làm việc song song cùng với các máy phát khác thì phải bố trí công tắc trên mỗi bộ điều tốc sự cố của tua bin để mở các bộ ngắt mạch máy phát khi bộ điều tốc sự cố hoạt động.
2.7.3 Giới hạn tăng nhiệt độ
Sự tăng nhiệt độ của các máy điện quay không được vượt quá các trị số đưa ra ở Bảng 4/2.7 khi chúng làm việc liên tục ở tải định mức hoặc làm việc gián đoạn theo chức năng của mình.
2.7.4 Sự thay đổi giới hạn tăng nhiệt độ
1 Sự tăng nhiệt độ của máy điện quay được làm mát bằng không khí có thể được tăng thêm 13 ºC so với các giá trị nêu ở Bảng 4/2.7, với điều kiện nhiệt độ nước làm mát không vượt quá 32 ºC ở đầu vào của bộ làm mát không khí.
2 Khi nhiệt độ môi trường xung quanh vượt quá 45 ºC thì các giới hạn nhiệt độ phải được giảm đi so với các trị số nêu ở Bảng 4/2.7.
3 Khi nhiệt độ môi trường xung quanh không vượt quá 45 ºC thì giới hạn tăng nhiệt độ có thể được tăng lên so với các giá trị nêu ở Bảng 4/2.7. Trong trường hợp này nhiệt độ môi trường được quy định không thấp hơn 40 ºC.
2.7.5 Phạm vi quá tải
1 Các máy điện quay phải chịu được sự thử quá tải hoặc quá mô men như dưới đây mà vẫn duy trì điện áp, tốc độ quay và tần số càng gần với các giá trị định mức của chúng càng tốt. Đối với những động cơ có kiểu đặc biệt dùng cho các máy trên boong (tời neo, tời quấn dây, tời làm hàng v.v...) và các động cơ điện xoay chiều một pha thì phạm vi quá tải có thể được Đăng kiểm xem xét phù hợp:
(1) Các máy phát một chiều: quá tải 50% 15 giây;
(2) Các máy phát xoay chiều: quá tải 50% 2 phút;
(3) Các động cơ một chiều: quá mô men 50% 15 giây;
(4) Các động cơ đồng bộ 3 pha có dòng khởi động nhỏ hơn 4,5 lần dòng định mức: quá mô men 50% 15 giây;
(5) Các động cơ không đồng bộ: quá mô men 60% 15 giây.
2.7.6 Khả năng chịu ngắn mạch
1 Các máy phát phục vụ trên tàu phải có khả năng chịu được các ảnh hưởng cơ học và nhiệt của dòng ngắn mạch ở bất kỳ khoảng trễ thời gian nào của thiết bị cắt có chọn lọc trang bị cho chúng.
2 Các máy phát và hệ thống kích từ đi kèm phải có khả năng duy trì dòng điện ít nhất bằng 3 lần dòng định mức của chúng trong thời gian 2 giây hoặc bất kỳ độ trễ thời gian nào của thiết bị nhả có chọn lọc trang bị cho chúng.
2.7.7 Phạm vi quá tốc độ
1 Các máy điện quay phải chịu được quá tốc độ trong thời gian 2 phút theo các mức sau:
(1) Các máy phát và bộ biến đổi điện quay: 120% tốc độ định mức;
(2) Các động cơ còn lại: 125% tốc độ quay lớn nhất khi không tải (n0);
(3) Khớp nối điện từ: 120% tốc độ định mức.
Bảng 4/2.7 - Giới hạn nhiệt độ của các máy điện quay
(Với nhiệt độ môi trường là 45 ºC)
| Mục | Bộ phận | Cách điện cấp A | Cách điện cấp E | Cách điện cấp B | Cách điện cấp F | Cách điện cấp H | ||||||||||
| T | R | RT | T | R | RT | T | R | RT | T | R | RT | T | R | RT | ||
| 1 | Cuộn dây stato máy điện xoay chiều | 45 | 55 | 55 | 60 | 70 | 70 | 65 | 75 | 75 | 80 | 95 | 95 | 100 | 120 | 120 |
| 2 | Các cuộn dây rô to cách điện | 45 | 55 | - | 60 | 70 | - | 65 | 75 | - | 80 | 95 | - | 100 | 120 | - |
| 3A | Các cuộn dây từ trường nhiều lớp | 45 | 55 | - | 60 | 70 | - | 65 | 75 | - | 80 | 95 | - | 100 | 120 | - |
| 3B | Các cuộn dây từ trường một lớp cách điện | 55 | 55 | - | 70 | 70 | - | 75 | 75 | - | 95 | 95 | - | 120 | 120 | - |
| 3C | Các cuộn dây từ trường một lớp có bề mặt không được che chắn nhô ra ngoài | 60 | 60 | - | 75 | 75 | - | 85 | 85 | - | 105 | 105 | - | 130 | 130 | - |
| 3D | Các cuộn dây từ trường của máy đồng bộ rô to lồng sóc | - | - | - | - | - | - | - | 85 | - | - | 105 | - | - | 120 | - |
| 3E | Các cuộn dây từ trường điện trở thấp và các cuộn bù | 55 | 55 | - | 70 | 70 | - | 75 | 75 | - | 95 | 95 | - | 120 | 120 | - |
| 4 | Lõi thép và các phần khác liền với cuộn dây | 55 | - | - | 70 | - | - | 75 | - | - | 95 | - | - | 12 | - | - |
| Các cuộn dây ngắn mạch dài hạn không được cách điện. Lõi thép và các phần không liền với các cuộn dây. Chổi than và giá đỡ chổi than. | Trong bất kỳ trường hợp nào, sự tăng nhiệt độ không được đạt đến giá trị mà có nguy cơ làm tổn hại đến vật liệu cách điện ở bất kỳ bộ phận kề đó | |||||||||||||||
| 5 | Cổ góp và vành trượt | 55 | - | - | 65 | - | - | 75 | - | - | 85 | - | - | 95 | - | - |
| Chú thích: 1. T = phương pháp đo bằng nhiệt kế; R = phương pháp đo bằng điện trở; E.T.D = phương pháp dùng cảm biến nhiệt độ gắn vào. 2. Đối với các máy ở điểm 1, 2 và 3A kín hoàn toàn, khi được đo bằng các phương pháp nhiệt kế thì nhiệt độ có thể cho phép tăng 5 ºC so với các trị số nêu ở Bảng; 3. Đối với các máy không đồng bộ nêu ở điểm 1 và 2 không được dùng biện pháp đo bằng nhiệt kế; 4. Khi các cuộn dây và cổ góp hoặc vành trượt mà được nối với nhau được cách điện bằng các vật liệu có các cấp cách điện khác nhau thì sự tăng nhiệt độ ứng với cấp thấp nhất áp dụng cho cổ góp và vành trượt; 5. Không cần thiết phải đo đồng thời nhiệt độ của bất kỳ bộ phận nào bằng cả hai phương pháp (ví dụ phương pháp nhiệt kế và điện trở); 6. Đối với các cuộn dây stato của các máy điện xoay chiều có công suất từ 500 kW trở lên (hoặc 500 kVA) hoặc các máy có chiều dài lõi trục (kể cả ống thông gió) lớn hơn hoặc bằng 1 mét nói chung được phép dùng cảm biến nhiệt độ gắn vào. | ||||||||||||||||
2.7.8 Yêu cầu về kết cấu
1 Cần tính toán sức bền của trục máy phát khi có điện áp phụ phát sinh tại thời điểm bị ngắn mạch ở đầu ra của mỗi máy phát.
2 Kết cấu các ổ đỡ phải loại trừ được khả năng dầu tóe chảy ra dọc theo trục.
3 Gối đỡ trượt phải có lỗ để dầu tràn ra và phải có nắp để kiểm tra.
4 Phần quay của các máy điện phải được cân bằng phù hợp.
5 Nếu máy có kết cấu mà khi lắp lên tàu các phần dưới của nó thấp hơn sàn buồng máy thì không được lấy không khí để làm mát trực tiếp cho nó.
6 Đối với các máy phát đặt trên boong lộ thiên thì không nên dùng thông gió làm mát thổi từ ngoài vào.
7 Phải ghi rõ trị số hao mòn cho phép của các phiến góp, vành trượt ngay ở trên máy. Trị số này không được vượt quá 20% chiều cao của phiến góp và vành trượt.
8 Phải dùng dây đồng mềm để dẫn điện từ chổi than ra. Cấm dùng lò xo ép chổi than để dẫn điện.
9 Vị trí chổi than trong máy điện một chiều phải được đánh dấu rõ ràng. Kết cấu của máy phát điện một chiều phải sao cho chúng có thể làm việc ở tất cả các chế độ tải mà không phải thay đổi vị trí các chổi than.
10 Cổ góp của máy điện một chiều không được phát ra tia lửa quá cấp 1,5 ở tất cả các chế độ tải từ không tải đến định mức. Khi quá tải, đảo chiều hoặc khởi động thì có thể cho phép đến cấp 3.
2.7.9 Khe hở và khoảng cách cách điện trong hộp đấu dây
1 Khe hở và khoảng cách cách điện trong các hộp đấu dây của các máy điện quay không được nhỏ hơn các trị số nêu ở Bảng 4/2.8.
2 Khi có sử dụng lớp chắn cách điện và với các động cơ nhỏ như: động cơ điều khiển, đồng bộ kế... thì không áp dụng các yêu cầu nêu ở 2.7.9-1 trên đây.
Bảng 4/2.8 - Khe hở và khoảng cách cách điện tối thiểu bên trong
hộp đấu dây của máy điện quay
| Điện áp định mức, V | Khe hở, mm | Khoảng cách cách điện, mm |
| 61 ÷ 250 | 5 | 8 |
| 251 ÷ 380 | 6 | 10 |
| 381 ÷ 500 | 8 | 12 |
2.7.10 Máy phát điện một chiều
1 Các máy phát điện một chiều khác với các máy nêu ở 2.7.10-2 dưới đây phải là hoặc:
(1) Các máy phát kích từ hỗn hợp; hoặc
(2) Các máy phát kích từ song song có bộ tự động điều chỉnh điện áp.
2 Các máy phát điện một chiều được dùng để nạp ắc quy không có điện trở điều chỉnh nối tiếp phải là:
(1) Các máy phát kích từ song song; hoặc
(2) Các máy phát kích từ hỗn hợp có công tắc được bố trí sao cho có thể ngắt cuộn dây nối tiếp ra không cho làm việc.
3 Các bộ điều chỉnh kích từ của các máy phát điện một chiều phải có khả năng điều chỉnh được điện áp của máy phát sai khác trong vòng +0,5% điện áp định mức đối với các máy phát có công suất trên 100 kW và +1% điện áp định mức đối với các máy phát có công suất nhỏ hơn tương ứng với tất cả các mức tải từ không tải tới tải định mức tại bất kỳ nhiệt độ nào trong dải làm việc.
4 Việc điều chỉnh toàn bộ điện áp của các máy phát điện một chiều phải thỏa mãn những yêu cầu dưới đây. Tốc độ quay phải được điều chỉnh tới tốc độ định mức khi toàn tải:
(1) Máy phát kích từ song song
Sau khi thử nhiệt độ, khi đặt điện áp ở chế độ toàn tải thì điện áp ổn định ở chế độ không tải không được vượt quá 115% trị số điện áp lúc toàn tải và điện áp nhận được ở bất kỳ mức tải nào cũng không được vượt quá lúc không tải;
(2) Máy phát kích từ hỗn hợp
Sau khi thử nhiệt độ, khi điện áp ở chế độ 20% tải được điều chỉnh sai khác trong vòng ± 1% điện áp định mức thì điện áp ở chế độ toàn tải phải trong vòng ± 1,5% điện áp định mức, khi đó giá trị trung bình của đường cong điện áp trong khoảng tăng và giảm từ 20% đến toàn tải không được sai khác quá 3% so với điện áp định mức.
Chú thích: Đối với các máy phát kích từ hỗn hợp làm việc song song thì độ sụt áp có thể cho phép đến 4% điện áp định mức khi tải tăng dần từ 20% đến toàn tải.
5 Khi các máy phát một chiều làm việc song song thì tải ở bất kỳ máy nào cũng không được sai khác quá ±10% công suất định mức của máy lớn nhất theo tỷ lệ phân chia tải kết hợp ở bất kỳ trạng thái ổn định nào của tải kết hợp trong khoảng 20% và 100% tổng công suất định mức của tất cả các máy, giá trị so sánh ở đây là công suất định mức của các máy phát. Điểm khởi đầu để xác định yêu cầu phân phối tải nói trên là ở mức 75% tải mỗi máy theo tỷ lệ phân chia.
6 Cuộn dây kích từ nối tiếp của máy phát kích từ hỗn hợp hai dây phải được nối vào đầu dây âm.
7 Các dây nối cân bằng máy phát điện một chiều phải có tiết diện không nhỏ hơn 50% tiết diện của dây dẫn âm nối từ máy phát đến bảng điện.
2.7.11 Máy phát xoay chiều
1 Mỗi máy phát xoay chiều, trừ loại có máy phát kích từ hỗn hợp tự kích, phải được trang bị bộ tự động điều chỉnh điện áp độc lập.
2 Việc điều chỉnh toàn bộ điện áp của máy phát xoay chiều phải sao cho ở tất cả các mức tải từ không tải đến toàn tải và hệ số công suất định mức, điện áp định mức phải được duy trì ổn định trong vòng ±2,5%, trừ các máy phát sự cố có thể cho phép giới hạn này là ±3,5%.
3 Khi các máy phát xoay chiều làm việc song song thì mỗi máy phát phải hoạt động ổn định và công suất tác dụng ở bất kỳ máy nào không được sai khác quá 15% công suất tác dụng định mức của máy phát lớn nhất theo tỷ lệ phân chia tải kết hợp ở bất kỳ trạng thái ổn định nào của tải kết hợp trong khoảng 20% và 100% tổng công suất tác dụng định mức của tất cả các máy, giá trị so sánh ở đây là công suất định mức của các máy phát. Điểm khởi đầu để xác định yêu cầu phân phối tải nói trên là ở mức 75% tải của mỗi máy đang chịu theo tỷ lệ phân chia.
4 Khi các máy phát xoay chiều làm việc song song thì tải toàn phần (kVA) của các tổ máy riêng biệt không được sai khác theo tỷ lệ phân chia toàn bộ tải toàn phần quá 5% công suất toàn phần của máy lớn nhất khi hệ số công suất xấp xỉ định mức và công suất tác dụng được phân đều.
2.7.12 Thử tại xưởng
1 Các máy điện quay phải được thử phù hợp với những yêu cầu nêu ở mục 2.7.12 này. Tuy nhiên các việc thử yêu cầu ở 2.7.12-2, 2.7.12-3 và 2.7.12-4 có thể được miễn giảm tùy theo sự cho phép của Đăng kiểm đối với máy phát và động cơ điện được chế tạo hàng loạt có kiểu đúng như chiếc ban đầu.
2 Sau khi máy điện quay hoạt động liên tục với tải định mức cho đến lúc đạt nhiệt độ ổn định cuối cùng thì sự tăng nhiệt độ không được vượt quá các trị số nêu ở 2.7.3.
3 Sau khi thử nhiệt độ, các máy điện quay phải chịu được quá tải hoặc quá mô men như nêu ở 2.7.5.
4 Các máy điện quay phải chịu được quá tốc như nêu ở 2.7.7.
5 Sau khi thử nhiệt độ, điện trở cách điện của các máy điện quay không được nhỏ hơn trị số nhận được từ công thức dưới đây bằng cách dùng đồng hồ đo điện trở cách điện có điện áp 500 V hoặc lớn hơn để đo:

6 Các máy điện quay phải chịu được trong 1 phút điện áp cao đặt vào giữa các phần mang điện với nhau và giữa phần mang điện với đất với điện áp xoay chiều có tần số thông dụng nêu ở Bảng 4/2.1.
7 Các máy phát điện phải thỏa mãn những yêu cầu ở 2.7.10-4 hoặc 2.7.11-2 bằng cách tiến hành thử điều chỉnh điện áp.
8 Các máy phát điện làm việc song song phải thỏa mãn những yêu cầu ở 2.7.10-5 bằng cách tiến hành thử cho làm việc song song.
9 Các máy điện quay có cổ góp phải làm việc với các chổi than đặt cố định từ không tải đến quá tải 50% mà không có tia lửa có hại.
2.8 Các bảng điện, phân nhóm và phân phối
2.8.1 Vị trí lắp đặt
Các bảng điện phải được lắp đặt ở những nơi khô ráo tránh càng xa vùng có ống dẫn hơi nước, nước và đường ống dầu càng tốt.
2.8.2 Phòng hộ an toàn cho người vận hành
1 Các bảng điện phải được bố trí sao cho dễ dàng tiếp cận từng bộ phận mà không nguy hiểm cho người.
2 Bên cạnh và phía sau, khi cần thiết cả phía trước các bảng điện phải được bảo vệ hợp lý.
3 Với điện áp giữa các cực với nhau hoặc với đất mà vượt quá 50 V một chiều hoặc 50 V hiệu dụng xoay chiều thì các bảng điện phải là kiểu không có điện phía trước.
4 Phải trang bị các tay vịn cách điện ở mặt trước và mặt sau bảng điện và khi cần thiết phải trang bị thảm cách điện ở mặt sàn lối đi.
5 Phải bố trí đủ không gian thao tác ở phía trước các bảng điện. Khi cần thiết phải bố trí không gian phía sau các bảng điện để cho phép thao tác và bảo dưỡng các cầu dao ngắt mạch, các công tắc, các cầu chì và các bộ phận khác, lối đi phải rộng hơn 0,5 m.
6 Các bảng phân nhóm và các bảng phân phối phải được che chắn thích hợp tùy theo vị trí của chúng. Nếu chúng được đặt ở những chỗ mà dễ dàng tiếp cận với người không có nhiệm vụ lui tới thì chúng phải được bảo vệ sao cho đảm bảo an toàn trong điều kiện làm việc bình thường.
2.8.3 Kết cấu và vật liệu
1 Khung, mặt của từng ngăn và hộp của bảng phân phối điện và của các bảng phân nhóm phải được làm bằng kim loại hoặc bằng vật liệu không cháy, bền chắc.
2 Bảng phân phối điện ít nhất phải là kiểu phòng giọt nước.
3 Bảng phân phối điện ở những nơi có nhiều người khác qua lại phải có các cửa khóa, mở bằng chìa riêng dùng chung được cho tất cả các bảng điện trên tàu.
4 Trường hợp các mạch cấp điện có các điện áp khác nhau được lắp đặt trong cùng một không gian của bảng điện, bảng phân nhóm hoặc bảng phân phối thì tất cả các khí cụ phải được bố trí sao cho các cáp có điện áp khác nhau không thể tiếp xúc với nhau ở trong bảng. Các bảng phân nhóm và các bảng phân phối dùng cho các mạch phân phối sự cố, về nguyên tắc, phải được bố trí độc lập.
5 Các cửa ra vào bảng điện phải có kết cấu sao cho khi mở cửa ra có thể tiếp cận được toàn bộ các bộ phận để kiểm tra, bảo dưỡng.
6 Các vật liệu cách điện phải là loại bền chắc, khó cháy và không hút ẩm.
7 Bảng phân phối điện chính phải có tay vịn phía trước làm bằng vật liệu cách điện hoặc được bọc chất cách điện. Bảng điện có lối vào phía sau phải có tay vịn nằm ngang phía sau.
8 Trừ khi trang bị công tắc cách ly, các bộ ngắt mạch phải sao cho có thể sửa chữa và thay thế mà không cần phải ngắt chúng ra khỏi liên kết với thanh dẫn và ngắt nguồn cấp.
9 Các ngăn của bảng phân phối điện chính và sự cố phải được chiếu sáng bằng các đèn nhận điện trực tiếp từ thanh cái và trong mạch không được đặt thiết bị ngắt mạch.
10 Tiết diện thanh dẫn để trần phải phù hợp với Bảng 4/2.11. Trị số dòng điện của thanh dẫn được xác định như sau:
(1) Với máy phát điện;
(a) Khi chỉ có một máy phát cấp điện cho thanh dẫn: Tối thiểu bằng 100% dòng định mức máy phát;
(b) (b) Khi có hai hoặc nhiều hơn các máy phát cấp điện cho thanh dẫn: Tối thiểu bằng 100% dòng định mức của máy phát có công suất lớn nhất cộng với 80% tổng số dòng định mức của các máy phát còn lại;
(2) Với mạch cấp nguồn chung: Tối thiểu bằng 75% tổng dòng định mức của các mạch.
2.8.4 Thanh dẫn
1 Các thanh dẫn phải được làm bằng đồng có độ dẫn điện lớn hơn hoặc bằng 97%.
2 Việc nối thanh dẫn phải được tiến hành sao cho hạn chế được ăn mòn và ôxy hóa.
3 Các thanh dẫn và các mối nối thanh dẫn phải được giữ sao cho chịu được lực điện động gây ra do dòng ngắn mạch.
4 Sự tăng nhiệt độ của thanh dẫn, các dây dẫn liên kết và các mối nối của chúng không được vượt quá 45 ºC ở nhiệt độ môi trường là 45 ºC khi đang mang dòng toàn tải.
5 Khe hở giữa các phần mang điện của các cực tính khác nhau hoặc giữa các phần mang điện và kim loại nối đất không được nhỏ hơn các trị số nêu ở Bảng 4/2.10.
6 Các thanh dẫn để trần của pha hoặc cực khác nhau phải được sơn màu khác nhau.
Bảng 4/2.9 - Điện áp thử
| TT | Máy hoặc bộ phận | Điện áp thử (r.m.s) (V) | |||
| 1 | Các cuộn dây phần ứng | 0,4 kW (kVA) hoặc nhỏ hơn | 2E + 500 |
| |
| Lớn hơn 0,4 kW (hoặc kVA) | 2E + 1000 |
| |||
| 2 | Các cuộn dây kích từ độc lập của máy điện 1 chiều | 2Ef +1000 (tối thiểu 1500) | |||
| 3 | Máy điện đồng bộ | Các cuộn dây từ trường không dùng để khởi động như 1 động cơ | 10Ex+1000 (tối thiểu 1500) |
| |
| Các cuộn dây từ trường dùng để khởi động như 1 động cơ 1) Khi khởi động bằng cuộn dây từ trường ngắn mạch 2) Khi khởi động bằng cuộn dây từ trường hở mạch | 10Ex (tối thiểu 1500) 2Ei + 1000 |
| |||
| Cuộn dây rô to cách điện dùng để khởi động | 2Ei + 1000 |
| |||
| 4 | Các cuộn dây thứ cấp của động cơ không đồng bộ kiểu rô to dây quấn 1) Đối với các động cơ không đảo chiều hoặc động cơ chỉ có thể đảo chiều lúc dừng. 2) Đối với các động cơ đảo chiều hoặc hãm bằng cách đảo chiều nguồn sơ cấp khi đang hành. | 2Es + 1000 4Es + 1000 |
| ||
| 5 | Bộ kích từ | 2Ei + 1000 (tối thiểu 1500) | |||
| Chú thích: 1. E : Điện áp định mức; Ef : Điện áp cho phép tối đa ở mạch kích từ; Ex: Điện áp kích từ định mức; Es: Điện áp cảm ứng giữa các đầu dây cuộn thứ cấp khi máy dừng; Ei : Điện áp cảm ứng đầu dây giữa các đầu đấu dây của cuộn dây từ trường và cuộn dây rô to khởi động khi dùng điện áp khởi động cho cuộn dây phần ứng trong lúc rô to dừng và điện áp đầu dây ở trạng thái mà cuộn dây kích từ hoặc cuộn dây khởi động được khởi động bằng cách nối với điện trở. 2. Các cuộn dây được nối với các cuộn dây phần ứng như cuộn nối tiếp, song song thì các cuộn dây cực phụ và các cuộn bù của các máy một chiều phải được thử tương ứng với yêu cầu đã nêu đối với các cuộn dây phần ứng ở điểm 1 trong Bảng trên. 3. Đối với bộ chỉnh lưu bán dẫn của bộ kích từ thì áp dụng những yêu cầu cho các bộ chỉnh lưu bán dẫn động lực nêu ở 2.12. | |||||
| |||||
2.8.5 Dây cân bằng
1 Trị số dòng của các dây nối cân bằng và các công tắc nối cân bằng không được nhỏ hơn 1/2 dòng toàn tải định mức của máy phát.
2 Trị số dòng của các thanh dẫn nối cân bằng không được nhỏ hơn 1/2 dòng toàn tải định mức của máy phát có công suất lớn nhất trong nhóm.
2.8.6 Dụng cụ đo dùng cho máy phát điện
1 Đối với mỗi bảng điện máy phát điện một chiều phải được bố trí một ampe kế và một vôn kế.
2 Đối với mỗi bảng điện máy phát xoay chiều phải được bố trí các dụng cụ như nêu dưới đây:
(1) Ampe kế có chuyển mạch nhiều vị trí để đo dòng điện từng pha;
(2) Vôn kế có chuyển mạch để đo điện áp các pha và các dây;
(3) Tần số kế (cho phép dùng tần số kế kép cho các máy phát làm việc song song);
(4) Oát kế (không bắt buộc đối với máy phát làm việc độc lập).
2.8.7 Thang đo của dụng cụ đo lường
1 Giá trị cực đại của thang đo vôn kế phải xấp xỉ bằng 120% điện áp bình thường của mạch.
2 Giá trị cực đại của thang đo ampe kế phải xấp xỉ bằng 130% dòng điện bình thường của mạch.
3 Các ampe kế dùng cho các máy phát một chiều và các oát kế dùng cho các máy phát xoay chiều làm việc song song phải có các thang đo dòng điện ngược hoặc công suất ngược tương ứng tới 15%.
4 Héc kế phải có thang đo cực đại bằng ±10% tần số định mức.
Bảng 4/2.10 - Khe hở tối thiểu đối với các thanh dẫn
| Điện áp định mức giữa các cực hoặc pha, V | Khe hở tối thiểu, mm | |
| Giữa các cực hoặc các pha, V | Giữa các pha hoặc các cực mang điện | Giữa các phần mang điện với kim loại nối đất |
| Đến 125 | 13 | 13 |
| Từ 125 đến 250 | 16 | 16 |
| Từ 250 đến 500 | 23 | 23 |
Bảng 4/2.11 - Phụ tải lớn nhất trên thanh dẫn
| Chiều rộng lớn nhất của thanh dẫn, mm | Chiều dày nhỏ nhất của thanh dẫn, mm |
| |||||||
| 1 | 2 | 3 | 4 | 5 | 6 | 7 | 8 |
| |
| Cường độ dòng điện, A |
| ||||||||
| 10 | 80 | 120 | 155 | 185 | 215 | 245 | - | - |
|
| 15 | 120 | 180 | 225 | 265 | 305 | 345 | 415 | 480 |
|
| 20 | 165 | 235 | 295 | 345 | 395 | 4490 | 525 | 605 |
|
| 25 | 204 | 290 | 365 | 430 | 485 | 540 | 690 | 785 |
|
| 30 | 245 | 350 | 430 | 510 | 570 | 635 | 750 | 855 |
|
| 40 | 320 | 460 | 570 | 665 | 750 | 830 | 970 | 1100 |
|
| 50 | 400 | 575 | 710 | 820 | 925 | 1010 | 1185 | 1340 |
|
| 60 | 460 | 660 | 810 | 910 | 1045 | 1140 | 1340 | 1500 |
|
| 80 | 610 | 860 | 1060 | 1225 | 1360 | 1433 | 1715 | 1920 |
|
| 100 | 760 | 1080 | 1310 | 1520 | 1680 | 1680 | 2110 | 2325 |
|
| Chú thích: Đối với thanh dẫn đặt ở nơi có tia lửa hồ quang thì dòng tải phải giảm 5% khi chiều rộng thanh dẫn tới 60 mm và 8% khi chiều rộng lớn hơn 60 mm. | |||||||||
2.8.8 Biến áp đo lường
Các cuộn dây thứ cấp của các biến áp đo lường phải được nối đất.
2.8.9 Bố trí khí cụ điện và dụng cụ đo
1 Các khí cụ điện, dụng cụ đo và kiểm tra liên quan với từng máy phát và từng thiết bị quan trọng phải được đặt theo từng ngăn riêng tương ứng với mỗi máy phát và thiết bị đó.
2 Khí cụ chuyển mạch chung phải được bố trí sao cho duy trì được khoảng cách bảo vệ đối với các tiếp điểm và các hộp dập hồ quang.
3 Thiết bị ngắt mạch phải được bố trí sao cho ở vị trí đóng mạch tay nắm nằm ở phía trên.
4 Cầu chì và bảng phân phối điện phải được đặt sao cho có thể tiếp cận để thay thế một cách dễ dàng, an toàn, không gây nguy hiểm cho người phục vụ. Cầu chì không được đặt thấp hơn 150 mm và cao hơn 1800 mm.
5 Cầu chì ống phải được đặt sao cho nguồn điện được dẫn vào phía dưới.
6 Các bộ phận điều khiển của khí cụ điện, các dụng cụ đo, các ngăn của bảng điện và các mạch dẫn ra từ bảng điện phải được ghi rõ công dụng. Các vị trí của thiết bị chuyển mạch nhiều vị trí phải được đánh dấu rõ ràng.
2.8.10 Thử tại xưởng
1 Các bảng điện phải được thử và kiểm tra phù hợp với những yêu cầu nêu ở 2.8.10 này. Tuy nhiên có thể miễn giảm việc thử yêu cầu ở điểm 2.8.10-2 tùy theo sự cho phép của Đăng kiểm đối với mỗi bảng điện được chế tạo hàng loạt có kiểu đúng như cái đầu tiên.
2 Sự tăng nhiệt độ của các bảng điện không được vượt quá các trị số cho phép của các thiết bị trên đó.
3 Phải khẳng định được rằng các dụng cụ đo, các bộ ngắt mạch, các cơ cấu đóng ngắt v.v... trên bảng điện là làm việc đúng chức năng.
4 Các bảng điện cùng với tất cả các phần tử phải chịu được điện áp cao bằng cách dùng điện áp dưới đây có tần số thông dụng đặt trong 1 phút giữa tất cả các bộ phận mang điện với nhau và với đất và giữa các bộ phận mang điện có cực tính khác dấu hoặc pha. Trong khi thử điện áp cao có thể ngắt các dụng cụ đo và các thiết bị phụ ra:
(1) Điện áp định mức nhỏ hơn hoặc bằng 60 V: 500 V;
(2) Điện áp định mức lớn hơn 60 V: 1000 V +2 lần điện áp định mức (tối thiểu là 1500 V).
5 Ngay sau khi thử điện áp cao thì điện trở cách điện giữa tất cả các bộ phận mang điện với nhau và với đất và giữa tất cả các bộ phận mang điện có cực tính khác dấu hoặc khác pha không được nhỏ hơn 1 MΩ khi đo bằng dụng cụ đo điện một chiều có điện áp không nhỏ hơn là 500 V.
2.9 Bộ ngăt mạch (aptomat), công tắc điện từ, rơ le bảo vệ quá dòng
2.9.1 Bộ ngắt mạch
Bộ ngắt mạch phải phù hợp với Tiêu chuẩn TCVN 6592-1 và TCVN 6592-2 hoặc tiêu chuẩn quốc tế tương đương.
2.9.2 Công tắc điện từ
Công tắc điện từ phải phù hợp với Tiêu chuẩn TCVN 6592-1 và TCVN 6592-4 hoặc tiêu chuẩn quốc tế tương đương.
2.9.3 Rơ le bảo vệ quá dòng cho các động cơ điện
Các rơ le bảo vệ quá dòng dùng cho các động cơ điện phải có đặc tính thích hợp có xét tới khả năng chịu nhiệt của các động cơ.
2.10 Khí cụ điện
2.10.1 Yêu cầu chung
1 Khí cụ điện phải thỏa mãn các tiêu chuẩn quốc gia hoặc tiêu chuẩn khác tương đương, có bổ sung điều kiện môi trường.
2 Kết cấu của bộ ngắt mạch có tiếp điểm thay thế được phải đảm bảo sao cho khi thay thế tiếp điểm có thể chỉ cần dùng các đồ nghề thông dụng, không phải tháo toàn bộ thiết bị hoặc các mối nối chính.
3 Các bộ ngắt mạch và cầu dao phải được đánh dấu rõ vị trí “đóng”, “ngắt”. Tay khống chế, tay trang điều khiển phải được đánh dấu, vị trí “0” phải được đánh dấu rõ hơn các vị trí khác và phải có kim chỉ thị.
2.10.2 Khí cụ thao tác bằng tay
1 Cơ cấu chuyển động của cầu dao phải đảm bảo tiếp điểm di động được giữ chắc ở vị trí ngắt.
2 Hướng chuyển động của cơ cấu điều khiển bằng tay của các khí cụ nhiều vị trí hoặc khí cụ khởi động, điều chỉnh phải sao cho tay quay theo chiều kim đồng hồ hoặc tay gạt di chuyển lên phía trên hoặc ra phía trước là tương ứng với đóng mạch, khởi động, tăng tốc độ quay hoặc tăng điện áp.
Khi điều khiển thiết bị nâng hạ thì tay quay theo chiều kim đồng hồ hoặc hướng tay gạt về phía người điều khiển là tương ứng với nâng lên và ngược lại là hạ.
2.10.3 Khí cụ truyền động bằng cơ
1 Các cơ cấu truyền động bằng cơ của bộ ngắt mạch phải có kết cấu sao cho khi bị mất nguồn điều khiển thì các tiếp điểm của bộ ngắt mạch vẫn giữ nguyên trạng thái trước đó của chúng.
2 Phải có khả năng điều khiển chúng bằng tay.
2.10.4 Cuộn hút
1 Phải cố định dây dẫn và đầu nối của cuộn hút sao cho ứng lực ở các mối nối của dây dẫn không truyền vào vòng dây của cuộn hút. Đầu dẫn ra của các cuộn hút phải là dây đồng mềm nhiều sợi, trừ khi đầu ra được cố định trực tiếp trên thân cuộn hút.
2 Cuộn hút của khí cụ điện tử phải ghi rõ trị số điện áp, dòng điện v.v...
2.10.5 Điện trở
1 Các điện trở phải có thể thay thế được từng phần hoặc toàn bộ.
2 Phải bố trí các điện trở và tính đến khả năng làm mát chúng sao cho các thiết bị bên cạnh không bị nung nóng quá nhiệt độ cho phép.
3 Mối nối ghép giữa các điện trở với nhau hoặc giữa các điện trở với đầu dây nếu không cần thiết phải tháo ra thì phải là mối nối hàn hoặc dập ép. Cho phép dùng phương pháp hàn bấm nếu ở những chỗ nối đó nhiệt độ nung nóng không lớn hơn nhiệt độ cho phép đối với cách hàn đó.
2.10.6 Cầu chì
Các cầu chì phải phù hợp với Tiêu chuẩn TCVN 5926 hoặc Tiêu chuẩn quốc tế tương đương.
2.11 Cơ cấu điều khiển động cơ và phanh điện từ
2.11.1 Cơ cấu điều khiển động cơ điện
1 Các cơ cấu điều khiển động cơ phải được kết cấu chắc chắn và được trang bị đầy đủ các thiết bị khởi động, dừng, đảo chiều quay và điều khiển tốc độ các động cơ cùng với các thiết bị an toàn cần thiết.
2 Các cơ cấu điều khiển động cơ phải có vỏ bảo vệ phù hợp với vị trí lắp đặt chúng và đảm bảo an toàn cho người khi vận hành.
3 Tất cả các bộ phận chịu mòn của cơ cấu điều khiển phải có thể thay thế được dễ dàng và dễ tiếp cận để kiểm tra và bảo dưỡng.
4 Các động cơ có công suất lớn hơn 0,5 kW phải được trang bị các cơ cấu điều khiển phù hợp với các yêu cầu nêu ở 2.11.1-1, 2.11.1-2 và 2.11.1-3 và các yêu cầu dưới đây:
(1) Cần phải có biện pháp để tránh khởi động lại không theo ý muốn sau khi chúng bị dừng do điện áp thấp hoặc mất điện áp hoàn toàn. Yêu cầu này không áp dụng cho các động cơ mà chúng cần phải làm việc liên tục để đảm bảo an toàn cho tàu và hoạt động tự động;
(2) Cần phải có thiết bị cách ly chính để sao cho cắt được hoàn toàn điện áp khỏi động cơ, trừ khi có thiết bị cách ly (bố trí ở bảng điện, bảng phân nhóm, bảng phân phối, v.v...) gần với động cơ;
(3) Cần phải có biện pháp tự động ngắt nguồn cấp khi động cơ bị quá dòng do quá tải cơ khí. Yêu cầu này không áp dụng cho các động cơ máy lái.
5 Trường hợp thiết bị cách ly chính đặt xa động cơ thì phải trang bị các thiết bị sau hoặc tương đương:
(1) Trang bị thêm thiết bị ngắt cách ly gần động cơ;
(2) Phải có biện pháp để khóa thiết bị ngắt cách ly chính ở vị trí "ngắt".
6 Khi dùng cầu chì để bảo vệ mạch động cơ xoay chiều 3 pha thì phải quan tâm đến việc mất pha.
7 Trường hợp các cơ cấu điều khiển động cơ có công dụng thiết yếu được trang bị kép và cùng nhóm khởi động thì các thanh dẫn, các khí cụ và các chi tiết khác phải được bố trí sao cho sự hư hỏng ở khí cụ hoặc mạch không làm cho các động cơ có cùng công dụng đồng thời không sử dụng được.
8 Mỗi một động cơ hoặc nhóm động cơ trong tổ hợp thiết bị phải được trang bị các biến áp cấp nguồn cho mạch điều khiển.
2.11.2 Phanh điện từ
1 Bộ phận mang điện của các phanh điện từ dùng cho các động cơ kín nước phải là kiểu kín nước.
2 Các phanh một chiều kích từ song song phải nhả tốt ở điện áp bằng 85% điện áp định mức tại nhiệt độ làm việc lớn nhất và các phanh một chiều kích từ hỗn hợp phải nhả tốt ở dòng bằng 85% dòng khởi động định mức trong các điều kiện như trên.
3 Các phanh một chiều kích từ nối tiếp phải nhả tốt ở dòng lớn hơn hoặc bằng 40% dòng toàn tải và ở bất kỳ dòng khởi động nào và nó phải tác động phanh ở dòng nhỏ hơn hoặc bằng 10% dòng toàn tải.
4 Các phanh điện từ xoay chiều phải thỏa mãn như sau:
(1) Phải nhả tốt ở điện áp bằng 80% điện áp định mức tại nhiệt độ làm việc;
(2) Không được gây tiếng ồn do tác động của từ trường trong khi đang làm việc.
2.11.3 Thử tại xưởng
1 Các cơ cấu điều khiển động cơ phải được thử phù hợp với các yêu cầu nêu ở mục này. Tuy nhiên việc thử yêu cầu ở 2.11.3-2 có thể được Đăng kiểm cho phép miễn giảm đối với mỗi cơ cấu điều khiển và phanh điện từ được chế tạo hàng loạt có kiểu tương tự như cái đầu tiên.
2 Các cơ cấu điều khiển động cơ phải chịu sự thử nhiệt độ dưới điều kiện làm việc bình thường và sau đó sự tăng nhiệt độ của mỗi cơ cấu không được vượt quá các trị số quy định của chúng.
3 Sự hoạt động của các dụng cụ, cơ cấu đóng ngắt, thiết bị bảo vệ,v.v... của cơ cấu điều khiển động cơ phải được khẳng định.
4 Các cơ cấu điều khiển động cơ cùng với các bộ phận kèm theo phải chịu được điện áp cao bằng cách dùng điện áp dưới đây có tần số thông thường đặt vào giữa các phần mang điện của cơ cấu đóng ngắt kể cả thiết bị điều khiển với đất và giữa các cực hoặc các pha với nhau trong thời gian 1 phút. Trong khi thử điện áp cao có thể ngắt các dụng cụ đo và các thiết bị phụ ra:
(1) Điện áp định mức đến 60 V: 500 V;
(2) Điện áp định mức lớn hơn 60 V:1000 V + 2 lần điện áp định mức (tối thiểu 1500 V).
5 Ngay sau khi thử điện áp cao, điện trở cách điện giữa các phần mang điện với nhau và với đất và giữa các phần mang điện của cực tính trái dấu hoặc khác pha không được nhỏ hơn 1 MΩ khi được thử bằng dụng cụ đo điện một chiều có điện áp không nhỏ hơn là 500 V.
2.12 Cáp điện
2.12.1 Quy định chung
1 Dây dẫn và cáp điện dùng trên tàu phải là loại chuyên dùng cho tàu thủy, phù hợp với Tiêu chuẩn IEC 60092 hoặc tiêu chuẩn tương đương.
2 Vật liệu cách điện của dây dẫn và cáp điện phải là loại không cháy hoặc khó cháy.
2.12.2 Lựa chọn cáp
1 Điện áp định mức của bất kỳ cáp điện nào không được nhỏ hơn điện áp danh định của mạch mà cáp được dùng ở đó.
2 Về nguyên tắc, mạch cung cấp nguồn có yêu cầu bảo vệ quá tải và ngắn mạch phải được dùng cáp riêng biệt.
3 Nhiệt độ dây dẫn định mức lớn nhất của vật liệu được dùng trong cáp phải ít nhất cao hơn 10 °C so với nhiệt độ môi trường lớn nhất có thể tồn tại, hoặc thường xuyên có ở nơi đặt cáp điện.
2.12.3 Lựa chọn vỏ bảo vệ
1 Cáp điện phải được bảo vệ bằng vỏ bọc và hoặc cả vỏ bọc và lưới kim loại phù hợp với quy định sau đây:
(1) Cáp điện đặt trên boong thời tiết, ở buồng tắm, hầm hàng, buồng máy, ở nơi có thể tồn tại hơi dầu hoặc khí dễ nổ phải được bọc vỏ bảo vệ;
(2) Ở nơi thường xuyên ẩm ướt, phải sử dụng vỏ bọc kim loại đối với cáp có chất cách điện hút ẩm;
(3) Cáp điện đặt trên boong hở, trong hầm hàng, buồng máy,v.v... mà có thể bị hư hỏng do tác động cơ khí phải được bọc lưới kim loại, trừ khi chúng có vỏ bọc kim loại liền.
2.12.4 Trị số dòng của cáp điện
1 Tiết diện cáp và dây dẫn phải được chọn phù hợp với các quy định từ (1) đến (5) sau:
(1) Trị số dòng của cáp điện làm việc dài hạn không được vượt quá các giá trị nêu ở Bảng 4/2.11;
(2) Trị số dòng của cáp điện làm việc ngắn hạn (30 phút hoặc 60 phút) có thể được tăng lên bằng cách nhân giá trị nêu ở Bảng 4/2.11 với hệ số hiệu chỉnh như sau:
![]()
trong đó:
ts : 30 phút hoặc 60 phút;
d : đường kính toàn bộ của cáp hoàn chỉnh (mm).
(3) Trị số dòng điện của cáp làm việc ngắn hạn lặp lại (với chu kỳ 10 phút, 4 phút mang tải không đổi và 6 phút không mang tải) có thể được tăng lên bằng cách nhân giá trị nêu ở Bảng 4/2.11 với hệ số hiệu chỉnh như sau:

trong đó:
d : đường kính toàn bộ của cáp hoàn chỉnh.
Trị số dòng đối với các chế độ ngắn hạn lặp lại khác phải được Đăng kiểm xem xét.
(4) Khi cùng một mạch có số cáp lớn hơn 6 được bó lại với nhau thì phải dùng hệ số hiệu chỉnh bằng 0,85;
(5) Khi nhiệt độ môi trường khác với như nêu ở 2.12.2-1(1) đến 2.12.2-1(3) thì phải dùng hệ số hiệu chỉnh nêu ở Bảng 4/2.12.
2.12.5 Chọn cáp có xét đến tổn hao điện áp
1 Tổn hao điện áp đường dây tính từ máy phát đến bảng điện chính hoặc bảng điện sự cố không được lớn hơn 1%.
2 Tổn hao điện áp từ bảng diện chính hoặc bảng điện sự cố đến các phụ tải không được lớn hơn:
(1) 5% đối với đèn chiếu sáng và hệ thống tín hiệu khi điện áp lớn hơn 30 V;
(2) 10% đối với phụ tải dòng điện mạnh, dụng cụ sưởi và nấu ăn không phụ thuộc vào trị số điện áp;
(3) 10% đối với phụ tải dòng điện mạnh làm việc ngắn hạn lặp lại không phụ thuộc trị số điện áp.
3 Tổn thất điện áp đường dây cấp điện cho thiết bị nạp ắc quy không được lớn hơn 5%.
4 Khi động cơ điện xoay chiều có công suất lớn được khởi động trực tiếp thì không được phép gây sụt áp quá 25% điện áp định mức.
2.12.6 Lắp đặt cáp điện
1 Cáp điện phải được đi càng thẳng và dễ tiếp cận càng tốt.
2 Phải cố gắng tránh đi cáp qua mối nối giãn nở trong thân tàu. Nếu điều này không thể tránh được thì phải có đoạn cáp bù với chiều dài tỷ lệ với sự giãn nở của mối nối. Bán kính trong của đoạn cáp bù phải ít nhất bằng 12 lần đường kính ngoài của cáp.
3 Khi có yêu cầu cấp điện kép thì hai đường cáp phải đi theo tuyến khác nhau và càng cách xa nhau càng tốt.
4 Cáp có vật liệu cách điện với nhiệt độ dây dẫn định mức lớn nhất khác nhau không được phép bó chung với nhau, hoặc khi bắt buộc phải bó chung chúng với nhau thì cáp phải có chế độ làm việc sao cho không có cáp nào có thể đạt tới nhiệt độ cao hơn nhiệt độ cho phép của cáp có nhiệt độ định mức thấp nhất ở trong nhóm.
5 Cáp điện có vỏ bảo vệ mà có thể làm hư hỏng vỏ bảo vệ của cáp điện khác thì không được bó chúng với cáp điện đó.
6 Khi lắp đặt cáp điện, bán kính trong tối thiểu chỗ uốn cong phải thỏa mãn như sau:
(1) Cáp được cách điện bằng cao su và PVC có bọc lưới thép: 6d
(2) Cáp được cách điện bằng cao su và PVC không bọc lưới thép:
(a) 4d (với d ≤ 25 mm);
(b) 6d (với d > 25 mm).
(3) Cáp được cách điện bằng chất vô cơ: 6d
(d) là đường kính toàn bộ của cáp hoàn chỉnh)
7 Các mạch an toàn về bản chất phải được lắp đặt thỏa mãn như sau:
(1) Cáp điện dùng cho mạch an toàn về bản chất đi kèm thiết bị điện có kiểu an toàn về bản chất phải dùng riêng rẽ và phải được lắp đặt cách biệt khỏi cáp của mạch chung;
(2) Các mạch an toàn về bản chất đi kèm với thiết bị điện không có kiểu an toàn về bản chất, nói chung phải được đi dây riêng biệt bằng cách dùng cáp điện khác. Nếu cần thiết phải dùng cáp nhiều lõi chung cho các mạch thì phải sử dụng cáp có vỏ bọc từng lõi hoặc từng cặp lõi, đồng thời vỏ bọc này phải được nối đất tin cậy. Tuy nhiên, các mạch an toàn về bản chất đi kèm thiết bị điện có kiểu an toàn về bản chất cấp “ia” không được đi chung cáp với thiết bị điện có kiểu an toàn về bản chất cấp “ib”.
2.12.7 Phòng chống cháy
1 Cáp điện phải được lắp đặt sao cho không làm hư hỏng đặc tính khó cháy ban đầu.
2 Tất cả các cáp điện dùng cho mạch động lực, chiếu sáng, thông tin nội bộ, tín hiệu và trợ giúp hành trình thiết yếu và cáp dùng cho thiết bị sự cố phải được đi càng xa buồng máy và vách bọc chúng cũng như nhà bếp, buồng tắm và các vùng có nguy cơ cháy cao càng tốt. Cáp điện nối các bơm cứu hỏa với bảng điện sự cố phải là kiểu chịu cháy nếu chúng đi qua các vùng có nguy cơ cháy cao. Tất cả các cáp điện đó phải được đi theo đường sao cho loại trừ khả năng làm chúng bị hư hỏng bởi nhiệt của vách có thể gây ra do cháy không gian gần đó.
2.12.8 Cáp điện trong vùng nguy hiểm
Khi cáp điện được lắp đặt trong vùng nguy hiểm dễ gây ra nguy cơ cháy hoặc nổ do sự cố điện ở vùng đó thì phải có biện pháp chống lại nguy cơ đó.
2.12.9 Nối đất vỏ bảo vệ bằng kim loại
1 Vỏ bảo vệ bằng kim loại của cáp điện phải được nối đất tin cậy ở cả 2 đầu, trừ mạch nhánh cuối có thể chỉ cần nối đất ở đầu cấp nguồn. Điều này không cần thiết áp dụng cho cáp điện của mạch dụng cụ, mà chỉ cần nối đất 1 điểm vì lý do kỹ thuật.
2 Phải đưa ra biện pháp hữu hiệu để bảo đảm rằng tất cả vỏ bảo vệ bằng kim loại của cáp điện là liên tục về điện suốt cả chiều dài của chúng.
3 Vỏ chì của cáp điện được bọc chì không được được dùng như là phương tiện nối đất duy nhất các phần không mang điện của thiết bị điện.
2.12.10 Đỡ và cố định cáp điện
1 Cáp điện và dây dẫn phải được đỡ và cố định sao cho chúng không thể bị xây xước do chà sát hoặc hư hỏng do cơ khí.
2 Khoảng cách giữa các điểm đỡ và cố định cáp điện phải được lấy phù hợp với kiểu của cáp và khả năng xảy ra rung động và không được vượt quá 40 cm. Đối với cáp điện đi theo chiều ngang, trừ trên boong thời tiết, nếu cáp được đặt trên giá đỡ dạng thang treo v.v... thì khoảng cách giữa các điểm cố định cáp có thể cho phép đến 90 cm với điều kiện khoảng cách giữa các giá đỡ lớn nhất là 40 cm. Khi đi cáp trong máng hoặc ống thì phải có sự chấp nhận của Đăng kiểm.
3 Vòng kẹp, giá đỡ và phụ kiện phải thỏa mãn như sau:
(1) Vòng kẹp phải khỏe và có diện tích bề mặt cũng như hình dạng sao cho giữ được chặt cáp mà không làm hư hỏng vỏ bảo vệ của cáp;
(2) Vòng kẹp, giá đỡ và phụ kiện phải được làm bằng vật liệu chịu ăn mòn hoặc phải được ngăn ngừa ăn mòn trước khi lắp ráp;
(3) Vòng kẹp, giá đỡ và phụ kiện phi kim loại phải là vật liệu khó cháy;
(4) Khi cáp điện được cố định bằng các vòng kẹp phi kim loại thì phải có sự xem xét đặc biệt để ngăn chặn cáp bị bung ra do cháy, trừ khi chúng được đặt ngang trên máng hoặc giá đỡ.
Bảng 4/2.12 - Trị số dòng của cáp (làm việc dài hạn)
(Với nhiệt độ môi trường là 45 ºC)
| Tiết diện định mức dây dẫn, mm2 | Dòng điện cáp, A | |||||||||||
| Cách điện PVC (dùng chung) (60 ºC ) | Cách điện PVC (chịu nóng) (75 ºC) | Cách điện cao su EP và được bọc cách điện polyetylen (85 ºC) | Cách điện cao su lưu hóa và cách điện vô cơ (95 ºC) | |||||||||
| 1 lõi | 2 lõi | 3 lõi | 1 lõi | 2 lõi | 3 lõi | 1 lõi | 2 lõi | 3 lõi | 1 lõi | 2 lõi | 3 lõi | |
| 1 | 8 | 7 | 6 | 13 | 11 | 9 | 16 | 14 | 11 | 20 | 17 | 14 |
| 1,5 | 12 | 10 | 8 | 17 | 14 | 12 | 20 | 17 | 14 | 24 | 20 | 17 |
| 2,5 | 17 | 14 | 12 | 24 | 20 | 17 | 28 | 24 | 20 | 32 | 27 | 22 |
| 4 | 22 | 19 | 15 | 32 | 27 | 22 | 38 | 32 | 27 | 42 | 36 | 29 |
| 6 | 29 | 25 | 20 | 41 | 35 | 29 | 48 | 41 | 34 | 55 | 47 | 39 |
| 10 | 40 | 34 | 28 | 57 | 48 | 40 | 67 | 57 | 47 | 75 | 64 | 53 |
| 16 | 54 | 46 | 38 | 76 | 65 | 53 | 90 | 77 | 63 | 100 | 85 | 70 |
| 25 | 71 | 60 | 50 | 100 | 85 | 70 | 120 | 102 | 84 | 135 | 115 | 95 |
| 35 | 87 | 74 | 61 | 125 | 106 | 88 | 145 | 123 | 102 | 165 | 140 | 116 |
| 50 | 105 | 89 | 74 | 150 | 128 | 105 | 180 | 153 | 126 | 200 | 170 | 140 |
| 70 | 135 | 115 | 95 | 190 | 162 | 133 | 225 | 191 | 158 | 255 | 217 | 179 |
| 95 | 165 | 140 | 116 | 230 | 196 | 161 | 275 | 234 | 193 | 310 | 264 | 217 |
| 120 | 190 | 162 | 133 | 270 | 230 | 189 | 320 | 272 | 224 | 360 | 306 | 252 |
| 150 | 220 | 187 | 154 | 310 | 264 | 217 | 365 | 310 | 256 | 410 | 349 | 287 |
| 185 | 250 | 213 | 175 | 350 | 298 | 245 | 415 | 353 | 291 | 470 | 400 | 329 |
| 240 | 290 | 247 | 203 | 415 | 353 | 291 | 490 | 417 | 343 | - | - | - |
| 300 | 335 | 285 | 235 | 475 | 404 | 333 | 560 | 476 | 392 | - | - | - |
Bảng 4/2.13 - Hệ số hiệu chỉnh với nhiệt độ môi trường khác nhau
| Nhiệt độ quy định lớn nhất của chất cách điện | Hệ số hiệu chỉnh | |||||||||
| 40 ºC | 45 ºC | 50 ºC | 55 ºC | 60 ºC | 65 ºC | 70 ºC | 75 ºC | 80 ºC | 85 ºC | |
| 60 ºC | 1,15 | 1,00 | 0,82 | - | - | - | - | - | - | - |
| 75 ºC | 1,08 | 1,00 | 0,91 | 0,82 | 0,71 | 0,58 | - | - | - | - |
| 80 ºC | 1,07 | 1,00 | 0,93 | 0,85 | 0,76 | 0,65 | 0,53 | - | - | - |
| 85 ºC | 1,06 | 1,00 | 0,94 | 0,87 | 0,79 | 0,71 | 0,61 | 0,50 | - | - |
| 95 ºC | 1,05 | 1,00 | 0,95 | 0,89 | 0,84 | 0,77 | 0,71 | 0,63 | 0,55 | 0,45 |
2.12.11 Xuyên cáp qua vách và boong
1 Xuyên cáp qua các vách và boong mà yêu cầu giữ sức bền và độ kín của boong và vách, phải được thực hiện bằng cách dùng các miếng đệm hoặc hộp đi cáp để đảm bảo không làm hư hại đến sức bền và độ kín đó.
2 Khi đi cáp qua các vách hoặc kết cấu không kín nước thì lỗ luồn cáp phải được đặt ống lót làm bằng vật liệu thích hợp để tránh hư hỏng cho cáp. Nếu chiều dày của thép đủ (≥ 6 mm) và không có nguy cơ làm hỏng cáp thì có thể chấp nhận thay đặt ống lót bằng cách vê tròn miệng lỗ.
3 Việc lựa chọn các vật liệu làm miếng đệm và ống lót phải đảm bảo sao cho không có nguy cơ bị ăn mòn.
4 Xuyên cáp qua các vách và boong mà yêu cầu phải giữ tính nguyên vẹn chống cháy, phải được thực hiện sao cho đảm bảo không làm hư hỏng tính chống cháy của boong và vách đó.
2.12.12 Bảo vệ cáp khỏi hư hỏng cơ khí
1 Cáp không có vỏ bọc lưới thép được đặt ở chỗ dễ có nguy cơ hư hỏng do cơ khí thì phải được bảo vệ bằng lớp vỏ kim loại có hiệu quả.
2 Cáp đi trong hầm hàng và các không gian khác mà trong trường hợp đặc biệt có nguy cơ bị hư hỏng do cơ khí thì cũng phải được bảo vệ thích hợp, ngay cả khi đã có vỏ bọc lưới thép.
3 Vỏ kim loại được dùng để bảo vệ cơ khí cho cáp phải được bảo vệ chống ăn mòn có hiệu quả.
4 Ống và máng đi cáp phi kim loại phải được làm bằng vật liệu khó cháy. Không cho phép dùng các máng đi cáp PVC ở buồng lạnh hoặc trên boong thời tiết.
2.12.13 Đi cáp trong ống thép và máng
1 Các ống và máng kim loại phải được nối đất tin cậy và các mối nối phải đảm bảo tính liên tục về điện và cơ khí.
2 Bán kính uốn cong bên trong của ống và máng không được nhỏ hơn các trị số đã nêu ở 2.12.5-6. Tuy nhiên khi đường kính của ống mà lớn hơn 64 mm thì bán kính uốn cong bên trong không được nhỏ hơn 2 lần đường kính ống.
3 Hệ số lấp đầy không được vượt quá 0,4 (tỉ số giữa tổng tiết diện ngang của toàn bộ cáp và tiết diện ngang bên trong ống).
4 Các ống hoặc máng nằm ngang phải có biện pháp xả nước thích hợp.
5 Nếu bố trí ống theo chiều dọc, khi cần thiết phải có các mối nối co dãn.
2.12.14 Cáp điện dùng cho điện xoay chiều
1 Khi cần thiết phải dùng cáp một lõi cho các mạch cấp điện xoay chiều có dòng định mức lớn hơn 20 A thì phải áp dụng các yêu cầu từ (1) đến (8) dưới đây:
(1) Cáp phải là loại không được bọc lưới thép hoặc có được bọc lưới làm bằng vật liệu không có từ tính;
(2) Khi đặt cáp trong ống hoặc máng ốp thì cáp cùng thuộc một mạch phải được đặt cùng một ống hoặc máng ốp trừ khi ống và máng ốp kim loại làm bằng vật liệu không có từ tính;
(3) Kẹp cáp phải gộp các cáp của tất cả các pha của mạch trừ khi kẹp cáp được làm bằng vật liệu không có từ tính;
(4) Khi lắp đặt cáp hai lõi hoặc ba lõi tạo thành các mạch một pha hoặc ba pha thì phải sao cho các cáp càng sát nhau càng tốt. Trong bất kỳ trường hợp nào thì khoảng cách giữa các cáp kề nhau không được lớn hơn đường kính của cáp đó;
(5) Khi cáp một lõi có dòng định mức lớn hơn 250 A mà đi dọc theo vách thép thì cáp phải được đi tách ra khỏi vách thép đó càng xa càng tốt;
(6) Khi dùng cáp một lõi có tiết diện từ 185 mm2 trở lên và chiều dài lớn hơn 30 m thì cứ khoảng xấp xỉ 15 m phải chuyển vị các pha để các mạch có được cùng một mức trở kháng, trừ khi cáp được đặt thành hệ hình ba lá;
(7) Trường hợp có từ hai cáp một lõi trở lên đi song song trên một pha thì tất cả các cáp phải có cùng chiều dài và cùng tiết diện;
(8) Không được phép đặt vật liệu có từ tính giữa các cáp một lõi của một nhóm. Khi cáp chui qua các tấm thép thì tất cả các cáp của cùng một mạch phải qua cùng một tấm lót hoặc ống lót được kết cấu sao cho khoảng cách giữa các cáp và vật liệu có từ tính không nhỏ hơn 75 mm, trừ khi cáp được đặt thành hệ hình ba lá.
2.12.15 Đầu nối, mối nối và phân nhánh cáp
1 Cáp phải được nối bằng các đầu nối. Không được phép dùng phương pháp hàn nóng chảy có chứa các chất ăn mòn.
2 Các đầu nối phải có đủ bề mặt tiếp xúc và chịu được lực.
3 Chiều dài các phần được hàn của các đầu nối dạng ống đồng và các đầu nối khác không được nhỏ hơn 1,5 lần đường kính của dây dẫn.
4 Cáp không có chất cách điện chịu ẩm (ví dụ như chất cách điện vô cơ) thì các đầu cuối của chúng phải được bịt kín tốt để chống lại sự xâm nhập của hơi ẩm.
5 Các đầu nối và mối nối (kể cả ổ phân nhánh) của cáp phải được chế tạo sao cho đảm bảo dẫn điện tốt, chịu được va chạm cơ khí và chống phát tia lửa và khi cần thiết có cả đặc tính chống cháy cho cáp.
6 Các đầu nối và dây dẫn phải có kích thước đủ, phù hợp với dòng điện quy định của cáp.
2.13 Biến áp động lực và chiếu sáng
2.13.1 Quy định chung
1 Các biến áp dùng trên tàu phải là loại có hai cuộn dây riêng biệt.
2 Các biến áp 1 pha có công suất lớn hơn 1 kVA và 3 pha có công suất lớn hơn 5 kVA phải thỏa mãn các yêu cầu ở mục này.
2.13.2 Kết cấu
1 Các biến áp trong buồng sinh hoạt phải là biến áp khô có kiểu làm mát tự nhiên. Trong buồng máy cho phép dùng biến áp ngâm dầu có kiểu làm mát tự nhiên.
2 Khi máy biến áp chịu tải từ không tải đến đến định mức thì điện áp không được dao động quá 5% điện áp định mức.
3 Máy biến áp được làm mát bằng không khí hoặc bằng điện môi khô phải có kết cấu sao cho chúng có thể duy trì được quá tải 10% trong thời gian 1 giờ và 50% trong 5 phút.
2.13.3 Thử tại xưởng
1 Các biến áp phải được thử phù hợp với những yêu cầu nêu ở mục này. Tuy nhiên, nếu Đăng kiểm đồng ý thì có thể cho phép miễn giảm việc thử yêu cầu ở 2.13.3-2 đối với mỗi biến áp được chế tạo hàng loạt có kiểu giống như cái đầu tiên.
2 Sự tăng nhiệt độ của các biến áp khi chịu toàn tải định mức không được vượt quá các trị số quy định cho chúng.
3 Các biến áp phải chịu được thử điện áp quy định và phải có khả năng điều chỉnh điện áp sai khác không quá 2,5 - 5% so với điện áp định mức, cũng có thể chấp nhận chúng qua kết quả tính toán.
4 Sau khi thử nhiệt độ, các biến áp phải chịu được điện áp cao bằng cách dùng điện áp xoay chiều có trị số bằng 1000 V cộng với 2 lần điện áp dây lớn nhất có tần số thông dụng đặt vào giữa các cuộn dây với nhau và với đất trong vòng 1 phút. Điện áp thử này tối thiểu phải bằng 1500 V.
5 Các biến áp phải chịu được khoảng thời gian thử đưa ra ở công thức sau, khi 2 lần điện áp bình thường cảm ứng trên cuộn dây ở bất kỳ tần số nào từ 100 đến 500 Hz, thì khoảng thời gian phải ít nhất là 15 giây, nhưng không quá 60 giây.
Thời gian thử (giây):

2.14 Ắc quy
2.14.1 Quy định chung
1 Những yêu cầu nêu ở 2.14 này áp dụng cho các tổ ắc quy phụ lắp đặt cố định có kiểu được thông hơi. Ắc quy phụ kiểu thông hơi nghĩa là loại có thể thay thế được chất điện phân và có thể thoát được khí trong quá trình nạp và nạp quá.
2 Việc sử dụng các ắc quy phụ có kiểu khác phải được Đăng kiểm đồng ý.
3 Các tổ ắc quy phải có đặc tính phù hợp với mục đích sử dụng.
2.14.2 Kết cấu
1 Không được chế tạo bình ắc quy bằng vật liệu dễ cháy, dòn, dễ vỡ, dễ bị biến dạng và bị ăn mòn. Bình ắc quy bằng thép phải được bảo vệ chống ăn mòn.
2 Bình ắc quy phải có kết cấu sao cho các chất kết tủa dưới đáy không gây ngắn mạch giữa các tấm cực.
3 Lỗ của bình ắc quy và bình ắc quy phải có kết cấu sao cho khi bị nghiêng tới 40º, điện dịch trong bình không bị đổ tóe ra ngoài. Nắp đậy phải được chế tạo bằng vật liệu bền chắc, chịu được tác dụng của điện dịch và chúng phải có kết cấu sao cho không gây áp lực hơi quá cao trong bình.
4 Ắc quy phải được chế tạo sao cho khi được nạp đầy, sau 28 ngày đêm không sử dụng với nhiệt độ (20±5) ºC thì dung lượng tiêu hao không quá 30% dung lượng định mức nếu là ắc quy axít và không được lớn hơn 25% nếu là ắc quy kiềm.
2.14.3 Bố trí
1 Không cho phép đặt ắc quy kiềm và ắc quy axít trong cùng một buồng.
2 Tổ ắc quy có dung lượng từ 1000 Ah trở lên phải được đặt trong buồng dành riêng cho nó. Có thể đặt chúng vào hộp trên boong nếu nó được thông gió tốt và có biện pháp ngăn chặn sự xâm nhập của nước. Tổ ắc quy có dung lượng nhỏ hơn 1000 Ah có thể được phép đặt trong hộp có nắp đậy để trong tàu.
3 Các ắc quy khởi động động cơ phải được đặt càng gần động cơ càng tốt. Nếu như ắc quy đó không thể bố trí được ở buồng ắc quy thì chúng phải được đặt ở vị trí đảm bảo thông gió tốt.
4 Không được đặt ắc quy ở khu vực sinh hoạt.
2.14.4 Quy định lắp đặt và bảo vệ chống ăn mòn
1 Ắc quy phải được bố trí để cho phép dễ dàng đến gần để thay thế, kiểm tra, thử, bổ sung dung dịch và vệ sinh.
2 Các ngăn hoặc thùng phải được đặt trên vật đỡ cách điện không thấm nước. Chúng phải được cố định để ngăn ngừa dịch chuyển do chuyển động của tàu.
3 Trường hợp dùng axít làm chất điện phân thì phải có thùng làm bằng vật liệu chịu axít đặt ở dưới các ngăn trừ khi boong phía dưới cũng được bảo vệ tương tự.
4 Bên trong buồng ắc quy kể cả giá đặt phải được phủ lớp sơn chống gỉ.
5 Bên trong các đường ống thông gió và cánh quạt thông gió phải được phủ lớp sơn chống gỉ, trừ khi đường ống và cánh quạt được làm bằng vật liệu chịu ăn mòn.
2.14.5 Thông gió
1 Các buồng đặt ắc quy phải được thông gió tốt bằng hệ thống thông gió độc lập.
2 Trường hợp dùng thông gió tự nhiên thì các đường ống thông gió phải được đi từ đỉnh buồng ắc quy đến không gian hở phía trên, không được phép có đoạn ống nào nghiêng quá 45º so với phương thẳng đứng.
3 Nếu như không thể dùng được thông gió tự nhiên thì phải bố trí thông gió cưỡng bức dạng hút. Không cho phép đặt các động cơ điện của quạt thông gió ở phía trong ống thông gió. Các quạt thông gió phải có kết cấu và làm bằng vật liệu sao cho không tạo ra khả năng phát tia lửa trong trường hợp cánh quạt chạm vào thân quạt.
4 Nếu ắc quy được bố trí từ hai tầng trở lên thì khoảng cách giữa các tầng không nhỏ hơn 50 mm.
2.14.6 Trang bị điện trong buồng ắc quy
1 Không cho phép bố trí bất kỳ một thiết bị điện nào trong buồng ắc quy trừ cáp điện nối với ắc quy và đèn chiếu sáng kiểu phòng nổ. Thiết bị chiếu sáng đặt trong buồng ắc quy phải phù hợp với các yêu cầu ở 2.18 và phải thích hợp với việc sử dụng ở môi trường khí dễ nổ được phân cấp theo nhóm khí và hơi là IIC và cấp nhiệt độ là T1.
2 Cáp điện không phải dùng cho ắc quy và trang bị điện như nêu ở 2.14.6-1 về nguyên tắc không được bố trí trong buồng ắc quy, trừ khi không thể bố trí chúng ở những vị trí khác được.
2.14.7 Nạp điện ắc quy
1 Khi nạp điện cho tổ ắc quy có kiểu và dung lượng khác nhau thì phải bố trí thiết bị điều chỉnh dòng nạp cho từng tổ.
2 Thiết bị nạp cho các tổ ắc quy cấp điện cho các phụ tải thiết yếu phải đảm bảo nạp tới dung lượng định mức trong thời gian không quá 8 giờ.
3 Phải bố trí thiết bị nạp cho tất cả các tổ ắc quy trên tàu. Trong thiết bị nạp phải có đồng hồ đo điện áp và dòng điện của từng tổ ắc quy, có thể dùng chuyển mạch đo ở trường hợp này.
2.14.8 Chế độ làm việc song song của máy phát và ắc quy
1 Nếu thiết kế máy phát và ắc quy làm việc song song với nhau thì máy phát phải có bộ tiết chế tự động sao cho dòng điện nạp của ắc quy không vượt quá trị số cho phép.
2 Công suất của máy phát làm việc song song với ắc quy phải đủ cung cấp cho tất cả các phụ tải ở điều kiện hoạt động bình thường của tàu, đồng thời nạp điện được cho ắc quy.
2.14.9 Khởi động điện động cơ đốt trong
1 Dung lượng của tổ ắc quy khởi động máy chính phải đảm bảo số lần khởi động liên tục bắt đầu từ lúc máy nguội mà không cần phải nạp thêm theo yêu cầu ở 2.5.3-3 Phần 3 Quy chuẩn này.
2 Cầu dao ngắt của tổ ắc quy phải được chọn với dòng khởi động lớn nhất.
3 Cho phép dùng tổ ắc quy khởi động cấp điện cho các dụng cụ kiểm tra, tín hiệu, các thiết bị kèm theo máy.
4 Dung lượng của tổ ắc quy khởi động máy phát điện, máy phụ phải đảm bảo số lần khởi động bắt đầu từ trạng thái máy nguội mà không cần phải nạp thêm theo yêu cầu ở 2.5.3-3 Phần 3 của Quy chuẩn này.
5 Nếu dùng ắc quy khởi động cấp điện cho các phụ tải nhỏ không quan trọng trên tàu thì dung lượng của nó phải đảm bảo số lần khởi động và cung cấp cho các phụ tải trong thời gian ít nhất là 8 giờ mà không cần nạp thêm.
2.15 Thiết bị chiếu sáng
2.15.1 Quy định chung
Các thiết bị chiếu sáng phải thỏa mãn các yêu cầu ở 2.15 này.
2.15.2 Kết cấu
1 Công suất của các đui đèn phải phù hợp với các tiêu chuẩn quốc gia hoặc các tiêu chuẩn quốc tế hoặc các tiêu chuẩn khác tương đương. Đồng thời phải thỏa mãn các yêu cầu nêu trong 2.15 này.
2 Các đui đèn phải được làm bằng vật liệu không thấm nước và khó cháy hoặc không cháy.
3 Các đui đèn lớn phải có biện pháp để khóa đèn với đui.
4 Lớp bảo vệ bên ngoài phải được làm bằng kim loại, thủy tinh hoặc nhựa tổng hợp có đủ bền cơ khí, nhiệt và suất điện trở hóa học, và phải có mức bảo vệ thích hợp tùy theo vị trí đặt chúng. Lớp bảo vệ bằng nhựa tổng hợp mà giữ các phần mang điện phải là loại khó cháy.
5 Các hộp đấu dây và các đầu bắt dây cáp phải có kết cấu phù hợp với việc sử dụng ở môi trường biển. Cũng cần phải quan tâm đến khả năng chất cách điện của cáp có thể bị phá hủy ngay lúc vừa mới làm việc do sự tăng nhiệt độ ở các đầu nối dây và ở các bộ phận khác.
6 Thiết bị chiếu sáng được lắp đặt ở buồng máy hoặc các không gian khác tương tự mà dễ có nguy cơ hư hỏng do cơ khí thì phải được trang bị lưới bọc kim loại thích hợp để bảo vệ các bóng đèn và chụp thủy tinh khỏi bị vỡ.
2.15.3 Bố trí
Thiết bị chiếu sáng phải được bố trí sao cho ngăn được sự tăng nhiệt độ mà có thể làm hỏng dây cáp và dây dẫn và phải ngăn ngừa vật liệu xung quanh bị nung nóng quá mức.
2.15.4 Thiết bị chiếu sáng huỳnh quang
1 Không được lắp ráp cuộn cảm, tụ điện trên các bề mặt mà dễ có khả năng phải chịu nhiệt độ cao.
2 Tụ điện có điện dung từ 0,5 μF trở lên phải được trang bị mạch phóng điện bảo vệ hoặc các biện pháp bảo vệ khác mà sao cho sau khi ngắt nguồn cấp 1 phút thì điện áp trên tụ điện không quá 50 V.
3 Các chấn lưu phải được lắp càng gần với đèn phóng điện đi cùng càng tốt.
2.16 Phụ kiện đi kèm đường đây điện
2.16.1 Quy định chung
1 Vỏ bảo vệ phải được làm bằng kim loại hoặc vật liệu khó cháy.
2 Vật liệu cách điện của các phần mang điện phải là loại khó cháy và không thấm nước.
2.16.2 Sự tăng nhiệt độ
Sự tăng nhiệt độ của các phần mang điện không được vượt quá 30 ºC.
2.16.3 Công tắc ngắt mạch
Các công tắc phải có khả năng ngắt và giữ an toàn khi dòng tải bằng 150% dòng tải định mức của chúng ở điện áp định mức.
2.16.4 Ổ cắm điện và phích điện
1 Thân lỗ cắm và ổ cắm phải có kết cấu sao cho ôm chặt cọc chốt của phích cắm.
2 Không được dùng phích cắm có cọc chốt chẻ. Cọc chốt phích cắm dùng với dòng điện lớn hơn 16 A phải có dạng hình trụ đặc hoặc rỗng.
3 Các chi tiết cách điện để bắt chặt cọc chốt dẫn điện của phích cắm nên được chế tạo bằng sứ.
4 Các ổ cắm và phích cắm dùng ở buồng máy và trên boong hở ở trạng thái tiếp xúc cũng như chưa tiếp xúc phải có kiểu bảo vệ tối thiểu là cấp IP55.
5 Không được đặt cầu chì trong ổ cắm.
2.17 Thiết bị sưởi và nấu ăn
2.17.1 Kết cấu
1 Phần dẫn nhiệt chịu tải, kết cấu của thiết bị sưởi và nấu ăn và phía trong vỏ của chúng phải được chế tạo bằng vật liệu không cháy.
2 Lò sưởi các buồng phải có kết cấu sao cho làm giảm được nguy cơ cháy đến mức thấp nhất. Không cho phép lò sưởi nào lại có một phần lộ ra ngoài để đến mức các tấm che kín hoặc các vật tương tự khác có thể bị thiêu đốt hoặc cháy do nhiệt từ phần đó phát ra.
2.17.2 Lắp đặt
Các thiết bị sưởi ở buồng phải được lắp đặt sao cho không thể có nguy cơ nung nóng boong, vách và các vật xung quanh.
2.18 Thiết bị điện phòng nổ
2.18.1 Quy định chung
Thiết bị điện phòng nổ phải phù hợp với Tiêu chuẩn TCVN 10888-0:2015 hoặc tương đương và cũng phải phù hợp với những yêu cầu ở 2.18.
2.18.2 Kiểu và kết cấu phòng nổ
1 Nói chung, kiểu và kết cấu phòng nổ dùng cho thiết bị điện trên tàu phải như sau: (1) Kiểu chịu nổ “d”;
(2) Kiểu tăng độ an toàn “e”;
(3) Kiểu an toàn về bản chất
(a) Kiểu an toàn về bản chất cấp “ ia”;
(b) Kiểu an toàn về bản chất cấp “ ib”.
(4) Kiểu vỏ bảo vệ được nén áp suất dư “p”;
(5) Kiểu đóng hộp (kết bao) “m”;
(6) Kiểu nhồi kín bột “q”;
(7) Kiểu ngâm dầu “o”.
2.18.3 Kết cấu
1 Các lỗ có lắp kính của thiết bị chiếu sáng và các cửa kiểm tra của các thiết bị điện khác có kiểu phòng tia lửa, tăng độ an toàn, vỏ được nén áp suất dư về nguyên tắc phải có các tấm chắn bằng kim loại cứng.
2 Trường hợp khi dùng miếng đệm để làm kín nước thiết bị điện phòng nổ lắp đặt trên boong thời tiết hoặc các không gian tương tự khác, thì các miếng đệm phải được lắp sao cho không làm giảm đi tính chất phòng nổ khi thiết bị hư hỏng hoặc vỡ.
3 Các bộ phận dẫn cáp điện vào thiết bị phải có kết cấu phù hợp với cáp điện tàu thủy. Cần phải lưu ý để sao cho cáp có thể được cố định chắc chắn ở bộ phận dẫn cáp, trừ khi cáp được đi trong ống thép.
4 Thiết bị điện đi kèm các mạch an toàn về bản chất và được đặt ở các không gian nguy hiểm về nguyên tắc phải được bọc kín hoàn toàn.
5 Kiểu của thiết bị điện phòng nổ, loại khí mà thiết bị được thiết kế làm việc ở đó và các vấn đề khác mà Đăng kiểm cho là cần thiết phải được chỉ ra rõ ràng trên bề mặt của thiết bị.
2.19 Trang bị điện áp cao
2.19.1 Quy định chung
1 Nếu trên tàu có trang bị điện áp cao thì điện áp hệ thống phải từ trên 1.000 V xoay chiều đến 10.000 V xoay chiều. Yêu cầu tại 2.19 áp dụng cho thiết bị điện sử dụng điện áp xoay chiều từ trên 1.000 V đến dưới 10.000 V, và là yêu cầu bổ sung cho các yêu cầu được quy định tại các phần khác của Quy chuẩn này.
2 Vật liệu cách điện sử dụng cho thiết bị điện phải đảm bảo độ cách điện 1.500 Ω cho mỗi vôn điện áp danh nghĩa trong quá trình tàu hoạt động nhưng không nhỏ hơn 2 MΩ.
3 Cảnh báo về trị số điện áp cao phải được bố trí ở gần lỗi vào không gian đặc biệt về điện. Vỏ bọc của thiết bị điện bố trí bên ngoài không gian đặc biệt về điện phải có cảnh báo về trị số điện áp cao.
2.20 Thử sau khi lắp đặt trên tàu
2.20.1 Thử điện trở cách điện
1 Mỗi mạch thiết bị điện chân vịt, động lực phụ và chiếu sáng phải có điện trở cách điện không nhỏ hơn trị số nêu ở Bảng 4/2.13 khi đo giữa các dây dẫn với nhau và giữa dây dẫn với đất.
2 Điện trở cách điện của các mạch thông tin nội bộ phải phù hợp với các yêu cầu từ (1) đến (3) sau:
(1) Với mạch có điện áp từ 100 V trở lên thì phải có điện trở cách điện không nhỏ hơn 1 MΩ khi đo giữa các dây dẫn với nhau và giữa dây dẫn với đất;
(2) Với mạch có điện áp nhỏ hơn 100 V thì điện trở cách điện tối thiểu là 1/3 MΩ;
(3) Khi tiến hành việc thử nêu ở (1) và (2) trên thì có thể ngắt một vài hoặc toàn bộ khí cụ ra khỏi mạch.
Bảng 4/2.13 - Điện trở cách điện tối thiểu
| Tải | Điện trở cách điện, MΩ |
| Đến 5 A | 2 |
| Đến 10 A | 1 |
| Đến 25 A | 0,4 |
| Đến 50 A | 0,25 |
| Đến 100 A | 0,1 |
| Đến 200 A | 0,05 |
| Trên 200 A | 0,025 |
| Chú thích: Trong khi tiến hành việc thử nêu trên, có thể ngắt một vài hoặc toàn bộ các bộ sưởi điện, các thiết bị nhỏ và các thiết bị tương tự ra khỏi mạch. | |
3 Điện trở cách điện của mỗi máy phát điện và động cơ điện ở nhiệt độ làm việc phải phù hợp với những yêu cầu ở 2.7.12-5.
4 Điện trở cách điện của mỗi bảng điện ở nhiệt độ làm việc phải phù hợp với các yêu cầu 2.8.10-5.
2.20.2 Thử đặc tính
1 Các máy phát điện phải được thử phù hợp với những yêu cầu từ (1) đến (3) sau:
(1) Sự hoạt động của thiết bị nhả quá tốc và các thiết bị an toàn khác phải được khẳng định;
(2) Phải tiến hành thử để chứng minh được sự điều chỉnh điện áp và làm việc song song của các máy phát là thỏa mãn;
(3) Tất cả các tổ máy phát phải hoạt động ở toàn tải định mức trong khoảng thời gian đủ để chứng minh được rằng sự tăng nhiệt độ, chuyển mạch, rung động và những vấn đề khác là thỏa mãn.
2 Tất cả các công tắc, các bộ ngắt mạch và thiết bị đi kèm ở bảng điện phải được làm việc có tải để chứng minh được tính phù hợp và các hộp phân nhóm, hộp phân phối cũng phải được thử như trên.
3 Các động cơ điện phải được thử phù hợp với những yêu cầu từ (1) đến (3) sau:
(1) Các động cơ và các cơ cấu điều khiển chúng phải được kiểm tra ở điều kiện làm việc để thấy rằng việc đi dây, công suất, tốc độ và sự hoạt động là thỏa mãn;
(2) Mỗi động cơ truyền động máy phụ phải được chạy thử để chứng minh rằng các đặc tính làm việc là thỏa mãn;
(3) Tất cả các động cơ truyền động tời hàng và tời neo phải nâng và hạ mức tải quy định của chúng.
4 Hệ thống chiếu sáng phải được thử phù hợp với những yêu cầu (1) và (2) sau:
(1) Tất cả các mạch phải được thử để chứng minh rằng, các thiết bị chiếu sáng, hộp phân nhánh, công tắc, ổ cắm và các phụ kiện khác được nối đúng và hoạt động thỏa mãn;
(2) Các mạch chiếu sáng sự cố phải được thử giống như đã chỉ ra ở (1).
5 Các bộ sưởi điện, bếp điện và những thiết bị tương tự phải được thử để chứng minh rằng các phần tử đốt nóng thỏa mãn chức năng làm việc.
6 Mỗi mạch thông tin nội bộ phải được thử một cách kỹ lưỡng để chứng minh được mức độ thỏa mãn và chức năng quy định của chúng. Phải đặc biệt lưu ý đến việc thử hoạt động của các hệ thống thông tin dùng điện của tàu bao gồm tay chuông truyền lệnh, báo cháy, tín hiệu sự cố, đèn nháy, bảng chỉ báo đèn hành trình, bộ chỉ báo góc lái và điện thoại.
2.20.3 Sụt áp
Trong khi tiến hành các việc thử ở trên thì phải xác định chắc chắn được rằng mức độ sụt áp của các mạch cấp điện không vượt quá các trị số đã đưa ra ở 2.12.5.
CHƯƠNG 3 THIẾT KẾ THIẾT BỊ ĐIỆN
3.1 Quy định chung
3.1.1 Quy định chung
Chương này đưa ra những yêu cầu đối với việc thiết kế các trang bị điện của nguồn điện chính, nguồn điện sự cố và các trang bị điện khác lắp đặt trên tàu thủy.
3.1.2 Thiết kế và chế tạo
Thiết bị điện trên tàu phải thỏa mãn những yêu cầu sau:
1 Tất cả các thiết bị điện phụ cần thiết để duy trì tàu ở trạng thái hoạt động và sinh hoạt bình thường mà không cần đến nguồn điện sự cố;
2 Những thiết bị điện có công dụng thiết yếu để đảm bảo an toàn cho con người và tàu phải đảm bảo hoạt động tốt trong mọi tình huống sự cố;
3 Chúng phải đảm bảo cho hành khách, thuyền viên và tàu tránh khỏi các nguy hiểm do điện.
3.2 Nguồn điện chính
3.2.1 Nguồn điện chính
1 Mỗi tàu tự hành phải được trang bị một nguồn điện chính. Trên các tàu khách mang cấp SB, cấp SI mà các máy phụ quan trọng phục vụ máy chính hoạt động nhờ năng lượng điện thì nguồn điện chính phải bao gồm tối thiểu hai tổ máy phát điện, nếu là máy phát điện thì phải có ít nhất một máy được truyền động độc lập. Trong trường hợp này, công suất của các tổ máy phát phải sao cho khi bất kỳ tổ nào dừng hoạt động thì vẫn còn khả năng cung cấp cho các phụ tải cần thiết đảm bảo điều kiện hoạt động bình thường của thiết bị đẩy tàu và thiết bị an toàn.
2 Nguồn điện chính có thể là máy phát điện đi-ê-den, bộ ắc quy hoặc máy phát trích lực từ máy chính với điều kiện máy chính không đảo chiều.
3 Nguồn điện chính của tàu phải cung cấp đủ năng lượng cho các thiết bị điện nêu ở 3.1.2-1 mà không quan tâm đến tốc độ và chiều quay của máy chính hoặc đường trục chính.
4 Công suất và khả năng quá tải tức thời của các máy phát điện xoay chiều cung cấp cho lưới điện tàu phải đủ để khởi động động cơ có công suất lớn nhất khi khởi động nặng nề nhất, đồng thời đủ cấp điện cho các phụ tải theo yêu cầu ở 3.1.2-1 và 3.3.1-3(1) đến (4). Trong trường hợp này cũng không cho phép làm giảm tần số và điện áp tới mức có thể gây mất đồng bộ làm dừng động cơ lai máy phát hoặc gây ra hiện tượng ngắt các động cơ điện đang làm việc.
5 Nếu nguồn điện chính trên tàu là tổ ắc quy, thì ắc quy phải có thể được nạp lại bằng nguồn điện trên tàu (trừ tàu lắp máy ngoài với thời gian hoạt động liên tục không quá 4 tiếng thì ắc quy được nạp tại bờ). Nếu ắc quy làm việc song song với bộ nạp, thì tàu được xem như có hai nguồn điện chính, khi đó mỗi nguồn phải có đường cấp điện riêng cho các phụ tải.
6 Nếu nguồn điện chính trên tàu chỉ duy nhất là ắc quy thì dung lượng của chúng phải đủ để đảm bảo cung cấp điện cho các thiết bị điện nêu ở 3.1.2-1 và ở 3.3.1-3(1) đến (4) trong thời gian 6 giờ với tàu mang cấp SB và 3 giờ với tàu mang cấp SI, SII, SIII mà không cần nạp thêm.
3.2.2 Số lượng và công suất của các biến áp
Nếu các biến áp là một bộ phận cần thiết trong hệ thống cung cấp điện năng theo yêu cầu ở 3.2.1 thì hệ thống phải được thiết kế sao cho đảm bảo cung cấp năng lượng theo yêu cầu ở 3.2.1 một cách liên tục.
3.2.3 Vị trí đặt bảng điện chính
Bảng điện chính và trạm phát chính phải được đặt ở trong cùng một không gian. Nhưng cũng có thể bố trí bảng điện chính cách các trạm phát bằng hàng rào bảo vệ, trường hợp này có thể trang bị buồng điều khiển máy đặt trong không gian buồng máy chính.
3.3 Hệ thống chiếu sáng
3.3.1 Yêu cầu chung
1 Phải có một hệ thống chiếu sáng chính được cung cấp từ nguồn điện chính, chiếu sáng các không gian hoặc các phòng để thuyền viên và mọi người trên tàu làm việc và sinh hoạt bình thường.
2 Hệ thống chiếu sáng chính phải được bố trí sao cho không có nguy cơ bị hư hỏng do cháy hoặc sự cố khác trong các không gian đặt nguồn sự cố, thiết bị biến đổi đi kèm, bảng điện sự cố và bảng chiếu sáng sự cố.
3 Hệ thống chiếu sáng sự cố phải cung cấp đủ ánh sáng cần thiết để đảm bảo an toàn cho:
(1) Tất cả các nơi cất giữ phương tiện cứu sinh, trạm tập trung người lên phương tiện cứu sinh;
(2) Tất cả các hành lang công tác và sinh hoạt, cầu thang, lối thoát;
(3) Các không gian đặt máy chính, đặt trạm phát điện chính và các vị trí điều khiển chúng;
(4) Tất cả các trạm điều khiển, buồng điều khiển máy chính và ở các bảng điện sự cố và bảng điện chính;
(5) Tất cả những vị trí để trang bị dùng cho người chữa cháy;
(6) Vị trí máy lái;
(7) Vị trí đặt bơm hút khô sự cố và tất cả các vị trí khởi động các động cơ của chúng;
(8) Trong các buồng bơm hàng của tàu hàng lỏng dùng để chở hàng lỏng hoặc chở hoá chất nguy hiểm có điểm chớp cháy không quá 60 °C.
4 Hệ thống chiếu sáng sự cố nêu ở 3.3.1-3 và các hệ thống chiếu sáng khác nêu ở 3.4.1-2(1) phải được bố trí sao cho không bị hư hỏng do cháy hoặc các sự cố khác trong các không gian đặt nguồn điện chính, thiết bị biến đổi đi kèm, bảng điện chính và bảng chiếu sáng chính.
5 Việc chiếu sáng phải đảm bảo:
(1) Đèn chiếu sáng đặt trong các buồng và không gian có khả năng bị vỡ nắp chụp thủy tinh phải có lưới bảo vệ;
(2) Đèn chiếu sáng phải được bố trí sao cho không gây nung nóng dây cáp điện và các vật liệu lân cận đến nhiệt độ lớn hơn giới hạn cho phép;
(3) Buồng ắc quy phải được chiếu sáng bằng các đèn đặt ở buồng lân cận không có nguy cơ nổ và cháy, chiếu sáng qua các cửa thông sáng kín khí có nắp kính. Hoặc có thể chiếu sáng bằng đèn phòng nổ đặt trong buồng ắc quy;
(4) Trong các buồng chiếu sáng bằng đèn huỳnh quang mà đặt các máy có phần chuyển động quay thì phải có biện pháp để khắc phục hiệu ứng quang điện;
(5) Nút ấn báo cháy phải được chiếu sáng đầy đủ lúc bình thường cũng như khi có sự cố;
(6) Các đèn chiếu sáng cố định ở hầm hàng phải được cấp điện từ bảng điện riêng biệt hoặc bằng đường dây riêng biệt của bảng điện chiếu sáng chung;
(7) Các thang đo của dụng cụ đo phải được chiếu sáng sao cho các tia sáng phản xạ không làm ảnh hưởng đến việc quan sát.
3.3.2 Thiết bị ngắt mạch trong mạch điện chiếu sáng
1 Trong mạch chiếu sáng phải dùng công tắc hai cực. Tuy nhiên trong các buồng ở và buồng phục vụ khô ráo cho phép dùng thiết bị ngắt mạch kiểu một cực để ngắt từng nguồn sáng và cho mạch chiếu sáng có điện áp an toàn.
2 Đối với nguồn chiếu sáng cố định bên ngoài phải bố trí trạm ngắt tập trung đặt tại buồng lái hoặc buồng trực ban trên boong.
3 Thiết bị ngắt mạch chiếu sáng phía sau bảng điện phân phối kiểu độc lập phải được đặt ngoài cửa ra vào phía sau bảng điện.
3.3.3 Ổ cắm điện
1 Ổ cắm điện dùng cho đèn chiếu sáng di động phải được bố trí tối thiểu tại các vị trí sau:
(1) Buồng đặt nguồn điện sự cố;
(2) Buồng máy lái;
(3) Buồng máy;
(4) Sau bảng điện chính;
(5) Buồng lái;
(6) Buồng điện riêng biệt.
2 Ổ cắm điện áp khác nhau phải có kết cấu khác nhau để tránh cắm nhầm phích.
3 Ổ cắm dùng cho đèn chiếu sáng di động và cho các phụ tải khác ở trên boong lộ thiên phải được đặt quay xuống dưới.
4 Tại vị trí ổ cắm phải ghi rõ công dụng và điện áp ổ cắm.
3.3.4 Cường độ chiếu sáng
Cường độ chiếu sáng ở các buồng làm việc và buồng ở phải tối thiểu bằng 75 Lux, còn ở hành lang và cầu thang tối thiểu là 50 Lux.
3.4 Nguồn điện sự cố
3.4.1 Quy định chung
1 Tàu phải được trang bị một nguồn điện sự cố độc lập hoàn toàn phù hợp với Bảng 3/3.1 dưới đây, trừ các tàu hàng và tàu kéo mang cấp SII, SIII. Với tàu mà nguồn điện chính là tổ ắc quy thì không cần phải bố trí nguồn điện sự cố.
Bảng 3/3.1 - Yêu cầu thời gian phục vụ của nguồn điện sự cố
| TT | Loại tàu | Thời gian hoạt động |
| 1 | Tàu khách, khách sạn nổi, nhà hàng nổi, tàu thủy lưu trú du lịch ngủ đêm. | 8 giờ |
| 2 | Tàu hàng tự hành mang cấp VR-SB. | 6 giờ |
| 3 | Các tàu còn lại. | 3 giờ |
2 Nguồn điện sự cố phải cung cấp cho các phụ tải sau:
(1) Đèn hành trình và đèn tín hiệu;
(2) Chiếu sáng buồng khách, buồng thuyền viên có nhiều hơn 10 người; (3) Chiếu sáng buồng lái;
(4) Chiếu sáng nêu ở 3.3.1-3(1) đến (8);
(5) Hệ thống tín hiệu báo động chung, báo cháy và thông tin liên lạc nội bộ;
(6) Hệ thống máy lái, nếu có yêu cầu được cấp điện cả từ nguồn điện chính và nguồn điện sự cố;
(7) Bơm cứu hỏa sự cố dùng điện, nếu có;
(8) Các thiết bị vô tuyến điện, thiết bị hàng giang/hàng hải; (9) Các hệ thống khác theo quy định của Đăng kiểm.
3 Thiết bị nạp ắc quy phải đảm bảo nối được ắc quy với lưới điện sự cố ngay cả trong trường hợp ắc quy đang được nạp.
4 Chỉ được phép đặt thiết bị bảo vệ ngắn mạch trong mạch điện sự cố.
3.4.2 Yêu cầu đối với nguồn điện sự cố
1 Nếu nguồn điện sự cố là máy phát điện hoặc tổ ắc quy hoặc hệ thống cấp nguồn liên tục, phải thỏa mãn những yêu cầu sau:
(1) Nếu nguồn điện sự cố là máy phát, phải thỏa mãn những yêu cầu sau:
(a) Máy phát sự cố phải được dẫn động bằng động cơ lai phù hợp được cung cấp nhiên liệu độc lập và nhiên liệu có điểm chớp cháy (thử cốc kín) không nhỏ hơn 43 °C;
(b) Với tàu khách trang bị máy phát sự cố phải tự động khởi động và tự động cấp điện cho bảng điện sự cố không quá 45 giây khi mất nguồn điện chính.
(2) Nếu nguồn điện sự cố là ắc quy, phải thỏa mãn những yêu cầu sau:
(a) Mang hết phụ tải điện sự cố mà không cần nạp lại trong khi vẫn duy trì được điện áp ở giới hạn sai khác ±12% so với điện áp định mức trong suốt quá trình phóng điện;
(b) Tự động đóng điện vào bảng điện sự cố khi mất nguồn điện chính;
(c) Đảm bảo cấp điện ngay cho ít nhất các thiết bị ở 3.4.1-2.
3.4.3 Phân phối nguồn điện sự cố
1 Trên đường dây của bảng điện chiếu sáng sự cố và trên mạch điện chiếu sáng sự cố riêng biệt không được phép đặt thiết bị ngắt mạch, trừ trường hợp nêu ở 3.4.3-2. Chỉ được phép đặt thiết bị ngắt mạch cho mạch chiếu sáng sự cố buồng lái.
2 Mạng điện chiếu sáng sự cố có thể được hợp nhất với mạng điện chiếu sáng chính.
3 Đèn chiếu sáng sự cố phải được đánh dấu màu đỏ.
3.4.4 Bố trí nguồn điện sự cố
1 Nguồn điện sự cố phải được đặt cao hơn boong chính và ở ngoài thành quây miệng buồng máy về phía sau của vách chống va.
2 Với nguồn điện sự cố là máy phát điện thì phải bố trí máy phát và bảng điện trong cùng một không gian, trừ khi vì thế mà làm hư hỏng bảng điện.
3 Không cho phép đặt bất kỳ tổ ắc quy được trang bị phù hợp với 3.4 trong cùng một không gian với bảng điện sự cố.
4 Phải có thiết bị chỉ báo đặt ở vị trí thích hợp trên bảng điện chính hoặc trong buồng điều khiển máy chính để chỉ báo ắc quy hoặc nguồn điện sự cố đang phóng điện.
5 Đường cáp nối giữa bảng điện chính và bảng điện sự cố phải được:
(1) Bảo vệ quá tải và ngắn mạch tại bảng điện;
(2) Tự động ngắt ra tại bảng điện sự cố khi mất nguồn điện chính;
(3) Nếu hệ thống có bố trí cấp điện ngược về bảng điện chính thì tối thiểu phải đựơc bảo vệ ngắn mạch ở bảng điện sự cố. Đồng thời bảng điện sự cố phải được cấp điện từ bảng điện chính trong điều kiện bình thường.
6 Trường hợp cần thiết, phải có thể ngắt các mạch không phải là sự cố khỏi bảng điện sự cố để đảm bảo đủ công suất sẵn sàng cấp cho các mạch sự cố.
3.4.5 Quy định thử
Phải có biện pháp thử định kỳ hệ thống điện sự cố.
3.5 Đèn tín hiệu hành trình, đèn phân biệt
3.5.1 Đèn tín hiệu hành trình
1 Đèn tín hiệu hành trình đặt trên cột phải được cấp điện bằng cáp mềm có phích cắm tháo được.
2 Mỗi mạch đèn tín hiệu hành trình phải có thiết bị bảo vệ ở cả hai mạch.
3 Các đèn hành trình phải được bố trí các đường cáp độc lập từ bảng chỉ báo đèn hành trình.
4 Mỗi đèn hành trình phải được điều khiển và bảo vệ trên tất cả các cực cách ly bằng một công tắc có cầu chì hoặc bằng bộ ngắt mạch lắp đặt trên bảng chỉ báo đèn hành trình. Thiết bị điều khiển phải được bố trí gần bảng điện nếu như không thể bố trí được trên bảng điện.
5 Bảng chỉ báo đèn hành trình phải được cấp điện bằng mạch riêng biệt từ bảng điện chính hoặc từ thứ cấp của biến áp được nối trực tiếp với bảng điện chính và từ bảng điện sự cố. Các mạch cấp điện chính và sự cố phải cách thật xa nhau, nếu có thể, trên suốt chiều dài của chúng.
6 Các công tắc và cầu chì chỉ được bố trí trên bảng điện hoặc bảng chỉ báo, không được bố trí trên mạch cấp nguồn của đèn hành trình.
7 Bảng chỉ báo đèn hành trình phải được đặt ở vị trí dễ tiếp cận trên buồng lái.
3.5.2 Đèn mất chủ động và đèn neo
Các đèn mất chủ động và đèn neo phải được cấp điện từ cả hai nguồn, nguồn điện chính và nguồn điện sự cố.
3.5.3 Đèn tín hiệu phân biệt
Các đèn tín hiệu phân biệt theo quy định của Luật Giao thông đường thủy nội địa phải được cấp điện từ cả hai nguồn, nguồn điện chính và nguồn điện sự cố.
3.5.4 Hệ thống thông tin liên lạc nội bộ
1 Hệ thống liên lạc nội bộ phải phù hợp với 2.4.
2 Hệ thống thông tin liên lạc nội bộ phải được cấp điện từ nguồn điện được bố trí thích hợp để có thể sử dụng trong trường hợp sự cố.
3.6 Hệ thống chống sét
3.6.1 Quy định chung
1 Trên cột cao nhất của tàu phải được lắp đặt thiết bị chống sét.
2 Hệ thống chống sét phải bao gồm một thanh hoặc dây dẫn bằng đồng đỏ có tiết diện không nhỏ hơn 70 mm2 (hoặc bằng thép có tiết diện không nhỏ hơn 100 mm2 và phải được chống gỉ) được nối với một đầu thu lôi nhọn bằng đồng đỏ có đường kính thân không nhỏ hơn 12 mm. Đầu cuối đường dây phải được nối chắc chắn với phần kim loại gần nhất thuộc bộ phận thân tàu. Liên kết giữa kim thu sét và dây dẫn và với đất phải là liên kết bu lông. Bu lông phải làm bằng đồng hoặc hợp kim đồng, nếu bằng thép phải có bảo vệ chống gỉ. Mặt tiếp xúc chỗ mối nối liên kết trên phải không nhỏ hơn 100 mm2 nếu là bu lông bằng đồng và 1000 mm2 nếu là bu lông bằng thép
3 Đường dây chống sét phải đi càng thẳng càng tốt, tránh uốn gấp. Tất cả các kẹp phải được làm bằng đồng đỏ hoặc đồng thau. Nên sử dụng kiểu nối răng cưa và có chốt hãm. Không cho phép sử dụng các mối nối hàn vảy.
4 Không được đi dây dẫn qua vị trí có nguy cơ nổ.
5 Tàu phi kim loại thì tấm tiếp đất phải là các lá đồng có diện tích không nhỏ hơn 0,1 m2 và có chiều dày tối thiểu 2 mm thường xuyên được ngâm trong nước ở bất kỳ tư thế nào của tàu.
6 Tàu làm bằng vật liệu hỗn hợp thì tấm nối đất có thể là sống mũi làm bằng kim loại hoặc kết cấu kim loại khác mà trong mọi tư thế của tàu luôn được ngâm trong nước.
7 Điện trở của hệ thống chống sét từ đầu thu lôi đến điểm tiếp đất hoặc vỏ tàu không được vượt quá 0,02Ω.
3.6.2 Các biện pháp chống sét
1 Nếu thân tàu và cột tàu là kim loại có nối điện tin cậy và ở đỉnh cột kim loại không có thiết bị nào thì có thể coi cột là thiết bị chống sét.
2 Nếu thân tàu và cột tàu là kim loại có nối điện tin cậy và ở đỉnh cột kim loại có thiết bị điện thì phải đặt kim thu sét cao hơn thiết bị điện đặt ở đỉnh cột một khoảng không nhỏ hơn 300 mm.
3 Nếu thân tàu là vật liệu không dẫn điện và cột tàu là kim loại thì phải có tấm tiếp đất như nêu ở 3.6.1-5. Nếu ở đỉnh cột có thiết bị điện thì thực hiện nối đất như ở 3.6.2-2.
CHƯƠNG 4 NHỮNG YÊU CẦU BỔ SUNG ĐỐI VỚI CÁC TÀU ĐẶC BIỆT
4.1 Quy định chung
4.1.1 Phạm vi áp dụng
Các trang bị điện trên tàu hoặc trong các không gian chứa hàng đặc biệt như dưới đây phải thỏa mãn những yêu cầu trong Chương này và các Chương tương ứng khác:
1 Tàu chở dầu, tàu chở khí hóa lỏng và tàu chở hóa chất nguy hiểm;
2 Các khoang kín để chở ô tô có nhiên liệu trong két của chúng để hoạt động và các buồng kín kề sát khoang này;
3 Tàu chở than;
4 Tàu chở hàng nguy hiểm;
5 Tàu vận chuyển công-te-nơ đẳng nhiệt;
6 Tàu nhiều thân.
4.2 Tàu chở dầu, tàu chở khí hóa lỏng và tàu chở hóa chất nguy hiểm
4.2.1 Quy định chung
Trang bị điện dùng cho tàu chở dầu, tàu chở khí hóa lỏng và tàu chở hóa chất nguy hiểm phải thỏa mãn các yêu cầu của chương này.
4.2.2 Hệ thống phân phối
1 Bất kể các yêu cầu ở 2.2.1-1, hệ thống phân phối năng lượng điện của tàu phải là một trong các hệ thống đưa ra dưới đây:
(1) Hệ thống 1 chiều 2 dây cách điện;
(2) Hệ thống xoay chiều 1 pha 2 dây cách điện;
(3) Hệ thống xoay chiều 3 pha 3 dây cách điện.
2 Bất kể các yêu cầu ở -1, có thể cho phép sử dụng hệ thống phân phối lấy vỏ tàu làm dây dẫn cho các hệ thống nói ở 2.2.1-2(1) đến (3).
3 Bất kể yêu cầu nêu ở -1, có thể cho phép sử dụng hệ thống phân phối có nối đất cho các hệ thống sau:
(1) Mạch bản chất an toàn;
(2) Mạch cấp nguồn, điều khiển và các mạch dụng cụ đo mà do yêu cầu kỹ thuật hoặc lý do an toàn yêu cầu phải nối đất hệ thống, với điều kiện dòng điện chạy qua vỏ tàu không được vượt quá 5A ở cả điều kiện bình thường và điều kiện hư hỏng;
(3) Hệ thống nối đất cục bộ được giới hạn sử dụng cho mạng điện xoay chiều có điện áp dây hiệu dụng từ 1000 V trở lên, với điều kiện bất kỳ sự gia tăng dòng điện nối mát cũng không được chạy trực tiếp qua bất kỳ vùng nguy hiểm nào.
4 Dây dẫn trung tính và dây dẫn nối mát được yêu cầu bảo vệ chống điện giật không được nối với dây dẫn đơn ở trong vùng nguy hiểm.
4.2.3 Khu vực nguy hiểm
1 Khu vực nguy hiểm của tàu chở dầu phải được phân cấp phù hợp với các yêu cầu nêu ở 4.3.1, 4.4.1 và 4.5.1.
2 Khu vực nguy hiểm của tàu chở hóa chất nguy hiểm phải được phân cấp phù hợp với các yêu cầu nêu ở 4.3.1, 4.4.1, 4.5.1 và 4.6.1.
3 Khu vực nguy hiểm của tàu chở khí hóa lỏng phải được phân cấp phù hợp với các yêu cầu nêu ở 4.7.1.
4 Các khu vực và không gian không đề cập ở -1 đến -3 nhưng được xem là có tồn tại nguy cơ trở thành môi trường khí dễ nổ, thì phải được phân cấp các khu vực nguy hiểm phù hợp với các yêu cầu khác do Đăng kiểm đưa ra.
5 Các cửa ra vào hoặc các lỗ mở khác không được phép bố trí ở các vách sau trừ khi có yêu cầu dùng cho mục đích vận hành và vì lý do an toàn trên tàu. Khi cửa ra vào hoặc các lỗ mở khác được bố trí trên đó, thì các khu vực được nối với các vách đó phải được phân cấp thành các khu vực nguy hiểm phù hợp với các yêu cầu khác do Đăng kiểm đưa ra.
(1) Vách biên giữa vùng 1 và vùng 2;
(2) Vách biên giữa khu vực nguy hiểm và khu vực không nguy hiểm.
4.2.4 Trang bị điện trong khu vực nguy hiểm
1 Không được phép lắp đặt trang bị điện trong khu vực nguy hiểm trừ khi cần thiết cho mục đích vận hành hoặc lý do an toàn trên tàu. Tuy nhiên, chấp nhận các trang bị điện như nêu dưới đây khi chúng cần thiết phải được lắp đặt:
(1) Vùng 0
(a) Thiết bị điện kiểu bản chất an toàn cấp “ia” bao gồm cả thiết bị điện đơn giản (nhiệt ngẫu, phần tử đóng ngắt…) và cáp điện đi kèm;
(b) Các động cơ điện lai bơm hàng kiểu chìm và cáp điện cấp nguồn cho chúng (trong trường hợp này, các động cơ điện phải được tự động ngắt ra kèm các báo động bởi ít nhất hai phương pháp phát hiện độc lập bao gồm áp suất đầu ra bơm thấp, dòng điện động cơ nhỏ hơn định mức hoặc lưu lượng chất lỏng thấp.
(2) Vùng 1
(a) Trang bị điện được nêu ở (1) trên;
(b) Thiết bị điện có kiểu bản chất an toàn cấp “ib” bao gồm cả thiết bị điện kiểu đơn giản (nhiệt ngẫu, phần tử đóng ngắt...) và cáp điện;
(c) Thiết bị điện kiểu chống lan truyền tia lửa hoặc kiểu vỏ được nén áp suất dư và cáp điện đi kèm;
(d) Thiết bị điện kiểu tăng độ an toàn, kiểu đóng hộp, kiểu nhồi kín bột hoặc kiểu ngâm dầu và cáp điện đi kèm;
(e) Các thiết bị gắn vào vỏ tàu (đầu nối dây, đầu xuyên qua tôn vỏ dùng cho các cực dương hoặc các điện cực của hệ thống bảo vệ dòng ca tốt tích cực, hoặc các bộ phát như bộ phát dùng cho hệ thống đo sâu hoặc đo tốc độ) và cáp điện đi kèm;
(f) Cáp điện xuyên qua.
(3) Vùng 2
(a) Trang bị điện nêu ở (2) trên;
(b) Thiết bị điện được chứng nhận an toàn phòng nổ khác và cáp điện đi kèm chúng.
2 Khi thiết bị điện được lắp đặt trong vùng nguy hiểm phù hợp với yêu cầu nêu ở -1, thì thiết bị phải được xác nhận rằng nó có thể sử dụng một cách an toàn trong môi trường khí dễ nổ liên quan. Đối với tàu chở dầu, thiết bị điện phòng nổ tối thiểu phải thỏa mãn nhóm thiết bị IIA, cấp nhiệt độ T3 hoặc cao hơn. Đối với tàu chở khí hóa lỏng và chở hóa chất nguy hiểm, thì thiết bị điện phải thỏa mãn nhóm thiết bị và cấp nhiệt độ tùy theo loại hàng được chở thuộc nhóm khí nào và cấp nhiệt độ nào.
3 Ăng ten và các dàn phát sóng đi kèm phải được đặt cách xa các đầu thoát hơi hoặc khí.
4 Về nguyên tắc, không cho phép sử dụng thiết bị di động trong vùng nguy hiểm. Khi không thể tránh khỏi lắp đặt thiết bị này trong vùng nguy hiểm, thì chúng phải là loại phòng nổ thích hợp có kèm bộ nguồn trong đó.
5 Cáp điện phải là một trong các kiểu dưới đây. Khi có nguy cơ bị ăn mòn, thì vỏ bọc lưới hoặc vỏ bọc kim loại của cáp phải được bọc lớp PVC hoặc chroloprene để chống ăn mòn.
(1) Được cách điện bằng chất vô cơ, vỏ bọc bằng đồng;
(2) Vỏ bọc phi kim loại và bọc lưới kim loại.
6 Việc lắp đặt cáp điện phải thỏa mãn các yêu cầu sau đây:
(1) Cáp điện phải được đặt càng gần với đường dọc tâm tàu càng tốt;
(2) Cáp điện phải được đặt với khoảng cách đủ lớn so với mặt boong, vách, két và các loại đường ống khác;
(3) Về nguyên tắc, cáp điện phải được bảo vệ chống hư hỏng cơ khí. Đặc biệt, cáp điện được lắp đặt trên boong hở phải được bảo vệ bằng vỏ bọc kim loại hoặc vỏ bọc phi kim loại. Ngoài ra, cáp điện và thiết bị đỡ chúng phải được lắp sao cho chịu được co dãn và các ảnh hưởng khác của kết cấu thân tàu;
(4) Các bộ phận để xuyên cáp hoặc xuyên đường ống đi cáp qua boong/ vách của khu vực nguy hiểm phải được kết cấu sao cho duy trì được tính kín khí và kín chất lỏng như yêu cầu của bản thân boong/vách đó;
(5) Khi sử dụng cáp được cách điện bằng chất vô cơ, thì cần phải quan tâm đặc biệt đến việc đảm bảo tính chắc chắn của đầu cuối;
(6) Cáp điện chỉ được nối với thiết bị điện phòng nổ bằng giắc co hoặc thiết bị tương đương;
(7) Khi sử dụng các hộp nối cáp điện, thì các hộp nối này phải là kiểu phòng nổ. Trong trường hợp này, cho phép sử dụng các hộp nối ở vùng 1 và vùng 2. Trường hợp mạch điện là loại an toàn về bản chất thì cho phép dùng hộp nối ở vùng 0;
(8) Khi cáp điện bị ngâm trong hàng, thì kết cấu của cáp điện phải sao cho chịu được chất mà chúng tiếp xúc;
(9) Khi cáp điện đi qua cửa ra vào buồng bơm hàng, thì chúng phải được đi trong ống thép hoặc máng cáp đúc với các mối nối kín khí.
7 Vỏ bảo vệ bằng kim loại của cáp động lực và chiếu sáng như liệt kê dưới đây phải được nối đất ở cả hai đầu. Khi cần phải dùng cáp một lõi cho mạch điện xoay chiều có dòng điện lớn hơn 20A, thì vỏ bảo vệ bằng kim loại của chúng phải được nối đất ở một đầu. Trong trường hợp này, không được đặt điểm không nối đất trong khu vực nguy hiểm.
(1) Cáp điện đi qua khu vực nguy hiểm;
(2) Cáp điện được nối với thiết bị điện đặt trong khu vực nguy hiểm.
8 Các mạch điện đi qua vùng 0 phải sử dụng các biện pháp sau.
(1) Các mạch không phải mạch bản chất an toàn phải được tự động ngắt ra hoặc ngăn ngừa không cho cấp nguồn khi điện trở cách điện giảm dưới mức quy định hoặc dòng rò tăng cao một cách bất thường;
(2) Hệ thống bảo vệ phải được bố trí sao cho khi cần thiết có thể dùng tay để đóng mạch trở lại sau khi chúng bị ngắt do ngắn mạch, quá tải hoặc do tình trạng nối đất.
9 Khi sử dụng các động cơ điện kiểu chống lan truyền tia lửa cho thiết bị làm hàng được lắp đặt trong buồng bơm hàng hoặc buồng máy nén khí hàng, thì các động cơ phải được bố trí sao cho dễ dàng tiếp cận chúng và đảm bảo tốt việc bảo dưỡng cũng như kiểm tra chúng.
4.2.5 Chiếu sáng trong khu vực nguy hiểm
1 Khi các khu vực nguy hiểm được chiếu sáng bằng các đèn chiếu sáng được đặt cạnh các khu vực không nguy hiểm thông qua cửa kính được lắp trên boong hoặc vách, thì các cửa kính này phải được kết cấu sao cho không làm hư hỏng tính kín nước, kín khí và độ bền của vách và boong. Cần phải quan tâm đến thông gió thiết bị chiếu sáng để đảm bảo sao cho không gây nên sự tăng nhiệt độ quá mức trên cửa kính.
2 Đối với tàu chở dầu và tàu chở hóa chất nguy hiểm, phụ tùng chiếu sáng được đặt trong buồng bơm hàng phải được phân thành ít nhất hai mạch nhánh.
Đối với các tàu chở khí hóa lỏng, hệ thống chiếu sáng trong vùng nguy hiểm phải được phân thành ít nhất hai mạch nhánh. Tất cả các thiết bị đóng ngắt và bảo vệ phải là loại ngắt tất cả các cực hoặc các pha và phải được đặt ở khu vực không nguy hiểm.
3 Tất các thiết bị đóng ngắt và bảo vệ thuộc các mạch điện như nêu ở -2 trên phải là loại ngắt tất cả các cực và các pha và phải được đặt ở khu vực không nguy hiểm.
4.2.6 Thông gió trong khu vực nguy hiểm
1 Các quạt thông gió được lắp đặt trong buồng bơm hàng và buồng máy nén khí hàng phải được bố trí sao cho không xảy ra việc ngắt thông gió không mong muốn trong thời gian dài và không xảy ra hiện tượng tích tụ khí hoặc hơi.
2 Với tàu chở khí hóa lỏng và tàu chở hóa chất nguy hiểm, các động cơ điện dùng cho quạt thông gió nêu ở -1 trên phải được đặt ngoài ống thông gió.
3 Với các tàu chở dầu, tàu chở khí hóa lỏng và tàu chở hóa chất nguy hiểm,các quạt thông gió nêu -1 trên phải là loại không sinh ra tia lửa thỏa mãn như sau:
(1) Với tàu chở dầu, các buồng bơm hàng phải được thông gió cơ giới và khí thải ra từ các quạt hút phải được dẫn đến vị trí an toàn trên boong hở. Việc thông gió cho các buồng bơm này phải có đủ công suất để giảm đến mức tối thiểu khả năng tích tụ các hơi dễ cháy. Các kênh dẫn gió phải được bố trí sao cho toàn bộ buồng được thông gió một cách hiệu quả. Hệ thống thông gió phải là kiểu hút ra sử dụng các quạt loại có kết cấu không phát tia lửa. Đầu ra của các kênh xả gió phải được dẫn ra khí quyển và phải có các tấm lưới kim loại có kích thước mắt lưới thích hợp. Nếu hệ thống thông gió được dẫn động bằng trục xuyên qua vách hoặc boong buồng bơm, phải có hộp đệm kín khí loại được Đăng kiểm chứng nhận lắp vào trục tại vị trí xuyên qua đó.
(2) Với tàu chở khí hóa lỏng, ở đầu ra của các đường ống thông gió phải lắp các tấm che bảo vệ có mắt lưới không quá 13 mm.
(3) Với tàu chở hóa chất nguy hiểm, các quạt thông gió và các ống thông gió ở khu vực lắp quạt cho các vị trí nguy hiểm phải có kết cấu không gây tia lửa như được nêu ở từ (a) đến (d) dưới đây:
(a) Các cánh hoặc vỏ hoặc kết cấu phi kim loại phải được quan tâm thích đáng để loại bỏ tĩnh điện;
(b) Các cánh và vỏ bằng các kim loại màu;
(c) Các cánh và vỏ bằng thép austenit không gỉ; và
(d) Các cánh và vỏ kim loại chứa sắt có khe hở thiết kế ở mút cánh không nhỏ hơn 13 mm.
4 Tỉ số trao đổi thông gió buồng bơm của các tàu chở dầu, tàu chở khí hóa lỏng và tàu chở hóa chất nguy hiểm phải thỏa mãn như sau:
(1) Với tàu chở dầu, số lần thay đổi khí phải tối thiểu 20 lần/giờ, dựa trên tổng dung tích của buồng.
(2) Với tàu chở khí hóa lỏng, số lần thay đổi khí phải tối thiểu 30 lần/giờ, dựa trên tổng dung tích của buồng.
(3) Với tàu chở hóa chất nguy hiểm, số lần thay đổi khí phải tối thiểu 30 lần/giờ, dựa trên tổng dung tích của buồng.
5 Các ống thông gió, cửa lấy khí và cửa xả khí thuộc hệ thống thông gió cưỡng bức phải được bố trí phù hợp với các yêu cầu sau đây:
(1) Cửa lấy khí của hệ thống thông gió cưỡng bức
(2) Các cửa lấy khí cho khu vực nguy hiểm phải được đặt tại khu vực không nguy hiểm;
(3) Các cửa lấy khí cho khu vực không nguy hiểm phải đặt các biên của khu vực nguy hiểm tối thiểu 1,5 m.
(4) Cửa xả khí của hệ thống thông gió cưỡng bức
(5) Các cửa xả khí của khu vực nguy hiểm phải đặt tại khu vực hở có mức nguy hiểm bằng hoặc thấp hơn khu vực được thông gió;
(6) Các cửa xả khí của khu vực không nguy hiểm phải đặt tại khu vực hở không nguy hiểm.
4.2.7 Bảo vệ buồng bơm tàu chở dầu
1 Đối với các bơm hàng, bơm dằn và bơm hút vét nằm trong buồng bơm hàng và được dẫn động bằng trục xuyên qua vách của buồng bơm, phải lắp hộp đệm kín khí được Đăng kiểm chứng nhận vào trục tại vị trí xuyên qua vách và phải trang bị khớp nối mềm giữa trục và bơm. Hộp đệm kín khí phải được bôi trơn hiệu quả từ phía ngoài buồng bơm. Các chi tiết làm kín của hộp đệm phải làm bằng vật liệu không phát sinh tia lửa. Các bơm này phải có các thiết bị cảm biến nhiệt độ cho các bích nén tết của trục xuyên qua vách, ổ đỡ và vỏ bơm. Tín hiệu báo động liên tục bằng ánh sáng, âm thanh phải tự động kích hoạt trong buồng điều khiển hàng hoặc trạm điều khiển bơm;
2 Việc chiếu sáng trong các buồng bơm hàng, trừ chiếu sáng sự cố, phải được khóa liên động với hệ thống thông gió sao cho hệ thống thông gió phải hoạt động khi bật đèn chiếu sáng. Hư hỏng của hệ thống thông gió không được dẫn đến mất chiếu sáng;
3 Phải trang bị hệ thống giám sát liên tục nồng độ khí hy-đrô các-bon loại được chứng nhận thích hợp cho khu vực lắp đặt. Các điểm lấy mẫu hoặc đầu cảm biến phải được bố trí ở các vị trí thích hợp để có thể dễ dàng phát hiện được các khí nguy hiểm có khả năng bị rò rỉ (các khu vực có tuần hoàn khí không tốt như các góc hõm). Khi nồng độ khí hydro các bon đạt đến mức đặt trước, mức này không được cao hơn 10% của giới hạn cháy thấp nhất (LFL), tín hiệu báo động liên tục bằng ánh sáng và âm thanh phải tự động hoạt động trong buồng bơm, buồng điều khiển máy, buồng điều khiển hàng và buồng lái để cảnh báo cho con người về mối nguy hiểm;
4 Tất cả các buồng bơm phải có thiết bị giám sát mức nước đáy buồng cùng với thiết bị báo động được bố trí hợp lý.
4.2.8 Yêu cầu bổ sung cho tàu chở khí hóa lỏng
1 Nguồn cung cấp điện chính phải sao cho khi bất kỳ tổ máy phát nào bị hỏng sẽ không làm mất khả năng duy trì áp suất két hàng, và nhiệt độ kết cấu thân tàu khi tàu hoạt động bình thường.
2 Hệ thống chiếu sáng trong vùng nguy hiểm phải được phân thành ít nhất hai mạch nhánh. Tất cả các thiết bị đóng ngắt và bảo vệ phải là loại ngắt tất cả các cực hoặc các pha và phải được đặt ở khu vực không nguy hiểm.
3 Các bộ biến đổi dùng cho các thiết bị đo tốc độ hoặc đo sâu bằng điện và các điện cực hoặc cực dương của hệ thống bảo vệ dòng ca tốt tích cực phải được đặt trong hộp kín khí.
4 Các động cơ điện lai bơm hàng kiểu chìm và các cáp điện cấp nguồn cho chúng có thể được lắp trong hệ thống chứa hàng. Phải có hệ thống tự động tắt động cơ điện trong trường hợp mức chất lỏng thấp. Việc này có thể được thực hiện bằng cảm biến áp suất xả bơm thấp, dòng động cơ điện thấp hoặc mức chất lỏng thấp. Việc ngắt phải được báo động ở trạm điều khiển hàng. Các động cơ điện lai bơm hàng phải được cách ly với nguồn điện trong khi thoát khí.
4.2.9 Bảo dưỡng thiết bị điện phòng nổ
Các thiết bị điện phòng nổ phải được bảo dưỡng theo chu kỳ bởi người có kinh nghiệm được đào tạo đầy đủ về lĩnh vực này. Hồ sơ bảo dưỡng phải được lưu trữ trên tàu.
4.3 Tàu chở dầu và tàu chở hóa chất nguy hiểm có điểm chớp cháy từ 60 oC trở xuống
4.3.1 Phân cấp vùng nguy hiểm
1 Các vùng và không gian trên các tàu chở dầu và tàu chở hóa chất nguy hiểm có điểm chớp cháy từ 60 ºC trở xuống được phân cấp thành các vùng 0, vùng 1 và vùng 2 như sau:
(1) Vùng 0
(a) Két hàng và két lắng;
(b) Phía trong đường ống của hệ thống giảm áp hoặc thông hơi két dầu hàng và két lắng;
(c) Phía trong đường ống dầu hàng.
(2) Vùng 1
(a) Không gian trống liền kề với két dầu hàng liền vỏ;
(b) Không gian chứa các két dầu hàng dạng rời;
(c) Khoang cách ly và két dằn cách ly kề sát két hàng (két dầu đốt, kết dầu nhờn, v.v… được xem là khoang cách ly, cũng như các két tương tự như đề cập ở đây);
(d) Buồng bơm hàng;
(e) Không gian kín và nửa kín (nghĩa là các không gian được phân cách bởi boong và vách mà ở đó điều kiện thông gió khác đáng kể so với các khoang hở trên tàu) nằm ngay phía trên két dầu hàng hoặc có các vách nằm trên và trùng với vách két dầu hàng;
(f) Các không gian khác không phải là khoang cách ly và két dằn cách ly nằm ngay dưới đỉnh của két dầu hàng (ví dụ, hầm boong, lối đi lại, hầm tàu và các khoang tương tự);
(g) Các khu vực trên boong hở hoặc các không gian nửa kín trên boong hở trong phạm vi hình cầu có bán kính 3 m có tâm là bất kỳ các lỗ thoát thông gió, lỗ khoét két dầu hàng, lỗ thoát khí hoặc hơi (ví dụ, miệng két dầu hàng, lỗ thăm, lỗ chui vệ sinh két, lỗ mở đặt ống đo… và các lỗ khoét tương tự), van góp dầu hàng, van dầu hàng, bích nối đường ống dầu hàng và lỗ thoát thông gió buồng bơm dầu hàng dùng để giảm áp lực cho phép lượng nhỏ khí hoặc hơi thoát ra do sự chênh lệch nhiệt độ gây ra;
(h) Các khu vực trên boong hở hoặc không gian nửa kín trên boong hở trong phạm vi hình trụ thẳng đứng với độ cao không giới hạn và có bán kính là 6 m có tâm là điểm giữa lỗ thoát hơi, và trong phạm vi bán cầu có bán kính 6 m phía dưới lỗ thoát để cho phép thoát một lượng lớn khí hoặc hơi trong khi bốc dỡ hàng hoặc bơm dằn tàu;
(i) Khu vực boong hở hoặc không gian nửa kín trên boong hở, trong phạm vi 1,5 m tính từ cửa ra vào buồng bơm dầu hàng, trong phạm vi quả cầu có bán kính 1,5 m với tâm là cửa hút thông gió buồng bơm hàng và lỗ khoét như nêu ở (2);
(j) Khu vực trên boong hở trong phạm vi thành quây dầu tràn bao quanh cụm van góp dầu hàng và xa ra ngoài miệng này một khoảng 3 m với độ cao là 2,4 m về phía trên boong;
(k) Khu vực trên boong hở bao trùm toàn bộ két dầu hàng (bao gồm cả két dằn nằm trong khu vực két dầu hàng, và các két tương tự) nơi mà kết cấu hạn chế thông gió tự nhiên và kéo hết toàn bộ chiều rộng tàu cộng thêm 3 m về phía mũi và đuôi tàu với độ cao là 2,4 m về phía trên boong;
(l) Các buồng để ống mềm làm hàng;
(m) Các không gian kín và nửa kín trong đó có đặt các ống chứa dầu hàng.
(3) Vùng 2
(a) Khu vực trên boong hở hoặc các không gian nửa kín trên boong hở trong phạm vi 1,5 m bao quanh khu vực được chỉ ra ở (2) (trừ các khu vực nguy hiểm khác với được nêu trong Quy chuẩn, và các khu vực tương tự);
(b) Các không gian trong phạm vi 4 m bao quanh khu vực nêu ở (2)(h);
(c) Các không gian tạo thành khóa khí giữa các khu vực nêu ở (2) và khu vực không nguy hiểm;
(d) Các khu vực trên boong hở trong phạm vi thành quây dầu tràn có dự kiến để giữ không cho dầu tràn vào khu vực sinh hoạt và làm việc và ra xa khu vực này 3 m, với độ cao là 2,4 m về phía trên boong;
(e) Các khu vực trên boong hở bao trùm toàn bộ két dầu hàng nơi mà việc thông gió tự nhiên đảm bảo không bị hạn chế và kéo hết toàn bộ chiều rộng tàu cộng thêm 3 m về phía mũi và đuôi tàu với độ cao là 2,4 m về phía trên boong;
(f) Các không gian phía trước boong hở nêu ở (e) và (2)(k), nằm dưới mức boong hở và có các lỗ khoét tại vị trí nhỏ hơn 0,5 m về phía trên boong hở (trừ khi các lỗ khoét được đặt tối thiểu 5 m so với két hàng phía mũi và tối thiểu 10m theo phương thẳng đứng tính từ bất kỳ lỗ thoát két dầu hàng hoặc lỗ thoát khí hoặc hơi, hoặc các không gian được thông gió cơ khí, và các không gian tương tự);
(g) Buồng bơm nước dằn kề sát két dầu hàng.
4.4 Tàu chở dầu và tàu chở hóa chất nguy hiểm có điểm chớp cháy trên 60 ºC và hàng của chúng được hâm nóng với nhiệt độ lớn hơn nhiệt độ dưới nhiệt độ chớp cháy là 15 ºC
4.4.1 Phân cấp khu vực nguy hiểm
Các khu vực hoặc không gian trên tàu chở dầu và tàu chở hóa chất nguy hiểm có điểm chớp cháy trên 60 ºC và hàng của chúng được hâm nóng với nhiệt độ thấp hơn nhiệt độ chớp cháy 15 ºC phải được phân cấp phù hợp với các yêu cầu như được nêu ở 4.3.1.
4.5 Tàu chở dầu và tàu chở hóa chất nguy hiểm có điểm chớp cháy lớn hơn 60 ºC và hàng của chúng không được hâm nóng hoặc được hâm nóng với nhiệt độ nhỏ hơn nhiệt độ dưới nhiệt độ chớp cháy 15 ºC
4.5.1 Phân cấp vùng nguy hiểm
1 Các khu vực hoặc không gian trên tàu chở dầu và tàu chở hóa chất nguy hiểm có điểm chớp cháy trên 60 ºC và hàng của chúng không được hâm nóng hoặc được hâm nóng với nhiệt độ nhỏ hơn nhiệt độ dưới nhiệt độ chớp cháy 15 ºC phải được phân cấp thành vùng 2 như sau:
(1) Két hàng và két lắng;
(2) Bên trong các đường ống của hệ thống giảm áp và thông hơi các két dầu hàng và két lắng;
(3) Bên trong các đường ống dầu hàng.
4.6 Các tàu chở hóa chất nguy hiểm mà hàng của chúng phản ứng với các sản phẩm khác tạo ra khí dễ cháy
4.6.1 Phân cấp vùng nguy hiểm
1 Các khu vực hoặc không gian trên tàu chở hóa chất nguy hiểm mà hàng của chúng phản ứng với các sản phẩm khác tạo ra khí dễ cháy phải được phân cấp thành vùng 1 và vùng 2 như sau;
(1) Vùng 1
(a) Két hàng và két lắng;
(b) Bên trong các đường ống của hệ thống giảm áp và thông hơi các két hàng và két lắng;
(c) Bên trong các đường ống hàng;
(d) Buồng bơm hàng;
(e) Buồng để ống mềm làm hàng.
(2) Vùng 2
(a) Khu vực trên boong hở hoặc không gian nửa kín trên boong hở trong phạm vi 1,5 m bao quanh các khu vực nêu ở (1);
(b) Khoang trống kề sát các két hàng liền vỏ;
(c) Không gian chứa các két dầu hàng dạng rời;
(d) Khoang cách ly và két dằn cách ly kề sát khoang hàng;
(e) Không gian kín hoặc nửa kín nằm ngay phía trên két hàng hoặc có vách nằm phía trên và trùng với vách két hàng;
(f) Các không gian không phải là khoang cách ly và két dằn cách ly nằm kề sát và trên đỉnh két hàng;
(g) Các không gian kín hoặc nửa kín đặt các ống hàng;
(h) Các khu vực trên boong hở hoặc không gian nửa kín trên boong hở trong phạm vi quả cầu có bán kính 1,5 m tính từ bất kỳ lỗ thoát thông gió, lỗ chui két hàng, lỗ thoát hơi hoặc khí, van góp hàng, van hàng, bích nối đường ống hàng và lỗ thoát thông gió buồng bơm hàng giảm áp suất nhờ cho phép một lượng nhỏ khí hoặc hơi sinh ra do chênh lệch nhiệt độ đi qua;
(i) Khu vực trên boong hở trong phạm vi thành quây hàng tràn bao quanh van góp hàng và ra xa vị trí này 1,5 m với độ cao là 1,5 m về phía trên boong;
(j) Khu vực trên boong hở hoặc không gian nửa kín trên boong hở trong phạm vi hình trụ đứng không giới hạn chiều có bán kính 3 m tính từ tâm lỗ thoát, và trong phạm vi bán cầu có đường kính 3 m lấy về phía dưới lỗ thoát giảm áp suất cho phép lượng nhỏ hơi hoặc khí đi qua trong quá trình xuống hàng và bơm hàng lên hoặc khi dằn tàu.
4.7 Các tàu chở khí hóa lỏng
4.7.1 Phân cấp vùng nguy hiểm
1 Các khu vực hoặc không gian trên tàu chở khí hóa lỏng được phân cấp thành các vùng 0, vùng 1 và vùng 2 như sau:
(1) Vùng 0
(a) Két hàng và két lắng;
(b) Bên trong đường ống của hệ thống giảm áp hoặc thông hơi két hàng và két lắng;
(c) Bên trong đường ống hàng;
(d) Không gian hầm chứa két hàng rời yêu cầu có vách chắn phụ.
(2) Vùng 1
(a) Không gian trống liền kề với két hàng liền vỏ;
(b) Không gian hầm chứa két hàng rời không yêu cầu có vách chắn phụ;
(c) Khoang cách ly và két dằn cách ly liền kề với két hàng;
(d) Các không gian ngăn cách với các không gian hầm chứa nêu ở (1)(d) trên bằng vách kín khí đơn;
(e) Buồng bơm hàng và buồng nén khí hàng;
(f) Các không gian kín hoặc nửa kín ngay phía trên két hàng hoặc có vách trên và trùng với vách két hàng;
(g) Các không gian, không phải là khoang cách ly và két dằn cách ly, liền kề với và phía dưới két hàng;
(h) Các khu vực trên boong hở hoặc các không gian nửa kín trên boong hở trong phạm vi hình cầu có đường kính 3 m tính từ bất kỳ lỗ thoát thông gió, lỗ chui két hàng, các lỗ thoát khí hoặc hơi, van góp hàng, van hàng, bích nối đường ống hàng và các lỗ thoát thông gió buồng bơm hàng để giảm áp suất nhờ cho phép lượng nhỏ hơi hoặc khí sinh ra do thay đổi nhiệt độ đi qua;
(i) Khu vực trên boong hở hoặc các không gian nửa kín trên boong hở trong phạm vi hình trụ đứng không giới hạn chiều cao và có bán kính là 6 m tính từ tâm lỗ thoát và trong phạm vi bán cầu bán kính là 6 m phía dưới lỗ thoát cho phép một lượng nhỏ khí hoặc hơi đi qua khi xuống hàng, bơm hàng lên hoặc kho bơm dằn;
(j) Khu vực trên boong hở hoặc không gian nửa kín trên boong hở, trong phạm vi 1,5 m tính từ cửa ra vào buồng bơm hàng, trong phạm vi quả cầu bán kính 1,5 m tính từ lỗ vào thông gió buồng bơm hàng và các lỗ khoét nêu ở (2);
(k) Khu vực trên boong hở trong phạm vi thành quây hàng tràn bao quanh van góp và lấy xa ra 3 m, chiều cao là 2,4 m về phía trên boong;
(l) Khu vực trên boong hở bao trùm toàn bộ két hàng tại đó kết cấu hạn chế thông gió tự nhiên và kéo hết chiều rộng của tàu, cộng thêm 3 m về phía mũi và phía đuôi tàu, chiều cao là 2,4 m về phía trên boong;
(m) Buồng chứa ống mềm làm hàng;
(n) Không gian kín hoặc nửa kín có lắp đặt đường ống hàng (trừ các không gian chứa thiết bị phát hiện khí).
(3) Vùng 2
(a) Các khu vực trên boong hở hoặc các không gian nửa kín trên boong hở trong phạm vi 1,5 m quanh khu vực được nêu ở (2) trên;
(b) Các không gian trong phạm vi 4 m quanh khu vực nêu ở (2)(i) trên;
(c) Các không gian tạo thành khóa khí giữa các khu vực được nêu ở (2) trên và khu vực không nguy hiểm;
(d) Khu vực trên boong hở trong phạm vi thành quây tràn hàng nhằm mục đích giữ cho hàng tràn không chảy vào khu vực sinh hoạt và buồng phục vụ và lấy xa ra 3 m, chiều cao là 2,4 m về phía trên boong;
(e) Khu vực trên boong hở bao trùm toàn bộ két hàng tại đó đảm bảo không hạn chế thông gió tự nhiên và kéo hết chiều rộng tàu, cộng thêm 3 m về phía mũi và đuôi tàu, chiều cao là 2,4 m về phía trên boong;
(f) Không gian phía trước boong hở được nêu ở (e) và (2)(l) trên, nằm phía dưới mức boong hở và có các lỗ khoét ở mức thấp hơn 0,5 m phía trên boong hở;
(g) Không gian trong phạm vi 2,4 m bề mặt lộ thiên ngoài cùng của két hàng.
4.8 Các khoang kín dùng để chở ô tô có nhiên liệu sẵn trong két của chúng để hoạt động và các buồng kín kề với khoang hàng này, v.v...
4.8.1 Trang bị điện trong các khoang kín, v.v...
Trang bị điện trong khoang kín, v.v… dùng để chở ôtô có nhiên liệu sẵn trong két phải thỏa mãn những yêu cầu sau:
1 Trừ quy định ở -2 dưới đây, thiết bị điện và dây điện lắp ở các khoang chở ô tô phải có kiểu phù hợp với việc sử dụng trong môi trường có hỗn hợp không khí và nhiên liệu gây cháy nổ.
2 Bất kể những quy định ở -1 trên, ở phía trên độ cao 450 mm kể từ boong và từ mỗi sàn cho xe ô tô, nếu có lắp đặt, trừ những sàn có các lỗ khoét đủ kích thước để các khí nhiên liệu tụ xuống dưới được, thiết bị điện có kiểu kín và được bảo vệ sao cho ngăn các tia lửa điện được phép lắp đặt với điều kiện hệ thống thông gió phải được thiết kế và vận hành sao cho tạo được sự thông gió liên tục trong các khoang hàng ở mức độ ít nhất là 10 lần thay đổi không khí trong một giờ bất cứ khi nào có ô tô ở trên tàu.
3 Thiết bị điện và dây điện, nếu được lắp đặt trong kênh xả của hệ thống thông gió cho các khoang ô tô, phải có kiểu được duyệt để sử dụng trong môi trường có hỗn hợp dễ nổ của không khí và nhiên liệu và cửa ra từ bất kỳ kênh xả thông gió nào đều phải được đặt ở vị trí an toàn có xét đến các nguồn có thể sinh ra tia lửa khác.
4.8.2 Trang bị điện trong các khoang hàng dùng để chở ô tô có sẵn khí tự nhiên được nén trong két của chúng để hoạt động
Các khoang hàng chở ô tô dùng để chở ô tô có sẵn khí tự nhiên được nén trong két của chúng để hoạt động phải thỏa mãn như sau:
1 Tất cả các thiết bị điện và việc đi dây phải được chứng nhận thuộc loại an toàn phù hợp để sử dụng trong một hỗn hợp dễ nổ của khí mê-tan với không khí.
2 Tất cả các thiết bị điện và việc đi dây, nếu lắp đặt bên trong kênh thông gió, phải được chứng nhận thuộc loại an toàn phù hợp để sử dụng trong một hỗn hợp dễ nổ của khí mê- tan và không khí.
3 Các quạt phải có thể tránh được khả năng phát nổ của hỗn hợp khí mê-tan và không khí. Các lưới thép bảo vệ thích hợp phải được lắp bên ngoài các đường hút vào và thải ra của các lỗ thông gió
4.8.3 Trang bị điện trong các khoang hàng dùng để chở ô tô có sẵn khí hydro được nén trong két của chúng để hoạt động
Các khoang hàng chở ô tô để chở ô tô có sẵn khí hydro được nén trong két của chúng để hoạt động phải thỏa mãn như sau:
1 Tất cả các thiết bị điện và việc đi dây phải được chứng nhận thuộc loại an toàn phù hợp để sử dụng trong một hỗn hợp dễ nổ của khí hydro và không khí.
2 Tất cả các thiết bị điện và việc đi dây, nếu lắp đặt bên trong kênh thông gió, phải được chứng nhận thuộc loại an toàn phù hợp để sử dụng trong một hỗn hợp dễ nổ của khí hydro và không khí và đầu ra của bất kỳ kênh thải gió nào đều phải được bố trí ở một vị trí an toàn, có xét đến các nguồn gây nổ khác.
3 Các quạt phải có thể tránh được khả năng phát nổ của hỗn hợp khí hydro và không khí. Các lưới thép bảo vệ thích hợp phải được lắp bên ngoài các đường hút vào và thải ra của các lỗ thông gió.
4.9 Tàu chở than mang cấp VR-SB
4.9.1 Trang bị điện trong khoang hàng
1 Trừ khi có công dụng thiết yếu, không cho phép lắp đặt bất kỳ trang bị điện nào trong không gian được liệt kê từ (1) đến (3) dưới đây:
(1) Khoang hàng;
(2) Không gian kín kề sát với khoang hàng có cửa ra vào, cửa húp lô, v.v... không kín khí hoặc kín nước mở vào khoang hàng;
(3) Các vùng trong phạm vi 3 m so với cửa thoát lỗ hút gió cưỡng bức hầm hàng.
2 Khi không thể tránh được việc lắp đặt trang bị điện trong các vùng đó thì chúng phải thỏa mãn những yêu cầu từ (1) đến (4) sau:
(1) Trang bị điện phải là kiểu phòng nổ được chứng nhận theo quy định và có vỏ bảo vệ để đảm bảo hoạt động an toàn trong bụi than. Trang bị điện phải được lắp đặt sao cho tránh được hư hỏng do cơ khí. Tuy nhiên, cho phép sử dụng trang bị điện phù hợp với vị trí lắp đặt và mục đích sử dụng, và được Đăng kiểm thấy là tính an toàn tương đương với trang bị điện có kiểu phòng nổ;
(2) Không được phép lắp công tắc và ổ cắm trừ khi chúng được nối với mạch an toàn về bản chất;
(3) Cáp điện đi qua khoang hàng phải được đặt trong ống thép chịu lực, kín khí. Cả hai đầu ống phải được bịt kín bằng tấm đệm cáp hoặc tương tự tại vách bao khoang hàng. Cáp điện dẫn tới thiết bị điện được lắp đặt trong khoang hàng phải được bảo vệ bằng vỏ bọc kim loại hoặc phi kim loại dạng đúc liền phù hợp với các yêu cầu nêu ở 2.9 và vỏ bọc đó phải được nhồi kín bằng tấm đệm cáp hoặc kiểu tương tự tại vách bao khoang hàng;
(4) Quạt thông gió cơ khí đặt trong kênh thông gió khoang hàng phải là kiểu không phát tia lửa.
3 Bất kể những yêu cầu ở -1 và -2, trang bị điện được lắp đặt trong vùng và không gian được liệt kê ở -1(1) đến (3) của tàu chở hàng mà đôi khi dùng chở than và trang bị điện này không được dùng trong lúc chở than, thì chúng phải thỏa mãn những yêu cầu ở (1) và (2) dưới đây:
(1) Thiết bị điện phải có vỏ bảo vệ không cho phép bụi than lọt vào;
(2) Trang bị điện phải được lắp đặt sao cho tránh được hư hỏng do cơ khí. Đồng thời mạch cấp nguồn cho thiết bị phải được bố trí công tắc nhiều cực đặt phía ngoài không gian và vùng như nêu ở -1(1) đến (3) và đảm bảo dễ tiếp cận, và phải có biện pháp khóa công tắc ở vị trí “ngắt”.
4.10 Tàu chở hàng nguy hiểm
4.10.1 Quy định chung
Trang bị điện của tàu chở hàng nguy hiểm phải thỏa mãn như sau:
1 Không được lắp thiết bị điện và dây điện trong các khoang chở hàng kín hoặc các khoang chở ô tô, trừ khi, theo ý kiến của Đăng kiểm, điều này rất cần thiết cho mục đích vận hành. Tuy nhiên, nếu thiết bị điện được lắp ở những khoang này thì thiết bị đó phải là kiểu an toàn được chứng nhận cho việc sử dụng trong các môi trường nguy hiểm mà thiết bị có khả năng tiếp xúc, trừ trường hợp có khả năng ngắt thiết bị khỏi toàn bộ hệ thống điện (ví dụ bằng cách tháo các mối nối không phải là cầu chì trong hệ thống). Những chỗ xuyên qua các boong và vách của cáp phải được bịt kín để ngăn khí hoặc hơi lọt qua. Các chỗ xuyên cáp và các dây cáp điện trong các khoang hàng phải được bảo vệ tránh bị hư hỏng do va đập. Không được bố trí các thiết bị điện khác có khả năng tạo thành nguồn hơi dễ cháy.
2 Các khoang ro-ro phải được lắp hệ thống phát hiện và báo cháy cố định. Tất cả các khoang hàng loại khác phải được lắp hệ thống phát hiện và báo cháy cố định hoặc hệ thống phát hiện bằng tách mẫu khói. Nếu hệ thống phát hiện bằng tách mẫu khói được lắp đặt thì phải có biện pháp ngăn ngừa sự rò lọt của hơi độc vào các khu vực mà nó bao quát.
3 Phải bố trí hệ thống thông gió bằng cơ giới thích hợp trong các khoang hàng kín. Việc trang bị phải sao cho tạo được ít nhất 6 lần thay đổi không khí trong một giờ trong khoang hàng không có hàng và xả hơi từ các phần trên cao và dưới thấp của khoang hàng một cách thích hợp.
4 Các quạt phải sao cho có thể tránh được khả năng gây cháy hỗn hợp khí cháy. Phải đặt lưới kim loại bảo vệ thích hợp trên các lỗ lấy gió vào và đường ra của hệ thống thông gió.
5 Việc thông gió tự nhiên phải được bố trí trong các khoang hàng kín dự định để chở các hàng nguy hiểm ở thể rắn khi không có quy định phải lắp thông gió cơ giới.
6 Các bơm chữa cháy phải được bố trí điều khiển từ xa tại vị trí thích hợp, chằng hạn tại buồng lái.
4.11 Các yêu cầu bổ sung cho thiết bị điện trên tàu vận chuyển công te nơ đẳng nhiệt
4.11.1 Cấp và phân phối điện
1 Công suất danh nghĩa các thiết bị điện của công te nơ đẳng nhiệt phải phù hợp với công suất lắp đặt chúng. Trong các điều kiện làm việc thông thường, công suất các thiết bị điện của công te nơ đẳng nhiệt không được vượt quá 15 kW.
2 Các thiết bị điện của công te nơ đẳng nhiệt phải được đấu mạch với các thiết bị phân phối riêng biệt, các thiết bị này được cấp nguồn từ bảng phân phối chính của trạm phát điện trên tàu bằng các đường dây riêng thông qua các máy biến áp chia tách.
3 Mạng điện dùng để cấp nguồn cho thiết bị điện của công te nơ đăng nhiệt phải có điện áp danh nghĩa 220 V hoặc 380 V đối với dòng xoay chiều 3 pha có tần số 50 Hz, hoặc 240 V hoặc 440 V đối với dòng 3 pha tần số 60 Hz.
4.11.2 Các thiết bị phân phối và máy biến áp
1 Cuộn thứ cấp của các máy biến áp chia tách phải có điểm trung hòa cách điện.
2 Mỗi thiết bị phân phối phải đảm bảo:
(1) Tín hiệu bằng ánh sáng về sự tồn tại điện áp trên các bảng phân phối;
(2) Đóng và ngắt dây cấp nguồn cho các ổ cắm;
(3) Bảo vệ ngắn mạch trên các dây cấp nguồn cho ổ cắm;
(4) Giá trị điện trở cách điện và cảnh báo âm thanh khi thấp hơn giá trị điện trở cách điện cho phép.
4.11.3 Các ổ cắm và nối đất bảo vệ
1 Các ổ cắm cấp nguồn cho các công te nơ đẳng nhiệt vận chuyển trong các khoang hàng phải có mức bảo vệ tối thiểu IP55, còn tại các vị trí boong hở thì phải có mức bảo vệ tối thiểu IP56.
Trong trường hợp sử dụng hệ thống điện để kiểm tra từ xa nhiệt độ, độ ẩm và các thông số khác của các công te nơ đẳng nhiệt, cho phép lắp đặt trong các khoang hàng hoặc trên các boong các ổ cắm bổ sung để đóng mạch các thiết bị kiểm tra.
2 Phải trang bị các cầu giao cách ly đối với các ổ cắm cấp nguồn cho các thiết bị điện của công te nơ đẳng nhiệt để loại trừ khả năng ngắt hoặc đấu nối phích với ổ cắm ở vị trí của cầu dao “Đóng”, và phải có bảng chỉ báo giá trị điện áp.
3 Việc cấp nguồn cho thiết bị điện của công te nơ đẳng nhiệt từ mạng điện tàu phải thực hiện luân phiên trực tiếp qua các pha L1, L2, L3 theo sơ đồ nêu ở Hình 4.11.3.

Hình 4.11.3 - Cấp nguồn cho công-te-nơ đẳng nhiệt
4 Các ổ cắm cấp nguồn cho thiết bị điện của công te nơ đẳng nhiệt phải được tính toán theo dòng danh nghĩa:
(1) 60 A - cho điện áp 220 V, 50 Hz (hoặc 240 V, 60 Hz);
(2) 32 A - cho điện áp 380 V, 50 Hz (hoặc 440 V, 60Hz).
5 Lỗ ổ cắm nối mạch nối đất bằng cáp mềm của công te nơ đẳng nhiệt phải được nối đất trong các dây cấp nguồn tại vị trí lắp đặt thiết bị phân phối nguồn của công te nơ đẳng nhiệt.
4.12 Tàu nhiều thân
4.12.1 Yêu cầu bổ sung đối với tàu nhiều thân
1 Phải trang bị tối thiểu một nguồn điện chính trong mỗi thân tàu của tàu nhiều thân nhưng không cần nhiều hơn 2 nguồn.
2 Mỗi thân tàu phải được trang bị một bảng điện chính. Tuy nhiên, nếu bảng điện chính được lắp đặt trên boong chính thì chỉ cần một bảng điện chính.
3 Các thanh nối điện phải được chia tách để cấp điện cho các thân tàu.
4 Các thiết bị tiêu thụ điện sự cố của mỗi thân phải được cấp điện từ nguồn cấp điện sự cố theo các dây cấp điện riêng biệt.
CHƯƠNG 5 YÊU CẦU BỔ SUNG ĐỐI VỚI HỆ THỐNG ĐIỆN CHÂN VỊT
5.1 Quy định chung
5.1.1 Phạm vi áp dụng
1 Các trang bị điện trên những tàu mà phương tiện đẩy tàu duy nhất là hệ thống chân vịt được dẫn động bằng điện (sau đây trong Chương này gọi là tàu có thiết bị điện chân vịt) phải thỏa mãn những yêu cầu tương ứng trong phần này và những yêu cầu bổ sung trong chương này.
2 Các máy dùng trên tàu có thiết bị điện chân vịt phải thỏa mãn những yêu cầu tương ứng trong Phần 3 và những yêu cầu bổ sung trong Chương này.
3 Trường hợp các động cơ điện này dùng pin thì pin phải được kiểm tra chứng nhận theo quy định tại Chương 4 Phần 12 của Quy chuẩn này.
5.1.2 Yêu cầu bổ sung đối với động cơ dẫn động các máy phát điện chân vịt
1 Quá trình đảo chiều quay chân vịt từ tiến sang lùi khi tàu đang tiến thì động cơ dẫn động các máy phát, nói chung, phải có một hệ thống điều khiển có khả năng nhận hoặc hạn chế năng lượng tái sinh mà không làm thiết bị bảo vệ quá tốc tác động như nêu tại 2.4.1-2, 3.3, hoặc 4.3.1 Phần 3 của Quy chuẩn này. Đồng thời động cơ lai và máy phát phải được kết cấu sao cho có khả năng chịu được vòng quay bằng vòng quay đặt của thiết bị bảo vệ quá tốc.
2 Các đặc tính của bộ điều tốc động cơ lai phải được Đăng kiểm chấp thuận, trừ trường hợp nếu máy phát động lực cũng được sử dụng như là máy phát điện chính trên tàu.
3 Khi thay đổi tốc độ động cơ lai để điều khiển tốc độ quay chân vịt thì bộ điều tốc phải có khả năng điều khiển được từ xa, càng xa càng tốt. Tuy nhiên nếu được sự đồng ý của Đăng kiểm thì không cần thiết áp dụng yêu cầu này.
4 Khi các máy phát một chiều được dẫn động riêng biệt và được mắc nối tiếp thì phải có biện pháp hữu hiệu để ngăn ngừa việc đảo chiều quay của máy phát trong trường hợp có hư hỏng của nguồn dẫn động.
5.2 Thiết bị điện chân vịt và cáp điện
5.2.1 Quy định chung
Trong bất kỳ chế độ điều động nào cũng không được tạo ra từ trường lớn quá mức trong các thiết bị điện chân vịt.
5.2.2 Yêu cầu chung đối với các động cơ điện quay chân vịt
1 Các động cơ điện quay chân vịt phải thỏa mãn những yêu cầu từ (1) đến (3) dưới đây:
(1) Mô men quay sẵn có cho quá trình điều động tàu phải có khả năng dừng hoặc đảo chiều của tàu với thời gian hợp lý khi tàu hành trình ở tốc độ lớn nhất;
(2) Đối với các động cơ xoay chiều thì phải có độ dự trữ mô men quay đủ để giữ động cơ không bị mất đồng bộ trong điều kiện thời tiết xấu;
(3) Các động cơ không được sinh ra dao động xoắn có hại trong dải tốc độ quay thông thường.
2 Phải đảm bảo bôi trơn các ổ đỡ của động cơ quay chân vịt ở mọi tốc độ, kể cả tốc độ trượt. Khi sử dụng hệ thống bôi trơn cưỡng bức thì hệ thống phải có các thiết bị báo động bằng âm thanh và ánh sáng để báo động khi có sự cố về việc cấp dầu bôi trơn hoặc áp lực dầu bôi trơn giảm thấp.
3 Đối với các động cơ 1 chiều có khả năng xảy ra quá tốc độ do mất chân vịt hoặc chân vịt quay quá nhanh thì phải trang bị thiết bị bảo vệ quá tốc, đồng thời rô to của động cơ cũng phải được kết cấu phù hợp để tránh những hư hỏng do quá tốc.
4 Nếu hệ thống được thiết kế có 1 động cơ quay chân vịt nối với tổ máy phát có công suất liên tục lớn hơn công suất của động cơ thì phải có biện pháp ngăn ngừa tình trạng hoạt động quá tải liên tục hoặc quá mô men không cho phép của động cơ và đường trục.
5.2.3 Kết cấu và bố trí các máy điện quay của hệ thống điện chân vịt
1 Phải có các biện pháp hữu hiệu nhằm tránh ngưng đọng nước la canh phía dưới các động cơ, máy phát, các bộ kích từ hoặc các khớp nối điện từ (sau đây ở Chương này gọi chung là máy điện quay chân vịt).
2 Các vành trượt và cổ góp của các máy điện quay chân vịt phải được bố trí ở những vị trí thích hợp để dễ bảo dưỡng. Các cuộn dây và gối đỡ phải tiếp cận được dễ dàng để kiểm tra và sửa chữa. Nếu thấy cần thiết thì Đăng kiểm có thể yêu cầu các máy điện quay chân vịt phải được kết cấu sao cho có thể tháo và thay thế các cuộn dây từ trường của chúng.
3 Trên cuộn dây stato của máy điện xoay chiều hoặc cuộn dây kích từ của máy điện một chiều có công suất lớn hơn 500 kW phải được trang bị các đầu cảm biến nhiệt để phục vụ cho việc kiểm tra và báo động.
4 Các máy điện quay chân vịt phải được trang bị hệ thống thông gió cưỡng bức.
5 Phải có biện pháp hữu hiệu tránh ngưng đọng hơi nước và nước trong các máy điện quay chân vịt.
5.2.4 Nhiệt độ của các máy điện quay chân vịt
Trường hợp máy điện quay chân vịt có tốc độ thay đổi được trang bị một quạt gió gắn ở đầu trục và phải chịu hoạt động ở tốc độ dưới tốc độ định mức với mô men quay lớn nhất, dòng tải lớn nhất, dòng kích từ lớn nhất hoặc với các điều kiện tương tự thì nhiệt độ không được vượt quá giới hạn nêu ở Bảng 4/2.6 của Phần này.
5.2.5 Bộ biến đổi bán dẫn
1 Các bộ biến đổi bán dẫn phải được thiết kế sao cho có khả năng chịu được dòng quá tải khi thay đổi hướng chuyển động của tàu và trong các quá trình vận hành tàu nêu ở 1.3.2 Phần 3 của Quy chuẩn này.
2 Phải đảm bảo phân chia đều điện áp hoặc dòng điện khi các linh kiện bán dẫn được mắc nối tiếp hoặc song song nhau.
3 Các linh kiện hoặc cụm linh kiện bán dẫn phải được trang bị làm mát để duy trì nhiệt độ dưới nhiệt độ tới hạn cho phép.
4 Các linh kiện bán dẫn phải được bố trí thông gió cưỡng bức sao cho bộ biến đổi bán dẫn có thể giảm được công suất ra khi có hư hỏng quạt gió, hoặc khi có nhiều linh kiện được mắc song song và quạt gió được trang bị cho từng nhóm thì linh kiện ở nhóm liên quan có thể tách ra được.
5 Các bộ biến đổi bán dẫn thông gió cưỡng bức phải được trang bị nhiệt kế để đo nhiệt độ khí làm mát.
6 Phải có các biện pháp hữu hiệu tránh việc ngưng đọng nước và hơi nước trong các bộ biến đổi bán dẫn, trừ khi các bộ này được lắp đặt trong các không gian được điều hòa không khí.
7 Phải bố trí thiết bị hạn chế quá áp phù hợp trên mỗi mạch cung cấp để ngăn ngừa hư hỏng.
8 Các linh kiện bán dẫn và các mạch lọc phải được bảo vệ bằng các cầu chì và các thiết bị khác được Đăng kiểm chấp thuận.
5.2.6 Cáp điện
Dây dẫn của cáp dùng cho các cơ cấu điều khiển và dụng cụ đo được nối trực tiếp tới bảng điện chính phải có ít nhất 7 tao và tiết diện tối thiểu phải bằng 1,5 mm2.
5.2.7 Dụng cụ đo
1 Ngoài các dụng cụ đo nêu ở 2.8.6-2, còn phải trang bị thêm trên bảng điều khiển hoặc các vị trí thích hợp khác các dụng cụ nêu ở (1) đến (4) dưới đây:
(1) Dụng cụ chỉ báo nhiệt độ trên cuộn dây stato hoặc cuộn dây cực phụ của các máy điện quay chân vịt (chỉ áp dụng đối với các máy có công suất lớn hơn 500 kW);
(2) Đồng hồ đo điện áp cho các động cơ điện;
(3) Đồng hồ đo dòng phần cảm và dòng phần ứng nếu là động cơ điện 1 chiều;
(4) Đồng hồ đo dòng mạch chính nếu là động cơ điện xoay chiều.
5.3 Cấu tạo thiết bị điện chân vịt và mạch cấp điện
5.3.1 Cấu tạo thiết bị điện chân vịt và máy phụ động lực
1 Nếu nguồn cấp điện cho thiết bị điện chân vịt thỏa mãn (1) và (2) dưới đây thì có thể sử dụng làm nguồn điện chính trên tàu như yêu cầu ở 3.2.1.
(1) Khi 1 tổ máy phát của thiết bị điện chân vịt ngừng hoạt động thì công suất như nêu ở 3.2.1-3 được đảm bảo nhờ nguồn điện còn lại của thiết bị điện chân vịt, đồng thời lúc đó vẫn có đủ công suất để tàu đạt tốc độ tối thiểu;
(2) Khi tải bị dao động và hãm chân vịt hoặc có sự thay đổi tốc độ quay của máy phát điện chân vịt để điều khiển động cơ quay chân vịt thì sự thay đổi điện áp và tần số phải thỏa mãn những yêu cầu ở 2.1.2-3.
5.3.2 Mạch cấp điện
1 Các hệ thống điện quay chân vịt có từ hai máy phát hoặc động cơ quay chân vịt tương ứng trở lên làm việc trên một trục chân vịt thì phải bố trí sao cho ngắt được bất kỳ một máy phát hay động cơ nào ra khỏi hệ thống và cách ly hoàn toàn về điện.
2 Mạch cấp điện phải có các biện pháp an toàn nêu từ (1) đến (6) dưới đây:
(1) Nếu có thiết bị bảo vệ quá tải trên mạch động lực chính thì phải đặt ở giá trị đủ lớn để nó không thể ngắt mạch khi điều động trong điều kiện thời tiết xấu hoặc trong quá trình đảo chiều hay các chế độ vận hành như nêu ở 1.3.2, Phần 3;
(2) Trên đường dây cấp điện cho động cơ điện quay chân vịt phải lắp đặt thiết bị phát hiện rò điện áp ra các phần nối đất;
(3) Trừ mạch kích từ không chổi than và mạch kích từ có chổi than của các máy điện quay có công suất nhỏ hơn 500 kW, phải lắp đặt thiết bị phát hiện rò điện áp ra các phần nối đất ở mỗi mạch kích từ cách ly;
(4) Các động cơ quay chân vịt hoặc máy phát điện chân vịt phải có biện pháp ngắt lựa chọn hoặc giảm nhanh từ thông để bảo vệ tránh xảy ra quá tải trên mạch chính;
(5) Trên mạch từ trường phải trang bị thiết bị để ngăn chặn việc tăng quá áp khi ngắt mạch; (6) Trên mạch kích từ không được bố trí bảo vệ quá tải do hở mạch gây nên.
5.4 Thử đường dài
Sau khi lắp đặt hoàn chỉnh hệ thống điện chân vịt phải tiến hành thử hoạt động vào lúc thử tàu đường dài theo các quy trình thử được Đăng kiểm thẩm định.
PHẦN 5 PHÒNG, PHÁT HIỆN VÀ CHỮA CHÁY
CHƯƠNG 1 QUY ĐỊNH CHUNG
1.1 Quy định chung
1.1.1 Phạm vi áp dụng
1 Kết cấu và trang bị để phòng, phát hiện và chữa cháy phải thoả mãn các quy định nêu ra trong Phần này.
2 Trang bị phòng và chữa cháy ngoài việc thỏa mãn các yêu cầu của Phần này còn phải thỏa mãn các yêu cầu của các phần khác liên quan phòng, phát hiện và chữa cháy quy định trong Quy chuẩn này.
3 Trừ khi được quy định khác, kết cấu và trang bị để phòng, phát hiện và chữa cháy phải thoả mãn các quy định sau đây:
(1) Các yêu cầu không nói đến việc áp dụng cho riêng loại tàu nào thì phải áp dụng cho tất cả các loại tàu;
(2) Nhà hàng nổi, khách sạn nổi, tàu thủy lưu trú du lịch ngủ đêm và phà áp dụng theo các yêu cầu như đối với tàu khách.
1.1.2 Thay thế tương đương
Các kết cấu, trang bị và vật liệu khác sẽ được chấp nhận với điều kiện các kết cấu, trang bị và vật liệu đó là tương đương với các quy định trong Phần này.
1.2 Các yêu cầu áp dụng cho tàu chở hàng lỏng dễ cháy
1.2.1 Quy định áp dụng cho tàu chở hàng lỏng dễ cháy
Các yêu cầu đối với tàu chở hàng lỏng dễ cháy trong Phần này phải được áp dụng như đối với tàu chở dầu thô và sản phẩm dầu mỏ có điểm chớp cháy không vượt quá 60 ºC (theo phương pháp thử cốc kín), được xác định bằng phương pháp thử điểm chớp cháy được duyệt và áp suất hơi Reid nhỏ hơn áp suất khí quyển hoặc các sản phẩm dạng lỏng khác có nguy cơ cháy tương tự.
1.2.2 Các yêu cầu bổ sung
1 Nếu chở hàng lỏng không phải là loại nêu ở 1.2.1 hoặc khí hoá lỏng có nguy cơ cháy cao hơn, phải yêu cầu bổ sung thêm các biện pháp an toàn và lưu ý thích đáng đến quy định nêu ở Phần 11 của Quy chuẩn này.
2 Hàng lỏng có điểm chớp cháy không vượt quá 60 °C mà hệ thống chữa cháy bằng bọt thông thường không có hiệu quả thì phải xem xét bổ sung các mối nguy vào loại hàng này và phải có các biện pháp sau đây:
(1) Bọt chữa cháy phải là loại chịu được cồn;
(2) Loại chất tạo bọt sử dụng cho tàu chở hoá chất phải thoả mãn các yêu cầu của Đăng kiểm;
(3) Dung tích và tốc độ phun bọt của hệ thống chữa cháy bằng bọt phải tuân thủ các yêu cầu nêu ở Chương 4 Phần 11 của Quy chuẩn này trừ trường hợp tốc độ phun thấp có thể được chấp nhận dựa trên kết quả thử khả năng hoạt động. Đối với tàu chở hàng lỏng có hệ thống khí trơ, lượng chất tạo bọt phải đủ trong vòng 20 phút.
1.2.3 Hàng có điểm chớp cháy trên 60 °C
Các hàng lỏng có điểm chớp cháy trên 60 °C, không phải là các sản phẩm dầu hoặc các hàng lỏng phải áp dụng các yêu cầu ở Chương 4 Phần 11 của Quy chuẩn này, có thể được xem là hàng có nguy cơ cháy thấp, không yêu cầu được bảo vệ bằng hệ thống chữa cháy bằng bọt.
Tàu chở hàng lỏng có điểm chớp cháy trên 60 °C (thử cốc kín) được xác định bằng phương pháp thử điểm chớp cháy được duyệt phải thỏa mãn các yêu cầu với tàu hàng không phải tàu chở hàng lỏng.
1.3 Sử dụng các công chất độc hại
Không được sử dụng các công chất chữa cháy mà chính nó hoặc trong điều kiện sử dụng dự kiến toả ra các khí, chất lỏng và các chất độc khác với số lượng có thể gây nguy hiểm cho con người.
1.4 Giải thích từ ngữ
Ngoài các từ ngữ được giải thích tại Mục I, trong Phần này sử dụng các từ ngữ sau:
1.4.1 Vật liệu cháy được
Vật liệu cháy được là vật liệu không phải là vật liệu không cháy.
1.4.2 Vật liệu không cháy
Vật liệu không cháy là vật liệu khi được nung nóng đến nhiệt độ 750 °C mà không bị cháy và cũng không sinh ra khí cháy với một lượng đủ để tự bốc cháy. Vật liệu không cháy được Đăng kiểm hoặc một tổ chức được Đăng kiểm công nhận chứng nhận theo Bộ luật các quy trình thử lửa.
1.4.3 Điểm chớp cháy
Điểm chớp cháy là nhiệt độ tính theo độ Celcius (thử cốc kín) mà tại đó một sản phẩm sẽ tỏa ra lượng hơi cháy đủ để cháy và được xác định bằng dụng cụ thử điểm chớp cháy được duyệt.
1.4.4 Lan truyền ngọn lửa chậm
Lan truyền ngọn lửa chậm có nghĩa là bề mặt có đặc trưng như vậy sẽ hạn chế đáng kể sự lan truyền của ngọn lửa. Đặc tính này được Đăng kiểm hoặc tổ chức được Đăng kiểm công nhận duyệt, phù hợp với Bộ luật các quy trình thử lửa.
1.4.5 Thép hoặc các vật liệu tương đương khác
Thép hoặc các vật liệu tương đương khác là vật liệu không cháy mà chính nó hoặc do được bọc cách nhiệt có các đặc tính về kết cấu và tính nguyên vẹn tương đương với thép vào cuối đợt thử lửa chuẩn khi được đưa vào thử (ví dụ: hợp kim nhôm có bọc cách nhiệt thích hợp).
1.4.6 Thử lửa chuẩn
Thử lửa chuẩn là đợt thử lửa trong đó các mẫu thử của các vách hoặc boong thích hợp được đưa vào buồng đốt, thử đến nhiệt độ gần tương ứng với đường cong nhiệt độ - thời gian chuẩn theo phương pháp thử nêu ở Bộ luật các quy trình thử lửa.
1.4.7 Bộ luật các quy trình thử lửa
Bộ luật các quy trình thử lửa (FTP Code) có nghĩa là Bộ luật quốc tế về việc áp dụng các quy trình thử lửa được MSC của IMO thông qua bởi Nghị quyết MSC.61 (67), có thể được sửa đổi bởi IMO nếu các sửa đổi này được thông qua. Bộ luật này đã có hiệu lực theo điều khoản của Mục VIII của SOLAS hiện hành liên quan đến các thủ tục sửa đổi áp dụng cho Phụ lục không phải là Chương I của SOLAS.
1.4.8 Kết cấu cấp A
Kết cấu cấp A là kết cấu được tạo từ vách và boong thoả mãn các yêu cầu sau:
1 Phải được làm bằng thép hoặc vật liệu tương đương;
2 Phải được gia cường thích đáng;
3 Kết cấu phải được bọc bằng vật liệu không cháy và được chứng nhận/công nhận sao cho nhiệt độ trung bình ở bề mặt không tiếp xúc với nguồn nhiệt, không vượt quá 140 °C so với nhiệt độ ban đầu và nhiệt độ ở điểm bất kỳ, kể cả điểm trên mối nối không vượt quá 180 °C so với nhiệt độ ban đầu, trong thời gian tương ứng với các cấp nêu dưới đây:
Cấp A - 60: trong 60 phút;
Cấp A - 30: trong 30 phút;
Cấp A - 15: trong 15 phút;
Cấp A - 0: trong 0 phút.
4 Phải được kết cấu sao cho có khả năng chặn không cho khói và lửa đi qua sau một giờ thử tiêu chuẩn chịu lửa;
5 Phải được đảm bảo qua việc thử vách hoặc boong nguyên mẫu phù hợp với Bộ luật về quy trình thử lửa để đảm bảo rằng chúng đáp ứng được các yêu cầu trên về sự nguyên vẹn và độ tăng nhiệt độ và chúng phải được chứng nhận bởi Đăng kiểm hoặc tổ chức được Đăng kiểm công nhận.
1.4.9 Kết cấu cấp B
Kết cấu cấp B là kết cấu được tạo từ vách, boong, trần hoặc tấm bọc thoả mãn các yêu cầu dưới đây:
1 Phải được chế tạo bằng vật liệu không cháy được thẩm định. Tất cả vật liệu sử dụng trong kết cấu cấp B phải là vật liệu không cháy, nhưng trong trường hợp ngoại lệ có thể cho phép lớp ốp mặt bằng vật liệu cháy được nếu chúng thoả mãn các yêu cầu thích hợp khác của Chương này;
2 Phải được bọc cách nhiệt sao cho nhiệt độ trung bình ở bề mặt không tiếp xúc với nguồn nhiệt, không vượt quá 140 ºC so với nhiệt độ ban đầu và nhiệt độ ở điểm bất kỳ kể cả điểm trên mối nối không vượt quá 225 ºC so với nhiệt độ ban đầu, trong thời gian tương ứng với các cấp nêu dưới đây:
Cấp B - 15: trong 15 phút;
Cấp B - 0: trong 0 phút.
3 Phải được kết cấu sao cho có khả năng chặn không cho lửa đi qua sau một nửa giờ thử tiêu chuẩn chịu lửa;
4 Phải được đảm bảo qua việc thử vách hoặc boong phù hợp với Bộ luật về quy trình thử lửa để đảm bảo rằng chúng đáp ứng được các yêu cầu trên về sự nguyên vẹn và độ tăng nhiệt độ và chúng phải được Đăng kiểm hoặc tổ chức được Đăng kiểm công nhận thẩm định.
1.4.10 Kết cấu cấp C
Kết cấu cấp C là các kết cấu được chế tạo bằng vật liệu không cháy đã được Đăng kiểm hoặc tổ chức được Đăng kiểm ủy quyền công nhận. Kết cấu này không cần thỏa mãn các yêu cầu đối với sự xuyên qua của khói và lửa cũng như giới hạn về độ tăng nhiệt độ. Được phép sử dụng các tấm ốp mặt làm bằng vật liệu cháy được nếu chúng thỏa mãn các yêu cầu khác của Phần này.
1.4.11 Vùng chống cháy chính
Vùng chống cháy chính là thân tàu, thượng tầng và lầu trên boong được phân chia bởi các vách chống cháy theo phương ngang.
1.4.12 Trạm điều khiển trung tâm
Là khoang hoặc một phần của khoang mà tại đó tập trung các trạm tín hiệu phát hiện cháy và các thiết bị khởi động từ xa của hệ thống chữa cháy (nếu được xem xét trước) được bố trí tại buồng lái hoặc các trạm điều khiển khác có kết nối trực tiếp đến buồng lái hoặc có các ca trực suốt ngày đêm trong hành trình của tàu.
1.4.13 Bếp
Bếp là nơi có chứa lò nướng và các thiết bị nấu ăn tương tự
1.4.14 Không gian công cộng
Không gian công cộng là một phần của không gian sinh hoạt sử dụng để hội họp, ăn uống và các không gian kín cố định tương tự.
1.4.15 Khu vực tập trung
Khu vực tập trung là khu vựa trên tàu được bảo vệ để người tập trung trong tình huống sự cố.
1.4.16 Kho dự trữ
Kho dự trữ là kho chứa chất lỏng dễ cháy hoặc kho có diện tích lớn hơn 4 m2 để chứa vật liệu, thiết bị dễ cháy.
1.4.17 Không gian buồng máy
Buồng máy là tất cả những buồng đặt máy chính, nồi hơi, thiết bị dầu đốt, động cơ đốt trong và máy hơi nước, các máy phát điện và động cơ điện chính, các trạm nạp dầu, các máy làm lạnh, thiết bị thông gió và điều hòa không khí, các không gian tương tự và các lối dẫn đến các khoảng không gian đó.
1.4.18 Buồng máy
Buồng máy là buồng có chứa động cơ đốt trong
1.4.19 Buồng máy chính
Buồng máy chính là buồng chứa động cơ đẩy tàu
1.4.20 Giếng cầu thang
Giếng cầu thang là giếng của cầu thang bên trong hoặc cầu thang máy
1.4.21 Khoang, két, buồng kề nhau
Khoang, két hoặc buồng kề nhau là những khoang, két hoặc buồng tiếp giáp nhau có bề mặt giới hạn chung bằng vách hoặc boong;
Khoang, két và buồng chỉ có góc tiếp giáp nhau thì không được coi là kề nhau.
1.4.22 Khoang, két
Những khoang, két hoặc buồng kề nhau có lỗ khoét không đậy ở các vách hoặc boong ngăn cách chúng hoặc có lỗ khoét được đậy bằng những nắp không đóng kín thường xuyên và không tương đương nhau đều được coi như một buồng chung.
1.4.23 Buồng được bảo vệ
Buồng được bảo vệ là buồng có đặt một hệ thống chữa cháy hoặc tín hiệu tự động báo cháy.
1.4.24 Dập cháy bề mặt
Dập cháy bề mặt là dập cháy bằng cách làm mát, thấm ướt hoặc hạn chế ôxy dẫn tới bề mặt cháy, ví dụ: dập cháy bằng nước, bằng bọt.
1.4.25 Dập cháy thể tích
Dập cháy thể tích là dập cháy bằng cách nạp đầy thể tích buồng được bảo vệ bằng hơi chất lỏng không bắt lửa hoặc khí không bắt lửa để tạo ra môi trường không duy trì sự cháy, ví dụ bằng hơi của chất lỏng dễ bay hơi, axít các bon níc, khí trơ.
1.4.26 Các buồng và không gian có nguy cơ nổ
Các buồng và không gian có nguy cơ nổ và nguy cơ cháy trên tàu chở dầu được xác định theo Chương 4 Phần 4 của Quy chuẩn này.
1.4.27 Trạm chữa cháy
Là những vị trí tập trung các thiết bị kích hoạt hệ thống chống cháy, các trang bị chống cháy hoặc các chuông báo động cháy cho một khu vực nhất định của tàu (của buồng hoặc khoang riêng biệt).
1.4.28 Trạm điều khiển
Là những buồng để bố trí trang thiết bị điều khiển tàu, dụng cụ hàng giang chính, thiết bị vô tuyến điện của tàu và vô tuyến truyền thanh, những trạm chữa cháy trung tâm, trạm chữa cháy, buồng ắc quy, buồng tổ hợp các trạm vô tuyến điện.
1.4.29 Hệ thống chữa cháy cố định
Là hệ thống được sử dụng để đưa chất chữa cháy tới các buồng được bảo vệ và có mối liên hệ kết cấu với vỏ tàu.
1.4.30 Boong thời tiết
Boong thời tiết là boong lộ hoàn toàn ra ngoài thời tiết từ phía trên hoặc ít nhất từ hai mạn.
1.4.31 Phòng xông hơi
Phòng xông hơi là buồng nóng có nhiệt độ thường dao động từ 80 oC đến 120 oC. Nhiệt cấp cho buồng là từ một bề mặt nóng (ví dụ bề mặt được gia nhiệt bằng điện). Buồng nóng cũng có thể bao gồm buồng có chứa mặt gia nhiệt và kề với các buồng tắm.
1.4.32 Khoang hàng
Khoang hàng là khoang bao gồm két chứa hàng lỏng dễ cháy, khoang hàng khô không phải là hàng dự trữ của tàu, boong lộ thiên chở hàng của tàu chở hàng trên boong, boong hàng của phà.
1.4.33 Thiết bị dầu đốt
1 Thiết bị dầu đốt là các thiết bị sau. Tuy nhiên, bơm vận chuyển dầu đốt không được coi là thiết bị dầu đốt.
(1) Thiết bị được sử dụng để chuẩn bị cấp dầu đốt cho nồi hơi đốt dầu (bao gồm cả thiết bị sinh khí trơ);
(2) Thiết bị được sử dụng để chuẩn bị dầu hâm cấp cho động cơ đốt trong (bao gồm cả tua bin khí);
(3) Thiết bị được sử dụng để chuẩn bị cấp dầu đốt cho động cơ đốt trong (bao gồm cả tua bin khí) ở áp lực lớn hơn 0,18 MPa;
(4) Các bơm dầu, bộ lọc và các thiết bị hâm áp lực xử lý dầu ở áp lực lớn hơn 0,18 MPa.
1.4.34 Buồng bơm
Buồng bơm là buồng bơm hàng trên tàu chở hàng lỏng.
CHƯƠNG 2 KẾT CẤU CHỐNG CHÁY
2.1 Kết cấu chống cháy
2.1.1 Yêu cầu chung
1 Vách, boong, thành quây miệng buồng máy phải làm bằng thép hoặc vật liệu tương đương. Vách biên của buồng nồi hơi, bếp, kho dự trữ có chứa vật liệu có khả năng cháy cao như sơn, dầu phải làm bằng thép hoặc các vật liệu tương đương nếu liền kề với không gian sinh hoạt và buồng máy phát điện sự cố.
2 Két nhiên liệu và két dầu bôi trơn không được có chung vách biên thẳng đứng với không gian sinh hoạt.
3 Lớp phủ boong trong không gian sinh hoạt trên boong mà nằm trên buồng máy và khoang hàng phải là loại có đặc tính khi nhiệt độ tăng vật liệu không phát sinh ra khói, khí độc và nổ.
4 Tường và trần của không gian sinh hoạt phải làm bằng vật liệu không cháy.
5 Không được sử dụng vật liệu cháy được làm kết cấu buồng máy.
6 Không cho phép sử dụng a-mi-ăng trong các lớp vật liệu cách nhiệt và chống cháy.
7 Có thể dùng vật liệu cháy được trong buồng lái, không gian sinh hoạt, hành lang, cầu thang và không gian phục vụ với điều kiện chúng thỏa mãn các yêu cầu sau:
(1) Đối với lớp phủ tường, trần, sàn
Lớp phủ mặt ngoài vật liệu cháy được, dày không quá 2 mm. Lớp phủ ở buồng, không gian nói trên có thể dày hơn 2 mm với điều kiện dùng vật liệu có tính lan truyền ngọn lửa chậm. Nếu các buồng, không gian nói trên là kề với buồng máy thì lớp phủ của không gian sinh hoạt, không gian phục vụ phải được làm bằng vật liệu có tính lan truyền ngọn lửa chậm, dày không quá 2 mm.
(2) Đối với đồ trang trí, nội thất và các thiết bị khác
Vật liệu sử dụng phải không quá 45 kg cho 1 m2 diện tích sàn của mỗi buồng.
8 Không gian sinh hoạt phải được cách ly với buồng máy, buồng nồi hơi, khoang hàng bởi các vách kín và phải có lối tiếp cận trực tiếp từ boong, nếu không bố trí được lối đi như vậy cho khu sinh hoạt thì phải có lối thoát hiểm dẫn trực tiếp lên boong.
9 Lớp cách nhiệt, cách âm của mạn, vách, boong thành quây miệng buồng máy, nồi hơi phải bằng vật liệu không cháy. Bề mặt lớp cách nhiệt phải được bảo vệ không cho nhiên liệu, dầu bôi trơn và hơi dầu thấm qua. Keo dán các lớp cách nhiệt có thể bằng vật liệu cháy được với điều kiện bề mặt của lớp cách nhiệt phải có tính lan truyền ngọn lửa chậm.
10 Không dùng vật liệu cháy được để chế tạo các chi tiết của kết cấu trong buồng máy, buồng nồi hơi và buồng bơm.
11 Các thùng thu gom rác cháy được phải được làm từ vật liệu không cháy và không được bố trí lỗ hở ở đáy và cạnh của thùng.
2.1.2 Kết cấu chống cháy của các tàu đóng bằng hợp kim nhôm, chất dẻo cốt sợi thủy tinh và gỗ
1 Vách chống cháy có thể được xem như tương đương cấp A mà không cần phải thử bao gồm:
(1) Nhôm tấm dày 5,5 mm được bọc lớp vật liệu không cháy bằng bông khoáng dày 80 mm (tỉ trọng tối thiểu 96 kg/m3; khoảng cách các đinh gim 300 mm) được xem như tương đương cấp A-30.
(2) Kết cấu chất dẻo cốt sợi thủy tinh được bọc lớp vật liệu không cháy bằng bông khoáng dày 120 mm (tỉ trọng tối thiểu 96 kg/m3; khoảng cách các đinh gim 300 mm) được xem như tương đương cấp A-30.
2 Vách chống cháy có thể được xem như tương đương cấp B mà không cần phải thử bao gồm:
(1) Nhôm tấm được bọc lớp vật liệu không cháy bằng bông khoáng dày 50 mm (tỉ trọng tối thiểu 96 kg/m3; khoảng cách các đinh gim 300 mm) được xem như tương đương cấp B-15.
(2) Kết cấu chất dẻo cốt sợi thủy tinh được bọc lớp vật liệu không cháy bằng bông khoáng dày 75 mm (tỉ trọng tối thiểu 96 kg/m3; khoảng cách các đinh gim 300 mm) được xem như tương đương cấp B-15.
3 Việc bọc chống cháy sao cho nhiệt độ của kết cấu lõi không tăng quá nhiệt độ mà tại đó kết cấu lõi bắt đầu bị suy giảm độ bền tại bất kỳ thời gian nào trong quá trình thử lửa tiêu chuẩn (60 phút đối với tương đương cấp A, 30 phút đối với tương đương cấp B) cho các kết cấu sau:
(1) Kết cấu bằng hợp kim nhôm bọc sao cho cho nhiệt độ kết cấu lõi không tăng quá 200 ºC so với nhiệt độ môi trường trong thời gian thử.
(2) Kết cấu bằng chất dẻo cốt sợi thủy tinh bọc sao cho nhiệt độ không tăng quá nhiệt độ biến dạng tối thiểu khi chịu tải (HDT) trong quá trình thử. Nhiệt độ biến dạng tối thiểu khi chịu tải được xác định theo ISO 75-2001.
(3) Kết cấu bằng gỗ phải bọc theo yêu cầu của Đăng kiểm trên nguyên tắc nhiệt độ không tăng quá nhiệt độ biến dạng tối thiểu của gỗ trong quá trình thử.
2.1.3 Bảo quản vật liệu, chất lỏng dễ cháy và vật liệu cháy được
1 Kho chứa vật liệu và chất dễ cháy (kho dự trữ) không được kề với buồng ngủ, buồng máy, két chứa dầu đốt và dầu bôi trơn. Kết cấu của những kho này phải làm bằng thép hoặc vật liệu tương đương;
Nếu dùng vật liệu khác để làm thân tàu, thượng tầng và lầu thì kết cấu vách và boong của kho phải là cấp B-15.
2 Kho chứa vật liệu và chất dễ cháy phải thỏa mãn các yêu cầu sau đây:
(1) Kho phải có lối ra riêng biệt dẫn ra boong lộ thiên, cho phép làm một lối ra dẫn tới boong lộ thiên từ kho đèn và kho sơn nằm ở buồng bên cạnh qua buồng đệm chung cách ly với các buồng khác với điều kiện là kho phải có lối ra đóng kín và riêng biệt vào buồng đệm này;
(2) Trang bị của kho phải làm bằng vật liệu không cháy;
(3) Kho phải có hệ thống thông gió tự nhiên. Lỗ thoát của ống thông gió từ các kho nói trên phải có lưới chặn lửa;
(4) Chất lỏng có điểm chớp cháy từ 43 °C trở xuống phải chứa trong két kim loại đặt trong kho, có ống thoát khí ra phía ngoài và có lưới chặn lửa ở đầu ống;
(5) Cửa kho phải được mở về phía boong lộ thiên và phải có dòng chữ “Cấm lửa”.
2.1.4 Buồng bếp
1 Buồng bếp có bếp dùng than, dầu hoặc ga không được kề với kho chứa vật liệu dễ cháy và vật liệu cháy, không được kề với két chứa dầu đốt, két dầu bôi trơn.
2 Vật liệu dùng cho kết cấu và trang trí buồng bếp phải là loại không cháy. Nếu có lý do thỏa đáng thì vật liệu đó có thể là loại vật liệu cháy được có tính lan truyền ngọn lửa chậm.
3 Bếp có thể là bếp điện, bếp dùng nhiên liệu lỏng, rắn hoặc bếp ga. Bếp dùng nhiên liệu rắn phải thỏa mãn các yêu cầu của quy định ở 2.1.4-5.
4 Bếp dùng nhiên liệu lỏng hoặc rắn phải có vỏ bọc bằng thép, đáy có lót gạch, có cửa để lấy muội và xỉ. Trên tàu hàng khô không tự hành cho phép dùng bếp lò bằng gạch không có vỏ bọc bằng thép nhưng phải có khung bằng thép.
5 Mặt ngoài của ống khói và bếp lò phải cách xa kết cấu làm bằng vật liệu dễ cháy có lớp bọc cách nhiệt một khoảng ít nhất là 380 mm. Chiều dày của lớp bọc ống khói và bếp lò không nhỏ hơn 130 mm.
Ống khói phải được làm bằng thép có vỏ bọc làm thành lớp không khí thông gió hoặc phải được bọc bằng lớp cách nhiệt không cháy, ống khói phải được cố định chắc chắn và có lưới chặn tia lửa. Ống khói phải có thiết bị ngăn dầu ăn nhỏ giọt lên bếp. Ống khói phải vượt cao hơn điểm cao nhất của nóc thượng tầng một khoảng lớn hơn 0,5 m và phải cách xa thượng tầng cao nhất một khoảng lớn hơn 2 m.
Chỗ ống khói đi qua mái che bằng gỗ phải có lớp ngăn cách chống cháy, khoảng cách từ thành ống khói đến kết cấu bằng vật liệu cháy không nhỏ hơn 380 mm về mỗi phía. Kết cấu bằng vật liệu cháy tiếp giáp với lớp ngăn cách phải được cách ly bằng thép bọc ngoài bằng vật liệu cách nhiệt không cháy, có chiều dày lớn hơn 5 mm.
6 Trên tàu có thượng tầng bằng gỗ, nếu có đặt bếp thì những kết cấu gỗ tiếp giáp với bếp và nằm ở phía trên của bếp phải được bọc thép và trên lớp thép phải phủ bằng vật liệu cách nhiệt không cháy, dày ít nhất 5 mm. Diện tích được cách ly phải vượt ra khỏi kích thước bao của bếp lò về mỗi phía 400 mm. Mặt trong của ống khói và cửa đốt lò phải thỏa mãn yêu cầu của quy định ở 2.1.4-5.
7 Điểm chớp cháy của dầu dùng cho bếp không thấp hơn 60 ºC. Trong buồng bếp cho phép đặt két dầu đốt hàng ngày ở chỗ xa nhất với bếp và cửa ra vào, khoảng cách đó phải lớn hơn 1 m. Không cho phép bố trí két dầu đốt phía trên bếp;
Dung tích két dầu đốt hàng ngày không được vượt quá lượng dự trữ dùng cho một ngày và không được lớn hơn 50 lít;
Trang bị của két và đường ống dầu đốt phải theo Phần 3 của Quy chuẩn này;
Van lấy dầu của két dầu đốt đặt ở buồng bếp phải có truyền động từ xa ngoài buồng bếp.
8 Buồng bếp nằm dưới boong chính phải thỏa mãn các yêu cầu bổ sung sau:
(1) Cửa ra vào ở vách phải có ngưỡng cửa cao ít nhất 130 mm;
(2) Trong buồng bếp phải có thông gió cưỡng bức.
9 Nếu sử dụng bếp ga thì phải thỏa mãn các yêu cầu sau:
(1) Bếp, bình chứa ga, van khóa và van giảm áp phải phù hợp với các tiêu chuẩn quốc gia liên quan.
(2) Số lượng bình chứa ga phải vừa đủ nhu cầu và không được phép vượt quá mức cần thiết. Khu vực chứa bình ga phải lắp đặt ở trên boong hở hoặc trong khu vực được thông gió và mở ra boong hở. Không được để bình chứa ga cùng không gian với bình chứa ô xy.
(3) Buồng bếp phải đặt trên boong chính. Không được phép bố trí cầu thang và lỗ khoét trong buồng bếp xuống không gian phía dưới.
(4) Các cửa đi và cửa sổ ở xung quanh buồng bếp phải mở ra ngoài và đến boong hở. Phải trang bị thông gió tự nhiên hoặc cưỡng bức để đảm bảo khí lưu thông giữa ở phần dưới và ở phần trên trong buồng bếp.
(5) Bếp ga phải lắp đặt chắc chắn ở vị trí được xác định trước. Phải có thiết bị để ngăn ngừa sự dịch chuyển của bếp.
(6) Bình chứa ga phải đặt thẳng đứng và cố định chắc chắn. Vành giữ cố định phải có khả năng tháo ra nhanh chóng và dễ dàng.
(7) Đường ống ga bằng kim loại phải được nối bằng phương pháp hàn. Cho phép sử dụng mối nối ren ở chỗ nối giữa bếp, van hoặc các thiết bị đo và các ống hoặc các van. Các mối nối phải được phủ lớp chống dầu hoặc phủ lớp keo để đảm bảo kín ga.
Các chỗ nối giữa ống cao su mềm và van giảm áp, bếp và ống thép phải được kẹp bởi hai đai thép. Các đai thép phải nối chắc chắn và phải có khả năng lắp đặt hoặc tháo dễ dàng để đảm bảo kín khí ga. Ống cao su mềm phải có vỏ bọc kim loại để bảo vệ.
(8) Hệ thống đường ống ga phải thử bền áp suất và thử kín theo Bảng 5/2.1.
10 Cửa của buồng bếp phải là loại cửa tự đóng.
Bảng 5/2.1 - Thử hệ thống đường ống ga
| Hệ thống ống ga | Thử áp suất | |
| Thử bền tại xưởng, MPa | Thử kín sau khi lắp đặt lên tàu, MPa | |
| Ống nối từ bình ga đến van giảm áp. | 2,4 | 1,0 |
| Ống nối từ van giảm áp đến bếp. | 0,2 | 0,1 |
2.1.5 Đường ống khí xả
1 Nhiệt độ mặt ngoài của đường ống khí xả được bọc cách nhiệt không được lớn hơn 60 oC. Vật liệu làm cách nhiệt phải là loại không cháy.
2 Mối ghép nối kiểu bích của đường ống khí xả phải kín khít. Tại chỗ mối ghép phải có lớp cách nhiệt dễ tháo, đảm bảo thuận tiện cho việc kiểm tra.
3 Chỗ đường ống khí xả đi qua vách và boong làm bằng vật liệu cháy được phải có khe hở ít nhất 380 mm về mọi phía;
Những kết cấu bằng vật liệu cháy được ở chỗ khoét để đặt đường ống xả khí phải được bọc bằng lớp cách nhiệt không cháy có chiều dày ít nhất 20 mm.
2.1.6 Sự xuyên qua kết cấu chống cháy và ngăn ngừa sự truyền nhiệt
1 Để ngăn nhiệt truyền qua các điểm mút và giao nhau của kết cấu, thì lớp bọc chống cháy vách và boong phải kéo dài ít nhất 450 mm tính từ điểm mút và giao nhau của kết cấu đối với vật liệu kết cấu bằng thép hoặc nhôm (xem Hình 5/2.1 và Hình 5/2.2).
2 Nếu các khu vực được chia bởi boong và vách và yêu cầu về lớp bọc chống cháy cho từng khu vực khác nhau, thì lớp bọc chống cháy đối với kết cấu có thời gian bảo vệ kết cấu cao hơn được kéo dài ít nhất 450 mm về phía trên của đường biên giữa các khu vực.
3 Nếu phần dưới của lớp bọc chống cháy được cắt bỏ để thoát nước, thì kết cấu chống cháy phải được bọc theo hướng dẫn chỉ ra trong Hình 5/2.3.

Hình 5/2.1 - Lớp bọc chống cháy cho kết cấu gia cường

Hình 5/2.2 - Lớp bọc chống cháy cho boong, vách

Hình 5/2.3 - Lớp bọc chống cháy cho chân vách
2.1.7 Phương tiện thoát nạn
1 Quy định chung
(1) Trừ khi có quy định khác, mỗi không gian hoặc nhóm không gian phải có 2 lối thoát cách xa nhau.
(2) Thang máy không được xem là lối thoát hiểm.
(3) Lối thoát hiểm phải có kích thước thông thủy tối thiểu 0,6 m x 0,6 m.
2 Lối thoát từ trạm điều khiển, không gian sinh hoạt và không gian phục vụ
(1) Cầu thang xiên và cầu thang đứng phải được bố trí luôn sẵn có để thoát hiểm từ không gian sinh hoạt và từ các không gian ngoài không gian buồng máy mà thuyền viên thường có mặt.
(2) Cầu thang xiên trong khu vực sinh hoạt và không gian phục vụ, trạm điều khiển phải được làm bằng thép hoặc vật liệu tương đương.
(3) Cửa ra vào trên đường thoát hiểm phải được mở theo hướng thoát ngoại trừ các cửa của các buồng cá nhân và cửa trên các kênh thoát hiểm thẳng đứng có thể mở ra phía ngoài kênh để cho phép kênh có thể sử dụng cho mục đích thoát hiểm và tiếp cận.
(4) Trong một số trường hợp có thể chỉ cần bố trí một lối thoát đối với các không gian không thường có người và lối thoát không đi qua cửa kín nước.
3 Lối thoát từ không gian buồng máy
Lối thoát từ không gian buồng máy phải theo yêu cầu ở Phần 3 của Quy chuẩn này.
2.2 Yêu cầu bổ sung đối với tàu khách
2.2.1 Đối với tàu khách các kết cấu sau bên trong thân tàu và thượng tầng phải được bọc chống cháy:
1 Không gian giếng buồng máy và buồng nồi hơi;
2 Cầu thang kín;
3 Vách và boong phân chia trạm điều khiển và các không gian bên cạnh;
4 Vách và boong phân chia không gian sinh hoạt với buồng máy, buồng phục vụ, buồng nồi hơi cũng như khoang hàng và khoang chứa nhiên liệu;
5 Vách và boong của kho dự trữ chứa vật liệu cháy được và vật liệu dễ cháy, cũng như bếp và các buồng khác có chứa hoặc sử dụng nhiên liệu;
6 Vách và boong lối thoát hiểm của hành khách và thuyền viên.
2.2.2 Tính nguyên vẹn chống cháy của vách và boong được lấy theo Bảng 5/2.2 và Bảng 5/2.3.
2.2.3 Khi áp dụng các yêu cầu tại Bảng 5/2.2 và Bảng 5/2.3, có thể điều chỉnh như sau:
Vách giữa các ca bin, giữa ca bin và hành lang, vách thẳng đứng phân chia không gian sinh hoạt theo yêu cầu 2.2.4, vách của các không gian có trang bị hệ thống phun nước áp lực phải là kết cấu cấp B-0.
Bảng 5/2.2 - Phân vùng kết cấu chống cháy giữa các buồng không được trang bị hệ
thống phun nước áp lực
| Không gian | Trạm điều khiển | Giếng cầu thang | Khu vực tập trung | Không gian sinh hoạt | Buồng máy | Bếp | Kho dự trữ |
| Trạm điều khiển | - | A-0 | A-0/B-151 | A-30 | A-60/A05 | A-60 | A-60 |
| Giếng cầu thang | - | - | A-0 | A-30 | A-60/A05 | A-60 | A-60 |
| Khu vực tập trung | - | - | - | A-30/B-152 | A-60/A05 | A-60 | A-60 |
| Không gian sinh hoạt | - | - | - | B-15/B-03 | A-60/A05 | A-60 | A-60 |
| Buồng máy | - | - | - | - | A-60/A-04 | A-60 | A-60 |
| Bếp | - | - | - | -- | - | A-0 | A-60 |
| Kho dự trữ | - | - | - | - | - | - | - |
| Chú thích: 1. Phân vùng giữa trạm điều khiển trung tâm với khu vực tập trung phía trong phải tương ứng cấp A-0, còn với khu tập trung phía ngoài thì chỉ cần B-15; 2. Phân vùng giữa phòng chờ với khu vực tập trung phía trong phải tương ứng cấp A-30, còn với khu tập trung phía ngoài thì chỉ cần B-15; 3 Phân vùng giữa các cabin cũng như giữa cabin với hành lang, phân vùng theo chiều thẳng đứng phân cách các phòng hành khách phải thỏa mãn cấp B-15, còn phân vùng giữa các buồng được trang bị hệ thống phun nước áp lực - cấp B-0; 4 Vách giữa buồng máy phát sự cố và buồng cấp nguồn chính hoặc với bảng điện chính phải là kết cấu cấp A-60, các trường hợp khác A-0 5 Áp dụng đối với phà hoạt động ngang sông cấp VR-SI, VR-SII, VR-SIII. | |||||||
Bảng 5/2.3 - Phân vùng kết cấu chống cháy giữa các buồng có trang bị hệ thống phun
nước áp lực
| Không gian | Trạm điều khiển | Giếng cầu thang | Khu vực tập trung | Không gian sinh hoạt | Buồng máy | Bếp | Kho dự trữ |
| Trạm điều khiển | - | A-0 | A-0/B-151 | A-0 | A-60/A-05 | A-60 | A-30 |
| Giếng cầu thang | - | - | A-0 | A-0 | A-60/A-05 | A-30 | A-0 |
| Khu vực tập trung | - | - | - | A-30/B-152 | A-60/A-05 | A-30 | A-30 |
| Không gian sinh hoạt | - | - | - | -/B-03 | A-60/A-05 | A-30 | A-0 |
| Buồng máy | - | - | - | - | A-60/A-04 | A-60 | A-60 |
| Bếp | - | - | - | - | - | - | В-15 |
| Kho dự trữ | - | - | - | - | - | - | - |
| Chú thích: 1-5 Xem chú thích ở Bảng 5/2.2. | |||||||
2.2.4 Tàu khách có chiều dài từ 65 m trở lên phải được phân thành các vùng chống cháy chính thẳng đứng bởi các kết cấu chống cháy theo yêu cầu ở 2.2.2 nhưng tối thiểu phải là kết cấu cấp A-0 nếu:
1 Khoảng cách giữa các vách chống cháy trong khu vực hành khách có buồng khách không được lớn hơn 40 m;
2 Tổng diện tích sàn khu vực hành khách lớn hơn 800 m2.
Vách chống cháy phải được kéo dài từ mạn này sang mạn kia theo chiều rộng thân tàu, thượng tầng và lầu, còn theo chiều cao thì từ đáy đến boong của thượng tầng hoặc lầu cao nhất.
Vách chống cháy có thể có bậc, đoạn boong tạo bậc này phải có kết cấu không thấp hơn loại của vách chống cháy thẳng đứng.
2.2.5 Cửa và lối đi trên vách đã đề cập tại 2.2.1 phải có cấp tương đương với vách đó và có thể đóng mở từ hai phía của cửa. Cửa phải là loại tự đóng.
2.2.6 Không gian trống phía trên trần, trong vách phải được ngăn cách bởi các kết cấu làm bằng vật liệu không cháy có khoảng cách không quá 14 mét.
2.2.7 Việc bảo vệ các giếng cầu thang, thang máy
1 Trong trường hợp cầu thang được bố trí trong hộp quây kín thì phải có cửa tự đóng ở lối ra ở mỗi tầng.
2 Trong trường hợp cầu thang mà tiếp cận đến các boong khác bằng lối đi bên ngoài hộp cầu thang thì phải bố trí theo một trong hai cách sau:
(1) Trong trường hợp bậc cầu thang không kín thì phải có cửa tự đóng ở mỗi boong và mỗi điểm cuối của cầu thang.
(2) Trong trường hợp bậc cầu thang kín thì phải bố trí cửa tự đóng ở tối thiểu một đầu của cầu thang.
(3) Cầu thang nằm trọn trong không gian công cộng thì có thể để hở.
2.2.8 Phà chở ô tô hoặc các phương tiện khác (sau đây gọi chung là ô tô) chứa nhiên liệu lỏng hoặc khí trong bình chứa nhiên liệu của ô tô phải thỏa mãn các yêu cầu:
1 Không gian sinh hoạt, buồng phục vụ và không gian buồng máy phải cách biệt với boong hàng và khoang hàng bằng kết cấu cấp A-0;
2 Không gian kín chứa ô tô phải được trang bị hệ thống thông gió cưỡng bức và hệ thống chữa cháy cố định bằng khí hoặc bọt có độ giãn nở cao hoặc hệ thống chữa cháy cố định bằng phun nước áp lực.
2.3 Yêu cầu bổ sung đối với tàu chở dầu
2.3.1 Yêu cầu chung
1 Các cửa húp lô và cửa sổ ở vách trước thượng tầng và lầu boong hướng về phía két hàng ở trong phạm vi 3 mét tính từ mép trước thượng tầng và lầu boong phải là kiểu cố định. Cửa ra vào không được phép bố trí trong phạm vi này.
Yêu cầu này không áp dụng cho buồng phục vụ và buồng lái, buồng điều khiển thiết bị làm hàng không có lỗ thông trực tiếp kề với không gian sinh hoạt.
2 Không cho phép dùng gỗ, vật liệu cháy được ở khoang hàng, ở khoang cách ly và ở buồng bơm.
3 Giữa két hàng hoặc két lắng và buồng máy phải có khoang cách ly. Không cần bố trí khoang cách ly nếu buồng bơm kề với buồng máy.
4 Chiều dài khoang cách ly tối thiểu phải bằng một khoảng sườn nhưng không nhỏ hơn 0,5 m. Không cho phép lắp van cửa để chuyển hàng trong khoang cách ly.
5 Buồng bơm phải được cách biệt với buồng máy và khoang cách ly bởi vách kín khí và có lối ra độc lập trên boong lộ thiên. Lối ra được đóng bằng nắp kín khí. Buồng bơm và buồng máy không được thông trực tiếp với nhau.
6 Cho phép dùng các chi tiết rỗng để làm cầu thang, lan can và các kết cấu khác trên boong khu vực két hàng lỏng với điều kiện có thông gió tự nhiên bên trong cho các kết cấu thân rỗng đó. Không cho phép sử dụng các chi tiết thân rỗng trong két hàng và trong buồng bơm.
7 Kết cấu nắp đậy miệng két hàng phải có khả năng loại trừ tia lửa phát sinh khi mở và đóng. Nắp đậy phải là loại kín khí.
8 Không gian sinh hoạt phải được bố trí trong thượng tầng và lầu ở phía sau tàu và được chế tạo bằng thép hoặc vật liệu tương đương. Khi không gian sinh hoạt bố trí phía trên buồng bơm, khoang cách ly hoặc két hàng, thì boong của không gian này phải được nâng lên 0,5 mét cách boong tàu.
9 Không gian giữa boong của tàu và thượng tầng được nâng lên phải để hở. Boong phần nâng lên phải kín khí và phải được chế tạo bằng thép hoặc vật liệu tương đương.
10 Thượng tầng có không gian sinh hoạt phải có hai lối thoát ra boong hở về mỗi mạn của thượng tầng.
11 Ở thượng tầng đuôi của tàu chở dầu nếu có buồng để hút thuốc thì lớp bọc trong buồng hút thuốc phải bằng vật liệu không cháy.
Lối ra từ phòng hút thuốc phải dẫn vào hành lang, cửa sổ phải là kiểu đóng chết. Buồng phải có thông gió đẩy ra.
12 Đối với tàu chở dầu và tàu chở hóa chất nguy hiểm, khoang cách ly, két dằn và các không gian trong khu vực hàng phải được tiếp cận từ boong hở. Không gian đáy đôi có thể được tiếp cận từ các không gian khác.
Tàu phải có hai lối thoát độc lập trong khu vực hàng cách nhau càng xa càng tốt. Kích thước thông thủy tối thiểu phải bằng 600 mm x 600 mm đối với lối thoát đi qua lỗ nằm ngang và kích thước 600 mm x 800 mm đối với các lỗ thẳng đứng và nép mép dưới lỗ cao hơn 600 mm thì lỗ đó phải có bậc.
13 Buồng máy phải đặt về phía đuôi tàu, phía sau khu vực các két chở hàng, két lắng. Đối với buồng máy lắp đặt máy phụ có tổng công suất từ 375 kW trở xuống, trừ nồi hơi đốt dầu (kể cả máy tạo khí trơ) hoặc thiết bị dầu đốt hoặc thiết bị đốt bằng dầu không phải nồi hơi như máy sinh khí trơ, thiết bị đốt chất thải, có thể bố trí phía trước vách trước của khoang cách ly phía mũi. Nếu cần hâm nóng dầu hoặc sưởi ấm các buồng trong buồng máy hoặc buồng nào đó có thể vào từ boong hoặc từ buồng máy thì được phép lắp đặt nồi hơi hoạt.
2.3.2 Yêu cầu đối với tàu dầu dùng để vận chuyển, chứa và bơm chuyển chất lỏng dễ cháy có nhiệt độ chớp cháy từ 60 ºC trở xuống
1 Các khoang mút phải cách biệt với khu vực hàng và két nhiên liệu bằng khoang cách ly. Buồng máy phải cách biệt với khoang hàng bằng khoang cách ly, buồng bơm hoặc két dằn độc lập. Khoang cách ly phải có hệ thống cấp nước hoặc khí trơ.
Không gian sinh hoạt phải nằm phía trên khoang khô trong thượng tầng và lầu của phần sau của tàu và được chế tạo bằng thép hoặc vật liệu tương đương. Thượng tầng thứ nhất phải kéo dài từ mạn này sang mạn kia. Vách trước thượng tầng phải kín và không được bố trí cửa ra vào và các lỗ khoét khác.
Không được phép đặt khu sinh hoạt hoặc buồng lái phía trên buồng bơm, két hàng của tàu chở dầu tự hành. Đối với tàu không tự hành cho phép bố trí ở giữa tàu tuy nhiên chúng phải nâng cao quá mặt boong 2 mét, boong phải kín khí và được chế tạo bằng thép hoặc vật liệu tương đương.
2 Nếu buồng bơm làm chức năng khoang cách ly thì đà ngang đáy thứ nhất kể từ vách buồng máy phải kín khí.
3 Kết cấu của các chi tiết máy trên boong (cá, guốc phanh...) đặt trong khu vực buồng hoặc không gian có nguy cơ nổ phải loại trừ được khả năng phát sinh tia lửa khi vận hành. Hầm xích, nếu khi bố trí ở khu vực nói trên, phải kín đối với không gian bên cạnh và có bố trí để có khả năng nạp nước;
4 Cột bít buộc tàu hoặc cột bít kéo nằm trong khu vực buồng không gian có nguy cơ nổ phải được đặt trên bệ có kết cấu đảm bảo sự tuần hoàn tự do của không khí bên dưới cột bít. Trong buồng dễ nổ và không gian dễ nổ không cho phép sử dụng hoặc chứa dây cáp kéo và dây cáp chằng buộc tàu bằng kim loại.
5 Kết cấu chống va (con chạch) phải loại trừ được khả năng phát sinh tia lửa khi va chạm.
6 Ở nơi làm việc gần thiết bị và máy, mặt sàn phải lát gỗ hoặc có lớp matít chống trượt. Không được dùng thép để nối ghép các chi tiết của mặt sàn bằng gỗ.
2.3.3 Yêu cầu đối với trạm dầu
1 Trên những trạm làm việc với chất lỏng dễ cháy có nhiệt độ chớp cháy của chất lỏng từ 60 ºC trở xuống, không cho phép bố trí không gian sinh hoạt và các buồng khác trừ buồng bơm, buồng máy, buồng điều khiển và không gian phục vụ.
2 Không được phép bố trí trạm điều khiển hoặc không gian phục vụ bên trong thân tàu;
3 Buồng máy, buồng nồi hơi trên các trạm bơm vận chuyển và lọc dầu làm việc với các chất lỏng dễ cháy có nhiệt độ chớp cháy của chất lỏng từ 60 ºC trở xuống phải thỏa mãn những yêu cầu sau:
(1) Nếu buồng máy được bố trí trên khoang hàng thì chiều cao của boong buồng máy, tính từ boong của khoang hàng ít nhất phải bằng 0,7 m;
(2) Nếu buồng máy được bố trí ở trong thân tàu thì buồng máy phải được cách biệt với khoang hàng bằng khoang cách ly có chiều rộng không nhỏ hơn 0,5 m;
4 Ở các trạm làm việc với chất lỏng dễ cháy có nhiệt độ chớp cháy của chất lỏng lớn hơn 60 ºC có thể bố trí buồng máy ở trên boong của khoang hàng. Trong trường hợp này, boong của buồng máy phải cao hơn boong của khoang hàng ít nhất là 0,5 m;
Nếu bố trí buồng máy ở trong thân tàu thì buồng máy phải được cách biệt với khoang hàng bằng khoang cách ly. Trên các trạm làm việc với chất lỏng có nhiệt độ chớp cháy của chất lỏng cao hơn 120 ºC, boong của buồng máy không cần thiết phải cao hơn boong khoang hàng.
5 Ở trạm làm việc với chất lỏng có nhiệt độ chớp cháy của chất lỏng từ 60 ºC trở xuống thì lối vào buồng máy phải được bố trí từ boong thượng tầng hoặc từ lầu cao hơn boong chính ít nhất là 2 m;
6 Buồng bơm, buồng máy và thượng tầng hoặc lầu phải có cửa tròn ở mạn kiểu đóng chết, phải có vách kín khí, trần kín khí và lối ra độc lập lên boong lộ thiên đậy bằng nắp kín khí.
2.3.4 Yêu cầu đối với các tàu phục vụ tàu chở dầu
Các tàu phục vụ tàu chở các loại dầu có điểm chớp cháy từ 60 °C trở xuống phải thỏa mãn các yêu cầu bổ sung sau:
1 Các thanh chống va phải được chế tạo từ vật liệu loại trừ được khả năng phóng tia lửa điện hoặc phải được phủ bằng loại vật liệu như vậy. Không cho phép giữ các thanh này bằng bu lông xuyên vào vỏ tàu;
2 Bề mặt ngoài các miếng đệm không được sử dụng loại vật liệu có thể phát sinh tia lửa điện;
3 Các thành phần tháo được của lan can, các dây cáp neo và cáp kéo, cửa mạn chắn sóng và các miếng đệm phải được chế tạo từ vật liệu loại trừ được khả năng phát sinh tia lửa điện.
4 Thiết kế cửa ra vào và nắp hầm trong khu vực hàng của tàu dầu trong quá trình chằng buộc phải là loại không phát sinh tia lửa khi đóng mở.
2.4 Hệ thống thông gió
2.4.1 Yêu cầu chung
1 Đường ống thông gió phải bằng thép hoặc vật liệu tương đương.
2 Khi đường ống của hệ thống thông gió đi qua boong, ngoài việc đáp ứng các yêu cầu về tính nguyên vẹn chống cháy của boong, phải thực hiện các biện pháp phòng ngừa để giảm khả năng khói và khí nóng đi qua các ống thông gió từ không gian này sang không gian khác.
3 Nếu các phương tiện thông gió được trang bị cho các không gian công cộng xuyên boong, bao quanh cầu thang, v.v..., các ống thông gió phải được dẫn ra ngoài từ các quạt thông gió một cách riêng biệt và phải được tách biệt với các ống thông gió khác của hệ thống thông gió và không được sử dụng trong các không gian khác.
4 Các ống dẫn có diện tích mặt cắt thực lớn hơn 0,02 m2 phải được lắp ống lót bằng thép nếu chúng đi qua vách hoặc boong loại A, trừ khi các ống dẫn xuyên qua vách hoặc boong được làm bằng thép tại điểm chúng đi qua qua các vách ngăn hoặc boong. Vỏ có độ dày thành ít nhất là 3 mm và chiều dài ít nhất là 900 mm. Khi đi qua các vách ngăn, chiều dài tốt nhất nên được chia thành 450 mm ở mỗi bên của vách ngăn và các ống dẫn hoặc vỏ bọc được lắp trên chúng phải được cách nhiệt ít nhất bằng với vách ngăn hoặc boong mà các ống dẫn đi qua.
5 Đối với các ống dẫn có diện tích mặt cắt thực lớn hơn 0,075 m2, ngoài việc đáp ứng các yêu cầu của -4, phải bố trí các bộ chặn lửa. Bộ chặn lửa phải có khả năng hoạt động tự động và cũng phải có khả năng đóng bằng tay từ cả hai phía của vách hoặc boong. Bộ chặn lửa phải được trang bị các chỉ báo để cho biết chúng đang mở hay đóng. Tuy nhiên, nếu một đường ống đi qua một không gian được bao quanh bởi một khu vực loại A và không phục vụ không gian đó, thì không cần bố trí van chặn lửa với điều kiện là đường ống đó có tính nguyên vẹn chống cháy giống như khu vực mà nó đi qua.
6 Nếu ống thông gió phải đi qua khu vực cách ly theo khu vực chính theo phương thẳng đứng, một van chặn lửa phải được lắp đặt liền kề với khu vực. Bộ chặn lửa phải có khả năng hoạt động tự động và cũng phải có khả năng đóng bằng tay từ cả hai phía của vách hoặc boong. Bộ chặn lửa phải được trang bị các chỉ báo để cho biết chúng đang mở hay đóng.
7 Hệ thống thông gió của các buồng máy quan trọng, buồng ro-ro, bếp và buồng hàng phải được tách biệt với nhau.
8 Các ống thông gió của buồng máy quan trọng, buồng ro-ro, bếp và khoang hàng không được đi qua buồng sinh hoạt, buồng dịch vụ và trạm điều khiển; ống thông gió của buồng sinh hoạt, buồng dịch vụ và trạm điều khiển không được đi qua qua các buồng máy quan trọng, buồng, buồng ro-ro, bếp hoặc khoang hàng, ngoại trừ các loại ống dẫn nêu trên đáp ứng các yêu cầu sau:
(1) Ống dẫn được làm bằng thép, nếu chiều rộng hoặc đường kính từ 300 mm trở xuống thì độ dày của tấm thép được sử dụng ít nhất là 3 mm, nếu chiều rộng hoặc đường kính từ 760 mm trở lên thì độ dày của tấm thép được sử dụng ít nhất là 5mm; nếu chiều rộng hoặc đường kính của ống dẫn nằm trong khoảng từ 300mm đến 760mm thì độ dày của tấm thép phải được lấy bằng phương pháp nội suy;
(2) Hệ thống đường ống phải được chống đỡ phù hợp;
(3) Các ống dẫn đến buồng sinh hoạt, buồng dịch vụ và trạm điều khiển, và các ống dẫn đến buồng máy quan trọng và bếp phải được cách nhiệt theo tiêu chuẩn cấp "A-60".
2.5 Yêu cầu miễn giảm đối với tàu có chiều dài nhỏ hơn 25 m
2.5.1 Tàu phải thỏa mãn các yêu cầu đã chỉ ra ở 2.1.1.
2.5.2 Đối với tàu vỏ gỗ và chất dẻo cốt sợi thủy tinh, được phép sử dụng gỗ hoặc vật liệu tổng hợp cho các vách ngăn phía trong, thùng, sàn mà không cần tẩm chất chống cháy, ngoại trừ các kết cấu trong buồng máy.
Trần, tường và vách của buồng máy phải được ngâm tẩm thành phần chống cháy hoặc được phủ bởi lớp thép mỏng trên tấm vật liệu chống cháy có độ dày không nhỏ hơn 5 mm hoặc được bọc chống cháy theo yêu cầu ở 2.1.2 tương đương cấp A-0.
2.5.3 Bọc cách nhiệt của boong phía trên két nhiên liệu phải làm bằng vật liệu không cháy;
2.5.4 Đối với tàu không có boong liên tục, không nhất thiết phải có các vách ngăn kín hoàn toàn để phân buồng động cơ;
2.5.5 Trên tàu hở không có boong, động cơ phải được che đậy bởi hộp có thể tháo rời được làm bằng vật liệu chống cháy;
2.5.6 Trên tàu không có boong và không có buồng riêng cho máy chính, két nhiên liệu phải đặt cách xa máy chính và đường ống khí xả ít nhất là 800 mm. Trong trường hợp này, két nhiên liệu phải che kín bởi tấm bảo vệ có thể tháo được;
2.5.7 Các ống nạp nhiên liệu cho két nhiên liệu phải dẫn lên boong để tránh nhiên liệu rò rỉ vào thân tàu. Các chỗ nối phải được làm bằng vật liệu không phát sinh tia lửa điện;
2.5.8 Tại vị trí mà ống khói xuyên qua các boong và vách ngăn bằng gỗ phải có lớp chống cháy, khoảng cách từ thành ống khói đến kết cấu bằng vật liệu cháy được không nhỏ hơn 150 mm về mỗi phía.
CHƯƠNG 3 PHÁT HIỆN VÀ BÁO ĐỘNG CHÁY
3.1 Quy định chung
3.1.1 Mục đích
Mục đích của Chương này là để phát hiện cháy trong buồng phát cháy ban đầu và để báo động phục vụ việc thoát nạn, công tác chữa cháy. Để thực hiện mục đích này, phải thoả mãn các yêu cầu cơ bản sau:
1 Hệ thống phát hiện và báo cháy phải phù hợp với bản chất của buồng, nguy cơ phát cháy và nguy cơ sinh khói và khí;
2 Phải bố trí các điểm báo cháy bằng tay một cách hiệu quả để đảm bảo phương tiện thông báo luôn tiếp cận được.
3.2 Các yêu cầu chung
3.2.1 Yêu cầu về trang bị
1 Các tàu sau phải được trang bị hệ thống báo động cháy bằng tay để thông báo qua bộ chỉ thị báo cháy đến buồng lái hoặc buồng trực khi có cháy xảy ra.
- Tàu khách có chiều dài từ 30 mét trở lên;
- Tàu dầu, tàu chở hàng nguy hiểm, tàu chở hóa chất nguy hiểm, tàu chở khí hóa lỏng có tổng dung tích (GT) từ 300 trở lên;
- Tàu hàng có GT ≥ 500, tàu đẩy (kéo) có tổng công suất từ 400 kW trở lên;
- Tàu thủy lưu trú du lịch ngủ đêm, nhà hàng nổi, khách sạn nổi.
2 Ngoài việc thỏa mãn quy định 3.2.1-1, tàu khách có chiều dài từ 50 mét trở lên, tàu thủy lưu trú du lịch ngủ đêm, nhà hàng nổi, khách sạn nổi phải trang bị thiết bị phát hiện cháy và báo cháy tự động cố định cho các không gian sinh hoạt, buồng phục vụ, không gian buồng máy và các trạm điều khiển, kể cả không gian hành lang và cầu thang.
Không cần lắp đặt cảm biến cháy trong phòng tắm của phòng hành khách. Trong các không gian có ít hoặc không có nguy cơ cháy, ví dụ như khoang trống, nhà vệ sinh công cộng, buồng CO2 và các không gian tương tự, không cần thiết phải lắp đặt thiết bị phát hiện cháy và báo cháy tự động cố định.
3 Tàu cánh ngầm phải trang bị hệ thống phát hiện cháy và báo cháy tự động cố định trong không gian buồng máy.
4 Bất kể các quy định trên trong không gian buồng máy sau phải đặt một hệ thống phát hiện và báo cháy tự động cố định:
(1) Nếu buồng máy không có người trực theo chu kỳ;
(2) Nếu việc trang bị các hệ thống và thiết bị tự động và điều khiển từ xa được chấp nhận thay cho người trực liên tục ở trong không gian buồng máy;
(3) Nếu máy chính và các máy đi kèm kể cả các nguồn cấp điện chính được trang bị điều khiển tự động hoặc từ xa ở mức độ khác nhau và được đặt dưới sự giám sát liên tục từ buồng điều khiển.
5 Hệ thống phát hiện cháy và báo cháy tự động cố định phải là loại được duyệt và tuân theo các yêu cầu ở Chương này
3.2.2 Các nút báo cháy bằng tay
Các nút báo cháy bằng tay nếu được trang bị phù hợp với Chương này phải được lắp đặt tại khu vực buồng máy, khu vực sinh hoạt, khu vực phục vụ và các trạm điều khiển.
Nút báo cháy bằng tay phải bố trí tại mỗi lối thoát. Các nút báo cháy bằng tay phải dễ dàng tiếp cận trong các hành lang của mỗi boong sao cho không có phần nào của hành lang cách điểm báo cháy bằng tay quá 20 m.
3.3 Hệ thống phát hiện và báo cháy cố định
3.3.1 Yêu cầu chung
1 Chương này trình bày chi tiết các đặc tính kỹ thuật của hệ thống phát hiện và báo cháy cố định theo yêu cầu của Chương này.
2 Mọi hệ thống phát hiện và báo cháy cố định có các nút báo động bằng tay đều phải có khả năng hoạt động tức thời trong mọi thời điểm.
3 Các cảm biến và các nút báo cháy bằng tay phải được kết nối vào các cụm chuyên biệt của hệ thống phát hiện cháy. Các chức năng an toàn về cháy khác, ví dụ các tín hiệu báo động từ các van phun nước, có thể được chấp nhận nếu ở trong các cụm riêng rẽ.
4 Hệ thống và thiết bị phải được thiết kế thích hợp để chịu được sự dao động điện áp của nguồn cấp điện và chế độ chuyển mạch, sự thay đổi của nhiệt độ môi trường, sự rung động, độ ẩm, sốc, va đập và ăn mòn thường gặp phải trên tàu.
5 Các hệ thống phát hiện cháy và báo cháy cố định có các cảm biến cháy nhận dạng đơn lẻ phải được bố trí sao cho:
(1) Có phương tiện để đảm bảo rằng bất kỳ hư hỏng nào (như mất điện, đoản mạch, tiếp đất) xảy ra trong một tổ hợp các cụm sẽ không gây nên sự mất hiệu lực của tổ hợp.
(2) Các thiết bị phải được bố trí sao cho có khả năng khôi phục lại được cấu hình ban đầu của hệ thống trong trường hợp sự cố (về điện, điện tử, tin học...).
(3) Tín hiệu báo động cháy đầu tiên không được cản trở bất kỳ cảm biến nào khác trong việc báo cháy tiếp theo; và
(4) Không có tổ hợp nào đi qua một buồng 2 lần. Nếu không thể thực hiện được điều này (ví dụ đối với các buồng công cộng lớn) thì phần của tổ hợp cần đi qua lần thứ hai thì phải được lắp đặt tại nơi cách phần khác của tổ hợp này một khoảng cách lớn nhất có thể.
3.3.2 Nguồn cung cấp năng lượng
Phải có ít nhất hai nguồn cấp năng lượng cho thiết bị điện tử của hệ thống phát hiện và báo cháy. Một trong số đó phải là nguồn sự cố. Việc cấp năng lượng phải do những dây dẫn riêng chỉ dùng cho mục đích này. Các dây này phải được đấu vào cầu giao chuyển mạch tự động đặt ở bảng điều khiển hoặc gần bảng điều khiển của hệ thống phát hiện cháy.
3.3.3 Yêu cầu đối với các bộ phận
Các cảm biến phải tuân theo các điều sau đây:
1 Các cảm biến phải hoạt động bằng nhiệt, khói hoặc các sản phẩm cháy khác, ngọn lửa hoặc sự kết hợp của các yếu tố này. Các cảm biến hoạt động bằng những yếu tố biểu thị sự phát cháy ban đầu khác được chấp nhận nếu độ nhạy của chúng không kém so với các cảm biến khác nói trên. Các cảm biến lửa chỉ được dùng để bổ sung cho cảm biến khói hoặc nhiệt.
2 Các cảm biến khói phải được đặt ở tất cả các hành lang, cầu thang và lối thoát trong khu vực buồng sinh hoạt. Các cảm biến khói này phải được chứng nhận là có khả năng hoạt động trước khi mật độ khói che khuất vượt qua 12,5% trên mét, nhưng chưa hoạt động khi mật độ khói che phủ chưa vượt quá 2% trên mét. Các cảm biến khói đặt trong các buồng khác phải làm việc trong giới hạn nhạy, có lưu ý đến hiện tượng kém nhạy hoặc quá nhạy của cảm biến.
3 Cảm biến nhiệt độ phải được chứng nhận là có khả năng hoạt động trước khi nhiệt độ vượt quá 78 °C nhưng chưa hoạt động khi nhiệt độ chưa vượt quá 54 °C khi nhiệt độ tăng tới các giới hạn này với tốc độ nhỏ hơn 1 °C trên một phút. ở tốc độ tăng nhiệt cao hơn, cảm biến nhiệt phải làm việc trong những giới hạn thoả mãn yêu cầu của Đăng Kiểm có lưu ý đến hiện tượng kém nhạy hoặc quá nhạy.
4 Đối với các buồng xấy hoặc các buồng tương tự có nhiệt độ môi trường bình thường cao, nhiệt độ làm việc của các cảm biến nhiệt trong đó thể lên tới 130 °C, thậm chí tới 140 °C đối với các buồng xông hơi.
5 Tất cả cảm biến phải có các kiểu thích hợp để có thể thử hoạt động được và khôi phục lại được khả năng cảm biến bình thường mà không cần thay đổi một bộ phận nào.
3.3.4 Yêu cầu về việc lắp đặt
1 Các cụm
(1) Các cảm biến và các nút báo động bằng tay phải được tập trung thành cụm.
(2) Các cụm cảm biến bao quát trạm điều khiển, buồng phục vụ hoặc buồng sinh hoạt không được bao gồm cho cả không gian buồng máy. Đối với hệ thống phát hiện cháy được lắp các cảm biến phát hiện cháy được nhận dạng riêng lẻ và từ xa, thì một tập hợp bao gồm các cụm phát hiện cháy ở khoang phục vụ, buồng sinh hoạt và trạm điều khiển không được bao gồm cả các cụm cảm biến cháy trong không gian buồng máy.
(3) Nếu hệ thống phát hiện cháy không có thiết bị nhận dạng từ xa và riêng rẽ cho từng cảm biến thì một cụm không được bao quát nhiều hơn một boong trong khu vực các buồng sinh hoạt, buồng phục vụ và trạm điều khiển trừ trường hợp đối với cụm bao quát cho cầu thang kín. Để tránh chậm trễ cho việc xác định nguồn phát lửa, số lượng các khoang kín trong một cụm phải được hạn chế theo yêu cầu của Đăng Kiểm. Nếu hệ thống phát hiện cháy có lắp các cảm biến phát hiện cháy được nhận dạng riêng rẽ và từ xa thì các cụm có thể bao quát nhiều boong và nhiều buồng kín.
2 Vị trí đặt các cảm biến
(1) Các cảm biến phải bố trí để đạt được khả năng làm việc tối ưu. Cần tránh các vị trí gần xà boong và ống thông gió hoặc những nơi mà luồng không khí có ảnh hưởng xấu tới sự hoạt động và những nơi dễ bị va chạm hoặc hư hỏng vật lý. Các cảm biến nên nằm cao hơn đầu người phải cách xa các vách một khoảng ít nhất 0,5 m ngoại trừ trong hành lang, các kho và cầu thang.
(2) Khoảng cách lớn nhất giữa các cảm biến phải phù hợp với Bảng 5/3.1.
(3) Đăng kiểm có thể yêu cầu hoặc cho phép các khoang khác số liệu nêu trong Bảng 5/3.1 nếu căn cứ vào số liệu xác định tính chất của cảm biến.
Bảng 5/3.1 - Khoảng cách giữa các cảm biến
| Kiểu cảm biến | Diện tích lớn nhất của nền sàn trên một cảm biến | Khoảng cách lớn nhất giữa các tâm | Khoảng cách lớn nhất tính từ vách |
| Nhiệt | 37 m2 | 9 m | 4,5 m |
| Khói | 74 m2 | 11 m | 5,5 m |
3 Bố trí dây điện
(1) Mạng điện trong thành phần của hệ thống phải được bố trí tránh nhà bếp, không gian buồng máy, và những buồng kín có nguy cơ cháy cao khác, trừ khi cần phải bố trí để phát hiện và báo cháy cho chính buồng ấy hoặc phải nối vào nguồn cấp năng lượng đặt trong đó.
(2) Một vòng khép kín của hệ thống phát hiện báo cháy trong một phạm vi xác định không được phép bị hỏng hơn một điểm do lửa gây nên.
3.3.5 Yêu cầu về hệ thống điều khiển
Tín hiệu âm thanh và ánh sáng phải tuân theo các quy định sau đây:
1 Hoạt động của một cảm biến hoặc báo động bằng tay phải được thông báo bằng tín hiệu âm thanh và ánh sáng ở bảng điều khiển và các bộ phận chỉ báo. Nếu trong 2 phút các tín hiệu đó không có người nhận thì tín hiệu bằng âm thanh phải tự phát ra trên khắp các buồng phục vụ của thuyền viên, trạm điều khiển và không gian buồng máy. Hệ thống báo động bằng âm thanh này không nhất thiết phải là gắn liền với hệ thống phát hiện cháy;
2 Bảng điều khiển phải được đặt ở buồng lái hoặc trạm kiểm soát cháy;
3 Các bảng chỉ báo phải chỉ rõ được ở cụm nào đã có cảm biến hoặc nút báo động bằng tay làm việc. ít nhất một bảng chỉ báo phải được bố trí sao cho, trừ khi tàu không hoạt động, những thuyền viên có trách nhiệm có thể dễ dàng tiếp cận vào bất kỳ lúc nào. Một bảng chỉ báo phải đặt ở buồng lái nếu bảng điều khiển đặt ở trạm kiểm soát cháy;
4 Ở trên hoặc bên cạnh bảng chỉ báo phải có sơ đồ chỉ rõ các buồng được phục vụ và vị trí của các cụm;
5 Các nguồn cấp năng lượng và mạch điện cần cho sự hoạt động của hệ thống phải được giám sát sự mất nguồn hoặc tình trạng sự cố thích hợp. Các sự cố xảy ra phải được thông báo bằng tín hiệu âm thanh và ánh sáng khác với tín hiệu báo cháy tại bảng điều khiển;
6 Hệ thống phải được bố trí sao cho tự động đặt lại về điều kiện hoạt động thông thường sau khi đã xóa bỏ các tình trạng lỗi và báo động.
3.3.6 Thử nghiệm
Sự hoạt động của hệ thống phát hiện cháy phải được thử định kỳ thỏa mãn các yêu cầu quy định trong chương này bằng cách dùng thiết bị tạo ra khí nóng ở nhiệt độ thích hợp, khói hoặc các phần tử bay hơi có giới hạn tỷ trọng hoặc mật độ hạt thích hợp hoặc các hiện tượng khác có liên quan đến xuất hiện cháy mà theo đó cảm biến được lắp đặt.
CHƯƠNG 4 TRANG BỊ CHỮA CHÁY
4.1 Quy định chung
4.1.1 Phạm vi áp dụng
1 Những quy định ở Chương này được áp dụng cho các hệ thống và trang bị chữa cháy lắp trên tàu.
2 Trong Chương này quy định các loại thiết bị chữa cháy, chất chữa cháy hoặc trang bị dùng trên các tàu, nhưng các loại khác của thiết bị chữa cháy..., có thể được phép sử dụng nếu Đăng kiểm xét thấy chúng có hiệu quả tương đương.
4.1.2 Các bản vẽ và tài liệu trình thẩm định
1 Các bản vẽ và tài liệu cùng bản kê các trang bị của hệ thống chữa cháy của tàu phải được trình Đăng kiểm thẩm định. Ít nhất chúng phải gồm có:
(1) Bản vẽ hệ thống chữa cháy có nêu rõ các khu vực được bảo vệ, phương tiện ra vào mỗi buồng và boong, hệ thống thông gió, trang bị chữa cháy, hệ thống phát hiện và báo động cháy, dụng cụ chữa cháy cá nhân;
(2) Bản danh mục các trang thiết bị chữa cháy có nêu kiểu, các thông số chính và số lượng trang thiết bị;
(3) Bản vẽ hệ thống chữa cháy trong buồng máy và khoang hàng ví dụ như bố trí hệ thống chữa cháy cố định, sơ đồ đường ống và chi tiết của bộ phận chính.
2 Bản tính công suất của hệ thống chữa cháy cố định phải được trình để xem xét.
3 Có thể phải trình các bản vẽ và tài liệu khác ngoài quy định ở 4.1.2-1 và 4.1.2-2, nếu Đăng kiểm thấy cần thiết.
4.1.3 Các hệ thống chữa cháy cố định
1 Loại hệ thống chữa cháy cố định
Các hệ thống chữa cháy cố định nêu trong Chương này bao gồm các loại sau:
(1) Hệ thống chữa cháy bằng nước;
(2) Hệ thống chữa cháy bằng khí;
(3) Hệ thống chữa cháy bằng bọt;
(4) Hệ thống chữa cháy bằng phun nước áp lực.
2 Hệ thống chữa cháy cố định khác với các hệ thống chữa cháy cố định đề cập ở 4.1.3-1 nêu trên muốn lắp đặt trên tàu phải có thỏa thuận trước với Đăng kiểm.
3 Hệ thống chữa cháy cố định buồng máy của tàu cánh ngầm phải được điều khiển bằng tay tại chỗ và điều khiển từ xa tại buồng lái.
4 Quy chuẩn này không quy định loại hệ thống chữa cháy đặt trên các tàu chữa cháy chuyên dùng.
4.1.4 Bố trí và trang bị các trạm chữa cháy
1 Trang bị của các hệ thống chữa cháy, trừ hệ thống chữa cháy bằng nước phải được đặt trong buồng của trạm chữa cháy nằm ngoài buồng được bảo vệ. Hệ thống chữa cháy bằng bọt phải làm việc độc lập không phụ thuộc vào trang bị nằm trong buồng được bảo vệ.
2 Việc bố trí các trạm chữa cháy bằng bọt và chữa cháy bằng khí phải thỏa mãn các yêu cầu sau:
(1) Tất cả các trạm chữa cháy bằng khí phải được bố trí trên boong lộ hoặc trực tiếp dưới boong lộ và có lối vào độc lập từ boong này. Ở trạm chữa cháy dùng cho buồng máy, cho phép không có lối ra trực tiếp lên boong lộ nếu dùng phương pháp khởi động hệ thống chữa cháy bằng khí từ trên buồng lái hoặc từ một buồng khác đã có lối vào trực tiếp từ boong này;
(2) Các trạm phải nằm trong quầy hoặc trong ngăn kín khí. Kết cấu của vách hoặc boong ngăn cách trạm với buồng được bảo vệ không thấp hơn cấp B;
(3) Các trạm phải được cách nhiệt bằng vật liệu không cháy;
(4) Để kiểm tra nhiệt độ không khí trong trạm phải lắp nhiệt kế nhìn thấy được từ ngoài trạm và trong trạm qua cửa tròn. Nhiệt độ trong trạm không được lớn hơn 40 °C;
(5) Trạm phải được chiếu sáng đầy đủ;
(6) Trạm phải luôn luôn được đóng kín bằng ổ khóa có 2 chìa. Một chìa để ở buồng lái, một chìa để trong hộp kín gần ổ khóa;
(7) Trong buồng của trạm, tại chỗ dễ nhìn thấy phải treo sơ đồ hệ thống chữa cháy có chỉ dẫn thiết bị khởi động và các buồng được bảo vệ cùng với những chỉ dẫn ngắn gọn về việc đưa hệ thống vào làm việc;
(8) Tất cả các van của thiết bị và trạm phải có biển ghi để báo cho biết van đóng hay mở;
(9) Trạm phải có hệ thống thông gió có đường cấp và đường xả. Đầu hút của đường xả phải được đặt sát mặt sàn. Đối với các trạm bố trí trong khu vực sinh hoạt hoặc dưới boong mà không có cửa mở ra không gian hở, không gian có trạm chữa cháy bằng khí phải được trang bị một hệ thống thông gió có đường hút và đường xả với lưu lượng đảm bảo ít nhất 10 lần trao đổi không khí mỗi giờ, các không gian có các trạm chữa cháy khác phải đảm bảo lưu lượng trao đổi không khí ít nhất 6 lần mỗi giờ.
4.1.5 Sơ đồ kiểm soát cháy
1 Trên tất cả các tàu khách có chiều dài từ 50 m trở lên; các tàu dầu, tàu chở hàng nguy hiểm, tàu chở khí hóa lỏng và tàu chở hóa chất nguy hiểm có tổng dung tích từ 300 trở lên cũng như các tàu hàng tự hành khác có tổng dung tích từ 500 trở lên; tàu thủy lưu trú du lịch ngủ đêm, nhà hàng nổi, khách sạn nổi, để hướng dẫn cho các thuyền viên và hành khách của tàu, phải có các sơ đồ kiểm soát cháy chỉ rõ các trạm điều khiển cho mỗi boong, các khu vực chống cháy, các chi tiết về các hệ thống phát hiện và báo cháy, các thiết bị chữa cháy, các phương tiện để tiếp cận các buồng khác nhau, các boong... và hệ thống thông gió kể cả chi tiết về vị trí điều khiển quạt, vị trí các tấm van chặn lửa.
2 Sơ đồ kiểm soát cháy phải được Đăng kiểm thẩm định và được treo cố định trong không gian của thuyền viên. Ngoài ra mỗi bên mạn của tàu phải có một sơ đồ kiểm soát cháy được cất giữ trong hộp kín với dấu hiệu nhận biết bố trí bên ngoài lối vào khu vực thượng tầng của tàu để hỗ trợ cho những người chữa cháy ở bên ngoài.
4.1.6 Định mức trang bị hệ thống chữa cháy cố định
1 Các tàu, trừ tàu dầu phải được trang bị hệ thống chữa cháy cố định như quy định trong Bảng 5/4.1.
2 Đối với tàu chở dầu, sà lan chở dầu cũng như tàu đẩy (kéo), tàu kéo (đẩy) các phương tiện chở dầu phải được trang bị hệ thống chữa cháy cố định như quy định trong Bảng 5/4.2.
3 Khoang hàng của các tàu hút, tàu chở nước, tàu chở bùn, đất và tàu chuyên dùng để chở các loại hàng không cháy (thép, cát, đá, sỏi, vật liệu không cháy khác) được miễn trang bị hệ thống chữa cháy cố định cho khoang hàng.
4 Định mức trang bị bơm và phương thức truyền động bơm chữa cháy cho tàu được nêu trong Bảng 5/4.3.
5 Định mức trang bị bình chữa cháy xách tay cho tàu được nêu trong Bảng 5/4.5.
Bảng 5/4.1 - Định mức trang bị hệ thống chữa cháy cố định cho các loại tàu, trừ
tàu chở dầu
| Buồng được bảo vệ Kiểu tàu | Khoang hàng | Buồng máy | Không gian sinh hoạt và phục vụ | |
| Tàu khách có chiều dài, m | ≥ 50 | 1) Nước 2) Bọt(1) hoặc CO2 | 1) Nước 2) Bọt(1) hoặc CO2 hoặc phun nước áp lực | Nước |
| < 50 | Nước | Nước(2) hoặc bọt(1) hoặc CO2 hoặc phun nước áp lực | Nước | |
| Tàu hàng tự hành mang cấp VR-SB, tổng dung tích | ≥ 1000 | Nước | 1) Nước 2) Bọt(1) hoặc CO2 hoặc phun nước áp lực | Nước |
| < 1000 | Nước | Nước(2) hoặc bọt(1) hoặc CO2 hoặc phun nước áp lực | Nước | |
| Tàu hàng tự hành mang cấp VR-SI, VR-SII, VR-SIII, tổng dung tích | ≥ 2000 | Nước | 1) Nước 2) Bọt(1) hoặc CO2 hoặc phun nước áp lực | Nước |
| < 2000 | Nước | Nước(2) hoặc bọt(1) hoặc CO2 hoặc phun nước áp lực | Nước | |
| Tàu không tự hành | Nước | Nước(2) hoặc bọt(1) hoặc CO2 hoặc phun nước áp lực | Nước | |
| Tàu đẩy (kéo), tổng dung tích | ≥ 500 |
| 1) Nước 2) Bọt(1) hoặc CO2 hoặc phun nước áp lực | Nước |
| < 500 |
| Nước(2) hoặc bọt(1) hoặc CO2 hoặc phun nước áp lực | Nước | |
| Chú thích: (1) Hệ thống bọt cố định có độ nở cao nêu ở 4.5 của Chương này. (2) Việc chữa cháy bằng nước chỉ yêu cầu bằng 2 tia nước tới bất kỳ vị trí nào của buồng máy, không yêu cầu họng chữa cháy đặt trong buồng máy. (3) Không gian kín chứa ô tô (khoang chở ô tô) phải được trang bị hệ thống chữa cháy cố định bằng khí hoặc bọt có độ giãn nở cao hoặc hệ thống chữa cháy cố định bằng phun nước áp lực. | ||||
4.2 Hệ thống chữa cháy cố định bằng nước
4.2.1 Quy định chung
Bất kỳ tàu nào được trang bị hệ thống chữa cháy cố định bằng nước thì chúng phải thỏa mãn các yêu cầu quy định trong Chương này.
4.2.2 Bơm chữa cháy
1 Các bơm vệ sinh, nước dằn, hút khô hoặc bơm dùng chung nếu bình thường chúng không dùng để bơm dầu thì chúng phải được lắp bộ chuyển đổi thích hợp để sử dụng làm bơm chữa cháy khi bơm chữa cháy bị hỏng;
2 Số lượng và phương thức truyền động bơm chữa cháy trang bị cho các tàu phải thỏa mãn yêu cầu quy định ở Bảng 5/4.3.
3 Lưu lượng cấp nước của các bơm chữa cháy
(1) Các bơm chữa cháy theo yêu cầu ở 4.2.2, phải đủ khả năng cấp cho mục đích chữa cháy một lượng nước không nhỏ hơn 4/3 lượng nước quy định ở 10.5.4-2, Phần 3 của Quy chuẩn này đối với mỗi bơm hút khô độc lập trên tàu có cùng kích thước khi được dùng để hút khô, ở áp suất nêu ở 4.2.4-1. Lưu lượng cấp nước của bơm chữa cháy không cần vượt quá 180 m3/h.
(2) Mỗi bơm chữa cháy theo yêu cầu ở 4.2.2 phải có lưu lượng cấp nước không nhỏ hơn 80 % tổng lưu lượng cấp nước theo yêu cầu ở (1) trên chia cho số lượng các bơm chữa cháy theo yêu cầu ở -2 trên, nhưng trong mọi trường hợp lưu lượng cấp nước của mỗi bơm không được nhỏ hơn 20 m3/h và trong bất kỳ điều kiện nào mỗi bơm đó phải có khả năng cấp nước được cho ít nhất hai tia nước như yêu cầu ở 4.2.4-2. Các bơm chữa cháy này phải có khả năng cấp nước cho hệ thống chữa cháy trong các điều kiện nêu ở 4.2.4-1. Nếu lắp nhiều bơm hơn yêu cầu ở -2 trên, lưu lượng cấp nước của các bơm lắp thêm đó phải tối thiểu là 20 m3/h và phải có khả năng cấp tối thiểu hai tia nước theo yêu cầu ở 4.2.4-2.
4 Mỗi bơm chữa cháy phải có khả năng hút nước ít nhất từ 2 van thông sông/biển.
4.2.3 Đường ống chữa cháy
1 Đường kính của đường ống nước chữa cháy phải đủ để phân phối hiệu quả lượng nước quy định lớn nhất khi bơm làm việc.
2 Khi bơm làm việc phun nước qua các đầu phun quy định ở 4.2.5-5, lượng nước quy định ở 4.2.2-3 trên đây đi qua các họng chữa cháy kề cận, tại tất cả các họng phải đảm bảo được các áp suất tối thiểu nêu tại 4.2.4-1.
4.2.4 Họng chữa cháy
1 Áp suất tại các họng chữa cháy
(1) Khi các bơm cùng hoạt động đồng thời cấp nước qua các vòi phun nêu ở 4.2.5-5, với lượng nước như quy định ở 4.2.2-3, qua các họng gần đó, áp suất tổi thiểu tại tất cả các họng chữa cháy phải đạt được:
(a) 0,23 N/mm2 đối với tàu cấp VR-SI, VR-SII, VR-SIII;
(b) 0,25 N/mm2 đối với tàu cấp VR-SB có tổng dung tích dưới 6000;
(c) 0,27 N/mm2 đối với tàu cấp VR-SB có tổng dung tích từ 6000 trở lên.
(2) Áp suất lớn nhất tại các họng chữa cháy không được vượt quá áp suất mà tại đó còn có thể điều khiển được vòi rồng chữa cháy một cách hiệu quả.
2 Số lượng và vị trí họng chữa cháy
(1) Số lượng và vị trí của các họng chữa cháy phải sao cho có ít nhất hai luồng nước xuất phát từ các họng khác nhau. Một trong số chúng phải từ riêng một đoạn vòi rồng, có thể đến được mọi phần của tàu mà hành khách hoặc thuyền viên đến được khi tàu đang chạy và phải đến được bất kỳ phần nào của khoang hàng khi không có hàng. Các họng chữa cháy phải đặt gần lối vào các khoang được bảo vệ;
(2) Trên các tàu khách việc cấp nước vào các không gian sinh hoạt và phục vụ phải được thực hiện bằng một vòi rồng có chiều dài tiêu chuẩn từ mỗi họng chữa cháy;
(3) Trong buồng máy phải lắp ít nhất 2 họng chữa cháy ở hai phía mạn đối diện nhau, với tàu có tổng công suất máy chính nhỏ hơn 220 kW cho phép lắp một vòi chữa cháy ở lối vào buồng máy. Việc miễn bố trí họng chữa cháy trong buồng máy được thực hiện theo Bảng 5/4.1.
Bảng 5/4.2 - Định mức trang bị hệ thống chữa cháy cố định cho tàu chở dầu
| Buồng được bảo vệ
Kiểu tàu/ | Két hàng và khu vực liền kề với két hàng | Buồng bơm hàng | Buồng máy | Không gian sinh hoạt và phục vụ | ||
| Điểm chớp cháy ≤ 60 °C | Tổng dung tích | ≥ 300 | 1) Nước 2) Hệ thống chữa cháy mặt boong bằng bọt | CO2 hoặc bọt(1) hoặc phun nước áp lực | 1) Nước 2) CO2 hoặc bọt(1) hoặc phun nước áp lực | Nước |
| < 300 | 1) Nước 2) 02 bộ thiết bị tạo bọt xách tay | CO2 hoặc 01 bình bọt đẩy hoặc 01 bộ thiết bị tạo bọt xách tay | 1) Nước 2) CO2 hoặc bọt(1) hoặc phun nước áp lực | Nước | ||
| Điểm chớp cháy > 60 °C | Tổng dung tích | ≥ 300 | 1) Nước 2) Hệ thống chữa cháy mặt boong bằng bọt | CO2 hoặc bọt(1) hoặc phun nước áp lực | 1) Nước 2) CO2 hoặc bọt(1) hoặc phun nước áp lực | Nước |
| < 300 | 1) Nước 2) 01 bình bọt đẩy hoặc 01 bộ thiết bị tạo bọt xách tay | Nước | Nước | Nước | ||
| Chú thích: Đối với các sà lan chứa dầu, hệ thống chữa cháy cố định phải được trang bị phù hợp với các yêu cầu có liên quan đối với tàu chở dầu. (1) Bọt là hệ thống chữa cháy bằng bọt cố định có độ nở cao, phù hợp với yêu cầu nêu ở 4.5 của Chương này. | ||||||
Bảng 5/4.3 - Định mức trang bị bơm chữa cháy cho các loại tàu
| Kiểu tàu | Bơm chữa cháy | ||
| Số lượng | Phương thức truyền động | ||
| Tàu khách, có chiều dài (L), m | L ≥ 50 | 2 | Truyền động cơ giới độc lập |
| 30 ≤ L< 50 | 1 | Truyền động cơ giới độc lập | |
| L < 30 | 1 | Truyền động cơ giới độc lập hoặc máy chính lai | |
| Tàu tự hành không phải tàu khách, có tổng dung tích (GT) | GT ≥ 1000 | 2 | Truyền động cơ giới độc lập |
| 300 ≤ GT < 1000 | 2 | 01 bơm truyền động cơ giới độc lập, 01 bơm do máy chính lai | |
| GT < 300 | 1 | Truyền động cơ giới độc lập hoặc máy chính lai | |
| Tàu không tự hành không phải là tàu khách, có tổng dung tích (GT) | GT ≥ 1000 | 1 | Truyền động cơ giới |
| GT < 1000 | 1 | Truyền động cơ giới (có thể là loại di động) | |
3 Đường ống và họng chữa cháy
(1) Đường ống chữa cháy và họng chữa cháy bằng nước phải được chế tạo bằng thép liền, nối với nhau bằng bích. Phụ tùng của đường ống phải bằng thép, hợp kim nhôm, hợp kim đồng. Các ống và họng chữa cháy phải được đặt sao cho dễ lắp các vòi rồng vào đó. Trên những tàu chở hàng trên boong, vị trí của các họng phải bố trí sao cho dễ dàng tiếp cận được ngay và giảm đến mức tối đa nguy cơ bị hư hỏng do tác động của hàng hóa;
(2) Trừ khi chỉ đặt một vòi rồng và một đầu phun cho mỗi họng chữa cháy ở trên tàu, phải trang bị sao cho có thể lắp lẫn các bộ phận của vòi rồng và đầu phun;
(3) Mỗi họng chữa cháy phải được đặt van để đảm bảo có thể tháo vòi khi bơm đang làm việc;
(4) Trong không gian sinh hoạt, phục vụ và buồng máy số lượng và vị trí của họng chữa cháy phải phù hợp với các yêu cầu ở 4.2.4-2 trên đây;
(5) Tất cả các họng chữa cháy trong buồng máy phải được lắp vòi rồng có đầu phun như quy định ở 4.2.5.
4.2.5 Vòi rồng và đầu phun chữa cháy
1 Tàu phải có vòi rồng với đường kính và số lượng thỏa mãn yêu cầu của Mục này.
2 Các vòi rồng và đầu phun phải được trang bị phù hợp với quy định từ 4.2.5-3 tới 4.2.5-5.
3 Vòi rồng chữa cháy phải làm bằng vật liệu không bị suy giảm chất lượng theo thời gian, được Đăng kiểm thẩm định và phải có đủ độ bền chịu được áp suất có thể xảy ra khi khai thác và phải có đủ chiều dài để hướng tia nước tới bất kỳ không gian nào có thể yêu cầu phải dùng đến chúng. Mỗi vòi rồng phải được gắn đầu phun và bích nối cần thiết. Vòi rồng chữa cháy cùng với các dụng cụ và phụ kiện của nó phải bố trí để sẵn sàng sử dụng ở nơi dễ thấy, gần các họng hoặc bích cấp nước. Đối với tàu có chiều dài không quá 24 m, vòi rồng chữa cháy cho mỗi khu vực phải được bố trí sao cho tia nước từ vòi chữa cháy có thể chạm tới bất kỳ điểm nào của khu vực đó. Đối với tàu có chiều dài trên 24 m, vòi rồng chữa cháy phải có chiều dài tối thiểu 10 m. Trong mọi trường hợp, vòi rồng chữa cháy không được dài hơn:
(1) 15 m cho các buồng máy;
(2) 20 m cho các buồng khác và boong hở;
(3) 25 m cho boong hở trên các tàu có chiều rộng lớn nhất vượt quá 30 m.
Các vòi rồng hoặc đầu phun phải có khớp nối có thể lắp lẫn được với nhau.
4 Mỗi vòi rồng được trang bị cho 30 m chiều dài của tàu, nhưng trong mọi trường hợp không được ít hơn 3 chiếc đối với tàu khách có chiều dài từ 50 m trở lên, tàu hàng có tổng dung tích từ 500 trở lên và 2 chiếc đối với các tàu nhỏ hơn. Số lượng vòi rồng này không kể vòi rồng yêu cầu cho buồng máy loại A. Nếu cần, số lượng vòi rồng phải được tăng thêm để đảm bảo rằng bất cứ lúc nào cũng sẵn sàng có đủ số lượng và dễ lấy, có lưu ý đến loại tàu, đặc điểm tuyến đường mà tàu phục vụ.
5 Đầu phun
(1) Đường kính tiêu chuẩn của đầu phun là 12, 16 và 19 mm hoặc càng gần với trị số này càng tốt. Có thể dùng đường kính lớn hơn nếu phù hợp với tiêu chuẩn quốc gia hoặc tiêu chuẩn, quy phạm theo thông lệ quốc tế;
(2) Đối với không gian sinh hoạt và phục vụ không cần dùng đầu phun có đường kính lớn hơn 12 mm;
(3) Đối với các buồng máy và những vị trí bên ngoài, kích thước đầu phun phải sao cho đạt được lượng nước lớn nhất từ hai tia nước với áp suất quy định ở 4.2.4-1 khi bơm làm việc, với điều kiện là không cần dùng đến đầu phun kích thước lớn hơn 19 mm;
(4) Tất cả các đầu phun phải là kiểu hai tác dụng (phun sương và phun tia), có thiết bị ngắt.
6 Van cách ly và van an toàn
(1) Phải trang bị các van cách ly để cách ly phần các đường ống chữa cháy trong buồng máy có lắp đặt các bơm chữa cháy chính khỏi các phần còn lại của đường ống chữa cháy. Những van này phải được lắp đặt tại vị trí an toàn chống cháy và dễ dàng tiếp cận ở bên ngoài buồng máy. Đường ống chữa cháy phải được lắp đặt sao cho tất cả các họng chữa cháy trên tàu, ngoại trừ các họng chữa cháy được bố trí trong buồng máy nêu trên, khi van cách ly đóng thì chỉ có thể được cung cấp nước từ bơm chữa cháy khác ngoài buồng máy;
(2) Phải lắp van an toàn cho các bơm chữa cháy nếu các bơm này có thể tạo ra áp suất cao hơn áp suất thiết kế của các ống dẫn nước, họng chữa cháy và vòi rồng. Các van này phải được lắp đặt và điều chỉnh sao cho tránh được áp suất cao quá 10% so với áp suất thiết kế trong bất kỳ phần nào của hệ thống chữa cháy.
4.2.6 Thử sau khi lắp đặt lên tàu
Sau khi kết thúc việc lắp đặt lên tàu, hệ thống chữa cháy bằng nước phải được thử hoạt động.
4.2.7 Các bơm dùng cho các hệ thống chữa cháy khác
Các bơm, không phải các bơm chữa cháy, được yêu cầu để cung cấp nước cho các hệ thống chữa cháy theo yêu cầu của Chương này, các nguồn dẫn động và điều khiển chúng phải được lắp đặt bên ngoài buồng hoặc các buồng được bảo vệ bởi các hệ thống đó và phải được bố trí sao cho khi có cháy trong khoang hoặc các khoang được bảo vệ sẽ không làm cho các hệ thống đó mất tác dụng.
4.3 Hệ thống chữa cháy cố định bằng khí
4.3.1 Quy định chung
Chương này trình bày chi tiết các đặc tính kỹ thuật của hệ thống chữa cháy cố định bằng khí theo yêu cầu của Phần này.
4.3.2 Đặc tính kỹ thuật
1 Yêu cầu chung
(1) Khí chữa cháy
(a) Nếu lượng khí chữa cháy yêu cầu để bảo vệ nhiều hơn một buồng, thì lượng khí dự trữ không cần nhiều hơn lượng lớn nhất được quy định cho một buồng được bảo vệ. Hệ thống phải được lắp van điều khiển thường ở vị trí đóng để sử dụng xả công chất dập cháy vào không gian cần dập cháy. Các buồng liền kề có các hệ thống thông gió độc lập nhưng không được ngăn cách tối thiểu bằng kết cấu A-0 phải được coi như là cùng không gian.
(b) Thể tích của các bình khí khởi động chuyển đổi thành thể tích của khí tự do phải được cộng vào tổng thể tích của buồng máy khi tính số lượng khí chữa cháy cần thiết. Có thể không cần bổ sung thể tích khí này nếu có lắp ống xả nối từ các van an toàn và dẫn trực tiếp ra ngoài trời.
(c) Phải lắp thiết bị để thuyền viên kiểm tra một cách an toàn lượng khí chữa cháy trong bình chứa. Không cần thiết phải chuyển hoàn toàn các bình chứa ra khỏi vị trí lắp đặt của chúng để phục vụ mục đích kiểm tra lượng khí. Đối với các hệ thống CO2, các thanh treo để lắp cân bên trên mỗi hàng bình chứa hoặc các phương tiện khác phải được trang bị. Đối với các loại công chất chữa cháy khác, có thể sử dụng các thiết bị chỉ báo bề mặt thích hợp.
(d) Các bình chứa khí chữa cháy và các bộ phận chịu áp lực đi kèm phải được thiết kế theo áp suất thỏa mãn yêu cầu của Đăng kiểm có xét tới vị trí và nhiệt độ tối đa ở môi trường bên ngoài có thể gặp khi sử dụng.
(2) Yêu cầu về lắp đặt
(a) Cần phải bố trí các ống để phân phối khí chữa cháy và các đầu phun sao cho khí chữa cháy được phân phối đều. Phải thực hiện tính toán lưu lượng của hệ thống.
(b) Trừ khi được sự cho phép của Đăng kiểm, các bình áp lực quy định để chứa công chất chữa cháy, không phải là hơi nước, phải đặt ở bên ngoài các khoang được bảo vệ.
(c) Các phụ tùng dự trữ của hệ thống phải được cất giữ ở trên tàu và phải thỏa mãn yêu cầu của Đăng kiểm.
(d) Trong các nhánh ống nếu bố trí các van làm cho các phần nhánh ống bị đóng thì các nhánh ống đó phải có van an toàn và đầu ra của các van an toàn đó được dẫn ra boong hở.
(e) Tất cả các ống xả khí, phụ tùng và các đầu phun bố trí trong các khoang được bảo vệ phải được chế tạo bằng vật liệu có nhiệt độ nóng chảy lớn hơn 925 ºC. Các ống đó và các thiết bị đi kèm phải được cố định chắc chắn.
(f) Phải lắp đặt phụ tùng trên đường ống xả công chất để thử khí theo yêu cầu của Đăng kiểm.
(3) Yêu cầu về điều khiển hệ thống
(a) Các ống cần thiết để dẫn công chất chữa cháy vào các buồng được bảo vệ phải có van điều khiển được đánh dấu để chỉ rõ các buồng mà ống dẫn vào. Cần phải có thiết bị thích hợp để tránh vô tình xả khí vào khoang. Các ống có thể đi qua buồng sinh hoạt với điều kiện chúng phải có đủ độ dày và độ kín của chúng phải được kiểm tra với áp suất thử sau khi lắp đặt không nhỏ hơn 5 N/mm2 . Ngoài ra, các ống đi qua khu vực buồng sinh hoạt chỉ được nối bằng phương pháp hàn và không được bố trí lỗ xả hoặc lỗ mở trong khu vực đó. Các ống đó không được đi qua các khoang lạnh.
(b) Phải trang bị phương tiện để tự động báo động bằng âm thanh và ánh sáng về việc xả công chất chữa cháy vào bất cứ khoang chở ô tô, khoang công-te-nơ có trang bị các công-te-nơ lạnh, các khoang có cửa hoặc nắp hầm để đi vào và các khoang khác thường xuyên có người làm việc hoặc có người tới. Các báo động bằng âm thanh phải được bố trí sao cho có thể nghe được trong toàn bộ không gian được bảo vệ trong điều kiện tất cả các máy cùng hoạt động. Các âm thanh báo động đó phải phân biệt được với các âm thanh báo động khác bằng cách điều chỉnh áp suất âm thanh hoặc dạng âm thanh. Thiết bị báo động trước khi xả công chất chữa cháy phải tự động kích hoạt, chẳng hạn bằng cách mở cửa hộp điều khiển xả. Báo động phải hoạt động trong khoảng thời gian cần thiết để sơ tán người khỏi khoang, nhưng trong mọi trường hợp không được ngắn hơn 20 giây trước khi công chất chữa cháy được xả. Đối với khoang chở hàng thông thường và các khoang nhỏ (như buồng máy nén, kho sơn v.v...) chỉ xả công chất cục bộ thì không cần trang bị thiết bị báo động như trên.
(c) Các phương tiện điều khiển hệ thống chữa cháy cố định phải dễ dàng tiếp cận và đơn giản khi sử dụng và phải được tập trung với nhau tại càng ít vị trí càng tốt ở những nơi mà không bị ảnh hưởng bởi đám cháy trong buồng được bảo vệ. Tại mỗi vị trí phải có bảng chỉ dẫn rõ ràng cách sử dụng hệ thống có lưu ý đến an toàn cho con người.
(d) Không được xả tự động khí chữa cháy.
2 Hệ thống CO2
(1) Lượng khí chữa cháy
(a) Đối với khoang hàng, nếu không có quy định nào khác, lượng CO2 cần phải đủ để tạo ra một thể tích khí tự do tối thiểu bằng 30% tổng thể tích của khoang hàng lớn nhất cần được bảo vệ ở trên tàu.
(b) Đối với các khoang chở ô tô, lượng CO2 sẵn có phải tối thiểu đủ để cho thể tích khí tự do bằng 45% tổng thể tích của khoang hàng lớn nhất có thể đóng kín đó và việc bố trí phải sao cho đảm bảo được tối thiểu hai phần ba lượng khí yêu cầu cho khoang đó phải được xả vào trong khoang trong vòng 10 phút.
(c) Đối với buồng máy, lượng CO2 cần phải đủ để tạo ra một thể tích khí tự do tối thiểu bằng thể tích lớn hơn trong số các thể tích sau đây:
(i) 40% tổng thể tích của buồng máy lớn nhất cần bảo vệ, thể tích này không bao gồm phần thành quây ống khói buồng máy ở trên độ cao mà tại đó diện tích nằm ngang của phần vách quây bằng hoặc nhỏ hơn 40% diện tích nằm ngang của buồng máy đang xét ở cao độ ứng với điểm giữa của chiều cao tính từ mặt trên của đáy đôi đến phần thấp nhất của vách quây, hoặc
(ii) 35% tổng thể tích của buồng máy lớn nhất cần được bảo vệ, kể cả phần vách quây ống khói.
(d) Số % nói ở (b) trên có thể giảm tới 35% và 30% tương ứng cho tàu hàng có tổng dung tích nhỏ hơn 2000.
(e) Trong Mục này thể tích tự do của CO2 phải được lấy bằng 0,56 m3/kg.
(f) Đối với buồng máy, hệ thống ống cố định phải sao cho 85% lượng khí có thể phun vào buồng trong 2 phút.
(g) Để phục vụ mục đích của mục này, trong trường hợp có từ hai buồng máy trở lên không hoàn toàn tách biệt thì chúng phải được coi là một buồng.
(h) Đối với các khoang công-te-nơ và các khoang hàng tổng hợp (chủ yếu dự định để chở các loại hàng khác nhau được chằng buộc hoặc đóng gói riêng rẽ), hệ thống ống cố định phải sao cho tối thiểu hai phần ba lượng khí có thể xả được vào khoang trong vòng 10 phút. Đối với các khoang chở xô hàng rời , hệ thống ống cố định phải sao cho tối thiểu hai phần ba lượng khí có thể xả được vào khoang trong phạm vi 20 phút. Các điều khiển của hệ thống phải được bố trí để cho phép một phần ba, hai phần ba hoặc toàn bộ lượng khí được xả dựa trên tình trạng chất hàng của khoang
(2) Hệ thống khí CO2 sử dụng để bảo vệ các khoang chở ô tô, khoang công-te-nơ có trang bị các công-te-nơ lạnh, các khoang có cửa hoặc nắp hầm để vào và các không gian khác mà bình thường có người làm việc trong đó hoặc có người ra vào phải thỏa mãn các yêu cầu dưới đây:
(a) Phải có hai thiết bị tách biệt điều khiển sự xả khí CO2 vào khoang được bảo vệ và phải đảm bảo các hoạt động của thiết bị báo động. Một thiết bị điều khiển phải được dùng để mở van trên đường ống dẫn khí vào khoang được bảo vệ và thiết bị điều khiển thứ hai phải được sử dụng để xả khí từ các bình chứa. Phải có phương tiện chủ động (nghĩa là bằng khóa liên động điện hoặc cơ khí, không phụ thuộc vào quy trình vận hành) để sao cho chúng chỉ có thể vận hành được theo thứ tự như vậy, và
(b) Hai thiết bị điều khiển này phải được đặt trong một hộp điều khiển xả có đánh dấu rõ cho từng khoang được bảo vệ. Nếu hộp này có khóa thì chìa khóa phải được đặt ở trong một ngăn có nắp che bằng kính loại có thể đập vỡ được đặt ở vị trí dễ thấy bên cạnh hộp
(3) Bình chứa CO2
(a) Bình chứa CO2 phải là kiểu được Đăng kiểm công nhận và trên thân bình phải có các số liệu về khối lượng, thể tích, áp suất thử thủy tĩnh, ngày thử, số sản xuất của nhà chế tạo;
(b) Tỷ số nạp cho các bình CO2 phải phù hợp với độ bền của bình, thường không được lớn hơn 0,67 kg/lít;
(c) Các van đầu bình phải có màng an toàn hoặc thiết bị an toàn khác phù hợp.
(4) Đường ống
(a) Phải trang bị cho mỗi không gian được bảo vệ đường ống phân phối từ hộp van phân phối. Phải đặt cho mỗi đường ống phân phối một van điều khiển ở hộp van;
(b) Đường ống CO2 phải được cung cấp các đầu nối làm sạch bằng khí nén tại đường ống góp hoặc ống nối ống góp đến van phân phối.
(c) Mỗi ống nối được dẫn từ mỗi van đầu bình tới ống góp phải được trang bị một van một chiều. Đường ống góp đến van phân phối phải được trang bị áp kế có dải đo đến 1,5 áp lực làm việc.
(d) Chiều dày nhỏ nhất của thành ống CO2 được cho trong Bảng 5/4.4. Nếu chỉ có sự khác nhau không nhiều so với các giá trị trong Bảng, chúng có thể được chấp nhận;
(e) Đường kính của ống phân phối dẫn vào các khoang hàng không được nhỏ hơn 20 mm, còn dẫn vào các đầu phun không được nhỏ hơn 15 mm;
(f) Đường ống CO2 phải được chế tạo bằng ống thép liền. ngoại trừ ống mềm được sử dụng để nối van đầu bình đến đường ống gom phải là kiểu được công nhận
3 Các hệ thống khí khác
(1) Nếu khí không phải là CO2 được sản xuất tại tàu và được dùng làm khí chữa cháy thì nó phải là sản phẩm khí khi đốt dầu có hàm lượng ô-xy, khí CO2, các thành phần ăn mòn và các chất rắn cháy được đã được giảm tới mức nhỏ nhất cho phép.
(2) Nếu dùng những khí đó làm khí chữa cháy trong hệ thống chữa cháy cố định để bảo vệ buồng máy thì chúng phải có khả năng bảo vệ tương đương với hệ thống dùng CO2.
Bảng 5/4.4 - Chiều dày nhỏ nhất của thành ống
| Đường kính ngoài, mm | Chiều dày thành ống, mm | |
| Đường ống phía trước van điều khiển | Đường ống phía sau van điều khiển | |
| 21,3-29,9 | 3,2 | 2,6 |
| 30,0-50,9 | 4,0 | 3,2 |
| 51,0-60,3 | 4,5 | 3,6 |
| 60,4-82,4 | 5,0 | 3,6 |
| 82,5-88,8 | 5,6 | 4,0 |
| > 88,8 | 6,3 | 4,0 |
(3) Nếu dùng khí đó làm khí chữa cháy trong hệ thống chữa cháy cố định cho khoang hàng thì phải có một lượng đủ để mỗi giờ cấp được một thể tích khí tự do ít nhất bằng 25% tổng thể tích của khoang được bảo vệ lớn nhất theo cách đó trong vòng 24 giờ.
4 Thử nghiệm
(1) Thử ở xưởng
(a) Các bình CO2 và các van đầu bình phải được thử thủy lực ở áp suất 24,5 N/mm2. Màng an toàn phải được thử rách ở áp suất bằng (18,6 ±1) N/mm2 bằng cách chọn ngẫu nhiên 10%. Màng này phải tự rách khi áp suất đạt đến (18,6 ±1) N/mm2;
(b) Sau khi hoàn thành việc lắp các van đầu bình, các bình CO2 phải được thử kín khí với áp suất bằng áp suất thiết kế của bình;
(c) Đường ống và các van của hệ thống đường ống CO2 phải được thử thủy lực ở áp suất:
(i) (11,8 ±1) N/mm2 đối với thân van phân phối, các van điều khiển và các đường ống giữa các van đầu bình và hộp van phân phối;
(ii) 1 N/mm2 đối với các đường ống giữa thân van phân phối và các vòi phun.
Sau khi hoàn thành việc thử thủy lực, các đường ống CO2 phải được thử kín khí với áp suất ít nhất là 0,69 N/mm2 với các đầu ống bịt kín để kiểm tra độ kín của các mối nối.
(2) Thử trên tàu
Sau khi kết thúc việc lắp đặt lên tàu, việc chữa cháy bằng CO2 phải được thử hoạt động với khí nén không nhỏ hơn 2,47 N/mm2 để kiểm tra sự lưu thông của các ống, các vòi phun và hoạt động cơ cấu xả khí và thiết bị báo động.
4.4 Hệ thống chữa cháy bằng phun nước áp lực và phun sương nước
4.4.1 Quy định chung
Mục này trình bày chi tiết về các đặc tính kỹ thuật của hệ thống chữa cháy cố định bằng phun nước áp lực và phun sương nước theo yêu cầu của Phần này.
Hệ thống chữa cháy cố định bằng phun nước áp lực cho các buồng máy và các buồng bơm hàng phải được Đăng kiểm thẩm định.
4.4.2 Đặc tính kỹ thuật
1 Hệ thống chữa cháy cố định bằng phun nước áp lực
Các hệ thống chữa cháy cố định bằng phun nước áp lực cho các buồng máy và các buồng bơm hàng phải được Đăng kiểm kiểm tra phù hợp với Thông tư MSC/Circ.1165 (bao gồm cả các bổ sung, sửa đổi bởi MSC.1/Circ.1269 và MSC.1/Cir.1386) và Thông tư MSC.1/Circ.1458 của IMO.
2 Hệ thống chữa cháy cố định bằng phun sương nước tương đương
Các hệ thống chữa cháy cố định bằng phun sương nước cho các buồng máy và các buồng bơm hàng phải được Đăng kiểm kiểm tra phù hợp với Thông tư MSC/Circ.1165 (bao gồm cả các bổ sung, sửa đổi bởi MSC.1/Circ.1269 và MSC.1/Cir.1386) và MSC.1/Circ. 1458 của IMO.
3 Các hệ thống chữa cháy cố định bằng nước cho các khoang chở ô tô
Các hệ thống chữa cháy cố định bằng nước cho các khoang chở ô tô phải được Đăng kiểm kiểm tra hoặc được tổ chức được Đăng kiểm chấp nhận chứng nhận phù hợp với Thông tư MSC.1/Circ.1430
4.5 Hệ thống chữa cháy bằng bọt cố định
4.5.1 Quy định chung
Hệ thống chữa cháy bằng bọt phải tạo ra bọt thích hợp để dập cháy do dầu.
4.5.2 Hệ thống chữa cháy cố định bằng bọt có độ nở cao
1 Khối lượng và tính năng của bọt
(1) Hệ thống chữa cháy cố định bằng bọt có độ nở cao phải được Đăng kiểm thẩm định;
(2) Mọi hệ thống chữa cháy cố định bằng bọt có độ nở cao theo yêu cầu trong buồng máy phải xả được nhanh chóng qua miệng phun cố định một lượng bọt đủ để lấp đầy buồng được bảo vệ lớn nhất với tốc độ ít nhất 1 mét chiều cao trong 1 phút. Lượng chất lỏng tạo bọt dự trữ phải đủ để tạo ra một thể tích bọt bằng 5 lần thể tích của buồng được bảo vệ lớn nhất. Độ nở của bọt không được vượt quá 1000/1;
(3) Đăng kiểm có thể cho phép dùng những hệ thống và tốc độ xả khác nếu xét thấy chúng có khả năng bảo vệ tương đương.
2 Yêu cầu về lắp đặt:
(1) Các ống dẫn bọt, thiết bị nạp không khí cấp cho máy tạo bọt và số lượng các tổ hợp tạo bọt, phải tạo ra sản phẩm bọt và phân phối có hiệu quả;
(2) Vị trí đặt các ống dùng cho thiết bị tạo bọt phải sao cho đám cháy trong buồng được bảo vệ không ảnh hưởng đến thiết bị tạo bọt. Nếu thiết bị tạo bọt được đặt gần khoang được bảo vệ, các ống dẫn bọt phải được lắp đặt để đảm bảo sự cách ly giữa thiết bị tạo bọt và khoang được bảo vệ ít nhất là 450 mm. Các ống dẫn bọt phải làm bằng thép có độ dày không nhỏ hơn 5 mm. Ngoài ra, phải đặt các bướm chặn (loại một hoặc nhiều cánh) bằng thép không gỉ có chiều dày không nhỏ hơn 3 mm tại các lỗ mở ở biên của vách hoặc mặt boong giữa thiết bị tạo bọt và khoang được bảo vệ. Các bướm chặn phải tự động hoạt động (bằng điện, bằng khí nén hoặc thủy lực) khi điều khiển từ xa thiết bị tạo bọt liên quan đến chúng;
(3) Thiết bị tạo bọt, nguồn cấp cho các thiết bị, chất lỏng để tạo bọt và các phương tiện điều khiển hệ thống phải tiếp cận được nhanh, dễ dàng để vận hành và cố gắng bố trí tập trung ở những nơi không bị cản trở do đám cháy trong buồng được bảo vệ.
4.5.3 Hệ thống chữa cháy cố định bằng bọt có độ nở thấp
1 Số lượng và hàm lượng bọt
(1) Nồng độ bọt của hệ thống chữa cháy cố định bằng bọt có độ nở thấp phải được Đăng kiểm thẩm định;
(2) Hệ thống phải xả được qua các miệng phun cố định một lượng bọt đủ để tạo thành một lớp phủ lên diện tích lớn nhất mà dầu có thể tràn ra trong vòng không quá 5 phút.
2 Yêu cầu về lắp đặt:
(1) Phải có thiết bị để phân phối bọt một cách hiệu quả qua hệ thống ống và van điều khiển hoặc vòi cố định tới các miệng phun tương ứng, để định hướng hữu hiệu dòng bọt bằng các đầu phun cố định lên những vị trí có nguy cơ cháy chủ yếu khác trong buồng được bảo vệ. Các thiết bị phân phối bọt hữu hiệu phải được sự chấp nhận của Đăng kiểm qua việc tính toán hoặc thử nghiệm;
(2) Các phương tiện điều khiển của các hệ thống này phải dễ tiếp cận và vận hành đơn giản và phải được bố trí tập trung tại càng ít vị trí càng tốt ở những nơi không bị trở ngại do cháy trong buồng được bảo vệ.
4.6 Hệ thống chữa cháy bằng bọt cố định trên boong của tàu chở dầu
4.6.1 Quy định chung
1 Các hệ thống cấp bọt phải phun được bọt tới toàn bộ các khu vực boong của khoang hàng cũng như vào trong bất kỳ khoang hàng nào mà boong bị vỡ.
2 Hệ thống chữa cháy bằng bọt trên boong phải đơn giản và thao tác nhanh chóng.
3 Việc vận hành hệ thống bọt trên boong ở lưu lượng theo yêu cầu phải cho phép việc sử dụng đồng thời số lượng các tia nước tối thiểu yêu cầu ở áp suất quy định từ đường ống nước chữa cháy.
4.6.2 Yêu cầu về thiết bị
1 Tốc độ cấp dung dịch bọt không được nhỏ hơn giá trị lớn nhất trong các giá trị sau đây:
(1) 0,6 lít/phút trên 1 m2 diện tích boong của khoang hàng, trong đó diện tích boong khoang hàng bằng chiều rộng lớn nhất của tàu nhân với tổng chiều dài theo chiều dọc tàu của các khoang dầu hàng;
(2) 6 lít/phút trên 1 m2 diện tích tiết diện theo phương nằm ngang của một khoang hàng có diện tích tiết diện này lớn nhất; hoặc
(3) 3 lít/phút trên 1 m2 diện tích được bảo vệ bởi một đầu phun, diện tích này là toàn bộ phía trước của đầu phun, nhưng không nhỏ hơn 1250 l/min.
Đối với tàu dầu có trọng tải nhỏ hơn 5000 tấn hoặc sà lan chở dầu, lưu lượng này không được nhỏ hơn các lưu lượng quy định ở (1) hoặc (2) trên lấy giá trị nào lớn hơn và các phương tiện này không cần trang bị súng phun bọt.
2 Lượng chất tạo bọt phải đủ để đảm bảo cho thiết bị tạo bọt cấp được ít nhất trong 30 phút trên các tàu dầu khi áp dụng tốc độ quy định ở 4.6.2-1(1), 4.6.2-1(2) hoặc 4.6.2-1(3) trên đây, lấy giá trị nào lớn nhất. Tỷ số nở của bọt (nghĩa là tỷ số của thể tích bọt sinh ra chia cho thể tích của hỗn hợp nước và chất tạo bọt được cấp) nói chung không được vượt quá 12/1. Nếu hệ thống chủ yếu là cấp ra bọt có độ nở thấp nhưng ở tỷ số nở hơi cao hơn 12/1 thì lượng dung dịch bọt trữ sẵn phải được tính như đối với hệ thống có tỷ số nở bằng 12/1. Nếu dùng bọt có tỷ số nở trung bình (từ 50/1 đến 150/1) thì tốc độ cấp bọt và lưu lượng của súng phun phải phù hợp với tiêu chuẩn quốc gia hoặc tiêu chuẩn, quy phạm theo thông lệ quốc tế.
3 Bọt từ hệ thống tạo bọt cố định phải cung cấp bằng các súng phun và thiết bị tạo bọt. Mỗi súng phun bọt phải phun được bằng ít nhất 50% tốc độ cấp dung dịch bọt quy định ở 4.6.2-1(1) và 4.6.2-1(2) trên đây.
4 Lưu lượng bọt của súng phun bất kỳ ít nhất phải là 3 l/min trên 1 m2 diện tích boong được đầu phun đó bảo vệ, diện tích đó nằm hoàn toàn phía trước đầu phun. Lưu lượng đó không được nhỏ hơn 1250 l/min.
4.6.3 Yêu cầu về lắp đặt
1 Trạm điều khiển chính của hệ thống phải được đặt thích hợp phía ngoài khu vực hàng, cạnh các buồng sinh hoạt và sẵn sàng tiếp cận và thao tác được trong trường hợp có cháy ở khu vực được bảo vệ.
2 Các súng phun
(1) Số lượng và vị trí của súng phun phải sao cho thỏa mãn các yêu cầu ở 4.6.1-1.
(2) Khoảng cách từ súng phun tới điểm xa nhất của vùng được bảo vệ nằm phía trước súng phun phải không lớn hơn 75% tầm phun của súng phun trong điều kiện lặng gió.
(3) Súng phun và đoạn vòi rồng nối với thiết bị tạo bọt bọt phải được đặt cả mạn trái và mạn phải trước thượng tầng đuôi hoặc khu vực buồng sinh hoạt đối diện với boong các két hàng.
3 Thiết bị tạo bọt
(1) Tối thiểu 4 thiết bị tạo bọt phải được trạng bị cho tàu. Số lượng và vị trí của các họng phun bọt chính phải sao cho bọt từ ít nhất 2 thiết bị tạo bọt có thể tới được bất kỳ phần nào của vùng boong két hàng.
(2) Phải trang bị các thiết bị tạo bọt sao cho đảm bảo được sự linh hoạt trong quá trình chữa cháy và phải đảm bảo chữa cháy được toàn bộ bề mặt mà các súng phun không bảo vệ được. Lưu lượng của mỗi thiết bị tạo bọt bất kỳ không được nhỏ hơn 400 l/min và tầm phun của thiết bị tạo bọt trong điều kiện lặng gió không được nhỏ hơn 15 mét.
4 Các van cách ly
Phải lắp các van trên đường ống dẫn bọt chính và trên đường ống chữa cháy chính nếu ống này tạo thành một phần của hệ thống bọt trên boong và van này phải được lắp ngay trước các súng phun để ngăn cách được các đoạn bị hỏng của các ống đó.
4.6.4 Thử nghiệm
1 Thử tại xưởng
Đường ống của hệ thống chữa cháy bằng bọt mặt boong phải được thử thủy lực trong phân xưởng với áp suất thử bằng 1,5 lần áp suất thiết kế.
2 Thử sau khi lắp đặt lên tàu
(1) Sau khi lắp đặt lên tàu đường ống của hệ thống chữa cháy bằng bọt mặt boong phải được thử độ kín với áp suất thử bằng 1,25 lần áp suất thiết kế;
(2) Sau khi hoàn thành lắp đặt lên tàu đường ống của hệ thống chữa cháy bằng bọt mặt boong phải được thử hoạt động bằng cách xả bọt.
4.7 Bình chữa cháy
4.7.1 Quy định chung
Tất cả các bình chữa cháy xách tay đều phải được Đăng kiểm kiểm tra, chứng nhận hoặc công nhận.
4.7.2 Đặc tính kỹ thuật
1 Bình chữa cháy
(1) Lượng chất chữa cháy
(a) Mỗi bình chữa cháy bằng bột hoặc CO2 phải có khối lượng tối thiểu là 5 kg chất chữa cháy (đối với tàu có chiều dài dưới 20 m, khối lượng chất chữa cháy tối thiểu là 3 kg);
(b) Mỗi bình chữa cháy bằng bọt phải có thể tích bọt tối thiểu là 9 lít (đối với tàu có chiều dài dưới 20 m, thể tích bọt tối thiểu là 6 lít);
(c) Khối lượng của bất kỳ loại bình chữa cháy xách tay nào không được vượt quá 23 kg và phải có khả năng chữa cháy ít nhất là tương đương với bình chữa cháy bằng chất lỏng loại 9 lít.
(d) Các bình chữa cháy có khả năng chữa cháy tương đương với bình chữa cháy bằng chất lỏng loại 9 lít có thể là:
(i) Bình bọt có thể tích từ 9 lít đến 13,5 lít.
(ii) Bình CO2 có trọng lượng từ 5 kg đến 9,5 kg.
(iii) Bình bột có khối lượng từ 5 đến 9,5 kg.
(2) Nạp lại bình chữa cháy
Chỉ được phép sử dụng chất nạp lại là loại được chứng nhận cho bình chữa cháy.
2 Thiết bị tạo bọt xách tay
(1) Thiết bị tạo bọt xách tay phải có một đầu phun/ống nhánh, kiểu tự hoà trộn hoặc kết hợp với một bộ hòa trộn riêng có khả năng lắp vào ống nước chữa cháy bằng vòi rồng chữa cháy cùng với một két chứa xách tay chứa ít nhất 20 lít chất tạo bọt và một két dự trữ chất tạo bọt có cùng dung tích.
(2) Yêu cầu đối với thiết bị tạo bọt
(a) Đầu phun/ống nhánh và bộ hòa trộn phải có khả năng tạo ra lượng bọt thích hợp để chữa cháy do dầu gây ra với lưu lượng ít nhất 200 lít/phút ở áp suất danh nghĩa của đường ống nước chữa cháy;
(b) Chất tạo bọt phải là loại được chứng nhận;
(c) Trị số của độ giãn nở và thời gian lan truyền của bọt được tạo ra bởi thiết bị tạo bọt xách tay không được sai khác quá ± 10 % so với trị số được xác định khi chứng nhận chất tạo bọt nêu tại (b) trên.
(d) Thiết bị tạo bọt xách tay phải được thiết kế chống tắc, chịu được sự thay đổi nhiệt độ môi trường, dao động, độ ẩm, va đập và ăn mòn thường xảy ra trên tàu.
3 Bình bọt đẩy
Bình bọt đẩy phải là loại bình dùng để chữa cháy có dung tích ít nhất là 45 lít, phải có ống mềm cuộn trên guồng và có chiều dài thích hợp để có thể tới phần bất kỳ của các khoang được bảo vệ. Cho phép sử dụng bình bột đẩy có trọng lượng 23 kg thay cho bình bọt đẩy nếu không trang bị được.
4.7.3 Bố trí các bình chữa cháy xách tay
1 Quy định chung
(1) Phải trang bị các bình chữa cháy xách tay có loại thích hợp và với số lượng đủ theo yêu cầu của Mục này.
(2) Một trong các bình chữa cháy xách tay dự định để dùng trong buồng bất kì phải được để gần lối vào buồng đó.
(3) Các bình chữa cháy bằng CO2 không được đặt trong các buồng sinh hoạt. Trong các trạm điều khiển và các buồng khác có chứa các thiết bị điện hoặc điện tử hoặc các thiết bị cần thiết cho an toàn của tàu, phải trang bị các bình chữa cháy xách tay có công chất dập cháy không dẫn điện và cũng không gây hư hỏng các trang thiết bị đó.
(4) Các bình chữa cháy xách tay phải sẵn sàng để sử dụng và được đặt ở những vị trí dễ nhận biết và có thể nhanh chóng đến được vào mọi thời điểm khi có cháy. Ngoài ra, chúng phải được bố trí sao cho khả năng phục vụ của chúng không bị ảnh hưởng bởi thời tiết, rung động hoặc các nhân tố bên ngoài khác. Các bình chữa cháy xách tay phải có chỉ báo việc chúng đã được sử dụng hoặc chưa được sử dụng.
2 Trang bị bình chữa cháy xách tay cho khu vực sinh hoạt và phục vụ:
(1) Tàu có tổng dung tích < 1000
Tối thiểu phải có 4 bình chữa cháy xách tay bố trí ở khoảng cách thích hợp trong khu vực sinh hoạt và phục vụ như được nêu trong Bảng 5/4.5.
(2) Tàu có tổng dung tích ≥ 1000
Tối thiểu phải có 5 bình chữa cháy xách tay bố trí ở khoảng cách thích hợp trong khu vực sinh hoạt và phục vụ như được nêu trong Bảng 5/4.5.
Bảng 5/4.5 - Trang bị bình chữa cháy xách tay cho khu vực sinh hoạt và phục vụ
| Khu vực | Loại bình chữa cháy | Số lượng |
| Hành lang | Bình bọt hoặc bột hoá chất khô (chỉ sử dụng phốt phát) | 1 bình cho mỗi đoạn hành lang dài 30 m. |
| Buồng vô tuyến điện | Bình CO2 hoặc bột hoá chất khô | 01 bình |
| Buồng bếp | Bình bọt, CO2 hoặc bột hoá chất khô | 01 bình |
| Gần lối vào kho dự trữ | Bình bọt hoặc bột hoá chất khô (chỉ sử dụng phốt phát) | 01 bình |
| Buồng lái | Bình CO2 hoặc bình bọt | 01 bình |
| Buồng điều khiển làm hàng | Bình CO2 hoặc bình bọt | 01 bình |
| Buồng điều khiển máy | Bình CO2 hoặc bình bọt | 01 bình |
3 Trang bị bình chữa cháy xách tay cho buồng máy, buồng bơm
(1) Trang bị bình chữa cháy cho buồng máy loại A
Phải trang bị đủ các bình bọt xách tay hoặc bình sử dụng chất dập cháy khác phù hợp chữa đám cháy dầu sao cho khoảng cách từ vị trí bất kỳ của buồng máy đến nơi bố trí bình cứu hỏa không được quá 10 m. Số lượng bình cứu hỏa không được ít hơn 02 và không cần nhiều hơn 06 bình.
(2) Trang bị bình chữa cháy xách tay trong buồng máy không phải là buồng máy loại A
Đối với mỗi buồng máy không phải là buồng máy loại A như: buồng máy phát điện sự cố, buồng máy phát điện, buồng thiết bị lạnh... phải trang bị ít nhất 1 bình chữa cháy xách tay sử dụng chất dập cháy phù hợp.
(3) Trang bị bình chữa cháy xách tay cho buồng bơm hàng của tàu dầu
Phải trang bị ít nhất 1 bình bọt xách tay hoặc bình sử dụng chất dập cháy khác phù hợp chữa đám cháy dầu gần vị trí đặt bơm và 1 bình ở gần cửa vào buồng bơm.
(4) Trang bị bình chữa cháy xách tay cho buồng bơm hàng và buồng máy nén hàng của tàu chở khí hoá lỏng
Phải trang bị ít nhất 2 bình CO2 hoặc bột trong mỗi buồng này.
4 Các kho sơn và buồng kho chất lỏng dễ cháy phải được bảo vệ bằng các hệ thống chữa cháy thích hợp
(1) Kho sơn phải được bảo vệ bằng hệ thống dập cháy nêu ở (a) đến (d) sau. Trong mọi trường hợp hệ thống phải vận hành được từ bên ngoài buồng được bảo vệ.
(a) Hệ thống CO2, được thiết kế với thể tích tối thiểu khí tự do bằng 40% thể tích toàn bộ của buồng được bảo vệ;
(b) Hệ thống bột khô, được thiết kế cho tối thiểu 0,5 kg/m3;
(c) Hệ thống phun nước hoặc hệ thống phun nước tự động, được thiết kế cho 5 l/m2 trong một phút (hệ thống phun nước có thể được nối với đường ống cứu hỏa của tàu); hoặc
(d) Hệ thống có khả năng bảo vệ tương đương do Đăng kiểm quy định.
(2) Các ngăn chứa chất lỏng dễ cháy không phải là kho sơn phải được bảo vệ bởi thiết bị dập cháy thích hợp được Đăng kiểm chứng nhận.
(3) Đối với các kho sơn có diện tích boong nhỏ hơn 4 m2 và không có lối đi đến các buồng sinh hoạt, có thể thay cho hệ thống cố định bằng bình chữa cháy bằng CO2 xách tay có thể tích đủ để cung cấp lượng khí tự do tối thiểu bằng 40% tổng thể tích của buồng. Phải bố trí cửa xả trong kho sơn để có thể xả bình chữa cháy mà không cần phải đi vào trong buồng được bảo vệ. Bình chữa cháy xách tay theo yêu cầu phải được để gần cửa xả này. Để thay thế, có thể trang bị một lỗ xả hoặc đầu nối vòi rồng để có thể sử dụng nước từ đường ống chữa cháy chính.
4.8 Bộ dụng cụ chữa cháy thủ công
4.8.1 Quy định chung
Mỗi tàu phải được trang bị bộ dụng cụ chữa cháy thủ công theo yêu cầu của Mục này.
4.8.2 Định mức trang bị
1 Tất cả các tàu khách có chiều dài từ 50 m trở lên, các tàu chở dầu, tàu chở hàng nguy hiểm, tàu chở khí hóa lỏng và tàu chở hóa chất nguy hiểm có trọng tải từ 500 tấn trở lên và các tàu chở hàng khô có trọng tải từ 1000 tấn trở lên, có cấp VR-SI, VR-SB phải có ít nhất một bộ dụng cụ chữa cháy thủ công sau đây:
(1) Chăn dập cháy có kích thước: 1600x1400x3,5 (mm);
(2) Xô múc nước có dây đủ dài theo kích thước tàu: 2 chiếc;
(3) Rìu: 1 chiếc;
(4) Câu liêm: 1 chiếc;
2 Các tàu còn lại phải có ít nhất một bộ dụng cụ chữa cháy thủ công sau đây:
(1) Chăn dập cháy có kích thước: 1600x1400x3,5 (mm);
(2) Xô múc nước có dây đủ dài theo kích thước tàu: 1 chiếc;
(3) Rìu: 1 chiếc.
4.9 Trang bị chữa cháy cá nhân
4.9.1 Quy định chung
1 Tàu khách các cấp có chiều dài từ 50 m trở lên; các tàu chở dầu, tàu chở hàng nguy hiểm, tàu chở khí hóa lỏng và tàu chở hóa chất nguy hiểm có GT ≥ 300, các tàu cánh ngầm, nhà hàng nổi, khách sạn nổi, tàu thủy lưu trú du lịch ngủ đêm đều phải có một bộ trang bị chữa cháy cá nhân cơ bản và thiết bị thở.
2 Ngoài những yêu cầu không đề cập ở 4.9.1-1trên đây, đối với tàu khách có chiều dài từ 35 m đến dưới 50 m, các tàu chở dầu, tàu chở hàng nguy hiểm, tàu chở khí hóa lỏng và tàu chở hóa chất nguy hiểm có GT < 300 đều phải trang bị một bộ chữa cháy cá nhân cơ bản.
4.9.2 Các chi tiết dự trữ
Mỗi bộ trang bị chữa cháy cá nhân có thiết bị thở độc lập phải kèm theo 01 chai khí dự trữ.
4.9.3 Bảo quản
Trang bị chữa cháy cá nhân phải được cất giữ ở nơi dễ lấy, dễ thấy để sử dụng ngay và nếu có hai bộ trở lên thì chúng phải được cất giữ ở các vị trí cách xa nhau.
4.9.4 Trang bị chữa cháy cá nhân
Trang bị chữa cháy cá nhân bao gồm bộ chữa cháy cá nhân cơ bản và thiết bị thở.
1 Bộ chữa cháy cá nhân cơ bản gồm có:
(1) Quần áo bằng vật liệu bảo vệ da khỏi bị tác động của bức xạ nhiệt phát ra từ đám cháy và khỏi bị cháy và bỏng do hơi nước. Mặt ngoài của quần áo phải chịu nước;
(2) Ủng và găng tay bằng cao su hoặc vật liệu không dẫn điện khác;
(3) Một mũ cứng để bảo vệ tránh va đập;
(4) Một đèn điện an toàn (đèn xách tay) đúng tiêu chuẩn, có thời gian chiếu sáng liên tục ít nhất là 3 giờ. Các đèn điện an toàn trên tàu chở dầu, tàu chở khí hóa lỏng và tàu chở hóa chất nguy hiểm và các đèn dự định dùng ở các khu vực nguy hiểm phải là kiểu phòng nổ;
(5) Rìu có cán cầm cách điện ở điện áp cao.
2 Thiết bị thở
(1) Tàu khách có chiều dài từ 50 m trở lên, các tàu dầu, tàu chở hàng nguy hiểm, tàu chở khí hóa lỏng và tàu chở hóa chất nguy hiểm có GT ≥ 300 đều phải có thiết bị thở có thể là kiểu (a) hoặc (b) dưới đây:
(a) Một mũ chống khói hoặc mặt nạ chống khói được cấp không khí bằng bơm thích hợp và một ống dẫn khí có chiều dài đủ để dẫn từ boong hở cách xa các cửa và miệng khoang hàng tới bất kỳ phần nào của khoang hàng hoặc buồng máy. Nếu để thỏa mãn yêu cầu này cần phải có một ống dẫn không khí dài trên 36 m thì cần phải có một thiết bị thở độc lập để thay thế hoặc bổ sung thêm;
(b) Một thiết bị thở độc lập bằng không khí nén, thể tích của không khí trong bình chứa ít nhất phải bằng 1200 lít hoặc loại thiết bị thở độc lập khác có thể dùng để thở trong thời gian ít nhất 30 phút.
(2) Thiết bị thở phải được chế tạo và bảo dưỡng phù hợp với tiêu chuẩn quốc gia hoặc tiêu chuẩn, quy phạm theo thông lệ quốc tế.
3 Đối với mỗi thiết bị thở, ống thở chịu lửa có đủ chiều dài và sức bền phải có thể gắn được vào quai đeo của thiết bị thở hoặc vào dây lưng tách biệt bằng móc có khóa hãm để tránh thiết bị thở bị tách rời ra khi ống thở làm việc.
4 Trang bị chữa cháy cá nhân trang bị trên những tàu dùng để chở xô khí hoá lỏng hoặc hoá chất nguy hiểm được quy định tại Phần 11 của Quy chuẩn này.

Hình 5/4.1 - Đầu nối bờ chữa cháy tiêu chuẩn
Đường kính ngoài: 178 mm
Đường kính trong: 64 mm
Đường kính vòng tròn tâm bu lông: 132 mm
Các rãnh khuyết ở mặt bích: 4 lỗ đường kính 19 mm nằm cách đều nhau trên vòng tròn tâm bu lông có đường kính nói trên được khoét ra đến đường chu vi của mặt bích;
Chiều dày mặt bích: nhỏ nhất là 14,5 mm;
Bu lông và đai ốc: 4 bộ, đường kính mỗi chiếc là 16 mm và chiều dài là 50 mm với 8 vòng đệm;
Vật liệu: Thép hoặc vật liệu khác phù hợp với áp suất 1,0 N/mm2;
Đệm kín: Vật liệu bất kỳ phù hợp với áp suất 1,0 N/mm2.
4.10 Đầu nối bờ chữa cháy tiêu chuẩn
4.10.1 Quy định chung
Tất cả các tàu khách có chiều dài từ 50 m trở lên, các tàu dầu, tàu chở hàng nguy hiểm, tàu chở khí hóa lỏng, tàu chở hóa chất nguy hiểm có GT ≥ 300 và các tàu khác có GT ≥ 1000 trở lên phải có đầu nối bờ theo tiêu chuẩn, thỏa mãn yêu cầu 4.10.2.
4.10.2 Kích thước của đầu nối bờ tiêu chuẩn
1 Đầu nối bờ tiêu chuẩn phải phù hợp với các kích thước nêu ở Hình 5/4.1.
2 Một phía của đầu nối phải phẳng còn phía kia phải được nối cố định vào khớp nối dùng để lắp họng cứu hỏa và vòi rồng của tàu.
3 Đầu nối này phải được giữ ở trên tàu kèm theo một đệm kín, 4 bu lông và 8 vòng đệm.
4.11 Yêu cầu miễn giảm đối với tàu có chiều dài dưới 25 m
4.11.1 Cho phép sử dụng bơm chữa cháy di động thay cho chữa cháy yêu cầu tại Bảng 5/4.3.
4.11.2 Đối với các tàu, ngoại trừ tàu kéo, tàu đẩy, tàu khách, tàu chở dầu, tàu chuyên dụng đặc biệt và tàu chở hàng nguy hiểm, không yêu cầu trang bị hệ thống chữa cháy cố định bằng nước. Trong trường hợp này, buồng máy phải được trang bị hệ thống chữa cháy bằng khí hoặc aerosol, đối với các không gian khác phải trang bị các bình chữa cháy xách tay độc lập bằng bọt hoặc khí.
4.11.3 Đối với các tàu, ngoại trừ tàu kéo, tàu đẩy, tàu khách, tàu chở dầu, tàu chuyên dụng đặc biệt và tàu chở hàng nguy hiểm, chỉ cần cấp nước chữa cháy bằng một vòi phun.
4.11.4 Các tàu có máy chính là động cơ đi-ê-den, tổng công suất từ 120 kW trở xuống không yêu cầu trang bị hệ thống chữa cháy trong buồng máy.
PHẦN 6A VẬT LIỆU
CHƯƠNG 1 QUY ĐỊNH CHUNG
1.1 Quy định chung
1.1.1 Phạm vi áp dụng
1 Những quy định của Phần này được áp dụng cho vật liệu dùng để chế tạo các kết cấu hoặc các chi tiết quy định trong các phần kết cấu thân tàu, trang thiết bị và hệ thống máy tàu. Vật liệu phải được chứng nhận theo quy định tại Chương 3 Phần 1B của Quy chuẩn này.
2 Vật liệu có đặc tính khác so với các quy định của Phần này có thể được phép sử dụng, nếu các số liệu thiết kế chi tiết, quy trình chế tạo và ứng dụng của các vật liệu đó phù hợp với tiêu chuẩn quốc gia hoặc tiêu chuẩn, quy phạm theo thông lệ quốc tế. Trong trường hợp này, các số liệu chi tiết về quy trình chế tạo, thành phần hóa học, tính chất cơ học ... của vật liệu phải được trình cho Đăng kiểm phê duyệt.
1.1.2 Mẫu thử và quy trình thử tính chất cơ học của vật liệu
Quy định về mẫu thử và quy trình thử tính chất cơ học của vật liệu được áp dụng theo Chương 2 Phần 7A của Quy chuẩn kỹ thuật quốc gia về phân cấp và đóng tàu biển vỏ thép (QCVN 21:2015/BGTVT và các sửa đổi).
1.2 Đóng dấu mác thép và giấy chứng nhận thử đối với vật liệu được chế tạo tại nhà máy được Đăng kiểm công nhận
1.2.1 Đóng dấu mác thép
1 Tất cả các vật liệu thỏa mãn yêu cầu đều phải được đóng dấu "VR", kể cả những dấu và cấp của vật liệu, nếu Đăng kiểm thấy phù hợp và nhà chế tạo phải đóng mác kèm các đặc trưng sau đây vào ít nhất một vị trí của vật liệu.
(1) Tên hoặc mác của Nhà máy chế tạo;
(2) Số hoặc ký hiệu của sản phẩm;
(3) Tên, số hiệu của đơn đặt hàng hoặc ký hiệu của người mua (nếu người mua yêu cầu).
2 Nếu không thể đóng được dấu chìm vào vật liệu thì có thể đóng nhãn, đóng dấu niêm phong hoặc bằng phương pháp thích hợp khác.
3 Nếu vật liệu có kích thước quá nhỏ không thể đóng dấu chìm, đóng nhãn hoặc đóng dấu niêm phong như quy định tại -1 và -2 trên thì có thể được đóng gộp vào một miếng nhãn hiệu.
1.2.2 Giấy chứng nhận thử vật liệu của nhà chế tạo
1 Nếu các vật liệu thép cán đạt được yêu cầu về thử và kiểm tra theo quy định đối với mỗi loại vật liệu thì nhà chế tạo phải trình Giấy chứng nhận thử vật liệu cho Đăng kiểm ký. Tuy nhiên có thể sử dụng phương pháp khác thay cho chữ ký của Đăng kiểm nếu Đăng kiểm thấy phù hợp.
2 Trong Giấy chứng nhận thử vật liệu quy định tại -1 trên, ngoài kích thước, khối lượng của thép, còn phải ghi ít nhất các mục từ (1) đến (11) sau đây:
(1) Số hiệu đơn đặt hàng và tên tàu dùng vật liệu đó, nếu có;
(2) Số hiệu hoặc nhãn hiệu;
(3) Nhãn hiệu Nhà máy chế tạo;
(4) Ký hiệu cấp của vật liệu (bao gồm tên nhãn trong trường hợp là thép chống ăn mòn dùng cho két dầu hàng được nêu ra tại viện dẫn đến Phần 7A chương 3 - 3.13 QCVN 21:2015 và các sửa đổi bổ sung );
(5) Thành phần hóa học (phân tích thành phần các nguyên tố trong thùng rót được quy định theo yêu cầu và bổ sung khi cần thiết) (bao gồm bổ sung các nguyên tố cho việc cải thiện tính chống ăn mòn trong trường hợp là thép chống ăn mòn dùng cho két dầu hàng được nêu ra tại phần viện dẫn đến Phần 7A chương 3 - 3.13 QCVN 21:2015 và các sửa đổi bổ sung );
(6) Hàm lượng các bon tương đương (Ceq) hoặc độ nhạy cảm nứt nguội (cold cracking susceptibility) (Pcm) được xác định theo công thức sau có sử dụng phân tích thùng rót ngoại trừ khi có các quy định khác đi (chỉ áp dụng cho những trường hợp quy định trong Phần này):

(7) Kết quả thử cơ tính (bao gồm bất kỳ tiêu chuẩn nào, trong các trường hợp sử dụng các tiêu chuẩn khác với tiêu chuẩn nêu trong Phần này);
(8) Phương pháp nhiệt luyện (nếu áp dụng Chương 2 trong Phần này, ngoại trừ thép “cán nóng có làm nguội bằng khí (as rolled)”);
(9) Phải ghi rõ quy trình khử ôxy (chỉ đối với thép sôi);
(10) Kết quả kiểm tra bề mặt (nếu áp dụng Chương 2, 4 và 5 trong Phần này, chỉ nêu rõ kết quả);
(11) Kết quả kiểm tra siêu âm (nếu áp dụng Chương 2, 4 và 5 trong Phần này, chỉ nêu rõ kết quả).
3 Nhà chế tạo phải ghi vào Giấy chứng nhận thử vật liệu kết quả của quá trình sản xuất để chứng tỏ rằng vật liệu thép đã được chế tạo theo đúng quy trình đã được duyệt, kết quả này phải được cán bộ kiểm soát hoặc cán bộ kiểm tra chất lượng sản phẩm của nhà máy chế tạo ký xác nhận. Tuy nhiên có thể sử dụng phương pháp khác thay cho chữ ký của cán bộ kiểm soát hoặc cán bộ kiểm tra chất lượng sản phẩm, nếu Đăng kiểm thấy phù hợp.
(Ví dụ: Chúng tôi chứng nhận rằng vật liệu đã được chế tạo theo đúng quy trình đã duyệt và đã tiến hành thử thỏa mãn các yêu cầu của Đăng kiểm Việt Nam).
4 Những quy định tại từ -1 đến -3 trên phải được áp dụng cho các loại vật liệu đưa ra trong Phần này, trừ vật liệu thép cán.
1.3 Trường hợp vật liệu nhập khẩu
1.3.1 Vật liệu nhập khẩu có giấy chứng nhận của tổ chức đăng kiểm nước ngoài được Cục Đăng kiểm Việt Nam ủy quyền cấp
Đăng kiểm viên kiểm tra sự phù hợp của thông tin ghi trên giấy chứng nhận của tổ chức đăng kiểm nước ngoài với thông tin nhận biết trên vật liệu.
1.3.2 Vật liệu nhập khẩu có giấy chứng nhận của tổ chức đăng kiểm nước ngoài được Cục Đăng kiểm Việt Nam chấp nhận
Đăng kiểm viên kiểm tra sự phù hợp của thông tin ghi trên giấy chứng nhận của tổ chức đăng kiểm nước ngoài với thông tin nhận biết trên vật liệu; lấy 01 mẫu cho mỗi loại vật liệu của lô hàng nhập khẩu của cùng một nhà sản xuất để thực hiện thử cơ tính và thành phần hóa học theo quy định tại Phần này.
1.3.3 Vật liệu nhập khẩu khác
Đối với vật liệu nhập khẩu không có giấy chứng nhận của tổ chức đăng kiểm nước ngoài được Cục Đăng kiểm Việt Nam ủy quyền hoặc chấp nhận, Đăng kiểm viên kiểm tra giấy chứng nhận nguồn gốc (CO), giấy chứng nhận chất lượng (CQ); lấy 01 mẫu cho mỗi loại vật liệu của lô hàng nhập khẩu (riêng đối với thép cán, lấy 01 mẫu cho mỗi 50 tấn của một loại vật liệu có cùng quy cách của cùng một nhà sản xuất) để thực hiện thử cơ tính và thành phần hóa học theo quy định tại Phần này.
CHƯƠNG 2 THÉP CÁN
2.1 Thép cán dùng đóng thân tàu
2.1.1 Phạm vi áp dụng
1 Những yêu cầu quy định tại Chương này được áp dụng cho các loại thép cán dùng đóng thân tàu (bao gồm sản phẩm được chế tạo dạng thép cuộn và các sản phẩm từ thép cuộn, sau đây trong 2.1 gọi là “thép”) có chiều dày không quá 50 mm.
2 Thép có chiều dày lớn hơn 50 mm đến 100 mm đều phải phù hợp với các yêu cầu tại 2.10. Đối với thép có chiều dày lớn hơn 100 mm phải tuân theo các yêu cầu bổ sung của Đăng kiểm.
3 Trong trường hợp các cuộn thép được trải ra và cắt thành các tấm thép do một đơn vị không phải là nhà chế tạo, thì các cuộn thép và các tấm thép đó ngoài việc thỏa mãn các yêu cầu được đưa ra tại chương này, còn phải được Đăng kiểm công nhận thích hợp.
4 Thép có những đặc tính khác so với quy định tại 2.1 phải phù hợp với các yêu cầu quy định tại 1.1.1-2.
2.1.2 Sử dụng thép đóng tàu
1 Đối với thép đóng phương tiện VR-SI, VR-SII, VR-SIII áp dụng Bảng 6A/2.1(a)
2 Đối với thép đóng tàu cấp VR-SB, thép được phân thành 16 cấp như đưa ra trong Bảng 6A/2.1(b).
2.1.3 Khử ôxy và thành phần hóa học của thép
1 Việc khử ôxy và thành phần hóa học của mỗi loại thép phải phù hợp với những quy định tại Bảng 6A/2.1(a),(b).
2 Trong trường hợp đặc biệt, Đăng kiểm có thể yêu cầu trình duyệt độ cảm nhận nứt nguội của thép.
Bảng 6A/2.1(a) Thành phần hóa học đối với thép đóng tàu cấp VR-SI, SII, SIII.
| Cấp Thép | Thành phần hoá học, % | |||||||
| C(2) | Si | Mn | S | P | Cu | Cr | Nt | |
| AS | ≤ 0,21 | ≤ 0,5 | (1) | ≤ 0,04 | ≤ 0,04 | ≤ 0,35 | ≤ 0,30 | ≤ 0,30 |
Chú thích: (1) Giá trị của C + Mn/6 không được vượt quá 0,40 (%). Thép có chiều dày trên 12 mm, thành phần mangan không được nhỏ hơn 2,5 lần thành phần các bon (%Mn ≤ 2,5 (%C));
(2) Đối với thép hình, thành phần các bon có thể tăng đến 0,23%.
Bảng 6A/2.1(b) Khử ôxy và thành phần hóa học

Chú thích:
(1) Nếu bổ sung nguyên tố khác trong quá trình luyện thép thì phải ghi rõ hàm lượng này trong giấy chứng nhận thử vật liệu.
(2) Đối với thép có chiều dày đến 25 mm, thép lắng có thể được chấp nhận.
(3) Đối với thép có chiều dày lớn hơn 25 mm, xử lý nhôm có thể được dùng như là quy trình khử hết ôxy và làm mịn hạt.
(4) Giá trị của
không được vượt quá 0,40%.
(5) Đối với thép hình, thành phần các bon có thể tăng đến 0,23%.
(6) Khi tiến hành thử độ dai va đập hoặc khi thử thép chứa không ít hơn 0,1% Si, thì thành phần tối thiểu của mangan có thể giảm xuống đến 0,60%.
(7) Đối với thép có chiều dày tới 12,5 mm, thành phần mangan tối thiểu có thể giảm đến 0,70%.
(8) Thành phần nhôm phải là thành phần nhôm axit hòa tan, nhưng có thể được xác định bằng tổng lượng nhôm. Trong trường hợp này, tổng lượng nhôm không được nhỏ hơn 0,020%.
(9) Thép phải có chứa nhôm, niobium, vanadium hoặc những nguyên tố làm mịn hạt khác, dưới hình thức đơn nguyên tố hoặc kết hợp. Nếu là đơn nguyên tố, thì thép phải có chứa thành phần nguyên tố làm mịn hạt tại mức tối thiểu theo quy định. Nếu kết hợp nhiều nguyên tố thì không cần xác định thành phần tối thiểu mỗi loại nguyên tố này.
(10) Tổng thành phần titanium, vanadium và niobium không được nhiều hơn 0,12%.
(11) Đăng kiểm có thể chấp nhận nguyên tố làm mịn hạt không phải là nhôm.
(12) Nếu có Al, thành phần lớn nhất của N có thể tăng lên đến 0,012%.
(13) Hàm lượng các bon tương đương phải được ghi trong Giấy chứng nhận thử vật liệu. Nếu bất kỳ cấp nào của thép có độ bền cao thực hiện điều kiện cán có kiểm soát cơ nhiệt (TMCP), hàm lượng các bon tương đương phải phù hợp với các yêu cầu của Bảng 6A/2.2.
2.1.4 Nhiệt luyện
Việc nhiệt luyện mỗi cấp thép phải thỏa mãn với những quy định tại Bảng 6A/2.3.
2.1.5 Tính chất cơ học
Tính chất cơ học của thép phải phù hợp với những quy định tại Bảng 6A/2.4
2.1.6 Chọn vật mẫu
1 Đối với vật mẫu dùng để cắt mẫu thử kéo phải được lấy trong một lô thép có khối lượng không được lớn hơn 50 tấn (nếu số lượng các sản phẩm thép có chiều dày hoặc đường kính nhỏ hơn 10 mm). Vật mẫu này sẽ được chọn từ sản phẩm thép có chiều dày hoặc đường kính lớn nhất trong mỗi lô thép.
2 Nếu không có quy định nào khác hoặc phù hợp với tiêu chuẩn quốc gia hoặc tiêu chuẩn, quy phạm theo thông lệ quốc tế, vật mẫu dùng để cắt mẫu thử độ dai va đập phải là bộ vật mẫu có chiều dày lớn nhất được chọn tại mỗi lô thép, xem Bảng 6A/2.6, tùy theo chất khử ôxy, loại sản phẩm và phương pháp nhiệt luyện.
3 Vật mẫu phải được nhiệt luyện cùng với lô thép được lấy vật mẫu theo cùng một phương pháp và không được cắt ra khỏi vật liệu cho đến lúc nhiệt luyện xong.
4 Nếu không có quy định nào khác, vật mẫu phải được lấy tại các vị trí trên tấm thép (xem Hình 6A/2.1) theo yêu cầu từ (1) đến (3) dưới đây:
(1) Thép tấm và thép thanh dẹt có chiều rộng lớn hơn 600 mm:
Lấy vị trí khoảng 1/4 chiều rộng, tính từ đầu mép của tấm hoặc thanh dẹt.
(2) Thép hình và thép thanh dẹt có chiều rộng bằng và nhỏ hơn 600 mm:
Lấy tại vị trí khoảng 1/3 chiều rộng (1/6 đối với thép chữ H), tính từ đầu mép. Nếu là thép hình chữ U, thép góc, thép chữ H, thì vật mẫu có thể được lấy tại vị trí khoảng 1/4 chiều cao bản thành (1/6 đối với thép mỏ), tính từ đường tâm của bản thành.
(3) Thép thanh:
Vật mẫu phải được cắt sao cho trục của mỗi mẫu thử có thể nằm gần vị trí (a) và (b) quy định dưới đây.
(a) Nếu mặt cắt không tròn, thì tại vị trí khoảng 1/6 khoảng cách lớn nhất kể từ mép ngoài.
(b) Nếu mặt cắt tròn, thì tại vị trí khoảng 1/3 bán kính kể từ mép ngoài.
Tuy nhiên, nếu kích thước mặt cắt ngang không đủ cho một mẫu thử tiêu chuẩn, thì không phải áp dụng quy định này. Khi đó mẫu thử kéo được cắt ra theo chiều dài thích hợp của một sản phẩm có đường kính lớn nhất của một lô.
Bảng 6A/2.3 Nhiệt luyện(1)
| Cấp thép | Khử ôxy | Độ dày t (mm) | Nhiệt luyện(3) |
| A | Bất kỳ phương pháp nào trừ sôi | t ≤ 50 | AR(4) |
| B | Bất kỳ phương pháp nào trừ sôi | t ≤ 50 | |
| D | Lắng | t ≤ 25 | |
| Lắng và xử lý hạt mịn | t ≤ 35 | AR(4) | |
| 35 < t ≤ 50 | TMCP, N, CR(5) | ||
| E | Lắng và xử lý hạt mịn | t ≤ 50 | TCMP, N(6) |
| A32 A36 | Lắng và xử lý hạt mịn (có xử lý Nb và/hoặc V)(2) | t ≤ 12,5 | AR(4) |
| 12,5 < t ≤ 50 | TMCP, N, CR(5) | ||
| Lắng và xử lý hạt mịn (không xử lý Nb và/hoặc V)(2) | t ≤ 20 | AR(4) | |
| 20 < t ≤ 35 | TMCP, N, CR(7) | ||
| 35 < t ≤ 50 | TMCP, N, CR(5) | ||
| D32 D36 | Lắng và xử lý hạt mịn (có xử lý Nb và/hoặc V)(2) | t ≤ 12,5 | AR(4) |
| 12,5 < t ≤ 50 | TMCP, N, CR(5) | ||
| Lắng và xử lý hạt mịn (không xử lý Nb và/hoặc V)(2) | t ≤ 20 | AR(4) | |
| 20 < t ≤ 25 | TMCP, N, CR(7) | ||
| 25 < t ≤ 50 | TMCP, N, CR(5) | ||
| E32 E36 | Lắng và xử lý hạt mịn | t ≤ 50 | TMCP, N(6) |
| A40 | Lắng và xử lý hạt mịn | t ≤ 12,5 | AR(4) |
| 12,5 < t ≤ 50 | TMCP, N, CR | ||
| D40 | Lắng và xử lý hạt mịn | t ≤ 50 | |
| E40 | Lắng và xử lý hạt mịn | t ≤ 50 | TMCP, N, QT |
| F32 F36 F40 | Lắng và xử lý hạt mịn | t ≤ 50 | TMCP, N, QT |
Chú thích:
(1) Điều kiện nhiệt luyện này và quy cách của lô để lấy mẫu thử độ dai va đập được tổng kết tại Bảng 6A/2.6.
(2) “Nb và/hoặc V” có nghĩa là bổ sung Nb và/hoặc V đơn nguyên tố hoặc kết hợp, không cần lưu ý đến hàm lượng quy định nhỏ nhất để làm mịn hạt (tham khảo Bảng 6A/2.1 chú thích (9)).
(3) Những ký hiệu sau đây được dùng để chỉ trạng thái nhiệt luyện (những ký hiệu này được sử dụng trong suốt cả Chương này):
AR : Cán nóng có làm nguội bằng khí (As rolled).
CR : Cán có kiểm soát (Controlled Rolling)
N : Thường hóa (Normalizing)
TMCP : Quy trình kiểm soát cơ-nhiệt (Thermo - Mechanical Controlled Processing)
QT : Tôi và ram (Quenching and Tempering)
(4) Các trạng thái nhiệt luyện CR, N hoặc TMCP có thể được chấp nhận.
(5) Thép, trừ thép tấm (kể cả thép thanh dẹt có chiều rộng ≥ 600 mm) có thể được coi là cán nguội, phù hợp với tiêu chuẩn quốc gia hoặc tiêu chuẩn, quy phạm theo thông lệ quốc tế (sau đây trong 2.1 gọi là ARS).
(6) Thép, trừ thép tấm (kể cả thép dẹt có chiều rộng ≥ 600 mm) có thể được xử lý theo ARS hoặc cán có kiểm soát nhiệt, phù hợp với tiêu chuẩn quốc gia hoặc tiêu chuẩn, quy phạm theo thông lệ quốc tế, (sau đây, trong 2.1 gọi là CRS).
(7) Nhiệt luyện theo ARS có thể được chấp nhận.
Bảng 6A/2.4 Tính chất cơ học
| Cấp thép | Thử kéo | Thử độ dai va đập (1) | ||||
| Giớii hạn chảy hoặc giới hạn chảy quy ước (N/mm2) | Giới hạn bền kéo (N/mm2) | Độ giãn dài (5) L = 5,65 | Nhiệt độ thử | ... lượng hấp thụ trung bình (J) (3) | ||
| (%) | (°C) | L | T | |||
| A, AS | ≥ 235 | 400 ÷ 520 | ≥ 22 | - | - | - |
| B | 0(4) | ≥ 27 | ≥ 20 | |||
| D | -20 | |||||
| E | -40 | |||||
| A32 | ≥ 315 | 440 ÷ 590 | ≥ 22 | 0(2) | ≥ 31 | ≥ 22 |
| D32 | -20 | |||||
| E32 | -40 | |||||
| F32 | -60 | |||||
| A36 | ≥ 355 | 490 ÷ 620 | ≥ 21 | 0(2) | ≥ 34 | ≥ 24 |
| D36 | -20 | |||||
| E36 | -40 | |||||
| F36 | -60 | |||||
| A40 | ≥ 390 | 510 ÷ 650 | ≥ 20 | 0 | ≥ 39 | ≥ 26 |
| D40 | -20 | |||||
| E40 | -40 | |||||
| F40 | -60 | |||||
Chú thích:
(1) L (hoặc T) thể hiện rằng đường tâm dọc của mẫu thử được đặt song song (hoặc vuông góc) với hướng cán lần cuối cùng (tham khảo 2.1.7-3(2)).
(2) Tham khảo chú thích (1) tại Bảng 6A/2.6.
(3) Nếu năng lượng hấp thụ của hai mẫu thử trtại lên trong một bộ mẫu thử nhỏ hơn năng lượng hấp thụ trung bình tối thiểu, hoặc nếu năng lượng hấp thụ của một mẫu thử nhỏ hơn 70% giá trị năng lượng hấp thụ trung bình tối thiểu, thì việc thử được coi là không đạt.
(4) Nói chung, không cần phải thử độ dai va đập đối với thép có chiều dày từ 25 mm trtại xuống.
(5) Độ giãn dài tối thiểu của mẫu thử U1 phải thỏa mãn những quy định tại Bảng 6A/2.5.
2.1.7 Chọn mẫu thử
1 Trong mọi trường hợp, mẫu thử phải được nhiệt luyện riêng lẻ so với lô sản phẩm.
2 Mẫu thử kéo phải được lấy theo quy định từ (1) đến (3) dưới đây:
(1) Một mẫu thử kéo phải được lấy ra từ một vật mẫu.
(2) Đường tâm dọc của mẫu thử phải được cắt vuông góc với hướng cán lần cuối cùng.
Tuy nhiên, đối với thép hình, thép thanh tròn và thép dẹt có chiều rộng không lớn hơn 600 mm, hoặc nếu phù hợp với tiêu chuẩn quốc gia hoặc tiêu chuẩn, quy phạm theo thông lệ quốc tế, thì đường tâm dọc của mẫu thử được lấy song song với hướng cán lần cuối cùng.
(3) Nói chung, sử dụng mẫu thử dạng dẹt lấy toàn bộ chiều dày của sản phẩm. Có thể sử dụng mẫu thử tròn khi chiều dày sản phẩm lớn hơn 40 mm (trừ thép thanh tròn) hoặc thép tròn. Nếu mẫu thử kéo có dạng tròn được lấy từ bất kỳ loại sản phẩm thép nào, trừ thép tròn, thì chúng phải được lấy tại vị trí khoảng 1/4 chiều dày, tính từ mặt ngoài.
Bảng 6A/2.5 Độ giãn dài tối thiểu đối với mẫu thử U1 (%)

3 Mẫu thử độ dai va đập phải được lấy theo quy định từ (1) đến (3) dưới đây:
(1) Mỗi bộ mẫu thử phải được lấy từ một vật mẫu thử.
(2) Đường tâm dọc của các mẫu thử phải được cắt song song với hướng cán lần cuối cùng (hướng dọc). Tuy nhiên, nếu Đăng kiểm thấy cần thiết, đường tâm dọc của mẫu thử có thể được lấy vuông góc với hướng cán lần cuối cùng (hướng ngang).
(3) Khi chiều dày của sản phẩm không lớn hơn 40 mm, mẫu thử phải được cắt với mép lui vào 2 mm tính từ bề mặt cán. Khi chiều dày của sản phẩm lớn hơn 40 mm thì mẫu thử phải được lấy tại vị trí mà đường tâm của nó tương ứng với khoảng 1/4 chiều dày (1/6 đường kính nếu là thép thanh tròn) kể từ mặt ngoài.
Bảng 6A/2.6 Quy cách của lô thép để lấy mẫu thử độ dai va đập

Chú thích:
(1) Đối với thép cấp A32 và A36 có thể cho phép giảm nhẹ quy cách của lô với điều kiện phải được Đăng kiểm xét duyệt.
(2) Xem chú thích (2) trong Bảng 6A/2.3.
(3) Thép tấm gồm cả các thanh dẹt có chiều rộng bằng và lớn hơn 600 mm.
(4) Trong Bảng này, những "số" được đặt sau mỗi "ký hiệu" nhiệt luyện (Xem mục (3), (5) và (6) của Bảng 6A/2.3) biểu thị khối lượng của mỗi lô thép. Ví dụ (50), (25), (15) có nghĩa khối lượng lô thép không lớn hơn 50, 25 và 15 tấn (thuộc cùng mẻ, cùng quy trình) phải được coi là một lô;
(P): có nghĩa là vật liệu một lô thép được cán trực tiếp từ một mẻ (thuộc cùng một điều kiện xử lý nhiệt) phải được coi là một lô,
(PH): có nghĩa là vật liệu một lô thép được cán trực tiếp từ một mẻ và xử lý nhiệt đồng thời trong cùng một lò luyện bao gồm cả lò luyện liên tục phải được coi là một lô.
(-): có nghĩa là không cần phải thử độ dai va đập.
(5) Xem (4) trong Bảng 6A/2.4.
(6) Thép đã qua nhiệt luyện theo phương pháp TMCP, N, hoặc CR thay cho phương pháp AR (xem điểm chú thích (4) trong Bảng 6A/2.3) phải được coi là tương đương với thép tại trạng thái nhiệt luyện AR, có xét đến đơn vị cơ bản của lô thép.

Hình 6A/2.1 Chọn vật mẫu
2.1.8 Xác định kích thước sản phẩm
1 Xác định kích thước sản phẩm là trách nhiệm của nhà chế tạo thép.
2 Sai số âm đối với chiều dày danh nghĩa của thép phải thỏa mãn quy định tại Bảng 6A/2.7. Tuy nhiên, chiều dày trung bình của thép tấm và chiều dày trung bình của thanh thép dẹt có chiều rộng lớn hơn hoặc bằng 600 mm không được nhỏ hơn chiều dày danh nghĩa.
3 Quy trình và các biên bản kiểm tra của quá trình đo phải trình Đăng kiểm duyệt phù hợp và cung cấp các bản phô tô theo yêu cầu.
4 Tất cả những quy định có liên quan đến sai số âm đối với chiều dày sản phẩm đều phải thỏa mãn yêu cầu của Đăng kiểm, trừ sai số âm đối với chiều dày danh nghĩa.
5 Quy định tại mục -2 và -3 có thể không cần áp dụng, khi Đăng kiểm công nhận là phù hợp.
Bảng 6A/2.7 Xác định kích thước
| Sản phẩm | Sai số âm (mm) |
| p tấm thanh thép dẹt có chiều rộng lớn hoặc bằng 150 mm | Không quá 0,3 |
| Thép khác | Do Đăng kiểm quy định |
2.1.9 Chất lượng và sửa chữa khuyết tật
1 Thép phải không bị phân lớp, phân đoạn và không lẫn tạp chất. Thép thành phẩm phải không có khuyết tật cả tại bên trong lẫn trên bề mặt làm ảnh hưởng đến công dụng của thép.
2 Khuyết tật bề mặt có thể được khắc phục bằng cách mài cục bộ, với điều kiện là chiều dày tại bất cứ chỗ nào của sản phẩm thép cũng không được nhỏ hơn 93% chiều dày danh nghĩa, trong mọi trường hợp, không được mài sâu quá 3 mm. Nếu không có quy định nào khác, việc mài khuyết tật phải được tiến hành dưới sự chứng kiến của đăng kiểm viên.
3 Các khuyết tật trên bề mặt thép không thể xử lý bằng phương pháp trên có thể được đục hoặc mài đi và tiến hành hàn đắp, nếu phù hợp với tiêu chuẩn quốc gia hoặc tiêu chuẩn, quy phạm theo thông lệ quốc tế. Việc làm này phải được tiến hành dưới sự chứng kiến của Đăng kiểm và nếu không có quy định nào khác, phải thỏa mãn các quy định từ (1) đến (3) sau đây:
(1) Sau khi tẩy khuyết tật và trước khi hàn, chiều dày của sản phẩm tại bất kỳ chỗ nào cũng không được giảm quá 20% chiều dày danh nghĩa;
(2) Việc hàn phải được thực hiện theo quy trình hàn đã được Đăng kiểm duyệt. Thợ hàn và que hàn dùng hàn đắp mặt thép cũng phải được Đăng kiểm cấp Giấy chứng nhận. Đường hàn đắp phải được mài nhẵn đến chiều dày danh nghĩa;
(3) Sau khi mài xong, sản phẩm có thể phải được thường hóa hoặc nhiệt luyện theo yêu cầu của Đăng kiểm.
2.1.10 Thử bổ sung trước khi loại bỏ
1 Nếu mẫu thử kéo tại sản phẩm được chọn đầu tiên không đạt yêu cầu thì có thể tiến hành thử bổ sung tiếp hai mẫu thử kéo khác lấy từ sản phẩm đó. Nếu cả hai mẫu thử bổ sung này đều thỏa mãn thì sản phẩm được lấy mẫu thử và những sản phẩm khác trong cùng lô thép có thể được chấp nhận.
2 Nếu một hoặc cả hai cuộc thử bổ sung nói trên không đạt yêu cầu thì sản phẩm có mẫu thử được cắt ra sẽ bị loại bỏ.
Tuy nhiên, những sản phẩm cùng lô còn lại có thể được chấp nhận, nếu hai mẫu thử được lấy từ những sản phẩm còn lại của cùng lô theo cùng phương pháp và thỏa mãn các yêu cầu thử.
3 Khi thử độ dai va đập không đạt yêu cầu thì có thể tiến hành thử bổ sung bằng một bộ mẫu thử khác được cắt ra từ cùng sản phẩm đã có mẫu thử không đạt, trừ các trường hợp nêu tại (1) và (2) dưới đây. Trong trường hợp này, tất cả các sản phẩm cùng lô có các mẫu thử được cắt ra, có thể được chấp nhận, với điều kiện: Năng lượng hấp thụ trung bình của 6 mẫu thử, kể cả những mẫu đã bị loại, không được dưới mức năng lượng hấp thụ trung bình tối thiểu theo quy định, số lượng mẫu thử có năng lượng thấp hơn mức trung bình tối thiểu là nhỏ hơn hai, hoặc số lượng mẫu thử có năng lượng hấp thụ nhỏ hơn 70% giá trị yêu cầu là không quá một.
(1) Năng lượng hấp thụ của tất cả các mẫu thử dưới mức trung bình tối thiểu theo yêu cầu.
(2) Năng lượng hấp thụ của hai mẫu thử nhỏ hơn 70% giá trị trung bình tối thiểu theo yêu cầu.
4 Trong trường hợp -3(1) hoặc -3(2) hoặc mẫu thử được lựa chọn đầu tiên tại -3 bị loại, có thể tiến hành thử độ dai va đập đối với các mẫu thử bổ sung được cắt từ hai sản phẩm thép có chiều dày lớn nhất trong cùng lô. Trong trường hợp này, nếu mỗi bộ mẫu thử tương ứng đạt yêu cầu thì các sản phẩm có mẫu thử được cắt ra cũng như các sản phẩm khác cùng lô có thể được chấp nhận. Nếu một hoặc cả hai bộ mẫu thử không đạt thì các sản phẩm cùng lô đều bị loại.
5 Khi các mẫu thử được dùng để thử bổ sung như nói tại trên, không đạt yêu cầu thì sản phẩm được lấy mẫu thử phải bị loại. Tuy nhiên, tùy theo lựa chọn của nhà chế tạo, những sản phẩm còn lại của lô có thể được thử riêng, nếu sản phẩm nào đạt yêu cầu có thể được chấp nhận.
6 Tùy theo yêu cầu của nhà chế tạo, các sản phẩm bị loại, sau khi được nhiệt luyện hoặc nhiệt luyện lại, có thể được chuyển thành cấp thép khác thấp hơn và sẽ được chấp nhận, nếu thỏa mãn các yêu cầu thử cho cấp thép đó.
2.1.11 Đóng dấu
Thép đã thỏa mãn những yêu cầu thử phải được đóng dấu như quy định tại 1.5.1
2.2 Thép cán tấm dùng chế tạo nồi hơi
Thép cán tấm dùng chế tạo nồi hơi phải phù hợp với các yêu cầu tại QCVN 21:2015/BGTVT - Phần 7A, Chương 3 và các sửa đổi.
2.3 Thép cán tấm dùng chế tạo bình áp lực
Thép cán tấm dùng chế tạo bình áp lực phải phù hợp với các yêu cầu tại QCVN 21:2015/BGTVT - Phần 7A, Chương 3 và các sửa đổi.
2.4 Thép cán sử dụng tại nhiệt độ thấp
Thép cán sử dụng tại nhiệt độ thấp phải phù hợp với các yêu cầu tại QCVN 21:2015/BGTVT - Phần 7A, Chương 3 và các sửa đổi.
2.5 Thép cán không gỉ
Thép cán không gỉ phải phù hợp với các yêu cầu tại QCVN 21:2015/BGTVT - Phần 7A, Chương 3 và các sửa đổi.
2.6 Thép cán tròn dùng chế tạo xích
Thép cán tròn dùng chế tạo xích phải phù hợp với các yêu cầu tại QCVN 21:2015/BGTVT - Phần 7A, Chương 3 và các sửa đổi.
2.7 Thép cán tròn dùng cho các kết cấu máy
Thép cán tròn dùng cho các kết cấu máy phải phù hợp với các yêu cầu tại QCVN 21:2015/BGTVT - Phần 7A, Chương 3 và các sửa đổi.
2.8 Thép tấm có lớp phủ không gỉ
Thép tấm có lớp phủ không gỉ phải phù hợp với các yêu cầu tại QCVN 21:2015/BGTVT - Phần 7A, Chương 3 và các sửa đổi.
CHƯƠNG 3 ỐNG THÉP
Vật liệu chế tạo ống thép phải tuân theo các quy định tại Phần 7A, Chương 4 QCVN 21:2015/BGTVT và các sửa đổi.
CHƯƠNG 4 THÉP ĐÚC
4.1 Quy định chung
Trừ khi được quy định trong Chương này, thép đúc phải tuân theo các quy định tại Chương 5 Phần 7A Mục II QCVN 21:2015/BGTVT và các sửa đổi.
4.2 Thép đúc chân vịt
4.2.1 Phạm vi áp dụng
Những yêu cầu quy định ở 4.2, được áp dụng để chế tạo các sản phẩm thép đúc chân vịt và cánh chân vịt. Khi sử dụng thép hợp kim, nhà chế tạo phải trình các hồ sơ kỹ thuật cho Đăng kiểm.
4.2.2 Thành phần hoá học
Thép đúc các bon và các bon-mangan phải có thành phần hóa học phải phù hợp với những quy định ở Bảng 7A/5.1 Chương 5 Phần 7A Mục II QCVN 21:2015/BGTVT và các sửa đổi, nhưng thành phần các bon không lớn hơn 0,25%.
4.2.3 Nhiệt luyện
Để đảm bảo việc làm mịn hạt tốt, khử ứng suất dư và có được tính chất cơ học theo yêu cầu, thép đúc phải được ủ, thường hóa hoặc và ram ở nhiệt độ trên 550 ºC.
4.2.4 Tính chất cơ học
1 Vật liệu thử phải liền với chân vịt đúc. Nếu vật liệu thử đúc riêng thì nó phải được nhiệt luyện cùng với chân vịt trong cùng một lò.
2 Ít nhất một mẫu thử kéo phải được thực hiện ở mỗi mẻ đúc. Tính chất cơ học của thép đúc phù hợp với những quy định ở Bảng 7A/5.2 Chương 5 Phần 7A Mục II QCVN 21:2015/BGTVT và các sửa đổi.
CHƯƠNG 5 THÉP RÈN
5.1 Quy định chung
Trừ khi được quy định trong Chương này Thép rèn phải tuân theo các quy định tại Phần 7A, Chương 6 QCVN 21:2015/BGTVT và các sửa đổi.
5.2 Thép cán nóng
Đối với thép cán nóng đã được quy định trong quy chuẩn thì tỉ số giảm tiết diện không được nhỏ hơn 6:1.
CHƯƠNG 6 ĐỒNG VÀ HỢP KIM ĐỒNG
Đồng và Hợp kim đồng phải tuân theo các quy định tại Phần 7A, Chương 7 QCVN 21:2015/BGTVT và các sửa đổi.
CHƯƠNG 7 HỢP KIM NHÔM
Hợp kim nhôm phải tuân theo các quy định tại Phần 7A, Chương 8 QCVN 21:2015/BGTVT và các sửa đổi.
PHẦN 6B HÀN
CHƯƠNG 1 QUY ĐỊNH CHUNG
1.1 Quy định chung
1.1.1 Phạm vi áp dụng
1 Nếu không có quy định cụ thể nào ở các Phần khác, Phần này áp dụng đối với công việc hàn trong chế tạo, sửa chữa, hoán cải thân tàu, máy tàu, trang thiết bị.
2 Hàn không đề cập trong Phần này có thể được áp dụng nếu được Đăng kiểm xét duyệt riêng về thiết kế và công nghệ.
1.1.2 Trách nhiệm của nhà máy
1 Lập quy trình hàn, hồ sơ chứng nhận thợ hàn để trình Đăng kiểm phê duyệt;
2 Thực hiện việc kiểm soát quá trình đối với toàn bộ công việc hàn thông qua các thiết bị thích hợp và hệ thống kiểm tra chất lượng để đảm bảo chất lượng hàn;
3 Điều tra tìm nguyên nhân chính của các vấn đề không phù hợp liên quan tới chất lượng hàn và báo cáo kết quả điều tra cho Đăng kiểm, thực hiện các biện pháp khắc phục và phòng ngừa cần thiết được thống nhất với Đăng kiểm.
1.2 Thử trước khi hàn
1.2.1 Tiến hành thử
1 Việc thử quy trình hàn, chứng nhận thợ hàn và vật liệu hàn quy định trong Phần này phải được thực hiện dưới sự chứng kiến của Đăng kiểm viên.
2 Các thử nghiệm về hàn không quy định trong Phần này phải được thực hiện theo các yêu cầu kỹ thuật hoặc tiêu chuẩn thử theo thông lệ quốc tế.
3 Các thử nghiệm có thể được miễn, nếu có các chứng nhận phù hợp của các quy trình hàn, thợ hàn, các vật liệu hàn... theo tiêu chuẩn phù hợp với thông lệ quốc tế.
1.3 Hàn
1.3.1 Thực hiện kiểm soát hàn
Nhà máy phải tuân thủ các yêu cầu quy định trong Chương 2 và Chương 7 của Phần này đối với việc kiểm soát hàn kết cấu thân tàu, máy tàu, trang thiết bị.
1.3.2 Xác nhận điều kiện hàn
1 Để kiểm soát có hiệu quả công việc hàn do nhà máy thực hiện, Đăng kiểm sẽ xác nhận các điều kiện trong khi hàn vào những khoảng thời gian thích hợp được Đăng kiểm viên chấp nhận, nếu cần thiết. Trong trường hợp này nhà máy phải tạo điều kiện và cho phép Đăng kiểm viên tiếp cận các khu vực liên quan ở trong nhà máy.
2 Nếu xét thấy cần thiết trong mục -1 trên, Đăng kiểm viên có thể yêu cầu nhà máy thực hiện các biện pháp khắc phục và phòng ngừa đối với việc kiểm soát hàn.
1.4 Kiểm tra hàn và chất lượng hàn
1.4.1 Thực hiện kiểm tra
1 Kiểm tra hàn phải được thực hiện với sự có mặt của Đăng kiểm viên trong khi hàn hoặc sau khi hàn như được quy định ở Mục 2.3.4 Chương 2 Phần 1B của Quy chuẩn này.
2 Sự có mặt của Đăng kiểm có thể giảm đi, nếu hệ thống chất lượng và hệ thống kiểm tra hàn của nhà máy được Đăng kiểm xem là thỏa mãn.
1.4.2 Chất lượng và sửa chữa
1 Chất lượng hàn phải được đảm bảo tuân thủ các yêu cầu sau:
(1) Kiểm tra trong khi hàn
Các hạng mục kiểm tra trong khi hàn, đã được Đăng kiểm đưa ra thông qua việc xác nhận các yêu cầu đối với quá trình hàn quy định trong mục 2.3 - Chương 2 của Phần này, phải được thực hiện theo đúng trình tự.
(2) Kiểm tra trực quan
Phải kiểm tra trực quan đối với các đường hàn để xác nhận đường hàn không có khuyết tật có hại trên bề mặt như nứt, kích thước lớn, cháy chân, chờm phủ, biến dạng, lệch mép… vượt quá tiêu chuẩn cho phép. Kích thước của mối hàn góc phải phù hợp với các yêu cầu quy định tại mục 2.4.2 - Chương 2 của Phần này.
(3) Kiểm tra không phá hủy (NDT)
Kiểm tra không phá hủy đường hàn được quy định tại Chương 8 của Phần này phải được thực hiện. Đường hàn phải không có khuyết tật nứt, và các khuyết tật có hại ở bên trong.
2 Các khuyết tật hàn được phát hiện trong kiểm tra nêu tại -1 trên phải được khắc phục hoặc sửa chữa theo các quy trình thích hợp với hướng dẫn của Đăng kiểm. Các hồ sơ được nhà máy lập trong việc khắc phục hoặc sửa chữa các khuyết tật hàn phải được trình cho Đăng kiểm viên.
1.4.3 Tiêu chuẩn chất lượng
Trong trường hợp Đăng kiểm viên nhận thấy chất lượng hàn giảm đáng kể so với tiêu chuẩn thì phải yêu cầu nhà máy có biện pháp khắc phục và phòng ngừa thỏa đáng.
CHƯƠNG 2 HÀN
2.1 Quy định chung
2.1.1 Phạm vi áp dụng
Các yêu cầu quy định trong Chương này được áp dụng cho công việc hàn các vật liệu cơ bản là thép cán dùng làm kết cấu thân tàu, thép cán làm việc ở nhiệt độ thấp và thép cán có độ bền cao đã tôi và ram dùng cho các kết cấu. Việc hàn các vật liệu khác phải được Đăng kiểm xét duyệt riêng trong từng trường hợp cụ thể
2.1.2 Trách nhiệm của nhà máy
1 Nhà máy chịu trách nhiệm đảm bảo:
(1) Vật liệu phải có chứng chỉ thích hợp, phù hợp với bản vẽ chế tạo kết cấu thân tàu đã được Đăng kiểm duyệt;
(2) Phương pháp gia công và độ chính xác phù hợp với chất lượng yêu cầu;
(3) Thợ hàn phải có giấy chứng nhận do Đăng kiểm cấp hoặc giấy chứng nhận tương đương và phải được kiểm tra tay nghề, duy trì kỹ năng nghề nghiệp.
2 Ngoài những yêu cầu nêu ở -1 trên, nhà máy phải kiểm soát công việc hàn ngoài hiện trường phù hợp với các yêu cầu quy định trong Chương này.
2.2 Kế hoạch công việc
2.2.1 Sơ đồ hàn
Đối với tàu cấp VR-SB có chiều dài từ 50 m trở lên, nhà máy phải trình cho Đăng kiểm viên sơ đồ hàn đối với mỗi tàu trước khi thực hiện công việc hàn. Bản vẽ mặt cắt ngang giữa tàu có thể được sử dụng như là một sơ đồ hàn (chỉ ra cấp vật liệu, chiều dày vật liệu, kích thước vật liệu...). Sơ đồ hàn bao gồm:
1 Các phần kết cấu chính đối với thân tàu trong khoảng 0,6L giữa tàu;
2 Các quy trình hàn áp dụng cho hàn nêu ở (1) trên và vị trí hàn của quy trình hàn đó, bao gồm cả số quy trình và ngày duyệt của quy trình.
2.2.2 Quy trình hàn và các thông số kỹ thuật liên quan
1 Quy trình hàn và các thông số kỹ thuật liên quan phải được Đăng kiểm duyệt phù hợp các yêu cầu quy định tại Chương 4 của Phần này.
2 Các điều kiện hàn sau phải được đưa ra trong Bảng các thông số kỹ thuật của quy trình hàn (WPS) nêu tại -1 trên:
(1) Quy trình hàn;
(2) Loại vật liệu cơ bản (cấp vật liệu và chiều dày lớn nhất của vật liệu); (3) Vật liệu hàn (cấp vật liệu hàn, khí bảo vệ, loại vật liệu tấm lót...);
(4) Kiểu mối hàn (mối hàn giáp mép hoặc mối hàn góc)
(5) Tư thế hàn;
(6) Chi tiết về vát mép theo chiều dày vật liệu cơ bản (bao gồm tiêu chuẩn dung sai đối với điều kiện chuẩn bị mép hàn, góc vát mép, khe hở chân, và độ lệch mép), số lượng và cách bố trí các mỏ hàn làm việc đồng thời, kích thước chân mối hàn hoặc chiều cao mối hàn góc, số lớp hàn hoặc trình tự đi que và các thông số hàn (loại dòng điện, cường độ dòng điện, điện áp, tốc độ hàn, nhiệt lượng giáng lên mối hàn)
(7) Nhiệt độ gia nhiệt và nhiệt độ giữa các lớp hàn; (8) Xử lý nhiệt mối hàn.
2.3 Những yêu cầu đối với quá trình hàn
2.3.1 Chuẩn bị trước khi hàn
1 Kiểm tra vật liệu.
Nhà máy chịu trách nhiệm:
(1) Thiết lập biện pháp để nhận biết rõ các loại vật liệu cơ bản và các loại vật liệu hàn nhằm tránh tình trạng sử dụng nhầm;
(2) Loại bỏ các khuyết tật có hại trên bề mặt vật liệu cơ bản và trên các bề mặt đã qua quá trình cắt khí;
(3) Xử lý nhiệt như gia nhiệt đối với vật liệu cơ bản phải phù hợp với tiêu chuẩn được chấp nhận;
(4) Vật liệu hàn phải được bảo quản, kiểm soát một cách phù hợp và phải được sấy một cách thích hợp, nếu cần thiết;
(5) Yêu cầu nhà chế tạo vật liệu hàn hướng dẫn đầy đủ cho thợ hàn về cách sử dụng các loại vật liệu hàn.
2 Chuẩn bị mép hàn.
(1) Rãnh hàn phải được gia công đúng cách thức, các vết nứt hoặc các khuyết tật trên rãnh hàn phải được loại bỏ. Nước ngưng tụ, hơi ẩm, dầu mỡ, gỉ... phải được làm sạch khỏi rãnh hàn và các vùng liền kề rãnh hàn. Việc sơn phần hàn phải không được gây tác hại đối với chất lượng mối hàn;
(2) Phải đặc biệt chú ý đối với việc chuẩn bị mép hàn của các đường hàn giao nhau, các rãnh hàn được gia công tại hiện trường.
3 Quy trình lắp ghép.
(1) Hình dạng, quy cách và khe hở chân của rãnh hàn thể hiện trong Bảng các thông số kỹ thuật của quy trình hàn (WPS) được Đăng kiểm duyệt phù hợp với các tiêu chuẩn quy định tại 2.2.2-2 mục này tương ứng với quy trình hàn được áp dụng. Khe hở giữa các tấm vật liệu cơ bản trong mối hàn chữ T và mối hàn chồng mép không được vượt quá mức cho phép;
(2) Hai đầu của các đường hàn giáp mép phải được gắn thêm tấm mồi hoặc có tấm kim loại dài hơn một cách phù hợp. Tấm mồi hoặc tấm kim loại này được tháo bỏ sau khi hàn;
(3) Các mã gá sử dụng cho hàn phải được lắp không quá căng. Sau khi hàn, các mã gá phải được tháo bỏ. Bất kỳ khuyết tật nào trên bề mặt của vật liệu cơ bản xuất hiện do thực hiện việc tháo bỏ mã gá phải được sửa chữa thích hợp bằng phương pháp hàn, mài;
(4) Mối ghép phải không có khe hở, lệch mép và biến dạng quá lớn;
(5) Không được dùng lực tác dụng quá mạnh để chỉnh các phần gá lắp không đạt, nếu điều này tạo ra biến dạng lớn.
2.3.2 Lựa chọn vật liệu hàn
1 Việc sử dụng các vật liệu hàn cho thép cán dùng làm thân tàu, thép cán làm việc ở nhiệt độ thấp, thép cán tấm có độ bền cao đã tôi và ram dùng cho các kết cấu phải được lựa chọn phù hợp với những yêu cầu sau:
(1) Việc lựa chọn các vật liệu hàn phải phù hợp với các yêu cầu đưa ra trong Bảng 6B/2.1;
(2) Với yêu cầu quy định tại (1) trên, các mối hàn của các cấp thép khác nhau có thể được sử dụng như sau:
(a) Vật liệu hàn cho cấp thép thấp hơn có thể sử dụng cho mối hàn của các cấp thép khác nhau có cùng độ bền;
(b) Khi hàn các loại thép có độ bền khác nhau, có thể dùng vật liệu hàn cho thép có độ bền thấp hơn, với điều kiện phải áp dụng các biện pháp thích ứng để ngăn ngừa nứt;
(c) Que hàn hydro thấp phải được sử dụng để hàn thép có độ bền cao với nhau hoặc để hàn thép có độ bền cao với thép thường. Trong trường hợp nếu vật liệu cơ bản là thép có độ bền cao đã được nhiệt luyện bởi quá trình kiểm soát cơ nhiệt (TMCP), có thể sử dụng que hàn không phải loại hydro thấp nếu được Đăng kiểm chấp thuận.
2 Đối với vật liệu hàn được đăng kiểm công nhận, các vật liệu khác có thể được sử dụng cho hàn lót. Tuy nhiên, nếu thực hiện việc hàn mặt sau thì vật liệu hàn lót phải thoả mãn mục 6.5 Chương 6 phần này.
Bảng 6B/2.1 Áp dụng vật liệu hàn (đối với thép cán tấm)
| Loại và cấp thép được hàn | Vật liệu hàn được sử dụng(1) | |
| Thép cán dùng cho thân tàu | A, AS | 1,2,3,51,52,53,54,52Y40,53Y40,54Y40,L1,L2,L3 |
| B, D | 2,3,52,53,54,52Y40,53Y40,54Y40,L1,L2,L3 | |
| E | 3,53,54,53Y40,54Y40,L1,L2,L3 | |
| A32, A36 | 51,52,53,54,52Y40,53Y40,54Y40,L2(2),L3,2Y42,3Y42,4Y42,5Y42 | |
| D32, D36 | 52,53,54,52Y40,53Y40,54Y40,L2(2),L3,2Y42,3Y42,4Y42,5Y42 | |
| E32, E36 | 53,54,52Y40,53Y40,54Y40,L2(2),L3,2Y42,3Y42,4Y42,5Y42 | |
| F32, F36 | 54,54Y40,L2(2),L3,4Y42,5Y42 | |
| A40, D40 | 52Y40,53Y40,54Y40,3Y42,4Y42,5Y42,2Y46,3Y46,4Y46,5Y46,63Y47 | |
| E40 | 53Y40,54Y40,3Y42,4Y42,5Y42,3Y46,4Y46,5Y46,63Y47 | |
| F40 | 54Y40,4Y42,5Y42,4Y46,5Y46 | |
|
| E47 | 63Y47 |
| Thép cán làm việc ở nhiệt độ thấp | L24A | L1,L2,L3,54,54Y40 |
| L24B,L27,L33 | L2,L3,5Y42(3) | |
| L37 | L3,5Y42 | |
| L9N53, L9N60 | L91,L92 | |
Chú thích:
(1) Ký hiệu các vật liệu hàn liệt kê trong bảng trên và có các ký hiệu cuối như nhau, ví dụ: “3” chỉ các loại vật liệu hàn MW3, AW3, SW3 và EW3, ký hiệu “L3” chỉ các loại vật liệu hàn MWL3, AWL3 và SWL3, ký hiệu “3Y42” chỉ các loại vật liệu hàn MW3 Y42, AW3 Y42 và SW3 Y42.
(2) Vật liệu hàn “L2” chỉ được áp dụng cho cấp thép A32, D32, E32 hoặc F32.
(3) Vật liệu hàn “5Y42” chỉ được áp dụng cho thép cấp L33.
2.3.3 Xác định điều kiện môi trường khi hàn
1 Hàn được thực hiện trong điều kiện được bảo vệ để hạn chế tác động bởi các yếu tố môi trường ảnh hưởng tới chất lượng hàn như nước, hơi ẩm, gió;
2 Trong điều kiện môi trường có độ ẩm cao phải có biện pháp bảo vệ vật liệu hàn. Khi độ ẩm trong vật liệu hàn vượt quá quy định phải sấy khô chúng trước khi hàn
2.3.4 Gia nhiệt và một số yêu cầu khác
1 Việc gia nhiệt phải được thực hiện phù hợp với tiêu chuẩn được chấp nhận;
2 Tránh mồi hồ quang trên bề mặt thép có độ bền cao và thép thường trừ cấp thép A (AS), B và D. Nếu việc mồi hồ quang gây ra do lỗi của thợ hàn, thì toàn bộ vật liệu của việc mồi hồ quang phải được loại bỏ bằng phương pháp mài hoặc phải được sửa chữa bằng cách hàn;
3 Việc hàn đính phải được thực hiện có lưu ý đến việc gia nhiệt, lựa chọn vật liệu hàn, chiều dài mối hàn đính;
4 Khi thực hiện hàn trong điều kiện lực căng quá lớn hoặc tấm thép quá dày, thép đúc hoặc thép rèn, thì cần lưu ý đặc biệt đến việc gia nhiệt vật liệu, sử dụng que hàn hydro thấp;
5 Đối với vật liệu cơ bản là thép đúc và thép rèn, nói chung hàm lượng các-bon không được vượt quá 0,23% và phải có dấu hiệu được phép hàn (W) như quy định tại Phần 6A của Quy chuẩn này.
2.3.5 Hàn đính
1 Que hàn dùng để hàn đính phải có chất lượng tương đương với que hàn chính thức;
2 Hàn đính không được có khuyết tật làm giảm chất lượng mối hàn.
2.3.6 Trình tự hàn
1 Thứ tự hàn và hướng hàn phải được xem xét để ngăn ngừa các khuyết tật có hại như nứt mối hàn và biến dạng quá lớn;
2 Về nguyên tắc, mối hàn có thể gây ra biến dạng lớn hơn phải được hàn trước mối hàn gây ra biến dạng nhỏ hơn.
2.3.7 Tiến hành hàn
1 Hàn phải được thực hiện phù hợp với Bảng các thông số kỹ thuật của quy trình hàn (WPS) quy định trong 2.2.2-2 của Phần này. Phải đặc biệt chú ý tại các vị trí đầu, cuối và vị trí giao nhau của đường hàn;
2 Hàn phải được thực hiện bởi thợ hàn được chứng nhận phù hợp;
3 Ngoại trừ trường hợp hàn một phía hoặc các quy trình hàn khác đã được chấp nhận, trước khi hàn mặt sau của mối hàn giáp mép phải tiến hành dũi mặt sau đường hàn để loại bỏ các khuyết tật;
4 Tại vị trí giao nhau của các mối hàn giáp mép, trước khi hàn phải vát mép mối hàn;
5 Phần cuối của mối hàn góc tại vị trí chịu ứng suất tập trung lớn phải được hàn khóa đầu một cách thích hợp. Hàn đắp các vết lõm nhỏ có thể được chấp nhận đối với các vị trí kết thúc của đường hàn, nơi không chịu ứng suất tập trung lớn.
2.4 Mối hàn
2.4.1 Mối hàn giáp mép
1 Mối hàn giáp mép phải có độ ngấu hoàn toàn tới toàn bộ chiều dày của các phần tử được nối;
2 Khi hàn giáp nối hai tấm có chiều dày khác nhau, mép tấm dày phải được vát đến bằng chiều dày của tấm mỏng.
2.4.2 Mối hàn chữ T
1 Kích thước mối hàn
(1) Kích thước mối hàn chữ T không vát mép phải được tính toán theo các yêu cầu về sức bền nêu ở các phần liên quan đến chi tiết được hàn của Quy chuẩn, ngoài ra giá trị tính toán của h (Hình 6B/2.1) lấy bằng:
- Khi hàn bằng que hàn bọc thuốc: h = 0,70k;
- Khi hàn bán tự động (dưới lớp thuốc, trong khí CO2 hoặc bằng dây hàn dưới bột thuốc): h = 0,85k;
- Hàn tự động với mối hàn một lượt: h = 1,0k trong đó:
k - chiều dài cạnh đường hàn (Hình 6B/2.1);
h - chiều cao của mối hàn (Hình 6B/1)
- Kích thước mối hàn chữ T theo Bảng 2A/2.3.5.2 Chương 2 Phần 2A của Quy chuẩn này.
(2) Chiều dài cạnh đường hàn của mối hàn chữ T (Hình 6B/2.1) không vát mép, không được vượt quá giá trị k, mm
- Ở kết cấu thân tàu: k ≤ Smin;
- Ở các kết cấu khác: k ≤ 1,2 Smin.
trong đó, Smin là chiều dày nhỏ nhất của các phần tử được nối. Nếu kích thước này của mối hàn không đủ lớn theo tính toán phải tiến hành hàn có vát mép và phải ngấu toàn bộ chiều dày của vật liệu cơ bản.

Hình 6B/2.1 - Mối hàn chữ T
2 Yêu cầu kĩ thuật
(1) Mối hàn chữ T chịu tải trọng động lớn phải:
- Ở khu vực buồng máy và khu vực tập trung ứng suất, được hàn liên tục hai phía, mặt mối hàn phải có dạng lõm và chuyển tiếp dần dần sang mặt vật liệu cơ bản;
- Không cho phép cháy chân mối hàn.
(2) Những nẹp và mã tạo thành mối hàn chữ T với các tấm thì tại đầu của chúng mối hàn phải được hàn khóa đầu tạo thành đường hàn kín. Ở góc mã cũng phải được hàn khóa đầu theo kiểu này.
2.4.3 Yêu cầu về khuyết tật
1 Mức độ rỗ khí và ngậm xỉ của mối hàn không được vượt quá tiêu chuẩn nêu ở 2.5.3 của Chương này;
2 Bề mặt mối hàn phải chuyển tiếp dần dần sang mặt vật liệu cơ bản. Kích thước khuyết tật bề mặt mối hàn không được vượt quá trị số cho ở Bảng 6B/2.2.
Bảng 6B/2.2 - Kích thước giới hạn của các khuyết tật cho phép trên bề mặt mối hàn
| TT | Chiều dày vật liệu cơ bản, mm | Cháy chân, chờm phủ, gồ ghề, kích thước rỗ khí không được lớn hơn, mm |
| 1 | Lớn hơn hoặc bằng 20 | 2 |
| 2 | Nhỏ hơn 20 | 0,1 chiều dày nhỏ nhất của phần tử được nối |
3 Được phép có rỗ khí trên mặt mối hàn trong các trường hợp sau
(1) Không quá 2 lỗ trên 100 mm chiều dài mối hàn với điều kiện kích thước lỗ rỗ phù hợp với Bảng 6B/2;
(2) Tổng chiều dài của các đoạn bị rỗ khí không lớn hơn 10% chiều dài mối hàn.
4 Vật liệu cơ bản dọc mép hàn không được có cháy chân sâu quá 0,3 mm khi chiều dày vật hàn bằng hoặc nhỏ hơn 5 mm và 0,5 mm khi chiều dày vật hàn lớn hơn 5 mm.
Tổng chiều dài các đường hàn cháy chân không được vượt quá 10% chiều dài mối hàn; Trong các kết cấu chịu tải trọng động, không được phép có rãnh cắt.
2.5 Kiểm tra hàn
2.5.1 Các yêu cầu về kiểm tra hàn
1 Nhà máy chịu trách nhiệm:
(1) Kiểm tra theo các điều từ (1) đến (2) tại mục 2.1.2 Chương này;
(2) Kiểm tra trình tự thi công của các khâu chuẩn bị lắp ghép, hàn;
(3) Kiểm tra mối hàn sau đã làm sạch xỉ, hạt kim loại và các chất bẩn khác trên bề mặt mối hàn và bề mặt vật liệu cơ bản tiếp giáp với chúng;
(4) Kiểm tra nghiệm thu các sản phẩm đã được chế tạo hoặc sửa chữa bao gồm cả kiểm tra lần cuối cùng mối hàn;
(5) Lập và lưu trữ các hồ sơ kiểm tra nêu tại (1) đến (3) trên và trình Đăng kiểm viên khi có yêu cầu.
2 Kiểm tra hàn do đăng kiểm viên thực hiện:
(1) Việc kiểm tra chất lượng mối hàn phải được tiến hành trước khi sơn (hoặc sơn lót) trước khi mạ hoặc phủ một lớp phủ bất kỳ.
(2) Đăng kiểm viên áp dụng các cách kiểm tra mối hàn theo trình tự sau bao gồm:
(a) Kiểm tra kích thước mối hàn;
(b) Phát hiện khuyết tật bên ngoài mối hàn;
(c) Kiểm tra khuyết tật bên trong mối hàn;
(d) Kiểm tra độ kín nước, kín khí (nếu phải áp dụng).
(3) Phương pháp và định mức các loại kiểm tra tại mục trên phải thỏa mãn các yêu cầu của tiêu chuẩn và các phần của quy chuẩn này một cách tương ứng.
2.5.2 Kiểm tra kích thước và phát hiện khuyết tật bên ngoài của mối hàn
1 Quy định chung
Toàn bộ chiều dài của tất cả các mối hàn ở cả hai phía phải được kiểm tra trực quan trước khi tiến hành kiểm tra bằng các phương pháp khác.
2 Yêu cầu kĩ thuật
(1) Khi kiểm tra kích thước mối hàn phải đo:
(a) Chiều rộng và chiều cao của mối hàn giáp mép;
(b) Cạnh vuông hoặc chiều cao của mối hàn chữ T;
(c) Đối với mối hàn gián đoạn phải kiểm tra thêm chiều dài các đoạn hàn và bước hàn.
(2) Khuyết tật bên ngoài của mối hàn phải được phát hiện bằng trực quan.
Để phát hiện vết nứt và các khuyết tật khác trên mặt mối hàn và ở vùng gần mối hàn không thể thấy được bằng cách quan sát bên ngoài, có thể áp dụng kiểm tra bằng phương pháp thẩm thấu chất lỏng hoặc phương pháp từ tính.
(3) Cho phép áp dụng phương pháp kiểm tra không phá hủy bằng phương pháp thẩm thấu chất lỏng để phát hiện các khuyết tật không thấy được hoặc khó thấy bằng mắt thường trong các mối hàn có biểu hiện khuyết tật ở bề mặt (rạn nứt, rỗ khí, không ngấu, những lỗ hổng do những nguyên nhân khác gây ra);
(4) Cho phép áp dụng phương pháp kiểm tra bằng từ tính để phát hiện những khuyết tật phá hủy tính liên tục của vật liệu (không sâu quá 5 mm). Để tiến hành kiểm tra, bề mặt phải được gia công sơ bộ. Phương pháp từ tính chủ yếu dùng để kiểm tra các chi tiết của các cơ cấu máy có bề mặt đã được hàn đắp và gia công sửa chữa.
(5) Việc áp dụng phương pháp kiểm tra bằng phương pháp thẩm thấu, từ tính và những phương pháp tuơng tự để đánh giá chất lượng mối hàn cho các đối tượng kiểm tra cụ thể phải được Đăng kiểm chấp thuận.
2.5.3 Phát hiện khuyết tật bên trong của mối hàn
1 Quy định chung
(1) Khuyết tật bên trong của mối hàn phải được phát hiện bằng một trong các phương pháp không phá huỷ (NDT) sau:
(a) Thẩm thấu chất lỏng;
(b) Siêu âm;
(c) Chụp ảnh phóng xạ;
(d) Từ tính.
(2) Trong các trường hợp riêng, khi không có điều kiện kỹ thuật để kiểm tra bằng phương pháp không phá hủy thì cho phép phát hiện khuyết tật bên trong bằng phương pháp phá hủy.
(3) Kiểm tra mối hàn bằng phương pháp không phá huỷ (NDT) thoả mãn với các tiêu chuẩn được quy định tại Chương 8 của Phần này.
2 Yêu cầu kĩ thuật
(1) Các tàu mang cấp VR-SB có chiều dài từ 65 m trở lên phải áp dụng phương pháp kiểm tra bằng chụp ảnh phóng xạ theo bảng 6.4.11 Phần 6, Chương 4 Sửa đổi 3:2018 QCVN 21: 2015/BGTVT.
(2) Các tàu mang cấp VR-SI, VR-SII, VR-SIII và tàu mang cấp VR-SB có chiều dài dưới 65 m có thể sử dụng phương pháp kiểm tra bằng siêu âm hoặc chụp ảnh phóng xạ.
(3) Mối hàn của vật liệu cơ bản có chiều dày nhỏ hơn hoặc bằng 8 mm được sử dụng phương pháp siêu âm thay thế cho chụp ảnh phóng xạ. Mối hàn của vật liệu cơ bản có chiều dày nhỏ hơn hoặc bằng 6 mm được sử dụng phương pháp thẩm thấu chất lỏng.
(4) Để kiểm tra mối hàn giáp mép và mối hàn chữ T của các kết cấu bằng thép các-bon và thép hợp kim thấp, được phép áp dụng dò siêu âm trong các trường hợp sau:
(a) Ở các bộ phận phẳng của các kết cấu;
(b) Ở các chi tiết hình trụ có đường kính lớn hơn 30 mm;
(c) Ở các chi tiết hình ống có chiều dày thành từ 8 mm trở lên và có đường kính từ 100 mm trở lên đối với hàn vòng và từ 300 mm trở lên đối với hàn dọc.
(5) Để kiểm tra mối hàn giáp mép trong các kết cấu thép các-bon và thép hợp kim thấp có chiều dày từ 4 mm đến 12 mm, cho phép áp dụng phương pháp dò khuyết tật bằng từ tính. Bằng phương pháp này có thể phát hiện được các lỗ hổng và các hạt xỉ có diện tích không nhỏ hơn 3 mm2. Phương pháp từ tính cho phép phát hiện được kích thước và vị trí của khuyết tật nhưng không cho biết loại khuyết tật.
CHƯƠNG 3 MẪU THỬ VÀ QUY TRÌNH THỬ CƠ TÍNH
Chương 3 Mẫu thử và quy trình thử cơ tính phải phù hợp với các quy định tại Phần 6, Chương 3 QCVN 21:2015/BGTVT và các sửa đổi, bổ sung.
CHƯƠNG 4 QUY TRÌNH HÀN VÀ CÁC THÔNG SỐ KĨ THUẬT LIÊN QUAN
Chương 4 Quy trình hàn và các thông số kĩ thuật liên quan phải phù hợp với các quy định tại Phần 6, Chương 4 QCVN 21:2015/BGTVT và các sửa đổi, bổ sung..
CHƯƠNG 5 THỢ HÀN VÀ KIỂM TRA TAY NGHỀ THỢ HÀN
Chương 5 Thợ hàn và kiểm tra tay nghề thợ hàn phải phù hợp với các quy định tại phần 6, Chương 5 QCVN 21:2015/BGTVT và các sửa đổi, bổ sung.
CHƯƠNG 6 VẬT LIỆU HÀN
Chương 6 Vật liệu hàn phải phù hợp với các quy định tại phần 6, Chương 6 của QCVN 21:2015/BGTVT và các sửa đổi.
CHƯƠNG 7 NHỮNG YÊU CẦU ĐẶC BIỆT VỀ CÔNG NGHỆ HÀN
7.1 Hàn thân tàu thép
7.1.1 Quy định chung
1 Các yêu cầu về kết cấu có liên quan đến sức bền và tính công nghệ của mối hàn phải phù hợp với Phần 2A của Quy chuẩn này.
2 Việc chọn cấp của vật liệu hàn phải phù hợp với cấp thép, loại mối hàn và điều kiện hàn.
7.1.2 Yêu cầu kỹ thuật
1 Dung sai âm cho việc hàn góc:
Dung sai âm cho việc hàn góc khoảng 10% chiều dài chân mối hàn góc. Không cho phép sự thiếu hụt chiều dài chân trên toàn bộ chiều dài của mối hàn góc.
2 Độ võng của tấm trong phạm vi một khoảng sườn ở các kết cấu được chế tạo trong đóng mới thân tàu không được lớn hơn trị số cho trong Bảng 6B/7.1.
3 Trị số độ võng cho phép và độ chênh lệch lắp ráp của các cơ cấu trong kết cấu hàn của thân tàu và các phương pháp kiểm tra biến dạng hàn cục bộ phải theo yêu cầu của các Quy chuẩn và tiêu chuẩn liên quan.
Bảng 6B/7.1 - Độ võng cho phép của các tấm trong kết cấu thân tàu
| Nhóm kết cấu | Tên kết cấu | Trị số cho phép của độ võng, mm, không lớn hơn |
| IA | Tấm boong trên, tấm đáy trên, tấm đáy dưới, dải tấm mạn, dải tấm trên và dưới của vách dọc liên tục và của mạn trong, tấm boong và vách thượng tầng (ở phần giữa tàu trên đoạn dài 0,25 chiều dài tàu về phía mũi và phía đuôi tính từ sườn giữa), dải tấm hông và mép boong (suốt chiều dài tàu) | 5 |
| IB | Tấm mạn ở trên đường nước thiết kế, vách biên của thượng tầng, vỏ ống khói và các kết cấu khác có yêu cầu cao về hình dáng bên ngoài | 5 (Trường hợp đặc biệt có thể cho phép đến 7) |
| II | Kết cấu nhóm IA nằm ở đầu và đuôi tàu, vách ngang chính, vách dọc (không kể dải tấm trên và dưới), tấm boong dưới, tấm sàn, vách ngăn trong và vách nhẹ | 7 |
| III | Boong không liên tục, không tham gia vào sức bền chung và không thuộc nhóm I và II, vách trong và vách chỉ được gá ở hai phía, vách của kho, của hầm hàng, buồng máy, buồng tắm và các kết cấu khác không có yêu cầu cao về hình dạng bên ngoài | 10 |
7.2 Hàn trong chế tạo máy tàu thủy
7.2.1 Quy định chung
1 Việc chọn phương pháp hàn và vật liệu hàn trong chế tạo và sửa chữa các kết cấu và chi tiết bằng thép hợp kim phải chú ý đến tính chất của thép được hàn và điều kiện khai thác của sản phẩm.
2 Các mối hàn nối các kết cấu chịu tải trọng động xét về kết cấu cũng như công nghệ, không được có ứng suất tập trung, không cho phép có cháy chân và mối hàn phải ngấu toàn bộ chiều dày của chi tiết.
Mặt mối hàn phải nhẵn và chuyển tiếp dần sang mặt vật liệu cơ bản. Trong trường hợp cần thiết thì phải gia công để tạo góc lượn với bán kính nhất định ở mối hàn chữ T.
3 Tại vị trí chịu tải trọng động, không cho phép có mối hàn áp dụng đồng thời với các kiểu nối khác (lắp áp lực, nối bằng chêm...).
4 Việc áp dụng hàn và hàn đắp trục thẳng, trục khuỷu của tàu trong chế tạo và sửa chữa, chỉ được phép thực hiện trong điều kiện tuân theo quy trình công nghệ đã được Đăng kiểm chấp thuận.
7.2.2 Hàn đắp
1 Cho phép hàn đắp theo quy trình công nghệ đã được phê duyệt để phục hồi các chi tiết bị khuyết tật (như ăn mòn, hư hỏng…), cũng như đắp lên bề mặt chi tiết một lớp kim loại có tính chất đặc biệt (chống mài mòn, chống gỉ, chịu nhiệt...) và để tăng chiều dày cục bộ.
2 Kiểm tra bề mặt chi tiết được hàn đắp để phát hiện các khuyết tật trước khi hàn, các khuyết tật này phải được loại bỏ bằng gia công trước khi hàn.
3 Vật liệu đắp không được ngậm xỉ và rỗ khí trong vùng liên kết giữa vật liệu đắp với vật liệu cơ bản cũng như giữa các lớp hàn với nhau, phải đảm bảo m ố i h à n đ ắ p ngấu toàn bộ. B ề m ặt đắp phải chuyển dần sang mặt vật liệu cơ bản (không có rãnh cắt, không lồi lõm).
4 Phần bị khuyết tật của trục bằng thép các-bon có hàm lượng các-bon ≤ 0,23% có thể được phục hồi bằng hàn đắp hồ quang tay với điều kiện:
(1) Chiều dày của vật liệu lớp đắp sau khi gia công sẽ không lớn hơn 5% đường kính của trục được phục hồi;
(2) Hàn đắp phải được tiến hành có gia nhiệt toàn bộ chiều dày phần trục và được đắp theo yêu cầu nêu ở trên.
5 Đối với trục làm bằng vật liệu thép không gỉ, có thể hàn đắp lên bề mặt trục bằng phương pháp hàn tự động dưới lớp thuốc và chỉ hàn đắp một lượt với bước đắp tương đối: a = H/B = 0,3÷0,35, trong đó:
H - bước đắp hoặc khoảng cách giữa 2 đường kề nhau, mm;
B - chiều rộng của mối hàn, mm
6 Trong mọi trường hợp, trước khi hàn đắp, toàn bộ mặt trục phải được kiểm tra và phải thỏa mãn theo mục -2 trên. Sau khi gia công, phải dò khuyết tật trên toàn bộ đoạn trục được hàn đắp và trên các đoạn kề bên rộng 20 mm.
7.2.3 Hàn nồi hơi và bình chịu áp lực
1 Quy định chung
(1) Các phương pháp hàn, vật liệu hàn được dùng trong chế tạo và sửa chữa nồi hơi tàu thủy và bình chịu áp lực phải bảo đảm sao cho mối hàn có cơ tính không thấp hơn cơ tính của vật liệu cơ bản.
(2) Mối hàn dọc và mối hàn ngang của ống góp thân nồi hơi, ống lửa và thân bình chịu áp lực phải là mối hàn giáp mép và ngấu suốt toàn bộ chiều dày của bộ phận được nối.
2 Yêu cầu kĩ thuật
(1) Quy trình hàn sử dụng trong chế tạo, sửa chữa nồi hơi và bình chịu áp lực phải được Đăng kiểm phê duyệt.
(2) Cho phép phục hồi chỗ bị mòn của thành nồi hơi và bình chịu áp lực bằng hàn đắp với điều kiện diện tích phần được hàn đắp không được lớn hơn 500 cm2, độ sâu của vùng bị hao mòn không vượt quá 30% chiều dày thành. Nếu các điều kiện trên không thỏa mãn thì phần hư hỏng phải được cắt bỏ và thay thế.
(3) Kiểm tra hàn nồi hơi và bình chịu áp lực
(a) Trong chế tạo mới, sửa chữa nồi hơi và bình chịu áp lực, mối hàn giáp mép phải được kiểm tra bằng chụp ảnh phóng xạ hoặc siêu âm với khối lượng cho trong Bảng 6B/7.3.
(b) Mối hàn giáp mép của các đường ống hơi chính không phụ thuộc áp suất công tác, thường làm việc ở nhiệt độ lớn hơn 350 ºC, của các đường ống khác có áp suất làm việc lớn hơn 0,16 MPa và có đường kính trong lớn hơn 20 mm phải được kiểm tra bằng phương pháp không phá hủy với khối lượng sau:
(i) Đường kính ngoài của ống lớn hơn 75 mm: từng mối hàn;
(ii) Đường kính ngoài của ống bằng 32÷75 mm: 10% số mối hàn (ít nhất một trong số các mối hàn do một công nhân hàn phải được kiểm tra. Nếu có một mối hàn được phát hiện không đạt yêu cầu chất lượng thì tất cả các mối hàn do công nhân đó hàn phải được kiểm tra lại);
(4) Kiểm tra hàn các chi tiết, kết cấu đặc biệt
Mỗi mối hàn của các kết cấu chịu tải trọng lớn (mối hàn của trụ tháp cần cẩu, cột và dầm công son ...) phải được kiểm tra bằng các phương pháp nêu ở 2.5.3-1 của Phần này với khối lượng công việc được Đăng kiểm chấp thuận.
Bảng 6B/7.3 - Khối lượng kiểm tra mối hàn các nồi hơi và bình chịu áp lực
| TT | Kết cấu | Khối lượng kiểm tra NDT đường hàn |
| I | Nồi hơi với áp suất làm việc lớn hơn 0,35 MPa Bình chứa có nhiệt độ làm việc lớn hơn 350 ºC Bình chứa có thành dày trên 35 mm Bình chứa có áp suất làm việc lớn hơn 4 MPa Bình chứa chất lỏng độc và dễ cháy Nồi hơi với áp suất làm việc không lớn hơn 0,35 MPa | Với mối hàn dọc: 100% Với mối hàn ngang: 50% |
| II | Bình chứa có áp suất làm việc lớn hơn 1MPa nhưng không lớn hơn 4 MPa Bình chứa có thành dày 16-35 mm | Đối với tất cả các mối hàn: 25% |
| III | Kết cấu không thuộc nhóm I và II | Đối với tất cả các mối hàn, siêu âm: 10% |
7.3 Hàn đường ống tàu thủy
7.3.1 Quy định chung
1 Các phương pháp và vật liệu hàn được dùng trong chế tạo và sửa chữa đường ống trên tàu phải bảo đảm cho mối hàn có cơ tính không nhỏ hơn cơ tính của vật liệu đường ống.
2 Kiểu mối hàn đường ống phải thỏa mãn yêu cầu của tiêu chuẩn khác có liên quan.
7.3.2 Yêu cầu kỹ thuật
1 Vật liệu hàn được dùng cho đường ống thép phải thỏa mãn yêu cầu nêu ở Chương 6 của Phần này.
2 Trong các mối hàn giáp mép, mối hàn phải ngấu toàn bộ vật liệu cơ bản. Cho phép hàn trực tiếp cút với đường ống.
3 Cho phép áp dụng cút cố định trong mối nối giáp mép ống, nếu cút đó không ảnh hưởng xấu đến tính khai thác của đường ống.
7.4 Hàn thép đúc và thép rèn
7.4.1 Quy định chung
1 Việc hàn đắp để khử khuyết tật trong sản phẩm đúc rèn, để chế tạo các kết cấu hàn hỗn hợp từ thép đúc và thép rèn (sống mũi, sống đuôi, giá đỡ trục chân vịt, trục bánh lái ...) để sửa chữa các chi tiết được chế tạo bằng phương pháp kết hợp (đúc-rèn-hàn) phải tuân theo yêu cầu của Phần này.
2 Trong trường hợp hàn thép đúc và thép rèn có hàm lượng các-bon cao hơn 0,25% phải tiến hành gia nhiệt không phụ thuộc vào phương pháp hàn. Nhiệt độ và chế độ gia nhiệt phải được xác định theo yêu cầu mục 2.3.4 của Chương 2 Phần này.
7.4.2 Yêu cầu kĩ thuật
1 Chỉ cho phép hàn đắp khuyết tật ở vật liệu đúc và vật liệu rèn theo quy trình được Đăng kiểm phê duyệt.
2 Việc khử khuyết tật trong vật đúc và rèn thường phải được tiến hành trước lần nhiệt luyện cuối cùng. Chỉ được phép hàn vết nứt để sửa chữa khuyết tật sau lần nhiệt luyện cuối cùng trong những trường hợp ngoại lệ.
3 Hàn đắp khuyết tật của vật đúc phải được tiến hành sau khi đã loại bỏ đầu thừa, vật liệu khuôn, xỉ và các chất bẩn khác.
4 Trước khi hàn đắp phải làm sạch hoàn toàn chỗ vật liệu bị khuyết tật hoặc nứt và tạo rãnh để đảm bảo hàn ngấu hoàn toàn.
7.5 Hàn kết cấu nhôm và hợp kim nhôm
7.5.1 Quy định chung
1 Việc sử dụng phương pháp, vật liệu hàn nhôm và hợp kim nhôm trong đóng mới và sửa chữa tàu thủy phải tuân theo quy trình được Đăng kiểm phê duyệt.
Vật liệu và phương pháp hàn được áp dụng để hàn nhôm và hợp kim nhôm phải đảm bảo tẩy sạch được lớp ôxít nhôm trên bề mặt vật liệu cơ bản. Vật liệu dùng làm thuốc hàn nhôm phải đảm bảo tạo xỉ trung tính.
2 Mối hàn nên được bố trí ở vùng có ứng suất thấp. Nên tiến hành hàn ở vị trí thuận lợi để dễ bảo vệ và tạo hình mối hàn. Tốt nhất là hàn trên mặt bằng.
7.5.2 Yêu cầu kĩ thuật
1 Trước khi hàn, vật liệu cơ bản phải được làm sạch dầu mỡ, chất bẩn và màng ôxít trên bề mặt bằng phương pháp hóa học hoặc cơ học. Bề mặt vật liệu cơ bản phải được làm sạch theo thứ tự: rửa sạch bằng nước, đánh sạch lớp ôxit, rửa lại bằng nước, sấy khô. Vật liệu hàn phải được kiểm tra đảm bảo yêu cầu kỹ thuật.
2 Trước khi hàn giáp mép, vùng mép hàn phải được tẩy sạch dầu mỡ bằng hoá chất với chiều rộng cách mép hàn ít nhất là 100 mm và phải tẩy sạch màng ôxít bằng chổi thép không gỉ hoặc bằng đĩa phủ ôxít nhôm với chiều rộng 1525 mm. Không được phép dùng xà phòng hoặc xút để tẩy mép hàn.
3 Khi hàn giáp mép cả hai phía, trước khi hàn phía sau phải khử hết phần kim loại bị ôxy hóa và các khuyết tật ở gốc mối hàn bằng các phương pháp cơ như: đục, bào, phay. Không được phép dùng đá mài để đánh sạch gốc mối hàn.
4 Khi hàn giáp mép một phía, nếu dùng tấm lót tạm thời phía sau thì tấm lót phải là thép không gỉ, gốm hoặc hợp kim nhôm.
Nếu không thể dùng tấm lót tạm thời thì cho phép dùng tấm lót cố định bằng hợp kim nhôm có cấp tương đương với cấp của vật liệu cơ bản.
5 Mối hàn hợp kim nhôm phải không có vết nứt và khuyết tật vượt quá giới hạn cho phép.
7.6 Hàn gang, đồng và hợp kim đồng
Khi dùng phương pháp hàn để sửa chữa các khuyết tật hoặc hàn các chi tiết bằng gang; hàn nối, hàn đắp các chi tiết bằng đồng hay hợp kim đồng thì phải theo quy trình được Đăng kiểm phê duyệt.
7.7 Biến dạng hàn và sửa nắn
7.7.1 Khi chế tạo kết cấu hàn, phải áp dụng các biện pháp công nghệ và phương tiện thi công nhằm đảm bảo hạn chế các biến dạng chung và cục bộ.
7.7.2 Biến dạng hàn của kết cấu thân tàu vượt qua giới hạn cho phép ghi trong Bảng 6B/7.1 phải được khử. Phương pháp và công nghệ sửa nắn được áp dụng phải phù hợp với công nghệ chế tạo kết cấu. Việc sửa nắn kết cấu được tiến hành bằng gia nhiệt, tránh đến mức tối đa các biện pháp va đập.
7.8 Hàn vết nứt
7.8.1 Để quyết định phương pháp sửa chữa vết nứt trong kết cấu thân tàu, thiết bị hoặc hệ thống trên tàu cần phải tìm nguyên nhân cụ thể gây ra hư hỏng. Tùy thuộc nguyên nhân và đặc tính hư hỏng, việc sửa chữa có thể được thực hiện bằng hàn vết nứt hoặc thay thế các kết cấu hoặc chi tiết liên quan. Không cho phép hàn vết nứt do hậu quả của ứng suất nhiệt.
7.8.2 Khi sửa chữa theo 7.8.1 của Phần này, phải cố gắng loại trừ những nguyên nhân gây ra hư hỏng.
7.8.3 Việc hàn vết nứt xuyên suốt trong tấm hoặc thép hình phải theo trình tự dưới đây:
1 Xác định toàn bộ chiều dài vết nứt bằng các biện pháp thích hợp;
2 Phải chặn hai đầu vết nứt bằng các lỗ khoan xuyên suốt có đường kính từ 5÷8 mm;
3 Dọc theo vết nứt phải vát mép phù hợp;
4 Sau khi hàn xong vết nứt, các lỗ khoan chặn phải được hàn đầy.
7.8.4 Phải vát mép đến hết chiều sâu của vết nứt. Trong quá trình chuẩn bị rãnh hàn cần kiểm tra chiều sâu vết nứt theo từng khoảng cách đều nhau bằng khoan hay bằng phương pháp dò khuyết tật khác.
7.8.5 Mối hàn vết nứt phải được đắp đầy đến bề mặt vật liệu cơ bản.
CHƯƠNG 8 KIỂM TRA KHÔNG PHÁ HỦY (NDT)
8.1 Quy định chung
8.1.1 Kiểm tra không phá hủy thường được thực hiện bởi nhà máy đóng tàu hoặc các nhà cung cấp dịch vụ được công nhận bởi Đăng kiểm hoặc bởi các tổ chức khác được Đăng kiểm ủy quyền.
8.1.2 Nhà máy đóng tàu có trách nhiệm đảm bảo rằng các thông số kỹ thuật, quy trình thực hiện được tuân thủ trong suốt quá trình đóng tàu và các báo cáo liên quan về kết quả của việc kiểm tra không phá hủy được cung cấp cho Đăng kiểm.
8.2 Phạm vi và tiêu chuẩn áp dụng
8.2.1 Áp dụng cho việc kiểm tra không phá hủy các mối hàn giáp mép của kết cấu thân tàu và trang thiết bị.
8.2.2 Phương pháp kiểm tra, tiêu chuẩn đánh giá khuyết tật nêu tại Chương này phải phù hợp với các yêu cầu tại 4.5 Phần 6, Chương 4 Sửa đổi 3:2018 QCVN 21: 2015/BGTVT.
PHẦN 7 ỔN ĐỊNH NGUYÊN VẸN
CHƯƠNG 1 QUY ĐỊNH CHUNG
1.1 Phạm vi áp dụng
1.1.1 Phần này quy định các yêu cầu về ổn định cho tàu thuộc phạm vi điều chỉnh nêu tại 1.1 Chương 1 Mục I của Quy chuẩn này.
1.1.2 Tàu được coi là đủ ổn định nếu thỏa mãn các yêu cầu của Phần này và các Phần liên quan đến ổn định được quy định trong Quy chuẩn này.
1.2 Giải thích từ ngữ
Ngoài các từ ngữ chung được giải thích tại các Phần của Quy chuẩn này, trong Phần này sử dụng các từ ngữ dưới đây:
1.2.1 Áp lực gió - là áp lực tính toán giả định của gió (tĩnh hoặc động);
1.2.2 Cấp gió - sức gió theo cấp tính toán;
1.2.3 Chiều cao sóng - chiều cao tính toán của sóng theo xác suất vượt được chấp nhận ở từng vùng hoạt động;
1.2.4 Biên độ lắc - biên độ tính toán của lắc ngang trên sóng không điều hòa có chiều cao sóng ứng với từng vùng hoạt động;
1.2.5 Mô men nghiêng (tĩnh hoặc động) - mô men gây ra bởi ngoại lực làm cho tàu nghiêng;
1.2.6 Mô men nghiêng cho phép (tĩnh hoặc động) - mô men giới hạn xác định theo điều kiện đảm bảo ổn định của tàu;
1.2.7 Diện tích hứng gió - diện tích hình chiếu phần phía trên đường nước của tàu lên mặt phẳng đối xứng khi tàu ở tư thế thẳng;
1.2.8 Góc vào nước θv - góc nghiêng nhỏ nhất mà khi tàu nghiêng tới góc đó thì nước bắt đầu tràn qua các lỗ hở vào bên trong không gian của tàu;
1.2.9 Góc lật θl - góc nghiêng mà tàu bị lật do tác động của mô men nghiêng động;
1.2.10 Lỗ hở - những lỗ ở boong chính, mạn tàu, thượng tầng không có nắp đậy kín thời tiết hoặc có nắp đậy kín thời tiết nhưng không tiếp cận được trong tình huống sự cố.
1.2.11 Hàng lỏng - các loại chất lỏng có ở trên tàu như: hàng lỏng tàu chở chất lỏng, nước dằn...;
1.2.12 Dự trữ là nhiên liệu, nước ngọt, thực phẩm, dầu bôi trơn, vật liệu tiêu thụ...
1.2.13 Hàng rời - hàng dễ bị xáo trộn (hạt, cát, đá, sỏi khô...);
1.2.14 Đường giới hạn chiều chìm - đường thẳng mà mép trên của nó trùng với chiều chìm lớn nhất của tàu khi hoạt động trong vùng nước ứng với cấp quy định;
1.2.15 Mạn khô - khoảng cách thẳng đứng từ mép trên của đường boong tới mép trên của đường giới hạn chiều chìm được đo trên mạn tại mặt phẳng sườn giữa tàu;
1.2.16 h0 = r0 - (zg - zc) - chiều cao tâm nghiêng ban đầu, m;
Trong đó:
| r0 | - | bán kính tâm nghiêng ban đầu, m; |
| zc | - | chiều cao tâm nổi, m; |
| zg | - | chiều cao trọng tâm tàu, m. |
1.2.17 Góc nghiêng lớn nhất - góc nghiêng không được vượt quá theo quy định của Quy chuẩn này;
1.2.18 Tâm hứng gió - Trọng tâm của diện tích hứng gió;
1.2.19 Tàu kín - là tàu có các nắp hầm hàng và nắp hầm khác trên các phần lộ thiên của boong mạn khô có lối dẫn xuống các không gian kín phía dưới boong mạn khô đảm bảo đủ độ bền, tính kín nước hoặc kín thời tiết theo quy định cho từng cấp tàu;
1.2.20 Tàu hở - là tàu không phải tàu kín.
1.3 Các yêu cầu chung về ổn định
1.3.1 Điều kiện đủ ổn định
Tàu được công nhận là đủ ổn định nếu các trạng thái tải trọng được quy định trong Phần này, đồng thời thỏa mãn:
1 Tiêu chuẩn ổn định cơ bản - quy định tại Chương 2 của Phần này cho các cấp tàu;
2 Các yêu cầu bổ sung - quy định theo loại và công dụng của tàu nêu ở Chương 3 của Phần này;
3 Ổn định ban đầu - chiều cao tâm nghiêng ban đầu có xét đến ảnh hưởng của hàng lỏng, phải có giá trị không nhỏ hơn 0,2 m.
1.3.2 Trạng thái tải trọng tiêu chuẩn
1 Ổn định của tàu tùy thuộc vào loại tàu và cấp tàu, tàu phải được đánh giá ở mọi trạng thái tải trọng tiêu chuẩn được quy định ở Chương 3 của Phần này. Nếu những loại tàu mà trong Chương 3 không có quy định gì đặc biệt thì phải kiểm tra ổn định ở các trạng thái tải trọng tiêu chuẩn sau:
(1) Trạng thái 1: tàu có 100% lượng hàng, 100% dự trữ và nhiên liệu;
(2) Trạng thái 2: tàu không hàng, 10% dự trữ và nhiên liệu, có dằn;
(3) Trạng thái 3: tàu không hàng, 10% dự trữ và nhiên liệu, không dằn;
(4) Trong trường hợp các trạng thái xếp hàng khác các trạng thái từ (1) đến (3) trên, nếu cần thiết thì ổn định của tàu có thể tính toán đối với các trạng thái trên với toàn bộ dự trữ và 10% dự trữ và nước dằn.
2 Nếu trong điều kiện khai thác có những trạng thái tải trọng nguy hiểm hơn những trạng thái quy định ở điều này và ở Chương 3 của Phần này thì phải kiểm tra ổn định ở những trạng thái đó.
1.3.3 Các yêu cầu khác
1 Sơ đồ các khoang kín phải có đầy đủ các thông tin để tính toán vị trí trọng tâm cũng như các hệ số hiệu chỉnh ảnh hưởng mặt thoáng của hàng lỏng tới ổn định của tàu.
2 Sơ đồ, bản vẽ các boong của các tàu khách phải thể hiện các khu vực bố trí và di chuyển hành khách và kể cả mức độ tập trung lớn nhất của hành khách đối với trường hợp xấu nhất khi hành khách tập trung ở một bên mạn.
3 Khối lượng dằn cứng trên tàu phải được đưa vào thành phần khối lượng tàu không.
4 Các góc nghiêng cho phép phải được xác định khi thể tích của tàu không đổi.
5 Đối với tất cả các trường hợp tải trọng, các đồ thị ổn định phải được tính toán có xét tới ảnh hưởng mặt thoáng của các hàng lỏng.
6 Phải lập các bản tổng hợp kết quả tính toán lượng chiếm nước, vị trí trọng tâm, ổn định ban đầu và độ chúi và kể cả các bản tổng hợp kết quả tính toán ổn định theo yêu cầu của Phần này.
7 Cách tính ảnh hưởng của hàng lỏng
(1) Ảnh hưởng mặt thoáng chất lỏng đến ổn định của tàu phải được xét đến khi lượng điền đầy két nhỏ hơn 98% thể tích lớn nhất của chúng. Ảnh hưởng mặt thoáng của các két nhỏ trong các tính toán ổn định. Có thể bỏ qua ảnh hưởng mặt thoáng chất lỏng trong các két dằn, két nhiên liệu và các két khác nếu thỏa mãn điều kiện sau đây:
![]()
Trong đó:

Bảng 7/1.1- Hệ số k để xét ảnh hưởng của mặt thoáng trong két
| b/h | k | b/h | k |
| 0,1 | 0 | 1,0 | 0,050 |
| 0,25 | 0,009 | 1,5 | 0,072 |
| 0,5 | 0,023 | 2,0 | 0,089 |
| 0,75 | 0,037 | 3,0 | 0,110 |
(2) Khi tính toán ảnh hưởng mặt thoáng chất lỏng có thể áp dụng một trong hai cách sau:
(a) Các két có lượng điền đầy cố định (ví dụ như két hàng đối với tàu chở hàng lỏng và các két nước dằn) thì hiệu chỉnh được lấy theo mức thực tế chất lỏng trong két;
(b) Các két có mức độ điền đầy thay đổi (ví dụ như các chất lỏng tiêu thụ như các két nhiên liệu, két nước ngọt cũng như két hàng lỏng và két dằn nếu tàu có thực hiện quá trình giao nhận hàng). Ngoại trừ các két được quy định theo 1.3.3-7(3) thì hiệu chỉnh ảnh hưởng mặt thoáng hàng lỏng được lấy lớn nhất trong phạm vi thay đổi của két đã được chỉ ra trong quy trình khai thác của tàu
(3) Đối với tàu tham gia hoạt động giao nhận hàng lỏng, ảnh hưởng của hàng lỏng tại các giai đoạn giao nhận khác nhau sẽ được tính toán theo mức độ điền đầy thực tế ở các giai đoạn giao nhận đó.
(4) Hiệu chỉnh chiều cao tâm nghiêng ban đầu và cánh tay đòn ổn định được tính toán như sau:
(a) Hiệu chỉnh chiều cao tâm nghiêng ban đầu ∆mh được tính bằng khối lượng riêng hàng lỏng nhân với mô men quán tính ngang quy ước của mặt thoáng của các két như trong 1.3.3-7(2)đối với tàu cân bằng;
(b) Hiệu chỉnh đối với tay đòn ổn định ∆Mθ được tính toán theo phương pháp sau:
(i) Hiệu chỉnh dựa trên mức điền đầy thực tế của chất lỏng trong két có xét đến sự thay đổi hình dạng mặt thoáng do độ nghiêng của tàu;
(ii) Hiệu chỉnh dựa trên mô men quán tính ngang quy ước của mặt thoáng chất lỏng trong két khi tàu cân bằng và hiệu chỉnh theo góc nghiêng;
(iii) Hiệu chỉnh sự kết hợp các két theo công thức ở 1.3.3-7(5)
(5) Giá trị hiệu chỉnh cho cánh tay đòn ổn định được lấy theo công thức sau đây:

Trong đó:
bT, aT tương ứng là chiều rộng và chiều dài lớn nhất của két;
CB - Hệ số béo thể tích của tàu;
Hệ số iθ được lấy theo Bảng 7/1.2.
Bảng 7/1.2 - Hệ số iθ
| θ° bT/aT | 5 | 10 | 15 | 20 | 30 | 40 | 45 | 50 | 60 | 70 | 75 | 80 | 90 |
| 20 | 0,11 | 0,12 | 0,12 | 0,12 | 0,11 | 0,10 | 0,09 | 0,09 | 0,07 | 0,05 | 0,04 | 0,03 | 0,01 |
| 10 | 0,07 | 0,11 | 0,12 | 0,12 | 0,11 | 0,10 | 0,10 | 0,09 | 0,07 | 0,05 | 0,04 | 0,03 | 0,01 |
| 5 | 0,04 | 0,07 | 0,10 | 0,11 | 0,11 | 0,11 | 0,10 | 0,10 | 0,08 | 0,07 | 0,06 | 0,05 | 0,03 |
| 3 | 0,02 | 0,04 | 0,07 | 0,09 | 0,11 | 0,11 | 0,11 | 0,10 | 0,09 | 0,08 | 0,07 | 0,06 | 0,04 |
| 2 | 0,01 | 0,03 | 0,04 | 0,08 | 0,09 | 0,11 | 0,11 | 0,11 | 0,10 | 0,09 | 0,09 | 0,08 | 0,06 |
| 1,5 | 0,01 | 0,02 | 0,03 | 0,05 | 0,07 | 0,10 | 0,11 | 0,11 | 0,11 | 0,11 | 0,10 | 0,10 | 0,08 |
| 1 | 0,01 | 0,01 | 0,02 | 0,03 | 0,05 | 0,07 | 0,09 | 0,10 | 0,12 | 0,13 | 0,13 | 0,13 | 0,13 |
| 0,75 | 0,01 | 0,01 | 0,02 | 0,02 | 0,04 | 0,05 | 0,07 | 0,08 | 0,12 | 0,15 | 0,16 | 0,16 | 0,17 |
| 0,5 | 0,00 | 0,01 | 0,01 | 0,02 | 0,02 | 0,04 | 0,04 | 0,05 | 0,09 | 0,15 | 0,18 | 0,21 | 0,25 |
| 0,3 | 0,00 | 0,00 | 0,01 | 0,01 | 0,01 | 0,02 | 0,03 | 0,03 | 0,05 | 0,11 | 0,19 | 0,27 | 0,42 |
| 0,2 | 0,00 | 0,00 | 0,00 | 0,01 | 0,01 | 0,01 | 0,02 | 0,02 | 0,04 | 0,07 | 0,13 | 0,27 | 0,63 |
| 0,1 | 0,00 | 0,00 | 0,00 | 0,00 | 0,01 | 0,01 | 0,01 | 0,01 | 0,01 | 0,04 | 0,06 | 0,14 | 1,25 |
1.4 Hồ sơ kỹ thuật về ổn định
1.4.1 Số lượng hồ sơ
Số lượng hồ sơ kỹ thuật phải đủ theo yêu cầu nêu ở Phần 1B Mục II của Quy chuẩn này.
1.4.2 Yêu cầu chung
1 Hồ sơ kỹ thuật trình Đăng kiểm thẩm định phải khẳng định được rằng tàu thỏa mãn các yêu cầu về ổn định được quy định tại Phần này.
2 Trước khi đóng mới hoặc hoán cải tàu, phải trình Đăng kiểm bản tính ổn định, tính theo khối lượng và vị trí trọng tâm giả định của trọng lượng tàu không.
3 Căn cứ vào số liệu thử nghiêng ngang, nếu có sai khác khối lượng tàu không là 2% hoặc sai khác chiều cao trọng tâm của khối lượng tàu không là 5% hoặc sai khác vị trí trọng tâm theo chiều dọc tàu bằng 1% chiều dài tàu so với các số liệu giả định thì phải tính lại ổn định.
4 Các tính toán được thực hiện theo các phương pháp nêu trong lý thuyết tàu. Khi dùng các bảng số cho trong Phần này, các trị số trung gian được xác định bằng phương pháp nội suy bậc nhất.
5 Tỷ lệ các hình vẽ và đồ thị phải thể hiện các thông số rõ ràng và chuẩn xác.
1.5 Đồ thị ổn định
1.5.1 Quy định chung
Kiểm tra ổn định tàu theo yêu cầu cơ bản và yêu cầu bổ sung phải được thực hiện theo các đồ thị ổn định tĩnh và ổn định động tương ứng với các trường hợp tải trọng.
1.5.2 Yêu cầu kỹ thuật
1 Thượng tầng, lầu, miệng hầm hàng được tham gia vào đồ thị ổn định nếu chúng có chiều dài tối thiểu 0,15 chiều dài tàu nếu các lỗ khoét trên đó kín thời tiết và đủ bền. Nếu gỗ cây được chở trên boong kín nước, trên nắp khoang hàng đảm bảo kín thời tiết và gỗ được chằng buộc chắc chắn thì thể tích gỗ được coi là tham gia vào tính nổi của tàu và chiều cao tính toán của gỗ được lấy bằng 0,75 lần chiều cao thực tế của gỗ xếp trên boong nhưng không được cao hơn 2 m.
2 Đối với tàu cấp VR-SB, cánh tay đòn lớn nhất của đường cong ổn định tĩnh phải không được nhỏ hơn 0,25 m.
1.6 Yêu cầu về thông báo ổn định
1.6.1 Quy định chung
1 Bản thông báo ổn định phải được Đăng kiểm thẩm định.
2 Bản thông báo ổn định phải xây dựng theo các số liệu tàu không được xác định bằng thử nghiêng ngang. Bản thông báo phải gồm có:
(1) Các thông số ổn định của tàu ở tất cả các trạng thái tải trọng tiêu chuẩn;
(2) Những hướng dẫn về các hạn chế trong khai thác và các biện pháp cần thiết để bảo đảm ổn định của tàu bao gồm cả các lưu ý về dịch chuyển hàng hóa, tầm nhìn từ lầu lái;
(3) Các đồ thị hỗ trợ, các bảng và các tài liệu khác cho phép thuyền trưởng tự mình đánh giá được ổn định của tàu ở những trạng thái xảy ra trong quá trình khai thác;
(4) Các trị số của trạng thái tải trọng cho phép tới hạn của tàu, nếu có.
3 Đối với tàu cẩu ngoài các số liệu về ổn định còn phải nêu rõ những hạn chế trong sử dụng và điều kiện chuyển vùng. Bản thông báo cho tàu cẩu phải nêu được ổn định ở các tầm với khác nhau và trọng lượng hàng tương ứng trên móc.
1.6.2 Quy định cụ thể
Bản thông báo ổn định phải lập cho các loại tàu sau đây:
1 Tàu khách; phà có trọng tải từ 50 tấn trở lên; tàu thủy lưu trú du lịch ngủ đêm; nhà hàng nổi; khách sạn nổi; tàu công trình có chiều dài trên 30 m (không bao gồm tàu hút không có khoang chở đất); tàu kéo; tàu chuyên dụng đặc biệt có chiều dài trên 20 m; tàu được dùng để chở trên 12 công nhân, nhân viên chuyên môn, nhân viên phục vụ; tàu mang cấp VR- SB; tàu chở công te nơ; tàu chở dầu có tổng dung tích trên 150; tàu chở khí hóa lỏng; tàu chở hàng nguy hiểm; tàu chở hóa chất nguy hiểm; tàu cánh ngầm; tàu đệm khí;
2 Tàu bất kỳ mà ở trạng thái toàn tải có chiều cao tâm hứng gió tính từ đường nước thực tế lớn hơn 2 m;
3 Các tàu khác theo yêu cầu của chủ tàu.
1.7 Thử nghiêng ngang và kiểm tra khối lượng tàu không
1.7.1 Thử nghiêng ngang
1 Đối với những tàu phải lập Thông báo ổn định theo quy định tại 1.6.2 Chương này đều phải thử nghiêng ngang theo quy định tại -2.
2 Đối với các tàu nêu tại 1.6.2, phải tiến hành thử nghiêng ngang cho:
(1) Mỗi tàu đóng đơn chiếc;
(2) Chiếc tàu thứ nhất và chiếc thứ 6, 11, 16... trong loạt đóng mới ở cùng thiết kế và cùng nhà máy;
(3) Tàu được hoán cải mà kết quả tính toán cho thấy:
(a) Khối lượng tàu không thay đổi quá 2%; hoặc
(b) Chiều cao trọng tâm tàu không vượt quá 5% hoặc 50 mm, lấy trị số nhỏ hơn; hoặc
(c) Hoành độ trọng tâm tàu vượt quá 1% chiều dài tàu.
(4) Khi kiểm tra khối lượng tàu không các tàu đóng theo loạt và tàu hoán cải nêu tại (3), nếu khối lượng tàu không hoặc vị trí trọng tâm tàu không theo chiều dọc tàu, được xác định từ việc kiểm tra khối lượng tàu không, sai khác quá 2% khối lượng tàu không hoặc hoành độ trọng tâm sai khác quá 1% chiều dài tàu trong loạt đã được thử nghiêng ngang gần nhất hoặc tàu trước khi hoán cải.
3 Việc thử nghiêng có thể được miễn nếu thông qua đo khối lượng tàu không và tính toán chứng minh rằng tàu có đủ độ dự trữ ổn định khi tăng giá trị của chiều cao trọng tâm tàu không lên 20% so với thiết kế mà các yêu cầu của phần này của Quy chuẩn vẫn thỏa mãn.
1.7.2 Kiểm tra khối lượng tàu không sau đóng mới, hoán cải
1 Đối với tàu không trang bị thông báo ổn định, khi tàu đóng mới, tàu hoán cải mà các thông số tính toán cho thấy làm thay đổi lượng chiếm nước tàu không tải lớn hơn 2% đều phải được tiến hành kiểm tra trọng lượng tàu không.
2 Đối với tàu có trang bị thông báo ổn định
(1) Các tàu đóng theo loạt mà không phải thử nghiêng phải kiểm tra khối lượng tàu không;
(2) Với tàu hoán cải, tàu phải kiểm tra khối lượng tàu không nếu theo kết quả tính toán mà sai khác khối lượng tàu không thay đổi quá 1% hoặc sai khác hoành độ trọng tâm quá 0,5% chiều dài tàu.
CHƯƠNG 2 YÊU CẦU CƠ BẢN VỀ ỔN ĐỊNH
2.1 Tiêu chuẩn ổn định cơ bản
2.1.1 Quy định chung
Theo tiêu chuẩn cơ bản, các tàu được coi là đủ ổn định nếu khi hoạt động trên nước lặng hoặc trên sóng (xác định theo cấp tàu) tàu chịu được tác dụng động của gió, thỏa mãn điều kiện tại -1 đến -3 dưới đây:
1 Các tàu (trừ tàu khách, tàu thủy lưu trú du lịch ngủ đêm, nhà hàng nổi, khách sạn nổi):
Mchp/Mng ≥ 1
Trong đó:
| Mng | - | mô men nghiêng bởi gió, kN.m, xác định theo 2.2 |
| Mchp | - | mô men cho phép giới hạn, kN.m, tính theo 2.3.6. |
2 Đối với tàu khách, tàu thủy lưu trú du lịch ngủ đêm, nhà hàng nổi, khách sạn nổi:
Mchp/Mng ≥ 2
Trong đó: Mchp, Mng xem 2.1.1-1.
3 Đối với các tàu khách, tàu thủy lưu trú du lịch ngủ đêm, nhà hàng nổi, khách sạn nổi cấp VR-SB:
K = b/a ≥ 1
Trong đó a, b là các diện tích được xác định từ đồ thị cánh tay đòn ổn định tĩnh (xem Hình 7/2.1) khi thỏa mãn các điều kiện sau đây:

Hình 7/2.1 - Đồ thị cánh tay đòn ổn định tĩnh
(1) Tàu chịu tác dụng bởi gió đều vuông góc với mặt phẳng dọc tâm, gió này tương ứng với cánh tay đòn của mô men gây nghiêng do gió lw1;
(2) Dưới tác dụng của sóng tàu nghiêng sang mạn từ góc nghiêng tĩnh θ0 (trong mọi trường hợp không vượt quá 16°) gây ra bởi tác dụng của gió đều và tương ứng với giao điểm thứ nhất của đường nằm ngang lw1 và đường cong cánh tay đòn hồi phục l = f(θ) tới một góc bằng biên độ lắc ngang θm;
(3) Tàu bị nghiêng chịu tác dụng động bởi gió giật, tương ứng với cánh tay đòn mô men gây nghiêng lw2;
(4) Để tính K, các diện tích a và b được gạch chéo trên hình Hình 7/2.1 và so sánh với nhau. Diện tích b được giới hạn bởi đường cong cánh tay đòn hồi phục l = f(θ), đường nằm ngang tại mức của cánh tay đòn mô men gây nghiêng lw2 và góc nhỏ nhất trong số các góc sau: góc nghiêng θm = 50°; góc vào nước θv và góc lật θl. Diện tích a được giới hạn bởi đường nằm ngang tại mức của cánh tay đòn mô men ngây nghiêng lw2 và góc nghiêng bằng θ0 − θm;
(5) Cánh tay đòn lw1 của mô men gây nghiêng do gió được lấy bằng hằng số đối với tất cả các góc và được tính theo công thức:
![]()
Trong đó:
| p | - | Áp suất gió tĩnh tính toán, p = 252 Pa; |
| z | - | cánh tay đòn nghiêng quy đổi khi tàu xảy ra đồng thời nghiêng và dạt, m, xác định theo 2.2.3; |
| A |
| diện tích mặt hứng gió, m2, xác định theo 2.2.2; |
| ∆ | - | Lượng chiếm nước của tàu tại chiều chìm theo điều kiện tải trọng tính toán, tấn; |
| g | - | Gia tốc rơi tự do, g=9,81 m/s2; |
(6) Cánh tay đòn gây nghiêng lw2 được tính theo công thức:
lw2 = 1,5lw1
(7) Biên độ lắc ngang θm được xác định theo các yêu cầu tại 2.3.
2.1.2 Ảnh hưởng của sóng đến mô men cho phép giới hạn
Đối với tàu cấp VR-SB, VR-SI khi kiểm tra ổn định theo tiêu chuẩn thời tiết phải kiểm tra có xét đến ảnh hưởng của lắc ngang theo 2.3, đối với tàu cấp VR-SII và SIII chỉ kiểm tra trên nước tĩnh, được bỏ qua ảnh hưởng của lắc ngang. Đối với tàu cấp VR-SII được phép hoạt động ở vùng SI có hạn chế thời tiết thì khi kiểm tra ổn định phải xét đến ảnh hưởng của lắc ngang.
2.2 Mô men nghiêng
2.2.1 Mô men nghiêng do tác dụng động của gió
Mô men nghiêng động tác dụng lên tàu, kN.m, được xác định theo công thức:
Mng = 0,001pAz
Trong đó:
| A | - | diện tích mặt hứng gió, m2, xác định theo 2.2.2; |
| z | - | cánh tay đòn nghiêng quy đổi khi tàu xảy ra đồng thời nghiêng và dạt, m, xác định theo 2.2.3; |
| p | - | áp suất gió giật, Pa, lấy theo Bảng 7/2.1, phụ thuộc vào vùng hoạt động và chiều cao tâm hứng gió ZT, m. ZT là chiều cao tâm hứng gió trên mặt phẳng đường nước đang xét. |
Bảng 7/2.1- Áp lực động tính toán của gió (Pa) ứng với chiều cao tâm hứng gió ZT
| ZT (m) Cấp tàu | 0,5 | 1,0 | 1,5 | 2,0 | 2,5 | 3,0 | 4,0 | 5,0 | 6,0 |
| VR-SB | 177 | 196 | 216 | 235 | 255 | 265 | 284 | 304 | 324 |
| VR-SI | 157 | 177 | 196 | 216 | 235 | 255 | 265 | 284 | 304 |
| VR-SII VR-SIII | 127 | 147 | 167 | 186 | 207 | 216 | 235 | 255 | 275 |
2.2.2 Xác định diện tích mặt hứng gió
1 Diện tích mặt hứng gió bao gồm các hình chiếu lên mặt phẳng đối xứng của tàu ở tư thế thẳng của tất cả các bề mặt của thân tàu, thượng tầng, gồm: lầu lái, ống khói, ống thông gió, các máy trên boong, hàng trên boong và những mái che không tháo được.
Đối với những bề mặt của tàu có nhiều lỗ hổng như: lan can, khung cần cẩu kiểu lưới thì diện tích hứng gió của chúng được tính gần đúng bằng cách tăng diện tích hứng gió của các mặt kín lên 5%; còn mô men tĩnh đối với mặt phẳng cơ bản tăng thêm 10%.
2 Nếu không áp dụng cách tính ảnh hưởng các bề mặt không kín nêu tại 2.2.2-1 trên thì diện tích hứng gió của các bề mặt không kín được tính bằng cách lấy diện tích hình bao của chúng nhân với hệ số dày đặc. Hệ số dày đặc được lấy như sau:
(1) Đối với lan can có lưới: 0,6
(2) Đối với lan can không có lưới: 0,2
(3) Đối với khung cần cẩu có dạng lưới: 0,5
(4) Đối với dây chằng buộc: 0,6
Đối với từng bộ phận cụ thể, diện tích hứng gió của chúng phải nhân với hệ số thoát gió là 1,0.
Đối với bề mặt phần khô của thân tàu, thượng tầng và lầu lái dạng thông thường (không thoát gió), hệ số thoát gió lấy bằng 1,0. Thượng tầng và lầu lái dạng thoát gió được lấy hệ số thoát gió bằng và lớn hơn 0,6 và được xác định bằng các số liệu tính toán và thực nghiệm tương ứng.
Đối với những phần đứng biệt lập và có dạng thoát gió (ống khói, ống thông gió...) hệ số thoát gió bằng 0,6.
Nếu hình chiếu của các bề mặt riêng biệt, che khuất nhau hoàn toàn hoặc từng phần thì khi tính những phần chồng lên nhau chỉ cần lấy diện tích một hình chiếu. Nếu các hình chiếu che khuất nhau có hệ số thoát gió khác nhau thì phải tính bề mặt có hệ số thoát gió lớn hơn.
2.2.3 Cánh tay đòn gây nghiêng quy đổi do gió động tác dụng
Cánh tay đòn gây nghiêng quy đổi do gió động tác dụng, m, được xác định theo công thức:
![]()
Trong đó:
| ZT | - | khoảng cách thẳng đứng từ tâm của diện tích hứng gió tới mặt phẳng đường nước của tàu (xem 2.2.1), m; |
| a1, a2 | - | hệ số xem 2.2.4; |
| d | - | chiều chìm trung bình của tàu tương ứng với đường nước đang xét, m. |
2.2.4 Hệ số a1 và a2
Hệ số a1 xét ảnh hưởng của lực cản nước tới nghiêng ngang áp dụng cho cánh tay đòn nghiêng Z được lấy ở Bảng 7/2.2 theo tỷ số B/d (B và d là chiều rộng và chiều chìm trung bình của tàu ở đường nước đang xét, m).
Hệ số a2 xét ảnh hưởng của lực quán tính tới cánh tay đòn nghiêng Z được lấy ở Bảng 7/2.3 theo tỷ số Zg/B (Zg là khoảng cách thẳng đứng từ trọng tâm của tàu tới mặt phẳng cơ bản, m).
Bảng 7/2.2 - Hệ số a1
| B/d | ≤ 2,5 | 3,0 | 4,0 | 5,0 | 6,0 | 7,0 | 8,0 | 9,0 | > 10 |
| a1 | 0,4 | 0,41 | 0,46 | 0,60 | 0,81 | 1,00 | 1,20 | 1,28 | 1,30 |
Bảng 7/2.3 - Hệ số a2
| Zg/B | 0,15 | 0,2 | 0,25 | 0,3 | 0,35 | 0,5 | > 0.45 |
| a2 | 0,66 | 0,58 | 0,46 | 0,34 | 0,22 | 0,1 | 0 |
2.3 Biên độ lắc ngang
2.3.1 Biên độ lắc ngang của tàu hông tròn không có thiết bị giảm lắc
Biên độ lắc ngang θm, độ, của tàu hông tròn không có các vây giảm lắc hông (hoặc ky hộp) được xác định theo Bảng 7/2.4, phụ thuộc vào trị số m, 1/s, được xác định theo công thức:
m = m1m2m3
Trong đó:
m1, m2, m3 - xác định theo 2.3.3.
2.3.2 Biên độ lắc ngang của tàu hông bẻ góc và tàu guồng
Đối với tàu hông bẻ góc và tàu guồng, biên độ lắc tính toán tương ứng được lấy bằng 0,75 và 0,80 của trị số cho trong Bảng 7/2.4.
Bảng 7/2.4 Biên độ lắc ngang θm, độ
| m Cấp tàu | 0,4 | 0,6 | 0,8 | 1,0 | 1,2 | 1,4 | 1,6 | 1,8 |
| VR-SB | 14 | 18 | 24 | 28 | 30 | 31 | 31 | 31 |
| VR-SI | 9 | 10 | 13 | 17 | 20 | 23 | 24 | 24 |
| VR-SII (*) | 5 | 5 | 6 | 8 | 10 | 13 | 15 | 16 |
| Chú thích: (*) Đối với tàu cấp SII được phép hoạt động ở vùng SI có hạn chế về thời tiết. | ||||||||
2.3.3 Xác định các hệ số m1, m2, m3
1 Hệ số m1, 1/s, đặc trưng cho tần số của dao động bản thân của tàu trên nước lặng được xác định theo công thức:

Trong đó:
h0 - chiều cao tâm nghiêng, m, ứng với tải trọng đang xét nhưng không tính ảnh hưởng mặt thoáng của hàng lỏng;
m0 - trị số lấy theo Bảng 7/2.5 phụ thuộc vào trị số:

Trong đó
V - thể tích chiếm nước của tàu ở chiều chìm trung bình ứng với đường nước đang xét, m3;
Zg - chiều cao trọng tâm của tàu tính từ mặt phẳng cơ bản ở trạng thái tải trọng đang xét, m;
B - chiều rộng của tàu tại đường nước đang xét, m.
Bảng 7/2.5 - Giá trị các hệ số n1, m0
| n1 | ≤ 0,1 | 0,15 | 0,25 | 0,50 | 0,75 | 1,00 | 1,50 | 2,00 | 2,50 | ≥ 3,0 |
| m0 | 0,42 | 0,52 | 0,78 | 1,38 | 1,94 | 2,40 | 3,00 | 3,30 | 3,50 | 3,60 |
2 Hệ số m2, m3 - hệ số không thứ nguyên, xét tới ảnh hưởng của hình dáng thân tàu đối với biên độ lắc ngang lấy theo Bảng 7/2.6 và Bảng 7/2.7.
2.3.4 Biên độ lắc ngang của tàu có vây giảm lắc hoặc sống đáy đứng
Biên độ lắc ngang của tàu có vây giảm lắc hoặc có sống đáy đứng, được xác định theo công thức:
θm = kθmo
Trong đó:
θmo - biên độ lắc ngang của tàu không có vây giảm lắc hoặc sống đáy đứng, độ;
k - hệ số điều chỉnh lấy theo Bảng 7/2.8, phụ thuộc vào q, biểu thị lượng giảm lắc khi có vây giảm lắc:
![]()
Trong đó
B - chiều rộng đường nước, m;
cw - hệ số béo diện tích đường nước thực tế của tàu;
r - hệ số, m-0,5, được lấy theo 2.3.5.
Bảng 7/2.6 - Hệ số m2
| B/d | ≤ 2,5 | 3,0 | 3,5 | 4,0 | 5,0 | 6,0 | 7,0 | 8,0 | 9,0 | ≥ 10,0 |
| m2 | 1,0 | 0,9 | 0,81 | 0,78 | 0,81 | 0,87 | 0,92 | 0,96 | 0,9 | 1,00 |
Bảng 7/2.7 - Hệ số m3
| CB | ≤ 0,45 | 0,50 | 0,55 | 0,60 | 0,65 | 0,70 | 0,75 | ≥ 0,80 |
| m3 | 1,00 | 0,95 | 0,86 | 0,77 | 0,72 | 0,69 | 0,67 | 0,66 |
Bảng 7/2.8 - Hệ số k
| q | 0 | 1,00 | 2,00 | 3,00 | 4,00 | 5,00 | 6,00 | 7,00 | ≥ 8,00 |
| k | 1,00 | 0,95 | 0,85 | 0,77 | 0,72 | 0,68 | 0,65 | 0,63 | 0,62 |
2.3.5 Xác định hệ số r
Hệ số r, m-0,5, xét tới lượng tăng sức cản của nước đối với lắc ngang của tàu có lắp vây giảm lắc, được tính như sau:
r = (r1 + r2) r3
Trong đó:
| r1 | - | biểu thị hiệu quả của vây giảm lắc và ky hộp (sống đáy đứng), lấy theo Bảng 7/2.9, phụ thuộc vào tỷ số 100Sk/(LB)%, (L và B là chiều dài, chiều rộng đường nước đang xét, m); |
| Sk | - | tổng diện tích vây giảm lắc và hình chiếu sống đáy đứng lên mặt phẳng đối xứng của tàu, m2; |
| r2, r3 | - | các hệ số xét tới ảnh hưởng của hình dạng thân tàu đối với hiệu quả của vây giảm lắc. Các hệ số này lấy theo Bảng 7/2.10 và Bảng 7/2.11 tương ứng, phụ thuộc vào hệ số béo thể tích CB và tỷ số B/d (d - chiều chìm trung bình theo đường nước thực tế của tàu, m). |
Bảng 7/2.9 - Hệ số r1
| 100Sk/(LB), % | 0,70 | 1,00 | 1,50 | 2,00 | 2,50 | 3,00 | 3,50 | ≥ 4,00 |
| r1 | 0,14 | 0,24 | 0,44 | 0,68 | 0,94 | 1,20 | 1,48 | 1,66 |
Bảng 7/2.10 - Hệ số r2
| CB | ≤0,45 | 0,50 | 0,55 | 0,60 | 0,65 | 0,70 | 0,75 | 0,80 | ≥ 0,85 |
| r2 | 0 | 0,06 | 0,18 | 0,35 | 0,51 | 0,65 | 0,71 | 0,68 | 0,64 |
Bảng 7/2.11 - Hệ số r3
| B/d | 2,50 | 3,00 | 4,00 | 5,00 | 6,00 | 7,00 | 8,00 | 9,00 | ≥ 10 |
| r3 | 1,40 | 1,48 | 1,58 | 1,83 | 2,00 | 2,17 | 2,34 | 2,50 | 2,60 |
2.3.6 Biên độ lắc ngang của tàu cấp VR-SB (trừ tàu khách, tàu thủy lưu trú du lịch ngủ đêm, nhà hàng nổi, khách sạn nổi)
1 Biên độ lắc ngang của tàu mà hông tròn và không có vây giảm lắc được tính theo công thức sau:
![]()
Trong đó:

2 Nếu tàu có vây giảm lắc thì biên độ lắc được tính theo công thức sau:
![]()
Trong đó k là hệ số phụ thuộc vào diện tích vây giảm lắc ![]()
![]()
2.3.7 Biên độ lắc ngang của tàu khách, tàu thủy lưu trú du lịch ngủ đêm, nhà hàng nổi, khách sạn nổi cấp VR-SB
Biên độ lắc ngang của tàu được tính theo công thức sau:
![]()
Trong đó:
k là hệ số kể đến ảnh hưởng của vây giảm lắc tính theo công thức ở 2.3.6 ở trên. Đối với tàu có hông bẻ góc thì hệ số được lấy bằng 0,7.

m5 hệ số được lấy như ở 2.3.6 ở trên.
![]()
Trong mọi trường hợp r nhỏ hơn hoặc bằng 1.
![]()
Trong đó:

h: Chiều cao tâm nghiêng ban đầu có hiệu chỉnh ảnh hưởng mặt thoáng hàng lỏng,m
2.4 Mô men cho phép tới hạn khi kiểm tra ổn định theo tiêu chuẩn cơ bản
2.4.1 Quy định chung
1 Mô men cho phép tới hạn được xác định theo góc nghiêng cho phép tới hạn. Góc nghiêng đó được lấy bằng góc lật θl, độ, hoặc góc vào nước θv, độ, khi tàu chịu tác dụng động của gió, lấy góc nào có trị số nhỏ hơn.
2 Mô men cho phép tới hạn có thể xác định theo đồ thị ổn định tĩnh hoặc động.
2.4.2 Xác định mô men cho phép tới hạn cho tàu có cấp VR-SI và những tàu có cấp VR-SII được phép hoạt động ở những vùng SI với hạn chế thời tiết
1 Đối với tàu có cấp VR-SI và những tàu có cấp VR-SII được hoạt động ở vùng SI với hạn chế thời tiết thì mô men cho phép tới hạn xác định theo đồ thị có tính đến ảnh hưởng của lắc ngang. Đồ thị ổn định tĩnh hoặc động đó phải có thêm một đoạn bằng biên độ lắc ngang θm, được tính theo 2.3, ở về phía trái của trục tung.
2 Trên trục hoành từ gốc tọa độ O (Hình 7/2.2 và Hình 7/2.3), dựng đoạn OM = θm, từ M vẽ đường vuông góc với trục hoành cắt nhánh trái của đồ thị ổn định động tại A, điểm A được gọi là điểm xuất phát.
3 Khi xác định mô men cho phép tới hạn Mchp1 theo đồ thị ổn định động hoặc tĩnh có thể tiến hành như sau:
(1) Theo đồ thị ổn định động
(a) Khi xác định mô men cho phép tới hạn Mchp1 tương ứng với góc lật θl, từ điểm A kẻ tiếp tuyến với nhánh phải của đường cong ổn định động d (Hình 7/2.2-A) nhận được tiếp điểm là K. Hoành độ của K chính là góc lật θl. Từ A kẻ đường song song với trục hoành. Trên đường thẳng này đặt đoạn AB = 1 radian (57,3°). Từ B dựng đoạn thẳng vuông góc với trục hoành và cắt tiếp tuyến AK tại E. Đoạn BE là tay đòn cho phép tới hạn lchp1 cần tìm của mô men cho phép tới hạn ứng với θl. Mô men cho phép tới hạn được xác định theo công thức:
![]()
Trong đó:
| ∆ | - | lượng chiếm nước trọng lượng của tàu, kN; |
| lchp1 | - | cánh tay đòn cho phép, m. |
(b) Khi xác định mô men cho phép tới hạn Mchp2, kN.m, ứng với góc vào nước θv trên trục hoành của đồ thị đặt đoạn OR = θv (Hình 7/2.2-B) và từ R dựng đoạn vuông góc với trục hoành cắt đường cong ổn định động d tại F. Từ A trên đường song song với trục hoành đặt đoạn AB = 1 rad (57,3°). Từ B dựng đoạn vuông góc với AB cắt AF kéo dài tại E. Đoạn BE là tay đòn cho phép tới hạn lchp2 của mô men cho phép tới hạn Mchp2, kN.m, phải tìm. Mô men Mchp2 xác định theo công thức sau:
![]()
Trong đó:
| ∆ | - | lượng chiếm nước trọng lượng của tàu, kN; |
| lchp2 | - | cánh tay đòn cho phép, m. |
(2) Theo đồ thị ổn định tĩnh:
(a) Cách xác định mô men cho phép tới hạn theo góc θl, Mchp1 và góc vào nước θv, Mchp2 theo đồ thị ổn định tĩnh đều cho trong Hình 7/2.2-A và Hình 7/2.2-B;
(b) Trên đồ thị ổn định tĩnh (đồ thị cánh tay đòn l) đặt đoạn CN song song với trục hoành sao cho diện tích S1 và S2 (được gạch chéo) bằng nhau Hình 7/2.3-A và Hình 7/2.3-B;
(c) Đoạn OC trên trục tung của của đồ thị chính là tay đòn lchp1 của mô men cho phép tới hạn ứng với góc lật θl của tàu (Hình 7/2.2-A); mô men cho phép tới hạn Mchp1 xác định tương tự (1)(a) trên;
(d) Đoạn OC trên Hình 7/2.2-B chính là tay đòn lchp2 của mô men cho phép tới hạn ứng với góc vào nước θv, mô men cho phép tới hạn Mchp2 xác định tương tự (1)(a).
2.4.3 Xác định mô men cho phép tới hạn cho tàu có cấp VR-SII
1 Đối với các tàu cấp SII, khi tính mô men cho phép tới hạn theo tiêu chuẩn cơ bản và bổ sung đều không xét ảnh hưởng của lắc ngang. Mọi trình tự tính toán theo đồ thị đều tiến hành ở phía dương của trục hoành (Hình 7/2.3-A và Hình 7/2.3-B).

Hình 7/2.2 - Xác định mô men cho phép tới hạn

Hình 7/2.3 - Xác định mô men cho phép tới hạn
2 Đối với tàu cấp SII có mạn thẳng, có thể không cần tính theo đồ thị ổn định nếu mô men gây nghiêng do gió không lớn hơn mô men cho phép tới hạn Mchp, kN.m, tính theo công thức:
![]()
Trong đó:
| ∆ | - | lượng chiếm nước trọng lượng của tàu, kN; |
|
| - | chiều cao tâm nghiêng có xét ảnh hưởng của mặt thoáng hàng lỏng, m; |
| θchp | - | góc nghiêng động cho phép, độ, được lấy bằng góc nhỏ nhất của các góc sau: góc vào nước, góc mép boong nhúng nước, góc mà điểm giữa của hông tàu nhô lên, độ. |
2.5 Đồ thị ổn định
Đối với tàu mang cấp VR-SB phải thỏa mãn tiêu chuẩn bổ sung như sau:
2.5.1 Diện tích đồ thị ổn định tĩnh không được nhỏ hơn 0,055 m.rad khi góc nghiêng đến 30 độ và không được nhỏ hơn 0,09 m.rad khi nghiêng đến 40 độ hoặc góc vào nước, lấy giá trị nhỏ hơn. Ngoài ra diện tích của cánh tay đòn ổn định tĩnh trong phạm vi góc nghiêng 30 độ và 40 độ hoặc góc vào nước, lấy giá trị nhỏ hơn không được nhỏ hơn 0,03 m.rad.
2.5.2 Cánh tay đòn ổn định lớn nhất lmax không được nhỏ hơn 0,25 m đối với tàu có chiều dài L nhỏ hơn hoặc bằng 80 m và 0,2 m đối với tàu có chiều dài lớn hơn hoặc bằng 105 mét tại góc nghiêng θ lớn hơn hoặc bằng 30 độ. Đối với các giá trị chiều dài L trung gian thì cánh tay đòn lớn nhất yêu cầu xác định theo phương pháp nội suy tuyến tính.
Khi được sự xem xét của Đăng kiểm thì cánh tay đòn ổn định lớn nhất có thể được giảm xuống 25 độ.
2.5.3 Khi đồ thị ổn định tĩnh có hai điểm mà cánh tay đòn đạt giá trị lớn nhất do bởi thượng tầng hoặc lầu tham gia vào tính nổi của tàu thì điểm cực trị thứ nhất không được nhỏ hơn 25 độ.
2.5.4 Tàu thoả mãn các yêu cầu đã nói ở trên khi mà ảnh hưởng của hàng lỏng được tính toán theo yêu cầu 1.3.3-7.
2.5.5 Thay cho yêu cầu tại (3) trên, đối với các tàu hàng có tỉ số B/D > 2,0 có thể áp dụng tiêu chuẩn sau:
1 Cánh tay đòn ổn định đạt giá trị lớn nhất tại góc nghiêng không nhỏ hơn 15 độ; và
2 Diện tích đường cong ổn định tĩnh (đường cong GZ) đến góc θ = 15º và khi cánh tay đòn lớn nhất của đường cong ổn định tĩnh ( GZmax ) tại góc θ = 15º, không được nhỏ hơn 0,07 m.rad;
Diện tích này không được nhỏ hơn 0,055 m.rad đến góc θ = 30º khi GZmax tại góc θ = 30º hoặc lớn hơn. Nếu GZmax xảy ra tại góc nằm giữa θ = 15º và θ = 30 º thì diện tích tương ứng của đường cong ổn định tĩnh không được nhỏ hơn trị số xác định theo công thức sau:
![]()
Trong đó: θmax là góc nghiêng đo bằng độ tại góc mà cánh tay đòn đường cong ổn định tĩnh đạt giá trị lớn nhất.
CHƯƠNG 3 CÁC YÊU CẦU BỔ SUNG
3.1 Tàu khách, tàu thủy lưu trú du lịch ngủ đêm, nhà hàng nổi, khách sạn nổi
3.1.1 Quy định chung
1 Ngoài việc thoả mãn các yêu cầu cơ bản được nêu trong Chương 2 của Phần này, tàu khách, tàu thủy lưu trú du lịch ngủ đêm, nhà nổi, khách sạn nổi còn phải được tính kiểm tra ổn định ở các trạng thái sau đây:
(1) Trạng thái 1: tàu có 100% hàng, 100% dự trữ và nhiên liệu, 100% khách trong buồng và khách trên boong kể cả hành lý;
(2) Trạng thái 2: tàu có 100% hàng, 10% dự trữ và nhiên liệu, 100% khách trong buồng và khách trên boong kể cả hành lý;
(3) Trạng thái 3: tàu không hàng, 10% dự trữ và nhiên liệu, 100% khách trong buồng và khách trên boong kể cả hành lý;
(4) Trạng thái 4: tàu không hàng, không khách, 10% dự trữ và nhiên liệu;
(5) Trạng thái 5: tàu không hàng, 100% dự trữ và nhiên liệu, 100% khách trong buồng và khách trên boong kể cả hành lý (chỉ đối với tàu mang cấp VR-SB);
(6) Trạng thái 6: tàu không hàng, không khách, 100% dự trữ và nhiên liệu (chỉ đối với tàu mang cấp VR-SB);
2 Khi kiểm tra ổn định theo tiêu chuẩn cơ bản phải giả định rằng tất cả hành khách ở đúng vị trí trong các buồng và trên boong của mình, còn hàng hóa được xếp trong các khoang hàng và trên boong phù hợp với điều kiện hoạt động bình thường của tàu.
Chú thích:
Phải kiểm tra ổn định theo các tiêu chuẩn bổ sung cho các trạng thái chở không đủ khách nếu xét thấy các trạng thái này nguy hiểm hơn so với các trạng thái nêu trên.
3 Không cho phép tàu thực hiện đồng thời vừa chở người, vừa kéo tàu khác hoặc thực hiện các công việc kỹ thuật khác. Điều này phải nêu rõ trong bản “Thông báo ổn định”.
3.1.2 Các yêu cầu bổ sung
1 Ổn định của tàu khách phải được đảm bảo trong trường hợp khách tập trung một bên mạn, nghĩa là phải thỏa mãn điều kiện dưới đây:
Mk ≤ Mcphk
Trong đó:
| Mk | - | mô men nghiêng, kN.m, do khách tập trung một mạn, được xác định theo 3.1.2-2; |
| Mcphk | - | mô men cho phép, kN.m, tính theo góc nghiêng tĩnh cho phép giới hạn quy định ở 3.1.2-3. |
2 Mô men nghiêng Mk, kN.m, được xác định theo sơ đồ tính toán với khách tập trung ở một mạn. Sơ đồ này ứng với việc tập trung khách, gây nguy hiểm nhất về mặt ổn định có thể gặp phải trong điều kiện hoạt động bình thường của tàu. Khi lập sơ đồ phải loại bỏ những bề mặt đã đặt các trang thiết bị và những chỗ khách không được đến đó.
Khi xác định mô men Mk, kN.m, mật độ khách được lấy như sau:
(1) Những tuyến cố định, tàu chạy với thời gian trên 12 giờ:
6 người/m2 cho khách đứng;
4 người/m2 cho người ngồi sạp.
(2) Những tuyến tàu chạy với thời gian dưới 12 giờ:
8 người/m2 cho khách đứng;
6 người/m2 cho khách ngồi sạp;
Chiều rộng của chỗ ngồi là 0,4 m;
Nếu chiều rộng lối đi lớn hơn 0,7 m thì diện tích lối đi sát mạn chắn sóng hoặc lan can được nhân với hệ số 0,75, nếu chiều rộng lối đi nhỏ hơn hoặc bằng 0,7 m thì được nhân với hệ số 0,5. Ở những lối đi giữa các hàng ghế mà khách có thể tập trung được thì diện tích của các lối đi đó được nhân với hệ số 0,5.
Khối lượng của mỗi khách được lấy bằng 75 kg. Trọng tâm của khách đứng là 0,9 m, tính từ sàn đứng, còn của khách ngồi là 0,30 m tính từ mặt ghế.
3 Góc nghiêng tĩnh cho phép giới hạn θcphk, độ, được lấy bằng trị số nhỏ nhất trong các góc sau: 0,8θv hoặc góc ứng với mép boong mạn khô nhúng nước hoặc mép trên của mạn chắn sóng (thiết bị đóng kín trên boong) nhưng không được lớn hơn 10° đối với tàu có chiều dài lớn hơn 30 m và không được lớn hơn 12° đối với tàu có chiều dài bằng và nhỏ hơn 30 m.
4 Mô men Mchpk phải được xác định phụ thuộc chpk tương ứng với góc nghiêng cho phép lớn nhất θcphk, độ (xem 3.1.2-3) trên đường cong ổn định tĩnh. Kiểm tra ổn định trong trường hợp khách tập trung ở một bên mạn phải xét đến ảnh hưởng của mặt thoáng của hàng lỏng theo 1.3.3-7.

Hình 7/3.1 - Tính toán cánh tay đòn lcphk của mô men cho phép lớn nhất Mcphk
5 Đối với tàu mạn thẳng cấp VR-SII (trừ tàu lưu trú du lịch ngủ đêm, nhà hàng nổi, khách sạn nổi) việc tính toán có sử dụng đường cong ổn định tĩnh được bỏ qua nếu mô men nghiêng do khách tập trung một bên mạn (xem 3.1.2-2) nhỏ hơn mô men cho phép Mchpk, kN.m,được
xác định bằng công thức:
![]()
Trong đó:
| ∆ | - | lượng chiếm nước trọng lượng của tàu tương ứng với chiều chìm tới đường nước đang xét, kN; |
|
| - | chiều cao tâm nghiêng, m, được tính toán có xét đến hiệu chỉnh của các mặt thoáng của hàng lỏng theo chỉ dẫn ở 1.3.3-7; |
| θchpk | - | góc cho phép lớn nhất, độ, được lấy theo chỉ dẫn ở 3.1.2-3 hoặc bằng góc khi trung điểm của hông tàu nhô lên, chọn giá trị nhỏ hơn. |
6 Tàu khách, tàu thủy lưu trú du lịch ngủ đêm, nhà hàng nổi, khách sạn nổi phải có đủ ổn định dưới tác dụng đồng thời do khách tập trung ở một mạn và do lực ly tâm khi quay vòng:
Mqv ≤ Mchpq
Mô men nghiêng, Mqv, kN.m, do lực ly tâm khi quay vòng tính theo công thức:

Trong đó:
| c | - | hệ số xác định phụ thuộc thiết bị đẩy của tàu và bằng 0,029 cho tàu chân vịt và thiết bị phụt, bằng 0,045 cho tàu guồng; |
| v0 | - | vận tốc của tàu trước lúc quay vòng lấy bằng 0,8 vận tốc lớn nhất trên nước lặng, m/s; |
| zg | - | chiều cao trọng tâm của tàu tính từ mặt phẳng cơ bản, m; |
| L, d | - | chiều dài, chiều chìm trung bình của tàu ứng với đường nước thực tế, m; |
| ∆ | - | lượng chiếm nước trọng lượng của tàu, kN; |
| a3 | - | hệ số xét đến sự thay đổi tâm áp lực ngang theo chiều cao do sự dạt của tàu được xác định tại Bảng 7/3.1 phụ thuộc tỷ số B/d, B là chiều rộng của tàu ứng với đường nước thực tế, m. |
Bảng 7/3.1 - Hệ số a3
| B/d | ≤ 2,50 | 3,00 | 4,00 | 5,00 | 6,00 | 7,00 | 8,00 | 9,00 | ≥10,00 |
| a3 | 0,73 | 0,50 | -0,27 | -1,27 | -2,33 | -3,38 | -4,45 | -5,40 | -6,00 |
7 Mchpq được xác định theo đồ thị ổn định tĩnh, phụ thuộc vào góc θchpq (xem 3.1.2-8). Đồ thị để xác định θchpq được thể hiện tại Hình 7/3.1, trong đó gốc tọa độ được dịch chuyển đến điểm θ' nằm trên đường cong l có hoành độ bằng góc nghiêng tĩnh θk. Góc nghiêng tĩnh θk do mô men khách tập trung ở một mạn Mk tác dụng tĩnh gây nên quy định ở 3.1.2-2. Mô men cho phép được xác định dựa trên sự cân bằng của diện tích S1 và S2.
8 Góc nghiêng cho phép tới hạn θchpq, được lấy bằng trị số nhỏ nhất của một trong hai góc sau: góc ứng với lúc mép boong nhúng nước hoặc góc xác định theo đường nước đi qua điểm cách mép dưới của lỗ hở là 75 mm.
9 Đối với tàu có mạn thẳng (trừ tàu thủy lưu trú du lịch ngủ đêm, nhà nổi, khách sạn nổi) có thể không cần tính toán theo đồ thị ổn định, nếu mô men nghiêng do quay vòng không lớn hơn Mchp2, xác định theo công thức:
![]()
Trong đó:
| ∆ | - | lượng chiếm nước trọng lượng của tàu ứng với chiều chìm theo đường nước thực tế, kN; |
| h0 | - | chiều cao tâm nghiêng ban đầu có xét đến ảnh hưởng của mặt thoáng hàng lỏng, m; |
| θchpq | - | lấy theo 3.1.2-8 hoặc góc điểm giữa hông tàu nhô khỏi mặt nước, chọn giá trị nhỏ hơn, độ; |
| θk | - | góc nghiêng do khách tập trung ở một mạn, độ. |
Tàu mạn thẳng là tàu có mạn song song với mặt phẳng dọc tâm và có đáy phẳng.
10 Đối với tàu khách, tàu lưu trú du lịch ngủ đêm, nhà hàng nổi, khách sạn nổi có tâm hứng gió cách đường nước thực tế lớn hơn 2 m, ổn định của chúng phải đủ để chịu được tác dụng đồng thời của mô men do khách tập trung ở một bên mạn và mô men nghiêng tĩnh do gió, nghĩa là:
(Mk + Mg) ≤ Mchp
Trong đó:
Mchp - mô men cho phép xác định theo quy định nêu ở 3.1.2-7, ứng với θchpk. Góc θchpk xác định theo 3.1.2-3, nhưng không cần giới hạn ở 10° hoặc 12°;
Mk - mô men nghiêng do khách tập trung ở một mạn, tính theo 3.1.2-2, kN.m;
Mg - mô men nghiêng tĩnh của gió, kN.m, xác định theo công thức sau:
Mg = 0,001pcA(Z − a3d)
Trong đó:
pc - áp lực gió tĩnh, lấy bằng 0,47 áp lực gió động trong Bảng 7/2.1;
A - diện tích hứng gió, m2, tính theo 2.2.2-1 hoặc 2.2.2-2;
Z - chiều cao tâm hứng gió trên mặt phẳng cơ bản khi tàu cân bằng, m;
a3 - hệ số, xác định theo Bảng 7/3.1;
d - chiều chìm trung bình của tàu ở đường nước đang xét, m.
3.2 Tàu chuyên dụng đặc biệt và tàu không phải là tàu khách
3.2.1 Ổn định của tàu chuyên dụng đặc biệt và tàu không phải là tàu khách, dùng để chở trên 12 công nhân, nhân viên chuyên môn, nhân viên nghiệp vụ phải thỏa mãn các yêu cầu ổn định như tàu khách.
3.2.2 Trong bản “Thông báo ổn định” phải nêu rõ không cho phép tàu vừa chở công nhân, nhân viên chuyên môn, nhân viên nghiệp vụ vừa kéo tàu khác hoặc thực hiện các công việc khác.
3.3 Tàu hàng
3.3.1 Quy định chung
1 Ổn định của tàu hàng khô phải được kiểm tra cho các trạng thái tải trọng sau đây:
(1) Trạng thái 1: tàu có chiều chìm ứng với mạn khô được ấn định, với 100% hàng đồng nhất được phân bố đồng đều ở các khoang hàng, 100% dự trữ;
(2) Trạng thái 2: tàu có 100% hàng và 10% dự trữ;
(3) Trạng thái 3: tàu không hàng, 100% dự trữ, có dằn;
(4) Trạng thái 4: tàu không hàng, 10% dự trữ, có dằn.
2 Ổn định của tàu chở hàng lỏng phải được kiểm tra theo các trạng thái tải trọng sau đây:
(1) Trạng thái 1: tàu có chiều chìm ứng với mạn khô được ấn định, với 100% hàng, 100% dự trữ;
(2) Trạng thái 2: tàu có 100% hàng và 10% dự trữ;
(3) Trạng thái 3: tàu không hàng, 100% dự trữ, có dằn;
(4) Trạng thái 4: tàu không hàng, 10% dự trữ, có dằn;
(5) Trạng thái 5: các khoang hàng chứa 50% hàng lỏng.
3 Ổn định của tàu chở gỗ trên boong phải được kiểm tra theo các trạng thái tải trọng sau đây:
(1) Trạng thái 1: tàu chở gỗ có tỷ khối chở hàng được quy định trong các khoang hàng và trên boong, với 100% dữ trữ. Nếu không rõ tỷ khối chở hàng không được thì được lấy bằng 2,32 m3/t. Nếu có nước dằn trong trường hợp tàu chở đầy hàng trong các hầm hàng và trên boong, nước dằn phải được xét tới trong các tính toán ổn định;
(2) Trạng thái 2: tàu với trạng thái tải trọng như nêu ở (1) trên, nhưng với 10% dự trữ;
(3) Trạng thái 3: tàu chở gỗ có tỷ khối chở hàng dự kiến lớn nhất trong các khoang hàng và trên boong, và 100% dự trữ;
(4) Trạng thái 4: tàu với trạng thái tải trọng như nêu ở (3) trên, nhưng với 10% dự trữ.
3.3.2 Yêu cầu bổ sung
1 Đối với các tàu hàng có tâm hứng gió cao hơn đường nước thực tế 2 m thì phải kiểm tra ổn định khi có gió tác dụng tĩnh, nghĩa là phải thỏa mãn điều kiện:
Mg ≤ Mchpg
Trong đó:
| Mg | - | mô men nghiêng do gió tĩnh, xác định như ở 3.1.2-10, kN.m; |
| Mchpg | - | mô men cho phép khi nghiêng tĩnh, xác định theo góc bằng 0,8θv hoặc góc mép boong nhúng nước, lấy theo giá trị góc nhỏ hơn. |
2 Đối với tàu hàng mà tỷ số giữa công suất định mức của máy chính Ne (kW) và lượng chiếm nước khối lượng của tàu ∆, t, lớn hơn hoặc bằng 1 (Ne/∆ ≥ 1), phải kiểm tra ổn định khi quay vòng:
Mqv ≤ Mchpg
Trong đó:
| Mqv | - | xác định theo 3.1.2-6, kN.m; |
| Mchpg | - | mô men cho phép xác định quy định ở 3.1.2-7, kN.m phụ thuộc góc nghiêng cho phép. Góc nghiêng cho phép xác định theo 3.1.2-8. |
3.4 Tàu chở công te nơ
3.4.1 Công te nơ được coi là chằng buộc chặt nếu mỗi một công te nơ được gia cố chặt vào thân tàu bằng các thanh dẫn hướng hoặc các dây chằng buộc và vị trí của công te nơ không thể thay đổi trong quá trình tàu hoạt động.
3.4.2 Công te nơ trên các tàu phải được chằng buộc. Thiết bị chằng buộc công te nơ phải thỏa mãn các yêu cầu của Chương 5 Phần 2B Mục II của Quy chuẩn này.
3.4.3 Ổn định của tàu chở hàng công te nơ được coi là đảm bảo nếu các chỉ tiêu áp dụng đối với tàu hàng khô tại mục 3.3 được tuân thủ.
3.4.4 Với tàu chở công te nơ phải kiểm tra ổn định 3 trạng thái sau đây:
Trạng thái 1: Công te nơ đầy hàng, 100% dự trữ và nhiên liệu;
Trạng thái 2: Công te nơ rỗng với 10% dự trữ và nhiên liệu, không dằn;
Trạng thái 3: Công te nơ rỗng với 10% dự trữ và nhiên liệu, có dằn.
3.5 Tàu kéo
3.5.1 Ổn định của tàu kéo phải kiểm tra theo theo tiêu chuẩn thời tiết được quy định ở Chương 2 Phần này và các yêu cầu bổ sung bổ sung từ 3.5.2 đến 3.5.11 dưới đây theo các điều kiện tải trọng được nêu ở 1.3.2 Chương 1 phần này.
Chú ý: Ổn định của tàu loại khác có bố trí thiết bị kéo phải được kiểm tra theo tất cả các điều kiện từ 3.5.2
đến 3.5.13.
3.5.2 Ổn định của tàu kéo phải đủ khi chịu được tác dụng tĩnh của dây kéo, nghĩa là thỏa mãn điều kiện:
![]()
Trong đó:
Mchpk’ - mô men cho phép khi nghiêng tĩnh, kN.m, xác định theo 3.5.6;
Md - mô men động do lực giật ngang của dây kéo, kN.m, tính theo 3.5.3;
3.5.3 Mô men nghiêng Md, kN.m, được tính toán theo công thức:
![]()
Trong đó:
F - hệ số lấy bằng 1,12Pe nhưng không nhỏ hơn 0,17V;
Pe - công suất ra danh nghĩa của động cơ chính, kW;
V - thể tích chiếm nước của tàu ở đường nước hiện hành, m3;
Zh - khoảng cách thẳng đứng giữa điểm đặt lực của dây kéo và mặt phẳng cơ bản, m;
B chiều rộng tàu ở đường nước hiện hành, m;
f1, f2, f3 - hệ số xem 3.5.4;
h0 - chiều cao tâm nghiêng nhỏ nhất ở điều kiện tải trọng tính toán có xét đến ảnh hưởng của mặt thoáng hàng lỏng, m.
Chú ý: Nếu khung cố định dây kéo được lắp đặt, khoảng cách Zh, m, phải được lấy bằng giá trị lớn nhất của các giá trị dưới đây: độ cao của điểm treo móc kéo hoặc độ cao mép dưới ở đáy của khung.
3.5.4 Giá trị f1 và f2 phải lấy theo Bảng 7/3.2 phụ thuộc tỷ số B/d.
Giá trị f3 được lấy như sau:

Bảng 7/3.2 - Hệ số f1, f2
| B/d | f1 | f2 |
| ≤2,25 | -0,44 | 0,72 |
| 2,50 | -0,37 | 0,72 |
| 2,75 | -0,30 | 0,72 |
| 3,00 | -0,24 | 0,72 |
| 3,50 | -0,12 | 0,71 |
| 4,00 | 0,00 | 0,65 |
| 4,50 | 0,10 | 0,60 |
| 5,00 | 0,18 | 0,53 |
| 5,50 | 0,26 | 0,47 |
| 6,00 | 0,32 | 0,42 |
| 6,50 | 0,38 | 0,38 |
| 7,00 | 0,43 | 0,35 |
| ≥8,00 | 0,50 | 0,30 |
3.5.5 Góc nghiêng cho phép lớn nhất θ’chp phải được lấy bằng 0,8θv hoặc góc mép boong nhúng nước, chọn giá trị nhỏ hơn.
3.5.6 Mô men cho phép giới hạn Mchpk’, kN.m, được tính theo công thức:
![]()
Trong đó:
| ∆ | - | lượng chiếm nước trọng lượng của tàu tương ứng với chiều chìm ở đường nước hiện hành, kN; |
| lchp | - | cánh tay đòn nghiêng của mô men cho phép được lấy từ đồ thị ổn định tĩnh ở góc nghiêng θchp (xem 3.5.5), m. |
3.5.7 Ổn định của tàu kéo khi Zh > 1,2Zg (Zg - chiều cao của trọng tâm tàu đo từ mặt phẳng cơ bản, m) phải được kiểm tra với lực giật của dây kéo, tức là điều kiện dưới đây phải được thỏa mãn:
Md < Mcphk
Trong đó:
| Md | - | mô men nghiêng, kN.m, do lực giật thẳng của dây kéo xem 3.5.8; |
| Mcphk | - | mô men cho phép, kN.m, đặc trưng cho ổn định động của tàu, xem 3.5.10. |
3.5.8 Mô men nghiêng Mt, kN.m, sẽ được xác định như sau:
![]()
Trong đó:
w - hệ số phụ thuộc công suất danh nghĩa của tàu Pe, kW, và xác định tại Bảng 7/3.3;
∆ - lượng chiếm nước trọng lượng của tàu tương ứng với chiều chìm tới đường nước hiện hành, kN;
K1, K2 - các hệ số xem xét ảnh hưởng của đặc điểm quán tính và ngâm nước của tàu đến mô men nghiêng và được tính bằng công thức:

Zh - xem 3.5-3.5.3.
Bảng 7/3.3 - Hệ số w
| Рe, kW | ≤400 | 600 | 800 | 1000 | 1200 | 1400 | ≥1450 |
| w | 0,168 | 0,181 | 0,210 | 0,249 | 0,298 | 0,354 | 0,371 |
Bảng 7/3.4 - Hệ số q2
| B/d | Zg/B | |||
| 0,30 | 0,35 | 0,40 | 0,45 | |
| ≤ 2,25 | 6,85 | 6,20 | 5,60 | 5.10 |
| 2,50 | 6,65 | 6,10 | 5,50 | 5,00 |
| 2,75 | 6.55 | 6,00 | 5,40 | 4,90 |
| 3,00 | 6,45 | 5,90 | 5,30 | 4,80 |
| 3,50 | 6,25 | 5,70 | 5,15 | 4,65 |
| 4,00 | 6,05 | 5,50 | 5,00 | 4,50 |
| 4,50 | 5,85 | 5,30 | 4,80 | 4,35 |
| 5,00 | 5,65 | 5,10 | 4,65 | 4,20 |
| 5,50 | 5,45 | 4,95 | 4,50 | 4,05 |
| 6,00 | 5,25 | 4,80 | 4,35 | 3,85 |
| 6,50 | 5,10 | 4,65 | 4,20 | 3,65 |
| 7,00 | 4,90 | 4,50 | 4,05 | 3,45 |
| ≥ 8,00 | 4,60 | 4,20 | 3,75 | 3,25 |
Bảng 7/3.5 - Hệ số q1, q3
| B/d | q1 | q3 |
| ≤ 2,25 | 15,3 | 0 |
| 2,50 | 15,6 | 0 |
| 2,75 | 15,9 | 0,010 |
| 3,00 | 16,1 | 0,020 |
| 3,50 | 16,5 | 0,045 |
| 4,00 | 16,8 | 0,077 |
| 4,50 | 17,0 | 0,115 |
| 5,00 | 17,2 | 0,157 |
| 5,50 | 17,4 | 0,208 |
| 6,00 | 17,5 | 0,270 |
| 6,50 | 17,6 | 0,337 |
| 7,00 | 17,7 | 0,407 |
| ≥ 8,00 | 18,0 | 0,550 |
3.5.9 Góc nghiêng cho phép lớn nhất θchp được lấy bằng góc lật θl hoặc góc vào nước θv chọn góc nào nhỏ hơn.
3.5.10 Mô men cho phép giới hạn, kN.m, xác định theo công thức:
![]()
Trong đó:
∆ - lượng chiếm nước trọng lượng của tàu ứng với chiều chìm ở đường nước hiện hành, kN;
lchp - cánh tay đòn nghiêng của mô men cho phép được lấy từ đồ thị ổn định động ở góc nghiêng (xem 3.5.9), m.
3.5.11 Ổn định của các tàu kéo khi quay vòng phải được kiểm tra theo yêu cầu của 3.3.2-2.
3.5.12 Thông báo ổn định và ổn định tai nạn phải chứa số liệu về tốc độ dòng theo vf mà khi vượt qua tốc độ đó thì sự điều động tàu gần một xà lan tĩnh tại mà không nới dây kéo sẽ gây nguy hiểm. Tốc độ dòng theo, km/h, được tính toán theo công thức:
![]()
Mô men
và Md phải được xác định theo 3.5.3 đến 3.5.6.
3.5.13 Trong quá trình thử tàu mẫu trong sê ri tàu được đóng, ổn định của các tàu kéo có công suất ra lớn (trên 6,6 kW/m3) phải được kiểm tra. Nếu các kết quả thử chỉ ra rằng với tác dụng tĩnh của dây kéo, ổn định của tàu là đủ với giới hạn của tốc độ kéo thì yêu cầu ở 3.5.2 có thể được miễn giảm.
Chương trình thử, các biên bản thử và Thông báo ổn định của tàu phải được Đăng kiểm thẩm định.
3.6 Tàu đẩy
Ổn định của các tàu đẩy phải thỏa mãn các yêu cầu tại 3.3.
3.7 Tàu cẩu
3.7.1 Quy định chung
Tàu cẩu phải được kiểm tra ổn định cho các trạng thái tải trọng quy định ở 1.3.2 Chương 1 của Phần này.
3.7.2 Yêu cầu bổ sung
1 Phải kiểm tra ổn định tàu cẩu ở trạng thái làm việc với 10% nước và nhiên liệu dự trữ dưới tác dụng động của gió, nghĩa là phải thỏa mãn điều kiện:
Mg ≤ Mchp
Trong đó:
| Mg | - | mô men nghiêng động do gió, tính theo 3.7.2-2, kN.m; |
| Mchp | - | mô men cho phép tới hạn, kN.m, có xét đến ảnh hưởng của góc nghiêng ban đầu do hàng treo ở móc, xác định theo 3.7.2-4. |
Lưu ý: Đối với tàu cẩu quay được 4 phía thì ngoài việc thỏa mãn yêu cầu này còn phải đảm bảo yêu cầu là góc nghiêng tĩnh của tàu cẩu không lớn hơn 3°30’ ở mọi tầm với có thể xảy ra.
2 Mô men nghiêng ngang do tác dụng động của gió khi kiểm tra ổn định của tàu cẩu ở trạng thái làm việc (nghĩa là có hàng ở móc) được xác định theo 2.2. Áp lực gió đối với tàu cẩu cho các cấp được lấy bằng 400 Pa, không phụ thuộc vào vị trí của tâm hứng gió.
Diện tích hứng gió của tàu cẩu có vách liên tục phải được lấy bằng diện tích được giới hạn bằng đường bao của cần, đối với kết cấu dàn - diện tích tương tự được trừ đi khoảng trống giữa các thanh.
Diện tích hứng gió (Sdes, m2) của các cần cẩu bao gồm một số dầm (liên tục hoặc lưới) có cùng chiều cao được đặt liên tiếp cái nọ sau cái kia (Hình 7/3.2) phải được lấy như sau:


Hình 7/3.2 - Xác định diện tích hứng gió của cần cẩu có nhiều dầm
(1) Một diện tích của dầm phía trước nếu khoảng cách giữa các dầm nhỏ hơn chiều cao của dầm phía trước;
(2) Tổng diện tích của dầm phía trước và 50% của diện tích mỗi dầm còn lại nếu khoảng cách giữa các dầm bằng hoặc lớn hơn chiều cao dầm nhưng không quá hai lần chiều cao dầm;
(3) Tổng diện tích các dầm nếu khoảng cách giữa các dầm bằng hoặc lớn hơn hai lần chiều cao dầm.
Chú ý: Đối với cần cẩu quay 360° phải kiểm tra ổn định khi cần vươn ra mạn và nằm trong mặt phẳng sườn, trong đó chiều tác dụng của mô men tác dụng do gió phải lấy cùng chiều với mô men nghiêng do cần vươn ra ngoài mạn và có hàng treo móc.
3 Góc nghiêng cho phép tới hạn được lấy bằng trị số của góc nhỏ nhất trong các góc sau: góc ứng với lúc mép boong nhúng nước hoặc góc mà đường nước nghiêng nằm dưới mép lỗ hở một khoảng 75 mm hoặc góc lớn nhất mà cần cẩu được phép làm việc nhưng không được lớn hơn 6°.
4 Khi đánh giá ổn định của tàu cẩu, mô men cho phép tới hạn, kN.m, của tàu cẩu khi gió tác dụng động và có góc nghiêng ban đầu do cần vươn ra ngoài mạn và có hàng treo ở móc được tính như sau:
Mch = 0,0087h0∆(θchp − θh)
Trong đó:
| ∆ | - | lượng chiếm nước trọng lượng của tàu cẩu, kN; |
| h0 | - | chiều cao tâm nghiêng ban đầu có kể ảnh hưởng hàng lỏng, m; |
| θchp | - | góc nghiêng cho phép tới hạn xác định theo -3 trên, độ; |
| θh | - | góc nghiêng ban đầu do cần vươn ra mạn và có hàng treo trên móc, độ. |
5 Tâm móc treo là trọng tâm tính toán của khối hàng.
6 Trường hợp tàu đặt cần cẩu làm hàng thì ngoài việc kiểm tra ổn định theo tiêu chuẩn cơ bản còn phải được kiểm tra ổn định như tàu cẩu có cần quay được 360°.
3.8 Tàu công trình (tàu cuốc, tàu hút,...)
3.8.1 Quy định chung
Các tàu công trình phải được kiểm tra ổn định ở các trạng thái tải trọng nêu ở 1.3.2, Chương 1 của Phần này.
3.8.2 Các yêu cầu bổ sung
1 Các yêu cầu nêu ở 3.8.2-2 và 3.8.2-3 được áp dụng cho tàu cuốc có đất ở gầu ngoạm và khi tầm với của cần gầu ngoạm là lớn nhất.
2 Phải kiểm tra ổn định của các tàu khi chuyển đất bằng phương pháp băng chuyền theo trường hợp tác dụng tĩnh của mô men nghiêng do trọng lượng băng chuyền và đất gây ra.
3 Đối với tàu cuốc tự đổ đất và sà lan đất có thiết bị đóng mở khoang đất thì phải kiểm tra ổn định cho trường hợp đổ đất ở một mạn khi cùng mở một lúc tất cả cửa đất ở mạn đó, nếu thiết bị đó chỉ mở được một bên.
4 Góc cho phép là góc vào nước hoặc góc lật trong đó lấy góc nhỏ hơn khi đổ một nửa số đất ở một mạn.
5 Tàu chở đất có tỷ khối bằng hoặc nhỏ hơn 1,3 t/m3 thì đất đó được coi là hàng lỏng và phải tính ảnh hưởng của mặt thoáng.
6 Tàu có thiết bị đổ đất thì khi tính ổn định ở trạng thái tải trọng “tàu không có đất“, phải giả thiết rằng khoang chứa đất bỏ trống và được thông với nước bên ngoài, nghĩa là thiết bị đổ đất đã mở sẵn.
3.9 Phà
3.9.1 Quy định chung
Các loại phà đều coi như tàu khách.
3.9.2 Yêu cầu bổ sung
1 Đối với phà cấp VR-SII có tỷ số L/B ≤ 4 thì không cần phải kiểm tra ổn định theo tiêu chuẩn cơ bản.
2 Các phà kéo bằng dây cáp hoặc xích có thể không cần xét đến mô men do lực ly tâm khi quay vòng.
3 Các phà dây chạy theo tác dụng của dòng nước đều phải thỏa mãn điều kiện góc nghiêng dưới tác dụng của mô men nghiêng do lực kéo, không được lớn hơn 5° và có thể không cần lưu ý đến ảnh hưởng của quay vòng.
4 Mô men nghiêng do lực kéo, kN.m, nêu ở 3.9.2-3, được xác định theo công thức sau:
![]()
Trong đó:
k = 0,726 cho các phao làm phà;
= 0,177 cho phà khác;
A1 - diện tích hình chiếu mặt bên của phần thân tàu chìm dưới nước, m2;
v - tốc độ lớn nhất của dòng nước, m/s;
z - chiều cao điểm đặt của lực kéo tính từ đường cơ bản, m.
3.10 Tàu cánh ngầm
3.10.1 Quy định chung
1 Chương này áp dụng cho các tàu cánh ngầm cấp VR-SI và VR-SII.
2 Các yêu cầu đưa ra ở 3.1.2-6 và 3.1.2-10 Chương này của Quy chuẩn không phải áp dụng cho tàu cánh ngầm.
3 Các yêu cầu còn lại của Chương này áp dụng cho tàu cánh ngầm ở chế độ có lượng chiếm nước.
3.10.2 Yêu cầu bổ sung
1 Ổn định phải được kiểm tra ở các điều kiện tải trọng được chỉ ra ở 1.3.2 cho các trạng thái dưới đây:
(1) Trạng thái có lượng chiếm nước;
(2) Trạng thái chuyển tiếp;
(3) Trạng thái khai thác.
2 Ổn định ở trạng thái có lượng chiếm nước phải được kiểm tra bằng phương pháp tính toán, trạng thái chuyển tiếp và khai thác bằng thử mô hình. Đối với trạng thái có lượng chiếm nước, đặc trưng ổn định nói chung phải được hiệu chỉnh theo kết quả thử nghiêng của tàu mẫu trong sê ri các tàu được đóng, đối với trạng thái chuyển tiếp và khai thác - trên cơ sở số liệu của nghiên cứu thực nghiệm được thực hiện trong quá trình thử của tàu mẫu trong sê ri tàu được đóng.
3 Chương trình thử, báo cáo thử nghiệm, cũng như thông báo ổn định và chống chìm được làm trên cơ sở tính toán và thử nghiệm phải được Đăng kiểm thẩm định.
4 Ổn định ở trạng thái có lượng chiếm nước phải đảm bảo rằng tàu nghiêng theo phương ngang không vượt quá 8° khi xảy ra sự di chuyển không kiểm soát của hành khách (tức là, diện tích trống có thể đến mà hành khách đã di chuyển đầy) và góc do kết quả nghiêng xảy ra dưới tác dụng đồng thời của mô men nghiêng do khách tập trung một bên mạn và mô men quay vòng không vượt quá 15°.
Mô men nghiêng do quay vòng, kN.m, được tính theo công thức:
![]()
Trong đó:
| Zg | - | chiều cao trọng tâm trên đường cơ bản, m; |
| ∆ | - | lượng chiếm nước khối lượng của tàu, t; |
| L | - | chiều dài tàu, m. |
5 Ở trạng thái chuyển tiếp góc nghiêng của tàu khi di chuyển trên hành trình thẳng trong điều kiện tải trọng nêu ra tại 3.1.1-(2) và có sự tập trung của các hành khách ở một bên mạn phải không vượt quá 15°.
6 Ở trạng thái khai thác trong điều kiện tải trọng nêu ra ở 3.1.1-(2) góc nghiêng khi quay vòng hướng về bên nghiêng do khách tập trung một bên mạn phải không vượt quá 10°.
3.11 Tàu đệm khí
3.11.1 Quy định chung
1 Chương này áp dụng cho các tàu đệm khí cấp VR-SI và VR-SII.
2 Các yêu cầu nêu ra ở 2.2.1, 2.2.3, 2.2.4, 2.3, 2.4.2, 3.1.2-1, 3.1.2-4 đến 3.1.2-7, 3.1.2-10, 3.1.1-3, 3.3.2, 3.5 đến 3.9 không phải áp dụng cho kiểm tra ổn định của các tàu đệm khí ở trạng thái trên đệm khí.
3 Các yêu cầu nêu ra trong 3.1.2-6, 3.1.2-7, 3.1.2-9, 3.3.2-2, 3.5 đến 3.9 không phải áp dụng cho kiểm tra ổn định của các tàu đệm khí ở trạng thái có lượng chiếm nước.
4 Các yêu cầu còn lại của Phần này phải được xem xét khả năng áp dụng cho tàu đệm khí nếu chúng không mâu thuẫn với 3.11. Các yêu cầu nêu trong Chương 2 Phần 8 Quy chuẩn này không áp dụng cho tàu đệm khí ở trạng thái có lượng chiếm nước.
3.11.2 Yêu cầu bổ sung
1 Ổn định của tàu đệm khí phải được chứng minh bằng thiết kế - thực nghiệm. Chương trình thử, báo cáo thử nghiệm, cũng như thông báo ổn định và chống chìm được làm trên cơ sở tính toán và thử nghiệm phải được Đăng kiểm thẩm định.
2 Việc nghiên cứu thực nghiệm có thể thực hiện không cần đầy đủ hoặc có thể được miễn giảm với kết quả thử của tàu mẫu tương tự chứng minh rằng yêu cầu đối với các đặc trưng ổn định mà phải xác định bằng các thực nghiệm tương tự phải được Đăng kiểm chấp thuận.
3 Ổn định của tàu đệm khí phải được kiểm tra ở tất cả các điều kiện tải trọng nêu ra ở 1.3.2 ở hai trạng thái:
(1) Trạng thái có lượng chiếm nước;
(2) Trạng thái đệm khí.
4 Đặc trưng ổn định phải được hiệu chỉnh đối với trạng thái có lượng chiếm nước trên cơ sở thử nghiêng cũng như thử tốc độ và điều động cho tàu hoặc của tàu mẫu trong sê ri tàu được đóng. Đặc trưng ổn định phải được hiệu chỉnh đối với trạng thái đệm khí - dựa trên cơ sở khảo sát thử nghiệm ở các điều kiện khai thác nguy hiểm nhất được duy trì suốt các cuộc thử của tàu. Chương trình thử, báo cáo thử nghiệm cũng như thông báo ổn định và ổn định tai nạn được làm trên cơ sở tính toán và thử nghiệm phải được Đăng kiểm thẩm định.
Chú ý: Việc thử nghiệm ổn định ở mô hình tàu với kích thước thực có thể được yêu cầu cho trạng thái tải trọng nguy hiểm nhất của ổn định mà bắt buộc phải xác định theo tính toán hoặc thử mô hình thật với kích thước thực. Nếu trạng thái nguy hiểm nhất của tàu có tải trọng nhỏ thì được sử dụng một khối lượng dằn nghiêng tối thiểu để thu được mô men nghiêng tương ứng.
5 Giá trị góc nghiêng cho phép lớn nhất phải được xác định bằng giá trị trung bình thực nghiệm độc lập của góc nghiêng phụ thuộc mô men nghiêng, tốc độ của tàu và góc của bánh lái.
3.11.3 Các yêu cầu cơ bản của tàu đệm khí kiểu skeg
1 Mô men nghiêng do tác dụng của gió giật ở trạng thái trên đệm không khí, kN.m, được tính theo công thức:
![]()
Trong đó:
| k | - | hệ số, xem 3.11.3-2; |
| p | - | áp lực gió thiết kế dự kiến, Pa, được xác định theo 2.2.1; |
| S | - | diện tích hứng gió của tàu ở chiều chìm ứng với đường nước hiện hành, m2, xác định tương tự ở 2.2.2; |
| zw | - | chiều cao tâm của diện tích hứng gió trên mặt phẳng cơ bản của tàu ở mức thấp hơn của các mép skeg, m; |
| d | - | chiều chìm trung bình tương ứng với đường nước đang xét ở trạng thái trên đệm không khí, m. |
2 Hệ số k xét ảnh hưởng của tốc độ tàu ở trạng thái trong đệm không khí có lực khí động học được tính theo công thức:
k = 1 + 0,711v/(p)0,5
Trong đó: v - tốc độ lớn nhất, m/s.
3 Mô men nghiêng do gió ở trạng thái có lượng chiếm nước phải được xác định theo 2.2; hệ số a1 phải được lấy bằng 1 không phụ thuộc tỷ số B/d.
4 Đối với trạng thái trên đệm khí, mô men cho phép Mchp của tất cả cấp tàu không phụ thuộc vào giá trị của Mngh phải được xác định trên đồ thị ổn định tĩnh hoặc động bằng một phương pháp được Đăng kiểm chấp thuận. Góc nghiêng cho phép lớn nhất θchp phải được lấy theo 2.4.1-1.
Lưu ý: Đối với tính ổn định theo tiêu chuẩn thời tiết, đồ thị ổn định vẽ cho trạng thái trên đệm khí không di chuyển có thể được sử dụng.
5 Mô men cho phép Mchp đối với tàu cấp VR-SI cũng như các tàu cấp VR-SII được phép hoạt động ở các vùng SI có hạn chế thời tiết phải được xác định bằng cách thực hiện vẽ đồ thị có lưu ý đến chòng chành, biên độ chòng chành thiết kế khi di chuyển trên đệm khí và trạng thái có lượng chiếm nước phải xác định bằng mô hình và thử nghiệm.
3.11.4 Yêu cầu bổ sung cho tàu đệm khí kiểu skeg
1 Ổn định của tàu khách và các tàu hàng theo tiêu chuẩn thời tiết phải được kiểm tra theo chỉ dẫn ở các điều từ 3.11.3-1 đến 3.11.3-5 đối với các tải trọng đưa ra ở 3.1.1.
2 Ổn định của tàu khách phải thỏa mãn khi khách tập trung một bên mạn ở tất cả các tốc độ trong các trạng thái có lượng chiếm nước và trên đệm khí. Ở trạng thái trên đệm khí, điều kiện dưới đây phải được thỏa mãn:
![]()
Trong đó:
| θk | - | góc nghiêng do khách tập trung một bên mạn, độ, xác định theo 3.1.2-2; |
|
| - | góc nghiêng cho phép lớn nhất được xác định theo 3.1.2-3. |
Góc nghiêng của mô men nghiêng tương ứng và tốc độ phải được lấy bằng góc nghiêng lớn nhất có xét đến ảnh hưởng đến sự phụ thuộc thử nghiệm góc nghiêng với tốc độ tàu và mô men nghiêng.
Đối với trạng thái lượng chiếm nước của tàu đệm khí phải kiểm tra theo các điều từ 3.1.2-1 đến 3.1.2-5.
3 Ổn định của tàu khách khi khách tập trung một bên mạn phải thỏa mãn khi nghiêng động do quay vòng ở trạng thái có lượng chiếm nước và trên đệm khí, nghĩa là điều kiện dưới đây phải thỏa mãn:
![]()
Trong đó:
| θc | - | góc nghiêng lớn nhất, độ, do quay vòng khi khách tập trung một bên mạn (xem 3.1.2-2) và xác định bằng thực nghiệm; |
|
| - | góc cho phép lớn nhất, độ, lấy theo 3.1.2-8. |
4 Ổn định của tàu khách có tâm hứng gió cao hơn 2 m trên đường nước hiện thời phải đầy đủ khi khách tập trung một bên mạn trong trường hợp chịu tác dụng của gió tĩnh.
Đối với trạng thái trên đệm không khí nguy hiểm thì điều kiện dưới đây phải thỏa mãn:
![]()
Trong đó:
| θac | - | góc nghiêng (xem 3.11.4-2) do khách tập trung một bên mạn (xem 3.1.2-2) xảy ra đồng thời với ảnh hưởng của gió tĩnh (xem 3.11.4-5); |
|
| - | góc nghiêng cho phép lớn nhất, xác định theo 3.1.2-4 mà không bị giới hạn bởi 10° hoặc 12°. |
Đối với trạng thái có lượng chiếm nước nguy hiểm, ổn định phải được kiểm tra theo 3.1.2-10 và hệ số a3 khi xác định mô men nghiêng Mw (xem 3.1.2-10) phải lấy bằng 0, không phụ thuộc tỷ số B/d.
5 Mô men nghiêng do tác dụng của gió tĩnh ở trạng thái trên đệm không khí, kN.m:
![]()
Trong đó:
| k | - | hệ số xác định theo 3.11.3-1 mà thay áp suất gió động bằng áp suất gió tĩnh ps bằng 0,47p; |
| ps | - | áp suất gió tĩnh tính toán, Pa, được lấy bằng 0,47 áp suất gió động xác định trong Bảng 7/2.1 phụ thuộc cấp tàu, chiều cao tâm hứng gió trên đường nước đang xét. |
6 Ổn định của tàu hàng phải được kiểm tra tiêu chuẩn thời tiết theo các điều từ 3.11.3-1 đến 3.11.3-5, có xét đến quy định ở 3.3.1.
7 Đối với tàu hàng có tâm hứng gió cao 2 m trên mặt phẳng đường nước hiện thời, ổn định phải được kiểm tra tác dụng của gió tĩnh. Khi tàu di chuyển trên đệm khí, điều kiện dưới đây phải thỏa mãn:
![]()
Trong đó:
| θngh | - | góc nghiêng (xem 3.11.4-2) do tác dụng gió tĩnh, độ, ở mô men nghiêng Mw được xác định theo 3.11.4-5; |
|
| - | góc nghiêng cho phép lớn nhất, độ, xác định theo 3.3.2-1; |
Đối với trạng thái có lượng chiếm nước, ổn định phải được kiểm tra theo 3.3.2 và 3.11.4-4.
8 Đối với tàu hàng ở trạng thái có lượng chiếm nước và trên đệm khí ổn định khi quay vòng phải được thỏa mãn điều kiện dưới đây:
![]()
Trong đó:
| θqv | - | góc nghiêng lớn nhất do quay vòng, độ, và được xác định bằng thực nghiệm; |
|
| - | góc nghiêng cho phép lớn nhất, độ, xem 3.3.2-2. |
3.11.5 Yêu cầu bổ sung với tàu đệm khí lưỡng cư
1 Ổn định ở trạng thái có lượng chiếm nước phải được kiểm tra ở tất cả các điều kiện nêu ở 1.3.2 tương tự đối với tàu có lượng chiếm nước với lưu ý chỉ rõ các đặc trưng của tàu đệm khí lưỡng cư.
2 Ổn định ở trạng thái trên đệm khí phải được chứng minh bằng kết quả thực nghiệm thu được từ các thử nghiệm được chấp nhận của một tàu mẫu trong sê ri tàu được đóng ở điều kiện khai thác nguy hiểm nhất theo chương trình thử được Đăng kiểm thẩm định.
3.12 Tàu đa thân
3.12.1 Quy định chung
1 Các yêu cầu trong chương này áp dụng cho các tàu đa thân cấp VR-SB, VR-SI, VR-SII có góc nghiêng cho phép không vượt quá góc do nghiêng lớn khi mặt phẳng đường nước tiếp xúc với điểm hông tàu nhô lên ở tiết diện ngang giữa tàu.
2 Các yêu cầu 3.1.2-1, 3.1.2-6 và yêu cầu tính mô men nghiêng ở 3.1.2-10 không áp dụng cho tàu đa thân.
3 Các yêu cầu khác áp dụng cho tàu đa thân tới mức thích hợp và không trái với quy định ở Chương này.
3.12.2 Các yêu cầu ổn định cơ bản
1 Tay đòn nghiêng chuyển đổi của tàu đa thân khi có tác dụng động của gió xác định theo công thức, m:
z = zw − 0,5d
Trong đó:
| zw | - | cao độ tâm hứng gió so với mặt phẳng cơ bản của tàu, m; |
| d | - | mớn nước trung bình của tàu đa thân tại đường nước đang xét, m. |
2 Biên độ chòng chành tính toán của tàu đa thân hoạt động trong các vùng tương ứng được lấy theo Bảng 7/3.6 phụ thuộc vào qB và V/2L (В, L và V - tương ứng là chiều rộng, chiều dài và lượng chiếm nước thể tích của tàu đa thân), trong trường hợp này thừa số q, s-2, cần được xác định theo công thức:
q = (zm − zg)/i
Trong đó:
zm - cao độ tâm nghiêng ngang, m;
zg - tọa độ trọng tâm tàu đa thân, m;
i - mô men quán tính tương đối có tính đến khối lượng nước kèm của chất lỏng, m.s2, xác định theo công thức:
![]()
Trong đó:
Bh - chiều rộng của tàu đa thân, m, giữa tàu tại mức đường nước đang xét;
g - gia tốc trọng trường, m/s2;
- Xem 3.12.2-3;
Giá trị zm được xác định theo 3.12.2-3;
Bảng 7/3.6 - Biên độ chòng chành thiết kế θm, độ
| Cấp tàu | qB, m.s-2 | Biên độ chòng chành thiết kế θm, độ, ở giá trị V/2L, m2 | |||||||||
| ≤1,0 | 2,0 | 3,0 | 4,0 | 5,0 | 6,0 | 7,0 | 8,0 | 9,0 | ≥10 | ||
| VR-SB | ≤10 | 16,8 | 16,0 | 15,3 | 14,5 | 14,0 | 13,6 | 13,2 | 13,0 | 12,8 | 12,7 |
| 20 | 17,5 | 16,7 | 15,8 | 15,0 | 14,4 | 13,9 | 13,5 | 13,2 | 13,0 | 12,9 | |
| 30 | 18,7 | 18,0 | 17,1 | 16,2 | 15,4 | 14,8 | 14,4 | 14.0 | 13,7 | 13,6 | |
| 40 | 20.4 | 19.6 | 18.5 | 17.5 | 16.7 | 16.0 | 15.4 | 15.0 | 14.7 | 14.5 | |
| ≥50 | 22.2 | 20.5 | 19.3 | 18.2 | 17.4 | 16.6 | 16.0 | 15.6 | 15.2 | 15.0 | |
| VR-SI | ≤10 | 11,3 | 9,9 | 8,3 | 6,8 | 6,0 | 5,7 | 5,5 | 5,3 | 5,2 | 5,1 |
| 20 | 12,0 | 10,5 | 8,9 | 7,4 | 6,6 | 6,2 | 6,0 | 5,9 | 5,7 | 5,6 | |
| 30 | 13,2 | 11,9 | 10,3 | 8,7 | 7,8 | 7,5 | 7,3 | 7,1 | 7,0 | 6,9 | |
| 40 | 14,8 | 13,9 | 12,3 | 10,6 | 9,6 | 9,3 | 9,1 | 9,0 | 8,8 | 8.7 | |
| ≥50 | 16,5 | 15,5 | 13,9 | 12,2 | 11,3 | 10,8 | 10,6 | 10,5 | 10,3 | 10.2 | |
| VR-SII* | ≤10 20 30 40 ≥50 | 6,6 7,5 8,9 10,7 12,4 | 5,7 6,5 8,2 10,0 11,1 | 4,5 5,3 6,8 8,6 9,6 | 3,7 4,3 5,7 7,2 8,1 | 3,1 3,6 4,8 6,1 6,9 | 2,7 3,2 4,2 5,3 5,9 | 2,5 2,9 3,7 4,7 5,3 | 2,4 2,7 3,5 4,4 5,0 | 2,3 2,6 3,4 4,2 4,8 | 2,2 2,5 3,3 4.1 4.7 |
| * Cho tàu đa thân cấp VR-SII được phép hoạt động ở vùng SI có hạn chế thời tiết. | |||||||||||
3 Cao độ chiều cao tâm nghiêng ngang xác định theo công thức:
![]()
Trong đó:
| Cw | - | hệ số béo diện tích đường nước đang xét của tàu đa thân; |
| Bh | - | chiều rộng thân tàu đa thân tại mớn nước được xét ở giữa tàu, m; |
| b | - | tỷ số chiều rộng tàu Вh đối với mớn nước tàu; |
| CB | - | hệ số béo thể tích của tàu; |
|
| - | C/(2Bh) - độ hở tương đối theo phương ngang của tàu đa thân; |
| C | - | khoảng cách giữa các mạn trong thân tàu đa thân tại mặt phẳng sườn giữa tại đường nước đang xét, m. |
3.12.3 Các yêu cầu bổ sung cho ổn định của tàu đa thân
1 Mô men nghiêng động, kN.m, áp dụng cho tàu khách đa thân khi quay vòng được tính theo công thức:
![]()
Trong đó:
| v0 | - | vận tốc của tàu đa thân trước khi bắt đầu quay vòng được lấy bằng vận tốc tiến toàn tải, m/s; |
| ∆ | - | lượng chiếm nước trọng lượng của tàu đa thân ở đường nước đang xét, kN; |
| zg | - | chiều cao trọng tâm của tàu trên mặt phẳng cơ bản, m; |
| L, d | - | chiều dài và chiều chìm trung bình của tàu đa thân ở đường nước đang xét, m. |
2 Mô men nghiêng áp dụng cho tàu khách đa thân chịu tác động của gió tĩnh, kN.m, được tính theo công thức:
Mngh = 0,001psS(z − 0,5d)
Trong đó:
| ps | - | áp lực gió tĩnh tính toán, Pa, được lấy bằng 0,47 áp lực gió động tương ứng theo Bảng 7/2.1 phụ thuộc cấp tàu và chiều cao tâm hứng gió trên mặt phẳng đường nước đang xét; |
| S | - | diện tích hứng gió, m2, được tính theo 2.2.2-1 và 2.2.2-2; |
| z | - | chiều cao tâm hứng gió trên mặt phẳng cơ bản, m; |
| d | - | xem 3.12.3-1. |
3 Khi kiểm tra ổn định cho tàu hàng đa thân theo 3.3.2-2, mô men nghiêng động Mngh áp dụng cho tàu đa thân khi quay vòng phải được tính theo 3.12.3-1.
4 Đối với tàu kéo đa thân, trong quy định ở 3.5-3.5.3, 3.5-3.5.7 và trong Bảng 7/3.2, Bảng 7/3.4 và Bảng 7/3.5 giá trị B phải được thay bằng Bh, nghĩa là tổng chiều rộng của tàu kéo đa thân ở đường nước thiết kế, m.
5 Khi kiểm tra ổn định của tàu kéo đa thân mô men nghiêng phải được xác định theo công thức 3.5-3.5.3 và 3.5-3.5.7 và mô men xác định theo công thức:
![]()
Trong đó:
| p | - | áp suất gió động thiết kế, Pa, lấy theo cấp tàu ở Bảng 7/2.1; |
| S | - | diện tích hứng gió của tàu, m2; |
| z | - | chiều cao tâm hứng gió trên mặt phẳng cơ bản của tàu, m; |
| d | - | chiều chìm trung bình của tàu ở đường nước hiện hành, m; |
| k | - | hệ số bằng 1,75 cho tàu tàu đa thân cấp VR-SB và bằng 1,25 cho tàu cấp VR-SI, VR-SII; |
| zh | - | chiều cao điểm đặt lực kéo toàn tải trên mặt phẳng cơ bản của tàu, m; |
| Ph | - | lực kéo toàn tải trên dây kéo, kN. Nếu lực kéo toàn tải không có thì được lấy bằng 0,0163Pe (Pe - công suất ra của các động cơ chính, kW). |
PHẦN 8 PHÂN KHOANG
CHƯƠNG 1 QUY ĐỊNH CHUNG
1.1 Quy định chung
1.1.1 Phần này áp dụng cho các phương tiện nêu tại 1.1 Chương 1 Phần 1 Mục I của Quy chuẩn này.
1.1.2 Tàu coi là đủ ổn định tai nạn nếu thỏa mãn các yêu cầu của Phần này và các Phần liên quan đến ổn định được quy định trong Quy chuẩn này..
1.2 Giải thích từ ngữ
Ngoài các từ ngữ chung được giải thích tại Mục I, Phần 2A và Phần 7 của Mục II, trong Phần này sử dụng các từ ngữ dưới đây:
1.2.1 Khoang
Khoang là một phần thể tích bên trong của thân tàu, được ngăn chia bằng đáy đơn hoặc đáy đôi; các mạn hoặc các vách dọc; các sàn; bằng boong mạn khô hoặc mép trên của mạn nếu tàu không có boong mạn khô; bằng hai vách ngang kín nước kề nhau hoặc vách mút và các đầu mút tàu;
1.2.2 Đường chìm tới hạn
1 Đối với những tàu có mép boong và mép mạn liên kết gãy góc thông thường thì đường chìm tới hạn là giao tuyến ngay trên mạn của hai mặt phẳng trên vỏ boong vách và vỏ mạn;
2 Đối với những tàu có mép mạn uốn cong với bán kính ≤ 0,04B (chiều rộng tàu) thì đường chìm tới hạn là giao tuyến ngay trên mạn của mặt trên của boong vách kéo dài và mặt ngoài của vỏ mạn như dạng liên kết gãy góc;
3 Đối với những tàu có dạng liên kết boong và mạn không thông thường thì vị trí đường chìm tới hạn là đối tượng xem xét cụ thể của Đăng kiểm.
1.2.3 Đường nước tai nạn
Đường nước tai nạn là đường nước thực tế của tàu sau khi một hay nhiều khoang bị ngập.
1.2.4 Chỉnh tư thế của tàu
Chỉnh tư thế của tàu là quá trình khử hoặc giảm góc nghiêng hoặc góc chúi.
1.2.5 Hệ số ngập nước
Hệ số ngập nước là tỷ số được tính bằng thể tích có thể chứa đầy nước khi khoang hoàn toàn bị ngập chia cho thể tích lý thuyết của khoang.
1.3 Phân khoang
Khoang mũi, khoang đuôi và buồng máy trên tất cả các tàu đều phải được ngăn với các khoang khác bằng các vách kín nước.
1.4 Lỗ thủng giả định
1.4.1 Kích thước lỗ thủng
1 Các kích thước và hình dạng lỗ thủng ở mạn tàu phải lấy như sau:
(1) Chiều dài lỗ thủng: 0,04L (chiều dài tàu);
(2) Chiều sâu lỗ thủng được đo từ mặt trong của vỏ bao tại đường giới hạn chiều chìm, vuông góc với mặt phẳng đối xứng và bằng 0,075B hoặc 0,9 m chọn giá trị nào nhỏ hơn;
(3) Kích thước của lỗ thủng theo chiều thẳng đứng được tính từ mặt phẳng cơ bản hướng lên phía trên không giới hạn;
(4) Hình dáng của lỗ thủng: Hình hộp chữ nhật.
2 Các kích thước lỗ thủng ở đáy được lấy như sau:
(1) Chiều dài lỗ thủng: 0,04L;
(2) Chiều rộng lỗ thủng: 0,10B;
(3) Kích thước của lỗ thủng theo chiều thẳng đứng bằng 0,05B hoặc 0,8 m, chọn giá trị nào nhỏ hơn.
1.4.2 Các trường hợp đặc biệt
1 Nếu một lỗ thủng nào đó của tàu có kích thước nhỏ hơn kích thước quy định ở 1.4.1 nhưng có thể gây ra hậu quả nghiêm trọng về mặt tư thế và (hoặc) ổn định tai nạn thì phải tính kiểm tra ổn định tai nạn cho phương án có lỗ thủng đó.
2 Nếu khoảng cách giữa hai vách kín nước kề nhau nhỏ hơn kích thước lỗ thủng đã nói ở 1.4.1 thì khi kiểm tra ổn định tai nạn, người thiết kế phải xác định để kết hợp khoang giữa 2 vách nêu trên vào một trong các khoang kề khoang đó.
Trong trường hợp này, đối với tất cả các khoang của tàu, điểm giữa chiều dài hư hỏng phải được giả định là điểm giữa chiều dài khoang. Khoang mũi, khoang đuôi phải được xem xét như là khoang độc lập.
1.5 Hệ số ngập nước
1.5.1 Quy định chung
Khi kiểm tra ổn định tai nạn, tính toán cho các khoang bị ngập cần phải xác định theo các hệ số ngập nước của từng khoang. Hệ số đó phải được lấy không nhỏ hơn các giá trị như sau:
| 1 Đối với những khoang giữa các mạn kép, đáy, bể dằn, các khoang trống dưới boong của các tàu chở hàng trên mặt boong: | 0,98 |
| 2 Đối với các buồng ở và buồng khách, các hầm khô mũi và đuôi, các buồng đặt các thiết bị guồng rỗng, các khoang bố trí chở ô tô không có hàng: | 0,95 |
| 3 Đối với khoang làm lạnh trống | 0,93 |
| 4 Đối với những buồng máy của các tàu có L ≥ 40 m: | 0,85 |
| 5 Đối với buồng máy của các tàu có L < 40 m: | 0,80 |
| 6 Đối với các hầm chứa hàng khô, kho của tàu: | 0,60 |
| 7 Đối với các hầm chứa hàng rời, trong đó có than đá: | 0,55 |
| 8 Đối với các hầm chứa gỗ: | 0,35 |
| 9 Đối với các hầm chứa các bì bột hoặc xi măng: | 0,25 |
1.5.2 Các trường hợp đặc biệt
1 Đối với những khoang lớn có những hầm nhỏ có chức năng khác nhau, hệ số ngập nước tính theo công thức:
![]()
Trong đó:
Vi - thể tích lý thuyết của từng hầm;
- hệ số ngập nước được lấy theo chức năng của từng hầm.
2 Hệ số ngập nước của các khoang có thể được lấy nhỏ hơn giá trị nêu ở 1.5.1 nếu được chứng minh bằng tính toán.
3 Đối với tàu không phải tàu chở hàng lỏng dễ cháy có chiều dài nhỏ hơn 15 mét và nếu là tàu khách thì có số khách nhỏ hơn 50 người thì có thể cho phép thay đổi hệ số ngập các khoang được phép bằng cách điền vào các khoang các chất có khối lượng riêng nhỏ thỏa mãn 1.6.4 Phần 6 Mục II QCVN 54: 2023/BGTVT.
1.6 Bản thông báo ổn định tai nạn
Trên tất cả các tàu có yêu cầu thỏa mãn các tiêu chuẩn ổn định tai nạn cần phải có bản thông báo ổn định tai nạn. Bản thông báo này có thể được kết hợp với bản thông báo ổn định nguyên vẹn.
Bản thông báo ổn định tai nạn phải lập theo kết quả tính toán của Phần này.
CHƯƠNG 2 ỔN ĐỊNH TAI NẠN
2.1 Quy định chung
2.1.1 Quy định chung
1 Tư thế và các đặc trưng ổn định tai nạn của tàu phải được xác định bằng phương pháp lượng chiếm nước không đổi.
2 Các bản tính khẳng định sự thỏa mãn các yêu cầu về ổn định tai nạn đều phải được lập theo số lượng tương ứng của các trường hợp tải trọng khai thác xấu nhất để trên cơ sở đó khẳng định được rằng trong các trường hợp còn lại tình trạng của tàu về ổn định tai nạn sẽ tốt hơn. Như vậy, cần phải chú ý đến các hình dạng thực của các khoang bị thủng, đặc điểm của các nắp lỗ, sự có mặt của các vách dọc và các ngăn có tính kín nước thích hợp để các kết cấu đó thường xuyên tránh được nước lọt vào tàu hoặc tạm thời đảm bảo được tính kín nước.
3 Đối với các tàu khách cần phải tính trọng tâm tàu trong trường hợp tai nạn theo giả thiết rằng tất cả các hành khách đều đứng trên các boong cao nhất mà người được phép lên đó. Việc bố trí hành khách được giả định theo 3.1.2-2 Phần 7 của Quy chuẩn này.
4 Thay cho các quy định tại Chương này, tàu chở dầu mang cấp VR-SB phải tuân thủ các quy định tương ứng tại QCVN 17:2011/BGTVT và các bổ sung, sửa đổi. Tàu chở khí hóa lỏng, tàu chở hóa chất nguy hiểm phải tuân thủ các quy định tương ứng tại Phần 11 của Quy chuẩn này.
2.1.2 Tiêu chuẩn ổn định tai nạn
Ổn định tai nạn của tàu được coi là đảm bảo nếu các yêu cầu sau đây được thỏa mãn khi ngập các không gian như nêu ở 2.2:
1 Đường chìm tới hạn không ngập nước. Đối với những tàu không phải là tàu khách, trong một số trường hợp cụ thể đường chìm tới hạn có thể ngập nước nhưng các lỗ được đậy bằng nắp kín thời tiết (điểm kín thời tiết) không được ngập nước.
2 Mép dưới của các lỗ mà nước có thể tràn vào trong khoang không bị thủng (điểm không kín thời tiết) phải cao hơn đường nước tai nạn ở giai đoạn ngập nước cuối cùng một giá trị như sau:
(1) 0,300 m - cho các tàu đáp ứng yêu cầu ở 2.2.1 mang cấp VR-SB, VR-SI, VR-SII có L ≥ 25 m;
(2) 0,150 m - cho các tàu đáp ứng yêu cầu 2.2.1 mang cấp VR-SB, VR-SI có L < 25 m;
(3) 0,075 m - cho các tàu đáp ứng yêu cầu 2.2.1 mang cấp VR-SII có L < 25 m.
3 Góc nghiêng ở giai đoạn ngập nước cuối cùng không được cao hơn trị số quy định ở 2.3.
4 Chiều cao tâm nghiêng ban đầu ở giai đoạn ngập nước cuối cùng, ứng với vị trí cân bằng bền khi ngập đối xứng hoặc ứng với tư thế không nghiêng khi ngập không đối xứng nhưng trước lúc dùng các biện pháp tăng ổn định, không được nhỏ hơn 0,05 m.
5 Các đặc tính của đồ thị ổn định tĩnh tai nạn thỏa mãn các tiêu chuẩn nêu ở 2.3, 2.4.
2.2 Hư hỏng giả định
2.2.1 Quy định chung
Các yêu cầu về ổn định tai nạn ở 2.1.2 phải được đảm bảo khi ngập:
1 Mỗi khoang bất kỳ của:
(1) Tàu khách, tàu thủy lưu trú du lịch ngủ đêm, phà mang cấp VR-SB;
(2) Tàu chở dầu mang cấp VR-SI, VR-SII, VR-SIII có tổng dung tích từ 150 trở lên (không xét ngập buồng máy);
2 Các khoang mũi và khoang đuôi riêng biệt cho tàu hàng cấp VR-SB khác tàu nêu ở 2.2.1-1, trong mỗi thân và đồng thời trong các thân của tàu đa thân khác với tàu nêu ở 2.2.1-1.
3 Mỗi khoang riêng biệt trong khu đặt rãnh gầu cuốc đối với tàu cuốc bằng gầu cấp VR-SB, VR-SI.
4 Khoang mũi và đuôi riêng biệt của một cánh đệm và đồng thời cả hai cánh đệm đối với tàu đệm khí.
2.2.2 Yêu cầu bổ sung
Khi xét các khoang bị ngập phải lưu ý đến kích thước lỗ thủng giả định nêu ở 1.4 Chương 1 của Phần này.
2.3 Góc nghiêng tai nạn
2.3.1 Góc nghiêng trước khi chỉnh tư thế
Góc nghiêng tại giai đoạn ngập nước cuối cùng, trước khi chỉnh tư thế, không được lớn hơn:
15° - đối với các tàu khách;
20° - đối với các tàu không phải tàu khách.
2.3.2 Góc nghiêng tại giai đoạn ngập nước cuối cùng
Góc nghiêng tại giai đoạn ngập nước cuối cùng của ngập không đối xứng sau khi đã áp dụng biện pháp cân bằng không được lớn hơn:
7° - đối với tàu khách;
15° - đối với các tàu không phải tàu khách.
2.4 Đồ thị ổn định tĩnh tai nạn
2.4.1 Quy định chung
Đồ thị ổn định tĩnh của tàu bị tai nạn ở giai đoạn ngập nước cuối cùng, sau khi điều chỉnh tư thế (nếu có), phải bảo đảm:
1 Đối với các tàu nêu ở 2.2.1-1(1) và 2.2.1-1(2), phạm vi tay đòn dương tính đến góc θd, ứng với các lỗ nêu ở 2.1.2-2 không được nhỏ hơn 10°.
2 Giá trị lớn nhất của đồ thị ổn định tĩnh tai nạn, m, trong phạm vi nêu ở 2.4.1-1 đối với tàu khách, không được nhỏ hơn giá trị tính theo công thức sau, nhưng trong mọi trường hợp không được nhỏ hơn 0,1 m:
Mk/∆ + 0,04
Trong đó:
| ∆ | - | lượng chiếm nước trọng lượng của tàu tại trạng thái tải trọng đang xét, kN; |
| Mk | - | mô men nghiêng do khách tập trung về một bên mạn, kN.m, xác định theo 3.1.2-2 Chương 3 Phần 7 của Quy chuẩn này. |
3 Diện tích dưới đồ thị ổn định tĩnh tai nạn, tính đến góc nhỏ hơn trong các góc sau:
(1) Góc tại đó mép dưới các lỗ nêu tại 2.1.2-2 nhúng nước;
(2) Góc 22° tính từ gốc tọa độ;
Không được nhỏ hơn giá trị 0,015(15/θd), m.rad, nhưng trong mọi trường hợp không được nhỏ hơn 0,015 m.rad.
2.5 Thông tin về ổn định tai nạn
Thông tin về ổn định tai nạn được tích hợp vào Thông báo ổn định nêu tại 1.6 Phần 7 của Quy chuẩn này.
PHẦN 9 MẠN KHÔ
CHƯƠNG 1 QUY ĐỊNH CHUNG
1.1 Quy định chung
1.1.1 Phần này quy định chiều cao mạn khô tối thiểu của các tàu nêu tại 1.1 Chương 1 Mục I của Quy chuẩn này. Tàu phải có chiều cao mạn khô lớn hơn hoặc bằng chiều cao mạn khô tối thiểu quy định tại phần này.
1.1.2 Điều kiện cần thiết để định mạn khô cho tàu là tàu thỏa mãn quy chuẩn này và các Phần liên quan đến ổn định được quy định trong Quy chuẩn này về độ bền, ổn định và chống chìm.
1.1.3 Đối với tàu làm bằng các vật liệu khác không phải là thép và tàu có kết cấu đặc biệt nhưng xét thấy áp dụng Phần này không hợp lý hoặc không thể thực hiện được thì trong từng trường hợp cụ thể, Đăng kiểm có thể quy định mạn khô với điều kiện là người thiết kế phải có bản thuyết minh nêu rõ lý do và có bản tính thích hợp.
1.1.4 Đối với tàu mang nhiều cấp, mạn khô của tàu phải thỏa mãn các quy định của phần này đối với tất cả các cấp dự định trao cho tàu.
1.2 Giải thích từ ngữ
1.2.1 Mạn khô là khoảng cách thẳng đứng đo tại mạn ở giữa tàu. Khoảng cách này được tính từ mép trên của giao điểm mép trên tôn boong mạn khô với mạn tàu đến đường nước chở hàng tương ứng.
1.2.2 Mạn khô của tàu hở là khoảng cách giữa mặt phẳng của chiều chìm lớn nhất của tàu và mặt phẳng song song với mặt phẳng đó và đi qua điểm thấp nhất của mạn tàu mà nước có thể vào bên trong tàu.
1.2.3 Kín nước mưa là đặc tính của kết cấu thân tàu hoặc trang thiết bị có khả năng ngăn ngừa được nước lọt vào bên trong tàu dưới tác dụng của một luồng nước phun chùm vuông góc với bề mặt được thử.
1.2.4 Tàu hở là tàu được định nghĩa 1.2.20 Phần 7.
1.3 Dấu mạn khô (vạch dấu mớn nước an toàn)
Mạn khô đã quy định cho tàu đều phải kẻ lên cả hai mạn của tàu đó bằng dấu mạn khô. Dấu mạn khô bao gồm đường boong và dấu chở hàng (xem Hình 9/1.1).
1.4 Quy cách dấu chở hàng
1.4.1 Dấu chở hàng gồm có vòng tròn, một đường thẳng nằm ngang cắt vòng tròn qua tâm và các đường giới hạn chiều chìm.
Đối với tàu cấp VR-SI, VR-SII, VR-SIII, trên đường nằm ngang cắt tâm vòng tròn về phía mũi kẻ chữ ký hiệu vùng hoạt động của tàu (xem Hình 9/1.1, Hình 9/1.2), chiều rộng nét vẽ của vòng tròn và các đường khác là 25 mm.
Đối tàu cấp VR-SB, dấu mạn khô phải được kẻ sao cho đường nằm ngang cắt tâm vòng tròn trùng với đường nước chở hàng trên mạn tàu (M) tương ứng với vùng hoạt động SB.
Trường hợp tàu đi vào vùng nước ngọt có trọng lượng riêng bằng 1 tấn/m3 thì đường nước chở hàng tương ứng (N) với vùng chạy tàu được phép ngập thêm một lượng bằng lượng hiệu chỉnh mạn khô ứng với nước ngọt và ghi trong “Giấy chứng nhận an toàn kỹ thuật và bảo vệ môi phương tiện thủy nội địa” (Hình 9/1.3).
Đường kính ngoài của vòng tròn là 250 mm, chiều dài đường nằm ngang là 400 mm. Ký hiệu của Đăng kiểm ghi trên dấu mạn khô là VR. Chữ V và R được ghi mỗi chữ một bên của vòng tròn, chũ V nằm bên trái vòng tròn. Kích thước của chữ là 10060 mm và chiều dày nét chữ là 15 mm.
Mép trên của đường nằm ngang chạy qua tâm vòng tròn. Đường nằm ngang là đường giới hạn chiều chìm của tàu có cấp được trao cho tàu đó.
Tâm vòng tròn phải nằm trên cùng một đường thẳng đứng với tâm của đường boong.

Hình 9/1.1 - Dấu chở hàng đối với tàu cấp VR-SI, VR-SII (mép mạn thẳng)

Hình 9/1.2 - Dấu mạn khô đối với tàu cấp VR-SI, VR-SII (mép mạn cong)

Hình 9/1.3 - Dấu mạn khô đối với tàu cấp VR-SB
1.4.2 Dấu chở hàng của những tàu được định mạn khô theo nhiều cấp phù hợp với quy định tại 1.1.4 Chương này như sau:
1 Tàu ấn định mạn khô theo cấp VR-SI, VR-SII, VR-SIII, dấu hiệu chở hàng như Hình 9/1.4.
2 Tàu ấn định mạn khô theo các cấp VR-SB, VR-SI, VR-SII, VR-SIII, dấu hiệu chở hàng như Hình 9/1.5.
3 Quy cách các chi tiết của dấu chở hàng theo quy định tại 1.4.1.

Hình 9/1.4 - Dấu hiệu chở hàng của tàu theo cấp VR-SI, VR-SII, VR-SIII

Hình 9/1.5 - Dấu hiệu chở hàng của tàu theo các cấp VR-SB, VR-SI, VR-SII, VR-SIII
1.5 Quy cách đường boong
Đường boong là đoạn thẳng nằm ngang có chiều dài là 300 mm, chiều rộng là 25 mm (xem Hình 9/1.1).
1.6 Vị trí dấu mạn khô
1.6.1 Dấu chở hàng và đường boong phải được kẻ tại sườn giữa ở trên cả hai bên mạn tàu. Mép trên của đường boong trùng với giao điểm của mặt trên tôn boong và mặt ngoài của tôn mạn. Nếu mép boong có lát gỗ thì mép trên của đường boong sẽ trùng với giao điểm của mặt trên lớp gỗ lát và mặt ngoài của tôn mạn.
Đối với những tàu có đường cong dọc boong mà điểm thấp nhất của boong mạn khô (tung độ số không của đường cong dọc) lùi về mũi hoặc đuôi so với mặt phẳng sườn giữa thì khoảng cách giữa mép trên của dấu đường boong và mép trên của đường giới hạn chiều chìm phải kéo dài về sườn giữa tàu.
Trên các tàu có guồng ở mạn, hai dấu mạn khô phải đặt trên mỗi mạn ở khoảng 1/3 chiều dài tàu kể từ mũi tàu.
Đối với những tàu có con chạch hoặc ở mép boong có ốp dải đệm chống va hoặc mép boong lượn tròn thì có thể không cần kẻ đường boong (xem Hình 9/1.2). Nếu không đủ chỗ để kẻ đủ vòng tròn thì được phép kẻ nửa vòng tròn phía dưới (xem Hình 9/1.6).
1.6.2 Nếu dấu chở hàng và những đường giới hạn chiều chìm nằm đúng vào con chạch thì đệm chống va phải được cắt sao cho đầu của đệm chống va và dấu mạn khô cách nhau là 100 mm.

Hình 9/1.6 - Kẻ nửa vòng tròn trong trường hợp không đủ chỗ để kẻ đủ vòng
1.7 Chi tiết kẻ dấu mạn khô
Dấu mạn khô phải được sơn màu trắng trên trên nền tối hoặc màu tối trên nền sáng.
Đối với tàu vỏ thép, dấu mạn khô phải được làm sẵn bằng thép dẹt và hàn cố định vào mạn tàu hoặc hàn chấm rồi sau đó quét sơn thích hợp.
Trên các tàu bằng hợp kim, các đường nằm ngang của dấu mạn khô phải làm bằng những dải hợp kim và hàn hoặc dán vào mạn tàu, các đường còn lại cho phép kẻ và sơn.
Trên các tàu bằng chất dẻo, dấu mạn khô làm bằng tấm chất dẻo và dán vào mạn tàu.
Trên các tàu bằng gỗ, dấu mạn khô phải được khắc vào ván vỏ, chiều sâu vết khắc không được nhỏ hơn 1 mm, sau đó được sơn theo quy định.
1.8 Thước nước
Phải đặt thước nước ở cả hai bên mạn tàu ở phía mũi và phía lái. Thước nước của tàu được thể hiện trong Phụ lục II của Quy chuẩn này.
Đối với tàu vỏ thép, thước nước phải làm bằng thép tấm và hàn cố định vào mạn tàu hoặc hàn chấm rồi quét sơn thích hợp.
Đối với tàu vỏ hợp kim, thước nước phải làm bằng dải hợp kim được hàn hoặc dán chắc chắn vào mạn tàu.
Đối với tàu vỏ bằng chất dẻo, thước nước phải làm bằng tấm chất dẻo và dán chắc chắn vào mạn tàu.
Đối với tàu vỏ gỗ, thước nước phải được khắc vào ván vỏ tàu, chiều sâu vết khắc không được nhỏ hơn 1 mm.
CHƯƠNG 2 XÁC ĐỊNH MẠN KHÔ
2.1 Chiều cao mạn khô nhỏ nhất
Chiều cao mạn khô nhỏ nhất (Fo) của các loại tàu quy định tại 2.1.1 đến 2.1.4.
2.1.1 Tàu kín
Chiều cao mạn khô nhỏ nhất của tàu kín các cấp, trừ các tàu chở hàng lỏng, có đường cong dọc tiêu chuẩn quy định tại Bảng 9/2.4 và chiều cao miệng khoang quy định tại Bảng 9/3.1, không được nhỏ hơn chiều cao quy định tại Bảng 9/2.1.
2.1.2 Tàu chở hàng lỏng
Chiều cao mạn khô nhỏ nhất của tàu chở hàng lỏng có đường cong dọc boong tiêu chuẩn quy định tại Bảng 9/2.4 không được nhỏ hơn chiều cao quy định tại Bảng 9/2.2.
2.1.3 Tàu mặt boong
Chiều cao mạn khô nhỏ nhất của tàu mặt boong, kể cả sà lan chở hàng trên boong có đường cong dọc boong tiêu chuẩn quy định tại Bảng 9/2.4 không được nhỏ hơn chiều cao quy định tại Bảng 9/2.2.
2.1.4 Tàu hở
Chiều cao mạn khô tối thiểu của tàu hở được quy định tại Bảng 9/2.3.
2.2 Yêu cầu kỹ thuật riêng
2.2.1 Sà lan cấp VR-SI, VR-SII và VR-SIII có phủ bạt, mái che, chở hàng trong hầm, chiều cao mạn khô nhỏ nhất cũng được xác định như tàu hàng khô kín, được quy định tại Bảng 9/2.1, nếu bạt, mái che và các cửa đều kín nước mưa và chiều cao thành miệng cửa không nhỏ hơn chiều cao quy định tại mục 3.1.3.1.1 của Chương 3. Trường hợp bạt, các cửa, mái che không được thỏa mãn các điều kiện kín nước mưa thì chiều cao mạn khô nhỏ nhất phải lấy như đối với tàu hở.
2.2.2 Tàu công trình (tàu cuốc hút, cần cầu nổi...) nếu thỏa mãn điều kiện xác định mạn khô đối với các khoang kín phía dưới boong mạn khô thì chiều cao mạn khô được xác định như tàu kín.
2.2.3 Mạn khô đối với các tàu đệm khí kiểu Skeg phải được tính toán như đối với tàu có lượng chiếm nước.
2.2.4 Đối với các tàu đệm khí kiểu lưỡng cư theo thiết kế và hình dạng thân tàu khác với tàu có lượng chiếm nước thông thường mạn khô phải được ấn định trong điều kiện lực nổi dự trữ ở mức tối thiểu là 100% khối lượng lớn nhất của lượng chiếm nước quy định.
2.3 Đường cong dọc boong, thượng tầng
2.3.1 Be chắn sóng
Trên các tàu mang cấp VR-SB có chiều cao mạn khô đến boong thượng tầng mũi tại khu vực đường vuông góc mũi (và khi không có thượng tầng mũi thì tính đến boong mạn khô) nhỏ hơn tổng của chiều cao mạn khô tối thiểu tại giữa tàu và tung độ đường cong dọc boong tiêu chuẩn tại đường vuông góc mũi thì cần có mạn chắn sóng tại mũi tàu.
2.3.2 Độ cong dọc boong tiêu chuẩn
Đường cong dọc tiêu chuẩn của tàu không có thượng tầng mũi và đuôi phải lấy là đường gấp khúc có tung độ ở đường vuông góc mũi và đuôi theo Bảng 9/2.4 và tung độ ở điểm cách đường vuông góc mũi 0,15 chiều dài tàu và ở điểm cách đường vuông góc đuôi 0,07 chiều dài tàu lấy bằng 0.
Tung độ của đường cong dọc boong phải đo từ đường nằm ngang đi qua mép trên của đường boong xác định theo 1.6.1.
Bảng 9/2.1 - Trị số mạn khô nhỏ nhất cho các tàu kín
| Chiều dài tàu, m | Mạn khô tối thiểu theo cấp tàu (F0, mm) | |||
| VR-SB | VR-SI | VR-SII | VR-SIII | |
| ≤ 30 | 285 | 250 | 250 | 150 |
| 40 | 380 | 340 | 300 | 150 |
| 50 | 485 | 440 | 340 | 170 |
| 60 | 625 | 570 | 340 | 170 |
| 70 | 785 | 570 | 340 | 170 |
| 80 | 960 | 570 | 340 | 170 |
| 90 | 1070 | 570 | 340 | 170 |
| 100 | 1250 | 570 | 340 | 170 |
| 110 | 1460 | 570 | 340 | 170 |
| 120 | 1640 | 570 | 340 | 170 |
| 130 | 1820 | 570 | 340 | 170 |
| 140 | 2000 | 570 | 340 | 170 |
| Chú thích: Mạn khô nhỏ nhất của các tàu có chiều dài trung gian tính bằng phương pháp nội suy tuyến tính. Đối với tàu chở người, chiều cao mạn khô tối thiểu không được nhỏ hơn 200 mm. | ||||
Bảng 9/2.2 - Trị số mạn khô nhỏ nhất cho tàu chở hàng lỏng và phương tiện mặt boong
| Chiều dài tàu, m | Mạn khô tối thiểu theo cấp tàu (F0, mm) | |||
| VR-SB | VR-SI | VR-SII | VR-SIII | |
| ≤ 30 | 235 | 180 | 160 | 150 |
| 40 | 320 | 250 | 220 | 150 |
| 50 | 405 | 330 | 220 | 150 |
| 60 | 525 | 420 | 220 | 150 |
| 70 | 660 | 420 | 220 | 150 |
| 80 | 780 | 420 | 220 | 150 |
| 90 100 | 910 1060 | 420 420 | 220 220 | 150 150 |
| 110 | 1210 | 420 | 220 | 150 |
| 120 | 1380 | 420 | 220 | 150 |
| 130 | 1550 | 420 | 220 | 150 |
| 140 | 1710 | 420 | 220 | 150 |
| Chú thích: Mạn khô nhỏ nhất của các tàu có chiều dài trung gian tính bằng phương pháp nội suy tuyến tính. | ||||
Bảng 9/2.3 - Trị số mạn khô nhỏ nhất cho tàu hở
| Chiều dài tàu (m) | Mạn khô tối thiểu theo cấp tàu (F0 mm) | |||
| VR-SI | VR-SII | VR-SIII | ||
| ≤5 | 400 | 235 | 150 | |
| 10 | 410 | 240 | 150 | |
| 20 | 430 | 290 | 160 | |
| 30 | 450 | 340 | 170 | |
| 40 | 500 | 400 | 200 | |
| 50 | 550 | 500 | 250 | |
| 60 | 600 | 511 | 256 | |
| 70 | 650 | 522 | 261 | |
| 80 | 700 | 533 | 267 | |
| 90 | 750 | 544 | 272 | |
| 100 | 800 | 556 | 278 | |
| 110 | 850 | 567 | 283 | |
| 120 | 900 | 578 | 289 | |
| 130 | 950 | 589 | 294 | |
| 140 | 1000 | 600 | 300 | |
| Chú thích: Mạn khô nhỏ nhất của các tàu có chiều dài trung gian tính bằng phương pháp nội suy tuyến tính. Đối với tàu chở người, chiều cao mạn khô tối thiểu không được nhỏ hơn 200 mm. | ||||
Bảng 9/2.4 - Trị số các tung độ của đường cong dọc boong tiêu chuẩn
| Chiều dài L, m | VR-SB | VR-SI | VR-SII | |||
| Mũi | Đuôi | Mũi | Đuôi | Mũi | Đuôi | |
| ≤ 30 | 1000 | 500 | 550 | 275 | 400 | 200 |
| 40 | 1170 | 580 | 600 | 300 | 450 | 225 |
| 50 | 1280 | 630 |
|
|
|
|
| 60 | 1360 | 670 | 700 | 350 | 500 | 250 |
| 70 | 1410 | 700 |
|
|
|
|
| 80 | 1460 | 730 | 800 | 400 | 600 | 300 |
| 90 | 1510 | 750 |
|
|
|
|
| 100 | 1550 | 770 | 900 | 475 | 700 | 350 |
| 110 | 1580 | 790 |
|
|
|
|
| 120 | 1620 | 810 | 1050 | 525 | 800 | 400 |
| 130 | 1660 | 830 |
|
|
|
|
| 140 | 1700 | 850 | 1100 | 550 | 900 | 450 |
| Chú thích: 1. Với tàu hàng lỏng, tung độ của đường cong dọc boong, lấy theo Bảng này được giảm xuống một cấp (tàu VR-SB lấy bằng tàu VR-SI, tàu VR-SI lấy bằng VR-SII); 2. Với tàu hàng lỏng cấp VR-SII và tàu cấp VR-SIII thì không yêu cầu tung độ của đường cong dọc boong. | ||||||
2.3.3 Thượng tầng mũi và đuôi tiêu chuẩn
Trên các tàu cấp VR-SB, VR-SI, VR-SII đường cong dọc boong nêu tại 2.3.2 có thể không yêu cầu nếu thỏa mãn các điều kiện sau:
1 Chiều cao của thượng tầng mũi tính từ mặt boong không được nhỏ hơn:
(1) 1000 mm cho tàu cấp VR-SB;
(2) 900 mm cho các tàu cấp VR-SI;
(3) 500 mm cho các tàu cấp VR-SII.
2 Chiều dài thượng tầng mũi của tàu không được nhỏ hơn 0,07L;
3 Chiều cao thượng tầng đuôi tính từ mặt boong không được nhỏ hơn 1/2 chiều cao thượng tầng mũi;
4 Chiều dài thượng tầng đuôi không được nhỏ hơn 0,03L nhưng phải lớn hơn hoặc bằng 2 m;
5 Trên các tàu cấp VR-SB có độ cong dọc, không có thượng tầng mũi, ở vùng mút mũi phải có mạn chắn sóng với chiều dài bằng chiều dài thượng tầng tiêu chuẩn xác định theo -2 trên. Nếu các phần đuôi của tàu không có độ cong dọc boong và thượng tầng đuôi thì phải đặt mạn chắn sóng có chiều dài như của thượng tầng đuôi nhưng không được nhỏ hơn 2 m.
2.3.4 Trị số hiệu chỉnh mạn khô
1 Theo độ cong dọc boong
Nếu trên các tàu các cấp không bố trí được đường cong dọc boong hoặc kích thước của thượng tầng mũi và đuôi không bằng tiêu chuẩn thì chiều cao mạn khô nhỏ nhất (Fo) phải được tăng giá trị theo hai điều kiện dưới đây:
(1) Dự trữ lực nổi phải không nhỏ hơn so với đường cong dọc tiêu chuẩn hoặc thượng tầng mũi và đuôi.
(2) Mô men tĩnh của thể tích do chiều cao mạn khô đã tăng với mặt phẳng sườn giữa phải không nhỏ hơn mô men tĩnh thể tích của đường cong dọc tiêu chuẩn hoặc mô men tĩnh thể tích của thượng tầng mũi và đuôi tiêu chuẩn.
2 Theo các thông số cơ bản của tàu
(1) Nếu tàu có tỉ số B/d < 4,5 thì thì giá trị mạn khô theo bảng được tăng một lượng như sau (mm):
![]()
(2) Nếu tàu có hệ số béo CB lớn hơn 0,75 thì giá trị mạn khô theo bảng được tăng một lượng như sau (mm):
![]()
Nếu B/d ≥ 4,5 thì B/d lấy bằng 4,5.
(3) Nếu tàu có tỉ số L/B < 5,5 thì giá trị mạn khô theo bảng được tăng một lượng như sau (mm):
![]()
2.3.5 Hiệu chỉnh các hõm ở boong mạn khô
1 Nếu boong mạn khô có hõm và hõm này không kéo đến mạn tàu thì mạn khô được tính không quan tâm đến hõm đó phải được hiệu chỉnh để bồi thường việc mất lực nổi chưa tính đến khi tính mạn khô. Lượng hiệu chỉnh sẽ là giá trị xác định được bằng cách chia thể tích hõm lbdp cho diện tích đường nước của tàu Aw ở chiều chìm bằng 0,85 chiều cao mạn lý thuyết (Hình 9/2.1).

Hình 9/2.1 - Hiệu chỉnh hõm ở boong mạn khô
2 Lượng hiệu chỉnh sẽ được cộng trực tiếp vào mạn khô xác định được sau khi đã hiệu chỉnh theo tất cả các hiệu chỉnh khác phải áp dụng, ngoại trừ hiệu chỉnh chiều cao mũi tàu.
3 Nếu mạn khô đã được hiệu chỉnh đối với việc mất lực nổi nói trên, lớn hơn mạn khô hình học tối thiểu xác định được trên cơ sở chiều cao mạn lý thuyết, được đo từ đáy của hõm thì giá trị sau cùng sẽ được sử dụng.
4 Các hõm nằm ở boong thứ 2, được định là boong mạn khô, có thể bỏ qua nếu tất cả các lỗ khoét ở boong thời tiết được lắp đặt các thiết bị đóng kín cố định.
5 Các quy định từ -1 đến -4 ở trên không áp dụng cho các tàu cuốc, sà lan đổ đất hoặc các kiểu tàu tương tự khác có miệng hầm rộng.
6 Khi các lỗ khoét trên thân tàu thông trực tiếp với biển thì thể tích của các lỗ khoét này không được tính toán vào các đặc trưng thủy tĩnh. Lỗ khoét này phải tính vào hiệu chỉnh trị số mạn khô. Nếu lỗ khoét có diện tích mặt cắt ngang phía trên đường nước tại 0,85 chiều cao mạn lý thuyết lớn hơn trị số bên dưới, thì phải có lượng hiệu chỉnh trị số mạn khô tương ứng với phần lực nổi đã mất. Lượng hiệu chỉnh các phần nhô nằm ở phía trên đường nước tại 0,85 chiều cao mạn lý thuyết phải được hiệu chỉnh theo -1 ở trên.
Nếu thượng tầng kín có lỗ khoét trên thì phải khấu trừ vào chiều dài hiệu dụng của thượng tầng theo tỉ lệ diện tích mặt cắt lỗ khoét trên chiều rộng thượng tầng ở giữa chiều dài lỗ khoét.
CHƯƠNG 3 ĐIỀU KIỆN XÁC ĐỊNH MẠN KHÔ TỐI THIỂU
3.1 Các điều kiện xác định mạn khô tối thiểu
3.1.1 Chiều cao thành miệng khoang hàng và các lỗ khoét nằm tại boong mạn khô được tính từ mặt trên của boong và không được thượng tầng hoặc lầu lái che phủ của tàu kín không được nhỏ hơn chiều cao quy định của Bảng 9/3.1.
Bảng 9/3.1 - Trị số chiều cao của thành miệng khoang hàng và lỗ khoét
| Cấp tàu | Chiều cao thành miệng khoang | |||
| Khoang hàng | Lỗ khoét khác | |||
| L< 30 m | L ≥ 30 m | L< 30 m | L ≥ 30 m | |
| VR-SB | 450 | 380 | ||
| VR-SI | 300 | 350 | 200 | 250 |
| VR-SII | 200 | 250 | 150 | 200 |
| VR-SIII | 150 | 150 | 100 | 100 |
| Chú ý: Lỗ khoét khác bao gồm lỗ cầu thang lên xuống, lỗ người chui, các lỗ không phải miệng hầm hàng, các cửa từ ngoài đi vào thượng tầng, lầu. | ||||
3.1.2 Chiều cao thành miệng khoang hàng tàu hở
Tổng chiều cao mạn khô và chiều cao miệng khoang hàng của tàu, tính bằng mm, không nhỏ hơn trị số sau:
1 Đối với tàu cấp VR-SI: 1900;
2 Đối với tàu cấp VR-SII: 1200;
3 Đối với tàu cấp VR-SIII: 600;
Trên tàu khách khi khách được bố trí trong các khoang dưới thân tàu mà không được che chắn bởi boong hoặc thượng tầng thì chiều cao miệng khoang của các khoang phải không nhỏ hơn chiều cao miệng khoang trên các tàu hàng hở.
3.1.3 Khi thành miệng khoang hàng của tàu có chiều cao thực tế nhỏ hơn chiều cao quy định tại Bảng 9/3.1 thì chiều cao mạn khô nhỏ nhất (xem Bảng 9/2.1) phải tăng thêm một lượng bằng hiệu số giữa chiều cao thành miệng tiêu chuẩn và chiều cao thực tế. Chiều cao nhỏ nhất của những miệng khoang nằm trên các boong hở phía trên boong mạn khô đều không được nhỏ hơn 100 mm, không phụ thuộc vào cấp tàu.
Không được tăng chiều cao thành miệng khoang để giảm chiều cao mạn khô nhỏ nhất, được quy định tại Bảng 9/2.1.
Chiều cao thành miệng của những lỗ khác có thể nhỏ hơn trị số quy định tại Bảng 9/3.1 mà không cần phải điều chỉnh, nếu nắp những hầm đó chắc chắn và kín nước.
3.1.4 Khi bố trí các lỗ lên xuống bên trong thượng tầng có cửa đóng kín thời tiết thì chiều cao thành miệng của các lỗ khoét đó của tàu các cấp có thể lấy bằng 75 mm.
3.1.5 Miệng khoang hàng và miệng các lỗ khoét nằm lộ thiên tại boong mạn khô của tàu kín cấp VR-SB và VR-SI đều phải được đóng kín bằng các nắp kín thời tiết, đối với các tàu cấp VR-SII và VR-SIII bằng nắp kín nước mưa. Miệng khoang hàng trên các tàu cấp VR- SI có thể dùng nắp kín nước mưa nếu tổng chiều cao mạn khô đã quy định và chiều cao thành miệng hầm không nhỏ hơn 1200 mm.
3.1.6 Áp suất tính toán của các nắp kín thời tiết phải lấy theo các yêu cầu nêu tại 2.2.2 Phần 2A của Quy chuẩn này.
3.1.7 Chiều cao ống thông hơi, thông gió
1 Các ống thông hơi, thông gió bố trí trên những phần lộ thiên của boong mạn khô phải có thành ống làm bằng gờ thép và đủ bền và có nắp đậy kín. Việc trang bị thiết bị đóng cho ống thông hơi phải theo các yêu cầu Phần 3 của Quy chuẩn này. Các ống thông hơi, thông gió di động phải được trang bị nắp đóng tương tự như yêu cầu đối với ống cố định.
2 Tàu cấp VR-SB
(1) Chiều cao tối thiểu của ống thông hơi ở boong mạn khô là 600 mm, ở boong thượng tầng là 380 mm;
(2) Chiều cao tối thiểu của ống thông gió ở boong mạn khô là 760 mm, ở boong thượng tầng là 600 mm;
(3) Đối với ống thông gió chỉ kín nước mưa thì chiều cao tối thiểu phải bằng 1,5 mét tính từ boong mạn khô.
3 Tàu cấp VR-SI, VR-SII, VR-SIII
Các đầu ống thông hơi, thông gió trên những phần lộ thiên của boong mạn khô phải có chiều cao không thấp hơn chiều cao yêu cầu đối với thành miệng hầm hàng. Các đầu ống thông gió của các tàu mang cấp VR-SI phải có nắp đậy kín thời tiết, nếu chiều cao từ 1,2 mét tính từ đường nước thì nắp đậy chỉ cần kín nước mưa.
3.1.8 Tất cả các lỗ thoát của hệ đường ống nằm trên hai mạn nhưng dưới boong mạn khô đều phải thỏa mãn các yêu cầu nêu tại Phần 3 của Quy chuẩn này.
3.1.9 Tất cả các cửa ra vào và cửa sổ bên ngoài của thượng tầng, lầu đóng kín nằm tại boong mạn khô của tàu các cấp đều phải kín thời tiết, trừ trường hợp nêu tại 3.1.10 dưới đây.
3.1.10 Các cửa ra vào bên ngoài có thể chỉ cần kín nước mưa nếu ngưỡng cửa cách mặt phẳng có chiều chìm lớn nhất một khoảng tối thiểu tùy theo cấp tàu như sau:
1 VR-SB - 3500 mm;
2 VR-SI - 1900 mm;
3 VR-SII - 1200 mm;
4 VR-SIII - 600 mm.
Các cửa ra vào của các buồng kín có kích thước nhỏ, thượng tầng mũi và thượng tầng đuôi có thể là kín nước mưa.
3.1.11 Cửa húp lô, cửa sổ
1 Cửa húp lô nằm dưới boong mạn khô
(1) Trên các tàu cấp VR-SB và VR-SI các cửa húp lô tại mạn phải có nắp chống bão dạng bản lề cố định, chiều dày kính của các cửa phải tối thiểu là 8 mm khi đường kính cửa đến 250 mm và tối thiểu là 12 mm khi đường kính cửa từ 350 mm trở lên nhưng không được quá 450 mm. Đối với các đường kính trung gian chiều dày kính phải xác định bằng nội suy tuyến tính.
(2) Trên các tàu mang cấp VR-SII, VR-SIII, chiều dày kính của cửa húp lô tại mạn có đường kính 250 mm trở xuống phải tối thiểu bằng 6 mm, chiều dày kính của cửa húp lô có đường kính từ 400 mm trở lên phải tối thiểu bằng 10 mm. Đối với các đường kính trung gian chiều dày kính phải xác định bằng nội suy tuyến tính.
(3) Mép dưới của các cửa húp lô ở mạn trên các tàu thuộc các cấp phải cách đường nước có chiều chìm cao nhất một khoảng không nhỏ hơn 150 mm. Trên các tàu khách cấp VR-SB và VR-SI các cửa húp lô tại mạn là loại không mở được trừ cửa húp lô làm lối thoát sự cố và nằm cách đường nước có chiều chìm cao nhất một khoảng nhỏ hơn 2,5% chiều rộng tàu.
2 Trên các tàu cấp VR-SB, các cửa lấy sáng ở thượng tầng thứ nhất trên boong mạn khô phải là cửa húp lô có chiều dày kính tối thiểu bằng 10 mm và phải có nắp chống bão. Trong trường hợp lầu thứ nhất, các lỗ khoét đó chỉ cần lắp các cửa sổ kín thời tiết có quy cách thỏa mãn theo tiêu chuẩn quốc gia hoặc tiêu chuẩn, quy phạm theo thông lệ quốc tế.
3 Trên các tàu mang cấp VR-SI, VR-SII, VR-SIII, các cửa lấy sáng ở thượng tầng và lầu thứ nhất trên boong mạn khô chỉ cần là cửa sổ kín thời tiết có quy cách thỏa mãn theo tiêu chuẩn quốc gia hoặc tiêu chuẩn, quy phạm theo thông lệ quốc tế.
3.1.12 Các tàu chở dầu và các tàu chở hàng trên mặt boong phải đáp ứng các yêu cầu sau đây:
1 Tất cả các lỗ tại boong mạn khô phải có nắp đậy kín nước và đủ bền;
2 Các cửa ra vào, cửa lấy sáng, lỗ người chui và lỗ khoét khác nằm trên thượng tầng thứ hai và lầu thứ hai phải kín thời tiết;
3.1.13 Các cửa ra vào, cửa lấy sáng, lỗ người chui và lỗ khoét khác của thượng tầng thứ hai và lầu thứ hai phải đảm bảo điều kiện kín nước mưa.
PHẦN 10 TRANG BỊ AN TOÀN
CHƯƠNG 1 THIẾT BỊ CỨU SINH
1.1 Quy định chung
1.1.1 Chương này quy định định mức trang bị thiết bị cứu sinh cho các tàu, cũng như các yêu cầu kỹ thuật và cách bố trí các thiết bị này ở trên tàu.
1.1.2 Thiết bị cứu sinh được chế tạo phải phù hợp với các yêu cầu của QCVN 85: 2015/BGTVT, QCVN 42: 2015/BGTVT và các sửa đổi và các tiêu chuẩn hiện hành, với các điều kiện kỹ thuật được Đăng kiểm chấp thuận.
1.1.3 Thiết bị cứu sinh phải được thực hiện kiểm tra bảo dưỡng các theo quy định nêu tại Chương 2 Mục II QCVN 42: 2015/BGTVT và các sửa đổi.
1.1.4 Bố trí hệ thống hạ và thu hồi phương tiện cứu sinh được thực hiện theo các quy định nêu tại Chương 2 Mục II QCVN 42: 2015/BGTVT và các sửa đổi.
1.2 Giải thích từ ngữ
1.2.1 Các định nghĩa và giải thích liên quan tới các thuật ngữ chung không được nêu ra ở Phần này được trình bày trong Chương 2 Mục II của Quy chuẩn QCVN 42: 2015/BGTVT và Mục 3 Phần I của Quy chuẩn QCVN 85: 2015/BGTVT.
1.2.2 Dụng cụ nổi cứu sinh là thiết bị cứu sinh dùng để giữ được một số người nổi trên mặt nước mà vẫn giữ nguyên được hình dạng và đặc tính kỹ thuật trong suốt quá trình hoạt động.
1.3 Trang bị thiết bị cứu sinh cho tàu khách và phà mang cấp VR-SI; VR-SII và VR-SIII.
1.3.1 Định mức trang bị
Định mức trang bị thiết bị cứu sinh cho tàu khách và phà lấy theo Bảng 10/1.1 lưu ý đến các quy định tại 1.3.2.
1.3.2 Các quy định khác
1 Với phà, nếu theo chiều dài phà ở mỗi mạn, cứ 4 mét đặt một phao tròn thì không yêu cầu trang bị dụng cụ nổi cứu sinh như nêu tại Bảng 10/1.1.
2 Đối với tàu chở người, định mức trang bị thiết bị cứu sinh được lấy như tàu hàng.
Bảng 10/1.1 - Trang bị thiết bị cứu sinh cho tàu khách và phà
| Cấp tàu | Chiều dài tàu L, m | Định mức trang bị cứu sinh theo % tổng số người trên tàu | Phao tròn cứu sinh, chiếc |
| ||
| Dụng cụ nổi cứu sinh | Phao áo cứu sinh | Ở mỗi boong khách có thể đến trực tiếp | Số phao có dây ném trong tổng số phao được trang bị tại cột (5) |
| ||
| (1) | (2) | (3) | (4) | (5) | (6) |
|
| VR-SI | L ≤ 10 | - | 100 | 2 | 1 |
|
| 10 < L ≤ 20 | - | 100 | 4 | 2 |
| |
| 20 < L ≤ 60 | 50 | 100 | 4 | 2 |
| |
| L > 60 | 50 | 100 | 6 | 2 |
| |
| VR-SII VR-SIII | L ≤ 10 | - | 100 | 2 | 1 |
|
| 10 < L ≤ 20 | - | 100 | 4 | 2 |
| |
| 20 < L ≤ 60 | 35 | 100 | 4 | 2 |
| |
| L > 60 | 35 | 100 | 6 | 2 |
| |
| Chú thích: - Phải trang bị phao áo cứu sinh phù hợp cho trẻ em với số lượng ít nhất là 10% số hành khách trên tàu hoặc có thể yêu cầu nhiều hơn để đảm bảo mỗi trẻ em có một phao áo cứu sinh. - Đối với phà có thể thay thế phao áo cứu sinh bằng dụng cụ nổi cứu sinh cá nhân kiểu được duyệt. | ||||||
1.4 Trang bị thiết bị cứu sinh cho tàu hàng, tàu kéo và tàu công trình mang cấp VR-SI; VR-SII và VR-SIII
1.4.1 Định mức trang bị
Định mức trang bị thiết bị cứu sinh cho tàu hàng, tàu kéo và tàu công trình lấy theo Bảng 10/1.2 lưu ý đến các quy định tại 1.4.2.
1.4.2 Các quy định khác
Những công nhân, nhân viên chuyên môn hoặc nhân viên phục vụ đi trên các tàu không phải là tàu khách, phà, phải được trang bị thiết bị cứu sinh giống như thuyền viên của tàu.
Bảng 10/1.2 - Trang bị thiết bị cứu sinh cho tàu hàng, tàu kéo và tàu công trình
| Cấp tàu | Chiều dài tàu L, m | Định mức trang bị cứu sinh theo % tổng số người trên tàu | Phao tròn cứu sinh, chiếc |
| |
| Dụng cụ nổi cứu sinh | Phao áo cứu sinh | ||||
| Phương tiện tự hành mang cấp VR-SI | L < 20 | 100(1) | 100 | 2 |
|
| 20 ≤ L ≤ 30 | 100 | 100 | 2 |
| |
| L > 30 | 100 | 100 | 4 |
| |
| Phương tiện tự hành mang cấp VR-SII, VR-SIII | L ≤ 30 | - | 100 | 2 |
|
| L > 30 | - | 100 | 4 |
| |
|
|
|
|
|
| |
|
|
|
|
|
| |
| Ghi chú: - Các phương tiện không tự hành mang cấp VR-SI, VR-SII, VR-SIII phải trang bị như phương tiện tự hành mang cấp VR-SII, VR-SIII. - Trên mỗi tàu phải trang bị tổi thiểu một phao tròn cứu sinh có dây ném. - Trường hợp đoàn sà lan đẩy được ghép theo 2 hàng dọc thì số lượng phao tròn cứu sinh, trang bị cho mỗi phương tiện được giảm đi 50% so với yêu cầu nêu tại Bảng này. - Đối với tàu khi hành trình không có người trên tàu thì không phải trang bị thiết bị cứu sinh. (1) Có thể thay thế dụng cụ nổi cứu sinh bằng phao tròn với mức cứ hai người có một phao tròn. | |||||
1.5 Trang bị thiết bị cứu sinh cho các công trình nổi tĩnh tại mang cấp VR-SI; VR-SII và VR-SIII
1.5.1 Các công trình nổi tĩnh tại (bến nổi, trạm trực ca...) có chiều dài L≤ 30 m phải trang bị 2 phao tròn cứu sinh trên mỗi boong, nếu chiều dài L> 30 m thì trang bị 4 phao tròn cứu sinh trên mỗi boong; trong đó tối thiểu một phao tròn cứu sinh có dây ném.
1.5.2 Các công trình nổi tĩnh tại đang khai thác ở vùng SI ngoài định mức quy định tại 1.5.1 còn phải trang bị dụng cụ nổi cứu sinh đảm bảo cho 100% và phao áo cứu sinh đảm bảo cho 100% tổng số người được bố trí buồng ở trên công trình.
1.6 Trang bị thiết bị cứu sinh cho tàu thủy lưu trú du lịch ngủ đêm, nhà hàng nổi, khách sạn nổi
1.6.1 Tàu thủy lưu trú du lịch ngủ đêm phải trang bị phao áo cứu sinh đủ cho 200% tổng số người trên tàu, trong đó 100% số phao áo cứu sinh được bố trí trong các buồng ngủ và 100% số phao áo cứu sinh còn lại bố trí trong phòng ăn, phòng bar và tại nơi làm việc một cách phù hợp với sức chứa của phòng. Ngoài ra phải trang bị thêm số lượng phao áo cứu sinh cho trẻ em bằng 10% số hành khách. Số lượng phao tròn cứu sinh tối thiểu trang bị cho tàu tương ứng cột (5) và cột (6) tại Bảng 10/1.1, nếu tàu mang cấp VR-SB thì phao tròn trang bị như cấp SI, nhưng tổng số phao tròn cứu sinh trang bị cho tàu không ít hơn 8 chiếc trong đó 4 chiếc có dây ném. Dụng cụ nổi cứu sinh phải bố trí đủ cho 100% tổng số người trên tàu.
1.6.2 Nhà hàng nổi, khách sạn nổi phải được trang bị phao áo cứu sinh đủ cho 100% tổng số người trên tàu và được bố trí trong phòng ngủ, phòng ăn và phòng bar một cách phù hợp với sức chứa của phòng. Số phao áo cứu sinh cho trẻ em được trang bị tối thiểu bằng 30% số hành khách. Số lượng phao tròn cứu sinh tối thiểu trang bị như tại 1.6.1.
Đối với nhà hàng nổi di động, dụng cụ nổi cứu sinh phải bố trí đủ cho 100% tổng số người trên phương tiện.
1.7 Trang bị thiết bị cứu sinh cho tàu mang cấp VR-SB
1.7.1 Thông tin liên lạc
1 Thiết bị vô tuyến điện thoại hai chiều VHF
Phải trang bị thiết bị vô tuyến điện thoại hai chiều VHF cho tàu được trang bị xuồng cấp cứu, xuồng cứu sinh và bè cứu sinh. Thiết bị trên phải phù hợp với các yêu cầu quy định tại 3.4 Chương 3 "Trang bị hàng giang, hàng hải, vô tuyến điện" của Quy chuẩn này.
2 Thiết bị chỉ báo vị trí tìm kiếm và cứu nạn
Phải trang bị thiết bị chỉ báo vị trí tìm kiếm và cứu nạn cho tàu. Thiết bị này phải phù hợp với các yêu cầu quy định tại 3.4 Chương 3 "Trang bị hàng giang, hàng hải, vô tuyến điện" của Quy chuẩn này.
3 Hệ thống truyền thanh công cộng trên tàu khách
Hệ thống truyền thanh công cộng phải nghe được rõ trong điều kiện môi trường có tiếng ồn ở tất cả không gian và phải có chức năng chọn lệnh ngắt ưu tiên được điều khiển ở một vị trí từ buồng lái và ở những vị trí cần thiết khác trên tàu, sao cho các thông tin sự cố sẽ được phát dù hệ thống truyền thanh công cộng đang sử dụng cho mục đích khác.
Hệ thống truyền thanh công cộng phải được cấp điện từ nguồn điện sự cố theo yêu cầu của Phần 4 của Quy chuẩn này.
1.7.2 Trang bị thiết bị cứu sinh cho tàu hàng
1 Thiết bị cứu sinh được trang bị theo Bảng 10/1.3.
Bảng 10/1.3 Trang bi cứu sinh cho tàu hàng
| Kích thước | Trang bị phao bè, xuồng cấp cứu | Phao tròn | Phao áo | |
| GT < 300 | Phao bè cứu sinh hoặc dụng cụ nổi cứu sinh có sức chứa 100% tổng số người. Đối với tàu có GT<150 có thể thay thế phao bè cứu sinh hoặc dụng cụ nổi cứu sinh bằng phao tròn với mức cứ hai người có một phao tròn. | 4 | 100% số người trên tàu | |
| 300 ≤ GT < 1600 | Phao bè cứu sinh hoặc dụng cụ nổi cứu sinh có sức chứa 100% tổng số người | 6 | 100% số người trên tàu | |
| 1600 ≤ GT < 3000 | Phao bè cứu sinh có sức chứa mỗi mạn 100% tổng số người | 8 | 100% số người trên tàu | |
| GT ≥ 3000 | Phao bè cứu sinh có sức chứa mỗi mạn 100% tổng số người, mất một phao thì mỗi mạn vẫn đủ 100% số người trên tàu. 01 Xuồng cấp cứu | 10 | 100% số người trên tàu | |
2 Ngoài số phao áo cứu sinh được trang bị nêu trên, tàu tự hành còn phải được trang bị thêm 04 phao áo cứu sinh cho người đi ca (bố trí tại buồng máy 02 chiếc và tại buồng lái 02 chiếc); mỗi phao áo cứu sinh phải được trang bị 01 đèn thỏa mãn các yêu cầu quy định tại 2.6.3-3 Chương 2 Mục II của Sửa đổi 1:2017 QCVN 42: 2015/BGTVT.
1.7.3 Trang bị thiết bị cứu sinh cho tàu khách và phà
Thiết bị cứu sinh được trang bị theo Bảng 10/1.4.
Bảng 10/1.4 Trang bi cứu sinh cho tàu khách và phà
| Phạm vi | Phao bè cứu sinh, xuồng cấp cứu | Phao tròn | Phao áo |
| GT < 300 | Phao bè cứu sinh hoặc dụng cụ nổi cứu sinh có sức chứa mỗi mạn 55% tổng số người | 6, trong đó 2 phao có dây | 110% số người trên tàu |
| 300 ≤ GT < 500 | Phao bè cứu sinh có sức chứa mỗi mạn 75% tổng số người | 8, trong đó 2 phao có dây | 110% số người trên tàu |
| GT ≥ 500 | Phao bè cứu sinh có sức chứa mỗi mạn 100% tổng số người 01 Xuồng cấp cứu | 12, trong đó 4 phao có dây | 110% số người trên tàu |
Phao bè cứu sinh có thể là loại hở có thể lật được thỏa mãn yêu cầu tại Phụ lục 11 của nghị quyết MSC.97(73).
1.7.4 Tàu đẩy (kéo), tàu công trình và các công trình nổi tĩnh tại
Tàu đẩy (kéo), tàu công trình và các công trình nổi tĩnh tại phải được trang bị cứu sinh như tàu hàng.
1.8 Yêu cầu về trang bị thiết bị phóng dây cho tàu cấp VR-SB
Tàu khách có chiều dài lớn hơn 50 m và tàu hàng có tổng dung tích từ 500 trở lên mang cấp VR-SB phải trang bị ít nhất 1 thiết bị phóng dây kèm 2 đầu phóng. Không cần trang bị thiết bị phóng dây cho các tàu chạy chuyên tuyến từ bờ ra đảo, nối các đảo với khoảng cách giữa hai đầu tuyến không quá 15 km.
1.9 Bố trí dụng cụ nổi cứu sinh trên tàu
1.9.1 Dụng cụ nổi cứu sinh phải đặt trên boong thoáng ở chỗ dễ đến lấy, các chi tiết cố định dụng cụ nổi cứu sinh vào boong phải tự mở khi tàu bị chìm để dụng cụ này có thể tự nổi.
1.9.2 Dụng cụ nổi cứu sinh có thể xếp chồng lên nhau, đảm bảo không bị xê dịch khi tàu hành trình.
1.9.3 Vị trí cất giữ dụng cụ nổi cứu sinh phải được chiếu sáng và có biển báo. Vùng nước hạ phương tiện cứu sinh phải được chiếu sáng từ tàu.
1.9.4 Các dụng cụ nổi cứu sinh phải được bố trí càng gần mặt nước càng tốt nhưng phải đảm bảo không bị phá hủy do lực tác động của sóng.
1.9.5 Các dụng cụ nổi cứu sinh phải được bố trí càng gần khu vực thượng tầng và các không gian dịch vụ càng tốt, bố trí ở những khu vực an toàn tránh cháy, nổ và va chạm với tàu khác.
1.9.6 Các dụng cụ nổi cứu sinh phải bố trí sao cho tránh chướng ngại vật khi tập hợp mọi người tại địa điểm tập trung, đồng thời tránh chướng ngại vật khi đưa phương tiện cứu sinh ra khỏi mặt boong, hạ phương tiện cũng như việc đưa phương tiện trở lại tàu.
1.9.7 Phải kẻ tên tàu và số lượng người được phép chở bằng chữ in hoa trên dụng cụ nổi cứu sinh.
1.10 Bố trí phao tròn cứu sinh và phao áo cứu sinh trên tàu
1.10.1 Phải bố trí phao tròn cứu sinh, bao gồm cả phao tròn cứu sinh có dây ném đều dọc hai bên mạn tàu tại chỗ dễ đến và dễ thấy nhất, giá đỡ phao không được cản trở phao tự nổi khi tàu bị chìm.
1.10.2 Phao áo cứu sinh dùng cho hành khách và thuyền viên được bố trí ngay trong buồng khách và buồng thuyền viên, tại vị trí dễ lấy và được đánh dấu dễ nhận biết.
1.10.3 Nếu phao áo cứu sinh dùng cho hành khách được bố trí ở phía ngoài buồng khách, phải chia thành nhóm, mỗi nhóm không quá 20 chiếc, để ở nơi dễ đến, có biển báo được chiếu sáng với dòng chữ “Phao áo cứu sinh”.
1.10.4 Phao áo cứu sinh dành cho trẻ em phải được xếp riêng biệt, gần đó phải có dòng chữ “Phao áo cứu sinh dành cho trẻ em”. Nơi xếp phao phải được chiếu sáng.
1.10.5 Phao tròn cứu sinh và phao áo cứu sinh phải ghi tên tàu hoặc số đăng ký hành chính.
1.11 Bố trí phao bè cứu sinh, xuồng cấp cứu, xuồng cứu sinh trên tàu
Việc bố trí phao bè cứu sinh, xuồng cấp cứu, xuồng cứu sinh (nếu được trang bị) phải tuân thủ các yêu cầu được nêu tại QCVN 42: 2015/BGTVT và các sửa đổi.
CHƯƠNG 2 THIẾT BỊ TÍN HIỆU GIAO THÔNG
2.1 Tín hiệu
2.1.1 Nếu không có quy định nào khác thì việc trang bị tín hiệu phải phù hợp với các quy định nêu tại Mục 2 Chương V của Luật Giao thông đường thủy nội địa (hợp nhất).
2.1.2 Yêu cầu bổ sung
Đối với các tàu mang cấp VR-SB, trên mỗi tàu phải trang bị không ít hơn 06 pháo hiệu dù, trừ các tàu chạy chuyên tuyến từ bờ ra đảo, nối các đảo với khoảng cách giữa hai đầu tuyến không quá 15 km và phương tiện không bố trí thượng tầng hoặc lầu.
2.1.3 Yêu cầu kỹ thuật của thiết bị tín hiệu phải thỏa mãn các yêu cầu nêu trong Quy định tiêu chuẩn kỹ thuật của tín hiệu trên phương tiện thủy nội địa ban hành kèm theo Quyết định số 30/2004/QĐ-BGTVT của Bộ trưởng Bộ Giao thông vận tải.
2.2 Bảo quản trang bị tín hiệu dự trữ
2.2.1 Các tín hiệu dự trữ phải được bảo quản trong kho tại nơi dễ đến và phải đặt ở vùng buồng lái.
2.2.2 Dầu dùng cho đèn phải được bảo quản trong các thùng riêng và có thể lấy để sử dụng ngay. Buồng chứa dầu và đèn phải đảm bảo an toàn về phòng cháy.
2.2.3 Buồng và kho chứa đèn dự trữ phải làm bằng kim loại, trên giá phải có thiết bị để giữ đèn chống xê dịch khi tàu nghiêng.
CHƯƠNG 3 THIẾT BỊ HÀNG GIANG, HÀNG HẢI, VÔ TUYẾN ĐIỆN
3.1 Quy định chung
3.1.1 Phạm vi áp dụng
1 Những yêu cầu của Chương này áp dụng cho các thiết bị hàng giang, hàng hải, vô tuyến điện dùng để trang bị trên tàu phải chịu sự kiểm tra của Đăng kiểm.
2 Chương này đưa ra định mức trang bị, bố trí và yêu cầu kỹ thuật mà các thiết bị hàng giang, hàng hải, vô tuyến điện phải thỏa mãn.
3 Chủ tàu và thuyền trưởng phải chịu trách nhiệm về số lượng và tình trạng kỹ thuật của trang bị hàng giang, hàng hải, vô tuyến điện của tàu, kể cả độ tin cậy của chúng khi tàu hoạt động.
3.1.2 Định nghĩa và giải thích
1 Các định nghĩa và giải thích liên quan đến thuật ngữ kỹ thuật và thuật ngữ chung được nêu tại Phần 1A của Quy chuẩn này.
2 Ngoài các từ ngữ đã được giải thích trong các phần khác của Quy chuẩn này, trong Chương này sử dụng các từ ngữ sau:
(1) Phao vô tuyến chỉ báo vị trí sự cố (Emergency Position Indicating Radio Beacons - EPIRB) được dùng để chỉ thị khẩn cấp vị trí bị nạn của tàu qua vệ tinh khi được kích hoạt;
(2) Nhiễu bức xạ là nhiễu phát ra bởi vỏ thiết bị, trừ bức xạ ăng ten;
(3) Thiết bị vô tuyến điện thoại hai chiều (two-way VHF) là thiết bị dùng để thông tin liên lạc giữa xuồng cứu sinh và tàu, giữa xuồng cứu sinh và phương tiện cứu nạn, và giữa tàu và máy bay;
(4) Hệ thống truyền thanh công cộng là thiết bị để truyền các mệnh lệnh công vụ của ban chỉ huy tàu tới khu vực sinh hoạt, buồng phục vụ và buồng công cộng, cũng như đến các boong hở của tàu;
(5) Gọi chọn số (DSC) là kỹ thuật mã hoá tín hiệu vô tuyến điện phù hợp với những khuyến nghị tương ứng của Hiệp hội thông tin viễn thông quốc tế (ITU);
(6) La bàn từ chuẩn là la bàn từ độc lập với bất kỳ nguồn điện nào của tàu dùng để xác định hướng mũi tàu và hiển thị trị số đọc tại vị trí lái chính của tàu, được lắp đặt trong hộp la bàn có thiết bị hiệu chỉnh theo yêu cầu;
(7) La bàn từ lái là la bàn từ độc lập với bất kỳ nguồn điện nào của tàu dùng để chỉ hướng lái tàu, được lắp đặt trong hộp la bàn có thiết bị hiệu chỉnh theo yêu cầu;
(8) Máy thu NAVTEX là thiết bị vô tuyến điện thu các bản tin cảnh báo an toàn hàng hải.
3.1.3 Phạm vi kiểm tra
1 Các điều khoản chung về trình tự kiểm các thiết bị hàng giang, hàng hải, vô tuyến điện cũng như các yêu cầu về hồ sơ kỹ thuật và các thông tin liên quan đến tài liệu thiết bị phải trình Đăng kiểm.
2 Sau khi hoàn thành việc lắp đặt các thiết bị hàng giang, hàng hải, vô tuyến điện phải được thử dưới sự chứng kiến của Đăng kiểm. Tất cả các biên bản thử và kết quả thử được Đăng kiểm giữ và được dùng làm cơ sở để đưa ra các kết luận thiết bị có thể được sử dụng trên tàu cùng với hồ sơ tương ứng được cấp hay không.
3 Ở các tàu đang được đóng, việc thử hoạt động các thiết bị hàng giang, hàng hải, vô tuyến điện phải được tiến hành phù hợp với 2.3 Phần 1B của Quy chuẩn này.
3.1.4 Bản vẽ và các tài liệu thẩm định
Các bản vẽ và tài liệu kỹ thuật tương ứng trình thẩm định được quy định tại 2.2.7 Chương 2 Phần 1B Mục II của Quy chuẩn này.
3.2 Nguồn cấp điện
3.2.1 Để đảm bảo luôn luôn sẵn sàng hoạt động khi tàu hành trình, thiết bị hàng giang, hàng hải, vô tuyến điện phải được cung cấp nguồn năng lượng đủ cho hoạt động của chúng và đồng thời nạp cho nguồn ắc quy dự phòng.
3.2.2 Việc cấp điện cho thiết bị hàng giang, hàng hải, vô tuyến điện từ nguồn điện chính và nguồn điện dự phòng phải phù hợp hợp quy định nêu ở Phần 4 “Trang bị điện” của Quy chuẩn này.
3.2.3 Trên mỗi tàu phải có nguồn điện dự phòng để cung cấp cho thiết bị hàng giang, hàng hải, vô tuyến điện nhằm mục đích thông tin liên lạc an toàn và cấp cứu khi hư hỏng nguồn điện chính (nếu tàu không bố trí nguồn điện dự phòng thì phải bố trí tổ ắc quy dự phòng cho thiết bị) để đảm bảo thiết bị sẵn sàng hoạt động.
3.2.4 Tất cả các thiết bị phải được cấp điện theo đường dây riêng từ bảng điện (tủ điện) chung.
3.2.5 Ở mỗi đường dây riêng cấp cho mỗi thiết bị hàng giang, hàng hải, vô tuyến điện phải có bảo vệ quá tải và ngắn mạch.
3.2.6 Tất cả cáp điện của thiết bị hàng giang, hàng hải, vô tuyến điện có biện pháp bảo vệ chống nhiễu vô tuyến điện do trang bị điện tàu gây ra phải thoả mãn yêu cầu nêu ở Phần 4 “Trang bị điện” của Quy chuẩn này.
3.3 Ăng ten và nối đất
3.3. 1 Ăng ten
1 Trên mỗi tàu phải được lắp các ăng ten để phục vụ hoạt động thiết bị hàng giang, hàng hải, vô tuyến điện.
2 Ăng ten của thiết bị hàng giang, hàng hải, vô tuyến điện phải đảm bảo đạt hiệu quả hoạt động cao nhất. Ăng ten phải có khả năng chịu được ảnh hưởng tác động cơ khí và thời tiết trong mọi điều kiện hoạt động của tàu.
3 Các ăng ten trên tàu phải có khả năng chịu được áp lực gió với tốc độ 60 m/s ở mọi hướng, không quan tâm đến tốc độ tàu và các yếu tố khác.
4 Không cho phép dùng ăng ten chung giữa thiết bị hàng giang, hàng hải, vô tuyến điện.
5 Ăng ten được đặt trên nóc buồng lái sao cho không vượt quá kim thu sét của tàu.
3.3.2 Nối đất
1 Nối đất để đảm bảo hoạt động bình thường của thiết bị phát phải được thực hiện bằng thanh đồng và đi trực tiếp từ bộ chuyển mạch ăng ten đến vách kim loại. Thanh nối đất phải có băng cách điện dẫn vào các đầu nối của máy phát. Chiều dài của thanh dẫn từ máy phát đến vị trí nối với vách kim loại không quá 1000 mm. Tuỳ thuộc vào công suất máy phát, tiết diện của thanh dẫn không được thấp hơn trị số nêu tại Bảng 10/3.1.
Bảng 10/3.1 - Tiết diện của thanh dẫn nối đất và băng cách điện
| Công suất máy phát (W) | Tiết diện thanh dẫn (mm2) |
| Dưới 50 | 25 |
| từ 50 đến 500 | 50 |
2 Ở các máy phát có công suất phát xạ lớn hơn 50 W, phải thực hiện dùng thanh dẫn nối đất (hoặc dây dẫn mềm) với vỏ máy phát tại ít nhất hai điểm cách xa nhau nhất.
3 Việc nối đất máy thu của thiết bị hàng giang, hàng hải, vô tuyến điện phải được thực hiện bằng thanh dẫn đồng hoặc dây đồng thau mềm được bện từ nhiều sợi với tiết diện không nhỏ hơn 6 mm2, và có thể nối trực tiếp từ mỗi máy thu đến thanh dẫn nối đất của máy phát hoặc với vách kim loại gần nhất.
4 Ở những tàu phi kim loại, phải nối đất chung thiết bị hàng giang, hàng hải, vô tuyến điện trên tàu. Trong trường hợp này, phải đảm bảo tiếp xúc về điện giữa phần nối đất với nước bằng cách nối vào đồng thanh hoặc đồng tấm nguyên chất có chiều dày tối thiểu 2 mm và diện tích không nhỏ hơn 0,2m2 gắn ở mặt ngoài thân tàu phía dưới đường nước không tải. Cho phép dùng sống tàu bằng kim loại hoặc tấm kim loại chống hà của tàu gỗ để nối đất.
5 Dây nối đất bảo vệ của vỏ thiết bị phải càng ngắn càng tốt, mọi trường hợp không lớn hơn 150 mm.
6 Điện trở nối đất không được vượt quá 0,02 Ω.
7 Không cho phép sử dụng bộ phận nối đất thiết bị hàng giang, hàng hải, vô tuyến điện làm kim thu sét.
3.4 Trang bị thiết bị vô tuyến điện
3.4.1 Quy định chung
Các thiết bị vô tuyến điện lắp đặt trên tàu phải đáp ứng các điều kiện thử môi trường IEC 60945 và thử tương thích điện từ EMC (Electromagnetic Compability).
3.4.2 Định mức trang bị
1 Định mức trang bị thiết bị vô tuyến điện lấy theo Bảng 10/3.2.
Bảng 10/3.2 - Trang bị thiết bị vô tuyến điện
| TT | Tên trang bị | Cấp tàu | Ghi chú | ||||
| VR-SB | VR-SI | VR-SII | VR-SIII |
| |||
| 1 | Thiết bị MF/HF | 1(1) |
|
|
|
| |
| 2 | Thiết bị VHF DSC | 1 | 1(2) | 1(2) |
| Áp dụng cho tàu khách; tàu không không phải tàu khách có GT ≥ 500. | |
| 3 | Phao vô tuyến chỉ báo vị trí sự cố S.EPIRB | 1(3) |
|
|
|
| |
| 4 | Hệ thống truyền thanh công cộng | 1(4) | 1(5) | 1(5) | 1(5) |
| |
| 5 | Thiết bị VHF 2 chiều cầm tay (6) | 2 |
|
|
|
| |
| 6 | Ca-mê-ra (7) | 1 | 1 | 1 | 1 |
| |
| 7 | Thiết bị định vị tìm kiếm cứu nạn (SART hoặc AIS.SART) | 1(8) |
|
|
| Tàu hàng GT ≥ 100 và tàu khách | |
| 8 | Máy thu NAVTEX | 1(8) |
|
|
| Tàu khách: GT≥300 và Tàu hàng: GT≥1000 | |
| Chú thích: (1) Không yêu cầu trang bị đối với tàu khách có chiều dài L < 30 m và các tàu khác có GT < 100, chạy chuyên tuyến từ bờ ra đảo hoặc giữa các đảo với khoảng cách giữa hai đầu tuyến không quá 15 km với điều kiện trong vùng trực canh của ít nhất 01 trạm VHF có hoạt động thông tin cấp cứu liên tục DSC; Các tàu không tự hành được kéo, đẩy hoặc để lâu dài bên ngoài khu vực cảng và vùng có tàu qua lại mà trên tàu có người thì phải trang bị thiết bị VHF DSC hoặc thiết bị MF/HF để đảm bảo liên lạc với tàu kéo, đẩy hoặc đài vô tuyến điện trên bờ tùy thuộc vào điều kiện cụ thể; Nếu tàu không có thiết kế thượng tầng hoặc lầu thì không cần trang bị thiết bị VHF DSC cũng như MF/HF nhưng khi cần có người để xử lý tình huống trên phương tiện thì phải mang theo thiết bị VHF cầm tay. (2) Tàu mang cấp VR-SI, VR-SII, VR-SIII có thể sử dụng VHF DSC loại D. (3) Chỉ áp dụng cho các tàu có dặc điểm như sau: a. Tàu khách và phà (trừ tàu khách và phà có chiều dài L < 30 m, chạy chuyên tuyến từ bờ ra đảo hoặc giữa các đảo với khoảng cách giữa hai đầu tuyến không quá 15 km); b. Tàu có tổng dung tích GT ≥ 300 (trừ tàu chạy chuyên tuyến từ bờ ra đảo hoặc giữa các đảo với khoảng cách giữa hai đầu tuyến không quá 15 km và tàu không có thiết kế thượng tầng hoặc lầu). (4) Chỉ áp dụng cho các tàu có đặc điểm như sau: a. Tàu khách (với tàu có chiều dài L < 30 m chỉ cần trang bị loa phóng thanh cầm tay nếu đảm bảo việc thông tin đến các hành khách không bị ảnh hưởng). b. Tàu thuỷ lưu trú du lịch ngủ đêm, nhà hàng nổi, khách sạn nổi. (5) Chỉ áp dụng với tàu thuỷ lưu trú du lịch ngủ đêm, nhà hàng nổi, khách sạn nổi. (6) Chỉ áp dụng cho tàu được trang bị xuồng cấp cứu, xuồng cứu sinh và bè cứu sinh. (7) Chỉ áp dụng cho tàu tham gia thi công, vận chuyển đổ bùn đất, chất nạo vét trong thi công nạo vét, duy tu luồng nhằm cung cấp các hình ảnh khoang chứa bùn đất nạo vét khi bắt đầu di chuyển đi đổ bùn đất và trước khi đổ bùn đất tại vị trí quy định. (8) Không áp dụng đối với tàu chạy chuyên tuyến từ bờ ra đảo hoặc giữa các đảo với khoảng cách giữa hai đầu tuyến không quá 15 km và tàu không có thiết kế thượng tầng hoặc lầu. | |||||||
2 Đối với các phương tiện có buồng lái kiểu nâng hạ phải trang bị thiết bị để đảm bảo thông tin liên lạc giữa thuyền viên ở mũi tàu và người điều khiển phương tiện khi phương tiện hạ thấp cabin lái để đi qua cầu.
3.4.3 Yêu cầu chức năng và kỹ thuật của thiết bị
1 Các thiết bị VHF DSC, thiết bị MF/HF, thiết bị VHF 2 chiều cầm tay, phao vô tuyến chỉ báo vị trí sự cố S.EPIRB, thiết bị định vị tìm kiếm cứu nạn (SART hoặc AIS.SART), máy thu NAVTEX sử dụng trên tàu mang cấp VR-SB phải thoả mãn các tiêu chuẩn chức năng và kỹ thuật phù hợp với Chương 4 của QCVN 42: 2015/BGTVT và các sửa đổi.
2 Mỗi tàu mang cấp VR-SB khi hoạt động phải duy trì trực canh như sau:
(1) Trên kênh 70, VHF sử dụng DSC nếu tàu được trang bị vô tuyến điện thoại VHF phù hợp với các yêu cầu tại Chương 4 của QCVN42:2015/BGTVT và các sửa đổi.
(2) Trên tần số cấp cứu và an toàn DSC tần số 2.187,5 kHz và tần số 8.414,5 kHz sử dụng và trên một trong số các tần số cấp cứu và an toàn 4.207,5 kHz, 6.312 kHz, 12.577 kHz hoặc 16.804,5 kHz phù hợp với thời gian trong ngày và vị trí địa lý của tàu, nếu tàu được trang bị vô tuyến điện MF/HF phù hợp với các yêu cầu tại Chương 4 của QCVN42:2015/BGTVT và các sửa đổi.
3 Hệ thống truyền thanh công cộng
(1) Hệ thống truyền thanh công cộng phải có khả năng truyền thanh thông tin tới tất cả không gian ở đó có thuyền viên hoặc hành khách, hoặc cả hai và tới các trạm tập trung đưa người lên phương tiện cứu sinh. Hệ thống này cho phép truyền thanh các thông tin từ buồng lái hoặc từ các nơi khác trên tàu;
(2) Phải bố trí ngắt tự động truyền phát chương trình phát thanh vô tuyến điện chung và âm thanh ghi khi hệ thống báo động chung của tàu hoạt động;
(3) Để phát các mệnh lệnh nghiệp vụ, thì toàn bộ thiết bị điều khiển hệ thống truyền thanh công cộng (công tắc đóng ngắt mạch, chuyển tiếp mạng trung gian phát thanh, ngắt chương trình và công tắc đóng mạch hệ thống truyền thanh chỉ huy) phải được thực hiện từ xa nhờ các phương tiện điều khiển trực tiếp từ mi-cờ-rô truyền lệnh mà không cần quan tâm đến vị trí của các thiết bị điều khiển ở các trạm truyền lệnh khác;
(4) Hệ thống truyền thanh công cộng phải có khả năng nối được với tối thiểu 3 đường truyền thanh;
(5) Nếu các loa riêng lẻ có chức năng ngắt cục bộ thì phải bố trí có chức năng chọn lệnh ngắt ưu tiên từ các trạm điều khiển bao gồm cả buồng lái;
(6) Các loa được bố trí ở khu vực sinh hoạt của tàu phải có điều chỉnh âm lượng. Không cho phép dùng phích cắm.
3.4.4 Bố trí thiết bị vô tuyến điện
1 Thiết bị vô tuyến điện phải được bố trí và lắp đặt sao cho từ trường của chúng phát ra không gây ảnh hưởng đến la bàn từ của tàu.
2 Bộ điều khiển thiết bị VHF cùng thiết bị dùng để phát đi báo động cấp cứu và an toàn chế độ DSC và vô tuyến điện thoại phải được đặt phía trước buồng lái gần màn hiển thị ra đa để có thể tiếp cận tại mọi thời điểm.
3 Bộ điều khiển thiết bị MF/HF cùng thiết bị phát đi báo động cấp cứu chế độ DSC, chế độ thoại cũng như thông tin liên lạc cấp cứu phải đặt tại vị trí dễ tiếp cận và thao tác.
4 Tấm ghi hô hiệu tàu, số nhận dạng đài tàu và các mã hiệu khác dùng cho thiết bị vô tuyến điện, hàng hải phải được dán ở vị trí gần với thiết bị điều khiển thiết bị vô tuyến điện phát báo động cấp cứu cũng như thông tin liên lạc cấp cứu và đảm bảo an toàn.
5 Thiết bị VHF hai chiều cầm tay phải được cất giữ tại vị trí đảm bảo thuận tiện và nhanh chóng mang xuống xuồng hoặc bè cứu sinh. Vị trí cất giữ thiết bị phải dễ nhận biết.
6 Phao vô tuyến chỉ báo vị trí sự cố S.EPIRB trang bị trên tàu phải được cất giữ tại vị trí không bị ảnh hượng khi tàu hành trình. Ngoài ra, vị trí cất giữ phải dễ tiếp cận để phát báo động cấp cứu. Đối với phao S.EPIRB có hộp bảo vệ kèm bộ nhả thủy tĩnh thì phải bố trí tại khu vực boong hở đảm bảo phao có thể tự nổi khi kích hoạt bộ nhả.
Tại vị trí đặt phao S.EPIRB, phải có biểu tượng rõ ràng phù hợp với yêu cầu cứu sinh.
7 Việc bố trí thiết bị định vị tìm kiếm cứu nạn (SART hoặc AIS-SART) phải được cất giữ ở những vị trí mà chúng có thể nhanh chóng chuyển tới được phương tiện cứu sinh bất kỳ.
Ở vị trí lắp đặt thiết bị định vị tìm kiếm cứu nạn tàu và phương tiện cứu sinh (SART hoặc AIS-SART) phải có các biểu tượng rõ ràng được đánh dấu phù hợp với các yêu cầu cứu sinh.
8 Thiết bị truyền thanh công cộng
Thiết bị truyền thanh chỉ huy phải được bố trí trên tàu sao cho có khả năng phát các thông báo rõ ràng tới:
- Buồng khách;
- Khu vực công cộng;
- Khu vực thuyền viên và nhân viên phục vụ;
- Khu vực tập trung.
3.5 Trang bị thiết bị hàng giang, hàng hải
Các thiết bị hàng giang, hàng hải lắp đặt trên tàu phải đáp ứng các điều kiện thử môi trường IEC 60945 và thử tương thích điện từ EMC (Electromagnetic Compability).
3.5.1 Định mức trang bị
1 Định mức trang bị thiết bị hàng giang, hàng hải theo Bảng 10/3.3.
Bảng 10/3.3 - Trang bị thiết bị hàng giang, hàng hải
| TT | Tên trang bị | Cấp tàu | Ghi chú | ||||
| VR-SB | VR-SI | VR-SII | VR-SIII | ||||
| 1 | La bàn từ chuẩn | 1 |
|
|
| Áp dụng cho tàu có GT ≥ 1600. Không yêu cầu với tàu có GT dưới 3000 đã có la bàn từ lái | |
| 2 | La bàn từ lái(1) | 1 |
|
|
| Không yêu cầu nếu đã có la bàn từ chuẩn | |
| 3 | Thiết bị định vị vệ tinh (máy thu hệ thống hàng hải vô tuyến) (2) | 1 |
|
|
|
| |
| 4 | Máy thu thanh | 1 | 1 |
|
|
| |
| 5 | Ra đa | 1(3) |
|
|
| Phải là loại 9GHz (sóng dài 3 cm) | |
| 6 | Hệ thống tự động nhận dạng AIS (4) | 1(5) | 1(6) | 1(6) |
|
| |
| 7 | Thiết bị đo sâu hồi âm | 1 |
|
|
| Áp dụng đối với tàu khách có GT ≥ 300 | |
| 8 | Ống nhòm | 1 | 1 |
|
|
| |
| 9 | Thiết bị đo độ nghiêng | 1 | 1 | 1 | 1 |
| |
| 10 | Đồng hồ | 1 | 1 | 1 | 1 |
| |
| 11 | Thiết bị đo sâu bằng tay kiểu đơn giản | 1 | 1 |
|
|
| |
| 12 | Thước đo mức nước | 2 | 1 | 1 | 1 |
| |
| 13 | Thước đo độ, thước đo song song (2) | 1 |
|
|
|
| |
| 14 | Compa (2) | 2 |
|
|
|
| |
| 15 | Kính lúp | 2 |
|
|
|
| |
| 16 | Danh mục đèn biển và đài trực canh trên bờ (2) | 1 |
|
|
|
| |
| 17 | Hải đồ chạy tàu cùng thỏi chặn(2) | 1 |
|
|
|
| |
| 18 | Bảng thủy triều vùng chạy tàu (2) | 1 |
|
|
|
| |
| 19 | Cầu lên xuống |
| 1 | 1 | 1 |
| |
| Chú thích: (1) Tàu khách có chiều dài L < 30 m và các tàu khác, chạy chuyên tuyến từ bờ ra đảo hoặc giữa các đảo với khoảng cách giữa hai đầu tuyến không quá 15 km, có thể thay thế bằng loại la bàn chuyên dùng cho xuồng cứu sinh. Tuy nhiên, căn cứ vào tình hình cụ thể về điều kiện thông tin liên lạc và điều kiện ứng cứu hai đầu tuyến thì có thể được Đăng kiểm xem xét miễn trang bị. (2) Tàu khách có chiều dài L < 30 m và các tàu khác, chạy chuyên tuyến từ bờ ra đảo hoặc giữa các đảo với khoảng cách giữa hai đầu tuyến không quá 15 km, căn cứ vào tình hình cụ thể về điều kiện thông tin liên lạc và điều kiện ứng cứu hai đầu tuyến thì có thể được Đăng kiểm xem xét miễn trang bị. (3) Áp dụng cho tàu tự hành có tổng dung tích GT ≥ 300 (trừ tàu chạy chuyên tuyến từ bờ ra đảo hoặc giữa các đảo với khoảng cách giữa hai đầu tuyến không quá 15 km); (4) Yêu cầu về chức năng phải thỏa mãn như sau: a. Trang bị AIS cấp A cho tàu hoạt động trên tuyến với khoảng cách giữa hai đầu tuyến hoặc cách bờ lớn hơn 15 km; b. Trang bị AIS cấp B cho tàu hoạt động trên tuyến với khoảng cách giữa hai đầu tuyến hoặc cách bờ không lớn hơn 15 km. (5) Áp dụng cho các tàu có đặc điểm như sau: a. Tàu tự hành không phải là tàu khách có tổng dung tích GT ≥ 500 (trừ tàu chạy chuyên tuyến từ bờ ra đảo hoặc giữa các đảo với khoảng cách giữa hai đầu tuyến không quá 15 km); b. Tàu chở hàng hóa nguy hiểm, tàu chuyên chở công-te-nơ, tàu chở vật liệu xây dựng; c. Tàu tham gia vận chuyển đổ bùn đất trong thi công nạo vét, duy tu luồng, tàu công tác phục vụ công tác quản lý, bảo trì, bảo dưỡng; tàu trục vớt, thả phao; tàu điều tiết, chống va trôi đảm bảo an toàn giao thông đường thủy nội địa; d. Tàu khách, phà; (6) Áp dụng cho các tàu có đặc điểm như sau: a. Tàu tự hành không phải tàu khách có tổng dung tích GT ≥ 800; b. Tàu tham gia vận chuyển đổ bùn đất trong thi công nạo vét, duy tu luồng, tàu công tác phục vụ công tác quản lý, bảo trì, bảo dưỡng; tàu trục, thả phao; tàu điều tiết, chống va trôi đảm bảo an toàn giao thông đường thủy nội địa; c. Tàu khách chở trên 50 khách; | |||||||
2 Hệ thống di chuyển cho hoa tiêu
Các tàu chở khách, tàu chở dầu, tàu chở xô khí hóa lỏng, tàu chở xô hóa chất nguy hiểm có tổng dung tích từ 1000 trở lên, các loại tàu khác có tổng dung tích từ 2000 trở lên trở lên phải trang bị hệ thống di chuyển cho hoa tiêu để hoa tiêu lên và rời tàu một cách an toàn thỏa mãn các quy định tại 5.7 Chương 2 Mục II Sửa đổi 1: 2017 QCVN 42: 2015/BGTVT.
3.5.2 Yêu cầu chức năng và kỹ thuật của thiết bị
1 Các thiết bị la bàn từ, thiết bị định vị vệ tinh, thiết bị đo sâu hồi âm sử dụng trên tàu mang cấp VR-SB phải thoả mãn các tiêu chuẩn chức năng và kỹ thuật phù hợp với Chương 5 Mục II của QCVN 42: 2015/BGTVT và các sửa đổi.
2 La bàn từ
(1) La bàn từ phải thỏa mãn các yêu cầu tại Chương 5 Mục II của QCVN 42: 2015/BGTVT và các sửa đổi;
(2) La bàn từ dùng cho xuồng cứu sinh phải thoả mãn các yêu cầu sau:
(a) Phân chia độ vòng địa bàn không lớn hơn 5º, tuỳ thuộc vào đường kính của vòng địa bàn la bàn;
(b) Với thành phần ngang của từ trường trái đất H, tính bằng μT, ở nơi lắp đặt la bàn và nhiệt độ không khí môi trường +20 ± 3ºC, việc dừng vòng địa bàn la bàn không được vượt quá (9/H)°;
(c) Phải có biện pháp để chiếu sáng vòng địa bàn la bàn phù hợp với yêu cầu tương ứng nêu ở Chương 2 - Thiết bị cứu sinh của QCVN 42: 2015/BGTVT.
(d) Phải có thiết bị buộc giữ la bàn ở trong xuồng và trong hộp bảo quản; đường kính của vòng địa bàn la bàn phải đủ để cấp các số đọc.
3 Ra đar
(1) Yêu cầu về chức năng và kỹ thuật của Ra đa phải phù hợp với các yêu cầu được nêu tại 5.5.7-59 của QCVN 42:2015/BGTVT và các sửa đổi.
(2) Ngoài ra, màn hình hiển thị của Ra đa phải có đường kính tối thiểu:
(a) 180 mm với các tàu hàng có GT < 1600 và tàu khách có chiều dài dưới 50 m;
(b) 250 mm với các tàu còn lại.
4 Hệ thống tự động nhận dạng (AIS)
(1) Hệ thống tự động nhận dạng cấp A phải thỏa mãn các yêu cầu nêu tại Chương 5 Mục II của QCVN 42: 2015/BGTVT và các sửa đổi;
(2) Hệ thống tự động nhận dạng cấp B phải thỏa mãn tiêu chuẩn kỹ thật IEC 62287-2 và các yêu cầu dưới đây hoặc các yêu cầu nêu tại 5.5.18 Chương 5 QCVN 42: 2015/BGTVT và các sửa đổi đến mức có thể áp dụng được.
(3) Hệ thống tự động nhận dạng tàu chung (AIS) phải có khả năng hoạt động ở các chế độ sau:
- Chế độ độc lập hoạt động ở tất cả các vùng hoạt động của tàu đảm bảo liên tục tự động thiết lập trao đổi lẫn nhau thông tin về trạng thái tĩnh và khi hành trình giữa các tàu với nhau và giữa tàu với trạm trên bờ;
- Chế độ ấn định hoạt động trong vùng chịu sự quản lý của cơ quan có thẩm quyền có trách nhiệm kiểm soát giao thông, ở đó khoảng và thời gian truyền phát thông tin về trạng thái tĩnh và khi hành trình có thể được quy định bởi cơ quan có thẩm quyền hoặc theo chu kỳ;
- Chế độ lựa chọn chuyển phát tự động thông tin trạng thái tĩnh và động, cũng như thông tin liên quan đến chuyến đi của tàu.
(4) Hệ thống tự động nhận dạng AIS loại B phải bao gồm:
- Bộ xử lý thông tin, có khả năng hoạt động trên dải tần số hàng hải, kèm phương pháp bật và lựa chọn kênh thích hợp, hỗ trợ cả ứng dụng dải sóng ngắn và tầm xa;
- Thiết bị có ít nhất một bộ phát, một bộ thu dùng công nghệ đa truy nhập phân chia theo thời gian (TDMA) sử dụng thang đo thời gian hợp nhất, và bộ thu gọi chọn số (DSC) được tích hợp với bộ thu TDMA;
- Một bàn phím và màn hiển thị nhỏ (MKD) để nhập, cập nhật và lấy ra dữ liệu bằng tay;
- Bộ thu hệ thống vệ tinh hàng hải (GNSS) để xác định UTC phục vụ đồng bộ hoá.
(5) Với mục đích nhận dạng, trong hệ thống tự động nhận dạng AIS loại B phải phát được các thông tin ấn định cho tàu như: số nhận dạng dịch vụ di động hàng hải (MMSI), tên tàu, hô hiệu tàu, kiểu tàu, chiều dài và chiều rộng tàu.
- Công suất phát tối thiểu là 2W và lớn nhất là 5W;
- Hệ thống tự động nhận dạng AIS loại B phải có khả năng hoạt động ở dải tần số VHF của dịch vụ di động hàng hải (156,025 đến 162,025 MHz) với khoảng tần số giữa các kênh 25 kHz;
- Hệ thống tự động nhận dạng AIS loại B ở chế độ tự động phải có khả năng phát thông tin ở các khoảng thời gian dưới đây:
+ Thông tin về trạng thái tĩnh: 6 phút / lần
+ Thông tin về trạng thái động: Tuỳ thuộc vào tình trạng hàng hải của tàu theo Bảng 10/3.4.
Bảng 10/3.4 - Yêu cầu khoảng thời gian phát thông tin hàng hải
| Trạng thái hàng hải của tàu | Khoảng thời gian báo cáo thông tin động |
| Tàu chạy với tốc độ đến 2 hải lý/giờ | 3 phút |
| Tàu chạy với tốc độ từ 2 đến 14 hải lý/giờ | 30 giây |
| Tàu chạy với tốc độ từ 14 đến 23 hải lý/giờ | 15 giây |
| Tàu chạy với tốc độ trên 23 hải lý/giờ | 5 giây |
| Tàu tìm kiếm cứu nạn | 10 giây |
3.5.3 Bố trí thiết bị hàng giang, hàng hải
1 La bàn từ chuẩn phải được lắp đặt và cố định sao cho mặt phẳng thẳng đứng đi qua vạch chia của la bàn không bị lệch khỏi đường tâm tàu hoặc mặt phẳng song song đường tâm tàu một góc quá 0,2°;
La bàn từ chuẩn phải được lắp đặt trên tầng cao nhất ở chỗ trống để có thể lấy phương vị trên một vòng cung của đường chân trời một góc 360°. Phải có thể tiếp cận với la bàn từ chuẩn từ tất cả các phía;
La bàn từ lái phải được đặt tại vị trí lái tàu.
2 Khối hiển thị của ra đa chính phải được lắp đặt gần với vách mũi lầu lái sao cho không ảnh hưởng tầm nhìn phía trước tàu, dọc theo hướng mũi tàu, hình ảnh hiển thị phải không bị ảnh hưởng bởi ánh sáng;
Ăng ten rada phải được bố trí ở độ cao sao cho bề mặt biển không được quét ở khoảng cách không lớn hơn 500 m hoặc hai lần chiều dài tàu lấy trị số nào nhỏ hơn với bất kỳ kiểu hàng, chiều chìm hoặc tư thế tàu. Ăng ten ra đa phải được đặt ở khoảng cách an toàn so với la bàn từ của tàu.
3 Đầu dò thu phát của máy đo sâu phải được lắp đặt ở dưới đáy tàu dọc theo đường tâm của tàu và ít chịu ảnh hưởng khi tàu hành trình.
4 Ăng ten của hệ thống tự động nhận dạng (AIS) phải được lắp đặt ở vị trí cao nhất sao cho có thể để thu phát tín hiệu hiệu quả ở tất cả các dải tần hoạt động, và tránh cản trở sự lan truyền trường điện từ trên toàn bộ phương nằm ngang, tới mức có thể.
5 Bộ chỉ báo máy thu hệ thống định vị vệ tinh phải được đặt gần với vị trí tác nghiệp hàng hải; Vị trí cho ăng ten máy thu hệ thống định vị phải được lựa chọn sao cho đảm bảo không hạn chế theo dõi tín hiệu chùm vệ tinh và phải có độ cao tối thiểu 1 m so với bề mặt nằm ngang khác của kết cấu thân tàu;
Không được đặt ăng ten trên đỉnh cột, tại vị trí chịu chấn động đáng kể, phía dưới kết cấu boong hoặc gần nguồn phát nhiệt hoặc khói.
3.6 Trang bị cứu đắm
Mỗi tàu phải được trang bị bộ dụng cụ cứu đắm, gồm:
| - Bộ đồ mộc (cưa, đục, tràng...): | 1 bộ; |
|
| - Nêm gỗ: | 10 chiếc; |
|
| - Gỗ thanh: | 10 chiếc; |
|
| - Bạt cứu đắm: | 1 chiếc; |
|
| - Xô múc nước có dây: | 2 chiếc; |
|
| - Giẻ: | 2 kg. |
|
Đối với tàu thủy lưu trú du lịch ngủ đêm, nhà hàng nổi, khách sạn nổi, các khoang phải có thiết bị tự động báo mức nước đáy khoang. Các thiết bị báo mức nước đáy khoang phải tạo báo động bằng âm thanh và ánh sáng tại buồng lái khi mực nước đáy khoang đến 300 mm trong mọi tình huống.
CHƯƠNG 4 TRANG BỊ CÁC BUỒNG
4.1 Quy định chung
4.1.1 Các yêu cầu trong chương này áp dụng cho việc bố trí và trang bị các không gian sinh hoạt và phục vụ dành cho hành khách và thủy thủ đoàn, buồng lái, khoang hàng, lối đi, các cửa, cầu thang và lỗ khoét cửa sổ thoát hiểm.
4.1.2 Trang bị buồng máy
Các yêu cầu về việc bố trí và trang bị cho buồng máy được trình bày ở Phần 3 của Quy chuẩn này.
4.1.3 Trang bị buồng ở và buồng phục vụ
1 Khi tính toán khả năng chở khách theo diện tích, thì các diện tích sau không tính vào:
(1) Khoang mũi, boong trên khoang mũi và khoang đuôi hẹp;
(2) Câu lạc bộ, nhà ăn và các buồng tương tự. Riêng tàu dùng để tham quan mới tính đến các buồng này;
(3) Vùng boong là lối lên xuống cho hành khách, lối dẫn lên boong cứu sinh và cầu thang;
(4) Vùng boong trong khoảng 1 m xung quanh các thiết bị của tàu (thiết bị lái, thiết bị kéo, thiết bị chằng buộc, thiết bị làm hàng);
(5) Nắp khoang hàng, nắp buồng máy, nắp không gian sinh hoạt và phục vụ;
(6) Các buồng mà Đăng kiểm thấy không phù hợp để bố trí hành khách cũng như các buồng không đảm bảo các nguyên tắc vệ sinh.
2 Khi bố trí các buồng trên vùng mở rộng của boong thì chúng phải cách mép mở rộng không dưới 300 mm. Không cho phép bố trí giường dọc theo vách mạn thượng tầng hoặc lầu tại các boong mở rộng.
3 Cho phép bố trí khu sinh hoạt và nhà bếp cũng như căng tin ở trên hoặc cạnh két nhiên liệu lỏng với điều kiện có bố trí khoang cách ly phía dưới với chiều cao tối thiểu là 600 mm hoặc một khoảng sườn. Khoang cách ly phải có hệ thống thông gió độc lập với hệ thống thông gió buồng ở.
Không được phép bố trí lỗ người chui và lỗ khoét khác trên boong và vách các khoang cách ly.
4 Không cho phép bố trí thuyền viên ở các vị trí:
(1) Buồng thuộc khoang mũi hoặc khoang đuôi hẹp;
(2) Buồng máy và nồi hơi;
(3) Buồng có cửa xếp hàng nhưng không có nắp đậy;
(4) Buồng ở của hành khách, buồng công cộng, nhà bếp, buồng y tế;
(5) Các buồng không đảm bảo các nguyên tắc vệ sinh.
5 Bàn, tủ, giường, giá đựng đồ dùng phải được cố định chắc chắn vào tàu.
6 Các lối ra dự phòng của buồng phải có bảng chỉ dẫn và được chiếu sáng thường xuyên.
7 Trang bị các buồng ngủ của tàu thủy lưu trú du lịch ngủ đêm, nhà hàng nổi, khách sạn nổi phải thỏa mãn các yêu cầu nêu trong phần này và các yêu cầu sau:
(1) Trường hợp sử dụng cửa sổ có lắp kính làm cửa thoát nạn phải trang bị búa để phá cửa kính khi cần thiết. Các cửa sổ được sử dụng làm cửa thoát nạn phải có kích thước tối thiểu là 600 x 600 mm;
(2) Các trang thiết bị và các vật trang trí khác trong các buồng trên tàu thủy lưu trú du lịch ngủ đêm, nhà hàng nổi, khách sạn nổi phải được cố định không dịch chuyển trong mọi điều kiện thời tiết;
(3) Các khu vực công cộng phải có tối thiểu 2 cửa thoát hiểm được bố trí đối diện nhau, các cửa này phải đảm bảo không bị tắc nghẽn khi có sự cố. Các cửa thoát hiểm từ các khu vực công cộng thông thường phải có cơ cấu nhả nhanh và đảm bảo các yêu cầu sau:
(a) Các cơ cấu bố trí ở độ cao không thấp hơn 760 mm nhưng không quá 1120 mm;
(b) Lực tác động lên cơ cấu mở yêu cầu không quá 67 N;
(c) Không có bất kỳ cơ cấu khóa, vít định vị hoặc cơ cấu ngăn cản việc mở cửa khi tác động lên cơ cấu mở.
(4) Trong buồng khách, buồng công cộng phải bố trí sơ đồ thoát hiểm, hướng dẫn sử dụng trang bị cứu sinh ở vị trí dễ nhận biết.
4.2 Lối qua lại, cửa, cầu thang
4.2.1 Chiều rộng của lối qua lại
1 Tại hành lang chung buồng hành khách, hành lang trong các buồng ở và buồng sinh hoạt cũng như lối đi trên boong tàu khách dẫn đến trạm tập trung lên thiết bị cứu sinh là 0,8 m.
2 Trừ khi có quy định khác, chiều rộng lối qua lại không được nhỏ hơn 0,7 m.
3 Lối đi trên tàu có chiều dài nhỏ hơn 30 m có thể giảm xuống 0,6 m.
4 Chiều rộng lối qua lại trên tàu nâng theo nguyên lý động học có chiều dài nhỏ hơn 30 m là 0,5 m.
5 Chiều rộng lối qua lại trên mặt boong có lắp cột bít, cột chống, miệng hầm là 0,5 m.
4.2.2 Cửa thượng tầng và lầu dẫn ra boong hở phải mở ra ngoài;
Cửa các buồng công cộng phải mở ra ngoài hoặc mở được hai phía. Cửa buồng ở phải mở vào trong và có tấm nắp phòng nạn phá được ở phía dưới, có kích thước (0,4x0,5) m. Trên các cửa buồng ở, trên tấm nắp này phải có dòng chữ “Lối thoát nạn- phá nó trong trường hợp khẩn cấp”.
Khi trong buồng có cửa thoát nạn hoặc cửa sổ mở được có kích thước không nhỏ hơn (0,4x0,4) m thì trên cửa ra vào không phải đặt tấm nắp phòng nạn.
4.2.3 Nếu buồng khách được bố trí ở thượng tầng thuộc tầng 2, tầng 3… thì 2 đầu của thượng tầng phải bố trí ít nhất là 2 cầu thang.
4.2.4 Đối với buồng khách có sức chứa dưới 20 người thì mỗi buồng có thể đặt 1 cầu thang để lên xuống.
4.2.5 Với buồng từ 20 khách trở lên thì phải đặt cầu thang lên xuống ở hai đầu buồng, trong đó, một cầu thang dẫn ra boong hở thượng tầng.
4.2.6 Khi số hành khách trong buồng có khoảng từ 20 đến 50 người, cầu thang thoát hiểm cho phép thay bằng cầu thang thẳng đứng.
4.2.7 Ngoài các lối ra từ buồng theo các yêu cầu nêu ở 4.2.4, 4.2.5 và 4.2.6 mỗi buồng trong khoang phải bố trí một cửa sổ thoát hiểm ở mỗi mạn phù hợp với 4.3 dưới đây.
4.2.8 Trong trường hợp số hành khách ở trong buồng dưới 50 người thì chiều rộng cầu thang lên xuống không nhỏ hơn 0,8 m. Nếu số hành khách ở trong buồng trên 50 người thì cứ thêm 10 người chiều rộng cầu thang lên xuống phải tăng thêm 5 cm. Chiều rộng cầu thang buồng ở của thuyền viên không nhỏ hơn 0,8 m. Với tàu có chiều dài dưới 25 m, chiều rộng cầu thang không nhỏ hơn 0,65 m, chiều rộng của cầu thang này có thể giảm đến 0,5 m nếu yêu cầu trên không khả thi về mặt kỹ thuật.
4.2.9 Buồng ở dành cho thuyền viên với số lượng 20 người hoặc hơn phải đảm bảo có ít nhất 2 cầu thang bố trí đối diện ở cuối buồng và dẫn hướng ra boong chính; một trong số cầu thang (thoát hiểm) phải dẫn ra boong lộ thiên nằm ngoài thượng tầng boong hoặc dẫn tới tấm chắn thép được bọc bảo vệ trong thượng tầng để bảo đảm lối thoát an toàn ra phần lộ thiên trên boong chính khi có cháy. Cầu thang thoát hiểm được phép thay thế bằng cầu thang đỉa thẳng đứng.
4.2.10 Nếu trong buồng chứa từ 10 đến 20 người trong thủy thủ đoàn và có lối thoát dẫn ra phần boong lộ thiên thì cầu thang thoát hiểm có thể không cần lắp đặt, nếu từ phía ngược chiều với cửa ra vào chính mỗi bên mạn bố trí 1 cửa cửa sổ thoát hiểm.
4.2.11 Nếu trong buồng có đến 10 người của thủy thủ đoàn và có lối thoát ra phần boong lộ thiên thì cầu thang thoát hiểm hay cửa sổ thoát hiểm có thể không cần xét tới.
4.2.12 Chiều sâu của bậc thang phải ít nhất là 0,15 m, còn khoảng cách giữa các bậc thang là 0,3 m.
4.2.13 Buồng khách trên tàu cánh ngầm và tàu đệm khí có sức chứa từ 20 hành khách trở lên, phải được trang bị ít nhất 2 cửa ra bố trí đối diện ở phía cuối buồng. Một trong số cửa ra có thể là cửa thoát hiểm.
4.2.14 Trừ khi có quy định khác, độ dốc cầu thang so với phương ngang không được vượt quá 50 độ đối với buồng ở và không gian phục vụ và không quá 60 độ đối với các không gian buồng máy và các buồng trên boong.
4.3 Cửa húp lô
4.3.1 Việc trang bị và bố trí các cửa húp lô phải phù hợp với các yêu cầu tại Phần 9 của Quy chuẩn này. Các khoang dùng để chở hàng không được bố trí cửa húp lô.
4.3.2 Trong các buồng khách, buồng thuyền viên cửa húp lô thoát hiểm, kích thước tối thiểu (0,4x0,4) m.
Chú ý: Cửa húp lô thoát hiểm cần được xem xét chỉ dành cho tàu có chiều cao mạn khô cho phép dễ dàng bố trí chúng.
4.3.3 Trong khu vực buồng ở của hành khách và thuyền viên, cửa húp lô thoát hiểm phải được bố trí ở buồng công cộng hoặc ở hành lang mỗi mạn một chiếc.
4.3.4 Nếu trong khu vực buồng ở của hành khách và thuyền viên có một lối thoát dẫn trực tiếp ra boong hở thì các buồng này không cần đặt cửa húp lô thoát hiểm.
4.3.5 Mép dưới của cửa húp lô thoát hiểm không thấp hơn mép dưới của cửa húp lô thường đặt ở mạn tàu.
4.3.6 Lối dẫn đến cửa húp lô thoát hiểm phải thoáng, các lỗ chui ở mạn phải có quai vòng để người chui qua dễ dàng.
PHẦN 11 TÀU CHỞ HÀNG NGUY HIỂM, TÀU CHỞ HÓA CHẤT NGUY HIỂM VÀ TÀU CHỞ KHÍ HÓA LỎNG
CHƯƠNG 1 TÀU CHỞ HÀNG NGUY HIỂM DẠNG ĐÓNG GÓI
1.1 Phạm vi áp dụng
Trừ các yêu cầu đã được quy định ở các Phần khác của Quy chuẩn này, những quy định ở Chương này áp dụng bổ sung cho quá trình thiết kế, đóng mới và hoán cải các tàu chở hàng nguy hiểm dạng đóng gói.
1.2 Giải thích từ ngữ
Các thuật ngữ dưới đây được bổ sung cho các thuật ngữ đã được nêu trong Chương 19 Phần 5 của QCVN 21:2015/BGTVTvà các sửa đổi.
1.2.1 Bộ luật IMDG là Bộ luật Quốc tế về vận chuyển hàng hóa nguy hiểm bằng đường biển được Ủy ban An toàn Hàng hải của Tổ chức Hàng hải quốc tế (IMO) thông qua bằng nghị quyết MSC.122(75), có thể được IMO sửa đổi, với điều kiện là những sửa đổi đó được thông qua, có hiệu lực và có hiệu lực theo các quy định của điều VIII của Công ước quốc tế về an toàn con người trên biển (SOLAS) có liên quan đến các thủ tục sửa đổi áp dụng cho các phụ lục khác với Chương I của SOLAS.
1.2.2 Hàng nguy hiểm là các chất, vật liệu và vật phẩm được quy định tại Bộ luật IMDG.
1.2.3 Dạng đóng gói là hình thức đóng gói được quy định tại Bộ luật IMDG.
1.3 Các yêu cầu đối với tàu chở hàng nguy hiểm dạng đóng gói
Các tàu chở hàng nguy hiểm dạng đóng gói trong quá trình thiết kế, đóng mới và hoán cải ngoài việc thỏa mãn các yêu cầu trong các phần liên quan của Quy chuẩn này thì phải thỏa mãn các yêu cầu tại Chương 19 - Phần 5 của QCVN 21:2015/BGTVTvà các sửa đổi.
CHƯƠNG 2 TÀU CHỞ HÀNG NGUY HIỂM DẠNG XÔ RỜI RẮN
2.1 Phạm vi áp dụng
Trừ các yêu cầu đã được quy định ở các Phần khác của Quy chuẩn này, những quy định ở Chương này áp dụng bổ sung cho quá trình thiết kế, đóng mới và hoán cải các tàu chở hàng nguy hiểm dạng xô rời rắn.
2.2 Giải thích từ ngữ
Các thuật ngữ dưới đây được bổ sung cho các thuật ngữ đã được nêu trong Chương 19 Phần 5 của QCVN 21:2015/BGTVTvà các sửa đổi .
Hàng nguy hiểm dạng xô rời rắn là hàng nguy hiểm, không phải chất lỏng hoặc khí, được tạo thành bởi sự kết hợp của các hạt nhỏ, viên hoặc các hạt lớn bất kỳ của vật chất, thông thường đồng nhất ở một dạng mà thuộc phạm vi áp dụng của Bộ luật IMDG, được xếp trực tiếp vào các khoang hàng của tàu mà không có bất kỳ hình thức chứa trung gian nào.
2.3 Các yêu cầu đối với tàu chở hàng nguy hiểm dạng xô rời rắn
Các tàu chở hàng nguy hiểm dạng xô rời rắn trong quá trình thiết kế, đóng mới và hoán cải ngoài việc thỏa mãn các yêu cầu trong các phần liên quan khác trong Quy chuẩn này thì phải thỏa mãn các yêu cầu tại Chương 19 Phần 5 của QCVN 21:2015/BGTVT và các sửa đổi.
CHƯƠNG 3 KẾT CẤU VÀ TRANG THIẾT BỊ CỦA TÀU CHỞ HÓA CHẤT NGUY HIỂM
3.1 Phạm vi áp dụng
Trừ các yêu cầu đã được quy định ở các Phần khác của Quy chuẩn này, những quy định tại Chương này áp dụng bổ sung cho quá trình thẩm định thiết kế, giám sát đóng mới và hoán cải các tàu chở xô hóa chất nguy hiểm dạng lỏng.
3.2 Yêu cầu đối với tàu chở hóa chất nguy hiểm
Các tàu chở hóa chất nguy hiểm trong quá trình thiết kế, đóng mới và hoán cải ngoài việc thỏa mãn các yêu cầu trong các phần liên quan của Quy chuẩn này thì phải thỏa mãn các yêu cầu trong Phần 8E của QCVN 21:2015/BGTVT và các sửa đổi.
CHƯƠNG 4 KẾT CẤU VÀ TRANG THIẾT BỊ CỦA TÀU CHỞ KHÍ HÓA LỎNG
4.1 Phạm vi áp dụng
Những quy định tại Chương này áp dụng bổ sung cho cho quá trình thiết kế, đóng mới và hoán cải các tàu chở khí hóa lỏng.
4.2 Các yêu cầu đối với tàu chở khí hóa lỏng
Các tàu chở khí hóa lỏng trong quá trình thiết kế, đóng mới và hoán cải ngoài việc thỏa mãn các yêu cầu trong các phần liên quan của Quy chuẩn này thì phải thỏa mãn các yêu cầu trong Phần 8D của QCVN 21:2015/BGTVT và các sửa đổi.
PHẦN 12 QUY ĐỊNH BỔ SUNG ĐỐI VỚI MỘT SỐ LOẠI TÀU CỤ THỂ
CHƯƠNG 1 TÀU CẨU
1.1 Quy định chung
1.1.1 Áp dụng
1 Chương này áp dụng đối với tàu có đặt cẩu trên boong thỏa mãn yêu cầu sau:
(1) Các tàu mà có mô men gây nghiêng khi cẩu lớn hơn giá trị sau:
![]()
Trong đó:
ML: Mô men nghiêng khi có tải ở trên móc, t.m;
∆: Lượng chiếm nước, t;
GM: Chiều cao tâm nghiêng ban đầu có kể đến ảnh hưởng mặt thoáng hàng lỏng và tải trên móc, m;
f: Mạn khô tối thiểu tính từ mặt trên của boong thời tiết đến đường nước, m;
B: Chiều rộng tàu, m.
(2) Tàu mà khi nâng tải làm tăng chiều cao trọng tâm của tàu quá 1%.
2 Ngoài việc áp dụng các quy định có liên quan trong các phần khác của Quy chuẩn thì phải áp dụng các yêu cầu của Chương này.
3 Thiết bị nâng lắp đặt trên tàu phải thỏa mãn các quy định của Quy chuẩn kỹ thuật quốc gia về thiết bị nâng trên các phương tiện thủy nội địa QCVN 96:2016/BGTVT.
4 Đối với thiết bị nâng được lắp đặt tạm thời lên tàu thì phải thử tải thỏa mãn quy định của Quy chuẩn kỹ thuật quốc gia về thiết bị nâng trên các phương tiện thủy nội địa QCVN 96:2016/BGTVT, thỏa mãn quy định về kiểm định xe máy chuyên dùng trong giao thông vận tải, quy định về kiểm định kỹ thuật an toàn lao động và chỉ được phép hoạt động trong điều kiện được chỉ ra trong thiết kế bố trí trên phương tiện.
5 Các thiết bị nâng không thuộc đối tượng áp dụng ở -1 thì không cần áp dụng yêu cầu chỉ ra ở 1.6.
1.1.2 Thay thế tương đương
Đăng kiểm có thể chấp nhận việc thay đổi kết cấu, trang thiết bị, các máy và cách bố trí chúng cũng như kích thước khác so với các quy định của Chương này với điều kiện là các kết cấu, trang thiết bị, các máy này và cách bố trí cũng như kích thước của chúng là tương đương so với các yêu cầu của Chương này.
1.2 Kết cấu thân tàu và trang thiết bị
1.2.1 Quy định chung
1 Ngoài các yêu cầu có liên quan ở Phần 2A, Phần 2B, kết cấu thân tàu và trang thiết bị phải thỏa mãn những yêu cầu quy định tại 1.2 này.
2 Đế của cẩu được liên kết hữu hiệu với thân tàu, đối với cẩu đỡ trên trụ thì trụ cẩu phải liên kết với thân tàu trên suốt chiều cao của mạn tàu và phải có các mã gia cường liên kết trụ cẩu và kết cấu thân tàu hoặc có kết cấu đỡ trụ cẩu dưới boong như vách dọc và vách ngang. Các kết cấu gia cường phải đảm bảo sự liên tục về độ bền của kết cấu thân tàu. Không được nối trụ cẩu với thành quây miệng hầm hàng, nếu không thể bố trí khác được thì phải bố trí các mã chuyển tiếp và thành quây miệng hầm phải tính toán lại với tải trọng cẩu bổ sung.
3 Với cái cẩu được bố trí đặt lên trên boong tàu thì bộ phận đỡ cẩu nên được bố trí phía trên các kết cấu khỏe của thân tàu (vách, sống boong). Các mã liên kết giữ cẩu dịch chuyển phải được bố trí trong cùng mặt phẳng với các kết cấu dưới boong của thân tàu.
1.2.2 Tải trọng cẩu tác dụng lên các kết cấu thân tàu
1 Lực tác dụng khi cẩu không làm việc
(1) Lực tác dụng theo hướng ngang tàu
Lực tác dụng theo hướng ngang tàu Fy và song song với mặt boong phải được tính theo công thức sau:
Fy = MAy + Fq + Fw (kN)
Trong đó:
M: Tổng khối lượng của cẩu không bao gồm khối lượng hàng trên móc (tấn);
Ay: Gia tốc theo hướng ngang tàu (m/s2);
Fq: Lực do gió (kN), tính theo diện tích hứng gió của cẩu dựa được tính như sau:
0,85 (kN/m2) đối với tàu mang cấp VR-SB;
0,60 (kN/m2) đối với tàu mang cấp VR-SI;
0,40 (kN/m2) đối với tàu mang cấp VR-SII;
0,20 (kN/m2) đối với tàu mang cấp VR-SIII;
Fw : Xung lực do nước biển tạt (kN), chỉ tính cho phần mặt chiếu của cẩu có chiều cao dưới 2 m so với boong mạn khô và áp dụng các tiêu chuẩn sau:
0,70 (kN/m2) đối với tàu mang cấp VR-SB;
0,50 (kN/m2) đối với tàu mang cấp VR-SI;
0,30 (kN/m2) đối với tàu mang cấp VR-SII;
0,15 (kN/m2) đối với tàu mang cấp VR-SIII;
Ay : Gia tốc theo hướng ngang tàu, được tính như sau:

Trong đó:
rφ : Khoảng cách từ trọng tâm cẩu đến tâm xoay giả định trên đường nước, tính bằng (m), như trong Hình 12/1.1;
β : Góc chỉ ra trong Hình 12/1.1;
φ0 : Góc lắc ngang lớn nhất, tính bằng độ, nói chung được lấy bằng 15° với các đối tượng nổi;
Tφ : Chu kỳ lắc ngang, tính bằng (s), lấy như sau:

Trong đó:
GM : Chiều cao tâm nghiêng ban đầu, tính bằng (m);
B : Chiều rộng của tàu (m). Nếu không có giá trị GM cụ thể của đối tượng được kéo, có thể tính toán xấp xỉ như sau:
, nhưng không lớn hơn 10 s;
g : Gia tốc trọng trường, lấy bằng 9,81 m/s2.

Hình 12/1.1 - Mô tả lực tác dụng lên cẩu theo hướng ngang tàu
(2) Lực tác dụng theo hướng dọc tàu
Lực tác dụng theo hướng dọc tàu Fx và song song với boong được tính như sau:
Fx = MAx + Fq + Fw (kN)
Trong đó:
M, Fq và Fw (kN), được tính toán theo 1.2.2-1(1) trên phụ thuộc vào diện tích mặt chiếu của cẩu lên mặt phẳng giữa tàu;
Ax: Gia tốc theo hướng dọc tàu (m/s2), được tính như sau:

Trong đó:
rψ : Khoảng cách từ trọng tâm cẩu đến tâm xoay giả định trên đường nước, tính bằng (m), như trong Hình 12/1.2;
β : Góc chỉ ra trong Hình 12/1.2;
ψ0 : Góc lắc dọc lớn nhất, tính bằng (°), nói chung được lấy bằng 5° với các đối tượng nổi;
Tψ : Chu kỳ lắc dọc, tính bằng (s), có thể lấy bằng 10 s nếu không có số liệu chi tiết;
g : Lấy như ở (1).

Hình 12/1.2 - Mô tả lực tác dụng lên cẩu theo hướng dọc tàu
(3) Lực tác dụng theo hướng vuông góc với boong
Lực tác dụng cẩu theo hướng vuông góc với boong Fz được tính như sau:
Fz = M(g ± a) (kN)
Trong đó:
M, g: Được lấy như ở (1);
a: Gia tốc đứng, tính bằng (m/s2), lấy như sau:
a = 3,75e-0,0033L, nhưng không cần thiết lấy lớn hơn 3 m/s2;
e : là hằng số, e = 2,718.
L: Chiều dài tàu, tính bằng (m).
Chú ý:
Fz (+) = M(g + a)
lấy đối với lực tác dụng lên kết cấu gia cường boong;
Fz (-) = M(g - a) lấy đối với lực tác dụng lên kết cấu giữ cẩu.
2 Lực tác dụng lên kết cấu thân tàu khi cẩu làm việc
Khi cẩu làm việc lực tác dụng Fz được tính như sau:
Fz=1,35(M+w)g (kN)
Trong đó M, g: Được lấy như ở (1);
w: khối lượng hàng trên móc (tấn)
1.2.3 Tính toán kết cấu thân tàu
1 Kết cấu và liên kết tru cẩu phải thỏa mãn yêu cầu liên quan quy định tại Phần 2A của Quy chuẩn này.
2 Đối với tàu mà đế của cẩu được liên kết hữu hiệu với thân tàu bằng trụ cẩu. Chiều dày của trụ cẩu được tính thỏa mãn công thức dựa trên mối liên hệ giữa đường kính trụ cẩu D và chiều dày t sau:

3 Đối với trụ cẩu đặt trên vách ngang thì kích thước của nẹp gia cường vách phía dưới sống boong được tính dựa trên mối tương quan sau:
![]()
Trong đó:
Z0: Mô đun chống uốn yêu cầu của nẹp (cm3)
Z: Mô đun chống uốn thực tế của nẹp (cm3)
A: Diện tích của nẹp thực tế bao gồm cả mép kèm (cm2)
C=17,7 đối với vách kín nước
9,81 đối với vách két chất lỏng
W=W1+W2 (kN)
W1: tải trọng boong tác dụng lên nẹp vách (kN)
W2=2,7w
w: tải trọng làm việc an toàn của cẩu (kN)
4 Nếu cẩu được đặt trên boong và được giữ bởi các kết cấu gia cường, thì kết cấu thân tàu phải thỏa mãn các yêu cầu sau:
(1) Các mã đỡ hạn chế dịch chuyển dọc và ngang khi chịu các lực tương ứng Fx, Fy được tính toán sao cho ứng suất cho phép phát sinh trên mã đỡ dịch chuyển ngang, dịch chuyển dọc và mối hàn không vượt quá giá trị sau:
Ứng suất cho phép do uốn σ = 175 / fs
Ứng suất cho phép do cắt ![]()
Ứng suất cho phép tương đương σc = 190 / fs
Trong đó:
fs: Hệ số tính theo công thức
;
σY: ứng suất chảy vật liệu (N/mm2)
Kết cấu giữ cho cẩu khỏi lật được xác đinh bằng việc ứng suất phát sinh do mô men của lực dọc và ngang tương ứng với Fx, Fy hoặc khi lực cẩu hàng không vượt quá giá trị ứng suất cho chép ở trên.
(2) Kết cấu boong tại chỗ đặt cẩu phải có quy cách không nhỏ hơn các yêu cầu sau:
(a) Chiều dày tấm boong, mm

Trong đó: s: Khoảng cách nẹp (m)
A: Diện tích đỡ cẩu (m2)
σy: ứng suất chảy vật liệu (N/mm2)
Fz: Tải trọng tính theo 1.2.2-1(3) và 1.2.2-2 lấy giá trị nào lớn hơn.
(b) Mô đun chống uốn nẹp, sống boong (cm3)

A, Fz : tính như ở (a) trên
s: khoảng cách nẹp hoặc sống boong (m)
l: Chiều dài nẹp hoặc sống boong (m)
1.3 Hệ thống máy
1.3.1 Quy định chung
Ngoài các yêu cầu ở Phần 3, hệ thống máy trên tàu phải thỏa mãn các quy định tại 1.3 này.
1.3.2 Thử
1 Trước khi được lắp đặt trên tàu, thiết bị và các thành phần cấu thành các hệ thống máy phải được thử nghiệm tại nhà chế tạo phù hợp với các quy định tương ứng tại Phần 3.
2 Bất kể các quy định tại -1, các hệ thống máy không phải là nồi hơi, các bình chịu áp lực thuộc Nhóm I hoặc Nhóm II và các hệ thống đường ống chứa các chất lỏng dễ cháy hoặc độc, được dùng duy nhất cho các hoạt động thuộc về công dụng của tàu, thì việc thử có thể theo cách Đăng kiểm cho là thích hợp.
3 Các hệ thống hoặc thiết bị cần thiết cho sự an toàn hoặc cần thiết cho hệ động lực của tàu (áp dụng cho tàu có máy chính) phải được thử tính năng sau khi đã lắp đặt lên tàu.
1.4 Trang bị điện
1.4.1 Quy định chung
Ngoài các yêu cầu ở Phần 4, trang bị điện phải thỏa mãn những yêu cầu quy định ở 1.4 này.
1.4.2 Thử
1 Trong số thiết bị điện chỉ dùng cho các hoạt động thuộc về công dụng của tàu, thì cầu chì, bộ ngắt mạch, thiết bị điện phòng nổ và cáp điện phải được thử phù hợp với những yêu cầu ở Phần 4. Tuy nhiên, các trang bị điện không thỏa mãn yêu cầu này thì có thể được chấp nhận với điều kiện Đăng kiểm phải nhận được hồ sơ bao gồm thuyết minh kỹ thuật, bản vẽ lắp ráp, biên bản thử, Giấy chứng nhận do cơ quan có thẩm quyền cấp để xem xét.
2 Các thiết bị điện chỉ được dùng cho hoạt động thuộc về công dụng của tàu và không được liệt kê ở -1 thì có thể cho phép nếu phù hợp với tiêu chuẩn quốc gia hoặc tiêu chuẩn, quy phạm theo thông lệ quốc tế.
3 Đối với các trang bị điện mà chỉ được sử dụng cho các hoạt động thuộc về công dụng của tàu thì sau khi lắp đặt trên tàu, phải tiến hành thử điện trở cách điện như quy định ở Phần 4 và thử tính năng của thiết bị an toàn dùng cho máy phát và biến áp.
1.5 Phòng chống cháy, phương tiện thoát nạn và hệ thống dập cháy
1.5.1 Quy định chung
Phòng chống cháy, phương tiện thoát nạn và hệ thống dập cháy phải thỏa mãn các yêu cầu liên quan trong mỗi chương của Phần 5.
1.6 Ổn định
1.6.1 Quy định chung
Ổn định của tàu phải thỏa mãn yêu cầu 3.7 Phần 7 của Quy chuẩn này.
1.7 Thử nghiệm
1.7.1 Quy định chung
Sau khi hoàn thành việc lắp đặt ở trên tàu, thử chức năng và thử tải phải được thực hiện theo quy định của của Quy chuẩn kỹ thuật quốc gia về thiết bị nâng trên các phương tiện thủy nội địa QCVN 96:2016/BGTVT và Luật An toàn, vệ sinh lao động 2015.
CHƯƠNG 2 TÀU TỰ NÂNG
2.1 Quy định chung
2.1.1 Áp dụng
1 Quy định trong Chương này áp dụng cho tàu tự nâng (sau đây gọi tắt là tàu) được định vị tại một vùng nước nhất định.
2 Ngoài việc áp dụng các quy định có liên quan trong các Phần khác thì tàu phải áp dụng các yêu cầu của Chương này.
2.1.2 Giải thích từ ngữ
1 Tàu tự nâng là tàu có thân tạo đủ lực nổi để có thể di chuyển an toàn tới vị trí đã định, sau đó tàu được nâng lên trên mặt nước nhờ các chân chống xuống đáy của vùng nước. Các thiết bị và đồ dự trữ có thể đặt sẵn trên tàu hoặc đặt lên tàu khi nó ở vị trí nâng lên. Các chân của tàu có thể cắm trực tiếp xuống đáy của vùng nước hoặc được gắn với phần mở rộng hoặc đế để phân tán áp lực hoặc có thể được gắn với tấm chống lún cho từng chân hoặc tấm chống lún chung.
2 Chiều sâu nước thiết kế là khoảng cách theo phương thẳng đứng, tính bằng mét, đo từ đáy vùng nước tới mực nước trung bình thấp nhất cộng với cao độ thuỷ triều thiên văn.
2.1.3 Thay thế tương đương
Đăng kiểm có thể chấp nhận việc thay đổi kết cấu, trang thiết bị, các máy và cách bố trí chúng cũng như kích thước khác so với các quy định của Chương này với điều kiện là các kết cấu, trang thiết bị, các máy này và cách bố trí cũng như kích thước của chúng là tương đương so với các yêu cầu của Chương này.
2.1.4 Các bản vẽ trình thẩm định
1 Ngoài các bản vẽ được trình theo quy định tại 2.2 Phần 1B thì tàu phải trình bổ sung các bản vẽ để đăng kiểm thẩm định:
(1) Kết cấu chân đỡ tàu;
(2) Kết cấu chi tiết liên kết giữa chân và tàu.
2 Ngoài ra tàu còn phải trình các bản tính sau để Đăng kiểm xem xét trong quá trình thẩm định bao gồm:
(1) Tính toán bền của thân tàu và các chân ở các trạng thái đã được quy định tại 2.3.2;
(2) Các tính toán chứng minh đủ kết cấu để truyền lực giữa chân và thân thông qua cơ cấu nâng hạ hay hệ thống tự nâng khác;
(3) Đánh giá độ ổn định của giàn để chống lật khi giàn tựa trên đáy vùng nước.
2.2 Tải trọng thiết kế
2.2.1 Quy định chung
1 Nếu không có quy định nào khác, các tải trọng sau đây sẽ được dùng để xác định kích thước cơ cấu và tính toán lực chằng buộc để định vị tàu trong thời gian dài, nếu áp dụng.
(1) Tải trọng do gió;
(2) Tải trọng do sóng;
(3) Tải trọng trên boong;
(4) Các tải trọng tĩnh như áp lực nước khi tàu nổi trên nước tĩnh, lực nổi, trọng tải...;
(5) Tải trọng do dòng chảy và thủy triều;
(6) Tải trọng do động đất trong trường hợp tàu tiếp xúc với đáy vùng nước;
(7) Tải trọng va đập do tàu chạm vào đáy vùng nước;
(8) Tải trọng do chằng buộc định vị tàu;
(9) Tải trọng do chằng buộc với các tàu cung ứng;
(10) Tải trọng khi được kéo;
(11) Tải trọng do hoạt động của các tàu khác tạo ra;
(12) Tải trọng do tăng lực cản của nước gây ra bởi các thủy sinh bám vào tàu;
(13) Các tải trọng khác nếu cần thiết.
2 Những yêu cầu ở 2.2 này quy định các phương pháp chủ yếu để tính toán tải trọng thiết kế. Trong trường hợp phương pháp tính toán tải trọng thiết kế chưa được đề cập đến hoặc ngay cả khi đã được đưa ra, thì có thể sử dụng phương pháp thí nghiệm trên mô hình thích hợp, thử bằng ống khí động học, thử bằng bể thử hay các phương pháp tính toán theo lý thuyết phù hợp với tiêu chuẩn quốc gia hoặc tiêu chuẩn, quy phạm khác theo thông lệ quốc tế.
3 Tải trọng thiết kế quy định tại -1 phải căn cứ vào các số liệu thống kê và nghiên cứu các trạng thái nguy hiểm nhất giả định trong thời gian ít nhất 25 năm.
2.2.2 Tải trọng do gió
1 Tốc độ gió khi tính toán tải trọng thiết kế có thể do chủ tàu quy định, nhưng không được nhỏ hơn 25,8 mét/giây.
2 Áp suất gió P được xác định theo công thức sau:
P = 0,611 Ch Cs V2 (N/m2).
V : Tốc độ gió tính theo quy định -1 trên (m/giây);
Ch : Hệ số chiều cao tâm hứng gió quy định tại Bảng 12/2.1, căn cứ vào chiều cao tâm hứng gió theo phương thẳng đứng, tính bằng mét, tại vị trí đang xét. Chiều cao tâm hứng gió là khoảng cách thẳng đứng tính từ mặt biển đến trọng tâm mặt hứng gió A được quy định tại -3 dưới đây;
Cs : Hệ số hình dáng lấy theo Bảng 12/ 2.2 phụ thuộc vào hình dáng của các thành phần kết cấu hứng gió.
Bảng 12/2.1 - Hệ số chiều cao tâm hứng gió Ch
| Chiều cao tâm hứng gió (m) | Ch | |
| Không nhỏ hơn | Nhỏ hơn | |
|
| 15,3 | 1,00 |
| 15,3 | 30,5 | 1,10 |
| 30,5 | 46,0 | 1,20 |
| 46,0 | 61,0 | 1,30 |
| 61,0 | 76,0 | 1,37 |
| 76,0 | 91,5 | 1,43 |
| 91,5 | 106,5 | 1,48 |
| 106,5 | 122,0 | 1,52 |
| 122,0 | 137,0 | 1,56 |
| 137,0 | 152,5 | 1,60 |
| 152,5 | 167,5 | 1,63 |
| 167,5 | 183,0 | 1,67 |
| 183,0 | 198,0 | 1,70 |
| 198,0 | 213,5 | 1,72 |
| 213,5 | 228,5 | 1,75 |
| 228,5 | 244,0 | 1,77 |
| 244,0 | 259,0 | 1,79 |
| 259,0 |
| 1,80 |
Bảng 12/ 2.2 - Hệ số hình dáng Cs
| Kết cấu | Cs |
| Kết cấu dạng hình cầu | 0,4 |
| Kết cấu dạng hình trụ | 0,5 |
| Thân tàu | 1,0 |
| Lầu trên boong | 1,0 |
| Nhóm các lầu hoặc cấu trúc tương tự | 1,1 |
| Các phần nhỏ | 1,4 |
| Kết cấu đứng riêng lẻ trên boong (cần cẩu, các dầm xà v.v...) | 1,5 |
| Các phần nhô phía dưới của sàn (có bề mặt trơn tru) | 1,0 |
| Các phần nhô phía dưới của sàn (phần nhô của xà ngang, của các sống...) | 1,3 |
| Các trạm công tác (từng bề mặt) | 1,25 |
| Dây cáp | 1,2 |
3 Lực do gió F không được nhỏ hơn trị số tính theo công thức sau đây đối với từng bộ phận kết cấu. Ngoài ra, hợp lực và điểm đặt lực phải được tính cho từng hướng gió.
F = P x A (N)
P : Áp suất gió tính theo -2 (N/m2);
A : Diện tích hứng gió của các thành phần kết cấu trong mặt phẳng vuông góc với hướng gió ở trạng thái cân bằng hoặc ở trạng thái góc nghiêng ban đầu nếu cần thiết (m2).
Những quy định từ (1) đến (4) sau đây cần phải áp dụng khi tính toán diện tích hứng gió:
(1) Đối với tàu tự nâng, diện tích mặt chiếu của các chân phải được đưa vào tính toán. Tuy nhiên, trong trường hợp các chân có kết cấu kiểu giàn thì diện tích mặt chiếu đó có thể được xác định theo quy định ở (4);
(2) Không phụ thuộc vào quy định ở (1), nếu các chân hoặc cột được bố trí gần nhau thì có thể phải xem xét đến hiệu ứng chắn v.v… Tuy nhiên, nếu tính toán đến hiệu ứng này thì phải được xác định bằng cách thử trong ống dẫn gió với quy trình được Đăng kiểm duyệt;
(3) Diện tích hứng gió của các lầu trên boong, các thành phần kết cấu khác, các cần cẩu v.v... phải được tính riêng cho từng loại. Nếu hai hay nhiều bộ phận kết cấu như các lầu trên boong hay các kết cấu tương tự đặt kề nhau, chúng có thể được coi như một khối liên tục và diện tích hứng gió của chúng được coi như diện tích hứng gió của một khối vuông góc với từng hướng gió. Khi đó hệ số Cs lấy bằng 1,10;
(4) Diện tích hứng gió của các nhà cẩu, cột cẩu, thân cần cẩu, các cột, v.v... kết cấu theo kiểu giàn được lấy bằng 60% diện tích hứng gió tính cho trường hợp chúng được kết cấu theo kiểu liên tục.
4 Nếu không thể bỏ qua được tác dụng nâng của gió thì ảnh hưởng này phải được tính toán theo một phương pháp thích hợp và phải được Đăng kiểm công nhận.
2.2.3 Tải trọng do sóng
1 Chiều cao sóng tính toán dùng để xác định tải trọng do sóng được dựa trên các số liệu do do cơ quan có thẩm quyền công bố hoặc cung cấp.
2 Chu kỳ sóng tính toán phải là chu kỳ sao cho tác dụng của sóng lên tàu là lớn nhất.
3 Các yêu cầu sau đây phải được áp dụng khi tính toán tải trọng do sóng:
(1) Tải trọng sóng phải được tính toán theo lý thuyết sóng đáng tin cậy phù hợp với chiều sâu vùng nước thiết kế tại vùng hoạt động được Đăng kiểm duyệt;
(2) Phải tính toán tải trọng do sóng cho tất cả các hướng sóng;
(3) Khi tính toán tải trọng sóng, cần phải tính đến tác động của sóng khi nước tràn lên boong, các tác động trực tiếp vào kết cấu thuộc phần chìm và các tải trọng xuất hiện khi nghiêng hoặc do gia tốc khi tàu chuyển động trên sóng;
(4) Cần phải tính đến các rung động do sóng;
(5) Nếu không thể bỏ qua được các dao động có tần số thấp thì phải tính đến tác dụng của các thành phần sóng có tần số thấp ấy trong đó có thành phần tần số thấp của sóng cồn tác dụng lên tàu.
4 Không phụ thuộc vào các yêu cầu từ -1 đến -3, phương pháp mô phỏng trên sóng không điều hòa dùng các phổ sóng thích hợp dựa trên các số liệu sóng tại vùng hoạt động của tàu có thể được áp dụng để xác định tải trọng do sóng.
2.2.4 Tải trọng do dòng chảy và thủy triều
1 Tải trọng do dòng chảy và thủy triều được xác định như sau:
(1) Lực cản
Lực cản (FD) trên một đơn vị chiều dài dọc theo cơ cấu của tàu do dòng chảy và thủy triều được tính theo công thức sau:
![]()
ρ: tỉ trọng nước 1,025 (t/m2);
D: Chiều rộng tàu chiếu lên phương vuông góc với hướng dòng chảy (m);
CD: Hệ số lực cản đối với dòng điều hòa, trị số này phải được Đăng kiểm xem xét;
Uc: Tốc độ dòng chảy (m/s);
CM: Hệ số quán tính đối với dòng chảy dừng;
an: gia tốc (m/s2).
(2) Lực nâng
Lực nâng (FL) trên một đơn vị chiều dài dọc theo cơ cấu tàu do dòng chảy và thủy triều được xác định theo công thức sau:
![]()
CL: Hệ số lực nâng đối với dòng điều hòa, trị số này phải được Đăng kiểm xem xét;
ρ, D, Uc : Như quy định ở (1) trên.
2 Nếu cần thiết, tốc độ dòng chảy và thủy triều phải được bổ sung bằng phép cộng véc tơ với vận tốc của các phần tử sóng.
2.2.5 Tải trọng do hiện tượng tàu bị hút xuống bởi các xoáy nước
Cần phải tính đến các chấn động của các thành phần kết cấu thuộc phần chìm do các lực hút khi tàu gặp các xoáy nước.
2.2.6 Tải trọng trên boong
Khi tính toán tải trọng trên boong, phải xét đến các tải trọng rải đều và tải trọng tập trung tại các vùng tương ứng của boong ứng với từng trạng thái hoạt động và trạng thái hành trình. Trị số của tải trọng rải đều không được nhỏ hơn giá trị nêu trong Bảng 12/2.3.
Bảng 12/2.3 - Tải trọng trên boong
| Vị trí | Tải trọng nhỏ nhất (N/m2) |
| Không gian dùng để ở (kể cả hành lang và các không gian tương tự) | 4510 |
| Khu vực làm việc, buồng máy | 9020 |
| Khu vực làm kho chứa | 13000 |
2.3 Kết cấu thân tàu và trang thiết bị
2.3.1 Quy định chung
1 Ngoài các yêu cầu có liên quan ở Phần 2A, Phần 2B, kết cấu thân tàu và trang thiết bị phải thỏa mãn những yêu cầu quy định ở 2.3 này khi tàu ở trạng thái nổi hoặc khi nâng lên khỏi mặt nước.
2 Tàu phải được thiết kế sao cho khoảng cách giữa mặt dưới của tàu ở trạng thái đã được nâng lên và đỉnh sóng tính toán bằng 1,2 m hoặc 10% chiều cao của mực nước kết hợp giữa thủy triều do bão, thủy triều thiên văn và đỉnh sóng lớn nhất so với mực nước biển thấp trung bình, lấy giá trị nhỏ hơn. Chiều cao đỉnh sóng phải được đo ở bên trên mực nước kết hợp giữa thủy triều thiên văn và thủy triều.
3 Độ bền của tàu mà thường được cố định trên đáy biển hoặc được định vị trong thời gian dài phải thỏa mãn các yêu cầu của Phần này. Tuy nhiên, trong trường hợp vùng khai thác hoặc mùa hoạt động bị hạn chế thì độ bền thân tàu có thể được miễn giảm thích hợp, căn cứ vào điều hoạt động kiện cụ thể của chúng.
2.3.2 Yêu cầu về thiết kế và tính toán kết cấu
1 Kết cấu thân tàu
(1) Thân tàu phải được coi như một kết cấu hoàn chỉnh có đủ độ bền chịu được tất cả ứng suất gây ra khi nâng lên và được đỡ bởi tất cả các chân.
(2) Các kích thước của từng cơ cấu thân tàu phải phù hợp với yêu cầu nêu trong các mục từ 2.3.3 đến 2.3.5 có tính đến các tải trọng mô tả ở 2.2.
(3) Kết cấu thân, kể cả các bộ phận của lỗ giếng của tàu phải liên tục về mặt độ bền theo phương dọc và ngang.
2 Kết cấu thân tàu tại chỗ đặt chân nâng hạ
(1) Các phần tử kết cấu truyền tải từ chân nâng hạ đến kết cấu thân tàu phải được thiết kế ở tải trọng lớn nhất và phải đảm bảo tải được phân bố một cách hợp lý đến các kết cấu thân tàu;
(2) Khi tàu ở vị trí được nâng lên, phải đặc biệt đến việc phân bố tải khi mà tàu đỡ thiết một chân;
Kết cấu xung quanh chân phải được thiết kế có xét đến lực tập trung, các phần tử của chịu tải phải liên lục theo phương thẳng đứng;
(3) Đối với các chi tiết tháo được như các thanh, cần, bu lông, chốt sử dụng để truyền tải đến các kết cấu đỡ cũng phải được kiểm tra kích thước và có thử nghiệm.
3 Chân nâng hạ của tàu
Chân nâng hạ của tàu phải thỏa mãn các yêu cầu 2.3.3 đến 2.3.5 và các yêu cầu từ (1) đến (8) dưới đây. Tuy nhiên, chuyển động của tàu và chân nâng hạ có thể phải được xác định bằng một phương pháp tính hoặc thí nghiệm mô hình.
(1) Chân phải là loại chân ống hoặc chân kiểu khung và phải có gắn đế hoặc tấm đáy. Nếu không có đế hoặc tấm đáy thì cần xét độ xuyên của chân xuống đáy biển và mức độ cố định ở cuối chân. Để tính toán độ bền của các chân này, chân của tàu phải được giả thiết là gối đỡ tại điểm cách ít nhất 3 m dưới đáy biển;
(2) Chân của tàu trong trạng thái di chuyển phải phù hợp với các yêu cầu (a) và (b) dưới đây. Trạng thái di chuyển nghĩa là trạng thái hành trình không vượt quá 12 giờ giữa hai vùng được bảo vệ hoặc giữa hai vùng mà giàn có thể nâng nên an toàn. Tuy nhiên, tại một vị trí nào đó trong quá trình di chuyển, tàu phải có khả năng di chuyển đến một vùng được bảo vệ hoặc vùng có thể nâng lên an toàn trong vòng 6 giờ.
(a) Chân của tàu phải có đủ độ bền do tác dụng của mômen uốn tính theo công thức sau:
M1 + 1,2M2 (Nm).
M1: Mômen uốn động gây ra do biên độ lắc ngang hoặc biên độ lắc dọc 6° tương ứng với dao động riêng của tàu (Nm);
M2: Mômen uốn tĩnh do trọng lực gây ra bởi góc nghiêng chân của tàu 6° (Nm).
(b) Chân của tàu phải được đánh giá ở các sơ đồ bố trí chân theo vị trí thẳng đứng như số liệu đã duyệt ghi trong Hướng dẫn vận hành. Đánh giá cần xem xét đến độ bền và độ ổn định.
(3) Các chân trong trạng thái di chuyển ngoài biển phải được thiết kế phù hợp với các yêu cầu từ (a) đến (d) sau đây:
(a) Chân của tàu phải được thiết kế đủ độ bền chịu được mômen do trọng lực và gia tốc gây ra do chuyển động của tàu khi di chuyển trong điều kiện môi trường khắc nghiệt nhất đã được xác định trước cùng với mô men do gió;
(b) Chân của tàu phải có đủ độ bền chịu được mômen uốn tính theo công thức sau: M3 + 1,2M4 (Nm).
M3: Mômen uốn động gây ra do biên độ lắc ngang hoặc biên độ lắc dọc 15° tương ứng với chu kỳ dao động 10 s của tàu (Nm);
M4: Mômen uốn tĩnh do trọng lực gây ra bởi góc nghiêng chân của tàu 15° (Nm).
(c) Mômen trạng thái vận chuyển trên biển, nếu cần có thể phải gia cố hoặc đỡ chân của tàu hoặc tháo bớt một số bộ phận của nó;
(d) Các trạng thái đã được chấp nhận phải được nêu trong Hướng dẫn vận hành.
(4) Các chân của tàu phải được thiết kế để chống lại lực tác dụng gây ra do phần chiều dài không được đỡ của chân trước khi chạm vào đáy biển và cũng để chống lại va đập với đáy biển trong khi tàu nổi và chịu tác dụng của chuyển động sóng;
(5) Chuyển vị thiết kế cực đại, điều kiện đáy biển và trạng thái biển có thể nâng, hạ chân phải được nêu rõ trong Hướng dẫn vận hành;
(6) Khi tính toán ứng suất của chân trong trạng thái chân của tàu được nâng lên, tải trọng lật cực đại tác dụng lên tàu dưới tác dụng của tổ hợp các tải trọng nguy hiểm nhất như nêu ở 2.2 phải được xét đến. Các lực và mômen do biến dạng ngang khung chân của tàu phải được xét tới;
(7) Kích thước chân của tàu phải được xác định dựa trên phương pháp tính định lượng thỏa mãn yêu cầu của Đăng kiểm;
(8) Ngoại trừ các tàu tự nâng lắp tấm đế dưới đáy, phải có khả năng gia tải trước cho mỗi chân tới giá trị tải trọng kết hợp lớn nhất sau quá trình định vị ban đầu tại nơi khai thác. Quy trình gia tải trước phải được ghi vào Hướng dẫn vận hành tàu.
4 Tấm đế chân của tàu
(1) Kết cấu của tấm đế chân của tàu phải được thiết kế sao cho tải trọng truyền từ chân của tàu có thể phân bổ đều tới từng phần của tấm đế.
(2) Độ dày cảu tấm vỏ của tấm đế chân của tàu không có lỗ khoét thông ra biển và kích thước của các nẹp gia cường vỏ không được nhỏ hơn yêu cầu cho trong 2.3.3 đến 2.3.5. Trong trường hợp này, đỉnh của hs là tại mức nước triều lên và đỉnh của hc là 0,6 chiều cao của sóng thiết kế trong điều kiện bão cực đại phía trên mức nước tại độ sâu nước thiết kế.
(3) Các kích thước của vách ngăn kín nước và các gân gia cường của nó ở tấm đế chân của tàu không được nhỏ hơn kích thước xác định theo yêu cầu của Phần 2A. Trong trường hợp này, đỉnh của hs được thay thế cho đỉnh của hc được quy định ở (2).
(4) Nếu tàu được đặt trên đáy biển thì ảnh hưởng của xói phải được xem xét.
(5) Ảnh hưởng của tấm váy, nếu có, phải được xét đặc biệt.
(6) Tấm đế chân của tàu phải được thiết kế chống lại va đập với đáy biển trong khi tàu nổi và chịu tác động của sóng.
2.3.3 Tiêu chuẩn phân tích độ bền
1 Các trạng thái tải trọng
Việc phân tích độ bền chung phải được thực hiện đối với tải trọng tĩnh và tải trọng tổng hợp được quy định từ (1) đến (2) sau đây trong mỗi trạng thái hoạt động tương ứng của tàu:
(1) Trạng thái tải trọng tĩnh là trạng thái mà khi đó tàu ở trạng thái nổi trên nước tĩnh và chỉ chịu tác động của các lực tĩnh như lực thủy tĩnh, trọng tải... có ảnh hưởng đến độ bền chung của tàu;
(2) Trạng thái tải trọng tổng hợp là trạng thái mà khi đó tàu chịu tác động của các tải trọng tổng hợp bao gồm tải trọng tĩnh quy định tại (1) và tải trọng động như tải trọng do gió, do sóng... ảnh hưởng đến độ bền chung của tàu, và các tải trọng phát sinh khi tàu chuyển động có gia tốc dưới tác dụng của các tải trọng đã nói ở trên và khi tàu nghiêng.
2 Ứng suất cho phép
(1) Ứng suất cho phép đối với trạng thái tải trọng tĩnh và tổng hợp quy định tại 2.3.3-1 không được lớn hơn trị số của Bảng 12/2.4 phụ thuộc vào loại ứng suất.
Bảng 12/2.4 - Ứng suất cho phép đối với trạng thái tải trọng tĩnh và tổng hợp
| Loại tải trọng | Tải trọng tĩnh | Tải trọng tổng hợp |
|
| Ứng suất kéo | 0,6 x σy | 0,8 x σy |
|
| Ứng suất uốn | 0,6 x (σy hoặc σcr)* | 0,8 x (σy hoặc σcr)* |
|
| Ứng suất cắt | 0,4 x σy hoặc 0,6 x | 0,53 x σy hoặc 0,8 x | |
| Ứng suất nén | 0,6 x (σy hoặc σcr)* | 0,8 x (σy hoặc σcr)* |
|
| Chú thích: * Lấy giá trị nào nhỏ hơn; σy : Giới hạn chảy của vật liệu (N/mm2); σcr : Ứng suất pháp ổn định nén tới hạn (N/mm2);
| |||
(2) Ứng suất tương đương quy định tại 2.3.4-10 không được vượt quá 0,7 và 0,9 lần ứng suất cho phép được xác định tại -1 tương ứng với tải trọng tĩnh và tải trọng tổng hợp.
3 Ứng suất nén tổng hợp
Trong trường hợp cơ cấu vừa chịu uốn và chịu nén dọc trục thì ứng suất nén tổng hợp phải thỏa mãn đẳng thức sau:

Trong đó:
fa : Ứng suất nén tính toán do nén dọc trục (N/mm2);
fb : Ứng suất nén tính toán do uốn (N/mm2);
Fa : Ứng suất nén dọc trục cho phép được xác định theo công thức sau nhưng không lớn hơn Fb (N/mm2);

Fb : Ứng suất nén cho phép do uốn xác định theo Bảng 12/2.4 (N/mm2);
λ : Độ mảnh của cơ cấu;

σy : Theo quy định tại 2.3.3-2 (N/mm2);
σcr,i : Ứng suất ổn định tới hạn không đàn hồi (N/mm2);
σcr,e : Ứng suất ổn định tới hạn đàn hồi (N/mm2);
η : 0,6 cho trạng thái tải trọng tĩnh;
0,8 cho trạng thái tải trọng tổng hợp.
2.3.4 Các hình thức phân tích độ bền
1 Phương pháp phân tích kết cấu
Cần phải phân tích kết cấu tàu theo phương pháp mà Đăng kiểm thấy là thích hợp với số lượng đủ các trạng thái tải trọng ở mọi tư thế của tàu.
2 Phân tích kết cấu của tàu có một phần được tựa vào đáy biển
Các tàu được thiết kế tựa vào đáy biển phải được phân tích kết cấu với giả thiết mô men lật do các lực môi trường kết hợp với nhau từ bất kỳ hướng nào và trọng lực hướng xuống dưới tác dụng lên chân hoặc đế đỡ được lấy phù hợp để chịu được mô men đó.
3 Phân tích kết cấu theo điều kiện dẻo
Kích thước các cơ cấu được thiết kế dựa trên kết quả của phương pháp phân tích kết cấu theo điều kiện dẻo phải theo những quy định riêng của Đăng kiểm.
4 Độ bền ổn định
Các thành phần kết cấu phải có đủ độ bền để chống lại việc mất ổn định cơ cấu tùy thuộc hình dạng, kích thước, điều kiện biên...
5 Độ bền mỏi
Các cơ cấu chịu ứng suất biến đổi theo chu kỳ phải có đủ độ bền mỏi, căn cứ vào giá trị và số chu kỳ của ứng suất lặp lại, hình dạng cơ cấu...
6 Tập trung ứng suất
Phải xem xét ảnh hưởng của sự tập trung ứng suất cục bộ đối với các vết cắt hoặc những phần không liên tục của cơ cấu.
7 Ứng suất uốn
(1) Mô đun chống uốn tiết diện ngang của cơ cấu quy định trong Quy phạm này là mô đun có tính đến mép kèm có chiều rộng bằng 0,1l ở mỗi bên cơ cấu. Tuy nhiên, chiều rộng 0,1l không được lớn hơn một nửa khoảng cách cơ cấu, trong đó l là chiều dài quy định của cơ cấu đang xét.
(2) Khi có các tải trọng lệch tâm, phải xét đến việc tăng ứng suất uốn do các cơ cấu bị võng.
8 Ứng suất cắt
Khi tính toán ứng suất cắt đối với các giàn vách, các dầm dạng tấm, các giàn mạn, v.v... chỉ có phần chịu cắt hiệu dụng của bản thành là được coi như bị cắt, khi đó chiều cao toàn bộ có thể được coi như chiều cao của bản thành cơ cấu.
9 Cộng ứng suất
(1) Trong việc định ứng suất cục bộ tương ứng cho từng cơ cấu, phải cộng tất cả các thành phần ứng suất liên quan phát sinh trên cơ cấu. Nếu cơ cấu có dạng hình ống thì tác dụng của ứng suất tiếp tuyến theo chu vi do các lực bên ngoài tác động cũng phải được xem xét.
(2) Kích thước các cơ cấu phải được xác định dựa trên các tiêu chuẩn kết hợp các thành phần ứng suất riêng rẽ phát sinh trên các cơ cấu ở mức độ hợp lý theo ý kiến của Đăng kiểm.
10 Ứng suất tương đương
Đối với các kết cấu được chế tạo từ các tấm, thì các kết cấu có thể được thiết kế dựa theo các tiêu chuẩn ứng suất tương đương được tính theo công thức sau:
![]()
σx và σy : Ứng suất pháp theo phương X và Y tại giữa chiều dày của tấm (N/mm2);
: Ứng suất tiếp trong mặt phẳng X -Y (N/mm2).
11 Độ dự trữ mòn gỉ
(1) Khi tàu không được trang bị hệ thống chống ăn mòn thích hợp theo yêu cầu của Đăng kiểm, thì kích thước cơ cấu được xác định bằng phương pháp phân tích độ bền đã nói ở trên cùng với ứng suất cho phép được quy định trong Quy chuẩn này phải được cộng thêm độ dự trữ mòn gỉ thích hợp. Khi đó, thông thường độ dự trữ mòn gỉ được lấy không nhỏ hơn 2,5 mm và được xác định căn cứ vào môi trường hoạt động, biện pháp và mức độ chống mòn gỉ. Hơn nữa, nếu có áp dụng các yêu cầu tại Phần 2A thì kích thước cơ cấu phải không nhỏ hơn kích thước được xác định theo các yêu cầu tương ứng của các Phần đó.
(2) Khi tàu được trang bị hệ thống chống mòn gỉ mà Đăng kiểm thấy là thỏa đáng thì độ dự trữ mòn gỉ quy định tại -1 có thể được giảm một cách phù hợp.
2.3.5 Kích thước cơ cấu
1 Quy định chung
(1) Đối với các cơ cấu chính tham gia vào độ bền chung của tàu, kích thước của chúng phải được xác định thỏa mãn các yêu cầu của 2.3.3 và 2.3.4. Tuy nhiên, có thể áp dụng quy định 2.3.5-2 và 2.3.5-3 để xác định kích thước của chúng.
(2) Đối với các cơ cấu chỉ chịu tải trọng cục bộ, các yêu cầu của Phần 2A có thể được áp dụng để xác định kích thước của chúng với sự đồng ý của Đăng kiểm.
2 Chiều dày tấm của kết cấu tàu
Chiều dày tấm của các cơ cấu chính như tôn bao tham gia vào độ bền chung, chịu các tải trọng phân bố phải không nhỏ hơn trị số tính theo công thức sau, lấy trị số nào lớn hơn.

Trong đó:
S : Khoảng cách các cơ cấu ngang hoặc dọc (m);
hs : Chiều cao cột áp trong trường hợp tải trọng tĩnh xác định tại 2.3.1-1(1) (m);
hc : Chiều cao cột áp trong trường hợp tải trọng tổng hợp xác định tại 2.3.1-1(2) (m);
Ke : Tính theo công thức sau, lấy trị số nào nhỏ hơn:

Kp : Lấy giá trị tính theo công thức (a) hoặc (b) dưới đây:
(a) Nếu σc1.σ c2 > 0, thì lấy giá trị tính theo công thức sau, lấy giá trị nào nhỏ hơn:

(b) Nếu σc1.σ c2 < 0, thì lấy giá trị tính theo công thức sau, lấy giá trị nào nhỏ hơn:

σs1; σ s2; σ c1; σ c1: Ứng suất dọc trục tác động lên các tấm ở trạng thái tải trọng tĩnh và tải trọng tổng hợp (N/mm2). Xem Hình 12/2.1;
k: Hệ số vật liệu theo Bảng 12/2.5;
C: Độ dự trữ mòn gỉ theo 2.3.4-11 (mm).

Hình 12/2.1 Ứng suất dọc trục, σs1, σs2, σc1 và σc2
Bảng 12/2.2 Hệ số vật liệu (k) tương ứng với giới hạn bền
| Loại thép | Ký hiệu vật liệu | Hệ số (k) |
| Thép thường | AS, A, B, D, E | 1,00 |
| Thép có độ bền cao | A32, D32, E32, F32 | 0,78 |
| A36, D36, E36, F36 | 0,72 | |
| A40, D40, E40, F40 | 0,68(1) | |
| Chú thích: (1) Có thể được lấy bằng 0,66 khi thực hiện đánh giá độ bền mỏi của kết cấu nhằm xác minh sự tuân thủ với các yêu cầu Đăng kiểm. | ||
3 Mô đun chống uốn tiết diện của cơ cấu dọc hoặc ngang
Mô đun chống uốn tiết diện của cơ cấu dọc hoặc ngang, gia cường cho các tấm vỏ quy định tại 2.3.5-2 được xác định theo công thức sau:

Trong đó:
C : Hệ số lấy bằng:
1,00 nếu hai đầu ngàm (có gắn mã);
1,50 nếu hai đầu tự do (không gắn mã).
l : Nhịp cơ cấu (m);
σco : Ứng suất dọc trục trong trường hợp tải trọng tổng hợp (N/mm2);
S, hc và k: Lấy theo 2.3.5-2.
4 Ổn định cục bộ các tấm có dạng hình trụ
Các tấm có dạng hình trụ được gia cường theo chu vi hoặc không được gia cường, chịu tác động nén của các lực dọc trục hay chịu nén do các lực uốn, có kích thước không thỏa mãn yêu cầu sau đây, phải được kiểm tra ổn định cục bộ bổ sung khi kiểm tra ổn định chung của tấm quy định tại 2.3.3-3.
t > 0,044Dσy (mm)
Trong đó:
t : Chiều dày của tấm (mm);
D : Đường kính của cơ cấu dạng hình trụ (mm);
σy : Xác định theo 2.3.2-2 (N/mm2).
2.4 Hệ thống máy
2.4.1 Quy định chung
Ngoài các yêu cầu ở Phần 3, hệ thống máy trên tàu phải thỏa mãn các quy định ở 2.4 này.
2.4.2 Yêu cầu chung đối với hệ thống máy
1 Máy chính, các động cơ lai máy phát điện, và các máy phụ và động cơ lai chúng phải được thiết kế để làm việc trong điều kiện độ nghiêng tĩnh đến 10° ở bất kỳ hướng nào. Đăng kiểm có thể cho phép sự sai lệch với các góc độ sau đây khi xem xét kiểu, cỡ và điều kiện làm việc của tàu.
2 Các động cơ lai các máy phát điện sự cố phải được thiết kế để hoạt động đủ công suất định mức khi bị nghiêng đến góc nghiêng lớn nhất ở trạng thái nguyên vẹn và trạng thái hư hỏng khi được xác định phù hợp với Chương 4. Nếu không thiết bị phải được thiết kế để làm việc khi độ nghiêng lớn hơn góc nghiêng tĩnh 15° ở bất kỳ hướng nào.
2.4.3 Các quy định bổ sung cho tàu có máy chính
Máy chính, các động cơ lai máy phát điện, các máy phụ và động cơ lai của chúng phải được thiết kế để hoạt động dưới các điều kiện động lực học sau đây cũng như trạng thái tĩnh được nêu ở 2.4.2-1 và 2.4.2-2. Đăng kiểm có thể cho phép độ lệch góc đến độ nghiêng động lực học đến 15° theo bất kỳ hướng nào có xét đến kiểu, cỡ và điều kiện làm việc của tàu.
2.5 Trang bị điện
2.5.1 Quy định chung
Trang bị điện phải thỏa mãn những yêu cầu liên quan quy định ở Phần 4 của Quy chuẩn này.
2.6 Phòng chống cháy, phương tiện thoát nạn và hệ thống dập cháy
2.6.1 Quy định chung
Phòng chống cháy, phương tiện thoát nạn và hệ thống dập cháy phải thỏa mãn các yêu cầu liên quan trong mỗi chương của Phần 5.
2.7 Ổn định và phân khoang
2.7.1 Quy định chung
1 Phạm vi áp dụng
(1) Ngoài các yêu cầu ở Phần 7, liên quan đến ổn định và ổn định tai nạn tàu phải thỏa mãn các quy định ở 2.7 này.
(2) Khi tính toán ổn định, phải coi các tàu nổi tự do không bị cản trở do chằng buộc. Tuy nhiên, nếu có thể có các ảnh hưởng không có lợi về mặt ổn định do chằng buộc, thì phải xét đến các ảnh hưởng này khi tính ổn định.
2 Ổn định nguyên vẹn
(1) Tàu phải có độ ổn định dương ở trạng thái cân bằng trong nước tĩnh.
(2) Tàu phải có đủ độ ổn định để chịu được tác dụng lật của mô men nghiêng do gió và các dao động do sóng gây ra.
(3) Mỗi tàu phải có khả năng duy trì ổn định khi có bão trong một khoảng thời gian phù hợp với điều kiện khí tượng thiết kế.
3 Ổn định tai nạn
(1) Mọi tàu phải có đủ mạn khô và được phân chia thành các khoang kín nước bằng các vách và boong kín nước nhằm đảm bảo đủ ổn định và độ dự trữ lực nổi khi ngập bất kỳ một khoang riêng lẻ nào hoặc ngập bất kỳ nhóm các khoang theo giả định về tai nạn quy định ở 2.7.3 ở bất kỳ trạng thái hoạt động hay hành trình nào của tàu.
(2) Tất cả các tàu đều phải có đủ độ ổn định khi ngập bất kỳ một khoang riêng lẻ nào hoặc ngập bất kỳ nhóm các khoang theo giả định về tai nạn quy định ở 2.7.3 để chịu được tác dụng của mô men nghiêng do gió, căn cứ vào tốc độ gió theo phương ngang được bổ sung từ bất kỳ hướng gió nào, cũng như của các chuyển động của tàu do sóng gây ra.
(3) Đường nước tai nạn sau khi ngập phải nằm dưới mép các lỗ mà qua đó nước có thể tràn vào tàu.
(4) Khi tính toán ổn định tai nạn, không được tính đến các khả năng chỉnh lại tư thế sau khi tai nạn như bơm nước ra khỏi khoang bị ngập, dằn hoặc đổ đầy vào các khoang khác hoặc dùng các lực chằng buộc...
4 Mô men nghiêng do gió
(1) Tải trọng gió tính toán được xác định theo các quy định ở 2.2.2-1. Để tính ổn định tai nạn, tải trọng gió tính toán được xác định với vận tốc gió là 25,8 m/s.
(2) Tay đòn của lực nghiêng được đo theo phương thẳng đứng, từ tâm của lực dạt hoặc, nếu có, từ tâm áp lực thủy động của phần ngâm nước đến tâm của diện tích mặt hứng gió.
(3) Mô men nghiêng do gió phải tính cho các góc nghiêng trong mỗi trạng thái hoạt động của tàu.
(4) Khi tính toán mô men nghiêng do gió tác dụng lên tàu có thân dạng tàu hoặc thân dạng sà lan, đường cong mô men nghiêng được coi như biến thiên theo hàm côsin của góc nghiêng ngang của tàu.
(5) Mô men nghiêng do gió lấy từ kết quả thử tàu mẫu bằng phương pháp ống khí động học có thể thay cho mô men nghiêng tính theo các yêu cầu từ (2) đến (4). Việc xác định mô men nghiêng theo phương pháp này phải bao gồm cả các tác động nâng và cản tác dụng lên tàu tại các góc nghiêng khác nhau.
2.7.2 Các tiêu chuẩn ổn định nguyên vẹn
1 Quy định chung
(1) Đối với mọi tàu, phải xem xét đến các trạng thái mà tải trọng được đặt tại vị trí cao nhất có thể áp dụng được cho tính toán ổn định nguyên vẹn và phải lập đường cong mô men hồi phục và đường cong mô men nghiêng do gió như Hình 12/2.2.
(2) Phải tính toán mô men hồi phục và mô men nghiêng do gió đối với các chiều nghiêng nguy hiểm nhất và với đủ số lượng trạng thái nổi của tàu.
(3) Giới hạn dương của đường cong mô men hồi phục phải không nhỏ hơn góc θ3 được xác định từ giao điểm thứ hai giữa đường cong mô men hồi phục và đường cong mô men do gió như được chỉ ra tại Hình 12/2.2.
(4) Nếu các thiết bị, xét về bản chất, có thể hạ xuống và chằng buộc lại được thì có thể cần thiết phải lập đường cong mô men nghiêng bổ sung do gió và các số liệu đó phải chỉ rõ vị trí của thiết bị.
2 Tàu tự nâng
Căn cứ Hình 12/2.2, các tàu dạng này phải thỏa mãn các tiêu chuẩn dưới đây:
Diện tích (A+B) ≥ 1,4 x Diện tích (B+C).
Tuy nhiên, góc nghiêng ngang phải lấy bằng góc vào nước θ2 hoặc góc θ3 (như trong Hình 12/2.2), lấy giá trị nhỏ hơn.

Hình 12/2.2 Đường cong mô men hồi phục và mô men nghiêng do gió
2.7.3 Phạm vi và kích thước vết thủng
1 Quy định chung
(1) Trong tính toán ổn định tai nạn, phạm vi và kích thước vết thủng của tàu phải được lấy theo yêu cầu ở -2, trừ khi có những quy định khác trong trường hợp có xét đến công dụng, vùng hoạt động, thời gian hoạt động... phù hợp với tiêu chuẩn quốc gia hoặc tiêu chuẩn, quy phạm theo thông lệ quốc tế.
(2) Nếu phạm vi và kích thước vết thủng nhỏ hơn theo yêu cầu ở -2 mà cho kết quả kém hơn thì phạm vi và kích thước vết thủng này cũng phải được đề cập đến khi tính toán ổn định tai nạn.
(3) Tất cả các đường ống, kênh thông gió, các hầm kín trong phạm vi hư hỏng của tàu phải được coi là bị hư hỏng. Phải có các thiết bị đóng kín tin cậy tại các vách ngăn kín nước để loại trừ khả năng ngập các không gian khác được coi là nguyên vẹn. Các không gian được bao bọc bởi tôn đáy phải được coi như bị ngập từng không gian một.
2 Phạm vi và kích thước vết thủng
Khi đánh giá ổn định tai nạn của tàu tự nâng, phạm vi hư hỏng giả định được quy định dưới đây phải nằm giữa các vách ngang kín nước hữu hiệu:
(1) Kích thước theo chiều ngang là 1,5 m. Tuy nhiên, các vị trí thụt vào của lỗ ra mũi khoan không chịu hư hỏng nếu có các ký hiệu cảnh báo trên mỗi mạn của tàu cảnh báo không cho tàu khác đi vào vị trí đó;
(2) Phạm vi lỗ thủng theo phương thẳng đứng là từ tôn đáy hướng hết lên phía trên;
(3) Các khoang bao bọc bởi tôn đáy phải giả định bị thủng. Trong trường hợp tàu có đế dưới đáy, chỉ cần xem xét trường hợp lỗ thủng giả định tác động tới đồng thời cả đế và phần thân trên khi mớn nước nhẹ tải nhất của tàu làm cho bất cứ phần nào của đế nằm trong phạm vi 1,5 m dưới đường nước theo phương thẳng đứng, và sự chênh lệch theo phương ngang của phần thân trên so với đế nhỏ hơn 1,5 m trong bất cứ vùng nào được xem xét. Trong trường hợp khác với trường hợp nêu trên, chỉ xét đến những khoang bao bọc bởi tôn đáy của của phần đế;
(4) Khoảng cách giữa các vách kín nước hữu hiệu hoặc giữa các phần nhảy bậc gần nhất của vách nằm trong phạm vi hư hỏng giả định ở (1) phải không nhỏ hơn 3,0 m. Trong trường hợp khoảng cách này nhỏ hơn 3,0 m thì phải không tính đến một hoặc nhiều vách liền kề.
2.7.4 Tiêu chuẩn ổn định tai nạn
1 Tàu tự nâng
(1) Tất cả các tàu dạng này, khi giả định phạm vi hư hỏng theo 2.7.3-1 và 2.7.3-2, phải thỏa mãn các yêu cầu ở 2.7.1-3 với mọi trạng thái nổi.
(2) Ở trạng thái hoạt động hoặc di chuyển, tàu phải thỏa mãn tiêu chuẩn dưới đây khi ngập bất kỳ khoang riêng lẻ nào cùng với giả định không có gió (xem Hình 12/2.3).
R0S ≥ 7° + 1,5θs
Trong đó:
R0S ≥ 10°
R0S là phạm vi cánh tay đòn ổn định, tính bằng độ, xác định theo công thức sau:
R0S = θm - θs
Trong đó:
θm là góc lớn nhất mà cánh tay đòn ổn định dương, độ;
θs là góc nghiêng tĩnh sau khi tai nạn, độ;
Phạm vi cánh tay đòn ổn định R0S nói trên được xác định mà không cần xét đến góc vào nước.

Hình 12/2.3 Mô men hồi phục sau khi tai nạn của tàu tự nâng
2.8 Thử nghiệm
2.8.1 Thử nâng hạ lần đầu
Ngoài các thử nghiệm được quy định tại 2.3 Phần 1B, thì tàu phải được thử nghiệm bổ sung các nội dung sau:
Việc thử phải bao gồm thử nâng toàn bộ kết cấu thân hoàn thiện đến một độ cao thiết kế giới hạn và sau đó hạ xuống, để chứng minh bố trí của các thanh răng của chân tàu, bánh răng và dẫn hướng, tính hiệu quả của các thiết bị khóa hoặc phanh và chức năng thích hợp của hệ thống nâng hạ cùng các chỉ báo theo dõi hệ thống an toàn điện.
2.9 Yêu cầu về vận hành
2.9.1 Hướng dẫn vận hành
1 Một cuốn hướng dẫn vận hành đã được Đăng kiểm duyệt phải có ở trên tàu. Cuốn hướng dẫn vận hành này phải bao gồm các thông tin về việc vận hành bình thường như quy định ở 2.8.2-2, và việc vận hành trong tình huống khẩn cấp như quy định ở 2.8.2-3.
2 Ngoài việc cung cấp thông tin chung và cần thiết về tàu, cuốn hướng dẫn vận hành phải có hướng dẫn và cách tiến hành các hoạt động cần thiết cho sự an toàn của người và tàu.
3 Hướng dẫn vận hành phải ngắn gọn và phải viết theo cách dễ hiểu.
4 Mỗi cuốn hướng dẫn vận hành phải có mục lục, phụ lục, và tại bất cứ cứ chỗ nào của hướng dẫn, nếu có thể thì phải có sự tham chiếu chéo tới các thông tin bổ sung chi tiết.
5 Nếu cần thiết, các thông tin được sử dụng thường xuyên trong hướng dẫn vận hành phải được hỗ trợ bằng các tài liệu bổ sung dưới dạng bản vẽ, hướng dẫn của nhà sản xuất, và các dữ liệu khác cần thiết cho việc vận hành hiệu quả và bảo dưỡng tàu.
6 Trong trường hợp có sử dụng hướng dẫn của nhà sản xuất như đã nêu ở (5) bên trên, thì không cần thiết phải lặp lại các thông tin chi tiết đã có trong đó vào trong hướng dẫn vận hành.
7 Các hướng dẫn về vận hành, bảo dưỡng và các bản vẽ kỹ thuật về hệ thống máy, thiết bị mà cần thiết cho việc vận hành an toàn tàu phải được viết bằng ngôn ngữ dễ hiểu đối với các sỹ quan hay thuyền viên chịu trách nhiệm đọc hiểu và áp dụng các thông tin đó vào nhiệm vụ của mình.
8 Phải trang bị trên tàu các quy trình viết tay đối với việc tiếp cận vào các không gian kín.
2.9.2 Các yêu cầu về vận hành
1 Phạm vi áp dụng
Các điều khoản trong mục 2.8 không phải là điều kiện để kiểm tra duy trì cấp mà là điều kiện cần phải giám sát bởi chủ tàu, thuyền trưởng hoặc các cá nhân liên quan đến việc vận hành tàu.
2 Thông tin về việc vận hành bình thường
Nếu có thể, cuốn hướng dẫn về việc vận hành bình thường cần bao gồm các thông tin mô tả chung sau:
(1) Mô tả chung và các thông số của tàu;
(2) Một chuỗi các lệnh với các trách nhiệm chung trong quá trình vận hành bình thường;
(3) Các dữ liệu được hạn chế bởi thiết kế cho từng chế độ vận hành, bao gồm mớn nước, khoảng không, chiều cao sóng, chu kỳ sóng, gió, dòng chảy, nhiệt độ biển và không khí, điều kiện giả định của đáy biển, và bất kỳ yếu tố môi trường có thể áp dụng nào khác, ví dụ như băng;
(4) Sự mô tả về các giới hạn của việc vận hành đối với từng chế độ vận hành và đối với từng sự thay đổi trong chế độ vận hành;
(5) Vị trí của các vùng kín nước và kín thời tiết, vị trí và kiểu biện pháp làm kín nước và kín thời tiết và vị trí của điểm vào nước;
(6) Vị trí, kiểu và số lượng dằn cứng được sử dụng trên tàu;
(7) Sự mô tả về tình trạng khẩn cấp nói chung, khí độc (hydro sunfua), khí nổ, báo cháy và tín hiệu rời tàu;
(8) Đối với các tàu tự nâng, các thông tin về sự chuẩn bị nhằm tránh các hư hỏng về kết cấu trong quá trình triển khai chân trên đáy biển hoặc rút chân lên khỏi đáy biển hoặc trong quá trình di chuyển với điều kiện thời tiết nguy hiểm;
(9) Dữ liệu tàu không cùng với danh sách đầy đủ về các thiết bị được thay thế và bổ sung làm ảnh hưởng đến dữ liệu tàu không;
(10) Các thông tin về ổn định mà được dùng để tính toán chiều cao trọng tâm cho phép;
(11) Bản vẽ sơ đồ khoang két với dung tích, cao độ, hoành độ, tung độ trọng tâm của các két và các khoang chở xô vật liệu;
(12) Bảng tra dung tích khoang két, cao độ, hoành độ, tung độ trọng tâm theo các khoảng chia mức chất lỏng trong két và ảnh hưởng mặt thoáng của từng két;
(13) Tải trọng kết cấu boong cho phép;
(14) Nhận dạng các máy bay lên thẳng phù hợp với thiết kế của boong máy bay và bất kỳ điều kiện nào giới hạn quá trình vận hành;
(15) Nhận dạng và phân loại các khu vực nguy hiểm trên tàu;
(16) Sự mô tả và sự hạn chế của bất kỳ máy tính nào trên tàu mà được sử dụng trong các quá trình hoạt động của bơm dằn, neo, định vị động và tính toán chúi, ổn định;
(17) Mô tả về bố trí chằng buộc và các điều kiện giới hạn trong quá trình vận hành;
(18) Mô tả về hệ thống năng lượng chính và các điều kiện giới hạn trong quá trình vận hành;
(19) Một danh sách các bản vẽ và sơ đồ quan trọng.
3 Hướng dẫn vận hành trong trường hợp khẩn cấp
Nếu có thể, hướng dẫn vận hành trong trường hợp khẩn cấp phải bao gồm:
(1) Mô tả về hệ thống và các thiết bị chữa cháy;
(2) Mô tả về các thiết bị cứu sinh và phương tiện thoát nạn;
(3) Mô tả về hệ thống năng lượng sự cố và các điều kiện hạn chế về vận hành;
(4) Một danh sách các bản vẽ và sơ đồ quan trọng mà có thể hữu ích trong tình huống khẩn cấp;
(5) Các quy trình chung trong việc bơm nước vào hoặc ra tạo cân bằng và việc đóng tất cả các lỗ khoét mà các lỗ khoét này có thể làm tăng tốc độ ngập trong trường hợp tai nạn;
(6) Hướng dẫn cho người chỉ huy xác định nguyên nhân gây nghiêng và chúi ngoài ý muốn và đánh giá khả năng tác động của các biện pháp khắc phục đối với tính sống còn của tàu, ví dụ như sức bền, ổn định, sức nổi...;
(7) Hướng dẫn trong việc phục hồi các hệ thống cơ khí, điện và thông gió sau sự cố nguồn năng lượng chính hoặc khẩn cấp tắt;
CHƯƠNG 3 TÀU CHỞ CÁT CHUYÊN DÙNG
3.1 Quy định chung
3.1.1 Áp dụng
1 Quy định trong Chương này áp dụng cho tàu chở cát chuyên dùng (sau đây gọi là tàu), với mặt cắt ngang của tàu chở cát điển hình được nêu trong Hình 12/3.1 và 12/3.2.

2 Chương này áp dụng cho tàu có tỉ số kích thước B/D ≤ 3,5
3 Ngoài việc áp dụng các quy định có liên quan trong các Phần khác thì tàu phải áp dụng các yêu cầu của Chương này.
3.1.2 Thay thế tương đương
Đăng kiểm có thể chấp nhận việc thay đổi kết cấu, trang thiết bị, các máy và cách bố trí chúng cũng như kích thước khác so với các quy định của Chương này với điều kiện là các kết cấu, trang thiết bị, các máy này và cách bố trí cũng như kích thước của chúng là tương đương so với các yêu cầu của Chương này.
3.2 Kết cấu thân tàu và trang thiết bị
3.2.1 Quy định chung
Ngoài các yêu cầu có liên quan ở Phần 2A, Phần 2B, kết cấu thân tàu và trang thiết bị phải thỏa mãn những yêu cầu quy định ở 3.2 này.
3.2.2 Các yêu cầu đối với kết cấu vùng khoang hàng chở cát
1 Tấm dốc và kết cấu gia cường tấm dốc
(1) Một vách dọc phải được đặt dưới mỗi tấm dốc (ở mạn trái và mạn phải), tương ứng đối với hầm hàng được lắp các tấm dốc tuân thủ các yêu cầu của vách kín nước. Kết cấu dốc của hầm hàng phải đáp ứng các yêu cầu 2.4.3-11, 2.4.3-12 Phần 2A của Quy chuẩn này đối với kết cấu đáy trên.
(2) Tiết diện mặt cắt ngang của nẹp vách hoặc sống đứng vách với tấm mép kèm (tôn vách) phải tuân theo các yêu cầu đối với cột chống tại 2.2.2-6 Phần 2A của Quy chuẩn này. Khi tính toán tải trọng P được đỡ bởi các cột chống, P0 được lấy là trọng lượng thể tích cát tác dụng lên tấm dốc phía trên trong khu vực chịu tải a × b.
(3) Để kiểm tra độ bền của cột chống dưới tấm dốc, phải xem xét trọng lượng thể tích cát tác dụng lên trên của nó hoặc trọng lượng thể tích cát tác dụng lên thành hầm và tấm dốc được gia cường bởi các nẹp dọc.
2 Đà ngang đáy
(1) Đối với các kết cấu hầm hàng ở -1 ở trên, độ bền của đà ngang đáy có thể được kiểm tra theo các yêu cầu ở 2.4.2 Phần 2A của Quy chuẩn này.
(2) Phải bố trí các nẹp gia cường đứng cho đà ngang tại vị trí cột chống đỡ tấm dốc. Cột chống được bố trí ở giữa vách dọc và tâm tàu. Các nẹp gia cường này có cùng độ dày như đà ngang đặc và có chiều rộng 100 mm, cả hai đầu phải được vát mép, xem Hình 12/3.3.

Hình 12/3.3 Nẹp gia cường đứng cho đà ngang đặc
3.3 Hệ thống máy
3.3.1 Quy định chung
Hệ thống máy của tàu phải thỏa mãn các yêu cầu của Phần 3 của Quy chuẩn này.
3.4 Trang bị điện
3.4.1 Quy định chung
Trang bị điện phải thỏa mãn các yêu cầu của Phần 4 của Quy chuẩn này.
3.5 Phòng, phát hiện và chữa cháy, phương tiện thoát nạn
3.5.1 Quy định chung
Phòng chống cháy, phương tiện thoát nạn và hệ thống dập cháy phải thỏa mãn các yêu cầu của Phần 5 của Quy chuẩn này.
3.6 Ổn định
3.6.1 Quy định chung
1 Ổn định của tàu phải thỏa mãn yêu cầu 3.8.2 Phần 7 của Quy chuẩn này.
2 Đối với tàu không có cửa xả đáy và không trang bị nắp hầm hàng theo yêu cầu tại Chương 9 Phần 2A thì tàu phải có đủ dự trữ nổi và ổn định khi ngập tất cả các khoang hàng với các yêu cầu sau:
(1) Tàu không chìm quá đường chìm giới hạn đã quy định tại 1.2.2 Phần 8 của Quy chuẩn này.
(2) Chiều cao tâm nghiêng ban đầu của tàu thỏa mãn:
(a) Không nhỏ hơn 0,15 m đối với tàu tự hành;
(b) Không nhỏ hơn 0,095B m đối với tàu không tự hành.
CHƯƠNG 4 TÀU SỬ DỤNG PIN CUNG CẤP NĂNG LƯỢNG ĐIỆN CHO HỆ ĐỘNG LỰC TÀU
4.1 Quy định chung
4.1.1 Chương này quy định đối với việc thiết kế, chế tạo và kiểm tra cho tàu sử dụng pin có dung lượng từ 20 kWh trở lên cung cấp năng lượng điện cho hệ động lực của tàu. Đối với pin có dung lượng nhỏ hơn 20 kWh, chỉ yêu cầu áp dụng các quy định tại Chương này nếu phù hợp.
4.1.2 Pin được đề cập tại Chương này là các loại pin lithium-ion được sử dụng làm nguồn điện cung cấp cho hệ thống truyền động, nguồn điện chính, nguồn điện khẩn cấp, nguồn điện khởi động và nguồn điện phụ trợ khác.
4.1.3 Chương này cũng đưa ra quy định về thử nghiệm và kiểm tra pin và các hệ thống quản lý pin (BMS) liên quan.
4.1.4 Các quy định không được nêu tại Chương này phải thỏa mãn các quy định tại các quy chuẩn kỹ thuật quốc gia liên quan.
4.2 Giải thích từ ngữ
Ngoài các từ ngữ được giải thích tại các phần khác của Quy chuẩn này, trong Chương này sử dụng các từ ngữ như sau:
4.2.1 Pin lithium-ion (Lithium-ion Battery) là pin sử dụng lithium-ion (sau đây gọi là pin) làm ion dẫn điện, di chuyển giữa các cực dương và cực âm. Điện tích và phóng điện được thực hiện thông qua sự chuyển hóa lẫn nhau giữa năng lượng hóa học và năng lượng điện.
4.2.2 Đơn vị pin (Battery cell) là đơn vị cấu trúc nhỏ nhất trong một viên pin, là đơn vị cơ bản trực tiếp biến hóa năng thành điện năng, bao gồm các điện cực, màng ngăn, chất điện phân, vỏ và các cực.
4.2.3 Mô đun pin (Battery module) là các đơn vị pin được kết hợp với nhau (kết nối nối tiếp, kết nối song song hoặc kết nối hỗn hợp). Mô đun pin chỉ có một cặp cực dương và cực âm để cấp điện ra ngoài.
4.2.4 Khối pin (Battery pack) được tạo thành từ một hoặc nhiều đơn vị pin hoặc mô đun pin được kết nối nối tiếp hoặc song song theo yêu cầu về điện áp hoặc nguồn điện. Khối pin bao gồm mạch kiểm soát dòng điện cho hệ thống pin như kiểm soát điện áp, nhiệt độ…
4.2.5 Hệ thống quản lý pin (Battery management system (BMS)) là thiết bị điện kiểm soát hoặc quản lý chức năng về điện và nhiệt của hệ thống pin.
4.2.6 Hệ thống pin (Battery system) là các thiết bị lưu trữ năng lượng, bao gồm tích hợp các mô đun pin hoặc khối pin, hệ thống quản lý pin, mạch điện áp cao, mạch điện áp thấp, thiết bị làm mát (nếu có) và các bộ phận cơ khí.
4.2.7 Dung lượng pin (Battery Capacity (C)) là dung lượng điện được lưu trữ của pin. Dung lượng định mức của pin thường là dung lượng pin do nhà sản xuất pin công bố.
4.2.8 Chỉ số tình trạng pin (State of health (SOH)) là mức độ suy giảm tình trạng chung hiện tại của pin so với chỉ số thiết kế bình thường.
4.2.9 Chỉ số trạng thái nạp (State-of-charge (SOC)) là tỷ lệ phần trăm dung lượng có thể xả được theo điều kiện xả do nhà sản xuất công bố so với dung lượng thực của đơn vị pin, mô đun pin, khối pin hoặc của hệ thống pin hiện thời, còn được gọi là dung lượng còn lại.
4.2.10 Tăng nhiệt (Thermal runaway) là hiện tượng phản ứng dây truyền của việc tăng nhiệt mất kiểm soát của pin do quá trình giải phóng nhiệt của pin. Là tình trạng mà sự tăng nhiệt của pin vượt quá khả năng tản nhiệt của pin. Tình trạng này gây ra bởi sạc quá dòng, nhiệt độ môi trường cao... và có thể dẫn đến phá hủy đơn vị pin.
4.2.11 Sự lan truyền tăng nhiệt (Thermal runaway propagation) là hiện tượng tăng nhiệt của một đơn vị pin khiến các đơn vị pin còn lại cũng bị tăng nhiệt của một dãy bên trong khối pin hoặc hệ thống pin.
4.2.12 Nhiệt độ phòng (Room temperature (RT)): 25°C±2°C
4.3 Hồ sơ tài liệu
4.3.1 Hồ sơ tài liệu trình thẩm định
Các hồ sơ tài liệu phải trình cho Đăng kiểm xem xét tối thiểu gồm:
1 Các báo cáo thử nghiệm của pin nêu tại bảng 12/4.3 của Chương này. (Không yêu cầu nếu pin đã được chứng nhận bởi tổ chức phân cấp tàu thuộc IACS);
2 Mô tả chức năng của hệ thống quản lý pin (BMS) và các báo cáo thử nghiệm BMS. (Không yêu cầu báo cáo thử nghiệm nếu pin đã được chứng nhận bởi tổ chức phân cấp tàu thuộc IACS);
3 Thông số kỹ thuật của hệ thống pin như điện áp danh định và giới hạn hoạt động (ví dụ: điện áp, dòng điện và nhiệt độ), thiết bị an toàn, cấu hình của cell pin / pin, loại pin, phương pháp tạo năng lượng của cell pin, tốc độ phóng điện và sạc lại cho pin…;
4 Bảng tính toán công suất hệ thống pin cho tàu;
5 Bản vẽ sơ đồ điện hệ thống pin (sơ đồ khối với giao diện hệ thống);
6 Vị trí của nút dừng khẩn cấp của hệ thống pin;
7 Vị trí bố trí hệ thống pin;
8 Tài liệu phân tích rủi ro hệ thống pin (phân tích rủi ro của hệ thống pin để xác định những nguy cơ hỏng hóc, những nguyên nhân gây ra hỏng hóc và ảnh hưởng của nó đến tính năng của hệ thống);
9 Quy trình lắp đặt hệ thống pin và chạy thử tàu;
10 Bố trí thông gió của không gian pin bao gồm ngăn lửa, ngắt nguồn pin khẩn cấp từ bên ngoài;
11 Bố trí kiểm soát môi trường, nếu có (cảm biến nhiệt độ, thiết bị điều hòa không khí);
12 Hệ thống chữa cháy cố định đảm bảo tính phù hợp cho từng loại pin sử dụng;
13 Bố trí hệ thống phát hiện và báo cháy;
14 Mô tả công đoạn và quy trình chữa cháy;
15 Bố trí hệ thống cảnh báo và phát hiện khí dễ cháy (nếu có);
16 Các bản vẽ bố trí lắp đặt pin vào tàu;
17 Các bản vẽ phân loại khu vực nguy hiểm (nếu có) và danh mục tài liệu về các thiết bị sử dụng trong những khu vực nguy hiểm này bao gồm mô tả và thông số kỹ thuật;
18 Hướng dẫn vận hành và bảo trì cho hệ thống pin và BMS;
19 Lịch trình bảo trì hệ thống pin;
20 Các chi tiết về phòng cháy, chữa cháy bao gồm thiết bị, bố trí, chứng chỉ.
4.3.2 Hồ sơ và tài liệu phục vụ cho việc kiểm tra tàu
Ngoài các hồ sơ tài liệu theo yêu cầu tại Phần 1B của Quy chuẩn, đối với các tàu sử dụng pin cung cấp năng lượng cho hệ động lực, các hồ sơ tài liệu sau đây phải được trình Đăng kiểm:
1 Sơ đồ hệ thống năng lượng điện (bao gồm sơ đồ hệ thống mạch gồm pin, BMS và bảng điện);
2 Bố trí thiết bị điện (bao gồm vị trí lắp đặt pin, tủ điện và các thiết bị khác);
3 Tính toán phụ tải điện;
4 Sơ đồ bố trí buồng chứa pin, hộp pin;
5 Sơ đồ hệ thống thông gió và tính toán buồng chứa pin, hộp pin (nếu có);
6 Sơ đồ phòng cháy, chữa cháy của buồng chứa pin;
7 Sơ đồ hệ thống phát hiện và báo cháy cố định, sơ đồ bố trí các buồng chứa pin (có thể kết hợp với sơ đồ bố trí hệ thống phát hiện và báo cháy cố định của tàu);
8 Sơ đồ bố trí hệ thống chữa cháy và tính toán phương tiện chữa cháy của buồng chứa pin.
4.4 Quy định về chức năng và phân loại an toàn
4.4.1 Quy định về chức năng
1 Phần này quy định về công nghệ an toàn, yêu cầu về bố trí tàu, yêu cầu chữa cháy, yêu cầu kiểm tra và thử nghiệm các bộ phận chính (pin, động cơ điện của hệ thông đẩy tàu) để đạt được sự an toàn và độ tin cậy của tàu sử dụng pin cung cấp năng lượng cho hệ động lực trong các điều kiện sau:
(1) Hành trình;
(2) Vào và rời cảng;
(3) Lên đà;
(4) Vận hành;
(5) Neo đậu;
(6) Khẩn cấp;
(7) Sạc pin;
(8) Bảo trì.
2 Để đáp ứng quy định tại 4.4.1-1 nêu trên, các tàu sử dụng pin cung cấp năng lượng cho hệ động lực phải đáp ứng các quy định sau:
(1) Hệ thống pin phải có khả năng hoạt động an toàn, tin cậy trong suốt vòng đời của tàu, bao gồm: nạp, xả, lưu trữ và các quá trình khác. Các thông số chính của pin phải được đưa về hệ thống quản lý công suất (PMS) của trạm năng lượng của tàu, hệ thống quản lý năng lượng (EMS) hoặc hệ thống giám sát và báo động (MAS) của tàu.
(2) Hệ thống đẩy tàu bằng năng lượng điện phải đảm bảo cho tàu hoạt động bình thường và có các chức năng tương ứng với mức độ tự động hóa sau:
(a) Kiểm soát và bảo vệ thiết bị đẩy tàu;
(b) Giám sát và báo động hệ thống.
(3) Việc chữa cháy phải có khả năng khống chế, kiểm soát và dập tắt cháy, nổ pin trong khu vực xảy ra cháy.
4.4.2 Phân loại an toàn
1 Quy định chung
(1) Phần này quy định về phân loại an toàn để đảm bảo tất cả các loại pin trên tàu được sử dụng an toàn sau khi các biện pháp bảo vệ tương ứng được thực hiện theo mức độ an toàn.
(2) Đối với pin áp dụng tại 4.1 của Chương này, phải cung cấp báo cáo đánh giá rủi ro. Báo cáo phải phản ánh các yếu tố khác nhau được nêu tại Bảng 12/4.1.
(3) Không cho phép sử dụng pin có mối nguy tiềm ẩn về an toàn, có thể giải phóng khí độc và dễ cháy hoặc có nguy cơ nổ, phồng rộp và rò rỉ chất lỏng trong quá trình sử dụng bình thường.
(4) Không cho phép sử dụng pin khi việc thử lan truyền tăng nhiệt không đạt. Thử lan truyền tăng nhiệt phải thỏa mãn quy định tại 4.5.3-2(6) và Bảng 12/4.3.
(5) Pin có mức độ an toàn 1 có thể được sử dụng trên tàu sau khi được bảo vệ nghiêm ngặt.
(6) Pin có mức độ an toàn 2 có thể được sử dụng trên tàu sau khi áp dụng các biện pháp an toàn chung.
2 Phân loại an toàn
(1) Pin được phân loại theo Bảng 12/4.1. Mức độ an toàn tăng dần từ cấp 1 đến cấp 2. Mức độ 1 là nguy hiểm lớn nhất.
(2) Pin giải phóng khí ô xi, khí độc và dễ cháy, đồng thời có rủi ro cháy, nổ tương đối cao trong điều kiện tăng nhiệt được phân loại vào mức độ an toàn 1.
Bảng 12/4.1- Cấp độ an toàn
| Mức độ an toàn | Thử tăng nhiệt | Rủi ro cháy, nổ | |
| Giải phóng ô xi | Giải phóng chất độc, khí dễ cháy | ||
| 1 | x | x | Tương đối cao |
| 2 |
| x | Tương đối thấp |
(3) Pin chỉ giải phóng khí độc, dễ cháy và có rủi ro cháy, nổ tương đối thấp trong điều kiện tăng nhiệt được phân loại vào mức độ an toàn 2.
(4) Thử nghiệm tăng nhiệt (thử sạc quá dòng, quá nhiệt theo tiêu chuẩn IEC 62619).
4.5 Quy định kỹ thuật đối với pin sử dụng trên tàu
4.5.1 Quy định chung
1 Pin và thiết bị liên quan phải được kiểm tra và chứng nhận theo quy định tại 4.9 của Chương này.
2 Hệ thống pin phải có khả năng tương thích điện từ thỏa mãn yêu cầu tại Tiêu chuẩn IEC60533 hoặc các tiêu chuẩn quốc tế tương đương (nếu bố trí trong khu vực buồng lái).
3 Pin phải được trang bị hệ thống quản lý pin (BMS).
4 Pin phải được lắp trong buồng chứa pin hoặc hộp pin với môi trường có thể kiểm soát được.
5 Pin phải chịu được ngiêng đến 15º và chúi đến 15º của tàu.
6 Việc bảo trì pin phải được thực hiện theo tài liệu do nhà sản xuất cung cấp.
4.5.2 Thiết bị và dung lượng của pin
1 Đối với tàu có pin cung cấp nguồn năng lượng chính, nguồn năng lượng đẩy tàu thì dung lượng của pin phải đáp ứng các điều kiện tương ứng sau:
(1) Phải trang bị ít nhất hai khối pin độc lập để cấp điện chính, dung lượng của mỗi khối phải đủ để cung cấp điện trong khoảng thời gian phù hợp trong suốt hành trình cho các thiết bị thiết yếu để đảm bảo hành trình bình thường của tàu, an toàn của tàu và hàng đông lạnh trên tàu. Đồng thời, đáp ứng tối thiểu điều kiện sinh hoạt. Ít nhất phải đảm bảo cung cấp điện cho các thiết bị nấu ăn, thiết bị làm lạnh thực phẩm, thiết bị thông gió cơ giới, thiết bị vệ sinh và thiết bị lọc nước sạch. Dung lượng của mỗi khối pin ít nhất phải có khả năng duy trì cấp điện trong 4 giờ cho các thiết bị điện cần thiết yếu để đảm bảo an toàn cho tàu.
(2) Đối với tàu có chiều dài thiết kế không quá 10 m, nếu nguồn cấp năng lượng điện được dùng cho mục đích chủ yếu là chiếu sáng thì nguồn điện chính có thể là một khối pin đáp ứng đủ nhu cầu chiếu sáng từ bến khởi hành đến bến cuối.
(3) Để cung cấp điện cho hệ thống đẩy tàu phải có ít nhất hai khối pin độc lập, thiết kế của pin phải đảm bảo tổng dung lượng của chúng đủ cung cấp năng lượng điện cần thiết cho hành trình của tàu.
2 Nếu trạm năng lượng chung được sử dụng làm nguồn cung cấp điện chính và đồng thời cung cấp điện cho hệ thống đẩy tàu, phải thỏa mãn các quy định sau:
(1) Trang bị, chức năng và tổng dung lượng của pin phải đáp ứng các quy định của 4.5.2.1 nêu trên;
(2) Hệ thống điều khiển của trạm điện phải đảm bảo phân phối điện an toàn giữa cung cấp điện cho hệ động lực và tải thường xuyên, có thể loại bỏ các tải không quan trọng hoặc giảm dung lượng điện cho hệ động lực;
(3) Ít nhất một khối pin phải được kết nối với thanh cái tại mạn trái hoặc mạn phải. Trong trường hợp một trong hai khối pin không hoạt động, khối pin còn lại phải có khả năng cung cấp điện cho tất cả các thiết bị quan trọng và thiết bị thường xuyên được sử dụng trên tàu đồng thời duy trì việc cung cấp điện hiệu quả cho hệ động lực.
3 Trong khoảng thời gian cấp nguồn theo quy định, điện áp/lượng điện xả cuối cùng của pin phải đáp ứng các yêu cầu về Thông số kỹ thuật của nhà sản xuất.
4 Khả năng cung cấp điện khẩn cấp, cung cấp điện khẩn cấp tạm thời phải đáp ứng các yêu cầu tại Quy chuẩn này và các tiêu chuẩn quốc tế áp dụng liên quan.
4.5.3 Quy định cơ bản
1 Pin (Battery cell)
(1) Các Pin có vỏ bằng kim loại cứng hoặc nhựa phải được trang bị van an toàn phòng nổ hoặc các biện pháp an toàn phòng nổ khác.
(2) Đối với mỗi Pin có cấu tạo bằng nhiều lớp kim loại mỏng (sau đây gọi là pin dạng túi), khi lắp đặt và sử dụng, phải được cố định bằng một giá đỡ và phải được thông gió hiệu quả.
2 Mô đun pin/khối pin
(1) Các mô đun pin/khối pin phải được trang bị van an toàn phòng nổ hoặc các biện pháp phòng nổ khác.
(2) Vỏ của mô đun pin phải là vật liệu không cháy, trong khi vỏ của khối pin phải là vật liệu không cháy.
(3) Mô đun pin/khối pin phải được trang bị các biện pháp điều chỉnh nhiệt độ. Đối với pin dạng túi và pin có mức độ an toàn 1, mô đun pin/khối pin phải được trang bị thiết bị điều chỉnh nhiệt độ độc lập với cabin (phòng)/hộp pin (tủ) pin.
(4) Bên trong khối pin (battery pack) phải trang bị thiết bị giám sát cung cấp các thông tin (như điện áp, nhiệt độ…) cho hệ thống pin.
(5) Nếu hệ thống bao gồm nhiều mô đun pin, các mô đun pin cần đáp ứng yêu cầu trong 4.5.3-2(4) nêu trên.
(6) Khi thiết kế mô đun pin, cần đảm bảo rằng khi xảy ra hiện tượng tăng nhiệt đối với bất kỳ pin nào của mô đun pin, nó sẽ không kích hoạt quá trình tăng nhiệt của các pin khác; hoặc nếu một khối pin bao gồm hai mô đun pin trở lên, thì ít nhất phải đảm bảo rằng khi xảy ra hiện tượng tăng nhiệt đối với pin trong hệ thống, hiện tượng này chỉ có thể lan ra bên trong mô đun chứa pin này, nhưng sẽ không lan rộng sang các mô đun khác. Thử nghiệm để xác minh phải được thực hiện bằng một trong các phương pháp sau:
(a) Không cho phép lan truyền tăng nhiệt giữa các pin trong cùng một mô-đun, hoặc
(b) Không cho phép lan truyền nhiệt giữa các mô đun pin.
(7) Mức độ bảo vệ của pin dạng túi hoặc khối pin có Mức độ an toàn 1 ít nhất phải là IP67. Nếu sự lan truyền tăng nhiệt giữa các pin là không thể tránh khỏi, thì các biện pháp kiểm soát và phòng cháy độc lập với việc bố trí chữa cháy cho cabin (phòng)/hộp pin (tủ) pin phải được trang bi. Nếu các thiết bị ngăn ngừa và kiểm soát cháy được trang bị làm phương tiện ngăn ngừa và kiểm soát cháy, thì các thiết bị đó phải có khả năng phát hiện các nguồn, phát hiện nguy cơ cháy, báo động và khởi động tự động và/hoặc bằng tay để phun công chất dập cháy. Các báo cáo thử nghiệm phải được cung cấp để chứng minh tính hiệu quả của chất chữa cháy trong việc dập tắt đám cháy.
(8) Nhãn mác phải được gắn an toàn và chắc chắn trên vỏ của mô đun pin/khối pin và ký hiệu của nhãn mác ít nhất phải bao gồm các thông tin sau:
| Loại pin (Cell Type) | …… |
| Thông số pin (Cell parameter) | ……Wh |
| Điện áp định mức (Nominal voltage) | ……V |
| Công suất định mức (Nominal power) | ……KWh |
| Khối lượng Mô đun pin/ khối pin (Battery module/ battery pack weight) | ……Kg |
| Loại mô đun pin/khối pin (Battery module/ battery pack type) | …… |
| Sê ri (Product serial number) | ….. |
| Năm chế tạo (Date of manufacture) | Ngày…/tháng../Năm… |
3 Hệ thống pin
(1) Vỏ thiết bị liên quan của hệ thống pin phải là vật liệu không cháy.
(2) Các yêu cầu kỹ thuật liên quan của chức năng điều khiển hệ thống pin tại mục 3.4 của Chương này.
(3) Đối với hệ thống pin có công suất định mức trên 50 kWh, phải trang bị thiết bị ngắt khẩn cấp độc lập để ngắt kết nối hệ thống pin. Thiết bị phải thoả mãn các yêu cầu sau:
(a) Thiết bị ngắt khẩn cấp phải được đặt ở những vị trí dễ tiếp cận bên ngoài buồng lái và buồng pin, đồng thời phải phát tín hiệu hình ảnh và âm thanh cùng lúc khi hoạt động.
(b) Chức năng tắt khẩn cấp được thực hiện bởi mạch điện (hardware circuit) và độc lập với các hệ thống điều khiển, hiển thị và báo động.
(4) Mạch chính của hệ thống pin phải được kết nối với thanh cái của hệ thống phân phối thông qua cầu dao cách ly hoặc cầu dao/công tắc có khả năng cách điện trong quá trình bảo trì.
(5) Hệ thống pin phải được nối với thanh cái của hệ thống phân phối thông qua thiết bị bảo vệ có chức năng bảo vệ ngắn mạch và quá dòng.
(6) Các tàu chạy bằng pin cung cấp năng lượng cho hệ động lực phải có các tài liệu sau, các tài liệu này phải được lưu giữ trên tàu:
(a) Mô tả hoạt động khẩn cấp của hệ thống pin: Bao gồm các quy trình xử lý khi xảy ra cháy bên ngoài và tăng nhiệt bên trong hệ thống pin.
(b) Mô tả về bảo trì hệ thống pin bao gồm cả kiểm tra bên ngoài và thử chức năng: Cách các chuyên gia (thường là nhà sản xuất pin hoặc nhân viên được ủy quyền) kiểm tra hệ thống và các thành phần, chu kỳ kiểm tra và các chi tiết khác sẽ được mô tả. Hồ sơ phải được lưu giữ sau khi bảo trì/kiểm tra; các mẫu hồ sơ về chu kỳ bảo dưỡng phải được lập và cập nhật, hoặc trong trường hợp hồ sơ dữ liệu từ xa, hồ sơ tình trạng pin phải được lưu giữ trong 60 ngày trở lên.
(c) Mô tả an toàn của hệ thống pin: Bao gồm phân tích tất cả các nguy cơ tiềm ẩn và ít nhất bao gồm các nội dung sau:
(i) Rò rỉ có thể xảy ra (độc hại, dễ cháy, ăn mòn);
(ii) Khí có thể xảy ra (độc hại, dễ cháy, ăn m);
(iii) Nguy cơ cháy;
(iv) Nguy cơ cháy nổ, bao gồm mô tả khí thải ra từ pin trong quá trình thông gió và tăng nhiệt;
(v) Hệ thống báo động và phát hiện khí của cabin/hộp pin (tủ);
(vi) Hệ thống phát hiện và báo cháy của cabin pin;
(vii) Tốc độ thông gió của cabin pin;
(viii)Phương pháp chữa cháy đề xuất;
(ix) Hỏng hóc bên trong pin/ tăng nhiệt;
(x) Đoản mạch bên trong và bên ngoài pin;
(xi) Bảo vệ quá dòng, quá áp và thấp áp;
(xii) Nguồn nhiệt/lửa bên ngoài;
(xiii)Đặc tính sạc/xả an toàn;
(xiv)Các biện pháp phòng ngừa an toàn để giảm thiểu rủi ro.
4 Quy định chức năng đối với hệ thống quản lý pin (BMS)
(1) BMS phải được cung cấp năng lượng bởi một nguồn cung cấp năng lượng bên ngoài pin.
(2) BMS phải được trang bị bộ điều khiển pin và mạch giám sát pin theo lớp pin.
(3) Bộ điều khiển pin phải nhận thông tin chứa trong mạch giám sát mô đun pin/khối pin như điện áp, nhiệt độ …
(4) BMS phải có khả năng tổng hợp thông tin từ bộ điều khiển pin của hộp pin (tủ) và cung cấp thông tin được liệt kê tại 4.5.3-2
(5) BMS có thể đo các thông bao gồm nhưng không giới hạn tại các thông số sau:
(a) Pin và điện áp hệ thống;
(b) Nhiệt độ của pin;
(c) Dòng điện vòng lặp của pin;
(d) Điện trở cách điện của hệ thống pin
(6) BMS phải hiển thị các thông tin cục bộ và từ xa (trong khu vực trên tàu nơi thuyền viên đang làm nhiệm vụ), bao gồm nhưng không giới hạn các thông tin sau:
(a) Điện áp hệ thống pin;
(b) Điện áp của pin;
(c) Nhiệt độ của pin;
(d) Dòng điện lặp của pin;
(e) Điện trở cách điện của hệ thống pin;
(f) Trạng thái sạc (SOC) của hệ thống pin;
(g) Tình trạng sức khỏe (SOH) của hệ thống pin;
(h) Trạng thái dòng năng lượng của hệ thống pin (quá trình nạp xả).
(7) BMS phải đặt cảnh báo bằng hình ảnh và âm thanh cục bộ và từ xa (tại khu vực trên tàu nơi thuyền viên đang làm nhiệm vụ) và hiển thị thông tin từ xa, bao gồm nhưng không giới hạn tại các thông tin sau:
(a) Điện áp của pin;
(b) Quá dòng của vòng lặp pin;
(c) Nhiệt độ pin cao;
(d) Điện trở cách điện thấp;
(e) Chỉ số trạng thái nạp (SOC);
(f) Bảo vệ quá dòng;
(g) Bảo vệ sạc quá mức và xả quá mức;
(h) Bảo vệ quá nhiệt;
(i) Lỗi quản lý nhiệt khối pin / hộp (tủ) (thông gió cơ giới hoặc thiết bị điều chỉnh nhiệt độ khác) (nếu có);
(j) Lỗi xả khẩn cấp hộp (tủ) pin (nếu có);
(k) Lỗi chức năng bảo vệ;
(l) Lỗi phát hiện nhiệt độ;
(m) Lỗi sạc;
(n) Mất cân bằng điện áp giữa các pin;
(o) Hệ thống pin ngừng hoạt động do hỏng hóc;
(p) Cắt cầu dao/công tắc tơ;
(8) Phải phát tín hiệu báo động bằng hình ảnh và âm thanh khi SOC pin được sử dụng cho hệ động lực tàu và/hoặc nguồn điện chính đạt mức công suất tối thiểu khi hoạt động bình thường của tàu. Thiết bị báo động của tín hiệu báo động này phải độc lập với các thiết bị báo động khác.
(9) Đối với lỗi pin có thể gây ra hệ thống pin (hệ thống phụ) ngừng hoạt động, một cảnh báo trước phải đươc cảnh báo trước khi đạt đến trạng thái giới hạn.
(10) BMS tối thiểu phải có các chức năng điều khiển và bảo vệ an toàn sau:
(a) Kiểm soát việc sạc, xả và thiết bị sạc/xả pin;
(b) Kiểm soát sự cân bằng giữa các pin và giữa các mô đun pin;
(c) Bảo vệ quá dòng;
(d) Bảo vệ sạc quá mức và xả quá mức;
(e) Bảo vệ quá nhiệt (Nhiệt độ pin)
(f) Bảo vệ lỗi của chức năng tự kiểm tra
(11) Thiết bị sạc phải có khả năng kết nối với BMS và hoạt động trong các điều kiện giới hạn bởi BMS.
(12) Khi xảy ra quá dòng, độ trễ thích hợp sẽ được áp dụng để giảm hoặc ngắt tải.
(13) Trong trường hợp nạp và xả quá mức, phải ngắt kết nối thiết bị sạc và xả.
(14) Bảo vệ quá nhiệt có thể điều khiển pin ở trạng thái an toàn như thông gió, giảm công suất, ngắt kết nối tải, v.v. Bảo vệ quá nhiệt phải độc lập với các bộ phận khác đối với các chức năng chỉ thị, cảnh báo và điều khiển nhiệt độ.
(15) BMS phải có chức năng tự kiểm tra. Chức năng tự kiểm tra BMS ít nhất phải bao gồm hiệu chuẩn động SOC và hiệu chuẩn tĩnh SOC tại các cực xả pin. Lỗi chức năng tự kiểm tra bao gồm nhưng không giới hạn tại các lỗi sau: lỗi chức năng bảo vệ, lỗi phát hiện nhiệt độ, lỗi làm mát bộ pin/hộp pin (tủ) và lỗi sạc. Khi xảy ra lỗi chức năng bảo vệ và phát hiện nhiệt độ, hệ thống pin sẽ ngừng chạy. Khi xảy ra sự cố sạc, BMS phải điều khiển thiết bị sạc ngừng sạc.
(16) Đối với Pin cung cấp truyền động hệ động lực, BMS có thể giám sát và kiểm soát pin được sử dụng trên tàu trong toàn bộ vòng đời của pin. Trong thời gian pin không hoạt động, ít nhất nhiệt độ pin phải được đo và hiển thị, đồng thời phải gửi cảnh báo bằng hình ảnh và âm thanh tại chỗ và từ xa trong trường hợp nhiệt độ bất thường (trong khu vực trên tàu thuyền viên đang làm nhiệm vụ).
(17) Yêu cầu chức năng của BMS được quy định tại Bảng 12/4.2.
Bảng 12/4.2 Danh mục yêu cầu chức năng cho BMS
| STT | Thông số kiểm soát | Hiện thị màn hình điều khiển(2) | Tín hiệu báo động | Bảo vệ | Hành động bảo vệ tương ứng | |
| 1 | Điện áp hệ thống pin | x | x |
|
| |
| 2 | Điện áp pin | x | x | x | Điều khiển thiết bị | |
| 3 | Dòng điện lặp pin | x | x | x | Giảm năng lượng(3)/dừng hệ thống | |
| 4 | Nhiệt độ pin(1) | x | x | x | Làm mát/giảm điện năng/Dừng hệ thống pin | |
| 5 | Cách điện | x | x | x | Dừng hệ thống pin | |
| 6 | SOC | x | x | x | Giảm công suất | |
| 4 | SOH | x | x |
|
| |
| 8 | Trạng thái dòng năng lượng pin | x | x |
|
| |
| 9 | Bảo vệ quá dòng | x | x | x | Làm mát/giảm điện năng/ Dừng hệ thống pin | |
| 10 | Bảo vệ sạc & xả quá mức | x | x | x | Ngắt kết nối sạc và thiết bị xả | |
| 11 | Bảo vệ quá nhiệt (Nhiệt độ đơn vị Pin) | x | x | x | Làm mát/giảm điện năng/ Dừng hệ thống pin | |
| 12 | Lỗi quản lý nhiệt của khối pin/hộp pin (nếu có) | x | x |
|
| |
| 13 | Lỗi xả khẩn cấp khối pin/hộp pin (nếu có) | x | x |
|
| |
| 14 | Lỗi chức năng bảo vệ | x | x | x | Dừng hệ thống pin | |
| 15 | Lỗi báo động nhiệt độ | x | x | x | Dừng hệ thống pin | |
| 16 | Lỗi sạc pin | x | x | x | Giảm công suất sạc/dừng sạc | |
| 17 | Mất cân bằng điện áp pin | x | x | x | Khởi động kiểm soát cân bằng/ giảm công suất/ ngừng hệ thống pin | |
| 18 | Lỗi dừng hệ thống pin | x | x |
|
| |
| 19 | Ngắt cầu dao/công tắc | x | x |
|
| |
| 20 | Lỗi kết nối giữa BMS và PMS/EMS/IAS | x | x |
| Dừng hệ thống pin | |
| Lưu ý: (1) Nhiệt độ kiểm soát pin thỏa mãn quy định 4.5.3-4(18) (2) Hiện thị màn hình thỏa mãn quy định 4.5.3-4(6) và 4.5.3-4(7) (3) Giảm công suất tại bảng này kết hợp 4.5.2-5 để bảo vệ giảm công suất trên cơ sở đảm bảo an toàn | ||||||
(18) BMS theo dõi nhiệt độ của từng pin riêng lẻ. Nếu các biện pháp giám sát tương đương được sử dụng, các tài liệu bằng chứng tương ứng phải được trình thẩm định.
(19) Nguồn điện độc lập của BMS phải có khả năng hiển thị tại PMS/EMS/IAS và các cảnh báo bằng hình ảnh và âm thanh phải được phát ra trong trường hợp có lỗi.
5 Hệ thống quản lý năng lượng/điện
Tàu sử dụng pin cung cấp năng lượng cho hệ động lực được trang bị hệ thống quản lý năng lượng (PMS) hoặc hệ thống quản lý năng lượng (EMS) thì hệ thống quản lý đó phải có các chức năng sau:
(1) Có khả năng truyền dữ liệu lên BMS;
(2) Tự động loại bỏ các tải không quan trọng hoặc giảm công suất của tải đẩy để tránh quá tải cho pin;
(3) Quá tải yêu cầu.
6 Thiết bị sạc điện
(1) Pin phải được trang bị thiết bị sạc có đủ dung lượng. Các thiết bị sạc phải được cung cấp các biện pháp để triệt tiêu nhiễu sóng vô tuyến.
(2) Thiết bị sạc phải được trang bị bảo vệ quá dòng, bao gồm cả bảo vệ ngắn mạch.
(3) Nếu pin được sạc qua thanh cái DC, cần thực hiện các biện pháp thích hợp để tránh làm hỏng pin do lỗi của hệ thống thanh cái DC.
(4) Các khí cụ phải được trang bị trên hoặc gần thiết bị sạc/xả để tối thiểu chỉ báo dòng sạc và xả, điện áp, SOC và các thông số khác.
(5) Phải sử dụng thiết bị nạp/xả pin kết hợp với BMS và đáp ứng các yêu cầu của 4.5.3-4(11)
(6) Nếu nguồn sạc bờ được kết nối với thiết bị sạc trên tàu (bao gồm cả hộp nguồn bờ) bằng thiết bị kết nối sạc (như súng sạc, đầu nối điện, v.v.) thì phải đáp ứng các yêu cầu sau:
(a) Thiết bị kết nối sạc phải được trang bị khóa liên động cơ học để ngăn cáp sạc rơi ra trong quá trình sạc.
(b) Trong điều kiện bình thường và sự cố, thiết bị kết nối sạc phải được trang bị các biện pháp an toàn chống điện giật.
(c) Thiết bị kết nối sạc phải được thiết kế sao cho có thể vận hành dễ dàng, không cần dụng cụ đặc biệt khi kết nối với thiết bị nguồn trên bờ và không được chạm vào bộ phận mang điện nào.
(7) Thiết bị sạc phải được trang bị thiết bị theo dõi nhiệt độ, có thể truyền tín hiệu tương ứng đến hệ thống điều khiển sạc, để thực hiện chức năng giám sát nhiệt độ và bảo vệ nhiệt độ cao.
4.6 Quy định bổ sung đối với tàu sử dụng pin cung cấp năng lượng cho hệ thống đẩy tàu
4.6.1 Quy định chung
1 Ngoài các yêu cầu tại phần này, tàu sử dụng pin cung cấp năng lượng cho hệ thống đẩy tàu phải thỏa mãn các quy định tại quy chuẩn này và các quy chuẩn quốc gia áp dụng liên quan.
2 Hệ thống đẩy tàu hoàn toàn sử dụng pin phải được thiết kế và bố trí sao cho độ an toàn và độ tin cậy của tàu không thấp hơn so với tàu sử dụng động cơ đi-ê-den.
3 Khi xảy ra tình trạng sự cố, hệ thống điện và thiết bị cần được bảo vệ thích hợp để hạn chế tối đa xảy ra các tình trạng sau:
(1) Thiết bị bị hỏng;
(2) Thiết bị khác kết nối với thiết bị bị hư hỏng;
(3) Thuyền viên và hành khách bị thương
4 Biên độ điện áp và tần số của hệ thống điện phải tuân thủ các yêu cầu của các quy định tại quy chuẩn này và các quy chuẩn kỹ thuật quốc gia áp dụng liên quan. Nếu mức biên độ dao động dự kiến cao hơn, thì phải nộp tài liệu chứng minh từ nhà sản xuất cho biết tất cả các thiết bị liên quan đến hệ thống được thiết kế để có thể hoạt động ở mức dao động điện áp và tần số cao hơn trong một thời gian dài mà không có bất kỳ hư hỏng nào.
5 Các thông số của các bộ phận trong hệ thống động lực phải phù hợp để đảm bảo thiết bị hoạt động bình thường; ở trạng thái tốc độ quy định cho tàu, từng thiết bị phải có khả năng hoạt động ổn định ở bất kỳ tốc độ nào trong dải tốc độ thiết kế.
6 Mô-men xoắn dự trữ tương ứng phải được cung cấp cho hệ thống động lực để bảo vệ mô tơ không bị lệch khỏi sự đồng bộ trong điều kiện thời tiết khắc nghiệt hoặc đổi hướng trong trường hợp tàu nhiều chân vịt và để đảm bảo khởi động tin cậy trong mọi điều kiện môi trường xung quanh.
7 Bôi trơn các ổ trục của mô tơ truyền động, hộp giảm tốc và trục phải có hiệu quả tại tất cả các tốc độ bình thường. Các trục và ổ trục nêu trên không bị hư hỏng do (các) động cơ hoặc (các) chân vịt quay chậm gây ra trong mọi điều kiện nhiệt độ dầu bôi trơn.
8 Khi sử dụng cầu chì trong hệ thống, các phụ kiện thay thế phải được cất giữ trên tàu và phải có gắn nhãn thích hợp nêu chi tiết loại cầu chì thay thế sẽ được lắp.
4.6.2 Quy định đối với thanh cái DC
Độ an toàn và độ tin cậy của tàu có hệ thống thanh cái DC phải thỏa mãn quy định tại Quy chuẩn này với các tàu thông thường.
4.7 Quy định về bố trí chung
4.7.1 Quy định chung
1 Việc bố trí chung của tàu phải xem xét ảnh hưởng của trọng lượng pin đến cấu trúc và độ ổn định của tàu.
2 Việc bố trí tàu cần xem xét sự khác biệt giữa các loại pin có mức độ an toàn khác nhau.
4.7.2 Quy định bố trí đối với pin
1 Khi bố trí pin, tổng năng lượng dự trữ của pin sẽ được xem xét (năng lượng dự trữ là dung lượng định mức và điện áp định mức của pin):
(1) Pin có tổng năng lượng dự trữ lớn hơn 20 kWh phải được lắp đặt bên trong buồng chứa pin hoặc bên trong hộp pin trên boong hở.
(2) Pin có tổng năng lượng dự trữ bằng hoặc nhỏ hơn 20 kWh nhưng lớn hơn 2 kWh có thể được lắp bên trong hộp pin, hộp này có thể được đặt bên trong buồng máy khi môi trường vận hành của hộp có thể được đảm bảo.
(3) Đối với các loại pin có tổng năng lượng dự trữ bằng hoặc nhỏ hơn 2 kWh, có thể sử dụng khối pin vỏ thép, có thể lắp đặt ở những vị trí thông gió tốt khi đảm bảo môi trường làm việc bên trong khối pin.
2 Pin phải ở khu vực phía sau vách chống va.
3 Pin không được lắp đặt bên trong không gian sinh hoạt.
4 Bố trí pin phải thuận tiện cho việc thay thế, kiểm tra, thử nghiệm và vệ sinh.
5 Pin không được lắp đặt ở những nơi quá nóng, quá lạnh, bắn nước và các yếu tố khác sẽ làm hỏng hiệu suất của pin hoặc làm tăng tốc độ suy giảm hiệu suất của pin.
6 Trong các khu vực liên quan đến việc bố trí pin, phải treo các biển cảnh báo an toàn và biển cấm những người không liên quan.
4.7.3 Quy định đối với khoang chứa (buồng) pin
1 Đối với tàu có chiều dài trên 15 m, khi bố trí pin cung cấp điện cho hệ thống đẩy tàu trong buồng chứa thì phải bố trí riêng trong ít nhất 2 buồng chứa chuyên dụng. Tổng năng lượng của pin dự trữ trong mỗi buồng không được lớn hơn 2000 kWh.
2 Cấp bảo vệ của hộp pin phải đáp ứng yêu cầu về vị trí đặt tương ứng nhưng không được thấp hơn IP22.
3 Các hộp pin phải được trang bị các biện pháp điều chỉnh nhiệt độ.
4 Khi lắp đặt giá đỡ pin, giá đỡ phải được làm bằng vật liệu thép.
5 Bố trí khoang chứa (buồng) pin và/hoặc hộp pin
(1) Hộp pin phải được làm bằng thép có độ dày không nhỏ hơn 1 mm và mỗi lớp pin bên trong hộp phải được chia theo chiều ngang. Diện tích mặt cắt ngang tối thiểu hộp pin không được vượt quá 1 m2, nhưng trong điều kiện chiều cao thẳng đứng của hộp pin không cao hơn 1 m thì diện tích mặt cắt ngang không được vượt quá 1,5 m2.
(2) Đối với pin có mức an toàn 2 được bố trí trong khoang chứa (buồng) pin, không bắt buộc phải có hộp pin trong các trường hợp sau:
(a) Diện tích mặt cắt ngang của khoang chứa pin vượt quá 1 m2;
(b) Được lắp đặt trên giá đỡ dưới dạng khối pin và khối pin đáp ứng các yêu cầu của hộp pin mức an toàn tương ứng.
(3) Nếu pin có mức an toàn 2 được lắp bên trong hộp pin ở dạng mô đun thì hộp pin cũng cần đồng thời đáp ứng yêu cầu của pin.
(4) Pin dạng túi và pin loại an toàn cấp 1 phải được lắp bên trong hộp pin ở dạng khối pin. Đối với pin cấp an toàn 1 bên trong, mức bảo vệ tối thiểu phải là IP67.
(5) Đối với các khoang chứa pin có pin an toàn cấp 2 bên trong, lưới hoặc bố trí tương tự phải được bố trí thích hợp cho hộp / pin để tạo điều kiện thuận lợi cho việc thông gió, tản nhiệt và chữa cháy. Các trường hợp ngoại lệ có thể được cấp nếu thiết bị điều chỉnh nhiệt độ và biện pháp phòng cháy chữa cháy được cung cấp riêng.
(6) Phải có đủ không gian giữa hộp pin hoặc khối pin bên trong khoang chứa pin và vách ngăn cũng như boong phía trên để tạo điều kiện thông gió. Đối với tàu có chiều dài trên 20 m, khoảng cách giữa vách ngăn và pin không được nhỏ hơn 150 mm, khoảng cách giữa boong trên và pin không được nhỏ hơn 500 mm. Đối với tàu có chiều dài dưới 20m, khoảng cách giữa pin với vách ngăn và boong trên không được nhỏ hơn 150 mm.
(7) Hộp pin và khối pin phải được cố định chắc chắn và cách xa mạn ngoài tàu nhất có thể để tránh tác động của va chạm. Khoảng cách theo chiều ngang giữa hộp pin và khối pin đến tấm ngoài của thân tàu không được nhỏ hơn 500 mm. Đối với tàu có chiều dài dưới 20 m, khoảng cách có thể giảm xuống 300 mm.
(8) Các buồng chứa pin phải được bố trí cách xa khu vực sinh hoạt. Nếu bố trí liền kề thì đường biên của chúng phải được giảm thiểu và phải phù hợp với quy định 4.8.
(9) Phải cung cấp các phương tiện tiếp cận để thuyền viên dễ dàng tiếp cận các hộp pin trên boong hở. Đối với tàu khách, lối tiếp cận đó phải độc lập với các phương tiện thoát hiểm cho hành khách.
4.7.4 Làm mát buồng chứa pin và/hoặc hộp pin
1 Các buồng chứa pin và hộp pin lắp đặt trên boong phải được trang bị hệ thống thông gió cơ giới hoặc thiết bị điều chỉnh nhiệt độ khác để tránh nhiệt độ môi trường xung quanh đặt pin quá cao. Buồng (phòng) pin được cung cấp hệ thống thông gió cơ giới phải thỏa mãn quy định 4.8.2-2.
2 Khi sử dụng thông gió cơ giới, việc tính toán thông gió cơ giới về trao đổi nhiệt của pin phải được thực hiện theo phương pháp do nhà sản xuất cung cấp. Nếu phương pháp tính toán không được cung cấp bởi nhà sản xuất, hệ thống thông gió phải được tính toán theo công thức sau, lưu lượng thông gió q’ không được nhỏ hơn giá trị tính được từ công thức dưới đây:
![]()
Trong đó:
Q : Hiệu suất nhiệt được tạo ra bởi một mô đun pin đang hoạt động; đơn vị (W)
Q1 : Hiệu suất nhiệt của các nguồn nhiệt khác; đơn vị (W)
n : Tổng số lượng khối pin
Δt : Chênh lệch nhiệt độ tối đa giữa khoang chứa pin và nhiệt độ môi trường(2), đơn vị (ºC)
k : Hằng số dư của quạt gió, chọn trong khoảng 1,5÷2
4.7.5 Thông gió khẩn cấp/xả khí khẩn cấp của buồng chứa pin và/hoặc hộp pin
1 Pin có mức độ an toàn 1 phải được trang bị hệ thống xả khẩn cấp loại không đánh lửa độc lập để xả trực tiếp khí độc/khí dễ cháy. Hệ thống xả khẩn cấp phải lấy môi trường bên trong hộp pin làm khu vực bảo vệ và ống xả của hệ thống xả khẩn cấp phải dẫn đến vị trí an toàn trên boong hở và cách xa khu vực sinh hoạt hoặc có nguồn nhiệt và cách cửa hút gió của những nơi khác ít nhất 3 mét.
2 Buồng chứa pin có pin an toàn cấp 2 bên trong phải đáp ứng các quy định tại 4.8.2-3.
4.7.6 Giám sát và báo động nhiệt độ của buồng chứa pin và/hoặc hộp pin
Buồng chứa và/hoặc hộp pin phải được lắp đặt các thiết bị theo dõi nhiệt độ độc lập. Số lượng và vị trí của thiết bị phát hiện nhiệt độ phải tính đến đầy đủ loại vị trí. Khi nhiệt độ trong buồng, hộp chứa pin cao hơn giá trị cài đặt, các cảnh báo bằng âm thanh và hình ảnh phải truyền đến nơi thuyền viên thường xuyên làm việc.
4.7.7 Yêu cầu thiết bị
1 Thiết bị, nguồn nhiệt không liên quan đến pin không được lắp đặt bên trong buồng chứa và/hoặc hộp pin.
2 Không lắp đặt các thiết bị điện không phải hệ thống pin bên trong buồng chứa và/hoặc hộp pin. Nếu nó phải được lắp đặt, thì nó phải càng xa pin càng tốt và nhiệt trị của nó phải được đưa vào tính toán lưu lượng thông gió của buồng chứa pin và hộp pin.
3 Hộp pin có pin cấp an toàn 1 bên trong phải được trang bị thiết bị phát hiện khí cháy, khí độc tùy theo chất mà pin sử dụng. Khi nồng độ khí dễ cháy trong hộp pin được phát hiện cao hơn 20% giới hạn nổ dưới (theo thể tích), báo động sẽ được phát ra trong buồng lái và hệ thống khởi động quạt hút khẩn cấp sẽ được kích hoạt.
4 Buồng chứa pin có pin cấp độ an toàn 2 bên trong phải được trang bị thiết bị phát hiện khí cháy độc lập. Thiết bị phát hiện khí dễ cháy phải có khả năng phát tín hiệu báo động trong buồng lái khi khí trong các buồng chứa pin bất thường, đồng thời khởi động quạt hút khẩn cấp.
4.8 Phòng cháy
4.8.1 Quy định chung
1 Chương này áp dụng cho pin cung cấp năng lượng cho hệ thống đẩy tàu và/hoặc nguồn điện chính. Khi sử dụng pin cho mục đích khác thì áp dụng yêu cầu phù hợp.
2 Ngoài việc đáp ứng các yêu cầu đặc biệt của buồng chứa pin và/hoặc hộp pin trong Chương này, an toàn phòng cháy chữa cháy của tàu còn phải đáp ứng các quy đinh tương ứng với vùng hoạt động của tàu.
3 Để ngăn chặn sự xuất hiện của cháy hoặc nổ pin và để ngăn chặn, kiểm soát và dập tắt cháy nổ của pin trong buồng, các yêu cầu chức năng sau đây phải được đáp ứng:
(1) Nhiệt độ của buồng chứa pin hoặc hộp pin phải được hạn chế;
(2) Phải hạn chế nguồn đánh lửa của buồng chứa hoặc hộp pin;
(3) Cách nhiệt buồng chứa pin liền kề phải xem xét đầy đủ nguy cơ cháy của không gian và không gian liền kề;
(4) Các thiết bị của hệ thống báo cháy và phát hiện cháy cố định phải phù hợp với tính chất của buồng chứa, khả năng phát triển đám cháy và khả năng tạo ra khói và khí;
(5) Thiết bị chữa cháy của buồng chứa pin phải phù hợp với đặc tính cháy của pin;
(6) Các lối thoát hiểm an toàn phải được cung cấp cho thuyền viên tại buồng chứa pin.
4.8.2 Phòng cháy và phát hiện cháy
1 Vách chống cháy
Các vách ngăn và boong giữa các buồng chứa pin và các không gian liền kề khác phải thoả mãn cấp “A-60”, nhưng đối với các không gian không có nguy cơ cháy như không gian trống, phòng tắm, v.v., đã đề cập ở trên có thể được giảm xuống thành cấp “A-0”.
2 Hệ thống thông gió
(1) Trường hợp buồng chứa pin được trang bị hệ thống thông gió cơ khí thì hệ thống phải đáp ứng các yêu cầu sau:
(a) Ống thông gió phải làm bằng thép hoặc vật liệu tương đương;
(b) Bố trí các ống thông gió đảm bảo tất cả các không gian trong buồng chứa của pin đều có thể được thông gió hiệu quả;
(c) Hệ thống thông gió cho buồng chứa phải được tách biệt hoàn toàn với hệ thống thông gió phục vụ các không gian khác;
(d) Đối với tàu có chiều dài từ 20m trở lên, ống thông gió cho buồng chứa pin không được đi qua các buồng ở, buồng phục vụ và trạm điều khiển. Các ống thông gió cho buồng ở, buồng phục vụ và trạm điều khiển cũng không được đi qua buồng chứa pin trừ khi chúng tuân thủ các điều kiện dưới đây:
(i) Các ống dẫn được làm bằng thép có độ dày ít nhất là 3 mm đối với các ống có chiều rộng hoặc đường kính từ 300 mm trở xuống, có độ dày ít nhất là 5 mm đối với các ống có chiều rộng hoặc đường kính từ 760 mm trở lên, hoặc có độ dày thu được bằng phép nội suy đối với các ống có chiều rộng hoặc đường kính trong khoảng từ 300mm đến 760 mm;
(ii) Các ống dẫn phải được đỡ và cố định phù hợp;
(iii) Các đường ống đi qua khu vực sinh hoạt, khu vực dịch vụ và trạm điều khiển cũng như các đường ống đi qua các buồng chứa pin được bọc chống cháy theo tiêu chuẩn “A-60”;
(iv) Các biện pháp ngăn nước và lửa xâm nhập phải được cung cấp tại các lỗ thông gió và các cửa hút gió phải cách xa cửa thoát khí;
(v) Các biện pháp phải được trang bị trên buồng lái để chỉ ra bất kỳ sự mất khả năng thông gió cần thiết nào;
(vi) Phải cung cấp phương tiện điều khiển để cho phép dừng thông gió từ bên ngoài buồng chứa pin trong trường hợp cháy.
(2) Đối với buồng chứa pin có mức an toàn 1 phải lắp đặt quạt hút sự cố độc lập để xả kịp thời khí cháy sinh ra trong trường hợp pin bị tăng nhiệt. Quạt thông gió khẩn cấp phải được khóa liên động với thiết bị phát hiện khí dễ cháy được lắp đặt trong không gian. Khi phát hiện thấy nồng độ khí dễ cháy trong không gian lớn hơn 20% giới hạn nổ dưới (theo thể tích), quạt hút khẩn cấp sẽ tự động được kích hoạt. Khí từ quạt phải được dẫn trực tiếp đến các vị trí an toàn trên boong hở và tránh xa các không gian có người ở hoặc chứa nhiệt. Thể tích khí thải khẩn cấp phải được xác định theo đánh giá, nhưng không được ít hơn 10 lần mỗi giờ. Quạt phải là loại phòng tia lửa điện.
(3) Khi thông gió khẩn cấp được kết hợp với hệ thống thông gió được mô tả tại 4.8.2.2., hệ thống thông gió phải đồng thời đáp ứng các quy định tại 4.8.2.2.1 nêu trên.
3 Phát hiện và báo cháy
Hệ thống phát hiện cháy và báo cháy tự động cố định phải được lắp đặt trong các buồng chứa pin. Thiết kế của hệ thống này và việc lắp đặt các thiết bị phát hiện nhằm nhanh chóng phát hiện các tín hiệu cháy khi bắt đầu có cháy ở bất kỳ phần nào của buồng chứa pin và trong điều kiện làm việc bình thường của pin và những thay đổi thông gió cần thiết theo phạm vi nhiệt độ môi trường.
4.8.3 Hệ thống và thiết bị chữa cháy
1 Quy định chung
(1) Đối với các tàu có hệ thống chữa cháy bằng nước, một vòi chữa cháy phải được đặt gần cửa ra vào của các buồng chứa pin.
(2) Đối với các tàu không có hệ thống chữa cháy bằng nước phải trang bị ít nhất hai gầu chữa cháy có dây thừng có chiều dài phù hợp gần các buồng chứa pin hoặc hộp pin.
(3) Đối với buồng chứa pin được lắp đặt hệ thống chữa cháy cố định bằng nước, hệ thống nước la canh hoặc lỗ thoát nước ở mỗi bên phải có khả năng thoát nước không ít hơn 125% tổng công suất của các bơm cấp của hệ thống chữa cháy bằng nước và số lượng vòi chữa cháy yêu cầu.
2 Hệ thống chữa cháy cố định
(1) Buồng chứa pin có cấp an toàn 2 phải được bảo vệ bằng một trong các hệ thống chữa cháy cố định sau:
(a) Hệ thống chữa cháy bằng heptafluoropropane, công suất được thiết kế là 9% tổng thể tích của không gian;
(b) Hệ thống chữa cháy bằng carbon dioxide, công suất được thiết kế theo 40% tổng thể tích của không gian;
(c) Hệ thống chữa cháy bằng nước có lưu lượng nước đầu ra được thiết kế tối thiểu là 5 l/m2.phút; khoảng cách giữa vòi phun và đỉnh của pin không được nhỏ hơn 0,5 m và hệ thống có thể được kết nối với đường ống chữa cháy chính trên tàu.
(2) Các khoang chứa (phòng) pin có cấp độ an toàn 1 phải được bảo vệ bằng một trong các hệ thống chữa cháy cố định sau:
(a) Hệ thống chữa cháy bằng nước, tốc độ đầu ra của nước được thiết kế ít nhất là 5 l/m2.phút, khoảng cách giữa vòi phun và đỉnh của pin không được nhỏ hơn 0,5 m, và hệ thống có thể được kết nối với đường ống chữa cháy chính trên tàu;
(b) Hệ thống chữa cháy bằng heptafluoropropane, nhưng hệ thống kiểm soát và lượng chất chữa cháy phải đảm bảo rằng hệ thống có thể xả lại khi pin được đánh lửa lại và công suất của mỗi lần xả được thiết kế theo 9% tổng thể tích của không gian. Nếu hộp pin hoặc khối pin được cung cấp riêng với thiết bị chữa cháy tích hợp, thì lượng chất chữa cháy cần thiết cho không gian chỉ có thể được xả một lần.
3 Bình chữa cháy xách tay
(1) Đối với các buồng chứa pin có diện tích boong từ 4 m2 trở lên, phải trang bị ít nhất (04) bốn bình chữa cháy heptafluoropropane di động hoặc bình chữa cháy di động phù hợp với loại pin sử dụng và một trong số chúng phải được đặt gần lối vào;
(2) Đối với buồng chứa pin có diện tích boong nhỏ hơn 4 m2, có thể sử dụng đủ số lượng bình chữa cháy heptafluoropropane di động hoặc bình chữa cháy di động phù hợp với loại pin sử dụng thay cho các hệ thống chữa cháy cố định theo quy định 4.8.3.-2(1)(a) và 4.8.3-2(2). Một lỗ phải được cung cấp trên vách ngăn của buồng chứa pin để tạo điều kiện thuận lợi cho việc sử dụng bình chữa cháy để giải phóng công chất vào buồng chứa.
(3) Các hộp pin được đặt trên boong hở hoặc các vị trí khác phải được lắp đặt gần ít nhất (04) bốn bình chữa cháy heptafluoropropane di động hoặc bình chữa cháy di động phù hợp với loại pin sử dụng. Đối với tàu có chiều dài dưới 20 m có thể lắp đặt (02) hai bình chữa cháy heptafluoropropane di động hoặc bình chữa cháy di động phù hợp với loại pin sử dụng.
4.8.4 Lối thoát nạn
1 Lối vào/ra của buồng chứa pin mà người có thể tiếp cận phải dẫn trực tiếp lên boong hở. Cửa ra vào hoặc các lối mở khác trực tiếp dẫn đến buồng chứa pin không được bố trí trong không gian sinh hoạt. Yêu cầu này không áp dụng cho tàu có chiều dài dưới 20 m.
2 Đối với các buồng (phòng) pin mà người có thể vào, ít nhất phải có một phương tiện thoát hiểm. Khi sử dụng cầu thang phải làm bằng vật liệu thép và góc nghiêng của nó không được lớn hơn 65°C. Đối với buồng chứa pin có chiều cao từ 2 m trở xuống có thể sử dụng thang đứng.
4.9 Quy định kỹ thuật kiểm tra pin
4.9.1 Quy định chung
1 Ngoài các quy định kiểm tra tại Phần 1A và 1B của Quy chuẩn này và các quy chuẩn kỹ thuật quốc gia áp dụng liên quan, việc kiểm tra các tàu sử dụng pin cung cấp hệ động lực của phải bao gồm kiểm tra sản phẩm pin và kiểm tra hệ thống pin của tàu trong quá trình đóng tàu và trong quá trình khai thác tàu.
2 Sản phẩm pin bao gồm: đơn vị pin, mô đun pin/khối pin, hệ thống quản lý pin và hệ thống pin. pin, mô đun pin/khối pin và hệ thống quản lý pin phải được công nhận kiểu theo yêu cầu tại Quy chuẩn này.
3 Đối với sản phẩm pin đã được tổ chức phân cấp thành viên IACS chứng nhận thì không yêu cầu kiểm tra sản phẩm công nghiệp theo mục 4.9.2.
4.9.2 Yêu cầu về thử kiểu
1 Quy định thử kiểu pin
(1) Thử tính năng của pin và thử hệ thống quản lý pin phải phù hợp với Quy chuẩn này. Việc thử nghiệm phải đáp ứng các yêu cầu của tiêu chuẩn quốc tế được chấp nhận hoặc thông số kỹ thuật của nhà sản xuất.
(2) Thử nghiệm an toàn của pin phải được thực hiện theo các yêu cầu cụ thể nêu tại Bảng 12/4.3
(3) Đối với pin lắp đặt trên boong hở phải thử phù hợp với tiêu chuẩn IEC60068-2-52.
Bảng 12/4.3 - Yêu cầu thử
| TT | Yêu cầu thử | Tiêu chuẩn |
| 1 | Thử ngắn mạch bên ngoài Pin | IEC 62619 7.2.1 |
| 2 | Thử va chạm | IEC 62619 7.2.2 |
| 3 | Thử rơi | IEC 62619 7.2.3 |
| 4 | Thử lạm dụng nhiệt | IEC 62619 7.2.4 |
| 5 | Thử sạc quá tải | IEC 62619 7.2.5 |
| 6 | Thử xả cưỡng bức | IEC 62619 7.2.6 |
| 7 | Thử đoản mạch bên trong Pin/Thử tăng nhiệt | IEC 62619 7.3.2/7.3.3 |
| 8 | Thử điện áp khi sạc quá tải | IEC 62619 8.2.2 |
| 9 | Thử dòng khi sạc quá tải | IEC 62619 8.2.3 |
| 10 | Kiểm soát quá nhiệt | IEC 62619 8.2.4 |
4.9.3 Kiểm tra trong đóng mới
Ngoài các quy định tại phần này, việc kiểm tra trong đóng mới tàu sử dụng pin cung cấp điện cho hệ thống đẩy của tàu phải đáp ứng các quy định kiểm tra trong đóng mới tại Phần 1B của Quy chuẩn này.
1 Chứng nhận sản phẩm công nghiệp
Đăng kiểm viên phải kiểm tra xác nhận hệ thống pin đã được chứng nhận theo các yêu cầu của 4.9.2.1. Mức độ an toàn của pin phải được nêu trong giấy chứng nhận sản phẩm công nghiệp pin.
2 Buồng chứa pin/hộp pin
(1) Kiểm tra các phương tiện tiếp cận buồng chứa pin/hộp pin;
(2) Kiểm tra thiết bị bên trong buồng chứa pin/hộp pin;
(3) Thử và kiểm tra hệ thống quạt hút khẩn cấp của buồng chứa và quạt hút khẩn cấp của hộp (nếu có);
(4) Thử và kiểm tra hệ thống thông gió của buồng chứa pin/hộp pin;
(5) Kiểm tra vách chống cháy giữa buồng chứa pin và các buồng khác;
(6) Kiểm tra hệ thống phát hiện cháy và báo cháy trong buồng chứa pin/hộp pin;
(7) Kiểm tra hệ thống phát hiện khí dễ cháy trong buồng chứa pin/hộp pin;
(8) Kiểm tra các thiết bị chữa cháy bên trong buồng chứa pin/hộp pin;
(9) Kiểm tra và thử thiết bị kiểm tra nhiệt độ bên trong buồng chứa pin/hộp pin.
3 Kiểm tra lắp đặt
(1) Kiểm tra việc bố trí các pin có dễ dàng thay thế, kiểm tra, thử nghiệm và vệ sinh hay không;
(2) Để kiểm tra xác nhận pin có được lắp đặt ở những vị trí quá nóng, quá lạnh, bắn nước và các yếu tố khác có thể làm hỏng hiệu suất của chúng hoặc làm tăng tốc độ suy giảm hiệu suất của chúng hay không.
4 Kiểm tra chức năng
(1) Kiểm tra chức năng của thiết bị nạp và xả pin;
(2) Kiểm tra chức năng bảo vệ an toàn hệ thống quản lý pin;
(3) Kiểm tra chức năng của hệ thống thanh cái DC.
4.9.4 Kiểm tra trong khai thác
Ngoài các quy định tại phần này, việc kiểm tra trong khai thác tàu sử dụng pin cung cấp điện cho hệ thống đẩy tàu phải đáp ứng các quy định kiểm tra trong khai thác tại Phần 1B của Quy chuẩn này.
1 Kiểm tra hàng năm, kiểm tra trung gian
(1) Kiểm tra hồ sơ hoạt động của pin và hệ thống quản lý pin. Pin phải được thay thế khi đạt đến tuổi thọ sử dụng do nhà sản xuất cung cấp hoặc bị hỏng;
(2) Kiểm tra xác nhận tình trạng bên trong buồng chứa pin/hộp pin có lắp thêm thiết bị nguồn nhiệt hay không;
(3) Kiểm tra xác nhận tình trạng hoạt động tốt của thiết bị phát hiện nhiệt độ;
(4) Kiểm tra xác nhận tình trạng hoạt động tốt của hệ thống hút khẩn cấp (quạt hút khẩn cấp) (nếu có);
(5) Kiểm tra hệ xác nhận tình trạng hoạt động tốt của hệ thống thông gió.
2 Kiểm tra định kỳ
Ngoài việc kiểm tra như khối lượng kiểm tra hàng năm, trung gian như nêu tại 4.9.4-1, kiểm tra định kỳ còn phải bổ sung khối lượng như sau:
(1) Kiểm tra chức năng của hệ thống chỉ báo nhiệt độ;
(2) Thử chức năng hệ thống hút sự cố (quạt hút sự cố);
(3) Thử chức năng của hệ thống thông gió;
(4) Thử chức năng của hệ thống quản lý pin.
CHƯƠNG 5 TÀU SỬ DỤNG NHIÊN LIỆU KHÍ
5.1 Quy định chung
5.1.1 Phạm vi áp dụng
1 Phần này của Quy chuẩn quy định các yêu cầu đối với tàu sử dụng nhiên liệu khí, ngoại trừ tàu chở dầu, các trang bị kỹ thuật, hệ thống, đường ống, phụ tùng và thiết bị của chúng với điều kiện nhiên liệu khí được lưu trữ trên các tàu ở dạng khí thiên nhiên nén (CNG) và khí thiên nhiên hóa lỏng (LNG) chứa trên 85% mêtan hoặc ở dạng khí dầu mỏ hóa lỏng (LPG) chứa (50 ± 10) % propan.
2 Trừ khi có quy định khác được đưa trong phần hiện tại của Quy chuẩn, các yêu cầu nêu trong các phần khác của Quy chuẩn sẽ được áp dụng một cách phù hợp cho các tàu (sau đây gọi là tàu sử dụng nhiên liệu khí) mà trên đó các động cơ chính, phụ và nồi hơi sử dụng nhiên liệu khí thiên nhiên hoặc khí dầu mỏ (hỗn hợp pro-panen-butan).
3 Các yêu cầu nêu trong Phần này của Quy chuẩn sẽ được sử dụng cho việc thiết kế, đóng mới và khai thác các tàu sử dụng nhiên liệu khí được nêu trong 5.1.1-2, và để hoán cải các loại tàu hiện có sang các loại tàu sử dụng nhiên liệu khí.
5.1.2 Giải thích từ ngữ và định nghĩa
1 Các giải thích và định nghĩa chung của Quy chuẩn được nêu trong 1.4 Chương 1 Mục I Quy định chung của Quy chuẩn. Các giải thích và định nghĩa liên quan đến hệ thống năng lượng tàu được nêu trong 1.1.5 Chương 1 Phần 3 của Quy chuẩn.
2 Các giải thích sau được sử dụng trong Phần này của Quy chuẩn:
(1) Không gian nguy hiểm có nghĩa là các khu vực và không gian tuân thủ 1.1.4-1(1) và (2) Chương 1 Phần 4 của Quy chuẩn này. Không gian nguy hiểm trên tàu sử dụng nhiên liệu LNG/ LPG cũng bao gồm thể tích bên trong của các đường ống thoát khí và cửa thông gió vào ra của không gian thuộc vùng khí nguy hiểm. Trên các tàu sử dụng nhiên liệu khí, các không gian nguy hiểm cũng bao gồm các vị trí đặt các két chứa LPG;
(2) Khóa khí (airlock) là không gian kín được thông gió, được thiết kế để ngăn ngừa sự xâm nhập của môi chất nguy hiểm cháy nổ từ các không gian nguy hiểm về khí vào các không gian khác trên tàu khi thuyền viên đi vào không gian nguy hiểm về khí từ các không gian an toàn về khí hoặc các không gian khác. Khóa khí được giới hạn với các vách ngăn và lớp phủ kín khí và được trang bị hai cửa tự đóng kín khí không có bộ hãm (khoảng cách giữa các cửa phải ít nhất là 1,5 m và cách nhau không quá 2,5 m);
(3) Không gian máy an toàn khí có nghĩa là không gian kín khí an toàn với những thiết bị sử dụng nhiên liệu khí, một hư hỏng của thiết bị sử dụng nhiên liệu khí này hoặc bất kỳ lỗi nào khác của các thiết bị chứa khí được bố trí bên trong không gian này không dẫn đến trạng thái tich tụ khí nguy hiểm của nhiên liệu khí trong không gian máy đó khi các thiết bị chứa khí trong không gian như vậy được lắp đặt bên trong các thiết bị kín khí bao quanh (như đường ống, miệng ống thông gió, vỏ bọc) để nhiên liệu khí đốt dẫn ra từ từ. Trong trường hợp này thể tích bên trong của vỏ và ống thông gió được coi là không gian nguy hiểm;
(4) Không gian an toàn về khí có nghĩa là một không gian hoặc buồng không có khí độc hại, ví dụ như:
(a) Không gian với các bộ phận của hệ thống chứa khí, việc thiết kế hệ thống và các thiết bị bảo vệ của hệ thống này phải đảm bảo an toàn trong trường hợp rò rỉ nhiên liệu khí phù hợp với yêu cầu 5.4 đến 5.4;
(b) Các trạm điều khiển, không gian sinh hoạt và phục vụ không nằm phía trên không gian nguy hiểm về khí và có cửa ra vào phù hợp với các yêu cầu của 5.1.3;
(c) Không gian bên ngoài các không gian boong hở có két chứa CNG, LNG hoặc LPG và được trang bị phù hợp với các yêu cầu 5.2, 5.6 và 5.7 với điều kiện là các khoang chứa nằm bên dưới không có nguy hiểm khí độc hại;
(5) Nhiên liệu khí có nghĩa là nhiên liệu hydrocacbon có áp suất hơi tuyệt đối 0,28 MPa hoặc cao hơn ở 37,8°C;
(6) Khu vực nguy hiểm về khí có nghĩa là khu vực có các hệ thống chứa khí và các thiết bị tiêu thụ nhiên liệu khí, bao gồm cả các không gian bong hở phía trên.
(7) Không gian máy nguy hiểm khí có nghĩa là các không gian có chứa thiết bị sử dụng nhiên liệu khí, một lỗi duy nhất của thiết bị sử dụng nhiên liệu khí này hoặc bất kỳ lỗi nào khác của các thiết bị chứa khí được để bên trong không gian máy này mà dẫn đến tình huống khẩn cấp của sự xuất hiện tích tụ nồng độ khí dễ cháy nổ của nhiên liệu khí trong môi trường không khí của không gian máy đó. Trong trường hợp rò rỉ nhiên liệu khí cháy nổ thì việc đảm bảo an toàn cho không gian máy có khí nguy hiểm phải được đảm bảo bằng cách trang bị các thiết bị ngắt tự động cho tất cả các phương tiện kỹ thuật và thiết bị có thể là một nguồn phát sinh tia lửa;
(8) Không gian nguy hiểm về khí có nghĩa là một không gian như sau:
(a) Một khoang chứa CNG, LNG hoặc các két chứa LPG;
(b) Không gian boong kín hoặc nửa kín, nơi đặt các két chứa CNG, LNG hoặc LPG;
(c) Những boong hở thuộc vùng khí nguy hiểm và trong vòng 2,4 m theo chiều thẳng đứng từ vùng khí nguy hiểm;
(d) Không gian trong vòng 3 m từ các bề mặt bên ngoài của hệ thống chứa khí trên boong hở không có vỏ bọc kín khí;
(e) Các không gian và các bong hở trong phạm vi nhỏ hơn 3 m theo bất kỳ hướng nào từ cửa thông gió của khu vực chứa két CNG, LNG hoặc LPG, đường ống thoát khí và các bố trí tương tự;
(f) Một không gian có thể tiếp cận trực tiếp với bất kỳ không gian nguy hiểm về khí nào;
(g) Bất kỳ không gian nào trong vùng khí nguy hiểm, ngoại trừ các không gian như đã đề cập ở trên, không thể duy trì thường xuyên tình trạng không có khi nguy hiểm mà đã được chứng nhận bởi Đăng kiểm;
(9) Hệ thống chứa khí là hệ thống được thiết kế để chứa CNG, LNG hoặc LPG, xử lý và cấp nhiên liệu khí cho thiết bị sử dụng nhiên liệu khí;
(10) Van khí chính có nghĩa là một van tự động được lắp trên các đường ống phục vụ việc cung cấp nhiên liệu khí đốt cho các thiết bị sử dụng nhiên liệu khí;
(11) Két chứa CNG có nghĩa là két chứa được thiết kế để chứa CNG tuân thủ các yêu cầu của Tiêu chuẩn đối với bình chịu áp lực (không vượt quá 20 MPa);
(12) Két chứa LPG là két chứa được thiết kế để chứa LPG phù hợp với các yêu cầu của Quy chuẩn đối với bình chịu áp lực (không quá 2,1 MPa);
(13) Két chứa LNG có nghĩa là két chứa được thiết kế để chứa LNG tuân thủ các yêu cầu của Tiêu chuẩn đối với các bình chịu áp lực hoạt động ở điều kiện nhiệt độ thấp hơn -110°C.
(14) Khí thiên nhiên nén (CNG) là khí thiên nhiên được nén có hàm lượng khí mêtan CH4 trên 85% (đến 98%);
(15) Không gian kín nghĩa là không gian trên tàu với các thành phần của hệ thống chứa khí, bên trong đó sự lưu thông không khí bị hạn chế, khi không có thông gió cưỡng bức, và hỗn hợp khí-không khí dễ nổ không được loại bỏ theo cách tự nhiên trong trường hợp rò rỉ nhiên liệu khí. Một không gian kín khí với két chứa CNG, LNG hoặc LPG bao gồm các đầu nối và van của nó được coi là không gian kín;
(16) Không gian nửa kín có nghĩa là không gian trên tàu mà được thiết kế để ngăn chặn sự hư hỏng của thiết bị và bộ phận bên trong tàu (bao gồm cả hệ thống thống chứa khí), cũng như ngăn chặn sự xâm nhập của các thành phần kết tủa trong khí quyển và cung cấp hệ thống thông gió tự nhiên đủ để phòng chống hỗn hợp khí cháy nổ xuất hiệt đột ngột trong không gian đó;
(17) Khí dầu mỏ hóa lỏng (hydrocacbon) (LPG) là khí tổng hợp được sản xuất bằng cách hóa lỏng khí hòa tan trong dầu hoặc khí sinh ra trong quá trình tinh chế dầu mỏ bao gồm hỗn hợp propan C3H6 (hàm lượng thể tích từ 40 đến 100%), butan C4H10 và các khí đồng hành khác trong phần còn lại của hỗn hợp khí;
(18) Khí thiên nhiên hóa lỏng (LNG) là khí thiên nhiên hóa lỏng có hàm lượng khí mêtan từ 85 đến 95%, nhiệt độ sôi từ -158 đến -163°C ở áp suất 0,10133 MPa. LNG được sản xuất bằng cách nén khí thiên nhiên và làm lạnh sau đó để hóa lỏng;
(19) Không gian khoang két của vùng nguy hiểm về khí có nghĩa là không gian được giới hạn bởi kết cấu thân tàu và bao gồm hệ thống chứa khí hoặc một phần của nó.
5.1.3 Yêu cầu chung về an toàn
1 Các lối vào và lỗ mở của các trạm điều khiển, không gian sinh hoạt và không gian tiện ích phải được bố trí với các vách ngăn không đối diện với vùng nguy hiểm về khí. Nếu các gờ trên cùng của các lối vào và lỗ mở thấp hơn mức của két nhiên liệu khí, các đầu vào và lỗ mở đó có thể nằm trên các vách ngăn đối diện với vùng nguy hiểm về khí. Yêu cầu này không áp dụng cho các tàu, động cơ và nồi hơi sử dụng khí dầu mỏ làm nhiên liệu.
2 Các ô cửa sổ trong các vách ngăn bên ngoài của kết cấu thượng tầng và boong tàu đối diện với vùng khí nguy hiểm phải thuộc loại cố định (không mở). Yêu cầu này không áp dụng cho cửa sổ lầu lái.
3 Các lỗ hở trong không gian nguy hiểm về khí nằm trong thân tàu và những nơi mà đường ống và dây cáp đi qua các vách ngăn, phải được bịt kín để ngăn chặn sự xâm nhập của khí vào các không gian liền kề với không gian nguy hiểm về khí.
4 Không được phép bố trí trạm điều khiển tời kéo neo và tời dây, thiết bị cứu sinh cũng như các thiết bị ứng cứu khẩn cấp và bộ quần áo chống cháy trong khu vực khí nguy hiểm.
5.1.4 Khí nguy hiểm và không gian an toàn về khí
1 Buồng máy an toàn về khí (xem 5.1.2-2(3)) phải tuân theo các yêu cầu sau:
(1) Đường ống dẫn và thiết bị sử dụng nhiên liệu khí phải được đặt bên trong ống kín khí chứa đầy khí trơ và tạo thành cấu trúc ống lồng trong ống, hoặc bên trong một ống dẫn được thông gió cố định xuyên suốt chiều dài của chúng cho đến điểm kết nối với thiết bị phù hợp với các yêu cầu của 5.3.1-2(5) hoặc 5.3.1-2(6);
(2) Thiết bị điện bên trong ống dẫn trên phải là loại chống cháy nổ phù hợp với 1.1.4-1(13) Chương 1 Phần 4 của Quy chuẩn;
(3) Trong trường hợp phát hiện rò rỉ nhiên liệu khí, việc cung cấp nhiên liệu cho thiết bị phải được dừng ngay lập tức và đường ống phải được làm sạch bằng cách sử dụng một nhóm van quy định trong 5.3.1-2(2). Nếu có hai hoặc nhiều động cơ chính trên tàu thì phải bố trí một đường ống cung cấp nhiên liệu riêng biệt cho tất cả các động cơ chính.
2 Các buồng máy nguy hiểm về khí (xem 5.1.2-2(7)) phải được bảo vệ bằng cách đáp ứng các yêu cầu sau:
(1) Đường ống và thiết bị nhiên liệu khí phải được đặt trực tiếp trong buồng máy;
(2) Buồng máy nguy hiểm về khí phải được ngăn cách với buồng máy an toàn về khí hoặc bất kỳ không gian nào khác bằng phương tiện khóa khí phù hợp với các yêu cầu của 5.2.1-3(4);
(3) Buồng máy phải được thông gió thường xuyên phù hợp với các yêu cầu của 5.5.1-3;
(4) Tất cả các thiết bị điện trong buồng máy phải là loại chống cháy nổ phù hợp với 1.1.4-1(13) Chương 1 Phần 4 của Quy chuẩn; phù hợp với các yêu cầu của 5.6, nồng độ khí trong buồng máy phải được theo dõi thường xuyên, và trong trường hợp phát hiện rò rỉ nhiên liệu khí, van khí chính phải được đóng lại, dừng cấp khí cho buồng máy, thiết bị có thể là nguồn gây cháy phải được dừng, thiết bị tiêu thụ khí nằm trong buồng máy phải được dừng.
3 Các buồng máy nguy hiểm về khí được phép bố trí trên tàu với điều kiện tàu được lắp ít nhất hai máy chính. Một trong những động cơ chính có thể được đặt trong buồng máy nguy hiểm về khí và những động cơ còn lại phải được đặt trong buồng máy an toàn về khí. Nếu tàu có hai máy chính thì được phép bố trí chúng ở những không gian nguy hiểm về khí không thông với nhau.
4 Cấm bố trí nồi hơi, lò đốt rác và các thiết bị khác có vòi phun nhiên liệu trong buồng máy nguy hiểm về khí.
5 Buồng máy nguy hiểm về khí được cho phép bố trí trên tàu với điều kiện là mật độ của nhiên liệu khí được sử dụng nhỏ hơn mật độ không khí ở điều kiện bình thường (nhiệt độ 20°C, áp suất 760 mm Hg (101,325 Pa)) và áp suất trong đường ống dẫn nhiên liệu khí không vượt quá 1 MPa.
6 Các buồng máy nguy hiểm về khí bị cấm trên tàu chở khí.
5.1.5 Tài liệu kỹ thuật và vận hành, dữ liệu thông tin
Đăng kiểm kiểm tra xem các tài liệu thông tin về việc sử dụng an toàn về khí thiên nhiên hoặc dầu mỏ làm nhiên liệu có sẵn trên tàu sử dụng nhiên liệu khí hay không. Các tài liệu này phải chứa các thông tin sau:
(1) Liệt kê và mô tả các biện pháp cần thực hiện trong trường hợp rò rỉ nhiên liệu khí;
(2) Danh sách các phương pháp và trạm chữa cháy;
(3) Danh sách các phương pháp để xả, làm sạch và hút vét các két nhiên liệu khí, cũng như các hệ thống, đường ống và thiết bị của tàu với các buồng chứa đầy khí;
(4) Danh sách và mô tả các hành động khẩn cấp;
(5) Hướng dẫn sử dụng thiết bị bảo vệ được cung cấp trên tàu sử dụng nhiên liệu khí;
(6) Hướng dẫn các hành động khẩn cấp cho sỹ quan tàu trong trường hợp rò rỉ khí thiên nhiên hoặc cháy liên quan đến việc sử dụng nhiên liệu khí;
(7) Hướng dẫn sơ cứu.
5.2 Các két nhiên liệu khí
5.2.1 Bố trí và cố định các két nhiên liệu khí
1 Các yêu cầu chung
Các két nhiên liệu khí phải được đặt ở mặt phẳng dọc tâm của tàu hoặc ở một khoảng cách:
(1) Cách vỏ ngoài không nhỏ hơn 0,2B, trong đó B là chiều rộng boong của tàu;
(2) Không nhỏ hơn B/15 hoặc 2000 mm tính từ vỏ ngoài của đáy tàu, tùy theo giá trị nào nhỏ hơn;
(3) Không nhỏ hơn 800 mm từ các vách của không gian nơi đặt két chứa.
Trên tàu không phải tàu khách, khoảng cách đến tôn mạn bên ngoài vỏ có thể nhỏ hơn 0,2B nhưng không nhỏ hơn 800 mm.
2 Bố trí các két chứa CNG và LPG
(1) Các két chứa CNG phải được bố trí trong thân tàu hoặc trực tiếp trên boong hở của tàu.
(2) Trong trường hợp đặt ở vị trí boong hở, các két chứa CNG và LPG sẽ được lắp đặt ở phía sau của tàu ngoài nơi làm việc chính của thuyền viên để đảm bảo an toàn cho tàu sử dụng nhiên liệu khí, kể cả trong trường hợp khẩn cấp liên quan đến hư hỏng của két chứa CNG.
(3) Trong trường hợp đặt ở vị trí boong hở, các két chứa CNG và LPG phải được lắp đặt trong một không gian nửa kín, cách vỏ ngoài không nhỏ hơn 0,2B. Không gian nửa kín đối với két chứa LPG phải có mái che nắng. Các vách bên của không gian nửa kín phải có lỗ thông gió vào.
(4) Không gian trong thân tàu sử dụng nhiên liệu khí phải được trang bị hệ thống thông gió thoát khí, cung cấp ít nhất 30 lần lượng thay đổi không khí mỗi giờ. Nhiệt độ bên trong không gian này không được vượt quá 30°C.
3 Bố trí két chứa LNG
(1) Két chứa LNG phải độc lập và được bố trí trong một không gian kín đặt bên trong thân tàu hoặc trên boong hở.
Không gian kín có két chứa LNG phải kín khí và có mặt trong bằng thép chống axit hoặc nhôm. Nếu có nhiều hơn một két chứa LNG, chúng phải có thể tích tương đương với nhau và được đặt trong các không gian riêng biệt.
Nếu các két chứa LNG được đặt trong không gian kín bên trong thân tàu thì áp suất bên trong các két chứa này không được vượt quá 1 MPa.
(2) Nếu két chứa LNG có thành đôi và vỏ ngoài của két được làm bằng vật liệu chịu lạnh thì không gian đặt két chứa có thể được làm dưới dạng kết cấu hàn với vỏ ngoài của két và che kín tất cả các mối nối và van của két.
Nếu két chứa LNG được đặt bên trong thân tàu và một phần của nó xuyên qua boong hở thì phần hở đó phải được lắp tấm chắn giữa boong và két chứa LNG. Không gian nằm bên dưới tấm chắn phải được coi là không gian kín nguy hiểm về khí và không gian phía trên tấm chắn - không gian hở nguy hiểm về khí.
(3) Các không gian chứa két LNG hoặc bản thân các két chứa LNG phải được bọc cách nhiệt để cho các kết cấu thân tàu và bong tàu không bị lạnh hóa và dẫn đến suy giảm sức bền do tác động của khí LNG rò lọt.
(4) Việc tiếp cận không gian kín với LNG phải được thực hiện thông qua khoang đệm khí (xem 5.1.2-2(2)). Chiều cao gờ của các cửa khoang đệm khí ít nhất phải là 300 mm.
Yêu cầu này không áp dụng trong các trường hợp khi tiếp cận không gian từ một không gian an toàn về khí trên boong hở.
(5) Hệ thống thoát nước của các không gian đặt két chứa LNG phải độc lập và không kết nối với các hệ thống thoát nước khác.
4 Cố định các két chứa khí CNG và LPG
(1) Các két chứa khí CNG và LPG phải được cố định chặt vào thân tàu sao cho tránh được sự dịch chuyển của chúng do tải trọng động hoặc tĩnh gây ra. Các két LPG chỉ được đặt ở vị trí thẳng đứng trong các giá đỡ, lồng chứa đặc biệt hoặc trong rào chắn. Các két CNG phải được đặt trong khung (giá đỡ). Các miếng đệm mềm làm bằng vật liệu không cháy phải được đặt giữa kẹp và bề mặt két, cũng như giữa các bề mặt đỡ của khung (giá đỡ). Vòng đệm mềm có thể bằng nỉ, cao su, da tự nhiên.
(2) Thiết kế két chứa CNG và LPG phải cho phép các kết cấu có thể co, giãn do sự thay đổi nhiệt độ không khí xung quanh mà không gây ra bất kỳ sự tập trung ứng suất nào cho các thành phần của két chứa vượt quá giá trị cho phép.
(3) CNG và phụ kiện két chứa LPG phải được thiết kế cho tải tĩnh theo công thức, N:
F1st = 1,5mg;
F2st = 1,3mg;
Với F1st và F2st là tải trọng tĩnh tác dụng lên các phụ kiện của két chứa CNG và LPG theo phương dọc và phương ngang tương ứng, N;
m - khối lượng của một két khi chứa đầy CNG, kg;
g - gia tốc trọng trường bằng với 9,81 m/s2.
(4) Các phụ kiện đi kèm két chứa CNG và LPG phải bao gồm các miếng chặn được thiết kế để chịu được lực ngang phát sinh khi tàu va chạm và bằng 0,5 và 0,25 trọng lượng két chứa CNG hoặc LPG về hướng mũi tàu và về phía sau lái tương ứng. Khi tàu va chạm, tải trọng trên các bộ phận của két chứa đầy phải được quy định là tác dụng của lực quán tính bằng gia tốc thiết kế a (quy định trong Bảng 12/5.1) theo hướng mũi tàu và 0,5a theo hướng ngược lại.
Bảng 12/5.1 - Gia tốc thiết kế khi va chạm của tàu
| L chiều dài tàu, m | a gia tốc thiết kế |
| L > 100 | 0,5g |
| 60 < L ≤ 100 | [2 - 0,0375(L - 60)]g |
| L ≤ 60 | 2g |
(5) Phải bố trí (nêm, chặn...) để ngăn chặn két chứa LPG và CNG nổi lên dưới lực nổi trong trường hợp khoang chứa két ngập.
(6) Ứng suất trong các thành phần kết cấu thân tàu không được vượt quá giới hạn chảy.
(7) Tính toán sức bền của các két chứa CNG và LPG và giá đỡ của chúng phải dựa trên các tải trọng riêng rẽ nêu tại mục 5.2.1-4(1) và tải trọng phát sinh khi tàu nghiêng một góc 30°, cũng như không gộp các tải trọng như vậy với các lực phát sinh từ sự biến dạng thân tàu khi tàu hoạt động trên biển.
(8) Các quy định về kết cấu phải được thực hiện để ngăn ngừa sự dịch chuyển của các két chứa CNG và LPG tương đối so với thân tàu dưới lực quán tính do lắc ngang.
5 Cố định các két LNG
(1) Các két chứa LNG phải được thiết kế để hoạt động trong các điều kiện nghiêng và chúi theo 1.3.1(2) Phần 3 Mục II của Quy chuẩn.
(2) Độ bền của các phụ kiện và giá đỡ của két chứa LNG phải được xác nhận bằng các tính toán về bất kỳ tải trọng nào có thể xảy ra trong quá trình vận hành. Khi tính toán độ bền của các giá đỡ phụ trợ của két chứa LNG, có thể giả định rằng các lực gây ra bởi gia tốc lớn nhất có thể tác động lên két chứa LNG và các giá đỡ của nó trong khi sử dụng và các lực do va chạm của tàu có ảnh hưởng độc lập đến các kết cấu phụ trợ.
(3) Các phụ kiện đi kèm của két chứa LNG phải bao gồm các chặn ngăn ngừa hư hỏng các bộ phận kết cấu két chứa và được thiết kế để chịu lực ngang do va chạm của tàu và bằng 0,5 trọng lượng của két chứa về phía trước và 0,25 về phía sau.
(4) Các thiết bị cố định phải được cung cấp để ngăn không cho két chứa LNG nổi lên dưới lực đẩy khi không gian chứa két chứa bị ngập.
(5) Các phụ kiện đi kèm két chứa LNG phải được thiết kế cho tải trọng tĩnh theo công thức nêu tại 5.2.1-4(1).
5.2.2 Các két CNG
1 Két chứa CNG phải tuân theo các yêu cầu áp dụng được quy định trong Chương 8 Phần 3 của Quy chuẩn. Các két có áp suất làm việc đến 25 MPa hoặc các két đặc biệt được sản xuất cho tàu sử dụng nhiên liệu khí có thể được sử dụng làm két chứa CNG.
Áp suất làm việc của két phải được thiết lập phù hợp với tài liệu do nhà sản xuất két có Giấy chứng nhận công nhận của Đăng kiểm cấp.
Áp suất làm việc trong két chứa CNG đặc biệt được sản xuất cho tàu sử dụng nhiên liệu khí phải được thiết lập phù hợp với kết quả xem xét tài liệu kỹ thuật cho két chứa do Đăng kiểm thực hiện và theo các thử nghiệm áp suất làm việc bắt buộc của két chứa theo yêu cầu 8.9 Chương 8 Phần 3 Quy chuẩn.
2 Các két chứa CNG phải được phân nhóm. Mỗi nhóm không được nhiều hơn 4 két. Các nhóm két sẽ được hợp thành các cụm. Sẽ có ít nhất hai cụm. Mỗi nhóm và cụm phải được cung cấp một van chặn.
Các đặc tính của van chặn và đường ống của hệ thống chứa CNG phải được lựa chọn theo mức tiêu thụ tối đa yêu cầu và các thông số làm việc của nhiên liệu khí cung cấp cho các thiết bị.
3 Các két chứa CNG phải được sơn màu đỏ và có dòng chữ “METAN” (Mêtan) với chữ trắng cao 6 cm.
4 Các két chứa CNG không được đặt trong cùng một không gian với các két chứa khí oxy hoặc khí nén.
5 Mỗi két chứa CNG phải được trang bị van an toàn theo các yêu cầu áp dụng của 8.8.3 Chương 8 Phần 3 của Quy chuẩn.
Các van an toàn của két chứa CNG đặt trong thân tàu hoặc trên boong hở của tàu sử dụng nhiên liệu khí, phải được nối với đường ống thoát khí phù hợp với các yêu cầu ở 5.3.1-3(1) đến 5.3.1-3(3).
6 Việc nạp đầy các két chứa CNG phải có thể từ cả hai mạn của tàu.
Đường ống nạp phải được thiết kế không chỉ để nạp vào két chứa CNG mà còn để xả CNG từ các két này (cho đến khi cạn). Nếu không thể sử dụng đường ống nạp CNG để xả CNG thì phải có đường ống chuyên dụng để xả CNG phù hợp với các yêu cầu tương tự như áp dụng cho đường ống nạp CNG.
7 Thiết bị lấy mẫu nhiên liệu khí và đường ống nạp khí vào két chứa CNG trên tàu phải được lắp đặt phía sau van chặn gần két chứa CNG hơn van chặn khác được quy định trong 5.3.5-3(2) theo cách sao cho bất kỳ phần nào của thiết bị nhất định có thể được cắt khỏi đường ống nạp đầy tàu mà không ảnh hưởng đến công suất đường ống này.
Đoạn cuối của thiết bị lấy mẫu phải được đóng lại bằng một tấm chặn phù hợp với các yêu cầu tương tự như các tấm chặn cuối của đường ống nạp đầy tàu (xem 5.3.5-3(2)) hoặc với hộp đựng mẫu thông thường của thiết bị đó.
8 Là một phần của hệ thống hỗ trợ của két chứa CNG, hệ thống khí trơ sẽ được cung cấp để loại bỏ dư lượng CNG từ các hốc, được cho là sẽ được làm đầy thêm CNG, bằng cách làm sạch bằng khí trơ, sau đó được thải ra đường ống thoát nước - khí. Hệ thống phải tuân thủ các yêu cầu của 5.3.1-4(1) và 5.3.1-4(2).
5.2.3 Các két LNG
1 Các yêu cầu chung
(1) Số lượng và thể tích các két chứa LNG được tính toán khi thiết kế đóng mới tàu chạy nhiên liệu khí (xây dựng đề án hoán cải tàu thành tàu sử dụng nhiên liệu khí). Khi tàu có một hoặc nhiều máy chính sử dụng nhiên liệu là khí thiên nhiên thì trên tàu phải có ít nhất hai két chứa LNG có thể tích tương tự nhau.
(2) Các két chứa LNG phải đáp ứng các yêu cầu trong Phần này và các yêu cầu áp dụng của Chương 8 Phần 3 của Quy chuẩn.
(3) Độ bền của kết cấu két chứa LNG phải được xác nhận bằng tính toán có tính đến tải trọng tĩnh và tải trọng động tác động lên két chứa LNG trong quá trình vận hành tàu cũng như ảnh hưởng nhiệt của môi trường và LNG.
Khi thiết kế két chứa LNG, phải tính đến sự giãn nở (co lại) của nó do sự thay đổi nhiệt độ không khí xung quanh.
(4) Két chứa LNG phải có hai lớp vỏ: bên ngoài và bên trong. Trong trường hợp LNG rò rỉ qua lớp vỏ bên trong, lớp vỏ bên ngoài phải ngăn chặn sự giảm nhiệt độ của các kết cấu thân tàu xuống dưới các giá trị giới hạn được xác định bởi các tính toán (xem 5.2.3-3(1) và 5.2.3-3(2)), và hư hỏng của vỏ bên trong sẽ không gây ra hỏng hóc cho vỏ ngoài và ngược lại.
Cho phép thiết kế thay thế của két chứa LNG với điều kiện có đánh giá kỹ thuật (xem 1.2.5 Phần 2A của Quy chuẩn) và các yêu cầu của 5.2.3-3(1) và 5.2.3-3(2) được đáp ứng.
(5) Két chứa LNG phải được trang bị:
(a) Khay hứng ngăn LNG xâm nhập vào thân tàu trong trường hợp rò rỉ. Khay hứng phải được làm bằng thép chống ăn mòn và đáp ứng các yêu cầu áp dụng của 5.3.5-4;
(b) Van an toàn được kết nối với hệ thống thoát khí đáp ứng các yêu cầu của 5.3.1-3(1) đến 5.3.1-3(3). Phần đoạn dẫn của van phải tuân theo các yêu cầu của Quy chuẩn;
(c) Thiết bị chính và sự cố (dự phòng) để kiểm soát và duy trì áp suất và nhiệt độ của LNG;
(d) Van đóng ngắt được điều khiển từ xa đặt trong bất kỳ đường ống nào từ két chứa LNG hoặc trực tiếp trên két chứa;
(e) Thiết bị chống tràn két khi nạp LNG. Các thiết bị sẽ gửi tín hiệu cảnh báo đến trạm nạp nhiên liệu, lầu lái hoặc trạm điều khiển trung tâm khi đạt đến mức 80% và (hoặc) áp suất tối đa cho phép trong két chứa LNG, cũng như có chức năng tự động đóng van chặn trong đường ống nạp nhiên liệu (xem 5.3.5-4(2)) khi đạt đến áp suất tối đa cho phép trong két chứa LNG;
(f) Các thiết bị và hệ thống để nạp và xả két chứa LNG (xả đến khi hết sạch khí), cũng như làm trơ (nạp đầy két chứa bằng khí trơ có áp suất để thay thế oxy bên trong két chứa) bằng khí trơ và khử khí (thay thế của khí trơ bằng khí cháy được nén với việc loại bỏ tuần tự hỗn hợp khí sinh ra tới hệ thống ống thoát khí). Được phép sử dụng đường ống nạp vào để xả các két chứa LNG;
(g) Hệ thống nạp đầy két chứa LNG được thiết kế theo cách để ngăn chặn sự thoát nhiên liệu khí vào môi trường khí quyển khi nạp đầy két chứa LNG;
(h) Trang bị ít nhất một chỉ báo mức LNG sao cho có thể bảo dưỡng và sửa chữa mà không cần di chuyển két chứa LNG;
(i) Cảm biến áp suất được lắp đặt trong không gian chứa hơi nước của két chứa;
(j) Ít nhất hai chỉ báo nhiệt độ LNG, một ở đáy két chứa, chỉ báo khác ở phần trên của két chứa nhưng không thấp hơn mức nạp chất lỏng tối đa cho phép;
(k) Cảm biến phát hiện rò rỉ khí khi mất lớp làm kín bên trong vỏ (tấm chắn sơ cấp) của két chứa LNG. Cảm biến phải được lắp đặt ở phần trên của không gian giữa các thanh chắn sơ cấp và thứ cấp (vỏ ngoài) của két chứa.
2 Đường ống dẫn khí
Đường ống dẫn khí ra phải đáp ứng các yêu cầu của 5.3.1-3(1) đến 5.3.1-3(3).
3 Tải trọng thiết kế, tính toán cường độ, ứng suất cho phép, hao mòn cho phép
(1) Tải trọng thiết kế lên các két chứa LNG phải được quy định theo các yêu cầu của Chương 4 Phần 11 của Quy chuẩn, và các lực thiết kế tác động lên các giá đỡ - theo kết cấu của các giá đỡ két chứa hàng hóa được quy định trong Chương 4 Phần 11 của Quy chuẩn.
(2) Các tính toán độ bền của các bộ phận kết cấu két chứa LNG phải được thực hiện theo các yêu cầu áp dụng của Chương 4 Phần 11 của Quy chuẩn. Ứng suất cho phép phải được tính toán theo Chương 4 Phần 11 của Quy chuẩn, và giới hạn ăn mòn phải được quy định theo Chương 4 Phần 11 của Quy chuẩn.
5.2.4 Các két LPG
1 Chỉ những két tiêu chuẩn có dung tích không quá 50L tuân theo TCVN 10122:2013 (ISO 24431:2006) mới được phép sử dụng làm két chứa LPG. Áp suất làm việc trong két phải được thiết lập theo tài liệu của nhà sản xuất két và không được vượt quá 1,6 MPa.
2 Các két LPG phải được phân nhóm. Mỗi nhóm không được có nhiều hơn 4 két. Các két sẽ được nhóm thành các cụm. Sẽ có ít nhất hai cụm. Mỗi nhóm và cụm phải được trang bị một van chặn.
Các đặc tính của van chặn và đường ống của hệ thống chứa LPG phải được lựa chọn theo yêu cầu tiêu thụ và thông số làm việc lớn nhất của nhiên liệu khí cấp cho các thiết bị tiêu thụ.
3 Các két LPG phải đáp ứng các yêu cầu từ Chương 8 Phần 3 của Quy chuẩn và có nhãn sau:
(1) Nhãn hiệu hoặc tên của nhà sản xuất;
(2) Biểu tượng theo công ước của két;
(3) Số thứ tự két theo hệ thống đánh số của nhà sản xuất;
(4) Trọng lượng của két với khí, kg;
(5) Trọng lượng khô của két, kg;
(6) Thể tích của két, lít;
(7) Ngày (tháng và năm) thực hiện và đợt kiểm tra định kỳ tiếp theo;
(8) Áp suất làm việc và thử, MPa;
(9) Đóng dấu của nhà sản xuất.
4 Két chứa LPG phải được sơn màu đỏ và đánh dấu (trên phần hình trụ) với dòng chữ (Propane - Butan) với chữ trắng cao 6 cm.
5 Két chứa LPG phải được nạp khí dầu mỏ hóa lỏng không quá 85%. Không được phép nạp khí hóa lỏng vào các két chứa trên tàu biển.
5.2.5 Các van an toàn
1 Kiểu van an toàn phải là kiểu được Đăng kiểm phê duyệt.
2 Các van an toàn phải đóng sau khi kích hoạt. Khí thoát ra từ các van an toàn sẽ được đưa ra hệ thống thoát khí.
3 Đường ống dẫn khí ra khỏi van an toàn phải đáp ứng các yêu cầu của 5.3.1-3(1) đến 5.3.1-3(3).
4 Các van chặn phải được lắp trên mỗi đường ống ở trước và sau van an toàn. Ít nhất hai van an toàn phải được lắp trên két chứa để cách ly van an toàn khỏi két chứa.
5 Trong quá trình bảo dưỡng (sửa chữa) các van an toàn quy định trong 5.2.5-4, việc cách ly khỏi két chứa ít nhất một trong các van an toàn còn hoạt động phải được chặn bằng van chặn.
6 Các van an toàn còn hoạt động phải có tổng lưu lượng xả được quy định theo 5.2.5-7 với điều kiện phải ngắt một van ra khỏi két chứa.
7 Khi áp suất của két hàng cao hơn áp suất đặt trước của van an toàn không quá 20% thì tổng dung tích của van an toàn của mỗi két LNG phải bằng giá trị lớn hơn trong các giá trị sau:
(1) Lưu lượng tối đa của hệ thống nạp khí trơ, nếu áp suất làm việc đạt được tối đa của hệ thống vượt quá áp suất đặt trước của van an toàn;
(2) Lưu lượng được tính theo công thức sau, m3/s:
Q = FGA0,82
Trong đó:
Q tốc độ thể tích yêu cầu tối thiểu của quá trình xả khí ở điều kiện tiêu chuẩn T =273,15 K và p = 0,1013 MPa;
F - hệ số rủi ro cháy cụ thể cho:
F:
| Két chứa không có lớp cách nhiệt nằm trên boong | 1 |
| Két có lớp cách nhiệt nằm ở trên boong tàu | 0,5 |
| Két độc lập không có lớp cách nhiệt | 0,5 |
| Các két chứa độc lập không có lớp cách nhiệt nằm trong Khoang chứa các két chứa độc lập có lớp cách nhiệt nằm trong khoang hoặc két chứa độc lập không có lớp cách nhiệt nằm trong khoang cách ly | 0,2 |
| Các két chứa độc lập được cách nhiệt trong các hầm cách nhiệt hoặc các két chứa độc lập không được cách nhiệt trong các hầm cách nhiệt trơ | 0,1 |
| Két kiểu màng và bán màng | 0,1 |
Bể độc lập nhô ra trên boong hở F bằng tỷ lệ diện tích mặt trên boong và dưới boong
G - hệ số khí được tính theo công thức:
![]()
Với T - nhiệt độ trong quá trình xả ở áp suất bằng 120% áp suất đặt trước của van an toàn, K;
r - nhiệt ẩn của quá trình hóa hơi chất lỏng bay hơi trong quá trình kích hoạt van, kJ/kg;
D - hằng số dựa trên việc sử dụng k tỷ nhiệt riêng được tính theo công thức sau:
![]()
A - diện tích bề mặt bên ngoài của két, m2;
k - tỷ lệ nhiệt riêng trong quá trình xả; khi k chưa biết, D bằng 0,606;
Z - hệ số nén khí trong quá trình xả; khi z chưa biết, z bằng 1,0;
M - trọng lượng mol của khí hóa lỏng, kg/kmol.
Đối với các két tùy thuộc vào loại của chúng, diện tích A phải được lấy bằng:
diện tích bề mặt bên ngoài - đối với các két có hình dạng cong;
diện tích bề mặt bên ngoài mà không tính diện tích của đáy của nó - đối với các két không có hình dạng cong.
Đối với các két hàng thuộc kiểu bình chịu áp lực được bố trí thành hàng thì diện tích A được lấy bằng:
Diện tích bề mặt bên ngoài của khoang chứa không tính diện tích đáy nhô ra của nó, nếu kết cấu thân tàu được cách nhiệt;
Diện tích bề mặt bên ngoài của bình chịu áp lực bố trí thành hàng, không kể lớp cách nhiệt, không tính diện tích nhô ra của đáy nếu kết cấu bình chịu áp lực được cách nhiệt.
8 Các van an toàn phải được lắp ở phía trên của két chứa LNG và được bố trí sao cho khi két chứa đầy đến mức giới hạn, các van vẫn ở trong không gian hơi trong các điều kiện nghiêng 15° và chúi (0,0145 L)°, trong đó L - là chiều dài của tàu được đo ở mức mạn khô mùa hè, m.
9 Đối với không gian bố trí các két chứa LNG có cách nhiệt chân không và các két chứa nhiên liệu khí khác được ngăn cách với các không gian nguy hiểm cháy bằng cofferdam (khoang cách ly) hoặc được bao quanh bởi các không gian an toàn về cháy, hệ số rủi ro cháy F có thể được giảm xuống như sau:
0,25 nếu theo 5.2.5-7(2) F = 0,5;
0,1 nếu theo 5.2.5-7(2) F = 0,2.
10 Các van an toàn của két chứa và đường ống LNG nơi đặt van phải được lắp đặt sao cho tránh tích tụ chất lỏng trong van hoặc ở gần đó.
5.3 Các thiết bị và hệ thống chuẩn bị và cấp nhiên liệu khí cho các thiết bị sử dụng
5.3.1 Các yêu cầu chung
1 Các hệ thống chứa khí
(1) Hệ thống chứa khí của tàu sử dụng nhiên liệu khí phải được trang bị các bộ phận và thiết bị sau:
(a) Thiết bị xử lý khí (bộ điều áp CNG và LPG, bộ gia nhiệt LNG, máy nén LNG, bộ lọc...);
(b) Các van an toàn và van chặn;
(c) Các đường ống cung cấp nhiên liêu;
(d) Thiết bị, hệ thống báo động, bảo vệ và giám sát;
(e) Đường ống thoát khí để thoát khí và thông khí ra khí quyển;
(f) Vỏ bảo vệ và vỏ bọc ống;
(g) Bộ thiết bị và phụ tùng để lắp đặt, vận hành và sửa chữa.
(2) Thiết bị chuẩn bị và cung cấp nhiên liệu khí cho thiết bị tiêu thụ phải được bố trí sao cho có thể tiếp cận bề mặt bên ngoài của thiết bị để tạo điều kiện thuận lợi cho việc vận hành và sửa chữa.
2 Đường ống cung cấp nhiên liệu khí cho thiết bị tiêu thụ sau chuẩn bị
(1) Phải trang bị van khí chính tự động để dừng cấp nhiên liệu khí cho thiết bị tiêu thụ. Van khí chính phải được lắp bên ngoài buồng máy càng gần buồng máy càng tốt hoặc gần với thiết bị được thiết kế cho việc chuẩn bị nhiên liệu khí. Van khí chính phải được dự phòng bởi một van chặn có điều khiển bằng tay từ vị trí của nó. Được phép lắp van khí chính kết hợp giữa điều khiển bằng cả tay và tự động.
(2) Đường ống cấp nhiên liệu khí phải được lắp ba van tự động. Hai trong số chúng sẽ được gắn tuần tự trên đường ống cấp nhiên liệu khí và đường ống thứ ba - trong đường ống dẫn khí xả nhiên liệu khí vào môi trường khí quyển từ phần đó của nguồn cấp nhiên liệu khí nằm giữa các van được gắn tuần tự.
Khi thiết bị tiêu thụ nhiên liệu khí ngừng hoạt động hoặc khi xảy ra sự cố yêu cầu dừng cấp nhiên liệu khí cho thiết bị tiêu thụ, hai van tuần tự sẽ được đóng tự động và van khí đầu ra sẽ tự động mở đồng thời với việc đóng hai van tuần tự.
Một trong hai van chặn và van thoát khí có thể được kết hợp trong một hộp van được thiết kế sao cho trong trường hợp hư hỏng gây mất nguồn cấp nhiên liệu khí, đường ống cấp khí sẽ được đóng lại và đường khí ra - mở.
(3) Một phần của đường ống dẫn nhiên liệu khí giữa van khí chính và các van chặn trên đường ống cung cấp nhiên liệu khí cho thiết bị tiêu thụ phải được lắp các van an toàn đi kèm với hệ thống thoát khí.
Nếu bộ điều chỉnh áp suất nhiên liệu khí lắp ở đầu ra từ bình nhiên liệu khí được lắp van an toàn đi kèm thì không cần van an toàn ở đường ống với van khí chính.
(4) Không được phép bố trí đường ống dẫn nhiên liệu khí đi qua các trạm điều khiển, không gian sinh hoạt, không gian phục vụ, hệ thống ống thông gió và ống dẫn, hầm hàng.
(5) Cho phép bố trí các đường ống dẫn nhiên liệu khí ở những không gian không được quy định trong 5.3.1-2(4) bao gồm cả buồng máy với điều kiện thỏa mãn các yêu cầu sau:
(a) Đường ống cung cấp nhiên liệu khí cho thiết bị tiêu thụ phải được thiết kế là hệ thống đường ống dạng ống lồng ống, trong đó nhiên liệu khí được cung cấp qua các đường ống bên trong và không gian giữa đường ống bên trong và thành bên ngoài (lớp bảo vệ) chứa đầy khí trơ được nén. Áp suất của khí trơ phải lớn hơn áp suất của nhiên liệu khí bên trong;
(b) Khi hệ thống cảnh báo được kích hoạt, hai van được gắn tuần tự trên đường ống cung cấp nhiên liệu khí (xem 5.3.1-2(2)) sẽ được tự động đóng lại trước khi áp suất khí trơ giảm xuống dưới áp suất nhiên liệu khí và van thứ ba trong đường ống dẫn khí ra phải mở tự động;
(c) Áp suất khí trơ trong hệ thống đường ống phải được giám sát liên tục bằng các cảm biến của hệ thống cảnh báo;
(d) Phần bên trong của đường ống cung cấp nhiên liệu khí giữa van khí chính và thiết bị tiêu thụ khí phải được tự động lọc khí trơ khi van khí chính đóng (xem 5.3.1-2(1))
Hệ thống đường ống, các yêu cầu chính được nêu trong 5.3.1-(5)(a) đến 5.3.1- (5)(d), có thể được thay thế bằng hệ thống đường ống có thiết kế tương đương trong đó không gian giữa các thành được thông gió bằng phương pháp thông gió cưỡng bức đáp ứng các yêu cầu quy định trong 5.5.1-7.
(6) Các đường ống dẫn nhiên liệu khí có thể được lắp đặt trong một đường ống hoặc hộp dẫn được lắp với hệ thống thông gió cưỡng bức của không gian bên trong của đường ống (hộp dẫn). Hiệu quả của hệ thống thông gió phải được tính toán có tính đến tốc độ dòng chảy của nhiên liệu khí, thiết kế và vị trí của các đường ống bảo vệ (ống dẫn) và cung cấp ít nhất 30 lần lượng thay đổi không khí trong mỗi giờ. Các điều kiện sau phải được đáp ứng:
(a) Một hốc được tạo ra trong không gian giữa các vách bên trong và bên ngoài của đường ống hoặc hộp dẫn;
(b) Các cảm biến của hệ thống phát hiện khí phải được lắp đặt trong không gian thông gió giữa các đường ống. Hệ thống này có thể là một phần của hệ thống cảnh báo hoặc bảo vệ tự động của hệ thống thiết bị cung cấp nhiên liệu khí. Khi các cảm biến hoặc hệ thống cảnh báo trên được kích hoạt, các van tự động quy định trong 5.3.1-2(2) sẽ tự động đóng lại và van xả khí quy định trong 5.3.1-2(2) sẽ tự động mở;
(c) Động cơ điện phải là loại chống cháy nổ và được đặt bên ngoài đường ống hoặc hộp dẫn;
(d) Nếu hệ thống thông gió không cung cấp lưu lượng không khí cần thiết, thì van khí chính được quy định trong 5.3.1-2(1) phải tự động đóng lại. Hệ thống thông gió phải đáp ứng các yêu cầu của 5.5.1-2(5) và hoạt động liên tục khi nhiên liệu khí được cung cấp qua đường ống;
(e) Các cửa hút gió của hệ thống thông gió phải được lắp các thiết bị một chiều. Yêu cầu này là không bắt buộc, nếu cảm biến phát hiện khí được lắp đặt trong cửa hút gió;
(f) Quy trình làm trơ và khử khí được cung cấp (xem 5.2.3-1(5)(f)) cho phần của hệ thống đường ống dẫn nhiên liệu khí khi chúng được đặt trong buồng máy.
(7) Độ bền của các tấm chắn hoặc vách bảo vệ của các hộp dẫn có hệ thống thông gió cưỡng bức phải được tính toán có tính đến khả năng cháy nổ của đường ống bên trong.
(8) Đường ống dẫn nhiên liệu khí phải được làm bằng ống liền, được bảo vệ chống ăn mòn theo phương pháp đã được thống nhất với Đăng kiểm và đáp ứng các yêu cầu của Chương 9 Phần 3 của Quy chuẩn. Các đường ống này phải được đặt cách lớp vỏ ngoài của tàu một khoảng không nhỏ hơn 800 mm.
Đường ống dẫn nhiên liệu khí có thể được xuyên qua một không gian mà nhiên liệu đó không được sử dụng với điều kiện phải đáp ứng các yêu cầu của 5.4.1-1(6) và 5.4.1-1(7). Trong những không gian như vậy, không được phép sử dụng các khớp nối của đường ống và lưới chắn của chúng, cũng như lắp đặt các phụ kiện trên đường ống và lưới chắn.
Cho phép sử dụng các ống cao su-kim loại tiêu chuẩn để cung cấp nhiên liệu khí trực tiếp cho thiết bị tiêu thụ với điều kiện là các ống này đáp ứng các yêu cầu của 9.1.6 Chương 9 Phần 3 của Quy chuẩn.
(9) Các mối nối của đường ống dẫn nhiên liệu khí phải đáp ứng các yêu cầu của 9.4 Chương 9 Phần 3 của Quy chuẩn và được hàn. Mối nối ren và mối nối mặt bích chỉ được cho phép ở các đoạn nối đến thiết bị, thiết bị tiêu thụ và kết nối phụ kiện.
(10) Đường ống dẫn nhiên liệu khí phải được sơn màu vàng với các vòng màu đỏ.
3 Hệ thống đường ống thoát khí
(1) Hệ thống đường ống dẫn khí ra và việc cố định đường ống của nó phải được thiết kế để hoạt động trong mọi điều kiện nhiệt độ không khí xung quanh được quy định trong 1.3.1(3) Chương 1 Phần 3 của Quy chuẩn, cũng như dưới tải trọng phát sinh khi tàu di chuyển. Các đường ống phải được làm bằng các ống liền. Chiều dày thành ống phải được tính theo 9.2 Chương 9 Phần 3 của Quy chuẩn này.
(2) Thiết kế đường ống dẫn khí phải có các đường ống thoát khí hướng lên trên. Các đường ống phải được bảo vệ chống lại sự xâm nhập của nước mưa.
Các lỗ ra của đường ống dẫn khí phải được bố trí phía trên boong hở ở độ cao vượt qua chiều cao của lầu lái ít nhất 1 m, và các lỗ thoát của đường ống dẫn khí ra từ các van an toàn - phía trên boong hở tại chiều cao không nhỏ hơn 1/3 chiều rộng của tàu hoặc 6 m, tùy theo giá trị nào lớn hơn. Nếu tàu có trang bị khu vực vận hành, lối đi ở mũi tàu và đuôi tàu thì các lỗ thông gió phải được bố trí phía trên đó ở độ cao 6 m.
Các lỗ thoát của đường ống dẫn khí phải được bố trí cách lỗ thoát khí của buồng máy, cửa lấy gió hoặc cửa không khí gần nhất dẫn đến buồng sinh hoạt và phục vụ cũng như trạm điều khiển hoặc các không gian an toàn về khí khác không dưới 10 m.
Các tấm chắn bảo vệ phải được lắp đặt tại các lỗ thoát của hệ thống đường ống thoát khí để ngăn ngừa sự xâm nhập của các vật thể lạ.
(3) Các đường ống dẫn thoát khí ra khỏi van an toàn phải được lắp bộ phận ngăn lửa không cản trở việc giảm áp và ngăn chặn sự xâm nhập của ngọn lửa sau khi nổ. Không được phép lắp van chặn tại đường ống nối van an toàn với hệ thống đường ống thoát khí.
(4) Thay thế hoặc bổ sung cho hệ thống đường ống thoát khí quy định trong 5.3.1-3(1) đến 5.3.1-3(3), có thể áp dụng một hệ thống cung cấp hỗn hợp khí từ các đường ống khí ra đến buồng đốt của nồi hơi hoặc bộ gia nhiệt của chất truyền nhiệt hữu cơ nhiệt độ cao để sử dụng nhiên liệu khí từ các đường ống thoát khí.
4 Hệ thống khí trơ
(1) Hệ thống khí trơ (xem 5.2.2-8) được thiết kế để cung cấp khí trơ vào không gian giữa ống trong và thành ngoài (màn bảo vệ) của đường ống cung cấp nhiên liệu khí (xem 5.3.1-2(5)(a)) giữa van khí chính và thiết bị tiêu thụ nhiên liệu khí khi van khí chính đóng cũng như trong các điều quy định trong 5.2.3-1(5)(f), 5.3.5-4(3), 5.3.5-4(4) và 5.4.1-1(5).
(2) Trong hệ thống khí trơ của tàu sử dụng nhiên liệu khí, được phép sử dụng khí trơ hoặc khí nitơ (khí nitơ phải đáp ứng các yêu cầu của TCVN 3286:1979) làm công chất làm việc. Khí trơ và khí nitơ phải được chứa trên tàu trong các két có thiết kế đáp ứng các yêu cầu quy định trong 5.2.2-1 và 5.2.2-2. Thể tích khí trơ hoặc khí nitơ trên tàu phải đủ để cung cấp ít nhất ba lần làm sạch cho tất cả các hệ thống chứa khí nhiên liệu hoặc khí trơ/ nitơ.
5 Các thiết bị
(1) Các giá trị giới hạn phải được đánh dấu bằng các dấu hiệu sơn màu sáng trên thang đo của các thiết bị đo các thông số nhiên liệu khí. Các dấu hiệu có thể được đánh dấu trên kính bảo vệ của các thiết bị.
(2) Các thiết bị giám sát áp suất nhiên liệu khí phải được trang bị:
(a) Phía sau van khí chính;
(b) Phía sau từng bộ điều chỉnh áp suất (bộ giảm áp) được lắp đặt trong hệ thống. Được phép sử dụng bộ điều chỉnh áp suất (bộ giảm áp) được gắn với các dụng cụ giám sát áp suất được gắn vào vỏ của chúng ở đầu ra;
(c) Phía trước mỗi thiết bị tiêu thụ (khi sử dụng một bộ điều áp cho một nhóm thiết bị tiêu thụ).
(3) Việc giám sát các thiết bị quy định trong 5.3.1-5(2) phải được thực hiện từ trạm điều khiển thường trực.
5.3.2 Thiết bị và đường ống chứa CNG
1 Đường ống và tất cả các thiết bị khác có thể là nguồn rò rỉ CNG phải được đặt trên boong hở bên ngoài buồng máy và các khoang chứa khác.
2 Tại điểm nối cuối đường ống dẫn nhiên liệu khí với két chứa CNG phải có mối nối giãn nở để tránh hư hỏng đường ống do rung động của kết cấu tàu.
3 Phải cung cấp bộ lọc CNG để làm sạch khỏi các chất nhựa và phụ gia cơ học. Bộ lọc khí phải được đặt trong đường ống dẫn khí lên phía trên bộ giảm áp suất giai đoạn đầu. Khả năng làm sạch (thay thế) các thành phần bộ lọc mà không làm gián đoạn hoạt động của các thiết bị tiêu thụ nhiên liệu khí phải được cung cấp.
4 Khi các két chứa CNG được bố trí trong sà lan được nối với tàu đẩy bằng phương tiện ghép nối tự động, phải tính đến các yêu cầu của 5.2.2-7 và 5.2.2-8, đồng thời phải có biện pháp ngăn ngừa hư hỏng và (hoặc) giảm áp suất của đường ống cung cấp nhiên liệu khí cho tàu đẩy do thay đổi vị trí của sà lan đối với tàu đẩy. Trong trường hợp này, được phép sử dụng ống cao su- kim loại mềm tiêu chuẩn phù hợp với các yêu cầu của 9.1.6 Chương 9 Phần 3 của Quy chuẩn
5 Hai van chặn phải được lắp tuần tự ở phía trên đầu nối của đường ống cung cấp nhiên liệu khí từ các két chứa CNG trên sà lan đến tàu đẩy. Các van và đường ống này trong khu vực bố trí van phải đáp ứng các yêu cầu của 5.3.5-3(2).
6 Để ngăn chặn sự đóng băng của các bộ phận thiết bị khí do giảm nhiệt độ CNG, khí cấp cho bộ điều áp CNG phải được hâm nóng.
Để hâm nóng CNG, chỉ được phép sử dụng chất lỏng làm việc từ hệ thống hâm hoặc làm mát tuần hoàn bên trong của động cơ.
5.3.3 Thiết bị và đường ống chứa LNG
1 Đường ống
(1) Độ bền của đường ống được thiết kế để bơm LNG có nhiệt độ -110°C trở xuống phải được chứng minh bằng tính toán có xem xét tất cả các ứng suất có thể xảy ra dưới trọng lượng đường ống (bao gồm cả tải trọng gia tốc đáng kể), áp suất bên trong, sự co giãn nhiệt cũng như tải trọng phát sinh do uốn tàu đối với từng nhánh hệ thống đường ống. Độ bền của các đường ống của hệ thống chứa khí được thiết kế cho LNG có nhiệt độ trên -110°C phải đủ để cung cấp các chức năng cần thiết khi xét đến đặc điểm cấu trúc hệ thống hoặc độ cứng và lựa chọn vật liệu.
(2) Trong mỗi trường hợp trên, các trường hợp sau phải được tính đến: ứng suất nhiệt độ, hư hỏng mỏi của đường ống do rung động hoặc xung áp khi LNG được cung cấp bằng máy nén.
2 Thiết bị chuẩn bị nhiên liệu khí
(1) Thiết bị chuẩn bị nhiên liệu khí phải được bố trí trong không gian kín được trang bị hệ thống thông gió phù hợp với các yêu cầu quy định trong Phần 5, hệ thống chữa cháy cố định phù hợp với các yêu cầu quy định trong 5.7.2, cảm biến phát hiện khí, khay hứng và đường ống thoát nước để thu gom LNG rò rỉ phù hợp với các yêu cầu quy định trong 5.3.5-4.
(2) Các máy nén dùng để chuẩn bị nhiên liệu khí phải được lắp thiết bị ngắt từ xa để tắt máy từ buồng máy và trạm điều khiển chữa cháy.
Máy nén thể tích phải được lắp van an toàn nối với phía hút của máy nén. Lưu lượng của van an toàn phải đảm bảo rằng áp suất làm việc không được vượt quá 10 %.
(3) Để ngăn chặn sự đóng băng của các bộ phận thiết bị khí do giảm nhiệt độ LNG, khí cấp cho bộ điều áp LNG phải được hâm nóng. Chỉ cho phép hâm nóng LNG bằng nước nóng từ làm mát tuần hoàn bên trong động cơ hoặc từ hệ thống làm mát.
(4) Bình khử khí phải được trang bị để chứa tác nhân gia nhiệt được thải ra bên ngoài vùng nguy hiểm về khí sau khi sử dụng để làm bay hơi hoặc đốt nóng nhiên liệu khí (xem 5.3.2-6). Bình khử khí phải được lắp các cảm biến phát hiện khí như là một phần của hệ thống cảnh báo. Các lỗ thông gió của bình khử khí phải được lắp các phụ kiện chống cháy và đặt trong không gian không có các nguồn bắt lửa.
5.3.4 Thiết bị và đường ống chứa LPG
Thiết bị và đường ống chứa LPG phải đáp ứng các yêu cầu quy định trong 5.2.3-1(2), 5.2.3-1(3), 5.2.4 và 5.3.1.
5.3.5 Buồng máy nén và trạm tiếp nhận LNG
1 Các buồng máy nén của hệ thống chứa khí
(1) Các máy nén của hệ thống chứa khí phải được lắp đặt trong không gian kín đặc biệt đáp ứng các yêu cầu quy định trong 5.7.1-2, 5.7.1-4, 5.5 (nếu có) và được đặt trên boong hở bên ngoài buồng máy và các không gian khoang chứa khác.
(2) Trong trường hợp nối mát tốt, cho phép lắp đặt hệ thống nén khí trong các không gian nằm trong thân tàu với điều kiện việc tiếp cận các khoang đó đáp ứng các yêu cầu quy định trong 5.2.1-3(4).
(3) Hệ thống phòng cháy chữa cháy của các buồng máy nén phải đáp ứng các yêu cầu của Phần 5 của Quy chuẩn áp dụng cho các buồng máy loại A.
2 Trạm tiếp nhận LNG
(1) Các trạm đặc biệt để tiếp nhận LNG sẽ được trang bị trên các tàu sử dụng nhiên liệu khí. Các trạm này phải được tách biệt với các trạm điều khiển, không gian sinh hoạt, không gian phục vụ, không gian chở hàng, buồng máy và các không gian khác. Các trạm tiếp nhận LNG phải được bố trí trên các phần hở của boong, nơi có hệ thống thông gió tự nhiên ngăn ngừa sự xuất hiện của hỗn hợp khí-không khí gây nổ trong quá trình tiếp nhận LNG. Các trạm tiếp nhận LNG phải có rãnh và khay hứng để thu gom LNG rò rỉ. Các khay hứng phải được làm bằng thép hợp kim chịu lạnh. Các khay hứng phải đáp ứng các yêu cầu sau:
(a) Ở những nơi tiếp xúc giữa khay hứng và các kết cấu của tàu phải có vật liệu cách nhiệt để ngăn chặn nhiệt độ thấp trong các kết cấu này do LNG rò rỉ xâm nhập vào khay hứng;
(b) Các khay hứng phải được bố trí van thoát và đường ống để xả từ khay hứng phía trên;
(c) Thể tích của khay hứng phải đủ để giữ lại khả năng LNG rò rỉ được xác nhận bằng các tính toán;
(d) Các khay hứng phải được bố trí các đường ống thoát để thoát LNG rò rỉ trên tàu. Đường ống này phải được bố trí bên ngoài boong tàu với đầu của nó gần đường nước, không chạm nước. Đường ống có thể tháo rời và được lắp đặt trong khoảng thời gian nạp nhiên liệu khí.
(e) Khi trạm tiếp nhận LNG được bố trí trong không gian kín hoặc nửa kín thì phải đệ trình các hồ sơ kỹ thuật của trạm này cho Đăng kiểm và phải đáp ứng các yêu cầu sau:
(f) Trạm tiếp nhận LNG phải được lắp đặt hệ thống thông gió cưỡng bức;
(g) Trạm tiếp nhận LNG phải được lắp đặt hệ thống phát hiện rò rỉ (phát hiện khí, phát hiện nhiệt độ thấp);
(h) Trạm tiếp nhận LNG phải được tiếp cận thông qua các khóa khí;
(i) Trạm tiếp nhận LNG phải được giám sát bằng cách sử dụng hệ thống TV mạch kín.
(2) Trạm tiếp nhận LNG đặt trên boong hở phải được lắp đặt một trạm điều khiển để kiểm soát quá trình nạp. Trạm điều khiển phải được trang bị với khoang làm việc của người vận hành được bảo vệ chống lại các hậu quả có thể từ việc tràn nhiên liệu.
(3) Các trạm tiếp nhận LNG phải được bố trí sao cho có thể cho phép các hoạt động tiếp nhận từ cả hai mạn của tàu.
3 Tiếp nhận CNG và LPG
(1) Các trạm tiếp nhận CNG phải được bố trí trên các phần hở của boong với hệ thống thông gió tự nhiên.
(2) Mỗi đường ống tiếp nhận CNG phải được lắp hai van chặn được lắp nối tiếp nhau. Một trong các van chặn sẽ hoạt động như van sự cố, van còn lại sẽ được điều khiển từ xa từ lầu lái và trạm điều khiển tiếp nhận CNG (nếu có).
Một khớp nối nhả nhanh lắp đặt ở cuối đường ống nạp CNG sẽ được sử dụng để kết nối đường ống nhận CNG với đường ống mềm bên ngoài được dùng để nhận nhiên liệu. Loại và kích thước của đầu nối phải phù hợp với tiêu chuẩn quốc gia hoặc tiêu chuẩn, quy phạm theo thông lệ quốc tế để thực hiện các thủ tục tiếp nhận CNG.
Phần cuối của đường ống nạp đầy tàu phải được lắp một mặt chặn kín khí làm bằng vật liệu chống tia lửa. Mặt chặn phải được gắn cố định vào phần cuối của đường ống nạp đầy tàu bằng một sợi xích hoặc dây có độ dài đủ để tháo và lắp mặt chặn vào.
Một biện pháp cần cung cấp để làm sạch đường ống mềm bên ngoài được kết nối với phần cuối của đường ống nạp đầy tàu cũng như bất kỳ đoạn nào khác của đường ống này nằm giữa các van chặn hoặc bất kỳ thiết bị dừng nào khác và làm sạch két chứa CNG bằng khí trơ, sau đó thải ra các đường ống thoát khí.
Các thành phần đường ống tiếp nhận CNG được thiết kế để kết nối với đường ống trên bờ phải được làm bằng vật liệu chống tia lửa.
Trong quá trình nhận CNG từ bờ, tàu phải được nối đất theo 3.6 Chương 3 Phần 4 của Quy chuẩn sử dụng dây nối đất đặc biệt trên bờ.
(3) Các trạm tiếp nhận CNG phải được trang bị các tấm chắn bảo vệ nhiệt độ thấp làm bằng thép chịu lạnh để ngăn chặn sự xâm nhập của các dòng nhiên liệu khí vào các kết cấu thân tàu liền kề.
(4) Các két chứa LPG phải được nạp đầy trên bờ và cấp lên tàu. Yêu cầu này cũng áp dụng cho các két chứa CNG, nếu các két được sử dụng cho mục đích này.
4 Thiết bị của hệ thống tiếp nhận LNG
(1) Trạm điều khiển đặt tại trạm tiếp nhận LNG phải được trang bị các thiết bị thông tin liên lạc và báo động như quy định trong 5.9.1-3.
(2) Đường ống nạp LNG phải được lắp hai van chặn được lắp tuần tự trong khu vực mặt bích nạp. Một trong số chúng sẽ được điều khiển bằng tay ( tại chỗ). Van dừng (khẩn cấp) khác phải được điều khiển từ xa từ một nơi an toàn cho thuyền viên.
(3) Là một phần của hệ thống hỗ trợ két chứa LNG, hệ thống khí trơ sẽ được cung cấp để loại bỏ dư lượng mêtan khỏi hệ thống nạp LNG. Hệ thống phải tuân thủ các yêu cầu của 5.3.1-4(1) và 5.3.1-4(2).
(4) Phải cung cấp một khả năng để làm sạch đường ống nạp LNG cũng như bất kỳ đoạn nào khác của đường ống này nằm giữa các van chặn hoặc bất kỳ thiết bị dừng nào khác và két chứa LNG bằng phương pháp khí trơ, sau đó được xả ra các ống thoát khí.
5.4 Các thiết bị tiêu thụ nhiên liệu khí
5.4.1 Máy chính và máy phụ
1 Các yêu cầu chung
(1) Thiết kế của các động cơ (khí-diesel, pittông khí, tuabin khí) lắp trên tàu sử dụng nhiên liệu khí phải phù hợp với tiêu chuẩn quốc gia hoặc tiêu chuẩn, quy phạm theo thông lệ quốc tế. Động cơ được thiết kế để hoạt động chỉ sử dụng nhiên liệu khí với hệ thống đánh lửa bằng tia lửa (động cơ pittông khí) hoặc hoạt động luân phiên sử dụng nhiên liệu lỏng và nhiên liệu khí có hệ thống đánh lửa sau bằng cách đánh lửa phần nhiên liệu lỏng (động cơ nhiên liệu kép hoặc khí-diesel). Những điều trên phải được xác nhận bằng giấy chứng nhận của nhà sản xuất. Các động cơ được phép lắp đặt trên tàu với điều kiện có sẵn các tài liệu của Đăng kiểm xác nhận việc tuân thủ theo Quy chuẩn.
Các động cơ phụ trợ sử dụng nhiên liệu khí, được sử dụng để lai các máy phát điện của tổ máy phát điện trên tàu, có thể được lắp đặt trên tàu với điều kiện đảm bảo có thể đảm bảo duy trì mức tải cao kéo dài của các máy phát diesel trên 40% trong điều kiện hoạt động bình thường.
(2) Thiết kế của động cơ phải ngăn được sự xuất hiện nồng độ gây nổ của hơi và khí trong cacte của động cơ do sự xâm nhập của nhiên liệu khí vào khoang cacte từ các xi lanh của động cơ.
Thông hơi không gian cacte phải được trang bị bằng cách nối nó với ống nạp của động cơ. Đường ống dẫn thông hơi cacte động cơ phải được lắp với bộ phận ngăn lửa.
(3) Khi nhiên liệu khí được cấp cho các két như là một phần của hỗn hợp khí-không khí thông qua đường ống nạp chung, thiết kế của ống nạp phải đủ bền để chịu được sự nổ.
(4) Thiết kế của mỗi động cơ sử dụng nhiên liệu khí phải trang bị một đường ống thoát khí riêng biệt được lắp vào hệ thống thông gió thoát khí (làm sạch khí) đảm bảo ít nhất mười lần thay đổi không khí mỗi giờ. Đường ống thoát khí phải được trang bị phụ kiện chặn lửa.
(5) Phải trang bị các thiết bị dừng sự cố động cơ do thuyền viên kích hoạt.
Trong trường hợp động cơ dừng sự cố khi đang sử dụng nhiên liệu khí, các quy trình khử khí phải được thực hiện (xem 5.2.3-1(5)(f)) đối với động cơ, hệ thống thoát khí và đường ống cung cấp nhiên liệu khí đi liền với động cơ.
(6) Hệ thống làm mát bằng dầu và chất lỏng của động cơ sử dụng nhiên liệu khí phải được trang bị các thiết bị khử khí cho công chất làm mát bằng dầu và chất lỏng.
(7) Phải trang bị một hệ thống giám sát quá trình đốt cháy nhiên liệu khí. Phạm vi giám sát phải được quy định trên cơ sở phân tích hư hỏng cũng như phân tích các tác động hư hỏng (đối với tất cả các bộ phận của động cơ) ảnh hưởng đến quá trình cháy. Các phân tích trên phải được nêu trong tài liệu kỹ thuật của nhà sản xuất động cơ.
(8) Để phù hợp với 5.1.4-5, việc bố trí động cơ sử dụng nhiên liệu khí dầu mỏ làm nhiên liệu trong buồng máy nguy hiểm về khí (xem 5.1.2-2(7)) là bị cấm.
(9) Các máy chính và máy phát diesel của Tổ máy phát điện trên tàu (trừ máy phát diesel sự cố) phải được bố trí trong hai không gian buồng máy riêng biệt.
2 Động cơ khí-diesel (nhiên liệu kép)
(1) Các động cơ khí-diesel chính chỉ được sử dụng nhiên liệu khí, sử dụng nhiên liệu lỏng để đánh lửa (chu trình khí-lỏng) và (hoặc) chỉ với nhiên liệu lỏng phù hợp với 1.3.3 Chương 1 Phần 3 của Quy chuẩn mà không cần điều chỉnh. Động cơ khí - diesel chính phải hoạt động ổn định ở tải tương ứng với mức công suất lớn hơn 40% công suất định mức của động cơ. Các động cơ khí-diesel chính phải hoạt động để tạo tàu chạy và điều động tàu khi sử dụng cả nhiên liệu khí và nhiên liệu lỏng.
Trong quá trình vận hành ở chu trình khí-lỏng, lượng nhiên liệu lỏng cấp cho mỗi xi- lanh phải đủ để đốt cháy hỗn hợp khí-không khí trong mọi điều kiện hoạt động của động cơ khí-diesel mà nhà sản xuất cho phép.
Hệ thống quản lý vận hành động cơ khí-diesel phải ngăn chặn việc ngắt nguồn cấp nhiên liệu đánh lửa trước hoặc đồng thời với việc ngắt nguồn cấp nhiên liệu khí.
Trong các trường hợp sau đây, nhiên liệu lỏng chỉ được sử dụng: khi động cơ khí-diesel khởi động hoặc tắt máy không khẩn cấp, trong quá trình hoạt động với công suất bằng hoặc nhỏ hơn 40% công suất định mức, ở các điều kiện hoạt động thay đổi, trong quá trình điều động tàu, trong quá trình neo buộc tàu hoặc bất kỳ điều kiện nào khác liên quan đến khả năng giảm vòng quay của trục khuỷu xuống dưới mức ổn định tối thiểu.
Việc chuyển đổi từ nhiên liệu lỏng sang nhiên liệu khí và ngược lại sẽ được thực hiện tự động bởi hệ thống điều khiển của động cơ khí-diesel.
(2) Trong quá trình chuyển đổi động cơ khí-diesel chính từ nhiên liệu lỏng sang nhiên liệu khí và ngược lại, số vòng quay của trục khuỷu động cơ có thể thay đổi từ 5% đến 10%. Đối với động cơ khí-diesel dùng để dẫn động máy phát điện chính của Tổ máy phát điện lai chân vịt tàu, tốc độ thay đổi vòng quay của động cơ khí-diesel nêu trên được phép tối đa là 30 giây.
(3) Thiết kế động cơ khí-diesel phải đảm bảo động cơ hoạt động liên tục khi chỉ sử dụng nhiên liệu lỏng (hoạt động như động cơ diesel).
Trong trường hợp ngắt nguồn cấp nhiên liệu lỏng, việc cấp nhiên liệu khí cho động cơ phải dừng ngay lập tức và động cơ phải tự động dừng lại. Trong trường hợp ngắt nhiên liệu khí, động cơ sẽ tiếp tục hoạt động bằng nhiên liệu lỏng mà không yêu cầu dừng động cơ.
(4) Khi tải của động cơ khí-diesel vượt quá tải mà nhà sản xuất đảm bảo động cơ hoạt động ổn định trong chu trình khí-lỏng, thì công tắc chuyển đổi tự động từ nhiên liệu khí sang nhiên liệu lỏng và ngược lại được điều khiển bởi thuyền viên từ trạm điều khiển động cơ tại chỗ và từ xa. Các yêu cầu được quy định trong 2.4-2.5 Chương 2 Phần 3 của Quy chuẩn phải được đáp ứng trong trường hợp này.
(5) Hệ thống kiểm soát cấp nhiên liệu tự động phải có trang bị sau:
(a) Tự động chuyển động cơ khí-diesel hoạt động theo chu trình khí - lỏng sang nhiên liệu dầu lỏng (hoạt động như động cơ diesel) trong trường hợp động cơ giảm tải dưới mức tải mà nhà sản xuất bảo đảm động cơ hoạt động ổn định trong chu trình khí - lỏng;
(b) Khóa liên động ngăn việc chuyển van nhiên liệu hoạt động trong chu trình khí - lỏng khi tải động cơ thấp hơn tải mà nhà sản xuất đảm bảo động cơ hoạt động ổn định trong chu trình khí - lỏng;
(c) Tự động ngừng cấp nhiên liệu khí và chuyển sang nhiên liệu dầu lỏng khi áp suất trong hệ thống cấp nhiên liệu khí giảm xuống dưới điểm đặt áp suất;
(d) Chỉ bắt đầu cấp nhiên liệu khí cho động cơ sau khi nhiệt độ của chất lỏng làm mát của hệ thống làm mát vòng trong đạt đến điểm đặt nhiệt độ;
(e) Tự động dừng cấp nhiên liệu khí trong trường hợp động cơ tự động tắt (bao gồm kích hoạt bảo vệ tự động);
(f) Tự động dừng cấp nhiên liệu khí và chuyển sang nhiên liệu dầu lỏng khi hệ thống báo động tạo ra báo động về bất kỳ thông số được giám sát nào;
(g) Tạo xung lệnh tới hệ thống điều khiển tự động của thiết bị cấp nhiên liệu khí trong các trường hợp yêu cầu dừng cấp nhiên liệu khí cho động cơ khí-diesel (xem Bảng 12/5.2).
(6) Hệ thống báo động và chỉ thị từ xa/ tại chỗ của động cơ khí-diesel phải được bổ sung các thành phần cho:
(a) Chỉ dẫn về hoạt động thực tế sử dụng nhiên liệu khí hoặc nhiên liệu dầu lỏng trên lầu lái và tại trạm điều khiển động cơ tại chỗ;
(b) Chỉ báo áp suất nhiên liệu khí trước động cơ tại trạm điều khiển tại chỗ;
(c) Cảnh báo ánh sáng và âm thanh trên lầu lái về hoạt động của chế độ bảo vệ tự động động cơ.
3 Động cơ chỉ chạy nhiên liệu khí
(1) Quy trình khởi động động cơ pittông khí phải ngăn chặn những điều sau:
(a) Cung cấp nhiên liệu khí cho các xi lanh trước khi đánh lửa và trước khi động cơ đạt đến vòng tua tối thiểu cần thiết để đốt cháy hỗn hợp khí-không khí trong các xi lanh;
(b) Tích tụ khí không cháy và đánh lửa trong hệ thống xả trong quá trình khởi động động cơ.
(2) Nếu quá trình đốt cháy nhiên liệu không khởi động được động cơ trong vòng 10 s sau khi mở van khí, thì nó sẽ tự động đóng lại và quá trình khởi động sẽ phải dừng lại.
Sau khi động cơ khởi động không thành công, việc khởi động lần thứ hai chỉ được thực hiện sau khi làm sạch hệ thống xả và thông gió các đường ống dẫn khí ra bằng cách sử dụng lượng không khí lớn hơn ba lần thể tích của hệ thống xả cho đến tua bin tăng áp.
4 Động cơ tua bin khí
(1) Khởi động và vận hành động cơ tuabin khí có thể được thực hiện trong mọi điều kiện vận hành sử dụng cả nhiên liệu khí và nhiên liệu lỏng. Hệ thống kiểm soàt cấp nhiên liệu phải có khả năng chuyển đổi tự động từ nhiên liệu khí chuyển sang nhiên liệu lỏng và ngược lại.
(2) Phải đảm bảo hoạt động ổn định của động cơ tuabin khí mà không bị tăng áp, ngừng hoạt động hoặc tác động nhiệt trong mọi điều kiện vận hành. Tốc độ tăng tải đột ngột hoặc giảm tải phải cung cấp cho máy nén của động cơ hoạt động ổn định ở tất cả các dải hoạt động của động cơ tuabin khí.
(3) Nhiên liệu khí cấp cho động cơ tuabin khí không được có các thành phần lỏng.
(4) Phải trang bị ít nhất hai nguồn điện để khởi động động cơ tuabin khí. Động cơ điện xoay chiều phải được sử dụng làm bộ khởi động.
Khi khởi động động cơ tuabin khí, thời gian cần thiết để chuyển từ một trong các nguồn trên sang một nguồn khác không được quá 6s.
(5) Sau khi kích hoạt các van tự động được lắp đặt tuần tự quy định trong 5.3.1-2(2), động cơ tuabin khí sẽ được tự động chuyển sang nhiên liệu dầu lỏng.
Một van đóng nhanh tự động phải được đặt gần động cơ.
(6) Tất cả các động cơ tuabin khí phải được trang bị các thiết bị sau:
(a) Nhiệt kế để theo dõi nhiệt độ của khí thải;
(b) Lượng kế nhiên liệu;
(c) Cảm biến áp suất tối thiểu nhiên liệu kích hoạt hệ thống cảnh báo;
(d) Máy đo tốc độ để theo dõi vòng/ phút của rôto máy nén tuabin
(e) Cảm biến áp suất tối thiểu dầu kích hoạt hệ thống cảnh báo.
(7) Động cơ tuabin khí trong buồng máy an toàn về khí có thể được lắp đặt trong vỏ bọc kín khí phù hợp với 5.1.4-1. Trong trường hợp này, áp suất trong đường ống cung cấp nhiên liệu khí có thể vượt quá 1 MPa.
5.4.2 Nồi hơi
1 Hệ thống hút gió cưỡng bức sẽ được trang bị cho nồi hơi để hút gió theo yêu cầu về vận hành nhiên liệu khí.
2 Buồng đốt của nồi hơi không được có không gian hoặc hốc để nhiên liệu khí có thể tích tụ.
3 Các đầu đốt của nồi hơi có thể sử dụng đồng thời nhiên liệu lỏng, nhiên liệu khí hoặc nhiên liệu lỏng và khí.
4 Các đầu đốt khí phải được bố trí sao cho nhiên liệu khí được đốt cháy bằng ngọn lửa của vòi phun nhiên liệu lỏng. Khi nồi hơi sử dụng nhiên liệu khí, nguồn đánh lửa cho hỗn hợp khí-không khí phải được lắp chắc chắn cùng với đầu đốt khí. Công suất của nguồn đánh lửa đó phải đủ để đốt lại ngọn lửa ngay lập tức sau khi thông gió (làm sạch) các ống dẫn khí và lò
5 Hệ thống tự động của nồi hơi phải:
(1) Tự động ngừng cấp nhiên liệu khí khi áp suất nhiên liệu khí phía trước nồi hơi thấp hơn điểm đặt;
(2) Tự động ngừng cấp nhiên liệu khí và dừng nồi hơi khi hệ thống cảnh báo nồi hơi tạo ra cảnh báo về bất kỳ thông số đang được giám sát nào;
(3) Tự động đốt cháy nhiên liệu khí bằng cách kích hoạt vòi phun nhiên liệu lỏng, sau đó tự động tắt vòi phun nhiên liệu lỏng nếu nồi hơi chỉ sử dụng nhiên liệu khí;
(4) Tự động dừng cấp nhiên liệu khí trong trường hợp lỗi ngọn lửa;
(5) Tự động làm sạch nồi hơi và các ống dẫn khí cho phép sự thay đổi không khí ba lần trong toàn bộ thể tích của nồi và các ống dẫn khí đến đầu ra của ống khói trong thời gian ít nhất 15 giây sau bất kỳ sự cố dừng nồi hơi hoặc ngọn lửa nào;
(6) Hiển thỉ chế độ hoạt động thực tế của nồi hơi khi sử dụng nhiên liệu khí hoặc lỏng trên lầu lái và tại trạm kiểm soát tại chỗ;
(7) Tạo ra cảnh báo ánh sáng và âm thanh trên lầu lái khi kích hoạt bảo vệ tự động nồi hơi;
(8) Tạo xung lệnh tới hệ thống điều khiển tự động của thiết bị cung cấp nhiên liệu khí trong các trường hợp yêu cầu ngừng cung cấp nhiên liệu khí cho nồi hơi.
6 Nếu nồi hơi được sử dụng để đốt hoặc làm trơ cưỡng bức hỗn hợp khí-không khí từ các ống thoát khí, lò hoặc buồng đốt của nó phải được trang bị vòi phun để cung cấp hỗn hợp khí-không khí vào lò hoặc buồng đốt từ ống góp dẫn khí ra. Phải trang bị một số phương tiện để ngưng tụ hơi hoặc làm mát nước hoặc bộ gia nhiệt chất lỏng hữu cơ ở nhiệt độ cao ở đầu ra nồi hơi trong trường hợp nồi hơi tạo ra nhiều nhiệt hơn mức cần thiết cho tàu.
5.4.3 Các thiết bị tiêu thụ khác
1 Nhiên liệu khí chỉ có thể được sử dụng cho mục đích sinh hoạt như một phần của hệ thống riêng biệt và phải tuân theo các yêu cầu của Phần 5 của Quy chuẩn.
2 Nếu có khả năng sử dụng khí thiên nhiên hoặc khí dầu mỏ trên tàu sử dụng nhiên liệu khí làm nhiên liệu cho các thiết bị tiêu thụ không được quy định trong 5.4.1 đến 5.4.2, thì các việc chứng minh về hoạt động an toàn của các thiết bị tiêu thụ đó khi sử dụng nhiên liệu khí trên tàu phải được cung cấp cho Đăng kiểm.
5.5 Thông gió cho các không gian
5.5.1 Các khu vực có người thường xuyên
1 Các không gian kín, bao gồm cả buồng máy, nơi chứa các bộ phận của hệ thống chứa khí là đối tượng trong hệ thống kiểm tra tinh trạng kỹ thuật và vận hành phù hợp và các thiết bị phân tích khí cố định, phải được trang bị hệ thống thông gió cảm ứng độc lập với các hệ thống thông gió khác và được vận hành từ bên ngoài không gian.
Hệ thống thông gió phải cung cấp thông gió cho các không gian để ngăn ngừa sự xuất hiện một cách bất ngờ các khu vực không khí chết chứa hỗn hợp khí-không khí dễ nổ.
Phải thiết lập các biện pháp để khởi động hệ thống thông gió của những không gian này trước khi thuyền viên đi vào. Biển cảnh báo khởi động hệ thống thông gió phải được đặt ở lối vào của các không gian này.
2 Hệ thống thông gió của các buồng máy có động cơ đốt nhiên liệu khí và nồi hơi phải độc lập với các hệ thống thông gió phục vụ các không gian khác. Thông gió của buồng máy phải là loại cấp và thoát khí.
Thông gió tự nhiên của buồng máy phải được trang bị trong thời gian không tải.
3 Hệ thống thông gió của buồng máy và các không gian khác nằm trong vùng nguy hiểm về khí phải cung cấp ít nhất 30 lần lượng thay đổi không khí mỗi giờ.
Buồng máy và các không gian khác, nơi nồng độ hỗn hợp khí thiên nhiên với không khí có khả năng gây nổ (nồng độ thể tích của khí thiên nhiên trong không khí từ 4,4% đến 17%) hoặc hỗn hợp propan-butan với không khí (nồng độ thể tích của khí dầu mỏ trong không khí giữa 1,5% và 10%) có thể hình thành, phải được cung cấp hệ thống thông gió thoát khí khẩn cấp đáp ứng các yêu cầu của 5.5.1-13.
Sự cố đơn lẻ của các thiết bị phụ trợ hoặc các thành phần khác của hệ thống thông gió không được dẫn đến việc giảm hiệu suất của hệ thống hơn 50%. Được phép sử dụng hệ thống thông gió cho phép 15 lần lượng thay đổi không khí mỗi giờ trong điều kiện hoạt động bình thường và tự động tăng tốc độ thay đổi không khí lên đến 30 lần thay đổi không khí mỗi giờ ngay khi phát hiện có khí trong không gian.
4 Các ống thông gió thoát khí phải hút hỗn hợp khí-không khí lên trên. Các lỗ thoát khí phải được bố trí phía trên boong và theo cách đó để loại trừ khí xâm nhập vào các không gian của cấu trúc thượng tầng.
5 Các đầu mở lấy gió vào của hệ thống thông gió cho buồng máy và không gian kín an toàn về khí phải bố trí sao cho có thể lấy không khí vào từ các không gian an toàn về khí nằm cách ranh giới của vùng nguy hiểm về khí từ 1,5 m trở lên.
6 Các ống thông gió thoát khí của không gian và các khu vực nằm trong vùng khí nguy hiểm không được đi qua buồng máy, không gian sinh hoạt, phục vụ, và các trạm điều khiển.
Các ống xả của các ống dẫn này phải có bộ phận ngăn tia lửa.
7 Khi xác định hiệu suất của hệ thống thông gió hoạt động trong vùng không khí giữa các thành ống của hệ thống cấp nhiên liệu khí cho thiết bị tiêu thụ (xem 5.3.1-2(5)), các tiêu chí sau phải được xem xét đến: tốc độ dòng nhiên liệu khí, Kiểu thiết kế và vị trí của các đường ống hoặc hộp dẫn bảo vệ. Hệ thống thông gió phải đáp ứng các yêu cầu sau:
(1) Ít nhất 30 lần lượng thay đổi không khí mỗi giờ;
(2) Đầu ra các lỗ thông gió phải được bố trí ở những nơi mà khả năng bắt cháy của hỗn hợp nhiên liệu khí cháy nổ với không khí là không thể xảy ra;
(3) Đầu vào các lỗ thông gió phải được bố trí sao cho ngăn chặn sự xâm nhập của nhiên liệu khí hoặc hỗn hợp nhiên liệu khí với không khí vào hệ thống thông gió. Đầu vào Các lỗ thông gió phải được lắp thiết bị một chiều hoặc cảm biến phát hiện cháy;
(4) Hệ thống thông gió phải được kích hoạt tự động khi nhiên liệu khí được cấp cho đường ống chứa khí (bên trong). Hệ thống thông gió phải hoạt động liên tục trong quá trình cung cấp nhiên liệu khí bằng đường ống;
(5) Khi hệ thống thông gió không cung cấp được sự thay đổi không khí cần thiết, van khí chính (xem 5.3.1-2(1)) sẽ tự động đóng lại.
8 Việc thông gió cho các không gian nửa kín nằm trên boong và có các thành phần của hệ thống chứa khí bên trong được phép thực hiện biện pháp tuần hoàn khí tự nhiên bằng cách sử dụng bộ làm lệch hướng, cửa gió, v.v.
9 Hệ thống thông gió trong không gian có máy nén khí phải cung cấp khả năng thông gió cần thiết trong quá trình vận hành máy nén khí.
Hoạt động của quạt phải được giám sát thường xuyên. Trong trường hợp hệ thông gió trong buồng máy nén khí bị sự cố, một hệ thống báo động phải được kích hoạt, các tín hiệu báo động này phải có trong không gian chứa máy nén khí.
10 Trong các không gian và khu vực cần thông gió thường xuyên, một báo động phải được trang bị để cảnh báo mỗi khi hệ thống thông gió bị lỗi hoặc khả năng thông gió của nó thấp hơn bình thường (xem 4.1 và 4.2 của Bảng 12/5.2).
11 Các ống thông gió cho các không gian có máy nén khí, két chứa LNG hoặc các buồng máy phải được lắp đặt cánh chặn lửa tự động phù hợp với 5.7.1-3.
12 Động cơ điện của quạt phải được đặt bên ngoài ống thông gió.
Các quạt hút của không gian kín khí và buồng máy phải được lắp đặt bên ngoài các không gian này.
13 Hệ thống thông gió sự cố quy định trong 5.5.1-3 sẽ được tự động kích hoạt khi nồng độ khí thiên nhiên hoặc dầu mỏ trong không gian thông gió đạt 1% thể tích của nó. Việc cung cấp nhiên liệu khí cho các thiết bị tiêu thụ sẽ được ngừng đồng thời với việc kích hoạt hệ thống thông gió thoát khí khẩn cấp.
14 Các không gian nửa kín nằm trên boong hở và có các thành phần của hệ thống chứa khí bên trong cũng như các trạm tiếp nhận LNG nằm trên boong hở phải được trang bị hệ thống thông gió tự nhiên để ngăn chặn sự tích tụ nhiên liệu khí trong bất kỳ phần nào của các không gian trên hoặc các trạm.
15 Các không gian nằm trong thân tàu với các két chứa CNG hoặc LPG bên trong cũng như các trạm tiếp nhận LNG nằm trong các không gian kín hoặc nửa kín phải được trang bị hệ thống thông gió cảm ứng cung cấp ít nhất 30 lần thay đổi không khí cho mỗi giờ.
16 Khi động cơ chính hoặc động cơ phụ sử dụng nhiên liệu khí dầu mỏ, thì buồng máy đặt các động cơ đó phải được lắp thêm hệ thống thông gió bổ sung cho phần dưới của không gian.
5.5.2 Khu vực không có người thường xuyên và khu vực khác
1 Các khoang chứa và các không gian không có người thường xuyên, nơi nhiên liệu khí có thể tích tụ phải có hệ thống thông gió để ngăn chặn sự kết hợp của hỗn hợp nhiên liệu khí cháy nổ với không khí có thể tạo ra khả năng bắt lửa khi có người đi vào các không gian này.
Các quạt phải phù hợp với các yêu cầu của 5.5.1-12.
2 Các lối vào của hệ thống thông gió phục vụ không gian sinh hoạt, không gian phục vụ và trạm điều khiển không được hướng về phía khu vực nguy hiểm về khí. Chúng phải được bố trí như vậy để ngăn cản sự cảm ứng điện từ của môi chất từ các đường ống thoát khí, lỗ thông gió thoát khí của không gian nguy hiểm về khí, các ống xả của động cơ khí và nồi hơi.
5.6 Kiểm soát khí trong các không gian
5.6.1 Các yêu cầu chung
1 Các không gian nằm trong khu vực nguy hiểm về khí (bao gồm cả buồng máy và các không gian chứa CNG, LNG hoặc LPG) phải được trang bị hệ thống giám sát khí cố định.
2 Các buồng máy nguy hiểm về khí phải được lắp đặt với hai hệ thống giám sát khí độc lập.
3 Cảnh báo bằng âm thanh và ánh sáng phải được kích hoạt trong không gian có cảm biến phát hiện khí thiên nhiên/ dầu mỏ và trên lầu lái nếu nồng độ khí trong không khí đạt 0,5% thể tích của không gian.
Việc cung cấp nhiên liệu khí cho buồng máy phải được tự động dừng và cảnh báo sẽ được kích hoạt đồng thời khi nồng độ khí thiên nhiên/ dầu mỏ trong không khí đạt đến 1% thể tích của không gian tại bất kỳ điểm đo nào.
4 Vị trí lắp đặt các cảm biến của hệ thống giám sát khí cũng như số lượng của chúng sẽ được nhà thiết kế lựa chọn cho từng không gian tùy thuộc vào kích thước, cấu hình và sự sẵn có của các phương tiện kỹ thuật hoặc thiết bị khác trong không gian cũng như đặc điểm, sự hiện diện và hướng của luồng không khí.
5 Thông tin về nồng độ khí thiên nhiên/ dầu mỏ nhận được từ các cảm biến phải được chỉ báo tại trạm điều khiển.
6 Có thể sử dụng thiết bị cầm tay (quy định trong 5.6.1-7) để giám sát khí của các không gian trong vùng khí nguy hiểm ngoại trừ các khoang máy móc và khoang chứa kín với các két chứa CNG hoặc LPG, nếu thiết bị này đã được thuyền viên sử dụng trước khi vào không gian và cứ sau 30 phút trong thời gian ở trong không gian ấy.
7 Ngoài các hệ thống giám sát khí cố định (5.6.1-1), mỗi tàu chở nhiên liệu khí phải được trang bị ít nhất hai bộ thiết bị giám sát khí cầm tay.
Các thiết bị phải được cung cấp để cho phép lấy mẫu không khí từ các không gian trong vùng khí nguy hiểm bằng cách sử dụng thiết bị cầm tay khi ở bên ngoài các không gian đó.
8 Phải sử dụng các cảm biến chống cháy nổ với mạch điện an toàn về bản chất.
9 Thiết kế các bộ phận của hệ thống phát hiện rò rỉ khí phải cho phép thử nghiệm và hiệu chuẩn chúng mà không làm ngừng hoạt động của toàn bộ hệ thống.
10 Hệ thống giám sát khí phải được cấp nguồn từ hai nguồn điện (nguồn chính và nguồn sự cố) và được trang bị các thiết bị đảm bảo tự động chuyển từ nguồn chính sang nguồn sự cố trong trường hợp mất điện áp trên mạng lưới điện chính.
11 Các ống thông gió nơi đặt đường ống của hệ thống chứa khí (xem 5.3.1-2(6)) cũng như các thân và vỏ thông gió phải được lắp cảm biến phát hiện khí. Các cảm biến này có thể là một phần của hệ thống cảnh báo hoặc hệ thống phát hiện tự động của thiết bị cung cấp nhiên liệu khí. Các yêu cầu của 5.3.1-2(2) phải được đáp ứng khi các cảm biến hoặc hệ thống cảnh báo nêu trên được kích hoạt.
12 Thiết bị cầm tay (như quy định trong 5.6.1-6 và 5.6.1-7) có thể được sử dụng để giám sát khí ngẫu nhiên của buồng sinh hoạt, phục vụ và các không gian khác bên ngoài vùng khí nguy hiểm.
5.7 Phòng cháy và chữa cháy
5.7.1 Kết cấu chống cháy
1 Kết cấu chống cháy của tàu sử dụng nhiên liệu khí phải đáp ứng các yêu cầu của Phần 5 của Quy chuẩn này cũng như các yêu cầu của 5.7.1-2 đến 5.7.1-7.
2 Các không gian để chứa CNG, LNG hoặc các két chứa LPG, các không gian và khu vực khác trong khu vực khí độc hại cũng như các ống thông gió phục vụ các không gian đó phải được tách biệt với các không gian sinh hoạt, phục vụ, hàng hóa và buồng máy với khoang cách ly hoặc kết cấu chống cháy cấp A-60. Các không gian để chứa CNG, LNG hoặc các két chứa LPG có thể được ngăn cách với các không gian khác (nguy cơ cháy thấp) bằng các kết cấu chống cháy cấp A-0.
Các két chứa nhiên liệu khí đặt trên boong hở phải được tách biệt với các không gian sinh hoạt, phục vụ, hàng hóa và buồng máy bằng một tấm chắn thích hợp phù hợp với các yêu cầu đối với kết cấu chống cháy cấp A-60.
Không gian để chứa các két LNG không được liền kề với buồng máy. Nếu không gian để chứa két LNG được tách biệt với buồng máy bằng khoang cách ly thì phải bổ sung thêm kết cấu chống cháy cấp A-60.
3 Các ống thông gió xuyên qua các bộ phận chống cháy phải được lắp các cánh chặn lửa tự động, khả năng chịu lửa của nó bằng với khả năng chịu lửa của bộ phận này.
4 Nếu tàu sử dụng nhiên liệu khí có nhiều hơn một buồng máy hoặc không gian chứa các két LNG thì các không gian này phải được ngăn cách với nhau bằng các kết cấu chống cháy cấp A-60.
5 Đường ống của hệ thống chứa khí phải được lắp bộ phận ngăn lửa để ngăn ngọn lửa lan rộng.
6 Phần cuối của đường ống nạp LNG phải được trang bị một tấm chắn kín khí làm bằng vật liệu chống tia lửa.
7 Các chốt cửa và nắp lỗ trong không gian nguy hiểm cũng như các thành phần của đường ống nạp được thiết kế để kết nối với đường ống trên bờ phải được làm bằng vật liệu chống tia lửa.
Lớp sơn phủ sàn trong các không gian nguy hiểm phải ngăn chặn sự hình thành tia lửa. Các dụng cụ để dự định dùng trong khu vực nguy hiểm cũng như thiết bị và trang phục của thuyền viên trong khu vực đó phải là loại an toàn về tia lửa.
5.7.2 Thiết bị chữa cháy và hệ thống chữa cháy
1 Các yêu cầu chung
(1) Hệ thống chữa cháy cũng như phụ tùng và dụng cụ của hệ thống và trang phục bảo hộ phòng cháy chữa cháy của tàu sử dụng nhiên liệu khí phải tuân theo các yêu cầu của Chương 4 Phần 5 và Chương 4 Phần 11 cho tàu chở xô khí hóa lỏng của Quy chuẩn.
(2) Buồng máy và không gian bên trong thân tàu nơi đặt các két chứa CNG, LNG hoặc LPG cũng như các không gian kín khác của vùng khí nguy hiểm phải được trang bị hệ thống chữa cháy cố định phù hợp với các yêu cầu của Phần 5 của Quy chuẩn.
(3) Phải có hệ thống dập cháy cố định cho buồng máy và các không gian nơi đặt các bộ phận của hệ thống chứa nhiên liệu khí.
Khi tính toán thể tích thiết kế của không gian được bảo vệ, thể tích của thiết bị đặt trong không gian sẽ không được loại trừ khỏi tổng thể tích của không gian.
(4) Một bình chữa cháy bột khô với ít nhất 5 kg bột phải được đặt tại mỗi trạm tiếp nhận LNG và ở lối vào không gian buồng máy.
(5) Các không gian đặt các bộ phận của hệ thống chứa khí phải được lắp đặt hệ thống báo cháy tự động và hệ thống dập cháy tự động khi có báo động cháy.
(6) Ngoài các hệ thống chữa cháy quy định trong Chương 4 Phần 5 của Quy chuẩn Các tàu sử dụng nhiên liệu khí sử dụng LNG phải được trang bị hệ thống chữa cháy phun nước áp lực và hệ thống chữa cháy bằng bột khô.
2 Hệ thống chữa cháy phun nước áp lực
(1) Để ngăn cháy lan, bảo vệ và làm mát bề mặt két chứa LNG cũng như bề mặt và kết cấu của các không gian nằm trong vùng nguy hiểm về khí, các tàu sử dụng nhiên liệu khí phải được lắp đặt hệ thống phun nước áp lực. Hệ thống này phải đáp ứng các yêu cầu của 4.4 chương 4 Phần 5 của Quy chuẩn và 5.7.2-2(2) đến 5.7.2-2(5).
(2) Hệ thống chữa cháy phun nước áp lực phải cung cấp mật độ nước cấp như sau trên các bề mặt được bảo vệ quy định trong 5.7.2-2(1):
(a) cho các bề mặt nằm ngang - 10 L/phút trên 1 m2;
(b) cho các bề mặt thẳng đứng - 4 L/phút trên 1 m2.
Khi kết cấu không có các bề mặt ngang hoặc thẳng đứng riêng biệt, khả năng của hệ thống phải được lấy bằng giá trị lớn nhất trong các giá trị sau:
|
| Khi tính theo diện tích bề mặt |
| 10 L/phút trên 1 m2 | nằm ngang |
| 4 L/phút trên 1 m2 | Thực tế |
(3) Công suất của các bơm phục vụ hệ thống chữa cháy phun nước áp lực phải đủ để đồng thời cấp nước đến tất cả các khu vực.
Nếu các bơm của hệ thống chữa cháy bằng nước được sử dụng cho hệ thống chữa cháy phun nước áp lực, thì lưu lượng và cột áp của bơm phải được tính toán cho hoạt động nối chung của cả hai hệ thống.
Nếu được chấp thuận về mặt kỹ thuật, bơm dằn, bơm vệ sinh hoặc bơm hút khô cũng như bất kỳ bơm nước ngoài tàu nào khác có thể được sử dụng trong hệ thống chữa cháy phun nước áp lực với điều kiện lưu lượng và cột áp của bơm đáp ứng các yêu cầu của phần này.
(4) Đường ống phun nước áp lực chính phải được lắp các van chặn để cách ly các phần bị hư hỏng của hệ thống.
Nếu hệ thống chữa cháy phun nước áp lực được chia thành hai hoặc nhiều phần có thể được kích hoạt độc lập với nhau, thì không cần van chặn. Các bộ điều khiển phải được đặt trong một không gian (khu vực) an toàn về khí và không hạn chế tiếp cận.
(5) Việc điều khiển từ xa các van và bơm phục vụ hệ thống chữa cháy phun nước áp lực phải có sẵn từ một nơi an toàn về khí mà có thể tiếp cận tự do.
3 Hệ thống chữa cháy bằng bột khô
(1) Các vị trí của trạm tiếp nhận LNG bao gồm các khu vực có thể xảy ra tràn LNG phải được lắp đặt hệ thống chữa cháy bằng bột khô. Hệ thống này phải tuân thủ các yêu cầu tại 11.4 Phần 8D của QCVN 21:2015/BGTVT và các sửa đổi bổ sung.
5.8 Thiết bị điện
5.8.1 Các yêu cầu chung
1 Các không gian nguy hiểm trên các tàu sử dụng nhiên liệu khí bao gồm (ngoài các không gian được quy định trong 1.1.4 Chương 1, Phần 4 của Quy chuẩn) phần thể tích bên trong của các đường ống thoát khí và các hộp thông ra và vào cho các không gian trong vùng nguy hiểm về khí.
2 Mức độ bảo vệ của thiết bị điện được lắp đặt trong không gian khí độc nguy hiểm của khu vực khí nguy hiểm không được thấp hơn quy định trong 4.2 Chương 4 Phần 4 của Quy chuẩn đối với không gian thuộc loại thích hợp (TCVN 10888-0:2015, IEC 60079-0:2011).
Trong các khoang chứa két chứa khí, có thể có các tuyến cáp và có thể lắp đặt các thiết bị báo động và chỉ báo kiểu chống cháy nổ phù hợp với Quy chuẩn liên quan với vỏ cấp “n” hoặc chống cháy nổ, cũng như truyền động điện cho các van của đường ống có vỏ chống cháy nổ.
3 Tất cả các cáp đi qua các không gian và khu vực nguy hiểm về khí phải được đặt trong các ống thép liền mạch, kín khí. Cáp nối với thiết bị điện chống cháy nổ không được có các mạch điện liên quan đến thiết bị điện không được bảo vệ chống nổ và phải được bố trí theo nhánh riêng.
4 Các biện pháp bảo vệ cơ học bằng kim loại đối với cáp đặt trên boong dâng và đi qua các khu vực nguy hiểm phải được nối đất ở cả hai đầu của mỗi bảo vệ (vỏ, ống thép, vỏ lưới thép bện).
5 Những thiết bị sau sẽ được cấp điện từ các thanh cái của bảng điện chính:
(1) Bảng điện cho thiết bị báo động khí thiên nhiên/ dầu mỏ trong không khí;
(2) Bảng điện cho các thiết bị điều khiển và báo động của các thiết bị cung cấp nhiên liệu khí cho các thiết bị tiêu thụ;
(3) Bảng điện quạt phục vụ không gian nguy hiểm bằng khí, hộp thông gió và kênh thông gió, quạt dùng cho thiết bị điện chống cháy nổ kiểu “n”.
6 Những thiết bị tiêu thụ sau sẽ được cấp điện từ các thanh cái của bảng điện sự cố:
(1) Bảng báo động khí thiên nhiên/ dầu mỏ;
(2) Bảng điện của các quạt của thiết bị điện phòng nổ kiểu “p”.
7 Khởi động quạt điện phục vụ các không gian nguy hiểm về khí phải được khóa liên động với việc mở cửa vào các không gian này và khởi động thiết bị điện trong các không gian này, sao cho không thể vào các không gian này và khởi động thiết bị điện trước khi quạt khởi động và hoạt động trong một thời gian cần thiết cho mười lần thay đổi không khí trong không gian.
8 Các động cơ điện của máy nén trong hệ thống chứa khí phải được đặt bên ngoài phòng máy nén và được ngăn cách với chúng bằng vách ngăn kín nước.
9 thống chiếu sáng của các không gian và khu vực nguy hiểm về khí phải được chia thành ít nhất hai mạch được cung cấp từ các bảng điện riêng biệt.
10 Các mạch chiếu sáng của các không gian và khu vực nguy hiểm về khí phải được trang bị các công tắc hai cực đặt bên ngoài các không gian và khu vực nguy hiểm về khí này.
11 Các thiết bị chiếu sáng của các không gian và khu vực nguy hiểm về khí phải là loại chống cháy nổ.
12 Các thiết bị điện gây ra sự hình thành tia lửa phải được đặt sao cho chúng không bị thổi bởi không khí thông gió, có thể bị trộn lẫn với khí thiên nhiên bị rò rỉ.
13 Thiết bị điện đặt trong không gian có thể tiếp cận thông qua các khóa khí phải là loại chống cháy nổ. Được phép sử dụng thiết bị điện không là kiểu chống cháy nổ nếu thiết bị điện tự động ngắt mạch khi áp suất không khí trong không gian giảm xuống bằng khí quyển và sau đó việc kích hoạt thiết bị được ngăn chặn cho đến khi đạt được áp suất dư được quy định cho không gian này.
14 Quạt thông gió được trang bị truyền động điện mà tạo áp suất dư trong các khóa khí, thì các không gian được bảo vệ bằng khóa khí và trong vỏ của thiết bị điện chống cháy nổ - không được sử dụng cho các mục đích khác.
15 Nghiêm cấm lắp đặt các thiết bị phân phối điện trong các không gian có khóa khí.
16 Các thiết bị nối đất chống tĩnh điện phải được trang bị trong các không gian và khu vực nguy hiểm về khí để bảo vệ chống lại sự hình thành tia lửa có thể do tĩnh điện gây ra. Các thiết bị này phải được đặt bên ngoài các không gian và khu vực nguy hiểm về khí.
17 Các két chứa LNG và đường ống của hệ thống chứa khí phải được nối đất có xét đến các yêu cầu của 3.6 Chương 3 Phần 4 của Quy chuẩn. Điện trở cách điện giữa đường ống và vỏ tàu không được vượt quá 0,1
.
18 Phải cung cấp các thiết bị tự động đóng van khí chính khi mất chân không hoặc trong trường hợp mất điện cấp cho các quạt thông gió của hệ thống thông gió thoát khí của các hộp thông gió nơi đặt các đường ống của hệ thống chứa khí (xem 5.3.1-2(5) và 5.3.1-2(6)), và trong trường hợp mất điện cấp cho các thiết bị và dụng cụ là một phần của thiết bị cấp nhiên liệu khí.
5.9 Tự động hóa
5.9.1 Phạm vi chức năng của hệ thống tự động hóa
1 Các hệ thống và thiết bị tự động hóa và các thành phần của chúng được sử dụng trên tàu sử dụng nhiên liệu khí phải đáp ứng các yêu cầu áp dụng được quy định trong Chương 14 Phần 3 của Quy chuẩn.
Ngoài các yêu cầu của Phần này, các yêu cầu sau phải được đáp ứng: 5.2.3-1(5)(e), 5.3.1-2(1), 5.3.1-2(2), 5.3.1-2(5)(b), 5.3.1-2(5)(d), 5.3.1-4(2), 5.4.1-2(3) đến 5.4.1-2(6), 5.4.1-3(2), 5.4.1-4(1), 5.4.1-4(5), 5.5.1-3, 5.5.1-7(4), 5.5.1-7(5), 5.5.1-10, 5.5.1-11, 5.5.1-13, 5.6.1-3, 5.6.1-10, 5.7.1-3, 5.7.2-1(5), 5.8.1-7, 5.8.1-13, 5.8.1-18.
2 Phạm vi chức năng của hệ thống báo động và bảo vệ của tàu sử dụng nhiên liệu khí, ngoài các chức năng được quy định trong Chương 14 Phần 3 của Quy chuẩn phải tuân theo các yêu cầu của Bảng 12/5.2 bất kể ký tự 'A' có trong ký hiệu cấp tàu.
Bảng 12/5.2 - Phạm vi chức năng bổ sung của hệ thống báo động và bảo vệ của tàu sử dụng nhiên liệu khí


Bảng 12/5.2 - Phạm vi chức năng bổ sung của hệ thống báo động và bảo vệ của tàu sử dụng nhiên liệu khí (tiếp theo)
| Thông số được giám sát, giá trị hoặc sự kiện của nó khi hệ thống báo động và (hoặc) bảo vệ được kích hoạt | Hệ thống cảnh báo | Kiểu bảo vệ | ||
| Tự động đóng van khí chính | Tự động cắt cấp nhiên liệu khí cho tb tiêu thụ | |||
| 2.4 Lỗi nguồn cấp: |
|
|
| |
| .1 thiết bị và dụng cụ của thiết bị cung cấp nhiên liệu khí; | + | + | - | |
| .2 cơ cấu chấp hành của các van chặn tự động | + | + | - | |
| 2.5 cơ cấp chấp hành của các van chặn tự động 2 trong đường ống khí cấp đến thiết bị tiêu thụ | + | + | - | |
| 2.6 cơ cấu chấp hành của van khí chính | + | - | - | |
| 3 thiết bị thiêu thụ nhiên liệu khí |
|
|
| |
| 3.1 máy chính: kích hoạt của hệ thống cảnh báo máy để phản hồi các thông số sau: | + | - | + | |
| .1 van khí bị kẹt mở trong kim phun khí của bất kỳ xi lanh nào; | + | - | + | |
| .2 đánh lửa sai vòi phun nhiên liệu hoặc bugi trong bất kỳ xi lanh nào; | + | - | + | |
| .3; nhiệt độ của khí thải tại đầu ra bất kì xy lanh nào, tối đa | + | - | + | |
| .4 áp suất đốt cháy trong bất kỳ xi lanh nào, tối đa 3.2 nồi hơi: | + | - | + | |
| .1 kích hoạt hệ thống báo động của lò hơi để đáp ứng với bất kỳ thông số được giám sát nào; | + | - | + | |
| .2 mất ngọn lửa khi vận hành bằng nhiên liệu khí | + | - | + | |
| 4 hệ thống thông gió |
|
|
| |
| 4.1 Lỗi thông gió (thông gió kém hiệu quả) trong các không gian hoặc khu vực cần thông gió thường xuyên | + | - | + | |
| 4.2 Mất chân không hoặc nguồn cung cấp điện của quạt thông gió cung cấp hệ thống thông gió thoát khí của các ống dẫn nơi đặt đường ống dẫn nhiên liệu khí | + | - | + | |
| 5 kiển sóat khí trong không gian |
|
|
| |
| 5.1 Nồng độ khí trong không khí của không gian được giám sát đạt 0,5% thể tích của không gian | + | - | - | |
| 5.2 Nồng độ khí trong không khí của không gian được giám sát đạt 1,0% thể tích của không gian | + | - | + | |
| 6 Hệ thống cứu hỏa |
|
|
| |
| 6.1 Cháy trong các không gian nằm trong vùng khí độc nguy hiểm hoặc trong các ống thông gió của các không gian; | + | - | + | |
| 6.2 cháy trong không gian có CNG, LNG hoặc LPG. | + | + | - | |
| 7 Thiết bị của hệ thống tiếp nhận LNG |
|
| ||
| 7.1 Đóng khẩn cấp van chặn trong đường ống nạp CNG/ LNG (xem 3.5.8 và 3.5.12) | + | - | - | |
| 1 Thông số được giám sát cho từng thiết bị tiêu thụ nhiên liệu khí. |
|
|
| |
| 2 Nó được cung cấp cho mỗi thiết bị tiêu thụ nhiên liệu khí trong trường hợp hệ thống điều khiển bị lỗi do sự cố của ít nhất một trong ba van quy định trong 3.1.4 hoặc do vi phạm trình tự hoạt động của van. | ||||
| Giá trị tối thiểu và lớn nhất của các thông số hệ thống cảnh báo và bảo vệ được quy định trong 1.2, 2.1, 2.2, 2.3 và 3.1 được thiết lập bởi các nhà sản xuất sản phẩm, thiết bị và hệ thống | ||||
3 Các tín hiệu của hệ thống cảnh báo quy định tại Mục 1.2 - 1.3 của Bảng 12/5.2 phải được hiển thị đồng thời tại trạm điều khiển của trạm nạp/ cấp LNG và tại lầu lái. Tín hiệu hệ thống cảnh báo quy định tại Mục 1.3.2 của Bảng 12/5.2 phải được hiển thị tại trạm điều khiển của trạm tiếp nhận LNG.
Tín hiệu hệ thống báo động được chỉ định trong các mục 2.3 và 2.5 của Bảng 12/5.2 phải được hiển thị tại các trạm điều khiển tại chỗ, các tín hiệu của hệ thống cảnh báo quy định tại Mục 5.1 và 5.2 của Bảng 12/5.2 sẽ được hiển thị tại lầu lái các tín hiệu quy định tại Mục 2.1 - 2.3, 2.4.2, 2.5, 3.1, 3.2, 4.1, 4.2, 6.1, 6.2 và 7.1 của Bảng 12/5.2 phải được hiển thị đồng thời tại trạm điều khiển tại chỗ và lầu lái.
4 Ngoài các yếu tố của hệ thống báo động và bảo vệ, các bảng điều khiển của lầu lái và trạm điều khiển trung tâm trong khu vực máy, thông tin sau sẽ được hiển thị:
(1) Kích hoạt máy nén;
(2) Hoạt động của từng động cơ sử dụng nhiên liệu khí;
(3) Hoạt động của nồi hơi;
(4) Tự động dừng mỗi động cơ;
(5) Dừng khẩn cấp từng động cơ;
(6) Kích hoạt bảo vệ tự động của mỗi động cơ;
(7) Dừng hoạt động nồi hơi;
(8) Kích hoạt hệ thống dập lửa.
Trong các trường hợp quy định trong 5.9.1-4(4) đến 5.9.1-4(7), tự động dừng cung cấp nhiên liệu khí cho các thiết bị tiêu thụ.
5 Hệ thống chứa khí của tàu sử dụng nhiên liệu khí phải được lắp các thiết bị có chức năng tự động đóng van khí chính khi tất cả các thiết bị tiêu thụ nhiên liệu khí ngừng hoạt động cũng như trong trường hợp có sự cố quy định tại 2.1.4, 2.1.5, 2.2 và 2.3 của Bảng 12/5.2.
6 Thiết kế của van chặn tự động bao gồm van khí chính phải có khả năng tự động đóng van trong trường hợp mất nguồn điện trong các bộ chấp hành của chúng.
Các van thoát khí tự động sẽ mở trong trường hợp mất nguồn điện trong các bộ chấp hành.
7 Ngoài các cảm biến của hệ thống cảnh báo giám sát các thông số quy định trong 2.1.1 - 2.1.3 của Bảng 12/5.2, các máy nén được sử dụng để chuẩn bị khí phải được trang bị:
(1) Thiết bị ngắt tự động trong trường hợp tác động của các van tự động được định vị tuần tự đóng ngắt nguồn cung cấp khí cho thiết bị;
(2) Thiết bị cung cấp chức năng tự động dừng máy nén trước khi tác động van an toàn chân không của két chứa LNG.
8 Động cơ tuabin khí phải được trang bị các thiết bị tự động dừng khi nhiệt độ của khí thải cao bất thường.
5.10 Bảo vệ thuyền viên
5.10.1 Các yêu cầu chung
1 Các không gian trong khu vực tồn tại khí độc nguy hiểm phải được bố trí sao cho có thể tiếp cận tự do và an toàn vào các không gian đó cho các thuyền viên mặc trang phục bảo hộ. Tất cả các van cần thiết để điều khiển vận hành phải có thể tiếp cận được đối với các thuyền viên mặc trang phục bảo hộ.
2 Tàu có hệ thống thiết bị chứa khí được lắp đặt trong không gian kín phải được trang bị ít nhất hai bộ trang phục bảo hộ phù hợp để đi vào an toàn trong không gian chứa đầy khí thiên nhiên/ dầu mỏ và làm việc trong những không gian này. Trang phục này phải được đặt ở những vị trí thích hợp được thể hiện trong cách bố trí trang phục sinh tồn trên tàu.
Sỹ quan trực ca phải được trang bị máy đo khí cầm tay.
3 Trang phục bảo hộ được đề cập trong 5.10.1-2 phải bao gồm:
(1) Dụng cụ thở khép kín hoạt động bằng khí nén, với bình có dung tích từ 1,2 m3 khí đã lọc tự do (hỗn hợp thở) trở lên. Mỗi két phải có một lớp phủ bảo vệ để ngăn chặn tia lửa khi tiếp xúc với các bề mặt kim loại. Được phép sử dụng thiết bị thở khép kín khác với thiết bị vận hành bằng khí nén với điều kiện thiết bị đó đảm bảo hoạt động của con người trong không gian chứa đầy khí thiên nhiên/ dầu mỏ trong thời gian ít nhất 30 phút. Thiết bị như vậy cũng phải có lớp phủ bảo vệ để tránh phát ra tia lửa khi tiếp xúc với bề mặt kim loại;
(2) Quần áo bảo hộ, giày dép, găng tay làm bằng vật liệu chống tĩnh điện và kính bảo hộ;
(3) Qây an toàn lõi thép có thắt lưng loại an toàn thực chất;
(4) Đèn phòng nổ;
(5) Máy dò khí độc hại.
4 Đối với các thiết bị thở được đề cập trong 5.10.1-3(1), phải cung cấp các két chứa khí dự phòng có tổng dung tích ít nhất là 3,6 m3 không khí tự do cho mỗi thiết bị.
5 Các thiết bị khí nén của thiết bị thở phải được kiểm tra sự phù hợp với các yêu cầu của Quy chuẩn và được thử nghiệm theo qui định có liên quan.
6 Giày chuyên dụng dành cho các thuyền viên phải ngăn được sự hình thành tia lửa.
7 Tàu phải được trang bị các thiết bị y tế và phương tiện sơ cứu để cấp cứu những người bị thương do hỏa hoạn, bỏng lạnh hoặc nhiễm độc do khí thiên nhiên/ dầu mỏ hoặc các sản phẩm cháy không hoàn toàn gây ra.
III - QUY ĐỊNH VỀ QUẢN LÝ
1.1 Các tàu thuộc phạm vi điều chỉnh nêu tại 1.1 Chương 1 Mục I của Quy chuẩn này phải được phân cấp và kiểm tra theo các quy định tại Phần 1B Mục II của Quy chuẩn này trong thiết kế, đóng mới, hoán cải, sửa chữa, nhập khẩu, xuất khẩu và khai thác, bao gồm cả chế tạo các sản phẩm công nghiệp lắp đặt trên tàu.
1.2 Cơ quan đăng kiểm thực hiện kiểm tra các tàu thuộc phạm vi điều chỉnh của Quy chuẩn này là cơ quan đăng kiểm Việt Nam, gồm: Cục Đăng kiểm Việt Nam, các Chi cục, Chi nhánh đăng kiểm thuộc Cục Đăng kiểm Việt Nam, các đơn vị đăng kiểm thuộc Sở Giao thông vận tải.
1.3 Việc kiểm tra theo quy định của Quy chuẩn này do cơ quan đăng kiểm thực hiện không thay thế việc quản lý chất lượng của các tổ chức kiểm tra chất lượng ở các cơ sở thiết kế tàu, cơ sở đóng tàu, cơ sở chế tạo sản phẩm cũng như việc quản lý chất lượng của chủ tàu.
1.4 Các giấy chứng nhận
1.4.1 Hồ sơ thiết kế kỹ thuật theo quy định tại 2.2, 2.4, 2.5, 2.7, 2.8 Chương 2 Phần 1B Mục II của Quy chuẩn này sau khi được thẩm định và xác nhận thoả mãn các quy định của Quy chuẩn này sẽ được cấp Giấy chứng thẩm định thiết kế phương tiện thuỷ nội địa theo quy định tại 1.5.1 Mục này.
1.4.2 Hồ sơ thiết kế kỹ thuật theo quy định tại 3.7.3 Phần 1B Mục II của Quy chuẩn này sau khi được thẩm định và xác nhận thoả mãn các quy định của Quy chuẩn này sẽ được cấp Giấy chứng thẩm định thiết kế sản phẩm công nghiệp sử dụng cho phương tiện thuỷ nội địa theo quy định tại 1.5.2 Mục này.
1.4.3 Các tàu sau khi được kiểm tra theo quy định tại Chương 2, Chương 4 Phần 1B Mục II và được xác nhận đã thoả mãn các yêu cầu của Quy chuẩn này sẽ được trao cấp theo quy định tại Chương 3 Phần 1A Mục II và cấp Giấy chứng nhận an toàn kỹ thuật và bảo vệ môi trường theo quy định tại 1.5.3 Mục này
1.4.4 Giấy chứng nhận sản phẩm công nghiệp sử dụng cho phương tiện thủy nội địa được cấp theo theo quy định tại 1.5.4 Mục này như sau:
1 Các yêu cầu về chứng nhận đối với các sản phẩm được nêu trong Bảng 1B/3.1 Phần 1B Mục II của Quy chuẩn này, trừ sản phẩm chứng nhận theo yêu cầu của tổ chức, cá nhân. Giấy chứng nhận sẽ được cấp sau khi hoàn thành kiểm tra đơn chiếc hoặc hàng loạt sản phẩm.
2 Đối với sản phẩm được sản xuất đơn chiếc, Đăng kiểm sẽ cấp giấy chứng nhận sản phẩm sau khi thỏa mãn các yêu cầu 3.7.3, 3.7.5, 3.7.6 Phần 1B Mục II của Quy chuẩn này.
3 Đối với các sản phẩm được công nhận kiểu dự định lắp đặt trên tàu, những sản phẩm này phải thỏa mãn tất cả các quy định liên quan của Quy chuẩn. Nếu quy chuẩn yêu cầu, các sản phẩm này phải được cấp giấy chứng nhận sản phẩm như sau:
(1) Chỉ trong trường hợp Quy chuẩn yêu cầu phải có sự có mặt của đăng kiểm viên, bao gồm cả việc thử đối với các sản phẩm được công nhận kiểu tại một giai đoạn thích hợp trong quá trình chế tạo, Đăng kiểm sẽ cấp giấy chứng nhận sản phẩm sau khi hoàn thành việc kiểm tra và thử theo yêu cầu, trừ khi có các quy định liên quan khác.
(2) Nếu Quy chuẩn quy định các sản phẩm đã được công nhận kiểu có thể được sử dụng trên các tàu với điều kiện chúng có giấy chứng nhận sản phẩm, khi các sản phẩm này được sản suất ổn định, luôn thỏa mãn các yêu cầu của Quy chuẩn, Đăng kiểm sẽ kiểm tra và cấp giấy chứng nhận sản phẩm cho các sản phẩm đó khi Cơ sở chế tạo cung cấp cho Đăng kiểm danh mục các sản phẩm được xuất xưởng và tất cả các hồ sơ liên quan cần thiết để cấp giấy chứng nhận sản phẩm. Trong trường hợp này, cơ sở chế tạo phải chịu trách nhiệm về sự phù hợp của sản phẩm với các yêu cầu đã định.
4 Trừ khi có các quy định khác, các sản phẩm riêng lẻ được chế tạo ngay tại nhà máy đóng mới, sửa chữa tàu và được sử dụng cho chính tàu được đóng mới, sửa chữa ở đó và đã được đăng kiểm viên kiểm tra thì không cần cấp giấy chứng nhận sản phẩm công nghiệp cho các sản phẩm đó.
1.4.5 Các tàu sau khi được kiểm tra theo quy định tại 3.8 Phần 1B Mục II thì sẽ được cấp Giấy chứng nhận kiểu sản phẩm công nghiệp sử dụng cho phương tiện thủy nội địa theo quy định tại 1.5.4 Mục này
1.5 Thủ tục cấp giấy chứng nhận
1.5.1 Thủ tục cấp Giấy chứng nhận thẩm định thiết kế phương tiện thủy nội địa thực hiện theo quy định tại Điều 9 của Thông tư số 48/2015/TT-BGTVT (đã được sửa đổi, bổ sung bởi Thông tư số 16/2023/TT-BGTVT). Giấy chứng nhận thẩm định thiết kế phương tiện thủy nội địa theo các biểu mẫu số III.04 đến III.08 Phụ lục III ban hành kèm theo Thông tư số 20/2022/TT-BGTVT.
1.5.2 Thủ tục cấp Giấy chứng thẩm định thiết kế sản phẩm công nghiệp sử dụng cho phương tiện thuỷ nội địa thực hiện theo quy định tại Điều 9 của Thông tư số 48/2015/TT-BGTVT (đã được sửa đổi, bổ sung bởi Thông tư số 16/2023/TT-BGTVT). Giấy chứng nhận thẩm định thiết kế sản phẩm công nghiệp sử dụng cho phương tiện thủy nội địa theo mẫu số IV.02 Phụ lục IV ban hành kèm theo Thông tư số 20/2022/TT-BGTVT.
1.5.3 Thủ tục cấp Giấy chứng nhận an toàn kỹ thuật và bảo vệ môi trường phương tiện thủy nội địa thực hiện theo quy định tại Điều 10 của Thông tư số 48/2015/TT-BGTVT (đã được sửa đổi, bổ sung bởi Thông tư số 16/2023/TT-BGTVT). Giấy chứng nhận an toàn kỹ thuật và bảo vệ môi trường phương tiện thủy nội địa theo các mẫu số III.01, III.03, III.09 và Giấy chứng nhận đi một chuyến theo quy định tại mẫu số III.02 Phụ lục III ban hành kèm theo Thông tư số 20/2022/TT-BGTVT.
1.5.4 Thủ tục cấp Giấy chứng nhận sản phẩm công nghiệp sử dụng cho phương tiện thủy nội địa, Giấy chứng nhận kiểu sản phẩm công nghiệp sử dụng cho phương tiện thủy nội địa thực hiện theo quy định tại Điều 12 của Thông tư số 48/2015/TT-BGTVT (đã được sửa đổi, bổ sung bởi Thông tư số 16/2023/TT-BGTVT). Giấy chứng nhận sản phẩm công nghiệp sử dụng cho phương tiện thủy nội địa theo mẫu số IV.03 Phụ lục IV ban hành kèm theo Thông tư số 20/2022/TT-BGTVT. Giấy chứng nhận kiểu sản phẩm công nghiệp sử dụng cho phương tiện thủy nội địa theo quy định tại mẫu số IV.01 Phụ lục IV ban hành kèm theo Thông tư số 20/2022/TT-BGTVT.
1.5.5 Tập hợp các tài liệu nêu tại 2.2.2-4(2) và 2.2.2-4(4) Phần 1B Mục II của Quy chuẩn này có thể được sử dụng tương đương với Sổ chứng nhận thể tích chiếm nước theo quy định tại điểm đ khoản 1 Điều 13 của Thông tư số 48/2015/TT-BGTVT (đã được sửa đổi, bổ sung bởi Thông tư số 16/2023/TT-BGTVT).
1.6 Thời hạn giấy chứng nhận
1.6.1 Thời hạn của giấy chứng nhận an toàn kỹ thuật và bảo vệ môi trường tương ứng với thời hạn của các đợt kiểm tra nêu tại Chương 2 Phần 1A Mục II của Quy chuẩn này.
1.6.2 Thời hạn của giấy chứng nhận công nhận kiểu không quá 5 năm.
1.7 Rút cấp
1.7.1 Cơ sở để rút cấp
Đăng kiểm sẽ rút cấp của tàu và thông báo cho chủ tàu khi xảy ra một trong các trường hợp sau:
1 Trong trường hợp mà Đăng kiểm nhận được báo cáo từ cơ quan có thẩm quyền khẳng định phương tiện không đảm bảo an toàn kỹ thuật và bảo vệ môi trường;
2 Tàu không còn sử dụng vì đã giải bản, chìm hoặc trạng thái kỹ thuật không còn phù hợp với yêu cầu của Quy chuẩn qua kết quả kiểm tra theo quy định ở Chương 4 Phần 1B Mục II của Quy chuẩn này;
3 Chủ tàu không thực hiện các yêu cầu của Đăng kiểm đưa ra trong hồ sơ kiểm tra của Đăng kiểm;
4 Tàu không được đưa vào kiểm tra đúng thời hạn quy định của Quy chuẩn này;
5 Chủ tàu không trả phí, lệ phí kiểm định.
1.7.2 Bảo lưu của Đăng kiểm
Trong các trường hợp 1.7.1-3, 1.7.1-4, 1.7.1-5, Đăng kiểm có thể rút cấp cho đến khi các yêu cầu nêu tại 1.7.1-3, 1.7.1-4, 1.7.1-5 được thực hiện theo quy định.
1.8 Phục hồi cấp tàu
Theo đề nghị của chủ tàu, Đăng kiểm có thể tiến hành kiểm tra đặc biệt để phục hồi cấp tàu đối với tàu đã bị rút cấp. Khối lượng kiểm tra trong từng trường hợp theo quy định của Quy chuẩn này tùy thuộc vào tuổi tàu, lý do mà tàu bị rút cấp, cũng như công dụng và vùng hoạt động của nó.
1.9 Lưu trữ hồ sơ trên tàu
1.9.1 Trên tàu phải lưu trữ các hồ sơ sau:
1 Giấy chứng nhận an toàn kỹ thuật và bảo vệ môi trường nêu tại 1.5.3.
2 Các tài liệu hướng dẫn bao gồm thông báo ổn định cho thuyền trưởng, hướng dẫn xếp hàng, sổ tay chằng buộc hàng hóa, sổ tay chở hàng hạt, kế hoạch ứng cứu ô nhiễm dầu của tàu, kế hoạch ứng cứu ô nhiễm của tàu do chở các chất lỏng độc hại, kế hoạch chuyển tải dầu giữa tàu với tàu.
3 Các tài liệu nêu tại 1 và 2 trên (nếu có) phải được trình cho Đăng kiểm xem xét khi có yêu cầu.
IV TRÁCH NHIỆM CỦA TỔ CHỨC, CÁ NHÂN
1.1 Cục Đăng kiểm Việt Nam, Chi cục Đăng kiểm có trách nhiệm
1.1.1 Giám sát kỹ thuật
Thực hiện giám sát kỹ thuật các tàu thuộc phạm vi điều chỉnh của Quy chuẩn này theo quy định tại Thông tư số 48/2015/TT-BGTVT (đã được sửa đổi, bổ sung bởi Thông tư số 16/2023/TT-BGTVT).
1.1.2 Triển khai thực hiện
Triển khai thực hiện các quy định của Quy chuẩn này đối với các chủ tàu, người khai thác tàu, cơ sở thiết kế, cơ sở đóng tàu, cơ sở chế tạo sản phẩm, các đơn vị đăng kiểm thuộc hệ thống Đăng kiểm Việt Nam trong phạm vi cả nước.
1.1.3 Rà soát và cập nhật Quy chuẩn
Thực hiện rà soát, sửa đổi, bổ sung và cập nhật Quy chuẩn này theo định kỳ hàng năm.
1.2 Các đơn vị đăng kiểm thuộc các Sở Giao thông vận tải
Thực hiện giám sát kỹ thuật các tàu thuộc phạm vi điều chỉnh của Quy chuẩn này theo quy định tại Thông tư số 48/2015/TT-BGTVT (đã được sửa đổi, bổ sung bởi Thông tư số 16/2023/TT-BGTVT).
1.3 Các cơ sở thiết kế
1.3.1 Trong quá trình thiết kế tàu phải tuân thủ đầy đủ các quy định của Quy chuẩn này.
1.3.2 Cung cấp đầy đủ thành phần hồ sơ thiết kế kỹ thuật theo yêu cầu và thủ tục thẩm định thiết kế theo quy định tại 1.5.1 và 1.5.2 Mục III của Quy chuẩn này.
1.3.3 Phải thực hiện kiểm tra, khảo sát tàu thực tế trước khi tiến hành lập thiết kế lập hồ sơ cho phương tiện nhập khẩu (trừ mô tô nước nhập khẩu để sử dụng cho mục đích thể thao, vui chơi giải trí) hoặc phương tiện đã đóng không có sự giám sát của đăng kiểm (bao gồm phương tiện làm nhiệm vụ quốc phòng, an ninh, tàu cá chuyển đổi thành phương tiện thuỷ nội địa) và lập hồ sơ thiết kế hoán cải.
1.3.4 Chịu trách nhiệm về tính chính xác của các số liệu trong hồ sơ thiết kế kỹ thuật, phương pháp và quá trình tính trong hồ sơ thiết kế kỹ thuật, tính hợp pháp của các hồ sơ, tài liệu theo quy định.
1.4 Các cơ sở đóng mới, hoán cải, sửa chữa phương tiện thuỷ nội địa
1.4.1 Phải đảm bảo tiêu chuẩn chất lượng, an toàn kỹ thuật và bảo vệ môi trường khi tiến hành đóng mới, hoán cải và sửa chữa tàu. Đối với các tàu đóng mới, hoán cải phải tuân thủ theo đúng hồ sơ thiết thiết kế kỹ thuật được cơ quan Đăng kiểm thẩm định.
1.4.2 Chịu sự kiểm tra giám sát của cơ quan Đăng kiểm về chất lượng, an toàn kỹ thuật và bảo vệ môi trường trong quá trình đóng mới, hoán cải và sửa chữa tàu.
1.5 Chủ tàu
1.5.1 Phải chấp hành các quy định về đăng kiểm tàu, có trách nhiệm duy trì trạng thái kỹ thuật và bảo vệ môi trường của tàu giữa hai kỳ kiểm tra của cơ quan Đăng kiểm, bảo dưỡng các thiết bị theo quy định hiện hành, đưa tàu vào kiểm tra đúng kỳ hạn theo các yêu cầu của Quy chuẩn này và phải chuẩn bị đầy đủ các điều kiện để đưa tàu vào kiểm tra; không tự ý hoán cải, sửa chữa tàu khi chưa có thiết kế kỹ thuật của tàu được cơ quan Đăng kiểm thẩm định; không lắp đặt lên tàu các sản phẩm không phải là các kiểu loại áp dụng cho phương tiện thủy.
1.5.2 Phải thông báo cho Đăng kiểm biết mọi sự cố, vị trí hư hỏng, việc sửa chữa hư hỏng giữa hai lần kiểm tra đối với các hạng mục được quy định tại Quy chuẩn này và các quy chuẩn kỹ thuật quốc gia có liên quan của phương tiện thủy nội địa.
1.5.3 Cung cấp hồ sơ thiết kế đã được thẩm định theo quy định tại Chương 2 Phần 1B Mục II của Quy chuẩn này cho Đăng kiểm khi kiểm tra phương tiện đóng mới, lần đầu, hoán cải.
1.5.4 Phải có mặt hoặc ủy quyền cho người đại diện tại phương tiện khi cơ quan Đăng kiểm kiểm tra phương tiện; cung cấp cho cơ quan Đăng kiểm các tài liệu liên quan theo quy định tại các Điều 10, 11 và 12 của Thông tư số 48/2015/TT-BGTVT.
1.6 Các tổ chức, cá nhân nhập khẩu, xuất khẩu
Phải đảm bảo tàu và sản phẩm dùng để đóng tàu được nhập khẩu, xuất khẩu tuân thủ các quy định của Quy chuẩn này, các quy chuẩn kỹ thuật quốc gia có liên quan của phương tiện thủy nội địa và các quy định của pháp luật về nhập khẩu, xuất khẩu hàng hóa.
V - TỔ CHỨC THỰC HIỆN
1.1 Cục Đăng kiểm Việt Nam là cơ quan có trách nhiệm tổ chức thực hiện Quy chuẩn này, cụ thể:
1.1.1 Tổ chức thống nhất trong phạm vi cả nước về giám sát kỹ thuật, phân cấp và đăng ký kỹ thuật các tàu thuộc phạm vi điều chỉnh Quy chuẩn này trong thiết kế, đóng mới, hoán cải, sửa chữa, nhập khẩu, xuất khẩu, khai thác, kể cả trong chế tạo các sản phẩm công nghiệp sử dụng trên tàu.
1.1.2 Tổ chức in ấn, phổ biến, kiểm tra áp dụng Quy chuẩn đối với các tổ chức và cá nhân có liên quan thuộc đối tượng áp dụng của Quy chuẩn này.
1.2 Căn cứ vào các yêu cầu quản lý phương tiện, thực tế áp dụng Quy chuẩn, Cục Đăng kiểm Việt Nam kiến nghị Bộ Giao thông vận tải sửa đổi, bổ sung Quy chuẩn khi cần thiết.
1.3 Quy chuẩn này áp dụng với tàu có giai đoạn bắt đầu đóng mới vào hoặc sau ngày thông tư ban hành Quy chuẩn này có hiệu lực. Ngoại trừ Chương 4 Phần 1B Mục II áp dụng đối với phương tiện tại đợt kiểm tra duy trì cấp tàu đầu tiên vào hoặc sau ngày thông tư ban hành Quy chuẩn này có hiệu lực.
1.4 Trong trường hợp các văn bản quy định, tài liệu, tiêu chuẩn được viện dẫn trong Quy chuẩn này có sự thay đổi, bổ sung hoặc thay thế thì thực hiện theo quy định trong văn bản, tài liệu, tiêu chuẩn mới.
PHỤ LỤC I QUY ĐỊNH VỀ VÙNG HOẠT ĐỘNG CỦA TÀU
1 Vùng SB
Vùng SB là các tuyến vận tải đường thủy nội địa ven bờ biển, từ bờ ra đảo, nối giữa các đảo do Bộ trưởng Bộ Giao thông vận tải công bố, tổ chức quản lý khai thác, cách bờ hoặc nơi trú ẩn không quá 12 hải lý.
2 Vùng SI
Vùng SI được quy định là các vùng nước, tuyến vận tải sau:
(1) Tuyến Cửa Ông - Móng Cái;
(2) Tuyến Hải Phòng - đảo Cát Bà (kênh Cái Tráp - vịnh Hạ Long - đảo Cát Bà);
(3) Vịnh Hạ Long - đảo Cát Bà;
(4) Các vụng, vịnh kín (trừ vùng nước trong vịnh Hạ Long và vịnh Bái Tử Long).
(5) Từ các cửa sông đổ ra biển trở vào đất liền.
3 Vùng SII
Vùng SII được quy định là các vùng nước, tuyến vận tải sau:
|
| (1) | Tuyến Hải Phòng - Hòn Gai (Hải Phòng - kênh Cái Tráp - Hòn Gai); |
| (2) | Tuyến Hòn Gai - Cửa Ông; | |
| (3) | Vùng nước trong vịnh Hạ Long và vịnh Bái Tử Long; | |
| (4) | Các kênh, rạch, hồ, đầm, phá; các sông có chiều cao sóng đáng kể Hs được xác định theo quy định tại 3.3 Chương 3 Phần 1A Mục II không quá 0,80 m. |
4 Vùng SIII
Các kênh, rạch, hồ, đầm, phá và các sông có chiều cao sóng đáng kể Hs được xác định theo quy định tại 3.3 Chương 3 Phần 1A Mục II không quá 0,40 m.
PHỤ LỤC II THƯỚC NƯỚC
1 Mỗi thước nước phải tuân thủ các yêu cầu sau đây (xem Hình II.1):
(1) Thước nước phải được thể hiện bằng chữ số Ả rập biểu thị khoảng cách theo phương thẳng đứng cao hơn so với đường chuẩn.
(2) Thước nước phải được đặt sao cho mép dưới của mỗi số trùng với chiều chìm tương ứng.
(3) Các số của thước nước phải được đặt sao cho mép dưới của các số cách nhau 200 mm.
(4) Kích thước thực tế của các số phải sao cho hình chiếu vào mặt phẳng thẳng đứng bằng 100 mm.
(5) Ngay phía sau của chữ số tại mỗi mét chiều chìm và tại chữ số cao nhất của thước nước phải có chữ “M”.
(6) Đối với các tàu có giá trị lớn nhất của thước nước nhỏ hơn 1 mét thì các giá trị thước nước phải thể hiện bằng chữ số thập phân dạng 0.2; 0.4; 0,6; 0.8M.

Hình II.1 - Quy cách thước nước
2 Ví dụ thước nước được gắn ở hai bên mạn, ở cả phía mũi và phía đuôi thể hiện tại Hình II.2 dưới đây.

Hình II.2 - Ví dụ vị trí gắn thước nước ở phía mũi và phía đuôi.
PHỤ LỤC III HỆ SỐ K1 TRONG TÍNH TOÁN DUNG TÍCH TÀU
| V (m3) | K1 | V (m3) | K1 | V (m3) | K1 | V (m3) | K1 |
| 10 | 0,2200 | 45000 | 0,2931 | 330000 | 0,3104 | 670000 | 0,3165 |
| 20 | 0,2260 | 50000 | 0,2940 | 340000 | 0,3106 | 680000 | 0,3166 |
| 30 | 0,2295 | 55000 | 0,2948 | 350000 | 0,3109 | 690000 | 0,3168 |
| 40 | 0,2320 | 60000 | 0,2956 | 360000 | 0,3111 | 700000 | 0,3169 |
| 50 | 0,2340 | 65000 | 0,2963 | 370000 | 0,3114 | 710000 | 0,3170 |
| 60 | 0,2356 | 70000 | 0,2969 | 380000 | 0,3116 | 720000 | 0,3171 |
| 70 | 0,2369 | 75000 | 0,2975 | 390000 | 0,3118 | 730000 | 0,3173 |
| 80 | 0,2381 | 80000 | 0,2981 | 400000 | 0,3120 | 740000 | 0,3174 |
| 90 | 0,2391 | 85000 | 0,2986 | 410000 | 0,3123 | 750000 | 0,3175 |
| 100 | 0,2400 | 90000 | 0,2991 | 420000 | 0,3125 | 760000 | 0,3176 |
| 200 | 0,2460 | 95000 | 0,2996 | 430000 | 0,3127 | 770000 | 0,3177 |
| 300 | 0,2495 | 100000 | 0,3000 | 440000 | 0,3129 | 780000 | 0,3178 |
| 400 | 0,2520 | 110000 | 0,3008 | 450000 | 0,3131 | 790000 | 0,3180 |
| 500 | 0,2540 | 120000 | 0,3016 | 460000 | 0,3133 | 800000 | 0,3181 |
| 600 | 0,2556 | 130000 | 0,3023 | 470000 | 0,3134 | 810000 | 0,3182 |
| 700 | 0,2569 | 140000 | 0,3029 | 480000 | 0,3136 | 820000 | 0,3183 |
| 800 | 0,2581 | 150000 | 0,3035 | 490000 | 0,3138 | 830000 | 0,3184 |
| 900 | 0,2591 | 160000 | 0,3041 | 500000 | 0,3140 | 840000 | 0,3185 |
| 1000 | 0,2600 | 170000 | 0,3046 | 510000 | 0,3142 | 850000 | 0,3186 |
| 2000 | 0,2660 | 180000 | 0,3051 | 520000 | 0,3143 | 860000 | 0,3187 |
| 3000 | 0,2695 | 190000 | 0,3056 | 530000 | 0,3145 | 870000 | 0,3188 |
| 4000 | 0,2720 | 200000 | 0,3060 | 540000 | 0,3146 | 880000 | 0,3189 |
| 5000 | 0,2740 | 210000 | 0,3064 | 550000 | 0,3148 | 890000 | 0,3190 |
| 6000 | 0,2756 | 220000 | 0,3068 | 560000 | 0,3150 | 900000 | 0,3191 |
| 7000 | 0,2769 | 230000 | 0,3072 | 570000 | 0,3151 | 910000 | 0,3192 |
| 8000 | 0,2781 | 240000 | 0,3076 | 580000 | 0,3153 | 920000 | 0,3193 |
| 9000 | 0,2791 | 250000 | 0,3080 | 590000 | 0,3154 | 930000 | 0,3194 |
| 10000 | 0,2800 | 260000 | 0,3083 | 600000 | 0,3156 | 940000 | 0,3195 |
| 15000 | 0,2835 | 270000 | 0,3086 | 610000 | 0,3157 | 950000 | 0,3196 |
| 20000 | 0,2860 | 280000 | 0,3089 | 620000 | 0,3158 | 960000 | 0,3196 |
| 25000 | 0,2880 | 290000 | 0,3092 | 630000 | 0,3160 | 970000 | 0,3197 |
| 30000 | 0,2895 | 300000 | 0,3095 | 640000 | 0,3161 | 980000 | 0,3198 |
| 35000 | 0,2910 | 310000 | 0,3098 | 650000 | 0,3163 | 990000 | 0,3199 |
| 40000 | 0,2920 | 320000 | 0,3101 | 660000 | 0,3164 | 1000000 | 0,3200 |
Chú thích: Các hệ số K1 ứng với các giá trị trung gian của V được xác định bằng phương pháp nội suy tuyến tính.
Bạn chưa Đăng nhập thành viên.
Đây là tiện ích dành cho tài khoản thành viên. Vui lòng Đăng nhập để xem chi tiết. Nếu chưa có tài khoản, vui lòng Đăng ký tại đây!














