- Tổng quan
- Nội dung
- Quy chuẩn liên quan
- Lược đồ
- Tải về
Quy chuẩn kỹ thuật quốc gia QCVN 97:2025/BGTVT Thiết bị nâng trên các công trình biển
| Số hiệu: | QCVN 97:2025/BGTVT | Loại văn bản: | Quy chuẩn Việt Nam |
| Cơ quan ban hành: | Bộ Giao thông Vận tải | Lĩnh vực: | Giao thông , Công nghiệp |
| Trích yếu: | Thiết bị nâng trên các công trình biển | ||
|
Ngày ban hành:
Ngày ban hành là ngày, tháng, năm văn bản được thông qua hoặc ký ban hành.
|
14/02/2025 |
Hiệu lực:
|
Đã biết
|
| Người ký: | Đang cập nhật |
Tình trạng hiệu lực:
Cho biết trạng thái hiệu lực của văn bản đang tra cứu: Chưa áp dụng, Còn hiệu lực, Hết hiệu lực, Hết hiệu lực 1 phần; Đã sửa đổi, Đính chính hay Không còn phù hợp,...
|
Đã biết
|
TÓM TẮT QUY CHUẨN VIỆT NAM QCVN 97:2025/BGTVT
Nội dung tóm tắt đang được cập nhật, Quý khách vui lòng quay lại sau!
Tải quy chuẩn Việt Nam QCVN 97:2025/BGTVT
|
CỘNG HÒA XÃ HỘI CHỦ NGHĨA VIỆT NAM
QCVN 97:2025/BGTVT QUY CHUẨN KỸ THUẬT QUỐC GIA VỀ
National technical regulation
HÀ NỘI – 2025 |
Lời nói đầu
Quy chuẩn kỹ thuật quốc gia về thiết bị nâng trên các công trình biển, mã số QCVN 97:2025/BGTVT thay thế cho QCVN 97:2016/BGTVT, do Cục Đăng kiểm Việt Nam biên soạn, Bộ Khoa học và Công nghệ thẩm định, Bộ trưởng Bộ Giao thông vận tải ban hành theo Thông tư số 10/2025/TT-BGTVT ngày 14 tháng 2 năm 2025.
QUY CHUẨN KỸ THUẬT QUỐC GIA VỀ
THIẾT BỊ NÂNG TRÊN CÁC CÔNG TRÌNH BIỂN
National technical regulation
for lifting appliances on offshore units
| MỤC LỤC | Trang |
Lời nói đầu………………………………………………………………………………..……………2
Mục lục………………………………………………………………………………………………….3
I Quy định chung…………………………………………………….…………………..……………5
1.1 Phạm vi điều chỉnh…………………………………………………………………………………5
1.2 Đối tượng áp dụng…………………………………………………………………………………5
1.3 Tài liệu viện dẫn…………………………………………………………………..……………….5
1.4 Giải thích từ ngữ……………………………………………………………………………………6
II Quy định kỹ thuật…………………………………………………………………………………...7
Chương 1 Quy định chung…………………………………………………………………………….7
1.1 Quy định chung…………………………………………………………………………………….7
1.2 Giải thích thuật ngữ………………………………………………………………………………..7
1.3 Hồ sơ kỹ thuật xuất trình Đăng kiểm thẩm định……………………………………………….12
Chương 2 Cần trục…………………………………………………………………………..………15
2.1 Phạm vi áp dụng………………………………………………………………………………….15
2.2 Đơn vị và ký hiệu…………………………………………………………………………………15
2.3 Tải trọng…………………………………………………………………………………………...16
2.4 Kết cấu…………………………………………………………………………………………….30
2.5 Thiết bị……………………………………………………………………………………………..32
2.6 Tải định mức………………………………………………………………………………………54
2.7 Các điều kiện quá tải toàn bộ……………………………………………………………………59
2.8 Yếu tố tác động đến con người - sức khỏe, độ an toàn và môi trường……………………..61
2.9 Yêu cầu trong chế tạo……………………………………………………………………………70
2.10 Công nhận thiết kế ……………………………………………………………………………..74
Chương 3 Thang máy………………………………………………………………………………..76
3.1 Phạm vi áp dụng………………………………………………………………………………….76
3.2 Đơn vị, ký hiệu và chữ viết tắt…………………………………………………………………..76
3.3 Vị trí lắp đặt và điều kiện hoạt động của thang máy……………………………………………78
3.4 Giếng thang máy………………………………………………………………………………….79
3.5 Phòng máy và phòng pu ly………………………………………………………………………86
3.6 Cửa tầng…………………………………………………………………………………………..90
3.7 Cabin và đối trọng………………………………………………………………………………...97
3.8 Kiểu treo, cáp bù, cơ cấu an toàn và bộ điều chỉnh vượt tốc đối với thang máy điện…..106
3.9 Kiểu treo, phòng chống rơi tự do, sự quá tốc và trôi cabin đối với thang máy thủy lực …112
3.10 Ray dẫn hướng, giảm chấn và công tắc giới hạn hành trình……………………………..121
3.11 Khoảng cách giữa cabin và vách, giữa cabin và đối trọng……………………………….129
3.12 Máy dẫn động cho thang máy điện………………………………………………………….129
3.13 Máy dẫn động, xy lanh và các thiết bị thủy lực khác đối với thang máy thủy lực………134
3.14 Thiết bị điện và lắp đặt………………………………………………………………………..149
3.15 Bảo vệ chống hư hỏng - Điều khiển - Ưu tiên……………………………………………….154
3.16 Báo hiệu và hướng dẫn sử dụng…………………………………………………………….162
Chương 4 Kiểm định………………………………………………………………………………..167
4.1 Quy định chung………………………………………………………………………………….167
4.2 Kiểm định các thiết bị nâng…………………………………………………………………….167
4.3 Kiểm định lần đầu……………………………………………………………………………….168
4.4 Kiểm định hàng năm………………………………………………………………...………….169
4.5 Thử tải……………………………………………………………………………………………171
4.6 Chứng nhận, đóng dấu…………………………………………………………………………173
III Quy định quản lý………………………………………………………………………………..176
IV Trách nhiệm của các tổ chức, cá nhân…………………………………………………….177
V Tổ chức thực hiện……………………………………………………………………………….178
QUY CHUẨN KỸ THUẬT QUỐC GIA VỀ
THIẾT BỊ NÂNG TRÊN CÁC CÔNG TRÌNH BIỂN
National technical regulation
for lifting appliances on offshore units
I QUY ĐỊNH CHUNG
1.1 Phạm vi điều chỉnh
Quy chuẩn này quy định các yêu cầu an toàn kỹ thuật, an toàn lao động về thiết kế, chế tạo, hoán cải, sửa chữa, nhập khẩu, khai thác, các yêu cầu về quản lý, kiểm tra, kiểm định, chứng nhận an toàn kỹ thuật đối với thiết bị nâng trên các công trình biển (“thiết bị nâng trên các công trình biển” sau đây trong Quy chuẩn này viết tắt là “thiết bị nâng”).
1.2 Đối tượng áp dụng
Quy chuẩn này áp dụng đối với các tổ chức và cá nhân có hoạt động liên quan đến thiết bị nâng thuộc phạm vi điều chỉnh nêu tại mục 1.1.
1.3 Tài liệu viện dẫn
1.3.1 Nghị định số 44/2016/NĐ-CP ngày 15 tháng 5 năm 2016 của Chính phủ quy định chi tiết một số điều của Luật An toàn, vệ sinh lao động về hoạt động kiểm định kỹ thuật an toàn lao động, huấn luyện an toàn, vệ sinh lao động và quan trắc môi trường lao động (sau đây viết tắt là Nghị định số 44/2016/NĐ-CP).
1.3.2 Thông tư số 33/2011/TT-BGTVT ngày 19 tháng 04 năm 2011 của Bộ trưởng Bộ Giao thông vận tải quy định về thủ tục cấp giấy chứng nhận chất lượng an toàn kỹ thuật và bảo vệ môi trường thiết bị, thiết bị thăm dò, khai thác và vận chuyển dầu khí trên biển (sau đây viết tắt là Thông tư số 33/2011/TT-BGTVT).
1.3.3 Thông tư số 20/2022/TT-BGTVT ngày 29 tháng 07 năm 2022 của Bộ trưởng Bộ Giao thông vận tải quy định về các biểu mẫu giấy chứng nhận, sổ an toàn kỹ thuật và bảo vệ môi trường cấp cho tàu biển, ụ nổi, kho chứa nổi, giàn di động, phương tiện thuỷ nội địa và sản phẩm công nghiệp sử dụng cho phương tiện thuỷ nội địa (sau đây viết tắt là Thông tư số 20/2022/TT-BGTVT).
1.3.4 Sửa đổi 1: 2017 QCVN 49: 2012/BGTVT Quy chuẩn kỹ thuật Quốc gia về phân cấp và giám sát kỹ thuật giàn cố định trên biển.
1.3.5 QCVN 48: 2012/BGTVT Quy chuẩn kỹ thuật Quốc gia về phân cấp và giám sát kỹ thuật giàn di động trên biển.
1.3.6 QCVN 70: 2014/BGTVT Quy chuẩn kỹ thuật Quốc gia về phân cấp và giám sát kỹ thuật kho chứa nổi.
1.3.7 API Specification 2C: 2012 Offshore Pedestal-mounted Cranes (Tiêu chuẩn API 2C: 2012 Cần trục lắp đặt trên bệ trên công trình biển).
1.3.8 API Recommended Practice 2D, Recommended Practice for Operation and Maintenance of Offshore Cranes (Hướng dẫn API 2D - Hướng dẫn vận hành và bảo trì cần trục trên công trình biển).
1.3.9 AISC 335, Specification for Structural Steel Buildings - Allowable Stress Design and Plastic Design (AISC 335 - Tiêu chuẩn kỹ thuật chế tạo kết cấu thép, xác định ứng suất cho phép và biến dạng dẻo).
1.3.10 ASTM E23, Standard Test Methods for Notched Bar Impact Testing of Metallic Materials (ASTM E23 - Phương pháp thử tiêu chuẩn đối với thử va đập mẫu có rãnh khía cho vật liệu kim loại).
1.3.11 ISO 281, Roller Bearings - Dynamic Load Ratings and Rating Life (ISO 281 - Ổ bi đũa - Tải trọng động định mức và thời hạn làm việc định mức).
1.3.12 Rules for certification of lifts in ships, mobile offshore units and offshore installations 2008 (Tiêu chuẩn chứng nhận thang máy trên tàu, công trình biển di động và lắp đặt ngoài khơi 2008).
1.3.13 Solas 1974 with amendments (Solas 1974 với những sửa đổi)
1.3.14 ISO 4344: 2004 Steel wire ropes for lifts - Minimum requirements (ISO 4344:2004 - Dây cáp thép dùng cho thang máy - Yêu cầu tối thiểu).
1.3.15 ISO 2532: 1974 Steel wire ropes - Vocabulary (ISO 2532:1974 - Dây cáp thép - Từ vựng).
1.4 Giải thích từ ngữ
Các tổ chức và cá nhân nêu ở mục 1.2 trên bao gồm:
(1) Cơ quan Đăng kiểm Việt Nam (sau đây viết tắt là “Đăng kiểm”).
(2) Các tổ chức và cá nhân hoạt động trong lĩnh vực thiết kế thiết bị nâng, bao gồm thiết kế cho chế tạo mới, thiết kế hoán cải thiết bị nâng.
(3) Các tổ chức và cá nhân hoạt động trong lĩnh vực chế tạo, sửa chữa, hoán cải thiết bị nâng.
(4) Các chủ thiết bị bao gồm các công ty/đơn vị và/hoặc cá nhân hoạt động trong lĩnh vực quản lý, khai thác các thiết bị nâng.
II QUY ĐỊNH KỸ THUẬT
CHƯƠNG 1 QUY ĐỊNH CHUNG
1.1 Quy định chung
1.1.1 Ngoài các quy định trong Quy chuẩn này, các quy định có liên quan của QCVN 48: 2012/BGTVT, Sửa đổi 1: 2017 QCVN 49: 2012/BGTVT và QCVN 70: 2014/BGTVT sẽ được áp dụng cho vật liệu, trang thiết bị, việc lắp đặt và chất lượng chế tạo thiết bị nâng.
1.1.2 Thiết bị nâng tạm thời được áp dụng theo các quy định của mục 9 của API 2D.
1.1.3 Các quy định trong Quy chuẩn này không áp dụng cho thiết bị nâng hạ xuồng cứu sinh, cấp cứu, thiết bị thoát sự cố, thiết bị lặn và hệ thống kéo không đổi trên công trình biển.
1.2 Giải thích thuật ngữ
Trong Quy chuẩn này, các thuật ngữ dưới đây được hiểu như sau.
(1) Công trình biển là các công trình làm việc (sản xuất hoặc phục vụ) ở ngoài biển (Offshore Conditions) như giàn khoan biển cố định và di động, tàu khoan, kho chứa nổi.
(2) Thiết bị nâng là thiết bị dùng để vận chuyển vật liệu, trang thiết bị hoặc người trên công trình biển.
(3) Cần trục bao gồm cần trục quay, cần trục dây giằng, cổng trục, cầu trục, máy nâng, giá nâng là thiết bị hoạt động bằng cơ giới có thể nâng, hạ, quay và di chuyển theo phương ngang tải trọng treo trên nó.
(4) Thiết bị nâng tạm thời là thiết bị nâng không có trong thiết kế ban đầu của công trình biển, được lắp đặt cho một công việc cụ thể và sẽ không giữ cố định trên công trình biển.
(5) Tải trọng làm việc an toàn (SWL) là tải trọng định mức lớn nhất được phép nâng đối với từng điều kiện hoạt động xác định của thiết bị nâng.
(6) Tải trọng làm việc an toàn trên móc (SWLH) là tải trọng làm việc an toàn cộng thêm khối lượng của móc và cụm treo tải (maní, mắt xoay, pu ly, chốt và khung).
(7) Tải trọng hệ số (FL) là tải trọng bằng tải trọng làm việc trên móc (SWLH) nhân với hệ số động theo phương thẳng đứng.
Ghi chú: Tải trọng này là tải trọng tác động lên đầu cần trong các tính toán.
(8) Tải trọng dọc trục là tải tác dụng theo một đường thẳng lên một đối tượng.
(9) Tải động là tải tác động vào máy hoặc các bộ phận của nó do tải lúc gia tốc hoặc giảm tốc.
(10) Tải trọng phá hủy danh nghĩa là tải trọng tĩnh nhỏ nhất tác động làm phá hủy một bộ phận.
(11) Tải sideload là tải tác dụng vào đầu cần vuông góc với thanh cần và song song với mặt phẳng ngang.
(12) Lực sideload là tải trọng tác dụng vào đầu cần, vuông góc với tải trọng thẳng đứng và nằm trong mặt phẳng vuông góc với thanh cần.
(13) Tải offload là tải hướng kính tác dụng trong mặt phẳng thanh cần tại đầu cần.
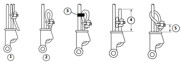
(14) Lực offload là tải trọng tác dụng vào đầu cần, vuông góc với tải thẳng đứng và trong mặt phẳng thanh cần (xem Hình 1 và Hình 2)
(15) Tải offloading là các tải trọng trong khi nhấc tải rời tàu
(16) Góc offlead là góc tạo bởi phương của tải trọng với đường thẳng đứng trong cùng mặt phẳng với thanh cần của tải trọng không nằm thẳng dưới pu ly đầu thanh cần (xem Hình 1).
(17) Góc sidelead là góc tạo bởi phương của tải trọng với đường thẳng đứng trong mặt phẳng vuông góc với thanh cần của tải trọng không nằm thẳng dưới Pu ly đầu thanh cần (xem Hình 1).
(18) Góc list là góc tĩnh của tàu so với trục dọc tàu.
(19) Góc trim là góc tĩnh của tàu so với trục ngang tàu
(20) Góc fleet là góc lớn nhất mà tại đó dây cáp vào tang cáp hoặc pu ly
(21) Nâng ngoài công trình biển là việc nâng tải trọng qua lại giữa các vị trí không nằm trên công trình biển mà thiết bị nâng đó được lắp đặt.
(22) Nâng trên công trình biển là việc nâng tải trọng qua lại giữa các vị trí nằm trên công trình biển mà thiết bị nâng đó được lắp đặt.
(23) Bộ phận quan trọng là các bộ phận hạn chế được lắp đặt trên thiết bị nâng để tránh sự cố do việc hạ tải hoặc quay của kết cấu phía trên khi bị mất kiểm soát.
(24) Chi tiết cố định là những giá chân cần, giá đỉnh cột, tai lắp trên đỉnh cần, các vấu đuôi cần, tai bắt cáp giằng cần, các chốt giằng được lắp cố định vào các thành phần kết cấu của thiết bị nâng hoặc kết cấu thân công trình biển.
(25) Các chi tiết tháo được là pu ly, dây cáp, khuyên treo, móc treo hàng, ma ní, mắt xoay, kẹp cáp, gàu xúc, nam châm nâng hàng có thể tháo lắp được dùng để truyền tải trọng của hàng lên các thành phần kết cấu, chúng phải được thử riêng biệt.
(26) Hệ thống bảo vệ quá tải toàn bộ (GOPS) là hệ thống hoặc thiết bị bảo vệ cabin của người vận hành thiết bị nâng trong trường hợp thiết bị nâng bị quá tải.
(27) Gia tốc ngang là gia tốc tác động theo chiều ngang lên các bộ phận của thiết bị nâng hoặc tải do chuyển động của công trình biển.
(28) Thiết bị nâng trong trạng thái làm việc là khi người lái đang điều khiển thiết bị nâng.
(29) Định mức kế thừa là phương pháp tính toán đơn giản một tải trọng làm việc an toàn (SWL) của thiết bị nâng khi làm việc ở ngoài phạm vi công trình biển dựa trên một hệ số động không đổi bằng 2.
(30) Cụm tải trọng là cụm móc hoặc ma ní, mắt xoay, pu ly, trục và khung treo trên cáp nâng.
(31) Biểu đồ tải trọng là tài liệu hoặc bảng đặt tại cabin điều khiển thiết bị nâng thể hiện sức nâng tương ứng với tầm với và các đặc tính làm việc khác của thiết bị nâng.
(32) Hệ thống chỉ báo tải trọng (LIS) là thiết bị chỉ báo tải trên móc để người vận hành biết.
(33) Hệ thống chỉ báo mô men - tải trọng (LMIS) là thiết bị chỉ báo tải trên móc, khoảng cách từ trục quay tới tâm của tải trọng và SWL tại khoảng cách đó để người vận hành biết.
(34) Chiều cao sóng tính toán là chiều cao sóng biển tại vùng hoạt động của công trình biển được kết hợp với biểu đồ tải trọng, định mức hoặc điều kiện khác.
(35) Công trình biển kiểu Spar là cấu trúc nổi theo phương thẳng đứng có mớn nước sâu, đỡ boong thượng tầng và neo xuống đáy biển, thường có dạng hình trụ.
(36) Công trình biển cố định là cấu trúc cố định không bị chuyển động đáng kể nào do sóng và các dòng chảy trong các điều kiện hoạt động thông thường.
(37) Công trình biển chân căng (TLP) là phương tiện sản xuất nổi, được liên kết với neo giữ cố định.
(38) Công trình biển kiểu bán chìm là cấu trúc nổi mà có thể thay đổi mớn nước bằng cách điều chỉnh nước dằn.
(39) Kho chứa nổi là cấu trúc nổi chuyên dùng để chứa, sơ chế dầu phục vụ thăm dò, khai thác, chế biến dầu khí.
(40) Thang máy là thiết bị nâng cố định phục vụ các mục đích đã xác định, bao gồm cabin có kích thước và chế tạo cho phép vận chuyển hành khách, hoạt động trong giếng nâng theo phương thẳng đứng hoặc nghiêng không quá 150.
(41) Thang máy tác động trực tiếp là thang máy thủy lực với các xy lanh và pít tông trực tiếp gắn liền với cabin hoặc treo trên nó.
(42) Thang máy thủy lực là thang máy trong đó lực nâng sinh ra từ một bơm điện cấp chất lỏng thủy lực đi vào xy lanh, tác động trực tiếp hoặc gián tiếp lên cabin (có thể được sử dụng nhiều động cơ, bơm và xy lanh).
(43) Thang máy tác động gián tiếp là thang máy thủy lực có pít tông hoặc xy lanh được liên kết với cabin hoặc khung treo cabin bằng các chi tiết treo (xích, cáp).
(44) Thang máy dẫn động cưỡng bức (bao gồm cả tang kéo) là thang máy được dẫn động trực tiếp (không dựa vào ma sát) bởi tang cuốn cáp và cáp hoặc đĩa xích và xích.
(45) Thang máy dẫn động ma sát là thang máy có các dây cáp nâng được dẫn động bằng ma sát trên các rãnh của pu ly dẫn của máy dẫn động.
(46) Thang máy phục vụ là thiết bị nâng cố định phục vụ nâng hạ theo mức độ xác định, bao gồm một cabin, các kết cấu trong đó không cho người tiếp cận do kích thước và kết cấu chế tạo, chạy trong giếng nâng thẳng đứng hoặc nghiêng không quá 150.
Để đáp ứng các điều kiện không thể tiếp cận, kích thước cabin không được vượt quá:
a) Diện tích sàn: 1 m2
b) Chiều sâu: 1 m
c) Chiều cao: 1,2 m
Cho phép chiều cao lớn hơn 1,2 m, tuy nhiên, nếu cabin bao gồm nhiều khoang cố định, mỗi khoang này phải thỏa mãn yêu cầu trên.
(47) Người sử dụng được ủy quyền và hướng dẫn là người được ủy quyền từ người chịu trách nhiệm về việc lắp đặt sử dụng thang máy và người đã được hướng dẫn sử dụng.
(48) Diện tích hữu ích là diện tích của cabin được đo ở độ cao 1m so với sàn, không tính lan can, là diện tích cho hành khách hoặc hàng hóa trong suốt quá trình vận hành của thang máy.
(49) Giảm chấn là bộ chặn đàn hồi ở cuối hành trình thang, bao gồm thiết bị hãm sử dụng chất lỏng hoặc lò xo (hoặc các thiết bị tương tự khác).
(50) Thiết bị kẹp ray là một thiết bị cơ khí để dừng cabin và duy trì nó cố định trên ray dẫn hướng để không bị trượt.
(51) Van điều khiển đi xuống là van được điều khiển bằng điện trong một mạch thủy lực để điều khiển thang máy đi xuống.
(52) Hệ thống chống trôi tầng bằng điện là một hệ thống ngăn ngừa các nguy cơ trôi thang máy.
(53) Áp lực khi đầy tải là áp lực tĩnh lên các đường ống gắn trực tiếp với xy lanh khi thang máy mang tải định mức đang dừng ở vị trí cao nhất.
(54) Ray dẫn hướng là các ray dẫn hướng cabin hoặc đối trọng (nếu có).
(55) Bộ hãm an toàn tức thời là bộ hãm an toàn thực hiện việc hãm hoàn toàn gần như tức thời trên ray dẫn hướng.
(56) Bộ hãm an toàn tức thời có giảm chấn là bộ hãm an toàn, trong đó các hoạt động sẽ bị dừng ngay lập tức, nhưng các phản lực của phần được treo sẽ được triệt tiêu nhờ hệ thống giảm chấn.
(57) Xy lanh là tổ hợp gồm ống trụ và pít tông tạo thành một thiết bị truyền động thủy lực.
(58) Chỉnh tầng là thao tác nhằm đạt độ chính xác khi dừng tầng
(59) Cabin là bộ phận của thang máy để mang hành khách hoặc các tải trọng khác.
(60) Máy dẫn động gồm động cơ dùng để nâng hạ và dừng thang máy.
(61) Phòng máy là phòng trong đó đặt các máy móc và thiết bị liên quan.
(62) Tải trọng phá hủy nhỏ nhất của dây cáp là kết quả của bình phương đường kính dây cáp (tính bằng mm2) và giới hạn bền kéo danh nghĩa của các sợi cáp (tính bằng N/mm2) và hệ số riêng cho mỗi loại cáp (ISO 2532: 1974).
Tải trọng kéo đứt thực tế đo được qua thử kéo phải không nhỏ hơn tải trọng phá hủy nhỏ nhất.
(63) Van một chiều là van cho phép dòng chảy theo một hướng.
(64) Van hãm là van cho phép dòng chảy tự do theo một hướng và hạn chế dòng chảy theo hướng khác.
(65) Bộ khống chế vượt tốc là một thiết bị làm dừng thang máy khi tốc độ của thang đạt tới một Tốc độ định trước, nếu cần thiết sẽ kích hoạt bộ hãm an toàn.
(66) Hành khách là bất kỳ người nào được vận chuyển bằng thang máy.
(67) Thiết bị hãm là thiết bị cơ khí ngăn chặn thang máy rơi tự do và giữ nó trên các giá cố định.
(68) Hố thang máy là một phần của giếng nâng, vị trí ở dưới tầng dừng thấp nhất.
(69) Van an toàn là van giới hạn áp lực tới một giá trị xác định trước bằng cách xả chất lỏng về két khi quá áp đặt trước.
(70) Bộ hãm an toàn êm là bộ hãm an toàn, trong đó gia tốc hãm bị tác động bởi quá trình phanh trên ray dẫn hướng và được áp dụng những biện pháp đặc biệt để hạn chế lực tác dụng lên cabin, đối trọng ở một giá trị cho phép.
(71) Phòng pu ly là phòng không có máy, và trong đó đặt các pu ly, bộ khống chế vượt tốc và thiết bị điện.
(72) Tải định mức là tải thiết kế để được chở trong quá trình vận hành bình thường của thang, có thể bao gồm các thiết bị vận chuyển.
(73) Tốc độ định mức là tốc độ cho cabin đã được thiết kế và hoạt động bình thường được đảm bảo bởi nhà cung cấp. Tốc độ hướng lên và xuống khác nhau có thể được nêu rõ.
(74) Chỉnh lại tầng là thao tác thực hiện sau khi thang máy dừng lại, cho phép điều chỉnh chính xác vị trí dừng trong quá trình chất tải hoặc dỡ tải, nếu cần thiết bằng các chuyển động kế tiếp (tự động hoặc nhích dần).
(75) Van tiết lưu là van mà trong đó đầu vào và đầu ra được kết nối thông qua một đường dẫn bị thu hẹp.
(76) Van hãm là van được thiết kế để tự động đóng khi có sụt áp qua van gây ra do lưu lượng tăng lên theo hướng dòng chảy định trước, vượt quá một giá trị quy định.
(77) Bộ hãm an toàn là thiết bị cơ khí, dùng để dừng cabin và đối trọng khi di chuyển xuống và duy trì cố định tại bất kỳ điểm nào trên hành trình di chuyển, trong trường hợp quá tốc hoặc đứt cáp.
(78) Dây cáp an toàn là dây cáp phụ gắn vào cabin hoặc đối trọng nhằm mục đích kích hoạt bộ hãm an toàn trong trường hợp đứt hệ thống treo.
(79) Van chặn là van hai chiều vận hành bằng tay có thể cho phép hoặc ngăn dòng chảy theo một trong hai hướng.
(80) Xy lanh tác động đơn là xy lanh mà trong đó dịch chuyển theo một hướng là tác động của chất lỏng và hướng khác là lực.
(81) Khung treo là khung kim loại mang cabin hoặc đối trọng kết nối với hệ thống treo. Khung treo này có thể được liên kết với phần bao che cabin.
(82) Tấm chắn chân cửa là tấm phẳng, thẳng đứng chắn từ mép ngưỡng cửa tầng hoặc mép ngưỡng cửa cabin xuống phía dưới để đề phòng kẹt chân.
(83) Khu vực mở khóa là khu vực giới hạn ở phía trên và dưới tầng dừng, khi sàn cabin ở trong khu vực này thì cửa cabin mới mở được.
(84) Giếng thang máy là không gian bao gồm cabin và đối trọng, không gian này được bao bọc bởi hố thang, vách bao và mái giếng.
1.3 Hồ sơ kỹ thuật xuất trình Đăng kiểm thẩm định
Các bản vẽ và tài liệu nêu dưới đây xuất trình Đăng kiểm thẩm định đối với thiết bị nâng được chế tạo mới:
1.3.1 Bản thuyết minh phải bao gồm các thông tin tối thiểu sau:
- Các thông số đặc tính thiết kế của thiết bị nâng: các đặc tính chính (SWL; tầm với làm việc lớn nhất, nhỏ nhất hoặc biểu đồ sức nâng; chiều cao nâng và chiều sâu hạ móc lớn nhất, phạm vi làm việc và các thông tin theo quy định 2.6.2) và điều kiện làm việc (góc nghiêng, góc chúi, tốc độ gió lớn nhất trong điều kiện làm việc, kiểu nâng, chiều cao sóng tính toán, kiểu công trình biển mà thiết bị nâng được lắp đặt ...);
- Phương pháp tính toán và xác định tải định mức của thiết bị nâng - phương pháp chung, phương pháp tàu cụ thể hoặc phương pháp động kế thừa phù hợp với mục 2.3 và các thông số thiết kế liên quan tới lựa chọn phương pháp tính toán;
- Mô men lật lớn nhất tương ứng với trục dọc và tải trọng hướng kính, mô men xoắn và mô men trong mặt phẳng ngang của thiết bị nâng và bề mặt kết cấu đỡ thiết bị nâng theo quy định 2.4.2;
- Tải trọng dọc trục lớn nhất tương ứng với mô men lật và tải trọng hướng kính, mô men xoắn và mô men trong mặt phẳng ngang của thiết bị nâng và bề mặt kết cấu đỡ thiết bị nâng theo quy định 2.4.2;
- Phân cấp chu kỳ tải của thiết bị nâng - phù hợp với mục 2.5;
- Phân cấp vùng nguy hiểm đối với thiết bị nâng phù hợp với 2.5.5.4;
- Đặc tính vật liệu;
- Danh mục các bộ phận quan trọng phù hợp với 2.3.2 và chứng nhận các bộ phận này thỏa mãn các yêu cầu của Quy chuẩn về vật liệu, truy xuất nguồn gốc, hàn và kiểm tra không phá hủy;
- Danh mục dây cáp thép phải nêu rõ: loại cấu tạo, đường kính danh nghĩa, lực kéo đứt nhỏ nhất thực tế, tiêu chuẩn áp dụng (có thể), diện tích mặt cắt ngang của dây cáp thép được sử dụng làm dây bảo vệ hoặc dây giằng;
- Danh mục các chi tiết tháo được phải nêu rõ: SWL, tải trọng thử của mỗi chi tiết và các chi tiết chịu tải nặng trong quá trình làm việc;
- Mô tả các thiết bị an toàn hoặc bản vẽ sơ đồ (các công tắc giới hạn hành trình, các thiết bị ngắt quá tải, các thiết bị báo động);
- Các Hướng dẫn sử dụng, bảo dưỡng, lắp ráp, tháo rời và vận chuyển thiết bị nâng.
(a) Hướng dẫn sử dụng phải đề cập đến các quy định sau:
- Các lưu ý về điều kiện thời tiết phổ biến nhất tại thời điểm hoạt động hoặc dự đoán trong trường hợp thiết bị hoạt động trong khoảng thời gian dài;
- Nghiêm cấm hoạt động khi máy bay trực thăng hạ cánh hoặc cất cánh và sự hoạt động đồng thời của các thiết bị nâng khi có nguy hiểm;
- Các công trình biển di động được dằn trước và trong khi thiết bị nâng hoạt động;
- Việc sử dụng các dấu hiệu quy ước;
- Nghiêm cấm tác động trực tiếp lên tải trọng nâng (phải sử dụng dây);
- Phải cắt nguồn điện khi người vận hành rời buồng điều khiển;
- Người vận hành không được rời buồng điều khiển khi thiết bị nâng đang hoạt động;
- Việc buộc tải trọng nâng phù hợp.
Hướng dẫn sử dụng phải được phổ biến cho mọi người có liên quan thông hiểu.
(b) Hướng dẫn đặc biệt về vận chuyển người bằng giỏ:
- Người trên giỏ:
+ Không được với tay ra ngoài giỏ và phải quay mặt vào phía trong giỏ khi giỏ di chuyển;
+ Khối lượng của người trên giỏ phải cân bằng trên chu vi của giỏ;
+ Đặt hành lý bên trong giỏ (khối lượng giới hạn)
+ Không được chất quá tải trọng nâng cho phép của giỏ;
+ Không được đi lại trong khi giỏ di chuyển;
+ Làm theo hiệu lệnh của người phụ trách;
+ Phải mặc áo cứu sinh trong tất cả các trường hợp và phải đội mũ phòng hộ trong trường hợp biển động;
+ Không được lên hoặc xuống giỏ khi giỏ đang di chuyển;
Cấm sử dụng giỏ để vận chuyển người bị thương hoặc thiết bị;
- Người vận hành:
+ Sử dụng tốc độ chậm để di chuyển giỏ theo phương ngang và phương thẳng đứng và thực hiện êm đối với các chuyển động khác nhằm hạn chế giỏ nâng bị lắc;
+ Không được hạ giỏ khi chỉ dùng phanh;
+ Không được di chuyển giỏ đồng thời theo phương ngang và phương thẳng đứng;
+ Chỉ nâng giỏ lên đến độ cao cần thiết;
+ Duy trì khoảng cách nhỏ nhất từ đèn hiệu hướng dẫn.
1.3.2 Bản vẽ bố trí chung của công trình biển, chỉ ra nơi đặt thiết bị nâng và phạm vi làm việc của nó.
1.3.3 Bản vẽ tổng thể thiết bị nâng có ghi các kích thước và thông số chính.
1.3.4 Bản vẽ lắp các cụm cơ cấu của thiết bị nâng.
Phải thể hiện rõ sơ đồ mắc cáp và bội suất của palăng. Các chi tiết tháo được phải được đánh số phân biệt trên bản vẽ. Phải nêu rõ loại pu ly được sử dụng (pu ly lắp ổ trượt hoặc pu ly lắp ổ lăn).
1.3.5 Biểu đồ lực tác dụng trong các điều kiện làm việc của thiết bị nâng.
Khi xác định các lực bằng tính toán, phải trình Đăng kiểm các bản tính liên quan, bản tính này phải nêu rõ các dữ kiện và các lực lớn nhất được xác định trong các bộ phận kết cấu của thiết bị nâng (bản tính này thay cho biểu đồ lực).
Biểu đồ lực hoặc bản tính được đề cập ở trên phải nêu rõ các lực lớn nhất tác dụng lên các chi tiết tháo được, góc nghiêng cần nhỏ nhất đối với cần trục dây giằng.
1.3.6 Bản vẽ các bộ phận kết cấu chịu lực của thiết bị nâng phải đưa ra đầy đủ các yếu tố cần thiết để kiểm tra kích thước mặt cắt của chúng.
1.3.7 Các bản vẽ của các thành phần kết cấu được thiết kế đặc biệt. Đăng kiểm không yêu cầu xuất trình bản vẽ kết cấu của các chi tiết tháo được và các chi tiết cố định hoặc chuyển động khác không yêu cầu thử riêng biệt, nếu các kích thước mặt cắt của chúng phù hợp với các Tiêu chuẩn quốc gia hoặc Quốc tế. Trong trường hợp này phải nêu rõ Tiêu chuẩn áp dụng và tương ứng với các chi tiết phải nêu rõ phù hợp với Tiêu chuẩn nào với việc đề cập đến cấp chất lượng thép sử dụng.
1.3.8 Đặc tính của tời:
Đối với những tời đã được chứng nhận kiểu phù hợp với Quy chuẩn này, Đăng kiểm không yêu cầu xuất trình Hồ sơ kỹ thuật, nhưng phải xuất trình Hướng dẫn sử dụng thỏa mãn các yêu cầu của Quy chuẩn này.
Đối với các tời chế tạo mới, phải trình Đăng kiểm duyệt Hồ sơ kỹ thuật. Hồ sơ này phải bao gồm: Hướng dẫn sử dụng, bản vẽ tổng thể, bản vẽ kết cấu của các chi tiết chính, các bản tính của nhà chế tạo và quy trình thử tải.
1.3.9 Bản vẽ sơ đồ nguyên lý hoạt động và các đặc trưng kỹ thuật chính của hệ thống điện, thuỷ lực hoặc khí nén.
Phải xuất trình bản vẽ mặt cắt của các xy lanh thủy lực chịu tải (xy lanh nâng của cần trục thủy lực, thang máy thủy lực).
Bản tính chọn thiết bị điện, thuỷ lực hoặc khí nén, thiết bị điều khiển.
1.3.10 Quy trình kiểm tra và thử tải.
1.3.11 Hồ sơ yêu cầu bổ sung đối với thang máy
Tuân theo Phụ lục C - Rules for certification of lifts in ships, mobile offshore units and offshore installations 2008.
CHƯƠNG 2 CẦN TRỤC
2.1 Phạm vi áp dụng
Trong Chương này đưa ra các quy định về thiết kế, chế tạo đối với cần trục lắp đặt trên công trình biển, được sử dụng để vận chuyển vật liệu, trang thiết bị hoặc người trên công trình biển.
2.2 Đơn vị, ký hiệu
Nhiều công thức trong Chương này phụ thuộc vào số lượng đầu vào có các đơn vị phù hợp để tính toán chính xác các kết quả. Các công thức trong Chương này được xây dựng theo hệ thống đơn vị USC (U.S. customary system of units), các đơn vị chính được sử dụng là ft ( độ dài), lb (lực), s (thời gian) và độ (góc). Những kết quả này có thể được chuyển đổi sang hệ thống đơn vị quốc tế (SI) tương đương. Do có một số công thức trong Chương này là “đơn vị phụ thuộc”, các đơn vị U.S sẽ được đưa vào các công thức và sẽ thu được kết quả theo đơn vị U.S; sau đó kết quả này có thể chuyển đổi sang đơn vị SI. Các hệ số chuyển đổi từ đơn vị USC sang đơn vị SI được cho dưới đây. Về chuyển đổi các đơn vị tham khảo thêm Tiêu chuẩn ASTM SI 10 hoặc Tiêu chuẩn IEEE 268.
1 m = 3,2808 ft
1 kG = 2,2046 Ib
1 N = 0,2248 lb
1 J = 0,737557 ft-lb
1 MPa = 145,0377 lb/in.2 (psi)
1 Độ C = 5/9 x độ F-32
Bảng 1 - Mô tả ký hiệu
| Ký hiệu | Đơn vị | Công thức hoặc mục sử dụng | Mô tả |
| Av | g | Công thức (7) | Gia tốc theo phương thẳng đứng của đầu thanh cần |
| BL | lb | Công thức (31) | Tải trọng phá hủy danh nghĩa nhỏ nhất của dây cáp thép |
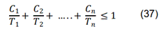
| Cn | hr | Công thức (37) | Thời gian đạt tới mức ồn riêng |
| Cs |
| Công thức (23) | Hệ số hình dạng kết cấu khi chịu tải trọng gió |
| Cv |
| 2.3.4.5 | Hệ số động theo phương thẳng đứng |
| Db | ft | Công thức (34) | Đường kính vòng chia của bu lông mâm quay |
| Dr | ft | Công thức (35) | Đường kính vòng chia của bộ phận có độ bền kém nhất của mâm quay. |
| DF |
| Công thức (26), (27), (28), (29), (32), (33) | Hệ số thiết kế đối với dây treo tải, cụm treo tải và xy lanh (có thể khác nhau đối với mỗi bộ phận) |
| Dsh | in. | 2.5.2.4.2 | Đường kính vòng chia của pu ly |
| d | in. | 2.5.2.4.2 | Đường kính danh nghĩa của dây cáp thép |
| Ers |
| Công thức (31) | Bội suất pa lăng của hệ thống dây cáp chạy treo tải |
| FL | lb |
| Tải hệ số theo phương thẳng đứng |
| g | 32.2 ft/s2 | Công thức (2) | Gia tốc trọng trường |
| H | lb | Công thức (34) | Tải dọc trục trên mâm quay |
| Hsig | ft |
| Chiều cao sóng tính toán |
| Htip | ft | Công thức (10) | Khoảng cách theo phương thẳng đứng đầu thanh cần đến boong tàu |
| K | lb/ft | Công thức (2) | Hệ số đàn hồi theo phương thẳng đứng của cần trục |
| Kb |
| Công thức (30) | Hệ số ổ đỡ của hiệu suất hệ thống pa lăng |
| M | ft-lb | Công thức (34) | Phản lực mô men lật tại mâm quay |
| N |
| Công thức (30) | Số nhánh cáp của hệ thống pa lăng |
| Nb |
| Công thức (34) | Số bu lông của mâm quay |
| NE | dB(A) | Công thức (36) | Độ ồn cho phép |
| OL |
| Công thức (10) | Biến thay thế của công thức (9) |
| Pb | lb | Công thức (34) | Tải trên từng bộ phận hoặc bu lông của mâm quay |
| PF |
| Công thức (25) | Hệ số áp dụng đối với tải theo phương thẳng đứng và theo phương ngang trên bệ đỡ cần trục, bổ sung vào tải trọng hệ số. |
| Pn | lb | Công thức (35) | Khả năng chịu lực giới hạn của các bộ phận mâm quay |
| Pwind | lb/ft2 | Công thức (23) | Áp lực gió tác động lên diện tích hình chiếu |
| S |
| Công thức (30) | Số puly trong hệ thống pa lăng |
| T | hr | Công thức (36) | Khoảng thời gian phát tiếng ồn |
| Tn | hr | Công thức (37) | Tổng số giờ cho phép của mức ồn riêng |
| U | knot | Công thức (23) | Tốc độ gió |
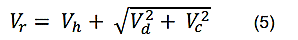
| Vc | ft/s | Công thức (5) | Tốc độ theo phương thẳng đứng của đầu thanh cần |
| Vd | ft/s | Công thức (5) | Tốc độ theo phương thẳng đứng của boong tàu |
| Vh | ft/s | Công thức (5) | Tốc độ nâng ổn định có thể lớn nhất |
| Vhmin | ft/s | Công thức (6) | Tốc độ nâng ổn định tối thiểu yêu cầu |
| Vr | ft/s | Công thức (2) | Tốc độ tương đối giữa móc và tàu |
| W | lb | Công thức (31) | Tổng tải tác dụng lên hệ thống dây cáp |
| WhorizontalCM | lb | Công thức (16) | Tải theo phương ngang tác động lên tải nâng do chuyển động của bệ cần trục. |
| Woff(wind) | lb | Công thức (21) | Tải offlead theo phương ngang tác động lên cần trục do gió |
| WoffCM | lb | Công thức (17) | Tải offlead theo phương ngang tác động lên các bộ phận của cần trục do chuyển động của bệ đỡ. |
| Woffdyn | lb | Công thức (20) | Tổng tải trọng offllead động theo phương ngang sinh ra do chuyển động của bệ cần trục và tàu. |
| WoffSB | lb | Công thức (9) | Lực offload tác động vào đầu thanh cần do chuyển động của tàu |
| Wside(wind) | lb | Công thức (22) | Tải sidelead theo phương ngang tác động lên cần trục do gió |
| WsideCI | lb | Công thức (14) | Tải sidelead tĩnh tác động lên đầu thanh cần gây ra bởi tải hệ số (FL) do độ nghiêng tĩnh của bệ cần trục. |
| WsideCM | lb | Công thức (18) | Tải sidelead theo phương ngang tác động lên các bộ phận của cần trục do chuyển động của bệ cần trục. |
| Wsidedyn | lb | Công thức (19) | Tổng tải trọng sidelead động theo phương ngang sinh ra do chuyển động của bệ cần trục và tàu |
| WsideSB | lb | Công thức (13) | Lực sideload tác động vào đầu thanh cần do chuyển động của tàu |
| a |
| Công thức (3) | Biến thay thế của công thức (4) |
2.3 Tải trọng
2.3.1 Giới hạn làm việc an toàn
Chương này nhằm thiết lập những giới hạn làm việc an toàn cho cần trục trong các điều kiện vận hành xác định, được thực hiện bằng việc thiết lập các tải trọng làm việc an toàn dựa trên ứng suất đơn vị cho phép, tải trọng hệ số và các hệ số thiết kế.
Việc vận hành cần trục vượt mức giới hạn được thiết lập bởi Nhà chế tạo và các quy định được nêu trong chương này có thể dẫn đến sự cố nghiêm trọng đến mức có thể phá hủy cần trục. Việc tuân thủ ứng suất cho phép và các hệ số thiết kế được quy định trong Quy chuẩn này không đảm bảo rằng cần trục không bị hư hỏng và có thể rơi khỏi bệ đỡ của nó trong trường hợp vượt quá tải trọng toàn bộ xảy ra do va chạm với tàu. Cần bảo vệ người vận hành cần trục trong trường hợp xảy ra quá tải toàn bộ như quy định tại mục 2.7.
2.3.2 Các bộ phận quan trọng
Các bộ phận quan trọng là các bộ phận không thể thiếu để lắp ráp nên cần trục và các thiết bị hạn chế phụ mà nếu chúng bị hư hỏng có thể gây ra tình trạng mất kiểm soát tải trọng hoặc mất kiểm soát cần trục khi quay. Với mức độ quan trọng như vậy, các bộ phận này phải thỏa mãn các quy định về thiết kế, vật liệu, truy xuất nguồn gốc và kiểm tra. Nhà chế tạo công bố danh mục các bộ phận quan trọng của mỗi loại cần trục. Xem Phụ lục A của Tiêu chuẩn API 2C trình bày danh mục mẫu về các bộ phận quan trọng.
2.3.3 Lực và tải trọng
Cần trục lắp trên cột hoặc bệ trên các công trình biển phải chịu các lực và tải trọng do nhiều yếu tố. Những yếu tố này thay đổi đáng kể tùy thuộc vào cần trục trong trạng thái hoạt động hoặc không hoạt động. Những lực tác dụng cũng thay đổi đáng kể tùy thuộc vào việc cần trục nâng trên công trình biển hoặc nâng trong điều kiện nước lặng (không có sự di chuyển tương đối giữa tải trọng và đầu thanh cần) hoặc nâng ngoài công trình biển từ tàu trong điều kiện biển động. Tương tự, việc cần trục được đặt trên một công trình biển cố định hay trên công trình biển nổi cũng làm thay đổi đáng kể các điều kiện tác động đến cần trục.
Mục 2.3.4, 2.3.5 và Mục 2.3.6 xác định các lực và tải trọng tác động lên cần trục trong các điều kiện và vận hành khác nhau. Cần xem xét những lực và tải trọng này khi thiết kế cần trục nhằm xác định giới hạn làm việc an toàn trong từng điều kiện. Các lực và tải trọng tác động phải không gây ra ứng suất hoặc tải trọng thành phần vượt quá các mức cho phép được xác định trong Chương này (ứng suất cho phép, lực kéo cho phép của cáp tời chính và mô men lật cho phép của bệ đỡ...).
Bảng 2 nêu tóm tắt các lực và tải trọng tác động trong các điều kiện vận hành khác nhau. Để hiểu rõ hơn về những thông số này, Hình 1, Hình 2 và Hình 3 thể hiện các lực và tải trọng này tác động lên cần trục trong các điều kiện vận hành khác nhau.
2.3.4 Các tải trọng khi đang vận hành
2.3.4.1 Quy định chung
(1) Trong quá trình vận hành, cần trục chịu các tải trọng từ trọng lượng bản thân cần trục, tải trọng nâng, tác động của môi trường, chuyển động của công trình biển, các lực động gây ra bởi các chuyển động (tời nâng) và trong điều kiện nâng ngoài công trình biển, những chuyển động của tàu mà tải được nâng lên từ đó.
(2) Các lực động tác động lên tải trọng làm việc an toàn (SWL) được xem là cũng tác động lên cụm móc cẩu hoặc quả nặng căng cáp được sử dụng trong quá trình nâng. Các hệ số tải trọng động được sử dụng trong Chương này được áp dụng cho SWLH (SWLH bằng SWL cộng với trọng lượng của cụm móc cẩu hoặc quả nặng căng cáp được sử dụng).
Tải trọng hệ số theo chiều thẳng đứng (FL) của cần trục sẽ bằng SWLH nhân với hệ số động Cv được xác định trong 2.3.4.5. Các tải trọng offlead và sidelead, tải trọng do chuyển động của tàu và độ nghiêng tĩnh và chuyển động của bệ cần trục trên công trình nổi phải được xét đến theo quy định 2.3.4.6 và 2.3.4.7. Tải trọng do gió hoặc các yếu tố môi trường khác tác động lên cần trục phải được xét đến theo quy định 2.3.6. Đối với các điều kiện nâng riêng, SWLH phải thỏa mãn các quy định trong 2.6.1.1 khi phối hợp tất cả các tải trọng ở trạng thái bất lợi nhất tác động lên cần trục theo các quy định trong Chương này.
(3) Có 03 phương pháp tính toán các lực động tác động lên cần trục trong điều kiện biển cụ thể. Các phương pháp này cũng như những hạn chế của chúng được nêu dưới đây. Các phương pháp bao gồm:
- Phương pháp tàu cụ thể;
- Phương pháp chung;
- Phương pháp động kế thừa (chỉ áp dụng cho việc nâng ngoài công trình biển đối với cần trục lắp đặt trên công trình biển cố định)
Bảng 2 - Tóm tắt các thông số thiết kế
| Ký hiệu | Thông số thiết kế | Điều kiện thiết kế | |||
| Đang vận hành nâng ngoài công trình biển | Đang vận hành nâng trên công trình biển | Không vận hành (Thanh cần không được đặt vào vị trí cố định cần) | Không vận hành (Thanh cần được đặt vào vị trí cố định cần) | ||
| A | Tốc độ boong tàu Vd | Xác định từ tổ chức, cá nhân sử dụng cần trục hoặc Bảng 3 | N/A | N/A | N/A |
| B | Tốc độ đầu thanh cần Vc | Xác định từ tổ chức, cá nhân sử dụng cần trục hoặc Bảng 3 | N/A | N/A | N/A |
| C | Tốc độ nâng Vh sử dụng cho tính toán tải trọng | ≥ giá trị trong công thức (6) | N/A | N/A | N/A |
| D | Tải trọng hệ số thẳng đứng FL | Công thức (1) và (2) Cv x SWLH | Bảng 4 và công thức 7 và 8 | N/A | N/A |
| E | Tốc độ nâng yêu cầu tối thiểu trong các điều kiện nâng (Vhmin) | Công thức (6) | Mục 2.3.4.5.3 (tối thiểu 2 ft/min.) | N/A | N/A |
| F | Lực offload trên tàu: WoffSB | Công thức (9) | N/A | N/A | N/A |
| G | Lực sideload trên tàu: WsideSB | Công thức (11) | N/A | N/A | N/A |
| H
| Tải trọng sideload do nghiêng cần trục | Xác định từ tổ chức, cá nhân sử dụng cần trục hoặc giá trị trong Bảng 5 / công thức (14) | Xác định từ tổ chức, cá nhân sử dụng cần trục hoặc giá trị trong Bảng 5 / công thức (14) | Xác định từ tổ chức, cá nhân sử dụng cần trục hoặc giá trị trong Bảng 5 / công thức (14) trong điều kiện thanh cần không được đặt vào vị trí cố định cần. | Xác định từ tổ chức, cá nhân sử dụng cần trục hoặc giá trị trong Bảng 5 / công thức (14) trong điều kiện tàu chịu điều kiện thời tiết khắc nghiệt. |
| I | Tải trọng gia tốc ngang của bệ cần trục tác động lên tải trọng hệ số thẳng đứng. | Xác định từ tổ chức, cá nhân sử dụng cần trục hoặc giá trị trong Bảng 5 / Công thức (16) đến (18) | Xác định từ tổ chức, cá nhân sử dụng cần trục hoặc giá trị trong Bảng 5 / Công thức (16) đến (18) | N/A | N/A |
| J | Tải trọng gia tốc ngang và thẳng đứng của bệ cần trục tác động lên thanh cần và các bộ phận khác của cần trục. | Xác định từ tổ chức, cá nhân sử dụng cần trục hoặc thông số gia tốc trong Bảng 4 và Bảng 5 | Xác định từ tổ chức, cá nhân sử dụng cần trục hoặc thông số gia tốc trong Bảng 4 và Bảng 5 | Xác định từ tổ chức, cá nhân sử dụng cần trục hoặc thông số gia tốc trong Bảng 4 và Bảng 5 trong điều kiện thanh cần không được đặt vào vị trí cố định cần. | Xác định từ tổ chức, cá nhân sử dụng cần trục hoặc Thông số gia tốc trong Bảng 4 và Bảng 5 trong điều kiện tàu chịu điều kiện thời tiết khắc nghiệt. |
| K | Tải trọng do tác động của môi trường như gió, băng hoặc tuyết. | Theo quy định ở mục 2.3.6 | Theo quy định ở mục 2.3.6 | Theo quy định ở mục 2.3.6 trong điều kiện thanh cần không được đặt vào vị trí cố định cần. | Theo quy định ở mục 2.3.6 trong điều kiện tàu chịu điều kiện thời tiết khắc nghiệt. |
| Ghi chú: N/A là không áp dụng. | |||||
(4) Tải định mức của cần trục lắp trên giàn và tàu nổi phải được xác định theo phương pháp tàu cụ thể hoặc phương pháp chung. Tải định mức của cần trục lắp trên công trình biển cố định được xác định theo phương pháp chung hoặc phương pháp động kế thừa (chỉ áp dụng trong một số trường hợp nêu tại 2.3.4.4).
2.3.4.2 Phương pháp tàu cụ thể
Phương pháp tàu cụ thể là phương pháp thường được áp dụng đối với tính toán cần trục được lắp trên các giàn và tàu nổi. Với Phương pháp tàu cụ thể, tổ chức, cá nhân sử dụng cần trục phải cung cấp tốc độ Vc sử dụng trong công thức (1) đến (5) để tính toán hệ số động Cv. Vc là tốc độ của đầu thanh cần của cần trục trong điều kiện vận hành xác định và có thể được tính toán qua việc nghiên cứu trạng thái chuyển động của cần trục và tàu mà cần trục được lắp trên đó. Độ chính xác của phương pháp này phụ thuộc vào việc tính toán chuyển động đầu thanh cần của cần trục. Vd của tàu sẽ được chọn từ Bảng 3 hoặc được xác định từ người sử dụng. Đối với phương pháp tàu cụ thể, tổ chức, cá nhân sử dụng cần trục phải xác định gia tốc theo chiều thẳng đứng của đầu thanh cần Av thay cho sử dụng Bảng 4 và phải xác định độ nghiêng tĩnh của giàn và tàu và gia tốc động theo chiều ngang thay cho sử dụng Bảng 5. Av được xác định cho đầu thanh cần ở vị trí nâng tiêu chuẩn và được áp dụng cho toàn bộ cần trục. Thông tin yêu cầu của phương pháp tàu cụ thể xem Phụ lục B của Tiêu chuẩn API 2C.

Chú thích: xem cột 1 trong Bảng 2 để xác định các giá trị
| 1: Đường tâm của cần trục | 5: F | 9: D |
| 2: Trục thẳng đứng | 6: G & H | 10: Góc offlead |
| 3: Độ nghiêng của cần trục | 7: Khối lượng của cần trục | 11: Góc sidelead |
| 4: K & I (theo phương bất kỳ) | 8: J |
|
Hình 1 - Các tải trọng tác động khi cần trục nâng tải ngoài công trình biển
2.3.4.3 Phương pháp chung
Theo phương pháp chung, tốc độ Vd và Vc được chọn từ Bảng 2 đối với trường hợp nâng ngoài công trình biển. Các tốc độ này được tính dựa trên chuyển động tương ứng đối với các kiểu giàn và tàu khác nhau. Phụ lục B của Tiêu chuẩn API 2C giải thích về cơ sở cho các giá trị nêu tại Bảng 3. Đối với phương pháp chung, cũng sử dụng giá trị của giàn và tàu từ Bảng 4 và Bảng 5.
2.3.4.4 Phương pháp động kế thừa
Trong một số trường hợp nâng ngoài công trình biển từ công trình biển cố định, phương pháp động kế thừa có thể được sử dụng thay cho phương pháp chung hoặc phương pháp tàu cụ thể. Phương pháp thay thế này chỉ áp dụng với giàn cố định nằm trong các khu vực có điều kiện biển và gió rất nhẹ và chỉ áp dụng trong các trường hợp vị trí tàu được giữ không đổi so với giàn (như trường hợp tàu được neo buộc vào giàn). Trong những trường hợp đặc biệt này, sử dụng một hệ số động bằng 2, các lực offlead và lực gió được coi bằng 0, và tải trọng sideload được tính bằng 2% tải trọng hệ số theo phương thẳng đứng (lực sideload = 0,02 x FL). Nếu sử dụng phương pháp này, tốc độ móc tối thiểu (Vhmin) không được nhỏ hơn 0,67 ft/s (40 ft/min).

Chú thích: xem cột 1 trong Bảng 2 để xác định các giá trị
| 1: Đường tâm của cần trục | 5: F | 9: D |
| 2: Trục thẳng đứng | 6: G & H |
|
| 3: Độ nghiêng của cần trục | 7: Khối lượng của cần trục |
|
| 4: K & I (theo phương bất kỳ) | 8: J |
|
Hình 2 - Các tải trọng tác động khi cần trục nâng tải trên công trình biển
2.3.4.5 Tải trọng hệ số theo phương thẳng đứng
1 Quy định chung
Tải trọng hệ số theo phương thẳng đứng FL tác động lên đầu thanh cần của cần trục được tính bằng SWLH nhân với hệ số động theo phương thẳng đứng Cv.
FL = Cv x SWLH (1)
2 Nâng ngoài công trình biển
Trong trường hợp nâng ngoài công trình biển, hệ số động theo phương thẳng đứng Cv được tính theo công thức sau:


Chú thích: xem cột 1 trong Bảng 2 để xác định các giá trị
| 1: Đường tâm của cần trục | 5: H |
|
| 2: Trục thẳng đứng | 6: Khối lượng của cần trục |
|
| 3: Độ nghiêng của cần trục | 7: J |
|
| 4: K (theo phương bất kỳ) |
|
|
Hình 3 - Các tải trọng tác động khi cần trục không vận hành
Bảng 3 - Tốc độ theo phương thẳng đứng trong tính toán hệ số động
| Tốc độ tàu Vd (đối với phương pháp tính tàu cụ thể và phương pháp tính chung) | |
| Tải trọng được nâng từ hoặc đặt trên: | Vd (ft/s) |
| Công trình biển cố định | 0,0 |
| Tàu, Hsig < 9,8 ft | Vd = 0,6 xHsig |
| Tàu, Hsig ≥ 9,8 ft | Vd = 5,9 + 0,3 x(Hsig - 9,8) |
| Tốc độ đầu thanh cần của cần trục (đối với Phương pháp tính chung) | |
| Cần trục được lắp trên: | Vc (ft/s) |
| Công trình biển cố định | 0,0 |
| Tàu hoặc sà lan trong điều kiện nước lặng | 0,0 |
| Công trình biển chân kéo (TLP) | 0,05 X Hsig |
| Công trình biển kiểu Spar | 0,05 X Hsig |
| Công trình biển bán chìm | 0,025 X Hsig X Hsig |
| Tàu khoan | 0,05 X Hsig X Hsig |
| Kho chứa nổi (FPSO) | 0,05 X Hsig X Hsig |
| Ghi chú 1: Xem Phụ lục B, API 2C hướng dẫn về việc tính toán những giá trị này. Ghi chú 2: Hsig là chiều cao sóng tính toán, được tính bằng ft khi sử dụng các công thức trên. | |
Bảng 4 - Gia tốc theo phương thẳng đứng của cần trục
| Cần trục được lắp trên: | Gia tốc theo phương thẳng đứng Av g |
| Công trình biển cố định | 0,0 |
| Tàu / sà lan trong điều kiện nước lặng | 0,0 |
| Công trình biển chân kéo (TLP) | 0,003 X Hsig ≥ 0,07 |
| Công trình biển kiểu Spar | 0,003 X Hsig ≥ 0,07 |
| Công trình biển bán chìm | 0,0007 X Hsig X Hsig ≥ 0,07 |
| Tàu khoan | 0,0012 X Hsig X Hsig ≥ 0,07 |
| Kho chứa nổi (FPSO) | 0,0012 X Hsig X Hsig ≥ 0,07 |
| Ghi chú 1: Hsig được tính bằng ft khi sử dụng công thức trên. Ghi chú 2: 1g = 32,2 ft/s2 | |
Bảng 5 - Độ nghiêng và gia tốc của bệ cần trục
| Cần trục được lắp trên: | Góc nghiêng tĩnh của cần trục (độ) | Gia tốc theo chiều ngang động của cần trục g | |
| Góc list | Góc trim | ||
| Công trình biển cố định | 0,5 | 0,5 | 0,0 |
| Tàu / sà lan trong điều kiện nước lặng | 5,0 | 3,0 | 0,0 |
| Công trình biển chân kéo (TLP) | 0,5 | 0,5 | 0,007 X Hsig ≥ 0,03 |
| Công trình biển kiểu Spar | 0,5 | 0,5 | 0,007 X Hsig ≥ 0,03 |
| Công trình biển bán chìm | 1,5 | 1,5 | 0,007 X Hsig ≥ 0,03 |
| Tàu khoan | 2,5 | 1 | 0,01 X (Hsig)1,1 ≥ 0,03 |
| Kho chứa nổi (FPSO) | 2,5 | 1 | 0,01 X (Hsig)1,1 ≥ 0,03 |
| Ghi chú 1: Hsig được tính bằng ft khi sử dụng công thức trên. Ghi chú 2: 1 g = 32,2 ft/s2 | |||
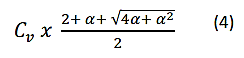
Công thức (1) và (2) phải thỏa mãn đồng thời. Trong trường hợp không biết SWLH, tải trọng hệ số FL được xác định theo công thức sau:


Trong đó:
K: Ià hệ số đàn hồi theo chiều thẳng đứng của cần trục tại móc cẩu, (ib/ft);
SWLH: là tải trọng làm việc an toàn trên móc, (ib);
FL: là tải trọng hệ số (SWLH x Cv), (ib);
a: là biến thay thế trong công thức Cv;
g: là gia tốc trọng trường tính bằng 32,2 ft/s2;
Vr: là tốc độ tương ứng, (ft/s).
![]()
Vh: là tốc độ nâng ổn định thực tế lớn nhất khi nâng SWLH, (ft/s);
Vd : là tốc độ theo chiều thẳng đứng của boong tàu đặt tải trọng, (ft/s);
Vc : là tốc độ theo phương thẳng đứng của đầu thanh cần của cần trục do chuyển động của bệ đỡ cần trục, (ft/s).
Tuy nhiên, Cv không được nhỏ hơn hệ số động khi nâng trên công trình biển.
Hệ số đàn hồi K của cần trục được tính toán khi xét đến tất cả các bộ phận từ móc cẩu cho đến kết cấu bệ đỡ. Phụ lục B, API 2C quy định cách tính hệ số đàn hồi của cần trục khi sử dụng công thức này.
Trong quá trình nâng ngoài công trình biển, tốc độ nâng ở chiều cao khi bắt đầu nâng tải (tại mức boong tàu) phải đủ nhanh để tránh việc tải va chạm lại boong tàu sau khi tải đã được nâng lên. Tốc độ nâng tối thiểu (Vhmin) đối với tất cả các móc tải riêng phải thỏa mãn công thức sau:
Vhmin = 0,033 + 0,098 x Hsig khi Hsig ≤ 6 ft; (6)
Vhmin = 0,067 x (Hsig + 3,3) khi Hsig > 6 ft.
Trong đó:
Hsig (ft) là chiều cao sóng tính toán nêu trong biểu đồ tải;
Vhmin (ft/s) là tốc độ nâng ổn định yêu cầu tối thiểu.
Vh sử dụng công thức (5) để tính toán Cv phải là tốc độ móc thực tế ổn định lớn nhất (khi móc ở vị trí đường nước), và phải ≥ Vhmin.
3 Nâng trên công trình biển
Trong trường hợp nâng trên công trình biển, các tôc độ Vd và Vc được lấy bằng 0 và Vhmin không được nhỏ hơn 0,033 ft/s (2 ft/min.). Đối với phương pháp tính tàu cụ thể và phương pháp chung, Cv được xác định từ công thức dưới đây khi gia tốc động đầu thanh cần theo chiều thẳng đứng (Av) được xác định từ việc phân tích chuyển động của tàu trong các điều kiện vận hành cụ thể. Đối với phương pháp chung, giá trị này được chọn theo Bảng 4.

Công thức (1) và (7) phải thỏa mãn đồng thời hoặc khi không biết SWLH (lb) thì dùng công thức sau:

Tuy nhiên, Cv không được nhỏ hơn 1,1 + Av hoặc lớn hơn 1,33 + Av
Trong đó:
Cv : là hệ số động;
Av : là gia tốc đầu thanh cần theo phương thẳng đứng;
FL : là tải trọng hệ số.
2.3.4.6 Tải trọng theo phương ngang
1 Quy định chung
Tải trọng theo phương ngang phải được xét đến khi phân loại cần trục. Nếu không có dữ liệu cụ thể hơn từ tổ chức, cá nhân sử dụng cần trục, ảnh hưởng của góc offlead, góc sidelead, độ nghiêng tĩnh của bệ cần trục và chuyển động của bệ cần trục phải được tính toán theo mục này và phải áp dụng đồng thời với tải trọng theo phương thẳng đứng để tính toán phân loại cần trục.
2 Góc offlead và sidelead do chuyển động của tàu (Lực SB)
Tất cả các hoạt động nâng ngoài công trình biển sẽ có các tải trọng theo phương ngang do chuyển động của tàu. Tải trọng offlead hướng kính WoffSB tác động vào đầu thanh cần do chuyển động của tàu sẽ bằng:
WoffSB = FL x OL (9)
Trong đó:

Htip : là khoảng cách theo phương thẳng đứng từ đầu thanh cần đến boong tàu, tính bằng ft;
FL: là tải trọng hệ số, tính bằng lb.
Tải trọng sideload theo phương ngang (tính bằng lb) tác động vào đầu thanh cần do chuyển động của tàu bằng:

Khi tổ chức, cá nhân sử dụng cần trục cung cấp số liệu góc offlead và sidelead cụ thể (phương pháp tàu cụ thể), các lực offlead và sidelead là một hàm của các góc cụ thể như sau:
WOffSB = FL x tan (góc offlead) (12)
W(offside)SB = FL x tan (góc sidelead) (13)
3 Tải trọng do nghiêng cần trục (lực CI) và chuyển động của cần trục (lực CM)
Tất cả các hoạt động nâng trên công trình biển và ngoài công trình biển sẽ bao gồm các tải trọng do độ nghiêng tĩnh của bệ cần trục (góc list hoặc trim) và chuyển động của bệ cần trục. Đối với phương pháp tàu cụ thể, cần tính toán chuyển động của đầu thanh cần của cần trục do chuyển động của cần trục lắp trên giàn và tàu. Chuyển động của đầu thanh cần phải được tính toán trong điều kiện vận hành và điều kiện không vận hành bất lợi nhất khi thanh cần không được đặt vào vị trí cố định cần. Đối với phương pháp chung trong trường hợp thiếu dữ liệu cụ thể về tàu, có thể sử dụng các giá trị trong Bảng 5. Phụ lục B của Tiêu chuẩn API 2C cung cấp các thông tin về kích thước và kiểu tàu có thể áp dụng các giá trị trong Bảng 5. Các giá trị trong Bảng 5 không áp dụng đối với các kiểu tàu khác hoặc tàu nhỏ hơn tàu được nêu trong Phụ lục B của Tiêu chuẩn API 2C.
Độ nghiêng tĩnh của giàn và tàu (góc list và trim) gây ra góc offlead và sidelead phụ thuộc vào hướng vận hành cần trục so với độ nghiêng. Giá trị góc offlead tĩnh sẽ phụ thuộc vào vị trí của móc cẩu so với điều kiện nâng cân bằng. Để giải quyết điều này, góc nghiêng của thanh cần phải được điều chỉnh để đưa móc cẩu trở về bán kính cho phép và mức tải định mức xác định trong trường hợp này. Giá trị góc sidelead tĩnh của tải trọng sideload ở đầu thanh cần do tải trọng hệ số theo phương thẳng đứng được xác định như sau:
WsideCI = FL x sin (góc sidelead tĩnh) (14)
Góc sidelead tĩnh được xác định bằng:
![]()
Góc quay cần trục giả định được tính toán ở vài góc khác nhau tối thiểu từ 00 và 900 (góc offlead và sidelead lớn nhất). Kết quả SWLH nhỏ nhất do thay đổi các góc này được lựa chọn cho điều kiện nâng xác định.
Góc sidelead tĩnh của cần trục cũng gây ra các tải trọng sideload do trọng lượng của thanh cần và cần trục). Các tải trọng sideload này được tính tương tự và tác động đến thanh cần và các bộ phận khác của cần trục.
Chuyển động của bệ cần trục gây ra tải trọng offload và tải trọng sideload tác động đến đầu thanh cần tương tự như tải trọng gây ra bởi chuyển động của tàu. Chuyển động của bệ cần trục cũng gây ra các tải trọng theo phương thẳng đứng, tải trọng offload và tải trọng sideload do trọng lượng thanh cần và cần trục). Các tải trọng này tác động lên cần trục dọc theo thanh cần và các bộ phận bị ảnh hưởng khác. Gia tốc theo phương ngang xác định đối với đầu thanh cần của cần trục (tổ chức, cá nhân sử dụng cần trục cung cấp thông số đối với phương pháp tàu cụ thể hoặc từ Bảng 5) sẽ tác động vào thanh cần và các bộ phận khác của cần trục cùng với tải trọng theo phương ngang của đầu thanh cần do gia tốc này nhân với tải trọng hệ số theo phương thẳng đứng. Tải trọng theo phương ngang do chuyển động của bệ cần trục (Lực CM) tác động lên tải nâng được xác định như sau:
WhorizontaICM = FL x gia tốc ngang (16)
Các lực theo phương ngang tương tự gây ra do thanh cần và các bộ phận khác của cần trục do độ nghiêng tĩnh của giàn và tàu và gia tốc theo phương ngang. Các tải trọng theo phương ngang bổ sung này phải được tính toán cho các bộ phận khác nhau của cần trục và tác động đến các bộ phận khác nhau của cần trục. Tải trọng theo phương ngang do chuyển động của cần trục tác động theo hướng chuyển động của bệ cần trục. Điều này tạo ra lực sidelead và offlead do WhorizontaICM :
WoffCM = WhorizontaICM x cos (góc của bệ cần trục) (17)
WsideCM = WhorizontaICM x sin(góc của bệ cần trục) (18)
Trong đó:
Góc của bệ cần trục là góc chuyển động của bệ cần trục so với hướng của thanh cần (00 chỉ đối với góc offlead, 900 chỉ đối với góc sidelead).
Góc giả định của chuyển động bệ cần trục phải được toán ở vài góc khác nhau tối thiểu từ 00 và 900 (góc offlead và sidelead lớn nhất). Kết quả SWLH nhỏ nhất do thay đổi các góc này được lựa chọn cho điều kiện nâng xác định.
4 Kết hợp các tải trọng theo phương ngang
Các tải trọng theo phương ngang do chuyển động của cần trục và chuyển động của tàu được kết hợp như sau. Tổng lực sidelead và offlead động theo phương ngang do tác động của tải nâng là:
Lực sidelead, Wsidedyn:
![]()
Lực offlead, Woffdyn:

Tải trọng động kết hợp theo phương ngang này được thêm vào các tải trọng theo phương ngang do độ nghiêng tĩnh của bệ cần trục và gió để tính ra tổng lực thiết kế theo phương ngang, và xác định điều kiện tải định mức của cần trục cụ thể:
Tổng tải trọng offload = Woffdyn + Woff(wind)
Tổng tải trọng sideload = Wsidedyn + WsideCI + Wside(wind)
Tuy nhiên, tổng tải trọng sideload không được nhỏ hơn 0,02 x FL.
2.3.4.7 Tải trọng do các bộ phận khác của cần trục
Các lực và mô men do trọng lượng của các bộ phận của cần trục (thanh cần, khung dầm, bệ ...) là thành phần bao gồm trong tải trọng dùng để xác định các tải định mức của cần trục và các điều kiện không vận hành. Các tải trọng theo phương thẳng đứng gây ra do trọng lượng các bộ phận của cần trục sẽ tăng lên theo các mức gia tốc trong Bảng 4 trong điều kiện vận hành nâng ngoài công trình biển và nâng trên công trình biển và các điều kiện không vận hành khi nhân trọng lượng các bộ phận của cần trục với (1 + Av) từ bảng. Điều này giúp tính toán tác động của chuyển động của cần trục đến trọng lượng của các bộ phận của cần trục theo phương thẳng đứng. Tác động động theo phương ngang đến các bộ phận của cần trục cũng được tính toán bằng việc áp dụng các công thức trong mục 2.3.4.6.3 cho trọng lượng của các bộ phận thay cho tải trọng hệ số.
2.3.5 Tải trọng trong điều kiện không hoạt động
Khi không hoạt động, cần trục chịu tải trọng do trọng lượng bản thân, tác động của môi trường và chuyển động của giàn và tàu. Trong điều kiện không hoạt động, cần trục không có tải trọng treo trên móc cẩu. Trong điều kiện khắc nghiệt (bão nhiệt đới), cần trục phải được đưa về vị trí cố định thanh cần và cần trục, giá đỡ thanh cần hoặc các thiết bị giá đỡ khác phải được thiết kế để chịu được sự kết hợp các chuyển động và các lực gây ra bởi các tác động của môi trường từ các điều kiện thiết kế bất lợi nhất đối với giàn và tàu. Đối với điều kiện vận hành ít hơn, cần trục có thể không hoạt động và thanh cần của cần trục không đặt trên giá cố định. Trong trường hợp này, cần trục phải được thiết kế để chịu được sự kết hợp của các chuyển động và các lực gây ra bởi các tác động của môi trường mà không có sự hỗ trợ của các thiết bị giá đỡ thanh cần. Tổ chức, cá nhân sử dụng cần trục cần cung cấp thông số môi trường khắc nghiệt nhất như: tốc độ gió, góc list và trim, và gia tốc của tàu trong trường hợp cần trục không hoạt động thanh cần được đặt trên giá cố định và không được đặt trên giá cố định.
2.3.6 Tải trọng gió, băng và động đất
2.3.6.1 Tải trọng gió
Tổ chức, cá nhân sử dụng cần trục cần xác định tốc độ gió dự tính đối với từng điều kiện nâng từ đó xác định các loại tải định mức cũng như trong điều kiện không vận hành. Khi không có thông tin cụ thể từ tổ chức, cá nhân sử dụng cần trục, tốc độ gió được tính như sau:
- Nâng trên công trình biển: 20 knots;
- Nâng ngoài công trình biển:
(nhưng không nhỏ hơn 20 knots);
- Đối với phương pháp định mức động kế thừa, xem tốc độ gió ở mục 2.3.4.4;
- Trong điều kiện không vận hành và thanh cần không được đặt trên giá cố định: 61 knots;
- Trong điều kiện không vận hành và và thanh cần được đặt trên giá cố định: 122 knots. Các tốc độ gió trên có tính đến tác động của độ cao và gió giật ở vị trí lắp đặt cần trục. Áp lực gió tác động lên diện tích dự kiến của các bộ phận của cần trục và tải trọng nâng được tính theo công thức sau:
Pwind = 0,00339 x Cs x U2 (23)
Trong đó:
U: là tốc độ gió, tính bằng knots (1 knot = 1,1508 mile/h = 0,5144 m/s);
Cs: là hệ số hình dáng kết cấu;
Pwind: là áp lực gió, tính bằng lb/ft2.
Khi không có những thông tin khác, có thể dùng các hệ số hình dáng Cs được cho trong Bảng 6:
Bảng 6 - Hệ số hình dáng kết cấu
| Loại kết cấu | Cs |
| Dầm I, góc, chữ U | 2 |
| Ống vuông | 1,5 |
| Ống tròn | 0,8 |
| Mặt phẳng của khoang kín | 1,5 |
Lực gió tác động lên thanh cần, tải nâng, và các bộ phận khác của cần trục. Lực gió bằng áp lực gió Pwind nhân với diện tích (ft2) dự tính của các bộ phận. Khi thiếu các thông tin cụ thể, diện tích dự tính của tải trọng nâng được tính như sau:

Hướng gió có thể được giả định có tác động cùng hướng chuyển động của bệ cần trục. Lực gió tác động vào bề mặt của tải nâng sẽ được cộng thêm vào các tải trọng sideload và tải trọng offload theo phương ngang khác tác động vào đầu thanh cần. Lực gió tác động lên thanh cần và các bộ phận khác của cần trục sẽ tác động lên thanh cần trong mặt phẳng thích hợp theo hướng kết hợp với các tải trọng theo phương ngang khác tác động lên thanh cần. Lực gió tác động lên thanh cần và các bộ phận khác của cần trục sẽ được cộng thêm vào các tải trọng theo phương ngang khác.
2.3.6.2 Tải trọng băng
Đối với các cần trục hoạt động ở nơi có tích tụ băng / tuyết, xem API 2N về phương pháp tính toán cùng với thông tin cung cấp bởi tổ chức, cá nhân sử dụng cần trục.
2.3.6.3 Tải trọng động đất
Cần trục lắp đặt trên các công trình biển cố định sẽ chịu tác động của tải trọng động đất, cần trục phải được thiết kế theo các tiêu chuẩn liên quan đến công trình chịu động đất tại vùng biển hoạt động.
2.4 Kết cấu
2.4.1 Quy định chung
Tất cả các bộ phận quan trọng (ngoại trừ được ghi chú ở mục 2.4.3) phải được thiết kế phù hợp với ứng suất đơn vị cho phép được nêu trong Tiêu chuẩn AISC 335 khi chịu các tải trọng được nêu trong mục 2.3. Trong điều kiện vận hành nâng tải được nêu trong mục 2.6.2, các ứng suất đơn vị cho phép cơ bản trong Tiêu chuẩn AISC được sử dụng mà không tăng 1/3 ứng suất. Trong điều kiện khắc nghiệt chịu tải trọng động đất (trong trường hợp hoạt động hoặc không hoạt động) hoặc gió bão (chỉ trong trường hợp không hoạt động) có thể tăng 1/3 ứng suất cho phép trong tiêu chuẩn AISC.
Đối với thép kết cấu khác với loại liệt kê trong tiêu chuẩn AISC, phải tương đương với ứng suất đơn vị cho phép của tiêu chuẩn AISC và nhà chế tạo cần trục phải lập thành tài liệu.
Các mối lắp ráp quan trọng tại hiện trường như liên kết chốt hoặc bu lông (nối thanh cần, liên kết chân cần, chân đế và các bộ phận chân kéo của cột...) cần được thiết kế để đảm bảo 100% độ bền của các bộ phận liên kết. Việc nối các đoạn cần hộp tại hiện trường cần được thiết kế để đảm bảo 100% độ bền của các vùng lân cận với phần liên kết của các đoạn cần hộp. Các mối nối không quan trọng (hàn, chốt hoặc bu lông) phải được thiết kế hoặc bằng tải trọng mà kết cấu liên kết phải chịu hoặc độ bền của các bộ phận liên kết dựa trên các ứng suất cho phép theo tiêu chuẩn AISC, nhưng trong bất kỳ trường hợp nào không được nhỏ hơn 50% độ bền kéo vật liệu chế tạo các bộ phận được kiểm tra. Ứng suất cắt cho phép và tỷ lệ chiều rộng và độ dày phải tuân theo các quy định của tiêu chuẩn AISC.
2.4.2 Bệ đỡ, cột đỡ của cần trục
Bệ đỡ, cột đỡ của cần trục phải được thiết kế thỏa mãn các tải trọng được nêu trong mục 2.3 với hệ số tải trọng bệ đỡ bổ sung PF được áp dụng đối với các tải trọng theo phương thẳng đứng và ngang do tải trọng hệ số. Hệ số PF được áp dụng đối với tải trọng hệ số theo phương thẳng đứng và các lực offlead và sidelead gây ra do tải trọng hệ số theo phương thẳng đứng. Hệ số PF được tính theo công thức sau:
| PF = 1,56 - | SWLH | (25) |
| 900000 |
nhưng PF không được nhỏ hơn 1,2 hoặc lớn hơn 1,5.
Các bộ phận này phải thỏa mãn tiêu chuẩn AISC khi không tăng 1/3 ứng suất (xem mục 2.4.1).
Đối với các cột đỡ và bệ đỡ cao, độ cứng vững cần yêu cầu cao hơn để ngăn ngừa chuyển động quá mức của cần trục và người vận hành. Chuyển động quá mức có thể gây ra khó chịu cho người vận hành ngay cả khi yêu cầu về mức ứng suất ở trên được thỏa mãn.
2.4.3 Ngoại trừ trong sử dụng tiêu chuẩn AISC
Mâm quay, các bu lông liên kết của chúng và bu lông bệ cần trục không được phân tích theo tiêu chuẩn AISC. Các yêu cầu thiết kế cụ thể đối với mâm quay và bu lông được nêu trong mục 2.5.4.
2.4.4 Độ bền mỏi của kết cấu
Kết cấu của cần trục phải được thiết kế để có độ bền mỏi lớn hơn thời gian khai thác cần trục dự kiến. Khi thiếu dữ liệu về tần suất và mức tải trọng nâng trong thời gian khai thác cần trục dự kiến, các bộ phận quan trọng của cần trục phải được thiết kế để chịu được tối thiểu 1.000.000 chu kỳ ở mức 50% tải trọng SWLH khi nâng trên công trình biển và các tải trọng theo phương ngang liên quan (tải trọng offload và sideload) như được nêu trong mục 2.3 tại bán kính nâng bất lợi nhất đối với mỗi bộ phận. Giới hạn ứng suất được sử dụng là khác nhau giữa ứng suất gây ra bởi tải trọng nêu trên và ứng suất trong trường hợp thanh cần ở vị trí tương tự nhưng không chịu tải.
Tiêu chuẩn thiết kế độ bền mỏi phải dựa trên việc thiết lập các hướng dẫn về tuổi thọ thiết kế độ bền mỏi như được nêu trong AWS D1.1, BS7608 hoặc Phụ lục K của tiêu chuẩn AISC (mục 6.1). Phụ lục B của Tiêu chuẩn API 2C trình bày phương pháp tính độ bền mỏi kết cấu và nguồn gốc của các đường cong mỏi.
Kỹ sư thiết kế phải xem xét đến ứng suất vùng ảnh hưởng nhiệt của kim loại cơ bản sát với chân mối hàn, đặc biệt những mối hàn tạo thành đường tải chính để truyền tải và độ tin cậy của các mối hàn phải hơn mặt cắt ngang của kim loại cơ bản. Ứng suất vùng ảnh hưởng nhiệt này có thể được xác định bằng thiết bị đo biến dạng tại điểm gần chân đường hàn sau khi đạt được chu kỳ ổn định (hoặc để thử) trong quá trình thử mẫu đầu tiên. Phân tích phần tử hữu hạn tương ứng với xác định này có thể được sử dụng để tính toán ứng suất này. Đường cong mỏi thích hợp có thể được lấy từ tiêu chuẩn AWS D1.1 hoặc BS7608 hoặc các tài liệu khác nhằm xác định tuổi bền mỏi thích hợp với quy định này.
Nếu tổ chức, cá nhân sử dụng cần trục cung cấp thông tin về tần suất và mức tải trọng nâng dự kiến, kỹ sư thiết kế có thể sử dụng đường cong mỏi như trên để:
- Xác định kích thước các bộ phận kết cấu để thỏa mãn yêu cầu về độ bền mỏi trong giai đoạn thiết kế, hoặc
- Thực hiện phân tích độ bền mỏi để thiết lập tuổi bền mỏi dự kiến của thiết kế hiện tại dựa trên thông tin về chu kỳ được tổ chức, cá nhân sử dụng cần trục cung cấp.
2.5 Thiết bị
2.5.1 Chu kỳ làm việc của máy và dây cáp thép
2.5.1.1 Quy định chung
Tuổi thọ thiết kế lý thuyết của các bộ phận kết cấu, máy và dây cáp thép của cần trục phải được xem xét riêng. Yêu cầu đối với các bộ phận kết cấu với mục đích thỏa mãn hoặc có tuổi thọ cao hơn tuổi thọ của công trình biển mà cần trục được lắp trên đó. Tuổi thọ thiết kế máy và dây cáp thép phải dựa trên khoảng thời gian sửa chữa và thay thế hợp lý, phù hợp với chu kỳ làm việc hoặc tần suất và mức tải trọng nâng cụ thể trong suốt thời gian hoạt động dự kiến của cần trục.
Cơ sở được ưu tiên hơn trong phân tích chu kỳ làm việc của các bộ phận cần trục là thông tin do tổ chức, cá nhân sử dụng cần trục cung cấp. Khi không có những thông tin này, các thông số chu kỳ làm việc mặc định được quy định đối với việc phân cấp cần trục đặc trưng lắp đặt trên các công trình biển. Các cơ sở chế tạo cần trục cũng có thể thể cung cấp các mức chu kỳ tuổi thọ dự tính trước.
Các quy định tuổi thọ thiết kế lý thuyết ở đây không bao gồm tất cả các thay đổi về vận hành, môi trường và bảo dưỡng ảnh hưởng đến tuổi thọ các bộ phận của cần trục, và không được xem là yếu tố đảm bảo. Các quy định này nhằm cung cấp cơ sở thích hợp cho việc thiết kế các bộ phận kết cấu, máy và dây cáp thép của cần trục phù hợp với mục đích sử dụng.
2.5.1.2 Chu kỳ làm việc máy móc
Khi tổ chức, cá nhân sử dụng cần trục không cung cấp dữ liệu về chu kỳ làm việc cụ thể, chu kỳ làm việc dự kiến hoặc thời gian giữa hai lần đại tu (TBO) của các bộ phận máy chính được xác định theo tần suất sử dụng theo số giờ với TBO tính theo năm. Khối lượng tải trọng nâng dự kiến được tính là phần trăm của tải trọng lớn nhất của các bộ phận riêng lẻ tương ứng với tần suất trong thời gian đại tu. Tuổi thọ chu kỳ làm việc của các bộ phận riêng lẻ được xác định từ mức tải trọng lớn nhất cho phép tác động lên mỗi bộ phận của cần trục dựa trên việc đánh giá các bộ phận mà không xét đến sức nâng tổng thể của cần trục. Tốc độ vận hành được tính theo % của Tốc độ lớn nhất và máy được xem là đang trong quá trình sử dụng dù cần trục ở trạng thái chịu tải hoặc không chịu tải, miễn là cần trục hoạt động.
1 Phân cấp áp dụng cần trục trên các công trình biển đặc trưng
Khi không có thông tin từ tổ chức, cá nhân sử dụng cần trục, tần suất vận hành được phân cấp áp dụng đối với cần trục trên các công trình biển đặc trưng được cho trong Bảng 7 đối với toàn bộ cần trục và các Bảng 8, 9, 10, 11 và 12 đối với các bộ phận cơ khí chính của trục.
2 Chu kỳ làm việc máy theo phân cấp cần trục
Nếu phân cấp cần trục trên công trình biển đặc trưng được sử dụng, tuổi thọ chu kỳ TBO lý thuyết đối với các bộ phận máy chính có thể được xác định từ mức tải và tốc độ vận hành tương ứng như được nêu trong các Bảng 8, 9, 10, 11 và 12.
Bảng 7 - Phân cấp áp dụng cần trục trên các công trình biển đặc trưng
| Phân cấp chu kỳ làm việc của cần trục | Vận hành hàng năm (Động cơ chính) | Áp dụng đặc trưng |
| Sản xuất | 200 h | Cần trục lắp trên công trình biển cố định dùng cho sản xuất. |
| Trung bình | 2000 h | Cần trục lắp trên công trình biển cố định hoặc giàn nổi, được lắp đặt tạm thời hoặc có thời gian khai thác cao không liên tục. |
| Khoan | 5000 h | Cần trục lắp trên công trình biển khoan di động hoặc công trình biển sản xuất nổi với việc vận hành khoan toàn thời gian. |
| Thi công | 1000 h | Cần trục lắp trên sà lan thi công hoặc cần trục có sức nâng lớn lắp trên tàu. |
Bảng 8 - Tời phụ - 5 năm TBO
| Phân cấp chu kỳ làm việc của cần trục | Tuổi thọ thiết kế lý thuyết | Mô men lớn nhất % | Tốc độ lớn nhất % |
| Sản xuất | 60 h | 45% | 70 % |
| Trung bình | 825 h | 45% | 70 % |
| Khoan | 2.100 h | 55 % | 70 % |
| Thi công | 250 h | 45% | 70 % |
Bảng 9 - Tời chính - 5 năm TBO
| Phân cấp chu kỳ làm việc của cần trục | Tuổi thọ thiết kế lý thuyết | Mô men lớn nhất % | Tốc độ lớn nhất % |
| Sản xuất | 70 h | 45% | 70 % |
| Trung bình | 225 h | 45% | 70 % |
| Khoan | 500 h | 55 % | 70 % |
| Thi công | 250 h | 45% | 70 % |
Bảng 10 - Tời nâng cần - 5 năm TBO
| Phân cấp chu kỳ làm việc của cần trục | Tuổi thọ thiết kế lý thuyết | Mô men lớn nhất % | Tốc độ lớn nhất % |
| Sản xuất | 70 h | 45% | 70 % |
| Trung bình | 1250 h | 45% | 70 % |
| Khoan | 3750 h | 55 % | 70 % |
| Thi công | 900 h | 45% | 70 % |
2.5.1.3 Chu kỳ làm việc của dây cáp thép
Chu kỳ làm việc của dây cáp thép cũng tương tự như các bộ phận máy, mặc dù thời gian giữa hai lần thay thế (TBR) đối với dây cáp thép nhỏ hơn đối với máy. Nhà thiết kế cần trục phải xem xét đến các yếu tố như mức độ và tần suất tải, góc fleet, tỷ số D/d của tang cáp và pu ly tương ứng với chu kỳ làm việc.
Bảng 11 - Cơ cấu quay - 5 năm TBO
| Phân cấp chu kỳ làm việc của cần trục | Tuổi thọ thiết kế lý thuyết | Mô men lớn nhất % | Tốc độ lớn nhất % |
| Sản xuất | 70 h | 45% | 70 % |
| Trung bình | 900 h | 45% | 70 % |
| Khoan | 2500 h | 55 % | 70 % |
| Thi công | 300 h | 45% | 70 % |
Bảng 12 - Động cơ và bơm dẫn động chính - 5 năm TBO
| Phân cấp chu kỳ làm việc của cần trục | Tuổi thọ thiết kế lý thuyết | Mô men lớn nhất % | Tốc độ lớn nhất % |
| Sản xuất | 1000 h | 45% | 70 % |
| Trung bình | 10.000 h | 60 % | 70 % |
| Khoan | 25.000 h | 60 % | 70 % |
| Thi công | 5000 h | 60 % | 70 % |
| Ghi chú: Nhà chế tạo động cơ diesel khuyến nghị thời gian đại tu ít hơn tuổi thọ thiết kế làm việc khoan. | |||
1 TBR của dây cáp thép theo phân cấp cần trục trên các công trình biển đặc trưng Khi thiếu thông tin từ tổ chức, cá nhân sử dụng cần trục, TBR của dây cáp thép theo phân cấp cần trục trên các công trình biển đặc trưng được cho trong Bảng 13.
Bảng 13 - TBR của dây cáp thép theo phân cấp
cần trục trên các công trình biển đặc trưng
| Phân cấp chu kỳ làm việc của cần trục | TBR |
| Sản xuất | 3 năm |
| Trung bình | 2,5 năm |
| Khoan | 2 năm |
| Thi công | 3 năm |
2 Chu kỳ làm việc của dây cáp thép theo phân cấp cần trục
Nếu sử dụng TBR của dây cáp thép theo phân cấp cần trục trên các công trình biển, chu kỳ TBR đối với dây cáp được xác định từ mức tải và số chu kỳ tương ứng được cho trong các Bảng 14, 15, 16.
Bảng 14 - Dây cáp thép nâng phụ
| Phân cấp chu kỳ làm việc của cần trục | Chu kỳ nâng đến TBR | SWLH lớn nhất % |
| Sản xuất | 1.000 | 45% |
| Trung bình | 12.500 | 45% |
| Khoan | 28.500 | 55 % |
| Thi công | 2.700 | 45% |
Bảng 15 - Dây cáp thép nâng chính
| Phân cấp chu kỳ làm việc của cần trục | Chu kỳ nâng đến TBR | SWLH lớn nhất % |
| Sản xuất | 250 | 45% |
| Trung bình | 650 | 45% |
| Khoan | 1.500 | 55 % |
| Thi công | 350 | 45% |
Bảng 16 - Dây cáp thép nâng thanh cần
| Phân cấp chu kỳ làm việc của cần trục | Chu kỳ nâng đến TBR | SWLH lớn nhất % |
| Sản xuất | 1.200 | 45% |
| Trung bình | 12.500 | 45% |
| Khoan | 30.000 | 55 % |
| Thi công | 3.000 | 45% |
2.5.2 Các dây treo tải quan trọng
2.5.2.1 Quy định chung
Hệ thống dây treo (dây cáp nâng và dây cương thanh cần) và nâng tải là các thiết bị quan trọng, chúng phải thỏa mãn các quy định trong phần này.
2.5.2.2 Cáp thép
Tất cả các dây cáp thép sử dụng trong hệ thống nâng và treo phải phù hợp với các quy định dưới đây.
1 Kết cấu
Nhà chế tạo cần trục phải nêu rõ kết cấu dây cáp thép được sử dụng làm dây nâng tải và dây nâng thanh cần. Các quy định trong tiêu chuẩn API 9A là tiêu chuẩn tối thiểu cho cáp thép sử dụng trên cần trục trên các công trình biển. Các dây cáp phải phù hợp với mục đích sử dụng và tuổi thọ làm việc.
2 Kiểm tra, bảo dưỡng và thay thế (IMR)
Nhà chế tạo cần trục phải cung cấp quy trình IMR đối với tất cả dây cáp thép được sử dụng trên cần trục. Quy trình này phải phù hợp với các tiêu chuẩn tối thiểu trong API 2D.
3 Hệ số thiết kế
Hệ số thiết kế tối thiểu đối với dây cáp chạy và cố định được tính toán theo công thức sau:
(1) Dây cáp chạy (trong hệ thống dây cáp nâng tải và nâng thanh cần)
| DF = | 1000 | nhưng không cần lớn hơn 5 (26) |
| 0,004 x SWLH + 1910 |
hoặc không xét đến SWLH:
DF = 2,25 x Cv (27)
Chọn giá trị cao hơn trong hai công thức trên, nhưng không được nhỏ hơn 3.
SWLH được xác định từ 2.6.1.1 đối với mỗi bán kính và Cv là hệ số động theo phương thẳng đứng tương ứng được xác định từ công thức (2) trong mục 2.3.4.5.2. Công thức (4) không được áp dụng.
(2) Dây cáp cố định (hệ thống treo dây cương)
| DF = | 1000 | nhưng không cần lớn hơn 4 (28) |
| 0,0025 x SWLH + 2444 |
hoặc
DF = 2 x Cv (29)
Chọn giá trị cao hơn trong hai công thức trên, nhưng không được nhỏ hơn 3.
SWLH được xác định từ 2.6.1.1 đối với mỗi bán kính và Cv là hệ số động theo phương thẳng đứng tương ứng được xác định từ công thức (2) trong mục 2.3.4.5.2. Công thức (4) không được áp dụng.
4 Hiệu suất của hệ thống pa lăng
Hiệu suất của hệ thống pa lăng của dây cáp chạy phải được tính theo công thức sau:

Trong đó:
Ers là hiệu suất của hệ thống pa lăng;
Kb là hệ số ổ đỡ: 1,045 đối với bạc đồng hoặc 1,02 đối với ổ bi đũa;
N là số nhánh cáp;
S là tổng số pu ly trong hệ thống pa lăng.
Đối với dây cáp cố định, Ers bằng 1.
5 Tải trọng tác dụng lên dây cáp thép
Tải trọng tác dụng lên dây cáp thép (W) được xác định bằng tổng lực lớn nhất phát sinh trong các dây nâng tải hoặc hoặc hệ thống treo thanh cần dưới tác động của tải trọng. Đối với các dây nâng tải, tải trọng tác dụng là SWLH. Đối với các dây nâng thanh cần và các dây cương, tải tác dụng bao gồm SWLH, trọng lượng tĩnh (với gia tốc từ chuyển động của bệ đỡ cần trục), góc offlead, gió và hình dạng nâng.
6 Độ bền kéo đứt tối thiểu của dây cáp thép
Độ bền kéo đứt yêu cầu tối thiểu của dây cáp thép phải được tính toán theo công thức sau:
| BL = | W x DF | (31) |
| N x Ers |
Trong đó:
BL : là tải trọng kéo đứt danh nghĩa tối thiểu được yêu cầu đối với một dây cáp thép đơn, tính bằng ib;
W : là tải trọng cáp thép theo 2.5.2.2.5, tính bằng ib;
DF : là hệ số thiết kế theo 2.5.2.2.3;
N : là số nhánh dây;
Ers : là hiệu suất của hệ thống pa lăng theo 2.5.2.2.4.
2.5.2.3 Đầu cuối của dây cáp thép
1 Khóa cáp
Phải đặc biệt lưu ý để đảm bảo hướng phù hợp của kẹp bu lông chữ U. Phần cong của bu lông chữ U phải tiếp xúc với đầu chết của dây cáp. Hướng, khoảng cách, mô men xiết và số lượng các khóa cáp phải phù hợp với tiêu chuẩn của Nhà chế tạo cần trục.
2 Mắt nối cáp
Mắt nối dây phải có tối thiểu 3 nếp gập đầy đủ. Hướng dẫn chi tiết khác về mắt nối dây phải tuân theo quy định của Nhà chế tạo cần trục.
3 Đầu kẹp cáp kiểu nêm
Đầu kẹp cáp kiểu nêm phải được lắp đặt sao cho dây cáp chịu tải phải thẳng hàng với chốt của đầu kẹp cáp. Kẹp cáp thép sử dụng cùng với khóa đầu cáp phải được gắn với đầu không chịu tải (chết) của dây cáp tuân theo Hình 4 (các lựa chọn khác tuân theo các Nhà cung cấp khác nhau). Các bộ phận của đầu kẹp cáp phải chịu được tải trọng kéo đứt của dây cáp thép.

Ghi chú:
| 1 Một đoạn dây cáp thép cùng loại được kẹp với dây cáp thép chính | 4 Tối thiểu 7 lần đường kính dây cáp |
| 2 Phương pháp vòng trở lại | 5 Lớn nhất 3 lần đường kính dây cáp |
| 3 Buộc lỏng vòng an toàn bằng sợi thép với cáp tải |
|
Hình 4 - Các phương pháp bắt đầu cáp an toàn khi sử dụng đầu kẹp cáp kiểu nêm
4 Sức chịu của đầu kẹp cáp
Đầu kẹp cáp phải không làm giảm độ bền dây cáp xuống dưới 80% tải trọng kéo đứt danh nghĩa của dây cáp. Nếu sức chịu của đầu kẹp cáp dưới 80% tải trọng kéo đứt của dây cáp được sử dụng để xác định tải trọng định mức thì phải giảm tải trọng định mức xuống cho đến khi mức giảm đạt đến sức chịu tối thiểu 80%.
5 Quy trình lắp
Quy trình lắp chi tiết đối với kẹp đầu cáp được Nhà chế tạo cần trục hướng dẫn chi tiết.
2.5.2.4 Pu ly
1 Tất cả các pu ly là bộ phận của hệ thống nâng của cần trục phải tuân theo các quy định của Chương này.
2 Tỷ số (Dsh/d) giữa đường kính vòng chia của puly (Dsh) so với đường kính danh nghĩa của dây cáp thép (d) không được nhỏ hơn 18 (xem Hình 6). Đối với cần trục có chu kỳ làm việc cao hơn (như mô tả trong 2.5.1), tỷ lệ Dsh/d cao hơn nên tuổi bền mỏi của dây cáp thép lâu hơn.
3 Rãnh pu ly phải nhẵn để không làm hư hại đến dây cáp thép.
4 Góc rãnh pu ly phải được vát ra phía ngoài và góc chung không nhỏ hơn 300. Cạnh mép rãnh phải được làm tròn. Độ đồng tâm và vuông góc của vành pu ly so với trục quay phải nằm trong giới hạn dung sai do Nhà chế tạo quy định.
5 Bán kính pu ly đỡ dây cáp thép phải được chọn theo đường kính dây cáp cụ thể phù hợp với Bảng 17 đối với pu ly có vành kim loại và theo Bảng 18 đối với pu ly có vành nhựa đúc. Kích thước và dung sai của rãnh pu ly với vành làm từ vật liệu khác phải tuân theo quy định của Nhà chế tạo cần trục.
6 Việc lựa chọn vật liệu và bố trí vật liệu pu ly phải sao cho điện thế đối với ăn mòn điện hóa của thân pu ly hoặc dây cáp thép là nhỏ nhất.
7 Không được sử dụng vật liệu chế tạo pu ly có xu hướng gãy ở trạng thái giòn ở mức nhiệt độ nằm trong khoảng thiết kế. Pu ly được miễn thử va đập.
8 Pu ly phải chịu được tất cả các loại tải tác động lên kết cấu được nêu trong mục 2.3 mà không vượt quá ứng suất cho phép. Đối với vật liệu pôlyme thường được gọi là nhựa đúc loại 6, ứng suất uốn, kéo, cắt và nén phải được giới hạn ở mức lớn nhất 30% của độ bền uốn, kéo và nén tương ứng.
9 Mối nối giữa vật liệu kim loại và pôlyme phải có phương pháp phù hợp để ngăn ngừa sự phân tách.
10 Việc lựa chọn bạc lót ổ trục hay vòng bi cho pu ly cần phải xét đến tất cả các lực treo và lực của tải sideload.
11 Vòng bi phải được bôi trơn riêng thông qua một lỗ rãnh riêng. Các vòng bi được bôi trơn vĩnh cửu được miễn quy định này.
12 Bộ phận bảo vệ pu ly bao gồm cả cụm pu ly chạy phải được trang bị bảo vệ hoặc thiết bị thích hợp khác nhằm ngăn chặn dây cáp trượt khỏi rãnh pu ly.

Ghi chú:
1 D
2 d
3 Chốt pu ly
Hình 5 - Kích thước của pu ly
2.5.2.5 Cụm treo tải
1 Cụm móc
Cụm móc cẩu là cụm treo tải của hệ thống nâng chính được sử dụng trong hoạt động nâng của thanh cần chính.
Vòng bi của pu ly phải có kích cỡ phù hợp với mục đích sử dụng.
Trọng lượng của cụm móc cẩu phải phù hợp với chiều dài thanh cần và các đường cáp cụ thể để ngăn ngừa dây cáp thép bị chùng khi tang tời chính đang nhả cáp với tốc độ lớn nhất.
Vật liệu gang không được sử dụng để tạo trọng lượng bổ sung trong cụm móc cẩu. Vật liệu chế tạo các chi tiết trong cụm móc cẩu phải thỏa mãn các quy định trong mục 2.9.1.7.
2 Cụm quả nặng hình cầu
Cụm quả nặng hình cầu là cụm móc cẩu trong hệ thống nâng phụ với dây cáp đơn và trọng lượng của chúng dùng cho mục đích nâng.
Trọng lượng của cụm quả nặng phải phù hợp chiều dài thanh cần để ngăn ngừa dây cáp thép bị chùng khi tang tời phụ đang nhả cáp với tốc độ lớn nhất.
Vật liệu gang được phép sử dụng để tăng trọng lượng cho cụm quả nặng. Vật liệu chế tạo các chi tiết trong cụm quả nặng phải thỏa mãn các quy định trong mục 2.9.1.7.
3 Cụm treo tải
Tải trọng tác dụng lên bộ phận này là tải trọng SWL lớn nhất trên công trình biển và ngoài công trình biển.
Nhãn định mức phải bao gồm thông tin về tải định mức lớn nhất của cụm treo tải, nhiệt độ làm việc và trọng lượng bản thân. Nhãn phải được gắn vĩnh cửu trên cụm móc và cụm quả nặng hình cầu.
4 Móc tải
Móc tải là một bộ phận của cụm móc và cụm quả nặng hình cầu để dễ dàng liên kết tải với hệ thống nâng.
Vật liệu làm móc tải phải là thép hợp kim và được chế tạo bằng phương pháp rèn hoặc đúc.
Móc tải phải thỏa mãn các quy định về vật liệu được nêu trong mục 2.9.1.7.
Móc tải phải được trang bị quai khóa để giữ lại các thiết bị mang tải trong điều kiện không nâng. Phải có thiết bị khóa an toàn tin cậy nếu móc được sử dụng cho việc vận chuyển người. Quai khóa không tham gia vào treo tải trọng nâng.
Bảng 17 - Bán kính rãnh của pu ly, vành kim loại
| Đường kính danh nghĩa của dây cáp thép | Bán kính rãnh tối thiểu | Bán kính rãnh tối đa | |||
| in. | mm | in. | mm | in. | mm |
| 1/4 | 6,5 | 0,134 | 3,40 | 0,138 | 3,51 |
| 5/16 | 8 | 0,167 | 4,24 | 0,172 | 4,37 |
| 3/8 | 9,5 | 0,199 | 5,05 | 0,206 | 5,23 |
| 7/16 | 11 | 0,232 | 5,89 | 0,241 | 6,12 |
| 1/2 | 13 | 0,265 | 6,73 | 0,275 | 6,99 |
| 9/16 | 14,5 | 0,298 | 7,57 | 0,309 | 7,85 |
| 5/8 | 16 | 0,331 | 8,41 | 0,344 | 8,74 |
| 3/4 | 19 | 0,398 | 10,11 | 0,413 | 10,49 |
| 7/8 | 22 | 0,464 | 11,79 | 0,481 | 12,22 |
| 1 | 26 | 0,530 | 13,46 | 0,550 | 13,97 |
| 11/8 | 29 | 0,596 | 15,14 | 0,619 | 15,72 |
| 11/4 | 32 | 0,663 | 16,84 | 0,688 | 17,48 |
| 13/8 | 35 | 0,729 | 18,52 | 0,756 | 19,20 |
| 11/2 | 38 | 0,795 | 20,19 | 0,825 | 20,96 |
| 15/8 | 42 | 0,861 | 21,87 | 0,894 | 22,71 |
| 13/4 | 45 | 0,928 | 23,57 | 0,963 | 24,46 |
| 17/8 | 48 | 0,994 | 25,25 | 1,031 | 26,19 |
| 2 | 52 | 1,060 | 26,92 | 1,100 | 27,94 |
| Ghi chú: bán kính rãnh pu ly phải phù hợp Sổ tay sử dụng dây cáp thép. | |||||
Bảng 18 - Bán kính rãnh của pu ly, vành nhựa đúc
| Đường kính danh nghĩa của dây cáp thép | Bán kính rãnh tối thiểu | Bán kính rãnh tối đa | |||
| in. | mm | in. | mm | in. | mm |
| 1/4 | 6,5 | 0,131 | 3,33 | 0,163 | 4,13 |
| 5/16 | 8 | 0,164 | 4,17 | 0,195 | 4,96 |
| 3/8 | 9,5 | 0,197 | 5,00 | 0,228 | 5,79 |
| 7/16 | 11 | 0,230 | 5,83 | 0,261 | 6,63 |
| 1/2 | 13 | 0,263 | 6,67 | 0,294 | 7,46 |
| 9/16 | 14,5 | 0,295 | 7,50 | 0,327 | 8,29 |
| 5/8 | 16 | 0,328 | 8,33 | 0,359 | 9,13 |
| 3/4 | 19 | 0,394 | 10,00 | 0,425 | 10,80 |
| 7/8 | 22 | 0,459 | 11,67 | 0,506 | 12,86 |
| 1 | 26 | 0,525 | 13,34 | 0,572 | 14,53 |
| 11/8 | 29 | 0,591 | 15,00 | 0,638 | 16,19 |
| 11/4 | 32 | 0,656 | 16,67 | 0,906 | 23,02 |
| 13/8 | 35 | 0,722 | 18,34 | 0,972 | 24,69 |
| 11/2 | 38 | 0,788 | 20,00 | 1,038 | 26,35 |
| 15/8 | 42 | 0,853 | 21,67 | 1,103 | 28,02 |
| 13/4 | 45 | 0,919 | 23,34 | 1,169 | 29,69 |
| 17/8 | 48 | 0,984 | 25,00 | 1,234 | 31,35 |
| 2 | 52 | 1,050 | 26,67 | 1,300 | 33,02 |
5 Hệ số thiết kế cụm treo tải
Hệ số thiết kế được xác định bằng cách chia tải biến dạng dẻo tối thiểu của cụm treo tải cho tải trọng tác dụng lên cụm treo tải tương ứng. Hệ số thiết kế định mức cơ bản được xác định theo công thức sau:
| DF = | 1000 | nhưng không cần lớn hơn 4 (32) |
| 0,0025 x SWLH + 2444 |
hoặc
DF = 3 x Cv (33)
Lấy giá trị lớn hơn trong hai giá trị trên.
SWLH được xác định từ 2.6.1.1 đối với mỗi bán kính và Cv là hệ số động theo phương thẳng đứng tương ứng được xác định từ công thức (2) trong mục 2.3.4.5.2. Công thức (4) không được áp dụng.
6 Công nhận thiết kế mẫu
(1) Thiết kế mẫu đầu tiên phải được thử để xác lập tính hợp lệ của các khái niệm, giả định và phương pháp phân tích cơ bản về thiết kế.
(2) Mẫu đầu tiên phải được thử với tải trọng thử bằng 2 lần tải định mức lớn nhất mà không có sự biến dạng vĩnh cửu nào.
(3) Tải hư hỏng dẻo phải được xác nhận bằng thử nghiệm phá hủy. Phải xét đến sự khác nhau giữa đặc tính vật liệu thực tế và tối thiểu.
2.5.3 Tời nâng cần, tời nâng tải, cơ cấu cần lồng nhau và gập cần
2.5.3.1 Tời
1 Quy định chung
Tời nâng cần, tời chính và tời phụ phải được Nhà chế tạo phê chuẩn trong trường hợp nâng người và phải được ghi rõ trên biển nhãn của thiết bị. Tời cũng phải phù hợp với các tiêu chuẩn về đặc tính và khả năng làm việc như các quy định dưới đây.
2 Đặc tính
Tời kéo cáp nâng cần và nâng tải phải thỏa mãn các quy định sau.
(1) Tời kéo cáp nâng cần và nâng tải yêu cầu phải xét đến hiệu suất của hệ thống pa lăng theo quy định tại 2.5.2.2.5.
(2) Lực kéo tời nâng tải phải được xác định theo SWLH lớn nhất đặt tại đầu thanh cần.
(3) Lực kéo tời nâng cần phải được xác định theo lực sinh ra do tải trọng hệ số được nêu trong mục 2.3.
3 Quy định về phanh
Phanh phải thỏa mãn các quy định sau.
(1) Phanh phải được thiết kế tự an toàn. Phanh phải tác động tự động khi cần điều khiển ở vị trí trung gian (vị trí không) hoặc trong trường hợp mất nguồn cấp.
(2) Phải trang bị hai hệ thống phanh cho mỗi tời, một phanh động và một phanh tay.
(3) Phanh tay phải là phanh cơ khí và tác động trực tiếp lên trống tang hoặc thông qua một đường dẫn cơ khí liên tục.
(4) Khi phanh vận hành bằng điện thì không được có mối liên kết cơ khí liên tục giữa thiết bị hoạt động và thiết bị phanh được sử dụng để điều khiển tải trọng, một thiết bị cơ khí tự động phải được trang bị để tác động phanh nhằm ngăn ngừa tải bị rơi trong trường hợp mất điện hoạt động phanh.
(5) Chất lỏng điều khiển từ động cơ dẫn động gắn với tời được xem là phanh động khi:
- Thiết bị điều khiển được nối trực tiếp với lỗ thoát mà không sử dụng ống;
- Thiết bị điều khiển cần áp lực chủ động từ nguồn động lực để giải phóng và hoạt động tự động để dừng tời trong trường hợp mất nguồn điều khiển hoặc mất nguồn động lực;
- Hệ thống phanh hoạt động hiệu quả trong khoảng nhiệt độ vận hành của chất lỏng làm việc.
(6) Phanh và ly hợp phải được trang bị để điều chỉnh (nếu cần thiết) bù lại cho độ mài mòn và duy trì lực thích hợp lên lò xo khi được sử dụng.
(7) Phanh tay phải ngăn tang cáp quay theo hướng hạ và phải có khả năng giữ tải định mức vô thời hạn mà không cần có sự chú ý của người vận hành.
(8) Trong quá trình hoạt động bình thường, thanh cần và tất cả các tải trọng chỉ được hạ bằng sự kết nối tời với hệ thống động lực. Các tời này phải không có khả năng hoạt động rơi tự do, ngoại trừ khi được dùng như một phần của hệ thống bảo vệ quá tải toàn bộ theo quy định tại mục 2.7.5.
(9) Ngoài phanh, tời nâng cần phải có thiết bị khóa tang cáp để dùng cho mục đích bảo dưỡng. Khóa này phải chịu được mô men xoắn lớn nhất của tời.
4 Khả năng của phanh
Khả năng của phanh phải thỏa mãn các quy định sau :
(1) Phanh động phải có khả năng phù hợp để dừng tang cáp với mức 110% lực kéo trên dây (xem 2.5.3.1.2) ở tốc độ kéo dây lớn nhất ở điều kiện hạ.
(2) Phanh tay khi dừng tang phải có khả năng đủ để giữ 1,5 lần mô men xoắn lớn nhất gây ra bởi lực kéo trên dây được tính toán theo 2.5.3.1.2.
(3) Hệ số ma sát nhỏ nhất của má phanh khi xét đến điều kiện vận hành (độ ẩm và độ trơn) được sử dụng trong trong tính toán thiết kế khả năng giữ của phanh, nhưng hệ số ma sát này không được chọn lớn hơn 0,3.
(4) Phanh động phải có khả năng vận hành liên tục trong 1 giờ, nâng hoặc hạ tải định mức ở tốc độ thiết kế lớn nhất với độ cao 50 ft (15 m). Thời gian dừng giữa nâng và hạ tải không quá 3 giây. Chất lỏng làm mát (nếu có) được duy trì trong giới hạn do nhà chế tạo tời quy định. Ở cuối quá trình vận hành này, phanh động phải có khả năng phù hợp để dừng mức 110% lực kéo dây tời tải (xem 2.5.3.1.2) ở tốc độ kéo dây tời lớn nhất trong trạng thái hạ tải.
(5) Tời cần phải có dung lượng cáp đủ để nâng cần ở góc nâng tối thiểu 00 cho đến góc nâng lớn nhất đối với với tất cả các cấu hình cần.
5 Tang cáp
Tang cáp phải thỏa mãn các quy định sau:
(1) Tất cả tang cáp phải có đường kính vòng chia khi cuốn lớp cáp đầu tiên không nhỏ hơn 18 lần đường kính cáp danh nghĩa (Hình 6).
(2) Đường kính thành tang phải cao hơn lớp cuốn cáp ngoài cùng tối thiểu 2,5 lần đường kính cáp thép trừ khi một thiết bị bổ sung được lắp đặt để giữ cáp trên tang cáp.
(3) Tang cáp phải có khả năng chịu lực kéo đứt cáp phù hợp với kích thước cáp khuyến nghị để vận hành trong khoảng chiều dài thanh cần, bán kính hoạt động và nâng theo phương thẳng đứng theo thỏa thuận giữa nhà chế tạo và tổ chức, cá nhân sử dụng cần trục.
(4) Trong bất kỳ điều kiện hoạt động nào, tang cáp phải đảm bảo cuốn được thêm tối thiểu 5 vòng cáp. Đầu cáp nối vào tang cáp phải được cố định với tang bằng thiết bị phù hợp.
(5) Để đảm bảo việc cuốn cáp phù hợp, khoảng cách thành tang có thể được sử dụng để đáp ứng dung sai của cáp.
Ghi chú: Thành tang phải cách lớp cáp cuốn ngoài cùng tối thiểu 2,5 lần đường kính cáp thép trừ khi trang bị thiết bị bổ sung để giữ cáp trên tang.

Chú thích:
1 D
2 d
3 Tối thiểu 2,5d
4 Tang cáp
5 Thành tang
Hình 7 - Tang cáp
6 Các bộ phận
Các bộ phận được thiết kế để giảm tối thiểu khả năng sử dụng sai hoặc lắp đặt sai, cụ thể như sau:
(1) Tất cả các bộ phận truyền động quan trọng phải có chốt trục, chốt khóa hoặc các thiết bị khác để ngăn ngừa việc lắp đặt sai hoặc thay thế sai các linh kiện.
(2) Nếu không thể đáp ứng các yêu cầu như trên, linh kiện đó phải được đánh dấu rõ ràng với cảnh báo cụ thể về tính thay thế trong sổ tay hướng dẫn vận hành và bảo dưỡng.
7 Lắp ráp
Lắp ráp máy phải đáp ứng các yêu cầu sau:
(1) Để ngăn chặn hiện tượng xuống cấp quá sớm của các cấu kiện máy bên trong do sự biến dạng khi chịu tải hoạt động, nhà chế tạo tời phải cung cấp thông tin khuyến nghị về độ bền lắp ráp và độ phẳng lắp ráp.
(2) Nếu gặp khó khăn trong việc định vị vị trí chi tiết, cần cung cấp công cụ cho việc định vị này.
(3) Việc gắn tời vào kết cấu phải tính kích thước sao cho chịu được tối thiểu lực lớn hơn:
- 2 lần phản lực lớn nhất gây ra bởi lực kéo cáp lớn nhất của tời.
- Lực kéo cáp lớn nhất gây ra bởi tải trọng động cao nhất. Với tời nâng tải, lực này bằng Cv nhân với SWLH. Với tời nâng cần, lực này bằng tải trọng trên cáp nâng cần do trọng lượng cần, động lực cần trục và Cv nhân với SWLH.
(4) Nhà chế tạo cần trục có trách nhiệm thiết kế và thử bệ tời và việc lắp đặt. Lắp ráp và biến dạng khi chịu tải phải tuân thủ khuyến nghị của nhà chế tạo tời.
8 Bôi trơn và làm mát
Bôi trơn và làm mát tời phải đáp ứng các yêu cầu sau:
(1) Tất cả tời phải được lắp đặt với thiết bị kiểm tra mức bôi trơn và làm mát. Các thiết bị này phải đảm bảo dễ dàng sử dụng được khi đã lắp cáp thép. Cần chỉ rõ mức tối đa và mức tối thiểu.
(2) Tời sử dụng chất lỏng lưu chuyển để bôi trơn và làm mát phải có thiết bị để kiểm tra mức chất lỏng khi đang hoạt động (xem 2.8.3.4).
(3) Tời sử dụng hệ thống bôi trơn mạch kín phải có thể tích chất lỏng bằng tối thiểu 120% mức vận hành khuyến nghị tối thiểu.
9 Định mức đối với chốt trục mềm và các khớp nối khác
Các chốt trục mềm hoặc và các khớp nối khác phải có tuổi thọ thiết kế lớn hơn so với bộ phận truyền động bánh răng và gối đỡ khi chịu tải định mức và tốc độ định mức lớn nhất trong điều kiện vận hành phù hợp với những giới hạn của mục 2.5.3.1.7.
2.5.3.2 Cơ cấu thay đổi tầm với
Hai phương pháp thay đổi tầm với của cần là sử dụng nâng hạ bằng cáp thép treo và nâng hạ bằng xy lanh thủy lực.
1 Nâng hạ bằng cáp thép
Nếu sử dụng treo bằng cáp thép, tất cả các bộ phận của hệ thống phải được thiết kế phù hợp với các mục cụ thể trong mục sau:
- Đối với thiết kế dây cáp thép, xem 2.5.2.2
- Đối với thiết kế pu ly, xem 2.5.2.4, và
- Đối với thiết kế tời, xem 2.5.3.1.
2 Nâng hạ bằng xy lanh
(1) Đặc tính
Xy lanh nâng hạ cần thỏa mãn các quy định về đặc tính như sau:
- Xy lanh nâng/hạ cần phải đảm bảo nâng cần ở góc nghiêng cần tối thiểu 00 cho đến góc nâng khuyến nghị tối đa đồng thời phải chịu trọng lượng bản thân.
- Xy lanh nâng/hạ cần phải đủ lực nâng cần ở tất cả các vị trí thiết lập cần khuyến nghị khi chịu lực gây ra bởi tải trọng hệ số như được xác định tại mục 2.3.
- Mỗi xy lanh nâng/hạ cần phải có một van khóa được lắp đặt chịu được 1,5 lần áp lực gây ra bởi tải trọng được xác định tại mục 2.3.
- Các van khóa này phải đóng tự động khi cần điều khiển đưa về vị trí trung lập.
- Các van khóa phải được lắp trực tiếp vào xy lanh nâng cần mà không sử dụng ống mềm.
(3) Thiết kế
Xy lanh phải đáp ứng những quy định thiết kế sau:
- Xy lanh phải được thiết kế theo lực gây ra bởi các tải trọng xác định trong mục 2.3.
- Việc kiểm soát áp lực, hệ số thiết kế tối thiểu bằng 3 phải được duy trì cho việc mở van. Mức mở van được tính toán sử dụng phương pháp trong mục D.1, Phụ lục D của Tiêu chuẩn API 2C hoặc sử dụng Tiêu chuẩn ASME BPVC, Mục 8, Phần 2.
- Về sức chịu đựng của kết cấu, hệ số thiết kế tối thiểu bằng 2 phải được duy trì cho biến dạng chảy và biến dạng uốn đàn hồi. Biến dạng uốn đàn hồi của xy lanh nâng hạ cần đơn được tính theo phương pháp trong mục D.2 của Tiêu chuẩn API 2C.
2.5.3.3 Cơ cấu ống lồng và gập cần
Các chức năng kiểm soát thanh cần khác bao gồm thu ngắn / kéo dài (bằng cách lồng) và gập thanh cần. Thu ngắn / kéo dài thanh cần thường được tiến hành bằng xy lanh thủy lực hoặc cơ cấu bánh răng - thanh răng. Gấp thanh cần được thực hiện bằng xy lanh thủy lực.
1 Đặc tính
Cơ cấu thu ngắn / kéo dài (lồng nhau) và gấp thanh cần phải đáp ứng các quy định về đặc tính như sau:
- Cơ cấu ống lồng không yêu cầu mở rộng hoặc thu ngắn cần với trọng lượng bản thân hoặc chịu tải trọng trong mọi cấu hình cần.
- Cơ cấu gập phải đảm bảo tính khớp nối đối với tất cả các cấu hình thanh cần trong khi chịu trọng lượng bản thân.
- Cơ cấu ống lồng và gập phải được thiết kế theo lực gây ra bởi các tải trọng xác định trong mục 2.3.
2 Xy lanh
Xy lanh để thu ngắn / kéo dài (lồng nâng) và gấp thanh cần phải đáp ứng các quy định sau:
(1) Xy lanh phải đáp ứng các tiêu chuẩn thiết kế giống như xy lanh nâng/hạ thanh cần tại mục 2.5.3.2.2; với xy lanh lồng nâng, phải xét đến độ bền chịu biến dạng uốn kết hợp của các đoạn cần và xy lanh;
(2) Mỗi xy lanh phải có một van khóa được lắp đặt sẵn chịu được 1,5 lần áp lực gây ra bởi tải trọng được xác định tại mục 2.3.
(3) Các van khóa này phải đóng tự động khi cần điều khiển được đưa về vị trí trung lập;
(4) Các van khóa phải được lắp trực tiếp vào xy lanh điều khiển cần mà không sử dụng ống mềm.
3 Cơ cấu bánh răng - thanh răng
(1) Đặc tính
Cơ cấu bánh răng - thanh răng phải được thiết kế theo lực gây ra bởi các tải trọng lên cần trục xác định trong mục 2.3.
(2) Phanh
(a) Phanh phải được thiết kế đảm bảo an toàn. Phanh phải được kích hoạt tự động khi cần điều khiển trở về vị trí trung lập (vị trí 0) và trong trường hợp mất nguồn.
(b) Phải có cả phanh động và phanh tay.
(c) Phanh tay hoạt động theo nguyên tắc cơ khí và tác động thông qua một đường dẫn cơ khí liên tục.
(d) Chất lỏng khống chế từ động cơ dẫn động được xem là phanh động khi:
- Thiết bị kiểm soát được nối trực tiếp với cổng thoát mà không sử dụng ống mềm;
- Thiết bị kiểm soát cần áp lực chủ động từ nguồn động lực để mở và khởi động tự động nhằm dừng cơ cấu trong trường hợp mất nguồn điều khiển hoặc động lực;
- Hệ thống phanh hoạt động hoạt động trong khoảng nhiệt độ vận hành của chất lỏng truyền lực.
(e) Phanh tay phải có khả năng giữ 1,5 lần mức tải gây ra theo yêu cầu.
(f) Phanh động phải có khả năng giữ 1,1 lần mức tải gây ra theo yêu cầu.
(g) Hiệu suất hộp số có thể được sử dụng để tính toán khả năng phanh.
(3) Thiết kế
Hệ số thiết kế tối thiểu là 3 đối với độ bền tới hạn được sử dụng cho việc thiết kế các bộ phận cơ khí.
2.5.4 Cơ cấu quay
2.5.4.1 Cơ cấu dẫn động quay
1 Quy định chung
Cơ cấu dẫn động quay là cơ cấu để quay kết cấu trên của cần trục. Cơ cấu dẫn động quay phải có khả năng khởi động và dừng êm với mức gia tốc và giảm tốc có thể kiểm soát.
2 Độ bền giữ quay
Cơ cấu dẫn động quay phải được thiết kế với độ bền và khả năng đủ để giữ cần trục và SWLH đúng vị trí đối với mọi bán kính và chiều dài cần trong những tình huống kết hợp tải động (FL) khắc nghiệt nhất, chuyển động của kết cấu đỡ, độ nghiêng, và điều kiện gió như được chỉ ra ở mục 2.3 đối với mọi trường hợp đang hoạt động hoặc không hoạt động với cần trục không được cố định.
3 Dẫn động quay
Cơ cấu dẫn động quay phải được thiết kế để quay cần trục và SWLH với chuyển động của kết cấu đỡ, độ nghiêng và điều kiện gió như định nghĩa tại mục 2.3 (không có Cv và tải động từ tàu). Cơ cấu quay cũng phải được thiết kế để quay cần trục trong điều kiện không hoạt động với cần trục không được cố định ở trạng thái khắc nghiệt nhất. Việc quay có thể là hệ số giới hạn khi tính toán SWLH cần trục như mô tả tại 2.6.1.1.
4 Phanh tay
(1) Phanh có khả năng giữ cả 2 hướng phải được lắp đặt để kiểm soát sự dịch chuyển của kết cấu quay phía trên trong trường hợp kết hợp chuyển động của kết cấu đỡ và tải SWLH khắc nghiệt nhất như định nghĩa tại mục 2.5.4.1.(2) và trường hợp không hoạt động với cần trục không được cố định trong điều kiện khắc nghiệt nhất như được liệt kê tại mục 2.3 nhưng không làm chậm quá trình quay của kết cấu quay phía trên trong quá trình vận hành cần trục.
(2) Phanh này phải được kiểm soát bởi người vận hành tại khu vực điều khiển và phải có có khả năng giữ ở vị trí cần thiết mà không cần có sự can thiệp của người vận hành.
(3) Nếu phanh của cơ cấu quay là loại tự động, việc chuyển cần điều khiển về vị trí trung lập không liên quan đến phanh theo cách chặn đột ngột chuyển động quay. Không sử dụng phanh tự động cho cơ cấu quay không có khả năng giảm tốc kiểm soát.
5 Phanh ma sát động
Có thể lắp phanh ma sát động để dừng, giữ hoặc làm chậm chuyển động quay của phần kết cấu quay phía trên. Nếu được lắp đặt, phanh được kiểm soát bởi người vận hành tại khu vực vận hành. Phanh cũng phải đáp ứng yêu cầu về lực giữ tại mục 2.5.4.1.(3). Phanh tay và phanh ma sát động có thể cùng loại với hai phương pháp điều khiển.
6 Cơ cấu hãm quay tùy chọn
Nếu tổ chức, cá nhân sử dụng cần trục yêu cầu, một thiết bị nhằm kiểm soát sự di chuyển của kết cấu phía trên của cần trục trong trạng thái không hoạt động tại một hoặc nhiều vị trí cố định (do tổ chức, cá nhân sử dụng cần trục quyết định) có thể được trang bị.
Mục đích của thiết bị này là hoạt động như một thiết bị thứ cấp, dự trù nhằm ngăn cần trục quay trong các điều kiện môi trường và chuyển động của boong, nhưng không được sử dụng trong quá trình vận hành cần trục hoặc để đảm bảo neo giữ cần trục trong điều kiện mưa bão. Nó phải được thiết kế theo các thông số thiết kế ở Bảng 2 đối với cần trục trong trạng thái không hoạt động và cần trục không được cố định.
2.5.4.2 Mâm quay
Mâm quay là bộ phận kết nối giữa kết cấu phần trên quay của cần trục và bệ đỡ. Bộ phận này cho phép cần trục quay và chịu các phản lực mô men, trục và bán kính gây ra trong quá trình vận hành cần trục. Mâm quay có thể là mâm đỡ bi cầu, bi đũa hoặc con lăn móc. Mâm quay phải phù hợp với các quy định dưới đây.
1 Thiết kế
(1) Quy định chung
Các hệ số được nêu trong mục 2.5.4.2.1.(2) đến 2.5.4.2.1.(6) được sử dụng để xác định sự phù hợp của mâm quay.
(2) Tải trọng làm việc trên mâm quay
Sự kết hợp của các phản lực đồng thời trên vành mâm quay phải được tính toán sử dụng các tải trọng gây ra bởi tải trọng hệ số (FL) của cần trục, trọng lượng bản thân cần trục, sự chuyển động của cần trục, độ nghiêng cần trục, góc sidelead và các điều kiện môi trường như xác định trong mục 2.3.
- Mô men lật (kết hợp mặt phẳng bên và trong mặt phẳng của thanh cần);
- Lực dọc trục.
Dưới các phản lực trên tác động đồng thời, không cho phép vượt quá khả năng chịu lực tĩnh của vành mâm quay. Điều này nhằm đảm bảo không có sự lún lõm trên các bộ phận lăn trong vành mâm quay trong quá trình vận hành.
Những tải trọng này có thể xảy ra đồng thời và tạo ra ứng suất lớn nhất tại mâm quay và cần được các nhà chế tạo mâm quay sử dụng để tính toán tuổi thọ và sự mỏi của mâm quay.
(3) Tuổi thọ của mâm quay
Các bộ phận chịu chu kỳ ứng suất lặp lại phải được thiết kế để chịu đựng được sự xuống cấp và sự mỏi của kết cấu. Về căn bản tuổi bền mỏi được tính toán của kết cấu phải lớn hơn tuổi thọ mài mòn tiếp xúc lăn như định nghĩa trong ABMA 9 cho mâm quay bi cầu; ABMA 11 cho mâm quay bi đũa; hoặc ISO 281 (nếu thích hợp).
(4) Môi trường làm việc
Mâm quay chống ma sát phải được ngăn nhiễm bẩn từ môi trường bên ngoài và môi trường biển.
(5) Tiêu chuẩn giới hạn bền đối với các bu lông liên kết vành mâm quay
Tiêu chuẩn thiết kế bu lông liên kết vành mâm quay được sử dụng để ngăn chặn sự chia tách phần bệ với cần trục được quy định như sau: Ứng suất tính toán lớn nhất phải bằng hoặc thấp hơn độ bền kéo tới hạn tối thiểu của vật liệu. Ứng suất tính toán phải dựa trên phản lực gây ra bởi 3,75 lần FL, với trọng lượng bản thân của cần trục, chuyển động của cần trục, độ nghiêng cần trục, lực offlead và sidelead và các tác động của môi trường như được xác định tại mục 2.3. Phụ lục E.5 của Tiêu chuẩn API 2C cung cấp phương pháp tính mẫu cho các kết cấu mâm quay điển hình và các bu lông liên kết của chúng.
Tải trọng (lb) do tải trọng bên ngoài lên bu lông mâm quay chịu tải nặng nhất được xác định như sau:
| Pb = | 4 x M | - | H | (34) |
| Nb x Db | Nb |
Trong đó:
M : là phản lực mô men lật, tính bằng ft.Ib;
H : là phản lực dọc trục, tính bằng lb;
Db : là đường kính vòng chia của bu lông liên kết mâm quay, tính bằng ft;
Nb : là số lượng bu lông liên kết.
Tải trọng Pb không được vượt quá diện tích ứng suất kéo bu lông nhân với cường độ kéo bu lông. Cả hai bu lông (bu lông trong và ngoài) phải thỏa mãn yêu cầu này.
Công thức (34) là xấp xỉ của tải trọng lên bu lông chịu tải lớn nhất có thể bị ảnh hưởng bởi kết cấu cần trục và thiết kế mâm quay. Giả định rằng độ lệch kết cấu cần trục không gây ra tải trọng tăng thêm lên bu lông, mặt phẳng lắp bu lông là song song với nhau, bu lông có tải trọng đặt trước đồng nhất theo quy chuẩn của nhà chế tạo và đường kính vòng bu lông tương đối gần với đường kính vòng bi hoặc đường rãnh lăn. Nhà chế tạo cần trục có trách nhiệm xác nhận công thức trên là phù hợp cho thiết kế cần trục và mâm quay cụ thể.
(6) Tiêu chuẩn độ bền tới hạn của vành mâm quay, các bộ phận con lăn, con lăn móc Tiêu chuẩn độ bền tới hạn của vành mâm quay, các bộ phận con lăn, con lăn móc trong mâm quay được sử dụng để ngăn chặn sự chia tách giữa phần bệ và cần trục như sau: ứng suất tính toán lớn nhất phải bằng hoặc nhỏ hơn độ bền kéo tới hạn thực tế nhỏ nhất của vật liệu. Ứng suất tính toán phải dựa trên phản lực gây ra bởi 3,75 lần FL, với trọng lượng bản thân cần trục, chuyển động của cần trục, độ nghiêng của cần trục, lực offlead và sidelead và các tác động môi trường như định nghĩa tại mục 2.3.
Độ bền tới hạn Pn (lb) của bộ phận yếu nhất của mâm quay phải thỏa mãn:
| Pn ≥ | 4 x M | - | H | (35) |
| Dr |
Trong đó
M : là phản lực mô men lật, tính bằng ft-Ib;
H : là phản lực dọc trục, tính bằng lb;
Dr : là đường kính bộ phận tương ứng với Pn, được tính bằng ft.
Nhà chế tạo mâm quay phải cung cấp thông số độ bền tới hạn Pn cũng như đường kính Dr đối với bộ phận yếu nhất. Phụ lục E.5 của Tiêu chuẩn API 2C cung cấp phương pháp tính mẫu cho các loại mâm quay điển hình và các bu lông của chúng.
2 Đặc tính vật liệu
(1) Quy định chung
Vật liệu mâm quay phải đáp ứng yêu cầu của mục 2.9.1.8.
(2) Hàn
Việc hàn để liên kết vành mâm quay được sử dụng để ngăn chặn việc chia tách phần bệ và cần trục phải đáp ứng những yêu cầu tại mục 2.9.2.5.
3 Lắp đặt
(1) Độ phẳng và hoàn thiện mặt phẳng
Yêu cầu về độ phẳng và sự hoàn thiện mặt phẳng được xác định bởi nhà chế tạo mâm quay cần được áp dụng cho cả mặt phẳng tiếp xúc của kết cấu phía trên quay của cần trục và mâm quay và bề mặt tiếp xúc của bệ với mâm quay.
(2) Độ lệch của bệ đỡ
Độ lệch lớn nhất trong điều kiện chịu tải phải nằm trong giới hạn quy định bởi nhà chế tạo mâm quay.
(3) Độ hở mâm quay
Nếu mâm quay là loại mâm bi cầu hoặc bi đũa, độ hở cho phép trước khi bi được thay thế và phương pháp đo độ hở phải được quy định trong sổ tay hướng dẫn của nhà chế tạo.
(4) Độ lệch đường bi lăn
Nếu mâm quay là loại mâm con lăn móc, thì kết cấu phải điều chỉnh được khe hở. Khe hở cho phép và phương pháp điều chỉnh phải được quy định trong sổ tay hướng dẫn cần trục.
4 Bu lông ren
Bu lông ren được sử dụng để liên kết mâm quay với bệ đỡ hoặc kết cấu phía trên phải tuân thủ các yêu cầu dưới đây.
(1) Khoảng cách bu lông
Các bu lông nối phải được đặt ở khoảng cách đều nhau trên đường tròn lắp ráp 3600. Một bu lông có thể bỏ qua khi lắp ráp mâm quay. Nhà chế tạo cần trục có thể lắp các bu lông ở khoảng cách không đều nhau nếu phân tích kết cấu hoặc sử dụng máy đo biến dạng với cần trục mẫu được thực hiện để đảm bảo tình trạng nguyên vẹn của các mối nối bằng bu lông.
(2) Đặc tính vật liệu
Vật liệu sử dụng trong bu lông ren phải đáp ứng yêu cầu tại mục 2.9.1.6.
(3) Mức đặt ứng suất trước
Các bu lông phải được đặt ứng suất trước ở mức độ ngăn ngừa giảm gia tải trước tại bu lông chịu tải lớn nhất trong điều kiện SWLH x Cv đạt lớn nhất. Mức gia tải trước vĩnh cửu phải được xác định bởi nhà chế tạo cần trục nhưng không được vượt quá 80% giới hạn chảy của vật liệu làm bu lông.
(4) Dấu hiệu trên bu lông
Chỉ sử dụng những bu lông được đóng dấu vĩnh cửu ghi thông tin về nhà chế tạo và ký hiệu xác định chất lượng theo Tiêu chuẩn SAE, ASTM, hoặc ISO.
(5) Hạn chế xoay
Các bu lông không thể tiếp cận được để kiểm tra phải được hạn chế xoay bằng các biện pháp phù hợp.
2.5.5 Thiết bị động lực
2.5.5.1 Quy định chung
Thiết bị động lực bao gồm động cơ dẫn động và các hệ thống phụ trợ của nó, bao gồm thiết bị ngắt động lực và hệ thống khởi động.
1 Phân cấp thiết bị động lực
Yêu cầu tối thiểu về công suất của thiết bị động lực phải được thiết lập để đạt được tốc độ móc yêu cầu tối thiểu Vhmin (xem 2.3.4 and 2.3.4.5.2) khi nâng tải định mức tương ứng. Tỷ lệ động lực có thể bị ảnh hưởng đáng kể bởi các hoạt động đồng thời (nâng, thay đổi tầm với, quay) được yêu cầu bởi chủ thiết bị. Ngoài các ảnh hưởng của hoạt động đồng thời, hiệu suất của thiết bị động lực và các bộ phận thủy lực phải được tính toán khi xác định công suất động lực yêu cầu.
2 Động cơ xăng
Động cơ xăng không được phép sử dụng làm động cơ dẫn động.
3 Động cơ dẫn động khí nén
Không được phép sử dụng động cơ dẫn động chạy bằng khí hoặc các hệ thống phụ trợ sử dụng khí gas dễ cháy làm nhiên liệu.
2.5.5.2 Hệ thống xả của động cơ đốt trong dẫn động
1 Bộ phận giảm thanh ngăn tia lửa
Bộ phận xả động cơ phải được trang bị bộ phận giảm thanh ngăn tia lửa.
2 Ống xả
Ống xả phả được gắn bên ngoài buồng động cơ và xả theo hướng cách xa người vận hành.
3 Bảo vệ hệ thống xả
Tất cả hệ thống xả phải được bảo vệ ở những khu vực tiếp xúc với con người trong khi đang thi hành nhiệm vụ.
2.5.5.3 Két nhiên liệu
1 Cổ nạp và nắp két nhiên liệu
Bình nhiên liệu phải có cổ nạp và nắp được thiết kế để ngăn nhiễm bẩn nhiên liệu từ bên ngoài. Nắp tháo được (nếu có) sẽ được nối bằng dây với bình.
2 Lỗ xả két nhiên liệu
Tất cả các bình nhiên liệu đều phải có lỗ xả. Lỗ xả được lắp nhằm tháo nhiên liệu dưới mức lấy nhiên liệu.
2.5.5.4 Phân cấp khu vực nguy hiểm
Tổ chức, cá nhân sử dụng cần trục phải xác định với nhà chế tạo về phân loại khu vực tại đó cần trục được lắp đặt. Việc phân loại sẽ xem xét thanh cần một cách riêng rẽ. Việc phân loại cần xét đến việc sử dụng tạm thời diện tích cũng như trang thiết bị được lắp đặt lâu dài. Tiêu chuẩn API 500 hoặc API 505 được sử dụng để xác định phân loại khu vực nguy hiểm.
2.5.5.5 Cách ly nguồn phát lửa và bề mặt bị đốt nóng
1 Thiết bị điện
Tại khu vực nguy hiểm, các hệ thống điện cần tuân thủ quy chuẩn được công nhận nhằm loại bỏ nguồn phát lửa. Các quy chuẩn được công nhận gồm NFPA 70, API 14F, IEEE 45, and IEC 61892.
2 Động cơ diesel và thiết bị cơ khí
Các bề mặt nóng > 4000 F (hệ thống xả của động cơ) phải được bảo vệ để không tiếp xúc với dung dịch hydrocarbon (nhiên liệu, dầu) khi bị tràn hoặc rò rỉ.
Các bề mặt nóng > 72 50 F (ống và tua bin xả của động cơ) phải được bảo vệ tránh việc tích tụ khí hydrocarbon.
Tại các khu vực nguy hiểm, Các bề mặt nóng > 7250 F cần được cách ly, làm mát và bảo vệ bởi các thiết bị khác.
2.5.5.6 Khóa ngắt lỗ thông gió động cơ diesel
Động cơ diesel phải được trang bị thiết bị đóng lỗ thông gió trong trường hợp động cơ diesel thừa nhiên liệu.
2.6 Tải định mức
2.6.1 Quy định chung
Tải định mức phải được thiết lập đối với nâng trên công trình biển (cần trục chỉ hoạt động nâng hạ trong phạm vi trên mặt boong của giàn và tàu nơi cần trục được lắp đặt) và nâng ngoài công trình biển (cần trục nâng hạ từ và tới tàu). Khi không có chuyển động tương đối giữa tải và cần trục, tải trọng định mức khi nâng ngoài công trình biển có thể bằng với khi nâng trên công trình biển. Cần trục trên công trình phải chịu nhiều tải trọng khác nhau do tác động của môi trường nơi cần trục hoạt động, bao gồm tải trọng theo phương thẳng đứng, tải trọng offload, sideload, tải trọng gió và nhiều loại tải trọng khác. Các tải trọng tác dụng này phù hợp khi tính toán cần trục trên các công trình biển cố định khi nâng ngoài công trình biển, và phù hợp hơn khi tính toán nâng trên công trình biển và ngoài công trình biển đối với các cần trục lắp đặt trên các giàn nổi và tàu. Các quy định trong Chương này về định mức tải của cần trục không bao gồm tất cả các điều kiện và các vị trí lắp đặt cần trục, đặc biệt đối với các cần trục lắp đặt trên các giàn nổi và tàu. Tổ chức, cá nhân sử dụng cần trục và nhà cung cấp phải xác định các điều kiện áp dụng cho các công trình biển cụ thể và xác định tải định mức an toàn của cần trục và các giới hạn hoạt động cho phù hợp.
Đối với các cần trục lắp đặt trên giàn nổi và tàu, phải lưu ý đến tải định mức của cần trục, phải được thiết lập khi xét đến chuyển động của tàu cụ thể và vị trí lắp đặt cần trục trên tàu. Phương pháp tính toán theo tàu cụ thể là phù hợp khi xác định tải định mức của cần trục vì phương pháp này cung cấp các đánh giá tốt nhất về những tác động của giàn nổi và tàu đối với tải định mức trong các điều kiện hoạt động xác định. Phương pháp tàu cụ thể yêu cầu chủ tàu và giàn phải cung cấp đầy đủ các thông tin để xác định chuyển động và gia tốc của cần trục trong các điều kiện hoạt động yêu cầu. Các thông tin yêu cầu được nêu trong Phụ lục B của Tiêu chuẩn API 2C. Trong trường hợp không có thông tin này, phương pháp chung đối với tính toán thiết kế chuyển động và gia tốc được xác định tại mục 2.3 được áp dụng để thiết lập phù hợp với các kiểu giàn nổi và tàu khác nhau.
Phương pháp định mức động kế thừa được áp dụng đối với các cần trục trên các công trình biển là phương pháp tính toán theo Quy chuẩn cũ. Phương pháp này sử dụng một hệ số động cố định bằng 2 cho hoạt động nâng trên tàu mà không xét đến các góc offlead, sidelead hoặc gió. Mục đích của phương pháp này là xác định tải định mức của các cần trục trên các công trình biển cố định trong điều kiện tĩnh, trong đó chuyển động tương đối của tàu với giàn được giới hạn bởi các thiết bị chằng buộc hoặc thiết bị khác. Vì phương pháp định mức kế thừa không xét đến chuyển động của kết cấu đỡ, độ nghiêng, chuyển động của tàu cụ thể, hoặc điều kiện của gió, do đó phương pháp này không được khuyến khích sử dụng trên thế giới và phương pháp này không được áp dụng đối với các cần trục lắp trên giàn nổi và tàu dưới bất kỳ điều kiện nào.
2.6.1.1 Tải định mức của cần trục
Mục đích của các quy định này là tất cả biểu đồ tải định mức phải thể hiện tải trọng làm việc an toàn (SWL), nâng và quay của cần trục tuân theo các điều kiện lắp đặt cụ thể mà biểu đồ được áp dụng. Nếu tốc độ tối thiểu của móc cẩu không thỏa mãn quy định trong mục 2.3.4.5.(4), thì tải định mức sẽ không xác định đối với chiều cao sóng tính toán riêng. Do đó, tải trọng làm việc an toàn (SWL) theo biểu đồ phải thỏa mãn tối thiểu theo các quy định sau:
1 Tải trọng lớn nhất tác động lên các bộ phận kết cấu (ngoại trừ cột và bệ đỡ của cần trục) mà không vượt quá ứng suất cho phép trên tất cả các bộ phận theo quy định tại mục 2.4.1 khi cần trục phải chịu đồng thời tải trọng hệ số theo phương thẳng đứng, cộng với các tải trọng tác dụng do chuyển động của tàu, chuyển động của giàn và tàu, độ nghiêng tĩnh của giàn và tàu và các tải trọng tác động do môi trường theo quy định tại mục 2.3;
2 Tải trọng lớn nhất tác động trên trụ đỡ chính hoặc phần chân đế cần trục hoặc kết cấu cấu mà không gây ra các biến dạng mỏi cho phép trong mục 2.4.1 được vượt quá với tải tương tự như mục (a), nhưng đưa thêm hệ số của chân đế trong mục 2.4.2;
3 Tải trọng lớn nhất tác động trên dây cáp nâng tải và hệ số thiết kế của dây cáp phù hợp với mục 2.5.2.2;
4 Tải trọng lớn nhất tác động trên cáp nâng tải, xét đến hiệu suất của pa lăng cáp với thiết kế của nhà chế tạo đối với tải trọng ở đầu cần được tính toán theo mục 2.5.3.1 hoặc mục 2.3.4.4 khi sử dụng phương pháp động kế thừa;
5 Tải trọng lớn nhất tác động trên dây cáp nâng cần và hệ số thiết kế của dây cáp phù hợp với mục 2.5.2.2;
6 Tải trọng lớn nhất tác động trên dây cáp cương (cáp treo) của cần phù hợp với mục 2.5.2.2;
7 Tải trọng làm việc an toàn lớn nhất tác động trên cáp nâng cần, xét các xét đến hiệu suất của pa lăng cáp với thiết kế của nhà chế tạo khi tính toán cáp nâng cần theo mục 2.5.3.1;
8 Tải trọng lớn nhất tác động lên mâm quay theo quy định trong mục 2.5.4.2.1;
9 Tải trọng lớn nhất tác động lên cơ cấu quay theo quy định trong mục 2.5.4.1.2 và mục 2.5.4.1.3;
10 Tải trọng làm việc an toàn lớn nhất tác động lên xy lanh ống lồng, gập và xy lanh nâng cần theo quy định tại mục 2.5.3.3.
Tải trọng định mức SWL được công bố trên “biểu đồ tải” phải bằng SWLH trừ đi trọng lượng của cụm móc cẩu.
2.6.1.2 Tải định mức nâng người
Đối với nâng trên công trình biển, tải định mức nâng người phải không vượt quá 50% SWL tương ứng với mỗi bán kính hoạt động của cần trục.
Đối với nâng ngoài công trình biển, tải định mức nâng người phải không vượt quá 50% SWL tương ứng với mỗi bán kính hoạt động của cần trục và chiều cao của sóng.
Giỏ nâng người phải được xem như một phần của tải.
2.6.1.3 Cần trục trong điều kiện không hoạt động
Mục 2.3.5 xác định các loại tải mà cần trục phải chịu khi không làm việc. Các cần trục phải được thiết kế để chịu được các tải trọng mà không vượt quá mức ứng suất cho phép và các hệ số an toàn cho phép được xác định trong các phần tương ứng của Chương này.
2.6.2 Tải định mức và biểu đồ thông tin
2.6.2.1 Biểu đồ tải định mức
1 Nội dung của biểu đồ
Biểu đồ tải định mức (làm bằng vật liệu có độ bền lâu) bằng các chữ và ký tự rõ ràng phải được trang bị trên mỗi cần trục và phải được gắn cố định trên cần trục ở vị trí để người vận hành dễ quan sát. Biểu đồ phải bao gồm các thông tin sau:
(1) Tải định mức tại các bán kính làm việc của móc, không được vượt quá 5ft (2m), và tương ứng với góc nghiêng cần so với phương ngang đối với chiều dài cần chính và chiều dài cần phụ (nếu có).
(2) Cơ sở của định mức tải phải được nêu rõ ràng và phải phù hợp với những phần áp dụng trong Chương này. Phải bao gồm xác định điều kiện cụ thể mà biểu đồ được áp dụng (nâng trên công trình biển hoặc nâng ngoài công trình biển hoặc chiều cao sóng). Biểu đồ phải nêu rõ sử dụng một trong ba phương pháp để xác định tải định mức (phương pháp tàu cụ thể, phương pháp chung hoặc phương pháp động kế thừa) đã được nêu trong mục 2.3.4.
(3) Sơ đồ đi cáp hoặc biểu đồ (chỉ rõ hoặc biểu đồ tải hoặc biểu đồ xem trong hướng dẫn vận hành cần trục cụ thể) chỉ dẫn số lượng nhánh cáp đối với mỗi sơ đồ đi dây được sử dụng trên cần trục.
(4) API khuyến nghị tốc độ nâng tối thiểu của móc khi nâng trên tàu theo mục 2.3.4.5 [xem công thức (6)], hoặc phù hợp với mục 2.3.4.4 khi phương pháp định mức kế thừa được sử dụng.
(5) Tên giàn hoặc tàu nơi biểu đồ tải định mức được áp dụng.
(6) Nhà chế tạo cần trục và số seri của cần trục
(7) Biểu đồ tải sẽ xác định tải trọng làm việc an toàn (SWL) đối với các điều kiện nâng cụ thể của cần trục. Biểu đồ tải sẽ chỉ ra các giá trị bằng số đối với SWL tương ứng với tất cả bán kính hoạt động của cần trục. Cần trục sẽ không hoạt động ngoài các điều kiện nâng xác định. Một biểu đồ tải khác có thể được thiết lập để xác định SWL của cần trục trong các điều kiện môi trường khác nhau. Hình 7 thể hiện biểu đồ tải làm việc an toàn tương ứng với bán kính nâng, trong các điều kiện làm việc khác nhau của cần trục.
(8) Tải định mức nâng người của cần trục phải được nêu rõ trên biểu đồ tải đối với tất cả bán kính làm việc của cần trục.
2 Đánh giá biểu đồ tải
Biểu đồ định mức tải trọng của cần trục phải được xem xét và sửa đổi nếu có bất kỳ trường hợp nào sau đây:
(1) Cần trục được di chuyển đến một địa điểm khác, bao gồm cả những nơi trên cùng bề mặt sàn hoặc di chuyển đến một bề mặt khác hay tàu khác.
(2) Chiều dài của cần chính hoặc cần phụ thay đổi,
(3) Bất kỳ dây cáp nào được thay thế bằng dây cáp có độ bền kéo đứt thấp hơn hoặc cụm móc tải hoặc quả nặng hình cầu được thay thế bằng các bộ phận nặng hơn;
(4) Bội suất cáp thay đổi trên bất kỳ dây cáp được dùng cho nâng cần, nâng móc chính, nâng móc phụ thay đổi;
(5) Bất kỳ thành phần quan trọng nào được liệt kê trong Phụ lục A của Tiêu chuẩn API 2C bị thay đổi theo bất kỳ cách nào làm giảm độ bền hoặc chức năng của chúng;
(6) Các bộ phận điện, thủy lực hoặc mạch điện của hệ thống động cơ dẫn động bị thay đổi theo bất kỳ cách nào làm giảm tốc độ kéo hoặc lực kéo cáp hiện có;
(7) Cần trục bị giảm định mức.
2.6.2.2 Bảng thông tin trên cần trục
Ngoài biểu đồ tải, một bảng thông tin với chữ rõ ràng dễ đọc và số liệu được cung cấp trên mỗi cần trục và được treo cố định ở một vị trí mà người điều khiển dễ dàng quan sát để điều khiển cần trục. Biểu đồ thông tin phải cung cấp thông tin chung cho việc sử dụng tất cả các biểu đồ được tham chiếu trong mục 2.6.2.1, bao gồm nhưng không giới hạn những thông tin sau:
(1) Các lưu ý phòng ngừa hoặc cảnh báo liên quan đến những hạn chế về thiết bị và quy trình vận hành;
(2) Mô tả cáp tời chính, bao gồm chiều dài, loại kết cấu và độ bền đứt;
(3) Mô tả cáp tời phụ (nếu có) bao gồm chiều dài, loại kết cấu và độ bền đứt;
(4) Mô tả cáp nâng cần (nếu có) bao gồm chiều dài, loại kết cấu, bội suất cáp và độ bền đứt;
(5) Mô tả cáp cương cần (nếu có) bao gồm chiều dài, loại kết cấu, bội suất cáp và độ bền đứt;
(6) Chiều cao nâng hạ tối đa của móc chính đối với tất cả các bội suất cáp;
(7) Chiều cao nâng hạ tối đa của móc phụ khi được lắp đặt;
(8) Bán kính móc tối đa và tối thiểu đối với móc chính với các giới hạn định mức;
(9) Bán kính móc tối đa và tối thiểu đối với móc phụ với các giới hạn định mức;
(10) Tốc độ móc chính lớn nhất được đặt khi nâng trên tàu, giàn khoan và tàu ở điều kiện hoạt động tương ứng với bội suất cáp;
(11) Tốc độ móc phụ lớn nhất (nếu có) được đặt khi nâng trên tàu, giàn khoan và tàu ở điều kiện hoạt động;
(12) Các ghi chú hoặc hướng dẫn liên quan đến việc sử dụng bất kỳ thiết bị giảm tải khẩn cấp nào (nếu có);
(13) Các ghi chú hoặc hướng dẫn liên quan đến hoạt động của bất kỳ thiết bị bảo vệ quá tải nào (nếu có).

2.7 Các điều kiện quá tải toàn bộ
2.7.1 Quy định chung
Ứng suất đơn vị cho phép và các hệ số thiết kế được sử dụng trong Quy chuẩn này để thiết lập tải trọng làm việc an toàn trong điều kiện bình thường sẽ không ngăn ngừa được sự cố nghiêm trọng trong trường hợp có tình trạng quá tải nghiêm trọng (trong trường hợp cần trục móc vào tàu hoặc một số tác động ngoài ý muốn khác). Hư hỏng đối với thiết bị được ưu tiên hơn là gây thương tích cho con người. Mục đích của phần này là trạm điều khiển của người vận hành cần trục vẫn gắn liền với phương tiện lắp đặt cần trục.
2.7.2 Tính toán các trường hợp hư hỏng
Nhà chế tạo cần trục phải thực hiện các tính toán trường hợp hư hỏng của các bộ phận chịu tải chính của cần trục (như cần, cụm treo tải, cột, xy lanh nâng cần, khung, trụ đỡ và bệ đỡ, mâm quay và các bu lông liên kết quan trọng). Nhà chế tạo cần trục phải chứng minh rằng trong trường hợp quá tải vượt mức tác động lên cụm treo tải (móc vào tàu), các bộ phận đỡ trạm điều khiển của người vận hành cần trục không được là bộ phận đầu tiên bị hư hỏng. Những quy định sau đây được áp dụng:
(1) Những tính toán này phải giả định rằng dây cáp không được tuột ra khỏi tang tời;
(2) Trình tự hư hỏng phải sao cho bộ phận đầu tiên bị hỏng sẽ làm cho cần trục rơi vào tình trạng ít nghiêm trọng hơn đối với sự an toàn của người vận hành cần trục.
(3) Nếu vị trí của người vận hành cần trục được đỡ bởi cần trục thì tỷ số giữa tải trọng hư hỏng tính toán của bất kỳ bộ phận nào đỡ trạm điều khiển của người vận hành cần trục và bộ phận đầu tiên bị hỏng không được nhỏ hơn 1,3 đối với bất kỳ bán kính hoạt động nào.
(4) Các điều kiện tải trọng sử dụng cho những tính toán đó (như gió, góc xiên của tải trọng, gia tốc cần trục) phải được xem như tương tự với tính toán biểu đồ định mức tải nâng ngoài công trình biển.
Điều kiện nâng thực tế và tình trạng thiết bị có thể khác biệt đáng kể so với điều kiện lý thuyết lý tưởng được giả định khi tính toán chế độ hư hỏng. Trong mọi trường hợp, tải trọng hư hỏng tính toán không được sử dụng để biện minh cho việc vận hành cần trục ngoài giới hạn biểu đồ tải định mức thông thường.
2.7.3 Phương pháp tính toán
Việc tính toán trường hợp hư hỏng phải xem xét dựa trên các yếu tố sau:
(1) Tải trọng hư hỏng đối với tất cả các sơ đồ cáp phải được tính bằng cách nhân tải trọng kéo đứt danh nghĩa với bội suất cáp; đầu nối cuối hoặc hiệu suất của hệ thống luồn cáp sẽ không được xét đến;
(2) Tải trọng hư hỏng đối với tất cả các bộ phận kết cấu thép phải được tính toán bằng cách sử dụng giá trị nhỏ hơn của giới hạn chảy nhỏ nhất hoặc ứng suất uốn tới hạn (nếu có) đối với diện tích mặt cắt ngang dọc trục thích hợp và các đặc tính của mặt cắt uốn “dẻo”;
(3) Tải trọng hư hỏng đối với các chi tiết kẹp chặt có ren khi chịu kéo phải được tính bằng cách nhân độ bền kéo nhỏ nhất của vật liệu được quy định với diện tích ứng suất kéo nhỏ nhất;
(4) Tải trọng hư hỏng móc được tính bằng tải trọng làm việc an toàn của móc nhân với hệ số thiết kế của móc.
2.7.4 Biểu đồ các trường hợp hư hỏng
Nhà chế tạo cần trục phải cung cấp cho tổ chức, cá nhân sử dụng cần trục các biểu đồ tóm tắt các tải trọng hư hỏng được tính toán cho từng bộ phận chính theo mục 2.7.2, đối với tất cả sơ đồ cáp và bán kính hoạt động cho từng biểu đồ định mức nâng ngoài công trình biển. Các biểu đồ này có thể được trình bày dưới dạng dữ liệu dạng bảng hoặc đường cong đồ thị.
2.7.5 Hệ thống bảo vệ quá tải toàn bộ (GOPS)
Cần trục không tuân thủ theo 2.7.2.1 và 2.7.2.2 phải được trang bị hệ thống hoặc thiết bị có khả năng bảo vệ tương đương cho các bộ phận đỡ trạm điều khiển của người vận hành cần trục. Thiết bị này có thể là thủ công hoặc tự động. Nếu tự động, tỷ lệ giữa tải kích hoạt của GOPS và tải định mức trên công trình biển không được nhỏ hơn 1,5 đối với bất kỳ bán kính hoạt động nào.
2.8 Yếu tố con người - sức khỏe, an toàn và môi trường
2.8.1 Điều khiển
2.8.1.1 Quy định chung
1 Vị trí
Tất cả bộ điều khiển được sử dụng trong chu trình vận hành cần trục thông thường phải đặt ở vị trí dễ tiếp cận của người vận hành tại vị trí của người vận hành. Trạm vận hành thường đặt trên kết cấu quay của cần trục (thường đặt trong cabin), nhưng cũng có thể được trang bị bằng bảng điều khiển từ xa hoặc di động.
2 Tự động phục hồi
Các cần điều khiển tời nâng cần, nâng hàng, quay và giãn dài cần (nếu có) sẽ tự động trở về vị trí trung lập (vị trí 0) khi người vận hành cần trục nhả tay điều khiển ra.
3 Đánh dấu và sơ đồ
Chức năng và hoạt động điều khiển phải được đánh dấu rõ ràng và dễ dàng quan sát được cho người vận hành ở trong khu vực điều khiển. Có thể thực hiện theo cách đánh dấu từng quá trình điều khiển hoặc quá trình điều khiển được sắp xếp theo một sơ đồ.
4 Dừng khẩn cấp
Quy định này được thực hiện cho việc dừng khẩn cấp các hoạt động của cần trục bởi người vận hành trong khu vực điều khiển.
5 Điều khiển hoạt động bằng chân
Bàn đạp vận hành bằng chân (nếu trang bị) phải có kết cấu sao cho chân của người vận hành cần trục không dễ dàng bị trượt ra ngoài.
6 Lực và mô men điều khiển
Khi điều khiển và các yếu tố điều khiển tương ứng được duy trì một cách đúng cách, điều chỉnh và vận hành theo các khuyến cáo của nhà chế tạo, các lực và mô men cần thiết để vận hành cần trục nằm trong giới hạn định mức sẽ không vượt quá các yêu cầu sau:
(1) Cần điều khiển tay: 20 lb (89 N) và 28 in. (350 mm) tổng hành trình điều khiển.
(2) Bàn đạp chân: 25 lb (111 N) và 10 in. (250 mm) tổng hành trình điều khiển.
2.8.1.2 Điều khiển
1 Điều khiển trên cần trục
Điều khiển đối với nguồn điện cấp cho cần trục hoạt động thường được gắn trên kết cấu quay của cần trục, phải ở trong tầm tay người vận hành điều khiển dễ dàng và phải bao gồm các thiết bị để:
(1) Khởi động và dừng lại;
(2) Điều khiển tốc độ động cơ đốt trong;
(3) Dừng động cơ dẫn động trong điều kiện khẩn cấp, và
(4) Thay đổi truyền động phù hợp.
2 Điều khiển từ xa
Điều khiển đối với nguồn điện cấp cho cần trục hoạt động phải được đặt ở vị trí thuận tiện trong hộp điều khiển từ xa và bao gồm các quy định tương tự như 10.1.2.1.
2.8.1.3 Ly hợp động cơ
Đối với tất cả cần trục khởi động bằng hệ cơ khí trực tiếp tới các chức năng của cần trục sẽ phải sử dụng bộ ly hợp hoặc thiết bị khác để tách rời lực truyền. Việc kiểm soát ly hợp phải được người vận hành thực hiện một cách dễ dàng tại trạm điều khiển.
2.8.1.4 Các hình thức điều khiển cần trục - Các mức bố trí hoạt động cơ bản
1 Mức bố trí hoạt động đơn trục cơ bản (Cấp bốn)
(1) Phần này áp dụng bốn mức quy ước điều khiển hoạt động của cần trục. Nó không nên được hiểu là sự hạn chế trong việc sử dụng, hoặc áp dụng các quy tắc điều khiển kết hợp, điều khiển tự động, hoặc bất kỳ thiết bị kiểm soát hoạt động đặc biệt khác.
(2) Điều khiển cơ bản được bố trí như trong Hình 8. Thể hiện các mức điều khiển bằng tay.
(3) Các chế độ điều khiển cho tất cả các chức năng khác (tang trống phụ và các van tiết lưu) sẽ được định vị để tránh nhầm lẫn khi điều hành và can thiệp vật lý. Không có gì trong quy định này ngăn ngừa việc sử dụng thêm các đối tượng điều khiển phụ thuộc vào các yêu cầu nói trên.
(4) Tất cả các mức điều khiển hoạt động cơ bản quy định tại Hình 8 và các biểu đồ chức năng như trong Bảng 19.
2 Mức bố trí hoạt động đôi trục cơ bản (Cấp hai)
(1) Phần này áp dụng hai mức quy ước điều khiển hoạt động của cần trục. Nó không nên được hiểu là sự hạn chế trong việc sử dụng, hoặc áp dụng các quy tắc điều khiển kết hợp, điều khiển tự động, hoặc bất kỳ thiết bị kiểm soát hoạt động đặc biệt khác.
(2) Điều khiển cơ bản được bố trí như trong Hình 10 hoặc Hình 11. Thể hiện các mức điều khiển bằng tay
(3) Điều khiển tất cả các chức năng khác nhau (như tời phụ, điều khiển tốc độ) phải được bố trí để tránh nhầm lẫn và can thiệp vật lý cho người vận hành. Không có nội dung nào trong quy định này ngăn cản việc sử dụng các biện pháp kiểm soát bổ sung tuân theo các yêu cầu nêu trên.
(4) Tất cả các mức điều khiển hoạt động cơ bản quy định tại Hình 10 hoặc Hình 11 và các biểu đồ chức năng như trong Bảng 20 hoặc Bảng 21.

Bảng 19 - Bốn cần điều khiển cơ bản vận hành cần trục
| Điều khiển | Cần trục vận hành |
| Điều khiển quay | Ấn về phía trước là quay về phía cần, quay trái là quay về phía phải của người vận hành hoặc quay phải là quay về phía trái của người vận hành Tâm (vị trí trung gian) là quay tự do Kéo về sau là quay về phía xa cần |
| Điều khiển nâng phụ | Kéo về phía sau là nâng Tâm (vị trí trung gian) là giữ tải nâng Ấn về phía trước là hạ |
| Điều khiển nâng chính | Kéo về phía sau là nâng Tâm (vị trí trung gian) là giữ tải nâng Ấn về phía trước là hạ |
| Điều khiển nâng cần | Kéo về phía sau là nâng cần Tâm (vị trí trung gian) là giữ cần tại vị trí dự định Ấn về phía trước là hạ cần |
| Cần ống lồng (Nếu lắp đặt - Trang bị thêm một cần điều khiển) | Kéo về sau là thu ngắn cần Tâm (vị trí trung gian) là vị trí giữ chiều dài cần dự định Ấn về phía trước là giãn dài cần |
Bảng 20 - Hai cần điều khiển vận hành cần trục (Lựa chọn 1)
| Điều khiển | Cần trục vận hành |
| Điều khiển quay | Ấn sang trái là quay trái Tâm (vị trí trung gian) là quay tự do Ấn sang phải là quay ngược lại hoặc quay phải |
| Cần ống lồng (Nếu lắp đặt - Trang bị thêm một cần điều khiển) | Kéo về sau là thu ngắn cần Tâm (vị trí trung gian) là vị trí giữ chiều dài cần dự định Ấn về phía trước là giãn dài cần |
| Điều khiển nâng phụ | Kéo về phía sau là nâng Tâm (vị trí trung gian) là giữ tải nâng Ấn về phía trước là hạ. |
| Điều khiển nâng cần | Kéo về phía sau là nâng cần Tâm (vị trí trung gian) là giữ cần tại vị trí dự định Ấn về phía trước là hạ cần |
| Điều khiển nâng chính | Ấn sang trái là nâng Tâm (vị trí trung gian) là giữ tải nâng Ấn sang phải là hạ |

Bảng 21 - Hai cần điều khiển vận hành cần trục (Lựa chọn 2)
| Điều khiển | Cần trục vận hành |
| Điều khiển quay | Ấn sang trái là quay trái Tâm (vị trí trung gian) là quay tự do Ấn sang phải là quay ngược lại hoặc quay phải |
| Điều khiển nâng cần | Kéo về phía sau là nâng cần Tâm (vị trí trung gian) là giữ cần tại vị trí dự định Ấn về phía trước là hạ cần |
| Điều khiển nâng chính | Kéo về phía sau là nâng Tâm (vị trí trung gian) là giữ tải nâng Ấn về phía trước là hạ |
| Lưu ý : khi trang bị tời chính và tời phụ riêng rẽ, một nút ấn lựa chọn sẽ được lắp đặt gần cần điều khiển bên phải. Chỉ có thể lựa chọn ‘‘Phụ” hoặc ‘’Chính” khi cả hai cần điều khiển ở vị trí trung gian. | |

2.8.2 Cabin và bao che
2.8.2.1 Quy định chung
Trong thực tế, cabin và bao che phải được chế tạo để bảo vệ kết cấu máy phía trên, phanh, ly hợp và vị trí của người vận hành khỏi thời tiết. Cần trục không có cabin hoặc bao che để bảo vệ người vận hành, kết cấu máy phía trên, phanh và ly hợp, thì phải được bảo vệ đầy đủ khỏi ảnh hưởng ăn mòn của môi trường ngoài biển.
2.8.2.2 Cửa sổ
1 Quy định chung
Tất cả các cửa sổ phải bằng kính an toàn hoặc loại tương đương. Cửa sổ phải được bố trí ở phía trước và cả hai bên cabin của người vận hành để có tầm nhìn về phía trước và hai bên. Tầm nhìn về phía trước phải bao gồm phạm vi thẳng đứng đủ để bao quát thanh cần và tải trọng mọi lúc. Cửa sổ phía trước có thể có một phần có thể dễ dàng tháo ra hoặc giữ mở nếu muốn. Nếu phần có thể tháo rời được thì phải trang bị nơi lưu trữ. Nếu phần này thuộc loại được giữ ở vị trí mở thì nó phải được cố định chắc chắn để ngăn chặn việc đóng lại một cách vô ý. Phần dưới của cửa sổ phía trước phải có lưới hoặc thiết bị khác để ngăn người vận hành rơi qua. Nếu cabin được trang bị cửa sổ trên cao thì phải đặt lưới hoặc biện pháp bảo vệ khác trên cửa sổ để ngăn các mảnh vụn rơi vào người vận hành.
2 Cần gạt nước và hệ thống làm sạch
Phải trang bị hệ thống gạt nước cửa sổ và hệ thống làm sạch cửa sổ để đảm bảo tầm nhìn tốt nhất khi nâng hạ thanh cần và tải trong quá trình làm việc.
2.8.2.3 Cửa ra vào
Tất cả các loại cửa ra vào khép kín cabin (loại cửa trượt hoặc cửa quay) phải được hạn chế sự vô ý mở cửa hoặc đóng cửa trong khi máy đang hoạt động. Cánh cửa tiếp giáp với người vận hành, nếu là cửa trượt thì trượt ra phía sau để mở và nếu là cửa quay thì phải mở ra phía ngoài. Phải bố trí lối đi thông thoáng dẫn đến cửa thoát hiểm gần trạm điều khiển nhất.
2.8.2.4 Phụ kiện của cabin
Các tay nắm thích hợp hoặc các bậc phải được bố trí đề thoát hiểm từ cabin điều khiển tới lối ra khi cần thiết. Tay nắm phải được tuân theo tiêu chuẩn ASSE A1264.1.
2.8.2.5 Sàn và lối đi
Bề mặt lối đi theo quy định phải là loại chống trượt. Sàn bên ngoài (nếu trang bị) phải có lan can theo tiêu chuẩn ASSE A1264.1. Phải bố trí hai tay vịn trung gian ở những vị trí không yêu cầu ván chân. Tất cả các lối đi và sàn được sử dụng để đến trạm của người vận hành phải có chiều rộng tối thiểu là 30 in. (760 mm).
2.8.2.6 Lối vào bằng thang
Khi cần thiết cho các yêu cầu về trang bị hoặc phục vụ, phải trang bị thang hoặc bậc thang để tiếp cận thì phải phù hợp với các yêu cầu của ALI A14.3. Khi cần thiết, các khu vực của mái cabin hoặc bao che phải có khả năng chịu được trọng lượng của một người nặng 200 lb (90 kg) mà không bị biến dạng vĩnh cửu.
2.8.2.7 Mức độ ồn
Mức độ ồn cho phép tại buồng lái cần trục trong lúc cần trục đang làm việc là:
![]()
Trong đó :
NE : là độ ồn cho phép, hiệu đáp chậm dB(A), lớn nhất 95 dB;
T : là thời gian chịu ảnh hưởng theo giờ hoặc ngày, 4 giờ là tối thiểu.
Khi hàng ngày cường độ phát tiếng ồn theo hai hoặc nhiều hơn các chu kỳ phát theo các cấp khác nhau, ảnh hưởng của chúng được giới hạn bởi:
![]()
Trong đó:
Cn : là tổng số giờ tiếp xúc ở mức độ tiếng ồn quy định;
Tn : là tổng số giờ tiếp xúc được phép ở mức độ đó.
2.8.3 Cảnh báo hỗn hợp và trang thiết bị khác
2.8.3.1 Các chỉ báo, cảnh báo và ngắt hành trình
Bảng 22 chỉ ra các chỉ báo, cảnh báo và ngắt hành trình của cần trục. Một số là bắt buộc; một số là theo lựa chọn của tổ chức, cá nhân sử dụng cần trục.
Bảng 22 - Chỉ báo, cảnh báo và ngắt hành trình
| Chỉ báo, cảnh báo và ngắt hành trình | Ind | Trip | AA | VA |
| Áp lực của bơm hệ thống thuỷ lực | X | PO | PO | PO |
| Nhiệt độ của dầu thủy lực | X | PO | PO | PO |
| Áp lực của hệ thống điều khiển thuỷ lực (nếu có) | X | PO | PO | PO |
| Áp lực của hệ thống khởi động động cơ (nếu có) | X | PO | PO | PO |
| Mức chất lỏng thuỷ lực (yêu cầu trên két chứa) | PO | PO | PO | PO |
| Áp lực dầu bôi trơn động cơ (nếu có) | X | PO | PO | PO |
| Nhiệt độ làm mát động cơ (nếu có) | X | PO | PO | PO |
| Tốc độ đông cơ (nếu có) | PO | PO | PO | PO |
| Quá tốc động cơ (nếu có) | PO | X | PO | PO |
| Mức nhiên liệu (yêu cầu trên két chứa) (nếu có) | PO | PO | PO | PO |
| Dây cáp nâng bị trùng | PO | PO | PO | PO |
| Giới hạn dưới của móc nâng | PO | PO | PO | PO |
| Tốc độ gió | PO | PO | PO | PO |
| Tốc độ của móc và hướng | PO | PO | PO | PO |
| Lửa và khói của động cơ | PO | PO | PO | PO |
| Giới hạn quay của cần trục | PO | PO | PO | PO |
| Ghi chú: Ind = chỉ báo, AA = cảnh báo bằng âm thanh, X = bắt buộc, Trip = giới hạn chức năng, VA = báo động nhìn thấy, PO = lựa chọn của bên mua | ||||
2.8.3.2 Trang bị trên thanh cần
Các tiêu chí sau đây áp dụng cho thanh cần
1 Thiết bị giới hạn góc quay thanh cần và thiết bị ngắt dừng đột ngột
Phải trang bị thiết bị giới hạn hoặc ngắt tời nâng cần để tự động dừng tời cần khi cần đạt đến một góc cao giới hạn. Thiết bị giới hạn hoặc dừng đột ngột góc quay cần xuống thấp quá giới hạn cũng phải được trang bị.
2 Chống lật cần về phía sau
Phải bố trí các cữ chặn cần để ngăn cần lật ngược về phía sau khi có gió lớn hoặc khi tải trọng được giải phóng đột ngột. Thiết kế cữ chặn cần bao gồm:
(1) Cữ chặn cố định hoặc dạng ống lồng;
(2) Cữ chặn giảm chấn, và
(3) Xy lanh nâng cần thủy lực.
Cần phụ phải được hạn chế để không bị lật ngược về phía sau.
3 Đánh dấu và ghi nhãn
Thanh cần, đoạn cần và cần phụ phải được đánh dấu vĩnh cửu.
4 Thanh cần và chỉ báo tải trọng
Chỉ báo được quy định như sau:
(1) Chỉ báo góc nâng cần hoặc bán kính hoạt động phải được trang bị để có thể nhìn được từ trạm điều khiển;
(2) Chỉ báo độ dài thanh cần phải được trang bị để có thể nhìn được từ trạm điều khiển đối với cần kiểu ống lồng, trừ khi tải định mức không phụ thuộc vào bán kính tải;
(3) Hệ thống chỉ báo tải (LIS) hoặc chỉ báo mô men tải (LMIS) được trang bị theo Bảng 23
Bảng 23 - Thanh cần và chỉ báo tải
| Phân cấp chu kỳ làm việc của cần trục | Móc chính | Móc phụ |
| Sản xuất - Giàn khoan không có người | Lựa chọn LIS hoặc LMIS | Lựa chọn LIS hoặc LMIS |
| Sản xuất - Giàn khoan có người | Yêu cầu LIS hoặc LMIS | Lựa chọn LIS hoặc LMIS |
| Trung bình | Yêu cầu LIS hoặc LMIS | Lựa chọn LIS hoặc LMIS |
| Khoan | Yêu cầu LMIS | Lựa chọn LIS hoặc LMIS |
| Thi công | Yêu cầu LMIS | Lựa chọn LIS hoặc LMIS |
| Kiểu chỉ báo tải: LIS - Hệ thống chỉ báo tải - Buồng điều khiển cần trục chỉ được trang bị chỉ báo tải. LMIS - Hệ thống chỉ mô men - tải - Buồng điều khiển cần trục được trang bị chỉ báo tải trên móc, bán kính tải và SWL của cần trục. Hệ thống có cảnh báo âm thanh và nhìn thấy. LMIS phải được lập trình với tất cả các tải định mức của cần trục (nâng trên công trình biển, nâng ngoài công trình biển và nâng người) và phải được ghi trên biểu đồ định mức tải đặt tại buồng điều khiển đối với móc cẩu được kiểm soát. | ||
2.8.3.3 Hệ thống bảo vệ các bộ phận chuyển động
1 Giới thiệu chung
Hệ thống bảo vệ phải được trang bị tuân theo quy định 2.8.3.3.2 đến 2.8.3.3.4.
2 Các bộ phận cần bảo vệ
Các bộ phận chuyển động hở (như bánh răng, đai ốc, khóa nhô ra, xích, đĩa xích và các bộ phận chuyển động tịnh tiến hoặc quay) có thể gây nguy hiểm trong điều kiện vận hành bình thường phải được che chắn.
3 Tấm chắn bảo vệ và độ bền
Các tấm chắn bảo vệ phải liên kết chặt một cách an toàn và phải có khả năng đỡ được trọng lượng của một người nặng 200 lb (90 kg) mà không bị biến dạng vĩnh cửu, trừ khi tấm chắn được đặt ở nơi không thể dẫm lên được.
4 Dấu hiệu cảnh báo thay thế bảo vệ
Nếu việc bảo vệ là không thực tế thì trách nhiệm của nhà chế tạo là phải có cảnh báo bằng dấu hiệu thích hợp. Cảnh báo này phải được thiết kế và lắp đặt theo SAE J115 hoặc tiêu chuẩn phù hợp khác, phù hợp với các giới hạn vật lý về kích thước và vị trí.
2.8.3.4 Vị trí bôi trơn và điền đầy chất lỏng
1 Quy định chung
Các vị trí bôi trơn trên tất cả các bộ phận phải tiếp cận được mà không cần phải tháo tấm bảo vệ hoặc các bộ phận khác.
2 Chỉ báo mức nhiên liệu
Chỉ báo mức chất lỏng phải tuân theo hướng dẫn SAE J48. hướng dẫn trong Tiêu chuẩn SAE J48
3 Biểu đồ, ký hiệu và mã bôi trơn
Biểu đồ bôi trơn phải được nhà chế tạo cung cấp.
2.8.3.5 Bảo vệ đường ống thuỷ lực và khí nén
Các đường ống hở có thể bị hư hỏng phải được bảo vệ ở mức tối đa có thể thực hiện được.
2.8.3.6 Chống va chạm
Phải trang bị các thiết bị để bảo vệ dây cáp tời, các bộ phận kết cấu và máy móc khỏi hư hỏng có thể xảy ra khi hai cụm pu ly (cụm treo tải và đầu cần) va chạm khi cáp tời được kéo lên. Có thể sử dụng thiết bị khống chế điều khiển hoặc thiết bị cảnh báo khoảng cách. Việc ngừng hoạt động của tang tời có thể được chấp nhận nếu không gây ra hư hỏng hoặc mất kiểm soát.
2.8.3.7 Hạ tải khẩn cấp
Tang cáp nâng tải phải được trang bị thiết bị hạ tải trong trường hợp mất điện hoặc hỏng hệ thống điều khiển. Thiết bị được trang bị phải hạ có kiểm soát và dừng tang cáp trong mọi điều kiện tải. Cơ cấu thay đổi tầm với của cần không yêu cầu trang bị hạ tải khẩn cấp.
Các cơ cấu điều khiển phải được bố trí sao cho ngăn chặn được sự tác động vô ý. Có thể sử dụng nguồn điện thay thế độc lập với cần trục. Bảng hướng dẫn chi tiết phải được trang bị tại trạm của người vận hành cho tất cả các quy trình.
2.8.3.8 Thiết bị khác
1 Hộp dụng cụ
Hộp dụng cụ phải được trang bị để đựng dụng cụ và thiết bị bôi trơn. Hộp dụng cụ này chỉ sử dụng riêng cho cần trục.
2 Áp lực mạch thuỷ lực
Phải trang bị đồng hồ để kiểm tra áp lực do nhà chế tạo quy định trong mỗi mạch thủy lực.
3 Phân cấp khu vực nguy hiểm
(1) Các thiết bị điện trên cần trục hoặc thiết bị điện điều khiển từ xa được sử dụng trong khu vực được phân cấp nguy hiểm phải tuân theo quy định trong mục 2.5.5.4.
(2) Các bộ phận trên cần phải được đánh giá cho khu vực nguy hiểm nhất mà cần có thể với tới.
(3) Tổ chức, cá nhân sử dụng cần trục phải cung cấp rõ cho nhà chế tạo việc phân cấp khu vực lắp đặt cần trục.
(4) Việc phân cấp phải xem xét việc sử dụng tạm thời khu vực cũng như thiết bị được lắp đặt cố định.
4 Thiết bị cảnh bảo bằng âm thanh
Thiết bị tín hiệu âm thanh (còi) phải được trang bị để người vận hành sử dụng khi cần thiết. Bộ điều khiển thiết bị âm thanh phải nằm trong tầm tay của người vận hành tại trạm của người vận hành.
5 Ngăn chặn tràn chất lỏng
Trong thực tế, các khu vực máy có khả năng rò rỉ chất lỏng phải được trang bị hệ thống chứa. Khu vực chứa phải có chiều cao tối thiểu là 2,0 in. (50 mm) và được tra bị ống để thoát. Các quy định của quốc gia cần được xem xét để áp dụng.
2.9 Yêu cầu trong chế tạo
2.9.1 Yêu cầu đối với vật liệu chế tạo các bộ phận quan trọng
2.9.1.1 Quy định chung
Vật liệu phải được xác định theo thông số kỹ thuật của các tổ chức tiêu chuẩn hóa được công nhận.
Vật liệu được sử dụng trong chế tạo và chế tạo các bộ phận quan trọng của cần trục phải tuân theo các yêu cầu kỹ thuật về thiết kế của nhà chế tạo. Các thông số kỹ thuật yêu cầu thiết kế phải xác định các tính chất sau của vật liệu kim loại:
(1) Giới hạn thành phần hóa học;
(2) Giới hạn cơ tính thích hợp (giới hạn chảy, độ bền kéo, độ giãn dài, độ bền chống gãy và độ dai va đập).
Thông số kỹ thuật yêu cầu trong thiết kế phải trình bày chi tiết các phương pháp thử nghiệm để xác định các đặc tính được chỉ định có trong điều kiện chế tạo.
2.9.1.2 Truy xuất nguồn gốc vật liệu
Các bộ phận kết cấu quan trọng chỉ được chế tạo từ các vật liệu có chứng chỉ để xác định các đặc tính như được quy định trong yêu cầu thiết kế và chế tạo. Trong trường hợp không có chứng chỉ, vật liệu sẽ không được sử dụng trong chế tạo cho đến khi nhà chế tạo tiến hành cắt mẫu thử nghiệm và kiểm tra để xác định sự tuân thủ các yêu cầu thiết kế.
Khả năng truy xuất nguồn gốc của vật liệu đối với các bộ phận và bộ phận quan trọng phải được thực hiện bằng việc đánh số nhận dạng có hệ thống, được lập danh mục cho các bước gia công, kiểm tra và thử nghiệm của các quy trình chế tạo được kiểm soát. Quy trình chế tạo phải được lập bằng bản cứng để cho phép sao lại quá trình xử lý ban đầu vào bất kỳ lúc nào trong khoảng thời gian lưu giữ hồ sơ.
2.9.1.3 Độ bền chống gãy
Trừ khi được quy định trong phần này, vật liệu dùng cho thiết bị (như tời, xy lanh và pu ly) không yêu cầu kiểm tra độ bền gãy.
Trong trường hợp được chỉ định, việc kiểm tra độ bền gãy phải được thực hiện theo tiêu chuẩn ASTM E23, ASTM A370 hoặc ISO 148-1.
2.9.1.4 Cáp thép
Xem mục 2.5.2.2 và các phần phụ của nó đối với các yêu cầu cáp thép.
2.9.1.5 Kết cấu thép, sản phẩm đúc và sản phẩm rèn
1 Độ bền chống gãy của các bộ phận quan trọng
Độ bền chống gãy của các chi tiết chính trong bộ phận kết cấu quan trọng phải đáp ứng các yêu cầu của Bảng 24.
Ngoài ra, việc kiểm soát vết nứt có tính đến độ bền, kích thước khuyết tật cho phép và các yêu cầu kiểm tra có thể được được sử dụng. Nếu các tiêu chí phù hợp với mục đích đó được sử dụng thì chi tiết phân tích phải được ghi lại để kiểm tra theo yêu cầu của tổ chức, cá nhân sử dụng cần trục.
Bảng 24 - Độ bền chống gãy mức 1
| Giới hạn chảy tối thiểu. | Giá trị năng lượng hấp thu trung bình trên 3 mẫu thử. | Nhiệt độ thử lớn nhất |
| ≤ 44 ksi | 20 ft-lb | 100F dưới nhiệt độ làm việc theo thiết kế nhỏ nhất. |
| > 44 và ≤ 60 ksi | 25 ft-lb | 100F dưới nhiệt độ làm việc theo thiết kế nhỏ nhất. |
| > 60 ksi | 25 ft-lb | 100F dưới nhiệt độ làm việc theo thiết kế nhỏ nhất. |
| Ghi chú: Giá trị trên mỗi mẫu thử tối thiểu không được nhỏ hơn 2/3 giá trị trung bình tối thiểu yêu cầu (theo phương pháp thử va đập Charpy với rãnh chữ V theo chiều dọc). | ||
2 Độ bền chống rách của tấm mỏng
Các bộ phận kết cấu quan trọng được chế tạo từ thép tấm, sự truyền tải theo các độ dày của tấm thép hoặc chiều ngang của tấm sẽ được siêu âm kiểm tra theo tiêu chuẩn ASTM A578 / A578M, cấp B được chấp nhận. Thép tấm sẽ được kiểm tra độ bền mối hàn theo các quy trình và yêu cầu của 2H API, Yêu cầu bổ sung S-4, hoặc tiêu chuẩn ASTM A770 / A770M.
3 Yêu cầu bổ sung cho sản phẩm đúc
(1) Mẫu đúc đầu tiên
Hiệu lực của quy trình đúc đối với tất cả các vật đúc thành phần quan trọng phải được xác định bằng cách tiến hành kiểm tra và thử nghiệm trên lô đúc đầu tiên và mỗi thay đổi trong thiết kế mẫu hoặc thực hành đổ. Việc kiểm tra phá hủy và kiểm tra chụp ảnh bức xạ được bổ sung bằng các kiểm tra không phá hủy khác được coi là phù hợp cho mục đích này. Nếu sử dụng phương pháp chụp X quang, nguồn bức xạ để kiểm tra các phần đúc có độ dày nhỏ hơn 2,0 in. (50 mm) phải từ máy phát tia X hoặc từ đồng vị Iridium 192. Việc đánh giá mẫu đúc đầu tiên phải chứng minh khả năng của quy trình đúc để tạo ra ổn định độ bền của các bộ phận quan trọng của vật đúc không thấp hơn các tiêu chuẩn chụp ảnh bức xạ trong Bảng 25.
Bảng 25 - Tiêu chuẩn chấp nhận sản phẩm đúc theo
tiêu chuẩn chụp tia X của ASTM
| Loại đứt gãy | Tiêu chuẩn ASTM | ||
| ASTM E446 | ASTM E186 | ASTM E280 | |
| Loại A (rỗ khí) | Mức độ nghiêm trọng 3 | Mức độ nghiêm trọng 2 | Mức độ nghiêm trọng 2 |
| Loại B (cát và xỉ) | Mức độ nghiêm trọng 2 | Mức độ nghiêm trọng 2 | Mức độ nghiêm trọng 2 |
| Loại C (độ co ngót) | Loại CA, Cấp 2 Loại CB, Cấp 2 Loại CC, Cấp 1 Loại CD, Cấp 1 | Loại 1, Cấp 1 Loại 2, Cấp 2 Loại 3, Cấp 1 | Loại 1, Cấp 1 Loại 2, Cấp 1 Loại 3, Cấp 1 |
| Ghi chú: tất cả các phần đứt gãy loại D,E,F và G không được chấp nhận | |||
(2) Sản phẩm đúc
Các phương pháp kiểm tra không phá hủy và tiêu chuẩn kiểm tra chấp nhận cho việc chế tạo các chi tiết đúc được thiết lập bởi nhà chế tạo. Nhà chế tạo phải xem xét đặc tính vật liệu, môi trường tiếp xúc, và ứng suất trong chi tiết đúc. Mức độ kiểm tra phải đầy đủ để đảm bảo chi tiết đúc đáp ứng được mục đích sử dụng (kiểm tra tất cả các vùng có ứng suất cao).
(3) Nhiệt luyện
Các chi tiết được chế tạo bằng đúc phải thực hiện quy trình nhiệt luyện phù hợp để xử lý giảm độ bền nhiệt sau khi tháo khuôn và làm mát đến nhiệt độ môi trường xung quanh. Nhiệt độ và độ chênh nhiệt phải phù hợp với cấu trúc hợp kim và mức độ bền cần thiết của các bộ phận, nhưng không được thấp hơn 11000 F (593 °C).
2.9.1.6 Vật liệu làm bu lông
Cấp vật liệu phải được lựa chọn để đáp ứng yêu cầu về độ bền và khả năng chống ăn mòn của môi trường hoạt động.
Độ bền chống gãy của bu lông liên kết các bộ phận kết cấu của cần trục phải chịu được tải trọng kéo (khác với tải tĩnh ban đầu) thỏa mãn một trong hai điều kiện trong Tiêu chuẩn ASTM A320 hoặc Bảng 26.
Bảng 26 - Độ bền chống gãy mức 2
| Giá trị năng lượng hấp thụ trung bình trên 3 mẫu thử. | Nhiệt độ thử lớn nhất |
| 30 ft-lb | Thấp hơn -40F hoặc 100F dưới nhiệt độ làm việc nhỏ nhất theo thiết kế |
| Ghi chú: Giá trị trên mỗi mẫu thử tối thiểu không được nhỏ hơn 2/3 giá trị trung bình tối thiểu yêu cầu (theo phương pháp thử va đập Charpy với rãnh chữ V theo chiều dọc). | |
2.9.1.7 Cụm móc và quả đối trọng móc
1 Vật liệu làm móc tải
Vật liệu làm móc tải được làm từ thép hợp kim và chế tạo theo phương pháp rèn hoặc đúc.
Độ bền chống gãy của móc tải phải thỏa mãn các quy định của Bảng 24.
2 Kết cấu thép
Kết cấu thép liên kết cụm móc và quả đối trọng móc phải thỏa mãn các quy định về kết cấu thép tại mục 2.4 và Bảng 24.
3 Vật liệu bổ sung khối lượng
Vật liệu gang đúc có thể được sử dụng để tăng thêm trọng lượng của quả đối trọng móc, nhưng không được lắp vào cụm treo tải.
2.9.1.8 Vật liệu mâm quay
Các quy định trong phần này được áp dụng cho mâm quay được sử dụng như là biện pháp duy nhất để chống sự tách rời bệ và cần trục. Thép dùng cho vòng ổ lăn của mâm quay phải được lựa chọn, thử, và chứng nhận là đủ để chịu được tải thiết kế của cần trục.
1 Độ bền chống gãy của vòng ổ lăn
Độ bền chống gãy đối với vòng ổ lăn của mâm quay phải thỏa mãn các quy định của Bảng 26.
Các thử nghiệm được thực hiện trên một mẫu thử với cùng một mức độ nhiệt luyện như vòng ổ lăn. Chiều dài của mẫu thử được lấy theo hướng song song với chu vi của vòng ổ lăn. Mẫu thử được lấy từ vật mẫu với độ sâu gần nhất có thể với vùng cuối của vòng ổ lăn nơi phải chịu ứng suất tính toán lớn nhất.
2 Đặc tính cơ học của vòng ổ lăn
Nhà chế tạo mâm quay phải kiểm tra được đầy đủ các đặc tính cơ học bên ngoài và bên trong của vòng ổ lăn bằng thực hiện thử phá hủy với một mẫu đại diện cho mỗi thiết kế mẫu đầu tiên hoặc thực hiện kiểm tra không phá hủy độ cứng của vòng ổ lăn của rãnh lăn bi trên từng sản phẩm.
Nhà chế tạo mâm quay phải cung cấp báo cáo về các đặc tính vật liệu theo yêu cầu của phân tích thiết kế so sánh với các giá trị đo tương ứng với từng sản phẩm, và thử phá hủy đối với thiết kế mẫu đầu tiên đã được thực hiện. Nhà chế tạo cần trục phải xem xét báo cáo của nhà chế tạo mâm quay để đảm bảo mâm quay được sử dụng trên cần trục tuân theo các yêu cầu này.
2.10 Công nhận thiết kế
2.10.1 Công nhận thiết kế
2.10.1.1 Quy định chung
Nhà chế tạo phải chứng nhận mẫu đầu tiên, thiết kế hoặc sửa đổi kết cấu chính của thiết kế đã được thử theo mục 2.10.1.2 hoặc 2.10.1.3.
Thử nghiệm phải được thực hiện để xác nhận phương pháp thiết kế. Mục đích là để xác nhận tính chính xác và đầy đủ của quy trình tính toán thiết kế tổng thể. Điều này phải được thực hiện bằng cách thực hiện thử tải trọng đo biến dạng đối với tải trọng hệ số trên tàu (FL) hoặc bằng cách thực hiện thử nghiệm “nâng vật nặng” lên 2,0 lần SWLH trên tàu. Tải trọng thử cho điều kiện lớn nhất phải được chọn để thử điều kiện lực dọc trục lớn nhất (tải trọng định mức lớn nhất ở bán kính liên quan lớn nhất) và điều kiện mô men lật lớn nhất (mô men lật động lớn nhất). Tải thử phải được nâng tại móc chính và móc phụ (nếu trang bị). Kết quả của cuộc thử phải chứng minh tính phù hợp của thiết kế bằng cách xem xét các ứng suất đo được trong khi thử nghiệm hoặc bằng việc kiểm tra bằng mắt không có biến dạng, vết nứt hoặc hư hỏng có thể trong khi thử nâng vật nặng.
2.10.1.2 Thử bằng máy đo biến dạng
Thử nghiệm này phải được thực hiện với cần trục chịu các điều kiện tải trọng hệ số FL trên tàu với tải trọng bên bằng 2% tải trọng FL được nâng lên. Máy đo biến dạng phải được đặt tại các vị trí để xác định mức ứng suất đồng đều trong các bộ phận chính của cần trục như đã được thiết lập trong tính toán thiết kế. Máy đo biến dạng cũng phải được đặt ở các vị trí có ứng suất cao nhất (chuyển tiếp và liên kết) để xác định mức ứng suất cao nhất có thể chấp nhận được. Độ lệch của cần do tải trọng bên phải được đo và giới hạn ở chiều dài cần là 24 in./100 ft. Tải trọng thử và chiều dài cần phải được lựa chọn để tạo ra mức ứng suất tối đa trong tất cả các bộ phận kết cấu quan trọng.
Phải cẩn thận để thu được số đọc tham chiếu bằng 0 đối với các máy đo biến dạng có mức ứng suất gần bằng 0 trong các bộ phận. Điều này đặc biệt quan trọng đối với các cần trục có chiều dài cần lớn và các bộ phận khác khi tải trọng tĩnh là đáng kể. Đối với chiều dài cần dài, phải trang bị nhiều điểm đỡ để giảm thiểu tác động của trọng lượng bản thân của cần trong khi đưa đồng hồ đo biến dạng về 0. Cần trục phải được thực hiện bằng cách nâng tải trước khi đo biến dạng để cho phép có sự phá vỡ đối với các kết cấu.
Ứng suất ở các phần khác nhau của kết cấu cần trục phải được đo và đánh giá theo các chỉ tiêu sau:
a) Vùng ứng suất đồng đều là vùng có ứng suất gần như đồng nhất, tại đó việc vượt quá giới hạn chảy sẽ tạo ra biến dạng vĩnh viễn của toàn bộ kết cấu. Trong các vùng ứng suất đồng nhất, cần có giới hạn cường độ tối thiểu là 1,5, trong đó giới hạn cường độ được tính bằng giới hạn chảy nhỏ nhất của các bộ phận đo chia cho ứng suất đo được.
b) Các thiết bị đo biến dạng phải được đặt trong vùng ứng suất đồng đều của các bộ phận chính sao cho ứng suất của chúng có thể được kết hợp để xác định ứng suất dọc trục và ứng suất uốn chính của bộ phận. Sau đó, chúng sẽ được so sánh với các tính toán thiết kế để xác định mức độ ứng suất của các kết cấu như dự đoán. Các đồng hồ đo thường phải được đặt để xác định ứng suất dọc trục và uốn chính của cần, ứng suất dọc trục chân cổng và ở bất kỳ khu vực nào khác nơi ứng suất dọc trục và ứng suất uốn chính đã được tính toán trong quá trình thiết kế.
c) Vùng ứng suất cực đại là vùng nhỏ có ứng suất cao được bao quanh bởi vùng lớn hơn có ứng suất thấp hơn đáng kể mà việc vượt quá giới hạn chảy sẽ không tạo ra biến dạng vĩnh cửu của toàn bộ kết cấu. Máy đo biến dạng ở vị trí ứng suất cực đại phải có giới hạn cường độ tối thiểu (giới hạn chảy tối thiểu xác định chia cho ứng suất đo được) là 1,1.
2.10.1.3 Thử tải trọng nâng nặng
Thử nghiệm này phải bao gồm việc nâng 2,0 lần SWLH trên tàu với tải trọng bên tương ứng bằng 4 % tải SWLH. Tải trọng thử và chiều dài cần phải được lựa chọn để tạo ra mức ứng suất tối đa trong tất cả các bộ phận kết cấu quan trọng. Sau khi nâng, cần trục phải được tháo rời hoàn toàn, kể cả mâm quay và được đánh giá hoàn toàn về mức độ phù hợp với mục đích sử dụng phương pháp kiểm tra thích hợp (tùy thuộc vào bộ phận) được chọn từ các phương pháp sau:
- Thuốc nhuộm thẩm thấu;
- Hạt từ tính;
- Chụp X quang;
- Siêu âm.
Chỉ tiêu chấp nhận được đối với thử nghiệm này phải là không có bộ phận quan trọng nào bị biến dạng, mất ổn định, vết lõm, hoặc vết nứt bề mặt. Phải đặc biệt chú ý đến các mối nối bằng bu lông và hàn. Các phép đo và kiểm tra phải được hoàn thành trước và sau thử nghiệm để xác định bất kỳ sự khác biệt nào về tình trạng của các bộ phận quan trọng.
2.10.2 Thử cần trục chế tạo mới
Ngoài thử nghiệm mẫu đầu tiên theo quy định của phần này và các biện pháp kiểm soát chất lượng được thiết lập bởi nhà chế tạo, mỗi cần trục chế tạo mới phải được thử phù hợp với quy định 4.3, Chương 4 của Quy chuẩn này.
CHƯƠNG 3 THANG MÁY
3.1 Phạm vi áp dụng
Chương này đưa ra các quy định đối với thang máy phục vụ nâng hạ con người và hàng hóa. Cabin có thể được treo bằng dây cáp, xích hoặc được hỗ trợ bởi 1 hay nhiều xy lanh thủy lực và vận chuyển theo phương thẳng đứng với góc nghiêng không quá 150 so với phương thẳng đứng.
Chương này không áp dụng cho các thang máy sau: thang máy bánh răng - thanh răng, thang máy trục vít, thang máy mỏ, thang máy sân khấu, thiết bị có lồng, thùng nâng hạ tự động, các thiết bị xây lắp và bảo dưỡng.
3.2 Đơn vị, ký hiệu và chữ viết tắt
3.2.1 Đơn vị
Các đơn vị được sử dụng từ hệ thống đơn vị quốc tế (SI)
3.2.2 Ký hiệu dùng cho thang máy điện
Bảng 27 - Các ký hiệu dùng cho thang máy điện
| Đại lượng đo | Ký hiệu | Đơn vị |
| Tốc độ định mức | vm | m/s |
| Tổng khối lượng của cabin trống và khối lượng của một phần cáp chạy, bất kỳ thiết bị nào được treo với cabin | P | kg |
| Tải trọng định mức | Q | kg |
| Tỉ số giữa lực căng lớn nhất và nhỏ nhất của dây cáp được đặt 2 bên trục kéo | T1/T2 | (1) |
| Hệ số tính đến gia tốc, giảm tốc, điều kiện lắp đặt cụ thể | C1 | (1) |
| Gia tốc rơi tự do tiêu chuẩn | gn | m/s2 |
| Giảm tốc phanh của cabin | a | m/s2 |
| Hệ số kể đến sự thay đổi bề mặt rãnh cáp ròng rọc do bị mòn | C2 | (1) |
| Cơ sở logarit tự nhiên | e | (1) |
| Hệ số ma sát của dây cáp trong rãnh kéo | f | (1) |
| Hệ số ma sát giữa cáp thép và pu ly | µ | (1) |
| Góc quấn giữa dây cáp và pu ly | α | Rad |
| Góc rãnh cắt hoặc rãnh bán nguyệt của pu ly | β | Rad |
| Góc chữ V của bánh pu ly | γ | rad |
| Đường kính cáp kéo | d | mm |
| Đường kính pu ly | D | mm |
| Số dây cáp | n | (1) |
| Áp lực của dây cáp trong rãnh kéo ròng rọc | p | N/mm2 |
| Lực tĩnh trong dây cáp treo cabin tại vị trí xe dừng ở mức thấp nhất với tải trọng danh nghĩa của nó | T | N |
| Tốc độ của dây cáp tương ứng với Tốc độ định mức của xe | vc | m/s |
| Ứng suất trong ray dẫn hướng trong quá trình hoạt động của bánh an toàn | σk | N/mm2 |
| Diện tích mặt cắt ngang của ray dẫn hướng | A | mm2 |
| Hệ số uốn | ω | (1) |
| Hệ số độ mảnh | λ | (1) |
| Khoảng cách tối đa giữa các ray dẫn hướng | lk | mm |
| Bán kính quán tính | i | mm |
| Mức độ truyền nhiệt tại khoảng cách 1 m | W1 | W/cm2 |
| Mức độ truyền nhiệt đo được ở khoảng cách ½ đường chéo cửa ra vào được kiểm tra | W2 | W/cm2 |
| Hệ số hấp thụ của thiết bị đo bức xạ | a | % |
| Hệ số chuyển đổi để đo bức xạ nhiệt | F | (1) |
| Tỉ lệ giữa kích thước nhỏ nhất và lớn nhất của lối vào cửa được kiểm tra | L | (1) |
| Đường chéo của cửa được kiểm tra | Z | M |
| Chiều rộng “lắp cửa” đang được thử nghiệm | l | m |
| Chiều rộng của cửa đang được thử nghiệm | E | m |
| Số cửa đang được thử nghiệm | nv |
|
| Tổng khối lượng cho phép | (P+Q)1 | Kg |
| Tốc độ dừng của bộ hãm an toàn | v1 | m/s |
| Năng lượng hấp thụ của một bánh an toàn | K,K’,K” | J |
| Chiều cao rơi tự do | h | m |
| Khối lượng cần thiết để nén lò xo của bộ đệm giảm chấn hoàn toàn | Cr | Kg |
| Độ nén toàn bộ lò xo | F1 | m |
Ghi chú: (1) không có đơn vị đo
3.2.3 Các ký hiệu dùng cho thang máy thủy lực
Bảng 28 - Các ký hiệu dùng cho thang máy thủy lực
| Đại lượng đo | Ký hiệu | Đơn vị |
| Tốc độ định mức | vm | m/s |
| Trong suốt quá trình hoạt động của bộ hãm an toàn | F1 | N |
| Lực dọc của chốt hãm trong quá trình hoạt động | F2 | N |
| Phản lực bên dưới ray dẫn hướng | F4 | N |
| Phản lực bên dưới thiết bị giảm chấn | F5 | N |
| Tổng khối lượng của cabin trống, khối lượng của pitong (trong trường hợp thang máy hoạt động trực tiếp) và một phần khối lượng của cáp chạy treo cabin. | P1 | kg |
| Tổng khối lượng của cabin trống, khối lượng của pít tông (trong trường hợp thang máy hoạt động trực tiếp). | P2 | kg |
| Tải trọng của cabin, kết quả từ bảng 1 (3.6.2.1) | Q1 | kg |
| Giá trị lớn hơn cả hai Tốc độ định mức Vm và Vmd | vs | m/s |
| Tốc độ hạ định mức | vd | m/s |
| Diện tích mặt cắt ngang của ray dẫn hướng | A | mm2 |
| Giá trị cao hơn trong 2 lực F1 và F2 (mục 3.3.10) | F | N |
| Bán kính quán tính | i | mm |
| Chiều dài của ray dẫn hướng có ảnh hưởng uốn bằng khoảng cách tối đa giữa các giá treo/dầm công son liền kề | lk | mm |
| Hệ số độ mảnh | λ |
|
| Ứng suất uốn | σk | N/mm2 |
| Hệ số uốn | ω | (1) |
| Chiều dày vách bổ sung | e0 | mm |
| Áp lực toàn tải | p | MPa (N/mm2) |
| Ứng suất phá hủy | Rp0.2 | N/mm2 |
| Diện tích mặt cắt ngang kim loại của bệ đỡ/ đoạn được phân tích (n=1,2,3...) | An | mm2 |
| Tỷ số luồn | cm | (1) |
| Đường kính ngoài lớn nhất của pít tông | dm | mm |
| Đường kính trong lớn nhất của pít tông | dm | mm |
| Modul đàn hồi | E | N/mm2 |
| Lực uốn hiệu dụng | F5 | N |
| Gia tốc tiêu chuẩn của rơi tự do | gn | m/s2 |
| Bán kính quán tính của phần được phân tích (n = 1,2,3) | in | mm |
| Bán kính quán tính tương đương | i | mm |
| Mô men quán tính tiết diện pít tông được phân tích | jyyn’ | mm4 |
| Chiều dài uốn | lk | mm |
| Tổng khối lượng cabin trống và một phần cáp chạy treo cabin | P | kg |
| Khối lượng pít tông được phân tích | Pr | kg |
| Khối lượng pít tông trên cụm pít tông được phân tích (trong trường hợp xy lanh ống lồng) | P'r | kg |
| Khối lượng của thiết bị đầu gắn pít tông | Prh | kg |
| Tải trọng định mức (khối lượng) | Q | kg |
| Độ bền kéo của vật liệu | Rm | N/mm2 |
| lk/in Hệ số mảnh của mặt cắt được phân tích | λn | (1) |
| Hệ số mảnh tương đương lk/i | λt | (1) |
| Áp lực khi đầy tải | p | MPa (N/mm2) |
| Áp lực đo được trong suốt hành trình đi xuống với tải định mức trong cabin | pt | MPa (N/mm2) |
| Tốc độ lớn nhất trong trường hợp vỡ hệ thống thủy lực | vmax | m/s |
| Tốc độ đo được trong hành trình đi xuống với tải định mức trong cabin | vt | m/s |
| Hệ số hấp thụ của thiết bị đo bức xạ | a | % |
| Chiều rộng lối vào của cửa đang được thử nghiệm | E | m |
| Hệ số chuyển đổi để đo bức xạ nhiệt | F | (1) |
| Tỉ lệ giữa kích thước nhỏ nhất và lớn nhất của lối vào cửa được thử | L | (1) |
| Chiều rộng lắp cửa được thử nghiệm | L | m |
| Số tấm cửa được thử nghiệm | nv | (1) |
| Mức độ truyền nhiệt tại khoảng cách 1 m | W1 | W/cm2 |
| Mức độ truyền nhiệt đo được ở khoảng cách ½ đường chéo cửa ra vào được thử nghiệm | W2 | W/cm2 |
| Đường chéo cửa vào được thử nghiệm | z | m |
| Chiều cao rơi tự do | h | m |
| Năng lượng hấp thụ của một cụm cơ cấu an toàn | K,K’,K” | J |
| Tổng khối lượng cho phép | (P+Q)1 | Kg |
| Tốc độ dừng của bộ hãm an toàn | v1 | m/s |
| Khối lượng cần thiết để nén lò xo của bộ đệm giảm chấn hoàn toàn | Cr | Kg |
| Độ nén toàn bộ lò xo | F1 | m |
Ghi chú: (1) không có đơn vị đo
3.2.4 Chữ viết tắt
3.2.4.1 Cửa kiểu F
Cửa đáp ứng tất cả các quy định về tính chịu lửa được quy định tại mục 2 Phụ lục F - Rules for certification of lifts in ships, mobile offshore units and offshore installations 2008.
3.2.4.2 Cửa kiểu S
Cửa chỉ với mức độ nguyên vẹn quy định mục 2 Phụ lục F - Rules for certification of lifts in ships, mobile offshore units and offshore installations 2008.
3.3 Vị trí lắp đặt và điều kiện hoạt động của thang máy
3.3.1 Nguy cơ cháy nổ
3.3.1.1 Vị trí lắp đặt thang máy trên công trình biển phải nằm trong khu vực không có nguy cơ cháy nổ.
Tuy nhiên trong vài trường hợp đặc biệt thang máy có thể được lắp đặt tại khu vực được quy định trong khu vực 2 dưới đây.
Các khu vực nguy hiểm phù hợp với IEC ấn phẩm số 79-10, 1972 được chia thành các khu vực sau:
Khu vực 0: nơi có hỗn hợp khí ga dễ nổ liên tục trong một thời gian dài.
Khu vực 1: nơi có thể có hỗn hợp khí ga dễ nổ trong quá trình hoạt động bình thường.
Khu vực 2: nơi không có hỗn hợp khí ga dễ nổ, và nếu có chỉ trong một khoảng thời gian ngắn.
3.3.1.2 Các thiết bị điện cần thiết được lắp đặt trong khu vực nguy hiểm theo định nghĩa của IEC ấn phẩm số 79-10, 1972, thì phải tuân theo các quy định ở khu vực đó.
3.3.2 Điều kiện môi trường cho việc lắp đặt thang máy trên công trình biển.
3.3.2.1 Điều kiện hoạt động
Việc lắp đặt thang máy phải hoạt động theo các điều kiện liên quan đến công trình biển:
- Rung lắc liên tục: biên độ gấp đôi 2mm của tần số từ 0 đến 25 Hz
- Sự nghiêng tàu: ±100 chu kỳ 10 s
- Dao động theo phương thẳng đứng: ±50 chu kỳ 7 s
- Dịch chuyển ngang: Độ lớn bằng 0,0125L với khoảng thời gian 10 s, L là chiều dài của tàu theo quy định của tàu vỏ thép.
3.3.2.2 Điều kiện tải trọng
Ngoài các điều kiện hoạt động, máy móc, kết cấu thì thang máy phải có khả năng chịu được các lực do tải trọng gây nên.
- Rung lắc liên tục: ±200 30'
- Sự nghiêng tàu: ±70 30'
3.3.2.3 Điều kiện nhiệt độ và độ ẩm
Thang máy phải được bảo vệ trước sự ăn mòn của nước biển do vị trí thang máy ở trên công trình biển và đặc biệt là các máy móc của chúng. Nhiệt độ môi trường xung quanh được khuyến nghị từ +50C cho đến +450C và độ ẩm tương đối là 70% trừ các trường hợp được nêu cụ thể.
3.3.2.4 Cung cấp năng lượng
Thang máy phải hoạt động với sự biến thiên của:
- Tần số: ±5
- Điện áp: +6%, -10%
3.3.2.5 Cấm hoạt động
Thang máy bị cấm hoạt động nếu các thông số vượt quá giá trị quy định, và trong thời gian cấm hoạt động phải có khả năng ngăn chặn các tác động từ công trình biển theo IEC 92 và các quy định trong Chương này.
3.4 Giếng thang máy
3.4.1 Quy định chung
3.4.1.1 Những quy định dưới đây được áp dụng cho giếng thang lắp một hoặc nhiều cabin.
3.4.1.2 Đối trọng của thang máy phải bố trí trong cùng một giếng thang với cabin.
3.4.1.3 Xy lanh của thang máy phải ở trong cùng giếng nâng với cabin. Chúng có thể mở rộng vào trong mặt sàn hoặc các không gian khác.
3.4.2 Bao quanh giếng thang
3.4.2.1 Mỗi giếng thang bao gồm vách, sàn, trần như được nêu trong mục 3.4.3
Chỉ có các cửa được phép mở là:
a) Cửa tầng (xem mục 3.6)
b) Cửa kiểm tra, cửa khẩn cấp và cửa sập kiểm tra
c) Lỗ thoát khí và khói trong trường hợp hỏa hoạn
d) Lỗ thông gió
e) Lỗ thông giữa giếng và phòng máy hoặc phòng pu ly.
Tất cả các không gian liên quan đến việc lắp đặt thang máy phải được bao bọc hoàn toàn, thoáng khí và được chế tạo để chống cháy theo SOLAS 1974, Chương 11 -2 trong bản Sửa đổi năm 1982.
3.4.2.2 Cửa kiểm tra, cửa khẩn cấp và cửa sập kiểm tra
1 Cửa kiểm tra, cửa khẩn cấp và cửa sập kiểm tra ở giếng thang chỉ được trang bị khi có yêu cầu và phải đảm bảo an toàn cho người sử dụng hoặc do yêu cầu của công tác bảo trì, bảo dưỡng thang.
(1) Cửa kiểm tra phải có chiều cao tối thiểu là 1,4 m, chiều rộng tối thiểu là 0,6 m.
Cửa khẩn cấp phải có chiều cao tối thiểu là 1,8 m, chiều rộng tối thiểu là 0,35 m.
Cửa sập kiểm tra phải có chiều cao tối thiểu là 0,5 m, chiều rộng tối thiểu là 0,35 m.
(2) Khi khoảng cách giữa hai ngưỡng cửa tầng kế tiếp nhau vượt quá 11 m thì phải bố trí cửa khẩn cấp để khoảng cách giữa các ngưỡng cửa không vượt quá 11 m. Yêu cầu này không áp dụng đối với trường hợp các cabin kề nhau, mà ở mỗi cabin đều có một cửa khẩn cấp như quy định trong 3.7.11.4.
2 Cửa kiểm tra và cửa khẩn cấp, cửa sập kiểm tra không được mở cửa về phía bên trong giếng
(1) Phải lắp khóa mở bằng chìa, nhưng có thể đóng và khóa tự động không cần chìa.
Cửa kiểm tra và cửa khẩn cấp có thể mở ra từ bên trong giếng mà không cần chìa khóa.
(2) Thang máy chỉ hoạt động khi cửa đóng. Phải sử dụng các thiết bị điện an toàn phù hợp với 3.15.1.2.
Cho phép mở cửa sập kiểm tra khi thang máy đang hoạt động trong quá trình kiểm tra, nếu hoạt động này yêu cầu hoạt động lâu dài của thiết bị (chỉ có một lối vào duy nhất khi cửa sập kiểm tra mở) cho phép thiết bị an toàn điện thông thường xác định việc đóng cửa sập kiểm tra bị chặn.
3 Cửa kiểm tra và cửa khẩn cấp, lỗ kiểm tra phải kín và đáp ứng các yêu cầu về độ bền cơ học và khả năng chịu lửa như cửa dừng đỗ.
3.4.2.3 Thông gió
Giếng phải được thông gió đầy đủ nhưng không được sử dụng thông gió cho các phòng khác không liên quan đến thang máy.
Lỗ thông gió phải được đặt ở đỉnh giếng với diện tích tối thiểu là 1 % diện tích ngang của giếng, thông gió trực tiếp ra bên ngoài hoặc qua buồng máy hoặc buồng pu ly.
Hệ thống thông gió tốt phải độc lập và không thuộc hệ thống thông gió cho tàu hoặc công trình biển.
3.4.3 Vách, trần và sàn thang máy
Kết cấu của giếng phải chịu được các tải trọng có thể tác động do các nguyên nhân sau đây:
1) Từ máy móc, các ray dẫn hướng
2) Từ hoạt động của bộ giảm chấn, bộ hãm an toàn, thiết bị kẹp, thiết bị hãm.
3) Do mất cân bằng tải trọng cabin.
(Để tính toán các ảnh hưởng trong quá trình vận hành bộ hãm an toàn, thiết bị kẹp, thiết bị hãm, bộ giảm chấn xem mục 3.4.10).
Vách, sàn, trần của giếng phải:
a) Được làm bằng vật liệu bền, không cháy và không tạo ra bụi
b) Có đủ độ bền cơ học
3.4.4 Vách giếng thang phía lối vào cabin
3.4.4.1 Những yêu cầu sau đây đối với vách giếng thang phía lối vào cabin được áp dụng cho toàn bộ chiều cao của giếng. Khoảng cách an toàn giữa cabin với vách giếng thang được quy định ở điều 3.11.
3.4.4.2 Tổ hợp gồm cửa tầng, vách hoặc một phần vách giếng thang phía lối vào cabin phải tạo thành một mặt kín trên toàn bộ chiều rộng khoang cửa cabin. (tính đến khe hở vận hành cánh cửa).
Giếng thang máy phải được bảo vệ sự xâm nhập và phá hủy của nước.
3.4.4.3 Dưới mỗi ngưỡng cửa dừng theo phương thẳng đứng, không được nhỏ hơn một nửa khu vực mở khóa cộng thêm 50 mm, vách của giếng nâng phải tạo thành một bề mặt thẳng đứng liên tục, gồm vật liệu bằng phẳng và cứng như tấm kim loại, vật liệu có bề mặt nhám hoặc vật liệu có tính ma sát tương đương. Không được phép lắp thạch cao và tấm kính.
Ngoài ra, nó phải:
a) Nối với xà của cửa kế tiếp
b) Hoặc kéo dài xuống dưới bằng một mặt vát cứng, nhẵn với góc vát tối thiểu 600 tốt nhất là 750 so với phương ngang. Mặt vát này không cần đưa trở lại vách. Nếu không gian quá lớn, nó có thể hạn chế, nhưng hình chiếu của nó lên phương nằm ngang được lấy vào từ ngưỡng cửa tối thiểu là 50 mm.
1 Ở những chỗ khác, khoảng cách theo phương ngang giữa vách giếng thang với ngưỡng cửa hoặc khung cửa cabin (hoặc với mép ngoài của cửa trong trường hợp cửa lùa) không được lớn hơn 0,15 m. Mục đích là để ngăn chặn:
a) Người rơi xuống giếng
b) Người đi vào khoảng cách giữa cửa cabin và giếng thang trong suốt quá trình vận hành bình thường (đó là điều cần chú ý đến khoảng cách 0,15m, đặc biệt với loại cửa lồng).
2 Khoảng cách ngang là 0,2 m có thể cho phép là:
a) Trên một khoảng cách thẳng đứng tối đa là 0,5 m
b) Trong trường hợp thang máy chủ yếu dùng vận chuyển hàng hóa, kèm theo người, xe cá nhân, có cửa trượt đứng.
3 Các điều kiện nêu trong 3.4.4.3.1 không cần phải tuân theo nếu cabin được trang bị cánh cửa khóa bằng máy mà chỉ có thể mở được trong khu vực mở khóa của cửa tầng. Hoạt động của thang máy phải tự động phụ thuộc vào khóa cửa cabin tương ứng, trừ trường hợp được nêu trong mục 3.6.7.2.2. Khóa này phải được kiểm tra bằng thiết bị điện an toàn phù hợp với 3.15.1.2.
3.4.5 Bảo vệ vị trí bên dưới cabin và đối trọng
3.4.5.1 Giếng thang tốt nhất không được đặt tại nơi con người có thể dễ dàng tiếp cận được.
3.4.5.2 Nền hố thang phải được thiết kế chịu được tải trọng 500 N/m2. Đối trọng phải được trang bị bộ hãm an toàn.
3.4.6 Giếng thang lắp nhiều thang máy
3.4.6.1 Trong tổng chiều cao của giếng phải được chia ra các phần giữa các bộ phận chuyển động (cabin hoặc đối trọng) của thang máy khác nhau hoặc thang máy phục vụ.
3.4.6.2 Giếng thang phải được lắp đặt thang cố định trên toàn bộ chiều cao của nó, cho phép sử dụng cửa thoát hiểm.
3.4.7 Đỉnh giếng và hố thang
3.4.7.1 Khoảng không gian đỉnh giếng đối với thang dẫn động ma sát
1 Khi đối trọng đặt lên và làm bộ giảm chấn nén hoàn toàn, thì phải thỏa mãn 4 điều kiện sau:
(a) Chiều dài ray dẫn hướng cabin phải còn cho phép thêm một hành trình tối thiểu 0,1 m + 0,035v2, quãng đường di chuyển tính bằng m, tốc độ tính bằng m/s.
(b) Chiều cao tĩnh không trên khu vực được quy định tại 3.7.12.1 (b) tối thiểu phải là 1m + 0,035v2.
(c) Khoảng cách trống giữa phần thấp nhất của mái giếng và:
(1) Chiều cao lớn nhất của thiết bị được cố định trên mái khung cabin, trừ các vật bao gồm trong (2) dưới đây, phải tối thiểu là 0,3m+0,035v2. Đối với thang máy thủy lực, v có thể thay bằng vm.0,035v2 là một nửa khoảng cách dừng do trọng lực, tương ứng với góc nghiêng 1150 tính từ tốc độ định mức.
(2) Phần cao nhất của ray dẫn hướng hoặc con lăn, của bộ phận dây cáp và của cửa ra vào hoặc các bộ phận của cửa trượt theo chiều dọc, nếu có, phải tối thiểu là 0,1m + 0,035v.
(d) Không gian phía trên của cabin phải đủ để đặt một khối hình chữ nhật có kích thước không nhỏ hơn 0,5x0,6x0,8 m được đặt theo bất kỳ các mặt của nó.
2 Khi cabin đặt trên bộ giảm chấn được nén hoàn toàn, thì chiều dài ray dẫn hướng đối trọng vẫn có thể đi lên, tối thiểu là 0,1m + 0,035v2, quãng đường di chuyển tính bằng m, tốc độ tính bằng m/s.
3 Khi độ giảm tốc của thang máy được theo dõi chặt chẽ theo 3.12.8 giá trị 0,035v2 sử dụng trong 3.4.7.1.1 và 3.4.7.1.2 có thể giảm xuống một nửa.
Tuy nhiên giá trị này không được nhỏ hơn 0,25 m.
4 Đối với những thang máy với cáp bù, có pu ly căng được hãm chống nảy (phanh hoặc thiết bị khóa) thì giá trị 0,035v2 nói trên có thể thay thế bằng khoảng hành trình cho phép của pu ly cộng với 1/500 hành trình cabin, với giá trị tối thiểu là 0,2 m để tính đến độ đàn hồi của cáp.
3.4.7.2 Khoảng không gian đỉnh giếng đối với thang dẫn động cưỡng bức
1 Khi cabin ở tầng trên cùng, hành trình di chuyển của cabin, vẫn có thể đi lên trên đến khi chạm vào bộ giảm chấn hoạt động, tối thiểu 0,5 m.
2 Khi bộ giảm chấn bị nén hoàn toàn bởi trọng lượng cabin, các điều kiện sau phải được thỏa mãn:
(a) Khoảng trống phía trên khu vực quy định tại điểm 3.7.12.1 (b) không được nhỏ hơn 1 m.
(b) Khoảng trống giữa phần thấp nhất của mái giếng và:
(1) Thiết bị cao nhất lắp trên nóc cabin, trừ thiết bị cao nhất được quy định trong (2) dưới đây, phải tối thiểu 0,3 m.
(2) Phần cao nhất của thanh dẫn và con lăn hoặc mặt trước của cửa ra vào hoặc bộ phận của cửa trượt theo chiều dọc nếu có, phải ở mức 1,0 m.
(c) Khoảng trống phía trên cabin phải đủ để chứa một khối chữ nhật không nhỏ hơn 0,5x0,6x0,8 m đặt theo bất kỳ mặt nào của nó.
3 Khi xe được đặt lên bộ giảm chấn nén hoàn toàn, đối trọng vẫn có thể di chuyển đi lên, tối thiểu 0,3 m.
3.4.7.3 Khoảng trống phía trên thang máy thủy lực
1 Khi điểm nén được nén hoàn toàn (xem 3.13.11.3.3) yêu cầu của mục 3.4.7.1.1 phải được đáp ứng.
(1) Trường hợp cụ thể
Trong trường hợp thang máy hoạt động trực tiếp, không được tính đến giá trị 0,035v2 trong mục 3.4.7.1.1 a,b,c.
(2) Khoảng trống giữa phần thấp nhất của mái giếng thang và đầu pít tông hoặc đầu pít tông lắp pu ly phải tối thiểu 0,1 m.
2 Các yêu cầu của mục 3.4.7.1.2 phải được thỏa mãn (v thay thế bằng vd)
3 Kích thước được định nghĩa trong 3.4.7.1.1 (d) phải được thay thế bằng một khối chữ nhật có kích thước: 0,5x0,6x1,0 m.
3.4.7.4 Hố thang
1 Phần dưới của giếng bao gồm một hố, nền của hố phải bằng phẳng và cao khoảng 1 tầng thang, trừ phần giảm chấn, ray dẫn hướng, và rãnh thoát nước.
Sau khi lắp đặt ray dẫn hướng, bộ giảm chấn, hệ thống điện, hố phải khô ráo, không thấm nước.
2 Nếu có lối vào hố bên ngoài cửa tầng thì phải tuân theo các yêu cầu của 3.4.2.2.
Cần phải có một cửa riêng nếu hố sâu quá 2,5 m, và nếu bố trí đó cho phép.
Nếu không có thiết bị tiếp cận khác, phải có thiết bị cố định tiếp cận dễ dàng từ cửa tầng để cho phép những người có nhiệm vụ đi xuống hố. Điều này không được làm ảnh hưởng đến không gian hoạt động của thang máy.
3 Khi cabin được đặt trên bộ giảm chấn nén hoàn toàn thì phải thỏa mãn các điều kiện sau:
(a) Phải có đủ không gian với kích thước 0,5x0,6x0,8 m.
(b) Khoảng cách thẳng đứng giữa đáy hố và:
(1) Phần thấp nhất của cabin, trừ các điều được nêu trong (2) dưới đây, tối thiểu 0,5 m.
(2) Phần thấp nhất của ray dẫn hướng hoặc con lăn, bộ hãm an toàn, thiết bị hãm, phần bảo vệ ngón chân hoặc bộ phận của cửa lùa đứng phải tối thiểu 0,1 m.
(c) Khoảng cách của phần cao nhất cố định trong hố như kích, đường ống, và các thiết bị khác, bộ phận thấp nhất của cabin trừ chi tiết trong mục (b) (2) ở trên, phải tối thiểu 0,3 m.
(d) Khoảng cách giữa đáy hố và thiết bị lắp đặt tại đó và đầu pít tông di chuyển xuống hoặc đầu pít tông gắn pu ly phải tối thiểu 0,5 m.
(e) Khoảng cách giữa đáy hố và phần thấp nhất của ray dẫn hướng của kích dạng ống lồng bên dưới thang máy tác động trực tiếp phải tối thiểu 0,5 m.
4 Khi cabin ở vị trí cao nhất được xác định bằng độ nén hoàn toàn của tấm đệm dừng của
kích, đối trọng (nếu có) vẫn có thể di chuyển xuống tối thiểu là 0,1m + 0,035v2.
5 Các thiết bị có sẵn trong hố để hỗ trợ nhân viên phục vụ:
(a) Một công tắc có thể giúp nhân viên mở cửa vào hố để dừng thang máy và giữ cho nó dừng lại, để không có nguy cơ nhầm lẫn vị trí dừng (xem 3.16.7). Công tắc này phải phù hợp với yêu cầu của 3.15.2.2.3.
(b) Ổ cắm điện (3.14.6.2).
3.4.8 Mục đích sử dụng thang máy
Giếng thang chỉ được dành riêng cho thang máy, nó không được chứa cáp hoặc thiết bị khác với thang máy. (giếng có thể chứa thiết bị sưởi ấm trừ nước nóng hoặc hơi nước nóng, tuy nhiên bất kỳ thiết bị kiểm soát và điều chỉnh nào cũng phải được đặt bên ngoài giếng).
Cáp chạy bên trong giếng cũng phải được bảo vệ khỏi hư hỏng.
Việc bảo vệ có thể được thực hiện bằng cách bọc một lớp kim loại mỏng,chiều rộng của nó cho phép đi qua vòng treo tự do của cáp chạy và được tiếp xúc với một rãnh tròn cho phép chạy qua vòng treo.
3.4.9 Chiếu sáng
Giếng phải được lắp đặt đèn khẩn cấp trên toàn bộ đường thoát hiểm của giếng. Đèn được đặt tại vị trí tối đa 0,5 m so với điểm cao nhất và thấp nhất trong giếng, với đèn được bố trí ở giữa với khoảng cách tối đa 7 m.
3.4.10 Chú thích
3.4.10.1 Chú thích 1: Phân tích lực dọc trong bộ hãm an toàn (hoặc thiết bị hãm, nếu có)
Đối với thang máy có nhiều hơn hai ray dẫn hướng, nội lực trong mỗi ray dẫn hướng phải được xác định bằng phương pháp tương tự.
Lực trên mỗi ray dẫn hướng trong quá trình hoạt động của cơ cấu an toàn có thể được tính toán xấp xỉ theo các công thức sau đây:
(a) Bộ hãm an toàn tức thời:
(1) Ngoại trừ kiểu con lăn hãm:
F1 = 25(P1+Q1)
(2) Kiểu con lăn hãm:
F1 = 15 (P1+Q1)
(b) Bộ hãm an toàn êm:
F1 = 10(P1+Q1)
3.4.10.2 Chú thích 2: Phân tích lực dọc trong thiết bị hãm. Lực này xuất hiện khi thiết bị hãm chạm tới một giá đỡ cố định có thể được tính toán xấp xỉ theo các công thức sau:
(a) Thiết bị hãm có bộ phận giảm chấn tích năng lượng:
(1) Thang máy có 2 thiết bị hãm:
F2=15(P1+Q1)
(2) Thang máy có 1 thiết bị hãm:
F2=30(P1+Q1)
(b) Thiết bị hãm có bộ phận giảm chấn hấp thụ năng lượng:
(1) Thang máy có 2 thiết bị hãm:
F2=10(P1+Q1)
(2) Thang máy có 1 thiết bị hãm:
F2 = 20(P1+Q1)
3.4.10.3 Chú thích 3: Phân tích các phản lực ở đáy hố tại thời điểm bộ hãm an toàn (thiết bị dừng, nếu có), thiết bị hãm (các chốt hãm cố định trên ray dẫn hướng hoặc bộ phận giảm chấn.
Các phản lực có thể được tính toán như sau:
(a) Bên dưới mỗi ray dẫn hướng:
F3 = 10 lần khối lượng ray dẫn hướng (kg) cộng với phản lực F1 tại thời điểm cơ cấu an toàn hoạt động hoặc phản lực F2 tại thời điểm vận hành thiết bị hãm. Các lực lớn hơn 2 giá trị phải được chấp nhận. (Nếu các ray dẫn hướng được treo, phản lực tại các chốt liên kết phải được tính toán tương tự như trường hợp các ray dẫn hướng ở đáy hố).
(b) Bên dưới bộ phận giảm chấn:
F4 = 40(P1+Q1)
Ký hiệu
F1 = Lực trong mỗi ray dẫn hướng trong suốt quá trình bộ hãm an toàn hoạt động (N)
F2 = Lực dọc trong quá trình thiết bị hãm hoạt động
F3 = Phản lực bên dưới ray dẫn hướng
F4 = Phản lực bên dưới bộ giảm chấn
P1 = Tổng khối lượng của cabin trống, khối lượng của pít tông (trong trường hợp thang máy tác động trực tiếp) và khối lượng phần cáp treo cabin (kg)
P2 = Tổng khối lượng cabin trống cộng với khối lượng của pít tông (trong trường hợp thang máy tác động trực tiếp) (kg).
Q1 = Tải trọng xe, kết quả từ bảng 1 (3.7.2.1) (kg).
3.5 Phòng máy và phòng pu ly
3.5.1 Quy định chung
3.5.1.1 Phòng máy, pu ly và các thiết bị liên quan chỉ cho phép người có thẩm quyền được tiếp cận (bảo trì, kiểm tra, cứu hộ).
3.5.1.2 Máy và các thiết bị liên quan của chúng và pu ly (trừ thiết bị cân bằng, cabin và đối trọng, pu ly kéo khống chế tốc độ) phải ở trong phòng đặc biệt, có có cửa, vách, trần và sàn.
1 Những trường hợp ngoại lệ so với các yêu cầu trên:
(1) Các pu ly dẫn hướng có thể được lắp ở đỉnh giếng, với điều kiện chúng không được đặt trên nóc cabin và có thể dễ dàng kiểm tra, bảo dưỡng an toàn từ mái của cabin hoặc từ từ bên ngoài giếng.
Tuy nhiên, có thể lắp đặt một hoặc hai pu ly trên nóc cabin để dẫn hướng cáp về phía đối trọng, nếu pu ly có vỏ che và từ nóc cabin có thể tiếp cận tới trục của nó một cách an toàn.
(2) Pu ly dẫn động có thể được lắp đặt bên trong giếng, với điều kiện là:
(a) Việc kiểm tra, thử nghiệm và các hoạt động bảo trì có thể thực hiện từ phòng máy.
(b) Khoảng trống giữa buồng máy và giếng thang càng nhỏ càng tốt.
(3) Bộ khống chế vượt tốc có thể được lắp đặt trong giếng với điều kiện các việc kiểm tra, bảo dưỡng có thể thực hiện từ bên ngoài giếng.
(4) Pu ly dẫn động và pu ly trong giếng phải được trang bị thiết bị có tác dụng để tránh:
(a) Thương tật cơ thể.
(b) Dây cáp treo hoặc dây xích trượt khỏi rãnh khi bị chùng.
(c) Các vật cản rơi vào giữa dây cáp và đường rãnh.
2 Máy móc, pu ly và các thiết bị liên quan khác có thể được đặt trong những phòng được sử dụng với mục đích khác (đặc biệt là tránh những lối đi) nếu chúng được ngăn cách với phòng còn lại bằng một vách ngăn có chiều cao tối thiểu là 1,8m với một cửa có thể khóa được.
3 Trong mọi trường hợp, phòng máy và pu ly hoặc các thiết bị đi kèm được nêu tại 3.5.1.2.2, được sử dụng cho các mục đích khác ngoài thang máy. Chúng không được chứa cáp hoặc các thiết bị khác ngoài thang máy.
Tuy nhiên những phòng này có thể chứa:
(a) Máy cho thang máy hoặc thang cuốn
(b) Thiết bị điều hòa không khí hoặc sưởi ấm phòng, ngoại trừ hơi nước nóng hoặc hơi nước.
(c) Thiết bị báo cháy hoặc bình chữa cháy, hoạt động với điều kiện nhiệt độ cao, phù hợp với các thiết bị điện, độ bền trong một thời gian dài, và được bảo vệ chống lại các tai nạn bất ngờ.
4 Đối với thang máy dẫn động cưỡng bức và thang máy dẫn động ma sát thì phòng máy phải được đặt phía trên giếng. Đối với thang máy thủy lực, phòng máy nên gần giếng. Nếu phòng máy của thang máy thủy lực không ở gần giếng, các đường ống thủy lực và dây điện được nối với phòng máy phải được lắp đặt trong các ống hoặc máng hoặc một đoạn ống hoặc máng, phục vụ đặc biệt cho mục đích này.
3.5.2 Lối vào
3.5.2.1 Lối vào phòng máy và phòng pu ly phải:
(a) Phải được chiếu sáng đầy đủ bằng bóng đèn cố định.
(b) Sử dụng dễ dàng, an toàn trong mọi trường hợp và không cần thiết phải vào các phòng riêng khác.
Lối vào phòng máy phải có chiều cao tối thiểu là 1,8 m (không tính phần bậc cửa, ngưỡng cửa không được cao hơn 0,4 m)
3.5.2.2 Lối vào phòng máy hoặc phòng pu ly phải được thiết kế hoàn toàn bằng bậc thang xây. Nếu việc lắp đặt cầu thang không thực hiện được thì được sử dụng thang tay có đủ các điều kiện an toàn sau:
a) Chúng không có khả năng trượt chân hoặc lật ngược.
b) Thang cao hơn 1,5 m phải đặt nghiêng tạo thành một góc 70-750 so với phương ngang.
c) Chúng chỉ được sử dụng cho mục đích này và được để gần khu vực lối đi, cần có các quy định cần thiết cho các mục đích sử dụng.
d) Ở đỉnh của thang phải có lan can để bám vịn.
e) Khi thang không được bắt chặt thì phải gắn vào các điểm cố định.
3.5.2.3 Phải trang bị thiết bị tiếp cận cho việc nâng thiết bị nặng trong quá trình lắp dựng và nếu cần thiết, nó có thể bị thay thế để đảm bảo an toàn, tránh trường hợp xử lý trên cầu thang.
3.5.3 Kết cấu và trang thiết bị phòng máy
3.5.3.1 Độ bền của máy móc, bằng phẳng của nền, sự cách âm.
1 Phòng máy phải chịu được các tải trọng và tác động mà chúng thường xuyên phải chịu. Chúng được làm từ vật liệu bền chắc và không tạo ra bụi.
2 Sàn nhà phải làm bằng vật liệu chống trơn trượt.
3 Khi được yêu cầu bởi chức năng của tàu hoặc giàn khoan lắp đặt ngoài khơi hoặc các bộ phận của nó, như vách, sàn, trần của phòng máy phải có tính chất hấp thụ âm thanh liên quan đến hoạt động của thang máy.
Máy móc, phụ kiện phải được cách điện từ sàn nhà và vách của phòng máy bằng vật liệu cách âm và chống rung.
3.5.3.2 Kích thước
1 Kích thước của phòng máy phải đủ để cho phép đi lại dễ dàng và an toàn cho nhân viên bảo dưỡng tới tất cả các bộ phận, đặc biệt là thiết bị điện.
Cụ thể được quy định như sau:
a) Một diện tích bằng phẳng phía trước của bảng điều khiển và tủ. Khu vực này được định nghĩa như sau:
- Chiều sâu được đo từ bề mặt ngoài bảng và tủ trở ra tối thiểu là 0,7 m. Khoảng cách này có thể giảm xuống còn 0,6 m ở phía trước các nút điều khiển nhô ra (tay vặn v.v).
- Chiều rộng: lớn hơn 2 giá trị sau: 500 mm hoặc chiều rộng toàn bộ của tủ hoặc bảng điều khiển.
b) Một khu vực trống có kích thước tối thiểu 0,5mx0,6 m để phục vụ và kiểm tra các bộ phận chuyển động tại các điểm cần thiết và nếu cần thiết có thể vận hành bằng tay (xem 3.12.5.1/3.13.18).
c) Lối đi để đến các khu vực này phải có chiều rộng tối thiểu 0,5 m. Giá trị này có thể giảm xuống còn 0,4 m ở những khu vực không có bộ phận chuyển động.
2 Trong mọi trường hợp, chiều cao cho phép di chuyển hoặc làm việc không được nhỏ hơn 1,8 m.
Chiều cao toàn bộ đủ để di chuyển hoặc làm việc được đo từ mặt dưới của dầm mái nhà đến:
a) Sàn của khu vực lối đi.
b) Sàn của khu vực làm việc.
3 Phải có một khoảng cách trống thẳng đứng tối thiểu 0,3 m so với các bộ phận quay của máy.
4 Khi sàn phòng máy có chia thành các bậc, lớn hơn 0,5 m thì phải lắp đặt cầu thang, bậc thang và lan can bảo vệ.
5 Khi sàn của phòng máy có bất kỳ khoảng cách nào lớn hơn 0,5 m và sâu dưới 0,5 m, hoặc các rãnh, chúng phải được che chắn.
6 Sàn của phòng máy cho thang máy thủy lực phải đảm bảo trong trường hợp rò rỉ, tất cả các chất lỏng thủy lực có thể được ngăn lại ở trong phòng. Chú ý đến những rung động của tàu. Thiết bị điện và dây nối phải được lắp đặt ở mức cao nhất có thể để tránh chất lỏng chảy trong phòng.
3.5.3.3 Cửa ra vào và cửa sập
1 Cửa ra vào phải có chiều rộng tối thiểu là 0,6 m và chiều cao tối thiểu là 1,8 m. Chúng không được mở vào phía trong phòng.
2 Lối đi đến cửa sập cho nhân viên phải có lối đi thông thoáng tối thiểu 0,8 m x 0,8 m.
Khi đóng cửa, chúng có thể đỡ được hai người, tức là có thể chống lại lực dọc là 2000 N tại bất kỳ vị trí nào.
Cánh cửa sập phải được làm bằng phẳng và không mở ra ở phía dưới trừ khi chúng được nối với thang có thể thu vào. Nếu có bản lề thì chúng thuộc loại không tháo được.
Khi cửa sập ở vị trí mở, phải có các biện pháp phòng ngừa người hoặc vật liệu rơi (lan can ...).
3 Cửa ra vào hoặc cửa sập phải lắp đặt khóa, có thể mở được từ phía trong phòng mà không cần chìa.
Cửa sập chỉ sử dụng để đi vào nơi quan trọng và có thể được khóa từ phía trong.
3.5.3.4 Lỗ trên sàn
Các kích thước lỗ của tấm hoặc sàn nhà phải được giảm tới mức tối thiểu. Để tránh mối nguy hiểm của các vật thể rơi qua lỗ xuống bên dưới giếng thang, bao gồm lỗ luồn cáp điện, phải làm gờ xung quanh mép lỗ, cao tối thiểu 50 mm.
3.5.3.5 Thông gió và nhiệt độ
1 Phòng máy phải được thông gió. Động cơ, thiết bị, cũng như cáp điện.... phải được bảo vệ tránh bụi, khí độc hại và độ ẩm (Trường hợp cụ thể khoản 3.4.2.1 và 3.4.2.3).
Nhiệt độ không khí từ các bộ phận khác của tàu phải không được cho vào phòng máy.
2 Nhiệt độ môi trường xung quang trong phòng máy nằm trong khoảng từ 50C - 450C và độ ẩm tương đối trung bình là 70% trừ trường hợp được nêu cụ thể.
3.5.3.6 Đèn chiếu sáng và ổ điện
Ánh sáng đèn điện của máy phải được trang bị tối thiểu 200 lux tại mỗi tầng. Nguồn điện cung cấp cho đèn điện phải độc lập với nguồn cung cấp cho máy và có thể cung cấp bằng cáp riêng hoặc cùng một điểm trên cáp cấp nguồn cho máy nhưng ở phía bên cạnh công tắc chính.
Một công tắc được đặt gần những vị trí lối đi hoặc nơi có chiều cao thích hợp, phải điều chỉnh được ánh sáng căn phòng khi đi vào. Có một hoặc nhiều ổ cắm điện (3.14.6.2) được lắp đặt.
3.5.3.7 Bố trí các trang thiết bị
Một hoặc nhiều đường ray hoặc móc cẩu, nếu phù hợp, phải được lắp đặt trên trần phòng máy hoặc dầm, ở vị trí thuận tiện cho phép nâng các thiết bị nặng trong suốt quá trình lắp dựng, nếu cần thiết có thể thay thế. Tải trọng làm việc an toàn phải được ghi trên giá đỡ hoặc móc cẩu.
3.5.4 Kết cấu và trang thiết bị phòng pu ly
3.5.4.1 Độ bền máy móc và bề mặt sàn
1 Phòng pu ly phải được chế tạo để chịu được tải trọng và lực tác dụng mà chúng thường xuyên phải chịu.
Chúng phải được làm từ những vật liệu bền, chắc chắn và không phát sinh bụi.
2 Sàn của phòng pu ly phải được làm từ vật liệu chống trơn trượt.
3.5.4.2 Kích thước
1 Kích thước của phòng phải đủ để đi lại dễ dàng và an toàn cho nhân viên phục vụ tới tất cả các trang thiết bị.
Yêu cầu của 3.5.3.2.1 được áp dụng.
2 Chiều cao mái phải tối thiểu là 1,5 m.
(1) Phải có khoảng không tối thiểu 0,3 m phía trên các pu ly, ngoại trừ trường hợp pu ly dẫn hướng.
(2) Nếu có bảng điều khiển trong phòng thì các điều khoản 3.5.3.2.2 được áp dụng cho phòng này.
3.5.4.3 Cửa ra vào và cửa sập
1 Cửa ra vào phải có chiều cao tối thiểu là 1,4 m và rộng 0,6 m, chúng không được mở vào phía trong phòng.
2 Cửa sập phải có lối đi thông thoáng với kích thước 0,8 m x 0,8 m.
Khi cửa đóng lại nó có thể đỡ được hai người, tức là có thể chịu được lực dọc 2000 N tại bất kỳ vị trí nào.
Cánh cửa sập phải được làm bằng phẳng và không mở ra ở phía dưới trừ khi chúng được nối với thang có thể thu vào. Nếu có bản lề thì chúng thuộc loại không tháo được.
Khi cửa sập ở vị trí mở, phải có các biện pháp phòng ngừa người hoặc vật liệu rơi (lan can ...).
3 Cửa ra vào hoặc cửa sập phải lắp đặt khóa, có thể mở được từ phía trong phòng mà không cần chìa.
3.5.4.4 Các khe hở khác
Các kích thước lỗ của tấm hoặc sàn phải được giảm tới mức tối thiểu. Để tránh mối nguy hiểm của các vật thể rơi qua lỗ xuống bên dưới giếng thang, bao gồm lỗ luồn cáp điện, phải làm gờ xung quanh mép lỗ, cao tối thiểu 50 mm.
3.5.4.5 Công tắc dừng
Chúng được lắp đặt trong phòng pu ly, gần những điểm ra vào, một công tắc dừng cho phép dừng hoặc giữ thang lại, do đó phải sắp xếp để tránh nhầm lẫn “vị trí dừng” (xem 3.16.4.4). Việc chuyển đổi phải phù hợp với yêu cầu của 3.15.2.2.3.
3.5.4.6 Nhiệt độ
Nếu có nguy cơ bị ngưng tụ hơi nước hoặc băng giá trong phòng pu ly thì phải tiến hành các biện pháp phòng ngừa để bảo vệ thiết bị (hơi dầu nóng).
Nếu phòng pu ly chứa các thiết bị điện, nhiệt độ môi trường xung quanh phải được duy trì từ +50C đến +450C.
3.5.4.7 Ánh sáng
Đèn điện phải được lắp đặt đầy đủ trong phòng pu ly. Một công tắc phải được đặt phía trong, gần cửa ra vào, để điều chỉnh ánh sáng căn phòng. Một hoặc nhiều ổ cắm điện (3.14.6.2) phải được lắp đặt.
3.6 Cửa tầng
3.6.1 Quy định chung
3.6.1.1 Khoang cửa tầng ra vào cabin phải được lắp cửa kín.
Khi cửa đóng, khe hở giữa các cánh cửa hoặc giữa cánh cửa với khung cửa, dầm đỡ, hoặc ngưỡng cửa phải là càng nhỏ càng tốt.
Điều kiện này được coi là thỏa mãn khi khoảng cách không vượt quá 6 mm, không kể mài mòn.
Những khoảng trống này được đo từ đáy chỗ lõm, nếu có.
Để tránh những nguy cơ bị biến dạng trong quá trình hoạt động, mặt ngoài của cửa trượt tự động phải không có khe hở hoặc lồi ra quá 3 mm. Các cạnh của chúng được vát mép theo hướng di chuyển.
3.6.1.2 Kết cấu bề mặt vách giếng có cửa tầng xem 3.4.4
3.6.2 Độ bền của cửa và khung cửa
3.6.2.1 Cửa và khung cửa của chúng phải được thiết kế sao cho chúng không bị biến dạng theo thời gian. Để thỏa mãn quy định này, chúng được khuyến nghị làm bằng kim loại. Những yêu cầu của SOLAS 1974 phải được áp dụng, trong trường hợp cửa ra vào thỏa mãn tất cả các tiêu chí thì được áp dụng với loại A-60 và cửa chỉ có độ nguyên vẹn thì được áp dụng với loại A-0.
Các quy định khác của SOLAS 1974 có thể yêu cầu đánh giá hỏa hoạn theo đặc tính cháy hidro-cacbon. Yêu cầu chức năng của SOLAS và tài liệu này cũng áp dụng cho cửa tầng cấp “H”.
Việc sử dụng cửa kính, ngay cả cửa bọc thép, hoặc bằng vật liệu nhựa như một vách hoặc một phần vách chỉ được phép sử dụng cho bảng điều khiển được nêu trong mục 3.6.6.2.2.
3.6.2.2 Tính năng kết cấu trong điều kiện thử lửa (xem thêm phần chú thích giới thiệu ở Điều 2 phụ lục F - Rules for certification of lifts in ships, mobile offshore units and offshore installations 2008). Cửa dừng phải là kiểu đã được thử lửa theo quy định được nêu trong Phần II phụ lục F và thỏa mãn các quy định trong đó).
Hơn nữa bất kỳ cửa tầng nào cũng phải thiết kế để ngăn sự lan truyền của khí ga lạnh (khói và các sản phẩm đốt tương tự). Gioăng làm kín hoặc hệ thống làm kín phải được thử lửa theo quy định tại điểm F2.
Yêu cầu về tính ổn định của nhiệt độ môi trường xung quanh có thể được bỏ qua nếu khu vực tiếp giáp được tách ra từ khu vực lân cận bằng các cánh cửa khác hoặc tương tự, như đáp ứng yêu cầu trên. Tuy nhiên, nếu các cửa ra vào khác hoặc tương tự, bao gồm khu vực dừng thỏa mãn các quy định trên. Cửa tầng có thể được thiết kế để không có bất kỳ sự cố cháy nổ nào. Bất kể sự sửa chữa nào cũng phải được đánh giá cụ thể trong từng trường hợp.
1 Những cửa phù hợp với tất cả các quy định sau đây thì thuộc cửa ký hiệu chữ F.
2 Những cửa chỉ có độ nguyên vẹn thì thuộc cửa ký hiệu chữ S.
3 Lựa chọn loại cửa theo kết cấu lắp đặt: xem các trong hình “nơi dừng thang máy”, mục 3.7.2.
Lưu ý 1. Các bức vách của giếng và cửa ra vào (trừ các cửa thang máy) được dẫn ra một đường đôi khi chúng có khả năng chịu lửa, mà không làm thay đổi mức độ chịu lửa của chúng. Cửa chống cháy phải tự động đóng, hoặc luôn luôn đóng trong trường hợp hỏa hoạn.
Lưu ý 2. Trong trường hợp việc lắp đặt các kết cấu không được thể hiện trong hình “nơi dừng thang máy” thì việc lựa chọn loại cửa phải được so sánh.
3.6.2.3 Cửa và khóa cửa phải có độ bền cơ học, sao cho ở vị trí khóa, khi một lực 300 N phân bố trên diện tích tròn hay vuông 5 cm2, tác động thẳng góc lên điểm bất kỳ tại mặt nào của cửa, chúng phải:
a) Không bị biến dạng dư;
b) Không bị biến dạng đàn hồi quá 15 mm.
c) Vận hành an toàn sau khi thử nghiệm.
Dưới tác động trực tiếp một lực bằng tay 150 N vào vị trí bất lợi nhất, theo hướng mở cửa trượt ngang, khe hở theo 3.6.1.1 có thể vượt quá 10 mm, nhưng không quá 30 mm.
3.6.3 Chiều cao và chiều rộng của cửa
3.6.3.1 Chiều cao
Cửa tầng phải có chiều cao tối thiểu là 2 m.
3.6.3.2 Chiều rộng
Chiều rộng của cửa ra vào không được lớn hơn 0,05 m so với lối vào cabin trừ khi có các biện pháp phòng ngừa được thực hiện.
3.6.4 Ngưỡng cửa, ray dẫn hướng, cửa treo.
3.6.4.1 Ngưỡng cửa
Mỗi lối vào phải có một ngưỡng cửa có độ bền đủ để chịu các tải trọng truyền qua khi chất tải vào cabin. Nên làm mặt vát dốc ra ngoài để tránh nước vào giếng.
3.6.4.2 Ray dẫn hướng cửa
1 Trong suốt quá trình hoạt động cửa ra vào phải được thiết kế để tránh trật bánh xe, kẹt, hoặc vượt quá giới hạn hành trình của chúng.
2 Cửa trượt ngang phải được dẫn hướng ở trên và dưới.
3 Cửa trượt dọc phải được dẫn hướng ở hai bên.
3.6.4.3 Kết cấu treo của cửa trượt đứng
1 Những cánh cửa trượt đứng phải được cố định tới hai bộ phận treo độc lập.
Các bộ phận treo phải được thiết kế với hệ số an toàn tối thiểu là 8.
2 Đường kính pu ly cáp không nhỏ hơn 25 lần đường kính dây cáp.
3 Dây cáp treo và dây xích phải được bảo vệ chống lại việc bật khỏi rãnh trên pu ly hoặc bánh răng.
3.6.5 Bảo vệ khi cửa hoạt động
3.6.5.1 Cửa ra vào và các vùng lân cận phải được thiết kế sao cho giảm thiểu nguy cơ nguy hiểm hoặc thương tích do bị kẹt một phần cơ thể, quần áo hoặc đồ vật khác.
3.6.5.2 Cửa đóng bằng điện phải được thiết kế để giảm tới mức tối thiểu những ảnh hưởng có hại khi hành khách bị va chạm bởi một tấm cửa.
Để đạt được điều này thì các yêu cầu sau phải được thỏa mãn:
1 Cửa trượt ngang
1 Cửa tự động bằng điện
(1) Lực đóng cửa ở hai phần ba cuối hành trình không lớn hơn 150 N.
(2) Động năng của cửa tầng và các thiết bị cơ khí mà nó được nối cứng, được tính toán theo (a) tại tốc độ đóng cửa trung bình (b) dưới đây không được vượt quá 10J.
(a) Được đo bằng cách sử dụng một thiết bị bao gồm một pít tông hoạt động trên một lò xo với hệ số đàn hồi là 25 N/mm và được trang bị một vòng trượt đơn giản cho phép di chuyển tới điểm xa nhất tại thời điểm đo các tác động.
(b) Tốc độ đóng cửa trung bình của cửa trượt được tính toán trong suốt hành trình, trừ đi:
- 25 mm ở mỗi đầu hành trình trong trường hợp cửa đóng ở giữa,
- 50 mm ở mỗi đầu hành trình trong trường hợp cửa đóng bên sườn.
(3) Một thiết bị bảo vệ phải tự động mở cửa lại trong trường hợp hành khách bị va chạm (hoặc gần như bị va chạm) với cửa ra vào trong khi đóng cửa.
(a) Thiết bị bảo vệ này có thể là một phần của cửa cabin (xem 3.7.7.2.1.1.3).
(b) Thiết bị này có thể không tác động ở 50 mm cuối cùng của hành trình mỗi cánh cửa.
(c) Trong trường hợp có thể làm vô hiệu hóa thiết bị bảo vệ chống kẹt trong khoảng thời gian ngắn xác định, để chống lại các vật cản lâu dài khi đóng cửa, động năng quy định ở trên không được vượt quá 4J trong suốt quá trình di chuyển của cửa với thiết bị bảo vệ bị vô hiệu hóa.
2 Nơi đóng cửa phải được thực hiện dưới sự kiểm soát thường xuyên của người sử dụng (ấn liên tục lên một nút). Khi động năng được tính hoặc đo như đã nêu ở 3.6.5.2.1.1.(2) vượt quá 10J thì tốc độ đóng cửa trung bình phải giới hạn ở 0,3 m/s.
2 Cửa trượt đứng
Loại cửa trượt này chỉ cho phép sử dụng thang máy với mục đích vận chuyển hàng hóa, thông thường có kèm theo người và thang nâng ô tô phi thương mại.
Việc đóng cửa phải được cho phép nếu các điều kiện sau đây được thỏa mãn:
a) Việc đóng cửa phải được thực hiện dưới sự kiểm soát thường xuyên của người sử dụng.;
b) Tốc độ đóng cửa trung bình được giới hạn ở 0,3 m/s;
c) Cửa cabin được làm từ tấm có lỗ hoặc lưới như được quy định trong trường hợp cụ thể của 3.7.6.1;
d) Của cabin được đóng tối thiểu 2/3 trước khi cửa tầng bắt đầu đóng.
3 Các loại cửa khác
Khi sử dụng các loại cửa khác (cửa bản lề) với hoạt động tự động, có nguy hiểm khi mở hoặc đóng với người sử dụng, thì phải có các biện pháp phòng ngừa tương tự như các cửa hoạt động tự động khác.
3.6.6 Đèn báo vị trí và đèn báo tín hiệu dừng
3.6.6.1 Ánh sáng tự nhiên hoặc nhân tạo của khu vực dừng thang gần cửa tầng không nhỏ hơn 50 lux để người sử dụng có thể nhìn thấy phía trước khi mở cửa thang máy để đi vào, trong trường hợp đèn cabin không hoạt động.
3.6.6.2 Tín hiệu “có cabin đỗ”
1 Trong trường hợp cửa dừng thang mở bằng tay, người sử dụng trước khi mở cửa, phải biết được sau cửa tầng có cabin hay không.
2 Để có kết quả này, thì phải được lắp đặt:
(1) Có một hoặc nhiều lỗ quan sát lắp vật liệu trong suốt phù hợp với các điều kiện sau:
(a) Độ bền cơ học như nêu trong 3.6.2.3.
(b) Độ dày tối thiểu 6 mm.
(c) Diện tích tối thiểu cho mỗi cửa tầng là 0,015 m và tối thiểu 0,01 m cho mỗi lỗ quan sát.
(d) Chiều rộng tối thiểu 60 mm và tối đa 150 mm. Mép dưới của pano quan sát trên cửa rộng 80 mm và cách mặt sàn tối thiểu 1 m.
(2) Có tín hiệu “có cabin đỗ” chỉ sáng lên khi cabin sắp dừng hoặc dừng lại ở vị trí cụ thể. Tín hiệu phải sáng trong suốt thời gian cabin ở vị trí đó.
3.6.7 Khóa và kiểm soát đóng cửa tầng
3.6.7.1 Biện pháp phòng chống rơi thang máy.
Thang máy không thể hoạt động bình thường được nếu cửa tầng mở (hoặc bất kỳ cánh cửa nào trong trường hợp cửa nhiều cánh) trừ trường hợp cabin dừng hoặc dừng ở khu vực mở khóa.
Khu vực mở khóa được giới hạn lớn nhất 0,2 m trên và dưới mức sàn. Tuy nhiên, trong trường hợp cabin và cửa tầng hoạt động đồng thời, khu vực mở khóa có thể được tăng lên tối đa là 0,35 m trên và dưới mức sàn.
3.6.7.2 Bảo vệ chống trượt
1 Thang máy không thể khởi động hoặc tiếp tục chuyển động nếu cửa tầng (hoặc bất kỳ cửa nào trong trường hợp cửa nhiều cánh) mở.
2 Hoạt động cho phép khi cửa mở:
(1) Trong khu vực mở khóa để tiến hành chỉnh tầng và chỉnh lại tầng ở tầng dừng tương đương, đáp ứng yêu cầu của 3.15.2.1.2;
(2) Trong khu vực mở rộng lớn nhất 1,65 m trên mức sàn được cho phép xếp dỡ tải bởi người được ủy quyền, các yêu cầu 3.7.4.3, 3.7.14 và 3.15.2.1.5 được đáp ứng. Ngoài ra:
(a) Chiều cao tĩnh không giữa phía trên của khung cửa tầng và sàn cabin không được nhỏ hơn 2 m.
(b) Cabin ở bất kỳ vị trí nào trong khu vực này vẫn đóng kín được cửa tầng dễ dàng.
3.6.7.3 Mở và khóa khẩn cấp
Mỗi cửa tầng phải có một thiết bị khóa đáp ứng yêu cầu an toàn tại 3.6.7.1. Thiết bị này chống lại sự lạm dụng có chủ ý.
1 Cửa tầng phải được đóng và khóa kỹ trước khi cabin di chuyển. Tuy nhiên các hoạt động chuẩn bị cho cabin di chuyển vẫn có thể diễn ra. Khóa phải được kiểm tra bằng thiết bị điện an toàn phù hợp với 3.15.1.2.
(1) Cabin phải không có khả năng khởi hành nếu chi tiết khóa cửa chưa gài sâu tối thiểu 7mm (Xem Phụ lục F1 - Rules for certification of lifts in ships, mobile offshore units and offshore installations 2008).
(2) Cơ cấu khóa phải liên động với bộ hãm an toàn kiểm soát khóa cửa, liên kết giữa cơ cấu khóa với chi tiết của công tắc ngắt điện phải trực tiếp, chắc chắn và phải điều chỉnh được.
(3) Đối với cửa lắp bản lề, khóa phải được đặt sát mép cửa, và đảm bảo khóa chắc trong trường hợp cánh cửa bị lệch.
(4) Chi tiết khóa và chốt của chúng phải chịu được các va đạp và được làm hoặc gia cố bằng kim loại.
(5) Sự ăn khớp của chi tiết khóa, sao cho một lực tác động theo chiều mở cửa không làm giảm tính hiệu quả của khóa.
(6) Khóa phải chịu được và không bị biến dạng dư trong quá trình thử tại Phụ lục F1 - Rules for certification of lifts in ships, mobile offshore units and offshore installations 2008, lực tối thiểu mở khóa và theo chiều mở cửa:
(a) 1000 N đối với cửa trượt;
(b) 3000 N đối với cửa bản lề
(7) Động tác khóa và giữ khóa đóng có thể thực hiện nhờ tác dụng của trọng lực, của nam châm vĩnh cửu hoặc lò xo. Nếu lò xo thì phải dùng lò xo nén, có dẫn hướng, và phải đủ kích thước để khi mở khóa vòng lò xo không bị nén khít lên nhau.
Trong trường hợp nam châm vĩnh cửu hoặc lò xo bị yếu đi, khóa không được tự mở dưới tác dụng của trọng lực.
Nếu dùng nam châm vĩnh cửu thì phải đảm bảo không bị vô hiệu hóa bằng các phương pháp đơn giản như gõ, gia nhiệt...
(8) Bộ phận khóa phải được bảo vệ khỏi nguy cơ bám bụi gây cản trở đến hoạt động của nó.
(9) Việc kiểm tra các bộ phận làm việc phải dễ dàng, như việc sử dụng bảng điều khiển.
(10) Trong trường hợp công tắc khóa đặt trong hộp, các vít của nắp hộp phải có kết cấu không rơi ra khi mở hộp.
2 Mở khóa khẩn cấp
Mỗi cửa tầng phải có khả năng mở khóa từ bên ngoài bằng chìa khóa tam giác như định nghĩa trong Phụ lục B - Rules for certification of lifts in ships, mobile offshore units and offshore installations 2008.
Chìa khóa mở cửa khẩn cấp này chỉ giao cho người chịu trách nhiệm, kèm theo hướng dẫn chi tiết các biện pháp phòng ngừa để tránh tai nạn có thể xảy ra do việc mở khóa mà không được đóng lại.
Sau khi mở khóa khẩn cấp, bộ phận khóa phải không thể duy trì ở vị trí mở và tự động đóng lại sau khi cửa tầng đóng.
Trong trường hợp cửa cabin và cửa tầng được ghép thành cặp, một thiết bị (đối trọng hoặc lò xo) phải đảm bảo cửa tầng phải đóng tự động nếu cánh cửa này mở, vì bất cứ lý do nào, ngay cả khi cabin không ở khu vực mở khóa.
3.6.7.4 Kiểm soát trạng thái đóng cửa tầng
Mỗi cánh cửa đều phải có một thiết bị kiểm soát trạng thái đóng, phù hợp với 3.15.1.2, để đảm bảo các điều kiện của 3.6.7.2.
1 Trong trường hợp cửa trượt ngang dẫn động cùng với cửa cabin, thiết bị này có thể tương thích với thiết bị kiểm soát khóa, với điều kiện hoạt động của nó phụ thuộc vào trạng thái đóng hoàn toàn của cửa tầng.
2 Trong trường hợp cửa tầng có bản lề, thì thiết bị này phải đặt sát mép cửa đóng hoặc trên thiết bị cơ khí kiểm soát trạng thái đóng cửa.
3.6.7.5 Yêu cầu chung đối với thiết bị kiểm soát trạng thái khóa và đóng của cửa.
1 Nếu có bất kỳ hành động nào không đúng với quy trình vận hành thang máy, cửa thang sẽ mở hoặc không khóa, khi đó người sử dụng sẽ không vận hành được thang tại các vị trí thông thường.
2 Các thiết bị được sử dụng để báo hiệu vị trí của thiết bị khóa phải hoạt động một cách liên tục.
3.6.7.6 Trong trường hợp cửa trượt ngang và dọc có nhiều cánh cửa được liên kết cơ khí với nhau.
1 Khi một cánh cửa trượt theo chiều ngang hoặc dọc bao gồm một vài cánh cửa liên kết cơ khí trực tiếp, được phép:
(1) Chỉ khóa một cánh cửa với điều kiện khóa cánh này thì không mở được cánh khác.
(2) Thiết bị kiểm soát đóng cửa theo 3.6.7.4 hoặc 3.6.7.4.1 chỉ lắp trên một cánh cửa.
2 Khi cánh được liên kết gián tiếp bằng cơ khí (dây cáp, xích, đai..) liên kết này phải được thiết kế để chịu được lực tác dụng thông thường, được bảo dưỡng đặc biệt và kiểm tra định kỳ.
Nó được phép chỉ khóa một cánh trong điều kiện khi khóa cánh này thì không mở được cánh khác và không có tay cầm. Phải có một thiết bị điện an toàn để kiểm soát trạng thái đóng cửa của cánh không khóa và phù hợp 3.15.1.2.
3.6.8 Đóng cửa tự động
3.6.8.1 Trong các hoạt động thông thường, cửa tầng vận hành tự động phải được đóng lại sau khoảng thời gian cần thiết, có thể được xác định theo lưu lượng sử dụng thang máy, nếu không có tín hiệu cho sự di chuyển cabin.
3.6.9 Các biện pháp phòng ngừa đặc biệt
3.6.9.1 Cửa tầng phải được chế tạo để ngăn chặn việc đóng mở cửa không đúng lúc.
3.6.9.2 Khu vực lối vào sàn tàu phải không trơn trượt.
3.6.9.3 Vị trí cửa tầng với lối đi trực tiếp đến không gian máy hoặc khu vực nguy hiểm nơi mà áp dụng những yêu cầu đặc biệt như:
(1) Được chế tạo và phân loại phù hợp;
(2) Trong điều kiện thông thường được đóng cửa bởi hành khách (hoạt động thông thường của cabin phải không cho phép cabin dừng tại nơi như vậy);
(3) Báo hiệu rõ ràng các mối nguy hiểm ở thiết bị tín hiệu trên cánh cửa của cabin.
3.7 Cabin và đối trọng
3.7.1 Chiều cao cabin
3.7.1.1 Chiều cao trong lòng cabin phải càng cao càng tốt, tối thiểu 2 m.
3.7.1.2 Chiều cao lối vào cabin tối thiểu là 2 m.
3.7.2 Khu vực bên trong xe
3.7.2.1 Trường hợp chung
Để tránh tình trạng quá tải khi chở người, thì khu vực sử dụng phải được giới hạn. Mối liên hệ giữa tốc độ định mức và diện tích sử dụng lớn nhất được xác định trong Bảng 29.
Bảng 29 - Mối liên hệ giữa tốc độ định mức và diện tích sử dụng lớn nhất
| Tải định mức (khối lượng) kg | Diện tích sử dụng lớn nhất của cabin (xem chú ý) m2 | Số lượng hành khách lớn nhất | Tải định mức (khối lượng) kg | Diện tích sử dụng lớn nhất của cabin (xem chú ý) m2 | Số lượng hành khách lớn nhất |
| 100 | 0,40 | 1 | 975 | 2,35 | 13 |
| 180 | 0,50 | 2 | 1000 | 2,40 | 13 |
| 225 | 0,70 | 3 | 1050 | 2,50 | 14 |
| 300 | 0,90 | 4 | 1125 | 2,65 | 15 |
| 375 | 1,10 | 5 | 1200 | 2,80 | 16 |
| 400 | 1,17 | 5 | 1250 | 2,90 | 16 |
| 450 | 1,30 | 6 | 1275 | 2,95 | 17 |
| 525 | 1,45 | 7 | 1350 | 3,10 | 18 |
| 600 | 1,60 | 8 | 1425 | 3,25 | 19 |
| 630 | 1,66 | 8 | 1500 | 3,40 | 20 |
| 675 | 1,75 | 9 | 1600 | 3,65 | 21 |
| 750 | 1,90 | 10 | 1800 | 3,88 | 24 |
| 800 | 2,00 | 10 | 2100 | 4,36 | 28 |
| 825 | 2,05 | 11 | 2500 | 5,00 | 33 |
| 900 | 2,20 | 12 |
|
|
|




Vượt quá 2500kg thì cộng 0,16 m cho mỗi 100kg thêm vào.
Đối với tải trung gian: diện tích được xác định bằng phép nội suy
Số lượng người tối đa tính theo công thức
| tải định mức |
| 75 |
và kết quả được làm tròn xuống số nguyên gần nhất.
Nếu tải trọng định mức vượt quá tải trọng quy định trong bảng diện tích sử dụng của cabin nhiều hơn 15%, số lượng người tối đa phải phù hợp với điện tích sử dụng thực tế của cabin.
3.7.2.2 Thang máy chủ yếu dành cho việc vận chuyển hàng hóa thường có người đi kèm (kể cả thang máy phi thương mại ngoài những thiết bị được bao gồm trong 3.7.2.3). Các yêu cầu của 3.7.2.1 phải được áp dụng và ngoài ra tính toán thiết kế tải trọng lên thang phải tính đến khối lượng của các thiết bị gắn trong cabin.
3.7.2.3 Thang máy có động cơ riêng biệt, chỉ những người được uỷ quyền mới được sử dụng. Tải trọng định mức phải được tính toán ở mức tối thiểu 200 kg/m2 của diện tích sử dụng cabin.
3.7.3 Vách, sàn và trần của cabin
3.7.3.1 Cabin phải được che chắn hoàn toàn bởi vách, sàn và trần một cách chắc chắn, chỉ được phép có lỗ, cửa sau:
(1) Cửa ra vào cho người sử dụng
(2) Cửa khẩn cấp và cửa sập
(3) Lỗ thông gió
3.7.3.2 Vách, sàn và mái phải có đủ bộ bền cơ học. Việc lắp ráp bao gồm có cáp treo, ray dẫn hướng, sàn và mái của cabin phải đủ độ bền để chống lại các lực tác dụng trong hoạt động nâng bình thường, hoặc trong hoạt động của bộ hãm an toàn, van an toàn, thiết bị chặn, thiết bị hãm hoặc do tác động của cabin lên bộ phận giảm chấn.
1 Vách của cabin phải có đủ độ bền trong suốt quá trình tác dụng bởi lực 300 N vuông góc với vách, tại bất kỳ điểm nào, từ bên trong cabin hoặc bên ngoài, lực này được phân bố đều trên diện tích hình tròn hoặc vuông, 5 cm2 vách không bị biến dạng đàn hồi lớn hơn 15 mm.
2 Mái cabin phải đảm bảo an toàn được yêu cầu trong 3.7.12.
3.7.3.3 Vách, sàn và mái không được làm bằng vật liệu có khả năng dễ cháy hoặc vật liệu có thể tỏa nhiều khí, khói độc hại.
3.7.3.4 Cabin phải được lắp đặt tay vịn
3.7.3.5 Một chiếc thang được lắp đặt phù hợp để đến được cửa sập khẩn cấp trên mái cabin.
3.7.4 Tấm chắn chân cửa
3.7.4.1 Mỗi ngưỡng cửa cabin phải được lắp đặt tấm chắn chân cửa, bộ phận này chạy suốt chiều rộng cửa tầng. Phần này được kéo dài xuống dưới và kết thúc bằng một mặt vát 600 ÷ 750 so với phương ngang. Hình chiếu của tấm vát này trên mặt phẳng nằm ngang không được nhỏ hơn 50 mm, kích thước được đo ở góc phải ngưỡng cửa.
3.7.4.2 Chiều cao phần thẳng đứng tối thiểu 0,75 m.
3.7.4.3 Trong trường hợp thang máy hoạt động trình tự (3.15.2.1.5), chiều cao của phần thẳng đứng của tấm chắn phải đủ để phủ quá dưới mức ngưỡng cửa tầng tối thiểu 0,1 m khi cabin ở vị trí cao nhất để có thể chất dỡ hàng.
3.7.5 Việc đóng lối vào cabin
Lối vào cabin phải được lắp đặt cửa
3.7.6 Cửa cabin
3.7.6.1 Cửa cabin phải kín hoàn toàn.
Trường hợp cụ thể. Thang máy dùng vận chuyển hàng hóa thường có người đi kèm thì có thể sử dụng cửa trượt dọc, có thể sử dụng tấm lưới, với kích thước mắt không vượt quá 10 mm theo chiều ngang và 60 mm theo chiều dọc.
3.7.6.2 Khi đóng cửa cabin, khoảng trống được yêu cầu phải có kích thước tương đương với lối vào cabin.
Trong trường hợp thang máy được sử dụng dành riêng cho người được ủy quyền và hướng dẫn, chiều cao lối vào cabin lớn hơn 2,5 m, có thể giới hạn trong 2 m nếu các điều kiện sau được thỏa mãn đồng thời:
(1) Cửa trượt dọc
(2) Tốc độ định mức của thang máy không vượt quá 0,63 m/s.
3.7.6.3 Tại vị trí cửa đóng thì khe hở giữa các cánh, hoặc giữa cánh và các khung cửa, dầm đỡ và ngưỡng cửa, càng nhỏ càng tốt để tránh nguy cơ bị biến dạng. Điều kiện này được thỏa mãn khi khe hở không vượt quá 6 mm. Khe hở được đo ở đáy chỗ lõm, nếu có.
3.7.6.4 Trong trường hợp cửa bản lề, phải làm cữ chặn không cho cửa lật ra khỏi cabin.
3.7.6.5 Bất kỳ lỗ quan sát tích hợp trong cửa cabin thì phải thỏa mãn các yêu cầu của 3.6.6.2.2(1). Nếu có lỗ quan sát trên cửa tầng, thì nó cũng phải bố trí trùng với lỗ quan sát trên cửa cabin, để quan sát sự có mặt của cabin.
3.7.6.6 Ngưỡng cửa, ray dẫn hướng, cửa treo
Các quy định của 3.6.4 liên quan đến cửa cabin phải được tuân theo.
3.7.6.7 Độ bền cơ học
Cửa cabin ở vị trí đóng phải có đủ độ bền cơ học, khi có một lực 300 N tác dụng vuông góc, tại bất kỳ điểm nào, từ bên trong hoặc bên ngoài, lực này được phân bố đều trên diện tích hình tròn hoặc hình vuông 15 cm2. Chúng phải có khả năng:
(1) Không bị biến dạng dư
(2) Không biến dạng đàn hồi vượt quá 15 mm
(3) Các chức năng hoạt động bình thường sau khi thử nghiệm.
3.7.7 Bảo vệ khi cửa hoạt động
3.7.7.1 Cửa và khu vực xung quanh của chúng phải được thiết kế để giảm thiểu những nguy hiểm và thương tích do kẹt một phần cơ thể, quần áo, hoặc vật thể khác. Để tránh nguy cơ bị trượt trong quá trình hoạt động của cửa trượt bằng điện, mặt cửa phía trong xe không có bất kỳ chỗ lõm hoặc lồi ra quá 3 mm. Các cạnh phải được vát mép.
3.7.7.2 Cửa được vận hành bằng điện phải được thiết kế giảm thiểu nguy cơ có hại do va đập với cửa.
Để có hiệu quả này, các yêu cầu sau phải được thỏa mãn:
1 Cửa trượt ngang
1 Cửa trượt ngang điều khiển tự động
(1) Lực đóng cửa ở hai phần ba cuối hành trình không được lớn hơn 150 N.
(2) Động năng của cửa cabin và các thiết bị cơ khí được liên kết chắc chắn với nó, phải được tính toán hoặc đo ở tốc độ đóng cửa trung bình, như trong 3.6.5.2.1.1.2, không vượt quá 10J.
(3) Một thiết bị bảo vệ tự động phải mở cửa lại khi có hành khách bị kẹp (hoặc bị va chạm) vào cửa trong quá trình đóng cửa.
(a) Hoạt động của thiết bị có thể bị vô hiệu trong 50mm cuối cùng của hành trình di chuyển mỗi cửa
(b) Trong trường hợp hệ thống làm cho thiết bị bảo vệ cảm biến không hoạt động trong một thời gian nhất định, để chống lại các vật cản liên tục khi đóng cửa, động năng được xác định ở trên không được vượt quá 4J trong khi di chuyển cửa với thiết bị bảo vệ không hoạt động.
2 Cửa ra vào phải được thực hiện dưới sự kiểm soát thường trực của người sử dụng (bằng áp lực không đổi lên các nút bấm).
Khi động năng được tính hoặc đo như được chỉ ra trong 3.6.5.2.1.1.2 vượt quá 10J, tốc độ đóng trung bình của cửa phải được giới hạn ở 0,3 m/s.
2 Cửa trượt dọc
Loại cửa đóng bằng điện được cho phép nếu tất cả các điều kiện sau được thỏa mãn:
(1) Thang máy chủ yếu dành cho vận chuyển hàng hóa và thường có người đi kèm.
(2) Việc đóng cửa phải được thực hiện dưới sự điều khiển của người sử dụng
(3) Tốc độ đóng cửa trung bình của cách được giới hạn ở 0,3 m/s.
3.7.8 Thiết bị kiểm soát đóng cửa
3.7.8.1 Thang máy không thể chuyển động hoặc giữ thang máy chuyển động nếu cửa cabin (hoặc một cánh trong cửa nhiều cánh) đang mở. Hoạt động chuẩn bị cho việc di chuyển cabin có thể diễn ra. Tuy nhiên, việc di chuyển thang máy với cửa mở phải được cho phép theo các điều kiện nêu trong 3.6.7.2.2.
3.7.8.2 Thiết bị báo hiệu cửa đóng phải phù hợp với các yêu cầu trong 3.15.1.2.
3.7.9 Cửa trượt ngang hoặc dọc gồm cánh được liên kết cơ khí
3.7.9.1 Nếu cửa trượt ngang hoặc dọc gồm các cánh liên kết cơ khí trực tiếp với nhau, nó được cho phép:
(1) Lắp đặt thiết bị (3.7.8) trên một cánh (cánh chuyển động nhanh trong trường hợp cửa lồng)
(2) Lắp đặt thiết bị (3.7.8) trên các bộ phận dẫn động cửa nếu giữa các bộ phận được liên kết cứng
(3) Để đảm bảo cửa khóa, trong trường hợp và điều kiện được nêu trong 3.4.4.3.3, chỉ khóa một tấm, với điều kiện khi khóa cánh này thì không mở cánh khác.
3.7.9.2 Nếu cánh được liên kết cơ khí gián tiếp (dây cáp, đai, xích...), thì các mối liên kết này phải chịu được các lực tác dụng thông thường, được chế tạo dễ dàng bảo dưỡng đặc biệt và kiểm tra định kỳ.
Nó được cho phép lắp đặt thiết bị (3.7.8) trên một cánh, với điều kiện:
(1) Không phải là cánh dẫn động
(2) Cánh cửa dẫn động được liên kết trực tiếp với bộ phận dẫn động.
3.7.10 Mở cửa cabin bằng tay
3.7.10.1 Để người trong cabin có thể thoát ra ngoài, trong điều kiện thang bị dừng ở sát vị trí dừng tầng và điện dẫn động cửa (nếu có) đã bị cắt, cửa cabin phải mở được bằng tay:
(1) Từ bên ngoài, mở cả hay mở một phần.
(2) Từ bên trong, mở cả hay mở một phần cửa cabin cùng với cửa tầng được liên kết, nếu chúng được dẫn động chung.
3.7.10.2 Việc mở cửa cabin nêu trong 3.7.10.1 có thể được thực hiện trong khu vực mở khóa. Lực cần thiết để mở cửa không được vượt quá 300 N.
3.7.10.3 Đối với thang máy có tốc độ lớn hơn 1 m/s, khi cabin đang chuyển động mà không có trong vùng mở khóa thì lực giữ cửa đóng phải lớn hơn 50 N. Yêu cầu không bắt buộc khi ngang bằng tầng.
3.7.11 Cửa sập và cửa khẩn cấp
3.7.11.1 Để hỗ trợ hành khách bên trong xe từ bên ngoài, dành riêng cho các hoạt động khẩn cấp được nêu trong 3.12.5.
3.7.11.2 Nếu có cửa sập khẩn cấp trên mái cabin, để cho phép cứu hộ và sơ tán hành khách, thì nó phải có kích thước tối thiểu là 0,35m x 0,50 m.
3.7.11.3 Bắt buộc phải có một cửa khẩn cấp để cho phép cứu hộ và sơ tán hành khách trong trường hợp thang máy hàng hải.
3.7.11.4 Cửa khẩn cấp có thể được sử dụng trong trường hợp cabin liền kề, tuy nhiên khoảng cách giữa 2 cabin không được vượt quá 0,75 m (xem 3.4.2.2.1.(2)). Nếu có cửa khẩn cấp, chúng phải cao tối thiểu 1,8 m và rộng 0,35 m.
3.7.11.5 Nếu cửa sập hoặc cửa khẩn cấp được lắp đặt, chúng phải tuân thủ các điều kiện sau đây:
1 Cửa và cửa khẩn cấp phải có khóa bằng tay.
(1) Cửa sập khẩn cấp trên mái cabin phải được mở từ bên trong và bên ngoài xe mà không cần chìa khóa.
Cửa sập khẩn cấp không được mở vào phía trong cabin
Cửa sập khẩn cấp ở vị trí mở không được vượt quá mép ngoài của thang máy.
(2) Cửa khẩn cấp phải được mở từ bên ngoài cabin mà không cần chìa khóa và từ bên trong cabin bằng một khóa tam giác được nêu trong Phụ lục B - Rules for certification of lifts in ships, mobile offshore units and offshore installations 2008.
Cửa khẩn cấp không được mở ra phía ngoài xe
Cửa khẩn cấp không được bố trí ở phía có đối trọng đi qua hoặc đối diện vật chướng ngại (trừ dầm phân chia cabin) ngăn chặn việc di chuyển từ cabin này qua cabin khác.
2 Khóa được yêu cầu trong 3.7.11.5.1 phải được kiểm tra bằng thiết bị điện an toàn phù hợp với 3.15.1.2.
Thiết bị này làm cho thang máy dừng lại nếu khóa ngừng hoạt động.
Việc đưa thang máy vận hành trở lại chỉ có thể thực hiện khi được khóa lại cẩn thận bởi người có thẩm quyền.
3.7.12 Mái cabin
3.7.12.1 Ngoài các yêu cầu của 3.7.3:
1 Mái cabin phải có khả năng chống đỡ được 2 người, tức là có khả năng chống lại lực dọc 2000 N ở bất kỳ vị trí nào mà không bị biến dạng dư.
2 Mái cabin phải có một vị trí rộng với diện tích đứng tối thiểu 0,12 m2, trong đó các kích thước nhỏ hơn tối thiểu là 0,25 m.
3.7.12.2 Nếu có pu ly được cố định vào dây treo cabin, phải lắp đặt thiết bị để tránh:
(a) Thương tích cơ thể
(b) Dây cáp treo bị chùng trượt khỏi rãnh cáp
(c) Các vật thể rơi vào giữa dây cáp và rãnh cáp
Các thiết bị này được chế tạo để không cản trở việc kiểm tra và bảo trì pu ly (ròng rọc).
Trong trường hợp dây xích, sắp xếp tương tự phải được thực hiện.
3.7.13 Cabin
Nếu có một khe hở giữa mái cabin và mép trên của cửa tầng khi cánh cửa này được mở ra, mép trên của lối vào cabin phải mở rộng lên trên toàn bộ chiều rộng của cửa tầng, bằng một tấm cứng thẳng đứng để che đi khoảng trống đó. Khả năng này được xem xét đặc biệt trong trường hợp thang máy có điều động ghép (3.15.2.1.5)
3.7.14 Trang bị trên mái cabin
Những thiết bị sau đây phải được lắp đặt:
(a) Thiết bị điều khiển phù hợp với 3.15.2.1.3
(b) Thiết bị dừng phù hợp với 3.14.2.2.2 và 3.16.3
(c) Ổ cắm phù hợp với 3.14.6.2
3.7.15 Thông gió
3.7.15.1 Cabin có cửa kín phải được thông gió đầy đủ, phải kể đến thời gian cần thiết để sơ tán hành khách khi có sự cố.
3.7.15.2 Diện tích thông gió hiệu quả nằm ở phía trên của cabin và phải tối thiểu bằng 1% diện tích sử dụng, và áp dụng cho lỗ bên dưới cabin.
Những khoảng trống quanh cửa cabin có thể được tính đến trong việc tính toán diện tích lỗ thông gió, lên đến 50% diện tích hiệu quả yêu cầu.
3.7.15.3 Lỗ thông gió phải được chế tạo hoặc bố trí sao cho một thanh cứng, thẳng có đường kính 10 mm không thể xuyên lọt từ trong ra ngoài vách cabin.
3.7.16 Chiếu sáng
3.7.16.1 Cabin phải luôn được chiếu sáng đầy đủ, đảm bảo cường độ chiếu sáng tối thiểu là 50 lux ở sàn và trên bảng điều khiển
3.7.16.2 Nếu là đèn sợi đốt thì phải có tối thiểu 2 bóng đèn mắc song song.
3.7.16.3 Phải có nguồn chiếu sáng dự phòng tự động chuyển mạch có sự cố mất nguồn chiếu sáng chính để tối thiểu cấp điện cho một bóng đèn 1 W trong 1h.
3.7.16.4 Nếu nguồn điện dự phòng nói trên cũng được sử dụng để cấp cho tín hiệu cảnh báo khẩn cấp được nêu trong 3.15.2.3, thì nó phải có công suất phù hợp.
3.8 Kiểu treo, cáp bù, cơ cấu an toàn và bộ điều chỉnh vượt tốc đối với thang máy điện
3.8.1 Các kiểu dây treo, số dây cáp và xích
3.8.1.1 Cabin và đối trọng phải được treo bằng cáp thép hoặc xích thép kiểu liên kết song song (kiểu Galle) hoặc xích con lăn.
3.8.1.2 Dây cáp phải thỏa mãn các điều kiện sau:
(1) Đường kính danh nghĩa tối thiểu là 8 mm
(2) Độ bền kéo của dây phải là:
(a) 1570 N/mm2 hoặc 1770 N/mm2 đối với cáp có các sợi thép cùng độ bền.
(b) 1370 N/mm2 đối với dây bên ngoài và 1770 N/mm2 đối với dây bên trong, khi độ bền các dây khác nhau.
(3) Các đặc tính khác (kết cấu, độ giãn dài, thành phần, độ mềm) tối thiểu phải tương đương với các yêu cầu nêu trong ISO 4344 (cáp thép dùng cho thang máy).
3.8.1.3 Số lượng dây cáp (hoặc dây xích) tối thiểu phải là 2 dây. Dây cáp và xích phải độc lập.
3.8.1.4 Trong trường hợp sử dụng pa lăng, số lượng cần tính là số lượng dây cáp và xích chứ không phải số nhánh treo.
3.8.2 Tỷ số giữa đường kính pu ly hoặc tang cáp và đường kính dây, hệ số an toàn của dây cáp hoặc xích.
3.8.2.1 Tỷ số giữa đường kính vòng chia của pu ly (hoặc tang cáp) và đường kính danh nghĩa dây cáp phải tối thiểu bằng 40, bất kể số lượng tao cáp.
3.8.2.2 Hệ số an toàn của cáp treo phải tối thiểu là:
(1) 12 trong trường hợp với hệ thống kéo với 3 dây cáp hoặc nhiều hơn
(2) 16 trong trường hợp với hệ thống kéo với 2 dây cáp
(3) 12 trong trường hợp tang kéo cáp.
Hệ số an toàn là tỷ số giữa tải trọng phá hủy nhỏ nhất (N) của một dây cáp (hoặc dây xích) với tải trọng lớn nhất trong mỗi dây cáp này (hoặc dây xích), khi cabin đầy tải và dừng ở vị trí thấp nhất. Để tính được lực dọc lớn nhất này thì phải kể đến các điều kiện sau: số lượng dây cáp (dây xích), hiệu suất pa lăng (trong trường hợp sử dụng pa lăng), tải định mức, khối lượng cabin, khối lượng dây cáp (dây xích), khối lượng phần cáp chạy và bất kỳ thiết bị nào treo trên cabin.
3.8.2.3 Độ bền của phần cố định đầu cáp phải bằng tối thiểu 80% của dây cáp
1 Đầu của dây cáp phải được cố định vào cabin, đối trọng hoặc điểm treo khác bằng kết cấu ống côn kim loại, khóa chêm tự hãm, bulông khóa cáp (dùng tối thiểu ba bộ khóa và phải có vòng lót cáp), hoặc kết cấu khác có độ an toàn tương đương.
2 Việc cố định đầu dây cáp trên tang phải phải dùng kết cấu chêm, hoặc dùng tối thiểu hai tấm kẹp bằng bulông, hoặc kết cấu khác có độ an toàn tương đương.
3.8.2.4 Hệ số an toàn của xích treo phải tối thiểu là 10. Hệ số an toàn được xác định tương tự như được chỉ ra trong 3.8.2.2 đối với dây cáp.
3.8.2.5 Để cố định đầu xích vào cabin, đối trọng và điểm treo khác phải dùng má chuyển tiếp phù hợp. Kết cấu cố định đầu xích phải chịu được tải trọng không nhỏ hơn 80% tải trọng phá hủy nhỏ nhất của xích.
3.8.3 Lực kéo cáp dùng cho thang máy dẫn động kéo, áp lực lực riêng
3.8.3.1 Truyền lực kéo cáp phải thoải mãn hai điều kiện sau:
(1) Không thể kéo cabin khi đối trọng đang đặt trên bộ giảm chấn, và động cơ kéo đang quay theo chiều đi lên.
(2) Công thức nêu trong mục 3.9.21.1 phải thỏa mãn.
3.8.3.2 Áp lực của dây cáp lên rãnh kéo của pu ly phải phù hợp với yêu cầu của mục 3.9.21.2.
3.8.4 Tang cuốn cáp dùng cho thang máy sử dụng tang kéo
3.8.4.1 Tang kéo có thể được sử dụng trong các điều kiện được nêu trong 3.12.2.1(1) phải được xem xét và rãnh cáp phải phù hợp với dây được sử dụng.
3.8.4.2 Khi cabin đặt trên bộ đệm được nén hoàn toàn, một vòng rưỡi dây cáp phải duy trì trên rãnh của tang kéo.
3.8.4.3 Chỉ có một lớp dây cáp trên tang.
3.8.4.4 Góc lệch phương của cáp so với rãnh trên tang không được vượt quá 40.
3.8.5 Phân bố tải giữa dây cáp hoặc dây xích
3.8.5.1 Thiết bị tự động phải được lắp đặt để cân bằng độ căng của dây cáp hoặc dây xích, tối thiểu tại một trong hai đầu của chúng.
1 Đối với dây xích có gắn bánh răng, đầu cố định vào cabin cũng như cố định vào đối trọng phải được lắp đặt thiết bị cân bằng.
2 Đối với dây xích trong trường hợp có nhiều bánh răng trên một trục, bánh răng phải có khả năng quay độc lập.
3.8.5.2 Nếu lò xo được sử dụng để cân bằng lực căng, chúng phải là lò xo nén.
3.8.5.3 Trong trường hợp có hai dây cáp hoặc hai dây xích treo cabin, phải có thiết bị điện an toàn phù hợp với 3.15.1.2 phải làm cho thang máy dừng lại trong trường hợp có một dây cáp hoặc xích bị kéo dãn quá mức cho phép.
3.8.5.4 Thiết bị điều chỉnh chiều dài cáp hoặc xích phải có kết cấu sao cho không thể tự nới lỏng sau khi đã điều chỉnh.
3.8.6 Cáp bù
3.8.6.1 Nếu tốc độ định mức của thang máy vượt quá 2,5 m/s thì phải sử dụng cáp bù với pu ly căng được quy định theo các điều kiện sau:
(1) Độ căng được tạo bằng trọng lực
(2) Độ căng phải được kiểm soát bằng thiết bị điện an toàn phù hợp với 3.15.1.2
(3) Tỷ số giữa đường kính vòng đáy pu ly và đường kính danh nghĩa cáp treo phải tối thiểu là 30.
3.8.6.2 Khi tốc độ định mức vượt quá 3,5 m/s thì phải trang bị thêm thiết bị chống nảy lên. Thiết bị này phải làm dừng thang máy bằng thiết bị điện an toàn phù hợp với 3.15.1.2.
3.8.7 Bảo vệ bánh xích và pu ly sử dụng đối với chuyển hướng, độ lệch, luồn cáp và cáp bù
Phải thực hiện các quy định cần thiết để tránh:
(1) Thương tích cơ thể
(2) Nếu dây cáp chùng sẽ bị trượt ra khỏi rãnh cáp
(3) Các vật thể rơi vào giữa dây cáp (dây xích) và rãnh cáp (bánh xích).
Các thiết bị phải được lắp đặt sao cho không cản trở việc kiểm tra, bảo trì các pu ly và bánh răng
3.8.8 Bộ hãm an toàn
3.8.8.1 Quy định chung
1 Cabin phải lắp đặt bộ hãm an toàn chỉ có khả năng hoạt động theo chiều đi xuống và dừng cabin với tải định mức, tại tốc độ giới hạn của bộ khống chế vượt tốc, ngay cả khi thiết bị treo bị hỏng, bằng cách giữ cabin trên ray dẫn hướng.
2 Đối trọng cũng phải được lắp đặt bộ hãm an toàn, chỉ hoạt động trong trường hợp đối trọng đi xuống và có khả năng dừng tại tốc độ giới hạn của bộ khống chế vượt tốc (hoặc nếu thiết bị treo bị hỏng trong trường hợp cụ thể là 3.8.8.3.1) bằng cách kẹp chặt đối trọng vào ray dẫn hướng và giữ tại đó.
3 Không cho phép bộ hãm an toàn hoạt động trong trường hợp đi lên.
3.8.8.2 Điều kiện sử dụng cho các bộ hãm an toàn khác nhau
1 Nếu tốc độ định mức của thang máy vượt quá 1 m/s thì bộ hãm an toàn cabin phải là kiểu êm. Nó có thể:
(1) Thuộc loại tức thời có giảm chấn nếu tốc độ định mức không quá 1 m/s.
(2) Thuộc loại tức thời nếu tốc độ định mức không quá 0,63 m/s.
2 Nếu cabin có nhiều bộ hãm an toàn thì chúng phải thuộc loại êm.
3 Bộ hãm an toàn của đối trọng phải là loại êm nếu tốc độ định mức vượt quá 1 m/s, nếu không nó có thể là loại tức thời.
3.8.8.3 Phương thức hoạt động
1 Bộ hãm an toàn của cabin và đối trọng phải được nhả bởi bộ khống chế vượt tốc.
Trường hợp đặc biệt: bộ hãm an toàn của đối trọng có thể bị ngắt do hỏng thiết bị treo hoặc bởi dây cáp an toàn nếu tốc độ định mức không vượt quá 1 m/s.
2 Cấm kích hoạt bộ hãm an toàn bằng các thiết bị điện, thủy lực, khí nén.
3.8.8.4 Gia tốc hãm
Đối với bộ hãm an toàn êm, thì gia tốc hãm trung bình trong trường hợp rơi tự do với tải trọng định mức trong cabin phải trong khoảng 0,2gn đến 1 gn.
3.8.8.5 Nhả bộ hãm an toàn
1 Việc ngắt các bộ hãm an toàn trên cabin (hoặc đối trọng) chỉ có thể được thực hiện bằng cách nâng cabin (hoặc đối trọng).
2 Sau khi ngắt bộ hãm an toàn thì phải yêu cầu sự can thiệp từ người có thẩm quyền để đưa thang máy hoạt động trở lại.
3 Sau khi ngắt, bộ hãm an toàn phải ở trong tình trạng hoạt động bình thường.
3.8.8.6 Điều kiện chế tạo
1 Không được dùng các chi tiết kẹp hãm của bộ hãm an toàn để làm má dẫn hướng.
2 Đối với bộ hãm an toàn tức thời có giảm chấn, thì bộ giảm chấn phải thuộc loại tích năng lượng tự phục hồi, hoặc loại hấp thụ năng lượng phù hợp với 3.10.4.2 và 3.10.4.3.
3 Thiết bị vận hành bộ hãm an toàn tốt nhất nên đặt ở phần dưới cabin.
3.8.8.7 Độ nghiêng của sàn cabin trong trường hợp bộ hãm an toàn hoạt động.
Khi bộ hãm an toàn hoạt động, tải (nếu có) được phân bố đồng đều, sàn cabin không được nghiêng quá 5% so với vị trí bình thường của nó.
3.8.8.8 Kiểm tra hệ thống điện
Khi hoạt động, bộ hãm an toàn phải tác động lên công tắc của thiết bị điện an toàn (xem 3.11.7.2) lắp trên cabin để dừng máy trước thời điểm kẹp hãm, hoặc vào thời điểm kẹp hãm. Thiết bị này phải là bộ hãm an toàn điện phù hợp với 3.15.1.2.
3.8.9 Bộ khống chế vượt tốc
3.8.9.1 Bộ khống chế vượt tốc phải kích hoạt cho bộ hãm an toàn cabin hoạt động khi tốc độ đi xuống của cabin đạt giá trị bằng 115% tốc độ định mức và phải nhỏ hơn:
(1) 0,8 m/s đối với bộ hãm an toàn tức thời ngoại trừ loại con lăn
(2) 1 m/s đối với bộ hãm an toàn có con lăn
(3) 1,5 m/s đối với bộ hãm an toàn tức thời có giảm chấn (hoặc bộ hãm an toàn êm được sử dụng cho tốc độ định mức ≤1 m/s)
(4) 1,25v + 0,25/v đối với các bộ hãm an toàn khác, ở đây v = tốc độ định mức (m/s).
3.8.9.2 Lựa chọn tốc độ kích hoạt
1 Đối với thang máy có tốc độ định mức vượt quá 1m/s, được khuyến khích chọn kích hoạt bộ hãm an toàn gần nhất với giá trị được đưa ra trong 3.8.9.1.
2 Đối với thang máy có tải trọng lớn và tốc độ thấp, bộ khống chế được thiết kế đặc biệt cho mục đích này, thì nên chọn tốc độ nhả càng gần với giới hạn dưới được đưa ra trong 3.8.9.1.
3.8.9.3 Tốc độ tới hạn của bộ khống chế vượt tốc để kích hoạt bộ hãm an toàn của đối trọng phải cao hơn tốc độ tới hạn của bộ hãm an toàn cabin, nhưng không lớn hơn 10%.
3.8.9.4 Lực kéo cáp của bộ khống chế vượt tốc khi hoạt động tối thiểu phải bằng giá trị lớn hơn một trong hai giá trị sau:
(1) 300N
(2) gấp 2 lần lực cần thiết để kích hoạt bộ hãm an toàn
3.8.9.5 Hướng quay tương ứng với hoạt động của bộ hãm an toàn phải được đánh dấu trên bộ khống chế vượt tốc.
3.8.9.6 Dây cáp của bộ khống chế vượt tốc
1 Bộ khống chế vượt tốc phải được dẫn động bởi một dây cáp mềm.
2 Tải trọng phá hủy của dây cáp phải có liên quan đến lực cần thiết để kích hoạt bộ hãm an toàn bởi hệ số an toàn tối thiểu là 8.
3 Đường kính danh nghĩa của dây cáp tối thiểu là 6 mm.
4 Tỷ số giữa đường kính đáy rãnh pu ly cáp bộ khống chế vượt tốc và đường kính danh nghĩa của dây cáp phải tối thiểu là 30.
5 Dây cáp phải được kéo căng bởi một pu ly căng. Pu ly này (hoặc đối trọng kéo căng) của nó phải được dẫn hướng.
6 Trong suốt quá trình hoạt động của bộ hãm an toàn, dây cáp và những bộ phận đi kèm phải còn nguyên trạng, ngay cả trong trường hợp quãng đường phanh lớn hơn bình thường.
7 Dây cáp phải dễ dàng tháo ra khỏi bộ hãm an toàn.
3.8.9.7 Thời gian tác động
Thời gian tác động của bộ khống chế vượt tốc phải đủ nhanh để ngăn ngừa tốc độ nguy hiểm trước khi bộ hãm an toàn hoạt động.
3.8.9.8 Khả năng tiếp cận
Trong mọi trường hợp đều có thể tiếp cận bộ khống chế vượt tốc. Nếu nó nằm trong giếng thì phải được tiếp cận từ bên ngoài giếng.
3.8.9.9 Khả năng kích hoạt bộ khống chế vượt tốc
Trong suốt quá trình kiểm tra hoặc thử nghiệm, có thể vận hành bộ hãm an toàn ở tốc độ thấp hơn tốc độ được chỉ ra trong 3.8.9.1 bằng cách kích hoạt bộ khống chế vượt tốc theo một cách nào đó.
3.8.9.10 Vị trí điều chỉnh khống chế vượt tốc phải được đánh dấu kẹp chì sau khi chỉnh đến tốc độ tới hạn.
3.8.9.11 Kiểm tra hệ thống điện
1 Bộ khống chế vượt tốc hoặc thiết bị khác phải có bộ hãm an toàn điện phù hợp với 3.15.1.2, làm cho thang máy dừng trước khi tốc độ cabin lên hoặc xuống đạt đến tốc độ kích hoạt của bộ khống chế.
Tuy nhiên, đối với tốc độ định mức nhỏ hơn 1 m/s, thiết bị này:
(1) Chỉ có thể hoạt động tại thời điểm kích hoạt của thiết bị khống chế, nếu tốc độ cabin có liên quan tới tác động của phanh.
(2) Phải hoạt động chậm nhất khi tốc độ của cabin đạt tới 115% tốc độ định mức nếu thang máy sử dụng biến tần hoặc điều chỉnh tốc độ liên tục.
2 Nếu sau khi kích hoạt bộ hãm an toàn, bộ khống chế vượt tốc không thể tự động
khởi động lại, một thiết bị điện an toàn (3.15.1.2) phải ngăn chặn thang máy chuyển động cho đến khi bộ khống chế vượt tốc phục hồi trở lại. Tuy nhiên, thiết bị này có thể không hoạt động trong trường hợp được quy định trong 3.15.2.1.4. (3)
Việc hoạt động trở lại do người có thẩm quyền thực hiện.
3 Việc đứt hoặc chùng dây cáp của bộ khống chế phải làm cho động cơ dừng lại bởi thiết bị điện an toàn.
3.9 Kiểu treo, phòng chống rơi tự do, sự quá tốc và trôi cabin đối với thang máy thủy lực
3.9.1 Kiểu treo, số lượng dây cáp và xích
Kiểu treo sử dụng cho thang máy tác động gián tiếp hoặc dùng để liên kết giữa cabin và đối trọng phải được thỏa mãn các yêu cầu sau:
3.9.1.1 Áp dụng 3.8.1.1
3.9.1.2 Áp dụng 3.8.1.2
3.9.1.3 Số lượng dây cáp hoặc xích tối thiểu phải là:
= 2 ở mỗi xy lanh trong trường hợp thang máy tác động gián tiếp
= 2 cho liên kết giữa cabin và đối trọng
Dây cáp (dây xích) phải độc lập.
3.9.1.4 Áp dụng 3.8.1.4
3.9.2 Tỷ số giữa đường kính đáy rãnh pu ly và đường kính dây cáp, hệ số an toàn của dây cáp và dây xích
3.9.2.1 Tỷ số giữa đường kính vòng chia của pu ly và đường kính của cáp treo phải tối thiểu là 40, bất kể số lượng tao cáp.
3.9.2.2 Hệ số an toàn của cáp treo phải tối thiểu là 12. Hệ số an toàn là tỷ số giữa tải trọng phá hủy nhỏ nhất (N) của một dây cáp (hoặc một dây xích) và lực căng lớn nhất (N) trong dây cáp (hoặc dây xích), khi cabin dừng ở vị trí thấp nhất, với tải trọng lấy từ Bảng 34. Để tính toán lực căng lớn nhất này những quy định sau cần được xem xét:
Số lượng dây cáp (dây xích), hiệu suất pa-lang (trong trường hợp sử dụng pa-lang), tải trọng cabin, khối lượng cabin, khối lượng của dây cáp (dây xích) và khối lượng của phần cáp động được treo trên cabin.
3.9.2.3 Áp dụng 3.8.2.3, 3.8.2.3.1,3.8.2.4 và 3.8.2.5
3.9.3 Phân bố tải giữa dây cáp hoặc dây xích
3.9.3.1 Áp dụng 3.8.5.1 và 3.8.5.2
3.9.3.2 Áp dụng 3.8.5.3
Đối với thang máy có 2 xy lanh hoặc nhiều hơn, thì yêu cầu này áp dụng cho từng bộ phận treo.
3.9.3.3 Áp dụng 3.8.5.4
3.9.4 Bảo vệ pu ly truyền động, pu ly chuyển hướng và pa lăng.
Áp dụng 3.8.7
3.9.5 Phòng chống rơi cabin hoặc quá tốc
3.9.5.1 Thang máy thủy lực tác động trực tiếp
Sự rơi tự do của cabin hoặc đi xuống vượt quá tốc độ cho phép phải được ngăn chặn bằng các cách:
1 Một bộ hãm an toàn (3.8.8), được kích hoạt bằng một bộ khống chế vượt tốc (3.8.9), hoặc
2 Một bộ hãm an toàn (3.8.8), được kích hoạt bằng cần gạt (3.9.10.5) kết hợp với một van hạ áp (3.13.5.6), hoặc
3 Một thiết bị hãm (3.9.11) kết hợp với một van hạ áp (3.13.5.6), hoặc
4 Sử dụng một van ngắt (3.13.5.5)
3.9.5.2 Thang máy thủy lực tác động gián tiếp
Sự rơi tự do của cabin hoặc đi xuống vượt quá tốc độ cho phép phải được ngăn chặn bằng cách:
1 Một bộ hãm an toàn của cabin (3.8.8), được kích hoạt bởi một bộ khống chế vượt tốc (3.8.9), hoặc
2 Một bộ hãm an toàn của cabin (3.8.8), được kích hoạt có sự hư hỏng của thiết bị treo (3.9.10.3) hoặc dây cáp an toàn (3.9.10.4) kết hợp với một van hạ áp (3.13.5.6) ngoài ra bộ hãm an toàn có thể được kích hoạt bằng cần gạt (3.9.10.5), hoặc
3 Một bộ hãm an toàn của cabin (3.8.8), được kích hoạt khi có sự hư hỏng của thiết bị treo (3.9.10.3) hoặc dây cáp an toàn (3.9.10.4) kết hợp với một van hạ áp (3.13.5.6) ngoài ra bộ hãm an toàn có thể được kích hoạt bằng một thiết bị hãm hoặc
4 Một bộ hãm an toàn của cabin (3.8.8), được kích hoạt khi có sự hư hỏng của thiết bị treo (3.9.10.3) hoặc dây cáp an toàn (3.9.10.4) kết hợp với một van ngắt.
3.9.6 Các biện pháp phòng ngừa sự rơi tự do của đối trọng
3.9.6.1 Với đối trọng (nếu có), phải được trang bị bộ hãm an toàn
3.9.6.2 Bộ hãm an toàn của đối trọng phải được kích hoạt bởi
1 Một bộ khống chế vượt tốc (3.8.9) hoặc
2 Khi có sự hư hỏng của cơ cấu treo (3.9.10.3)
3 Một dây cáp an toàn
3.9.7 Các biện pháp phòng ngừa sự trôi cabin
Cabin phải được ngăn chặn sự trôi tại một mức dừng tối đa 0,12 m bằng các biện pháp sau:
3.9.7.1 Khi các biện pháp ngăn ngừa sự rơi tự do hoặc đi xuống với tốc độ quá lớn của cabin bao gồm bộ hãm an toàn, thì thiết bị này có thể được sử dụng để ngăn chặn sự trôi, được kích hoạt bởi một tay đòn (3.9.10.5). Việc hãm bằng cần gạt có thể là một phần trong các biện pháp ngăn ngừa sự rơi tự do hoặc đi xuống với tốc độ quá lớn của cabin.
3.9.7.2 Khi các biện pháp ngăn ngừa sự rơi tự do hoặc đi xuống với tốc độ quá lớn của cabin (có lắp đặt thiết bị hãm), thì thiết bị này có thể được sử dụng để ngăn chặn sự trôi.
3.9.7.3 Nếu không có các biện pháp được đề cập trong 3.9.7.1 và 3.9.7.2, thì việc ngăn chặn phải được thực hiện bằng cách:
1 Một thiết bị kẹp ray (3.9.9) được đóng bằng cần gạt (3.9.10.5) hoặc
2 Một thiết bị hãm (3.9.11) hoặc
Một hệ thống chống trôi điện (3.15.2.1.6).
3.9.8 Bộ hãm an toàn đối với thang máy thủy lực, áp dụng 3.9.5/3.9.6/3.9.7.1
3.9.8.1 Quy định chung
1 Bộ hãm an toàn của thang máy điều khiển trực tiếp chỉ có khả năng hoạt động trong trường hợp đi xuống, và ngay cả trong trường hợp rò rỉ lớn tại hệ thống thủy lực, vẫn dừng cabin với tải trọng được nêu trong Bảng 34:
(1) Khi áp dụng theo 3.9.5.1.1:
Từ tốc độ kích hoạt của bộ khống chế vượt tốc
(2) Khi áp dụng theo 3.9.5.1.2:
Từ một tốc độ tương đương tốc độ tối đa của van hạ áp bằng cách kẹp chặt ray dẫn hướng và giữ cabin tại đó.
2 Bộ hãm an toàn của thang máy điều khiển gián tiếp chỉ có khả năng hoạt động trong trường hợp đi xuống, ngay cả khi thiết bị treo bị hư hỏng, vẫn dừng cabin với tải trọng được nêu trong Bảng 34:
(1) Khi áp dụng theo 3.9.5.2.1:
Từ tốc độ kích hoạt của bộ khống chế vượt tốc
(2) Khi áp dụng theo 3.9.5.2.2 hoặc 3.9.5.2.3 hoặc 3.9.5.2.4:
Từ tốc độ được xác định trong 3.9.8.1.5 bằng cách kẹp chặt vào ray dẫn hướng và giữ cabin tại đó.
3 Một bộ hãm an toàn trên đối trọng (nếu có) chỉ có khả năng hoạt động trong trường hợp đi xuống, và ngay cả trong khi thiết bị treo bị hư hỏng, vẫn dừng được đối trọng:
(1) Khi áp dụng theo 3.9.6.2.1:
Từ tốc độ kích hoạt của bộ khống chế vượt tốc
(2) Khi áp dụng theo 3.9.6.2.2 hoặc 3.9.6.2.3:
Từ tốc độ được xác định trong 3.9.8.1.5 bằng cách kẹp chặt vào ray dẫn hướng và giữ cabin tại đó.
4 Áp dụng 3.8.8.1.3
5 Bộ hãm an toàn kích hoạt khi có sự hư hỏng ở hệ thống / thiết bị treo hoặc dây cáp an toàn, và nó phải đảm bảo rằng bộ hãm an toàn được kích hoạt tại tốc độ tương ứng với tốc độ kích hoạt của bộ khống chế vượt tốc.
3.9.8.2 Điều kiện sử dụng cho các loại bộ hãm an toàn khác nhau
1 Bộ hãm an toàn của cabin có thể thuộc các loại sau:
(1) Loại êm
(2) Tức thời có giảm chấn
(3) Tức thời nếu tốc độ định mức theo chiều đi xuống không vượt quá 0,63 m/s.
Các bộ hãm an toàn tức thời khác với loại có con lăn không được kích hoạt bởi một bộ khống chế vượt tốc nếu tốc độ kích hoạt của van ngắt hoặc tốc độ lớn nhất của van hạ áp không vượt quá 0,8 m/s.
2 Áp dụng 3.8.8.2.2
3 Bộ hãm an toàn của đối trọng có thể thuộc các loại sau:
(1) Loại êm
(2) Loại tức thời có giảm chấn
(3) Loại tức thời
3.9.8.3 Áp dụng như trên
3.9.8.4 Gia tốc hãm
Gia tốc hãm trung bình của bộ hãm an toàn êm trong trường hợp rơi tự do với tải trọng cabin trong Bảng 34 phải nằm trong khoảng từ 0,2g đến 1 g.
3.9.8.5 Nhả bộ hãm an toàn
Áp dụng 3.8.8.5.1, 3.8.8.5.2, 3.8.8.5.3.
3.9.8.6 Điều kiện chế tạo
Áp dụng 3.8.8.6.1, 3.8.8.6.2, 3.8.8.6.3.
3.9.8.7 Độ nghiêng của sàn cabin trong trường hợp bộ hãm an toàn hoạt động
Áp dụng 3.8.8.7
3.9.8.8 Kiểm tra hệ thống điện
Áp dụng 3.9.9.8
3.9.9 Thiết bị kẹp ray (áp dụng như 3.9.7)
3.9.9.1 Quy định chung
1 Thiết bị kẹp chỉ có khả năng hoạt động trong trường hợp đi xuống, ngoài ra phải có khả năng dừng và giữ cabin với tải trọng được nêu trong Bảng 34 từ tốc độ kích hoạt của van ngắt, bằng cách giữ cabin trên ray dẫn hướng.
2 Không cho phép một thiết bị kẹp hoạt động trong trường hợp đi lên.
3.9.9.2 Điều kiện sử dụng cho các thiết bị kẹp khác nhau
1 Thiết bị kẹp có thể thuộc những loại sau:
(1) Loại êm
(2) Loại tức thời với đệm giảm chấn
(3) Loại tức thời nếu tốc độ định mức chiều đi xuống không vượt quá 0,63 m/s.
Các thiết thị kẹp tức thời khác với loại có con lăn cố định thì chỉ được phép nếu tốc độ kích hoạt của van ngắt không vượt quá 0,8 m/s.
2 Nếu buồng thang có nhiều thiết bị kẹp riêng biệt, thì chúng phải là loại êm.
3.9.9.3 Các phương thức điều khiển
Cấm việc kích hoạt thiết bị kẹp ray được điều khiển bằng điện, thủy lực và khí nén.
3.9.9.4 Gia tốc hãm
Đối với thiết bị kẹp êm thì gia tốc hãm trung bình trong trường hợp đi xuống với tốc độ tương đương với tốc độ phát động của van ngắt và cabin có tải trọng nêu trong Bảng 34 nằm trong khoảng 0,2 đến 1,0g.
3.9.9.5 Nhả thiết bị kẹp
1 Việc ngắt thiết bị kẹp chỉ được thực hiện khi nâng cabin
2 Sau khi nhả, thiết bị phải hoạt động được bình thường.
3.9.9.6 Điều kiện chế tạo
Áp dụng tương tự theo yêu cầu của 3.9.8.6
3.9.9.7 Độ nghiêng của sàn cabin trong trường hợp thiết bị kẹp hoạt động
Áp dụng tương tự theo yêu cầu của 3.9.8.7
3.9.9.8 Kiểm tra hệ thống điện
Thiết bị điện phù hợp với 3.15.1.2 được gắn trên thiết bị kẹp, phải làm dừng máy trước hoặc tại thời điểm hoạt động của thiết bị kẹp và phải ngăn chặn mọi di chuyển đi xuống của cabin.
3.9.10 Phương thức điều khiển của bộ hãm an toàn và thiết bị kẹp ray
3.9.10.1 Quy định chung
Lực tác động để điều khiển việc kích hoạt bộ hãm an toàn hoặc thiết bị kẹp ray tối thiểu phải lớn hơn một trong hai giá trị sau:
(1) 300N hoặc
(2) Gấp hai lần lực cần thiết để kích hoạt bộ hãm an toàn hoặc thiết bị kẹp ray.
3.9.10.2 Bộ khống chế vượt tốc
1 Việc kích hoạt bộ khống chế vượt tốc của bộ hãm an toàn cabin phải tác động tại tốc độ tối thiểu là bằng 115% tốc độ định mức theo chiều xuống và nhỏ hơn:
(1) 0,8 m/s với bộ hãm an toàn tức thời trừ loại con lăn cố định
(2) 1 m/s với bộ hãm an toàn tức thời có con lăn cố định
(3) 1,5 m/s với bộ hãm an toàn tức thời có đệm giảm chấn hoặc bộ hãm an toàn êm.
2 Chọn tốc độ kích hoạt
Đối với thang máy vận chuyển hàng hóa có tải trọng lớn và tốc độ thấp, thì bộ khống chế vượt tốc phải được thiết kế đặc biệt cho từng mục đích. Nó được khuyến nghị chọn tốc độ kích hoạt có thể thấp hơn giới hạn được nêu ra trong 3.9.10.2.1.
3 Tốc độ kích hoạt bộ khống chế vượt tốc cho bộ hãm an toàn đối trọng phải lớn hơn tốc độ kích hoạt được tính toán cho tốc độ V, tuy nhiên không được vượt quá 10%.
4 Áp dụng 3.8.9.5
5 Dây cáp của bộ khống chế vượt tốc, áp dụng dây cáp an toàn 3.8.9.6
6 Thời gian tác động, áp dụng 3.8.9.7
7 Khả năng tiếp cận, áp dụng 3.8.9.8
8 Khả năng kích hoạt bộ khống chế vượt tốc, áp dụng 3.8.9.9 và 3.8.9.10
9 Kiểm tra hệ thống điện, áp dụng 3.8.9.11
3.9.10.3. Việc kích hoạt khi có hư hỏng ở thiết bị treo (áp dụng như 3.9.5.2/3.9.6).
1 Khi lò xo được sử dụng để kích hoạt bộ hãm an toàn, chúng phải là loại nén có dẫn hướng.
2 Phải có thể kiểm tra các hư hỏng của thiết bị treo khi kích hoạt bộ hãm an toàn.
3 Trong trường hợp thang máy tác động gián tiếp với nhiều xy lanh, khi có hư hỏng ở hệ thống treo, một trong các xy lanh phải được kích hoạt bởi bộ hãm an toàn.
3.9.10.4 Việc kích hoạt bằng dây cáp an toàn (áp dụng như 3.9.5.2/3.9.6)
1 Dây cáp an toàn phải phù hợp với 3.8.9.6
2 Dây cáp phải được căng bởi trọng lượng hoặc bởi tối thiểu một lò xo nén được dẫn hướng.
3 Trong quá trình hoạt động của bộ hãm an toàn, dây cáp an toàn và các thiết bị gắn trên nó phải giữ nguyên trạng, ngay cả trong trường hợp quãng đường phanh lớn hơn bình thường.
4 Chỗ đứt hoặc chùng của dây cáp an toàn phải dẫn đến dừng máy bằng thiết bị điện an toàn (3.15.1.2)
3.9.10.5 Việc kích hoạt bằng tay đòn (áp dụng theo 3.9.5.2/3.9.7)
1 Bộ hãm an toàn cabin hoặc thiết bị kẹp ray phải được lắp đặt một tay đòn điều khiển bằng điện có thể thu gọn, trong trường hợp vị trí của nó được mở rộng, việc ăn khớp với vị trí cố định trên ray dẫn hướng được kích hoạt bởi bộ hãm an toàn (hoặc thiết bị kẹp ray) khi cabin di chuyển đi xuống.
2 Cơ cấu hạn vị phải được trang bị tại mỗi tầng dừng để ngăn ngừa cabin rời khỏi vùng không khóa, bằng tác động của bộ hãm an toàn (hoặc thiết bị kẹp ray).
3 Khi bộ hãm an toàn của cabin được sử dụng để ngăn chặn sự trôi (3.9.7.1) và trong trường hợp một thiết bị kẹp ray được sử dụng để dừng cabin với điều kiện ngăn chặn tại mỗi tầng dừng bằng tác động của bộ hãm an toàn (hoặc thiết bị kẹp ray), từ vị trí trượt đến tầng dừng lớn hơn 0,12 m
4 Sự chuyển động của tay đòn tới vị trí được mở phải chịu tác dụng bởi lò xo nén có dẫn hướng hoặc trọng lượng.
5 Nguồn cung cấp cho thiết bị điện thu gọn phải được ngắt khi máy dừng hoạt động.
6 Sự ngăn chặn phải tránh việc kích hoạt không chủ ý của bộ hãm an toàn (hoặc thiết bị kẹp) khi mất điện trong hành trình đi xuống.
7 Thiết kế của tay đòn, khi dừng lại phải riêng biệt với vị trí của tay đòn, không có hư hại nào gây ra bởi chuyển động lên của cabin.
8 Thiết kế của thiết bị kích hoạt không gây nên hư hại trong suốt quá trình ăn khớp của bộ hãm an toàn (thiết bị kẹp) ngay cả trong trường hợp có khoảng cách phanh lớn.
9 Một thiết bị điện phải chống lại bất kỳ chuyển động đi xuống của cabin khi tay đòn không ở vị trí thu gọn.
3.9.11 Thiết bị hãm (áp dụng như 3.9.5/3.9.7)
3.9.11.1 Thiết bị hãm phải có khả năng chỉ hoạt động theo hướng xuống và ngoài ra có khả năng dừng và giữ cố định trên ray dẫn hướng cabin với tải trọng nêu trong Bảng 34:
(1) Đối với thang máy có bộ hãm an toàn cabin được khởi động bằng một bộ khống chế vượt tốc: từ 115% tốc độ định mức đi xuống.
(2) Đối với tất cả các thang máy khác: hoặc từ tốc độ lớn nhất của van hạ áp hoặc từ tốc độ ngắt của van ngắt.
3.9.11.2 Phải trang bị tối thiểu một thiết bị hãm điều khiển điện được thiết kế có thể thu gọn trong vị trí mở rộng/duỗi thẳng của nó để dừng chuyển động đi xuống của cabin trên giá đỡ.
3.9.11.3 Giá đỡ phải được lắp đặt tại mỗi tầng dừng của cabin tại vị trí kết thúc thấp nhất của khu vực mở khóa.
3.9.11.4 Khi thiết bị hãm được dùng để ngăn chặn sự trôi (3.9.7.2/3.9.7.3.2) một giá đỡ phải được lắp đặt thêm tại mỗi tầng dừng trên ray dẫn hướng để tránh cabin trôi khỏi mức dừng một khoảng lớn hơn 0,12m.
3.9.11.5 Sự chuyển động của chốt hãm tới vị trí mở rộng phải chịu tác động bởi lò xo nén có dẫn hướng hoặc nhờ trọng lực.
3.9.11.6 Nguồn cung cấp cho thiết bị điện thu gọn phải được ngắt khi máy không hoạt động.
3.9.11.7 Thiết kế của chốt hãm và giá đỡ phải riêng biệt với vị trí của chốt hãm, cabin không thể dừng trong trường hợp đi lên và không có sự cố.
3.9.11.8 Thiết bị giảm chấn phải được liên kết với thiết bị hãm (hoặc giá đỡ cố định).
1 Thiết bị giảm chấn được sử dụng có thể là các kiểu sau:
(1) Tích lũy năng lượng
(2) Tích lũy năng lượng tự phục hồi
(3) Hấp thụ năng lượng
2 Hành trình của giảm chấn
Các yêu cầu được áp dụng như 3.10.4. Hành trình bao gồm cả khoảng cách cố định nêu trong 3.9.11.3 và 3.9.11.4.
3.9.11.9 Phải đảm bảo rằng tất cả các chốt hãm phải ăn khớp trên các giá tương ứng ngay cả trong trường hợp có sự hư hỏng khi cabin di chuyển đi xuống.
3.9.11.10 Một thiết bị điện phải ngăn chặn bất kỳ chuyển động đi xuống của cabin khi chốt hãm không ở vị trí được thu gọn.
3.9.11.11 Nếu sử dụng giảm chấn hấp thụ năng lượng, một thiết bị điện an toàn phù hợp với 3.15.1.2 phải ngăn chặn cabin đi xuống, trừ khi giảm chấn đang ở vị trí kéo dài.
3.9.11.12 Độ nghiêng sàn cabin áp dụng như yêu cầu trong 3.9.8.7
3.9.12 Lực kéo và ứng suất trong dây cáp kéo
3.9.12.1 Lực kéo
Phải thỏa mãn công thức sau:
(T1 /T2) x C1 x C2< efα
Trong đó:
T1 /T2: tỉ số giữa lực kéo lớn nhất và nhỏ nhất bên trong dây cáp đặt trên pu ly kéo trong trường hợp sau: cabin dừng ở mức thấp nhất với tải trọng tương đương với 125% tải trọng định mức.
C1: hệ số có tính đến gia tốc, giảm tốc và trong điều kiện đặc biệt về lắp đặt
C1=(gn + a) / (gn -a)
gn: gia tốc(trung bình) rơi tự do (m/s2)
a: gia tốc phanh của cabin (m/s2)
Giá trị nhỏ nhất của C1 có thể được thỏa mãn:
1,10 với tốc độ định mức vn ≤ 0,63 m/s
1,15 với tốc độ định mức 0,63 m/s < vn ≤ 1,00 m/s
1,20 với tốc độ định mức 1,00 m/s < vn ≤ 1,60 m/s
1,25 với tốc độ định mức 1,60 m/s < vn ≤ 2,50 m/s
Khi tốc độ định mức vượt quá 2,50 m/s, C1 phải được tính toán theo trường hợp đặc biệt nhưng không được nhỏ hơn 1,25.
C2: hệ số có tính đến sự thay đổi bề mặt của rãnh cáp do mòn
C2=1 đối với rãnh bán nguyệt hoặc rãnh cắt
C2=1,2 đối với rãnh hình chữ V
e: cơ số logarit tự nhiên
f: hệ số ma sát giữa dây cáp và rãnh cáp
đối với rãnh chữ V
đối với rãnh hình bán nguyệt hoặc rãnh cắt
α: góc tạo bởi dây cáp và pu ly kéo (rad)
ꞵ: góc của rãnh cứt hoặc rãnh bán nguyệt trong pu ly kéo (rad) (ꞵ=0 với rãnh bán nguyệt)
γ: góc rãnh chữ V trong pu ly kéo (rad)
µ: hệ số ma sát giữa cáp thép và pu ly gang = 0,09.

Pu ly kéo
3.9.12.2. Ứng suất của dây cáp trong rãnh pu ly. Ứng suất được tính toán theo công thức sau:
đối với rãnh cắt hoặc bán nguyệt
đối với rãnh chữ V
Trong đó:
d: đường kính dây cáp (mm)
D: đường kính dây cáp (mm)
n: số dây cáp
p: ứng suất (N/mm2)
T: lực tĩnh trong dây cáp từ cabin đến pu ly kéo, khi cabin đứng yên tại vị trí dừng thấp nhất với tải trọng định mức của nó (N)
vc: tốc độ của dây cáp tương đương với tốc độ định mức của cabin (m/s)
Ứng suất phải thỏa mãn điều kiện nếu ra trong 3.8.3.1
Trong trường hợp ứng suất của dây cáp vượt quá giá trị cho phép, tải trọng cabin với tải trọng định mức của nó:

Nó là trách nhiệm của nhà chế tạo về những đặc trưng riêng biệt và điều kiện sử dụng trong việc lựa chọn ứng suất.
3.10 Ray dẫn hướng, giảm chấn và công tắc giới hạn hành trình
3.10.1 Quy định chung liên quan đến ray dẫn hướng
3.10.1.1 Độ bền của ray dẫn hướng (xem ghi chú ở cuối điều khoản này), những vị trí liên kết và các chi tiết gắn trên ray phải chịu được những lực tác dụng do hoạt động của bộ hãm an toàn (hoặc thiết bị kẹp) hoặc chốt hãm và lực uốn do sự chất hàng không đều của cabin. Sự chệch hướng phải được giới hạn trong một giá trị để không làm ảnh hưởng đến hoạt động bình thường của thang máy.
3.10.1.2 Ray dẫn hướng được cố định vào các giá đỡ và tàu phải tạo được sự cân bằng, hoặc tự động hoặc điều chỉnh bằng tay, do các ảnh hưởng khi lắp đặt.
Các linh kiện gắn kèm phải được thiết kế không rơi ra khỏi ray.
3.10.2 Dẫn hướng cabin và đối trọng
3.10.2.1 Cabin và đối trọng phải được dẫn hướng tối thiểu hai ray thép cứng.
3.10.2.2 Nếu tốc độ định mức vượt quá 0,4 m/s, thì ray phải được làm từ thép kéo hoặc gia công bề mặt.
3.10.2.3 Những yêu cầu của 3.10.2.2 phải được áp dụng tại bất kỳ tốc độ này, khi có sử dụng bộ hãm an toàn tức thời.
3.10.3 Giảm chấn của cabin và đối trọng
3.10.3.1 Thang máy phải được lắp đặt giảm chấn ở vị trí dưới cùng trong hành trình của cabin và đối trọng.
Nếu giảm chấn di chuyển cùng cabin và đối trọng, thì chúng phải được đặt một bệ đỡ cao tối thiểu 0,5 m tại điểm cuối hành trình.
Khi giảm chấn của thiết bị hãm được sử dụng để hạn chế hành trình di chuyển của cabin và đối trọng ở dưới cùng, yêu cầu phải có bệ đỡ trừ khi điểm dừng cố định của thiết bị hãm được đặt trên ray dẫn hướng.
Trường hợp đặc biệt, không cần bệ đỡ cho giảm chấn đối trọng nếu nó không thể tiếp cận lối vào bên dưới đối trọng.
3.10.3.2 Thang máy dẫn động không ma sát phải được lắp đặt thiết bị giảm chấn ở giới hạn phía trên của hành trình di chuyển.
3.10.3.3 Kiểu giảm chấn tích lũy năng lượng chỉ có thể được sử dụng nếu tốc độ định mức vượt quá 1 m/s.
3.10.3.4 Kiểu giảm chấn tích lũy năng lượng tự phục hồi chỉ có thể được sử dụng nếu tốc độ định mức của thang máy không vượt quá 1,6 m/s.
3.10.3.5 Kiểu giảm chấn hấp thụ năng lượng có thể được sử dụng ở bất kỳ tốc độ nào so với tốc độ định mức của thang máy.
3.10.3.6 Đệm giảm chấn phải giữ cabin với tải trọng trong Bảng 34 cố định tại vị trí tối đa 0,12m dưới mức dừng thang thấp nhất.
3.10.3.7 Khi giảm chấn bị nén hoàn toàn thì pit tông không được chạm vào đáy của xy lanh.
3.10.4 Hành trình của giảm chấn cabin và đối trọng
3.10.4.1 Giảm chấn tích lũy năng lượng
1 Tổng hành trình của giảm chấn tối thiểu phải bằng hai lần quãng đường hãm với gia tốc trọng trường, tương ứng với 115% tốc độ định mức (0.0674v2x2 = 0,135 v2)
Hành trình được tính bằng m và v (tốc độ định mức) tính bằng m/s. Đối với thang máy thủy lực v thay bằng vd)
Tuy nhiên, hành trình không được nhỏ hơn 65 mm.
2 Bộ giảm chấn phải được che chắn, hành trình được xác định dưới tác động của tải
trọng tĩnh từ 2,5 đến 4 lần khối lượng của cabin với tải trọng định mức (hoặc trọng lượng của đối trọng)
3.10.4.2 Giảm chấn tích lũy năng lượng tự phục hồi
1 Tổng hành trình của giảm chấn phải tối thiểu bằng hai lần quãng đường hãm với gia tốc trọng trường, tương ứng với 115% tốc độ định mức (0,0674v2x2 = 0,135 v2) Hành trình được tính bằng m và v (tốc độ định mức) tính bằng m/s. Đối với thang máy thủy lực v thay bằng vd)
Tuy nhiên, hành trình không được nhỏ hơn 65 mm.
2 Bộ giảm chấn phải được che chắn, hành trình được xác định dưới tác động của tải trọng tĩnh từ 2,5 đến 4 lần khối lượng của cabin với tải trọng định mức (hoặc trọng lượng của đối trọng)
3.10.4.3 Giảm chấn hấp thụ năng lượng
1 Tổng hành trình của giảm chấn phải tối thiểu tương đương với quãng đường hãm với gia tốc trọng trường tương ứng với 115% tốc độ định mức (0,0674v2)
Hành trình được tính bằng m và v (tốc độ định mức) tính bằng m/s. Đối với thang máy thủy lực v thay bằng vd)
2 Gia tốc hãm của thang máy tại điểm cuối hành trình được theo dõi bởi một thiết bị phù hợp với yêu cầu của 3.12.8, tốc độ mà cabin (hoặc đối trọng) khi tiếp xúc với bộ giảm chấn được sử dụng thay thế tốc độ định mức để tính hành trình của bộ giảm chấn theo 3.10.4.3.1. Tuy nhiên hành trình không được nhỏ hơn 50% hành trình được tính toán theo 3.10.4.3.1.
Trong mọi trường hợp, hành trình không được nhỏ hơn 0,42 m.
3 Trong trường hợp rơi tự do, với tải trọng định mức trong cabin, gia tốc hãm trung bình trong suốt quá trình hoạt động của bộ giảm chấn không được vượt quá g. Gia tốc hãm lớn hơn 2,5gn không được kéo dài hơn 1/25 của giây. Tốc độ tác động lên bộ đệm được cân nhắc bằng với tốc độ của bộ giảm chấn (xem 3.10.4.3.1 và 3.10.4.3.2).
4 Hoạt động của thang máy phải phụ thuộc vào sự hồi phục của bộ đệm về vị trí ban đầu sau khi hoạt động. Thiết bị điện được sử dụng cho thiết bị này phải là thiết bị điện an toàn phù hợp với 3.15.1.2.
5 Với đang thang máy thủy lực, bộ giảm chấn được lắp đặt sao cho dễ dàng kiểm tra mức chất lỏng.
3.10.5 Công tắc giới hạn hành trình
3.10.5.1 Công tắc giới hạn hành trình phải được lắp đặt
Công tắc giới hạn hành trình phải được đặt ở gần nhất có thế đối với tầng cuối cùng, không có nguy cơ hoạt động bất ngờ.
Chúng phải hoạt động trước khi cabin (hoặc đối trọng, nếu có) tiếp xúc với bộ giảm chấn. Hoạt động của công tắc giới hạn hành trình phải được duy trì trong khi bộ giảm chấn bị nén.
3.10.5.2 Điều khiển công tắc giới hạn hành trình
1 Thiết bị riêng biệt phải được sử dụng cho công tắc dừng cuối cùng và công tắc hành trình.
2 Trong trường hợp thang máy tác động trực tiếp, việc điều khiển công tắc hành trình phải được thực hiện:
(1)Trực tiếp bởi cabin hoặc pit tông hoặc
(2) Thiết bị được liên kết trực tiếp với cabin. Trong trường hợp này, việc đứt hoặc chùng trong các liên kết phải làm máy dừng lại bởi một thiết bị điện phù hợp với 3.15.1.2.
3 Trong trường hợp thang máy tác động gián tiếp, việc điều khiển công tắc hành trình phải được thực hiện:
(1) Trực tiếp bởi pit tông hoặc
(2) Thiết bị được liên kết trực tiếp với pit tông. Trong trường hợp này, việc đứt hoặc chùng trong các liên kết phải làm máy dừng lại bởi một thiết bị điện phù hợp với 3.15.1.2.
4 Trong trường hợp thang máy dẫn động không ma sát, việc điều khiển công tắc giới hạn hành trình phải được thực hiện:
(1) Bởi một thiết bị được liên kết với phần di chuyển của máy hoặc
(2) Bởi cabin hoặc đối trọng, nếu có, ở phía trên giếng, hoặc
(3) Bởi cabin tại điểm trên hoặc cuối cùng của giếng, nếu không có đối trọng.
5 Trong trường hợp thang máy dẫn động ma sát, việc điều khiển công tắc giới hạn hành trình phải được thực hiện:
(1) Trực tiếp bởi cabin tại điểm đầu và cuối của giếng hoặc
(2) Bởi một thiết bị được liên kết trực tiếp với cabin, trong trường hợp bị đứt hoặc chùng trong các liên kết phải làm máy dừng lại bởi một thiết bị điện phù hợp với 3.15.1.2.
3.10.5.3 Phương thức hoạt động của công tắc giới hạn hành trình
1 Công tắc giới hạn hành trình phải:
(1) Đối với thang máy truyền động bằng tang kéo, mở trực tiếp khi yêu cầu bằng cách ngắt các cơ cấu của mạch điện cấp cho động cơ và phanh.
Các quy định phải được thực hiện sao cho động cơ không thể cung cấp cho phanh điện từ.
(2) Đối với thang máy dẫn động ma sát, một hoặc hai tốc độ:
(a) Ngắt mạch phanh như điều (1) trên
(b) Mở bởi một thiết bị điện an toàn (3.15.1.2), mạch cung cấp trực tiếp tới cuộn cảm của 2 bộ đóng ngắt, những tiếp điểm trong mạch điện cấp cho động cơ và phanh.
Một vài bộ đóng ngắt có khả năng ngắt mạch khi dưới tải.
(3) Trong trường hợp thang máy sử dụng biến tần hoặc thay đổi tốc độ liên tục, phải nhanh chóng dừng thang máy.
(4) Đối với thang máy thủy lực, thiết bị điện an toàn phải phù hợp với 3.15.1.2 và khi được tác động phải dừng máy và giữ thang máy lại.
2 Sau khi công tắc giới hạn hành trình hoạt động, sự phục vụ trở lại của thang máy chỉ được thực hiện bằng cách can thiệp bằng tay.
Nếu có nhiều công tắc hành trình ở mỗi điểm kết thúc, tối thiểu một trong số chúng phải ngăn chặn chuyển động cả hai hướng, và điều này yêu cầu tối thiểu có một người thẩm quyền thực hiện.
3.10.6 Bộ hãm an toàn trong trường hợp cabin và đối trọng gặp chướng ngại vật khi di chuyển đi xuống.
3.10.6.1 Thang máy thủy lực tác động gián tiếp
Nếu dây cáp (hoặc dây xích) chùng thì một thiết bị điện an toàn phù hợp với 3.15.1.2 phải làm dừng máy và giữ cabin ở vị trí đó.
3.10.6.2 Thang máy truyền động bằng tang kéo
Thang máy truyền động bằng tang kéo có một dây cáp hoặc dây xích bị trùng sẽ mở mạch điều khiển làm dừng thang máy, nếu cabin (hoặc đối trọng) gặp chướng ngại vật khi di chuyển đi xuống. Các thiết bị được sử dụng phải phù hợp với 3.15.1.2.
3.10.6.3 Thang máy dẫn động ma sát
1 Thang máy dẫn động phải kết hợp với một thiết bị làm cho máy dừng lại và giữ thang máy ở vị trí đó, nếu:
(1) Khi bắt đầu khởi động, động cơ thang máy không quay
(2) Cabin (hoặc đối trọng) bị dừng lại trong quá trình di chuyển xuống do vướng chướng ngại vật, làm cho dây cáp bị trượt trên rãnh pu ly.
2 Thiết bị phải hoạt động trong khoảng thời gian không được vượt quá hai giá trị sau đây:
(1) 45s
(2) Thời gian di chuyển hết quãng đường, cộng thêm 10 s, tối thiểu 20 s nếu toàn bộ thời gian không quá 10 s.
3 Thiết bị này không bị ảnh hưởng trong quá trình kiểm tra hoặc mất điện, nếu có.
3.10.7 Ray dẫn hướng
Tính toán ứng suất uốn trong ray dẫn hướng trong quá trình bộ hãm an toàn (thiết bị kẹp) và thiết bị hãm hoạt động.
Ứng suất uốn trong ray dẫn hướng có thể được tính toán theo công thức sau:

σk không được vượt quá:
140 N/mm2 đối với thép cấp 370N/mm2
210 N/mm2 đối với thép cấp 520 N/mm2
(nội suy cho các giá trị trung gian)
Ký hiệu:
A: diện tích mặt cắt ngang ray dẫn hướng
F: giá trị lớn nhất trong hai lực F và F(N) (xem 3.4.10.1)
i: bán kính vòng quay
lk: chiều dài của ray dẫn hướng có ảnh hưởng uốn = khoảng cách tối đa giữa các giá treo/dầm công son liền kề
λ = lk/i : hệ số độ mảnh
σk: ứng suất uốn (N/mm2)
ω: hệ số uốn dọc nêu trong bảng như một hàm số (xem Bảng 30 và 31)
Bảng 30: hệ số uốn dọc ω theo hệ số độ mảnh λ đối với thép 370 N/mm2
| λ | 0 | 1 | 2 | 3 | 4 | 5 | 6 | 7 | 8 | 9 | λ |
| 20 | 1.04 | 1.04 | 1.04 | 1.05 | 1.05 | 1.06 | 1.06 | 1.07 | 1.07 | 1.08 | 20 |
| 30 | 1.08 | 1.09 | 1.09 | 1.10 | 1.10 | 1.11 | 1.11 | 1.12 | 1.13 | 1.13 | 30 |
| 40 | 1.14 | 1.14 | 1.15 | 1.16 | 1.16 | 1.17 | 1.18 | 1.19 | 1.19 | 1.20 | 40 |
|
|
|
|
|
|
|
|
|
|
|
|
|
| 50 | 1.21 | 1.22 | 1.23 | 1.23 | 1.24 | 1.25 | 1.26 | 1.27 | 1.28 | 1.29 | 50 |
| 60 | 1.30 | 1.31 | 1.32 | 1.33 | 1.34 | 1.35 | 1.36 | 1.37 | 1.39 | 1.40 | 60 |
| 70 | 1.41 | 1.42 | 1.44 | 1.45 | 1.46 | 1.48 | 1.49 | 1.50 | 1.52 | 1.53 | 70 |
| 80 | 1.55 | 1.56 | 1.58 | 1.59 | 1.61 | 1.62 | 1.64 | 1.66 | 1.68 | 1.69 | 80 |
| 90 | 1.71 | 1.73 | 1.74 | 1.76 | 1.78 | 1.80 | 1.82 | 1.84 | 1.86 | 1.88 | 90 |
|
|
|
|
|
|
|
|
|
|
|
|
|
| 100 | 1.90 | 1.92 | 1.94 | 1.96 | 1.98 | 2.00 | 2.02 | 2.05 | 2.07 | 2.09 | 100 |
| 110 | 2.11 | 2.14 | 2.16 | 2.18 | 2.21 | 2.23 | 2.27 | 2.31 | 2.35 | 2.39 | 110 |
| 120 | 2.43 | 2.47 | 2.51 | 2.55 | 2.60 | 2.64 | 2.68 | 2.72 | 2.77 | 2.81 | 120 |
| 130 | 2.85 | 2.90 | 2.94 | 2.99 | 3.03 | 3.08 | 3.12 | 3.17 | 3.22 | 3.26 | 130 |
| 140 | 3.31 | 3.36 | 3.41 | 3.45 | 3.50 | 3.55 | 3.60 | 3.65 | 3.70 | 3.75 | 140 |
|
|
|
|
|
|
|
|
|
|
|
|
|
| 150 | 3.80 | 3.85 | 3.90 | 3.95 | 4.00 | 4.06 | 4.11 | 4.16 | 4.22 | 4.27 | 150 |
| 160 | 4.32 | 4.38 | 4.43 | 4.49 | 4.54 | 4.60 | 4.65 | 4.71 | 4.77 | 4.82 | 160 |
| 170 | 4.88 | 4.94 | 5.00 | 5.05 | 5.11 | 5.17 | 5.23 | 5.29 | 5.35 | 5.41 | 170 |
| 180 | 5.47 | 5.53 | 5.59 | 5.66 | 5.72 | 5.78 | 5.84 | 5.91 | 5.97 | 6.03 | 180 |
| 190 | 6.10 | 6.16 | 6.23 | 6.29 | 6.36 | 6.42 | 6.49 | 6.55 | 6.62 | 6.69 | 190 |
|
|
|
|
|
|
|
|
|
|
|
|
|
| 200 | 6.75 | 6.82 | 6.89 | 6.96 | 7.03 | 7.10 | 7.17 | 7.24 | 7.31 | 7.38 | 200 |
| 210 | 7.45 | 7.52 | 7.59 | 7.66 | 7.73 | 7.81 | 7.88 | 7.95 | 8.03 | 8.10 | 210 |
| 220 | 8.17 | 8.25 | 8.32 | 8.40 | 8.47 | 8.55 | 8.63 | 8.70 | 8.78 | 8.86 | 220 |
| 230 | 8.93 | 9.01 | 9.09 | 9.17 | 9.25 | 9.33 | 9.41 | 9.49 | 9.57 | 9.65 | 230 |
| 240 | 9.73 | 9.81 | 9.89 | 9.97 | 10.05 | 10.14 | 10.22 | 10.30 | 10.39 | 10.47 | 240 |
|
|
|
|
|
|
|
|
|
|
|
|
|
| 250 | 10.55 |
|
|
|
|
|
|
|
|
|
|
Đối với sản phẩm thép có độ bền trung gian, xác định giá trị ω bằng nội suy tuyến tính.
Bảng 31: hệ số uốn dọc ω theo hệ số độ mảnh λ đối với thép 520 N/mm2
| λ | 0 | 1 | 2 | 3 | 4 | 5 | 6 | 7 | 8 | 9 | λ |
| 20 | 1.06 | 1.06 | 1.07 | 1.07 | 1.08 | 1.08 | 1.09 | 1.09 | 1.10 | 1.11 | 20 |
| 30 | 1.11 | 1.12 | 1.12 | 1.13 | 1.14 | 1.15 | 1.15 | 1.16 | 1.17 | 1.18 | 30 |
| 40 | 1.19 | 1.19 | 1.20 | 1.21 | 1.22 | 1.23 | 1.24 | 1.25 | 1.26 | 1.27 | 40 |
|
|
|
|
|
|
|
|
|
|
|
|
|
| 50 | 1.28 | 1.30 | 1.31 | 1.32 | 1.33 | 1.35 | 1.36 | 1.37 | 1.39 | 1.40 | 50 |
| 60 | 1.41 | 1.43 | 1.44 | 1.46 | 1.48 | 1.49 | 1.51 | 1.53 | 1.54 | 1.56 | 60 |
| 70 | 1.58 | 1.60 | 1.62 | 1.64 | 1.66 | 1.68 | 1.70 | 1.72 | 1.74 | 1.77 | 70 |
| 80 | 1.79 | 1.81 | 1.83 | 1.86 | 1.88 | 1.91 | 1.93 | 1.95 | 1.98 | 2.01 | 80 |
| 90 | 2.05 | 2.10 | 2.14 | 2.19 | 2.24 | 2.29 | 2.33 | 2.38 | 2.43 | 2.48 | 90 |
|
|
|
|
|
|
|
|
|
|
|
|
|
| 100 | 2.53 | 2.58 | 2.64 | 2.69 | 2.74 | 2.79 | 2.85 | 2.90 | 2.95 | 3.01 | 100 |
| 110 | 3.06 | 3.12 | 3.18 | 3.23 | 3.29 | 3.35 | 3.41 | 3.47 | 3.53 | 3.59 | 110 |
| 120 | 3.65 | 3.71 | 3.77 | 3.83 | 3.89 | 3.96 | 4.02 | 4.09 | 4.15 | 4.22 | 120 |
| 130 | 4.28 | 4.35 | 4.41 | 4.48 | 4.55 | 4.62 | 4.69 | 4.75 | 4.82 | 4.89 | 130 |
| 140 | 4.96 | 5.04 | 5.11 | 5.18 | 5.25 | 5.33 | 5.40 | 5.47 | 5.55 | 5.62 | 140 |
|
|
|
|
|
|
|
|
|
|
|
|
|
| 150 | 5.70 | 5.78 | 5.85 | 5.93 | 6.01 | 6.09 | 6.16 | 6.24 | 6.32 | 6.40 | 150 |
| 160 | 6.48 | 6.57 | 6.65 | 6.73 | 6.81 | 6.90 | 6.98 | 7.06 | 7.15 | 7.23 | 160 |
| 170 | 7.32 | 7.41 | 7.49 | 7.58 | 7.67 | 7.76 | 7.85 | 7.94 | 8.03 | 8.12 | 170 |
| 180 | 8.21 | 8.30 | 8.39 | 8.48 | 8.58 | 8.67 | 8.76 | 8.86 | 8.95 | 9.05 | 180 |
| 190 | 9.14 | 9.24 | 9.34 | 9.44 | 9.53 | 9.63 | 9.73 | 9.83 | 9.93 | 10.03 | 190 |
|
|
|
|
|
|
|
|
|
|
|
|
|
| 200 | 10.13 | 10.23 | 10.34 | 10.44 | 10.54 | 10.65 | 10.75 | 10.85 | 10.96 | 11.06 | 200 |
| 210 | 11.17 | 11.28 | 11.38 | 11.49 | 11.60 | 11.71 | 11.82 | 11.93 | 12.04 | 12.15 | 210 |
| 220 | 12.26 | 12.37 | 12.48 | 12.60 | 12.71 | 12.82 | 12.94 | 13.05 | 13.17 | 13.28 | 220 |
| 230 | 13.40 | 13.52 | 13.63 | 13.75 | 13.87 | 13.99 | 14.11 | 14.23 | 14.35 | 14.47 | 230 |
| 240 | 14.59 | 14.71 | 14.83 | 14.69 | 15.08 | 15.20 | 15.33 | 15.45 | 15.58 | 15.71 | 240 |
|
|
|
|
|
|
|
|
|
|
|
|
|
| 250 | 15.83 |
|
|
|
|
|
|
|
|
|
|
Đối với sản phẩm thép có độ bền trung gian, xác định giá trị ω bằng nội suy tuyến tính
Ghi chú: đọc giá trị λ như sau: hàng chục theo chiều ngang, hàng đơn vị đọc theo chiều dọc
Xét: λ =73 thì ω =1.45 (Bảng 30)
3.11 Khoảng cách giữa cabin và vách, giữa cabin và đối trọng
3.11.1 Quy định chung
Khoảng cách được nêu dưới đây trong Chương này phải được duy trì không chỉ trong quá trình kiểm tra và chạy thử, mà còn trong cả thời gian khai thác của thang máy.
3.11.2 Khoảng cách giữa cabin và vách
3.11.2.1 Khoảng cách theo chiều ngang giữa mặt trong giếng thang và ngưỡng cửa hoặc khung của cửa hoặc lối vào thang máy (hoặc mép cửa trong trường hợp cửa trượt) không được vượt quá 0,15 m.
Trường hợp đặc biệt, khoảng cách nêu trên có thể:
(1) Có thể mở rộng đến 0,2 m trên chiều cao không quá 0,5 m
(2) Có thể mở rộng đến 0,2 m trong suốt chiều dài di chuyển đối với thang máy chủ yếu vận chuyển hàng hóa, thường đi kèm với người (kể cả thang máy phi thương mại) thì cửa phải là cửa trượt theo chiều dọc.
(3) Không giới hạn trong các trường hợp được đề cập trong 3.4.4.3.3.
3.11.2.2 Khoảng cách ngang giữa ngưỡng cửa cabin và ngưỡng cửa tầng dừng không vượt quá 35 mm.
3.11.2.3 Khoảng cách ngang giữa cửa cabin và cửa tầng khi đóng hoặc khoảng cách khoảng cách lối đi giữa các cửa trong quá trình hoạt động bình thường của chúng phải không được vượt quá 0,12 m.
3.11.3 Khoảng cách giữa cabin và đối trọng
3.11.3.1 Cabin và các chi tiết liên kết phải có khoảng cách tối thiểu là 0,05m tính từ đối trọng (nếu có) và các chi tiết liên kết.
3.12 Máy dẫn động cho thang máy điện
3.12.1 Quy định chung
Thang máy phải có tối thiểu một máy dẫn động
3.12.2 Dẫn động cabin và đối trọng
3.12.2.1 Có hai phương pháp dẫn động:
(1) Bằng truyền động kéo/ma sát (sử dụng pu ly và dây cáp)
(2) Bằng truyền động không ma sát nếu tốc độ định mức không vượt quá 0,63 m/s, trường hợp:
(a) Sử dụng tang trống và dây cáp với đối trọng, hoặc
(b) Sử dụng bánh xích và dây xích. Tính toán các yếu tố truyền động phải tính đến tình trạng của đối trọng, nếu có, (hoặc cabin) khi đặt trên bộ đệm giảm chấn.
3.12.2.2 Có thể sử dụng bộ truyền đai đối với khớp nối động cơ hoặc động cơ với bộ phận đặt phanh cơ điện (3.12.4.1.2). Phải sử dụng tối thiểu hai dây đai.
3.12.3 Pu ly treo hoặc đĩa xích
Trong trường hợp sử dụng đĩa xích hoặc pu ly treo, các biện pháp phòng ngừa hiệu quả phải được thực hiện để tránh những điều sau đây:
(1) Dây cáp trượt khỏi rãnh cáp, hoặc dây xích rời khỏi đĩa xích.
(2) Các vật cản rơi vào giữa dây cáp và rãnh cáp (hoặc giữa dây xích và đĩa xích) trong trường hợp máy dẫn động không ở trên giếng.
3.12.4 Hệ thống phanh
3.12.4.1 Quy định chung
1 Thang máy phải lắp đặt hệ thống phanh hoạt động tự động:
(1) Trong trường hợp mất nguồn điện động lực
(2) Trong trường hợp mất nguồn điện cung cấp cho mạch điều khiển
2 Hệ thống phanh phải có phanh cơ điện (loại ma sát), nhưng có thể dùng loại phanh khác (phanh điện).
3.12.4.2 Phanh cơ điện
1 Phanh phải có khả năng dừng máy khi thang máy di chuyển với tốc độ định mức với tải trọng định mức cộng thêm 25%. Trong điều kiện này, gia tốc hãm của cabin không được phép vượt quá gia tốc từ hoạt động của bộ hãm an toàn hoặc bộ giảm chấn.
Tất cả các chi tiết cơ khí của phanh tham gia vào hệ tạo lực phanh ép lên bánh phanh hoặc đĩa phanh phải được lắp đặt hai bộ độc lập và có kích thước như nhau đề phòng một trong các chi tiết không hoạt động trên bánh phanh hoặc đĩa phanh, thì vẫn có một lực phanh tác động đủ để làm chậm cabin khi mang tải trọng cho phép.
2 Các chi tiết được phanh phải được liên kết cứng với pu ly dẫn cáp (tang hoặc bánh xích) bằng các chi tiết cơ khí.
3 Phanh phải được đóng bằng điện.
(1) Cắt dòng điện phải được thông qua tối thiểu hai thiết bị điện độc lập, các thiết bị đó có thể cũng đồng thời (hoặc không) làm nhiệm vụ cắt dòng điện cung cấp vào máy. Nếu khi thang máy dừng lại, một trong các bộ đóng ngắt không mở bộ đóng ngắt chính, thì thang máy không thể chuyển động tiếp, nếu không đổi chiều hành trình cabin.
(2) Khi động cơ của thang máy có chức năng như một máy phát thì nó phải không được cấp cho thiết bị điện vận hành phanh.
(3) Phanh phải đóng khi mạch điện hoạt động phanh bị ngắt. (việc sử dụng một đi-ốt hoặc tụ điện được đấu vào đầu cuộn dây điều khiển phanh không coi là biện pháp làm trễ quá trình đóng phanh).
(4) Bất kỳ máy dẫn động nào được trang bị thiết bị vận hành khẩn cấp bằng tay (3.12.5.1) thì phải có khả năng mở phanh bằng tay và giữ được phanh mở bằng một lực không đổi.
(5) Áp lực của má phanh phải được tạo bởi lò xo nén có dẫn hướng hoặc trọng lực.
(6) Việc phanh được thực hiện bằng cách tạo áp lực lên trống phanh bởi tối thiểu 2 má phanh có miếng đệm hoặc bộ phận kẹp.
(7) Phanh đai không được sử dụng.
(8) Má phanh phải là vật liệu không cháy.
3.12.5 Vận hành khẩn cấp
3.12.5.1 Nếu lực yêu cầu làm di chuyển cabin đi lên với tải định mức không được vượt quá 400 N, máy dẫn động phải được lắp đặt thiết bị khẩn cấp bằng tay cho phép cabin được di chuyển tới tầng dừng gần nhất, với sự hỗ trợ của một bánh làm trơn.
Việc lắp đặt tay quay không được cho phép.
1 Nếu bánh làm trơn có thể tháo rời, nó phải được đặt tại nơi dễ lấy nhất trong phòng máy, nó phải được đánh dấu thích hợp theo máy tránh nguy cơ nhầm lẫn.
2 Có thể kiểm tra dễ dàng từ phòng máy cho dù cabin có ở trong khu vực mở khóa hay không. Việc kiểm tra này có thể được thực hiện bằng cách đánh dấu lên trên dây cáp treo hoặc bộ khống chế.
3.12.5.2 Nếu lực đề cập trong 3.12.5.1 lớn hơn 400 N thì phải trang bị thiết bị khẩn cấp được lắp đặt trong phòng máy, phù hợp theo 3.15.2.1.4.
3.12.6 Tốc độ
Tốc độ của thang máy được đo trong trường hợp đi xuống với một nửa tải trọng và ở giữa hành trình, tất cả thời gian tăng tốc và giảm tốc được loại trừ, nguồn điện cung cấp đúng giá trị điện áp và tần số định mức, và không vượt quá tốc độ định mức lớn hơn 5% 1).
Ghi chú: 1) Trong điều kiện trên thang máy hoạt động tốt nhất, tốc độ không được nhỏ hơn (8%) so với tốc độ định mức.
3.12.7 Dừng máy và kiểm tra điều kiện dừng máy
Việc dừng máy bằng một thiết bị điện an toàn, phù hợp với 3.15.1.2 phải được điều khiển chi tiết như dưới đây:
3.12.7.1 Động cơ AC hoặc DC
Nguồn điện phải bị ngắt bởi hai bộ đóng ngắt độc lập, các bộ đóng ngắt phải được đấu nối tiếp trong mạch cung cấp. Nếu khi thang máy dừng, một trong các bộ đóng ngắt phải không mở được bộ đóng ngắt chính thì thang máy phải không chuyển động tiếp nếu không đổi chiều hành trình cabin.
3.12.7.2 Sử dụng hệ thống dẫn động “Ward-Leonard”
1 Việc kích hoạt máy phát được cung cấp bởi các yếu tố cơ bản:
Hai bộ đóng ngắt độc lập phải cắt điện theo một trong các phương án sau:
(1) Cắt mạch động cơ máy phát
(2) Cắt kích hoạt của máy phát
(3) Một cắt mạch và một cắt kích hoạt của máy phát.
Nếu thang máy dừng, một trong các tiếp điểm chính phải không mở được bộ đóng ngắt chính thì thang máy phải không chuyển động tiếp nếu không đổi chiều hành trình cabin.
Trong trường hợp (2) và (3) các biện pháp phòng ngừa để ngăn quay của động cơ trong trường hợp còn từ trường dư trong máy phát (do dòng điện tự cảm).
2 Kích hoạt máy phát bằng các phần tử tĩnh. Một trong các phương pháp sau phải được sử dụng:
(1) Phương pháp tương tự như được trình bày ở 3.12.7.2.1
(2) Một hệ thống bao gồm:
(a) Một bộ đóng ngắt ngắt sự kích hoạt máy phát hoặc mạch động cơ máy phát. Cuộn dây của bộ đóng ngắt phải được nhả ra trước mỗi lần thay đổi hướng chuyển động. Nếu bộ đóng ngắt không nhả thì các chuyển động khác của thang máy phải được ngăn chặn.
(b) Một thiết bị điều khiển cắt dòng năng lượng trong các phần tử tĩnh.
(c) Một thiết bị theo dõi kiểm tra việc cắt dòng năng lượng mỗi khi thang máy dừng.
Nếu trong một khoảng thời gian dừng thông thường, việc cắt bằng các phần tử tĩnh không hiệu quả thì một thiết bị theo dõi làm cho bộ đóng ngắt nhả và các chuyển động khác của thang máy phải được ngăn chặn.
Các biện pháp phòng ngừa hiệu quả phải được thực hiện để ngăn sự quay của động cơ trong trường hợp còn từ trường dư trong máy (do dòng điện tự cảm)
3.12.7.3 Động cơ điện xoay chiều hoặc một chiều được cung cấp và điều khiển bởi các phần tử tĩnh.
Một trong những phương pháp sau đây phải được sử dụng:
(1) Hai bộ đóng ngắt độc lập phải ngắt dòng điện đến động cơ. Nếu, trong khi thang máy dừng, một trong các bộ đóng ngắt không mở được bộ đóng ngắt chính, thì các chuyển động khác phải bị ngăn chặn nếu không đổi chiều hành trình cabin.
(2) Một hệ thống bao gồm:
(a) Một bộ đóng ngắt ngắt dòng điện tại tất cả các cực.
Cuộn dây của bộ đóng ngắt phải nhả trước khi có thay đổi chiều hoạt động. Nếu bộ đóng ngắt không nhả thì các chuyển động khác của thang máy phải được ngăn chặn.
(b) Một thiết bị điều khiển cắt dòng năng lượng trong các phần tử tĩnh.
(c) Một thiết bị theo dõi kiểm tra việc cắt dòng năng lượng mỗi khi thang máy dừng.
Nếu trong một khoảng thời gian dừng thông thường, việc cắt dòng năng lượng bằng các phần tử tĩnh không hiệu quả thì một thiết bị theo dõi làm cho bộ đóng ngắt nhả và các chuyển động khác của thang máy phải được ngăn chặn.
Các biện pháp phòng ngừa hiệu quả phải được thực hiện để ngăn sự quay của động cơ trong trường hợp còn từ trường dư trong máy (do dòng điện tự cảm).
3.12.8 Kiểm tra sự giảm tốc của máy trong trường hợp giảm chấn hành trình ngắn 3.10.4.3.2.
3.12.8.1 Các thiết bị phải được kiểm tra hiệu quả việc giảm tốc trước khi đến tầng dừng cuối cùng.
3.12.8.2 Nếu việc giảm tốc không có hiệu quả thì các thiết bị này phải làm giảm tốc độ cabin đến mức mà nếu cabin và đối trọng đặt xuống giảm chấn, thì tốc độ va chạm phải không vượt quá giá trị thiết kế của giảm chấn.
3.12.8.3 Nếu thiết bị kiểm tra việc giảm tốc phụ thuộc với hướng di chuyển, phải có một thiết bị kiểm tra chuyển động của xe có đi đúng hướng dự kiến không.
3.12.8.4 Nếu các thiết bị này hoặc một số thiết bị được đặt trong phòng máy:
(1) Chúng phải hoạt động qua một cơ cấu nối trực tiếp với cabin.
(2) Thông tin liên quan đến vị trí của cabin không phụ thuộc vào kiểu dẫn động cưỡng bức, bằng ma sát hoặc động cơ đồng bộ.
(3) Nếu kết nối bằng dây đai, dây cáp hoặc dây xích được sử dụng để truyền vị trí của cabin đến phòng máy thì việc đứt hoặc chùng trong thiết bị phải làm cho máy dừng lại thông qua một thiết bị điện phù hợp với 3.15.1.2.
3.12.8.5 Việc điều khiển và tính năng của các thiết bị phải được thiết kế sao cho cùng với hệ thống điều chỉnh tốc độ thông thường để tạo hệ thống điều khiển giảm tốc phải phù hợp với các yêu cầu của 3.15.1.2.
3.12.9 Bảo vệ các bộ phận quay của máy
Các bộ phận quay có thể tiếp cận và gây nguy hiểm phải được bảo vệ hiệu quả. Cụ thể:
(1) Then, vít trên trục
(2) Dây băng, dây cáp, dây đai
(3) Bánh răng, đĩa xích
(4) Trục động cơ lộ ra ngoài
(5) Bộ khống chế vượt tốc kiểu bi ly tâm
Các trường hợp ngoại lệ như pu ly dẫn cáp, vô lăng quay tay, trống phanh và các bộ phận tròn, trơn nhẵn tương tự. Các thiết bị đó phải được sơn toàn bộ màu vàng hoặc tối thiểu là một phần.
3.13 Máy dẫn động, xy lanh và các thiết bị thủy lực khác đối với thang máy thủy lực
3.13.1 Quy định chung
3.13.1.1 Mỗi thang máy phải có tối thiểu một máy dẫn động. Hai phương pháp dẫn động sau đây được cho phép:
(1) Tác động trực tiếp
(2) Tác động gián tiếp
3.13.1.2 Nếu có nhiều xy lanh được sử dụng thì chúng phải được kết nối thủy lực song song để tất cả cùng nâng với cùng mức áp lực.
3.13.1.3 Khối lượng đối trọng, nếu có, phải được tính toán sao cho trong trường hợp có hư hỏng của hệ thống treo (cabin-đối trọng) thì áp lực trong hệ thống thủy lực không được vượt quá 2 lần áp lực đầy tải.
Trong trường hợp của một số đối trọng, việc hư hỏng của một thiết bị treo duy nhất cũng phải được tính toán.
3.13.2 Xy lanh
3.13.2.1 Tính toán xy lanh và pít tông
1 Xi-lanh và pít tông phải được thiết kế chịu được áp lực tương đương 2,3 lần áp lực khi đầy tải.
Hệ số an toàn trong tính toán lấy bằng 1,7 so với ứng suất phá hủy (độ giãn dài không tỷ lệ) của vật liệu chế tạo.
Trong tính toán chiều dày phải cộng thêm giá trị 1,0 mm cho thành xy lanh và đáy xy lanh và 0,5 mm cho pít tông.
Việc tính toán phải được thực hiện theo 3.13.13.1.1 và 1.2.
2 Xy lanh dưới áp lực nén phải đáp ứng các yêu cầu sau:
(1) Xy lanh phải được thiết kế để chịu được lực tác động ở vị trí kéo dài ra hết khi áp lực bằng 1,4 lần áp lực đầy tải.
Hệ số an toàn bằng 2,5 là hệ số chống uốn phải được sử dụng
Việc tính toán phải được thực hiện theo 3.13.13.2.
(2) Đối với xy lanh đơn việc tính toán dẫn hướng của pít tông trong xy lanh và cố định xy lanh phải được xét đến:
Khi pít tông được kéo dài hết cỡ lên tới điểm nén của đệm giảm chấn, chiều dài ảnh hưởng uốn lk được xem xét như sau:
(a) Trong trường hợp xy lanh thủy lực không có dẫn hướng bên trong (chiều dài ổ đỡ <2 lần đường kính pít tông) hoặc trong trường hợp xy lanh cố định bằng khớp tự lựa:
Khoảng cách giữa tâm của cán pít tông dẫn hướng trong xy lanh (hoặc đường tâm của khớp nối xy lanh cố định) và đường tâm khớp nối pít tông với cabin, hoặc đường tâm pu ly với đầu pít tông (trường hợp Euler 2).
b) Trong trường hợp xy lanh thủy lực với xy-lanh cố định và dẫn hướng bên trong: gấp 0.7 lần khoảng cách giữa cán pít tông trong xy lanh và đường tâm khớp nối pít tông với cabin, hoặc đường tâm pu ly đầu pít tông (trường hợp Euler 3).
(3) Đối với xy lanh thủy lực kiểu ống lồng/nhiều đoạn phải tính đến hệ thống được sử dụng điều khiển các đoạn.
Các đoạn khi được kéo dài hết cỡ, lên tới điểm nén của đệm giảm chấn, chiều dài ảnh hưởng uốn l được xem xét như sau:
(a) Trong trường hợp dẫn hướng bên ngoài:
Khoảng cách giữa tâm cán/thanh dẫn hướng pít tông nhỏ nhất và đường tâm khớp nối của pít tông với cabin (trường hợp Euler 2). Việc tính toán các đoạn khác phải thực hiện tương tự.
(b) Trong trường hợp dẫn hướng bên ngoài, xy lanh lớn nhất có khớp nối:
Khoảng cách giữa đường tâm khớp nối của xy lanh lớn nhất và đường tâm khớp nối của pít tông với cabin (trường hợp Euler 2)
(c) Trong trường hợp dẫn hướng bên trong, xy lanh lớn nhất cố định:
Gấp 0.7 lần khoảng cách giữa thanh dẫn hướng pít tông trong xy lanh cố định và đường tâm khớp nối của xy lanh thủy lực liên kết với cabin (trường hợp Euler 3).
3 Xy lanh dưới áp lực kéo phải đáp ứng các yêu cầu sau:
Xy lanh phải được thiết kế để chịu được lực tác dụng khi áp lực bằng 1.4 lần áp lực khi đầy tải.
Hệ số an toàn bằng 2,5 là hệ số chống uốn phải được sử dụng.
3.13.2.2 Liên kết cabin/ pít tông (xy lanh)
1 Trong trường hợp thang máy tác động trực tiếp việc liên kết giữa cabin và pít tông (xy lanh) phải là liên kết tự lựa.
2 Việc liên kết giữa cabin và pít tông (xy lanh) phải được thiết kế để chống đỡ trọng lượng của pít tông (xy lanh) và các lực động bổ sung. Các thiết bị liên kết phải được chịu được các lực tác động.
3 Trong trường hợp một pít tông gồm nhiều phần, các liên kết giữa các phần phải được chế tạo để chịu được trọng lượng của thiết bị được treo và các lực động bổ sung.
4 Trong trường hợp thang máy tác động gián tiếp, đầu pít tông (xy lanh) phải được dẫn hướng. Yêu cầu này không áp dụng cho xy lanh thủy lực kéo với điều kiện là thiết bị kéo ngăn ngừa được các lực gây uốn trên pít tông.
5 Trong trường hợp thang máy tác động gián tiếp, không bộ phận nào của hệ thống dẫn hướng được nằm trong hình chiếu thẳng đứng của cabin.
3.13.2.3 Giới hạn hành trình pít tông
1 Thiết bị phải được trang bị để dừng pít tông với giảm chấn tại một vị trí để các yêu cầu của 3.4.7.1.1 được thỏa mãn.
2 Giới hạn này phải là:
(1) Một chốt chặn đàn hồi, hoặc
(2) Thực hiện bằng cách ngắt nguồn thủy lực tới xy lanh thủy lực bởi thiết bị cơ khí liên kết giữa xy lanh và van thủy lực, việc đứt hoặc kéo căng của một liên kết không làm hư hỏng cabin và không làm gia tốc của cabin vượt giá trị yêu cầu trong 3.13.2.3.3.2.
3 Chốt chặn đàn hồi
(1) Việc dừng này phải là:
(a) Một phần gắn liền của xy lanh thủy lực, hoặc
(b) Bao gồm một hoặc nhiều thiết bị bên ngoài xy lanh được đặt bên ngoài hình chiếu cabin, có hợp lực tác dụng lên chúng nằm lên đường tâm của xy lanh.
(2) Thiết kế của chốt chặn đàn hồi phải làm gia tốc hãm trung bình của cabin không vượt quá 1,0g và trong trường hợp thang máy tác động gián tiếp việc giảm tốc không dẫn đến chùng dây cáp hoặc xích.
4 Trong trường hợp 3.13.2.3.3.(1)(b) và 3.13.2.3.2(2) một chốt chặn đàn hồi phải được trang bị bên trong xy lanh thủy lực để ngăn chặn pít tông tách khỏi xy lanh.
3.13.2.4 Các biện pháp bảo vệ
1 Nếu xy lanh được mở kéo dài xuống nền thì chúng phải được lắp đặt trong một ống bảo vệ. Nếu nó mở rộng vào không gian khác nó phải được bảo vệ phù hợp.
2 Chất lỏng rò rỉ từ xy lanh phải được làm sạch
3 Xy lanh thủy lực phải được trang bị một thiết bị thông hơi bằng tay.
3.13.2.5 Xy lanh thủy lực kiểu ống lồng
Các yêu cầu sau đây được áp dụng bổ sung
1 Các chốt chặn đàn hồi phải được thiết kế giữa phần kế tiếp để ngăn chặn pít tông tách ra khỏi xy lanh tương ứng.
2 Trong trường hợp xy lanh thủy lực ở bên dưới cabin của một thang máy tác động trực tiếp, khoảng trống giữa thanh dẫn hướng liên tiếp và giữa các thanh dẫn hướng cao nhất và phần thấp nhất của cabin (các phần đề cập trong 3.4.7.2.2 (2)(b)) được loại bỏ, phải có tối thiểu 0,3 m khi cabin đặt trên bộ đệm được nén hoàn toàn.
3 Chiều dài giá đỡ mỗi phần của xy lanh ống lồng với dẫn hướng ở bên trong, phải tối thiểu bằng 2 lần đường kính pít tông tương ứng.
4 Xy lanh này phải được trang bị các chi tiết đồng bộ cơ khí hoặc thủy lực.
5 Nếu chúng có nhiều ngăn chứa chất lỏng, việc tính toán hệ thống thủy lực phải dựa trên áp lực tĩnh của ngăn chứa có áp lực cao nhất.
(1) Phải có tối thiểu hai dây cáp hoặc xích độc lập
(2) Áp dụng yêu cầu 3.8.4
(3) Hệ số an toàn phải tối thiểu là:
12 đối với dây cáp
10 đối với dây xích
Hệ số an toàn là tỉ số giữa tải trọng phá hủy nhỏ nhất (N) của một dây cáp (hoặc xích) và lực căng lớn nhất trong dây cáp (hoặc xích), khi cabin được dừng với tải định mức.
(4) Một thiết bị được trang bị để ngăn chặn tốc độ của cabin vượt quá tốc độ định mức chiều xuống (vd) + 0,3 m/s trong trường hợp thiết bị đồng bộ không hoạt động.
3.13.3 Đường ống
3.13.3.1 Quy định chung
1 Đường ống và các thiết bị chịu áp lực (liên kết, van...) như trong tất cả các thành phần của một hệ thống thủy lực thang máy phải:
(1) Phù hợp với loại chất lỏng được sử dụng
(2) Được thiết kế và lắp đặt theo cách như vậy để tránh bất kỳ ứng suất nào do cố định, xoắn hoặc rung.
(3) Được bảo vệ chống lại hư hỏng, đặc biệt là nguyên nhân cơ học.
2 Đường ống và các thiết bị phải được cố định phù hợp và dễ dàng tiếp cận để kiểm
tra. Nếu ống (cứng hoặc tự lựa) đi qua vách hoặc sàn thì chúng phải được bảo vệ bằng ống bảo vệ, kích thước cho phép tháo dỡ, nếu cần thiết để kiểm tra đường ống.
Không có khớp nối bên trong ống bảo vệ.
3.13.3.2 Ống cứng
1 Các đường ống cứng và các thiết bị (nối) giữa các xy lanh, van một chiều hoặc van điều khiển hướng đi xuống, phải được thiết kế chịu được áp lực bằng 2,3 lần áp lực đầy tải. Một hệ số an toàn 1,7 ứng với ứng suất thử của vật liệu phải được tính đến. Trong tính toán chiều dày, thêm giá trị 1,0 mm đối với mạch giữa xy lanh và van ngắt, nếu có, và 0,65 mm đối với các đường ống cứng khác phải.
Việc tính toán này phải được thực hiện theo 3.13.13.1.1.
2 Đối với việc đánh giá áp lực đầy tải trong trường hợp một xy lanh thủy lực ống lồng với các khoang chất lỏng khác nhau, các yêu cầu của 3.13.2.5.5 phải được tính đến.
3.13.3.3 Ống mềm
1 Ống mềm giữa xy lanh và van một chiều hoặc van điều khiển hướng đi xuống, phải lựa chọn hệ số an toàn tối thiểu là 8 giữa áp lực đầy tải và áp lực vỡ ống.
2 Ống mềm và khớp nối của nó giữa xy lanh và van một chiều hoặc van điều khiển hướng đi xuống phải:
(1) Chịu được áp lực gấp 5 lần áp lực đầy tải, việc kiểm tra này được thực hiện bởi nhà chế tạo ống.
(2) Tên của nhà chế tạo, nhãn hiệu, áp lực thử, ngày kiểm tra phải được đóng dấu và không thể xóa.
(3) Không được cố định ống với một đai có bán kính nhỏ hơn bán kính chỉ định của nhà chế tạo.
3.13.4 Dừng máy và kiểm soát dừng máy
Việc dừng máy do hoạt động của thiết bị điện an toàn phù hợp với 3.15.1.2 phải được kiểm soát chi tiết như sau:
3.13.4.1 Đối với chuyển động đi lên
(1) Nguồn cung cấp cho động cơ điện phải được ngắt bởi tối thiểu hai bộ đóng ngắt độc lập, các tiếp điểm chính trong đó phải nằm trong mạch cung cấp cho động cơ, hoặc
(2) Nguồn cung cấp cho động cơ điện phải được ngắt bởi một bộ đóng ngắt, và nguồn cung cấp cho van mạch rẽ phải được ngắt bởi tối thiểu hai thiết bị điện độc lập được kết nối theo chuỗi trong mạch cung cấp của van này.
3.13.4.2 Đối với chuyển động đi xuống
Việc cung cấp tới van (s) điều khiển đi xuống phải được ngắt:
(1) Bởi tối thiểu hai thiết bị điện độc lập được kết nối trong mạch, hoặc
(2) Trực tiếp bằng thiết bị điện an toàn được trang bị, nó được đánh giá phù hợp về điện.
3.13.4.3 Trong bất kỳ trường hợp nào ở trên là 3.13.4.1 và 3.13.4.2 trong đó hai bộ đóng ngắt độc lập hoặc thiết bị điện trong mạch điện, Nếu thang máy dừng, một trong các bộ đóng ngắt không mở được bộ đóng ngắt chính, thì các chuyển động khác phải bị ngăn chặn nếu không đổi chiều hành trình cabin.
3.13.5 Thiết bị an toàn và điều khiển thủy lực
3.13.5.1 Van chặn
1 Van chặn phải được lắp đặt. Nó phải được lắp đặt trong mạch từ xy lanh đến van một chiều và van điều khiển hướng đi xuống.
2 Van chặn phải được đặt trong phòng máy
3.13.5.2 Van một chiều
1 Van một chiều phải được lắp đặt. Nó phải được lắp đặt trong mạch từ bơm đến van khóa.
2 Van một chiều phải có khả năng giữ thang máy với tải định mức tại bất kỳ vị trí nào khi áp lực cung cấp giảm xuống dưới áp lực vận hành tối thiểu.
3 Việc đóng van một chiều được thực hiện bởi áp lực thủy lực từ xy lanh thủy lực và bởi tối thiểu một lò xo nén có dẫn hướng hoặc bằng trọng lực.
3.13.5.3 Van an toàn
1 Van an toàn phải được lắp đặt. Nó phải được kết nối với mạch giữa bơm và van một chiều. Dầu thủy lực phải được chảy lại két.
2 Van an toàn phải được điều chỉnh áp lực giới hạn tới 140% áp lực đầy tải.
3 Khi cần thiết do có tổn thất lớn ở bên trong (ma sát, tổn thất áp lực), thì van an toàn có thể được chỉnh đến giá trị lớn hơn nhưng không vượt quá 170% áp lực đầy tải. Trong trường hợp để tính toán thiết bị thủy lực (bao gồm cả xy lanh thủy lực) phải sử dụng một mức áp lực đầy tải quy ước bằng:
![]()
Trong tính toán uốn dọc, hệ số quá áp 1,4 phải được thay thế bằng một hệ số tương đương với áp lực điều chỉnh tăng lên của van an toàn.
3.13.5.4 Van điều khiển
1 Van điều khiển hướng đi xuống
Van điều khiển hướng đi xuống phải được mở bằng điện. Việc đóng van sẽ chịu ảnh hưởng bởi áp lực thủy lực từ xy lanh thủy lực hoặc tại tối thiểu một lò xo nén được dẫn hướng.
2 Van điều khiển hướng đi lên
Nếu việc dừng máy được thực hiện theo như 3.13.4.1.(2) chỉ sử dụng van mạch rẽ cho trường hợp này. Mỗi van phải được đóng bằng điện. Việc mở van phải chịu ảnh hưởng bởi áp lực thủy lực từ xy lanh thủy lực hoặc tại tối thiểu một lò xo nén có dẫn hướng.
3.13.5.5 Van hãm
(Xem 3.9.7 đối với trường hợp áp dụng)
1 Van hãm phải có khả năng dừng cabin đi chuyển xuống và giữ tại vị trí dừng, chậm nhất là khi tốc độ đạt đến giá trị tốc độ định mức cộng thêm 0,3 m/s. Gia tốc hãm trung bình không được vượt quá 1 gn.
2 Van hãm phải dễ dàng tiếp cận để điều chỉnh và kiểm tra.
3 Trong thang máy có nhiều xy lanh thủy lực hoạt động song song, van hãm thông thường có thể được sử dụng. Mặt khác van hãm phải được kết nối để đóng lại đồng thời, để tránh sàn cabin có chiều hướng lệch hơn 5% từ vị trí thông thường của nó.
3.13.5.6 Van tiết lưu
(Xem 3.9.7 trường hợp áp dụng)
Trong trường hợp có sự rò rỉ lớn trong hệ thống thủy lực, van tiết lưu phải giới hạn tốc độ của cabin với tải định mức tới một giá trị lớn nhất của tốc độ định mức chiều xuống cộng thêm 0,3 m/s.
3.13.5.7 Bộ lọc
Trong mạch giữa két dầu và bơm và trong mạch đến van điều hướng đi xuống, bộ lọc hoặc thiết bị tương tự phải được lắp đặt. Bộ lọc van điều hướng đi xuống và thiết bị tương tự phải dễ dàng tiếp cận để kiểm tra và bảo trì.
3.13.6 Kiểm tra áp lực
3.13.6.1 Mạch giữa van một chiều hoặc van điều hướng đi xuống và van đóng, phải được kết nối với:
(1) Một thiết bị đo áp lực mà thông thường phải được kết thúc bằng một đầu cắm ren, hoặc:
(2) Một thiết bị đo áp lực có van đóng.
3.13.6.2 Nếu thang máy không phù hợp với thiết bị thủy lực vận hành bằng tay được lắp đặt cố định, cho phép cabin chuyển động lên trên, một bơm tay phải được kết nối vào mạch giữa van một chiều hoặc van điều hướng đi xuống và van đóng.
Kết nối thông thường phải được kết thúc bởi một đầu cắm có ren. Kết nối này không được yêu cầu nếu có một kết nối với thiết bị đo áp lực được trang bị.
3.13.6.3 Việc kết nối cho thiết bị đo áp lực và/ hoặc bơm tay phải có ren trong là loại M20x1,5 hoặc G1/2.
3.13.7 Kiểm tra mức dầu thủy lực trong két chứa
Phải dễ dàng kiểm tra dầu thủy lực ở trong két, luôn ở mức yêu cầu.
3.13.8 Tốc độ
3.13.8.1 Tốc độ định mức phải không vượt quá 1 m/s, trừ khi các yêu cầu bổ sung được đáp ứng.
3.13.8.2 Tốc độ đi lên của cabin không tải được vượt quá 8% tốc độ đi xuống định mức, và tốc độ cabin với tải trọng định mức theo chiều xuống không vượt quá 8% tốc độ đi xuống định mức, trong vài trường hợp tại nhiệt độ thông thường của dầu thủy lực. Đối với hành trình đi lên, giả định rằng tần số định mức của nguồn điện và điện áp của động cơ bằng điện áp định mức của thiết bị điện.
3.13.9 Hoạt động khẩn cấp
3.13.9.1 Cabin di chuyển đi xuống
1 Thang máy phải được trang bị một van được vận hành bằng tay được đặt trong phòng máy, cho phép ngay cả trong trường hợp mất điện, cabin được hạ xuống mức thấp nhất nơi mà hành khách có thể rời khỏi cabin.
2 Tốc độ cabin không được vượt quá 0,3 m/s.
3 Hoạt động của van này phải yêu cầu một lực tác động không đổi.
4 Van phải được bảo vệ chống lại những tác động không mong muốn.
5 Trong trường hợp thang máy tác động gián tiếp vị trí dây cáp hoặc dây xích bị chùng có thể xảy ra, hoạt động của van không bị ảnh hưởng khi áp lực nhỏ hơn áp lực tối thiểu để hoạt động.
3.13.9.2 Cabin di chuyển đi lên
1 Thiết bị thủy lực được vận hành bằng tay (bơm tay) cho phép di chuyển cabin lên trên phải được lắp đặt cố định.
2 Thiết bị này phải được kết nối tới mạch giữa van một chiều hoặc van điều khiển đi xuống và van chặn.
3 Thiết bị này phải được trang bị với một van an toàn giới hạn áp lực tới 2,3 lần áp lực đầy tải.
3.13.9.3 Kiểm tra vị trí cabin
Nếu thang máy phục vụ hơn hai tầng/m ức, nó có thể kiểm tra từ phòng máy mặc dù cabin ở khu vực không khóa bằng một thiết bị độc lập với nguồn điện.
3.13.10 Bảo vệ pu ly trên xy lanh thủy lực
Các quy định cần thiết phải thực hiện để tránh:
(1) Chấn thương cơ thể
(2) Dây cáp treo (hoặc dây xích), nếu chùng, rời khỏi rãnh cáp (hoặc pu ly)
(3) Các vật thể rơi vào giữa dây cáp (hoặc dây xích) và rãnh cáp (hoặc pu ly). Các thiết bị được sử dụng phải được lắp đặt sao cho không ảnh hưởng đến việc kiểm tra và bảo trì pu ly.
3.13.11 Bảo vệ các bộ phận quay của máy
Việc bảo vệ hiệu quả phải được trang bị đến các bộ phận quay có thể tiếp cận và gây nguy hiểm, cụ thể:
(1) Then, vít trên trục
(2) Dây băng, dây cáp, dây đai
(3) Bánh răng, đĩa xích
(4) Trục động cơ lộ ra ngoài
(5) Bộ khống chế vượt tốc ly tâm.
3.13.12 Các biện pháp ngăn ngừa sự quá nhiệt trong dầu thủy lực
Phải trang bị: một thiết bị giới hạn thời gian chạy động cơ (3.13.12.1) hoặc một thiết bị cảm biến nhiệt độ (3.13.12.2).
3.13.12.1 Thiết bị giới hạn thời gian chạy động cơ
1 Thiết bị này phải dừng máy và giữ nó dừng lại khi động cơ chạy lâu hơn thời gian được yêu cầu cho toàn bộ hành trình đi lên với tải định mức, cộng thêm tối đa 60s.
2 Việc khôi phục hoạt động chỉ có thể được thực hiện bằng tay. Tuy nhiên trong trường hợp khôi phục nguồn cấp điện sau khi bị ngắt, nó không được yêu cầu để giữ máy được dừng.
3 Thiết bị này phải không làm ảnh hưởng đến quá trình kiểm tra.
3.13.12.2 Thiết bị cảm biến nhiệt độ điện
1 Thiết bị này phải dừng máy và giữ nó được dừng trong khi nhiệt độ của dầu thủy lực trong két vượt quá giá trị đặt trước.
2 Việc khôi phục làm việc chỉ có thể được thực hiện bằng tay. Tuy nhiên trong trường hợp khôi phục nguồn cấp điện sau khi bị ngắt, nó không được yêu cầu để giữ máy được dừng.
3.13.13 Ghi chú
3.13.13.1 Tính toán chống quá áp lực
1 Tính toán độ dày thành pít tông, xy lanh, ống cứng và các phụ kiện

eo: 1,0 mm đối với thành và đế của xy lanh và các đường ống cứng ở giữa xy lanh và van hãm, nếu có.
0.5 mm đối với pít tông và đường ống cứng khác.
2,3 : hệ số tổn thất ma sát (1,15) và giá trị đỉnh áp lực (2).
1,7 : hệ số an toàn đối với ứng suất thử.
2 Tính toán độ dày đế của xy lanh
(1) Đáy bằng với rãnh giảm tải

Kích thước mm
(2) Đáy có độ cong

Kích thước mm
(3) Đáy bằng có gờ hàn

Kích thước mm
eo: độ dày thành bổ sung (mm)
p: áp lực đầy tải (Mpa=N/mm2)
Rp0.2: ứng suất phá hủy (độ giãn dài không tỷ lệ) (N/mm)
3.13.13.2 Tính toán pít tông chống uốn dọc
1 Xy lanh thủy lực với xy lanh được cố định cứng không có dẫn hướng bên trong (như hình) hoặc xy lanh thủy lực với xy lanh được cố định tự lựa.
Hai trường hợp:

Đối với λn ≥ 110:

Đối với λn < 110:

* giá trị dành cho pít tông kéo dài trong chiều đi lên
2 Xy lanh với xy lanh cố định cứng có dẫn hướng bên trong
Trường hợp xy lanh thủy lực đơn:

Đối với λn ≥ 110:

Đối với λn < 110:

* giá trị dành cho pít tông kéo dài trong chiều đi lên
Trường hợp xy lanh thủy lực dạng ống lồng:
Xy lanh kiểu ống lồng


Đối với λt ≥ 110:

Đối với λt < 110:
Tính toán tiết diện với mặt cắt ngang nhỏ nhất của kim loại.

* giá trị dành cho pít tông kéo dài trong chiều đi lên
An: diện tích mặt cắt ngang kim loại của phần/đoạn được phân tích (mm2) (n=0,1,2,3)
cm: hệ số luồn cáp (bội suất pa lăng)
dm: đường kính ngoài của pít tông lớn nhất (mm)
dm': đường kính trong của pít tông lớn nhất (mm)
E: modul đàn hồi (N/mm2) (đối với thép E=2.1x105 N/mm2)
F5: lực uốn tác dụng (N)
gn: gia tốc trọng trường rơi tự do (m/s2)
in: bán kính quán tính tương đương của pít tông (mm) (n=1,2,3)
i: bán kính quán tính tương đương của xy lanh dạng ống lồng
Jyy’: moment quán tính của tiết diện pít tông (mm2) (n=1,2,3)
lk: chiều dài uốn
P: tổng khối lượng của cabin trống và khối lượng của phần cáp chạy được treo từ cabin (kg)
Pr: khối lượng pít tông được phân tích
Pr’: khối lượng pít tông hoạt động bên trên pít tông phân tích (trong trường hợp xy lanh thủy lực kiểu ống lồng)
Prh: khối lượng thiết bị đầu pít tông, nếu có (kg)
Q: tải định mức (khối lượng) (kg)
Rm: giới hạn độ bền kéo của vật liệu (N/mm2)
λn : lk/in : hệ số mảnh của mặt cắt được phân tích
λt : lk/i : hệ số mảnh tương đương
1.4: hệ số quá áp
2,5: hệ số an toàn chống uốn
3.14 Thiết bị điện và lắp đặt
3.14.1 Quy định chung
3.14.1.1 Phạm vi áp dụng
1 Các quy định trong phần này liên quan đến việc lắp đặt và các bộ phận cấu tạo của thiết bị điện thích hợp:
(1) Công tắc chính của mạch điện cung cấp và mạch phụ thuộc
(2) Công tắc cho mạch đèn cabin và mạch phụ thuộc
Thang máy được xem như một khối thống nhất, như một máy với các bộ phận cấu tạo của nó.
2 Quy định kỹ thuật có liên quan đến mạch cấp điện phải áp dụng như đầu/cực vào của công tắc đề cập trong 3.14.1.1.1. Phải áp dụng cho toàn bộ mạch chiếu sáng trong phòng máy, phòng pu ly, giếng và đáy giếng.
3 Các yêu cầu của phần này đối với mạch điện phụ thuộc trong các công tắc được đề cập trong 3.14.1.1.1, phải xét đến các yêu cầu đặc biệt của thang máy, Quy chuẩn hiện hành:
- Tiêu chuẩn quốc tế: IEC
- Tiêu chuẩn Châu Âu: CENELEC
Trong mọi trường hợp một trong những tiêu chuẩn này được sử dụng, các tài liệu tham khảo của nó được đưa ra, cũng như trong giới hạn tiêu chuẩn nào mà nó được sử dụng.
Khi không có thông tin chính xác được đưa ra, thiết bị điện được sử dụng phải phù hợp với các quy định liên quan đến an toàn điện được chấp nhận, như Quy chuẩn đóng tàu biển vỏ thép, giàn khoan di động, giàn khoan cố định - thiết bị điện.
3.14.1.2 Trong phòng máy và phòng pu ly, việc bảo vệ chống lại các tác động trực tiếp bằng các thiết bị trong các trường hợp trang bị phạm vi bảo vệ, tối thiểu là IP2X là cần thiết.
3.14.1.3 Việc cách điện giữa các dây điện, dây điện và mặt sàn phải không lớn hơn 1000 Ohm/V với giá trị tối thiểu:
a) 500.000 Ohm đối với mạch động lực và mạch thiết bị an toàn điện.
b) 250.000 Ohm đối với mạch khác (điều khiển, chiếu sáng, tín hiệu...).
3.14.1.4 Giá trị trung bình dòng điện một chiều hoặc giá trị r.m.s. trong dòng điện xoay chiều của điện áp giữa các dây dẫn hoặc dây dẫn và tiếp mát, không vượt quá 250V đối với mạch điều khiển và mạch an toàn.
3.14.1.5 Dây dẫn trung hòa và dây nối tiếp mát phải luôn tách rời.
3.14.2 Bộ đóng ngắt chính, bộ đóng ngắt rơ le, các thành phần của mạch an toàn
3.14.2.1 Bộ đóng ngắt chính, bộ đóng ngắt rơ le
1 Bộ đóng ngắt chính (cần thiết dùng để dừng máy như điều 3.12.7 và 3.13.4) phải phù hợp với những yêu cầu sử dụng liên quan theo mục 4.3.6 và bảng I của IEC 158-1.
Ngoài ra, bộ đóng ngắt này phải phù hợp với các yêu cầu cấp 3 của mục 4.3.4.3.1 của IEC 158-1.
2 Nếu dòng điện được truyền đi, rơ le bộ đóng ngắt chỉ được sử dụng để vận hành bộ đóng ngắt chính, bộ đóng ngắt rơ le này phải phù hợp với loại được nêu trong IEC 337-1.
(1) AC-11 để điều khiển nam châm điện A.C
(2) DC-11 để điều khiển nam châm điện D.C
3 Cả bộ đóng ngắt chính được đề cập trong 3.14.2.1.1 và bộ đóng ngắt rơ le được đề cập trong 3.14.2.1.2 có thể được cho là phù hợp với phạm vi của 3.15.1.1.1:
(1) Nếu một trong các công tắc thường đóng (được đóng thông thường) được đóng, thì tất cả các công tắc thường mở được mở ra.
(2) Nếu một trong các công tắc thường mở (được mở thông thường) được đóng, thì tất cả các công tắc thường đóng được mở ra.
3.14.2.2 Các thành phần của mạch điện an toàn
1 Khi các thiết bị theo 3.14.2.1.2 được sử dụng, như rơ le trong mạch an toàn, các giả thiết của 3.14.2.1.3 phải được áp dụng.
2 Nếu rơ le được sử dụng để mở hoặc đóng công tắc thì không bao giờ được đóng đồng thời tại bất kỳ vị trí nào của phần ứng, khả năng hút của bộ phận của phần ứng (3.15.1.1.1 (5) có thể được bỏ qua).
3 Các thiết bị (nếu có) sau khi thiết bị điện an toàn phải đáp ứng các yêu cầu của 3.15.1.2.2.(2) liên quan đến khoảng cách trượt và khoảng cách thông khí (không phải khoảng cách tách biệt). Yêu cầu này không áp dụng cho thiết bị được đề cập trong 3.14.2.1.1, 3.14.2.1.2, 3.14.2.2.1 và thiết bị được yêu cầu phải đáp ứng các yêu cầu của IEC 158-1 và 337-1.
3.14.3 Bảo vệ động cơ
3.14.3.1 Động cơ được kết nối trực tiếp tới mạng điện chính phải được bảo vệ chống ngắn mạch.
3.14.3.2 Động cơ được kết nối trực tiếp tới mạng điện chính phải được bảo vệ quá tải bởi thiết bị đặt lại bằng tay (ngoại trừ được quy định trong 3.14.3.3) mạch đóng tự động phải ngắt điện cung cấp đến động cơ tại tất cả các dây dẫn trực tiếp.
3.14.3.3 Khi phát hiện tình trạng quá tải trên cơ sở tăng nhiệt độ bên trong cuộn dây của động cơ, thiết bị ngắt mạch có thể đóng tự động sau khi đã được làm nguội.
3.14.3.4 Các quy định áp của 3.14.3.2 và 3.14.3.3 áp dụng cho mỗi cuộn dây nếu động cơ có cuộn dây được cung cấp bởi các mạch khác nhau.
3.14.3.5 Khi động cơ nâng được cấp nguồn bởi máy phát điện một chiều được điều khiển bằng động cơ, thì động cơ thang máy phải được bảo vệ chống quá tải.
3.14.4 Công tắc chuyển mạch chính
3.14.4.1 Đối với mỗi thang máy, phòng máy phải có một công tắc chuyển mạch chính có khả năng ngắt nguồn cung cấp cho thang máy trên tất cả các dây dẫn trực tiếp, công tắc này có khả năng ngắt dòng cực đại trong điều kiện sử dụng thang máy thông thường.
Công tắc này phải không ngắt mạch cung cấp cho:
(1) Đèn chiếu sáng cabin hoặc hệ thống thông gió, nếu có
(2) Ổ cắm điện trên sàn cabin
(3) Đèn chiếu sáng của phòng máy và phòng pu ly
(4) Ổ cắm điện trong phòng máy
(5) Đèn chiếu sáng giếng thang máy
(6) Thiết bị báo động
3.14.4.2 Công tắc chuyển mạch chính đề cập trong 3.14.4.1 phải có vị trí đóng và mở chắc chắn. Cơ cấu điều khiển cho công tắc chuyển mạch chính phải dễ dàng và nhanh chóng tiếp cận từ lối vào của buồng máy. Nếu buồng máy chung cho nhiều thang máy, thì cơ cấu điều khiển công tắc chuyển mạch cho từng thang máy phải được xác định rõ ràng.
Ghi chú: nếu buồng máy có nhiều điểm tiếp cận, hoặc nếu cùng một thang máy có một số phòng máy với các điểm tiếp cận riêng, một công tắc ngắt mạch có thể được sử dụng, việc ngắt mạch phải được thực hiện bởi một thiết bị điện an toàn, phù hợp với 3.15.1.2, được lắp vào trong mạch cấp nguồn tới cuộn dây của công tắc ngắt mạch. Việc đóng lại công tắc ngắt mạch phải không thực hiện trừ khi loại trừ được nguyên nhân gây ngắt. Công tắc ngắt mạch phải được sử dụng kết hợp với công tắc được điều khiển bằng tay.
3.14.4.3 Trong trường hợp một nhóm thang máy, nếu, sau khi mở công tắc chính cho một thang máy, các bộ phận của mạch vận hành vẫn hoạt động, các mạch này phải có khả năng được tách riêng biệt trong phòng máy, nếu cần thiết, bằng cách ngắt nguồn cấp điện cho tất cả các thang máy trong nhóm.
3.14.4.4 Bất kỳ tụ điện nào để hiệu chỉnh hệ số công suất phải được kết nối trước công tắc chính của mạch điện.
Ghi chú: nếu điện áp cảm ứng có thể xảy ra (khi động cơ được kết nối bởi dây cáp rất dài) thì công tắc mạch điện cũng phải ngắt kết nối tới tụ điện.
3.14.5 Dây điện
3.14.5.1 Trong phòng máy, phòng pu ly và giếng thang máy, dây dẫn và dây cáp (ngoại trừ cáp động) phải phù hợp với các tiêu chuẩn liên quan đối với cáp tàu trong IEC Publ. series 92.
3.14.5.2 Diện tích mặt cắt ngang của dây dẫn
Dây cáp điện an toàn, cho mạch cửa tối thiểu phải phù hợp với các tiêu chuẩn của IEC Publ. 92-376.
3.14.5.3 Các phương pháp lắp đặt
1 Việc lắp đặt điện phải cung cấp các chỉ dẫn cần thiết và dễ hiểu.
2 Các kết nối, thiết bị kế đầu nối và đầu nối, ngoại trừ các thiết bị được đề cập trong 3.14.1.2, phải được đặt trong tủ, hộp hoặc trên bảng điện được trang bị cho mục đích này.
3 Nếu sau khi mở công tắc chính hoặc công tắc cabin, một vài thiết bị kết đầu nối vẫn hoạt động, chúng phải được tách biệt với thiết bị đầu cuối không hoạt động, và nếu điện áp vượt quá 50V chúng phải được đóng dấu phù hợp.
4 Các thiết bị đầu nối có kết nối ngẫu nhiên có thể dẫn đến sự cố nguy hiểm của thang máy, phải được tách biệt rõ ràng trừ khi phương pháp chế tạo làm giảm nguy cơ này.
5 Để đảm bảo tính liên tục của bảo vệ cơ học, lớp vỏ của dây dẫn và dây cáp phải bảo vệ hoàn toàn, tới vỏ bọc công tắc và thiết bị hoặc giới trong một miếng đệm được chế tạo phù hợp.
Ghi chú: khung cửa ra vào và cửa cabin được coi như là vỏ bọc của thiết bị. Tuy nhiên, nếu có nguy cơ gây hư hỏng cơ học do chuyển động của các bộ phận hoặc các mép cạnh của khung cửa, các dây dẫn được nối với thiết bị điện an toàn phải được bảo vệ bằng máy móc.
6 Nếu cùng một đường ống hoặc cáp chứa dây dẫn của mạch có điện áp khác nhau, tất cả các dây dẫn hoặc dây cáp phải được cách điện theo quy định đối với dây điện cao áp.
3.14.5.4 Các đầu nối
Các đầu nối và thiết bị thuộc kiểu phích cắm được đặt trong mạch an toàn, phải được thiết kế và bố trí sao cho nếu việc rút ra không cần sử dụng một công cụ nào, khi cắm lại không thể sai lệch vị trí.
3.14.6 Chiếu sáng và ổ cắm điện
3.14.6.1 Thiết bị điện chiếu sáng cung cấp tới cabin, giếng thang và phòng máy, phải độc lập với nguồn cấp cho máy, hoặc thông qua một mạch khác, hoặc kết nối với mạch động lực nhưng ở phía trên bộ ngắt mạch chính đề cập trong 3.14.4.
3.14.6.2 Nguồn cấp cho ổ cắm điện được yêu cầu trên sàn cabin, trong phòng máy và phòng pu ly, trong hố giếng, phải lấy từ mạch được đề cập trong 3.14.6.1.
Ổ cắm điện này là:
- Thuộc kiểu 2 P+T, 250V, được cấp nguồn trực tiếp, hoặc
- Được cấp nguồn bởi điện áp cực thấp theo IEC 364.4.41.
Ghi chú: việc sử dụng ổ cắm như trên không có nghĩa là cáp cấp nguồn có diện tích mặt cắt ngang tương ứng với dòng định mức của ổ cắm. Diện tích mặt cắt ngang của dây dẫn có thể nhỏ hơn, với điều kiện dây dẫn được bảo vệ chống lại dòng điện quá mức.
3.14.6.3 Việc cách điện của mạch chiếu sáng và mạch cấp nguồn cho ổ cắm điện
1 Một công tắc phải điều khiển việc cấp nguồn cho mạch điện của cabin. (Nếu phòng máy có chứa nhiều động cơ thang máy, nó cần thiết phải có một công tắc cho mỗi cabin. Công tắc này phải được đặt gần với công tắc nguồn chính tương ứng.
2 Một công tắc phải điều khiển việc cấp nguồn cho mạch điện phòng máy, giếng thang và hố. Công tắc này phải được đặt bên cạnh và gần lối ra vào phòng máy.
3 Mỗi mạch điện được điều khiển bởi công tắc đề cập trong 3.14.6.3.1 và 3.14.6.3.2 phải được bảo vệ riêng.
3.15 Bảo vệ chống hư hỏng - Điều khiển - Ưu tiên
3.15.1 Bảo vệ chống hư hỏng
3.15.1.1 Quy định chung
Bất kỳ hư hỏng nào được đề cập tại 3.15.1.1.1 trong thiết bị điện của thang máy phải không được gây ra nguy hiểm cho thang máy.
1 Các hư hỏng:
(1) Sự mất điện
(2) Sự sụt điện áp
(3) Dây dẫn đứt
(4) Lỗi cách điện liên qua đến kim loại hoặc nối mát
(5) Ngắn mạch hoặc hở mạch trong bộ phận điện như điện trở, tụ điện, chuyển tiếp, đèn báo.
(6) Sự không hút hoặc hút không hoàn toàn của phần ứng di động của bộ đóng ngắt chính và rơ le.
(7) Một tiếp điểm không mở được
(8) Một tiếp điểm không đóng được
(9) Sự đảo pha
2 Việc không mở công tắc không cần xem xét trong trường hợp công tắc an toàn phù hợp với yêu cầu của 3.15.1.2.2.
3 Việc nối mát tới kim loại hoặc mặt sàn của một mạch điện trong đó có một thiết bị điện an toàn phải:
(1) Là nguyên nhân dừng máy ngay lập tức, hoặc
(2) Ngăn chặn máy hoạt động trở lại sau khi dừng thông thường lần đầu tiên.
Việc làm việc trở lại phải không thể thực hiện, trừ khi bởi một người có thẩm quyền.
3.15.1.2 Thiết bị điện an toàn
1 Quy định chung
(1) Trong suốt quá trình hoạt động của một trong các thiết bị điện an toàn được liệt kê trong Phụ lục A - Rules for certification of lifts in ships, mobile offshore units and offshore installations 2008, mọi chuyển động của cabin phải được ngăn chặn hoặc nó phải là nguyên nhân dừng máy ngay lập tức như đề cập trong 3.15.1.2.4. Các thiết bị điện an toàn phải phù hợp với:
(a) Một hoặc nhiều công tắc an toàn thỏa mãn 3.15.1.2.2 ngắt trực tiếp nguồn cấp tới bộ đóng ngắt được đề cập trong 3.12.7 và 3.13.4 hoặc rơ le bộ đóng ngắt của chúng.
(b) Hoặc mạch an toàn thoả mãn 3.15.1.2.3 phù hợp với:
- Một hoặc nhiều công tắc an toàn thỏa mãn 3.15.1.2 không ngắt trực tiếp nguồn cấp tới bộ đóng ngắt được đề cập trong 3.12.7 và 3.13.4 hoặc rơ le bộ đóng ngắt của chúng.
- Công tắc không phù hợp các yêu cầu của 3.15.1.2.2.
(2) Ngoài các trường hợp ngoại lệ được phép trong Quy chuẩn này, không có thiết bị điện nào được kết nối song song với thiết bị điện an toàn.
(3) Ảnh hưởng của sự cảm ứng và điện dung/công suất bên trong hoặc bên ngoài phải không gây ra hư hỏng cho các thiết bị điện an toàn.
(4) Một tín hiệu đầu ra phát ra từ một thiết bị điện an toàn không được thay đổi bởi một tín hiệu không liên quan phát ra từ một thiết bị điện khác được đặt xa hơn trong cùng một mạch, điều này sẽ gây nguy hiểm.
(5) Trong mạch an toàn bao gồm hai hoặc nhiều kênh/đường điện song song, tất cả các thông tin khác được yêu cầu kiểm tra tính tương đương, phải lấy từ một kênh duy nhất.
(6) Mạch ghi hoặc trễ phải không thực hiện ngay cả trong trường hợp có lỗi, việc ngăn chặn và dừng máy được thực hiện bằng chức năng của thiết bị điện an toàn.
(7) Cấu tạo và bố trí thiết bị cấp điện nội bộ phải ngăn chặn việc phát tín hiệu đầu ra không chính xác của thiết bị điện an toàn do tác động của đóng ngắt điện.
Đặc biệt, đỉnh điện áp phát sinh từ những hoạt động bình thường của thang máy hoặc các thiết bị khác trong mạng lưới, phải không tạo ra các nhiễu loạn không chấp nhận được trong các linh kiện điện tử (khả năng chống nhiễu).
(8) Phụ lục A - Rules for certification of lifts in ships, mobile offshore units and offshore installations 2008, chỉ rõ kiểu thiết bị điện an toàn có thể được sử dụng trong mỗi trường hợp.
2 Công tắc an toàn
(1) Hoạt động của công tắc an toàn phải độc lập với thiết bị ngắt mạch kể cả khi tiếp điểm bị dính.
Việc mở điện cực được thực hiện khi tất cả các chi tiết của công tắc ngắt được đưa đến vị trí mở và khi một phần quan trọng của hành trình di chuyển/việc di chuyển này không có chi tiết đàn hồi (lò xo) giữa các tiếp điểm chuyển động và chi tiết dẫn động tới điều khiển lực tác dụng.
Việc thiết kế phải giảm thiểu nguy cơ ngắn mạch do hư hỏng chi tiết.
(2) Công tắc an toàn phải được trang bị một điện áp cách điện định mức là 250V nếu cấp bảo vệ tối thiểu là IP4X, hoặc 500V nếu cấp bảo vệ nhỏ hơn IP4X. (Đối với định nghĩa IP xem IEC 529)
Các công tắc an toàn phải thuộc phạm vi đề cập trong IEC 337.1:
(a) AC 11 đối với mạch xoay chiều
(b) DC 11 đối với mạch một chiều
(3) Nếu cấp bảo vệ không thuộc kiểu nhỏ hơn IP4X, lỗ thông khí và khoảng cách rò phải tối thiểu là 6 mm và khoảng cách các tiếp điểm ngắt tối thiểu là 4 mm sau khi tách ra.
Các phần hoạt động của công tắc an toàn phải được xem xét bảo vệ kèm theo.
(4) Trong trường hợp ngắt nhiều lần, khoảng cách sau khi ngắt giữa các tiếp điểm tối thiểu là 2 mm.
(5) Vật liệu dẫn điện bị mài mòn không được làm dây dẫn chính dẫn đến ngắn mạch các tiếp điểm của công tắc.
3 Mạch an toàn
(1) Mạch an toàn phải phù hợp với các yêu cầu của 3.15.1.1 liên quan tới sự xuất hiện các hư hỏng.
(2) Ngoài ra:
(a) Nếu một lỗi kết hợp với lỗi thứ hai có thể dẫn tới tình trạng nguy hiểm, thang máy phải được dừng lại, chậm nhất là khi chuyển sang một thao tác kế tiếp mà trong đó hỏng hóc thứ nhất có thể tham gia. Tất cả các hoạt động tiếp theo của thang máy không thể thực hiện miễn là các lỗi còn xuất hiện.
Khả năng lỗi thứ hai xuất hiện sau lỗi đầu tiên, và trước khi thang máy được dừng lại theo trình tự được đề cập, nó cần xem xét.
(b) Nếu tình trạng nguy hiểm có thể chỉ xuất hiện thông qua việc kết hợp một vài lỗi, thì việc dừng và giữ tại vị trí dừng phải thực hiện chậm nhất trước khi có thể xuất hiện các lỗi nào đó, trong việc kết hợp với các lỗi đã tồn tại có thể dẫn đến tình trạng nguy hiểm.
(c) Trong trường hợp khôi phục lại nguồn cấp điện sau khi bị ngắt, việc giữ thang máy tại vị trí dừng là không cần thiết, với điều kiện trong quá trình tiếp theo không xuất hiện lại các trường hợp bao gồm bởi điều 3.15.1.2.3.(2) (a) và (b).
(d) Trong trường hợp có mạch trùng lặp dự phòng, phải có biện pháp hạn chế lớn nhất khả năng những hư hỏng đồng thời xảy ra ở các mạch do cùng một nguyên nhân
4 Hoạt động của thiết bị điện an toàn
Khi hoạt động để đảm bảo an toàn thì một thiết bị điện phải ngăn chặn chuyển động của máy hoặc dừng ngay lập tức. Nguồn điện cung cấp đến phanh cũng bị ngắt.
Thiết bị điện an toàn phải hoạt động trực tiếp trên thiết bị điều khiển nguồn điện cấp tới máy theo như yêu cầu trong 3.12.7.
Nếu, do nguồn điện được truyền phát, bộ đóng ngắt rơ le được sử dụng để điều khiển máy, nó phải được xem xét như một thiết bị điều khiển trực tiếp nguồn điện cấp tới máy để khởi động hoặc dừng lại.
5 Điều khiển thiết bị điện an toàn
Trong trường hợp sử dụng mạch an toàn dự phòng, phải đảm bảo việc bố trí cơ khí của các thiết bị phát tín hiệu sao cho khi có lỗi cơ khí không gây mất tác dụng dự phòng.
Các thiết bị phát tín hiệu của mạch an toàn phải chắc chắn, không phụ thuộc vào phương chiều, dao động dạng sóng hình sin, với một tần số f giữa 1 Hz và 50Hz, và biên độ a (mm) được cho là hàm f bằng phương trình:
a = 25/f trong đó 1 < f ≤ 10Hz
a = 250/f2 trong đó 10 < f ≤ 50Hz
Các thiết bị phát tín hiệu của mạch an toàn gắn trên cabin hoặc cửa ra vào phải chắc chắn, không phụ thuộc vào hướng di chuyển, với sự tăng tốc ±30m/s.
Ghi chú: khi các thiết bị truyền tín hiệu được trang bị giảm chấn, chúng được coi là một phần của thiết bị phát tín hiệu.
3.15.2 Điều khiển và ưu tiên
3.15.2.1 Điều khiển các hoạt động thang máy
Việc điều khiển phải được tác động bằng điện.
1 Hoạt động thông thường
Việc điều khiển này phải được thực hiện qua các nút bấm. Chúng phải được đặt trong các hộp, sao cho không trực tiếp tiếp cận các bộ phận có điện.
Việc sử dụng dây cáp, dây mềm hoặc tay đòn như một thiết bị điều khiển giữa cabin và phòng máy thì chỉ được cho phép trong trường hợp thật đặc biệt (môi trường rất ẩm ướt, ăn mòn hoặc nổ).
2 Chỉnh tầng và chỉnh lại tầng với cửa mở
Trong trường hợp đặc biệt được đề cập trong 3.6.7.2.2, chuyển động của cabin với mở cửa tầng và cửa cabin được cho phép để chỉnh tầng, chỉnh lại tầng và thiết bị điện chống trôi, với điều kiện:
(1) Chuyển động được giới hạn trong khu vực mở cửa (3.6.7.2.2.(1))
(a) Tất cả chuyển động của cabin bên ngoài khu vực mở cửa phải được ngăn chặn bởi tối thiểu một công tắc được gắn trong mạch nhánh của cửa và thiết bị khóa an toàn.
(b) Công tắc này phải là:
Công tắc an toàn phù hợp các yêu cầu của 3.15.1.2.2 hoặc
Được kết nối theo một phương pháp nào đó phù hợp với yêu cầu của 3.15.1.2.3.
(c) Nếu sự vận hành của công tắc phụ thuộc vào một thiết bị được liên kết trực tiếp với cabin, thì việc vỡ hoặc chùng trong liên kết phải làm máy dừng thông qua hoạt động một thiết bị điện an toàn phù hợp với 3.15.1.2.
(d) Trong suốt quá trình chỉnh tầng, thiết bị làm cho thiết bị điện an toàn của cửa không làm việc sẽ chỉ hoạt động sau khi có tín hiệu dừng đến một tầng được đưa ra.
(2) Tốc độ chỉnh tầng không được vượt quá 0,8 m/s. Thang máy với cửa tầng được điều khiển bằng tay, chúng phải được kiểm tra để:
(a) Đối với máy có tốc độ vòng quay lớn nhất được xác định bởi tần số cố định của nguồn cấp, để chỉ mạch điều khiển cho chuyển động tốc độ thấp được cấp năng lượng.
(b) Đối với các máy khác, tốc độ đạt được tại thời điểm trong khu vực mở khóa không vượt quá 0,8 m/s.
(3) Tốc độ chỉnh lại tầng và tốc độ thiết bị điện chống trôi không được vượt quá 0,3 m/s. Phải được kiểm tra:
(a) Đối với máy có tốc độ vòng quay lớn nhất được xác định bởi tần số cố định của nguồn cấp, để chỉ mạch điều khiển cho chuyển động tốc độ thấp được cấp năng lượng.
(b) Đối với máy được cấp nguồn từ bộ biến đổi điện tử công suất, tốc độ chỉnh lại tầng không được vượt quá 0,3 m/s.
3 Hoạt động kiểm tra
Để thuận tiện trong việc kiểm tra và bảo dưỡng, phải có một điểm điều khiển dễ dàng tiếp cận phải được trang bị trên mái cabin. Thiết bị này phải được hoạt động bởi một công tắc sao cho nó phải phù hợp với các yêu cầu về thiết bị điện an toàn (3.15.1.2).
Công tắc này phải có hai vị trí xác, phải được bảo vệ chống lại các hoạt động không mong muốn. Các điều kiện sau phải được thỏa mãn:
(1) Khi tiến hành thao tác kiểm tra phải vô hiệu hóa hoạt động sau:
(a) Các điều khiển thông thường, bao gồm hoạt động của bất kỳ cửa tự động nào.
(b) Hoạt động khẩn cấp.
(c) Hoạt động lên xuống cabin để xếp dỡ hàng hóa.
Việc trở lại hoạt động thông thường của thang máy phải được thực hiện bằng công tắc kiểm tra.
Nếu công tắc được sử dụng để vô hiệu hóa các hoạt động nói trên không có công tắc an toàn liên động với cơ cấu điều khiển thao tác kiểm tra thì phải có biện pháp phòng ngừa mọi chuyển động của cabin ngoài ý muốn khi xảy ra một trong những hỏng hóc điện theo 3.15.1.1.1 xuất hiện trong mạch.
(2) Chuyển động của cabin phải phụ thuộc vào áp lực của một nút bấm được bảo vệ ngăn chặn hoạt động bất ngờ và với hướng chuyển động đã được chỉ rõ.
(3) Thiết bị điều khiển có thể kết hợp với một thiết bị dừng phù hợp với 3.15.2.2.
(4) Tốc độ cabin không vượt quá 0,63 m/s.
(5) Giới hạn hành trình thông thường của cabin không bị chạy vượt quá.
(6) Hoạt động của thang máy phải duy trì phụ thuộc vào bộ hãm an toàn.
Thiết bị điều khiển có thể được kết hợp với công tắc đặc biệt được bảo vệ ngăn chặn các hoạt động bất ngờ để điều khiển các cơ cấu của cửa từ mái cabin.
4 Quá trình hoạt động thiết bị điện khẩn cấp
Đối với máy có tay quay để nâng cabin với tải trọng định mức vượt quá 400N, một công tắc khởi động thiết bị điện khẩn cấp phù hợp với 3.15.1.2 phải được lắp đặt trong buồng máy. Máy được cấp điện từ nguồn cấp thông thường hoặc từ nguồn dự phòng trong trường hợp khẩn cấp.
(1) Hoạt động của công tắc vận hành thiết bị điện khẩn cấp phải được cho phép từ buồng máy, việc điều khiển các chuyển động của cabin bởi áp lực không đổi trong các nút bấm được bảo vệ ngăn chặn các hoạt động bất ngờ. Hướng chuyển động phải được chỉ rõ ràng.
(2) Sau khi công tắc vận hành thiết bị điện khẩn cấp hoạt động, tất cả chuyển động của cabin ngoại trừ trường hợp điều khiển bằng công tắc này thì phải được ngăn chặn.
(3) Công tắc vận hành thiết bị điện khẩn cấp có thể vô hiệu hóa bởi chính nó hoặc thông qua thiết bị điện an toàn được yêu cầu trong 3.8.9.11.1 và 3.8.9.11.2 cho bộ khống chế vượt tốc.
(4) Công tắc vận hành thiết bị điện khẩn cấp hoặc thông qua thiết bị an toàn khác, phải vô hiệu hóa được các thiết bị điện sau đây:
(a) Những thiết bị được gắn trên bộ hãm an toàn theo 3.8.8.8.
(b) Những thiết bị được gắn trên đệm giảm chấn, theo 3.10.4.3.4.
c) Công tắc giới hạn hành trình, theo 3.10.5.
(5) Công tắc vận hành thiết bị điện khẩn cấp và nút bấm của nó phải được đặt sao cho dễ dàng quan sát máy trong suốt quá trình hoạt động.
(6) Tốc độ cabin không được vượt quá 0,63 m/s.
5 Hoạt động xếp dỡ hàng lên cabin
Trong trường hợp cụ thể được bao gồm trong 3.6.7.2.2.(1), chuyển động của cabin được cho phép mở cửa tầng và cửa cabin để cho phép xếp và dỡ tải của thang máy được dành riêng cho người được ủy quyền và người hướng dẫn, thỏa mãn những điều kiện dưới đây:
(1) Cabin chỉ có thể chuyển động trong một khu vực không được vượt quá 1,65 m phía trên mức tầng dừng tương ứng.
(2) Chuyển động của cabin phải được giới hạn bởi một thiết bị điện an toàn định hướng phù hợp với các yêu cầu trong 3.15.1.2.
(3) Tốc độ chuyển động không được vượt quá 0,3 m/s.
(4) Cửa tầng và cửa cabin chỉ được mở ở phía xếp dỡ hàng.
(5) Khu vực chuyển động phải được nhìn thấy rõ ràng từ vị trí điều khiển thao tác xếp dỡ hàng
(6) Hoạt động xếp dỡ chỉ có thể hoạt động sau khi một chìa khóa của công tắc an toàn được khởi động, chìa khóa này có thể được tháo ra khi ở trong vị trí ngừng xếp dỡ.
(7) Sự kích hoạt chìa khóa vận hành công tắc an toàn:
(a) Phải vô hiệu hóa các tác động của việc điều khiển thông thường. Nếu công tắc được sử dụng không phải là bộ phận của công tắc an toàn có chìa khóa, thì cần thực hiện các biện pháp ngăn ngừa các chuyển động không mong xảy ra trong mạch;
(b) Chỉ cho phép cabin chuyển động bằng cách sử dụng một nút bấm áp lực không đối. Hướng chuyển động phải được thể hiện rõ ràng:
(c) Có thể không hoạt động, bởi chính nó hoặc thông qua một thiết bị điện an toàn phù hợp với 3.15.1.2:
- Thiết bị điện an toàn của khóa cửa tầng liên quan
- Thiết bị điện an toàn để chứng minh việc đóng cửa tầng được xem xét.
- Thiết bị điện an toàn để chứng minh việc đóng cửa cabin tại lối vào xếp dỡ hàng hóa.
(8) Tác động của hoạt động xếp dỡ phải vô hiệu hóa việc chuyển qua hoạt động kiểm tra.
(9) Có một thiết bị dừng trong cabin.
6 Hệ thống điện chống trôi (xem 3.9.7.3.3 đối với trường hợp áp dụng)
(1) Máy phải được cấp năng lượng theo hướng lên độc lập với vị trí của cửa, khi cabin đang ở trong khu vực mở rộng tối đa 0,12 m từ mức dừng thấp nhất tới điểm kết thúc thấp nhất của khu vực mở cửa. Hệ thống điện chống trôi phải không được vô hiệu hóa bởi công tắc giới hạn hành trình.
(2) Khi thang máy không được sử dụng trong một thời gian không quá 15 phút sau quãng đường gần nhất, cabin phải tự động chuyển xuống tầng thấp nhất.
(3) Thang máy có công tắc dừng trong cabin (3.15.2.1.5.(9)) phải được trang bị với một thiết bị báo hiệu tự động trong cabin. Thiết bị này phải được cấp năng lượng khi mà công tắc dừng đã ở vị trí dừng. Nguồn điện cho thiết bị này phải hoặc từ nguồn cấp cho đèn báo khẩn cấp được nhắc đến trong 3.7.16.3 hoặc từ một nguồn cấp tương đương.
(4) Những chỉ dẫn theo như 3.16.2.5 và 3.16.4.6 phải được trang bị
3.15.2.2 Thiết bị dừng
Thiết bị dừng phải có thiết bị điện an toàn phù hợp với 3.15.1.2. Chúng phải có 2 vị trí xác định và sao cho việc trở lại làm việc không phải do một hành động không mong muốn.
1 Thiết bị dừng trong cabin phải bị cấm. Nếu cửa được đóng, phải có một thiết bị cho phép chuyển động đóng đảo chiều (trường hợp cụ thể 3.15.2.1.5.(9)).
2 Các thiết bị dừng khác
Một thiết bị dừng được trang bị, và duy trì thang máy không làm việc, bao gồm các cửa được vận hành tự động được đặt:
(1) Trên mái cabin tối đa 1m từ điểm vào để kiểm tra bởi người bảo dưỡng (thiết bị này có thể được đặt bên cạnh điều khiển vận hành kiểm tra nếu nó không được đặt lớn hơn 1m từ điểm tiếp cận) (3.7.15).
(2) Trong phòng pu ly (3.5.4.5)
(3) Trong hố thang máy (3.4.7.3.4)
3.15.2.3 Thiết bị báo động khẩn cấp
1 Để gọi sự hỗ trợ từ bên ngoài, trong xe phải có một thiết bị để hành khách dễ dàng nhận biết và tiếp cận sử dụng cho mục đích này.
2 Nguồn cấp cho thiết bị này hoặc từ nguồn cấp đèn hiệu khẩn cấp được yêu cầu trong 3.7.16.3 hoặc từ một nguồn cấp tương đương.
3 Thiết bị này phải có một chuông báo, hệ thống liên lạc nội bộ, điện thoại hoặc thiết bị tương tự.
4 Thiết bị này phải được lắp đặt sao cho nó có thể đáp ứng hiệu quả mà không gây chậm trễ cho cuộc gọi khẩn cấp.
5 Một hệ thống liên lạc nội bộ, hoặc thiết bị tương tự được cấp nguồn bởi nguồn khẩn cấp đề cập trong 3.7.16.3, phải được lắp đặt giữa cabin và phòng máy nếu hành trình thang máy vượt quá 30 m.
6 Sự báo hiệu của thiết bị báo động thích hợp phải được đảm bảo bởi một mạch điện thường đóng.
3.15.2.4 Các báo hiệu và ưu tiên
1 Đối với thang máy có cửa vận hành bằng tay, phải có một thiết bị ngăn chặn cabin rời khỏi một tầng dừng trong thời gian tối thiểu là 2s sau khi dừng.
2 Một người đi vào cabin phải có tối thiểu 2s sau khi cửa được đóng lại, để cho phép nhấn nút lựa chọn của mình trước khi nút gọi ra bên ngoài có hiệu lực. Ngoại trừ nó được thực hiện trong trường hợp các thang máy vận hành trong hệ điều khiển chung.
3 Trong trường hợp điều khiển chung, một báo hiệu được chiếu sáng, có thể nhìn thấy rõ ràng từ tầng dừng, sẽ thông báo cho người dùng khi chờ đợi ở tầng dừng về hướng di chuyển tiếp theo của cabin.
4 Đối với một nhóm thang máy, số chỉ vị trí tại tầng dừng không được khuyến cáo. Tuy nhiên, nó được khuyến cáo khi cabin đến phải được báo hiệu bằng âm thanh.
3.16 Báo hiệu và hướng dẫn sử dụng
3.16.1 Quy định chung
Tất cả các ký hiệu, thông báo và hướng dẫn vận hành phải rõ ràng và dễ hiểu (nếu cần thiết được hỗ trợ bởi các ký hiệu hoặc biểu tượng). Chúng phải là vật liệu bền và chống giật điện, được đặt tại vị trí dễ dàng nhìn thấy, được viết bằng ngôn ngữ của Quốc gia đăng ký (hoặc nếu cần thiết, viết bằng ngôn ngữ khác).
3.16.2 Bên trong cabin
3.16.2.1 Tải trọng định mức của thang máy được thể hiện bằng số Kg cũng như số lượng người lớn nhất.
Số lượng người tối đa phải được tính toán như một chức năng của diện tích sẵn có trên sàn cabin, sử dụng Bảng 34 (3.7.2.1) (ngoại trừ thang máy có động cơ riêng biệt đề cập trong 3.7.2.3).
Các thông báo phải được thực hiện như sau:
...Kg ...Pers.
Chiều cao tối thiểu của các ký tự dùng để thông báo phải:
(1) 10 mm đối với chữ in hoa và số
(2) 7 mm đối với chữ nhỏ
Tuy nhiên, đối với thang máy phi thương mại, thì chiều cao các ký tự phải:
(1) 100 mm đối với chữ in hoa và số
(2) 70 mm đối với các chữ nhỏ.
3.16.2.2 Tên và mã số định danh của nhà phân phối thang máy phải được hiển thị.
3.16.2.3 Các thông tin khác
1 Các thiết bị điều khiển của công tắc dừng, phải được sơn màu đỏ và được nhận biết bằng từ “STOP”, được đặt sao cho không gây nguy cơ bị nhầm lẫn như vị trí dừng.
Nút bấm, nếu có, phải có màu vàng và nhận biết bằng các biểu tượng

Màu đỏ hoặc vàng có thể được sử dụng cho các nút bấm khác, tuy nhiên các màu sắc này phải bật sáng sau khi được lựa chọn.
2 Các thiết bị điều khiển phải được nhận biết rõ ràng và:
(1) Đối với các nút bấm điều khiển trong cabin được hiển thị: -2, -1,0, 1, 2, 3 ....
(2) Đối với các nút bấm đóng mở cửa, áp dụng biểu tượng:

Nếu có các thiết bị điều khiển khác, nó phải được nhận biết bằng các chức năng liên quan của chúng.
3.16.2.4 Hướng dẫn cho hoạt động bình thường hoặc an toàn phải được đặt trong cabin bất cứ khi nào cần thiết và nhìn thấy rõ ràng.
Hướng dẫn tối thiểu phải ghi rõ:
(1) Trong trường hợp một thang máy đang trong quá trình lắp ghép, phải có hướng dẫn cụ thể cho trường hợp này.
(2) Các hướng dẫn sử dụng cho thang máy có hệ thống liên lạc nội bộ và điện thoại.
(3) Sau khi sử dụng thang máy, nó cần thiết để đóng cửa được vận hành bằng tay và bằng điện, nơi đóng cửa phải được thực hiện dưới sự điều khiển của một nút bấm áp lực không đổi.
(4) Các tình huống khẩn cấp và hướng dẫn sử dụng lối thoát hiểm qua mái cabin và giếng thang.
3.16.2.5 Trong trường hợp thang máy được cấp một hệ thống điện chống trôi và cửa tầng được vận hành bằng tay hoặc bằng điện, việc đóng cửa chịu sự kiểm soát thường xuyên của người sử dụng, phải có một dòng chữ “CLOSE DOOR” trong cabin:
Chiều cao tối thiểu của chữ là 50 mm.
3.16.3 Trên mái cabin
Các thông tin sau phải được thể hiện:
(1) Chữ “STOP” ở trên hoặc gần thiết bị dừng, sao cho vị trí đặt không gây nhầm lẫn với “vị trí dừng”.
(2) Chữ “NORMAL” và “INSPECTION” ở trên hoặc gần công tắc gắn với kiểm tra chuyển động.
(3) Hướng chuyển động ở trên hoặc gần các nút bấm kiểm tra.
3.16.4 Phòng máy và phòng pu ly
3.16.4.1 Phải có những thông báo sau:
- “Phòng máy-Nguy hiểm”
- “Không phận sự miễn vào” phải được cố định ở bên ngoài cửa hoặc cửa kiểm tra để đi vào phòng máy và phòng pu ly. Trong trường hợp có cửa kiểm tra, một thông báo cố định dễ dàng nhìn thấy sẽ thông báo cho người sử dụng cửa kiểm tra: “Nguy cơ rơi -Đóng lại cửa kiểm tra”.
3.16.4.2 Các thông báo phải được trang bị để nhận biết rõ ràng công tắc chính và công tắc chiếu sáng.
Nếu có nhiều máy trong một phòng máy, thông báo phải giúp dễ dàng nhận biết các công tắc dành riêng cho từng thang máy.
Nếu sau khi ngắt một công tắc chính, một số bộ phận vẫn duy trì hoạt động (kết nối giữa các thang máy, chiếu sáng) phải có thông báo cho biết điều này.
3.16.4.3 Trong phòng máy hoặc phần bên trong vỏ máy, ở đó phải có hướng dẫn chi tiết khi xảy ra sự cố thang máy, đặc biệt là liên quan đến việc sử dụng thiết bị để di chuyển khẩn cấp bằng tay hoặc bằng điện, và chìa khóa mở cửa tầng dừng.
1 Hướng chuyển động của cabin phải được đề cập rõ ràng bên trên máy, gần vô lăng quay tay.
Nếu vô lăng không thể tháo rời, các dấu hiệu có thể ở trên chính vô lăng.
2 Ở trên hoặc gần với nút bấm vận hành thiết bị điện khẩn cấp, phải có dấu hiệu thể hiện hướng chuyển động tương ứng.
3.16.4.4 Bên trong phòng pu ly gần công tắc dừng, phải có chữ “STOP” được đặt tại đó sao cho không gây nhầm lẫn với “vị trí dừng”.
3.16.4.5 Tải trọng cho phép lớn nhất phải được đề cập trên thanh dầm hoặc móc của thang máy.
3.16.4.6 Trong trường hợp thang máy được trang bị một hệ thống điện chống trôi phải có thông báo ở trên hoặc gần công tắc chính:
“Công tắc ngắt chỉ khi cabin ở tầng dừng thấp nhất”
3.16.5 Bên ngoài giếng thang
3.16.5.1 Gần tới cửa kiểm tra giếng thang phải có thông báo:
- “Giếng nâng-Nguy hiểm”
- “Không nhiệm vụ miễn vào”
- “Nhớ đóng cửa và khóa”
3.16.5.2 Đối với cửa tầng mở bằng tay, nếu có thể nhầm lẫn với các cửa ra vào khác thì phải có dòng chữ thông báo: “LIFT”.
3.16.5.3 Cửa dừng của thang máy, việc sử dụng chỉ dành riêng cho người dùng được ủy quyền và hướng dẫn, bên cạnh tầng dừng có dòng chữ thông báo sau:
“Thang máy cấm người không có thẩm quyền”
3.16.5.4 Thang máy chủ yếu được sử dụng để vận chuyển hàng hóa thường có người đi kèm (bao gồm cả thang máy phi thương mại), cửa tầng phải hiển thị mức tải định mức.
3.16.6 Trên bộ khống chế vượt tốc
Một tấm kim loại cố định ghi thông tin:
(1) Tên nhà chế tạo
(2) Tốc độ kích hoạt lớn nhất mà nó được điều chỉnh
(3) Ký hiệu chấp nhận kiểu và tài liệu tham khảo
3.16.7 Trong hố giếng thang
Bên trên hoặc gần công tắc dừng phải có chữ “STOP”, được đặt tại đó sao cho không gây nhầm lẫn với “vị trí dừng”.
3.16.8 Trên thiết bị giảm chấn
Trên thiết bị giảm chấn, ngoại trừ loại giảm chấn tích năng lượng, phải có một tấm kim loại ghi thông tin:
(1) Tên nhà chế tạo
(2) Ký hiệu chấp nhận kiểu và tài liệu tham khảo
3.16.9 Nhận biết tầng dừng
Các tín hiệu hoặc thông báo có thể nhìn thấy rõ ràng, cho phép người trong cabin nhận biết được điểm dừng của thang máy.
3.16.10 Nhận biết thiết bị điện
Bộ đóng ngắt, rơ le, cầu chì và thanh liên kết cho mạch vào bảng điều khiển phải được đánh dấu theo sơ đồ hệ thống dây điện.
Trong trường hợp sử dụng kết nối nhiều dây, chỉ có kết nối (trừ không dây) cần thiết mới được đánh dấu.
3.16.11 Chìa khóa mở cửa tầng dừng
Chìa khóa mở cửa phải có một nhãn dán ghi các chú ý về nguy hiểm có thể xảy ra khi sử dụng chìa khóa này và sự cần thiết để đảm bảo rằng cửa đã được khóa sau khi đóng.
3.16.12 Thiết bị báo động
Chuông hoặc thiết bị được hoạt động trong suốt quá trình gọi hỗ trợ từ cabin phải được đánh dấu rõ ràng: “Báo động thang máy”.
Trong trường hợp có nhiều thang máy, thì phải có thể xác định được cabin đang thực hiện cuộc gọi.
3.16.13 Thiết bị khóa
Chúng phải có đặc tính ký hiệu chấp nhận kiểu và tài liệu liên quan.
3.16.14 Bộ hãm an toàn
Chúng phải có đặc tính ký hiệu chấp nhận kiểu và tài liệu liên quan
CHƯƠNG 4 KIỂM ĐỊNH
4.1 Quy định chung
4.1.1 Chuẩn bị cho việc kiểm định
1 Tất cả các công việc chuẩn bị cho việc kiểm định nêu trong Quy chuẩn này cũng như các quy định của phần này đều phải do Chủ thiết bị hoặc đại diện Chủ thiết bị thực hiện. Việc chuẩn bị bao gồm lối đi thuận tiện và an toàn, thiết bị và hồ sơ cần thiết cho việc kiểm định.
Thiết bị đo sử dụng trong công tác kiểm định thiết bị nâng trên các công trình biển phải được kiểm định, hiệu chuẩn theo quy định của pháp luật về đo lường.
2 Chủ thiết bị hoặc đại diện chủ thiết bị phải bố trí người giám sát có chuyên môn về các hạng mục dự định kiểm định để chuẩn bị cho việc kiểm định, giúp đỡ khi cần thiết cho Đăng kiểm thực hiện nhiệm vụ.
3 Đăng kiểm không được phép kiểm định khi các công việc chuẩn bị chưa được thực hiện, khi những người có trách nhiệm nêu tại -2 không có mặt lúc kiểm định hoặc khi không đảm bảo an toàn cho việc kiểm định.
4.1.2 Biên bản kiểm định
Sau khi hoàn thành việc kiểm định, Đăng kiểm viên sẽ lập biên bản kiểm định.
4.1.3 Thông báo kết quả kiểm định
1 Đăng kiểm phải thông báo kết quả kiểm định cho Chủ thiết bị.
2 Khi nhận được yêu cầu sửa chữa của Đăng kiểm, Chủ thiết bị phải thực hiện các công việc sửa chữa cần thiết theo hướng dẫn của Đăng kiểm và Đăng kiểm phải kiểm tra lại kết quả sửa chữa đó.
3 Biên bản kiểm định nêu ở 4.1.2 phải được lưu giữ trên công trình biển để trình cho Đăng kiểm viên vào lần kiểm định sau.
4.2 Kiểm định các thiết bị nâng
4.2.1 Các dạng kiểm định
Các dạng kiểm định thiết bị nâng được nêu dưới đây:
(1) Kiểm định lần đầu.
(a) Kiểm định lần đầu trong chế tạo (trước khi đưa vào sử dụng).
(b) Kiểm định lần đầu các thiết bị nâng không có sự giám sát chế tạo.
(2) Kiểm định chu kì để duy trì hiệu lực của hồ sơ đăng kiểm.
(a) Kiểm định hàng năm.
(b) Thử tải.
(3) Kiểm định bất thường.
4.2.2 Thời hạn kiểm định
Thời hạn kiểm định các thiết bị nâng phải phù hợp với các quy định dưới đây:
(1) Kiểm định lần đầu phải được tiến hành khi ấn định tải trọng làm việc an toàn lần đầu.
(2) Các đợt kiểm định hàng năm phải được thực hiện trong khoảng thời gian ba tháng trước hoặc ba tháng sau ngày ấn định kiểm tra hàng năm của công trình biển mà thiết bị nâng được lắp đặt.
(3) Thử tải được thực hiện vào đợt kiểm định lần đầu và vào thời điểm không vượt quá 5 năm kể từ ngày kết thúc kiểm định lần đầu hoặc kết thúc lần thử tải trước.
(4) Hoãn thử tải tối đa 3 tháng theo quy định về hoãn kiểm tra định kỳ của công trình biển được nêu trong Công ước SOLAS, MARPOL, Bộ luật MODU Code 2009 và QCVN49:2012/BGTVT, sửa đổi 1:2017. Phải thực hiện kiểm định bất thường với khối lượng tối thiểu bằng kiểm định hàng năm để gia hạn.
(5) Kiểm định bất thường được thực hiện khi thiết bị nâng thuộc một trong các trường hợp dưới đây tại các ngày không trùng với thời điểm kiểm định chu kỳ.
(a) Khi bị hư hỏng nghiêm trọng các thành phần kết cấu và khi sửa chữa hoặc hoán cải.
(b) Khi quy trình nâng hàng, hệ cáp giằng, phương pháp vận hành và điều khiển có thay đổi lớn.
(c) Khi ấn định và đánh dấu lại tải trọng làm việc an toàn.
4.2.3 Kiểm định chu kỳ trước thời hạn
Có thể tiến hành kiểm định chu kỳ trước thời hạn theo đề nghị của chủ thiết bị.
4.3 Kiểm định lần đầu
4.3.1 Kiểm tra hồ sơ
1 Trong đợt kiểm định lần đầu, phải xác định rằng độ bền và kết cấu của thiết bị nâng dựa trên các bản vẽ và tài liệu kỹ thuật đã trình Đăng kiểm thẩm định phù hợp với quy định của Quy chuẩn này.
2 Nếu thiết bị nâng được chế tạo ở nước ngoài, Đăng kiểm sẽ ủy quyền cho tổ chức đăng kiểm nước ngoài được công nhận thực hiện việc kiểm tra và chứng nhận thay mặt Đăng kiểm.
3 Đăng kiểm chấp nhận giấy chứng nhận công nhận thiết kế, giấy chứng nhận công nhận kiểu và giấy chứng nhận sản phẩm của thiết bị nâng do tổ chức đăng kiểm nước ngoài được công nhận cấp .
4.3.2 Kiểm tra trong chế tạo
1 Chất lượng của thiết bị nâng phải được kiểm tra và đảm bảo ở trạng thái tốt trong các quá trình từ (1) đến (4) dưới đây:
(1) Khi chế tạo và lắp đặt các thành phần kết cấu;
(2) Khi lắp đặt các thành phần kết cấu lên công trình biển;
(3) Khi lắp ráp hệ thống truyền động, kết thúc gia công các bộ phận quan trọng và khi thử tại xưởng, các thời điểm thích hợp trong quá trình chế tạo;
(4) Khi vật liệu, các bộ phận hoặc thiết bị được chế tạo tại các nhà máy khác;
2 Thiết bị nâng phải được kiểm tra và đảm bảo ở trạng thái tốt thông qua việc thử và kiểm tra sau:
(1) Kiểm tra vật liệu chế tạo phù hợp với thiết kế được thẩm định;
(2) Kiểm tra việc chế tạo kết cấu thép tại xưởng tuân theo các quy trình chế tạo và quy
trình hàn đã được thẩm định;
(3) Kiểm tra không phá hủy theo quy định;
(4) Thử hệ thống truyền động tại xưởng;
(5) Thử hoạt động thiết bị nâng;
(6) Thử hoạt động thiết bị an toàn và thiết bị bảo vệ bao gồm thử phanh và thử ngắt hệ thống cung cấp năng lượng khi có trọng lượng thử bằng tải trọng làm việc an toàn (sau đây, được quy định tương tự cho các yêu cầu tại 4.4.1 -1 (2)(c), 4.4.2(2)(d) và 4.4.3(2)(d);
3 Kiểm tra và thử đối với thang máy tuân theo các quy định Phụ lục D - Rules for certification of lifts in ships, mobile offshore units and offshore installations 2008.
4.4 Kiểm định hàng năm
4.4.1 Hệ cần trục dây giằng
1 Trong đợt kiểm định hàng năm, các hạng mục nêu ở (1) dưới đây của hệ cần trục dây giằng phải được kiểm tra bằng mắt và phải đảm bảo ở trạng thái tốt. Nếu kiểm tra bằng mắt nhận thấy không đảm bảo an toàn thì phải kiểm tra bổ sung các nội dung quy định trong mục (2).
(1) Nội dung kiểm tra chung:
(a) Các thành phần kết cấu;
(b) Liên kết giữa các thành phần kết cấu và kết cấu thân công trình biển;
(c) Hệ thống truyền động
(d) Thiết bị an toàn và thiết bị bảo vệ;
(e) Dấu quy định tải trọng làm việc an toàn và hiệu lực của các giấy chứng nhận liên quan;
(f) Việc lưu giữ các hướng dẫn sử dụng trên công trình biển.
(2) Các hạng mục kiểm tra bổ sung để đảm bảo an toàn:
(a) Kiểm tra chiều dày thành phần kết cấu, thử không phá hủy và tháo kiểm tra các giá đỉnh cột, giá cổ ngỗng và các chốt chân cần;
(b) Tháo kiểm tra hệ thống truyền động;
(c) Thử hoạt động thiết bị an toàn và thiết bị bảo vệ.
2 Trong đợt kiểm định hàng năm lần thứ 5, tính từ thời điểm hoàn thành kiểm định lần đầu hoặc lần tháo kiểm tra trước đó, phải tháo kiểm tra các giá đỉnh cột, giá cổ ngỗng và các chốt chân cần.
4.4.2 Cần trục
Trong đợt kiểm định hàng năm, các hạng mục nêu ở (1) dưới đây của cần trục phải được kiểm tra bằng mắt và phải đảm bảo ở trạng thái tốt. Nếu kiểm tra bằng mắt nhận thấy không đảm bảo an toàn thì phải kiểm tra bổ sung các nội dung quy định trong mục (2)
(1) Nội dung kiểm tra chung:
(a) Các thành phần kết cấu;
(b) Đối với các cần trục cố định: liên kết giữa các thành phần kết cấu và kết cấu thân công trình biển;
(c) Đối với cầu trục, cổng trục chạy trên ray: các đường ray, đệm giảm chấn và liên kết giữa các cơ cấu của chúng và kết cấu thân công trình biển.
(d) Hệ thống truyền động;
(e) Thiết bị an toàn và thiết bị bảo vệ;
(f) Dấu quy định tải trọng làm việc an toàn và hiệu lực của các giấy chứng nhận liên quan;
(g) Việc lưu giữ các hướng dẫn sử dụng trên công trình biển.
(2) Các hạng mục kiểm tra bổ sung để đảm bảo an toàn:
(a) Kiểm tra chiều dày thành phần kết cấu, thử không phá hủy và tháo kiểm tra các ổ đỡ;
(b) Kiểm tra bên trong cột, chân cần, độ cứng của cần;
(c) Tháo kiểm tra thiết bị truyền động;
(d) Thử hoạt động thiết bị an toàn và thiết bị bảo vệ.
4.4.3 Máy nâng hàng
1 Trong đợt kiểm định hàng năm máy nâng hàng các nội dung nêu ở (1) phải kiểm tra chi tiết bằng mắt và đảm bảo ở trạng thái tốt. Nếu kiểm tra bằng mắt nhận thấy không đảm bảo an toàn thì phải kiểm tra bổ sung các nội dung quy định trong mục (2)
(1) Nội dung kiểm tra chung:
(a) Các thành phần kết cấu;
(b) Liên kết giữa các phần giữ máy nâng hàng và kết cấu thân công trình biển;
(c) Liên kết giữa thiết bị nâng/hạ của máy nâng hàng và kết cấu thân công trình biển;
(d) Hệ thống truyền động;
(e) Thiết bị an toàn và thiết bị bảo vệ;
(f) Dấu quy định tải trọng làm việc an toàn và hiệu lực của các giấy chứng nhận liên quan;
(g) Việc lưu giữ các hướng dẫn sử dụng trên công trình biển.
(2) Các hạng mục kiểm tra bổ sung để đảm bảo an toàn:
(a) Đo chiều dày các tấm, tháo kiểm tra ắc đỉnh cột, thử không phá hủy;
(b) Tháo kiểm tra hệ thống truyền động;
(c) Thử hoạt động thiết bị an toàn và thiết bị bảo vệ.
2 Trong đợt kiểm định hàng năm, với các thiết bị nâng khác phải kiểm tra bằng mắt và đảm bảo chúng ở trạng thái tốt.
4.4.4 Các chi tiết tháo được
1 Trong đợt kiểm định hàng năm các chi tiết tháo được, phải kiểm tra bằng mắt và đảm bảo rằng các hạng mục nêu từ (1) đến (3) dưới đây ở trạng thái tốt. Nếu kiểm tra bằng mắt nhận thấy không đảm bảo an toàn thì các hạng mục nêu ở (2) phải được tháo ra để kiểm tra:
(1) Dây cáp trên toàn bộ chiều dài của chúng;
(2) Pu ly làm hàng, xích, khuyên treo, móc trục, ma ní, mắt xoay, dầm ngang nâng hàng, kẹp cáp, gàu ngoạm hàng kiểu vít, nam châm nâng hàng, khung cẩu công te nơ, giỏ vận chuyển người;
(3) Dấu quy định tải trọng làm việc an toàn, các dấu hiệu phân biệt khác và hiệu lực của các Giấy chứng nhận liên quan.
2 Trường hợp sửa chữa hoặc thay thế cục bộ chi tiết tháo được không trùng với thời gian kiểm định chu kỳ thì chấp nhận kết quả kiểm tra của chủ thiết bị hoặc những người có thẩm quyền khác. Trong trường hợp này, người tiến hành kiểm định trên phải lập biên bản theo các mục từ (1) đến (6) dưới đây đối với các chi tiết tháo được được thay thế trong Biên bản kiểm tra các chi tiết tháo được và phải trình Biên bản kiểm tra này và các Giấy chứng nhận liên quan của chi tiết tháo được cho Đăng kiểm để xác nhận vào đợt kiểm định chu kỳ hoặc bất thường sau đó.
(1) Tên của chi tiết và ký hiệu nhận dạng;
(2) Vị trí lắp đặt;
(3) Tải trọng làm việc an toàn của chi tiết tháo được;
(4) Tải trọng thử của chi tiết tháo được;
(5) Ngày sửa chữa, thay mới và ngày bắt đầu sử dụng;
(6) Lý do thay mới hoặc sửa chữa.
4.4.5 Thang máy
Kiểm định hàng năm thang máy tuân theo các quy định tại Phụ lục E - Rules for certification of lifts in ships, mobile offshore units and offshore installations 2008.
4.5 Thử tải
4.5.1 Thử tải đối với thiết bị nâng
Các quy định về thử tải đối với thiết bị nâng phải tuân theo các quy định sau:
1 Thiết bị nâng phải luôn hoạt động trong suốt quá trình thử tải.
2 Thiết bị nâng phải được kiểm định theo các hạng mục của kiểm định hàng năm trước và sau mỗi lần thử. Cần phải chú ý tới thiết bị chằng buộc được sử dụng để giữ tải. Dây cáp vòng khuyên có thể được sử dụng trong quá trình thử tải.
3 Trọng lượng thử hoặc lực kế thử phải được kiểm tra độ chính xác bởi Đăng kiểm.
4 Chủ thiết bị phải có kế hoạch và quy trình thử tải đối với mỗi thiết bị nâng, có xét đến vị trí của thiết bị nâng, không gian của sàn đỡ và việc lắp ráp tải thử, và các khu vực có khả năng nguy hiểm để phòng tránh.
5 Khi tải thử được nâng lên, người vận hành thiết bị nâng phải đưa các cần điều khiển về vị trí trung lập. Tải thử sẽ được giữ tối thiểu là 5 phút.
6 Khi lực kế được sử dụng để xác định trọng lượng tải thử, tải thử phải xoay được tự do để không tạo ra ứng suất xoắn cho lực kế dẫn đến làm sai kết quả đo.
7 Chỉ báo tải của thiết bị nâng không được sử dụng trong việc thử các thiết bị nâng.
8 Van an toàn đối với thiết bị nâng truyền động thủy lực không được điều chỉnh vượt quá áp lực quy định của nhà chế tạo và thiết bị giới hạn dòng điện trên thiết bị nâng truyền động điện không được ngắt hoặc điều chỉnh để tăng khả năng kéo của dây cáp chính. Việc thử có thể được thực hiện với tải trọng cao nhất mà tời có thể nâng được miễn là nó tương đương với tải trọng định mức.
9 Tốc độ của động cơ không được điều chỉnh vượt quá vòng quay lớn nhất theo quy định của Nhà chế tạo.
10 Việc thử tải đối với thiết bị nâng phải dựa trên biểu đồ tải định mức của thiết bị nâng, độ bền cáp thép, lực kéo có thể của cáp nâng và bội suất cáp nâng. Tải thử tĩnh phải được tính toán như trong Bảng 32.
Bảng 32 - Tải thử tĩnh
| Tải trọng làm việc an toàn tĩnh SWL (t) | Tải trọng thử (t) |
| SWL ≤ 18,144 | 1,25 x SWL |
| 18,144 < SWL ≤ 45,356 | SWL + 4,536 |
| SWL > 45,356 | 1,1 SWL |
11 Tất cả thiết bị nâng phải được thử tải khi chúng được lắp đặt và sử dụng thông thường. Thiết bị nâng không được lắp tăng thêm bội suất cáp nâng hoặc tăng áp lực thủy lực, dòng điện hoặc công suất của động cơ.
12 Thử tải động bằng tải trọng làm việc an toàn phải được thực hiện như sau:
(1) Cần trục quay
- Tải trọng thử phải được quay theo mọi hướng mà cần trục sẽ hoạt động, tránh các vật cản trở (như tháp khoan, khu nhà ở, đầu khoan, máy nén khí ...);
- Tải thử phải được nâng lên hạ xuống để đảm bảo tời hoạt động bình thường và thử các phanh tĩnh;
(2) Hệ cần trục dây giằng
(a) Đối với hệ cần trục dây giằng tạt ngang, tải trọng thử phải được di chuyển quay trong phạm vi làm hàng ở góc cho phép nhỏ nhất và phải nâng, hạ tại một số vị trí trong phạm vi làm hàng.
(b) Đối với hệ cần trục dây giằng kiểu quay, ngoài quy định ở (a), thân cần còn phải được treo trọng lượng thử ở vị trí cần với ra ngoài mạn tàu và cần ở vị trí đường dọc tâm tàu.
(c) Đối với hệ cần trục dây giằng làm việc ghép đôi, tải trọng thử phải được di chuyển trong phạm vi làm hàng với chiều cao nâng hàng cho phép hoặc góc lớn nhất giữa hai dây cáp nâng hàng.
(3) Cầu trục, cổng trục
(a) Đối với cổng trục chạy trên ray, thiết bị treo tải trọng thử phải di chuyển theo phương ngang trong phạm vi làm hàng và phải nâng/hạ tải trọng thử tại một số vị trí trong phạm vi làm hàng.
(b) Đối với cầu trục chạy trên ray, cầu trục có treo tải trọng thử phải di chuyển trong phạm vi làm hàng giữa hai đầu cầu và tải trọng thử phải được nâng/hạ tại một số vị trí.
(4) Máy nâng hàng
Đối với máy nâng hàng chạy trên ray thì tải trọng thử phải được đặt tại các vị trí có điều kiện làm việc nặng nề nhất, có tính đến tải trọng phụ. Máy nâng phải di chuyển giữa các điểm dừng và phải nâng, hạ trong toàn bộ hành trình di chuyển.
(5) Đối với thiết bị nâng khác
Có thể áp dụng các thiết bị tạo lực bằng thuỷ lực phù hợp với phương pháp theo quy định làm tải trọng thử.
4.5.2 Thử tải đối với thang máy
Thử tải thang máy tuân theo các quy định tại Phụ lục D - Rules for certification of lifts in ships, mobile offshore units and offshore installations 2008.
4.5.3 Thử tải đối với chi tiết tháo được
4.5.3.1 Tải trọng thử cho các chi tiết tháo được, trừ dây cáp, được quy định ở Bảng 33 tùy theo tải trọng làm việc an toàn.
4.5.3.2 Tải trọng thử cho dây cáp phải thỏa mãn công thức sau:
T ≥ W.f
Trong đó :
T : Tải trọng thử cho dây cáp (t);
W : Tải trọng làm việc an toàn của dây cáp (t) ;
f : Hệ số an toàn của cáp trong mục 2.5.2.2.
Bảng 33 Tải trọng thử cho chi tiết tháo được
| Tên chi tiết | Tải trọng làm việc an toàn (SWL) (t) | Tải trọng thử (t) | |
| Cụm | Pu ly đơn không có khớp xoay |
| 4 x SWL |
| Pu ly đơn có khớp xoay |
| 6 x SWL | |
| Cụm nhiều pu ly | SWL ≤ 25 | 2 x SWL | |
| 25 < SWL ≤ 160 | (0,933 x SWL) + 27 | ||
| 160 < SWL | 1,1 x SWL | ||
| Móc, xích, ma ní, khuyên, mắt nối, mắt xoay, kẹp cáp và chi tiết tương tự | SWL ≤ 25 | 2 x SWL | |
| 25 < SWL | (1,22 x SWL) + 20 | ||
| Xà treo tải, nam châm nâng hàng, võng nâng hàng và các chi tiết tương tự | SWL ≤ 10 | 2 x SWL | |
| 10 < SWL ≤ 160 | (1,04 x SWL) + 9,6 | ||
| 160 < SWL | 1,1 x SWL | ||
4.5.4 Thử tải đối với giỏ vận chuyển người
Giỏ vận chuyển người và các thiết bị liên quan phải được thử tải tĩnh bằng 150% tải trọng làm việc an toàn với thời hạn không vượt quá 12 tháng.
4.6 Chứng nhận, đóng dấu
4.6.1 Quy định chung
Các yêu cầu trong phần này áp dụng cho việc chứng nhận tải trọng làm việc an toàn và đóng dấu các thiết bị nâng.
4.6.2 Chứng nhận tải trọng làm việc an toàn
1 Quy định chung
Đăng kiểm chứng nhận tải trọng làm việc an toàn cho các thiết bị nâng đã được kiểm định và thử tải thỏa mãn quy định tại phần này.
2 Tải trọng khác với tải trọng làm việc an toàn
Theo yêu cầu của Chủ thiết bị, những tải trọng nêu ở (1) đến (2) dưới đây được phép ghi trong giấy chứng nhận sau khi kiểm tra và thử thoả mãn ngoài tải trọng làm việc an toàn phù hợp với quy định ở -1 trên:
(1) Tải trọng tối đa tương ứng với góc nhỏ hơn góc tối thiểu cho phép đối với hệ cần trục dây giằng.
(2) Tải trọng tối đa tương ứng với tầm với vượt quá tầm với tối đa cho phép đối với cần trục quay.
3 Quy định cho hệ cần trục dây giằng làm việc ghép đôi
(1) Việc quy định tải trọng làm việc an toàn cho hệ cần trục dây giằng làm việc ghép đôi là xác định tải trọng làm việc an toàn và góc lớn nhất giữa hai dây nâng hàng hoặc tải trọng làm việc an toàn và chiều cao nâng cho phép (khoảng cách thẳng đứng giữa vị trí cao nhất của kết cấu trên boong thượng có miệng hầm hàng và tấm mã tam giác hoặc khuyên tròn bắt với dây cáp nâng hàng).
(2) Góc lớn nhất tạo bởi hai dây cáp nâng hàng quy định trong (1) trên không được vượt quá 1200.
3.1.3 Đóng dấu tải trọng làm việc an toàn
1 Đóng dấu cho thiết bị nâng
(1) Trên thiết bị nâng, tải trọng làm việc an toàn, góc nghiêng nhỏ nhất cho phép, tầm với tối đa và các điều kiện hạn chế khác xác định theo 4.6.2 phải được đóng dấu phù hợp với các yêu cầu từ (a) đến (c) dưới đây:
(a) Hệ cần trục dây giằng
Tại vị trí dễ thấy của giá đỡ cần phải có dấu của Đăng kiểm, dấu quy định tải trọng làm việc an toàn, góc nhỏ nhất cho phép.
(b) Cần trục quay
Tại vị trí dễ thấy của giá đỡ cần hoặc vị trí tương tự phải có dấu của Đăng kiểm, dấu quy định tải trọng làm việc an toàn, tầm với lớn nhất.
(c) Thiết bị nâng khác
Tại vị trí dễ thấy, ít bị va chạm, phải có dấu của Đăng kiểm, tải trọng làm việc an toàn.
(2) Nếu hệ cần trục dây giằng và cần trục quay có các tải trọng làm việc an toàn khác được chấp nhận theo các quy định nêu ở 4.6.2-2 thì phải có đủ các dấu đóng quy định từng tổ hợp tương ứng, theo các yêu cầu trong (1).
(3) Đối với thiết bị nâng sử dụng gàu ngoạm, dầm nâng hàng, lưới nâng hàng, nam châm nâng hàng và chi tiết tháo được tương đương khác có quy định tải trọng hàng tối đa, không kể trọng lượng bản thân, thì phải đóng dấu tương ứng với các điều kiện làm việc.
(4) Dấu đóng phải được sơn bằng sơn chống gỉ và viền khung bằng sơn dễ nhìn thấy.
(5) Ngoài việc đóng dấu theo quy định ở mục (1), (2) và (3), các dấu tương tự (trừ dấu ấn chỉ Đăng kiểm) phải được đóng tại những vị trí dễ thấy có sơn phủ. Trong trường hợp này, kích thước của chữ phải có chiều cao không nhỏ hơn 77 mm.
2 Đóng dấu cho các chi tiết tháo được
(1) Trên chi tiết tháo được ngoại trừ dây cáp thép và cáp sợi, phải đóng dấu tải trọng thử, tải trọng làm việc an toàn và các dấu hiệu phân biệt vào vị trí dễ thấy và không gây bất lợi cho cả độ bền và sự hoạt động của chúng. Trên gàu ngoạm, dầm nâng hàng, nam châm nâng hàng, khung nâng công te nơ và các chi tiết tương đương khác, phải đóng thêm dấu trọng lượng bản thân của chúng.
(2) Các dấu đóng phải được sơn chống gỉ và đóng khung bằng sơn dễ nhìn thấy.
(3) Mặc dù các yêu cầu trong mục (1), gàu ngoạm, dầm nâng hàng, nam châm nâng hàng, võng nâng hàng và các chi tiết tương đương khác, phải đóng thêm dấu tải trọng làm việc an toàn, trọng lượng bản thân của chúng có sơn phủ. Trong trường hợp này, kích thước của chữ phải có chiều cao không nhỏ hơn 77 mm.
III - QUY ĐỊNH QUẢN LÝ
3.1 Các thiết bị nâng trên công trình biển phải được Đăng kiểm kiểm tra, kiểm định cấp giấy chứng nhận trong thiết kế, chế tạo mới, hoán cải, sửa chữa, nhập khẩu và khai thác sử dụng phù hợp với các quy định của Quy chuẩn này.
3.2 Tại những vị trí mà những thành phần kết cấu của thiết bị nâng được cố định vào công trình biển hoặc khi chúng tạo thành bộ phận liên tục của công trình biển thì việc thử và kiểm tra phải tuân theo các yêu cầu trong phần này, ngoài ra còn phải tuân theo các yêu cầu có liên quan của QCVN48: 2012/BGTVT, Sửa đổi 1: 2017 QCVN49: 2012/BGTVT và QCVN70: 2014/BGTVT.
3.3 Hồ sơ Đăng kiểm
Các hồ sơ, thủ tục cấp giấy chứng nhận cho thiết bị nâng trên công trình biển được quy định tại Nghị định số 44/2016/NĐ-CP, Thông tư số 33/2011/TT-BGTVT và Thông tư số 20/2022/TT-BGTVT.
3.4 Bảo quản hồ sơ Đăng kiểm
3.4.1 Quy định chung
Các hồ sơ do Đăng kiểm cấp và hướng dẫn sử dụng thiết bị nâng phải được bảo quản trên công trình biển.
3.4.2 Hướng dẫn sử dụng
Hướng dẫn sử dụng nêu ở 3.4.1 phải ghi các hạng mục quan trọng cần cho sự hoạt động và bảo dưỡng thiết bị nâng bao gồm những hạng mục từ (1) đến (8) dưới đây:
(1) Bố trí chung của thiết bị nâng;
(2) Bản vẽ bố trí chung của các chi tiết tháo được;
(3) Danh mục chi tiết tháo được;
(4) Điều kiện thiết kế (kể cả tải trọng làm việc an toàn, tốc độ gió, nghiêng dọc và nghiêng ngang của công trình biển...);
(5) Danh mục vật liệu;
(6) Hướng dẫn sử dụng (bao gồm cả chức năng của hệ thống an toàn và hệ thống bảo vệ);
(7) Quy trình thử tải;
(8) Quy trình bảo dưỡng và kiểm tra.
IV - TRÁCH NHIỆM CỦA CÁC TỔ CHỨC, CÁ NHÂN
4.1 Trách nhiệm của chủ thiết bị, cơ sở thiết kế, đóng mới, hoán cải và sửa chữa thiết bị nâng
4.1.1 Trách nhiệm của chủ thiết bị
Chủ thiết bị có trách nhiệm:
Thực hiện đầy đủ các quy định về đăng kiểm thiết bị nâng nêu trong Quy chuẩn này khi thiết bị nâng được chế tạo mới, hoán cải, sửa chữa, nhập khẩu và khai thác để đảm bảo và duy trì tình trạng an toàn kỹ thuật, an toàn lao động và phòng ngừa ô nhiễm môi trường;
Vận hành và bảo dưỡng thiết bị nâng trên các công trình biển tuân theo các quy định có liên quan của Operation and Maintenance of Offshore Crane - API Recommended Practice 2D: 2014 và các quy định pháp luật về an toàn lao động.
4.1.2 Trách nhiệm của cơ sở thiết kế
Cơ sở thiết kế thiết bị nâng, bao gồm thiết kế chế tạo mới, hoán cải và sửa chữa thiết bị nâng có trách nhiệm đảm bảo tính chính xác của các thông số tính toán thiết kế, xuất trình đầy đủ khối lượng hồ sơ thiết kế cho đăng kiểm thẩm định theo quy định của Quy chuẩn này.
4.1.3 Trách nhiệm của cơ sở đóng mới, hoán cải và sửa chữa thiết bị nâng
Cơ sở đóng mới, hoán cải và sửa chữa thiết bị nâng có trách nhiệm thực hiện đầy đủ các quy định về đăng kiểm thiết bị nâng nêu trong Quy chuẩn này.
4.2 Trách nhiệm của Đăng kiểm
Đăng kiểm có trách nhiệm:
(1) Thẩm định thiết kế đóng mới, hoán cải và sửa chữa thiết bị nâng theo các quy định của Quy chuẩn này và các quy định có liên quan khác của pháp luật;
(2) Kiểm tra, kiểm định, giám sát kỹ thuật đối với thiết bị nâng trong chế tạo mới, hoán cải, sửa chữa và khai thác theo các quy định của Quy chuẩn này và các quy định có liên quan khác của pháp luật.
V - TỔ CHỨC THỰC HIỆN
5.1 Đăng kiểm có trách nhiệm tổ chức thực hiện các nội dung của Quy chuẩn này.
5.2 Các văn bản, quy chuẩn, tiêu chuẩn, tài liệu được viện dẫn trong Quy chuẩn này nếu được thay thế hoặc sửa đổi bổ sung các nội dung liên quan thì thực hiện theo quy định trong văn bản mới.
Bạn chưa Đăng nhập thành viên.
Đây là tiện ích dành cho tài khoản thành viên. Vui lòng Đăng nhập để xem chi tiết. Nếu chưa có tài khoản, vui lòng Đăng ký tại đây!
