- Tổng quan
- Nội dung
- Tiêu chuẩn liên quan
- Lược đồ
- Tải về
Tiêu chuẩn Quốc gia TCVN 12792:2020 Vật liệu nền, móng mặt đường - Phương pháp xác định tỷ số CBR trong phòng thí nghiệm
| Số hiệu: | TCVN 12792:2020 | Loại văn bản: | Tiêu chuẩn Việt Nam |
| Cơ quan ban hành: | Bộ Khoa học và Công nghệ | Lĩnh vực: | Giao thông |
|
Ngày ban hành:
Ngày ban hành là ngày, tháng, năm văn bản được thông qua hoặc ký ban hành.
|
12/03/2020 |
Hiệu lực:
|
Đã biết
|
| Người ký: | Đang cập nhật |
Tình trạng hiệu lực:
Cho biết trạng thái hiệu lực của văn bản đang tra cứu: Chưa áp dụng, Còn hiệu lực, Hết hiệu lực, Hết hiệu lực 1 phần; Đã sửa đổi, Đính chính hay Không còn phù hợp,...
|
Đã biết
|
TÓM TẮT TIÊU CHUẨN VIỆT NAM TCVN 12792:2020
TCVN 12792:2020: Xác định tỷ số CBR trong phòng thí nghiệm
Tiêu chuẩn Quốc gia TCVN 12792:2020, ban hành ngày xx/xx/2020, quy định phương pháp xác định tỷ số California Bearing Ratio (CBR) của vật liệu nền, móng trong kết cấu mặt đường, nhằm đánh giá chất lượng vật liệu phục vụ cho các công trình giao thông. Tiêu chuẩn này thay thế một phần quy định cũ, tiếp cận dựa trên các tiêu chuẩn quốc tế như AASHTO T193-13 và ASTM D1883-16.
Phạm vi áp dụng của tiêu chuẩn bao gồm việc xác định tỷ số CBR đối với nhiều loại vật liệu như đất, đất gia cố, cấp phối đá dăm và cấp phối tự nhiên. Tỷ số CBR được xác định ở độ ẩm tốt nhất và khối lượng thể tích khô quy định, phục vụ cho việc thiết kế và đánh giá cường độ kết cấu đường bộ và sân bay.
Tiêu chuẩn cũng đưa ra thuật ngữ và định nghĩa cần thiết như tỷ số CBR, tỷ lệ hạt quá cỡ, độ ẩm tốt nhất, và khối lượng thể tích khô lớn nhất. Tỷ số CBR là tỷ lệ giữa lực tác dụng lên mẫu và lực tiêu chuẩn để ép lún mẫu đến hai độ sâu quy định (2,54 mm và 5,08 mm).
Quy trình thí nghiệm CBR theo tiêu chuẩn gồm ba bước chính: chuẩn bị mẫu, ngâm mẫu trong nước và thực hiện thí nghiệm. Mẫu vật liệu được đầm nén, ngâm trong nước 96 giờ trước khi đo tỷ số CBR bằng máy nén. Các thiết bị cần thiết bao gồm máy nén có lực tối đa 44,5 kN, đồng hồ đo biến dạng cùng với các dụng cụ đo lường khác.
Kết quả thí nghiệm sẽ được tính toán và vẽ biểu đồ quan hệ giữa áp lực nén và chiều sâu ép lún, từ đó xác định tỷ số CBR cho mẫu thí nghiệm. Từ đó, tỷ số CBR của vật liệu sẽ được vẽ ra dưới dạng biểu đồ để đánh giá chất lượng và khả năng chịu tải của vật liệu sử dụng trong các kết cấu nền mặt đường. Nội dung báo cáo thử nghiệm bao gồm thông tin liên quan đến mẫu vật liệu, thiết bị thí nghiệm và kết quả nghiên cứu.
Với các quy định này, TCVN 12792:2020 không chỉ giúp đơn giản hóa quy trình xác định tỷ số CBR mà còn mang lại kết quả đáng tin cậy cho việc sử dụng vật liệu xây dựng trong lĩnh vực giao thông vận tải.
Tải tiêu chuẩn Việt Nam TCVN 12792:2020
TIÊU CHUẨN QUỐC GIA
TCVN 12792:2020
VẬT LIỆU NỀN, MÓNG MẶT ĐƯỜNG - PHƯƠNG PHÁP XÁC ĐỊNH TỶ SỐ CBR TRONG PHÒNG THÍ NGHIỆM
Road and foundation materials - Standard test Method for California bearing Ratio (CBR) in the laboratory
Lời nói đầu
TCVN 12792:2020 được xây dựng trên cơ sở AASHTO T193-13; ASTM D1883-16; 22TCN 332-06.
TCVN 12792:2020 do Viện khoa học và Công nghệ Giao thông Vận tải biên soạn, Bộ Giao thông Vận tải đề nghị, Tổng cục Tiêu chuẩn đo lường chất lượng thẩm định, Bộ Khoa học và Công nghệ Công bố.
VẬT LIỆU NỀN, MÓNG MẶT ĐƯỜNG - PHƯƠNG PHÁP XÁC ĐỊNH TỶ SỐ CBR TRONG PHÒNG THÍ NGHIỆM
Road and foundation materials - Standard test Method for California bearing Ratio (CBR) in the laboratory
1 Phạm vi áp dụng
1.1 Tiêu chuẩn này quy định trình tự thí nghiệm để xác định tỷ số CBR (California Bearing Ratio) của vật liệu sử dụng làm nền, móng trong kết cấu nền mặt đường (đất, đất gia cố, cấp phối đá dăm, cấp phối tự nhiên...) trong phòng thí nghiệm trên mẫu vật liệu đã được chế bị.
1.2 Tỷ số CBR được xác định theo tiêu chuẩn này là cơ sở đánh giá chất lượng vật liệu sử dụng làm nền, móng trong kết cấu nền mặt đường; ngoài ra còn được sử dụng để đánh giá cường độ của kết cấu đường ôtô và đường sân bay trong một số phương pháp thiết kế có sử dụng thông số cường độ theo CBR.
1.3 Phương pháp này xác định tỷ số CBR của vật liệu ở độ ẩm tốt nhất và khối lượng thể tích khô quy định.
CHÚ THÍCH 1:
- Có thể sử dụng phương pháp này khi cần xác định ảnh hưởng của độ ẩm đầm nén đến CBR hoặc phục vụ mục đích nghiên cứu;
- Một số trường hợp không thể đánh giá cường độ của kết cấu áo đường ôtô và sân bay bằng phương pháp đo mô đun đàn hồi Eo hiện trường thì khi đó có thể sử dụng mối quan hệ tương quan thực nghiệm giữa mô đun đàn hồi Eo với chỉ số sức chịu tải CBR.
2 Tài liệu viện dẫn
Các tài liệu viện dẫn sau cần thiết cho việc áp dụng tiêu chuẩn này. Đối với các tài liệu viện dẫn ghi năm ban hành thì áp dụng bản được nêu. Đối với các tài liệu viện dẫn không ghi năm ban hành thì áp dụng phiên bản mới nhất, bao gồm cả các sửa đổi (nếu có).
TCVN 7572-5:2006, Cốt liệu cho bê tông và vữa - Phương pháp thử - Phần 5: Xác định khối lượng riêng, khối lượng thể tích và độ hút nước của đá gốc và hạt cốt liệu lớn;
TCVN 4196:2012, Đất xây dựng - Phương pháp xác định độ ẩm và độ hút ẩm trong phòng thí nghiệm;
TCVN 2683:2014, Đất xây dựng - Yêu cầu chung về lấy mẫu, đóng gói, vận chuyển và bảo quản mẫu đất dùng cho các thí nghiệm trong phòng;
TCVN 4198:2014, Đất xây dựng - Phương pháp phân tích thành phần hạt trong phòng thí nghiệm;
TCVN 12790:2020, Đất, đá dăm dùng trong công trình giao thông - Đầm nén Proctor.
3 Thuật ngữ, định nghĩa
Trong tiêu chuẩn này sử dụng các thuật ngữ và định nghĩa sau:
3.1
Tỷ số CBR (California Bearing Ratio), (CBR)
Là tỷ số biểu thị sức chịu tải của đất và vật liệu dùng làm các lớp nền, móng trong kết cấu mặt đường; được tính bằng phần trăm (%) theo tỷ số giữa lực tác dụng lên mẫu và lực tiêu chuẩn để ép lún đầu nén vào mẫu tới độ sâu 2,54 mm hoặc 5,08 mm với tốc độ ép lún đầu nén là 1,27 mm/min.
3.2
Tỷ lệ hạt quá cỡ (oversize fraction), (Pc)
Tỷ lệ phần trăm khối lượng hạt nằm trên sàng 4,75 mm hoặc sàng 19 mm tùy theo phương pháp đầm nén sử dụng.
3.3
Độ ẩm tốt nhất (optimum water content), (Wop)
Độ ẩm của mẫu vật liệu đạt được khối lượng thể tích khô lớn nhất ứng với công đầm nén.
3.4
Khối lượng thể tích khô lớn nhất (maximum dry unit weight), (γmax)
Khối lượng thể tích khô lớn nhất là khối lượng thể tích khô của vật liệu tiêu chuẩn có độ ẩm tốt nhất ứng với công đầm nén quy định.
3.5
Độ trương nở (degree of volume expansion), (DTrn)
Độ trương nở là sự tăng thể tích của vật liệu sau khi ngâm mẫu trong nước; về trị số, nó là tỷ số giữa lượng tăng thể tích do trương nở và thể tích ban đầu của vật liệu.
CHÚ THÍCH 2:
Lực tiêu chuẩn là giá trị lực thí nghiệm trên mẫu chuẩn của phòng thí nghiệm đường bộ California Mỹ. Như vậy có thể hiểu tỷ số CBR là sức chịu của vật liệu nào đó bằng bao nhiêu phần trăm so với vật liệu tiêu chuẩn của phòng thí nghiệm đường bộ bang California Mỹ.
4 Tóm tắt phương pháp thử
Tỷ số CBR của vật liệu trong tiêu chuẩn này được hiểu là tỷ số CBR xác định thông qua thí nghiệm trong phòng, trên mẫu vật liệu đã được đầm nén trong cối với độ ẩm đầm nén tốt nhất, được ngâm mẫu trong nước với thời gian 96 giờ, tương ứng với độ chặt K quy định theo yêu cầu thiết kế. Việc thí nghiệm xác định tỷ số CBR của vật liệu được tiến hành theo trình tự sau:
a) Thí nghiệm đầm nén để xác định khối lượng thể tích khô lớn nhất và độ ẩm tốt nhất của vật liệu.
b) Đầm nén tạo các mẫu trong cối CBR với độ ẩm tốt nhất, với công đầm nén khác nhau qua số chày đầm khác nhau trên 1 lớp là 10, 30, 65 chày.
c) Sau khi ngâm mẫu với thời gian quy định 96 giờ, tiến hành xác định giá trị CBR của các mẫu.
d) Thiết lập đường cong quan hệ giữa CBR của các mẫu và khối lượng thể tích khô tương ứng. Căn cứ đường cong quan hệ này, từ giá trị độ chặt K yêu cầu đã biết sẽ xác định được tỷ số CBR tương ứng. Đó là tỷ số CBR của vật liệu.
5 Chuẩn bị mẫu
5.1 Làm khô mẫu: Nếu mẫu ẩm ướt, cần phải làm khô mẫu bằng cách phơi ngoài không khí hoặc cho vào trong tủ sấy, duy trì nhiệt độ trong tủ sấy không quá 60°C cho đến khi có thể làm tơi vật liệu.
Dùng vồ gỗ đập nhẹ để làm tơi vật liệu, dùng chày cao su nghiền các hạt nhỏ để tránh làm thay đổi thành phần hạt cấp phối tự nhiên của mẫu.
5.2 Sàng và gia công mẫu: Nếu tất cả các hạt vật liệu lọt qua sàng 19 mm thì toàn bộ mẫu sẽ được sử dụng để thí nghiệm. Nếu có hạt vật liệu nằm trên sàng 19 mm thì phải gia công mẫu bằng cách thay thế lượng hạt trên sàng 19 mm bằng lượng hạt lọt qua sàng 19 mm và nằm trên sàng 4,75 mm. Lượng vật liệu dùng để thay thế này được lấy ra từ phần dư của mẫu vật liệu cùng loại và đồng thời thỏa mãn lượng hạt quá cỡ theo tiêu chuẩn đầm nén TCVN 12790:2020.
5.3 Khối lượng mẫu thí nghiệm:
- Tối thiểu 35 kg đối với thí nghiệm đầm nén.
- Tối thiểu 25 kg đối với thí nghiệm CBR.
6 Thiết bị và dụng cụ
6.1 Thiết bị gia tải: là một máy nén có khả năng tạo ra lực nén tới 44,5 KN với tốc độ dịch chuyển đều của đế nâng là 1,27 mm/min, có tác dụng để đầu nén xuyên vào trong mẫu. Đầu nén được làm bằng thép hình trụ, chiều dài không nhỏ hơn 102 mm, đường kính mặt cắt ngang là (49,63 ± 0,13) mm.
6.2 Đồng hồ đo biến dạng (thiên phân kế): dùng để đo chuyển vị khi đầu nén xuyên vào mẫu. Hành trình tối đa của đồng hồ không được nhỏ hơn 25 mm và giá trị một vạch đo là 0,01 mm.
6.3 Cối (khuôn) CBR bao gồm các bộ phận sau:
6.3.1 Thân cối bằng thép hình trụ rỗng, đường kính (152,40 ± 0,66) mm; chiều cao (177,80 ± 0,46) mm;
6.3.2 Đai cối bằng thép hình trụ rỗng, đường kính (152,40 + 0,66) mm; cao khoảng 50 mm. Đai cối được thiết kế để có thể lắp vừa vào cả hai đầu của thân cối;
6.3.3 Đế cối là một tấm thép được khoét sâu với đường kính thích hợp (bằng đường kính ngoài của thân cối cộng thêm khoảng dung sai) để dễ cố định với thân cối khi lắp. Tại vùng khoét sâu được đục ít nhất 28 lỗ nhỏ đường kính 1,6 mm để nước dễ thấm vào mẫu khi ngâm mẫu trong nước.

Hình 1 - Cối (khuôn) CBR
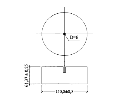
6.4 Tấm đệm: là một khối thép hình trụ, đường kính (150,8 ± 0,8) mm, dày (61,37 ± 0,25) mm, thích hợp với thân cối cao 177,80 mm để mẫu sau khi đầm sẽ có chiều cao là 116,43 mm.
Kích thước tính bằng mm

Hình 2 - Tấm đệm
CHÚ THÍCH 3:
Có thể sử dụng loại cối CBR với thân cối có đường kính trong (152,40 ± 0,66) mm; chiều cao (152,40 ± 0,66) mm. Chiều cao của tấm đệm trong trường hợp này phải là (35,97 ± 0,25) mm để mẫu sau khi đầm sẽ có chiều cao là 116,43 mm.
6.5 Chày đầm: được sử dụng là loại chày đầm nặng 2,495 kg, chiều cao rơi 305 mm ứng với phương pháp đầm nén Proctor tiêu chuẩn hoặc loại chày đầm nặng 4,54 kg, chiều cao rơi 457 mm ứng với phương pháp đầm nén Proctor cải tiến.
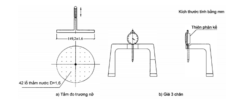
6.6 Dụng cụ đo độ trương nở bao gồm các bộ phận sau:
6.6.1 Tấm đo trương nở là một đĩa bằng đồng hình tròn đường kính (149,2 ± 1,6) mm, trên đĩa có đục ít nhất 42 lỗ nhỏ đường kính 1,6 mm, ở giữa đĩa có gắn một trục vuông góc với đĩa và có vít điều chỉnh được chiều cao của trục.
6.6.2 Giá đỡ thiên phân kế là giá kim loại kiểu 3 chân hoặc loại có chức năng tương tự dùng để gắn đồng hồ thiên phân kế và có thể đặt vừa lên trên miệng cối.

Hình 3 - Các dụng cụ đo độ trương nở
6.7 Tấm gia tải được làm bằng thép, có 3 loại tấm gia tải:
6.7.1 Tấm gia tải hình vành khuyên khép kín, khối lượng (2,27 ± 0,04) kg, đường kính ngoài (149,2 ± 1,6) mm và đường kính lỗ là 54 mm;
6.7.2 Tấm gia tải hình vành khuyên hở có cùng đường kính ngoài và đường kính lỗ như với loại tấm gia tải hình vành khuyên khép kín. Mỗi tấm gia tải có khối lượng (2,27 ± 0,04) kg;
6.7.3 Tấm gia tải loại nửa hình vành khuyên có cùng đường kính ngoài và đường kính lỗ như với loại tấm gia tải hình vành khuyên khép kín. Mỗi đôi tấm gia tải có khối lượng (2,27 ± 0,04) kg.
Kích thước tính bằng mm

Hình 4 - Các vành khuyên tạo phụ tải
6.8 Bể ngâm mẫu: là loại bể được che đậy mái có dung tích thích hợp để ngâm mẫu thí nghiệm CBR và có thể duy trì mực nước luôn cao hơn bề mặt mẫu 25 mm.
6.9 Tủ sấy: là loại có bộ phận cảm biến nhiệt để có thể tự động duy trì nhiệt độ trong tủ ở mức 110 °C ± 5 °C dùng để sấy khô mẫu.
6.10 Cân: có 2 chiếc, một chiếc cân có khả năng cân được đến 15 kg với độ chính xác ± 1 g (để xác định khối lượng thể tích ẩm của mẫu); một chiếc có khả năng cân được đến 800 g với độ chính xác ± 0,01 g (để xác định độ ẩm mẫu).
6.11 Sàng: có 2 sàng lỗ vuông loại 19,0 mm và 4,75 mm.
6.12 Dụng cụ tháo mẫu: thường là kích thủy lực hoặc dụng cụ tương đương dùng để tháo mẫu đã đầm ra khỏi cối.
6.13 Các dụng cụ khác: giấy lọc, hộp đựng mẫu ẩm, chảo trộn, muôi xúc, giấy thấm, thanh thép cạnh thẳng để hoàn thiện bề mặt mẫu.
7 Cách tiến hành
7.1 Quy định chung
7.1.1 Mục đích là để tìm ra giá trị độ ẩm tốt nhất làm cơ sở đầm tạo mẫu CBR và giá trị khối lượng thể tích khô lớn nhất làm cơ sở xác định giá trị độ chặt đầm nén K của mẫu CBR.
7.1.2 Sử dụng vật liệu đã chuẩn bị, tiến hành đầm mẫu vật liệu theo TCVN 12790:2020 tùy theo yêu cầu kỹ thuật của dự án.
7.1.3 Xác định giá trị độ ẩm tốt nhất và giá trị khối lượng thể tích khô lớn nhất của vật liệu.
CHÚ THÍCH 4: Nếu đã biết giá trị độ ẩm tốt nhất và khối lượng thể tích khô lớn nhất của vật liệu (qua kết quả đầm nén đất, đá dăm trong phòng thí nghiệm đã tiến hành trước) thì có thể bỏ qua các thao tác ở khoản 7.1.
7.2 Trình tự
7.2.1 Chia mẫu đã chuẩn bị thành 3 phần, mỗi phần khoảng 7 kg để đầm tạo mẫu CBR. Xác định độ ẩm tự nhiên của vật liệu, tính lượng nước thích hợp cho vào 3 mẫu để đạt được độ ẩm tốt nhất.
7.2.2 Đầm mẫu: Được thực hiện trong cối CBR. Công đầm quy định tương ứng với 3 mẫu là: mẫu 1: 10 chày/lớp; mẫu 2: 30 chày/lớp; mẫu 3: 65 chày/lớp.
7.2.2.1 Đầm mẫu thứ 1
a) Bước 1: lắp chặt khít thân cối và đai cối vào đế cối. Đặt tấm đệm vào trong cối. Đặt miếng giấy thấm lên trên tấm đệm.
b) Bước 2: trộn mẫu vật liệu với lượng nước tính toán sao cho độ ẩm của mẫu đạt được giá trị độ ẩm đầm chặt tốt nhất.
c) Bước 3: cho mẫu vào cối để đầm với 10 chày/lớp. Trình tự đầm nén theo quy định của TCVN 12790:2020 với loại chày đầm và số lớp quy định. Cần chú ý sao cho chiều dày các lớp sau khi đầm bằng nhau, chiều cao mẫu sau khi đầm cao hơn cối khoảng 10 mm.
d) Bước 4: sau khi đầm xong, tháo đai cối ra, dùng thanh thép thẳng cạnh gạt bỏ phần mẫu dư trên miệng cối, nếu chỗ nào bị lõm xuống thì lấy hạt mịn để miết lại cho phẳng; nhấc cối ra khỏi đế cối, nhấc tấm đệm ra ngoài, đặt một miếng giấy thấm lên mặt đế cối; lật ngược cối (đã có mẫu đầm) và lắp lại vào đế cối sao cho mặt mẫu vừa được sửa phẳng tiếp xúc với mặt giấy thấm.
đ) Bước 5: lấy mẫu vật liệu rời (ở chảo trộn) trước và sau khi đầm để xác định độ ẩm. Độ ẩm mẫu được tính bằng trung bình cộng của 2 giá trị độ ẩm trước và sau khi đầm.
e) Bước 6: xác định khối lượng thể tích khô của mẫu đầm
7.2.2.2 Đầm mẫu thứ 2 và mẫu thứ 3: việc đầm mẫu, xác định độ ẩm, khối lượng thể tích khô được thực hiện theo trình tự như các bước ở khoản 7.2.2.1, nhưng chỉ khác là mẫu thứ 2 được đầm với 30 chày/lớp, mẫu thứ 3 được đầm với 65 chày/lớp.
CHÚ THÍCH 5:
- Nếu chỉ dẫn kỹ thuật quy định việc đầm nén xác định độ ẩm tốt nhất và khối lượng thể tích khô lớn nhất theo phương pháp đầm nén nào (phương pháp Đầm nén theo Proctor tiêu chuẩn hoặc Đầm nén Proctor cải tiến thì khi đầm tạo mẫu CBR cũng phải sử dụng loại chày đầm và số lớp vật liệu đầm theo quy định của phương pháp đầm nén đó).
- Trường hợp cần xác định ảnh hưởng của độ ẩm đầm nén đến CBR hoặc phục vụ mục đích nghiên cứu, việc thí nghiệm xác định CBR của vật liệu sẽ được tiến hành trên các tổ mẫu (3 tổ mẫu) đã được đầm nén trong cối CBR ở các độ ẩm tương ứng (5 độ ẩm) khác nhau nằm trong khoảng độ ẩm đầm nén quy định. Công đầm quy định tương ứng với 3 mẫu trong trường hợp này là: mẫu 1: 10 chày/lớp; mẫu 2: 25 chày/lớp; mẫu 3: 56 chày/lớp (tham khảo Phụ lục B).
7.3 Ngâm mẫu thí nghiệm CBR
7.3.1 Ngâm mẫu: tất cả các mẫu sau khi đã đầm trong cối CBR đều được ngâm trong nước trước khi thí nghiệm CBR. Việc ngâm mẫu được tiến hành theo trình tự sau:
7.3.1.1 Lấy tấm đo trương nở đặt lên mặt mẫu và đặt các tấm gia tải lên trên. Tổng khối lượng các tấm gia tải quy định là 4,54 kg.
7.3.1.2 Đặt giá đỡ thiên phân kế có gắn đồng hồ thiên phân kế để đo trương nở lên trên miệng cối. Điều chỉnh để chân đồng đo trương nở tiếp xúc ổn định với đỉnh của trục tấm đo trương nở. Ghi lại số đọc trên đồng hồ, ký hiệu là số đọc đầu, S1 (mm).
7.3.1.3 Cho mẫu vào trong bể nước để ngâm mẫu. Duy trì mực nước trong bể luôn cao hơn mặt mẫu 25 mm. Thời gian ngâm mẫu thường quy định là 96 giờ (4 ngày đêm). Sau thời gian ngâm mẫu, ghi lại số đọc trên đồng hồ đo trương nở, ký hiệu là số đọc cuối, S2 (mm).
7.3.2 Xác định độ trương nở: độ trương nở, tính theo đơn vị phần trăm (%), được xác định như sau:
| Độ trương nở | = | S2 – S1 | x | 100 | (1) |
| H |
trong đó:
S1 là số đọc trên đồng hồ thiên phân kế trước khi ngâm mẫu, tính bằng milimet (mm);
S2 là số đọc trên đồng hồ thiên phân kế sau khi ngâm mẫu, tính bằng milimet (mm);
H là chiều cao mẫu trước khi ngâm, được lấy bằng 116,43 mm.
7.3.3 Lấy mẫu ra khỏi bể nước, nghiêng cối để tháo nước trên mặt mẫu và để nước thoát trong vòng 15 phút. Sau đó, bỏ các tấm gia tải và tấm đo trương nở ra ngoài. Cần thao tác cẩn thận để không làm xáo động bề mặt mẫu.
7.4 Thí nghiệm CBR
7.4.1 Đặt các tấm gia tải lên mặt mẫu. Để tránh hiện tượng lớp vật liệu mềm yếu trên mặt mẫu có thể chèn vào lỗ của tấm gia tải, đặt tấm gia tải hình vành khuyên khép kín lên mặt mẫu, sau đó đặt mẫu lên bàn nén. Bật máy để cho đầu nén tiếp xúc với mặt mẫu và gia lực lên mẫu khoảng 44 N. Sau đó tiếp tục đặt hết các tấm gia tải, bằng với số tấm gia tải sử dụng khi ngâm mẫu.
7.4.2 Duy trì lực đầu nén tác dụng lên mặt mẫu là 44 N, lắp đồng hồ đo biến dạng. Tiến hành điều chỉnh số đọc của đồng hồ đo lực và đồng hồ đo biến dạng về điểm 0.
7.4.3 Gia tải: bật máy để cho ép lún đầu nén vào mẫu với tốc độ quy định 1,27 mm/min. Trong quá trình máy chạy, tiến hành ghi chép giá trị lực nén tại các thời điểm ép lún đầu nén vào mẫu: 0,64; 1,27; 1,91; 2,54; 3,81; 5,08; 7,62 mm. Nếu cần thiết có thể ghi thêm giá trị lực nén tại thời điểm ép lún đầu nén vào mẫu là: 10,16 mm và 12,7 mm. Sau đó tắt máy.
7.4.4 Tháo mẫu: sau khi nén xong, chuyển công tắc về vị trí hạ mẫu. Bật máy để hạ mẫu về vị trí ban đầu. Nhấc mẫu xuống và tháo mẫu.
8 Tính toán kết quả
8.1 Vẽ biểu đồ quan hệ áp lực nén - chiều sâu ép lún
8.1.1 Căn cứ số liệu thí nghiệm: các giá trị áp lực nén và chiều sâu ép lún tương ứng để vẽ biểu đồ quan hệ áp lực nén - chiều sâu ép lún. Biểu đồ quan hệ áp lực nén - chiều sâu ép lún của mẫu thí nghiệm được biểu thị như Hình 5a, trong đó trục hoành biểu thị chiều sâu ép lún (mm), trục tung biểu thị áp lực nén tương ứng (Mpa). Áp lực nén (Mpa) được tính bằng tỷ số giữa lực nén (daN) trên diện tích đầu nén (cm2).
8.1.2 Hiệu chỉnh biểu đồ trong một số trường hợp, quan hệ giữa một số giá trị áp lực nén và các chiều sâu ép lún tương ứng tại thời điểm ban đầu nén mẫu không tăng tuyến tính, vì vậy đoạn biểu đồ quan hệ áp lực nén - chiều sâu ép lún ở vùng gần gốc tọa độ không thẳng mà bị võng xuống. Trong trường hợp này, để có được quan hệ áp lực nén - chiều sâu ép lún chính xác, cần phải tiến hành hiệu chỉnh. Việc hiệu chỉnh được thực hiện bằng cách dời gốc tọa độ, được tiến hành như sau: kéo dài phần đường thẳng của biểu đồ xuống phía dưới để đường kéo dài này cắt trục hoành tại 1 điểm - điểm này chính là gốc tọa độ mới (xem cách hiệu chỉnh ở Hình 5b).
8.2 Xác định CBR của mẫu thí nghiệm
8.2.1 Dựa trên biểu đồ quan hệ áp lực nén - chiều sâu ép lún, xác định các giá trị áp lực nén ứng với chiều sâu ép lún 2,54 mm (ký hiệu là P1) và 5,08 mm (ký hiệu là P2).
8.2.2 Tính các tỷ số CBR theo công thức sau:

trong đó:
CBR1 là tỷ số CBR tính với chiều sâu ép lún 2,54 mm, tính bằng phần trăm (%);
CBR2 là tỷ số CBR tính với chiều sâu ép lún 5,08 mm, tính bằng phần trăm (%);
P1 là áp lực nén trên mẫu thí nghiệm đã hiệu chỉnh ứng với chiều sâu ép lún 2,54 mm, tính bằng Megapascal (Mpa);
P2 là áp lực nén trên mẫu thí nghiệm đã hiệu chỉnh ứng với chiều sâu ép lún 5,08 mm, tính bằng Megapascal (Mpa);
6,9 là áp lực nén tiêu chuẩn ứng với chiều sâu ép lún 2,54 mm, tính bằng Megapascal (Mpa);
10,3 là áp lực nén tiêu chuẩn ứng với chiều sâu ép lún 2,54 mm, tính bằng Megapascal (Mpa).
8.2.3 Xác định CBR của mẫu thí nghiệm: giá trị thí nghiệm CBR1 được chọn làm CBR của mẫu khi CBR1 ≥ CBR2. Nếu CBR2 > CBR1 thì phải làm lại thí nghiệm; nếu kết quả thí nghiệm vẫn tương tự thì chọn CBR2 làm CBR của mẫu thí nghiệm.
8.3 Xác định tỷ số CBR của vật liệu
8.3.1 Vẽ biểu đồ quan hệ CBR - khối lượng thể tích khô: căn cứ kết quả xác định CBR của 3 mẫu và khối lượng thể tích khô tương ứng, vẽ đường cong quan hệ CBR - Khối lượng thể tích khô.
8.3.2 Từ biểu đồ này, căn cứ giá trị độ chặt đầm nén quy định K tương ứng với khối lượng thể tích khô để xác định CBR (xem Hình 6). Đó là tỷ số CBR của vật liệu (được đầm tại độ ẩm tốt nhất ứng với độ chặt đầm nén quy định K).

Hình 5 - Biểu đồ quan hệ áp lực nén - Chiều sâu ép lún

Hình 6 - Biểu đồ quan hệ CBR - Khối lượng thể tích khô
9 Báo cáo thử nghiệm
Báo cáo thử nghiệm CBR bao gồm những thông tin sau:
- Tiêu chuẩn áp dụng: TCVN 12790:2020;
- Đơn vị yêu cầu, số hợp đồng hoặc phiếu yêu cầu;
- Thiết bị thí nghiệm, thành phần thí nghiệm;
- Tên dự án, tên gói thầu, hạng mục;
- Vật liệu thí nghiệm: nguồn vật liệu, loại vật liệu, phạm vi sử dụng;
- Khối lượng thể tích khô lớn nhất (g/cm3), độ ẩm đầm nén tốt nhất (%);
- Công đầm (số chày đầm/lớp), số lớp đầm, độ ẩm đầm nén (%), khối lượng thể tích ẩm (g/cm3), khối lượng thể tích khô (g/cm3), độ trương nở (%);
- Biểu đồ quan hệ áp lực nén - chiều sâu ép lún, giá trị CBR (%);
- Biểu đồ quan hệ CBR - Khối lượng thể tích khô;
- Tỷ số CBR của vật liệu ứng với độ chặt đầm nén quy định K.
Phụ lục A
(Tham khảo)
Ví dụ về Biểu mẫu báo cáo kết quả thí nghiệm
TÊN ĐƠN VỊ THỰC HIỆN THÍ NGHIỆM
PHÒNG THÍ NGHIỆM LAS - XD …
| Số: 20.../LAS-XD… | Hợp đồng số/phiếu yêu cầu số... |
| BÁO CÁO KẾT QUẢ THÍ NGHIỆM TIÊU CHUẨN THÍ NGHIỆM: ... Công trình: ............................................................................................ Hạng mục: ............................................................................................ Địa điểm: .............................................................................................. Loại vật liệu: ......................................................................................... Nguồn gốc mẫu:..................................................................................... Đơn vị yêu cầu: ..................................................................................... Phạm vi sử dụng: .................................................................................. Thiết bị sử dụng: ................................................................................... Tham gia thí nghiệm: ............................................................................. Ngày thí nghiệm: ………………… -:- ………………… | |

|
|
| Hà Nội, ngày tháng năm | |
| NGƯỜI THÍ NGHIỆM | NGƯỜI KIỂM TRA | PHÒNG THÍ NGHIỆM LAS-XD… | ĐƠN VỊ THÍ NGHIỆM |
Ví dụ về Biểu mẫu báo cáo kết quả thí nghiệm
TÊN ĐƠN VỊ THỰC HIỆN THÍ NGHIỆM
PHÒNG THÍ NGHIỆM LAS - XD …
| Số: 20.../LAS-XD… | Hợp đồng số/phiếu yêu cầu số... |
| BÁO CÁO KẾT QUẢ ĐẦM NÉN CBR VÀ ĐỘ TRƯƠNG NỞ TIÊU CHUẨN THÍ NGHIỆM: ... Công trình: ............................................................................................ Hạng mục: ............................................................................................ Địa điểm: .............................................................................................. Loại vật liệu: ......................................................................................... Nguồn gốc mẫu:..................................................................................... Đơn vị yêu cầu: ..................................................................................... Phạm vi sử dụng: .................................................................................. Thiết bị sử dụng: ................................................................................... Tham gia thí nghiệm: ............................................................................. Ngày thí nghiệm: ………………… -:- ………………… | |
| Số hiệu mẫu | Mẫu 1 - 10 chày | Mẫu 2 - 30 chày | Mẫu 3 - 65 chày | |||||||||
| Số chày/lớp | 10 | 30 | 65 | |||||||||
| Số lớp | 5 | 5 | 5 | |||||||||
| KL mẫu ướt + Khuôn | g | 8876,0 | 9116,0 | 9159,0 | ||||||||
| Khối lượng khuôn | g | 5024,0 | 5089,0 | 4698,0 | ||||||||
| Khối lượng mẫu ướt | g | 3852,0 | 4027,0 | 4461,0 | ||||||||
| Thể tích mẫu | cm3 | 2092,9 | 2076,3 | 2103,0 | ||||||||
| KL thể tích ướt | g/cm3 | 1,841 | 1,940 | 2,121 | ||||||||
| Xác định độ ẩm | Vị trí xác định độ ẩm | |||||||||||
| Trước | Sau | TB | Trước | Sau | TB | Trước | Sau | TB | ||||
| KL mẫu ướt + hộp | g | 633,21 | 642,51 |
| 653,35 | 593,62 |
| 593,69 | 599,69 |
| ||
| KL mẫu khô + hộp | g | 556,86 | 564,08 |
| 572,97 | 521,59 |
| 520,74 | 526,72 |
| ||
| Khối lượng nước | g | 78,35 | 78,43 |
| 80,38 | 72,03 |
| 72,95 | 72,97 |
| ||
| Khối lượng hộp | g | 0,00 | 0,00 |
| 0,00 | 0,00 |
| 0,00 | 0,00 |
| ||
| KL mẫu khô | g | 559,86 | 564,08 |
| 572,97 | 521,59 |
| 520,74 | 526,72 |
| ||
| Độ ẩm | % | 13,99 | 13,90 | 13,95 | 14,03 | 13,81 | 13,92 | 14,01 | 13,85 | 13,93 | ||
| KL thể tích khô | g/cm3 | 1,615 | 1,703 | 1,862 | ||||||||
| KL thể tích khô max | g/cm3 | 1,826 | ||||||||||
| Độ chặt K |
| % | 88,42 | 93,24 | 101,94 | |||||||
| Số liệu đo trương nở | ||||||||||||
| Ngày, tháng | Thời gian | Khoảng cách thời gian | Mẫu 1 - 10 chày | Mẫu 2 - 30 chày | Mẫu 3 - 65 chày | |||||||
| Số đọc đồng hồ | Trương nở | % | Số đọc đồng hồ | Trương nở | % | Số đọc đồng hồ | Trương nở | % | ||||
| h, ph | Ngày | 0,01 mm | 0,01 mm | 0,01 mm | ||||||||
| 20/9/18 | 9:50 | 0 | 296,0 |
|
| 135,0 |
|
| 195,0 |
|
| |
| 21/9/18 | 9:50 | 1 | 378,0 | 82,0 | 0,70 | 206,0 | 71,0 | 0,61 | 240,0 | 45,0 | 0,39 | |
| 22/9/18 | 9:50 | 2 | 415,0 | 119,0 | 1,02 | 241,0 | 106,0 | 0,91 | 264,0 | 69,0 | 0,59 | |
| 23/9/18 | 9:50 | 3 | 443,0 | 147,0 | 1,26 | 257,0 | 122,0 | 1,04 | 277,0 | 82,0 | 0,70 | |
| 24/9/18 | 9:50 | 4 | 447,0 | 151,0 | 1,29 | 263,0 | 128,0 | 1,10 | 282,0 | 87,0 | 0,74 | |
|
|
| Hà Nội, ngày tháng năm | |
| NGƯỜI THÍ NGHIỆM | NGƯỜI KIỂM TRA | PHÒNG THÍ NGHIỆM LAS-XD… | ĐƠN VỊ THÍ NGHIỆM |
Phụ lục B
(Tham khảo)
Thí nghiệm xác định tỷ số CBR trong khoảng độ ẩm đầm nén
B.1 Mục đích thí nghiệm
Trường hợp cần phải xác định ảnh hưởng của độ ẩm đầm nén đến CBR, hoặc phục vụ mục đích nghiên cứu, việc thí nghiệm xác định CBR sẽ được tiến hành trên các tổ mẫu đã được đầm nén ở các độ ẩm tương ứng khác nhau nằm trong khoảng độ ẩm đầm nén quy định.
Căn cứ kết quả thí nghiệm (Hình B.1 và B.2), có thể nội suy để xác định CBR tương ứng với giá trị độ ẩm và khối lượng thể tích khô bất kỳ trong khoảng độ ẩm thí nghiệm.
Căn cứ kết quả thí nghiệm (Hình B.3), có thể xác định được giới hạn khoảng độ ẩm đầm nén thích hợp để đạt được tỷ số CBR nhỏ nhất yêu cầu.
B.2 Yêu cầu về thiết bị, dụng cụ thí nghiệm
Các yêu cầu về thiết bị, dụng cụ thí nghiệm tuân theo quy định tại Điều 6 của Tiêu chuẩn. Số lượng thiết bị dụng cụ cần thiết ở bảng B.1 sau:
Bảng B.1 - Thống kê thiết bị, dụng cụ dùng cho thí nghiệm
| Thiết bị, dụng cụ | Số lượng (cái) |
| Máy nén mẫu CBR | 1 |
| Chày đầm tiêu chuẩn | 1 |
| Chày đầm cải tiến | 1 |
| Cối CBR | 15 |
| Tấm đệm | 1 |
| Tấm đo trương nở | 15 |
| Đồng hồ đo trương nở | 15 |
| Giá đỡ thiên phân kế | 15 |
| Tấm gia tải (2,27 kg), tối thiểu | 30 |
B.3 Chuẩn bị mẫu thí nghiệm: Mẫu thí nghiệm được chuẩn bị theo quy định tại Điều 5 của Tiêu chuẩn.
B.4 Đầm tạo mẫu thí nghiệm CBR
B.4.1 Lượng mẫu cần thiết để thí nghiệm: khối lượng mẫu tối thiểu là 115 kg. Chia đều lượng mẫu thành 3 tổ mẫu, mỗi tổ 5 mẫu. Tổng cộng được chia thành 15 phần nhỏ, mỗi phần khoảng 7 kg để đầm tạo mẫu CBR.
B.4.2 Đầm tạo mẫu thí nghiệm CBR: việc đầm tạo mẫu được thực hiện trong cối CBR. Công đầm quy định tương ứng với 3 tổ mẫu là:
- Tổ mẫu 1: 56 chày/lớp;
- Tổ mẫu 2: 25 chày/lớp;
- Tổ mẫu 3: 10 chày/lớp.
B.4.2.1 Đầm tổ mẫu 1:
- Trộn 5 mẫu vật liệu với lượng nước tính toán để độ ẩm của các mẫu tăng dần từ mẫu thứ 1 đến mẫu thứ 5 sao cho khối lượng thể tích khô của cối thứ 3 gần với khối lượng thể tích khô lớn nhất.
- Tiến hành đầm mẫu: mỗi mẫu được đầm với 56 chày/lớp. Việc đầm, xác định độ ẩm, khối lượng thể tích khô của các mẫu được thực hiện theo trình tự như mô tả tại Điều 7 của tiêu chuẩn, chỉ khác ở chỗ các mẫu này sẽ được đầm với 56 chày/lớp.
B.4.2.2 Đầm tổ mẫu 2 và tổ mẫu 3: việc tạo ẩm cho mẫu, đầm mẫu, xác định độ ẩm, khối lượng thể tích khô được thực hiện theo trình tự quy định tại khoản B.4.2.1 của Phụ lục này, nhưng chỉ khác ở chỗ các mẫu của tổ mẫu 2 sẽ được đầm với 25 chày/lớp, các mẫu của tổ mẫu 3 sẽ được đầm với 10 chày/lớp.
B.5 Ngâm mẫu CBR: ngâm mẫu thí nghiệm CBR được thực hiện theo quy định tại Điều 7 của Tiêu chuẩn.
B.6 Thí nghiệm CBR: thí nghiệm CBR được thực hiện theo quy định tại Điều 8 của Tiêu chuẩn.
CHÚ THÍCH B.1: Số lượng các chày trên mỗi lớp phải được thay đổi khi cần thiết để các mẫu được chuẩn bị có KLTT khô trên và dưới giá trị mong muốn. Thông thường, nếu CBR cho vật liệu tại 95% KLTT khô tối đa là mong muốn, khi đó mẫu vật được đầm chặt bằng cách sử dụng 56, 25, và 10 chày mỗi lớp là thỏa đáng. Trong trường hợp KLTT khô mong muốn bằng hoặc gần bằng 100% KLTT khô tối đa, sẽ cần thiết phải đưa vào một lực đầm nén lớn hơn 56 chày/lớp.
B.7 Tính toán
B.7.1 Vẽ biểu thị quan hệ giữa ứng suất kháng nén - chiều sâu xuyên: được thực hiện theo quy định tại khoản 8.1 của Tiêu chuẩn.
B.7.2 Xác định CBR của mẫu: được thực hiện theo quy định tại khoản 8.2 của tiêu chuẩn.
B.7.3 Xác định tỷ số CBR của vật liệu:
B.7.3.1 Từ kết quả đầm tạo mẫu của 3 tổ mẫu CBR, vẽ 3 đường cong quan hệ giữa khối lượng thể tích khô và độ ẩm đầm nén, mỗi đường cong ứng với 1 tổ mẫu, trong đó trục hoành biểu diễn độ ẩm và trục tung biểu diễn khối lượng thể tích khô (Hình B.1).
B.7.3.2 Từ kết quả thí nghiệm CBR của 3 tổ mẫu, vẽ 3 đường cong quan hệ giữa CBR và độ ẩm đầm nén, mỗi đường cong ứng với 1 tổ mẫu, trong đó trục hoành biểu diễn độ ẩm và trục tung biểu diễn giá trị CBR (Hình B.2).
B.7.3.3 Từ Hình B.1 và B.2, xác định và vẽ đường cong quan hệ giữa CBR và khối lượng thể tích khô với các độ ẩm đầm nén khác nhau, trong đó trục hoành biểu diễn khối lượng thể tích khô và trục tung biểu diễn giá trị CBR (Hình B.3). Mỗi đường cong biểu thị quan hệ giữa CBR và khối lượng thể tích khô tại một giá trị độ ẩm.
B.7.3.4 Từ Hình B.3, xác định miền giới hạn bởi 4 đường: đường giới hạn trên và đường giới hạn dưới của khối lượng thể tích khô (hoặc đường giới hạn trên và giới hạn dưới của độ chặt đầm nén); đường giới hạn trên và đường giới hạn dưới của độ ẩm đầm nén.
B.7.3.5 Xác định giá trị CBR nhỏ nhất trong miền giới hạn bởi các đường trên. Giá trị này chính là tỷ số CBR trong khoảng độ ẩm và khoảng khối lượng thể tích khô quy định (xem Phụ lục B và Hình B.3).
B.8 Báo cáo thử nghiệm
Báo cáo thử nghiệm: tuân theo quy định tại Điều 9 của Tiêu chuẩn, ngoài ra còn bổ sung các thông tin sau:
1 - Đường cong quan hệ giữa khối lượng thể tích khô và độ ẩm đầm nén của các tổ mẫu (Hình B.1);
2 - Đường cong quan hệ giữa giữa CBR và độ ẩm đầm nén của các tổ mẫu (Hình B.2);
3 - Đường cong quan hệ giữa CBR và khối lượng thể tích khô với các độ ẩm đầm nén khác nhau (Hình B.3);
4 - Giá trị tỷ số CBR của vật liệu trong khoảng độ ẩm quy định.
Ví dụ xác định giá trị CBR trong một khoảng độ ẩm đầm nén
Bảng B.1 - Số liệu đầm chặt và nén CBR sử dụng để vẽ hình B.1, B.2
Tổ mẫu 1: Vật liệu đầm làm 5 lớp, mỗi lớp 56 chày
| Độ ẩm đầm mẫu (%) | 10,0 | 12,0 | 14,0 | 18,0 | 20,0 |
| KLTT khô (g/cm3) | 1,74 | 1,80 | 1,83 | 1,76 | 1,71 |
| CBR (%) | 6,86 | 9,84 | 13,12 | 7,75 | 5,96 |
Tổ mẫu 2: Vật liệu đầm làm 5 lớp, mỗi lớp 25 chày
| Độ ẩm đầm mẫu (%) | 12,0 | 14,0 | 16,0 | 18,0 | 20,0 |
| KLTT khô (g/cm3) | 1,65 | 1,72 | 1,75 | 1,73 | 1,69 |
| CBR (%) | 6,263 | 8,05 | 11,03 | 8,35 | 6,56 |
Tổ mẫu 3: Vật liệu đầm làm 5 lớp, mỗi lớp 10 chày
| Độ ẩm đầm mẫu (%) | 14,0 | 18,0 | 20,0 | 22,0 | 24,0 |
| KLTT khô (g/cm3) | 1,55 | 1,64 | 1,62 | 1,60 | 1,52 |
| CBR (%) | 5,67 | 8,65 | 7,16 | 6,56 | 6,26 |
Bảng B.2 - Số liệu để vẽ quan hệ khối lượng thể tích khô - CBR cho hình B.3
| Độ ẩm | Số chày/lớp | KLTT khô (g/cm3) | CBR (%) |
| 12 | 56 chày | 1,80 | 9,84 |
| 25 chày | 1,65 | 6,26 | |
| 10 chày | 1,45 | 4,30 | |
| 14 | 56 chày | 1,83 | 13,12 |
| 25 chày | 1,72 | 8,05 | |
| 10 chày | 1,55 | 5,67 | |
| 16 | 56 chày | 1,80 | 10,77 |
| 25 chày | 1,75 | 11,03 | |
| 10 chày | 1,61 | 7,31 | |
| 18 | 56 chày | 1,76 | 7,75 |
| 25 chày | 1,73 | 8,35 | |
| 10 chày | 1,64 | 8,65 | |
| 20 | 56 chày | 1,71 | 5,96 |
| 25 chày | 1,69 | 6,56 | |
| 10 chày | 1,62 | 7,16 |
Bảng B.3. Kết quả xác định CBR
| Khối lượng thể tích khô lớn nhất, g/cm3 | 1,826 |
| Độ ẩm tốt nhất, % | 14,00 |
| Khối lượng thể tích khô tại K=95%, g/cm3 | 1,735 |
| Giá trị CBR nhỏ nhất, % | 8,13 |
| - Khoảng độ ẩm: từ 12% đến 14.0% | |
| - Khoảng độ chặt từ K=95% đến K=100% | |

Hình B.1- Quan hệ độ ẩm - Khối lượng thể tích

Hình B.2 - Quan hệ độ ẩm - CBR

Hình B.3 - Quan hệ khối lượng thể tích khô - CBR theo các độ ẩm
MỤC LỤC
Lời nói đầu
1 Phạm vi áp dụng
2 Tài liệu viện dẫn
3 Thuật ngữ và định nghĩa
4 Tóm tắt phương pháp thử
5 Chuẩn bị mẫu
6 Thiết bị và dụng cụ
7 Cách tiến hành
8 Tính toán kết quả
9 Báo cáo thử nghiệm
Phụ lục A (tham khảo) Ví dụ về Biểu mẫu báo cáo kết quả thí nghiệm
Phụ lục B (tham khảo) Thí nghiệm tỷ số CBR trong khoảng độ ẩm đầm nén
Bạn chưa Đăng nhập thành viên.
Đây là tiện ích dành cho tài khoản thành viên. Vui lòng Đăng nhập để xem chi tiết. Nếu chưa có tài khoản, vui lòng Đăng ký tại đây!