- Tổng quan
- Nội dung
- Quy chuẩn liên quan
- Lược đồ
- Tải về
Quy chuẩn QCVN 27:2025/BXD Bộ móc nối đỡ đấm của đầu máy toa xe
| Số hiệu: | QCVN 27:2025/BXD | Loại văn bản: | Quy chuẩn Việt Nam |
| Cơ quan ban hành: | Bộ Xây dựng | Lĩnh vực: | Giao thông |
| Trích yếu: | Bộ móc nối, đỡ đấm của đầu máy, toa xe | ||
|
Ngày ban hành:
Ngày ban hành là ngày, tháng, năm văn bản được thông qua hoặc ký ban hành.
|
09/12/2025 |
Hiệu lực:
|
Đã biết
|
| Người ký: | Đang cập nhật |
Tình trạng hiệu lực:
Cho biết trạng thái hiệu lực của văn bản đang tra cứu: Chưa áp dụng, Còn hiệu lực, Hết hiệu lực, Hết hiệu lực 1 phần; Đã sửa đổi, Đính chính hay Không còn phù hợp,...
|
Đã biết
|
TÓM TẮT QUY CHUẨN VIỆT NAM QCVN 27:2025/BXD
Quy chuẩn kỹ thuật quốc gia về bộ móc nối, đỡ đấm của đầu máy, toa xe
Ngày 09 tháng 12 năm 2025, Bộ Xây dựng đã ban hành Quy chuẩn kỹ thuật quốc gia QCVN 27:2025/BXD về bộ móc nối, đỡ đấm của đầu máy, toa xe, do Cục Đăng kiểm Việt Nam biên soạn và Cục Đường sắt Việt Nam trình duyệt, có hiệu lực ngay từ ngày ban hành. Quy chuẩn này thay thế cho QCVN 111:2023/BGTVT.
Quy chuẩn này điều chỉnh các yêu cầu kỹ thuật và kiểm tra chất lượng, an toàn kỹ thuật và bảo vệ môi trường đối với bộ móc nối, đỡ đấm được sản xuất, lắp ráp hoặc nhập khẩu mới cho đầu máy, toa xe. Đối tượng áp dụng bao gồm các tổ chức, cá nhân liên quan đến quản lý, sản xuất, lắp ráp, nhập khẩu và kiểm tra chất lượng của sản phẩm nói trên.
Yêu cầu kỹ thuật chung
Bộ móc nối, đỡ đấm phải đảm bảo các yêu cầu kỹ thuật như tài liệu của nhà sản xuất, kích thước chính, tính năng và thông số kỹ thuật được quy định. Cần chú ý rằng bề mặt phải không có vết nứt, và tỷ lệ khối lượng cho phép không quá 3% khối lượng danh nghĩa. Đặc biệt, bộ sản phẩm cần có khả năng mở khóa và khóa móc an toàn, không tự mở móc.
Ký hiệu và chứng chỉ chất lượng
Bộ móc nối, đỡ đấm cần có các ký hiệu thể hiện tên nhà sản xuất, năm sản xuất và số nhận dạng. Chứng chỉ chất lượng phải ghi rõ kiểu loại móc nối và thông tin liên quan khác, nhằm đảm bảo sản phẩm đạt tiêu chuẩn chất lượng khi xuất xưởng.
Thông số kỹ thuật hộp đỡ đấm
Hộp đỡ đấm cần được sản xuất theo các thông số quy định, đảm bảo dung năng danh nghĩa không được nhỏ hơn 20 kJ và phải chịu được lực nén theo tỷ lệ tiêu chuẩn. Các thông số kích thước như chiều dài, chiều rộng và chiều cao cũng cần được tuân thủ nghiêm ngặt.
Yêu cầu về độ cứng
Độ cứng bề mặt của các bộ phận như lưỡi móc và các chi tiết khác phải đáp ứng tiêu chuẩn cụ thể về độ cứng đối với các loại thép khác nhau, theo quy định trong quy chuẩn này.
Quy chuẩn QCVN 27:2025/BXD sẽ bảo đảm chất lượng và an toàn cho các bộ móc nối, đỡ đấm của đầu máy, toa xe, góp phần nâng cao hiệu quả trong công tác vận tải đường sắt.
Tải quy chuẩn Việt Nam QCVN 27:2025/BXD
|
CỘNG HÒA XÃ HỘI CHỦ NGHĨA VIỆT NAM
QCVN 27:2025/BXD
QUY CHUẨN KỸ THUẬT QUỐC GIA
National technical regulation on couplers for rolling stocks
HÀ NỘI - 2025
|
Lời nói đầu
QCVN 27:2025/BXD do Cục Đăng kiểm Việt Nam biên soạn, Cục Đường sắt Việt Nam trình duyệt, Bộ Khoa học và công nghệ thẩm định, Bộ Xây dựng ban hành kèm theo Thông tư số 44/2025/TT-BGTVT ngày 09 tháng 12 năm 2025.
Quy chuẩn này thay thế Quy chuẩn QCVN 111:2023/BGTVT được ban hành kèm theo Thông tư số 04/2023/TT-BGTVT ngày 17 tháng 4 năm 2023 của Bộ trưởng Bộ Giao thông vận tải.
Mục lục
1 Quy định chung
1.1 Phạm vi điều chỉnh
1.2 Đối tượng áp dụng
1.3 Giải thích từ ngữ
2 Quy định kỹ thuật
2.1 Yêu cầu chung
2.2 Ký hiệu và chứng chỉ chất lượng
2.3 Thân móc nối và khung đuôi móc nối
2.4 Hộp đỡ đấm
2.5 Yêu cầu về độ cứng
3 Quy định quản lý
4 Tổ chức thực hiện
Phụ lục A - Danh mục tài liệu kỹ thuật
QUY CHUẨN KỸ THUẬT QUỐC GIA VỀ BỘ MÓC NỐI, ĐỠ ĐẤM CỦA ĐẦU MÁY, TOA XE
National technical regulation on couplers for rolling stocks
1 Quy định chung
1.1 Phạm vi điều chỉnh
1.1.1 Quy chuẩn này quy định các yêu cầu kỹ thuật và việc kiểm tra chất lượng, an toàn kỹ thuật và bảo vệ môi trường đối với bộ móc nối, đỡ đấm sản xuất lắp ráp và nhập khẩu mới của đầu máy, toa xe.
1.1.2 Quy chuẩn này áp dụng cho bộ móc nối, đỡ đấm của đầu máy, toa xe có mã HS là 86.07.30.00 được quy định theo Thông tư số 31/2022/TT-BTC ngày 08 tháng 6 năm 2022 của Bộ trưởng Bộ Tài chính ban hành Danh mục hàng hóa xuất khẩu, nhập khẩu Việt Nam.
1.1.3 Quy chuẩn này không áp dụng cho bộ móc nối, đỡ đấm của đầu máy, toa xe sử dụng trên đường sắt đô thị; đầu máy, toa xe có tốc độ thiết kế lớn hơn 120 km/h; đầu máy, toa xe của quân đội, công an sử dụng vào mục đích quốc phòng, an ninh.
1.2 Đối tượng áp dụng
Quy chuẩn này áp dụng đối với tổ chức, cá nhân có liên quan đến việc quản lý, sản xuất lắp ráp, nhập khẩu, kiểm tra, chứng nhận chất lượng an toàn kỹ thuật và bảo vệ môi trường đối với bộ móc nối, đỡ đấm của đầu máy, toa xe thuộc phạm vi điều chỉnh tại điểm 1.1 của quy chuẩn này.
1.3 Giải thích từ ngữ
Trong Quy chuẩn này, các từ ngữ dưới đây được hiểu như sau:
1.3.1 Bộ móc nối, đỡ đấm
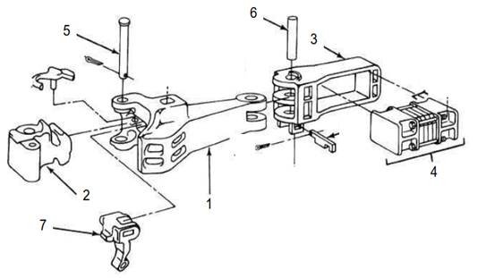
Bộ phận dùng để nối các toa xe, các đầu máy với nhau, nối toa xe với đầu máy và giữ chúng ở cách nhau một khoảng nhất định, truyền lực kéo hoặc nén trong đoàn tàu, đồng thời giảm nhẹ tác động của chúng xảy ra trong thời gian chạy tàu và khi dồn phóng tàu tại các ga (xem Hình 1).
1.3.2 Dung năng
Năng lượng mà hộp đỡ đấm có khả năng hấp thụ được ứng với hành trình lớn nhất của hộp đỡ đấm khi chịu nén.
1.3.3 Lực căng ban đầu
Lực nén có trước cần thiết để lắp ráp hộp đỡ đấm.
2 Quy định kỹ thuật
2.1 Yêu cầu chung

Trong đó:
1- Thân móc nối 2 - Lưỡi móc 3 - Khung đuôi móc nối 4 - Hộp đỡ đấm
5- Chốt lưỡi móc 6 - Chốt khung đuôi 7 - Khóa lưỡi móc
Hình 1 - Hình vẽ minh họa kết cấu bộ móc nối, đỡ đấm
2.1.1 Tài liệu kỹ thuật của nhà sản xuất đối với bộ móc nối, đỡ đấm phải phù hợp với quy định tại phụ lục A.
2.1.2 Bộ móc nối, đỡ đấm phải phù hợp với các yêu cầu của quy chuẩn này và tài liệu kỹ thuật của nhà sản xuất.
2.1.3 Đường bao liên kết của thân móc nối, lưỡi móc phải phù hợp với tài liệu kỹ thuật của nhà sản xuất và đảm bảo cho việc nối kết an toàn và thuận lợi.
2.1.4 Kích thước chính, tính năng, thông số kỹ thuật của thân móc nối, lưỡi móc, khung đuôi móc nối và hộp đỡ đấm phải phù hợp với tài liệu kỹ thuật của nhà sản xuất.
2.1.5 Bề mặt thân móc nối, lưỡi móc, khung đuôi móc nối, chốt lưỡi móc, chốt đuôi móc không xuất hiện vết nứt nhìn thấy được.
2.1.6 Dung sai khối lượng cho phép của bộ móc nối, đỡ đấm: không được quá 3 % khối lượng danh nghĩa.
2.1.7 Tính năng mở móc hoàn toàn, đóng móc hoàn toàn và khóa móc phải bình thường, không được tự mở móc.
2.1.8 Thân móc nối và khung đuôi móc nối phải được phủ một lớp chống gỉ, trừ bề mặt ma sát của các chi tiết hoạt động bên trong móc nối phải được bôi trơn bằng dầu hoặc mỡ.
2.2 Ký hiệu và chứng chỉ chất lượng
2.2.1 Trên thân móc nối, lưỡi móc, khung đuôi móc nối phải có các ký hiệu sau:
a) Tên nhà sản xuất;
b) Năm sản xuất;
c) Số nhận dạng;
d) Riêng thân móc nối phải có ký hiệu kiểu loại móc nối.
2.2.2 Thân móc nối và khung đuôi móc nối khi xuất xưởng phải có chứng chỉ chất lượng của nhà sản xuất, chứng chỉ chất lượng phải có các nội dung sau:
a) Tên nhà sản xuất;
b) Năm sản xuất;
c) Số nhận dạng;
d) Kiểu loại móc nối;
e) Mác thép đúc.
2.2.3 Hộp đỡ đấm khi xuất xưởng phải có chứng chỉ chất lượng của nhà sản xuất, chứng chỉ chất lượng phải có các nội dung sau:
a) Tên nhà sản xuất;
b) Năm sản xuất;
c) Số nhận dạng;
d) Kiểu loại hộp đỡ đấm.
2.3 Thân móc nối và khung đuôi móc nối
Xem xét tài liệu kỹ thuật của nhà sản xuất, trong tài liệu kỹ thuật của nhà sản xuất phải thể hiện được thành phần hóa học và cơ tính của vật liệu chế tạo thân móc nối, khung đuôi móc nối và các bộ phận khác như lưỡi móc, khóa lưỡi móc, chốt lưỡi móc, chốt đuôi móc. Trong đó, vật liệu chế tạo thân móc nối, khung đuôi móc nối đảm bảo là thép đúc cấp C hoặc cấp E theo tiêu chuẩn AAR M201 - “Thép đúc - Yêu cầu kỹ thuật” (Steel castings - Specification) hoặc tương đương về cơ tính và thành phần hóa học; vật liệu chế tạo lưỡi móc, khóa lưỡi móc cùng một loại thép đúc với thân móc nối hoặc tương đương về cơ tính và thành phần hóa học; vật liệu chế tạo chốt lưỡi móc, chốt đuôi móc tối thiểu từ thép kết cấu cacbon E 275 theo tiêu chuẩn ISO 630:1995 - “Thép kết cấu - Thép tấm, thép tấm bản rộng, thép thanh, thép hình” (Structural steels - Plates, wide flats, bars, sections and profiles) hoặc thép kết cấu tương đương được thường hóa.
2.4 Hộp đỡ đấm
2.4.1 Xem xét tài liệu kỹ thuật của nhà sản xuất, trong tài liệu kỹ thuật của nhà sản xuất phải thể hiện được dung năng danh nghĩa của hộp đỡ đấm, dung năng danh nghĩa của hộp đỡ đấm không được nhỏ hơn 20 kJ hoặc theo quy định của nhà sản xuất.
2.4.2 Xem xét tài liệu kỹ thuật của nhà sản xuất, trong tài liệu kỹ thuật của nhà sản xuất phải thể hiện được lực nén và hành trình danh nghĩa của hộp đỡ đấm phù hợp với quy định tại Bảng 1 hoặc quy định của nhà sản xuất.
Bảng 1 - Lực nén và hành trình danh nghĩa
| Lực nén danh nghĩa (MN) | Lực nén lớn nhất (MN) | Hành trình danh nghĩa (mm) |
| ≤ 0,8 | ≤ 1,2 | ≤ 73 |
2.4.3 Hộp đỡ đấm phải làm việc ổn định, các thông số cơ bản không thay đổi khi chịu tải trọng lặp lại.
2.4.4 Xem xét tài liệu kỹ thuật của nhà sản xuất, trong tài liệu kỹ thuật của nhà sản xuất phải thể hiện được lực căng ban đầu của hộp đỡ đấm từ 20 kN đến 120 kN. Việc kiểm tra lực căng ban đầu của hộp đỡ đấm được thực hiện thông qua quan sát, ghi lại kết quả kiểm tra (chứng kiến kiểm tra) lực căng ban đầu trên thiết bị kiểm tra chuyên dùng.
2.4.5 Kích thước hộp đỡ đấm kim loại có chiều dài không nhỏ hơn 625 mm, chiều rộng không quá 330 mm, chiều cao không quá 234 mm hoặc theo quy định của nhà sản xuất. Kích thước hộp đỡ đấm cao su có chiều dài không nhỏ hơn 627 mm, chiều rộng không quá 322 mm, chiều cao không quá 230 mm. Hộp đỡ đấm sau khi lắp ráp xong phải có độ nén ban đầu ít nhất là 2 mm.
2.4.6 Xem xét tài liệu kỹ thuật của nhà sản xuất, trong tài liệu kỹ thuật của nhà sản xuất phải thể hiện được tấm thép và lá cao su kẹp hai bên (gọi là tấm cao su đỡ đấm) phải được lưu hóa. Tấm cao su sau khi lưu hóa được nén giảm còn 70 % chiều dày và giữ trong 5 phút, bỏ nén sau 5 phút và đo lại chiều dày. Yêu cầu chiều dày không được giảm quá 5 % kích thước ban đầu. Số lượng tấm thép và lá cao su thử nghiệm được lấy ngẫu nhiên không nhỏ hơn 10 % tổng số tấm thép và lá cao su. Việc kiểm tra tấm thép và lá cao su được thực hiện thông qua quan sát, ghi lại kết quả kiểm tra (chứng kiến kiểm tra) tấm thép và lá cao su trên thiết bị kiểm tra chuyên dùng.
2.5 Yêu cầu về độ cứng
2.5.1 Độ cứng bề mặt lưỡi móc
- Thép đúc cấp C hoặc tương đương là 179 - 229 HB;
- Thép đúc cấp E hoặc tương đương là 241 - 291 HB.
2.5.2 Độ cứng bề mặt của các chi tiết khác (trừ lưỡi móc)
- Thép đúc cấp C hoặc tương đương là 179 - 241 HB;
- Thép đúc cấp E hoặc tương đương là 241 - 311 HB.
3 Quy định quản lý
3.1 Việc kiểm tra, chứng nhận bộ móc nối, đỡ đấm sản xuất lắp ráp và nhập khẩu mới thực hiện theo quy định của Bộ trưởng Bộ Xây dựng về quản lý, khai thác vận tải đường sắt.
3.2 Trong trường hợp các văn bản quy phạm pháp luật, tài liệu được viện dẫn trong Quy chuẩn kỹ thuật này có sự thay đổi, bổ sung hoặc được thay thế thì thực hiện theo các văn bản mới.
4 Tổ chức thực hiện
4.1 Tổ chức đăng kiểm chịu trách nhiệm tổ chức thực hiện kiểm tra sản xuất lắp ráp, nhập khẩu đối với bộ móc nối, đỡ đấm theo các quy định của Quy chuẩn này.
4.2 Bộ móc nối, đỡ đấm đã được kiểm tra, chứng nhận trước ngày quy chuẩn này có hiệu lực không phải thực hiện kiểm tra, chứng nhận theo quy chuẩn này.
4.3 Bộ móc nối, đỡ đấm thuộc phạm vi áp dụng của quy chuẩn này đã đăng ký kiểm tra, chứng nhận trước ngày quy chuẩn này có hiệu lực thì tiếp tục thực hiện các nội dung kiểm tra theo QCVN 111:2023/BGTVT.
Phụ lục A
Danh mục tài liệu kỹ thuật
Các tài liệu kỹ thuật được các tổ chức, cá nhân sản xuất lắp ráp/nhập khẩu mới cung cấp khi đăng ký kiểm tra bao gồm:
1) Bản vẽ kỹ thuật, trong đó phải thể hiện hình vẽ tổng thể bộ móc nối, đỡ đấm. Hình vẽ phải thể hiện được các kích thước cơ bản.
2) Bản thuyết minh tính năng, đặc tính kỹ thuật hoặc tài liệu giới thiệu tính năng, thông số kỹ thuật.
3) Chứng chỉ chất lượng (CQ) của nhà sản xuất đối với bộ móc nối đỡ đấm nhập khẩu.
4) Ảnh chụp thể hiện rõ số hiệu, hình ảnh tổng thể bộ móc nối, đỡ đấm.
5) Kết quả kiểm tra kích thước cơ bản của bộ móc nối, đỡ đấm.
6) Kết quả kiểm tra dung năng, lực nén, hành trình danh nghĩa của hộp đỡ đấm.
7) Kết quả kiểm tra thành phần hóa học và tính năng cơ học của vật liệu chế tạo bộ móc nối, đỡ đấm.
8) Kết quả kiểm tra khuyết tật vật đúc của thân móc nối, lưỡi móc, khung đuôi móc nối.
Bạn chưa Đăng nhập thành viên.
Đây là tiện ích dành cho tài khoản thành viên. Vui lòng Đăng nhập để xem chi tiết. Nếu chưa có tài khoản, vui lòng Đăng ký tại đây!
