- Tổng quan
- Nội dung
- Tiêu chuẩn liên quan
- Lược đồ
- Tải về
Tiêu chuẩn TCVN 9386:2012 Kết cấu nền móng, tường chắn công trình chịu động đất
| Số hiệu: | TCVN 9386:2012 | Loại văn bản: | Tiêu chuẩn Việt Nam |
| Cơ quan ban hành: | Bộ Khoa học và Công nghệ | Lĩnh vực: | Xây dựng |
|
Ngày ban hành:
Ngày ban hành là ngày, tháng, năm văn bản được thông qua hoặc ký ban hành.
|
2012 |
Hiệu lực:
|
Đã biết
|
| Người ký: | Đang cập nhật |
Tình trạng hiệu lực:
Cho biết trạng thái hiệu lực của văn bản đang tra cứu: Chưa áp dụng, Còn hiệu lực, Hết hiệu lực, Hết hiệu lực 1 phần; Đã sửa đổi, Đính chính hay Không còn phù hợp,...
|
Đã biết
|
TÓM TẮT TIÊU CHUẨN VIỆT NAM TCVN 9386:2012
Nội dung tóm tắt đang được cập nhật, Quý khách vui lòng quay lại sau!
Tải tiêu chuẩn Việt Nam TCVN 9386:2012
TIÊU CHUẨN QUỐC GIA
TCVN 9386:2012
THIẾT KẾ CÔNG TRÌNH CHỊU ĐỘNG ĐẤT -
PHẦN 1: QUY ĐỊNH CHUNG, TÁC ĐỘNG ĐỘNG ĐẤT VÀ QUY ĐỊNH ĐỐI VỚI KẾT CẤU NHÀ
PHẦN 2: NỀN MÓNG, TƯỜNG CHẮN VÀ CÁC VẤN ĐỀ ĐỊA KỸ THUẬT
Design of structures for earthquake resistances -
Part 1: General rules, seismic actions and rules for buildings
Part 2: Foundations, retaining structures and geotechnical aspects.
Lời nói đầu
TCVN 9386:2012 được chuyển đổi từ TCXDVN 375:2006 thành Tiêu chuẩn Quốc gia theo quy định tại khoản 1 Điều 69 của Luật Tiêu chuẩn và Quy chuẩn kỹ thuật và điểm b khoản 2 Điều 7 Nghị định số 127/2007/NĐ-CP ngày 1/8/2007 của Chính phủ quy định chi tiết thi hành một số điều của Luật Tiêu chuẩn và Quy chuẩn kỹ thuật.
TCVN 9386:2012 do Viện Khoa học Công nghệ Xây dựng - Bộ Xây dựng biên soạn, Bộ Xây dựng đề nghị, Tổng cục Tiêu chuẩn Đo lường Chất lượng thẩm định, Bộ Khoa học và Công nghệ công bố.
Lời giới thiệu
TCVN 9386:2012: Thiết kế công trình chịu động đất được biên soạn trên cơ sở chấp nhận Eurocode 8: Design of structures for earthquake resistance có bổ sung hoặc thay thế các phần mang tính đặc thù Việt Nam.
Eurocode 8 có 6 phần:
EN1998 - 1: Quy định chung, tác động động đất và quy định đối với kết cấu nhà;
EN1998 - 2: Quy định cụ thể cho cầu;
EN1998 - 3: Quy định cho đánh giá và gia cường kháng chấn những công trình hiện hữu;
EN1998 - 4: Quy định cụ thể cho silô, bể chứa, đường ống;
EN1998 - 5: Quy định cụ thể cho nền móng, tường chắn và những vấn đề địa kỹ thuật;
EN1998 - 6: Quy định cụ thể cho công trình dạng tháp, dạng cột, ống khói.
Trong lần ban hành này mới đề cập đến các điều khoản đối với nhà và công trình tương ứng với các phần của Eurocode 8 như sau:
Phần 1 tương ứng với EN1998 - 1;
Phần 2 tương ứng với EN1998 - 5;
Các phần bổ sung hoặc thay thế cho nội dung Phần 1:
Phụ lục E: Mức độ và hệ số tầm quan trọng
Phụ lục F: Phân cấp, phân loại công trình xây dựng
Phụ lục G: Bản đồ phân vùng gia tốc nền lãnh thổ Việt Nam
Phụ lục H: Bảng Phân vùng gia tốc nền theo địa đanh hành chính
Phụ lục I: Bảng chuyển đổi từ đỉnh gia tốc nền sang cấp động đất.
Các tiêu chuẩn tham khảo chung trích dẫn ở điều 1.2.1 chưa được thay thế bằng các tiêu chuẩn hiện hành của Việt Nam, vì cần đảm bảo tính đồng bộ giữa các tiêu chuẩn trong hệ thống tiêu chuẩn Châu Âu. Hệ thống tiêu chuẩn Việt Nam tiếp cận hệ thống tiêu chuẩn Châu Âu sẽ lần lượt ban hành các tiêu chuẩn trích dẫn này.
Bản đồ phân vùng gia tốc nền lãnh thổ Việt Nam là kết quả của đề tài độc lập cấp Nhà nước. “Nghiên cứu dự báo động đất và dao động nền ở Việt Nam do Viện Vật lý địa cầu thiết lập và chịu trách nhiệm pháp lý đã được Hội đồng Khoa học cấp Nhà nước nghiệm thu năm 2005. Bản đồ sử dụng trong tiêu chuẩn có độ tin cậy và pháp lý tương đương là một phiên bản cụ thể của bản đồ cùng tên đã được chỉnh lý theo kiến nghị trong biên bản đánh giá của Hội đồng nghiệm thu Nhà nước.
Trong bản đồ phân vùng gia tốc, đỉnh gia tốc nền tham chiếu agR trên lãnh thổ Việt Nam được biểu thị bằng các đường đẳng trị. Giá trị agR giữa hai đường đẳng trị được xác định theo nguyên tắc nội suy tuyến tính. Ở những vùng có thể có tranh chấp về gia tốc nền, giá trị agR do Chủ đầu tư quyết định.
Từ đỉnh gia tốc nền agR có thể chuyển đổi sang cấp động đất theo thang MSK-64, thang MM hoặc các thang phân bậc khác, khi cần áp dụng các tiêu chuẩn thiết kế chịu động đất khác nhau.
Theo giá trị gia tốc nền thiết kế ag = gI x agR, chia thành ba trường hợp động đất:
- Động đất mạnh ag ≥ 0,08g, phải tính toán và cấu tạo kháng chấn;
- Động đất yếu 0,04g ≤ ag < 0,08g, chỉ cần áp dụng các giải pháp kháng chấn đã được giảm nhẹ;
- Động đất rất yếu ag < 0,04g, không cần thiết kế kháng chấn.
Trong Eurocode 8 kiến nghị dùng hai dạng đường cong phổ, đường cong phổ dạng 1 dùng cho những vùng có cường độ chấn động Ms ≥ 5,5, đường cong phổ dạng 2 dùng cho những vùng có cường độ chấn động Ms < 5,5. Trong tiêu chuẩn sử dụng đường cong phổ dạng 1 vì phần lớn các vùng phát sinh động đất của Việt Nam có cường độ chấn động Ms ≥ 5,5.
Không thiết kế chịu động đất như nhau đối với mọi công trình mà công trình khác nhau thiết kế chịu động đất khác nhau. Tùy theo mức độ tầm quan trọng của công trình đang xem xét để áp dụng hệ số tầm quan trọng gI thích hợp. Trường hợp có thể có tranh chấp về mức độ tầm quan trọng, giá trị gI do chủ đầu tư quyết định.
THIẾT KẾ CÔNG TRÌNH CHỊU ĐỘNG ĐẤT - PHẦN 1: QUY ĐỊNH CHUNG, TÁC ĐỘNG ĐỘNG ĐẤT VÀ QUY ĐỊNH ĐỐI VỚI KẾT CẤU NHÀ
Design of structures for earthquake resistances - Part 1: General rules, seismic actions and rules for buildings
1. Tổng quát
1.1. Phạm vi áp dụng
1.1.1. Phạm vi áp dụng của tiêu chuẩn: Thiết kế công trình chịu động đất
(1)P Tiêu chuẩn này áp dụng để thiết kế nhà và công trình xây dựng trong vùng có động đất. Mục đích của tiêu chuẩn này là để bảo đảm trong trường hợp có động đất thì:
- Sinh mạng con người được bảo vệ;
- Các hư hỏng được hạn chế;
- Những công trình quan trọng có chức năng bảo vệ dân sự vẫn có thể duy trì hoạt động.
CHÚ THÍCH: Do bản chất ngẫu nhiên của hiện tượng động đất cũng như những hạn chế của các giải pháp hiện có nhằm giải quyết hậu quả động đất nên những mục đích nói trên chỉ là tương đối khả thi và chỉ có thể đánh giá thông qua khái niệm xác suất. Mức độ bảo vệ đối với các loại công trình khác nhau chỉ có thể đánh giá thông qua khái niệm xác suất là một bài toán phân bổ tối ưu các nguồn tài nguyên và do vậy có thể thay đổi tùy theo từng quốc gia, tùy theo tầm quan trọng tương đối của nguy cơ động đất so với các nguy cơ do các nguyên nhân khác cũng như tùy theo điều kiện kinh tế nói chung.
(2)P Những công trình đặc biệt như nhà máy điện hạt nhân, công trình ngoài khơi và các đập lớn nằm ngoài phạm vi quy định của tiêu chuẩn này.
(3)P Ngoài những điều khoản của các tiêu chuẩn khác có liên quan, tiêu chuẩn thiết kế này chỉ bao gồm những điều khoản buộc phải tuân theo khi thiết kế công trình trong vùng động đất. Tiêu chuẩn này bổ sung về khía cạnh kháng chấn cho các tiêu chuẩn khác.
1.1.2. Phạm vi áp dụng của Phần 1
(1) Tiêu chuẩn này áp dụng để thiết kế nhà và công trình xây dựng trong vùng có động đất. Tiêu chuẩn được chia thành 10 chương, trong đó có một số chương dành riêng cho thiết kế nhà.
(2) Chương 2 bao gồm những yêu cầu về tính năng và các tiêu chí cần tuân theo áp dụng cho nhà và công trình xây dựng trong vùng động đất.
(3) Chương 3 bao gồm những quy định biểu diễn tác động động đất và việc tổ hợp chúng với các tác động khác.
(4) Chương 4 bao gồm những quy định thiết kế chung, đặc biệt liên quan đến nhà.
(5) Chương 5 tới chương 9 gồm những quy định thiết kế cụ thể cho các loại vật liệu, cấu kiện và kết cấu khác nhau, đặc biệt liên quan đến nhà.
- Chương 5: Những quy định cụ thể cho kết cấu bêtông;
- Chương 6: Những quy định cụ thể cho kết cấu thép;
- Chương 7: Những quy định cụ thể cho kết cấu liên hợp thép - bêtông;
- Chương 8: Những quy định cụ thể cho kết cấu gỗ;
- Chương 9: Những quy định cụ thể cho kết cấu xây;
(6) Chương 10 bao gồm những yêu cầu cơ bản và các khía cạnh cần thiết khác của việc thiết kế và độ an toàn có liên quan tới cách chấn đáy kết cấu, đặc biệt là cách chấn đáy nhà.
(7) Phụ lục C bao gồm những quy định bổ sung liên quan tới việc thiết kế cốt thép bản cánh của dầm liên hợp thép - bêtông ở vị trí nút dầm - cột của khung chịu mômen.
CHÚ THÍCH: Phụ lục tham khảo A và phụ lục tham khảo B bao gồm những quy định bổ sung liên quan đến phổ phản ứng chuyển vị đàn hồi và liên quan đến chuyển vị mục tiêu trong phân tích phi tuyến tĩnh.
1.2. Tài liệu viện dẫn
(1)P Tiêu chuẩn này được hình thành từ các tài liệu viện dẫn có hoặc không đề ngày tháng và những điều khoản từ các ấn phẩm khác. Các tài liệu viện dẫn được trích dẫn tại những vị trí thích hợp trong văn bản tiêu chuẩn và các ấn phẩm được liệt kê dưới đây. Đối với các tài liệu có đề ngày tháng, những sửa đổi bổ sung sau ngày xuất bản chỉ được áp dụng đối với tiêu chuẩn khi tiêu chuẩn này được sửa đổi, bổ sung. Đối với các tài liệu không đề ngày tháng thì dùng phiên bản mới nhất.
1.2.1. Các tài liệu viện dẫn chung
EN 1990, Eurocode - Basis of structural design (Cơ sở thiết kế kết cấu).
EN 1992-1-1, Eurocode 2 - Design of concrete structures - Part 1-1: General - Common rules for building and civil engineering structures (Thiết kế kết cấu bêtông - Phần 1-1: Tổng quát - Những quy định chung và những quy định cho nhà và công trình dân dụng).
EN 1993-1-1, Eurocode 3 - Design of steel structures - Part 1-1: General-rules (Thiết kế kết cấu thép - Phần 1-1: Tồng quát - Những quy định chung).
EN 1994-1-1, Eurocode 4 - Design of composite steel and concrete structures - Part 1-1: General - Common rules and rules for buildings (Thiết kế kết cấu liên hợp thép - bêtông - Phần 1-1: Tổng quát - Những quy định chung và những quy định cho nhà).
EN 1995-1-1, Eurocode 5 - Design of timber structures - Part 1-1: General - Common rules and rules for buildings (Thiết kế kết cấu gỗ - Phần 1-1: Tổng quát - Những quy định chung và những quy định cho nhà).
EN 1996-1-1, Eurocode 6 - Design of masonry structures - Part 1-1: General - rules reinforced and unreinforced masonry (Thiết kế kết cấu xây - Phần 1-1: Tổng quát - Những quy định cho kết cấu xây có cốt thép và không có cốt thép).
EN 1997-1-1, Eurocode 7 - Geotechnical design - Part 1-1 General - rules (Thiết kế địa kỹ thuật - Phần 1: Những quy định chung).
1.2.2. Những quy chuẩn và tiêu chuẩn viện dẫn khác
(1)P Để áp dụng tiêu chuẩn này phải tham khảo các Tiêu chuẩn EN 1990, EN 1997 và EN 1999.
(2) Tiêu chuẩn này còn bao gồm các tài liệu viện dẫn khác về tiêu chuẩn được trích dẫn tại những chỗ phù hợp trong văn bản tiêu chuẩn. Những tài liệu tham khảo về tiêu chuẩn đấy là:
TCVN 7870 (ISO 80000), The international system of units (SI) and its application (Đơn vị đo lường quốc tế (hệ SI) và ứng dụng của nó);
EN 1090-1, Execution of steel structures - Part 1: General rules and rules for buildings (Thi công kết cấu thép - Phần 1: Những quy định chung và những quy định cho nhà).
1.3. Các giả thiết
(1) Giả thiết chung
- Lựa chọn và thiết kế kết cấu được thực hiện bởi những người có kinh nghiệm và có trình độ thích hợp;
- Thi công được tiến hành bởi những người có kinh nghiệm và có kỹ năng thích hợp;
- Giám sát và kiểm tra chất lượng được thực hiện đầy đủ trong quá trình công tác ở văn phòng thiết kế, công xưởng, nhà máy và ngoài hiện trường;
- Vật liệu và sản phẩm xây dựng được sử dụng theo quy định của các tiêu chuẩn hiện hành có liên quan, theo tài liệu tham khảo hoặc theo các chỉ dẫn kỹ thuật sản phẩm;
- Kết cấu được bảo trì đầy đủ, đúng cách;
- Kết cấu được sử dụng phù hợp với giả thiết thiết kế.
(2)P Giả thiết là sẽ không xảy ra những thay đổi trong kết cấu ở giai đoạn thi công hoặc giai đoạn sử dụng sau này của công trình, trừ những thay đổi có lý do xác đáng và được kiểm chứng là đúng đắn. Do bản chất đặc thù của phản ứng động đất, điều này được áp dụng ngay cả cho trường hợp có những thay đổi làm tăng độ bền của kết cấu.
1.4. Sự phân biệt giữa các nguyên tắc và các quy định áp dụng
(1) Các nguyên tắc bao gồm:
- Các chỉ dẫn và định nghĩa chung không có lựa chọn nào khác;
- Các yêu cầu và mô hình phân tích không có lựa chọn nào khác trừ phi có những chỉ dẫn riêng.
(2) Các nguyên tắc được ký hiệu bằng chữ P sau con số nằm trong ngoặc đơn, ví dụ (1)P.
(3) Các quy định áp dụng nói chung là những quy định được xây dựng trên cơ sở thừa nhận các
nguyên tắc và thỏa mãn các yêu cầu của nó.
(4) Cho phép sử dụng các quy định thiết kế lựa chọn khác với các quy định áp dụng, với điều kiện các quy định lựa chọn phải phù hợp với những nguyên tắc có liên quan và ít nhất chúng phải tương đương về mặt an toàn, khả năng sử dụng và độ bền của kết cấu.
(5) Các quy định áp dụng được ký hiệu bằng một con số nằm trong ngoặc đơn, ví dụ (1).
1.5. Thuật ngữ và định nghĩa
1.5.1. Thuật ngữ chung
1.5.1.1. Công trình xây dựng (Construction works)
Sản phẩm được tạo thành bởi sức lao động của con người, vật liệu xây dựng, thiết bị lắp đặt vào công trình, được liên kết định vị với đất, có thể bao gồm phần dưới mặt đất, phần trên mặt đất, phần dưới mặt nước và phần trên mặt nước, được xây dựng theo thiết kế. Công trình xây dựng bao gồm công trình xây dựng công cộng, nhà ở, công trình công nghiệp, giao thông, thủy lợi, năng lượng và các công trình khác.
1.5.1.2. Loại nhà hoặc công trình dân dụng và công nghiệp (Type of building or civil engineering works)
Loại công trình xây dựng được chỉ rõ mục đích sử dụng, ví dụ nhà ở, tường chắn, nhà công nghiệp, cầu đường bộ.
1.5.1.3. Loại công trình (Type of construction)
Biểu thị loại vật liệu kết cấu chủ yếu, ví dụ công trình bêtông cốt thép thông thường, công trình thép, gỗ, thể xây, công trình liên hợp thép bêtông.
1.5.1.4. Phương pháp thi công (Method of construction)
Cách thức thực hiện, ví dụ đổ bêtông tại chỗ, bêtông đúc sẵn, đúc hẫng.
1.5.1.5. Vật liệu xây dựng (Construction material)
Vật liệu được sử dụng trong công trình xây dựng, ví dụ bêtông, thép, gỗ, gạch.
1.5.1.6. Kết cấu (Structure)
Sự kết hợp có tổ chức các bộ phận ghép với nhau theo thiết kế để chịu tải và đảm bảo độ cứng, độ ổn định theo yêu cầu sử dụng.
1.5.1.7. Cấu kiện chịu lực (Structure member)
Phần có thể phân biệt được một cách hữu hình của một kết cấu, ví dụ: cột, dầm, tấm sàn, cọc móng.
1.5.1.8. Dạng kết cấu (Form of structure)
Sự sắp xếp các bộ phận của kết cấu.
1.5.1.9. Hệ kết cấu (Structural system)
Các cấu kiện chịu tải của nhà hoặc công trình dân dụng và công nghiệp hay các cấu kiện cùng chức năng.
1.5.1.10. Mô hình kết cấu (Structural model)
Hình ảnh lý tường hóa hệ kết cấu được sử dụng cho các mục đích phân tích, thiết kế, kiểm tra.
1.5.1.11. Thi công (Execution)
Bao gồm xây dựng và lắp đặt thiết bị đối với các công trình xây dựng mới, sửa chữa, cải tạo, di dời, tu bổ, phục hồi; phá dỡ công trình; bảo hành, bảo trì công trình.
CHÚ THÍCH: Thuật ngữ trên bao gồm cả công việc trên hiện trường; cũng có thể là việc sản xuất các cấu kiện ở nơi khác và việc lắp đặt chúng sau này trên hiện trường.
1.5.1.12. Thuật ngữ đặc biệt liên quan đến thiết kế nói chung
1.5.1.12.1. Tiêu chí thiết kế (Design criteria)
Công thức định lượng mô tả các điều kiện cần thỏa mãn cho mỗi trạng thái giới hạn.
1.5.1.12.2. Các tình huống thiết kế (Design situations)
Tập hợp các điều kiện vật lý đại diện cho điều kiện thực tế xuất hiện trong một khoảng thời gian nhất định trong đó thiết kế sẽ biểu thị trạng thái giới hạn thích hợp không bị vượt quá.
1.5.1.12.3. Tình huống thiết kế tạm thời (Transient design situation)
Tình huống thiết kế thích hợp trong một giai đoạn ngắn hơn rất nhiều so với tuổi thọ kết cấu đã được thiết kế và có xác suất xuất hiện cao.
CHÚ THÍCH: Tình huống thiết kế tạm thời đề cập đến điều kiện thay đổi của kết cấu, trong sử dụng hoặc trong tình huống nguy hiểm chịu tác động ngoài, ví dụ khi xây dựng hoặc sửa chữa.
1.5.1.12.4. Tình huống thiết kế lâu dài (Persistent design situation)
Tình huống thiết kế thích hợp trong một giai đoạn có cùng thời gian với tuổi thọ thiết kế của kết cấu.
CHÚ THÍCH: Nhìn chung thiết kế này đề cập đến điều kiện sử dụng bình thường.
1.5.1.12.5. Tình huống thiết kế đặc biệt (Accidental design situation)
Tình huống thiết kế liên quan đến điều kiện khác thường của kết cấu hoặc tình huống gặp hiểm hoạ, gồm cháy, nổ, va chạm, hư hại cục bộ.
1.5.1.12.6. Thiết kế chống cháy (Fire design)
Thiết kế một kết cấu để đáp ứng tính năng yêu cầu trong tình huống có hỏa hoạn.
1.5.1.12.7. Tình huống thiết kế chịu động đất (Seismic design situation)
Tình huống thiết kế liên quan đến điều kiện khác thường của kết cấu khi chịu động đất.
1.5.1.12.8. Tuổi thọ thiết kế của công trình (Design working life)
Thời gian dự định cho một kết cấu hoặc một bộ phận kết cấu được sử dụng cho mục đích dự kiến với mức bảo trì dự liệu trước mà không cần sửa chữa lớn.
1.5.1.12.9. Hiểm họa (Hazard)
Một sự kiện bất thường và nghiêm trọng, ví dụ tác động bất thường hay ảnh hưởng của môi trường, cường độ và độ bền không đủ, hoặc độ lệch vượt quá nhiều so với giá trị dự kiến.
1.5.1.12.10. Bố trí tải trọng (Load arrangement)
Xác nhận vị trí, giá trị và hướng của một tác động tự do.
1.5.1.12.11. Trường hợp chịu tải (Load case)
Bố trí tải trọng tương thích, tập hợp các biến dạng được xem xét đồng thời với các tác động thay đổi cố định và các tác động lâu dài đối với trường hợp kiểm tra riêng biệt.
1.5.1.12.12. Các trạng thái giới hạn (Limit states)
Các trạng thái mà khi vượt qua, kết cấu không còn thỏa mãn được tiêu chí thiết kế thích hợp.
1.5.1.12.13. Các trạng thái cực hạn (Ultimate limit states)
Các trạng thái liên quan đến sự sụp đổ hay đến các dạng hư hỏng tương tự khác của kết cấu.
CHÚ THÍCH: Các trạng thái cực hạn thường tương ứng với sức bền chịu tải trọng tối đa của một kết cấu hay bộ phận kết cấu.
1.5.1.12.14. Các trạng thái giới hạn sử dụng (Serviceability limit states)
Các trạng thái tương ứng với các điều kiện mà nếu vượt quá thì các yêu cầu sử dụng cụ thể cho một kết cấu hay bộ phận kết cấu sẽ không còn được đáp ứng nữa.
1.5.1.12.15. Các trạng thái giới hạn sử dụng không phục hồi (Irreversible serviceability limit states)
Các trạng thái giới hạn sử dụng mà ở trạng thái đó hệ quả của các tác động vượt quá các yêu cầu sử dụng mà vẫn còn cần thiết sau khi các tác động này đã bị loại bỏ.
1.5.1.12.16. Các trạng thái giới hạn sử dụng phục hồi (Reversible serviceability limit states)
Các trạng thái giới hạn sử dụng mà ở trạng thái đó không một hệ quả nào của các tác động vượt quá yêu cầu sử dụng mà vẫn còn cần thiết sau khi các tác động này đã bị loại bỏ.
1.5.1.12.17. Tiêu chí sử dụng (Serviceability criterion)
Tiêu chí thiết kế theo trạng thái giới hạn sử dụng.
1.5.1.12.18. Độ bền (Resistance)
Khả năng của một cấu kiện hoặc một thành phần, hay tiết diện ngang của một cấu kiện hoặc một thành phần kết cấu, chịu được tác động mà không bị hư hỏng về cơ học, ví dụ độ bền uốn, độ bền xoắn, độ bền kéo.
1.5.1.12.19. Cường độ (Strength)
Tính chất cơ học của một vật liệu cho thấy khả năng chống chịu các tác động, thường cho theo đơn vị ứng suất.
1.5.1.12.20. Độ tin cậy (Reliability)
Khả năng của một kết cấu hoặc một bộ phận của kết cấu thỏa mãn được các yêu cầu cụ thể mà nó được thiết kế, kể cả tuổi thọ thiết kế. Độ tin cậy thường được biểu thị bằng ngôn ngữ xác suất.
CHÚ THÍCH: Độ tin cậy gồm cả độ an toàn, khả năng sử dụng và độ bền của kết cấu.
1.5.1.12.21. Độ tin cậy khác (Reliability differentiation)
Các biện pháp dự định để tối ưu hóa về kinh tế xã hội các tài nguyên được sử dụng để xây dựng công trình, có xét tất cả các hậu quả hư hỏng có thể xảy ra và chi phí của công trình xây dựng.
1.5.1.12.22. Biến cơ bản (Basic variable)
Phần tử của một tập hợp cụ thể các biến đại diện cho các đại lượng vật lý đặc trưng các tác động và ảnh hưởng môi trường, các đại lượng hình học, các đặc tính vật liệu, kể cả các đặc tính của nền đất.
1.5.1.12.23. Bảo trì (Maintenance)
Toàn bộ các hoạt động được thực hiện trong thời gian sử dụng kết cấu để nó thỏa mãn các yêu cầu về độ tin cậy.
CHÚ THÍCH: Các hoạt động phục hồi kết cấu sau một sự cố hoặc động đất thông thường nằm ngoài phạm vi của bảo trì.
1.5.1.12.24. Sửa chữa (Repair)
Các hoạt động được thực hiện để bảo tồn hoặc phục hồi chức năng của một kết cấu nằm ngoài định nghĩa bảo trì.
1.5.1.12.25. Giá trị danh định (Nominal value)
Giá trị được ấn định dựa vào cơ sở không thống kê, ví dụ như: dựa trên kinh nghiệm có trước hoặc trên cơ sở điều kiện vật lý.
1.5.1.13. Các thuật ngữ liên quan đến tác động
1.5.1.13.1. Tác động (F) (Action)
a) Tập hợp các lực (tải trọng) đặt lên kết cấu (tác động trực tiếp).
b) Tập hợp các gia tốc hoặc biến dạng cưỡng bức gây ra, ví dụ, do thay đổi nhiệt độ, biến thiên độ ẩm, lún không đều hoặc động đất (tác động gián tiếp).
1.5.1.13.2. Hệ quả của tác động (E) (Effect of action)
Hệ quả của tác động lên các bộ phận kết cấu, (ví dụ nội lực, mômen, ứng suất, biến dạng) hoặc lên toàn bộ kết cấu (ví dụ: độ võng, góc xoay).
1.5.1.13.3. Tác động lâu dài (G) (Permanent action)
Tác động có thể xảy ra trong suốt thời gian tham chiếu, sự biến thiên cường độ theo thời gian không đáng kể, hoặc sự biến thiên luôn đơn điệu cho tới khi tác động đạt giá trị giới hạn nhất định.
1.5.1.13.4. Tác động thay đổi (Q) (Variable action)
Tác động mà sự biến thiên cường độ theo thời gian không thể bỏ qua hoặc không đơn điệu.
1.5.1.13.5. Tác động bất thường (A) (Accidental action)
Tác động, thường xảy ra trong thời gian ngắn nhưng có độ mạnh đáng kể, không chắc xảy ra với một kết cấu cho trước trong suốt thời gian tuổi thọ thiết kế.
CHÚ THÍCH 1: Tác động bất thường trong nhiều trường hợp có thể gây ra nhiều hậu quả xấu trừ khi áp dụng những biện pháp phòng ngừa thích hợp.
CHÚ THÍCH 2: Va chạm, tuyết, gió và tác động động đất có thể là tác động thay đổi cũng có thể lá tác động bất thường, phụ thuộc vào thông tin đã có về phân bố thống kê.
1.5.1.13.6. Tác động động đất (AE) (Seismic action)
Tác động xuất hiện do chuyển động của đất nền do động đất.
1.5.1.13.7. Tác động địa kỹ thuật (Geotechnical action)
Tác động truyền tới kết cấu qua nền đất, do đất đắp, hay nền đất có nước ngầm.
1.5.1.13.8. Tác động cố định (Fixed action)
Tác động có vị trí và phân bố cố định trên kết cấu hoặc bộ phận kết cấu, sao cho cường độ và hướng của tác động được xác định rõ ràng cho toàn bộ kết cấu hoặc bộ phận kết cấu nếu cường độ và hướng này được cho tại một điểm trên kết cấu hoặc bộ phận kết cấu.
1.5.1.13.9. Tác động tự do (Free action)
Tác động có sự phân bố không gian đa dạng trên kết cấu.
1.5.1.13.10. Tác động đơn lẻ (Single action)
Tác động có thể giả thiết là độc lập về mặt thống kê theo thời gian và không gian của bất kỳ tác động nào khác trên kết cấu.
1.5.1.13.11. Tác động tĩnh (Static action)
Tác động không gây ra gia tốc đáng kể cho kết cấu hoặc bộ phận kết cấu.
1.5.1.13.12. Tác động động (Dynamic action)
Tác động gây ra gia tốc đáng kể cho kết cấu hoặc bộ phận kết cấu.
1.5.1.13.13. Tác động tựa tĩnh (Quasi-static action)
Tác động động được biểu thị bằng một tác động tĩnh tương đương trong một mô hình tính.
1.5.1.13.14. Giá trị đặc trưng của tác động (FK) (Characteristic value of an action)
Giá trị đại diện chủ yếu của một tác động.
CHÚ THÍCH: Khi một giá trị đặc trưng được ấn định trên cơ sở thống kê, nó được lựa chọn sao cho tương ứng với một xác suất định trước không bị vượt quá về phía bất lợi trong thời gian đối chứng có tính đến thời gian theo tuổi thọ thiết kế của kết cấu và khoảng thời gian thiết kế.
1.5.1.13.15. Thời gian tham chiếu (Reference period)
Thời gian được chọn để sử dụng làm cơ sở cho đánh giá các tác động thay đổi theo thống kê, và có thể dùng cho tác động bất thường.
1.5.1.13.16. Giá trị tổ hợp của tác động thay đổi (y0QK) (Combination value of a variable action)
Giá trị được chọn - trong chừng mực có thể ẩn định được trên cơ sở thống kê - sao cho xác suất bị vượt mà các hệ quả gây ra bởi sự tổ hợp xấp xỉ như bởi các giá trị đặc trưng tác động đơn lẻ. Nó có thể được biểu thị như một phần xác định của giá trị đặc trưng bằng cách sử dụng hệ số y0≤1.
1.5.1.13.17. Giá trị tần suất của tác động thay đổi (y1QK) (Frequent value of a variable action)
Giá trị được xác định - trong chừng mực có thể được ấn định trên cơ sở thống kê - sao cho trong tổng thời gian hoặc trong phạm vi thời gian đối chứng mà trong đó nó bị vượt, chỉ trong một phần nhỏ cho trước của thời gian đối chứng, hoặc tần suất giá trị bị vượt được giới hạn theo một giá trị cho trước. Nó có thể được biểu thị như một phần đã xác định của giá trị đặc trưng bằng cách sử dụng hệ số y1≤1.
1.5.1.13.18. Giá trị tựa lâu dài của tác động thay đổi (y2QK) (Quasi-permanent value of a variable action)
Giá trị được xác định sao cho tổng thời gian mà giá trị này bị vượt là phần tương đối lớn của thời gian đối chứng. Nó có thể biểu thị như một phần xác định của giá trị đặc trưng bằng cách sử dụng hệ số y2≤1.
1.5.1.13.19. Giá trị đi kèm của tác động thay đổi (yQK) (Accompanying value of a variable action)
Giá trị của tác động thay đổi đi kèm tác động chính trong một tổ hợp.
CHÚ THÍCH: Giá trị đi kèm của một tác động thay đổi có thể là giá trị tổ hợp, giá trị tần suất hoặc giá trị tựa thường xuyên.
1.5.1.13.20. Giá trị đại diện của tác động (Frep) (Representative value of an action)
Giá trị được sử dụng để kiểm tra một trạng thái giới hạn. Giá trị đại diện có thể là giá trị đặc trưng (FK) hoặc giá trị đi kèm (yFK).
1.5.1.13.21. Giá trị thiết kế của tác động (Fd) (Design value of an action)
Giá trị có được bằng cách nhân giá trị đại diện với hệ số riêng gf.
CHÚ THÍCH: Kết quả của giá trị đại diện nhân với hệ số riêng gF = gsd x gf có thể được xem là giá trị thiết kế của tác động (xem 6.3.2).
1.5.1.13.22. Tổ hợp các tác động (Combination of actions)
Tập hợp các giá trị thiết kế sử dụng để kiểm tra độ tin cậy của kết cấu theo trạng thái giới hạn dưới ảnh hưởng đồng thời của các tác động khác nhau.
1.5.1.14. Các thuật ngữ liên quan đến tham số vật liệu và sản phẩm
1.5.1.14.1. Giá trị đặc trưng (Xk hoặc Rk) (Characteristic value)
Giá trị của tham số vật liệu hoặc sản phẩm có xác suất định trước không thu được trong các loạt thí nghiệm không hạn chế về giả thuyết. Giá trị này nhìn chung tương ứng với phân vị cụ thể của phân bố thống kê được giả định về đặc tính riêng của vật liệu hoặc sản phẩm. Một giá trị danh định được sử dụng như một giá trị đặc trưng trong một số tình huống.
1.5.1.14.2. Giá trị thiết kế của tham số vật liệu hoặc sản phẩm (Xd hoặc Rd) (Design value of a material or product property)
Giá trị có được bằng cách chia giá trị đặc trưng cho hệ số riêng gm hoặc gM hoặc, trong những tình huống đặc biệt, bằng cách xác định trực tiếp.
1.5.1.14.3. Giá trị danh định của tham số vật liệu hoặc sản phẩm (Xnom hoặc Rnom) (Nominal value of a material or product property)
Giá trị bình thường được sử dụng như một giá trị đặc trưng và được thiết lập từ một tài liệu thích hợp.
1.5.1.15. Điều khoản liên quan đến dữ liệu về kích thước.
1.5.1.15.1. Giá trị đặc trưng của một tham số kích thước (ak) (Characteristic value of a geometrical property)
Giá trị thường tương ứng với các kích thước được chỉ rõ trong thiết kế. Khi thích hợp, các giá trị đặc trưng kích thước có thể tương ứng với phân vị định trước của phân bố thống kê.
1.5.1.15.2. Giá trị thiết kế của tham số kích thước (ad) (Design value of a geometrical property)
Thường là một giá trị danh định. Khi thích hợp, giá trị đại lượng kích thước có thể tương ứng với một số đoạn định trước của phân bố thống kê.
CHÚ THÍCH: Giá trị thiết kế của một tham số kích thước nhìn chung tương đương với giá trị đặc trưng. Tuy nhiên, nó có thể coi là khác đi trong một số trường hợp khi trạng thái giới hạn được xem là rất nhạy cảm với tham số kích thước, ví dụ như, khi xem xét ảnh hưởng của khuyết tật hình học tới độ cong vênh. Trong những trường hợp như vậy, giá trị thiết kế thường sẽ được thiết lập bình thường như một giá trị được xác định một cách trực tiếp. Nói khác đi, nó có thể được thiết lập từ một cơ sở dữ liệu thống kê, có giá trị tương ứng với đoạn phù hợp hơn (ví dụ: một giá trị hiếm) so với áp dụng giá trị đặc trưng.
1.5.1.16. Thuật ngữ liên quan đến phân tích kết cấu
1.5.1.16.1. Phân tích kết cấu (Structural analysis)
Trình tự hoặc thuật toán để xác định hệ quả của tác động ở mọi điểm của kết cấu.
CHÚ THÍCH: Phân tích kết cấu có thể được thực hiện ở ba mức, sử dụng các mô hình khác nhau: phân tích tổng thể, phân tích bộ phận, phân tích cục bộ.
1.5.1.16.2. Phân tích tổng thể (Global analysis)
Việc xác định trong một kết cấu, một tập hợp các nội lực hoặc mômen, hoặc ứng suất cân bằng với tập hợp xác định các tác động riêng đặt lên kết cấu, và phụ thuộc các tham số vật liệu, kết cấu và kích thước.
1.5.1.16.3. Phân tích đàn hồi-tuyến tính bậc nhất không có phân bố lại (First order linear-elastic analysis without redistribution)
Phân tích kết cấu đàn hồi dựa vào quy luật ứng suất biến dạng hoặc mômen góc quay là tuyến tính và được thực hiện trên kích thước ban đầu.
1.5.1.16.4. Phân tích đàn hồi-tuyến tính bậc nhất có phân bố lại (First order linear-elastic analysis with redistribution)
Phân tích đàn hồi-tuyến tính trong đó các mômen và lực trong được sửa đổi để thiết kế kết cấu, phù hợp với các tác động ngoài đã cho và không có tính toán đầy đủ đến khả năng quay.
1.5.1.16.5. Phân tích đàn hồi - tuyến tính bậc hai (Second order linear-elastic analysis)
Phân tích kết cấu đàn hồi sử dụng các quy luật ứng suất biến dạng tuyến tính, áp dụng đối với sơ đồ kết cấu đã bị biến dạng.
1.5.1.16.6. Phân tích phi tuyến bậc nhất (First order non-linear analysis)
Phân tích kết cấu được thực hiện trên kích thước hình học ban đầu, có tính đến đặc tính biến dạng phi tuyến của vật liệu.
CHÚ THÍCH: Phân tích phi tuyến bậc nhất có thể là đàn hồi với giả thiết phù hợp, hoặc là đàn - dẻo lý tưởng, đàn-dẻo hoặc cứng-dẻo.
1.5.1.16.7. Phân tích phi tuyến bậc hai (Second order non-linear analysis)
Phân tích kết cấu, được thực hiện trên kích thước của kết cấu đã bị biến dạng và có tính đến các đặc tính biến dạng phi tuyến của vật liệu.
CHÚ THÍCH: phân tích phi tuyến bậc hai có thể là đàn - dẻo lý tưởng hoặc đàn - dẻo
1.5.1.16.8. Phân tích đàn - dẻo lý tưởng bậc nhất (First order elastic-perfertly plastic analysis)
Phân tích kết cấu dựa vào quan hệ mômen-góc xoay gồm phần đàn hồi tuyến tính tiếp theo là phần dẻo không biến cứng, được thực hiện trên kích thước ban đầu của sơ đồ kết cấu.
1.5.1.16.9. Phân tích đàn - dẻo lý tưởng bậc hai (Second order elastic-perfertly plastic analysis)
Phân tích kết cấu dựa vào quan hệ mômen-góc xoay gồm phần đàn hồi tuyến tính tiếp theo là phần dẻo không biến cứng, được thực hiện trên kích thước của sơ đồ kết cấu đã bị chuyển vị hoặc biến dạng.
1.5.1.16.10. Phân tích đàn - dẻo (bậc nhất hoặc bậc hai) (Elasto-plastic analysis (first or second order))
Phân tích kết cấu sử dụng mối quan hệ ứng suất - biến dạng hoặc mômen - góc quay gồm phần đàn hồi tuyến tính, tiếp theo là dẻo không biến cứng.
CHÚ THÍCH: Nói chung là việc này được thực hiện trên kích thước ban đầu của kết cấu, nhưng cũng có thể áp dụng đối với kích thước của kết cấu đã bị chuyển vị hoặc biến dạng.
1.5.1.16.11. Phân tích cứng-dẻo (Rigid plastic analysis)
Phân tích, được thực hiện trên kích thước ban đầu của sơ đồ kết cấu, sử dụng nguyên lý phân tích giới hạn để đánh giá trực tiếp tải trọng cực hạn.
CHÚ THÍCH: Quy luật mômen - độ uốn được giả thiết không có biến dạng đàn hồi và không có biến cứng.
1.5.2. Các thuật ngữ khác được sử dụng trong tiêu chuẩn
1.5.2.1. Hệ số ứng xử (Behaviour factor)
Hệ số được sử dụng cho mục đích thiết kế để giảm độ lớn của lực thu được từ phân tích tuyến tính, nhằm xét đến phản ứng phi tuyến của kết cấu, liên quan đến vật liệu, hệ kết cấu và quy trình thiết kế.
1.5.2.2. Phương pháp thiết kế theo khả năng chịu lực và tiêu tán năng lượng (Capacity design method)
Phương pháp thiết kế trong đó một số cấu kiện của hệ kết cấu được lựa chọn, thiết kế và cấu tạo phù hợp nhằm đảm bảo tiêu tán năng lượng thông qua các biến dạng lớn trong khi tất cả những cấu kiện còn lại vẫn đảm bảo đủ độ bền để có thể duy trì được cách tiêu tán năng lượng đã chọn.
1.5.2.3. Kết cấu tiêu tán năng lượng (Dissipative structure)
Kết cấu có khả năng tiêu tán năng lượng bằng cách ứng xử trễ do dẻo kết cấu và/hoặc bằng các cơ chế khác.
1.5.2.4. Vùng tiêu tán năng lượng (Dissipative zones)
Vùng được định trước của một kết cấu tiêu tán năng lượng. Sự tiêu tán năng lượng của kết cấu chủ yếu tập trung tại đây.
CHÚ THÍCH 1: Vùng này còn được gọi là vùng tới hạn.
1.5.2.5. Đơn vị độc lập về mặt động lực (Dynamically independent unit)
Kết cấu hoặc một phần kết cấu trực tiếp chịu dao động nền và phản ứng của nó không chịu ảnh hưởng bởi phản ứng của các đơn vị hoặc kết cấu bên cạnh.
1.5.2.6. Hệ số tầm quan trọng (Importance factor)
Hệ số có liên quan đến những hậu quả của việc hư hỏng kết cấu.
1.5.2.7. Kết cấu không tiêu tán năng lượng (Non-dissipative structure)
Kết cấu được thiết kế cho trường hợp chịu động đất nhưng không tính đến ứng xử phi tuyến của vật liệu.
1.5.2.8. Bộ phận phi kết cấu (Non-structural element)
Các bộ phận kiến trúc, cơ khí hoặc điện, do không có khả năng chịu lực hoặc do cách liên kết với kết cấu không được xem là cấu kiện chịu lực trong thiết kế chịu động đất.
1.5.2.9. Cấu kiện kháng chấn chính (Primary seismic members)
Cấu kiện được xem là một phần của hệ kết cấu chịu tác động động đất, được mô hình hóa trong tính toán thiết kế chịu động đất và được thiết kế, cấu tạo hoàn chỉnh đảm bảo yêu cầu kháng chấn theo những quy định của tiêu chuẩn này.
1.5.2.10. Cấu kiện kháng chấn phụ (Secondary seismic members)
Cấu kiện không được xem là một phần của hệ kết cấu chịu tác động động đất. Cường độ và độ cứng chống lại tác động động đất của nó được bỏ qua.
CHÚ THÍCH 2: Những cấu kiện này không yêu cầu phải tuân thủ tất cả các quy định của tiêu chuẩn này, nhưng phải được thiết kế và cấu tạo sao cho vẫn có thể chịu được trọng lực khi chịu các chuyển vị gây ra bởi tình huống thiết kế chịu động đất.
1.5.2.11. Phần cứng phía dưới (Rigid basement)
Phần nhà và công trình được xem là cứng tuyệt đối so với phần nhà và công trình phía trên nó, ví dụ cột ăng ten vô tuyến đặt trên mái nhà, phần nhà từ mái trở xuống được xem là phần cứng phia dưới của cột ăng ten.
1.5.2.12. Hiệu ứng bậc 2 (hiệu ứng P-D) (Second order effects (P-D effects))
Một cách tính kết cấu theo sơ đồ tính biến dạng.
1.6. Ký hiệu
1.6.1. Tổng quát
(1) Áp dụng những kí hiệu cho trong Phụ lục D. Với những kí hiệu liên quan đến vật liệu, cũng như những kí hiệu không liên quan một cách cụ thể với động đất thì áp dụng những điều khoản của các tiêu chuẩn liên quan khác.
(2) Những kí hiệu khác, liên quan đến tác động động đất, được định nghĩa trong văn bản tiêu chuẩn nơi chúng xuất hiện để dễ sử dụng. Tuy nhiên, các kí hiệu xuất hiện thường xuyên nhất được sử dụng trong tiêu chuẩn này được liệt kê và định nghĩa trong 1.6.2 tới 1.6.3.
1.6.2. Các kí hiệu khác được sử dụng trong Chương 2 và Chương 3
| AEd | Giá trị thiết kế của tác động động đất (= gI x AEk) |
| AEk | Giá trị đặc trưng của tác động động đất đối với chu kỳ lặp tham chiếu |
| Ed | Giá trị thiết kế của các hệ quả tác động |
| NSPT | Số nhát đập trong thí nghiệm xuyên tiêu chuẩn (SPT) |
| PNCR | Xác suất tham chiếu vượt quá trong 50 năm của tác động động đất tham chiếu đối với yêu cầu không sụp đổ |
| Q | Tác động thay đổi |
| S | Hệ số đất nền |
| Se(T) | Phổ phản ứng gia tốc nền đàn hồi theo phương nằm ngang còn gọi là “phổ phản ứng đàn hồi". Khi T= 0, gia tốc phổ cho bởi phổ này bằng gia tốc nền thiết kế cho nền loại A nhân với hệ số đất nền S. |
| Sve(T) | Phổ phản ứng gia tốc nền đàn hồi theo phương thẳng đứng |
| SDe(T) | Phổ phản ứng chuyển vị đàn hồi |
| Sd(T) | Phổ thiết kế (trong phân tích đàn hồi). Khi T = 0, gia tốc phổ cho bởi phổ này bằng gia tốc nền thiết kế trên nền loại A nhân với hệ số đất nền S |
| T | Chu kỳ dao động của hệ tuyến tính một bậc tự do |
| Ts | Khoảng thời gian kéo dài dao động trong đó biên độ không nhỏ hơn 1/3 biên độ cực đại. |
| TNCR | Chu kỳ lặp tham chiếu của tác động động đất tham chiếu theo yêu cầu không sụp đổ |
| agR | Đỉnh gia tốc nền tham chiếu trên nền loại A |
| ag | Gia tốc nền thiết kế trên nền loại A |
| avg | Gia tốc nền thiết kế theo phương thẳng đứng |
| cu | Cường độ chống cắt không thoát nước của đất nền |
| dg | Chuyển vị nền thiết kế |
| g | Gia tốc trọng trường |
| q | Hệ số ứng xử |
| vs,30 | Giá trị trung bình của vận tốc truyền sóng cắt trong 30m phía trên của mặt cắt đất nền nơi có biến dạng cắt bằng hoặc thấp hơn 10-5. |
| gI | Hệ số tầm quan trọng |
| h | Hệ số hiệu chỉnh độ cản |
| x | Tỷ số cản nhớt tính bằng phần trăm |
| y2,i | Hệ số tổ hợp cho giá trị được coi là lâu dài của tác động thay đổi i |
| yE,i | Hệ số tổ hợp cho tác động thay đổi i, sử dụng khi xác định các hệ quả của tác động động đất thiết kế |
1.6.3. Các kí hiệu khác được sử dụng trong Chương 4
| EE | Hệ quả của tác động động đất |
| EEdx, EEdy | Giá trị thiết kế của các hệ quả tác động gây ra bởi các thành phần nằm ngang (x và y) của tác động động đất |
| EEdz | Giá trị thiết kế của các hệ quả tác động gây ra bởi thành phần thẳng đứng của tác động động đất |
| a | Tỷ số giữa gia tốc nền thiết kế và gia tốc trọng trường |
| Fi | Lực động đất theo phương nằm ngang tại tầng thứ i |
| Fa | Lực động đất theo phương nằm ngang tác động lên một bộ phận phi kết cấu |
| Fb | Lực cắt đáy |
| H | Chiều cao nhà kể từ móng hoặc từ đỉnh của phần cứng phía dưới |
| Lmax, Lmin | Kích thước lớn nhất và kích thước nhỏ nhất trên mặt bằng của ngôi nhà đo theo các phương vuông góc |
| Rd | Giá trị thiết kế của độ bền |
| Sa | Hệ số động đất của bộ phận phi kết cấu |
| T1 | Chu kỳ dao động cơ bản của công trình |
| Ta | Chu kỳ dao động cơ bản của bộ phận phi kết cấu |
| Wa | Trọng lượng của bộ phận phi kết cấu |
| d | Chuyển vị |
| dr | Chuyển vị ngang thiết kế tương đối giữa các tầng |
| ea | Độ lệch tâm ngẫu nhiên của khối lượng một tầng so với vị trí danh nghĩa của nó |
| h | Chiều cao tầng |
| mi | Khối lượng tầng thứ i |
| n | Số tầng phía trên móng hoặc trên đỉnh của phần cứng phía dưới |
| qa | Hệ số ứng xử của bộ phận phi kết cấu. |
| qd | Hệ số ứng xử chuyển vị |
| Si | Chuyển vị của khối lượng mi trong dạng dao động cơ bản của công trình |
| Zi | Chiều cao của khối lượng mi phía trên cao trình đặt tác động động đất |
| ga | Hệ số tầm quan trọng của bộ phận phi kết cấu |
| gd | Hệ số vượt cường độ cho tấm cứng (đi-a-phắc) |
| q | Hệ số độ nhạy của chuyển vị ngang tương đối giữa các tầng. |
1.6.4. Các kí hiệu khác được sử dụng trong Chương 5
| Ac | Diện tích tiết diện của cấu kiện bêtông |
| Ash | Tổng diện tích tiết diện của cốt thép đai nằm ngang trong nút dầm-cột |
| Asi | Tồng diện tích các thanh cốt thép theo từng phương chéo của dầm liên kết |
| Ast | Diện tích tiết diện của cốt thép ngang |
| Asv | Tổng diện tích cốt thép đứng ở bụng tường |
| Asv,i | Tổng diện tích của các thanh thép đứng của cột nằm giữa các thanh ở góc theo một phương đi qua nút |
| Aw | Tổng diện tích tiết diện chiếu lên mặt nằm ngang của tường |
| SAsi | Tổng diện tích của tất cả các thanh thép xiên theo cả hai phương, khi trong tường có bố trí các thanh thép xiên để chống lại sự cắt do trượt |
| SAsj | Tổng diện tích của tất cả các thanh thép thẳng đứng trong phần bụng tường, hoặc của các thanh thép bổ sung được bố trí theo một cách riêng ở phần đầu tường để chống lại sự cắt do trượt |
| SMRb | Tổng các giá trị thiết kế của khả năng chịu mômen uốn của các dầm quy tụ vào nút tại mối nối theo phương đang xét |
| SMRc | Tổng các giá trị thiết kế của khả năng chịu mômen uốn của các cột hình thành nên khung tại một mối nối theo phương đang xét |
| Do | Đường kính của lõi có cốt đai hạn chế biến dạng trong cột tiết diện tròn |
| Mi,d | Mômen tại đầu mút của một dầm hoặc cột để tính toán khả năng chịu cắt thiết kế |
| MRb,i | Giá trị thiết kế khả năng chịu mômen uốn của dầm tại đầu mút thứ i |
| MRc,i | Giá trị thiết kế của khả năng chịu mômen uốn của cột tại đầu mút thứ i |
| NEd | Lực dọc trục thu được từ phép phân tích theo tình huống thiết kế chịu động đất |
| T1 | Chu kỳ cơ bản của công trình theo phương đang xét |
| TC | Chu kỳ ứng với giới hạn trên của đoạn có gia tốc không đổi của phổ đàn hồi |
| V'Ed | Lực cắt trong tường thu được từ phép phân tích theo tình huống thiết kế chịu động đất |
| Vdd | Khả năng chốt của các thanh thép thẳng đứng trong tường |
| VEd | Lực cắt thiết kế trong tường |
| VEd,max | Lực cắt tác dụng lớn nhất tại tiết diện đầu mút của dầm thu được từ tính toán thiết kế theo khả năng chịu lực |
| VEd,min | Lực cắt tác dụng nhỏ nhất tại tiết diện đầu mút của dầm thu được từ tính toán thiết kế theo khả năng chịu lực |
| Vfd | Phần lực ma sát tham gia làm tăng khả năng của tường chống lại sự cắt do trượt |
| Vid | Phần lực đóng góp do các thanh thép xiên vào độ bền của tường chống lại sự cắt do trượt |
| VRd, c | Giá trị thiết kế của khả năng chịu cắt của các cấu kiện không có cốt thép chịu cắt theo tiêu chuẩn EN 1992-1-1:2004 |
| VRd, S | Giá trị thiết kế của khả năng chịu cắt chống lại sự trượt |
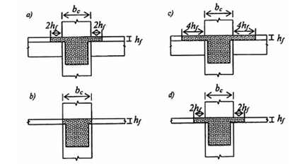
| b | Chiều rộng cánh dưới của dầm |
| bc | Kích thước tiết diện ngang của cột |
| beff | Chiều rộng hữu hiệu của cánh dầm chịu kéo tại bề mặt của cột đỡ |
| bi | Khoảng cách giữa các thanh liền kề nhau được giới hạn bởi góc uốn của cốt thép đai hoặc bởi đai móc trong cột |
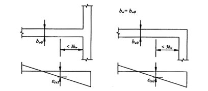
| b0 | Chiều rộng của phần lõi có cốt đai hạn chế biến dạng trong cột hoặc trong phần đầu tường của tường (tinh tới đường tâm của cốt thép đai) |
| bW | Bề dày của phần có cốt đai hạn chế biến dạng của tiết diện tường, hoặc chiều rộng bụng dầm |
| bw0 | Bề dày phần bụng tường |
| d | Chiều cao làm việc của tiết diện |
| dbL | Đường kính thanh cốt thép dọc |
| dbW | Đường kính thanh cốt thép đai |
| fcd | Giá trị thiết kế của cường độ chịu nén của bêtông |
| fctm | Giá trị trung bình của cường độ chịu kéo của bêtông |
| fyd | Giá trị thiết kế của giới hạn chảy của thép |
| fyd, h | Giá trị thiết kế của giới hạn chảy của cốt thép của bụng dầm theo phương nằm ngang |
| fyd, v | Giá trị thiết kế của giới hạn chảy của cốt thép của bụng dầm theo phương đứng |
| fyld | Giá trị thiết kế của giới hạn chảy của cốt thép dọc |
| fywd | Giá trị thiết kế của giới hạn chảy của cốt thép ngang |
| h | Chiều cao tiết diện ngang |
| hc | Chiều cao tiết diện ngang của cột theo phương đang xét |
| hf | Bề dày cánh |
| hjc | Khoảng cách giữa các lớp ngoài cùng của cốt thép cột trong nút dầm-cột |
| hjw | Khoảng cách giữa các thanh cốt thép ở phía trên và phía dưới dầm |
| h0 | Chiều cao phần lõi có cốt đai hạn chế biến dạng trong một cột (tính tới đường tâm của cốt thép đai) |
| hs | Chiều cao thông thủy của tầng |
| hw | Chiều cao tường hoặc chiều cao tiết diện ngang của dầm |
| kD | Hệ số phản ánh cấp dẻo kết cấu trong tính toán chiều cao tiết diện cột cần thiết để neo các thanh thép dầm trong nút, lấy bằng 1 cho cấp dẻo kết cấu cao và bằng 2/3 cho cấp dẻo kết cấu trung bình |
| kw | Hệ số phản ánh dạng phá hoại chủ đạo trong hệ kết cấu có tường chịu lực |
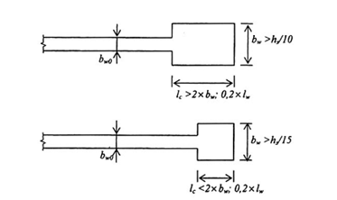
| lc1 | Chiều dài thông thủy của dầm hoặc cột |
| lcr | Chiều dài vùng tới hạn |
| li | Khoảng cách giữa các đường tâm của hai hàng cốt thép xiên tại tiết diện chân tường có các thanh cốt thép xiên chịu cắt do trượt |
| lw | Chiều dài tiết diện ngang của tường |
| n | Tổng số các thanh thép dọc được giữ bởi các thanh cốt thép đai hoặc giằng ngang theo chu vi của tiết diện cột |
| q0 | Giá trị cơ bản của hệ số ứng xử |
| S | Khoảng cách cốt thép ngang |
| Xu | Chiều cao của trục trung hòa |
| Z | Cánh tay đòn của nội lực |
| a | Hệ số hiệu ứng hạn chế biến dạng, góc giữa các thanh thép đặt chéo và trục của dầm liên kết |
| a0 | Tỷ số kích thước của tường trong hệ kết cấu |
| a1 | Hệ số nhân của tác động động đất thiết kế theo phương nằm ngang tại thời điểm hình thành khớp dẻo đầu tiên trong hệ kết cấu |
| au | Hệ số nhân của tác động động đất thiết kế theo phương nằm ngang tại thời điểm hình thành cơ chế dẻo toàn bộ |
| gc | Hệ số riêng của bêtông |
| gRd | Hệ số thiếu tin cậy của mô hình đối với giá trị thiết kế của độ bền khi tính hệ quả của tác động, có tính đến các nguyên nhân vượt cường độ khác nhau |
| gs | Hệ số riêng của thép |
| ecu2 | Biến dạng tới hạn của bêtông không có cốt đai hạn chế biến dạng |
| ecu2,c | Biến dạng tới hạn của bêtông có cốt đai hạn chế biến dạng |
| esu,k | Giá trị đặc trưng của độ dãn dài giới hạn của cốt thép |
| esy,d | Giá trị thiết kế của biến dạng thép tại điểm chảy dẻo |
| h | Hệ số giảm cường độ chịu nén của bêtông do biến dạng kéo theo phương ngang của tiết diện |
| z | Tỉ số VEd,min/VEd,max giữa các lực cắt tác dụng nhỏ nhất và lớn nhất tại tiết diện đầu mút của dầm |
| mf | Hệ số ma sát giữa bêtông với bêtông khi chịu tác động có chu kỳ |
| mf | Hệ số dẻo kết cấu khi uốn |
| md | Hệ số dẻo kết cấu khi chuyển vị |
| V | Lực dọc quy đổi trong tình huống thiết kế chịu động đất |
| x | Chiều cao quy đổi tính đến trục trung hòa |
| r | Hàm lượng cốt thép chịu kéo |
| r' | Hàm lượng cốt thép chịu nén trong dầm |
| scm | Giá trị trung bình của ứng suất pháp của bêtông |
| rh | Hàm lượng cốt thép của các thanh nằm ngang của phần bụng tường |
| r1 | Tổng hàm lượng cốt thép dọc |
| rmax | Hàm lượng cốt thép chịu kéo cho phép tối đa trong vùng tới hạn của dầm kháng chấn chính |
| rv | Hàm lượng cốt thép của các thanh thẳng đứng của phần bụng tường |
| rw | Hàm lượng cốt thép chịu cắt |
| wv | Tỷ số cơ học của cốt thép thẳng đứng trong bản bụng |
| wwd | Tỷ số thể tích cơ học của cốt đai hạn chế biến dạng trong phạm vi các vùng tới hạn |
1.6.5. Các kí hiệu khác được sử dụng trong Chương 6
| L | Nhịp dầm |
| MEd | Mômen uốn thiết kế tính toán theo tình huống thiết kế chịu động đất |
| Mp1,RdA | Giá trị thiết kế của mômen dẻo tại đầu mút A của một cấu kiện |
| Mp1,RdB | Giá trị thiết kế của mômen dẻo tại đầu mút B của một cấu kiện |
| NEd | Lực dọc thiết kế tính toán theo tình huống thiết kế chịu động đất |
| NEd,E | Lực dọc từ phép tính toán chỉ do tác động động đất thiết kế |
| NEd,G | Lực dọc do các tác động không phải tác động động đất, được kể đến trong tổ hợp các tác động theo tình huống thiết kế chịu động đất |
| Np1,Rd | Giá trị thiết kế của độ bền dẻo khi kéo của tiết diện ngang của một cấu kiện theo EN 1993-1-1:2004 |
| NRd | Giá trị thiết kế của lực dọc trong cột hoặc thanh chéo theo EN 1993-1-1:2004, có tính đến sự tương tác với mômen uốn MEd và lực cắt VEd trong tình huống có động đất |
| Rd | Độ bền của liên kết theo EN 1993-1-1:2004 |
| Rfy | Độ bền dẻo của cấu kiện tiêu tán năng lượng được liên kết dựa trên ứng suất chảy thiết kế của vật liệu như đã định nghĩa trong EN 1993-1-1:2004 |
| VEd | Lực cắt thiết kế tính toán theo tình huống thiết kế chịu động đất |
| VEd,G | Lực cắt do các tác động không phải tác động động đất được kể đến trong tổ hợp tác động theo tình huống thiết kế chịu động đất |
| VEd,M | Lực cắt do các mômen dẻo đặt vào tại hai đầu dầm |
| Vwp,Ed | Lực cắt thiết kế trong một ô của bản bụng panen do tác động động đất thiết kế gây ra |
| Vwp,Rd | Độ bền cắt thiết kế của bản bụng panen theo EN 1993-1-1:2004 |
| e | Chiều dài của đoạn nối kháng chấn |
| fy | Giới hạn chảy danh nghĩa của thép |
| fymax | Ứng suất chảy cho phép tối đa của thép |
| q | Hệ số ứng xử |
| tw | Bề dày bản bụng của đoạn nối kháng chấn |
| tf | Bề dày bản cánh của đoạn nối kháng chấn |
| W | Hệ số nhân với lực dọc NEd,E. Lực dọc này được tính từ tác động động đất thiết kế, dành cho việc thiết kế các cấu kiện không tiêu tán năng lượng trong các khung giằng đúng tâm hoặc lệch tâm tương ứng với điều (1) trong 6.7.4 và 6.8.3. |
| a | Tỷ số giữa mômen uốn thiết kế nhỏ hơn MEd,A tại một đầu mút của đoạn nối kháng chấn với mômen uốn lớn hơn MEd,B tại đầu mút hình thành khớp dẻo, cả hai mômen đều được lấy giá trị tuyệt đối |
| a1 | Hệ số nhân của tác động động đất thiết kế theo phương nằm ngang tại thời điểm hình thành khớp dẻo đầu tiên trong hệ kết cấu |
| au | Hệ số nhân của tác động động đất thiết kế theo phương nằm ngang tại thời điểm hình thành khớp dẻo trên toàn bộ hệ kết cấu |
| gM | Hệ số riêng cho tham số vật liệu |
| gov | Hệ số vượt cường độ của vật liệu |
| d | Độ võng của dầm tại giữa nhịp so với đường tiếp tuyến với trục dầm tại đầu dầm (Hình 30) |
| gpb | Hệ số nhân với độ bền dẻo thiết kế khi kéo Np1,Rd của giằng chịu nén trong hệ giằng chữ V, để dự tính ảnh hưởng của tác động động đất không cân bằng lên dầm mà giằng đó được liên kết vào |
| gs | Hệ số riêng của thép |
| qp | Khả năng xoay của vùng khớp dẻo |
| l | Độ mảnh không thứ nguyên của một cấu kiện như đã định nghĩa trong EN 1993-1-1:2004 |
1.6.6. Các kí hiệu khác được sử dụng trong Chương 7
| Apl | Diện tích của tấm theo phương nằm ngang |
| Ea | Môđun đàn hồi của thép |
| Ecm | Môđun đàn hồi trung bình của bêtông theo EN 1992-1-1:2004 |
| la | Mômen quán tính của diện tích phần thép trong tiết diện liên hợp, đối với trục đi qua tâm của tiết diện liên hợp đó |
| lc | Mômen quán tính của diện tích phần bêtông trong tiết diện liên hợp, đối với trục đi qua tâm của tiết diện liên hợp đó |
| leq | Mômen quán tính tương đương của diện tích tiết diện liên hợp |
| ls | Mômen quán tính của diện tích các thanh cốt thép trong một tiết diện liên hợp, đối với trục đi qua tâm của tiết diện liên hợp đó |
| Mp1,Rd,c | Mômen dẻo của cột, được lấy là cận dưới và được tính toán có xét tới phần bêtông của tiết diện và chỉ xét tới phần thép của tiết diện được xếp vào loại có tính dẻo kết cấu |
| MU,Rd,b | Cận trên của mômen dẻo của dầm, được tính toán có xét tới phần bêtông của tiết diện và toàn bộ phần thép trong tiết diện đó, kể cả những tiết diện không được coi là có tính dẻo kết cấu |
| Vwp,Ed | Lực cắt thiết kế trong ô bản bụng, được tính toán trên cơ sở độ bền dẻo của các vùng tiêu tán năng lượng liền kề trong dầm hoặc trong các mối liên kết |
| Vwp,Rd | Độ bền cắt của ô bản bụng bằng liên hợp thép - bêtông theo EN 1994-1:2004 |
| b | Chiều rộng của bản cánh |
| be | Chiều rộng tính toán bản cánh về mỗi phía của bản bụng bằng thép |
| beff | Tổng chiều rộng hữu hiệu của bản cánh bằng bêtông |
| b0 | Chiều rộng (kích thước nhỏ nhất) của lõi bêtông bị hạn chế biến dạng |
| dbL | Đường kính cốt thép dọc |
| dbw | Đường kính cốt thép đai |
| fyd | Giới hạn chảy thiết kế của thép |
| fydf | Giới hạn chảy thiết kế của thép trong bản cánh |
| fydw | Cường độ thiết kế của cốt thép bản bụng |
| hb | Chiều cao của dầm liên hợp |
| bb | Chiều rộng của dầm liên hợp |
| hc | Chiều cao của tiết diện cột liên hợp thép - bêtông |
| kr | Hệ số hữu hiệu của hình dạng các sườn của mặt cắt tấm thép |
| kt | Hệ số suy giảm độ bền cắt thiết kế của các nút liên kết theo EN 1994-1 |
| lcl | Chiều dài thông thủy của cột |
| lcr | Chiều dài của vùng tới hạn |
| n | Tỷ số môđun thép - bêtông đối với tác động ngắn hạn |
| q | Hệ số ứng xử |
| r | Hệ số giảm độ cứng bêtông để tính toán độ cứng của cột liên hợp thép - bêtông |
| tf | Bề dày bản cánh |
| gc | Hệ số riêng của bêtông |
| gM | Hệ số riêng cho tham số vật liệu |
| gov | Hệ số vượt cường độ của vật liệu |
| gs | Hệ số riêng của thép |
| ea | Tổng biến dạng của thép tại trạng thái cực hạn |
| ecu2 | Biến dạng nén cực hạn của bêtông không bị hạn chế biến dạng |
| h | Độ liên kết tối thiểu như đã định nghĩa trong 6.6.1.2 của EN 1994-1-1:2004 |
1.6.7. Các kí hiệu khác được sử dụng trong Chương 8
| E0 | Môđun đàn hồi của gỗ khi chất tải tức thời |
| b | Chiều rộng của tiết diện gỗ |
| d | Đường kính vật liên kết |
| h | Chiều cao của dầm gỗ |
| kmod | Hệ số điều chỉnh cường độ của gỗ cho chất tải tức thời theo EN 1995-1-1:2004 |
| q | Hệ số ứng xử |
| gM | Hệ số riêng cho tham số vật liệu |
1.6.8. Các kí hiệu khác được sử dụng trong Chương 9
| ag,urm | Giá trị cận trên của gia tốc nền thiết kế để sử dụng cho loại khối xây không có cốt thép thỏa mãn những điều khoản của tiêu chuẩn này |
| Amin | Tổng diện tích tiết diện ngang của tường xây yêu cầu trong mỗi hướng nằm ngang để áp dụng các quy định cho “nhà xây đơn giản” |
| fb, min | Cường độ nén tiêu chuẩn của viên xây vuông góc với mặt đáy |
| fbh, min | Cường độ nén tiêu chuẩn của viên xây song song với mặt đáy và trong mặt phẳng tường |
| fm, min | Cường độ tối thiểu cho vữa xây |
| h | Chiều cao thông thủy lớn nhất của lỗ mở liền kề với bức tường |
| hef | Chiều cao hữu hiệu của tường |
| l | Chiều dài của tường |
| n | Số tầng nằm phía trên mặt đất |
| pA,min | Tỷ lệ phần trăm tối thiểu của tổng diện tích tiết diện chiếu lên mặt ngang của vách cứng theo từng phương với tổng diện tích ngang theo tầng |
| pmax | Tỷ lệ phần trăm của tổng diện tích sàn bên trên mức đang xét |
| q | Hệ số ứng xử |
| tef | Bề dày hữu hiệu của tường |
| DA,max | Độ chênh lệch lớn nhất về diện tích tiết diện ngang của vách cứng ngang giữa các tầng liền kề nhau của “nhà xây đơn giản" |
| Dm,max | Độ chênh lệch lớn nhất về khối lượng giữa các tầng liền kề nhau của “nhà xây đơn giản" |
| gM | Hệ số riêng cho tham số vật liệu |
| gs | Hệ số riêng của cốt thép |
| lmin | Tỷ số giữa kích thước của cạnh ngắn và cạnh dài trong mặt bằng |
1.6.9. Các kí hiệu khác được sử dụng trong Chương 10
| Keff | Độ cứng hữu hiệu của hệ cách chấn theo phương nằm ngang xem xét, tại một chuyển vị tương đương với chuyển vị thiết kế ddc |
| KV | Độ cứng tổng cộng của hệ cách chấn theo phương thẳng đứng |
| Kxi | Độ cứng hữu hiệu của bộ cách chấn thứ i theo phương x |
| Kyi | Độ cứng hữu hiệu của bộ cách chấn thứ i theo phương y |
| Teff | Chu kỳ cơ bản hữu hiệu của kết cấu bên trên trong chuyển động tịnh tiến ngang, kết cấu bên trên được xem là tuyệt đối cứng |
| Tf | Chu kỳ cơ bản của kết cấu bên trên được giả thiết là ngàm tại đáy |
| TV | Chu kỳ cơ bản của kết cấu bên trên theo phương thẳng đứng, kết cấu bên trên được xem là tuyệt đối cứng |
| M | Khối lượng của kết cấu bên trên |
| Ms | Độ mạnh |
| ddc | Chuyển vị thiết kế hữu hiệu của tâm cứng theo phương xem xét |
| ddb | Tổng chuyển vị thiết kế của bộ cách chấn |
| etot,y | Tổng độ lệch tâm theo phương y |
| fj | Lực theo phương ngang tại mỗi tầng thứ j |
| ry | Bán kính xoắn của hệ cách chấn |
| (xi, yi) | Tọa độ của bộ cách chấn thứ i so với tâm cứng hữu hiệu |
| di | Hệ số khuếch đại |
| xeff | “Độ cản hữu hiệu" |
1.7. Đơn vị SI
(1)P Các đơn vị SI phải được sử dụng phù hợp với ISO 1000.
(2) Khi tính toán dùng các đơn vị sau đây:
| - Lực và tải trọng: - Khối lượng riêng: - Khối lượng: - Trọng lượng riêng: - Ứng suất và cường độ: - Mômen (uốn, v.v…): - Gia tốc: | kN, kN/m, kN/m2 kg/m3, t/m3 kg, t kN/m3 N/mm2 (= MN/m2 hoặc MPa), kN/m2 (=kPa) kNm m/s2, g (g = 9,81 m/s2) |
2. Yêu cầu về tính năng và các tiêu chí cần tuân theo
2.1. Những yêu cầu cơ bản
(1)P Kết cấu trong vùng có động đất phải được thiết kế và thi công sao cho thỏa mãn những yêu cầu sau đây. Mỗi yêu cầu phải có độ tin cậy thích hợp:
- Yêu cầu không sụp đổ
Kết cấu phải được thiết kế và thi công để chịu được tác động động đất thiết kế như định nghĩa trong Chương 3 mà không bị sụp đổ cục bộ hay sụp đổ toàn phần, đồng thời giữ được tính toàn vẹn của kết cấu và còn một phần khả năng chịu tải trọng sau khi động đất xảy ra. Tác động động đất thiết kế được biểu thị qua các yếu tố: a) tác động động đất tham chiếu gắn liền với xác suất vượt quá tham chiếu PNCR, trong 50 năm hoặc một chu kỳ lặp tham chiếu, TNCR, b) hệ số tầm quan trọng gl (xem (2)P và (3)P của điều này) để tính đến mức độ tin cậy khác nhau.
CHÚ THÍCH 1: Các giá trị ấn định cho PNCR hoặc cho TNCR để sử dụng cho Việt Nam là PNCR = 10 % và TNCR = 475 năm.
CHÚ THÍCH 2: Giá trị của xác suất vượt quá PR, trong TL năm của mức độ tác động động đất cụ thể có liên quan tới chu kỳ lặp trung bình TR, của mức độ tác động động đất này như sau TR = - TL / In (1 - PR). Vì thế, với một giá trị TL cho trước, tác động động đất có thể được xác định một cách tương đương theo 2 cách: hoặc là bằng chu kỳ lặp trung bình, TR, hoặc là bằng xác suất vượt quá, PR trong TL năm.
- Yêu cầu hạn chế hư hỏng
Công trình phải được thiết kế và thi công để chịu được tác động động đất có xác suất xảy ra lớn hơn so với tác động động đất thiết kế, mà không gây hư hại và những hạn chế sử dụng kèm theo vì những chi phí khắc phục có thể lớn hơn một cách bất hợp lý so với giá thành bản thân kết cấu. Tác động động đất được đưa vào tính toán cho “yêu cầu hạn chế hư hỏng” có xác suất vượt quá, PDLR trong 10 năm và chu kỳ lặp TDLR. Khi không có những thông tin chính xác hơn, có thể sử dụng hệ số giảm tác động động đất thiết kế theo 4.4.3.2(2) để tính tác động động đất dùng kiểm tra “yêu cầu hạn chế hư hỏng”.
CHÚ THÍCH 3: Các giá trị ấn định cho PDLR hoặc TDLR để sử dụng ở Việt Nam là PDLR =10 % và TDLR = 95 năm.
(2)P Độ tin cậy cho “yêu cầu không sụp đổ” và “yêu cầu hạn chế hư hỏng" được thiết lập bởi các cơ quan nhà nước có thẩm quyền đối với các loại nhà và công trình dân dụng khác nhau trên cơ sở những hậu quả của phá hoại.
(3)P Các mức độ tin cậy khác nhau được xét tới bằng cách phân loại công trình theo mức độ quan trọng khác nhau. Mỗi mức độ quan trọng được gán một hệ số tầm quan trọng gl. Khi có thể được, hệ số này cần thiết lập sao cho nó tương ứng với một chu kỳ lặp có giá trị dài hơn hoặc ngắn hơn của hiện tượng động đất (so với chu kỳ lặp tham chiếu), cho chu kỳ lặp này là phù hợp để thiết kế từng loại công trình cụ thể (xem 3.2.1(3)). Các định nghĩa về mức độ và hệ số tầm quan trọng cho trong Phụ lục E, Phần 1.
(4) Các mức độ khác nhau của độ tin cậy thu được bằng cách nhân tác động động đất tham chiếu hoặc nhân những hệ quả tác động tương ứng khi sử dụng phương pháp phân tích tuyến tính với hệ số tầm quan trọng này. Chỉ dẫn chi tiết về mức độ quan trọng và các hệ số tầm quan trọng được cho ở 4.2.5.
CHÚ THÍCH: Tại hầu hết các địa điểm, xác suất vượt quá theo năm H(agR) của đỉnh gia tốc nền tham chiếu agR có thể xem như đại lượng biến thiên theo agR như sau: H(agR) » k0 agR-k, với giá trị của số mũ k phụ thuộc vào tính động đất, nhưng nói chung là bằng 3. Vì thế, nếu tác động động đất được định nghĩa dưới dạng đỉnh gia tốc nền tham chiếu agR, thì giá trị của hệ số tầm quan trọng gl, mà nhân với tác động động đất tham chiếu để đạt được cùng một xác suất vượt quá trong TL năm cũng như trong TLR năm theo đó tác động động đất tham chiếu được xác định, có thể được tính bằng: gl » (TLR/ TL)-1/k. Một cách khác, giá trị của hệ số tầm quan trọng gl, mà phải nhân với tác động động đất tham chiếu để đạt được xác suất vượt quá PL của tác động động đất trong TL năm, khác với xác suất vượt quá tham chiếu PLR, cũng trên cùng số năm là TL, có thể được tính bằng: gl » (PL/ PLR)-1/k.
2.2. Các tiêu chí cần tuân theo
2.2.1. Tổng quát
(1)P Để thỏa mãn những yêu cầu cơ bản đã đưa ra trong 2.1, các trạng thái giới hạn sau đây phải được kiểm tra (xem 2.2.2 và 2.2.3):
- Các trạng thái cực hạn
- Các trạng thái hạn chế hư hỏng
Các trạng thái cực hạn là các trạng thái liên quan tới sự sụp đổ hoặc các dạng hư hỏng khác của kết cấu có thể gây nguy hiểm cho sự an toàn của con người.
Các trạng thái hạn chế hư hỏng là các trạng thái liên quan tới sự hư hỏng mà vượt quá sẽ làm cho một số yêu cầu sử dụng cụ thể không còn được thỏa mãn.
(2)P Để hạn chế nguy cơ và để nâng cao khả năng làm việc tốt của kết cấu khi chịu những tác động động đất nghiêm trọng hơn so với tác động động đất thiết kế, phải thực hiện thêm một loạt biện pháp cụ thể thích hợp (xem 2.2.4).
(3) Đối với các loại kết cấu đã xác định rõ là xây dựng trong vùng động đất yếu (xem 3.2.1(4)), những yêu cầu cơ bản có thể thỏa mãn thông qua việc áp dụng những quy định đơn giản hơn so với những quy định cho trong các phần có liên quan của tiêu chuẩn này.
(4) Trong trường hợp động đất rất yếu, không nhất thiết phải tuân theo những điều khoản của tiêu chuẩn này (xem 3.2.1(5)) và ghi chú về định nghĩa những trường hợp động đất rất yếu).
(5) Những quy định cụ thể cho “Nhà xây đơn giản” được cho trong Chương 9. Khi tuân thủ những quy định này, “Nhà xây đơn giản” như vậy được xem là thỏa mãn các yêu cầu cơ bản của tiêu chuẩn này mà không cần kiểm tra phân tích độ an toàn.
2.2.2. Trạng thái cực hạn
(1)P Hệ kết cấu phải được kiểm tra về khả năng chịu lực và khả năng tiêu tán năng lượng như đã quy định trong các phần có liên quan của tiêu chuẩn này.
(2) Khả năng chịu lực và khả năng tiêu tán năng lượng của kết cấu liên quan đến khả năng khai thác phản ứng phi tuyến của nó. Trong thực tế, sự cân bằng giữa khả năng chịu lực và khả năng tiêu tán năng lượng được đặc trưng bởi các giá trị của hệ số ứng xử q và việc phân cấp độ dẻo tương ứng, cho trong các phần có liên quan của tiêu chuẩn này. Trong trường hợp giới hạn, khi thiết kế các kết cấu được xem là không tiêu tán năng lượng thì không tính đến bất kỳ một sự tiêu tán năng lượng nào do hiện tượng trễ và nói chung không xét tới hệ số ứng xử q lớn hơn 1,5, là giá trị đã tính đến khả năng vượt cường độ. Đối với kết cấu thép hoặc kết cấu liên hợp thép - bêtông, giá trị giới hạn này của hệ số q có thể lấy từ 1,5 đến 2. Với những kết cấu tiêu tán năng lượng, để tính đến sự tiêu tán năng lượng trễ, hệ số ứng xử được lấy lớn hơn những giá trị giới hạn nói trên. Sự tiêu tán năng lượng này chủ yếu xảy ra trong các vùng được thiết kế một cách đặc biệt, gọi là vùng tiêu tán năng lượng hoặc vùng tới hạn.
CHÚ THÍCH: Giá trị của hệ số ứng xử q cần được giới hạn bởi trạng thái giới hạn ổn định động của kết cấu và bởi sự hư hỏng do mỏi chu kỳ thấp của các chi tiết kết cấu (đặc biệt là các liên kết). Phải áp dụng điều kiện giới hạn bất lợi nhất khi xác định các giá trị của hệ số q. Các giá trị của hệ số q cho trong các chương liên quan được xem là tuân thủ yêu cầu này.
(3)P Phải kiểm tra để bảo đảm ổn định của kết cấu tổng thể dưới tác động động đất thiết kế. Cần phải xem xét cả ổn định về trượt lẫn về lật. Những quy định cụ thể để kiểm tra về lật của công trình được cho trong các phần liên quan của tiêu chuẩn này.
(4)P Phải kiểm tra cả cấu kiện móng và đất dưới móng có khả năng chịu được những hệ quả của tác động sinh ra từ phản ứng của kết cấu bên trên mà không gây ra những biến dạng thường xuyên đáng kể. Trong việc xác định các phản lực, phải xét đến độ bền thực tế của cấu kiện kết cấu truyền tải.
(5)P Khi phân tích cần xét ảnh hưởng có thể có của các hiệu ứng bậc hai đến các giá trị của các hệ quả tác động.
(6)P Phải kiểm tra dưới tác động động đất thiết kế, ứng xử của các bộ phận phi kết cấu không gây rủi ro cho con người và không gây ảnh hưởng bất lợi tới phản ứng của các cấu kiện chịu lực. Đối với nhà, những quy định cụ thể được cho ở 4.3.5 và 4.3.6.
2.2.3. Trạng thái hạn chế hư hỏng
(1)P Cần bảo đảm ngăn chặn các hư hỏng không thể chấp nhận với độ tin cậy phù hợp bằng cách thỏa mãn những giới hạn về biến dạng hoặc các giới hạn khác được định nghĩa trong các phần có liên quan của tiêu chuẩn này.
(2)P Trong những công trình quan trọng có chức năng bảo vệ dân sự, hệ kết cấu phải được kiểm tra để bảo đảm rằng chúng có đủ độ cứng và độ bền nhằm duy trì sự hoạt động của các thiết bị phục vụ thiết yếu khi xảy ra động đất với một chu kỳ lặp phù hợp.
2.2.4. Các biện pháp cụ thể
2.2.4.1. Thiết kế
(1) Ở mức độ có thể, kết cấu cần có hình dạng đơn giản và cân đối trong cả mặt bằng lẫn mặt đứng, (xem 4.2.3). Nếu cần thiết, có thể chia kết cấu thành các đơn nguyên độc lập về mặt động lực bằng các khe kháng chấn.
(2)P Để bảo đảm ứng xử dẻo và tiêu tán năng lượng tổng thể, phải tránh sự phá hoại giòn hoặc sự hình thành sớm cơ cấu mất ổn định. Để đạt được mục đích đó, theo yêu cầu trong các phần có liên quan của tiêu chuẩn này, phải sử dụng quy trình thiết kế theo khả năng chịu lực và tiêu tán năng lượng. Quy trình này được sử dụng để có được các thành phần kết cấu khác nhau xếp theo cấp bậc độ bền và theo các dạng phá hoại cần thiết để bảo đảm một cơ cấu dẻo phù hợp và để tránh các dạng phá hoại giòn.
(3)P Do tính năng kháng chấn của kết cấu phụ thuộc rất nhiều vào ứng xử của các vùng hoặc cấu kiện tới hạn của nó, cấu tạo kết cấu nói chung và các vùng hoặc các cấu kiện tới hạn nói riêng phải duy trì được khả năng truyền lực và tiêu tán năng lượng cần thiết trong điều kiện tác động có chu kỳ. Để đáp ứng yêu cầu này, trong thiết kế cần quan tâm đặc biệt đến các chi tiết cấu tạo liên kết giữa các cấu kiện chịu lực và chi tiết cấu tạo các vùng dự đoán có ứng xử phi tuyến.
(4)P Phương pháp phân tích phải dựa vào mô hình kết cấu phù hợp, khi cần thiết, mô hình này phải xét tới ảnh hưởng của biến dạng nền đất, của những bộ phận phi kết cấu và những khía cạnh khác, chẳng hạn như sự hiện diện của những kết cấu liền kề.
2.2.4.2. Hệ móng
(1)P Độ cứng của hệ móng phải đủ để truyền những tác động nhận được từ kết cấu bên trên xuống nền đất càng đều đặn càng tốt.
(2) Trừ công trình cầu, nói chung chỉ nên sử dụng một dạng móng cho cùng một công trình, trừ phi công trình gồm các đơn nguyên độc lập về mặt động lực.
2.2.4.3. Kế hoạch đảm bảo chất lượng
(1)P Hồ sơ thiết kế phải chỉ rõ kích thước, chi tiết cấu tạo và tham số vật liệu của các cấu kiện. Nếu có thể, hồ sơ thiết kế còn phải bao gồm cả những đặc trưng của các thiết bị đặc biệt sẽ sử dụng, khoảng cách giữa những cấu kiện chịu lực và bộ phận phi kết cấu. Những điều khoản kiểm soát chất lượng cần thiết cũng phải được nêu ra trong hồ sơ thiết kế.
(2)P Yêu cầu phải có sự kiểm tra đặc biệt trong quá trình thi công các cấu kiện có tầm quan trọng đặc biệt về mặt kết cấu và phải được chỉ rõ trên các bản vẽ thiết kế. Trong trường hợp này, cũng phải quy định các phương pháp kiểm tra sẽ được sử dụng.
(3) Trong vùng động đất mạnh và đối với các công trình có tầm quan trọng đặc biệt, cần lập kế hoạch chính thức để đảm bảo chất lượng, bao gồm các khâu thiết kế, thi công và sử dụng công trình. Kế hoạch đảm bảo chất lượng này là để bổ sung vào quy trình kiểm soát chất lượng trong các tiêu chuẩn khác có liên quan.
3. Điều kiện nền đất và tác động động đất
3.1. Điều kiện nền đất
3.1.1. Tổng quát
(1)P Phải thực hiện công tác khảo sát phù hợp để phân biệt điều kiện nền đất theo 3.1.2.
(2) Những chỉ dẫn thêm liên quan đến khảo sát và phân loại nền đất được cho trong 4.2, Phần 2.
(3) Địa điểm xây dựng và nền đất chịu lực nói chung cần tránh những rủi ro đứt gãy, mất ổn định mái dốc và lún gây nên bởi sự hóa lỏng hoặc sự nén chặt khi động đất xảy ra. Khả năng xuất hiện các hiện tượng như thế phải được khảo sát theo Chương 4, Phần 2.
(4) Công tác khảo sát nền đất và/hoặc nghiên cứu địa chất cần được thực hiện để xác định tác động của động đất, phụ thuộc vào mức độ quan trọng của công trình và những điều kiện cụ thể của dự án.
3.1.2. Nhận dạng các loại nền đất
(1) Các loại nền đất A, B, C, D và E được mô tả bằng các mặt cắt địa tầng, các tham số cho trong Bảng 3.1 và được mô tả dưới đây, có thể được sử dụng để kể đến ảnh hưởng của điều kiện nền đất tới tác động động đất. Việc kể đến ảnh hưởng này còn có thể thực hiện bằng cách xem xét thêm ảnh hưởng của địa chất tầng sâu tới tác động động đất.
Bảng 3.1 - Các loại nền đất
| Loại | Mô tả | Các tham số | ||
| Vs,30 (m/s) | NSPT (nhát/30 cm) | Cu (Pa) | ||
| A | Đá hoặc các kiến tạo địa chất khác tựa đá, kể cả các đất yếu hơn trên bề mặt với bề dày lớn nhất là 5 m. | > 800 | - | - |
| B | Đất cát, cuội sỏi rất chặt hoặc đất sét rất cứng có bề dày ít nhất hàng chục mét, tính chất cơ học tăng dần theo độ sâu. | 360 - 800 | > 50 | > 250 |
| C | Đất cát, cuội sỏi chặt, chặt vừa hoặc đất sét cứng có bề dày lớn từ hàng chục tới hàng trăm mét. | 180 - 360 | 15 - 50 | 70 - 250 |
| D | Đất rời trạng thái từ xốp đến chặt vừa (có hoặc không xen kẹp vài lớp đất dính) hoặc có đa phần đất dính trạng thái từ mềm đến cứng vừa. | < 180 | < 15 | < 70 |
| E | Địa tầng bao gồm lớp đất trầm tích sông ở trên mặt với bề dày trong khoảng 5 m đến 20 m có giá trị tốc độ truyền sóng như loại C, D và bên dưới là các đất cứng hơn với tốc độ truyền sóng Vs lớn hơn 800 m/s. |
|
|
|
| S1 | Địa tầng bao gồm hoặc chứa một lớp đất sét mềm/bùn (bụi) tính dẻo cao (Pl lớn hơn 40) và độ ẩm cao, có chiều dày ít nhất là 10 m. | < 100 (tham khảo) | - | 10 - 20 |
| S2 | Địa tầng bao gồm các đất dễ hóa lỏng, đất sét nhạy hoặc các đất khác với các đất trong các loại nền A-E hoặc S1. |
|
|
|
(2) Nền đất cần được phân loại theo giá trị của vận tốc sóng cắt trung bình vs,30 (m/s) nếu có giá trị này. Nếu không, có thể dùng giá trị NSPT.
(3) Vận tốc sóng cắt trung bình, vs,30, được tính toán theo biểu thức sau:
|
| (3.1) |
trong đó:
hi, vi là chiều dày (m) và vận tốc sóng cắt (tại mức biến dạng cắt bằng 10-5 hoặc thấp hơn) của lớp thứ i trong tổng số N lớp tồn tại trong 30 m đất trên bề mặt.
(4)P Đối với các địa điểm có điều kiện nền đất thuộc một trong hai loại nền đặc biệt S1 và S2 cần phải có nghiên cứu đặc biệt để xác định tác động động đất. Đối với những loại nền này, đặc biệt là đối với nền S2, cần phải xem xét khả năng phá huỷ nền khi chịu tác động động đất.
CHÚ THÍCH: Cần đặc biệt lưu ý nếu trầm tích là nền loại S1. Điển hình của loại nền đất này là giá trị vs rất thấp, độ cản bên trong nhỏ và phạm vi mở rộng bất thường về ứng xử tuyến tính. Vì thế, có thể tạo ra những hiệu ứng dị thường về sự khuếch đại chấn động nền và tương tác nền-công trình (xem Chương 6, Phần 2). Trường hợp này, cần nghiên cứu đặc biệt để xác định tác động động đất nhằm thiết lập quan hệ giữa phổ phản ứng với chiều dày và giá trị vs của lớp sét/ bùn và sự tương phản về độ cứng giữa lớp này và các lớp đất nằm dưới.
3.2. Tác động động đất
3.2.1. Các vùng động đất
(1)P Với hầu hết những ứng dụng của tiêu chuẩn này, nguy cơ động đất được mô tả dưới dạng một tham số là đỉnh gia tốc nền tham chiếu agR trên nền loại A. Các tham sổ bổ sung cần thiết cho các dạng kết cấu cụ thể được cho trong các phần liên quan của tiêu chuẩn này.
CHÚ THÍCH: Đỉnh gia tốc nền tham chiếu agR trên nền loại A được lấy từ bản đồ phân vùng gia tốc nền lãnh thổ Việt Nam cho trong Phụ lục G, Phần 1 hoặc được lấy từ bản đồ phân vùng nhỏ động đất của một số vùng lãnh thổ đã được cơ quan có thẩm quyền phê duyệt.
(2) Trong tiêu chuẩn này, đỉnh gia tốc nền tham chiếu agR trên lãnh thổ Việt Nam được biểu thị bằng các đường đẳng trị. Giá trị agR giữa hai đường đẳng trị được xác định theo nguyên tắc nội suy tuyến tính. Từ đỉnh gia tốc nền có thể chuyển đổi sang cấp động đất theo thang MSK-64 hoặc thang MM dựa vào bảng chuyển đổi cho trong Phụ lục I, Phần 1.
(3) Đỉnh gia tốc nền tham chiếu do cơ quan Nhà nước có thẩm quyền lựa chọn cho từng vùng động đất, tương ứng với chu kỳ lặp tham chiếu TNCR của tác động động đất đối với yêu cầu không sụp đổ (hoặc một cách tương đương là xác suất tham chiếu vượt quá trong 50 năm, PNCR) (xem 2.1(1)P). Hệ số tầm quan trọng gl bằng 1,0 được gán cho chu kỳ lặp tham chiếu. Với chu kỳ lặp khác chu kỳ lặp tham chiếu (xem các mức độ quan trọng trong 2.1(3)P và (4)), gia tốc nền thiết kế ag trên nền loại A sẽ bằng agR nhân với hệ số tầm quan trọng gl (tức là ag = gl.agR) (xem ghi chú của 2.1(4)).
Giá trị agR lấy theo Bản đồ phân vùng gia tốc nền lãnh thổ Việt Nam, tỷ lệ 1 :1 000 000 (phiên bản thu nhỏ cho trong Phụ lục G, Phần 1) hoặc Bảng phân vùng gia tốc nền theo địa danh hành chính cho trong Phụ lục H, Phần 1 (giá trị gia tốc nền agR cho trong bảng được xem là giá trị đại diện cho cả vùng địa danh).
(4) Trường hợp động đất yếu, có thể sử dụng các quy trình thiết kế chịu động đất được giảm nhẹ hoặc đơn giản hóa cho một số loại, dạng kết cấu.
CHÚ THÍCH: Trường hợp động đất yếu là trường hợp khi gia tốc nền thiết kế ag trên nền loại A không vượt quá 0,08g (0,78 m/s2).
(5)P Trong trường hợp động đất rất yếu, không cần phải tuân theo những điều khoản của tiêu chuẩn này.
CHÚ THÍCH: Trường hợp động đất rất yếu là trường hợp khi gia tốc nền thiết kế ag trên nền loại A không vượt quá 0,04g (0,39 m/s2).
3.2.2. Biểu diễn cơ bản của tác động động đất
3.2.2.1. Tổng quát
(1)P Trong phạm vi tiêu chuẩn này, chuyển động động đất tại một điểm cho trước trên bề mặt được biểu diễn bằng phổ phản ứng gia tốc đàn hồi, được gọi tắt là ‘‘phổ phản ứng đàn hồi”.
(2) Dạng của phổ phản ứng đàn hồi được lấy như nhau đối với hai mức tác động động đất giới thiệu trong 2.1(1)P và 2.2.1(1)P với yêu cầu không sụp đổ (trạng thái cực hạn - tác động động đất thiết kế) và đối với yêu cầu hạn chế hư hỏng.
(3)P Tác động động đất theo phương nằm ngang được mô tả bằng hai thành phần vuông góc được xem là độc lập và biểu diễn bằng cùng một phổ phản ứng.
(4) Đối với ba thành phần của tác động động đất, có thể chấp nhận một hoặc nhiều dạng khác nhau của phổ phản ứng, phụ thuộc vào các vùng nguồn và độ lớn động đất phát sinh từ chúng.
CHÚ THÍCH: Khi lựa chọn hình dạng phù hợp cho phổ phản ứng, cần lưu ý tới độ lớn của những trận động đất góp phần lớn nhất trong việc đánh giá nguy cơ động đất theo phương pháp xác suất mà không thiên về giới hạn trên an toàn (ví dụ trận động đất cực đại có thể xảy ra) được xác định nhằm mục đích này.
(5) Ở những nơi chịu ảnh hưởng động đất phát sinh từ các nguồn rất khác nhau, khả năng sử dụng nhiều hơn một dạng phổ phản ứng phải được xem xét để có thể thể hiện đúng tác động động đất thiết kế. Trong những trường hợp như vậy, thông thường giá trị của ag cho từng loại phổ phản ứng và từng trận động đất sẽ khác nhau.
(6) Đối với các công trình quan trọng (gl >1) cần xét các hiệu ứng khuếch đại địa hình.
CHÚ THÍCH: Phụ lục tham khảo A, Phần 2 cung cấp thông tin về hiệu ứng khuếch đại địa hình.
(7) Có thể biểu diễn chuyển động động đất theo hàm của thời gian (xem 3.2.3).
(8) Đối với một số loại công trình, có thể xét sự biến thiên của chuyển động nền đất trong không gian cũng như theo thời gian.
3.2.2.2. Phổ phản ứng đàn hồi theo phương nằm ngang
(1)P Với các thành phần nằm ngang của tác động động đất, phổ phản ứng đàn hồi Se(T) được xác định bằng các công thức sau (xem Hình 3.1):

T là chu kỳ dao động của hệ tuyến tính một bậc tự do;
Se(T) là phổ phản ứng đàn hồi;
ag là gia tốc nền thiết kế trên nền loại A (ag = gl.agR);
TB là giới hạn dưới của chu kỳ, ứng với đoạn nằm ngang của phổ phản ứng gia tốc;
TC là giới hạn trên của chu kỳ, ứng với đoạn nằm ngang của phổ phản ứng gia tốc;
TD là giá trị xác định điểm bắt đầu của phần phản ứng dịch chuyển không đổi trong phổ phản ứng;
S là hệ số nền;
h là hệ số điều chỉnh độ cản với giá trị tham chiếu h = 1 đối với độ cản nhớt 5 %, xem (3) của điều này.
(2)P Giá trị của chu kỳ TB, TC và TD và của hệ số nền S mô tả dạng phổ phản ứng đàn hồi phụ thuộc vào loại nền đất, nếu không xét tới địa chất tầng sâu (xem 3.1.2(1)).
CHÚ THÍCH 1: Đối với 5 loại nền đất A, B, C, D, và E, giá trị các tham số S, TB, TC và TD được cho trong Bảng 3.2, các dạng phổ được chuẩn hóa theo ag với độ cản 5 % được cho ở Hình 3.2.

Hình 3.1 - Dạng của phổ phản ứng đàn hồi.
Bảng 3.2 - Giá trị của các tham số mô tả các phổ phản ứng đàn hồi
| Loại nền đất | S | TB (s) | TC (s) | TD (s) |
| A | 1,0 | 0,15 | 0,4 | 2,0 |
| B | 1,2 | 0,15 | 0,5 | 2,0 |
| C | 1,15 | 0,20 | 0,6 | 2,0 |
| D | 1,35 | 0,20 | 0,8 | 2,0 |
| E | 1,4 | 0,15 | 0,5 | 2,0 |
CHÚ THÍCH 2: Đối với các nền đất Loại S1 và S2, cần có các nghiên cứu riêng để xác định các giá trị tương ứng của S, TB, TC và TD.
(3) Hệ số điều chỉnh độ cản h có thể xác định bằng biểu thức:
| h = 10/(5 + x) ≥ 0,55 | (3.6) |
trong đó:
x là tỷ số cản nhớt của kết cấu, tính bằng phần trăm.
(4) Trường hợp đặc biệt, khi dùng tỷ số cản nhớt khác 5 %, giá trị này được cho trong phần có liên quan của tiêu chuẩn này.
(5)P Phổ phản ứng chuyển vị đàn hồi SDe(T), nhận được bằng cách biến đổi trực tiếp phổ phản ứng gia tốc đàn hồi Se(T) theo biểu thức sau:
|
| (3.7) |

Hình 3.2 - Phổ phản ứng đàn hồi cho các loại nền đất từ A đến E (độ cản 5 %).
(6) Thông thường, cần áp dụng biểu thức (3.7) cho các chu kỳ dao động không vượt quá 4,0 s. Đối với các kết cấu có chu kỳ dao động lớn hơn 4,0 s có thể dùng một định nghĩa phổ chuyển vị đàn hồi hoàn chỉnh hơn.
CHÚ THÍCH: Với phổ phản ứng đàn hồi tham khảo Chú thích 1 của 3.2.2.2(2)P, một định nghĩa như thế được trình bày trong Phụ lục tham khảo A dưới dạng phổ phản ứng chuyển vị. Đối với những chu kỳ dài hơn 4 s, phổ phản ứng gia tốc đàn hồi Se(T) có thể lấy từ phổ phản ứng chuyển vị đàn hồi dựa vào biểu thức (3.7).
3.2.2.3. Phổ phản ứng đàn hồi theo phương thẳng đứng
(1)P Thành phần thẳng đứng của tác động động đất phải được thể hiện bằng phổ phản ứng đàn hồi, Sve(T), được xác định bằng cách sử dụng các biểu thức từ (8) đến (11).

Bảng 3.3 - Giá trị các tham số mô tả phổ phản ứng đàn hồi theo phương thẳng đứngCHÚ THÍCH: Đối với 5 loại nền đất A, B, C, D và E, giá trị các tham số TB, TC và TD mô tả các phổ thẳng đứng được cho trong Bảng 3. Không áp dụng các giá trị này cho các loại nền đất đặc biệt S1 và S2.
| avg / ag | TB | TC | TD |
| 0,90 | 0,05 | 0,15 | 1,0 |
3.2.2.4. Chuyển vị nền thiết kế
(1) Trừ phi có nghiên cứu riêng dựa trên thông tin sẵn có, giá trị chuyển vị nền thiết kế dg ứng với gia tốc nền thiết kế có thể tính bằng biểu thức sau:
| dg = 0,025.ag.S.TC.TD | (3.12) |
với ag, S, TC và TD như đã định nghĩa trong 3.2.2 2.
3.2.2.5. Phổ thiết kế dùng cho phân tích đàn hồi
(1) Khả năng kháng chấn của hệ kết cấu trong miền ứng xử phi tuyến thường cho phép thiết kế kết cấu với các lực động đất bé hơn so với các lực ứng với phản ứng đàn hồi tuyến tính.
(2) Để tránh phải phân tích trực tiếp các kết cấu không đàn hồi, người ta kể đến khả năng tiêu tán năng lượng chủ yếu thông qua ứng xử dẻo của các cấu kiện của nó và/hoặc các cơ cấu khác bằng cách phân tích đàn hồi dựa trên phổ phản ứng được chiết giảm từ phổ phản ứng đàn hồi, vì thế phổ này được gọi là “phổ thiết kế". Sự chiết giảm được thực hiện bằng cách đưa vào hệ số ứng xử q.
(3)P Hệ số ứng xử q biểu thị một cách gần đúng tỷ số giữa lực động đất mà kết cấu sẽ phải chịu nếu phản ứng của nó là hoàn toàn đàn hồi với tỷ số cản nhớt 5 % và lực động đất có thể sử dụng khi thiết kế theo mô hình phân tích đàn hồi thông thường mà vẫn tiếp tục bảo đảm cho kết cấu một phản ứng thỏa mãn các yêu cầu đặt ra. Giá trị của hệ số ứng xử q trong đó có xét tới ảnh hưởng của tỷ số cản nhớt khác 5 % của các loại vật liệu và hệ kết cấu khác nhau tùy theo cấp dẻo kết cấu tương ứng được cho trong các phần khác nhau của tiêu chuẩn này. Giá trị của hệ số ứng xử q có thể khác nhau theo các hướng nằm ngang khác nhau của kết cấu, mặc dù sự phân loại cấp dẻo kết cấu phải như nhau trong mọi hướng.
(4)P Đối với các thành phần nằm ngang của tác động động đất, phổ thiết kế Sd(T) được xác định bằng các biểu thức sau:

ag, S, TC, TD như đã định nghĩa trong 3.2.2.2;Trong đó:
Sd(T) là phổ thiết kế;
Q là hệ số ứng xử;
b là hệ số ứng với cận dưới của phổ thiết kế theo phương nằm ngang, b = 0,2.
(5) Đối với thành phần thẳng đứng của tác động động đất, phổ thiết kế cho bởi các biểu thức từ (3.13) đến (3.16) với gia tốc nền thiết kế avg theo phương thẳng đứng được thay bằng giá trị ag; S lấy bằng 1,0 còn các tham số khác như đã định nghĩa trong 3.2.2.3.
(6) Đối với thành phần thẳng đứng của tác động động đất, hệ số ứng xử q nói chung có thể lấy nhỏ hơn hoặc bằng 1,5 cho mọi loại vật liệu và hệ kết cấu.
(7) Việc lấy giá trị q lớn hơn 1,5 theo phương thẳng đứng cần được lý giải thông qua phân tích phù hợp.
(8)P Phổ thiết kế được xác định như trên không thích hợp cho thiết kế công trình có hệ cách chấn đáy hoặc có hệ tiêu tán năng lượng.
3.2.3. Những cách biểu diễn khác của tác động động đất
3.2.3.1. Biểu diễn theo lịch sử thời gian
3.2.3.1.1. Tổng quát
(1)P Chuyển động động đất cũng có thể được biểu diễn dưới dạng giản đồ gia tốc nền và các đại lượng liên quan (vận tốc và chuyển vị).
(2)P Khi tính toán kết cấu theo mô hình không gian, chuyển động động đất phải bao gồm ba giản đồ gia tốc tác động đồng thời. Không thể sử dụng đồng thời cùng một giản đồ gia tốc cho cả hai phương nằm ngang. Có thể thực hiện những đơn giản hóa phù hợp với những phần có liên quan của tiêu chuẩn này.
(3) Tùy theo tính chất của việc áp dụng và thông tin thực có, việc mô tả chuyển động động đất có thể thực hiện bằng cách sử dụng các giản đồ gia tốc nhân tạo (xem 3.2.3.1.2) và các giản đồ gia tốc ghi được hoặc các giản đồ gia tốc mô phòng (xem 3.2.3.1.3).
3.2.3.1.2. Giản đồ gia tốc nhân tạo
(1)P Các giản đồ gia tốc nhân tạo phải thiết lập phù hợp với phổ phản ứng đàn hồi đã cho trong 3.2.2.2 và 3.2.2.3 với tỷ số cản nhớt 5 % (x = 5 %).
(2)P Khoảng thời gian kéo dài của các giản đồ gia tốc phải phù hợp với độ mạnh và các đặc trưng có liên quan khác của hiện tượng động đất dùng làm cơ sở để xác định ag.
(3) Khi không có dữ liệu hiện trường cụ thể, khoảng thời gian kéo dài tối thiểu Ts của phần dừng trong các giản đồ gia tốc được lấy bằng 10 s.
(4) Bộ giản đồ gia tốc nhân tạo cần tuân thủ những quy định sau đây:
a) Tối thiểu cần sử dụng ba giản đồ gia tốc;
b) Các giá trị trung bình của phổ phản ứng gia tốc khi T = 0 (được tính từ các giản đồ gia tốc) không nhỏ hơn giá trị ag.S của địa điểm đang xét;
c) Trong miền chu kỳ từ 0,2T1 đến 2T1, trong đó T1 là chu kỳ cơ bản của kết cấu theo phương giản đồ gia tốc được áp dụng, bất kỳ giá trị nào của phổ phản ứng đàn hồi trung bình ứng với tỷ số cản 5 % tính được từ tất cả các khoảng thời gian không được nhỏ hơn 90 % giá trị ứng với phổ phản ứng đàn hồi có tỷ số cản 5 %.
3.2.3.1.3. Giản đồ gia tốc ghi được hoặc giản đồ gia tốc mô phỏng
(1)P Có thể sử dụng giản đồ gia tốc ghi được hoặc giản đồ gia tốc thiết lập thông qua mô phỏng vật lý nguồn phát sinh và các cơ chế lan truyền miễn là các mẫu sử dụng được đánh giá là tương thích với các đặc trưng động đất của nguồn phát sinh và các điều kiện nền đất phù hợp với địa điểm xây dựng. Các giá trị của giản đồ gia tốc này được hiệu chỉnh theo giá trị ag.S của vùng đang xét.
(2)P Việc phân tích hiệu ứng khuếch đại nền đất và việc kiểm tra ổn định động lực mái dốc, cần xem 2.2, Phần 2.
(3) Bộ giản đồ gia tốc ghi được hoặc mô phỏng được sử dụng cần tuân theo 3.2.3.1.2(4).
3.2.3.2. Mô hình không gian của tác động động đất
(1) Đối với kết cấu có những đặc trưng riêng đến mức không thể giả thiết rằng lực kích động ở tất cả các điểm tựa là như nhau, phải sử dụng các mô hình không gian cho tác động động đất (xem 3.2.2.1(8)).
(2)P Các mô hình không gian nói trên phải phù hợp với các phổ phản ứng đàn hồi được sử dụng để định nghĩa tác động động đất theo 3.2.2.2 và 3.2.2.3.
3.2.4. Các tổ hợp tác động động đất với các tác động khác
(1)P Giá trị thiết kế Ed của các hệ quả tác động do động đất gây ra phải được xác định theo công thức: 
trong đó:
"+" có nghĩa là “tổ hợp với”.
(2)P Các hiệu ứng quán tính của tác động động đất thiết kế phải được xác định có xét đến các khối lượng liên quan tới tất cả các lực trọng trường xuất hiện trong tổ hợp tải trọng sau:
| SGk,j "+" SyE,i . Qk,i | (17) |
trong đó:
yE,i là hệ số tổ hợp tải trọng đối với tác động thay đổi thứ i (xem 4.2.4);
(3) Các hệ số tổ hợp yE,i xét đến khả năng là tác động thay đổi Qk,i không xuất hiện trên toàn bộ công trình trong thời gian xảy ra động đất. Các hệ số này còn xét đến sự tham gia hạn chế của khối lượng vào chuyển động của kết cấu do mối liên kết không cứng giữa chúng.
(4) Các giá trị y2,i cho trong Bảng 4 còn các giá trị yE,i đối với nhà được cho ở 4.2.4.
Bảng 3.4 - Các giá trị y2,i đối với nhà
| Tác động | y2,i |
| Tải trọng đặt lên nhà, loại |
|
| Loại A: Khu vực nhà ở, gia đình | 0,3 |
| Loại B: Khu vực văn phòng | 0,3 |
| Loại C: Khu vực hội họp | 0,6 |
| Loại D: Khu vực mua bán | 0,6 |
| Loại E: Khu vực kho lưu trữ | 0,8 |
| Loại F: Khu vực giao thông, trọng lượng xe ≤ 30 kN | 0,6 |
| Loại G: Khu vực giao thông, 30 kN ≤ trọng lượng xe ≤ 160 kN | 0,3 |
| Loại H: Mái | 0 |
4. Thiết kế nhà
4.1. Tổng quát
4.1.1. Phạm vi áp dụng
(1)P Chương 4 bao gồm những quy định chung cho thiết kế nhà chịu động đất và phải sử dụng phối hợp với các chương 2, 3 và 5 đến 9.
(2) Các chương từ 5 đến 9 liên quan đến những quy định cụ thể đối với các loại vật liệu và cấu kiện khác nhau sử dụng cho nhà.
(3) Chỉ dẫn về cách chấn đáy đối với nhà được cho trong chương 10.
4.2. Các đặc trưng của công trình chịu động đất
4.2.1. Những nguyên tắc cơ bản của thiết kế cơ sở
(1)P Trong vùng có động đất, vấn đề nguy cơ động đất phải được xem xét ngay trong giai đoạn đầu của việc thiết kế công trình, điều này cho phép tạo ra một hệ kết cấu thỏa mãn những yêu cầu cơ bản đặt ra trong 2.1 với chi phí có thể chấp nhận được.
(2) Những nguyên tắc chỉ đạo trong thiết kế cơ sở:
- Tính đơn giản về kết cấu;
- Tính đều đặn, đối xứng và siêu tĩnh;
- Có độ cứng và độ bền theo cả hai phương;
- Có độ cứng và độ bền chống xoắn;
- Sàn tầng có ứng xử như tấm cứng;
- Có móng thích hợp.
Những nguyên tắc này được cụ thể hóa hơn trong những điều khoản sau:
4.2.1.1. Tính đơn giản về kết cấu
(1) Tính đơn giản về kết cấu, đặc trưng bởi các đường truyền lực động đất trực tiếp và rõ ràng, là một mục tiêu quan trọng vì sự mô hình hóa, sự phân tích, định kích thước, cấu tạo và cách thi công công trình càng đơn giản thì càng đỡ thiếu tin cậy. Vì thế việc dự đoán ứng xử kháng chấn càng tin cậy hơn.
4.2.1.2. Tính đồng đều, đối xứng và siêu tĩnh
(1) Tính đồng đều trong mặt bằng được đặc trưng bởi sự phân bố đều các cấu kiện chịu lực cho phép truyền trực tiếp và nhanh chóng các lực quán tính sinh ra bởi những khối lượng phân bố trong công trình. Nếu cần, tính đồng đều có thể tạo ra bằng cách chia nhỏ công trình thành các đơn nguyên độc lập về mặt động lực nhờ các khe kháng chấn. Các khe kháng chấn này được thiết kế để tránh hiện tượng va đập giữa các đơn nguyên theo 4.4.2.7.
(2) Tính đồng đều theo mặt đứng của công trình cũng quan trọng, vì nó có xu hướng loại trừ sự xuất hiện của các vùng nhạy cảm, tại đó sự tập trung ứng suất hoặc yêu cầu có độ dẻo kết cấu lớn có thể sớm gây nên sự sụp đổ.
(3) Mối quan hệ chặt chẽ giữa sự phân bố khối lượng và sự phân bố độ bền và độ cứng sẽ loại trừ được sự lệch tâm lớn giữa khối lượng và độ cứng.
(4) Nếu cấu hình của ngôi nhà đối xứng hoặc gần đối xứng, phương pháp thích hợp nhất để đạt tính đồng đều là bố trí các cấu kiện đối xứng và phân bố chúng đồng đều trong mặt bằng.
(5) Sử dụng các cấu kiện chịu lực được phân bố đều đặn sẽ làm tăng bậc siêu tĩnh, cho phép phân bố lại nội lực một cách có lợi hơn và tiêu tán năng lượng dàn trải trên toàn bộ công trình.
4.2.1.3. Độ cứng và độ bền theo hai phương
(1)P Chuyển động động đất theo phương ngang diễn ra theo hai phương vuông góc và vì thế kết cấu công trình phải có khả năng chịu được các tác động ngang theo bất kỳ phương nào.
(2) Để thỏa mãn (1)P, các cấu kiện chịu lực cần bố trí theo hai phương vuông góc nhau trong mặt bằng, để bảo đảm các đặc trưng về độ cứng và độ bền tương tự nhau theo cả hai phương chính.
(3) Việc lựa chọn các đặc trưng độ cứng của công trình, trong khi tìm cách giảm thiểu các hệ quả của tác động động đất (có tính đến các đặc trưng cụ thể của động đất tại địa điểm xây dựng) cũng cần hạn chế sự phát triển các chuyển vị quá lớn có thể dẫn tới sự mất ổn định do những hiệu ứng bậc hai hoặc do các hư hỏng nghiêm trọng.
4.2.1.4. Độ cứng và độ bền chống xoắn
(1) Ngoài độ cứng và độ bền theo phương ngang, kết cấu nhà cần có độ cứng và độ bền chống xoắn phù hợp nhằm hạn chế sự phát triển của những chuyển vị xoắn có xu hướng gây ra các ứng suất không đều trong các cấu kiện chịu lực khác nhau. Nhằm mục đích đó, việc bố trí các cấu kiện kháng chấn chính gần với chu vi của nhà là rất có lợi.
4.2.1.5. Sàn tầng có ứng xử như tấm cứng
(1) Trong ngôi nhà, các sàn (kể cả sàn mái) đóng một vai trò rất quan trọng trong sự làm việc tổng thể của kết cấu chịu động đất. Chúng làm việc như những tấm cứng ngang, tiếp nhận và truyền các lực quán tính sang hệ kết cấu thẳng đứng và bảo đảm cho các hệ thống này cùng nhau làm việc khi chịu tác động động đất theo phương ngang. Tác động của sàn như tấm cứng có tác dụng đặc biệt trong trường hợp hệ kết cấu thẳng đứng là phức tạp và không đều đặn, hoặc trong trường hợp sử dụng đồng thời các hệ kết cấu có các đặc trưng biến dạng theo phương ngang khác nhau (ví dụ như trong hệ ghép hoặc hỗn hợp).
(2) Các hệ sàn và mái cần có độ bền và độ cứng trong mặt phẳng, có sự liên kết hiệu quả với các hệ kết cấu thẳng đứng. Đặc biệt cần quan tâm đến các trường hợp có cấu hình rời rạc hoặc kéo rất dài trong mặt phẳng và trường hợp có những lỗ mở lớn trên sàn, đặc biệt khi các lỗ mở này nằm gần với các cấu kiện thẳng đứng chính làm giảm hiệu quả của mối nối giữa kết cấu theo phương ngang và phương đứng.
(3) Các tấm cứng cần có đủ độ cứng trong mặt phẳng để phân bố các lực quán tính ngang tới hệ kết cấu thẳng đứng chịu tải phù hợp với những giả thiết tính toán (ví dụ như độ cứng của tấm cứng, xem 4.3.1(4)), đặc biệt khi có những thay đổi đáng kể về độ cứng hoặc có phần nhô ra thụt vào của cấu kiện thẳng đứng phía trên và phía dưới tấm cứng.
4.2.1.6. Có móng thích hợp
(1)P Đối với tác động động đất, việc thiết kế và thi công móng và sự liên kết với kết cấu bên trên phải bảo đảm toàn bộ công trình chịu kích động động đất đồng đều.
(2) Đối với kết cấu bao gồm một số tường chịu lực rời rạc, có thể khác nhau về độ cứng và chiều rộng, thường chọn hệ móng cứng, kiểu hộp hoặc kiểu nhiều ngăn, gồm một bản đáy và một bản nắp.
(3) Đối với nhà và công trình có những cấu kiện móng độc lập (móng đơn hoặc móng cọc), nên dùng bản giằng móng hoặc dầm giằng móng liên kết các cấu kiện này theo hai hướng chính tuân thủ các quy định của 5.4.1.2 của phần nền móng, tường chắn và các vấn đề địa kỹ thuật.
4.2.2. Các cấu kiện kháng chấn chính và phụ
(1)P Một số cấu kiện (ví dụ như dầm và/hoặc cột) có thể chọn là cấu kiện kháng chấn phụ, không tham gia vào hệ kết cấu kháng chấn của công trình. Cường độ và độ cứng kháng chấn của những cấu kiện này có thể bỏ qua. Chúng không cần thiết phải tuân thủ những yêu cầu ở các chương từ 5 tới 9. Tuy nhiên, các cấu kiện này cùng với các mối liên kết của chúng phải được thiết kế và cấu tạo để chịu được tải trọng trọng lực khi chịu những chuyển vị gây ra bởi các điều kiện thiết kế chịu động đất bất lợi nhất. Khi thiết kế các bộ phận này cần xét tới những hiệu ứng bậc hai (hiệu ứng P-D).
(2) Các chương từ 5 đến 9 đưa ra những quy định bổ sung cho EN 1992 tới EN 1996 khi thiết kế và cấu tạo các cấu kiện kháng chấn phụ.
(3) Tất cả các cấu kiện chịu lực không được thiết kế như cấu kiện kháng chấn phụ đều được xem là cấu kiện kháng chấn chính. Chúng được xem như một phần của hệ chịu lực ngang, cần được mô hình hóa trong phân tích kết cấu theo 4.3.1 và được thiết kế, cấu tạo kháng chấn theo quy định trong các chương từ 5 đến 9.
(4) Độ cứng ngang của tất cả các cấu kiện kháng chấn phụ không được vượt quá 15 % độ cứng ngang của tất cả các cấu kiện kháng chấn chính.
(5) Việc chọn một số cấu kiện làm kết cấu kháng chấn phụ không được làm thay đổi sự phân loại công trình từ không đều đặn sang đều đặn theo 4.2.3.
4.2.3. Tiêu chí về tính đều đặn của kết cấu
4.2.3.1. Tổng quát
(1)P Để thiết kế chịu động đất, các kết cấu nhà được phân thành hai loại đều đặn và không đều đặn.
CHÚ THÍCH: Đối với các công trình xây dựng có nhiều hơn một đơn nguyên độc lập về mặt động lực, sự phân loại trong mục này và các quy định kèm theo tại 4.2.3 là ứng với từng đơn nguyên độc lập về mặt động lực. Đối với loại kết cấu đó, “đơn nguyên độc lập về mặt động lực" có nghĩa là "nhà" trong 4.2.3.
(2) Sự phân loại này có liên quan tới các vấn đề sau trong thiết kế chịu động đất:
- Mô hình kết cấu, có thể dùng mô hình đơn giản hóa ở dạng phẳng hoặc mô hình không gian.
- Phương pháp phân tích, có thể là phân tích phổ phản ứng đả được đơn giản hóa (phương pháp phân tích tĩnh lực ngang tương đương) hoặc phân tích dạng dao động.
- Giá trị của hệ số ứng xử q có thể lấy nhỏ hơn nếu kết cấu không đều đặn theo chiều cao (xem 4.2.3.3).
(3)P Về phương diện các hệ quả của tính đều đặn của kết cấu trong phân tích và thiết kế, các đặc trưng về tính đều đặn của nhà trong mặt bằng và theo mặt đứng được xem xét độc lập (Bảng 5).
Bảng 4.1 - Các hệ quả của tính đều đặn của kết cấu trong phân tích và thiết kế chịu động đất
| Tính đều đặn | Được phép đơn giản hóa | Hệ số ứng xử | ||
| Mặt bằng | Mặt đứng | Mô hình | Phân tích đàn hồi - tuyến tính | (Phân tích tuyến tính) |
| Có Có Không Không | Có Không Có Không | Phẳng Phẳng Không gian** Không gian | Tĩnh lực ngang tương đương* Dạng dao động Tĩnh lực ngang tương đương* Dạng dao động | Giá trị tham chiếu Giá trị suy giảm Giá trị tham chiếu Giá trị suy giảm |
| * Nếu điều kiện 4.3.3.2.1(2)a cũng được thỏa mãn. ** Theo những điều kiện cho trong 4.3.3.1(8), có thể sử dụng một mô hình phẳng riêng rẽ trong mỗi phương ngang theo 4.3.3.1(8). | ||||
(4) Các tiêu chí mô tả tính đều đặn theo mỗi phương ngang trong mặt bằng và theo mặt đứng cho trong 4.2.3.2 và 4.2.3.3; các quy định liên quan tới việc mô hình hóa và phân tích cho trong 4.3.
(5)P Các tiêu chí về tính đều đặn trong 4.2 3.2 và 4.2 3.3 nên được xem là những điều kiện cần. Cần kiểm tra tính đều đặn được giả định của kết cấu để đảm bảo nó không bị thay đổi bởi các đặc trưng khác chưa được kể đến trong các tiêu chí đó.
(6) Các giá trị tham chiếu của hệ số ứng xử cho trong các chương từ 5 đến 9.
(7) Đối với các nhà không đều đặn theo mặt đứng, giá trị suy giảm của hệ số ứng xử được lấy bằng giá trị tham chiếu nhân với hệ số 0,8.
4.2.3.2. Tiêu chí về tính đều đặn trong mặt bằng
(1)P Nhà được xếp loại là có hình dạng đều đặn trong mặt bằng phải thỏa mãn tất cả các điều kiện dưới đây.
(2) Về độ cứng ngang và sự phân bố khối lượng, nhà phải gần đối xứng trong mặt bằng theo hai trục vuông góc.
(3) Hình dạng mặt bằng phải gọn, nghĩa là mỗi sàn phải được giới hạn bằng một đa giác lồi. Nếu trong mặt bằng có các chỗ lõm (góc lõm vào hoặc các hốc), tính đều đặn trong mặt bằng vẫn được xem là thỏa mãn nếu các chỗ lõm đó không ảnh hưởng tởi độ cứng trong mặt bằng của sàn và với mỗi chỗ lõm, diện tích giữa biên ngoài của sàn và đa giác lồi bao quanh sàn không vượt quá 5 % diện tích sàn.
(4) Độ cứng trong mặt phẳng của sàn phải khá lớn so với độ cứng ngang của các cấu kiện thẳng đứng chịu lực, để biến dạng của sàn ít ảnh hưởng tới sự phân bố lực giữa các cấu kiện thẳng đứng chịu lực. Về mặt này, các mặt bằng dạng chữ L, C, H, I và X cần được xem xét một cách cẩn thận, nhất là đối với độ cứng của các nhánh vươn ra bên, phải tương xứng với độ cứng phần trung tâm, nhằm thỏa mãn điều kiện tấm cứng. Nên xem xét áp dụng mục này cho ứng xử tồng thể của nhà.
(5) Độ mảnh l = Lmax/Lmin của mặt bằng nhà và công trình không được lớn hơn 4, trong đó Lmax và Lmin lần lượt là kích thước lớn nhất và bé nhất của mặt bằng nhà theo hai phương vuông góc.
(6) Tại mỗi tầng và đối với mỗi hướng tính toán x và y, độ lệch tâm kết cấu e0 và bán kính xoắn r phải thỏa mãn 2 điều kiện dưới đây, các điều kiện này viết cho phương y:
| e0x ≤ 0,30 . rx | (4.1a) |
| rx ≥ ls | (4.1b) |
trong đó:
e0x là khoảng cách giữa tâm cứng và tâm khối lượng, theo phương x, vuông góc với hướng tính toán đang xét;
rx là căn bậc hai của tỉ số giữa độ cứng xoắn và độ cứng ngang theo phương y (“bán kính xoắn");
ls là bán kính quán tính của khối lượng sàn trong mặt bằng (căn bậc hai của tỉ số giữa mômen quán tính độc cực của khối lượng sàn trong mặt bằng đối với tâm khối lượng của sàn và khối lượng sàn).
Những định nghĩa về tâm cứng và bán kính xoắn r được cho ở từ (7) đến (9).
(7) Trong nhà một tầng, tâm cứng được định nghĩa là tâm cứng ngang của tất cả các cấu kiện kháng chấn chính. Bán kính xoắn r được định nghĩa là căn bậc hai của tỉ số giữa độ cứng xoắn tổng thể đối với tâm cứng ngang và độ cứng ngang tổng thể trong một phương, có xét tới tất cả các cấu kiện kháng chấn chính trong phương đó.
(8) Trong nhà nhiều tầng, chỉ có thể định nghĩa gần đúng tâm cứng và bán kính xoắn. Để phân loại tính đều đặn của kết cấu trong mặt bằng và để phân tích gần đúng các hiệu quả xoắn có thể đưa ra một định nghĩa đơn giản nếu thỏa mãn hai điều kiện sau:
a) Toàn bộ các hệ chịu tải trọng ngang như lõi, tường hoặc khung, cần liên tục từ móng lên tới mái nhà.
b) Biến dạng của các hệ thành phần dưới tác động của tải trọng ngang không quá khác nhau. Điều kiện này có thể xem là thỏa mãn trong trường hợp dùng các hệ khung và hệ tường. Nói chung, điều kiện này không thỏa mãn ở hệ kết cấu hỗn hợp.
(9) Ở các hệ khung và hệ tường mảnh với biến dạng uốn là chủ yếu, vị trí của tâm cứng và bán kính xoắn của tất cả các tầng có thể xác định như của mômen quán tính của các tiết diện ngang của những cấu kiện thẳng đứng. Ngoài biến dạng uốn, nếu biến dạng cắt cũng đáng kể thì có thể xét tới chúng bằng cách sử dụng mômen quán tính tương đương của tiết diện ngang đó.
4.2.3.3. Tiêu chí về tính đều đặn theo mặt đứng
(1)P Đối với nhà được xếp loại đều đặn theo mặt đứng cần thỏa mãn tất cả những điều kiện sau đây.
(2) Tất cả các hệ kết cấu chịu tải trọng ngang như lõi, tường hoặc khung, phải liên tục từ móng tới mái của nhà hoặc tới đỉnh của vùng có giật cấp của nhà nếu có giật cấp tại các độ cao khác nhau.
(3) Cả độ cứng ngang lẫn khối lượng của các tầng riêng rẽ phải giữ nguyên không đổi hoặc giảm từ từ, không thay đổi đột ngột từ móng tới đỉnh nhà đang xét.
(4) Trong các nhà khung, tỷ số giữa độ bền thực tế và độ bền yêu cầu theo tính toán của tầng không được thay đổi một cách không cân xứng giữa các tầng liền kề. Về mặt này, các trường hợp riêng của khung có khối xây chèn được đề cập trong 4.3.6.3 2.
Hình 4.1 - Các tiêu chí về tính đều đặn của nhà có giật cấp
(5) Khi có giật cấp thì áp dụng các quy định bổ sung sau:
a) Đối với các giật cấp liên tiếp mà vẫn giữ được tính đối xứng trục, sự giật cấp tại bất kỳ tầng nào cũng không được lớn hơn 20 % kích thước của mặt bằng kề dưới theo hướng giật cấp (xem Hình 4.1.a và 4.1.b);
b) Đối với giật cấp một lần nằm trong phần thấp hơn 15 % chiều cao H của hệ kết cấu chính kể từ móng, kích thước chỗ lùi vào không được lớn hơn 50 % kích thước mặt bằng ngay phía dưới (xem Hình 4.1.c). Trong trường hợp này, kết cấu của vùng đáy trong phạm vi hình chiếu đứng của các tầng phía trên cần được thiết kế để chịu được ít nhất 75 % các lực cắt ngang có thể sinh ra ở vùng này trong một công trình tương tự nhưng có đáy không mở rộng.
c) Nếu các giật cấp không giữ được tính đối xứng, tổng kích thước của các giật cấp ở mỗi mặt tại tất cả các tầng không được lớn hơn 30 % kích thước mặt bằng tầng trệt hoặc mặt bằng trên đỉnh của phần cứng phía dưới và kích thước của mỗi giật cấp không được lớn hơn 10 % kích thước mặt bằng liền dưới (xem Hình 4.1.d).
4.2.4. Các hệ số tổ hợp của tác động thay đổi
(1)P Các hệ số tổ hợp y2,i (đối với giá trị tựa lâu dài của tác động thay đổi qi) dùng để thiết kế nhà
(xem 3.2.4) được cho trong Bảng 4.
(2)P Các hệ số tổ hợp yE,i trong 3.2.4(2)P dùng để tính toán các hệ quả của tác động động đất phải được xác định theo biểu thức sau:
| yE,i = j . y2,i | (4.2) |
Các giá trị j cho trong Bảng 4.2.
Bảng 4.2 - Giá trị của j để tính toán yEi
| Loại tác động thay đổi | Tầng | j |
| Các loại từ A - C* | Mái Các tầng được sử dụng đồng thời Các tầng được sử dụng độc lập | 1,0 0,8 0,5 |
| Các loại từ D-F* và kho lưu trữ |
| 1,0 |
| * Các loại tác động thay đổi được định nghĩa trong Bảng 3.4. | ||
4.2.5. Mức độ và hệ số tầm quan trọng
(1)P Nhà và công trình được phân thành 5 mức độ quan trọng, phụ thuộc vào hậu quả của sự sụp đổ tới sinh mạng con người, vào mức độ quan trọng của chúng đối với sự an toàn công cộng, vào việc bảo vệ dân sự ngay sau khi xảy ra động đất và vào hậu quả kinh tế - xã hội gây ra bởi sự sụp đổ.
(2) Mức độ quan trọng được đặc trưng bởi hệ số tầm quan trọng gl mô tả trong 2.1.3.
(3) Hệ số tầm quan trọng gl = 1,0 ứng với sự kiện động đất có chu kỳ lặp tham chiếu như đã đề cập tới ở 3.2.1(3).
(4) Các định nghĩa về mức độ và hệ số tầm quan trọng đối với nhà xem Phụ lục E, Phần 1.
(5)P Đối với những công trình chứa thiết bị hoặc vật liệu nguy hiểm, hệ số tầm quan trọng cần được xác định theo các tiêu chí cho trong các tiêu chuẩn thiết kế liên quan.
4.3. Phân tích kết cấu
4.3.1. Mô hình
(1)P Mô hình nhà phải thể hiện thỏa đáng sự phân bố độ cứng và khối lượng sao cho tất cả các dạng biến dạng quan trọng và lực quán tính đều được xét đến một cách đúng đắn dưới tác động động đất. Trong trường hợp phân tích phi tuyến, mô hình này cũng phải thể hiện một cách thỏa đáng sự phân bố của cường độ.
(2) Mô hình cần xét đến sự đóng góp của các vùng có mối liên kết vào tính biến dạng của kết cấu nhà, ví dụ như các vùng đầu dầm hoặc cột của kết cấu khung. Cũng cần xét đến những bộ phận phi kết cấu có thể ảnh hưởng tới phản ứng của kết cấu kháng chấn chính.
(3) Nói chung, có thể xem hệ kết cấu gồm một số kết cấu chịu tải trọng ngang và đứng được liên kết với nhau qua các tấm cứng.
(4) Khi các sàn nhà có thể được xem là cứng trong mặt phẳng của chúng thì các khối lượng và mômen quán tính của mỗi sàn có thể tập trung tại trọng tâm.
CHÚ THÍCH: Tấm sàn được xem là cứng nếu khi được mô hình hóa với biến dạng uốn thực tế trong mặt phẳng, thì các chuyển vị ngang của nó xác định theo giả thiết tấm cứng tại bất kỳ điểm nào cũng không vượt quá 10 % chuyển vị ngang tuyệt đối tương ứng trong tình huống thiết kế chịu động đất.
(5) Đối với các nhà tuân theo các tiêu chí về tính đều đặn trong mặt bằng (xem 4.2.3.2) hoặc với các điều kiện cho trong 4.3.3.1(8), có thể phân tích bằng cách sử dụng hai mô hình phẳng, mỗi mô hình cho một phương chính.
(6) Trong nhà bêtông, nhà thép-bêtông liên hợp và nhà xây, độ cứng của những cấu kiện chịu tải nói chung cần được đánh giá có xét đến hệ quả của vết nứt. Độ cứng này cần tương ứng với sự bắt đầu chảy dẻo của cốt thép.
(7) Trừ phi thực hiện sự phân tích chính xác hơn đối với các cấu kiện bị nứt, các đặc trưng về độ cứng chống cắt và độ cứng chống uốn đàn hồi của các cấu kiện bêtông và khối xây có thể lấy bằng một nửa độ cứng tương ứng của các cấu kiện không bị nứt.
(8) Các tường chèn góp phần đáng kể vào độ cứng ngang và sức chịu tải của nhà cần được xét đến trong tính toán. Xem 4.3.6 về tường chèn bằng khối xây trong khung bêtông cốt thép, thép hoặc liên hợp.
(9)P Tính biến dạng của móng phải được xét trong mô hình, mỗi khi nó có thể ảnh hưởng bất lợi toàn cục tới phản ứng của kết cấu.
CHÚ THÍCH: Tính biến dạng của móng (kể cả sự tương tác nền - công trình) cần luôn luôn được xét đến, kể cả các trường hợp ảnh hưởng có lợi.
(10)P Các khối lượng phải được tính toán từ các tải trọng trọng trường xuất hiện trong tổ hợp tải trọng cho trong 3.2.4. Các hệ số tổ hợp yEi cho trong 4.2.4(2)P.
4.3.2. Hiệu ứng xoắn ngẫu nhiên
(1) Để xét tính thiếu tin cậy của vị trí các khối lượng và sự thay đổi trong không gian của chuyển động động đất, tâm khối lượng tính toán ở mỗi sàn i được xem như chuyển dịch khỏi vị trí danh nghĩa của nó trong mỗi phương với độ lệch tâm ngẫu nhiên:
| eai = ± 0,05 . Li | (4.3) |
trong đó:
eai là độ lệch tâm ngẫu nhiên của khối lượng tầng thứ i so với vị trí danh nghĩa của nó trong cùng một phương ở tất cả các sàn;
Li là kích thước sàn theo phương vuông góc với phương tác động động đất.
4.3.3. Các phương pháp phân tích
4.3.3.1. Tổng quát
(1) Trong phạm vi của chương 4, những hệ quả của tác động động đất và những hệ quả của các tác động khác kể đến trong thiết kế chịu động đất có thể được xác định trên cơ sở ứng xử đàn hồi - tuyến tính của kết cấu.
(2)P Phương pháp tham khảo để xác định các hệ quả động đất phải là phương pháp phân tích phổ phản ứng dạng dao động, sử dụng mô hình đàn hồi tuyến tính của kết cấu và phổ thiết kế cho trong 3.2.2.5.
(3) Tùy thuộc vào các đặc trưng kết cấu của nhà, có thể sử dụng một trong hai phương pháp phân tích đàn hồi-tuyến tính sau:
a) Phương pháp “Phân tích tĩnh lực ngang tương đương" đối với nhà thỏa mãn những điều kiện cho trong 4.3.3.2;
b) Phương pháp “Phân tích phổ phản ứng dạng dao động", là phương pháp có thể áp dụng cho tất cả các loại nhà (xem 4.3 3.3).
(4) Phương pháp phi tuyến cũng có thể được sử dụng thay thế cho phương pháp tuyến tính, ví dụ:
c) Phân tích tĩnh phi tuyến;
d) Phân tích phi tuyến theo thời gian (động);
miễn là thỏa mãn những điều kiện quy định trong (5), (6) của điều này và trong 4.3.3.4
CHÚ THÍCH: Đối với nhà có đáy cách chấn, các điều kiện để sử dụng các phương pháp tuyến tính a) và b) hoặc các phương pháp phi tuyến c) và d) được cho trong Chương 10. Đối với nhà không có cách chấn đáy, trong mọi trường hợp có thể sử dụng các phương pháp tuyến tính cho trong 4.3.3.1(3), như đã quy định trong 4.3.3.2.1.
(5) Cần lý giải một cách hợp lý phân tích phi tuyến về các tác động động đất đầu vào, mô hình sử dụng, phương pháp diễn giải kết quả tính toán và các yêu cầu cần thỏa mãn.
(6) Các công trình không có cách chấn đáy được thiết kế trên cơ sở phân tích tĩnh phi tuyến mà không sử dụng hệ số ứng xử q (xem 4.3.3.4.2(1)d, cần thỏa mãn 4.4.2.2(5) cũng như những quy định của các chương từ 5 đến 9 cho các kết cấu tiêu tán năng lượng.
(7) Nếu thỏa mãn được các tiêu chí về tính đều đặn trong mặt bằng, có thể thực hiện phân tích đàn hồi tuyến tính bằng cách sử dụng hai mô hình phẳng, mỗi mô hình cho một phương ngang chính (xem 4.2.3.2).
(8) Khi không thỏa mãn được các tiêu chí về tính đều đặn trong mặt bằng theo 4.2.3.2, tùy thuộc vào mức độ quan trọng của công trình, có thể thực hiện phân tích đàn hồi tuyến tính bằng cách sử dụng hai mô hình phẳng, mỗi mô hình cho một phương ngang chính, miễn là thỏa mãn tất cả các điều kiện đặc thù về tính đều đặn sau:
a) Nhà có các tường ngăn và tường bao che tương đối cứng và được phân bố hợp lý;
b) Chiều cao nhà không vượt quá 10 m;
c) Độ cứng trong mặt phẳng của các sàn tầng phải đủ lớn so với độ cứng ngang của các cấu kiện thẳng đứng để có thể giả thiết sàn làm việc như tấm cứng.
d) Các tâm cứng ngang và tâm khối lượng của các tầng, đều phải gần như nằm trên một đường thẳng đứng tương ứng và trong hai phương ngang phân tích, thỏa mãn các điều kiện rx2 > ls2 + eox2, ry2 > ls2 + eoy2, trong đó, bán kính quán tính ls, bán kính xoắn rx, ry và các độ lệch tâm ngẫu nhiên eox, eoy được định nghĩa trong 4.2.3.2(6).
CHÚ THÍCH: Giá trị của hệ số tầm quan trọng gl, mà dưới giá trị này thì cho phép đơn giản hóa phân tích theo 4.3.3.1.8, cho ở Phụ lục E, Phần 1.
(9) Kết cấu nhà thỏa mãn tất cả các điều kiện (8) của mục này nhưng không thỏa mãn d), có thể thực hiện phân tích đàn hồi-tuyến tính bằng cách sử dụng hai mô hình phẳng, mỗi mô hình cho một phương ngang chính. Trong những trường hợp như thế, tất cả các hệ quả tác động xác định từ những phân tích này cần nhân với 1,25.
(10)P Kết cấu nhà không tuân thủ các tiêu chí từ (7) đến (9) của mục này phải được phân tích bằng mô hình không gian.
(11)P Khi sử dụng mô hình không gian, tác động động đất thiết kế phải được đặt dọc theo tất cả các phương nằm ngang cần thiết (xét theo cách bố trí kết cấu của nhà) và các phương nằm ngang vuông góc với chúng. Đối với nhà có các cấu kiện chịu lực bố trí theo hai phương vuông góc thì hai phương này được xem là hai phương cần thiết.
4.3.3.2. Phương pháp phân tích tĩnh lực ngang tương đương
4.3.3.2.1. Tổng quát
(1)P Phương pháp phân tích này có thể áp dụng cho các nhà mà phản ứng của nó không chịu ảnh hưởng đáng kể bởi các dạng dao động bậc cao hơn dạng dao động cơ bản trong mỗi phương chính.
(2) Yêu cầu (1)P của điều này được xem là thỏa mãn nếu kết cấu nhà đáp ứng được cả hai điều kiện sau:
a) Có các chu kỳ dao động cơ bản T1 theo hai hướng chính nhỏ hơn các giá trị sau:
|
| (4.4) |
trong đó Tc cho trong 3.2.2.2.
b) Thỏa mãn những tiêu chí về tính đều đặn theo mặt đứng cho trong 4.2.3.3.
4.3.3.2.2. Lực cắt đáy
(1)P Theo mỗi phương nằm ngang được phân tích, lực cắt đáy động đất Fb phải được xác định theo biểu thức sau:
| Fb = Sd (T1) . m. l | (4.5) |
trong đó:
Sd (T1) là tung độ của phổ thiết kế (xem 3.2.2.5) tại chu kỳ T1;
T1 là chu kỳ dao động cơ bản của nhà do chuyển động ngang theo phương đang xét;
m là tổng khối lượng của nhà ở trên móng hoặc ở trên đỉnh của phần cứng phía dưới, tính toán theo 3.2.4(2);
l là Hệ số hiệu chỉnh, lấy như sau:
l = 0,85 nếu T1 ≤ 2. Tc với nhà có trên 2 tầng hoặc l = 1,0 với các trường hợp khác.
CHÚ THÍCH: Hệ số l tính đến thực tế là trong các nhà có ít nhất 3 tầng và 3 bậc tự do theo mỗi phương nằm ngang, khối lượng hữu hiệu của dạng dao động cơ bản là trung bình nhỏ hơn 15 % so với tổng khối lượng nhà.
(2) Để xác định chu kỳ dao động cơ bản T1 của nhà, có thể sử dụng các biểu thức của các phương pháp động lực học công trình (ví dụ phương pháp Rayleigh).
(3) Đối với nhà có chiều cao không lớn hơn 40 m, giá trị T1 (tính bằng giây) có thể tính gần đúng theo biểu thức sau:
| T1 = Ct . H 3/4 | (4.6) |
trong đó:
Ct = 0,085 đối với khung thép không gian chịu mômen;
Ct = 0,075 đối với khung bêtông không gian chịu mômen và khung thép có giằng lệch tâm;
Ct = 0,050 đối với các kết cấu khác;
H là chiều cao nhà, tính bằng m, từ mặt móng hoặc đỉnh của phần cứng phía dưới.
(4) Đối với các kết cấu có tường chịu cắt bằng bêtông hoặc khối xây, giá trị Ct trong biểu thức (4.6) có thể lấy bằng:
| Ct = 0,075/ | (4.7) |
trong đó:
| Ac = S [Ai . (0,2 + (lwi / H))2] | (4.8) |
và:
Ac là tổng diện tích hữu hiệu của các tường chịu cắt trong tầng đầu tiên của nhà, tính bằng mét vuông;
Ai là diện tích tiết diện ngang hữu hiệu của tường chịu cắt i theo hướng đang xét trong tầng đầu tiên của nhà, tính bằng mét vuông;
H là như trong (3) của điều này;
lwi là chiều dài của tường chịu cắt ở tầng đầu tiên theo hướng song song với các lực tác động, tính bằng mét, với điều kiện: lwi /H không được vượt quá 0,9.
(5) Một cách khác có thể xác định T1 (s) theo biểu thức sau:
| T1 = 2 . | (4.9) |
trong đó:
d là chuyển vị ngang đàn hồi tại đỉnh nhà, tính bằng mét, do các lực trọng trường tác dụng theo phương ngang gây ra.
4.3.3.2.3. Phân bố lực động đất nằm ngang
(1) Các dạng dao động cơ bản theo các phương nằm ngang được xét của nhà có thể được xác định bằng các phương pháp động lực học công trình hoặc có thể lấy gần đúng bằng các chuyển vị ngang tăng tuyến tính dọc theo chiều cao của nhà.
(2)P Tác động động đất phải được xác định bằng cách đặt các lực ngang Fi vào tất cả các tầng ở hai mô hình phẳng
|
| (4.10) |
trong đó:
Fi là lực ngang tác dụng tại tầng thứ i;
Fb là lực cắt đáy do động đất tính theo (4.5);
si, sj lần lượt là chuyển vị của các khối lượng mi, mj trong dạng dao động cơ bản;
mi, mj là khối lượng của các tầng tính theo 3.2.4.(2).
(3) Khi dạng dao động cơ bản được lấy gần đúng bằng các chuyển vị nằm ngang tăng tuyến tính dọc theo chiều cao thì lực ngang Fi tính bằng:
|
| (4.11) |
trong đó:
zi; zj là độ cao của các khối lượng mi, mj so với điểm đặt tác động động đất (mặt móng hoặc đỉnh của phần cứng phía dưới).
(4)P Lực nằm ngang Fi xác định theo điều này phải được phân bố cho hệ kết cấu chịu tải ngang với giả thiết sàn cứng trong mặt phẳng của chúng.
4.3.3.2.4. Hiệu ứng xoắn
(1) Nếu độ cứng ngang và khối lượng phân bố đối xứng trong mặt bằng và trừ phi độ lệch tâm ngẫu nhiên nêu trong 4.3.2(1)P được xét đến bằng một phương pháp chính xác hơn (ví dụ như phương pháp trong 4.3.3.3.3(1), thì các hiệu ứng xoắn ngẫu nhiên có thể được xác định bằng cách nhân các hệ quả tác động trong các cấu kiện chịu lực riêng lẻ tính theo 4.3.3.2.3(4) với một hệ số d cho bởi:
| d = 1 + 0,6(x/Le) | (4.12) |
trong đó:
x là khoảng cách từ cấu kiện đang xét đến tâm khối lượng của nhà trong mặt bằng theo phương vuông góc với phương tác động động đất đang xét.
Le là khoảng cách giữa hai cấu kiện chịu tải ngang ở xa nhau nhất, theo phương vuông góc với phương tác động động đất đang xét.
(2) Nếu thực hiện phân tích bằng cách sử dụng hai mô hình phẳng, mỗi mô hình cho một phương ngang chính thì hiệu ứng xoắn có thể xác định bằng cách nhân đôi độ lệch tâm ngẫu nhiên eai tính theo (4.3) và áp dụng (1) của điều này với hệ số bằng 1,2 thay cho 0,6 trong biểu thức (4.12).
4.3.3.3. Phân tích phổ phản ứng dạng dao động
4.3.3.3.1. Tổng quát.
(1)P Phương pháp phân tích này cần được áp dụng cho nhà không thỏa mãn những điều kiện đã nêu trong 4.3.3.2.1(2) khi ứng dụng phương pháp phân tích tĩnh lực ngang tương đương.
(2)P Phải xét tới phản ứng của tất cả các dạng dao động góp phần đáng kể vào phản ứng tổng thể của nhà.
(3) Các yêu cầu cho trong mục (2)P có thể thỏa mãn nếu đạt được một trong hai điều kiện sau:
- Tổng các khối lượng hữu hiệu của các dạng dao động được xét chiếm ít nhất 90 % tổng khối lượng của kết cấu;
- Tất cả các dạng dao động có khối lượng hữu hiệu lớn hơn 5 % của tổng khối lượng đều được xét đến.
CHÚ THÍCH: Khối lượng hữu hiệu mk ứng với dạng dao động k, được xác định sao cho lực cắt đáy Fbk, tác động theo phương tác động của lực động đất, có thể biểu thị dưới dạng Fbk = Sd(Tk)mk. Có thể chứng minh rằng tổng các khối lượng hữu hiệu (đối với tất cả các dạng dao động và đối với một hướng cho trước) là bằng khối lượng kết cấu.
(4) Khi sử dụng mô hình không gian, những điều kiện trên cần được kiểm tra cho mỗi phương cần thiết.
(5) Nếu các yêu cầu quy định trong (3) không thể thỏa mãn (ví dụ trong nhà và công trình mà các dao động xoắn góp phần đáng kể) thì số lượng tối thiểu các dạng dao động k được xét trong tính toán khi phân tích không gian cần thỏa mãn cả hai điều kiện sau:
|
| (4.13) |
Và
| Tk ≤ 0,20 s | (4.14) |
trong đó:
k là số dạng dao động được xét tới trong tính toán;
n là số tầng ở trên móng hoặc đỉnh của phần cứng phía dưới;
Tk là chu kỳ dao động của dạng thứ k.
4.3.3.3.2. Tổ hợp các phản ứng dạng dao động
(1) Phản ứng ở hai dạng dao động i và j (kể cả các dạng dao động tịnh tiến và xoắn) có thể xem là độc lập với nhau, nếu các chu kỳ Ti và Tj thỏa mãn điều kiện sau:
| Tj ≤ 0,9 . Ti | (4.15) |
(2) Khi tất cả các dạng dao động cần thiết (xem 4.3.3.3.1(3) - (5)) được xem là độc lập với nhau, thì giá trị lớn nhất EE của hệ quả tác động động đất có thể lấy bằng:
|
| (4.16) |
trong đó:
EE là hệ quả tác động động đất đang xét (lực, chuyển vị, v.v…);
EEi là giá trị của hệ quả tác động động đất này do dạng dao động thứ i gây ra.
(3)P Nếu (1) không thỏa mãn, cần thực hiện các quy trình chính xác hơn để tổ hợp các phản ứng cực đại của các dạng dao động, ví dụ như cách “Tổ hợp bậc hai đầy đủ”.
4.3.3.3.3. Hiệu ứng xoắn
(1) Khi sử dụng mô hình không gian để phân tích, có thể xác định các hiệu ứng xoắn ngẫu nhiên đã nêu trong 4.3.2(1)P dưới dạng giá trị bao của những hiệu ứng do các tải trọng tĩnh, gồm tập hợp các mômen xoắn Mai xung quanh trục thẳng đứng ở mỗi tầng thứ i:
| Mai = eai . Fi | (4.17) |
trong đó:
Mai là mômen xoắn tác dụng tại tầng thứ i quanh trục thẳng đứng của tầng;
eai là độ lệch tâm ngẫu nhiên của khối lượng tầng thứ i theo biểu thức (4.3) đối với tất cả các phương cần thiết;
Fi là lực nằm ngang tác động lên tầng thứ i, theo mọi phương cần thiết, như đã nêu trong 4.3.3.2 3.
(2) Các hiệu ứng của tải trọng phù hợp với (1) cần được xét với dấu dương và âm (cùng dấu cho tất cả các tầng).
(3) Khi sử dụng hai mô hình phẳng riêng biệt để phân tích, có thể xét hiệu ứng xoắn bằng cách áp dụng các quy định của 4.3.3.2.4.(2) đối với các hệ quả tác động được tính theo 4.3.3.3.2.
4.3.3.4. Các phương pháp phi tuyến
4.3.3.4.1. Tổng quát
(1)P Mô hình toán học được sử dụng trong phân tích đàn hồi phải được mở rộng để có thể xét tới độ bền của các cấu kiện chịu lực và ứng xử sau đàn hồi của chúng.
(2) Ở mức cấu kiện, ít nhất phải dùng quan hệ lực-biến dạng hai đoạn thẳng. Trong nhà bêtông cốt thép và nhà xây, độ cứng đàn hồi của quan hệ lực-biến dạng hai đoạn thẳng cần phải tương ứng với độ cứng của các tiết diện bị nứt (xem 4.3.1(7)). Trong các cấu kiện có tính dẻo kết cấu được giả thiết làm việc sau giới hạn chảy, độ cứng đàn hồi của quan hệ hai đoạn thẳng là độ cứng cát tuyến đối với điểm chảy dẻo. Cho phép sử dụng quan hệ lực - biến dạng ba đoạn thẳng có tính đến độ cứng trước và sau khi nứt.
(3) Có thể giả thiết độ cứng sau giai đoạn chảy dẻo bằng không. Nếu sự suy giảm cường độ xảy ra, ví dụ như với các tường xây hoặc các cấu kiện giòn khác thì phải xét sự suy giảm ấy trong quan hệ lực - biến dạng của các cấu kiện đó.
(4) Trừ phi có các quy định khác, các tính chất của cấu kiện cần dựa vào các giá trị trung bình của tham số vật liệu. Đối với kết cấu mới, các giá trị trung bình của tham số vật liệu có thể xác định từ các giá trị đặc trưng tương ứng trên cơ sở những thông tin cho trong EN 1992 đến EN 1996 hoặc trong các tiêu chuẩn hiện hành khác.
(5)P Các lực trọng trường theo 3.2.4 phải được đặt vào các phần tử thích hợp của mô hình tính toán.
(6) Khi xác định quan hệ lực - biến dạng cho các cấu kiện chịu lực, cần xét các lực dọc gây ra bởi lực trọng trường. Có thể bỏ qua mômen uốn gây ra bởi lực trọng trường trong các cấu kiện thẳng đứng chịu lực, trừ phi chúng ảnh hưởng lớn tới ứng xử tổng thể của kết cấu.
(7)P Tác động động đất phải được đặt theo cả hai hướng dương và âm và phải sử dụng kết quả là các hệ quả động đất lớn nhất.
4.3.3.4.2. Phân tích tĩnh phi tuyến (đẩy dần)
4.3.3.4.2.1. Tổng quát
(1) Phân tích đẩy dần là phân tích tĩnh phi tuyến được thực hiện dưới điều kiện lực trọng trường không đổi và tải trọng nằm ngang tăng một cách đơn điệu. Phương pháp này có thể áp dụng để kiểm tra tính năng kết cấu của nhà hiện hữu và nhà được thiết kế mới với những mục đích sau:
- Để kiểm tra hoặc đánh giá lại các tỷ số vượt cường độ au/a1 (xem 5.2.2.2.1, 6.3.2, 7.3.2);
- Để xác định các cơ cấu dẻo dự kiến và sự phân bố hư hỏng;
- Để đánh giá tính năng kết cấu của nhà hiện hữu hoặc được cải tạo theo các mục tiêu của tiêu chuẩn liên quan;
- Sử dụng như một phương pháp thiết kế thay cho phương pháp phân tích đàn hồi-tuyến tính có sử dụng hệ số ứng xử q. Trong trường hợp đó, chuyển vị mục tiêu cho trong 4.3.3.4.2.6(1)P cần được sử dụng làm cơ sở thiết kế.
(2) Các công trình không thỏa mãn những tiêu chí về tính đều đặn trong 4.2.3.2 hoặc trong 4.3.3.1(8) a) đến d) phải được phân tích bằng mô hình không gian. Có thể sử dụng hai phân tích độc lập trong đó các tải trọng ngang chỉ tác dụng theo một phương.
(3) Đối với các nhà tuân theo những tiêu chí về tính đều đặn trong 4.2.3.2 hoặc trong 4.3.3.1(8) a) - d) có thể phân tích bằng hai mô hình phẳng, mỗi mô hình cho một phương nằm ngang chính.
(4) Đối với các nhà khối xây thấp tầng, trong đó các tường chủ yếu chịu cắt thì mỗi tầng có thể được phân tích một cách độc lập.
(5) Những yêu cầu trong (4) được xem là thỏa mãn nếu số lượng tầng không lớn hơn 3 và nếu tỷ số hình dạng trung bình (chiều cao trên chiều rộng) của các tường chịu lực nhỏ hơn 1,0.
4.3.3.4.2.2. Tải trọng ngang
(1) Cần áp dụng ít nhất hai cách phân bố theo phương đứng của các tải trọng ngang theo hai sơ đồ sau:
- Sơ đồ "đều", dựa trên các lực ngang tỷ lệ với khối lượng, không đổi theo chiều cao (gia tốc phản ứng đều);
- Sơ đồ "dạng dao động", tỷ lệ với các lực ngang tương ứng với sự phân bố lực ngang theo phương đang xét, sự phân bố này đã được xác định trong phân tích đàn hồi (theo 4.3.3.2 hoặc 4.3.3.3).
(2)P Các tải trọng ngang phải đặt tại vị trí các khối lượng trong mô hình. Phải xét tới độ lệch tâm ngẫu nhiên theo 4.3.2(1)P.
4.3.3.4.2.3. Đường cong lực - chuyển vị
(1) Mối quan hệ giữa lực cắt đáy và chuyển vị khống chế (đường cong lực - chuyển vị) cần được xác định bằng phân tích đẩy dần đối với các giá trị của chuyển vị khống chế nằm trong phạm vi từ 0 đến giá trị ứng với 150 % chuyển vị mục tiêu, xác định trong 4.3.3.4.2.6.
(2) Chuyển vị khống chế có thể lấy ở tâm khối lượng của mái nhà. Đỉnh của nhà xây trên mái không được xem là mái nhà.
4.3.3.4.2.4. Hệ số vượt cường độ
(1) Khi xác định tỷ số vượt cường độ (au/a1) bằng phân tích đẩy dần, cần sử dụng giá trị nhỏ hơn của tỷ số vượt cường độ xác định từ hai sơ đồ phân bố tải trọng ngang.
4.3.3.4.2.5. Cơ cấu dẻo
(1)P Cơ cấu dẻo phải được xác định cho cả hai sơ đồ phân bố tải trọng ngang. Các cơ cấu dẻo phải phù hợp với các cơ cấu dùng để xác định hệ số ứng xử q sử dụng trong thiết kế.
4.3.3.4.2.6. Chuyển vị mục tiêu
(1)P Chuyển vị mục tiêu phải được định nghĩa như một yêu cầu kháng chấn dưới dạng chuyển vị của hệ một bậc tự do tương đương xác định từ phổ phản ứng đàn hồi theo 3.2.2.2.
CHÚ THÍCH: Phụ lục tham khảo B cho quy trình xác định chuyển vị mục tiêu theo phổ phản ứng đàn hồi.
4.3.3.4.2.7. Quy trình xác định hiệu ứng xoắn
(1)P Phân tích đẩy dần thực hiện với các sơ đồ lực cho trong 4.3.3.4.2.2 có thể đánh giá quá thấp các biến dạng tại phía cứng hơn của kết cấu dễ xoắn, có nghĩa là kết cấu có dạng dao động cơ bản mà xoắn chiếm ưu thế. Điều này cũng đúng với các biến dạng tại phía cứng hơn theo một phương của kết cấu có dạng dao động thứ hai mà xoắn chiếm ưu thế. Đối với các kết cấu như vậy, các chuyển vị tại phía cứng hơn phải được tăng lên so với chuyển vị của kết cấu tương ứng cân bằng về xoắn.
CHÚ THÍCH: Phía cứng hơn trong mặt bằng là phía có chuyển vị nằm ngang nhỏ hơn so với phía ít cứng hơn dưới tác động của tải trọng ngang tĩnh song song với nó. Đối với các kết cấu dễ xoắn, các chuyển vị động ở phía cứng hơn có thể tăng lên đáng kể do ảnh hưởng của dạng dao động xoắn chiếm ưu thế.
(2) Yêu cầu quy định trong (1) của mục này được xem là thỏa mãn nếu hệ số khuếch đại áp dụng cho các chuyển vị của phía cứng hơn được dựa trên các kết quả phân tích dạng dao động đàn hồi bằng mô hình không gian.
(3) Nếu sử dụng hai mô hình phẳng để phân tích kết cấu có tính đều đặn trong mặt bằng thì các hiệu ứng xoắn có thể xác định theo 4.3.3.2.4 hoặc 4.3.3.3.3.
4.3.3.4.3. Phân tích phi tuyến theo lịch sử thời gian
(1) Phản ứng phụ thuộc thời gian của kết cấu có thể xác định bằng cách phân tích theo lịch sử thời gian các phương trình vi phân chuyển động của nó, sử dụng các giản đồ gia tốc biểu thị các chuyển động nền cho trong 3.2.3.1.
(2) Các mô hình kết cấu cần tuân theo các yêu cầu từ 4.3.3.4.1(2) đến 4.3.3.4.1(4) và cần được bổ sung bằng những quy định mô tả ứng xử của các phần tử khi chịu các chu kỳ chất - dỡ tải sau giai đoạn đàn hồi. Những quy định này cần phản ánh xác thực sự tiêu tán năng lượng của phần tử trong miền biên độ chuyển vị có thể xảy ra khi thiết kế chịu động đất.
(3) Nếu phản ứng được xác định ít nhất từ 7 phân tích phi tuyến theo lịch sử thời gian với các chuyển động nền theo 3.2.3.1, thì trị trung bình của các giá trị phản ứng từ tất cả các phân tích đó cần được sử dụng như giá trị thiết kế của hệ quả tác động Ed trong những kiểm tra cần thiết theo 4.4.2.2. Trong trường hợp trái ngược cần lấy giá trị bất lợi nhất của giá trị phản ứng trong các phân tích là Ed.
4.3.3.5. Tổ hợp các hệ quả của các thành phần tác động động đất
4.3.3.5.1. Các thành phần nằm ngang của tác động động đất
(1)P Nói chung, các thành phần nằm ngang của tác động động đất (xem 3.2.2.1(3)) phải được xem là tác động đồng thời.
(2) Việc tổ hợp các thành phần nằm ngang của tác động động đất có thể thực hiện như sau:
a) Phản ứng kết cấu đối với mỗi thành phần phải được xác định riêng rẽ bằng cách sử dụng những quy tắc tổ hợp đối với các phản ứng dạng dao động theo 4.3.3.3.2.
b) Giá trị lớn nhất của mỗi hệ quả tác động lên kết cấu do hai thành phần nằm ngang của tác động động đất, có thể xác định bằng căn bậc hai của tổng bình phương các giá trị của hệ quả tác động do mỗi thành phần nằm ngang gây ra.
c) Quy tắc b) ở trên nói chung cho kết quả thiên về an toàn của các giá trị có thể có của các hệ quả tác động khác đồng thời với giá trị lớn nhất thu được như trong b). Có thể sử dụng các mô hình chính xác hơn để xác định các giá trị có thể có đồng thời từ nhiều hệ quả tác động do hai thành phần nằm ngang của tác động động đất gây ra.
(3) Nếu không dùng b) và c) của (2) trong điều này, các hệ quả tác động do tổ hợp các thành phần nằm ngang của tác động động đất có thể xác định bằng cách sử dụng cả hai tổ hợp sau:
| a) | EEdx "+" 0,30 . EEdy | (4.18) |
| b) | 0,30 . EEdx "+" EEdy | (4.19) |
Trong đó:
"+" có nghĩa là "tổ hợp với";
EEdx là biểu thị các hệ quả tác động do đặt tác động động đất dọc theo trục nằm ngang x được chọn của kết cấu;
EEdy là biểu thị các hệ quả tác động do đặt tác động động đất dọc theo trục nằm ngang y vuông góc của kết cấu.
(4) Nếu theo các phương nằm ngang khác nhau, hệ kết cấu hoặc sự phân loại tính đều đặn của nhà theo mặt đứng là khác nhau, thì giá trị hệ số ứng xử q cũng có thể khác nhau.
(5)P Dấu của mỗi thành phần trong các tổ hợp kể trên phải lấy là dấu bất lợi nhất đối với hệ quả tác động riêng đang xét.
(6) Khi sử dụng phân tích tĩnh phi tuyến (đẩy dần) và mô hình kết cấu không gian, cần áp dụng các quy tắc tổ hợp (2), (3) của điều này, xem EEdx là các lực và biến dạng do dùng chuyển vị mục tiêu theo phương x và EEdy là các lực và biến dạng do dùng chuyển vị mục tiêu theo phương y. Các nội lực có được từ tổ hợp này không được vượt quá các khả năng tương ứng.
(7)P Khi sử dụng phân tích phi tuyến theo thời gian và mô hình kết cấu không gian, các giản đồ gia tốc tác động đồng thời phải được xem là tác động theo cả hai phương nằm ngang.
(8) Đối với nhà thỏa mãn các tiêu chí về tính đều đặn trong mặt bằng, trong đó các tường hoặc các hệ giằng độc lập theo hai phương nằm ngang chính là các cấu kiện kháng chấn chính duy nhất (xem 4.2.2), thì tác động động đất dọc theo hai trục ngang nằm chính vuông góc của kết cấu có thể được giả thiết tác động riêng rẽ và không dùng những tổ hợp (2), (3) của điều này.
4.3.3.5.2. Thành phần thẳng đứng của tác động động đất
(1) Nếu avg lớn hơn 0,25g (2,5 m/s2) thì thành phần thẳng đứng của tác động động đất, như định nghĩa trong 3.2.2.3 cần được xét trong các trường hợp sau:
- Các bộ phận kết cấu nằm ngang hoặc gần như nằm ngang có nhịp bằng hoặc lớn hơn 20 m;
- Các thành phần kết cấu dạng côngxôn nằm ngang hoặc gần như nằm ngang dài hơn 5 m;
- Các thành phần kết cấu ứng lực trước nằm ngang hoặc gần như nằm ngang;
- Các dầm đỡ cột;
- Các kết cấu có cách chấn đáy.
(2) Việc phân tích để xác định các hệ quả của thành phần thẳng đứng của tác động động đất có thể dựa trên mô hình không đầy đủ của kết cấu, bao gồm các cấu kiện chịu tác dụng của thành phần động đất thẳng đứng (ví dụ như các thành phần kết cấu đã liệt kê trong (1) của điều này) và có xét tới độ cứng của các cấu kiện liền kề.
(3) Cần đưa vào tính toán các hệ quả của thành phần thẳng đứng chỉ đối với các cấu kiện đang xét (ví dụ các cấu kiện đã liệt kê trong (1) của điều này) và các cấu kiện đỡ hoặc cấu kiện kết cấu liên quan trực tiếp với chúng.
(4) Nếu các thành phần nằm ngang của tác động động đất cũng được xét đến cho các cấu kiện này, có thể áp dụng những quy định trong 4.3.3.5.1(2) và mở rộng cho 3 thành phần tác động động đất. Nói cách khác, có thể sử dụng tất cả ba tổ hợp sau để tính toán các hệ quả tác động:
| a) | EEdx "+" 0,30 . EEdy "+" 0,30 . Eedz | (4.20) |
| b) | 0,30 . EEdx "+" EEdy "+" 0,30 . EEdz | (4.21) |
| c) | 0,30 . EEdx "+" 0,30 . EEdy "+" Eedz | (4.22) |
Trong đó:
“+" có nghĩa là “tổ hợp với";
EEdx và EEdy như trong 4.3.3.5.1(3);
Eedz là biểu thị các hệ quả tác động do tác dụng của thành phần thẳng đứng của tác động động đất thiết kế như định nghĩa trong (5) và (6) của 3.2.2.5.
(5) Nếu thực hiện phân tích tĩnh phi tuyến (đẩy dần), thì có thể bỏ qua thành phần đứng của tác động động đất.
4.3.4. Tính toán chuyển vị
4.3.4.1. Nếu thực hiện phân tích tuyến tính thì các chuyển vị gây ra bởi tác động động đất thiết kế phải được tính toán trên cơ sở các biến dạng đàn hồi của hệ kết cấu bằng biểu thức đơn giản sau:
| ds = qd . dc | (4.23) |
trong đó:
ds là chuyển vị của một điểm của hệ kết cấu gây ra bởi tác động động đất thiết kế;
qd là hệ số ứng xử chuyển vị, giả thiết bằng q trừ phi có quy định khác;
dc là chuyển vị của cùng điểm đó của hệ kết cấu được xác định bằng phân tích tuyến tính dựa trên phổ phản ứng thiết kế theo 3.2.2.5.
Giá trị của ds không nhất thiết phải lớn hơn giá trị xác định từ phổ đàn hồi.
CHÚ THÍCH: Nói chung qd lớn hơn q nếu chu kỳ cơ bản của kết cấu nhỏ hơn Tc (xem Hình B.2).
4.3.4.2. Khi xác định các chuyển vị dc, phải xét tới các hiệu ứng xoắn của tác động động đất.
4.3.4.3. Đối với cả phân tích tĩnh và động phi tuyến, các chuyển vị được xác định là các chuyển vị nhận trực tiếp từ phân tích mà không cần chỉnh lý gì thêm.
4.3.5. Bộ phận phi kết cấu
4.3.5.1. Tổng quát
(1)P Các kiện phi kết cấu của nhà (ví dụ: tường chắn mái, tường đầu hồi, cột ăng ten, thiết bị và phụ kiện cơ khí, tường bao, tường ngăn, lan can) mà trong trường hợp sụp đổ có thể gây nguy hiểm cho người hoặc ảnh hưởng tới kết cấu chính của công trình hoặc tới hoạt động của các thiết bị quan trọng, phải được kiểm tra khả năng chịu tác động động đất thiết kế cùng với giá đỡ chúng.
(2)P Đối với các bộ phận phi kết cấu có tầm quan trọng lớn hoặc có tính chất nguy hiểm đặc biệt thì việc phân tích kháng chấn phải dựa vào một mô hình thực của các kết cấu đang xét và sử dụng các phổ phản ứng thích hợp thu được từ phản ứng của các cấu kiện đỡ của hệ kết cấu kháng chấn chính.
(3) Trong tất cả các trường hợp khác, nếu có lý do xác đáng thì được phép đơn giản hóa quy trình này (như trong 4.3.5.2(2)).
4.3.5.2. Kiểm tra
(1)P Các bộ phận phi kết cấu, cũng như các liên kết và phần gá lắp hoặc neo giữ chúng, phải được kiểm tra khi thiết kế chịu động đất (xem 3.2.4).
CHÚ THÍCH: Cần xét tới sự truyền dẫn cục bộ của các tác động tới kết cấu chính thông qua liên kết chặt với các bộ phận phi kết cấu và các ảnh hưởng của các cấu kiện này tới ứng xử của kết cấu. Các yêu cầu về liên kết chặt vào bêtông được cho trong EN 1992-1-1:2004, 2.7.
(2) Có thể xác định các hệ quả tác động động đất bằng cách tác dụng vào bộ phận phi kết cấu một lực nằm ngang Fa xác định như sau:
|
| (4.24) |
trong đó:
Fa là lực động đất ngang, tác dụng tại tâm khối lượng của bộ phận phi kết cấu theo phưong bất lợi nhất;
Wa là trọng lượng của cấu kiện;
Sa là hệ số động đất dùng cho bộ phận phi kết cấu (xem (3) của điều này);
ga là hệ số tầm quan trọng của cấu kiện, xem 4.3.5.3;
qa là hệ số ứng xử của cấu kiện; xem Bảng 4.3;
(3) Hệ số động đất Sa có thể tính bằng biểu thức sau:
|
| (4.25) |
trong đó:
a là tỷ số giữa gia tốc nền thiết kế ag trên nền đất loại A, với gia tốc trọng trường g;
S là hệ số nền;
Ta là chu kỳ dao động cơ bản của bộ phận phi kết cấu;
T1 là chu kỳ dao động cơ bản của công trình theo hướng cần thiết;
z là độ cao của bộ phận phi kết cấu kể từ điểm đặt lực tác động động đất (mặt móng hoặc đỉnh của phần cứng phía dưới);
H là chiều cao công trình tính từ mặt móng hoặc từ đỉnh của phần cứng phía dưới.
Giá trị hệ số động đất Sa không được nhỏ hơn a.S.
4.3.5.3. Hệ số tầm quan trọng
(1)P Hệ số tầm quan trọng ga không được nhỏ hơn 1,5 đối với các bộ phận phi kết cấu sau:
- Các bộ phận neo giữ của thiết bị máy móc cần thiết cho hệ thống bảo đảm an toàn cuộc sống;
- Bể chứa và thùng chứa chất độc hoặc chất gây nổ xem là nguy hiểm cho sự an toàn công cộng.
(2) Trong các trường hợp khác, hệ số tầm quan trọng ga của các bộ phận phi kết cấu có thể lấy bằng 1,0.
4.3.5.4. Hệ số ứng xử
(1) Giới hạn trên của hệ số ứng xử qa đối với các bộ phận phi kết cấu cho trong Bảng 4.3.
Bảng 4.3 - Giá trị qa đối với các bộ phận phi kết cấu
| Dạng bộ phận phi kết cấu | qa |
| Lan can, phù điêu dạng côngxôn Bảng quảng cáo, bảng tín hiệu Ống khói, cột, bể chứa đặt lên cột làm việc như các côngxôn không giằng trong đoạn có chiều dài lớn hơn 1/2 chiều cao tổng thể của chúng | 1,0 |
| Tường ngoài, tường trong Vách ngăn, mặt tiền Ống khói, cột, bể chứa đặt lên cột làm việc như các côngxôn không giằng trong đoạn có chiều dài bé hơn 1/2 chiều cao tổng thể của chúng hoặc giằng hoặc neo với kết cấu ở ngay tại hoặc trên tâm khối lượng Cấu kiện neo giữ cho tủ, giá sách đặt thường xuyên trên sàn nhà Cấu kiện neo giữ cho trần giả và các thiết bị cố định nhẹ khác | 2,0 |
4.3.6. Các biện pháp bổ sung đối với khung có khối xây chèn
4.3.6.1. Tổng quát:
(1)P Các mục từ 4.3.6.1 đến 4.3.6.3 áp dụng cho khung hoặc các hệ hỗn hợp bằng bêtông cốt thép tương đương khung thuộc cấp dẻo kết cấu cao DCH (xem Chương 5) và các khung chịu mômen bằng thép hoặc liên hợp thép-bêtông thuộc cấp dẻo kết cấu cao DCH (xem Chương 6 và 7) có khối xây chèn đơn giản làm việc tương tác với kết cấu thỏa mãn những điều kiện sau:
a) Chúng được xây sau khi khung bêtông đã cứng hoặc khung thép đã được lắp dựng.
b) Chúng tiếp xúc với khung (không có khe hở), nhưng không có liên kết chịu lực với khung (qua các thanh giằng, đai, thanh đứng, neo chống cắt).
c) Về nguyên tắc, chúng được xem là các bộ phận phi kết cấu.
(2) Mặc dù phạm vi áp dụng 4.3.6.1 đến 4.3.6.3 bị hạn chế bởi 4.3.6.1(1)P, nhưng chúng cung cấp các tiêu chí thiết thực trong thực hành mà có thể có lợi khi áp dụng vào các khung bêtông, thép hoặc liên hợp thuộc cấp dẻo kết cấu trung bình DCM hoặc thấp DCL có khối xây chèn. Đặc biệt, đối với các ô chèn dễ bị phá hoại ngoài mặt phẳng, tạo các giằng có thể làm giảm nguy cơ rơi khối xây chèn.
(3)P Các quy định trong 1.3(2) về khả năng sửa đổi kết cấu trong tương lai cũng phải được áp dụng cho khối xây chèn.
(4) Đối với tường hoặc các hệ hỗn hợp bằng bêtông tương đương tường, cũng như đối với các hệ thép được giằng hoặc hệ liên hợp thép - bêtông, có thể bỏ qua sự tương tác với khối xây chèn.
(5) Nếu các khối xây chèn là một phần của hệ kết cấu kháng chấn, thì việc phân tích và thiết kế cần được thực hiện theo những tiêu chí và quy định cho trong chương 9 đối với khối xây bị hạn chế biến dạng.
(6) Những yêu cầu và tiêu chí cho trong 4.3.6.2 được xem là thỏa mãn, nếu tuân theo các quy định cho trong 4.3.6.3, 4.3.6.4 và những quy định đặc biệt cho trong các Chương 5 đến Chương 7.
4.3.6.2. Các yêu cầu và tiêu chí
(1)P Các hệ quả của tính không đều đặn trong mặt bằng do khối xây chèn gây ra phải được xét trong tính toán.
(2)P Các hệ quả của tính không đều đặn theo chiều cao do khối xây chèn gây ra phải được xét trong tính toán.
(3)P Cần xét tới tính rất thiếu tin cậy liên quan tới ứng xử của khối xây chèn (ví dụ tính biến động các tính chất cơ học của chúng và sự liên kết giữa chúng với khung bao quanh, khả năng sửa đổi chúng trong quá trình sử dụng công trình, cũng như mức độ hư hỏng không đồng đều của chúng khi chịu động đất).
(4)P Cần xét tới các hệ quả cục bộ bất lợi có thể có do tương tác giữa khung với khối xây chèn (ví dụ: sự phá hoại cắt của các cột do lực cắt gây ra bởi tác động của dải chéo của khối xây chèn) (xem Chương 5 tới Chương 7).
4.3.6.3. Tính không đều đặn do khối xây chèn
4.3.6.3.1. Tính không đều đặn trong mặt bằng
(1) Cần phải tránh bố trí các khối xây chèn không đồng đều, không đối xứng hoặc không đều đặn một cách quá mức trong mặt bằng (có xét tới kích thước các lỗ mở trong các ô chèn).
(2) Cần phải sử dụng các mô hình không gian để phân tích kết cấu trong trường hợp có tính quá không đều đặn trong mặt bằng do bố trí không đối xứng các khối xây chèn (ví dụ: có các khối xây chèn bố trí chủ yếu dọc theo hai mặt kề nhau của nhà). Cần đưa khối xây chèn vào mô hình và cần nghiên cứu tính nhạy cảm liên quan tới vị trí và các tính chất của các khối xây chèn (ví dụ: bỏ qua một trong ba hoặc bốn ô chèn trong một khung phẳng, đặc biệt ở các phía, dễ uốn hơn). Cần chú ý đặc biệt tới việc kiểm tra các cấu kiện chịu lực tại các phía dễ uốn trong mặt bằng (tức là, xa nhất so với phía tập trung các khối xây chèn) chống lại các hệ quả của bất kỳ phản ứng xoắn nào được gây ra bởi các khối xây chèn.
(3) Nên bỏ qua các ô chèn có nhiều hơn một lỗ lớn (ví dụ: cửa ra vào và cửa sổ) trong các mô hình dùng để phân tích theo (2) của điều này.
(4) Khi các khối xây chèn phân bố không đều, nhưng không gây ra tính không đều đặn nghiêm trọng trong mặt bằng, có thể xét tới tính không đều đặn này bằng cách nhân các hệ quả do độ lệch tâm ngẫu nhiên tính toán theo 4.3.3.2.4 và 4.3.3.3.3 với hệ số 2.
4.3.6.3.2. Tính không đều đặn theo mặt đứng
(1)P Nếu có sự không đều đặn đáng kể theo mặt đứng (ví dụ việc giảm đột ngột số lượng tường chèn ở một hay nhiều tầng so với các tầng khác) thì phải tăng các hệ quả tác động động đất trong các cấu kiện đứng của các tầng tương ứng.
(2) Khi không dùng mô hình chính xác hơn, (1)P được xem là thỏa mãn nếu các hệ quả tác động động đất tính toán được tăng lên bằng một hệ số khuếch đại h xác định theo biểu thức:
| h = (1 + DVRW / SVSd) ≤ g.q | (4.26) |
trong đó:
DVRW là độ giảm tổng cộng của độ bền của các tường xây chèn trong tầng đang xét so với tầng được xây chèn nhiều hơn ở phía trên;
SVSd là tổng các lực cắt động đất tác dụng lên tất cả các cấu kiện kháng chấn chính theo phương đứng của tầng đang xét.
(3) Nếu biểu thức (4.26) cho hệ số khuếch đại h nhỏ hơn 1,1 thì không cần điều chỉnh các hệ quả tác động.
4.3.6.4. Hạn chế hư hỏng của khối xây chèn
(1) Đối với các hệ kết cấu được nêu trong 4.3.6.1(1)P thuộc tất cả các cấp dẻo kết cấu tương ứng thấp, trung bình hoặc cao, trừ các trường hợp động đất yếu (xem 3.2.1(4)), cần phải thực hiện các biện pháp thích hợp để tránh phá hoại giòn và nứt sớm của các ô chèn (đặc biệt là các ô chèn có các lỗ cửa hoặc bằng vật liệu giòn) đồng thời để tránh sự sụp đổ toàn phần hoặc một phần ngoài mặt phẳng của các ô chèn mảnh. Cần chú ý đặc biệt tới các ô chèn có độ mảnh (tỷ số giữa kích thước nhỏ nhất của chiều dài và chiều cao với bề dày) lớn hơn 15.
(2) Các lưới sợi thép hàn được ốp chắc vào một mặt tường, các giằng ngang nằm trong các mạch vữa của khối xây được gắn vào cột, các giằng đứng và giằng ngang bằng bêtông có bề dày bằng bề dày của tường đặt trong các ô chèn là những ví dụ về các biện pháp thỏa mãn (1) của điều này nhằm cải thiện tính toàn vẹn và sự ứng xử cả trong lẫn ngoài mặt phẳng của khối xây chèn.
(3) Phải viền các mép của lỗ cửa hoặc lỗ hổng lớn trong bất kỳ ô chèn nào bằng các giằng đứng và giằng ngang.
4.4. Kiểm tra an toàn
4.4.1. Tổng quát
(1)P Để kiểm tra an toàn, cần xem xét các trạng thái giới hạn cần thiết (xem 4.4.2 và 4.4.3 dưới đây) và các biện pháp cụ thể (xem 2.2.4).
(2) Đối với các nhà và công trình có mức độ quan trọng khác mức I (xem Phụ lục E, Phần 1), việc kiểm tra cho trong 4.4.2 và 4.4.3 được xem là thỏa mãn nếu thỏa mãn cả hai điều kiện sau:
a) Tổng lực cắt đáy do tình huống thiết kế chịu động đất được tính với hệ số ứng xử bằng giá trị dùng cho kết cấu có độ tiêu tán thấp (xem 2.2.2(2)) là nhỏ hơn tổng lực cắt đáy do các tổ hợp tác động cần thiết khác mà công trình được thiết kế trên cơ sở phân tích đàn hồi tuyến tính. Yêu cầu này áp dụng cho lực cắt tác động lên toàn bộ kết cấu tại đáy của công trình (móng hoặc đỉnh của phần cứng phía dưới).
b) Các biện pháp cụ thể cho trong 2.2.4 là được xét tới, ngoại trừ các quy định trong 2.2.4.1(2) - (3).
4.4.2. Trạng thái cực hạn
4.4.2.1. Tổng quát
(1)P Yêu cầu không sụp đổ (trạng thái cực hạn) trong tình huống thiết kế chịu động đất được xem là thỏa mãn nếu đáp ứng được các điều kiện về độ bền, độ dẻo kết cấu, sự cân bằng, độ ổn định của móng và các khe kháng chấn.
4.4.2.2. Điều kiện về độ bền
(1)P Tất cả các cấu kiện chịu lực, kể cả các liên kết và các bộ phận phi kết cấu cần xét phải thỏa mãn quan hệ sau:
| Ed ≤ Rd | (4.27) |
trong đó:
Ed giá trị thiết kế của hệ quả tác động do tác động động đất thiết kế (xem 3.2.4(1)P), kể cả những hiệu ứng bậc hai nếu thấy cần thiết (xem (2) của điều này). Cho phép phân bố lại các mômen uốn theo EN 1992-1-1:2004, EN 1993-1:2004 và EN 1994-1:2004.
Rd độ bền thiết kế tương ứng của cấu kiện, được tính theo các quy định cụ thể đối với vật liệu sử dụng và theo các mô hình cơ học liên quan tới các dạng cụ thể của kết cấu, như cho trong các chương 5 đến 9 của tiêu chuẩn này và các tiêu chuẩn khác có liên quan.
(2) Không cần xét tới các hiệu ứng bậc 2 (hiệu ứng P-D) nếu tại tất cả các tầng thỏa mãn điều kiện sau:
| q = (Ptot . dr)/ (Vtot . h) ≤ 0,10 | (4.28) |
trong đó:
q là hệ số độ nhạy của chuyển vị ngang tương đối giữa các tầng;
Ptot là tổng tải trọng tường tại tầng đang xét và các tầng bên trên nó khi thiết kế chịu động đất;
dr là chuyển vị ngang thiết kế tương đối giữa các tầng; được xác định như là hiệu của các chuyển vị ngang trung bình ds tại trần và sàn của tầng đang xét được tính theo 4.3.4;
Vtot là tổng lực cắt tầng do động đất gây ra;
h là chiều cao tầng.
(3) Nếu 0,1 ≤ q ≤ 0,2 có thể lấy gần đúng các hiệu ứng bậc hai bằng cách nhân các hệ quả tác động động đất cần xét với một hệ số bằng 1/(1-q).
(4)P Giá trị của hệ số q không được vượt quá 0,3.
(5) Nếu các hệ quả tác động thiết kế Ed đạt được từ một phương pháp phân tích phi tuyến (xem
4.3.3.4), (1)P của điều này cần được áp dụng theo lực chỉ đối với các cấu kiện giòn. Đối với các vùng tiêu tán năng lượng, được thiết kế và cấu tạo để có độ dẻo kết cấu, điều kiện bền theo biểu thức (4.27) phải được thỏa mãn theo biến dạng của cấu kiện (ví dụ chuyển vị xoay của khớp dẻo hoặc của các thanh kéo). Biểu thức (4.27) được sử dụng với hệ số an toàn riêng của vật liệu tương ứng dùng cho khả năng biến dạng của cấu kiện.
(6) Không cần kiểm tra độ bền mỏi trong tình huống thiết kế chịu động đất.
4.4.2.3. Điều kiện dẻo kết cấu cục bộ và tổng thể
(1)P Phải kiểm tra độ dẻo kết cấu thích hợp của các cấu kiện chịu lực cũng như của toàn bộ kết cấu, có xét tới yêu cầu độ dẻo kết cấu muốn có, phụ thuộc vào hệ số ứng xử và hệ kết cấu đã chọn.
(2)P Cần thỏa mãn các yêu cầu liên quan tới vật liệu cụ thể, cho trong các Chương 5 đến 9, kể cả các quy định thiết kế theo khả năng chịu lực và tiêu tán năng lượng nhằm đạt được các cấp độ bền của các thành phần kết cấu khác nhau, cần thiết để đảm bảo cấu hình dự kiến của các khớp dẻo và để tránh các dạng phá hoại giòn.
(3)P Cần ngăn ngừa sự hình thành cơ cấu dẻo ở tầng mềm trong nhà nhiều tầng, vì một cơ cấu như vậy có thể dẫn tới độ dẻo kết cấu cục bộ quá mức trong các cột của tầng mềm.
(4) Để đáp ứng yêu cầu (3)P của điều này, trong nhà khung, kể cả các nhà tương đương khung như định nghĩa trong 5.1.2(1) có từ hai tầng trở lên trừ phi có các quy định khác trong các Chương 5 đến 8, cần thỏa mãn điều kiện sau đây tại tất cả các nút giữa các dầm kháng chấn chính hoặc phụ với các cột kháng chấn chính:
| SMRc ≥ 1,3 . SMRb | (4.29) |
trong đó:
SMRc là tổng giá trị thiết kế của khả năng chịu mômen uốn của các cột quy tụ vào nút. Trong biểu thức (46), cần sử dụng giá trị nhỏ nhất của các khả năng chịu mômen uốn của cột trong khoảng biến thiên của các lực dọc của cột sinh ra bởi tác động động đất thiết kế;
SMRb tổng các giá trị thiết kế của khả năng chịu mômen uốn của các dầm quy tụ vào nút. Khi sử dụng mối nối có độ bền không hoàn toàn, khả năng chịu mômen uốn của các mối nối này được xét tới trong tính toán SMRb.
CHÚ THÍCH: Để biểu thị một cách chặt chẽ biểu thức (4.29) phải tính toán các mômen ở tâm nút. Những mômen này thu được bằng cách cộng giá trị thiết kế của khả năng chịu mômen uốn của các cột hoặc dầm tại các mặt của nút với một phần thích đáng giá trị mômen sinh ra do lực cắt tại các nút. Tuy nhiên, nếu bỏ qua sự góp phần của lực cắt thì sự thiếu chính xác là không đáng kể mà đơn giản hóa lại nhiều. Vì vậy, sự xấp xỉ này có thể chấp nhận được.
(5) Biểu thức (4.29) cần được thỏa mãn trong hai mặt phẳng uốn thẳng đứng vuông góc với nhau. Trong nhà có các khung được bố trí theo hai phương vuông góc, hai mặt phẳng uốn thẳng đứng đó được xác định bằng hai phương này. Cần thỏa mãn (4.29) cho cả hai chiều (dương và âm) tác động của các mômen dầm quanh nút, với các mômen cột luôn luôn ngược chiều với các mômen dầm. Nếu hệ là kết cấu khung hoặc tương đương khung chỉ ở một trong hai hướng nằm ngang chính của hệ kết cấu, thì (4.29) cần được thỏa mãn ngay trong phạm vi mặt phẳng đứng theo hướng đó.
(6) Các quy định (4) và (5) của điều này không áp dụng cho tầng trên cùng của nhà nhiều tầng.
(7) Các quy định thiết kế theo khả năng chịu lực và tiêu tán năng lượng nhằm tránh các dạng phá hoại giòn được cho trong các Chương 5 đến 7.
(8) Các yêu cầu (1)P và (2)P của mục này được xem là thỏa mãn nếu đáp ứng tất cả các điều kiện sau:
a) Các cơ cấu dẻo thu được bằng phân tích đẩy dần phải được thỏa mãn;
b) Các yêu cầu về biến dạng về độ dẻo kết cấu cục bộ, độ dẻo kết cấu giữa các tầng và độ dẻo kết cấu tổng thể từ phân tích đẩy dần (với các sơ đồ tải trọng ngang khác nhau) không được vượt quá các khả năng tương ứng;
c) Các cấu kiện giòn vẫn còn làm việc trong miền đàn hồi.
4.4.2.4. Điều kiện cân bằng
(1)P Kết cấu nhà phải ổn định kể cả về trượt hoặc về lật trong tình huống thiết kế chịu động đất quy định ở 3.2.4(1)P.
(2) Trong các trường hợp đặc biệt, có thể kiểm tra điều kiện cân bằng theo các phương pháp cân bằng năng lượng, hoặc theo các phương pháp phi tuyến hình học với tác động động đất được định nghĩa trong 3.2.3.1.
4.4.2.5. Độ bền của các tấm cứng nằm ngang
(1)P Các tấm cứng và thanh giằng trong các mặt phẳng nằm ngang cần phải có khả năng truyền các hệ quả tác động động đất thiết kế với mức vượt cường độ đủ lớn tới các hệ chịu tải trọng ngang liên kết với chúng.
(2) Yêu cầu (1)P của mục này được xem là thỏa mãn nếu khi kiểm tra các độ bền cần thiết, các hệ quả tác động động đất trong tấm cứng nhận được từ tính toán được nhân với một hệ số vượt cường độ gd lớn hơn 1,0.
CHÚ THÍCH: Khuyến nghị giá trị gd là 1,3 cho các dạng phá hoại giòn - như trong các tấm cứng bêtông chịu cắt - và 1,1 cho các dạng phá hoại dẻo.
(3) Các quy định thiết kế đối với các tấm cứng bêtông cho trong 5.10.
4.4.2.6. Độ bền của móng
(1)P Hệ móng phải tuân theo chương 5, phần 2.
(2)P Các hệ quả tác động đối với các cấu kiện móng phải được tính toán trên cơ sở thiết kế theo khả năng chịu lực và tiêu tán năng lượng có xét tới sự vượt cường độ có thể xảy ra, nhưng chúng không được vượt quá các hệ quả tác động ứng với phản ứng của kết cấu dưới tác động động đất thiết kế khi giả thiết kết cấu có ứng xử đàn hồi (q = 1,0).
(3) Nếu các hệ quả tác động đối với móng được xác định bằng cách dùng hệ số ứng xử q áp dụng cho các kết cấu có độ tiêu tán thấp, thì không cần thiết kế theo khả năng chịu lực và tiêu tán năng lượng như (2)P của mục này.
(4) Đối với các móng của các cấu kiện thẳng đứng độc lập (các tường hoặc cột), (2)P của mục này được xem là thỏa mãn nếu các giá trị thiết kế của các hệ quả tác động EFd lên móng được xác định như sau:
| EFd = EF,G + gRd . W . EF,E | (4.30) |
trong đó:
gRd là hệ số vượt cường độ, lấy bằng 1,0 khi q ≤ 3 hoặc bằng 1,2 với các trường hợp khác;
EF,G là hệ quả tác động do các tác động không phải là động đất được kể đến trong tổ hợp các tác động trong tình huống thiết kế chịu động đất (xem 3.2.4(1)P);
EF,E là hệ quả tác động từ phân tích tác động động đất thiết kế;
W là giá trị (Rdi/Edi) ≤ q của vùng tiêu tán hoặc của cấu kiện thứ i của kết cấu, có ảnh hưởng lớn nhất tới hệ quả EF đang xét; ở đây:
Rdi là độ bền thiết kế của vùng hoặc cấu kiện thứ i;
Edi là giá trị thiết kế của hệ quả tác động lên vùng hoặc cấu kiện thứ i trong thiết kế chịu động đất.
(5) Đối với móng của các tường chịu lực hoặc của các cột của các khung chịu mômen, W là giá trị nhỏ nhất của tỷ số MRd/MEd trong hai hướng chính vuông góc tại tiết diện ngang thấp nhất nơi có thể hình thành khớp dẻo trong cấu kiện thẳng đứng trong tình huống thiết kế chịu động đất.
(6) Đối với các móng cột trong các khung giằng đúng tâm, W là giá trị nhỏ nhất của tỷ số Npl,Rd/NEd trong tất cả các thanh chéo chịu kéo của khung giằng (xem 6.7.4(1)).
(7) Đối với các móng cột trong các khung giằng lệch tâm, W là giá trị nhỏ nhất trong hai giá trị sau: tỷ số Vpl,Rd/VEd nhỏ nhất của tất cả các đoạn nối kháng chấn ngắn và tỷ số Mpl,Rd/MEd nhỏ nhất của tất cả các đoạn nối kháng chấn vừa và dài trong khung giằng (xem 6.8.3(1)).
(8) Đối với các móng chung của từ hai cấu kiện thẳng đứng trở lên (dầm móng, móng băng, móng bè, V.V..) (2)P của mục này được xem là thỏa mãn nếu giá trị W dùng trong (4.30) được xác định từ cấu kiện thẳng đứng có lực cắt ngang lớn nhất khi thiết kế chịu động đất, hoặc nếu giá trị W = 1 thi dùng giá trị hệ số vượt cường độ gRd được tăng lên thành 1,4 trong (4.30).
4.4.2.7. Điều kiện khe kháng chấn
(1)P Các nhà cần được bảo vệ tránh va đập khi động đất với các kết cấu liền kề hoặc giữa các đơn nguyên độc lập về mặt kết cấu trong cùng một nhà.
(2) (1)P của mục này được xem là thỏa mãn:
(a) Đối với các nhà, hoặc các đơn nguyên độc lập về mặt kết cấu, không thuộc cùng một chủ sở hữu, nếu khoảng cách từ đường ranh giới của chủ sở hữu tới các điểm có khả năng va chạm không nhỏ hơn chuyển vị ngang lớn nhất của nhà tại cao trình tương ứng, được tính theo biểu thức (4.23);
(b) Đối với các nhà, hoặc các đơn nguyên độc lập về mặt kết cấu, thuộc cùng một chủ sở hữu, nếu khoảng cách giữa chúng không nhỏ hơn căn bậc hai của tổng các bình phương các chuyển vị ngang lớn nhất của hai nhà hoặc hai đơn nguyên tại cao trình tương ứng, được tính theo biểu thức (4.23).
(3) Nếu các cao trình sàn của nhà hoặc đơn nguyên độc lập về mặt kết cấu được thiết kế giống với các cao trình của nhà hoặc đơn nguyên liền kề, thì khoảng cách nhỏ nhất đã nêu ở trên có thể được lấy giảm đi bằng cách nhân với hệ số 0,7.
4.4.3. Hạn chế hư hỏng
4.4.3.1. Tổng quát
(1) Yêu cầu “hạn chế hư hỏng" được xem là thỏa mãn, nếu dưới tác động động đất có một xác suất xảy ra lớn hơn so với tác động động đất thiết kế tương ứng với “yêu cầu không sụp đổ” theo 2.1(1)P và 3.2.1(3) mà các chuyển vị ngang tương đối giữa các tầng được giới hạn theo 4.4.3.2.
(2) Việc kiểm tra bổ sung về hạn chế hư hỏng có thể được yêu cầu trong trường hợp nhà có tầm quan trọng đối với việc bảo vệ dân sự hoặc chứa những thiết bị có độ nhạy lớn.
4.4.3.2. Hạn chế chuyển vị ngang tương đối giữa các tầng
(1) Ngoại trừ các quy định khác trong các chương từ 5 đến 9, cần tuân thủ các hạn chế sau:
a) Đối với các nhà có bộ phận phi kết cấu bằng vật liệu giòn được gắn vào kết cấu:
| dr n ≤ 0,005 h | (4.31) |
b) Đối với các nhà có bộ phận phi kết cấu bằng vật liệu dẻo:
| dr n ≤ 0,0075 h | (4.32) |
c) Đối với các nhà có bộ phận phi kết cấu được cố định sao cho không ảnh hưởng đến biến dạng kết cấu hoặc các nhà không có bộ phận phi kết cấu:
| dr n ≤ 0,010 h | (4.33) |
trong đó:
dr là chuyển vị ngang thiết kế tương đối giữa các tầng như đã định nghĩa trong 4.4.2.2(2);
h là chiều cao tầng;
n là hệ số chiết giảm xét đến chu kỳ lặp thấp hơn của tác động động đất liên quan đến yêu cầu hạn chế hư hỏng.
(2) Giá trị của hệ số chiết giảm n cũng có thể phụ thuộc vào mức độ quan trọng của nhà. Việc sử dụng hệ số này chính là ngầm giả thiết rằng phổ phản ứng đàn hồi của tác động động đất mà theo đó phải thỏa mãn “yêu cầu hạn chế hư hỏng” (xem 3.2.2.1(1)P) có cùng dạng với phổ phản ứng đàn hồi của tác động động đất thiết kế ứng với “yêu cầu không sụp đổ" theo 2.1(1)P và 3.2.1(3).
CHÚ THÍCH: Các giá trị khác nhau của n phụ thuộc vào các nguy cơ động đất và vào mức độ quan trọng của công trình khuyến nghị như sau: n = 0,4 cho các mức độ quan trọng I và II và n = 0,5 cho các mức độ quan trọng III và IV.
5. Những quy định cụ thể cho kết cấu bê tông
5.1. Tổng quát
5.1.1. Phạm vi áp dụng
(1)P Chương 5 áp dụng để thiết kế nhà bằng bêtông cốt thép xây dựng trong vùng có động đất bao gồm cả loại nhà bằng bêtông cốt thép đúc sẵn lẫn nhà bằng bêtông cốt thép toàn khối, sau đây gọi tắt là kết cấu bêtông.
(2)P Khung bêtông với sàn không dầm được sử dụng làm kết cấu kháng chấn chính theo 4.2.2 không được trình bày toàn bộ trong chương này.
(3)P Đối với kết cấu bêtông được thiết kế theo EN 1992-1-1:2004, ngoài các điều đã quy định trong EN 1992-1-1:2004, cần được bổ sung các điều sau.
5.1.2. Thuật ngữ và định nghĩa
(1) Các thuật ngữ sẽ được sử dụng trong chương 5 với các nghĩa sau đây:
Vùng tới hạn
Vùng của cấu kiện kháng chấn chính mà ở đó tổ hợp bất lợi nhất của các tác động (M, N, V, T) xảy ra và khớp dẻo có thể hình thành.
CHÚ THÍCH: Trong kết cấu bêtông, vùng tới hạn là các vùng tiêu tán năng lượng. Độ dài của vùng tới hạn được xác định cho từng loại cấu kiện kháng chấn chính trong các điều khoản liên quan của chương này.
Dầm
Cấu kiện chịu các tải trọng chủ yếu tác dụng ngang với trục dầm và có giá trị thiết kế của lực dọc qui đổi nd = NEd /Ac . fcd không lớn hơn 0,1 (nén coi là dương).
CHÚ THÍCH: Thông thường, dầm là cấu kiện nằm ngang.
Cột
Cấu kiện chịu trọng lực gây nén dọc trục hoặc một lực dọc có giá trị thiết kế qui đổi nd = NEd /Ac . fcd lớn hơn 0,1.
CHÚ THÍCH: Thông thường, cột là cấu kiện thẳng đứng.
Tường
Cấu kiện đỡ các cấu kiện khác và có tiết diện với tỷ số [chiều dài / bề dày] lw/bw lớn hơn 4.
CHÚ THÍCH: Thông thường, mặt của tường là mặt phẳng thẳng đứng.
Tường có tính dẻo kết cấu
Tường được ngàm tại chân đế nhằm ngăn chuyển vị xoay tương đối của chân đế đối với phần còn lại của hệ kết cấu, nó được tính toán thiết kế và cấu tạo để làm tiêu tán năng lượng trong vùng khớp dẻo hình thành do uốn khi không có lỗ mở hoặc lỗ thủng lớn ngay phía trên chân đế của nó.
Tường kích thước ít cốt thép
Kết cấu tường có kích thước tiết diện ngang lớn, nghĩa là kích thước chiều ngang lw ít nhất bằng giá trị nhỏ nhất trong hai giá trị 4 m hoặc (2/3)hw, ở đó được dự đoán sẽ phát triển vết nứt hạn chế và sự làm việc không đàn hồi dưới tác dụng của tải trọng động đất thiết kế.
CHÚ THÍCH: Loại tường như vậy được dự tính sẽ chuyển năng lượng động đất sang thế năng (do sự nâng lên tạm thời của khối kết cấu) và năng lượng được tiêu tán trong nền đất thống qua sự lắc như vật thể cứng v.v… Do kích thước của tường, hoặc do ngàm không đủ cứng tại chân đế hoặc do liên kết với các tường ngang tiết diện lớn ngăn cản sự xoay của khớp dẻo tại chân đế nên không thể thiết kế tường một cách hiệu quả để làm tiêu tán năng lượng thông qua sự hình thành khớp dẻo tại chân đế.
Tường kép
Bộ phận kết cấu bao gồm hai hay nhiều các tường đơn, được liên kết một cách đều đặn bằng các dầm có độ dẻo kết cấu thích hợp ("dầm liên kết"), có khả năng làm giảm được ít nhất 25 % tổng mômen uốn ở chân đế của các tường riêng rẽ nếu làm việc tách rời nhau.
Hệ tường
Hệ kết cấu mà trong đó các tường thẳng (thuộc loại tường kép hoặc không phải tường kép) chịu phần lớn cả tải trọng ngang lẫn tải trọng thẳng đứng, mà khả năng chịu cắt của chúng tại chân đế nhà vượt 65 % khả năng chịu cắt của toàn bộ hệ kết cấu.
CHÚ THÍCH 1: Trong định nghĩa này và trong các định nghĩa tiếp theo, phần trăm khả năng chịu cắt trên đây có thể được thay bởi phần trăm lực cắt thiết kế trong tình huống thiết kế chịu động đất;
CHÚ THÍCH 2: Nếu phần lớn tổng khả năng chịu cắt của các tường được kể đến trong hệ tường có được bởi các tường kép, thì hệ tường có thể được xem như là một hệ tường kép.
Hệ khung
Hệ kết cấu mà trong đó các khung không gian chịu cả tải trọng ngang lẫn tải trọng thẳng đứng mà khả năng chịu cắt của chúng tại chân đế nhà vượt quá 65 % tổng khả năng chịu lực cắt của toàn bộ hệ kết cấu.
Hệ hỗn hợp
Hệ kết cấu mà trong đó khung không gian chịu chủ yếu các tải trọng thẳng đứng khả năng chịu tải trọng ngang được phân bố một phần cho hệ khung và một phần cho các tường chịu lực, tường kép hoặc không phải tường kép.
Hệ hỗn hợp tương đương khung
Hệ kết cấu hỗn hợp mà trong đó khả năng chịu cắt của hệ thống khung tại chân đế nhà lớn hơn 50 % tổng khả năng chịu cắt của toàn bộ hệ kết cấu.
Hệ hỗn hợp tương đương tường
Hệ kết cấu hỗn hợp mà trong đó khả năng chịu cắt của hệ tường tại chân đế của nhà lớn hơn 50 % tổng khả năng chịu cắt của toàn bộ hệ kết cấu.
Hệ kết cấu dễ xoắn
Hệ kết cấu hỗn hợp hoặc hệ tường không có độ cứng chịu xoắn tối thiểu (xem 5.2.2.1(4)P và (6)).
CHÚ THÍCH 1: Một ví dụ của loại này là một hệ kết cấu bao gồm các khung được kết hợp với tường tập trung ở gần tâm của nhà trên mặt bằng;
CHÚ THÍCH 2: Định nghĩa này không bao gồm hệ các tường có nhiều lỗ xung quanh lồng thang máy, hộp kỹ thuật. Với hệ thống như thế, việc xác định phù hợp nhất hình dáng kết cấu tổng thể tương ứng cần được lựa chọn trên cơ sở từng trường hợp cụ thể
Hệ con lắc ngược
Hệ kết cấu mà trong đó ít nhất 50 % khối lượng nằm ở 1/3 chiều cao phía trên của kết cấu, hoặc trong đó sự tiêu tán năng lượng xảy ra chủ yếu tại chân đế của cấu kiện riêng lẻ.
CHÚ THÍCH: Khung một tầng có đỉnh cột được liên kết dọc theo cả hai phương chính của nhà và không nơi nào lực dọc thiết kế qui đổi của cột nd vượt quá 0,3 thì không thuộc vào loại này.
5.2. Quan niệm thiết kế
5.2.1. Khả năng tiêu tán năng lượng và các cấp dẻo kết cấu
(1)P Việc thiết kế kết cấu bêtông chịu động đất phải đảm bảo cho kết cấu có đủ khả năng làm tiêu tán năng lượng mà không gây ra sự suy giảm đáng kể về khả năng chịu toàn bộ các tải trọng ngang và thẳng đứng. Để làm được việc này, cần áp dụng những yêu cầu và tiêu chí trong chương 2. Trong tình huống thiết kế chịu động đất, phải đảm bảo đủ khả năng chịu tải của các bộ phận kết cấu, và những yêu cầu về biến dạng phi tuyến trong vùng tới hạn cần tương xứng với độ dẻo kết cấu tổng thể đã được giả thiết trong tính toán.
(2)P Kết cấu bêtông cũng có thể được thiết kế theo khả năng tiêu tán năng lượng thấp và độ dẻo kết cấu thấp, bằng cách chỉ áp dụng các điều khoản của EN 1992-1-1:2004 và bỏ qua các điều khoản cụ thể đã cho trong chương này, miễn là những yêu cầu trong 5.3 sau đây được thỏa mãn. Với những nhà không được cách chấn đáy (xem Chương 10), việc thiết kế theo cách này ở cấp dẻo kết cấu thấp, được khuyến nghị chỉ dùng cho trường hợp động đất yếu (xem 3.2.1(4)).
(3)P Loại kết cấu bêtông chịu động đất không phải những loại áp dụng (2)P của mục này, phải được thiết kế đảm bảo khả năng làm tiêu tán năng lượng và sự làm việc có độ dẻo kết cấu tổng thể. Sự làm việc có độ dẻo kết cấu tổng thể được bảo đảm nếu độ dẻo kết cấu đủ để làm cho phần lớn khối lượng của kết cấu được truyền sang các bộ phận khác và vị trí khác của tất cả các tầng. Để đạt được mục đích này, dạng phá hoại dẻo (ví dụ như uốn) cần xảy ra trước dạng phá hoại giòn (ví dụ như, cắt) với độ tin cậy đủ lớn.
(4)P Kết cấu bêtông được thiết kế theo (3)P của mục này, tùy theo khả năng tiêu tán năng lượng trễ của chúng, được phân thành hai cấp dẻo kết cấu: cấp dẻo kết cấu trung bình và cấp dẻo kết cấu cao. Cả hai cấp dẻo kết cấu này tương ứng với nhà được thiết kế, chỉ định kích thước và cấu tạo theo những điều khoản kháng chấn cụ thể, cho phép kết cấu phát triển các cơ cấu ổn định cùng với sự làm tiêu tán lớn năng lượng trễ khi chịu tải trọng có chu kỳ, mà không xảy ra phá hoại giòn.
(5)P Để có được độ dẻo kết cấu thích hợp trong các cấp dẻo kết cấu trung bình và cao, những điều khoản cụ thể cho tất cả các kết cấu chịu lực phải được thỏa mãn cho mỗi cấp (xem 5.4 đến 5.6).
Tương ứng với các cấp dẻo kết cấu khác nhau trong hai cấp này, hệ số ứng xử q được lấy các giá trị khác nhau cho mỗi cấp (xem 5.2.2.2).
5.2.2. Loại kết cấu và hệ số ứng xử
5.2.2.1. Loại kết cấu
(1)P Kết cấu bêtông, tùy theo sự ứng xử của chúng dưới các tác động động đất theo phương ngang, được phân thành một trong những loại kết cấu sau đây (xem 5.1.2).
- Hệ khung;
- Hệ kết cấu hỗn hợp (tương đương khung hoặc tương đương tường);
- Hệ tường có tính dẻo kết cấu (tường kép hoặc không phải tường kép);
- Hệ tường kích thước lớn ít cốt thép;
- Hệ con lắc ngược;
- Hệ dễ xoắn.
(2) Trừ những loại kết cấu được coi là hệ dễ xoắn kết cấu bêtông có thể được phân thành một loại kết cấu theo một phương ngang này và thành một loại hệ kết cấu khác theo một phương ngang khác.
(3)P Hệ tường được coi là hệ tường kích thước lớn ít cốt thép nếu, trong phương ngang đang xét có ít nhất hai tường với kích thước ngang không nhỏ hơn giá trị nhỏ nhất của hai giá trị 4 m và 2hw/3 mà khả năng chịu lực đồng thời của chúng ít nhất bằng 20 % tổng trọng lực từ bên trên trong tình huống thiết kế chịu động đất và có chu kỳ cơ bản T1 nhỏ hơn hoặc bằng 0,5s, với giả thiết ngàm tại chân đế để chống xoay. Trường hợp chỉ có một tường thỏa mãn điều kiện trên ở một trong hai phương cũng coi là đủ đạt tiêu chí này, miễn là: (a) giá trị cơ bản của hệ số ứng xử, q0, trong phương đó lấy theo các giá trị đã cho trong Bảng 5.1 được chia cho một hệ số bằng 1,5 và (b) có ít nhất hai tường thỏa mãn các điều kiện trên trong phương vuông góc.
(4)P Bốn loại hệ kết cấu đầu tiên (tức là khung, hệ kết cấu hỗn hợp, các hệ tường thuộc cả hai loại: tường có tính dẻo kết cấu và tường kích thước lớn ít cốt thép) phải có độ cứng chống xoắn tối thiểu thỏa mãn biểu thức (4.1b) theo cả hai phương ngang.
(5) Với hệ khung hoặc hệ tường có các cấu kiện thẳng đứng được phân bố hợp lý trên mặt bằng,
Yêu cầu quy định trong (4)P của mục này có thể được xem như là thỏa mãn mà không cần tới sự kiểm tra bằng tính toán.
(6) Các hệ khung, hệ hỗn hợp hoặc hệ tường không có độ cứng chống xoắn tối thiểu theo (4)P của mục này cần được coi là hệ dễ xoắn.
(7) Nếu hệ kết cấu không đạt yêu cầu như hệ tường kích thước lớn ít cốt thép theo (3)P của mục này trên đây, thì tất cả các tường của nó cần được thiết kế và cấu tạo như là tường có tính dẻo kết cấu.
5.2.2.2. Hệ số ứng xử đối với các tác động động đất theo phương nằm ngang
(1)P Giá trị giới hạn trên của hệ số ứng xử q, nêu trong mục 3.2.2.5(3) để tính đến khả năng làm tiêu tán năng lượng, phải được tính cho từng phương khi thiết kế như sau:
| q = q0 . kw ≥ 1,5 | (5.1) |
trong đó:
q0 là giá trị cơ bản của hệ số ứng xử, phụ thuộc vào loại hệ kết cấu và tính đều đặn của nó theo mặt đứng (xem (2)P của điều này);
kw là hệ số phản ánh dạng phá hoại phổ biến trong hệ kết cấu có tường (xem (11)P của điều này).
(2) Với loại nhà mà có sự đều đặn theo mặt đứng theo 4.2.3.3, giá trị cơ bản q0 cho các loại kết cấu khác nhau được cho trong Bảng 5.1.
Bảng 5.1 - Giá trị cơ bản của hệ số ứng xử, q0, cho hệ có sự đều đặn theo mặt đứng
| Loại kết cấu | Cấp dẻo kết cấu trung bình | Cấp dẻo kết cấu cao |
| Hệ khung, hệ hỗn hợp, hệ tường kép | 3,0au/a1 | 4,5au/a1 |
| Hệ không thuộc hệ tường kép | 3,0 | 4,0au/a1 |
| Hệ dễ xoắn | 2,0 | 3,0 |
| Hệ con lắc ngược | 1,5 | 2,0 |
(3) Với loại nhà không đều đặn theo mặt đứng, giá trị q0 cần được giảm xuống 20 % (xem 4.2.3.1(7) và Bảng 4.1).
(4) Các tham số a1 và au được định nghĩa như sau:
a1 là giá trị để nhân vào giá trị thiết kế của tác động đất theo phương nằm ngang để trong mọi cấu kiện của kết cấu sẽ đạt giới hạn độ bền chịu uốn trước tiên, trong khi tất cả các tác động khác vẫn không đổi;
au là giá trị để nhân vào giá trị thiết kế của tác động đất theo phương nằm ngang sẽ làm cho khớp dẻo hình thành trong một loạt tiết diện đủ để dẫn đến sự mất ổn định tổng thể kết cấu, trong khi tất cả các giá trị thiết kế của các tác động khác vẫn không đổi. Hệ số au có thể thu được từ phân tích phi tuyến tĩnh tổng thể.
(5) Khi hệ số au/a1 không được xác định rõ bằng tính toán đối với loại nhà có tính đều đặn trong mặt bằng, có thể được sử dụng các giá trị xấp xỉ sau đây của au/a1.
a) Hệ khung hoặc hệ kết cấu hỗn hợp tương đương khung:
- nhà một tầng: au/a1 = 1,1;
- khung nhiều tằng, một nhịp: au/a1 = 1,2;
- khung nhiều tầng, nhiều nhịp hoặc kết cấu hỗn hợp tương đương khung: au/a1 = 1,3.
b) Hệ tường hoặc hệ kết cấu hỗn hợp tương đương với tường:
- hệ tường chỉ có hai tường không phải là tường kép theo từng phương ngang: au/a1 = 1,0;
- các hệ tường không phải là tường kép: au/a1= 1,1;
- hệ kết cấu hỗn hợp tương đương tường, hoặc hệ tường kép: au/a1 = 1,2.
(6) Với loại nhà không có tính đều đặn trong mặt bằng (xem 4.2.3.2), khi không tính toán được giá trị của au/a1 có thể sử dụng giá trị xấp xỉ của nó bằng trị số trung bình của (a) bằng 1,0 và của (b) đã cho trong (5) của điều này.
(7) Giá trị của au/a1 lớn hơn những giá trị đã cho trong (5) và (6) của điều này có thể được sử dụng, miễn là chúng được xác định thông qua phân tích tổng thể phi tuyến tính.
(8) Giá trị tối đa của au/a1 được sử dụng trong thiết kế có thể lấy bằng 1,5, kể cả khi việc phân tích theo (7) của điều này dẫn tới kết quả cao hơn.
(9) Giá trị của q0 đã cho đối với hệ con lắc ngược có thể lấy tăng lên, nếu có thể chứng minh được rằng sự phân tán năng lượng tương ứng cao hơn là được bảo đảm trong vùng tới hạn của kết cấu.
(10) Cho phép tăng giá trị q0 nếu có một kế hoạch đảm bảo chất lượng đặc biệt được áp dụng vào việc thiết kế, cung ứng vật tư và thi công ngoài các hệ thống kiểm soát chất lượng thông thường. Giá trị đã tăng lên này không được phép vượt quá 20 % so với các giá trị đã cho trong Bảng 5.1.
CHÚ THÍCH: Các giá trị được gán cho q0 có thể được quy định trong từng dự án cụ thể, phụ thuộc vào Kế hoạch đảm bảo chất lượng.
(11)P Hệ số kw phản ánh dạng phá hoại thường gặp trong hệ kết cấu có tường và được lấy như sau:
- 1,00 với hệ khung và hệ kết cấu hỗn hợp tương đương khung;
- (1 + a0)/3 ≤ 1, nhưng không nhỏ hơn 0,5 cho hệ tường, hệ kết cấu hỗn hợp tương đương tường và kết cấu dễ xoắn. (5.2)
trong đó: a0 là tỷ số kích thước các tường trong hệ kết cấu.
(12) Nếu các tỷ số cạnh hwi / lwi của tất cả các tường thứ i của một hệ kết cấu không khác nhau một cách đáng kể, thì a0 có thể được xác định từ biểu thức sau đây:
|
| (5.3) |
trong đó:
hwi là chiều cao tường thứ i;
lwi là độ dài của tường thứ i.
(13) Hệ kết cấu tường kích thước lớn ít cốt thép không thể dựa vào sự tiêu tán năng lượng trong các khớp dẻo cho nên nó cần được thiết kế như kết cấu có cấp dẻo kết cấu trung bình.
5.2.3. Tiêu chí thiết kế
5.2.3.1. Tổng quát
(1) Những quan niệm thiết kế trong 5.2.1 và trong Chương 2 phải được thực hiện đầy đủ đối với cấu kiện kháng chấn của kết cấu bêtông như đã quy định trong 5.2.3.2 đến 5.2.3.7.
(2) Các tiêu chí thiết kế trong 5.2.3.2 đến 5.2.3.7 được xem là sẽ thỏa mãn, nếu những điều khoản trong 5.4 đến 5.7 được tuân thủ.
5.2.3.2. Điều kiện chịu lực cục bộ
(1)P Tất cả các vùng tới hạn của kết cấu phải thỏa mãn những yêu cầu của 4.4.2.2(1).
5.2.3.3. Quy định thiết kế theo khả năng chịu lực và tiêu tán năng lượng
(1)P Sự phá hoại giòn hoặc các cơ chế phá hoại không mong muốn khác (ví dụ như sự tập trung khớp dẻo trong cột tại một tầng đơn lẻ của nhà nhiều tầng, sự phá hoại do cắt của các cấu kiện chịu lực, sự phá hoại của mối nối giữa dầm và cột, sự chảy dẻo của móng hoặc của bất kỳ bộ phận nào được dự tính là vẫn làm việc đàn hồi) phải được ngăn ngừa. Sự phá hoại như trên được ngăn ngừa bằng cách tính toán các hệ quả của tác động thiết kế cho các vùng được lựa chọn. Các hệ quả đó được rút ra từ điều kiện cân bằng với giả thiết rằng các khớp dẻo với khả năng vượt cường độ được hình thành trong các vùng lân cận của chúng.
(2) Các cột kháng chấn chính của khung hoặc kết cấu tương đương khung bằng bêtông cần thỏa mãn những yêu cầu thiết kế theo khả năng chịu lực và tiêu tán năng lượng trong 4.4.2.3(4) miễn những điều sau đây:
a) Trong khung phẳng có ít nhất 4 cột với kích cỡ tiết diện ngang gần giống nhau, không cần thiết phải thỏa mãn biểu thức (4.29) trong tất cả các cột ấy, nhưng phải thỏa mãn được ở 3 trong số 4 cột bất kỳ;
b) Tại tầng dưới của nhà 2 tầng nếu giá trị lực dọc thiết kế qui đổi nd không vượt quá 0,3 trong bất kỳ cột nào;
(3) Cốt thép trong bản song song với dầm và trong phạm vi chiều rộng hữu hiệu của bản cánh quy định trong 5.4.3.1.1(3), được giả thiết là làm tăng khả năng chịu uốn của các dầm được kể đến khi tính toán tổng SMRb trong biểu thức (4.29), nếu nó được neo qua tiết diện dầm tại chỗ nối.
5.2.3.4. Điều kiện dẻo kết cấu cục bộ
(1)P Để có được độ dẻo kết cấu tổng thể theo yêu cầu của kết cấu, vùng có khả năng hình thành khớp dẻo (sẽ được định rõ về sau cho từng loại cấu kiện nhà) phải có độ dẻo kết cấu cao khi uốn.
(2) Điều (1)P được xem là thỏa mãn nếu đáp ứng được những điều kiện sau đây:
a) Đảm bảo đủ độ dẻo kết cấu khi uốn cong trong tất cả các vùng tới hạn của cấu kiện kháng chấn chính, kể cả đầu cột (tùy thuộc vào khả năng hình thành khớp dẻo trong cột) (xem (3) của điều này);
b) Ngăn ngừa được sự mất ổn định của cốt thép chịu nén trong phạm vi vùng có khả năng hình thành khớp dẻo của cấu kiện kháng chấn chính. Các quy tắc ứng dụng có liên quan được cho trong 5.4.3 và 5.5.3.
c) Chất lượng cốt thép và bêtông đáp ứng được các điều kiện sau:
- Thép được sử dụng trong vùng tới hạn của cấu kiện kháng chấn chính nên có độ giãn dài dẻo đồng đều cao (xem 5.3.2(1)P; 5.4.1.1(3)P; 5.5.1.1(3)P);
- Tỷ số giữa giới hạn bền chịu kéo và giới hạn chảy của cốt thép trong vùng tới hạn của cấu kiện kháng chấn chính phải lớn hơn đáng kể so với 1. Thép làm cốt tuân theo yêu cầu của 5.3.2(1)P; 5.4.1.1(3)P; 5.5.1.1(3)P có thể được xem như thỏa mãn những yêu cầu này;
- Bêtông được sử dụng trong cấu kiện kháng chấn chính cần có cường độ chịu nén phù hợp và biến dạng khi phá huỷ vượt quá biến dạng ứng với cường độ chịu nén tối đa một khoảng dư phù hợp. Bêtông tuân thủ những yêu cầu thích hợp của 5.4.1.1(1)P hoặc 5.5.1.1(1)P, có thể được xem như là thỏa mãn những yêu cầu này.
(3) Trừ khi có nhiều dữ liệu chính xác hơn và trừ trường hợp khi áp dụng (4) của điều này, (2)a của điều này được xem là sẽ thỏa mãn nếu hệ số dẻo kết cấu khi uốn mf của các vùng này (được xác định dưới dạng tỷ số giữa độ cong khi đạt cường độ sau cực hạn ứng với 85 % của khả năng chịu mômen uốn và độ cong tại điểm chảy dẻo, khi các biến dạng của bêtông và cốt thép không vượt quá giá trị giới hạn ecu và esu,k) ít nhất cũng bằng các giá trị sau đây:
| mf = 2q0 -1 nếu T1 ≥ TC | (5.4) |
| mf = 1+ (2q0 -1) TC/T1 nếu T1 < T | (5.5) |
trong đó:
q0 là giá trị cơ bản tương ứng của hệ số ứng xử lấy từ Bảng 5.1 và T1 là chu kỳ cơ bản của nhà, cả hai đều lấy trong phạm vi mặt phẳng thẳng đứng mà trong đó có uốn, và TC là chu kỳ tại giới hạn trên của vùng gia tốc phổ không đổi, theo 3.2.2.2(2)P.
CHÚ THÍCH: Các biểu thức (5.4) và (5.5) đều dựa trên:
+ mối quan hệ giữa mf và hệ số dẻo kết cấu khi chuyển vị md : mf = 2md -1, mà thông thường hệ số này là một xấp xỉ thiên về an toàn đối với kết cấu bê tông;
+ mối quan hệ giữa md và q:
+ md = q nếu T1 ≥ TC,
+ md = 1 + (q - 1) TC/T1 nếu T1 < TC (xem thêm B.5 trong Phụ lục tham khảo B).
Giá trị của q0 được sử dụng thay cho giá trị của q, vì q sẽ nhỏ hơn q0 đối với những nhà không đều đặn vì đã chấp nhận rằng cần phải có khả năng chịu lực ngang cao hơn để bảo vệ chúng. Tuy nhiên, các yêu cầu về dẻo kết cấu cục bộ trên thực tế có thể cao hơn so với những yêu cầu tương ứng với giá trị của q, vì thế một sự giảm bớt về độ dẻo kết cấu khi uốn cong là không đảm bảo.
(4) Trong vùng tới hạn của các cấu kiện kháng chấn chính có cốt thép dọc là thép loại B trong EN 1992-1-1:2004, Bảng C.1, hệ số dẻo kết cấu khi uốn mf cần lấy ít nhất bằng 1,5 lần giá trị tính được từ các biểu thức tương ứng (5.4) hoặc (5.5),
5.2.3.5. Tính siêu tĩnh của kết cấu
(1)P Mức độ siêu tĩnh cao đi kèm với khả năng phân bố lại nội lực là cần thiết, nó cho phép sự tiêu tán năng lượng lan truyền rộng rãi hơn và tổng năng lượng được tiêu tán cao hơn. Thông thường hệ kết cấu có mức độ siêu tĩnh thấp hơn phải được chỉ định hệ số ứng xử thấp hơn (xem Bảng 5.1). Khả năng phân bố lại nội lực cần thiết phải đạt được thông qua các quy tắc dẻo kết cấu cục bộ đã cho trong 5.4 đến 5.6.
5.2.3.6. Cấu kiện kháng chấn phụ và khả năng chịu lực
(1)P Một số ít các cấu kiện chịu lực có thể được thiết kế như cấu kiện kháng chấn phụ theo 4.2.2.
(2) Quy tắc thiết kế và cấu tạo các cấu kiện kháng chấn phụ nêu trong 5.7.
(3) Một số khả năng chịu động đất và hiệu ứng giữ ổn định không được xét đến một cách rõ ràng trong tính toán có thể làm tăng cả cường độ lẫn sự tiêu tán năng lượng (ví dụ như các phản lực màng của bản sàn phát sinh do độ vồng lên của tường chịu lực).
(4) Bộ phận phi kết cấu cũng có thể góp phần làm tiêu tán năng lượng, nếu chúng được phân bố đều trên toàn bộ kết cấu. Cần có các biện pháp làm giảm những ảnh hưởng bất lợi cục bộ có thể có do sự tương tác giữa các cấu kiện chịu lực và các bộ phận phi kết cấu (xem 5.9).
(5) Đối với khung có khối xây chèn (mà chúng là trường hợp phổ biến của bộ phận phi kết cấu) các quy tắc đặc biệt được nêu trong 4.3.6 và 5.9.
5.2.3.7. Các biện pháp bổ sung
(1)P Do bản chất ngẫu nhiên của tác động động đất và tính thiếu tin cậy của ứng xử sau đàn hồi có chu kỳ của kết cấu bêtông nên tính thiếu tin cậy tổng thể sẽ cao hơn đáng kể so với những tác động không phải do tác động động đất gây ra. Vì thế, phải thực hiện các biện pháp để giảm bớt tính thiếu tin cậy liên quan tới cấu hình kết cấu, liên quan tới sự phân tích kết cấu, tới khả năng chịu tác động và độ dẻo kết cấu.
(2)P Tính thiếu tin cậy chủ yếu về độ bền có thể xuất phát từ sai sót về kích thước hình học. Để giảm thiểu tính thiếu tin cậy này, phải áp dụng các quy tắc sau đây:
a) Một số kích thước tối thiểu của các bộ phận kết cấu phải được lưu ý (xem 5.4.1.2 và 5.5.1.2) nhằm giảm bớt mức độ sai sót về kích thước hình học.
b) Tỷ số giữa kích thước tối thiểu và kích thước tối đa của các cấu kiện thẳng phải được giới hạn, nhằm giảm thiểu rủi ro mất ổn định ngang của chúng, (xem 5.4.1.2 và 5.5.1.2.1(2)P).
c) Chuyển vị ngang của tầng phải được giới hạn, để hạn chế ảnh hưởng của hiệu ứng P-D trong cột (xem 4.4.2.2(2) đến 4.4.2.2(4)).
d) Một phần đáng kể cốt thép trên của dầm tại các tiết diện ngang đầu dầm phải kéo suốt chiều dài của dầm (xem 5.4.3.1.2(5)P; 5.5.3.1.3(5)P) vì khó xác định vị trí của điểm uốn.
e) Để xét tới sự đảo chiều của mômen mà khi phân tích kết cấu không tính trước được bằng cách bố trí cốt thép tối thiểu tại mặt đối diện của dầm (xem 5.5.3.1.3).
(3)P Để giảm thiểu tính thiếu tin cậy về độ dẻo kết cấu, cần tuân thủ các quy tắc sau đây:
a) Độ dẻo kết cấu cục bộ tối thiểu phải được đảm bảo trong tất cả các cấu kiện kháng chấn chính không phụ thuộc vào cấp dẻo kết cấu đã được chọn trong thiết kế (xem 5.4 và 5.5).
b) Phải bố trí lượng cốt thép chịu kéo tối thiểu để tránh sự phá hoại giòn khi bị nứt (xem 5.4.3 và 5.5.5).
c) Phải giới hạn giá trị lực dọc thiết kế qui đổi (xem 5.4.3.2.1(3)P, 5.4.3.4.1(2), 5.5.3.2.1(3)P và 5.5.3.4.1(2)) để giảm bớt hậu quả do lớp bêtông bảo vệ bị phá hoại và để tránh tính thiếu tin cậy về độ dẻo kết cấu khi lực dọc tác dụng lớn.
5.2.4. Kiểm tra mức độ an toàn
(1)P Đối với việc kiểm tra trạng thái cực hạn, khi lấy các hệ số riêng cho tham số vật liệu gc và gs phải tính đến sự suy giảm cường độ có thể có của vật liệu do sự biến dạng có chu kỳ.
(2) Nếu không có những số liệu phù hợp hơn thì áp dụng các giá trị của những hệ số riêng gc và gs được chấp nhận trong tình huống thiết kế lâu dài và thay đổi, với giả thiết rằng nhờ các quy định về độ dẻo kết cấu cục bộ mà tỷ số giữa cường độ còn lại sau khi xuống cấp và cường độ ban đầu xấp xỉ bằng tỷ số giữa các giá trị gM của các tổ hợp tải trọng đặc biệt và tổ hợp tải trọng cơ bản.
(3) Nếu sự suy giảm cường độ được tính toán một cách hợp lý khi đánh giá các tính chất của vật liệu, có thể dùng các giá trị gM được chấp nhận trong tình huống thiết kế đặc biệt.
CHÚ THÍCH 1: Các giá trị hệ số riêng của vật liệu gc và gs cho các tình huống thiết kế lâu dài và các tình huống thiết kế đặc biệt có thể tìm thấy trong phụ lục của EN1992-1-1:2004.
CHÚ THÍCH 2: Phụ lục quy định việc sử dụng các giá trị gM cho thiết kế chịu động đất. Chúng có thể là những giá trị dùng cho các tình huống thiết kế lâu dài và thay đổi hoặc cho các tình huống thiết kế đặc biệt. Thậm chí các giá trị trung gian có thể được lựa chọn trong phụ lục phụ thuộc vào việc các tham số vật liệu khi chịu tải trọng động đất được đánh giá như thế nào. Sự lựa chọn được kiến nghị chính là sự lựa chọn của (2) trong điều này, nó cho phép sử dụng giá trị tương tự của cường độ thiết kế cho các tình huống thiết kế lâu dài và thay đổi (ví dụ như tải trọng trọng trường kèm theo gió) và cho tình huống thiết kế chịu động đất.
5.3. Thiết kế theo EN 1992-1-1
5.3.1. Tổng quát
(1) Thiết kế chịu động đất với độ dẻo kết cấu thấp, theo EN 1992-1-1:2004 không có bất kỳ yêu cầu bổ sung nào ngoài những yêu cầu của 5.3.2, chỉ được kiến nghị dùng cho các trường hợp động đất yếu (xem 3.2.1.4).
5.3.2. Vật liệu
(1)P Trong các cấu kiện kháng chấn chính (xem 4.2.2) phải sử dụng cốt thép thuộc Loại B hoặc C trong EN 1992-1-1:2004, Bảng C.1.
5.3.3. Hệ số ứng xử
(1) Có thể sử dụng hệ số ứng xử q lên tới 1,5 trong việc xác định các tác động động đất mà không cần xem xét tới hệ kết cấu và tính đều đặn theo mặt đứng.
5.4. Thiết kế cho trường hợp cấp dẻo kết cấu trung bình
5.4.1. Vật liệu và kích thước hình học
5.4.1.1. Yêu cầu về vật liệu
(1)P Bêtông có cấp độ bền thấp hơn so với C16/20 không được sử dụng trong các cấu kiện kháng chấn chính.
(2)P Ngoại trừ cốt đai kín và đai móc, chỉ có thép thanh có gờ mới được sử dụng làm cốt trong vùng tới hạn của cấu kiện kháng chấn chính.
(3)P Trong vùng tới hạn của cấu kiện kháng chấn chính, phải sử dụng cốt thép thuộc loại B hoặc C trong EN 1992-1-1:2004, Bảng C.1.
(4)P Lưới thép hàn có thể được sử dụng nếu chúng thỏa mãn những yêu cầu trong (2)P và (3)P của điều này.
5.4.1.2. Kích thước hình học
5.4.1.2.1. Dầm
(1)P Độ lệch tâm của trục dầm so với trục của cột tại nút khung phải được hạn chế, nhằm đảm bảo truyền một cách có hiệu quả mômen có chu kỳ từ dầm kháng chấn chính sang cột.
(2) Để các yêu cầu đã quy định trong (1)P được thỏa mãn, khoảng cách giữa các trục đi qua trọng tâm của hai cấu kiện cần được hạn chế nhỏ hơn bc/4, trong đó bc là kích thước cạnh lớn nhất tiết diện ngang của cột vuông góc với trục dọc dầm.
(3)P Để tận dụng ảnh hưởng có lợi của sự làm việc chịu nén của cột đến độ bám dính của các thanh thép nằm ngang xuyên qua nút, chiều rộng bw của dầm kháng chấn chính phải thỏa mãn biểu thức sau đây:
| bw ≤ min {bc + hw; 2bc} | (5.6) |
trong đó:
hw là chiều cao của dầm và bc như đã định nghĩa trong (2) của điều này.
5.4.1.2.2. Cột
(1) Trừ khi q ≤ 0,1 (xem (2)), kích thước tiết diện ngang của cột kháng chấn chính không nên nhỏ hơn 1/10 của khoảng cách lớn nhất giữa điểm uốn và các đầu mút của cột, đối với trường hợp uốn trong phạm vi mặt phẳng song song với kích thước cột.
5.4.1.2.3. Tường có tính dẻo kết cấu
(1) Bề dày của tường, bw0, (tính bằng mét) cần thỏa mãn biểu thức sau đây:
| bw0 ≥ max {0,15; hs/20} | (5.7) |
trong đó:
hs là chiều cao thông thủy của tầng nhà, tính bằng mét.
(2) Những yêu cầu bổ sung liên quan đến độ dày của phần đầu tường bị hạn chế biến dạng tuân
theo quy định trong 5.4.3.4.2(10).
5.4.1.2.4. Tường kích thước lớn ít cốt thép
(1) Những điểm trong 5.4.1.2.3(1) cũng được áp dụng cho tường kích thước lớn ít cốt thép.
5.4.1.2.5. Những quy tắc áp dụng với dầm đỡ các kết cấu thẳng đứng không liên tục
(1)P Tường chịu lực không được tựa lên dầm hoặc bản sàn.
(2)P Đối với dầm kháng chấn chính đỡ cột không kéo dài xuống quá dầm, áp dụng các quy tắc sau:
a) Không được có độ lệch tâm nào của trục cột so với trục của dầm;
b) Dầm phải được tựa trên ít nhất là hai gối đỡ trực tiếp, chẳng hạn như tường hoặc cột.
5.4.2. Hệ quả tác động thiết kế
5.4.2.1. Tổng quát
(1)P Ngoài việc phải áp dụng các điều khoản đặc biệt của 5.4.2.4 đối với tường có tính dẻo kết cấu là kết cấu kháng chấn chính, các giá trị thiết kế của mômen uốn và lực dọc phải được xác định từ phép phân tích kết cấu khi thiết kế chịu động đất theo EN 1990:2001, 6.4.3.4, có tính đến các hiệu ứng bậc 2 theo 4 4.2.2 và những yêu cầu về thiết kế theo khả năng chịu lực và tiêu tán năng lượng trong 5.2.3.3(2). Cho phép phân bố lại mômen uốn phù hợp với EN 1992-1-1. Các giá trị lực cắt thiết kế của các dầm kháng chấn chính, cột, tường có tính dẻo kết cấu và tường kích thước lớn ít cốt thép được xác định tương ứng theo 5.4.2.2, 5.4.2.3, 5.4.2.4 và 5.4.2.5.
5.4.2.2. Dầm
(1)P Trong các dầm kháng chấn chính, lực cắt thiết kế phải được xác định phù hợp với quy tắc thiết kế theo khả năng chịu lực và tiêu tán năng lượng, dựa trên cơ sở sự cân bằng của dầm dưới tác động của: a) tải trọng tác dụng ngang với trục dầm trong tình huống thiết kế chịu động đất và b) mômen đầu mút Mi,d (với i =1,2 biểu thị các tiết diện đầu mút của dầm), tương ứng với sự hình thành khớp dẻo theo các chiều dương và âm của tải trọng động đất. Cần làm cho các khớp dẻo được hình thành tại các đầu mút của dầm (nếu chúng hình thành ở đó trước tiên) hoặc trong các cấu kiện thẳng đứng được nối vào nút liên kết với dầm (xem Hình 5.1).
(2) Điểm (1)P của điều này cần được áp dụng như sau:
a) Tại tiết diện đầu mút thứ i, cần tính toán hai giá trị của lực cắt tác dụng, tức là giá trị lớn nhất VEd,max,i và giá trị nhỏ nhất VEd,min,i , tương ứng với các mômen dương lớn nhất và mômen âm lớn nhất Mi,d tại đầu mút mà chúng có thể phát triển tại các đầu mút 1 và 2 của dầm.
b) Các mômen đầu mút Mi,d trong 5.4.2.2(1)P và trong (2) của điều này có thể được xác định như sau:
|
| (5.8) |
trong đó:
gRd là hệ số tính đến khả năng tăng cường độ có thể xảy ra do biến cứng của thép. Trường hợp dầm thuộc loại cấp dẻo kết cấu trung bình, nó có thể lấy bằng 1,0;
MRb,i là giá trị thiết kế khả năng chịu mômen uốn của dầm tại đầu mút thứ i theo chiều mômen uốn do động đất theo phương đang xét của tác động động đất;
SMRc, SMRb tương ứng là tổng các giá trị thiết kế của khả năng chịu mômen uốn của cột và tổng các giá trị thiết kế khả năng chịu mômen uốn của dầm qui tụ vào nút khung (xem 4.4.2.3(4). Giá trị của SMRc phải tương ứng với lực dọc trong cột trong tình huống thiết kế chịu động đất theo phương đang xét của tải trọng động đất.
c) Tại đầu mút dầm nơi dầm tựa gián tiếp lên một dầm khác, thay vì việc tạo thành khung cùng với cấu kiện thẳng đứng, mômen đầu mút dầm Mi,d ở đó có thể lấy bằng mômen tác dụng tại tiết diện đầu mút dầm trong tình huống thiết kế chịu động đất.

Hình 5.1 - Giá trị thiết kế của khả năng chịu lực cắt trong dầm
5.4.2.3. Cột
(1)P Trong những cột kháng chấn chính, các giá trị thiết kế của lực cắt phải được xác định theo các quy tắc thiết kế theo khả năng chịu lực và tiêu tán năng lượng, trên cơ sở cân bằng của cột khi dưới tác dụng của mômen đầu mút Mi,d (với i =1; 2 là chỉ số biểu thị các tiết diện đầu mút của cột), tương ứng với sự hình thành khớp dẻo theo các chiều dương và âm của tải trọng động đất. Cần làm sao cho các khớp dẻo hình thành tại các đầu mút của các dầm liên kết vào đầu cột, hoặc tại các đầu mút của cột (nếu chúng hình thành ở đó trước tiên) (xem Hình 5.2).

Hình 5.2 - Giá trị thiết kế của khả năng chịu lực cắt trong cột
(2) Mômen tại đầu mút Mi,d trong (1)P của điều này có thể được xác định từ biểu thức sau đây:
|
| (5.9) |
trong đó:
gRd là hệ số tính đến khả năng vượt cường độ do sự biến cứng của thép và sự hạn chế nở ngang của bêtông vùng nén của tiết diện cột, được lấy bằng 1,1;
MRc,i là giá trị thiết kế của khả năng chịu uốn của cột tại đầu mút thứ i theo chiều của mômen uốn do động đất theo phương đang xét của tác động động đất;
SMRc, SMRb như đã định nghĩa trong 5.4.2.2(2).
(3) Các giá trị của MRc,i và SMRc cần tương ứng với lực dọc của cột trong tình huống thiết kế chịu động đất theo phương đang xét của tác động động đất.
5.4.2.4. Yêu cầu đặc biệt đối với tường có tính dẻo kết cấu
(1)P Tính thiếu tin cậy trong việc phân tích và những hiệu ứng động lực sau đàn hồi phải được kể đến, ít nhất là bằng phương pháp đơn giản hóa thích hợp. Nếu không có phương pháp chính xác hơn, thì có thể sử dụng những quy tắc trong các mục sau đây cho đường bao mômen uốn thiết kế, cũng như các hệ số khuyếch đại của lực cắt.
(2) Có thể cho phép phân bố lại tới 30 % những hiệu ứng của tác động động đất giữa các tường kháng chấn chính, miễn là tổng khả năng chịu lực yêu cầu không bị giảm xuống. Lực cắt cần được phân bố lại theo mômen uốn, sao cho trong các tường riêng rẽ, tỷ số giữa mômen uốn và lực cắt không bị ảnh hưởng một cách đáng kể. Trong những tường phải chịu sự thay đổi bất thường lớn của lực dọc, chẳng hạn như trong các tường kép, mômen và lực cắt cần được phân bố lại từ tường chịu nén ít hoặc chịu kéo thuần tuý sang những tường chịu nén dọc trục nhiều.
(3) Trong loại tường kép, sự phân bố lại của những hệ quả tác động động đất giữa các dầm nối của các tầng khác nhau cho phép lên tới 20 %, miễn là lực dọc do động đất tại chân của từng tường riêng rẽ (tổng hợp các lực cắt trong các dầm nối) không bị ảnh hưởng.
(4)P Tính thiếu tin cậy của sự phân bố mômen theo chiều cao của các tường mảnh kháng chấn chính (với tỷ số chiều cao trên chiều dài lớn hơn 2,0) phải được kể đến.
(5) Yêu cầu đã quy định trong (4)P của điều này có thể được đáp ứng bằng cách áp dụng quy trình đã đơn giản hóa sau đây, không phụ thuộc phương pháp phân tích được sử dụng,
Biểu đồ mômen uốn thiết kế dọc theo chiều cao của tường cần được thiết lập bởi một đường bao của biểu đồ mômen uốn nhận được từ phân tích có kể đến độ dịch lên theo phương đứng. Đường bao này có thể được giả thiết tuyến tính, nếu kết cấu không thể hiện sự gián đoạn đáng kể về khối lượng, độ cứng, hoặc khả năng chịu lực trên toàn chiều cao của nó (xem Hình 5.3). Độ dịch theo phương đứng cần phù hợp với độ nghiêng thanh chống được lấy trong trong khi kiểm tra trạng thái cực hạn đối với lực cắt, với một mẫu thanh kiểu nan quạt có thể có của các thanh chống gần với đáy, và sàn làm việc như là giằng.
(6)P Đối với những tường kháng chấn chính, phải xét sự tăng lên có thể có của lực cắt sau khi chảy dẻo tại chân tường.
(7) Yêu cầu đã quy định trong (6)P của điều này có thể được thỏa mãn nếu các lực cắt thiết kế được lấy với mức 50 % cao hơn lực cắt theo kết quả phân tích kết cấu.
(8) Trong hệ hỗn hợp có các tường mảnh, đường bao thiết kế của lực cắt theo Hình 5.4 cần được sử dụng, để tính đến sự thất thường của những ảnh hưởng ở dạng dao động bậc cao hơn.
CHÚ DẪN: a - Biểu đồ mômen theo phân tích ; b - Đường bao thiết kế
a1 - Độ dịch theo phương đứng
Hình 5.3 - Đường bao thiết kế cho mômen uốn trong tường mảnh

| CHÚ DẪN: a - Biểu đồ cắt từ phân tích; b - Biểu đồ cắt với hệ số động; c - Đường bao thiết kế; | A - Vwall, base; B - Vwall, top ≥ Vwall, base /2. |
Hình 5.4 - Đường bao thiết kế của các lực cắt trong các tường của hệ kết cấu hỗn hợp
5.4.2.5. Yêu cầu đặc biệt đối với tường kích thước lớn có ít cốt thép
(1)P Để bảo đảm sự chảy dẻo do uốn xảy ra trước khi đạt tới trạng thái cực hạn khi cắt, thì lực cắt V'Ed lấy từ kết quả phân tích kết cấu phải được tăng lên.
(2) Yêu cầu trong (1)P của mục này được xem là sẽ thỏa mãn nếu tường tại mỗi tầng, lực cắt thiết kế VEd tính theo biểu thức (5.10), trong đó lực cắt V'Ed lấy theo kết quả phân tích kết cấu:
|
| 5.10) |
(3)P Các lực động dọc trục bổ sung sinh ra trong các tường lớn do sự trồi lên của nền đất, hoặc do sự mở rộng và khép lại của các vết nứt ngang, phải được kể đến trong tính toán kiểm tra theo trạng thái cực hạn của tường chịu uốn có lực dọc.
(4) Trừ khi có các kết quả tính toán chính xác hơn, thành phần động của lực dọc của tường trong (3)P của điều này có thể lấy bằng 50 % của lực dọc trong tường đó do các tải trọng trọng trường xuất hiện trong tình huống thiết kế chịu động đất. Lực này cần được lấy theo dấu dương (+) hay âm (-), chọn dấu bất lợi nhất.
(5) Nếu giá trị của hệ số ứng xử q không vượt quá 2,0, thì ảnh hưởng của lực động dọc trục trong (3) và (4) của mục này có thể được bỏ qua.
5.4.3. Kiểm tra và cấu tạo theo trạng thái cực hạn
5.4.3.1. Dầm
5.4.3.1.1. Khả năng chịu uốn và chịu cắt
(1) Khả năng chịu uốn và cắt cần được tính toán phù hợp với EN 1992-1-1:2004.
(2) Cốt thép trên của các tiết diện đầu mút của dầm kháng chấn chính có tiết diện hình chữ T hoặc chữ L cần được bố trí chủ yếu trong phạm vi chiều rộng phần bụng. Chỉ một phần trong số cốt thép này có thể đặt bên ngoài phạm vi chiều rộng phần bụng dầm, nhưng trong phạm vi chiều rộng làm việc của bản cánh beff.
(3) Chiều rộng hữu hiệu của bản cánh beff có thể được giả thiết như sau:
a) Với dầm kháng chấn chính liên kết với các cột biên, chiều rộng hữu hiệu của bản cánh beff được lấy: bằng chiều rộng bc của tiết diện cột khi không có dầm cắt ngang nó (Hình 5.5b), hoặc bằng chiều rộng này tăng lên một lượng 2hf ở mỗi bên dầm khi có một dầm khác có cùng chiều cao cắt ngang nó (Hình 5.5a).
b) Với dầm kháng chấn chính liên kết với các cột trong, thì các chiều rộng nêu trên có thể được tăng lên một lượng 2hf ở mỗi bên dầm (Hình 5.5c và d).

Hình 5.5 - Chiều rộng hữu hiệu của bản cánh dầm liên kết với cột tạo thành khung
5.4.3.1.2. Cấu tạo để đảm bảo độ dẻo kết cấu cục bộ
(1)P Các vùng của dầm kháng chấn chính có chiều dài lên tới lcr = hw (trong đó hw là chiều cao của dầm) tính từ tiết diện ngang đầu mút dầm liên kết vào nút dầm - cột, cũng như từ cả hai phía của bất kỳ tiết diện ngang nào có khả năng chảy dẻo trong tình huống thiết kế chịu động đất, phải được coi là vùng tới hạn.
(2) Trong các dầm kháng chấn chính đỡ các cấu kiện thẳng đứng không liên tục (bị cắt/ngắt), các vùng trong phạm vi một khoảng bằng 2hw ở mỗi phía của cấu kiện thẳng đứng được chống đỡ cần được xem như là vùng tới hạn.
(3)P Để thỏa mãn yêu cầu dẻo cục bộ trong các vùng tới hạn của dầm kháng chấn chính, giá trị của hệ số dẻo kết cấu khi uốn mf ít nhất phải tương đương với giá trị đã cho trong 5.2.3.4(3).
(4) Yêu cầu quy định trong (3)P của mục này được xem là sẽ thỏa mãn, nếu những điều kiện sau đây được thỏa mãn tại cả hai cánh của dầm.
a) Tại vùng nén, cần bố trí thêm không dưới một nửa lượng cốt thép đã bố trí tại vùng kéo, ngoài những số lượng cốt thép chịu nén cần thiết khi kiểm tra trạng thái cực hạn của dầm trong tình huống thiết kế chịu động đất.
b) Hàm lượng cốt thép r của vùng kéo không được vượt quá giá trị rmax:
|
| (5.11) |
với các hàm lượng cốt thép của vùng kéo và vùng nén, r và r', cả hai được lấy theo bd, trong đó b là chiều rộng của cánh chịu nén của dầm. Nếu như vùng kéo bao gồm cả bản sàn, thì lượng cốt thép sàn song song với dầm trong phạm vi chiều rộng hữu hiệu của bản cánh đã được xác định trong 5.4.3.1.1 (3) được kể đến trong r.
(5)P Dọc theo toàn bộ chiều dài của dầm kháng chấn chính, hàm lượng cốt thép của vùng kéo, r, không được nhỏ hơn giá trị tối thiểu rmin sau đây:
|
| (5.12) |
(6)P Trong phạm vi các vùng tới hạn của dầm kháng chấn chính, phải được bố trí cốt đai thỏa mãn những điều kiện sau đây:
a) Đường kính dbw của các thanh cốt đai (tính bằng mi li mét) không được nhỏ hơn 6;
b) Khoảng cách s của các vòng cốt đai (tính bằng mi li mét) không được vượt quá:
| s = min {hw/4; 24dbw; 225; 8dbL} | (5.13) |
trong đó:
dbL là đường kính thanh thép dọc nhỏ nhất (tính bằng mi li mét);
hw là chiều cao tiết diện của dầm (tính bằng mi li mét).
c) Cốt đai đầu tiên phải được đặt cách tiết diện mút dầm không quá 50 mm (xem Hình 5.6).

Hình 5.6 - Cốt thép ngang trong vùng tới hạn của dầm
5.4.3.2. Cột
5.4.3.2.1. Khả năng chịu lực
(1)P Khả năng chịu uốn và chịu cắt phải được tính toán theo EN 1992-1-1:2004, sử dụng giá trị lực dọc từ kết quả phân tích trong tình huống thiết kế chịu động đất.
(2) Sự uốn theo hai phương có thể được kể đến một cách đơn giản hóa bằng cách tiến hành kiểm tra riêng rẽ theo từng phương, với khả năng chịu mômen uốn một trục được giảm đi 30 %.
(3)P Trong các cột kháng chấn chính, giá trị của lực dọc thiết kế qui đổi nd không được vượt quá 0,65.
5.4.3.2.2. Cấu tạo cột kháng chấn chính để đảm bảo độ dẻo kết cấu cục bộ
(1)P Tổng hàm lượng cốt thép dọc r1 không được nhỏ hơn 0,01 và không được vượt quá 0,04. Trong các tiết diện ngang đối xứng cần bố trí cốt thép đối xứng (r = r').
(2)P Phải bố trí ít nhất một thanh trung gian giữa các thanh thép ở góc dọc theo mỗi mặt cột để bảo đảm tính toàn vẹn của nút dầm-cột.
(3)P Các vùng trong khoảng cách lcr kể từ cả hai tiết diện đầu mút của cột kháng chấn chính phải được xem như là các vùng tới hạn.
(4) Khi thiếu những thông tin chính xác hơn, chiều dài của vùng tới hạn lcr (tính bằng mét) có thể được tính toán từ biểu thức sau đây:
| lcr = max {hc; lcl/6; 0,45} | (5.14) |
trong đó:
hc là kích thước lớn nhất tiết diện ngang của cột (tính bằng mét); và
lcl là chiều dài thông thủy của cột (tính bằng mét).
(5)P Nếu lcl/hc < 3, toàn bộ chiều cao của cột kháng chấn chính phải được xem như là một vùng tới hạn và phải được đặt cốt thép theo quy định.
(6)P Trong vùng tới hạn tại chân cột kháng chấn chính, giá trị của hệ số dẻo kết cấu khi uốn, mf, cần phải lấy ít nhất là bằng giá trị đã cho trong 5.2.3.4(3).
(7)P Nếu với giá trị đã quy định của mf, biến dạng bêtông lớn hơn ecu2 = 0,0035 là cần thiết trên toàn bộ tiết diện ngang, tổn thất về khả năng chịu lực do sự bong tróc bêtông phải được cải thiện bằng cách bó chặt lỗi bêtông một cách đúng mức, trên cơ sở của những đặc trưng của bêtông có cốt đai hạn chế biến dạng theo EN 1992-1-1:2004, 3.1.9.
(8) Những yêu cầu đã quy định trong (6)P và (7)P của điều này được xem là thỏa mãn nếu:
|
| (5.15) |
trong đó:
wwd là tỷ số thể tích cơ học áp dụng trong phạm vi các vùng tới hạn có cốt đai hạn chế biến dạng được tính theo biểu thức sau:

mf là giá trị yêu cầu của hệ số dẻo kết cấu khi uốn;
nd là lực dọc thiết kế qui đổi (nd = NEd/Ac fcd);
esy,d là giá trị thiết kế của biến dạng cốt thép chịu kéo tại điểm chảy;
hc là chiều cao tiết diện ngang toàn phần (song song với phương ngang mà trong đó giá trị mj đã sử dụng trong (6)P của mục này được áp dụng);
h0 là chiều cao của phần lõi có cốt đai hạn chế biến dạng (tính tới đường tâm của các vòng cốt đai);
bc là chiều rộng tiết diện ngang toàn phần;
b0 là chiều rộng của lõi có cốt đai hạn chế biến dạng (tính tới đường tâm của các vòng cốt đai);
a là hệ số hiệu ứng hạn chế biến dạng, a = anas,
a) với tiết diện ngang hình chữ nhật:
| a = 1 - Sbi2/(6b0h0) | (5.16a) |
|
| (5.17a) |
trong đó:
n là tổng số thanh thép dọc được cố định theo phương nằm ngang bằng thép đai kín hoặc đai móc;
bi là khoảng cách giữa các thanh thép liền kề (xem Hình 5.7; đồng thời cho cả b0, h0, s).
b) Với các tiết diện ngang hình tròn có cốt đai và đường kính của lõi có cốt đai hạn chế biến dạng D0 (tính tới đường tâm của cốt đai):
| an = 1 | (5.16b) |
|
| (5.17b) |
c) Với tiết diện ngang hình tròn dùng cốt đai vòng xoắn ốc:
| an = 1 | (5.16c) |
|
| (5.17c) |

Hình 5.7 - Sự bó lõi bêtông
(9) Trong phạm vi vùng tới hạn tại chân cột kháng chấn chính giá trị tối thiểu của wwd cần lấy bằng 0,08.
(10P) Trong phạm vi các vùng tới hạn của những cột kháng chấn chính, cốt đai kín và đai móc có đường kính ít nhất là 6 mm, phải được bố trí với một khoảng cách sao cho bảo đảm độ dẻo kết cấu tối thiểu và ngăn ngừa sự mất ổn định cục bộ của các thanh thép dọc. Hình dạng đai phải sao cho tăng được khả năng chịu lực của tiết diện ngang do ảnh hưởng của ứng suất 3 chiều do các vòng đai này tạo ra.
(11) Những điều kiện tối thiểu của (10)P của mục này được xem như thỏa mãn nếu đáp ứng những điều kiện sau đây.
a) Khoảng cách s giữa các vòng đai (tính bằng mi li mét) không được vượt quá:
| s = min {b0/2; 175; 8dbL} | (5.18) |
trong đó:
b0 là kích thước tối thiểu của lõi bêtông (tính tới đường trục của cốt thép đai) (tính bằng mi li mét);
dbL là đường kính tối thiểu của các thanh cốt thép dọc (tính bằng mi li mét).
b) Khoảng cách giữa các thanh cốt thép dọc cạnh nhau được cố định bằng cốt đai kín và đai móc không được vượt quá 200 mm, tuân theo EN1992-1-1:2004, 9.5.3(6).
(12)P Cốt thép ngang trong phạm vi vùng tới hạn tại chân cột kháng chấn chính có thể được xác định theo quy định trong EN1992-1-1:2004, miễn là giá trị thiết kế của lực dọc qui đổi nhỏ hơn 0,2 trong tình huống thiết kế chịu động đất và giá trị của hệ số ứng xử q được sử dụng trong thiết kế không vượt quá 2,0.
5.4.3.3. Nút dầm - cột
(1) Cốt đai hạn chế biến dạng nằm ngang trong nút dầm-cột của dầm kháng chấn chính không nên nhỏ hơn cốt thép đã quy định trong 5.4.3.2.2(8) đến 5.4.3.2.2(11) đối với vùng tới hạn của cột, ngoài những quy định trong những trường hợp được liệt kê trong các điều sau đây:
(2) Nếu các dầm qui tụ từ 4 phía vào nút và chiều rộng của chúng ít nhất là bằng ba phần tư kích thước của cạnh cột song song với nó, thì khoảng cách giữa các cốt hạn chế biến dạng nằm ngang trong nút đó có thể được tăng lên 2 lần so với quy định trong (1) của điều này, nhưng có thể không được vượt quá 150 mm.
(3)P Ít nhất một thanh cốt thép trung gian (giữa các thanh ở góc cột) thẳng đứng phải được bố trí ở mỗi phía của nút dầm kháng chấn chính với cột.
5.4.3.4. Tường mềm
5.4.3.4.1. Khả năng chịu uốn và chịu cắt
(1)P Khả năng chịu uốn và cắt phải được tính toán phù hợp với EN 1992-1-1:2004, trừ khi được quy định khác đi trong các điểm sau đây khi sử dụng giá trị của lực dọc thu được từ phân tích trong tình huống thiết kế chịu động đất.
(2) Trong các tường kháng chấn chính, giá trị thiết kế của lực dọc qui đổi nd không được vượt quá 0,4.
(3)P Cốt thép thẳng đứng chịu cắt phải được kể đến trong tính toán khả năng chịu uốn của các tiết diện tường.
(4) Các tiết diện tường liên hợp cấu tạo từ các mảng hình chữ nhật nối hoặc giao nhau (L-, T-, U- I- hoặc tiết diện tương tự) cần được lấy như là tiết diện nguyên bao gồm một phần bụng hoặc các phần bụng song song hoặc gần song song với phương tác dụng của lực cắt do động đất và gồm một phần cánh hoặc các phần cánh vuông góc hoặc gần vuông góc với nó. Để tính toán khả năng chịu uốn, chiều rộng hữu hiệu phần cánh ở mỗi phía của phần bụng cần được lấy thêm từ mặt của phần bụng một đoạn tối thiểu bằng:
a) Chiều rộng thực tế của bản cánh;
b) Một nửa khoảng cách đến bản bụng liền kề của tường;
c) 25 % của tổng chiều cao tường phía trên cao trình đang xét.
5.4.3.4.2. Cấu tạo để đảm bảo độ dẻo kết cấu cục bộ
(1) Chiều cao của vùng tới hạn hcr phía trên chân tường có thể được ước tính như dưới đây:
| hcr = max[lw ; hw / 6] | (5.19a) |
nhưng:
|
|
với n ≤ 6 tầng | (5.19b) |
trong đó
hs là chiều cao thông thủy tầng trong đó chân tường được xác định tại cao trình mặt móng hoặc đỉnh của các tầng hầm có vách cứng và tường bao.
(2) Tại các vùng tới hạn của tường cần đảm bảo giá trị mf của hệ số dẻo kết cấu khi uốn, ít nhất cũng bằng hệ số dẻo kết cấu được tính toán từ các biểu thức (5.4), (5.5) trong mục 5.2.3.4(3) với giá trị cơ bản của hệ số ứng xử q0 trong các biểu thức này được thay thế bằng tích số của q0 với giá trị lớn nhất của tỷ số MEd/MRd tại chân đế của tường trong tình huống thiết kế chịu động đất, trong đó MEd là mômen uốn thiết kế lấy từ kết quả phân tích kết cấu và MRd là khả năng chịu uốn thiết kế.
(3) Trừ phi sử dụng phương pháp chính xác hơn để có thể đạt được giá trị của mf đã quy định trong (2) của điều này bằng cách bố trí cốt thép để hạn chế biến dạng phần bêtông trong phạm vi mặt bên của tiết diện ngang, được gọi là phần đầu tường, mà phạm vi của nó cần được xác định phù hợp với (6) của điều này. Lượng cốt thép để hạn chế biến dạng cần được xác định phù hợp với (4) và (5) của điều này.
(4) Với tường có tiết diện ngang hình chữ nhật, với giá trị của mf như đã quy định trong (2) của mục này, tỷ số wwd yêu cầu (xem ký hiệu như biểu thức (5.15)) của cốt thép để hạn chế biến dạng phần bêtông phần biên tường cần thỏa mãn biểu thức sau đây,
|
| (5.20) |
trong đó các tham số được xác định trong 5.4.3.2.2(8), trừ wn là tỷ số cơ học của cốt thép ngang đặt theo phương đứng (wn = rvfyd,v/fcd).
(5) Với tường có phần lồi hoặc phần cánh, hoặc có tiết diện bao gồm một số phần hình chữ nhật (tiết diện hình chữ T-, L-, I-, U, v.v...), tỷ số thể tích cơ học của cốt thép để bó phần bêtông trong các phần biên tường có thể được xác định như dưới đây:
a) Lực dọc NEd và tổng diện tích cốt thép thẳng đứng phần bụng Asv phải được chuẩn hóa theo hcbcfcd, với chiều rộng của phần lồi hoặc phần cánh trong vùng nén lấy như chiều rộng tiết diện ngang bc (nd = NEd / hcbcfcd, wn = (Asv/hcbc)/fyd/fcd). Chiều cao trục trung hòa xu tại độ cong cực hạn sau khi bong tách lớp bêtông bên ngoài lõi bị hạn chế biến dạng của phần biên tường có thể được ước tính bằng:
|
| (5.21) |
trong đó b0 là chiều rộng của lõi bị hạn chế biến dạng trong phần lồi hoặc phần cánh. Nếu giá trị của xu tính theo biểu thức (5.21) không vượt quá chiều cao của phần lồi hoặc phần cánh sau khi bong tách lớp bêtông bảo vệ, thì tỷ số wwd (xem ký hiệu như biểu thức (5.15)) của cốt thép hạn chế biến dạng trong phần ngang hoặc phần cánh được xác định như trong điểm a) của mục này (tức là từ biểu thức (5.20), 5.4.3.4.2(4)), với vd, wn, bc và b0 liên quan tới chiều rộng của phần ngang hoặc phần cánh.
b) Nếu giá trị của xu vượt quá chiều cao của phần lồi hoặc phần cánh không tính đến lớp bêtông bảo vệ, thì có thể sử dụng phương pháp tổng quát dựa vào:
- Cách xác định hệ số dẻo kết cấu khi uốn là mf = fu / fy,
- Lấy fu = ecu2,c / xu và fy = esy / (d - xy),
- Đảm bảo sự cân bằng tiết diện khi tính các chiều cao trục trung hòa xu và xy,
- Cường độ và biến dạng cực hạn của bêtông bị hạn chế biến dạng, fck,c và ecu2,c được cho trong EN 1992-1-1:2004, 3.1.9 dưới dạng một hàm của ứng suất hạn chế biến dạng ngang hữu hiệu.
Cốt thép yêu cầu để bó phần bêtông nếu cần thiết, và độ dài tường bị hạn chế biến dạng cần được tính toán theo cách tương ứng.
(6) Cốt thép để bó phần bêtông trong (3)-(5) của điều này cần mở rộng theo phương thẳng đứng quá chiều cao hcr của vùng tới hạn như đã định nghĩa trong 5.4.3.4 2(1) và kéo dài theo phương ngang một đoạn lc tính từ thớ chịu nén ở xa nhất của tường tới điểm mà ở đó bêtông không có cốt đai hạn chế biến dạng có thể bị bong tách do biến dạng nén lớn. Nếu không có số liệu chính xác hơn, biến dạng nén tại chỗ mà sự bong tách được dự tính xảy ra có thể lấy bằng ecu2 = 0,0035. Phần đầu tường bị hạn chế biến dạng có thể được giới hạn trong khoảng kể từ trục cốt đai gần với thớ chịu nén ngoài cùng là: xu (1 - ecu2/ ecu2,c), trong đó chiều cao của vùng nén có cốt đai hạn chế biến dạng xu tại độ cong cực hạn được tính toán từ sự cân bằng (theo biểu thức (5.21) với chiều rộng b0 không đổi của vùng nén bị hạn chế biến dạng) và biến dạng cực hạn ecu2,c của bêtông có cốt đai hạn chế biến dạng được ước tính theo EN 1992-1-1:2004, 3.1.9 dưới dạng ecu2,c = 0,0035 + 0,1awwd (Hình 5.8). Chiều dài lc của phần đầu tường bị hạn chế biến dạng không được lấy ở mức nhỏ hơn 0,15 lw hoặc 1,50 bw.

| a) Ứng suất ở trạng thái cực hạn khi uốn | b) Tiết diện ngang của tường |
Hình 5.8 - Các phần biên tường có cốt đai hạn chế biến dạng
(7) Không yêu cầu bố trí phần đầu tường có cốt đai hạn chế biến dạng vượt qua hai bên phần cánh tường có bề dày bf ≥ hs / 15 và chiều rộng lf ≥ hs / 5, trong đó hs là chiều cao thông thủy của tầng (Hình 5.9). Tuy nhiên, có thể cần bó phần đầu tường tại các đầu mút của phần cánh tường khi tường bị uốn ngoài mặt phẳng.
(8) Hàm lượng cốt thép dọc trong các phần biên tường không được nhỏ hơn 0,005.
(9) Những điều khoản của 5.4.3.2.2(9) và 5.4.3.4.2(11) áp dụng được trong phạm vi các phần biên của tường. Cần sử dụng thép đai kín chồng lên nhau một phần, sao cho mỗi một thanh thép dọc đều được cố định bằng một vòng đai kín hoặc đai móc.

Hình 5.9 - Phần biên tường không cần bó khi đầu mút tường có cánh nằm ngang rộng
(10) Bề dày bw của những phần bị hạn chế biến dạng của tiết diện tường (phần đầu tường) không được nhỏ hơn 200 mm. Hơn thế nữa, nếu chiều dài của phần bị hạn chế biến dạng không vượt quá giá trị lớn nhất của các giá trị 2bw và 0,2lw, thì bw không được nhỏ hơn hs/15, với hs là chiều cao tầng. Nếu chiều dài của phần bị hạn chế biến dạng vượt quá giá trị lớn nhất của các giá trị 2bw và 0,2lw, thì bw không được nhỏ hơn hs/10. (xem Hình 5.10).

Hình 5.10 - Bề dày tối thiểu của phần biên tường bị hạn chế biến dạng
(11) Trong phạm vi chiều cao của tường phía trên vùng tới hạn, chỉ áp dụng những quy tắc có liên quan của EN 1992-1-1:2004 về cốt thép đặt đứng, đặt nằm ngang và cốt thép ngang. Tuy nhiên ở những phần của tường nơi mà trong tình huống thiết kế chịu động đất, biến dạng nén ec vượt quá 0,002, thì cần bố trí một hàm lượng cốt thép thẳng đứng tối thiểu bằng 0,005.
(12) Cốt thép ngang của các phần biên tường nêu trong (4)-(10) của mục này có thể được xác định phù hợp với chỉ riêng EN 1992-1-1:2004, nếu một trong số những điều kiện sau đây được thực hiện:
a) Giá trị của lực dọc thiết kế qui đổi nd không lớn hơn 0,15;
b) Giá trị của nd không lớn hơn 0,20 và hệ số q được sử dụng trong phân tích được giảm bớt 15 %.
5.4.3.5. Tường kích thước lớn ít cốt thép
5.4.3.5.1. Khả năng chịu uốn
(1)P Trạng thái cực hạn khi uốn có lực dọc phải được kiểm tra với giả thiết có nứt ngang, theo các điều khoản có liên quan của EN 1992-1-1:2004, có kể đến giả thiết tiết diện phẳng.
(2)P Ứng suất pháp trong bêtông phải được hạn chế để ngăn ngừa sự mất ổn định ngoài mặt phẳng của tường.
(3) Yêu cầu của (2)P trong mục này có thể được thỏa mãn trên cơ sở của những quy tắc của EN 1992-1-1:2004 đối với những hiệu ứng bậc hai, được bổ sung bởi các quy tắc khác đối với ứng suất pháp trong bêtông nếu cần thiết.
(4) Khi lực động dọc trục theo 5.4.2.5(3)P và 5.4.2.5(4) được đưa vào tính toán khi kiểm tra trạng thái cực hạn theo khả năng chịu uốn cùng với lực dọc trục, biến dạng giới hạn ecu,2c đối với bêtông không có cốt hạn chế biến dạng có thể được tăng lên thành 0,005. Có thể lấy giá trị cao hơn để tính toán cho bêtông có cốt đai hạn chế biến dạng phù hợp với EN 1992-1-1:2004, 3.19, miễn là sự bong tách lớp bêtông bảo vệ không có cốt đai hạn chế biến dạng được kể đến trong quá trình kiểm tra như trên.
5.4.3.5.2. Khả năng chịu cắt
(1) Do mức độ an toàn được dư ra bởi lực cắt thiết kế được lấy tăng lên theo 5.4.2.5(1)P và 5.4.2.5(2) và do sự phản ứng (kể cả khả năng xảy ra nứt nghiêng) được kiểm soát bằng biến dạng, cho nên tại những chỗ mà giá trị của VEd từ 5.4.2.5(2) nhỏ hơn giá trị thiểt kế của khả năng chịu cắt VRd,c theo EN 1992-1-1:2004, 6.2.2, thì không yêu cầu hàm lượng cốt thép chịu cắt tối thiểu rw,min trong phần bụng.
CHÚ THÍCH: Giá trị của rw,min kiến nghị lấy bằng giá trị tối thiểu đối với tường theo EN 1992-1-1:2004.
(2) Khi không thỏa mãn điều kiện VEd ≤ VRd,c, cốt thép chịu cắt phần bụng cần được tính toán theo EN 1992-1-1:2004, trên cơ sở của mô hình giàn có góc nghiêng thay đổi, hoặc một mô hình thanh chống và thanh giằng, tùy theo mô hình nào phù hợp nhất với kích thước hình học cụ thể của tường.
(3) Nếu sử dụng mô hình thanh chống và thanh giằng thì chiều rộng của thanh chống cần tính đến cả sự có mặt của lỗ mở và không được vượt quá giá trị nhỏ hơn trong hai giá trị 0,25lw và 4bw0.
(4) Trạng thái cực hạn trượt do cắt tại các mối nối thi công nằm ngang cần được kiểm tra theo EN 1992-1-1:2004, 6.2.5, với chiều dài neo của các thanh xuyên ngang qua bề mặt giữa hai phần nối được tăng lên 50 % so với chiều dài neo yêu cầu bởi EN 1992-1-1:2004.
5.4.3.5.3. Cấu tạo để đảm bảo độ dẻo kết cấu cục bộ
(1) Các thanh thép thẳng đứng cần phải được kiểm tra theo trạng thái cực hạn chịu uốn có lực dọc trục, hoặc kiểm tra việc thỏa mãn mọi điều khoản về cốt thép tối thiểu, cần được cố định bởi cốt đai kín và đai móc có đường kính không nhỏ hơn 6mm hoặc một phần ba đường kính thanh thép thẳng đứng dbL. Cốt đai kín và đai móc cần đặt cách nhau theo chiều đứng một khoảng không vượt quá giá trị nhỏ hơn trong hai giá trị 100 mm và 8dbL.
(2) Thanh thép thẳng đứng phải được kiểm tra theo trạng thái cực hạn khi uốn cùng với lực dọc trục, và được giữ hai bên bởi thép đai kín và đai móc theo điểm (1) của điều này, cần được tập trung trong phần biên tường tại các đầu mút của tiết diện ngang. Các phần biên tường này cần kéo rộng ra theo chiều lw của tường một khoảng không nhỏ hơn giá trị nhỏ hơn trong hai giá trị là bw và 3bwscm/fcd, trong đó scm là giá trị trung bình của ứng suất bêtông vùng nén ở trạng thái cực hạn khi uốn cùng với lực dọc trục. Đường kính của các thanh thẳng đứng này không được nhỏ hơn 12 mm trong tầng thấp hơn của nhà, hoặc ở tầng bất kỳ có chiều dài lw của bức tường được giảm xuống thấp hơn chiều dài của tầng phía dưới một lượng lớn hơn một phần ba của chiều cao tầng hs. Trong tất cả các tầng khác, đường kính thanh thép thẳng đứng không được nhỏ hơn 10 mm.
(3) Để tránh sự thay đổi từ kiểu làm việc chịu uốn sang kiểu làm việc chịu cắt, hàm lượng cốt thép thẳng đứng được bố trí trong tiết diện tường không nên vượt quá một cách không cần thiết hàm lượng cốt thép yêu cầu khi kiểm tra theo trạng thái cực hạn khi uốn có lực dọc trục và hàm lượng cốt thép yêu cầu để đảm bảo sự nguyên vẹn của bêtông.
(4) Thanh giằng thép nằm ngang hoặc thẳng đứng, cần được bố trí liên tục: (a) dọc theo tất cả các chỗ giao nhau của các bức tường hoặc tại vị trí liên kết với phần cánh; (b) tại tất cả các cao trình sàn; và (c) xung quanh lỗ mở trên tường. Các thanh giằng thép này tối thiểu cũng cần thỏa mãn EN 1992-1-1:2004, 9.10.
5.5. Thiết kế cho trường hợp cấp dẻo kết cấu cao
5.5.1. Vật liệu và kích thước hình học
5.5.1.1. Yêu cầu về vật liệu
(1)P Không được sử dụng bêtông có cấp độ bền thấp hơn C20/25 trong các cấu kiện kháng chấn chính.
(2)P Các yêu cầu quy định trong 5.4.1.1(2)P được áp dụng cho điều này.
(3)P Trong vùng tới hạn của các cấu kiện kháng chấn chính, phải sử dụng loại thép C trong Bảng C.1 của EN 1992-1-1:2004. Ngoài ra, giá trị của giới hạn chảy thực tế fyk,0,95 không được vượt quá 25 % giá trị danh nghĩa.
5.5.1.2. Kích thước hình học
5.5.1.2.1. Dầm
(1)P Chiều rộng của dầm kháng chấn chính không được nhỏ hơn 200 mm.
(2)P Tỷ số giữa chiều rộng và chiều cao bụng dầm kháng chấn chính phải thỏa mãn biểu thức (5.40b) của EN 1992-1-1:2004.
(3)P Áp dụng 5.4.1.2.1(1)P.
(4) Áp dụng 5.4.1.2.1(2).
(5)P Áp dụng 5.4.1.2.1(3).
5.5.1.2.2. Cột
(1)P Kích thước tối thiểu của tiết diện ngang cột kháng chấn chính không được nhỏ hơn 250 mm.
(2) Áp dụng 5.4.1.2.2(1).
5.5.1.2.3. Tường có tính dẻo kết cấu
(1)P Những điều này áp dụng cho tường kháng chấn chính là tường đơn, cũng như cho các bộ phận của hệ tường kháng chấn chính là tường kép chịu những hệ quả tác động trong mặt phẳng, được ngàm và neo chắc chắn tại chân của chúng với tầng hầm và móng đủ để tường không bị lắc. Để đạt được điều đó, không cho phép dùng sàn hoặc dầm để đỡ tường (xem thêm 5.4.1.2.5).
(2) Áp dụng 5.4.12.3(1).
(3) Các yêu cầu bổ sung đối với chiều dày của các phần biên tường bị hạn chế biến dạng của tường kháng chấn chính được quy định trong 5.5.3.4.5(8) và (9).
(4) Các tường kháng chấn chính là tường kép, cần tránh bố trí những lỗ mở không đều đặn, trừ khi ảnh hưởng của chúng không đáng kể, hoặc đã được kể đến trong tính toán, lựa chọn kích thước và cấu tạo.
5.5.1.2.4. Những quy tắc cụ thể đối với dầm đỡ cấu kiện thẳng đứng không liên tục
(1)P Áp dụng 5.4.1.2.5(1)P.
(2)P Áp dụng 5.4.1.2.5(2)P.
5.5.2. Hệ quả tác động thiết kế
5.5.2.1. Dầm
(1)P Áp dụng 5.4.2.1(1 )P cho các giá trị thiết kế của mômen uốn và lực dọc trục.
(2)P Áp dụng 5.4.2.2(1)P.
(3) Áp dụng 5.4.2.2(2) với giá trị gRd = 1,2 trong biểu thức (5.8).
5.5.2.2. Cột
(1) Điều 5.4.2.1(1)P (nội dung liên quan đến những yêu cầu thiết kế theo khả năng chịu lực và tiêu tán năng lượng trong 5.2.3.3(2)) áp dụng cho các giá trị thiết kế của mômen uốn và lực dọc trục.
(2)P Áp dụng 5.4 2.3(1)P.
(3) 5.4.2.3(2)P áp dụng với giá trị của gRd = 1,3 trong biểu thức (5.9).
(4) Áp dụng 5.4.2.3(3)P.
5.5.2.3. Nút dầm-cột
(1)P Lực cắt theo phương ngang tác dụng vào lõi của nút giữa dầm kháng chấn chính và cột phải được xác định có kể đến điều kiện bất lợi nhất dưới tác động động đất, tức là điều kiện thiết kế theo khả năng chịu lực và tiêu tán năng lượng đối với dầm qui tụ vào nút khung và các giá trị tương thích thấp nhất của lực cắt trong cấu kiện khác của khung.
(2) Các biểu thức đơn giản đối với lực cắt theo phương ngang tác dụng vào lõi bêtông của các nút có thể được xác định như sau:
a) với nút dầm - cột trong:
| Vjhd = gRd (As1 + As2) fyd - VC | (5.22) |
b) với nút dầm - cột biên:
| Vjhd = gRd As1 fyd - VC | (5.23) |
trong đó:
As1 là diện tích tiết diện cốt thép trên của dầm;
As2 là diện tích tiết diện cốt thép đáy của dầm;
VC là lực cắt trong cột tại vị trí nằm trên nút được xác định từ tính toán phân tích trong tình huống thiết kế chịu động đất;
gRd là hệ số kể đến sự tăng cường độ do biến cứng của cốt thép, nó không được lấy nhỏ hơn 1,2.
(3) Lực cắt tác dụng vào nút phải tương ứng với hướng bất lợi nhất của tác động động đất có ảnh hưởng tới các giá trị As1, As2 và VC được sử dụng trong các biểu thức (5.22) và (5.23).
5.5.2.4. Tường có tính dẻo kết cấu
5.5.2.4.1. Yêu cầu đặc biệt đối với tường mảnh trong mặt phẳng
(1)P Áp dụng 5.4.2.4(1)P.
(2) Áp dụng 5.4 2.4(2).
(3) Áp dụng 5.4.2.4(3).
(4)P Áp dụng 5.4.2.4(4)P.
(5) Áp dụng 5.4.2.4(5).
(6)P Áp dụng 5.4.2.4(6)P.
(7) Yêu cầu (6)P được xem là thỏa mãn nếu áp dụng quy trình đơn giản hóa sau, bao gồm quy tắc thiết kế theo khả năng chịu lực và tiêu tán năng lượng:
Lực cắt thiết kế VEd cần được xác định từ biểu thức:
| VEd = e V'Ed | (5.24) |
trong đó:
V'Ed là lực cắt xác định được từ tính toán kết cấu;
e là hệ số khuếch đại, được tính từ biểu thức (5.25), nhưng không nhỏ hơn 1,5:
|
| (5.25) |
trong đó:
q là hệ số ứng xử được sử dụng trong thiết kế;
MEd là mômen uốn thiết kế tại chân tường;
MRd là khả năng chịu uốn thiết kế tại chân tường;
gRd là hệ số kể đến sự tăng cường độ của thép do biến cứng; khi không có những dữ liệu chính xác hơn, gRd có thể lấy bằng 1,2;
T1 là chu kỳ dao động cơ bản của nhà theo phương lực cắt VEd;
TC là giới hạn trên của chu kỳ, ứng với đoạn nằm ngang của đường phổ phản ứng gia tốc (xem 3.2.2);
Se(T) là tung độ của phổ phản ứng đàn hồi (xem 3.2.2).
(8) Những yêu cầu nêu trong 5.4.2.4(8) được áp dụng cho tường mảnh có cấp dẻo kết cấu cao.
5.5.2.4.2. Những yêu cầu đặc biệt đối với tường dày và thấp
(1)P Đối với tường kháng chấn chính có tỷ số giữa chiều cao và chiều dài hw/lw không lớn hơn 2,0, không cần điều chỉnh mômen uốn thu được từ phân tích kết cấu. Sự khuếch đại lực cắt do ảnh hưởng động cũng có thể bỏ qua.
(2) Lực cắt V'Ed thu được từ tính toán cần được tăng lên như sau:
| VEd = gRd (MRd/MEd) V'Ed ≤ q V'Ed | (5.26) |
(định nghĩa và giá trị của các biến số xem 5.5.2.4.1(7)).
5.5.3. Kiểm tra theo trạng thái cực hạn và cấu tạo
5.5.3.1. Dầm
5.5.3.1.1. Khả năng chịu uốn
(1)P Khả năng chịu uốn phải được tính toán phù hợp với EN 1992-1-1:2004.
(2) Áp dụng 5.4.3.1.1(2);
(3) Áp dụng 5.4.3.1.1(3).
5.5.3.1.2. Khả năng chịu cắt
(1)P Việc tính toán và kiểm tra khả năng chịu cắt phải được thực hiện phù hợp với EN 1992-1- 1:2004, ngoại trừ các quy định khác nêu dưới đây.
(2)P Trong những vùng tới hạn của dầm kháng chấn chính, góc nghiêng của thanh xiên q trong mô hình giàn phải là 45°.
(3) Về việc bố trí cốt thép chịu cắt trong phạm vi vùng tới hạn tại một đầu mút của dầm kháng chấn chính nơi dầm được liên kết vào khung, cần phân biệt các trường hợp sau đây tùy theo giá trị đại số của tỷ số z = VEd,min/VEd,max giữa các giá trị nhỏ nhất và lớn nhất của lực cắt tác dụng theo 5.5.2.1(3).
a) Nếu z ≥ -0,5, khả năng chịu cắt nhờ có cốt thép cần được tính toán phù hợp với EN 1992-1-1:2004.
b) Nếu z < -0,5, tức là khi các lực cắt dự kiến gần như hoàn toàn ngược chiều, thì:
| i) nếu |
| (5.27) |
trong đó fctd là cường độ chịu kéo thiết kế của bêtông theo EN 1992-1-1:2004, thì áp dụng quy tắc tương tự như trong mục a).
ii) nếu
vượt quá giá trị giới hạn trong biểu thức (5.27), thì cần bố trí cốt thép xiên theo hai phương nghiêng một góc ±450 so với trục dầm hoặc dọc theo hai đường chéo của dầm đó theo chiều cao, và một nửa của cần được đảm bảo bởi các cốt thép đai và một nửa bởi cốt thép xiên.
Trong trường hợp đó, việc kiểm tra được thực hiện theo điều kiện:
| 0,5 VEmax ≤ 2 As fyd sina | (5.28) |
trong đó:
As là diện tích cốt thép xiên theo một phương, cắt ngang qua mặt phẳng trượt có thể có (tức là tiết diện tại mút dầm);
a là góc giữa cốt thép xiên và trục dầm (thông thường thì a = 45°, hoặc tga » (d - d')/lb).
5.5.3.1.3. Cấu tạo đảm bảo độ dẻo kết cấu cục bộ
(1)P Trong dầm kháng chấn chính, các vùng tới hạn có chiều dài lcr = 1,5 hw (trong đó hw là chiều cao dầm) tính từ tiết diện ngang tại đầu mút dầm qui tụ vào nút dầm-cột, cũng như tính từ cả hai phía của tiết diện ngang bất kỳ mà ở đó có thể có chảy dẻo trong tình huống thiết kế chịu động đất, phải được xem là các vùng tới hạn.
(2) Áp dụng 5.4.3.1.2(2).
(3)P Áp dụng 5.4.3.1.2(3).
(4) Áp dụng 5.4.3.1.2(4).
(5)P Để thỏa mãn các điều kiện dẻo kết cấu cần thiết, các điều kiện sau đây phải được thỏa mãn dọc suốt toàn bộ chiều dài của dầm kháng chấn chính:
a) 5.4.3.1.2(5)P phải được thỏa mãn;
b) ít nhất phải bố trí hai thanh có bám dính tốt với db = 14 mm ở cả phần mặt trên và đáy dầm liên tục dọc suốt toàn bộ chiều dài dầm.
c) 1/4 diện tích tiết diện cốt thép lớn nhất phía trên tại các gối phải chạy dọc suốt chiều dài dầm.
(6)P Áp dụng 5.4.3.1.2(6)P với biểu thức (5.13) được thay thế bởi:
| s = min {hw/4; 24dbw; 175; 6dbL} | (5.29) |
5.5.3.2. Cột
5.5.3.2.1. Khả năng chịu lực
(1)P Áp dụng 5.4.3.2.1(1)P.
(2) Áp dụng 5.4.3.2.1(2).
(3)P Trong các cột kháng chấn chính, giá trị thiết kế của lực dọc qui đổi nd không được vượt quá 0,55.
5.5.3.2.2. Cấu tạo để đảm bảo độ dẻo kết cấu cục bộ
(1)P Áp dụng 5.4.3.2.2(1)P.
(2)P Áp dụng 5.4.3.2.2(2)P.
(3)P Áp dụng 5.4.3.2.2(3)P.
(4) Khi không có những thông tin chính xác hơn, chiều dài vùng tới hạn lcr có thể được tính như sau (tính bằng mét):
| lcr = max {1,5hc; lcl / 6; 0,6} | (5.30) |
trong đó:
hc là kích thước cạnh lớn nhất của tiết diện ngang của cột (tính bằng m);
lcl là chiều dài thông thủy của cột (tính bằng mét).
(5)P Áp dụng 5.4.3.2.2(5)P.
(6)P Áp dụng 5.4.3.2.2(6)P.
(7) Cấu tạo của các vùng tới hạn phía trên chân cột cần dựa trên giá trị nhỏ nhất của hệ số dẻo kết cấu khi uốn mf (xem 5.2.3.4) suy ra từ 5.2.3.4(3). Khi mà cột được đảm bảo tránh sự hình thành khớp dẻo bằng cách tuân thủ quy trình thiết kế theo khả năng chịu lực và tiêu tán năng lượng theo 4.4.2.3(4) (tức là khi biểu thức (4.29) được thỏa mãn), thì giá trị q0 trong các biểu thức (5.4) và (5.5) có thể được thay thế bởi 2/3 giá trị q0 theo một phương song song với chiều cao tiết diện ngang hc của cột.
(8)P Áp dụng 5.4.3.2.2(7)P.
(9) Những yêu cầu của (6)P, (7)P và (8)P trong điều này được xem như thỏa mãn nếu 5.4.3.2.2(8) được thỏa mãn với các giá trị của mf đã quy định trong (6)P và (7) trong điều này.
(10) Giá trị nhỏ nhất của wwd được lấy là 0,12 trong phạm vi vùng tới hạn tại chân cột, hoặc 0,08 trong tất cả các vùng tới hạn phía trên chân cột.
(11)P Áp dụng 5.4.3.2.2(10)P.
(12) Các điều kiện tối thiểu của (11)P trong điều này được xem là thỏa mãn nếu tất cả các yêu cầu dưới đây được thỏa mãn:
a) Đường kính dbw của các cốt thép đai kín ít nhất phải bằng:
|
| (5.31) |
b) Khoảng cách cốt thép đai kín (tính bằng mm) không vượt quá:
| s = min {b0/3; 125; 6dbL} | (5.32) |
trong đó:
b0 là kích thước nhỏ nhất của lõi bêtông (tính tới bề mặt trong của cốt thép đai), tính bằng mi li mét;
dbL là đường kính nhỏ nhất của các thanh cốt thép dọc, tính bằng mi li mét.
c) Khoảng cách giữa các thanh cốt thép dọc cạnh nhau được giữ chặt bởi cốt đai kín và đai móc không được vượt quá 150 mm.
(13)P Ở hai tầng dưới cùng của nhà, cốt đai kín lấy theo (11)P và (12) trong điều này phải được bố trí vượt qua các vùng tới hạn thêm một khoảng bằng một nửa chiều dài của các vùng tới hạn này.
(14) Hàm lượng cốt thép dọc được bố trí tại chân cột tầng dưới cùng (tức là tại vị trí cột được liên kết với móng) không được nhỏ hơn hàm lượng cốt thép được bố trí tại đỉnh cột cùng tầng.
5.5.3.3. Nút dầm-cột
(1)P Ứng suất nén xiên sinh ra trong nút bởi cơ cấu thanh chéo không được vượt quá cường độ chịu nén của bêtông khi có các biến dạng do kéo ngang.
(2) Khi không có mô hình tính toán chính xác hơn, yêu cầu (1)P trong điều này có thể được thỏa mãn bằng cách tuân theo những quy tắc sau:
a) Tại nút dầm - cột trong, biểu thức sau đây phải được thỏa mãn:
|
| (5.33) |
trong đó:
h = 0,6(1 - fck/250)
hjc là khoảng cách giữa các lớp thép ngoài cùng của cột;
bj là xác định theo biểu thức (84);
nd là lực đọc thiết kế qui đổi của cột ở phía trên nút;
fcd tính bằng Mêga Pascal.
b) Tại nút dầm-cột biên:
Vjhd phải nhỏ hơn 80 % giá trị ở vế phải của biểu thức (5.33) trong đó:
Vjhd tính được từ các biểu thức (5.22) và (5.23) tương ứng.
và chiều rộng hữu hiệu bj của nút bằng:
| a) | nếu bc > bw: bj = min{bc; (bw + 0,5hc)} | (5.34a) |
| b) | nếu bc < bw: bj = min{bw; (bc + 0,5hc)} | (5.34b) |
(3) Các nút phải bị hạn chế biến dạng một cách tương xứng (theo cả phương ngang và phương đứng) để hạn chế ứng suất kéo xiên lớn nhất của bêtông sct xuống bằng fctd. Khi không có mô hình tính toán chính xác hơn, yêu cầu này có thể được thỏa mãn bằng cách bố trí cốt thép đai kín nằm ngang có đường kính không nhỏ hơn 6 mm trong phạm vi nút sao cho:
|
| (5.35) |
trong đó:
Ash là tổng diện tích tiết diện cốt đai kín nằm ngang;
Vjhd là xem định nghĩa trong các biểu thức (5.23) và (5.24);
hjw là khoảng cách từ mặt dầm tới cốt thép đáy dầm;
hjc là khoảng cách giữa các lớp cốt thép ngoài cùng của cột;
bj là xem định nghĩa trong biểu thức (5.34);
nd là lực dọc thiết kế qui đổi của cột (nd = NEd/Acfcd);
fcd là giá trị thiết kế của cường độ chịu kéo của bêtông theo EN 1992-1-1:2004.
(4) Một quy tắc khác thay cho quy tắc đã cho trong 5.5.3.3 3 là sự toàn vẹn của nút sau khi hình thành vết nứt xiên có thể được bảo đảm bằng cốt đai kín nằm ngang. Với mục đích đó, tổng diện tích tiết diện cốt đai kín nằm ngang sau đây phải được bố trí trong nút:
a) trong các nút dầm-cột trong:
| Ashfywd ≥ gRd.(As1 + As2).fyd.(1 - 0,8 nd) | (5.36a) |
b)trong các nút dầm-cột biên:
| Ashfywd ≥ gRd.As2.fyd.(1 - 0,8 nd) | (5.36b) |
trong đó gRd lấy bằng 1,2 (xem 5.5.2.3(2)) và nd là giá trị thiết kế của lực dọc qui đổi trong cột ở phía trên nút trong biểu thức (5.36a), hoặc của cột phía dưới nút trong biểu thức (5.36b).
(5) Các cốt thép đai kín nằm ngang được tính toán như trong (3) và (4) của điều này phải được bố trí đều trong phạm vi chiều cao hjw giữa các thanh cốt thép phía mặt trên và đáy dầm. Trong các nút biên, chúng phải bao kín các đầu mút của các thanh cốt thép dầm được uốn vào nút.
(6) Cốt thép dọc của cột kéo qua nút cần được bố trí sao cho:
|
| (5.37) |
trong đó Ash là tổng diện tích tiết diện yêu cầu của cốt đai kín nằm ngang phù hợp với (3) và (4) của điều này và Asv,i là tổng diện tích tiết diện của các thanh cốt thép trung gian được đặt ở phía các bề mặt cột tương ứng, giữa các thanh cốt thép ở góc cột (kể cả các thanh cốt thép bổ sung cho cốt thép dọc của cột).
(7) Áp dụng 5.4.3.3(1);
(8) Áp dụng 5.4.3.3(2);
(9)P Áp dụng 5.4.3.3(3)P;
5.5.3.4. Tường có tính dẻo kết cấu
5.5.3.4.1. Khả năng chịu uốn
(1)P Khả năng chịu uốn phải được tính toán và kiểm tra (như đối với cột) chịu lực dọc bất lợi nhất trong tình huống thiết kế chịu động đất.
(2) Trong tường kháng chấn chính, giá trị thiết kế của lực dọc qui đổi nd không được vượt quá 0,35.
5.5.3.4.2. Sự phá hoại nén xiên của bụng tường do cắt
(1) Giá trị của VRd,max có thể được tính như sau:
a) ở ngoài vùng tới hạn:
như trong EN 1992-1-1:2004, với chiều dài của cánh tay đòn z lấy bằng 0,8lw và độ nghiêng của thanh xiên chịu nén so với phương thẳng đứng, tính bằng tgq, là bằng 1,0.
b) trong vùng tới hạn:
40 % của giá trị ở ngoài vùng tới hạn.
5.5.3.4.3. Sự phá hoại kéo theo đường chéo của bụng tường do cắt
(1)P Việc tính toán cốt thép phần bụng tường khi kiểm tra theo trạng thái cực hạn khi chịu cắt phải kể đến giá trị của tỷ số as = MEd/(VEd.lw). Cần sử dụng giá trị lớn nhất của as trong một tầng để kiểm tra chịu cắt của tầng đó theo trạng thái cực hạn.
(2) Nếu tỷ số as ≥ 2,0, những điều trong EN 1992-1-1:2004 6.2.3(1)-(7) được áp dụng với các giá trị của z và tgq lấy như trong 5.5.3.4.2(1) a).
(3) Nếu as < 2,0, những điều sau đây được áp dụng:
a) Các thanh cốt thép nằm ngang của phần bụng phải thỏa mãn biểu thức sau (xem EN 1992-1- 1:2004, 6.2.3(8)):
| VEd ≤ VRd,c + 0,75rn fyd,h bw0as lw | (5.38) |
trong đó:
rn là hàm lượng cốt thép nằm ngang của phần bụng tường (rn = A0/(bw0 x sh));
fyd,h là giá trị thiết kế của cường độ chảy của cốt thép nằm ngang của phần bụng tường;
VRd,c là giá trị thiết kế của khả năng chịu cắt đối với cấu kiện không đặt cốt thép chịu cắt, phù hợp với EN 1992-1-1:2004.
Trong vùng tới hạn của tường, VRd,c cần lấy bằng 0 nếu lực dọc NEd là lực kéo.
b) Các thanh cốt thép thẳng đứng của phần bụng tường được neo và nối dọc theo chiều cao của tường theo EN 1992-1-1:2004, phải được bố trí thỏa mãn điều kiện:
| rn fyd,h bw0 z ≤ rv fyd,v bw0 z + min NEd | (5.39) |
trong đó:
rv là hàm lượng cốt thép thẳng đứng của phần bụng tường (rv = Av/bw0.sv);
fyd,v là giá trị thiết kế của cường độ chảy của cốt thép thẳng đứng của phần bụng;
và coi lực dọc NEd là dương khi là lực nén.
(4) Cốt thép nằm ngang của phần bụng tường phải được neo chắc chắn tại các tiết diện đầu mút
của tường, ví dụ uốn móc ở đầu với góc 90° hoặc 135°.
(5) Cốt thép nằm ngang của phần bụng tường dưới dạng cốt thép đai kín hoặc được neo chắc chắn cũng có thể được coi là tham gia toàn phần việc bỏ các phần biên tường.
5.5.3.4.4. Sự phá hoại trượt do cắt
(1)P Tại các mặt phẳng có khả năng phá hoại trượt do cắt (ví dụ, tại các mối nối thi công/mạch ngừng) trong phạm vi vùng tới hạn, điều kiện sau phải được thỏa mãn:
VEd ≤ VRd,s
trong đó:
VRd,s là giá trị thiết kế của khả năng chịu cắt chống trượt
(2) Giá trị của VRd,s có thể được xác định như sau:

Vfd là khả năng chịu ma sát;trong đó:
Vdd là khả năng chịu lực kiểu chốt của các thanh cốt thép thẳng đứng;
Vid là khả năng chịu cắt của các thanh cốt thép xiên (với góc nghiêng j so với mặt phẳng có khả năng trượt, ví dụ như mối nối thi công);
mf là hệ số ma sát giữa bêtông với bêtông khi chịu tác động lặp theo chu kỳ, có thể lấy bằng 0,6 đối với bề mặt bêtông phẳng nhẵn, lấy bằng 0,7 đối với bề mặt bêtông gồ ghề, như đã được xác định trong EN 1992-1-1:2004, 6.2.5(2);
z là chiều dài cánh tay đòn của nội lực;
x là chiều cao tương đối vùng nén;
SAsj là tổng diện tích tiết diện của các thanh cốt thép thẳng đứng của phần bụng tường hoặc của các thanh cốt thép bổ sung được bố trí trong các phần đầu tường để chịu lực cắt chống trượt;
SAsi là tổng diện tích tiết diện của các thanh cốt thép xiên theo cả hai phương; kiến nghị sử dụng các thanh có đường kính lớn;
| h = 0,6(1 - fck/250) | (5.44) |
NEd được coi là dương khi nén;
fck tính bằng mega pascan (MPa).
(3) Đối với tường thấp và dày phải thỏa mãn điều kiện sau:
a) tại chân tường Vid phải lớn hơn VEd/2;
b) tại các mức cao hơn, Vid phải lớn hơn VEd/4;
(4) Các thanh cốt thép xiên cần được neo chắc chắn ở cả hai phía của bề mặt trượt có thể có và phải cắt ngang qua tất cả các tiết diện của tường phía trên tiết diện tới hạn một khoảng bằng giá trị nhỏ hơn trong hai giá trị 0,5lw và 0,5hw.
(5) Các thanh cốt thép xiên làm tăng khả năng chịu uốn tại chân tường. Sự tăng khả năng chịu uốn này cần được kể đến trong tính toán khi có lực cắt VEd tác dụng. Các thanh cốt xiên đó được tính toán theo quy tắc thiết kế theo khả năng chịu lực và tiêu tán năng lượng (xem 5.5.2.4.1(6)P, 5.5.2.4.1(7) và 5.5.2.4.2(2)). Hai phương pháp sau đây có thể được sử dụng.
a) Độ tăng khả năng chịu uốn nói trên DMRd sử dụng trong tính toán VEd có thể được tính gần đúng bằng:
| DMRd = 1/2 SAsi fyd (sinj) li | (5.45) |
trong đó:
li là khoảng cách giữa các tâm của hai lớp thanh cốt thép xiên, được đặt nghiêng một góc bằng ±j so với mặt phẳng có khả năng trượt, được đo tại tiết diện chân tường;
Các ký hiệu khác giống các ký hiệu trong biểu thức (5.42).
b) Khi tính toán lực cắt tác dụng VEd có thể bỏ qua ảnh hưởng của các thanh cốt thép xiên. Trong biểu thức (5.42) Vid chính là khả năng chịu cắt thực của các thanh cốt thép xiên này (tức là khả năng chịu cắt thực tế bị giảm xuống do lực cắt tác dụng tăng). Khả năng chịu cắt thực của các thanh cốt thép xiên chịu trượt có thể được tính gần đúng bằng:
|
| (5.46) |
5.5.3.4.5. Cấu tạo đảm bảo yêu cầu dẻo cục bộ
(1) Áp dụng 5.4.3.2(1).
(2) Áp dụng 5.4.3.2(2).
(3) Áp dụng 5.4.3.2(3).
(4) Áp dụng 5.4.3.2(4).
(5) Áp dụng 5.4.3.2(5).
(6) Áp dụng 5.4.3.2(6).
(7) Áp dụng 5.4.3.2(8).
(8) Áp dụng 5.4.3.2(10).
(9) Nếu tường được nối với cánh tường có bề dày bf ≥ hs/15 và chiều rộng lf ≥ hs/5 (trong đó hs là chiều cao thông thủy của một tầng), và phần đầu tường bị hạn chế biến dạng phải kéo sang phần bụng một khoảng tới 3bwo tính từ mép cánh, thì bề dày bw của đoạn tường bị hạn chế biến dạng đó ở phần bụng chỉ cần tuân theo 5.4.1.2.3(1) đối với bw0 (Hình 5.11).

Hình 5.11 - Bề dày tối thiểu của phần đầu tường bị hạn chế biến dạng đối với tường có cấp dẻo kết cấu cao có cánh lớn
(10) Trong phạm vi các phần đầu tường, những yêu cầu đã quy định trong 5.5.3.2.2(12) được áp dụng và giá trị tối thiểu của wwd lấy bằng 0,12. Phải sử dụng cốt đai kín chồng lên nhau để mỗi một thanh cốt thép dọc khác đều được cố định bằng cốt thép đai kín hoặc đai móc.
(11) Phía trên vùng tới hạn cần bố trí các phần biên tường bị hạn chế biến dạng cho thêm một tầng nữa, với ít nhất là một nửa cốt thép bó yêu cầu trong vùng tới hạn.
(12) Áp dụng 5.4.3.4.2(11).
(13)P Để tránh hiện tượng bụng tường nứt sớm do lực cắt, phải bố trí một lượng cốt thép tối thiểu ở phần bụng là: rn,min= rv,min = 0,002.
(14) Cốt thép ở phần bụng này phải được bố trí dưới dạng hai lưới với các thanh có cùng các đặc trưng bám dính, mỗi lưới được bố trí ở một mặt tường. Các lưới này được liên kết với nhau bằng các thanh đai móc đặt cách nhau khoảng 500 mm.
(15) Cốt thép ở phần bụng phải có đường kính không nhỏ hơn 8 mm nhưng không lớn hơn 1/8 chiều rộng bw0 của phần bụng. Cốt thép này phải được đặt cách nhau với khoảng cách không quá giá trị nhỏ hơn trong 2 giá trị 250 mm và 25 lần đường kính thanh cốt thép.
(16) Để khử những ảnh hưởng bất lợi do nứt dọc theo mạch ngừng và yếu tố bất thường có liên quan, một lượng cốt thép đứng tối thiểu được neo chắc chắn cần phải bố trí cắt ngang qua các mạch ngừng đó. Hàm lượng tối thiểu của cốt thép này, rmin, là rất cần thiết để khôi phục khả năng chịu cắt của bêtông khi chưa bị nứt:
|
| (5.47) |
trong đó:
Aw là tổng diện tích tiết diện chiếu lên mặt ngang của tường và NEd coi là dương khi là lực nén.
5.5.3.5. Cấu kiện liên kết của hệ tường kép
(1)P Việc liên kết các tường với nhau bằng bản sàn không được kể đến trong tính toán vì nó không hiệu quả.
(2) Những điều trong 5.5.3.1 chỉ có thể áp dụng cho dầm liên kết, nếu một trong các điều kiện sau đây được thỏa mãn:
a) Nếu sự hình thành vết nứt trong cả hai phương chéo ít có khả năng xảy ra. Qui tắc ứng dụng chấp nhận được là:
| VEd ≤ fctd bw d | (5.48) |
b) Nếu sự phá hoại do uốn là dạng phá hoại phổ biển. Qui tắc ứng dụng chấp nhận được là: l/h ≥ 3.
(3) Nếu không có điều kiện nào trong số những điều kiện ở (2) của điều này được thỏa mãn, thì khả năng chịu tác động động đất phải được đảm bảo bởi cốt thép bố trí dọc theo cả hai phương chéo của dầm, theo các điều kiện sau (xem Hình 5.12):
a) Biểu thức sau đây cần được thỏa mãn.
| VEd ≤ 2 Asi fyd sina | (5.49) |
trong đó:
VEd là lực cắt thiết kế trong cấu kiện liên kết (VEd = 2MEd /l);
Asi là tổng diện tích tiết diện của các thanh cốt thép trong từng phương chéo;
a là góc giữa các thanh đặt chéo và trục của dầm.
b) Cốt thép đặt chéo phải được bố trí theo những cấu kiện giống cột có chiều dài cạnh ít nhất bằng 0,5bw; chiều dài neo của cốt thép phải lớn hơn 50 % chiều dài neo tính theo EN 1992-1-1:2004.
c) Cốt thép đai kín nên được bố trí bao quanh những cấu kiện giống cột để đảm bảo ổn định cho các thanh cốt thép dọc. Cốt thép đai kín phải thỏa mãn những yêu cầu trong 5.5.3.2.2(12).
d) Cốt thép dọc và cốt thép ngang phải được bố trí theo cả hai mặt bên của dầm, thỏa mãn những yêu cầu tối thiểu đã quy định trong EN 1992-1-1:2004 cho dầm cao. Cốt thép dọc không cần neo vào hệ tường kép và chỉ cần kéo dài sâu vào trong các tường một khoảng bằng 150 mm.

Hình 5.12 - Dầm liên kết có cốt thép đặt chéo
5.6. Các yêu cầu về neo và mối nối
5.6.1. Tổng quát
(1)P Áp dụng EN 1992-1-1:2004, chương 8 về cấu tạo cốt thép, với những quy tắc bổ sung sau.
(2)P Đối với cốt đai kín được sử dụng làm cốt thép ngang trong dầm, cột hoặc tường, phải sử dụng cốt đai kín có móc uốn 135° và dài thêm một đoạn bằng 10dbw. sau móc uốn.
(3)P Trong kết cấu có độ dẻo kết cấu lớn, chiều dài neo của cốt thép dầm hoặc cột trong phạm vi nút dầm-cột phải được tính từ một điểm trên thanh cốt thép cách mặt trong của nút một khoảng 5dbL để tính đến vùng chảy dẻo được mở rộng do những biến dạng lặp sau đàn hồi (ví dụ cho dầm xem Hình 5.13a).
5.6.2. Neo cốt thép
5.6.2.1. Cột
(1)P Khi tính toán neo hoặc chiều dài nối chồng cốt thép cột đảm bảo cường độ chịu uốn của các cấu kiện trong các vùng tới hạn của chúng, tỷ số giữa diện tích cốt thép yêu cầu và diện tích cốt thép thực tế As,req/As,prov phải được lấy bằng 1.
(2)P Nếu trong tình huống thiết kế chịu động đất mà lực dọc trong cột là lực kéo, thì chiều dài neo phải được tăng lên tới 50 % so với chiều dài neo đã được quy định trong EN 1992-1-1:2004.
5.6.2.2. Dầm
(1)P Phần cốt thép dọc của dầm được uốn cong để neo vào nút luôn luôn phái ở phía trong các thanh cốt đai kín tương ứng của cột.
(2)P Để ngăn ngừa phá hoại sự bám dính, đường kính dbL của các thanh cốt thép dọc của dầm kéo qua nút dầm - cột phải được giới hạn phù hợp với các biểu thức sau đây:
a) với nút dầm - cột trong:
|
| (5.50a) |
b) với nút dầm - cột biên:
(5.50b)
trong đó:
hc là chiều rộng của tiết diện cột, song song với các thanh cốt thép;
fctm là giá trị trung bình của cường độ chịu kéo của bêtông;
fyd là giá trị thiết kế của giới hạn chảy của thép;
nd là lực dọc thiết kế qui đổi của cột, được lấy với giá trị tối thiểu của nó cho tình huống thiết kế chịu động đất (nd = NEd/fcd Ac);
kD là hệ số kể đến cấp dẻo kết cấu, lấy bằng 1 cho trường hợp cấp dẻo kết cấu cao và 2/3 cho trường hợp cấp dẻo kết cấu trung bình;
r' là hàm lượng cốt thép chịu nén của các thanh cốt thép dầm kéo qua nút;
rmax là hàm lượng cho phép lớn nhất của cốt thép chịu kéo (xem 5.4.3.1.2(4) và 5.4.3.1.3(4));
gRd là hệ số kể đến tính thiếu tin cậy của mô hình tính toán về giá trị thiết kế của khả năng chịu lực, lấy bằng 1,2 hoặc 1,0 tương ứng cho trường hợp cấp dẻo kết cấu cao hoặc trường hợp cấp dẻo kết cấu trung bình (do sự tăng cường độ của thép dọc trong dầm do biến cứng).
Các điều kiện giới hạn ở trên (các biểu thức (5.50) không áp dụng cho các thanh cốt thép xiên cắt ngang qua nút).
(3) Nếu trong các nút dầm-cột biên, yêu cầu đã quy định trong (2)P của điều này không thể thỏa mãn được vì chiều cao hc của tiết diện cột (hc song song với các thanh cốt thép) là quá nhỏ, thì có thể thực hiện các biện pháp bổ sung sau đây để bảo đảm neo chặt cốt thép dọc của dầm:
a) Dầm hoặc bản có thể được kéo dài thêm theo phương ngang một đoạn như côngxôn ngắn (xem Hình 5.13a).
b) Có thể sử dụng các thanh cốt thép có phình ở đầu neo hoặc bản neo được hàn vào đầu mút của các thanh cốt thép (xem Hình 5.13b).
c) Có thể kéo dài móc uốn thêm một đoạn có chiều dài tối thiểu bằng 10dbL và cốt thép ngang cần được bố trí dày dọc theo phần kéo dài đó (xem Hình 5.13c).
(4)P Các thanh cốt thép ở phía trên hoặc đáy dầm kéo qua các nút trong phải được cắt ở một khoảng không nhỏ hơn lcr trong các cấu kiện qui tụ vào nút đó (chiều dài vùng tới hạn của từng cấu kiện đó, xem 5.4.3.1.2(1)P và 5.5.3.1.3(1)P) tính từ bề mặt của nút.

| CHÚ DẪN: | A - Bản neo; B - Cốt thép đai bao quanh cốt thép cột. |
Hình 5.13 - Biện pháp neo bổ sung trong nút dầm-cột biên
5.6.3. Nối các thanh cốt thép
(1)P Không cho phép nối chồng bằng hàn trong phạm vi các vùng tới hạn của các cấu kiện chịu lực.
(2)P Trong cột và tường có thể nối các thanh cốt thép bằng các cơ cấu nối cơ khí, nếu các cơ cấu nối này được kiểm soát bằng thử nghiệm thích hợp trong điều kiện tương thích với cấp dẻo kết cấu đã chọn.
(3)P Cốt thép ngang bố trí trong phạm vi chiều dài nối chồng phải được tính toán theo EN 1992-1-1:2004. Ngoài ra, những yêu cầu sau đây cũng phải được thỏa mãn:
a) Nếu thanh cốt thép được neo và thanh cốt thép liên tục được bố trí trong một mặt phẳng song song với cốt thép ngang thì tổng diện tích của tất cả các thanh được nối, SAsL, phải được kể đến trong tính toán cốt thép ngang.
(b) Nếu thanh cốt thép được neo và thanh cốt thép liên tục được bố trí trong một mặt phẳng vuông góc với cốt thép ngang, thì diện tích của cốt thép ngang phải được tính toán dựa trên diện tích của thanh cốt thép dọc được nối chồng có đường kính lớn hơn, AsL.
(c) Khoảng cách s giữa các cốt thép ngang trong đoạn nối chồng (tính bằng mm) không được vượt quá:
| s = min {h/4; 100} | (5.51) |
trong đó h là kích thước cạnh nhỏ nhất của tiết diện ngang (tính bằng mm).
(4) Diện tích cốt thép ngang yêu cầu Ast trong phạm vi đoạn nối chồng cốt thép dọc của cột được nối tại cùng vị trí (như đã định nghĩa trong EN 1992-1-1:2004), hoặc của cốt thép dọc các phần đầu tường, có thể được tính toán từ biểu thức sau đây:
| Ast = s.(dbl /50).(¦yld / ¦ywd ) | (5.52) |
trong đó:
Ast là diện tích một nhánh cốt thép ngang;
dbL là đường kính thanh cốt thép được nối;
s là khoảng cách giữa các cốt thép ngang;
fyld là giá trị thiết kế của giới hạn chảy của cốt thép dọc;
fywd là giá trị thiết kế của giới hạn chảy của cốt thép ngang.
5.7. Thiết kế và cấu tạo các cấu kiện kháng chấn phụ
(1)P Điều 5.7 được áp dụng cho các cấu kiện đóng vai trò là cấu kiện kháng chấn phụ nghĩa là cấu kiện chịu biến dạng đáng kể trong tình huống thiết kế chịu động đất (ví dụ sườn của bản thì không tuân theo những yêu cầu của 5.7). Các cấu kiện đó phải được thiết kế và cấu tạo để duy trì khả năng chịu các tải trọng trọng lực trong tình huống thiết kế chịu động đất khi chúng chịu biến dạng lớn nhất trong tình huống thiết kế chịu động đất.
(2)P Những biến dạng lớn nhất có được trong tình huống thiết kế chịu động đất phải được tính toán phù hợp với 4.3.4 và phải tính đến hiệu ứng P-D phù hợp với 4.4.2.2(2) và (3). Chúng phải được tính toán từ phân tích kết cấu trong tình huống thiết kế chịu động đất, mà trong đó độ cứng ngang của các cấu kiện kháng chấn phụ được bỏ qua và các cấu kiện kháng chấn chính được mô hình hóa với độ cứng chống uốn khi có vết nứt và độ cứng chống cắt của chúng.
(3) Các cấu kiện kháng chấn phụ được xem là thỏa mãn những yêu cầu của (1)P của mục này nếu mômen uốn và lực cắt của chúng được tính toán trên cơ sở của: a) những biến dạng như trong (2)P của mục này và b) độ cứng chịu cắt và chịu uốn khi có vết nứt không vượt quá khả năng chịu uốn và chịu cắt thiết kế MRd và VRd của chúng, các giá trị này được xác định trên cơ sở của EN 1992-1-1:2004.
5.8. Các bộ phận của móng bêtông
5.8.1. Phạm vi
(1)P Các yêu cầu sau áp dụng để thiết kế các cấu kiện của móng bêtông, ví dụ như đế móng, dầm giằng, dầm móng, bản móng, tường móng, đài cọc và cọc, cũng như thiết kế các mối nối giữa các cấu kiện đó, hoặc giữa chúng và các cấu kiện bêtông thẳng đứng. Việc thiết kế các cấu kiện này phải tuân thủ những quy tắc của EN 1998-5:2004, 5.4.
(2)P Nếu hệ quả tác động thiết kế đối với việc thiết kế các bộ phận móng của kết cấu tiêu tán năng lượng động đất được tính dựa trên các giả thiết thiết kế theo khả năng chịu lực và tiêu tán năng lượng phù hợp với 4.4.2.6(2)P, thì không có sự tiêu tán năng lượng nào được dự kiến trong các cấu kiện này trong tình huống thiết kế chịu động đất. Việc thiết kế các cấu kiện này có thể tuân theo những quy tắc của 5.3.2(1)P.
(3)P Nếu hệ quả tác động thiết kế của các cấu kiện móng của kết cấu tiêu tán năng lượng động đất được tính từ phân tích kết cấu cho tình huống thiết kế chịu động đất mà không theo các quan niệm thiết kế theo khả năng chịu lực và tiêu tán năng lượng của 4.4.2.6(2)P, thì việc thiết kế các cấu kiện này phải tuân theo những quy tắc tương ứng cho các cấu kiện của kết cấu bên trên ứng với cấp dẻo kết cấu đã chọn. Đối với dầm giằng và dầm móng, các lực cắt thiết kế cần được tính toán dựa trên các giả thiết thiết kế theo khả năng chịu lực và tiêu tán năng lượng, phù hợp với 5.4.2.2 cho loại nhà có cấp dẻo kết cấu trung bình, hoặc theo 5.5.2.1(2)P, 5.5.2.1(3) cho nhà có cấp dẻo kết cấu cao.
(4) Nếu hệ quả tác động thiết kế của các cấu kiện móng đã được tính toán bằng cách sử dụng giá trị của hệ số ứng xử q nhỏ hơn hoặc bằng giới hạn trên của q cho trường hợp tiêu tán năng lượng thấp (1,5 cho kết cấu bêtông, hoặc giá trị nằm giữa 1,5 và 2,0 cho nhà thép hoặc nhà liên hợp thép-bêtông, phù hợp với ghi chú 1 của Bảng 9 hoặc ghi chú 1 của Bảng 12, tương ứng), thì việc thiết kế các cấu kiện này có thể tuân theo những quy tắc của 5.3.2(1)P (xem cùng 4.4.2.6(3)).
(5) Trong các tầng hầm dạng hộp của kết cấu tiêu tán năng lượng gồm: a) bản sàn bêtông làm việc như một sàn cứng tại cao trình đỉnh tầng hầm; b) bản móng hoặc lưới của dầm-giằng hoặc của dầm móng tại cao trình móng; c) tường bao tầng hầm và/hoặc các tường giữa của tầng hầm, được thiết kế phù hợp với (2)P của điều này, thì các cột và dầm (kể cả ở đỉnh tầng hầm) đều được dự kiến là vẫn giữ trạng thái đàn hồi trong tình huống thiết kế chịu động đất và có thể được thiết kế phù hợp với 5.3.2(1)P. Vách cứng cần được thiết kế để hình thành khớp dẻo tại cao độ của đỉnh tầng hầm. Để làm điều này, trong vách cứng liên tục có tiết diện ngang không đổi phía trên đỉnh tầng hầm, vùng tới hạn cần được kéo dài xuống phía dưới cao độ đỉnh tầng hầm thêm một đoạn hcr (xem 5.4.3.4.2(1) và 5.5.3.4.5(1)). Thêm nữa, toàn bộ chiều cao tự do của các vách đó trong phạm vi tầng hầm nên được tính toán chịu cắt với giả thiết rằng vách đó làm việc trong điều kiện cường độ chịu uốn gRd MRd(với gRd = 1,1 cho trường hợp cấp dẻo kết cấu trung bình và gRd = 1,2 cho trường hợp cấp dẻo kết cấu cao) tại cao độ đỉnh tầng hầm và điểm "không mômen” tại cao trình móng.
5.8.2. Dầm giằng và dầm giằng móng
(1)P Phải tránh không nên để một đoạn cổ cột giữa mặt trên của bản móng hoặc của đài cọc và mặt dưới của dầm giằng hoặc của bản móng. Để đạt được điều này, mặt dưới của dầm giằng hoặc của bản móng phải thấp hơn mặt trên của đế móng hoặc của đài cọc nói trên.
(2) Lực dọc trong dầm giằng hoặc vùng có giằng của bản giằng móng theo 5.4.1.2(6) và (7) của EN 1998-5, cần được lấy từ tính toán kiểm tra chịu cả hệ quả tác động được tính toán theo 4.4.2.6(2)P và 4.4.2.6(3)P cho tình huống thiết kế chịu động đất, có tính đến những hiệu ứng thứ cấp.
(3) Dầm giằng và dầm giằng móng cần có chiều rộng tiết diện ngang ít nhất là bw,min và chiều cao tiết diện ngang ít nhất là hw,min
CHÚ THÍCH: Các giá trị kiến nghị là: bw,min = 0,25 m và hw,min = 0,4 m cho loại nhà cao tới 3 tầng, hoặc hw,min = 0,5 m cho những loại nhà có từ 4 tầng trở lên không kể tầng hầm.
(4) Bản móng được bố trí phù hợp với những yêu cầu trong EN 1998-5:2004, 5.4.1.2(2) để liên kết theo phương nằm ngang các bản móng đơn hoặc đài cọc, cần có độ dày tối thiểu tmin và hàm lượng cốt thép tối thiểu là rs,min ở mặt trên và mặt dưới của chúng.
CHÚ THÍCH: Các giá trị kiến nghị là: tmin = 0,2 m và rs,min = 0,2 %.
(5) Trong dầm giằng và dầm giằng móng, dọc theo toàn bộ chiều dài của chúng, cần có hàm lượng cốt thép dọc ít nhất là rb,min ở cả mặt và đáy.
CHÚ THÍCH: Giá trị kiến nghị là: rb,min = 0,4 %.
5.8.3. Mối nối các cấu kiện thẳng đứng với dầm móng hoặc tường
(1)P Vùng giao nhau của dầm móng hoặc tường tầng hầm với cấu kiện thẳng đứng phải tuân theo các quy tắc của 5.4.3.3 hoặc 5.5.3.3 đối với nút dầm-cột.
(2) Nếu dầm móng hoặc tường tầng hầm của kết cấu có cấp dẻo kết cấu cao được thiết kế chịu những hệ quả tác động tính được dựa trên các giả thiết thiết kế theo khả năng chịu lực và tiêu tán năng lượng phù hợp với 4.4.2.6(2)P, thì lực cắt theo phương ngang Vjhd trong vùng nút được tính dựa trên kết quả phân tích kết cấu phù hợp với 4.4.2.6(2)P, (4), (5) và (6).
(3) Nếu dầm móng hoặc tường tầng hầm của kết cấu có cấp dẻo kết cấu cao không được thiết kế phù hợp với phương pháp thiết kế theo khả năng chịu lực và tiêu tán năng lượng theo 4.4.2.6(4), (5), (6) (xem 5.8.1(3)P), thì lực cắt theo phương nằm ngang Vjhd trong vùng giao nhau được xác định theo 5.5.2.3(2), các biểu thức (5.22) và (5.23) cho các nút dầm - cột.
(4) Trong kết cấu có cấp dẻo kết cấu trung bình, mối nối của dầm móng hoặc tường tầng hầm với cấu kiện thẳng đứng có thể làm theo các quy tắc trong 5.4.3.3.
(5) Cần uốn hoặc tạo móc uốn ở đầu dưới của thanh cốt thép dọc của các cấu kiện thẳng đứng theo hướng sao cho chúng tạo nên lực nén vào vùng nối.
5.8.4. Cọc và đài cọc bêtông đúc tại chỗ
(1)P Phần đỉnh cọc, trong phạm vi một đoạn tính từ mặt dưới đài cọc, có chiều dài bằng hai lần kích thước tiết diện ngang d của cọc, cũng như các vùng có chiều dài bằng 2d theo mỗi phía của bề mặt tiếp xúc giữa hai lớp đất có độ cứng chịu cắt khác nhau rõ rệt (tỷ số của các môđun cắt lớn hơn 6), phải được cấu tạo như là vùng có khả năng hình thành khớp dẻo. Để đạt điều này, chúng phải được bố trí cốt thép ngang và cốt thép hạn chế biến dạng theo những quy tắc cho vùng tới hạn của cột ứng với cấp dẻo kết cấu tương ứng hoặc ít nhất là ứng với cấp dẻo kết cấu trung bình.
(2)P Khi yêu cầu quy định trong 5.8.1(3)P được áp dụng để thiết kế cọc của kết cấu tiêu tán năng lượng, cọc phải được thiết kế và cấu tạo để hình thành khớp dẻo dự kiến ở phần đỉnh cọc. Để làm được điều này, chiều dài bố trí tăng cường cốt thép ngang và cốt thép hạn chế biến dạng lõi bêtông tại đỉnh cọc phù hợp với (1)P của điều này cần được tăng lên 50 %. Hơn thế nữa, khi kiểm tra theo trạng thái cực hạn của cọc về khả năng chịu cắt, phải sử dụng lực cắt thiết kế tối thiểu là bằng với lực cắt được tính toán trên cơ sở của 4.4.2.6(4) tới (8).
(3) Cọc có yêu cầu chịu lực kéo hoặc được ngàm chống xoay tại đỉnh cọc cần được đảm bảo neo trong đài cọc để tăng khả năng chịu đẩy nổi thiết kế của cọc trong đất nền, hoặc tăng cường độ chịu kéo thiết kế của cốt thép cọc, lấy giá trị nào thấp hơn. Nếu phần ngàm của cọc đó được đổ bêtông trước đài cọc, thì cần bố trí chốt neo tại bề mặt tiếp xúc để liên kết.
5.9. Ảnh hưởng cục bộ do tường chèn bằng khối xây hoặc bêtông
(1) Do khả năng tường chèn của tầng trệt dễ bị hư hại, cần dự kiến có thể xảy ra hư hại bất thường do động đất gây ra tại đó và cần có biện pháp thích hợp để ngăn ngừa. Nếu không có phương pháp chính xác hơn, thì toàn bộ chiều dài của các cột tầng trệt cần được coi như là chiều dài tới hạn và phải có cốt đai hạn chế biến dạng một cách thích hợp.
(2) Nếu chiều cao của tường chèn nhỏ hơn chiều dài thông thủy của các cột liền kề, các biện pháp sau đây cần được thực hiện:
a) Chiều dài toàn bộ của cột được xem là vùng tới hạn và cần được đặt cốt thép với số lượng và hình dạng cốt thép đai như đối với yêu cầu cho vùng tới hạn;
b) Những hệ quả của việc giảm tỷ số giữa các nhịp của những cột này cần được xem xét một cách thích hợp. Để làm được điều này, cần áp dụng 5.4.2.3 và 5.5.2.2 để tính toán lực cắt tác dụng, tùy thuộc vào cấp dẻo kết cấu. Trong tính toán này, chiều dài thông thủy của cột, lcd, cần được lấy bằng chiều dài của phần cột không tiếp xúc với tường chèn và mômen Mi,d tại tiết diện cột ở mức đỉnh tường chèn cần được lấy bằng gRd.MRc,i với gRd = 1,1 ứng với cấp dẻo kết cấu trung bình và gRd = 1,3 ứng với cấp dẻo kết cấu cao và MRc,i là giá trị thiết kế của khả năng chịu uốn của cột;
c) Cốt thép ngang chịu lực cắt này cần được bố trí dọc theo chiều dài của phần cột không tiếp xúc với tường chèn và kéo dài qua phần cột tiếp xúc với tường chèn nói trên một đoạn dài bằng hc (hc là kích thước tiết diện ngang của cột trong mặt phẳng của tường chèn);
d) Nếu chiều dài của phần cột không tiếp xúc với tường chèn nhỏ hơn 1,5hc thì lực cắt do cốt thép đặt chéo chịu.
(3) Ở những vị trí có tường chèn kín toàn bộ chiều dài thông thủy của các cột liền kề và tường chèn này chỉ nằm ở một phía của cột (ví dụ như các cột ở góc), chiều dài toàn bộ của cột đó cần được xem như là vùng tới hạn và phải được đặt cốt thép với số lượng và hình dạng cốt thép đai như yêu cầu đối với vùng tới hạn.
(4) Chiều dài, lc, của cột mà trên đó lực của thanh chéo của tường chèn đặt vào, cần được kiểm tra lực cắt theo giá trị nhỏ hơn trong hai giá trị lực cắt sau đây: a) thành phần nằm ngang của lực nen xiên của tường chèn, được giả thiết bằng cường độ chịu cắt ngang của ô tường, được ước tính dựa trên cường độ chịu cắt của các mạch vữa nằm ngang; hoặc b) lực cắt được tính toán phù hợp với 5.4.2.3 hoặc 5.5.2.2, tùy thuộc vào cấp dẻo kết cấu, với giả thiết rằng khả năng chịu uốn của cột, tại hai biên giới hạn của đoạn tiếp xúc có chiều dài lc, có giá trị là gRd.MRc,i. Chiều dài đoạn tiếp xúc này cần được lấy bằng chiều rộng theo phương đứng của thanh chống chéo của tường chèn. Khi không có một ước tính chính xác hơn về chiều rộng này mà có kể đến các tính chất đàn hồi và kích thước hình học của tường chèn và của cột, thì chiều rộng thanh chống này có thể được giả thiết là một phần nhỏ cố định của chiều dài đường chéo ô tường.
5.10. Yêu cầu đối với tấm cứng bằng bêtông
(1) Bản sàn bêtông cốt thép đặc có thể được xem là làm việc như một tấm cứng nằm ngang, nếu nó có độ dày không nhỏ hơn 70 mm và được đặt cốt thép theo cả hai phương nằm ngang với ít nhất bằng hàm lượng cốt thép tối thiểu theo quy định trong EN 1992-1-1:2004.
(2) Lớp hoàn thiện đổ tại chỗ trên bản sàn đúc sẵn hoặc hệ thống mái có thể được xem như là một tấm cứng nếu:
a) Thỏa mãn những yêu cầu trong (1) của điều này;
b) Được thiết kế chỉ để đảm bảo độ cứng và khả năng chịu lực yêu cầu cho tấm cứng;
c) Được đổ phía trên lớp nền sạch, nhám, hoặc được liên kết với lớp nền đó thông qua liên kết chịu cắt.
(3) Việc thiết kế chịu động đất phải bao gồm việc kiểm tra sàn cứng bêtông cốt thép theo trạng thái cực hạn trong kết cấu có cấp dẻo kết cấu cao có các đặc điểm sau đây:
- Kích thước hình học không đều đặn hoặc hình dạng bị chia nhỏ trên mặt bằng, có góc lõm và lỗ mở;
- Có những lỗ mở lớn và không cân đối trong tấm cứng;
- Sự phân bố không đều về khối lượng và/hoặc độ cứng (ví dụ như trong trường hợp có vị trí thụt vào hoặc nhô ra);
- Tầng hầm có tường bố trí chỉ theo một phần chu vi hoặc chỉ trong phạm vi một phần của diện tích sàn tầng trệt.
(4) Hệ quả tác động trong tấm cứng bêtông cốt thép có thể được ước tính bằng cách mô hình hóa nó như dầm cao hoặc giàn phẳng hoặc mô hình giằng-thanh chống, tựa trên gối tựa đàn hồi.
(5) Giá trị thiết kế của các hệ quả tác động cần được tính toán kể đến những yêu cầu trong 4.4.2.5.
(6) Khả năng chịu lực thiết kế cần được tính toán theo EN 1992-1-1:2004.
(7) Trường hợp lõi hoặc hệ kết cấu tường chịu lực của các hệ kết cấu có cấp dẻo kết cấu cao, cần kiểm tra về sự truyền các lực ngang từ tấm cứng sang lõi hoặc sang các tường khác. Khi xét đến điều đó, phải áp dụng các yêu cầu sau đây:
a) Ứng suất cắt thiết kế tại bề mặt tiếp xúc giữa tấm cứng và lõi hoặc tường cần được hạn chế trong phạm vi 1,5fctd để khổng chế sự hình thành vết nứt;
b) Cần bảo đảm đủ độ bền để chống lại phá hoại trượt do lực cắt với giả thiết rằng độ nghiêng của thanh chống là 450. Cần bố trí các thanh cốt thép bổ sung để tăng khả năng chịu cắt tại bề mặt tiếp xúc giữa các sàn cứng và lõi hoặc tường; việc neo giữ các thanh cốt thép này cần tuân theo các yêu cầu của 5.6.
5.11. Kết cấu bêtông đúc sẵn
5.11.1. Tổng quát
5.11.1.1. Phạm vi áp dụng và loại kết cấu
(1)P Những yêu cầu trong 5.11 áp dụng để thiết kế chịu động đất cho kết cấu bêtông được thi công từng phần hoặc toàn bộ bằng cấu kiện đúc sẵn.
(2)P Trừ khi có những quy định khác, tất cả các yêu cầu của Chương 5 trong tiêu chuẩn này và trong EN 1992-1-1:2004, Chương 10, phải được áp dụng, (xem 5.11.1.3.2(4)).
(3) Các loại kết cấu sau đây, như đã được định nghĩa trong 5.1.2 và 5.2.2.1, đều được bao hàm trong 5.11:
- Hệ khung;
- Hệ tường;
- Hệ hỗn hợp (khung bằng cấu kiện đúc sẵn hỗn hợp, tường đúc sẵn hoặc tường đổ tại chỗ).
(4) Ngoài ra, các hệ kết cấu sau đây cũng được sử dụng:
- Hệ kết cấu tường ngang chịu lực;
- Hệ kết cấu blốc bán lắp ghép.
5.11.1.2. Tính toán kết cấu đúc sẵn
(1) Khi mô hình hóa kết cấu đúc sẵn, các đánh giá sau đây cần được thực hiện:
a) Xác định vai trò khác nhau của các bộ phận kết cấu theo một trong các dạng sau:
- Cấu kiện chỉ chịu tải trọng đứng do trọng lực, ví dụ như cột liên kết khớp bố trí xung quanh kết cấu lõi bêtông cốt thép;
- Cấu kiện chịu cả tải trọng đứng do trọng lực và tải trọng động đất, ví dụ như khung hoặc tường;
- Các bộ phận kết cấu đảm bảo liên kết chắc chắn giữa các cấu kiện đúc sẵn, ví dụ như bản sàn tầng hoặc bản sàn mái (được coi như tấm cứng)
b) Khả năng đáp ứng các yêu cầu kháng chấn theo 5.1 tới 5.10 như dưới đây:
- Hệ kết cấu đúc sẵn có khả năng thỏa mãn tất cả những yêu cầu đó;
- Hệ kết cấu đúc sẵn kết hợp với cột hoặc tường đổ tại chỗ để thỏa mãn tất cả những yêu cầu đó;
- Hệ kết cấu đúc sẵn không thỏa mãn những yêu cầu đó, vì thế cần có yêu cầu thiết kế bổ sung và cần được gán các hệ số ứng xử thấp hơn.
c) Xác định các bộ phận phi kết cấu mà chúng có thể:
- Hoàn toàn không được liên kết với kết cấu; hoặc
- Chịu một phần biến dạng của cấu kiện chịu lực.
d) Xác định ảnh hưởng của các mối nối đến khả năng tiêu tán năng lượng của kết cấu:
- Các mối nối nằm ngoài vùng tới hạn (xem định nghĩa trong 5.1.2(1)), không làm ảnh hưởng tới khả năng tiêu tán năng lượng của kết cấu (xem 5.11.2.1.1 và Hình 5.14a);
- Các mối nối trong phạm vi vùng tới hạn nhưng được thiết kế có độ bền dư so với phần còn lại của kết cấu sao cho trong tình huống thiết kế chịu động đất chúng vẫn giữ được trạng thái đàn hồi trong khi phản ứng không đàn hồi xảy ra trong các vùng tới hạn khác (xem 5.11.2.1.2 và Hình 5.14b);
- Các mối nối nằm trong phạm vi vùng tới hạn và có độ dẻo kết cấu đáng kể (xem 5.11.2.1.3 và Hình 5.14c).

a) mối nối nằm ngoài vùng tới hạn; b) mối nối được thiết kế có độ bền dư với khớp dẻo nằm ngoài vùng mối nối; c) mối nối mềm chịu cắt của panen lớn đặt trong phạm vi vùng tới hạn (ví dụ như đặt tại tầng trệt); d) mối nối mềm liên tục đặt trong phạm vi vùng tới hạn của khung
Hình 5.14 - Ảnh hưởng của các mối nối đến khả năng tiêu tán năng lượng của kết cấu
5.11.1.3. Các tiêu chí thiết kế
5.11.1.3.1. Khả năng chịu lực cục bộ
(1) Trong các cấu kiện đúc sẵn và các mối nối của chúng, cần kể đến sự giảm khả năng làm việc do những biến dạng có chu kỳ sau giai đoạn chảy dẻo. Thông thường thì sự giảm khả năng làm việc như thế được kiểm soát bằng các hệ số riêng của vật liệu đối với thép và bêtông (xem 5.2.4(1)P và 5.2.4(2)P). Nếu không thỏa mãn điều kiện đó, khả năng chịu lực thiết kế của mối nối giữa các cấu kiện đúc sẵn khi chịu tải trọng tác động đơn điệu cần được giảm xuống một cách hợp lý khi tính toán kiểm tra trong tình huống thiết kế chịu động đất.
5.11.1.3.2. Sự tiêu tán năng lượng
(1) Trong kết cấu bêtông đúc sẵn, cơ chế tiêu tán năng lượng phổ biến chủ yếu là thông qua sự xoay trong trạng thái dẻo ở vùng tới hạn.
(2) Bên cạnh sự tiêu tán năng lượng thông qua sự xoay trong trạng thái dẻo ở vùng tới hạn, kết cấu đúc sẵn cũng có thể tiêu tán năng lượng thông qua cơ cấu cắt dẻo dọc theo mối nối, miễn là cả hai điều kiện sau đây được thỏa mãn:
a) Lực phục hồi không giảm đáng kể trong quá trình tác động động đất;
b) Sự mất ổn định có thể được phòng tránh một cách phù hợp.
(3) Ba cấp dẻo kết cấu được nêu trong Chương 5 cho kết cấu đúc tại chỗ cũng áp dụng cho hệ kết cấu đúc sẵn. Chì có 5.2.1(2) và 5.3 của Chương 5 áp dụng cho việc thiết kế nhà đúc sẵn có cấp dẻo kết cấu thấp.
CHÚ THÍCH: Cấp dẻo kết cấu thấp chỉ được kiến nghị dùng cho trường hợp động đất thấp. Với hệ ô tường, cấp dẻo kết cấu được kiến nghị là trung bình.
(4) Khả năng tiêu tán năng lượng khi chịu cắt có thể được kể đến, đặc biệt là trong hệ tường đúc sẵn, bằng cách đưa vào tính toán giá trị của các hệ số dẻo kết cấu khi trượt cục bộ ms trong việc lựa chọn hệ số ứng xử tổng thể q.
5.11.1.3.3. Các biện pháp bổ sung cụ thể
(1) Chỉ có kết cấu đúc sẵn đều đặn là được áp dụng theo 5.11 (xem 4.2.3). Tuy nhiên, việc kiểm tra cấu kiện đúc sẵn của kết cấu không đều đặn có thể dựa trên những yêu cầu của mục này.
(2) Tất cả các cấu kiện thẳng đứng cần được kéo dài liên tục đến cao trình móng.
(3) Tính thiếu tin cậy về khả năng chịu lực nêu trong 5.2.3.7(2)P.
(4) Tính thiếu tin cậy về độ dẻo nêu trong 5.2.3.7(3)P.
5.11.1.4. Hệ số ứng xử
(1) Đối với kết cấu đúc sẵn tuân thủ các yêu cầu trong 5.11, giá trị của hệ số ứng xử qp có thể được tính toán từ biểu thức sau đây, trừ khi có nghiên cứu đặc biệt về độ lệch cho phép:
| qp = kp . q | (5.53) |
trong đó:
q là hệ số ứng xử, lấy từ biểu thức (51);
kp là hệ số giảm, phụ thuộc vào khả năng tiêu tán năng lượng của kết cấu đúc sẵn (xem (2) của điều này).
CHÚ THÍCH: Các giá trị được kiến nghị là:
kp = 1,0 cho kết cấu có mối nối tuân theo 5.11.2.1.1, 5.11.2.1.2 hoặc 5.11.2.1.3;
kp = 0,5 cho kết cấu có các kiểu mối nối khác.
(2) Với kết cấu đúc sẵn không tuân theo những yêu cầu thiết kế trong 5.11, hệ số ứng xử qp có thể lấy lớn nhất là 1,5.
5.11.1.5. Tính toán trong tình huống tạm thời
(1) Trong quá trình dựng lắp kết cấu nếu việc neo giữ tạm thời là cần thiết, thì tải trọng động đất không đưa vào tính toán như là một tình huống thiết kế. Tuy nhiên, khi mà động đất có thể làm sụp đổ các phần của kết cấu gây rủi ro nghiêm trọng cho sinh mạng con người, thì việc neo giữ tạm thời phải được thiết kế để giảm bớt tác động động đất.
(2) Nếu không có quy định khác theo những nghiên cứu riêng biệt, thì tác động này có thể được giả thiết bằng một phần Ap của tác động thiết kế như đã được định nghĩa trong Chương 3.
CHÚ THÍCH: Giá trị được kiến nghị của Ap là 30 %.
5.11.2. Mối nối các cấu kiện đúc sẵn
5.11.2.1. Các điều khoản chung
5.11.2.1.1. Mối nối ngoài vùng tới hạn
(1) Các mối nối các cấu kiện đúc sẵn nằm ngoài vùng tới hạn cần được bố trí cách nhau một khoảng ít nhất bằng kích thước lớn nhất của tiết diện ngang của cấu kiện trong vùng tới hạn tính từ bề mặt cuối của vùng tới hạn gần nhất.
(2) Các mối nối kiểu này cần được định kích thước để chịu: a) lực cắt được xác định theo quy tắc thiết kế theo khả năng chịu lực và tiêu tán năng lượng theo 5.4.2.2 và 5.4.2.3 với hệ số gRd kể đến sự làm việc với cường độ cao hơn vì thép biến cứng, lấy bằng 1,1 cho trường hợp cấp dẻo kết cấu trung bình hoặc bằng 1,2 cho trường hợp cấp dẻo kết cấu cao; b) mômen uốn ít nhất là bằng mômen tác dụng lấy từ tính toán và bằng 50 % khả năng chịu uốn MRd tại bề mặt đầu mút của vùng tới hạn gần nhất, nhân với hệ số gRd.
5.11.2.1.2. Mối nối có độ bền dư
(1) Hệ quả tác động thiết kế của mối nối có độ bền dư cần được tính toán theo những quy tắc thiết kế theo khả năng chịu lực và tiêu tán năng lượng như trong 5.4.2.2 và 5.4.2.3, trên cơ sở khả năng chịu uốn dư tại các tiết diện giới hạn vùng tới hạn bằng gRd MRd, với hệ số gRd lấy bằng 1,20 cho trường hợp cấp dẻo kết cấu trung bình và bằng 1,35 cho trường hợp cấp dẻo kết cấu cao.
(2) Các thanh cốt thép của mối nối có độ bền dư cần được neo chắc chắn vào vùng nằm ngoài vùng tới hạn.
(3) Cốt thép của vùng tới hạn cần được neo chắc chắn vào vùng nằm ngoài vùng mối nối có độ bền dư.
5.11.2.1.3. Mối nối tiêu tán năng lượng
(1) Các mối nối tiêu tán năng lượng cần tuân theo các tiêu chí dẻo cục bộ nêu trong 5.2.3.4 và trong các yêu cầu liên quan của 5.4.3 và 5.5.3.
(2) Hoặc là, bằng thí nghiệm lặp không đàn hồi theo chu kỳ đối với một số lượng mẫu thử thích hợp đại diện cho mối nối, cần chứng minh rằng mối nối đó có biến dạng ổn định theo chu kỳ và khả năng tiêu tán năng lượng của nó ít nhất là bằng khả năng tiêu tán năng lượng của mối nối đổ tại chỗ có cùng độ bền và tuân thủ các yêu cầu về dẻo kết cấu cục bộ trong 5.4.3 hoặc 5.5.3.
(3) Các thí nghiệm trên mẫu thử đại diện cần được thực hiện theo một chuỗi chu kỳ của chuyển vị, bao gồm ít nhất là 3 chu kỳ trọn vẹn có biên độ tương ứng với qp phù hợp với 5.2.3.4(3).
5.11.2.2. Xác định khả năng chịu lực của mối nối
(1) Khả năng chịu lực thiết kế của các mối nối giữa các cấu kiện bêtông đúc sẵn cần được tính toán phù hợp với những yêu cầu của EN 1992-1-1:2004, 6.2.5 và của EN 1992-1-1:2004, Chương 10, trong đó sử dụng các hệ số riêng của vật liệu nêu trong 5.2.4(2) và (3). Nếu những yêu cầu này không phản ánh đầy đủ đối với mối nối đang xét, thì khả năng chịu lực của nó cần được xác định bằng các nghiên cứu thực nghiệm thích hợp.
(2) Khi xác định khả năng chịu lực của mối nối chống trượt do lực cắt, cần bỏ qua khả năng chịu lực do ma sát nhờ ứng suất nén bên ngoài (ngược chiều với ứng suất bên trong do ảnh hưởng neo giữ của các thanh cốt thép ngang đi qua mối nối).
(3) Có thể hàn các thanh cốt thép trong mối nối tiêu tán năng lượng khi tất cả những điều kiện sau đây được thỏa mãn:
a) chỉ sử dụng các loại thép có khả năng hàn được;
b) vật liệu hàn, kỹ thuật hàn và tay nghề bảo đảm để sự hao tổn độ dẻo kết cấu cục bộ nhỏ hơn 10 % hệ số dẻo kết cấu đạt được nếu mối nối đó được thực hiện mà không cần phải hàn.
4) Các chi tiết bằng thép (thép hình hay cốt thép) được liên kết chặt vào các bộ phận bằng bêtông và để tham gia kháng chấn cần được chứng minh bằng tính toán và thực nghiệm là chúng chịu được biến dạng do tải trọng tác dụng theo chu kỳ do các biến dạng ứng với độ mềm dẻo như đã quy định trong 5.11.2.1.3(2).
5.11.3. Cấu kiện
5.11.3.1. Dầm
(1)P Những yêu cầu liên quan trong EN 1992-1-1:2004, Chương 10 và trong 5.4.2.1, 5.4.3.1, 5.5.2.1, 5.5.3.1 của tiêu chuẩn này đều được áp dụng, ngoài những quy tắc đã nêu trong 5.11.
(2)P Dầm đơn giản bằng bêtông đúc sẵn phải được liên kết để truyền lực với cột hoặc tường. Mối nối này phải bảo đảm truyền các lực ngang trong tình huống thiết kế chịu động đất mà không kể đến thành phần ma sát.
(3) Ngoài những yêu cầu liên quan trong EN 1992-1-1:2004, Chương 10, dung sai và độ dài dự phòng nứt vỡ của gối đỡ cũng cần phải đảm bảo đủ cho chuyển vị dự kiến của cấu kiện đỡ (xem 4.3.4).
5.11.3.2. Cột
(1) Ngoài những quy tắc trong 5.11, áp dụng những yêu cầu liên quan trong 5.4.3.2 và 5.5.3.2.
(2) Các mối nối cột với cột trong phạm vi vùng tới hạn chỉ được phép sử dụng đối với trường hợp cấp dẻo kết cấu trung bình.
(3) Đối với hệ khung đúc sẵn có mối nối cột với dầm là khớp, các cột này cần được ngàm chặt tại chân đế vào móng cốc được thiết kế phù hợp với 5.11.2.1.2.
5.11.3.3. Nút dầm - cột
(1) Nút dầm-cột toàn khối (xem Hình 5.14a) cần tuân theo những yêu cầu liên quan trong 5.4.3.3 và 5.5.3.3.
(2) Mối nối giữa dầu mút dầm vào cột (xem Hình 5.14b) và c) cần được đặc biệt kiểm tra về khả năng chịu lực và độ dẻo kết cấu của chúng như đã quy định trong 5.11.2.2.1.
5.11.3.4. Tường panen tấm lớn đúc sẵn
(1) Áp dụng EN 1992-1-1, Chương 10 với những thay đổi sau đây:
a) Tổng hàm lượng thép thẳng đứng tối thiểu là tính với diện tích tiết diện ngang thực tế của bêtông và bao gồm cả các thanh cốt thép thẳng đứng của phần bụng và của các phần đầu tường.
b) Không cho phép dùng lưới thép một lớp.
c) Cần đảm bảo một lượng cốt thép hạn chế biến dạng tối thiểu cho bêtông ở phần đầu của tất cả các panen đúc sẵn, như đã quy định trong 5.4.3.4 2 hoặc 5.4.3.4.5 đối với cột, trên một tiết diện vuông có chiều dài cạnh bằng bw, trong đó bw là chiều dày của panen.
(2) Phần ô tường nằm giữa mối nối thẳng đứng và lỗ mở được bố trí cách mối nối đó một khoảng nhỏ hơn 2,5bw, cần được chọn kích thước và cấu tạo phù hợp với 5.4.3.4.2 hoặc 5.5.3.4.5, tùy thuộc vào cấp dẻo kết cấu.
(3) Cần phải tránh để không có sự giảm khả năng chịu lực của các mối nối.
(4) Để thực hiện yêu cầu trên, tất cả các mối nối thẳng đứng cần phải có độ nhám hoặc có các chi tiết chịu cắt và được kiểm tra khả năng chịu cắt.
(5) Có thể tạo các mối nối nằm ngang chịu nén trên toàn bộ chiều dài của chúng mà không cần tới các chi tiết chịu cắt. Nếu chúng chịu nén một phần và chịu kéo một phần thì nên có chi tiết chịu cắt dọc theo toàn bộ chiều dài của chúng.
(6) Những quy tắc bổ sung sau đây áp dụng để kiểm tra các mối nối nằm ngang của tường được làm từ các panen tấm lớn đúc sẵn:
a) Tổng lực kéo do hệ quả tác động dọc trục (với tường) cần được chịu bởi cốt thép thẳng đứng bố trí dọc theo vùng chịu kéo của ô tường và neo chắc chắn vào phần thân của các panen phía trên và phía dưới. Cốt thép này cần được liên tục bằng mối hàn có độ dẻo kết cấu trong phạm vi mối nối nằm ngang hoặc tốt hơn, trong phạm vi các nút khóa đặc biệt được cấu tạo để đảm bảo yêu cầu này. (Hình 5.15).
(Mời xem tiếp trong file tải về)
Bạn chưa Đăng nhập thành viên.
Đây là tiện ích dành cho tài khoản thành viên. Vui lòng Đăng nhập để xem chi tiết. Nếu chưa có tài khoản, vui lòng Đăng ký tại đây!





























