- Tổng quan
- Nội dung
- Tiêu chuẩn liên quan
- Lược đồ
- Tải về
Tiêu chuẩn Quốc gia TCVN 11324-2:2016 IEC 60906-2:2011 Hệ thống phích cắm và ổ cắm dùng trong gia đình và các mục đích tương tự - Phần 2: Phích cắm và ổ cắm 15 A 125 V xoay chiều và 20 A 125 V xoay chiều
| Số hiệu: | TCVN 11324-2:2016 | Loại văn bản: | Tiêu chuẩn Việt Nam |
| Cơ quan ban hành: | Bộ Khoa học và Công nghệ | Lĩnh vực: | Khoa học-Công nghệ |
|
Ngày ban hành:
Ngày ban hành là ngày, tháng, năm văn bản được thông qua hoặc ký ban hành.
|
2016 |
Hiệu lực:
|
Đã biết
|
| Người ký: | Đang cập nhật |
Tình trạng hiệu lực:
Cho biết trạng thái hiệu lực của văn bản đang tra cứu: Chưa áp dụng, Còn hiệu lực, Hết hiệu lực, Hết hiệu lực 1 phần; Đã sửa đổi, Đính chính hay Không còn phù hợp,...
|
Đã biết
|
TÓM TẮT TIÊU CHUẨN VIỆT NAM TCVN 11324-2:2016
Nội dung tóm tắt đang được cập nhật, Quý khách vui lòng quay lại sau!
Tải tiêu chuẩn Việt Nam TCVN 11324-2:2016
TIÊU CHUẨN QUỐC GIA
TCVN 11324-2:2016
IEC 60906-2:2011
HỆ THỐNG PHÍCH CẮM VÀ Ổ CẮM DÙNG TRONG GIA ĐÌNH VÀ CÁC MỤC ĐÍCH TƯƠNG TỰ - PHẦN 2: PHÍCH CẮM VÀ Ổ CẮM 15 A 125 V XOAY CHIỀU VÀ 20 A 125 A XOAY CHIỀU
IEC system of plugs and socket-outlets for household and similar purposes - Part 2: Plugs and socket-outlets 15 A 125 V a.c and 20 A 125 V a.c.
Lời nói đầu
TCVN 11324-2:2016 hoàn toàn tương đương với IEC 60906-2:2009;
TCVN 11324-2:2016 do Ban kỹ thuật tiêu chuẩn quốc gia TCVN/TC/E1 Máy điện và khí cụ điện biên soạn, Tổng cục Tiêu chuẩn Đo lường Chất lượng đề nghị, Bộ Khoa học và Công nghệ công bố.
Bộ TCVN 11324 (IEC 60906), Hệ thống phích cắm và ổ cắm dùng trong gia đình và các mục đích tương tự gồm 3 phần:
1) TCVN 11324-1:2016 (IEC 60906-1:2009), Hệ thống phích cắm và ổ cắm dùng trong gia đình và các mục đích tương tự - Phần 1: Phích cắm và ổ cắm 16 A 250 V xoay chiều;
2) TCVN 11324-2:2016 (IEC 60906-2:2011), Hệ thống phích cắm và ổ cắm dùng trong gia đình và các mục đích tương tự - Phần 2: Phích cắm và ổ cắm 15 A 125 V xoay chiều về 20 A 125 V xoay chiều;
3) TCVN 11324-3:2016 (IEC 60906-3:1994), Hệ thống phích cắm và ổ cắm dùng trong gia đình và các mục đích tương tự - Phần 3: Phích cắm và ổ cắm SELV 16 A 6 V, 12 V, 24 V, 48 V xoay chiều và một chiều.
HỆ THỐNG PHÍCH CẮM VÀ Ổ CẮM DÙNG TRONG GIA ĐÌNH VÀ CÁC MỤC TƯƠNG TỰ - PHẦN 2: PHÍCH CẮM VÀ Ổ CẮM 15 A 125 V XOAY CHIỀU VÀ 20 A 125 V XOAY CHIỀU
IEC system of plugs and socket-outlets for household and similar purposes - Part 2: Plugs and socket-outlets 15 A 125 V a.c. and 20 A 125 V a.c.
1 Phạm vi áp dụng
Tiêu chuẩn này áp dụng cho hệ thống phích cắm và ổ cắm 15 A 125 V xoay chiều và 20 A 125 V xoay chiều dùng trong gia đình về các mục đích tương tự để nối thiết bị đến các hệ thống phân phối có điện áp danh nghĩa từ 100 V đến 130 V xoay chiều, trong chừng mực liên quan đến các yêu cầu về kích thước.
Ổ cắm trong tiêu chuẩn này được phân loại theo mục đích sử dụng:
a) ổ cắm dùng cho các mạch điện trong đó một mạch nối đất duy nhất cung cấp nối đất bảo vệ cho thiết bị được nối vào và các phần dẫn để trần của ổ cắm, nếu có;
b) ổ cắm dùng cho các mạch điện trong đó miễn nhiễm tạp điện được kỳ vọng đối với mạch nối đất của thiết bị được nối vào. Mạch nối đất của thiết bị được cách ly về điện với mạch nối đất bảo vệ dùng cho các phần dẫn điện để trần của ổ cắm, nếu có.
Đối với phích cắm và ổ cắm 16 A 250 V xoay chiều dùng trong gia đình và các mục đích tương tự, xem TCVN 11324-1 (IEC 60906-1).
2 Tài liệu viện dẫn
Các tài liệu viện dẫn sau là cần thiết cho việc áp dụng tiêu chuẩn này. Đối với các tài liệu viện dẫn ghi năm công bố, áp dụng bản được nêu. Đối với các tài liệu viện dẫn không ghi năm công bố thì áp dụng phiên bản mới nhất, bao gồm cả các sửa đổi.
TCVN 5906 (ISO 1101), Quy định kỹ thuật về hình học của sản phẩm (GPS) - Dung sai hình học - Dung sai về hình dạng, hướng, vị trí và độ đảo)
IEC 60417, Graphical symbols forusaon equipment (Ký hiệu đồ họa để sử dụng trên thiết bị)
IEC 60864-1:2002 và amendment 1:2006 1, Plugs and socket-outlets for household and similar purposes - Part 1: General requirements (Phích cắm và ổ cắm dùng trong gia đình và các mục đích tương tự- Phần 1: Yêu cầu chung)
3 Yêu cầu và thử nghiệm
Phích cắm và ổ cắm dùng trong hệ thống điện 125 V phải phù hợp với các tờ rời tiêu chuẩn liên quan trong tiêu chuẩn này. Ngoài ra, phích cắm và ổ cắm phải phù hợp với tất cả các yêu cầu liên quan của TCVN 6188-1 (IEC 60884-1).
| TỜ RỜI TIÊU CHUẨN 1 Ổ CẮM HAI CỰC 15 A 125 V XOAY CHIỀU CÓ TIẾP ĐIỂM NỐI ĐẤT |
| Kích thước tính bằng milimét
|
| Hình vẽ không nhằm chi phối thiết kế mà chỉ để thể hiện kích thước. Hình vẽ này có thể được sử dụng trong các bố trí khác nhau ví dụ như bộ nhiều ổ cắm. Đối với các ký hiệu thể hiện dung sai về dạng hoặc vị trí, xem TCVN 5906 (ISO 1101). |
| TỜ RỜI TIÊU CHUẨN 1A Ổ CẮM HAI CỰC 15 A 125 V XOAY CHIỀU CÓ TIẾP ĐIỂM NỐI ĐẤT KIỂU KÉP |
| Kích thước tính bằng milimét
|
| Hình vẽ không nhằm chi phối thiết kế mà chỉ để thể hiện kích thước. Các kích thước của kiểu kép có thể sử dụng trong các bố trí khác nhau ví dụ như bộ nhiều ổ cắm. |
| GIẢI THÍCH CÁC CHỮ SỐ TRÊN TỜ RỜI TIÊU CHUẨN 1, 1A, 6, 5A 1. Vùng bề mặt tiếp giáp trong phạm vi kích thước chỉ ra, kể cả tấm nắp (nếu có) không được nhô ra ngoài. 2. Cơ cấu chớp an toàn là tùy chọn. Xem TCVN 6188-1 (IEC 60884-1). 3. Đầu nối đất phải được chỉ thị bằng ký hiệu IEC 60417-5019(2006-08). 4. Việc chỉ thị các đầu nối khác là tùy chọn. Các chỉ thị phải được đặt gần các đầu nối. 5. Các điểm tiếp xúc đầu tiên với các tiếp điểm mang dòng và tiếp điểm nối đất của ổ cắm được kiểm tra bằng các dưỡng thể hiện trên Hình 1 và Hình 2. Hình dạng thích hợp như vát mép hoặc lượn tròn là cần thiết để tránh hỏng đến tiếp điểm của ổ cắm khi phích cắm được cắm vào ở góc bất lợi nhất. 6. Đối với các chi tiết có hình dạng không phải hình trụ, các đặc trưng về cấu hình phải bắt nguồn từ, và hướng đến đường tâm của vòng tròn theo lý thuyết một cách tương tự như chỉ ra trên hình. 7. Vát mép hoặc lượn tròn. 8. Trong phạm vi chiều dày này, dẫn hướng riêng biệt cho các chân cắm phải tối thiểu là 1,5 mm ở kích thước quy định. 9. Tối thiểu 18,5 mm đối với các tiếp điểm mang dòng và tối thiểu 22 mm đối với tiếp điểm nối đất. 10. Trên ổ cắm dùng cho các mạch điện mà ở đó miễn nhiễm với tạp điện được kỳ vọng đối với mạch nối đất của thiết bị được nối vào. Mạch nối đất của thiết bị được cách ly về điện với mạch nối đất bảo vệ dùng cho các phần dẫn điện để trần của ổ cắm, nếu có. Các ổ cắm như vậy phải được nhận biết bởi hình tam giác có thể nhìn thấy được sau khi lắp đặt. 11. Hốc được quy định để duy trì bảo vệ chống điện giật trong quá trình rút ra hoặc cắm vào một phần của phích cắm. Kích thước tối thiểu được thể hiện phải được coi là điểm tiếp xúc đầu tiên. Hốc cho các tiếp điểm mang dòng được kiểm tra bằng các dưỡng thể hiện trên Hình 3 và Hình 4. |
| TỜ RỜI TIÊU CHUẨN 2 PHÍCH CẮM HAI CỰC 15 A 125 V XOAY CHIỀU (CÓ THỂ ĐẢO CỰC) |
| Kích thước tính bằng milimét
|
| Phích cắm hai cực không phân cực (có thể đảo cực) được phép sử dụng khi không yêu cầu sự phân cực của đấu nối mạch điện. Hình vẽ không nhằm chi phối thiết kế mà chỉ để thể hiện kích thước. Đối với các ký hiệu thể hiện dung sai về dạng hoặc vị trí, xem TCVN 5906 (ISO 1101). |
| TỜ RỜI TIÊU CHUẨN 3 Ổ CẮM DI ĐỘNG HAI CỰC 15 A 125 V XOAY CHIỀU (KHÔNG ĐẢO CỰC) |
| Kích thước tính bằng milimét
|
| Phích cắm hai cực có phân cực (không thể đảo cực) được phép sử dụng khi có yêu cầu sự phân cực của đấu nối mạch điện. Hình vẽ không nhằm chi phối thiết kế mà chỉ để thể hiện kích thước. Đối với các ký hiệu thể hiện dung sai về dạng hoặc vị trí, xem TCVN 5906 (ISO 1101). |
| TỜ RỜI TIÊU CHUẨN 4 PHÍCH CẮM HAI CỰC 15 A 125 V XOAY CHIỀU CÓ TIẾP ĐIỂM NỐI ĐẤT |
| Kích thước tính bằng milimét
|
| Hình vẽ không nhằm chi phối thiết kế mà chỉ để thể hiện kích thước. Đối với các ký hiệu thể hiện dung sai về dạng hoặc vị trí, xem TCVN 5906 (ISO 1101). |
| TỜ RỜI TIÊU CHUẨN 5 Ổ CẮM HAI CỰC 20 A 125 V XOAY CHIỀU CÓ TIẾP ĐIỂM NỐI ĐẤT |
| Kích thước tính bằng milimét
|
| Hình vẽ không nhằm chi phối thiết kế mà chỉ để thể hiện kích thước. Các hình vẽ này có thể được sử dụng trong các bố trí khác nhau ví dụ như bộ nhiều ổ cắm. Đối với các ký hiệu thể hiện dung sai về dạng hoặc vị trí, xem TCVN 5906 (ISO 1101). |
| TỜ RỜI TIÊU CHUẨN 5A Ổ CẮM HAI CỰC 20 A 125 V XOAY CHIỀU CÓ TIẾP ĐIỂM NỐI ĐẤT KIÊU KÉP |
| Kích thước tính bằng milimét
|
| Hình vẽ không nhằm chi phối thiết kế mà chỉ để thể hiện kích thước. Các kích thước của kiểu kép có thể được sử dụng trong các bố trí khác nhau ví dụ như bộ nhiều ổ cắm. |
| TỜ RỜI TIÊU CHUẨN 6 PHÍCH CẮM HAI CỰC 20 A 125 V XOAY CHIỀU (KHÔNG ĐẢO CỰC) |
| Kích thước tính bằng milimét
|
| Hình vẽ không nhằm chi phối thiết kế mà chỉ để thể hiện kích thước. Đối với các ký hiệu thể hiện dung sai về dạng hoặc vị trí, xem TCVN 5906 (ISO 1101). |
| TỜ RỜI TIÊU CHUẨN 7 PHÍCH CẮM HAI CỰC 20 A 125 V XOAY CHIỀU CÓ TIẾP ĐIỂM NỐI ĐẤT |
| Kích thước tính bằng milimét
|
| Hình vẽ không nhằm chi phối thiết kế mà chỉ để thể hiện kích thước. Đối với các ký hiệu thể hiện dung sai về dạng hoặc vị trí, xem TCVN 5906 (ISO 1101). |
| GIẢI THÍCH CÁC CHỮ SỐ TRÊN TỜ RỜI TIÊU CHUẨN 2, 3, 4, 6 VÀ 7 1. Chu vi không được nhỏ hơn các kích thước nhỏ nhất của mặt tiếp giáp. 2. Lỗ này là tùy chọn. Nếu sử dụng, lỗ phải có vị trí và kích thước như thể hiện trên hình. 3. Góc 90° thể hiện gốc lớn nhất cho phép đổi hướng cho cáp và dây nguồn mềm. 4. Chu vi của phích cắm không được vượt quá kích thước đường kính lớn nhất thể hiện trên hình để đảm bảo việc cắm vào ổ cắm kép thích hợp trong tờ rời tiêu chuẩn 1A hoặc 5A. 5. Để tránh hỏng cơ cấu chớp an toàn, đầu mút của các chân cắm không được có cạnh sắc hoặc bavia. 6. Đối với các chi tiết có hình dạng không phải hình trụ, các đặc trưng về cấu hình phải bắt nguồn từ, và hướng từ đường tâm của vòng tròn theo lý thuyết một cách tương tự như chỉ ra trên hình. 7. Việc chỉ thị các đầu nối khác là tùy chọn. Các chỉ thị phải được đặt gần các đầu nối. Không cần ghi nhãn các chân cắm thuộc loại không tháo dây được. 8. Đầu nối đất phải được chỉ thị bằng ký hiệu IEC 60417-5019 (2006-08). |
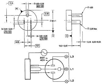
Kích thước tính bằng milimét

Dưỡng khi cắm hoàn toàn theo hướng vuông góc với mặt tiếp giáp của ổ cắm phải làm cho bóng đèn L1, L2 và L3 sáng.
Dưỡng phải được cắm vào ổ cắm ở các góc khác nhau và phải làm cho bóng đèn L1 sáng trước khi bóng L2 và L3 sáng. Dưỡng, khi được rút ra, phải làm cho bóng L2 và L3 tắt trước khi bóng L1 tắt.
Hình 1 – Hệ thống phích cắm và ổ cắm 15 A125 V xoay chiều - Dưỡng để kiểm tra điểm 5 trong các tờ rời tiêu chuẩn 1, 1A, 5 và 5A
Kích thước tính bằng milimét

Dưỡng khi cắm hoàn toàn theo hướng vuông góc với mặt tiếp giáp của ổ cắm phải làm cho bóng đèn L1, L2 và L3 sáng.
Dưỡng phải được cắm vào ổ cắm ở các góc vào khác nhau và phải làm cho bóng đèn L1 sáng trước khi bóng L2 và L3 sáng. Dưỡng, khi được rút ra, phải làm cho bóng L2 và L3 tắt trước khi bóng L1 tắt.
Hình 2 - Hệ thống phích cắm và ổ cắm 20 A125 V xoay chiều – Dưỡng để kiểm tra điểm 5 trang các tờ rời tiêu chuẩn 1, 1A, 5 và 5A
Kích thước tính bằng milimét

Dưỡng khi cắm hoàn toàn theo hướng vuông góc với mặt tiếp giáp của ổ cắm không được làm cho bóng đèn L1 hoặc L2 sáng.
Hình 3 - Hệ thống phích cắm và ổ cắm 15 A 125 V xoay chiều – Dưỡng để kiểm tra điểm 11 trong các tờ rời tiêu chuẩn 1, 1A, 5 và 5 A
Kích thước tính bằng milimét

Dưỡng khi cắm hoàn toàn theo hướng vuông góc với mặt tiếp giáp của ổ cắm không được làm cho bóng đèn L1 hoặc L2 sáng.
Hình 4 - Hệ thống phích cắm và ổ cắm 20 A125 V xoay chiều - Dưỡng để kiểm tra điểm 11 trong các tờ rời tiêu chuẩn 5 và 5A
Thư mục tài liệu tham khảo
[1] TCVN 7995 (IEC 60038), Điện áp tiêu chuẩn
[2] IEC 60083:2009, Plugs and socket-outlets for domestic and similar general use standardized in member countries of IEC (Phích cắm và ổ cắm dùng trong gia đình và các mục đích chung tương tự được chuẩn hóa trong các nước thành viên IEC)
[3] TCVN 11324-1:2016 (1EC 60906-1:2009), Hệ thống phích cắm và ổ cắm dùng trong gia đình và các mục đích tương tự - Phần 1: Phích cắm và ổ cắm 16 A 250 V xoay chiều
Mục lục
Lời nói đầu
1 Phạm vi áp dụng
2 Tài liệu viện dẫn
3 Yêu cầu và thử nghiệm
Thư mục tài liệu tham khảo
1 Hệ thống Tiêu chuẩn quốc gia đã có TCVN 6166-1:2007 (IEC 60884-12002), Ổ cắm và phích cắm dùng trong gia đinh và các mục đích tương tự - Phần 1: Yêu cầu chung
Bạn chưa Đăng nhập thành viên.
Đây là tiện ích dành cho tài khoản thành viên. Vui lòng Đăng nhập để xem chi tiết. Nếu chưa có tài khoản, vui lòng Đăng ký tại đây!








