- Tổng quan
- Nội dung
- Tiêu chuẩn liên quan
- Lược đồ
- Tải về
Tiêu chuẩn Quốc gia TCVN 11324-1:2016 IEC 60906-1:2009 Hệ thống phích cắm và ổ cắm dùng trong gia đình và các mục đích tương tự - Phần 1: Phích cắm và ổ cắm 16 A 250 V xoay chiều
| Số hiệu: | TCVN 11324-1:2016 | Loại văn bản: | Tiêu chuẩn Việt Nam |
| Cơ quan ban hành: | Bộ Khoa học và Công nghệ | Lĩnh vực: | Khoa học-Công nghệ |
|
Ngày ban hành:
Ngày ban hành là ngày, tháng, năm văn bản được thông qua hoặc ký ban hành.
|
2016 |
Hiệu lực:
|
Đã biết
|
| Người ký: | Đang cập nhật |
Tình trạng hiệu lực:
Cho biết trạng thái hiệu lực của văn bản đang tra cứu: Chưa áp dụng, Còn hiệu lực, Hết hiệu lực, Hết hiệu lực 1 phần; Đã sửa đổi, Đính chính hay Không còn phù hợp,...
|
Đã biết
|
TÓM TẮT TIÊU CHUẨN VIỆT NAM TCVN 11324-1:2016
Nội dung tóm tắt đang được cập nhật, Quý khách vui lòng quay lại sau!
Tải tiêu chuẩn Việt Nam TCVN 11324-1:2016
TIÊU CHUẨN QUỐC GIA
TCVN 11324-1:2016
IEC 60906-1:2009
HỆ THỐNG PHÍCH CẮM VÀ Ổ CẮM DÙNG TRONG GIA ĐÌNH VÀ CÁC MỤC ĐÍCH TƯƠNG TỰ - PHẦN 1: PHÍCH CẮM VÀ Ổ CẮM 16 A 250 V XOAY CHIỀU
IEC system of plugs and socket-outlets for household and similar purposes - Part 1: Plugs and socket-outlets 16 A 250 V a.c.
Lời nói dầu
TCVN 11324-1:2016 hoàn toàn tương đương với IEC 60906-1:2009;
TCVN 11324-1:2016 do Ban kỹ thuật tiêu chuẩn quốc gia TCVN/TC/E1 Máy điện và khí cụ điện biên soạn, Tổng cục Tiêu chuẩn Đo lường Chất lượng đề nghị, Bộ Khoa học và Công nghệ công bố.
Bộ TCVN 11324 (IEC 60906), Hệ thống phích cắm và ổ cắm dùng trong gia đình và các mục đích tương tự gồm 3 phần:
1) TCVN 11324-1:2016 (IEC 60906-1:2009), Hệ thống phích cắm và ổ cắm dùng trong gia đình và các mục đích tương tự - Phần 1: Phích cắm và ổ cắm 16 A 250 V xoay chiều;
2) TCVN 11324-2:2016 (IEC 60906-2:2011), Hệ thống phích cắm và ổ cắm dùng trong gia đình và các mục đích tương tự - Phần 2: Phích cắm và ổ cắm 15 A 125 V xoay chiều và 20 A 125 V xoay chiều;
3) TCVN 11324-32016 (IEC 60906-3:1994), Hệ thống phích cắm và ổ cắm dùng trong gia đình và các mục đích tương tự- Phần 3: Phích cắm và ổ cắm SELV 16 A 6 V, 12 V, 24 V, 48 V xoay chiều và một chiều.
HỆ THỐNG PHÍCH CẮM VÀ Ổ CẮM DÙNG TRONG GIA ĐÌNH VÀ CÁC MỤC ĐÍCH TƯƠNG TỰ - PHẦN 1: PHÍCH CẮM VÀ Ổ CẮM 16 A 250 V XOAY CHIỀU
IEC system of plugs and socket-outlets tor household and similar purposes - Part 1: Plugs and socket-outlets 16 A 250 V a.c.
1 Phạm vi áp dụng
Tiêu chuẩn này áp dụng cho hệ thống phích cắm và ổ cắm 16 A 250V xoay chiều dùng trong gia đình và các mục đích tương tự để nối thiết bị đến các hệ thống phân phối có điện áp danh nghĩa từ 200 V đến 250 V xoay chiều, trong chừng mực liên quan đến các yêu cầu về kích thước.
Tiêu chuẩn này không áp dụng cho các phích cắm và ổ cắm 15 A 125 V xoay chiều dùng trong gia đình và các mục đích tương tự để nối thiết bị đến các hệ thống phân phối có điện áp danh nghĩa từ 100 V đến 125 V xoay chiều.
CHÚ THÍCH: Ở Tây Ban Nha và Anh, không cho phép sử dụng các phích cắm và A cắm phù hợp với tiêu chuẩn này.
2 Tài liệu viện dẫn
Các tài liệu viện dẫn sau là cần thiết cho việc áp dụng tiêu chuẩn này. Đối với các tài liệu viện dẫn ghi năm công bố, áp dụng bản được nêu. Đối với các tài liệu viện dẫn không ghi năm công bố thì áp dụng phiên bản mới nhất, bao gồm cả các sửa đổi.
TCVN 5906 (ISO 1101), Quy định kỹ thuật về hình học của sản phẩm (GPS) - Dung sai hình học - Dung sai về hình dạng, hướng, vị trí và độ đảo)
IEC 60417, Graphical symbols for use on equipment (Ký hiệu đồ họa để sử dụng trên thiết bị)
IEC 60684-1:2002 và amendment 1:2006 1, Plugs and socket-outlets for household and similar purposes - Part 1: General requirements (Phích cắm và ổ cắm dùng trong gia đình và các mục đích tương tự - Phần 1: Yêu cầu chung)
3 Yêu cầu và thử nghiệm
Phích cắm và ổ cắm dùng trong hệ thống điện 250 V phải phù hợp với các tờ rời tiêu chuẩn liên quan trong tiêu chuẩn này.
Ngoài ra, phích cắm và ổ cắm phải phù hợp với tất cả các yêu cầu liên quan trong IEC 60884-1 và các tiêu chuẩn IEC 60884-2 tương ứng, nếu cần. Dưỡng để kiểm tra các yêu cầu của IEC 60884-1 được thể hiện trên Hình 1, Hình 5A, Hình 5B và Hình 6.
CHÚ THÍCH 1: Hệ thống điện 250 V không cho phép sử dụng phích cắm và ổ cắm bất kỳ khác với loại được quy định trong các tờ rơi của tiêu chuẩn này.
CHÚ THÍCH 2: Việc đưa vào áp dụng một thiết kế thay thế của phích cắm (hoặc ổ cắm) ở một quốc gia để sử dụng với hệ thống điện 250 V có thể gây ra nguy cơ mất an toàn nếu thiết kế thay thế này lại được sử dụng ở quốc gia khác có ổ cắm (phích cắm) phù hợp với tiêu chuẩn quốc gia hiện hành ở quốc gia đó, và do đó cần phải tránh.
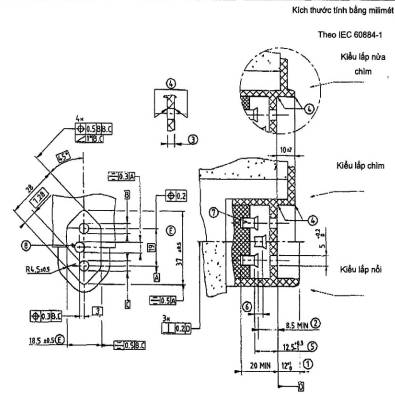
| TỜ RỜI TIÊU CHUẨN 1-1 Ổ CẮM HAI CỰC 16 A 250 V XOAY CHIỀU CÓ TIẾP ĐIỂM NỐI ĐẤT |
|
|
| Hình vẽ thể hiện các kiểu lắp đặt khác nhau: ổ cắm kiểu lắp chìm, nửa chìm và lắp nổi. Nếu cần có hệ thống phân cực thì đầu nối trung tính phải được ghi nhãn “N” trên đầu nối bên dưới, tiếp điểm nối đất của ổ cắm cần đặt bên phía trái. Hình vẽ không nhằm chi phối thiết kế mà chỉ để thể hiện kích thước. Hình vẽ này có thể sử dụng trong các bố trí khác nhau ví dụ như bộ nhiều ổ cắm. Đối với các ký hiệu thể hiện dung sai về dạng hoặc vị trí, xem TCVN 5906 (ISO 1101). |
| GIẢI THÍCH CÁC CHỮ SỐ TRÊN TỜ RỜI TIÊU CHUẨN 1-1 1. Phải có gờ nhô lên hoặc bậc tụt xuống hoặc kết hợp cả hai. 2. Kích thước này dùng cho tấm che, dẫn hướng các chân cắm của phích cắm và cơ cấu chớp an toàn. Cơ cấu chớp an toàn là bắt buộc. 3. Trong phạm vi chiều dày này, dẫn hướng cho các chân cắm của phích cắm phải tối thiểu là 1.5 mm ở đường kính quy định. 4. Vát nhẹ hoặc lượn tròn. 5. Khoảng cách đúng giữa mặt tiếp giáp và điểm tiếp xúc đầu tiên với các tiếp điểm mang dòng của ổ cắm được kiểm tra bằng dưỡng thể hiện trên Hình 2. 6. Dưỡng thể hiện trên Hình 3 phải được sử dụng để kiểm tra: - khi cắm phích cắm có chân cắm nối đất, việc nối đất phải được thực hiện trước khi các chân cắm mang dòng của phích cắm trở nên mang điện; - khi rút phích cắm, các chân cắm mang dòng phải tách ra khỏi tiếp điểm của ổ cắm trước khi ngắt nối đất. 7. Tiếp điểm ổ cắm phải có độ đàn hồi thích hợp. Độ đàn hồi và lực tiếp xúc của ổ cắm phải được kiểm tra bằng các dưỡng cho trên Hình 4. CHÚ THÍCH: Lối vào có hình dạng thích hợp ví dụ như vát mép hoặc lượn tròn là cần thiết để tránh hỏng các tiếp điểm ổ cắm khi phích cắm được cắm vào ở góc bất lợi nhất. 8. Đầu nối đất phải được chỉ thị bằng ký hiệu IEC 60417-5019 (2006-08). Ký hiệu này phải được đặt gần các đầu nối. Không cần đánh dấu đầu nối kiểu không tháo dây được. |
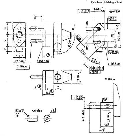
| TỜ RỜI TIÊU CHUẨN 2-1 PHÍCH CẮM HAI CỰC 16 A 250 V XOAY CHIỀU CÓ CHÂN CẮM NỐI ĐẤT |
|
|
| X: Không có yêu cầu về kích thước. Hình vẽ không nhằm chi phối thiết kế mà chỉ để thể hiện kích thước. Đối với các ký hiệu thể hiện dung sai về dạng hoặc vị trí, xem TCVN 5906 (ISO 1101). |
| TỜ RỜI TIÊU CHUẨN 2-2 PHÍCH CẮM HAI CỰC 16 A 250 V XOAY CHIỀU CẤP II |
|
|
| X: Không có yêu cầu về kích thước. Hình vẽ không nhằm chi phối thiết kế mà chỉ để thể hiện kích thước. Đối với các ký hiệu thể hiện dung sai về dạng hoặc vị trí, xem TCVN 5906 (ISO 1101). |
| GIẢI THÍCH CÁC CHỮ SỐ TRÊN TỜ RỜI TIÊU CHUẨN 2-1 VÀ 2-2 1. Đầu nối đất phải được chỉ thị bằng ký hiệu IEC 60417-5019 (2006-08). Ký hiệu này cần được đặt bên trong thân gần các đầu nối. Không cần đánh dấu đầu nối kiểu không tháo dây được. 2. Khoảng cách giữa mặt tiếp giáp và dây nguồn hoặc cơ cấu bảo vệ dây nguồn, nếu có, phải tối thiểu bằng 13,5 mm. 3. Trong phạm vi khoảng cách này, hình bao không được nhỏ hơn mặt tiếp giáp. 4. Trong phạm vi khoảng cách này, hình bao không được lớn hơn mặt tiếp giáp. 5. Ống cách điện trên các chân cắm mang dòng là bắt buộc. Nếu ống cách điện là các phần riêng rẽ thì chúng phải được lồng vào chân cắm tối thiểu 3 mm đo từ bề mặt tiếp giáp. CHÚ THÍCH: Ở Braxin, các yêu cầu này là tự nguyện. 6. Đường kính ngoài của ống cách điện phải luôn nhỏ hơn so với đường kính ngoài của phần dẫn điện của chân cắm. 7. Để tránh hỏng cơ cấu chớp an toàn, đầu mút của các chân cắm không được có mép sắc hoặc bavia ở phần phía trước chân cắm hoặc vùng giữa phần tiếp xúc và phần cách điện. Các đầu mút này được lượn tròn với đầu phẳng tùy chọn có đường kính không quá 2 mm(xem chi tiết). 6. Góc 90° thể hiện góc lớn nhất cho phép để dẫn hướng lối vào cáp hoặc dây nguồn mềm. CHÚ THÍCH: Ở Anh, phích cắm phù hợp với tờ rời tiêu chuẩn 2-2 không được chấp nhận vì chính nguy hiểm do tương thích với ổ cắm phù hợp với BS 1363-2 và BS 546. |
| TỜ RỜI TIÊU CHUẨN 3-1 Ổ CẮM DI ĐỘNG HAI CỰC 16 A 250 V XOAY CHIỀU CÓ TIẾP ĐIỂM NỐI ĐẤT |
|
|
| Đối với các kích thước không được chỉ thị, xem tờ rời tiêu chuẩn 1-1. Hình vẽ không nhằm chi phối thiết kế mà chỉ để thể hiện kích thước. Hình này có thể được sử dụng trong các bố trí khác nhau ví dụ như bộ nhiều ổ cắm. Đối với các ký hiệu thể hiện dung sai về dạng hoặc vị trí, xem TCVN 5906 (ISO 1101). |
| TỜ RỜI TIÊU CHUẨN 3-2 Ổ CẮM DI ĐỘNG HAI CỰC 16 A 250 V XOAY CHIỀU KHÔNG CÓ TIẾP ĐIỂM NỐI ĐẤT |
|
|
| Hình vẽ không nhằm chi phối thiết kế mà chỉ để thể hiện kích thước. Hình vẽ này có thể được sử dụng trong các bố trí khác nhau ví dụ như bộ nhiều ổ cắm. Đối với các ký hiệu thể hiện dung sai về dạng hoặc vị trí, xem TCVN 5906 (ISO 1101). |
| GIẢI THÍCH CÁC CHỮ SỐ TRÊN TỜ RỜI TIÊU CHUẨN 3-1 VÀ 3-2 Các tờ rời tiêu chuẩn này cũng được thiết kế để sử dụng cho ổ cắm kết hợp trong thiết bị. 1. Phải có gờ nhô lên hoặc bậc tụt xuống hoặc kết hợp cả hai. 2. Không sử dụng. 3. Kích thước này dùng cho tấm che, dẫn hướng các chân cắm và cơ cấu chớp an toàn. Cơ cấu chớp an toàn là bắt buộc. 4. Trong phạm vi chiều dày này, dẫn hướng cho các chân cắm phải tối thiểu là 1,5 mm ở đường kính quy định. 5. Vát nhẹ hoặc lượn tròn. 6. Khoảng cách đúng giữa mặt tiếp giáp và điểm tiếp xúc đầu tiên với các tiếp điểm mang dòng của ổ cắm được kiểm tra bằng dưỡng thể hiện trên Hình 2. 7. Tiếp điểm ổ cắm phải có độ đàn hồi thích hợp. Độ đàn hồi và lực tiếp xúc của ổ cắm phải được kiểm tra bằng các dưỡng cho trên Hình 4. CHÚ THÍCH 1: Lối vào có hình dạng thích hợp ví dụ như vát mép hoặc lượn tròn là cần thiết để tránh hỏng các tiếp điểm ổ cắm khi phích cắm được cắm vào ở góc bất lợi nhất CHÚ THÍCH 2: Ở Anh, ổ cắm di động không có tiếp điểm nối đất là hoàn toàn không được chấp nhận. |
Kích thước tính bằng milimét

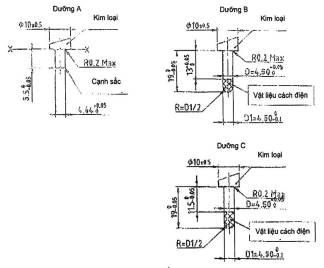
Thử nghiệm được thực hiện với mặt tiếp giáp của ổ cắm nằm ngang và cơ cấu chớp an toán để mở. Dường được đặt vào bởi khối lượng của chúng theo các tư thế bất kỳ có thể có. Dưỡng không được có khả năng chạm tới cụm tiếp xúc của ổ cắm với chỉ một chân cắm của dưỡng; cơ cầu chỉ thị điện với điện áp không nhỏ hơn 40 V và không lớn hơn 50 V được sử dụng để phát hiện việc tiếp xúc. Khối lượng tổng của dưỡng phải là 200 g ± 5 g và được làm bằng kim loại kháng gỉ để có độ cứng thích hợp (ví dụ bảng thép không gỉ).
CHÚ THÍCH: Đối với các ổ cắm làm bằng vật liệu như cao su hoặc PVC, xem 10.3 của IEC 60884-1.
Hình 1 - Hệ thống phích cắm và ổ cắm 16 A250 V xoay chiều - Dưỡng để kiểm tra khả năng không cắm được một cực - Điểm 1 và điểm 2 trong các tờ rời tiêu chuẩn 1-1, 3-1 và 3-2
(xem 10.3 của IEC 60884-1)
Kích thước tính bằng milimét

Trong quá trình thử nghiệm sử dụng các dưỡng này, cơ cấu chớp an toàn để mở.
Các phần kim loại của dương A, B và C được làm bằng kim loại kháng gỉ (ví dụ bằng thép không gỉ).
Cơ cấu chỉ thị điện với điện áp không nhỏ hơn 40 V và không lớn hơn 50 V được sử dụng để phát hiện việc tiếp xúc.
Dưỡng A phải được đưa vào thông qua các lỗ đầu vào của cụm tiếp điểm ổ cắm theo các tư thế bất kỳ có thể có cho đến khi mặt phẳng XX tiếp xúc hoàn toàn với mặt tiếp giáp.
Cơ cấu chỉ thị không được sáng.
Các chân cắm của dưỡng B và C phải được cắm hoàn toàn. Khi đó,
- đối với dưỡng B, cơ cấu chỉ thị phải sáng;
- đối với dưỡng C, cơ cấu chỉ thị không được sáng.
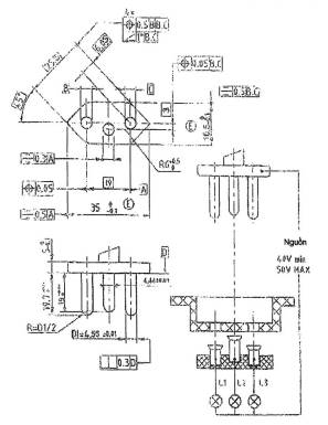
Hình 2 - Hệ thống phích cắm và ổ cắm 10 A 250 V xoay chiều - Dưỡng để kiểm tra khoảng cách theo điểm 2 và 5 trong các tờ rời tiêu chuẩn 1-1, 3-1 và 3-2
Kích thước tính bằng milimét

Dưỡng khi cắm vào ổ cắm với lực không quá mức theo các góc bất kỳ có thể có phải làm cho bóng đèn L2 sáng trước khi bóng L1 và L3 sáng.
Dưỡng, khi được rút ra, phải làm cho bóng L1 và L3 tắt trước khi bóng L2 tắt.
Dưỡng phải được làm bằng kim loại kháng gỉ (ví dụ bằng thép không gỉ).
Hình 3 - Hệ thống phích cắm và ổ cắm 16 A 250 V xoay chiều - Dưỡng để kiểm tra điểm 6 trong các tờ rời tiêu chuẩn 1-1 và 3-1
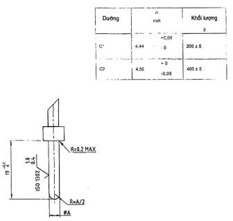
Kích thước tính bằng milimét

Trong quá trình thử nghiệm này, cơ cấu chớp an toàn để mở.
Dưỡng phải được lau sạch dầu mỡ trước khi sử dụng.
Dưỡng C2 phải được đưa vào cụm tiếp điểm ổ cắm với lực lớn nhất là 50 N vuông góc với mặt tiếp giáp, sau đó dưỡng C2 không được rơi ra khỏi cụm tiếp điểm ổ cắm do trọng lượng của nó, ổ cắm được đặt ở tư thế bất lợi nhất.
Sau đó, dưỡng C1 được đưa vào cụm tiếp điểm ổ cắm và không được rơi ra khỏi cụm tiếp điểm ổ cắm, ổ cắm được đặt ở tư thế bất lợi nhất.
Hình 4 - Hệ thống phích cắm và ổ cắm 16 A 250 V xoay chiều – Dưỡng để kiểm tra điểm 7 trong các tờ rời tiêu chuẩn 1-1, 3-1 và 3-2
Kích thước tính bằng milimét

Dưỡng phải được làm bằng kim loại kháng gỉ (ví dụ bằng thép không gỉ).
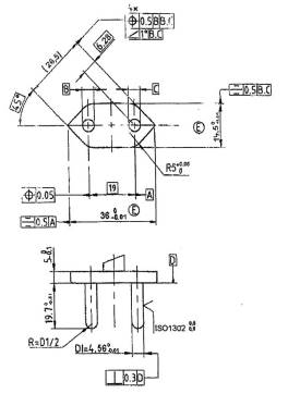
Hình 5A - Hệ thống phích cắm và ổ cắm 16 A 250 V xoay chiều – Dưỡng để kiểm tra lực rút lớn nhất
(xem Điều 22 của IEC 60684-1)
Kích thước tính bằng milimét

Dưỡng phải được làm bằng kim loại kháng gỉ (ví dụ bằng thép không gỉ).
Hình 5B - Hệ thống phích cắm và ổ cắm 16 A 250 V xoay chiều - Dưỡng để kiểm tra lực rút lớn nhất
(xem Điều 22 của IEC 60884-1)
Kích thước tính bằng milimét

Dưỡng phải được làm bằng kim loại kháng gỉ (ví dụ bằng thép không gỉ).
CHÚ THÍCH: Ở Nam Phi, lực rút nhỏ nhất cần được thực hiện với các dưỡng có cỡ chân cắm như liệt kê dưới đây, theo IEC 60884-1,22.2. Điều này nhằm tránh sự tương thích nguy hiểm với phích cắm Cấp II theo EN 50075.
D1 = 3,94
: khối lượng = 1,5 N
D2 = 4,44
: khối lượng = 2,0 N
Hình 6 - Hệ thống phích cắm và ổ cắm 16 A 250 V xoay chiều – Dưỡng để kiểm tra lực rút nhỏ nhất
(xem 22.2 của IEC 60884-1)
Mục lục
Lời nói đầu
1 Phạm vi áp dụng
2 Tài liệu viện dẫn
3 Yêu cầu và thử nghiệm
Thư mục tài liệu tham khảo
1 Hệ thống tiêu chuẩn quốc gia đã có TCVN 6166-1:2007 (IEC 60884-1:2002), Ổ cắm và phích cắm dùng trong gia đình và các mục đích tương tự - Phần 1: Yêu cầu chung
Bạn chưa Đăng nhập thành viên.
Đây là tiện ích dành cho tài khoản thành viên. Vui lòng Đăng nhập để xem chi tiết. Nếu chưa có tài khoản, vui lòng Đăng ký tại đây!




