- Tổng quan
- Nội dung
- Tiêu chuẩn liên quan
- Lược đồ
- Tải về
Tiêu chuẩn quốc gia TCVN 14205-2:2024 Ứng dụng đường sắt - Kiểm tra ray trên đường bằng phương pháp không phá hủy - Phần 2: Kiểm tra ray bằng dòng điện xoáy
| Số hiệu: | TCVN 14205-2:2024 | Loại văn bản: | Tiêu chuẩn Việt Nam |
| Cơ quan ban hành: | Bộ Khoa học và Công nghệ | Lĩnh vực: | Giao thông |
| Trích yếu: | Ứng dụng đường sắt - Kiểm tra ray trên đường bằng phương pháp không phá hủy - Phần 2: Kiểm tra ray bằng dòng điện xoáy | ||
|
Ngày ban hành:
Ngày ban hành là ngày, tháng, năm văn bản được thông qua hoặc ký ban hành.
|
31/12/2024 |
Hiệu lực:
|
Đã biết
|
| Người ký: | Đang cập nhật |
Tình trạng hiệu lực:
Cho biết trạng thái hiệu lực của văn bản đang tra cứu: Chưa áp dụng, Còn hiệu lực, Hết hiệu lực, Hết hiệu lực 1 phần; Đã sửa đổi, Đính chính hay Không còn phù hợp,...
|
Đã biết
|
TÓM TẮT TIÊU CHUẨN VIỆT NAM TCVN 14205-2:2024
Nội dung tóm tắt đang được cập nhật, Quý khách vui lòng quay lại sau!
Tải tiêu chuẩn Việt Nam TCVN 14205-2:2024
TIÊU CHUẨN QUỐC GIA
TCVN 14205-2:2024
ỨNG DỤNG ĐƯỜNG SẮT- KIỂM TRA RAY TRÊN ĐƯỜNG BẰNG PHƯƠNG PHÁP KHÔNG PHÁ HỦY - PHẦN 2: KIỂM TRA RAY BẰNG DÒNG ĐIỆN XOÁY
Railway applications - Non-destructive testing on rails in track
Part 2: Eddy current testing of rails
Lời nói đầu
TCVN 14205-2:2024 tương đương có sửa đổi so với BS EN 16729-2:2020.
TCVN 14205-2:2024 do Cục Đường sắt Việt Nam biên soạn, Bộ Giao thông vận tải đề nghị, Bộ Khoa học và Công nghệ thẩm định và công bố.
TCVN 14205:2024 Ứng dụng đường sắt - Kiểm tra ray trên đường bằng phương pháp không phá hủy bao gồm các phần sau:
+ Phần 1: Yêu cầu đối với kiểm tra bằng siêu âm và các nguyên tắc đánh giá
+ Phần 2: Kiểm tra ray bằng dòng điện xoáy
+ Phần 3: Yêu cầu để xác định các khuyết tật bên trong và trên bề mặt ray
+ Phần 4: Trình độ của nhân sự thử không phá hủy ray.
ỨNG DỤNG ĐƯỜNG SẮT- KIỂM TRA RAY TRÊN ĐƯỜNG BẰNG PHƯƠNG PHÁP KHÔNG PHÁ HỦY - PHẦN 2: KIỂM TRA RAY BẰNG DÒNG ĐIỆN XOÁY
Railway applications - Non-destructive testing on rails in track - Part 2: Eddy current testing of rails
1 Phạm vi áp dụng
Tiêu chuẩn này áp dụng để kiểm tra ray đã được lắp đặt trên đường để phát hiện các vết nứt trên bề mặt ray. Tiêu chuẩn này áp dụng cho thiết bị kiểm tra trong các đoàn tàu kiểm tra hoặc thiết bị tạo lại biên dạng ray và thiết bị vận hành thủ công. Tiêu chuẩn này quy định yêu cầu đối với các nguyên tắc và hệ thống kiểm tra để tạo ra các kết quả có thể so sánh được về vị trí và đặc điểm của các vết nứt trên bề mặt. Tiêu chuẩn này không nhằm đưa ra bất kỳ hướng dẫn nào để quản lý kết quả kiểm tra ray bằng dòng điện xoáy. Tiêu chuẩn này không xác định các yêu cầu đối với việc nghiệm thu phương tiện. Tiêu chuẩn này không áp dụng cho việc kiểm tra ray trong nhà máy sản xuất.
Tiêu chuẩn này áp dụng cho các biên dạng ray đáp ứng các yêu cầu của EN 13674-1, TB/T 2344, GOST 7173-54, GOSTR 51685, JIS E 1101.
2 Tài liệu viện dẫn
Các tài liệu viện dẫn sau là cần thiết cho việc áp dụng tiêu chuẩn này. Đối với tài liệu viện dẫn ghi năm công bố, áp dụng phiên bản được nêu. Đối với tài liệu viện dẫn không ghi năm công bố, áp dụng phiên bản mới nhất, bao gồm các sửa đổi, bổ sung (nếu có).
TCVN xxxx-1:202x Ứng dụng đường sắt - Kết cấu hạ tầng - Kiểm tra ray trên đường bằng phương pháp không phá hủy - Phần 1: Yêu cầu đối với kiểm tra ray bằng siêu âm và các nguyên tắc đánh giá;
EN 13231-5, Railway applications - Track - Acceptance of works - Part 5: Procedures for rail reprofiling in plain line, switches, crossings and expansion devices (Ứng dụng đường sắt - Đường ray - Nghiệm thu công việc - Phần 5: Quy trình tạo lại biên dạng ray trên đường khu gian, ghi, giao cắt và thiết bị co giãn);
TB/T 2344.1, Rail Part 1: 43kg/m~75kg/m Rail (Ray, phần 1: ray 43kg/m~75kg/m);
GOST 7173-54, R43/P43 Steel rail (ray thép R43/P43);
GOST R 51685, Railway rails - General specifications (Ray đường sắt - Thông số kỹ thuật chung);
JIS E 1101, Flat bottom railway rails and special rails for switches and crossings of non-treated steel (Ray để phẳng của đường sắt và ray đặc biệt cho ghi và giao cắt bằng thép không qua nhiệt luyện).
3 Thuật ngữ và định nghĩa
Tiêu chuẩn này áp dụng các thuật ngữ và định nghĩa sau.
3.1
Vết nứt thực tế (real crack)
Vết nứt do tải trọng phương tiện hoặc sản xuất gây ra.
CHÚ THÍCH 1: Các vết nứt cũng có thể được mô phỏng. Sau đó, chúng tạo thành một đặc điểm nhân tạo được thiết kế để đại diện cho một khuyết tật thực sự có kích thước, hướng và vị trí đã biết.
3.2
Khu vực kiểm tra đối với các vết nứt má ray phía khổ đường (testing area for gauge corner cracks)
Xem hình 1.
Kích thước tính bằng mm

CHÚ DẪN:
| x | Tọa độ ngang |
| z | Tọa độ phương đứng |
| SO | Đỉnh ray |
| a | Khoảng cách giữa điểm tiếp xúc của bộ bánh xe và tâm của ray |
| 1-2 | Khu vực kiểm tra má ray phía khổ đường nhỏ nhất |
Hình 1 - Khu vực kiểm tra đối với các vết nứt má ray phía khổ đường
3.3
Khu vực kiểm tra đối với vết nứt mặt lăn ray (testing area for running surface cracks)
Xem hình 2.
Kích thước tính bằng mm

CHÚ DẪN:
| x | Tọa độ ngang |
| z | Tọa độ phương đứng |
| SO | Đỉnh ray |
| a | Khoảng cách giữa điểm tiếp xúc của bộ bánh xe và tâm của ray |
| 3-4 | Khu vực kiểm tra mặt lăn ray tối thiểu |
Hình 2 - Khu vực kiểm tra vết nứt mặt lăn ray
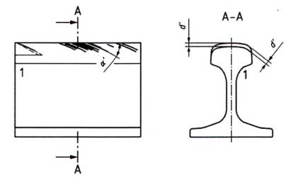
3.4
Độ sâu được gia công (depth to be machined)
Độ sâu được gia công để loại bỏ các vết nứt.
CHÚ THÍCH 1:
Xem Hình 3.

CHÚ DẪN:
| d’ | độ sâu cần gia công (độ sâu của vết nứt hình chữ nhật so với bề mặt bao gồm khoảng cách an toàn để đảm bảo loại bỏ vết nứt) |
| α’ | góc xuyên |
| 1 | phía khổ đường |
| A | mặt cắt ngang |
|
| chiều dài rãnh |
Hình 3 - Chiều sâu được gia công tùy thuộc vào vị trí nứt nấm ray
3.5
Khả năng phát hiện (detectability)
Khả năng nhận biết, phát hiện và ghi nhận các vết nứt trên bề mặt với sự trợ giúp của hệ thống kiểm tra.
3.6
Khả năng tái lập (reproducibility)
Sự phù hợp của một số kết quả từ hệ thống kiểm tra đã được xác minh.
4 Ký hiệu và chữ viết tắt
| Kí hiệu | Định nghĩa | Đơn vị |
| d’ | Độ sâu được gia công (từ mỗi đầu dò) | mm |
| a’ | Góc xuyên | ° |
| dmax | Độ sâu tối đa được gia công (lớn nhất của tất cả các đầu do) | mm |
| dtrung bình | Độ sâu của cụm (giá trị trung bình) | mm |
| ET | Kiểm tra bằng dòng điện xoáy (dòng Fu-cô) |
|
| LH | Ray trái |
|
| RH | Ray phải |
|
5 Nguyên tắc cơ bản
5.1 Yêu cầu chung
Với sự trợ giúp của kiểm tra dòng điện xoáy, các vết nứt trên bề mặt có thể được phát hiện trong các vật liệu dẫn điện (vật liệu sắt từ hoặc không sắt từ).
Kiểm tra dòng điện xoáy dựa trên cảm ứng của dòng điện trong vật liệu dẫn điện. Kích thước được đo và phân tích đề cập đến sự phân bố của các dòng điện cảm ứng (dòng điện xoáy).
Sự phân bố của các dòng điện xoáy trong vật liệu được điều chỉnh bởi các quy luật vật lý; mật độ của các dòng xoáy này giảm mạnh theo khoảng cách tới bề mặt.
Để xác định độ sâu của vết nứt kiểm tra ở nấm ray, chiều dài rãnh vết nứt và góc xuyên được sử dụng. Góc xuyên có thể thay đổi tùy thuộc vào mác thép, lưu lượng, trọng tải và điều kiện chống đỡ của ray. Góc xuyên α' (xem Hình 3) thường được sử dụng để kiểm tra nứt nấm ray trong thanh ray là 25°.
Các thông số ảnh hưởng đến kết quả kiểm tra là:
- Độ dẫn điện của vật liệu;
- Độ thẩm từ của vật liệu;
- Kích thước và hình dạng của khuyết tật;
- Dạng hình học giữa đầu dò dòng điện xoáy và bề mặt vật liệu;
- Thiết kế và kích thước của đầu dò;
- Cài đặt tần số kích thích.
Thông tin chi tiết hơn về phương pháp dòng điện xoáy có thể được tìm thấy trong EN ISO 15549.
5.2 Mục đích kiểm tra
Mục đích của kiểm tra dòng điện xoáy trên ray là để phát hiện, định lượng hoặc phân loại các khuyết tật ray trên bề mặt vật liệu chủ yếu bị mỏi do tiếp xúc lăn có thể ảnh hưởng đến tính toàn vẹn cấu trúc của ray trong đường ray và được định nghĩa trong EN 13231-5. Điều này không chỉ giới hạn ở các mục sau, nhưng thường bao gồm các khuyết tật sau:
- Nứt nấm ray;
- Lõm bề mặt;
- Tróc bề mặt;
- Nứt vỡ.
6 Yêu cầu đối với hệ thống thiết bị kiểm tra dòng điện xoáy trên ray
Việc kiểm tra bề mặt ray có thể được thực hiện thủ công hoặc sử dụng các thiết bị cơ giới hóa.
Khi kiểm tra với đầu dò dòng điện xoáy, nỏ được đặt phía trên nấm ray. Trở kháng của đầu dò bị ảnh hưởng bởi sự tương tác của trường điện từ tạo ra bởi đầu dò và nấm ray. Ảnh hưởng này được ghi lại bởi điện áp phức của đầu dò có thể được tính đến mức độ nghiêm trọng của vết nứt trên bề mặt ray.
Các yêu cầu tối thiểu đối với hệ thống kiểm tra là:
- Phù hợp với nhiệm vụ kiểm tra;
- Có khả năng xử lý các đặc tính vật liệu khác nhau (ví dụ mối hàn, mác thép);
- Các đầu dò được tối ưu hóa đến vị trí, hướng, độ sâu và khoảng cách giữa các vết nứt;
- Đầu dò được tối ưu hóa để kiểm tra bề mặt ray không phẳng;
- Có khả năng thử các bề mặt gồ ghề và gỉ;
- Có khả năng ghi lại vị trí chính xác của khuyết tật;
- Có khả năng kiểm tra tiến và lùi trên đường ray độc lập với hướng lưu thông (nếu lắp trên xe, không phụ thuộc vào hướng của xe).
CHÚ THÍCH:
Danh sách này không bao gồm các yêu cầu đối với việc sử dụng hệ thống kiểm tra hoạt động trên đường ray.
7 Yêu cầu đối với quy trình kiểm tra
Đơn vị kiểm tra phải xác định:
- Khu vực kiểm tra;
- Loại khuyết tật;
- Kích thước khuyết tật tối thiểu và tối đa;
- Tần suất và các yêu cầu của việc xác minh hệ thống;
- Tốc độ kiểm tra;
- Biên dạng ray và giới hạn mài mòn cần kiểm tra;
- Mác ray được kiểm tra;
- Góc xuyên.
8 Yêu cầu đối với tài liệu
Hồ sơ gồm:
- Chi tiết thông số của hệ thống:
○ Loại và số sê-ri của các đầu dò và ngày hiệu chuẩn;
○ Loại và số sê-ri của thiết bị dòng điện xoáy và ngày hiệu chuẩn;
○ Cài đặt hệ thống và phiên bản phần mềm;
- Chi tiết vị trí đầu dò;
- Tiêu chí và giới hạn đánh giá các khuyết tật.
Báo cáo gồm:
- Tốc độ kiểm tra;
- Phạm vi kiểm tra hoặc phạm vi không thể kiểm tra, vị trí của đầu dò liên quan đến biên dạng ray;
- Thông tin địa điểm;
- Hướng quét;
- Phân loại khuyết tật;
- Vị trí của các khuyết tật trên nấm ray;
- Bỏ qua các trường hợp và / hoặc các khu vực không thể kiểm tra khác.
Phụ lục A
(Quy định)
Chấp nhận hệ thống dòng điện xoáy để phát hiện nứt nấm ray
A.1 Yêu cầu chung
Các yêu cầu do đơn vị kiểm tra xác định theo Điều 7, sẽ được xác nhận bởi sự chấp nhận của hệ thống.
Hệ thống thử nghiệm dòng điện xoáy phải cung cấp bằng chứng rằng chúng có thể phát hiện và định kích thước nứt nấm ray một cách chính xác.
Có hai phần của chấp nhận hệ thống:
- Chấp nhận chung các hệ thống kiểm tra mới khi không có bằng chứng về tính năng khi kiểm tra ray;
- Chấp nhận các hệ thống kiểm tra được thiết lập riêng lẻ để xác nhận tính năng, khoảng thời gian do đơn vị kiểm tra xác định.
A.2 Yêu cầu đối với việc phát hiện và định kích thước nứt nấm ray
A.2.1 Yêu cầu chung
Phụ lục này quy định các yêu cầu phát hiện và định kích thước nứt nấm ray. Khu vực kiểm tra trên nấm ray phụ thuộc vào loại nứt nấm ray và có thể nằm trên bán kính cong của má trong ray hoặc mặt lăn ray (xem Hình 3).
Hệ thống phải báo cáo những điều sau:
- Độ sâu được gia công (d') tính bằng mm đối với mỗi đầu dò trong một mét;
- Độ sâu khuyết tật được báo cáo (d’max) được trình bày dưới dạng độ sâu tối đa được gia công (d’) trong một mét.
CHÚ THÍCH: Chiều sâu khuyết tật được báo cáo (d'max) để xác định độ sâu cần thiết để gia công (d') sẽ thay đổi tùy thuộc vào vị trí khuyết tật trên nấm ray.
Để đánh giá các giá trị đã báo cáo của hệ thống được xác minh, các kết quả của hệ quy chiếu (hệ thống đã được phê duyệt) sẽ được sử dụng. Ngoài ra, việc xác minh với các kiểm tra phá hoại và các kiểm tra không phá hoại thích hợp có thể được thực hiện.
A.2.2 Quy trình xác minh các hệ thống mới
Để xác minh hệ thống kiểm tra không phá hủy, phải xác định các chi tiết và phải xác minh rằng tính năng của hệ thống ET (xem xét Điều 6 và 7) đã được xác nhận trên vết nứt nấm ray thực và độ sâu tối đa được báo cáo thực sự được gia công (d'max) được xác nhận bằng kiểm tra phá hủy.
Trong trường hợp hệ thống đã được chấp nhận trong ít nhất một mạng, có thể xem xét chấp nhận chéo. Để chấp nhận chéo, phải xem xét các Điều 6 và 7. Nếu cần thiết, các kiểm tra bổ sung sẽ được thực hiện.
Nhà cung cấp phải ghi lại cấu hình hệ thống cho tất cả các giá trị thay đổi của hệ thống.
A.2.3 Quy trình chấp nhận hệ thống kiểm tra đã thiết lập để xác nhận tính năng
A.2.3.1 Quy trình lựa chọn đường ray xác minh
Để xác minh tính năng của hệ thống dòng điện xoáy dùng cho kiểm tra ray, phải có một bộ các vết nứt thực đã được xác minh khác nhau trên các đường ray tham chiếu.
Các đường ray tham chiếu phải được xây dựng từ ray đã sử dụng với các vết nứt thực và cung cấp các ví dụ đại diện về các khuyết tật được phát hiện.
Đường ray tham chiếu bao gồm hai loại đường khác nhau để xác minh chức năng của hệ thống kiểm tra. Mục đích của đường ray tham chiếu số 1 là cung cấp kết quả tham chiếu nhất quán cho các độ sâu đại diện được gia công (nhẹ, trung bình, nặng) trong đường ray. Mục đích của đường ray tham chiếu số 2 là để xác minh các hệ thống trong điều kiện hoạt động và kiểm tra thực tế trong các đường cong trên khoảng cách dài hơn.
Các khuyết tật trong đường ray tham chiếu phải được xác minh trước khi chúng được sử dụng để xác minh cho hệ thống kiểm tra. Khi đường ray tham chiếu chịu tải trọng phương tiện, phải thực hiện đánh giá rủi ro để xác định xem có cần giảm thiểu rủi ro (ví dụ: hạn chế tốc độ hoặc kiểm tra bổ sung) hay không.
Độ sâu nứt nấm ray phải được kiểm tra định kỳ để theo dõi sự phát triển, đảm bảo độ chính xác và an toàn của tuyến.
A.2.3.2 Đường ray tham chiếu số 1: Đường ray tham chiếu cố định
Đường ray tham chiếu cố định bao gồm ray đã sử dụng phù hợp có nứt nấm ray với ba mức hư hỏng khác nhau. Mức hư hỏng sẽ được xác minh bằng cách kiểm tra phá hủy.
Đặc điểm của đường ray:
- Mức hư hỏng xác định;
- Ngăn cách bằng ray không bị hư hỏng có chiều dài ít nhất là 5 m;
- Lắp đặt trong đường ray lưu lượng phương tiện thấp;
- Lắp đặt trong ray bên trái và bên phải;
- Lắp đặt theo đường ray tiếp tuyến;
- Chiều dài tối thiểu cho mỗi mức hư hỏng: 10 m.
A.2.3.3 Đường ray tham chiếu số 2: Đường ray tham chiếu tạm thời
Đường ray tham chiếu tạm thời bao gồm lựa chọn các đường cong với các mức hư hỏng khác nhau.
Đặc điểm của đường ray:
- Mức hư hỏng xác định;
- Nứt nấm ray nên được kiểm tra trên ray lưng;
- Số lượng tối thiểu các phân đoạn một mét có nứt nấm ray trên mỗi đường cong phải lớn hơn 200.
A.2.4 Quy trình xác minh để đánh giá hệ thống kiểm tra
A.2.4.1 Yêu cầu chung
Hệ thống dòng điện xoáy được đánh giá phải kiểm tra cả hai đường ray tham chiếu. Đường ray tham chiếu số 1 phải được kiểm tra tối thiểu một lần vượt qua mỗi hướng. Đối với đường ray tham chiếu số 2, yêu cầu tối thiểu hai lần vượt qua.
Hệ thống dòng điện xoáy phải hoạt động ở tốc độ kiểm tra bình thường. Danh sách kiểm tra để xác minh hệ thống:
- Khả năng phát hiện;
- Khả năng tái lập;
- Định cỡ;
- Vị trí đường ray;
- Bằng chứng về dịch vụ hệ thống liên tục;
- Tất cả các đầu dò đang hoạt động;
- Điều chỉnh định kỳ.
Cấu hình hệ thống phải không thay đổi trong quá trình kiểm tra.
A.2.4.2 Đánh giá kết quả xác minh cho đường ray tham chiếu 1
A.2.4.2.1 Yêu cầu chung
Các tiêu chí xác minh sẽ được xác định. Các tiêu chí sau đây rất quan trọng đối với độ chính xác của việc kiểm tra ray bằng dòng điện xoáy để phát hiện và định kích thước nứt nấm ray:
- Tiêu chí 1: Khả năng phát hiện;
- Tiêu chí 2: Độ tái lập;
- Tiêu chí 3: Đánh giá độ sâu tối đa được báo cáo để gia công d'max.
A.2.4.2.2 Tiêu chí 1: Khả năng phát hiện
Khả năng phát hiện của hệ thống thử nghiệm dòng điện xoáy thể hiện khả năng của hệ thống trong việc phát hiện ra các khuyết tật hiện có.
Tiêu chí này xác định tỷ lệ các khuyết tật được phát hiện với các khuyết tật hiện có trong khu vực kiểm tra bằng cách sử dụng độ phân giải báo cáo là 1 m trên một khoảng cách xác định:
- Để có sự phù hợp về khả năng phát hiện, kết quả nứt nấm ray từ 0,5 mm đến 1 mm phải bằng hoặc lớn hơn 80 %.
- Đối với sự phù hợp về khả năng phát hiện, kết quả nứt nấm ray sâu hơn hoặc bằng 1 mm phải bằng hoặc lớn hơn 90 %.
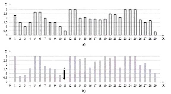
Bảng A.1 - Ví dụ cho tiêu chí 1: ray tham chiếu với chiều dài đường ray 29 m
| Chiều dài đường ray (m) | d’max của hệ thống tham chiếu (mm) | d’max của hệ thống đã xác minh (mm) |
| 1 | 2,3 | 3,0 |
| 2 | 1,5 | 0,7 |
| 3 | 1,0 | 0,8 |
| 4 | 1,5 | 1,6 |
| 5 | 2,7 | 3,0 |
| 6 | 2,7 | 1,9 |
| 7 | 2,0 | 1,6 |
| 8 | 1,5 | 1,5 |
| 9 | 1,5 | 0,8 |
| 10 | 1,0 | 0,6 |
| 11 | 0,5 | 0 |
| 12 | 3,0 | 3,0 |
| 13 | 3,0 | 2,7 |
| 14 | 2,0 | 2,8 |
| 15 | 2,1 | 1,7 |
| 16 | 1,9 | 2,4 |
| 17 | 1,9 | 2,5 |
| 18 | 1,8 | 3,0 |
| 19 | 1,9 | 2,8 |
| 20 | 2,5 | 3,0 |
| 21 | 2,4 | 1,7 |
| 22 | 2,1 | 3,0 |
| 23 | 3,0 | 3,0 |
| 24 | 3,0 | 3,0 |
| 25 | 3,0 | 3,0 |
| 26 | 1,8 | 2,0 |
| 27 | 1,5 | 2,2 |
| 28 | 1,7 | 1,5 |
| 29 | 0,4 | 1,0 |

CHÚ DẪN:
| a | vị trí khác với vị trí trong báo cáo a) của Hình A.1 |
| X | chiều dài đường ray (m) |
| Y | d'max (mm) |
|
| Báo cáo a), d'max / m của hệ thống tham chiếu |
|
| Báo cáo b), d'max / m của hệ thống đã xác minh |
Đối với tất cả 29 m d'max ≠ 0 được phát hiện trong báo cáo a); → Đối với 28 m d’max ≠ 0 được phát hiện trong báo cáo b) → 96,5 % được phát hiện, hệ thống có dung sai 90 %.
Hình A.1 - Báo cáo a): d’max của hệ thống tham chiếu và báo cáo b): d'max của hệ thống đã xác minh
A.2.4.2.3 Tiêu chí 2: Độ tái lập
Yêu cầu: Hệ thống phải kiểm tra trên đường ray tham chiếu số 1, tối thiểu một lần theo mỗi hướng, cần có ít nhất hai kết quả để kiểm tra độ tái lập.
Khả năng tái lập được xác minh bằng cách so sánh các báo cáo, phân tích khả năng phát hiện và độ sâu nứt nấm ray:
- Đối với sự phù hợp về khả năng phát hiện, kết quả của các nứt nấm ray sâu hơn 0,5 mm của tất cả các lần chạy so với nhau phải bằng hoặc lớn hơn 90%.
- Đối với sự phù hợp của độ sâu, kết quả nứt nấm ray của tất cả các lần chạy so với nhau phải bằng hoặc lớn hơn 70%. Dung sai được nêu trong Bảng A.2.
Bảng A.2 - Yêu cầu đối với dung sai lớn nhất của độ chênh lệch
| Kết quả/ độ sâu báo cáo được gia công lớn nhất d’max | Dung sai lớn nhất của độ chênh lệch |
| 0 đến 0,5 | 0,3 |
| 0,5 đến 1,5 | 0,5 |
| 1,5 đến 3 | 0,7 |
Bảng A.3 - Ví dụ cho tiêu chí 2: ray tham chiếu với chiều dài đường ray = 29 m
| Chiều dài đường ray (m) | d’max của hệ thống chạy thử nghiệm 1 đã xác minh (mm) | d’max của hệ thống chạy thử nghiệm 2 đã xác minh (mm) |
| 1 | 3,0 | 3,0 |
| 2 | 0,7 | 0,7 |
| 3 | 0,8 | 0,8 |
| 4 | 1,6 | 1,6 |
| 5 | 3,0 | 3,0 |
| 6 | 1,9 | 1,9 |
| 7 | 1,6 | 1,6 |
| 8 | 1,5 | 0 |
| 9 | 0,8 | 0 |
| 10 | 0,6 | 0 |
| 11 | 0 | 0 |
| 12 | 3,0 | 3,0 |
| 13 | 2,7 | 2,7 |
| 14 | 2,8 | 2,8 |
| 15 | 1,7 | 1,7 |
| 16 | 2,4 | 2,4 |
| 17 | 2,5 | 2,5 |
| 18 | 3,0 | 3,0 |
| 19 | 2,8 | 2,8 |
| 20 | 3,0 | 3,0 |
| 21 | 1,7 | 1,7 |
| 22 | 3,0 | 3,0 |
| 23 | 3,0 | 3,0 |
| 24 | 3,0 | 3,0 |
| 25 | 3,0 | 3,0 |
| 26 | 2,0 | 2,0 |
| 27 | 2,2 | 2,2 |
| 28 | 1,5 | 1,5 |
| 29 | 1,0 | 1,0 |

CHÚ DẪN:
| a | vị trí khác với vị trí trong báo cáo của chạy thử a) |
| X | chiều dài đường ray (m) |
| Y | d'max (mm) |
|
| Báo cáo a), d’max / m của hệ thống chạy thử a) đã xác minh |
|
| Báo cáo b), d'max / m của hệ thống chạy thử b) đã xác minh |
Hình A.2 - Báo cáo chạy thử a) và chạy b): d'max của hệ thống đã xác minh
Kết quả cho khả năng phát hiện: Chiều dài đường ray = 29 m; chênh lệch tại ba vị trí (26 m đồng thời) → 89,6 % → hệ thống vượt quá dung sai 90 %.
Kết quả về độ sâu: Chiều dài đường ray = 29 m; chênh lệch độ sâu nứt nấm ray tại 3 vị trí (26 m đồng thời) → 89,6 % → hệ thống có dung sai 70 %
A.2.4.2.4 Tiêu chí 3: Kích thước chiều sâu tối đa được gia công d'max
Để đánh giá độ sâu tối đa được báo cáo để gia công d'max, có thể sử dụng kết quả của hệ thống kiểm tra tương đương được chấp nhận hoặc xác minh bằng các kiểm tra phá hủy.
Yêu cầu: Hệ thống kiểm tra phải được đồng ý (sử dụng các dung sai nêu trong Bảng A.4) tối thiểu là 70 % của tất cả các phân đoạn được kiểm tra trong đoạn đường ray thử nghiệm.
Bảng A.4 - Yêu cầu đối với dung sai lớn nhất của độ chênh lệch
| Độ sâu lớn nhất được gia công d’max (mm) | Dung sai lớn nhất của độ chênh lệch + / - |
| 0 đến < 0,5 | 0,3 |
| 0,5 đến < 1,5 | 0,5 |
| 1,5 đến 3 | 0,7 |
Bảng A.5 - Ví dụ cho tiêu chí 3: ray tham chiếu với chiều dài đường ray = 29 m, yêu cầu của Bảng A.4
| Chiều dài đường ray (m) | d’max của hệ thống tham chiếu (mm) | d’max của hệ thống đã xác minh (mm) | Chênh lệch (mm) |
| 1 | 2,3 | 3,0 | 0,7 |
| 2 | 1,5 | 0,7 | 0,8 |
| 3 | 1,0 | 0,8 | 0,2 |
| 4 | 1,5 | 1,6 | 0,1 |
| 5 | 2,7 | 3,0 | 0,3 |
| 6 | 2,7 | 1,9 | 0,8 |
| 7 | 2,0 | 1,6 | 0,4 |
| 8 | 1,5 | 1,5 | 0 |
| 9 | 1,5 | 0,8 | 0,7 |
| 10 | 1,0 | 0,6 | 0,4 |
| 11 | 0,5 | 0 | 0,5 |
| 12 | 3,0 | 3,0 | 0 |
| 13 | 3,0 | 2,7 | 0,3 |
| 14 | 2,0 | 2,8 | 0,2 |
| 15 | 2,1 | 1,7 | 0,4 |
| 16 | 1,9 | 2,4 | 0,5 |
| 17 | 1,9 | 2,5 | 0,6 |
| 18 | 1,8 | 3,0 | 1,2 |
| 19 | 1,9 | 2,8 | 0,9 |
| 20 | 2,5 | 3,0 | 0,5 |
| 21 | 2,4 | 1,7 | 0,7 |
| 22 | 2,1 | 3,0 | 0,9 |
| 23 | 3,0 | 3,0 | 0 |
| 24 | 3,0 | 3,0 | 0 |
| 25 | 3,0 | 3,0 | 0 |
| 26 | 1,8 | 2,0 | 0,2 |
| 27 | 1,5 | 2,2 | 0,7 |
| 28 | 1,7 | 1,5 | 0,2 |
| 29 | 0,4 | 1,0 | 0,6 |

CHÚ DẪN:
| X | chiều dài đường ray (m) |
| Y | d'max (mm)q |
|
| Báo cáo a), d'max / m của hệ thống tham chiếu |
|
| Báo cáo b), d'max / m của hệ thống đã xác minh |
Hình A.3 - Báo cáo a): d'max của hệ thống tham chiếu và báo cáo b): d'max của hệ thống đã xác minh
Kết quả: chiều dài đường ray 29 m; 8 vị trí có dung sai không thành công → 72,4 % tương đương hệ thống có dung sai là 70 %
A.2.4.3 Tiêu chí về kết quả xác minh cho đường ray tham chiếu 2
A.2.4.3.1 Phương pháp tiếp cận để đánh giá kết quả của đường ray tham chiếu 2
Vì nứt nấm ray không phải là các vết nứt cô lập và thường ảnh hưởng đến một đoạn ray lớn hơn (ví dụ: ray ngoài của toàn bộ đường cong), trọng tâm phải được hướng về các phần này trong đường ray tham chiếu 2. Để tiêu chuẩn hóa việc xác định các phần như vậy trong đường ray tham chiếu 2, các cụm sẽ được xác định và đánh giá bằng cách sử dụng các quy tắc sau.
A.2.4.3.2 Quy tắc để xác định các cụm
Việc xác định dựa trên 3 quy tắc được áp dụng trên độ sâu tối đa được báo cáo để gia công d'max của mỗi đoạn một mét.
- Quy tắc số 1: một cụm kết thúc khi có 20 đoạn dài một mét trở lên với d'max = 0;
- Quy tắc số 2: nếu quy tắc số 1 được đáp ứng, số đoạn một mét tối thiểu có d'max > 0 trong một cụm lả 15 đoạn một mét dài;
- Quy tắc số 3: tối thiểu 30 % cụm phải có d'max > 0.
Nếu cả ba quy tắc được đáp ứng, một cụm được xác nhận.
A.2.4.3.3 Ví dụ # 1 để áp dụng các quy tắc của một cụm

CHÚ DẪN:
| X | Vị trí trong đường ray tính bằng km |
| Y | Độ sâu lớn nhất đã báo cáo để gia công d'max tính bằng mm |
| 1 | Cụm |
Hình A.4 - Ví dụ # I: Đánh giá ray giữa 9,800 km và 9,860 km đối với sự hiện diện của một cụm
Nhóm đầu tiên gồm 4 đoạn đường được báo cáo là từ 9,805 km đến 9,808 km, tiếp theo là nhóm thứ hai gồm 12 đoạn từ 9,812 km đến 9,823 km và 3 đoạn khác trong nhóm thứ ba từ 9,827 km đến 9,829 km. Ngoài ra, nhóm thứ tư gồm 6 đoạn được tìm thấy trong khoảng từ 9,858 km đến 9,863 km.
Áp dụng quy tắc số 1:
- Trong khoảng từ 9,805 km đến 9,829 km, không có khu vực nào gồm 20 đoạn một mét hoặc nhiều hơn được báo cáo với với d'max = 0.
- Từ 9.830 km đến 9.857 km, 28 đoạn được báo cáo với d'max = 0.
- Kết luận: về nhóm thứ nhất, thứ hai và thứ ba từ 9,805 km đến 9,829 km, các tiêu chí của quy tắc số 1 được xác nhận.
Áp dụng quy tắc số 2:
- Từ 9,805 km đến 9,829 km, tổng số 19 đoạn một mét được báo cáo với d'max > 0,
- Kết luận: các tiêu chí của quy tắc số 2 được xác nhận.
Áp dụng quy tắc số 3:
- Từ 9,805 km đến 9,829 km, 19 trong số 25 (19 : 25 = 76 %) đoạn một mét được báo cáo với d'max > 0
- Kết luận: các tiêu chí của quy tắc số 3 được xác nhận.
Khi đáp ứng các tiêu chí của quy tắc số 1, số 2 và số 3, một cụm được xác nhận nằm trong khoảng từ 9,805 km đến 9,829 km.
A.2.4.3.4 Ví dụ # 2: Đánh giá ray về sự hiện diện của một cụm

CHÚ DẪN:
| X | Vị trí trong đường ray tính bằng km |
| Y | Độ sâu lớn nhất đã báo cáo được gia công d'max tính bằng mm |
Hình A.5 - Ví dụ # 2: Đánh giá ray giữa 33,370 km và 33.440 km đối với sự hiện diện của một cụm
Trong khoảng từ 33,374 km đến 33,433 km, năm nhóm có ba hoặc nhiều hơn các đoạn một mét với d’max > 0 được báo cáo.
Áp dụng quy tắc số 1:
- Trong khoảng từ 33,374 km đến 33,433 km không có vùng nào gồm 20 đoạn một mét hoặc nhiều hơn được báo cáo với d'max = 0.
- Kết luận: giữa 33,374 km và 33,433 km, do đó tiêu chí của quy tắc số 1 được xác nhận.
Áp dụng quy tắc số 2:
- Trong khoảng từ 33,374 km đến 33,433 km, tổng số 17 đoạn một mét được báo cáo với d'max > 0.
- Kết luận: vượt quá số lượng tối thiểu 15 đoạn một mét, do đó tiêu chí của quy tắc số 2 được xác nhận. Áp dụng quy tắc số 3:
- Giữa 33,374 km và 33,433 km, 17 trong số 60 (17 : 60 = 28 %) đoạn một mét được báo cáo với d’max > 0.
Kết luận: mật độ tối thiểu 30 % các đoạn một mét có d'max > 0 trong cụm không bị vượt quá, do đó không đạt yêu cầu.
Tiêu chí của quy tắc số 1 và số 2 được đáp ứng, nhưng tiêu chí của quy tắc số 3 không được đáp ứng. Do đó, không có cụm nào hiện diện trong khoảng từ 33,370 km đến 33,440 km.
A.2.4.3.5 Quy tắc xác định độ sâu cụm
Dựa trên độ sâu tối đa đã báo cáo sẽ được gia công d'max của mỗi đoạn một mét của cụm, độ sâu đại diện dtrung bình của cụm phải được xác định bằng cách sử dụng quy tắc sau:
- Độ sâu cụm đại diện dtrung bình là giá trị trung bình của các đoạn có d'max > 0.
Bảng A.6 - Ví dụ # 3: Xác định độ sâu cụm dtrung bình sử dụng các giá trị của Ví dụ 1
|
| Đường ray (km) | d’max |
| Nhóm thứ 1 | 9,805 | 0,2 |
| 9,806 | 0,3 | |
| 9,807 | 0,4 | |
| 9,808 | 0,5 | |
| Nhóm thứ 2 | 9,812 | 0,2 |
| 9,813 | 0,6 | |
| 9,814 | 1,1 | |
| 9,815 | 0,8 | |
| 9,816 | 0,4 | |
| 9,817 | 0,9 | |
| 9,818 | 0,8 | |
| 9,819 | 0,8 | |
| 9,820 | 1,6 | |
| 9,821 | 1,2 | |
| 9,822 | 0,7 | |
| 9,823 | 0,9 | |
| Nhóm thứ 3 | 9,827 | 0,6 |
| 9,828 | 0,8 | |
| 9,829 | 0,9 | |
| dtrung bình | 0,8 | |
A.2.4.4 Đánh giá kết quả xác minh cho đường ray tham chiếu 2
A.2.4.4.1 Yêu cầu chung
Các tiêu chí xác minh sẽ do Cơ quan quản lý kết cấu hạ tầng xác định. Các tiêu chí sau đây rất quan trọng đối với độ chính xác của việc kiểm tra ray bằng dòng điện xoáy để phát hiện và định kích thước nứt nấm ray:
- Tiêu chí 1: Khả năng phát hiện;
- Tiêu chí 2: Độ tái lập.
CHÚ THÍCH: Ngược lại với tiêu chí 3: "Đánh giá độ sâu tối đa được báo cáo để gia công" được áp dụng cho các kết quả của đường ray tham chiếu 1, không có tiêu chí tương tự nào được áp dụng để đánh giá độ sâu cụm của đường ray tham chiếu 2.
A.2.4.4.2 Khả năng phát hiện
Tiêu chí này xác định tỷ lệ độ dài cụm được báo cáo của hệ thống tham chiếu và hệ thống được xác minh.
- Đối với độ sâu cụm tham chiếu từ 0,5 đến 1 mm, tỷ lệ chiều dài cụm phải > 80 %.
- Đối với độ sâu cụm tham chiếu lớn hơn hoặc bằng 1 mm, tỷ lệ chiều dài cụm phải > 90 %.

CHÚ DẪN:
| X | vị trí trong đường ray tính bằng km |
| Y | độ sâu tối đa đã báo cáo được gia công d'max tính bằng mm |
| a | ray phải (RH) |
| b | ray trái (LH) |
| ♦ | Hệ thống tham chiếu, kết quả ET, ray LH |
| – | Hệ thống tham chiếu, các cụm, ray LH |
| ♦ | Hệ thống đã xác minh, kết quả ET, ray LH |
| – | Hệ thống đã xác minh, các cụm, ray LH |
| ▲ | Hệ thống tham chiếu, kết quả ET, ray RH |
| – | Hệ thống tham chiếu, các cụm, ray RH |
| ▲ | Hệ thống tham chiếu, kết quả ET, ray RH |
| – | Hệ thống tham chiếu, các cụm, ray RH |
| ― | Độ cong |
Hình A.6 - Ví dụ # 4: Đánh giá kết quả ET của đường ray tham chiếu 2 giữa 86,2 km và 89,1 km theo tiêu chí 1
Bảng A.7 - Kết quả xác định cụm
| Vùng | Nguồn dữ liệu | Km bắt đầu | Km kết thúc | Chiều dài (m) | Mật độ (%) | Số đoạn một mét có D > 0 | Số đoạn một mét có D = 0 | dtrung bình (mm) |
| A RH | Hệ thống tham chiếu | 86,318 | 86,543 | 225 | 92 % | 209 | 17 | 3,02 |
| Hệ thống để xác minh | 86,323 | 86,555 | 232 | 93% | 216 | 17 | 3,03 | |
| Đánh giá: D = 0,1 và tỷ lệ tính toán là 0,03, tiêu chí 1 được đáp ứng | ||||||||
| B LH | Hệ thống tham chiếu | 86,587 | 86,611 | 24 | 80% | 20 | 5 | 0,95 |
| Hệ thống để xác minh | 86,588 | 86,612 | 24 | 72% | 18 | 7 | 0,80 | |
| Đánh giá: Vùng này sẽ không được đánh giá, do tiêu chí đối với chiều dài đường ray tối thiểu trên mỗi đường cong như xác định trong A.2.3.3 không được đáp ứng | ||||||||
| C LH | Hệ thống tham chiếu | 86,687 | 86,945 | 258 | 58% | 151 | 108 | 0,67 |
| Hệ thống để xác minh | 86,688 | 86,953 | 265 | 59 % | 158 | 108 | 0,61 | |
| Đánh giá: D = 0,2 và tỷ lệ tính toán là 0,03, tiêu chí 1 được đáp ứng. Vùng này sẽ không được đánh giá, do tiêu chí đối với chiều dài đường ray tối thiểu trên mỗi đường cong như xác định trong A.2.3.3 không được đáp ứng | ||||||||
| D RH | Hệ thống tham chiếu | 87,089 | 87,333 | 244 | 38 % | 93 | 152 | 0,55 |
| Hệ thống để xác minh | 87,096 | 87,437 | 341 | 47% | 160 | 182 | 0,63 | |
| Đánh giá: D = 0,2 và tỷ lệ tính toán là 0,04, tiêu chí 1 được đáp ứng. Vùng này sẽ không được đánh giá, do tiêu chí đối với chiều dài đường ray tối thiểu trên mỗi đường cong như xác định trong A.2.3.3 không được đáp ứng | ||||||||
| E LH | Hệ thống tham chiếu | 87,819 | 88,138 | 319 | 83% | 267 | 53 | 1,81 |
| Hệ thống để xác minh | 87,833 | 88,131 | 298 | 80% | 239 | 60 | 1,03 | |
| Đánh giá: D = 0,1 và tỷ lệ tính toán là 0,07, tiêu chí 1 được đáp ứng. | ||||||||
| F RH | Hệ thống tham chiếu | 88,414 | 88,806 | 392 | 52 % | 204 | 189 | 0,45 |
| Hệ tháng để xác minh | 88,415 | 88,797 | 382 | 52 % | 199 | 184 | 0,40 | |
| Đánh giá: D = 0,2 và tỷ lệ (392 - 382)/392 = 0,07, tiêu chí 1 được đáp ứng. | ||||||||
| G RH | Hệ thống tham chiếu | 88,884 | 88,922 | 38 | 49 % | 19 | 20 | 0,65 |
| Hệ thống để xác minh | 88,885 | 88,921 | 36 | 59 % | 22 | 15 | 0,80 | |
| Đánh giá: Vùng này sẽ không được đánh giá, do tiêu chí đối với chiều dài đường ray tối thiểu trên mỗi đường cong như xác định trong A.2.3.3 không được đáp ứng | ||||||||
A.2.4.4.3 Độ tái lập
Độ tái lập được xác minh bằng cách so sánh kết quả từ hai lần vượt qua của hệ thống được xác nhận về chiều dài và độ sâu cụm.
Chiều dài cụm của hai vượt qua phải nằm trong dung sai của nhau là 5 %.
Độ sâu cụm của hai vượt qua phải nằm trong dung sai cho trong Bảng A.8.
Bảng A.8 - Đánh giá độ sâu cụm dtrung bình
| dtrung bình của vượt qua tham chiếu (mm) | Dung sai lớn nhất của độ chênh lệch + /- |
| 0 đến 0,5 | 0,3 |
| 0,5 đến 1,5 | 0,5 |
| 1,5 đến 3 | 0,7 |

CHÚ DẪN:
| X | vị trí trong đường ray tính bằng km |
| Y | độ sâu tối đa đã báo cáo được gia công d'max tính bằng mm |
| a | ray phải (RH) |
| b | ray trái (LH) |
| ♦ | Hệ thống sử dụng để xác minh, kết quả ET, ray LH, vượt qua thứ 1 |
| – | Hệ thống sử dụng để xác minh, các cụm, ray LH, vượt qua thứ 1 |
| ♦ | Hệ thống sử dụng để xác minh, kết quả ET, ray LH, vượt qua thứ 2 |
| – | Hệ thống sử dụng để xác minh, các cụm, ray LH, vượt qua thứ 2 |
| ♦ | Hệ thống sử dụng để xác minh, kết quả ET, ray LH, vượt qua thứ 3 |
| – | Hệ thống sử dụng để xác minh, các cụm, ray LH, vượt qua thứ 3 |
Hình A.7 - Ví dụ # 5: Đánh giá kết quả ET của đường ray tham chiếu 2 giữa 40 km và 43 km theo tiêu chí 2
Bảng A.9 - Kết quả xác định cụm
| Vùng | Nguồn dữ liệu | Km bắt đầu | Km kết thúc | Chiều dài (m) | Mật độ (%) | Sổ đoạn một mét có D > 0 | Số đoạn một mét có D = 0 | dtrung bình (mm) |
| A RH | Vượt qua thứ 1 của hệ thống để xác minh (tham chiếu) | 40,549 | 42,223 | 1 647 | 93% | 1 550 | 125 | 1,20 |
| Vượt qua thứ 2 của hệ thống để xác minh | 40,549 | 42,196 | 1 647 | 93 % | 1 538 | 110 | 1,36 | |
| Đánh giá của vượt qua thứ 2: - Độ chênh lệch tính toán của chiều dài cụm là 0,02 - dtrung bình của vượt qua thứ 1 (tham chiếu) là 1,2 mm, dung sai cho phép là 0,5 mm, độ chênh lệch tính toán là 0,16 mm Kết luận: Tiêu chí được đáp ứng | ||||||||
| Vượt qua thứ 3 của hệ thống để xác minh | 40,597 | 42,215 | 1 618 | 94% | 1 523 | 96 | 1,98 | |
| Đánh giá của vượt qua thứ 3: - Độ chênh lệch tính toán của chiều dài cụm là 0,03 - dtrung bình của vượt qua thứ 1 (tham chiếu) là 1,2 mm, dung sai cho phép là 0,5 mm, độ chênh lệch tính toán là 0,78 mm Kết luận: Tiêu chí không được đáp ứng | ||||||||
Thư mục tài liệu tham khảo
[1]. EN 13674-1:2011, Railway applications - Track - Rail - Part 1: Vignole railway rails 46 kg/m and above
[2]. EN 16729-3:201 a, Railway applications - Infrastructure - Non-destructive testing on rails in track - Part 3: Requirements for identifying internal and surface rail defects
[3]. EN ISO 12718:2008, Non-destructive testing - Eddy current testing - Vocabulary (ISO 12718:2008)
[4]. EN ISO 15548-1:2013, Non-destructive testing - Equipment for eddy current examination - Part 1: Instrument characteristics and verification (ISO 15548-1:2013)
[5]. EN ISO 15548-2:2013, Non-destructive testing - Equipment for eddy current examination - Part 2: Probe characteristics and verification (ISO 15548-2:2013)
[6]. EN ISO 15548-3:2008, Non-destructive testing - Equipment for eddy current examination - Part 3: System characteristics and verification (ISO 15548-3:2008)
[7]. EN ISO 15549:2010, Non-destructive testing - Eddy current testing - General principles (ISO 15549:2008)
Mục lục
Lời nói đầu
1 Phạm vi áp dụng
2 Tài liệu viện dẫn
3 Thuật ngữ và định nghĩa
4 Ký hiệu và chữ viết tắt
5 Nguyên tắc cơ bản
5.1 Yêu cầu chung
5.2 Mục đích kiểm tra
6 Yêu cầu đối với hệ thống thiết bị kiểm tra dòng điện xoáy trên ray
7 Yêu cầu đối với quy trình kiểm tra
8 Yêu cầu đối với tài liệu
Phụ lục A
(Quy định)
Chấp nhận hệ thống dòng điện xoáy để phát hiện nứt nấm ray
A.1 Yêu cầu chung
A.2 Yêu cầu đối với việc phát hiện và định kích thước nứt nấm ray
A.2.1 Yêu cầu chung
A.2.2 Quy trình xác minh các hệ thống mới
A.2.3 Quy trình chấp nhận hệ thống kiểm tra đã thiết lập để xác nhận tính năng
A.2.4 Quy trình xác minh để đánh giá hệ thống kiểm tra
Thư mục tài liệu tham khảo
Bạn chưa Đăng nhập thành viên.
Đây là tiện ích dành cho tài khoản thành viên. Vui lòng Đăng nhập để xem chi tiết. Nếu chưa có tài khoản, vui lòng Đăng ký tại đây!