- Tổng quan
- Nội dung
- VB gốc
- Tiếng Anh
- Hiệu lực
- VB liên quan
- Lược đồ
-
Nội dung hợp nhất
Tính năng này chỉ có tại LuatVietnam.vn. Nội dung hợp nhất tổng hợp lại tất cả các quy định còn hiệu lực của văn bản gốc và các văn bản sửa đổi, bổ sung, đính chính... trên một trang. Việc hợp nhất văn bản gốc và những văn bản, Thông tư, Nghị định hướng dẫn khác không làm thay đổi thứ tự điều khoản, nội dung.
Khách hàng chỉ cần xem Nội dung hợp nhất là có thể nắm bắt toàn bộ quy định hiện hành đang áp dụng, cho dù văn bản gốc đã qua nhiều lần chỉnh sửa, bổ sung.
- Tải về
Thông tư 44/2025/TT-BXD ban hành Quy chuẩn kỹ thuật quốc gia về đường sắt
| Cơ quan ban hành: | Bộ Xây dựng |
Số công báo:
Số công báo là mã số ấn phẩm được đăng chính thức trên ấn phẩm thông tin của Nhà nước. Mã số này do Chính phủ thống nhất quản lý.
|
Đang cập nhật |
| Số hiệu: | 44/2025/TT-BXD | Ngày đăng công báo: | Đang cập nhật |
| Loại văn bản: | Thông tư | Người ký: | Nguyễn Danh Huy |
|
Ngày ban hành:
Ngày ban hành là ngày, tháng, năm văn bản được thông qua hoặc ký ban hành.
|
09/12/2025 |
Ngày hết hiệu lực:
Ngày hết hiệu lực là ngày, tháng, năm văn bản chính thức không còn hiệu lực (áp dụng).
|
Đang cập nhật |
|
Áp dụng:
Ngày áp dụng là ngày, tháng, năm văn bản chính thức có hiệu lực (áp dụng).
|
Đã biết
|
Tình trạng hiệu lực:
Cho biết trạng thái hiệu lực của văn bản đang tra cứu: Chưa áp dụng, Còn hiệu lực, Hết hiệu lực, Hết hiệu lực 1 phần; Đã sửa đổi, Đính chính hay Không còn phù hợp,...
|
Đã biết
|
| Lĩnh vực: | Xây dựng, Giao thông |
TÓM TẮT THÔNG TƯ 44/2025/TT-BXD
Nội dung tóm tắt đang được cập nhật, Quý khách vui lòng quay lại sau!
Tải Thông tư 44/2025/TT-BXD
| BỘ XÂY DỰNG __________ Số: 44/2025/TT-BXD | CỘNG HÒA XÃ HỘI CHỦ NGHĨA VIỆT NAM Độc lập - Tự do - Hạnh phúc ______________________ Hà Nội, ngày 09 tháng 12 năm 2025 |
THÔNG TƯ
Ban hành các Quy chuẩn kỹ thuật quốc gia về đường sắt
________________
Căn cứ Luật Đường sắt số 95/2025/QH15;
Căn cứ Luật Chất lượng sản phẩm, hàng hóa số 05/2007/QH12 được sửa đổi bổ sung một số điều theo Luật số 35/2018/QH14 và Luật số 78/2025/QH15;
Căn cứ Luật Tiêu chuẩn và quy chuẩn kỹ thuật số 68/2006/QH11 được sửa đổi, bổ sung một số điều theo Luật số 35/2018/QH14 và Luật số 70/2025/QH15;
Căn cứ Nghị định số 127/2007/NĐ-CP ngày 01 tháng 8 năm 2007 của Chính phủ quy định chi tiết thi hành một số điều Luật Tiêu chuẩn và quy chuẩn kỹ thuật được sửa đổi, bổ sung một số điều theo Nghị định số 78/2018/NĐ-CP ngày 15 tháng 5 năm 2018 của Chính phủ;
Căn cứ Nghị định số 33/2025/NĐ-CP ngày 25 tháng 02 năm 2025 của Chính phủ quy định chức năng, nhiệm vụ, quyền hạn và cơ cấu tổ chức của Bộ Xây dựng;
Theo đề nghị của Cục trưởng Cục Đường sắt Việt Nam và Cục trưởng Cục Đăng kiểm Việt Nam;
Bộ trưởng Bộ Xây dựng ban hành Thông tư ban hành các Quy chuẩn kỹ thuật quốc gia về đường sắt.
Điều 1. Ban hành kèm theo Thông tư này:
1. Quy chuẩn kỹ thuật quốc gia về Tín hiệu giao thông đường sắt, số hiệu QCVN 21:2025/BXD.
2. Quy chuẩn kỹ thuật quốc gia về Khai thác đường sắt, số hiệu QCVN 22:2025/BXD.
3. Quy chuẩn kỹ thuật quốc gia về Ph ươ ng tiện giao thông đường sắt trong kiểm tra định kỳ, hoán cải, nhập khẩu đã qua sử dụng, số hiệu 23:2025/BXD;
4. Quy chuẩn kỹ thuật quốc gia về Đầu máy Điêzen, phương tiện chuyên dùng tự hành trong kiểm tra sản xuất lắp ráp và nhập khẩu mới, số hiệu 24:2025/BXD.
5. Quy chuẩn kỹ thuật quốc gia về Toa xe, phương tiện chuyên dùng không tự hành trong kiểm tra sản xuất lắp ráp và nhập khẩu mới, số hiệu 25:2025/BXD.
6. Quy chuẩn kỹ thuật quốc gia về Giá chuyển hướng của đầu máy, toa xe, số hiệu 26:2025/BXD.
7. Quy chuẩn kỹ thuật quốc gia về Bộ móc nối, đỡ đấm của đầu máy, toa xe, số hiệu 27:2025/BXD.
8. Quy chuẩn kỹ thuật quốc gia về Van hãm của đầu máy, toa xe, số hiệu 28:2025/BXD.
Điều 2. Hiệu lực thi hành
1. Thông tư này có hiệu lực thi hành kể từ ngày 01 tháng 01 năm 2026.
2. Các Thông tư sau đây hết hiệu lực kể từ ngày Thông tư này có hiệu lực thi hành:
a) Thông tư số 24/2015/TT-BGTVT ngày 16 tháng 6 năm 2015 của Bộ trưởng Bộ Giao thông vận tải ban hành Quy chuẩn kỹ thuật quốc gia về phương tiện giao thông đường sắt - Giá chuyển hướng toa xe - Yêu cầu kỹ thuật;
b) Thông tư số 32/2018/TT-BGTVT ngày 15 tháng 5 năm 2018 của Bộ trưởng Bộ Giao thông vận tải ban hành 02 Quy chuẩn kỹ thuật quốc gia về đường sắt;
c) Thông tư số 04/2023/TT-BGTVT ngày 17 tháng 4 năm 2023 của Bộ trưởng Bộ Giao thông vận tải ban hành 03 Quy chuẩn kỹ thuật quốc gia về linh kiện, thiết bị của phương tiện giao thông đường sắt;
d) Thông tư số 30/2023/TT-BGTVT ngày 03 tháng 11 năm 2023 của Bộ trưởng Bộ Giao thông vận tải ban hành 03 Quy chuẩn kỹ thuật quốc gia về phương tiện giao thông đường sắt.
| Nơi nhận: - Văn phòng Chính phủ; - Các Bộ, Cơ quan ngang Bộ, Cơ quan thuộc Chính phủ; - Bộ Khoa học và Công nghệ (để đăng ký); - UBND các tỉnh, thành phố trực thuộc TW; - Cục Kiểm tra văn bản và Quản lý xử lý vi phạm hành chính (Bộ Tư pháp); - Công báo; - Cổng TTĐT Chính phủ; - Cổng TTĐT Bộ Xây dựng; - Báo Xây dựng, Tạp chí Xây dựng; - Lưu: VT, Cục ĐSVN (02). | KT. BỘ TRƯỞNG THỨ TRƯỞNG Nguyễn Danh Huy |

CỘNG HÒA XÃ HỘI CHỦ NGHĨA VIỆT NAM
QUY CHUẨN KỸ THUẬT QUỐC GIA
VỀ TÍN HIỆU GIAO THÔNG ĐƯỜNG SẮT
National technical regulation on railway signalling
HÀ NỘI - 2025
Lời nói đầu
QCVN 21:2025/BXD do Cục Đường sắt Việt Nam chủ trì biên soạn, Bộ Khoa học và Công nghệ thẩm định và được Bộ Xây dựng ban hành theo Thông tư số 44/2025/TT-BXD ngày 09 tháng 12 năm 2025, thay thế QCVN 06:2018/BGTVT - Quy chuẩn kỹ thuật quốc gia về tín hiệu đường sắt.
QUY CHUẨN KỸ THUẬT QUỐC GIA
VỀ TÍN HIỆU GIAO THÔNG ĐƯỜNG SẮT
National technical regulation on railway signalling
1. QUY ĐỊNH CHUNG
1.1 Phạm vi điều chỉnh
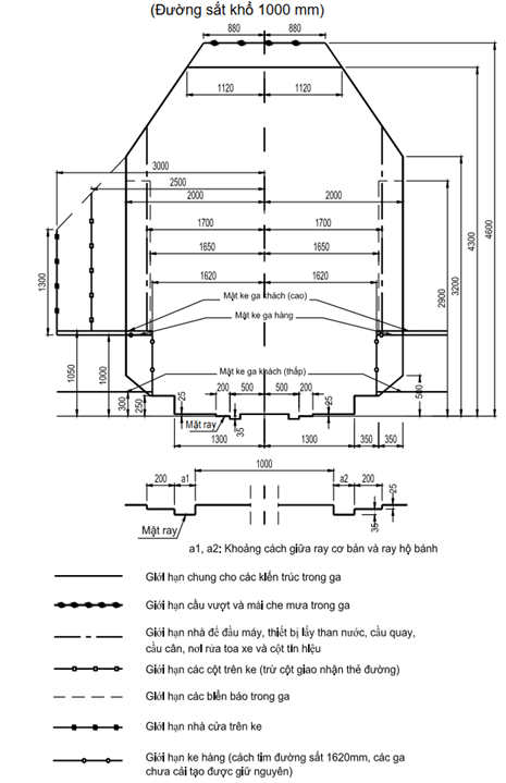
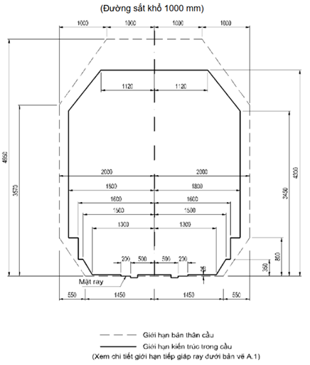
Quy chuẩn kỹ thuật quốc gia về tín hiệu giao thông đường sắt (sau đây gọi tắt là Quy chuẩn) quy định về yêu cầu kỹ thuật đối với công trình và thiết bị tín hiệu, phương thức báo hiệu, phương pháp sử dụng tín hiệu và yêu cầu quản lý trên đường sắt quốc gia loại hình đường đơn có tốc độ thiết kế từ 120 km/h trở xuống và đường sắt chuyên dùng có nối ray với đường sắt quốc gia.
1.2 Đối tượng áp dụng
Quy chuẩn này áp dụng đối với tổ chức, cá nhân trực tiếp làm công tác chỉ huy chạy tàu, lập tàu, dồn tàu, chạy tàu, tránh tàu, vượt tàu, dừng tàu, lùi tàu hoặc các hoạt động khác có liên quan.
2. YÊU CẦU KỸ THUẬT VỀ
CÔNG TRÌNH VÀ THIẾT BỊ TÍN HIỆU ĐƯỜNG SẮT
2.1 Tín hiệu
2.1.1 Màu cơ bản dùng để biểu thị tín hiệu trong việc chạy tàu bao gồm 3 loại sau đây:
a) Đỏ: dừng;
b) Vàng: chạy với sự chú ý hoặc giảm tốc độ;
c) Lục: chạy với tốc độ quy định;
Ngoài các màu cơ bản trên đây, có thể sử dụng thêm các màu xanh lam, trắng sữa quy định tại phần III của Quy chuẩn này.
2.1.2 Mọi tín hiệu, biển báo phải bảo đảm tầm nhìn liên tục, rõ ràng trong khoảng cách quy định sau:
a) Tín hiệu vào ga, thông qua, phòng vệ, ngăn đường ít nhất 800 m;
b) Tín hiệu ra ga, ra bãi trên đường chính tuyến, tín hiệu vào bãi, tín hiệu báo trước và tín hiệu dốc gù ít nhất 400 m;
c) Tín hiệu ra ga, ra bãi trên các đường phụ, tín hiệu dồn tàu, tín hiệu dẫn đường và các loại biểu thị khác ít nhất 200 m;
d) Ở những nơi địa hình hạn chế không bảo đảm tầm nhìn quy định trên thì cho phép giảm tầm nhìn của tín hiệu vào ga, thông qua, phòng vệ, ngăn đường xuống còn ít nhất 400 m. Trường hợp đặc biệt do đường cong, địa hình hoặc kiến trúc che khuất, cho phép tầm nhìn của tín hiệu vào ga, thông qua, phòng vệ, ngăn đường dưới 400 m nhưng phải lớn hơn 200 m.
2.1.3 Trong khu đoạn đóng đường không tự động phải đặt tín hiệu báo trước cho tín hiệu vào ga, thông qua, phòng vệ, khi gặp một trong những trường hợp sau đây:
a) Tầm nhìn của các tín hiệu vào ga, thông qua, phòng vệ dưới 800 m;
b) Các tín hiệu vào ga, thông qua, phòng vệ là tín hiệu đèn màu;
c) Tín hiệu phòng vệ ở nơi đường sắt giao cắt trên mặt bằng hoặc cầu chung đường sắt và đường bộ trên cùng một mặt bằng.
2.1.4 Khoảng cách từ tín hiệu báo trước đến tín hiệu chính không dưới 800 m.
Tầm nhìn của tín hiệu báo trước và tín hiệu chính có tín hiệu báo trước không được dưới 400 m, ở những địa hình khó khăn mà tầm nhìn của cả hai tín hiệu được phép ít nhất là 200 m thì khoảng cách giữa cột tín hiệu chính và cột tín hiệu báo trước không dưới 1000 m.
2.1.5 Tín hiệu cố định phải đặt ở bên trái đường sắt theo hướng tàu chạy.
Nếu địa hình khó khăn không thể đặt tín hiệu ở cạnh đường, cho phép đặt tín hiệu trên không giữa tim đường sắt.
Trường hợp do không có vị trí đặt ở bên trái đường sắt hoặc vị trí bên trái không đảm bảo tầm nhìn, cho phép đặt tín hiệu ở bên phải đường sắt theo hướng tàu chạy.
Vị trí đặt tín hiệu của từng đường phải bảo đảm cho lái tàu không nhầm lẫn với tín hiệu của đường bên cạnh.
2.1.6 Ga phải có tín hiệu vào ga. Tín hiệu này đặt cách ghi đầu tiên vào ga ít nhất 50 m tính từ mũi ghi ngược chiều hoặc từ mốc tránh va chạm của ghi thuận chiều. Khi tín hiệu vào ga không bảo đảm tầm nhìn thì phải có tín hiệu lặp lại.
2.1.7 Mỗi đường gửi tàu vào khu gian đóng đường nửa tự động hoặc tự động phải có tín hiệu ra ga. Tín hiệu này đặt ở địa điểm thích hợp ở trong mốc tránh va chạm của mỗi đường gửi tàu sao cho chiều dài dùng được của đường là lớn nhất.
Ở bãi dồn có thể đặt tín hiệu ra ga chung cho các đường để gửi tàu, vị trí đặt tín hiệu ra ga chung phải bảo đảm tầm nhìn quy định cho mỗi đường và phải có thêm đèn chỉ đường gửi tàu.
Tín hiệu ra ga không bảo đảm tầm nhìn quy định phải có tín hiệu lặp lại.
2.1.8 Tín hiệu vào ga chỉ được biểu thị thông qua khi tín hiệu ra ga đường chính tuyến cùng hướng đã mở.
2.1.9 Tín hiệu thông qua đặt ở điểm phân giới của các phân khu đóng đường tự động hoặc ở điểm phân giới của trạm đóng đường.
Chiều dài phân khu đóng đường tự động đèn màu 3 biểu thị không được nhỏ hơn cự ly hãm quy định.
Mỗi cột tín hiệu thông qua trong đóng đường tự động phải có số hiệu.
2.1.10 Tín hiệu ngăn đường đặt ở trước đường ngang, cầu, hầm lớn có người gác, nơi đất đá thường sụt lở. Tín hiệu này đặt cách điểm phòng vệ ít nhất 100 m. Nơi không đủ điều kiện đặt tín hiệu ngăn đường phải được đặt tín hiệu phòng vệ.
2.1.11 Tại nơi giao nhau giữa đường sắt và đường bộ có mật độ giao thông cao phải đặt tín hiệu đường ngang. Nếu tín hiệu đường ngang tự động có thêm thiết bị chắn tự động thì khi tàu sắp đến đường ngang, thiết bị chắn phải tự động đóng lại và giữ nguyên trạng thái đóng cho tới khi tàu qua khỏi đường ngang.
2.1.12 Trước nơi đường sắt giao nhau cùng mặt bằng trong khu gian, phải đặt tín hiệu phòng vệ. Khoảng cách từ tín hiệu này đến mốc tránh va chạm hoặc đầu lưỡi ghi dẫn vào đường an toàn (nếu có) hoặc điểm giao nhau cùng mặt bằng ít nhất là 100 m. Các tín hiệu nói trên phải có quan hệ liên khóa với nhau bảo đảm chỉ mở được một tín hiệu khi các tín hiệu đối nghịch với nó đã ở trạng thái đóng.
2.1.13 Phía trước hai đầu cầu đường sắt mà mặt cầu dùng chung với đường bộ phải đặt tín hiệu phòng vệ. Khoảng cách từ mố cầu đến tín hiệu cùng bên ít nhất 100 m.
2.1.14 Ở ga có nhiều bãi đón, gửi tàu phải có tín hiệu vào bãi, ra bãi. Vị trí đặt các tín hiệu này như quy định đối với tín hiệu vào ga, ra ga.
2.1.15 Tín hiệu ra ga, ra bãi để gửi tàu đi nhiều hướng phải có biểu thị chỉ hướng tàu chạy.
2.1.16 Cột tín hiệu vào ga, vào bãi loại đèn màu phải có biểu thị dẫn đường.
2.1.17 Trong ga điều khiển tập trung:
a) Có thể đặt tín hiệu dồn chung với cột tín hiệu ra ga, vào bãi hoặc ra bãi;
b) Có thể đặt tín hiệu dồn - phòng vệ ở nơi đường nhánh nối vào ga mà không có quan hệ đóng đường hoặc để phân chia đường chạy tàu trong ga.
2.1.18 Trạng thái bình thường của các loại tín hiệu cố định như sau:
a) Tín hiệu vào ga, ra ga, vào bãi, ra bãi, tín hiệu phòng vệ, tín hiệu của trạm đóng đường, tín hiệu dồn tàu, tín hiệu dồn - phòng vệ phải ở trạng thái ngừng;
b) Tín hiệu thông qua trong khu gian đóng đường tự động (trừ tín hiệu thông qua liền trước tín hiệu vào ga) phải biểu thị tàu chạy với tốc độ quy định;
c) Tín hiệu báo trước, cánh thông qua trên tín hiệu vào ga hoặc bãi phải biểu thị chạy với chú ý hoặc giảm tốc độ.
2.1.19 Tín hiệu cố định và tín hiệu thông qua ở khu gian đóng đường tự động khi hỏng phải trở về biểu thị ngừng.
2.1.20 Tín hiệu cánh (trừ tín hiệu báo trước) về ban đêm phải có ánh đèn ở mặt sau để Trực ban chạy tàu ga hoặc người điều khiển tín hiệu xác nhận được trạng thái tín hiệu.
Trường hợp không xác nhận được trạng thái tín hiệu, phải có thiết bị lặp lại tín hiệu.
2.1.21 Ghi phải có biển ghi và đèn ghi, trừ các trường hợp sau:
a) Ghi ở khu vực dồn tàu và ghi không dùng để đón gửi tàu có thể dùng loại không có đèn ghi;
b) Ghi điện khí tập trung có thể không có biển ghi và đèn ghi.
2.2 Hệ thống liên khóa
2.2.1 Ghi quay bằng thủ công đều phải lắp khóa khống chế hoặc khóa điện trong các trường hợp sau đây:
a) Ghi trên đường chạy đón, gửi tàu, ghi phòng hộ;
b) Ghi khai thông vào đường chuyên để các toa xe chở chất dễ cháy, nổ, chất độc;
c) Ghi khai thông vào đường để tàu cứu viện;
d) Ghi khai thông vào đường an toàn, đường lánh nạn;
đ) Ghi trên đường chính tuyến trong khu gian;
e) Ghi trên đường chạy đón gửi, ghi phòng hộ, ghi thông vào đường an toàn, đường lánh nạn phải có quan hệ liên khóa với tín hiệu liên quan.
2.2.2 Hệ thống liên khóa phải bảo đảm thực hiện được quan hệ khóa lẫn nhau giữa trạng thái ghi, đường chạy, biểu thị trạng thái tín hiệu theo yêu cầu và trình tự đã xác định cho từng loại thiết bị.
2.2.3 Thiết bị liên khóa bằng ổ khóa khống chế lắp ở ghi và tay kéo tín hiệu phải bảo đảm:
a) Chỉ lấy được chìa khóa khi ghi đã quay đúng và đã khóa chắc chắn, lưỡi ghi khít chặt với ray cơ bản;
b) Không thể khóa được ghi khi giữa lưỡi ghi và ray cơ bản ở vị trí thanh giằng thứ nhất có khe hở từ 4 mm trở lên;
c) Chỉ mở được tín hiệu khi các ghi liên quan đã khai thông đúng đường chạy và đã khóa, khi tín hiệu đã mở thì không thể mở khóa của các ghi này.
2.2.4 Không được phép lắp đặt, sử dụng khóa khống chế ghi có chìa khóa cùng số trong các trường hợp sau:
a) Trong phạm vi một ga;
b) Trong hai khu vực ghi liền nhau của ga có nhiều bãi;
c) Khóa khống chế ghi trong khu gian có chìa khóa cùng số với khóa ghi ở hai ga đầu khu gian;
d) Khóa khống chế ghi có chìa cùng số ở hai khu gian liền nhau.
2.2.5 Thiết bị liên khóa bằng hộp khóa điện phải bảo đảm:
a) Chỉ khóa được ghi khi lưỡi ghi khít chặt với ray cơ bản;
b) Bộ khóa chặt không thể khóa khi giữa lưỡi ghi và ray cơ bản ở vị trí thanh giằng thứ nhất có khe hở từ 4 mm trở lên;
c) Chỉ mở được tín hiệu khi các ghi liên quan với đường chạy đã ở đúng vị trí quy định;
d) Chỉ mở được tín hiệu khi các tín hiệu đối nghịch với nó đều đã ở trạng thái đóng;
đ) Sau khi tín hiệu mở, các ghi trên đường chạy liên quan với tín hiệu đó đều không thể mở khóa được;
e) Trực ban chạy tàu ga phải khống chế được ghi và tín hiệu.
2.2.6 Thiết bị liên khóa tập trung bằng điện phải bảo đảm:
a) Khi các ghi liên quan với đường chạy ở không đúng vị trí quy định, hoặc tín hiệu đối nghịch chưa đóng thì tín hiệu liên quan với đường chạy đó không thể mở được;
b) Tín hiệu liên quan với đường chạy đã mở thì các ghi liên quan với đường chạy không thể mở khóa được, các tín hiệu đối nghịch cũng không thể mở được;
c) Khi tàu đang chạy trên ghi, ghi đó không thể mở khóa được;
d) Khi ghi khai thông vào đường đang bị chiếm dụng thì tín hiệu liên quan không thể mở vào đường chạy đó được;
đ) Trực ban chạy tàu ga phải khống chế được ghi, tín hiệu và giám sát được tình hình chiếm dụng đường, ghi thông qua biểu thị trên đài điều khiển.
2.3 Thiết bị đóng đường
2.3.1 Hòm thẻ đường cùng số hiệu phải đặt cách nhau ít nhất 3 khu gian. Thẻ đường phải có biển tên khu gian và số thứ tự.
2.3.2 Thiết bị đóng đường bằng máy thẻ đường phải bảo đảm chỉ có thể lấy từ hòm thẻ ra được một thẻ đường khi ga đầu kia cùng khu gian đó cấp điện.
Khi thẻ đường đã lấy ra chưa được trả vào một trong hai hòm thẻ thuộc cùng khu gian thì không thể lấy ra được một thẻ đường khác từ một hòm thẻ đường nào thuộc khu gian đó.
2.3.3 Máy thẻ đường bổ trợ phải liên khóa với máy thẻ đường chính tuyến của ga có liên quan.
2.3.4 Ở ga có quy định cho đầu máy phụ đẩy tàu vào khu gian rồi quay trở về thì phải đặt thêm bộ phận thẻ đường kiểu hình chìa khóa có quan hệ liên khóa với máy thẻ đường để bảo đảm khi chưa lấy được thẻ chính ra khỏi máy thì không thể lấy được thẻ hình chìa khóa và khi chưa trả thẻ hình chìa khóa vào máy thì không thể rút được thẻ chính.
2.3.5 Ga trong khu đoạn đóng đường bằng máy thẻ đường có quy định tàu thông qua phải có cột giao nhận thẻ đường.
2.3.6 Thiết bị đóng đường nửa tự động phải bảo đảm chỉ mở được tín hiệu ra ga khi đã được ga đón tàu đồng ý, hai máy liên quan đã hoàn thành thủ tục đóng đường, các ghi liên quan với đường chạy gửi tàu đã ở vị trí quy định và đã khóa.
2.3.7 Thiết bị đóng đường nửa tự động trên khu gian đường đơn phải bảo đảm sau khi tín hiệu ra ga đã mở thì các tín hiệu ra ga ngược chiều qua khu gian đó đều không thể mở được.
2.3.8 Thiết bị đóng đường nửa tự động có sử dụng với thiết bị kiểm tra khu gian thanh thoát phải bảo đảm tự động trả đường cho ga gửi tàu sau khi toàn bộ đoàn tàu chạy qua cột tín hiệu vào ga của ga đón tàu.
2.3.9 Thiết bị đóng đường tự động nhiều phân khu phải đảm bảo chỉ mở được tín hiệu ra ga khi phân khu tiếp giáp đã thanh thoát hoặc khu gian tiếp giáp đã thanh thoát đối với thiết bị đóng đường tự động một phân khu.
Thiết bị đóng đường tự động một phân khu phải đảm bảo xin đường tự động cho ga gửi tàu, tự động cho đường khi khu gian tiếp giáp thanh thoát và tự động trả đường cho ga gửi tàu sau khi toàn bộ đoàn tàu chạy qua cột tín hiệu vào ga của ga đón tàu.
Ở khu gian đóng đường tự động, sau khi tín hiệu ra ga của chiều này đã mở thì phải bảo đảm tất cả các tín hiệu ra ga và thông qua chiều ngược lại của khu gian đó đều không mở được.
2.3.10 Ở khu gian đóng đường tự động, khi phân khu có tàu chiếm dụng hoặc thiết bị phát hiện tàu bị hỏng thì tín hiệu thông qua phòng vệ phân khu đó phải tự động biểu thị ngừng.
2.3.11 Ghi nối vào đường chính tuyến trong khu gian phải liên khóa với thiết bị đóng đường và tín hiệu liên quan.
2.3.12 Ở khu gian đóng đường nửa tự động hoặc tự động, để cho tàu hoặc đầu máy phụ đẩy tàu đến giữa khu gian rồi chạy trở về ga gửi tàu, đài điều khiển của ga này phải được trang bị thêm thẻ đường hình chìa khóa. Thẻ này phải có quan hệ liên khóa với thiết bị đóng đường để khi chưa trả thẻ đường hình chìa khóa vào đài điều khiển thì không thể mở được tín hiệu ra ga.
3. QUY ĐỊNH VỀ
PHƯƠNG THỨC BÁO HIỆU VÀ PHƯƠNG PHÁP SỬ DỤNG TÍN HIỆU
3.1 Các yêu cầu chung về kỹ thuật
3.1.1 Hệ thống tín hiệu giao thông đường sắt bao gồm hiệu lệnh của người tham gia điều khiển chạy tàu, hệ thống điều khiển chạy tàu, tín hiệu trên tàu, tín hiệu dưới mặt đất, biển báo hiệu, pháo hiệu phòng vệ, đuốc. Biểu thị của tín hiệu là mệnh lệnh và điều kiện chạy tàu, dồn tàu.
Hiệu lệnh của người tham gia điều khiển chạy tàu gồm cờ, còi, điện thoại, đèn và tín hiệu tay.
Tín hiệu đèn màu là tín hiệu để báo cho lái tàu điều khiển tàu ra, vào ga, thông qua ga, dừng tàu, dồn tàu.
Tín hiệu cánh là tín hiệu để báo cho lái tàu điều khiển tàu ra, vào ga, thông qua ga, dừng ở những nơi chưa có tín hiệu đèn màu.
Biển báo hiệu gồm hai nhóm sau đây:
a) Biển báo để cung cấp những thông tin cần biết cho lái tàu;
b) Biển hiệu, mốc hiệu để bắt buộc lái tàu phải chấp hành.
Pháo hiệu phòng vệ, đuốc, đèn đỏ, vật cầm trên tay quay tròn để báo hiệu dừng tàu khẩn cấp.
Tín hiệu của tàu gồm đèn, còi, biển báo ở đuôi tàu và cờ.
3.1.2 Trạng thái biểu thị thường xuyên của các cột tín hiệu như sau:
a) Ngừng đối với tín hiệu vào ga, vào bãi, ra ga, ra bãi, dốc gù, phòng vệ, cột tín hiệu dồn, cột tín hiệu dồn - phòng vệ và cột tín hiệu ở điểm phân giới của trạm đóng đường;
b) Chú ý đối với tín hiệu báo trước và cánh thông qua của cột tín hiệu vào ga;
c) Cho phép chạy qua đối với các tín hiệu đèn màu thông qua theo hướng cho phép chạy tàu trên khu gian đóng đường tự động.
Những cột tín hiệu sau đây thường xuyên không có biểu thị: tín hiệu lặp lại, ngăn đường, báo trước của tín hiệu ngăn đường và tín hiệu đèn màu thông qua theo hướng không cho phép chạy tàu trong khu gian đóng đường tự động.
3.1.3 Các tín hiệu khi đã ở trạng thái mở đều phải được kịp thời đóng lại trong các trường hợp dưới đây:
3.1.3.1 Ở ga có liên khoá điều khiển không tập trung:
a) Tín hiệu vào ga, vào bãi: khi toàn bộ đoàn tàu đi vào bên trong mốc tránh va chạm của đường đón tàu;
b) Tín hiệu ra ga: khi đầu máy bắt đầu chiếm dụng khu gian.
3.1.3.2 Ở ga có liên khoá điều khiển tập trung:
Các tín hiệu vào ga, vào bãi, ra bãi, ra ga: sau khi đôi bánh xe thứ nhất của đoàn tàu vượt qua tín hiệu đó; đối với cột tín hiệu dồn là sau khi cả đoàn tàu dồn đi qua cột tín hiệu đó.
3.1.3.3 Ở khu gian đóng đường tự động: tín hiệu đèn màu thông qua tự động biểu thị tín hiệu ngừng ngay sau khi đôi bánh xe thứ nhất của tàu vượt qua tín hiệu đó.
3.1.3.4. Tín hiệu phòng vệ, tín hiệu ở điểm phân giới của trạm đóng đường: sau khi toàn bộ đoàn tàu vượt qua tín hiệu đó.
3.1.4 Khi cột tín hiệu không sử dụng (vì hư hỏng hoặc do các nguyên nhân khác) phải lắp bộ biểu thị tín hiệu không có hiệu lực, cụ thể như sau:
a) Đối với cột tín hiệu đèn màu: cắt mạch điện của đèn và lắp bộ biểu thị tín hiệu không có hiệu lực lên trên cột đó và ở ngay dưới cơ cấu tín hiệu (hình 1 a);
b) Đối với cột tín hiệu cánh: cố định cánh trên cùng ở vị trí nằm ngang và lắp lên cánh tín hiệu trên cùng bộ biểu thị tín hiệu không có hiệu lực, không thắp đèn (ban đêm)(hình 1b).
3.1.5 Các biểu thị tín hiệu phải rõ ràng, chính xác và kịp thời theo quy định tại Quy chuẩn này.
Tiêu chuẩn kỹ thuật của biển hiệu, mốc hiệu, cờ và đèn,... phải tuân theo quy định tại Quy chuẩn này.
3.2 Tín hiệu cố định
3.2.1 Tín hiệu đèn màu
3.2.1.1 Tín hiệu đèn màu vào ga, tín hiệu đèn màu vào bãi báo những tín hiệu sau:
a) Sáng một đèn màu đỏ: không cho phép tàu vượt quá tín hiệu này (hình 2);
b) Sáng một đèn màu xanh lục: cho phép tàu qua ghi theo hướng thẳng thông qua ga (hoặc bãi) trên đường chính (hình 3);
c) Sáng một đèn màu vàng: cho phép tàu qua ghi theo hướng thẳng vào đường chính và chuẩn bị dừng (hình 4);
d) Sáng hai đèn màu vàng: cho phép tàu qua ghi theo hướng rẽ vào đường phụ và chuẩn bị dừng (hình 5);
đ) Sáng một đèn màu xanh lục và sáng một đèn màu vàng: cho phép tàu qua ghi theo hướng thẳng vào ga và chuẩn bị dừng, báo cho biết tín hiệu vào bãi đã mở (hình 6);
e) Sáng một đèn màu trắng sữa và sáng một đèn màu đỏ: cho phép tàu đi vào với tốc độ không quá 15 km/h và phải chuẩn bị sẵn sàng dừng lại khi có chướng ngại (hình 7).
3.2.1.2 Tín hiệu đèn màu ra ga báo những tín hiệu sau:
3.2.1.2.1 Khu gian đóng đường tự động:
a) Sáng một đèn màu đỏ: không cho phép tàu vượt quá tín hiệu này (hình 8);
b) Sáng một đèn màu xanh lục: biểu thị phía trước có ít nhất hai phân khu đóng đường thanh thoát, cho phép tàu chạy vào khu gian với tốc độ quy định (hình 9);
c) Sáng một đèn màu vàng: cho phép tàu chạy vào khu gian và chú ý phía trước chỉ có một phân khu đóng đường thanh thoát (hình 10);
d) Sáng hai đèn màu xanh lục: cho phép tàu chạy vào khu gian theo hướng rẽ (hình 11);
3.2.1.2.2 Khu gian đóng đường nửa tự động:
a) Sáng một đèn màu đỏ: không cho phép tàu vượt qúa tín hiệu này (hình 12);
b) Sáng một đèn màu xanh lục: cho phép tàu chạy vào khu gian (hình13);
c) Sáng hai đèn màu xanh lục: cho phép tàu chạy vào khu gian theo hướng rẽ (hình 14).
3.2.1.3 Tín hiệu đèn màu ra ga kiêm dồn:
a) Ngoài việc báo những tín hiệu như quy định tại Mục 3.2.1.2 của Quy chuẩn này, còn sáng một đèn màu trắng sữa khi cho phép đoàn dồn vượt qua tín hiệu này;
b) Tín hiệu ra ga kiêm dồn đối với khu gian đóng đường nửa tự động (hình 15);
c) Tín hiệu ra ga kiêm dồn đối với khu gian đóng đường tự động ba biểu thị (hình 16).
3.2.1.4 Tín hiệu đèn màu ra bãi báo những tín hiệu sau:
a) Sáng một đèn màu đỏ: không cho phép tàu vượt quá tín hiệu này (hình 17);
b) Sáng một đèn màu xanh lục: cho phép tàu chạy ra bãi và ra ga (hình 18);
c) Sáng một đèn màu vàng: cho phép tàu chạy ra bãi và chuẩn bị dừng ở tín hiệu phía trước (hình 19).
d) Sáng một đèn màu xanh lục và sáng một đèn màu vàng: biểu thị phía trước theo chiều tàu chạy có ít nhất một tín hiệu ở trạng thái cho phép (hình 20).
3.2.1.5 Tín hiệu đèn màu ra bãi kiêm dồn:
Ngoài việc báo những tín hiệu như những tín hiệu ra bãi quy định tại Mục 3.2.1.4 Quy chuẩn này còn có ánh đèn màu trắng sữa cho phép đoàn tàu dồn vượt qua tín hiệu này (hình 21).
3.2.1.6 Tín hiệu đèn màu thông qua ở điểm phân giới của phân khu đóng đường tự động biểu thị những tín hiệu và có ý nghĩa sau:
a) Sáng một đèn màu đỏ: không cho phép tàu vượt quá tín hiệu này (hình 22);
b) Sáng một đèn màu xanh lục: cho phép tàu chạy qua với tốc độ quy định, thể hiện phía trước có ít nhất hai phân khu đóng đường thanh thoát (hình 23);
c) Sáng một đèn màu vàng: cho phép tàu chạy qua tín hiệu và chú ý phía trước chỉ có một phân khu đóng đường thanh thoát (hình 24).
3.2.1.7 Cột tín hiệu ở điểm phân giới của trạm đóng đường biểu thị những tín hiệu sau:
a) Sáng một đèn màu đỏ: không cho phép tàu vượt quá tín hiệu này (hình 25);
b) Sáng một đèn màu xanh lục: cho phép tàu chạy qua với tốc độ quy định (hình 26).
3.2.1.8 Tín hiệu đèn màu lặp lại có các loại sau:
3.2.1.8.1 Tín hiệu lặp lại của tín hiệu đèn màu vào ga sử dụng cơ cấu xếp đèn biểu thị các tín hiệu sau:
a) Sáng hai đèn màu trắng sữa xếp chéo tạo thành góc 60 0 với phương nằm ngang: biểu thị tín hiệu vào ga biểu thị đèn màu xanh lục hoặc một đèn màu vàng (hình 27);
b) Sáng hai đèn màu trắng sữa ở vị trí nằm ngang: biểu thị tín hiệu vào ga biểu thị hai đèn màu vàng (hình 28);
c) Không sáng đèn: biểu thị tín hiệu vào ga ở trạng thái đóng (hình 29).
3.2.1.8.2 Tín hiệu lặp lại của tín hiệu đèn màu ra ga và ra bãi biểu thị các tín hiệu sau:
a) Sáng một đèn màu xanh lục: biểu thị tín hiệu ra ga hoặc ra bãi ở trạng thái mở (hình 30);
b) Không sáng đèn: biểu thị tín hiệu ra ga hoặc ra bãi ở trạng thái đóng;
3.2.1.8.3 Tín hiệu lặp lại của tín hiệu dồn biểu thị các tín hiệu sau:
a) Sáng một đèn màu trắng sữa: biểu thị tín hiệu dồn ở trạng thái mở (hình 31);
b) Không sáng đèn: biểu thị tín hiệu dồn ở trạng thái đóng;
Các cột tín hiệu đèn màu lặp lại của tín hiệu vào ga, ra ga, ra bãi và dồn đều sử dụng tấm nền hình vuông đặt chéo để phân biệt với các cột tín hiệu khác.
3.2.1.9 Tín hiệu đầu máy thuộc khu đoạn đóng đường tự động ba biểu thị:
a) Sáng đèn màu xanh lục: cho phép chạy tàu với tốc độ quy định, biểu thị tín hiệu mặt đất mà đoàn tàu tới gần biểu thị ánh đèn màu xanh lục;
b) Sáng đèn màu vàng: yêu cầu tàu chạy với sự chú ý, biểu thị tín hiệu mặt đất mà tàu tới gần biểu thị màu vàng;
c) Sáng hai đèn màu vàng: cho phép tàu qua hướng rẽ của ghi, hạn chế tốc độ biểu thị tín hiệu mặt đất mà tàu tới gần biểu thị sáng hai đèn màu vàng;
d) Sáng đèn màu đỏ và đèn màu vàng: yêu cầu kịp thời dùng biện pháp dừng tàu, biểu thị tín hiệu mặt đất mà tàu tới gần biểu thị một ánh đèn màu đỏ;
đ) Sáng đèn màu đỏ: báo tàu đã vượt qua tín hiệu mặt đất biểu thị ánh đèn màu đỏ.
3.2.1.10 Tín hiệu đèn màu phòng vệ báo những tín hiệu sau:
a) Sáng một đèn màu đỏ: không cho phép tàu vượt qúa tín hiệu này (hình 32);
b) Sáng một đèn màu xanh lục: cho phép tàu chạy qua tín hiệu với tốc độ quy định (hình 33).
3.2.1.11 Tín hiệu đèn màu ngăn đường:
Ở trạng thái thường xuyên không có biểu thị. Khi biểu thị sáng một đèn màu đỏ báo hiệu không cho phép tàu vượt quá tín hiệu này (hình 34).
Tín hiệu đèn màu ngăn đường dùng tấm nền hình vuông đặt chéo lắp trên cột có sơn vạch chéo xen kẽ trắng đen.
3.2.1.12 Tín hiệu đèn màu báo trước báo những tín hiệu sau:
a) Sáng một đèn màu vàng: báo cho biết cột tín hiệu chính đang ở trạng thái đóng (hình 35);
b) Sáng một đèn màu xanh lục: báo cho biết cột tín hiệu chính đang ở trạng thái mở (hình 36);
c) Ở trạng thái thường xuyên không sáng đèn. Khi biểu thị sáng một đèn màu vàng báo cho biết cột tín hiệu đèn màu ngăn đường đang có ánh đèn màu đỏ (hình 37).
Cột tín hiệu báo trước của tín hiệu ngăn đường có cấu tạo như cột tín hiệu ngăn đường.
3.2.1.13 Tín hiệu đèn màu dồn báo những tín hiệu sau:
a) Sáng một đèn màu xanh lam: cấm dồn toa vượt qua tín hiệu này (hình 38);
b) Sáng một đèn màu trắng sữa: cho phép dồn toa qua tín hiệu này (hình 39).
3.2.1.14 Tín hiệu dồn - phòng vệ biểu thị những tín hiệu sau:
a) Sáng một đèn màu đỏ: không cho phép vượt qua tín hiệu này (hình 40);
b) Sáng một đèn màu trắng sữa: cho phép dồn qua tín hiệu này (hình 41).
3.2.1.15 Tín hiệu đèn màu dốc gù báo những tín hiệu sau:
a) Sáng một đèn màu đỏ: không cho phép đẩy đoàn tàu dồn về phía đỉnh dốc gù (hình 42);
b) Sáng một đèn màu vàng: cho phép đẩy đoàn tàu dồn về phía đỉnh dốc gù và giảm tốc độ (hình 43);
c) Sáng một đèn màu xanh lục: cho phép đẩy đoàn tàu dồn về phía đỉnh dốc gù theo tốc độ quy định (hình 44);
d) Sáng một đèn màu đỏ nhấp nháy: cho phép đoàn tàu dồn chạy từ đỉnh dốc gù về (hình 45);
đ) Một ánh đèn màu trắng sữa: cho phép đầu máy vượt qua đỉnh dốc gù (hình 46).
3.2.2 Tín hiệu cánh
3.2.2.1 Tín hiệu cánh vào ga biểu thị những tín hiệu sau:
3.2.2.1.1 Tín hiệu vào ga hai cánh:
a) Không cho phép tàu vượt qua tín hiệu:
1) Ban ngày: cánh trên màu đỏ nằm ngang tạo với thân cột thành góc 90 0 , cánh dưới màu đỏ nằm xuôi theo thân cột (hình 47a);
2) Ban đêm: sáng một đèn màu đỏ ở vị trí tương ứng với cánh trên (hình 47b).
b) Cho phép tàu qua ghi theo hướng thẳng vào đường chính và chuẩn bị dừng:
1) Ban ngày: cánh trên màu đỏ nằm nghiêng xuống tạo với thân cột thành góc 45o , cánh dưới màu đỏ nằm xuôi theo thân cột (hình 48a);
2) Ban đêm: sáng một đèn màu vàng ở vị trí tương ứng với cánh trên (hình 48b).
c) Cho phép tàu qua ghi theo hướng rẽ vào đường đón gửi và chuẩn bị dừng:
1) Ban ngày: cánh trên màu đỏ và cánh dưới màu đỏ đều nằm nghiêng xuống tạo với thân cột thành góc 45o (hình 49a);
2) Ban đêm: sáng một đèn màu vàng ở vị trí tương ứng với cánh trên và sáng một đèn màu vàng ở vị trí tương ứng với cánh dưới (hình 49b).
3.2.2.1.2 Tín hiệu vào ga ba cánh:
a) Không cho phép tàu vượt quá tín hiệu:
1) Ban ngày: cánh trên màu đỏ, cánh giữa màu vàng đều nằm ngang tạo với thân cột thành góc 90o, cánh dưới màu đỏ nằm xuôi theo thân cột (hình 50a);
2) Ban đêm: sáng một đèn màu đỏ ở vị trí tương ứng với cánh trên (hình 50b).
b) Cho phép tàu qua ghi theo hướng thẳng và thông qua ga trên đường chính với tốc độ quy định:
1) Ban ngày: cánh trên màu đỏ và cánh giữa màu vàng đều nằm nghiêng xuống tạo với thân cột thành góc 45o, cánh dưới màu đỏ nằm xuôi theo thân cột (hình 51a);
2) Ban đêm: sáng một đèn màu vàng ở vị trí tương ứng với cánh trên và sáng một đèn màu xanh lục ở vị trí tương ứng với cánh giữa (hình 51b).
c) Cho phép tàu qua ghi theo hướng thẳng vào đường chính và chuẩn bị dừng:
1) Ban ngày: cánh trên màu đỏ nằm nghiêng xuống tạo với thân cột thành góc 45o, cánh giữa màu vàng nằm ngang tạo với thân cột thành góc 90o, cánh dưới màu đỏ nằm xuôi theo thân cột (hình 52a);
2) Ban đêm: sáng một đèn màu vàng ở vị trí tương ứng với cánh trên (hình 52b).
d) Cho phép tàu qua ghi theo hướng rẽ vào đường đón gửi và chuẩn bị dừng:
1) Ban ngày: cánh trên màu đỏ và cánh dưới màu đỏ nằm nghiêng xuống tạo với thân cột thành góc 45o, cánh giữa màu vàng nằm ngang tạo với thân cột thành góc 90o (hình 53a);
2) Ban đêm: sáng hai đèn màu vàng: một đèn màu vàng ở vị trí tương ứng với cánh trên, một đèn màu vàng ở vị trí tương ứng với cánh dưới (hình 53b).
3.2.2.2 Tín hiệu cánh ra ga biểu thị những tín hiệu sau:
a) Không cho phép tàu vượt quá tín hiệu:
1) Ban ngày: một cánh màu đỏ nằm ngang tạo với thân cột thành góc 90o (hình 54a);
2) Ban đêm: sáng một đèn màu đỏ ở vị trí tương ứng với cánh (hình 54b).
b) Cho phép tàu chạy vào khu gian:
1) Ban ngày: một cánh màu đỏ nằm nghiêng xuống tạo với thân cột thành góc 45o (hình 55a);
2) Ban đêm: sáng một đèn màu xanh lục ở vị trí tương ứng với cánh (hình 55b).
3.2.2.3 Tín hiệu cánh lặp lại của tín hiệu cánh ra ga biểu thị những tín hiệu sau:
a) Khi cột tín hiệu ra ga ở trạng thái đóng:
1) Ban ngày: một cánh màu đỏ nằm dọc theo thân cột (hình 56a);
2) Ban đêm: không sáng đèn (hình 56b).
b) Khi cột tín hiệu ra ga ở trạng thái mở:
1) Ban ngày: một cánh màu đỏ nằm nghiêng xuống tạo với thân cột thành góc 45o (hình 57a);
2) Ban đêm: sáng một đèn màu xanh lục ở vị trí tương ứng với cánh tín hiệu (hình 57b).
3.2.2.4 Tín hiệu cánh phòng vệ biểu thị những tín hiệu sau:
a) Không cho phép tàu vượt quá tín hiệu:
1) Ban ngày: một cánh màu đỏ nằm ngang tạo với thân cột thành góc 90o (hình 54a);
2) Ban đêm: sáng một đèn màu đỏ ở vị trí tương ứng với cánh tín hiệu (hình 54b);
b) Cho phép tàu chạy qua tín hiệu với tốc độ quy định:
1) Ban ngày: một cánh màu đỏ nằm nghiêng xuống tạo với thân cột thành góc 45o (hình 55a);
2) Ban đêm: sáng một đèn màu xanh lục ở vị trí tương ứng với cánh tín hiệu (hình 55b).
3.2.2.5 Tín hiệu cánh báo trước biểu thị những tín hiệu sau:
a) Khi cột tín hiệu chính đang ở trạng thái đóng:
1) Ban ngày: một cánh màu vàng hình đuôi cá nằm ngang tạo với thân cột thành góc 90o (hình 58a);
2) Ban đêm: sáng một đèn màu vàng ở vị trí tương ứng với cánh tín hiệu (hình 58b);
b) Khi cột tín hiệu chính đang ở trạng thái mở:
1) Ban ngày: cánh màu vàng hình đuôi cá nằm nghiêng xuống tạo với thân cột thành góc 45o (hình 59a);
2) Ban đêm: sáng một đèn màu xanh lục ở vị trí tương ứng với cánh tín hiệu (hình 59b);
3.3 Tín hiệu di động, pháo hiệu
3.3.1 Tín hiệu di động
3.3.1.1 Tín hiệu di động báo hiệu ngừng biểu thị như sau:
a) Ban ngày: biển màu đỏ hình chữ nhật (hình 60a). Có hai loại biển màu đỏ hình chữ nhật: biển một mặt màu đỏ, một mặt màu trắng và biển hai mặt màu đỏ;
Trường hợp không có biển màu đỏ, có thể dùng cờ đỏ mở;
b) Ban đêm: ánh đèn màu đỏ của đèn tay cắm trên trụ như hình 60b.
3.3.1.2 Tín hiệu di động báo hiệu giảm tốc độ và hết giảm tốc độ biểu thị như sau:
a) Giảm tốc độ:
1) Ban ngày: dùng biển hình vuông màu vàng như hình 61a. Khi không có biển màu vàng có thể dùng cờ vàng mở;
2) Ban đêm: sáng một đèn màu vàng của đèn cắm trên trụ như hình 61b;
b) Hết giảm tốc độ:
1) Ban ngày: dùng biển hình vuông màu xanh lục (hình 62a);
2) Ban đêm: sáng một đèn màu xanh lục của đèn cắm trên trụ (hình 62b).
3.3.2 Pháo hiệu và đuốc
3.3.2.1 Pháo hiệu của đường sắt là tín hiệu dùng để biểu thị tín hiệu ngừng khẩn cấp.
Khi nghe tiếng pháo nổ, lái tàu phải lập tức cho tàu dừng.
Pháo hiệu được bố trí trên đường sắt khổ 1000 mm và đường sắt khổ 1435 mm theo hình 63.
Trên đường sắt lồng (khổ 1000 mm và 1435 mm) đặt đầy đủ pháo trên các thanh ray theo hình 64 và hình 65.
Không đặt pháo ở những vị trí sau đây:
a) Trong hầm, trong cầu;
b) Trên ghi và vị trí mối nối ray;
c) Mối nối, mối hàn dây dẫn điện của mạch điện ray, nơi đặt thiết bị đếm trục.
d) Đường ngang;
đ) Chỗ ray bị ngập nước.
3.3.2.2 Đuốc là loại tín hiệu tạm thời dùng để báo hiệu ngừng khẩn cấp (hình 66).
Khi thấy ánh lửa đuốc, lái tàu phải lập tức cho tàu dừng.
3.3.2.3 Khi tàu đã dừng theo báo hiệu của tiếng pháo nổ hoặc ánh lửa đuốc, lái tàu phải xác nhận tình hình đường phía trước.
Nếu không gặp nhân viên phòng vệ và cũng không có hiện tượng đe dọa an toàn chạy tàu, lái tàu kéo một tiếng còi dài và cho tàu tiếp tục chạy với tốc độ không quá 10 km/h đồng thời tăng cường quan sát phía trước và sẵn sàng dừng lại nếu gặp chướng ngại. Sau khi đã chạy được 1 km mà vẫn không thấy hiện tượng đe dọa an toàn chạy tàu thì lái tàu cho tàu chạy với tốc độ quy định.
3.4 Biện pháp phòng vệ
Mọi chướng ngại chạy tàu, dồn tàu trong khu gian hoặc trong ga, bất cứ có tàu chạy hay không đều phải được phòng vệ bằng tín hiệu ngừng.
Việc phòng vệ phải được thực hiện ngay sau khi phát hiện chướng ngại hoặc trước khi bắt đầu thi công.
Cấm rút bỏ tín hiệu phòng vệ trước khi kết thúc thi công hoặc chưa loại bỏ chướng ngại, chưa kiểm tra xong trạng thái đường và giới hạn tiếp giáp kiến trúc của đường đủ điều kiện bảo đảm an toàn chạy tàu.
3.4.1 Phòng vệ nơi thi công hoặc chướng ngại trong khu gian
3.4.1.1 Khi cần bắt tàu dừng trong khu gian vì lý do thi công hoặc có chướng ngại, phải tiến hành phòng vệ về hai phía theo quy định chung như sau: đặt tín hiệu di động báo hiệu ngừng cách địa điểm thi công hoặc chướng ngại 50 m về hai phía: cách tín hiệu này 800 m phải đặt pháo (Mục 3.3.2.1 Quy chuẩn này) và cử nhân viên cầm tín hiệu tay báo ngừng trông coi.
Các trường hợp phòng vệ cụ thể như sau:
a) Phòng vệ nơi thi công hoặc chướng ngại trong khu gian đường đơn như hình 67;
b) Phòng vệ nơi thi công hoặc chướng ngại trong khu gian ở đó có một đường thi công không gây chướng ngại cho đường bên cạnh (hình 68);
c) Phòng vệ nơi thi công hoặc chướng ngại trong khu gian ở đó có một đường thi công gây chướng ngại cho đường bên cạnh như hình 69;
d) Phòng vệ nơi thi công hoặc chướng ngại trong khu gian nhưng địa điểm phòng vệ cách cột tín hiệu vào ga trong khoảng từ 60 m đến 890 m như hình 70;
đ) Phòng vệ nơi thi công hoặc chướng ngại trong khu gian nhưng địa điểm phòng vệ cách cột tín hiệu vào ga dưới 60 m như hình 71.
Trong tất cả các trường hợp phòng vệ, trước khi rút bỏ tín hiệu phòng vệ, người chỉ huy thi công hoặc người phụ trách giải quyết chướng ngại phải tự mình kiểm tra và xác nhận trạng thái an toàn của địa điểm vừa được phòng vệ. Khi xét thấy cần thiết giảm tốc độ tàu chạy qua địa điểm này, phải đặt tín hiệu giảm tốc độ màu vàng cách địa điểm vừa mới phòng vệ 800 m.
3.4.1.2 Khi xẩy ra chướng ngại bất ngờ trong khu gian mà ở đó không có sẵn tín hiệu di động để phòng vệ theo quy định ở Mục 3.4.1.1 Quy chuẩn này thì phải lập tức dùng tín hiệu tay, pháo và đuốc để phòng vệ chướng ngại.
Việc phòng vệ tiến hành như sau: tại nơi có chướng ngại đặt tín hiệu ngừng (cờ đỏ mở, ánh đèn màu đỏ hoặc đuốc), đặt pháo cách nơi có chướng ngại 800 m về hai phía như hình 72.
a) Trong những trường hợp sau đây, trước khi áp dụng biện pháp phòng vệ nói trên, phải lập tức đốt đuốc hoặc dùng các biện pháp khác ngay tại nơi có chướng ngại:
1) Bất kỳ ngày hay đêm, nếu điều kiện thời tiết xấu (sương mù, mưa bão) không bảo đảm tầm nhìn rõ tín hiệu;
2) Ban đêm, mặc dù thời tiết tốt;
3) Trong hầm, trong cầu, đường đào, đường cong tầm nhìn bị che khuất thì trong bất kỳ thời tiết nào và bất luận là ban ngày hay ban đêm.
b) Khi không đủ điều kiện để phòng vệ hai phía cùng một lúc thì việc phòng vệ địa điểm có chướng ngại theo thứ tự ưu tiên sau đây:
1) Phía có tàu đang chạy đến chướng ngại (biết trước hoặc đã nghe thấy tàu đang đến);
2) Phía có dốc xuống, đường cong, đường đào.
c) Sau khi đã đặt pháo phòng vệ ở hai phía, nếu có đủ người, thì mỗi người đứng một phía cách quả pháo trong cùng (bên có chướng ngại) 20 m tay cầm cờ (hoặc đèn) biểu thị tín hiệu ngừng. Nếu chỉ có một người thì người này sau khi đã đi phòng vệ hai phía, phải đến phía có nhiều bất lợi cho việc hãm tàu của lái tàu hoặc phía có tàu đang đến để biểu thị tín hiệu ngừng.
3.4.1.3 Ở những quãng đường xung yếu, tàu chỉ có thể chạy qua với tốc độ không quá 5 km/h, nhất thiết phải có nhân viên dẫn đường đứng tại địa điểm đặt tín hiệu di động màu đỏ biểu thị tín hiệu tay cho tàu qua như hình 67.
Tại những nơi này phải bố trí phòng vệ theo quy định tại Mục 3.4.1.1 Quy chuẩn này và không cần đặt pháo nếu đã cấp cảnh báo cho tàu.
3.4.1.4 Ở những quãng đường cần giảm tốc độ chạy tàu trong một thời gian dài phải bố trí phòng vệ như sau:
a) Giảm tốc độ cả hai hướng: như hình 73;
b) Giảm tốc độ một hướng: như hình 74;
c) Địa điểm cần giảm tốc độ cách cột tín hiệu vào ga dưới 800 m thì bố trí như hình 75.
3.4.2 Phòng vệ tàu bị dừng trong khu gian đóng đường không tự động
3.4.2.1 Sau khi tàu bị dừng trong khu gian quá 10 phút phải tiến hành phòng vệ như sau:
a) Khi đã biết phía tàu cứu viện đến phải tiến hành phòng vệ ở phía đó bằng pháo hiệu và tín hiệu tay như hình 76;
b) Khi chưa biết phía tàu cứu viện đến phải tiến hành phòng vệ ở hai phía như hình 77;
c) Những tàu sau đây bị dừng trong khu gian phải tiến hành phòng vệ ngay phía sau tàu bị ngừng như hình 78;
1) Tàu đã chạy sau khi thông tin bị gián đoạn mà phía sau nó có tàu chạy cùng chiều;
2) Tàu bị đuối sức.
d) Khi tàu bị dừng trong khu gian đã được kéo một phần về ga, phần còn lại trong khu gian phải phòng vệ hai phía: phía có đầu máy sẽ ra kéo phần còn lại phòng vệ 300 m, phía kia phòng vệ theo quy định 800 m như hình 79;
đ) Nếu tàu dừng trước cột tín hiệu mà khoảng cách từ đầu máy đến cột tín hiệu không đủ để đặt pháo hiệu phòng vệ phía trước (khi cần thiết) thì chỉ đặt tín hiệu phòng vệ sau phía sau, cách toa cuối tàu 800 m.
3.4.3 Phòng vệ tàu bị dừng trong khu gian đóng đường tự động
3.4.3.1 Việc phòng vệ tàu bị dừng trong khu gian đóng đường tự động tiến hành theo những trường hợp sau đây:
a) Tàu bị dừng trong khu gian vì tín hiệu thông qua biểu thị trạng thái ngừng, biểu thị không chính xác hoặc đèn tắt:
1) Ban ngày: trưởng tàu rời khỏi toa trưởng tàu, đứng phía sau toa cuối tàu báo ngừng bằng tín hiệu tay (cờ đỏ mở) về phía sau tàu;
2) Ban đêm (kể cả ban ngày thời tiết xấu không bảo đảm tầm nhìn rõ tín hiệu): trưởng tàu phải kiểm tra và tăng cường độ chiếu sáng của các đèn đuôi tàu, sau đó đứng phía sau toa cuối báo ngừng bằng tín hiệu tay (ánh đèn màu đỏ của đèn tay) về phía sau tàu.
Khi đứng phòng vệ phía sau, trưởng tàu phải tập trung quan sát phía sau, khi thấy có tàu đến gần phía mình, phải lập tức báo ngừng bằng tín hiệu tay đồng thời phát tín hiệu ngừng bằng âm thanh của còi (Mục 3.8.1.2 Quy chuẩn này) để bắt tàu sắp đến ngừng lại.
b) Tàu dừng trong khu gian vì những lý do đe dọa an toàn chạy tàu (do chính trưởng tàu phát hiện, do lái tàu hoặc một người nào khác thông báo) hoặc ngừng quá 3 phút mà trưởng tàu chưa biết được lý do: trưởng tàu phải tổ chức ngay việc phòng vệ theo từng yêu cầu cụ thể tương ứng với từng trường hợp cụ thể đã quy định khoản 1, 2, 3, 4 và 5 tại Mục 3.4.2.1 Quy chuẩn này; riêng vị trí đặt quả pháo đầu tiên cho phép cách toa cuối tàu ít nhất 300 m.
3.4.4 Thu hồi tín hiệu phòng vệ
3.4.4.1 Tín hiệu thu hồi tín hiệu phòng vệ là ba hồi còi dài của đầu máy. Khi nghe tín hiệu này, nhân viên phòng vệ lập tức thu hồi tín hiệu phòng vệ và trở về tàu.
Trên các khu gian đóng đường không tự động, nếu phía sau tàu bị dừng có tàu chạy với thông tri mẫu B sau khi thông tin bị gián đoạn thì trước khi thu hồi pháo phòng vệ, nhân viên phòng vệ phải đốt đuốc để lại tại nơi đã thu hồi pháo. Nếu không có đuốc thì không thu hồi pháo và khi trở về tàu, nhân viên phòng vệ phải vừa đi vừa biểu thị tín hiệu ngừng về phía sau.
3.4.5 Phòng vệ trong ga
3.4.5.1 Khi tiến hành thi công hoặc có chướng ngại xẩy ra trên đường hoặc ghi trong ga mà không thể cho các phương tiện chạy trên đường sắt chạy qua đó thì phải tiến hành phòng vệ như sau:
a) Địa điểm thi công hoặc chướng ngại xẩy ra trên một đường trong ga: các ghi gần địa điểm thi công hoặc chướng ngại nhất đều phải cùm hoặc khoá ở vị trí không cho các phương tiện chạy trên đường sắt chạy thông vào đường ấy như hình 80;
Nếu không thể cùm hoặc khoá được các ghi này phải đặt tín hiệu ngừng di động cách địa điểm thi công hoặc chướng ngại 50 m như hình 81. Nếu từ mũi lưỡi ghi đến địa điểm thi công (hoặc chướng ngại) dưới 50 m thì đặt tín hiệu ngừng ở tim đường, ngang mũi lưỡi ghi như hình 82;
b) Địa điểm thi công hoặc chướng ngại xẩy ra ở một ghi trong ga: cách mũi lưỡi ghi đó 50 m cắm tín hiệu di động biểu thị tín hiệu ngừng; trên các đường trực tiếp liên quan đến ghi đó, cắm tín hiệu ngừng di động ở vị trí ngang với mốc tránh va chạm như hình 83;
c) Địa điểm thi công hoặc chướng ngại xẩy ra ở ghi vào ga: cột tín hiệu vào ga biểu thị tín hiệu ngừng; trên các đường trực tiếp liên quan đến ghi này phải cắm tín hiệu ngừng di động ở vị trí tương ứng với mốc tránh va chạm như hình 84;
d) Địa điểm thi công hoặc chướng ngại xẩy ra trên đoạn đường giữa cột tín hiệu vào ga và ghi vào ga: cột tín hiệu vào ga biểu thị tín hiệu ngừng, cắm tín hiệu di động báo hiệu ngừng ở tim đường ngang mũi lưỡi ghi vào ga như hình 85.
3.4.5.2 Khi cần giảm tốc độ (so với tốc độ quy định) trên đường trong ga hoặc qua ghi, phải đặt tín hiệu báo hiệu di động như sau:
a) Khi cần giảm tốc độ trên đường chính trong ga hoặc qua ghi trên đường chính: đặt tín hiệu di động báo hiệu giảm tốc độ ở gần chân cột tín hiệu vào ga như hình 86;
b) Khi cần giảm tốc độ trên đường đón gửi tàu hoặc đường khác trong ga: đặt tín hiệu giảm tốc độ di động về phía bên trái theo hướng tàu vào đường cần giảm tốc độ, biển giảm tốc độ đặt ở vị trí ngang với mốc tránh va chạm như hình 87;
c) Khi cần giảm tốc độ qua ghi trên đường đón gửi tàu hoặc đường khác trong ga: đặt tín hiệu di động báo hiệu giảm tốc độ về phía bên trái theo hướng tàu vào ghi cần giảm tốc độ, biển giảm tốc độ đặt ở vị trí ngang mũi lưỡi ghi và mốc tránh va chạm như hình 88.
3.4.5.3 Khi phong tỏa khu gian phải đặt tín hiệu di động báo hiệu ngừng ở giữa lòng đường chính thông ra khu gian phong tỏa (theo hướng từ trong ga đi ra khu gian) ngang với mũi lưỡi ghi ngoài cùng. Nếu cần dồn dịch thì có thể chuyển vị trí đặt tín hiệu di động báo hiệu ngừng đến đặt ngang với cột tín hiệu vào ga. Tín hiệu di động báo hiệu ngừng phải quay mặt đỏ vào phía trong ga và có gác ghi trông coi như hình 89.
3.4.5.4 Khi tàu đã ngừng lại trên đường trong ga mà toa cuối tàu chưa đứng trong mốc tránh va chạm thuộc đường đó thì trưởng tàu phải báo ngừng bằng tín hiệu tay để phòng vệ đuôi tàu của mình. Trong trường hợp này, gác ghi ở khu vực có tàu đứng ngoài mốc tránh va chạm cũng phải làm tín hiệu báo ngừng và phải phòng vệ như hình 90.
3.4.5.5 Khi trên đường trong ga có toa xe đang sửa chữa hoặc toa xe có chất nổ, chất độc, khí nén, khí hóa lỏng đứng đợi tác nghiệp phải phòng vệ bằng tín hiệu di động báo hiệu ngừng cắm trên bộ trật bánh, bộ trật bánh này đặt trên ray bên trái theo hướng đi vào toa xe (hoặc nhóm toa xe) và cách đầu toa xe đó 50 m. Việc phòng vệ này tiến hành về hai phía, trên đường cụt chỉ phòng vệ phía có ghi.
Khi những toa xe nói trên đứng cách mốc tránh va chạm từ 20 m đến 50 m thì tín hiệu di động báo hiệu ngừng ở phía có mốc tránh va chạm được đặt ở vị trí ngang với mốc tránh va chạm như hình 91.
Khi những toa xe nói trên đứng cách mốc tránh va chạm dưới 20 m (hoặc trên 20 m nhưng ở ga không có bộ trật bánh hoặc có mà không đặt được) thì ghi thông vào đường có toa xe đứng phải cùm hoặc khóa ở vị trí không thông vào nơi nguy hiểm như hình 92.
3.4.5.6 Khi có đoàn tàu đứng ở ga lập tàu đợi giải thể hoặc xuất phát hoặc có toa xe đang được kiểm tra kỹ thuật, tác nghiệp xếp dỡ phải phòng vệ bằng tín hiệu ngừng (ban ngày: cờ đỏ mở; ban đêm: ánh đèn màu đỏ) đặt ở bên trái xà ngang của toa xe đầu và toa xe cuối (theo hướng đi tới toa đó) như hình 93.
Khi cần thiết phải chui vào gầm toa để kiểm tra hoặc trong đoàn tàu có toa xe chứa hàng nguy hiểm thì phải áp dụng biện pháp phòng vệ theo quy định tại Mục
3.4.5.5 Quy chuẩn này.
3.4.6 Biện pháp xử lý khi tín hiệu bị hỏng
3.4.6.1 Khi tín hiệu vào ga, vào bãi, ra bãi, ra ga, phòng vệ, tín hiệu dồn, tín hiệu dồn phòng vệ, tín hiệu thông qua và tín hiệu ở trạm đóng đường bị hỏng phải để ở trạng thái ngừng. Nếu ban ngày có thời tiết xấu (sương mù, mưa bão) không bảo đảm tầm nhìn rõ tín hiệu thì trên các cột tín hiệu cánh phải thắp đèn báo hiệu ngừng.
Trong trường hợp này, việc đón và gửi tàu tiến hành theo những biện pháp sau đây:
a) Đón tàu vào ga: dùng tín hiệu dẫn đường trên tín hiệu vào ga hoặc cử nhân viên làm tín hiệu dẫn đường; nếu chưa thể đón tàu vào ga vì lý do an toàn thì phải phòng vệ theo quy định tại Mục3.4.6.6 Quy chuẩn này;
b) Gửi tàu: trực ban ga phải báo cho lái tàu, trưởng tàu biết tín hiệu bị hỏng và cấp bằng chứng cho phép tàu chạy qua tín hiệu ra bãi, ra ga có biểu thị ngừng;
c) Cho tàu thông qua ga hoặc trạm đóng đường:
1) Nếu tàu đã được cảnh báo trước, ngoài những thủ tục thông qua, trực ban còn phải giao bằng chứng cho phép tàu chạy qua tín hiệu ra bãi, ra ga có biểu thị ngừng;
2) Nếu tàu chưa được cảnh báo trước, phải bắt tàu dừng lại và áp dụng biện pháp quy định tại khoản b) Mục này.
d) Khi tín hiệu phòng vệ bị hỏng, tàu dừng trước tín hiệu, nhân viên dẫn đường trực tiếp báo cho lái tàu biết lý do giữ tàu ngoài tín hiệu, sau đó làm tín hiệu tay dẫn đường cho tàu chạy qua tín hiệu ở trạng thái báo ngừng.
3.4.6.2 Khi tín hiệu vào ga, vào bãi, ra bãi, ra ga, phòng vệ, tín hiệu dồn, tín hiệu dồn - phòng vệ, tín hiệu thông qua và tín hiệu trạm đóng đường bị hỏng mà không thể biểu thị ngừng được thì xử lý như sau:
a) Thực hiện theo quy định tại Mục 3.1.4 Quy chuẩn này;
b) Đặt tín hiệu di động báo hiệu ngừng (ban ngày: biển màu đỏ; ban đêm: đèn màu đỏ) ở ngang cột tín hiệu bị hỏng và có nhân viên trông coi. Việc đón tàu vào ga hoặc thông qua ga áp dụng các biện pháp quy định tại khoản a, c và d Mục 3.4.6.1 Quy chuẩn này.
Trong hai trường hợp trên, nếu không thể đón tàu vào ga hoặc cho tàu thông qua ga thì ga có tín hiệu bị hỏng phải yêu cầu ga bên cấp cảnh báo cho tàu dừng trước tín hiệu di động báo hiệu ngừng (cột hiệu). Nếu không kịp cấp cảnh báo thì phải báo cho nhân viên trông coi tín hiệu đi đặt pháo phòng vệ cách tín hiệu 800 m. Nếu nhân viên phòng vệ chưa đến đúng nơi quy định đặt pháo phòng vệ mà đã phát hiện tàu đang đến thì nhân viên này phải chạy về phía tàu đang đến và liên tục báo ngừng bằng tín hiệu tay và còi.
3.4.6.3 Khi cột tín hiệu cánh báo trước bị hỏng, phải cố định cánh ở vị trí nằm ngang và phải tách rời quan hệ liên động với cột tín hiệu chính.
3.4.6.4 Khi đèn chỉ đường gửi tàu hoặc chỉ hướng tàu chạy bị hỏng, trực ban chạy tàu ga cấp cảnh báo cho lái tàu và trưởng tàu biết lý do, sau đó cho tàu chạy theo biểu thị của tín hiệu ra ga.
3.4.6.5 Khi cột tín hiệu dồn toa bị hỏng phải biểu thị ngừng hoặc tắt đèn. Trường hợp này, việc dồn toa tiến hành theo lệnh báo miệng của người chỉ huy dồn cho lái tàu sau khi người này đã được trực ban chạy tàu ga hoặc trực ban bãi cho phép.
3.4.6.6 Bất luận ban ngày hay ban đêm, nếu vì thời tiết xấu (sương mù, mưa bão) không bảo đảm tầm nhìn rõ tín hiệu của các tín hiệu vào ga, thông qua, phòng vệ mà những tín hiệu này bị hỏng hoặc không có tín hiệu báo trước (hoặc tín hiệu báo trước không sử dụng); nếu không thể đón tàu vào ga được hoặc không thể cho phép tàu chạy qua địa điểm phòng vệ vì lý do an toàn thì phải đặt pháo phòng vệ theo quy định tại Mục3.3.2.1 Quy chuẩn này.
Nếu nhân viên phòng vệ chưa kịp đến nơi quy định đặt pháo mà đã phát hiện tàu đang đến gần thì phải nhanh chóng vừa chạy về phía tàu đang đến vừa báo ngừng bằng tín hiệu tay.
3.5 Biển hiệu, đèn hiệu và mốc hiệu
3.5.1 Đối với ghi không điều khiển tập trung bộ biểu thị ghi báo hiệu như sau:
a) Ghi để theo hướng thẳng:
1) Ban ngày: biển ghi ở vị trí song song với đường sắt (hình 94a);
2) Ban đêm: sáng đèn màu trắng sữa hoặc màu tím (hình 94b).
b) Ghi để theo hướng rẽ:
1) Ban ngày: biển ghi ở vị trí vuông góc với đường sắt (hình 95a);
2) Ban đêm: sáng đèn màu vàng (hình 95b).
3.5.2 Bộ biểu thị trật bánh báo hiệu như sau:
a) Khi đường ở trạng thái trật bánh:
1) Ban ngày: biển chữ nhật, màu đỏ, viền trắng ở vị trí vuông góc với đường sắt (hình 96a);
2) Ban đêm: sáng đèn màu đỏ (hình 96b).
b) Khi đường thanh thoát:
1) Ban ngày: biển tròn màu xanh lục, viền trắng ở vị trí vuông góc với đường sắt (hình 97a);
2) Ban đêm: sáng đèn màu trắng sữa (hình 97b).
3.5.3 Bộ biểu thị bục chắn đặt ở cuối đường cụt (trừ đường an toàn và đường lánh nạn) báo hiệu như sau:
a) Ban ngày: biển chữ nhật màu đỏ có lỗ trống ở giữa, đặt vuông góc với đường sắt (hình 98a);
b) Ban đêm: sáng đèn màu đỏ (hình 98b).
3.5.4 Báo hiệu khi cổ hạc quay ngang vào đường sắt:
a) Ban ngày: đoạn giữa của cổ hạc phần quay ngang với đường sắt sơn màu đỏ dài 600 mm (hình 99a);
b) Ban đêm: sáng đèn màu đỏ (hình 99b).
3.5.5 Đèn chỉ đường gửi tàu đặt bên trái (theo hướng tàu ra ga) của mỗi đường gửi tàu khi các đường này có chung một cột tín hiệu ra ga. Đèn này biểu thị một ánh đèn màu trắng sữa cho phép tàu đứng ở đường bên phải cột đèn chỉ đường (theo hướng tàu ra ga) được ra ga (hình 100).
3.5.6 Đèn chỉ hướng tàu chạy đặt trên thân cột tín hiệu ra bãi, ra ga có gửi tàu đi hai hoặc ba hướng. Đèn chỉ hướng tàu chạy chỉ có hiệu lực khi cột tín hiệu đèn màu ra bãi, ra ga mở. Đèn chỉ hướng báo hiệu như sau:
a) Sáng một đèn màu trắng sữa bên trái: tàu ra ga, ra bãi theo hướng bên trái (hình 101a);
b) Sáng một đèn màu trắng sữa ở giữa: tàu ra ga, ra bãi theo hướng thẳng (hình 101b);
c) Sáng một đèn màu trắng sữa bên phải: tàu ra ga, ra bãi theo hướng bên phải (hình 101c).
3.5.7 Mốc tránh va chạm quy định giới hạn để các phương tiện chạy trên đường sắt khi ngừng không được vượt qua nó về phía ghi (giữa hai đường có ghi) hoặc về phía trung tâm của hai đường giao nhau không có ghi (hình 102).
3.5.8 Mốc dẫn đường quy định vị trí nhân viên dẫn đường đứng để làm tín hiệu dẫn tàu vào ga. Mốc dẫn đường chỉ đặt trong trường hợp khi tàu đến cách cột tín hiệu vào ga 200 m mà không nhìn thấy tín hiệu tay của nhân viên dẫn đường đứng ngang vị trí cột tín hiệu vào ga (hình 103).
3.5.9 Mốc đặt pháo quy định vị trí tương ứng đặt quả pháo thứ nhất trên ray. Mốc đặt pháo chỉ đặt ở trước cột tín hiệu vào ga nơi không có tín hiệu báo trước. Mốc đặt pháo đặt ở bên trái đường sắt (theo hướng tàu vào ga) ở phía ngoài cột tín hiệu vào ga 800 m (hình 104).
3.5.10 Biển báo trạm báo cho lái tàu biết sắp đến trạm (trạm đóng đường, trạm bổ trợ, trạm hành khách) như hình 105.
Biển báo trạm đặt ở bên trái đường theo hướng tàu chạy và cách đường tim của trạm 1000 m.
3.5.11 Biển kéo còi như hình 106 báo cho lái tàu phải kéo còi.
Biển kéo còi cố định đặt bên trái theo hướng tàu chạy vào cầu lớn, cầu chung, đường ngang, đường sắt giao nhau, hầm hoặc những địa điểm cố định xung yếu khác.
Biển kéo còi di động đặt bên trái theo hướng tàu chạy vào những nơi xung yếu tạm thời (người làm việc trên đường sắt hoặc gần đường sắt, những hoạt động đông người bên cạnh đường sắt).
Biển kéo còi đặt cách nơi bắt đầu địa điểm xung yếu từ 500 m đến 800 m.
3.5.12 Biển báo nguy hiểm như hình 107a báo cho lái tàu biết bắt đầu vào nơi nguy hiểm.
Biển này dùng phòng vệ ở những nơi theo quy định tại Mục 3.4.1.4 Quy chuẩn này.
3.5.13 Biển báo hết nguy hiểm như hình 107b báo cho lái tàu biết sắp ra khỏi địa điểm nguy hiểm.
Biển này dùng phòng vệ ở những nơi theo quy định tại Mục 3.4.1.4 Quy chuẩn này.
3.5.14 Trên mặt biển báo nguy hiểm và biển báo giảm tốc độ phải có chữ số báo tốc độ cần giảm. Chữ số theo kiểu và kích thước như quy định chữ số trong Quy chuẩn này. Chữ số viết bằng sơn đen. Ban đêm phải treo đèn có ánh sáng màu trắng sữa.
3.5.15 Biển đỗ lại báo cho lái tàu tàu khách biết vị trí đỗ của đầu máy chính kéo đoàn tàu vào ngừng lại trong ga (trạm).
Biển đỗ lại đặt ở vị trí thích hợp trên ke hành khách đủ bảo đảm cho đoàn tàu khách có chiều dài trung bình ngừng trong phạm vi chiều dài có ích của đường trong ga và thuận lợi cho hành khách lên xuống như hình 108.
3.5.16 Biển báo đẩy như hình 109a và báo thôi đẩy như hình 109b báo cho lái tàu đầu máy phụ biết địa điểm bắt đầu đẩy tàu và địa điểm thôi đẩy tàu.
Biển báo đẩy, thôi đẩy đặt ở những nơi do doanh nghiệp quản lý tài sản đường sắt quốc gia quy định.
3.5.17 Biển báo đánh lò và biển xả nước đặt ở những nơi thích hợp trong ga để báo cho lái tàu biết chỗ quy định được đánh lò (hình 110)và xả nước (hình 111).
3.6 Tín hiệu tay
3.6.1 Tín hiệu tay báo hiệu ngừng như sau:
a) Khi có cờ đỏ, đèn màu đỏ:
1) Ban ngày: cờ đỏ mở (hình 112a);
2) Ban đêm: ánh đèn màu đỏ (hình 112b).
b) Khi không có cờ đỏ, đèn màu đỏ:
1) Ban ngày: tay không hoặc tay cầm bất cứ dụng cụ gì quay thành hình vòng tròn (hình 113a);
2) Ban đêm: ánh sáng của bất cứ dụng cụ gì quay thành hình vòng tròn (hình 113b).
Tín hiệu tay báo ngừng liên tục cho đến khi tàu dừng mới thôi.
3.6.2 Tín hiệu tay báo giảm tốc độ báo hiệu như sau:
a) Khi có cờ vàng, đèn màu vàng:
1) Ban ngày: cờ vàng mở (hình 114a);
2) Ban đêm: ánh đèn màu vàng (hình 114b).
b) Khi không có cờ vàng, đèn màu vàng:
1) Ban ngày: cánh tay giơ ngang, đưa lên xuống nhiều lần (hình 115a);
2) Ban đêm: ánh đèn màu trắng sữa đưa lên xuống nhiều lần (hình 115b).
Tín hiệu tay báo giảm tốc độ báo liên tục cho đến khi nhận thấy tàu đã giảm tốc độ mới thôi.
3.6.3 Tín hiệu tay báo đón gửi tàu của trực ban chạy tàu ga gồm có:
a) Tín hiệu tay gửi tàu báo hiệu như sau:
1) Ban ngày: cờ vàng cuộn giơ cao thẳng đứng ở tay bên phía có tàu cần gửi (hình 116a);
2) Ban đêm: ánh đèn màu xanh lục của đèn tay giơ cao thẳng đứng ở tay bên phía có tàu cần gửi (hình 116b);
b) Tín hiệu tay thông qua báo hiệu như sau:
1) Ban ngày: cờ vàng cuộn thẳng đứng với cánh tay đưa ngang hướng về phía có tàu sắp thông qua (hình 117a);
2) Ban đêm: ánh đèn màu xanh lục của đèn tay hướng về phía có tàu sắp thông qua (hình 117b);
c) Tín hiệu "bắt" tàu thông qua ở những ga không có tín hiệu ra ga, khi cần bắt giữ tàu quy định thông qua phải ngừng lại, trực ban chạy tàu ga báo hiệu ngừng theo quy định tại khoản a) Mục 3.6.1 Quy chuẩn này. Tín hiệu ngừng phải báo liên tục kèm theo còi miệng cho đến khi tàu dừng hẳn mới thôi.
d) Tín hiệu tay đón tàu vào ga có dừng quy định như sau:
1) Ban ngày: tư thế trực ban chạy tàu ga đứng nghiêm, quan sát theo dõi tàu. Cờ đỏ, cờ vàng cuộn (hoặc túm) buông xuôi. Nếu cần yêu cầu lái tàu tiến sát mốc tránh va chạm thì sử dụng tín hiệu dồn;
2) Ban đêm: sử dụng ánh đèn màu trắng sữa buông xuôi hướng về phía đầu tàu. Nếu cần yêu cầu lái tàu tiến sát mốc tránh va chạm thì sử dụng tín hiệu dồn.
3.6.4 Tín hiệu tay báo đón tiễn tàu của gác ghi gồm có:
a) Đón tàu thông qua trên đường chính báo hiệu như sau:
1) Ban ngày: cờ vàng cuộn (hoặc túm) thẳng đứng với cánh tay đưa ngang hướng về phía tàu sắp thông qua (hình 118a);
2) Ban đêm: ánh đèn màu trắng sữa của đèn tay hướng về phía có tàu sắp thông qua (hình 118b);
b) Đón tàu vào ga có ngừng lại ga báo hiệu như sau:
1) Ban ngày: cờ vàng mở hướng về phía có tàu đang tiến vào ga (hình 119a);
2) Ban đêm: ánh đèn màu vàng của đèn tay hướng về phía có tàu đang tiến vào ga (hình 119b);
c) Tiễn tàu ra ga báo hiệu như sau:
1) Ban ngày: Cờ vàng cuộn (hoặc túm) thẳng đứng với cánh tay đưa ngang hướng về phía tàu đang ra ga (hình 118a);
2) Ban đêm: ánh đèn màu trắng sữa của đèn tay hướng về phía có tàu đang ra ga (hình 118b).
3.6.5 Tín hiệu tay báo cho tàu chạy báo hiệu như sau:
a) Ban ngày: cờ vàng mở, phất qua lại trên đầu hướng về phía có tàu cần xuất phát (hình 120a);
b) Ban đêm: ánh đèn màu xanh lục của đèn tay đưa qua lại trên đầu hướng về phía có tàu cần xuất phát (hình 120b).
Sau khi tàu đã dừng, trưởng tàu hoặc phó trưởng tàu phụ trách an toàn là người có trách nhiệm phát tín hiệu cho tàu chạy. Lái tàu chỉ được cho tàu chạy sau khi đã nhận được tín hiệu cho tàu chạy của trưởng tàu (hoặc phó trưởng tàu phụ trách an toàn) và trực ban chạy tàu ga mặc dù đã có đủ bằng chứng cho phép tàu chạy vào khu gian.
Trong những trường hợp sau đây, lái tàu được phép cho tàu chạy không cần phải chờ tín hiệu cho tàu chạy của trưởng tàu (hoặc phó trưởng tàu phụ trách an toàn) nhưng phải có đủ điều kiện bảo đảm an toàn chạy tàu theo quy định:
- Tàu dừng ngoài tín hiệu vào ga dưới 10 phút vì tín hiệu này báo hiệu ngừng;
- Khi tàu dừng trước tín hiệu đèn màu thông qua (trong khu gian đóng đường tự động) dưới 3 phút vì tín hiệu này báo hiệu ngừng;
- Khi đoàn tàu không bố trí trưởng tàu.
3.6.6 Tín hiệu tay báo dẫn đường báo hiệu như sau:
a) Cho phép tàu chạy vào ga khi tín hiệu vào ga báo hiệu ngừng.
1) Ban ngày: cờ vàng cuộn đưa qua lại trên đầu (hình 121a);
2) Ban đêm: ánh đèn màu trắng sữa của đèn đưa qua lại trên đầu (hình 121b).
Tín hiệu này báo nhiều lần cho đến khi đầu máy chính qua khỏi vị trí nhân viên dẫn đường đang đứng làm tín hiệu mới thôi.
b) Nếu không cho phép tàu chạy vào ga, nhân viên dẫn đường báo ngừng bằng tín hiệu tay (khoản a) Mục 3.6.1 Quy chuẩn này, hình 112a và hình 112b).
3.6.7 Tín hiệu tay báo dồn gồm có:
3.6.7.1 Tín hiệu cho phép đầu máy dồn tiến về phía trước (tiến xa vị trí người biểu thị tín hiệu dồn đang đứng) báo hiệu như sau:
a) Ban ngày: cờ vàng mở phất qua lại trên đầu (hình 122a);
b) Ban đêm: ánh đèn màu vàng của đèn tay đưa qua lại trên đầu (hình 122b). Đồng thời với tín hiệu tay, người biểu thị tín hiệu dồn còn thổi một tiếng còi dài.
3.6.7.2 Tín hiệu cho phép đầu máy dồn chạy về phía sau (tiến lại gần vị trí người báo hiệu dồn đang đứng) báo hiệu như sau:
a) Ban ngày: cờ vàng mở phất qua lại ngang đầu gối (hình 123a);
b) Ban đêm: ánh đèn màu vàng của đèn tay đưa qua ngang đầu gối (hình 123b). Đồng thời với tín hiệu tay, người biểu thị tín hiệu dồn còn thổi hai tiếng còi dài.
3.6.7.3 Tín hiệu báo khoảng cách nối toa xe (tín hiệu 3 xe) gồm có:
a) Báo khoảng cách "3 xe" khi đoàn tàu dồn (hoặc máy dồn) tiến gần đến toa xe cần móc nối trong khoảng 3 toa xe, nhân viên tổ dồn báo hiệu như sau:
1) Ban ngày: nhân viên móc nối một tay giơ cao và hô lớn "3 xe", người chỉ huy dồn một tay cầm cờ đỏ túm (hoặc tay không) giơ cao, tay kia cầm cờ vàng mở phát mạnh từ trên xuống một lần đồng thời thổi một tiếng còi dài và tiếp tục làm tín hiệu cho phép đoàn tàu dồn chạy về phía sau.
2) Ban đêm: nhân viên móc nối giơ cao ánh đèn màu trắng sữa và hô lớn "3 xe" người chỉ huy dồn giơ cao ánh đèn màu vàng (hoặc màu trắng sữa) một lần đồng thời thổi một tiếng còi dài và tiếp tục làm tín hiệu cho phép đoàn tàu dồn chạy về phía sau.
Lái tàu của đầu máy dồn, sau khi nhận được tín hiệu "3 xe" trả lời bằng một tiếng còi ngắn và giảm tốc độ xuống 10 km/h.
b) Báo khoảng cách "2 xe": Khi đoàn tàu dồn (hoặc máy dồn) tiến gần đến toa xe cần móc nối trong khoảng hai toa xe, nhân viên tổ dồn báo hiệu như sau:
1) Ban ngày: nhân viên móc nối một tay giơ cao và hô lớn "2 xe" người chỉ huy dồn một tay cầm cờ đỏ túm (hoặc tay không) giơ cao, tay kia cầm cờ vàng mở phất mạnh từ trên xuống hai lần đồng thời thổi một tiếng còi dài và tiếp tục làm tín hiệu cho phép đoàn tàu dồn chạy về phía sau;
2) Ban đêm: nhân viên móc nối giơ cao ánh đèn màu trắng sữa và hô lớn "2 xe" người chỉ huy dồn giơ cao ánh đèn màu vàng (hoặc màu trắng sữa) hai lần đồng thời thổi một tiếng còi dài và tiếp tục làm tín hiệu cho phép đoàn tàu dồn chạy về phía sau.
Lái tàu của đầu máy dồn, sau khi nhận được tín hiệu "2 xe" trả lời bằng một tiếng còi ngắn và giảm tốc độ xuống 5 km/h.
c) Báo khoảng cách "1 xe" khi đoàn tàu dồn (hoặc máy dồn) tiến gần đến toa xe cần móc nối trong khoảng một toa xe, nhân viên tổ dồn báo hiệu như sau:
1) Ban ngày: nhân viên móc nối giơ một tay và hô lớn "1 xe"; người chỉ huy dồn một tay cầm cờ đỏ túm (hoặc tay không) giơ cao, tay kia cầm cờ vàng mở phất mạnh từ trên xuống ba lần đồng thời thổi một tiếng còi dài, sau đó làm tín hiệu nhích nhẹ (Mục 3.6.7.4, hình 124a);
2) Ban đêm: nhân viên móc nối giơ cao ánh đèn màu trắng sữa và hô lớn "1 xe"; người chỉ huy dồn giơ cao ánh đèn màu vàng (hoặc màu trắng sữa) ba lần đồng thời thổi một tiếng còi dài, sau đó làm tín hiệu nhích nhẹ (Mục 3.6.7.4, hình 124b).
Lái tàu của đầu máy dồn, sau khi nhận được tín hiệu "1 xe" trả lời bằng một tiếng còi ngắn và giảm tốc độ xuống 3 km/h theo tín hiệu nhích nhẹ và chuẩn bị sẵn sàng để nhận tín hiệu ngừng.
3.6.7.4 Tín hiệu nhích nhẹ: khi đầu máy dồn (hoặc đoàn tàu dồn) tiến gần sát đến toa xe cần móc nối trong khoảng từ 3 mét đến 1 mét nhân viên tổ dồn báo hiệu như sau:
a) Ban ngày: nhân viên móc nối hai tay giơ cao quá đầu và hô lớn "3 mét"; người chỉ huy dồn một tay cầm cờ đỏ túm (hoặc tay không) giơ cao, tay kia cầm cờ vàng mở phất nhẹ qua lại ngang đầu gối (hình 124a);
b) Ban đêm: nhân viên móc nối giơ cao đèn màu đỏ xoay và hô lớn "3 mét"; người chỉ huy dồn dùng ánh đèn màu vàng (hoặc màu trắng sữa) giơ lên xuống hai lần rồi lay động nhẹ ngang đầu gối (hình 124b).
Đồng thời với tín hiệu tay, nhân viên móc nối và người chỉ huy dồn còn thổi nhịp còi hai tiếng ngắn.
3.6.7.5 Tín hiệu giảm tốc độ dồn: khi đoàn tàu dồn (hoặc đầu máy dồn) đang chuyển dịch, nếu cần giảm tốc độ phải báo hiệu như sau:
a) Ban ngày: cờ vàng mở hoặc cánh tay phất mạnh từ trên xuống nhiều lần;
b) Ban đêm: ánh đèn màu vàng (hoặc màu trắng sữa) của đèn tay giơ lên xuống nhiều lần.
3.6.7.6 Thông báo nối toa báo hiệu như sau:
a) Ban ngày: một tay cầm cờ vàng cuộn (hoặc túm) và một tay cầm cờ đỏ cuộn (hoặc túm) giơ cao quá đầu, chạm hai đầu mút cán cờ vào nhau (hình 125a);
b) Ban đêm: ánh đèn màu thay nhau lúc vàng lúc đỏ (hình 125b).
3.6.7.7 Thông báo phóng toa xe báo hiệu như sau:
a) Ban ngày: một tay cầm cờ vàng mở, một tay cầm cờ đỏ mở giơ ngang vai và vung chéo qua đầu (hình 126a);
b) Ban đêm: ánh đèn màu vàng (hoặc màu trắng sữa) của đèn tay quay hình số 8 nằm ngang (hình 126b).
Trong mọi trường hợp dồn, nhân viên báo truyền tín hiệu có thể dùng cánh tay thay thế cho cờ vàng và ánh đèn màu trắng sữa của đèn tay.
3.6.8 Trước khi chấp hành tín hiệu dồn, lái tàu kéo một tiếng còi ngắn.
Khi đầu máy đang dừng mà lái tàu nghe tín hiệu còi nhưng chưa thấy tín hiệu tay thì lái tàu không chấp hành tín hiệu còi.
Khi đầu máy đang chuyển dịch mà lái tàu nghe tín hiệu còi giảm tốc độ hoặc ngừng phải chấp hành ngay mặc dù chưa nhìn thấy tín hiệu tay.
3.6.9 Tín hiệu tay báo hiệu an toàn
3.6.9.1 Tín hiệu tay báo hiệu an toàn như sau:
a) Ban ngày: cờ vàng cuộn (hoặc túm) giơ cao quá đầu (hình 127a);
b) Ban đêm: ánh đèn màu trắng sữa của đèn tay giơ cao quá đầu (hình 127b).
3.6.9.2 Tín hiệu tay báo hiệu an toàn sử dụng trong những trường hợp sau:
3.6.9.2.1 Trưởng tàu (đối với đoàn tàu có bố trí trưởng tàu):
a) Biểu thị tín hiệu an toàn cho gác ghi sau khi tàu vào nguyên vẹn bên trong mốc tránh va chạm của đường đón tàu hoặc đã ra khỏi ghi ra của ga gửi tàu;
b) Khi tàu thông qua ga trưởng tàu biểu thị tín hiệu an toàn với:
1) Gác ghi vào, khi toa trưởng tàu qua ghi này;
2) Trực ban chạy tàu ga, khi toa trưởng tàu chạy qua trước mặt trực ban chạy tàu ga;
3) Gác ghi ra, khi toa trưởng tàu chạy qua ghi này;
c) Tàu chạy dọc đường, trưởng tàu báo tín hiệu an toàn với nhân viên gác cầu, gác hầm, gác chắn, tuần đường, nhân viên phòng vệ, gác ghi đường nhánh khi tàu chạy an toàn qua những nơi này;
3.6.9.2.2 Gác ghi biểu thị tín hiệu an toàn cho trực ban chạy tàu ga khi:
a) Xác nhận tàu đã vào nguyên vẹn và an toàn bên trong mốc tránh va chạm của đường đón tàu hoặc ra khỏi ghi ra nguyên vẹn và an toàn;
b) Chuẩn bị xong đường, khai thông ghi theo đúng mệnh lệnh của trực ban chạy tàu ga (hoặc người chỉ huy dồn).
3.6.9.2.3 Trực ban chạy tàu ga dùng tín hiệu an toàn để trả lời cho trưởng tàu hoặc gác ghi khi nhận được tín hiệu an toàn của họ.
Khi giữa trực ban chạy tàu ga và gác ghi có liên lạc điện thoại hoặc thiết bị khống chế thì dùng những máy móc, thiết bị này để trao đổi và xác nhận tình hình tàu ra vào ga, khai thông đường mà không cần trao đổi tín hiệu an toàn giữa gác ghi và trực ban chạy tàu ga.
3.6.9.2.4 Nhân viên gác cầu, gác hầm, gác chắn, tuần đường, gác ghi đường nhánh biểu thị tín hiệu an toàn khi tàu đi vào phạm vi công tác của mình. Nhân viên phòng vệ địa điểm xung yếu biểu thị tín hiệu an toàn khi tàu đi khỏi địa điểm xung yếu.
3.6.10 Tín hiệu tay báo khai thông đường gồm có:
a) Đường số 1:
1) Ban ngày: hai tay cầm cờ cuộn (hoặc túm) đưa ngang vai (hình 128a);
2) Ban đêm: ánh đèn màu trắng sữa của đèn tay đưa ngang trước ngực (hình 128b).
b) Đường số 2:
1) Ban ngày: hai tay cầm cờ cuộn (hoặc túm) tay phải giơ thẳng lên cao, tay trái buông xuôi (hình 129a);
2) Ban đêm: ánh đèn màu trắng sữa của đèn tay đưa lên xuống (hình 129b).
c) Đường số 3:
1) Ban ngày: hai tay cầm cờ cuộn (hoặc túm) giơ thẳng lên cao quá đầu (hình 130a);
2) Ban đêm: ánh đèn màu trắng sữa của đèn đưa qua lại thành hình vòng cung trước mặt (hình 130b).
d) Đường số 4:
1) Ban ngày: hai tay cầm cờ cuộn (hoặc túm) lập thành đường chéo 45o so với mặt đất (hình 131a);
2) Ban đêm: ánh đèn màu trắng sữa của đèn tay đưa thành đường chéo 45o so mặt đất (hình 131b).
đ) Đường số 5:
1) Ban ngày: hai tay cầm cờ cuộn (hoặc túm) tay trái giơ thẳng lên quá đầu, tay phải đưa qua lại ngang đùi (hình 132a);
2) Ban đêm: ánh đèn màu trắng sữa của đèn tay tạo thành hình chữ V trước ngực (hình 132b).
e) Đường số 6:
1) Ban ngày: hai tay cầm cờ cuộn (hoặc túm) để xuôi chếch 45o so với thân người (hình 133a);
2) Ban đêm: ánh đèn màu trắng sữa của đèn tay đưa thành hình vòng cung quá đầu (hình 133b).
g) Đường số 7:
1) Ban ngày: hai tay cầm cờ cuộn (hoặc túm) tay phải giơ thẳng lên cao, tay trái đưa ngang vai (hình 134a);
2) Ban đêm: ánh đèn màu trắng sữa của đèn tay đưa thành hình chữ "L" (hình 134b).
h) Đường số 8:
1) Ban ngày: hai tay cầm cờ cuộn (hoặc túm) tay phải đưa ngang vai, tay trái buông xuôi (hình 135a);
2) Ban đêm: ánh đèn màu trắng sữa của đèn tay quay thành hình vòng tròn rồi đưa lên hạ xuống (hình 135b).
i) Đường số 9:
1) Ban ngày: hai tay cầm cờ cuộn (hoặc túm) tay phải đưa ngang vai, tay trái đưa chéo qua ngực tạo thành góc 45o so với tay phải (hình 136a);
2) Ban đêm: ánh đèn màu trắng sữa của đèn tay quay thành hình vòng tròn rồi đưa ngang (hình 136b).
k) Đường số 10:
1) Ban ngày: hai tay cầm cờ cuộn (hoặc túm) giơ cao qua đầu bắt chéo thành hình chữ X (hình 137a);
2) Ban đêm: ánh đèn màu trắng sữa của đèn tay đưa ngang rồi đưa dọc tạo thành hình chữ thập (hình 137b).
l) Đường số 11 đến số 19:
Biểu thị tín hiệu đường số 10 rồi báo tiếp số đơn vị theo quy định tương ứng trên đây.
Khi cần khai thông đường, trực ban chạy tàu ga hoặc trưởng dồn dùng các tín hiệu tương ứng quy định trên báo cho gác ghi; gác ghi nhắc lại tín hiệu của trực ban chạy tàu ga (hoặc trưởng dồn) trước khi chấp hành tín hiệu khai thông đường. Sau khi đã khai thông đường đúng chiều, kiểm tra độ ép sát lưỡi ghi, gác ghi biểu thị tín hiệu an toàn (Mục 3.6.9 Quy chuẩn này, hình 127a và hình 127b) cho trực ban chạy tàu ga (hoặc trưởng dồn). Trực ban chạy tàu ga (hoặc trưởng dồn) cũng dùng tín hiệu an toàn để trả lời cho gác ghi.
3.6.11 Tín hiệu tay ra lệnh "mở tín hiệu", "đóng tín hiệu" gồm có:
a) Mở tín hiệu cánh vào ga báo hiệu như sau:
1) Ban ngày: tay phải cầm cờ cuộn (hoặc túm) đưa ngang vai, xong hạ xuống 45o (hình 138a);
2) Ban đêm: ánh đèn màu trắng sữa của đèn cầm tay đưa ngang từ vai ra, xong hạ xuống 45o (hình 138b).
b) Mở tín hiệu cánh ra ga báo hiệu như sau:
1) Ban ngày: tay phải cầm cờ cuộn (hoặc túm) để ngang vai, xong nhấc lên 45o (hình 139a);
2) Ban đêm: ánh đèn màu trắng sữa của đèn tay đưa ngang từ vai ra, xong nhấc lên 45o (hình 139b).
c) Đóng tín hiệu cánh báo hiệu như sau:
1) Ban ngày: cờ đỏ mở quay vòng tròn (hình 140a);
2) Ban đêm: ánh đèn màu đỏ quay vòng tròn (hình 140b).
Tín hiệu đóng tín hiệu cánh chỉ sử dụng khi trực ban chạy tàu ga thay đổi trình tự đón, gửi tàu sau khi đã mở tín hiệu cánh.
Các tín hiệu quy định tại khoản a, b và c mục này chỉ sử dụng khi giữa trực ban chạy tàu ga và gác ghi không có liên lạc điện thoại hoặc điện thoại bị hỏng.
3.6.12 Các tín hiệu tay bổ trợ gồm có:
a) Tín hiệu hủy bỏ tín hiệu báo hiệu như sau:
1) Ban ngày: hai tay cầm cờ mở vắt chéo thành hình chữ X trước đùi rồi vung ra hai bên (hình 141a);
2) Ban đêm: ánh đèn màu vàng của đèn tay quay vòng tròn, xong đưa qua lại ngang đùi (hình 141b).
b) Tín hiệu yêu cầu báo lại tín hiệu báo hiệu như sau:
1) Ban ngày: tay phải cầm cờ cuộn (hoặc túm) giơ lên xuống nhiều lần (hình 142a);
2) Ban đêm: ánh đèn màu vàng của đèn tay giơ lên xuống nhiều lần (hình 142b).
c) Tín hiệu yêu cầu chú ý tín hiệu báo hiệu như sau:
1) Ban ngày: hai tay cầm cờ cuộn (hoặc túm) đưa ngang vai và đưa lên xuống nhiều lần (hình 143a);
2) Ban đêm: ánh đèn màu đỏ của đèn tay lắc ngang đùi (hình 143b).
Khi biểu thị tín hiệu yêu cầu chú ý tín hiệu còn phải kèm tín hiệu còi theo quy định ở Mục 3.8.1.2 Quy chuẩn này.
2.6.13 Tín hiệu tay thử hãm tự động gồm có:
a) Siết hãm báo hiệu như sau:
1) Ban ngày: tay cầm búa (hoặc cờ đỏ túm hoặc tay không) giơ thẳng quá đầu rồi đưa lên xuống nhiều lần (hình 144a);
2) Ban đêm: ánh đèn màu trắng sữa của đèn giơ cao quá đầu rồi đưa lên xuống nhiều lần (hình 144b).
Sau khi nhận được tín hiệu này, lái tàu trả lời bằng một tiếng còi ngắn và tiến hành siết hãm.
b) Nhả hãm báo hiệu như sau:
1) Ban ngày: tay cầm búa (hoặc cờ đỏ túm hoặc tay không) giơ cao quá đầu và lắc qua lại (hình 145a);
2) Ban đêm: ánh đèn màu trắng sữa của đèn tay giơ cao qua đầu và đưa qua lại (hình 145b).
Sau khi nhận được tín hiệu này, lái tàu trả lời bằng hai tiếng còi ngắn và tiến hành nhả hãm.
c) Tín hiệu thử hãm xong báo hiệu như sau:
1) Ban ngày: tay cầm búa (hoặc cờ đỏ túm hoặc tay không) đưa chéo tạo thành với mặt đất 45o (hình 146a);
2) Ban đêm: ánh đèn trắng sữa của đèn tay đưa chéo, tạo thành với mặt đất góc 45o (hình 146b).
3) Sau khi nhận được tín hiệu này, lái tàu trả lời bằng hai tiếng còi dài.
3.7 Tín hiệu tàu
3.7.1 Khi tàu chạy do đầu máy kéo có những tín hiệu sau đây:
a) Mặt trước đầu máy có tín hiệu:
1) Ban đêm: một đèn pha ở giữa, trên cao, mặt trước đầu máy và một đèn pha bên trái xà đầu (theo hướng tàu chạy) chiếu ánh sáng trắng về phía trước (hình 147a). Nếu đầu máy kéo chạy lùi thì phải có một đèn pha trên cao mặt trước toa than nước ở vị trí tương ứng như mặt trước đầu máy (nếu là đầu máy hơi nước);
2) Ban ngày: không có tín hiệu (hình 147b).
b) Mặt sau toa xe cuối tàu có tín hiệu:
1) Ban ngày: trên mặt sau toa xe cuối tàu có một biển tròn màu đỏ (quay mặt đỏ về phía sau tàu) để ở góc trái xà đầu theo hướng tàu chạy và hai bên sườn toa xe có hai đèn tai không thắp sáng (hình 148a);
2) Ban đêm: trên mặt sau toa xe cuối tàu có ba ánh đèn màu đỏ ở các vị trí tương ứng với hai đèn tai và biển tròn màu đỏ (ban ngày) chiếu sáng về phía sau (hình 148b). Hai đèn tai chiếu ánh sáng trắng về phía đầu máy.
Khi hai bên sườn toa xe cuối tàu không có móc treo đèn tai thì có thể chuyển hai đèn tai đến cắm hai bên sườn toa xe có móc treo ở gần toa xe cuối tàu nhất.
Các tàu chạy đường ngắn có thể không treo đèn tai nhưng phải có đủ tín hiệu khác theo quy định.
3.7.2 Khi tàu chạy do đầu máy đẩy (tàu chạy lùi) có những tín hiệu sau đây:
a) Mặt trước toa xe đầu tiên có tín hiệu:
1) Ban ngày: một biển tròn màu đỏ ở bên phải xà đầu (theo hướng tàu chạy lùi), 2 đèn tai không thắp sáng (hình 149a);
2) Ban đêm: ba ánh đèn màu đỏ ở các vị trí tương ứng với hai đèn tai và biển tròn màu đỏ (ban ngày) chiếu ánh sáng màu đỏ về phía trước (theo hướng tàu chạy lùi) (hình 149b). Hai đèn tai chiếu ánh sáng trắng về phía sau.
b) Mặt sau đầu máy đẩy có tín hiệu:
1) Ban ngày: cờ đỏ mở hoặc biển tròn màu đỏ cắm bên trái mặt sau đầu máy theo hướng tàu chạy;
2) Ban đêm: ánh đèn màu đỏ đặt ở phía trên hoặc ngang xà đầu bên trái chiếu sáng màu đỏ về phía sau.
3.7.3 Khi tàu chạy có đầu máy phụ đẩy có những tín hiệu sau đây:
a) Mặt sau toa xe cuối tàu có các tín hiệu như quy định tại khoản b) Mục 3.7.1 Quy chuẩn này;
b) Mặt sau đầu máy phụ đẩy có các tín hiệu như quy định tại khoản b) Mục
3.7.2 Quy chuẩn này.
3.7.4 Các phương tiện chạy đơn trên đường sắt (chạy một mình không kéo toa xe) phải có các tín hiệu sau đây:
a) Mặt trước của phương tiện có các tín hiệu như quy định tại khoản a) Mục
3.7.1 Quy chuẩn này.
b) Mặt sau của phương tiện có các tín hiệu quy định tại khoản b), Mục 3.7.2 Quy chuẩn này.
Nếu phía sau của phương tiện có kéo một số toa xe trong điều kiện cho phép, thì chuyển tín hiệu quy định cho mặt sau của phương tiện chạy đơn đến đặt vào mặt sau toa xe cuối cùng.
3.7.5 Tín hiệu đuôi tàu của tàu chạy trước mà sau nó có tàu chạy cùng chiều báo hiệu như sau:
Trên mặt sau toa xe cuối cùng của tàu chạy trước (sau nó có tàu chạy cùng chiều) ngoài những tín hiệu quy định tại khoản b, Mục 3.7.1 Quy chuẩn này còn phải treo thêm cờ vàng ở vị trí đèn tai bên trái theo hướng tàu chạy.
3.7.6 Tín hiệu goòng
Khi goòng làm việc trên đường sắt (chạy hoặc đứng trên đường sắt) phải có tín hiệu sau đây:
a) Ban ngày: cờ đỏ mở hoặc biển chữ nhật hai mặt màu đỏ cắm trên goòng;
b) Ban đêm: ánh đèn hai mặt màu đỏ cắm trên goòng.
3.8 Tín hiệu tai nghe
3.8.1 Tín hiệu tai nghe được phát ra bằng âm thanh còi của các loại phương tiện chạy trên đường sắt, âm thanh của pháo và các loại còi do người thổi.
Phương thức báo hiệu của tín hiệu tai nghe như sau:
3.8.1.1 Tín hiệu bằng âm thanh còi của các loại phương tiện chạy trên đường sắt:
| Số TT | Tên tín hiệu | Phương thức báo hiệu | Trường hợp sử dụng |
| (1) | (2) | (3) | (4) |
| 1 | Xuất phát, chú ý | Một tiếng dài (-) | a) Khi tàu xuất phát; b) Khi tàu có đầu máy ghép, máy chính phát một tiếng còi dài, máy phụ nhắc lại tín hiệu này, máy chính phát một tiếng còi ngắn rồi mở máy xuất phát; c) Khi tàu chạy qua những địa điểm cần lưu ý người qua lại (tín hiệu màu vàng, đến gần ga, trạm, dẫn đường, biển kéo còi,...) |
| 2 | Thông báo | Ba tiếng dài (- - -) | a) Thông báo cho trưởng tàu biết tàu bị ngừng trong khu gian không tiếp tục chạy được; b) Gọi nhân viên phòng vệ trở về; c) Thông báo đầu máy ra vào kho. |
| 3 | Đẩy | Hai tiếng ngắn, một tiếng dài (. . -) | a) Khi tàu có đầu máy phụ (đẩy), đầu máy chính biểu thị tín hiệu này, đầu máy phụ nhắc lại, đầu máy chính phát một tiếng còi ngắn và mở máy; b) Đầu máy phụ gặp biển đẩy. |
| 4 | Thôi đẩy | Một tiếng dài, hai tiếng ngắn (- . .) | a) Đầu máy chính biểu thị tín hiệu cho đầu máy phụ thôi đẩy, đầu máy phụ nhắc lại và thôi đẩy; b) Đầu máy phụ gặp biển thôi đẩy. |
| 5 | Chạy lùi | Hai tiếng dài (- -) | a) Khi tàu chạy lùi; b) Bắt đầu mở máy chạy lùi. |
| 6 | Đứt tàu | Một tiếng dài, một tiếng ngắn và một tiếng dài | Khi tàu chạy trong khu gian bị đứt, lái tàu biểu thị tín hiệu này. |
| 7 | Cảnh giác | Một tiếng dài và một tiếng ngắn | a) Khi thời tiết xấu không đảm bảo nhìn rõ tín hiệu và mặt đường; |
| 8 | Nguy cấp | Một tiếng dài, ba | a) Lái tàu phát hiện chướng ngại uy hiếp an toàn chạy tàu; |
| 9 | Chấp hành | Một tiếng ngắn (.) | Nhận chấp hành tín hiệu. |
| 10 | Nhả hãm, phóng toa xe | Hai tiếng ngắn | a) Lái tàu nhả hãm tự động theo yêu cầu tín hiệu tay; |
| 11 | Siết hãm tay | Ba tiếng ngắn | Lái tàu yêu cầu gác hãm siết hãm tay. |
3.8.1.2 Tín hiệu bằng âm thanh của còi do người thổi:
| Số TT | Tên tín hiệu | Phương thức báo hiệu | Trường hợp sử dụng |
| (1) | (2) | (3) | (4) |
| 1 | Tàu đến | Tàu số lẻ: Một tiếng dài (-); | Nhân viên đường sắt công tác dọc đường sắt (tuần đường, tuần hầm, gác cầu, gác ghi, người chỉ huy thi công, phụ trách goòng,…) khi phát hiện có tàu đến gần cần báo cho mọi người biết. |
| 2 | Gửi tàu, chú ý tín hiệu, cho tàu chạy | Tàu số lẻ: Một tiếng dài (-); | Trực ban chạy tàu ga thổi còi khi làm tín hiệu tay gửi tàu (khoản a Mục 3.6.3 Quy chuẩn này, hình 121a và 121b), yêu cầu chú ý tín hiệu (khoản b, Mục 3.6.12 Quy chuẩn này, hình 148a và 148b. Trưởng tàu thổi còi khi làm tín hiệu cho tàu chạy (Mục 3.6.5 Quy chuẩn này, hình 125a và 125b). |
| 3 | "Tiến" khi dồn | Một tiếng dài | Trưởng dồn thổi còi khi làm tín hiệu tay cho đầu máy dồn tiến về phía trước (Mục 3.6.7.1 Quy chuẩn này, hình 127a và 127b). |
| 4 | "Lùi" khi dồn | Hai tiếng dài | Trưởng dồn thổi còi khi làm tín hiệu tay cho đâù máy dồn chạy về phía sau (Mục 3.6.7.2 Quy chuẩn này, hình 128a và 128b). |
| 5 | Nhích nhẹ, giảm tốc độ dồn | Hai tiếng ngắn | Trưởng dồn thổi còi khi làm tín hiệu tay nhích nhẹ (Mục 3.6.7.4 Quy chuẩn này, hình 129a và 129b) hoặc tín hiệu tay giảm tốc độ dồn (Mục 3.6.7.5 Quy chuẩn này). |
| 6 | Nguy cấp | Một tiếng dài, ba tiếng ngắn | a) Nhân viên đường sắt công tác trên tàu hoặc dọc đường sắt phát hiện đường hỏng hoặc có chướng ngại vật uy hiếp an toàn chạy tàu; |
| 7 | Ngừng | Nhiều tiếng ngắn liên tiếp | Trong mọi trường hợp cần bắt tàu dừng. Người bắt tàu dừng thổi còi đồng thời với tín hiệu tay ngừng (khoản a, b Mục 3.6.1 Quy chuẩn này, hình 117a và 117b; 118a và 118b). |
3.8.2 Hạn độ âm thanh của tiếng còi:
a) Tiếng dài: 3 giây;
b) Tiếng ngắn: 1 giây.
Khi phát tín hiệu còi của các phương tiện chạy trên đường sắt, lái tàu phải thận trọng, không sử dụng tiếng còi quá mức cần thiết ảnh hưởng không tốt đến môi trường xung quanh.
4. QUY ĐỊNH VỀ QUẢN LÝ
4.1 Tất cả nhân viên đường sắt thuộc phạm vi phụ trách của mình phải thực hiện đầy đủ quy định của Quy chuẩn này.
4.2 Trong những trường hợp khẩn cấp, uy hiếp an toàn chạy tàu thì mọi cá nhân thuộc phạm vi điều chỉnh của Quy chuẩn này có nhiệm vụ phát tín hiệu ngừng.
4.3 Khi người đang thi hành nhiệm vụ, trong phạm vi hoạt động của mình mà cùng một lúc tiếp nhận được nhiều tín hiệu khác nhau hoặc tín hiệu không rõ ràng thì phải chấp hành tín hiệu an toàn nhất.
5. TỔ CHỨC THỰC HIỆN
5.1 Thủ trưởng các tổ chức liên quan có trách nhiệm phổ biến Quy chuẩn này đến các đơn vị liên quan và các nhân viên dưới quyền để thực hiện.
5.2. Những tín hiệu chưa được quy định trong Quy chuẩn này do Bộ trưởng Bộ Xây dựng quy định bổ sung.
5.3 Trong quá trình thực hiện có khó khăn, vướng mắc, các đơn vị báo cáo gửi Cục Đường sắt Việt Nam, Bộ Xây dựng để giải quyết.
5.4 Cục trưởng Cục Đường sắt Việt Nam chủ trì, phối hợp với các cơ quan có liên quan kiểm tra việc thực hiện Quy chuẩn này./.
_______________________________
Phụ lục A
Các hình vẽ


























Phụ lục B
Quy cách biển hiệu và mốc hiệu
BIỂN NGỪNG (Mục 3.3.1.1-hình 60a)

BIỂN GIẢM TỐC ĐỘ (Mục 3.3.1.2 -hình 61a, 62a)

BIỂN BỤC CHẮN (Mục 3.5.3 - hình 98a)

BIỂN NGUY HIỂM
(Mục 3.5.12-hình 107a; Mục 3.5.13 - hình 107b; Mục 3.5.14)

BIỂN ĐỖ LẠI (Mục 3.5.15-hình 108)

MỐC TRÁNH VA CHẠM (Mục - 3.5.7 hình 102)

MỐC ĐẶT PHÁO (Mục 3.5.9 -hình 104)

BIỂN KÉO CÒI (Mục 3.5.11 - hình 106)

BIỂN BÁO TRẠM (Mục 3.5.10 - hình 105)

CÁC MỐC
Dẫn đường: Mục 3.5.8 -hình 103
Đẩy và Thôi đẩy: Mục 3.5.16-hình 109a và 109b
Đánh lò và xả nước: Mục 3.5.17 -hình 110 và 111




MỤC LỤC
Lời nói đầu
1. QUY ĐỊNH CHUNG
2. YÊU CẦU KỸ THUẬT VỀ CÔNG TRÌNH VÀ THIẾT BỊ TÍN HIỆU ĐƯỜNG SẮT
2.1 Tín hiệu
2.2 Hệ thống liên khóa
2.3 Thiết bị đóng đường
3. QUY ĐỊNH VỀ PHƯƠNG THỨC BÁO HIỆU VÀ PHƯƠNG PHÁP SỬ DỤNG TÍN HIỆU
3.1 Các yêu cầu chung về kỹ thuật
3.2 Tín hiệu cố định
3.2.1 Tín hiệu đèn màu
3.2.2 Tín hiệu cánh
3.3 Tín hiệu di động, pháo hiệu
3.3.1 Tín hiệu di động
3.3.2 Pháo hiệu và đuốc
3.4 Biện pháp phòng vệ
3.4.1 Phòng vệ nơi thi công hoặc chướng ngại trong khu gian
3.4.2 Phòng vệ tàu bị dừng trong khu gian đóng đường không tự động
3.4.3 Phòng vệ tàu bị dừng trong khu gian đóng đường tự động
3.4.4 Thu hồi tín hiệu phòng vệ
3.4.5 Phòng vệ trong ga
3.4.6 Biện pháp xử lý khi tín hiệu bị hỏng
3.5 Biển hiệu, đèn hiệu và mốc hiệu
3.6 Tín hiệu tay
3.7 Tín hiệu tàu
3.8 Tín hiệu tai nghe
4. QUY ĐỊNH VỀ QUẢN LÝ
5. TỔ CHỨC THỰC HIỆN
Phụ lục A Các hình vẽ
Phụ lục B Quy cách biển hiệu và mốc hiệu

CỘNG HÒA XÃ HỘI CHỦ NGHĨA VIỆT NAM
QUY CHUẨN KỸ THUẬT QUỐC GIA
VỀ KHAI THÁC ĐƯỜNG SẮT
National technical regulations on railway operations
HÀ NỘI - 2025
Lời nói đầu
QCVN 22:2025/BXD do Cục Đường sắt Việt Nam chủ trì biên soạn, Bộ Khoa học và Công nghệ thẩm định và được Bộ Xây dựng ban hành theo Thông tư số 44/2025/TT-BXD ngày 09 tháng 12 năm 2025, thay thế QCVN 08:2018/BGTVT - Quy chuẩn kỹ thuật quốc gia về khai thác đường sắt.
QUY CHUẨN KỸ THUẬT QUỐC GIA
VỀ KHAI THÁC ĐƯỜNG SẮT
National technical regulations on railway operations
1. QUY ĐỊNH CHUNG
1.1 Phạm vi điều chỉnh
Quy chuẩn kỹ thuật quốc gia về khai thác đường sắt (sau đây gọi tắt là Quy chuẩn) quy định về mức giới hạn của đặc tính kỹ thuật và yêu cầu quản lý đối với các công trình đường sắt, phương tiện giao thông đường sắt, tổ chức chạy tàu trên đường sắt quốc gia và đường sắt chuyên dùng có kết nối ray vào đường sắt quốc gia đang khai thác, đường sắt khổ 1000mm, đường sắt khổ 1435mm và đường sắt lồng (khổ 1435mm và 1000mm), có tốc độ thiết kế từ 120 km/h trở xuống.
1.2 Đối tượng áp dụng
Quy chuẩn này áp dụng cho tổ chức, cá nhân có các hoạt động liên quan đến mạng đường sắt quốc gia, đường sắt chuyên dùng có kết nối ray vào đường sắt quốc gia.
2. QUY ĐỊNH KỸ THUẬT
2.1 Công trình đường sắt
2.1.1 Quy định chung đối với công trình, hạng mục công trình đường sắt
2.1.1.1 Để duy trì khai thác vận tải đường sắt thường xuyên, đảm bảo an toàn, công trình đường sắt phải bao gồm:
a) Đường, cầu, cống, hầm;
b) Kè, tường chắn;
c) Ga, khu tập kết bảo dưỡng, sửa chữa tàu (đề-pô);
d) Hệ thống thông tin, hệ thống tín hiệu, hệ thống báo hiệu cố định;
đ) Hệ thống cấp điện sức kéo đường sắt;
e) Công trình, thiết bị phụ trợ khác của đường sắt.
2.1.1.2 Công trình đường sắt phải được kiểm tra thường xuyên, định kỳ và phải có hồ sơ trạng thái kỹ thuật công trình để theo dõi diễn biến trong quá trình sử dụng. Nội dung, chế độ kiểm tra, báo cáo và hồ sơ trạng thái kỹ thuật công trình phải được thực hiện theo quy định về quản lý, khai thác kết cấu hạ tầng đường sắt.
2.1.1.3 Khổ giới hạn tiếp giáp kiến trúc đường sắt là khoảng không gian giới hạn dọc theo đường sắt đủ để tàu chạy qua không bị va quệt. Bất cứ bộ phận nào của công trình và thiết bị cố định hay di động (trừ các thiết bị quy định tại mục 2.1.1.4) đều không được phạm vào khổ giới hạn tiếp giáp kiến trúc quy định trong Phụ lục A và Phụ lục C ban hành kèm theo Quy chuẩn này để đảm bảo an toàn chạy tàu, an toàn công trình.
2.1.1.4 Những thiết bị có liên quan trực tiếp với đầu máy, toa xe như cột giao nhận thẻ đường đang hoạt động được phạm vào khổ giới hạn tiếp giáp kiến trúc nhưng không được phạm vào khổ giới hạn đầu máy, toa xe.
2.1.2 Quy định cụ thể đối với công trình, hạng mục công trình đường sắt
2.1.2.1 Đường sắt
2.1.2.1.1 Mặt cắt dọc
2.1.2.1.1.1 Mặt cắt dọc của tuyến đường sắt
a) Độ dốc đỉnh ray của tuyến đường sắt không được vượt quá độ dốc hạn chế của tuyến (trừ trường hợp nêu tại điểm b mục này) và đáp ứng tiêu chuẩn kỹ thuật áp dụng cho tuyến đường.
b) Khi khối lượng vận tải của tuyến đường theo từng luồng hàng không cân bằng hoặc ở những nơi có bố trí nhiều đầu máy kéo trong một đoàn tàu thì được phép sử dụng độ dốc lớn hơn dốc hạn chế nhưng phải có biện pháp đảm bảo an toàn trong quá trình chạy tàu.
c) Đối với các tuyến đường đang khai thác không thỏa mãn các yêu cầu tại điểm b mục này Doanh nghiệp quản lý tài sản đường sắt quốc gia, doanh nghiệp kinh doanh vận tải đường sắt phải có giải pháp kỹ thuật đảm bảo an toàn giao thông vận tải đường sắt trong quá trình khai thác, kinh doanh kết cấu hạ tầng đường sắt, kinh doanh vận tải đường sắt.
2.1.2.1.1.2 Mặt cắt dọc của đường ga
Ga phải được xây dựng trên đoạn đường bằng. Trường hợp cá biệt được phép xây dựng ga trên đường có độ dốc không quá 2,5 nhưng phải phù hợp với tác nghiệp của ga và phải bảo đảm an toàn khai thác. Gặp địa hình thật khó khăn, những ga không tổ chức dồn dịch được xây dựng trên độ dốc lớn hơn, nhưng phải xét đến sức cản của dốc khi tàu chuyển bánh để bảo đảm tiêu chuẩn trọng lượng tàu quy định trong khu đoạn và có biện pháp đảm bảo an toàn trong quá trình khai thác.
2.1.2.1.1.3 Bán kính đường cong nối dốc đứng được bố trí tại các vị trí đổi dốc có hiệu số đại số độ dốc lớn theo tiêu chuẩn áp dụng cho tuyến đường. Giá trị bán kính đường cong nối dốc đứng phải đủ lớn để đảm bảo tàu vận hành ổn định, an toàn, không bị trật bánh, tuột móc toa xe khi qua lại vị trí điểm đổi dốc này.
2.1.2.1.1.4 Mặt cắt dọc và mặt bằng của tuyến, ga đường sắt phải được đo đạc, kiểm tra định kỳ nhằm phòng ngừa, phát hiện và khắc phục các nguyên nhân gây hư hỏng nhằm bảo đảm và duy trì sự làm việc bình thường, an toàn của công trình trong suốt quá trình hoạt động. Doanh nghiệp quản lý tài sản đường sắt quốc gia quyết định chu kỳ kiểm tra, nội dung, yêu cầu kiểm tra các nội dung này.
2.1.2.1.2 Khoảng cách giữa hai tim đường
Khoảng cách nhỏ nhất giữa hai tim đường sắt liền kề phải đảm bảo yêu cầu về khổ giới hạn tiếp giáp kiến trúc, an toàn cho người và các phương tiện giao thông đường sắt trong trường hợp bất lợi hai đoàn tàu chạy ngược chiều cùng lúc.
2.1.2.1.3 Bố trí đường trong ga
2.1.2.1.3.1 Số lượng đường trong ga phải phù hợp với loại ga, năng lực tuyến đường, tính năng của các trang thiết bị sử dụng trong ga.
2.1.2.1.3.2 Chiều dài dùng được của đường đón gửi tàu hoặc tránh tàu trong ga phải lớn hơn chiều dài đoàn tàu lớn nhất khai thác trên tuyến đó.
2.1.2.1.4 Nền đường
2.1.2.1.4.1 Bề rộng nền đường phải đủ để bố trí kết cấu tầng trên đường sắt, các hạng mục công trình phụ trợ khác cần phải bố trí trên nền đường, phục vụ cho công tác bảo trì và đảm bảo an toàn chạy tàu.
2.1.2.1.4.2 Hệ thống thoát nước nền đường phải đảm bảo đủ để thoát nước theo lưu lượng tính toán.
2.1.2.1.4.3 Nền đường phải ổn định trong quá trình khai thác theo tải trọng, tốc độ thiết kế của tuyến đường.
2.1.2.1.5 Kết cấu tầng trên đường sắt
2.1.2.1.5.1 Kết cấu tầng trên đường sắt bao gồm: Ray và phụ kiện nối giữ ray; Tà vẹt và phụ kiện nối giữ ray với tà vẹt; Đá ba lát; Ghi và phụ kiện liên kết; Tà vẹt ghi và phụ kiện liên kết tà vẹt với ray ghi.
2.1.2.1.5.2 Kết cấu tầng trên đường sắt phải đảm bảo tải trọng và tốc độ thiết kế của tuyến đường
2.1.2.1.5.3 Cự ly ray
Cự ly ray trên đường thẳng là khoảng cách ngắn nhất giữa hai má tác dụng của hai ray chính, được đo tại vị trí cách đỉnh ray xuống 16 mm, là 1000 mm đối với đường sắt khổ 1000 mm và 1435 mm đối với đường sắt khổ 1435 mm.
Trên đường cong, khoảng cách má trong giữa 2 ray được quy định tại Bảng 1. Độ biến đổi khoảng cách không được sai quá 1 ‰.
Bảng 1 - Khoảng cách má trong giữa 2 ray
| Đường sắt khổ 1000 mm và lồng | Đường sắt khổ 1435 mm và lồng | ||
| Bán kính đường cong (m) | Khoảng cách má trong giữa 2 ray(mm) | Bán kính đường cong (m) | Khoảng cách má trong giữa 2 ray (mm) |
| Từ 501 trở lên | 1000 | Từ 651 trở lên | 1435 |
| Từ 401 đến 500 | 1005 | Từ 650 đến 451 | 1440 |
| Từ 301 đến 400 | 1010 | Từ 450 đến 351 | 1445 |
| Từ 251 đến 300 | 1015 | Từ 350 trở xuống | 1450 |
| Từ 201 đến 250 | 1020 |
|
|
| Từ 200 trở xuống | 1025 |
|
|
Đối với đường sắt làm mới, cải tạo và sửa chữa lớn, sai lệch khoảng cách má trong giữa 2 ray trên đường thẳng cũng như trên đường cong so với tiêu chuẩn quy định không được lớn quá +4 mm và nhỏ quá -2 mm đối với đường sắt khổ 1000 mm, không lớn quá +6 mm và nhỏ quá -2 mm đối với đường sắt khổ 1435 mm.
Đối với đường sắt đang khai thác, sai lệch về khoảng cách má trong giữa 2 ray phải bảo đảm theo quy định hiện hành.
2.1.2.1.5.4 Trên đường thẳng, mặt trên của các ray chạy tàu đối với đường đơn và 3 ray đối với đường sắt lồng phải cao bằng nhau. Trên đường cong, căn cứ vào bán kính đường cong và tốc độ chạy tàu để quy định siêu cao ray lưng cho từng loại đường sắt khổ; Đường sắt lồng thực hiện siêu cao theo đường sắt khổ 1435 mm.
Đối với đường sắt làm mới, cải tạo hoặc sửa chữa lớn, sai lệch về độ cao mặt ray, so với tiêu chuẩn quy định không được quá 3 mm đối với đường sắt khổ 1000 mm và quá 4 mm đối với đường sắt khổ 1435 mm và đường sắt lồng.
Đối với đường đang khai thác, sai lệch về độ cao mặt ray phải bảo đảm theo quy định hiện hành.
2.1.2.1.5.5 Siêu cao đường sắt
Trị số gia tốc ly tâm chưa được cân bằng (αo) cho phép là 0,5 m/s2. Trị số siêu cao lớn nhất đối với đường sắt khổ 1000 mm là 95 mm, đường sắt khổ 1435 mm là 125 mm. Độ biến đổi thủy bình không quá 1 ‰.
Đối với đường sắt lồng, thực hiện vuốt siêu cao đường khổ 1000 mm trên cơ sở siêu cao của đường sắt khổ 1435 mm.
2.1.2.1.5.6 Ray
a) Ray chính trên cầu, trong hầm phải cùng loại với ray trên đường, nếu khác loại thì nối tiếp ở trước và sau cầu và hầm phải có ít nhất 2 cầu ray cùng loại với ray trên cầu, trong hầm. Không được phép dùng ray ngắn trên cầu. Mối nối ray trên cầu phải đặt đối xứng và cách tường đầu của mố cầu, đỉnh vòm cuốn và khe co giãn của vòm ít nhất 2 m.
b) Khi cầu có mặt cầu trần dài trên 5,0 m, cầu có ray đặt trực tiếp trên hệ dầm dọc, cầu đi chung với đường bộ, mặt cầu có đá ba lát dài trên 10 m, hoặc cầu trên đường cong có bán kính dưới 500 m phải đặt kết cấu hộ bánh. Khoảng cách giữa má tác dụng của ray chính và má tác dụng của kết cấu hộ bánh được xác định theo tiêu chuẩn bảo trì cầu đường sắt, nhưng không được vượt quá các trị số sau:
- 200 mm đối với cầu trần, cầu có đá ba lát, cầu trên đường cong có bán kính dưới 500 m.
- 85 mm đối với cầu có ray đặt trực tiếp trên hệ dầm dọc.
- Từ 60 mm - 70 mm đối với cầu đi chung đường sắt đường bộ.
Mặt kết cấu hộ bánh không được cao quá 5 mm và thấp quá 20 mm so với mặt ray chính. Kết cấu hộ bánh phải kéo dài ra ngoài tường đầu của mố cầu ít nhất 15 m trong đó ít nhất 10 m để thẳng và 5m uốn dần thành đầu thoi.
c) Ở những đường cong có bán kính dưới 200 m và những nơi có địa hình đặc biệt cần thiết phải đặt kết cấu chống trật bánh nhằm đảm bảo an toàn trong quá trình khai thác.
2.1.2.1.5.7 Tà vẹt và phụ kiện liên kết ray với tà vẹt
a) Tà vẹt và phụ kiện liên kết ray với tà vẹt phải đảm bảo đủ về số lượng, chất lượng đảm bảo yêu cầu kỹ thuật.
b) Tà vẹt dùng cho đường sắt gồm: Tà vẹt bê tông cốt thép, tà vẹt gỗ, tà vẹt sắt, tà vẹt composite. Trường hợp dùng loại tà vẹt khác quy định trên, việc sử dụng do Cục Đường sắt Việt Nam xem xét, quyết định dựa trên tiêu chuẩn áp dụng và kết quả thí nghiệm kiểm chứng của sản phẩm.
2.1.2.1.5.8 Nền đá ba lát phải đúng kích thước yêu cầu với từng loại đường đảm bảo tính đàn hồi, giữ ổn định ray, tà vẹt, chống lại sự phá hoại mặt đỉnh nền đường do tác động của đoàn tàu.
2.1.2.1.5.9 Ghi
a) Ray ghi phải cùng loại với ray trên đường, khi ray ghi khác loại thì cầu ray nối tiếp ở đầu và cuối ghi phải cùng loại với ray ghi.
b) Ghi phải đặt theo quy định dưới đây:
- Ghi trên đường chính tuyến và đường đón gửi tàu khách có tang không lớn hơn 1/9;
- Ghi trên đường đón gửi tàu hàng và các đường ga khác có tang không lớn hơn 1/8.
c) Tà vẹt ghi và phụ kiện nối giữ tà vẹt với ray ghi, phụ kiện nối giữ ray ghi phải đầy đủ, đảm bảo chất lượng, đáp ứng yêu cầu kỹ thuật của từng loại ghi.
d) Mặt bằng, khoảng cách ray và phương hướng của ghi phải chính xác, độ hao mòn và khuyết tật của ghi phải bảo đảm theo quy định hiện hành.
đ) Tất cả các ghi, kể cả ghi có thiết bị liên khóa và điều khiển tập trung đều phải có bộ phận khóa, trừ ghi ở bãi dồn dốc gù.
2.1.2.1.5.10 Khi tháo dỡ, thay thế hoặc lắp đặt kiến trúc tầng trên đường sắt trên đường sắt đang khai thác phải đảm bảo an toàn chạy tàu.
2.1.2.1.6 Đường an toàn và đường lánh nạn
2.1.2.1.6.1 Ở những nơi hiện nay mà đường sắt giao nhau trên cùng mặt bằng hoặc có đường nhánh nối vào đường chính trong khu gian, đường chính hoặc đường đón gửi tàu trong ga phải đặt đường an toàn trên đường nhánh hoặc trên cả hai phía của đường sắt thứ yếu. Chiều dài dùng được của đường an toàn không được dưới 50 m.
Khi địa hình hạn chế không thể đặt được đường an toàn thì phải đặt thiết bị trật bánh thay cho đường an toàn.
2.1.2.1.6.2 Khi đường chính hoặc đường nhánh có độ dốc lớn và dài, phải kiểm toán để làm đường lánh nạn nhằm bảo đảm an toàn chạy tàu. Phải duy trì trạng thái kỹ thuật theo đúng hồ sơ thiết kế.
2.1.2.1.7 Biển mốc chỉ dẫn và báo hiệu trên đường sắt
2.1.2.1.7.1 Dọc đường sắt phải đặt các biển mốc chỉ dẫn và báo hiệu sau đây:
a) Loại chỉ dẫn về đường gồm có: Mốc km, 100 m; Biển đường cong, các cọc nối đầu (NĐ), nối cuối (NC), tiếp đầu (TĐ), tiếp cuối (TC); biển đổi dốc, biển cầu, biển hầm, mốc giới hạn quản lý.
b) Các loại báo hiệu gồm: Biển giảm tốc độ, biển nguy hiểm, biển dẫn đường, biển ngừng, biển kéo còi, mốc đặt pháo, mốc tránh va chạm.
2.1.2.1.7.2 Kiểu mẫu và vị trí đặt các loại biển, mốc chỉ dẫn, báo hiệu thực hiện theo quy định của Quy chuẩn kỹ thuật quốc gia về tín hiệu giao thông đường sắt. Các biển, mốc chỉ dẫn đặt bên trái đường theo hướng tính km, các biển báo hiệu đặt bên trái theo hướng tàu chạy trừ mốc tránh va chạm, cọc chủ yếu đường cong. Ở khu đoạn đường đôi phải đặt thêm biển, mốc chỉ dẫn và báo hiệu ở bên trái theo hướng tàu chạy.
2.1.2.1.7.3 Điểm gần nhất của các biển mốc chỉ dẫn, biển hiệu phải đặt cách mép ngoài ray gần nhất là 1,75 m đối với đường 1000 mm và 2,0 m đối với đường 1435 mm và đường sắt lồng.
Các biển mốc thấp hơn đỉnh ray phải đặt cách mép ngoài ray gần nhất là 1,10 m đối với đường 1000 mm và 1,35 m đối với đường 1435 mm và đường sắt lồng.
Mốc tránh va chạm phải đặt ở giữa hai đường gần nhau về phía ghi, tại chỗ có khoảng cách giữa hai tim đường là 3,5 m đối với đường 1000 mm và 4,0 m đối với đường 1435 mm và đường sắt lồng.
Đối với đường sang toa, mốc tránh va chạm phải đặt ở chỗ có khoảng cách giữa hai tim đường là 3,3 m đối với đường 1000 mm và 3,6 m đối với đường 1435 mm và đường sắt lồng.
Trên đường cong, khoảng cách đặt các biển mốc phải cộng thêm độ nới rộng quy định trong bản vẽ khổ giới hạn tiếp giáp kiến trúc.
2.1.2.2 Thiết bị phụ trợ
2.1.2.2.1 Thiết bị tín hiệu đuôi tàu là thiết bị được sử dụng trên các đoàn tàu hàng không có toa xe trưởng tàu, bao gồm hai bộ phận cơ bản là: Bộ phận tại buồng lái và Bộ phận tại đuôi tàu.
2.1.2.2.2 Thiết bị tín hiệu đuôi tàu phải được kiểm tra, bảo trì thường xuyên để bảo đảm hoạt động tốt khi sử dụng.
2.1.2.3 Công trình và thiết bị chỉnh bị, sửa chữa phương tiện giao thông đường sắt
2.1.2.3.1 Các công trình, thiết bị chỉnh bị và sửa chữa phương tiện giao thông đường sắt phải có quy mô, chủng loại và số lượng phù hợp với kiểu loại và số lượng phương tiện giao thông đường sắt hiện có để bảo đảm chỉnh bị và sửa chữa các cấp với chất lượng kỹ thuật tốt theo đúng kế hoạch quy định, bảo đảm vệ sinh môi trường và an toàn lao động.
2.1.2.3.2 Trạm đầu máy, trạm khám chữa toa xe (bao gồm trạm chỉnh bị toa xe khách, toa xe hàng, trạm khám chữa tại các địa điểm quy định) phải có đầy đủ trang bị kỹ thuật và phụ tùng, vật tư cần thiết để chỉnh bị, kiểm tra và lâm tu phương tiện giao thông đường sắt kịp thời, nhanh chóng với chất lượng tốt, hạn chế thấp nhất việc hỏng hóc dọc đường cũng như việc sửa chữa cắt móc toa xe, đáp ứng được yêu cầu khi số đôi tàu trong biểu đồ chạy tàu là cao nhất.
2.1.2.3.3 Các công trình, thiết bị cấp nước cho phương tiện giao thông đường sắt phải bảo đảm cung cấp đầy đủ nước sạch cần thiết khi số lượng đôi tàu là cao nhất và các nhu cầu sử dụng nước khác cho đường sắt như vệ sinh đầu máy, toa xe, chữa cháy v.v...
Cổ hạc cấp nước cho đầu máy hơi nước phải có cơ cấu giữ ở vị trí song song với tim đường và có báo hiệu phòng vệ khi ở vị trí nằm ngang với đường.
2.1.2.3.4 Thủ trưởng các đơn vị sửa chữa, quản lý, vận dụng phương tiện giao thông đường sắt phải tổ chức quản lý, bảo dưỡng tốt tất cả các công trình, thiết bị của đơn vị để việc chỉnh bị và sửa chữa phương tiện giao thông đường sắt luôn đạt chất lượng theo tiêu chuẩn quy định.
2.1.2.4 Phương tiện và dụng cụ cứu viện, chữa cháy
2.1.2.4.1 Phải thường xuyên chuẩn bị tốt phương tiện và dụng cụ cứu viện, bao gồm: Tàu cứu hộ, cần cẩu, toa xe phục vụ tại các địa điểm theo quy định để sẵn sàng giải quyết các tai nạn (bao gồm cả cần cẩu và một số toa xe phục vụ cần thiết).
2.1.2.4.2 Để phòng ngừa và dập tắt hỏa hoạn, tại các địa điểm quy định, phải tổ chức phòng cháy, chữa cháy với đầy đủ phương tiện, dụng cụ theo đúng quy định của pháp luật về phòng cháy, chữa cháy và bố trí lực lượng để chuẩn bị sẵn sàng cứu chữa khi cần thiết.
2.1.2.5 Ga đường sắt
2.1.2.5.1 Cấp kỹ thuật ga đường sắt
Ga đường sắt được phân thành các cấp kỹ thuật sau:
- Ga cấp I;
- Ga cấp II;
- Ga cấp III.
Yêu cầu tối thiểu đối với tác nghiệp kỹ thuật ga đường sắt và yêu cầu tối thiểu đối với số lượng đường ga được quy định trong Phụ lục D ban hành kèm theo Quy chuẩn này.
2.1.2.5.2 Ke ga
2.1.2.5.2.1 Chiều dài của ke khách phải phù hợp với chiều dài của đoàn tàu khách đi, đến ga.
2.1.2.5.2.2 Ke khách có hai loại: Ke cao, ke thấp phải bảo đảm cho khách lên xuống tàu nhanh chóng, thuận tiện, an toàn, có lối qua ke (giao ke), cầu vượt hoặc đường ngầm bộ hành cho hành khách khi qua đường sắt để lên xuống tàu được thuận tiện, an toàn.
2.1.2.5.2.3 Ke hàng, bãi hàng phải bảo đảm đủ điều kiện bảo quản hàng hóa tốt, xếp dỡ nhanh chóng.
2.1.2.5.2.4 Ke ga phải tuân thủ khổ giới hạn tiếp giáp kiến trúc quy định tại Quy chuẩn này.
2.1.2.5.2.5 Ở những ga có ke ga đang sử dụng nếu chưa nâng cấp, cải tạo được giữ nguyên hiện trạng nhưng Doanh nghiệp quản lý tài sản đường sắt quốc gia phải có biện pháp đảm bảo an toàn, thuận tiện cho hành khách lên xuống tàu.
2.1.2.5.3 Các công trình phục vụ hành khách và hàng hóa, quảng trường, ke khách, đường đón gửi tàu khách, bãi dồn, bãi hàng kho, ke hàng, đường cầu cân, nơi chỉnh bị sửa chữa đầu máy, toa xe, đường đi lại trong ga phải có thiết bị chiếu sáng.
Đèn chiếu sáng ngoài trời không được làm ảnh hưởng đến việc nhìn rõ các đèn tín hiệu.
2.1.2.6 Cầu, cống, hầm
2.1.2.6.1 Cầu, cống, hầm phải ổn định trong quá trình khai thác theo tải trọng, tốc độ thiết kế của tuyến đường.
2.1.2.6.2 Cầu, hầm đường sắt phải tuân thủ khổ giới hạn tiếp giáp kiến trúc trong cầu, hầm quy định tại Quy chuẩn này và các điều kiện để lắp đặt thiết bị phụ trợ, đảm bảo an toàn cho nhân viên duy tu, bảo dưỡng.
2.1.2.6.3 Hầm có chiều dài từ 300 m trở lên, cầu có chiều dài từ 500 m trở lên, cầu trong khu đô thị có nguồn điện phải lắp hệ thống chiếu sáng và bảo vệ theo quy định.
2.1.2.6.4 Trong hầm phải bố trí những vị trí cần thiết để nhân viên đường sắt tránh tàu nhằm đảm bảo an toàn khi làm nhiệm vụ theo quy định.
2.1.2.6.5 Cầu, cống, hầm phải được tổ chức kiểm định trong quá trình khai thác sử dụng theo quy định, phải phân cấp tải trọng làm cơ sở để khai thác hợp lý.
2.1.2.7 Thiết bị tín hiệu và thông tin
2.1.2.7.1 Thiết bị tín hiệu
2.1.2.7.1.1 Thiết bị tín hiệu bao gồm:
a) Các loại tín hiệu: Tín hiệu cố định gồm tín hiệu đèn màu và tín hiệu cánh; Tín hiệu di động; Pháo hiệu; Biển báo hiệu; Đèn hiệu; Tín hiệu tay; Tín hiệu tàu; Tín hiệu tai nghe;
b) Hệ thống thiết bị liên khóa bao gồm: Thiết bị quay và khóa ghi; Thiết bị kiểm tra trạng thái đường chạy và thiết bị thực hiện khóa lẫn nhau giữa các biểu thị tín hiệu, giữa trạng thái ghi, trạng thái đường chạy và biểu thị trạng thái tín hiệu;
c) Thiết bị đóng đường bao gồm: Máy thẻ đường; Thiết bị đóng đường nửa tự động (bao gồm cả hệ thống xin đường tự động) và thiết bị đóng đường tự động.
2.1.2.7.1.2 Yêu cầu đối với các loại tín hiệu, hệ thống thiết bị liên khóa, thiết bị đóng đường thực hiện theo quy định tại Quy chuẩn kỹ thuật quốc gia về tín hiệu giao thông đường sắt.
2.1.2.7.2 Thiết bị thông tin
2.1.2.7.2.1 Thiết bị thông tin bao gồm:
a) Điện thoại điều độ chạy tàu;
b) Điện thoại đóng đường;
c) Điện thoại đường dài;
d) Điện thoại khu vực;
đ) Điện thoại khu gian;
e) Điện thoại ghi, chắn đường ngang, cầu, hầm;
g) Điện thoại hành chính ga, bảo dưỡng cầu đường, thông tin tín hiệu;
h) Điện thoại hội nghị;
i) Truyền hình hội nghị;
k) Điện thoại di động;
l) Phát thanh trong ga, trên tàu;
m) Điện thoại vô tuyến trong ga, bãi;
n) Điện thoại điều độ hàng hóa, hành khách, đầu máy, điện sức kéo;
o) Truyền ảnh, truyền số liệu, Fax, xác báo;
p) Điện thoại vô tuyến đoàn tàu - mặt đất;
q) Các trang thiết bị hướng dẫn, bảng chỉ đường, bảng thông báo và các thiết bị tương tự cung cấp thông tin cần thiết cho hành khách trong ga.
2.1.2.7.2.2 Không được phép mắc máy điện thoại và các thiết bị khác vào đường dây điện thoại đóng đường và các đường điện thoại ghi, gác chắn đường ngang, gác cầu, gác hầm.
Trên đường dây điện thoại điều độ chạy tàu chỉ được mắc máy điện thoại của nhân viên điều độ chạy tàu, Trực ban chạy tàu ga, phái ban trạm công tác trên tàu, Trực ban trạm đầu máy.
Đối với các khu gian chưa có đường điện thoại cứu viện, điện thoại thi công thì cho phép người chỉ huy cứu viện, người lãnh đạo thi công, trưởng tàu của tàu bị dừng được tạm thời mắc máy điện thoại chuyên dùng vào đường dây điện thoại điều độ chạy tàu trong thời gian cứu viện.
Không được phép mắc máy điện thoại vào đường dây trung kế đường dài trừ trường hợp mắc tạm thời để giải quyết trở ngại thông tin khi không còn đường thông tin nào khác.
2.1.2.7.2.3 Khoảng cách từ điểm thấp nhất của dây thông tin tín hiệu mắc trên không đến mặt đất, mặt ray quy định như sau:
- Trên đồng ruộng, đất bãi, đất đồi: Không nhỏ hơn 2,5 m;
- Trong ga: Không nhỏ hơn 3,0 m;
- Vượt đường bộ: Tuân thủ quy định của pháp luật về quản lý và bảo vệ kết cấu hạ tầng giao thông đường bộ.
2.1.2.7.2.4 Khoảng cách từ điểm thấp nhất của dây thông tin tín hiệu mắc trên không đến đỉnh ray tuân thủ theo quy định của pháp luật về quản lý, bảo vệ kết cấu hạ tầng giao thông đường sắt.
2.1.2.7.3 Thiết bị tín hiệu và thông tin phải bảo đảm tổ chức chỉ huy chạy tàu và dồn tàu được kịp thời, chính xác, an toàn và nâng cao hiệu suất chạy tàu. Việc liên hệ công tác giữa các nhân viên trong ngành được nhanh chóng, thuận tiện.
2.1.2.7.4 Tất cả các thiết bị tín hiệu và thông tin phải được duy trì hoạt động thường xuyên đạt các yêu cầu kỹ thuật theo tiêu chuẩn của hệ thống. Người không có trách nhiệm không được phép vào các phòng máy thông tin, tín hiệu.
2.1.2.7.5 Thiết bị tín hiệu và thông tin dùng trong việc chạy tàu phải được khóa hoặc kẹp chì niêm phong theo quy định ở những bộ phận chủ yếu và quan trọng nhằm bảo đảm thiết bị sử dụng được an toàn.
Nhân viên trực tiếp sử dụng các thiết bị đó có trách nhiệm giữ toàn vẹn khóa và niêm phong.
Việc bảo quản khóa, niêm phong thiết bị tín hiệu và thông tin ở trong khu gian do Doanh nghiệp quản lý tài sản đường sắt quốc gia quyết định.
Khi kiểm tra, duy tu, sửa đổi, di chuyển, thay thế, thử nghiệm các thiết bị tín hiệu và thông tin chạy tàu trong ga phải ghi vào sổ kiểm tra thiết bị chạy tàu và chỉ sau khi Trực ban chạy tàu ga đồng ý, ký tên, đóng dấu mới được tiến hành. Sau khi làm xong, phải được Trực ban chạy tàu ga thử và ký nhận thiết bị mới được sử dụng lại.
Biện pháp tiến hành những công tác nói trên đây đối với thiết bị tín hiệu và thông tin trong khu gian do Doanh nghiệp quản lý tài sản đường sắt quốc gia quy định. Nội dung cải tạo kỹ thuật, sửa đổi, thử nghiệm các thiết bị tín hiệu và thông tin phải được người có thẩm quyền theo quy định của pháp luật phê duyệt rồi mới được thực hiện và sử dụng.
2.1.2.7.6 Chỉ khi nào được Doanh nghiệp quản lý tài sản đường sắt quốc gia cho phép mới có thể thay đổi quan hệ liên khóa của thiết bị tín hiệu.
2.1.2.7.7 Khi nhiều dây thông tin cùng hỏng phải sửa chữa theo thứ tự sau đây:
a) Dây điện thoại điều độ chạy tàu;
b) Dây điện thoại đóng đường và dây điện thoại ghi, gác cầu, gác hầm, gác đường ngang;
c) Dây thông tin đường dài;
d) Các dây thông tin và tín hiệu khác.
2.2 Phương tiện giao thông đường sắt
2.2.1 Quy định chung
2.2.1.1 Trường hợp cần thay đổi cấu tạo và tính năng của các bộ phận chủ yếu (kích thước chính đầu máy; kích thước chính toa xe, bệ xe; tự trọng; tải trọng; tốc độ cấu tạo; giá chuyển hướng; đầu đấm móc nối; hệ thống hãm; khung che gió đầu xe) thì phải đảm bảo an toàn chạy tàu và tuân theo các quy định của Bộ trưởng Bộ Xây dựng.
2.2.1.2 Khổ giới hạn đầu máy, toa xe là đường bao của mặt cắt ngang lớn nhất của đầu máy, toa xe đặt thẳng đứng với tim đường. Bất kỳ bộ phận nào trên các phương tiện giao thông đường sắt ở trạng thái tĩnh, rỗng, có tải, mới, cũ đã tới tiêu chuẩn hạn độ cuối cùng đặt trên mặt đoạn đường bằng, thẳng đều không được vượt ra khỏi khổ giới hạn đầu máy, toa xe ghi trong các bản vẽ B.1 và B.2 của Phụ lục B ban hành kèm theo Quy chuẩn này.
Những phương tiện giao thông đường sắt đang sử dụng có một số bộ phận nằm ngoài khổ giới hạn đầu máy, toa xe đã được kiểm toán thì tiếp tục được sử dụng; đối với trường hợp khác, Doanh nghiệp quản lý tài sản đường sắt quốc gia tổ chức kiểm tra khổ giới hạn, chạy thử nghiệm phương tiện trong phạm vi dự kiến khai thác và báo cáo Cục Đường sắt Việt Nam quyết định.
2.2.2 Quy định về đăng ký, số hiệu, thông tin của phương tiện
2.2.2.1 Trên phương tiện giao thông đường sắt ngoài việc phải ghi số đăng ký, dán tem kiểm định theo quy định của Bộ trưởng Bộ Xây dựng. Ngoài ra:
a) Đầu máy phải ghi ký hiệu thể hiện được kiểu loại, công suất, kiểu truyền động, số hiệu, tự trọng. Riêng ô tô ray phải có ghi số chỗ ngồi;
b) Toa xe phải ghi ký hiệu và số hiệu toa xe, tự trọng, trọng tải, chiều dài, chiều rộng, chiều cao, dung tích, thời gian, nơi làm dầu, khám hãm, thông tin về thời gian và nơi kiểm tra bảo dưỡng, sửa chữa.
2.2.2.2 Toa xe khách và toa trưởng tàu phải có móc ở hai bên thành toa và hai xà đầu để đặt tín hiệu đuôi tàu. Móc ở hai bên thành toa phải bảo đảm khi lắp đèn loại tiêu chuẩn không vượt quá khổ giới hạn đầu máy, toa xe.
Trường hợp đoàn tàu hàng sử dụng Thiết bị tín hiệu đuôi tàu thay cho toa trưởng tàu, Bộ phận tại đuôi tàu thay thế tín hiệu tàu của toa xe cuối đoàn tàu.
2.2.2.3 Tất cả các toa xe đều phải qua kiểm tra phù hợp tiêu chuẩn mới được lắp vào đoàn tàu.
2.2.3 Đôi bánh xe của phương tiện giao thông đường sắt
2.2.3.1 Khoảng cách phía trong giữa hai đai bánh hoặc vành bánh của đôi bánh xe phải phù hợp với quy định sau:
a) Đường sắt khổ 1000 mm: 924 ± 3 mm;
b) Đường sắt khổ 1435 mm: 1353 ± 3 mm.
Chiều rộng và chiều dày đai bánh xe, vành bánh phải phù hợp với kích thước quy định đối với từng loại phương tiện giao thông đường sắt.
2.2.3.2 Không được phép đưa phương tiện giao thông đường sắt ra vận dụng và nối vào đoàn tàu khi đôi bánh xe có một trong những khuyết tật dưới đây:
a) Thân trục có vết nứt ngang hoặc chéo lớn hơn 30° so với đường tâm dọc;
b) Thân trục có vết nứt dọc hoặc bị ngậm than chiều dài quá 20 mm;
c) Thân trục có vết mòn sâu quá 4 mm đối với đầu máy và phương tiện động lực chuyên dùng đường sắt, quá 2,5 mm đối với toa xe và xe than nước;
d) Đai bánh xe, bánh xe hoặc ổ trục bị hỏng;
đ) Mặt lăn bánh xe mòn lõm sâu quá:
- Đầu máy, ô tô ray, toa xe động lực, phương tiện động lực chuyên dùng đường sắt, xe than nước khổ 1000 mm và 1435 mm: 7 mm;
- Toa xe đường sắt khổ 1000 mm: 7 mm;
- Toa xe khách đường sắt khổ 1435 mm: 8 mm;
- Toa xe hàng đường sắt khổ 1435 mm: 9 mm.
e) Mặt lăn bánh xe mòn vẹt sâu quá:
- Đầu máy diesel, ô tô ray, toa xe động lực, phương tiện động lực chuyên dùng đường sắt: 0,7 mm;
- Đầu máy hơi nước, xe than nước, toa xe ổ lăn: 1,0 mm;
- Toa xe ổ trượt: 2,0 mm.
g) Lợi bánh xe đo bằng thước chuyên dùng:
- Đo chiều dày:
+ Đường sắt khổ 1000 mm: Tại vị trí đo cách mặt lăn 10 mm thì không được nhỏ hơn 18 mm và lớn quá 30 mm;
+ Đường sắt khổ 1435 mm: Tại vị trí đo cách mặt lăn 10 mm thì không được nhỏ hơn 22 mm và lớn quá 34 mm;
+ Đối với phương tiện chuyên dùng có chiều dày lợi bánh xe lớn hơn 30 mm, phải đảm bảo tổng giang cách bánh xe và chiều dày của 02 lợi bánh xe không lớn hơn 987 mm.
- Chiều cao của vết mòn thẳng đứng:
+ Đường sắt khổ 1000 mm: quá 22 mm;
+ Đường sắt khổ 1435 mm: quá 18 mm.
- Lợi bánh xe bị mòn đùn thành gờ.
h) Chiều dày đai bánh xe hoặc vành bánh toa xe nhỏ hơn quy định tại Bảng 2.
Bảng 2 - Chiều dày đai bánh xe hoặc vành bánh xe
| Đường sắt khổ (mm) | Loại toa xe | Chiều dày đai bánh (mm) | Chiều dày vành bánh (mm) |
| 1000 | Toa xe khách | 30 | 25 |
| Toa xe hàng | 25 | 25 | |
| 1435 | Toa xe khách | 33 | 25 |
| Toa xe hàng | 25 | 25 |
2.2.3.3 Khi nối toa xe hàng vào tàu khách thì chiều dày đai, vành bánh xe cũng như các tiêu chuẩn khác của đôi bánh toa xe đó phải phù hợp với tiêu chuẩn quy định của đôi bánh toa xe khách.
2.2.4 Thiết bị hãm và móc nối, đỡ đấm
2.2.4.1 Đầu máy, toa xe, ô tô ray phải có hãm gió ép. Hãm gió ép phải thường xuyên tốt, thao tác thuận tiện, bảo đảm độ tin cậy trong các điều kiện làm việc khác nhau, bảo đảm tác dụng hãm linh hoạt và khi ống gió đoàn tàu bị đứt, vỡ hoặc khi giật van hãm khẩn cấp phải lập tức phát sinh tác dụng hãm đối với hãm gió ép.
2.2.4.2 Phương tiện giao thông đường sắt phải có hệ thống hãm tay hoạt động tốt, trừ những phương tiện mà thiết kế đã được phê duyệt không có.
Hãm tay phải được bảo dưỡng thường xuyên theo tiêu chuẩn hiện hành.
2.2.4.3 Móc nối và đỡ đấm phải lắp đúng kiểu loại và hoạt động tốt. Khoảng cách từ đường tâm móc nối đến mặt ray quy định tại Bảng 3.
Bảng 3 - Khoảng cách từ đường tâm móc nối đến mặt ray
| Cho phép | Loại phương tiện giao thông đường sắt | Khoảng cách (mm) | |
| Đường sắt khổ 1000 mm | Đường sắt khổ 1435 mm | ||
| Lớn nhất | - Đầu máy, ô tô ray, toa xe động lực, xe than nước - Toa xe khách và hàng | 825 | 890 |
| Nhỏ nhất | - Đầu máy, ô tô ray, toa xe động lực, xe than nước, toa xe khách và hàng nặng | 755 | 815 |
| - Toa xe khách rỗng, toa xe động lực rỗng | 795 | 855 | |
| - Toa xe hàng rỗng, toa trưởng tàu | 795 | 835 | |
2.2.5 Bảo dưỡng, sửa chữa và vận dụng phương tiện giao thông đường sắt
2.2.5.1 Quy định chung
2.2.5.1.1 Không được phép đưa vào khai thác các phương tiện giao thông đường sắt có những khuyết tật uy hiếp đến an toàn chạy tàu.
Chủ phương tiện có trách nhiệm quy định danh mục các khuyết tật uy hiếp đến an toàn chạy tàu.
2.2.5.1.2 Việc sửa chữa, bảo dưỡng phương tiện giao thông đường sắt phải thực hiện theo đúng quy trình bảo dưỡng, sửa chữa do Chủ phương tiện ban hành.
2.2.5.2 Doanh nghiệp quản lý tài sản đường sắt quốc gia quy định hình thức và số định biên của ban lái tàu trên đầu máy, ô tô ray, toa xe động lực, phương tiện động lực chuyên dùng đường sắt chạy trên đường sắt và phải bảo đảm an toàn trong vận dụng.
Đối với đầu máy diesel có thiết bị ghép đôi hoàn chỉnh cho phép chỉ có một ban lái tàu điều khiển nhiều đầu máy ghép liền từ một buồng lái.
2.2.6 Goòng thủ công
Yêu cầu kỹ thuật, biện pháp bảo dưỡng và sử dụng các loại goòng thủ công (goòng bàn, goòng đẩy tay, goòng kiểm tra đường, goòng dò vết nứt ray...) do Doanh nghiệp quản lý tài sản đường sắt quốc gia quyết định.
2.3 Tổ chức chạy tàu
2.3.1 Biểu đồ chạy tàu
2.3.1.1 Cơ sở của việc tổ chức chạy tàu là Biểu đồ chạy tàu. Biểu đồ chạy tàu là mệnh lệnh đối với tổ chức, cá nhân có liên quan đến hoạt động giao thông vận tải đường sắt.
2.3.1.2 Quy định về giờ chạy tàu: Giờ chạy tàu lấy theo múi giờ Hà Nội, mỗi ngày là 24 giờ tính từ 18 giờ ngày hôm trước đến 18 giờ ngày hôm sau.
2.3.2 Điểm phân giới
2.3.2.1 Quy định chung
2.3.2.1.1 Việc chạy tàu được thực hiện với giãn cách bằng các điểm phân giới, trường hợp đặc biệt thì thực hiện bằng giãn cách thời gian.
2.3.2.1.2 Điểm phân giới là ga, trạm đóng đường và cột tín hiệu đèn màu thông qua của khu gian đóng đường tự động.
2.3.2.1.3 Các điểm phân giới chia tuyến đường thành những khu gian hoặc phân khu để đóng đường cho tàu chạy.
2.3.2.1.4 Trạm đóng đường là điểm phân giới không có đường phụ.
2.3.2.1.5 Trạm bổ trợ (quản lý ghi trong khu gian), trạm hành khách và trạm hàng hóa không phải là điểm phân giới.
2.3.2.2 Quy định về giới hạn của ga, trạm
2.3.2.2.1 Giới hạn theo chiều dọc của ga được xác định từ vị trí xác định tín hiệu vào ga phía bên này đến vị trí xác định tín hiệu vào ga phía bên kia.
2.3.2.2.2 Giới hạn của trạm đóng đường hoặc phân khu đóng đường tự động là tâm của cột tín hiệu thông qua.
2.3.2.2.3 Trên khu đoạn đường đôi chạy tàu một chiều, phân theo đường chính tuyến, giới hạn ga là cột tín hiệu vào ga (phía tàu đến) và phía đối diện là điểm cách ghi ngoài cùng vào ga không dưới 50 m.
2.3.2.2.4 Trên khu đoạn đường đôi đóng đường tự động chạy tàu hai chiều, giới hạn ga phân theo đường chính tuyến của mỗi chiều là vị trí xác định tín hiệu vào ga.
2.3.2.3 Quy định về đặt tên ga, trạm
2.3.2.3.1 Tất cả các ga, trạm (bao gồm cả trạm đóng đường, trạm hành khách, trạm hàng hóa, trạm bổ trợ) đều phải có tên và không được đặt trùng tên trên cùng một tuyến.
2.3.2.3.2 Các cột tín hiệu đèn màu thông qua của khu gian đóng đường tự động phải có số hiệu.
2.3.2.3.3 Tên các ga, trạm được viết bằng chữ in hoa cỡ lớn ở vị trí dễ quan sát
2.3.2.3.4 Ở ga có nhiều đường đón gửi tàu khách phải đặt thêm bảng tên ga, tên đường kê hướng về phía tàu đến tại các vị trí để hành khách dễ quan sát nhất.
2.3.2.4 Đường sắt được chia ra các loại đường như sau: Đường chính tuyến, đường ga, đường dùng đặc biệt
2.3.2.4.1 Đường chính tuyến là đường nối liền và xuyên qua các điểm phân giới.
2.3.2.4.2 Đường ga gồm có:
a) Đường đón gửi tàu;
b) Đường xếp dỡ;
c) Đường dồn;
d) Đường rút dồn.
2.3.2.4.3 Đường dùng đặc biệt gồm có:
a) Đường an toàn, đường lánh nạn;
b) Đường nhánh, đường chuyên dùng;
c) Đường do các xí nghiệp đầu máy, toa xe quản lý;
d) Các đường khác (tên đường sẽ tùy theo công dụng mà xác định).
2.3.2.5 Các đường trong ga (kể cả đường chính) đều phải có số hiệu riêng. Đường trong một ga hoặc một bãi (đối với ga có nhiều bãi) không được trùng số hiệu. Việc đánh số đường quy định như sau:
a) Đường ga:
- Đánh số từ 1 trở lên;
- Đường chính tuyến đánh số La mã, các đường khác đánh số thường.
b) Các đường còn lại do Doanh nghiệp quản lý tài sản đường sắt quốc gia hoặc chủ sở hữu đường sắt chuyên dùng quy định.
2.3.2.6 Các ga, trạm phải có bản vẽ mặt bằng thu nhỏ của ga, trạm và bản vẽ mặt cắt dọc của các đường trong ga, trạm theo quy định của Doanh nghiệp quản lý tài sản đường sắt quốc gia hoặc của chủ sở hữu đường sắt chuyên dùng.
2.3.3 Tổ chức công tác kỹ thuật ga, trạm
2.3.3.1 Quy tắc quản lý kỹ thuật ga, trạm
Tất cả các ga, trạm đóng đường và trạm bổ trợ đường nhánh đều phải có Quy tắc quản lý kỹ thuật.
Việc tổ chức quản lý kỹ thuật và biện pháp sử dụng các thiết bị ở ga, trạm nhằm bảo đảm việc đón gửi tàu, dồn dịch được an toàn, chính xác và liên tục phải được quy định trong Quy tắc quản lý kỹ thuật ga, trạm do Doanh nghiệp quản lý tài sản đường sắt quốc gia hoặc của chủ sở hữu đường sắt chuyên dùng ban hành và sao gửi cho các đơn vị liên quan để tổ chức thực hiện.
Tại các phòng trực ban chạy tàu ga, phòng điều độ ga, chòi ghi và những nơi cần thiết khác phải niêm yết bản trích lục Quy tắc quản lý kỹ thuật ga, trạm. Nội dung trích lục do Doanh nghiệp quản lý tài sản đường sắt quốc gia hoặc của chủ sở hữu đường sắt chuyên dùng quy định.
Mọi nhân viên của ga, trạm và những nhân viên của các đơn vị khác công tác trong phạm vi ga, trạm có liên quan đến chạy tàu đều phải thông thạo và chấp hành Quy tắc quản lý kỹ thuật ga, trạm.
2.3.3.2 Sử dụng tín hiệu
2.3.3.2.1 Biểu thị của tín hiệu là mệnh lệnh về điều kiện chạy tàu và dồn tàu. Tất cả nhân viên đường sắt làm công tác có liên quan đến chạy tàu và dồn tàu đều phải thông thuộc Quy chuẩn kỹ thuật quốc gia về tín hiệu giao thông đường sắt và phải chấp hành vô điều kiện mệnh lệnh của tín hiệu phát ra.
2.3.3.2.2 Tín hiệu dùng trong ngành đường sắt gồm có tín hiệu mắt thấy và tín hiệu tai nghe.
Tín hiệu mắt thấy bao gồm: Tín hiệu ban ngày, tín hiệu ban đêm và tín hiệu cả ngày lẫn đêm.
Trường hợp ban ngày thời tiết xấu như có sương mù, mưa to, gió lớn ... mà tầm báo hiệu của tín hiệu ban ngày không bảo đảm khoảng cách quy định thì phải dùng tín hiệu ban đêm.
Trong hầm chỉ sử dụng tín hiệu ban đêm hoặc tín hiệu cả ngày lẫn đêm.
Tín hiệu tai nghe được sử dụng cả ngày lẫn đêm.
2.3.3.2.3 Biểu thị của tín hiệu phải bảo đảm rõ ràng, chính xác kịp thời theo quy định.
Khi tín hiệu ra ga, vào ga, ra bãi, vào bãi, tín hiệu thông qua và tín hiệu phòng vệ biểu thị không đúng, không rõ thì coi như báo tín hiệu "ngừng".
Không cho phép tàu hoặc đầu máy vượt quá tín hiệu "ngừng" (trừ trường hợp đặc biệt quy định trong Quy chuẩn này và quy định cụ thể của Doanh nghiệp quản lý tài sản đường sắt quốc gia hoặc Chủ sở hữu đường sắt chuyên dùng trong Quy trình chạy tàu và công tác dồn đường sắt).
2.3.3.2.4 Khi thời tiết xấu như có sương mù, mưa to, gió lớn... khó xác định tín hiệu và đường không thanh thoát hoặc hư hỏng, không thể đón tàu vào ga được hoặc không thể cho tàu chạy qua địa điểm phòng vệ vào phân khu phía trước thì không kể ngày hay đêm đều phải đặt pháo hiệu phụ trợ cho tín hiệu vào ga, tín hiệu phòng vệ hoặc tín hiệu thông qua nếu các tín hiệu này không có tín hiệu báo trước.
Phương pháp đặt pháo hiệu phụ trợ được quy định trong Quy chuẩn kỹ thuật quốc gia về tín hiệu giao thông đường sắt.
2.3.3.3 Quản lý ghi
2.3.3.3.1 Quy định chung
2.3.3.3.1.1 Các bộ ghi trên đường sắt phải được quản lý để bảo đảm an toàn chạy tàu.
2.3.3.3.1.2 Ghi trên các đường trong ga do Trưởng ga quản lý, ghi trên đường thuộc các tổ chức khác do Thủ trưởng các tổ chức đó quản lý, trừ ghi trên đường nối thông với đường ga (kể cả ghi liên động hoặc liên khóa với ghi nối thông) thì do trưởng ga quản lý.
2.3.3.3.1.3 Ghi đặt trên đường chính tuyến trong khu gian có trạm bổ trợ do trạm này quản lý. Nếu không có trạm bổ trợ thì do Doanh nghiệp quản lý tài sản đường sắt quốc gia chỉ định một ga đầu của khu gian đó quản lý.
Đối với đường sắt chuyên dùng do chủ sở hữu đường sắt chuyên dùng chỉ định.
2.3.3.3.1.4 Trưởng ga, Thủ trưởng các đơn vị chịu trách nhiệm bảo quản, bảo dưỡng những ghi thuộc quyền quản lý của mình luôn sử dụng tốt và bảo đảm đèn ghi chiếu sáng tốt (trừ ghi điều khiển tập trung).
2.3.3.3.2 Mỗi ghi phải có một số hiệu. Việc đánh số hiệu ghi quy định như sau:
a) Lấy trung tâm ga hoặc bãi làm mốc để đánh số thứ tự từ ngoài vào trong, phía tàu số lẻ đến đánh số lẻ, phía tàu số chẵn đến đánh số chẵn;
b) Đối với những ga cá biệt, Doanh nghiệp quản lý tài sản đường sắt quốc gia quy định cách đánh số riêng.
Đối với những ga cá biệt thuộc đường sắt chuyên dùng do chủ sở hữu đường sắt chuyên dùng quy định.
2.3.3.3.3 Trừ lúc sử dụng, lau chùi hoặc kiểm tra sửa chữa, ghi phải luôn để ở định vị như sau:
a) Ghi vào ga của đường chính tuyến trên khu đoạn đường đơn ở hai đầu ga phải để ở vị trí thông vào hai đường khác nhau;
b) Ghi vào ga của đường chính tuyến trên khu đoạn đường đôi phải để thông vào đường chính tuyến tương ứng;
c) Các ghi khác trên đường chính tuyến trong ga và trong khu gian phải để ở vị trí cho đường chính tuyến được thông (trừ những ghi vào đường an toàn, đường lánh nạn);
d) Ghi vào đường an toàn, đường lánh nạn phải ở vị trí thông vào các đường này;
đ) Định vị các ghi trên đường khác do trưởng ga quy định. Các ghi điều khiển tập trung bằng điện có thể không ở định vị;
e) Định vị của ghi phải được quy định rõ trong Quy tắc quản lý kỹ thuật ga, trạm.
2.3.3.3.4 Trước khi đón tàu hoặc gửi tàu, tất cả những ghi có quan hệ với đường tàu vào, tàu ra đều phải khóa chặt.
Việc quay và khóa những ghi đó do Gác ghi, Trưởng ghi hoặc Trực ban chạy tàu ga tự làm.
Sau khi khóa ghi xong, nếu chìa khóa không được giữ trong đài khống chế hoặc thiết bị giữ chìa khóa thì Trực ban chạy tàu ga phải bảo quản.
2.3.3.3.5 Chìa khóa những ghi dẫn vào những đường quy định đặc biệt dưới đây, nếu không có quan hệ liên khóa thì sau khi khóa xong phải do Trực ban chạy tàu ga bảo quản:
a) Ghi dẫn vào đường để đoàn xe cứu viện, xe xếp chất nổ, chất độc, khí nén và các hàng hóa nguy hiểm khác. Các ghi này phải khóa ở vị trí không cho đường khác thông vào đường này.
b) Ghi dẫn vào đường lánh nạn.
c) Ghi dẫn vào đường đón, gửi tàu ở ga dọc đường mà đường này đang có tàu, đầu máy, toa xe chiếm dụng hoặc đang có chướng ngại. Ghi này phải quay sang vị trí khác không thông vào đường nói trên và khóa chặt ở vị trí đó.
d) Ghi độ tuyến giữa hai đường chính tuyến.
đ) Ghi nối vào đường chính tuyến trong khu gian chưa có quan hệ liên khóa với thiết bị đóng đường. Ghi này phải khóa chặt ở vị trí khai thông đường chính tuyến và chìa khóa ghi do Trực ban chạy tàu ga đầu khu gian bảo quản mặc dù có trạm bổ trợ hay không. Trường hợp có quan hệ liên khóa với thiết bị đóng đường thì chìa khóa dự trữ do Trực ban chạy tàu ga đầu khu gian được chỉ định quản lý, bảo quản.
2.3.3.3.6 Mỗi ghi hoặc mỗi nhóm ghi do một Gác ghi lên ban phụ trách và chịu trách nhiệm về chạy tàu và dồn tàu an toàn qua những ghi đó. Những ghi cá biệt do Trực ban chạy tàu ga phụ trách; những ghi được điều khiển tập trung, việc kiểm soát trạng thái ghi và bố trí Gác ghi (nếu có) do Doanh nghiệp quản lý tài sản kết cấu hạ tầng đường sắt quy định.
Những ga có nhiều gác ghi lên ban và khối lượng công việc lớn thì phải bố trí một Trưởng ghi.
Ở ga có ghi và tín hiệu điều khiển tập trung phải đặt trạm điều khiển tập trung. Tại mỗi trạm nói trên chỉ do một nhân viên phụ trách (trực ban trạm, trực ban bãi hoặc phụ Trực ban chạy tàu ga). Mọi công tác ở trạm này phải theo sự điều khiển của Trực ban chạy tàu ga, ở bãi dồn dốc gù thì theo sự chỉ huy của Trực ban dốc gù.
Nhiệm vụ cụ thể của Gác ghi, Trưởng ghi và Nhân viên điều khiển tập trung do Doanh nghiệp quản lý tài sản đường sắt quốc gia hoặc Chủ sở hữu đường sắt chuyên dùng quy định trong Quy trình chạy tàu và công tác dồn đường sắt.
2.3.3.3.7 Việc quay những ghi không sử dụng thiết bị tín hiệu điều khiển tập trung, do gác ghi lên ban trực tiếp thực hiện theo quy định sau đây:
a) Khi chuẩn bị đường đón, gửi tàu phải theo lệnh của Trực ban chạy tàu ga, trạm hoặc Trực ban bãi (nhận lệnh trực tiếp hoặc qua Trưởng ghi truyền đạt);
b) Khi dồn tàu phải theo kế hoạch và tín hiệu khai thông đường của Trưởng dồn hoặc lệnh của Trực ban dốc gù;
c) Người không có phận sự không được phép quay ghi thay Gác ghi, trừ các trường hợp sau đây:
- Cho phép nhân viên trong tổ dồn hoặc Trưởng tàu quay ghi khi dồn trên đường nhánh ngoài khu gian;
- Cho phép Trực ban chạy tàu ga, các nhân viên trong tổ dồn quay ghi ở trong ga khi dồn trên đường không có gác ghi phụ trách.
2.3.3.3.8 Việc quay những ghi sử dụng thiết bị tín hiệu điều khiển tập trung, do trực ban chạy tàu ga lên ban trực tiếp thực hiện theo quy định sau đây:
a) Khi chuẩn bị đường chạy đón, gửi tàu, dồn tàu phải theo kế hoạch của nhân viên điều độ chạy tàu tuyến hoặc nhân viên điều độ chạy tàu ga.
b) Trước khi quay ghi để chuẩn bị đường chạy đón, gửi tàu, dồn tàu phải trực tiếp xác nhận qua đài điều khiển là khu vực ghi không có trở ngại.
c) Không được phép cho người không có phận sự quay ghi thay trực ban chạy tàu ga, trừ trường hợp nhân viên tổ dồn hoặc gác ghi trực tiếp quay ghi khi ghi điều khiển tập trung đã được chuyển thành ghi quay thủ công tại chỗ.
d) Trường hợp ở yết hầu ga hoặc bãi dồn có bố trí thiết bị ủy quyền dồn tàu, trực ban chạy tàu ga có thể ủy quyền cho trực ban trạm, trực ban bãi hoặc phụ trực ban chạy tàu ga thực hiện quay ghi để thiết lập đường chạy dồn tàu theo kế hoạch của trực ban chạy tàu ga nhưng phải bảo đảm an toàn chạy tàu.
2.3.3.3.9 Đối với các ga có bố trí gác ghi, khi thấy trạng thái ghi không tốt như: Lưỡi ghi không khít, bị sứt mẻ quá tiêu chuẩn quy định, khóa ghi không sử dụng được, biển ghi, đèn ghi không đúng hướng... Gác ghi lên ban phải báo ngay cho Trực ban chạy tàu ga, trực ban bãi hoặc Trưởng ghi biết. Nếu thấy sự hỏng hóc có nguy hại tới an toàn chạy tàu, Gác ghi lên ban phải đặt tín hiệu phòng vệ ghi, cấm tàu, đầu máy, toa xe qua lại rồi tự mình hoặc qua Trưởng ghi báo cáo tình hình đó cho Trực ban chạy tàu ga biết. Nhận được báo cáo, Trực ban chạy tàu ga phải báo ngay cho đơn vị quản lý ghi đến kiểm tra, sửa chữa.
Khi sửa chữa ghi, Gác ghi lên ban phải theo dõi công việc sửa chữa và nếu có ảnh hưởng đến chạy tàu còn phải kiểm tra việc phòng vệ.
Khi ghi sửa chữa xong, Gác ghi phải cùng với nhân viên sửa chữa tiến hành thử nghiệm. Nếu kết quả tốt, báo cáo để Trực ban chạy tàu ga xác nhận rồi mới được sử dụng.
2.3.3.4 Công tác dồn
2.3.3.4.1 Quy định chung
2.3.3.4.1.1. Dồn tàu phải theo kế hoạch của Trực ban chạy tàu ga hoặc Nhân viên điều độ chạy tàu ga.
2.3.3.4.1.2 Công tác dồn phải thực hiện theo đúng quy trình tác nghiệp kỹ thuật ga, kế hoạch của ga và bảo đảm an toàn chạy tàu, an toàn lao động, bảo đảm đầu máy, toa xe và hàng hóa được nguyên vẹn.
2.3.3.4.1.3 Người lãnh đạo công tác dồn trong ga là Trực ban chạy tàu ga (hoặc nhân viên điều độ chạy tàu ga), trạm, Trực ban đường hoặc Trực ban dốc gù. Việc phân định trách nhiệm giữa các nhân viên nói trên phải được quy định trong Quy tắc quản lý kỹ thuật ga, trạm.
2.3.3.4.2 Trong quá trình dồn, Lái tàu phải tuân theo sự điều khiển của Trưởng dồn. Việc ra lệnh cho đầu máy di chuyển khi dồn chỉ do một người chỉ huy duy nhất là Trưởng dồn.
2.3.3.4.3 Ở những ga có nhiều bãi dồn, mỗi bãi có thể bố trí đầu máy và tổ dồn chuyên trách.
Ở các ga dọc đường và đường nhánh có trạm bổ trợ mà không có tổ dồn, Trực ban chạy tàu ga, trạm làm nhiệm vụ Trưởng dồn với sự tham gia của Trưởng tàu (nếu có).
Ở đường nhánh không có trạm bổ trợ mà không có tổ dồn, Trưởng tàu của tàu có cắt móc toa xe làm nhiệm vụ Trưởng dồn.
Đối với đoàn tàu hàng sử dụng thiết bị tín hiệu đuôi tàu mà không bố trí trưởng tàu thì ga gửi tàu vào đường nhánh phải bố trí Trưởng dồn thực hiện nhiệm vụ theo quy định.
2.3.3.4.4 Lái tàu không được phép cho đầu máy dồn chuyển dịch khi chưa nhận được kế hoạch dồn và tín hiệu của trưởng dồn cho phép. Khi dồn, ban lái tàu có trách nhiệm:
a) Bảo đảm hoàn thành kế hoạch dồn chính xác và kịp thời;
b) Chấp hành nghiêm chỉnh, kịp thời tín hiệu chỉ huy dồn;
c) Chú ý chướng ngại phía trước, người qua lại, vị trí ghi và vị trí đầu máy, toa xe trên đường để dừng tàu kịp thời;
d) Bảo đảm an toàn cho công tác dồn và đầu máy, toa xe, hàng hóa được nguyên vẹn.
2.3.3.4.5 Khi dồn không được phép vượt quá tốc độ quy định dưới đây:
a) 25 km/h khi kéo toa xe trên đường thanh thoát;
b) 15 km/h khi đẩy toa xe trên đường thanh thoát và không kể kéo hay đẩy khi chạy qua ghi vào đường rẽ;
c) 10 km/h khi dồn toa xe có người ngồi (trừ người áp tải), toa xe chở chất nổ, chất độc, khí nén, khí hóa lỏng và các hàng nguy hiểm khác;
d) 3 km/h khi đầu máy đến gần toa xe định nối hoặc gần bục chắn. Tốc độ đẩy hoặc kéo toa xe qua cầu cân để cân toa xe theo quy định tốc độ của cầu cân;
Tốc độ đẩy toa xe trên dốc gù do Doanh nghiệp quản lý tài sản đường sắt quốc gia quyết định. Đối với đường sắt chuyên dùng do chủ sở hữu đường sắt chuyên dùng quyết định.
2.3.3.4.6 Không được phép dồn phóng và thả trôi từ dốc gù xuống các toa xe sau đây và không được phép phóng hoặc thả trôi các toa xe khác vào chúng:
a) Toa xe có chở người;
b) Toa xe khách và các toa xe có ghi dấu hiệu “CẤM PHÓNG”;
c) Toa xe chở chất nổ, chất độc, khí nén, khí hóa lỏng và các hàng nguy hiểm khác, toa xe xi téc rỗng đã lấy hết khí hóa lỏng nhưng chưa rửa, toa chở động vật sống và toa chở máy móc, thiết bị tinh vi, hàng dễ vỡ;
d) Toa xếp hàng vượt quá giới hạn từ cấp 1 trở lên, hàng xếp vượt quá 1 toa xe;
đ) Đầu máy không làm việc;
e) Toa xe mặt bằng, mặt võng chở hàng khối to và nặng;
g) Toa xe cần trục đường sắt;
h) Toa xe có trang thiết bị đặc biệt dùng vào công việc riêng (toa vô tuyến điện, toa phát điện, toa kiểm tra cầu đường, toa y tế, toa ướp lạnh, toa xe phục vụ công việc nghiên cứu thí nghiệm khoa học kỹ thuật...);
Những đầu máy, toa xe nói trên chỉ có thể qua dốc gù khi có đầu máy nối đi kèm.
Không được phép phóng vào các đường có toa xe đang tác nghiệp kỹ thuật, sửa chữa hoặc xếp, dỡ hàng, vào đường nhánh trong khu gian, vào đường chưa được chiếu sáng đầy đủ và khi có sương mù, mưa to, gió lớn.
Biện pháp cụ thể về dồn phóng và những ga được phép dồn phóng do Doanh nghiệp quản lý tài sản đường sắt quốc gia quyết định. Đối với đường sắt chuyên dùng do chủ sở hữu đường sắt chuyên dùng quyết định.
2.3.3.4.7 Phương tiện giao thông đường sắt đỗ trên đường phải ở trong mốc tránh va chạm, trừ các trường hợp đặc biệt sau đây:
a) Ở bãi dồn, toa xe dồn phóng chưa lọt trong mốc tránh va chạm nhưng không ảnh hưởng đến việc dồn vào đường khác và sau đợt dồn nhất thiết phải điều chỉnh lại để toa xe lọt vào trong mốc tránh va chạm.
b) Ở bãi xếp dỡ vì thiếu đường chứa xe hoặc khó khăn về địa điểm xếp dỡ, toa xe được tạm để ngoài mốc tránh va chạm nhưng không được làm trở ngại đến việc đón, gửi tàu, dồn tàu bình thường và phải phòng vệ phía đầu máy, toa xe có thể chạy vào.
Không được phép để phương tiện giao thông đường sắt đỗ trên đường an toàn, đường lánh nạn.
Những toa xe đỗ trên đường mà không xếp, dỡ hàng hóa, không làm vệ sinh toa xe hoặc không sửa chữa phải đóng các cửa lại.
Trước khi cắt đầu máy khỏi toa xe để lại trên đường có độ dốc quá 2,5‰ phải xả hết hãm gió đoàn xe, siết chặt hãm tay và chèn chắc chắn.
Những toa xe đỗ trên đường ga, đường nhánh trong khu gian và đường dùng riêng nếu chưa dồn thì phải nối liền với nhau, siết chặt hãm tay ở hai đầu đoàn xe và chèn chắc chắn.
2.3.3.4.8 Những toa xe chở hàng nguy hiểm như chất nổ, chất cháy... chưa lắp vào tàu phải được nối liền với nhau, chèn chắc chắn để riêng trên một đường và phòng vệ bằng tín hiệu di động “ngừng”. Các ghi dẫn vào đường này phải để thông sang đường khác, khi cần thiết phải khóa lại để không cho phương tiện giao thông đường sắt khác chạy vào.
2.3.3.4.9 Dồn trên đường chính tuyến hoặc giao cắt đường chính tuyến chỉ được thực hiện khi chưa có lệnh đón tàu vào ga và mỗi lần dồn phải được Trực ban chạy tàu ga cho phép.
Không được phép dồn khỏi giới hạn ga khi chưa được Nhân viên điều độ chạy tàu đồng ý và chưa giao cho Lái tàu bằng chứng chiếm dụng khu gian.
2.3.3.4.10 Đối với những ga có độ dốc quá 2,5‰ khi dồn toa xe có thể bị trôi vào khu gian nên cần phải có đường rút dồn. Nếu không có đường rút dồn, trong trường hợp đặc biệt thì chỉ có thể dồn với điều kiện đầu máy nối ở phía dưới dốc, nếu không làm như thế được thì phải nối tất cả hãm gió ép của đoàn xe với đầu máy dồn và phải thử hãm trước khi dồn.
Biện pháp dồn ở những ga có độ dốc như trên phải được quy định trong Quy tắc quản lý kỹ thuật ga.
2.3.3.5 Lập tàu
2.3.3.5.1 Quy định chung
2.3.3.5.1.1 Việc lập tàu phải theo đúng những quy định trong Quy chuẩn này, trong kế hoạch lập tàu và Biểu đồ chạy tàu.
2.3.3.5.1.2 Người chịu trách nhiệm về lập tàu là Nhân viên điều độ ga hoặc Trực ban chạy tàu ga (đối với ga không bố trí Nhân viên điều độ ga).
2.3.3.5.1.3 Khi cần thiết phải cho chạy những đoàn tàu quá dài hoặc quá trọng lượng do Doanh nghiệp quản lý tài sản đường sắt quốc gia quyết định.
Đối với đường sắt chuyên dùng phải theo lệnh của Chủ sở hữu đường sắt chuyên dùng.
2.3.3.5.1.4 Cách tính chiều dài và trọng lượng đoàn tàu theo Quy trình tính toán sức kéo đoàn tàu đường sắt.
2.3.3.5.2 Không được phép nối vào tàu những toa xe sau đây:
a) Toa xe vi phạm hạn độ kỹ thuật uy hiếp tới an toàn chạy tàu; toa xe có lò xo hay nhíp bị kẹt hoặc oằn xuống không đều làm thân toa xe bị nghiêng quá hạn độ quy định, thân toa xe và bệ xe va vào bộ phận chạy;
b) Toa xe đã bị trật bánh hoặc ở trong tàu đã bị tai nạn nặng nhưng chưa được kiểm tra và xác nhận là có trạng thái kỹ thuật bình thường;
c) Toa xe không có biển xác nhận sửa chữa định kỳ trừ toa xe chạy theo chứng nhận đặc biệt (coi như một thứ hàng hóa chạy được khi nối vào tàu);
d) Toa không mui (mặt bằng, mặt võng, thành thấp, thành cao), xếp hàng và gia cố hàng không đúng quy định;
đ) Toa xe xếp hàng siêu trường, siêu trọng nhưng chưa được Doanh nghiệp quản lý tài sản đường sắt quốc gia quyết định, chấp nhận vận chuyển. Đối với đường sắt chuyên dùng do Chủ sở hữu đường sắt chuyên dùng quyết định, chấp nhận vận chuyển;
e) Toa xe thành thấp mà các thành toa xe không đóng; Toa xe có cửa mở ra ngoài hoặc có cửa mở đáy nhưng không đóng và gài chốt chắc chắn;
g) Toa xe xếp loại hàng cần đình chỉ sử dụng hãm tay và hãm tự động nhưng các hãm này chưa được đình chỉ.
2.3.3.6 Mối nối toa xe trong tàu
2.3.3.6.1 Chênh lệch cao thấp của đường tâm hai móc nối tự động của hai toa xe nối liền nhau trong đoàn tàu (trong điều kiện tĩnh) không được quá 70 mm đối với toa xe đường sắt khổ 1000 mm và 75 mm đối với toa xe đường sắt khổ 1435 mm.
2.3.3.6.2 Việc cắt hoặc nối toa xe (bao gồm cả cắt hoặc nối ống hãm) trong tàu và bảo đảm các mối nối chính xác do những nhân viên sau đây phụ trách:
a) Cắt, nối giữa các toa xe trong tàu do nhân viên làm công tác dồn phụ trách;
b) Cắt, nối giữa đầu máy ghép và toa xe sát nó do nhân viên khám chữa toa xe phụ trách (ở nơi không có trạm khám xe do nhân viên làm công tác dồn phụ trách).
Trường hợp không có nhân viên làm công tác dồn thì do Phụ lái tàu thực hiện.
c) Người phụ trách kiểm tra các mối nối chính xác trong đoàn tàu là nhân viên khám chữa toa xe. Nếu không có nhân viên khám chữa toa xe thì do Trưởng tàu hoặc Phụ lái tàu của đầu máy chạy đơn có kéo theo toa xe hoặc Phụ lái tàu trong trường hợp đoàn tàu không bố trí trưởng tàu đảm nhiệm.
2.3.3.7 Sắp xếp toa xe trong tàu khách
2.3.3.7.1 Không được phép nối toa xe hàng vào tàu khách liên vận quốc tế, các tàu đặc biệt và tàu khách nhanh chạy suốt.
Khi có lệnh của Doanh nghiệp quản lý tài sản đường sắt quốc gia: Tàu khách nhanh được nối nhiều nhất không quá hai toa xe hàng, các tàu khách thường được nối nhiều nhất không quá ba toa xe hàng. Các toa xe hàng được nối vào tàu khách phải là loại 4 trục chạy ổ bi, có trạng thái kỹ thuật tốt, bảo đảm chạy tàu an toàn và tốc độ cấu tạo không thấp hơn tốc độ quy định của tàu khách. Trường hợp đặc biệt muốn nối quá số lượng toa xe hàng nói trên, Doanh nghiệp quản lý tài sản đường sắt quốc gia phải có lệnh cho phép hạ cấp bậc tàu.
2.3.3.7.2 Không được phép nối vào tàu khách những toa xe sau đây:
a) Toa xe mặt bằng, toa xi téc (rỗng hoặc nặng), toa xe chở chất nổ, chất độc, khí nén, khí hóa lỏng và hàng hóa nguy hiểm khác, hàng có mùi hôi thối, hàng dễ xê dịch xếp cao quá thành đầu toa xe, trừ toa xe dịch vụ có sử dụng bếp ga và toa xe chuyên dụng chở xe máy là hành lý, hàng lẻ gửi theo tàu sau khi được Doanh nghiệp kinh doanh vận tải đường sắt cho phép kèm theo các quy định biện pháp cụ thể đảm bảo an toàn chạy tàu;
b) Toa xe quá hạn sửa chữa định kỳ, quá hạn kiểm tra hãm ép gió và hộp trục;
c) Toa xe có chiều dày vành bánh, đai bánh và các tiêu chuẩn khác không phù hợp với tiêu chuẩn đôi bánh xe của toa xe khách;
d) Ôtô ray và các loại phương tiện động lực chuyên dùng đường sắt đã vượt quá kỳ hạn kiểm tra, sửa chữa định kỳ mà chưa được phép kéo dài kỳ hạn.
2.3.3.7.3 Không được phép nối vào tàu hỗn hợp các toa xe chở chất nổ, chất độc, khí nén, khí hóa lỏng và hàng nguy hiểm khác, hàng có mùi hôi thối, trừ các toa xe dịch vụ có sử dụng bếp ga.
Chỉ trong trường hợp đặc biệt trên các khu đoạn có khối lượng vận chuyển ít, ngoài tàu hỗn hợp không còn tàu nào khác, sau khi được Doanh nghiệp quản lý tài sản đường sắt quốc gia cho phép và kèm theo quy định biện pháp cụ thể thì mới được nối các toa chở hàng nguy hiểm (trừ toa chở chất nổ, chất độc, chất phóng xạ) vào tàu hỗn hợp.
2.3.3.7.4 Không được phép nối vào tàu chuyên dùng chở công nhân, tàu quân dụng có chở người những toa chở chất nổ, chất độc, chất phóng xạ, khí nén, khí hóa lỏng, toa chở axit, chất dễ cháy cấp 1, hàng có mùi hôi thối, toa xe xi téc đã lấy hết khí hóa lỏng nhưng chưa rửa sạch.
Trong trường hợp đặc biệt, Doanh nghiệp quản lý tài sản đường sắt quốc gia hoặc Chủ sở hữu đường sắt chuyên dùng được quyền cho phép có kèm theo biện pháp cụ thể nối các toa chất nổ, chất độc mạnh vào tàu quân dụng có chở người.
2.3.3.7.5 Các toa xe khách và toa xe hàng có chở người trong tàu hỗn hợp, tàu chuyên dùng chở công nhân, tàu quân dụng có chở người (không kể toa công vụ, toa nghỉ của ban lái máy và tổ công tác trên tàu) phải nối thành một cụm, toa xe hàng nối sát toa xe khách hoặc sát toa xe hàng có chở người phải là loại toa xe có mui.
Trường hợp tàu khách nhanh và tàu khách thường được phép nối thêm toa xe hàng cũng phải tuân theo những quy định tại mục này.
2.3.3.7.6 Cửa đầu phía trước của toa xe có khách thứ nhất và cửa đầu phía sau của toa xe khách cuối cùng (kể cả toa bưu vụ) của đoàn tàu khách hoặc của nhóm toa xe khách trong tàu hỗn hợp, tàu chuyên chở công nhân, tàu quân dụng chở người phải khóa lại. Lan can qua lại phải nâng lên, cửa lan can, dây an toàn phải đóng và cài lại.
2.3.3.8 Sắp xếp toa xe trong tàu hàng
2.3.3.8.1 Các toa xe nối trong tàu hàng không phân biệt nặng, rỗng nhưng phải nối thành từng nhóm theo ga đến (trừ trường hợp toa xe phải nối theo quy định riêng). Khi trong đoàn tàu có lẫn các toa xe hai trục và toa xe bốn trục trở lên thì phải nối các toa xe hai trục phía cuối tàu, không kể toa trưởng tàu.
2.3.3.8.2 Việc sắp xếp các toa xe đặc biệt, toa xe chở hàng siêu trường siêu trọng phải thực hiện theo quy định của Doanh nghiệp quản lý tài sản đường sắt quốc gia.
Đối với đường sắt chuyên dùng do chủ sở hữu đường sắt chuyên dùng quy định.
2.3.3.8.3 Các toa xe chở chất nổ, chất dễ cháy, chất độc, toa xi téc chở khí hóa lỏng, toa có mui chở hàng nguy hiểm, toa xi téc rỗng đã lấy khí hóa lỏng nhưng chưa rửa sạch, khi dồn hoặc khi nối vào tàu phải có toa đệm theo quy định tại Bảng 4 của Quy chuẩn này.
Bảng 4 - Khoảng cách toa đệm trong tàu hàng
| TT | Loại hàng chuyên chở | Số toa đệm ít nhất, tính bằng trục tùy theo loại đầu máy, toa xe | ||||||||||
| Đầu máy hơi nước | Đầu máy diesel kéo | Toa xe có hành khách | Toa xe chở chất nổ chất độc | Toa xe không mui xếp hàng dễ cháy | Đầu máy không có lửa, toa bằng xếp hàng dễ xê dịch, toa có thành xếp hàng dễ xê dịch | Toa xe trưởng tàu và toa có nhân viên công tác | Phía cuối cùng đoàn tàu | |||||
| Xe than nước | Đẩy | Kéo tàu thoi và tàu dồn | Không có lò đốt lửa | Có lò đốt lửa | ||||||||
| 1 | 2 | 3 | 4 | 5 | 6 | 7 | 8 | 9 | 10 | 11 | 12 | |
| I | CHẤT NỔ, CHẤT ĐỘC | 16 | 4 | 4 | 8 | 16 |
| 8 | 4 | 8 | 8 | 4 |
| II | TOA XI TÉC |
|
|
|
|
|
|
|
|
|
|
|
| 2.1 | Khí nén, khí hóa lỏng | 16 | 4 | 4 | 8 | 16 | 8 | 4 |
| 8 | 8 |
|
| 2.2 | Toa rỗng đã lấy khí hóa lỏng nhưng chưa rửa sạch | 16 | 4 | 4 | 8 | 8 | 4 | 4 |
| 8 | 8 |
|
| 2.3 | Thể lỏng dễ cháy cấp 1 | 8 | 4 | 4 | 4 | 4 | 8 | 4 |
| 4 | 4 |
|
| III | TOA CÓ MUI |
|
|
|
|
|
|
|
|
|
|
|
| 3.1 | Khí nén, khí hóa lỏng | 4 | 4 |
|
| 4 | 4 |
|
|
| 4 |
|
| 3.2 | Thể lỏng dễ cháy cấp 1 | 4 | 4 |
|
| 4 | 4 |
|
|
|
|
|
| 3.3 | Thể độc, thể cháy, chất tự cháy, chất có thể thành hỗn hợp cháy hoặc nổ, chất gặp nước bốc cháy | 4 | 4 |
|
| 4 | 8 | 8 |
|
| 4 |
|
| 3.4 | Axít | 4 |
| 4 |
| 4 | 4 | 4 | 4 | 4 | 4 |
|
| IV | TOA KHÔNG MUI XẾP HÀNG DỄ CHÁY | 16 | 4 | 4 | 8 | 4 | 8 |
|
|
| 4 |
|
Những toa xe chở hàng lẻ thuộc hàng dễ cháy, hàng nguy hiểm (trừ chất nổ, chất độc mạnh, hàng có thể trở thành hỗn hợp cháy hoặc nổ) khi nối vào tàu hoặc khi dồn có thể không cần toa đệm.
Những toa xe chở hàng không nguy hiểm, hàng không dễ cháy, toa xe có mui chở hàng dễ cháy mà các cửa đều đóng kín hoặc toa xe rỗng có thể dùng làm toa đệm.
2.3.3.8.4 Trong tàu hàng, những toa xe chở loại hàng cần đóng hãm gió ép hoặc những toa xe mà hãm gió ép hỏng không có điều kiện sửa chữa ngay, nhưng ống gió chính vẫn thông, không được nối liền quá 10 trục.
Nếu nối phía đuôi tàu thì không được nối quá 6 trục liền trước toa xe cuối cùng có hãm gió ép tốt (sát toa trưởng tàu nếu có toa trưởng tàu).
Khi có điều kiện sửa chữa thì các toa xe hỏng hãm tự động phải được sửa chữa rồi mới được phép lập tiếp vào tàu.
2.3.3.8.5 Việc nối toa xe khách có chở người vào tàu hàng chỉ được phép khi có lệnh của Doanh nghiệp quản lý tài sản đường sắt quốc gia.
Đối với đường sắt chuyên dùng do Chủ sở hữu đường sắt chuyên dùng cho phép.
Toa xe khách hoặc toa xe hàng có chở người nếu được phép nối vào tàu hàng phải tuân theo những quy định tại Mục 2.3.3.7.5 và Mục 2.3.3.7.6 của Quy chuẩn này.
2.3.3.8.6 Quy định về trang bị trên toa trưởng tàu hoặc toa xe cuối cùng của đoàn tàu không có toa xe trưởng tàu.
2.3.3.8.6.1 Toa trưởng tàu phải có hãm gió ép, van khẩn cấp, đồng hồ áp suất và hãm tay tốt.
2.3.3.8.6.2 Tại vị trí làm việc của trưởng tàu phải có thiết bị đo tốc độ đoàn tàu, thiết bị thông tin liên lạc giữa Trưởng tàu và Lái tàu.
2.3.3.8.6.3 Trường hợp tàu hàng không có toa trưởng tàu thì toa xe cuối cùng phải có hãm gió ép, hãm tay tốt và có đầy đủ tín hiệu tàu.
2.3.3.8.6.4 Đối với đoàn tàu hàng sử dụng Thiết bị tín hiệu đuôi tàu, Bộ phận tại đuôi tàu được lắp đặt phía cuối đoàn tàu, tín hiệu về áp lực ống hãm đoàn xe cuối đoàn tàu phải được báo về Bộ phận tại buồng lái của Thiết bị tín hiệu đuôi tàu đặt trên ca bin đầu máy. Doanh nghiệp quản lý tài sản đường sắt quốc gia hoặc Chủ sở hữu đường sắt chuyên dùng có trách nhiệm ban hành Quy trình khai thác sử dụng đối với Thiết bị tín hiệu đuôi tàu khi sử dụng trên các đoàn tàu hàng và phải thực hiện kiểm tra, bảo trì thường xuyên thiết bị tín hiệu đuôi tàu để đảm bảo thiết bị hoạt động tốt trong quá trình khai thác, sử dụng.
2.3.3.9 Lắp đầu máy vào tàu
2.3.3.9.1 Quy định chung
2.3.3.9.1.1 Đầu máy kéo tàu phải nối thuận chiều ở phía đầu đoàn tàu theo hướng chạy.
2.3.3.9.1.2 Khi có hai hoặc nhiều đầu máy kéo tàu chạy suốt khu đoạn phải nối đầu máy có bơm gió mạnh hơn về trước. Nếu là đầu máy hơi nước có công suất bơm gió như nhau thì phải nối đầu máy có bánh xe dẫn đường về phía trước. Đầu máy nối phía trước gọi là đầu máy chính.
2.3.3.9.1.3 Đầu máy phụ cũng phải nối ở phía đầu tàu (sau đầu máy chính hoặc cả cụm đầu máy kéo) trừ khi đầu máy phụ đẩy tàu vào khu gian rồi trở về hoặc đến ga bên cạnh cắt lại nhưng tàu không phải dừng thì được nối ở phía đuôi tàu và không nối ống gió thông vào đoàn tàu.
2.3.3.9.1.4 Trường hợp không thể nối các đầu máy ghép hoặc đầu máy phụ ở phía đầu tàu hoặc nối đầu máy khác loại liền nhau thì phải làm theo biện pháp nối đầu máy vào tàu do Doanh nghiệp quản lý tài sản đường sắt quốc gia quyết định. Đối với đường sắt chuyên dùng do chủ sở hữu đường sắt chuyên dùng quy định.
2.3.3.9.2 Đầu máy chỉ được phép chạy ngược chiều trong các trường hợp sau đây:
a) Kéo tàu chạy đường ngắn, tàu thoi, tàu cứu viện, tàu công trình;
b) Chạy trên đường nhánh;
c) Dồn toa;
d) Đầu máy thứ hai trở lên khi đoàn tàu có nhiều đầu máy kéo;
đ) Phụ đẩy tàu rồi quay về ga gửi;
e) Ở ga tàu xuất phát không có thiết bị quay đầu máy hoặc thiết bị này bị hỏng.
2.3.3.9.3 Đầu máy chạy đơn trong khu đoạn có độ dốc nhỏ hơn hoặc bằng 12‰ được phép kéo thêm không quá 5 toa xe.
2.3.3.9.3.1 Ở khu đoạn có độ dốc lớn hơn 12‰ số lượng toa xe nối thêm vào đầu máy đơn do Doanh nghiệp quản lý tài sản đường sắt quốc gia quyết định. Đối với đường sắt chuyên dùng do chủ sở hữu đường sắt chuyên dùng quy định.
2.3.3.9.3.2 Khi nối thêm các toa vào đầu máy chạy đơn phải tuân theo các quy định sau đây:
a) Lái tàu kiêm nhiệm trưởng tàu;
b) Toa xe cuối cùng phải có hãm gió ép và có đủ tín hiệu đuôi tàu;
c) Tất cả các toa xe đều phải nối vào hệ thống hãm gió ép và lực hãm cho 100 tấn trọng lượng không dưới tiêu chuẩn quy định;
d) Không được làm ảnh hưởng đến thời gian quay vòng quy định của đầu máy và thời gian lao động của ban lái tàu.
2.3.3.9.4 Đầu máy (kể cả đầu máy nguội) phải được chuẩn bị đầy đủ theo đúng biện pháp quy định của Doanh nghiệp quản lý tài sản đường sắt quốc gia hoặc Chủ sở hữu đường sắt chuyên dùng quyết định mới được gửi theo tàu. Số lượng đầu máy gửi theo tàu và số toa xe đệm giữa các đầu máy do Doanh nghiệp quản lý tài sản đường sắt quốc gia quyết định. Đối với đường sắt chuyên dùng do chủ sở hữu đường sắt chuyên dùng quy định.
2.3.3.10 Tính hãm, bố trí hãm, thử hãm trong đoàn tàu
2.3.3.10.1 Khoảng cách hãm quy định cho tàu dùng hãm gió ép không quá 800 m.
2.3.3.10.2 Áp lực guốc hãm cần thiết để đoàn tàu dừng được trong khoảng cách hãm quy định tương ứng với tốc độ, độ dốc hạn chế trong khu đoạn của phương tiện giao thông đường sắt do Doanh nghiệp quản lý tài sản đường sắt quốc gia hoặc Chủ sở hữu đường sắt chuyên dùng quyết định và ban hành phù hợp với đặc điểm của phương tiện giao thông đường sắt và tuyến đường sắt khai thác bảo đảm an toàn chạy tàu.
2.3.3.10.3 Áp lực guốc hãm trên một trục của phương tiện giao thông đường sắt do Doanh nghiệp quản lý tài sản đường sắt quốc gia hoặc Chủ sở hữu đường sắt chuyên dùng quyết định và ban hành phù hợp với đặc điểm của phương tiện giao thông đường sắt và tuyến đường sắt khai thác bảo đảm an toàn chạy tàu.
2.3.3.10.4 Hãm gió ép của tất cả các toa xe, đầu máy (kể cả xe than nước) trong tàu đều phải nối thông với nhau, trừ trường hợp đầu máy phụ đẩy cắt lại dọc đường.
2.3.3.10.5 Số trục có hãm tay tốt cần thiết để giữ cho tàu khi dừng lại khỏi trôi được quy định trong bảng tiêu chuẩn số trục hãm tay tốt tối thiểu phải có cho mỗi 100 tấn trọng lượng tàu (không kể đầu máy và xe than nước). (Xem Bảng 5).
Bảng 5- Số trục hãm tay cần thiết cho 100 tấn trọng lượng tàu để chống trôi tàu
| Độ dốc (‰) | 0-6 | 7-10 | 11-13 | 14-16 | 17-20 | 21-23 | 23-25 |
| Số trục có hãm tay tốt cần thiết | 2 | 3 | 4 | 5 | 6 | 7 | 8 |
Nếu có số trục hãm tốt không đủ theo quy định ở trên thì được dùng chèn sắt để thay thế. Mỗi chèn sắt thay được hai trục hãm tay.
Khi độ dốc lớn hơn 25‰ thì tất cả các trục toa xe đều phải có hãm tay tốt đồng thời phải bổ sung thêm chèn sắt chống trôi tàu. Số lượng chèn sắt do Doanh nghiệp quản lý tài sản đường sắt quốc gia hoặc chủ sở hữu đường sắt chuyên dùng quy định.
2.3.3.10.6 Hãm gió ép của đoàn tàu phải được thử theo quy định sau đây:
a) Thử toàn bộ để kiểm tra sự hoàn hảo của hệ thống hãm và được tiến hành trong các trường hợp sau:
- Sau khi đoàn tàu đến ga (ở những ga có quy định thử hãm);
- Trước khi tàu khởi hành ở ga lập tàu;
- Ở ga dọc đường có nối thêm toa xe vào tàu cũng phải thử hãm toàn bộ để kiểm tra tác dụng hãm của những toa xe nối thêm và toa xe cuối cùng của đoàn tàu.
b) Thử hãm đơn giản để kiểm tra sự thông gió tốt từ đầu máy đến toa xe cuối cùng và được tiến hành trong các trường hợp sau:
- Sau khi vòi hãm và ống gió chính bị đứt hỏng, bị cắt;
- Sau khi dừng tàu quá 20 phút;
- Khi áp suất gió trong thùng gió chính của đầu máy giảm xuống dưới áp suất quy định;
- Khi hãm gió ép của đầu máy thứ nhất bị hỏng phải giao việc điều khiển hãm cho đầu máy thứ hai;
- Khi thay ban lái tàu chính mà không thay đầu máy;
- Khi thay đổi chiều chạy mà không thay đầu máy chính và ban lái tàu.
c) Thử toàn bộ giữ thời gian.
Tàu chạy qua các khu gian có dốc lớn và dài phải thử hãm toàn bộ giữ thời gian. Tên ga và loại tàu có tác nghiệp thử hãm giữ thời gian do Doanh nghiệp quản lý tài sản đường sắt quốc gia quyết định. Đối với đường sắt chuyên dùng do Chủ sở hữu đường sắt chuyên dùng quy định.
2.3.3.10.7 Nội dung cụ thể về thử hãm, thời gian thử hãm, hãm toàn bộ giữ thời gian, chức danh đảm nhiệm công việc và ghi chép Giấy xác nhận tác dụng hãm tham khảo Mẫu số 01 tại Phụ lục E ban hành kèm theo Quy chuẩn này do Doanh nghiệp quản lý tài sản đường sắt quốc gia hoặc Chủ sở hữu đường sắt chuyên dùng quy định.
2.3.3.11 Khám kỹ thuật toa xe trong đoàn tàu
Mọi toa xe trong đoàn tàu phải được khám kỹ thuật và sửa chữa theo quy định để đảm bảo an toàn.
Doanh nghiệp kinh doanh vận tải có trách nhiệm xây dựng nội dung, chức danh đảm nhiệm việc khám kỹ thuật và ban hành sau khi thống nhất với Doanh nghiệp quản lý tài sản đường sắt quốc gia hoặc chủ sở hữu đường sắt chuyên dùng, tổ chức thực hiện việc khám kỹ thuật toa xe trong đoàn tàu đảm bảo an toàn.
Doanh nghiệp quản lý tài sản đường sắt quốc gia hoặc chủ sở hữu đường sắt chuyên dùng chịu trách nhiệm quy định địa điểm và giám sát việc khám kỹ thuật của đoàn tàu đảm bảo an toàn.
2.3.4 Phương pháp đóng đường chạy tàu
2.3.4.1 Quy định chung
2.3.4.1.1 Phương pháp đóng đường cơ bản để chạy tàu bao gồm:
a) Đóng đường tự động;
b) Đóng đường nửa tự động;
c) Đóng đường bằng máy thẻ đường.
Khi thiết bị đóng đường cơ bản bị hỏng hoặc không sử dụng được phải đình chỉ sử dụng và chuyển sang phương pháp đóng đường bằng điện tín để thay thế. Phương tiện chuyển, nhận điện tín là điện thoại.
Khi chuyển sang phương pháp đóng đường bằng điện tín hoặc phục hồi phương pháp đóng đường cơ bản đều phải làm theo mệnh lệnh của Nhân viên điều độ chạy tàu.
Trường hợp điện thoại với điều độ không thông, việc chuyển hoặc phục hồi phương pháp đóng đường do Trực ban chạy tàu ga hai ga đầu khu gian trực tiếp dùng điện thoại để làm thủ tục sau khi đã cùng xác nhận khu gian thanh thoát.
2.3.4.1.2 Biện pháp đóng đường của trạm đóng đường chạy tàu, trạm bổ trợ trong khu gian do Doanh nghiệp quản lý tài sản đường sắt quốc gia hoặc Chủ sở hữu đường sắt chuyên dùng quy định trong Quy trình chạy tàu và công tác dồn đường sắt.
2.3.4.1.3 Chạy tàu với các phương pháp đóng đường nửa tự động, tự động, bằng máy thẻ đường, bằng điện tín và chạy tàu khi thông tin bị gián đoạn do Doanh nghiệp quản lý tài sản đường sắt quốc gia hoặc Chủ sở hữu đường sắt chuyên dùng quy định trong Quy trình chạy tàu và công tác dồn đường sắt.
2.3.4.2 Đóng đường tự động
2.3.4.2.1 Khi sử dụng phương pháp đóng đường tự động, bằng chứng cho phép tàu chiếm dụng phân khu đóng đường là ánh đèn màu vàng hoặc màu lục của tín hiệu ra ga hoặc tín hiệu thông qua. Đối với tàu chở khách (kể cả tàu khách, tàu hỗn hợp, tàu chở người) và tàu chạy liền sau tàu khách (trừ đầu máy đơn không kéo toa xe, tàu hàng dừng rồi tiếp tục chạy, ô tô ray, phương tiện động lực chuyên dùng đường sắt), ít nhất phải có hai phân khu đóng đường phía trước thanh thoát Trực ban chạy tàu ga mới được cho tàu chạy.
2.3.4.2.2 Trên khu đoạn đường đơn, Trực ban chạy tàu ga trước khi làm thủ tục gửi tàu phải được Nhân viên điều độ chạy tàu đồng ý, nếu điện thoại với điều độ không thông, phải được sự đồng ý của Trực ban chạy tàu ga đón tàu.
2.3.4.2.3 Khi tín hiệu đèn màu thông qua biểu thị màu đỏ, biểu thị không đúng, tàu phải dừng trước tín hiệu đó và kéo một tiếng còi dài. Sau 3 phút tín hiệu thông qua vẫn chưa có biểu thị cho phép, Lái tàu kéo một hồi còi dài rồi tiếp tục chạy với tốc độ không lớn hơn 15 km/h và phải chuẩn bị sẵn sàng dừng tàu trước chướng ngại. Khi đến tín hiệu thông qua tiếp theo đó, tàu chạy theo biểu thị của tín hiệu này. Nếu tín hiệu tiếp theo cũng biểu thị như trên thì tàu được tiếp tục chạy theo biện pháp nói trên. Sau khi dừng tàu, Lái tàu nhìn thấy hoặc biết chắc chắn phân khu phía trước có chướng ngại thì trước khi xác định phân khu này thanh thoát, không được cho tàu tiếp tục chạy.
Trong trường hợp trên, Lái tàu phải hết sức chú ý, nếu thời tiết xấu hoặc tầm nhìn hạn chế, phải kịp thời kéo còi và giảm tốc độ thích hợp để bảo đảm tàu chạy an toàn.
2.3.4.2.4 Khi tàu chạy dọc đường nếu phát hiện tín hiệu thông qua không có biểu thị hoặc biểu thị không đúng, Lái tàu phải báo cho Trực ban chạy tàu ga gần nhất phía trước biết số hiệu và trạng thái tín hiệu đó.
Khi trong khu gian có hai tín hiệu thông qua cùng chiều trở lên không có biểu thị hoặc biểu thị không đúng thì coi như thiết bị đóng đường hỏng phải đình chỉ sử dụng.
2.3.4.3 Đóng đường nửa tự động
2.3.4.3.1 Khi sử dụng phương pháp đóng đường nửa tự động, bằng chứng cho phép tàu chiếm dụng khu gian là biểu thị cho phép tàu chạy của tín hiệu ra ga hoặc tín hiệu thông qua.
2.3.4.3.2 Trong khu đoạn đường đơn, trước khi mở tín hiệu ra ga, Trực ban chạy tàu ga gửi tàu phải nhận được biểu thị đồng ý đón tàu do Trực ban chạy tàu ga đón tàu cho phép.
2.3.4.3.3 Khi đã làm thủ tục đóng đường gửi tàu, nếu đã mở tín hiệu ra ga nhưng cần bãi bỏ việc gửi tàu, Trực ban chạy tàu ga phải đóng tín hiệu ra ga, báo lý do cho Trực ban chạy tàu ga đón tàu biết và hủy bỏ thủ tục đóng đường, khôi phục thiết bị đóng đường trở về trạng thái bình thường, khu gian thanh thoát.
2.3.4.4 Đóng đường bằng máy thẻ đường
2.3.4.4.1 Khi sử dụng phương pháp đóng đường bằng máy thẻ đường, bằng chứng cho phép tàu chiếm dụng khu gian là thẻ đường thuộc khu gian đó.
Khi nhận thẻ đường, Lái tàu phải xác nhận thẻ đường đúng với khu gian tàu sắp chạy vào.
2.3.4.4.2 Việc trao đổi điện thoại và chuyển nhận điện tín có liên quan đến chạy tàu, việc lấy thẻ đường ra hoặc trả thẻ đường vào hòm thẻ đường và việc giao, nhận thẻ đường do Trực ban chạy tàu ga tự làm.
Nếu máy thẻ đường đặt ở chòi ghi, việc lấy thẻ đường ra hoặc trả thẻ đường vào hòm thẻ đường cũng như việc giao, nhận thẻ đường do tổ trưởng tổ ghi làm theo mệnh lệnh của Trực ban chạy tàu ga.
2.3.4.4.3 Thẻ đường nhận được của một tàu vừa đến không phải trả vào hòm thẻ đường, được phép giao cho một tàu ngược chiều gửi vào chính khu gian ấy, nhưng phải được ga đón tàu đồng ý trước bằng điện tín và ghi vào sổ nhật ký chạy tàu.
Không được phép làm như trên ở khu gian có sử dụng thẻ hình chìa khóa hoặc đã đồng ý cho ga bên dồn theo đuôi tàu.
2.3.4.4.4 Không được phép:
a) Xin lấy thẻ đường ra trước khi tàu sẵn sàng chạy, trừ khi tàu thông qua hoặc dừng theo quy định không quá 3 phút;
b) Để thẻ đường ngoài hòm thẻ đường;
c) Đem thẻ đường của khu gian này sang khu gian khác.
2.3.4.5 Đóng đường bằng điện tín
2.3.4.5.1 Khi sử dụng phương pháp đóng đường bằng điện tín, bằng chứng cho phép tàu chiếm dụng khu gian là Phiếu đường theo Mẫu số 02 (2A, 2B) tại Phụ lục E ban hành kèm theo Quy chuẩn này.
Khi nhận Phiếu đường, Lái tàu phải kiểm tra nội dung đúng với ngày, số hiệu tàu và tên khu gian tàu sắp chạy vào.
2.3.4.5.2 Điện tín có liên quan đến đóng đường phải do Trực ban chạy tàu ga ghi vào sổ biên bản điện tín, ký tên rồi mới được chuyển đi. Khi nhận điện tín phải đọc lại, cả hai bên xác nhận đúng mới ghi thời gian, số điện tín, tên người nhận, người chuyển vào sổ biên bản điện tín.
Mẫu sổ điện tín và thủ tục đăng ký chuyển điện tín do Doanh nghiệp quản lý tài sản đường sắt quốc gia hoặc Chủ sở hữu đường sắt chuyên dùng quy định trong Quy trình chạy tàu và công tác dồn đường sắt.
2.3.4.5.3 Những việc liên quan đến đóng đường như:
a) Xin đường;
b) Cho đường;
c) Báo tàu đến đi hoặc thông qua;
d) Hủy bỏ thủ tục đóng đường;
đ) Xin đường để dồn ra ngoài giới hạn ga;
e) Những việc khác mà Trực ban chạy tàu ga xét thấy cần thiết đều phải được thực hiện theo mẫu điện tín do Doanh nghiệp quản lý tài sản đường sắt quốc gia hoặc Chủ sở hữu đường sắt chuyên dùng quy định trong Quy trình chạy tàu và công tác dồn đường sắt.
2.3.4.6 Phương pháp chạy tàu khi thông tin bị gián đoạn
2.3.4.6.1 Khi thiết bị đóng đường cơ bản và mọi thứ điện thoại đều bị gián đoạn (gọi tắt là thông tin gián đoạn) việc chạy tàu ở khu gian đường đơn tiến hành theo phương pháp liên lạc bằng thông tri, ở khu gian đường đôi theo giãn cách thời gian. Bằng chứng cho phép tàu chiếm dụng khu gian là Giấy phép màu đỏ kèm theo Thông tri Mẫu A hoặc B (Mẫu số 03), thông tri Mẫu C hoặc D (Mẫu số 04) tại Phụ lục E ban hành kèm theo Quy chuẩn này.
2.3.4.6.2 Phương pháp liên lạc bằng thông tri do ga ưu tiên quyết định. Chiều ưu tiên là chiều tàu số lẻ chạy. Ga gửi tàu số lẻ là ga ưu tiên.
Biện pháp gửi thông tri và điều kiện xác định phương pháp liên lạc bằng thông tri do Doanh nghiệp quản lý tài sản đường sắt quốc gia hoặc Chủ sở hữu đường sắt chuyên dùng quy định trong Quy trình chạy tàu và công tác dồn đường sắt.
2.3.4.6.3 Khi ga ưu tiên gửi tàu đầu tiên sau khi thông tin bị gián đoạn, không cần phải có sự đồng ý của ga đón tàu.
Ở khu đoạn đường đơn đóng đường tự động, mặc dù tàu đầu tiên thuộc chiều ưu tiên, nhưng Trực ban chạy tàu ga chỉ được cho tàu chạy khi nào đã xác định khu gian giữa hai ga đã thanh thoát.
Ga không ưu tiên không được cho bất cứ tàu nào chạy vào khu gian thông tin bị gián đoạn, trừ trường hợp tàu đã được phép chạy trước khi thông tin bị gián đoạn hoặc tàu cứu viện gửi vào khu gian theo yêu cầu cứu viện.
2.3.4.6.4 Trước khi thông tin bị gián đoạn, ga ưu tiên đã cho phép ga bên cạnh gửi tàu mà tàu đó chưa đến và cũng chưa nhận được báo hủy bỏ việc gửi tàu thì trước khi xác minh rõ tình hình phải coi như khu gian đã bị chiếm dụng và không được cho phép ga ưu tiên gửi tàu.
2.3.4.6.5 Trong lúc thông tin gián đoạn, không được phép gửi các tàu sau đây:
a) Tàu có dừng để làm việc trong khu gian (trừ tàu cứu viện);
b) Tàu chạy đến đường nhánh trong khu gian;
c) Đầu máy đơn có kéo thêm toa xe hoặc đoàn tàu không bố trí trưởng tàu nếu sau nó có tàu chạy cùng chiều.
2.3.4.6.6 Nếu tàu gửi sau khi thông tin bị gián đoạn có đầu máy phụ đẩy thì đầu máy đẩy không được phép đến dọc đường quay trở về mà phải cùng với tàu đi suốt khu gian. Trước khi tàu này chạy, Trực ban chạy tàu ga gửi tàu phải báo cho Lái tàu và Trưởng tàu biết.
2.3.4.6.7 Ở khu đoạn đường đơn, trong lúc thông tin bị gián đoạn việc gửi tàu cùng chiều được giải quyết theo giãn cách thời gian. Giãn cách thời gian giữa hai tàu này ít nhất phải bằng thời gian tàu trước chạy qua khu gian theo bảng thời trình cộng thêm 3 phút. Đối với khu gian khó khăn, giãn cách thời gian giữa hai do Doanh nghiệp quản lý tài sản đường sắt quốc gia hoặc Chủ sở hữu đường sắt chuyên dùng về quy định trong Quy trình chạy tàu và công tác dồn đường sắt.
2.3.4.6.8 Ở khu đoạn đường đôi, trong lúc thông tin bị gián đoạn, việc gửi tàu theo đường đúng chiều quy định tiến hành với giãn cách thời gian bằng thời gian tàu trước chạy qua khu gian theo bảng thời trình cộng thêm 3 phút. Đối với khu gian khó khăn, giãn cách thời gian giữa hai tàu do Doanh nghiệp quản lý tài sản đường sắt quốc gia hoặc Chủ sở hữu đường sắt chuyên dùng về quy định trong Quy trình chạy tàu và công tác dồn đường sắt.
Không được phép bất kỳ ga nào gửi tàu theo đường trái chiều quy định trong lúc thông tin bị gián đoạn.
Nếu khu đoạn đường đôi chạy tàu hai chiều trước khi thông tin bị gián đoạn thì việc chạy tàu tiến hành theo phương pháp liên lạc bằng thông tri như quy định đối với khu gian đường đơn.
2.3.4.6.9 Việc khôi phục phương pháp đóng đường cơ bản hoặc điện thoại phải làm theo mệnh lệnh của Nhân viên điều độ chạy tàu. Trường hợp điện thoại điều độ không thông thì do ga ưu tiên xác định. Trình tự phục hồi phương pháp đóng đường cơ bản hoặc điện thoại do Doanh nghiệp quản lý tài sản đường sắt quốc gia hoặc Chủ sở hữu đường sắt chuyên dùng về quy định trong Quy trình chạy tàu và công tác dồn đường sắt.
2.3.4.6.10 Trong lúc thông tin bị gián đoạn, nếu cần thiết phải phong tỏa, giải tỏa khu gian, Trực ban chạy tàu ga nhận được yêu cầu phải gửi giấy báo việc phong tỏa hoặc giải tỏa cho Trực ban chạy tàu ga đầu kia của khu gian.
2.3.5 Đón gửi tàu và chạy tàu
2.3.5.1 Quy định chung
2.3.5.1.1 Trong một thời gian nhất định, mỗi điểm phân giới, mỗi đoàn tàu hay mỗi đầu máy chỉ do một người chỉ huy việc chạy tàu:
a) Tại ga: Trực ban chạy tàu ga;
b) Trạm đóng đường: Trực ban chạy tàu trạm;
c) Trên đoàn tàu: Trưởng tàu;
d) Đầu máy đơn, đoàn tàu không bố trí Trưởng tàu: Lái tàu;
đ) Ga lớn có thể bố trí phụ Trực ban chạy tàu ga đảm nhiệm một phần công việc chạy tàu dưới sự chỉ huy của Trực ban chạy tàu ga. Nếu ga có nhiều bãi, có thể có nhiều phụ Trực ban chạy tàu ga, mỗi người chỉ huy chạy tàu ở mỗi bãi phải chịu sự chỉ huy thống nhất của Trực ban chạy tàu ga. Việc phân định khu vực quản lý và trách nhiệm chỉ huy chạy tàu của ga nói trên phải được quy định tại Quy tắc quản lý kỹ thuật ga;
e) Tại điểm phân giới, Trưởng tàu hoặc Lái tàu của đầu máy đơn, của đoàn tàu không bố trí trưởng tàu phải phục tùng mệnh lệnh của Trực ban chạy tàu điểm phân giới, hoặc tuân theo biểu thị của tín hiệu điểm phân giới.
2.3.5.1.2 Trong công tác đón gửi tàu, mọi việc quan trọng như: Chuẩn bị đường, làm thủ tục đóng mở tín hiệu, đón gửi tàu, giao bằng chứng chạy tàu và làm tín hiệu gửi tàu do Trực ban chạy tàu ga trực tiếp làm.
Trường hợp vì điều kiện thiết bị hoặc khối lượng công việc lớn, một phần công việc trên có thể do phụ Trực ban chạy tàu ga làm dưới sự chỉ huy và kiểm tra của Trực ban chạy tàu ga.
Trách nhiệm của Trực ban chạy tàu ga và phụ Trực ban chạy tàu ga do Doanh nghiệp quản lý tài sản đường sắt quốc gia quyết định. Đối với đường sắt chuyên dùng do chủ sở hữu đường sắt chuyên dùng quy định.
2.3.5.1.3 Ở những ga có thiết bị kiểm tra việc đón, gửi tàu, Trực ban chạy tàu ga phải căn cứ vào biểu thị của thiết bị đó để xác nhận tình hình chuẩn bị đường đón, gửi, trạng thái tàu ra, vào ga. Nếu không có thiết bị kiểm tra phải tự mình hoặc thông qua báo cáo hay tín hiệu an toàn của Gác ghi sau khi đã kiểm tra đường đón, gửi hoặc tín hiệu an toàn của Trưởng tàu để xác nhận tình hình trên.
2.3.5.1.4 Trên nguyên tắc tàu nào không dừng ở ga sẽ cho thông qua đường chính tuyến (trừ trường hợp không thể đón tàu vào đường chính tuyến). Tàu khách, tàu hỗn hợp, tàu chở người và tàu hàng có toa xe chở hàng siêu trường, siêu trọng phải được đón hoặc gửi trên đường quy định. Tàu hàng phải đón, gửi trên cụm đường quy định trong ga. Khi thay đổi đường cố định đón, gửi tàu khách, tàu hỗn hợp, tàu chở người phải được Nhân viên điều độ chạy tàu cho phép. Trường hợp buộc phải thay đổi sang một đường khác ngoài đường quy định đón, gửi tàu, phải được phép của Doanh nghiệp quản lý tài sản đường sắt quốc gia (đối với đường sắt chuyên dùng do chủ sở hữu đường sắt chuyên dùng quy định) và có biện pháp riêng về chuẩn bị đường.
Trình tự chuẩn bị đường để đón gửi tàu phải được quy định tại Quy tắc quản lý kỹ thuật ga.
2.3.5.1.5 Trực ban chạy tàu ga phải bảo đảm luôn luôn có đường thanh thoát để đón, gửi tàu. Không được phép để toa xe và các phương tiện giao thông vận tải đường sắt khác chiếm dụng trên đường chính tuyến.
2.3.5.1.6 Khi đón, gửi tàu, nhân viên phụ trách công việc này phải chú ý quan sát trạng thái toa xe và tín hiệu đuôi tàu. Nếu thấy có hiện tượng không bảo đảm an toàn, đèn tín hiệu đuôi tàu thông qua ban đêm bị tắt thì phải tìm cách bổ cứu.
Nhân viên đón, tiễn tàu không được rời vị trí khi chưa xác nhận đoàn tàu đến hoặc đi an toàn. Trường hợp tránh tàu hoặc cần làm ngay thủ tục đóng đường với ga bên hay báo giờ gửi tàu vào khu gian đặc biệt đối với ga bên, Trực ban chạy tàu ga có thể rời vị trí sau khi tàu chuyển bánh hoặc đầu máy đến qua khỏi vị trí đón gửi.
2.3.5.1.7 Sau khi tàu đến, đi hoặc thông qua ga, Trực ban chạy tàu ga phải ghi vào sổ nhật ký chạy tàu và báo cho Trực ban chạy tàu ga đón, gửi tàu và Nhân viên điều độ chạy tàu số hiệu tàu, giờ thực tế tàu đến, đi, thông qua và các đặc điểm khác của tàu (nếu có).
2.3.5.1.8 Trên khu đoạn đường đôi, mỗi đường chính tuyến dành riêng cho tàu chạy theo một chiều nhất định. Trừ trường hợp ngoại lệ (có quy định riêng), tàu chạy một chiều theo đường phía bên trái.
Khi tạm thời cho tàu chạy trái chiều đường quy định hoặc chạy hai chiều trên một đường phải có mệnh lệnh của Nhân viên điều độ chạy tàu.
2.3.5.1.9 Những tàu sau đây được phép chạy đầu máy đẩy toa xe đi trước:
a) Khi tàu chạy vào đường nhánh và trở về ga;
b) Khi tàu vào làm việc trong khu gian (tàu công trình, tàu cứu viện, chuyển tải,...);
c) Khi cần thiết đẩy lùi tàu từ khu gian về ga.
2.3.5.2 Đón tàu
2.3.5.2.1 Sau khi đã cho đường ga bên cạnh hoặc ga bên cạnh báo tàu đã chạy, Trực ban chạy tàu ga phải kịp thời ra lệnh cho Gác ghi hoặc nhân viên trạm tập trung chuẩn bị đường mà tàu sẽ chạy vào ga.
Nhân viên nhận lệnh phải nhắc lại nội dung mệnh lệnh đó với Trực ban chạy tàu ga.
2.3.5.2.2 Trước khi đón tàu, Trực ban chạy tàu ga phải kiểm tra và xác nhận những công việc chuẩn bị sau đây:
a) Việc dồn dịch có ảnh hưởng hoặc trở ngại đến đường đón tàu và đường tàu vào đã được đình chỉ;
b) Đường đón tàu và đường tàu vào đã thanh thoát;
c) Các ghi liên quan đã đúng vị trí cần thiết và đã khóa.
Trực ban chạy tàu ga chỉ được mở hoặc ra lệnh mở tín hiệu vào ga sau khi đã kiểm tra, xác nhận việc chuẩn bị đường đón tàu nói trên đã được thực hiện đầy đủ.
Trình tự và biện pháp chuẩn bị đường đón tàu của Trực ban chạy tàu ga, Gác ghi và nhân viên trạm tập trung do Doanh nghiệp quản lý tài sản đường sắt quốc gia hoặc Chủ sở hữu đường sắt chuyên dùng quy định trong Quy trình chạy tàu và công tác dồn đường sắt.
2.3.5.2.3 Khi cột tín hiệu vào ga, vào bãi báo tín hiệu ngừng hoặc đèn tắt được phép dùng tín hiệu dẫn đường hoặc cử người dẫn đường để đón tàu vào ga trong các trường hợp đặc biệt dưới đây:
a) Cột tín hiệu vào ga hoặc vào bãi bị hỏng không thể mở được hoặc đèn tín hiệu bị tắt;
b) Ga chưa có cột tín hiệu vào ga hoặc có nhưng chưa sử dụng được, phải dùng tín hiệu di động thay thế;
c) Cột tín hiệu vào ga hoặc vào bãi không có quan hệ liên khóa với ghi của đường đón tàu nếu không mở được.
Biện pháp đón tàu vào ga trong các trường hợp đặc biệt nói trên do Doanh nghiệp quản lý tài sản đường sắt quốc gia hoặc Chủ sở hữu đường sắt chuyên dùng quy định trong Quy trình chạy tàu và công tác dồn đường sắt.
2.3.5.2.4 Trường hợp trong ga không còn đường nào thanh thoát và có lệnh của Nhân viên điều độ chạy tàu cho phép, được cử nhân viên dẫn đường (không được dùng tín hiệu dẫn đường) để đón tàu vào đường không thanh thoát theo biện pháp dồn dịch, sau khi tàu này đã dừng ngoài cột tín hiệu vào ga đóng.
Không được phép đón tàu liên vận quốc tế, tàu khách nhanh chạy suốt và tàu khách nhanh vào đường không thanh thoát.
Biện pháp đón tàu vào đường không thanh thoát ở những ga có độ dốc cao mà tàu không phải dừng ngoài cột tín hiệu vào ga do Doanh nghiệp quản lý tài sản đường sắt quốc gia hoặc Chủ sở hữu đường sắt chuyên dùng quy định trong Quy trình chạy tàu và công tác dồn đường sắt.
2.3.5.2.5 Không được phép đón hai tàu vào ga cùng một lúc, nếu:
a) Cuối đường đón tàu này không có thiết bị tách rời với đường đón tàu kia (đường an toàn, thiết bị trật bánh hay những ghi có tác dụng tách rời), trừ trường hợp được Doanh nghiệp quản lý tài sản đường sắt quốc gia hoặc chủ sở hữu đường sắt chuyên dùng có quy định cho phép;
b) Một trong hai tàu là tàu thông qua theo thời trình, trừ khi có mệnh lệnh của Nhân viên điều độ chạy tàu cho tàu thông qua phải dừng lại tại ga theo điều kiện quy định tại điểm a) của mục này.
2.3.5.2.6 Lái tàu chỉ được cho tàu vượt quá cột tín hiệu vào ga hoặc vào bãi ở trạng thái đóng sau khi đã nhận được tín hiệu dẫn đường hoặc Giấy cho phép vào ga hay tín hiệu đón tàu của nhân viên dẫn đường và chạy vào ga với tốc độ không quá 15 km/h nhưng phải đặc biệt cảnh giác chuẩn bị sẵn sàng dừng tàu trước chướng ngại.
Giấy cho phép vào ga theo Mẫu số 05 tại Phụ lục E ban hành kèm theo Quy chuẩn này.
Cách thức giao Giấy cho phép vào ga cho Lái tàu và ghi chép nội dung của Giấy cho phép vào do Doanh nghiệp quản lý tài sản đường sắt quốc gia hoặc Chủ sở hữu đường sắt chuyên dùng quy định trong Quy trình chạy tàu và công tác dồn đường sắt.
2.3.5.2.7 Ở những ga không được phép đón hai tàu cùng một lúc, nếu có hai tàu cùng đến ga, phải đón vào trước tàu chạy trước tàu kế tiếp hoặc tàu mà để dừng ngoài cột hiệu vào ga sẽ chạy lại khó khăn hoặc tàu không nên để dừng ngoài ga.
2.3.5.2.8 Tàu đến ga phải dừng ở giữa giới hạn hai mốc tránh va chạm của đường đón tàu, ở ga có cột tín hiệu ra ga thì phải dừng giữa giới hạn cột tín hiệu ra ga phía trước và mốc tránh va chạm phía sau.
Nếu đuôi tàu còn ở ngoài mốc tránh va chạm: Trưởng tàu và Gác ghi phải báo tín hiệu ngừng trên đường bên cạnh để phòng vệ được quy định trong Quy chuẩn kỹ thuật quốc gia về tín hiệu giao thông đường sắt; Đối với đoàn tàu hàng không bố trí Trưởng tàu thì Gác ghi phải kiểm tra và báo tín hiệu ngừng trên đường bên cạnh để phòng vệ được quy định trong Quy chuẩn kỹ thuật quốc gia về tín hiệu giao thông đường sắt.
2.3.5.2.9 Tín hiệu vào ga phải được đóng lại ngay khi toàn bộ tàu chạy qua khỏi tín hiệu hoặc tự động đóng lại ngay khi đôi bánh xe đầu tiên của tàu chạy qua tín hiệu ở khu gian đóng đường tự động.
Nếu tàu quá dài mà đầu tàu đã đến mốc tránh va chạm phía ra ga, nhưng đuôi tàu còn nằm ngoài cột tín hiệu vào ga thì cũng phải đóng tín hiệu vào ga.
2.3.5.3 Gửi tàu
2.3.5.3.1 Trước khi gửi tàu, Trực ban chạy tàu ga và gác ghi phải chuẩn bị đường gửi tàu theo trình tự công tác do Doanh nghiệp quản lý tài sản đường sắt quốc gia hoặc Chủ sở hữu đường sắt chuyên dùng quy định trong Quy trình chạy tàu và công tác dồn đường sắt.
2.3.5.3.2 Trước khi gửi tàu, Trực ban chạy tàu ga phải xác nhận mọi điều kiện về an toàn để gửi tàu vào khu gian và đã làm đầy đủ các thủ tục về đóng đường với ga đón tàu.
2.3.5.3.3 Trước khi gửi tàu, Trực ban chạy tàu ga phải kiểm tra và xác nhận những công việc chuẩn bị sau đây:
a) Việc dồn dịch có ảnh hưởng hoặc trở ngại đến đường gửi tàu và đường tàu ra ga đã được đình chỉ;
b) Đường gửi tàu và đường tàu ra đã thanh thoát;
c) Các ghi liên quan đã đúng vị trí cần thiết và đã khóa.
Trực ban chạy tàu ga chỉ được mở tín hiệu ra ga hoặc giao bằng chứng cho phép tàu chiếm dụng khu gian sau khi đã kiểm tra và xác nhận công việc chuẩn bị đường gửi tàu nói trên đã được thực hiện đầy đủ.
2.3.5.3.4 Không được phép đón một tàu và gửi một tàu cùng chiều một lúc, nếu:
a) Cuối đường đón tàu này không có thiết bị tách rời với đường gửi tàu (đường an toàn, thiết bị trật bánh hoặc ghi có tác dụng tách rời), trừ trường hợp được Doanh nghiệp quản lý tài sản đường sắt quốc gia hoặc Chủ sở hữu đường sắt chuyên dùng cho phép.
b) Tàu đón vào là tàu thông qua theo thời trình trừ khi có mệnh lệnh của Nhân viên điều độ chạy tàu cho tàu thông qua phải dừng tại ga thì theo điều kiện quy định tại điểm a của mục này.
2.3.5.3.5 Bằng chứng cho phép tàu chiếm dụng khu gian khi không phải là biểu thị cho phép của tín hiệu ra ga, phải do Trực ban chạy tàu ga giao tận tay cho Lái tàu. Đối với tàu thông qua, dùng cột giao nhận để giao bằng chứng chạy tàu cho Lái tàu khi tàu đang chạy.
2.3.5.3.6 Tín hiệu ra ga phải được đóng lại ngay khi tàu chạy vào phạm vi khu gian hoặc sau khi đôi bánh xe đầu tiên của tàu chạy qua tín hiệu ra ga đó nếu đường tàu ra có mạch điện ray hoặc thiết bị truyền tin tương tự như mạch điện ray.
2.3.5.3.7 Trước khi gửi tàu, tại các ga: Ga khu đoạn, ga lập tàu và các ga khác được chỉ định lập tàu, Trực ban chạy tàu ga phải kiểm tra và xác nhận:
a) Tàu đã lập đúng kế hoạch lập tàu;
b) Việc sắp xếp toa xe trong tàu và các điều kiện khác về lập tàu đã đúng quy định nêu trong Quy chuẩn này;
c) Tàu đã có đủ tín hiệu cần thiết.
Ngoài ra, Trực ban chạy tàu ga phải giao cho Trưởng tàu tờ Nhật ký tàu theo mẫu do Doanh nghiệp quản lý tài sản đường sắt quốc gia hoặc Chủ sở hữu đường sắt chuyên dùng quy định.
Ở ga dọc đường mà tàu nối thêm toa xe, Trực ban chạy tàu ga này phải giao cho Trưởng tàu bảng kê số toa xe nối thêm.
Nội dung và mẫu bảng kê số toa xe nối thêm do Doanh nghiệp quản lý tài sản đường sắt quốc gia hoặc Chủ sở hữu đường sắt chuyên dùng quy định trong Quy trình về chạy tàu và công tác dồn đường sắt.
2.3.5.3.8 Khi sử dụng phương pháp đóng đường chạy tàu tự động, bán tự động mà đã xin được đường ga bên để gửi tàu nhưng tín hiệu ra ga, ra bãi ở trạng thái đóng
hoặc che khuất thì bằng chứng cho tàu chạy vào khu gian là Giấy phép vạch chéo lục theo Mẫu số 06 tại Phụ lục E ban hành kèm theo Quy chuẩn này.
Việc ghi nội dung, giao Giấy phép vạch chéo lục và thủ tục gửi tàu do Doanh nghiệp quản lý tài sản đường sắt quốc gia hoặc chủ sở hữu đường sắt chuyên dùng quy định trong Quy trình chạy tàu và công tác dồn đường sắt.
2.3.5.4 Trang bị và nhân viên công tác trên đoàn tàu
2.3.5.4.1 Khi trong tàu hàng có toa xe chở chất nổ, chất độc phải có dụng cụ, vật liệu chữa cháy và phòng độc theo quy định của Doanh nghiệp quản lý tài sản đường sắt quốc gia hoặc Chủ sở hữu đường sắt chuyên dùng.
2.3.5.4.2 Mỗi đoàn tàu phải có đủ định biên để làm công tác chạy tàu như Lái tàu, chỉ huy đoàn tàu, phục vụ hành khách, hàng hóa. Tùy theo loại tàu, Doanh nghiệp quản lý tài sản đường sắt quốc gia, Chủ sở hữu đường sắt chuyên dùng, Doanh nghiệp kinh doanh vận tải đường sắt quyết định số định biên, nhiệm vụ, chức năng từng chức danh.
2.3.5.4.3 Ngoài việc tuân thủ Quy định của Bộ trưởng Bộ Xây dựng về tiêu chuẩn, nhiệm vụ, quyền hạn đối với các chức danh nhân viên đường sắt trực tiếp phục vụ chạy tàu thì Lái tàu và Phụ lái tàu phải thực hiện các công việc quy định trong quy trình tác nghiệp của Lái tàu và Phụ lái tàu do Doanh nghiệp quản lý tài sản đường sắt quốc gia hoặc Chủ sở hữu đường sắt chuyên dùng quy định.
2.3.5.4.4 Nhân viên khám chữa toa xe và nhân viên phục vụ trên tàu.
2.3.5.4.4.1 Các đoàn tàu khách nhất thiết phải có nhân viên khám chữa toa xe và nhân viên phục vụ trên tàu.
2.3.5.4.4.2 Doanh nghiệp kinh doanh vận tải đường sắt căn cứ vào loại tàu khách để bố trí định viên chức danh nhân viên khám chữa toa xe và nhân viên phục vụ trên tàu, xây dựng quy trình tác nghiệp cho các chức danh trên thực hiện.
2.3.5.4.4.3 Tùy theo tính chất của từng loại tàu hàng, Doanh nghiệp kinh doanh vận tải đường sắt hoặc Chủ sở hữu đường sắt chuyên dùng bố trí định biên, nhân viên khám chữa toa xe và xây dựng Quy trình tác nghiệp cho các chức danh trên thực hiện.
2.3.5.5 Tốc độ
2.3.5.5.1 Tốc độ chạy tàu trên các khu gian, khu đoạn, đoạn không được vượt quá tốc độ quy định trong công lệnh tốc độ.
2.3.5.5.2 Khi tàu chạy qua cột tín hiệu đèn màu báo ánh sáng màu vàng hoặc cột tín hiệu báo trước có cánh ở trạng thái bình thường, tàu phải chạy với tốc độ thích hợp để dừng được trước cột tín hiệu tiếp theo báo ngừng.
2.3.5.5.3 Tốc độ chạy tàu qua ghi theo hướng rẽ: Phải theo đúng tốc độ do Doanh nghiệp quản lý tài sản đường sắt quốc gia quy định căn cứ theo cấu tạo và trạng thái của ghi. Đối với đường sắt chuyên dùng do chủ sở hữu đường sắt chuyên dùng quy định.
2.3.5.5.4 Khi tàu chạy do đầu máy đẩy đoàn xe, tốc độ không vượt quá 20 km/h.
2.3.5.5.5 Khi tàu chạy vào đường cụt trong ga, tàu chạy với tốc độ không vượt quá 10 km/h.
2.3.5.5.6 Khi qua địa điểm phòng vệ bằng tín hiệu giảm tốc độ tàu phải chạy đúng với tốc độ đã quy định giảm ở đó.
2.3.5.5.7 Nếu ở địa điểm đã có công lệnh giảm tốc độ nhưng lại có giấy cảnh báo ghi tốc độ khác với tốc độ quy định trong công lệnh, tàu phải chạy theo tốc độ thấp nhất.
2.3.5.5.8 Khi ở những địa điểm có đặt tín hiệu phòng vệ giảm tốc độ mà không quy định tốc độ cụ thể nhưng không có cảnh báo hoặc công lệnh quy định tốc độ, tàu phải chạy với tốc độ không quá 15 km/h.
2.3.5.5.9 Khi đầu máy hơi nước chạy ngược chiều mà xe than nước có giá chuyển hướng, tốc độ không được vượt quá 55 km/h. Nếu xe than nước không có giá chuyển hướng hoặc đầu máy không có bánh xe dẫn đường thì phải theo đúng tốc độ do Doanh nghiệp quản lý tài sản đường sắt quốc gia quy định. Đối với đường sắt chuyên dùng do chủ sở hữu đường sắt chuyên dùng quy định.
2.3.5.6 Biện pháp giải quyết khi bị dừng tàu trong khu gian
2.3.5.6.1 Khi buộc phải dừng tàu trong khu gian, Lái tàu có trách nhiệm:
a) Cho tàu dừng ở đoạn đường bằng và thẳng khi yêu cầu dừng tàu không khẩn cấp;
b) Sử dụng hãm gió ép để dừng đoàn tàu và khi cần thiết báo tín hiệu cho nhân viên phục vụ trên tàu siết hãm tay;
c) Xem xét đoàn tàu có thể tiếp tục chạy được không, nếu không phải lập tức kéo còi báo cho Trưởng tàu biết;
d) Cử người trong ban lái tàu đi phòng vệ khi có lệnh điều động của Trưởng tàu.
2.3.5.6.2 Khi tàu bị dừng trong khu gian, Trưởng tàu phải tự mình hoặc chỉ huy nhân viên trên tàu tiến hành ngay những công việc sau đây:
a) Ban đêm lập tức kiểm tra ánh sáng đèn tín hiệu đuôi tàu;
b) Siết chặt hãm tay của những toa xe cuối đoàn tàu. Nếu chỗ tàu dừng là dốc lên (hoặc khi gặp bão) phải dùng chèn đặt vào bánh xe của toa xe sau cùng khi Lái tàu báo hiệu tàu không thể tiếp tục chạy được. Trường hợp hãm gió ép mất tác dụng, phải siết chặt hãm tay ít nhất bằng số trục quy định trong Bảng 5 của Quy chuẩn này;
c) Cử người phòng vệ đoàn tàu ngay sau 10 phút tàu đã dừng ở trong khu gian không đóng đường tự động hoặc điện tín, sau 3 phút tàu đã dừng ở trong khu gian đóng đường tự động (kể cả khi dừng phía trước cột tín hiệu vào ga, tín hiệu phòng vệ đóng);
d) Khi có tàu cùng chiều chạy tiếp phía sau phải lập tức đặt tín hiệu phòng vệ. Nếu thiếu người, Trưởng tàu phải tự mình đảm nhiệm công việc phòng vệ cho đến khi có người thay thế mới được trở về đoàn tàu;
đ) Huy động mọi dụng cụ và vật liệu có thể sử dụng được để khôi phục lại việc chạy tàu thật nhanh chóng;
e) Nếu việc chạy tàu không thể khôi phục lại được trong vòng 30 phút thì phải tìm biện pháp báo ngay với Nhân viên điều độ chạy tàu hoặc Trực ban chạy tàu ga một trong hai ga đầu khu gian biết và yêu cầu cứu viện;
g) Khi đầu máy đơn (kể cả khi có nối thêm toa xe) hoặc đoàn tàu hàng không bố trí Trưởng tàu bị dừng trong khu gian, lái tàu phải đảm nhiệm những công việc nói trên của Trưởng tàu. Trường hợp không đủ người làm những việc nói trên, Lái tàu của đầu máy đơn hoặc Lái tàu của đoàn tàu hàng không bố trí Trưởng tàu khẩn trương báo tin cho Nhân viên điều độ chạy tàu. Nhân viên điều độ chạy tàu khi nhận được tin báo phải có biện pháp phong tỏa khu gian (nếu cần thiết) hoặc thông báo lại cho Lái tàu đối với đoàn tàu không bố trí trưởng tàu biết có tàu chạy kế tiếp (nếu có) để Lái tàu có biện pháp phòng vệ theo quy định.
2.3.5.6.3 Sau khi tàu bị dừng trong khu gian phải tổ chức phòng vệ. Biện pháp phòng vệ đoàn tàu bị dừng trong khu gian nói chung và phòng vệ đoàn tàu tổ chức kéo từng phần về ga nói riêng trong mọi trường hợp tuân thủ theo quy định tại Quy chuẩn kỹ thuật quốc gia về tín hiệu giao thông đường sắt do Bộ Xây dựng quy định và Quy trình về chạy tàu và công tác dồn đường sắt do Doanh nghiệp quản lý tài sản đường sắt quốc gia hoặc Chủ sở hữu đường sắt chuyên dùng ban hành.
2.3.5.6.4 Tàu bị dừng trong khu gian, sau khi đã xin cứu viện mà chưa được phép bằng mệnh lệnh thì không được tiếp tục chạy tiến hoặc lùi.
2.3.5.6.5 Tàu bị dừng trong khu gian có thể lùi lấy đà để chạy lại hoặc lùi về ga gửi tàu với tốc độ chạy lùi không quá 15 km/h. Đoàn tàu hàng sử dụng Thiết bị tín hiệu đuôi tàu thay thế toa trưởng tàu khi bị chết dốc, trong điều kiện lái tàu có thể quan sát được phía đuôi tàu, đảm bảo an toàn khi thực hiện việc lùi tàu, tiến hành cử phụ lái tàu làm tín hiệu phía đuôi tàu. Trình tự, biện pháp lùi tàu lấy đà để chạy lại hoặc lùi về ga gửi tàu do Doanh nghiệp quản lý tài sản đường sắt quốc gia hoặc chủ sở hữu đường sắt chuyên dùng quy định trong Quy trình về chạy tàu và công tác dồn đường sắt.
Giấy xin phép và Giấy cho phép lùi tàu về ga theo Mẫu số 07 và Mẫu số 08 tại Phụ lục E ban hành kèm theo Quy chuẩn này.
2.3.5.6.5.1 Nếu chưa được phép của Trực ban chạy tàu ga gửi tàu, tàu không được chạy lùi về phía trong cột tín hiệu báo trước hoặc biển báo trước của ga đó.
2.3.5.6.5.2. Không cho phép tàu chạy lùi trong các trường hợp sau đây:
a) Khi sương mù, mưa to, gió lớn hoặc điều kiện xấu khác khó xác nhận tín hiệu;
b) Tàu bị dừng là tàu chạy sau khi thông tin gián đoạn mà phía sau nó có tàu chạy cùng chiều;
c) Tàu chạy trong khu gian đóng đường tự động;
d) Tàu đã xin cứu viện;
đ) Tàu có đầu máy đẩy vào khu gian rồi trở về.
2.3.5.6.6 Khi tàu bị dừng trong khu gian vì không kéo nguyên cả đoàn tàu, đầu máy chính hoặc đầu máy cứu viện được phép kéo từng phần về ga. Biện pháp tổ chức kéo từng phần về ga do Doanh nghiệp quản lý tài sản đường sắt quốc gia hoặc chủ sở hữu đường sắt chuyên dùng quy định chi tiết trong Quy trình về chạy tàu và công tác dồn đường sắt.
Bằng chứng cho phép Lái tàu chạy đơn hoặc kéo phần đầu đoàn tàu về ga để xin cứu viện sau khi đã thu chứng vật chạy tàu là Giấy phép màu trắng kèm đơn xin cứu viện theo Mẫu số 09 tại Phụ lục E ban hành kèm theo Quy chuẩn này.
2.3.5.7 Biện pháp chạy tàu cứu viện
2.3.5.7.1 Tàu cứu viện chạy trong khu gian phong tỏa theo mệnh lệnh của Nhân viên điều độ chạy tàu (hoặc của Trực ban chạy tàu ga trong trường hợp điện thoại giữa ga với điều độ không thông), mệnh lệnh này phải ghi vào Giấy phép vạch chéo đỏ theo Mẫu số 10 tại Phụ lục E ban hành kèm theo Quy chuẩn này để làm bằng chứng cho phép tàu chiếm dụng khu gian.
2.3.5.7.2 Trực ban chạy tàu ga sau khi nhận được yêu cầu cứu viện bằng giấy hoặc điện thoại của Trưởng tàu, Lái tàu của đầu máy đơn hoặc Lái tàu của đoàn tàu hàng không bố trí Trưởng tàu hoặc của nhân viên cầu đường, thông tin tín hiệu phải báo ngay với Nhân viên điều độ chạy tàu.
Nhân viên điều độ chạy tàu phải phát mệnh lệnh phong tỏa khu gian và mệnh lệnh gửi tàu cứu viện, trong đó phải quy định rõ biện pháp chạy tàu của tàu cứu viện. Trường hợp điện thoại giữa hai ga với điều độ không thông, Trực ban chạy tàu ga nhận được yêu cầu cứu viện phải báo ngay cho Trực ban chạy tàu ga đầu kia khu gian và làm thủ tục phong tỏa khu gian. Sau đó căn cứ vào tình hình cụ thể, cùng nhau tổ chức và quy định biện pháp chạy tàu cứu viện. Khi điện thoại điều độ thông hoặc khi tai nạn đã giải quyết xong, Trực ban chạy tàu hai ga phải báo chi tiết công việc đã làm cho Nhân viên điều độ chạy tàu. Sau khi nhận được thông báo của ga xác nhận khu gian thanh thoát, Nhân viên điều độ chạy tàu phát mệnh lệnh giải tỏa khu gian.
Mệnh lệnh phong tỏa và giải tỏa khu do Doanh nghiệp quản lý tài sản đường sắt quốc gia hoặc Chủ sở hữu đường sắt chuyên dùng về quy định trong Quy trình chạy tàu và công tác dồn đường sắt.
2.3.5.7.3 Mỗi lần tàu cứu viện chạy vào khu gian hay trở về ga phải báo cho Nhân viên điều độ chạy tàu và Trực ban chạy tàu ga đầu kia của khu gian.
Nếu nơi xảy ra tai nạn có đặt trạm chạy tàu tạm thời thì trước khi cho tàu cứu viện chạy, Trực ban chạy tàu ga phải trao đổi và được sự đồng ý của Trực ban chạy tàu trạm.
2.3.5.7.4 Trưởng ga, Phó ga hoặc Trực ban chạy tàu ga xuống ban phải đi áp dẫn tàu cứu viện đầu tiên chạy vào nơi xảy ra tai nạn (không kể đầu máy vào khu gian kéo phần còn lại) nhân viên này điều khiển tại chỗ mọi công việc có liên quan đến chạy tàu cứu viện cho đến khi có người được chỉ định đến thay.
2.3.5.8 Biện pháp phong tỏa khu gian và chạy tàu khi thi công sửa chữa công trình thiết bị
2.3.5.8.1 Trên nguyên tắc, khi thi công sửa chữa cầu, đường, hầm, thiết bị tín hiệu, thông tin và các công trình, thiết bị khác phải bảo đảm an toàn chạy tàu, không được làm gián đoạn việc chạy tàu và giảm tốc độ tàu.
Chỉ trong trường hợp thi công với khối lượng công tác lớn, điều kiện công tác phức tạp mới cho phép gián đoạn việc chạy tàu và giảm tốc độ tàu trong một thời gian ngắn. Trường hợp này do Doanh nghiệp quản lý tài sản đường sắt quốc gia hoặc Chủ sở hữu đường sắt chuyên dùng quy định trong Quy trình chạy tàu và công tác dồn đường sắt.
2.3.5.8.2 Trường hợp thi công sửa chữa cầu, hầm và làm những công tác lớn như: Cải tuyến, sửa chữa lớn, thay ray... làm gián đoạn chạy tàu, phải bố trí thời gian phong tỏa vào khoảng trống không có tàu trong Biểu đồ chạy tàu.
2.3.5.8.3 Trường hợp thi công phải phong tỏa khu gian do Doanh nghiệp quản lý tài sản đường sắt quốc gia hoặc chủ sở hữu đường sắt chuyên dùng quy định trong Quy trình chạy tàu và công tác dồn đường sắt.
2.3.5.8.4 Trước khi bắt đầu thi công, căn cứ vào Giấy phong tỏa khu gian, Nhân viên điều độ chạy tàu liên quan phát mệnh lệnh phong tỏa và biện pháp chạy tàu cần thiết cho Trực ban chạy tàu hai ga đầu khu gian và người lãnh đạo thi công.
Nếu một ga đầu khu gian thuộc sự chỉ huy của Nhân viên điều độ chạy tàu liên quan khác thì trước khi phát lệnh phong tỏa, Nhân viên điều độ chạy tàu liên quan phụ trách ga đầu khu gian này phải trao đổi và được sự đồng ý của Nhân viên điều độ chạy tàu liên quan phụ trách ga đầu bên kia. Nếu phải làm khác nội dung ghi trong Giấy phong tỏa, Nhân viên điều độ chạy tàu liên quan phải báo cáo ngay lý do cho người ký Giấy phong tỏa khu gian.
Giấy phong tỏa khu gian do Doanh nghiệp quản lý tài sản đường sắt quốc gia hoặc Chủ sở hữu đường sắt chuyên dùng quy định trong Quy trình chạy tàu và công tác dồn đường sắt.
2.3.5.8.5 Mệnh lệnh phong tỏa khu gian do Nhân viên điều độ chạy tàu liên quan truyền đạt trực tiếp cho Người lãnh đạo thi công. Nếu không có liên lạc điện thoại trực tiếp, Nhân viên điều độ chạy tàu liên quan chỉ định ga đầu khu gian truyền đạt lại. Trường hợp không có điện thoại ở địa điểm thi công, Người lãnh đạo thi công phải cử người liên lạc với ga gần nhất để nhận mệnh lệnh phong tỏa.
Trong thời gian phong tỏa khu gian, Trực ban chạy tàu ga hai đầu khu gian phải treo biển “KHU GIAN PHONG TỎA” trên máy đóng đường hoặc điện thoại chạy tàu và đặt tín hiệu phòng vệ đường vào khu gian.
2.3.5.8.6 Không được phép khởi công sửa chữa công trình, thiết bị trên đường sắt gây nguy hiểm cho việc chạy tàu khi Người lãnh đạo thi công chưa nhận được mệnh lệnh bắt đầu phong tỏa khu gian của Nhân viên điều độ chạy tàu liên quan và chưa đặt tín hiệu phòng vệ địa điểm thi công đúng theo quy định tại Quy chuẩn kỹ thuật quốc gia về tín hiệu giao thông đường sắt.
Không được phép rút bỏ tín hiệu phòng vệ khi chưa kết thúc toàn bộ công tác thi công, chưa kiểm tra xong trạng thái đường và giới hạn tiếp giáp kiến trúc đủ điều kiện bảo đảm an toàn chạy tàu.
2.3.5.8.7 Trên nguyên tắc, trong khu gian phong tỏa để thi công chỉ cho phép một tàu công trình vào làm việc (kể cả phương tiện động lực chuyên dùng đường sắt và máy làm đường).
Trường hợp cần thiết cho nhiều tàu công trình cùng chạy vào khu gian phong tỏa thì gửi tàu theo biện pháp do Doanh nghiệp quản lý tài sản đường sắt quốc gia hoặc chủ sở hữu đường sắt chuyên dùng quy định trong Quy trình chạy tàu và công tác dồn đường sắt. Trong mọi trường hợp tàu công trình gửi vào khu gian phong tỏa phải có Giấy phép vạch chéo đỏ do Trực ban chạy tàu ga cấp cho Lái tàu làm bằng chứng cho phép tàu chiếm dụng khu gian căn cứ theo mệnh lệnh của Nhân viên điều độ chạy tàu liên quan.
Khi thi công không ảnh hưởng đến trạng thái của đường, cầu, hầm, thì Người chỉ huy thi công có thể trực tiếp báo cho Trực ban chạy tàu ga hoặc Nhân viên điều độ chạy tàu việc hoàn thành công tác.
Chỉ khi nào nhận được các báo cáo trên và kiểm tra thủ tục xác nhận khu gian thanh thoát, Nhân viên điều độ chạy tàu mới được phát mệnh lệnh giải tỏa khu gian.
2.3.5.8.8 Trong trường hợp phong tỏa khu gian để thi công, sau khi kết thúc thi công, đơn vị thi công phải báo cho Trực ban chạy tàu ga đầu khu gian hoặc Nhân viên điều độ chạy tàu bằng văn bản hoặc điện tín xác nhận kết thúc thi công và trạng thái đường, giới hạn tiếp giáp kiến trúc đã được khôi phục cho tàu chạy an toàn. Chỉ khi nào nhận được các báo cáo trên và kiểm tra thủ tục xác nhận khu gian thanh thoát, Nhân viên điều độ chạy tàu mới được phát mệnh lệnh giải tỏa khu gian.
2.3.5.8.9 Trường hợp sử dụng thời gian giãn cách giữa hai tàu trong Biểu đồ chạy tàu để thi công sửa chữa đường, cầu, hầm trong khu gian, người lãnh đạo thi công phải thông qua Trực ban chạy tàu ga, báo kế hoạch công tác và được Nhân viên điều độ chạy tàu cho phép thi công mà không cần phong tỏa khu gian.
2.3.5.8.10 Khi thi công trong khoảng thời gian giãn cách giữa hai tàu mặc dù đã được Nhân viên điều độ chạy tàu đồng ý, trước khi khởi công, người lãnh đạo thi công phải liên hệ trực tiếp hoặc qua Trực ban chạy tàu ga đầu khu gian với Nhân viên điều độ chạy tàu để thống nhất thời gian thực tế bắt đầu, kết thúc thi công và phải đặt tín hiệu phòng vệ địa điểm thi công được quy định trong Quy chuẩn kỹ thuật quốc gia về tín hiệu giao thông đường sắt.
Sau khi thống nhất thời gian trên, Nhân viên điều độ chạy tàu phát mệnh lệnh cho Trực ban chạy tàu ga hai ga đầu khu gian để quy định thời gian thi công.
Trực ban chạy tàu hai ga đầu khu gian không được gửi tàu vào khu gian trước khi hết thời gian thi công quy định trong mệnh lệnh điều độ, trừ tàu cứu viện. Cảnh báo cấp cho Lái tàu và Trưởng tàu cứu viện theo quy định của Doanh nghiệp quản lý tài sản đường sắt quốc gia, Chủ sở hữu đường sắt chuyên dùng trong Quy trình chạy tàu và công tác dồn đường sắt.
Việc sử dụng thiết bị cơ giới sửa chữa đường sắt mà không phải phong tỏa khu gian do Doanh nghiệp quản lý tài sản đường sắt quốc gia hoặc Chủ sở hữu đường sắt chuyên dùng quy định trong Quy trình chạy tàu và công tác dồn đường sắt. Chỉ được phép tiến hành thi công khi có Giấy cho phép thi công do Trực ban chạy tàu ga cấp theo Mẫu số 11 tại Phụ lục E ban hành kèm theo Quy chuẩn này.
2.3.5.8.11 Đến giờ kết thúc thi công trong khoảng thời gian giãn cách giữa hai tàu, trạng thái đường phải được khôi phục cho tàu chạy bình thường và rút bỏ tín hiệu phòng vệ.
Trường hợp đặc biệt phải giảm tốc độ chạy tàu, Người lãnh đạo thi công phải yêu cầu phát giấy cảnh báo cho tàu và đặt tín hiệu giảm tốc độ được quy định trong Quy chuẩn kỹ thuật quốc gia về tín hiệu giao thông đường sắt.
2.3.5.8.12 Khi cần thi công sửa chữa đường, thiết bị tín hiệu và công trình thiết bị khác trên đường ga có ảnh hưởng đến việc chạy tàu và dồn dịch, người lãnh đạo thi công phải đăng ký nội dung thi công và thời gian tiến hành vào sổ kiểm tra thiết bị chạy tàu và phải được Trực ban chạy tàu ga đồng ý. Sau khi đã phòng vệ địa điểm thi công theo quy định trong Quy chuẩn kỹ thuật quốc gia về tín hiệu giao thông đường sắt, người lãnh đạo thi công mới được cho khởi công.
Nếu phải phong tỏa đường chính tuyến và đường đón gửi tàu, Trực ban chạy tàu ga phải báo và được sự đồng ý của Nhân viên điều độ chạy tàu mới cho thi công.
2.3.5.8.13 Sau khi thi công xong ở ga, Người lãnh đạo thi công phải ghi vào sổ kiểm tra thiết bị chạy tàu chất lượng thiết bị bảo đảm chạy tàu an toàn. Trực ban chạy tàu ga ký tên xác nhận vào sổ xong mới được ra lệnh sử dụng lại thiết bị.
2.3.5.9 Biện pháp chạy goòng
2.3.5.9.1 Trên nguyên tắc, những loại xe có thể nhấc ra khỏi đường ray (được gọi là goòng) chỉ được di chuyển trên đường sắt vào ban ngày theo biện pháp chạy goòng do Doanh nghiệp quản lý tài sản đường sắt quốc gia, Chủ sở hữu đường sắt chuyên dùng quy định cụ thể tại Quy trình về chạy tàu và công tác dồn đường sắt.
Goòng chạy vào khu gian không cần có bằng chứng cho phép chiếm dụng khu gian như tàu (trừ loại có động cơ) và trong bất cứ trường hợp nào cũng không được làm trở ngại việc chạy tàu bình thường.
2.3.5.9.2 Khi sử dụng goòng, Người phụ trách goòng phải làm thủ tục và được Trực ban chạy tàu ga thừa nhận về thời gian sử dụng, nếu ở khu gian thì dùng điện thoại liên lạc với Trực ban chạy tàu ga xin thừa nhận. Dù được thừa nhận cũng phải bảo đảm nhấc goòng ra khỏi đường sắt khi cần thiết.
Việc yêu cầu sử dụng goòng và thừa nhận sử dụng goòng theo Phiếu chạy goòng Mẫu số 12 tại Phụ lục E ban hành kèm theo Quy chuẩn này.
Riêng đối với loại goòng dùng trong công tác kiểm tra, sửa chữa đường và thiết bị như: Goòng dò vết nứt, goòng công vụ làm đường, goòng chạy trên một ray... thì chỉ cần người phụ trách hỏi rõ Trực ban chạy tàu ga về tình hình chạy tàu là có thể cho goòng chạy vào khu gian, trừ khi chạy vào khu gian có hầm, cầu lớn và mặt cắt dọc, mặt bằng của đường bất lợi thì vẫn phải làm thủ tục thừa nhận.
2.3.5.9.3 Khi sử dụng goòng trong khu gian có chở vật liệu từ 100 kg đến dưới 500 kg hoặc khi goòng chạy trong khu gian có hầm, cầu lớn hoặc mặt cắt dọc, mặt bằng của đường hạn chế tầm nhìn, phải cử người cầm tín hiệu tay màu đỏ đi phía trước và phía sau cách goòng 800 m cùng chuyển dịch gieo goòng để phòng vệ. Nếu goòng chở từ 500 kg trở lên chạy trong điều kiện tầm nhìn hạn chế (đường đào, đường cong bán kính nhỏ, hầm, cầu lớn hoặc có sương mù, mưa to gió lớn), phải tăng thêm người phòng vệ trung gian đi cách xa hơn người phòng vệ chính ít nhất 200 m.
2.3.5.9.4 Khi sử dụng goòng phải có những điều kiện sau đây:
a) Có người phụ trách;
b) Có đủ số người đi theo để khi tàu gần đến hoặc khi nhận được tín hiệu nguy cấp nhấc goòng nhanh chóng ra khỏi đường ngoài phạm vi khổ giới hạn tiếp giáp kiến trúc đường sắt;
c) Có đủ tín hiệu quy định cho goòng và những tín hiệu cần thiết khác để phòng vệ;
d) Goòng có động cơ nhất thiết phải có thiết bị hãm tốt.
2.3.5.9.5 Khi sử dụng goòng trên các đường ga, Người phụ trách goòng phải ghi yêu cầu vào Sổ đăng ký chạy goòng và được Trực ban chạy tàu ga ký tên chấp nhận. Nếu địa điểm làm việc cách xa phòng Trực ban chạy tàu ga thì liên lạc bằng điện thoại để xin phép.
Ngoài quy định trên, khi sử dụng goòng di chuyển trên đường và ghi ở ga lập tàu hoặc ga đang có đầu máy dồn hoạt động, còn phải cử người cầm tín hiệu tay màu đỏ đi ở hai đầu cách goòng ít nhất 50 m cùng chuyển dịch theo goòng để phòng vệ.
Các trường hợp goòng không được phép chạy do Doanh nghiệp quản lý tài sản đường sắt quốc gia, Chủ sở hữu đường sắt chuyên dùng quy định cụ thể tại Quy trình về chạy tàu và công tác dồn đường sắt.
2.3.5.10 Cấp cảnh báo
Trừ những địa điểm cần giảm tốc độ chạy tàu đã được quy định bằng công lệnh, những trường hợp dưới đây phải cấp cảnh báo cho các nhân viên trên tàu:
a) Khi sửa chữa theo kế hoạch đường, cầu, hầm hoặc dừng rồi chạy lại (dẫn đường) qua địa điểm thi công;
b) Khi goòng chở vật liệu nặng hoặc khi goòng hoạt động trong khu gian có tầm nhìn hạn chế (đường cong, đường đào, sương mù, mưa to gió lớn, có cầu, hầm lớn dài);
c) Khi đường, cầu, hầm và thiết bị kiến trúc khác trong khu gian bị hư hỏng hoặc có chướng ngại ảnh hưởng đến tàu chạy bình thường;
d) Khi gửi tàu trong lúc có lụt, bão vào khu gian có đoạn đường mà Doanh nghiệp quản lý tài sản đường sắt quốc gia quy định là điểm xung yếu, nguy hiểm cho tàu chạy bình thường;
Đối với đường sắt chuyên dùng do chủ sở hữu đường sắt chuyên dùng quy định;
đ) Khi không kịp phục hồi trạng thái cầu, đường, hầm cho tàu chạy bình thường trước giờ quy định kết thúc thi công không phong tỏa khu gian;
e) Khi gửi tàu vào khu gian trước giờ quy định kết thúc thi công không phong tỏa khu gian;
g) Khi thi công sửa chữa đường hoặc thiết bị chạy tàu trong ga có ảnh hưởng đến việc đón tàu bình thường mà xét thấy cần thiết phải báo cho tàu biết (dẫn đường, giảm tốc độ ...);
h) Các trường hợp khác xét thấy cần cấp cảnh báo để bảo đảm an toàn chạy tàu.
Việc yêu cầu cấp cảnh báo thuộc quyền hạn của nhân viên đường sắt do Doanh nghiệp quản lý tài sản đường sắt quốc gia, Chủ sở hữu đường sắt chuyên dùng quy định cụ thể tại Quy trình về chạy tàu và công tác dồn đường sắt.
Giấy cảnh báo theo Mẫu số 13 tại Phụ lục E ban hành kèm theo Quy chuẩn này.
3. QUY ĐỊNH VỀ QUẢN LÝ
3.1 Trong thời gian làm nhiệm vụ có liên quan đến việc chạy tàu, mỗi nhân viên đường sắt phải qua kiểm tra định kỳ về trình độ thông hiểu quy chuẩn kỹ thuật, quy trình, quy tắc nghiệp vụ kỹ thuật, nội quy trong phạm vi chức trách của mình và được nhận xét về chất lượng công tác đạt yêu cầu quy định trong khi thi hành nhiệm vụ đó.
3.2 Những nhân viên đường sắt được sử dụng làm công tác có liên quan đến việc chạy tàu phải được định kỳ kiểm tra lại sức khỏe trong hạn kỳ quy định.
3.3. Những chức danh nhân viên đường sắt có tiêu chuẩn cấp bậc kỹ thuật phải được sát hạch về trình độ hiểu biết kỹ thuật chuyên môn trong phạm vi chức trách được giao.
3.4. Trong trường hợp các văn bản, tài liệu được viện dẫn trong Quy chuẩn này có thay đổi, bổ sung về các nội dung liên quan hoặc được thay thế thì thực hiện theo quy định trong văn bản mới.
4. TRÁCH NHIỆM CỦA TỔ CHỨC, CÁ NHÂN
4.1 Doanh nghiệp quản lý tài sản đường sắt quốc gia, Chủ sở hữu đường sắt chuyên dùng:
4.1.1 Ban hành Quy trình chạy tàu và công tác dồn đường sắt thuộc phạm vi quản lý để quy định chi tiết việc: Chạy tàu với phương pháp đóng đường tự động; Chạy tàu với phương pháp đóng đường nửa tự động; Chạy tàu với phương pháp đóng đường bằng máy thẻ đường; chạy tàu với phương pháp đóng đường bằng điện tín; Chạy tàu với phương pháp đóng đường bằng thông tri; Biện pháp chạy tàu cứu viện và biện pháp giải quyết khi tua bị dừng trong khu gian; Biện pháp chạy tàu khi tiến hành công tác sửa chữa thiết bị và công trình kiến trúc; Biện pháp đón gửi tàu; Công tác dồn; Công tác điều độ chạy tàu; Công tác cấp cảnh báo;
4.1.2 Quy định nội dung các mẫu sổ đăng ký phục vụ công tác chạy tàu và cấp cảnh báo bao gồm: Sổ đăng ký cảnh báo (dùng cho Trực ban chạy tàu ga); Sổ đăng ký lệnh của Nhân viên điều độ (dùng cho Nhân viên điều độ chạy tàu); Sổ đăng ký nhận lệnh của Nhân viên điều độ chạy tàu (dùng cho Trực ban chạy tàu ga); Bản sao lệnh của Nhân viên điều độ chạy tàu (dùng cho Trực ban chạy tàu ga); Sổ nhận điện tín (dùng cho Nhân viên điều độ chạy tàu); Sổ biên bản điện tín chạy tàu (dùng cho Trực ban chạy tàu ga); Sổ đăng ký cảnh báo của Nhân viên điều độ chạy tàu (dùng cho Nhân viên điều độ chạy tàu); Sổ nhận cảnh báo của Nhân viên điều độ chạy tàu (dùng cho Trực ban chạy tàu ga); Giấy phong tỏa khu gian; Các mẫu sổ và ấn chỉ chạy tàu cần thiết khác ban hành kèm theo Quy trình chạy tàu và công tác dồn đường sắt;
4.1.3 Ban hành quy định chi tiết Quy tắc quản lý kỹ thuật ga, trạm.
4.2 Doanh nghiệp sử dụng lao động phải kiểm tra nghiệp vụ của nhân viên đường sắt trước khi nhận nhiệm vụ liên quan đến việc chạy tàu trong phạm vi chức trách được giao về những nội dung sau:
a) Quy chuẩn kỹ thuật quốc gia về khai thác đường sắt;
b) Quy chuẩn kỹ thuật quốc gia về tín hiệu giao thông đường sắt;
c) Quy trình chạy tàu và công tác dồn đường sắt; Quy trình tác nghiệp;
d) Quy tắc an toàn lao động và an toàn kỹ thuật;
đ) Quy tắc quản lý kỹ thuật ga, trạm.
e) Nội quy lao động.
4.3 Những người đang trong thời kỳ thực tập, chỉ được phép sử dụng thiết bị tín hiệu, thông tin và các máy móc thiết bị chạy tàu khác khi có sự hướng dẫn và giám sát của nhân viên phụ trách chính thức. Trong trường hợp này, nhân viên phụ trách chính thức chịu trách nhiệm về việc làm của người thực tập.
4.4 Nhân viên đường sắt khi thấy tàu đang chạy hoặc đang dồn dịch có hiện tượng rõ rệt nguy hiểm đến an toàn chạy tàu phải lập tức có tín hiệu bắt tàu dừng lại; Khi phát hiện thấy công trình thiết bị đường sắt hoặc các chướng ngại khác có thể uy hiếp an toàn chạy tàu phải lập tức dùng mọi cách phòng vệ địa điểm nguy hiểm, đồng thời báo cho người có trách nhiệm đến giải quyết.
4.5 Khi tổ chức chạy tàu từ đường sắt quốc gia vào đường sắt chuyên dùng có kết nối ray với đường sắt quốc gia và ngược lại, Doanh nghiệp quản lý tài sản đường sắt quốc gia quy định biện pháp chạy tàu tại khu vực kết nối ray.
5. TỔ CHỨC THỰC HIỆN
5.1 Thủ trưởng các tổ chức liên quan có trách nhiệm phổ biến, tập huấn Quy chuẩn này đến các đơn vị và nhân viên dưới quyền để thực hiện.
5.2 Các tổ chức, đơn vị có liên quan căn cứ nội dung được giao trong Quy chuẩn này có trách nhiệm xây dựng, ban hành các nội dung chi tiết để thực hiện.
5.3 Quá trình thực hiện có khó khăn, vướng mắc, các tổ chức, đơn vị liên quan, tổng hợp, báo cáo gửi Cục Đường sắt Việt Nam, Bộ Xây dựng để giải quyết.
5.4 Cục Đường sắt Việt Nam chủ trì, phối hợp với các tổ chức, đơn vị có liên quan kiểm tra việc thực hiện Quy chuẩn này.
_________________________
Phụ lục A
Khổ giới hạn tiếp giáp kiến trúc
A.1 - Khổ giới hạn tiếp giáp kiến trúc trên đường thẳng trong khu gian và đường chính trong ga

Hình A.1
A.2 - Khổ giới hạn tiếp giáp kiến trúc trên đường thẳng trong ga

Hình A.2
A.3 - Khổ giới hạn tiếp giáp kiến trúc trên đường thẳng trong cầu

Hình A.3
A.4 - Khổ giới hạn tiếp giáp kiến trúc trên đường thẳng trong hầm

Hình A.4
Chú thích chung cho các bản vẽ từ A.1 đến A.4
Khổ giới hạn tiếp giáp kiến trúc trên đường cong phải căn cứ khổ giới hạn tiếp giáp kiến trúc trên đường thẳng mà nới rộng thêm theo công thức dưới đây:
1. Nới rộng bụng đường cong: 
2. Nới rộng lưng đường cong: 
Trong đó:
- ω1, ω2: Khoảng nới rộng.
- h: Siêu cao ray lưng đường cong (mm).
- R: Bán kính đường cong (m).
A.5 - Khổ giới hạn tiếp giáp kiến trúc trên đường thẳng trong khu gian và đường chính trong ga

Hình A.5
A.6 - Khổ giới hạn tiếp giáp kiến trúc trên đường thẳng trong ga

Hình A.6
A.7 - Khổ giới hạn tiếp giáp kiến trúc trên đường thẳng trong cầu

Hình A.7
A.8 - Khổ giới hạn tiếp giáp kiến trúc trên đường thẳng trong hầm

Hình A.8
Chú thích chung cho các bản vẽ từ A.5 đến A.8
Khổ giới hạn tiếp giáp kiến trúc trên đường cong phải căn cứ khổ giới hạn tiếp giáp kiến trúc trên đường thẳng mà nới rộng thêm theo công thức dưới đây:
1. Nới rộng bụng đường cong: 
2. Nới rộng lưng đường cong: 
Trong đó:
- ω1, ω2: Khoảng nới rộng về phía bụng và lưng đường cong (mm).
- H: Chiều cao từ điểm tính toán tới mặt ray (mm).
- h: Siêu cao ray lưng đường cong (mm).
- R: Bán kính đường cong (m).
Phụ lục B
Khổ giới hạn đầu máy, toa xe
B.1 - Khổ giới hạn đầu máy, toa xe (đường sắt khổ 1000 mm)

Hình B.1
B.2 – Khổ giới hạn đầu máy, toa xe (đường sắt khổ 1435mm)

Hình B.2
Phụ lục C
Khổ giới hạn áp dụng tạm thời cho các kiến trúc, thiết bị cũ chưa được cải tạo ở gần đường sắt khổ 1000 mm lồng thêm đường sắt khổ 1435 mm

Hình C
Ghi chú: Những toa xe từ mặt ray lên 1100 mm rộng quá 3000 mm, chạy trên đường sắt khổ 1000 mm phải có sự cho phép riêng như xếp hàng vượt quá khổ giới hạn đầu máy, toa xe.
Phụ lục D
Cấp kỹ thuật ga đường sắt
D.1 - Yêu cầu tối thiểu đối với tác nghiệp kỹ thuật của ga
| TT | Cấp kỹ thuật ga | Yêu cầu tối thiểu đối với tác nghiệp kỹ thuật của ga | |
| 1 | Ga cấp I | Ga hành khách | a) Giải thể, lập các loại tàu sau: tàu đặc biệt; tàu khách nhanh chạy suốt; tàu khách nhanh chạy trong khu đoạn; tàu khách thường; tàu quân dụng, tàu hỗn hợp, tàu chở công nhân; tàu hàng đường ngắn, tàu thoi hoặc tàu khách liên vận quốc tế hoặc tàu khách đường sắt đô thị. b) Có tác nghiệp chỉnh bị kỹ thuật toa xe tại ga hoặc tại cơ sở chỉnh bị kỹ thuật toa xe liền kề. c) Có tác nghiệp chỉnh bị kỹ thuật đầu máy tại cơ sở chỉnh bị đầu máy liền kề. d) Có tác nghiệp đón, tiễn hành khách. |
| Ga hàng hóa | a) Giải thể, lập các loại tàu sau: tàu đặc biệt; tàu hàng nhanh chạy suốt; tàu quân dụng, tàu hỗn hợp; tàu hàng trong khu đoạn; tàu hàng đường ngắn, tàu thoi; tàu chuyên dùng hoặc tàu hàng liên vận quốc tế. b) Có tác nghiệp chỉnh bị kỹ thuật toa xe tại ga hoặc tại cơ sở chỉnh bị kỹ thuật toa xe liền kề. c) Có tác nghiệp chỉnh bị kỹ thuật đầu máy tại cơ sở chỉnh bị đầu máy liền kề. d) Có tác nghiệp tổ chức xếp, dỡ hàng hóa. | ||
| Ga hỗn hợp | Thực hiện đồng thời chức năng của ga hành khách cấp I và ga hàng hóa cấp I. | ||
| 2 | Ga cấp II | Ga hành khách | a) Giải thể, lập các loại tàu sau: tàu đặc biệt; tàu khách nhanh chạy trong khu đoạn; tàu khách thường; tàu quân dụng, tàu hỗn hợp, tàu chở công nhân; tàu hàng đường ngắn, tàu thoi hoặc tàu khách liên vận quốc tế. b) Có tác nghiệp chỉnh bị kỹ thuật toa xe tại ga hoặc tại cơ sở chỉnh bị kỹ thuật toa xe liền kề hoặc có tác nghiệp chỉnh bị kỹ thuật đầu máy tại cơ sở chỉnh bị đầu máy liền kề. c) Có tác nghiệp đón, tiễn hành khách. |
|
|
| Ga hàng hóa | a) Giải thể, lập các loại tàu sau: tàu đặc biệt; tàu quân dụng, tàu hỗn hợp; tàu hàng trong khu đoạn; tàu hàng đường ngắn, tàu thoi; tàu chuyên dùng hoặc tàu hàng liên vận quốc tế. b) Có tác nghiệp chỉnh bị kỹ thuật toa xe tại ga hoặc tại cơ sở chỉnh bị kỹ thuật toa xe liền kề hoặc có tác nghiệp chỉnh bị kỹ thuật đầu máy tại cơ sở chỉnh bị đầu máy liền kề. c) Có tác nghiệp tổ chức xếp, dỡ hàng hóa. |
| Ga hỗn hợp | Thực hiện đồng thời chức năng của ga hành khách cấp II và ga hàng hóa cấp II. | ||
| 3 | Ga cấp III | Là các ga không đáp ứng các tiêu chí của các ga cấp I, ga cấp II | |
D.2 - Yêu cầu tối thiểu đối với số lượng đường ga
| TT | Cấp kỹ thuật ga | Số lượng đường đón gửi | Số lượng bãi dồn | Số lượng đường xếp dỡ | |
| 1 | Ga cấp I | Ga hành khách | 3 | 3 | - |
| Ga hàng hóa và ga hỗn hợp | 3 | 3 | 3 | ||
| 2 | Ga cấp II | Ga hành khách | 2 | 2 | - |
| Ga hàng hóa và ga hỗn hợp | 2 | 3 | 2 | ||
| 3 | Ga cấp III | Ga hành khách | 2 | - | - |
| Ga hàng hóa và ga hỗn hợp | 2 | - | 1 | ||
Ghi chú:
- Đối với những ga cấp I hiện tại mà có sử dụng đường đón gửi chung với đường dồn hoặc ngược lại thì số lượng đường bãi dồn tối thiểu là 02 đường.
- Ngoài thỏa mãn quy định về số đường trong ga như bảng trên, đối với từng cấp kỹ thuật ga theo quy định phải có đầy đủ số lượng và chiều dài đường ga khác đáp ứng yêu cầu khối lượng vận chuyển, tương ứng với tính chất tác nghiệp và cấp kỹ thuật ga.
Phụ lục E
Các biểu mẫu
Mẫu số: 01
GA:…………………… GIẤY XÁC NHẬN TÁC DỤNG HÃM số:…………….
Thử hãm……………………………………..số:……………………
Hội đồng kiểm tra hãm đoàn tàu số:…………do đầu máy số:………… kéo
tại ga:…………………….lúc ……..giờ……….. phút……………..
Ngày……tháng ………..năm…………..
| TÌNH HÌNH ĐOÀN TÀU THỬ HÃM | KẾT QUẢ |
| 1. Tổng trọng đoàn tàu………………………………………………. | ……………………… |
| 2. Tổng số toa xe của đoàn tàu…………………………………….. | ……………………… |
| 3. Số lượng toa xe chỉ có ống thông gió…………………………... | ……………………… |
| (Số hiệu xe) ………………………………………………………….. | ……………………… |
| 4. Số lượng toa xe không nối vào hệ thống hãm………………… | ……………………… |
| (Số hiệu xe) ………………………………………………………….. | ……………………… |
| 5. Số lượng toa xe sử dụng hãm gió tốt…………………………... | ……………………… |
| 6. Số lượng toa hỏng hãm tay……………………………………… | ……………………… |
| (Số hiệu xe) ………………………………………………………….. | ……………………… |
| 7. Áp suất ống gió đoàn xe KG/cm2……………………………….. | ……………………… |
| 8. Số tấn áp lực guốc hãm gió cần thiết…………………………… | ……………………… |
| 9. Số tấn áp lực guốc hãm gió hiện có trong đoàn tàu | ……………………… |
| 10. Số trục hãm tay cần thiết chống trôi…………………………… | ……………………… |
| 11. Số trục hãm tay hiện có trong đoàn tàu……………………….. | ……………………… |
Kết luận: Sau khi kiểm tra và tính toán Hội đồng xác nhận đoàn tàu có hãm tốt, có đủ lực hãm theo quy định và đảm bảo chạy tàu an toàn.
| CÁC ỦY VIÊN | CHỦ TỊCH HỘI ĐỒNG | |||
| TRƯỞNG TÀU | NHÂN VIÊN ÁP | NHÂN VIÊN | LÁI TÀU | TRỰC BAN |
| hoặc phó (Ký, Họ và tên) | Khám xe |
| ||
|
|
|
| ||
|
|
|
|
| |
| (Ký, Họ và tên) | (Ký, Họ và tên) | (Ký, Họ và tên) | (Ký tên, đóng dấu Ga) | |
|
|
| |||
(Ghi chú: Giấy xác nhận tác dụng hãm được lập thành 03 liên gồm: Phần lưu tồn căn tại ga; phần giao cho Trưởng tàu; phần giao cho Lái tàu)
Mẫu số: 02

Mẫu số: 03

Mẫu số: 04
THÔNG TRI C HOẶC D
| ĐƯỜNG SẮT VIỆT NAM
Ga…………………(dấu ga)
THÔNG TRI số……..
Ngày……tháng…… năm…….
Kính gửi: TBCT ga ……..
……………………………………..
C. Đồng ý đón tàu từ ga ……………đến.
D. Xin đường gửi tàu số ……….…..đến
TBCT ga ký tên
| ĐƯỜNG SẮT VIỆT NAM
Ga…………………(dấu ga)
THÔNG TRI số……..
Ngày……tháng…… năm…….
Kính gửi: TBCT ga ……..
……………………………………..
C. Đồng ý đón tàu từ ga ……………đến.
D. Xin đường gửi tàu số ……….…..đến
TBCT ga ký tên
|
Ghi chú:
1. Thông tri gồm hai (02) phần: Phần tồn căn và phần gửi ga bên;
2. Khi dùng: Gạch bỏ phần C hoặc D không thích hợp;
3. Điền bằng bút mực, không được tẩy xóa.
Mẫu số: 05
| ĐƯỜNG SẮT VIỆT NAM
Ga…………………(dấu ga)
GIẤY CHO PHÉP VÀO GA số……..
Cho phép tàu số: ……………….ngày……tháng…… năm……….. ………………………………………………………………………….. ………………………………………………………………………….. ………………………………………………………………………….. ………………………………………………………………………….. ………………………………………………………………………….. ………………………………………………………………………….. ………………………………………………………………………….. …………………………………………………………………………..
TBCT ga (Ký tên)
| ĐƯỜNG SẮT VIỆT NAM
Ga…………………(dấu ga)
GIẤY CHO PHÉP VÀO GA số……..
Cho phép tàu số: ……………….ngày……tháng…… năm……….. ………………………………………………………………………….. ………………………………………………………………………….. ………………………………………………………………………….. ………………………………………………………………………….. ………………………………………………………………………….. ………………………………………………………………………….. ………………………………………………………………………….. …………………………………………………………………………..
TBCT ga (Ký tên)
|
Mẫu số: 06
GIẤY PHÉP VẠCH CHÉO LỤC

Ghi chú:
1. Giấy phép vạch chéo lục khi sử dụng phương pháp đóng đường tự động và nửa tự động. Giấy phép này gồm hai (02) phần: Phần giao cho Lái tàu và phần làm tồn căn.
2. Khi dùng gạch bỏ mục không cần thiết và những chữ trong mục không thích hợp.
3. Điền bằng bút mực, không tẩy xoá.
4. Gạch chéo màu lục, giấy màu trắng.
Mẫu số: 07

Mẫu số: 08

Mẫu số: 09
GIẤY PHÉP MÀU TRẮNG KÈM ĐƠN XIN CỨU VIỆN

Ghi chú:
1. Ấn chỉ này gồm: 01 Giấy phép màu trắng giao cho Lái tàu, 01 Đơn xin cứu viện, 01 tồn căn;
2. Dùng bút mực điền vào các chỗ trống và gạch bỏ những chữ, những câu không cần thiết.
Mẫu số: 10
GIẤY PHÉP VẠCH CHÉO ĐỎ

Ghi chú
1. Điền vào chỗ trống ở đoạn thích hợp và gạch bỏ các đoạn còn lại không thích hợp;
2. Khi ghi phải dùng bút mực, viết rõ ràng, không tẩy xoá;
3. Giấy phép vạch chéo đỏ gồm hai (02) phần: Phần giao Lái tàu và phần làm tồn căn;
4. Giấy nền màu trắng, gạch chéo màu đỏ.
Mẫu số: 11

Mẫu số: 12
| ĐƯỜNG SẮT VIỆT NAM Ga…………. (dấu ga) | PHIẾU CHẠY GOÒNG Số: …………. |
A. Phần yêu cầu:
Tôi……………….. (họ tên) chức danh …………….. thuộc đơn vị …………….. Yêu cầu sử dụng…………..goòng (tên goòng) chạy vào khu gian từ …………. (ga, km) đến …………… (ga, km) trong thời gian từ ……..giờ ………..phút đến ……….giờ ………….phút theo biện pháp thừa nhận có người đi phòng vệ.
Tôi bảo đảm sẽ nhấc goòng ra khỏi Đường sắt không quá 3 phút.
……….ngày .... tháng .... năm.…………..
NGƯỜI PHỤ TRÁCH GOÒNG
ký tên
B. Phần thừa nhận:
Tôi……………………….. (họ tên) Trực ban chạy tàu ga …………………. Sau khi đã kiểm tra các điều kiện sử dụng goòng; được sự thoả thuận của ông…………………….thừa nhận cho goòng trên đây được chạy vào khu gian từ …………..(ga, km) đến ……………. (ga, km) trong thời gian từ …….giờ ………….phút đến………. giờ ……..phút theo điều kiện có người đi phòng vệ.
Tình hình tàu chạy vào khu gian trong thời gian sử dụng goòng:
Hướng lẻ: Tàu số ………….chạy ở ga…………. lúc ……….. giờ ……….. phút.
Hướng chẵn: Tàu số ………chạy ở ga ………….lúc ……….. giờ ……….. phút.
Phải nhấc goòng ra khỏi Đường sắt chậm nhất lúc …….giờ ……… phút.
C. Phần cảnh báo:
…………………………………………………………………………………………………
…………………………………………………………………………………………………
…………………………………………………………………………………………………
……..ngày ………. tháng …….. năm …………..
TBCT GA
ký tên
Ghi chú: Phiếu chạy goòng gồm hai (02) bản cùng một số: Bản A giao cho người phụ trách goòng, bản B giữ ở ga.
Mẫu số: 13
GIẤY CẢNH BÁO

Ghi chú:
1. Cảnh báo (giấy trắng có vạch chéo vàng) gồm ba (03) tờ, tờ nọ để lên trên tờ kia: Một (01) tờ giao cho Lái tàu, một (01) tờ bản sao giao cho Trưởng tàu, một (01) tờ làm tồn căn;
2. Dùng bút bi hoặc chì tím và giấy than để điền nội dung cảnh báo vào các chỗ quy định;
3. Khi giao phải yêu cầu Lái tàu, Trưởng tàu ký nhận;
4. Giấy nền màu trắng, gạch chéo màu vàng.
MỤC LỤC
1. QUY ĐỊNH CHUNG
1.1 Phạm vi điều chỉnh
1.2 Đối tượng áp dụng
2. QUY ĐỊNH KỸ THUẬT
2.1 Công trình đường sắt
2.1.1 Quy định chung đối với công trình, hạng mục công trình đường sắt
2.1.2 Quy định cụ thể đối với công trình, hạng mục công trình đường sắt
2.2 Phương tiện giao thông đường sắt
2.2.1 Quy định chung
2.2.2 Quy định về đăng ký, số hiệu, thông tin của phương tiện
2.2.3 Đôi bánh xe của phương tiện giao thông đường sắt
2.2.4 Thiết bị hãm và móc nối, đỡ đấm
2.2.5 Bảo dưỡng, sửa chữa và vận dụng phương tiện giao thông đường sắt
2.2.6 Goòng thủ công
2.3 Tổ chức chạy tàu
2.3.1 Biểu đồ chạy tàu
2.3.2 Điểm phân giới
2.3.3 Tổ chức công tác kỹ thuật ga, trạm
2.3.4 Phương pháp đóng đường chạy tàu
2.3.5 Đón gửi tàu và chạy tàu
3. QUY ĐỊNH VỀ QUẢN LÝ
4. TRÁCH NHIỆM CỦA TỔ CHỨC, CÁ NHÂN
5. TỔ CHỨC THỰC HIỆN
Phụ lục A Khổ giới hạn tiếp giáp kiến trúc
Phụ lục B Khổ giới hạn đầu máy, toa xe
Phụ lục C Khổ giới hạn áp dụng tạm thời cho các kiến trúc, thiết bị cũ chưa được cải tạo ở gần đường sắt khổ 1000 mm lồng thêm đường sắt khổ 1435 mm
Phụ lục D Cấp kỹ thuật ga đường sắt
Phụ lục E Các biểu mẫu
|
CỘNG HÒA XÃ HỘI CHỦ NGHĨA VIỆT NAM
QCVN 23:2025/BXD
QUY CHUẨN KỸ THUẬT QUỐC GIA
National technical regulation on railway vehicles for the inspection of
HÀ NỘI - 2025 |
Lời nói đầu
QCVN 23:2025/BXD do Cục Đăng kiểm Việt Nam biên soạn, Cục Đường sắt Việt Nam trình duyệt, Bộ Khoa học và Công nghệ thẩm định, Bộ trưởng Bộ Xây dựng ban hành theo Thông tư số 44/2025/TT-BXD ngày 09 tháng 12 năm 2025.
Quy chuẩn này thay thế Quy chuẩn QCVN 15:2023/BGTVT được ban hành theo Thông tư số 30/2023/TT-BGTVT ngày 03 tháng 11 năm 2023 của Bộ trưởng Bộ Giao thông vận tải.
Mục lục
1 QUY ĐỊNH CHUNG
1.1 Phạm vi điều chỉnh
1.2 Đối tượng áp dụng
1.3 Giải thích từ ngữ
2 QUY ĐỊNH KỸ THUẬT
2.1 Yêu cầu chung
2.2 Yêu cầu đối với đầu máy
2.2.1 Giá chuyển hướng
2.2.2 Giá xe
2.2.3 Vỏ máy, buồng lái
2.2.4 Móc nối, đỡ đấm
2.2.5 Hệ thống hãm
2.2.6 Hệ thống xả cát
2.2.7 Thiết bị an toàn chạy tàu và phòng cháy, chữa cháy
2.2.8 Động cơ Diesel
2.2.9 Hệ thống truyền động thủy lực
2.2.10 Hệ thống truyền động điện kéo
2.2.11 Máy điện và mạch điện điều khiển
2.2.12 Đèn chiếu sáng và đèn tín hiệu
2.2.13 Còi
2.3 Yêu cầu đối với toa xe đường sắt quốc gia, toa xe đường sắt chuyên dùng
2.3.1 Giá chuyển hướng
2.3.2 Bệ xe
2.3.3 Móc nối, đỡ đấm
2.3.4 Hệ thống hãm
2.3.5 Hệ thống điện
2.3.6 Thân xe
2.3.7 Các thiết bị trên toa xe khách
2.4 Yêu cầu đối với toa xe đường sắt đô thị
2.4.1 Giá chuyển hướng
2.4.2 Móc nối, đỡ đấm
2.4.3 Thiết bị an toàn
2.4.4 Buồng hành khách
2.4.5 Buồng lái
2.4.6 Thử dột toa xe
2.4.7 Thông tin liên lạc trên tàu
2.4.8 Chiếu sáng
2.4.9 Thông gió
2.4.10 Điều hòa không khí
2.4.11 Hệ thống hãm
2.4.12 Bộ tiếp điện
2.4.13 Bộ biến đổi điện động lực
2.4.14 Ắc quy
2.4.15 Độ cách điện
2.4.16 Động cơ điện kéo
2.4.17 Kiểm tra vận hành tàu đường sắt đô thị
2.4.18 Hệ thống điều khiển chạy tàu đường sắt đô thị
2.5 Yêu cầu đối với phương tiện chuyên dùng
2.5.1 Giá chuyển hướng
2.5.2 Giá xe, bệ xe
2.5.3 Móc nối, đỡ đấm
2.5.4 Hệ thống hãm
2.5.5 Đèn chiếu sáng và đèn tín hiệu
2.5.6 Vỏ máy, buồng lái
2.5.7 Thiết bị an toàn chạy tàu và phòng cháy, chữa cháy
2.5.8 Động cơ Diesel
2.5.9 Hệ thống truyền động
2.5.10 Còi
3 QUY ĐỊNH KIỂM TRA
3.1 Xem xét báo cáo kiểm tra
3.2 Đối với đầu máy
3.3 Đối với toa xe đường sắt quốc gia,toa xe đường sắt chuyên dùng
3.4 Đối với toa xe đường sắt đô thị
3.5 Đối với phương tiện chuyên dùng
3.6 Đối với phương tiện hoán cải
4 QUY ĐỊNH VỀ QUẢN LÝ
5 TỔ CHỨC THỰC HIỆN
Phụ lục A - Biên dạng mặt lăn bánh xe
Phụ lục B - Độ hở an toàn giữa giá chuyển hướng với bệ xe
Phụ lục C - Độ hở giữa mặt trên của xà nhún và hộp trục với mặt dưới khung giá của giá chuyển hướng
Phụ lục D - Độ cách điện đối với hệ thống điện toa xe
Phụ lục E - Danh mục báo cáo kiểm tra phương tiện và bản khai thông tin phương tiện
QUY CHUẨN KỸ THUẬT QUỐC GIA
VỀ PHƯƠNG TIỆN GIAO THÔNG ĐƯỜNG SẮT TRONG KIỂM TRA ĐỊNH KỲ, HOÁN
CẢI, NHẬP KHẨU ĐÃ QUA SỬ DỤNG
National technical regulation on railway vehicles for the inspection of periodic,
modified and used import vehicles
1 Quy định chung
1.1 Phạm vi điều chỉnh
1.1.1 Quy chuẩn này quy định các yêu cầu kỹ thuật và việc kiểm tra an toàn kỹ thuật và bảo vệ môi trường đối với phương tiện giao thông đường sắt khi kiểm tra định kỳ, hoán cải và nhập khẩu đã qua sử dụng.
1.1.2 Quy chuẩn này không áp dụng đối với phương tiện giao thông đường sắt có tốc độ thiết kế lớn hơn 120 km/h, phương tiện giao thông đường sắt của quân đội, công an sử dụng vào mục đích quốc phòng, an ninh và toa xe đường sắt đô thị hoán cải, nhập khẩu đã qua sử dụng.
1.2 Đối tượng áp dụng
Quy chuẩn này áp dụng đối với tổ chức, cá nhân có liên quan đến quản lý, sửa chữa, bảo dưỡng, nhập khẩu, hoán cải, khai thác, kiểm tra và chứng nhận an toàn kỹ thuật và bảo vệ môi trường phương tiện giao thông đường sắt thuộc phạm vi điều chỉnh tại điểm
1.1 của Quy chuẩn này.
1.3 Giải thích từ ngữ
Trong Quy chuẩn này, các từ ngữ dưới đây được hiểu như sau:
1.3.1 Phương tiện giao thông đường sắt (sau đây gọi tắt là phương tiện)
Theo quy định tại khoản 20 Điều 3 Luật Đường sắt 2025.
1.3.2 Phương tiện chuyên dùng đường sắt (sau đây gọi tắt là phương tiện chuyên dùng)
Phương tiện giao thông đường sắt dùng để vận chuyển người, vật tư, thiết bị phục vụ cứu viện, cứu nạn; phòng, chống khắc phục hậu quả thiên tai; kiểm tra, thi công, bảo trì, sửa chữa công trình đường sắt.
1.3.3 Toa xe đường sắt đô thị
Phương tiện chuyên chở hành khách vận hành trên đường sắt đô thị.
1.3.4 Tàu đường sắt đô thị
Tàu điện khí hóa gồm các toa xe đường sắt đô thị kết nối với nhau theo thành phần cố định.
1.3.5 Máy điện
Bao gồm các thiết bị sau: máy phát điện chính, máy phát điện phụ, máy kích từ, máy phát khởi động, động cơ khởi động, động cơ điện kéo, động cơ điện của máy nén khí.
1.3.6 Thiết bị điện
Các thiết bị điện điều khiển, tủ điện, tủ chỉnh lưu điện.
1.3.7 Bộ tiếp điện
Thiết bị được lắp trên tàu đường sắt đô thị để nhận dòng điện từ đường dây tiếp xúc hoặc ray dẫn điện, bao gồm cần tiếp điện hoặc guốc tiếp điện.
1.3.8 Tài liệu kỹ thuật phương tiện
Các tài liệu sau đây được gọi là tài liệu kỹ thuật phương tiện:
- Tài liệu thuyết minh, mô tả đặc tính kỹ thuật cơ bản, tính năng hoạt động của phương tiện;
- Bản vẽ tổng thể phương tiện, bản vẽ lắp đặt các tổng thành chính;
- Tài liệu hướng dẫn bảo dưỡng, sửa chữa, vận hành phương tiện của nhà sản xuất hoặc chủ phương tiện.
2 Quy định kỹ thuật
2.1 Yêu cầu chung
2.1.1 Cơ sở sửa chữa, chủ phương tiện, chủ khai thác phương tiện, nhà sản xuất cung cấp và chịu trách nhiệm về nội dung khai báo, tính hợp pháp của báo cáo kiểm tra phương tiện (sau đây gọi tắt là báo cáo kiểm tra), bản khai thông tin phương tiện được quy định tại Phụ lục E.
2.1.2 Kích thước phương tiện:
a) Kích thước chiều dài, chiều rộng, chiều cao của phương tiện phải phù hợp với tài liệu kỹ thuật phương tiện.
b) Đối với phương tiện vận hành trên đường sắt quốc gia và đường sắt chuyên dùng có nối ray với đường sắt quốc gia phải phù hợp với khổ giới hạn đầu máy toa xe tại Quy chuẩn kỹ thuật quốc gia về khai thác đường sắt;
c) Đối với phương tiện vận hành trên đường sắt địa phương, đường sắt chuyên dùng không nối ray với đường sắt quốc gia có đi qua khu dân cư, giao cắt với đường bộ phải phù hợp với khổ giới hạn phương tiện của tuyến đường sắt dự định vận hành.
2.1.3 Số hiệu phương tiện phải phù hợp với báo cáo kiểm tra.
2.1.4 Vận hành thử phương tiện:
2.1.4.1 Đầu máy, toa xe khách sau khi sửa chữa định kỳ vận hành thử phù hợp với tài liệu kỹ thuật phương tiện. Quãng đường vận hành thử phù hợp với tài liệu kỹ thuật phương tiện. Riêng đối với đầu máy hơi nước, sau khi sửa chữa định kỳ phải được vận hành thử trên tuyến đường dự định sẽ khai thác.
2.1.4.2 Phương tiện hoán cải vận hành thử theo quy định của tài liệu kỹ thuật phương tiện.
2.1.4.3 Đầu máy, toa xe nhập khẩu đã qua sử dụng vận hành thử trên hệ thống đường sắt dự kiến khai thác tối thiểu 100 km đối với đường sắt quốc gia, 50 km đối với đường sắt chuyên dùng, đảm bảo thông qua được độ dốc lớn nhất, bán kính đường cong thông qua nhỏ nhất, tốc độ phù hợp với tuyến đường khai thác.
2.1.4.4 Tải dùng để vận hành thử phải có khối lượng tương đương với trọng tải toa xe hoặc khối lượng kéo của đầu máy. Toa xe khách trong quá trình vận hành thử không được chở hành khách, trường hợp cần xếp tải để đánh giá độ bền kết cấu thép, hiệu quả hãm phải sử dụng tải có khối lượng tương đương với trọng tải toa xe.
2.1.5 Đối với phương tiện hoán cải
Nội dung sau khi hoán cải phải phù hợp với nội dung tương ứng quy định tại Điều 2 của Quy chuẩn này.
2.2 Yêu cầu đối với đầu máy
2.2.1 Giá chuyển hướng
2.2.1.1 Kiểu loại phải phù hợp với tài liệu kỹ thuật phương tiện, số nhận dạng phải phù hợp báo cáo kiểm tra.
2.2.1.2 Khung giá chuyển hướng
a) Khung giá chuyển hướng phải được thử phát hiện vết nứt bằng phương pháp thử không phá hủy phù hợp tài liệu kỹ thuật phương tiện;
b) Các chi tiết được lắp, treo vào khung giá chuyển hướng phải lắp đặt chắc chắn, không long, lỏng.
2.2.1.3 Hộp đầu trục, khoang lắp hộp đầu trục
a) Các vú mỡ (nếu có) phải hoạt động bình thường;
b) Khe hở dọc trục bánh xe, độ rơ của hộp đầu trục bánh xe phải phù hợp với tài liệu kỹ thuật phương tiện;
c) Các đòn gánh hộp đầu trục (hoặc đế đỡ lò xo) không nứt;
d) Các thanh kéo không nứt, biến dạng. Cao su giảm chấn của các thanh kéo không hư hỏng, nứt vỡ.
2.2.1.4 Lò xo hộp đầu trục và giảm chấn
a) Các lò xo hộp đầu trục phải đủ số lượng, không nứt, gãy; kiểu loại, chiều cao, chênh lệch chiều cao lò xo ở trạng thái tự do khi sửa chữa, thay thế phải phù hợp với quy định của tài liệu kỹ thuật phương tiện;
b) Giảm chấn thủy lực phải đúng loại, đủ số lượng, không có hiện tượng chảy dầu. Đối với giảm chấn cao su chịu tải của giá xe (nếu có) không bị lão hóa, không bị nứt vỡ.
2.2.1.5 Hộp giảm tốc trục
Hộp giảm tốc trục không bị chảy dầu và khi hoạt động không có tiếng kêu bất thường.
2.2.1.6 Bộ trục bánh
2.2.1.6.1 Bộ trục bánh xe phải được thử phát hiện vết nứt bằng phương pháp thử không phá hủy phù hợp tài liệu kỹ thuật phương tiện.
2.2.1.6.2 Giang cách bánh xe phải phù hợp với quy định sau:
a) (924 ± 3) mm đối với khổ đường 1000 mm;
b) (1353 ± 3) mm đối với khổ đường 1435 mm;
c) Độ chênh lệch giang cách bánh xe khi đo tại 3 điểm cách nhau khoảng 120° không quá 1 mm.
2.2.1.6.3 Biên dạng của mặt lăn bánh xe khi khôi phục về nguyên hình phải phù hợp với quy định tại Phụ lục A của Quy chuẩn này hoặc tài liệu kỹ thuật phương tiện và độ hở giữa mặt lăn bánh xe với dưỡng kiểm tra không quá 0,5 mm.
2.2.1.6.4 Chiều dày đai bánh xe, đường kính bánh xe và độ chênh lệch đường kính bánh xe phải phù hợp với tài liệu kỹ thuật phương tiện.
2.2.1.6.5 Chiều dày lợi bánh xe phải bảo đảm yêu cầu sau:
a) Đối với khổ đường 1000 mm
- Từ 20 mm đến 30 mm đối với đầu máy vận hành trên đường sắt quốc gia, đường sắt chuyên dùng có nối ray với đường sắt quốc gia;
- Từ 20 mm đến 32 mm đối với đầu máy vận hành trên đường sắt chuyên dùng không nối ray với đường sắt quốc gia có đi qua khu dân cư, giao cắt với đường bộ.
b) Đối với khổ đường 1435 mm: từ 24 mm đến 34 mm.
c) Đối với đầu máy hơi nước, chiều dày lợi bánh xe phải phù hợp với tài liệu kỹ thuật phương tiện.
2.2.1.6.6 Chiều cao lợi bánh xe phải bảo đảm yêu cầu sau:
a) Đối với khổ đường 1000 mm
- Từ 27 mm đến 29 mm đối với đầu máy vận hành trên đường sắt quốc gia sử dụng mặt lăn côn;
- Từ 27 mm đến 31 mm đối với đầu máy vận hành trên đường sắt quốc gia sử dụng mặt lăn lõm;
- Từ 27 mm đến 32 mm đối với đầu máy vận hành trên đường sắt chuyên dùng.
b) Đối với khổ đường 1435 mm: từ 26 mm đến 28 mm.
c) Đối với đầu máy hơi nước, chiều cao lợi bánh xe phải phù hợp với tài liệu kỹ thuật phương tiện.
2.2.1.6.7 Giữa moay ơ bánh xe với trục xe và giữa mâm bánh xe với đai bánh xe phải có dấu sơn kiểm tra lỏng.
2.2.2 Giá xe
2.2.2.1 Giá xe phải được thử phát hiện vết nứt bằng phương pháp thử không phá hủy phù hợp tài liệu kỹ thuật phương tiện.
2.2.2.2 Tấm gạt chướng ngại:
a) Tấm gạt chướng ngại vật phải được lắp đặt chắc chắn, không nứt gãy, hư hỏng;
b) Tấm gạt đá có thể điều chỉnh được độ cao, khoảng cách từ mặt ray đến điểm thấp nhất của tấm gạt đá là 110 ± 10 mm.
2.2.3 Vỏ máy, buồng lái
2.2.3.1 Vỏ máy (khung, mui, sàn máy) và cầu thang tay vịn:
a) Khung, mui, vách ngăn, sàn không bị rỉ thủng và được lắp ghép chắc chắn;
b) Cầu thang, tay vịn không bị nứt gãy, cong vênh và được lắp ghép chắc chắn.
2.2.3.2 Buồng lái:
a) Cửa và cơ cấu khóa phải đóng mở nhẹ nhàng, không được tự mở;
b) Kính buồng lái không được rạn nứt, ố mờ;
c) Tấm chống chói, quạt làm mát lái tàu và hệ thống điều hòa không khí (nếu có) phải lắp đặt chắc chắn và hoạt động bình thường;
d) Đèn chiếu sáng phải hoạt động bình thường;
e) Các loại đồng hồ, đèn chiếu sáng đồng hồ trên bàn điều khiển và đèn cảnh báo phải hoạt động bình thường. Riêng phương tiện đo áp suất phải có tem kiểm định còn thời hạn sử dụng.
f) Gạt nước mưa phải hoạt động bình thường;
g) Ghế lái tàu lắp đặt chắc chắn, cơ cấu điều chỉnh ghế (nếu có) phải có tác dụng.
2.2.4 Móc nối, đỡ đấm
2.2.4.1 Kiểu loại phải phù hợp với tài liệu kỹ thuật phương tiện, số nhận dạng thân móc nối phải phù hợp với báo cáo kiểm tra.
2.2.4.2 Thân móc nối, lưỡi móc và ắc lưỡi móc phải được thử phát hiện vết nứt bằng phương pháp thử không phá hủy phù hợp tài liệu kỹ thuật phương tiện.
2.2.4.3 Lưỡi móc phải bảo đảm yêu cầu sau:
a) Chiều dày lưỡi móc phải đảm bảo kích thước:
- Trong khoảng từ 68 mm đến 72 mm đối với đầu máy vận hành trên đường sắt quốc gia;
- Trong khoảng từ 66 mm đến 72 mm đối với đầu máy vận hành trên đường sắt chuyên dùng.
b) Lưỡi móc phải đóng mở linh hoạt, không được tự mở. Khoảng cách từ hàm móc đến mặt trong lưỡi móc khi đóng móc hoàn toàn từ 110 mm đến 130 mm (khoảng cách a) và mở móc hoàn toàn từ 210 mm đến 250 mm (khoảng cách b). Điểm đo quy định tại Hình 1.

Hình 1. Điểm đo
2.2.4.4 Khoảng cách từ đường trung tâm móc nối đến mặt ray đo trên đường thẳng, phẳng phải phù hợp với quy định sau:
a) Đối với đường sắt khổ đường 1000 mm phải đạt từ 790 mm đến 825 mm;
b) Đối với đường sắt khổ đường 1435 mm phải đạt từ 860 mm đến 890 mm.
2.2.4.5 Chênh lệch chiều cao của đường trung tâm hai móc nối trong cùng một phương tiện không quá 10 mm.
2.2.5 Hệ thống hãm
2.2.5.1 Độ xì hở của hệ thống hãm phải phù hợp với quy định sau:
a) Độ xì hở cho phép của hệ thống đường ống gió và bình chịu áp lực chính khi áp suất bình chịu áp lực chính đạt giá trị lớn nhất:
- Không quá 0,2 bar trong 01 phút đối với đầu máy vận hành trên đường sắt quốc gia;
- Không quá 0,3 bar trong 01 phút đối với đầu máy vận hành trên đường sắt chuyên dùng.
b) Độ xì hở cho phép của ống gió cấp cho đoàn xe không quá 0,1 bar trong 02 phút khi ống gió đoàn xe đạt 5 ± 0,1 bar;
c) Độ xì hở cho phép của xy lanh hãm đầu máy khi áp suất xy lanh hãm đạt giá trị lớn nhất:
- Không quá 0,2 bar trong 05 phút đối với đầu máy vận hành trên đường sắt quốc gia;
- Không quá 0,3 bar trong 05 phút đối với đầu máy vận hành trên đường sắt chuyên dùng.
2.2.5.2 Máy nén khí:
a) Kiểu loại phải phù hợp với tài liệu kỹ thuật phương tiện;
b) Máy nén khí phải làm việc ổn định ở mọi chế độ vòng quay và không có tiếng kêu lạ;
c) Năng lực máy nén khí và áp suất làm việc của van điều áp (van không tải) phải phù hợp với tài liệu kỹ thuật phương tiện.
2.2.5.3 Bình chịu áp lực
Bình chịu áp lực không được móp, méo, lắp đặt chắc chắn và phải có biển hiệu hoặc ký hiệu trên thân thùng đúng quy cách và còn thời hạn kiểm định theo quy định.
2.2.5.4 Tay hãm đoàn tàu (tay hãm lớn), tay hãm riêng đầu máy (tay hãm con) và van phân phối:
a) Kiểu loại phải phù hợp với tài liệu kỹ thuật phương tiện;
b) Tay hãm lớn, tay hãm con khi đặt tại vị trí vận chuyển thì áp suất ống gió đoàn xe phải đạt 5 bar và áp suất xy lanh hãm là 0 bar (khi áp suất bình chịu áp lực chính trong phạm vi làm việc của van điều áp);
c) Tay hãm lớn, tay hãm con phải hoạt động bình thường tại các vị trí tác dụng;
d) Van phân phối hoạt động bình thường để hãm và nhả hãm đầu máy;
e) Hệ thống hãm đầu máy phải có tác dụng bảo áp, duy trì áp suất ống hãm đoàn xe ở vị trí vận chuyển, vị trí hãm và vị trí nhả hãm giai đoạn;
f) Tính năng nhả hãm riêng đầu máy (nếu có) phải hoạt động bình thường.
2.2.5.5 Piston xy lanh hãm phải làm việc linh hoạt và có hành trình làm việc phải phù hợp với tài liệu kỹ thuật phương tiện.
2.2.5.6 Cơ cấu tự động điều chỉnh khe hở guốc hãm (nếu có) phải hoạt động bình thường.
2.2.5.7 Áp suất làm việc của van an toàn bình chịu áp lực chính phải phù hợp với tài liệu kỹ thuật phương tiện.
2.2.5.8 Cơ cấu truyền lực hãm, guốc hãm:
a) Các chi tiết, bộ phận của cơ cấu truyền lực hãm phải được lắp ráp đầy đủ, chắc chắn;
b) Guốc hãm phải có đủ chốt giữ. Khi hãm, guốc hãm phải tiếp xúc đều trên mặt lăn bánh xe.
c) Chiều dày guốc hãm không được nhỏ hơn 20 mm đối với guốc hãm bằng gang; đối với guốc hãm bằng vật liệu khác phải theo đúng quy định của tài liệu kỹ thuật phương tiện.
2.2.5.9 Cơ cấu hãm tay phải có tác dụng hãm, giữ hãm, nhả hãm và hoạt động linh hoạt.
2.2.5.10 Thiết bị hãm động năng (nếu có) phải hoạt động bình thường.
2.2.5.11 Bộ hút ẩm, sấy khô gió (nếu có) phải hoạt động bình thường.
2.2.6 Hệ thống xả cát
2.2.6.1 Thùng đựng cát không được rỉ, thủng và phải có nắp kín.
2.2.6.2 Khoảng cách từ vòi xả cát tới mặt ray và tới mặt lăn bánh xe từ 30 mm đến 40 mm.
2.2.6.3 Hệ thống xả cát phải hoạt động bình thường. Khi có tác động điều khiển thì phải có cát xả xuống mặt ray và đúng hướng chạy của phương tiện.
2.2.7 Thiết bị an toàn chạy tàu và phòng cháy, chữa cháy
2.2.7.1 Thiết bị chống ngủ gật, thiết bị ghi tốc độ và dữ liệu đoàn tàu và đồng hồ báo tốc độ phải lắp đặt chắc chắn và hoạt động bình thường.
2.2.7.2 Bình cứu hỏa phải đủ số lượng và còn hạn sử dụng. Các biển cấm (ví dụ: cấm lửa, cấm hút thuốc, ...) biển chỉ dẫn (ví dụ: chỉ dẫn lối thoát hiểm, chỉ dẫn vị trí bình cứu hỏa, thiết bị thoát hiểm, ...) về phòng cháy chữa cháy không được rách, mờ và phải lắp đặt ở vị trí dễ nhìn thấy.
2.2.7.3 Thiết bị báo cháy, đèn chiếu sáng sự cố, thiết bị phát hiện sự cố rò rỉ chất khí, chất lỏng nguy hiểm về cháy, nổ (nếu có) phải hoạt động bình thường.
2.2.7.4 Thiết bị bôi trơn gờ bánh xe (nếu có) phải hoạt động bình thường.
2.2.8 Động cơ Diesel
2.2.8.1 Kiểu loại phải phù hợp với tài liệu kỹ thuật phương tiện, số động cơ phải phù hợp với báo cáo kiểm tra.
2.2.8.2 Động cơ khởi động dễ dàng và phải hoạt động ổn định không có tiếng kêu lạ. Vòng quay động cơ ở chế độ không tải tại vị trí tay ga thấp nhất và vị trí tay ga cao nhất phải phù hợp với tài liệu kỹ thuật phương tiện.
2.2.8.3 Hệ thống bôi trơn, hệ thống làm mát, hệ thống cấp nhiên liệu phải kín và hoạt động bình thường. Quạt của hệ thống làm mát phải làm việc bình thường ở chế độ tự động và cưỡng bức.
2.2.8.4 Các thiết bị cảnh báo, bảo vệ động cơ phải hoạt động bình thường.
2.2.9 Hệ thống truyền động thủy lực
2.2.9.1 Kiểu loại phải phù hợp với tài liệu kỹ thuật phương tiện, số nhận dạng phải phù hợp với báo cáo kiểm tra.
2.2.9.2 Bộ khống chế đảo chiều, bộ đảo chiều phải hoạt động bình thường.
2.2.9.3 Dầu thủy lực không được rò rỉ tại các mặt lắp ghép và các đường ống.
2.2.10 Hệ thống truyền động điện kéo
2.2.10.1 Kiểu loại động cơ điện kéo và máy phát điện chính phải phù hợp với tài liệu kỹ thuật phương tiện; số máy phát điện chính phải phù hợp với báo cáo kiểm tra.
2.2.10.2 Bộ đảo chiều, công tắc tơ phải hoạt động bình thường.
2.2.10.3 Điện trở cách điện của mạch điện động lực không được nhỏ hơn 0,5 MΩ với điện áp đo 1000 V.
2.2.11 Máy điện và mạch điện điều khiển
2.2.11.1 Các máy điện phải lắp đặt chắc chắn và hoạt động bình thường;
2.2.11.2 Điện áp ắc quy phải đúng quy định của tài liệu kỹ thuật phương tiện. Mạch điện sạc ắc quy phải hoạt động bình thường.
2.2.11.3 Điện trở cách điện của mạch điện điều khiển, mạch điện chiếu sáng phải bảo đảm không nhỏ hơn 0,4 MΩ với điện áp đo 500 V.
2.2.11.4 Máy tính điều khiển (nếu có) phải hoạt động bình thường.
2.2.12 Đèn chiếu sáng và đèn tín hiệu
2.2.12.1 Đèn chiếu sáng và đèn tín hiệu phải được lắp đặt chắc chắn, không nứt vỡ và hoạt động bình thường.
2.2.12.2 Độ sáng đèn pha phải đạt yêu cầu sau:
- Không được nhỏ hơn 30.000 cd (candela) đối với phương tiện có tốc độ cấu tạo lớn nhất Vmax ≤ 50 km/h;
- Không được nhỏ hơn 40.000 cd (candela) đối với phương tiện có tốc độ cấu tạo lớn nhất Vmax > 50 km/h;
- Đối với đầu máy dồn, phương tiện của đường sắt chuyên dùng, độ sáng đèn pha không được nhỏ hơn 22.000 cd (candela).
2.2.13 Còi
2.2.13.1 Còi phải lắp đặt chắc chắn và hoạt động bình thường.
2.2.13.2 Âm lượng của còi phải không nhỏ hơn 83 dB.
2.3 Yêu cầu đối với toa xe đường sắt quốc gia, toa xe đường sắt chuyên dùng
2.3.1 Giá chuyển hướng
2.3.1.1 Kiểu loại phải phù hợp với tài liệu kỹ thuật phương tiện, số nhận dạng phải phù hợp với báo cáo kiểm tra.
2.3.1.2 Khung giá, má giá chuyển hướng phải được thử phát hiện vết nứt bằng phương pháp thử không phá hủy phù hợp tài liệu kỹ thuật phương tiện.
2.3.1.3 Chiều sâu mòn rỉ cục bộ của giá chuyển hướng khi sửa chữa, thay thế không vượt quá giới hạn sau:
a) 6 mm đối với má giá, xà cạnh và 5 mm đối với xà nhún của giá chuyển hướng thép đúc;
b) 3 mm đối với xà cạnh, các xà ngang, xà dọc và xà nhún của giá chuyển hướng thép hàn;
c) Đối với khung giá chuyển hướng sử dụng vật liệu mới phải tuân theo quy định của tài liệu kỹ thuật phương tiện.
2.3.1.4 Quang treo, biên treo, đế đỡ lò xo phải đủ liên kết và không bị nứt.
2.3.1.5 Chênh lệch chiều cao của bàn trượt:
a) Chênh lệch chiều cao của bàn trượt con lăn và bàn trượt mặt bằng không quá 6 mm giữa 2 bàn trượt dưới hoặc trên của cùng một giá chuyển hướng bao gồm cả đệm.
b) Đối với bàn trượt có kết cấu khác thì phải theo quy định của tài liệu kỹ thuật phương tiện.
2.3.1.6 Độ hở bàn trượt:
a) Độ hở bàn trượt trong một giá chuyển hướng của toa xe phải nằm trong giới hạn cho phép theo tài liệu kỹ thuật phương tiện đối với loại toa xe đó;
b) Đối với toa xe sử dụng loại bàn trượt có độ hở, phải bảo đảm yêu cầu hai bàn trượt trên đường chéo góc bệ xe không bị sát khít.
2.3.1.7 Độ hở của đầu bu lông bắt cối không nhỏ hơn:
a) 5 mm giữa đầu bu lông bắt cối dưới với đầu bu lông bắt cối trên;
b) 12 mm giữa đầu bu lông bắt cối chuyển dưới hoặc cối chuyển trên với đế cối trên hoặc dưới.
2.3.1.8 Độ nghiêng lệch của xà nhún không quá giá trị sau:
a) 4 mm theo chiều dọc xe; riêng đối với giá chuyển hướng lò xo không khí phải phù hợp với tài liệu kỹ thuật phương tiện;
b) 5 mm theo chiều dọc trục.
2.3.1.9 Độ hở giữa xà nhún với mang trượt xà nhún theo quy định tài liệu kỹ thuật phương tiện đối với từng loại giá chuyển hướng.
2.3.1.10 Độ hở giữa mặt trên giá chuyển hướng với bệ xe không nhỏ hơn trị số quy định tại Phụ lục B của Quy chuẩn này hoặc quy định của tài liệu kỹ thuật phương tiện.
2.3.1.11 Độ hở giữa đỉnh hộp trục đến mặt dưới khung giá và độ hở giữa mặt trên xà nhún với mặt dưới khung giá phải phù hợp với quy định tại Phụ lục C của Quy chuẩn này hoặc tài liệu kỹ thuật phương tiện.
2.3.1.12 Độ hở giữa khung trượt với rãnh trượt hộp dầu, hộp trục của giá chuyển hướng phải phù hợp với tài liệu kỹ thuật phương tiện.
2.3.1.13 Độ hở giữa suốt hãm, cá hãm với thân trục và độ hở giữa tam giác hãm, xà mang guốc hãm với gờ bánh xe không nhỏ hơn 30 mm ở trạng thái hãm.
2.3.1.14 Độ hở theo phương ngang giữa mặt trong bánh xe và ống gió chính không nhỏ hơn 100 mm đối với toa xe hàng, không nhỏ hơn 120 mm đối với toa xe khách, riêng đối với toa xe khách lắp giá chuyển hướng lò xo không khí thì phải phù hợp với tài liệu kỹ thuật phương tiện.
2.3.1.15 Suốt hãm, xà mang guốc hãm phải có quang treo/xích/cáp an toàn hoặc biện pháp chống rơi xuống đường khác.
2.3.1.16 Van chênh áp, van điều chỉnh độ cao của giá chuyển hướng lắp lò xo không khí phải lắp đặt chắc chắn, hoạt động bình thường.
2.3.1.17 Loại giảm chấn phải phù hợp với tài liệu kỹ thuật phương tiện, không nứt, cong vênh. Đối với giảm chấn thủy lực không có hiện tượng chảy dầu.
2.3.1.18 Lò xo phải bảo đảm các yêu cầu sau:
- Lò xo thép không nứt gẫy, lò xo cao su không nứt vỡ;
- Kiểu loại, chiều cao và độ chênh lệch chiều cao của lò xo ở trạng thái tự do khi sửa chữa, thay thế phải phù hợp với tài liệu kỹ thuật phương tiện.
2.3.1.19 Bộ trục bánh
2.3.1.19.1 Biên dạng của mặt lăn bánh xe khi khôi phục về nguyên hình phải phù hợp với quy định tại Phụ lục A của Quy chuẩn này hoặc tài liệu kỹ thuật phương tiện và độ hở giữa mặt lăn bánh xe với dưỡng kiểm tra không quá 0,5 mm.
2.3.1.19.2 Bộ trục bánh xe phải được thử phát hiện vết nứt bằng phương pháp thử không phá hủy phù hợp tài liệu kỹ thuật phương tiện.
2.3.1.19.3 Mối ghép giữa trục xe và moay ơ bánh xe, đai bánh xe và mâm bánh xe phải chặt và có dấu sơn kiểm tra lỏng.
2.3.1.19.4 Chiều dày đai bánh xe không được nhỏ hơn:
a) Đối với toa xe vận hành trên đường sắt quốc gia:
- 35 mm đối với toa xe khách khổ đường 1000 mm;
- 30 mm đối với toa xe hàng khổ đường 1000 mm;
- 35 mm đối với toa xe khổ đường 1435 mm.
b) Đối với toa xe vận hành trên đường sắt chuyên dùng không được nhỏ hơn 28 mm.
2.3.1.19.5 Chiều dày vành bánh xe không nhỏ hơn giới hạn sau:
a) Đối với toa xe vận hành trên đường sắt quốc gia:
- 30 mm đối với toa xe khách khổ đường 1000 mm;
- 27 mm đối với toa xe hàng khổ đường 1000 mm;
- 30 mm đối với toa xe khổ đường 1435 mm.
b) Đối với toa xe vận hành trên đường sắt chuyên dùng:
- 27 mm đối với toa xe khổ đường 1000 mm;
- 30 mm đối với toa xe khổ đường 1435 mm.
2.3.1.19.6 Chiều dày lợi bánh xe phải phù hợp quy định sau:
a) Đối với toa xe vận hành trên đường sắt quốc gia:
- Từ 24 mm đến 30 mm đối với toa xe khổ đường 1000 mm;
- Từ 26 mm đến 34 mm đối với toa xe khổ đường 1435 mm.
b) Đối với toa xe vận hành trên đường sắt chuyên dùng:
- Từ 20 mm đến 30 mm đối với toa xe khổ đường 1000 mm;
- Từ 24 mm đến 34 mm đối với toa xe khổ đường 1435 mm.
2.3.1.19.7 Chiều cao lợi bánh xe, không nằm ngoài phạm vi sau:
a) Đối với toa xe vận hành trên đường sắt quốc gia:
- Từ 27 mm đến 29 mm đối với toa xe khổ đường 1000 mm;
- Từ 26 mm đến 28 mm đối với toa xe khổ đường 1435 mm.
b) Đối với toa xe vận hành trên đường sắt chuyên dùng:
- Từ 27 mm đến 32 mm đối với toa xe khổ đường 1000 mm;
- Từ 26 mm đến 30 mm đối với toa xe khổ đường 1435 mm.
2.3.1.19.8 Giang cách của đôi bánh xe phải phù hợp với quy định sau:
a) (924 ± 3) mm đối với khổ đường 1000 mm;
b) (1353 ± 3) mm đối với khổ đường 1435 mm;
c) Độ chênh lệch giang cách của đôi bánh xe khi đo tại 3 điểm cách nhau khoảng 120° không quá 2 mm.
2.3.1.19.9 Chênh lệch đường kính bánh xe giữa hai bánh xe trong cùng một bộ trục bánh xe không vượt quá 1 mm đối với bánh xe tiện lại và 3 mm đối với bánh xe không tiện lại.
2.3.1.19.10 Chênh lệch đường kính bánh xe giữa các bộ trục bánh trong cùng một giá chuyển hướng không vượt quá giới hạn sau:
a) Toa xe khổ đường 1000 mm:
- 5 mm đối với giá chuyển hướng lò xo không khí;
- 12 mm đối với giá chuyển hướng cánh cung, thép đúc;
- 30 mm đối với giá chuyển hướng tôn tán (toa xe hàng);
- 25 mm đối với giá chuyển toa xe khách và các loại khác.
b) Toa xe khổ đường 1435 mm: 20 mm.
2.3.1.19.11 Chênh lệch đường kính bánh xe giữa các bộ trục bánh trong cùng một toa xe không vượt quá giới hạn sau:
a) Toa xe khổ đường 1000 mm:
- 40 mm đối với toa xe khách có giá chuyển hướng và 10 mm riêng đối với toa xe lắp giá chuyển hướng lò xo không khí;
- 50 mm đối với toa xe hàng có giá chuyển hướng;
- 30 mm đối với toa xe 2 trục.
b) Toa xe khổ đường 1435 mm:
- 40 mm đối với toa xe có giá chuyển hướng;
- 30 mm đối với toa xe 2 trục.
2.3.1.19.12 Vòng bi cổ trục không bị nứt vỡ, kẹt.
2.3.2 Bệ xe
2.3.2.1 Độ mòn rỉ của các xà bệ xe không quá 30% chiều dày nguyên hình.
2.3.2.2 Độ mòn rỉ của các mã xà bệ xe, độ cong của các xà bệ toa xe phải phù hợp tài liệu kỹ thuật phương tiện.
2.3.2.3 Mối nối các xà bệ xe
2.3.2.3.1 Số mối nối: Đối với xà dọc giữa và xà dọc cạnh của bệ xe không được quá 2 mối nối trên một xà (trường hợp có quá hai mối nối thì phải theo đúng thiết kế ban đầu quy định); đối với xà dọc phụ và xà ngang phụ của bệ xe không được quá 3 mối nối trên một xà.
2.3.2.3.2 Vị trí mối nối của các xà quy định như sau:
a) Xà dọc giữa:
- Cách tâm xà gối về phía bên trong ít nhất 600 mm;
- Cách tâm ngang bệ xe ít nhất 1200 mm.
b) Xà dọc cạnh:
- Cách tâm xà gối tối thiểu 400 mm;
- Cách tâm ngang bệ xe ít nhất 800 mm.
2.3.2.3.3 Chênh lệch độ cao từ xà đầu bệ xe đến mặt ray, đo khi toa xe ở trên đường thẳng và phẳng, không quá:
a) 12 mm giữa góc trái, góc phải của xà đầu;
b) 15 mm giữa xà đầu trước, xà đầu sau.
2.3.2.3.4 Mối hàn các xà bệ xe khi sửa chữa hoặc thay mới phải đủ chiều cao theo quy định tài liệu kỹ thuật phương tiện và không được ngậm xỉ, cháy mép.
2.3.2.3.5 Cơ cấu khóa định vị để khóa tiếp xúc trực tiếp bộ phận định vị ở góc dưới đế của container với vấu trên bệ xe (nếu có) phải đủ số lượng và hoạt động bình thường.
2.3.3 Móc nối, đỡ đấm
2.3.3.1 Kiểu loại phải phù hợp với tài liệu kỹ thuật phương tiện, số nhận dạng thân móc nối phải phù hợp với báo cáo kiểm tra.
2.3.3.2 Thân móc nối, lưỡi móc, ắc lưỡi móc phải được thử phát hiện vết nứt bằng phương pháp thử không phá hủy phù hợp tài liệu kỹ thuật phương tiện.
2.3.3.3 Lưỡi móc phải bảo đảm các yêu cầu sau:
a) Chiều dày lưỡi móc đối với toa xe vận hành trên đường sắt quốc gia trong khoảng từ 68 mm đến 72 mm; đối với toa xe vận hành trên đường sắt chuyên dùng, chiều dày lưỡi móc trong khoảng từ 66 mm đến 72 mm.
b) Tác dụng đóng mở linh hoạt, không được tự mở.
2.3.3.4 Độ hở giữa mặt trên cổ móc nối với mặt dưới bệ xung kích trong khoảng từ 15 mm đến 30 mm.
2.3.3.5 Tổng độ hở giữa hai bên cổ móc nối với lỗ bệ xung kích theo chiều ngang không nhỏ hơn:
a) Toa xe khổ đường 1000 mm:
- 80 mm đối với loại đầu đấm có liên kết giữa thân móc nối với khung đuôi móc bằng đinh tán;
- 100 mm đối với các loại đầu đấm khác.
b) Toa xe khổ đường 1435 mm:
- 50 mm đối với toa xe có giá chuyển hướng;
- 40 mm đối với toa xe 2 trục.
2.3.3.6 Độ hở giữa mặt trong vai móc nối đến mặt ngoài bệ xung kích phải phù hợp với tài liệu kỹ thuật phương tiện.
2.3.3.7 Khoảng cách từ hàm móc đến mặt trong lưỡi móc (điểm đo quy định tại Hình 1) khi đóng móc hoàn toàn từ 110 mm đến 130 mm và khi mở móc hoàn toàn từ 220 mm đến 235 mm.
2.3.3.8 Khoảng cách từ đường trung tâm móc nối đến mặt ray, khi toa xe ở trạng thái không tải, phải phù hợp với quy định sau:
a) Đối với toa xe vận hành trên đường sắt quốc gia:
- Từ 810 mm đến 825 mm với toa xe khổ đường 1000 mm;
- Từ 870 mm đến 890 mm với toa xe khổ đường 1435 mm;
- Từ 840 mm đến 855 mm với toa xe lắp đầu đấm 3 vị trí.
b) Đối với toa xe vận hành trên đường sắt chuyên dùng
- Từ 795 mm đến 825 mm với toa xe khổ đường 1000 mm;
- Từ 860 mm đến 890 mm với toa xe khổ đường 1435 mm.
2.3.3.9 Chênh lệch chiều cao của đường trung tâm 2 móc nối trong cùng một toa xe không quá 10 mm.
2.3.4 Hệ thống hãm
2.3.4.1 Bình chịu áp lực không được móp, méo, lắp đặt chắc chắn và phải có biển hiệu hoặc ký hiệu trên thân thùng đúng quy cách và còn thời hạn kiểm định theo quy định.
2.3.4.2 Van hãm, cơ cấu điều chỉnh tự động khe hở guốc hãm (nếu có) phải có kiểu loại phù hợp với tài liệu kỹ thuật phương tiện và phải hoạt động bình thường.
2.3.4.3 Cơ cấu điều chỉnh rỗng, tải (nếu có) phải có kiểu loại phù hợp với tài liệu kỹ thuật phương tiện và hoạt động bình thường.
2.3.4.4 Tính năng hoạt động của hệ thống hãm phải đạt được các yêu cầu sau:
a) Độ xì hở của hệ thống hãm khi áp suất của hệ thống hãm là 5 bar không được giảm quá 0,1 bar trong 01 phút; đối với toa xe vận hành trên đường sắt chuyên dùng yêu cầu độ xì hở không được giảm quá 0,2 bar trong 01 phút;
b) Piston xy lanh hãm phải dịch chuyển ra khi giảm áp suất ống gió chính 0,8 bar, piston xy lanh hãm phải dịch chuyển vào khi nạp lại gió cho hệ thống hãm đủ 5 bar;
c) Khi hãm thường, hệ thống hãm phải có tác dụng hãm thường, không được phát sinh hãm khẩn hoặc nhả hãm và phải duy trì trạng thái này tối thiểu trong thời gian 10 phút;
d) Khi hãm khẩn, hệ thống hãm phải có tác dụng hãm khẩn và có tác dụng nhả hãm khi nạp lại gió cho hệ thống hãm đủ 5 bar;
e) Khi hãm giai đoạn và nhả hãm giai đoạn, hệ thống hãm phải có tác dụng hãm giai đoạn và nhả hãm giai đoạn (đối với toa xe lắp van hãm có tính năng này);
f) Hành trình piston xy lanh hãm phải theo quy định của nhà sản xuất đối với từng loại toa xe;
g) Guốc hãm phải có đủ chốt giữ; khi hãm guốc hãm phải tiếp xúc với mặt lăn bánh xe; má hãm phải tiếp xúc với đĩa hãm; chiều dày guốc hãm bằng gang không nhỏ hơn 20 mm, chiều dày guốc hãm và má hãm (hãm đĩa) bằng vật liệu khác phải theo đúng quy định của tài liệu kỹ thuật phương tiện.
2.3.4.5 Cơ cấu hãm tay phải có tác dụng hãm, giữ hãm, nhả hãm và hoạt động bình thường.
2.3.4.6 Van hãm khẩn và phương tiện đo áp suất trên toa xe khách chở người (hành khách và/hoặc nhân viên), toa xe trưởng tàu: phải hoạt động bình thường và phương tiện đo áp suất phải được kiểm soát về đo lường theo quy định, còn hạn sử dụng, sau đó tiến hành kẹp chì niêm phong.
2.3.5 Hệ thống điện
2.3.5.1 Thiết bị điện lắp ráp trên toa xe phải hoạt động bình thường.
2.3.5.2 Độ cách điện không nhỏ hơn quy định tại Phụ lục D của Quy chuẩn này.
2.3.5.3 Thiết bị bảo vệ an toàn phải hoạt động bình thường.
2.3.5.4 Đối với toa xe khách có hệ thống điều hòa không khí:
a) Loại máy điều hòa không khí phải phù hợp với tài liệu kỹ thuật phương tiện.
b) Máy điều hòa không khí phải làm việc bình thường. Không khí trong phòng khách phải đạt yêu cầu sau:
- Nhiệt độ trung bình từ 24°C đến 28°C;
- Lượng không khí tươi cung cấp cho mỗi hành khách không nhỏ hơn 18 m3 /h;
- Độ ẩm tương đối không lớn hơn 70 %.
2.3.5.5 Đối với toa xe khách có tổ hợp máy phát điện:
a) Kiểu loại máy phát điện phải phù hợp với tài liệu kỹ thuật phương tiện;
b) Máy phát điện phải hoạt động bình thường;
2.3.6 Thân xe
2.3.6.1 Độ mòn rỉ cho phép theo chiều dày của thép thân thùng toa xe hàng xi téc không quá:
a) Toa xe hàng chở nhiên liệu:
- 20 % đối với tấm đầu thùng;
- 30 % đối với tấm thân thùng.
b) Toa xe hàng chở các loại hàng khác:
- 30 % đối với tấm đầu thùng;
- 40 % đối với tấm thân thùng.
2.3.6.2 Thùng toa xe xi téc dùng chở các loại hàng không sinh khí, có sinh khí (các loại nhiên liệu, cồn, axít, khí ga) phải được thử kín, thử phát hiện vết nứt bằng phương pháp thử không phá hủy phù hợp tài liệu kỹ thuật phương tiện.
2.3.6.3 Thân toa xe có mui nghiêng lệch theo chiều ngang xe không quá 30 mm (đo khi toa xe ở trên đường thẳng và phẳng).
2.3.6.4 Khoảng cách giữa điểm thấp nhất của thùng nước, thùng ắc quy hoặc thiết bị khác (nếu có) đến mặt ray không nhỏ hơn 150 mm.
2.3.6.5 Chân cầu, cầu giao thông, lan can, khung che gió đầu toa xe, tay vịn cửa lên xuống (nếu có) phải lắp ráp đủ và chắc chắn.
2.3.6.6 Bộ phận thông gió mui xe, quạt thông gió trong xe hoạt động bình thường.
2.3.6.7 Cửa, khóa cửa lắp đặt chắc chắn, hoạt động linh hoạt và không tự mở.
2.3.6.8 Kính cửa sổ, kính cửa lên xuống và kính cửa trong toa xe không được nứt vỡ. Kính cửa sổ của toa xe có hệ thống điều hòa không khí và kính thay mới của các loại xe khác phải là kính an toàn.
2.3.6.9 Toa xe có mui không bị dột, hắt và ngấm nước.
2.3.6.10 Đối với toa xe chuyên chở hàng hóa nguy hiểm về cháy, nổ phải bảo đảm các điều kiện an toàn về phòng cháy theo quy định của pháp luật về phòng cháy, chữa cháy và đường sắt.
2.3.7 Các thiết bị trên toa xe khách
2.3.7.1 Đèn chiếu sáng, đèn tín hiệu và các thiết bị phục vụ phải lắp đặt chắc chắn và hoạt động bình thường.
2.3.7.2 Ghế, giường, giá hành lý lắp ráp chắc chắn; cơ cấu nâng hạ của ghế, giường hoạt động bình thường.
2.3.7.3 Hệ thống cấp, thoát nước và thiết bị sử dụng nước phải hoạt động bình thường.
2.3.7.4 Trong buồng vệ sinh phải có tay nắm để đảm bảo an toàn cho hành khách khi sử dụng thiết bị vệ sinh. Buồng vệ sinh phải đảm bảo các yêu cầu sau:
a) Thông thoáng, thoát khí ra ngoài xe;
b) Các trang thiết bị trong buồng vệ sinh phải lắp đặt chắc chắn và hoạt động bình thường;
c) Chủ phương tiện phải có quy trình sửa chữa, bảo dưỡng thiết bị vệ sinh tự hoại để nước thải ra môi trường từ thiết bị vệ sinh tự hoại trên các toa xe khách phù hợp với quy định về bảo vệ môi trường.
2.3.7.5 Toa xe phải có thùng thu gom rác thải bảo đảm vệ sinh công cộng.
2.3.7.6 Bình cứu hỏa đủ số lượng và còn thời hạn sử dụng. Thiết bị báo cháy, đèn chiếu sáng sự cố, thiết bị phát hiện sự cố rò rỉ chất khí, chất lỏng nguy hiểm về cháy, nổ (nếu có) phải hoạt động bình thường.
2.3.7.7 Các biển cấm (ví dụ: cấm lửa, cấm hút thuốc, ...) biển chỉ dẫn (ví dụ: chỉ dẫn lối thoát hiểm, chỉ dẫn vị trí bình cứu hỏa, thiết bị thoát hiểm, ...) về phòng cháy chữa cháy không được rách, mờ và phải lắp đặt ở vị trí dễ nhìn thấy. Thiết bị thoát hiểm (nếu có) phải lắp đặt chắc chắn, hoạt động bình thường.
2.3.7.8 Thiết bị phục vụ người khuyết tật (nếu có) phải hoạt động bình thường.
2.3.7.9 Trên toa xe khách phải có chỗ để tủ thuốc sơ cứu, dụng cụ chèn tàu, vật liệu để sửa chữa đơn giản; có chỗ bố trí bảng niêm yết hoặc phương tiện thông tin khác để thông báo cho hành khách.
2.4 Yêu cầu đối với toa xe đường sắt đô thị
2.4.1 Giá chuyển hướng
2.4.1.1 Kiểu loại giá chuyển hướng phải phù hợp với tài liệu kỹ thuật phương tiện.
2.4.1.2 Khung giá phải được thử phát hiện vết nứt bằng phương pháp thử không phá hủy phù hợp tài liệu kỹ thuật phương tiện và các bộ phận đính kèm (nếu có) phải lắp đặt chắc chắn.
2.4.1.3 Van chênh áp, van điều chỉnh độ cao của lò xo không khí phải lắp đặt chắc chắn, hoạt động bình thường.
2.4.1.4 Giảm chấn thủy lực không có hiện tượng chảy dầu, không bị nứt, cong vênh.
2.4.1.5 Lò xo phải bảo đảm các yêu cầu sau:
a) Kiểu loại phù hợp với tài liệu kỹ thuật phương tiện;
b) Lò xo thép không nứt gẫy, lò xo cao su không bị nứt vỡ.
2.4.1.6 Hộp đầu trục không có hiện tượng nứt vỡ, chảy mỡ.
2.4.1.7 Các cảm biến lắp ở đầu trục (nếu có) phải lắp đặt chắc chắn.
2.4.1.8 Thiết bị bôi trơn gờ bánh xe, thiết bị lấy điện từ ray thứ 3 (nếu có) phải đủ số lượng, lắp đặt chắc chắn.
2.4.1.9 Bộ trục bánh
a) Biên dạng của mặt lăn bánh xe khi khôi phục về nguyên hình phải phù hợp với tài liệu kỹ thuật phương tiện và độ hở giữa mặt lăn bánh xe với dưỡng kiểm tra không quá 0,5 mm;
b) Chiều dày, chiều cao lợi bánh xe, giang cách bánh xe phải có trị số phù hợp với tài liệu kỹ thuật phương tiện;
c) Chênh lệch đường kính bánh xe giữa hai bánh xe trong cùng một bộ trục bánh xe không vượt quá 1 mm;
d) Chênh lệch đường kính bánh xe giữa các bộ trục bánh trong cùng một giá chuyển, trong cùng một đoàn tàu phải phù hợp với tài liệu kỹ thuật phương tiện.
2.4.1.10 Hộp giảm tốc trục của toa xe có động cơ điện kéo không có hiện tượng chảy dầu.
2.4.2 Móc nối, đỡ đấm
2.4.2.1 Kiểu loại móc nối phải phù hợp với tài liệu kỹ thuật phương tiện.
2.4.2.2 Chiều cao trung tâm móc nối tới mặt ray và sai lệch về chiều cao trung tâm của móc nối trước và sau phải phù hợp với tài liệu kỹ thuật phương tiện.
2.4.2.3 Cơ cấu liên kết điện, khí nén trong bộ phận móc nối khi liên kết phải chắc chắn và hoạt động bình thường.
2.4.3 Thiết bị an toàn
2.4.3.1 Các thiết bị cảnh báo trong buồng lái, buồng hành khách phải có tác dụng và hoạt động bình thường.
2.4.3.2 Thiết bị thao tác dừng tàu khẩn cấp và thiết bị chống ngủ gật cho lái tàu phải có tác dụng và hoạt động bình thường.
2.4.3.3 Bình cứu hỏa phải đủ số lượng và còn hạn sử dụng. Thiết bị báo cháy (nếu có) phải hoạt động bình thường.
2.4.3.4 Còi điện hoặc còi hơi ở hai đầu buồng lái phải hoạt động bình thường, phát ra âm thanh rõ ràng, không bị rè.
2.4.3.5 Thiết bị ghi tốc độ và dữ liệu đoàn tàu phải lắp đặt chắc chắn và hoạt động bình thường.
2.4.3.6 Dụng cụ thoát hiểm, loa dùng trong tình huống khẩn cấp (nếu có) phải lắp đặt chắc chắn, sử dụng bình thường.
2.4.4 Buồng hành khách
2.4.4.1 Các đèn trong buồng hành khách phải lắp đặt chắc chắn và hoạt động bình thường. Các biển báo trong buồng khách không được rách, mờ và phải lắp đặt ở vị trí dễ nhìn thấy.
2.4.4.2 Cửa hành khách:
a) Việc đóng, mở cửa ở 2 chế độ làm việc: do lái tàu điều khiển thủ công và điều khiển tự động phải linh hoạt và hoạt động bình thường;
b) Các cửa đóng mở linh hoạt, phải cùng mở hoặc đóng đồng thời và không được tự mở trong khi tàu đang chạy;
c) Thời gian đóng, mở cửa phải phù hợp với tài liệu kỹ thuật phương tiện;
d) Thiết bị cảm biến phát hiện vật cản phải có tác dụng và hoạt động bình thường;
e) Tính năng khống chế không cho tàu vận hành khi cửa hành khách chưa đóng hết phải có tác dụng;
f) Tác dụng mở cửa bằng tay trong tình huống khẩn cấp phải hoạt động tốt.
2.4.4.3 Cửa thông toa xe (nếu có) phải đóng mở linh hoạt, không bị kẹt.
2.4.4.4 Kính cửa ra vào, cửa thông toa xe và cửa sổ toa xe không được nứt vỡ.
2.4.4.5 Cột đứng, tay vịn, tay nắm phải lắp đặt chắc chắn.
2.4.4.6 Ghế ngồi phải chắc chắn, không bị nứt vỡ.
2.4.4.7 Thiết bị phục vụ người khuyết tật (nếu có) phải hoạt động bình thường.
2.4.5 Buồng lái
2.4.5.1 Kính chắn gió phía trước buồng lái không bị nứt vỡ, ố mờ. Bộ gạt nước mưa và tấm che nắng phải hoạt động bình thường.
2.4.5.2 Cửa cạnh buồng lái (nếu có), cửa thông buồng lái và buồng hành khách phải chắc chắn, đóng mở linh hoạt, không tự mở.
2.4.5.3 Cửa thoát hiểm trong buồng lái (nếu có) phải chắc chắn, đóng mở được bằng tay.
2.4.5.4 Các đồng hồ và đèn báo trong buồng lái cần bảo đảm khi tàu chạy trong đường hầm, khi tắt đèn chiếu sáng vào ban đêm, ở chỗ có ánh sáng mặt trời thì vẫn có thể nhìn rõ các trị số hiển thị từ vị trí cách tối thiểu 500 mm.
2.4.5.5 Ghế ngồi của người lái tàu phải lắp đặt chắc chắn; cơ cấu điều chỉnh ghế phải hoạt động bình thường.
2.4.6 Thử dột toa xe
Thân toa xe và vị trí lắp các thiết bị điện bên ngoài toa xe, các cửa, nắp lỗ, nắp che và các khe hở trên thân xe không được có hiện tượng dột, hắt, thấm nước.
2.4.7 Thông tin liên lạc trên tàu
2.4.7.1 Thiết bị thông tin hai chiều giữa lái tàu và trung tâm điều độ chạy tàu, giữa buồng lái phía đầu và buồng lái phía cuối đoàn tàu phải hoạt động bình thường, thông tin nghe được phải rõ ràng.
2.4.7.2 Thiết bị phát thanh tự động báo ga đến phải hoạt động bình thường, thông tin nghe được phải rõ ràng.
2.4.7.3 Nút nhấn báo động và thiết bị để hành khách liên lạc với lái tàu khi gặp trường hợp khẩn cấp phải hoạt động bình thường.
2.4.7.4 Bảng hiển thị tên tuyến đường sắt đô thị phía trước buồng lái hai đầu đoàn tàu; bảng hiển thị lộ trình chạy tàu, ga đi, ga đến trong buồng khách phải hoạt động bình thường.
2.4.8 Chiếu sáng
2.4.8.1 Đèn chiếu sáng, đèn báo, đèn tín hiệu và các đèn khác trong buồng lái phải hoạt động bình thường.
2.4.8.2 Đèn chiếu sáng trong buồng khách phải đảm bảo các yêu cầu sau:
a) Hoạt động bình thường;
b) Khi sử dụng nguồn cấp điện trong tình huống khẩn cấp thì độ rọi của đèn khẩn cấp phải phù hợp với tài liệu kỹ thuật phương tiện. Sử dụng lux kế để đo độ rọi, lux kế phải được kiểm soát về đo lường theo quy định.
2.4.8.3 Đèn pha chiếu sáng phía trước
Đèn chiếu sáng phía trước phải lắp đặt chắc chắn và có cường độ sáng phù hợp với tài liệu kỹ thuật phương tiện.
2.4.9 Thông gió
Tính năng hoạt động của hệ thống thông gió ở chế độ vận hành bình thường và chế độ có tình huống khẩn cấp phải phù hợp với tài liệu kỹ thuật phương tiện.
2.4.10 Điều hòa không khí
a) Kiểu loại máy điều hòa không khí phải phù hợp với tài liệu kỹ thuật phương tiện;
b) Máy điều hòa không khí phải làm việc bình thường, lưu lượng khí tươi cấp cho mỗi hành khách tính theo số hành khách danh nghĩa phải không thấp hơn 10 m 3 /h, độ ẩm tương đối và nhiệt độ trong toa xe phải phù hợp với tài liệu kỹ thuật phương tiện.
2.4.11 Hệ thống hãm
2.4.11.1 Máy nén khí, thiết bị điều khiển hãm, van chống trượt bánh xe, xy lanh hãm lắp đặt chắc chắn và hoạt động bình thường.
2.4.11.2 Vị trí dừng tàu trong nhà ga khi hãm thường phải trong phạm vi cho phép.
2.4.11.3 Khi hãm khẩn trị số áp suất xi lanh hãm phải phù hợp với tài liệu kỹ thuật phương tiện.
2.4.11.4 Hãm điện và hãm gió phải được phối hợp nhịp nhàng. Việc chuyển đổi giữa hãm điện và hãm gió phải được thực hiện tự động, linh hoạt.
2.4.11.5 Hệ thống hãm phải có chức năng hãm đỗ và hãm giữ phù hợp với tài liệu kỹ thuật phương tiện. Hệ thống hãm phải đảm bảo giữ được tàu đầy tải không bị trôi trên đường có độ dốc lớn nhất của tuyến trong khoảng thời gian 5 phút.
2.4.11.6 Van hãm khẩn cấp, van an toàn và phương tiện đo áp suất phải hoạt động bình thường.
2.4.11.7 Bình chịu áp lực không được móp, méo, lắp đặt chắc chắn và phải có biển hiệu hoặc ký hiệu trên thân thùng đúng quy cách và còn thời hạn kiểm định theo quy định.
2.4.11.8 Thể tích của bình chịu áp lực phải phù hợp với tài liệu kỹ thuật phương tiện.
2.4.11.9 Độ xì hở của hệ thống (bao gồm bình chịu áp lực chính, đường ống gió hãm chính) phải phù hợp với tài liệu kỹ thuật phương tiện.
2.4.11.10 Độ xì hở của của xy lanh hãm phải phù hợp với tài liệu kỹ thuật phương tiện.
2.4.12 Bộ tiếp điện
2.4.12.1 Bộ tiếp điện lắp ráp trên toa xe phải lắp đặt chắc chắn và hoạt động bình thường.
2.4.12.2 Độ mòn của thanh trượt tiếp điện, guốc lấy điện phải phù hợp với tài liệu kỹ thuật phương tiện;
2.4.12.3 Thiết bị chống sét của bộ tiếp điện trên cao phải lắp đặt chắc chắn.
2.4.13 Bộ biến đổi điện động lực
Lắp đặt chắc chắn, kiểu loại phù hợp với tài liệu kỹ thuật phương tiện.
2.4.14 Ắc quy
2.4.14.1 Bộ ắc quy phải lắp đặt chắc chắn và không có hiện tượng rò hở, nứt, vỡ.
2.4.14.2 Bộ ắc quy phải đảm bảo duy trì cung cấp điện chiếu sáng khi toa xe có sự cố như chiếu sáng khẩn cấp, chiếu sáng bên ngoài, thông gió khẩn cấp (nếu có), vận hành các thiết bị an toàn toa xe, loa phát thanh thông báo tin tức, mở toàn bộ cửa đoàn tàu tối thiểu một lần, làm việc trong khoảng thời gian không nhỏ hơn 45 phút đối với tuyến có đường ngầm và không nhỏ hơn 30 phút đối với tuyến chạy trên mặt đất hoặc trên cao.
2.4.15 Độ cách điện
2.4.15.1 Hộp đấu dây, hộp cầu dao, hộp cầu chì phải lắp đặt chắc chắn.
2.4.15.2 Độ cách điện của mạch điện động lực phải phù hợp với tài liệu kỹ thuật phương tiện.
2.4.16 Động cơ điện kéo
2.4.16.1 Kiểu loại của động cơ điện kéo phải phù hợp với tài liệu kỹ thuật phương tiện.
2.4.16.2 Động cơ phải hoạt động ổn định, không có tiếng kêu bất thường.
2.4.16.3 Quạt gió làm mát (nếu có) phải làm việc bình thường.
2.4.17 Kiểm tra vận hành tàu đường sắt đô thị
2.4.17.1 Khi cấp điện, các tổng thành, hệ thống trên đoàn tàu phải hoạt động bình thường.
2.4.17.2 Cho đoàn tàu khởi động ở dòng điện lớn nhất tương ứng với trạng thái tải trọng cho phép, không xảy ra hiện tượng trượt bánh.
2.4.18 Hệ thống điều khiển chạy tàu đường sắt đô thị
2.4.18.1 Tính năng vận hành tàu tự động phải tự động kiểm soát tốc độ theo biểu đồ chạy tàu, dừng tàu chính xác và tự động mở cửa tại các ga.
2.4.18.2 Chức năng giám sát tự động phải đảm bảo xác định vị trí, tốc độ của đoàn tàu theo thời gian thực và hoạt động bình thường.
2.4.18.3 Thiết bị truyền hình mạch kín (CCTV) trên tàu (nếu có) phải hoạt động bình thường.
2.4.18.4 Tính năng bảo vệ tàu tự động phải đảm bảo các yêu cầu sau:
a) Phải có tác dụng khi tàu vượt quá tốc độ quy định hoặc tàu di chuyển khi không được phép;
b) Thiết bị hiển thị tốc độ phải có tác dụng và làm việc bình thường;
c) Phải hiển thị được tín hiệu tác dụng của hãm khẩn trong buồng lái.
2.5 Yêu cầu đối với phương tiện chuyên dùng
2.5.1 Giá chuyển hướng
2.5.1.1 Số nhận dạng (nếu có) phải phù hợp báo cáo kiểm tra.
2.5.1.2 Các chi tiết được lắp, treo vào giá chuyển hướng phải lắp đặt chắc chắn, không long, lỏng.
2.5.1.3 Bộ trục bánh
2.5.1.3.1 Giang cách bánh xe phải phù hợp với quy định sau:
a) Đối với phương tiện chuyên dùng vận hành trên đường sắt quốc gia, đường sắt chuyên dùng có nối ray với đường sắt quốc gia:
- Khổ đường 1000 mm: 924 ± 3 mm;
- Khổ đường 1435 mm: 1353 ± 3 mm.
b) Đối với phương tiện chuyên dùng vận hành trên đường sắt đô thị, đường sắt chuyên dùng không nối ray với đường sắt quốc gia có đi qua khu dân cư, giao cắt với đường bộ phải phù hợp với quy định của tài liệu kỹ thuật phương tiện.
2.5.1.3.2 Chiều dày lợi bánh xe phải phù hợp với quy định sau:
a) Đối với khổ đường 1000 mm: từ 20 mm đến 30 mm đối với phương tiện chuyên dùng vận hành trên đường sắt quốc gia, đường sắt chuyên dùng có nối ray với đường sắt quốc gia. Đối với phương tiện chuyên dùng có chiều dày lợi bánh xe lớn hơn 30 mm, phải đảm bảo tổng giang cách bánh xe và chiều dày của 02 lợi bánh xe không lớn hơn 987 mm.
b) Đối với khổ đường 1435 mm: từ 24 mm đến 34 mm;
c) Đối với phương tiện chuyên dùng vận hành trên đường sắt đô thị, đường sắt chuyên dùng không nối ray với đường sắt quốc gia có đi qua khu dân cư, giao cắt với đường bộ phải phù hợp với quy định của tài liệu kỹ thuật phương tiện.
2.5.1.3.3 Chiều cao lợi bánh xe phải phù hợp với tài liệu kỹ thuật phương tiện hoặc quy định sau:
a) Đối với khổ đường 1000 mm: từ 27 mm đến 29 mm đối với phương tiện chuyên dùng vận hành trên đường sắt quốc gia, đường sắt chuyên dùng có nối ray với đường sắt quốc gia; từ 27 mm đến 32 mm đối với phương tiện chuyên dùng vận hành trên đường sắt chuyên dùng.
b) Đối với khổ đường 1435 mm: từ 26 mm đến 28 mm.
2.5.1.3.4 Chiều dày đai bánh xe, vành bánh xe phải phù hợp với tài liệu kỹ thuật phương tiện.
2.5.2 Giá xe, bệ xe
2.5.2.1 Các xà chính của giá xe, bệ xe không nứt, gãy ở mức nhận biết bằng mắt thường.
2.5.2.2 Sàn, bệ xe phải được định vị chắc chắn với khung giá xe.
2.5.3 Móc nối, đỡ đấm
2.5.3.1 Kiểu loại phải phù hợp với tài liệu kỹ thuật phương tiện.
2.5.3.2 Lưỡi móc (nếu có) phải đóng mở linh hoạt, không được tự mở.
2.5.3.3 Khoảng cách từ đường trung tâm móc nối (đối với phương tiện chuyên dùng có lắp bộ móc nối, đỡ đấm tương thích để móc nối với đầu máy, toa xe) đến mặt ray phải phù hợp với quy định sau:
- Đối với đường sắt khổ đường 1000 mm phải đạt từ 790 mm đến 825 mm;
- Đối với đường sắt khổ đường 1435 mm phải đạt từ 860 mm đến 890 mm.
2.5.4 Hệ thống hãm
2.5.4.1 Hệ thống hãm phải hoạt động bình thường. Độ xì hở của hệ thống hãm phải phù hợp với quy định của tài liệu kỹ thuật phương tiện.
2.5.4.2 Máy nén khí:
a) Máy nén khí phải làm việc ổn định ở mọi chế độ vòng quay và không có tiếng kêu bất thường;
b) Năng lực máy nén khí phải phù hợp với tài liệu kỹ thuật phương tiện.
2.5.4.3 Bình chịu áp lực
Bình chịu áp lực không được móp, méo, lắp đặt chắc chắn và phải có biển hiệu hoặc ký hiệu trên thân thùng đúng quy cách và còn thời hạn kiểm định theo quy định.
2.5.4.4 Piston xy lanh hãm phải làm việc linh hoạt và có hành trình làm việc phải phù hợp với tài liệu kỹ thuật phương tiện.
2.5.4.5 Áp suất làm việc của van an toàn bình chịu áp lực chính phải phù hợp với tài liệu kỹ thuật phương tiện.
2.5.4.6 Cơ cấu hãm tay (nếu có) phải có tác dụng hãm, nhả hãm và hoạt động linh hoạt.
2.5.4.7 Tay hãm lớn, tay hãm con (nếu có) phải hoạt động bình thường.
2.5.5 Đèn chiếu sáng và đèn tín hiệu
Đèn chiếu sáng và đèn tín hiệu không nứt vỡ và hoạt động bình thường.
2.5.6 Vỏ máy, buồng lái
2.5.6.1 Khung, mui, vách ngăn, sàn không bị rỉ thủng và được lắp ghép chắc chắn.
2.5.6.2 Cầu thang, tay vịn không bị nứt gẫy hoặc cong vênh và được lắp ghép chắc chắn.
2.5.6.3 Cửa và cơ cấu khóa phải đóng mở nhẹ nhàng, không được tự mở.
2.5.6.4 Kính buồng lái không được rạn nứt, ố mờ.
2.5.6.5 Đèn chiếu sáng phải lắp chắc chắn và hoạt động bình thường.
2.5.6.6 Gạt nước mưa phải hoạt động bình thường.
2.5.7 Thiết bị an toàn chạy tàu và phòng cháy, chữa cháy
2.5.7.1 Thiết bị chống ngủ gật, thiết bị ghi tốc độ và dữ liệu đoàn tàu (nếu có) và đồng hồ báo tốc độ phải hoạt động bình thường.
2.5.7.2 Bình cứu hỏa (nếu có) phải còn hạn sử dụng.
2.5.7.3 Thiết bị báo cháy (nếu có) phải hoạt động bình thường.
2.5.8 Động cơ Diesel
2.5.8.1 Kiểu loại phải phù hợp với tài liệu kỹ thuật phương tiện, số động cơ phải phù hợp với báo cáo kiểm tra.
2.5.8.2 Động cơ khởi động dễ dàng và phải hoạt động ổn định, không có tiếng kêu bất thường.
2.5.8.3 Hệ thống bôi trơn, hệ thống làm mát, hệ thống cấp nhiên liệu phải kín và hoạt động bình thường.
2.5.8.4 Các thiết bị cảnh báo, bảo vệ động cơ (nếu có) phải hoạt động bình thường.
2.5.9 Hệ thống truyền động
2.5.9.1 Phải hoạt động ổn định ở mọi chế độ vòng quay và không có tiếng kêu bất thường.
2.5.9.2 Trục các đăng không được nứt, không có vết hàn chữa và có đủ các chi tiết kẹp chặt và phòng lỏng.
2.5.9.3 Dầu thủy lực không được rò rỉ tại các mặt lắp ghép và các đường ống.
2.5.10 Còi
Còi phải lắp đặt chắc chắn và hoạt động bình thường
3 Quy định kiểm tra
3.1 Xem xét báo cáo kiểm tra
Đối chiếu kết quả kiểm tra trong các báo cáo kiểm tra với quy định của Quy chuẩn này.
3.2 Đối với đầu máy
Đầu máy phải kiểm tra các nội dung theo quy định tại Bảng 1.
Bảng 1: Nội dung kiểm tra đầu máy
| STT | Hạng mục kiểm tra | Loại hình kiểm tra | Yêu cầu | |
| ĐK | NKĐQSD | |||
| 1 | Số hiệu phương tiện | x | x | Phải phù hợp với quy định tại điểm 2.1.3. |
| 2 | Kích thước phương tiện | - | x | - Kiểm tra kích thước chiều dài, chiều rộng, chiều cao của phương tiện phải phù hợp với tài liệu kỹ thuật phương tiện. - Chứng kiến phương tiện thông qua khổ giới hạn. |
| 3 | Giá chuyển hướng | x | x | - Số nhận dạng giá chuyển hướng phải phù hợp với báo cáo kiểm tra. - Kiểm tra nứt khung giá, bộ trục bánh xe thông qua xem xét kết quả trong báo cáo kiểm tra. - Hộp đầu trục, khoang lắp hộp đầu trục phù hợp với quy định tại điểm 2.2.1.3. - Các lò xo hộp đầu trục không nứt, gãy. Giảm chấn thủy lực không có hiện tượng chảy dầu. Đối với giảm chấn cao su chịu tải của giá xe (nếu có) không lão hóa, nứt vỡ. Kiểm tra chiều cao lò xo hộp đầu trục thông qua xem xét kết quả trong báo cáo kiểm tra. - Hộp giảm tốc trục không bị chảy dầu và khi hoạt động không có tiếng kêu bất thường. Bộ trục bánh xe phù hợp với quy định tại điểm 2.2.1.6. |
| 4 | Giá xe | x | x | - Kiểm tra nứt giá xe thông qua xem xét kết quả trong báo cáo kiểm tra. - Tấm gạt chướng ngại phù hợp với quy định tại điểm 2.2.2.2. |
| 5 | Vỏ máy, buồng lái | x | x | Phù hợp với quy định tại điểm 2.2.3. |
| 6 | Móc nối, đỡ đấm | x | x | - Số nhận dạng thân móc nối phải phù hợp với báo cáo kiểm tra. - Kiểm tra nứt thân móc nối, lưỡi móc và ắc lưỡi móc thông qua xem xét kết quả trong báo cáo kiểm tra. - Lưỡi móc phù hợp với quy định tại điểm 2.2.4.3. - Khoảng cách từ đường trung tâm móc nối đến mặt ray phù hợp với quy định tại điểm 2.2.4.4. - Chênh lệch chiều cao của đường trung tâm hai móc nối phù hợp với quy định tại điểm 2.2.4.5. |
| 7 | Hệ thống hãm | x | x | Phù hợp với quy định tại điểm 2.2.5. |
| 8 | Hệ thống xả cát | x | x | Phù hợp với quy định tại điểm 2.2.6. |
| 9 | Thiết bị an toàn chạy tàu và phòng cháy, chữa cháy | x | x | Phù hợp với quy định tại điểm 2.2.7. |
| 10 | Động cơ Diesel | x | x | Phù hợp với quy định tại điểm 2.2.8.1,2.2.8.2, 2.2.8.3. |
| 11 | Hệ thống truyền động thủy lực | x | x | Phù hợp với quy định tại điểm 2.2.9.2 và 2.2.9.3. |
| 12 | Hệ thống truyền động điện kéo | x | x | Phù hợp với quy định tại điểm 2.2.10. |
| 13 | Máy điện và mạch điện điều khiển | x | x | Phù hợp với quy định tại điểm 2.2.11. |
| 14 | Đèn chiếu sáng và đèn tín hiệu | x | x | Phù hợp với quy định tại điểm 2.2.12. |
| 15 | Còi | x | x | Phù hợp với quy định tại điểm 2.2.13. Kiểm tra âm lượng của còi bằng thiết bị đo độ ồn đặt tại vị trí có bán kính 30,5 m tính từ mặt trước phương tiện và giới hạn bởi 2 tia tạo góc 45° với đường tâm ray. |
| 16 | Vận hành thử phương tiện | x | x | Kiểm tra vận hành thử phương tiện thông qua xem xét kết quả trong báo cáo kiểm tra. |
| Ghi chú: - Chữ viết tắt: “ĐK” là kiểm tra định kỳ, “NKĐQSD” là kiểm tra nhập khẩu đã qua sử dụng. - Ký hiệu: “x” là kiểm tra; “-” là không kiểm tra. - Đối với giá chuyển hướng, bộ móc nối đỡ đấm đã có giấy chứng nhận chất lượng an toàn kỹ thuật và bảo vệ môi trường thì được miễn kiểm tra, đánh giá những nội dung đã được chứng nhận khi lần đầu lắp đặt vào đầu máy. | ||||
3.3 Đối với toa xe đường sắt quốc gia, toa xe đường sắt chuyên dùng
Toa xe đường sắt quốc gia, toa xe đường sắt chuyên dùng phải kiểm tra các nội dung theo quy định tại Bảng 2
Bảng 2: Nội dung kiểm tra toa xe đường sắt quốc gia, toa xe đường sắt chuyên dùng
| STT | Hạng mục kiểm tra | Loại hình kiểm tra | Yêu cầu | |
| ĐK | NKĐQSD | |||
| 1 | Số hiệu phương tiện | x | x | Phù hợp với quy định tại điểm 2.1.3. |
| 2 | Kích thước phương tiện | - | x | - Kiểm tra kích thước chiều dài, chiều rộng, chiều cao của phương tiện phải phù hợp với tài liệu kỹ thuật phương tiện. - Chứng kiến phương tiện thông qua khổ giới hạn. |
| 3 | Giá chuyển hướng | x | x | - Phù hợp với quy định tại điểm 2.3.1.4 đến điểm 2.3.1.15. - Bộ trục bánh xe phù hợp với quy định tại điểm 2.3.1.19. - Kiểu loại, số nhận dạng giá chuyển hướng phải phù hợp với báo cáo kiểm tra. - Kiểm tra nứt khung giá, má giá chuyển hướng, bộ trục bánh xe; hoạt động của van chênh áp, van điều chỉnh độ cao; chiều sâu mòn rỉ cục bộ của giá chuyển hướng, chiều cao và độ chênh lệch chiều cao của lò xo trong giá chuyển hướng khi sửa chữa, thay thế thông qua xem xét kết quả trong báo cáo kiểm tra. |
| 4 | Bệ xe | x | x | Xà dọc giữa, xà dọc cạnh, xà đầu bệ xe không được rỉ thủng. Kiểm tra nứt các xà chính bệ xe thông qua xem xét kết quả trong báo cáo kiểm tra. |
| 5 | Móc nối, đỡ đấm | x | x | Phù hợp với quy định tại điểm 2.3.3 và kiểm tra nứt thân móc nối, lưỡi móc và ắc lưỡi móc thông qua xem xét kết quả trong báo cáo kiểm tra. |
| 6 | Hệ thống hãm | x | x | Phù hợp với quy định tại điểm 2.3.4. Kiểm tra tính năng hoạt động hệ thống hãm bằng thiết bị chuyên dùng. Phương tiện đo áp suất của thiết bị thử hãm chuyên dùng phải làm việc bình thường và phải được kiểm soát về đo lường theo quy định. |
| 7 | Hệ thống điện | x | x | Phù hợp với quy định tại điểm 2.3.5. |
| 8 | Thân xe | x | x | Kiểm tra về phòng cháy, chữa cháy đối với toa xe chuyên chở hàng hóa nguy hiểm về cháy, nổ được thực hiện thông qua xem xét hồ sơ và đối chiếu với thực tế. Kiểm tra độ mòn rỉ chiều dày thép thân thùng toa xe xi téc thông qua xem xét kết quả trong báo cáo kiểm tra. Các nội dung còn lại kiểm tra phù hợp với quy định tại điểm 2.3.6. |
| 9 | Các thiết bị trên toa xe khách | x | x | Phù hợp với quy định tại điểm 2.3.7. |
| 10 | Vận hành thử phương tiện | x | x | Kiểm tra vận hành thử phương tiện thông qua xem xét kết quả trong báo cáo kiểm tra. |
| Ghi chú: - Chữ viết tắt: “ĐK” là kiểm tra định kỳ, “NKĐQSD” là kiểm tra nhập khẩu đã qua sử dụng. - Ký hiệu: “x” là kiểm tra; “-” là không kiểm tra. - Đối với giá chuyển hướng, bộ móc nối đỡ đấm đã có giấy chứng nhận chất lượng an toàn kỹ thuật và bảo vệ môi trường thì được miễn kiểm tra, đánh giá những nội dung đã được chứng nhận khi lần đầu lắp đặt vào toa xe đường sắt quốc gia, toa xe đường sắt chuyên dùng. | ||||
3.4 Đối với toa xe đường sắt đô thị
3.4.1 Các nội dung kiểm tra định kỳ đối với toa xe đường sắt đô thị phải phù hợp với quy định tại điểm 2.4. Kiểm tra nứt khung giá chuyển hướng thông qua xem xét kết quả trong báo cáo kiểm tra.
3.4.2 Toa xe đường sắt đô thị vận hành trên đoạn tuyến được nâng cấp, kéo dài, thay đổi phạm vi hoạt động (gọi tắt là tuyến mới) thì phải được kiểm tra phù hợp với quy định tại điểm 2.4 của Quy chuẩn này và kiểm tra bổ sung các nội dung sau trên tuyến mới để đảm bảo các yêu cầu sau:
3.4.2.1 Toa xe đường sắt đô thị ở trạng thái chuẩn bị vận hành không được vượt quá khổ giới hạn phương tiện của tuyến mới.
3.4.2.2 Khi độ dốc lớn nhất của tuyến mới lớn hơn độ dốc lớn nhất của tuyến đang vận hành thì hệ thống hãm của toa xe đường sắt đô thị phải đảm bảo giữ được tàu đầy tải không bị trôi trên đường có độ dốc lớn nhất của tuyến mới trong khoảng thời gian không ít hơn 5 phút.
3.4.2.3 Toa xe đường sắt đô thị phải thông qua được đường cong có bán kính không lớn hơn bán kính nhỏ nhất của tuyến mới.
3.5 Đối với phương tiện chuyên dùng
Các nội dung kiểm tra đối với phương tiện chuyên dùng phải phù hợp quy định tại điểm 2.5.
3.6 Đối với phương tiện hoán cải
Kiểm tra các nội dung sau khi hoán cải phải phù hợp với nội dung tương ứng quy định tại điểm 3.2, 3.3, 3.5 đối với từng loại phương tiện.
4 Quy định về quản lý
4.1 Việc kiểm tra, chứng nhận phương tiện giao thông đường sắt khi kiểm tra định kỳ, hoán cải, nhập khẩu đã qua sử dụng thực hiện theo quy định của Bộ trưởng Bộ Xây dựng về quản lý, khai thác vận tải đường sắt.
4.2 Các tổ chức, cá nhân có liên quan đến sửa chữa, bảo dưỡng, nhập khẩu, hoán cải, khai thác phương tiện phải đảm bảo các điều kiện kiểm tra phương tiện; thực hiện tuân thủ các quy định của Quy chuẩn này; tổ chức kiểm soát chất lượng, an toàn phương tiện trong quá trình vận hành.
4.3 Đối với phương tiện giao thông đường sắt có kích thước lớn hơn giới hạn quy định tại điểm 2.1.2 của Quy chuẩn này thì vẫn được thực hiện việc kiểm tra và chứng nhận theo Quy chuẩn này nhưng trong Báo cáo kiểm tra và Giấy chứng nhận ghi rõ: phương tiện này có thông số kích thước vượt quá khổ giới hạn phương tiện của tuyến đường sắt dự định vận hành.
4.4 Trong trường hợp các văn bản quy phạm pháp luật, tài liệu được viện dẫn trong Quy chuẩn kỹ thuật này có sự thay đổi, bổ sung hoặc được thay thế thì thực hiện theo các văn bản mới.
5 Tổ chức thực hiện
5.1 Tổ chức đăng kiểm chịu trách nhiệm tổ chức thực hiện kiểm tra định kỳ, kiểm tra hoán cải, kiểm tra nhập khẩu đã qua sử dụng đối với phương tiện theo các quy định tại Điều 3 của Quy chuẩn này.
5.2 Phương tiện giao thông đường sắt thuộc phạm vi áp dụng của quy chuẩn này đã đăng ký kiểm tra, chứng nhận trước ngày quy chuẩn này có hiệu lực thì tiếp tục thực hiện các nội dung kiểm tra theo QCVN 15:2023/BGTVT.
Phụ lục A
Biên dạng mặt lăn bánh xe

Hình A.1. Biên dạng mặt lăn lõm khổ đường 1000 mm

Hình A.2. Biên dạng mặt lăn côn khổ đường 1000 mm

Hình A.3. Biên dạng mặt lăn côn khổ đường 1435 mm
Ghi chú: Chiều rộng vành bánh xe (N) được quy định trong tài liệu kỹ thuật phương tiện.
Phụ lục B
Độ hở an toàn giữa giá chuyển hướng với bệ xe
| TT | Độ hở an toàn giữa giá chuyển hướng với bệ xe | Yêu cầu (mm) |
| B.1 | Độ hở nhỏ nhất giữa xà đầu giá chuyển hướng với xà bệ xe theo phương thẳng đứng (kiểm tra sau khi hạ xe): a) Xe có xà nhún: |
|
| - Xe lắp giá chuyển hướng Kawasaki | ≥ 70 | |
| - Xe lắp các loại giá chuyển hướng khác | ≥ 45 | |
| b) Xe không có xà nhún | ≥ 30 | |
| B.2 | Độ hở nhỏ nhất giữa mặt trên xà cạnh, má giá giá chuyển hướng hoặc giữa các chi tiết của xà cánh cung giá chuyển hướng với bệ xe theo phương thẳng đứng (kiểm tra sau khi hạ xe): |
|
| a) Xe C | ≥ 30 | |
| b) Xe MVT | ≥ 20 | |
| c) Xe lắp giá chuyển hướng Kawasaki | ≥ 115 | |
| d) Xe lắp các loại giá chuyển hướng khác (nếu thiết kế ban đầu cho phép ≤ 70 mm thì phải bảo đảm đúng thiết kế) | ≥ 70 | |
| B.3 | Độ hở nhỏ nhất giữa các bộ phận của thùng xe với giá chuyển hướng đo theo phương nằm ngang (phạm vi từ xà đầu giá chuyển trở vào 600 mm theo chiều dọc xe) | ≥ 70 |
Phụ lục C
Độ hở giữa mặt trên của xà nhún và hộp trục với mặt dưới khung giá của giá
chuyển hướng
| TT | Độ hở giữa mặt trên xà nhún và đỉnh hộp trục với mặt dưới khung giá chuyển hướng | Yêu cầu (mm) |
| C.1 | Độ hở giữa mặt trên xà nhún với mặt dưới khung giá (đo sau khi hạ xe): |
|
| a) Xe khách Đường Sơn | ≥ 6 | |
| b) Xe khách Rumani | ≥ 40 | |
| c) Xe hàng lắp giá chuyển hướng cánh cung | ≥ 10 | |
| d) Giá chuyển hướng Ấn Độ của toa xe khách và giá chuyển hướng có kết cấu tương tự do Việt Nam sản xuất: |
| |
| - Tự trọng toa xe dưới 28 tấn | Theo quy định của tài liệu kỹ thuật phương tiện | |
| - Tự trọng toa xe từ 28 tấn đến 30 tấn | 28÷41 | |
| - Tự trọng toa xe trên 30 tấn đến 32 tấn | 31÷44 | |
| - Tự trọng toa xe trên 32 tấn đến 34 tấn | 35÷48 | |
| - Tự trọng toa xe trên 34 tấn đến 36 tấn | 38÷51 | |
| - Tự trọng toa xe trên 36 tấn đến 38 tấn | 41÷54 | |
| - Tự trọng toa xe trên 38 tấn đến 40 tấn | 44÷57 | |
| - Tự trọng toa xe trên 40 tấn đến 42 tấn | 47÷60 | |
| C.2 | Độ hở giữa đỉnh hộp trục với mặt dưới khung giá (đo sau khi hạ xe): |
|
| a) Giá chuyển hướng Ấn Độ của toa xe khách và giá chuyển hướng có kết cấu tương tự do Việt Nam sản xuất: |
| |
| - Tự trọng toa xe dưới 28 tấn | Theo quy định của tài liệu kỹ thuật phương tiện | |
| - Tự trọng toa xe từ 28 tấn đến 30 tấn | 27÷35 | |
| - Tự trọng toa xe trên 30 tấn đến 32 tấn | 24÷32 | |
| - Tự trọng toa xe trên 32 tấn đến 34 tấn | 21÷29 | |
| - Tự trọng toa xe trên 34 tấn đến 36 tấn | 18÷26 | |
| - Tự trọng toa xe trên 36 tấn đến 38 tấn | 15÷23 | |
| - Tự trọng toa xe trên 38 tấn đến 42 tấn | 12÷20 | |
| b) Giá chuyển Kawasaki | 75÷90 | |
| c) Giá chuyển hướng xe khách Đường Sơn | 38÷45 | |
| d) Các loại xe khác không nhỏ hơn | 25 |
Phụ lục D
Độ cách điện đối với hệ thống điện toa xe
| TT | Độ cách điện | Yêu cầu |
| D.1 | Đối với hệ thống đường điện DC-24 V: |
|
| - Giữa dây dương và dây âm với nhau | ≥ 0,3 MΩ/1000V | |
| - Giữa dây dương và dây âm với vỏ xe | ≥ 0,2 MΩ/1000V | |
| - Giữa dây dương và dây âm của hệ thống phát thanh | ≥ 0,2 MΩ/1000V | |
| - Giữa dây dương và dây âm của hệ thống phát thanh với vỏ xe | ≥ 0,2 MΩ/1000V | |
| - Giữa dây dương và dây âm của hệ thống chuông điện với vỏ xe | ≥ 0,1 MΩ/1000V | |
| D.2 | Đối với hệ thống đường điện AC-220/380V-50Hz: |
|
| - Giữa các pha A, B, C với nhau | ≥ 5 MΩ/1000V | |
| - Giữa từng pha A, B, C với pha trung tính | ≥ 4 MΩ/1000V | |
| - Giữa từng pha A, B, C với vỏ xe | ≥ 4 MΩ/1000V | |
| - Giữa pha trung tính với vỏ xe | 0 |
Phụ lục E
Danh mục báo cáo kiểm tra phương tiện và bản khai thông tin phương tiện
E.1 Báo cáo kiểm tra phương tiện định kỳ, nhập khẩu đã qua sử dụng:
E.1.1 Đối với đầu máy
E.1.1.1 Báo cáo kiểm tra nứt khung giá chuyển hướng.
E.1.1.2 Báo cáo kiểm tra nứt bộ trục bánh xe.
E.1.1.3 Báo cáo kiểm tra nứt khung giá xe.
E.1.1.4 Báo cáo kiểm tra nứt thân móc nối, lưỡi móc và ắc lưỡi móc.
E.1.1.5 Báo cáo kiểm tra chiều cao, chênh lệch chiều cao lò xo ở trạng thái tự do khi sửa chữa, thay thế.
E.1.1.6 Báo cáo kiểm tra vận hành thử phương tiện (nếu có).
E.1.1.7 Biên bản tự kiểm tra về phòng cháy, chữa cháy.
E.1.2 Đối với toa xe đường sắt quốc gia, đường sắt chuyên dùng
E.1.2.1 Báo cáo kiểm tra nứt khung giá, má chuyển hướng.
E.1.2.2 Báo cáo kiểm tra nứt bộ trục bánh xe.
E.1.2.3 Báo cáo kiểm tra nứt các xà chính bệ xe.
E.1.2.4 Báo cáo kiểm tra nứt thùng toa xe xi téc.
E.1.2.5 Báo cáo kiểm tra nứt thân móc nối, lưỡi móc và ắc lưỡi móc.
E.1.2.6 Báo cáo kiểm tra chiều sâu rỉ mòn cục bộ của giá chuyển hướng khi sửa chữa, thay thế.
E.1.2.7 Báo cáo kiểm tra van chênh áp, van điều chỉnh độ cao trên thiết bị chuyên dùng.
E.1.2.8 Báo cáo kiểm tra độ mòn rỉ chiều dày thép thân thùng xe xi téc.
E.1.2.9 Báo cáo kiểm tra chiều cao, chênh lệch chiều cao lò xo ở trạng thái tự do khi sửa chữa thay thế.
E.1.2.10 Báo cáo kiểm tra thử dột, hắt toa xe.
E.1.2.11 Báo cáo kiểm tra vận hành thử phương tiện (nếu có).
E.1.2.12 Biên bản tự kiểm tra về phòng cháy, chữa cháy (toa xe khách, toa xe chở hàng hóa nguy hiểm về cháy, nổ).
E.1.3 Đối với toa xe đường sắt đô thị
E.1.3.1 Báo cáo kiểm tra nứt khung giá chuyển hướng.
E.1.3.2 Báo cáo kiểm tra thử dột toa xe.
E.1.3.3 Báo cáo kiểm tra van chênh áp, van điều chỉnh độ cao trên thiết bị chuyên dùng.
E.1.3.4 Biên bản tự kiểm tra về phòng cháy, chữa cháy.
E.1.4 Đối với phương tiện chuyên dùng
E.1.4.1 Báo cáo kiểm tra nứt khung giá chuyển hướng.
E.1.4.2 Báo cáo kiểm tra nứt bộ trục bánh xe.
E.1.4.3 Báo cáo kiểm tra nứt khung giá xe.
E.1.4.4 Báo cáo kiểm tra nứt thân móc nối, lưỡi móc và ắc lưỡi móc.
E.1.4.5 Biên bản tự kiểm tra về phòng cháy, chữa cháy (phương tiện chuyên dùng có chở người).
E.2 Báo cáo kiểm tra phương tiện hoán cải: Các báo cáo kiểm tra hoán cải phù hợp với nội dung hoán cải tương ứng quy định tại E.1 Phụ lục E đối với từng loại phương tiện.
E.3 Tài liệu kỹ thuật đối với phương tiện nhập khẩu đã qua sử dụng:
E.3.1 Bản vẽ tổng thể của phương tiện.
E.3.2 Tài liệu giới thiệu tính năng, thông số kỹ thuật phương tiện.
E.4 Bản khai thông tin phương tiện
E.4.1 Đối với đầu máy
| STT | Thông số kỹ thuật | Kết quả |
| A. Thông tin chung | ||
| 1 | Ký hiệu động cơ |
|
| 2 | Số động cơ |
|
| 3 | Công thức trục |
|
| 4 | Kiểu truyền động |
|
| 5 | Số chỗ |
|
| 6 | Loại móc nối, đỡ đấm |
|
| 7 | Bán kính đường cong thông qua nhỏ nhất | (mm) |
| 8 | Kích thước (Dài x Rộng x Cao) | (mm) |
| 9 | Công suất định mức | (kW) |
| 10 | Trọng lượng chỉnh bị | (t) |
| 11 | Tải trọng trục | (t) |
| 12 | Tốc độ cấu tạo | (km/h) |
| 13 | Khổ đường | (mm) |
| B. Yêu cầu chung | ||
| 14 | Khổ giới hạn phương tiện (vận hành trên đường sắt đô thị, đường sắt chuyên dùng không nối ray với đường sắt quốc gia) | (Thông tin về tiêu chuẩn áp dụng hoặc bản vẽ thể hiện các kích thước khổ giới hạn phương tiện) |
| 15 | Số hiệu phương tiện | Ghi rõ số hiệu phương tiện |
| 16 | Quãng đường chạy vận hành thử |
|
| C. | Giá chuyển hướng |
|
| 17 | Kiểu loại giá chuyển hướng |
|
| 18 | Số nhận dạng giá chuyển hướng |
|
| 19 | Khe hở dọc trục bánh xe |
|
| 20 | Độ rơ của hộp đầu trục bánh xe |
|
| 21 | Số lượng lò xo hộp đầu trục |
|
| 22 | Kiểu loại lò xo hộp đầu trục |
|
| 23 | Chiều cao lò xo hộp đầu trục ở trạng thái tự do |
|
| 24 | Chênh lệch chiều cao lò xo hộp đầu trục ở trạng thái tự do |
|
| 25 | Số lượng giảm chấn thủy lực |
|
| 26 | Biên dạng mặt lăn bánh xe khi khôi phục về nguyên hình |
|
| 27 | Chiều dày đai bánh xe |
|
| 28 | Đường kính bánh xe |
|
| 29 | Chênh lệch đường kính bánh xe |
|
| 30 | Chiều dày lợi bánh xe (đối với đầu máy hơi nước) |
|
| 31 | Chiều cao lợi bánh xe (đối với đầu máy hơi nước) |
|
| D. | Móc nối đỡ đấm |
|
| 32 | Kiểu loại |
|
| 33 | Số nhận dạng thân móc nối |
|
| E. | Hệ thống hãm |
|
| 34 | Kiểu loại máy nén khí |
|
| 35 | Năng lực của máy nén khí |
|
| 36 | Áp suất làm việc của van điều áp |
|
| 37 | Thời hạn kiểm định bình chịu áp lực |
|
| 38 | Kiểu loại tay hãm lớn |
|
| 39 | Kiểu loại tay hãm con |
|
| 40 | Kiểu loại van phân phối |
|
| 41 | Hành trình piston xy lanh hãm |
|
| 42 | Áp suất làm việc của van an toàn bình chịu áp lực |
|
| 43 | Chiều dày guốc hãm (trừ guốc hãm bằng gang) |
|
| F. | Thiết bị an toàn chạy tàu và phòng cháy, chữa cháy |
|
| 44 | Số lượng bình cứu hỏa |
|
| G. | Động cơ diesel |
|
| 45 | Kiểu loại động cơ diesel |
|
| 46 | Số động cơ diesel |
|
| 47 | Vòng quay động cơ ở chế độ không tải tại vị trí tay ga thấp nhất |
|
| 48 | Vòng quay động cơ ở chế độ không tải tại vị trí tay ga cao nhất |
|
| H. | Hệ thống truyền động thủy lực |
|
| 49 | Kiểu loại |
|
| 50 | Số nhận dạng |
|
| I. | Hệ thống truyền động điện kéo |
|
| 51 | Kiểu loại động cơ điện |
|
| 52 | Kiểu loại máy phát điện chính |
|
| 53 | Số máy phát điện chính |
|
| J. | Máy điện và mạch điện điều khiển |
|
| 54 | Điện áp ắc quy |
|
E.4.2 Đối với toa xe đường sắt quốc gia, đường sắt chuyên dùng
| STT | Thông số kỹ thuật | Kết quả |
| A. | Thông tin chung |
|
| 1 | Loại giá chuyển hướng |
|
| 2 | Loại van hãm |
|
| 3 | Loại móc nối, đỡ đấm |
|
| 4 | Số chỗ |
|
| 5 | Loại điều hòa không khí |
|
| 6 | Công suất nhiệt | (kcal/h) |
| 7 | Loại máy phát điện |
|
| 8 | Công suất | (kW) |
| 9 | Bán kính đường cong thông qua nhỏ nhất | (mm) |
| 10 | Kích thước (Dài x Rộng x Cao): | (mm) |
| 11 | Tốc độ cấu tạo | (km/h) |
| 12 | Tự trọng | (t) |
| 13 | Tải trọng | (t) |
| 14 | Tải trọng trục | (t) |
| 15 | Khổ đường | (mm) |
| 16 | Thể tích thùng | (m3) |
| B. | Yêu cầu chung |
|
| 17 | Khổ giới hạn phương tiện (vận hành trên đường sắt đô thị, đường sắt chuyên dùng không nối ray với đường sắt quốc gia) | (Thông tin về tiêu chuẩn áp dụng hoặc bản vẽ thể hiện các kích thước khổ giới hạn phương tiện) |
| 18 | Số hiệu phương tiện | Ghi rõ số hiệu phương tiện |
| 19 | Quãng đường chạy vận hành thử |
|
| C. | Giá chuyển hướng |
|
| 20 | Kiểu loại giá chuyển hướng |
|
| 21 | Số nhận dạng giá chuyển hướng |
|
| 22 | Chiều sâu rỉ mòn cục bộ của giá chuyển hướng (đối với khung giá chuyển hướng sử dụng vật liệu mới) |
|
| 23 | Chênh lệch chiều cao bàn trượt (trừ bàn trượt con lăn và bản trượt mặt bằng) |
|
| 24 | Độ hở bàn trượt trong một giá chuyển hướng |
|
| 25 | Độ nghiêng lệch của xà nhún theo chiều dọc xe đối với giá chuyển hướng lò xo không khí |
|
| 26 | Độ hở giữa xà nhún và mang trượt xà nhún |
|
| 27 | Độ hở giữa mặt trên giá chuyển hướng với bệ xe |
|
| 28 | Độ hở giữa đỉnh hộp trục đến mặt dưới khung giá |
|
| 29 | Độ hở giữa mặt trên xà nhún với mặt dưới khung giá |
|
| 30 | Độ hở giữa khung trượt với rãnh trượt hộp dầu, hộp trục của giá chuyển hướng |
|
| 31 | Độ hở theo phương ngang giữa mặt trong bánh xe và ống gió chính (đối với toa xe khách lắp giá chuyển hướng lò xo không khí) |
|
| 32 | Kiểu loại giảm chấn |
|
| 33 | Kiểu loại lò xo hộp đầu trục |
|
| 34 | Chiều cao lò xo hộp đầu trục ở trạng thái tự do |
|
| 35 | Chênh lệch chiều cao lò xo hộp đầu trục ở trạng thái tự do |
|
| 36 | Biên dạng mặt lăn bánh xe khi khôi phục về nguyên hình |
|
| D. | Bệ xe |
|
| 37 | Cơ cấu khóa định vị để khóa tiếp xúc trực tiếp bộ phận định vị ở góc dưới đế của container với vấu trên bệ xe | Có/không Số lượng |
| E. | Móc nối đỡ đấm |
|
| 38 | Kiểu loại |
|
| 39 | Số nhận dạng thân móc nối |
|
| 40 | Độ hở giữa mặt trong vai móc nối đến mặt ngoài bệ xung kích |
|
| F. | Hệ thống hãm |
|
| 41 | Kiểu loại van hãm |
|
| 42 | Kiểu loại cơ cấu điều chỉnh tự động khe hở guốc hãm (nếu có) |
|
| 43 | Kiểu loại cơ cấu điều chỉnh rỗng, tải (nếu có) |
|
| 44 | Hành trình piston xi lanh hãm |
|
| 45 | Chiều dày guốc/má hãm (trừ guốc/má hãm bằng gang) |
|
| 46 | Hạn kiểm định phương tiện đo áp suất |
|
| G. | Hệ thống điện |
|
| 47 | Kiểu loại máy điều hòa không khí |
|
| 48 | Kiểu loại máy phát điện |
|
| H. | Thân xe |
|
| 49 | Phương pháp thử kín thùng toa xe xi téc |
|
| 50 | Phương pháp thử phát hiện vết nứt thùng toa xe xi téc |
|
| 51 | Toa xe chuyên chở hàng hóa nguy hiểm về cháy, nổ | Có/không |
| I. | Các thiết bị trên toa xe khách |
|
| 52 | Số lượng bình cứu hỏa |
|
E.4.3 Đối với toa xe đường sắt đô thị
| STT | Thông số kỹ thuật | Kết quả |
| A. | Thông tin chung |
|
| 1 | Loại giá chuyển hướng |
|
| 2 | Hệ thống hãm |
|
| 3 | Loại móc nối, đỡ đấm |
|
| 4 | Số chỗ |
|
| 5 | Loại điều hòa không khí |
|
| 6 | Công suất nhiệt | (kcal/h) |
| 7 | Bán kính đường cong thông qua nhỏ nhất | (mm) |
| 8 | Kích thước (Dài x Rộng x Cao): | (mm) |
| 9 | Tốc độ cấu tạo | (km/h) |
| 10 | Tự trọng | (t) |
| 11 | Tải trọng | (t) |
| 12 | Tải trọng trục | (t) |
| 13 | Khổ đường | (mm) |
| B. | Yêu cầu chung |
|
| 14 | Khổ giới hạn phương tiện (vận hành trên đường sắt đô thị, đường sắt chuyên dùng không nối ray với đường sắt quốc gia) | (Thông tin về tiêu chuẩn áp dụng hoặc bản vẽ thể hiện các kích thước khổ giới hạn phương tiện) |
| 15 | Số hiệu phương tiện | Ghi rõ số hiệu phương tiện |
| C. | Giá chuyển hướng |
|
| 16 | Kiểu loại giá chuyển hướng |
|
| 17 | Kiểu loại lò xo |
|
| 18 | Số lượng thiết bị bôi trơn gờ bánh xe, thiết bị lấy điện từ ray thứ 3 |
|
| 19 | Biên dạng mặt lăn bánh xe khi khôi phục về nguyên hình |
|
| 20 | Chiều dày lợi bánh xe |
|
| 21 | Chiều cao lợi bánh xe |
|
| 22 | Giang cách bánh xe |
|
| 23 | Chênh lệch đường kính bánh xe giữa các bộ trục bánh trong cùng một giá chuyển |
|
| 24 | Chênh lệch đường kính bánh xe giữa các bộ trục bánh trong cùng một đoàn tàu |
|
| D. | Móc nối đỡ đấm |
|
| 25 | Kiểu loại móc nối |
|
| 26 | Chiều cao trung tâm móc nối tới mặt ray |
|
| 27 | Sai lệch về chiều cao trung tâm của móc nối trước và sau |
|
| E. | Thiết bị an toàn |
|
| 28 | Số lượng bình cứu hỏa |
|
| F. | Buồng hành khách |
|
| 29 | Thời gian đóng cửa |
|
| 30 | Thời gian mở cửa |
|
| G. | Chiếu sáng |
|
| 31 | Độ rọi của đèn khẩn cấp |
|
| 32 | Cường độ sáng của đèn chiếu sáng phía trước |
|
| H. | Thông gió |
|
| 33 | Tính năng hoạt động của hệ thống thông gió ở chế độ vận hành bình thường và chế độ có tình huống khẩn cấp |
|
| I. | Điều hòa không khí |
|
| 34 | Kiểu loại máy điều hòa không khí |
|
| 35 | Độ ẩm tương đối |
|
| 36 | Nhiệt độ trong toa xe |
|
| J. | Hệ thống hãm |
|
| 37 | Sai lệch vị trí dừng tàu |
|
| 38 | Trị số áp suất xi lanh hãm khi hãm khẩn |
|
| 39 | Chức năng hãm đỗ | (có/không) |
| 40 | Chức năng hãm giữ | (có/không) |
| 41 | Thể tích của bình chịu áp lực |
|
| 42 | Độ xì hở của hệ thống (bao gồm bình chịu áp lực chính, đường ống gió hãm chính) |
|
| 43 | Độ xì hở của xy lanh hãm |
|
| K. | Bộ tiếp điện |
|
| 44 | Độ mòn của thanh trượt tiếp điện, guốc lấy điện |
|
| L. | Bộ biến đổi điện động lực |
|
| 45 | Kiểu loại |
|
| M. | Độ cách điện |
|
| 46 | Độ cách điện của mạch điện động lực |
|
| N. | Động cơ điện kéo |
|
| 47 | Kiểu loại của động cơ điện kéo |
|
E.4.4 Đối với phương tiện chuyên dùng
| STT | Thông số kỹ thuật | Kết quả |
| A. | Thông tin chung |
|
| 1 | Ký hiệu động cơ |
|
| 2 | Số động cơ |
|
| 3 | Loại giá chuyển hướng |
|
| 4 | Loại van hãm |
|
| 5 | Bán kính đường cong thông qua nhỏ nhất | (mm) |
| 6 | Kích thước (Dài x Rộng x Cao) | (mm) |
| 7 | Công suất định mức | (kW) |
| 8 | Tốc độ cấu tạo | (km/h) |
| 9 | Khổ đường | (mm) |
| B. | Yêu cầu chung |
|
| 10 | Khổ giới hạn phương tiện (vận hành trên đường sắt đô thị, đường sắt chuyên dùng không nối ray với đường sắt quốc gia) | (Thông tin về tiêu chuẩn áp dụng hoặc bản vẽ thể hiện các kích thước khổ giới hạn phương tiện) |
| 11 | Số hiệu phương tiện | Ghi rõ số hiệu phương tiện |
| 12 | Quãng đường chạy vận hành thử |
|
| C. | Giá chuyển hướng |
|
| 13 | Kiểu loại giá chuyển hướng |
|
| 14 | Số nhận dạng giá chuyển hướng |
|
| 15 | Giang cách bánh xe (đối với phương tiện chuyên dùng vận hành trên đường sắt đô thị, đường sắt chuyên dùng không nối ray với đường sắt quốc gia có đi qua khu dân cư, giao cắt với đường bộ) |
|
| 16 | Chiều dày lợi bánh xe (đối với phương tiện chuyên dùng vận hành trên đường sắt đô thị, đường sắt chuyên dùng không nối ray với đường sắt quốc gia có đi qua khu dân cư, giao cắt với đường bộ) |
|
| 17 | Chiều dày đai bánh xe |
|
| 18 | Chiều dày vành bánh xe |
|
| 19 | Chiều cao lợi bánh xe |
|
| 20 | Đường kính bánh xe |
|
| 21 | Chênh lệch đường kính bánh xe |
|
| D. | Móc nối đỡ đấm |
|
| 22 | Có tương thích để móc nối với đầu máy, toa xe | Có/Không |
| 23 | Kiểu loại |
|
| E. | Hệ thống hãm |
|
| 24 | Độ xì hở của hệ thống hãm |
|
| 25 | Năng lực máy nén khí |
|
| 26 | Hành trình piston xy lanh hãm |
|
| 27 | Áp suất làm việc của van an toàn bình chịu áp lực chính |
|
| F. | Động cơ Diesel |
|
| 28 | Kiểu loại động cơ Diesel |
|
____________________
|
CỘNG HÒA XÃ HỘI CHỦ NGHĨA VIỆT NAM
QCVN 24:2025/BXD
QUY CHUẨN KỸ THUẬT QUỐC GIA National technical regulation on diesel locomotives and propelled
HÀ NỘI - 2025 |
Lời nói đầu
QCVN 24:2025/BXD do Cục Đăng kiểm Việt Nam biên soạn, Cục Đường sắt Việt Nam trình duyệt, Bộ Khoa học và Công nghệ thẩm định, Bộ trưởng Bộ Xây dựng ban hành theo Thông tư số 44/2025/TT-BXD ngày 09 tháng 12 năm 2025.
Quy chuẩn này thay thế Quy chuẩn QCVN 16:2023/BGTVT được ban hành theo Thông tư số 30/2023/TT-BGTVT ngày 03 tháng 11 năm 2023 của Bộ trưởng Bộ Giao thông vận tải.
MỤC LỤC
1. Quy định chung
1.1. Phạm vi điều chỉnh
1.2. Đối tượng áp dụng
1.3. Giải thích từ ngữ
2. Quy định kỹ thuật
2.1. Các yêu cầu chung
2.2. Bộ trục bánh xe
2.3. Móc nối, đỡ đấm
2.4. Khối lượng, tải trọng trục, tải trọng bánh xe của phương tiện
2.5. Bán kính đường cong nhỏ nhất thông qua
2.6. Buồng lái
2.7. Giá xe và giá chuyển hướng
2.8. Động cơ Điêzen
2.9. Hệ thống truyền động điện và truyền động thủy lực
2.10. Hệ thống điện điều khiển
2.11. Thiết bị khác
2.12. Hệ thống hãm
2.13. Kiểm tra vận hành
3. Quy định kiểm tra
4 Quy định về quản lý
5.Tổ chức thực hiện
Phụ lục A - Biên dạng mặt lăn bánh xe
Phụ lục B - Phương pháp kiểm tra khổ giới hạn
Phụ lục C - Phương pháp xác định khối lượng phương tiện
Phụ lục D - Phương pháp kiểm tra công suất và hiệu chỉnh thông số cụm động cơ - máy phát điện của đầu máy Điêzen truyền động điện trên băng thử biến trở chuyên dùng
Phụ lục E - Phương pháp kiểm tra hệ thống hãm khí nén
Phụ lục F - Phương pháp kiểm tra các thiết bị khác trên phương tiện
Phụ lục G - Kiểm tra vận hành phương tiện
Phụ lục H - Danh mục báo cáo kết quả kiểm tra/thử nghiệm và nội dung bản khai thông tin phương tiện
QUY CHUẨN KỸ THUẬT QUỐC GIA VỀ
ĐẦU MÁY ĐIÊZEN, PHƯƠNG TIỆN CHUYÊN DÙNG TỰ HÀNH
TRONG SẢN XUẤT LẮP RÁP VÀ NHẬP KHẨU MỚI
National technical regulation on diesel locomotives and propelled special
purpose railway vehicles for the inspection of newly manufactured assembled
and imported vehicles
1. Quy định chung
1.1. Phạm vi điều chỉnh
1.1.1 Quy chuẩn này quy định yêu cầu kỹ thuật và việc kiểm tra chất lượng an toàn kỹ thuật và bảo vệ môi trường đối với đầu máy Điêzen, phương tiện chuyên dùng tự hành trên hệ thống đường sắt Việt Nam trong sản xuất lắp ráp và nhập khẩu mới.
1.1.2 Quy chuẩn này không áp dụng cho các loại phương tiện sau:
a) Đầu máy Điêzen, phương tiện chuyên dùng tự hành của quân đội, công an sử dụng vào mục đích an ninh, quốc phòng;
b) Phương tiện giao thông đường sắt có tốc độ thiết kế lớn hơn 120 km/h.
1.2. Đối tượng áp dụng
Quy chuẩn này áp dụng đối với tổ chức, cá nhân có liên quan đến các hoạt động quản lý, sản xuất lắp ráp, nhập khẩu, kiểm tra, chứng nhận, công bố hợp quy các loại phương tiện thuộc phạm vi điều chỉnh tại điểm 1.1 của quy chuẩn này.
1.3. Giải thích từ ngữ
Trong quy chuẩn này các từ ngữ dưới đây được hiểu như sau:
1.3.1 Tài liệu kỹ thuật
Tài liệu dưới đây được gọi là tài liệu kỹ thuật:
a) Tài liệu tính toán thiết kế của nhà sản xuất hoặc đơn vị thiết kế;
b) Tài liệu kỹ thuật về tính năng hoạt động, thông số kỹ thuật, đặc tính kỹ thuật, yêu cầu kỹ thuật của nhà sản xuất hoặc đơn vị thiết kế;
c) Bản vẽ kỹ thuật tổng thể phương tiện của nhà sản xuất hoặc đơn vị thiết kế. Các bản vẽ kỹ thuật của nhà sản xuất hoặc đơn vị thiết kế gồm: tổng thành khung vỏ thép, động cơ Điêzen, hệ thống điện, giá chuyển hướng, bộ trục bánh xe, hệ thống hãm, hệ thống treo, hệ thống truyền động, móc nối đỡ đấm, hệ thống thiết bị phụ trợ...
d) Báo cáo kiểm tra, thử nghiệm của nhà sản xuất hoặc đơn vị (tổ chức) kiểm tra, thử nghiệm;
e) Đề cương thử nghiệm vận hành của nhà sản xuất hoặc đơn vị (tổ chức) kiểm tra, thử nghiệm;
f) Tài liệu về hạn độ các chi tiết, bộ phận trong bảo dưỡng, sửa chữa và vận hành khai thác phương tiện của nhà sản xuất hoặc đơn vị thiết kế;
g) Tài liệu hướng dẫn bảo dưỡng, sửa chữa, lắp ráp, vận hành khai thác phương tiện của nhà sản xuất hoặc đơn vị thiết kế;
h) Tài liệu về thông số kỹ thuật có liên quan đến các tuyến đường sắt của cơ quan, tổ chức có trách nhiệm quản lý, sử dụng, khai thác ban hành theo chức năng thẩm quyền.
1.3.2 Đầu máy Điêzen (sau đây gọi tắt là đầu máy)
Phương tiện giao thông đường sắt có lắp động cơ Điêzen, cung cấp sức kéo tập trung để kéo tàu.
1.3.3 Phương tiện chuyên dùng tự hành
Phương tiện chuyên dùng đường sắt có lắp động cơ để tự di chuyển trên đường sắt dùng để vận chuyển người, vật tư, thiết bị phục vụ cứu viện, cứu nạn; phòng, chống khắc phục hậu quả thiên tai; kiểm tra, thi công, bảo trì, sửa chữa công trình đường sắt.
1.3.4 Kích thước giới hạn của phương tiện
Đường bao mặt cắt ngang lớn nhất của phương tiện ở trạng thái khối lượng chỉnh bị khi các cửa, nắp chụp che, thiết bị công tác ở vị trí đóng, xếp gọn để di chuyển trên đường.
1.3.5 Công suất danh nghĩa của động cơ Điêzen
Công suất đầu ra tại trục khuỷu động cơ được kiểm tra thử nghiệm trên băng thử công suất ở điều kiện tiêu chuẩn và được ghi trên nhãn hiệu của động cơ.
1.3.6 Hãm động năng
Phương thức hãm hoạt động theo nguyên lý chuyển đổi động năng của đoàn tàu thành nhiệt năng để giảm tốc độ khi thực hiện hãm đoàn tàu. Hãm động năng gồm hãm điện trở sử dụng trên đầu máy Điêzen truyền động điện và hãm thủy lực sử dụng trên đầu máy Điêzen truyền động thủy lực.
1.3.7 Khối lượng thiết kế
Khối lượng phương tiện được tính toán theo thiết kế và được quy định trong tài liệu kỹ thuật của nhà sản xuất.
1.3.8 Khối lượng chỉnh bị tính toán của phương tiện
Khối lượng của phương tiện khi được cấp 2/3 khối lượng nhiên liệu và cát; dầu bôi trơn động cơ, các loại dầu mỡ khác, nước làm mát được cấp ở mức bình thường theo quy định của nhà sản xuất; số lượng nhân viên theo định biên và dụng cụ sửa chữa đơn giản theo quy định.
1.3.9 Tải trọng trục
Khối lượng của phương tiện phân bố trên trục bánh xe.
1.3.10 Tải trọng bánh xe
Khối lượng của phương tiện phân bố trên bánh xe.
1.3.11 Giang cách bánh xe
Khoảng cách phía trong giữa hai đai bánh hoặc vành bánh của một bộ trục bánh xe
1.3.12 Chế độ định áp
Chế độ cấp khí nén cho ống hãm theo áp suất quy định.
1.3.13 Ống khí nén cấp cho đoàn tàu (sau đây gọi tắt là ống hãm đoàn tàu)
Ống khí nén trên đầu máy được tính từ sau tay hãm đoàn tàu (tay hãm lớn) đến ống nối vòi hãm với đoàn tàu.
1.3.14 Van điều áp
Van kiểm soát áp suất bình chịu áp lực chính và điều khiển máy nén khí làm việc theo quy định của nhà sản xuất.
1.3.15 Van kết nguội
Van hãm có tác dụng cấp khí nén điều khiển hệ thống hãm đầu máy hoạt động như một toa xe khi ghép nguội đầu máy kéo theo đoàn tàu.
1.3.16 Tính năng ghép đôi
Tính năng khi van hãm có tác dụng khi ghép đôi hai đầu máy để điều khiển đồng bộ hệ thống hãm từ đầu máy kéo chính.
2. Quy định kỹ thuật
2.1. Các yêu cầu chung
2.1.1 Tổ chức nhập khẩu, nhà sản xuất, thiết kế hoặc đơn vị đề nghị kiểm tra cung cấp và chịu trách nhiệm về nội dung khai báo, tính hợp pháp của tài liệu kỹ thuật, báo cáo kiểm tra, bản khai thông tin phương tiện được quy định tại Phụ lục H.
2.1.2 Đầu máy Điêzen, phương tiện chuyên dùng tự hành khi thiết kế, sản xuất lắp ráp, nhập khẩu phải xem xét đến ảnh hưởng của điều kiện khí hậu tại Việt Nam.
2.1.3 Kích thước giới hạn của phương tiện
2.1.3.1 Kích thước chiều dài, chiều rộng, chiều cao của phương tiện phải phù hợp với tài liệu kỹ thuật khi phương tiện ở trạng thái chỉnh bị vận hành.
2.1.3.2 Đối với đầu máy vận hành trên đường sắt quốc gia và đường sắt chuyên dùng có nối ray với đường sắt quốc gia phải phù hợp với khổ giới hạn đầu máy toa xe tại Quy chuẩn kỹ thuật quốc gia về khai thác đường sắt.
2.1.3.3 Đối với đầu máy vận hành trên đường sắt địa phương, đường sắt chuyên dùng không nối ray với đường sắt quốc gia có đi qua khu dân cư, giao cắt với đường bộ phải phù hợp với khổ giới hạn phương tiện của tuyến đường sắt vận hành.
2.1.4 Đầu máy phải được ghi thông tin về số hiệu, kiểu loại, khối lượng thiết kế, công suất, kiểu truyền động, nơi và năm sản xuất.
2.1.5 Bố trí các cụm máy, các thiết bị trên đầu máy phải bảo đảm dễ tháo lắp và thuận tiện cho việc bảo dưỡng, sửa chữa.
2.1.6 Các khoang máy, hành lang bên trong của đầu máy phải có đèn chiếu sáng.
2.1.7 Đầu máy phải có gối đỡ hoặc bệ ky, móc cẩu để nâng hoặc cẩu.
2.1.8 Phương tiện chuyên dùng tự hành phải có cấu tạo, tính năng kỹ thuật, thông số kỹ thuật phù hợp với quy định của tài liệu kỹ thuật.
2.2. Bộ trục bánh xe
2.2.1 Biên dạng mặt lăn bánh xe đối với:
2.2.1.1 Đầu máy chạy trên đường sắt quốc gia; đường sắt địa phương, đường sắt chuyên dùng kết nối ray với đường sắt quốc gia phải phù hợp với quy định tại Phụ lục A. Độ hở giữa mặt lăn bánh xe với dưỡng kiểm tra biên dạng mặt lăn bánh xe không quá 0,5 mm.
2.2.1.2 Đầu máy chạy trên đường sắt địa phương, đường sắt chuyên dùng không kết nối ray với đường sắt quốc gia phải phù hợp với quy định tài liệu kỹ thuật.
2.2.1.3 Phương tiện chuyên dùng tự hành theo quy định tài liệu kỹ thuật
2.2.2 Sai lệch về đường kính vòng lăn đôi bánh xe
2.2.2.1 Trong một bộ trục bánh xe không được quá 1 mm;
2.2.2.2 Trong một giá chuyển hướng không được quá 1,5 mm;
2.2.2.3 Trong một đầu máy không được quá 2 mm;
2.2.2.4 Đối với phương tiện chuyên dùng tự hành theo quy định của tài liệu kỹ thuật
2.2.3 Giang cách bánh xe đối với:
2.2.3.1 Đầu máy chạy trên đường sắt quốc gia; đường sắt địa phương, đường sắt chuyên dùng kết nối ray với đường sắt quốc gia theo quy định sau:
a) 924 ± 1 mm đối với khổ đường 1000 mm;
b) 1353 ± 1mm đối với khổ đường 1435 mm;
2.2.3.2 Đầu máy chạy trên đường sắt địa phương, đường sắt chuyên dùng không kết nối ray với đường sắt quốc gia theo quy định tài liệu kỹ thuật.
2.2.3.3 Phương tiện chuyên dùng tự hành theo quy định tài liệu kỹ thuật.
2.2.3.4 Độ chênh lệch khoảng cách phía trong giữa hai đai bánh xe hoặc vành bánh xe của một bộ trục bánh xe khi đo tại 3 điểm cách nhau khoảng 120° không quá 1 mm
2.2.4 Chiều dày lợi bánh xe đối với:
2.2.4.1 Đầu máy chạy trên đường sắt quốc gia; đường sắt địa phương, đường sắt chuyên dùng kết nối ray với đường sắt quốc gia theo quy định sau:
a)
mm đối với khổ đường 1000 mm;
b)
mm đối với khổ đường 1435 mm.
2.2.4.2 Đầu máy chạy trên đường sắt địa phương, đường sắt chuyên dùng không kết nối ray với đường sắt quốc gia theo quy định tài liệu kỹ thuật.
2.2.4.3 Phương tiện chuyên dùng tự hành theo quy định tài liệu kỹ thuật
2.2.5 Chiều cao lợi bánh xe đối với
2.2.5.1 Đầu máy chạy trên đường sắt quốc gia; đường sắt địa phương, đường sắt chuyên dùng kết nối ray với đường sắt quốc gia theo quy định sau:
a)
mm đối với mặt lăn lõm khổ đường 1000mm;
b)
mm đối với mặt lăn côn khổ đường 1000mm;
c)
mm đối với mặt lăn côn khổ đường 1435mm.
2.2.5.2 Đầu máy chạy trên đường sắt địa phương, đường sắt chuyên dùng không kết nối ray với đường sắt quốc gia theo quy định tài liệu kỹ thuật
2.2.5.3 Phương tiện chuyên dùng tự hành theo quy định tài liệu kỹ thuật
2.2.6 Đường kính bánh xe; chiều dày đai bánh xe theo quy định của tài liệu kỹ thuật
2.3. Móc nối, đỡ đấm
2.3.1 Móc nối, đỡ đấm của đầu máy phải bảo đảm yêu cầu sau:
a) Kiểu loại, số hiệu của bộ móc nối, đỡ đấm phải phù hợp với tài liệu kỹ thuật;
b) Lưỡi móc phải đóng mở linh hoạt, không được tự mở. Khoảng cách từ hàm móc đến mặt trong lưỡi móc khi đóng móc hoàn toàn từ 110 mm đến 130 mm và mở móc hoàn toàn từ 220 mm đến 250 mm;
c) Chiều cao từ trung tâm móc nối đến mặt ray là:
- Từ 810 mm đến 825 mm đối với khổ đường 1000 mm;
- Từ 875 mm đến 890 mm đối với khổ đường 1435 mm.
2.3.2 Đối với móc nối, đỡ đấm của phương tiện chuyên dùng tự hành thì kiểu loại, chiều cao từ trung tâm móc nối đến mặt ray, khoảng cách khi đóng,mở lưỡi móc hoàn toàn (nếu có); tính năng kỹ thuật của móc nối, đỡ đấm phải phù hợp với tài liệu kỹ thuật.
2.4. Khối lượng, tải trọng trục, tải trọng bánh xe của phương tiện
2.4.1 Đối với đầu máy
a) Sai lệch giữa khối lượng thực tế của đầu máy (tự trọng) với khối lượng thiết kế không quá ± 3 %;
b) Tải trọng trục tối đa của đầu máy không được vượt quá tải trọng cho phép của cầu, đường sắt;
c) Sai lệch cho phép tải trọng trục thực tế của mỗi trục so với tải trọng trục bình quân thực tế trên một đầu máy không quá ± 3 %;
d) Sai lệch cho phép tải trọng của mỗi bánh xe so với tải trọng bánh xe bình quân trên một trục không quá ± 4 %.
2.4.2 Đối với phương tiện chuyên dùng tự hành: khối lượng, tải trọng trục của phương tiện phải phù hợp với tài liệu kỹ thuật của nhà sản xuất và không được vượt quá tải trọng trục cho phép của cầu, đường sắt.
2.5. Bán kính đường cong nhỏ nhất thông qua
Phương tiện phải vận hành thông qua được đoạn đường sắt có bán kính đường cong không lớn hơn bán kính đường cong nhỏ nhất của tuyến đường sắt.
2.6. Buồng lái
2.6.1 Buồng lái phải có tầm nhìn thoáng đãng để lái tàu quan sát đường và tín hiệu được thuận lợi, rõ ràng.
2.6.2 Kính buồng lái phải là loại kính an toàn, kiểu loại kính phù hợp với tài liệu kỹ thuật của nhà sản xuất.
2.6.3 Kính chắn gió phía trước của buồng lái phải có thiết bị gạt nước mưa. Cửa sổ cạnh là loại cửa trượt. Phía trên cửa ra vào, cửa sổ ở bên ngoài buồng lái phải có máng chặn hoặc vành chắn nước mưa.
2.6.4 Cửa ra vào buồng lái phải kín, khi đóng cửa không tự mở, cửa phải bố trí ở vị trí thuận tiện ra vào buồng lái và dễ dàng thoát hiểm trong trường hợp khẩn cấp.
2.6.5 Đồng hồ hiển thị tốc độ phương tiện, đồng hồ hiển thị thông tin động cơ (vòng quay, nhiên liệu, dầu bôi trơn, nước làm mát...) và phương tiện đo áp suất khí nén phải lắp đặt tại các vị trí quan sát, dễ đọc thông tin trong điều kiện bình thường và ánh sáng yếu (cường độ sáng không quá 01 lux).
2.6.6 Trong buồng lái của đầu máy phải có quạt làm mát lái tàu, hệ thống điều hòa không khí; đối với phương tiện chuyên dùng tự hành phải có quạt làm mát lái tàu, hệ thống điều hòa không khí (nếu có). Quạt làm mát, hệ thống điều hòa không khí phải hoạt động bình thường.
2.6.7 Thiết bị điều khiển trong buồng lái phải bố trí đảm bảo cho lái tàu thao tác thuận tiện. Các thiết bị trên bàn điều khiển đầu máy phải gắn biển chỉ dẫn bằng tiếng Việt và/hoặc ký hiệu bảo đảm dễ nhìn, dễ đọc. Ghế lái tàu của đầu máy có cơ cấu giảm chấn, điều chỉnh được độ cao, khoảng cách với bàn điều khiển và được bố trí lắp đặt tại vị trí dễ quan sát tín hiệu chạy tàu.
2.6.8 Buồng lái phải có vị trí treo, đặt bình cứu hỏa thuận lợi cho lái tàu khi có sự cố để sử dụng. Mặt sàn buồng lái phải có lớp chống trượt.
2.6.9 Thiết kế đầu máy có tính đến phòng ngừa rủi ro khi đâm va với phương tiện giao thông khác.
2.6.10 Độ ồn trong buồng lái được đo bằng thiết bị đo độ ồn thực hiện 03 lần đo tại vị trí ghế ngồi của lái tàu, điểm đo cách mặt sàn 800 mm khi đầu máy đứng yên, động cơ Điêzen hoạt động ổn định ở vòng quay không tải nhỏ nhất và các cửa buồng lái được đóng kín. Kết quả đo độ ồn buồng lái là bình quân kết quả 03 lần đo và không được quá 80 dB(A).
2.6.11 Đầu máy sản xuất, lắp ráp phải được thử dột bằng cách cho đầu máy đi qua dàn thử dột trong thời gian 5 phút, yêu cầu trong buồng lái không được có hiện tượng thấm, lọt nước.
2.7. Giá xe và giá chuyển hướng
2.7.1 Đối với phương tiện sản xuất, lắp ráp: vật liệu, kích thước chính của giá xe, khung giá chuyển hướng phải phù hợp với quy định tài liệu kỹ thuật; Các mối hàn kết cấu chính của giá xe phải được nhà sản xuất kiểm tra khuyết tật bằng phương pháp siêu âm hoặc chụp ảnh bức xạ hoặc bằng các phương pháp tương đương phù hợp khác.
2.7.2 Tấm gạt chướng ngại đầu máy phải lắp đặt chắc chắn và dễ dàng gạt được các vật cản trên đường sắt. Tấm gạt đá có thể điều chỉnh được độ cao.
2.7.3 Mặt sàn hành lang giá xe phải bằng phẳng và có tác dụng chống trượt. Hai bên và hai đầu hành lang đi bên ngoài phải có lan can bảo vệ. Tay vịn, bậc lên xuống đầu máy phải lắp đặt chắc chắn và bố trí thuận lợi cho người sử dụng khi lên, xuống đầu máy.
2.7.4 Giá chuyển hướng khi lắp lên phương tiện phải phù hợp với tài liệu kỹ thuật của phương tiện.
2.8. Động cơ Điêzen
2.8.1 Kiểu loại, công suất danh nghĩa của động cơ Điêzen phải phù hợp với tài liệu kỹ thuật.
2.8.2 Động cơ phải hoạt động bình thường, sai lệch tốc độ vòng quay động cơ tại vị trí tay ga thấp nhất và vị trí tay ga cao nhất so với tốc độ vòng quay quy định khi đo ở chế độ không tải phải phù hợp với quy định tại tài liệu kỹ thuật.
2.8.3 Hệ thống dầu bôi trơn, hệ thống nước làm mát, hệ thống cấp nhiên liệu, hệ thống cấp khí nạp của động cơ làm việc bình thường.
2.8.4 Động cơ Điêzen phải có thiết bị tắt động cơ khẩn cấp và phải hoạt động bình thường.
2.8.5 Ống xả, ống tiêu âm không được rò hở và phải có lớp cách nhiệt.
2.8.6 Độ phát thải khí xả kiểu loại động cơ đầu máy Điêzen phải được nhà sản xuất động cơ thử nghiệm đánh giá phù hợp với tiêu chuẩn được áp dụng.
2.9. Hệ thống truyền động điện và truyền động thủy lực
2.9.1 Đối với đầu máy truyền động điện, độ cách điện của máy phát điện, động cơ điện kéo và mạch điện động lực phải phù hợp với tài liệu kỹ thuật của nhà sản xuất
2.9.2 Nhiệt độ của máy phát điện, động cơ điện kéo khi thử nghiệm vận hành không được vượt quá trị số quy định theo tài liệu kỹ thuật của nhà sản xuất.
2.9.3 Đối với đầu máy truyền động điện, các thiết bị phát hiện lệch dòng và lệch áp của mạch cấp điện cho các động cơ điện kéo hoạt động bình thường.
2.9.4 Bộ truyền động thủy lực, các máy điện phải hoạt động bình thường.
2.9.5 Bộ chuyển cấp tốc độ của phương tiện phải hoạt động bình thường.
2.10. Hệ thống điện điều khiển
2.10.1 Đầu máy phải có các thiết bị bảo vệ an toàn cho các máy điện, thiết bị điện và các mạch điện. Các thiết bị phải hoạt động bình thường.
2.10.2 Mạch điện, thiết bị điều khiển phải hoạt động bình thường.
2.10.3 Đầu máy truyền động điện phải có thiết bị tự động điều chỉnh công suất giữa động cơ Điêzen với máy phát điện chính và thiết bị chống quá tải động cơ, thiết bị phải hoạt động bình thường.
2.10.4 Các đầu đấu dây điện phải được lắp chặt, các dây không được cắt nối. Hai đầu của mỗi một dây điện, cáp điện phải ghi số và ký hiệu rõ ràng.
2.10.5 Bảng điều khiển điện tử trên phương tiện (nếu có) phải hoạt động bình thường.
2.11. Thiết bị khác
2.11.1 Hệ thống cung cấp nhiên liệu phải kín và có van xả khí.
2.11.2 Thùng chứa nhiên liệu phải có miệng cấp nhiên liệu, lưới lọc, van xả nhiên liệu, lỗ thoát hơi, cửa kiểm tra thông dụng, thiết bị đo báo mức nhiên liệu trên đầu máy.
2.11.3 Hệ thống nước làm mát phải có khả năng xả hết toàn bộ nước làm mát khi cần thiết.
2.11.4 Quạt làm mát két nước động cơ và cửa chớp (nếu có) phải hoạt động bình thường.
2.11.5 Thùng chứa nước làm mát (thùng giãn nở) phải có ống thủy hoặc thiết bị báo mực nước và thiết bị cảnh báo mức nước thấp nhất.
2.11.6 Đối với đầu máy truyền động điện có hệ thống thông gió làm mát động cơ điện kéo, các thiết bị phải làm việc bình thường.
2.11.7 Đầu máy phải có hệ thống xả cát, các thiết bị của hệ thống xả cát phải hoạt động bình thường. Khoảng cách từ miệng vòi xả cát đến mặt lăn bánh xe và mặt ray phải đạt từ 30 mm đến 40 mm. Các vòi xả cát phải xả đều theo hướng chạy của đầu máy khi có tác động điều khiển.
2.11.8 Thiết bị chống ngủ gật cho lái tàu, thiết bị ghi tốc độ và dữ liệu chạy tàu (hộp đen), camera giám sát (nếu có) và các thiết bị an toàn khác phải hoạt động bình thường.
2.11.9 Đầu máy, phương tiện chuyên dùng tự hành phải có giải pháp, thiết kế về: ngăn cháy, chống cháy lan; an toàn phòng cháy cho hệ thống cung cấp nhiên liệu và động cơ; phương tiện, hệ thống phòng cháy và chữa cháy như: thiết bị báo cháy, bình cứu hỏa. Số lượng, kiểu loại bình cứu hỏa, thiết bị báo cháy phải phù hợp quy định của tài liệu kỹ thuật.
2.11.10 Đầu máy phải có vị trí để dụng cụ sửa chữa đơn giản, dụng cụ chèn tàu và tín hiệu cầm tay.
2.11.11 Ắc quy phải đúng kiểu loại theo tài liệu kỹ thuật của nhà sản xuất. Bộ ắc quy, hệ thống nạp điện ắc quy phải hoạt động bình thường
2.11.12 Đối với đầu máy truyền động điện phải có thiết bị chống trượt bánh xe, thiết bị bôi trơn chống mòn gờ bánh xe, thiết bị báo nhiệt độ vòng bi đầu trục bánh xe (nếu có) phải hoạt động bình thường.
2.11.13 Đầu máy phải có còi hơi, âm lượng tối thiểu của còi hơi phải đạt 96 dB(A), phương pháp đo theo quy định tại phụ lục F.
2.11.14 Đầu máy phải có đèn pha, đèn cốt, đèn sương mù, đèn tín hiệu. Cường độ ánh sáng của đèn pha đầu máy không được nhỏ hơn 200 000 cd (candela), phương pháp đo theo quy định tại phụ lục F.
2.12. Hệ thống hãm
2.12.1 Đầu máy phải có hệ thống hãm khí nén, thiết bị hãm đỗ. Các thiết bị hãm phải hoạt động bình thường.
2.12.2 Đầu máy phải có van hãm bảo đảm tính năng hãm như toa xe khi được kết nguội với đoàn tàu. Tính năng ghép đôi đầu máy (nếu có) phải hoạt động bình thường.
2.12.3 Đối với phương tiện sản xuất lắp ráp, bình chịu áp lực khi lắp lên đầu máy phải được kiểm tra chứng nhận theo QCVN 67:2018/BGTVT - Quy chuẩn kỹ thuật quốc gia về thiết bị chịu áp lực trên phương tiện giao thông vận tải và phương tiện, thiết bị thăm dò, khai thác trên biển. Đối với phương tiện nhập khẩu, kiểm tra bình chịu áp lực trên phương tiện phải phù hợp với quy định của tài liệu kỹ thuật.
2.12.4 Thiết bị hãm đỗ (hãm tay) của phương tiện phải hoạt động bình thường. Hãm đỗ phải cung cấp đủ lực hãm để giữ phương tiện khi dừng không bị trôi trên đường sắt có độ dốc cao nhất của tuyến khai thác.
2.12.5 Khoảng cách hãm theo tính toán lý thuyết của đầu máy không vượt quá 800 m khi kéo đoàn tàu đủ tải chạy trên đường thẳng, phẳng trong điều kiện trời không mưa với tốc độ lớn nhất cho phép, khi thực hiện hãm khẩn.
2.12.6 Hệ thống hãm động năng (nếu có) phải hoạt động bình thường, có khóa liên động với hệ thống hãm khí nén.
2.12.7 Hệ thống hãm khí nén đầu máy phải có tác dụng hãm đoàn tàu khi ống hãm bị đứt, vỡ hoặc xì hở ống hãm quá mức quy định 0,3 bar/min.
2.12.8 Trong buồng lái phải có phương tiện đo hiển thị áp suất đối với: bình chịu áp lực chính, ống hãm (ống gió đoàn xe) và xi lanh hãm. Phương tiện đo áp suất phải lắp tại vị trí thuận lợi cho quan sát của lái tàu. Tem kiểm định phương tiện đo áp suất còn hiệu lực.
2.12.9 Các thiết bị điều khiển hãm phải hoạt động linh hoạt, chính xác và thuận lợi cho việc sử dụng của lái tàu.
2.12.10 Trong quá trình hãm, hệ thống hãm phải đảm bảo duy trì được áp suất ống hãm tại các vị trí của tay hãm đoàn tàu (chế độ bảo áp).
2.12.11 Hệ thống hãm đầu máy phải có chế độ hãm khẩn và lắp van hãm khẩn cấp. Hướng xả gió của van hãm khẩn không được làm ảnh hưởng đến lái tàu. Khi hãm khẩn, thời gian giảm áp ống hãm trên đầu máy từ 5 bar về 0 bar không được quá 02 s.
2.12.12 Hệ thống hãm khí nén phải có tính năng cơ bản sau:
a) Khi giảm áp ống hãm, hệ thống hãm phải có tác dụng hãm;
b) Độ xì hở của ống hãm đoàn tàu trong phạm vi cho phép và không được gây hãm phương tiện;
c) Các thiết bị của hệ thống hãm phải làm việc bình thường ở chế độ định áp ống hãm 5 bar hoặc 6 bar;
d) Phải có thiết bị để nhả hãm riêng cho đầu máy khi đoàn tàu được hãm bằng tay hãm đoàn tàu.
2.12.13 Yêu cầu cơ bản đối với tay hãm đoàn tàu (tay hãm lớn)
a) Có tác dụng hãm thường (hãm từng mức) và hãm khẩn đối với đoàn tàu;
b) Có tác dụng nhả hãm hoàn toàn (nhả hãm một lần) và nhả hãm giai đoạn đối với đoàn tàu;
c) Có tác dụng điều khiển hãm thường và điều khiển hãm khẩn đối với đoàn tàu;
d) Có tác dụng điều khiển nhả hãm một lần và điều khiển nhả hãm giai đoạn đối với đoàn tàu;
đ) Phải có vị trí cấp quá chế độ định áp cho ống hãm (cấp gió nhanh). Sau khi cấp quá, đưa tay hãm về vị trí vận chuyển phải giảm áp được ống hãm về chế độ định áp mà không gây hãm ngoài ý muốn;
e) Phải có vị trí cô lập để sử dụng khi chuyển bàn điều khiển hoặc chạy ghép đôi đầu máy và kiểm tra độ xì hở của ống hãm đoàn tàu;
g) Đối với tay hãm điện - khí ép phải có tác dụng cấp tín hiệu tại các vị trí hãm về bộ xử lý trung tâm để điều khiển van phân phối cấp, xả gió để hãm và nhả hãm đoàn tàu theo ý muốn của lái tàu.
2.12.14 Yêu cầu cơ bản đối với tay hãm riêng đầu máy (tay hãm con)
a) Có tác dụng hãm giai đoạn và hãm một lần đối với riêng đầu máy;
b) Có tác dụng nhả hãm một lần và nhả hãm giai đoạn đối với riêng đầu máy;
c) Có vị trí vận chuyển để xả gió xi lanh hãm về 0 bar;
d) Có vị trí cô lập hoặc có van cô lập (lắp trên hệ thống ống hãm) để ngắt nguồn khí nén cấp cho xi lanh hãm.
2.12.15 Yêu cầu cơ bản đối với van phân phối
a) Phải có chế độ hãm khi kéo tàu khách và khi kéo tàu hàng;
b) Phải có tác dụng hãm và nhả hãm đầu máy theo đúng tác động điều khiển của tay hãm đoàn tàu tại các vị trí tác dụng;
c) Phải có tác dụng tự động bổ sung khí nén để duy trì áp lực hãm khi xi lanh hãm và ống hãm bị xì hở.
2.12.16 Yêu cầu đối với hệ thống cung cấp khí nén trên phương tiện
a) Máy nén khí phải bảo đảm yêu cầu sau:
- Năng suất của máy nén khí (thời gian cấp khí nén cho hệ thống hãm của phương tiện từ 0 đến Pmax và từ Pmin đến Pmax) phải phù hợp với quy định tại tài liệu kỹ thuật của nhà sản xuất;
- Phải có van điều áp để điều khiển máy nén khí làm việc. Áp suất làm việc của van điều áp ở chế độ đóng và chế độ mở máy nén gió phải phù hợp với quy định tại tài liệu kỹ thuật của nhà sản xuất;
- Đối với máy nén khí loại 2 cấp nén khí trở lên phải có van an toàn cho các đường ống khí nén của két làm mát.
b) Hệ thống đường ống khí nén:
- Phải có thiết bị lọc bụi, thiết bị tách dầu nước và thiết bị hút ẩm khí nén;
- Trên đường ống dẫn từ máy nén khí tới bình chịu áp lực chính phải có van một chiều.
c) Bình chịu áp lực chính:
- Bình chịu áp lực chính phải có van an toàn, van xả dầu nước;
- Trị số áp suất mở và đóng của van an toàn bình chịu áp lực chính phải phù hợp với quy định tại tài liệu kỹ thuật của nhà sản xuất.
d) Độ xì hở của hệ thống hãm khí nén:
- Độ xì hở của hệ thống đường ống khí nén chính không được quá 0,2 bar trong 01 min;
- Độ xì hở của xi lanh hãm không được quá 0,2 bar trong 05 min, khi xi lanh hãm có áp suất lớn nhất;
- Độ xì hở của ống hãm đoàn xe không được quá 0,1 bar trong 02 min.
2.12.17 Hệ thống hãm phương tiện chuyên dùng tự hành phải hoạt động bình thường theo quy định tại tài liệu kỹ thuật của nhà sản xuất.
2.13. Kiểm tra vận hành
2.13.1 Đầu máy sản xuất, lắp ráp phải thử công suất và hiệu chỉnh thông số cụm động cơ - máy phát điện chính trước khi chạy thử đường dài.
2.13.2 Phương tiện sau khi sản xuất, lắp ráp, nhập khẩu mới phải được kiểm tra vận hành quy định tại Phụ lục G.
2.13.3 Đầu máy sản xuất, lắp ráp, nhập khẩu kiểu loại mới được thiết kế lần đầu để sử dụng cho mạng đường sắt quốc gia thì sản phẩm đầu tiên phải chạy thử nghiệm vận dụng trên đường sắt Việt Nam tối thiểu là 5000 km trước khi được cấp giấy chứng nhận chất lượng an toàn kỹ thuật và bảo vệ môi trường để sản xuất hàng loạt.
3. Quy định kiểm tra
Phương tiện phải được kiểm tra các nội dung, hạng mục quy định tại Bảng 1 dưới đây.
Bảng 1 - Nội dung, hạng mục kiểm tra
| TT | Nội dung, hạng mục | Yêu cầu | Sản xuất, lắp ráp | Nhập khẩu | |||
| ĐM | PTCD | ĐM | PTCD | ||||
| 1. | Kiểu loại, số hiệu, nhãn mác | Phù hợp với Hồ sơ đăng ký kiểm tra phương tiện và quy định tại điểm 2.1.1 và 2.1.4 | x | x | x | x | |
| 2. | Kích thước giới hạn của phương tiện | Đo chiều cao, chiều rộng, chiều dài của phương tiện phải phù hợp với tài liệu kỹ thuật của nhà sản xuất và quy định tại điểm 2.1.3. Chứng kiến việc thực hiện kiểm tra thông qua khổ giới hạn đầu máy theo quy định tại Phụ lục B | x | x | x | x | |
| 3. | Khối lượng, tải trọng trục, tải trọng bánh xe | Thực hiện/chứng kiến việc kiểm tra theo quy định tại Phụ lục C và phù hợp với quy định tại điểm 2.4. | x | x | x | x | |
| 4. | Giá xe | - Kiểm tra Hồ sơ đăng ký kiểm tra: báo cáo thử nghiệm vật liệu, báo cáo kết quả kiểm tra khuyết tật mối hàn của giá xe phương tiện sản xuất lắp ráp phù hợp với quy định tại điểm 2.7.1. - Kiểm tra kích thước chính của giá xe phù hợp với quy định tại điểm 2.7.1. - Kiểm tra trạng thái lắp đặt của tấm gạt chướng ngại, gạt đá phù hợp với quy định tại điểm 2.7.2. Kiểm tra trạng thái kỹ thuật của mặt sàn hành lang, lan can bảo vệ, tay vịn, bậc lên xuống phù hợp với quy định tại điểm 2.7.3. | x | x | - | - | |
| 5. | Bộ trục bánh xe | - Biên dạng mặt lăn bánh xe được kiểm tra bằng dưỡng bánh xe phù hợp với quy định tại điểm 2.2.1. - Đo đường kính bánh xe, sai lệch đường kính bánh xe trên đầu máy phải phù hợp với quy định tại điểm 2.2.2 và 2.2.6 - Đo giang cách bộ trục bánh xe phải phù hợp với quy định tại điểm 2.2.3. - Đo chiều dày lợi bánh xe và chiều cao lợi bánh xe phải phù hợp với quy định tại điểm 2.2.4 va 2.2.5. | x | x | x | x | |
| 6. | Giá chuyển hướng | Kiểm tra Hồ sơ đăng ký kiểm tra phù hợp với quy định tại điểm 2.7.1 | x | x | - | - | |
| Kiểm tra trạng thái lắp đặt của giá chuyển hướng trên phương tiện phải phù hợp với quy định tại điểm 2.7.4. | x | x | x | x | |||
| 7. | Móc nối đỡ đấm | Phù hợp với quy định tại điểm 2.3. | x | x | x | x | |
| 8. | Động cơ Điêzen | - Kiểm tra hoạt động của động cơ, các hệ thống dầu bôi trơn, làm mát, cung cấp nhiên liệu theo quy định tại khoản 2.8. - Đối với đầu máy sản xuất lắp ráp công suất động cơ đầu máy truyền động điện chứng kiến kiểm tra theo quy định tại phụ lục D hoặc phương pháp tương đương. - Kiểm tra vòng quay động cơ tại vị trí thấp nhất và cao nhất phù hợp theo quy định tài liệu kỹ thuật của nhà sản xuất. | x | x | x | x | |
| 9. | Hệ thống truyền động thủy lực | Thực hiện theo quy định tại Phụ lục G và phù hợp với quy định tại điểm 2.9.4 | x | x | x | x | |
| 10. | Hệ thống truyền động điện (máy phát điện chính, động cơ điện kéo) | Đo cách điện mạch động lực phù hợp với quy định tại các điểm 2.9.1 Đo nhiệt độ máy điện theo quy định tại Phụ lục G và phù hợp với quy định tại các điểm 2.9.2 | x | - | x | - | |
| 11. | Buồng lái | - Kiểm tra trạng thái đóng mở của cửa ra vào buồng lái. - Kiểm tra độ ồn trong buồng lái phù hợp với quy định tại điểm 2.6.10. - Kiểm tra thử dột phương tiện phù hợp với quy định tại điểm 2.6.11 đối với sản xuất lắp ráp. | x | x | x | x | |
| 12. | Ắc quy và hệ thống nạp điện ắc quy | Kiểm tra kiểu loại ắc quy, hoạt động của mạch điện sạc ắc quy phù hợp với quy định tại điểm 2.11.11. | x | x | x | x | |
| 13. | Hệ thống điện điều khiển | Kiểm tra hoạt động của các thiết bị điện, các mạch điện, bảng điều khiển điện tử (nếu có) phù hợp với quy định tại điểm 2.10. | x | x | x | x | |
| 14. | Hệ thống hãm | - Thực hiện kiểm tra hoạt động của các thiết bị hãm theo quy định tại phụ lục E và phù hợp với quy định tại điểm 2.12. | x | x | x | x | |
| 15. | Các hệ thống: làm mát, bôi trơn, nhiên liệu, khí nạp | Thực hiện kiểm tra hoạt động theo quy định tại phụ lục G và phù hợp với quy định tại các điểm: 2.8.3; 2.11.1; 2.11.2; 2.11.3; 2.11.4. | x | x | x | x | |
| 16. | Hệ thống xả cát đầu máy | Thực hiện kiểm tra hoạt động theo quy định tại phụ lục G và phù hợp với quy định tại điểm 2.11.7. | x | - | x | - | |
| 17. | Thiết bị ghi tốc độ và dữ liệu chạy tàu (nếu có) | Kiểm tra kết quả dữ liệu vận hành đã được thiết bị ghi lại theo quy định tại phụ lục F, phụ lục G và phù hợp với quy định tại điểm 2.11.8. | x | x | x | x | |
| 18. | Thiết bị chống ngủ gật cho lái tàu (nếu có) | Thực hiện kiểm tra hoạt động của thiết bị theo phụ lục F, phụ lục G và phù hợp với quy định tại điểm 2.11.8. | x | x | x | x | |
| 19. | Còi | Thực hiện kiểm tra theo quy định tại phụ lục F và phù hợp với quy định tại điểm 2.11.13. | x | x | x | x | |
| 20. | Đèn pha | Thực hiện kiểm tra theo quy định tại phụ lục F và phù hợp với quy định tại điểm 2.11.14. | x | x | x | x | |
| 21. | Bình chữa cháy, thiết bị báo cháy | Phù hợp với quy định tại điểm 2.11.9. | x | x | x | x | |
| 22. | Thiết bị báo nhiệt độ vòng bi đầu trục bánh xe (nếu có) | Kiểm tra hoạt động của thiết bị phù hợp với quy định tại điểm 2.11.12. | x | x | x | x | |
| 23. | Thiết bị bôi trơn gờ lợi bánh xe (nếu có) | Kiểm tra hoạt động của thiết bị phù hợp với quy định tại điểm 2.11.12. | x | x | x | x | |
| 24. | Thiết bị chống trượt bánh xe | Thực hiện kiểm tra hoạt động của thiết bị theo quy định tại phụ lục F và phụ lục G phù hợp với quy định tại điểm 2.11.12. | x | x | x | x | |
| 25. | Thiết bị hãm đỗ | Kiểm tra hoạt động của thiết bị phù hợp với quy định tại điểm 2.12.4. | x | x | x | x | |
| 26. | Độ phát thải động cơ Điêzen | Xem xét báo cáo thử nghiệm độ phát thải của động cơ do nhà nhập khẩu cung cấp phải phù hợp với quy định tại điểm 2.8.6. | x | - | x | - | |
| 27. | Bán kính đường cong nhỏ nhất thông qua | Chứng kiến việc thực hiện kiểm tra theo quy định tại phụ lục G và phù hợp với quy định tại điểm 2.5. | x | x | x | x | |
| 28. | Kiểm tra hoạt động của thiết bị chuyển cấp tốc độ (nếu có) | Thực hiện kiểm tra theo quy định tại phụ lục G và phù hợp với quy định tại điểm 2.9.5. | x | x | x | x | |
| 29. | Khoảng cách hãm phương tiện | Kiểm tra tài liệu tính toán hãm của nhà sản xuất phù hợp với quy định tại điểm 2.12.5 và chứng kiến thực hiện hãm theo quy định tại phụ lục G. | x | x | x | x | |
| 30. | Kiểm tra vận hành | Thực hiện theo quy định tại phụ lục G. Phù hợp với quy định tại điểm 2.13. | x | x | x | x | |
Ghi chú:
- Chữ viết tắt ĐM là đầu máy
- Chữ viết tắt PTCD là phương tiện chuyên dùng tự hành
- Chữ viết tắt GCH là giá chuyển hướng
- Ký hiệu đánh dấu “x” là phải thực hiện
- Ký hiệu đánh dấu “-” là không thực hiện
4 Quy định về quản lý
4.1. Nhà sản xuất, tổ chức nhập khẩu phương tiện chịu trách nhiệm về bản quyền, nguồn gốc xuất xứ, chất lượng phương tiện trong sản xuất lắp ráp hoặc nhập khẩu và phải đảm bảo phù hợp với các quy định tại Điều 2 của Quy chuẩn này.
4.2. Tổ chức, cá nhân đăng ký kiểm tra chứng nhận chất lượng an toàn kỹ thuật và bảo vệ môi trường cho phương tiện có trách nhiệm phối hợp với nhà sản xuất, thiết kế cung cấp, chịu trách nhiệm về nội dung trong các tài liệu kỹ thuật, báo cáo kiểm tra, thử nghiệm, bản khai thông tin phương tiện theo quy định tại Phụ lục H và chuẩn bị phương tiện với đầy đủ các điều kiện cần thiết để tiến hành kiểm tra theo quy định tại Điều 3 của Quy chuẩn này.
4.3. Trong trường hợp các văn bản quy phạm pháp luật, tài liệu được viện dẫn trong Quy chuẩn kỹ thuật này có sự thay đổi, bổ sung hoặc được thay thế thì thực hiện theo các văn bản mới.
5. Tổ chức thực hiện
5.1. Việc kiểm tra, chứng nhận đầu máy Điêzen, phương tiện chuyên dùng tự hành trong sản xuất lắp ráp và nhập khẩu mới thực hiện theo quy định của Bộ trưởng Bộ Xây dựng về quản lý, khai thác vận tải đường sắt.
5.2. Các nội dung quy định tại Bảng 1 đã được kiểm tra theo QCVN 16:2023/BGTVT trước ngày Quy chuẩn này có hiệu lực thì không phải kiểm tra lại, các nội dung chưa được kiểm tra thì áp dụng theo quy định của Quy chuẩn này.
5.1. Tổ chức đăng kiểm chịu trách nhiệm kiểm tra đầu máy Điêzen, phương tiện chuyên dùng tự hành trong sản xuất lắp ráp và nhập khẩu mới theo quy định tại Điều 3 của Quy chuẩn này.
Phụ lục A
Biên dạng mặt lăn bánh xe
A.1 Biên dạng mặt lăn lõm khổ đường 1000 mm

A.2 Biên dạng mặt lăn côn khổ đường 1000 mm

A.3 Biên dạng mặt lăn côn khổ đường 1435 mm

Ghi chú: N là chiều rộng của mặt lăn theo quy định của nhà sản xuất.
Phụ lục B
Phương pháp kiểm tra thông qua khổ giới hạn
B1. Việc kiểm tra khổ giới hạn được tiến hành lần lượt với phương tiện ở trạng thái khối lượng chỉnh bị phù hợp với quy định tại Bảng B1.
Bảng B1 - Trạng thái khối lượng chỉnh bị đầu máy
| Trạng thái Tải trọng | Chưa | Chỉnh bị | Chỉnh bị |
| chỉnh bị | tính toán | hoàn toàn | |
| Nhiên liệu | Không | 2/3 | Đầy |
| Cát | Không | 2/3 | Đầy |
| Nước làm mát | Không | Mức trung bình | |
| Dầu bôi trơn động cơ | Không | Mức trung bình | |
| Ban lái tàu | Không | Đầy đủ định viên | |
| Dầu truyền động thủy lực | Mức trung bình | ||
| Các loại dầu, mỡ bôi trơn khác | Trong hộp giảm tốc trục, hộp số và các hộp đầu trục ở mức trung bình | ||
| Dụng cụ theo đầu máy | Toàn bộ dụng cụ theo đầu máy | ||
B2. Phương tiện chạy vào khung đo giới hạn đặt trên đường thẳng, phẳng để tiến hành kiểm tra các nội dung sau:
a) Khoảng hở phía trên theo phương thẳng đứng phải tiến hành khi phương tiện ở trạng thái chưa chỉnh bị bảo đảm đầu máy không bị chạm vào khung khổ giới hạn;
b) Khoảng hở phía dưới theo phương thẳng đứng phải tiến hành khi phương tiện ở trạng thái chỉnh bị hoàn toàn bảo đảm đầu máy không bị chạm vào khung khổ giới hạn;
c) Khoảng hở 2 bên theo phương ngang phải tiến hành khi phương tiện ở trạng thái chưa chỉnh bị và trạng thái chỉnh bị hoàn toàn bảo đảm đầu máy không bị chạm vào khung khổ giới hạn.
Phụ lục C
Phương pháp xác định khối lượng phương tiện
C1. Xác định khối lượng phương tiện được tiến hành đối với phương tiện ở trạng thái chỉnh bị tính toán phù hợp với quy định tại Bảng C1.
C2.Trạng thái khối lượng
Các trạng thái khối lượng của phương tiện được quy định tại Bảng sau:
Bảng C1 - Trạng thái phương tiện
| Trạng thái Tải trọng | Chưa | Chỉnh bị | Chỉnh bị |
| chỉnh bị | tính toán | hoàn toàn | |
| Nhiên liệu | Không | 2/3 | Đầy |
| Cát | Không | 2/3 | Đầy |
| Nước làm mát | Không | Mức trung bình | |
| Dầu bôi trơn động cơ | Không | Mức trung bình | |
| Ban lái tàu | Không | Đầy đủ định viên | |
| Dầu truyền động thủy lực | Mức trung bình | ||
| Các loại dầu, mỡ bôi trơn khác | Trong hộp giảm tốc trục, hộp số và các hộp đầu trục ở mức trung bình | ||
| Dụng cụ theo đầu máy | Toàn bộ dụng cụ theo đầu máy | ||
C.3 Hạng mục cân
Thực hiện theo các hạng mục sau:
a) Khối lượng phương tiện;
b) Tải trọng trục;
c) Tải trọng bánh xe
C.4 Thiết bị cân
Việc kiểm tra phải tiến hành trên bàn cân hoặc bộ cân di động chuyên dùng. Thiết bị cân phải được kiểm soát về đo lường theo quy định.
C.5 Trình tự tiến hành
C.5.1 Đối với bàn cân động
Trước khi cân tiến hành các điều chỉnh cần thiết đối với hệ thống giảm chấn, lò xo của phương tiện. Tháo giảm chấn thủy lực của giá chuyển hướng (nếu có) sau đó cho phương tiện chạy đến bàn cân theo đúng hướng dẫn của nhà sản xuất thiết bị cân. Trong quá trình cân không cho phép điều chỉnh độ cân bằng của đầu máy bằng bất cứ hình thức nào.
C.5.2 Đối với bàn cân tĩnh
Thực hiện các bước tương tự như đối với bàn cân động nhưng không phải tháo giảm chấn thủy lực của giá chuyển hướng.
C.5.3 Đối với cân di động (cân xách tay)
Nếu bàn cân không xác định được tải trọng của bánh xe có thể dùng bộ cân di động để kiểm tra. Trình tự và phương pháp thực hiện theo tài liệu hướng dẫn của nhà sản xuất thiết bị cân.
C.6 Phương pháp xác định các trị số
a) Đối với bàn cân động: phải tiến hành đo 4 lần theo 2 hướng tiến và lùi, mỗi hướng tiến hành 2 lần, tính trị số trung bình của 4 lần cân và ghi lại kết quả theo Bảng C2 của Phụ lục này. Các kết quả cân tính theo đơn vị kg;
b) Đối với bàn cân tĩnh: phải tiến hành cân 2 lần, tính trị số trung bình của 2 lần cân và ghi lại kết quả theo Bảng C2 của phụ lục này. Các kết quả cân tính theo đơn vị kg.
C.7 Tải trọng trục
Trị số tải trọng trục xác định bằng khối lượng của phương tiện phân bố trên trục đó hoặc bằng tổng tải trọng 2 bánh xe của trục đó.
C.8 Khối lượng phương tiện
Khối lượng đầu máy được tính bằng tổng tải trọng của tất cả bánh xe hoặc tổng tải trọng của tất cả các trục bánh xe.
C.9 Lập báo cáo kết quả cân
Ghi chép kết quả cân theo mẫu tại Bảng C2.
Bảng C2 - Mẫu kết quả cân
| Thiết bị cân: | |||||||
| Trạng thái khối lượng: | |||||||
| Số hiệu phương tiện | Ngày cân | Địa điểm cân | Người cân | ||||
|
|
|
|
| ||||
| Phân bố tải trọng trên các trục: | |||||||
|
| Trục 1 | Trục 2 | Trục 3 | Trục 4 | Trục 5 | Trục 6 | Tổng trọng |
| Lần 1 |
|
|
|
|
|
|
|
| Lần 2 |
|
|
|
|
|
|
|
| Lần 3 |
|
|
|
|
|
|
|
| Lần 4 |
|
|
|
|
|
|
|
| TB |
|
|
|
|
|
|
|
| Ghi chú khác | |||||||
C.10. Đánh giá kết quả xác định khối lượng phương tiện
Phù hợp với quy định tại Mục 2.4 của quy chuẩn này.
Phụ lục D
Phương pháp kiểm tra công suất và hiệu chỉnh thông số cụm động cơ - máy phát điện của đầu máy Điêzen truyền động điện trên băng thử biến trở chuyên dùng
D.1 Phạm vi, nội dung kiểm tra
Kiểm tra công suất, hiệu chỉnh thông số cụm động cơ - máy phát điện của đầu máy Điêzen truyền động điện trên băng thử biến trở chuyên dùng loại biến trở nước hoặc biến trở khô làm phụ tải gồm có các nội dung sau:
a) Trạng thái hoạt động, đặc tính kỹ thuật của các cụm máy chính và các thiết bị điều khiển trên đầu máy;
b) Công suất động cơ Điêzen;
c) Đường đặc tính phụ tải của máy phát điện chính;
d) Tính năng, hoạt động của các thiết bị bảo vệ an toàn động cơ.
D.2 Kiểm tra đầu máy trước khi thử công suất
D.2.1 Đầu máy phải được kiểm tra, chỉnh bị đầy đủ nhiên liệu, dầu bôi trơn, nước làm mát theo đúng quy định tại tài liệu kỹ thuật của nhà sản xuất.
D.2.2 Kiểm tra điện áp ắc quy, độ cách điện các mạch điện; tính năng hoạt động các mạch điện, các thiết bị điện theo quy định tại tài liệu kỹ thuật của nhà sản xuất.
D.2.3 Kiểm tra các cụm máy chính, hệ thống nước làm mát, dầu bôi trơn, nhiên liệu.
D.3 Kiểm tra thiết bị thử công suất loại biến trở
D.3.1 Các dây cáp điện nối từ máy phát điện chính (hoặc sau bộ chỉnh lưu) vào bộ biến trở thử công suất theo đúng sơ đồ mạch điện quy định tại tài liệu kỹ thuật của nhà sản xuất.
D.3.2 Độ cách điện của bộ điện trở và độ cách điện của mạch điện điều khiển của thiết bị thử chuyên dùng phải đúng quy định tại tài liệu kỹ thuật của nhà sản xuất; thiết bị phải có dây tiếp mát, lắp đặt đúng quy định tài liệu kỹ thuật của nhà sản xuất.
D.3.3 Điện áp nguồn điều khiển thiết bị biến trở phải phù hợp với quy định tại tài liệu kỹ thuật của nhà sản xuất.
D.3.4 Kiểu loại, khối lượng nước cấp vào thùng biến trở phải phù hợp với quy định của nhà sản xuất.
D.3.5 Các thiết bị điều chỉnh biến trở phải làm việc bình thường.
D.3.6 Hệ thống làm mát bộ điện trở phải làm việc bình thường.
D.4 Điều kiện thử công suất
D.4.1 Công suất phụ tải của biến trở chuyên dùng phải phù hợp với công suất đầu máy thử nghiệm.
D.4.2 Điều kiện môi trường thử công suất động cơ Điêzen như sau:
- Nhiệt độ môi trường không quá 55°C;
- Độ ẩm tương đối ≤ 95 %;
- Trời không mưa, nếu thiết bị thử công suất đặt ở ngoài trời.
D.4.3 Độ chính xác của đồng hồ đo tốc độ vòng quay động cơ, đồng hồ đo điện áp, cường độ dòng điện theo quy định tại tài liệu kỹ thuật của nhà sản xuất.
D.5 Nội dung thử công suất
D.5.1 Kiểm tra đầu máy Điêzen ở chế độ không tải.
D.5.1.1 Kiểm tra việc khởi động động cơ Điêzen. Thời gian khởi động, áp suất dầu bôi trơn trước (nếu có bơm dầu bôi trơn trước) phải đúng với quy định tại tài liệu kỹ thuật của nhà sản xuất.
D.5.1.2 Kiểm tra tình trạng kỹ thuật, tính năng hoạt động của các thiết bị trên đầu máy khi động cơ làm việc ở chế độ không tải.
D.5.1.3 Kiểm tra độ kín của các hệ thống: làm mát, nhiên liệu, dầu bôi trơn động cơ.
D.5.1.4 Kiểm tra trị số vòng quay động cơ tại các vị trí tay ga. Tốc độ động cơ, thời gian tăng, giảm tốc độ vòng quay động cơ tại các vị trí tay ga phải phù hợp với quy định tại tài liệu kỹ thuật của nhà sản xuất.
D.5.1.5 Kiểm tra các thông số kỹ thuật của mạch kích từ máy phát điện chính theo quy định của nhà sản xuất.
D.5.1.6 Kiểm tra tính năng hoạt động của thiết bị nạp điện ắc quy. Điện áp, dòng điện nạp ắc quy phải phù hợp với quy định tại tài liệu kỹ thuật của nhà sản xuất.
D.5.2 Kiểm tra, hiệu chỉnh cụm động cơ - máy phát điện ở chế độ có tải.
D.5.2.1 Động cơ làm việc ổn định ở các vị trí tay ga, không có tiếng gõ lạ. Tốc độ vòng quay động cơ khi làm việc có tải phải đúng quy định tại tài liệu kỹ thuật của nhà sản xuất.
D.5.2.2 Kiểm tra nhiệt độ của nước làm mát và dầu bôi trơn; áp suất của khí nạp, dầu bôi trơn và nhiên liệu. Thông số kiểm tra trong quá trình kiểm tra thử nghiệm phải phù hợp với quy định tại tài liệu kỹ thuật của nhà sản xuất.
D.5.2.3 Kiểm tra các thiết bị bảo vệ an toàn động cơ. Tính năng hoạt động của các thiết bị bảo vệ phải phù hợp quy định tại tài liệu kỹ thuật của nhà sản xuất.
D.5.2.4 Điều chỉnh phụ tải biến trở thử công suất thích hợp tại các vị trí tay ga động cơ. Yêu cầu điện áp và cường độ máy phát điện chính trong phạm vi quy định tại tài liệu kỹ thuật của nhà sản xuất.
D.5.2.5 Đo cường độ dòng điện, điện áp máy phát điện chính tại các vị trí tay ga, lập biểu tính toán công suất, vẽ đường đặc tính phụ tải máy phát điện chính. Kiểm tra hiệu chỉnh cụm động cơ - máy phát, yêu cầu đường đặc tính phụ tải của máy phát điện chính phải phù hợp với quy định tại tài liệu kỹ thuật của nhà sản xuất.
D.5.2.6 Kiểm tra hệ thống thông gió làm mát cho các động cơ điện kéo. Tính năng hoạt động của quạt làm mát phải đúng theo quy định tại tài liệu kỹ thuật của nhà sản xuất.
D.6 Ghi chép trong quá trình kiểm tra
Kết quả thử công suất cụm động cơ Điêzen và máy phát điện chính được ghi theo mẫu biểu thử công suất đầu máy và lưu vào hồ sơ lý lịch đầu máy.
Phụ lục E
Phương pháp kiểm tra hệ thống hãm khí nén
E.1 Điều kiện kiểm tra
a) Hệ thống hãm phải được lắp ráp hoàn chỉnh; các van khóa phải đặt đúng vị trí đóng hoặc mở phù hợp với tài liệu kỹ thuật của nhà sản xuất;
b) Trước khi lắp ráp lên phương tiện, các thiết bị hãm gồm tay hãm đoàn tàu, tay hãm con, van phân phối và các thiết bị van hãm khác phải được kiểm tra trên thiết bị chuyên dùng. Kết quả kiểm tra phải phù hợp quy định tại tài liệu kỹ thuật của nhà sản xuất;
c) Bình chịu áp lực trước khi lắp lên phương tiện phải phù hợp với tài liệu kỹ thuật của nhà sản xuất;
d) Máy nén khí phải làm việc bình thường. Tay hãm ở vị trí vận chuyển phải cấp khí nén cho ống hãm đúng chế độ định áp;
đ) Các phương tiện đo áp lực phải có được kiểm định theo quy định;
e) Đối với phương tiện có hai bàn điều khiển, tay hãm đoàn tàu của bàn điều khiển chưa kiểm tra phải đặt ở vị trí cô lập;
g) Tay hãm con phải đặt ở vị trí vận chuyển, tay đảo chiều phương tiện phải đặt ở vị trí trung gian.
E.2 Nội dung kiểm tra
E.2.1 Tính năng kỹ thuật của tay hãm đoàn tàu (tay hãm lớn)
E.2.1.1 Cấp gió
a) Khi tay hãm đoàn tàu đặt ở vị trí cấp gió quá (cấp gió nhanh) hoặc vị trí cấp gió vận chuyển thì phương tiện phải có tác dụng nhả hãm;
b) Khi tay hãm đoàn tàu đặt ở vị trí vận chuyển phải cấp gió đúng chế độ định áp. Tay hãm đoàn tàu phải có tác dụng bảo áp tự động để bổ sung lượng gió xì hở của ống hãm;
c) Khi thực hiện cấp gió quá cho ống hãm thì áp suất của ống hãm phải cao hơn chế độ định áp và phù hợp với quy định của nhà sản xuất. Khi đưa tay hãm đoàn tàu trở về vị trí vận chuyển, thời gian giảm áp ống hãm về chế độ định áp phải phù hợp với quy định của nhà sản xuất và không được gây nên hiện tượng tự hãm;
d) Khi thực hiện việc cấp gió nhả hãm ở vị trí vận chuyển thì thời gian giảm áp suất xi lanh hãm từ áp lực lớn nhất Pmax tới 0,4 bar đối với chế độ kéo tàu hàng hoặc chế độ kéo tàu khách phải đúng quy định tại tài liệu kỹ thuật của nhà sản xuất.
E.2.1.2 Hãm thường
Tay hãm đoàn tàu thực hiện hãm thường phải đảm bảo các yêu cầu sau:
a) Lượng giảm áp ống hãm:
- Với lượng giảm áp ống hãm nhỏ nhất theo quy định của nhà sản xuất phương tiện phải có tác dụng hãm;
- Lượng giảm áp ống hãm tạo được lực hãm lớn nhất khi hãm thường là 1,4 bar đối với chế độ định áp 5 bar và 1,7 bar đối với chế độ định áp 6 bar.
b) Thời gian giảm áp ống hãm 1,4 bar đối với chế độ định áp 5 bar và thời gian giảm áp ống hãm 1,7 bar đối với chế độ định áp 6 bar trong khoảng từ 5 đến 8 s;
c) Thời gian cấp gió cho xi lanh hãm từ áp suất 0 bar lên tới áp suất lớn nhất phải đúng quy định của nhà sản xuất;
d) Áp suất lớn nhất của xi lanh hãm phải đúng quy định tại tài liệu kỹ thuật của nhà sản xuất.
E.2.1.3 Hãm khẩn
a) Tay hãm đoàn tàu phải thực hiện được việc xả gió ống hãm về 0 bar và có tác dụng điều khiển hãm khẩn cho phương tiện và đoàn tàu;
b) Hệ thống hãm đang ở trạng thái nhả hãm hoàn toàn, khi đưa tay hãm đoàn tàu đến vị trí hãm khẩn phải đạt các yêu cầu sau:
- Thời gian giảm áp suất ống hãm từ chế độ định áp về 0 bar không quá 03 s;
- Thời gian cấp gió cho xi lanh hãm tăng từ áp suất 0 bar đến 95 % áp suất lớn nhất phải đạt từ 7 đến 12 s khi van phân phối đặt ở chế độ kéo tàu khách và từ 18 đến 30 s ở chế độ kéo tàu hàng;
- Áp suất lớn nhất của xi lanh hãm phải đúng quy định tại tài liệu kỹ thuật của nhà sản xuất.
c) Tay hãm đoàn tàu nếu có tính năng bảo vệ an toàn khi đứt móc nối, phải có tác dụng ngắt được nguồn gió từ bình chịu áp lực chính cấp cho ống hãm khi xảy ra hiện tượng trên.
E.2.2 Tính năng kỹ thuật của tay hãm riêng (tay hãm con)
a) Khi tay hãm đoàn tàu đặt ở vị trí vận chuyển, tay hãm con của phương tiện phải thực hiện được các yêu cầu sau:
- Khi hãm giai đoạn, nhả hãm giai đoạn tay hãm con phải có tác dụng bảo áp;
- Áp suất lớn nhất của xi lanh hãm khi hãm hoàn toàn phải đúng quy định của nhà sản xuất;
- Thời gian tăng áp suất xi lanh hãm từ 0 lên tới 95 % áp suất lớn nhất khi hãm hoàn toàn trong khoảng từ 3 đến 6 s;
- Thời gian giảm áp suất tối đa của xi lanh hãm xuống 0,4 bar khi nhả hãm hoàn toàn phải đúng quy định của nhà sản xuất.
b) Tay hãm con phải có tác dụng hãm và nhả hãm phương tiện khi đang thực hiện hãm động năng.
E. 2.3 Tính năng kỹ thuật van kéo nguội phương tiện
a) Van kéo nguội phải bảo đảm cho phương tiện ghép nguội có thể nối vào bất kỳ vị trí nào của đoàn tàu mà không ảnh hưởng tới hoạt động của hệ thống hãm đoàn tàu.
b) Khi lượng giảm áp ống hãm lớn nhất, áp suất tối đa của xi lanh hãm của phương tiện ghép nguội phải đúng theo quy định tại tài liệu kỹ thuật của nhà sản xuất.
E.2.4 Tính năng kỹ thuật van ghép đôi phương tiện
a) Hệ thống hãm phương tiện kéo phải điều khiển được hãm và nhả hãm của phương tiện ghép theo. Hệ thống hãm của phương tiện ghép theo không được ảnh hưởng tới việc hãm và nhả hãm của hệ thống hãm phương tiện kéo;
b) Tác dụng hãm và nhả hãm của phương tiện ghép theo phải phối hợp đồng bộ với phương tiện kéo, thời gian hãm và nhả hãm phải như nhau;
c) Máy nén khí của phương tiện ghép theo phải vận hành đồng bộ với phương tiện kéo;
d) Trong vận hành phương tiện ghép đôi, nếu xảy ra trường hợp đứt móc nối giữa các phương tiện, thì phương tiện ghép theo phải có tác dụng hãm khẩn.
E.2.5 Tính năng kỹ thuật của thiết bị an toàn dừng tàu tự động
Khi phương tiện đang vận hành bị đứt móc nối, vỡ ống hãm hoặc nhận được tín hiệu trừng phạt từ thiết bị chống ngủ gật lái tàu thì thiết bị an toàn dừng tàu tự động phải có tác dụng sau:
a) Tự động ngắt ngay được nguồn gió từ bình chịu áp lực chính cấp cho ống hãm nếu tay hãm đoàn tàu có tính năng bảo vệ an toàn khi đứt móc nối;
b) Có tác dụng hãm khẩn và giữ hãm theo quy định tại tài liệu kỹ thuật của nhà sản xuất;
c) Tự động xả cát;
d) Tự động nhả tải động cơ Điêzen.
E.2.6 Các thiết bị khác sử dụng nguồn khí nén
a) Tất cả các thiết bị có sử dụng nguồn khí nén như còi, gạt nước mưa, rơ le áp lực gió, xả cát không được làm ảnh hưởng tới hoạt động hệ thống hãm khí nén;
b) Phải có van giảm áp để điều chỉnh được áp suất khí nén cấp cho các thiết bị phụ làm việc theo tài liệu kỹ thuật của nhà sản xuất.
E.3 Kiểm tra hoạt động của hệ thống hãm
E.3.1 Kiểm tra hệ thống cung cấp khí nén
a) Kiểm tra năng suất máy nén khí:
- Cho máy nén khí làm việc, kiểm tra thời gian cấp gió cho bình chịu áp lực chính từ 0 bar đến áp suất làm việc lớn nhất và thời gian cấp gió cho bình chịu áp lực chính (thùng gió chính) từ áp suất nhỏ nhất đến áp suất làm việc lớn nhất theo các giới hạn tác động của van điều áp;
- Yêu cầu thời gian cấp gió cho bình chịu áp lực chính phải phù hợp với tài liệu kỹ thuật của nhà sản xuất.
b) Kiểm tra hoạt động của van điều áp:
- Cho máy nén khí hoạt động, kiểm tra tính năng tác dụng của van điều áp;
- Yêu cầu trị số áp suất đóng, mở của van phải phù hợp với tài liệu kỹ thuật của nhà sản xuất.
c) Kiểm tra hoạt động của van an toàn bình chịu áp lực chính:
- Kiểm tra áp suất làm việc của van an toàn bằng cách cô lập van điều áp và cho máy nén khí làm việc đến áp suất làm việc của van an toàn;
- Yêu cầu áp suất đóng và mở của van an toàn phải phù hợp với tài liệu kỹ thuật của nhà sản xuất.
E.3.2 Kiểm tra độ xì hở
a) Độ xì hở của hệ thống đường ống gió chính:
- Cho máy nén khí hoạt động để cấp gió cho bình chịu áp lực chính đạt tới áp suất lớn nhất và tay hãm đoàn tàu đặt ở vị trí vận chuyển. Kiểm tra áp suất bình chịu áp lực chính trên phương tiện đo áp suất của bàn điều khiển khi máy nén khí chạy không tải hoặc ngừng hoạt động;
- Yêu cầu độ xì hở của hệ thống đường ống gió chính không được quá 0,2 bar trong 01 min.
b) Độ xì hở của ống hãm:
- Đặt tay hãm đoàn tàu ở vị trí vận chuyển cấp gió cho ống hãm đạt chế độ định áp khoảng 15 s, đưa tay hãm về vị trí giảm áp nhỏ nhất sau đó đưa tay hãm về vị trí cô lập hoặc phân cách hãm. Kiểm tra áp suất ống hãm trên phương tiện đo áp suất của bàn điều khiển;
- Yêu cầu độ xì hở của ống hãm không được quá 0,1 bar trong 02 min.
c) Độ xì hở của xi lanh hãm phương tiện:
- Dùng tay hãm con cấp gió cho xi lanh hãm đạt trị số áp suất lớn nhất, đưa tay hãm về vị trí cô lập hoặc khóa không cấp gió cho xi lanh hãm. Kiểm tra áp suất xi lanh hãm trên phương tiện đo áp suất của bàn điều khiển;
- Yêu cầu độ xì hở của xi lanh hãm không được quá 0,2 bar trong 05 min.
E.3.3 Kiểm tra tác dụng của tay hãm đoàn tàu
E.3.3.1 Điều kiện kiểm tra tác dụng của tay hãm đoàn tàu là tay hãm con phương tiện phải đặt tại vị trí vận chuyển.
E.3.3.2 Kiểm tra tác dụng cấp gió tại vị trí vận chuyển:
- Đưa tay hãm đoàn tàu về vị trí vận chuyển, kiểm tra áp suất ống hãm và áp suất xi lanh hãm;
- Yêu cầu áp suất ống hãm phải đúng chế độ định áp, áp suất xi lanh hãm phương tiện phải bằng 0 bar.
E.3.3.3 Kiểm tra tác dụng hãm giai đoạn (hãm thường):
- Đưa tay hãm đoàn tàu về vị trí hãm giai đoạn, bắt đầu từ lượng giảm áp nhỏ nhất đến lượng giảm áp lớn nhất. Kiểm tra áp suất ống hãm, áp suất xi lanh hãm phương tiện tại các mức hãm;
- Yêu cầu kết quả kiểm tra phải phù hợp với quy định tại tài liệu kỹ thuật của nhà sản xuất.
E.3.3.4 Kiểm tra tác dụng cấp quá (cấp gió nhanh):
- Đưa tay hãm đoàn tàu đến vị trí cấp quá. Kiểm tra áp suất ống hãm, yêu cầu áp suất ống hãm phải được cấp lớn hơn chế độ định áp và phù hợp với quy định tài liệu kỹ thuật của nhà sản xuất;
- Đưa tay hãm đoàn tàu về vị trí vận chuyển. Kiểm tra áp suất ống hãm, yêu cầu áp suất ống hãm phải giảm về đúng chế độ định áp và không có hiện tượng tự hãm phương tiện.
E.3.3.5 Kiểm tra tác dụng hãm thường hoàn toàn:
- Đưa tay hãm đoàn tàu từ vị trí vận chuyển về vị trí hãm thường hoàn toàn để đạt được lượng giảm áp lớn nhất. Kiểm tra thời gian giảm áp ống hãm và áp suất xi lanh hãm;
- Yêu cầu thời gian giảm áp ống hãm từ chế độ định áp về trị số áp suất hãm thường hoàn toàn phải từ 5 đến 8 s. Áp suất tối đa của xi lanh hãm phải đúng tài liệu kỹ thuật của nhà sản xuất.
E.3.3.6 Kiểm tra tác dụng cấp gió nhả hãm:
- Đưa tay hãm đoàn tàu từ vị trí hãm thường hoàn toàn về vị trí vận chuyển, kiểm tra áp suất ống hãm và thời gian xả gió xi lanh hãm;
- Yêu cầu áp suất ống hãm phải đúng chế độ định áp, thời gian xả gió xi lanh hãm từ áp suất lớn nhất xuống 0,4 bar phải đúng theo quy định tài liệu kỹ thuật của nhà sản xuất;
E.3.3.7 Kiểm tra tác dụng cô lập:
- Đưa tay hãm đoàn tàu từ vị trí giảm áp hãm thường mức nhỏ nhất về vị trí cô lập, kiểm tra tính năng ngắt gió từ bình chịu áp lực chính cấp cho ống hãm qua tay hãm đoàn tàu;
- Yêu cầu áp suất ống hãm không được tăng so với áp suất ban đầu.
E.3.3.8 Kiểm tra tác dụng hãm khẩn
Đưa tay hãm từ vị trí vận chuyển về vị trí hãm khẩn, tiến hành kiểm tra các nội dung sau:
- Các thiết bị bảo vệ an toàn (nếu có) phải có tác dụng tự động xả cát, tự động nhả tải, tự động cắt hãm động năng;
- Thời gian xả gió để giảm áp suất ống gió hãm từ trị số định áp về 0 bar không được quá 3 s;
- Thời gian áp suất xi lanh hãm tăng từ 0 đến 95 % áp suất lớn nhất phải từ 7 đến 12 s khi ở chế độ kéo tàu khách và từ 18 đến 30 s khi ở chế độ kéo tàu hàng. Áp suất lớn nhất của xi lanh hãm phương tiện phải đúng quy định tại tài liệu kỹ thuật của nhà sản xuất;
- Đưa tay hãm về vị trí vận chuyển, yêu cầu áp suất ống hãm phải cấp lại đúng chế độ định áp và áp suất xi lanh hãm phương tiện phải bằng 0 bar.
E.3.4 Kiểm tra tay hãm riêng (tay hãm con)
E.3.4.1 Kiểm tra tác dụng hãm phương tiện:
- Đặt tay hãm đoàn tàu ở vị trí vận chuyển và đưa tay hãm con về vị trí hãm hoàn toàn, kiểm tra tác dụng hãm phương tiện;
- Yêu cầu áp suất lớn nhất của xi lanh hãm phải đúng quy định tại tài liệu kỹ thuật của nhà sản xuất; thời gian cấp gió cho xi lanh hãm tăng từ 0 đến 95 % áp suất lớn nhất phải từ 3 đến 6 s.
E.3.4.2 Kiểm tra tác dụng nhả hãm phương tiện:
- Đưa tay hãm con từ vị trí hãm hoàn toàn về vị trí vận chuyển, kiểm tra tác dụng nhả hãm phương tiện;
- Yêu cầu thời gian giảm áp suất tối đa của xi lanh hãm xuống 0,4 bar phải đúng quy định của nhà sản xuất; áp suất xi lanh hãm phải về 0 bar.
E.3.4.3 Kiểm tra tác dụng hãm riêng phương tiện
- Khi hãm đoàn tàu bằng tay hãm đoàn tàu thì dùng tay hãm con phải có tác dụng xả gió nhả hãm riêng cho phương tiện;
- Khi dùng tay hãm con để hãm phương tiện thì tay hãm đoàn tàu không được có tác dụng nhả hãm riêng phương tiện.
E.3.5 Kiểm tra van hãm khẩn cấp
E.3.5.1 Khi van hãm khẩn cấp làm việc, kiểm tra tác dụng hãm khẩn cấp phương tiện, thời gian giảm áp của ống gió hãm và thời gian tăng áp của xi lanh hãm.
E.3.5.2 Khi hãm khẩn cấp, hệ thống hãm phải bảo đảm các yêu cầu sau:
a) Thời gian giảm áp ống gió hãm từ chế độ định áp về 0 bar không quá 3 s;
b) Thời gian áp suất xi lanh hãm tăng từ 0 đến 95 % áp suất lớn nhất phải đạt:
- Từ 7 đến 12 s khi ở chế độ kéo tàu khách;
- Từ 18 đến 30 s khi ở chế độ kéo tàu hàng.
c) Áp suất lớn nhất của xi lanh hãm phải đúng tài liệu kỹ thuật của nhà sản xuất.
d) Phương tiện phải tự động xả cát và nhả tải động cơ Điêzen.
E.3.6 Kiểm tra van kéo nguội
E.3.6.1 Khi phương tiện kéo nguội theo đoàn tàu các van hãm phải đặt đúng vị trí sau:
- Van kéo nguội phương tiện ở vị trí tác dụng;
- Tay hãm đoàn tàu ở vị trí cô lập (rút cán hãm);
- Tay hãm con ở vị trí vận chuyển.
E.3.6.2 Khi phương tiện kéo tàu thực hiện hãm đoàn tàu, phương tiện kéo nguội phải bảo đảm yêu cầu sau:
- Hệ thống hãm phải có tác dụng hãm;
- Áp suất xi lanh hãm của phương tiện kéo nguội phải đúng theo quy định tài liệu kỹ thuật của nhà sản xuất;
E.3.7 Kiểm tra van ghép đôi phương tiện
E.3.7.1 Khi phương tiện ghép đôi phải bảo đảm các yêu cầu sau:
- Phương tiện phải cùng kiểu loại với phương tiện ghép theo và hoạt động bình thường;
- Thiết bị kết nối hệ thống hãm giữa hai phương tiện ghép đôi phải phù hợp với quy định của nhà sản xuất.
E.3.7.2 Kiểm tra tính năng ghép đôi của phương tiện phải bảo đảm các yêu cầu sau:
- Hệ thống hãm phương tiện kéo phải điều khiển được hãm và nhả hãm của phương tiện ghép theo;
- Thời gian hãm và nhả hãm của phương tiện kéo và phương tiện ghép phải tương đương;
- Máy nén khí của phương tiện ghép theo phải vận hành đồng bộ với phương tiện kéo.
E.3.8 Kiểm tra van an toàn bình chịu áp lực chính
- Cấp gió cưỡng bức để cho áp suất của bình chịu áp lực chính của phương tiện lên tới áp suất làm việc lớn nhất (Pmax) của van an toàn;
- Kiểm tra trị số áp suất làm việc của van an toàn, trị số mở và đóng tại áp suất làm việc của van phải phù hợp với quy định tài liệu kỹ thuật của nhà sản xuất.
E.3.9 Kiểm tra thiết bị an toàn tự dừng tàu
Xả gió ống hãm đoàn tàu, kiểm tra tác dụng của thiết bị an toàn tự dừng tàu, yêu cầu hệ thống hãm phải có tác dụng sau:
- Hệ thống hãm phải có tác dụng hãm khẩn cấp và không tự nhả hãm khi áp suất ống hãm đoàn tàu giảm từ 5 bar xuống 0 bar;
- Phải tự động cắt ngay nguồn gió cấp cho ống hãm (nếu tay hãm đoàn tàu có tính năng bảo vệ an toàn khi đứt móc nối);
- Phương tiện phải tự động xả cát và nhả tải động cơ Điêzen.
E.3.10 Kiểm tra rơ le định áp ống hãm đoàn tàu (nếu có)
- Khi ống hãm đoàn tàu giảm áp đến áp suất làm việc của rơ le định áp, kiểm tra tính năng tác dụng của rơ le định áp ống hãm và mạch điện bảo vệ;
- Khi rơ le định áp ống hãm và mạch điện bảo vệ hoạt động; mạch điện tay ga, mạch điện động lực mất tác dụng và thiết bị cảnh báo làm việc.
E.3.11 Kiểm tra rơ le định áp bình chịu áp lực chính
- Khi áp suất bình chịu áp lực chính giảm đến áp suất làm việc của van định áp, kiểm tra tính năng tác dụng của rơ le định áp bình chịu áp lực chính và mạch điện bảo vệ;
- Khi rơ le định áp bình chịu áp lực chính và mạch bảo vệ hoạt động; mạch điện tay ga mất tác dụng và thiết bị cảnh báo làm việc.
Phụ lục F
Phương pháp kiểm tra các thiết bị khác trên phương tiện
F.1. Mục đích kiểm tra
Kiểm tra hoạt động của thiết bị báo cháy, thiết bị ghi tốc độ và dữ liệu đoàn tàu, thiết bị chống lái tàu ngủ gật, thiết bị chống trượt đầu máy, còi, đèn pha trên phương tiện theo tài liệu kỹ thuật của nhà sản xuất.
F.2. Thiết bị báo cháy (nếu có)
a) Dùng tín hiệu tự tạo như khói hoặc tăng nhiệt độ tạo môi trường để đầu cảm biến tác động;
b) Khi thiết bị cảm biến khói làm việc, hệ thống cảnh báo khói như đèn, còi cảnh báo phải phát tín hiệu;
c) Khi thiết bị cảm biến nhiệt độ làm việc, hệ thống cảnh báo như còi, đèn phải hoạt động.
F.3. Thiết bị chống ngủ gật lái tàu
a) Tác động ấn hoặc nhả nút ấn/bàn đạp quá thời gian tài liệu kỹ thuật của nhà sản xuất để quan sát hoạt động cảnh báo, trừng phạt của thiết bị;
b) Thời gian cảnh báo cho lái tàu bằng chuông, đèn phải đúng theo quy định của nhà sản xuất;
c) Thời gian để xả gió hãm khẩn đoàn tàu (trừng phạt) phải đúng theo theo quy định tại tài liệu kỹ thuật của nhà sản xuất.
F.4. Thiết bị ghi tốc độ và dữ liệu chạy tàu
Kiểm tra hoạt động của thiết bị ghi tốc độ và dữ liệu chạy tàu trên đoạn đường chạy thử đường dài. Thiết bị hoạt động bình thường, thẻ nhớ ghi lại được các dữ liệu về tốc độ, thời gian, quãng đường. Nhà sản xuất/nhập khẩu phải in dữ liệu vận hành đoàn tàu mà thiết bị ghi được để làm bằng chứng kiểm tra.
F.5. Thiết bị chống trượt đầu máy
Kiểm tra thiết bị lắp trên phương tiện, khi tạo tín hiệu lệch áp hoặc lệch dòng thì thiết bị chống trượt phải hoạt động bình thường phù hợp với tài liệu kỹ thuật của nhà sản xuất.
F6. Còi
a) Kiểm tra âm lượng của còi bằng thiết bị đo độ ồn đặt tại vị trí có bán kính 30,5 m tính từ mặt trước phương tiện và giới hạn bởi 2 tia tạo góc 45 0 với đường tâm ray;
b) Kết quả đánh giá là bình quân của kết quả 03 lần đo âm lượng còi của phương tiện. Yêu cầu âm còi của phương tiện phải phù hợp với quy định tại điểm 2.11.13 của quy chuẩn này.
F.7. Đèn pha
a) Kiểm tra kiểu loại, trạng thái lắp đặt của đèn pha;
b) Kiểm tra cường độ sáng của đèn pha bằng cách dùng thiết bị đo ánh sáng đặt trước mặt đèn pha theo hướng tâm chiếu sáng. Sử dụng thiết bị đo theo hướng dẫn của nhà sản xuất để đo độ sáng đèn pha. Kết quả đánh giá là bình quân kết quả 03 lần đo;
c) Yêu cầu cường độ sáng đèn pha phương tiện phải phù hợp với quy định tại điểm 2.11.14 của quy chuẩn này.
Phụ lục G
Kiểm tra vận hành phương tiện
G.1 Mục đích kiểm tra
Kiểm tra vận hành phương tiện là chạy thử phương tiện đường dài để kiểm tra độ tin cậy của bộ phận chạy cũng như các thiết bị trên phương tiện trong điều kiện vận hành thực tế; kiểm tra khả năng kéo tải, vượt dốc và duy trì tốc độ của phương tiện, cự ly hãm, đặc tính hãm động năng (nếu có).
G.2 Điều kiện chạy thử đường dài
G.2.1 Trước khi chạy thử, nhà sản xuất, lắp ráp hoặc nhà nhập khẩu phương tiện,
phương tiện chuyên dùng tự hành phải cung cấp các hồ sơ, tài liệu kỹ thuật liên quan theo quy định.
G.2.2 Điều kiện môi trường trong quá trình chạy thử phương tiện đường dài trong điều kiện thời tiết bình thường:
- Nhiệt độ môi trường: 0°C + 55°C;
- Độ ẩm tương đối ≤ 95 %.
G.2.3 Điều kiện kỹ thuật của phương tiện
G.2.3.1 Chạy thử đường dài phương tiện chỉ được tiến hành sau khi các bộ phận chính của phương tiện đã được kiểm tra hiệu chỉnh trên các thiết bị thử chuyên dùng và đã được nghiệm thu.
G.2.3.2 Phương tiện đi thử phải được lắp đặt đầy đủ các thiết bị an toàn chạy tàu theo đúng quy định tại tài liệu kỹ thuật và thiết kế.
G.2.4 Chuẩn bị phương tiện trước khi chạy thử đường dài
G.2.4.1 Phương tiện trước khi chạy thử nghiệm đường dài, phải được chạy thử đơn trên đường nội bộ của nhà máy để kiểm tra trạng thái hoạt động của các hệ thống, thiết bị sau:
a) Giá chuyển hướng;
b) Động cơ Điêzen;
c) Hệ thống nhiên liệu, dầu bôi trơn, nước làm mát và các thiết bị phụ khác;
d) Hệ thống điện;
đ) Hệ thống hãm;
e) Hệ thống xả cát;
g) Hệ thống truyền động, cơ cấu đảo chiều phương tiện;
h) Các thiết bị, cơ cấu an toàn;
i) Các loại đồng hồ, đèn báo.
Yêu cầu các thiết bị phải hoạt động bình thường đúng quy định của nhà sản xuất.
G.2.4.2 Phương tiện trước khi chạy thử đường dài phải được tiến hành kiểm tra chỉnh bị đầy đủ nhiên liệu, dầu bôi trơn, nước làm mát, cát theo quy định tại tài liệu kỹ thuật của nhà sản xuất.
G.3 Yêu cầu chạy thử đường dài
G.3.1 Quãng đường thử nghiệm chạy đơn đầu máy không nhỏ hơn 50 km, quãng đường chạy thử nghiệm kéo tải không nhỏ hơn 100 km. Quãng đường chạy thử có độ dốc thích hợp với việc thử khả năng vượt dốc của phương tiện theo tài liệu kỹ thuật của nhà sản xuất.
G.3.2 Tấn số kéo (khối lượng các toa xe kéo theo) của đầu máy phải phù hợp với công suất danh định của đầu máy và điều kiện thực tế của quãng đường thử.
G.3.3 Đối với đầu máy dồn, phương tiện chuyên dùng tự hành chạy thử không tải trên tuyến đường với quãng đường chạy thử không nhỏ hơn 50 km.
G.3.4 Tấn số kéo của đầu máy dồn phải phù hợp với công suất danh định của phương tiện, tính năng sức kéo, tốc độ tối đa và điều kiện thực tế của đường thử nghiệm để xác định.
G.3.5 Đối với đầu máy có thiết bị ghép đôi, việc chạy thử đường dài được phép ghép đôi đầu máy cùng chạy và lần lượt thử nghiệm cho từng phương tiện.
G.3.6 Khi phương tiện vận hành chạy thử đơn, chạy thử kéo tàu, tốc độ chạy tối đa của phương tiện không được vượt quá tốc độ cho phép của cầu, đường sắt và tốc độ cấu tạo của phương tiện.
G.4 Nội dung chạy thử đường dài
Trong quá trình chạy thử nghiệm đường dài phải tiến hành kiểm tra các hệ thống, thiết bị trên phương tiện theo các nội dung sau:
G.4.1 Đo nhiệt độ các ổ đỡ, ổ bi của máy điện, hộp đầu trục và hộp giảm tốc trục trong quá trình chạy thử.
G.4.2 Kiểm tra tính năng hoạt động của động cơ Điêzen. Đo, ghi lại trị số vòng quay động cơ, áp suất dầu bôi trơn, nhiên liệu, khí nạp; nhiệt độ nước làm mát, dầu bôi trơn tại các vị trí tay ga theo lý trình chạy thử.
G.4.3 Kiểm tra hoạt động của thiết bị chuyển cấp tốc độ phương tiện.
G.4.4 Kiểm tra hoạt động của thiết bị ghép đôi phương tiện (nếu có)
G.4.5 Kiểm tra hoạt động, tính năng kỹ thuật của các mạch điện, các máy điện, thiết bị điện.
G.4.6 Kiểm tra hoạt động của hệ thống hãm khí nén; khoảng cách hãm.
G.4.7 Kiểm tra tính năng hoạt động của hãm điện trở (nếu có).
G.4.8 Kiểm tra khả năng thông qua đường cong của phương tiện.
G.4.9 Kiểm tra khả năng kéo tải, gia tốc, vượt dốc và duy trì tốc độ của phương tiện.
G.4.10 Kiểm tra trạng thái bắt chặt các liên kết giữa các chi tiết, bộ phận
G.4.11 Đối với đầu máy truyền động điện, kiểm tra tính năng hoạt động của các máy điện; thiết bị phát hiện lệch dòng, thiết bị phát hiện lệch áp của mạch điện động lực phương tiện. Kiểm tra hoạt động của thiết bị chống trượt phương tiện khi có tín hiệu lệch áp và lệch dòng giữa các động cơ điện kéo.
G.4.12 Đối với đầu máy truyền động thủy lực kiểm tra tính năng hoạt động của bộ truyền động thủy lực trong quá trình vận hành.
G.4.13 Kiểm tra độ kín của các đường ống của hệ thống: nước làm mát, nhiên liệu, dầu bôi trơn, dầu thủy lực (nếu có) và các đường ống khí nén.
G.4.14 Kiểm tra hoạt động của các đồng hồ chế độ, phương tiện đo áp suất trên phương tiện.
G.4.15 Kiểm tra hoạt động của hệ thống xả cát, hệ thống chống trượt (chống giãy máy) và cơ cấu bôi trơn gờ bánh xe (nếu có).
G.4.16 Kiểm tra lượng tiêu hao nhiên liệu của động cơ Điêzen.
Các kết quả kiểm tra thử nghiệm trên phải phù hợp với thiết kế và quy định tại tài liệu kỹ thuật của nhà sản xuất.
G.5 Kiểm tra các tổng thành, hệ thống
G.5.1 Kiểm tra hệ thống truyền động thủy lực
G.5.1.1 Kiểu loại, số hiệu của bộ truyền động thủy lực phải đúng với hồ sơ thiết kế.
G.5.1.2 Trạng thái hoạt động của bơm, tua bin thủy lực, thiết bị chuyển cấp tốc độ đầu máy tự động, cơ cấu điều khiển đảo chiều gián tiếp và các thiết bị an toàn phải hoạt động bình thường và phù hợp với quy định tại tài liệu kỹ thuật của nhà sản xuất.
G.5.1.3 Đối với cơ cấu đảo chiều của bộ truyền động thủy lực phải kiểm tra các nội dung sau:
a) Tác dụng gài khớp của cơ cấu đảo chiều;
b) Hiển thị của đèn cảnh báo đảo chiều;
c) Tác dụng của cơ cấu đảo chiều tay;
d) Tác dụng của van, khóa an toàn đảo chiều.
G.5.2 Kiểm tra hoạt động của máy điện
a) Kiểu loại, đặc tính kỹ thuật của máy phát điện, động cơ điện phải phù hợp với hồ sơ kỹ thuật của phương tiện;
b) Kiểm tra độ phát nhiệt của máy điện khi làm việc có tải. Nhiệt độ cao nhất của máy phát, động cơ điện khi làm việc toàn tải không được vượt quá nhiệt độ cho phép tại tài liệu kỹ thuật của nhà sản xuất;
c) Kiểm tra hoạt động của máy phát điện ở trạng thái có tải.
G.6. Kiểm tra trục truyền động các đăng
Kiểm tra trạng thái kỹ thuật của trục truyền động các đăng theo nội dung sau:
a) Trục các đăng trước khi lắp lên đầu máy phải được cân bằng động;
b) Vị trí lắp ghép giữa thân trục và vỏ trục then hoa phải đúng quy định tại tài liệu kỹ thuật của nhà sản xuất. Bu lông, ê cu mặt bích trục các đăng phải lắp đúng quy cách;
c) Lực siết chặt của ê cu, bu lông mặt bích theo đúng quy định tại tài liệu kỹ thuật của nhà sản xuất;
d) Trạng thái kỹ thuật của ổ bi, ắc chữ thập, then hoa đúng quy định tại tài liệu kỹ thuật của nhà sản xuất.
G.7. Kiểm tra các hệ thống của động cơ Điêzen
Kiểm tra hệ thống nước làm mát, hệ thống cấp nhiên liệu, hệ thống cấp dầu bôi trơn của động cơ Điêzen theo các nội dung sau phải phù hợp với quy định tại tài liệu kỹ thuật của nhà sản xuất:
a) Trạng thái kỹ thuật, tính năng hoạt động của hệ thống nước làm mát, hệ thống cấp nhiên liệu, hệ thống cấp dầu bôi trơn của động cơ
b) Tính năng hoạt động của các thiết bị;
c) Độ kín của hệ thống đường ống và các mặt bích lắp ghép;
d) Nhiệt độ đầu vào và đầu ra của két làm mát nước, két làm mát dầu bôi trơn.
Yêu cầu các thiết bị, hệ thống phải hoạt động bình thường.
G.8. Kiểm tra thông gió làm mát động cơ điện kéo
Đối với đầu máy truyền động điện, khi động cơ Điêzen làm việc ở tốc độ vòng quay cao nhất, kiểm tra hệ thống làm mát các động cơ điện kéo của đầu máy. Yêu cầu tính năng hoạt động và năng lực làm mát của hệ thống phải phù hợp với quy định tại tài liệu kỹ thuật của nhà sản xuất.
G.9. Kiểm tra hệ thống hãm gió ép
Kiểm tra tính năng, trạng thái hoạt động của các thiết bị hãm, hệ thống hãm theo nội dung quy định cụ thể tại Phụ lục E của quy chuẩn này.
G.10. Các thông số kiểm tra
G.10.1 Tốc độ phương tiện tại các điểm chuyển cấp tốc độ;
G.10.2 Các thông số về tính năng khởi động và gia tốc của phương tiện.
G.10.3 Khả năng kéo tải, khả năng vượt dốc của phương tiện.
G.10.4 Khoảng cách hãm của phương tiện.
G.10.5 Nhiệt độ và áp suất dầu bôi trơn, nhiên liệu, nước làm mát, áp suất khí nạp động cơ Điêzen.
G.10.6 Chế độ làm việc tự động của hệ thống làm mát nước động cơ Điêzen.
G.10.7 Đặc tính hãm động năng.
G.10.8 Nhiệt độ vòng bi đầu trục.
G.11 Các đồng hồ đo trong thử nghiệm vận hành
G.11.1 Các loại đồng hồ đo kiểm được lắp trên phương tiện đã được kiểm định theo quy định hiện hành và phải hoạt động bình thường.
G.11.2 Trong thử nghiệm nếu cần phải sử dụng thêm một số đồng hồ, thiết bị đo thử thì các đồng hồ, thiết bị đo được chọn phải có độ chính xác cao hơn hoặc bằng độ chính xác của đồng hồ trên phương tiện.
G.12 Số liệu kỹ thuật khi chạy thử
Các thông số đo trong quá trình chạy thử nghiệm đường dài được ghi vào biên bản được hội đồng kiểm tra xác nhận phải được lưu vào các nội dung có liên quan trong lý lịch phương tiện.
G.13 Giải quyết các vấn đề trong chạy thử
G.13.1 Các chi tiết, bộ phận có sự cố, sau khi được sửa chữa hoặc thay mới mà có ảnh hưởng tới tính năng của cả phương tiện dẫn đến hủy bỏ các thông số đã ghi đo trong quá trình chạy thử mà không có cách nào khác để kiểm nghiệm lại thì phải tổ chức chạy thử vận hành lại.
G.13.2 Phương tiện có sự cố kỹ thuật không thể hoàn thành được hành trình chạy thử theo quy định thì phải tiến hành chạy thử lại.
Phụ lục H
Danh mục tài liệu kỹ thuật, báo cáo kiểm tra/thử nghiệm và nội dung
bản khai thông tin phương tiện
Cơ sở sản xuất, đơn vị nhập khẩu hoặc đơn vị đề nghị kiểm tra phải nộp cho cơ quan kiểm tra tài liệu kỹ thuật, báo cáo kiểm tra/ thử nghiệm và bản khai thông tin phương tiện như sau:
H.1 Danh mục tài liệu kỹ thuật:
a) Tài liệu tính toán thiết kế của nhà sản xuất hoặc đơn vị thiết kế đối với sản xuất lắp ráp.
b) Tài liệu kỹ thuật về tính năng hoạt động, thông số kỹ thuật, đặc tính kỹ thuật, yêu cầu kỹ thuật của nhà sản xuất hoặc đơn vị thiết kế.
c) Bản vẽ kỹ thuật tổng thể phương tiện của nhà sản xuất hoặc đơn vị thiết kế. Bản vẽ kỹ thuật của nhà sản xuất hoặc đơn vị thiết kế gồm: động cơ Điêzen; hệ thống điện; giá chuyển hướng; bộ trục bánh xe; hệ thống hãm; móc nối đỡ đấm; hệ thống truyền động; hệ thống thiết bị phụ trợ. Bản vẽ kỹ thuật của nhà sản xuất hoặc đơn vị thiết kế gồm: tổng thành khung vỏ; hệ thống treo và các bản vẽ lắp đặt tổng thành, trang thiết bị chính trong sản xuất lắp ráp đối với sản xuất lắp ráp.
d) Báo cáo kiểm tra, thử nghiệm của nhà sản xuất hoặc đơn vị (tổ chức) kiểm tra, thử nghiệm.
e) Đề cương thử nghiệm vận hành của nhà sản xuất hoặc đơn vị (tổ chức) kiểm tra, thử nghiệm.
f) Tài liệu về bảo dưỡng, vận hành khai thác phương tiện của nhà sản xuất hoặc đơn vị thiết kế.
H.2 Báo cáo kiểm tra/thử nghiệm
1 Đối với đầu máy
a) Chứng nhận kiểu loại của đầu máy nhập khẩu do nước sản xuất cấp (nếu có)
b) Báo cáo kết quả thử nghiệm bình chịu áp lực và bản vẽ chế tạo đối với đầu máy nhập khẩu.
c) Báo cáo kiểm tra thông qua khổ giới hạn đối với đầu máy SXLR
d) Báo cáo kiểm tra khối lượng, tải trọng trục, tải trọng bánh xe
e) Báo cáo thử nghiệm vật liệu giá xe SXLR
f) Báo cáo kiểm tra khuyết tật mối hàn của giá xe phương tiện SXLR
g) Báo cáo thử nghiệm độ phát thải của động cơ (thử nghiệm kiểu loại)
h) Chứng nhận chất lượng (CQ) đầu máy của nhà sản xuất;
i) Chứng nhận chất lượng (CQ) động cơ Điêzen; máy phát điện chính; động cơ điện kéo; bộ truyền động thủy lực/Cơ khí của nhà sản xuất.
2 Đối với phương tiện chuyên dùng tự hành
a) Báo cáo kiểm tra thông qua khổ giới hạn (đối với phương tiện chuyên dùng tự hành trên đường sắt có kết nối với đường sắt quốc gia khi SXLR)
b) Báo cáo thử nghiệm vật liệu giá xe phương tiện SXLR
c) Báo cáo kiểm tra khuyết tật mối hàn của giá xe phương tiện SXLR
d) Báo cáo kết quả thử nghiệm bình chịu áp lực và bản vẽ chế tạo của phương tiện nhập khẩu (nếu có).
j) Chứng nhận chất lượng (CQ) phương tiện của nhà sản xuất.
k) Chứng nhận chất lượng (CQ) động cơ Điêzen; máy phát điện chính; động cơ điện kéo; bộ truyền động thủy lực/Cơ khí của nhà sản xuất.
H.3 Bản khai thông tin phương tiện
| STT | Nội dung, hạng mục | Mô tả thông tin cần cung cấp |
| Thông tin chung | ||
| 1 | Loại phương tiện | Ghi rõ là đầu máy hoặc phương tiện chuyên dùng |
| 2 | Số hiệu phương tiện | Ghi số hiệu nhận dạng của phương tiện |
| 3 | Cơ sở sản xuất | Ghi tên nhà sản xuất |
| 4 | Năm sản xuất | Ghi năm sản xuất phương tiện |
| 5 | Nước sản xuất | Ghi tên nước sản xuất phương tiện |
| 6 | Phạm vi hoạt động | Ghi rõ phạm vi sẽ hoạt động vận hành của phương tiện: đường sắt quốc gia/đường sắt chuyên dùng/đường sắt đô thị |
| 7 | Ký hiệu động cơ Điêzen | Ghi Model động cơ, hãng SX |
| 8 | Số động cơ | Ghi số nhận dạng động cơ |
| 9 | Công suất định mức | Ghi công suất danh định của động cơ Điêzen |
| 10 | Số chỗ | Ghi số chỗ được ngồi trên buồng lái phương tiện |
| 11 | Công thức trục | Ghi ký hiệu về cách thức bố trí trục bánh xe phương tiện |
| 12 | Kiểu truyền động | Ghi kiểu truyền động: Điện/Thủy lực/Cơ khí |
| 13 | Trọng lượng chỉnh bị | Ghi trọng lượng thiết kế của phương tiện |
| 14 | Tải trọng trục | Ghi tải trọng trục của phương tiện theo thiết kế/nhà SX |
| 15 | Tải trọng trục cho phép của cầu đường sắt | Ghi tải trọng trục cho phép của cầu đường sắt của tuyến đường sắt dự kiến vận hành |
| 16 | Tốc độ cấu tạo | Ghi tốc độ Vmax thiết kế của phương tiện |
| 17 | Khổ đường | Ghi khổ đường thiết kế vận hành của phương tiện 1000mm/1435mm |
| 18 | Bán kính đường cong thông qua nhỏ nhất | Ghi bán kính đường cong thông qua nhỏ nhất của phương tiện theo thiết kế/nhà SX |
| 19 | Kích thước (Dài x Rộng x Cao) mm | Ghi chiều dài, chiều rộng, chiều cao của phương tiện theo thiết kế/nhà SX |
| 20 | Khổ giới hạn phương tiện (vận hành trên đường sắt đô thị, đường sắt chuyên dùng không nối ray với đường sắt quốc gia) | Ghi thông tin về tiêu chuẩn áp dụng hoặc bản vẽ thể hiện các kích thước khổ giới hạn phương tiện của tuyến đường sắt vận hành |
| Giá xe | ||
| 21 | Vật liệu giá xe đối với SXLR | Ghi mác thép chế tạo giá xe theo thiết kế/nhà SX |
| 22 | Kích thước chính (chiều dài, chiều rộng) của giá xe đối với SXLR | Ghi kích thước chiều dài, chiều rộng của giá xe theo thiết kế/nhà SX |
| Bộ trục bánh xe | ||
| 23 | Biên dạng mặt lăn bánh xe phương tiện chuyên dùng tự hành không kết nối ray với đường sắt quốc gia | Ghi loại biên dạng mặt lăn bánh xe, cung cấp bản vẽ biên dạng mặt lăn bánh xe |
| 24 | Giang cách trục bánh xe phương tiện chạy trên đường sắt đô thị, đường sắt chuyên dùng không kết nối ray với đường sắt quốc gia | Ghi giang cách trục bánh xe theo thiết kế/nhà SX |
| 25 | Chiều dày lợi bánh xe của phương tiện chạy trên đường sắt đô thị, đường sắt chuyên dùng không kết nối ray với đường sắt quốc gia | Ghi chiều dày lợi bánh xe theo thiết kế/ nhà SX |
| 26 | Chiều cao lợi bánh xe của phương tiện chạy trên đường sắt đô thị, đường sắt chuyên dùng không kết nối ray với đường sắt quốc gia | Ghi chiều cao lợi bánh xe theo thiết kế/ nhà SX |
| Giá chuyển hướng | ||
| 27 | Vật liệu khung giá chuyển hướng đối với SXLR | Ghi mác thép chế tạo khung giá chuyển hướng |
| 28 | Kích thước chính (chiều dài, chiều rộng) của khung giá chuyển hướng đối với SXLR | Ghi kích thước chiều dài, chiều rộng của khung giá chuyển hướng theo thiết kế/nhà SX |
| Móc nối đỡ đấm | ||
| 29 | Kiểu loại | Ghi kiểu loại móc nối đỡ đấm theo thiết kế/nhà SX |
| 30 | Số hiệu của bộ móc nối, đỡ đấm | Ghi số hiệu nhận dạng của bộ móc nối đỡ đấm được ghi trên thân móc nối |
| 31 | Chiều cao từ trung tâm móc nối đến mặt ray (phương tiện chuyên dùng tự hành) | Ghi chiều cao từ trung tâm móc nối đến mặt ray theo thiết kế/nhà SX |
| 32 | Khoảng cách khi đóng lưỡi móc hoàn toàn (phương tiện chuyên dùng tự hành) | Ghi khoảng cách khi đóng lưỡi móc hoàn toàn theo thiết kế/nhà SX |
| 33 | Khoảng cách khi mở lưỡi móc hoàn toàn (phương tiện chuyên dùng tự hành) | Ghi khoảng cách khi mở lưỡi móc hoàn toàn theo thiết kế/nhà SX |
| 34 | Tính năng kỹ thuật/nguyên lý hoạt động của móc nối, đỡ đấm của phương tiện chuyên dùng tự hành | Mô tả tính năng kỹ thuật/nguyên lý hoạt động của móc nối, đỡ đấm đối với loại móc nối khác với loại móc nối thông dụng |
| Động cơ Điêzen | ||
| 35 | Tốc độ vòng quay động cơ tại vị trí tay ga thấp nhất ở chế độ không tải | Ghi tốc độ vòng quay động cơ tại vị trí tay ga thấp nhất ở chế độ không tải theo thiết kế/nhà SX |
| 36 | Tốc độ vòng quay động cơ tại vị trí tay ga cao nhất ở chế độ không tải | Ghi tốc độ vòng quay động cơ tại vị trí tay ga cao nhất ở chế độ không tải theo thiết kế/nhà SX |
| Hệ thống truyền động điện | ||
| 37 | Kiểu loại máy phát điện chính | Ghi theo tài liệu kỹ thuật |
| 38 | Số hiệu máy phát điện chính | Ghi số hiệu |
| 39 | Kiểu loại mô tơ điện kéo | Ghi theo tài liệu kỹ thuật |
| 40 | Số hiệu mô tơ điện kéo | Ghi số hiệu |
| 41 | Kiểu loại máy phát điện phụ | Ghi theo tài liệu kỹ thuật |
| 42 | Số hiệu máy phát điện phụ | Ghi số hiệu |
| 43 | Độ cách điện của máy phát điện chính | Ghi độ cách điện cho phép của máy phát điện chính theo thiết kế/nhà SX |
| 44 | Độ cách điện của động cơ điện kéo | Ghi độ cách điện cho phép của động cơ điện kéo theo thiết kế/nhà SX |
| 45 | Độ cách điện của mạch điện động lực | Ghi độ cách điện cho phép của mạch điện động lực theo thiết kế/nhà SX |
| Hệ thống truyền động thủy lực/ cơ khí | ||
| 46 | Kiểu loại bộ thủy lực/Cơ khí | Ghi theo tài liệu kỹ thuật |
| 47 | Số hiệu bộ thủy lực/ Hộp giảm tốc | Ghi số hiệu |
| Thiết bị khác | ||
| 48 | Kiểu loại ắc quy | Ghi kiểu loại ắc quy theo thiết kế/nhà SX |
| 49 | Kiểu loại còi của phương tiện chuyên dùng tự hành | Ghi kiểu loại còi: hơi/điện theo thiết kế/nhà SX |
| Hệ thống hãm | ||
| 50 | Kiểu loại hệ thống hãm | Ghi theo tài liệu kỹ thuật |
| 51 | Kiểu loại máy nén khí | Ghi theo tài liệu kỹ thuật |
| 52 | Số hiệu máy nén khí | Ghi số hiệu |
| 53 | Bình chịu áp lực (thùng gió lắp trên phương tiện) | Ghi số lượng, số hiệu, dung tích, áp suất làm việc của thùng gió theo thiết kế/nhà SX. Cung cấp bản vẽ, báo cáo thử nghiệm chịu áp suất đối với phương tiện nhập khẩu |
| 54 | Năng suất của máy nén khí (thời gian cấp gió từ 0 đến Pmax/thời gian cấp gió từ Pmin đến Pmax) | Ghi thời gian cấp gió từ 0 đến Pmax/thời gian cấp gió từ Pmin đến Pmax theo thiết kế/nhà SX |
| 55 | Áp suất làm việc của van điều áp ở chế độ đóng | Ghi áp suất làm việc của van điều áp ở chế độ đóng theo thiết kế/nhà SX |
| 56 | Áp suất làm việc của van điều áp ở chế độ mở | Ghi áp suất làm việc của van điều áp ở chế độ mở theo thiết kế/nhà SX |
| 57 | Trị số áp suất mở của van an toàn bình chịu áp lực | Ghi áp suất mở của van an toàn theo thiết kế/nhà SX |
| 58 | Trị số áp suất đóng của van an toàn bình chịu áp lực | Ghi áp suất đóng của van an toàn theo thiết kế/nhà SX |
|
CỘNG HÒA XÃ HỘI CHỦ NGHĨA VIỆT NAM
QCVN 25:2025/BXD
QUY CHUẨN KỸ THUẬT QUỐC GIA National technical regulation on railway cars and non-propelled
HÀ NỘI - 2025 |
Lời nói đầu
QCVN 25:2025/BXD Do Cục Đăng kiểm Việt Nam biên soạn, Cục Đường sắt Việt Nam trình duyệt, Bộ Khoa học và Công nghệ thẩm định, Bộ trưởng Bộ Xây dựng ban hành theo Thông tư số 44/2025/TT-BXD ngày 09 tháng 12 năm 2025.
Quy chuẩn này thay thế Quy chuẩn QCVN 18:2023/BGTVT được ban hành theo Thông tư số 30/2023/TT-BGTVT ngày 03 tháng 11 năm 2023 của Bộ trưởng Bộ Giao thông vận tải.
MỤC LỤC
Lời nói đầu
1 Quy định chung
1.1 Phạm vi điều chỉnh
1.2 Đối tượng áp dụng
1.3 Giải thích từ ngữ
1.4 Các từ viết tắt
2 Quy định kỹ thuật
2.1 Yêu cầu chung
2.2 Yêu cầu kỹ thuật đối với toa xe
2.2.1 Chỉ tiêu động lực học toa xe khách, toa xe hàng
2.2.2 Tự trọng
2.2.3 Thân toa xe
2.2.4 Móc nối, đỡ đấm
2.2.5 Cửa toa xe
2.2.6 Thiết bị bên trong toa xe khách
2.2.7 Thiết bị bên ngoài toa xe
2.2.8 Giá chuyển hướng
2.2.9 Hệ thống hãm
2.2.10 Hệ thống thông gió và ĐHKK
2.2.11 Độ ồn
2.2.12 Yêu cầu phòng cháy, thoát hiểm
2.2.13 Yêu cầu bảo vệ môi trường
2.2.14 Hệ thống điện
2.2.15 Hệ thống phát thanh thông tin hành khách
2.2.16 Thiết bị chiếu sáng trong toa xe khách
2.2.17 Hệ thống cấp nước, thoát nước
2.2.18 Yêu cầu đối với toa xe tiếp cận cho người khuyết tật
2.3 Yêu cầu kỹ thuật đối với toa xe đường sắt đô thị nhập khẩu mới
2.3.1 Ký hiệu kiểu loại toa xe
2.3.2 Điều kiện cung cấp điện
2.3.3 Yêu cầu chung
2.3.4 Thân toa xe
2.3.5 Buồng lái
2.3.6 Khoang hành khách
2.3.7 Hệ thống cửa hành khách
2.3.8 Móc nối
2.3.9 Giá chuyển hướng
2.3.10 Hệ thống khí nén
2.3.11 Hệ thống hãm
2.3.12 Hệ thống điện
2.3.13 Hệ thống thông gió và ĐHKK
2.3.14 Thiết bị an toàn
2.3.15 Hệ thống phát thanh, thông tin hành khách và liên lạc trên tàu
2.3.16 Hệ thống điều khiển chạy tàu
3 Quy định kiểm tra
3.1 Hình thức kiểm tra
3.1.1 Kiểm tra đơn chiếc
3.1.2 Kiểm tra mẫu điển hình
3.1.3 Xem xét hồ sơ thử nghiệm đơn chiếc
3.1.4 Xem xét hồ sơ thử nghiệm mẫu điển hình
3.1.5 Chứng kiến thử nghiệm đơn chiếc
3.1.6 Chứng kiến thử nghiệm mẫu điển hình
3.2 Nội dung kiểm tra đối với toa xe
3.3 Nội dung kiểm tra toa xe đường sắt đô thị nhập khẩu mới
4 Quy định về quản lý
5 Tổ chức thực hiện
Phụ lục A - Phương pháp kiểm tra hệ thống hãm trên thiết bị thử hãm chuyên dùng
Phụ lục B - Phương pháp kiểm tra độ rọi trong toa xe khách, toa xe đường sắt đô thị
Phụ lục C - Phương pháp kiểm tra ĐHKK và đo các tham số không khí trong toa xe khách và toa xe đường sắt đô thị
Phụ lục D - Phương pháp kiểm tra độ ồn bên trong toa xe khách, toa xe đường sắt đô thị
Phụ lục E - Phương pháp kiểm tra khối lượng toa xe và tải trọng trục, tải trọng bánh xe
Phụ lục F - Phương pháp kiểm tra độ kín nước toa xe có mui kín
Phụ lục G - Danh mục tài liệu, báo cáo thử nghiệm phải cung cấp
Phụ lục H - Biên dạng mặt lăn bánh xe và giang cách bánh xe của bộ trục bánh xe
QUY CHUẨN KỸ THUẬT QUỐC GIA
VỀ TOA XE, PHƯƠNG TIỆN CHUYÊN DÙNG KHÔNG TỰ HÀNH
TRONG KIỂM TRA SẢN XUẤT LẮP RÁP VÀ NHẬP KHẨU MỚI
National technical regulation on railway cars and
non-propelled special purpose railway vehicles for the inspection of
newly manufactured assembled and imported vehicles
1 Quy định chung
1.1 Phạm vi điều chỉnh
1.1.1 Quy chuẩn này quy định yêu cầu kỹ thuật và việc kiểm tra chất lượng an toàn kỹ thuật và bảo vệ môi trường đối với các loại phương tiện sau:
a) Toa xe, phương tiện chuyên dùng không tự hành sản xuất lắp ráp, nhập khẩu mới;
b) Toa xe đường sắt đô thị nhập khẩu mới;
1.1.2 Quy chuẩn này không áp dụng đối với các loại phương tiện sau:
a) Phương tiện giao thông đường sắt của quân đội, công an sử dụng vào mục đích quốc phòng, an ninh;
b) Phương tiện giao thông đường sắt có tốc độ thiết kế lớn hơn 120 km/h; phương tiện giao thông đường sắt nhập khẩu đã qua sử dụng, toa xe đường sắt đô thị sản xuất lắp ráp.
1.2 Đối tượng áp dụng
Quy chuẩn này áp dụng đối với tổ chức, cá nhân có liên quan đến các hoạt động quản lý, sản xuất lắp ráp, nhập khẩu, kiểm tra, chứng nhận các loại phương tiện thuộc phạm vi điều chỉnh tại điểm 1.1 của quy chuẩn này.
1.3 Giải thích từ ngữ
Trong quy chuẩn này, các từ ngữ dưới đây được hiểu như sau:
1.3.1 Toa xe
Bao gồm toa xe khách, toa xe hàng, toa xe tiếp cận cho người khuyết tật.
1.3.2 Toa xe khách
Toa xe có kết cấu và trang thiết bị được thiết kế với mục đích chở hành khách hoặc phục vụ công tác chạy tàu chở hành khách trên đường sắt quốc gia, bao gồm: toa xe ghế ngồi, toa xe giường nằm, toa xe hai tầng, toa xe hàng ăn, toa xe công vụ, toa xe bưu vụ, toa xe phát điện (bao gồm cả toa xe kết hợp chức năng công vụ/bưu vụ và phát điện), toa xe hành lý và các loại toa xe chở khách có kết cấu đặc biệt khác.
1.3.3 Toa xe hàng
Toa xe có kết cấu và trang thiết bị được thiết kế với mục đích chở hàng hoặc phục vụ công tác chạy tàu chở hàng, bao gồm: toa xe có mui, toa xe thành cao, toa xe thành thấp, toa xe mặt bằng, toa xe xi téc, toa xe trưởng tàu, toa xe mở đáy, toa xe chở ôtô, toa xe đông lạnh và các loại toa xe chở hàng có kết cấu đặc biệt khác.
1.3.4 Toa xe tiếp cận cho người khuyết tật
Toa xe khách có thiết kế, lắp đặt các trang thiết bị để người khuyết tật có thể tiếp cận sử dụng được.
1.3.5 Toa xe đường sắt đô thị
Phương tiện chuyên chở hành khách vận hành trên đường sắt đô thị.
1.3.6 Tàu đường sắt đô thị
Tàu điện khí hóa gồm các toa xe đường sắt đô thị kết nối với nhau theo thành phần cố định.
1.3.7 Phương tiện chuyên dùng không tự hành
Phương tiện chuyên dùng đường sắt không có hệ thống dẫn động để tự di chuyển trên đường sắt.
1.3.8 Tài liệu kỹ thuật
Các tài liệu dưới đây được gọi là tài liệu kỹ thuật của toa xe, toa xe đường sắt đô thị, tàu đường sắt đô thị, phương tiện chuyên dùng không tự hành (sau đây gọi là phương tiện) của nhà sản xuất/thiết kế:
1.3.8.1 Bản vẽ kỹ thuật:
a) Bản vẽ tổng thể phương tiện;
b) Bản vẽ kết cấu thân phương tiện;
c) Bản vẽ tổng thể giá chuyển hướng, bộ trục bánh xe, bộ móc nối đỡ đấm, hệ thống hãm, bình chịu áp lực, van hãm toa xe, hệ thống cấp điện, hệ thống điều hòa không khí.
1.3.8.2 Tài liệu thuyết minh:
a) Tài liệu thuyết minh đặc tính kỹ thuật, thông số kỹ thuật cơ bản của phương tiện;
b) Tài liệu thuyết minh tính năng động lực học của phương tiện: độ êm dịu vận hành, hệ số ổn định chống lật và hệ số chống trật bánh;
c) Tài liệu thuyết minh sức bền của phương tiện;
d) Tài liệu thuyết minh tính năng hãm.
1.3.8.3 Chứng chỉ chất lượng (CQ) của nhà sản xuất.
1.3.8.4 Tài liệu hướng dẫn kiểm tra, bảo dưỡng, sửa chữa, vận hành phương tiện.
1.3.8.5 Ảnh chụp thể hiện số hiệu, hình ảnh tổng thể phương tiện.
1.3.9 Số chỗ
Số chỗ dành cho hành khách, nhân viên trực tiếp phục vụ chạy tàu được quy định với từng loại phương tiện.
1.3.10 Tải trọng
Khối lượng hàng hóa hoặc khối lượng của người và hành lý, trang bị, dụng cụ kèm theo mà phương tiện chuyên chở.
1.3.11 Tải trọng trục
Khối lượng của phương tiện phân bố trên trục bánh xe.
1.3.12 Tải trọng trục thiết kế
Khối lượng lớn nhất cho phép phân bố trên trục bánh xe được quy định trong tài liệu kỹ thuật.
1.3.13 Tải trọng bánh xe
Khối lượng của phương tiện phân bố trên bánh xe.
1.3.14 Khối lượng thiết kế
Khối lượng tính toán theo thiết kế được quy định trong tài liệu kỹ thuật.
1.3.15 Thiết bị vệ sinh tự hoại
Thiết bị thu gom, lưu giữ, xử lý chất thải từ bồn cầu trong nhà vệ sinh lắp trên toa xe khách.
1.3.16 Chiều dài danh nghĩa thân xe
Giá trị lớn nhất của khoảng cách giữa mặt ngoài hai thành đầu xe và khoảng cách giữa mặt ngoài hai xà đầu bệ xe.
1.3.17 Chiều rộng danh nghĩa thân xe
Giá trị lớn nhất của khoảng cách giữa mặt ngoài hai thành bên xe và khoảng cách mặt ngoài hai xà cạnh bệ xe.
1.3.18 Chiều cao danh nghĩa xe
Khoảng cách từ mặt đỉnh ray đến điểm cao nhất của phương tiện ở trạng thái không tải.
1.3.19 Kích thước xe
Bao gồm chiều dài danh nghĩa thân xe, chiều rộng danh nghĩa thân xe, chiều cao danh nghĩa xe.
1.3.20 Chiều cao sàn xe
Khoảng cách từ mặt trên sàn xe đến mặt đỉnh ray.
1.3.21 Chiều cao móc nối
Khoảng cách từ đường trung tâm móc nối đến mặt đỉnh ray.
1.3.22 Khoang hành khách
Không gian bên trong toa xe khách dành cho hành khách đi tàu, không bao gồm phòng vệ sinh, phòng rửa mặt, hành lang và lối cửa ra vào.
1.3.23 Kính an toàn
Loại kính có đặc tính an toàn khó vỡ và/hoặc giảm thiểu thương tích cho con người khi vỡ. Kính an toàn bao gồm kính tôi an toàn, kính dán an toàn và các loại kính an toàn khác có đặc tính tương tự.
1.3.24 Kính tôi an toàn
Kính an toàn được xử lý nhiệt (heat treated glass) hoặc tôi hóa chất (chemically-tempered glass) nhằm tạo ứng suất bề mặt để tăng độ bền cơ học và độ phân mảnh khi vỡ.
1.3.25 Kính dán an toàn
Sản phẩm gồm một tấm kính liên kết với một hoặc nhiều tấm kính và/hoặc tấm nhựa bằng lớp vật liệu gắn kết trung gian. Khi kính vỡ các mảnh vỡ sẽ bị giữ lại với nhau nhằm giảm thiểu thương tích cho con người
1.3.26 Tiếp điện trên cao
Phương thức cấp điện liên tục cho tàu đường sắt đô thị thông qua mạng tiếp xúc bao gồm hệ thống dây dẫn điện và hệ thống đỡ dây lắp đặt trên cao chạy dọc đường sắt.
1.3.27 Tiếp điện ray thứ ba
Phương thức cấp điện liên tục cho tàu đường sắt đô thị thông qua ray dẫn điện được đặt bên cạnh hoặc giữa các ray đường sắt.
1.3.28 Bộ tiếp điện
Thiết bị được lắp trên tàu đường sắt đô thị để nhận dòng điện từ đường dây tiếp xúc hoặc ray dẫn điện, bao gồm cần tiếp điện trên cao hoặc guốc tiếp điện.
1.3.29 Thiết bị mở cửa khẩn cấp
Thiết bị có dạng tay nắm, cần giật hoặc nút nhấn dùng để mở thủ công cửa hành khách của toa xe đường sắt đô thị trong trường hợp khẩn cấp.
1.3.30 Hệ thống bảo vệ chống trượt bánh
Hệ thống tự động phát hiện và ngăn chặn hiện tượng bó cứng bánh xe khi hãm (wheel slide/skid) và/hoặc trượt bánh khi phát huy sức kéo (wheel slip).
1.3.31 Khoảng cách hãm
Quãng đường đoàn tàu di chuyển được từ khi máy tính ra lệnh điều khiển hoặc người lái tàu thực hiện thao tác hãm đến lúc tàu dừng, đơn vị tính là mét (m).
1.3.32 Độ rọi (E)
Tỷ số giữa quang thông tới một phần tử bề mặt chứa điểm cho trước với diện tích phần tử bề mặt đó.
1.3.33 Độ rọi trung bình (Etb)
Trị số trung bình của độ rọi tại các điểm đo trong toa xe.
1.3.34 Người khuyết tật
Người bị khiếm khuyết một hoặc nhiều bộ phận cơ thể gây khó khăn vận động, hoặc bị hạn chế, suy giảm các chức năng nghe, nhìn.
1.3.35 Người đi xe lăn
Người khuyết tật hoặc hạn chế vận động không có khả năng đi lại phải sử dụng xe lăn.
1.3.36 Ghế ngồi dành cho người khuyết tật
Ghế dành cho hành khách đi tàu là người khuyết tật đi tàu.
1.3.37 Khu vực cho người khuyết tật
Khu vực có các chỗ ngồi hoặc giường nằm dành riêng cho người khuyết tật đi tàu.
1.3.38 Độ tương phản
Mức độ phản xạ ánh sáng do sự khác biệt về màu sắc của bề mặt các bộ phận hoặc thiết bị trên toa xe khách.
1.3.39 Xe lăn chuẩn
Xe lăn có người ngồi và có kích thước đường bao như Hình 1.

1.3.40 Thiết bị neo giữ xe lăn
Thiết bị cố định, giữ xe lăn không bị di chuyển tại vị trí để xe lăn.
1.3.41 Cầu lên xuống
Cầu nối giữa sàn toa xe và ke ga dành cho người dùng xe lăn lên, xuống toa xe khách.
1.3.42 Bàn nâng xe lăn
Thiết bị chuyên dùng để đưa người đi xe lăn lên xuống toa xe khách.
1.4 Các từ viết tắt
ĐHKK: Điều hòa không khí
TXH: Toa xe hàng
TXK: Toa xe khách
PTCD: Phương tiện chuyên dùng không tự hành
2 Quy định kỹ thuật
2.1 Yêu cầu chung
2.1.1 PTCD phải thỏa mãn các yêu cầu chung đối với toa xe và các yêu cầu kỹ thuật tương ứng áp dụng cho toa xe hàng quy định tại điểm 2.2 quy chuẩn này.
2.1.2 Kích thước phương tiện
2.1.2.1 Kích thước chiều dài, chiều rộng, chiều cao của phương tiện phải phù hợp với tài liệu kỹ thuật phương tiện.
2.1.2.2 Đối với phương tiện vận hành trên đường sắt quốc gia và đường sắt chuyên dùng có nối ray với đường sắt quốc gia phải phù hợp với khổ giới hạn đầu máy toa xe tại Quy chuẩn kỹ thuật quốc gia về Khai thác đường sắt.
2.1.2.3 Đối với phương tiện vận hành trên đường sắt địa phương, đường sắt chuyên dùng không nối ray với đường sắt quốc gia có đi qua khu dân cư, giao cắt với đường bộ phải phù hợp với khổ giới hạn phương tiện của tuyến đường sắt dự định vận hành.
2.1.3 Phương tiện phải thông qua được đường cong có bán kính không lớn hơn bán kính nhỏ nhất của tuyến đường sắt.
2.1.4 Quy định thử nghiệm vận dụng
2.1.4.1 Phương tiện kiểu loại mới
Phương tiện được xác định là kiểu loại mới khi có một trong các tổng thành, linh kiện, hệ thống sau: giá chuyển hướng, hệ thống hãm, hệ thống động lực, hệ thống tín hiệu điều khiển chạy tàu được nghiên cứu, phát triển lần đầu.
2.1.4.2 Toa xe khách, toa xe hàng kiểu loại mới chạy trên đường sắt quốc gia, đường sắt địa phương, tàu đường sắt đô thị kiểu loại mới sản xuất lắp ráp hoặc nhập khẩu phải được thử nghiệm vận dụng trước khi khai thác thương mại.
2.1.4.3 Trong thời gian thử nghiệm vận dụng phương tiện được thử nghiệm phải vận hành an toàn, kết cấu chịu lực không được phát sinh biến dạng vĩnh cửu, hư hỏng phá hủy hoặc các tình trạng hư hỏng bất thường khác.
2.1.4.4 Điều kiện thử nghiệm vận dụng
2.1.4.4.1 Thử nghiệm vận dụng được thực hiện trên tuyến đường có điều kiện về cơ sở hạ tầng, trang thiết bị đảm bảo phục vụ chạy tàu theo biểu đồ vận hành bình thường.
2.1.4.4.2 Tải dùng để thử nghiệm vận dụng phải có khối lượng tương đương với trọng tải của phương tiện được thử nghiệm.
2.1.4.4.3 Toa xe khách, tàu đường sắt đô thị trong quá trình thử nghiệm vận dụng không được chở hành khách.
2.1.4.5 Quãng đường, thời gian thử nghiệm vận dụng
2.1.4.5.1 Toa xe khách, toa xe hàng chạy trên đường sắt quốc gia phải thử nghiệm vận dụng với quãng đường không nhỏ hơn 5000 km;
2.1.4.5.2 Toa xe đường sắt đô thị phải thử nghiệm vận dụng không nhỏ hơn 5000 km hoặc vận hành liên tục 1 tháng với thời gian chạy hàng ngày theo biểu đồ vận hành bình thường.
2.1.4.6 Lập báo cáo thử nghiệm vận dụng
Sau khi kết thúc thử nghiệm vận dụng, nhà sản xuất hoặc tổ chức nhập khẩu phải lập hồ sơ, báo cáo về những vấn đề sau: thời gian, địa điểm thử; quãng đường (số km chạy) hoặc thời gian chạy; tốc độ vận hành lớn nhất; những hư hỏng, sự cố mất an toàn phát sinh trong quá trình thử nghiệm vận dụng.
2.1.5 Số hiệu phương tiện phải phù hợp với tài liệu kỹ thuật.
2.2 Yêu cầu kỹ thuật đối với toa xe
2.2.1 Chỉ tiêu động lực học toa xe khách, toa xe hàng
Kết quả tính toán mô phỏng hoặc thử nghiệm các chỉ tiêu động lực học phải phù hợp với yêu cầu trong tài liệu kỹ thuật. Trường hợp nhà sản xuất không quy định thì áp dụng các giá trị trong Bảng 1.
Bảng 1: Chỉ tiêu ổn định động lực học
| TT | Chỉ tiêu | TXK | TXH | Toa xe hành lý |
| 1 | Độ êm dịu W | ≤ 2,8 | ≤4,25 | ≤ 3,5 |
| 2 | Hệ số chống trật bánh | ≤ 0,8 | ≤ 1,2 | ≤ 0,8 |
| 3 | Hệ số ổn định chống lật | ≤ 0,7 | ≤ 0,4 | ≤ 0,7 |
2.2.2 Tự trọng
Khối lượng của toa xe cân được ở trạng thái không tải không được vượt quá 3% khối lượng thiết kế.
2.2.3 Thân toa xe
2.2.3.1 Kích thước xe phải phù hợp với tài liệu kỹ thuật.
2.2.3.2 Toa xe có thùng kín phải được thử kín nước để đảm bảo không thấm lọt nước vào bên trong. Phương pháp thử theo quy định sau:
a) Toa xe sản xuất lắp ráp thử kín nước theo Phụ lục F;
b) Toa xe nhập khẩu thử kín nước theo tài liệu kỹ thuật, trường hợp nhà sản xuất không thử kín nước thì thử theo quy định tại Phụ lục F.
2.2.3.3 Độ nghiêng lệch thân xe
2.2.3.3.1 Đối với toa xe có kết cấu thành phẳng, độ nghiêng lệch thân xe được xác định bằng khoảng cách từ mép dưới xà đầu bệ xe đến đường thẳng vuông góc với mặt phẳng nằm ngang đi qua điểm tiếp giáp thành xe với mui xe. Yêu cầu khi kiểm tra trên đường thẳng phẳng, độ nghiêng lệch thân xe không lớn hơn 15 mm.
2.2.3.3.2 Đối với toa xe có kết cấu thành cong hoặc các kết cấu đặc biệt khác, cách xác định và yêu cầu độ nghiêng lệch theo tài liệu kỹ thuật.
2.2.3.4 Kết cấu bàn trượt của toa xe phải đúng với tài liệu kỹ thuật. Đối với toa xe sử dụng loại bàn trượt có khe hở thì các bàn trượt ở vị trí chéo nhau không được sát khít, khe hở bàn trượt phải phù hợp với tài liệu kỹ thuật.
2.2.3.5 Mối hàn giữa các tấm đứng của xà kéo, xà dọc giữa với xà gối, mối hàn giữa các tấm đứng xà gối với tấm trên xà gối theo chiều ngang xe phải được thử phát hiện khuyết tật bằng phương pháp thử không phá hủy phù hợp với tài liệu kỹ thuật.
2.2.4 Móc nối, đỡ đấm
2.2.4.1 Kiểu loại móc nối, đỡ đấm của toa xe phải đúng với tài liệu kỹ thuật.
2.2.4.2 Cơ cấu đóng mở lưỡi móc phải hoạt động ổn định, linh hoạt và có tính năng chống tự mở móc.
2.2.4.3 Chiều cao móc nối và chênh lệch chiều cao 2 móc nối trên cùng một toa xe phải thỏa mãn yêu cầu sau:
a) Chiều cao móc nối:
mm đối với toa xe khổ đường 1000 mm;
mm đối với toa xe khổ đường 1435 mm.
b) Chênh lệch chiều cao của hai móc nối trên cùng một toa xe không được quá 10 mm.
c) Đối với PTCD, chiều cao móc nối và chênh lệch chiều cao 2 móc nối trên cùng một PTCD phải phù hợp với tài liệu kỹ thuật.
2.2.4.4 Khoảng hở giữa thân móc nối với bệ xung kích phải phù hợp với tài liệu kỹ thuật.
2.2.4.5 Đối với loại móc nối kiểu tác dụng trên, khi lưỡi móc ở vị trí đóng thì xích cần giật phải có độ chùng từ 30 mm đến 50 mm.
2.2.5 Cửa toa xe
2.2.5.1 Đối với toa xe ghế ngồi, toa xe giường nằm lắp ĐHKK phải có ít nhất là 3 cửa sổ di động (không tính cửa sổ buồng vệ sinh, buồng nhân viên, buồng rửa mặt). Kính cửa sổ buồng vệ sinh phải là loại kính mờ.
2.2.5.2 Cửa sổ di động, cửa hành khách phải kín không bị lọt nước.
2.2.5.3 Kính dùng cho cửa sổ toa xe khách, cửa hành khách và cửa ra vào khoang hành khách phải là kính an toàn phù hợp với tài liệu kỹ thuật.
2.2.5.4 Tại khu vực cửa hành khách phải có bậc lên xuống, tay vịn (trừ trường hợp có thiết kế quy định khác nhưng phải có giải pháp cho hành khách lên, xuống an toàn và thuận tiện).
2.2.5.5 Cửa đóng mở bằng điện phải có chế độ vận hành thủ công và khi đóng gặp vật cản phải tự mở.
2.2.5.6 Các cửa phải đóng mở linh hoạt, lắp đặt chắc chắn. Cửa hành khách, các cửa lên xuống hàng của toa xe hàng phải có cơ cấu giữ cửa khi mở hết hành trình để tránh bị sập cửa.
2.2.6 Thiết bị bên trong toa xe khách
2.2.6.1 Các thiết bị phục vụ hành khách phải bố trí, lắp đặt đúng với tài liệu kỹ thuật.
2.2.6.2 Trên toa xe khách trừ toa xe hành lý phải có chỗ để dụng cụ chèn tàu, tín hiệu cầm tay, túi sơ cứu.
2.2.7 Thiết bị bên ngoài toa xe
2.2.7.1 Đối với toa xe khách
a) Toa xe khách (trừ toa xe hành lý, toa bưu vụ) phải có khung che gió đầu xe và cầu giao thông. Khung che gió của các toa xe khi lắp thành đoàn phải đảm bảo không bị cài, lồng vào nhau khi thông qua đường cong.
b) Phía ngoài thành đầu toa xe khách trừ toa xe hành lý phải có thang hoặc quai móc thang để tiếp cận nóc toa xe (trừ trường hợp có thiết kế quy định khác).
c) Toa xe phải có bệ ky xe, tai móc cẩu. Số lượng, vị trí, ký hiệu của bệ ky xe, tai móc cẩu phải phù hợp với tài liệu kỹ thuật.
2.2.7.2 Đối với toa xe hàng
2.2.7.2.1 Số lượng, vị trí lắp thang, bậc lên xuống phải đúng với tài liệu kỹ thuật.
2.2.7.2.2 Thang, bậc lên xuống và tay vịn phải đảm bảo cứng vững, lắp đặt chắc chắn. Thang, bậc lên xuống phải liên kết với thân xe bằng đinh tán hoặc bu lông, nếu thành xe bằng gỗ thì phải dùng bu lông. Khi dùng liên kết bu lông thì phải có vòng đệm vênh hoặc đai ốc phòng lỏng để đảm bảo liên kết an toàn và lắp theo chiều từ trong ra ngoài.
2.2.7.2.3 Toa xe xi-téc
a) Bên ngoài, bên trong xi-téc phải có thang trèo. Tay vịn, cầu đi lại, lan can bảo vệ phải lắp đặt đúng với tài liệu kỹ thuật.
b) Khu vực nắp đôm phải có bệ đứng, bề mặt bệ đứng phải chống trượt và chiều rộng không nhỏ hơn 300 mm, chiều cao của lan can bảo vệ không nhỏ hơn 500 mm. Trường hợp không có lan can bảo vệ, mặt bệ đứng phải có chiều rộng không nhỏ hơn 400 mm.
c) Xi-téc chứa chất dễ bay hơi, chất dễ cháy, khí hóa lỏng phải có van an toàn. Số lượng, kiểu loại van an toàn phải phù hợp với tài liệu kỹ thuật.
2.2.7.3 Toa xe chở công-ten-nơ phải có cơ cấu khóa định vị công-ten-nơ.
2.2.8 Giá chuyển hướng
2.2.8.1 Giá chuyển hướng có kiểu loại đúng với tài liệu kỹ thuật.
2.2.8.2 Tải trọng trục thiết kế phải phù hợp với khối lượng và tải trọng của phương tiện.
2.2.8.3 Biên dạng mặt lăn, giang cách bánh xe
Biên dạng mặt lăn bánh xe, giang cách bánh xe phải phù hợp quy định tại Phụ lục H của quy chuẩn này hoặc tài liệu kỹ thuật. Độ hở giữa mặt lăn bánh xe với dưỡng kiểm tra biên dạng không quá 0,5 mm.
2.2.8.4 Đường kính bánh xe và sai lệch về đường kính bánh xe trên cùng một trục, trên cùng một giá chuyển hướng phải phù hợp với tài liệu kỹ thuật.
2.2.8.5 Giảm chấn thủy lực phải lắp đặt chắc chắn, không cong vênh, không có hiện tượng chảy, thấm dầu.
2.2.8.6 Vỏ túi khí lò xo không khí không rách thủng; van điều chỉnh độ cao, van chênh áp suất của lò xo không khí hoạt động bình thường.
2.2.9 Hệ thống hãm
2.2.9.1 Hệ thống hãm phải được lắp ráp và hoạt động phù hợp với tài liệu kỹ thuật.
2.2.9.2 Thể tích, áp suất làm việc của các bình chịu áp lực của hệ thống hãm khí nén phù hợp với tài liệu kỹ thuật.
- Đối với toa xe sản xuất lắp ráp: Các bình chịu áp lực phải còn hạn kiểm định;
- Đối với toa xe nhập khẩu mới: Các bình chịu áp lực phải có bản vẽ tổng thể và các tài liệu kỹ thuật liên quan.
2.2.9.3 Suốt hãm, xà mang guốc hãm phải có quang treo/xích/cáp an toàn hoặc biện pháp chống rơi xuống đường khác.
2.2.9.4 Toa xe khách chở người (hành khách và/hoặc nhân viên) và toa xe trưởng tàu phải lắp van hãm khẩn cấp và phương tiện đo áp suất tại vị trí dễ quan sát, thuận tiện thao tác.
2.2.9.5 Các ống mềm nối từ thân toa xe tới giá chuyển hướng có đủ khoảng hở với các bộ phận xung quanh, để tránh bị va quệt khi toa xe vận hành.
2.2.9.6 Bệ đứng hãm tay trên toa xe hàng (nếu có) phải có biện pháp chống trượt, kích thước của bệ đứng hãm tay (chiều dài x chiều rộng) không nhỏ hơn 600 mm x 300 mm. Khe hở thao tác từ tay quay tới các chi tiết khác không nhỏ hơn 80 mm.
2.2.9.7 Hệ thống hãm của toa xe sau khi sản xuất lắp ráp xong phải được kiểm tra trên thiết bị thử hãm chuyên dùng theo Phụ lục A.
2.2.9.8 Hệ thống hãm khí nén phải đảm bảo khoảng cách hãm của toa xe khi kéo đơn lẻ hoặc lắp thành đoàn tàu không lớn hơn 800 m.
2.2.10 Hệ thống thông gió và ĐHKK
2.2.10.1 Hệ thống thông gió của toa xe khách phải đảm bảo lưu lượng không khí tươi cung cấp cho mỗi hành khách tính theo số hành khách danh nghĩa không nhỏ hơn 18 m 3 /h.
2.2.10.2 Toa xe khách có lắp thiết bị ĐHKK phải đảm bảo các tham số: nhiệt độ trung bình, chênh lệch nhiệt độ tại các cửa gió làm mát, tốc độ gió trung bình trong khoang hành khách phù hợp với tài liệu kỹ thuật. Trường hợp nhà sản xuất không quy định thì áp dụng giá trị sau:
a) Nhiệt độ trung bình từ 24 °C đến 28 °C;
b) Chênh lệch nhiệt độ tại các cửa gió làm mát không quá 2 °C;
c) Tốc độ gió trung bình không lớn hơn 0,3 m/s.
2.2.11 Độ ồn
Độ ồn cho phép bên trong khi toa xe khách đứng yên (hệ thống ĐHKK hoặc hệ thống thông gió đang hoạt động) phải không được lớn hơn giá trị quy định tại Bảng 2.
Bảng 2: Độ ồn bên trong toa xe khách
Đơn vị đo: dB
| Loại toa xe | Quy định độ ồn |
| Toa xe giường nằm có ĐHKK | 70 |
| Toa xe giường nằm không có ĐHKK, có hệ thống thông gió | 75 |
| Toa xe ghế ngồi có ĐHKK | 72 |
| Toa xe ghế ngồi không có ĐHKK, có hệ thống thông gió | 75 |
| Toa xe hàng ăn tại buồng khách có ĐHKK | 72 |
| Toa xe hàng ăn tại buồng khách không có ĐHKK, có hệ thống thông gió | 75 |
| Toa xe công vụ/bưu vụ phát điện có ĐHKK (đo tại buồng nhân viên) | 72 |
| Toa xe công vụ/bưu vụ phát điện không có ĐHKK, có hệ thống thông gió (đo tại buồng nhân viên) | 75 |
2.2.12 Yêu cầu phòng cháy, thoát hiểm
2.2.12.1 Phòng cháy
a) Toa xe khách phải có giải pháp, thiết kế về ngăn cháy, chống cháy lan.
b) Toa xe chuyên chở hàng hóa nguy hiểm về cháy, nổ phải bảo đảm các điều kiện an toàn về phòng cháy theo quy định của pháp luật về phòng cháy, chữa cháy và đường sắt.
c) Toa xe khách phải được trang bị ít nhất 02 bình chữa cháy phù hợp với nguồn nhiệt gây cháy cần dập, còn hạn sử dụng, đặt ở vị trí dễ quan sát, dễ lấy.
d) Các mối nối điện trong tủ điện, hộp đấu dây gầm xe phải đảm bảo chắc chắn, tiếp điện tốt để tránh phát sinh nhiệt. Thiết bị đóng cắt, bảo vệ, tiết diện dây dẫn phải phù hợp với công suất của thiết bị, vỏ bọc dây dẫn điện của toa xe phải có khả năng chịu nhiệt, không bị cháy, chảy trong phạm vi dòng điện làm việc của các thiết bị đóng cắt, bảo vệ.
đ) Toa xe hàng ăn sử dụng khí ga để nấu bếp, các bình ga phải đặt ở nơi thoáng khí, cách xa nguồn nhiệt và các thiết bị điện, bình ga được lắp theo chiều thẳng đứng. Ngoài các bình chữa cháy đặt tại khoang phục vụ hành khách, tại khu vực bếp nấu phải trang bị 01 bình chữa cháy phù hợp với vật liệu cháy cần dập, còn hạn sử dụng, đặt ở vị trí dễ quan sát, dễ lấy.
e) Thiết bị báo cháy, đèn chiếu sáng dùng khi sự cố, thiết bị phát hiện sự cố rò rỉ chất khí, chất lỏng nguy hiểm về cháy, nổ (nếu có) phải hoạt động bình thường.
2.2.12.2 Thoát hiểm
2.2.12.2.1 Cửa thoát hiểm khẩn cấp
a) Cửa thoát hiểm khẩn cấp có thể dùng cửa sổ di động hoặc cửa sổ cố định bằng kính tôi an toàn. Kích thước không vướng của ô thoát hiểm phải lớn hơn một hình chữ nhật có kích thước 700 mm x 500 mm (chiều rộng x chiều cao). Cửa thoát hiểm phải có chỉ dẫn bằng Tiếng Việt “Cửa thoát hiểm” hoặc Tiếng Anh “Emergency exit”.
b) Toa xe ghế ngồi, toa xe hàng ăn phải có ít nhất 4 cửa thoát hiểm khẩn cấp bố trí đều 2 bên thành xe. Mỗi khoang hành khách của toa xe giường nằm, toa xe công vụ phải có 01 cửa thoát hiểm khẩn cấp.
2.2.12.2.2 Búa thoát hiểm
a) Búa thoát hiểm phải là loại búa chuyên dụng kích thước nhỏ gọn, có đầu nhọn để phá kính. Búa thoát hiểm phải đặt tại nơi dễ quan sát, dễ lấy. Vị trí tác động để phá kính phải đánh dấu chỉ dẫn rõ ràng.
b) Trên toa xe phải trang bị số lượng búa thoát hiểm phù hợp với số lượng cửa thoát hiểm khẩn cấp quy định tại khoản b điểm 2.2.12.2.1.
2.2.13 Yêu cầu bảo vệ môi trường
2.2.13.1 Toa xe khách chở người (hành khách và/hoặc nhân viên) phải có thiết bị vệ sinh tự hoại và thùng thu gom rác thải.
2.2.13.2 Thiết bị vệ sinh tự hoại phải có chứng chỉ chất lượng của nhà sản xuất, nước thải từ thiết bị vệ sinh tự hoại phải phù hợp với quy định về bảo vệ môi trường.
2.2.13.3 Thiết bị vệ sinh tự hoại được lắp đặt chắc chắn, hoạt động bình thường.
2.2.14 Hệ thống điện
2.2.14.1 Toa xe khách lắp ĐHKK và toa xe đông lạnh phải có thiết bị kết nối với nguồn điện cấp bên ngoài. Thiết bị kết nối phải lắp đặt chắc chắn, hoạt động bình thường, thông số kỹ thuật phù hợp với tài liệu kỹ thuật.
2.2.14.2 Độ cách điện của hệ thống điện
a) Đối với điện một chiều, điện trở cách điện giữa đường cáp trục nguồn với nhau và với vỏ toa xe không nhỏ hơn 0,5 MΩ đo ở điện áp 500 V DC.
b) Đối với điện xoay chiều là 220 V/380 V, 50 Hz, điện trở cách điện giữa các pha với nhau, giữa các pha với dây trung tính, giữa các pha với vỏ toa xe không nhỏ hơn 5 MΩ đo ở điện áp 1000 V DC.
2.2.15 Hệ thống phát thanh thông tin hành khách
2.2.15.1 Toa xe khách (trừ toa xe hành lý) phải trang bị ít nhất một loa phát thanh, đối với toa xe giường nằm có trang bị loa phát thanh tại buồng hành khách, phải lắp loại loa có thể điều chỉnh được âm lượng.
2.2.15.2 Loa phát thanh phải có chất lượng tốt, âm thanh phát ra rõ ràng.
2.2.15.3 Điện trở cách điện của đường dây tín hiệu phát thanh không nhỏ hơn 0,5 MΩ đo ở điện áp 500 V DC.
2.2.16 Thiết bị chiếu sáng trong toa xe khách
Độ rọi của đèn chiếu sáng trong toa xe khách (trừ toa xe hành lý, toa bưu vụ) phải không thấp hơn các giá trị quy định trong Bảng 3:
Bảng 3: Độ rọi trung bình bên trong toa xe khách
Đơn vị đo: lux
| Loại toa xe | Khoang hành khách | Hành lang | Khu vực đầu xe | Buồng rửa mặt | Buồng vệ sinh |
| Ghế ngồi, hàng ăn | 100 | 25 | 50 | 100 | 50 |
| Giường nằm | 80 | 20 | 40 | 80 | 40 |
a) Độ rọi đều trong khoang hành khách không thấp hơn 1:1,3.
b) Ở các vị trí chính giữa bậc lên xuống và cầu giao thông giữa hai toa xe phải được chiếu sáng với độ rọi không nhỏ hơn 10 lux.
2.2.17 Hệ thống cấp nước, thoát nước
2.2.17.1 Toa xe khách trừ toa xe hành lý phải có hệ thống cấp nước sạch, bố trí lắp đặt, dung tích các thùng chứa nước phải đúng với tài liệu kỹ thuật. Thùng chứa nước của hệ thống cấp nước phải có van xả đáy (trừ trường hợp thiết kế có quy định khác).
2.2.17.2 Lỗ thoát nước tại khu vực buồng vệ sinh, chậu rửa mặt phải bố trí ở vị trí thích hợp để khi toa xe đứng yên, nước xả ra không chảy xuống giá chuyển hướng và đường ray.
2.2.18 Yêu cầu đối với toa xe tiếp cận cho người khuyết tật
Toa xe tiếp cận cho người khuyết tật phải thỏa mãn các yêu cầu kỹ thuật áp dụng cho toa xe khách và các yêu cầu sau đây:
2.2.18.1 Cửa toa xe
2.2.18.1.1 Cửa hành khách
a) Cửa hành khách của toa xe phải có màu sơn tương phản với màu sơn thành xe để người khiếm thị dễ dàng nhận biết.
b) Cửa hành khách loại đóng mở tự động phải lắp thiết bị cảnh báo bằng âm thanh gần khu vực cửa. Thiết bị phải phát ra tín hiệu âm thanh rõ ràng để báo cho hành khách biết trước khi cửa bắt đầu mở hoặc đóng.
c) Toa xe khách có chỗ dành cho người đi xe lăn phải có cửa, lối lên xuống phù hợp ở mỗi bên thành xe, chiều rộng của cửa khi mở hoàn toàn không nhỏ hơn 800 mm.
d) Bên ngoài thành xe của toa xe tiếp cận cho người khuyết tật phải được dán ký hiệu như hình 2 gần cửa lên xuống.
đ) Ký hiệu toa xe khách chở người khuyết tật và xe lăn phù hợp với Hình 2; có nền màu trắng hoặc xanh da trời; có kích thước không nhỏ hơn 120 mm x 150 mm khi lắp ngoài toa xe và không nhỏ hơn 60 mm x 75 mm khi lắp trong toa xe.
e) Lối đi lại cho người đi xe lăn từ cửa lên xuống đến khu vực dành cho người khuyết tật phải rộng tối thiểu 800 mm và không có vật cản trở. Gần khu vực dành cho người khuyết tật phải có chỗ quay đầu cho xe lăn, đường kính chỗ quay đầu xe tối thiểu 1500 mm.

2.2.18.1.2 Cửa bên trong toa xe
a) Các cửa bên trong toa xe khách mà người đi xe lăn đi qua để đến khu vực dành cho người khuyết tật phải rộng tối thiểu 800 mm.
b) Cửa giao thông 2 đầu toa xe khách phải rộng tối thiểu 750 mm với chiều cao không vướng chướng ngại vật tối thiểu là 1400 mm tính từ mép dưới cửa.
c) Đối với loại cửa đóng, mở tự động trên toa xe khách phải theo các yêu cầu sau:
- Cửa ra vào bắt đầu mở khi một phần bất kỳ của hành khách đi tới cách cửa ra vào dưới 500 mm đo theo phương ngang;
- Cánh cửa ra vào mỗi lần mở phải duy trì thời gian mở hoàn toàn không nhỏ hơn 5 giây trước khi đóng;
- Khi cửa bắt đầu đóng nếu cạnh của cửa tiếp xúc với bất kỳ một bộ phận nào của cơ thể hành khách thì cửa phải tự mở ra. Lực đóng cửa không vượt quá 65 N.
2.2.18.2 Bậc lên xuống toa xe
2.2.18.2.1 Kích thước bậc lên xuống
a) Khoảng cách giữa các bậc 120 mm đến 200 mm.
b) Mặt bậc có chiều sâu không nhỏ hơn 250 mm và chiều rộng không nhỏ hơn 455 mm.
2.2.18.2.2 Bề mặt của bậc lên xuống phải có khả năng chống trơn trượt trong mọi điều kiện thời tiết.
2.2.18.2.3 Mép trước của mỗi bậc lên xuống phải có dải sơn màu tương phản với bề mặt bậc, kích thước chiều rộng của dải sơn không nhỏ hơn 45 mm và không lớn hơn 50 mm.
2.2.18.2.4 Lưng mặt bậc lên xuống phải được che kín bằng tấm đỡ đứng tạo góc với bề mặt là 90ođể phòng chống vấp, trượt.
2.2.18.2.5 Bề mặt bậc lên xuống toa xe khách phải được chiếu sáng đều. Độ rọi của đèn chiếu sáng bậc lên xuống không nhỏ hơn 100 lux.
2.2.18.3 Sàn toa xe
2.2.18.3.1 Toàn bộ mặt sàn toa xe phải được chế tạo bằng vật liệu chống trơn trượt. Màu sắc sàn khu vực đầu xe và hành lang phải tương phản với màu sắc vùng sàn xe dành cho hành khách.
2.2.18.3.2 Khu vực sàn lối cửa lên xuống của hành khách phải được đánh dấu bằng dải màu song song với mép trên bậc cầu thang, có màu sắc tương phản với màu sắc bề mặt sàn xe. Chiều rộng dải màu không quá 50 mm, khoảng cách đo từ mép bậc cầu thang đến cạnh gần của dải sơn không nhỏ hơn 50 mm.
2.2.18.4 Tay vịn và tay nắm
2.2.18.4.1 Tay vịn được lắp cả hai phía ở trong và ngoài lối cửa lên xuống, điểm dưới không cao quá 700 mm, điểm trên không thấp dưới 1200 mm đo từ sàn xe theo phương thẳng đứng.
2.2.18.4.2 Các tay vịn đều có dạng ống tròn với đường kính ngoài từ 30 mm đến 40 mm. Khoảng cách giữa thân tay vịn tới bề mặt giá gá lắp và tới các chi tiết xung quanh không được bé hơn 45 mm. Bề mặt tay vịn được chế tạo bằng vật liệu chống trơn trượt, có màu sắc tương phản với màu sắc các bộ phận xung quanh.
2.2.18.4.3 Tay nắm lắp trên tựa lưng của mỗi ghế ngồi tại khu vực dành cho người khuyết tật phải có dạng hình tròn. Bề mặt tay nắm được chế tạo bằng vật liệu chống trơn trượt, có màu sắc tương phản với màu sắc bề mặt lắp ráp. Khoảng cách giữa tay nắm với các chi tiết xung quanh nơi lắp đặt không được nhỏ hơn 150 mm.
2.2.18.5 Chỗ ngồi cho người khuyết tật, chỗ dành cho xe lăn
2.2.18.5.1 Chỗ ngồi cho người khuyết tật
a) Toa xe ghế ngồi phải có số lượng ghế ngồi cho người khuyết tật ít nhất là 10% tổng số chỗ trong toa xe, trong đó có ít nhất một chỗ dành cho người đi xe lăn. Chỗ ngồi cho người khuyết tật phải có ký hiệu chỉ dẫn cho người khuyết tật dễ nhận biết.
b) Toa xe giường nằm phải có ít nhất một phòng ngủ dành cho người đi xe lăn.
c) Ghế ngồi cho người khuyết tật không được dùng loại ghế lật hoặc ghế gập. Chiều rộng mặt ghế tối thiểu là 450 mm. Kích thước ghế và khoảng không gian giữa ghế trước và ghế sau phù hợp với hình 3, hình 4, hình 5.
d) Các tay ghế trên ghế ngồi cho người khuyết tật phải gập được để thuận lợi cho hành khách khuyết tật ra, vào chỗ ngồi.
đ) Các thiết bị phục vụ được lắp đặt tại khu vực cho người khuyết tật phải có biển chỉ dẫn, được bố trí ở vị trí thuận lợi trong tầm với của hành khách khuyết tật.



2.2.18.5.2 Chỗ dành cho xe lăn
a) Kích thước chỗ dành cho xe lăn như sau:
- Chiều dài theo chiều dọc xe không nhỏ hơn 1300 mm;
- Chiều rộng theo chiều ngang xe không nhỏ hơn 750 mm;
- Chiều cao tính từ sàn xe không nhỏ hơn 1400 mm.
b) Đối với toa xe ghế ngồi
- Chỗ dành cho xe lăn trên toa xe có kích thước phù hợp với quy định ở trên;
- Có đai an toàn cho người đi xe lăn loại dây đai ngang thắt lưng, hai điểm neo đai cố định;
- Hệ thống neo giữ xe lăn phải có tác dụng chống được xe lăn tự di chuyển khi tàu vận hành.
c) Đối với toa xe giường nằm
- Chiều rộng cửa và lối vào buồng ngủ dành cho người đi xe lăn và không gian bên cạnh giường không nhỏ hơn 850 mm;
- Buồng ngủ phải có chỗ quay đầu xe với đường kính nhỏ nhất là 1500 mm; khoảng trống không gian ở phía dưới gầm bàn có chiều cao ít nhất là 700 mm để hành khách duỗi chân;
- Giường dành cho người đi xe lăn được lắp trên giá đỡ chắc chắn. Chiều cao đo từ sàn xe đến mặt trên của đệm nằm là từ 475 mm đến 485 mm.
d) Chỗ dành cho xe lăn phải có ký hiệu như Hình 2 đặt gần ngay chỗ dành cho xe lăn để hành khách nhận biết.
đ) Chỗ dành cho xe lăn phải lắp các thiết bị trợ giúp để người ngồi trên xe lăn có thể liên hệ với nhân viên trên tàu trong trường hợp khẩn cấp.
e) Các thiết bị điều khiển phải lắp đặt trong tầm với của người ngồi trên xe lăn để có thể điều khiển thiết bị hoạt động bằng lòng bàn tay với một lực không quá 30 N.
g) Đèn dùng cho hành khách đi xe lăn là loại đèn có thể điều chỉnh được cường độ ánh sáng, các công tắc điều khiển được lắp ở hai đầu giường ngủ nằm trong tầm với thuận lợi của hành khách.
h) Các lối đi dành cho người đi xe lăn trong toa xe có độ dốc không được quá 5% ở bất kỳ vị trí nào. Không gian dành cho xe lăn không bị cản trở từ sàn xe đến độ cao tối thiểu là 1400 mm.
2.2.18.6 Buồng vệ sinh
2.2.18.6.1 Phải có ít nhất một buồng vệ sinh dành cho người đi xe lăn, bố trí gần khu vực dành cho người khuyết tật trên toa xe khách và có ký hiệu chỉ dẫn bên ngoài.
2.2.18.6.2 Chiều cao của tay nắm, khóa cửa và các thiết bị phục vụ bên trong hoặc bên ngoài buồng vệ sinh từ 800 mm đến 1200 mm tính từ sàn xe đến tâm thiết bị.
2.2.18.6.3 Tay nắm, khóa cửa và các thiết bị khác ở trong buồng vệ sinh phải hoạt động được bằng một lực tác động không quá 15 N, được lắp đặt tại vị trí thuận lợi để hành khách khiếm thị có thể nhận dạng bằng tay khi tiếp xúc.
2.2.18.6.4 Đường viền bao trực tiếp xung quanh các nút ấn, công tắc điện điều khiển trong buồng vệ sinh phải có màu sắc tương phản với màu sắc chi tiết xung quanh.
2.2.18.6.5 Chỗ ngồi, nắp đậy bệ cầu và các tay nắm trong buồng vệ sinh phải có màu sắc tương phản với màu sắc của các chi tiết xung quanh.
2.2.18.6.6 Chiều cao bề mặt bệ ngồi của thiết bị vệ sinh tự hoại dành cho người đi xe lăn từ 475 mm đến 485 mm tính từ sàn xe.
2.2.18.6.7 Vòi rửa và thiết bị sấy khô tay (nếu có) phải được lắp đặt ở vị trí thuận lợi bên cạnh thiết bị vệ sinh tự hoại để người đi xe lăn không phải di chuyển ra khỏi thiết bị vệ sinh khi cần rửa tay. Tay vịn bên cạnh thiết bị vệ sinh tự hoại là loại tay vịn dùng khớp bản lề bố trí lắp đặt ở vị trí thuận lợi không cản trở cho việc di chuyển của người đi xe lăn (theo hình 6).
2.2.18.6.8 Chiều rộng của cửa vào buồng vệ sinh không nhỏ hơn 800 mm. Trong buồng vệ sinh phải có không gian tối thiểu là 700 mm x 1300 mm để đặt xe lăn, không gian này được bố trí bên phải nhìn từ mặt trước thiết bị vệ sinh tự hoại để người khuyết tật dễ dàng chuyển từ xe lăn sang bệ ngồi thiết bị vệ sinh tự hoại.

2.2.18.6.9 Trong buồng vệ sinh phải lắp ít nhất 2 thiết bị liên lạc với bên ngoài để trợ giúp trong trường hợp khẩn cấp. Thiết bị thứ nhất đặt cách mặt sàn không quá 450 mm, thiết bị thứ 2 cách mặt sàn trong khoảng từ 800 mm đến 1200 mm.
2.2.18.6.10 Chiều rộng lối đi từ khu vực cho người khuyết tật đến buồng vệ sinh không nhỏ hơn 800 mm, gần buồng vệ sinh phải có chỗ để quay xe được 180o. Trên lối đi của xe lăn phải bảo đảm không có bất kỳ chướng ngại vật nào cản trở.
2.2.18.7 Thiết bị thông tin liên lạc
2.2.18.7.1 Toa xe phải có các thiết bị thông tin liên lạc được lắp đặt ở trong phòng hành khách và các biển hiệu ở bên ngoài toa xe để hành khách dễ nhận biết bằng mắt nhìn hoặc tai nghe.
2.2.18.7.2 Thiết bị thông tin bên trong và bên ngoài toa xe khách sẽ dùng để thông báo các thông tin cần thiết cho hành khách như sau:
a) Thông báo ga, điểm dừng tiếp theo.
b) Thông báo về sự sai lệch vượt quá 10 phút so với biểu đồ chạy tàu đã công bố.
c) Thông báo về tình trạng khẩn cấp trên tàu.
2.2.18.8 Thiết bị đưa xe lăn lên và xuống toa xe
2.2.18.8.1 Yêu cầu chung
a) Khi khe hở giữa mép kê ga với mép cạnh bậc lên xuống toa xe khách lớn quá 75 mm theo phương ngang và lớn quá 50 mm theo phương thẳng đứng thì phải có thiết bị bàn nâng hoặc cầu dẫn để đưa người đi xe lăn lên, xuống toa xe.
b) Bàn nâng và cầu dẫn đưa xe lăn lên xuống toa xe phải phù hợp các yêu cầu sau:
- Tải trọng làm việc an toàn không nhỏ hơn 300 kg;
- Không xảy ra biến dạng vĩnh cửu hoặc hư hỏng sau khi phải chịu một tải trọng bằng 125% tải trọng làm việc an toàn, được phân bố đều trên bàn nâng xe, trong khoảng thời gian ít nhất là 10 giây;
- Bàn nâng và cầu dẫn chỉ hoạt động khi toa xe dừng để đưa khách đi xe lăn lên xuống;
- Bề mặt của bàn nâng hoặc cầu dẫn đưa xe lăn lên toa xe khách phải chế tạo bằng vật liệu chống trượt để bảo đảm an toàn cho hành khách.
2.2.18.8.2 Yêu cầu kỹ thuật đối với cầu dẫn
a) Toa xe lắp cầu dẫn hoạt động bằng nguồn năng lượng điện được điều khiển bởi người đi xe lăn thì nút ấn điều khiển cầu dẫn hoạt động phải được đặt tại vị trí thích hợp với độ cao khoảng 800 mm gần ngay cửa lên xuống dành cho xe lăn.
b) Cầu dẫn phải có cảm biến tiếp xúc ở phía đầu để có thể dừng hoạt động khi chạm vào người hay các chướng ngại khác.
c) Cầu dẫn phải tự động cắt nguồn không hoạt động khi có vật nặng ≥ 15 kg đè lên trong khi cầu đang chuyển động.
d) Khi toa xe khách chưa dừng hẳn thì không thể điều khiển hạ cầu dẫn xuống được.
đ) Cầu dẫn (bao gồm loại tự hành và loại vận hành bằng tay) phải lắp đặt an toàn chắc chắn, chiều rộng tối thiểu 800 mm nhưng không lớn hơn chiều rộng cửa. Hai mép bên của cầu dốc phải có gờ chặn cao tối thiểu 50 mm.
e) Cầu dẫn phải chịu được tải trọng tối thiểu 300 kg. Mép của cầu dẫn phải tiếp xúc chắc chắn với kê ga hay bậc chờ. Các cạnh của cầu dẫn phải được sơn dải màu rộng 50 mm có màu sắc tương phản với màu nền.
2.2.18.8.3 Yêu cầu kỹ thuật đối với bàn nâng xe
a) Mặt sàn của bàn nâng phải rộng tối thiểu 750 mm và dài tối thiểu 1200 mm. Thiết bị phải có khả năng nâng tải ít nhất là 300 kg.
b) Mặt sàn và các mép tiếp giáp giữa bàn nâng với sàn phải được đánh dấu bằng dải màu rộng 50 mm có màu sắc tương phản với màu nền.
c) Vận tốc của bàn nâng xe không lớn hơn 0,15m/s. Khi hạ xuống hết hành trình thì sàn nâng phải tiếp xúc với mặt đất.
d) Mặt sàn thiết bị nâng phải lắp đặt cơ cấu chặn có chiều cao không quá 100 mm để chặn xe không tự lăn ra ngoài trong quá trình nâng, hạ.
đ) Nếu hành trình nâng của sàn bàn nâng xe lớn hơn 500 mm thì phải lắp ít nhất một tay vịn tại một phía của sàn bàn nâng xe. Tay vịn được lắp chắc chắn theo phương ngang có độ cao từ 650 mm đến 1100 mm đo từ bề mặt sàn của bàn nâng xe.
e) Bàn nâng xe hoạt động bằng năng lượng điện phải có cảm biến tiếp xúc để có thể dừng hoạt động khi chạm vào người hay các chướng ngại khác trong quá trình nâng, hạ.
g) Thiết bị nâng xe tự hành phải có khả năng vận hành được bằng tay trong trường hợp cơ cấu tự động bị hỏng.
2.3 Yêu cầu kỹ thuật đối với toa xe đường sắt đô thị nhập khẩu mới
2.3.1 Ký hiệu kiểu loại toa xe
Toa xe đường sắt đô thị bao gồm các loại có ký hiệu như sau:
a) Mc: Toa xe động lực có buồng lái;
b) M: Toa xe động lực không có buồng lái;
c) Tc: Toa xe kéo theo có buồng lái;
d) T: Toa xe kéo theo không có buồng lái.
2.3.2 Điều kiện cung cấp điện
2.3.2.1 Tàu đường sắt đô thị sử dụng phương thức cấp điện: tiếp điện trên cao hoặc tiếp điện ray thứ ba.
2.3.2.2 Điện áp cấp điện
a) 1500 V DC, phạm vi dao động từ 1000 V DC đến 1800 V DC.
b) 750 V DC, phạm vi dao động từ 500 V DC đến 900 V DC.
c) Tại những tuyến đường có kế hoạch khai thác chung với loại hình đường sắt điện khí hóa khác, nếu cần thiết có thể sử dụng điện áp xoay chiều.
2.3.3 Yêu cầu chung
2.3.3.1 Sai lệch giữa khối lượng cân được của toa xe khi ghép thành đoàn tàu ở trạng thái rỗng tải so với khối lượng thiết kế phải phù hợp với tài liệu kỹ thuật.
2.3.3.2 Chênh lệch tải trọng trục, tải trọng bánh xe phải phù hợp với tài liệu kỹ thuật.
2.3.3.3 Trong điều kiện trạng thái rỗng tải, trên đường thẳng phẳng khô ráo, điện áp cấp điện tương đương điện áp danh nghĩa, gia tốc khởi động trung bình của tàu phải phù hợp với tài liệu kỹ thuật, trường hợp nhà sản xuất không quy định thì gia tốc khởi động trung bình tính theo thời gian (
) phải thỏa mãn giá trị sau:
a) Tốc độ từ 0 đến 40 km/h, không nhỏ hơn 0,83 m/s 2 .
b) Tốc độ từ 0 đến 80 km/h, không nhỏ hơn 0,5 m/s 2 .
Trong đó:V là tốc độ mục tiêu phải đạt được (40 km/h, 80km/h quy đổi ra [m/s]);
Aí là thời gian từ lúc bắt đầu tăng tốc đến lúc đạt tốc độ mục tiêu ([s]).
2.3.3.4 Trong điều kiện trạng thái đầy tải và rỗng tải, trên đường thẳng phẳng, khô ráo, giảm tốc hãm trung bình khi hãm từ tốc độ vận hành lớn nhất đến khi tàu dừng hẳn phải theo tài liệu kỹ thuật, trường hợp nhà sản xuất không quy định thì giảm tốc hãm trung bình tính theo thời gian (
) phải thỏa mãn giá trị sau:
a) Giảm tốc trung bình khi hãm thường không nhỏ hơn 0,98 m/s2 .
b) Giảm tốc trung bình khi hãm khẩn không nhỏ hơn 1,2 m/s2 .
Trong đó: vmax là tốc độ vận hành lớn nhất (m/s);
Δt là thời gian từ lúc bắt đầu hãm đến lúc tàu dừng hoàn toàn.
2.3.3.5 Trị số độ ồn lớn nhất cho phép bên trong toa xe phải phù hợp tài liệu kỹ thuật, trường hợp nhà sản xuất không quy định thì áp dụng giá trị tại Bảng 4.
Bảng 4: Độ ồn lớn nhất cho phép bên trong toa xe
Đơn vị đo: dB
| Vị trí đo | Trên mặt đất, cầu cạn | Trong đường ngầm |
| Buồng lái | 77 | 80 |
| Khoang hành khách | 79 | 85 |
2.3.3.6 Khi tàu ở trạng thái đầy tải, mặt ray sạch, khô ráo, sức kéo của đoàn tàu phải đảm bảo yêu cầu sau:
a) Trường hợp mất đi ít nhất 1/4 động lực, tàu vẫn có khả năng khởi động tại vị trí có độ dốc lớn nhất trên đường và duy trì vận hành tới ga cuối;
b) Trường hợp tàu mất đi ít nhất 1/2 động lực, tàu vẫn có khả năng khởi động tại vị trí có độ dốc lớn nhất trên đường và tiếp tục chạy tới ga kế tiếp;
c) Tàu ở trạng thái rỗng tải phải có khả năng kéo hoặc đẩy được tải có khối lượng tương đương với một tàu đầy tải không có động lực trên độ dốc lớn nhất trên đường tới ga kế tiếp.
2.3.3.7 Tàu phải có hệ thống bảo vệ chống trượt bánh xe, tính năng hoạt động của hệ thống phải phù hợp với tài liệu kỹ thuật.
2.3.4 Thân toa xe
2.3.4.1 Thân toa xe, vỏ ngoài của tất cả các thiết bị lắp bên ngoài thân xe, cửa sổ, cửa ra vào, nắp che ở trạng thái hoạt động bình thường không bị thấm, dột nước vào bên trong.
2.3.4.2 Chiều cao sàn xe không được thấp hơn mặt kê ga. Chênh lệch chiều cao sàn xe với mặt kê ga phải phù hợp với tài liệu kỹ thuật.
2.3.4.3 Phía trước đoàn tàu hoặc giá chuyển hướng ở đầu đoàn tàu phải lắp tấm gạt chướng ngại vật có thể điều chỉnh được chiều cao, chiều cao từ mặt dưới tấm gạt chướng ngại vật đến mặt đỉnh ray phải phù hợp với tài liệu kỹ thuật.
2.3.5 Buồng lái
2.3.5.1 Buồng lái được thiết kế phù hợp với nguyên lý công thái học, đảm bảo lái tàu có thể dễ dàng quan sát rõ ràng tín hiệu và tình trạng đường phía trước. Bố trí các thiết bị, nút bấm chức năng, chỉ dẫn sử dụng và thông tin hiển thị phải rõ ràng đảm bảo cho lái tàu có thể dễ dàng quan sát và thao tác được.
2.3.5.2 Kính chắn gió phía trước buồng lái, kính bên là loại kính dán an toàn hoặc loại kính an toàn phù hợp với tài liệu kỹ thuật. Kính chắn gió phía trước buồng lái phải có gạt nước mưa, tấm che nắng.
2.3.5.3 Đối với tàu có người lái, giữa buồng lái và khoang hành khách phải có cửa ngăn cách, chiều rộng cửa không nhỏ hơn 550 mm, chiều cao cửa không nhỏ hơn 1800 mm.
2.3.5.4 Ghế lái tàu phải là ghế mềm, lắp đặt chắc chắn, chiều cao có thể điều chỉnh được. Kích thước, vị trí lắp đặt ghế phải đủ không gian cần thiết để lái tàu có thể nhanh chóng rời khỏi ghế trong trường hợp khẩn cấp.
2.3.6 Khoang hành khách
2.3.6.1 Hai bên thành xe của khoang hành khách phải có cửa sổ, cửa hành khách. Kính cửa sổ tại các vị trí thoát hiểm phải là kính tôi an toàn.
2.3.6.2 Trong khoang hành khách phải bố trí đủ số lượng ghế ngồi, cột bám, tay vịn, đai vịn theo tài liệu kỹ thuật. Ghế ngồi, cột bám, tay vịn, đai vịn phải lắp đặt chắc chắn.
2.3.6.3 Khoang hành khách phải có đầy đủ đèn chiếu sáng, thiết bị chiếu sáng khẩn cấp. Độ rọi trung bình của đèn chiếu sáng không nhỏ hơn 200 lux, độ rọi nhỏ nhất của đèn chiếu sáng không nhỏ hơn 150 lux. Độ rọi của thiết bị chiếu sáng khẩn cấp không nhỏ hơn 10 lux.
2.3.6.4 Khu vực cầu giao thông giữa hai toa xe phải được che kín, không bị thấm, dột nước vào bên trong, mặt sàn cầu giao thông phải bằng phẳng, chống trơn trượt.
2.3.6.5 Đối với toa xe có vị trí cho xe lăn, phải bố trí tay nắm vịn cho hành khách ngồi xe lăn đúng với tài liệu kỹ thuật.
2.3.7 Hệ thống cửa hành khách
2.3.7.1 Kích thước lưu thông của cửa hành khách khi mở hết hành trình có chiều rộng không nhỏ hơn 1300 mm và chiều cao không nhỏ hơn 1800 mm.
2.3.7.2 Cửa hành khách là loại cửa tự động, trạng thái đóng mở cửa phải hiển thị trên bàn điều khiển trên buồng lái để lái tàu nhận biết được.
2.3.7.3 Cửa phải đóng, mở nhẹ nhàng linh hoạt, chức năng phát hiện vật cản phải phù hợp với tài liệu kỹ thuật.
2.3.7.4 Cửa hành khách phải có liên khóa với hệ thống động lực để đảm bảo cửa không thể tự mở khi tàu chưa dừng hoàn toàn và tàu không thể chạy khi cửa chưa đóng hoàn toàn.
2.3.7.5 Tất cả các cửa hành khách phải mở thủ công được bằng thiết bị mở cửa khẩn cấp để thoát hiểm trong trường hợp sự cố. Quy trình thao tác mở cửa phải phù hợp tài liệu kỹ thuật.
2.3.7.6 Mỗi bên thành xe phải có ít nhất một cửa hành khách có thể đóng, mở từ bên ngoài bằng chìa khóa chuyên dụng.
2.3.8 Móc nối
2.3.8.1 Kiểu loại móc nối
Móc nối sử dụng cho toa xe đường sắt đô thị có các kiểu loại sau:
a) Móc nối tự động là loại móc nối mà việc nối móc, kết nối khí nén, kết nối điện và/hoặc kết nối dữ liệu được thực hiện tự động.
b) Móc nối bán tự động là loại móc nối mà việc nối móc, kết nối khí nén được thực hiện tự động, kết nối điện và kết nối dữ liệu được thực hiện thủ công.
c) Móc nối cố định là móc nối liên kết cố định giữa các toa xe trong đoàn tàu, việc nối và ngắt móc phải thực hiện trong nhà xưởng bằng thiết bị chuyên dụng.
2.3.8.2 Kiểu loại móc nối lắp ở 2 đầu đoàn tàu và giữa các toa xe phải phù hợp với tài liệu kỹ thuật.
2.3.8.3 Chiều cao móc nối và chênh lệch chiều cao móc nối ở 2 đầu đoàn tàu phải phù hợp với tài liệu kỹ thuật.
2.3.8.4 Trên bàn điều khiển của lái tàu phải hiển thị thông tin về trạng thái kết nối của các móc nối tự động.
2.3.8.5 Các kết nối điện và/hoặc kết nối dữ liệu trên móc nối tự động phải đảm bảo chắc chắn, truyền tải điện, dữ liệu ổn định, liên tục. Các kết nối khí nén trên móc nối bán tự động phải đảm bảo chắc chắn, không có xì hở ở mức có thể cảm nhận được bằng trực quan.
2.3.9 Giá chuyển hướng
2.3.9.1 Biên dạng mặt lăn bánh xe, giang cách bánh xe phải phù hợp với tài liệu kỹ thuật. Độ hở giữa mặt lăn bánh xe với dưỡng kiểm tra biên dạng không quá 0,5 mm.
2.3.9.2 Đường kính bánh xe và sai lệch về đường kính bánh xe trên cùng một trục, trên cùng một giá chuyển hướng phải phù hợp với tài liệu kỹ thuật.
2.3.9.3 Vỏ túi khí lò xo không khí không bị rách thủng; van điều chỉnh độ cao, van chênh áp suất của lò xo không khí phải lắp đặt chắc chắn, hoạt động bình thường.
2.3.10 Hệ thống khí nén
2.3.10.1 Tàu phải được trang bị ít nhất hai (02) cụm máy nén khí. Hệ thống khí nén phải có thiết bị làm khô không khí, van điều chỉnh áp suất và van an toàn, áp suất làm việc của van điều chỉnh áp suất và van an toàn phải phù hợp với tài liệu kỹ thuật.
2.3.10.2 Bình chịu áp lực phải đủ số lượng, thông số kỹ thuật và dung tích phải phù hợp với tài liệu kỹ thuật.
2.3.11 Hệ thống hãm
2.3.11.1 Hệ thống hãm được điều khiển bằng máy tính với hai phương thức hãm điện và hãm khí nén, khi hãm thường, ưu tiên sử dụng hãm điện.
2.3.11.2 Hệ thống hãm phải có khả năng điều khiển độc lập hãm khí nén với hãm điện, năng lực hãm khí nén phải phù hợp bảo đảm cho tàu dừng an toàn trong trường hợp hãm điện gặp sự cố.
2.3.11.3 Việc chuyển đổi giữa hãm điện và hãm khí nén phải linh hoạt, êm dịu. Khi lực hãm điện không đủ, hãm khí nén phải bổ sung kịp thời phần lực hãm thiếu theo yêu cầu của tổng lực hãm đoàn tàu.
2.3.11.4 Hệ thống hãm phải có tính năng điều chỉnh được lực hãm theo trạng thái tải trọng.
2.3.11.5 Hệ thống hãm phải có chức năng hãm đỗ và hãm giữ phù hợp với tài liệu kỹ thuật.
2.3.11.6 Hệ thống hãm phải đảm bảo giữ được tàu đầy tải không bị trôi trên đường có độ dốc lớn nhất của tuyến trong khoảng thời gian 5 phút.
2.3.11.7 Độ kín của hệ thống hãm khí nén phải phù hợp với yêu cầu sau:
a) Khi áp suất của hệ thống hãm khí nén đạt đến trị số định áp theo tài liệu kỹ thuật, lượng giảm áp không vượt quá 0,2 bar trong 5 phút.
b) Ở chế độ hãm thường hoàn toàn áp suất của xi lanh hãm và bình chịu áp lực không được giảm quá 0,1 bar trong 3 phút.
2.3.12 Hệ thống điện
2.3.12.1 Điện áp thử điện trở cách điện các thiết bị và mạch điện kết nối các thiết bị phải phù hợp với tài liệu kỹ thuật. Trường hợp nhà sản xuất không quy định thì giá trị điện trở cách điện đo ở điện áp 500 V DC không nhỏ hơn các giá trị sau:
a) 5 MΩ đối với thiết bị có điện áp định mức ≥ 300 V DC
b) 1 MΩ đối với thiết bị có điện áp định mức < 300 V DC
2.3.12.2 Mạch điện cấp điện cho động cơ điện kéo và các thiết bị phụ trợ phải được thử nghiệm chịu điện áp với điện áp không nhỏ hơn 85% điện áp thử nghiệm thấp nhất của thiết bị lắp trong mạch điện.
2.3.12.3 Các thiết bị điện phải được tiếp đất hoặc bảo vệ chống giật bằng phương pháp phù hợp với tài liệu kỹ thuật.
2.3.12.4 Bộ tiếp điện phải lắp đặt chắc chắn, đảm bảo duy trì cấp điện liên tục, không phát sinh tia lửa điện bất thường gây hư hại cho thiết bị trong quá trình lấy điện.
2.3.12.5 Tàu sử dụng cần tiếp điện trên cao phải lắp thiết bị chống sét.
2.3.12.6 Ắc quy
a) Số lượng, kiểu loại, thông số kỹ thuật của ắc quy phải phù hợp với tài liệu kỹ thuật.
b) Ắc quy phải được lắp đặt chắc chắn, vỏ bảo vệ không bị nứt vỡ gây rò rỉ chất điện phân.
c) Khi nguồn cấp điện từ bên ngoài bị ngắt, ắc quy trên tàu đảm bảo cấp điện đủ cho 01 lần đóng, mở cửa, chiếu sáng khẩn cấp, đèn tín hiệu, chiếu sáng bên ngoài, các thiết bị liên lạc khẩn cấp, loa phát thanh, hệ thống thông gió khẩn cấp (nếu có) trong thời gian không nhỏ hơn 45 phút đối với tuyến có đường ngầm và không nhỏ hơn 30 phút đối với tuyến chạy hoàn toàn trên mặt đất.
2.3.12.7 Các mối nối đầu cáp điện phải chắc chắn và dẫn điện tốt, đầu cáp điện phải được ký hiệu rõ ràng.
2.3.13 Hệ thống thông gió và ĐHKK
2.3.13.1 Hệ thống ĐHKK phải được điều khiển tập trung, đồng bộ, trình tự khởi động thiết bị theo tài liệu kỹ thuật.
2.3.13.2 Lưu lượng khí tươi cấp cho mỗi hành khách tính theo số hành khách danh nghĩa phải không thấp hơn 10 m3/h.
2.3.13.3 Nhiệt độ trung bình, chênh lệch nhiệt độ tại các cửa gió làm mát, tốc độ gió trung bình trong khoang hành khách phù hợp với tài liệu kỹ thuật. Trường hợp nhà sản xuất không quy định thì áp dụng giá trị sau:
a) Nhiệt độ trung bình từ 24 °C đến 28 °C.
b) Chênh lệch nhiệt độ tại các cửa gió làm mát không quá 2 °C.
c) Tốc độ gió trung bình không lớn hơn 0,3 m/s.
2.3.13.4 Đối với đoàn tàu không có hệ thống thông gió khẩn cấp, khi nguồn cấp điện từ bên ngoài bị ngắt, phải có biện pháp thông gió tự nhiên, kết hợp quy trình xử lý sự cố, sơ tán hành khách phù hợp để đảm bảo an toàn cho hành khách
2.3.14 Thiết bị an toàn
2.3.14.1 Bàn điều khiển trong buồng lái phải có còi, thiết bị dừng tàu khẩn cấp và thiết bị chống ngủ gật.
2.3.14.2 Phía trước đoàn tàu phải có đèn chiếu sáng, phía đuôi tàu phải có đèn tín hiệu màu đỏ hiển thị đủ để nhìn thấy được bằng mắt trong khoảng cách hãm của đoàn tàu.
2.3.14.3 Trong toa xe phải có các biển báo gồm biển chỉ dẫn thiết bị mở cửa khẩn cấp, chỉ dẫn vị trí để bình chữa cháy, cửa thoát hiểm; các khu vực mang điện áp cao phải có biển cảnh báo, hướng dẫn thao tác an toàn.
2.3.14.4 Khoang hành khách phải được trang bị bình chữa cháy còn thời hạn sử dụng. Chủng loại, số lượng bình chữa cháy phải đúng với tài liệu kỹ thuật. Vị trí đặt bình chữa cháy phải dễ quan sát và dễ lấy.
2.3.14.5 Toa xe dùng cửa sổ làm cửa thoát hiểm phải được trang bị búa thoát hiểm, số lượng búa thoát hiểm, vị trí đặt búa phải phù hợp với tài liệu kỹ thuật.
2.3.15 Hệ thống phát thanh, thông tin hành khách và liên lạc trên tàu
2.3.15.1 Trong buồng lái phải có thiết bị liên lạc giữa lái tàu và trung tâm điều hành, tại mỗi toa xe phải có thiết bị liên lạc giữa hành khách với lái tàu.
2.3.15.2 Phía trước buồng lái ở hai đầu tàu phải có bảng hiển thị hướng tàu chạy.
2.3.15.3 Trên tàu phải có hệ thống phát thanh báo ga sắp đến, bảng hiển thị sơ đồ tuyến đường và thông tin hướng dẫn hành khách lên xuống tàu.
2.3.15.4 Trong khoang hành khách phải có nút báo động và thiết bị liên lạc để hành khách sử dụng trong trường hợp khẩn cấp.
2.3.16 Hệ thống điều khiển chạy tàu
2.3.16.1 Hệ thống điều khiển chạy tàu phải có tính năng phòng vệ tự động, đảm bảo sự an toàn vận hành của tàu. Chức năng phòng vệ ở các chế độ lái phải hoạt động đúng với tài liệu kỹ thuật của nhà sản xuất.
2.3.16.2 Hệ thống điều khiển chạy tàu phải có tính năng vận hành tàu tự động cho phép tự động kiểm soát tốc độ theo biểu đồ chạy tàu, dừng tàu chính xác và tự động mở cửa tại các ga.
2.3.16.3 Hệ thống điều khiển chạy tàu phải có chức năng giám sát tàu tự động. Chức năng giám sát tự động phải đảm bảo xác định vị trí, tốc độ của đoàn tàu theo thời gian thực và hoạt động đúng với tài liệu kỹ thuật.
3 Quy định kiểm tra
3.1 Hình thức kiểm tra
Phương tiện sản xuất lắp ráp và nhập khẩu mới được kiểm tra theo các hình thức sau:
3.1.1 Kiểm tra đơn chiếc
Nội dung kiểm tra được thực hiện đối với từng phương tiện trong loạt sản xuất lắp ráp, nhập khẩu. Các nội dung kiểm tra đơn chiếc được ký hiệu là “KT” trong Bảng 5, Bảng 6.
3.1.2 Kiểm tra mẫu điển hình
Việc kiểm tra được thực hiện đối với 01 phương tiện đại diện trong loạt sản xuất lắp ráp, nhập khẩu mới. Các nội dung trong kiểm tra mẫu điển hình được ký hiệu là “KT1” trong Bảng 5, Bảng 6 của quy chuẩn này.
3.1.3 Xem xét hồ sơ thử nghiệm đơn chiếc
Việc xem xét hồ sơ, tài liệu kỹ thuật, báo cáo thử nghiệm của nhà sản xuất đối với từng phương tiện trong loạt sản xuất lắp ráp, nhập khẩu mới để đánh giá sự phù hợp của phương tiện với quy định kỹ thuật của quy chuẩn này. Các nội dung xem xét hồ sơ thử nghiệm đơn chiếc được ký hiệu là “HS” trong Bảng 5, Bảng 6 của quy chuẩn này.
3.1.4 Xem xét hồ sơ thử nghiệm mẫu điển hình
Việc xem xét hồ sơ, tài liệu kỹ thuật, báo cáo thử nghiệm của nhà sản xuất đối với 01 phương tiện đại diện trong loạt sản xuất lắp ráp, nhập khẩu mới để đánh giá sự phù hợp của phương tiện với quy định kỹ thuật của quy chuẩn này. Các nội dung xem xét hồ sơ thử nghiệm mẫu điển hình được ký hiệu là “HS1” trong Bảng 5, Bảng 6 của quy chuẩn này.
3.1.5 Chứng kiến thử nghiệm đơn chiếc
Phương thức kiểm tra được thực hiện đối với từng phương tiện trong loạt sản xuất lắp ráp, nhập khẩu mới thông qua quan sát, ghi lại kết quả thử nghiệm trên thiết bị của nhà sản xuất để đánh giá sự phù hợp của phương tiện với yêu cầu của quy chuẩn này. Các nội dung chứng kiến thử nghiệm đơn chiếc được ký hiệu là “CK” trong Bảng 5, Bảng 6 của quy chuẩn này.
3.1.6 Chứng kiến thử nghiệm mẫu điển hình
Phương thức kiểm tra được thực hiện đối với 01 phương tiện đại diện trong loạt sản xuất lắp ráp, nhập khẩu mới thông qua quan sát, ghi lại kết quả thử nghiệm trên thiết bị của nhà sản xuất để đánh giá sự phù hợp của phương tiện với yêu cầu của quy chuẩn này. Các nội dung chứng kiến thử nghiệm mẫu điển hình được ký hiệu là “CK1” trong Bảng 5, Bảng 6 của quy chuẩn này.
3.2 Nội dung kiểm tra đối với toa xe
Toa xe phải được kiểm tra các nội dung theo quy định tại Bảng 5 của quy chuẩn này.
Bảng 5: Nội dung kiểm tra toa xe
| STT | Nội dung kiểm tra | Hình thức kiểm tra (1) | Yêu cầu | |||
| Sản xuất lắp ráp | Nhập khẩu | |||||
| TXK | TXH, PTCD | TXK | TXH, PTCD | |||
| 1 | Số hiệu phương tiện | KT | KT | KT | KT | Phù hợp với 2.1.5 |
| 2 | Thông qua khổ giới hạn | CK1 | CK1 | CK1 | CK1 | Phù hợp với 2.1.2 |
| 3 | Thông qua đường cong | CK | CK | CK | CK | Phù hợp với 2.1.3 |
| 4 | Chỉ tiêu động lực học | HS1 | HS1 | HS1 | HS1 | Phù hợp với 2.2.1 |
| 5 | Tự trọng toa xe | CK1 | CK1 | HS1 | HS1 | Phương pháp kiểm tra theo Phụ lục E, yêu cầu phù hợp với 2.2.2 |
| 6 | Thân toa xe |
|
|
|
|
|
| 6.1 | Kích thước xe | KT | KT | - | - | Phù hợp với tài liệu kỹ thuật |
| 6.2 | Trạng thái lắp đặt các bộ phận, chi tiết | KT | KT | KT | KT | Các mối ghép phải chắc chắn |
| 6.3 | Độ kín nước thân xe | CK | CK | CK | CK | Phù hợp với 2.2.3.2 |
| 6.4 | Độ nghiêng lệch thân xe | KT | KT (2) | KT | KT (2) | Phù hợp với 2.2.3.3 |
| 6.5 | Khe hở bàn trượt | KT | KT | KT | KT | Phù hợp với 2.2.3.4 |
| 6.6 | Thử phát hiện khuyết tật mối hàn bằng phương pháp không phá hủy | HS | HS | HS | HS | Phù hợp với 2.2.3.5 |
| 7 | Móc nối, đỡ đấm |
|
|
|
|
|
| 7.1 | Kiểu loại móc nối, đỡ đấm | KT | KT | KT | KT | Phù hợp với tài liệu kỹ thuật |
| 7.2 | Cơ cấu đóng, mở lưỡi móc | KT | KT | KT | KT | Tác dụng ổn định, linh hoạt |
| 7.3 | Cơ cấu chống tự mở móc | KT | KT | KT | KT | Hoạt động bình thường |
| 7.4 | Chiều cao móc nối và chênh lệch chiều cao móc nối | KT | KT | KT | KT | Phù hợp với 2.2.4.3 |
| 7.5 | Khoảng hở giữa thân móc nối với bệ xung kích | KT | KT | KT | KT | Phù hợp với tài liệu kỹ thuật |
| 8 | Cửa toa xe |
|
|
|
|
|
| 8.1 | Kiểu loại kính an toàn | HS | - | HS | - | Phù hợp với tài liệu kỹ thuật |
| 8.2 | Yêu cầu kỹ thuật của hệ thống cửa | KT | KT | KT | KT | Phù hợp với 2.2.5.1, 2.2.5.2, 2.2.5.4, 2.2.5.5, 2.2.5.6 |
| 9 | Thiết bị bên trong toa xe khách | KT | - | KT | - | Phù hợp với 2.2.6 |
| 10 | Thiết bị bên ngoài toa xe |
|
|
|
|
|
| 10.1 | Khung che gió đầu xe, cầu giao thông | KT | - | KT | - | Lắp đặt chắc chắn, phù hợp với 2.2.7.1 a |
| 10.2 | Thang hoặc quai móc thang ở thành ngoài đầu toa xe khách | KT | - | KT | - | Lắp đặt chắc chắn |
| 10.3 | Bệ ky xe, tai móc cẩu | KT | KT | KT | KT | Phù hợp với 2.2.7.1 c |
| 10.4 | Bậc lên xuống, tay vịn | KT | KT | KT | KT | Lắp đặt chắc chắn, đủ số lượng theo tài liệu kỹ thuật |
| 10.5 | Cầu thang, lan can, bệ đứng tại khu vực nắp đôm của toa xe xi-tec. | - | KT | - | KT | Đủ số lượng, lắp đặt chắc chắn và phù hợp với 2.2.7.2 |
| 10.6 | Cơ cấu khóa định vị công-ten-nơ của toa xe chở công-ten-nơ | - | KT | - | KT | Lắp đặt chắc chắn, đủ số lượng phù hợp với tài liệu kỹ thuật |
| 11 | Giá chuyển hướng |
|
|
|
|
|
| 11.1 | Kiểu loại giá chuyển hướng | KT | KT | KT | KT | Phù hợp với tài liệu kỹ thuật |
| 11.2 | Biên dạng mặt lăn bánh xe | KT | KT | KT | KT | Phù hợp với 2.2.8.3 |
| 11.3 | Giang cách bánh xe | KT | KT | KT | KT | Phù hợp với 2.2.8.3 |
| 11.4 | Đường kính bánh xe | KT | KT | KT | KT | Phù hợp với 2.2.8.4 |
| 11.5 | Van điều chỉnh độ cao, van chênh áp lò xo không khí | KT | - | KT | - | Lắp đặt chắc chắn, hoạt động bình thường |
| 11.6 | Giảm chấn thủy lực | KT | - | KT | - | Phù hợp với 2.2.8.5 |
| 11.7 | Vỏ túi khí lò xo không khí | KT | - | KT | - | Không bị rách thủng |
| 12 | Hệ thống hãm |
|
|
|
|
|
| 12.1 | Trạng thái lắp đặt các bộ phận chi tiết của hệ thống hãm | KT | KT | KT | KT | Phù hợp với tài liệu kỹ thuật |
| 12.2 | Các bình chịu áp lực của hệ thống hãm khí nén | KT | KT | KT | KT | Phù hợp với 2.2.9.2 |
| 12.3 | Van hãm khẩn cấp và phương tiện đo áp suất | KT | KT(4) | KT | KT(4) | Phù hợp với 2.2.9.4 |
| 12.4 | Quang treo/xích/cáp an toàn của xà mang guốc hãm, suốt hãm | KT | KT | KT | KT | Đủ số lượng, lắp đặt chắc chắn |
| 12.5 | Hãm tay | KT | KT | KT | KT | Hoạt động bình thường |
| 12.6 | Kích thước bệ đứng hãm tay | - | KT | - | KT | Phù hợp với 2.2.9.6 |
| 12.7 | Các ống mềm nối từ thân toa xe tới giá chuyển hướng | KT | KT | KT | KT | Lắp đặt chắc chắn, đủ khoảng hở với các chi tiết xung quanh |
| 12.8 | Kiểm tra tính năng hãm trên thiết bị thử hãm chuyên dùng | KT | KT | KT | KT | Phù hợp với quy định tại Phụ lục A |
| 12.9 | Khoảng cách hãm | KT | KT | KT | KT | Không lớn hơn 800 m |
| 13 | Hệ thống thông gió, ĐHKK |
|
|
|
|
|
| 13.1 | Lưu lượng khí tươi | KT | KT | KT | KT | Kiểm tra theo Phụ lục C, phù hợp với 2.2.10.1 |
| 13.2 | Nhiệt độ trung bình, chênh lệch nhiệt độ tại cửa gió làm mát, tốc độ gió trung bình | KT | KT | KT | KT | Kiểm tra theo Phụ lục C. Yêu cầu phù hợp với 2.2.10.2 |
| 14 | Độ ồn bên trong toa xe khách | KT1 | - | KT1 | - | Kiểm tra theo phương pháp quy định tại Phụ lục D, phù hợp với 2.2.11 |
| 15 | Yêu cầu phòng cháy |
|
|
|
|
|
| 15.1 | Giải pháp, thiết kế về ngăn cháy, chống cháy lan | HS1 | - | HS1 | - | Phù hợp với 2.2.12.1 a |
| 15.2 | Các điều kiện an toàn về phòng cháy theo quy định của pháp luật về phòng cháy, chữa cháy và đường sắt của toa xe chuyên chở hàng hóa nguy hiểm về cháy, nổ | - | HS1 | - | HS1 | Phù hợp với 2.2.12.1 b |
| 15.3 | Bình chữa cháy | KT | KT | KT | KT | Phù hợp với 2.2.12.1 c và 2.2.12.1 e |
| 15.4 | Thiết bị báo cháy, đèn chiếu sáng dùng khi sự cố, thiết bị phát hiện sự cố rò rỉ chất khí, chất lỏng nguy hiểm về cháy, nổ (nếu có). | KT | KT | KT | KT | Lắp đặt chắc chắn, hoạt động bình thường |
| 16 | Yêu cầu thoát hiểm |
|
|
|
|
|
| 16.1 | Cửa thoát hiểm | KT | - | KT | - | Phù hợp với 2.2.12.2.1 |
| 16.2 | Kiểu loại kính an toàn | HS | - | HS | - | Phù hợp với tài liệu kỹ thuật |
| 16.3 | Búa thoát hiểm | KT | - | KT | - | Phù hợp với 2.2.12.2.2 |
| 17 | Yêu cầu bảo vệ môi trường |
|
|
|
|
|
| 17.1 | Thiết bị vệ sinh tự hoại | HS | - | HS | - | Phù hợp với 2.2.13.2 |
| 17.2 | Trạng thái lắp đặt của thiết bị vệ sinh tự hoại | KT | - | KT | - | Phù hợp với 2.2.13.3 |
| 18 | Hệ thống điện |
|
|
|
|
|
| 18.1 | Thiết bị kết nối với nguồn điện cấp bên ngoài | KT | KT | KT | KT | Lắp đặt chắc chắn, hoạt động bình thường |
| 18.2 | Điện trở cách điện | KT | KT (3) | KT | KT (3) | Phù hợp với 2.2.14.2 |
| 19 | Thiết bị phát thanh thông tin hành khách | KT | - | KT | - | Phù hợp với 2.2.15 |
| 20 | Độ rọi của đèn chiếu sáng bên trong toa xe | KT1 | - | KT1 | - | Kiểm tra theo phương pháp quy định tại Phụ lục B. Độ rọi của đèn chiếu sáng phải phù hợp với 2.2.16 |
| 21 | Hệ thống cấp nước, thoát nước |
|
|
|
|
|
| 21.1 | Hệ thống đường ống, két nước, van xả đáy; | KT | - | KT | - | Phù hợp với 2.2.17 |
| 21.2 | Các khoá, vòi nước, bơm nước trong hệ thống cấp nước. | KT | - | KT | - | Hoạt động bình thường |
| 22 | Yêu cầu đối với toa xe tiếp cận cho người khuyết tật |
|
|
|
|
|
| 22.1 | Cửa toa xe | KT | - | KT | - | Phù hợp với 2.2.18.1 |
| 22.2 | Bậc lên xuống toa xe | KT | - | KT | - | Phù hợp với 2.2.18.2 |
| 22.3 | Sàn toa xe | KT | - | KT | - | Phù hợp với 2.2.18.3 |
| 22.4 | Tay vịn, tay nắm | KT | - | KT | - | Phù hợp với 2.2.18.4 |
| 22.5 | Chỗ ngồi cho người khuyết tật, chỗ dành cho xe lăn | KT | - | KT | - | Phù hợp với 2.2.18.5 |
| 22.6 | Buồng vệ sinh | KT | - | KT | - | Phù hợp với 2.2.18.6 |
| 22.7 | Thiết bị thông tin liên lạc | KT | - | KT | - | Phù hợp với 2.2.18.7 |
| 22.8 | Thiết bị đưa xe lăn lên và xuống toa xe | KT | - | KT | - | Phù hợp với 2.2.18.8 |
| 23 | Chạy thử | KT | KT | KT | KT | Quãng đường thử đối với TXK, TXH không nhỏ hơn 100 km, đối với PTCD phù hợp với tài liệu kỹ thuật; tốc độ chạy thử phù hợp với tốc độ cho phép của tuyến đường. Trong quá trình chạy thử kiểm tra các nội dung từ 23.1 đến 23.4 trong bảng này |
| 23.1 | Tác dụng hãm của hệ thống hãm | KT | KT | KT | KT | Hoạt động bình thường, có tác dụng hãm |
| 23.2 | Nhiệt độ hộp trục | KT | KT | KT | KT | Không có hiện tượng sinh nhiệt bất thường phù hợp với tài liệu kỹ thuật. |
| 23.3 | Trạng thái liên kết của các mối ghép bu lông | KT | KT | KT | KT | Chắc chắn, không long lỏng |
| 23.4 | Các hệ thống, thiết bị khác | KT | KT | KT | KT | Không phát sinh hư hỏng, biến dạng bất thường |
| 24 | Kiểm tra báo cáo thử nghiệm vận dụng đối với toa xe kiểu loại mới | HS1 | HS1 | HS1 | HS1 | Phù hợp với 2.1.4 |
| Ghi chú: (1): Các nội dung kiểm tra có hình thức kiểm tra “-” có nghĩa là không áp dụng. (2): Chỉ thực hiện đối với toa xe hàng có kết cấu mui kín (toa xe có mui, toa xe trưởng tàu, toa xe đông lạnh, xe chở ô tô...) (3): Chỉ thực hiện đối với toa xe hàng có lắp thiết bị điện. (4): Chỉ thực hiện đối với toa xe hàng có lắp van hãm khẩn cấp. | ||||||
3.3 Nội dung kiểm tra toa xe đường sắt đô thị nhập khẩu mới
Toa xe đường sắt đô thị nhập khẩu mới phải được kiểm tra các nội dung theo quy định tại Bảng 6 của quy chuẩn này.
Bảng 6: Nội dung kiểm tra toa xe đường sắt đô thị nhập khẩu mới
| STT | Nội dung kiểm tra | Hình thức kiểm tra | Yêu cầu |
| Kiểm tra toa xe ở trạng thái tĩnh | |||
| 1 | Số hiệu phương tiện | KT | Phù hợp với 2.1.5 |
| 2 | Thông qua khổ giới hạn | HS1 | Phù hợp với 2.1.2 |
| 3 | Tự trọng toa xe và tải trọng trục, tải trọng bánh xe | ||
| 3.1 | Tự trọng toa xe | HS1 | Phương pháp xác định theo Phụ lục E, yêu cầu phù hợp với 2.3.3.1 |
| 3.2 | Tải trọng trục | HS1 | Phương pháp xác định theo Phụ lục E, yêu cầu phù hợp với 2.3.3.2 |
| 3.3 | Tải trọng bánh xe | HS1 | Phương pháp xác định theo Phụ lục E, yêu cầu phù hợp với 2.3.3.2 |
| 4 | Độ kín nước thân xe | HS | Phù hợp với 2.3.4.1 |
| 5 | Thân toa xe | ||
| 5.1 | Chiều cao sàn xe | KT | Phù hợp với 2.3.4.2 |
| 5.2 | Chiều cao tấm gạt chướng ngại vật đến mặt đỉnh ray | KT | Phù hợp với 2.3.4.3 |
| 6 | Buồng lái | ||
| 6.1 | Bố trí các thiết bị, nút bấm chức năng trên bàn điều khiển | KT | Phù hợp với 2.3.5.1 |
| 6.2 | Kiểu loại kính trong buồng lái | HS | Phù hợp với 2.3.5.2 |
| 6.3 | Tình trạng kính trước buồng lái | KT | Lắp đặt chắc chắn, kín khít, không nứt vỡ gây ảnh hưởng tầm nhìn lái tàu. |
| 6.4 | Gạt nước mưa, tấm che nắng | KT | Đủ số lượng theo tài liệu kỹ thuật, hoạt động bình thường |
| 6.5 | Cửa ngăn cách giữa khoang hành khách và buồng lái | KT | Phù hợp với 2.3.5.3 |
| 6.6 | Ghế lái tàu | KT | Phù hợp với 2.3.5.4 |
| 7 | Khoang hành khách |
|
|
| 7.1 | Kiểu loại kính cửa sổ, cửa hành khách | HS | Phù hợp với 2.3.6.1 |
| 7.2 | Tình trạng kính cửa sổ, kính cửa hành khách | KT | Lắp đặt chắc chắn, không nứt vỡ thấm nước |
| 7.3 | Ghế hành khách, cột bám, tay vịn, đai vịn | KT | Đủ số lượng, lắp đặt chắc chắn |
| 7.4 | Độ rọi đèn chiếu sáng bên trong toa xe, thiết bị chiếu sáng khẩn cấp | KT | Kiểm tra theo phương pháp quy định tại Phụ lục B. Yêu cầu độ rọi đèn phải phù hợp với 2.3.6.3 |
| 7.5 | Cầu giao thông giữa hai toa xe | KT | Phù hợp với 2.3.6.4 |
| 7.6 | Vị trí dành cho hành khách đi xe lăn | KT | Tay nắm, tay vịn đầy đủ, lắp đặt chắc chắn phù hợp với tài liệu kỹ thuật |
| 8 | Hệ thống cửa hành khách |
|
|
| 8.1 | Kích thước lưu thông khi mở hết hành trình (chiều cao x chiều rộng) | KT | Không nhỏ hơn 1800 x1300 mm |
| 8.2 | Hiển thị trạng thái đóng/mở và sự cố của cửa hành khách trên bàn điều khiển của lái tàu | KT | Hiển thị đầy đủ rõ ràng |
| 8.3 | Chức năng phát hiện vật cản của cửa hành khách | KT | Hoạt động bình thường |
| 8.4 | Hoạt động của thiết bị mở cửa khẩn cấp bên trong toa xe | KT | Phù hợp với tài liệu kỹ thuật |
| 8.5 | Hoạt động của thiết bị mở cửa khẩn cấp từ bên ngoài toa xe | KT | Phù hợp với 2.3.7.6 |
| 9 | Móc nối |
|
|
| 9.1 | Kiểu loại móc nối | KT | Phù hợp với tài liệu kỹ thuật |
| 9.2 | Chiều cao móc nối và chênh lệch chiều cao móc nối 2 toa xe đầu đoàn tàu | KT | Phù hợp với tài liệu kỹ thuật |
| 9.3 | Kết nối khí nén, kết nối điện, kết nối dữ liệu trên móc nối (nếu có) | KT | Phù hợp với 2.3.8.5 |
| 10 | Giá chuyển hướng |
|
|
| 10.1 | Biên dạng mặt lăn | KT | Phù hợp với 2.3.9.1 |
| 10.2 | Trạng thái lắp đặt thiết bị hãm, hệ thống treo, động cơ điện kéo, hộp giảm tốc, thiết bị bôi trơn gờ bánh xe (nếu có) | KT | Lắp đặt chắc chắn |
| 10.3 | Đường kính bánh xe và sai lệch về đường kính bánh xe trên cùng một trục, một giá chuyển hưởng | KT | Phù hợp với tài liệu kỹ thuật |
| 10.4 | Giang cách bánh xe | KT | Phù hợp với tài liệu kỹ thuật |
| 10.5 | Van chênh áp | HS | Trị số chênh lệch áp suất điều chỉnh phải phù hợp với tài liệu kỹ thuật |
| 10.6 | Van điều chỉnh độ cao lò xo không khí | KT | Lắp đặt chắc chắn, hoạt động bình thường |
| 11 | Hệ thống khí nén |
|
|
| 11.1 | Thời gian nạp từ 0 bar lên áp suất làm việc của bình chứa khí nén chính | KT | Phù hợp với tài liệu kỹ thuật |
| 11.2 | Hoạt động của các van điều chỉnh áp suất, van an toàn | KT | Hoạt động bình thường, phù hợp với tài liệu kỹ thuật |
| 12 | Hệ thống hãm |
|
|
| 12.1 | Áp suất xi lanh hãm khi hãm thường, hãm khẩn | KT | Phù hợp với tài liệu kỹ thuật |
| 12.2 | Độ kín của hệ thống hãm khí nén | KT | Phù hợp với 2.3.11.7 |
| 13 | Hệ thống điện |
|
|
| 13.1 | Điện trở cách điện của mạch điện cấp điện cho động cơ điện kéo | HS | Phù hợp với 2.3.12.1 |
| 13.2 | Thử nghiệm khả năng chịu điện áp của mạch điện cấp điện cho động cơ điện kéo | HS | Phù hợp với 2.3.12.2 |
| 13.3 | Ắc quy |
|
|
|
| Số lượng, kiểu loại, thông số kỹ thuật | KT | Phù hợp với tài liệu kỹ thuật |
|
| Trạng thái lắp đặt | KT | Phù hợp với 2.3.12.6 b |
|
| Cấp điện trong trường hợp khẩn cấp | KT | Phù hợp với 2.3.12.6 c |
| 13.4 | Trạng thái đấu nối dây cáp điện trong các tủ thiết bị điện trên tàu | KT | Lắp đặt chắc chắn |
| 14 | Hệ thống thông gió và ĐHKK |
|
|
| 14.1 | Kiểm tra vận hành | KT | Phù hợp với 2.3.13.1 |
| 14.2 | Lưu lượng khí tươi cấp cho hành khách | KT | Phù hợp với 2.3.13.2 |
| 14.3 | Nhiệt độ trung bình, chênh lệch nhiệt độ tại cửa gió làm mát, tốc độ gió trung bình | KT | Kiểm tra theo Phụ lục C. Yêu cầu phù hợp với 2.3.13.3 |
| 15 | Thiết bị an toàn |
|
|
| 15.1 | Thiết bị dừng tàu khẩn cấp và thiết bị chống ngủ gật | KT | Hoạt động bình thường, tính năng phù hợp với tài liệu kỹ thuật |
| 15.2 | Còi trên toa xe có buồng lái | KT | Hoạt động bình thường |
| 15.3 | Đèn chiếu sáng phía trước | KT | Hoạt động bình thường |
| 15.4 | Đèn tín hiệu đuôi tàu | KT | Ánh sáng đỏ, hiển thị đủ để nhìn thấy được bằng mắt trong khoảng cách hãm an toàn theo tài liệu kỹ thuật |
| 15.5 | Biển chỉ dẫn thiết bị mở cửa khẩn cấp, thiết bị chữa cháy, cảnh báo điện áp cao và hướng dẫn thao tác trong tủ điện | KT | Đủ số lượng, chỉ dẫn rõ ràng |
| 15.6 | Bình chữa cháy trong buồng lái và khoang hành khách | KT | Đủ số lượng, còn hạn sử dụng |
| 15.7 | Thiết bị cảnh báo cháy/khói (nếu có) | KT | Hoạt động bình thường |
| 16 | Hệ thống phát thanh, thông tin hành khách và liên lạc trên tàu |
|
|
| 16.1 | Thiết bị liên lạc giữa lái tàu với trung tâm điều hành chạy tàu. | KT | Hoạt động bình thường |
| 16.2 | Thiết bị liên lạc giữa hành khách với lái tàu trong trường hợp khẩn cấp. | KT |
Số lượng thiết bị, vị trí lắp đặt đúng với tài liệu kỹ thuật của nhà sản xuất |
| 16.3 | Bảng hiển thị hướng tàu chạy phía trước đoàn tàu | KT | Hoạt động bình thường, hiển thị đúng hướng tàu chạy |
| 16.4 | Bảng hiển thị sơ đồ tuyến; phát thanh thông tin ga sắp đến, thông tin hướng dẫn hành khách lên xuống tàu. | KT | Thông báo, hiển thị chính xác thông tin về ga sắp đến và bên cửa mở. |
| Kiểm tra vận hành trên đường |
|
| |
| 17 | Tính năng liên khóa của hệ thống cửa | KT | Phù hợp với 2.3.7.4 |
| 18 | Bộ tiếp điện |
|
|
| 18.1 | Trạng thái lắp đặt | KT | Lắp đặt chắc chắn |
| 18.2 | Tình trạng tiếp điện | KT |
- Bề mặt tiếp xúc của thiết bị lấy điện mòn đều, không hư hỏng bất thường |
| 19 | Gia tốc khởi động trung bình | CK1 | Phù hợp với 2.3.3.3 |
| 20 | Hệ thống hãm khi tàu vận hành |
|
|
| 20.1 | Tính năng điều khiển độc lập hãm khí nén và hãm điện | KT | Phù hợp với 2.3.11.2 |
| 20.2 | Tính năng điều khiển phối hợp giữa hãm khí nén và hãm điện | KT | Phù hợp với 2.3.11.3 |
| 20.3 | Giảm tốc hãm trung bình | CK1 | Phù hợp với 2.3.3.4 |
| 20.4 | Tính năng hãm giữ tàu không bị trôi trên dốc | KT1 | Phù hợp với 2.3.11.6 |
| 21 | Hệ thống chống trượt bánh xe | CK1 | Hoạt động bình thường. |
| 22 | Độ ồn bên trong toa xe |
|
|
| 22.1 | Trong buồng lái | KT1 | Kiểm tra theo phương pháp quy định tại Phụ lục D, yêu cầu phù hợp với 2.3.3.5 |
| 22.2 | Trong khoang hành khách | KT1 |
|
| 23 | Thông qua đường cong | KT1 | Thông qua được đường cong có bán kính nhỏ nhất trên tuyến |
| 24 | Vận hành tàu khi hệ thống động lực gặp sự cố | KT1 | Phù hợp với 2.3.3.6 |
| 25 | Kiểm tra hệ thống điều khiển chạy tàu |
|
|
| 25.1 | Tính năng phòng vệ tàu tự động | KT | Tính năng bảo vệ quá tốc độ và bảo vệ vi phạm tín hiệu dừng tàu ở các chế độ lái phù hợp với tài liệu kỹ thuật. |
| 25.2 | Tính năng vận hành tàu tự động |
|
|
|
| Khả năng tăng tốc, hãm, duy trì tốc độ | KT | Tính năng vận hành tàu tự động ở các chế độ lái phù hợp với tài liệu kỹ thuật |
|
| Tính năng điều khiển đóng mở cửa khi tàu dừng đỗ, khởi hành | KT | |
|
| Độ chính xác dừng tàu | KT | |
| 25.3 | Tính năng giám sát tự động theo thời gian thực |
|
|
|
| Truyền tải thông tin về vị trí, tốc độ tàu theo thời gian thực. | KT | Các thông tin được truyền tải phải phù hợp với tài liệu kỹ thuật. Thông tin phải được truyền tải đầy đủ về OCC theo thời gian thực. |
| 26 | Kiểm tra báo cáo thử nghiệm vận dụng đối với toa xe đường sắt đô thị kiểu loại mới. | HS1 | Phù hợp với 2.1.4 |
4. Quy định về quản lý
4.1. Phương tiện sản xuất lắp ráp, nhập khẩu mới phải thỏa mãn yêu cầu kỹ thuật của quy chuẩn này. Nhà sản xuất, tổ chức nhập khẩu phương tiện phải chịu trách nhiệm về chất lượng phương tiện do mình sản xuất lắp ráp, nhập khẩu.
4.2. Việc kiểm tra, chứng nhận phương tiện sản xuất lắp ráp và nhập khẩu mới thực hiện theo quy định của Bộ trưởng Bộ Xây dựng về quản lý, khai thác vận tải đường sắt.
4.3. Các nội dung quy định tại Bảng 5, Bảng 6 đã được kiểm tra theo QCVN 18:2023/BGTVT trước ngày quy chuẩn này có hiệu lực thì không phải kiểm tra lại, các nội dung chưa được kiểm tra thì áp dụng theo quy định của quy chuẩn này.
4.4. Đối với phương tiện giao thông đường sắt có kích thước lớn hơn giới hạn quy định tại điểm 2.1.2 của quy chuẩn này thì vẫn được thực hiện việc kiểm tra và chứng nhận theo quy chuẩn này nhưng trong Báo cáo kiểm tra và Giấy chứng nhận ghi rõ: phương tiện này có thông số kích thước vượt quá khổ giới hạn phương tiện của tuyến đường sắt dự định vận hành.
4.5. Trong trường hợp các văn bản, tài liệu được viện dẫn trong quy chuẩn này có thay đổi, bổ sung về các nội dung liên quan hoặc được thay thế thì thực hiện theo quy định trong văn bản mới.
5 Tổ chức thực hiện
5.1. Tổ chức đăng kiểm chịu trách nhiệm tổ chức thực hiện kiểm tra trong sản xuất lắp ráp và nhập khẩu mới đối với phương tiện theo quy định tại Điều 3 của quy chuẩn này.
5.2. Nhà sản xuất chịu trách nhiệm quản lý chất lượng trong quá trình sản xuất lắp ráp phương tiện đảm bảo tuân thủ các quy định của quy chuẩn này.
5.3. Tổ chức nhập khẩu hoặc tổ chức, cá nhân đăng ký kiểm tra, chứng nhận chất lượng an toàn kỹ thuật và bảo vệ môi trường phương tiện có trách nhiệm phối hợp với nhà sản xuất/thiết kế cung cấp tài liệu kỹ thuật, báo cáo thử nghiệm theo quy định tại Phụ lục G và chuẩn bị phương tiện với đầy đủ các điều kiện cần thiết để tiến hành kiểm tra theo Điều 3 của quy chuẩn này.
Phụ lục A
Phương pháp kiểm tra hệ thống hãm trên thiết bị thử hãm chuyên dùng
A1 Yêu cầu về thiết bị thử hãm
a) Hệ thống hãm của toa xe được kiểm trên thiết bị thử hãm riêng từng toa xe (máy thử hãm đơn xa) hoặc máy hãm độc lập (hãm riêng) trên đầu máy, sau đây gọi chung là thiết bị thử hãm.
b) Phương tiện đo áp suất của thiết bị thử hãm làm việc bình thường và phải được kiểm soát về đo lường theo quy định.
A2 Yêu cầu đối với toa xe trước khi thử hãm
a) Toa xe ở trên đường thẳng và phẳng, hệ thống hãm đã được lắp ráp hoàn chỉnh phù hợp với tài liệu kỹ thuật.
b) Phương tiện đo áp suất trên toa xe làm việc bình thường, cấp chính xác không dưới 1,5 và phải được kiểm soát về đo lường theo quy định.
A3 Nội dung và yêu cầu về kết quả kiểm tra
Kiểm tra hoạt động của hệ thống hãm khí nén bằng thiết bị thử hãm theo các nội dung dưới đây:
A3.1 Kiểm tra độ xì hở của hệ thống hãm khí nén
A3.1.1 Kiểm tra độ kín ống gió chính:
Khóa đường ống gió phụ, đưa tay hãm của thiết bị thử hãm (sau đây gọi là tay hãm) về vị trí cấp gió nhanh để cấp đủ 5 bar sau đó đưa tay hãm về vị trí bảo áp. Kiểm tra áp suất đường ống gió, yêu cầu áp suất ống gió chính không được giảm quá 0,1 bar trong 5 phút.
A3.1.2 Kiểm tra độ kín bình chịu áp lực, xi lanh hãm, van hãm
Mở đường ống gió phụ, đưa tay hãm về vị trí cấp gió nhanh để cấp đủ 5 bar tiếp tục đưa về vị trí hãm thường giảm áp 0,7 bar, sau đó đưa tay hãm về vị trí bảo áp. Kiểm tra áp suất đường ống gió chính. Yêu cầu áp suất của hệ thống hãm không được giảm quá 0,1 bar trong 3 phút.
A3.1.3 Kiểm tra độ nhạy van hãm
Đưa tay hãm về vị trí cấp gió nhanh để cấp đủ 5 bar, sau đó đưa tay hãm về vị trí hãm chậm giảm áp theo quy định của từng loại van hãm, kiểm tra pít-tông. Yêu cầu pít-tông phải dịch chuyển ra khi giảm áp suất ống gió chính theo quy định của từng loại van.
A3.2 Kiểm tra khả năng nhả hãm
Pít-tông của xi lanh hãm (sau đây gọi là pít-tông) phải dịch chuyển ra khi thử độ nhạy của van hãm, đưa tay hãm về vị trí cấp gió chậm, kiểm tra pít-tông. Yêu cầu pít-tông phải dịch chuyển vào khi nạp lại gió cho hệ thống hãm đủ 5 bar.
A3.3 Kiểm tra tính năng hãm thường và giữ hãm 10 phút.
Đưa tay hãm về vị trí cấp gió nhanh để cấp đủ 5 bar, tiếp tục đưa tay hãm về vị trí hãm thường giảm 1,4 bar, rồi đưa tay hãm về vị trí bảo áp trong 10 phút, sau đó đưa tay hãm về vị trí cấp gió nhanh, kiểm tra pít-tông. Yêu cầu hệ thống hãm phải có tác dụng hãm thường (pít-tông phải dịch chuyển từ từ, đủ hành trình quy định), không được phát sinh hãm khẩn (pít-tông dịch chuyển đột ngột hết hành trình) hoặc nhả hãm và phải duy trì trạng thái này ít nhất trong 10 phút và phải nhả hãm hoàn toàn trong một phút.
A3.4 Đo hành trình pít-tông (khi hành trình pít-tông ở trạng thái ổn định trong thời gian giữ hãm 10 phút). Yêu cầu phải đúng theo tài liệu kỹ thuật.
A3.5 Ở chế độ hãm thường, đo độ hở giữa suốt hãm, cá hãm với thân trục bánh xe và độ hở giữa xà mang guốc hãm với gờ bánh xe. Yêu cầu các độ hở phải đúng tài liệu kỹ thuật.
A3.6 Kiểm tra guốc hãm, má hãm, cá hãm
Yêu cầu guốc hãm phải có đủ chốt giữ; khi hãm guốc hãm tỳ đều trên mặt lăn bánh xe và cá hãm phải vuông góc với phương truyền lực hoặc nghiêng không quá 15 o về phía có lợi cho quá trình phát huy lực hãm; khi nhả hãm guốc hãm cách mặt lăn bánh xe từ 5 mm đến 10 mm, guốc hãm không gục đầu; chiều dày guốc, má hãm theo tài liệu kỹ thuật.
A3.7 Kiểm tra tính năng hãm khẩn
Đưa tay hãm về vị trí cấp gió nhanh để cấp đủ áp suất 5 bar, tiếp tục đưa tay hãm về vị trí hãm khẩn giảm áp nhanh 1,4 bar, sau đó đưa về vị trí bảo áp, kiểm tra pít-tông, cá hãm, suốt hãm, xà mang guốc hãm. Yêu cầu hệ thống hãm phải có tác dụng hãm khẩn trước khi áp suất giảm tới 3,6 bar và có tác dụng nhả hãm khi nạp lại gió cho hệ thống hãm đủ 5 bar, các chi tiết hệ thống nói trên không được nứt vỡ, biến dạng.
A3.8 Kiểm tra tính năng nhả hãm giai đoạn (chỉ thực hiện đối với toa xe lắp van hãm có tính năng nhả hãm giai đoạn)
Đưa tay hãm về vị trí cấp gió nhanh cấp đủ áp suất 5 bar, đưa tay hãm về vị trí hãm thường giảm áp 1,4 bar, đưa về vị trí bảo áp, chờ áp suất xi lanh hãm ổn định, đưa tay hãm về vị trí cấp gió nhanh để áp suất ống hãm đến 3,8 bar, đưa về vị trí bảo áp, chờ áp suất xi lanh hãm ổn định, đưa tay hãm về vị trí cấp gió nhanh để áp suất ống hãm đến 4 bar, đưa về vị trí bảo áp, chờ áp suất xi lanh hãm ổn định. Lặp lại thao tác cho đến khi nhả hãm hoàn toàn. Yêu cầu hệ thống hãm phải có tác dụng nhả hãm giai đoạn, mỗi khi tăng áp suất ống hãm thì áp suất hãm phải giảm.
Phụ lục B
Phương pháp kiểm tra độ rọi trong toa xe khách, toa xe đường sắt đô thị
B1 Dụng cụ đo
Sử dụng lux kế để đo độ rọi, lux kế phải được kiểm soát về đo lường theo quy định.
B2 Điều kiện đo kiểm độ rọi
B2.1 Khi đo cần cách ly với nguồn sáng từ bên ngoài, tất cả các cửa đều phải đóng kín, bật hết tất cả các đèn chiếu sáng và tiến hành đo trong trạng thái toa xe đứng yên, không chứa hành khách (không được bật các đèn chiếu sáng cục bộ như đèn bàn, đèn đầu giường trong khi đo).
B2.2 Việc đo độ rọi phải được tiến hành ở điện áp có sai số không lớn hơn 5% so với điện áp định mức của thiết bị.
B3 Phương pháp đo độ rọi
Đặt dụng cụ đo song song với mặt phẳng sàn xe, tại vị trí đo theo quy định, cảm biến ánh sáng của dụng cụ đo hướng về nguồn sáng, đợi trị số ổn định tiến hành đọc kết quả đo.
B4 Vị trí đo độ rọi
B4.1 Buồng hành khách
a) Toa xe ghế ngồi, toa xe đường sắt đô thị đo ở vị trí đường trung tâm ghế ngồi, phía trước lưng ghế 0,6 m, cách mặt sàn 0,8 m.
b) Toa xe giường nằm cứng, nằm mềm có từng phòng: đo ở trung tâm bàn uống nước hoặc trung tâm phòng tại điểm cách sàn 0,8 m.
c) Toa xe giường nằm cứng kiểu mở: đo tại điểm giao đường trung tâm dọc xe với đường tâm giữa 2 giường, cách mặt sàn 0,8 m.
d) Toa xe hàng ăn: đo ở điểm chính giữa bàn ăn.
B4.2 Hành lang: đo ở điểm giữa 2 đèn theo đường trung tâm dọc hành lang, cách mặt sàn 0,8 m.
B4.3 Cầu qua lại: ở chính giữa, cách mặt cầu 0,8 m.
B4.4 Buồng rửa mặt, buồng vệ sinh: chính giữa buồng, cách mặt sàn 1,5 m.
B5 Phương pháp tính toán
B5.1 Độ rọi trung bình buồng khách tính theo công thức:

E - Độ rọi ở các điểm đo
n - Số điểm đo
B5.2 Độ rọi đều:

Emin - Độ rọi nhỏ nhất
Etb - Độ rọi trung bình
Phụ lục C
Phương pháp kiểm tra ĐHKK và đo các tham số không khí trong toa xe khách và toa xe đường sắt đô thị
C1. Yêu cầu đối với thiết bị đo
C1.1. Thiết bị đo có trạng thái làm việc bình thường và phải được kiểm soát về đo lường theo quy định.
C1.2. Sai số của thiết bị đo:
a) Thiết bị đo nhiệt độ, sai số không lớn hơn ± 0,5 °C.
b) Thiết bị đo độ ẩm, sai số không lớn hơn ± 3 %.
c) Thiết bị đo tốc độ gió, sai số không lớn hơn ± 3 % (trong phạm vi đo từ 0,05 m/s đến 2 m/s).
C2. Yêu cầu đối với toa xe trước khi kiểm tra
C2.1 Toa xe trước khi kiểm tra ĐHKK và đo các tham số không khí đều phải được kiểm tra dột hắt để đảm bảo không có hiện tượng lọt nước.
C2.2 Toa xe trước khi đo, phải mở các cửa xe và cửa sổ để nhiệt độ, độ ẩm không khí trong và ngoài xe được cân bằng.
C2.3 Toa xe được kiểm tra đảm bảo độ an toàn về điện của máy ĐHKK.
C3. Kiểm tra công suất làm lạnh
C3.1. Điều kiện nhiệt độ, môi trường trong và ngoài toa xe, theo tài liệu kỹ thuật.
C3.2. Vận hành máy điều hòa không khí với chế độ nhiệt độ đặt là 25 °C, cứ 10 phút một lần, ghi lại nhiệt độ tại các điểm đo, đo dòng điện tải.
C3.3. Yêu cầu thời gian từ khi hệ thống điều hòa không khí hoạt động cho tới khi nhiệt độ trong toa xe đạt 25°C không quá 60 phút, độ ẩm tương đối tại cửa khí hồi phải phù hợp với tài liệu kỹ thuật. Trị số dòng tải không vượt quá giá trị định mức của máy ĐHKK.
C4. Kiểm tra công suất sưởi
C4.1. Điều kiện nhiệt độ, môi trường trong và ngoài toa xe theo tài liệu kỹ thuật.
C4.2. Vận hành máy ĐHKK với chế độ nhiệt độ cài đặt là 25 °C, cứ 10 phút một lần, ghi lại nhiệt độ từng phòng, đo dòng điện tải
C4.3. Yêu cầu thời gian từ khi máy ĐHKK hoạt động cho tới khi nhiệt độ trong toa xe đạt 25 °C không quá 30 phút. Trị số dòng tải không vượt quá giá trị định mức của máy ĐHKK.
C5. Vị trí điểm đo tham số không khí trong khoang hành khách
Khi đo, yêu cầu tất cả các cửa xe, cửa sổ đều được đóng kín. Tất cả các lỗ thông gió của toa xe với bên ngoài ở trạng thái hoạt động bình thường.
C5.1. Đối với toa xe ghế ngồi và toa xe đường sắt đô thị
Các điểm đo được lựa chọn như sau: chọn 1 điểm ở chính giữa khoang hành khách, chọn 2 điểm ở vị trí giao cắt của đường trung tâm dọc toa xe với đường trung tâm 2 hàng ghế ngồi sát gần 2 trung tâm giá chuyển hướng.

Điểm đo cách sàn xe 1,7 m.
C5.2. Đối với toa xe giường nằm
a) Bố trí điểm đo như sơ đồ dưới đây:

b) Điểm đo tại trung tâm giường và cách mặt giường 0,3 m. Điểm đo ở 2 đầu hành lang và giữa hành lang cách sàn 1,7 m. Riêng đối với đo tốc độ gió thì mỗi giường bố trí 2 điểm đo ứng với vị trí của đầu và chân hành khách và đặt cách mặt giường 0,3 m.
C6. Phương pháp đo và cách tính tham số không khí trong buồng khách
Vận hành máy ĐHKK với nhiệt độ cài đặt là 25 °C.
C6.1. Đo lưu lượng không khí tươi cung cấp cho mỗi hành khách
Sử dụng thiết bị đo gió, tiến hành đo tốc độ gió tại các cửa hút khí tươi, đo mỗi cửa từ 8 đến 10 điểm tại các vị trí khác nhau sau đó tính vận tốc gió trung bình bằng trung bình cộng các giá trị đo được. Tổng lưu lượng khí tươi cấp cho toa xe bằng tốc độ gió trung bình nhân với tổng diện tích các cửa hút khí tươi. Lượng không khí tươi cung cấp cho mỗi hành khách bằng tổng lưu lượng khí tươi tính được chia cho số lượng hành khách và nhân viên phục vụ trên toa xe đó.
C6.2. Đo nhiệt độ trung bình và chênh lệch nhiệt độ
Cho máy ĐHKK hoạt động trong 30 phút (các cửa phòng đã được đóng) ở nhiệt độ đặt là 25 °C (trong trường hợp không có bù nhiệt), dùng nhiệt kế đo nhiệt độ tại các điểm quy định tại mục C5, nhiệt độ bình quân bằng trung bình cộng các giá trị đo được. Chênh lệch nhiệt độ bằng hiệu các giá trị đo được.
C6.3. Đo độ ẩm tương đối trung bình
Thực hiện sau khi đo nhiệt độ, sử dụng thiết bị đo độ ẩm, tiến hành đo tại các điểm quy định tại mục C5, độ ẩm tương đối trung bình bằng trung bình cộng các giá trị đo được.
C6.4. Tốc độ gió trung bình
Sử dụng thiết bị đo gió đo tốc độ gió tại các điểm quy định tại mục C5, tốc độ gió trung bình bằng trung bình cộng các giá trị đo được.
Phụ lục D
Phương pháp kiểm tra độ ồn bên trong toa xe khách, toa xe đường sắt đô thị
D1. Yêu cầu đối với thiết bị đo
D1.1 Máy đo mức âm có sai số không quá ± 1,5 dB.
D1.2 Máy đo mức âm có trạng thái làm việc bình thường và phải được kiểm soát về đo lường theo quy định.
D2. Yêu cầu về môi trường âm học, điều kiện thời tiết
D2.1 Môi trường âm học
Địa điểm đo phải là nơi ít chịu ảnh hưởng của tiếng ồn và phản xạ của các kiến trúc xung quanh (nhà cửa, đồi núi), nếu có phải ghi rõ trong điều kiện thử nghiệm.
D2.2 Điều kiện thời tiết
Các điều kiện thời tiết như mưa, nhiệt độ môi trường phải không ảnh hưởng đến các kết quả đo.
D3. Điều kiện đường khi kiểm tra
D3.1 Kiểm tra độ ồn khi vận hành trên đường phải tiến hành trên đường đạt tiêu chuẩn từ cấp 2 trở lên, tốc độ cho phép của đường không nhỏ hơn 65 km/h, đường thẳng có độ dốc nhỏ hơn 6 ‰, không đo ở các đường hầm, cầu vượt, ghi, khu vực ga và đường tránh tàu.
D3.2 Đường thử nghiệm phải là đường có mặt ray không bị hư hỏng.
D4. Yêu cầu đối với toa xe trước khi kiểm tra
D4.1 Các cửa ra vào, cửa sổ và cửa thông gió của toa xe đều phải ở vị trí đóng bình thường khi tiến hành thử nghiệm.
D4.2 Khi thử nghiệm các thiết bị phải vận hành ở chế độ phục vụ với số lượng hành khách danh nghĩa.
D4.3 Tốc độ chạy tàu khi đánh giá độ ồn bên trong toa xe đường sắt đô thị được lựa chọn trong khoảng từ 60 km/h đến 80 km/h.
D5. Xác định trị số đo
D5.1 Đơn vị đo độ ồn là dB.
D5.2 Thời gian lấy mẫu không được ít hơn 5 giây, lấy giá trị trung bình hiển thị trên máy đo. Mỗi điểm đo phải đo 3 lần, rồi lấy trị số trung bình của 3 lần đo đã được làm tròn đến hàng đơn vị. Phải loại bỏ những trị số đo có sai lệch lớn bất thường so với độ ồn trung bình, nếu trong cùng một điều kiện đo mà các kết quả đo của 3 lần sai lệch nhau quá 3 dB thì phải tiến hành đo lại.
D6. Vị trí đo
Khi đo, mặt đầu thu hướng lên trên, đường tâm trục vuông góc với sàn xe.
Số lượng và vị trí các điểm đo được lựa chọn tùy thuộc từng loại toa xe.
D6.1 Toa xe ghế ngồi và toa xe đường sắt đô thị
Các điểm đo được lựa chọn như sau: chọn 1 điểm ở chính giữa khoang hành khách, chọn 2 điểm ở vị trí giao cắt của đường trung tâm dọc toa xe với đường trung tâm 2 hàng ghế ngồi sát gần 2 trung tâm giá chuyển hướng.

3 điểm A, B, C đều cách mặt sàn xe từ 1,2 m đối với toa xe khách ghế ngồi. Đối với toa xe đường sắt đô thị không có buồng lái đo tại 3 vị trí A, B, C cách sàn 1,6m; đối với toa xe đường sắt đô thị có buồng lái, ngoài 3 điểm đo A, B, C phải đo thêm tại vị trí ghế ngồi của lái tàu cách mặt sàn 1,6 m.
D6.2 Toa xe giường nằm
Đối với toa xe giường nằm 3 điểm đo được chọn ở 3 buồng sau đây: 1 buồng ở chính giữa toa xe, 2 buồng sát gần 2 cối chuyển hướng, bất kể là buồng khép kín hay không khép kín điểm đo đều ở chính giữa buồng.
Ngoài ra còn đo thêm các điểm ở các giường của 3 buồng được chọn đo kể trên. Đối với buồng ở chính giữa toa xe thì chọn giường ở gần trung tâm toa xe hơn. Đối với buồng sát gần trung tâm giá chuyển hướng thì chọn giường ở gần trung tâm giá chuyển hướng hơn.

3 điểm A, B, C đều cách mặt sàn xe từ 1,1 đến 1,2 m; 3 điểm D, E, F cao cách mặt giường 0,2 m, cách thành bên 0,2 m.
D6.3 Toa xe hàng ăn
Lựa chọn 2 điểm đo ở vị trí giao cắt của đường trung tâm dọc toa xe với đường trung tâm 2 bàn ăn ở 2 đầu phòng ăn, mỗi nơi 1 điểm đo. Ngoài ra, còn lấy 1 điểm đo ở chính giữa khoang bếp.

2 điểm A, B đều cách mặt sàn xe từ 1,1 đến 1,2 m; điểm C cách mặt sàn xe 1,5 đến 1,6m.
D6.4 Toa xe công vụ/bưu vụ phát điện
Các điểm đo được lựa chọn như sau: 2 điểm tại chính giữa buồng ngủ của nhân viên trên tàu ở buồng đầu và buồng cuối, các điểm phía trên tất cả giường nằm của 2 buồng trên ở gần cối chuyển hướng hơn.

2 điểm A, B, đều cách mặt sàn xe từ 1,1 đến 1,2 m; 2 điểm C, D cao cách mặt giường 0,2 m, cách thành bên 0,2 m.
D7. Nội dung báo cáo thử nghiệm và ghi chép
Ngày tháng đo Loại và ký hiệu toa xe
Môi trường trong xe và điều kiện khí tượng .
Dụng cụ đo
Đối tượng và tính chất kiểm nghiệm
Khu gian thử nghiệm, tình hình đường và ray
Tốc độ km/h Số người trong toa xe
Bảng D: Ghi chép đo độ ồn trong toa xe khách
| Điểm đo | Cao độ điểm đo (m) | Trị số đo (dB) | |||||
| 1,5 ÷ 1,6 | 1,1 ÷1,2 | 0,2 | Lần 1 | Lần 2 | Lần 3 | Trung bình | |
| A |
|
|
|
|
|
|
|
| B |
|
|
|
|
|
|
|
| C |
|
|
|
|
|
|
|
| D |
|
|
|
|
|
|
|
| E |
|
|
|
|
|
|
|
| F |
|
|
|
|
|
|
|
Phụ lục E
Phương pháp kiểm tra khối lượng toa xe và tải trọng trục, tải trọng bánh xe
E1. Nội dung kiểm tra
- Cân khối lượng toa xe ở trạng thái rỗng;
- Kiểm tra tải trọng trục;
- Kiểm tra tải trọng bánh xe.
E2. Thiết bị cân
Việc kiểm tra phải tiến hành trên thiết bị cân chuyên dùng, thiết bị cân phải được kiểm soát về đo lường theo quy định.
E3. Trình tự tiến hành
E3.1 Đối với bàn cân: trước khi cân tiến hành các điều chỉnh cần thiết đối với hệ thống treo, sau đó chạy từ từ đến bàn cân để ổn định hệ thống treo. Trong quá trình cân không cho phép điều chỉnh độ cân bằng của toa xe bằng bất cứ hình thức nào.
E3.2 Đối với các loại cân khác: trình tự và phương pháp cân thực hiện theo tài liệu hướng dẫn của nhà sản xuất thiết bị cân.
E4. Xác định các trị số
Đối với bàn cân tiến hành đo theo hướng tiến và lùi, mỗi hướng tiến hành 2 lần, tính trị số trung bình của 4 lần đo và lập bảng kết quả theo mục E5;
- Đối với các loại cân khác tiến hành cân 3 lần, tính trị số trung bình của 3 lần cân và lập bảng kết quả theo mục E5;
- Khối lượng toa xe được tính bằng tổng tải trọng bánh xe hoặc tổng tải trọng trục;
- Đơn vị đo là kilogam (kg).
E5. Lập báo cáo kết quả kiểm tra
Ghi chép kết quả cân và lập bảng theo mẫu sau:
Bảng E1 Kết quả cân khối lượng toa xe và tải trọng trục
| Thiết bị cân: | ||||||||
| Trạng thái tải trọng: | ||||||||
| Số hiệu toa xe | Ngày cân | Địa điểm cân | Người cân | |||||
|
|
|
|
| |||||
| Tải trọng trục | ||||||||
|
| Trục 1 | Trục 2 | Trục 3 | Trục 4 | Khối lượng toa xe | |||
| Lần 1 |
|
|
|
|
| |||
| Lần 2 |
|
|
|
|
| |||
| Lần 3 |
|
|
|
|
| |||
| Lần 4 |
|
|
|
|
| |||
| Giá trị trung bình |
|
|
|
|
| |||
| Ghi chú: |
|
|
|
|
| |||
|
| ||||||||
Bảng E2 Kết quả cân khối lượng toa xe và tải trọng bánh xe
| Thiết bị cân: | |||||||||||
| Trạng thái tải trọng: | |||||||||||
| Số hiệu toa xe | Ngày cân | Địa điểm cân | Người cân | ||||||||
|
|
|
|
| ||||||||
| Tải trọng bánh xe | |||||||||||
|
| Trục 1 | Trục 2 | Trục 3 | Trục 4 | Khối lượng toa xe | ||||||
| Bánh 1 | Bánh 2 | Bánh 3 | Bánh 4 | Bánh 5 | Bánh 6 | Bánh 7 | Bánh 8 |
| |||
| Lần 1 |
|
|
|
|
|
|
|
|
| ||
| Lần 2 |
|
|
|
|
|
|
|
|
| ||
| Lần 3 |
|
|
|
|
|
|
|
|
| ||
| Lần 4 |
|
|
|
|
|
|
|
|
| ||
| Giá trị trung bình |
|
|
|
|
|
|
|
|
| ||
| Ghi chú: | |||||||||||
Phụ lục F
Phương pháp kiểm tra độ kín nước toa xe có mui kín
F1 Điều kiện thử kín
F1.1 Việc kiểm tra thử dột được tiến hành trước khi sơn chống rỉ thành và mui xe.
F1.2 Trước khi kiểm tra thử dột phải làm sạch dầu, mỡ, vẩy hàn, rỉ thép trên bề mặt mui, thành xe.
F1.3 Khi kiểm tra thử hắt, các cửa lên xuống (cửa lên xuống hàng của toa xe hàng có mui), cửa sổ và các chi tiết che đậy khác phải ở trạng thái đóng kín, các chụp thông gió, nắp thông gió mui xe phải ở trạng thái làm việc bình thường.
F1.4 Trước khi tiến hành thử hắt, phải kiểm tra nắp đậy hộp điện và chi tiết làm kín của các thiết bị điện lắp bên ngoài khác để đảm bảo độ kín nước theo yêu cầu kỹ thuật của nhà sản xuất.
F2 Yêu cầu kỹ thuật dàn phun nước
F2.1 Thiết kế của dàn phun nước có thể dùng vòi phun hoặc ống nước khoan lỗ.
F2.2 Thiết kế của dàn phun phải đảm bảo phun nước đều trên toàn bộ mui xe và phần diện tích hai bên thành xe tính từ mép dưới xà dọc mui xe xuống đến 1/2 chiều cao thành đối với toa xe không có cửa sổ và xuống đến mép dưới cửa sổ đối với toa xe có cửa sổ.
F2.3 Áp lực nước phun tại đầu ra của mỗi vòi phun là 1 + 2 bar.
F2.4 Khoảng cách từ đầu vòi phun đến các bề mặt ngoài toa xe không lớn hơn 1,5 m.
F2.5 Tia phun nước phía trên mui xe phải hướng về tâm đường cong mui xe, tia phun nước hai bên thành xe phải hướng từ trên xuống và nghiêng một góc 45 ± 5 0 so với mặt phẳng nằm ngang.
F3 Phương pháp kiểm tra
F3.1 Kiểm tra thử dột
Tiến hành phun nước trong thời gian từ 10 đến 15 phút. Sau khi kết thúc phun nước, kiểm tra bên trong toa xe, yêu cầu không được thấm nước.
F3.2 Kiểm tra thử hắt.
Phun nước phải đều khắp toàn bộ mui và thân xe.
Quá trình thử tiến hành từ 10 đến 15 phút, sau khi kết thúc thử kiểm tra bên trong của trần, thành, vách, mép cửa sổ và các chi tiết làm kín khác, yêu cầu không được thấm nước.
F4 Lập báo cáo kết quả kiểm tra
Lập báo cáo kết quả kiểm tra theo bảng như sau:
Số toa xe:
| Hình thức | Ngày kiểm tra | Địa điểm kiểm tra | Thời gian thử | Kết quả |
| Thử dột |
|
|
|
|
| Thử hắt |
|
|
|
|
| Ghi chú: | ||||
Phụ lục G
Danh mục tài liệu, báo cáo thử nghiệm phải cung cấp
G1 Danh mục tài liệu, báo cáo thử nghiệm phải cung cấp đối với toa xe.
G1.1 Tài liệu mô tả đặc tính kỹ thuật của toa xe
Tài liệu mô tả đặc tính kỹ thuật của toa xe bao gồm ít nhất các nội dung trong bảng G1 dưới đây. Nếu trong loạt sản xuất lắp ráp, nhập khẩu mới có nhiều toa xe cùng kiểu loại với thông số kỹ thuật giống nhau hoàn toàn chỉ cần cung cấp 01 tài liệu mô tả đặc tính kỹ thuật kèm theo danh sách toa xe có cùng kiểu loại trong loạt sản xuất lắp ráp, nhập khẩu mới.
Bảng G1: Thông số kỹ thuật của toa xe
| STT | Thông số kỹ thuật | Diễn giải nội dung |
| Số hiệu toa xe | Xác định theo tài liệu kỹ thuật và ảnh chụp thực tế phương tiện | |
| Các thông số chính | ||
| 1 | Khổ giới hạn toa xe | Thông tin về tiêu chuẩn áp dụng kèm bản vẽ thể hiện các kích thước khổ giới hạn toa xe |
| 2 | Bán kính đường cong thông qua nhỏ nhất của toa xe |
|
| 3 | Tự trọng toa xe | Khối lượng toa xe ở trạng thái không tải |
| 4 | Chiều dài danh nghĩa thân xe | Xác định theo 1.3.18 |
| 5 | Chiều rộng danh nghĩa thân xe | Xác định theo 1.3.19 |
| 6 | Chiều cao danh nghĩa thân xe | Xác định theo 1.3.20 |
| 7 | Độ nghiêng lệch cho phép của thùng xe | Độ nghiêng lệch cho phép của thùng xe theo tài liệu kỹ thuật, đối với toa xe thành cong hoặc có kết cấu đặc biệt phải có chỉ dẫn về phương pháp xác định độ nghiêng lệch |
| Móc nối, đỡ đấm | ||
| 8 | Kiểu loại móc nối, đỡ đấm | Tên hoặc mã định danh kiểu loại móc nối, đỡ đấm |
| 9 | Chiều cao móc nối | Chiều cao móc nối ở trạng thái không tải và chênh lệch chiều cao móc nối ở 2 đầu toa xe |
| 10 | Khoảng hở giữa thân móc nối với bệ xung kích |
|
| Cửa toa xe | ||
| 11 | Số lượng cửa sổ di động | Số lượng cửa sổ di động không bao gồm cửa sổ buồng vệ sinh, buồng nhân viên, buồng rửa mặt |
| 12 | Kiểu loại kính an toàn | Tên loại kính an toàn hoặc tiêu chuẩn áp dụng |
| Giá chuyển hướng | ||
| 13 | Kiểu loại giá chuyển hướng | Tên hoặc mã định danh kiểu loại giá chuyển hướng |
| 14 | Tải trọng trục thiết kế của giá chuyển hướng |
|
| 15 | Biên dạng mặt lăn, giang cách bánh xe | Quy chuẩn, tiêu chuẩn áp dụng kèm theo bản vẽ thể hiện các kích thước xác định biên dạng mặt lăn, giang cách bánh xe |
| 16 | Đường kính bánh xe | Kích thước đường kính bánh xe và sai lệch cho phép của đường kính bánh xe trên cùng một trục |
| Hệ thống hãm | ||
| 17 | Bản vẽ, tổng thể hệ thống hãm | Bản vẽ thể hiện sơ đồ nguyên lý tác dụng hãm và cơ cấu truyền lực hãm |
| 18 | Bình chịu áp lực | Số lượng, thể tích, áp suất làm việc của các bình chịu áp lực |
| Hệ thống thông gió và ĐHKK | ||
| 19 | Loại ĐHKK | Tên nhãn hiệu, mã kiểu loại điều hòa |
| 20 | Công suất nhiệt | BTU/kW |
| 21 | Lưu lượng khí tươi | Tính theo số hành khách danh nghĩa |
| 22 | Yêu cầu về nhiệt độ trung bình, chênh lệch nhiệt độ tại các cửa thổi gió, tốc độ gió trung bình | Các tham số mà hệ thống thông gió, ĐHKK phải đạt được theo tài liệu kỹ thuật toa xe. |
| Hệ thống điện | ||
| 23 | Điện áp | Điện áp làm việc của các thiết bị điện |
| 24 | Thông số kỹ thuật của thiết bị kết nối với nguồn điện bên ngoài | Điện áp, dòng tải định mức |
| Hệ thống phát thanh thông tin hành khách | ||
| 25 | Số lượng, thông số kỹ thuật của loa phát thanh | Số lượng, công suất, trở kháng loa phát thanh |
| 26 | Thiết bị vệ sinh tự hoại | |
| 27 | Kiểu loại thiết bị | Tên hoặc mã định danh kiểu loại thiết bị |
| 28 | Phương pháp xử lý nước thải | Nêu tóm tắt công nghệ, phương pháp xử lý (vật lý/hóa học/sinh học) |
| Thiết bị an toàn | ||
| 29 | Bình chữa cháy | Số lượng, vị trí lắp đặt |
| 30 | Búa thoát hiểm | Số lượng, vị trí lắp đặt |
| 31 | Giải pháp, thiết kế về ngăn cháy, chống cháy lan | Có/không |
| 32 | Toa xe chuyên chở hàng hóa nguy hiểm về cháy, nổ | Có/không |
G1.2 Báo cáo thử nghiệm của nhà sản xuất
Bao gồm các báo cáo thử nghiệm đối với nội dung có hình thức kiểm tra “HS” và “HS1” quy định tại Bảng 5.
G1.3 Tài liệu kỹ thuật của toa xe
Bao gồm các tài liệu được quy định tại điểm 1.3.8.1; 1.3.8.2; 1.3.8.3; 1.3.8.5. Nếu trong loạt sản xuất lắp ráp, nhập khẩu mới có nhiều toa xe cùng kiểu loại với thông số kỹ thuật giống nhau hoàn toàn chỉ cần cung cấp 01 tài liệu kỹ thuật kèm theo danh sách toa xe có cùng kiểu loại trong loạt sản xuất lắp ráp, nhập khẩu mới.
G2 Danh mục tài liệu, báo cáo thử nghiệm phải cung cấp đối với toa xe đường sắt đô thị, tàu đường sắt đô thị.
G2.1 Tài liệu mô tả đặc tính kỹ thuật của toa xe đường sắt đô thị
Tài liệu mô tả đặc tính kỹ thuật của toa xe đường sắt đô thị bao gồm ít nhất các nội dung trong bảng G2 dưới đây. Nếu trong loạt nhập khẩu có nhiều toa xe cùng kiểu loại với thông số kỹ thuật giống nhau hoàn toàn, chỉ cần cung cấp 01 tài liệu mô tả đặc tính kỹ thuật kèm theo danh sách chi tiết các toa xe có cùng kiểu loại trong loạt nhập khẩu
Bảng G2: Thông số kỹ thuật của toa xe đường sắt đô thị
| STT | Thông số kỹ thuật | Diễn giải nội dung |
| Số hiệu toa xe đường sắt đô thị | Xác định theo tài liệu kỹ thuật và ảnh chụp thực tế toa xe đường sắt đô thị | |
| Số hiệu tàu đường sắt đô thị | Xác định theo tài liệu kỹ thuật và ảnh chụp thực tế tàu đường sắt đô thị | |
| Các thông số chính | ||
| 1 | Loại toa xe | T/Tc/M/Mc |
| 2 | Điện áp cấp điện | Điện áp danh nghĩa, dải điện áp làm việc |
| 3 | Hình thức cấp điện | Trên cao/ray thứ ba |
| 4 | Khổ giới hạn phương tiện | Thông tin về tiêu chuẩn áp dụng kèm bản vẽ thể hiện các kích thước khổ giới hạn toa xe |
| 5 | Bán kính đường cong thông qua nhỏ nhất của phương tiện | Thông số về bán kính đường cong thông qua nhỏ nhất của phương tiện. |
| 6 | Bán kính nhỏ nhất của tuyến đường | Bán kính, vị trí trên tuyến |
| 7 | Tự trọng | Khối lượng của từng loại toa xe trong đoàn tàu ở trạng thái không tải. |
| 8 | Chiều dài danh nghĩa thân xe | Chiều dài của từng loại toa xe trong đoàn tàu, xác định theo 1.3.18 |
| 9 | Chiều rộng danh nghĩa thân xe | Xác định theo 1.3.19 |
| 10 | Chiều cao danh nghĩa thân xe | Xác định theo 1.3.20 |
| 11 | Chiều cao danh nghĩa sàn xe | Chiều cao sàn xe và chênh lệch chiều cao cho phép giữa sàn xe và ke ga |
| 12 | Số chỗ | Số chỗ ở các mức tải danh nghĩa đầy tải, vượt tải |
| 13 | Tải trọng trục, tải trọng bánh xe | Tải trọng trục danh nghĩa, và yêu cầu về sai lệch tải trọng trục, tải trọng bánh xe. |
| 14 | Gia tốc khởi động trung bình | Trị số gia tốc khởi động trung bình và các tốc độ mục tiêu để xác định giá trị gia tốc |
| 15 | Bố trí các thiết bị, nút bấm, thông tin chỉ dẫn trong buồng lái | Bản vẽ, sơ đồ, thuyết minh về công thái học |
| 16 | Kiểu loại kính an toàn buồng lái, kính an toàn khoang hành khách | Tên loại kính an toàn hoặc tiêu chuẩn áp dụng |
| 17 | Cửa thoát hiểm | Thông tin về số lượng cửa thoát hiểm và chỉ dẫn vị trí lắp đặt búa thoát hiểm |
| 18 | Cửa hành khách | Mô tả tính năng phát hiện vật cản, các chức năng bảo vệ, quy trình mở cửa thủ công cửa hành khách |
| Móc nối, đỡ đấm | ||
| 19 | Kiểu loại móc nối | Thông tin về kiểu loại móc nối (Tự động/bán tự động/cố định) của từng loại móc nối lắp trên toa xe. |
| 20 | Chiều cao móc nối và chênh lệch chiều cao 2 móc nối ở 2 đầu đoàn tàu | Chiều cao móc nối ở trạng thái không tải |
| Giá chuyển hướng | ||
| 21 | Biên dạng mặt lăn, giang cách bánh xe | Bản vẽ thể hiện các kích thước xác định biên dạng mặt lăn, giang cách bánh xe |
| 22 | Đường kính bánh xe | Kích thước đường kính bánh xe và sai lệch cho phép của đường kính bánh xe trên cùng một trục |
| Hệ thống khí nén | ||
| 23 | Số lượng, kiểu loại máy nén khí | Tên hoặc mã định danh kiểu loại máy nén khí |
| 24 | Công suất máy nén | Công suất danh nghĩa và thời gian cung cấp khí nén từ áp suất 0 bar lên áp suất làm việc của hệ thống hãm. |
| 25 | Áp suất làm việc của van điều chỉnh áp suất, van an toàn | Áp suất khởi động và ngắt máy nén khí, áp suất bảo vệ của van an toàn |
| 26 | Số lượng, thông số kỹ thuật bình chứa khí nén | Tài liệu mô tả kích thước, vật liệu chế tạo, áp suất làm việc của các bình chứa khí nén |
| Hệ thống hãm | ||
| 27 | Kiểu loại thiết bị hãm khí nén, hãm điện | - Tên gọi, mã định danh của thiết bị hãm khí nén. -Tên gọi, mã định danh, nguyên lý làm việc (hãm điện trở/hãm tái sinh) của thiết bị hãm điện |
| 28 | Hãm phối hợp điện khí nén | Nguyên lý hoạt động, trình tự chuyển đổi giữa hãm điện và hãm khí nén |
| 29 | Tính năng giữ hãm chống trôi dốc | Thời gian giữ đoàn tàu đầy tải không bị trôi dốc trên đường có độ dốc lớn nhất của tuyến. |
| 30 | Gia tốc hãm trung bình của hệ thống hãm | Trị số gia tốc hãm trung bình khi hãm thường, hãm khẩn và các tốc độ mục tiêu để xác định giá trị gia tốc. |
| Hệ thống điện | ||
| 31 | Động cơ điện kéo | Kiểu loại, công suất danh nghĩa |
| 32 | Bảo vệ chống giật, quá tải, chống sét | Tên biện pháp, thiết bị bảo vệ chống giật, bảo vệ quá tải, bảo vệ chống sét |
| 33 | Thông số ắc quy | Số lượng, kiểu loại, dung lượng |
| 34 | Thời gian duy trì cấp điện dự phòng của ắc quy | Thời gian duy trì hoạt động, khi mất nguồn điện bên ngoài cho đèn tín hiệu, chiếu sáng khẩn cấp, chiếu sáng bên ngoài, liên lạc khẩn cấp, thông gió khẩn cấp và 01 lần đóng mở cửa |
| Hệ thống thông gió và ĐHKK | ||
| 35 | Lưu lượng khí tươi | Tính theo số hành khách danh nghĩa |
| 36 | Yêu cầu về nhiệt độ trung bình, chênh lệch nhiệt độ tại các cửa thổi gió, tốc độ gió trung bình | Các tham số mà hệ thống thông gió, ĐHKK phải đạt được theo tài liệu kỹ thuật. |
| 37 | Thời gian duy trì thông gió khẩn cấp (áp dụng đối với đoàn tàu có hệ thống thông gió khẩn cấp) | Thời gian duy trì hoạt động của hệ thống thông gió khẩn cấp khi mất nguồn điện bên ngoài. |
| 38 | Thông gió tự nhiên (áp dụng đối với đoàn tàu không có hệ thống thông gió khẩn cấp) | Mô tả biện pháp thông gió tự nhiên (Số lượng cửa thông gió, cửa sổ di động; quy trình mở cửa sổ di động để thông gió) |
| Thiết bị an toàn | ||
| 39 | Thiết bị chống ngủ gật | Kiểu loại, tính năng bảo vệ, thời gian tác dụng |
| 40 | Thiết bị cảnh báo cháy/khói | Số lượng, kiểu loại thiết bị báo cháy/khói |
| 41 | Bình chữa cháy | Số lượng, vị trí lắp đặt |
| 42 | Búa thoát hiểm | Số lượng, vị trí lắp đặt |
| Hệ thống điều khiển chạy tàu | ||
| 43 | Kiểu loại hệ thống tín hiệu điều khiển chạy tàu | Tên, mã định danh kiểu loại hệ thống tín hiệu điều khiển, tiêu chuẩn áp dụng |
| 44 | Tính năng phòng vệ tàu tự động | Mô tả tính năng phòng vệ ở các chế độ lái tàu (chế độ bình thường, giáng cấp) |
| 45 | Tính năng vận hành tự động | Mô tả chức năng kiểm soát tốc độ theo biểu đồ chạy tàu, điều khiển đóng mở cửa tại các ga. |
| 46 | Tính năng giám sát tàu tự động | Mô tả các thông tin giám sát tự động (hình ảnh, vị trí, tốc độ đoàn tàu) theo thời gian thực |
G2.2 Báo cáo thử nghiệm của nhà sản xuất
Bao gồm các báo cáo thử nghiệm đối với nội dung có hình thức kiểm tra “HS” và “HS1” quy định tại Bảng 6.
G2.3 Tài liệu kỹ thuật của phương tiện
Bao gồm các tài liệu được quy định tại điểm 1.3.8. Nếu trong loạt nhập khẩu mới có nhiều phương tiện cùng kiểu loại với thông số kỹ thuật giống nhau hoàn toàn chỉ cần cung cấp 01 tài liệu kỹ thuật kèm theo danh sách phương tiện có cùng kiểu loại trong loạt nhập khẩu mới.
Phụ lục H
Biên dạng mặt lăn bánh xe và giang cách bánh xe của bộ trục bánh xe
H1. Biên dạng mặt lăn bánh xe



Ghi chú: Chiều rộng vành bánh xe (N) được quy định trong tài liệu kỹ thuật phương tiện.
H2. Giang cách bánh xe của bộ trục bánh xe
a) 924 ±1 mm đối với bộ trục bánh xe khổ đường 1000 mm;
b) 1353 ±1 mm đối với bộ trục bánh xe khổ đường 1435 mm;
c) Độ chênh lệch giang cách bánh xe khi đo tại 3 điểm cách nhau khoảng 120° không quá 01 mm.
|
CỘNG HÒA XÃ HỘI CHỦ NGHĨA VIỆT NAM
QCVN 26:2025/BXD
QUY CHUẨN KỸ THUẬT QUỐC GIA
National technical regulation on bogies of rolling stock
HÀ NỘI - 2025
|
Lời nói đầu
QCVN 26:2025/BXD do Cục Đăng kiểm Việt Nam biên soạn, Cục Đường sắt Việt Nam trình duyệt, Bộ Khoa học và Công nghệ thẩm định, Bộ Xây dựng ban hành theo Thông tư số 44/2025/TT-BXD ngày 09 tháng 12 năm 2025.
Quy chuẩn này thay thế Quy chuẩn QCVN 87:2015/BGTVT được ban hành theo Thông tư số 24/2015/TT-BGTVT ngày 16 tháng 06 năm 2015 của Bộ trưởng Bộ Giao thông vận tải.
MỤC LỤC
1 Quy định chung
1.1 Phạm vi điều chỉnh
1.2 Đối tượng áp dụng
1.3 Giải thích từ ngữ
2 Quy định kỹ thuật
2.1 Quy định chung
2.1.1 Môi trường vận dụng
2.1.2 Kích thước đường bao giới hạn
2.1.3 Bán kính đường cong thông qua nhỏ nhất
2.1.4 Tốc độ thiết kế
2.1.5 Tải trọng trục
2.1.6 Bảo vệ chống ăn mòn
2.1.7 Khối lượng
2.1.8 Ký hiệu
2.1.9 Tính toán thiết kế
2.1.10 Thử nghiệm vận dụng
2.2 Quy định kỹ thuật đối với giá chuyển hướng của toa xe (trừ giá chuyển hướng của toa xe đường sắt đô thị)
2.2.1 Khung giá, má giá, xà nhún
2.2.2 Khoảng cách trục
2.2.3 Bộ trục bánh xe
2.2.4 Hệ thống treo
2.2.5 Giảm chấn
2.2.6 Hệ thống hãm
2.2.7 Các quy định khác
2.2.8 Thử tải tĩnh
2.3 Quy định kỹ thuật đối với giá chuyển hướng của đầu máy và giá chuyển hướng của toa xe đường sắt đô thị
2.3.1 Khung giá, má giá, xà nhún
2.3.2 Khoảng cách trục và công thức trục
2.3.3 Bộ trục bánh xe
2.3.4 Hệ thống treo
2.3.5 Thanh kéo và giảm chấn
2.3.6 Hệ thống hãm
2.3.7 Hệ thống truyền động
2.3.8 Các quy định khác
3 Quy định kiểm tra
3.1 Giá chuyển hướng của toa xe (trừ giá chuyển hướng của toa xe đường sắt đô thị)
3.2 Giá chuyển hướng của đầu máy và giá chuyển hướng của toa xe đường sắt đô thị
3.3 Phương thức kiểm tra
4 Quy định về quản lý
5 Tổ chức thực hiện
Phụ lục A - Yêu cầu đối với vật liệu, mác thép chế tạo khung giá, má giá, xà nhún giá chuyển hướng.
Phụ lục B - Quy định thử tải tĩnh giá chuyển hướng và quy định điểm đo kiểm tra khung giá thép đúc
Phụ lục C - Danh mục tài liệu kỹ thuật và bản khai thông tin giá chuyển hướng
Phụ lục D - Công thức trục của phương tiện
Phụ lục E - Kiểu loại giá chuyển hướng
Phụ lục F - Yêu cầu kỹ thuật và phương pháp kiểm tra
Phụ lục G - Biên dạng mặt lăn bánh xe
QUY CHUẨN KỸ THUẬT QUỐC GIA VỀ GIÁ CHUYỂN HƯỚNG CỦA ĐẦU MÁY, TOA XE
National technical regulation on bogies of rolling stock
1 Quy định chung
1.1 Phạm vi điều chỉnh
Quy chuẩn này quy định các yêu cầu kỹ thuật và việc kiểm tra chất lượng an toàn kỹ thuật và bảo vệ môi trường đối với giá chuyển hướng sản xuất lắp ráp và nhập khẩu của đầu máy, toa xe vận hành trên hệ thống đường sắt Việt Nam.
Quy chuẩn này không áp dụng đối với giá chuyển hướng của đầu máy, toa xe có tốc độ vận dụng lớn hơn 120 km/h; giá chuyển hướng của phương tiện giao thông đường sắt thuộc quân đội, công an sử dụng vào mục đích quốc phòng, an ninh.
1.2 Đối tượng áp dụng
Quy chuẩn này áp dụng đối với tổ chức, cá nhân có liên quan đến việc thiết kế, sản xuất lắp ráp, nhập khẩu, kiểm tra và chứng nhận chất lượng an toàn kỹ thuật và bảo vệ môi trường đối với giá chuyển hướng của đầu máy, toa xe thuộc phạm vi điều chỉnh tại điểm 1.1 của Quy chuẩn này.
1.3 Giải thích từ ngữ
Trong Quy chuẩn này, các từ ngữ dưới đây được hiểu như sau
1.3.1 Tài liệu kỹ thuật (technical document)
Tài liệu dưới đây được gọi là tài liệu kỹ thuật:
a) Tài liệu tính toán thiết kế của nhà sản xuất hoặc đơn vị thiết kế.
b) Tài liệu kỹ thuật về tính năng hoạt động, thông số kỹ thuật, đặc tính kỹ thuật, yêu cầu kỹ thuật của nhà sản xuất hoặc đơn vị thiết kế.
c) Bản vẽ kỹ thuật tổng thể giá chuyển hướng của nhà sản xuất hoặc đơn vị thiết kế. Các bản vẽ kỹ thuật của nhà sản xuất hoặc đơn vị thiết kế gồm: khung giá, má giá, xà nhún, bộ trục bánh xe, hệ thống hãm, hệ thống treo, hệ thống truyền động (mô tơ điện kéo, hộp giảm tốc, thanh truyền, thanh kéo, thanh liên kết của hệ thống truyền động), hệ thống thiết bị lắp trên giá chuyển hướng...
d) Đề cương thử nghiệm vận hành giá chuyển hướng của nhà sản xuất hoặc đơn vị (tổ chức) kiểm tra, thử nghiệm.
e) Báo cáo kiểm tra, thử nghiệm của nhà sản xuất hoặc đơn vị (tổ chức) kiểm tra, thử nghiệm.
f) Tài liệu về hạn độ các chi tiết, bộ phận trong bảo dưỡng, sửa chữa và vận hành khai thác giá chuyển hướng của nhà sản xuất hoặc đơn vị thiết kế.
g) Tài liệu về bảo dưỡng, sửa chữa, lắp ráp giá chuyển hướng hoặc vận hành khai thác phương tiện của nhà sản xuất hoặc đơn vị thiết kế.
h) Tài liệu về thông số kỹ thuật có liên quan đến các tuyến đường sắt của cơ quan, tổ chức có trách nhiệm quản lý, sử dụng, khai thác ban hành theo chức năng thẩm quyền.
1.3.2 Giá chuyển hướng (bogie)
Bộ phận chạy của phương tiện có kết cấu khung giá, má giá, xà nhún, bộ trục bánh xe, hệ thống treo, hệ thống truyền động, hệ thống hãm để phương tiện di chuyển trên đường sắt.
1.3.3 Tốc độ thiết kế (design speed)
Tốc độ vận hành lớn nhất của giá chuyển hướng theo thiết kế.
1.3.4 Tải trọng trục thiết kế (design axle load)
Khối lượng lớn nhất cho phép phân bố trên một trục bánh xe được quy định trong tài liệu kỹ thuật.
1.3.5 Khoảng cách trục (axle distance)
Khoảng cách giữa hai đường tâm dọc trục bánh xe liền kề nhau trong cùng một giá chuyển hướng.
1.3.6 Công thức trục (axle arrangements)
Ký hiệu phương thức bố trí trục bánh xe của phương tiện được mô tả thông qua các trục bánh xe lắp trên giá chuyển hướng theo số lượng, vị trí, chức năng và kiểu loại truyền động.
1.3.7 Khung giá (bogie frame)
Bộ phận chính của giá chuyển hướng để liên kết các hộp trục bánh xe đồng thời truyền lực tác dụng theo các phương trong giá chuyển hướng.
1.3.8 Má giá (side frame)
Bộ phận liên kết với xà nhún hoặc khung giá ở hai bên giá chuyển, dùng để lắp với hộp trục và truyền lực tác dụng trong giá chuyển hướng.
1.3.9 Xà nhún (bolster)
Bộ phận liên kết với khung giá hoặc má giá thông qua hệ lò xo, chịu tải trọng của thân xe.
1.3.10 Giảm chấn ma sát (Snubber)
Giảm chấn bằng lực cản ma sát hoặc lực cản sinh ra trong chuyển động tương đối của mặt ma sát.
1.3.11 Bàn trượt (side bearing)
Bộ phận khống chế độ nghiêng lệch của thân xe khi vận hành.
1.3.12 Bộ trục bánh xe (wheel-set)
Bộ trục bánh xe được hợp thành bởi trục xe và hai bánh xe.
1.3.13 Mặt lăn bánh xe (tread)
Mặt tiếp xúc của bánh xe với mặt đỉnh ray.
1.3.14 Giang cách bánh xe (distance between backs of wheel rims)
Khoảng cách mặt trong của hai vành bánh xe hoặc đai bánh xe thuộc cùng bộ trục bánh xe.
1.3.15 Hộp trục (axle box)
Bộ phận lắp ở cổ trục của bộ trục bánh xe, có ổ lăn dùng để truyền tải trọng, lực kéo hoặc đẩy giữa khung giá và trục bánh xe đồng thời hạn chế độ dịch dọc, dịch ngang của bộ trục bánh.
2 Quy định kỹ thuật
Giá chuyển hướng sản xuất lắp ráp và nhập khẩu của đầu máy, toa xe phải phù hợp với các quy định của Quy chuẩn này.
2.1 Quy định chung
2.1.1 Môi trường vận dụng
Giá chuyển hướng đảm bảo vận dụng bình thường trong môi trường có nhiệt độ từ - 10 0 C đến 50 0 C, độ ẩm tương đối < 95 %.
2.1.2 Kích thước đường bao giới hạn
Kích thước đường bao mặt cắt ngang của giá chuyển hướng ở các trạng thái không tải, đầy tải đối với toa xe và trạng thái chỉnh bị vận hành đối với đầu máy không được vượt quá khổ giới hạn phương tiện của tuyến đường sắt.
2.1.3 Bán kính đường cong thông qua nhỏ nhất
Giá chuyển hướng phải được tính toán hoặc kiểm tra thực nghiệm thông qua được đường cong có bán kính không lớn hơn bán kính đường cong nhỏ nhất của tuyến đường sắt khai thác sử dụng.
2.1.4 Tốc độ thiết kế
Tốc độ thiết kế của giá chuyển hướng phải phù hợp tốc độ vận dụng của tuyến đường sắt khai thác sử dụng.
2.1.5 Tải trọng trục
Tải trọng trục thiết kế phải phù hợp quy định của tài liệu kỹ thuật.
2.1.6 Bảo vệ chống ăn mòn
Các bộ phận, chi tiết của giá chuyển hướng được bảo vệ chống ăn mòn phải phù hợp quy định của tài liệu kỹ thuật.
2.1.7 Khối lượng
Khối lượng tổng thành giá chuyển hướng khi lắp đầy đủ các chi tiết, bộ phận phải phù hợp quy định của tài liệu kỹ thuật.
2.1.8 Ký hiệu
Giá chuyển hướng phải có ký hiệu hoặc biển hiệu được gắn chắc chắn trên khung giá hoặc má giá ở vị trí dễ nhận biết, nội dung bao gồm:
a) Tên hoặc ký hiệu của nhà sản xuất
b) Năm sản xuất.
c) Kiểu loại.
d) Số chế tạo.
2.1.9 Tính toán thiết kế
Giá chuyển hướng phải được tính toán thiết kế gồm các nội dung sau:
a) Tính toán thông qua đường cong.
b) Tính toán hãm.
c) Tính toán độ bền của khung giá, xà nhún, má giá, bộ trục bánh.
2.1.10 Thử nghiệm vận dụng
Giá chuyển hướng kiểu loại mới thực hiện thử nghiệm vận dụng theo quy định sau
2.1.10.1 Quy định chung
a) Giá chuyển hướng được xác định là kiểu loại mới khi có một trong các bộ phận: khung giá, má giá, xà nhún, hệ thống hãm, hệ thống treo, hệ thống truyền động được nghiên cứu, phát triển trong thiết kế chế tạo lần đầu.
b) Đối với phương tiện sản xuất lắp ráp, nhập khẩu lắp giá chuyển hướng kiểu loại mới thì việc thử nghiệm vận dụng đối với giá chuyển hướng thực hiện khi lắp ráp trên phương tiện theo quy định tại QCVN 24:2025/BXD và QCVN 25:2025/BXD.
c) Đối với giá chuyển hướng kiểu loại mới nghiên cứu, phát triển trong thiết kế chế tạo lần đầu sử dụng cho nhiều loại phương tiện khác nhau thì việc thực hiện thử nghiệm vận dụng của giá chuyển hướng phải được lắp trên phương tiện có thông số kỹ thuật về tải trọng cao nhất, tốc độ lớn nhất theo thiết kế để thử nghiệm vận dụng. Việc thử nghiệm vận dụng thực hiện khi lắp ráp trên phương tiện theo quy định tại QCVN 24:2025/BXD và QCVN 25:2025/BXD.
2.1.10.2 Yêu cầu thử nghiệm vận dụng
a) Điều kiện thử nghiệm vận dụng phải tương đương với điều kiện sử dụng vận hành trong khai thác; khu gian chạy thử hoặc tuyến đường chạy thử phải có điều kiện về cơ sở hạ tầng, trang thiết bị đảm bảo an toàn, phù hợp các yêu cầu, tiêu chí thử nghiệm. Quãng đường chạy thử nghiệm vận dụng không ít hơn 5000 km.
b) Trong quá trình thử nghiệm vận dụng, giá chuyển hướng được thử nghiệm phải vận hành an toàn, kết cấu chịu lực không được phát sinh biến dạng vĩnh cửu, phá hủy hoặc các tình trạng hư hỏng bất thường khác.
c) Sau khi kết thúc thử nghiệm vận dụng, nhà sản xuất hoặc đơn vị thử nghiệm phải lập hồ sơ, báo cáo tổng hợp về những vấn đề sau: thời gian, khu gian tuyến thử; tổng quãng đường vận dụng, thời gian vận dụng; tải thử nghiệm; tốc độ vận hành lớn nhất; những hư hỏng, sự cố mất an toàn kỹ thuật phát sinh trong quá trình thử nghiệm vận dụng.
2.2 Quy định kỹ thuật đối với giá chuyển hướng của toa xe (trừ giá chuyển hướng của toa xe đường sắt đô thị)
2.2.1 Khung giá, má giá, xà nhún
2.2.1.1 Khung giá, má giá, xà nhún phải được tính toán thiết kế hoặc tính toán mô phỏng kiểm nghiệm bền.
2.2.1.2 Vật liệu, mác thép chế tạo khung giá, má giá và xà nhún phải phù hợp quy định tại phụ lục A hoặc tài liệu kỹ thuật.
2.2.1.3 Đối với khung giá, má giá, xà nhún chế tạo bằng thép hàn phải được xử lý nhiệt để khử ứng suất dư và kiểm tra mối hàn tại các vị trí quy định phù hợp tài liệu kỹ thuật.
2.2.1.4 Đối với khung giá, má giá và xà nhún chế tạo bằng thép đúc phải kiểm tra khuyết tật bên trong vật đúc, mức độ khuyết tật không vượt quá quy định tài liệu kỹ thuật.
2.2.1.5 Kích thước của khung giá, má giá và xà nhún phải phù hợp tài liệu kỹ thuật.
2.2.1.6 Đối với khung giá, má giá và xà nhún không chế tạo bằng thép đúc hoặc thép hàn thì phương pháp chế tạo, đánh giá kiểm tra chất lượng sản phẩm phải được quy định trong tài liệu kỹ thuật và thể hiện trong báo cáo kiểm tra.
2.2.1.7 Tổng khoảng hở hoặc độ dịch chuyển giữa xà nhún với khung giá hoặc má giá phải phù hợp tài liệu kỹ thuật.
2.2.1.8 Độ nghiêng lệch xà nhún theo chiều dọc và chiều ngang giá chuyển phải phù hợp tài liệu kỹ thuật.
2.2.2 Khoảng cách trục
2.2.2.1 Đối với khổ đường 1000 mm
a) Khoảng cách trục từ 1980 mm đến 2600 mm đối với giá chuyển hướng của toa xe khách.
b) Khoảng cách trục 1600 mm đến 1750 mm đối với giá chuyển hướng của toa xe hàng.
2.2.2.2 Đối với khổ đường 1435 mm
a) Khoảng cách trục từ 2400 mm đến 2600 mm đối với giá chuyển hướng của toa xe khách.
b) Khoảng cách trục từ 1600 mm đến 1750 mm đối với giá chuyển hướng của toa xe hàng.
2.2.2.3Đối với trường hợp khoảng cách trục của giá chuyển hướng ngoài phạm vi quy định tại 2.2.2.1 và 2.2.2.2 thì tài liệu kỹ thuật phải thể hiện tính toán thiết kế hoặc thử nghiệm phù hợp với tuyến đường khai thác, sử dụng và thể hiện trong báo cáo kiểm tra.
2.2.2.4 Khoảng cách tâm hộp trục của khung giá, má giá
a) Sai lệch về khoảng cách tâm hộp trục theo chiều dọc và chiều ngang khung giá không quá 2 mm.
b) Sai lệch về khoảng cách tâm hộp trục theo đường chéo góc của khung giá không quá 3 mm.
c) Tổng khe hở hộp trục với khung giá, má giá theo chiều dọc và chiều ngang khung giá phải phù hợp tài liệu kỹ thuật.
d) Đối với trường hợp khoảng cách tâm hộp trục có thiết kế thay đổi khi di chuyển vào đường cong thì các kích thước liên quan đến khoảng cách tâm hộp trục phải phù hợp tài liệu kỹ thuật và phải thể hiện trong bản khai thông tin giá chuyển hướng tại Phụ lục C.
2.2.3 Bộ trục bánh xe
a) Biên dạng mặt lăn bánh xe phải phù hợp quy định tại Phụ lục G hoặc quy định của tài liệu kỹ thuật.
b) Đường kính bánh xe, chênh lệch đường kính bánh xe trên cùng một trục, trên cùng một giá chuyển hướng phải phù hợp với tài liệu kỹ thuật.
c) Đĩa hãm, ổ lăn và các chi tiết khác được lắp ráp trên bộ trục bánh xe phải phù hợp quy định của tài liệu kỹ thuật.
d) Vật liệu chế tạo bộ trục bánh xe phải phù hợp quy định của tài liệu kỹ thuật.
e) Giang cách bánh xe phải thỏa mãn quy định:
- 924 ±1 mm đối với trục bánh xe khổ đường 1000 mm;
- 1353 ±1 mm đối với trục bánh xe khổ đường 1435 mm;
- Sai lệch số đo giang cách bánh xe tại 3 điểm cách đều nhau không quá 1 mm.
2.2.4 Hệ thống treo
2.2.4.1 Quy định chung
a) Giá chuyển hướng toa xe khách phải sử dụng kết cấu hệ thống treo sơ cấp (hệ lò xo hộp trục) và hệ thống treo thứ cấp (hệ lò xo xà nhún hoặc hệ lò xo trung ương).
b) Giá chuyển hướng toa xe hàng sử dụng kết cấu có ít nhất một hệ thống treo (hệ lò xo hộp trục hoặc hệ lò xo xà nhún hoặc hệ lò xo trung ương).
c) Hệ thống treo của giá chuyển hướng phải phù hợp tài liệu kỹ thuật.
2.2.4.2 Quy định kỹ thuật
2.2.4.2.1 Trạng thái tự do
a) Chênh lệch chiều cao của các lò xo trên cùng một giá chuyển hướng không được quá 3 mm.
b) Chênh lệch về chiều cao giữa lò xo trong và lò xo ngoài của cùng một tổ (cụm) lò xo phù hợp tài liệu kỹ thuật.
c) Sai lệch về chiều cao lò xo trung ương trên một giá chuyển hướng phù hợp tài liệu kỹ thuật.
2.2.4.2.2 Trạng thái dưới tải trọng thiết kế
a) Các lò xo phải ở trạng thái chịu tải.
b) Độ hở hướng kính của lò xo thép tròn giữa vòng trong và vòng ngoài từ 2,5 mm đến 4 mm hoặc phù hợp tài liệu kỹ thuật.
c) Lò xo trong và lò xo ngoài trong cùng một vị trí phải có chiều xoắn khác nhau, trong cùng tổ hợp lò xo cùng loại phải có chiều xoắn giống nhau.
d) Tổng độ nhún các hệ lò xo phải phù hợp tài liệu kỹ thuật.
e) Đối với lò xo trung ương bằng thép độ nghiêng lệch của xà nhún theo chiều dọc khung giá không được quá 2 mm và theo chiều ngang khung giá không được quá 4 mm.
f) Đối với lò xo trung ương sử dụng lò xo không khí hoặc cao su độ nghiêng lệch của xà nhún phải phù hợp tài liệu kỹ thuật.
2.2.5 Giảm chấn
Vật liệu chế tạo của giảm chấn nêm ma sát và hệ số sức cản của các loại giảm chấn phải phù hợp tài liệu kỹ thuật.
2.2.6 Hệ thống hãm
2.2.6.1 Cơ cấu truyền động hãm
a) Cơ cấu truyền động hãm của giá chuyển hướng phải hoạt động ổn định và linh hoạt. Khoảng cách từ cơ cấu truyền động hãm đến các bộ phận khác của giá chuyển hướng khi ở trạng thái hãm và nhả hãm phù hợp tài liệu kỹ thuật.
b) Ắc hãm của cơ cấu truyền động hãm khi lắp ở vị trí thẳng đứng hoặc nghiêng phải lắp theo chiều từ trên xuống, phải có các chốt bi hoặc phương án chống tự rơi, trường hợp do kết cấu không thực hiện được thì lắp ráp phải phù hợp tài liệu kỹ thuật.
c) Khoảng hở chiều dài (lượng dư) của xích an toàn xà mang guốc hãm từ 30 mm - 50 mm. Khi ở vị trí hãm hoặc nhả hãm, khe hở giữa mặt dưới của suốt hãm và quang an toàn từ 10 mm - 30 mm.
d) Ở trạng thái nhả hãm, khe hở giữa guốc hãm và mặt lăn bánh xe hoặc giữa má hãm và đĩa hãm phải phù hợp tài liệu kỹ thuật.
e) Tổng khe hở chiều ngang giữa hai đầu xà hãm kiểu rãnh trượt và thành trong rãnh trượt má giá không được nhỏ hơn 20 mm, khe hở trên của xà hãm với mặt dưới rãnh trượt không được nhỏ hơn 4 mm.
2.2.6.2 Cụm xy lanh hãm, guốc hãm hoặc má hãm, cơ cấu truyền động hãm giá chuyển hướng phải phù hợp tài kỹ thuật của nhà sản xuất.
2.2.6.3 Cơ cấu hãm tay phải có tác dụng hãm và giữ hãm
2.2.6.4 Hệ thống hãm phải có khả năng điều chỉnh theo đường kính bánh xe và chiều dày guốc hãm thay đổi.
2.2.7 Các quy định khác
2.2.7.1 Giá chuyển hướng phải có cơ cấu định vị xà nhún, định vị hộp trục theo chiều dọc và chiều ngang của khung giá.
2.2.7.2 Giá chuyển hướng phải có cơ cấu an toàn như quang treo/xích/cáp hoặc biện pháp khác để chống rơi các bộ phận như suốt hãm, xà hãm, đế đỡ lò xo.
2.2.7.3 Các cụm chi tiết, bộ phận của giá chuyển hướng cùng kiểu loại phải có tính lắp lẫn.
2.2.7.4 Kết cấu của giá chuyển hướng phải có khả năng điều chỉnh được chiều cao tâm móc nối đỡ đấm của toa xe.
2.2.7.5 Giữa các bề mặt làm việc chịu ma sát trượt của giá chuyển hướng phải có một lớp dầu hoặc mỡ bôi trơn (trừ các mặt ma sát của bộ giảm chấn ma sát khô). Đối với bàn trượt chịu lực phương pháp bôi trơn phải phù hợp tài liệu kỹ thuật.
2.2.8 Thử tải tĩnh
2.2.8.1 Giá chuyển hướng phải được thử tải tĩnh trên thiết bị chuyên dùng. Các bộ phận, chi tiết của giá chuyển hướng phải được lắp ráp đầy đủ, hoàn chỉnh trước khi thử. Nội dung thử theo quy định tại Phụ lục B của Quy chuẩn này, mức tải thử theo tài liệu kỹ thuật.
2.2.8.2 Kết quả thử tải tĩnh phải phù hợp tài liệu kỹ thuật.
2.3 Quy định kỹ thuật đối với giá chuyển hướng của đầu máy và giá chuyển hướng của toa xe đường sắt đô thị
2.3.1 Khung giá, má giá, xà nhún
Khung giá, má giá, xà nhún theo quy định tại 2.2.1.
2.3.2 Khoảng cách trục và công thức trục
2.3.2.1 Khoảng cách trục của giá chuyển hướng phải phù hợp tài liệu kỹ thuật.
2.3.2.2 Công thức trục của giá chuyển hướng phải phù hợp với tài liệu kỹ thuật. Ký hiệu công thức trục quy định tại Phụ lục D hoặc theo tài liệu kỹ thuật.
2.3.3 Bộ trục bánh xe
a) Biên dạng mặt lăn bánh xe phải phù hợp Phụ lục G của Quy chuẩn này hoặc tài liệu kỹ thuật. Đối với toa xe đường sắt đô thị biên dạng mặt lăn bánh xe theo quy định của tuyến đường sắt.
b) Các bộ phận, chi tiết lắp ráp trên bộ trục bánh xe phải phù hợp tài liệu kỹ thuật.
c) Chênh lệch đường kính bánh xe: không lớn hơn 0,5 mm trên cùng một trục, không lớn hơn 1,0 mm trên cùng giá chuyển hướng.
d) Tổng khe hở hộp trục với khung giá, má giá theo chiều dọc trục và ngang trục phải phù hợp tài liệu kỹ thuật. Độ dịch chuyển trục bánh theo chiều ngang khung giá phải phù hợp quy định của tài liệu kỹ thuật.
e) Vật liệu chế tạo bộ trục bánh xe phải phù hợp quy định của tài liệu kỹ thuật.
2.3.4 Hệ thống treo
Hệ thống treo và lò xo cho hệ thống treo phải phù hợp tài liệu kỹ thuật.
2.3.4.1 Lò xo hệ thống treo sơ cấp quy định như sau:
a) Chênh lệch chiều cao tự do của lò xo trên cùng một giá chuyển hướng theo quy định của nhà sản xuất.
b) Chênh lệch chiều cao làm việc của lò xo trên cùng một hộp trục không được lớn hơn 1mm.
c) Chênh lệch chiều cao làm việc của lò xo trên cùng một giá chuyển hướng không được lớn hơn 2mm.
2.3.4.2 Lò xo hệ thống treo thứ cấp quy định như sau
a) Chênh lệch chiều cao tự do của lò xo trên cùng một giá chuyển hướng theo quy định của nhà sản xuất.
b) Chênh lệch chiều cao làm việc của lò xo thép hoặc cao su thuộc hệ thống treo thứ cấp trên cùng một giá chuyển hướng không được lớn hơn 2mm.
c) Chênh lệch chiều dày và số lượng tấm căn, đệm của hệ thống treo thứ cấp trên cùng một giá chuyển phải theo quy định của nhà sản xuất.
2.3.4.3 Đối với giá chuyển hướng sử dụng lò xo không khí thì thông số kỹ thuật của lò xo không khí khi lắp ráp phải phù hợp tài liệu kỹ thuật.
2.3.5 Thanh kéo và giảm chấn
2.3.5.1 Thanh kéo
a) Tổ hợp thanh kéo phải có khả năng truyền lực kéo, lực hãm đảm bảo khi phương tiện vào đường cong không hạn chế chuyển động quay giữa giá chuyển hướng và thân xe.
b) Tổ hợp thanh kéo, các bộ phận liên kết phải có biện pháp phòng lỏng, chống rơi.
2.3.5.2 Giảm chấn
Giảm chấn và việc lắp ráp giảm chấn phải phù hợp tài liệu kỹ thuật
2.3.6 Hệ thống hãm
2.3.6.1 Cơ cấu truyền động hãm, cụm xy lanh hãm, guốc hãm hoặc má hãm của giá chuyển hướng phải phù hợp tài liệu kỹ thuật.
2.3.6.2 Hệ thống hãm phải có khả năng điều chỉnh khe hở guốc hãm khi thay đổi đường kính bánh xe hoặc chiều dày guốc hãm.
2.3.6.3 Cơ cấu hãm tay phải có tác dụng hãm, giữ hãm và phù hợp tài liệu kỹ thuật. Thiết bị hãm đỗ phải hoạt động an toàn, ổn định và có chức năng nhả hãm thủ công phù hợp tài liệu kỹ thuật.
2.3.7 Hệ thống truyền động
2.3.7.1 Mô tơ điện kéo
Thông số kỹ thuật mô tơ điện kéo và lắp ráp mô tơ điện kéo phải phù hợp tài liệu kỹ thuật.
2.3.7.2 Cụm truyền động
a) Cụm truyền động trục bánh xe phải vận hành linh hoạt và phù hợp tài liệu kỹ thuật.
b) Hộp giảm tốc phải có biện pháp bôi trơn và đảm bảo độ kín phù hợp tài liệu kỹ thuật, các chi tiết liên kết phải có biện pháp chống tự xoay.
2.3.7.3 Bộ tiếp điện
Bộ tiếp điện và lắp ráp bộ tiếp điện đối với giá chuyển hướng của toa xe đường sắt đô thị phải phù hợp tài liệu kỹ thuật.
2.3.8 Các quy định khác
2.3.8.1 Các chi tiết, bộ phận chế tạo bằng phương pháp hàn của giá chuyển hướng phải phù hợp tài liệu kỹ thuật
2.3.8.2 Các mối ghép, lắp ráp của giá chuyển hướng phải phù hợp tài liệu kỹ thuật.
2.3.8.3 Thiết bị cảnh báo, giám sát ổ trục của giá chuyển hướng phải phù hợp tài liệu kỹ thuật.
2.3.8.4 Thiết bị bôi trơn gờ bánh xe, thiết bị xả cát phải phù hợp tài liệu kỹ thuật.
2.3.8.5 Giữa trục bánh và khung giá, giữa khung giá và thân xe phải được thiết kế vị trí gá lắp hoặc lắp đặt thiết bị liên kết để khi nâng hoặc cẩu toàn bộ phương tiện không được gây hư hỏng hoặc tự rơi các bộ phận của giá chuyển.
2.3.8.6 Các cụm chi tiết, bộ phận của giá chuyển hướng cùng kiểu loại phải có tính lắp lẫn.
3 Quy định kiểm tra
Giá chuyển hướng sản xuất lắp ráp và nhập khẩu của đầu máy, toa xe phải được kiểm tra phù hợp với quy định của Quy chuẩn này.
3.1 Giá chuyển hướng của toa xe (trừ giá chuyển hướng của toa xe đường sắt đô thị)
Nội dung kiểm tra giá chuyển hướng của toa xe (trừ giá chuyển hướng của toa xe đường sắt đô thị) theo quy định tại Bảng 1.
Bảng 1 - Nội dung kiểm tra giá chuyển hướng của toa xe
| TT | Nội dung kiểm tra | Hình thức kiểm tra | Yêu cầu phù hợp theo quy định | |
| Đối với sản xuất lắp ráp | Đối với nhập khẩu |
| ||
| 1 | Kích thước đường bao giới hạn | KT | KT | 2.1.2 |
| 2 | Bán kính đường cong thông qua nhỏ nhất | CKM hoặc HS | CKM hoặc HS | 2.1.3 |
| 3 | Tốc độ thiết kế | HS | HS | 2.1.4 |
| 4 | Ký hiệu, số chế tạo | KT | KT | 2.1.8 |
| 5 | Thử nghiệm vận dụng | HS | HS | 2.1.10 |
| 6 | Khung giá, má giá, xà nhún | CKM và HS | CKM hoặc HS | 2.2.1.2 2.2.1.5 2.2.1.7 2.2.1.8 |
| 7 | Khoảng cách trục | CKM và HS | CKM hoặc HS | 2.2.2 |
| 8 | Bộ trục bánh xe | KT | KT | 2.2.3 |
| 9 | Hệ thống treo | KT | HS | 2.2.4 |
| 10 | Giảm chấn | HS | HS | 2.2.5 |
| 11 | Hệ thống hãm | KT | KT | 2.2.6 |
| 12 | Các quy định khác | KT | KT | 2.2.7.1 2.2.7.2 2.2.7.4 |
| 13 | Thử tải tĩnh | CK | CK | 2.2.8 |
Ký hiệu tại Bảng 1
HS: Kiểm tra xem xét hồ sơ
KT: Kiểm tra
CK: Chứng kiến kiểm tra
CKM: Chứng kiến kiểm tra mẫu điển hình
3.2 Giá chuyển hướng của đầu máy và giá chuyển hướng của toa xe đường sắt đô thị
Nội dung kiểm tra giá chuyển hướng của đầu máy và giá chuyển hướng của toa xe đường sắt đô thị theo quy định tại Bảng 2.
Bảng 2 - Nội dung kiểm tra giá chuyển hướng của đầu máy và giá chuyển hướng của toa xe đường sắt đô thị
| TT | Nội dung kiểm tra | Hình thức kiểm tra | Yêu cầu phù hợp theo quy định | |
| Đối với sản xuất lắp ráp | Đối với nhập khẩu |
| ||
| 1 | Kích thước đường bao giới hạn | KT | KT | 2.1.2 |
| 2 | Bán kính đường cong thông qua nhỏ nhất | CKM hoặc HS | CKM hoặc HS | 2.1.3 |
| 3 | Tốc độ thiết kế | HS | HS | 2.1.4 |
| 4 | Ký hiệu, số chế tạo | KT | KT | 2.1.8 |
| 5 | Thử nghiệm vận dụng | HS | HS | 2.1.10 |
| 6 | Khung giá, má giá, xà nhún | CKM và HS | CKM hoặc HS | 2.2.1.2 2.2.1.5 2.2.1.7 2.2.1.8 |
| 7 | Khoảng cách trục và công thức trục | CKM và HS | CKM hoặc HS | 2.3.2 |
| 8 | Bộ trục bánh xe | KT | KT | 2.3.3 |
| 9 | Hệ thống treo | KT | HS | 2.3.4 |
| 10 | Thanh kéo và giảm chấn | KT | KT | 2.3.5.1.b 2.3.5.2 |
| 11 | Hệ thống hãm | KT | KT | 2.3.6 |
| 12 | Hệ thống truyền động | KT | KT | 2.3.7 |
| 13 | Các quy định khác | KT | KT | 2.3.8.3 2.3.8.4 2.3.8.5 |
| 14 | Kiểm tra trên bệ thử | CK | CK |
|
Ký hiệu tại Bảng 2
HS: Kiểm tra xem xét hồ sơ
KT: Kiểm tra
CK: Chứng kiến kiểm tra
CKM: Chứng kiến kiểm tra mẫu điển hình
3.3 Phương thức kiểm tra
3.3.1 Kiểm tra xem xét hồ sơ, tài liệu kỹ thuật
Kiểm tra hồ sơ, tài liệu kỹ thuật bằng cách xem xét, nghiên cứu, đánh giá sự phù hợp của hồ sơ, tài liệu kỹ thuật với các quy định của Quy chuẩn.
3.3.2 Chứng kiến kiểm tra
Thực hiện việc kiểm tra thông qua quan sát, ghi nhận kết quả kiểm tra thử nghiệm để đánh giá sự phù hợp các thông số, đặc tính kỹ thuật của giá chuyển hướng trên thiết bị của nhà sản xuất hoặc đơn vị (tổ chức) kiểm tra, thử nghiệm so với quy định của Quy chuẩn này.
3.3.3 Chứng kiến kiểm tra mẫu điển hình
Thực hiện việc kiểm tra theo quy định tại 3.3.2 đối với một sản phẩm mẫu điển hình trong lô sản xuất lắp ráp hoặc nhập khẩu của các giá chuyển hướng cùng kiểu loại, cùng quy trình công nghệ chế tạo và cùng nhà sản xuất.
3.3.4 Phương pháp kiểm tra tương đương
Đơn vị (tổ chức) thực hiện kiểm tra, thử nghiệm được phép sử dụng phương pháp kiểm tra, thiết bị đo, dụng cụ kiểm tra khác so với quy định của Quy chuẩn này với điều kiện phải đảm bảo đánh giá được các yêu cầu theo nội dung tương ứng quy định tại Quy chuẩn kỹ thuật này.
4 Quy định về quản lý
4.1 Nhà sản xuất, tổ chức nhập khẩu giá chuyển hướng của đầu máy, toa xe chịu trách nhiệm về bản quyền, nguồn gốc xuất xứ, chất lượng giá chuyển hướng trong sản xuất lắp ráp hoặc nhập khẩu và phải đảm bảo phù hợp với các quy định tại Điều 2 của Quy chuẩn này.
4.2 Tổ chức, cá nhân đăng ký kiểm tra, chứng nhận chất lượng an toàn kỹ thuật và bảo vệ môi trường giá chuyển hướng của đầu máy, toa xe có trách nhiệm phối hợp với nhà sản xuất, thiết kế cung cấp, chịu trách nhiệm về nội dung trong các tài liệu kỹ thuật, báo cáo kiểm tra, thử nghiệm, bản khai thông tin theo quy định tại Phụ lục C và chuẩn bị giá chuyển hướng (hoặc phương tiện), trang thiết bị với đầy đủ các điều kiện cần thiết để tiến hành kiểm tra theo quy định tại Điều 3 của Quy chuẩn này.
4.3 Đối với giá chuyển hướng kiểu loại mới được nghiên cứu, phát triển trong thiết kế chế tạo lần đầu: Sau khi kết thúc việc thử nghiệm vận dụng, các giá chuyển hướng đưa vào sử dụng trong vòng 100000 km đầu tiên hoặc 18 tháng đối với đầu máy, 28 tháng với toa xe khách, toa xe đường sắt đô thị, 36 tháng đối với toa xe hàng nếu phát sinh hư hỏng do chất lượng của nhà sản xuất đối với trục xe hoặc xuất hiện vết nứt, biến dạng hình học nhìn thấy được đối với khung giá, má giá, xà nhún thì nhà sản xuất hoặc đơn vị nhập khẩu phải thực hiện việc khắc phục hoặc thay thế đảm bảo phù hợp quy định của tài liệu kỹ thuật. Sau khi khắc phục hoặc thay thế bộ phận thì quãng đường hoặc thời gian theo dõi chất lượng bộ phận được khắc phục, thay thế sẽ tính lại từ đầu.
4.4 Kiểu loại giá chuyển hướng được chuyển đổi cách ghi và sử dụng tương đương (như nhau) trong kiểm tra, chứng nhận, quản lý theo quy định mẫu tại Phụ lục E.
4.5 Trong trường hợp các văn bản quy phạm pháp luật, tài liệu được viện dẫn trong Quy chuẩn kỹ thuật này có sự thay đổi, bổ sung hoặc được thay thế thì thực hiện theo các văn bản mới.
5 Tổ chức thực hiện
5.1 Việc kiểm tra, chứng nhận giá chuyển hướng của đầu máy, toa xe trong sản xuất lắp ráp và nhập khẩu mới thực hiện theo quy định của Bộ trưởng Bộ Xây dựng về quản lý, khai thác vận tải đường sắt.
5.2 Các nội dung quy định tại Bảng 1 đã được kiểm tra theo QCVN 87:2015/BGTVT trước ngày Quy chuẩn này có hiệu lực thì không phải kiểm tra lại, các nội dung chưa được kiểm tra thì áp dụng theo quy định của Quy chuẩn này.
5.3 Các giá chuyển hướng của đầu máy, giá chuyển hướng của toa xe đường sắt đô thị được sản xuất lắp ráp hoàn chỉnh hoặc nhập khẩu về Việt Nam trước thời điểm Quy chuẩn này có hiệu lực thì không thuộc đối tượng áp dụng của Quy chuẩn này.
5.4 Tổ chức đăng kiểm chịu trách nhiệm kiểm tra giá chuyển hướng của đầu máy, toa xe trong sản xuất lắp ráp và nhập khẩu mới theo các quy định tại Điều 3 của Quy chuẩn này.
Phụ lục A
Yêu cầu đối với vật liệu, mác thép chế tạo khung giá, má giá, xà nhún giá chuyển hướng
Vật liệu, mác thép chế tạo khung giá, má giá, xà nhún giá chuyển hướng phải theo quy định dưới đây hoặc theo tài liệu kỹ thuật.
A. 1 Yêu cầu đối với vật liệu
Vật liệu chế tạo của giá chuyển hướng quy định như sau:
A.1.1 Đối với khung giá, má giá, xà nhún chế tạo bằng thép đúc, yêu cầu tối thiểu phải là thép cấp B hoặc cấp C hoặc thép có tính năng tương đương trở lên.
A.1.2 Đối với khung giá, má giá, xà nhún chế tạo bằng thép hàn, yêu cầu tối thiểu phải là thép cán dùng cho kết cấu hàn hoặc thép tấm có tính năng tương đương.
A.1.3 Chứng chỉ thành phần hóa học và cơ tính của thép đúc hoặc thép tấm chế tạo khung giá, má giá, xà nhún do cơ quan, tổ chức kiểm tra thử nghiệm có chức năng cấp.
A.2 Mác thép chế tạo khung giá, má giá, xà nhún
A.2.1 Thép cấp B
A.2.1.1 Thành phần hóa học
C ≤ 0,32%, Mn ≤ 0,90%, Si ≤ 1,5%, P ≤ 0,040%, S ≤ 0,040%.
Cho phép có thêm các nguyên tố hợp kim khác. Ở hàm lượng cacbon lớn nhất quy định, mỗi khi giảm đi 0,01% C, cho phép nâng cao hàm lượng Mn lớn nhất quy định lên 0,04% nhưng không được vượt quá 1,20%.
A.2.1.2 Tính năng cơ học
σb ≥ 485 MPa, σs ≥ 260 MPa, δ4 ≥ 24%, Ψ ≥ 36 %, độ cứng: 137 ÷ 208 HB, Akv ≥ 20J (-7°C).
A.2.2 Thép cấp C
A.2.2.1 Thành phần hóa học
C ≤ 0,32 %, Mn ≤ 1,85 %, Si ≤ 1,50 %, P ≤ 0,04 %, S ≤ 0,04 %, cho phép thêm các nguyên tố hợp kim khác.
A.2.2.2 Tính năng cơ học
a) Sau nhiệt luyện: Tôi + ủ.
σb ≥ 620 MPa, σs ≥ 415 MPa, δ4 ≥ 22 %, Ψ ≥ 45 %, độ cứng: 179 ÷ 241 HB, Akv > 20 J(-18°C).
b) Sau nhiệt luyện: Ram + ủ.
σb ≥ 620 MPa, σs ≥ 415 MPa, δ4 ≥ 22 %, Ψ ≥ 45 %, độ cứng: 179 ÷ 241 HB, Akv > 34 J (-40°C).
A.2.3 Thép hàn hoặc thép tấm
A.2.3.1 Thành phần hóa học
C ≤ 0,2%, Mn ≤ 1,6%, Si ≤ 0,55%, P ≤ 0,035%, S ≤ 0,035%.
A.2.3.2 Tính năng cơ học
σb: 490 ÷ 610 MPa.
Phụ lục B
Quy định thử tải tĩnh giá chuyển hướng
B.1 Yêu cầu đối với thiết bị thử
a) Kiểm tra giá chuyển hướng dưới tải tĩnh phải tiến hành trên bệ thử chuyên dùng, sai số tải của thiết bị không được quá 2%.
b) Đồng hồ hiển thị trị số tải phải còn thời hạn kiểm định.
c) Thiết bị đo chiều dầy được phép sử dụng bằng thiết bị đo siêu âm, thước cặp hoặc thiết bị có cấp chính xác phù hợp để đánh giá kích thước đảm bảo yêu cầu theo tài liệu kỹ thuật.
B.2 Nội dung kiểm tra
B.2.1 Thông số kiểm tra
a) Đo chiều dầy khung giá chuyển hướng:
- Đối với khung giá chuyển hướng thép hàn: Đo theo quy định của tài liệu kỹ thuật về thiết kế.
- Đối với khung giá chuyển hướng thép đúc:
Sơ đồ điểm đo minh họa điển hình (với kết cấu má giá, xà nhún) như sau:

Ghi chú:
- Đối với từng kiểu loại có thể xem xét điều chỉnh vị trí điểm đo cho phù hợp. Số lượng điểm đo không ít hơn sơ đồ trên hoặc theo yêu cầu của tài liệu kỹ thuật về thiết kế.
- Nếu chiều dày khung giá, má giá, xà nhún thép đúc có kích thước nhỏ hơn giới hạn quy định của tài liệu kỹ thuật thì tiến hành kiểm tra trọng lượng theo quy định về sản phẩm đúc để đánh giá bổ sung.
b) Bảng đo thông số ép thử tĩnh
| TT | Thông số kiểm tra | Kết quả kiểm tra [mm] | ||
| Không tải | Tải trọng P1 | Tải trọng P2 | ||
| 1 | Chiều cao lò xo thuộc hệ thống treo, [mm] (gồm: lò xo hộp trục, lò xo xà nhún, lò xo trung ương hoặc LXKK) |
|
|
|
| 2 | Khoảng cách từ mặt trên xà nhún tới mặt dưới má giá, [mm] |
|
|
|
| 3 | Khoảng cách từ mặt trên má giá tới mặt ray, [mm] |
|
|
|
| 4 | Khoảng cách từ mặt dưới má giá tới mặt ray, [mm] |
|
|
|
| 5 | Khoảng cách từ mặt trên cối chuyển dưới tới mặt ray, [mm] |
|
|
|
| 6 | Khoảng cách từ mặt trên bàn trượt chịu lực hoặc mặt trên lò xo không khí đến mặt ray, [mm] (đối với giá chuyển hướng dùng cho xe khách hoặc giá chuyển hướng lò xo không khí) |
|
|
|
Ghi chú:
- P1 là tải bằng % giá trị tự trọng trung bình của phương tiện trong tính toán thiết kế. P2 là tải bằng % giá trị tải lớn nhất (gồm tự trọng TB và tải trọng lớn nhất) của phương tiện trong tính toán thiết kế. Trong các trường hợp khác, trị số tải trọng ép thử tĩnh P1, P2 theo quy định của thiết kế
- Trường hợp khi thực hiện đo chiều cao lò xo thuộc hệ thống treo trên bệ thử không thể đo kích thước tổng thể lò xo do việc lắp ráp các trang thiết bị hoàn chỉnh thì cho phép tính chiều cao tấm căn đệm hoặc đế đỡ bằng thép là không biến dạng để thực hiện phép đo.
- Các thông số kiểm tra nếu có trong thiết kế thì phải kiểm tra toàn bộ, nếu không có trong thiết kế thì không kiểm tra.
B.2.2 Đánh giá kết quả kiểm tra
Khi đánh giá kết quả kiểm tra yêu cầu các thông số kiểm tra giá chuyển hướng phải phù hợp với quy định của tài liệu kỹ thuật.
Phụ lục C
Danh mục tài liệu kỹ thuật và bản khai thông tin giá chuyển hướng
Tổ chức/doanh nghiệp đề nghị kiểm tra cung cấp cho cơ quan kiểm tra theo danh mục tài liệu kỹ thuật và bản khai thông tin dưới đây:
C.1 Danh mục tài liệu kỹ thuật
a) Tài liệu tính toán thiết kế của nhà sản xuất hoặc đơn vị thiết kế đối với giá chuyển hướng sản xuất lắp ráp.
b) Tài liệu thuyết minh tính năng hoạt động, thông số (đặc tính) kỹ thuật của giá chuyển hướng.
c) Bản vẽ kỹ thuật tổng thể giá chuyển hướng của nhà sản xuất hoặc đơn vị thiết kế. Bản vẽ kỹ thuật của nhà sản xuất hoặc thiết kế gồm: khung giá, má giá, xà nhún, bộ trục bánh xe, hệ thống hãm, mô tơ điện kéo (nếu có), hộp giảm tốc (nếu có), hệ thống truyền động (nếu có), hệ thống thiết bị (nếu có) lắp trên giá chuyển hướng.
d) Báo cáo kiểm tra khuyết tật và các chứng chỉ cơ lý tính, thành phần vật liệu chế tạo, khung giá, má giá, xà nhún, bộ trục bánh xe của nhà sản xuất hoặc đơn vị thử nghiệm.
e) Báo cáo kiểm tra lực ép mâm bánh xe vào trục bánh xe của nhà sản xuất.
f) Báo cáo kết quả kiểm tra xử lý nhiệt khử ứng suất dư, kiểm tra mối hàn bằng phương pháp không phá hủy tại các vị trí quy định của khung giá, má giá, xà nhún chế tạo bằng phương pháp hàn của nhà sản xuất đối với sản xuất lắp ráp.
g) Báo cáo kết quả kiểm tra kích thước của khung giá, má giá, xà nhún, bộ trục bánh xe, lắp ráp mô tơ điện kéo, lắp ráp hộp giảm tốc trục của nhà sản xuất.
h) Báo cáo thử tải tĩnh giá chuyển hướng (đối với giá chuyển hướng toa xe) của nhà sản xuất hoặc đơn vị (tổ chức) kiểm tra, thử nghiệm.
i) Chứng chỉ chất lượng giá chuyển hướng của nhà sản xuất. Chứng chỉ chất lượng giá chuyển hướng gồm các thông tin: Tên nhà sản xuất; năm sản xuất; kiểu loại; số chế tạo; tiêu chuẩn, quy chuẩn áp dụng (nếu có).
C.2 Bản khai thông tin giá chuyển hướng
| STT | Nội dung | Thông tin cung cấp |
| 1 | Kiểu loại giá chuyển hướng | Ghi kiểu loại giá chuyển hướng theo thông tin của nhà sản xuất hoặc theo cách ghi tại Phụ lục E |
| 2 | Số chế tạo | Ghi số hiệu chế tạo |
| 3 | Nhà sản xuất | Ghi tên nhà sản xuất hoặc ký hiệu viết tắt của nhà sản xuất |
| 4 | Năm sản xuất | Ghi năm sản xuất theo chứng chỉ chất lượng của nhà sản xuất |
| 5 | Nước sản xuất | Ghi tên nước sản xuất |
| 6 | Môi trường vận dụng | Ghi thông tin về môi trường vận dụng: nhiệt độ, độ ẩm, thông tin khác (nếu có) |
| 7 | Công thức trục | Ghi ký hiệu đối với giá chuyển hướng của đầu máy, toa xe động lực đường sắt đô thị |
| 8 | Tải trọng trục thiết kế | Ghi tải trọng trục theo thiết kế (t) |
| 9 | Tốc độ thiết kế/vận dụng max | Ghi tốc độ tốc độ thiết kế / tốc độ vận dụng max (km/h) |
| 10 | Giang cách trục bánh xe | Ghi giang cách trục bánh xe (mm) |
| 11 | Kiểu loại mô tơ điện kéo | Ghi kiểu loại mô tơ điện kéo |
| 12 | Công suất định mức của mô tơ điện kéo | Ghi công suất định mức (kW) |
| 13 | Hình thức cấp điện | Ví dụ: ray thứ ba (đối với giá chuyển lắp cho phương tiện đường sắt đô thị) |
| 14 | Kiểu loại giảm chấn | Ghi tên kiểu loại các giảm chấn |
| 15 | Khối lượng | Ghi khối lượng theo danh nghĩa (t) |
| 16 | Kích thước (dài x rộng x cao) | Ghi kích thước chiều dài, chiều rộng, chiều cao danh nghĩa của giá chuyển hướng (mm) |
| 17 | Bán kính đường cong thông qua nhỏ nhất | Ghi bán kính đường cong thông qua nhỏ nhất của giá chuyển hướng (m) |
| 18 | Khổ đường | Ghi khổ đường thiết kế vận hành của giá chuyển hướng (mm) |
| 19 | Các thông tin khác | Ghi các thông tin khác (nếu có) |
Phụ lục D
Công thức trục của phương tiện
D.1 Công thức trục của giá chuyển hướng của đầu máy, toa xe động lực đường sắt đô thị
| TT | Ký hiệu | Định nghĩa |
| 1 | 1 | 01 trục bánh xe không có bộ phận truyền động trên trục (trục bị động) |
| 2 | A | 01 trục bánh xe có bộ phận truyền động trên trục (trục chủ động) |
| 3 | B | 02 trục bánh xe lắp trên giá chuyển hướng được truyền động đồng thời hoặc theo cặp |
| 4 | C | 03 trục bánh xe lắp trên giá chuyển hướng được truyền động đồng thời hoặc theo nhóm |
| 5 | D | 04 trục bánh xe lắp trên giá chuyển hướng được truyền động đồng thời hoặc theo nhóm |
| 6 | o | Ký hiệu kèm theo nhóm trục bánh xe có truyền động độc lập theo từng trục |
| 7 | - | Ký hiệu tách biệt giữa từng trục hoặc giá chuyển hướng |
| 8 | ( ) | Ký hiệu đối với từng nhóm trục bánh hoặc từng giá chuyển hướng |
| 9 | [ ] | Ký hiệu đối với từng nhóm trục bánh hoặc từng giá chuyển hướng khi phương tiện có nhiều nhóm trục hoặc giá chuyển hướng |
D.2 Minh họa quy định cách ghi ký hiệu công thức trục của phương tiện:
a) A-1: Phương tiện có 2 trục bánh xe, trục bánh số 1 (tại đầu lắp hãm tay) có bộ phận truyền động (trục chủ động), trục bánh xe số 2 không có bộ phận truyền động (trục bị động).
b) B-B: Phương tiện có 2 giá chuyển hướng và mỗi giá chuyển hướng có 2 trục bánh xe được truyền động đồng thời theo cặp.
c) Co-Co: Phương tiện có 2 giá chuyển hướng và mỗi giá chuyển hướng có 3 trục bánh xe truyền động độc lập trên từng trục bánh xe.
d) [(1A)(1A)]-[(A1)(A1)]: Phương tiện có 2 giá chuyển bố trí đối xứng, mỗi giá chuyển hướng gồm 4 trục lần lượt từ ngoài vào trong: 1 trục bị động - 1 trục chủ động - 1 trục bị động - 1 trục chủ động.
Phụ lục E
Kiểu loại giá chuyển hướng
E.1 Quy định cách ghi ký hiệu, kiểu loại giá chuyển hướng sử dụng trong kiểm tra, quản lý
| TT | Thông số kỹ thuật/thông tin | Hiện trạng đang sử dụng (1) | Số lượng ký tự (2) | Ký hiệu chuyển đổi (3) | Ghi chú |
| 1 | Nước sản xuất | Việt Nam | 2 | VN | Danh sách tên, tên viết tắt của 241 quốc gia vùng lãnh thổ trên thế giới theo tiêu chuẩn ISO 3166 |
| Trung Quốc | CN | ||||
| Rumani | RO | ||||
| Hàn Quốc | KR | ||||
| 2 | Nhà sản xuất | Gia Lâm | 2 | GL | Ghi 2 ký tự viết tắt của nhà sản xuất. Đối với nhà sản xuất nước ngoài thì phiên âm tiếng Việt hoặc tiếng Anh |
| Dĩ An | DA | ||||
| Sông Cấm | SC | ||||
| Đồng Lăng | DL | ||||
| Mi sơn | MS | ||||
| Chưa rõ | ## | ||||
| 3 | Khổ đường (mm) | Tiêu chuẩn | 1 | T | Khổ đường tiêu chuẩn là 1435 mm hoặc khổ đường hẹp là 1000 mm |
| Hẹp | H | ||||
| Loại khác (1067...) | # | ||||
| 4 | Kết cấu khung giá | Khung giá cố định | 2 | KC | Tên viết tắt chữ cái đầu bằng tiếng Việt. |
| Khung giá- xà nhún | KX | ||||
| Khung giá - má giá | KM | ||||
| Má giá - xà nhún | MX | ||||
| Loại khác | ## | ||||
| 5 | Phương pháp chế tạo khung giá (má giá, xà nhún) | Đúc | 1 | Đ | Tên viết tắt chữ chữ cái đầu bằng tiếng Việt. |
| Hàn |
| H | |||
| Tán |
| T | |||
| Loại khác |
| # | |||
| 6 | Khoảng cách trục (mm) | 1650 | 3 | 165 | Ghi 3 số bỏ 1 số cuối (mm) Đối với loại 3 trục mà có 2 kích thước trên 1 GCH thì chỉ ghi khoảng cách trục lớn nhất |
| 1700 |
| 170 | |||
| 2200 |
| 220 | |||
| 1676 và 1828 |
| 182 | |||
| 7 | Đường kính bánh xe danh nghĩa (mm) | 1000 | 3 | 100 | Bỏ 1 số cuối (tính theo đơn vị mm) |
| 840 |
| 084 | |||
| 780 |
| 078 | |||
| 580 |
| 058 | |||
| 8 | Kiểu hãm | Mặt lăn | 1 | L | Tên viết tắt chữ cái đầu bằng tiếng Việt. |
| Đĩa hãm (đĩa rời hoặc đĩa liền mâm bánh xe |
| Đ | |||
| Loại khác |
| # | |||
| 9 | Hệ thống treo | 01 hệ thống treo (không có/lò xo thép. Ví dụ: Mi sơn) | 2 | OT | Tên viết tắt chữ cái đầu bằng tiếng Việt. Lò xo: O- không có T- thép C- cao su K- không khí # loại khác |
| 02 hệ thống treo (Cao su/thép. Ví dụ như ĐM D19E) |
| CT | |||
| K.khí/cao su hộp trục |
| KC | |||
| K.khí/thép hộp trục |
| KT | |||
| Loại khác |
| ## | |||
| 10 | Năm sản xuất | 1978 | 2 | 78 | Lấy 2 số cuối của năm sản xuất theo CQ hoặc năm cấp giấy phép hoặc năm đưa vào sử dụng |
| 1989 | 89 | ||||
| 2024 | 24 | ||||
| 11 | Công suất mô tơ điện kéo (kW) | 310 kW | 2 | 31 | Bỏ 1 số cuối (Đầu máy, toa xe động lực) |
| 290 kW | 29 | ||||
| 285 kW | 28 | ||||
| Cơ khí | CK | ||||
| Không có | 00 | ||||
| Khác (VD: đ.cơ đồng trục) | ## | ||||
| :12 | Công thức trục | 1 trục | 2 | A | Đối với truyền động đồng thời chỉ dùng 1 ký tự |
| 2 trục truyền động đồng thời | B | ||||
| 3 trục truyền động độc lập | Co |
Ghi chú:
(1) Số lượng hiện trạng đang sử dụng thực tế nhiều hơn bảng minh họa, khi áp dụng ghi kiểu loại sẽ thực hiện cách ghi chuyển đổi theo cột ghi chú tại bảng.
(2) Số lượng ký tự để ký hiệu hoặc chuyển đổi đối với từng thông số kỹ thuật hoặc thông tin.
(3) Ký hiệu chuyển đổi tương ứng với từng thông số kỹ thuật hoặc thông tin.
E.2 Minh họa cách ghi ký hiệu, kiểu loại giá chuyển hướng sử dụng trong kiểm tra, quản lý
1. Giá chuyển hướng toa xe
| TT | Tên kiểu loại giá chuyển hướng đang sử dụng | KÝ HIỆU | |||||||||
| (1) | (2) | (3) | (4) | (5) | (6) | (7) | (8) | (9) | (10) | ||
| 1. | Xe hàng Rumani khổ 1435 | RO | ## | T | MX | D | 220 | 078 | L | TO | 89 |
| 2. | Mi sơn | CN | MS | H | MX | D | 160 | 078 | L | OT | 02 |
| 3. | Lò xo không khí có xà nhún | VN | GL | H | KX | H | 220 | 084 | D | KT | 05 |
| 4. | Lò xo không khí không xà nhún | VN | DA | H | KC | H | 220 | 084 | D | KT | 05 |
Ghi chú: Các cột thông tin từ (1) đến (10) trong bảng E2.a tương ứng với số thứ tự thông tin tại mục E1 trên
2. Giá chuyển hướng đầu máy hoặc toa xe động lực đường sắt đô thị
| TT | Tên kiểu loại giá chuyển hướng đang sử dụng | KÝ HIỆU | |||||||||||
| (1) | (2) | (3) | (4) | (5) | (6) | (7) | (8) | (9) | (10) | (11) | (12) | ||
| 1. | GCH của đầu máy D9E | US | GE | H | KC | D | 208 | 100 | L | CT | 63 | 28 | Bo |
| 2. | GCH của đầu máy D13E | IN | BR | H | KX | D | 182 | 100 | L | OT | 84 | 29 | Co |
| 3. | GCH của đầu máy D19E | CN | TD | H | KC | H | 165 | 100 | L | CT | 63 | 31 | Co |
Ghi chú: Các cột thông tin từ (1) đến (12) trong bảng E2.b tương ứng với số thứ tự thông tin tại mục E1 trên
E.3 Ví dụ cách ghi ký hiệu, kiểu loại giá chuyển hướng sử dụng trong kiểm tra, quản lý:
1. “Xe hàng Rumani khổ 1435” tương đương “RO##TMXD220078LTO89”
2. “Mi sơn” tương đương “CNMSHMXD160078LOT02”
3. “Lò xo không khí có xà nhún” tương đương “VNGLHKXH220084DKT05”
4. “Lò xo không khí không xà nhún” tương đương “VNDAHKCH220084DKT05”
5. “GCH của đầu máy D9E” tương đương “USGEHKCD208100LCT6328Bo”
6. “GCH của đầu máy D13E” tương đương “INBRKXD182100LOT8429Co”
7. “GCH của đầu máy D19E” tương đương “CNTDHKCH165100LCT6331CO”
Phụ lục F
Yêu cầu kỹ thuật và phương pháp kiểm tra
F.1 Kiểm tra kích thước đường bao giới hạn
Đặt giá chuyển hướng vào vị trí kiểm tra tại đường thẳng, phẳng hoặc thiết bị kiểm tra chuyên dùng để thực hiện kiểm tra kích thước đường bao mặt cắt ngang theo chiều ngang (chiều rộng) của giá chuyển hướng. Kích thước theo chiều thẳng đứng (chiều cao) ở các trạng thái không tải, đầy tải đối với toa xe và trạng thái chỉnh bị vận hành đối với đầu máy.
F.2 Khung giá, má giá, xà nhún
Đặt khung giá, má giá, xà nhún trên vị trí kiểm tra hoặc thiết bị đo kiểm chuyên dùng. Sử dụng các dụng cụ đo hoặc thiết bị đo phù hợp để kiểm tra kích thước hình học gồm: độ vuông góc, song song, đồng phẳng của các bề mặt làm việc với nhau; kích thước cơ bản tương quan khi lắp ráp của bộ trục bánh (hộp trục), xà nhún, thanh kéo, mô tơ điện kéo, hệ thống treo, cối chuyển hướng, bàn trượt. Sử dụng thiết bị đo chiều dày hoặc thiết bị kiểm tra siêu âm để đánh giá kích thước vật đúc, chiều dày vật liệu chế tạo và các mối hàn tại vị trí quan trọng theo quy định của tài liệu kỹ thuật hoặc các quy định khác liên quan.
F.3 Bộ trục bánh xe
Kiểm tra bộ trục bánh xe đối với các số thông số cơ bản: biên dạng mặt lăn bánh xe, đường kính bánh xe, so sánh sai lệch đường kính bánh xe, giang cách bánh xe.
F.4 Độ dịch chuyển ngang của ổ trục
Dịch chuyển ổ trục ở hai vị trí giới hạn sau đó đo sự chênh lệch dịch chuyển, ghi nhận số liệu của các thông số: độ dịch chuyển ngang của bộ trục bánh với khung giá, tổng khe hở hộp trục với khung giá, má giá theo chiều dọc trục và ngang trục.
F.5 Hệ thống treo, giảm chấn
Kiểm tra kiểu loại, nhận dạng trang thiết bị hệ thống treo, giảm chấn theo quy định của tài liệu kỹ thuật.
Kiểm tra việc thử hoạt động, thử kín đối với hệ thống treo kiểu khí nén của giá chuyển hướng theo quy định của tài liệu kỹ thuật.
F.6 Hệ thống hãm
Kiểm tra kiểu loại, nhận dạng, thông số lắp ráp các trang thiết bị hệ thống hãm chính theo quy định của tài liệu kỹ thuật.
Kiểm tra thử kín, thử hoạt động đối với hệ thống khí nén và kiểm tra hoạt động hãm tay/ hãm đỗ giá chuyển hướng theo quy định tài liệu kỹ thuật.
F.7 Cụm truyền động, mô tơ điện kéo
Kiểm tra kiểu loại, nhận dạng trang thiết bị cụm truyền động và mô tơ điện kéo theo tài liệu kỹ thuật và thông số lắp ráp cụm truyền động, mô tơ điện kéo theo quy định của tài liệu kỹ thuật.
F.8 Kiểm tra trạng thái khi cẩu và nâng
Thực hiện cẩu và nâng tổng thể giá chuyển hướng rời khỏi đường ray, kiểm tra liên kết giữa khung giá với các trang thiết bị không được rơi các chi tiết, bộ phận.
F.9 Kiểm tra khối lượng
F.10 Kiểm tra tổng thể giá chuyển hướng
a) Thực hiện kiểm tra độ kín của hệ thống khí nén: Cấp khí nén với áp suất làm việc gấp 1.1 lần áp suất định áp của hệ thống khí nén, giữ áp suất trong 10 phút, kiểm tra giá trị giảm áp không được vượt quá 0,02 bar.
b) Đối với giá chuyển hướng của toa xe (trừ giá chuyển hướng của toa xe đường sắt đô thị): Đặt giá chuyển hướng trên thiết bị kiểm tra chuyên dùng, đặt lực ép tải trọng tĩnh theo thông số quy định tại tài liệu kỹ thuật, kiểm tra các thông số kỹ thuật cơ bản quy định tại phụ lục B của Quy chuẩn này.
c) Đối với giá chuyển hướng của đầu máy và giá chuyển hướng của toa xe đường sắt đô thị: Kiểm tra thử hoạt động hộp trục bánh xe, ổ đỡ mô tơ điện kéo và hộp giảm tốc trục, bằng cách đưa giá chuyển hướng lên bệ gá chạy thử để chạy thử theo 2 chiều tiến, lùi với tốc độ quay bánh xe không ít hơn 300 vòng/phút và mỗi chiều ít nhất 60 phút liên tục. Trong quá trình thử kiểm tra không được phép có các hiện tượng phát nóng bất thường, tiếng kêu lạ hoặc chảy dầu.
Phụ lục G
Biên dạng mặt lăn bánh xe
G.1 Biên dạng mặt lăn lõm khổ đường 1000 mm

G.3 Biên dạng mặt lăn côn khổ đường 1435 mm

Ghi chú: N là chiều rộng của mặt lăn theo quy định của nhà sản xuất.
|
CỘNG HÒA XÃ HỘI CHỦ NGHĨA VIỆT NAM
QCVN 27:2025/BXD
QUY CHUẨN KỸ THUẬT QUỐC GIA
National technical regulation on couplers for rolling stocks
HÀ NỘI - 2025
|
Lời nói đầu
QCVN 27:2025/BXD do Cục Đăng kiểm Việt Nam biên soạn, Cục Đường sắt Việt Nam trình duyệt, Bộ Khoa học và công nghệ thẩm định, Bộ Xây dựng ban hành kèm theo Thông tư số 44/2025/TT-BGTVT ngày 09 tháng 12 năm 2025.
Quy chuẩn này thay thế Quy chuẩn QCVN 111:2023/BGTVT được ban hành kèm theo Thông tư số 04/2023/TT-BGTVT ngày 17 tháng 4 năm 2023 của Bộ trưởng Bộ Giao thông vận tải.
Mục lục
1 Quy định chung
1.1 Phạm vi điều chỉnh
1.2 Đối tượng áp dụng
1.3 Giải thích từ ngữ
2 Quy định kỹ thuật
2.1 Yêu cầu chung
2.2 Ký hiệu và chứng chỉ chất lượng
2.3 Thân móc nối và khung đuôi móc nối
2.4 Hộp đỡ đấm
2.5 Yêu cầu về độ cứng
3 Quy định quản lý
4 Tổ chức thực hiện
Phụ lục A - Danh mục tài liệu kỹ thuật
QUY CHUẨN KỸ THUẬT QUỐC GIA VỀ BỘ MÓC NỐI, ĐỠ ĐẤM CỦA ĐẦU MÁY, TOA XE
National technical regulation on couplers for rolling stocks
1 Quy định chung
1.1 Phạm vi điều chỉnh
1.1.1 Quy chuẩn này quy định các yêu cầu kỹ thuật và việc kiểm tra chất lượng, an toàn kỹ thuật và bảo vệ môi trường đối với bộ móc nối, đỡ đấm sản xuất lắp ráp và nhập khẩu mới của đầu máy, toa xe.
1.1.2 Quy chuẩn này áp dụng cho bộ móc nối, đỡ đấm của đầu máy, toa xe có mã HS là 86.07.30.00 được quy định theo Thông tư số 31/2022/TT-BTC ngày 08 tháng 6 năm 2022 của Bộ trưởng Bộ Tài chính ban hành Danh mục hàng hóa xuất khẩu, nhập khẩu Việt Nam.
1.1.3 Quy chuẩn này không áp dụng cho bộ móc nối, đỡ đấm của đầu máy, toa xe sử dụng trên đường sắt đô thị; đầu máy, toa xe có tốc độ thiết kế lớn hơn 120 km/h; đầu máy, toa xe của quân đội, công an sử dụng vào mục đích quốc phòng, an ninh.
1.2 Đối tượng áp dụng
Quy chuẩn này áp dụng đối với tổ chức, cá nhân có liên quan đến việc quản lý, sản xuất lắp ráp, nhập khẩu, kiểm tra, chứng nhận chất lượng an toàn kỹ thuật và bảo vệ môi trường đối với bộ móc nối, đỡ đấm của đầu máy, toa xe thuộc phạm vi điều chỉnh tại điểm 1.1 của quy chuẩn này.
1.3 Giải thích từ ngữ
Trong Quy chuẩn này, các từ ngữ dưới đây được hiểu như sau:
1.3.1 Bộ móc nối, đỡ đấm
Bộ phận dùng để nối các toa xe, các đầu máy với nhau, nối toa xe với đầu máy và giữ chúng ở cách nhau một khoảng nhất định, truyền lực kéo hoặc nén trong đoàn tàu, đồng thời giảm nhẹ tác động của chúng xảy ra trong thời gian chạy tàu và khi dồn phóng tàu tại các ga (xem Hình 1).
1.3.2 Dung năng
Năng lượng mà hộp đỡ đấm có khả năng hấp thụ được ứng với hành trình lớn nhất của hộp đỡ đấm khi chịu nén.
1.3.3 Lực căng ban đầu
Lực nén có trước cần thiết để lắp ráp hộp đỡ đấm.
2 Quy định kỹ thuật
2.1 Yêu cầu chung

Trong đó:
1- Thân móc nối 2 - Lưỡi móc 3 - Khung đuôi móc nối 4 - Hộp đỡ đấm
5- Chốt lưỡi móc 6 - Chốt khung đuôi 7 - Khóa lưỡi móc
Hình 1 - Hình vẽ minh họa kết cấu bộ móc nối, đỡ đấm
2.1.1 Tài liệu kỹ thuật của nhà sản xuất đối với bộ móc nối, đỡ đấm phải phù hợp với quy định tại phụ lục A.
2.1.2 Bộ móc nối, đỡ đấm phải phù hợp với các yêu cầu của quy chuẩn này và tài liệu kỹ thuật của nhà sản xuất.
2.1.3 Đường bao liên kết của thân móc nối, lưỡi móc phải phù hợp với tài liệu kỹ thuật của nhà sản xuất và đảm bảo cho việc nối kết an toàn và thuận lợi.
2.1.4 Kích thước chính, tính năng, thông số kỹ thuật của thân móc nối, lưỡi móc, khung đuôi móc nối và hộp đỡ đấm phải phù hợp với tài liệu kỹ thuật của nhà sản xuất.
2.1.5 Bề mặt thân móc nối, lưỡi móc, khung đuôi móc nối, chốt lưỡi móc, chốt đuôi móc không xuất hiện vết nứt nhìn thấy được.
2.1.6 Dung sai khối lượng cho phép của bộ móc nối, đỡ đấm: không được quá 3 % khối lượng danh nghĩa.
2.1.7 Tính năng mở móc hoàn toàn, đóng móc hoàn toàn và khóa móc phải bình thường, không được tự mở móc.
2.1.8 Thân móc nối và khung đuôi móc nối phải được phủ một lớp chống gỉ, trừ bề mặt ma sát của các chi tiết hoạt động bên trong móc nối phải được bôi trơn bằng dầu hoặc mỡ.
2.2 Ký hiệu và chứng chỉ chất lượng
2.2.1 Trên thân móc nối, lưỡi móc, khung đuôi móc nối phải có các ký hiệu sau:
a) Tên nhà sản xuất;
b) Năm sản xuất;
c) Số nhận dạng;
d) Riêng thân móc nối phải có ký hiệu kiểu loại móc nối.
2.2.2 Thân móc nối và khung đuôi móc nối khi xuất xưởng phải có chứng chỉ chất lượng của nhà sản xuất, chứng chỉ chất lượng phải có các nội dung sau:
a) Tên nhà sản xuất;
b) Năm sản xuất;
c) Số nhận dạng;
d) Kiểu loại móc nối;
e) Mác thép đúc.
2.2.3 Hộp đỡ đấm khi xuất xưởng phải có chứng chỉ chất lượng của nhà sản xuất, chứng chỉ chất lượng phải có các nội dung sau:
a) Tên nhà sản xuất;
b) Năm sản xuất;
c) Số nhận dạng;
d) Kiểu loại hộp đỡ đấm.
2.3 Thân móc nối và khung đuôi móc nối
Xem xét tài liệu kỹ thuật của nhà sản xuất, trong tài liệu kỹ thuật của nhà sản xuất phải thể hiện được thành phần hóa học và cơ tính của vật liệu chế tạo thân móc nối, khung đuôi móc nối và các bộ phận khác như lưỡi móc, khóa lưỡi móc, chốt lưỡi móc, chốt đuôi móc. Trong đó, vật liệu chế tạo thân móc nối, khung đuôi móc nối đảm bảo là thép đúc cấp C hoặc cấp E theo tiêu chuẩn AAR M201 - “Thép đúc - Yêu cầu kỹ thuật” (Steel castings - Specification) hoặc tương đương về cơ tính và thành phần hóa học; vật liệu chế tạo lưỡi móc, khóa lưỡi móc cùng một loại thép đúc với thân móc nối hoặc tương đương về cơ tính và thành phần hóa học; vật liệu chế tạo chốt lưỡi móc, chốt đuôi móc tối thiểu từ thép kết cấu cacbon E 275 theo tiêu chuẩn ISO 630:1995 - “Thép kết cấu - Thép tấm, thép tấm bản rộng, thép thanh, thép hình” (Structural steels - Plates, wide flats, bars, sections and profiles) hoặc thép kết cấu tương đương được thường hóa.
2.4 Hộp đỡ đấm
2.4.1 Xem xét tài liệu kỹ thuật của nhà sản xuất, trong tài liệu kỹ thuật của nhà sản xuất phải thể hiện được dung năng danh nghĩa của hộp đỡ đấm, dung năng danh nghĩa của hộp đỡ đấm không được nhỏ hơn 20 kJ hoặc theo quy định của nhà sản xuất.
2.4.2 Xem xét tài liệu kỹ thuật của nhà sản xuất, trong tài liệu kỹ thuật của nhà sản xuất phải thể hiện được lực nén và hành trình danh nghĩa của hộp đỡ đấm phù hợp với quy định tại Bảng 1 hoặc quy định của nhà sản xuất.
Bảng 1 - Lực nén và hành trình danh nghĩa
| Lực nén danh nghĩa (MN) | Lực nén lớn nhất (MN) | Hành trình danh nghĩa (mm) |
| ≤ 0,8 | ≤ 1,2 | ≤ 73 |
2.4.3 Hộp đỡ đấm phải làm việc ổn định, các thông số cơ bản không thay đổi khi chịu tải trọng lặp lại.
2.4.4 Xem xét tài liệu kỹ thuật của nhà sản xuất, trong tài liệu kỹ thuật của nhà sản xuất phải thể hiện được lực căng ban đầu của hộp đỡ đấm từ 20 kN đến 120 kN. Việc kiểm tra lực căng ban đầu của hộp đỡ đấm được thực hiện thông qua quan sát, ghi lại kết quả kiểm tra (chứng kiến kiểm tra) lực căng ban đầu trên thiết bị kiểm tra chuyên dùng.
2.4.5 Kích thước hộp đỡ đấm kim loại có chiều dài không nhỏ hơn 625 mm, chiều rộng không quá 330 mm, chiều cao không quá 234 mm hoặc theo quy định của nhà sản xuất. Kích thước hộp đỡ đấm cao su có chiều dài không nhỏ hơn 627 mm, chiều rộng không quá 322 mm, chiều cao không quá 230 mm. Hộp đỡ đấm sau khi lắp ráp xong phải có độ nén ban đầu ít nhất là 2 mm.
2.4.6 Xem xét tài liệu kỹ thuật của nhà sản xuất, trong tài liệu kỹ thuật của nhà sản xuất phải thể hiện được tấm thép và lá cao su kẹp hai bên (gọi là tấm cao su đỡ đấm) phải được lưu hóa. Tấm cao su sau khi lưu hóa được nén giảm còn 70 % chiều dày và giữ trong 5 phút, bỏ nén sau 5 phút và đo lại chiều dày. Yêu cầu chiều dày không được giảm quá 5 % kích thước ban đầu. Số lượng tấm thép và lá cao su thử nghiệm được lấy ngẫu nhiên không nhỏ hơn 10 % tổng số tấm thép và lá cao su. Việc kiểm tra tấm thép và lá cao su được thực hiện thông qua quan sát, ghi lại kết quả kiểm tra (chứng kiến kiểm tra) tấm thép và lá cao su trên thiết bị kiểm tra chuyên dùng.
2.5 Yêu cầu về độ cứng
2.5.1 Độ cứng bề mặt lưỡi móc
- Thép đúc cấp C hoặc tương đương là 179 - 229 HB;
- Thép đúc cấp E hoặc tương đương là 241 - 291 HB.
2.5.2 Độ cứng bề mặt của các chi tiết khác (trừ lưỡi móc)
- Thép đúc cấp C hoặc tương đương là 179 - 241 HB;
- Thép đúc cấp E hoặc tương đương là 241 - 311 HB.
3 Quy định quản lý
3.1 Việc kiểm tra, chứng nhận bộ móc nối, đỡ đấm sản xuất lắp ráp và nhập khẩu mới thực hiện theo quy định của Bộ trưởng Bộ Xây dựng về quản lý, khai thác vận tải đường sắt.
3.2 Trong trường hợp các văn bản quy phạm pháp luật, tài liệu được viện dẫn trong Quy chuẩn kỹ thuật này có sự thay đổi, bổ sung hoặc được thay thế thì thực hiện theo các văn bản mới.
4 Tổ chức thực hiện
4.1 Tổ chức đăng kiểm chịu trách nhiệm tổ chức thực hiện kiểm tra sản xuất lắp ráp, nhập khẩu đối với bộ móc nối, đỡ đấm theo các quy định của Quy chuẩn này.
4.2 Bộ móc nối, đỡ đấm đã được kiểm tra, chứng nhận trước ngày quy chuẩn này có hiệu lực không phải thực hiện kiểm tra, chứng nhận theo quy chuẩn này.
4.3 Bộ móc nối, đỡ đấm thuộc phạm vi áp dụng của quy chuẩn này đã đăng ký kiểm tra, chứng nhận trước ngày quy chuẩn này có hiệu lực thì tiếp tục thực hiện các nội dung kiểm tra theo QCVN 111:2023/BGTVT.
Phụ lục A
Danh mục tài liệu kỹ thuật
Các tài liệu kỹ thuật được các tổ chức, cá nhân sản xuất lắp ráp/nhập khẩu mới cung cấp khi đăng ký kiểm tra bao gồm:
1) Bản vẽ kỹ thuật, trong đó phải thể hiện hình vẽ tổng thể bộ móc nối, đỡ đấm. Hình vẽ phải thể hiện được các kích thước cơ bản.
2) Bản thuyết minh tính năng, đặc tính kỹ thuật hoặc tài liệu giới thiệu tính năng, thông số kỹ thuật.
3) Chứng chỉ chất lượng (CQ) của nhà sản xuất đối với bộ móc nối đỡ đấm nhập khẩu.
4) Ảnh chụp thể hiện rõ số hiệu, hình ảnh tổng thể bộ móc nối, đỡ đấm.
5) Kết quả kiểm tra kích thước cơ bản của bộ móc nối, đỡ đấm.
6) Kết quả kiểm tra dung năng, lực nén, hành trình danh nghĩa của hộp đỡ đấm.
7) Kết quả kiểm tra thành phần hóa học và tính năng cơ học của vật liệu chế tạo bộ móc nối, đỡ đấm.
8) Kết quả kiểm tra khuyết tật vật đúc của thân móc nối, lưỡi móc, khung đuôi móc nối.
|
CỘNG HÒA XÃ HỘI CHỦ NGHĨA VIỆT NAM
QCVN 28:2025/BXD
QUY CHUẨN KỸ THUẬT QUỐC GIA
National technical regulation on brake valves for rolling stocks
HÀ NỘI - 2025
|
Lời nói đầu
QCVN 28:2025/BXD do Cục Đăng kiểm Việt Nam biên soạn, Cục Đường sắt Việt Nam trình duyệt, Bộ Khoa học và công nghệ thẩm định, Bộ Xây dựng ban hành kèm theo Thông tư số 44/2025/TT-BGTVT ngày 09 tháng 12 năm 2025.
Quy chuẩn này thay thế Quy chuẩn QCVN 112:2023/BGTVT được ban hành kèm theo Thông tư số 04/2023/TT-BGTVT ngày 17 tháng 4 năm 2023 của Bộ trưởng Bộ Giao thông vận tải.
MỤC LỤC
1 Quy định chung
1.1 Phạm vi điều chỉnh
1.2 Đối tượng áp dụng
1.3 Giải thích từ ngữ, ký hiệu và chữ viết tắt
1.3.1 Giải thích từ ngữ
1.3.2 Ký hiệu
1.3.3 Chữ viết tắt
2 Quy định kỹ thuật
2.1 Yêu cầu chung
2.2 Các yêu cầu liên quan đến khả năng chịu áp suất
2.3 Độ kín
2.4 Tự động hãm
2.5 Khả năng cấp khí nén bổ sung cho áp suất xi lanh hãm
2.6 Áp suất vận hành
2.7 Tính năng hãm và nhả hãm
2.7.1 Nhả hãm hoàn toàn
2.7.2 Tác dụng hãm và nhả hãm
2.7.3 Áp suất xi lanh hãm lớn nhất
2.7.4 Chế độ hãm
2.7.5 Thời gian tác dụng hãm và nhả hãm
2.7.6 Độ nhạy
2.7.7 Độ không nhạy
2.7.8 Độ nhạy điều khiển
2.7.9 Chức năng nhả hãm thủ công
2.7.10 Bảo vệ khi nạp quá áp suất ống hãm
2.8 Thời gian nạp khí nén ban đầu cho thùng gió phụ và buồng điều khiển
2.9 Nhận dạng và ký hiệu
3 Quy định quản lý
4 Tổ chức thực hiện
Phụ lục A Quy định kiểm tra, thử nghiệm van hãm
Phụ lục B Sơ đồ bệ thử van hãm
Phụ lục C Danh mục tài liệu kỹ thuật
QUY CHUẨN KỸ THUẬT QUỐC GIA VỀ VAN HÃM CỦA ĐẦU MÁY, TOA XE
National technical regulation on brake valves for rolling stocks
1 Quy định chung
1.1 Phạm vi điều chỉnh
1.1.1 Quy chuẩn này quy định các yêu cầu kỹ thuật và việc kiểm tra chất lượng an toàn kỹ thuật và bảo vệ môi trường đối với van hãm (van phân phối đầu máy, van hãm toa xe) sản xuất lắp ráp và nhập khẩu mới của đầu máy, toa xe.
1.1.2 Quy chuẩn này không áp dụng cho van hãm của toa xe đường sắt đô thị; van hãm của đầu máy, toa xe có tốc độ thiết kế lớn hơn 120 km/h; van hãm của đầu máy, toa xe của quân đội, công an sử dụng vào mục đích quốc phòng, an ninh.
1.2 Đối tượng áp dụng
Quy chuẩn này áp dụng đối với tổ chức, cá nhân có liên quan đến việc quản lý, sản xuất lắp ráp, nhập khẩu, kiểm tra, chứng nhận chất lượng an toàn kỹ thuật và bảo vệ môi trường đối với van hãm của đầu máy, toa xe thuộc phạm vi điều chỉnh tại điểm 1.1 của quy chuẩn này.
1.3 Giải thích từ ngữ, ký hiệu và chữ viết tắt
1.3.1 Giải thích từ ngữ
Trong quy chuẩn này, các thuật ngữ dưới đây được hiểu như sau:
1.3.1.1 Van hãm (van phân phối đầu máy, van hãm toa xe)
Linh kiện có tính năng chính là điều khiển áp suất khí nén đầu ra theo tính năng đảo ngược sự thay đổi của các giá trị áp suất đầu vào. Trong quy chuẩn này, áp suất đầu vào là áp suất ống hãm và áp suất đầu ra là áp suất xi lanh hãm (còn gọi là nồi hãm) hoặc áp suất điều khiển áp suất xi lanh hãm thông qua bộ phận rơ le áp suất, xem Hình 1 & Hình 2.

Hình 1
Chú dẫn:
1 Áp suất đầu vào (là áp suất ống hãm - sau đây gọi là áp suất ống hãm)
2 Van hãm
3 Áp suất đầu ra (là áp suất xi lanh hãm - sau đây gọi là áp suất xi lanh hãm)
Chú dẫn:
1 Áp suất vận hành
2 Áp suất ống hãm
3 Áp suất xi lanh hãm
Hình 2 - Biểu đồ minh họa áp suất chức năng chính của van hãm
1.3.1.2 Tác dụng hãm
Quá trình hãm gây ra bởi sự giảm áp suất ống hãm từ áp suất vận hành xuống áp suất làm cho van hãm tạo ra các mức áp suất xi lanh hãm, áp suất xi lanh hãm này được cấp bởi thùng gió phụ (bình chứa khí nén phụ), xem minh họa tại Hình 3.

Chú dẫn:
1 Áp suất vận hành (5 bar hoặc 6 bar)
2 Đường áp suất ống hãm
3 Áp suất xi lanh hãm lớn nhất
4 Đường áp suất xi lanh hãm

Hình 3 - Sơ đồ minh họa tác dụng hãm thường và hãm khẩn
1.3.1.2.1 Tác dụng hãm thường
Quá trình hãm gây ra bởi sự giảm áp suất ống hãm từ áp suất vận hành xuống giá trị áp suất nằm trong dải giữa mức giảm áp suất nhỏ nhất và mức áp suất ống hãm cần thiết để đạt được áp suất xi lanh hãm lớn nhất.
1.3.1.2.2 Hãm giai đoạn
Tính năng hãm theo mức độ tăng dần của áp suất xi lanh hãm được điều khiển bởi mức độ giảm dần của áp suất ống hãm trong dải áp suất từ mức áp suất vận hành xuống mức áp suất tương ứng với hãm thường hoàn toàn.
1.3.1.2.3 Tác dụng hãm thường hoàn toàn
Quá trình hãm do sự giảm giá trị áp suất ống hãm từ mức áp suất vận hành hạ xuống mức áp suất làm cho van hãm tạo ra áp suất xi lanh hãm lớn nhất khi hãm thường.
1.3.1.2.4 Tác dụng hãm khẩn
Quá trình hãm do tác động làm giảm áp suất ống hãm nhanh nhất để đạt được giá trị áp suất xi lanh hãm lớn nhất trong thời gian nhỏ nhất. Thời gian giảm áp suất ống hãm từ giá trị áp suất vận hành xuống mức cần thiết ( ti) nhỏ hơn thời gian đạt được áp suất xi lanh hãm lớn nhất ( t2 ). Quá trình được minh họa tại Hình 4.

Chú dẫn
1 Áp suất vận hành
2 Đường áp suất ống hãm
3 Mức áp suất ống hãm cần thiết để thiết lập hãm khẩn
4 Áp suất xi lanh hãm lớn nhất
5 Đường áp suất xi lanh hãm
t1 Thời gian để đạt được áp suất ống hãm cần thiết tạo ra tốc độ giảm áp của hãm khẩn
t2 Thời gian để đạt được áp suất xi lanh hãm lớn nhất
Hình 4 - Sơ đồ minh họa quá trình hãm khẩn
1.3.1.3 Nhả hãm
Quá trình tăng áp suất ống hãm sau khi tác dụng hãm làm cho van hãm mở đường thông từ xi lanh hãm ra ngoài làm giảm áp suất xi lanh hãm.

Chú dẫn
1 Áp suất vận hành
2 Đường áp suất ống hãm
3 Đường áp suất xi lanh hãm
Hình 5 - Sơ đồ minh họa quá trình nhả hãm
1.3.1.3.1 Nhả hãm hoàn toàn
Quá trình tăng áp suất ống hãm đến áp suất vận hành sau khi tác dụng hãm, làm cho van hãm mở hoàn toàn đường thông ra ngoài (áp suất xi lanh hãm bằng 0).
1.3.1.3.2 Nhả hãm giai đoạn
Quá trình giảm dần áp suất xi lanh hãm do áp suất ống hãm tăng dần trong dải áp suất từ khi hãm thường hoàn toàn cho tới nhả hãm hoàn toàn.
1.3.1.4 Thời gian tác dụng hãm
Thời gian tăng áp suất xi lanh hãm từ khi bắt đầu tăng từ 0 bar đến 95 % giá trị áp suất xi lanh hãm lớn nhất, khi áp suất ống hãm được giảm từ áp suất vận hành về 0 bar với tốc độ giảm áp suất 1,5 bar đầu tiên trong khoảng thời gian nhỏ hơn hoặc bằng 2 s.
1.3.1.5 Thời gian nhả hãm
Thời gian giảm áp suất xi lanh hãm từ áp suất lớn nhất về 0,4 bar, khi áp suất ống hãm được tăng dần lên đến mức áp suất vận hành với tốc độ tăng áp suất bắt đầu từ 1,5 bar dưới áp suất vận hành lên đến áp suất vận hành trong thời gian nhỏ hơn hoặc bằng 2 s.
1.3.1.6 Nhả hãm thủ công
Chức năng yêu cầu thao tác thủ công có chủ đích để hủy bỏ tác dụng hãm do van hãm gây ra.
1.3.1.7 Chế độ hãm
Trạng thái hoạt động của van hãm được phân loại theo thời gian tác dụng hãm và nhả hãm tương ứng với áp suất xi lanh hãm mà van hãm có thể tạo ra theo trạng thái vận hành.
1.3.1.7.1 Chế độ hãm tàu khách K
Chế độ hãm xác định bằng thời gian tác dụng hãm và nhả hãm nhanh của loại van hãm thường được sử dụng cho các đoàn tàu vận tải khách.
1.3.1.7.2 Chế độ hãm tàu hàng H
Chế độ hãm xác định bằng thời gian tác dụng hãm và nhả hãm chậm của loại van hãm thường được sử dụng trên các đoàn tàu vận tải hàng (có tốc độ thấp, tải trọng lớn, đoàn dài).
1.3.1.8 Tự động hãm
Khả năng van hãm tự động đảm bảo áp suất xi lanh hãm lớn nhất trong trường hợp bị mất áp suất ống hãm.
1.3.1.9 Khả năng bảo áp
Khả năng van hãm đảm bảo duy trì mức áp suất xi lanh hãm nhất định ở các trạng thái hãm.
1.3.1.10 Vị trí vận chuyển (vị trí sẵn sàng hoạt động)
Là trạng thái làm việc của van hãm khi áp suất ống hãm được duy trì ổn định ở mức áp suất vận hành, hệ thống hãm ở trạng thái nhả hãm hoàn toàn và sẵn sàng thực hiện các tác dụng hãm theo yêu cầu.
1.3.1.11 Áp suất vận hành
Áp suất ống hãm thể hiện ở vị trí nhả hãm hoàn toàn, áp suất này có thể là 5 bar hoặc 6 bar.
1.3.1.12 Độ nhạy
Mức độ hoạt động của van hãm (tạo áp suất trong xi lanh hãm) trong điều kiện suy giảm nhất định của áp suất ống hãm. Giá trị suy giảm này sẽ làm giảm áp suất ống hãm với tốc độ nhỏ nhất làm cho van hãm hoạt động sau một khoảng thời gian nhất định, xem minh họa tại Hình 6.
1.3.1.13 Độ không nhạy
Mức độ hoạt động của van hãm (không tạo áp suất trong xi lanh hãm) trong điều kiện suy giảm nhất định của áp suất ống hãm. Giá trị suy giảm này sẽ làm giảm áp suất ống hãm với tốc độ lớn nhất làm cho van hãm không hoạt động, xem minh họa tại Hình 6.

Hình 6 - Sơ đồ minh họa vùng và giới hạn độ nhạy, độ không nhạy
1.3.1.14 Nạp quá áp
Sự gia tăng áp suất ống hãm trên mức áp suất vận hành để làm giảm thời gian nhả hãm của đoàn tàu và/hoặc điều chỉnh áp suất buồng điều khiển của các van hãm trên tất cả các phương tiện của đoàn tàu.
1.3.1.15 Thùng gió phụ (bình chứa khí nén phụ)
Thiết bị cấp khí nén cho xi lanh hãm khi thực hiện quá trình hãm.
1.3.1.16 Ống hãm
Ống chứa khí nén có khả năng điều khiển hãm đoàn tàu.
1.3.1.17 Buồng điều khiển
Buồng điều khiển chứa khí nén tạo ra áp suất trung gian theo áp suất ống hãm trong thời gian không xảy ra tác dụng hãm. Buồng chứa này được cô lập với áp suất ống hãm khi van hãm thực hiện tác dụng hãm.
1.3.1.18 Nhả hãm trực tiếp
Sự giảm hoàn toàn áp suất xi lanh hãm trong một thao tác nhả hãm thủ công.
1.3.1.19 Áp suất xi lanh hãm lớn nhất
Áp suất xi lanh hãm lớn nhất là áp suất xi lanh hãm đạt được sau khi hãm khẩn.
Áp suất này có thể đạt được khi hãm thường hoàn toàn (xem minh họa tại Hình 3).
1.3.1.20 Độ nhạy điều khiển
Độ nhạy điều khiển xác định khả năng của van hãm khi phản hồi chính xác và nhạy bén với sự thay đổi áp suất ống hãm làm thay đổi áp suất xi lanh hãm tương ứng.
1.3.1.21 Tài liệu kỹ thuật
Các tài liệu kỹ thuật sau đây được gọi chung là tài liệu kỹ thuật:
a) Bản vẽ mô tả kích thước hình học tổng thể van hãm của nhà sản xuất;
b) Bản đặc tính kỹ thuật và hướng dẫn sử dụng của van hãm;
c) Báo cáo thử nghiệm van hãm trên bệ thử của nhà sản xuất;
d) Báo cáo chạy thử nghiệm van hãm trên đường tại nước ngoài đối với van hãm có kiểu loại mới lần đầu được sử dụng tại Việt Nam.
1.3.2 Ký hiệu
t Thời gian
p Áp suất
1.3.3 Chữ viết tắt
K Chế độ hãm tàu khách
H Chế độ hãm tàu hàng
2 Quy định kỹ thuật
2.1 Yêu cầu chung
2.1.1 Đối với các van hãm chỉ hoạt động ở chế độ hãm tàu khách K (hoặc chế độ hãm tàu hàng H), chỉ áp dụng các chỉ tiêu đối với tàu khách (hoặc tàu hàng) theo quy định của quy chuẩn này.
2.1.2 Các van hãm không có chức năng hãm và nhả hãm giai đoạn thì các yêu cầu của van phải phù hợp với tài liệu kỹ thuật của van hãm và được kiểm tra theo báo cáo thử nghiệm của nhà sản xuất. Đối với các loại van mới lần đầu được sử dụng tại Việt Nam thì đơn vị nhập khẩu hoặc sản xuất lắp ráp phải chuẩn bị đầy đủ thiết bị, bệ thử, điều kiện để đảm bảo thực hiện các bước thử của quy chuẩn này hoặc các báo cáo thử nghiệm của nhà sản xuất.
2.2 Các yêu cầu liên quan đến khả năng chịu áp suất
Van hãm phải làm việc an toàn ở áp suất vận hành lớn nhất của hệ thống hãm.
2.3 Độ kín
Độ kín của van hãm phải thỏa mãn các yêu cầu kiểm tra được quy định trong Phụ lục A của quy chuẩn này.
2.4 Tự động hãm
Van hãm phải có khả năng tự động hãm trong trường hợp bị mất áp suất ống hãm.
2.5 Khả năng cấp khí nén bổ sung cho áp suất xi lanh hãm
Van hãm phải có khả năng cấp bù lại mọi tổn thất của áp suất xi lanh hãm trong quá trình tác dụng hãm.
2.6 Áp suất vận hành
Áp suất vận hành là 5 bar hoặc 6 bar để điều khiển các chế độ hãm (thông qua việc thay đổi áp suất ống hãm).
2.7 Tính năng hãm và nhả hãm
2.7.1 Nhả hãm hoàn toàn
Van hãm phải ở vị trí nhả hãm hoàn toàn khi áp suất xi lanh hãm là 0 bar
2.7.2 Tác dụng hãm và nhả hãm
Khi thay đổi giá trị áp suất ống hãm, các chức năng hãm hoặc nhả hãm phải có tác dụng. Van hãm phải có tác dụng hãm khi giảm áp suất ống hãm và phải nhả hãm khi tăng áp suất ống hãm. Van hãm phải có tính năng hãm sau:
a) Hãm khẩn;
b) Tác dụng hãm thường hoàn toàn;
c) Tác dụng hãm thường;
d) Hãm giai đoạn;
đ) Nhả hãm hoàn toàn;
e) Nhả hãm giai đoạn;
g) Bảo áp;
Van hãm phải có khả năng kết hợp tác dụng hãm giai đoạn với nhả hãm giai đoạn.
2.7.3 Áp suất xi lanh hãm lớn nhất
Van hãm phải đạt được áp suất xi lanh hãm lớn nhất là 3,8 bar ± 0,1 bar khi giảm áp suất ống hãm 1,5 bar ± 0,1 bar (tác dụng hãm thường hoàn toàn) từ áp suất vận hành hiện có.
Van hãm phải đạt được áp suất xi lanh hãm lớn nhất quy định khi tác dụng hãm khẩn.
2.7.4 Chế độ hãm
Van hãm phải hoạt động ở chế độ hãm tàu khách K hoặc cả chế độ hãm tàu hàng H và khách K.
2.7.5 Thời gian tác dụng hãm và nhả hãm
2.7.5.1 Van hãm phải có thời gian tác dụng hãm theo chế độ hãm như sau:
a) Tàu hàng: 18 s - 30 s;
b) Tàu khách: 4 s - 6 s.
2.7.5.2 Van hãm phải có thời gian nhả hãm theo chế độ hãm như sau:
a) Tàu hàng: 45 s - 60 s;
b) Tàu khách: 15 s - 20 s.
2.7.6 Độ nhạy
Van hãm phải tăng áp suất xi lanh hãm sau tối đa 3 s khi áp suất ống hãm giảm xuống 0,6 bar trong 6 s từ áp suất vận hành.
2.7.7 Độ không nhạy
Van hãm phải không tăng áp suất xi lanh hãm khi áp suất ống hãm giảm xuống 0,3 bar trong 60 s từ áp suất vận hành.
2.7.8 Độ nhạy điều khiển
Van hãm phải tạo ra mức tăng áp suất xi lanh hãm tối thiểu 0,1 bar khi giảm áp suất ống hãm 0,1 bar và ngược lại, mức tăng áp suất ống hãm 0,1 bar phải tạo ra mức giảm áp suất xi lanh hãm tối thiểu 0,1 bar. Việc này thực hiện cho dải áp suất ống hãm đối với hãm thường.
2.7.9 Chức năng nhả hãm thủ công
Nếu van hãm có bộ phận để nhả hãm thủ công, bộ phận này phải có các chức năng sau:
a) Phải có khả năng xả khí nén trong xi lanh hãm ra ngoài, và từ đó là nhả hãm hoàn toàn sau khi tác dụng hãm;
b) Phải có khả năng xả khí nén trong xi lanh hãm ra ngoài sau khi tạm thời cấp quá mức áp suất ống hãm vượt quá áp suất vận hành gây ra hãm ngoài ý muốn khi trở về áp suất vận hành.
Van hãm phải không ảnh hưởng tới thùng gió phụ và áp suất ống hãm khi thực hiện chức năng nhả hãm thủ công.
2.7.10 Bảo vệ khi nạp quá áp suất ống hãm
2.7.10.1 Van hãm phải có khả năng bảo vệ không gây ra tác dụng hãm khi nạp quá áp suất ống hãm tối thiểu 1 bar trên áp suất vận hành và duy trì trong thời gian tối thiểu:
a) t = 40 s ở chế độ hãm tàu hàng;
b) t = 10 s ở chế độ hãm tàu khách, và sau đó trở về áp suất làm việc bình thường.
t là thời gian từ khi áp suất ống hãm bắt đầu tăng và khi bắt đầu giảm về lại áp suất vận hành.
2.7.10.2 Áp suất vận hành lớn nhất
Van hãm phải có khả năng vận hành đúng quy định với áp suất cấp lên tới áp suất vận hành lớn nhất theo quy định của nhà sản xuất.
2.8 Thời gian nạp khí nén ban đầu cho thùng gió phụ và buồng điều khiển
Van hãm phải có thời gian nạp gió ban đầu:
a) Không nhỏ hơn 50 s và không vượt quá 135 s cho thùng gió phụ từ 0 bar lên đến mức dưới áp suất vận hành 0,2 bar;
b) Không nhỏ hơn 150 s và không vượt quá 200 s cho buồng điều khiển từ 0 bar lên đến mức dưới áp suất vận hành 0,2 bar.
2.9 Nhận dạng và ký hiệu
Van hãm phải có các ký hiệu sau:
a) Kiểu loại;
b) Nhà sản xuất;
c) Năm sản xuất;
d) Số nhận dạng.
3 Quy định quản lý
3.1 Van hãm sản xuất lắp ráp và nhập khẩu mới của đầu máy, toa xe phải được kiểm tra, thử nghiệm theo các quy định tại Phụ lục A của quy chuẩn này hoặc các báo cáo thử nghiệm của nhà sản xuất.
3.2 Việc kiểm tra, chứng nhận van hãm của đầu máy, toa xe sản xuất lắp ráp và nhập khẩu mới thực hiện theo quy định của Bộ trưởng Bộ Xây dựng quy định về quản lý, khai thác vận tải đường sắt.
3.3 Trong trường hợp các văn bản quy phạm pháp luật, tài liệu được viện dẫn trong quy chuẩn kỹ thuật này có sự thay đổi, bổ sung hoặc được thay thế thì thực hiện theo các văn bản mới.
4 Tổ chức thực hiện
4.1 Tổ chức đăng kiểm chịu trách nhiệm tổ chức thực hiện kiểm tra sản xuất lắp ráp, nhập khẩu đối với van hãm theo các quy định của quy chuẩn này.
4.2 Van hãm đã được kiểm tra, chứng nhận trước ngày quy chuẩn này có hiệu lực không phải thực hiện kiểm tra, chứng nhận theo quy chuẩn này.
4.3 Van hãm thuộc phạm vi áp dụng của quy chuẩn này đã đăng ký kiểm tra, chứng nhận trước ngày quy chuẩn này có hiệu lực thì tiếp tục thực hiện các nội dung kiểm tra theo QCVN 112:2023/BGTVT.
Phụ lục A
Quy định kiểm tra, thử nghiệm van hãm
A.1. Quy định chung
Các nội dung kiểm tra, thử nghiệm dưới đây áp dụng đối với tất cả van hãm sản xuất lắp ráp và nhập khẩu mới của đầu máy, toa xe. Việc kiểm tra được thực hiện với từng van trên bệ thử có tính năng tương tự như minh họa trong Phụ lục B.
A.2. Kiểm tra, thử nghiệm các chức năng của van hãm
A.2.1 Điều kiện thử nghiệm
Van hãm phải được thử nghiệm trên bệ thử phù hợp. Các hình biểu đồ trong quy chuẩn này được đưa ra để minh họa nội dung thử nghiệm.
Các thử nghiệm phải được thực hiện ở nhiệt độ môi trường, và không có nguồn cấp khí nén nào khác ngoài đường cấp thông qua van hãm và áp suất cấp tối đa, khi đó nguồn cấp được giữ liên tục ở mức áp suất đã quy định đảm bảo thực hiện được các phép thử. Thùng gió phụ đảm bảo dung tích trong phạm vi 90 l đến 100 l.
Các thử nghiệm phải được thực hiện ở các vị trí K và H. Đối với các van hãm chỉ có vị trí K hoặc H, việc thử nghiệm sẽ thực hiện ở vị trí được quy định.
A.2.2 Thử nghiệm tính năng nạp gió (khí nén) thùng gió phụ và buồng điều khiển (hoặc thiết bị tương tự)
Khi lắp van hãm lên bệ thử, đảm bảo các buồng của van hãm đã mở đường thông ra bên ngoài (áp suất các buồng bằng 0).
Sau đó kết nối van hãm với nguồn và cấp khí nén cho van hãm ở giá trị áp suất vận hành.
Yêu cầu:
Áp suất nạp cho thùng gió phụ phải tăng từ 0 bar lên đến mức áp suất vận hành. Thời gian nạp từ thời điểm áp suất nạp bắt đầu tăng và khi đạt đến 0,2 bar dưới mức áp suất vận hành phải nằm trong dải từ 50 s đến 135 s (Xem hình A.1). Đồng thời quan sát quá trình nạp gió của buồng điều khiển phải nằm trong dải từ 150 s đến 200 s.

Hình A.1 - Sơ đồ minh họa các bước thử nghiệm tính năng nạp gió (khí nén) của van hãm
A.2.3 Thử độ kín
Độ kín của van hãm phải được thử nghiệm trên bệ thử. Thời gian đánh giá từng thử nghiệm phải tối thiểu là trong 5 min, bắt đầu từ khi áp suất được ổn định sau các thay đổi áp suất thông thường.
A.2.3.1 Thử độ kín khi van hãm ở vị trí nhả hãm
Van hãm phải có khả năng vận hành mà không có sai khác với tính năng đã được quy định với áp suất cấp lên tới áp suất lớn nhất theo thiết kế của từng kiểu loại van. Đợi áp suất của buồng điều khiển và thùng gió phụ đạt đến áp suất vận hành.
Ngắt kết nối van hãm với nguồn cấp, kiểm tra độ kín của van hãm.
Yêu cầu:
Không có rò rỉ khí nén ở các “Cửa kiểm tra” và các mối lắp ghép của van hãm.
A.2.3.2 Thử độ kín sau khi giảm áp tối thiểu
Chờ van hãm ổn định áp suất xi lanh hãm sau khi giảm áp ống hãm từ áp suất vận hành tối thiểu 0,3 bar với tốc độ giảm 0,6 bar trong 6 s. Quá trình tăng áp suất xi lanh hãm phải bắt đầu sau tối đa 3 s từ thời điểm áp suất ống hãm bắt đầu giảm.
Yêu cầu:
Không có rò rỉ khí nén ở các “Cửa kiểm tra”.
A.2.3.3 Thử độ kín sau khi tác dụng hãm thường
Chờ van hãm ổn định áp suất xi lanh hãm sau tác dụng hãm thường khi áp suất ống hãm dưới 1,2 bar so với áp suất vận hành.
Yêu cầu:
Không có rò rỉ khí nén ở các “Cửa kiểm tra”
A.2.3.4 Thử độ kín sau khi tác dụng hãm khẩn
Chờ van hãm ổn định áp suất xi lanh hãm đạt giá trị lớn nhất sau tác dụng hãm khẩn
Yêu cầu:
Không có rò rỉ khí nén ở các “Cửa kiểm tra”.
A.2.4 Thử nghiệm thời gian tác dụng hãm và nhả hãm
Các thử nghiệm phải được thực hiện cho từng chế độ hãm đã được quy định.
Phải ghi lại thời gian tác dụng hãm cùng với lượng giảm áp suất ống hãm bắt đầu từ áp suất vận hành, bằng cách mở đường thông áp suất ống hãm ra ngoài về 0 bar với tốc độ không nhỏ hơn 2 s cho mức giảm áp suất 1,5 bar đầu tiên.
Thời gian tác dụng hãm được đo từ khi bắt đầu tăng áp suất xi lanh hãm lên đến 95 % áp suất xi lanh hãm lớn nhất (làm tròn đến 0,1 bar).
Phải ghi lại thời gian nhả hãm cùng với lượng tăng áp suất ống hãm từ 0 bar lên đến áp suất vận hành với tốc độ không nhỏ hơn 2 s cho mức tăng áp suất 1,5 bar cuối cùng.
Thời gian nhả hãm được đo từ khi áp suất xi lanh hãm bắt đầu giảm đến khi xuống 0,4 bar.
Yêu cầu:
Phải đáp ứng thời gian được yêu cầu theo quy định của 2.7.5 (xem Hình A.2).

Hình A.2 - Sơ đồ minh họa các bước thử nghiệm thời gian tác dụng hãm và nhả hãm
A.2.5 Thử tính năng hãm và nhả hãm
A.2.5.1 Thử nghiệm 1
Thực hiện hãm thường hoàn toàn, sau đó nhả hãm đến khi áp suất ống hãm đạt giá trị nhỏ hơn 0,15 bar so với áp suất vận hành, duy trì áp suất này.
Yêu cầu:
Áp suất xi lanh hãm phải tiếp tục về 0 bar (xem Hình A.3).

Hình A.3 - Sơ đồ minh họa các bước thử nghiệm 1
A.2.5.2 Thử nghiệm 2
Thực hiện hãm thường hoàn toàn sau đó nhả hãm đến khi áp suất ống hãm tương ứng với áp suất xi lanh hãm là 0,3 bar, sau 10 s đến 20 s giảm áp suất ống hãm với tốc độ của độ không nhạy (giảm áp 0,3 bar trong 60 s).
Yêu cầu:
Sau khi giảm áp suất ống hãm từ 10 s đến 20 s, áp suất xi lanh hãm phải bắt đầu tăng (xem Hình A.4)

Hình A.4 - Sơ đồ minh họa các bước thử nghiệm 2
A.2.5.3 Thử nghiệm 3
Thực hiện hãm thường hoàn toàn sau đó nhả hãm đến khi áp suất ống hãm dưới áp suất vận hành 0,15 bar. Sau một thời gian, thực hiện giảm áp suất ống hãm với tốc độ của độ nhạy (giảm áp với tốc độ 0,6 bar trong 6 s).
Yêu cầu:
Van hãm phải thực hiện tác dụng hãm (tăng nhanh áp suất xi lanh hãm) với chức năng hãm nhanh bằng cách xả thêm áp suất ống hãm thông qua van hãm) (xem Hình A.5).

Hình A.5 - Sơ đồ minh họa các bước thử nghiệm 3
A.2.6 Thử nghiệm độ nhạy điều khiển hãm và nhả hãm giai đoạn
Thực hiện các mức giảm áp ống hãm từng nấc về đến vị trí hãm thường hoàn toàn, sau đó xen kẽ với việc tăng áp suất ống hãm từng nấc cho đến vị trí nhả hãm hoàn toàn để xác nhận độ nhạy đối với các thay đổi nhỏ của áp suất ống hãm.
Thực hiện thay đổi áp suất ống hãm từ 0,3 bar đến 1,4 bar dưới áp suất vận hành làm thay đổi áp suất xi lanh hãm. Mức thay đổi áp suất ống hãm phải không nhỏ hơn 0,1 bar cho mỗi nấc thử và phải đi tới nấc thử cuối cùng.
Yêu cầu:
Số lần thực hiện thao tác tăng hoặc giảm áp suất ống hãm không ít hơn 6 hoặc theo quy định của nhà sản xuất, mỗi lần thay đổi áp suất ống hãm phải tương ứng với thay đổi áp suất xi lanh hãm (xem Hình A.6).

Hình A.6 - Sơ đồ minh họa các bước thử nghiệm độ nhạy điều khiển hãm và nhả hãm giai đoạn
A.2.7 Thử nghiệm áp suất xi lanh hãm lớn nhất
Thử nghiệm phải được thực hiện bằng cách giảm áp suất ống hãm, bắt đầu từ áp suất vận hành với tốc độ của độ nhạy (giảm 0,6 bar trong 6 s). Lượng giảm áp suất ống hãm phải dừng lại ở các giá trị 1,4 bar và 1,6 bar dưới áp suất vận hành.
Yêu cầu: Áp suất xi lanh hãm lớn nhất phải là 3,8 ± 0,1 bar
- Khi áp suất ống hãm ở giá trị 1,4 bar dưới áp suất vận hành, áp suất xi lanh hãm phải nhỏ hơn hoặc bằng 3,7 bar.
- Khi áp suất ống hãm ở giá trị 1,6 bar dưới áp suất vận hành, áp suất xi lanh hãm phải > 3,7 bar và < 3,9 bar (xem Hình A.7).

Hình A.7 - Sơ đồ minh họa các bước thử nghiệm áp suất xi lanh hãm lớn nhất
A.2.8 Thử nghiệm độ nhạy
Từ áp suất vận hành, thực hiện giảm áp suất ống hãm với tốc độ 0,6 bar trong 6 s.
Yêu cầu:
Sau tối đa 3 s từ khi áp suất ống hãm bắt đầu giảm, áp suất xi lanh hãm phải bắt đầu tăng lên (xem Hình A.8).

Hình A.8 - Sơ đồ minh họa các bước thử nghiệm độ nhạy
A.2.9 Thử nghiệm độ không nhạy
Từ áp suất vận hành, thực hiện giảm áp suất ống hãm với tốc độ 0,3 bar trong 60 s.
Yêu cầu:
Van hãm phải không làm tăng áp suất xi lanh hãm trong tối thiểu 60 s (xem Hình A.9).

Hình A.9 - Sơ đồ minh họa các bước thử nghiệm độ không nhạy
A.2.10 Thử khả năng cấp khí nén bổ sung áp suất xi lanh hãm trong quá trình tác dụng hãm
Trong quá trình tác dụng hãm thường (Hình A.10) và tác dụng hãm khẩn (Hình A.11), tạo ra độ xì hở của xi lanh hãm qua ống dẫn có đường kính 1 mm.
Yêu cầu:
Van hãm phải có tác dụng bù tổn thất áp suất ngay khi áp suất xi lanh hãm giảm xuống tối đa 0,2 bar. Van hãm phải đạt được mức áp suất xi lanh hãm hiện có trước khi tạo ra xì hở với độ chính xác ± 0,1 bar, nếu có đủ áp suất trong thùng gió phụ (xem hình A.10 và Hình A.11).

Hình A.10 - Sơ đồ minh họa các bước thử nghiệm khả năng cấp khí nén bổ sung áp suất xi lanh hãm khi hãm thường

A.2.11 Thử nghiệm bảo vệ khi nạp quá áp suất ống hãm
Tiến hành thử nghiệm với áp suất vận hành 5 bar. Thực hiện theo các bước như sau:
Khi van hãm ở vị trí nhả hãm, giảm áp suất ống hãm khoảng 1,5 bar. Khi đó, áp suất xi lanh hãm được tăng lên áp suất lớn nhất. Tiếp theo, tăng áp suất ống hãm lên mức trên 1 bar so với áp suất vận hành và duy trì áp suất này trong thời gian:
- t = 40 s ở chế độ hãm tàu hàng (H).
- t = 10 s ở chế độ hãm tàu khách (K).
Sau đó giảm áp suất ống hãm về 5,2 bar, sau đó giảm về mức áp suất vận hành với tốc độ của độ không nhạy.
Yêu cầu:
Áp suất xi lanh hãm và buồng điều khiển van hãm không được tăng sau khi áp suất ống hãm đạt được mức áp suất vận hành (Hình A.12).

Hình A.12 - Sơ đồ minh họa các bước thử nghiệm bảo vệ khi nạp quá áp suất ống hãm
A.2.12 Thử nghiệm chức năng nhả hãm thủ công
Van hãm phải tự động nhả hãm hoàn toàn khi được kích hoạt chức năng nhả hãm thủ công.
A.2.12.1 Thử nghiệm 1
Bắt đầu từ vị trí nhả hãm, tăng áp suất ống hãm lên trên 1 bar so với áp suất vận hành. Duy trì áp suất ống hãm ở mức này trong tối thiểu 10 s, sau đó giảm áp suất ống hãm về mức áp suất vận hành trong thời gian < 2 s. Áp suất xi lanh hãm sẽ tăng lên mức nhất định. Khi áp suất xi lanh hãm ở mức ổn định, kích hoạt (tác động) van nhả hãm thủ công đến khi có gió xả ra thì ngừng xả, van nhả hãm phải tự động điều tiết áp suất buồng điều khiển sao cho áp suất xi lanh hãm tự giảm về 0.

Hình A.13 - Sơ đồ minh họa các bước thử nghiệm chức năng nhả hãm thủ công- Thử nghiệm 1
A.2.12.2 Thử nghiệm 2
Bắt đầu từ vị trí nhả hãm, thực hiện tác dụng hãm khẩn và áp suất xi lanh hãm tăng lên tới mức áp suất xi lanh hãm lớn nhất. Sau khi áp suất xi lanh hãm ổn định, kích hoạt van nhả hãm thủ công.
Yêu cầu:
Áp suất xi lanh hãm phải được giảm về 0 bar (xem Hình A.14).

Hình A.14 - Sơ đồ minh họa các bước thử nghiệm chức năng nhả hãm thủ công- Thử nghiệm 2
A.2.12.3 Thử nghiệm 3
Bắt đầu từ vị trí được thiết lập sau thử nghiệm 2 với áp suất ống hãm, áp suất xi lanh hãm và áp suất buồng điều khiển ở mức 0 bar, tăng áp suất ống hãm với tốc độ 0,1 bar trong 3 s đến 5 s và theo dõi áp suất buồng điều khiển bắt đầu tăng lên.
Yêu cầu:
Áp suất buồng điều khiển phải bắt đầu tăng khi áp suất ống hãm là 3 bar (xem Hình A.15).

Hình A.15 - Sơ đồ minh họa các bước thử nghiệm chức năng nhả hãm thủ công-Thử nghiệm 3
Phụ lục B
Sơ đồ bệ thử van hãm
Bệ thử trong Hình B.1 minh họa sơ đồ đơn giản hóa thể hiện các bộ phận cần thiết để thực hiện các thử nghiệm được quy chuẩn này quy định. Bệ thử cũng phải được thiết kế và chế tạo phù hợp với tất cả các nguyên tắc về an toàn. Đơn vị nhập khẩu hoặc cơ sở sản xuất lắp ráp van hãm phải chuẩn bị bệ thử đảm bảo các thử nghiệm quy định tại quy chuẩn này.

Hình B.1 - Sơ đồ minh họa các bộ phận trong bệ thử van hãm
Phụ lục C
Danh mục tài liệu kỹ thuật
Các tài liệu kỹ thuật được các tổ chức, cá nhân sản xuất lắp ráp/nhập khẩu mới cung cấp khi đăng ký kiểm tra bao gồm:
a) Ảnh chụp thể hiện rõ số hiệu, hình ảnh tổng thể thiết bị, phương tiện.
b) Bản vẽ tổng thể của linh kiện;
c) Bản thuyết minh tính năng, đặc tính kỹ thuật hoặc tài liệu giới thiệu tính năng,
thông số kỹ thuật linh kiện;
d) Chứng chỉ chất lượng (CQ) của nhà sản xuất đối với linh kiện nhập khẩu;
đ) Hướng dẫn sử dụng của van hãm;
e) Báo cáo thử nghiệm van hãm trên bệ thử của nhà sản xuất;
g) Báo cáo chạy thử nghiệm van hãm trên đường tại nước ngoài đối với van hãm có kiểu loại mới lần đầu được sử dụng tại Việt Nam.
Bạn chưa Đăng nhập thành viên.
Đây là tiện ích dành cho tài khoản thành viên. Vui lòng Đăng nhập để xem chi tiết. Nếu chưa có tài khoản, vui lòng Đăng ký tại đây!
Bạn chưa Đăng nhập thành viên.
Đây là tiện ích dành cho tài khoản thành viên. Vui lòng Đăng nhập để xem chi tiết. Nếu chưa có tài khoản, vui lòng Đăng ký tại đây!





