- Tổng quan
- Nội dung
- VB gốc
- Tiếng Anh
- Hiệu lực
- VB liên quan
- Lược đồ
-
Nội dung hợp nhất
Tính năng này chỉ có tại LuatVietnam.vn. Nội dung hợp nhất tổng hợp lại tất cả các quy định còn hiệu lực của văn bản gốc và các văn bản sửa đổi, bổ sung, đính chính... trên một trang. Việc hợp nhất văn bản gốc và những văn bản, Thông tư, Nghị định hướng dẫn khác không làm thay đổi thứ tự điều khoản, nội dung.
Khách hàng chỉ cần xem Nội dung hợp nhất là có thể nắm bắt toàn bộ quy định hiện hành đang áp dụng, cho dù văn bản gốc đã qua nhiều lần chỉnh sửa, bổ sung.
- Tải về
Thông tư 20/2014/TT-BXD Quy chuẩn quốc gia về Hệ thống điện của nhà ở và nhà công cộng
| Cơ quan ban hành: | Bộ Xây dựng |
Số công báo:
Số công báo là mã số ấn phẩm được đăng chính thức trên ấn phẩm thông tin của Nhà nước. Mã số này do Chính phủ thống nhất quản lý.
|
Đã biết
|
| Số hiệu: | 20/2014/TT-BXD | Ngày đăng công báo: |
Đã biết
|
| Loại văn bản: | Thông tư | Người ký: | Lê Quang Hùng |
|
Ngày ban hành:
Ngày ban hành là ngày, tháng, năm văn bản được thông qua hoặc ký ban hành.
|
29/12/2014 |
Ngày hết hiệu lực:
Ngày hết hiệu lực là ngày, tháng, năm văn bản chính thức không còn hiệu lực (áp dụng).
|
Đang cập nhật |
|
Áp dụng:
Ngày áp dụng là ngày, tháng, năm văn bản chính thức có hiệu lực (áp dụng).
|
Đã biết
|
Tình trạng hiệu lực:
Cho biết trạng thái hiệu lực của văn bản đang tra cứu: Chưa áp dụng, Còn hiệu lực, Hết hiệu lực, Hết hiệu lực 1 phần; Đã sửa đổi, Đính chính hay Không còn phù hợp,...
|
Đã biết
|
| Lĩnh vực: | Đất đai-Nhà ở, Công nghiệp, Điện lực |
TÓM TẮT THÔNG TƯ 20/2014/TT-BXD
Nội dung tóm tắt đang được cập nhật, Quý khách vui lòng quay lại sau!
Tải Thông tư 20/2014/TT-BXD
|
BỘ XÂY DỰNG Số: 20/2014/TT-BXD |
CỘNG HÒA XÃ HỘI CHỦ NGHĨA VIỆT NAM Hà Nội, ngày 29 tháng 12 năm 2014 |
THÔNG TƯ
BAN HÀNH QUY CHUẨN KỸ THUẬT QUỐC GIA VỀ HỆ THỐNG ĐIỆN
CỦA NHÀ Ở VÀ NHÀ CÔNG CỘNG
Căn cứ Nghị định số 62/2013/NĐ-CP ngày 25/06/2013 của Chính phủ quy định chức năng, nhiệm vụ, quyền hạn và cơ cấu tổ chức của Bộ Xây dựng;
Căn cứ Nghị định số 127/2007/NĐ-CP ngày 01/8/2007 của Chính phủ quy định chi tiết thi hành một số điều của Luật Tiêu chuẩn và Quy chuẩn kỹ thuật;
Xét đề nghị của Vụ trưởng Vụ Khoa học Công nghệ và Môi trường,
Bộ trưởng Bộ Xây dựng ban hành Thông tư ban hành Quy chuẩn kỹ thuật quốc gia về “Hệ thống điện của nhà ở và nhà công cộng”, mã số QCVN 12:2014/BXD.
Điều 1. Ban hành kèm theo Thông tư này Quy chuẩn kỹ thuật quốc gia về “Hệ thống điện của nhà ở và nhà công cộng”, mã số QCVN 12:2014/BXD.
Điều 2. Thông tư này có hiệu lực thi hành kể từ ngày 01 tháng 7 năm 2015.
Điều 3. Bộ trưởng, Thủ trưởng cơ quan ngang Bộ, cơ quan thuộc Chính phủ, Chủ tịch Ủy ban nhân dân các tỉnh, thành phố trực thuộc Trung ương và các tổ chức, cá nhân có liên quan chịu trách nhiệm thi hành Thông tư này./.
|
Nơi nhận: |
KT. BỘ TRƯỞNG |
QCVN 12:2014/BXD
QUY CHUẨN KỸ THUẬT QUỐC GIA VỀ HỆ THỐNG ĐIỆN CỦA NHÀ Ở VÀ NHÀ CÔNG CỘNG
National Technical Regulation on Electrical Installations of Dwelling and Public Buildings
MỤC LỤC
|
1 |
Quy định chung |
|
1.1 |
Phạm vi điều chỉnh |
|
1.2 |
Đối tượng áp dụng |
|
1.3 |
Tài liệu viện dẫn |
|
1.4 |
Giải thích từ ngữ |
|
1.5 |
Các chữ viết tắt |
|
2 |
Quy định về kỹ thuật |
|
2.1 |
Hệ thống đường dẫn điện và thiết bị điện |
|
2.2 |
Hệ thống nối đất và dây dẫn bảo vệ |
|
2.3 |
Cách ly, đóng cắt mạch điện và dịch vụ an toàn |
|
2.4 |
Bảo vệ chống điện giật |
|
2.5 |
Bảo vệ chống tác động nhiệt |
|
2.6 |
Bảo vệ chống quá dòng điện |
|
2.7 |
Bảo vệ chống nhiễu điện áp và nhiễu điện từ |
|
2.8 |
Bảo vệ chống sét |
|
2.9 |
Đấu nối các nguồn điện riêng |
|
2.10 |
Trang bị điện trong các khu vực đặc biệt |
|
3 |
Quy định về kiểm tra |
|
3.1 |
Các yêu cầu chung |
|
3.2 |
Yêu cầu đối với kiểm tra trực quan |
|
3.3 |
Yêu cầu đối với kiểm tra bằng thử nghiệm |
|
4 |
Tổ chức thực hiện |
|
Phụ lục A |
(Quy định) - Giới hạn thể tích trong tầm với |
|
Phụ lục B |
(Quy định) - Cấp bảo vệ của thiết bị điện |
|
Phụ lục C |
(Quy định) - Chiếu sáng nhân tạo |
|
Phụ lục D |
(Quy định) - Những biện pháp cần thiết để hạn chế chói lóa phản xạ |
|
Phụ lục Đ |
(Quy định) - Các loại sơ đồ nối đất |
|
Phụ lục E |
(Quy định) - Hệ thống nối đất và dây dẫn bảo vệ |
|
Phụ lục G |
(Quy định) - Vật liệu và kích thước nhỏ nhất cho phép của các phần tử làm điện cực nối đất |
|
Phụ lục H |
(Quy định) - Các giá trị của hệ số k đối với dây dẫn |
|
Phụ lục I |
(Quy định) - Quá điện áp tạm thời phía hạ áp khi có ngắn mạch chạm đất |
|
|
phía cao áp của máy biến áp |
|
Phụ lục K |
(Quy định) - Yêu cầu đối với quá điện áp tạm thời |
|
Phụ lục L |
(Quy định) - Điện áp chịu xung yêu cầu của thiết bị |
|
Phụ lục M |
(Quy định) - Vật liệu và kích thước các phần tử của LPS bên ngoài |
|
Phụ lục N |
(Quy định) - Phân loại các vùng theo mức độ nguy hiểm về điện |
Lời nói đầu
QCVN 12:2014/BXD do Viện Khoa học Công nghệ Xây dựng biên soạn với sự hỗ trợ của các chuyên gia thuộc Hiệp hội Đồng Quốc tế khu vực Đông Nam Á (International Copper AssoCiation Southeast Asia), Vụ Khoa học Công nghệ và Môi trường trình duyệt, Bộ Khoa học và Công nghệ thẩm định, Bộ Xây dựng ban hành kèm theo Thông tư số 20/2014/TT-BXD của Bộ trưởng Bộ Xây dựng ngày 29 tháng 12 năm 2014.
QUY CHUẨN KỸ THUẬT QUỐC GIA VỀ HỆ THỐNG ĐIỆN CỦA NHÀ Ở VÀ NHÀ CÔNG CỘNG
National Technical Regulation on Electrical Installations of Dwelling and Public Buildings
1. QUY ĐỊNH CHUNG
1.1 Phạm vi điều chỉnh
Quy chuẩn này quy định các yêu cầu về kỹ thuật bắt buộc phải tuân thủ khi thiết kế, xây dựng mới hoặc cải tạo và sửa chữa hệ thống điện của nhà ở và nhà công cộng.
CHÚ THÍCH: Cấp điện áp cao nhất được đề cập đến trong Quy chuẩn này không vượt quá 1 000 V, tần số 50 Hz.
1.2 Đối tượng áp dụng
Quy chuẩn này áp dụng đối với các tổ chức, cá nhân có liên quan đến hoạt động thiết kế, xây dựng hệ thống điện của nhà ở và nhà công cộng.
1.3 Tài liệu viện dẫn
Các tiêu chuẩn viện dẫn sau là cần thiết cho việc áp dụng Quy chuẩn này. Trường hợp các tài liệu viện dẫn được sửa đổi, bổ sung thì áp dụng phiên bản mới nhất.
TCVN 9888-1:2013 (IEC 62305-1:2010) Bảo vệ chống sét. Phần 1: Nguyên tắc chung;
TCVN 9888-3:2013 (IEC 62305-3:2010) Bảo vệ chống sét. Phần 3: Thiệt hại vật chất đến kết cấu và nguy hiểm tính mạng;
TCVN 7447-7-710:2006 (IEC 60364-7-710:2002) Hệ thống lắp đặt điện của các tòa nhà. Phần 7-710: Yêu cầu đối với hệ thống lắp đặt đặc biệt hoặc khu vực đặc biệt - Khu vực y tế.
1.4 Giải thích từ ngữ
Trong Quy chuẩn này, các từ, cụm từ dưới đây được hiểu như sau:
1.4.1
Hệ thống điện của nhà ở và nhà công cộng (sau đây gọi tắt là hệ thống điện nhà)
Tổ hợp các đường dẫn điện, thiết bị điện, hệ thống nối đất và dây dẫn bảo vệ từ điểm cấp điện của tòa nhà đến các điểm tiêu thụ.
1.4.2
Đường dẫn điện
Tổ hợp gồm dây dẫn, thanh dẫn, cáp và các phụ kiện để bắt, giữ, đấu nối, vỏ bảo vệ và bao che (ống, hộp).
1.4.3
Hệ thống đường dẫn điện
Tổ hợp các đường dẫn điện.
1.4.4
Mạch điện
Tổ hợp các dây dẫn và thiết bị điện do một đầu nguồn cấp điện và được bảo vệ bởi cùng một hoặc một nhóm thiết bị bảo vệ quá dòng điện.
1.4.5
Dây dẫn điện có vỏ cách điện (sau đây gọi tắt là dây dẫn)
Ruột kim loại dẫn điện nằm trong vỏ cách điện.
1.4.6
Dây dẫn tải điện
Dây dẫn để tải điện năng, gồm các dây pha và dây trung tính. Trong Quy chuẩn này ruột kim loại của các dây dẫn tải điện phải làm bằng đồng.
1.4.7
Dây dẫn bảo vệ (sau đây gọi tắt là dây PE)
Dây dẫn điện nối các vỏ kim loại của các thiết bị sử dụng điện và phụ kiện với cực nối đất tại nơi lắp đặt thiết bị sử dụng điện hoặc với điểm trung tính đã nối đất của nguồn cấp điện.
1.4.8
Cáp điện (sau đây gọi tắt là cáp)
Tổ hợp gồm:
a) Một hoặc nhiều dây dẫn;
b) Vỏ bảo vệ riêng cho từng dây dẫn (có thể có hoặc không);
c) Vỏ bảo vệ chung (có thể có hoặc không);
d) Áo giáp bảo vệ chung cho cả sợi cáp (có thể có hoặc không);
đ) Vỏ bảo vệ ngoài.
1.4.9
Thanh dẫn
Thanh kim loại dùng để dẫn điện.
1.4.10
Ống luồn dây
Ống bằng vật liệu có độ bền cơ phù hợp, được sử dụng để luồn dây dẫn, cáp.
1.4.11
Hộp luồn dây
Phụ kiện có chức năng như ống luồn dây, nhưng tiết diện hình chữ nhật, có nắp.
1.4.12
Tủ phân phối điện chính
Tủ đặt các thiết bị phân phối điện bố trí ở đầu đường dây cấp điện vào nhà.
1.4.13
Tủ phân phối điện phụ
Tủ đặt các thiết bị phân phối điện bố trí sau tủ phân phối điện chính để cấp điện cho một phần nhà.
1.4.14
Thiết bị điều khiển
Thiết bị dùng để thực hiện các tác động lên các thiết bị điện nhằm đạt những mục đích nhất định.
1.4.15
Máy cắt điện (sau đây gọi tắt là máy cắt)
Thiết bị kết nối có thể đóng, cắt, chịu được dòng điện phụ tải khi làm việc bình thường và dòng điện ngắn mạch.
1.4.16
Điện cực nối đất
Bộ phận dẫn điện được đặt trực tiếp trong đất hoặc trong môi trường dẫn điện có tiếp xúc với đất.
1.4.17
Thiết bị đóng cắt
Thiết bị dùng để đóng hoặc cắt mạch điện.
1.4.18
Bảo vệ chống điện giật
Các biện pháp bảo đảm an toàn cho người tùy theo cường độ dòng điện và thời gian dòng điện đi qua cơ thể người. Bảo vệ chống điện giật bao gồm các loại sau đây:
a) Bảo vệ chính: Bảo vệ chống điện giật khi thiết bị không có hư hỏng cách điện;
b) Bảo vệ khi có hư hỏng cách điện: Bảo vệ chống điện giật khi thiết bị có hư hỏng cách điện;
c) Bảo vệ bổ sung: Bổ sung cho bảo vệ chính và bảo vệ khi có hư hỏng cách điện.
1.4.19
Dịch vụ an toàn
Công tác cấp điện để duy trì sự hoạt động của một số thiết bị chủ yếu nhằm bảo vệ con người khi có nguy hiểm.
1.4.20
Dao cách ly
Thiết bị kết nối, khi ở vị trí cắt nó tạo một khoảng cách ly an toàn. Dao cách ly không đóng hoặc cắt dòng điện phụ tải nhưng chịu được dòng điện phụ tải trong thời gian dài và chịu được dòng điện ngắn mạch trong một thời gian ngắn theo quy định.
1.4.21
Dao phụ tải
Thiết bị kết nối, có thể đóng, cắt, chịu được dòng điện phụ tải. Dao phụ tải có thể đóng vào ngắn mạch và chịu dòng điện ngắn mạch trong một thời gian ngắn theo quy định, nhưng không cắt được dòng điện ngắn mạch.
1.4.22
Dòng điện dư
Tổng đại số của các trị số tức thời của các dòng điện đi trong tất cả các dây dẫn tải điện tại một điểm nhất định của mạch điện. Khi thiết bị làm việc bình thường, dòng điện dư bằng tổng các dòng điện rò. Khi có sự cố cách điện, dòng điên dư bằng dòng điện sự cố cộng với các dòng điện rò.
1.4.23
Dòng điện rò
Dòng điện đi xuống đất hoặc qua các phần tử có tính dẫn điện bên ngoài xuống đất trong khi thiết bị điện làm việc bình thường.
1.4.24
Thiết bị bảo vệ theo dòng điện dư (sau đây gọi tắt là RCD)
Thiết bị bảo vệ cắt mạch điện khi dòng điện dư tăng đến một giá trị nhất định.
1.4.25
Tiếp xúc trực tiếp
Tiếp xúc của con người với một bộ phận có điện thế trong khi bộ phận này làm việc bình thường.
1.4.26
Thể tích trong tầm với
Thể tích không gian bên trên, xung quanh và bên dưới một bề mặt mà người đang đứng hoặc đi lại trên đó có thể với tới được bằng tay, không cầm dụng cụ gì. Giới hạn thể tích trong tầm với được thể hiện tại Phụ lục A.
1.4.27
Tiếp xúc gián tiếp
Tiếp xúc của con người với vỏ kim loại của thiết bị, khi cách điện giữa phần có điện thế và vỏ kim loại bị hư hỏng.
1.4.28
Vỏ kim loại của thiết bị
Bộ phận kim loại bao bọc bên ngoài thiết bị, có tính dẫn điện, có khả năng tiếp xúc vào. Bình thường vỏ này không có điện thế, nhưng khi cách điện bị hư hỏng vỏ này trở nên có điện thế.
1.4.29
Thanh cái
Thanh dẫn có tiết diện lớn.
1.4.30
Thanh góp
Thanh cái để nhiều mạch điện riêng rẽ có thể đấu nối vào,
1.4.31
Điện áp siêu thấp (sau đây gọi tắt là ELV) Điện áp xoay chiều không lớn hơn 50 V.
1.4.32
Điện áp siêu thấp tách biệt (sau đây gọi tắt là SELV)
ELV có nguồn, dây dẫn và thiết bị sử dụng điện không nối với các mạch điện khác và không nối với đất.
1.4.33
Điện áp siêu thấp được bảo vệ (sau đây gọi tắt là PELV) ELV có nối đất bảo vệ.
1.5 Các chữ viết tắt
1.5.1 ELV (Extra-Low Voltage) - điện áp siêu thấp.
1.5.2 IP (Index Protection) - chỉ số bảo vệ.
1.5.3 IT - một loại sơ đồ nối đất (xem Phụ lục Đ).
1.5.4 LPS (Lightning Protection System) - hệ thống chống sét.
1.5.5 N (Neutral) - dây trung tính.
1.5.6 PE (Protective Earthing) - dây dẫn bảo vệ.
1.5.7 PELV (Protective Extra-Low Voltage) - điện áp siêu thấp được bảo vệ.
1.5.8 RCD (Residual Current Device) - thiết bị bảo vệ dòng điện dư.
1.5.9 SELV (Separated Extra-Low Voltage) - điện áp siêu thấp tách biệt.
1.5.10 SPD (Surge Protection Device) - thiết bị bảo vệ chống quá điện áp đột biến.
1.5.11 TN-S - một loại sơ đồ nối đất (xem Phụ lục Đ).
1.5.12 TT - một loại sơ đồ nối đất (xem Phụ lục Đ).
2. QUY ĐỊNH VỀ KỸ THUẬT
2.1 Hệ thống đường dẫn điện và thiết bị điện
2.1.1 Yêu cầu chung
Phương pháp lắp đặt, các điều kiện liên quan đến hệ thống đường dẫn điện, thiết bị điện phải đáp ứng yêu cầu đảm bảo an toàn cho hệ thống điện và cho người sử dụng, tiếp cận dễ dàng để kiểm tra, sửa chữa, thay thế.
2.1.2 Yêu cầu về phương pháp lắp đặt hệ thống đường dẫn điện
2.1.2.1 Phải áp dụng phương pháp lắp đặt hệ thống đường dẫn điện phù hợp để đáp ứng yêu cầu về khả năng tải dòng điện của các dây dẫn.
2.1.2.2 Không được sử dụng cáp một ruột có áo giáp bảo vệ bằng sợi thép hoặc băng thép cho mạch điện xoay chiều ba pha. Tất cả các dây dẫn tải điện và dây PE của cùng một mạch điện ba pha xoay chiều đặt trong ống, hộp bằng vật liệu sắt từ phải được đưa vào cùng một ống, hộp.
2.1.2.3 Trường hợp nhiều mạch điện đi trong một đường ống hoặc hộp, tất cả các dây dẫn phải có cách điện tương ứng với điện áp danh định cao nhất.
2.1.2.4 Trường hợp nhiều mạch điện đi trong một sợi cáp, tất cả các dây dẫn của sợi cáp phải có cách điện tương ứng với điện áp danh định cao nhất.
2.1.2.5 Các dây dẫn của một mạch điện không được phân bố trên nhiều sợi cáp có nhiều ruột khác nhau và trong ống, hộp, máng, thang cáp khác nhau; trừ trường hợp cáp nhiều ruột tạo thành một mạch và được lắp đặt song song có chứa một dây dẫn của mỗi pha và dây trung tính (nếu có).
2.1.2.6 Không cho phép dùng một dây trung tính chung cho nhiều mạch điện chính, trừ khi dây pha và dây trung tính nhận biết được và có thiết bị để cách ly tất cả các dây dẫn tải điện.
2.1.2.7 Khi nhiều mạch điện cùng đấu vào một hộp đấu dây thì các đầu dây của mỗi mạch phải có vách ngăn cách điện.
2.1.2.8 Phải dùng dây mềm để đấu điện cho thiết bị có khả năng phải dịch chuyển tạm thời. Phải dùng ống mềm để bảo vệ dây mềm.
2.1.2.9 Các dây dẫn không có vỏ bảo vệ phải luồn trong ống, hộp.
2.1.3 Yêu cầu đối với hệ thống đường dẫn điện theo các điều kiện bên ngoài
2.1.3.1 Phải thực hiện các biện pháp cần thiết để bảo vệ mọi bộ phận của đường dẫn điện chống các ảnh hưởng từ bên ngoài.
2.1.3.2 Phải bảo đảm cho đường dẫn điện làm việc trong phạm vi dải nhiệt độ giữa nhiệt độ cao nhất và thấp nhất tại nơi lắp đặt và không bị vượt quá nhiệt độ giới hạn khi làm việc bình thường và nhiệt độ giới hạn khi có sự cố. Các bộ phận của hệ thống đường dẫn điện chỉ được lắp đặt và thao tác tại nhiệt độ nằm trong giới hạn do nhà sản xuất quy định.
2.1.3.3 Đường dẫn điện phải được chắn bằng tấm cách nhiệt hoặc đặt cách xa nguồn nhiệt hoặc sử dụng các bộ phận chịu được sự tăng thêm nhiệt độ có thể xảy ra hoặc tăng cường tại chỗ bằng vật liệu chịu nhiệt.
2.1.3.4 Phải đảm bảo cho hệ thống đường dẫn điện có cấp bảo vệ (quy định tại Phụ lục B) thích hợp với nơi lắp đặt; không bị hư hỏng do nước ngưng tụ hoặc nước xâm nhập; vỏ bảo vệ và vỏ cách điện của cáp lắp đặt cố định còn nguyên vẹn và phải có biện pháp đặc biệt đối với cáp đặt dưới nước hoặc bị hắt nước thường xuyên.
2.1.3.5 Phải giảm thiểu mối nguy hiểm do có vật rắn từ bên ngoài xâm nhập; phải có biện pháp để ngăn cản bụi hoặc các chất khác tích tụ với số lượng lớn làm giảm khả năng tản nhiệt của đường dẫn điện.
2.1.3.6 Phải bảo vệ chống ăn mòn hoặc sử dụng vật liệu chịu được các chất ăn mòn, ô nhiễm cho các bộ phận của đường dẫn điện. Không được để các kim loại khác nhau có thể gây ra phản ứng điện phân tiếp xúc với nhau, trừ khi đã có biện pháp đặc biệt để tránh các hậu quả của sự tiếp xúc đó.
2.1.3.7 Phải bảo vệ chống các hư hại do tác động cơ cho đường dẫn điện cố định. Khi đấu cáp và dây dẫn vào thiết bị điện không được làm suy giảm cấp bảo vệ của thiết bị điện.
2.1.3.8 Phải đảm bảo cho hệ thống đường dẫn điện được đỡ hoặc bắt cố định vào các kết cấu của thiết bị có độ rung, đặc biệt là thiết bị rung. Các thiết bị sử dụng điện kiểu treo (như quạt trần, chùm đèn) phải được đấu nối bằng dây dẫn mềm.
2.1.3.9 Phải có biện pháp để không làm hư hỏng cáp, dây dẫn, các đầu cáp; tránh tác động cơ cho dây dẫn, mối nối trong quá trình lắp đặt, sử dụng hoặc bảo dưỡng và chống hư hỏng đường dẫn điện chôn ngầm dưới sàn nhà; chống hư hại về cơ khi cáp, thanh dẫn và dây dẫn đi qua điểm co giãn, xuyên qua tường ngăn.
2.1.3.10 Không được dùng các chất bôi trơn có chứa silicon để luồn dây, kéo dây trên máng hoặc thang. Ống luồn dây dẫn đặt ngầm trong kết cấu xây dựng phải lắp đặt hoàn chỉnh giữa các điểm tiếp cận được trước khi đưa dây dẫn hoặc cáp vào, trừ trường hợp cụm ống đi dây sẵn được chế tạo riêng cho mục đích này. Bán kính cong kéo dây dẫn và cáp không được làm hại đến dây dẫn và cáp.
2.1.3.11 Phải thực hiện đỡ dây dẫn và cáp ở khoảng cách thích hợp để dây dẫn và cáp không bị hư hỏng do trọng lượng bản thân hoặc do lực động điện của dòng điện ngắn mạch (chỉ xét lực này đối với cáp một ruột, tiết diện lớn hơn 50 mm2). Phải sử dụng dây dẫn hoặc cáp chịu được lực căng thường xuyên do trọng lượng bản thân khi đi theo chiều thẳng đứng.
2.1.3.12 Đường dẫn điện chôn cố định trong tường phải đi theo phương nằm ngang, thẳng đứng hoặc song song với cạnh tường. Cáp, đường ống luồn dây dẫn chôn ngầm dưới đất phải được bảo vệ chống hư hỏng về cơ hoặc phải chôn đủ sâu và phải đánh dấu.
2.1.3.13 Phải có biện pháp phòng chống phù hợp với những nơi đường dẫn điện có nguy cơ bị hư hại do thực vật, động vật.
2.1.3.14 Phải có biện pháp bảo vệ đường dẫn điện chống tác động của bức xạ mặt trời và bức xạ cực tím.
2.1.3.15 Đường dẫn điện phải được thiết kế và lắp đặt phù hợp với yêu cầu chống động đất của nhà.
2.1.3.16 Phải sử dụng giá đỡ cáp và hệ thống bảo vệ có khả năng cho phép dịch chuyển tương đối để dây dẫn và cáp không phải chịu tác động cơ khi kết cấu nhà có nguy cơ dịch chuyển. Phải dùng đường dẫn điện mềm cho các kết cấu mềm hoặc các kết cấu dự kiến có dịch chuyển.
2.1.4 Yêu cầu về khả năng tải dòng điện
2.1.4.1 Dòng điện lớn nhất đi trong dây dẫn của đường dẫn điện ở chế độ làm việc bình thường trong thời gian dài phải phù hợp với quy định của nhà chế tạo dây dẫn.
2.1.4.2 Phải căn cứ vào giới hạn nhiệt độ làm việc cho phép thấp nhất của sợi trong nhóm dây dẫn (hoặc cáp) có giới hạn nhiệt độ làm việc cho phép khác nhau, cùng với hệ số suy giảm theo nhóm thích hợp để xác định khả năng tải dòng điện của các dây dẫn (hoặc cáp) trong nhóm.
2.1.4.3 Phải tính toán hệ số suy giảm của các dây dẫn trong mạch điện theo số lượng dây dẫn tải điện. Trường hợp mạch điện ba pha tải dòng điện cân bằng (khi sóng hài bậc 3 hoặc bội số lẻ của 3 có độ méo hài tổng không lớn hơn 15 % biên độ của dòng điện tần số cơ bản) thì không cần phải tính đến dây trung tính của mạch đó.
2.1.4.4 Phải có biện pháp để phân bổ dòng điện tải giữa các dây dẫn phù hợp với khả năng tải của dây dẫn khi hai hoặc nhiều dây dẫn tải điện được mắc song song, trừ trường hợp các dây dẫn làm từ cùng một loại vật liệu, có cùng tiết diện và có độ dài xấp xỉ nhau và không có mạch rẽ.
2.1.4.5 Trường hợp không thể phân bổ dòng điện hoặc phải mắc song song từ 4 dây dẫn trở lên thì phải xem xét đến phương án dùng thanh dẫn.
2.1.4.6 Phải xác định khả năng tải dòng điện theo phần của tuyến dây có điều kiện bất lợi nhất về tản nhiệt, trừ phần dây dẫn xuyên qua tường một đoạn nhỏ hơn 0,35 m.
2.1.4.7 Phải nối cả hai đầu các vỏ kim loại và/hoặc áo giáp bảo vệ không từ tính của các sợi cáp một ruột trong cùng một mạch điện của tuyến dây. Trường hợp cáp có tiết diện ruột lớn hơn 50 mm2 và vỏ bọc ngoài cùng không dẫn điện thì vỏ kim loại và/hoặc áo giáp bảo vệ không từ tính có thể nối với nhau tại một điểm trên đường đi, nhưng chiều dài của sợi cáp từ điểm nối phải được giới hạn theo điều kiện an toàn điện áp giữa vỏ hoặc áo giáp bảo vệ đến đất, các đầu không nối với nhau phải cách điện.
2.1.5 Yêu cầu về tiết diện của các dây dẫn
2.1.5.1 Tiết diện của dây pha trong các mạch xoay chiều không được nhỏ hơn các giá trị sau:
- Cho mạch chiếu sáng: 1,5 mm2;
- Cho mạch động lực và chiếu sáng và mạch dành riêng cho động lực: 2,5 mm2;
- Cho mạch tín hiệu và điều khiển: 0,5 mm2;
- Cho đường dẫn điện từ tủ điện tầng đến tủ điện của các căn hộ hoặc phòng: 4 mm2;
- Cho đường dẫn điện trục đứng cấp điện cho một hoặc một số tầng: 6 mm2;
2.1.5.2 Tiết diện của dây trung tính
a) Dây trung tính phải có tiết diện ít nhất bằng tiết diện của dây pha trong các trường hợp sau đây:
- Trong mạch điện một pha 2 dây;
- Trong mạch điện ba pha, tiết diện của dây pha nhỏ hơn hoặc bằng 16 mm2;
- Trong mạch điện 3 pha có sóng hài bậc 3 và bội số lẻ của 3 và độ méo do các sóng hài này từ 15 % đến 33 % biên độ của dòng điện tần số cơ bản;
b) Trường hợp sóng hài bậc 3 và bội số lẻ của 3 gây ra độ méo lớn hơn 33 %, thì phải chọn tiết diện của dây trung tính lớn hơn tiết diện của dây pha;
c) Đối với các mạch điện ba pha mà tiết diện của dây pha lớn hơn 16 mm2, tiết diện của dây trung tính có thể nhỏ hơn tiết diện dây pha nếu đáp ứng đồng thời các điều kiện sau:
- Phụ tải của mạch điện là cân bằng giữa các pha và sóng hài bậc 3 và bội số lẻ của 3 không vượt quá 15 % biên độ của dòng điện tần số cơ bản. Trong điều kiện này, tiết diện của dây trung tính cũng không được nhỏ hơn 50 % tiết diện của dây pha;
- Dây trung tính được bảo vệ chống quá dòng điện;
- Tiết diện của dây trung tính không nhỏ hơn 16 mm2.
2.1.6 Yêu cầu đối với sơ đồ nối đất
Hệ thống điện nhà không được áp dụng các sơ đồ nối đất ngoài các các sơ đồ quy định tại Phụ lục Đ.
2.1.7 Yêu cầu về độ sụt điện áp tại nơi tiêu thụ
Độ sụt điện áp giữa điểm đầu cấp điện so với mọi thiết bị điện trong hệ thống điện nhà không được lớn hơn 5% điện áp danh định của hệ thống điện nhà.
2.1.8 Yêu cầu về đấu nối điện
Các mối nối giữa các ruột dẫn với nhau và điểm đấu giữa ruột dẫn với thiết bị phải đảm bảo thông điện liên tục, lâu dài, đủ độ bền cơ, được bảo vệ thích hợp, và phải tiếp cận được để kiểm tra, thử nghiệm, bảo trì, trừ các mối nối được thiết kế để chôn ngầm dưới đất, đổ đầy hợp chất và mối nối giữa dây lạnh với phần tử gia nhiệt, mối nối bằng cách hàn hoặc ép, mối nối là một phần của thiết bị điện, đáp ứng tiêu chuẩn của thiết bị đó.
2.1.9 Yêu cầu về giảm thiểu cháy lan đối với đường dẫn điện
2.1.9.1 Trường hợp có yêu cầu giảm thiểu cháy lan thì đường dẫn điện phải sử dụng vật liệu giảm thiểu nguy cơ cháy lan; không được làm giảm tính năng của kết cấu công trình về an toàn cháy. Các loại cáp không có tính năng chống cháy lan chỉ được sử dụng để nối từ đường dẫn điện cố định tới thiết bị sử dụng điện và không được đi từ khoang cách ly này sang khoang cách ly khác. Các bộ phận của đường dẫn điện không thuộc loại chống cháy lan khi sử dụng phải có vỏ bọc chống cháy.
2.1.9.2 Phải lấp kín khe hở cả bên trong và bên ngoài ống, hộp luồn dây, nơi đường dẫn điện xuyên qua, bằng vật liệu có giới hạn chịu lửa của bộ phận xây dựng bị xuyên qua đó, trừ các ống, hộp luồn dây thuộc loại không cháy, có tiết diện bên trong không lớn hơn 710 mm2, đáp ứng ứng yêu cầu thử nghiệm đối với IP33 và các đầu ống, hộp đi vào một trong các khoang bị xuyên qua được ngăn cách bằng kết cấu xây dựng. Vật liệu lấp kín phải chịu được ảnh hưởng từ bên ngoài như đường dẫn điện và chịu được tác động của nước, tác động của các sản phẩm do cháy như bộ phận xây dựng.
2.1.10 Yêu cầu đối với đường dẫn điện đi liền kề với các dịch vụ khác
2.1.10.1 Không được bố trí các mạch điện có điện áp thấp và ELV trên cùng một đường dẫn, trừ khi:
a) Mọi sợi cáp hoặc dây dẫn trên đường dẫn điện có cách điện ứng với điện áp cao nhất;
b) Mọi ruột dẫn trong một sợi cáp nhiều ruột có cách điện ứng với điện áp cao nhất có trong sợi cáp;
c) Sợi cáp có cách điện ứng với điện áp của nó và được đặt trong một ngăn riêng trong ống, hộp luồn dây;
d) Các sợi cáp đặt trên máng có vách ngăn riêng;
đ) Dùng ống, hộp luồn dây riêng.
2.1.10.2 Khi đường dẫn điện chôn ngầm giao chéo hoặc đi gần đường dẫn truyền thông phải đảm bảo khoảng cách giữa các loại đường dẫn này ít nhất là 100 mm hoặc phải đáp ứng một trong các yêu cầu sau:
a) Phân cách giữa các đường dẫn bằng gạch, bê tông chịu lửa hoặc dùng ống chịu lửa;
b) Có biện pháp bảo vệ về cơ giữa các đường dẫn khi giao chéo.
2.1.10.3 Đường dẫn điện không được đặt gần các đường dẫn kỹ thuật phục vụ mục đích khác có thể gây hại cho đường dẫn điện, trừ khi được bảo vệ thích hợp.
2.1.10.4 Không được đặt đường dẫn điện trong khoang thang máy, trừ khi nó là một bộ phận của thang máy.
2.1.11 Yêu cầu về lắp đặt đường dẫn điện liên quan đến bảo trì và làm sạch
2.1.11.1 Việc lắp đặt đường dẫn điện phải phù hợp với yêu cầu bảo trì, làm sạch trong suốt vòng đời của nó.
2.1.11.2 Khi cần tháo dỡ một biện pháp bảo vệ nào đó để bảo trì, làm sạch thì phải lắp đặt trở lại đảm bảo không làm giảm cấp bảo vệ ban đầu.
2.1.11.3 Phải đảm bảo tiếp cận an toàn đến các bộ phận cần bảo trì, làm sạch của đường dẫn điện.
2.1.12 Yêu cầu về lắp đặt tủ điện, thiết bị bảo vệ
2.1.12.1 Tại đầu vào nhà phải lắp đặt tủ phân phối điện chính, trừ trường hợp nhánh rẽ từ đường dây trên không vào nhà đã lắp đặt thiết bị bảo vệ với dòng điện tác động không lớn hơn 25 A.
2.1.12.2 Sau tủ phân phối điện chính phải lắp đặt các tủ phân phối điện phụ để cấp điện cho các phần của nhà.
2.1.12.3 Phải lắp đặt các thiết bị điều khiển, bảo vệ tại các tủ phân phối điện trừ trường hợp tại điểm bắt đầu rẽ nhánh đã được bảo vệ và khi tủ phân phối điện được cấp điện bằng đường dây riêng.
2.1.12.4 Phải lắp đặt thiết bị điều khiển ở tủ phân phối điện chính của đường dây cấp điện cho các nhà hoặc các bộ phận của nhà công cộng.
2.1.12.5 Phải lắp đặt các tủ phân phối điện ở phòng dành riêng cho tủ điện hoặc trong các hộc tường có khóa. Ở những vị trí dễ bị ngập nước, phải lắp đặt tủ phân phối điện cao hơn mức nước ngập cao nhất có khả năng xảy ra.
2.1.12.6 Trường hợp không có phòng dành riêng thì phải lắp đặt tủ phân phối điện trong các phòng khác, các tầng hầm khô ráo, hoặc trong tầng kỹ thuật, nếu các vị trí này người quản lý tiếp cận được dễ dàng, hoặc trong các phòng riêng của nhà có tường không cháy với thời gian chịu lửa không nhỏ hơn 45 min.
2.1.12.7 Khi lắp đặt tủ phân phối điện ngoài phòng dành riêng để lắp đặt tủ điện, phải đáp ứng các yêu cầu sau:
a) Lắp đặt ở chỗ khô ráo, thuận tiện và dễ tới để thao tác, sửa chữa;
b) Lắp đặt trong hộp, tủ hoặc trong hộc tường có cửa bảo vệ.
2.1.12.8 Không được lắp đặt tủ điện ở dưới hoặc trong phòng vệ sinh, phòng tắm, chỗ rửa, phòng giặt, phòng có hóa chất.
2.1.12.9 Không được bố trí các nắp đậy, van, mặt bích, cửa thăm dò, vòi của đường ống dẫn nước, ống thông gió, ống hơi nóng và các loại hộp kỹ thuật khác ở nơi đặt tủ điện. Không được đặt các đường ống khí đốt và đường ống dẫn chất dễ cháy đi qua phòng đặt tủ điện.
2.1.12.10 Phòng dành riêng để lắp đặt tủ phân phối điện phải được thông gió và chiếu sáng bằng điện; phải có cánh cửa mở ra phía ngoài và có khóa.
2.1.13 Yêu cầu đối với việc lắp đặt thiết bị điện trong nhà
2.1.13.1 Các thiết bị điện lắp đặt trong nhà phải phù hợp với điện áp của mạng cấp điện, điều kiện môi trường và yêu cầu sử dụng.
2.1.13.2 Phải sử dụng loại ổ cắm điện có cực nối đất an toàn.
2.1.13.3 Ở những nơi dành cho trẻ em, ổ cắm điện và công tắc đèn phải đặt cao cách sàn hoàn thiện 1,5 m, trừ trường hợp có các biện pháp bảo vệ an toàn.
2.1.13.4 Trong các cửa hàng, nhà hàng và nhà công cộng khác, các công tắc đèn chiếu sáng bình thường, chiếu sáng sự cố và thoát hiểm phải lắp đặt ở các nơi chỉ có người quản lý tiếp cận được để thao tác.
2.1.13.5 Phải sử dụng động cơ điện kiểu kín.
2.1.13.6 Trường hợp sử dụng động cơ điện kiểu hở phải lắp đặt ở gian riêng, có tường, trần và sàn nhà bằng vật liệu không cháy và phải cách các bộ phận cháy được của nhà ít nhất là 0,5 m.
2.1.13.7 Phải lắp đặt động cơ điện dùng chung và các thiết bị bảo vệ, điều khiển của chúng ở nơi chỉ có người quản lý tiếp cận được.
2.1.13.8 Phải bố trí các nút bấm điều khiển thiết bị điện dùng chung tại chỗ vận hành thuận tiện và có nhãn ghi để phân biệt.
2.1.13.9 Trường hợp phải lắp đặt động cơ điện ở tầng áp mái thì không được lắp đặt trực tiếp trên các phòng ở, phòng làm việc và phải đảm bảo mức ồn cho phép theo các quy định hiện hành.
2.1.14 Yêu cầu đối với đường dẫn điện và thiết bị điện cho chiếu sáng nhân tạo và các mục đích sử dụng khác
2.1.14.1 Tiết diện của ruột dây dẫn và cáp không được nhỏ hơn trị số quy định tại mục 2.1.5
2.1.14.2 Đường dẫn điện phục vụ chiếu sáng biển quảng cáo gắn với nhà phải có thiết bị bảo vệ để cắt được nguồn cấp điện khi xảy ra sự cố hư hỏng cách điện, ngắn mạch hoặc phải đặt kín bên trong kết cấu xây dựng, hoặc cáp phải có vỏ bọc cách điện đạt tiêu chuẩn và phải luồn trong ống nhựa chịu lực và chịu nhiệt, hoặc phải có biện pháp bảo vệ khác.
2.1.14.3 Phải cấp điện bằng các đường dẫn điện riêng từ tủ phân phối điện chính cho hệ thống chiếu sáng cầu thang, lối đi chung, hành lang và những phòng khác ngoài phạm vi căn hộ của nhà ở.
2.1.14.4 Phải bảo vệ đường dẫn điện nhóm chiếu sáng trong nhà bằng cầu chảy hoặc máy cắt với dòng điện danh định không lớn hơn 25 A. Đối với đường dẫn điện cấp điện cho nhóm các thiết bị chiếu sáng ở các nhà công cộng có công suất lớn cho phép bảo vệ bằng cầu chảy hoặc máy cắt với dòng điện danh định đến 63 A.
2.1.14.5 Trường hợp cấp điện bằng một đường dẫn điện nhóm chung cho các động cơ điện thì số lượng động cơ không được quá bốn, đồng thời công suất mỗi động cơ không được quá 3 kW.
2.1.14.6 Thiết bị chiếu sáng của nhà phải:
a) Có độ rọi phù hợp loại công việc, nhóm phòng và công trình theo quy định tại Phụ lục C;
b) Áp dụng các biện pháp hạn chế chói lóa phản xạ theo quy định tại Phụ lục D.
2.1.14.7 Phải bố trí đường dẫn điện riêng biệt cho thang máy và thang cuốn từ tủ phân phối điện chính hoặc từ tủ điện dành riêng cho thang máy và thang cuốn.
2.1.14.8 Phải gắn thiết bị tự động khống chế mức nước vào mạch điều khiển động cơ điện của máy bơm nước vào bể, thùng chứa.
2.1.14.9 Các hệ thống thông gió, điều hòa không khí, đun nước nóng bằng điện trở phải được cấp điện trực tiếp bằng các đường dẫn điện riêng từ tủ phân phối điện và phải có thiết bị bảo vệ cắt điện tự động.
2.2 Hệ thống nối đất và dây dẫn bảo vệ
2.2.1 Các yêu cầu chung
2.2.1.1 Hệ thống nối đất gồm các phần tử chính là điện cực nối đất, thanh nối đất chính (là đầu nối hoặc thanh góp để nối các thiết bị điện vào hệ thống nối đất) và dây dẫn nối đất (là vật dẫn để nối thanh nối đất chính với điện cực nối đất) được liên kết với nhau và thể hiện tại Phụ lục E.
2.2.1.2 Hệ thống nối đất phải:
a) Tin cậy và phù hợp với các yêu cầu bảo vệ và vận hành lâu dài của thiết bị điện;
b) Có khả năng chịu được dòng điện sự cố mà không gây nguy hiểm cho người hoặc hư hỏng thiết bị;
c) Không bị hư hỏng các bộ phận kim loại khác nhau do tác động điện phân;
2.2.2 Yêu cầu đối với điện cực nối đất
2.2.2.1 Điện trở nối đất của điện cực trong hệ thống nối đất ở điều kiện bất lợi nhất phải đáp ứng điều kiện chống điện giật quy định tại mục 2.4.2.3.
2.2.2.2 Không được sử dụng đường ống dẫn các chất có khả năng gây cháy, nổ làm một phần của điện cực nối đất.
2.2.2.3 Vật liệu làm điện cực nối đất phải chống được ăn mòn do điện phân.
2.2.2.4 Vật liệu và kích thước nhỏ nhất cho phép của các phần tử làm điện cực nối đất phải đáp ứng quy định tại Phụ lục G.
2.2.3 Yêu cầu đối với thanh nối đất chính
2.2.3.1 Trong hệ thống nối đất sử dụng liên kết bảo vệ thì các dây dẫn sau đây phải nối với thanh nối đất chính:
a) Dây dẫn nối đất;
b) Dây PE;
c) Dây dẫn liên kết đẳng thế bảo vệ (sau đây gọi là dây dẫn liên kết bảo vệ);
d) Dây dẫn nối đất chức năng, nếu có.
2.2.3.2 Thanh nối đất chính phải bố trí ở nơi dễ tiếp cận.
2.2.3.3 Thanh nối đất chính phải có khả năng tách từng dây dẫn riêng rẽ khỏi mối nối. Mối nối phải chắc chắn và chỉ tách được bằng dụng cụ chuyên dùng.
2.2.4 Yêu cầu đối với dây dẫn nối đất
Tiết diện nhỏ nhất cho phép của dây dẫn nối đất không chôn trong đất phải phù hợp với tiết diện của dây PE được xác định tại mục 2.2.5.1e. Trường hợp chôn trong đất thì phải tuân theo các trị số quy định tại Bảng 1.
Bảng 1 - Tiết diện nhỏ nhất cho phép của dây dẫn nối đất chôn trong đất
|
Dây dẫn nối đất |
Có bảo vệ về cơ |
Không có bảo vệ về cơ |
|
Có bảo vệ chống ăn mòn |
2,5 mm2 đối với dây đồng 10 mm2 đối với dây thép |
16 mm2 đối với cả dây đồng và dây thép |
|
Không có bảo vệ chống ăn mòn |
25 mm2 đối với dây đồng 50 mm2 đối với dây thép |
|
2.2.5 Yêu cầu đối với dây PE
2.2.5.1 Dây PE phải đáp ứng các yêu cầu sau đây:
a) Dây PE phải được bảo vệ chống các hư hỏng về cơ, hóa và điện hóa, chịu được các lực động điện và tác động nhiệt trong mọi điều kiện làm việc;
b) Trên dây PE không được đặt thiết bị đóng cắt, và không được bố trí các mối nối, trừ các mối nối có thể tách bằng dụng cụ chuyên dùng;
c) Không được dùng vỏ kim loại của thiết bị làm một phần của dây PE cho các thiết bị khác;
d) Các mối nối của dây PE phải được tiếp cận dễ dàng để kiểm tra và thử nghiệm, trừ các mối nối được bọc kín hoặc lấp đầy bằng chất độn;
đ) Khi kiểm tra thông mạch của hệ thống nối đất không được mắc nối tiếp các thiết bị chuyên dùng (như bộ tác động cảm biến, cuộn dây) vào dây PE;
e) Tiết diện của dây PE không nhỏ hơn các trị số quy định tại Bảng 2.
Bảng 2 - Tiết diện nhỏ nhất cho phép của dây PE
|
Tiết diện của dây dẫn pha, S mm2 |
Tiết diện nhỏ nhất cho phép của dây PE tương ứng mm2 |
|
|
Dây PE bằng đồng |
Dây PE bằng thép |
|
|
S ≤ 16 |
S |
3×S |
|
16 < s="" ≤=""> |
16 |
3×16 |
|
S > 35 |
|
3 ´ |
2.2.5.2 Các vật dẫn dùng làm dây PE gồm:
a) Dây dẫn trong cáp nhiều ruột;
b) Dây dẫn bọc cách điện hoặc để trần, nằm trong cùng một vỏ bảo vệ với dây dẫn tải điện;
c) Dây dẫn để trần lắp cố định hoặc dây dẫn có vỏ cách điện;
d) Vỏ cáp hoặc khung tủ điện bằng kim loại, lưới bọc cáp, vỏ thép của cáp, dây thép bện, dây dẫn đồng trục, ống kim loại đáp ứng đồng thời các yêu cầu sau:
- Tính liên tục về điện được đảm bảo bằng các kết cấu hoặc đấu nối thích hợp, chống được hư hỏng về cơ cũng như ăn mòn điện hóa;
- Đấu nối được với các dây PE khác ở điểm nối dây được xác định trước;
- Tiết diện không nhỏ hơn giá trị quy định tại Bảng 2.
2.2.5.3 Dây PE không phải là một bộ phận của cáp hoặc không nằm trong vỏ bảo vệ chung với dây pha thì tiết diện không được nhỏ hơn:
a) 2,5 mm2 cho dây dẫn có bảo vệ cơ;
b) 4 mm2 cho dây dẫn không có bảo vệ cơ.
2.2.5.4 Dây PE dùng chung cho nhiều mạch điện thì tiết diện nhỏ nhất cho phép phải xác định theo Bảng 3 với dòng điện sự cố và thời gian tồn tại ứng với xung lượng nhiệt (I2x t) lớn nhất.
2.2.5.5 Không được dùng các bộ phận kim loại dưới đây làm dây PE:
a) Ống nước;
b) Ống chứa khí hoặc chất lỏng dễ cháy;
c) Các bộ phận, kết cấu chịu ứng suất cơ khi làm việc bình thường;
d) Ống, bộ phận có thể uốn, xoắn được (trừ khi được thiết kế cho các mục đích đó);
đ) Giá đỡ dây, dây treo dây dẫn.
2.2.5.6 Khi dây dẫn nối đất bảo vệ kết hợp làm dây nối đất chức năng thì phải đáp ứng đồng thời các yêu cầu đối với dây PE và các yêu cầu về nối đất chức năng.
2.2.5.7 Nếu dùng thiết bị bảo vệ quá dòng để bảo vệ chống điện giật thì dây PE phải nằm trong cùng đường dẫn với dây tải điện.
2.2.6 Yêu cầu đối với dây dẫn liên kết bảo vệ
2.2.6.1 Dây dẫn liên kết bảo vệ nối với thanh nối đất chính phải có tiết diện không nhỏ hơn:
a) 6 mm2 đối với dây đồng;
b) 50 mm2 đối với dây thép.
2.2.6.2 Dây dẫn liên kết bảo vệ nối giữa hai vỏ kim loại của thiết bị phải có khả năng dẫn điện bằng hoặc lớn hơn khả năng dẫn điện của dây PE có khả năng dẫn điện nhỏ nhất nối với các vỏ thiết bị đó.
2.2.6.3 Dây dẫn liên kết bảo vệ nối giữa vỏ kim loại của thiết bị với các vật dẫn bên ngoài phải có khả năng dẫn điện không nhỏ hơn 1/2 khả năng dẫn điện của dây PE tương ứng.
2.3 Cách ly, đóng cắt mạch điện và dịch vụ an toàn
2.3.1 Thiết bị cách ly và đóng cắt
2.3.1.1 Phải sử dụng các loại thiết bị sau để cách ly và đóng cắt mạch điện:
a) Dao cách ly, cầu dao phụ tải, máy cắt;
b) Phích cắm và ổ cắm;
c) Cầu chảy;
d) Các đầu nối chuyên dùng (không cần tháo dây dẫn ra).
2.3.1.2 Các tiếp điểm động của mọi thiết bị cách ly và đóng cắt nhiều cực cần phải khớp nối cơ khí đảm bảo đóng mở đồng thời, trừ những tiếp điểm dùng cho dây trung tính có thể đóng trước và mở sau các tiếp điểm khác.
2.3.1.3 Không được lắp đặt thiết bị cách ly và đóng cắt một cực vào dây trung tính bất kể là mạch một pha hay ba pha.
2.3.2 Dây PE của mạch điện
2.3.2.1 Không được lắp đặt dây PE của mạch điện xuyên qua mạch từ của RCD.
2.3.2.2 Các yêu cầu khác có liên quan đến dây PE thực hiện theo quy định tại mục 2.2.5.
2.3.3 Yêu cầu về sử dụng các loại RCD
2.3.3.1 RCD phải có khả năng cách ly được tất cả các dây dẫn đang có điện của mạch mà nó bảo vệ.
2.3.3.2 Phải sử dụng RCD loại tác động bằng dòng điện, không được sử dụng RCD loại tác động bằng điện áp.
2.3.3.3 Khi lắp đặt RCD cho mạch ba pha không có phụ tải ba pha, phải sử dụng RCD cho từng pha để giảm phạm vi mất điện khi chỉ có sự cố ở các pha riêng biệt.
2.3.3.4 Phải sử dụng RCD có dòng làm việc không quá 30 mA làm bảo vệ bổ sung cho thiết bị điện ở những mạch điện có sử dụng dụng cụ cầm tay.
2.3.4 Thiết bị bảo vệ theo dòng ngắn mạch
2.3.4.1 Dòng điện định mức của thiết bị bảo vệ không được nhỏ hơn dòng điện làm việc lâu dài lớn nhất của mạch điện.
2.3.4.2 Thiết bị bảo vệ phải có khả năng cắt được dòng ngắn mạch lớn nhất.
2.3.5 Cắt điện khẩn cấp
2.3.5.1 Trường hợp cần cắt nguồn cấp điện để ngăn ngừa nguy hiểm phát sinh ngoài dự kiến phải lắp đặt thiết bị cắt khẩn cấp cho bộ phận có liên quan của hệ thống điện.
2.3.5.2 Phải trang bị các phương tiện ngừng khẩn cấp khi các chuyển động bằng điện làm tăng nguy hiểm.
2.3.5.3 Các thiết bị cắt điện khẩn cấp phải cắt được dòng điện của các phần thiết bị có liên quan, có tính đến dòng điện của động cơ bị hãm.
2.3.5.4 Thiết bị cắt điện khẩn cấp phải cắt điện được cho tất cả các dây dẫn có điện.
2.3.5.5 Phải sơn màu đỏ các thiết bị dùng để cắt điện khẩn cấp và bố trí để dễ dàng nhận biết, dễ dàng tiếp cận và thao tác cắt trực tiếp bằng tay các mạch cấp điện khi điều kiện cho phép.
2.3.5.6 Khi thiết bị đã cắt ra thì phải được khóa hoặc chốt lại ở vị trí cắt và bảo đảm không có khả năng tự đóng điện trở lại.
2.3.6 Hệ thống điện dùng cho dịch vụ an toàn
2.3.6.1 Phải có hệ thống điện riêng để duy trì hoạt động các bộ phận thiết yếu cho dịch vụ an toàn làm việc ở mọi thời điểm, mọi điều kiện.
2.3.6.2 Các dịch vụ an toàn bao gồm, nhưng không giới hạn bởi các hạng mục sau:
a) Chiếu sáng khẩn cấp, thoát hiểm;
b) Bơm chữa cháy;
c) Thang máy để cứu hộ khi xảy ra cháy;
d) Hệ thống báo động (có cháy, khói, khí CO, đột nhập);
đ) Hệ thống sơ tán;
e) Hệ thống hút khói;
g) Hệ thống quạt tăng áp cầu thang thoát hiểm;
h) Thiết bị y tế thiết yếu.
2.3.6.3 Trong mạch IT phải có thiết bị kiểm soát cách điện liên tục để phát tín hiệu bằng âm thanh và ánh sáng khi xuất hiện sự cố chạm đất đầu tiên.
2.3.7 Nguồn điện dùng cho dịch vụ an toàn
2.3.7.1 Nguồn điện dùng cho dịch vụ an toàn (ắcqui, pin, tổ máy phát điện độc lập, lộ riêng độc lập với lộ cấp điện bình thường) phải có đủ công suất, độ tin cậy, thời gian hoạt động đáp ứng cần thiết, thông số đặc trưng và thời gian chuyển đổi thích hợp theo quy định.
2.3.7.2 Nguồn điện dùng cho dịch vụ an toàn phải được lắp cố định ở vị trí thích hợp, có biện pháp thông gió và thoát khí thải ra ngoài một cách an toàn. Sự cố ở nguồn cấp điện bình thường không được gây ảnh hưởng bất lợi cho nguồn điện này.
2.3.7.3 Nguồn điện dùng cho dịch vụ an toàn dùng kết hợp cho các mục đích khác thì không được gây ảnh hưởng đến nhiệm vụ chính. Phải có biện pháp để khi có sự cố ở mạch cung cấp điện cho mục đích khác không làm mất điện của dịch vụ an toàn.
2.3.7.4 Nếu một nguồn dùng cho dịch vụ an toàn cấp điện đồng thời cho dịch vụ an toàn của nhiều tòa nhà thì sự cố trong các dịch vụ an toàn của một tòa nhà không được làm ảnh hưởng đến hoạt động bình thường của nguồn đó.
2.3.8 Yêu cầu đối với mạch điện dùng cho dịch vụ an toàn
2.3.8.1 Mạch điện của dịch vụ an toàn phải độc lập với các mạch khác.
2.3.8.2 Khi thiết bị được cấp điện từ hai nguồn khác nhau thì sự cố xuất hiện trong mạch của nguồn này không được gây ảnh hưởng xấu đến bảo vệ chống điện giật hoặc hoạt động đúng của nguồn kia. Thiết bị có dây PE thì dây PE này phải được nối với dây PE của cả hai mạch.
2.3.8.3 Trường hợp cắt quá tải làm mất nguồn cấp điện có thể gây ra mối nguy hiểm lớn hơn thì thiết bị bảo vệ chống quá tải không được tự động cắt nguồn điện mà phải có biện pháp theo dõi sự xuất hiện của quá tải để khắc phục.
2.3.8.4 Bảo vệ chống ngắn mạch và chống điện giật trong điều kiện bình thường và trong trường hợp sự cố phải được đảm bảo ở phương án đấu nối bất kỳ với nguồn cấp điện bình thường và nguồn dùng cho dịch vụ an toàn.
2.3.8.5 Thiết bị bảo vệ chống quá dòng phải được chọn và lắp đặt sao cho không để quá dòng trong một mạch làm ảnh hưởng đến hoạt động đúng của mạch dùng cho dịch vụ an toàn.
2.3.8.6 Tủ điện của dịch vụ an toàn phải được cách ly khỏi các thành phần của hệ thống điện bình thường và phải đảm bảo khả năng chịu cháy trong thời gian quy định.
2.3.8.7 Mạch điện của dịch vụ an toàn không được đi qua các vị trí có rủi ro cháy, trừ khi nó được làm từ vật liệu không cháy hoặc được bảo vệ thích hợp. Trong mọi trường hợp, mạch điện không được đi qua khu vực có rủi ro nổ.
2.3.8.8 Phương tiện đóng cắt và điều khiển phải được lắp thành nhóm, dễ dàng nhận biết được, đặt tại khu vực mà chỉ những người có trách nhiệm mới được phép tiếp cận.
2.3.8.9 Cáp của mạch điện dùng cho dịch vụ an toàn không phải loại chống cháy hoặc chống nhiễu phải được cách ly với các cáp của mạch khác, kể cả cáp của mạch an toàn khác bằng khoảng cách hoặc vật chắn. Phải sử dụng cáp chịu cháy phù hợp với quy định tại mục 2.1.9 để lắp đặt sao cho đảm bảo độ bền nhiệt và cơ cần thiết.
2.3.8.10 Không được lắp đặt các mạch điện dùng cho dịch vụ an toàn trong khoang thang máy hoặc các loại ống thông hơi, thông khói, trừ các cáp dùng cho thang máy cứu hộ khi xảy ra cháy hoặc thang máy có yêu cầu đặc biệt.
2.3.8.11 Đèn chiếu sáng khẩn cấp mà bình thường không hoạt động phải tự động hoạt động khi có sự cố ở mạch cấp điện bình thường trong khu vực đặt đèn. Việc chuyển đổi từ chế độ bình thường sang chế độ khẩn cấp phải được thực hiện tự động khi điện áp nguồn bình thường thấp hơn 60% điện áp danh định trong thời gian vượt quá 0,5 s và tự động trở về chế độ bình thường khi điện áp của nguồn bình thường lớn hơn 85% điện áp danh định.
2.3.8.12 Nguồn điện sử dụng cho chiếu sáng khẩn cấp phải được kiểm soát tại tủ phân phối. Quy định này không áp dụng cho pin, ắcqui tự nạp.
2.3.8.13 Trong hệ thống chiếu sáng khẩn cấp, các loại đèn phải tương thích với thời gian chuyển đổi để duy trì mức chiếu sáng quy định.
2.3.8.14 Tại vị trí đóng cắt trung tâm phải lắp đặt thiết bị giám sát và điều khiển nguồn cấp điện.
2.3.8.15 Giá trị độ rọi nhỏ nhất chiếu sáng khẩn cấp trên bề mặt lối đi và cầu thang phải đạt 0,5 lx, ở các gian phòng, các khu vực để mở phải đạt 0,2 lx.
2.4 Bảo vệ chống điện giật
2.4.1 Yêu cầu về bảo vệ chống điện giật do tiếp xúc trực tiếp
Phải sử dụng một trong các biện pháp sau đây:
2.4.1.1 Bao bọc hoàn toàn các bộ phận mang điện bằng vật liệu cách điện đạt tiêu chuẩn sao cho chỉ tháo gỡ ra được bằng cách phá hủy.
2.4.1.2 Dùng rào chắn hoặc vỏ bọc lắp cố định chắc chắn, đảm bảo độ bền cơ, được cách ly với các phần có điện phù hợp với điều kiện làm việc bình thường, có xét đến các ảnh hưởng từ bên ngoài và phải sử dụng đến dụng cụ hoặc chìa khóa mới có thể tháo ra được và có cấp bảo vệ thấp nhất là IPXXB hoặc IP2X để ngăn ngừa mọi tiếp xúc của con người, vật nuôi với phần có điện. Trường hợp có những lỗ mở để thay thế một phần thiết bị thì phải có các biện pháp ngăn ngừa tiếp xúc vô ý với phần có điện, đồng thời phải có cảnh báo để tránh chạm phải phần có điện;
Dùng tấm chắn hoặc vỏ bọc có cấp bảo vệ thấp nhất là IPXXD hoặc IP4X ở bề mặt nằm ngang trên cùng dễ tiếp cận;
Các bộ phận có thể tiếp cận đồng thời mà có các điện thế khác nhau thì không đặt trong phạm vi giới hạn thể tích trong tầm với.
2.4.1.3 Sử dụng vật cản có thể tháo ra được, nhưng không thể bị di chuyển ngẫu nhiên để bảo vệ những nơi có người qua lại hoặc làm việc có thể vô ý tiếp xúc với vật mang điện.
2.4.2 Yêu cầu về bảo vệ chống điện giật do tiếp xúc gián tiếp
2.4.2.1 Phải lắp đặt thiết bị bảo vệ quá dòng điện để tự động cắt mạch điện khi có sự cố.
2.4.2.2 Đối với sơ đồ TT và TN-S phải lắp đặt RCD để bảo vệ chống sự cố chạm vỏ.
2.4.2.3 Phải có biện pháp đảm bảo an toàn để tránh bị tai nạn điện giật đối với người theo điều kiện
RA x Ia ≤ 50 (1)
trong đó:
- RA là điện trở nối đất, tính bằng ôm (Ω);
- Ia là dòng điện tác động của thiết bị bảo vệ, tính bằng ampe (A): Đối với RCD, là dòng điện dư tác động danh định IΔn; Đối với bảo vệ quá dòng, là giá trị dòng điện tác động của bảo vệ tại 5 s;
- 50 là giá trị điện áp an toàn, tính bằng vôn (V) được chấp nhận trong điều kiện bình thường.
2.4.2.4 Phải nối vỏ kim loại của thiết bị với dây PE theo các điều kiện quy định cho từng loại sơ đồ nối đất tại Phụ lục Đ.
2.4.2.5 Phải nối liên kết đẳng thế bảo vệ của nhà với dây PE, dây dẫn nối đất hoặc cực nối đất, các phần tử dẫn điện bên ngoài. Dây dẫn dùng để liên kết đẳng thế bảo vệ phải phù hợp với quy định tại mục 2.2.6.
2.4.2.6 Bảo vệ bổ sung:
a) Phải nối liên kết đẳng thế phụ với vỏ kim loại của thiết bị có thể tiếp cận đồng thời và bộ phận có tính dẫn điện không thuộc hệ thống điện nhà, kể cả lõi tăng cường bằng kim loại của bê tông cốt thép. Hệ thống liên kết đẳng thế phụ phải được nối với dây PE của tất cả thiết bị, kể cả dây PE của ổ cắm.
Điện trở R, tính bằng ôm (Ω), giữa các vỏ kim loại của thiết bị bất kỳ và bộ phận dẫn điện bất kỳ không thuộc hệ thống điện nhà tại những nơi có thể tiếp xúc đồng thời phải đáp ứng điều kiện
R ≤ (2)
trong đó:
- Ia là dòng điện tác động của thiết bị bảo vệ, tính bằng ampe (A): Đối với RCD, là dòng điện dư tác động danh định IΔn; Đối với bảo vệ quá dòng, là giá trị dòng điện tác động của bảo vệ tại 5 s;
- 50 là giá trị điện áp an toàn (tính bằng vôn) được chấp nhận trong điều kiện bình thường.
b) Trường hợp sử dụng RCD làm bảo vệ bổ sung thì dòng điện dư tác động danh định không được vượt quá 30 mA.
2.4.2.7 Bảo vệ bằng tách biệt về điện phải đáp ứng các điều kiện sau:
a) Mỗi nguồn cách ly với đất chỉ được cấp cho một thiết bị sử dụng điện;
b) Mạch điện tách biệt phải được cấp từ nguồn điện cách ly với đất và điện áp của mạch điện tách biệt không được vượt quá 500 V;
c) Không được nối các bộ phận mang điện của mạch điện tách biệt ở bất kỳ điểm nào với các mạch khác hoặc với đất hoặc dây PE;
d) Cáp và dây mềm của mạch điện phải đảm bảo khả năng kiểm soát được bằng mắt trên suốt chiều dài có nguy cơ bị hư hỏng về cơ;
đ) Phải sử dụng hệ thống đường dẫn điện riêng cho các mạch điện tách biệt;
e) Trường hợp sử dụng các dây dẫn của cùng một đường dẫn điện cho mạch điện tách biệt và các mạch điện khác thì phải sử dụng cáp nhiều ruột không bọc bằng kim loại hoặc sử dụng các dây dẫn cách điện nằm trong ống, hệ thống đường ống hoặc hộp cách điện đáp ứng các điều kiện sau:
- Cách điện các dây dẫn phải đáp ứng điện áp danh định cao nhất có trong sợi cáp;
- Phải đặt bảo vệ quá dòng cho từng mạch điện;
g) Vỏ kim loại của thiết bị trong mạch điện tách biệt không được nối với đất hoặc với dây PE cũng như với vỏ kim loại của thiết bị trong mạch khác.
h) Trường hợp có nhiều hơn một thiết bị sử dụng điện thì ngoài các yêu cầu đã nêu ở các điểm từ b đến g, còn phải đáp ứng các quy định sau:
- Phải thực hiện các biện pháp phòng ngừa để bảo vệ mạch điện không bị hư hỏng cách điện;
- Các vỏ bằng kim loại của mạch điện, kể cả của ổ cắm, phải được nối liên kết đẳng thế với nhau bằng dây dẫn cách điện không nối với đất, không nối với dây PE hoặc vỏ bằng kim loại của mạch khác;
- Tất cả cáp mềm (trừ khi cấp điện cho thiết bị có cách điện kép hoặc cách điện tăng cường) phải gồm có dây PE để sử dụng làm dây liên kết đẳng thế như đã nêu tại gạch đầu dòng thứ hai của điểm này;
- Phải có bảo vệ tự động cắt mạch điện khi có sự cố ở hai điểm trên hai dây nối với các cực đấu dây khác nhau của nguồn với thời gian cắt lớn nhất quy định tại Bảng 3.
Bảng 3 - Thời gian cắt lớn nhất áp dụng cho các mạch cuối có dòng điện danh định không quá 32 A
Thời gian tính bằng giây (s)
|
Điện áp danh định, U V
Sơ đồ nối đất |
50< u="" ≤=""> |
120< u="" ≤=""> |
230< u="" ≤=""> |
U >400 |
|
TT |
0,3 |
0,2 |
0,07 |
0,04 |
|
TN-S |
0,8 |
0,4 |
0,2 |
0,1 |
2.4.2.8 Điện trở nối đất phải đảm bảo để thiết bị bảo vệ quá dòng điện và RCD làm việc có hiệu quả.
2.5 Bảo vệ chống tác động nhiệt
2.5.1 Yêu cầu chung
Phải thực hiện các biện pháp bảo vệ con người, vật nuôi, các thiết bị cố định, các dụng cụ và vật liệu đặt cạnh các thiết bị điện, dây dẫn điện để chống các hậu quả có hại do nhiệt từ thiết bị điện, dây dẫn điện gây ra hoặc do bức xạ nhiệt làm bốc cháy, hư hỏng, có nguy cơ gây bỏng hoặc làm ảnh hưởng đến vận hành an toàn.
2.5.2 Yêu cầu đối với bảo vệ chống cháy do thiết bị điện và dây dẫn điện gây ra
2.5.2.1 Thiết bị điện có khả năng tạo ra nhiệt độ bề mặt gây nguy hiểm cháy cho các vật liệu, vật dụng liền kề khi thiết kế, lắp đặt cố định phải tuân thủ một trong các yêu cầu sau đây:
a) Đặt ở trên bệ hoặc trong vỏ làm bằng vật liệu chịu được nhiệt độ mà thiết bị điện đó tạo ra, không cháy, có độ dẫn nhiệt thấp và đủ độ bền cơ;
b) Được cách ly khỏi các vật liệu, vật dụng liền kề hoặc các phần tử khác bằng vật liệu chịu được nhiệt độ mà thiết bị điện đó tạo ra, không cháy, có độ dẫn nhiệt thấp và có chiều dày đủ độ bền cơ;
c) Đảm bảo khoảng cách đủ lớn đến các vật liền kề hoặc các phần tử khác cho phép tỏa nhiệt an toàn. Mọi phương tiện đỡ thiết bị điện có khả năng tạo nhiệt độ bề mặt đều phải có độ dẫn nhiệt thấp.
2.5.2.2 Khi thiết kế, lắp đặt hệ thống điện nhà phải:
a) Sử dụng loại dây dẫn có tiết diện phù hợp với quy định tại mục 2.1.5 và mức tải dòng điện phù hợp với quy định tại mục 2.1.4.2;
b) Sử dụng RCD có dòng tác động tối đa là 0,5 A;
c) Đảm bảo tương thích với các điều kiện môi trường, tính chất sử dụng, đặc điểm kiến trúc của nhà và các yêu cầu về kỹ thuật an toàn, phòng chống cháy. Ở những nơi có nguy cơ cháy cao đường dẫn điện và phương pháp lắp đặt phải phù hợp với các yêu cầu quy định tại các mục 2.1.2; 2.1.3.2 và 2.1.4.2.
2.5.2.3 Thiết bị điện, dây dẫn điện có khả năng tạo hồ quang hoặc tia lửa điện trong vận hành bình thường, khi nối cố định phải đáp ứng một trong các yêu cầu sau:
a) Bọc kín toàn bộ trong vật liệu chịu được hồ quang, tia lửa điện, không cháy, có độ dẫn nhiệt thấp và có đủ độ bền cơ;
b) Cách ly khỏi vật dụng hoặc các phần tử của nhà bằng vật liệu chịu được hồ quang, tia lửa điện, không cháy, có độ dẫn nhiệt thấp và có đủ độ bền cơ;
c) Lắp đặt với một khoảng cách đủ đảm bảo dập được hồ quang, tia lửa điện.
2.5.2.4 Thiết bị điện có khả năng gây ra tình trạng tập trung nhiệt hoặc tích tụ nhiệt phải có khoảng cách đủ lớn đến các vật ở liền kề hoặc các phần tử của nhà để trong điều kiện vận hành bình thường không tạo ra nhiệt độ nguy hiểm cho các vật và phần tử của nhà.
2.5.2.5 Đối với các thiết bị điện có chứa từ 25 l chất lỏng dễ cháy trở lên đặt ở cùng một nơi phải thực hiện các biện pháp để ngăn chặn cháy chất lỏng đó và không cho ngọn lửa, khói, khí độc do cháy lan tỏa sang các bộ phận khác của nhà; cắt được điện nhanh nhất khi xảy ra cháy.
2.5.2.6 Các vật liệu được lắp đặt để che chắn xung quanh thiết bị điện phải là các vật liệu có độ dẫn nhiệt thấp, khó cháy, chịu được nhiệt độ cao nhất mà thiết bị điện đó có thể tạo ra.
2.5.3 Các biện pháp bảo vệ chống cháy từ bên ngoài
2.5.3.1 Các vị trí của hệ thống điện nhà bị ảnh hưởng các điều kiện cháy từ bên ngoài phải tuân thủ các yêu cầu có liên quan quy định tại các mục 2.5.1 và 2.5.2.
2.5.3.2 Việc thiết kế, lắp đặt hệ thống điện nhà phải áp dụng các biện pháp bảo vệ phù hợp với các điều kiện thoát hiểm an toàn của từng khu vực (khu vực có mật độ người thấp, điều kiện thoát khó ký hiệu là KV1; khu vực có mật độ người cao, điều kiện thoát dễ ký hiệu là KV2; khu vực có mật độ người cao, điều kiện thoát khó ký hiệu là KV3) trong các trường hợp khẩn cấp.
Đường dẫn điện không được lắp đặt trên các lối thoát hiểm. Trường hợp bắt buộc phải lắp đặt thì đường dẫn điện phải:
a) Có vỏ bọc hoặc vỏ che chắn bảo đảm trong hai giờ không bị cháy và gây cháy;
b) Không được nằm trong phạm vi giới hạn thể tích trong tầm với, trừ khi được bảo vệ chống các hư hỏng cơ có thể xảy ra khi thoát hiểm;
c) Có chiều dài nhỏ nhất.
2.5.3.3 Trong các khu vực KV2 và KV3, các thiết bị đóng cắt, điều khiển và bảo vệ (trừ các thiết bị điện phục vụ cho việc sơ tán, thoát hiểm) phải bố trí sao cho chỉ những người có trách nhiệm mới tiếp cận được. Trường hợp các thiết bị này lắp đặt trong phạm vi lối đi lại, thì chúng phải được đặt trong tủ hoặc hộp kín bằng các vật liệu không cháy hoặc khó cháy.
2.5.3.4 Trong các khu vực KV2, KV3 và trong các lối thoát hiểm, không được sử dụng các thiết bị điện có chứa các chất lỏng dễ cháy, trừ trường hợp các bộ phận này được bọc kín trong vỏ hoặc hộp chống cháy. Các tụ điện phụ trợ riêng lẻ lắp đặt trong thiết bị không thuộc đối tượng điều chỉnh của quy định này.
2.5.3.5 Đối với khu vực có rủi ro cao về cháy:
a) Phải hạn chế sử dụng thiết bị điện ở khu vực này. Trường hợp dây dẫn bắt buộc phải đi qua thì phải được bọc bằng vật liệu chống cháy hoặc có biện pháp phòng ngừa để không gây ra cháy hoặc làm lan truyền ngọn lửa. Các mối nối dây dẫn nếu bắt buộc phải có thì phải đặt trong hộp chống cháy;
b) Phải có biện pháp ngăn ngừa tích tụ bụi trên vỏ của dây dẫn và thiết bị điện;
c) Phải sử dụng thiết bị điện có kết cấu hoặc điều kiện lắp đặt sao cho mức sinh nhiệt lúc vận hành bình thường hoặc khi bị sự cố không thể gây cháy;
d) Không được lắp đặt thiết bị đóng cắt, bảo vệ, điều khiển và cách ly, trừ khi được đặt trong vỏ bọc có cấp bảo vệ ít nhất là IP4X;
đ) Các động cơ được điều khiển tự động hoặc điều khiển từ xa hoặc không có sự giám sát vận hành liên tục phải được bảo vệ chống tăng nhiệt độ quá mức bằng các thiết bị cảm biến nhiệt độ;
e) Đèn điện phải có vỏ bọc với cấp bảo vệ ít nhất là IP4X. Bóng đèn và các phần tử của thiết bị chiếu sáng phải được bảo vệ ở những chỗ dễ hỏng về cơ. Các thiết bị bảo vệ không được cố định trên đui đèn, trừ khi đui đèn được thiết kế cho mục đích này;
g) Mạch điện phải được giám sát liên tục bằng thiết bị theo dõi cách điện và có cảnh báo khi có sự cố cách điện;
h) Phải đảm bảo cho các bộ phận mang điện của mạch điện có ELV nằm trong vỏ bọc có cấp bảo vệ là IP2X hoặc IPXXB và chịu được điện áp thử nghiệm có giá trị hiệu dụng 500 V trong 1 min;
i) Phải thực hiện các biện pháp bảo đảm cho thiết bị điện không thể gây cháy cho tường, sàn và trần của nhà;
k) Phải thực hiện các biện pháp ngăn ngừa để hệ thống điện nhà không thể gây cháy lan đối với các kết cấu có hình dạng, kích thước dễ lan truyền ngọn lửa.
2.5.4 Yêu cầu về bảo vệ chống bỏng do điện
2.5.4.1 Nhiệt độ của các bộ phận chạm tới được của thiết bị điện nằm trong tầm với của người không được đạt tới nhiệt độ có thể gây bỏng cho người và được quy định như sau:
a) Đối với phương tiện cầm tay để thao tác thì nhiệt độ bề mặt chạm tới được không được quá 55 oC nếu làm từ kim loại, và không được quá 65 oC nếu làm từ vật liệu phi kim loại;
b) Đối với các bộ phận của thiết bị không cầm tay và được thiết kế để chạm vào thì nhiệt độ bề mặt chạm tới được không được quá 70 oC nếu làm từ kim loại, và không được quá 80 oC nếu làm từ vật liệu phi kim loại;
c) Đối với các bộ phận của thiết bị không cần thiết phải chạm vào trong lúc vận hành bình thường thì nhiệt độ bề mặt chạm tới được không được quá 80 oC nếu làm từ kim loại và không được quá 90 oC nếu làm từ vật liệu phi kim loại.
2.5.4.2 Tất cả các bộ phận của hệ thống điện nhà có khả năng đạt tới nhiệt độ vượt quá các giới hạn nêu tại mục 2.5.4.1 đều phải được bảo vệ để tránh tiếp xúc ngẫu nhiên gây bỏng cho người.
2.5.5 Yêu cầu về bảo vệ chống quá nhiệt ở những nơi tạo nhiệt
2.5.5.1 Các hệ thống sấy nóng không khí cưỡng bức phải đáp ứng các yêu cầu sau đây:
a) Các phần tử gia nhiệt không thuộc bộ tích nhiệt trung tâm không được phép hoạt động nếu chưa có luồng không khí quy định đi qua và phải cắt ra khi luồng không khí không đủ theo quy định;
b) Có hai thiết bị khống chế nhiệt độ hoạt động độc lập nhau để ngăn ngừa nhiệt độ vượt quá giới hạn cho phép trong các đường ống dẫn không khí nóng.
2.5.5.2 Khung, vỏ của các phần tử gia nhiệt phải làm bằng vật liệu không cháy.
2.5.5.3 Các thiết bị tạo nước nóng hoặc hơi nóng đều phải có thiết bị, phương tiện bảo vệ chống quá nhiệt trong mọi điều kiện làm việc. Trường hợp không đáp ứng yêu cầu này thì phải thực hiện bảo vệ chống quá nhiệt bằng một cơ cấu không tự trở về, hoạt động độc lập với bộ điều chỉnh nhiệt độ.
2.5.5.4 Thiết bị tạo nước nóng hoặc hơi nóng có hạn chế đầu ra phải có thêm cơ cấu khống chế áp suất nước ở bên trong.
2.6 Bảo vệ chống quá dòng điện
2.6.1 Các yêu cầu chung
2.6.1.1 Hệ thống điện nhà phải có thiết bị bảo vệ cắt được mọi trạng thái quá dòng điện chạy trong các dây dẫn trước khi gây ra nguy hiểm do các hiệu ứng nhiệt và cơ.
2.6.1.2 Dây dẫn tải điện phải được bảo vệ bằng thiết bị có khả năng tự động cắt nguồn cấp khi dây này bị quá tải và ngắn mạch, trừ trường hợp quá dòng điện được hạn chế bằng các đặc tính của nguồn cấp.
2.6.2 Yêu cầu về bảo vệ chống quá dòng điện
2.6.2.1 Phải căn cứ vào loại sơ đồ nối đất được áp dụng để xem xét, xác định biện pháp bảo vệ chống quá dòng điện.
2.6.2.2 Bảo vệ dây pha
Thiết bị bảo vệ chống quá dòng điện phải cắt được dòng điện trong các dây bị quá dòng điện và phải được lắp đặt trên tất cả các dây pha.
2.6.2.3 Bảo vệ dây trung tính
a) Đối với sơ đồ TT và TN-S:
Trong trường hợp tiết diện của dây trung tính nhỏ hơn tiết diện của dây pha thì phải lắp đặt thiết bị bảo vệ chống quá dòng tương ứng với tiết diện của dây trung tính. Thiết bị bảo vệ này bắt buộc phải cắt điện các dây pha, nhưng không nhất thiết phải cắt điện dây trung tính. Trong trường hợp dòng điện trong dây trung tính vượt quá khả năng mang tải của dây đó thì phải lắp đặt thiết bị bảo vệ quá dòng điện.
Trong mọi trường hợp, dây trung tính phải được bảo vệ chống dòng điện ngắn mạch. b) Đối với sơ đồ IT:
Khi phải kéo dây trung tính đi theo dây pha thì phải lắp đặt bảo vệ quá dòng điện cho dây tải điện (bao gồm cả dây trung tính) của mỗi mạch điện, trừ trường hợp:
+ Dây trung tính đặc biệt được bảo vệ hiệu quả bởi thiết bị bảo vệ quá dòng lắp đặt ở phía nguồn cấp điện hoặc
+ Mạch điện đặc biệt được bảo vệ bởi RCD, mà dòng điện dư định mức không vượt quá 0,2 lần khả năng tải dòng điện của dây trung tính và RCD cắt được toàn bộ các các dây tải điện, bao gồm cả dây trung tính của mạch điện tương ứng.
2.6.3 Yêu cầu về bảo vệ chống quá tải
2.6.3.1 Trong hệ thống điện nhà phải sử dụng thiết bị bảo vệ chống quá tải đáp ứng đồng thời hai điều kiện sau đây:
IB ≤ In ≤ Iz (3)
và I2 ≤ 1,45 x Iz (4)
trong đó:
IB là dòng điện tính toán thiết kế mạch điện, tính bằng ampe (A);
In là dòng điện danh định của thiết bị bảo vệ, tính bằng ampe (A). Đối với thiết bị bảo vệ có thể chỉnh được thì dòng điện danh định In là dòng điện chỉnh định;
IZ là dòng điện tải liên tục lâu dài cho phép của dây dẫn, tính bằng ampe (A);
I2 là dòng điện tác động có hiệu quả trong thời gian quy ước của thiết bị bảo vệ, tính bằng ampe (A). Dòng I2 được quy định tại tiêu chuẩn sản phẩm hoặc do nhà chế tạo cung cấp.
2.6.3.2 Vị trí lắp đặt thiết bị bảo vệ chống quá tải:
a) Thiết bị bảo vệ chống quá tải phải được lắp đặt ở chỗ có sự thay đổi (tiết diện dây dẫn, phương pháp lắp đặt, kết cấu) làm cho khả năng tải dòng điện cho phép của dây dẫn bị giảm đi, trừ các trường hợp quy định tại Điểm b của mục 2.6.3.2 và tại mục 2.6.4.
b) Thiết bị bảo vệ chống quá tải có thể được lắp đặt trên phần dây dẫn giữa điểm có sự thay đổi với vị trí lắp đặt thiết bị bảo vệ, nếu trong phần dây dẫn này không có mạch rẽ, không bố trí ổ cắm và đáp ứng một trong hai điều kiện sau đây:
- Phần dây dẫn này được bảo vệ chống ngắn mạch phù hợp với quy định tại mục 2.6.5;
- Phần dây dẫn này có chiều dài không quá 3 m, có rủi ro ngắn mạch ít nhất, giảm rủi ro cháy và nguy hiểm cho người ở mức thấp nhất.
2.6.4 Yêu cầu về bảo vệ chống quá tải đối với các dây dẫn song song
2.6.4.1 Nếu chỉ có một thiết bị bảo vệ cho nhiều dây dẫn song song thì không được có các mạch rẽ, thiết bị cách ly hoặc đóng cắt trên các dây dẫn song song đó.
2.6.4.2 Trường hợp chỉ có một thiết bị bảo vệ nhiều dây dẫn song song có dòng điện trong các dây dẫn được coi là phân bố đều (nếu chênh lệch giữa các dòng điện trong các dây dẫn bất kỳ với dòng điện thiết kế cho mỗi dây dẫn không lớn hơn 10 %), thì giá trị Iz nêu tại mục 2.6.3.1 là tổng khả năng tải dòng điện của các dây dẫn.
2.6.4.3 Trường hợp phải sử dụng nhiều dây dẫn trong một pha và dòng điện trong các dây dẫn không đều nhau thì dòng điện thiết kế và yêu cầu bảo vệ quá tải cho mỗi dây phải được tính toán cụ thể và xem xét riêng.
2.6.5 Yêu cầu về bảo vệ chống ngắn mạch
2.6.5.1 Dòng điện ngắn mạch dự kiến ở từng điểm liên quan của hệ thống điện nhà phải xác định qua tính toán hoặc qua đo lường.
2.6.5.2 Vị trí lắp đặt thiết bị bảo vệ chống ngắn mạch
a) Thiết bị bảo vệ chống ngắn mạch phải lắp đặt tại vị trí mà tiết diện dây dẫn giảm hoặc có thay đổi nào khác làm thay đổi dòng điện cho phép trong dây dẫn, trừ các trường hợp quy định tại các điểm b, c của mục này và tại mục 2.6.5.3.
b) Trường hợp thiết bị bảo vệ chống ngắn mạch lắp đặt ở vị trí khác với vị trí quy định tại điểm a của mục này thì trong phần dây dẫn (từ vị trí lắp đặt thiết bị bảo vệ đến vị trí có tiết diện giảm hoặc có sự thay đổi khác) phải không có mạch rẽ nhánh và ổ cắm, không dài hơn 3 m, lắp đặt theo cách giảm thiểu nguy cơ bị ngắn mạch và không gần vật dễ cháy;
c) Trường hợp lắp đặt thiết bị bảo vệ chống ngắn mạch ở phía trước vị trí dây dẫn có thay đổi (tiết diện hoặc thay đổi khác) thì thiết bị đó phải có các đặc tính tác động đáp ứng yêu cầu bảo vệ chống ngắn mạch đường dẫn điện ở phía tải, giống như trường hợp được lắp đặt ở phía sau.
2.6.5.3 Bảo vệ chống ngắn mạch các dây dẫn song song
a) Trường hợp sử dụng một thiết bị bảo vệ chống ngắn mạch cho nhiều dây dẫn đấu song song, thì đặc tính tác động của thiết bị bảo vệ đó phải:
- Đảm bảo tác động hiệu quả khi có sự cố xảy ra ở điểm nguy hiểm nhất của một trong các dây dẫn song song;
- Tính đến sự phân bố dòng điện ngắn mạch giữa các dây dẫn đấu song song và dòng điện có thể đi từ cả hai đầu của dây dẫn song song đến điểm sự cố.
b) Nếu tác động của một thiết bị bảo vệ duy nhất không hiệu quả, thì phải sử dụng một hay nhiều biện pháp sau đây:
- Đường dẫn điện phải lắp đặt để giảm đến mức thấp nhất rủi ro ngắn mạch ở bất kỳ dây dẫn nào và nguy cơ cháy;
- Đối với mạch có hai dây dẫn đấu song song thì phải sử dụng thiết bị bảo vệ chống ngắn mạch ở đầu phía nguồn cấp điện của từng dây dẫn;
- Đối với mạch điện có số dây dẫn đấu song song nhiều hơn 2 dây, các thiết bị bảo vệ chống ngắn mạch phải lắp đặt ở cả hai đầu phía nguồn cấp và phía phụ tải của từng dây dẫn.
2.6.5.4 Thiết bị bảo vệ chống ngắn mạch phải đáp ứng các đặc tính sau:
a) Dòng cắt của mỗi thiết bị bảo vệ chống ngắn mạch không được nhỏ hơn dòng ngắn mạch dự kiến ở chỗ đặt thiết bị bảo vệ chống ngắn mạch, trừ các trường hợp sau đây:
- Ở phía nguồn cấp điện đã có một thiết bị bảo vệ khác có đủ khả năng cắt cần thiết; năng lượng cho qua bởi hai thiết bị này không được vượt quá năng lượng mà thiết bị ở phía phụ tải và dây dẫn được bảo vệ có thể chịu đựng được;
- Đối với thiết bị ở phía phụ tải, ngoài năng lượng cho qua, phải tính đến chi tiết các đặc tính khác theo quy định của nhà chế tạo;
b) Đối với cáp và dây dẫn có cách điện thì tất cả dòng điện do ngắn mạch gây ra ở một điểm bất kỳ của mạch điện phải được cắt trước khi cách điện của dây dẫn nóng tới giới hạn nhiệt độ cho phép;
c) Khi thời gian tác động của thiết bị bảo vệ nhỏ hơn 0,1 s, mức không đối xứng của dòng điện cao và có thiết bị hạn chế dòng điện thì giá trị (kxS)2 phải lớn hơn năng lượng cho qua (I2xt). Giá trị (kxS)2 do nhà chế tạo quy định.
Đối với thời gian ngắn mạch kéo dài đến 5 s, thời gian t để nhiệt độ của các dây dẫn tăng từ nhiệt độ cho phép cao nhất trong chế độ bình thường đến nhiệt độ giới hạn có thể được xác định gần đúng theo công thức
(5)
trong đó:
t là thời gian ngắn mạch, tính bằng giây (s);
k là hệ số tính đến điện trở suất, hệ số nhiệt độ, nhiệt dung của vật liệu dây dẫn, nhiệt độ ban đầu và cuối cùng tương ứng. Đối với cách điện thường dùng của dây dẫn, giá trị của hệ số k quy định tại Phụ lục H;
S là tiết diện của dây dẫn, tính bằng milimét vuông (mm2);
I là dòng điện ngắn mạch hiệu dụng, tính bằng ampe (A).
d) Đối với hệ thống thanh cái dòng điện chịu ngắn mạch danh định không được nhỏ hơn dòng điện ngắn mạch tính toán.
2.6.6 Yêu cầu về phối hợp bảo vệ chống quá tải và chống ngắn mạch
2.6.6.1 Bảo vệ bằng cùng một thiết bị (chống quá tải đồng thời chống ngắn mạch) phải đáp ứng đồng thời các quy định nêu tại các mục 2.6.3 và 2.6.5.
2.6.6.2 Bảo vệ bằng các thiết bị riêng biệt
a) Thiết bị bảo vệ chống quá tải phải đáp ứng các quy định nêu tại mục 2.6.3. Thiết bị bảo vệ chống ngắn mạch phải đáp ứng các quy định nêu tại mục 2.6.5.
b) Phải phối hợp các đặc tính của thiết bị sao cho năng lượng mà thiết bị bảo vệ chống ngắn mạch cho qua không vượt quá năng lượng mà thiết bị chống quá tải chịu được.
2.6.7 Hạn chế quá dòng bằng các đặc tính của nguồn cấp điện
Các dây dẫn được coi là đã được bảo vệ chống quá tải và chống ngắn mạch khi chúng được cấp điện từ nguồn điện không có khả năng tạo ra một dòng điện vượt quá khả năng tải của dây dẫn như máy biến áp cách ly, máy biến áp của chuông điện, máy biến áp hàn, một số loại máy phát điện (chạy xăng, dầu diesel).
2.7 Bảo vệ chống nhiễu điện áp và nhiễu điện từ
2.7.1 Yêu cầu về bảo vệ chống quá điện áp tạm thời do chạm đất
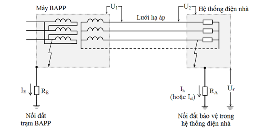
2.7.1.1 Phải thực hiện các biện pháp để giảm thiểu ảnh hưởng đến hệ thống điện nhà của điện áp sự cố tần số công nghiệp (là điện áp giữa các vỏ kim loại của thiết bị và đất, ký hiệu là Uf) và các điện áp chịu đựng (còn gọi là điện áp ứng suất - stress voltage) tần số công nghiệp (là điện áp giữa dây dẫn pha với vỏ kim loại của thiết bị tại trạm biến áp, ký hiệu là U1 và giữa dây dẫn pha với vỏ kim loại của thiết bị trong hệ thống điện nhà, ký hiệu là U2) khi có sự cố ngắn mạch phía cao áp (thể hiện tại Phụ lục I).
2.7.1.2 Trị số và thời gian tồn tại của Uf không được lớn hơn trị số điện áp được xác định bởi đường cong Uf(t) tại Phụ lục K.
2.7.1.3 Trị số và thời gian tồn tại của U1 và U2 không được lớn hơn trị số cho trong Bảng K.1 của Phụ lục K.
2.7.1.4 Trường hợp U1 và U2 lớn hơn các trị số nêu trong Bảng K.1 của Phụ lục K thì phải thực hiện các biện pháp sau:
a) Tách biệt nối đất giữa cao áp và hạ áp tại trạm biến áp phân phối;
b) Thay đổi sơ đồ nối đất trong hệ thống điện hạ áp;
c) Giảm điện trở nối đất trạm biến áp.
2.7.2 Yêu cầu đối với bảo vệ chống quá điện áp xung
2.7.2.1 Điện áp chịu xung danh định của thiết bị điện không được nhỏ hơn mức điện áp chịu xung yêu cầu quy định tại Phụ lục L.
2.7.2.2 Các thiết bị điện ở điểm đầu của hệ thống điện nhà (từ tủ phân phối điện chính) phải có khả năng chịu điện áp xung cấp IV (quá điện áp cấp IV) với biên độ lớn.
2.7.2.3 Các thiết bị đóng cắt, dây dẫn, thanh góp, hộp nối của hệ thống điện nhà lắp đặt cố định từ tủ phân phối điện chính đến các thiết bị về phía tải phải có khả năng chịu điện áp xung cấp III (quá điện áp cấp III).
2.7.2.4 Thiết bị sử dụng điện lắp đặt cố định không có yêu cầu đặc biệt về độ sẵn sàng phải có khả năng chịu điện áp xung cấp II (quá điện áp cấp II).
2.7.2.5 Các thiết bị có chứa mạch điện tử, trong đó các biện pháp bảo vệ phải được thực hiện ngoài thiết bị và không được đấu nối cố định vào lưới điện công cộng phải có khả năng chịu điện áp xung cấp I (quá điện áp cấp I).
2.7.2.6 Phải lắp đặt thiết bị bảo vệ chống quá điện áp để ngăn chặn các hậu quả liên quan đến sinh mạng con người, dịch vụ công cộng, các hoạt động thương mại.
2.7.2.7 Trường hợp hệ thống điện nhà được cấp điện từ một hệ thống có đường dây trên không (trừ các cáp có vỏ bọc và có lớp bảo vệ kim loại nối đất) và số ngày giông sét lớn hơn 25 ngày/năm thì phải lắp đặt thiết bị chống quá điện áp khí quyển với mức bảo vệ không được cao hơn mức quá điện áp cấp II.
2.7.3 Yêu cầu về bảo vệ chống sụt điện áp
2.7.3.1 Phải có biện pháp phòng ngừa thích hợp trong trường hợp sụt hoặc mất điện áp và sau đó phục hồi trở lại, có thể gây ra nguy hiểm cho người và thiết bị.
2.7.3.2 Khi đóng điện trở lại mà gây nguy hiểm thì không được đóng tự động.
2.7.4 Các biện pháp chống ảnh hưởng điện từ
2.7.4.1 Các biện pháp giảm ảnh hưởng điện từ gồm:
a) Vỏ bọc kim loại của dây cáp phải được nối liên kết với liên kết đẳng thế chung;
b) Tránh khả năng hỗ cảm giữa các mạch điện, mạch tín hiệu và mạch dữ liệu;
c) Cáp điện và cáp tín hiệu phải được đặt tách biệt với nhau về mặt điện từ và nếu thực tế cho phép thì đặt vuông góc với nhau;
d) Sử dụng cáp nhiều ruột đối xứng để nối điện giữa bộ biến tần với động cơ được điều chỉnh tốc độ;
đ) Cáp điện và cáp tín hiệu phải được đặt cách biệt với dây dẫn xuống đất của LPS (là dây dẫn tạo ra mạch có điện trở thấp để nối bộ phận thu sét với mạng nối đất sao cho dòng điện sét được dẫn xuống đất một cách an toàn) hoặc ngăn cách bằng màn chắn từ (magnetic shield);
e) Khi chuyển đổi nguồn cấp của hệ thống TN-S phải dùng thiết bị đóng cắt đồng thời ba dây pha và dây trung tính;
g) Khi chuyển đổi nguồn một pha, phải dùng thiết bị đóng cắt đồng thời dây pha và dây trung tính.
2.7.4.2 Phải sử dụng nối đất và liên kết đẳng thế để chống nhiễu điện từ cho mạch điện có số lượng lớn thiết bị thông tin, ứng dụng quan trọng.
2.8 Bảo vệ chống sét
2.8.1 Các yêu cầu chung
2.8.1.1 LPS (gồm LPS bên trong và LPS bên ngoài) phải đáp ứng yêu cầu bảo vệ chống sét đánh trực tiếp vào nhà.
2.8.1.2 Phải căn cứ vào vị trí có khả năng bị sét đánh và mức độ thiệt hại do sét đánh để quyết định sự cần thiết chống sét cho nhà.
2.8.1.3 Phải tận dụng các kết cấu kim loại của công trình cho LPS để giảm chi phí, nhưng không được làm ảnh hưởng đến chất lượng và mỹ quan của công trình.
2.8.1.4 Toàn bộ tòa nhà phải được bảo vệ bằng một LPS kết nối hoàn chỉnh với nhau, không có bộ phận nào của công trình được tách ra để bảo vệ riêng.
2.8.2 LPS bên ngoài
2.8.2.1 Vùng bảo vệ được xác định theo phương pháp quả cầu lăn. Trường hợp chiều cao nhà thấp hơn 20m, thì xác định theo phương pháp góc bảo vệ.
2.8.2.2 LPS bên ngoài gồm các bộ phận: thu sét, dây dẫn xuống đất và mạng nối đất chống sét (gồm các điện cực ngang hoặc đứng được liên kết với nhau).
2.8.2.3 Phải sử dụng LPS cách ly về nhiệt với nhà khi có khả năng xảy ra phát nhiệt và cháy nổ tại nơi thu và dẫn sét.
2.8.2.4 Phải bố trí bộ phận thu sét (là các kim thu sét hoặc lưới thu sét hoặc kết hợp cả hai) đáp ứng các yêu cầu sau đây:
a) Đặt tại các vị trí trên công trình không nằm trong vùng bảo vệ được xác định theo các phương pháp quy định tại mục 2.8.2.1;
b) Trường hợp mái nhà làm bằng vật liệu dễ cháy thì phải đặt cách mái ít nhất là 0,1 m, đối với mái rạ là 0,15 m.
2.8.2.5 Dây dẫn xuống đất phải đáp ứng các yêu cầu sau đây:
a) Số dây dẫn xuống đất không ít hơn 02 dây và bố trí cách đều nhau theo chu vi (phù hợp với hình dạng kiến trúc) của nhà;
b) Khoảng cách lớn nhất giữa các dây dẫn xuống đất thực hiện theo quy định tại Bảng 4;
Bảng 4 - Khoảng cách lớn nhất giữa các dây dẫn xuống đất theo cấp của LPS
|
Cấp của LPS(a) |
I |
II |
III |
IV |
|
Khoảng cách lớn nhất giữa các dây dẫn xuống đất m |
10 |
10 |
15 |
20 |
|
(a) Cấp của LPS được xác định theo mức bảo vệ quy định tại mục 8.2 của TCVN 9888-1:2013 |
||||
c) Dây dẫn xuống đất phải đi theo đường ngắn nhất xuống đất;
d) Dây dẫn xuống đất phải đặt cách các bề mặt dễ cháy của công trình ít nhất là 0,1 m.
2.8.2.6 Mạng nối đất chống sét phải đáp ứng các yêu cầu sau đây:
a) Điện trở nối đất không lớn hơn 10 W;
b) Trường hợp mạng nối đất được sử dụng chung cho LPS và các thiết bị khác, điện trở nối đất phải phù hợp với các thiết bị liên quan;
c) Phải có khả năng cách ly được với các dây dẫn xuống đất và phải bố trí một điện cực nối đất tham chiếu để đo và kiểm tra. Điểm kết nối với mạng nối đất phải có khả năng tiếp cận được từ trên mặt đất để thuận tiện cho việc kiểm tra và bảo dưỡng LPS.
2.8.2.7 Vật liệu và kích thước các phần tử của LPS bên ngoài phải phù hợp với các yêu cầu quy định tại Phụ lục M.
2.8.3 LPS bên trong
2.8.3.1 LPS bên trong gồm các phần tử của mạng liên kết đẳng thế, SPD, các màn chắn từ.
2.8.3.2 LPS bên trong phải được thực hiện bằng một trong các giải pháp sau:
a) Cách ly về điện giữa LPS bên ngoài với các phần tử có khả năng dẫn điện không thuộc hệ thống điện nhà theo quy định tại mục 6.3 của TCVN 9888-3:2013;
b) Liên kết đẳng thế chống sét bằng cách nối liên thông LPS với:
- Các kết cấu kim loại;
- Các hệ thống bên trong nhà;
- Các dây dẫn và bộ phận dẫn bên ngoài nối vào nhà.
2.8.3.3 Các giải pháp chống sét khác
a) Sử dụng màn chắn từ để làm suy giảm điện từ trường của xung sét;
b) Sử dụng SPD hoặc khe phóng điện để hạn chế quá điện áp quá độ và quá dòng đột biến.
2.8.4 Tòa nhà cao trên 60 m
2.8.4.1 Phải lắp đặt bộ phận thu sét để bảo vệ phần chiều cao phía trên 60 m của tòa nhà và thiết bị lắp đặt trên đó (đặc biệt phần 20 % trên cùng chiều cao tòa nhà khi phần này nằm ở độ cao cách mặt đất quá 60 m).
2.8.4.2 Vị trí lắp đặt bộ phận thu sét ở phần cao trên 60 m của tòa nhà phải đáp ứng mức bảo vệ chống sét ít nhất là cấp IV.
2.8.4.3 Trường hợp tận dụng các kết cấu kim loại có sẵn bên ngoài nhà để làm bộ phận thu sét thì kích thước của chúng phải đáp ứng các yêu cầu quy định tại Phụ lục M.
2.8.5 Nhà có chứa các vật liệu dễ cháy nổ hoặc có các khu vực nguy hiểm (hazardous areas)
Bảo vệ chống sét của nhà có chứa các vật liệu dễ cháy nổ và nhà có các khu vực nguy hiểm phải đáp ứng các yêu cầu nêu tại các Phụ lục D.4 và D.5 của TCVN 9888-3:2013.
2.8.6 Nhà có ăng-ten
Ăng-ten đặt trên mái nhà phải nằm trong vùng bảo vệ của LPS và phải được liên kết với LPS.
2.8.7 Lắp dựng kết cấu
Trong quá trình lắp dựng kết cấu, tất cả các mảng thép lớn và nhô lên phải được nối đất một cách có hiệu quả. Từ khi bắt đầu tiến hành lắp đặt LPS phải duy trì việc nối đất liên tục.
2.9 Đấu nối các nguồn điện riêng
2.9.1 Các yêu cầu chung
2.9.1.1 Khi đấu nối nguồn điện riêng (ngoài lưới điện công cộng) vào hệ thống điện nhà phải đáp ứng các yêu cầu về an toàn.
2.9.1.2 Việc đấu nối nguồn điện riêng được quy định cho các trường hợp sau đây:
a) Hệ thống điện nhà không nối với lưới điện công cộng;
b) Nguồn điện riêng làm nguồn điện dự phòng cho nguồn cấp điện bình thường; c) Nguồn điện riêng làm việc song song với nhau hoặc với lưới điện công cộng; d) Kết hợp các trường hợp trên.
2.9.2 Yêu cầu an toàn khi cấp điện từ các nguồn điện riêng
2.9.2.1 Tần số, điện áp, thứ tự pha của nguồn điện riêng đấu nối vào hệ thống điện nhà phải phù hợp với tần số, điện áp và thứ tự pha (đối với nguồn điện ba pha) của hệ thống điện nhà. Khi đưa các nguồn điện vào làm việc song song thì phải đáp ứng thêm điều kiện về góc lệch pha giữa điện áp của các nguồn.
2.9.2.2 Dòng ngắn mạch, dòng chạm đất dự kiến và thiết bị bảo vệ chống ngắn mạch trong hệ thống điện nhà phải phù hợp với từng trường hợp nêu tại mục 2.9.1.2.
2.9.2.3 Phải có biện pháp để cắt giảm một phần phụ tải của hệ thống điện nhà khi nguồn điện riêng bị quá tải.
2.9.3 Biện pháp an toàn khi chuyển sang nguồn điện dự phòng
2.9.3.1 Nguồn điện dự phòng là nguồn điện để duy trì cấp điện cho toàn bộ hoặc một phần của hệ thống điện nhà khi nguồn cấp điện bình thường bị gián đoạn.
2.9.3.2 Phải có biện pháp phòng chống thao tác nhầm khi chuyển đổi nguồn điện.
2.9.4 Yêu cầu về tách dây trung tính
Dây trung tính của nguồn điện dự phòng phải được lắp đặt tách biệt với dây trung tính của nguồn điện bình thường.
2.9.5 Bảo vệ quá tải đối với máy phát điện dự phòng cho bơm chữa cháy
Thiết bị bảo vệ quá tải của máy phát điện dự phòng cho bơm chữa cháy chỉ được đưa tín hiệu cảnh báo bằng chuông hoặc còi, không được tự động cắt điện của máy phát điện này.
2.10 Trang bị điện trong các khu vực đặc biệt
2.10.1 Yêu cầu chung
Hệ thống điện nhà trong những khu vực đặc biệt (là khu vực có hoạt động đặc biệt hoặc có điều kiện đặc biệt) phải đáp ứng tất cả các yêu cầu của Quy chuẩn này với các bổ sung hoặc thay đổi quy định tại các mục từ 2.10.2 đến 2.10.6.
2.10.2 Yêu cầu đối với khu vực có bồn tắm hoặc vòi hoa sen
2.10.2.1 Hệ thống điện nhà tại nơi đặt bồn tắm, vòi hoa sen và không gian lân cận phải được thiết kế, lắp đặt phù hợp với yêu cầu về đảm bảo an toàn điện.
2.10.2.2 Việc phân loại thành ba vùng 0, 1 và 2 theo mức độ nguy hiểm về điện quy định tại các Hình N.1 và N.2 của Phụ lục N.
2.10.2.3 Khi sử dụng ELV được cấp từ nguồn SELV hoặc PELV, phải bảo vệ chống tiếp xúc trực tiếp với tất cả các thiết bị điện bằng tấm chắn hay vỏ ngoài có cấp bảo vệ thấp nhất là IPXXB hoặc IP2X; bọc cách điện chịu được điện áp thử nghiệm có giá trị hiệu dụng 500 V xoay chiều trong 1 min. Không cho phép bảo vệ chống tiếp xúc trực tiếp bằng chướng ngại vật hoặc đặt ngoài giới hạn thể tích trong tầm với.
2.10.2.4 Phải thực hiện các biện pháp bảo vệ bổ sung bằng liên kết đẳng thế phụ, sử dụng RCD với dòng tác động danh định không lớn hơn 30 mA cho tất cả các mạch điện, trừ trường hợp mạch điện được cách ly về điện chỉ cấp điện cho một thiết bị duy nhất và sử dụng nguồn SELV hoặc PELV.
2.10.2.5 Cấp bảo vệ của thiết bị điện (theo Phụ lục B) lắp đặt trong vùng 0 phải là IPX7; trong các vùng 1 và 2 là IPX4. Trường hợp trong các vùng 1 và 2 mà tia nước có thể phun vào thì phải là IPX5.
2.10.2.6 Đường dẫn điện cấp cho các thiết bị đặt trong các vùng 0, 1, 2 phải thực hiện như sau:
a) Chôn ngầm trong tường ở độ sâu ít nhất là 5 cm;
b) Đi ngang hoặc thẳng đứng ngoài tường, sau đó xuyên qua tường ở phía sau thiết bị.
2.10.2.7 Thiết bị đóng cắt và điều khiển không được đặt trong vùng 0.
2.10.2.8 Trong vùng 1 phụ kiện, kể cả ổ cắm của mạch điện được cấp từ nguồn SELV hoặc nguồn PELV phải có điện áp danh định không lớn hơn 25 V. Nguồn cấp phải đặt ngoài các vùng 0 và 1.
2.10.2.9 Trong vùng 2 phụ kiện, kể cả ổ cắm của mạch điện phải được cấp từ nguồn SELV hoặc nguồn PELV. Nguồn cấp phải đặt ngoài các vùng 0 và 1.
2.10.2.10 Thiết bị sử dụng điện trong vùng 0 phải đáp ứng đồng thời các điều kiện sau:
a) Theo hướng dẫn của nhà chế tạo;
b) Đấu nối cố định và lâu dài;
c) Sử dụng ELV từ nguồn SELV.
2.10.2.11 Thiết bị sử dụng điện trong vùng 1 phải đáp ứng đồng thời các điều kiện sau:
a) Theo hướng dẫn của nhà chế tạo;
b) Đấu nối cố định và lâu dài.
2.10.3 Yêu cầu đối với bể bơi và đài phun nước
2.10.3.1 Hệ thống điện nhà tại nơi có bể bơi, đài phun nước và các khu vực lân cận phải được thiết kế, lắp đặt phù hợp với các yêu cầu về an toàn điện.
2.10.3.2 Việc phân loại thành ba vùng 0, 1 và 2 theo mức độ nguy hiểm về điện quy định tại các Hình N.3, N.4 và N.5 của Phụ lục N. Phòng đặt thiết bị của bể bơi được coi là ngoài vùng 1 và 2.
2.10.3.3 Không được áp dụng biện pháp sử dụng vật cản, đặt ngoài giới hạn thể tích trong tầm với để bảo vệ chống điện giật do tiếp xúc trực tiếp. Không được dùng biện pháp bảo vệ bằng sàn, tường không dẫn điện, mạch vòng đẳng thế không nối đất, mạch điện tách biệt cấp điện cho nhiều thiết bị sử dụng điện.
2.10.3.4 Phải nối tất cả các phần tử dẫn điện bên ngoài vào dây PE của các vỏ kim loại của thiết bị điện đặt trong các vùng 0, 1, 2 (vòng đẳng thế bổ sung tại chỗ). Trong các vùng 0 và 1 của các bể bơi phải sử dụng ELV không lớn hơn 12 V từ nguồn SELV đặt ngoài các vùng 0 và 1. Các trường hợp khác phải sử dụng điện áp siêu thấp, nguồn đặt ngoài các vùng 0 và 1 và chỉ cấp cho một thiết bị duy nhất, hoặc tự động cắt điện bằng RCD dòng điện tác động không lớn hơn 30 mA, hoặc bằng mạch điện tách biệt trong các vùng 0 và 1 của các đài phun nước và vùng 2 của các bể bơi.
2.10.3.5 Không được dùng nguồn PELV cho bảo vệ bằng ELV. Khi sử dụng nguồn SELV, phải bảo vệ chống tiếp xúc trực tiếp với tất cả các thiết bị điện bằng tấm chắn hay vỏ ngoài có cấp bảo vệ thấp nhất là IP2X hoặc IPXXB; bọc cách điện chịu được điện áp thử nghiệm có giá trị hiệu dụng là 500 V xoay chiều trong 1 min.
2.10.3.6 Phải nối dây bảo vệ mạch vòng đẳng thế của tất cả các phần tử dẫn điện bên ngoài hệ thống điện nhà có khả năng đưa điện thế từ ngoài vào các vùng 0, 1, 2 với dây PE của vỏ kim loại của thiết bị đặt trong các vùng đó.
2.10.3.7 Phải sử dụng thiết bị điện có cấp bảo vệ tương ứng với mã IP (IP code) như quy định tại Bảng 5.
Bảng 5 - Mã IP thấp nhất cho phép của thiết bị điện
|
Vùng |
Ngoài trời có phun nước khi làm vệ sinh |
Ngoài trời không phun nước |
Trong nhà, có phun nước khi làm vệ sinh |
Trong nhà, không phun nước |
|
0 |
IPX5 và IPX8 |
IPX8 |
IPX5 và IPX8 |
IPX8 |
|
1 |
IPX5 |
IPX4 |
IPX5 |
IPX4 |
|
2 |
IPX5 |
IPX4 |
IPX5 |
IPX2 |
2.10.3.8 Đường dẫn điện
a) Trong các vùng 0, 1 và 2, các đường dẫn điện không được có vỏ bọc bằng kim loại có khả năng tiếp xúc vào; các vỏ bọc bằng kim loại không có khả năng tiếp xúc vào phải nối với vòng đẳng thế phụ.
b) Trong các vùng 0 và 1 không được đặt các đường dẫn điện để cấp điện cho các thiết bị bên ngoài các vùng đó.
c) Phải chôn ngầm ở độ sâu ít nhất là 5 cm, hoặc bảo vệ bằng một RCD, dòng điện tác động không lớn hơn 30 mA, hoặc dùng nguồn SELV, hoặc dùng mạch điện tách biệt đối với các mạch điện đặt trong vùng 2 hoặc trên tường, trần, sàn giới hạn các vùng để cấp điện cho các thiết bị đặt ngoài các vùng đó.
d) Phải dùng các loại cáp được nhà chế tạo xác nhận có thể thường xuyên tiếp xúc với nước để lắp đặt cho các đài phun nước.
đ) Trong các đài phun nước không có dự kiến cho người đi vào, các cáp hoặc dây dẫn trong các ống phi kim loại để cấp điện cho các thiết bị đặt ở vùng 0 phải đặt trên bờ bể nước, cách bể nước khoảng xa nhất có thể và đi đến thiết bị bằng con đường ngắn nhất; cáp và dây dẫn luồn trong ống phi kim loại đặt trong các vùng 0 và 1 phải được bảo vệ cơ thích hợp.
e) Không được bố trí các hộp nối trong vùng 0. Trong vùng 1 chỉ được dùng hộp nối cho mạch điện từ nguồn SELV.
2.10.3.9 Thiết bị đóng cắt, điều khiển
a) Không được lắp đặt thiết bị đóng cắt, điều khiển trong vùng 0;
b) Trường hợp đặt thiết bị đóng cắt, điều khiển, ổ cắm trong vùng 1 thì phải dùng mạch điện từ nguồn SELV và phải đặt nguồn cấp điện ngoài các vùng 0 và 1; nếu đặt nguồn cấp điện trong vùng 2, mạch cấp điện cho nguồn cấp điện này phải được bảo vệ bằng RCD, dòng điện tác động không lớn hơn 30 mA;
c) Trường hợp đặt thiết bị đóng cắt, điều khiển, ổ cắm trong vùng 2 thì phải bảo vệ bằng một trong các biện pháp sau:
- Sử dụng nguồn SELV và phải đặt nguồn cấp điện ngoài các vùng 0 và 1; Nếu đặt nguồn cấp điện ở vùng 2, mạch cấp điện cho nguồn này phải được bảo vệ bằng RCD, dòng điện tác động không lớn hơn 30 mA;
- Tự động cắt nguồn cấp điện cùng với bảo vệ bổ sung sử dụng RCD, dòng điện tác động không lớn hơn 30 mA;
- Sử dụng mạch điện tách biệt, được cấp điện riêng rẽ bởi một nguồn tách biệt, đặt ngoài các vùng 0 và 1 và nếu nguồn cấp cho mạch tách biệt đặt trong vùng 2, mạch cấp điện cho nguồn này phải được bảo vệ bằng RCD, dòng điện tác động không lớn hơn 30 mA.
2.10.3.10 Các thiết bị khác của bể bơi
a) Các thiết bị sử dụng điện trong các vùng 0 và 1 phải là thiết bị chuyên dùng cho bể bơi và được lắp đặt cố định.
b) Các thiết bị làm vệ sinh bể bơi đấu nối cố định, sử dụng trong các vùng 0 và 1 phải được cấp điện từ nguồn SELV điện áp không lớn hơn 12 V, với nguồn cấp điện đặt ngoài các vùng 0 và 1; Nếu nguồn cấp điện đặt trong vùng 2, phải thực hiện theo quy định tại Điểm c của
2.10.3.9.
c) Bơm cấp nước hoặc thiết bị điện chuyên dùng cho bể bơi đặt ở trong phòng bơm sát cạnh bể bơi và có thể tiếp cận qua một cánh cửa phải được bảo vệ bằng một trong các cách sau đây:
- Sử dụng nguồn SELV, điện áp không lớn hơn 12 V, nguồn đặt ngoài các vùng 0 và 1, và nếu nguồn đặt ở vùng 2, phải thực hiện theo quy định tại mục 2.10.3.9.
- Dùng mạch điện tách biệt, với các điều kiện sau:
+ Máy bơm hoặc các thiết bị khác nối với bể bơi dùng ống nước không dẫn điện;
+ Phòng bơm chỉ có thể mở cửa được bằng chìa khóa hoặc dụng cụ;
+ Tất cả mọi thiết bị điện đặt trong phòng bơm có cấp bảo vệ thấp nhất là IPX5 hay có vỏ bảo vệ cùng cấp này;
- Tự động cắt nguồn cấp điện và đồng thời thực hiện các điều kiện sau:
+ Ống nối từ máy bơm (hay thiết bị khác) vào bể bơi phải sử dụng loại làm bằng vật liệu không dẫn điện, trường hợp ống nối bằng kim loại thì phải được nối với vòng đẳng thế của bể bơi;
+ Cửa của phòng bơm chỉ có thể mở được bằng chìa khóa hoặc bằng dụng cụ;
+ Các thiết bị điện đặt trong phòng bơm phải có cấp bảo vệ thấp nhất là IPX5 hay có vỏ bảo vệ cấp này;
+ Phải bố trí vòng đẳng thế bổ sung;
+ Thiết bị điện phải được bảo vệ bằng RCD, dòng điện tác động không lớn hơn 30 mA;
d) Bộ đèn tiếp xúc với nước, chiếu sáng dưới nước của bể bơi phải phù hợp với tiêu chuẩn đặt dưới nước. Bộ đèn đặt trong hốc kín nước ở thành bể được cấp điện và thao tác từ phía sau, phải lắp đặt sao cho không tạo mạch dẫn điện dù vô tình hay hữu ý giữa vỏ của đèn với các bộ phận dẫn điện của hốc đặt đèn.
2.10.3.11 Các thiết bị điện ở các vùng 0 và 1 của đài phun nước phải được thiết kế và lắp đặt để không thể chạm vào được.
2.10.3.12 Yêu cầu đặc biệt đối với việc lắp đặt thiết bị điện hạ áp trong vùng 1 của bể bơi
a) Các thiết bị cố định chuyên dùng cho bể bơi, được cấp điện bằng điện hạ áp phải đáp ứng đồng thời các điều kiện sau:
- Có vỏ bọc tương đương với một cách điện bổ sung và có bảo vệ chống va đập;
- Quy định tại mục 2.10.3.11;
- Khi mở cửa nơi đặt thiết bị phải tự động cắt mạch của mọi dây dẫn cấp điện cho các thiết bị đặt bên trong; cáp và các phương tiện cắt mạch điện phải có cách điện cấp 2 hoặc tương đương.
b) Các đèn chiếu sáng được cấp điện từ nguồn khác với SELV - 12 V lắp đặt trên tường hoặc trần trong vùng 1 của các bể bơi không có vùng 2 phải có mạch điện được bảo vệ bằng cách tự động cắt nguồn điện và có bảo vệ bổ sung bằng RCD, dòng điện tác động không lớn hơn 30 mA và độ cao của bộ phận thấp nhất của đèn phải cách giới hạn dưới của vùng 1 ít nhất là 2 m.
2.10.3.13 Sưởi sàn và trần:
Các phần tử sưởi điện chôn ngầm dưới sàn phải được bảo vệ bằng một trong hai biện pháp sau đây:
a) SELV có nguồn cấp điện đặt ngoài các vùng 0 và 1. Nếu đặt trong vùng 2 thì phải thực hiện theo quy định tại mục 2.10.3.10;
b) Tự động cắt nguồn cấp điện. Phần tử sưởi phải được phủ bởi một lưới hoặc tấm kim loại chôn ngầm và nối với vòng đẳng thế phụ; mạch cấp điện phải có bảo vệ bổ sung bằng RCD, dòng điện tác động không lớn hơn 30 mA.
2.10.4 Yêu cầu đối với phòng hoặc cabin có chứa phần tử gia nhiệt sinh hơi
2.10.4.1 Phải có biện pháp bảo đảm an toàn đối với hệ thống điện nhà cấp điện cho các cabin sinh hơi lắp đặt tại chỗ và các phòng có đặt phần tử gia nhiệt sinh hơi hoặc các máy đun nóng sinh hơi (sau đây gọi chung là phòng sinh hơi).
2.10.4.2 Không áp dụng các yêu cầu của mục 2.10.4 cho các cabin sinh hơi chế tạo sẵn. Khu vực có lắp đặt bồn tắm hoặc vòi hoa sen nước lạnh thì thực hiện theo quy định tại mục 2.10.2.
2.10.4.3 Việc phân loại thành ba vùng 1, 2 và 3 theo mức độ nguy hiểm về điện quy định tại Hình N.6 của Phụ lục N.
2.10.4.4 Biện pháp đảm bảo an toàn
a) Khi sử dụng nguồn SELV và nguồn PELV để bảo vệ thì việc bảo vệ chống tiếp xúc trực tiếp cho mọi thiết bị điện phải thực hiện bằng một trong hai biện pháp sau đây:
- Sử dụng rào chắn hoặc vỏ bọc có cấp bảo vệ thấp nhất là IPXXB hoặc IP2X;
- Sử dụng loại có cách điện chịu được điện áp thử nghiệm hiệu dụng 500 V xoay chiều trong 1 min;
b) Không được áp dụng biện pháp bảo vệ chống tiếp xúc trực tiếp bằng vật cản, bằng cách đặt ngoài phạm vi giới hạn thể tích trong tầm với;
c) Phải có bảo vệ bổ sung cho tất cả các mạch điện của phòng sinh hơi, trừ phần tử gia nhiệt sinh hơi hoặc máy đun nóng sinh hơi, bằng cách sử dụng một hoặc nhiều RCD, dòng điện tác động không lớn hơn 30 mA;
d) Không được sử dụng các biện pháp bảo vệ chống tiếp xúc gián tiếp bằng sàn, tường không dẫn điện và bằng vòng đẳng thế không nối đất.
2.10.4.5 Các thiết bị điện phải có cấp bảo vệ thấp nhất là IP24. Nếu dự kiến việc làm vệ sinh bằng tia nước phun thì các thiết bị điện phải có cấp bảo vệ thấp nhất là IPX5.
2.10.4.6 Trong vùng 1 không được đặt các thiết bị điện, trừ phần tử gia nhiệt sinh hơi hoặc máy đun nóng sinh hơi. Trong vùng 3 thiết bị lắp đặt phải chịu được nhiệt độ ít nhất là 125 oC và lớp cách điện của dây dẫn phải chịu được nhiệt độ ít nhất là 170 oC.
2.10.4.7 Trường hợp bắt buộc phải đặt trong các vùng 1 và 3 thì đường dẫn điện phải chịu được nhiệt độ quy định tại mục 2.10.4.6; các ống kim loại và vỏ kim loại của cáp phải được thiết kế và lắp đặt để không thể chạm vào khi làm việc bình thường.
2.10.4.8 Các thiết bị đóng cắt và điều khiển phải lắp đặt ngoài phòng sinh hơi hoặc cabin sinh hơi, trừ trường hợp các thiết bị đóng cắt và điều khiển này là một bộ phận của phần tử gia nhiệt sinh hơi hoặc máy đun nóng sinh hơi hoặc của các thiết bị khác lắp cố định trong vùng 2 theo hướng dẫn của nhà chế tạo.
2.10.4.9 Không được bố trí ổ cắm điện bên trong phòng sinh hơi.
2.10.5 Yêu cầu đối với khu vực y tế
2.10.5.1 Hệ thống điện nhà tại các khu vực y tế (là nơi để tiếp nhận, thăm khám, chữa trị, xử lý thẩm mỹ, theo dõi và chăm sóc bệnh nhân) và các bệnh viện thú y phải đáp ứng các yêu cầu về an toàn điện. Quy định này không áp dụng cho các thiết bị điện y tế.
2.10.5.2 Phải thực hiện các biện pháp để bảo đảm an toàn điện cho ba nhóm của khu vực y tế gồm:
a) Nhóm 0 là khu vực y tế không sử dụng bộ phận áp sát (là bộ phận của thiết bị điện y tế khi làm việc bình thường nhất thiết phải tiếp xúc vật lý với bệnh nhân, hoặc có thể đưa vào tiếp xúc với bệnh nhân, hoặc bệnh nhân cần chạm vào).
b) Nhóm 1 là khu vực y tế có sử dụng các bộ phận áp sát bên ngoài cơ thể bệnh nhân hoặc đưa sâu vào bất kì bộ phận nào của cơ thể bệnh nhân;
c) Nhóm 2 là khu vực y tế có sử dụng bộ phận áp sát cho những công việc mà nếu mất điện sẽ gây ra nguy hiểm đến tính mạng của bệnh nhân.
2.10.5.3 Hệ thống điện nhà tại khu vực y tế phải đáp ứng yêu cầu chuyển đổi các phụ tải ưu tiên từ nguồn điện bình thường sang nguồn điện dự phòng.
2.10.5.4 Biện pháp đảm bảo an toàn
a) Biện pháp bảo vệ bằng bọc cách điện hoặc rào chắn là biện pháp chủ yếu.
b) Trường hợp sử dụng SELV và PELV trong các khu vực các nhóm 1 và 2 thì điện áp danh định của các thiết bị điện không được vượt quá 25 V. Trong các khu vực nhóm 2, các vỏ kim loại của thiết bị phải nối vào vòng đẳng thế.
c) Biện pháp bảo vệ bằng vật cản và bằng cách đặt ngoài giới hạn thể tích trong tầm với không được áp dụng.
d) Giới hạn điện áp an toàn được chấp nhận không lớn hơn 25 V.
đ) Mạch điện cuối cùng của sơ đồ TN-S trong khu vực thuộc nhóm 1 với dòng điện đến 32 A phải có RCD với dòng điện tác động không lớn hơn 30 mA. Trong các khu vực thuộc nhóm 2, không được dùng RCD với dòng điện tác động không quá 30 mA trừ các mạch điện cấp cho bàn mổ; các thiết bị X quang di động được đưa vào khu vực thuộc nhóm 2; các thiết bị có công suất danh định lớn hơn 5 kVA; các thiết bị không quan trọng (không liên quan đến duy trì sự sống của con người).
Trong các khu vực thuộc các nhóm 1 và 2 không được dùng các RCD ngoài loại A và B;
e) Đối với sơ đồ TT: Trong các khu vực thuộc các nhóm 1 và 2 phải thực hiện mọi quy định nêu tại Điểm đ và trong tất cả các trường hợp đó đều phải dùng RCD;
g) Đối với sơ đồ IT: Phải dùng sơ đồ IT cho các mạch cấp điện cho các thiết bị điện y tế có tính chất quyết định đến sinh mạng của bệnh nhân, các thiết bị phẫu thuật và thiết bị trong không gian xung quanh bệnh nhân (là không gian mà bệnh nhân có thể chạm trực tiếp hoặc qua người khác chạm vào các bộ phận của thiết bị điện y tế) trong các khu vực thuộc nhóm 2 (ngoài những thiết bị thuộc nhóm 2 nêu tại Điểm đ).
Mỗi nhóm phòng có cùng một chức năng phải dùng một sơ đồ IT riêng biệt. Trong sơ đồ IT phải có thiết bị giám sát cách điện đáp ứng các yêu cầu sau:
- Tổng trở xoay chiều của thiết bị giám sát không được nhỏ hơn 100 kΩ;
- Điện áp đo của thiết bị giám sát không được lớn hơn 25 V một chiều;
- Dòng điện đo, ngay cả khi có sự cố cũng không được lớn hơn 1 mA;
- Khi điện trở cách điện của mạch điện được giám sát giảm xuống còn 50 kΩ thì thiết bị giám sát phải cảnh báo; phải có thiết bị để xác định vị trí hư hỏng cách điện.
Mỗi sơ đồ IT dùng trong khu vực y tế phải có tín hiệu cảnh báo bằng âm thanh và ánh sáng đặt tại chỗ nhân viên của đơn vị y tế có thể giám sát được; phải có bộ phận kiểm soát quá tải và nhiệt độ máy biến áp chuyên dùng cho y tế trong sơ đồ IT;
h) Trong mỗi khu vực y tế thuộc các nhóm 1 và 2 phải có vòng đẳng thế phụ trong không gian xung quanh bệnh nhân.
2.10.5.5 Các yêu cầu đối với thiết bị điện trong các khu vực y tế thực hiện theo mục 710.5 của TCVN 7447-7-710:2006.
2.10.5.6 Việc kiểm tra khi đưa vào sử dụng và kiểm tra định kỳ thực hiện theo mục 710.6 của TCVN 7447-7-710:2006.
2.10.6 Yêu cầu đối với trang bị điện cho chiếu sáng bằng ELV
2.10.6.1 Bảo vệ chống điện giật và bảo vệ chống quá dòng:
a) Hệ thống chiếu sáng bằng ELV phải sử dụng từ nguồn SELV;
b) Nguồn cấp cho nguồn SELV phải lắp đặt cố định. Các máy biến áp trong mạch thứ cấp làm việc song song phải được mắc song song trong mạch sơ cấp và có đặc tính về điện giống hệt nhau. Khi các máy biến áp vận hành song song thì mạch sơ cấp phải được nối cố định với thiết bị cách ly chung để cách ly và đóng cắt;
c) Mạch SELV phải được bảo vệ chống quá dòng bằng thiết bị bảo vệ chung hoặc thiết bị bảo vệ dùng cho từng mạch SELV.
2.10.6.2 Bảo vệ chống cháy:
a) Đèn và các phụ kiện của đèn phải được thiết kế, lắp đặt sao cho tránh nguy hiểm về nhiệt độ cho các vật liệu và môi trường xung quanh;
b) Các thiết bị, dây dẫn của hệ thống chiếu sáng bằng ELV phải đáp ứng các yêu cầu về chống cháy.
c) Phải tuân thủ các hướng dẫn của nhà chế tạo, kể cả hướng dẫn về lắp đặt trên các bề mặt dễ cháy hoặc không cháy;
d) Máy biến áp phải chịu được ngắn mạch và được bảo vệ ở phía sơ cấp phù hợp với các yêu cầu sau:
- Giám sát liên tục dòng điện của các đèn;
- Tự động cắt mạch cấp điện trong vòng 0,3 s nếu công suất của mạch vượt quá 60 W;
- Khi có hư hỏng vẫn đảm bảo an toàn.
2.10.6.3 Hệ thống đường dẫn điện cho chiếu sáng bằng ELV phải:
a) Đặt dây dẫn trong ống, hộp;
b) Phù hợp với yêu cầu của hệ thống chiếu sáng bằng đèn sợi nung;
c) Phù hợp với yêu cầu của hệ thống ray tiếp xúc dùng cho chiếu sáng;
d) Không sử dụng phần kết cấu của nhà làm vật dẫn điện.
2.10.6.4 Tiết diện dây dẫn phải đáp ứng các yêu cầu sau:
a) Dây dẫn nối với đầu ra của nguồn cấp điện (máy biến áp hoặc bộ chuyển đổi) phù hợp với dòng điện tải;
b) Trường hợp treo đèn chiếu sáng trên dây dẫn nối với đầu ra của nguồn cấp điện thì tiết diện theo độ bền cơ không nhỏ hơn 4 mm2.
2.10.6.5 Thiết bị cách ly, đóng cắt, bảo vệ và các thiết bị khác sử dụng trong hệ thống chiếu sáng bằng ELV phải đáp ứng các yêu cầu sau:
a) Bố trí ở vị trí dễ tiếp cận;
b) Có biển báo về nơi lắp đặt thiết bị bảo vệ;
c) Có nhãn mác hoặc biển nhận dạng mạch điện và mục đích bảo vệ;
d) Lắp đặt cố định ở vị trí trần giả hoặc tương tự;
đ) Sử dụng đèn điện tiết kiệm năng lượng, đáp ứng yêu cầu về độ rọi, an toàn;
e) Thiết bị bảo vệ lắp cố định trong mạch điện;
g) Nguồn SELV và thiết bị bảo vệ của nó phải được lắp đặt đảm bảo:
- Tránh tác động cơ trong đấu nối điện;
- Được chống hoặc đỡ an toàn;
- Không bị quá nhiệt do cách nhiệt.
3. QUY ĐỊNH VỀ KIỂM TRA
3.1 Các yêu cầu chung
3.1.1 Hệ thống điện nhà phải được kiểm tra trước khi nghiệm thu đưa vào sử dụng và kiểm tra theo yêu cầu bảo trì.
3.1.2 Trong quá trình kiểm tra phải có biện pháp bảo đảm an toàn cho người và thiết bị.
3.1.3 Việc kiểm tra gồm có hai bước như sau:
a) Kiểm tra trực quan;
b) Kiểm tra bằng thử nghiệm.
3.1.4 Sau khi kết thúc công việc, người kiểm tra phải ký văn bản xác nhận kết quả kiểm tra.
3.2 Yêu cầu đối với kiểm tra trực quan
3.2.1 Kiểm tra trực quan phải thực hiện trong tình trạng hệ thống điện nhà không có điện và trước khi kiểm tra bằng thử nghiệm.
3.2.2 Kiểm tra trực quan phải bao gồm ít nhất là các nội dung sau đây:
a) Các biện pháp bảo đảm an toàn chống điện giật;
b) Các biện pháp bảo đảm an toàn chống cháy lan;
c) Việc lựa chọn và lắp đặt các thiết bị bảo vệ, giám sát;
d) Việc lựa chọn và lắp đặt dây dẫn;
đ) Việc lựa chọn và lắp đặt thiết bị đóng cắt và cách ly;
e) Việc lựa chọn, lắp đặt thiết bị và biện pháp bảo vệ thích hợp với các ảnh hưởng từ bên ngoài;
g) Nhận dạng đúng dây trung tính (dây N) và dây PE;
h) Có các sơ đồ cùng với các thông tin cần thiết trên tủ điện;
i) Nhận biết các mạch điện;
k) Tình trạng của các mối đấu, nối;
l) Sự có mặt đầy đủ và phù hợp của các dây PE, bao gồm cả các vòng đẳng thế chính và phụ;
m) Khả năng tiếp cận để thao tác và bảo trì;
n) Thiết bị đóng cắt một cực không lắp đặt trên dây N;
o) Việc lựa chọn, lắp đặt LPS.
3.3 Yêu cầu đối với kiểm tra bằng thử nghiệm
3.3.1 Phải tiến hành thử nghiệm (nếu có các phần tử cần kiểm tra) theo các nội dung chủ yếu sau:
a) Tính liên tục của dây PE, của mạch đẳng thế chính và phụ;
b) Điện trở cách điện của hệ thống điện nhà;
c) Biện pháp bảo vệ bằng mạch điện tách biệt; nguồn SELV hoặc nguồn PELV;
d) Điện trở cách điện của sàn và tường cách điện;
đ) Biện pháp bảo vệ bổ sung bằng RCD độ nhạy cao;
e) Tự động cắt nguồn cấp điện;
g) Thứ tự pha;
h) Thử nghiệm chức năng;
i) Điện trở nối đất của LPS.
3.3.2 Trường hợp có kết quả thử nghiệm không đạt yêu cầu thì phải tìm và sửa chữa sai sót, sau đó phải thử nghiệm lại, kể cả những thử nghiệm trước đó mà kết quả có thể bị ảnh hưởng.
3.3.3 Phải thử nghiệm tính liên tục của dây PE, bao gồm cả mạch vòng đẳng thế chính và phụ bằng nguồn điện một chiều hoặc xoay chiều.
3.3.4 Đo điện trở cách điện giữa các dây tải điện từng đôi một và giữa từng dây tải điện với đất của hệ thống điện nhà; Kết quả đo không được thấp hơn trị số quy định tại Bảng 6.
Bảng 6 - Điện trở cách điện thấp nhất cho phép
|
Điện áp danh định của mạch điện V |
Điện áp thử nghiệm V |
Điện trở cách điện thấp nhất cho phép MΩ |
|
≤ 50 |
250 |
0,5 |
|
Từ trên 50 đến dưới 500 |
500 |
1,0 |
3.3.5 Phải tiến hành thử nghiệm biện pháp bảo vệ bằng ELV và mạch điện tách biệt bằng cách đo điện trở cách điện giữa mạch điện có ELV hoặc mạch điện tách biệt đã được đấu các thiết bị dùng điện với các mạch điện khác và với đất; Kết quả đo không được thấp hơn trị số quy định tại Bảng 6.
3.3.6 Phải sử dụng thiết bị phù hợp để đo điện trở cách điện của sàn và tường cách điện; Kết quả đo phải lớn hơn 50 kΩ.
3.3.7 Phải tiến hành thử tác động của RCD độ nhạy cao dùng làm phương tiện trong biện pháp bảo vệ bổ sung.
3.3.8 Phải thực hiện kiểm tra các điều kiện của biện pháp bảo vệ bằng cách tự động cắt nguồn cấp điện để chống tiếp xúc trực tiếp như sau:
a) Đối với sơ đồ TN-S: Phải đo tổng trở của mạch sự cố Zs; Kết quả đo phải đáp ứng điều kiện
Zs x Ia ≤ Uo (6)
trong đó:
Zs là tổng trở của mạch sự cố, bao gồm nguồn cấp điện, dây tải điện, dây PE từ nguồn cấp điện đến điểm sự cố, tính bằng ôm (Ω);
Ia là dòng điện để thiết bị bảo vệ tác động cắt điện trong phạm vi thời gian quy định, tính bằng ampe (A);
Uo là điện áp giữa dây pha với đất, tính bằng vôn (V).
b) Đối với sơ đồ TT: Phải đo điện trở nối đất của hệ thống điện nhà; Kết quả đo phải đáp ứng điều kiện quy định tại mục 2.4.2.3.
c) Đối với sơ đồ IT:
- Phải tính hoặc đo dòng điện khi có sự cố thứ nhất;
- Phải đo dòng điện sự cố nếu không tính được dòng điện này do không biết hết các thông số của mạch điện;
- Phải kiểm tra điều kiện của sự cố và thử nghiệm giống như đối với sơ đồ nối đất TN-S (ngắn mạch hai pha) khi có sự cố điểm thứ hai.
3.3.9 Phải tiến hành thử nghiệm thứ tự pha cho hệ thống điện nhà.
3.3.10 Phải kiểm tra sự hoạt động đúng với chức năng của các tổ hợp thiết bị.
4. TỔ CHỨC THỰC HIỆN
4.1 Bộ Xây dựng chịu trách nhiệm phổ biến, hướng dẫn áp dụng Quy chuẩn này.
4.2 Các cơ quan quản lý nhà nước về xây dựng chịu trách nhiệm tổ chức kiểm tra, thanh tra việc thực hiện Quy chuẩn này trong hoạt động thiết kế, thẩm tra thiết kế, xây dựng, nghiệm thu đưa công trình vào sử dụng và bảo trì theo quy định của pháp luật hiện hành.
4.3 Trong quá trình triển khai thực hiện Quy chuẩn này, nếu có vướng mắc, mọi ý kiến được gửi về Bộ Xây dựng để được hướng dẫn và xử lý.
PHỤ LỤC A
(Quy định)
Giới hạn thể tích trong tầm với
CHÚ THÍCH: S là bề mặt có người hoạt động.
Hình H.1 - Xác định giới hạn thể tích trong tầm với
PHỤ LỤC B
(Quy định)
Cấp bảo vệ của thiết bị điện
Mã IP (tiếng Anh là IP Code) của thiết bị điện thể hiện cấp (mức độ) bảo vệ của thiết bị điện đặt trong vỏ, hộp hoặc lưới bảo vệ. Cụ thể như sau:
- Chữ số thứ nhất (từ số 0 đến 6) sau chữ IP cho biết mức độ bảo vệ chống các vật rắn:
0- không được bảo vệ;
1- được bảo vệ chống các vật rắn kích thước trên 50 mm (ví dụ như tiếp xúc vô tình bằng tay);
2- được bảo vệ chống các vật rắn kích thước trên 12,5 mm (ví dụ như ngón tay);
3- được bảo vệ chống các vật rắn kích thước trên 2,5 mm (ví dụ như dụng cụ, đinh vít …);
4- được bảo vệ chống các vật rắn kích thước trên 1 mm (ví dụ như dụng cụ nhỏ, dây nhỏ);
5- được bảo vệ chống bụi (không phủ bụi);
6- được bảo vệ hoàn toàn chống bụi.
- Chữ số thứ 2 (từ 0 đến 8) sau chữ IP cho biết mức độ bảo vệ chống nước xâm nhập:
0- không được bảo vệ;
1- được bảo vệ chống giọt nước rơi thẳng đứng;
2- được bảo vệ chống dòng nước rơi nghiêng 15o so với đường thẳng đứng;
3- được bảo vệ chống dòng nước mưa rơi nghiêng 60o so với đường thẳng đứng;
4- được bảo vệ chống dòng nước rơi theo mọi hướng;
5- được bảo vệ chống dòng nước phun theo mọi hướng;
6- được bảo vệ hoàn toàn chống tia nước bắn theo mọi hướng;
7- được bảo vệ chống hậu quả ngập trong nước;
8- được bảo vệ chống hậu quả dìm trong nước kéo dài.
Khi chữ số thứ nhất (hoặc số thứ hai) được thay bằng chữ X thì có nghĩa là không đề cập đến mức độ bảo vệ chống vật rắn (hoặc chống dòng nước).
Tiếp sau các chữ số, có thể có các chữ sau với nghĩa chống sự xâm nhập vô tình của:
A - bàn tay;
B - ngón tay;
C - dụng cụ;
D - sợi dây.
Sau chữ thứ nhất đó, có thể có chữ thứ hai với ý nghĩa sau:
H - thiết bị điện cao áp;
M - chuyển động khi thí nghiệm dưới nước;
S - đứng yên khi thí nghiệm dưới nước;
ω - điều kiện thời tiết.
- Ví dụ:
Vỏ bọc có ký hiệu IP34 có nghĩa là:
3 - bảo vệ chống sự xâm nhập các vật rắn từ bên ngoài có đường kính từ 2,5 mm trở lên, bảo vệ người cầm dụng cụ có đường kính từ 2,5 mm trở lên không vô tình xâm nhập vào trong;
4 - bảo vệ thiết bị bên trong chống tác động có hại của dòng nước rơi theo mọi hướng. Vỏ bọc có ký hiệu IP23CS có nghĩa là:
2 - bảo vệ chống sự xâm nhập của các vật rắn có đường kính từ 12,5 mm trở lên; Bảo vệ chống người vô tình xâm nhập bằng ngón tay;
3 - bảo vệ thiết bị bên trong chống tác dụng có hại của dòng nước mưa rơi nghiêng 600;
C - bảo vệ người cầm dụng cụ có đường kính 2,5 mm, dài 100 mm chống vô tình tiếp xúc với các phần nguy hiểm bên trong;
S - khi thí nghiệm về nước thì thiết bị điện bên trong là ở tình trạng đứng yên (ví dụ như rôto của 1 máy điện quay).
PHỤ LỤC C
(Quy định)
Chiếu sáng nhân tạo
Bảng C.1 - Độ rọi nhỏ nhất cho phép theo đặc điểm công việc
|
Kích thước vật cần phân biệt mm |
Cấp công việc |
Phân cấp |
Tính chất thời gian của công việc |
Độ rọi nhỏ nhất cho phép khi chiếu sáng bằng đèn huỳnh quang, đèn compắc Lx |
|||||||||||||||
|
Từ 0,15 đến 0,30 |
I |
a b c |
Thường xuyên Chu kì từng đợt Không lâu |
400 300 150 |
|||||||||||||||
|
Từ 0,30 đến 0,50 |
II |
a b c |
Thường xuyên Chu kì từng đợt Không lâu |
300 200 100 |
|||||||||||||||
|
Trên 0,5 |
III |
a b c |
Thường xuyên Chu kì từng đợt Không lâu |
150 100 75 |
|||||||||||||||
|
CHÚ THÍCH: Khi có yêu cầu về vệ sinh hoặc chuyên ngành (như phòng ăn, bếp, gian bán hàng của cửa hàng, phòng mổ, gian khán giả, phòng máy, v.v...), được phép tăng trị số độ rọi lên một bậc theo thang độ rọi sau: |
|||||||||||||||||||
|
|
Bậc thang |
I |
II |
III |
IV |
V |
VI |
VII |
VIII |
IX |
X |
XI |
XII |
XIII |
XIV |
|
|||
|
Độ rọi lx |
0,2 |
0,3 |
0,5 |
1 |
2 |
3 |
5 |
7 |
10 |
20 |
30 |
50 |
75 |
100 |
|||||
|
Bậc thang |
XV |
XVI |
XVII |
XVIII |
XIX |
XX |
XXI |
XXII |
XXIII |
XXIV |
XXV |
XXVI |
XXVII |
|
|||||
|
Độ rọi lx |
150 |
200 |
300 |
400 |
500 |
600 |
750 |
1000 |
1250 |
1500 |
2000 |
2500 |
3000 |
|
|||||
Bảng C.2 - Độ rọi nhỏ nhất cho phép trên bề mặt làm việc khi sử dụng hệ thống chiếu sáng nhân tạo chung trong nhà ở và nhà công cộng
|
Tên công trình, gian, phòng |
Nhóm phòng |
Cấp công việc |
Mặt phẳng quy định độ rọi - độ cao cách mặt sàn m |
Độ rọi nhỏ nhất cho phép lx |
Ghi chú |
|
1. Cơ quan hành chính sự nghiệp, viện thiết kế, viện nghiên cứu |
|
|
|
|
|
|
1.1 Phòng làm việc, văn phòng, phòng thiết kế, phòng thí nghiệm |
1 |
II |
Ngang - 0,8 |
150 - KL* 300- TCK* 400-TX* |
Cần có ổ cắm để bổ sung chiếu sáng tại chỗ |
|
1.2 Phòng vẽ kĩ thuật |
1 |
Ia |
Ngang - 0,8 |
750 |
|
|
1.3 Phòng máy tính |
1 |
IIa |
Ngang - 0,8 |
500 |
|
|
1.4 Phòng nghiệp vụ của ngân hàng, bưu điện |
1 |
IIb |
Ngang - 0,8 |
500 |
|
|
1.5 Kho lưu trữ hồ sơ |
1 |
|
|
|
|
|
a) Bàn làm việc |
|
IIb |
Ngang - 0,8 |
200 |
Dùng đèn loại chốngcháy |
|
b) Giá để hồ sơ |
|
- |
Ngang - 0,8 (trên giá) |
75 |
|
|
1.6 Phòng in ốp xét |
1 |
|
|
|
|
|
a) Bộ phận trình bày |
|
IIb |
Ngang - 0,8 |
200 |
Dùng đèn loại chốngcháy |
|
b) Bộ phận chuẩn bị và chế tạo khuôn in |
|
IIIa |
Ngang - 0,8 |
150 |
- |
|
c) Bộ phận in |
|
IIIb |
Ngang - 0,8 |
100 |
- |
|
1.7 Phòng in ôzalít (in bằng ánh sáng) |
1 |
IIIb |
Ngang - 0,8 |
100 |
- |
|
1.8 Phòng ảnh |
1 |
IIIc |
Ngang - 0,8 |
75 |
- |
|
1.9 Xưởng mộc, mô hình, sửa chữa |
1 |
IIIa |
Ngang - 0,8 |
150 |
Cần có ổ cắm để bổ sung chiếu sáng tại chỗ |
|
1.10. Phòng họp, hội nghị, hội trường |
2 |
- |
Ngang - 0,8 |
500 |
|
|
1.11 Phòng giải lao (hành lang ngoài phòng họp, hội nghị, hội trường) |
3 |
IIIc |
Sàn |
100 |
- |
|
1.12 Phòng thí nghiệm |
1 |
IIb |
Ngang - 0,8 |
400 |
- |
|
2 Trường học phổ thông, đại học, cao đẳng, trung học CN, dạy nghề |
|
|
|
|
|
|
2.1 Phòng học, giảng đường lớp học: |
1 |
IIb |
|
|
|
|
a) Bảng |
|
|
Đứng-trên bảng |
500 |
- |
|
b) Bàn học |
|
|
Ngang - 0,8 |
200 |
- |
|
2.2 Phòng thí nghiệm, xét nghiệm |
1 |
II |
Ngang - 0,8 |
400-TX 300-TCK 150-KL |
- |
|
2.3 Phòng họa, vẽ kĩ thuật, thiết kế đồ án môn học, đồ án tốt nghiệp: |
1 |
I |
|
|
|
|
a) Bảng |
|
|
Đứng-trên bảng |
750 |
|
|
b) Bàn làm việc |
|
|
Ngang – 0,8 |
300 |
|
|
2.4 Xưởng dạy nghề |
1 |
IIIa |
Ngang - 0,8 |
500 |
|
|
2.5 Xưởng mộc |
1 |
IIIa |
Ngang - 0,8 |
400 |
|
|
2.6 Phòng nữ công |
|
|
|
|
|
|
a) Học thêu may |
|
IIb |
Ngang - 0,8 |
400 |
- |
|
b) Học nấu ăn |
|
IIIb |
Ngang - 0,8 |
200 |
- |
|
2.7 Gian thể dục thể thao |
2 |
- |
Sàn đứng - 2,0 |
300 |
Bảo đảm độ rọi ở cả hai bên bề mặt đứng qua trục dọc của phòng |
|
2.8 Văn phòng, phòng làm việc của giáo viên, hiệu trưởng |
1 |
IIc |
Ngang - 0,8 |
300 |
Cần có ổ cắm để bổ sung chiếu sáng tại chỗ |
|
2.9 Phòng chơi, giải lao |
3 |
IIIc |
Sàn |
300 |
- |
|
2.10 Hội trường, phòng khánh tiết, giảng đường có chiếu phim |
3 |
- |
Sàn |
200 |
- |
|
2.11 Sân khấu của hội trường |
- |
- |
Đứng - 1,5 |
150 |
- |
|
2.12 Kho dụng cụ, đồ đạc, trang thiết bị |
- |
IIIc |
Sàn |
100 |
- |
|
3 Thư viện |
|
|
|
|
|
|
3.1 Phòng đọc |
1 |
IIb |
Ngang - 0,8 |
500 |
Cần có ổ cắm để bổ sung chiếu sáng tại chỗ |
|
3.2 Phòng danh mục sách; giá sách |
1 |
Ic |
Đứng-trên mặt để danh mục |
200 |
|
|
3.3 Phòng cấp thẻ độc giả; quầy thu ngân, nhận sách |
1 |
Ic |
Ngang - 0,8 |
500 |
|
|
3.4 Phòng trưng bày, giới thiệu sách mới xuất bản |
1 |
IIc |
Ngang - 0,8 |
200 |
|
|
3.5 Kho sách |
1 |
IIIc |
Đứng-1,0 trên giá |
100 |
Sử dụng đèn chống cháy |
|
3.6 Phòng đóng bìa, đóng sách |
1 |
IIIb |
Ngang - 0,8 |
150 |
- |
|
4 Hội trường, nhà hát, rạp chiếu bóng, câu lạc bộ, nhà triển lãm |
|
|
|
|
|
|
4.1 Hội trường |
|
|
|
|
|
|
a) Hội trường trung tâm của cả nước có chức năng tổ chức các hoạt động chính trị, văn hóa |
2 |
- |
Ngang - 0,8 |
500 |
Độ rọi tăng một cấp khi công trình có ý nghĩa chính trị quan trọng |
|
b) Hội trường trung tâm tỉnh, thành phố |
2 |
- |
Ngang - 0,8 |
400 |
|
|
4.2 Gian khán giả của nhà hát, cung văn hóa, phòng hòa nhạc, rạp xiếc |
3 |
- |
Ngang - 0,8 |
150-TX 100-TCK 75-KL |
|
|
4.3 Gian khán giả câu lạc bộ, nhà văn hóa, phòng giải lao của nhà hát |
3 |
- |
Sàn |
150-TX 100-TCK 75-KL |
Độ rọi tăng một cấp khi công trình có ý nghĩa chính trị quan trọng |
|
4.4 Gian triển lãm, trưng bày |
2 |
II |
Ngang - 0,8 |
300-TX 200-TCK 100-KL |
|
|
4.5 Gian khán giả của rạp chiếu bóng có: |
3 |
- |
|
|
|
|
- trên 800 chỗ ngồi |
|
|
Ngang - 0,8 |
100 |
|
|
- dưới 800 chỗ ngồi |
|
|
Ngang - 0,8 |
75 |
|
|
4.6 Phòng giải lao của rạp chiếu bóng, nhà văn hóa, câu lạc bộ |
3 |
IIIc |
Sàn |
150 |
Độ rọi tăng một cấp do yêu cầu thích nghi của mắt |
|
4.7 Phòng sinh hoạt chuyên đề |
2 |
IIc |
Ngang - 0,8 |
200 |
Cần có ổ cắm để bổ sung chiếu sáng tại chỗ |
|
4.8 Phòng đặt máy chiếu phim, thiết bị điều khiển âm thanh, ánh sáng |
- |
IIc |
Ngang - 0,8 |
100 |
|
|
4.9 Phòng của diễn viên, phòng hóa trang |
1 |
IIc |
Trên mặt diễn viên ở gần gương |
150 |
|
|
5 Nhà trẻ,trường mẫu giáo |
|
|
|
|
|
|
5.1 Phòng nhận trẻ |
2 |
IIc |
Ngang - 0,8 |
100 |
|
|
5.2 Phòng nhóm trẻ, phòng chơi, thủ công, học hát, múa, tập thể dục |
1 |
IIIb |
Ngang - 0,8 |
300 |
|
|
5.3 Phòng ngủ |
2 |
IIIc |
Ngang - 0,8 |
75 |
|
|
5.4 Phòng dành cho trẻ em bị ốm, phòng cách ly |
2 |
IIIc |
Ngang - 0,8 |
100 |
- |
|
6 Nhà nghỉ |
|
|
|
|
|
|
6.1 Phòng ngủ |
2 |
IIIc |
Ngang - 0,8 |
150 |
Cần đặt ổ cắm để bổ sung chiếu sáng tại chỗ |
|
7 Bệnh viện, nhà điều dưỡng |
|
|
|
|
|
|
7.1 Phòng mổ |
1 |
IIa |
Ngang - 0,8 |
1000 |
Trên bàn mổ phải có thêm đèn mổ đảm bảo độ rọi 3000 lx |
|
7.2 Phòng: gây mê, đẻ, hậu phẫu, phòng băng bó |
1 |
IIa |
Ngang - 0,8 |
500 |
|
|
7.3 Phòng bác sĩ, phòng khám bệnh chung, văn phòng |
1 |
IIb |
Ngang - 0,8 |
500 |
Trên bàn mổ phải có thêm đèn mổ đảm bảo độ rọi 3000 lx |
|
7.4 Phòng liệu pháp vật lí |
1 |
IIIc |
Ngang - 0,8 |
100 |
|
|
7.5 Phòng (khoa) X quang |
1 |
IIIc |
Ngang - 0,8 |
100 |
|
|
7.6 Phòng bệnh nhân |
2 |
Ibc |
Ngang - 0,8 |
100 |
|
|
7.7 Phòng hội chẩn, giảng đường |
1 |
IIb |
Ngang - 0,8 |
400 |
|
|
7.8 Phòng: y tá, hộ lí, trực của y tá, hộ lí |
1 |
IIIa |
Ngang - 0,8 |
300 |
|
|
7.9 Phòng bác sĩ trưởng khoa |
1 |
IIb |
Ngang - 0,8 |
200 |
|
|
7.10 Phòng xét nghiệm |
1 |
IIb |
Ngang - 0,8 |
350 |
|
|
7.11 Phòng dược |
|
|
|
|
|
|
a) Gian bán hàng |
2 |
IIc |
Ngang - 0,8 |
300 |
- |
|
b) Nơi nhận đơn thuốc và để thuốc đã pha chế |
1 |
IIIa |
Ngang - 0,8 |
300 |
Trên bàn mổ phải có thêm đèn mổ đảm bảo độ rọi 3000 lx |
|
7.12 Kho thuốc dụng cụ y tế |
- |
IIIc |
Đứng - 1,0 (trên giá) |
75 |
- |
|
7.13 Phòng để nồi hấp diệt trùng |
- |
IIIc |
Ngang - 0,8 |
75 |
- |
|
7.14 Buồng máy phóng xạ |
- |
IIIc |
Ngang - 0,8 |
75 |
- |
|
7.15 Phòng để chăn màn, nơi gửi đồ đạc của bệnh nhân |
- |
IIIc |
Đứng - 1,0 (trên giá) |
75 |
- |
|
7.16 Phòng mổ tử thi và Nhà xác |
- |
- |
Ngang - 0,8 |
500 |
- |
|
7.17 Phòng đăng kí, phòng cấp cứu |
1 |
IIc |
Ngang - 0,8 |
200 |
Cần có ổ cắm để bổ sung chiếu sáng tại chỗ |
|
8 Phòng y tế |
|
|
|
|
|
|
8.1 Phòng chờ khám |
2 |
IIIc |
Ngang - 0,8 |
500 |
Cần có ổ cắm để bổ sung chiếu sáng tại chỗ |
|
8.2 Phòng đăng kí, phòng nhân viên trực, phòng của người phụ trách |
1 |
IIc |
Ngang - 0,8 |
300 |
|
|
8.3 Phòng bác sĩ, phòng băng bó |
1 |
IIb |
Ngang - 0,8 |
400 |
|
|
8.4 Phòng liệu pháp vật lý |
1 |
IIIc |
Ngang - 0,8 |
100 |
- |
|
8.5 Buồng để nồi hấp tẩy trùng, kho thuốc và bông băng |
- |
IIIc |
Ngang - 0,8 |
75 |
|
|
9 Cửa hàng |
|
|
|
|
|
|
9.1 Gian bán hàng của cửa hàng sách, cửa hàng vải, quần áo, bách hóa, cửa hàng mỹ nghệ vàng bạc, lưu niệm, thực phẩm |
2 |
II |
Ngang - 0,8 |
Gian nhỏ 300; Gian rộng 500 |
- |
|
9.2 Gian bán hàng của cửa hàng bán đồ gỗ,vật liệu XD, đồ điện, văn phòng phẩm |
2 |
IIc |
Ngang - 0,8 |
300 |
- |
|
9.3 Nơi thu tiền, phòng thủ quỹ |
1 |
IIc |
Ngang - 0,8 |
300 |
- |
|
9.4 Kho để hàng hóa |
- |
IIIc |
Sàn |
75 |
- |
|
10 Cửa hàng ăn uống,dịch vụ |
|
|
|
|
|
|
10.1 Phòng ăn của cửa hàng ăn uống |
2 |
II |
Ngang - 0,8 |
300-TX 200-TCK 100-KL |
- |
|
10.2 Nơi giao đồ ăn uống |
2 |
IIIb |
Ngang - 0,8 |
100 |
- |
|
10.3 Bếp |
1 |
IIIb |
Ngang - 0,8 |
400 |
- |
|
10.4 Kho để thực phẩm |
- |
IIIc |
Sàn |
100 |
- |
|
10.5 Nhà tắm công cộng |
2 |
|
|
|
|
|
a) Phòng đợi |
|
IIIb |
Ngang - 0,8 |
100 |
- |
|
b) Phòng thay quần áo |
|
IIIc |
Ngang - 0,8 |
75 |
|
|
c) Phòng tắm hoa sen |
|
IIIc |
Sàn |
75 |
|
|
10.6 Hiệu cắt tóc, uốn tóc |
1 |
IIIb |
Ngang - 0,8 |
300 |
Cần có ổ cắm để bổ sung chiếu sáng tại chỗ |
|
10.7 Hiệu ảnh |
|
|
|
|
|
|
a) Nơi tiếp khách và trả hàng |
|
IIIb |
Ngang - 0,8 |
100 |
Cần có ổ cắm để bổ sung chiếu sáng tại chỗ |
|
b) Phòng chụp |
|
IIIc |
Ngang - 0,8 |
75 |
|
|
c) Phòng sửa ảnh, sửa phim (rơ tút) |
|
IIIb |
Ngang - 0,8 |
100 |
|
|
10.8 Cửa hàng nhuộm, hấp, tẩy, giặt là: |
|
|
|
|
|
|
a) Nơi giao, nhận hàng |
|
IIIb |
Ngang - 0,8 |
100 |
Cần có ổ cắm để bổ sung chiếu sáng tại chỗ |
|
Đứng - 1,0 (trên giá) |
75 |
|
|||
|
b) Phòng nhuộm, tẩy hấp, giặt là |
|
IIIb |
Ngang - 0,8 |
100 |
- |
|
10.9 Cửa hàng may đo |
1 |
|
|
|
|
|
a) Buồng đo, thử |
|
IIc |
Đứng - 1,5 |
100 |
- |
|
b) Phân xưởng máy |
|
Ia |
Ngang - 0,8 |
400 |
- |
|
c) Bộ phận cắt |
|
IIa |
Ngang - 0,8 |
300 |
- |
|
d) Bộ phận là, hấp |
|
IIIa |
Ngang - 0,8 |
150 |
- |
|
10.10 Cửa hàng sửa chữa: |
1 |
|
|
|
|
|
a) Mũ, đồ da, vải bạt |
|
IIa |
Ngang - 0,8 |
300 |
- |
|
b) Giầy dép, đồ điện |
|
IIIa |
Ngang - 0,8 |
150 |
- |
|
c) Đồng hồ, đồ kim hoàn |
|
IIa |
Ngang - 0,8 |
300 |
Khi sử dụng chiếu sáng hỗn hợp quy định độ rọi tiêu chuẩn là 1000 lx |
|
d) Máy ảnh, máy thu thanh, vô tuyến truyền hình, máy chiếu phim |
|
IIa |
Ngang - 0,8 |
300 |
|
|
10.11 Cửa hàng băng ghi âm, đĩa hát: |
1 |
|
|
|
|
|
a) Phòng ghi, sang băng và nghe băng |
|
IIIb |
Ngang - 0,8 |
100 |
- |
|
b) Kho chứa băng ghi âm, đĩa hát |
- |
IIIc |
Đứng - 1,0 |
75 |
- |
|
11 Khách sạn |
|
|
|
|
|
|
11.1 Phòng dịch vụ, nơi giao dịch với khách |
1 |
Ic |
Ngang - 0,8 |
300 |
Cần có ổ cắm để bổ sung chiếu sáng tại chỗ |
|
11.2 Phòng bán hàng mỹ nghệ, đồ lưu niệm |
2 |
IIc |
Ngang - 0,8 |
100 |
|
|
11.3 Phòng ăn |
2 |
IIc |
Ngang - 0,8 |
300 |
|
|
11.4 Phòng chiêu đãi, hội nghị và nhà bếp |
2 |
IIb |
Ngang - 0,8 |
500 |
Cần có ổ cắm để bổ sung chiếu sáng tại chỗ |
|
11.5 Bar, vũ trường |
2 |
- |
Ngang - 0,8 |
75 |
|
|
11.6 Quầy bar |
2 |
- |
Ngang - 0,8 |
100 |
|
|
11.7 Phòng khách |
2 |
- |
Ngang - 0,8 |
200 |
|
|
11.8 Phòng ngủ |
2 |
- |
Ngang - 0,8 |
75 |
|
|
11.9 Phòng nhân viên phục vụ (bàn, buồng, bếp, bảo vệ, v.v...) |
2 |
IIIc |
Ngang - 0,8 |
100 |
|
|
11.10 Phòng, là quần áo, đánh giầy, nhà hàng |
1 |
IIc |
Ngang - 0,8 |
200 |
|
|
12 Nhà ở |
|
|
|
|
|
|
12.1 Phòng khách |
- |
- |
Ngang-0,8 |
200 |
|
|
12.2 Phòng ở, phòng ngủ |
- |
- |
Ngang - 0,8 |
100 |
- |
|
12.3 Bếp |
- |
- |
Ngang - 0,8 |
200 |
|
|
12.4 Hành lang, buồng tắm, buồng vệ sinh (xí), buồng làm kho |
- |
- |
Ngang - 0,8 |
75 |
- |
|
CHÚ THÍCH: * Ký hiệu KL là viết tắt của cụm từ “Không lâu”; * Ký hiệu TCK là viết tắt của cụm từ ”Theo chu kỳ”; * Ký hiệu TX là viết tắt của cụm từ “Thường xuyên”. 1. Đối với những phòng thuộc nhóm 1 và nhóm 2 không nêu trong Bảng C.2 được phép lấy trị số độ rọi theo Bảng C.1; 2. Trong các phòng tắm phải đảm bảo chiếu sáng tại chỗ để tạo ra độ rọi tại mặt phẳng đứng; trên chậu rửa mặt ít nhất là 75 lx khi dùng đèn huỳnh quang và tương đương khi sử dụng loại đèn khác. |
|||||
Bảng C.3 - Độ rọi nhỏ nhất cho phép tại các diện tích dùng chung trong nhà công cộng
|
Tên phòng |
Nhóm phòng |
Mặt phẳng quy định độ rọi và độ cao cách mặt sàn m |
Độ rọi nhỏ nhất cho phép lx |
|
1 Sảnh vào và phòng gửi áo khoác ngoài: |
3 |
|
|
|
a) Các trường đại học, trường phổ thông, ký túc xá, khách sạn nhà hát, câu lạc bộ |
|
Sàn |
100 |
|
b) Các công trình công cộng khác |
|
Sàn |
100 |
|
2 Cầu thang |
3 |
|
|
|
a) Các cầu thang chính |
|
Sàn |
150 |
|
b) Các cầu thang khác |
|
Chiếu nghỉ và các bậc thang |
100 |
|
3 Sảnh đợi thang máy |
3 |
Sàn |
50 |
|
4 Phòng thường trực |
3 |
Ngang - 0,8 |
75 |
|
5 Hành lang lối đi, cầu nối: |
2 |
|
|
|
a) Các hành lang và lối đi chính |
|
Sàn |
100 |
|
b) Các hành lang và lối đi khác |
|
Sàn |
100 |
|
6. Tầng giáp mái: |
|
|
50 |
|
7 Phòng vệ sinh trong các nhà công cộng: |
3 |
|
|
|
a) Buồng rửa mặt, xí, buồng vệ sinh phụ nữ |
|
Sàn |
150 |
|
b) Buồng tắm hoa sen, buồng gửi quần áo |
|
Sàn |
150 |
PHỤ LỤC D
(Quy định)
Những biện pháp cần thiết để hạn chế chói lóa phản xạ
Bảng D.1 - Những biện pháp cần thiết để hạn chế chói lóa phản xạ từ bề mặt làm việc có đặc tính phản xạ gương và phản xạ hỗn hợp khi phải thực hiện những công việc cấp I, II, III
![]()
|
![]() |
|
a - Bề mặt làm việc bằng kim loại hoặc chất dẻo màu trắng |
b - Bề mặt làm việc bằng gốm hoặc vật liệu màu tối |
![]() c - Bề mặt có khả năng tán xạ ánh sáng ở dưới lớp vật liệu có thể nhìn qua được hoặc bề mặt tán xạ |
CHÚ DẪN: 1 - Mắt người làm việc; 2 - Hướng nhìn của mắt; 3 - Bề mặt phát sáng của đèn; 4 - Bề mặt làm việc; 5 - Bề mặt làm việc có đặc tính tán xạ ánh sáng; 6 - Lớp vật liệu có thể nhìn qua được. |
Hình D.1 - Sơ đồ bố trí đèn, bề mặt làm việc và mắt người làm việc
PHỤ LỤC Đ
(Quy định)
Các loại sơ đồ nối đất
Đ.1 Định nghĩa và ký hiệu sơ đồ nối đất
Đ.1.1 Định nghĩa sơ đồ nối đất
Sơ đồ nối đất là sự liên hệ với đất của hai phần tử sau đây:
- Điểm trung tính của nguồn cung cấp điện;
- Các vỏ kim loại của thiết bị tại nơi sử dụng điện.
Đ.1.2 Ký hiệu các loại sơ đồ nối đất
Gồm 2 hoặc 3 chữ cái:
- Chữ thứ nhất: thể hiện sự liên hệ với đất của điểm trung tính của nguồn cấp điện bằng một trong hai chữ cái sau đây:
T (Terre-tiếng Pháp) - điểm trung tính trực tiếp nối đất;
I (Isolé-tiếng Pháp) - điểm trung tính cách ly với đất hoặc nối đất qua một trở kháng lớn (hàng ngàn ôm).
- Chữ thứ hai: thể hiện sự liên hệ với đất của các vỏ kim loại của thiết bị tại nơi sử dụng điện bằng một trong hai chữ sau đây:
T - vỏ kim loại nối đất trực tiếp;
N - vỏ kim loại nối với điểm trung tính N của nguồn cấp điện (điểm này đã được nối đất trực tiếp).
- Chữ thứ ba:
S (Séparé-tiếng Pháp) - dây trung tính và dây PE tách riêng nhau.
Quy chuẩn này quy định ba loại sơ đồ nối đất sau: IT; TT; TN-S.
Đ.2 Sơ đồ IT
- Điểm trung tính của nguồn cấp điện: cách ly đối với đất hoặc nối đất qua một trở kháng lớn (hàng ngàn ôm);
- Vỏ kim loại của thiết bị tại nơi sử dụng điện: nối đất trực tiếp.

a - Không có dây trung tính

b - Có dây trung tính

Hình Đ.1 - Sơ đồ IT
GHI CHÚ:
1) Trên Hình Đ.1 không thể hiện trở kháng (có thể có) nối điểm trung tính của nguồn cấp điện với đất;
2) Trong sơ đồ IT không kéo dây trung tính, trừ trường hợp thiết bị sử dụng điện dùng điện áp pha, lúc đó cách điện chính của mỗi pha phải chịu được điện áp dây.
Đ.3 Sơ đồ TT
- Điểm trung tính của nguồn cấp điện: nối đất trực tiếp;
- Vỏ kim loại của thiết bị tại nơi sử dụng điện: nối đất trực tiếp.

Hình Đ.2 - Sơ đồ TT
Đ.4 Sơ đồ TN-S
- Điểm trung tính của nguồn cấp điện: nối đất trực tiếp;
- Vỏ kim loại của thiết bị tại nơi sử dụng điện: nối với điểm trung tính của nguồn bằng một dây riêng gọi là dây bảo vệ (dây PE);
- Dây N và dây PE tách riêng;
- Dây N không được nối đất, dây PE nối đất lặp lại càng nhiều càng tốt.
Hình Đ.3 - Sơ đồ TN-S
PHỤ LỤC E
(Quy định)
Hệ thống nối đất và dây dẫn bảo vệ

Hình E.1 - Hệ thống nối đất và dây dẫn bảo vệ
CHÚ THÍCH:
M vỏ kim loại của thiết bị có khả năng chạm vào, bình thường không mang điện nhưng sẽ mang điện khi hư hỏng cách điện;
Các phần tử dẫn điện không thuộc hệ thống điện nhà bao gồm:
C1 ống dẫn nước bằng kim loại từ ngoài vào;
C2 ống dẫn nước thải bằng kim loại ra ngoài;
C3 ống dẫn khí đốt bằng kim loại từ ngoài vào có đoạn ống nối (măng xông) bằng vật liệu cách điện;
C4 điều hòa không khí;
C5 hệ thống sưởi;
C6 ống nước bằng kim loại, ví dụ trong phòng tắm;
C7 bộ phận dẫn không thuộc hệ thống điện nhà nằm trong tầm với tính từ bộ phận dẫn điện để trần;
B thanh nối đất chính.
Các điện cực nối đất bao gồm:
T1 nối đất móng;
T2 điện cực nối đất chống sét, nếu cần;
1 dây PE;
2 dây dẫn liên kết bảo vệ;
3 dây dẫn liên kết bảo vệ bổ sung;
4 dây dẫn xuống đất của LPS;
5 dây dẫn nối đất.
PHỤ LỤC G
(Quy định)
Vật liệu và kích thước nhỏ nhất cho phép của các phần tử làm điện cực nối đất
Bảng G.1 - Kích thước nhỏ nhất cho phép của các phần tử làm điện cực nối đất làm từ vật liệu thông thường có xét đến khả năng chịu ăn mòn và độ bền cơ
|
Vật liệu |
Bề mặt |
Hình dạng |
Kích thước nhỏ nhất cho phép |
||||
|
Đường kính |
Tiết diện |
Chiều dày |
Chiều dày lớp phủ/lớp bọc |
||||
|
Giá trị riêng |
Giá trị trung bình |
||||||
|
Thép |
Không gỉ (a,b) hoặc mạ kẽm nhúng nóng (a) |
Dẹt (c) |
|
90 |
3 |
63 |
70 |
|
Thép góc |
|
90 |
3 |
63 |
70 |
||
|
Thanh tròn chôn dưới đất |
16 |
|
|
63 |
70 |
||
|
Dây tròn đặt nổi (d) |
10 |
|
|
|
50 (đ) |
||
|
Ống |
25 |
|
2 |
47 |
55 |
||
|
Bọc đồng |
Thanh tròn chôn dưới đất |
15 |
|
|
2000 |
|
|
|
Có lớp phủ đồng bằng phương pháp mạ điện |
Thanh tròn chôn dưới đất |
14 |
|
|
90 |
100 |
|
|
Đồng |
Để trần (a) |
Dẹt |
|
50 |
2 |
|
|
|
Dây tròn đặt nổi (d) |
|
25(e) |
|
|
|
||
|
Cáp |
1,8 |
25 |
|
|
|
||
|
Ống |
20 |
|
2 |
|
|
||
|
Phủ thiếc |
Cáp |
1,8 |
25 |
|
1 |
5 |
|
|
Phủ kẽm |
Dẹt (g) |
|
50 |
2 |
20 |
40 |
|
|
CHÚ THÍCH: (a) Cũng có thể dùng được cho điện cực đặt trong bê tông; (b) Không có lớp phủ; (c) Lá thép dẹt dạng cuộn hoặc xẻ rãnh lượn tròn ở mép; (d) Điện cực được coi như đặt trên mặt đất nếu được lắp đặt ở độ sâu không quá 0,5 m; (đ) Trường hợp mạ nhúng liên tục, hiện tại về kỹ thuật chỉ đạt được chiều dày 50 mm; (e) Nếu nguy cơ ăn mòn và hỏng về mặt cơ học thấp thì có thể dùng tiết diện 16 mm2; (g) Dẹt có lượn tròn ở mép. |
|||||||
PHỤ LỤC H
(Quy định)
Các giá trị của hệ số k đối với dây dẫn
Bảng H.1 - Các giá trị của hệ số k đối với dây dẫn
|
Đặc tính/Điều kiện |
Loại cách điện của dây dẫn |
|||||
|
PVC |
PVC |
EPR XLPE |
Cao su 60 oC |
|||
|
Tiết diện dây |
≤ 300 |
>300 |
≤ 300 |
>300 |
|
|
|
Nhiệt độ ban đầu oC |
70 |
90 |
90 |
60 |
||
|
Nhiệt độ cuối cùng oC |
160 |
140 |
160 |
140 |
250 |
200 |
|
1. Dây đồng |
115 |
103 |
100 |
86 |
143 |
141 |
|
2. Mối hàn thiếc trên dây dẫn bằng đồng |
115 |
- |
- |
- |
- |
- |
|
CHÚ THÍCH: Các giá trị của hệ số k nêu trên không áp dụng cho: - các dây dẫn nhỏ (đặc biệt là dây có tiết diện nhỏ hơn 10 mm2); - các mối hàn loại khác trong dây dẫn; - các dây dẫn trần. |
||||||
PHỤ LỤC I
(Quy định)
Quá điện áp tạm thời phía hạ áp khi có ngắn mạch chạm đất phía cao áp của máy biến áp

a - Trên sơ đồ TT và TNS

b - Trên sơ đồ IT
Hình I.1 - Phân tích điện áp sự cố
CHÚ DẪN:
IE dòng điện ngắn mạch chạm đất trong hệ thống điện cao áp chạy qua hệ thống nối đất của trạm biến áp phân phối (BAPP);
RE điện trở hệ thống nối đất của trạm BAPP;
RB điện trở hệ thống nối đất trung tính lưới hạ áp tại trạm BAPP;
RA điện trở hệ thống nối đất bảo vệ của hệ thống điện nhà;
U0 điện áp pha - trung tính danh định lưới hạ áp;
Uf điện áp sự cố tần số công nghiệp xuất hiện giữa vỏ kim loại của thiết bị và đất của hệ thống điện nhà;
U1 điện áp chịu đựng tần số công nghiệp xuất hiện giữa dây pha và vỏ kim loại của máy BAPP khi sự cố;
U2 điện áp chịu đựng tần số công nghiệp xuất hiện giữa dây pha và vỏ kim loại của thiết bị trong hệ thống điện nhà khi sự cố;
Ih dòng điện ngắn mạch chạy qua mạng nối đất bảo vệ của hệ thống điện nhà khi sự cố ngắn mạch pha - đất trong mạng cao áp và sự cố ngắn mạch pha - đất tại điểm thứ nhất trong mạng hạ áp với sơ đồ nối đất IT;
Id dòng điện ngắn mạch chạy qua mạng nối đất bảo vệ của hệ thống điện nhà khi sự cố trong mạng hạ áp với sơ đồ nối đất IT;
Z tổng trở giữa điểm trung tính hạ áp với mạng nối đất (có trị số lớn) trong sơ đồ nối đất IT.
Khi có sự cố ngắn mạch chạm vỏ cuộn dây cao áp của trạm BAPP, các quá điện áp tạm thời xuất hiện trong lưới hạ áp được xác định theo Bảng I.1.
Bảng I.1 - Các quá điện áp tạm thời trong lưới hạ áp
|
Sơ đồ nối đất |
Các phương án nối đất |
U1 |
U2 |
Uf |
|
TT |
Nối RE và RB |
U0(a) |
U0 + IE.RE |
0 (a) |
|
Tách biệt RE và RB |
U0 + IE.RE |
U0(a) |
0 (a) |
|
|
TN-S |
Nối RE và RB |
U0(a) |
U0(a) |
IE.RE |
|
Tách biệt RE và RB |
U0 + IE.RE |
U0(a) |
0 (a) |
|
|
IT |
Nối RE và Z Tách biệt RE và RA |
U0(a) |
U0 + IE.RE |
0 (a) |
|
|
|
Ih.RA(b) |
||
|
Nối RE và Z Nối liên kết RE và RA |
U0(a) |
U0(a) |
IE.RE |
|
|
|
|
IE.RE(b) |
||
|
Tách biệt RE và Z Tách biệt RE và RA |
U0 + IE.RE |
U0(a) |
0 (a) |
|
|
|
|
Id.RA(b) |
||
|
(a) Không cần xem xét. (b) Khi tồn tại sự cố chạm đất tại thiết bị điện. |
||||
PHỤ LỤC K
(Quy định)
Yêu cầu đối với quá điện áp tạm thời
Độ lớn và thời gian của điện áp sự cố tần số công nghiệp Uf xuất hiện trong hệ thống điện nhà giữa vỏ kim loại của thiết bị và đất không được lớn hơn trị số Uf xác định bởi đường cong Uf(t) trong Hình K.1.

Hình K.1- Điện áp sự cố cho phép Uf do ngắn mạch trong hệ thống điện cao áp
Bảng K.1 - Điện áp chịu đựng tần số công nghiệp cho phép
|
Thời gian của sự cố chạm đất mạng cao áp s |
Điện áp chịu đựng cho phép trên thiết bị của hệ thống điện nhà V |
|
> 5 s ≤ 5 s |
U0 + 250 V U0 + 1200 V |
|
U0 - Điện áp danh định pha-pha với lưới điện không có dây trung tính. |
|
|
Dòng thứ nhất của Bảng liên quan đến hệ thống có thời gian cắt dài, ví dụ hệ thống cao áp trung tính cách đất hoặc nối đất qua cuộn kháng (cuộn dập hồ quang); Dòng thứ hai của Bảng liên quan đến hệ thống có thời gian cắt ngắn, ví dụ hệ thống cao áp nối đất trực tiếp hoặc qua tổng trở nhỏ; Cả hai dòng đều liên quan đến tiêu chuẩn thiết kế cách điện của thiết bị hạ áp khi có quá áp tạm thời. |
|
PHỤ LỤC L
(Quy định )
Điện áp chịu xung yêu cầu của thiết bị
Bảng L.1 - Điện áp chịu xung yêu cầu của thiết bị
|
Điện áp danh định của hệ thống điện nhà V |
Điện áp chịu xung yêu cầu (a) kV |
||||
|
Hệ thống ba pha |
Hệ thống một pha có điểm giữa |
Quá điện áp cấp IV |
Quá điện áp cấp III |
Quá điện áp cấp II |
Quá điện áp cấp I |
|
- |
120-240 |
4 |
2,5 |
1,5 |
0,8 |
|
230/400 |
- |
6 |
4 |
2,5 |
1,5 |
|
400/690 |
- |
8 |
6 |
4 |
2,5 |
|
1000 |
- |
12 |
8 |
6 |
4 |
|
(a) Điện áp chịu xung này được áp dụng giữa các dây tải điện và dây PE. |
|||||
PHỤ LỤC M
(Quy định)
Vật liệu và kích thước nhỏ nhất cho phép của các phần tử của LPS bên ngoài
Bảng M.1 - Vật liệu, cấu hình và tiết diện nhỏ nhất cho phép của dây thu sét, dây dẫn xuống đất của LPS
|
Vật liệu |
Cấu hình |
Tiết diện nhỏ nhất cho phép |
|
Đồng, đồng mạ Thiếc |
Băng |
50 |
|
Tròn đặc (a) |
50 |
|
|
Băng bện (a) |
50 |
|
|
Tròn đặc (b) |
176 |
|
|
Nhôm |
Băng |
70 |
|
Tròn đặc |
50 |
|
|
Băng bện |
50 |
|
|
Hợp kim nhôm |
Băng |
50 |
|
Tròn đặc |
50 |
|
|
Băng bện |
50 |
|
|
Tròn đặc (b) |
176 |
|
|
Hợp kim nhôm bọc đồng |
Tròn đặc |
50 |
|
Thép nhúng nóng |
Băng |
50 |
|
Tròn đặc |
50 |
|
|
Băng bện |
50 |
|
|
Tròn đặc (b) |
176 |
|
|
Thép bọc đồng |
Tròn đặc |
50 |
|
Băng |
50 |
|
|
Thép không rỉ |
Băng (c) |
50 |
|
Tròn đặc (c) |
50 |
|
|
Băng bện |
70 |
|
|
Tròn đặc (b) |
176 |
|
|
(a) 50 mm2 (đường kính 8 mm) có thể giảm xuống 25 mm2 đối với các ứng dụng trong đó độ bền cơ không phải là yêu cầu quan trọng. Cần phải xem xét trường hợp này để giảm khoảng cách giữa các kẹp định vị. (b) Dùng cho kim thu sét và điện cực đất. Đối với kim thu sét trong trường hợp ứng suất cơ học như tải trọng do gió không quan trọng, đường kính 9,5 mm, chiều dài kim 1 m có thể được sử dụng. (c) Nếu các yêu cầu về nhiệt và cơ là quan trọng thì phải tăng các trị số này lên thành 75 mm². |
||
Bảng M.2 - Vật liệu, cấu hình và tiết diện nhỏ nhất cho phép của cực nối đất của LPS
|
Vật liệu |
Cấu hình |
Kích thước nhỏ nhất cho phép |
||
|
Đường kính điện cực |
Tiết diện dây nối đất |
Tấm nối đất |
||
|
Đồng, đồng mạ thiếc |
Băng bện |
|
50 |
|
|
Tròn đặc |
15 |
50 |
|
|
|
Băng đặc |
|
50 |
|
|
|
Ống |
20 |
|
|
|
|
Tấm đặc |
|
|
500x500 |
|
|
Tấm lưới (a) |
|
|
600x600 |
|
|
Thép nhúng nóng |
Tròn đặc |
14 |
78 |
|
|
Ống |
25 |
|
|
|
|
Băng đặc |
|
90 |
|
|
|
Tấm đặc |
|
|
500x500 |
|
|
Tấm lưới (a) |
|
|
600x600 |
|
|
Dạng mặt cắt khác (b) |
|
|
|
|
|
Thép trần (c) |
Băng bện |
|
70 |
|
|
Tròn đặc |
|
78 |
|
|
|
Băng đặc |
|
75 |
|
|
|
Thép bọc đồng |
Tròn đặc |
14 |
50 |
|
|
Băng đặc |
|
90 |
|
|
|
Thép không rỉ |
Tròn đặc |
15 |
78 |
|
|
Băng đặc |
|
100 |
|
|
|
(a) Tấm lưới với tổng chiều dài dây dẫn không quá 4,8 m. (b) Các hình dạng mặt cắt khác nhau phải có tiết diện nhỏ nhất là 290 mm2 và độ dày nhỏ nhất là 3 mm. (c) Sâu 50 mm ngầm trong bê tông. |
||||
PHỤ LỤC N
(Quy định)
Phân loại các vùng theo mức độ nguy hiểm về điện
|
|
|
|
|
a - Hình chiếu cạnh, khu vực có bồn tắm |
b - Hình chiếu bằng |
c - Hình chiếu bằng (có vách ngăn cố định và bán kính xác định khoảng cách nhỏ nhất quanh vách ngăn) |
|
d - Hình chiếu cạnh, khu vực có vòi hoa sen |
||
Hình N.1 - Kích thước các vùng trong khu vực có bồn tắm hoặc vòi hoa sen có chậu hứng
|
|
|
|
a - Hình chiếu cạnh |
b - Hình chiếu cạnh (có vách ngăn cố định và bán kính xác định khoảng cách nhỏ nhất từ đầu phía trên của vách ngăn) |
|
|
|
|
c - Hình chiếu bằng (với vị trí khác nhau của đầu phun nước ra cố định) |
|

d - Hình chiếu bằng có đầu phun nước ra cố định (có vách ngăn cố định và bán kính để xác định khoảng cách nhỏ nhất quanh vách ngăn)
CHÚ DẪN:
- Đầu phun nước

Hình N.2 - Kích thước của vùng 0 và vùng 1 trong khu vực có vòi tắm hoa sen không có chậu hứng

Hình N.3 - Kích thước các vùng của bể bơi chìm (hình chiếu đứng)

Hình N.4 - Kích thước các vùng của bể bơi nổi (hình chiếu đứng)

Hình N.5 - Kích thước các vùng của bể bơi (hình chiếu mặt bằng)

Hình N.6 - Kích thước các vùng của khu vực lân cận phần tử gia nhiệt sinh hơi
Bạn chưa Đăng nhập thành viên.
Đây là tiện ích dành cho tài khoản thành viên. Vui lòng Đăng nhập để xem chi tiết. Nếu chưa có tài khoản, vui lòng Đăng ký tại đây!
Bạn chưa Đăng nhập thành viên.
Đây là tiện ích dành cho tài khoản thành viên. Vui lòng Đăng nhập để xem chi tiết. Nếu chưa có tài khoản, vui lòng Đăng ký tại đây!
















