- Tổng quan
- Nội dung
- Tiêu chuẩn liên quan
- Lược đồ
- Tải về
Tiêu chuẩn TCVN 14338:2025 Phương tiện giao thông điện - Truyền năng lượng từ trường không dây - Yêu cầu an toàn và khả năng tương tác
| Số hiệu: | TCVN 14338:2025 | Loại văn bản: | Tiêu chuẩn Việt Nam |
| Cơ quan ban hành: | Bộ Khoa học và Công nghệ | Lĩnh vực: | Giao thông , Công nghiệp |
| Trích yếu: | ISO 19363:2020 Phương tiện giao thông đường bộ chạy điện - Truyền năng lượng từ trường không dây - Yêu cầu về an toàn và khả năng tương tác | ||
|
Ngày ban hành:
Ngày ban hành là ngày, tháng, năm văn bản được thông qua hoặc ký ban hành.
|
18/07/2025 |
Hiệu lực:
|
Đã biết
|
| Người ký: | Đang cập nhật |
Tình trạng hiệu lực:
Cho biết trạng thái hiệu lực của văn bản đang tra cứu: Chưa áp dụng, Còn hiệu lực, Hết hiệu lực, Hết hiệu lực 1 phần; Đã sửa đổi, Đính chính hay Không còn phù hợp,...
|
Đã biết
|
TÓM TẮT TIÊU CHUẨN VIỆT NAM TCVN 14338:2025
Nội dung tóm tắt đang được cập nhật, Quý khách vui lòng quay lại sau!
Tải tiêu chuẩn Việt Nam TCVN 14338:2025
TIÊU CHUẨN QUỐC GIA
TCVN 14338:2025
ISO 19363:2020
PHƯƠNG TIỆN GIAO THÔNG ĐƯỜNG BỘ CHẠY ĐIỆN - TRUYỀN NĂNG LƯỢNG TỪ TRƯỜNG KHÔNG DÂY - YÊU CẦU VỀ AN TOÀN VÀ KHẢ NĂNG TƯƠNG TÁC
Electrically propelled road vehicles - Magnetic field wireless power transfer - Safety and interoperability requirements
Lời nói đầu
TCVN 14338:2025 hoàn toàn tương đương với ISO 19363:2020.
TCVN 14338:2025 do Tiểu ban kỹ thuật tiêu chuẩn quốc gia TCVN/TC 22/SC 37 Xe điện biên soạn, Viện Tiêu chuẩn Chất lượng Việt Nam đề nghị, Ủy ban Tiêu chuẩn Đo lường Chất lượng Quốc gia thẩm định, Bộ Khoa học và Công nghệ công bố.
PHƯƠNG TIỆN GIAO THÔNG ĐƯỜNG BỘ CHẠY ĐIỆN - TRUYỀN NĂNG LƯỢNG TỪ TRƯỜNG KHÔNG DÂY - YÊU CẦU VỀ AN TOÀN VÀ KHẢ NĂNG TƯƠNG TÁC
Electrically propelled road vehicles - Magnetic field wireless power transfer - Safety and interoperability requirements
1 Phạm vi áp dụng
Tiêu chuẩn này xác định các yêu cầu và hoạt động của thiết bị trên xe có thể truyền năng lượng từ trường không bằng dây (MF-WPT) để sạc ắc quy kéo của xe chạy điện. Tiêu chuẩn được xây dựng nhằm mục đích sử dụng cho xe ô tô con và xe hạng nhẹ.
Tiêu chuẩn này đề cập đến các khía cạnh sau đối với thiết bị xe điện (EV):
- yêu cầu an toàn;
- năng lượng được truyền và hiệu suất truyền năng lượng;
- khoảng sáng gầm của thiết bị EV;
- chức năng liên quan với các hệ thống gắn ngoài xe trong các điều kiện khác nhau và độc lập với nhà sản xuất;
- phương pháp thử nghiệm.
Thiết bị EV đáp ứng các yêu cầu trong tiêu chuẩn này nhằm mục đích hoạt động cùng với các thiết bị cung cấp mà chúng đáp ứng các yêu cầu liên quan đến MF-WPT trong bộ tiêu chuẩn IEC 61980.
CHÚ THÍCH 1: Việc sạc xe đang chuyển động không được xem xét trong tiêu chuẩn này.
CHÚ THÍCH 2: Việc truyền năng lượng hai chiều không được xem xét trong tiêu chuẩn này.
2 Tài liệu viện dẫn
Các tài liệu viện dẫn sau rất cần thiết cho việc áp dụng tiêu chuẩn này. Đối với các tài liệu viện dẫn ghi năm công bố thì áp dụng phiên bản được nêu. Đối với các tài liệu viện dẫn không ghi năm công bố thì áp dụng phiên bản mới nhất, bao gồm cả các sửa đổi (nếu có).
TCVN 12504-3:2020 (ISO 6469-3:2018), Phương tiện giao thông đường bộ chạy bằng điện - Đặc tính kỹ thuật an toàn - Phần 3: An toàn điện.
TCVN 10884 (IEC 60664), Phối hợp cách điện cho thiết bị trong hệ thống điện hạ áp.
TCVN 6988 (CISPR 11), Giới hạn và phương pháp đo đặc tính nhiễu tần số radio của thiết bị công nghiệp, nghiên cứu khoa học và y tế.
ISO 20653, Road vehicles - Degrees of protection (IP code) Protection of electrical equipment against foreign objects, water and access (Phương tiện giao thông đường bộ - Cấp độ bảo vệ (mã IP) - Bảo vệ thiết bị điện khỏi vật lạ, nước và sự tiếp cận).
IEC 61980-2, Electric vehicle wireless power transfer (WPT) Systems Part 2: specific requirements for communication between electric road vehicle (EV) and infrastructure with respect to wireless power transfer (WPT) systems (Hệ thống truyền năng lượng không dây cho xe điện - Phần 2: Các yêu cầu cụ thể đối với giao tiếp giữa xe điện và cơ sở hạ tầng liên quan đến hệ thống truyền năng lượng không dây).
IEC 61980-3, Electric vehicle wireless power transfer (WPT) systems Part 3: Specific requirements for the magnetic field power transfer systems (Hệ thống truyền năng lượng không dây cho xe điện - Phần 3: Các yêu cầu cụ thể đối với hệ thống truyền năng lượng bằng từ trường).
ICNIRP 2010, Guidelines for limiting exposure to time-varying electric and magnetic fields (1 Hz - 100 kHz) (Hướng dẫn về giới hạn tiếp xúc với các trường điện và từ biến thiên theo thời gian (1 Hz - 100 kHz)).
3 Thuật ngữ và định nghĩa
Trong tiêu chuẩn này sử dụng các thuật ngữ, định nghĩa nêu dưới đây.
3.1
Vị trí căn chỉnh (alignment)
Vị trí tương đối theo phương x và y của thiết bị thứ cấp (3.15) so với thiết bị sơ cấp (3.9) đối với khoảng sáng gầm của thiết bị thứ cấp (3.16) đã định.
CHÚ THÍCH 1: Hệ tọa độ phù hợp với ISO 4130.
3.2
Dung sai căn chỉnh (alignment tolerance area)
Khu vực hoạt động dự kiến của WPT (3.22) theo phương x và y đối với khoảng sáng gầm của thiết bị thứ cấp (3.16) đã định.
3.3
Điểm căn chỉnh trung tâm (centre alignment point)
Tâm hình học của dung sai căn chỉnh (3.2).
CHÚ THÍCH 1: Vị trí của điểm căn chỉnh trung tâm của hệ thống MF-WPT (3.8) phụ thuộc vào các điểm căn chỉnh trung tâm cụ thể của thiết bị sơ cấp (3.9) và thiết bị thứ cấp (3.15).
3.4
Xe điện (electrically propelled vehicle)
EV
Xe có một hoặc nhiều động cơ điện để tạo lực đẩy xe.
[NGUỒN: TCVN 12504-3:2020 (ISO 6469-3:2018) 3.15, đã sửa đổi - Đã thêm chữ viết tắt "EV".]
3.5
Thiết bị EV (EV device)
Cụm bộ phận tích hợp trên bo mạch của hệ thống WPT (3.23).
CHÚ THÍCH 1: Xem Hình 1.
3.6
Mạch điện nguồn của EV (EV power circuit)
EVPC
Cụm bộ phận tích hợp trên bo mạch, bao gồm thiết bị thứ cấp (3.15) và thiết bị điện tử công suất của EV (3.7), cùng các thiết bị kết nối điện và cơ khí.
CHÚ THÍCH 1: Xem Hình 1.
3.7
Thiết bị điện tử công suất của EV (EV power electronics)
Cụm bộ phận tích hợp trên bo mạch để biến đổi điện và tần số từ thiết bị thứ cấp (3.15) đến đầu ra nguồn DC của EVPC (3.6).
CHÚ THÍCH 1: Xem Hình 1.
3.8
Hệ thống truyền năng lượng không dây từ trường (magnetic field WPT system)
Hệ thống MF-WPT
Hệ thống WPT (3.23) sử dụng từ trường.
3.9
Thiết bị sơ cấp (primary device)
Bộ phận ngoài xe tạo ra và điều chỉnh từ trường cho WPT (3.22).
CHÚ THÍCH 1: Xem Hình 1.
3.10
Khu vực bảo vệ (protection area)
Không gian bên trong và xung quanh xe có các yêu cầu giống nhau về ảnh hưởng do tiếp xúc với trường điện từ.
3.11
Công suất đầu ra danh định (rated output power)
Công suất lớn nhất mà EVPC (3.6) được thiết kế để cung cấp ổn định trong suốt chu kỳ sạc.
3.12
Hệ thống lưu trữ năng lượng có thể sạc lại (rechargeable energy storage system)
RESS
Hệ thống lưu trữ năng lượng có thể sạc lại để cung cấp điện năng cho động cơ điện.
3.13
EVPC chuẩn (reference EVPC)
EVPC (3.6) phục vụ cho mục đích thử nghiệm.
3.14
Mạch nguồn cấp điện chuẩn (reference supply power circuit)
Mạch nguồn cấp điện (3.19) phục vụ cho mục đích thử nghiệm.
3.15
Thiết bị thứ cấp (secondary device)
Bộ phận tích hợp trên bo mạch, dùng để thu nhận từ trường.
CHÚ THÍCH 1: Xem Hình 1.
3.16
Khoảng sáng gầm của thiết bị thứ cấp (secondary device ground clearance)
Khoảng cách thẳng đứng giữa mặt đất và điểm thấp nhất của thiết bị thứ cấp (3.15) bao gồm cả vỏ thiết bị.
CHÚ THÍCH 1: Mặt dưới không cần phẳng hoặc song song với mặt đất.
3.17
Trạng thái ổn định (steady state)
Trạng thái của một hệ thống tại đó tất cả các biến trạng thái và đầu ra không đổi theo thời gian trong khi tất cả các biến đầu vào không đổi.
[NGUỒN: IEC 60050-351:2006, 351-24-09].
3.18
Thiết bị cung cấp (supply device)
Cụm bộ phận bên ngoài xe của hệ thống WPT (3.23).
CHÚ THÍCH 1: Xem Hình 1.
3.19
Mạch nguồn cấp điện (supply power circuit)
Cụm bộ phận bên ngoài xe, bao gồm thiết bị sơ cấp (3.9) và mạch điện tử thiết bị điện tử công suất cấp nguồn (3.20), cùng với các kết nối điện và cơ khí.
CHÚ THÍCH 1: Xem Hình 1.
3.20
Thiết bị điện tử công suất cấp nguồn (supply power electronics)
Bộ phận bên ngoài xe sử dụng để chuyển đổi điện năng và tần số từ mạng cung cấp thành điện năng và tần số cần thiết cho thiết bị sơ cấp (3.9).
CHÚ THÍCH 1: Xem Hình 1.
3.21
Điện áp loại B (voltage class B)
Sự phân loại bộ phận điện hoặc mạch điện có điện áp làm việc lớn nhất lần lượt là (>30 và ≤1 000) V AC (rms) hoặc (> 60 và ≤ 1500) V DC.
3.22
Sự truyền năng lượng không dây (wireless power transfer)
WPT
Bộ truyền điện năng từ nguồn điện sang tải điện mà không cần kết nối điện trực tiếp.
3.23
Hệ thống WPT (WPT system)
Hệ thống bao gồm tất cả các thành phần cần thiết cho WPT (3.22) và việc điều khiển.
4 Cấu trúc hệ thống
Để thiết lập cơ sở chung cho các yêu cầu được xác định trong tiêu chuẩn này, trong IEC 61980-2 và IEC 61980-3, hệ thống MF-WPT được cấu trúc thành các thực thể chức năng. Hình 1 cho thấy cấu trúc của các thực thể chức năng trong một kiến trúc mẫu.
CHÚ THÍCH: Hình 1 không đưa ra chỉ dẫn trên bao bì phần cứng.

CHÚ DẪN:
| 1 | Hệ thống MF-WPT |
|
|
| 11 | Thiết bị sơ cấp | 21 | Thiết bị thứ cấp |
| 12 | Thiết bị điện tử công suất cấp nguồn | 22 | Thiết bị điện tử công suất của EV |
| 13 | Mạch nguồn cấp điện | 23 | Mạch nguồn cấp điện của EV |
| 14 | Bộ điều khiển truyền thông thiết bị cung cấp (SECC) | 24 | Bộ điều khiển giao tiếp EV (EVCC) |
| 15 | Bộ điều khiển P2PS thiết bị cung cấp | 25 | Bộ điều khiển P2PS thiết bị EV |
| 16 | Thiết bị cung cấp | 26 | Thiết bị EV |
| 100 | Mạng cung cấp | 200 | RESS |
CHÚ Ý: Các thành phần chức năng 14, 15, 24 và 25 được đề cập trong IEC 61980-2.
a Dòng điện không dây
b Giao diện P2PS không dây
c Giao diện giao tiếp không dây
Hình 1 - Ví dụ về cấu trúc hệ thống
5 Yêu cầu về điều kiện môi trường
Các bộ phận của thiết bị EV được lắp đặt ở gầm EV phải có cấp IP là IP6K7 và IP6K9K theo ISO 20653.
Các yêu cầu về môi trường áp dụng cho từng thiết bị EV cụ thể phải được xác định và được thỏa thuận giữa nhà sản xuất xe và nhà cung cấp. Thiết bị EV phải chịu được và duy trì cấp độ bảo vệ của thiết bị dưới các tải cơ học và ứng suất điển hình mà thiết bị EV phải chịu ở vị trí lắp đặt dự kiến.
CHÚ THÍCH: ISO 16750 (tất cả các phần) và ISO 21498 (tất cả các phần) chứa thông tin hướng dẫn.
6 Phân loại
Tiêu chuẩn này quy định các yêu cầu đề cập đến các khía cạnh của hệ thống MF-WPT như sau:
- an toàn hệ thống (Điều 10),
- tính năng hệ thống (Điều 7), và
- khả năng tương tác.
Các yêu cầu về an toàn hệ thống và tính năng hệ thống đều phù hợp và có thể áp dụng để vận hành an toàn bất kỳ hệ thống MF-WPT nào (bao gồm các giải pháp dành riêng cho một nhà cung cấp) đồng thời vẫn đảm bảo một số tính năng cơ bản nào đó.
Các yêu cầu về khả năng tương tác bổ sung cho các yêu cầu về an toàn và tính năng để cho phép có sự tương tác giữa thiết bị nguồn và thiết bị EV được cung cấp bởi các nhà cung cấp độc lập.
Hai lớp tương thích đã được quy định để phù hợp với những xem xét thiết kế này:
- Khả năng tương thích loại A: Các thiết bị EV thuộc loại này được thiết kế cho ứng dụng có khả năng tương tác và được yêu cầu phải đáp ứng một bộ yêu cầu về an toàn và tính năng. Khả năng tương tác chéo giữa các nhà cung cấp được kiểm tra bằng các mạch nguồn cấp điện chuẩn như được quy định trong tiêu chuẩn này.
- Khả năng tương thích loại B: Các thiết bị EV thuộc loại này không dành cho ứng dụng có khả năng tương tác nhưng vẫn được yêu cầu phải đáp ứng các yêu cầu an toàn; yêu cầu về tính năng có thể khác với yêu cầu về khả năng tương thích loại A. Các thiết bị EV thuộc loại này được thử nghiệm với các mạch nguồn cấp điện do nhà cung cấp chỉ định.
7 Yêu cầu truyền năng lượng MF-WPT
7.1 Quy định chung
Trừ khi có quy định khác, các yêu cầu trong Điều 7 đề cập đến EVPC thuộc cả hai loại tương thích.
Sự phù hợp với các yêu cầu trong 7.2 đến 7.6 được thử nghiệm theo 7.7, trong khi EVPC có loại tương thích A được thử nghiệm với các mạch nguồn cấp điện tiêu chuẩn được mô tả trong Phụ lục A và Phụ lục B, còn EVPC có loại tương thích B được thử nghiệm với các mạch nguồn cấp điện cụ thể của nhà cung cấp.
Nhà cung cấp phải quy định các điều kiện danh định của EVPC theo Bảng 1.
Bảng 1 - Điều kiện danh định của EVPC
| Thông số kỹ thuật của EVPC | Khả năng tương thích loại A | Khả năng tương thích loại B | |
| Dải tần số | Làm việc trong dải từ 79 - 90 kHz | ||
| Khoảng sáng gầm thiết bị thứ cấp | EVPC cụ thể trong khoảng 100 mm - 250 mm | EVPC cụ thể | |
| Dung sai căn chỉnh | Trục x | ± 75 mm | EVPC cụ thể |
| Trục y | ± 100 mm | EVPC cụ thể | |
| Điểm căn chỉnh trung tâm | EVPC cụ thể | ||
| Dải điện áp đầu ra | EVPC cụ thể trong loại điện áp cấp A và xấp B theo TCVN 12504-3 (ISO 6469-3) | ||
| Công suất đầu ra danh định | EVPC cụ thể lên tới 11,1 kW | EVPC cụ thể | |
CHÚ THÍCH 1: Thông thường, dải điện áp đầu ra của EVPC được chỉnh theo dải điện áp của RESS.
CHÚ THÍCH 2: 7.3 cung cấp thông tin bổ sung để xác định (các) điểm căn chỉnh trung tâm.
7.2 Tần số
MF-WPT dành cho xe điện được phép hoạt động ở dải tần 79-90 kHz. Tần số hoạt động trong quá trình truyền điện năng được thiết lập bởi thiết bị cung cấp dựa trên các thỏa thuận với thiết bị EV.
7.3 Vùng hiển thị hình học
EVPC phải đáp ứng các yêu cầu của 7.4 và 7.5 trong vùng hiển thị hình học được xác định bởi phạm vi khoảng sáng gầm của thiết bị thứ cấp và dung sai căn chỉnh theo Bảng 2.
EVPC có khả năng tương thích loại B có thể có dung sai căn chỉnh cụ thể khác với các giá trị trong Bảng 2.
Bảng 2 - Dung sai căn chỉnh
| Trục | Dung sai căn chỉnh (mm) |
| x | ± 75 |
| y | ± 100 |
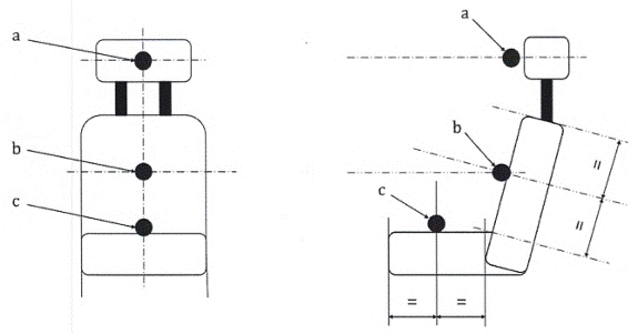
Trong trường hợp MF-WPT giữa thiết bị sơ cấp và thiết bị thứ cấp có cấu trúc liên kết khác nhau, có thể tồn tại một số điểm căn chỉnh trung tâm. Các ví dụ được cho trong Hình 2.

CHÚ DẪN:
1 Điểm căn chỉnh trung tâm của EVPC
2 Dung sai căn chỉnh
3 Hướng di chuyển
Hình 2 - Ví dụ về các điểm căn chỉnh trung tâm giữa các cấu trúc liên kết cuộn dây khác nhau
Các điểm căn chỉnh trung tâm của mạch nguồn cấp điện được xác định theo tiêu chuẩn IEC 61980-3.
(Các) điểm căn chỉnh trung tâm của EVPC phải được quy định tương ứng với các điểm căn chỉnh trung tâm được cung cấp bởi mạch nguồn cấp điện.
Các yêu cầu trong tiêu chuẩn này áp dụng cho tất cả các điểm căn chỉnh trung tâm được quy định cho EVPC.
Nhà sản xuất xe chỉ có thể quy định một điểm căn chỉnh trung tâm để căn chỉnh với thiết bị sơ cấp có cấu trúc liên kết khác.
CHÚ THÍCH: Việc lựa chọn một điểm có thể do nhiều lý do khác nhau, ví dụ như ảnh hưởng của EV đến sự phân bố từ trường hoặc vị trí của EV trong một điểm đỗ xe.
7.4 Yêu cầu về công suất đầu ra
EVPC phải có khả năng cung cấp công suất đạt tới công suất đầu ra danh định của nó khi vận hành bằng mạch nguồn cấp điện.
EVPC phải hỗ trợ tốc độ tăng công suất tối đa của mạch nguồn cấp điện. Tốc độ tắc tối đa của mạch cung cấp cho EVPC có khả năng tương thích loại A được quy định trong IEC 61980-3.
7.5 Yêu cầu về hiệu suất truyền điện năng
Hiệu suất truyền điện năng là tỷ lệ giữa công suất đầu ra của EVPC (đầu ra của khối 23 trong Hình 1) chia cho công suất đầu vào của mạch nguồn cấp điện (đầu vào khối 13 trong Hình 1).
EVPC phải hỗ trợ hiệu suất truyền điện năng nhỏ nhất theo Bảng 3 khi hoạt động ở công suất đầu ra danh định với mạch nguồn cấp điện.
EVPC phải hỗ trợ hiệu suất truyền điện năng nhỏ nhất theo Bảng 3 khi vận hành ở mức công suất thấp hơn công suất đầu ra danh định. Các kết nối mạng cung cấp địa phương điển hình nên được xem xét.
Bảng 3 - Hiệu suất truyền điện năng nhỏ nhất
| Vị trí căn chỉnh | Hiệu suất truyền điện năng nhỏ nhất |
| Điểm căn chỉnh trung tâm | 85 % |
| Dung sai căn chỉnh | 80 % |
7.6 Yêu cầu về điện áp đầu ra
7.6.1 Yêu cầu về đặc tính ở các mức điện áp đầu ra khác nhau
EVPC phải đáp ứng các yêu cầu của 7.4 và 7.5 trong vùng hiển thị hình học theo 7.3 trong toàn bộ dải điện áp cụ thể của nó khi hoạt động với mạch nguồn cấp điện.
7.6.2 Độ gợn sóng điện áp và quá mức điện áp
Quá mức điện áp đầu ra DC, điện áp đỉnh và biên độ gợn sóng điện áp của EVPC phải được thỏa thuận giữa nhà sản xuất xe và nhà cung cấp, có tính đến tác động của RESS và các bộ phận khác trên xe.
CHÚ THÍCH: Giá trị điển hình cho tình trạng quá mức điện áp đầu ra DC là ± 1 %/ms, giá trị điển hình cho điện áp đỉnh là 10 % điện áp đầu ra DC danh nghĩa và giá trị điển hình của biên độ gợn sóng điện áp đầu ra DC là ± 8 V.
7.7 Phương pháp thử nghiệm truyền điện năng MF-WPT
7.7.1 Quy định chung
Điều này mô tả bố trí thử nghiệm và phương pháp được áp dụng để thử nghiệm sự phù hợp với các yêu cầu được quy định trong 7.2 đến 7.6.
7.7.2 Thiết lập thử nghiệm
7.7.2.1 Thiết bị
7.7.2.1.1 Quy định chung
MF-WPT bị ảnh hưởng bởi các vật liệu trong môi trường xung quanh, đặc biệt là cấu trúc vật liệu của EV. Chỉ có thể đạt được kết quả thử nghiệm đáng tin cậy khi các vật liệu ảnh hưởng của xe điện được thể hiện đầy đủ trong thiết lập thử nghiệm. Điều này có thể được thực hiện bằng thử nghiệm ở cấp độ xe hoặc bằng cách đưa vào các bộ phận liên quan của xe khi thử nghiệm được thực hiện ở cấp độ bộ phận theo 7.7.2.1.3.
7.7.2.1.2 Thử nghiệm ở cấp độ xe
Hình 3 thể hiện một sơ đồ thử nghiệm mẫu để thử nghiệm ở cấp độ xe.

CHÚ DẪN:
| 1 | Kết nối với mạng cung cấp |
| 2 | Mạch nguồn cấp điện |
| 3 | EVPC được thử nghiệm |
| 4 | RESS hoặc tải mô phỏng đại diện |
| 5 | Mặt đất |
Hình 3 - Thiết lập thử nghiệm mẫu để thử nghiệm ở cấp độ xe
EVPC phải được cố định vào EV tại vị trí lắp đặt dự định của nó.
CHÚ THÍCH: Điều này bao gồm vị trí của tất cả các bộ phận của EVPC, trong trường hợp chúng không nằm trong một vỏ.
Tải phải là RESS hoặc tải DC mô phỏng đại diện.
Mạch nguồn cấp điện được sử dụng để thử nghiệm EVPC được mô tả trong 7.7.2.2.
Việc căn chỉnh phải có khả năng thay đổi theo phương x, y và z để thực hiện các phép đo tại các điểm căn chỉnh theo Bảng 4. Sự thay đổi việc căn chỉnh có thể được thực hiện bằng cách di chuyển EV, di chuyển mạch nguồn cấp điện hoặc di chuyển cả hai.
Các thành phần của bệ thử và mặt đất không được ảnh hưởng đáng kể đến MF-WPT. Toàn bộ thiết lập thử nghiệm cũng có thể được nâng lên độ cao để tránh những ảnh hưởng tiềm ẩn của mặt đất.
7.7.2.1.3 Thử nghiệm ở cấp độ bộ phận
Để thay thế cho cấp độ xe, việc thử nghiệm cũng có thể được thực hiện ở cấp độ bộ phận.
Hình 4 thể hiện các thành phần cần thiết cho thử nghiệm MF-WPT trong một thiết lập thử nghiệm mẫu cho thử nghiệm ở cấp độ bộ phận.

CHÚ DẪN:
| 1 | Kết nối với mạng cung cấp |
| 2 | Mạch nguồn cấp điện |
| 3 | EVPC được thử nghiệm |
| 4 | Tải |
| 5 | Mặt đất |
| 6 | Xe mô phỏng |
Hình 4 - Thiết lập thử nghiệm mẫu cho việc kiểm tra ở cấp độ bộ phận
So với thử nghiệm ở cấp độ xe, thiết bị mô phỏng xe sẽ được sử dụng thay cho xe điện.
Mô hình mô phỏng xe phải bao gồm tất cả các thành phần của EV mà EVPC dự định được lắp vào, có ảnh hưởng đáng kể đến MF-WPT. Điều này bao gồm, ví dụ như các bộ phận che chắn hoặc các dầm kim loại tiếp xúc với trường từ.
Tất cả các yêu cầu khác được mô tả trong thiết lập thử nghiệm để thử nghiệm ở cấp độ xe trong 7.7.2.1.2 cũng phải áp dụng cho thử nghiệm ở cấp độ bộ phận.
7.7.2.2 Mạch nguồn cấp điện thử nghiệm
EVPC có khả năng tương thích loại A phải được thử nghiệm với các mạch nguồn cấp điện chuẩn được mô tả trong Phụ lục A và B.
EVPC có khả năng tương thích loại B phải được thử nghiệm với mạch nguồn cấp điện do nhà cung cấp quy định và cung cấp.
CHÚ THÍCH 1: Mạch nguồn cấp điện do nhà cung cấp quy định và cung cấp cũng có thể là thiết bị tham chiếu chuẩn.
CHÚ THÍCH 2: Với mục đích cung cấp thông tin, Phụ lục C mô tả ví dụ về cách thực hiện khác của mạch nguồn cấp điện.
CHÚ THÍCH 3: Các phương pháp tiếp cận để xác định khả năng tương tác bằng các yêu cầu bổ sung ngoài thử nghiệm đối với các mạch nguồn cấp điện chuẩn đang được xây dựng (xem Phụ lục IEC 61980-3).
7.7.2.3 Điều kiện thử nghiệm
Việc thử nghiệm được thực hiện trong các điều kiện sau:
- nhiệt độ môi trường xung quanh (20 ± 5) °C; và
- hệ thống MF-WPT ở trạng thái ổn định.
7.7.3 Quy trình thử nghiệm
7.7.3.1 Quy định chung
Các phép đo mô tả trong 7.7.3.2 đến 7.7.3.4 được tiến hành trong các điều kiện danh định do nhà cung cấp quy định theo Bảng 1.
7.7.3.2 Các điểm căn chỉnh
Các điểm căn chỉnh để kiểm tra sự phù hợp được mô tả trong Hình 5 và Bảng 4. Tại một trong những điểm có độ lệch lớn nhất theo phương x và y, thử nghiệm bổ sung hoặc mô phỏng thích hợp phải được thực hiện với độ lệch +3 ° và độ lệch - 3 °. Hướng dương của góc đảo lái là ngược chiều kim đồng hồ và hướng âm là theo chiều kim đồng hồ xung quanh điểm căn chỉnh trung tâm, nhìn từ trên xuống (hướng về hướng z âm).

CHÚ DẪN:
1 Điểm căn chỉnh trung tâm của EVPC
Hình 5 - Các điểm căn chỉnh
CHÚ THÍCH: Hệ tọa độ phù hợp với ISO 4130, trong đó hướng lái xe EV là hướng âm x.
Tọa độ các điểm căn chỉnh trên Hình 5 được cho trong Bảng 4, trong đó:
- "tối đa" là khoảng sáng gầm lớn nhất của thiết bị thứ cấp;
- "tối thiểu" là khoảng sáng gầm nhỏ nhất của thiết bị thứ cấp; và
- "trung bình" là giá trị trung bình của khoảng sáng gầm lớn nhất và nhỏ nhất của thiết bị thứ cấp.
Bảng 4 - Các điểm căn chỉnh
| Điểm căn chỉnh theo Hình 5 | X (mm) | Y (mm) | Khoảng sáng gầm của thiết bị thứ cấp |
| P P P | +75 | +100 | tối đa |
| P P N | tối thiểu | ||
| P 0 P | 0 | tối đa | |
| P 0 N | tối thiểu | ||
| P N P | -100 | tối đa | |
| P N N | tối thiểu | ||
| 0 P P | 0 | +100 | tối đa |
| 0 P N | tối thiểu | ||
| 0 0 P | 0 | tối đa | |
| 0 0 0 | trung bình | ||
| 0 0 N | tối thiểu | ||
| 0 N P | -100 | tối đa | |
| 0 N N | tối thiểu | ||
| N P P | -75 | + 100 | tối đa |
| N P N | tối thiểu | ||
| N 0 P | 0 | tối đa | |
| N 0 N | tối thiểu | ||
| N N P | -100 | tối đa | |
| N N N | tối thiểu |
Đối với EVPC có khả năng tương thích loại B, các giá trị x và y phải phù hợp với dung sai căn chỉnh cụ thể của EVPC (xem 7.3).
7.7.3.3 Công suất đầu ra và hiệu suất truyền điện năng
Tại mỗi điểm căn chỉnh được mô tả trong 7.7.3.2, các mạch nguồn cấp điện theo 7.7.2.2 phải được vận hành với công suất đầu vào MF-WPT mà EVPC cần để cung cấp công suất đầu ra danh định của nó. Các phép đo này phải được thực hiện ở các mức điện áp sau:
- điện áp nhỏ nhất của dải điện áp đầu ra + 50 % dải điện áp đầu ra, và
- điện áp lớn nhất của dải điện áp đầu ra -10 % dải điện áp đầu ra.
VÍ DỤ: Đối với dải điện áp đầu ra từ 200 V đến 400 V, các mức điện áp tương ứng là 300 V và 380 V.
Đối với EVPC có khả năng tương thích loại A, mạch nguồn cấp điện chuẩn phải hoạt động ở tần số 85 kHz. Trong trường hợp các yêu cầu về tính năng không được đáp ứng thì tần số có thể được điều chỉnh trong dải theo 7.2.
Đối với EVPC có khả năng tương thích loại B, mạch nguồn cấp điện phải được vận hành ở tần số theo thông số kỹ thuật của nhà cung cấp trong phạm vi theo 7.2.
CHÚ THÍCH: Công suất đầu vào MF-WPT của mạch nguồn cấp điện chuẩn được giới hạn theo thông số kỹ thuật trong Phụ lục A và B, hoặc, trong trường hợp thử nghiệm khả năng tương thích loại B, theo thông số kỹ thuật của nhà cung cấp, tương ứng.
Thử nghiệm đạt yêu cầu khi EVPC cung cấp 90 % công suất đầu ra danh định ở tất cả các phép đo và đáp ứng các yêu cầu về hiệu suất truyền điện năng theo 7.5 ở tất cả các phép đo. Các ví dụ được đưa ra trong Bảng 5.
Khi thử nghiệm EVPC có khả năng tương thích loại A với mạch nguồn cấp điện chuẩn trong Phụ lục A, các ngoại lệ áp dụng cho các trường hợp sau, trong đó không thể đạt được công suất đầu ra danh định của EVPC do công suất đầu vào MF-WPT của mạch cấp nguồn chuẩn bị giới hạn:
1) Công suất ra danh định của EVPC lớn hơn 3,7 kW.
2) Công suất đầu ra danh định của EVPC nhỏ hơn hoặc bằng 3,7 kW.
Đối với trường hợp 1), thử nghiệm được coi là đạt khi công suất đầu vào MF-WPT của mạch nguồn cấp điện chuẩn tiêu chuẩn đạt 3,33 kW (90 % của 3,7 kW) và EVPC cung cấp được công suất đầu ra bất kỳ.
Đối với trường hợp 2), thử nghiệm đạt khi công suất đầu vào MF-WPT của mạch nguồn cấp điện chuẩn đạt 90 % công suất đầu ra danh định của EVPC và EVPC đáp ứng các yêu cầu về hiệu suất truyền điện năng theo 7.5 ở tất cả các phép đo.
Bảng 5 - Ví dụ về tiêu chí đạt được thử nghiệm truyền điện năng của EVPC thuộc loại tương thích A
| Công suất đầu ra danh định của EVPC (kW) | Mạch nguồn cấp điện được thử nghiệm với | Công suất đầu ra nhỏ nhất được đo để đáp ứng các yêu cầu về công suất đầu ra (kW) | Công suất đầu vào MF-WPT nhỏ nhất của mạch nguồn cấp điện (kW) | Công suất đầu vào MF-WPT lớn nhất để đáp ứng các yêu cầu về hiệu suất |
| 2,8 kW | Phụ lục A | 2,52 | - | Đạt a |
| Phụ lục B | - | Đạt a | ||
| 3,7 kW | Phụ lục A | - | 3,33 | Đạt a |
| Phụ lục B | 3,33 | - | Đạt a | |
| 7 kW | Phụ lục A | - | 3,33 | - |
| Phụ lục B | 6,3 | - | Đạt a | |
| 11,1 kW | Phụ lục A | - | 3,33 | - |
| Phụ lục B | - | 9,99 | Đạt a | |
| a Tại các điểm căn chỉnh 00P, 000 và 00N: công suất đầu ra được đo > 85 % công suất đầu vào MF-WPT. Tại tất cả các điểm căn chỉnh khác: công suất đầu ra được đo > 80 % công suất đầu vào MF-WPT. | ||||
7.7.3.4 Điện áp đầu ra
Để kiểm tra các yêu cầu đối với điện áp đầu ra DC (theo 7.6.2), phải áp dụng thử nghiệm sau:
Nên kết nối EVPC với RESS, như được sử dụng trong EV mà EVPC được thiết kế cho.
EVPC phải được đặt ở một trong các điểm căn chỉnh có độ lệch tối đa. Công suất phải được tăng từ 0 lên công suất đầu ra danh định của EVPC với tốc độ lớn nhất của mạch nguồn cấp điện theo 7.4. Thử nghiệm đạt khi điện áp đầu ra DC nằm trong yêu cầu của 7.6.2 trong suốt toàn bộ quy trình thử nghiệm.
8 Yêu cầu đối với hoạt động truyền thông và MF-WPT
Theo IEC 61980-2, quy trình vận hành MF-WPT được mô hình hóa dưới dạng phiên làm việc WPT, được tổ chức theo một chuỗi các hoạt động.
Các hoạt động này được thực thi tương ứng được hỗ trợ bởi giao tiếp giữa thiết bị EV và thiết bị cung cấp, nhưng cũng bao hàm các yêu cầu phần cứng bổ sung cho các bộ phận của thiết bị EV ngoài các thông số kỹ thuật trong tiêu chuẩn này. Các yêu cầu đối với thiết bị EV liên quan đến việc thực hiện các hoạt động được mô tả trong IEC 61980-2. Thiết bị EV phải đáp ứng các yêu cầu áp dụng được nêu trong IEC 61980-2.
9 Yêu cầu đối với EMC
EVPC phải phù hợp với các giới hạn được mô tả trong CISPR 11, khi được vận hành bằng thiết bị cung cấp.
Phép đo phải được thực hiện ở điều kiện vận hành trong trường hợp xấu nhất của EVPC. Mục D.2 đưa ra hướng dẫn về cách xác định các điều kiện vận hành trong trường hợp xấu nhất này.
CHÚ THÍCH: CISPR 11 hiện đang xây dựng các yêu cầu cụ thể cho hệ thống MF-WPT.
10 Yêu cầu an toàn
10.1 Bảo vệ trong trường hợp truyền điện năng ngoài ý muốn
Hệ thống MF-WPT phải được coi như một nguồn điện có thể ngắt điện.
Truyền điện năng ngoài ý muốn là:
- nguồn điện từ một thiết bị cung cấp không phối hợp hoặc không xác định; hoặc
- nguồn điện từ thiết bị cung cấp vượt quá yêu cầu của thiết bị EV.
Bất cứ khi nào EVPC được yêu cầu cắt điện, thiết bị EV hoặc EV phải kích hoạt các xe để ngăn thiết bị cung cấp truyền điện.
Ví dụ cho các xe như vậy là:
- các biện pháp bảo vệ chống quá tải RESS (ví dụ: rơle ngắt kết nối);
- các biện pháp bảo vệ chống quá dòng của EVPC và RESS (ví dụ: rơle ngắt kết nối); hoặc
- các biện pháp bảo vệ chống quá điện áp của EVPC (ví dụ: thiết bị ngắn mạch khẩn cấp).
- sự phù hợp được kiểm tra bằng sự giám sát.
CHÚ THÍCH: Thông số kỹ thuật về phát hiện và thời gian phản ứng của thiết bị EV do nhà cung cấp quyết định. Yêu cầu về thời gian phản ứng của thiết bị cung cấp được quy định trong IEC 61980-3.
10.2 Bảo vệ chống điện giật
10.2.1 Quy định chung
Điều này chỉ áp dụng cho mạch điện có điện áp loại B của thiết bị EV.
Thiết kế và thử nghiệm để bảo vệ chống điện giật phải phù hợp với TCVN 12504-3 (ISO 6469-3), trừ khi có quy định khác ở 10.2.
Thiết bị EV phải đáp ứng các yêu cầu về điện trở cách ly không duy trì theo TCVN 12504-3 (ISO 6469-3), 6.3.2.2.
Việc bảo vệ chống điện giật phải được thực hiện theo quy định của nhà sản xuất xe.
CHÚ THÍCH: Các yêu cầu về an toàn điện sau sự cố được quy định trong TCVN 12504-4 (ISO 6469-4).
10.2.2 Phối hợp cách nhiệt
Sự phối hợp cách điện phải xem xét điện áp hoạt động bên trong lớn nhất và quá mức điện áp bên trong thiết bị EV. Một trong những điều sau đây phải được thực hiện:
- thiết kế chắc chắn với khả năng chịu đựng về mặt vật lý khi vận hành và quá điện áp; hoặc
- có biện pháp giới hạn điện áp đến giá trị phối hợp cách điện của các bộ phận.
Tần số của dòng điện xoay chiều trong EVPC cao hơn đáng kể so với 50 Hz hoặc 60 Hz, phải được xem xét đối với sự phối hợp cách điện, khả năng chịu nhiệt độ của vật liệu được sử dụng và kích thước của các bộ phận hoạt động và cách điện.
Khe hở không khí, chiều dài đường rò và cách điện rắn của các thành phần và hệ thống dây điện cấp điện áp B phải được thiết kế theo các phần áp dụng của IEC 60664.
10.3 Bảo vệ chống lại sự cố nhiệt
10.3.1 Quy định chung
Tải nhiệt tới phần cách điện và các bộ phận hoạt động của thiết bị EV phải được xem xét theo:
- mọi tình huống hoạt động;
- tình huống tắt máy xe; và
- tình huống truyền năng lượng điện ngoài ý muốn.
10.3.2 Bảo vệ quá tải và bảo vệ ngắn mạch
Việc bảo vệ quá tải và bảo vệ ngắn mạch phải theo TCVN 12504 (ISO 6469-3).
10.4 Bảo vệ người chống lại các hiệu ứng điện từ
10.4.1 Quy định chung
Điều này quy định các yêu cầu để bảo vệ người chống lại các tác động do tiếp xúc với trường điện từ. Điều này bao gồm việc bảo vệ chống lại tác động có hại của việc tiếp xúc với trường điện từ và bảo vệ chức năng của các thiết bị y tế cấy ghép hoạt động (AIMD). Phụ lục D cung cấp hướng dẫn về cách thể hiện việc đáp ứng các yêu cầu quy định.
10.4.2 Vùng bảo vệ
Không gian bên trong, dưới và xung quanh xe được chia làm 3 khu vực bảo vệ theo Hình 6.

CHÚ DẪN
| 1 | Vùng bảo vệ 1: khu vực bên dưới xe |
| 2 | Vùng bảo vệ 2: khu vực xung quanh xe; khu vực công cộng ở bên hông, phía trước, phía sau và trên đầu xe |
| 3 | Vùng bảo vệ 3: khu vực nội thất xe |
Hình 6 - Vùng bảo vệ
10.4.3 Yêu cầu bảo vệ người chống tiếp xúc với trường điện từ nguy hiểm
Trong vùng bảo vệ 2 và 3, mọi người không được tiếp xúc với trường điện từ vượt quá giới hạn áp dụng theo Hướng dẫn của ICNIRP.
CHÚ THÍCH: Trong vùng bảo vệ 1, bảo vệ chống tiếp xúc với trường điện từ nguy hiểm là trách nhiệm của thiết bị cung cấp.
Phải đáp ứng các hạn chế cơ bản của hướng dẫn ICNIRP 2010, Bảng 2 hoặc các mức tham chiếu của Hướng dẫn ICNIRP 2010, Bảng 4.
10.4.4 Yêu cầu bảo vệ chức năng của AIMDS
Máy tạo nhịp tim và máy khử rung tim được cấy ghép cần phải duy trì đầy đủ chức năng và hoạt động khi điện áp cảm ứng từ trong các dây dẫn của máy điều hòa nhịp tim, trong phạm vi từ 3 kHz đến 150kHz, nhỏ hơn
mV × Tần số (kHz) (ví dụ: 180,31 mV RMS ở 85 kHz). Công thức này dựa trên giả định rằng điện áp được tạo ra trong vòng dây dẫn 225 cm2 và xác định các giới hạn mà hệ thống MF-WPT cần đáp ứng.
CHÚ THÍCH: ISO 14117 bao gồm các yêu cầu đối với máy điều hòa nhịp tim và thiết bị cấy ghép.
Để cho phép thực hiện các phép đo đơn giản và có thể lặp lại, các mức điện áp cảm ứng này đã được chuyển sang từ thông trung bình vừa phải là 15,0 μT hoặc cường độ từ trường là 11,9 A/m (đối với 79 kHz đến 90 kHz) trong mặt phẳng 225 cm2.
Trong vùng bảo vệ 2 và 3, EVPC phải tuân thủ các giới hạn này khi vận hành bằng mạch nguồn cấp điện ở điều kiện vận hành trong trường hợp xấu nhất. Phụ lục D đưa ra hướng dẫn thể hiện sự phù hợp và cách xác định các điều kiện vận hành trong trường hợp xấu nhất.
10.5 Bảo vệ chống quá nhiệt
Phải cung cấp phương tiện ngăn chặn sự quá nhiệt của các bộ phận của EV do từ trường bởi thiết bị cung cấp tạo ra, nếu cần. Ví dụ về phương tiện bảo vệ là che chắn, cảm biến nhiệt hoặc làm mát.
Sự phù hợp phải được nhà sản xuất xe công bố.
11 Sổ tay hướng dẫn sử dụng và ghi nhãn
11.1 Sổ tay hướng dẫn sử dụng
Các thông tin sau phải được đưa vào sổ tay hướng dẫn sử dụng:
a) mô tả hoạt động của hệ thống MF-WPT và vị trí của thiết bị thứ cấp trên xe;
b) các thao tác chức năng do người sử dụng thực hiện; Và
c) bất kỳ biện pháp phòng ngừa đặc biệt nào được yêu cầu bởi người vận hành đeo AIMDS;
d) các điều kiện danh định như quy định trong Bảng 1.
11.2 Ghi nhãn
Ghi nhãn các bộ phận và dây dẫn điện áp loại B phải phù hợp với TCVN 12504-3 (ISO 6469-3).
Phụ lục A
(Tham khảo)
Mạch nguồn cấp điện chuẩn cho EVPC có công suất ra danh định 3,7 kW
A.1 Quy định chung
Phụ lục này mô tả mạch nguồn cấp điện chuẩn cho EVPC có công suất đầu ra danh định < 3,7 kW. Nó được thiết kế để lắp trên mặt đất và hoạt động trên dải tần hệ thống từ 79 kHz đến 90 kHz.
A.2 Thiết kế cơ khí của thiết bị sơ cấp
Hình A.1 thể hiện các kích thước cơ khí của thiết bị sơ cấp.

CHÚ DẪN
| 1 | ferit |
| 2 | Cuộn dây (quấn 15 vòng) |
| 3 | Vỏ ngoài (để tham chiếu) |
| a | Kích thước vỏ ngoài |
| b | Kích thước tấm che chắn |
| c | Kích thước lõi bên ngoài |
| d | Kích thước cuộn dây |
| e | Kích thước lõi bên trong |
Hình A.1 - Kích thước cơ khí
Tâm của thiết bị sơ cấp này (điểm 0/0 của hệ tọa độ) nằm ở trung điểm của các kích thước "d" trong Hình A.1 và tương ứng với tâm của cuộn dây.
Kích thước cuộn dây của thiết bị sơ cấp trong Hình A.1 ở trên là 420 mm theo phương x (hướng di chuyển của xe) và 580 mm theo phương y.
Dây litz (dây bện) có kích thước 4.200 mm x 0,05 mm với đường kính tổng khoảng 5 mm.
Gạch ferrite được làm bằng vật liệu N96. Kích thước và cách bố trí các ô được thể hiện trên Hình A.2.
Kích thước tính bằng milimet

Hình A.2 - Kích thước và bố cục của gạch Ferrite
A.3 Thiết kế điện của mạch nguồn cấp điện chuẩn
Hình A.3 thể hiện sơ đồ điện của mạch nguồn cấp điện chuẩn.

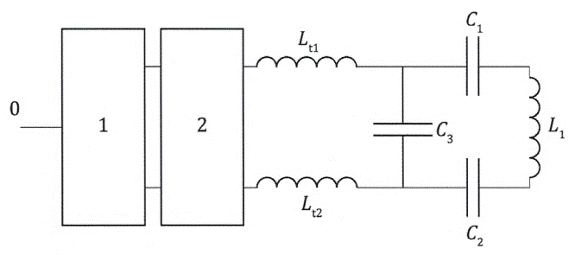
CHÚ DẪN
| 0 | Kết nối với mạng cung cấp |
| 1 | PFC |
| 2 | Biến tần |
| L1 | Giá trị điện cảm của thiết bị sơ cấp |
| Lt1 và Lt2 | Điều chỉnh giá trị điện cảm |
| C1 và C2 | Tụ điện điều chỉnh |
Hình A.3 - Sơ đồ điện của mạch nguồn cấp điện chuẩn
Bảng A.1 thể hiện giá trị các thành phần, dòng điện và điện áp trên Hình A.3.
Bảng A.1 - Giá trị các thành phần, dòng điện và điện áp
| Thành phần/ tham số | Giá trị |
| Giá trị điện cảm của thiết bị sơ cấp (L1) | Xem Bảng A.2 |
| Điều chỉnh giá trị điện cảm (Lt1) | 23,5 μH |
| Điều chỉnh giá trị điện cảm (Lt2) | 23,5 μH |
| Tụ điện điều chỉnh (C1) | 40,4 nF |
| Tụ điện điều chỉnh (C2) | 40,4 nF |
| Tụ điện điều chỉnh (C3) | 120 nF |
| Dòng điện đầu ra lớn nhất PFC | 9 A DC |
| Dòng điện lớn nhất của thiết bị sơ cấp | 30 A rms |
| Điện áp đầu ra PFC | 450 V DC |
Ví dụ về bộ biến tần phù hợp với mạch nguồn cấp điện chuẩn của Hình A.3 được thể hiện trên Hình A.4. Giá trị điển hình cho dòng điện đầu ra biến tần lớn nhất là 30 A rms.

Hình A.4 - Sơ đồ điện của mạch nguồn cấp điện chuẩn
Ví dụ về sơ đồ điện của bộ biến tần phù hợp với thiết kế cuộn dây cho trong A.1
A.4 Thông tin ghép nối và điện cảm
Điều này cung cấp thông tin về hoạt động ghép nối và giá trị điện cảm của mạch nguồn cấp điện chuẩn khi hoạt động với EVPC chuẩn tròn dành cho MF-WPT1 được quy định trong IEC 61980-3.
Các giá trị trong Bảng A.2 và A.3 được xác định bằng tấm chắn nhôm (700 mm theo phương x, 900 mm theo phương y) và một tấm mô phỏng xe (1500 mm theo phương x, 1500 mm theo phương y) được đính kèm với EVPC chuẩn.
CHÚ THÍCH: Các giá trị đã cho có thể sai lệch trong môi trường xe thực tế.
Chiều dài cáp dẫn giả định đối với các giá trị điện cảm cho trong Bảng A.2 là 1 m.
Bảng A.2 - Giá trị điện cảm của thiết bị sơ cấp với EVPCS chuẩn MF-WPT1
| Lớp Z của EVPC chuẩn | L1 (tối thiểu) | L1 (tối đa) |
|
| (mH) | (mH) |
| Z1 | 185 | 217 |
| Z2 | 212 | 223 |
| Z3 | 224 | 227 |
Bảng A.3 - Ghép nối với EVPCS chuẩn MF-WPT1
| Lớp Z của EVPC chuẩn | k (tối thiểu) | k (tối đa) |
| Z1 | 0,100 | 0,249 |
| Z2 | 0,085 | 0,221 |
| Z3 | 0,084 | 0,243 |
Phụ lục B
(Tham khảo)
Mạch nguồn cấp điện chuẩn cho EVPC có công suất ra danh định ≤ 11,1 kW
B.1 Quy định chung
Phụ lục này mô tả mạch nguồn cấp điện chuẩn cho EVPC có công suất đầu ra danh định ≤ 11,1 kW. Mạch nguồn cấp điện được thiết kế để lắp trên mặt đất và hoạt động ở tần số danh nghĩa 85 kHz nhưng hoạt động trên dải tần số hệ thống như quy định trong 7.2.
B.2 Thiết kế cơ khí của thiết bị sơ cấp
Hình B.1 thể hiện các kích thước cơ học của thiết bị sơ cấp.
Kích thước tính bằng milimet

CHÚ DẪN
| 1 | Tấm phủ trên |
| 2 | Khay litz |
| 3 | Dây litz (dây bện) |
| 4 | Gạch ferrit |
| 5 | Tấm nhôm |
Hình B.1 - Kích thước cơ khí
Tâm của thiết bị sơ cấp này (điểm 0/0 của hệ tọa độ) nằm ở điểm giữa của cuộn dây trong Hình B.1.
Kích thước cuộn dây của thiết bị sơ cấp trong Hình B.1 ở trên là 500 mm theo phương x (hướng di chuyển của xe) và 650 mm theo phương y.
Dây litz (dây bện) có kích thước 4200 mm/0,05 mm với đường kính tổng khoảng 5 mm. Cuộn dây gồm có tám vòng hai dây.
Các lớp ferrite trong GA được làm bằng các tấm ferrite bằng vật liệu N95 với kích thước (100 × 150 × 5) mm và (100 × 100 × 5) mm.
B.3 Thiết kế điện của mạch nguồn cấp điện chuẩn
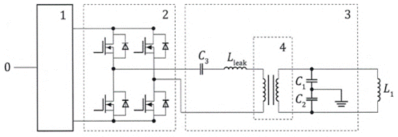
Hình B.2 thể hiện sơ đồ điện của mạch nguồn cấp điện chuẩn.

CHÚ DẪN
| 0 | Kết nối với mạng cung cấp |
| 1 | PFC |
| 2 | Biến tần |
| 3 | Mạng phối hợp trở kháng |
| L1 | Giá trị điện cảm của thiết bị sơ cấp |
| C1 và C2 | Tụ điện điều chỉnh |
Hình B.2 - Sơ đồ điện của mạch nguồn cấp điện chuẩn
Bảng B.1 thể hiện giá trị các thành phần, dòng điện và điện áp trong Hình B.2.
Bảng B.1 - Giá trị các thành phần, dòng điện và điện áp
| Thành phần/tham số | Giá trị |
| Giá trị điện cảm của thiết bị sơ cấp (L1) | Xem Bảng B.4 và B.5 |
| Tụ điện điều chỉnh (C1) | 320 nF |
| Tụ điện điều chỉnh (C2) | 320 nF |
| Tụ điện điều chỉnh (C3) | 270 nF |
| Dòng điện lớn nhất của thiết bị sơ cấp | 75 A rms |
Bảng B.2 thể hiện các giá trị điển hình cho các đặc tính của PFC
Bảng B.2 - Đặc tính của PFC
| Thành phần/tham số | Giá trị |
| Dòng điện đầu ra lớn nhất của PFC | 29 A DC |
| Dải điện áp đầu ra của PFC | 380 - 500 V DC |
Một ví dụ về bộ biến tần phù hợp với hệ thống cuộn dây chuẩn được thể hiện trên Hình B.3.

Hình B.3 - Ví dụ về sơ đồ điện của bộ biến tần phù hợp với thiết kế cuộn dây cho trong B.1
Bảng B.3 thể hiện các giá trị điển hình cho các đặc tính của biến tần
Bảng B.3 - Đặc tính của biến tần
| Thành phần/ tham số | Giá trị |
| Dòng điện đầu ra lớn nhất của biến tần | 40 A rms |
Hình B.4 trình bày một ví dụ về mạng phối hợp trở kháng thích hợp cho thiết kế cuộn dây nêu trong B.1
Phạm vi điển hình cho các điện kháng biến thiên (jX/2) là (4-16)j Ω.

Hình B.4 - Ví dụ về sơ đồ điện của mạng phối hợp trở kháng phù hợp với thiết kế cuộn dây cho trong B.1
B.4 Thông tin ghép nối và điện cảm
Điều này cung cấp thông tin về trạng thái ghép nối và giá trị điện cảm của mạch nguồn cấp điện chuẩn khi hoạt động với EVPC chuẩn tròn dùng cho MF-WPT2 và MF-WPT3 được quy định trong IEC 61980-3.
Các giá trị trong Bảng B.4 đến B.7 được xác định bằng tấm chắn nhôm (800 mm theo phương x, 800 mm theo phương y) và một tấm mô phỏng xe (1500 mm theo phương x, 1500 mm theo phương y). phương y) được đính kèm với EVPC chuẩn.
CHÚ THÍCH 1: Các giá trị đã cho có thể sai lệch trong môi trường xe thực tế.
Chiều dài cáp dẫn giả định đối với các giá trị điện cảm cho trong Bảng B.4 và B.5 là 0,3 m.
CHÚ THÍCH 2: Mạch nguồn cấp điện chuẩn cũng có thể hoạt động ở công suất 3,7 kW với các EVPC chuẩn này cho MF-WPT2 hoặc MF-WPT3. Các giá trị điện cảm và ghép nối là nhất quán (độc lập với giá trị được truyền điện) và do đó không được quy định cụ thể cho ME-WRT1.
Bảng B.4 - Giá trị điện cảm của thiết bị sơ cấp với EVPCS chuẩn MF-WPT2
| Lớp Z của EVPC chuẩn | L1 (nhỏ nhất) (μH) | L1 (lớn nhất) (μH) |
| Z1 | 29,6 | 35,8 |
| Z2 | 35,1 | 38,1 |
| Z3 | 37,4 | 38,7 |
Bảng B.5 - Giá trị điện cảm của thiết bị sơ cấp với EVPC chuẩn MF-WPT3
| Lớp Z của EVPC chuẩn | L1 (nhỏ nhất) (μH) | L1 (lớn nhất) (μH) |
| Z1 | 30,0 | 36,2 |
| Z2 | 35,1 | 38,1 |
| Z3 | 37,4 | 38,7 |
Bảng B.6 - Ghép nối với EVPC chuẩn MF-WPT2
| Lớp Z của EVPC chuẩn | k (nhỏ nhất) | k (lớn nhất) |
| Z1 | 0,109 | 0,238 |
| Z2 | 0,090 | 0,221 |
| Z3 | 0,087 | 0,229 |
Bảng B.7 - Ghép nối với EVPC chuẩn MF-WPT3
| Lớp Z của EVPC chuẩn | k (nhỏ nhất) | k (lớn nhất) |
| Z1 | 0,119 | 0,246 |
| Z2 | 0,090 | 0,221 |
| Z3 | 0,087 | 0,229 |
Phụ lục C
(Tham khảo)
Ví dụ về cách thực hiện khác của mạch cấp nguồn
C.1 Quy định chung
Với mục đích cung cấp thông tin, phụ lục này mô tả một ví dụ về cách triển khai mạch nguồn cấp điện khác so với Phụ lục A và B. Nó được thiết kế để lắp trên mặt đất và nhằm hoạt động ở tần số danh nghĩa là 85 kHz.
CHÚ THÍCH: Điều chỉnh tần số để bù, ví dụ, đối với sự thay đổi độ cao và độ biến thiên vị trí căn chỉnh không được áp dụng.
C.2 Thiết kế cơ khí của thiết bị sơ cấp
Hình C.1 và C.2 thể hiện các kích thước cơ học của thiết bị sơ cấp.
Kích thước tính bằng milimet

Hình C.1 - Kích thước cơ học

CHÚ DẪN
| 1 | Tấm phủ trên |
| 2 | Khay litz |
| 3 | Dây litz (dây bện) |
| 4 | Gạch ferrit |
| 5 | Tấm nhôm |
| 6 | Tấm phủ phía dưới |
Hình C.2 - Chi tiết về kích thước cơ khí
C.3 Thiết kế mạch cấp nguồn điện
Hình C.3 thể hiện sơ đồ điện của mạch nguồn cấp điện.

CHÚ DẪN
| 0 | Kết nối với mạng cung cấp |
| 1 | PFC |
| 2 | Biến tần |
| 3 | Mạng phối hợp trở kháng |
| 4 | Máy biến áp HF |
| L1 | Giá trị điện cảm của thiết bị sơ cấp |
| Lrò rỉ | Điện cảm rò rỉ biến áp HF |
| C1 và C2 | Tụ điện điều chỉnh |
| C3 | Tụ chặn DC |
Hình C.3 - Sơ đồ mạch điện của mạch nguồn cấp điện
Bảng C.1 thể hiện giá trị các thành phần, dòng điện và điện áp trên Hình C.3.
Bảng C.1 - Giá trị các thành phần, dòng điện và điện áp
| Thành phần/ tham số | Giá trị |
| Giá trị điện cảm của thiết bị sơ cấp (L1) | Xem Bảng C.2 và C.3 |
| Điện cảm rò rỉ biến áp HF (Lrò rỉ) | 22 μH |
| Giá trị điện cảm sơ cấp/ thứ cấp của máy biến áp HF | 1,7 / 11,9 mH |
| Tỷ số vòng dây của máy biến áp HF | 1: 2,7 (N1:N2 = 9:24) |
| Tụ điện điều chỉnh (C1) | 98,4 nF |
| Tụ điện điều chỉnh (C2) | 98,4 nF |
| Tụ điện chặn DC (C3) | 360 nF |
C.4 Thông tin ghép nối và điện cảm
Điều này cung cấp thông tin về hoạt động ghép nối và giá trị điện cảm của Mạch nguồn cấp điện khi vận hành với EVPC chuẩn DD dành cho MF-WPT2 và MF-WPT3 được quy định trong IEC 61980-3.
Các giá trị được xác định bằng tấm chắn nhôm (1100 mm theo phương x, 1100 mm theo phương y) và một tấm mô phỏng xe (1500 mm theo phương x, 1500 mm theo phương y) được gắn vào EVPC chuẩn.
CHÚ THÍCH 1: Các giá trị đã cho có thể sai lệch trong môi trường xe thực tế.
Chiều dài cáp dẫn giả định cho các giá trị điện cảm cho trong Bảng C.2 và Bảng C.3 là 3 m.
CHÚ THÍCH 2: Mạch nguồn cấp điện cũng có thể hoạt động ở công suất 3,7 kW với các EVPC tham chiếu này dành cho MF-WPT2 hoặc MF-WPT3. Các giá trị điện cảm và ghép nối là nhất quán (không phụ thuộc vào nguồn điện được truyền) và do đó không được quy định cụ thể cho MF-WPT1.
Bảng C.2 - Giá trị điện cảm của thiết bị sơ cấp với EVPCS tham chiếu MF-WPT2
| Lớp Z của EVPC chuẩn | L1 (nhỏ nhất) (μH) | L1 (lớn nhất) (μH) |
| Z1 | 54,9 | 62,5 |
| Z2 | 62,5 | 65,8 |
| Z3 | 65,6 | 68,5 |
Bảng C.3 - Giá trị điện cảm của thiết bị sơ cấp với EVPC tham chiếu MF-WPT3
| Lớp Z của EVPC chuẩn | L1 (nhỏ nhất) (μH) | L1 (lớn nhất) (μH) |
| Z1 | 56,9 | 64,3 |
| Z2 | 68,3 | 72,3 |
| Z3 | 67,9 | 71,7 |
Bảng C.4 - Ghép nối với EVPC tham chiếu MF-WPT2
| Lớp Z của EVPC chuẩn | k (nhỏ nhất) | k (lớn nhất) |
| Z1 | 0,162 | 0,344 |
| Z2 | 0,134 | 0,318 |
| Z3 | 0,126 | 0,314 |
Bảng C.5 - Ghép nối với EVPC tham chiếu MF-WPT3
| Lớp Z của EVPC chuẩn | k (nhỏ nhất) | k (lớn nhất) |
| Z1 | 0,170 | 0,388 |
| Z2 | 0,160 | 0,385 |
| Z3 | 0,140 | 0,344 |
Phụ lục D
(Tham khảo)
Chứng minh sự phù hợp để bảo vệ người chống lại các hiệu ứng điện từ
D.1 Quy định chung
Phụ lục này mô tả các quá trình chứng minh sự phù hợp với các yêu cầu ở 10.4. Đối với cả hai lĩnh vực bảo vệ 2 và 3, phụ lục này đề cập đến việc bảo vệ người, ngăn ngừa việc tiếp xúc với các trường điện từ nguy hiểm và bảo vệ chức năng của AIMD.
D.3 mô tả các tùy chọn khác nhau để chứng minh sự phù hợp theo các giới hạn khác nhau được mô tả trong 10.4.3. Hình D.1 đưa ra cái nhìn tổng quan về các tùy chọn này.

Hình D.1 - Tổng quan về các tùy chọn để chứng minh sự phù hợp
Đối với khu vực bảo vệ 2, có thể áp dụng các giới hạn và phương pháp chứng minh sự phù hợp khác với khu vực bảo vệ 3. Ví dụ: bảo vệ người khỏi tiếp xúc với trường điện từ nguy hiểm, có thể được chứng minh trong khu vực bảo vệ 2 đối với các hạn chế cơ bản của ICNIRP và trong khu vực bảo vệ 3 đối với các mức tham chiếu ICNIRP.
Khi vận hành EVPC, sự phân bố của trường điện từ và do đó cường độ trường được đo tại một điểm nhất định sẽ thay đổi tùy thuộc vào một số yếu tố ảnh hưởng. Để bao quát sự đa dạng này, sự phù hợp với các giới hạn tương ứng được thể hiện ở các điều kiện vận hành trong trường hợp xấu nhất. Điều này áp dụng cho tất cả các tùy chọn được thể hiện trong Hình D.1, D.2 đưa ra hướng dẫn về cách xác định các điều kiện vận hành trong trường hợp xấu nhất này.
D.2 Điều kiện làm việc trong trường hợp xấu nhất
Điều kiện vận hành trong trường hợp xấu nhất được coi là:
- độ lệch lớn nhất;
- khoảng sáng gầm lớn nhất của thiết bị thứ cấp;
- công suất ra danh định; và
- điện áp đầu ra nhỏ nhất.
Ngoài các điều kiện làm việc được liệt kê, EV, thiết bị cấp nguồn và mặt đất bên dưới thiết bị cấp nguồn cũng ảnh hưởng đến giá trị đo được. Do đó, điều kiện làm việc trong trường hợp xấu nhất được xác định ở cấp độ xe với cách bố trí được mô tả trong 7.7.2.1.2. Trong trường hợp thử nghiệm EMF, mặt đất phải là phi kim loại và không chứa sắt từ. Trong trường hợp thử nghiệm EMC, mặt đất phải là kim loại.
Các yếu tố ảnh hưởng có thể không bị giới hạn theo những quy định được mô tả trong mục này.
D.3 Chứng minh sự phù hợp với các yêu cầu về bảo vệ người chống lại việc tiếp xúc với trường điện từ nguy hiểm
D.3.1 Chứng minh sự phù hợp với hạn chế cơ bản của ICNIRP
D.3.1.1 Vùng bảo vệ 2
Sự phù hợp được thể hiện khi các mô phỏng theo D.3.1.1.1 thể hiện sự phù hợp với các hạn chế cơ bản của ICNIRP trong các điều kiện vận hành trường hợp xấu nhất theo D.2.
CHÚ THÍCH: Hiện tại, chưa có phép đo thực tế nào có thể được sử dụng để chứng minh sự phù hợp với các hạn chế cơ bản của ICNIRP.
D.3.1.1.1 Đường cơ sở mô phỏng
Các phương pháp mô phỏng số như Phương pháp mô men (MoM), Phương pháp phần tử hữu hạn (FEM), Chênh lệch thời gian sai phân hữu hạn (FDTD) hoặc Phương trình tích phân (IE) có thể được sử dụng để đánh giá mức độ phơi nhiễm trong các tình huống sử dụng thông thường liên quan đến các giới hạn áp dụng.
Vì người có thể ở nhiều tư thế khác nhau bên trong xe điện cũng như bên ngoài, nên việc thể hiện sự tuân thủ ở tất cả các tư thế có thể có (ngồi, đứng, nằm, v.v.) và cấu trúc giải phẫu trở nên không thực tế và tốn thời gian (nam và nữ, người lớn và trẻ em, v.v.). Do đó, nên sử dụng các mô phỏng mô đồng nhất đại diện cho mức phơi nhiễm trong trường hợp xấu nhất ở người để chứng minh sự phù hợp đối với các hạn chế cơ bản của ICNIRP. Tổ chức ITIS đã phát triển một mô phỏng cơ thể đồng nhất để đại diện cho 95 % hấp thụ SAR từ các ăng-ten trạm gốc trong dân số, dựa trên dữ liệu thống kê về trọng lượng, chiều cao và chỉ số khối cơ thể của con người. Mô phỏng này được thiết kế để đánh giá mức độ phơi nhiễm ở trường gần của các trạm gốc hoạt động trong khoảng từ 300 MHz đến 5 GHz. Mô phỏng cơ thể này có kích thước 1.540 mm chiều cao, 340 mm chiều rộng và 90 mm chiều sâu. Ở tần số thấp, nó đại diện cho sự tương tác điện từ toàn phần xảy ra ở phần thân của cơ thể người. Ngoài ra, các mô phỏng chi được miêu tả nhằm đại diện cho cổ tay và đùi của 95 % dân số mô phỏng cánh tay dài 810 mm với tiết diện hình vuông rộng 48 mm và mô phỏng chân dài 910 mm với tiết diện hình vuông rộng 170 mm. Cả ba mô phỏng này được minh họa trong Hình D.2.

CHÚ DẪN
| 1 | Bộ mô phỏng cơ thể |
| 2 | Bộ mô phỏng cánh tay |
| 3 | Bộ mô phỏng chân |
Hình D.2 - Các bộ mô phỏng đồng nhất được sử dụng để thể hiện cơ thể người để đánh giá sự tuân thủ: Bộ mô phỏng cơ thể, bộ mô phỏng cánh tay, bộ mô phỏng chân
Các đặc tính điện môi của bộ mô phỏng đồng nhất phải được chọn sao cho chúng đại diện cho mô người và không đánh giá thấp mức độ phơi nhiễm ở người.
Khi sử dụng các bộ mô phỏng cơ thể và chi đồng nhất này, mức độ phơi nhiễm phải được đánh giá theo các hướng và khoảng cách tách biệt khác nhau, bao gồm cả trường hợp phơi nhiễm dự kiến trong trường hợp xấu nhất. Hình D.3 cho thấy một ví dụ về việc thực hiện đánh giá như vậy với bộ mô phỏng cơ thể đồng nhất. Bộ mô phỏng cơ thể được đặt ở điểm nóng được xác định đối với từ trường trong trường hợp xấu nhất và sau đó mức độ phơi nhiễm được đánh giá theo nhiều tư thế khác nhau (đứng, nằm và nằm sang một bên).

Hình D.3 - Ví dụ về hướng của vật thể ảo
D.3.1.1.2 Thang kết quả phơi nhiễm
Khi thực hiện đánh giá mức độ phơi nhiễm sử dụng các mô phỏng đồng nhất như mô tả trong D.3.1.1.1, cần đảm bảo rằng mức độ phơi nhiễm trong các mô phỏng đồng nhất mang tính đảm bảo hơn so với các mô hình giải phẫu (phức tạp hơn) mà chúng được xây dựng từ đó. Do đó, mức độ phơi nhiễm trong các mô phỏng đồng nhất được xác minh về tính bảo thủ đối với các cấu trúc của các mô hình giải phẫu khác nhau, các hướng khác nhau của mô hình giải phẫu so với nguồn, và ở các khoảng cách khác nhau.
D.3.1.1.3 Xác định khoảng cách tối thiểu
Khoảng cách tối thiểu giữa hệ thống MF-WPT và các mô hình đồng nhất nơi đạt được sự tuân thủ với giới hạn trường cảm ứng được gọi là "khoảng cách tuân thủ". Nếu người trong điều kiện sử dụng thông thường tránh xa hệ thống MF-WPT nhiều hơn khoảng cách này thì hệ thống MF-WPT được coi là tuân thủ các giới hạn phơi nhiễm. Đối với các ứng dụng MF-WPT, nếu khoảng cách tuân thủ nhỏ hơn kích thước của EV thì hệ thống MF-WPT được coi là tuân thủ vì những người đứng cạnh EV vốn sẽ ở khoảng cách lớn hơn khoảng cách tuân thủ.
D.3.1.1.4 Xác nhận thực nghiệm về tính hợp lý của sự phân phối trường không gian trống
Để xác thực các kết quả mô phỏng và đặc biệt là để xác minh xem mô hình số của hệ thống MF-WPT được sử dụng trong mô phỏng có phải là sự thể hiện chính xác của thiết bị vật lý hay không, từ trường không gian tự do mô phỏng do hệ thống MF-WPT phát ra phải được so sánh với các trường đo được. Ngoài ra, cần thực hiện phân tích mức độ không đảm bảo đo cho cả mô phỏng và phép đo để xác định độ không đảm bảo tổng thể. Nếu độ lệch giữa từ trường không gian tự do được mô phỏng và từ trường đo được nằm trong độ không đảm bảo đo tổng hợp thì mô hình mô phỏng được chọn được xác định là đại diện tốt cho hệ thống MF-WPT. Mặt khác, cần phải cải thiện độ chính xác của mô hình mô phỏng MF-WPT trước khi thực hiện đánh giá phơi nhiễm bằng mô phỏng số như mô tả trong D.3.1.1.1.
D.3.1.2 Vùng bảo vệ 3
Để chứng minh sự phù hợp, quy trình mô phỏng được mô tả trong D.3.1.1 có thể được áp dụng cho khu vực bảo vệ 3. Vì các bộ mô phỏng cơ thể được mô tả trong D.3.1.1.1 không áp dụng được cho người ngồi bên trong EV nên sử dụng phương pháp giải phẫu các mô hình đại diện một cách thích hợp cho toàn bộ cơ thể người.
Sự phù hợp được thể hiện khi các mô phỏng thể hiện sự phù hợp với các hạn chế cơ bản của ICNIRP trong các điều kiện trường hợp xấu nhất theo D.2.
D.3.2 Thể hiện sự phù hợp với các mức tham chiếu ICNIRP
D.3.2.1 Vùng bảo vệ 2
Sự phù hợp được thể hiện khi cường độ trường không vượt quá mức tham chiếu ICNIRP trong các điều kiện vận hành trong trường hợp xấu nhất theo D.2 tại bất kỳ mặt phẳng thẳng đứng ảo nào trong bốn mặt phẳng thẳng đứng ảo được mô tả trong Hình D.4.

CHÚ DẪN
1 Cảm biến trường
Hình D.4 - Điểm đo vùng bảo vệ 2
Bốn mặt phẳng thẳng đứng ảo cách 20 cm bên ngoài và song song với bốn cạnh của xe như trên Hình D.4, được đo từ điểm nổi bật nhất của mỗi bên, không bao gồm gương chiếu hậu.
Việc chứng minh sự phù hợp có thể được thực hiện bằng các mô phỏng thích hợp hoặc bằng các phép đo với cảm biến trường 100 cm2 theo IEC 61786-1.
CHÚ THÍCH: Kỹ thuật ngoại suy để xác định cường độ trường tại đường biên chính xác của khu vực bảo vệ 1 và 2 đang được thảo luận.
D.3.2.2 Vùng bảo vệ 3
Sự phù hợp được thể hiện khi cường độ trường không vượt quá mức tham chiếu ICNIRP trong các điều kiện trường hợp xấu nhất theo D.2 tại các vị trí đo (a) đến (c) trong Hình D.5. Các vị trí đo này nên được áp dụng cho ghế lái và ghế gần EVPC nhất, trong trường hợp đây không phải là ghế lái.
Nếu ghế có thể điều chỉnh được vị trí của chúng thì chúng phải được đặt ở giữa để thử nghiệm; xem Hình D.6.
Việc thể hiện sự phù hợp có thể được thực hiện bằng mô phỏng thích hợp hoặc bằng các phép đo với đầu dò trường 100 cm2 theo IEC 61786-1.

Hình D.5 - Điểm đo vùng bảo vệ 3

Hình D.6 - Điều chỉnh vị trí ghế ngồi
CHÚ THÍCH: Tùy thuộc vào EV, có thể có những khu vực khác bên trong EV mà người bình thường có thể tiếp cận.
D.4 Thể hiện sự phù hợp với các yêu cầu để bảo vệ chức năng của AIMDS
D.4.1 Vùng bảo vệ số 2
Sự phù hợp được thể hiện khi cường độ trường không vượt quá giới hạn 10.4.4 (15 μT) trong các điều kiện vận hành trong trường hợp xấu nhất theo D.2 tại bất kỳ mặt phẳng nào trong số bốn mặt phẳng thẳng đứng ảo được mô tả trong Hình D.4.
Các phép đo được thực hiện với đầu dò trường 100 cm2 theo IEC 61786-1 như sau:
1) Áp dụng điểm đo có độ phân giải thô từ 7,5 cm trở xuống trên toàn bộ bốn mặt phẳng thẳng đứng (xem Hình D.Z). Tại mỗi điểm đo, độ lớn (tổng bình phương gốc;
) được ghi lại. Sự phù hợp được thể hiện khi tất cả các điểm đo đều có giá trị nhỏ hơn 15 μT. Nếu vượt quá giá trị 15 μT thì kiểm tra sự phù hợp với các giới hạn của 10.4.4 bằng cách lấy trung bình bốn điểm đo được quy định theo bước 2 và 3. Trong trường hợp vượt quá 15 μT ở một số điểm đo thì áp dụng bước 2 và 3 cho mỗi điểm đo.

CHÚ DẪN
| 1 | Lưới đo với độ phân giải thô 7,5 cm |
| 2 | Điểm đo mẫu có số đọc > 15 μT |
Hình D.7 - Ví dụ về điểm đo có số đọc >15 μT
2) Áp dụng độ phân giải thô lớn nhất 3,75 cm xung quanh (các) điểm đo được xác định ở bước 1 để xác định vị trí có số đọc cao nhất (xem Hình D.8).

CHÚ DẪN
| 1 | Lưới đo với độ phân giải thô 3,75 cm |
| 2 | Điểm đo mẫu có số đọc cao nhất |
Hình D.8 - Ví dụ về điểm đo có số đọc cao nhất
3) Sau khi xác định được điểm có số đọc cao nhất, một lưới 2 × 2 cách đều nhau gồm bốn điểm đo được quy định tập trung xung quanh điểm đo đó. Độ phân giải của lưới phải chính xác là 7,5 cm (xem Hình D.9). Nên chọn mặt phẳng của lưới để lớn nhất hóa số đọc trung bình của bốn điểm đo.

CHÚ DẪN
| 1 | Bốn điểm đo trong lưới 2 x 2 |
| 2 | Diện tích trung bình gần đúng |
Hình D.9 - Ví dụ về điểm đo có số đọc cao nhất
Các giá trị trường (cường độ) của bốn phép đo được tính trung bình (trung bình đơn giản).
Sự phù hợp được thể hiện khi mức trung bình nằm dưới giới hạn 10.4.4.
CHÚ THÍCH: Nếu đầu dò trường cản trở mặt đất (do đỉnh xuất hiện tại hoặc gần mặt đất) thì lưới 2 x 2 gồm bốn phép đo có thể được di chuyển lên trên để đầu dò trường chạm đất đối với hai phép đo phía dưới.
D.4.2 Vùng bảo vệ số 3
Sự phù hợp được thể hiện khi cường độ trường không vượt quá giới hạn 10.4.4 trong các điều kiện trường hợp xấu nhất theo D.2 tại các vị trí đo từ (a) đến (c) trên Hình D.5.
Các phép đo được thực hiện với đầu dò trường 100 cm2 theo IEC 61786-1. Tại mỗi điểm đo, độ lớn (tổng bình phương gốc;
) được ghi lại. Khi các giới hạn của 10.4.4 bị vượt quá tại một điểm đo thì có thể áp dụng phương pháp lấy trung bình được mô tả trong D.4.1.
Thư mục tài liệu tham khảo
[1] TCVN 12504-4 (ISO 6469-4), Phương tiện giao thông đường bộ chạy điện - Đặc tính kỹ thuật an toàn - Phần 4: An toàn điện khi đâm xe vào cột.
[2] ISO 4130, Road vehicles - Three-dimensional reference system and fiducial marks - Definitions (Phương tiện giao thông đường bộ - Hệ quy chiếu ba chiều và dấu chuẩn - Định nghĩa).
[3] ISO 14117, Active implantable medical devices Electromagnetic compatibility - EMC test protocols for implantable cardiac pacemakers, implantable cardioverter defibrillators and cardiac resynchronization devices (Thiết bị y tế cấy ghép chủ động Tương thích điện từ - Giao thức kiểm tra EMC dành cho máy tạo nhịp tim cấy ghép, máy khử rung tim cấy ghép và thiết bị tái đồng bộ tim).
[4] ISO 16750 (all parts), Road vehicles - Environmental conditions and testing for electrical and electronic equipment (Phương tiện giao thông đường bộ - Điều kiện môi trường và thử nghiệm thiết bị điện và điện tử).
[5] ISO 21498 (all parts)), Electrically propelled road vehicles - Electrical tests for voltage class B components (Phương tiện giao thông đường bộ chạy bằng điện - Thử nghiệm điện cho các bộ phận có điện áp loại B).
[6] IEC 61786-1, Measurement of DC magnetic, AC magnetic and AC electric fields from 1 Hz to 100 Hz with regard to exposure of human beings - Part 1: Requirements for measuring instruments (Đo từ trường DC, từ trường AC và điện trường xoay chiều từ 1 Hz đến 100 Hz liên quan đến sự tiếp xúc của người- Phần 1: Yêu cầu đối với dụng cụ đo).
[7] IEC 62311, Assessment of electronic and electrical equipment related to human exposure restrictions for electromagnetic fields (0 Hz - 300 GHz) (Đánh giá thiết bị điện và điện tử liên quan đến hạn chế tiếp xúc của người đối với trường điện từ (0 Hz - 300 GHz)).
MỤC LỤC
Lời nói đầu
1 Phạm vi áp dụng
2 Tài liệu viện dẫn
3 Thuật ngữ và định nghĩa
4 Cấu trúc hệ thống
5 Yêu cầu về điều kiện môi trường
6 Phân loại
7 Yêu cầu truyền năng lượng MF-WPT
8 Yêu cầu đối với hoạt động truyền thông và MF-WPT
9 Yêu cầu đối với EMC
10 Yêu cầu an toàn
11 Sổ tay hướng dẫn sử dụng và ghi nhãn
Phụ lục A (Tham khảo) Mạch nguồn cấp điện chuẩn cho EVPC có công suất ra danh định 3,7 kW
Phụ lục B (Tham khảo) Mạch nguồn cấp điện chuẩn cho EVPC có công suất ra danh định ≤ 11,1 kW
Phụ lục C (Tham khảo) Ví dụ về cách thực hiện khác của mạch cấp nguồn
Phụ lục D (Tham khảo) Chứng minh sự phù hợp để bảo vệ người chống lại các hiệu ứng điện từ
Thư mục tài liệu tham khảo
Bạn chưa Đăng nhập thành viên.
Đây là tiện ích dành cho tài khoản thành viên. Vui lòng Đăng nhập để xem chi tiết. Nếu chưa có tài khoản, vui lòng Đăng ký tại đây!