- Tổng quan
- Nội dung
- Tiêu chuẩn liên quan
- Lược đồ
- Tải về
Tiêu chuẩn Quốc gia TCVN 9246:2012 Cọc ống ván thép
| Số hiệu: | TCVN 9246:2012 | Loại văn bản: | Tiêu chuẩn Việt Nam |
| Cơ quan ban hành: | Bộ Khoa học và Công nghệ | Lĩnh vực: | Xây dựng |
|
Ngày ban hành:
Ngày ban hành là ngày, tháng, năm văn bản được thông qua hoặc ký ban hành.
|
2012 |
Hiệu lực:
|
Đã biết
|
| Người ký: | Đang cập nhật |
Tình trạng hiệu lực:
Cho biết trạng thái hiệu lực của văn bản đang tra cứu: Chưa áp dụng, Còn hiệu lực, Hết hiệu lực, Hết hiệu lực 1 phần; Đã sửa đổi, Đính chính hay Không còn phù hợp,...
|
Đã biết
|
TÓM TẮT TIÊU CHUẨN VIỆT NAM TCVN 9246:2012
Nội dung tóm tắt đang được cập nhật, Quý khách vui lòng quay lại sau!
Tải tiêu chuẩn Việt Nam TCVN 9246:2012
TIÊU CHUẨN QUỐC GIA
TCVN 9246:2012
CỌC ỐNG VÁN THÉP
Steel pipe sheet piles
Lời nói đầu
TCVN 9246: 2012 được biên soạn trên cơ sở JIS A 5530:2010.
TCVN 9246:2012 do Ban kỹ thuật tiêu chuẩn quốc gia TCVN/TC 17 Thép biên soạn, Tổng cục Tiêu chuẩn Đo lường Chất lượng đề nghị, Bộ Khoa học và Công nghệ công bố.
CỌC ỐNG VÁN THÉP
Steel pipe sheet piles
1. Phạm vi áp dụng
Tiêu chuẩn này quy định cọc ống ván thép được sử dụng cho kết cấu kè bao ngoài, kết cấu tường chống ngập1), kết cấu móng của công trình xây dựng và những công trình tương tự.
Tiêu chuẩn này áp dụng cho cọc ống ván thép có đường kính ngoài từ 500 mm đến 2000 mm.
Trong trường hợp cọc có đường kính ngoài lớn hơn 2000 mm tham khảo các quy định của tiêu chuẩn này (xem Phụ lục C) và theo thỏa thuận giữa nhà sản xuất và khách hàng.
CHÚ THÍCH 1: Cấu tạo cọc ống ván thép và ký hiệu của từng bộ phận được thể hiện trên Hình 1 tới Hình 3. Thân ống thép được định nghĩa là một ống hở duy nhất hoặc các ống hở được nối với nhau bằng mối hàn chu vi tại nơi sản xuất (sau đây gọi là các ống nối). Một cọc ống ván thép được định nghĩa là một cụm thân ống thép liên kết với nhau bằng các tai nối. Một số cọc ống ván thép không có tai nối, phụ thuộc vào điều kiện sử dụng hoặc cấu tạo phần thân.
Đối với các cọc ống ván thép được nối tại nơi sản xuất, những cọc phía trên, ở giữa và phía dưới được ký hiệu tương ứng là cọc ống ván thép trên, cọc ống ván thép giữa và cọc ống ván thép dưới. Khi có hai hoặc nhiều hơn cọc ống ván thép giữa, cọc thấp nhất được chỉ định là cọc ống ván thép giữa đầu tiên, tiếp theo là cọc ống ván thép ở giữa thứ hai, thứ ba v.v… Ngoài ra những thành phần sử dụng để liên kết các tai nối của cọc ống ván thép với nhau tại công trường được chỉ rõ là các liên kết tai nối.
CHÚ THÍCH 2: Mối hàn chu vi tại nơi sản xuất để nối những ống hở lại với nhau tạo nên thân của ống thép phải do nhà sản xuất thực hiện, những mối hàn chu vi tại công trường liên quan đến mối hàn chu vi để nối các cọc ống ván thép lại với nhau phải do nhà thầu thi công thực hiện.

2. Tài liệu viện dẫn
Các tài liệu viện dẫn sau rất cần thiết cho việc áp dụng tiêu chuẩn này. Đối với các tài liệu viện dẫn ghi năm công bố thì áp dụng phiên bản được nêu. Đối với các tài liệu viện dẫn không ghi năm công bố thì áp dụng phiên bản mới nhất, bao gồm cả các sửa đổi, bổ sung (nếu có).
TCVN 197 (ISO 6892), Vật liệu kim loại – Thử kéo ở nhiệt độ phòng.
TCVN 1517, Quy tắc viết và làm tròn số.
TCVN 4398 (ISO 377), Thép và sản phẩm thép – Vị trí lấy mẫu, chuẩn bị phôi mẫu và mẫu thử cơ tính.
TCVN 4399 (ISO 404), Thép và các sản phẩm thép – Yêu cầu kỹ thuật chung khi cung cấp.
TCVN 7508 (EN 12517), Kiểm tra không phá hủy mối hàn – Kiểm tra mối hàn bằng chụp tia bức xạ – Mức chấp nhận.
TCVN 8310 (ISO 4136), Thử phá hủy mối hàn trên vật liệu kim loại – Thử kéo ngang.
TCVN 8998:2011 (ASTM E 415-08), Thép cacbon và thép hợp kim thấp – Phương pháp phân tích bằng quang phổ phát xạ chân không.
ISO 10474, Steel and steel products – Inspection documents (Thép và sản phẩm thép – Hồ sơ kiểm tra).
ISO 17636, Non-destructive examination of welds – Radiographic examination of welded joints (Kiểm tra không phá hủy mối hàn – Kiểm tra mối hàn bằng chụp tia bức xạ).
3. Ký hiệu và phân loại cấp cọc
3.1. Ký hiệu cọc ống ván thép bao gồm các chữ và số như sau:
- SPSP: Chữ viết tắt của cọc ván ống thép theo tiếng Anh (Steel Pipe Sheet Piles).
- Ba chữ số tiếp sau chỉ giới hạn bền kéo nhỏ nhất tính bằng megapascal (MPa).
3.2. Cọc ống ván thép được chia thành 3 cấp theo Bảng 1.
Bảng 1 – Ký hiệu cấp cọc ống ván thép
| Ký hiệu cấp cọc | Giới hạn bền kéo MPa |
| SPSP 345 | ≥ 345 |
| SPSP 400 | ≥ 400 |
| SPSP 490 | ≥ 490 |
4. Phương pháp sản xuất
4.1. Ống hở được sản xuất bằng cách hàn xoắn ốc và hàn thẳng thép băng cuộn theo phương pháp hàn hồ quang điện hoặc hàn điện trở.
Mối hàn nối của các ống hở với nhau theo mối hàn chu vi tại nơi sản xuất phải được bố trí so le với nhau ít nhất bằng 1/8 chu vi ống.
4.2. Thân ống thép là ống hở duy nhất hoặc là các ống nối từ các ống hở bằng cách hàn theo chu vi tại nơi sản xuất. Những ống nối có thể được chế tạo bằng cách liên kết các ống hở khác cấp nhau hoặc có chiều dày khác nhau bằng cách hàn chu vi tại nơi sản xuất.
4.3. Cọc ống ván théo được tạo ra bằng cách hàn tai nối vào thân của ống thép.
5. Thành phần hóa học
Các ống hở được xác định thành phần hóa học phù hợp với 12.1 và kết quả phân tích mẻ nấu của chúng phải theo Bảng 2.
Bảng 2 – Thành phần hóa học
Tính bằng phần trăm
| Kí hiệu cấp | C | Si | Mn | P | S |
| SPSP 345 | – | – | – | ≤ 0,050 | ≤ 0,050 |
| SPSP 400 | ≤ 0,25 | – | – | ≤ 0,040 | ≤ 0,040 |
| SPSP 490 | ≤ 0,18 | ≤ 0,55 | ≤ 1,65 | ≤ 0,035 | ≤ 0,035 |
| Các nguyên tố hợp kim khác với những nguyên tố được nêu trong bảng có thể được thêm vào, nếu có yêu cầu. | |||||
6. Tính chất cơ học
Các ống hở phải được thử phù hợp với 12.2 và giới hạn bền kéo, giới hạn chảy, độ giãn dài của ống hở, giới hạn bền kéo của mối hàn và độ chống nén bẹp của ống hở phải phù hợp với bảng 3. Đối với độ chống nén bẹp, các mẫu thử không được có các vết rạn hoặc nứt. Tuy nhiên giới hạn bền kéo của chi tiết hàn được áp dụng cho ống hở được sản xuất theo phương pháp hàn hồ quang và độ chống nén bẹp được áp dụng cho ống hở được sản xuất theo phương pháp hàn điện trở.
Bảng 3 – Tính chất cơ học
| Kí hiệu cấp | Giới hạn bền kéo MPa | Giới hạn chảy MPa | Độ giãn dài % | Giới hạn bền kéo của mối hàn MPa | Độ chống nén bẹp Khoảng cách giữa các tấm phẳng (H) (D là đường kính ngoài của ống) |
| Mẫu thử theo Hình 4 Hướng vuông góc với trục ống | |||||
| SPSP 345 | ≥ 345 | ≥ 205 | ≥ 18 | ≥ 345 | 2/3D |
| SPSP 400 | ≥ 400 | ≥ 235 | ≥ 18 | ≥ 400 | 2/3D |
| SPSP 490 | ≥ 490 | ≥ 315 | ≥ 18 | ≥ 490 | 7/8D |
| CHÚ THÍCH: 1 MPa = 1 N/mm2 | |||||

Tính bằng milimet
| Chiều rộng W | Chiều dài cữ L | Chiều dài phần song song P | Bán kính góc lượn R | Chiều dày T |
| 25 | 50 | 60 | Nhỏ nhất 15 | Chiều dày của vật liệu |
| CHÚ THÍCH: Khi sử dụng mẫu thử này cho phép băng có chiều dày không lớn hơn 3 mm, bán kính góc lượn R phải từ 20 mm đến 30 mm và chiều rộng B có đầu kẹp phải không nhỏ hơn 30 mm. | ||||
Hình 4 – Mẫu thử kéo
7. Mối hàn chu vi tại nơi sản xuất
Mối hàn chu vi tại nơi sản xuất và chất lượng của chúng phải như sau:
7.1. Vật liệu hàn
Các vật liệu hàn sử dụng cho mối hàn chu vi để liên kết những ống hở với nhau tạo nên một ống đơn phải có giới hạn bền kéo không nhỏ hơn giới hạn bền kéo của vật liệu ống hở và thích hợp với vật liệu ống hở.
Ngoài ra vật liệu hàn sử dụng cho mối hàn chu vi tại nơi sản xuất của các loại ống hở khác nhau về cấp ống phải có giới hạn bền kéo bằng hoặc lớn hơn giới hạn bền kéo của vật liệu ống hở có giới hạn bền kéo thấp hơn trong nhóm ống hở được hàn nối.
7.2. Chất lượng
Mối hàn chu vi tại nơi sản xuất phải được kiểm tra bằng chụp tia bức xạ theo 12.3 và khuyết tật phải là mức chấp nhận 2 theo TCVN 7508.
8. Vật liệu của tai nối và tai nối liên kết
Vật liệu của tai nối và tai nối liên kết phải có cơ tính bằng hoặc cao hơn cơ tính của SPSP 345 đối với cọc cấp SPSP 345 và của ống hở SPSP 400 đối với cọc cấp SPSP 400 và SPSP 490 và thích hợp với vật liệu ống hở.
Những vật liệu hàn được sử dụng để lắp ghép các tai nối và tai nối liên kết phải có giới hạn bền kéo bằng hoặc cao hơn giới hạn bền kéo quy định của vật liệu làm tai nối và tai nối liên kết và phù hợp với quy định của 7.1.
9. Phụ kiện, tạo hình, sơn và phủ
Khách hàng có thể chỉ định các phương pháp tạo hình, sơn và phủ cho các phụ kiện gắn với cọc ống ván thép, các phương pháp tạo hình, sơn và phủ cho cọc. Trong trường hợp này chất lượng bề mặt, cách kiểm tra, ghi nhãn và các yêu cầu khác phải theo thỏa thuận giữa nhà sản xuất và khách hàng. Ngoài những yêu cầu được quy định trong tiêu chuẩn này, hình dạng và kích thước điển hình của phụ kiện gắn với thân ống thép được trình bày trong Phụ lục A, các mẫu điển hình về tạo hình, sơn và phủ trên thân ống thép được trình bày trong Phụ lục B.
Các yêu cầu về phụ kiện, phương pháp tạo hình, sơn và phủ này có thể được khách hàng chỉ định theo thỏa thuận trước với nhà sản xuất.
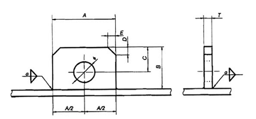
10. Hình dạng, kích thước, khối lượng và dung sai
10.1. Hình dạng bao ngoài của cọc ống ván thép
Hình dạng bao ngoài của cọc ống ván thép phải như được trình bày trên Hình 5. Khi nối các ống hở có chiều dày khác nhau, các ống hở phải được gia công trước tại nơi sản xuất theo thỏa thuận giữa khách hàng và nhà cung cấp.

CHỈ DẪN: Mặt đỉnh là đầu trên của cọc ống ván thép và bề mặt tại mũi cọc là đầu dưới của cọc ống ván thép.
Hình 5 – Hình dạng 2 mặt đỉnh – đáy và các mối hàn chu vi ở công trường của cọc ống ván thép

a) Chiều dài của phần bị cắt ở mặt trong ống không được nhỏ hơn 4 (t1 - t2). Tuy nhiên, khi t1 - t2 không lớn hơn 2 mm, không chú ý đến mối hàn 2 mặt trong và ngoài được thi công như thế nào; hoặc khi t1 - t2 không lớn hơn 3 mm trong trường hợp đường hàn cả 2 mặt là mối hàn chu vi tại nơi sản xuất, không yêu cầu phải cắt đi.
Hình 6 – Hình dạng mối hàn chu vi tại nơi sản xuất của các ống hở có chiều dày khác nhau
10.2. Hình dạng tai nối và tai nối liên kết của cọc ống ván thép
Nếu không có chỉ dẫn khác, hình dạng tai nối và tai nối liên kết của cọc ống ván thép phải phù hợp với Hình 7. Các ví dụ về kích thước tai nối và tai nối liên kết được trình bày ở Bảng 4.

Hình 7 – Dạng tai nối và liên kết tai nối
Bảng 4 – Các kích thước tai nối và tai nối liên kết điển hình
Tính bằng milimét
| Dạng tai nối | Kích thước tai nối | Chú thích |
| Dạng L – T L: Thép góc T: Thép chữ T | L: 65 x 65 x 8 T: 125 x 9 x (x 39 x 12)
L: 75 x 75 x 9 T: 125 x 9 x (x 39 x 12)
L: 100 x 75 x 10 T: 125 x 9 x (x 39 x 12) | L: A x C x t T: B x t2 (x H x t1) |
| Dạng P – P P: Thép ống | P: Ø165,2 x 9 P: Ø165,2 x 11 | P: D x t |
| Dạng P – T P: Thép ống T: Thép chữ T | P: Ø165,2 x 9 T: 76 x 85 x 9 x 9 | P: D x t T: H x B x t1 x t2 |
10.3. Kích thước và khối lượng của thân ống thép
Kích thước và khối lượng của thân ống thép như sau:
a) Đường kính ngoài, chiều dày, diện tích mặt cắt ngang và khối lượng đơn vị của thân ống thép được quy định trong Bảng 5.
b) Chiều dài của ống hở thường là 2 m hoặc lớn hơn. Chiều dài của thân ống thép thường là 6 m hoặc tăng thêm theo bội số của 0,5 m.
Bảng 5 – Kích thước a) và khối lượng đơn vị
| Đường kính ngoài
D mm | Chiều dày
t mm | Diện tích mặt cắt ngang
A cm2 | Khối lượng đơn vị
W kg/m | Thông số tham khảo | |||
| Mômen quán tính trục phẳng l cm4 | Mô-đun quán tính
Z cm3 | Bán kính quán tính
i cm | Diện tích mặt ngoài
m2/m | ||||
| 500 | 9 12 14 | 138,8 184,0 213,8 | 109 144 168 | 418 x 102 548 x 102 632 x 102 | 167 x 10 219 x 10 253 x 10 | 17,4 17,3 17,2 | 1,57 1,57 1,57 |
| 508,0 | 9 12 14 | 141,1 187,0 217,3 | 111 147 171 | 439 x 102 575 x 102 663 x 102 | 173 x 10 227 x 10 261 x 10 | 17,6 17,5 17,5 | 1,60 1,60 1,60 |
| 600 | 9 12 14 16 | 167,1 221,7 257,7 293,6 | 131 174 202 230 | 730 x 102 958 x 102 111 x 103 125 x 103 | 243 x 10 319 x 10 369 x 10 417 x 10 | 20,9 20,8 20,7 20,7 | 1,88 1,88 1,88 1,88 |
| 609,6 | 9 12 14 16 | 169,8 225,3 262,0 298,4 | 133 177 206 234 | 766 x 102 101 x 103 116 x 103 132 x 103 | 251 x 10 330 x 10 381 x 10 431 x 10 | 21,2 21,1 21,1 21,0 | 1,92 1,92 1,92 1,92 |
| 700 | 9 12 14 16 | 195,4 259,4 301,7 343,8 | 153 204 237 270 | 117 x 103 154 x 103 178 x 103 201 x 103 | 333 x 10 439 x 10 507 x 10 575 x 10 | 24,4 24,3 24,3 24,2 | 2,20 2,20 2,20 2,20 |
|
|
|
|
|
|
|
|
|
| 711,2 | 9 12 14 16 | 198,5 263,6 306,6 349,4 | 156 207 241 274 | 122 x 103 161 x 103 186 x 103 211 x 103 | 344 x 10 453 x 10 524 x 10 594 x 10 | 24,8 24,7 24,7 24,6 | 2,23 2,23 2,23 2,23 |
| 800 | 9 12 14 16 | 223,6 297,1 345,7 394,1 | 176 233 271 309 | 175 x 103 231 x 103 267 x 103 303 x 103 | 437 x 10 577 x 10 668 x 10 757 x 10 | 28,0 27,9 27,8 27,7 | 2,51 2,51 2,51 2,51 |
| 812,8 | 9 12 14 16 | 227,3 301,9 351,3 400,5 | 178 237 276 314 | 184 x 103 242 x 103 280 x 103 318 x 103 | 452 x 10 596 x 10 690 x 10 782 x 10 | 28,4 28,3 28,2 28,2 | 2,55 2,55 2,55 2,55 |
| 900 | 12 14 16 19 | 334,8 389,7 444,3 525,9 | 263 306 349 413 | 330 x 103 382 x 103 434 x 103 510 x 103 | 733 x 10 850 x 10 965 x 10 113 x 102 | 31,4 31,3 31,3 31,2 | 2,83 2,83 2,83 2,83 |
| 914,4 | 12 14 16 19 | 340,2 396,0 451,6 534,5 | 267 311 354 420 | 346 x 103 401 x 103 456 x 103 536 x 103 | 758 x 10 878 x 10 997 x 10 117 x 102 | 31,9 31,8 31,8 31,7 | 2,87 2,87 2,87 2,87 |
| 1000 | 12 14 16 19 | 372,5 433,7 494,6 585,6 | 292 340 388 460 | 455 x 103 527 x 103 599 x 103 705 x 103 | 909 x 10 105 x 102 120 x 102 141 x 102 | 34,9 34,9 34,8 34,7 | 3,14 3,14 3,14 3,14 |
| 1016,0 | 12 14 16 19 | 378,5 440,7 502,7 595,1 | 297 346 395 467 | 477 x 103 553 x 103 628 x 103 740 x 103 | 939 x 102 109 x 102 124 x 102 146 x 102 | 35,5 35,4 35,4 35,3 | 3,19 3,19 3,19 3,19 |
| 1100 | 14 16 19 | 477,6 544,9 645,3 | 375 428 506 | 704 x 103 800 x 103 943 x 103 | 128 x 102 146 x 102 171 x 102 | 38,4 38,3 38,2 | 3,46 3,46 3,46 |
| 1117,6 | 14 16 19 | 485,4 553,7 655,8 | 381 435 515 | 739 x 103 840 x 103 990 x 103 | 132 x 102 150 x 102 177 x 102 | 39,0 39,0 38,8 | 3,51 3,51 3,51 |
| 1200 | 14 16 19 22 | 521,6 595,1 704,9 814,2 | 409 467 553 639 | 917 x 103 104 x 104 123 x 104 141 x 104 | 153 x 102 174 x 102 205 x 102 235 x 102 | 41,9 41,9 41,8 41,7 | 3,77 3,77 3,77 3,77 |
| 1219,2 | 14 16 19 22 | 530,1 604,8 716,4 827,4 | 416 475 562 650 | 963 x 103 109 x 104 129 x 104 148 x 104 | 158 x 102 180 x 102 212 x 102 243 x 102 | 42,6 42,5 42,4 42,3 | 3,83 3,83 3,83 3,83 |
| 1300 | 16 19 22 | 645,4 764,6 883,3 | 507 600 693 | 133 x 104 157 x 104 180 x 104 | 205 x 102 241 x 102 278 x 102 | 45,4 45,3 45,2 | 4,08 4,08 4,08 |
| 1320,8 | 16 19 22 | 655,9 777,0 897,7 | 515 610 705 | 140 x 104 165 x 104 189 x 104 | 211 x 102 249 x 102 287 x 102 | 46,1 46,0 45,9 | 4,15 4,15 4,15 |
| 1400 | 16 19 22 | 695,7 824,3 952,4 | 546 647 748 | 167 x 104 197 x 104 226 x 104 | 238 x 102 281 x 102 323 x 102 | 48,9 48,8 48,7 | 4,40 4,40 4,40 |
| 1422,4 | 16 19 22 | 706,9 837,7 967,9 | 555 658 760 | 175 x 104 206 x 104 237 x 104 | 246 x 102 290 x 102 334 x 102 | 49,7 49,6 49,5 | 4,47 4,47 4,47 |
| 1500 | 19 22 25 | 884,0 1021,5 1158,5 | 694 802 909 | 242 x 104 279 x 104 315 x 104 | 323 x 102 372 x 102 420 x 102 | 52,4 52,3 52,2 | 4,71 4,71 4,71 |
| 1524,0 | 19 22 25 | 898,3 1038,1 1177,3 | 705 815 924 | 254 x 104 293 x 104 331 x 104 | 334 x 102 384 x 102 434 x 102 | 53,2 53,1 53,0 | 4,79 4,79 4,79 |
| 1600 | 19 22 25 | 943,7 1090,6 1237,0 | 741 856 971 | 295 x 104 340 x 104 384 x 104 | 369 x 102 424 x 102 480 x 102 | 55,9 55,8 55,7 | 5,03 5,03 5,03 |
| 1625,6 | 19 22 25 | 959,0 1108,3 1257,1 | 753 870 987 | 309 x 104 356 x 104 403 x 104 | 381 x 102 438 x 102 495 x 102 | 56,8 56,7 56,6 | 5,11 5,11 5,11 |
| 1800 | 22 25 | 1228,9 1394,1 | 965 1094 | 486 x 104 549 x 104 | 540 x 102 610 x 102 | 62,9 62,8 | 5,65 5,65 |
| 2000 | 22 25 | 1367,1 1551,2 | 1073 1218 | 669 x 104 756 x 104 | 669 x 102 756 x 102 | 69,9 69,8 | 6,28 6,28 |
| CHÚ THÍCH: Giá trị số học của khối lượng đơn vị được tính bằng công thức sau với khối lượng riêng của thép là 7,85 g/cm3 và được làm tròn tới 3 chữ số có nghĩa theo TCVN 1517. Trong trường hợp lớn hơn 1000 kg/m, được làm tròn tới 4 chữ số. W = 0,02466t(D-t) Trong đó: W: Khối lượng đơn vị của ống (kg/m) t: chiều dày của ống (mm) D: đường kính ngoài của ống (mm) 0,02466: Hệ số chuyển đổi đơn vị để tính được W. a) Những kích thước khác so với bảng trên phải theo thỏa thuận giữa nhà sản xuất với khách hàng. | |||||||
10.4. Hình dạng và dung sai kích thước của cọc ống ván thép
Hình dạng và dung sai về kích thước của cọc ống ván thép phải phù hợp với các mức quy định nêu tại mục a) và b) dưới đây. Trong trường hợp cọc ống ván thép có đường kính ngoài nhỏ hơn 500 mm hoặc lớn hơn 2000 mm hoặc trong trường hợp tỷ số t/D nhỏ hơn 1,1%, hình dạng và dung sai kích thước phải theo thỏa thuận giữa nhà sản xuất và khách hàng.
a) Hình dạng và dung sai kích thước của cọc ống ván thép phải phù hợp với các quy định trong Bảng 6.
b) Đối với mối hàn chu vi tại công trường, độ lệch tuyến tính tại mối nối giữa hai cọc ống ván thép (sau đây gọi là “độ lệch tuyến tính của mối hàn chu vi tại công trường”) phải bằng chênh lệch chiều dài ngoại biên giữa các thân ống thép đã chia cho
và dung sai cho phép phải phù hợp với quy định trong Bảng 7, với
= 3,1416.
Bảng 6 – Hình dạng và dung sai kích thước
| Phân loại | Dung sai | Ghi chú | ||
| Đường kính ngoài a) (D) | Phần cuối của ống | ± 0,5% | Dung sai đường kính ngoài phải dựa trên kích thước đo chu vi. Quy đổi chung của đường kính ngoài (D) và chu vi (c) phải theo công thức: D = c/ Với: D: đường kính ngoài (mm) c: chu vi (mm)
| |
| Chiều rộng (W) | 1,1% ≤ t/D <> | ± 2,0% |
| |
| t/D ≥ 1,5% | ± 1,5% | |||
| Chiều dày a) (t) | t < 16=""> | 500 mm ≤ D < 800=""> | + Không xác định - 0,7 mm |
|
| 800 mm ≤ D ≤ 2000 mm | + Không xác định - 0,8 mm | |||
| t ≥ 16 mm | 500 mm ≤ D < 800=""> | + Không xác định - 0,8 mm | ||
| 800 ≤ D ≤ 2000 mm | + Không xác định - 1,0 mm | |||
| Chiều dài b) (L), (l) | Thân ống thép (L) | + Không xác định - 0 |
| |
| Tai nối (l) | ||||
Bảng 6 – Tiếp theo
| Phân loại | Dung sai | Ghi chú | |||
| Độ uốn c) (M) | M ≤ 0,1% L với L là chiều dài ống. Tuy nhiên có thể lấy M ≤ 6 mm đối với ống có L < 6=""> |
| |||
| Độ võng d) (S) | S ≤ 0,1% L Tuy nhiên, S ≤ 6 mm đối với ống có L < 6=""> |
| |||
| Độ thẳng d) (P) của rãnh tai nối | Chiều dài của tai nối (l) ≤ 15 m | lớn nhất 10 mm |
| ||
| Chiều dài của tai nối (l) > 15 m | Trong khoảng 1/1500 chiều dài (l) của tai nối | ||||
| Vị trí gắn tai nối (Q) | Phần đầu mút của ống | Lớn nhất 5 mm |
| ||
| Độ nén bẹp của mặt mút để tạo hình cho đường hàn tại công trường | Thân ống thép (h) | Lớn nhất 2 mm |
| ||
| Tai nối (h’) |
| ||||
| Độ vuông góc của mặt mút ống để tạo hình cho mối hàn chu vi tại công trường | Thân ống thép (C) | D ≤ 1000 m\m | L ≤ 18 m | C ≤ 0,5%D, lớn nhất 3 mm |
|
| L > 18 m | C ≤ 0,5%D, lớn nhất 4 mm | ||||
| D > 1000 mm |
| ||||
| Tai nối (C’) | Lớn nhất 2 mm | ||||
| CHÚ THÍCH: Mặc dù các hình cột ghi chú ở Bảng 6 được thể hiện cho loại ống P – P, nhưng nguyên tắc này vẫn áp dụng được cho các dạng tai nối khác. a) Đường kính ngoài và chiều dày phải được đo ở phần thân ống thép. b) Dung sai chiều dài có thể được lấy theo hợp đồng giữa nhà sản xuất và khách hàng, với dung sai dương: + không xác định và dung sai âm: - 50 mm. c) Điểm đo độ uốn phải ở gần tai nối và ở cả chỗ lồi cũng như chỗ lõm. d) Các điểm đo độ võng và độ thẳng của rãnh tai nối phải ở cả chỗ lồi cũng như chỗ lõm. | |||||
Bảng 7 – Dung sai về độ lệch tuyến tính của mối hàn chu vi tại công trường a)
Tính bằng milimét
| Đường kính ngoài D, mm | Dung sai |
| 500 ≤ D < 700=""> | Lớn nhất 2 |
| 700 ≤ D ≤ 1016 mm | Lớn nhất 3 |
| 1016 < d="" ≤="" 2000=""> | Lớn nhất 4 |
| CHÚ THÍCH: Độ lệch tuyến tính là sự chênh lệch đường kính ngoài (giá trị quy đổi chiều dài ngoại biên) của hai cọc ống ván thép được nối với nhau bằng mối hàn chu vi tại công trường. a) Khi cần để quyết định trước kết hợp một phần hoặc tất cả các cọc ống ván thép đúng theo dung sai. Các cọc ống ván thép nối với nhau phải được ghi nhãn riêng từng cọc bằng số hoặc ký hiệu nhằm tránh sai sót khi thao tác ngoài công trường. | |
10.5. Đai tăng cường được gắn vào cọc ống ván thép khi tỷ số t/D (chiều dày/đường kính ngoài) nhỏ hơn 1,1 %.
Khi tỷ số t/D của cọc ống ván thép nhỏ hơn 1,1%, phải gắn đai tăng cường bên trong để chống biến dạng.Dung sai chiều rộng trong trường hợp này phải là ± 2,0 %. Kích thước điển hình của đai tăng cường được trình bày ở Hình 8.

Hình 8 – Đai tăng cường để chống biến dạng
11. Chất lượng bề mặt
Cọc ống ván thép phải không có khuyết tật bất lợi cho việc sử dụng. Tuy nhiên, sự gián đoạn bề mặt gây bất lợi cho sử dụng có thể loại bỏ bằng cách mài hoặc được sửa chữa bằng hàn.
12. Phương pháp thử
12.1. Phương pháp xác định thành phần hóa học
Phương pháp xác định thành phần hóa học của mẻ nấu theo thỏa thuận của nhà sản xuất và khách hàng.
Thành phần hóa học của ống được xác định bằng phương pháp quang phổ phát xạ chân không phù hợp với TCVN 8998:2011 (ASTM E 415-08).
12.2. Thử cơ tính
12.2.1. Yêu cầu chung
Các yêu cầu chung cho thử cơ tính theo TCVN 4398 (ISO 377) và TCVN 4399 (ISO 404).
12.2.2. Thử kéo
Việc thử kéo phải được thực hiện trên kim loại gốc của ống hở và ở phần đã được hàn của ống hàn bằng hồ quang. Phương pháp lấy mẫu và số lượng mẫu thử được trình bày trong Bảng 8.
a) Mẫu thử
Mẫu thử phải như sau:
1) Mẫu thử kéo phải là mẫu thử theo TCVN 8310 (ISO 4136) và phương pháp lấy mẫu phải phù hợp với một trong những phương pháp sau:
- Đối với ống không được tạo hình bằng cách giãn nở ống, mẫu thử phải được lấy từ ống đó hoặc từ cuộn thép hoặc tấm thép đã dùng để làm ra ống.
- Đối với ống được tạo hình bằng cách giãn nở ống, thì mẫu thử phải được lấy từ ống đó.
2) Mẫu thử giới hạn bền kéo của mối hàn của ống thép hàn bằng hồ quang điện phải là mẫu thử theo TCVN 8310 (ISO 4136) và phải bị cắt ra từ mẫu thử được lấy ở phần cuối ống đã được hàn với điều kiện tương tự như ống hở đó hoặc chính ống hở đó.
b) Phương pháp thử
Phương pháp thử theo TCVN 197 (ISO 6982).
Bảng 8 – Phương pháp lấy mẫu và số lượng mẫu thử
| Phân loại | Phương pháp lấy mẫu | Số lượng mẫu thử lấy từ một phôi mẫu |
| Trường hợp lấy phôi mẫu từ ống hở | Lấy một phôi mẫu cho mỗi 1250 m ống có cùng kích thước a), hoặc theo cùng tỷ lệ. | Mẫu thử kéo: 1 Mẫu thử kéo mối hàn: 1 Mẫu thử độ nén bẹp: 1 |
| Trường hợp lấy phôi mẫu để thử kéo từ thép tấm hoặc thép băng | Đối với thép tấm, lấy một phôi mẫu từ mỗi nhóm có cùng mẻ luyện, trong đó chiều dày lớn nhất không gấp đôi chiều dày nhỏ nhất. Đối với một nhóm có khối lượng vượt quá 50 t, lấy một phôi mẫu trên hai sản phẩm từ mỗi nhóm. Đối với thép băng, lấy một phôi mẫu từ mỗi nhóm thép băng cùng mẻ luyện và chiều dày. Đối với một nhóm có khối lượng vượt quá 50 t, cứ hai sản phẩm mẫu phải lấy một mẫu thử.
| Mẫu thử kéo: 1 |
| Trường hợp lấy một mẫu thử giới hạn bền kéo của mối hàn từ đoạn cuối của ống thép được hàn thẳng trong cùng điều kiện hàn như ống hở | Lấy một phôi mẫu cho mỗi 1250 m ống có cùng kích thước a), hoặc theo cùng tỷ lệ. | Mẫu thử kéo mối hàn: 1 |
| CHÚ THÍCH: Về việc áp dụng các hạng mục thử nghiệm, xem Điều 6. a) Cùng một kích thước là cùng đường kính ngoài và cùng chiều dày ống. | ||
12.2.3. Thử nén bẹp
Thử nén bẹp như sau:
a) Mẫu thử: Đối với ống thép hàn bằng điện trở, lấy một mẫu thử nén bẹp có chiều dài 50 mm hoặc lớn hơn ở đầu mút ống hở.
b) Phương pháp thử: Đặt một mẫu thử giữa hai tấm phẳng ở nhiệt độ phòng và nén cho đến khi khoảng cách giữa hai tấm phẳng đạt giá trị như cho ở Bảng 3. Kiểm tra khe hở và vết nứt của mẫu thử đã được nén bẹp. Mẫu thử được đặt sao cho đường nối giữa tâm ống và mối hàn vuông góc với hướng nén như trong Hình 9.

Hình 9 – Thử nén bẹp
12.3. Kiểm tra bằng chụp tia bức xạ
Kiểm tra bằng chụp tia bức xạ cho mối hàn chu vi tại nơi sản xuất như sau:
a) Tần suất kiểm tra và điểm kiểm tra bằng chụp tia bức xạ
Chụp một phim bằng tia bức xạ tại chỗ giao nhau của mối hàn đường và mối hàn chu vi tại nơi sản xuất cho mỗi 10 điểm của mối hàn chu vi tại nơi sản xuất và theo tỷ lệ này cho các mối hàn chu vi trong cùng điều kiện hàn và có cùng kích thước.
b) Phương pháp kiểm tra
Phương pháp kiểm tra phải theo ISO 17636.
13. Kiểm tra và kiểm tra lại
13.1. Kiểm tra
Công tác kiểm tra như sau:
a) Các yêu cầu chung của công tác kiểm tra theo TCVN 4399 (ISO 404).
b) Thành phần hóa học của ống hở phải tuân theo Điều 5.
c) Tính chất cơ học của ống hở phải tuân theo Điều 6.
d) Mối hàn chu vi tại nơi sản xuất phải tuân theo Điều 7.
e) Hình dạng và kích thước của cọc ống ván thép phải được kiểm tra cho từng ống đơn và kết quả phải tuân theo Điều 10.
f) Chất lượng bề mặt của mỗi cọc ống ván thép phải được thử nghiệm trong từng ống đơn và kết quả phải tuân theo Điều 11.
13.2. Kiểm tra lại
Ống hở không đạt yêu cầu qua thử cơ tính theo 12.2 có thể được xem xét chấp thuận sau khi kiểm tra lại theo TCVN 4399 (ISO 404).
14. Ghi nhãn
Cọc ống ván thép đã kiểm tra đạt yêu cầu phải được ghi nhãn không thể tẩy xóa đối với các điều khoản sau:
Khi các ống hở khác cấp nhau hoặc khác kích thước được liên kết lại để tạo thành thân ống thép, tất cả các cấp và kích thước ống hở đều phải được ghi nhãn.
a) Ký hiệu cấp cọc;
b) Tên hoặc chữ viết tắt hoặc nhãn hiệu hàng hóa của nhà sản xuất.
c) Số seri;
d) Kích thước (đường kính ngoài, chiều dày và chiều dài).
15. Báo cáo
Báo cáo phải theo Điều 8 của TCVN 4399 (ISO 404) và nhà sản xuất phải cung cấp chứng chỉ kiểm tra theo mẫu 3.1.b của ISO 10474 cho khách hàng. Khi có yêu cầu hồ sơ kiểm tra khác với quy định trên, khách hàng phải gửi yêu cầu đó tới nhà sản xuất trước khi đặt hàng. Tuy nhiên, đối với kích thước, phải gửi kết quả kiểm tra (cho mỗi 10 ống hoặc tỷ lệ của nó) tới khách hàng.
Khi nguyên tố hợp kim khác với các nguyên tố đã nêu trong Bảng 2 được thêm vào, hàm lượng của nguyên tố thêm vào phải được báo cáo trong chứng chỉ kiểm tra.
Phụ lục A
(Tham khảo)
Ví dụ về hình dạng và kích thước điển hình của phụ kiện
Phụ lục này mô tả ví dụ điển hình về hình dạng, kích thước và những đặc điểm khác của phụ kiện đi kèm với ống đơn do khách hàng quy định và không cấu thành các điều của tiêu chuẩn này.
CHÚ THÍCH: Các phụ kiện là các vật liệu tạm cần thiết cho công tác thi công cọc móng.
A.1. Vật liệu phụ kiện và vật liệu hàn
Tính chất cơ học của vật liệu phụ kiện phải bằng hoặc cao hơn thép có giới hạn bền kéo không nhỏ hơn 345 MPa đối với cọc cấp SPSP 345 và không nhỏ hơn 400 MPa đối với cọc cấp SPSP 400 và SPSP 490. Vật liệu hàn dùng để nối các thiết bị phụ kiện nên là một loại vật liệu hoặc kết hợp các vật liệu để đạt được giới hạn bền kéo quy định hoặc cao hơn giới hạn bền kéo quy định của phụ kiện.
Khi giới hạn bền kéo của ống hở và phụ kiện không đồng nhất, sử dụng vật liệu hàn có giới hạn bền kéo bằng hoặc cao hơn loại có giới hạn bền kéo thấp hơn.
A.2. Chất lượng bề mặt, kiểm tra và ghi nhãn phụ kiện
Chất lượng bề mặt, kiểm tra và ghi nhãn phụ kiện như sau:
a) Chất lượng bề mặt: Không có bất kỳ lỗi gây hại nào khi sử dụng trên mặt của phụ kiện.
b) Kiểm tra vật liệu và phần được hàn của phụ kiện nên tuân theo quy định của A.1. Chất lượng bề mặt được kiểm tra bằng mắt và thỏa mãn quy định của mục a).
c) Ghi nhãn: Phụ kiện không gắn với thân chính của ống tại nơi sản xuất cần được ghi nhãn sao cho dễ nhận ra cấp và kích cỡ của nó.
A.3. Ví dụ về hình dạng và kích thước của phụ kiện
A.3.1. Đai tăng cường
A.3.1.1. Hình dạng đai tăng cường
Hình dạng của đai tăng cường được chỉ ra trên Hình A.1.

Hình A.1 – Hình dạng điển hình của đai tăng cường được gắn ngoài
A.3.1.2. Phương pháp gắn
Phương pháp gắn như sau:
a) Vị trí gắn (l1): 18 mm.
b) Chiều dài chân mối hàn (a): 6 mm (mối hàn được thực hiện là mối hàn góc).
A.3.1.3. Dung sai kích thước
Dung sai kích thước của đai tăng cường theo quy định trong Bảng A.1.
Bảng A.1 – Dung sai kích thước của đai tăng cường
| Phân loại | Chiều dày T | Chiều dài L1 | Vị trí gắn l1 |
| Dung sai kích thước | + Không xác định - 0,9 mm | + Không xác định - 5 mm | + 0 - 9 mm |
A.3.2. Móc treo
Hình dạng và kích thước của móc treo quy định trên Hình A.2.

Tính bằng milimét
| Trọng tải treo tối đa của móc treo t (tấn) | Chiều rộng A | Chiều cao B | Vị trí lỗ C | Kích thước phần vát | Chiều dày tấm treo T | Đường kính lỗ Ø | Chiều dài chân hàn a | |
| D | E | |||||||
| t ≤ 3 | 120 | 100 | 55 | 25 | 25 | 12 | 40 | 6 |
| 3 < t="" ≤=""> | 120 | 100 | 55 | 25 | 25 | 16 | 40 | 9 |
| 5 < t="" ≤=""> | 200 | 150 | 90 | 30 | 30 | 22 | 65 | 15 |
| 10 < t="" ≤=""> | 300 | 250 | 150 | 50 | 50 | 22 | 80 | 15 |
Hình A.2 – Hình dạng và kích thước điển hình của móc treo
A.3.3. Vành đệm và vành chặn
Khi một vành chặn được gắn vào vành đệm của mối hàn chu vi tại công trường cho thân ống thép, cọc ván ống thép giữa hay cọc ống ván thép dưới, hình dạng và kích thước phải phù hợp với Hình A.3 trừ khi có những chỉ dẫn cụ thể khác.

Chiều dày và chiều cao của vành đệm
| Đường kính ngoài D, mm | T | Ĥ | ĥ |
| D ≤ 1016 | 4,5 | 50 | 15, khi Ĥ = 50 |
| D > 1016 | 6,0 | 70, 50 a) | 35, khi Ĥ = 70 |
| a) 50 mm nên áp dụng khi lắp đặt cọc móng bằng cách đào bên trong. | |||
Số bích chặn
| Đường kính ngoài D, mm | Số bích chặn N |
| D ≤ 609,6 | 4 |
| 609,6 < d="" ≤=""> | 6 |
| D > 1016 | 8 |
a) Vành đệm b) Vành đệm và bích chặn
Hình A.3 – Ví dụ về hình dạng và kích thước của vành đệm và vành chặn
A.3.4. Các phần phụ trợ phục vụ thi công
Các phần phụ trợ phục vụ cho thi công, như thép độ bền cao, độc gắn vào đầu của phần mũi của cọc ống ván thép dưới như ở Hình A.4 để tăng cường khả năng xuyên phá và ngăn chặn hư hại ở phần mũi của cọc ống ván thép trong quá trình đâm xuyên.

Hình A.4 – Ví dụ về việc gắn phần phụ trợ phục vụ thi công
Phụ lục B
(Tham khảo)
Phương pháp tạo hình, sơn và phủ
Phụ lục này mô tả các phương pháp tạo hình, sơn và phủ lên thân ống thép điển hình được áp dụng theo chỉ định của khách hàng và không cấu thành một phần của các điều trong tiêu chuẩn này.
CHÚ THÍCH: Tạo hình là một quá trình tiến hành trên cọc ống ván thép nhằm tăng cường đặc tính làm việc của nó, ví dụ như sự truyền lực tới phần bê tông xác định nào đó.
B.1. Kiểu tạo hình
Các tạo hình điển hình của thân ống thép được trình bày ở Bảng B.1.
Bảng B.1 – Ví dụ các tạo hình điển hình
| Kiểu tạo hình | Chi tiết tạo hình | Hình dạng điển hình |
| Lắp ghép các thành phần chịu lực hoặc đai truyền lực | 1) Các loại vòng thép trơn, thép thanh, gân hàn tăng cứng hoặc vành làm bằng thép tấm được gắn vào bên trong hoặc bên ngoài ống đơn [dạng (a) tới (d) của Hình B.1]. 2) Đai truyền lực được gắn vào bên trong và/hoặc bên ngoài của phần đầu thân ống thép. | Hình B.1 |
| Lắp ghép các đầu nối cơ khí | Hàn các đầu nối cơ khí lên trên phần đầu thân ống thép, thay thế các mối hàn hiện trường. | Hình B.2 |
| CHÚ THÍCH: Thành phần chịu lực là một bộ phận truyền phụ tải bằng ứng suất nén (lực nén tác động trên một diện tích cục bộ trong toàn bộ diện tích nhất định) tới bê tông hoặc vữa xi măng. Đai truyền lực là một thành phần chịu lực được gắn với một hoặc cả hai bề mặt trong và bề mặt ngoài của phần đầu thân ống thép để đảm bảo được sự truyền lực dọc trục thân ống thép tới bê tông. | ||
B.2. Vật liệu hàn
Các vật liệu hàn sử dụng cho mối hàn để tạo hình nên một ống đơn phải có giới hạn bền kéo không nhỏ hơn giới hạn bền kéo của vật liệu chi tiết tạo hình và thích hợp với vật liệu chi tiết tạo hình.
Khi bộ phận được gắn tạo hình và ống hở không có cùng giới hạn bền, vật liệu hàn sử dụng phải có giới hạn bền kéo bằng hoặc cao hơn giới hạn bền kéo của chi tiết có giới hạn bền kéo nhỏ hơn.

Hình B.1 – Ví dụ về hình dạng của thành phần chịu lực

Hình B.2 – Ví dụ về hình dạng của đầu nối cơ khí
B.3. Chất lượng bề mặt, việc kiểm tra và lập báo cáo của phần đã được tạo hình
Chất lượng bề mặt, việc kiểm tra và lập báo cáo của phần đã được tạo hình nên như sau:
a) Chất lượng bề mặt: Không nên có bất kỳ lỗi có hại nào cho việc sử dụng.
b) Kiểm tra: Chất lượng bề mặt của phần đã được tạo hình được kiểm tra bằng mắt thường và thỏa mãn quy định tại mục a).
c) Báo cáo: Nhà sản xuất cung cấp giấy chứng nhận cho khách hàng khi khách hàng đã yêu cầu trước. Trong trường hợp này, bản báo cáo nên tuân theo các quy định của TCVN 4399 (ISO 404). Nếu không được định rõ thời điểm đặt hàng, kiểu báo cáo kiểm tra nên phù hợp với giấy chứng nhận kiểm tra theo ISO 10474.
B.4. Loại sơn, phủ và hình dạng bên ngoài
B.4.1. Loại sơn và phủ
Các loại sơn và phủ điển hình trên cọc ống ván thép được trình bày ở Bảng B.2.
Bảng B.2 – Loại sơn và phủ
| Tác dụng | Phân loại | Loại |
| Chống gỉ | Sơn | Sơn vô cơ giàu kẽm + nhựa epoxy |
| Sơn vô cơ giàu kẽm + nhựa đường epoxy | ||
| Sơn có các hạt thủy tinh | ||
| Phủ chống ăn mòn nặng | Phủ đàn hồi uretan |
B.4.2. Chất lượng bề mặt
Chất lượng bề mặt của lớp sơn, phủ được kiểm tra bằng mắt thường và không có bất kỳ khuyết tật có hại nào.
Phụ lục C
(Tham khảo)
Kích thước và khối lượng đơn vị của ống đơn có đường kính ngoài lớn hơn 2000 mm
Kích thước và khối lượng đơn vị của ống đơn có đường kính ngoài lớn hơn 2000 mm theo quy định trong Bảng C.1.
Bảng C.1 - Kích thước và khối lượng đơn vị của ống đơn có đường kính ngoài lớn hơn 2000 mm
| Đường kính ngoài
D mm | Chiều dày
t mm | Diện tích mặt cắt ngang
A cm2 | Khối lượng đơn vị
W kg/m | Thông số tham khảo | |||
| Mômen quán tính trục phẳng l cm4 | Mô-đun quán tính
Z cm3 | Bán kính quán tính
i cm | Diện tích mặt ngoài
m2/m | ||||
| 2200 | 22 25 | 1505,3 1708,2 | 1182 1341 | 893 x 104 1010 x 104 | 812 x 102 918 x 102 | 77,01 76,90 | 6.91 6.91 |
| 2400 | 22 25 | 1643,6 1865,3 | 1290 1464 | 1162 x 104 1315 x 104 | 968 x 102 1096 x 102 | 84,08 83,97 | 7,54 7,54 |
| 2600 | 22 25 | 1781,8 2022,4 | 1399 1587 | 1480 x 104 1676 x 104 | 1139 x 102 1290 x 102 | 91,15 91,04 | 8,17 8,17 |
| 2800 | 22 25 | 1920,0 2179,5 | 1507 1711 | 1852 x 104 2098 x 104 | 1323 x 102 1499 x 102 | 98,22 98,12 | 8,80 8,80 |
| 3000 | 22 25 | 2058,2 2336,6 | 1616 1834 | 2282 x 104 2585 x 104 | 1521 x 102 1723 x 102 | 105,29 105,19 | 9,42 9,42 |
| CHÚ THÍCH: Giá trị bằng số của khối lượng đơn vị được tính với công thức như sau với giả thiết 1 cm3 thép là 7,85 g và làm tròn tới ba chữ số có nghĩa theo TCVN 1517:2009. Trong trường hợp lớn hơn 1000 kg/m, được làm tròn tới bốn chữ số. W = 0,02466t(D-t) Trong đó: W: Khối lượng đơn vị của ống (kg/m) t: chiều dày của ống (mm) D: đường kính ngoài của ống (mm) 0,02466: Hệ số chuyển đổi đơn vị để tính được W. | |||||||
Phụ lục D
(Tham khảo)
Thư mục tài liệu tham khảo
Bảng D.1 – Các tiêu chuẩn Nhật Bản (JIS) và tiêu chuẩn ASTM tương đương với các tiêu chuẩn TCVN/ISO được nêu trong Điều 2
| Tiêu chuẩn TCVN/ISO được nêu trong Điều 2 | Tiêu chuẩn JIS/ASTM tương ứng | Tên tiêu chuẩn |
| TCVN 197 (ISO 6892) | JIS Z 2201; JIS Z 2241 | Vật liệu kim loại – Thử kéo ở nhiệt độ phòng. |
| TCVN 4398:2001 (ISO 377:1997) |
| Thép và sản phẩm thép. Vị trí lấy mẫu, chuẩn bị phôi mẫu và mẫu thử cơ tính. |
| TCVN 4399:2008 (ISO 404:1992) | JIS G 404 | Thép và các sản phẩm thép – Yêu cầu kỹ thuật chung khi cung cấp. |
| TCVN 8310:2010 (ISO 4136:2010) | JIS Z 3121 | Thử phá hủy mối hàn trên vật liệu kim loại – Thử kéo ngang |
| TCVN 8998:2011 (ASTM E 415-08) |
| Thép cacbon và thép hợp kim thấp – Phương pháp phân tích bằng quang phổ phát xạ chân không. |
| ISO 10474 | JIS G 415 | Steel and steel products – Inspection documents (Thép và sản phẩm thép – Hồ sơ kiểm tra). |
| ISO 17636 | JIS Z 3104 | Non-destrutive examination of welds – Radiographic examination of welded joints (Kiểm tra không phá hủy mối hàn – Kiểm tra mối hàn bằng chụp tia bức xạ). |
Bảng D.2 – Các tiêu chuẩn tham khảo
| Số hiệu tiêu chuẩn | Tên tiêu chuẩn |
| TCVN 3223:2000 | Que hàn điện dùng cho thép cacbon thấp và thép hợp kim thấp – Ký hiệu, kích thước và yêu cầu kỹ thuật chung. |
| TCVN 7472:2005 (ISO 5871:2003) | Hàn – Các liên kết hàn nóng chảy ở thép,niken, titan và các hợp kim của chúng (trừ hàn chùm tia) – Mức chất lượng đối với khuyết tật. |
| ASMT A 252 | Standard Specification for Welded and Seamless Steel Pipe Piles (Tiêu chuẩn kỹ thuật đối với cọc ống ván thép hàn và không hàn). |
| EN 10025-2 | Hot rolled products of structural steels – Part 2: Technical delivery conditions for non-alloy structural steels (Sản phẩm thép kết cấu cán nóng – Phần 2: Điều kiện giao hàng kỹ thuật đối với thép kết cấu không hợp kim). |
| EN 1435 | Non-destrutive examination of welds – Radiographic examination of welded joints (Kiểm tra không phá hủy mối hàn – Kiểm tra mối hàn bằng chụp tia bức xạ). |
| JIS G 0320 | Standard test method for heat analysis of steel products (Phương pháp thử tiêu chuẩn để phân tích mẻ nấu của sản phẩm thép) |
| JIS G 3101 | Rolled steels for general structure (Tháp cán cho kết cấu thông dụng). |
| JIS G 3192 | Dimensions, mass and permissible variations of hot rolled steel sections (Kích thước, khối lượng và dung sai cho phép của thép hình cán nóng). |
| JIS G 3193 | Dimensions, mass and permissible variations of hot rolled steel plates, sheets, and strips (Kích thước, khối lượng và dung sai cho phép của mặt cắt lá thép, thép tấm và thép cuộn cán nóng). |
| JIS G 3444 | Carbon steel tubes for general structural purpose (Ống thép các bon cho các kết cấu thông dụng). |
| JIS Z 3121 | Methods of tensile test for butt welded joints (Phương pháp thử kéo của liên kết hàn đối đầu). |
| JIS Z 3211 | Covered electrodes for mild steel, high tensile strength steel and low temperature service steel (Que hàn điện có bọc thuốc dùng cho thép cácbon thấp, thép cường độ cao và thép cán nguội). |
| JIS Z 3312 | Solid wires for MAG and MIG welding of mild steel, high strength steel and low temperature service steel (Dây đặc để hàn MAG và MIG cho thép cácbon thấp, thép cường độ cao và thép cán nguội). |
| JIS Z 3313 | Flux cored wires for gas shielded and self-shielded metal arc welding of mild steel, high strength steel and low temperature service steel (Dây hàn có lõi bằng chất trợ dung để hàn hồ quang kim loại có khí bảo vệ và tự bảo vệ cho thép cácbon thấp, thép cường độ cao và thép cán nguội). |
| JIS Z 3351 | Submerged arc welding solid wires for carbon steel and low alloy steel (Dây cứng để hàn hồ quang chìm cho thép cacbon và thép hợp kim thấp). |
| JIS Z 3352 | Submerged arc welding fluxes for carbon steel and low alloy steel (Thuốc hàn dùng để hàn hồ quang chìm cho thép cacbon và thép hợp kim thấp). |
MỤC LỤC
Lời nói đầu
1. Phạm vi áp dụng
2. Tài liệu viện dẫn
3. Ký hiệu và phân loại cấp cọc
4. Phương pháp sản xuất
5. Thành phần hóa học
6. Tính chất cơ học
7. Mối hàn chu vi tại nơi sản xuất
8. Vật liệu của tai nối và tai nối liên kết
9. Phụ kiện, tạo hình, sơn và phủ
10. Hình dạng, kích thước, khối lượng và dung sai
11. Chất lượng bề mặt
12. Phương pháp thử
13. Kiểm tra và kiểm tra lại
14. Ghi nhãn
15. Báo cáo
Phụ lục A (Tham khảo) Ví dụ về hình dạng và kích thước điển hình của phụ kiện
Phụ lục B (Tham khảo) Phương pháp tạo hình, sơn và phủ
Phụ lục C (Tham khảo) Kích thước và khối lượng đơn vị của ống đơn có đường kính ngoài lớn hơn 2000 mm
Phụ lục D (Tham khảo) Thư mục tài liệu tham khảo
1) Tường chống ngập nghĩa là tường bao kín, dùng để ngăn nước chảy vào bên trong.
Bạn chưa Đăng nhập thành viên.
Đây là tiện ích dành cho tài khoản thành viên. Vui lòng Đăng nhập để xem chi tiết. Nếu chưa có tài khoản, vui lòng Đăng ký tại đây!

= 3,1416






