- Tổng quan
- Nội dung
- VB gốc
- Tiếng Anh
- Hiệu lực
- VB liên quan
- Lược đồ
-
Nội dung hợp nhất
Tính năng này chỉ có tại LuatVietnam.vn. Nội dung hợp nhất tổng hợp lại tất cả các quy định còn hiệu lực của văn bản gốc và các văn bản sửa đổi, bổ sung, đính chính... trên một trang. Việc hợp nhất văn bản gốc và những văn bản, Thông tư, Nghị định hướng dẫn khác không làm thay đổi thứ tự điều khoản, nội dung.
Khách hàng chỉ cần xem Nội dung hợp nhất là có thể nắm bắt toàn bộ quy định hiện hành đang áp dụng, cho dù văn bản gốc đã qua nhiều lần chỉnh sửa, bổ sung.
- Tải về
Thông tư 01/2020/TT-BXD Quy chuẩn kỹ thuật về An toàn cháy cho nhà và công trình
| Cơ quan ban hành: | Bộ Xây dựng |
Số công báo:
Số công báo là mã số ấn phẩm được đăng chính thức trên ấn phẩm thông tin của Nhà nước. Mã số này do Chính phủ thống nhất quản lý.
|
Đã biết
|
| Số hiệu: | 01/2020/TT-BXD | Ngày đăng công báo: |
Đã biết
|
| Loại văn bản: | Thông tư | Người ký: | Lê Quang Hùng |
|
Ngày ban hành:
Ngày ban hành là ngày, tháng, năm văn bản được thông qua hoặc ký ban hành.
|
06/04/2020 |
Ngày hết hiệu lực:
Ngày hết hiệu lực là ngày, tháng, năm văn bản chính thức không còn hiệu lực (áp dụng).
|
Đã biết
|
|
Áp dụng:
Ngày áp dụng là ngày, tháng, năm văn bản chính thức có hiệu lực (áp dụng).
|
Đã biết
|
Tình trạng hiệu lực:
Cho biết trạng thái hiệu lực của văn bản đang tra cứu: Chưa áp dụng, Còn hiệu lực, Hết hiệu lực, Hết hiệu lực 1 phần; Đã sửa đổi, Đính chính hay Không còn phù hợp,...
|
Đã biết
|
| Lĩnh vực: | Xây dựng |
TÓM TẮT THÔNG TƯ 01/2020/TT-BXD
Ngày 06/4/2020, Bộ Xây dựng đã ban hành Thông tư 01/2020/TT-BXD ban hành Quy chuẩn kỹ thuật quốc gia về An toàn cháy cho nhà và công trình.
Thông tư quy định cụ thể quy chuẩn kỹ thuật quốc gia về An toàn cháy cho nhà và công trình: Đảm bảo an toàn cho người; ngăn chặn cháy lan; cấp nước chữa cháy; chữa cháy và cứu nạn; quy định về quản lý trong phòng cháy, chữa cháy… áp dụng đối với các tổ chức, cá nhân có liên quan tới hoạt động đầu tư xây dựng, quản lý và sử dụng nhà dân dụng và nhà công nghiệp.
Đối với nhà ở riêng lẻ cho hộ gia đình có chiều cao từ 06 tầng trở xuống hoặc có không quá 1 tầng hầm không bắt buộc áp dụng quy chuẩn này mà thực hiện theo hướng dẫn riêng biệt, phù hợp cho từng đối tượng nhà và khu dân cư.
Trường hợp chuyển công năng sang các mục đích khác phải tuân thủ theo quy định của quy chuẩn này và phải được cơ quan Cảnh sát phòng cháy, chữa cháy và cứu nạn, cứu hộ có thẩm quyền thẩm duyệt với các công trình thuộc diện phải thiết kế về phòng cháy chữa cháy.
Thông tư có hiệu lực thi hành từ ngày 01/7/2020.
Xem chi tiết Thông tư 01/2020/TT-BXD có hiệu lực kể từ ngày 01/07/2020
Tải Thông tư 01/2020/TT-BXD
|
BỘ XÂY DỰNG _________ Số: 01/2020/TT-BXD
|
CỘNG HOÀ XÃ HỘI CHỦ NGHĨA VIỆT NAM _______________________ Hà Nội, ngày 06 tháng 4 năm 2020 |
THÔNG TƯ
Ban hành Quy chuẩn kỹ thuật quốc gia về An toàn cháy cho nhà và công trình
_______________________
Căn cứ Nghị định số 81/2017/NĐ-CP ngày 17/7/2017 của Chính phủ quy định chức năng, nhiệm vụ, quyền hạn và cơ cấu tổ chức của Bộ Xây dựng;
Căn cứ Nghị định số 127/2007/NĐ-CP ngày 01/8/2007 của Chính phủ quy định chi tiết thi hành một số điều của Luật Tiêu chuẩn và quy chuẩn kỹ thuật;
Căn cứ Nghị định số 78/2018/NĐ-CP ngày 16/5/2018 của Chính phủ sửa đổi, bổ sung một số điều của Nghị định số 127/2007/NĐ-CP ngày 01/8/2007 của Chính phủ quy định chi tiết một số điều cua Luật Tiêu chuẩn và quy chuẩn kỹ thuật;
Theo đề nghị của Vụ trưởng Vụ Khoa học Công nghệ và môi trường,
Bộ trưởng Bộ Xây dựng ban hành Thông tư ban hành Quy chuẩn kỹ thuật quốc gia về An toàn cháy cho nhà và công trình, mã số QCVN 06:2020/BXD.
Điều 1. Ban hành kèm theo Thông tư này Quy chuẩn kỹ thuật quốc gia về An toàn cháy cho nhà và công trình, mã số QCVN 06:2020/BXD.
Điều 2. Thông tư này có hiệu lực thi hành kể từ ngày 01/7/2020 và thay thế Thông tư số 07/2010/TT-BXD ngày 28/7/2010 của Bộ Xây dựng ban hành Quy chuẩn kỹ thuật quốc gia về An toàn cháy cho nhà và công trình, mã số QCVN 06:2010/BXD
|
Nơi nhận: - Các Bộ, cơ quan ngang Bộ, cơ quan thuộc CP; - UBND các tỉnh, thành phố trực thuộc TW; - Tổng Cục TCĐLCL - Bộ KHCN (để đăng ký); - Cục Kiểm tra văn bản QPPL - Bộ Tư pháp; - Sở Xây dựng các tỉnh, thành phố trực thuộc TW; - Sở Quy hoạch Kiến trúc TP. Hà Nội, TP. HCM; - Các Cục, Vụ, Viện, Văn phòng, Thanh tra Bộ Xây dựng; - Công báo, Website của Chính phủ, Website của Bộ Xây dựng; - Lưu: VT, KHCN&MT (10). |
KT. BỘ TRƯỞNG THỨ TRƯỞNG
Lê Quang Hùng |

CỘNG HOÀ XÃ HỘI CHỦ NGHĨA VIỆT NAM
QCVN 06:2020/BXD
QUY CHUẨN KỸ THUẬT QUỐC GIA VỀ AN TOÀN CHÁY CHO NHÀ VÀ CÔNG TRÌNH
National Technical Regulation on Fire Safety of Buildings and Constructions
HÀ NỘI - 2020
NỘI DUNG
NỘI DUNG........................................................................................................... 3
1. QUY ĐỊNH CHUNG........................................................................................... 5
2. PHÂN LOẠI KỸ THUẬT VỀ CHÁY.................................................................... 15
3. BẢO ĐẢM AN TOÀN CHO NGƯỜI.................................................................. 24
4. NGĂN CHẶN CHÁY LAN................................................................................. 38
5. CẤP NƯỚC CHỮA CHÁY............................................................................... 43
6. CHỮA CHÁY VÀ CỨU NẠN............................................................................ 55
7. QUY ĐỊNH VỀ QUẢN LÝ................................................................................. 65
8. TRÁCH NHIỆM CỦA TỔ CHỨC, CÁ NHÂN...................................................... 65
9. TỔ CHỨC THỰC HIỆN................................................................................... 66
Phụ lục A Quy định bổ sung về an toàn cháy đối với một số nhóm nhà cụ thể......... 67
Phụ lục B Phân loại vật liệu xây dựng theo các đặc trưng cháy.............................. 84
Phụ lục C Phân hạng nhà và các gian phòng theo tính nguy hiểm cháy và cháy nổ ......................... 87
Phụ lục D Các quy định bảo vệ chống khói cho nhà và công trình ..................................................... 91
Phụ lục E Yêu cầu về khoảng cách phòng cháy chống cháy giữa các nhà và công trình ................ 96
Phụ lục F Giới hạn chịu lửa danh định của một số cấu kiện kết cấu ................................................. 99
Phụ lục G Quy định về khoảng cách đến các lối ra thoát nạn và chiều rộng của lối ra thoát nạn ... 118
Phụ lục H Một số quy định về số tầng giới hạn (chiều cao cho phép) và diện tích khoang cháy của nhà ........................................................................................................................................... 127
Phụ lục I (tham khảo) Một số hình vẽ minh họa nội dung các quy định.................. 135
Lời nói đầu
QCVN 06:2020/BXD do Viện Khoa học Công nghệ xây dựng biên soạn, Vụ Khoa học Công nghệ và Môi trường trình duyệt, Bộ Khoa học và Công nghệ thẩm định, Bộ Xây dựng ban hành kèm theo Thông tư 01/2020/TT-BXD ngày 06 tháng 4 năm 2020 của Bộ trưởng Bộ Xây dựng.
QCVN 06:2020/BXD thay thế QCVN 06:2010/BXD ban hành kèm theo Thông tư số 07/2010/TT-BXD, ngày 28 tháng 7 năm 2010 của Bộ trưởng Bộ Xây dựng.
QUY CHUẨN KỸ THUẬT QUỐC GIA
VỀ AN TOÀN CHÁY CHO NHÀ VÀ CÔNG TRÌNH
National Technical Regulation on
Fire Safety of Buildings and Constructions
1. QUY ĐỊNH CHUNG
1.1. Phạm vi điều chỉnh
1.1.1. Quy chuẩn này quy định các yêu cầu chung về an toàn cháy cho gian phòng, nhà và các công trình xây dựng (sau đây gọi chung là nhà) và bắt buộc áp dụng trong tất cả các giai đoạn xây dựng mới, cải tạo, sửa chữa hay thay đổi công năng, đồng thời quy định phân loại kỹ thuật về cháy cho các nhà, phần và bộ phận của nhà, cho các gian phòng, cấu kiện xây dựng và vật liệu xây dựng.
1.1.2. Các phần 3, 4, 5 và 6 của Quy chuẩn này không áp dụng cho các nhà có chức năng đặc biệt (nhà sản xuất hay bảo quản các chất và vật liệu nổ; các kho chứa dầu mỏ và sản phẩm dầu mỏ, khí đốt tự nhiên, các loại khí dễ cháy, cũng như các chất tự cháy; nhà sản xuất hoặc kho hóa chất độc hại; công trình quốc phòng; phần ngầm của công trình tầu điện ngầm; công trình hầm mỏ;...).
1.1.3. Ngoài quy định trong 1.1.2, các quy định trong phần 5 của quy chuẩn này không áp dụng cho các đối tượng sau: cơ sở, nhà và công trình bảo quản và chế biến ngũ cốc; trạm xăng; cơ sở năng lượng (nhà và công trình nhiệt điện, thủy điện, cơ sở lò hơi cung cấp nhiệt, nhà máy điện tuabin khí, diesel và hơi-khí, các cơ sở điện lưới).
1.1.4. Ngoài quy định trong 1.1.2, các quy định trong phần 5 của quy chuẩn này không áp dụng đối với các hệ thống chữa cháy cho các đám cháy do các kim loại cũng như các chất và vật liệu hoạt động hóa học mạnh, khi phản ứng với nước sẽ gây nổ, tạo ra khí cháy, gây tỏa nhiệt mạnh, ví dụ như: các hợp chất nhôm - chất hữu cơ, các kim loại kiềm, các hợp chất lithium-chất hữu cơ, chì azua, các hydride nhôm, kẽm, magiê, axít sunfuric, titan clorua, nhiệt nhôm.
1.1.5. Các tiêu chuẩn và các yêu cầu về phòng cháy, chống cháy của các tài liệu chuẩn trong xây dựng phải dựa trên yêu cầu của Quy chuẩn này.
Cùng với việc áp dụng Quy chuẩn này, còn phải tuân theo các yêu cầu phòng cháy chống cháy quy định cụ thể hơn trong các tài liệu chuẩn khác được quy định áp dụng cho từng đối tượng nhà và công trình. Khi chưa có các tài liệu chuẩn quy định cụ thể theo các yêu cầu của Quy chuẩn này thì vẫn cho phép sử dụng các quy định cụ thể trong các tiêu chuẩn hiện hành cho đến khi các tiêu chuẩn đó được soát xét lại, cũng như cho phép sử dụng các tiêu chuẩn hiện hành của nước ngoài trên nguyên tắc đảm bảo yêu cầu của Quy chuẩn này và các quy định pháp luật của Việt Nam về phòng cháy, chữa cháy và áp dụng tiêu chuẩn của nước ngoài trong hoạt động xây dựng ở Việt Nam.
Trong các tài liệu chuẩn hiện hành có liên quan về phòng cháy, chống cháy cho nhà và công trình, khi có các quy định yêu cầu kỹ thuật cụ thể khác với yêu cầu của Quy chuẩn này, thì áp dụng quy định của Quy chuẩn này.
1.1.6. Các tài liệu thiết kế và tài liệu kỹ thuật của nhà, kết cấu, cấu kiện và vật liệu xây dựng phải nêu rõ các đặc tính kỹ thuật về cháy của chúng theo quy định của quy chuẩn này.
1.1.7. Khi thiết kế và xây dựng nhà và công trình, ngoài việc tuân thủ quy chuẩn này, còn phải tuân thủ các quy chuẩn và đảm bảo các yêu cầu kỹ thuật bắt buộc khác theo quy định của pháp luật hiện hành, như: quy hoạch, kiến trúc, kết cấu, hệ thống cấp thoát nước, hệ thống điện, thiết bị điện, chống sét, hệ thống cấp nhiên liệu, tiết kiệm năng lượng, hệ thống thông gió, điều hoà không khí, cơ khí, an toàn sử dụng kính, tránh rơi ngã, va đập.
1.1.8. Nhà hoặc công trình xây dựng dùng cho việc sản xuất sản phẩm, hàng hóa thuộc nhóm F5.1 và F5.2 như quy định trong 2.6.4 có không quá 1 tầng hầm (còn gọi là Nhà công nghiệp), bên cạnh việc đảm bảo các quy định đã nêu trong quy chuẩn này còn phải tuân thủ các quy định bổ sung về an toàn cháy nêu trong A.1 của Phụ lục A.
1.1.9. Các nhà thuộc nhóm nguy hiểm cháy theo công năng F1.2, F4.3 và nhà hỗn hợp có chiều cao từ 50 m đến 150 m (có không quá 3 tầng hầm1) bên cạnh việc đảm bảo những quy định trong quy chuẩn này, còn phải tuân thủ các quy định bổ sung về an toàn cháy nêu trong A.2 của Phụ lục A. Nhà có nhóm nguy hiểm cháy theo công năng F1.3 có chiều cao từ 75 m đến 150 m, ngoài việc tuân thủ quy chuẩn này phải tuân thủ QCVN 04:2019/BXD.
CHÚ THÍCH: 1 Bệnh viện, trường mầm non và trường phổ thông chỉ cho phép tối đa 1 tầng hầm.
1.1.10. Đối với các nhà chưa có các tiêu chuẩn về phòng cháy, chống cháy cũng như các nhà thuộc nhóm nguy hiểm cháy theo công năng F1.2, F1.3, F4.3 và nhà hỗn hợp có chiều cao lớn hơn 150 m hoặc có từ 4 tầng hầm trở lên, các nhà đặc biệt phức tạp và khác thường; thì ngoài việc tuân thủ quy chuẩn này còn phải bổ sung các yêu cầu kỹ thuật và các giải pháp về tổ chức, về kỹ thuật công trình phù hợp với các đặc điểm riêng về phòng chống cháy của các nhà đó, trên cơ sở tài liệu chuẩn hiện hành được phép áp dụng. Các yêu cầu và giải pháp này phải được cơ quan Cảnh sát phòng cháy chữa cháy và cứu nạn cứu hộ có thẩm quyền thẩm duyệt.
1.1.11. Trong một số trường hợp riêng biệt, Bộ Xây dựng chỉ cho phép thay thế một số yêu cầu của quy chuẩn này đối với công trình cụ thể khi có luận chứng gửi Bộ Xây dựng nêu rõ các giải pháp bổ sung, thay thế hoặc phải trình bày đủ các cơ sở tính toán để đảm bảo an toàn cháy cho công trình cụ thể này. Luận chứng này phải được thẩm duyệt bởi Cục Cảnh sát phòng cháy chữa cháy và cứu nạn cứu hộ trước khi gửi Bộ Xây dựng.
1.1.12. Khi thay đổi công năng hoặc thay đổi các giải pháp bố trí mặt bằng - không gian và kết cấu của các nhà hiện hữu hoặc các gian phòng riêng của các nhà đó thì phải áp dụng quy chuẩn này và tài liệu chuẩn trong phạm vi những thay đổi đó.
1.1.13. Đối với nhà ở riêng lẻ cho hộ gia đình có chiều cao từ 06 tầng trở xuống hoặc có không quá 1 tầng hầm, không bắt buộc áp dụng quy chuẩn này mà thực hiện theo hướng dẫn riêng, phù hợp cho từng đối tượng nhà và khu dân cư.
Trường hợp chuyển đổi công năng sang các mục đích khác phải tuân thủ theo quy định của quy chuẩn này và phải được cơ quan Cảnh sát phòng cháy, chữa cháy và cứu nạn, cứu hộ có thẩm quyền thẩm duyệt đối với các công trình thuộc diện phải thẩm duyệt thiết kế về phòng cháy chữa cháy.
1.2. Đối tượng áp dụng
Quy chuẩn này áp dụng đối với các tổ chức, cá nhân có liên quan đến hoạt động đầu tư xây dựng, quản lý và sử dụng nhà dân dụng và nhà công nghiệp trên lãnh thổ Việt Nam.
1.3. Tài liệu viện dẫn
Các tài liệu viện dẫn sau là cần thiết cho việc áp dụng quy chuẩn này. Trường hợp các tài liệu viện dẫn được sửa đổi, bổ sung hoặc thay thế thì áp dụng phiên bản mới nhất.
TCVN 3890:2009 Phương tiện phòng cháy và chữa cháy cho nhà và công trình. Trang bị, bố trí, kiểm tra, bảo dưỡng.
TCVN 9310-4:2012 Phòng cháy chữa cháy - Từ vựng - Phần 4: Phương tiện chữa cháy.
TCVN 9310-8:2012 Phòng cháy chữa cháy - Từ vựng - Phần 8: Thuật ngữ chuyên dùng cho chữa cháy, cứu nạn và xử lý vật liệu nguy hiểm.
TCVN 9311-1:2012 Thử nghiệm chịu lửa - Các bộ phận kết cấu của tòa nhà - Phần 1 Yêu cầu chung.
TCVN 9311-3:2012 Thử nghiệm chịu lửa các bộ phận kết cấu toà nhà - Phần 3 Chỉ dẫn về phương pháp thử và áp dụng số liệu thử nghiệm.
TCVN 9311-4:2012 Thử nghiệm chịu lửa các bộ phận kết cấu toà nhà - Phần 4 Các yêu cầu riêng đối với bộ phận ngăn cách đứng chịu tải.
TCVN 9311-5:2012 Thử nghiệm chịu lửa các bộ phận kết cấu toà nhà - Phần 5 Các yêu cầu riêng đối với bộ phận ngăn cách nằm ngang chịu tải.
TCVN 9311-6:2012 Thử nghiệm chịu lửa các bộ phận kết cấu toà nhà - Phần 6 Các yêu cầu riêng đối với dầm.
TCVN 9311-7:2012 Thử nghiệm chịu lửa các bộ phận kết cấu toà nhà - Phần 7 Các yêu cầu riêng đối với cột.
TCVN 9311-8:2012 Thử nghiệm chịu lửa các bộ phận kết cấu toà nhà - Phần 8 Các yêu cầu riêng đối với bộ phận ngăn cách đứng không chịu tải.
TCVN 9383:2012 Thử nghiệm khả năng chịu lửa - Cửa đi và cửa ngăn cháy.
1.4. Giải thích từ ngữ
Trong quy chuẩn này, các từ ngữ dưới đây được hiểu như sau:
1.4.1
An toàn cháy cho nhà, công trình (hạng mục công trình)
Đảm bảo các yêu cầu về tính chất vật liệu và cấu tạo kết cấu xây dựng, về các giải pháp kiến trúc, quy hoạch, các giải pháp kỹ thuật và công nghệ phù hợp với đặc điểm sử dụng của công trình, nhằm ngăn ngừa cháy (phòng cháy), hạn chế lan truyền, đảm bảo dập tắt đám cháy (chống cháy), ngăn chặn các yếu tố nguy hiểm có hại đối với con người, hạn chế đến mức thấp nhất thiệt hại về tài sản khi có cháy xảy ra.
1.4.2
Bãi đỗ xe chữa cháy
Đoạn đường có mặt hoàn thiện chịu được tải trọng lớn bố trí dọc theo chu vi hoặc một phần chu vi của nhà, cho phép phương tiện chữa cháy triển khai các hoạt động chữa cháy.
CHÚ THÍCH: So với đường cho xe chữa cháy thì bãi đỗ cho xe chữa cháy được thiết kế để chịu tải trọng lớn hơn và có chiều rộng lớn hơn để triển khai các phương tiện chữa cháy trong quá trình hoạt động.
1.4.3
Bảo vệ chống cháy
Tổng hợp các biện pháp tổ chức và các giải pháp kỹ thuật, nhằm ngăn ngừa tác động của các yếu tố nguy hiểm cháy lên con người và hạn chế thiệt hại vật chất do cháy gây ra.
1.4.4. Bậc chịu lửa
Đặc trưng chịu lửa của nhà chia thành các bậc từ I đến V được xác định bằng giới hạn chịu lửa của các kết cấu xây dựng chính (điều 1.5.1,2.6.2).
1.4.5
Bộ phận ngăn khói
Bộ phận được dùng để định luồng, chứa và/hoặc ngăn cản sự lan truyền của khói (sản phẩm khí của đám cháy).
CHÚ THÍCH: Các bộ phận ngăn khói còn có thể được gọi là: màn ngăn khói, màn kín khói, màn chặn khói (Smoke Curtains, Smoke Blinds, Smoke Screens).
1.4.6
Cấp nguy hiểm cháy của cấu kiện xây dựng
Đặc trưng phân nhóm của cấu kiện xây dựng, dựa trên các mức khác nhau của thông số kết quả thí nghiệm gây cháy cho vật liệu cấu thành của cấu kiện xây dựng theo các tiêu chuẩn quy định.
CHÚ THÍCH: (xem 2.3 và Phụ lục B)
1.4.7
Cấp nguy hiểm cháy kết cấu của nhà
Cấp nguy hiểm cháy kết cấu của nhà được xác định theo cấp nguy hiểm cháy của các cấu kiện xây dựng chủ yếu của nhà.
1.4.8
Chiều cao
Trong quy chuẩn này, chiều cao được hiểu là chiều cao phục vụ phòng cháy chữa cháy và cứu nạn cứu hộ và được định nghĩa như sau: Ngoài các trường hợp được nói riêng, chiều cao nhà được xác định bằng chiều cao bố trí của tầng trên cùng không kể tầng kỹ thuật trên cùng. Còn chiều cao bố trí của tầng được xác định bằng khoảng cách từ mặt đường thấp nhất cho xe chữa cháy tiếp cận tới mép dưới của lỗ cửa (cửa sổ) mở trên tường ngoài của tầng đó. Khi không có lỗ cửa, thì chiều cao bố trí của tầng trên cùng được xác định bằng nửa tổng cao trình của sàn và của trần của tầng đó.
1.4.9
Chiều cao tia nước đặc
Lấy bằng 0,8 lần chiều cao tia nước phun theo phương thẳng đứng.
1.4.10
Diện tích sàn cho phép tiếp cận
Diện tích mặt sàn của tất cả các khu vực được bao che trong một ngôi nhà hoặc phần nhà, bao gồm cả diện tích các kênh dẫn, sàn giếng thang máy, nhà vệ sinh, buồng thang bộ, diện tích chiếm chỗ bởi đồ dùng, máy móc, thiết bị cố định hoặc di động và cả các diện tích sinh hoạt hở ngoài trời ở phía trên hoặc phía dưới tầng 1 của nhà.
1.4.11
Đường cho xe chữa cháy
Đường được thiết kế cho các phương tiện chữa cháy đi đến và di chuyển trong phạm vi của một cơ sở để thực hiện các hoạt động chữa cháy và cứu nạn cứu hộ.
1.4.12
Giới hạn chịu lửa
Thời gian (tính bằng giờ hoặc bằng phút) từ khi bắt đầu thử chịu lửa theo chế độ nhiệt tiêu chuẩn các mẫu cho tới khi xuất hiện một trong các trạng thái giới hạn của kết cấu và cấu kiện (điều 2.3.2).
1.4.13
Gian lánh nạn
Khu vực bố trí trong tầng lánh nạn dùng để sơ tán tạm thời khi xảy ra sự cố cháy.
1.4.14
Gian kỹ thuật
Gian phòng bố trí các thiết bị kỹ thuật của tòa nhà hoặc tầng nhà. Các gian kỹ thuật có thể bố trí trên toàn bộ hoặc một phần của tầng kỹ thuật.
1.4.15
Hành lang hở
Hành lang có các lỗ thông gió với bên ngoài, không bị chắn, liên tục theo chiều dài, với chiều cao thông thủy tính từ đỉnh của tường chắn ở mép hành lang lên phía trên không nhỏ hơn 1,2 m.
1.4.16
Hệ thống bảo vệ chống cháy
Hệ thống bảo vệ chống cháy bao gồm: Hệ thống bảo vệ chống nhiễm khói, hệ thống họng nước chữa cháy bên trong, hệ thống cấp nước chữa cháy ngoài nhà, các hệ thống chữa cháy tự động, hệ thống báo cháy và âm thanh công cộng, hệ thống đèn chiếu sáng sự cố và đèn chỉ dẫn thoát nạn, thang máy chữa cháy, phương tiện cứu nạn cứu hộ, giải pháp kết cấu, giải pháp thoát nạn, giải pháp ngăn khói, ngăn cháy lan.
1.4.17
Họng nước chữa cháy
Tổng hợp các thiết bị chuyên dùng gồm van khóa, vòi, lăng phun được lắp đặt sẵn để triển khai đưa nước đến đám cháy.
1.4.18
Khoang cháy
Một phần của ngôi nhà được ngăn cách với các phần khác của ngôi nhà bằng các tường ngăn cháy loại 1.
1.4.19
Khoang đệm
Không gian chuyển tiếp giữa hai cửa đi, dùng để bảo vệ tránh sự xâm nhập của khói và của các khí khác khi đi vào nhà, vào buồng thang bộ, hoặc vào các gian phòng khác của nhà.
1.4.20
Khoang đệm ngăn cháy
Khoang đệm có các bộ phận cấu thành có giới hạn chịu lửa đảm bảo yêu cầu quy định (xem 2.4.3).
1.4.21
Khói
Bụi khí hình thành bởi sản phẩm cháy không hoàn toàn của vật liệu dưới dạng lỏng và (hoặc) rắn.
1.4.22
Lớp bê tông bảo vệ, Chiều dày lớp bê tông bảo vệ
- Lớp bê tông tính từ biên (mép) cấu kiện đến bề mặt gần nhất của cốt thép.
- Chiều dày lớp bê tông bảo vệ là chiều dày tính từ biên (mép) cấu kiện đến bề mặt gần nhất của cốt thép.
1.4.23
Ngọn lửa
Vùng cháy ở pha khí với bức xạ nhìn thấy được.
1.4.24
Nhà
Công trình xây dựng có chức năng chính là bảo vệ, che chắn cho người hoặc vật chứa bên trong; thông thường được bao che một phần hoặc toàn bộ và được xây dựng ở một vị trí cố định. Nhà bao gồm nhà dân dụng (nhà ở, nhà chung cư, nhà công cộng, nhà hỗn hợp) và nhà công nghiệp.
1.4.25
Nhà chung cư
Nhà có từ 2 tầng trở lên, có nhiều căn hộ, có lối đi, cầu thang chung, có phần sở hữu riêng, phần sở hữu chung và hệ thống công trình hạ tầng sử dụng chung cho các hộ gia đình, cá nhân, tổ chức, bao gồm nhà chung cư được xây dựng với mục đích để ở và nhà chung cư được xây dựng có mục đích sử dụng hỗn hợp để ở và kinh doanh.
1.4.26
Nhà hỗn hợp
Nhà có nhiều công năng sử dụng khác nhau (ví dụ: một nhà được thiết kế sử dụng làm văn phòng, dịch vụ thương mại, ở và hoạt động công cộng là nhà hỗn hợp).
CHÚ THÍCH: Một nhà thuộc nhóm nguy hiểm cháy theo công năng xác định, có tổng diện tích khu vực dùng cho một công năng khác (ngoại trừ công năng để ở), mang tính phụ trợ cho công năng chính, không lớn hơn 10 % diện tích sàn của tầng bố trí công năng khác đó thì không coi là nhà hỗn hợp.
1.4.27
Nhóm nguy hiểm cháy theo công năng
Đặc trưng phân nhóm của nhà (hoặc các phần của nhà) dựa trên đặc điểm sử dụng của chúng và theo các yếu tố có thể đe dọa tới sự an toàn của người trong trường hợp xảy ra cháy, có tính đến các yếu tố tuổi tác, trạng thái thể chất, khả năng có người đang ngủ v.v. của nhóm người sử dụng theo công năng chính.
1.4.28
Nhóm nguy hiểm cháy của vật liệu xây dựng
Đặc trưng phân nhóm của vật liệu xây dựng, dựa trên các mức khác nhau của thông số kết quả thí nghiệm gây cháy cho vật liệu theo các tiêu chuẩn quy định.
1.4.29
Phòng cháy
Tổ hợp các giải pháp tổ chức và kỹ thuật nhằm đảm bảo an toàn cho con người, ngăn ngừa sự cố cháy, hạn chế lan truyền cháy cũng như tạo ra các điều kiện để dập cháy hiệu quả.
1.4.30
Quy mô khối tích
Là khối tích của một không gian trong phạm vi một nhà hoặc khoang cháy. Khối tích này không bao gồm các tường của thang máy được bảo vệ, buồng thang bộ thoát nạn và các không gian khác (ví dụ khu vệ sinh và các buồng để đồ) được bao bọc bằng các tường có giới hạn chịu lửa không thấp hơn 1 giờ, đồng thời các lối đi qua tường được bảo vệ bằng cửa ngăn cháy loại 2 có lắp cơ cấu tự đóng. Quy mô khối tích được tính dựa vào các kích thước sau:
a) Kích thước mặt bằng lấy theo khoảng cách giữa các bề mặt hoàn thiện phía trong của tường bao, hoặc ở tất cả các mặt không có tường bao thì tính đến một mặt phẳng thẳng đứng kéo đến cạnh ngoài trên cùng của sàn.
b) Chiều cao lấy theo khoảng cách từ bề mặt trên của sàn phía dưới đến mặt bề mặt dưới của sàn phía trên của không gian; và
c) Đối với một nhà hoặc khoang cháy kéo lên đến mái thì lấy theo khoảng cách đến bề mặt dưới của mái hoặc bề mặt dưới của trần của tầng cao nhất trong khoang cháy, bao gồm cả không gian bị chiếm chỗ bởi tất cả các tường, hoặc giếng đứng, kênh dẫn không được bảo vệ, hoặc kết cấu cấu nằm trong không gian đang xét.
1.4.31
Sảnh ngăn khói
Sảnh được bố trí ở phía ngoài lối vào một buồng thang bộ thoát nạn. Thiết kế của sảnh này phải đảm bảo ngăn chặn hoặc giảm thiểu sự xâm nhập của khói vào các buồng thang bộ.
1.4.32
Sảnh thang máy
Không gian trống trước cửa ra vào của thang máy.
1.4.33
Số tầng nhà
Số tầng của tòa nhà bao gồm toàn bộ các tầng trên mặt đất (kể cả tầng kỹ thuật, tầng tum) và tầng bán/nửa hầm, không bao gồm tầng áp mái.
CHÚ THÍCH: Tầng tum không tính vào số tầng nhà của công trình khi chỉ có chức năng sử dụng để bao che lồng cầu thang bộ/giếng thang máy và che chắn các thiết bị kỹ thuật của công trình (nếu có), có diện tích mái tum không vượt quá 30 % diện tích sàn mái.
1.4.34
Sự cố cháy (đám cháy)
Sự cháy không được kiểm soát dẫn đến các thiệt hại về người và (hoặc) tài sản.
1.4.35
Sự cháy
Phản ứng Ôxy hóa tỏa nhiệt của một chất có kèm theo ít nhất một trong ba yếu tố: ngọn lửa, phát sáng, sinh khói.
1.4.36
Tài liệu chuẩn
Tài liệu đề ra các quy tắc, hướng dẫn hoặc đặc tính đối với những hoạt động hoặc những kết quả của chúng.
CHÚ THÍCH 1: Thuật ngữ “tài liệu chuẩn” là một thuật ngữ chung bao gồm các tài liệu như các tiêu chuẩn, quy định kỹ thuật, quy phạm thực hành và quy chuẩn kỹ thuật.
CHÚ THÍCH 2: “tài liệu” phải được hiểu là phương tiện mang thông tin.
CHÚ THÍCH 3: Những thuật ngữ để chỉ các dạng tài liệu chuẩn khác nhau được xác định căn cứ vào việc xem xét tài liệu và nội dung của nó như là một thực thể nguyên vẹn.
1.4.37
Tải trọng cháy
Tổng năng lượng nhiệt được giải phóng bởi sự cháy của tất cả các vật liệu có thể cháy trong một không gian công trình.
1.4.38
Tầng áp mái
Tầng nằm bên trong không gian của mái dốc mà toàn bộ hoặc một phần mặt đứng của nó được tạo bởi bề mặt mái nghiêng hoặc mái gấp, trong đó tường bao (nếu có) không cao quá mặt sàn 1,5 m.
1.4.39
Tầng hầm
Tầng mà quá một nửa chiều cao của nó nằm dưới cao độ mặt đất đặt công trình theo quy hoạch được duyệt.
CHÚ THÍCH: Khi xem xét các yêu cầu về an toàn cháy đối với nhà có cao độ mặt đất xung quanh khác nhau, không xác định tầng nằm dưới cao độ mặt đất theo quy hoạch được duyệt là tầng hầm nếu đường thoát nạn từ tầng đố không di chuyển theo hướng từ dưới lên trên.
1.4.40
Tầng lánh nạn
Tầng dùng để sơ tán tạm thời, được bố trí trong tòa nhà có chiều cao lớn hơn 100 m. Tầng lánh nạn có bố trí một hoặc nhiều gian lánh nạn.
1.4.41
Tầng bán/nửa hầm
Tầng mà một nửa chiều cao của nó nằm trên hoặc ngang cao độ mặt đất đặt công trình theo quy hoạch được duyệt.
1.4.42
Tầng kỹ thuật
Tầng hoặc một phần tầng bố trí các gian kỹ thuật hoặc các thiết bị kỹ thuật của tòa nhà. Tầng kỹ thuật có thể là tầng hầm, tầng nửa hầm, tầng áp mái, tầng trên cùng hoặc tầng thuộc phần giữa của tòa nhà.
1.4.43
Tầng trên mặt đất
Tầng mà cao độ sàn của nó cao hơn hoặc bằng cao độ mặt đất đặt công trình theo quy hoạch được duyệt.
1.4.44
Thang máy chữa cháy
Thang máy được lắp đặt chủ yếu để vận chuyển người nhưng được trang bị thêm các hệ thống điều khiển bảo vệ, thông tin liên lạc và các dấu hiệu để cho phép những thang máy đó được sử dụng dưới sự điều khiển trực tiếp của lực lượng chữa cháy đến được các tầng của nhà khi có cháy xảy ra.
1.4.45
Vùng khói
Vùng bên trong một công trình được giới hạn hoặc bao bọc xung quanh bằng các bộ phận ngăn khói hoặc cấu kiện kết cấu để ngăn cản sự lan truyền của lớp khói bốc lên do nhiệt trong các đám cháy.
CHÚ THÍCH: Xem thêm Phụ lục D, mục D.7.
1.4.46
Xử lý chống cháy cho kết cấu
Dùng biện pháp ngâm tẩm hoặc bọc, phủ các lớp bảo vệ lên kết cấu nhằm làm tăng khả năng chịu lửa và (hoặc) làm giảm tính nguy hiểm cháy của kết cấu đó.
1.5. Các quy định chung
1.5.1. Trong các nhà, khi thiết kế phải có các giải pháp kết cấu, bố trí mặt bằng - không gian và kỹ thuật công trình để đảm bảo khi xảy ra cháy thì:
- Nhà duy trì được tính ổn định tổng thể và tính bất biến hình trong một khoảng thời gian nhất định, được quy định bằng bậc chịu lửa của nhà.
- Mọi người trong nhà (không phụ thuộc vào tuổi tác và tình trạng sức khỏe) có thể sơ tán ra bên ngoài tới khu vực an toàn (sau đây gọi là bên ngoài) trước khi xuất hiện nguy cơ đe doạ tính mạng và sức khoẻ do tác động của các yếu tố nguy hiểm của đám cháy.
- Có khả năng cứu người.
- Lực lượng và phương tiện chữa cháy có thể tiếp cận đám cháy và thực hiện các biện pháp chữa cháy, cứu người và tài sản.
- Không để cháy lan sang các nhà bên cạnh, kể cả trong trường hợp nhà đang cháy bị sập đổ.
- Hạn chế các thiệt hại trực tiếp và gián tiếp về vật chất, bao gồm bản thân ngôi nhà và các tài sản bên trong nhà, có xét tới tương quan kinh tế giữa giá trị thiệt hại và chi phí cho các giải pháp cùng trang thiết bị kỹ thuật phòng cháy chữa cháy.
1.5.2. Trong quá trình xây dựng phải đảm bảo:
- Thực hiện các giải pháp phòng chống cháy theo thiết kế phù hợp với quy chuẩn, tiêu chuẩn hiện hành và đã được thẩm duyệt theo quy định.
- Thực hiện các yêu cầu phòng cháy chữa cháy cho các công trình đang xây dựng, các công trình phụ trợ và các quy định phòng cháy chữa cháy trong thi công xây lắp theo pháp luật về phòng cháy chữa cháy hiện hành.
- Trang bị các phương tiện chữa cháy theo quy định và trong trạng thái sẵn sàng hoạt động.
- Khả năng thoát nạn an toàn và cứu người, cũng như bảo vệ tài sản khi xảy ra cháy trong công trình đang xây dựng và trên công trường.
1.5.3. Trong quá trình khai thác sử dụng phải:
- Giữ nguyên cấu trúc, nội thất của nhà và khả năng làm việc của các trang thiết bị phòng cháy chữa cháy đúng với yêu cầu của thiết kế và các tài liệu kỹ thuật lập cho chúng.
- Thực hiện các quy định về phòng cháy chữa cháy theo pháp luật hiện hành.
- Không được phép thay đổi kết cấu hay các giải pháp bố trí mặt bằng - không gian và kỹ thuật công trình mà không có thiết kế được phê duyệt theo quy định.
- Khi tiến hành sửa chữa, không cho phép sử dụng các cấu kiện và vật liệu không đáp ứng các yêu cầu của các quy chuẩn, tiêu chuẩn hiện hành.
Khi nhà được cấp phép ở điều kiện phải hạn chế về tải trọng cháy, về số người trong nhà hoặc trong bất kỳ phần nào của nhà, thì bên trong nhà phải đặt thông báo về những hạn chế này ở những nơi dễ thấy, còn bộ phận quản lý nhà phải thiết lập các biện pháp tổ chức riêng về phòng cháy chữa cháy và sơ tán người khi xảy ra cháy.
1.5.4. Khi phân tích tính nguy hiểm cháy của nhà, có thể sử dụng các tình huống tính toán dựa trên tương quan giữa các thông số: sự phát triển và lan truyền các yếu tố nguy hiểm của đám cháy, việc sơ tán người và tổ chức chữa cháy.
2. PHÂN LOẠI KỸ THUẬT VỀ CHÁY
2.1. Quy định chung
2.1.1. Nhà, các phần và các bộ phận của nhà, gian phòng, vật liệu xây dựng, cấu kiện xây dựng, được phân loại kỹ thuật về cháy dựa trên các tính chất sau:
- Tính nguy hiểm cháy: tính chất làm phát sinh và phát triển các yếu tố nguy hiểm cháy.
- Tính chịu lửa: tính chất chống lại các tác động của đám cháy và chống sự lan truyền các yếu tố nguy hiểm của đám cháy.
2.1.2. Việc phân loại kỹ thuật về cháy dùng để thiết lập các yêu cầu cần thiết về bảo vệ chống cháy cho các kết cấu, gian phòng, nhà, các phần và các bộ phận của nhà phụ thuộc vào tính chịu lửa và / hoặc tính nguy hiểm cháy của chúng.
2.2. Vật liệu xây dựng
2.2.1. Về mặt an toàn cháy, vật liệu xây dựng chỉ được đặc trưng bằng tính nguy hiểm cháy.
Tính nguy hiểm cháy của vật liệu xây dựng được xác định theo các đặc tính kỹ thuật về cháy sau: tính cháy, tính bắt cháy, tính lan truyền lửa trên bề mặt, khả năng tạo khói và chất độc.
2.2.2. Theo tính cháy, vật liệu xây dựng được phân thành vật liệu không cháy và vật liệu cháy. Vật liệu xây dựng cháy được phân thành 4 nhóm:
- Ch1 (cháy yếu).
- Ch2 (cháy vừa phải).
- Ch3 (cháy mạnh vừa).
- Ch4 (cháy mạnh).
Tính cháy và các nhóm của vật liệu xây dựng theo tính cháy được xác định theo Phụ lục B, mục B.2.
Đối với vật liệu xây dựng không cháy thì không quy định về tính nguy hiểm cháy và không xác định các chỉ tiêu khác.
2.2.3. Theo tính bắt cháy, vật liệu xây dựng cháy được phân thành 3 nhóm:
- BC1 (khó bắt cháy).
- BC2 (bắt cháy vừa phải).
- BC3 (dễ bắt cháy).
Nhóm vật liệu xây dựng theo tính bắt cháy được xác định theo Phụ lục B, mục B.3.
2.2.4. Theo tính lan truyền lửa trên bề mặt, vật liệu xây dựng cháy được phân thành 4 nhóm:
- LT1 (không lan truyền).
- LT2 (lan truyền yếu).
- LT3 (lan truyền vừa phải).
- LT4 (lan truyền mạnh).
Nhóm vật liệu xây dựng theo tính lan truyền lửa trên bề mặt được quy định cho lớp vật liệu bề mặt của mái và sàn, kể cả lớp thảm trải sàn, theo Phụ lục B, mục B.4.
Đối với các vật liệu xây dựng khác, không xác định và không quy định việc phân nhóm về lan truyền lửa trên bề mặt.
2.2.5 Theo khả năng sinh khói, vật liệu xây dựng cháy được phân thành 3 nhóm:
SK1 (khả năng sinh khói thấp).
SK2 (khả năng sinh khói vừa phải).
SK3 (khả năng sinh khói cao).
Nhóm vật liệu xây dựng theo khả năng sinh khói được xác định theo Phụ lục B, mục B.5.
2.2.6 Theo độc tính của các sản phẩm cháy, vật liệu xây dựng cháy được phân thành 4 nhóm:
ĐT1 (độc tính thấp).
ĐT2 (độc tính vừa phải).
ĐT3 (độc tính cao).
ĐT4 (độc tính đặc biệt cao).
Nhóm vật liệu xây dựng theo độc tính của các sản phẩm cháy được xác định theo Phụ lục B, mục B.6.
2.3. Cấu kiện xây dựng
2.3.1. Cấu kiện xây dựng được đặc trưng bằng tính chịu lửa và tính nguy hiểm cháy.
Tính chịu lửa của một cấu kiện được thể hiện bằng giới hạn chịu lửa của cấu kiện đó. Tính nguy hiểm cháy của một cấu kiện được đặc trưng bằng cấp nguy hiểm cháy của nó.
2.3.2. Giới hạn chịu lửa của cấu kiện xây dựng được xác định bằng khoảng thời gian (tính bằng phút) kể từ khi bắt đầu thử chịu lửa theo chế độ nhiệt tiêu chuẩn cho đến khi xuất hiện một hoặc một số dấu hiệu nối tiếp nhau của các trạng thái giới hạn được quy định đối với cấu kiện đã cho như sau:
- Mất khả năng chịu lực (khả năng chịu lực được ký hiệu bằng chữ R).
- Mất tính toàn vẹn (tính toàn vẹn được ký hiệu bằng chữ E).
- Mất khả năng cách nhiệt (khả năng cách nhiệt được ký hiệu bằng chữ I).
CHÚ THÍCH 1: Giới hạn chịu lửa của cấu kiện xây dựng được xác định bằng thử nghiệm chịu lửa theo các tiêu chuẩn TCVN 9311-1:2012 đến TCVN 9311-8:2012 hoặc các tiêu chuẩn tương đương. Giới hạn chịu lửa của cấu kiện xây dựng có thể xác định bằng tính toán theo tiêu chuẩn thiết kế chịu lửa được áp dụng.
Giới hạn chịu lửa của các ống dẫn khí xác định theo tiêu chuẩn ISO 6944 hoặc các tiêu chuẩn tương đương.
Giới hạn chịu lửa của các van ngăn cháy của hệ thống thông gió xác định theo ISO 10294. Giới hạn chịu lửa của cửa đi, cửa sổ và cửa chắn xác định theo tiêu chuẩn TCVN 9383:2012.
CHÚ THÍCH 2: Giới hạn chịu lửa yêu cầu của các cấu kiện xây dựng cụ thể được quy định trong quy chuẩn này và trong các quy chuẩn kỹ thuật cho từng loại công trình. Giới hạn chịu lửa yêu cầu của cấu kiện xây dựng được ký hiệu bằng REI, EI, RE hoặc R kèm theo các chỉ số tương ứng về thời gian chịu tác động của lửa tính bằng phút. Ví dụ: Cấu kiện có giới hạn chịu lửa yêu cầu là REI 120 nghĩa là cấu kiện phải duy trì được đồng thời cả ba khả năng: chịu lực, toàn vẹn và cách nhiệt trong khoảng thời gian chịu tác động của lửa là 120 phút; Cấu kiện có giới hạn chịu lửa yêu cầu là R 60, thì cấu kiện chỉ phải duy trì khả năng chịu lực trong thời gian 60 phút, không yêu cầu về khả năng cách nhiệt và tính toàn vẹn.
CHÚ THÍCH 3: Một cấu kiện xây dựng được cho là đảm bảo yêu cầu về khả năng chịu lửa (giới hạn chịu lửa) nếu thỏa mãn một trong các điều kiện sau:
a) Cấu kiện có cấu tạo với đặc điểm kỹ thuật giống như mẫu thí nghiệm chịu lửa và mẫu này khi thí nghiệm có giới hạn chịu lửa không nhỏ hơn giới hạn chịu lửa yêu cầu của cấu kiện đó.
b) Cấu kiện có cấu tạo với đặc điểm kỹ thuật phù hợp với cấu kiện nêu trong Phụ lục F mà giới hạn chịu lửa danh định tương ứng cho trong phụ lục này không nhỏ hơn giới hạn chịu lửa yêu cầu của cấu kiện đó.
c) Giới hạn chịu lửa của cấu kiện được xác định bằng tính toán theo tiêu chuẩn thiết kế chịu lửa áp dụng không nhỏ hơn giới hạn chịu lửa yêu cầu của cấu kiện đó.
2.3.3 Theo tính nguy hiểm cháy, cấu kiện xây dựng được phân thành 4 cấp:
K0 (không nguy hiểm cháy).
K1 (ít nguy hiểm cháy).
K2 (nguy hiểm cháy vừa phải).
K3 (nguy hiểm cháy).
CHÚ THÍCH 1: Cấp nguy hiểm cháy của cấu kiện xây dựng được xác định bằng thử nghiệm theo tiêu chuẩn Việt Nam hiện hành hoặc tương đương.
CHÚ THÍCH 2: Cho phép xác định cấp nguy hiểm cháy của cấu kiện mà không cần thử nghiệm như sau:
- Xếp vào cấp K0, nếu cấu kiện được chế tạo chỉ từ vật liệu không cháy.
- Xếp vào cấp K1, nếu bề mặt ngoài của cấu kiện được cấu tạo từ vật liệu có đồng thời các chỉ tiêu kỹ thuật về cháy không nguy hiểm hơn Ch1, BC1, SK1.
- Xếp vào cấp K2, nếu bề mặt ngoài của cấu kiện được cấu tạo từ vật liệu có đồng thời các chỉ tiêu kỹ thuật về cháy không nguy hiểm hơn Ch2, BC2, SK2.
- Xếp vào cấp K3, nếu bề mặt ngoài của cấu kiện được cấu tạo chỉ từ các vật liệu có một trong các chỉ tiêu kỹ thuật về cháy là Ch3, BC3, SK3.
2.4 Bộ phận ngăn cháy
2.4.1 Bộ phận ngăn cháy được dùng để ngăn cản đám cháy và các sản phẩm cháy lan truyền từ một khoang cháy hoặc từ một gian phòng có đám cháy tới các gian phòng khác.
Bộ phận ngăn cháy bao gồm tường ngăn cháy, vách ngăn cháy và sàn ngăn cháy.
2.4.2. Bộ phận ngăn cháy được đặc trưng bằng tính chịu lửa và tính nguy hiểm cháy.
Tính chịu lửa của một bộ phận ngăn cháy được xác định bằng tính chịu lửa của các bộ phận cấu thành ra nó, bao gồm:
Phần ngăn cách (tấm vách, tấm tường, tấm sàn, …).
Cấu kiện giữ ổn định cho phần ngăn cách (khung, thanh giằng, …).
Cấu kiện đỡ phần ngăn cách (dầm đỡ, sườn đỡ, tường đỡ, …).
Các chi tiết liên kết giữa chúng.
Giới hạn chịu lửa theo trạng thái mất khả năng chịu lực (R) của cấu kiện giữ ổn định cho phần ngăn cách, của cấu kiện đỡ phần ngăn cách và của các chi tiết liên kết giữa chúng phải không được thấp hơn giới hạn chịu lửa yêu cầu đối với phần ngăn cách.
Tính nguy hiểm cháy của bộ phận ngăn cháy được xác định bằng tính nguy hiểm cháy của phần ngăn cách cùng với các chi tiết liên kết và của các cấu kiện giữ ổn định cho phần ngăn cách.
| Bộ phận ngăn cháy | Loại bộ phận ngăn cháy | Giới hạn chịu lửa của bộ phận ngăn cháy, không nhỏ hơn | Loại cửa và van ngăn cháy trong bộ phận ngăn cháy, không thấp hơn | Loại khoang đệm ngăn cháy, không thấp hơn |
| Tường ngăn cháy | 1 | REI 150 | 1 | 1 |
| 2 | REI 45 | 2 | 2 | |
| Vách ngăn cháy | 1 | EI 45 | 2 | 1 |
| 2 | EI 15 | 3 | 2 | |
| Sàn ngăn cháy | 1 | REI 150 | 1 | 1 |
| 2 | REI 60 | 2 | 1 | |
| 3 | REI 45 | 2 | 1 | |
| 4 | REI 15 | 3 | 2 |
| Cửa và van ngăn cháy trong bộ phận ngăn cháy | Loại cửa và van ngăn cháy trong bộ phận ngăn cháy | Giới hạn chịu lửa, không nhỏ hơn |
| (1) | (2) | (3) |
| Cửa đi, cổng, cửa nắp, van 1) | 1 | EI 60 |
| 2 | EI 30 2) | |
| 3 | EI 15 | |
| Cửa sổ | 1 | E 60 |
| 2 | E 30 | |
| 3 | E 15 | |
| Màn chắn | 1 | EI 60 |
| CHÚ THÍCH 1: Giới hạn chịu lửa của van ngăn cháy được phép chỉ lấy theo tính toàn vẹn (E) nếu những van này lắp đặt bên trong các kênh, giếng và đường ống dẫn mà đảm bảo được khả năng chịu lửa yêu cầu, đối với cả tính toàn vẹn (E) và tính cách nhiệt (I). CHÚ THÍCH 2: Giới hạn chịu lửa của cửa của giếng thang máy được phép lấy không nhỏ hơn E 30. | ||
| Loại khoang đệm ngăn cháy | Giới hạn chịu lửa của các bộ phận của khoang đệm, không nhỏ hơn | ||
| Vách ngăn của khoang đệm | Sàn của khoang đệm | Cửa và van ngăn cháy của khoang đệm | |
| 1 | EI 45 | REI 45 | EI 30 |
| 2 | EI 15 | REI 15 | EI 15 |
2.5. Cầu thang và buồng thang bộ
2.5.1. Cầu thang và buồng thang bộ dùng để thoát nạn được phân thành các loại sau:
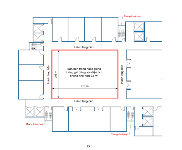
CHÚ THÍCH: Phụ lục I trình bày một số hình vẽ minh họa về các loại cầu thang và buồng thang bộ.
a) Các loại cầu thang bộ:
Loại 1 – cầu thang bên trong nhà, được đặt trong buồng thang.
Loại 2 – cầu thang bên trong nhà, để hở.
Loại 3 – cầu thang bên ngoài nhà, để hở.
CHÚ THÍCH: Để hở tức là không được đặt trong buồng thang.
b) Các loại buồng thang bộ thông thường:
L1 – có các lỗ cửa ở tường ngoài trên mỗi tầng (để hở hoặc lắp kính).
L2 – được chiếu sáng tự nhiên qua các lỗ ở trên mái (để hở hoặc lắp kính).
c) Các loại buồng thang bộ không nhiễm khói:
- N1 - có lối vào buồng thang từ mỗi tầng đi qua một khoảng đệm không nhiễm khói được thực hiện bằng giải pháp thông gió tự nhiên phù hợp. Một số trường hợp buồng thang N1 có cấu tạo được coi là phù hợp cho trong 3.4.10.
Cho phép thay thế buồng thang bộ N1 bằng buồng thang bộ có lối vào buồng thang từ mỗi tầng đi qua khoang đệm. Cả khoang đệm và buồng thang phải có áp suất không khí dương khi có cháy. Việc cấp khí vào khoang đệm và vào buồng thang là độc lập với nhau.
- N2 - có áp suất không khí dương (áp suất không khí trong buồng thang cao hơn bên ngoài buồng thang) trong buồng thang khi có cháy.
- N3 - có lối vào buồng thang từ mỗi tầng đi qua khoang đệm có áp suất không khí dương (áp suất không khí dương trong khoang đệm là thường xuyên hoặc khi có cháy).
2.5.2. Thang chữa cháy để phục vụ cho việc chữa cháy và cứu nạn được phân thành 2 loại sau:
- P1 - thang đứng.
- P2 - thang bậc với độ nghiêng không quá 6:1 (không quá 80o).
2.6. Nhà, khoang cháy, gian phòng
2.6.1. Nhà hoặc các phần của nhà được ngăn cách riêng biệt bằng các tường ngăn cháy loại 1 (gọi là khoang cháy) được phân nhóm theo bậc chịu lửa, theo cấp nguy hiểm cháy kết cấu và theo nhóm nguy hiểm cháy theo công năng. Cho phép phân chia khoang cháy trong các nhà có bậc chịu lửa IV và V bằng các tường ngăn cháy loại 2.
- Bậc chịu lửa của nhà và khoang cháy được xác định bằng giới hạn chịu lửa của các cấu kiện xây dựng của nó.
- Cấp nguy hiểm cháy kết cấu của nhà và khoang cháy được xác định theo mức độ tham gia của các cấu kiện xây dựng vào sự phát triển cháy và hình thành các yếu tố nguy hiểm của đám cháy.
- Nhóm nguy hiểm cháy theo công năng của nhà và các phần của nhà được xác định theo mục đích sử dụng và đặc điểm của các quy trình công nghệ bố trí bên trong nó.
2.6.2. Nhà và các khoang cháy được phân theo bậc chịu lửa như Bảng 4.
Các bộ phận chịu lực của nhà bao gồm các tường và cột chịu lực, các thanh giằng, liên kết, các vách cứng, các bộ phận của sàn (dầm, xà hoặc tấm) tham gia vào việc đảm bảo sự ổn định tổng thể và sự bất biến hình của nhà khi có cháy.
Các bộ phận chịu lực không tham gia vào việc đảm bảo ổn định tổng thể của nhà phải được đơn vị thiết kế chỉ dẫn trong tài liệu kỹ thuật của nhà.
Không quy định giới hạn chịu lửa đối với bộ phận bịt lỗ thông (cửa, cổng, cửa sổ, cửa nắp, cửa trời, trong đó có cả cửa trên đỉnh và các phần cho ánh sáng xuyên qua khác của tấm lợp mái), ngoại trừ các cửa, van ngăn cháy trong bộ phận ngăn cháy và các trường hợp được nói riêng.
Khi giới hạn chịu lửa tối thiểu của cấu kiện được yêu cầu là R 15 (RE 15, REI 15) thì cho phép sử dụng các kết cấu thép không bọc bảo vệ mà không phụ thuộc vào giới hạn chịu lửa thực tế của nó, ngoại trừ các trường hợp khi giới hạn chịu lửa của các bộ phận chịu lực của nhà theo kết quả thí nghiệm nhỏ hơn R 8.
Trong các buồng thang bộ không nhiễm khói loại N1 được phép sử dụng các bản thang và các chiếu thang với giới hạn chịu lửa R 15 và thuộc cấp nguy hiểm cháy K0.
| Bậc chịu lửa của nhà | Giới hạn chịu lửa của kết cấu nhà, không nhỏ hơn | ||||||
| Các bộ phận chịu lực của nhà | Tường ngoài không chịu lực | Sàn giữa các tầng (bao gồm cả sàn tầng áp mái và sàn trên tầng hầm) | Bộ phận mái không có tầng áp mái | Kết cấu buồng thang bộ | |||
| Tấm lợp (bao gồm tấm lợp có lớp cách nhiệt) | Giàn, dầm, xà gồ | Tường trong | Bản thang và chiếu thang | ||||
| I | R 120 | E 30 | REI 60 | RE 30 | R 30 | REI 120 | R 60 |
| II | R 90 | E 15 | REI 45 | RE 15 | R 15 | REI 90 | R 60 |
| III | R 45 | E 15 | REI 45 | RE 15 | R 15 | REI 60 | R 45 |
| IV | R 15 | E 15 | REI 15 | RE 15 | R 15 | REI 45 | R 15 |
| V | Không quy định | ||||||
| CHÚ THÍCH 1: Trong các ngôi nhà có bậc chịu lửa I, II, III thì sàn và trần của tầng hầm, tầng nửa hầm phải làm bằng vật liệu không cháy và có giới hạn chịu lửa ít nhất REI 90. Sàn các tầng 1 và tầng trên cùng phải làm bằng vật liệu có tính cháy không thấp hơn Ch1. CHÚ THÍCH 2: Trong các ngôi nhà có bậc chịu lửa IV, V thì sàn của tầng hầm hay tầng nửa hầm phải làm bằng vật liệu có tính cháy không thấp hơn Ch1 và có giới hạn chịu lửa không dưới REI 45 CHÚ THÍCH 3: Đối với nhà có 2 hoặc 3 tầng hầm (nhà thuộc nhóm F1.3 và nhà hỗn hợp) thì các cấu kiện, kết cấu chịu lực ở tầng hầm phải có giới hạn chịu lửa tối thiểu R 120. | |||||||
| Cấp nguy hiểm cháy kết cấu của nhà | Cấp nguy hiểm cháy của cấu kiện xây dựng, không nhỏ hơn | ||||
| Các bộ phận chịu lực dạng thanh (cột, xà, giàn, v.v.) | Tường ngoài từ phía ngoài | Tường, vách ngăn, sàn và mái không có tầng áp mái | Tường của buồng thang bộ và của bộ phận ngăn cháy | Bản thang và chiếu thang trong buồng thang bộ | |
| S0 | K0 | K0 | K0 | K0 | K0 |
| S1 | K1 | K2 | K1 | K0 | K0 |
| S2 | K3 | K3 | K2 | K1 | K1 |
| S3 | Không quy định | K1 | K3 | ||
2.6.4. Khi áp dụng vào thực tế xây dựng các kết cấu hoặc hệ kết cấu mà không thể xác định được giới hạn chịu lửa hoặc cấp nguy hiểm cháy của chúng trên cơ sở các thử nghiệm chịu lửa tiêu chuẩn hoặc theo tính toán thì cần tiến hành thử nghiệm chịu lửa đối với các mẫu giống như cấu tạo thực của các bộ phận đó theo yêu cầu của quy định hiện hành về thử nghiệm chịu lửa.
2.6.5. Nhà và các phần của nhà (các gian phòng hoặc nhóm các gian phòng có công năng liên quan với nhau) được phân thành các nhóm nguy hiểm cháy theo công năng tuỳ thuộc vào đặc điểm sử dụng chúng, vào mức đe dọa tới sự an toàn của người trong trường hợp xảy ra đám cháy có tính đến: tuổi tác, trạng thái thể chất, khả năng có người đang ngủ, nhóm người sử dụng theo công năng chính và số người của nhóm đó. Phân nhóm nguy hiểm cháy theo công năng được quy định tại Bảng 6.
Nhà và gian phòng dùng để sản xuất hoặc làm kho được phân hạng (A, B, C (C1, C2, C3, C4), D, E) theo tính nguy hiểm cháy và cháy nổ phụ thuộc vào số lượng và tính chất nguy hiểm cháy nổ của các chất và vật liệu chứa trong chúng, có tính đến đặc điểm của quá trình công nghệ sản xuất. Việc phân hạng quy định trong Phụ lục C.
Các gian phòng sản xuất và các gian phòng kho, kể cả các phòng thí nghiệm và nhà xưởng có diện tích trên 50 m2, các gian phòng chuẩn bị đồ ăn có thiết bị đun nấu có công suất trên 10 KW trong các nhà thuộc Nhóm F1, F2, F3 và F4, được xếp vào Nhóm F5.
| Nhóm | Mục đích sử dụng | Đặc điểm sử dụng |
| (1) | (2) | (3) |
| F1 | Nhà để ở thường xuyên hoặc tạm thời (trong đó có cả để ở suốt ngày đêm). | Các gian phòng trong nhà này thường được sử dụng cả ngày và đêm. Nhóm người trong đó có thể gồm nhiều lứa tuổi và trạng thái thể chất khác nhau. Đặc trưng của các nhà này là có các phòng ngủ. |
| F1.1 | Nhà trẻ, mẫu giáo, nhà chuyên dùng cho người cao tuổi và người khuyết tật (không phải nhà căn hộ), bệnh viện, khối nhà ngủ của các trường nội trú và của các cơ sở cho trẻ em, và các nhà có đặc điểm sử dụng tương tự. | |
| F1.2 | Khách sạn, ký túc xá, khối nhà ngủ của các cơ sở điều dưỡng và nhà nghỉ chung, của các khu cắm trại, nhà trọ (motel) và nhà an dưỡng, và các nhà có đặc điểm sử dụng tương tự | |
| F1.3 | Nhà chung cư, và các nhà có đặc điểm sử dụng tương tự | |
| F1.4 | Nhà ở một căn hộ riêng lẻ hoặc các nhà có một số căn hộ liền kề và mỗi căn hộ đều có lối ra ngoài riêng, và các nhà có đặc điểm sử dụng tương tự | |
| F2 | Các cơ sở văn hoá, thể thao đại chúng. | Các gian phòng chính trong |
| (1) | (2) | (3) |
| F2.1 | Nhà hát, rạp chiếu phim, phòng hoà nhạc, câu lạc bộ, rạp xiếc, các công trình thể thao có khán đài, thư viện và các công trình khác có số lượng chỗ ngồi tính toán cho khách trong các gian phòng kín, và các nhà có đặc điểm sử dụng tương tự. | các nhà này được đặc trưng bởi số lượng lớn khách lưu lại trong một khoảng thời gian nhất định. |
| F2.2 | Bảo tàng, triển lãm, phòng nhảy, phòng hát và các cơ sở tương tự khác trong các gian phòng kín, và các nhà có đặc điểm sử dụng tương tự. | |
| F2.3 | Các cơ sở được đề cập ở mục F2.1, hở ra ngoài trời. | |
| F2.4 | Các cơ sở được đề cập ở mục F2.2, hở ra ngoài trời. | |
| F3 | Các cơ sở thương mại, kinh doanh và dịch vụ dân cư. | Các gian phòng của các cơ sở này được đặc trưng bởi số lượng khách lớn hơn so với nhân viên phục vụ. |
| F3.1 | Cơ sở bán hàng, phòng trưng bày các sản phẩm hàng hóa, và các nhà có đặc điểm sử dụng tương tự. | |
| F3.2 | Cơ sở ăn uống công cộng, nhà hàng và các nhà có đặc điểm sử dụng tương tự. | |
| F3.3 | Nhà ga. | |
| F3.4 | Phòng khám chữa bệnh đa khoa ngoại trú và cấp cứu, và các nhà có đặc điểm sử dụng tương tự. | |
| F3.5 | Các gian phòng cho khách của các cơ sở dịch vụ đời sống và công cộng có số lượng chỗ ngồi cho khách không được tính toán (bưu điện, quỹ tiết kiệm, phòng vé, văn phòng tư vấn luật, văn phòng công chứng, cửa hàng giặt là, nhà may, sửa chữa giày và quần áo, cửa hàng cắt tóc, cơ sở phục vụ lễ tang, cơ sở tôn giáo, tín ngưỡng và các cơ sở tương tự). | |
| F3.6 | Các khu liên hợp rèn luyện thể chất và các khu tập luyện thể thao không có khán đài; Các gian phòng dịch vụ; Nhà tắm, và các nhà có đặc điểm sử dụng tương tự. | |
| F4 | Các trường học, trụ sở làm việc, tổ chức khoa học và thiết kế, cơ quan quản lý. | Các phòng trong các nhà này được sử dụng một số thời gian nhất định trong ngày, bên trong phòng thường có nhóm người cố định, quen với điều kiện tại chỗ, có độ tuổi và trạng thái thể chất xác định. |
| F4.1 | Các trường phổ thông, cơ sở đào tạo ngoài trường phổ thông, trường trung học chuyên nghiệp, trường dạy nghề, và các nhà có đặc điểm sử dụng tương tự. | |
| F4.2 | Các trường đại học, cao đẳng, trường bồi dưỡng nâng cao nghiệp vụ, và các nhà có đặc điểm sử dụng tương tự. | |
| F4.3 | Các cơ sở của các cơ quan quản lý, tổ chức thiết kế, tổ chức thông tin và nhà xuất bản, tổ chức nghiên cứu khoa học, ngân hàng, cơ quan, văn phòng, và các nhà có đặc điểm sử dụng tương tự. | |
| F4.4 | Các trạm (đội) chữa cháy và cứu nạn, cứu hộ. |
| (1) | (2) | (3) |
| F5 | Các nhà, công trình, gian phòng dùng để sản xuất hay để làm kho. | Các gian phòng loại này được đặc trưng bởi sự có mặt của nhóm người làm việc cố định, kể cả làm việc suốt ngày đêm |
| F5.1 | Các nhà và công trình sản xuất, các gian phòng sản xuất và thí nghiệm, nhà xưởng, và các nhà có đặc điểm sử dụng tương tự. | |
|
|
|
|
| F5.2 | Các nhà và công trình kho; bãi đỗ xe ô tô, xe máy, xe đạp không có dịch vụ kỹ thuật và sửa chữa; kho chứa sách, kho lưu trữ, các gian phòng kho, và các nhà có đặc điểm sử dụng tương tự. | |
| Các nhà phục vụ nông nghiệp. |
3. BẢO ĐẢM AN TOÀN CHO NGƯỜI
3.1. Quy định chung
3.1.1. Các yêu cầu của phần này nhằm đảm bảo:
- Thoát nạn cho người kịp thời và không bị cản trở.
- Cứu người bị tác động của các yếu tố nguy hiểm của đám cháy.
- Bảo vệ người trên đường thoát nạn, tránh khỏi những tác động của các yếu tố nguy hiểm của đám cháy.
3.1.2. Thoát nạn là quá trình tự di chuyển có tổ chức của người ra bên ngoài từ các gian phòng, nơi các yếu tố nguy hiểm của đám cháy có thể tác động lên họ. Thoát nạn còn là sự di chuyển không tự chủ của nhóm người ít có khả năng vận động, do các nhân viên phục vụ thực hiện. Thoát nạn được thực hiện theo các đường thoát nạn qua các lối ra thoát nạn.
3.1.3. Cứu nạn là sự di chuyển cưỡng bức của người ra bên ngoài khi họ bị các yếu tố nguy hiểm của đám cháy tác động hoặc khi xuất hiện nguy cơ trực tiếp của các tác động đó. Cứu nạn được thực hiện một cách tự chủ với sự trợ giúp của lực lượng chữa cháy hoặc nhân viên được huấn luyện chuyên nghiệp, bao gồm cả việc sử dụng các phương tiện cứu hộ, qua các lối ra thoát nạn và lối ra khẩn cấp.
3.1.4. Việc bảo vệ người trên các đường thoát nạn phải được bảo đảm bằng tổ hợp các giải pháp bố trí mặt bằng - không gian, tiện nghi, kết cấu, kỹ thuật công trình và tổ chức.
Các đường thoát nạn trong phạm vi gian phòng phải đảm bảo sự thoát nạn an toàn qua các lối ra thoát nạn từ gian phòng đó mà không tính đến các phương tiện bảo vệ chống khói và chữa cháy có trong gian phòng này.
Ngoài phạm vi gian phòng, phải tính đến việc bảo vệ đường thoát nạn từ điều kiện đảm bảo thoát nạn an toàn cho người có kể đến tính nguy hiểm cháy theo công năng của các gian phòng trên lối ra thoát nạn, số người thoát nạn, bậc chịu lửa và cấp nguy hiểm cháy kết cấu của nhà, số lối ra thoát nạn từ một tầng và từ toàn bộ ngôi nhà.
Trong các gian phòng và trên các đường thoát nạn ngoài phạm vi gian phòng phải hạn chế tính nguy hiểm cháy của vật liệu xây dựng thuộc các lớp bề mặt kết cấu (lớp hoàn thiện và ốp mặt) tùy thuộc vào tính nguy hiểm cháy theo công năng của gian phòng và ngôi nhà, có tính đến các giải pháp khác về bảo vệ đường thoát nạn.
3.1.5. Khi bố trí thoát nạn từ các gian phòng và ngôi nhà không được tính đến các biện pháp và phương tiện dùng để cứu nạn, cũng như các lối ra không đáp ứng yêu cầu về lối ra thoát nạn quy định tại 3.2.1.
3.1.6. Không cho phép bố trí các gian phòng nhóm F5 hạng A hoặc hạng B duới các gian phòng dùng cho hơn 50 người có mặt đồng thời; không bố trí các gian phòng nhóm F5 này trong các tầng hầm và tầng nửa hầm.
Không cho phép bố trí các gian phòng nhóm F1.1, F1.2 và F1.3 trong các tầng hầm và tầng nửa hầm.
3.1.7. Trong các nhà có từ 2 đến 3 tầng hầm, chỉ được phép bố trí phòng hút thuốc, các siêu thị và trung tâm thương mại, quán ăn, quán giải khát và các gian phòng công cộng khác nằm sâu hơn tầng hầm 1 khi có giải pháp đảm bảo an toàn cháy bổ sung và được Cơ quan Cảnh sát Phòng cháy chữa cháy và Cứu nạn cứu hộ có thẩm quyền thẩm duyệt.
Tại tất cả các sàn tầng hầm, ít nhất phải có 1 lối vào buồng thang bộ thoát nạn đi qua sảnh ngăn khói được ngăn cách với các không gian xung quanh bằng tường ngăn cháy loại 2. Các cửa đi phải là loại có cơ cấu tự đóng.
3.1.8. Để đảm bảo thoát nạn an toàn, phải phát hiện cháy và báo cháy kịp thời. Nhà và các phần nhà phải được trang bị các hệ thống báo cháy theo các quy định hiện hành.
CHÚ THÍCH: Các yêu cầu cơ bản về bố trí hệ thống báo cháy được quy định trong TCVN 3890.
3.1.9. Để bảo vệ người thoát nạn, phải bảo vệ chống khói xâm nhập các đường thoát nạn của nhà và các phần nhà.
CHÚ THÍCH: Các yêu cầu cơ bản về bảo vệ chống khói của nhà được quy định tại Phụ lục D.
3.1.10. Hiệu quả của các giải pháp đảm bảo an toàn cho người khi cháy có thể được đánh giá bằng tính toán.
3.2. Lối ra thoát nạn và lối ra khẩn cấp
3.2.1. Các lối ra được coi là lối ra thoát nạn (còn gọi là lối thoát nạn) nếu:
a) Dẫn từ các gian phòng ở tầng 1 ra ngoài theo một trong những cách sau:
Ra ngoài trực tiếp.
Qua hành lang.
Qua tiền sảnh (hay phòng chờ).
Qua buồng thang bộ.
Qua hành lang và tiền sảnh (hay phòng chờ).
Qua hành lang và buồng thang bộ.
b) Dẫn từ các gian phòng của tầng bất kỳ, trừ tầng 1, vào một trong các nơi sau:
Trực tiếp vào buồng thang bộ hay tới cầu thang bộ loại 3.
Vào hành lang dẫn trực tiếp vào buồng thang bộ hay tới cầu thang bộ loại 3.
Vào phòng sử dụng chung (hay phòng chờ) có lối ra trực tiếp dẫn vào buồng thang bộ hoặc tới cầu thang bộ loại 3.
Vào hành lang bên của nhà dưới 28 m dẫn trực tiếp vào cầu thang bộ loại 2.
c) Dẫn vào gian phòng liền kề (trừ gian phòng nhóm F5 hạng A hoặc B) trên cùng tầng mà từ gian phòng này có các lối ra như được nêu ở a) và b). Lối ra dẫn vào gian phòng hạng A hoặc B được phép coi là lối ra thoát nạn nếu nó dẫn từ gian phòng kỹ thuật không có chỗ cho người làm việc thường xuyên mà chỉ dùng để phục vụ các gian phòng hạng A hoặc B nêu trên.
3.2.2. Các lối ra từ các tầng hầm và tầng nửa hầm là lối ra thoát nạn khi thoát trực tiếp ra ngoài và tách biệt với các buồng thang bộ chung của nhà (xem minh họa ở Hình I.1, Phụ lục I).
Cho phép bố trí:
- Các lối ra thoát nạn từ các tầng hầm đi qua các buồng thang bộ chung có lối đi riêng ra bên ngoài được ngăn cách với phần còn lại của buồng thang bộ bằng vách đặc ngăn cháy loại 1 (xem minh họa ở Hình I.2, Phụ lục I).
- Các lối ra thoát nạn từ các tầng hầm và tầng nửa hầm có bố trí các gian phòng hạng C, D, E, đi vào các gian phòng hạng C4, D và E và vào sảnh nằm trên tầng một của nhà nhóm F5 khi bảo đảm các yêu cầu của 4.25.
- Các lối ra thoát nạn từ phòng chờ, phòng gửi đồ, phòng hút thuốc và phòng vệ sinh ở các tầng hầm hoặc tầng nửa hầm của nhà nhóm F2, F3 và F4 đi vào sảnh của tầng 1 theo các cầu thang bộ riêng loại 2.
- Khoang đệm, kể cả khoang đệm kép trên lối ra ngoài trực tiếp từ nhà, từ tầng hầm và tầng nửa hầm.
3.2.3. Các lối ra không được coi là lối ra thoát nạn nếu trên lối ra này có đặt cửa hay cổng có cánh mở kiểu trượt hoặc xếp, cửa cuốn, cửa quay.
Các cửa đi có cánh mở ra (cửa bản lề) nằm trong các cửa hay cổng nói trên được coi là lối ra thoát nạn nếu được thiết kế theo đúng yêu cầu quy định.
3.2.4. Số lượng và chiều rộng của các lối ra thoát nạn từ các gian phòng, các tầng và các ngôi nhà được xác định theo số lượng người thoát nạn lớn nhất có thể đi qua chúng và khoảng cách giới hạn cho phép từ chỗ xa nhất có thể có người (sinh hoạt, làm việc) tới lối ra thoát nạn gần nhất.
CHÚ THÍCH 1: Số lượng người thoát nạn lớn nhất từ các không gian khác nhau của nhà hoặc phần nhà được xác định theo Phụ lục G, mục G.3.
CHÚ THÍCH 2: Ngoài các yêu cầu chung được nêu trong quy chuẩn này, yêu cầu cụ thể về số lượng và chiều rộng của các lối ra thoát nạn được nêu trong quy chuẩn kỹ thuật cho từng loại công trình. Phụ lục G nêu một số quy định cụ thể cho các nhóm nhà thường gặp.
Khi gian phòng hoặc nhóm các gian phòng có số người sử dụng đồng thời lớn hơn 50 người và có tính nguy hiểm cháy theo công năng khác với ngôi nhà thì phải đảm bảo lối thoát nạn riêng cho các gian phòng đó (trực tiếp ra ngoài hoặc vào buồng thang bộ thoát nạn).
3.2.5. Các gian phòng sau phải có không ít hơn hai lối ra thoát nạn:
- Các gian phòng nhóm F1.1 có mặt đồng thời hơn 15 người.
- Các gian phòng trong các tầng hầm và tầng nửa hầm có mặt đồng thời hơn 15 người; riêng các gian phòng trong tầng hầm và tầng nửa hầm có từ 6 đến 15 người có mặt đồng thời thì cho phép một trong hai lối ra tuân theo các yêu cầu của 3.2.13d).
- Các gian phòng có mặt đồng thời hơn 50 người.
- Các gian phòng nhóm F5 hạng A hoặc B có số người làm việc trong ca đông nhất lớn hơn 5 người, hạng C - khi số người làm việc trong ca đông nhất lớn hơn 25 người hoặc có diện tích lớn hơn 1 000 m2.
- Các sàn công tác hở hoặc các sàn dành cho người vận hành và bảo dưỡng thiết bị trong các gian phòng nhóm F5 có diện tích lớn hơn 100 m2 - đối với các gian phòng thuộc hạng A và B hoặc lớn hơn 400 m2 - đối với các gian phòng thuộc các hạng khác.
- Các gian phòng nhóm F1.3 (căn hộ) được bố trí ở cả hai tầng (2 cao trình - thường gọi là căn hộ thông tầng), khi chiều cao bố trí của tầng phía trên lớn hơn 18 m thì phải có lối ra thoát nạn từ mỗi tầng.
3.2.6. Các tầng nhà thuộc các nhóm sau đây phải có không ít hơn hai lối ra thoát nạn:
- F1.1; F1.2; F2.1; F2.2; F3; F4.
- F1.3 khi tổng diện tích các căn hộ trên một tầng lớn hơn 500 m2 (đối với các nhà đơn nguyên thì tính diện tích trên một tầng của đơn nguyên). Trường hợp tổng diện tích nhỏ hơn 500 m2 và khi chỉ có một lối ra thoát nạn từ một tầng, thì từ mỗi căn hộ ở độ cao lớn hơn 15 m, ngoài lối ra thoát nạn phải có một lối ra khẩn cấp theo 3.2.13.
- F5, hạng A hoặc B khi số người làm việc trong ca đông nhất lớn hơn 5 người, hạng C khi số người làm việc trong ca đông nhất lớn hơn 25 người.
Các tầng hầm và nửa hầm phải có không ít hơn hai lối ra thoát nạn khi có diện tích lớn hơn 300 m2 hoặc dùng cho hơn 15 người có mặt đồng thời.
Cho phép có một lối ra thoát nạn từ mỗi tầng (hoặc từ một phần của tầng được ngăn cách khỏi các phần khác của tầng bằng các bộ phận ngăn cháy) có nhóm nguy hiểm cháy theo công năng F1.2, F1.4, F2, F3, F4.2, F4.3, F4.4 với số người trên mỗi tầng, tính theo Bảng G.9 (Phụ lục G), không vượt quá 20 người và khi lối thoát nạn đi vào buồng thang bộ không nhiễm khói có cửa đi ngăn cháy loại 2 (theo Bảng 2), đồng thời phải đảm bảo một trong những điều kiện sau:
- Đối với nhà có chiều cao không quá 15 m thì diện tích mỗi tầng không được lớn hơn 300 m2.
- Đối với nhà có chiều cao từ trên 15 m đến 21 m thì diện tích mỗi tầng không được lớn hơn 200 m2 và toàn bộ nhà được bảo vệ bằng hệ thống chữa cháy tự động.
3.2.7. Số lối ra thoát nạn từ một tầng không được ít hơn hai nếu tầng này có gian phòng có yêu cầu số lối ra thoát nạn không ít hơn hai.
Số lối ra thoát nạn từ một ngôi nhà không được ít hơn số lối ra thoát nạn từ bất kỳ tầng nào của ngôi nhà đó.
3.2.8. Khi có từ hai lối ra thoát nạn trở lên, chúng phải được bố trí phân tán và khi tính toán khả năng thoát nạn của các lối ra cần giả thiết là đám cháy đã ngăn cản không cho người sử dụng thoát nạn qua một trong những lối ra đó. Các lối ra còn lại phải đảm bảo khả năng thoát nạn an toàn cho tất cả số người có trong gian phòng, trên tầng hoặc trong ngôi nhà đó (tham khảo minh họa ở Hình I.3).
Khi một gian phòng, một phần nhà hoặc một tầng của nhà yêu cầu phải có từ 2 lối ra thoát nạn trở lên, thì ít nhất hai trong số những lối ra thoát nạn đó phải được bố trí phân tán, đặt cách nhau một khoảng bằng hoặc lớn hơn một nửa chiều dài của đường chéo lớn nhất của mặt bằng gian phòng, phần nhà hoặc tầng nhà đó. Khoảng cách giữa hai lối ra thoát nạn được đo theo đường thẳng nối giữa hai cạnh gần nhất của chúng (tham khảo minh họa ở Hình I.4 a), b), c)).
Nếu nhà được bảo vệ toàn bộ bằng hệ thống chữa cháy tự động Sprinkler, thì khoảng cách này có thể giảm xuống còn 1/3 chiều dài đường chéo lớn nhất của các không gian trên (tham khảo minh họa ở Hình I.4 d)).
Khi có hai buồng thang thoát nạn nối với nhau bằng một hành lang trong thì khoảng cách giữa hai lối ra thoát nạn (cửa vào buồng thang thoát nạn) được đo dọc theo đường di chuyển theo hành lang đó (Hình I.5). Hành lang này phải được bảo vệ theo quy định trong 3.3.5.
3.2.9. Chiều cao thông thuỷ của lối ra thoát nạn phải không nhỏ hơn 1,9 m, chiều rộng thông thủy không nhỏ hơn:
+ 1,2 m - từ các gian phòng nhóm F1.1 khi số người thoát nạn lớn hơn 15 người, từ các gian phòng và nhà thuộc nhóm nguy hiểm cháy theo công năng khác có số người thoát nạn lớn hơn 50 người, ngoại trừ nhóm F1.3.
+ 0,8 m - trong tất cả các trường hợp còn lại.
Chiều rộng của các cửa đi ra bên ngoài của buồng thang bộ cũng như của các cửa đi từ buồng thang bộ vào sảnh không được nhỏ hơn giá trị tính toán hoặc chiều rộng của bản thang được quy định tại 3.4.1.
Trong mọi trường hợp, khi xác định chiều rộng của một lối ra thoát nạn phải tính đến dạng hình học của đường thoát nạn qua lỗ cửa hoặc cửa để bảo đảm không cản trở việc vận chuyển các cáng tải thương có người nằm trên.
3.2.10. Các cửa của lối ra thoát nạn và các cửa khác trên đường thoát nạn phải được mở theo chiều lối thoát từ trong nhà ra ngoài.
Không quy định chiều mở của các cửa đối với:
- Các gian phòng nhóm F1.3 và F1.4.
- Các gian phòng có mặt đồng thời không quá 15 người, ngoại trừ các gian phòng hạng A hoặc B.
- Các phòng kho có diện tích không lớn hơn 200 m2 và không có chỗ cho người làm việc thường xuyên.
- Các buồng vệ sinh.
- Các lối ra dẫn vào các chiếu thang của các cầu thang bộ loại 3.
3.2.11. Các cửa của các lối ra thoát nạn từ các hành lang tầng, không gian chung, phòng chờ, sảnh và buồng thang bộ phải không có chốt khóa để có thể mở được cửa tự do từ bên trong mà không cần chìa. Trong các nhà chiều cao lớn hơn 15 m, các cánh cửa nói trên, ngoại trừ các cửa của căn hộ, phải là cửa đặc hoặc với kính cường lực.
Các cửa của lối ra thoát nạn từ các gian phòng hay các hành lang được bảo vệ chống khói cưỡng bức, phải là cửa đặc được trang bị cơ cấu tự đóng và khe cửa phải được chèn kín. Các cửa này nếu cần để mở khi sử dụng, thì phải được trang bị cơ cấu tự động đóng khi có cháy.
Đối với các buồng thang bộ, các cửa ra vào phải có cơ cấu tự đóng và khe cửa phải được chèn kín. Các cửa trong buồng thang bộ mở trực tiếp ra ngoài cho phép không có cơ cấu tự đóng và không cần chèn kín khe cửa. Ngoại trừ những trường hợp được quy định riêng, cửa của buồng thang bộ phải đảm bảo là cửa ngăn cháy loại 1 đối với nhà có bậc chịu lửa I, II; loại 2 đối với nhà có bậc chịu lửa III, IV; và loại 3 đối với nhà có bậc chịu lửa V.
Ngoài những quy định được nói riêng, các cửa của lối ra thoát nạn từ các hành lang tầng đi vào buồng thang bộ phục vụ từ 04 tầng nhà trở lên (ngoại trừ trong các nhà phục vụ mục đích giam giữ, cải tạo) phải đảm bảo:
- Tất cả các khóa điện lắp trên cửa phải tự động mở khi hệ thống báo cháy tự động của tòa nhà bị kích hoạt. Ngay khi mất điện thì các khóa điện đó cũng phải tự động mở.
- Người sử dụng buồng thang luôn có thể quay trở lại phía trong nhà qua chính cửa vừa đi qua hoặc qua các điểm bố trí cửa quay trở lại phía trong nhà.
- Bố trí trước các điểm quay trở lại phía trong nhà theo nguyên tắc các cánh cửa chỉ được phép ngăn cản việc quay trở lại phía trong nhà nếu đáp ứng tất cả các yêu cầu sau:
+ Có không ít hơn hai tầng, ở đó có thể đi ra khỏi buồng thang bộ để đến một lối ra thoát nạn khác.
+ Có không quá 4 tầng nằm giữa các tầng nhà có thể đi ra khói buồng thang bộ để đến một lối ra thoát nạn khác.
+ Việc quay trở lại phía trong nhà phải có thể thực hiện được tại tầng trên cùng hoặc tầng dưới liền kề với tầng trên cùng được phục vụ bởi buồng thang bộ thoát nạn nếu tầng này cho phép đi đến một lối ra thoát nạn khác.
+ Các cửa cho phép quay trở lại phía trong nhà phải được đánh dấu trên mặt cửa phía trong buồng thang bằng dòng chữ “Cửa có thể đi vào trong nhà” với chiều cao các chữ ít nhất là 50 mm, chiều cao bố trí không thấp hơn 1,2 m và không cao hơn 1,8 m.
+ Các cửa không cho phép quay trở lại phía trong nhà phải có thông báo trên mặt cửa phía trong buồng thang để nhận biết được vị trí của cửa quay trở lại phía trong nhà hoặc lối ra thoát nạn gần nhất theo từng hướng di chuyển.
CHÚ THÍCH: Đối với các cửa không cho phép quay trở lại phía trong nhà, ở mặt cửa phía hành lang trong nhà (ngoài buồng thang) nên có biển cảnh báo người sử dụng không thể quay trở lại phía trong nhà được khi họ đi qua cửa đó.
3.2.12. Các lối ra không thoả mãn các yêu cầu đối với lối ra thoát nạn có thể được xem là lối ra khẩn cấp để tăng thêm mức độ an toàn cho người khi có cháy. Các lối ra khẩn cấp không được đưa vào tính toán thoát nạn khi cháy.
3.2.13. Ngoài trường hợp đã nêu ở 3.2.12, các lối ra khẩn cấp còn gồm có:
a) Lối ra ban công hoặc lôgia, mà ở đó có khoảng tường đặc với chiều rộng không nhỏ hơn 1,2 m tính từ mép ban công (lôgia) tới ô cửa sổ (hay cửa đi lắp kính) hoặc không nhỏ hơn 1,6 m giữa các ô cửa kính mở ra ban công (lôgia).
b) Lối ra dẫn vào một lối đi chuyển tiếp hở (cầu vượt) dẫn tiếp đến một đơn nguyên liền kề của nhà nhóm F1.3 hoặc đến một khoang cháy liền kề. Lối đi chuyển tiếp này phải có chiều rộng không nhỏ hơn 0,6 m.
c) Lối ra ban công hoặc lôgia, mà ở đó có trang bị thang bên ngoài nối các ban công hoặc lôgia theo từng tầng.
d) Lối ra bên ngoài trực tiếp từ các gian phòng có cao trình sàn hoàn thiện không thấp hơn âm 4,5 m và không cao hơn 5,0 m qua cửa sổ hoặc cửa đi có kích thước không nhỏ hơn 0,75 m x 1,5 m, cũng như qua cửa nắp có kích thước không nhỏ hơn 0,6 m x 0,8 m; khi đó tại các lối ra này phải được trang bị thang leo; độ dốc của các thang leo này không quy định.
e) Lối ra mái của nhà có bậc chịu lửa I, II và III thuộc cấp S0 và S1 qua cửa sổ, cửa đi hoặc cửa nắp với kích thước và thang leo được quy định như tại mục d).
3.2.14 Trong các tầng kỹ thuật cho phép bố trí các lối ra thoát nạn với chiều cao không nhỏ hơn 1,8 m.
Từ các tầng kỹ thuật chỉ dùng để đặt các mạng kỹ thuật công trình (đường ống, đường dây,...) cho phép bố trí lối ra khẩn cấp qua cửa đi với kích thước không nhỏ hơn 0,75 m x 1,5 m hoặc qua cửa nắp với kích thước không nhỏ hơn 0,6 m x 0,8 m mà không cần bố trí lối ra thoát nạn.
Khi tầng kỹ thuật có diện tích tới 300 m2 cho phép bố trí một lối ra thoát nạn, còn cứ mỗi diện tích tiếp theo nhỏ hơn hoặc bằng 2 000 m2 thì phải bố trí thêm không ít hơn một lối ra thoát nạn.
Trong các tầng kỹ thuật hầm các lối ra này phải được ngăn cách với các lối ra khác của ngôi nhà và dẫn trực tiếp ra bên ngoài.
3.3. Đường thoát nạn
3.3.1 Đường thoát nạn là một đường di chuyển liên tục và không bị chặn từ một điểm bất kỳ trong nhà hoặc công trình đến lối ra bên ngoài. Các đường thoát nạn phải được chiếu sáng và chỉ dẫn phù hợp với các yêu cầu của TCVN 3890.
3.3.2. Khoảng cách giới hạn cho phép từ vị trí xa nhất của gian phòng, hoặc từ chỗ làm việc xa nhất tới lối ra thoát nạn gần nhất, được đo theo trục của đường thoát nạn, phải được hạn chế tùy thuộc vào:
- Nhóm nguy hiểm cháy theo công năng và hạng nguy hiểm cháy nổ (xem Phụ lục C) của gian phòng và nhà.
- Số lượng người thoát nạn.
- Các thông số hình học của gian phòng và đường thoát nạn.
- Cấp nguy hiểm cháy kết cấu và bậc chịu lửa của nhà.
Chiều dài của đường thoát nạn theo cầu thang bộ loại 2 lấy bằng ba lần chiều cao của thang đó.
CHÚ THÍCH: Các yêu cầu cụ thể về khoảng cách giới hạn cho phép từ vị trí xa nhất đến lối ra thoát nạn gần nhất được nêu trong các quy chuẩn cho từng loại công trình. Phụ lục G nêu một số quy định cụ thể cho các nhóm nhà thường gặp.
3.3.3. Khi bố trí, thiết kế các đường thoát nạn phải căn cứ vào yêu cầu của 3.2.1. Đường thoát nạn không bao gồm các thang máy, thang cuốn và các đoạn đường được nêu dưới đây:
- Đường đi qua các hành lang trong có lối ra từ giếng thang máy, qua các sảnh thang máy và các khoang đệm trước thang máy, nếu các kết cấu bao che giếng thang máy, bao gồm cả cửa của giếng thang máy, không đáp ứng các yêu cầu như đối với bộ phận ngăn cháy.
- Đường đi qua các buồng thang bộ khi có lối đi xuyên chiếu tới của buồng thang là một phần của hành lang trong, cũng như đường đi qua gian phòng có đặt cầu thang bộ loại 2, mà cầu thang này không phải là cầu thang để thoát nạn.
Đường đi theo mái nhà, ngoại trừ mái đang được khai thác sử dụng hoặc một phần mái được trang bị riêng cho mục đích thoát nạn.
Đường đi theo các cầu thang bộ loại 2, nối thông từ ba tầng (sàn) trở lên, cũng như dẫn từ tầng hầm và tầng nửa hầm, ngoại trừ các trường hợp nêu trong 3.2.2.
3.3.4 Trên đường thoát nạn trong các nhà thuộc tất cả các bậc chịu lửa và cấp nguy hiểm cháy kết cấu, ngoại trừ các nhà có bậc chịu lửa V và nhà thuộc cấp S3, không cho phép sử dụng các vật liệu có tính nguy hiểm cháy cao hơn các nhóm dưới đây:
Ch1, BC1, SK2, ĐT2 - đối với lớp hoàn thiện tường, trần và tấm trần treo trong các sảnh, trong buồng thang bộ và trong sảnh thang máy.
Ch2, BC2, SK3, ĐT3 hoặc Ch2, BC3, SK2, ĐT2 - đối với lớp hoàn thiện tường, trần và tấm trần treo trong các hành lang chung, phòng sử dụng chung và phòng chờ.
Ch2, LT2, SK2, ĐT2 - đối với các lớp phủ sàn trong sảnh, buồng thang bộ và sảnh thang máy.
BC2, LT2, SK3, ĐT2 - đối với các lớp phủ sàn trong hành lang chung, không gian chung và phòng chờ.
Trong các gian phòng nhóm F5 hạng A, B và C1, trong đó có sản xuất, sử dụng hoặc lưu giữ các chất lỏng dễ bắt cháy, các sàn phải được làm bằng các vật liệu không cháy hoặc vật liệu có tính cháy thuộc nhóm Ch1.
Các khung trần treo trong các gian phòng và trên các đường thoát nạn phải được làm bằng vật liệu không cháy.
3.3.5. Trong các hành lang trên lối ra thoát nạn nêu ở 3.2.1, ngoại trừ những trường hợp nói riêng trong quy chuẩn, không cho phép bố trí: thiết bị nhô ra khỏi mặt phẳng của tường trên độ cao nhỏ hơn 2 m; các ống dẫn khí cháy và ống dẫn các chất lỏng cháy được, cũng như các tủ tường, trừ các tủ thông tin liên lạc và tủ đặt họng nước chữa cháy.
Các hành lang nêu ở 3.2.1 phải được bao bọc bằng các bộ phận ngăn cháy phù hợp quy định trong các quy chuẩn cho từng loại công trình. Bộ phận ngăn cháy bao che hành lang giữa của nhà có bậc chịu lửa I, phải làm bằng vật liệu không cháy với giới hạn chịu lửa ít nhất EI 30 và của nhà có bậc chịu lửa II, III, IV phải làm bằng vật liệu không cháy hoặc cháy yếu (Ch1) với giới hạn chịu lửa ít nhất EI 15. Riêng nhà có bậc chịu lửa II của hạng nguy hiểm cháy và cháy nổ D, E (xem Phụ lục C) có thể bao che hành lang bằng tường kính. Các cửa mở vào hành lang phải là cửa ngăn cháy có giới hạn chịu lửa không thấp hơn giới hạn chịu lửa của bộ phận ngăn cháy.
Các hành lang dài hơn 60 m phải được phân chia bằng các vách ngăn cháy loại 2 thành các đoạn có chiều dài được xác định theo yêu cầu bảo vệ chống khói nêu trong Phụ lục D, nhưng không được vượt quá 60 m. Các cửa đi trong các vách ngăn cháy này phải phù hợp với các yêu cầu của 3.2.11.
Khi các cánh cửa đi của gian phòng mở nhô ra hành lang, thì chiều rộng của đường thoát nạn theo hành lang được lấy bằng chiều rộng thông thủy của hành lang trừ đi:
Một nửa chiều rộng phần nhô ra của cánh cửa (tính cho cửa nhô ra nhiều nhất) - khi cửa được bố trí một bên hành lang.
Cả chiều rộng phần nhô ra của cánh cửa (tính cho cửa nhô ra nhiều nhất) - khi các cửa được bố trí hai bên hành lang.
Yêu cầu này không áp dụng cho hành lang tầng (sảnh chung) nằm giữa cửa ra từ căn hộ và cửa ra dẫn vào buồng thang bộ trong các đơn nguyên nhà nhóm F1.3.
3.3.6 Chiều cao thông thủy các đoạn nằm ngang của đường thoát nạn không được nhỏ hơn 2 m, chiều rộng thông thủy các đoạn nằm ngang của đường thoát nạn và các đoạn dốc không được nhỏ hơn:
a) 1,2 m - đối với hành lang chung dùng để thoát nạn cho hơn 15 người từ các gian phòng nhóm F1, hơn 50 người - từ các gian phòng thuộc nhóm nguy hiểm cháy theo công năng khác.
b) 0,7 m – đối với các lối đi đến các chỗ làm việc đơn lẻ.
c) 1,0 m – trong tất cả các trường hợp còn lại.
Trong bất kỳ trường hợp nào, các đường thoát nạn phải đủ rộng, có tính đến dạng hình học của chúng, để không cản trở việc vận chuyển các cáng tải thương có người nằm trên.
3.3.7 Trên sàn của đường thoát nạn không được có các giật cấp với chiều cao chênh lệch nhỏ hơn 45 cm hoặc có gờ nhô lên, ngoại trừ các ngưỡng trong các ô cửa đi. Tại các chỗ có giật cấp phải bố trí bậc thang với số bậc không nhỏ hơn 3 hoặc làm đường dốc với độ dốc không được lớn hơn 1 : 6 (độ chênh cao không được quá 10 cm trên chiều dài 60 cm hoặc góc tạo bởi đường dốc với mặt bằng không lớn hơn 9,5o).
Khi làm bậc thang ở những nơi có chiều cao chênh lệch lớn hơn 45 cm phải bố trí lan can tay vịn.
Ngoại trừ những trường hợp được nói riêng trong 3.4.4, trên đường thoát nạn không cho phép bố trí cầu thang xoắn ốc, cầu thang cong toàn phần hoặc từng phần theo mặt bằng và trong phạm vi một bản thang và một buồng thang bộ không cho phép bố trí các bậc có chiều cao khác nhau và chiều rộng mặt bậc khác nhau. Trên đường thoát nạn không được bố trí gương soi gây ra sự nhầm lẫn về đường thoát nạn.
3.4. Cầu thang bộ và buồng thang bộ trên đường thoát nạn
3.4.1. Chiều rộng của bản thang bộ dùng để thoát người, trong đó kể cả bản thang đặt trong buồng thang bộ, không được nhỏ hơn chiều rộng tính toán hoặc chiều rộng của bất kỳ lối ra thoát nạn (cửa đi) nào trên nó, đồng thời không được nhỏ hơn:
a) 1,35 m – đối với nhà nhóm F1.1.
b) 1,2 m – đối với nhà có số người trên tầng bất kỳ, trừ tầng một, lớn hơn 200 người.
c) 0,7 m – đối với cầu thang bộ dẫn đến các chỗ làm việc đơn lẻ.
d) 0,9 m – đối với tất cả các trường hợp còn lại.
3.4.2 Độ dốc (góc nghiêng) của các thang bộ trên các đường thoát nạn không được lớn hơn 1 : 1 (45o); chiều rộng mặt bậc không được nhỏ hơn 25 cm, còn chiều cao bậc không được lớn hơn 22 cm.
Độ dốc (góc nghiêng) của các cầu thang bộ hở đi tới các chỗ làm việc đơn lẻ cho phép tăng đến 2 : 1 (63,5o).
Cho phép giảm chiều rộng mặt bậc của cầu thang cong đón tiếp (thường bố trí ở sảnh tầng 1) ở phần thu hẹp tới 22 cm; Cho phép giảm chiều rộng mặt bậc tới 12 cm đối với các cầu thang bộ chỉ dùng cho các gian phòng có tổng số chỗ làm việc không lớn hơn 15 người (trừ các gian phòng nhóm F5 hạng A hoặc B).
Các cầu thang bộ loại 3 phải được làm bằng vật liệu không cháy và được đặt ở sát các phần đặc (không có ô cửa sổ hay lỗ ánh sáng) của tường có nhóm nguy hiểm cháy không thấp hơn K1 và có giới hạn chịu lửa không thấp hơn REI 30. Các cầu thang bộ này phải có chiếu thang nằm cùng cao trình với lối ra thoát nạn, có lan can cao 1,2 m và bố trí cách lỗ cửa sổ không nhỏ hơn 1,0 m.
Cầu thang bộ loại 2 phải thỏa mãn các yêu cầu quy định đối với bản thang và chiếu thang trong buồng thang bộ.
3.4.3. Chiều rộng của chiếu thang bộ phải không nhỏ hơn chiều rộng của bản thang. Còn chiều rộng của chiếu thang ở trước lối vào thang máy (chiếu thang đồng thời là sảnh của thang máy) đối với thang máy có cánh cửa bản lề mở ra, phải không nhỏ hơn tổng chiều rộng bản thang và một nửa chiều rộng cánh cửa của thang máy, nhưng không nhỏ hơn 1,6 m.
Các chiếu nghỉ trung gian trong bản thang bộ thẳng phải có chiều dài không nhỏ hơn 1,0 m.
Các cửa đi có cánh cửa mở vào buồng thang bộ thì khi mở, cánh cửa không được làm giảm chiều rộng tính toán của các chiếu thang và bản thang.
3.4.4. Trong các nhà thuộc nhóm nguy hiểm cháy theo công năng F4 cho phép bố trí cầu thang cong trên đường thoát nạn khi đảm bảo tất cả những điều kiện sau:
Chiều cao của thang không quá 9,0 m.
Chiều rộng của vế thang phù hợp với các quy định trong quy chuẩn này.
Bán kính cong nhỏ nhất không nhỏ hơn 2 lần chiều rộng vế thang.
Chiều cao cổ bậc nằm trong khoảng từ 150 mm đến 190 mm.
Chiều rộng phía trong của mặt bậc (đo cách đầu nhỏ nhất của bậc 270 mm) không nhỏ hơn 220 mm.
Chiều rộng đo tại giữa chiều dài của mặt bậc không nhỏ hơn 250 mm.
Chiều rộng phía ngoài của mặt bậc (đo cách đầu to nhất của bậc 270 mm) không quá 450 mm.
Tổng của 2 lần chiều cao cổ bậc với chiều rộng phía trong mặt bậc không nhỏ hơn 480 mm và với chiều rộng phía ngoài của mặt bậc không lớn hơn 800 mm.
3.4.5 Trong các buồng thang bộ và khoang đệm (nếu có) không cho phép bố trí:
Các ống dẫn khí cháy và chất lỏng cháy được.
Các tủ tường, trừ các tủ thông tin liên lạc và tủ chứa các họng nước chữa cháy.
Các cáp và dây điện đặt hở (trừ dây điện cho thiết bị điện dòng thấp) kể cả cho chiếu sáng hành lang và buồng thang bộ.
Các lối ra từ thang tải và thiết bị nâng hàng.
Các lối ra gian phòng kho hoặc phòng kỹ thuật.
Các thiết bị nhô ra khỏi mặt tường ở độ cao dưới 2,2 m tính từ bề mặt của các bậc và chiếu thang.
Trong không gian của các buồng thang bộ, không cho phép bố trí bất kỳ các phòng chức năng nào.
3.4.6 Trong không gian của các buồng thang bộ, trừ các buồng thang không nhiễm khói, cho phép bố trí không quá hai thang máy chở người hạ xuống chỉ đến tầng 1 với các kết cấu bao che giếng thang làm từ các vật liệu không cháy.
Các giếng thang máy nằm ngoài nhà, nếu cần bao che thì phải sử dụng các kết cấu làm từ vật liệu không cháy.
3.4.7. Các buồng thang bộ ở tầng 1 phải có lối ra ngoài trực tiếp tới khu đất liền kề ngôi nhà hoặc qua sảnh được ngăn cách với các hành lang tiếp giáp bằng các vách ngăn cháy loại 1 có cửa đi. Khi bố trí các lối ra thoát nạn từ hai buồng thang bộ qua sảnh chung thì một trong số đó, trừ lối ra dẫn vào sảnh, phải có cửa ra bên ngoài trực tiếp.
Cho phép bố trí các lối ra thoát nạn từ hai buồng thang bộ qua sảnh chung đối với các nhà có chiều cao dưới 28 m, diện tích mỗi tầng không quá 300 m2, có số người sử dụng ở mỗi tầng, tính theo Bảng G.9 (Phụ lục G), không vượt quá 50 người và toàn bộ nhà được bảo vệ hệ thống chữa cháy tự động phù hợp với quy định hiện hành.
Các buồng thang bộ loại N1 phải có lối ra thoát trực tiếp ngay ra ngoài trời.
3.4.8. Các buồng thang bộ phải được đảm bảo chiếu sáng. Trừ buồng thang bộ loại L2, việc đảm bảo chiếu sáng có thể được thực hiện bằng các lỗ lấy ánh sáng với diện tích không nhỏ hơn 1,2 m2 trên các tường ngoài ở mỗi tầng.
Cho phép bố trí không quá 50 % buồng thang bộ bên trong không có các lỗ lấy ánh sáng, dùng để thoát nạn, trong các trường hợp sau:
- Các nhà thuộc nhóm F2, F3 và F4: đối với buồng thang loại N2 hoặc N3 có áp suất không khí dương khi cháy.
- Các nhà thuộc nhóm F5 hạng C có chiều cao tới 28 m, còn hạng D và E không phụ thuộc chiều cao nhà: đối với buồng thang loại N3 có áp suất không khí dương khi cháy.
Các buồng thang bộ loại L2 phải có lỗ lấy ánh sáng trên mái có diện tích không nhỏ hơn 4 m2 với khoảng hở giữa các vế thang có chiều rộng không nhỏ hơn 0,7 m hoặc giếng lấy sáng theo suốt chiều cao của buồng thang bộ với diện tích mặt cắt ngang không nhỏ hơn 2 m2.
3.4.9. Việc bảo vệ chống khói các buồng thang bộ loại N2 và N3 phải tuân theo Phụ lục D. Khi cần thiết, các buồng thang bộ loại N2 phải được chia thành các khoang theo chiều cao bằng các vách ngăn cháy đặc loại 1 với lối đi lại giữa các khoang nằm ngoài không gian buồng thang bộ.
Các cửa sổ trong các buồng thang bộ loại N2 phải là cửa sổ không mở được.
Khoang đệm của các buồng thang bộ loại N3 phải có diện tích không nhỏ hơn 3,0 m2 và không nhỏ hơn 6,0 m2 nếu khoang đệm đó đồng thời là sảnh của thang máy chữa cháy.
3.4.10. Tính không nhiễm khói của khoảng đệm không nhiễm khói dẫn tới các buồng thang bộ không nhiễm khói loại N1 phải được đảm bảo bằng thông gió tự nhiên với các giải pháp kết cấu và bố trí mặt bằng - không gian phù hợp. Một số trường hợp được cho là phù hợp như sau:
CHÚ THÍCH: Phụ lục I (I.3.2) minh họa một số phương án bố trí khoảng đệm không nhiễm khói để đi vào buồng thang bộ loại N1.
a) Các khoảng đệm không nhiễm khói phải để hở, thông với bên ngoài, thường không đặt tại các góc bên trong của nhà, đồng thời phải đảm bảo các yêu cầu sau (xem Hình I.7):
- Khi một phần của tường ngoài của nhà nối tiếp với phần tường khác dưới một góc nhỏ hơn 135o thì khoảng cách theo phương ngang từ lỗ cửa đi gần nhất ở khoảng đệm này tới đỉnh góc tiếp giáp phải không nhỏ hơn 4 m; khoảng cách này có thể giảm đến bằng giá trị phần nhô ra của tường ngoài; yêu cầu này không áp dụng cho lối đi, nằm ở các góc tiếp giáp lớn hơn hoặc bằng 135o, cũng như cho phần nhô ra của tường ngoài có giá trị không lớn hơn 1,2 m.
- Chiều rộng phần tường giữa các lỗ cửa đi của khoảng đệm không nhiễm khói và ô cửa sổ gần nhất của gian phòng không được nhỏ hơn 2 m.
- Các lối đi phải có chiều rộng không nhỏ hơn 1,2 m với chiều cao lan can 1,2 m, chiều rộng của phần tường giữa các lỗ cửa đi ở khoảng đệm không nhiễm khói phải không nhỏ hơn 1,2 m.
CHÚ THÍCH: Một số trường hợp tương tự dạng này được minh họa trong Phụ lục I, các Hình I.8 a), b) và c).
b) Khoảng đệm không nhiễm khói đi theo hành lang bên (xem Hình I.8 h), i) và k)) được chiếu sáng và thông gió tự nhiên bằng các lỗ thông mở ra phía và tiếp xúc với một trong những không gian sau:
- Không gian bên ngoài.
- Một đường phố hoặc đường công cộng hoặc các không gian công cộng khác thông hoàn toàn ở phía trên.
- Một giếng thông gió thẳng đứng có chiều rộng không nhỏ hơn 6 m và diện tích mặt thoáng không nhỏ hơn 93 m2.
c) Khoảng đệm không nhiễm khói đi qua một sảnh ngăn khói có diện tích không nhỏ hơn 6 m2 với kích thước nhỏ nhất theo mỗi chiều không nhỏ hơn 2 m được ngăn cách với các khu vực liền kề của tòa nhà bằng tường ngăn cháy loại 2. Các cửa ra vào phải có cơ cấu tự đóng và khe cửa phải được chèn kín. Thiết kế của sảnh ngăn khói phải đảm bảo không cản trở sự di chuyển của người sử dụng trên đường thoát nạn. Tính không nhiễm khói của sảnh ngăn khói phải được đảm bảo bởi một trong những giải pháp sau:
- Có các lỗ thông gió với diện tích không nhỏ hơn 15 % diện tích sàn của sảnh ngăn khói và đặt cách không quá 9 m tính từ bất kỳ bộ phận nào của sảnh. Các lỗ thông gió này phải thông với một giếng đứng hoặc khoang lõm thông khí trên suốt dọc chiều cao nhà. Kích thước của giếng đứng hoặc khoang lõm phải đảm bảo chiều rộng không nhỏ hơn 6 m và diện tích mặt thoáng không nhỏ hơn 93 m2. Tường bao bọc giếng đứng phải có khả năng chịu lửa nhỏ nhất là 1 giờ và trong giếng không được có lỗ thông nào khác ngoài các lỗ thông gió của sảnh ngăn khói, buồng thang thoát nạn và các khu vệ sinh (xem Hình I.8 d), e), f)); hoặc
- Là hành lang được thông gió ngang, có các lỗ thông gió cố định nằm ở hai tường bên ngoài. Các lỗ thông trên mỗi bức tường ngoài không được nhỏ hơn 50 % diện tích mặt thoáng của tường ngoài đối diện. Khoảng cách từ mọi điểm của sàn hành lang đến một lỗ thông bất kỳ không được lớn hơn 13 m (xem Hình I.8 g)).
3.4.11. Các buồng thang bộ loại L1 và cầu thang bộ loại 3 được phép bố trí trong các nhà thuộc tất cả các nhóm nguy hiểm cháy theo công năng có chiều cao tới 28 m; khi đó, trong nhà nhóm F5 hạng A hoặc B, lối ra hành lang tầng từ các gian phòng hạng A hoặc B phải đi qua khoang đệm luôn luôn có áp suất không khí dương.
3.4.12. Các buồng thang bộ loại L2 được phép bố trí trong các nhà có bậc chịu lửa I, II, III thuộc cấp nguy hiểm cháy kết cấu S0, S1 và nhóm nguy hiểm cháy theo công năng F1, F2, F3 và F4, với chiều cao không quá 9 m. Cho phép tăng chiều cao của nhà đến 12 m khi lỗ lấy sáng bên trên được mở tự động khi cháy và khi trong nhà nhóm F1.3 có hệ thống báo cháy tự động hoặc có các đầu báo cháy độc lập.
Khi bố trí các buồng thang bộ loại L2, còn phải đảm bảo các yêu cầu sau:
- Trong các nhà nhóm F2, F3 và F4, số lượng các buồng thang bộ loại L2 phải không được quá 50 %, các buồng thang bộ còn lại phải có lỗ lấy sáng trên tường ngoài ở mỗi tầng (loại L1).
- Đối với các nhà nhóm F1.3 dạng đơn nguyên, trong từng căn hộ có bố trí ở độ cao trên 4 m phải có một lối ra khẩn cấp theo 3.2.13.
3.4.13. Trong các nhà có chiều cao lớn hơn 28 m, cũng như trong các nhà Nhóm F5 hạng A hoặc B phải bố trí buồng thang bộ không nhiễm khói, trong đó phải bố trí buồng thang loại N1.
CHÚ THÍCH: Buồng thang bộ N1 có thể được thay thế như đã nêu trong 2.5.1c) với điều kiện hệ thống cung cấp không khí bên ngoài vào khoang đệm và vào buồng thang phải được cấp điện từ 03 nguồn ưu tiên (01 nguồn điện lưới và 02 nguồn máy phát điện dự phòng hoặc 02 nguồn điện ưu tiên và 01 nguồn điện dự phòng) bảo đảm nguyên tắc duy trì liên tục nguồn điện cấp cho hệ thống hoạt động ổn định khi có cháy xảy ra.
Cho phép:
Bố trí không quá 50 % buồng thang bộ loại N2 trong các nhà nhóm F1.3 dạng hành lang.
Bố trí không quá 50 % buồng thang bộ loại N2 hoặc N3 có áp suất không khí dương khi cháy trong các nhà nhóm F1.1, F1.2, F2, F3 và F4.
Bố trí buồng thang bộ loại N2 và N3 có chiếu sáng tự nhiên và luôn có áp suất không khí dương trong các nhà nhóm F5 hạng A hoặc B.
Bố trí buồng thang bộ loại N2 hoặc N3 có áp suất không khí dương khi cháy trong các nhà nhóm F5 hạng B.
Bố trí buồng thang bộ loại N2 hoặc N3 có áp suất không khí dương khi cháy trong các nhà nhóm F5 hạng C hoặc D. Khi bố trí buồng thang bộ loại L1 thì buồng thang phải được phân khoang bằng vách ngăn cháy đặc qua mỗi 20 m chiều cao và lối đi từ khoang này sang khoang khác của buồng thang phải đặt ở ngoài không gian của buồng thang.
Đối với nhà chung cư (F1.3) có chiều cao lớn hơn 28 m nhưng không quá 75 m và tổng diện tích các căn hộ trên mỗi tầng không quá 500 m2, cho phép bố trí 01 buồng thang bộ thoát nạn nếu lối ra thoát nạn của tầng phù hợp với quy định trong 3.2.6, các căn hộ được trang bị đầu báo cháy địa chỉ, có chữa cháy tự động ở tất cả các tầng và đảm bảo yêu cầu kèm theo như sau:
Dùng buồng thang bộ loại N1 trong nhà kiểu hành lang;
Dùng buồng thang bộ loại N2 hoặc N3, kết hợp một thang máy là thang máy chữa cháy, trong nhà kiểu đơn nguyên.
3.4.14 Trong các nhà có các buồng thang bộ không nhiễm khói phải bố trí bảo vệ chống khói cho các hành lang chung, các sảnh, các không gian chung và các phòng chờ.
3.4.15 Trong các nhà có bậc chịu lửa I và II thuộc cấp nguy hiểm cháy kết cấu S0, cho phép bố trí các cầu thang bộ loại 2 đi từ tiền sảnh lên tầng hai có tính đến các yêu cầu của 4.26.
3.4.16 Trong các nhà cao không quá 28 m thuộc các nhóm nguy hiểm cháy theo công năng F1.2, F2, F3, F4, với bậc chịu lửa I, II và cấp nguy hiểm cháy kết cấu S0, thì cho phép sử dụng các cầu thang bộ loại 2 nối hai tầng trở lên, khi các buồng thang bộ thoát nạn đáp ứng yêu cầu của các tài liệu chuẩn và 4.27.
3.4.17 Các thang cuốn phải được bố trí phù hợp các yêu cầu quy định cho cầu thang bộ loại 2.
4. NGĂN CHẶN CHÁY LAN
4.1. Việc ngăn chặn sự lan truyền của đám cháy được thực hiện bằng các biện pháp hạn chế diện tích cháy, cường độ cháy và thời gian cháy. Cụ thể là:
Sử dụng giải pháp kết cấu và bố trí mặt bằng - không gian, để ngăn cản sự lan truyền của các yếu tố nguy hiểm của đám cháy trong một gian phòng, giữa các gian phòng với nhau, giữa các nhóm gian phòng có tính nguy hiểm cháy theo công năng khác nhau, giữa các tầng và các đơn nguyên, giữa các khoang cháy, cũng như giữa các tòa nhà.
Hạn chế tính nguy hiểm cháy và nguy hiểm cháy nổ công nghệ trong các gian phòng và nhà.
Hạn chế tính nguy hiểm cháy của vật liệu xây dựng được sử dụng ở các lớp bề mặt của kết cấu nhà, bao gồm: lớp lợp mái, các lớp hoàn thiện của tường ngoài, của các gian phòng và của các đường thoát nạn.
Có các thiết bị chữa cháy ban đầu, trong đó bao gồm thiết bị tự động và cầm tay.
Có thiết bị phát hiện cháy và báo cháy.
CHÚ THÍCH: Quy định về khoảng cách phòng cháy chống cháy giữa các nhà ở, công trình công cộng và các nhà sản xuất được cho ở Phụ lục E. Khoảng cách giữa các kho chất lỏng cháy, các kho hở trên mặt đất có chứa chất cháy, các bồn chứa LPG1), khí cháy đến các công trình khác phải tuân theo những quy chuẩn chuyên ngành.
4.2 Nhà chung cư, nhà ký túc xá, công trình công cộng, nhà sản xuất và nhà kho phải đảm bảo các yêu cầu về phòng chống cháy của Quy chuẩn này và các quy định trong tiêu chuẩn thiết kế cho các loại công trình đó. Riêng số tầng (chiều cao cho phép của nhà), diện tích khoang cháy và tầng giới hạn bố trí hội trường, gian giảng đường, hội nghị, hội thảo, phòng họp, gian tập thể thao… phải tuân thủ các quy định nêu trong Phụ lục H.
4.3 Các bộ phận nhà (các gian phòng, gian lánh nạn, tầng kỹ thuật, tầng hầm, tầng nửa hầm và các phần khác của nhà) mà việc chữa cháy khó khăn cần được trang bị các phương tiện bổ sung nhằm hạn chế diện tích, cường độ và thời gian cháy.
4.4 Hiệu quả của các giải pháp nhằm ngăn chặn sự lan truyền của đám cháy được phép đánh giá bằng các tính toán kinh tế - kỹ thuật dựa trên các yêu cầu của 1.5.1 về hạn chế thiệt hại trực tiếp và gián tiếp do cháy.
4.5 Các phần nhà và gian phòng thuộc các nhóm nguy hiểm cháy theo công năng khác nhau phải được ngăn cách với nhau bằng các kết cấu ngăn cách với giới hạn chịu lửa và cấp nguy hiểm cháy kết cấu theo quy định hoặc ngăn cách nhau bằng các bộ phận ngăn cháy.
--------------------------
1) LPG là từ viết tắt của Liquified Petrolium Gas – Khí dầu mỏ hóa lỏng
Khi đó yêu cầu đối với các kết cấu ngăn cách và bộ phận ngăn cháy này được xem xét có kể đến tính nguy hiểm cháy theo công năng của các gian phòng, giá trị tải trọng cháy, bậc chịu lửa và cấp nguy hiểm cháy kết cấu của nhà.
4.6. Trong một ngôi nhà khi các phần có tính nguy hiểm cháy theo công năng khác nhau đã được phân chia bằng các bộ phận ngăn cháy thì mỗi phần đó phải đáp ứng các yêu cầu về chống cháy đặt ra như đối với nhà có nhóm nguy hiểm cháy theo công năng tương ứng.
Việc lựa chọn hệ thống bảo vệ chống cháy của nhà phải được dựa trên cơ sở: khi các phần của nhà có tính nguy hiểm cháy theo công năng khác nhau, thì tính nguy hiểm cháy theo công năng của toàn nhà có thể lớn hơn tính nguy hiểm cháy theo công năng của bất cứ phần nào trong nhà đó.
4.7. Trong các nhà thuộc nhóm F5, nếu yêu cầu công nghệ cho phép, cần bố trí các gian phòng hạng A và B ở gần tường ngoài, còn trong các nhà nhiều tầng, cần bố trí các gian phòng này ở các tầng phía trên.
4.8. Trong các tầng hầm và tầng nửa hầm, không cho phép bố trí các gian phòng có sử dụng hoặc lưu giữ các chất khí và chất lỏng cháy cũng như các vật liệu dễ bắt cháy, trừ các trường hợp đã có quy định được xem xét riêng.
4.9. Các cấu kiện xây dựng không được tạo điều kiện cho việc lan truyền cháy ngầm.
4.10. Tính chịu lửa của các chi tiết liên kết cấu kiện xây dựng không được thấp hơn tính chịu lửa yêu cầu của chính cấu kiện đó.
4.11. Kết cấu tạo dốc sàn trong các phòng khán giả phải đáp ứng các yêu cầu về giới hạn chịu lửa và cấp nguy hiểm cháy theo Bảng 4 và Bảng 5 như đối với các sàn giữa các tầng.
4.12. Khi bố trí các đường ống kỹ thuật, đường cáp đi xuyên qua các kết cấu tường, sàn, vách, thì chỗ tiếp giáp giữa các đường ống, đường cáp với các kết cấu này phải được chèn bịt hoặc xử lý thích hợp để không làm giảm các chỉ tiêu kỹ thuật về cháy theo yêu cầu của kết cấu.
4.13. Các lớp phủ và lớp ngâm tẩm chống cháy, được xử lý trên bề mặt hở của các cấu kiện, phải đáp ứng các yêu cầu đặt ra cho việc hoàn thiện các cấu kiện đó.
Trong các tài liệu kỹ thuật cho các lớp phủ hoặc lớp ngâm tẩm chống cháy phải chỉ rõ chu kỳ thay thế hoặc khôi phục chúng tùy thuộc vào điều kiện khai thác sử dụng.
Để tăng giới hạn chịu lửa hoặc làm giảm mức nguy hiểm cháy của cấu kiện, không cho phép sử dụng các lớp phủ và lớp ngâm tẩm chống cháy tại các vị trí mà ở đó không thể khôi phục hoặc định kỳ thay thế chúng.
4.14. Hiệu quả của các chất (vật liệu) xử lý chống cháy, dùng cho việc làm giảm tính nguy hiểm cháy của vật liệu, phải được đánh giá bằng các thử nghiệm nhóm nguy hiểm cháy của vật liệu xây dựng nêu trong phần 2 (Phân loại kỹ thuật về cháy).
Hiệu quả của các chất (vật liệu) xử lý chống cháy, dùng để nâng cao tính chịu lửa của cấu kiện, phải được đánh giá bằng các thử nghiệm giới hạn chịu lửa của các cấu kiện xây dựng nêu trong phần 2 (Phân loại kỹ thuật về cháy).
Hiệu quả của các chất (vật liệu) xử lý chống cháy, không được tính đến khi xác định khả năng chịu lực của các cấu kiện kim loại (cột hay dầm), được phép đánh giá bằng các thử nghiệm so sánh các mô hình kích thước thu nhỏ của cột với chiều cao phần lộ lửa không nhỏ hơn 1,7 m hoặc các mô hình dầm có chiều dài phần lộ lửa không nhỏ hơn 2,8 m mà không có tải trọng tĩnh.
4.15. Các trần treo ngoài việc đáp ứng các yêu cầu về tính nguy hiểm cháy của vật liệu (như nêu trong 3.3.4) thì các vách ngăn cháy trong gian phòng có trần treo phải ngăn chia cả không gian phía trên trần treo đó.
Trong không gian bên trên các trần treo không cho phép bố trí các kênh và đường ống để vận chuyển các chất cháy dạng khí, hỗn hợp bụi - khí, chất lỏng và vật liệu cháy.
Các trần treo không được bố trí trong các gian phòng hạng A hoặc B.
4.16. Tại các vị trí giao nhau giữa các bộ phận ngăn cháy với các kết cấu bao che của nhà, kể cả tại các vị trí thay đổi hình dạng nhà, phải có các giải pháp bảo đảm không để cháy lan truyền qua các bộ phận ngăn cháy này.
4.17. Các tường ngăn cháy, dùng để phân chia nhà thành các khoang cháy, phải được bố trí trên toàn bộ chiều cao nhà và phải bảo đảm không để cháy lan truyền từ phía nguồn cháy vào khoang cháy liền kề khi các kết cấu nhà ở phía có cháy bị sụp đổ.
4.18. Các lỗ thông trong các bộ phận ngăn cháy phải được đóng kín khi có cháy.
Các cửa sổ trong các bộ phận ngăn cháy phải là các cửa không mở được, còn các cửa đi, cổng, cửa nắp và van phải có cơ cấu tự đóng và các khe cửa phải được chèn kín. Các cửa đi, cổng, cửa nắp và van nếu cần mở để khai thác sử dụng thì phải được lắp các thiết bị tự động đóng kín khi có cháy.
4.19. Tổng diện tích các lỗ cửa trong các bộ phận ngăn cháy, trừ kết cấu bao che của các giếng thang máy, không được vượt quá 25 % diện tích của bộ phận ngăn cháy đó. Cửa và van ngăn cháy trong các bộ phận ngăn cháy phải đáp ứng các yêu cầu của 2.4.3 và các yêu cầu của phần này.
Tại các cửa đi trong các bộ phận ngăn cháy dùng để ngăn các gian phòng hạng A hoặc B với các không gian khác như: phòng có hạng khác với hạng A hoặc B, hành lang, buồng thang bộ và sảnh thang máy, phải bố trí các khoang đệm luôn có áp suất không khí dương như yêu cầu nêu trong Phụ lục D. Không được phép bố trí các khoang đệm chung cho hai gian phòng trở lên cùng có hạng A hoặc B.
4.20. Khi không thể bố trí các khoang đệm ngăn cháy trong các bộ phận ngăn cháy dùng để ngăn các gian phòng hạng A hoặc B với các gian phòng khác hoặc khi không thể bố trí các cửa đi, cổng, cửa nắp và van trong các bộ phận ngăn cháy dùng để ngăn các gian phòng hạng C với các gian phòng khác, cần phải thiết lập tổ hợp các giải pháp nhằm ngăn ngừa sự lan truyền của đám cháy và sự xâm nhập vào các phòng và tầng liền kề của các khí, hơi dễ bắt cháy, hơi của các chất lỏng, bụi và xơ cháy mà các chất này có khả năng tạo thành các nồng độ nguy hiểm nổ. Hiệu quả của các giải pháp đó phải được chứng minh.
Trong các lỗ cửa của các bộ phận ngăn cháy giữa các gian phòng liền kề hạng C, D và E, khi không thể đóng được bằng cửa hoặc cổng ngăn cháy, cho phép bố trí các khoang đệm hở được trang bị thiết bị chữa cháy tự động. Các kết cấu bao che của các khoang đệm này phải là kết cấu ngăn cháy phù hợp.
4.21. Cửa và van ngăn cháy trong các bộ phận ngăn cháy phải được làm từ các vật liệu không cháy.
Cho phép sử dụng các vật liệu thuộc nhóm có tính cháy không thấp hơn Ch3 được bảo vệ bằng vật liệu không cháy có độ dày không nhỏ hơn 4 mm để làm các cửa, cổng, cửa nắp và van ngăn cháy.
Cửa của các khoang đệm ngăn cháy, cửa đi, cổng, cửa nắp ngăn cháy trong các bộ phận ngăn cháy ở phía các gian phòng trong đó không bảo quản và không sử dụng các chất khí cháy, chất lỏng cháy và vật liệu cháy, cũng như không có các quá trình công nghệ liên quan tới việc hình thành các bụi cháy, được phép làm từ vật liệu thuộc nhóm có tính cháy Ch3 với chiều dày không nhỏ hơn 40 mm và không có hốc rỗng.
4.22. Không cho phép bố trí các kênh, giếng và đường ống vận chuyển khí cháy, hỗn hợp bụi - khí cháy, chất lỏng cháy, chất và vật liệu cháy xuyên qua các tường và sàn ngăn cháy loại 1.
Đối với các kênh, giếng và đường ống để vận chuyển các chất và vật liệu khác với các loại nói trên thì tại các vị trí giao cắt với các bộ phận ngăn cháy này phải có thiết bị tự động ngăn cản sự lan truyền của các sản phẩm cháy theo các kênh, giếng và ống dẫn.
CHÚ THÍCH 1: Cho phép đặt ống thông gió và ống khói trong tường ngăn cháy của nhà ở, công trình công cộng và nhà phụ trợ khi chiều dầy tối thiểu của tường ngăn cháy (trừ tiết diện đường ống) ở chỗ đó không được dưới 25 cm, còn bề dày phần ngăn giữa ống khói và ống thông hơi tối thiểu là 12 cm.
CHÚ THÍCH 2: Những lỗ đặt ống dẫn nước ở bộ phận ngăn cháy phải được xử lý phù hợp với quy định trong 4.12.
4.23. Các kết cấu bao che của các giếng thang máy (trừ các giếng đã nêu trong 3.4.6) và các phòng máy của thang máy (trừ các phòng trên mái), cũng như của các kênh, giếng và hộp kỹ thuật phải đáp ứng các yêu cầu đặt ra như đối với các vách ngăn cháy loại 1 và các sàn ngăn cháy loại 3. Không quy định giới hạn chịu lửa của các kết cấu bao che giữa giếng thang máy và phòng máy của thang máy.
Khi không thể lắp các cửa ngăn cháy trong các kết cấu bao che các giếng thang máy nêu trên, phải bố trí các khoang đệm hoặc các sảnh với các vách ngăn cháy loại 1 và sàn ngăn cháy loại 3 hoặc các màn chắn tự động đóng các lỗ cửa đi của giếng thang khi cháy. Các màn chắn này phải được làm bằng vật liệu không cháy và giới hạn chịu lửa của chúng không nhỏ hơn E 30.
Trong các nhà có các buồng thang bộ không nhiễm khói phải bố trí bảo vệ chống khói tự động cho các giếng thang máy mà tại cửa ra của chúng không có các khoang đệm ngăn cháy với áp suất không khí dương khi cháy.
4.24. Buồng chứa rác, ống đổ rác và cửa thu rác phải được thiết kế, lắp đặt phù hợp với tiêu chuẩn, yêu cầu kỹ thuật quy định riêng cho bộ phận này và các yêu cầu cụ thể như sau:
- Các ống đổ rác và buồng chứa rác phải được cách ly với những phần khác của ngôi nhà bằng các bộ phận ngăn cháy; cửa thu rác ở các tầng phải có cửa ngăn cháy tự động đóng kín.
- Ống đổ rác phải được làm bằng vật liệu không cháy.
- Không được đặt các ống đổ rác và buồng chứa rác bên trong các buồng thang bộ, sảnh đợi hoặc khoang đệm được bao bọc ngăn cháy dùng cho thoát nạn.
- Các buồng có chứa ống đổ rác hoặc để chứa rác phải đảm bảo có lối vào trực tiếp qua một khoảng thông thoáng bên ngoài nhà hoặc qua một khoang đệm ngăn cháy được thông gió thường xuyên.
- Cửa vào buồng chứa rác không được đặt liền kề với các lối thoát nạn hoặc cửa ra bên ngoài của nhà hoặc đặt gần với cửa sổ của nhà ở.
4.25. Theo các điều kiện của công nghệ, cho phép bố trí các thang bộ riêng biệt để lưu thông giữa các tầng hầm hoặc tầng nửa hầm với tầng một.
Các thang bộ này phải được bao che bằng các vách ngăn cháy loại 1 với khoang đệm ngăn cháy có áp suất không khí dương khi cháy.
Cho phép không bố trí khoang đệm ngăn cháy như đã nêu cho các thang bộ này trong các nhà nhóm F5 với điều kiện chúng dẫn từ tầng hầm hoặc tầng nửa hầm có các gian phòng hạng C4, D, E vào các gian phòng cùng hạng ở tầng một.
Các thang bộ này không được kể đến khi tính toán thoát nạn, trừ các trường hợp nói ở 3.2.1.
4.26. Khi bố trí các cầu thang bộ loại 2 đi từ sảnh tầng 1 lên tầng 2, thì sảnh này phải được ngăn cách khỏi các hành lang và các gian phòng liền kề bằng các vách ngăn cháy loại 1.
4.27. Gian phòng, trong đó có bố trí cầu thang bộ loại 2 theo 3.4.16, phải được ngăn cách với các hành lang thông với nó và các gian phòng khác bằng các vách ngăn cháy loại 1. Cho phép không ngăn cách gian phòng có cầu thang bộ loại 2 bằng các vách ngăn cháy khi:
- Có trang bị chữa cháy tự động trong toàn bộ nhà; hoặc
- Trong các nhà có chiều cao không lớn hơn 9 m với diện tích một tầng không quá 300 m2.
4.28. Trong các tầng hầm hoặc tầng nửa hầm, trước lối vào các thang máy phải bố trí các khoang đệm ngăn cháy loại 1 có áp suất không khí dương khi cháy.
4.29. Việc lựa chọn kích thước của nhà và của các khoang cháy, cũng như khoảng cách giữa các nhà phải dựa vào bậc chịu lửa, cấp nguy hiểm cháy kết cấu, nhóm nguy hiểm cháy theo công năng và giá trị tải trọng cháy, có tính đến hiệu quả của các phương tiện bảo vệ chống cháy được sử dụng, sự có mặt, vị trí và mức độ trang bị của các đơn vị chữa cháy, những hậu quả có thể về kinh tế và môi trường sinh thái do cháy.
4.30. Trong quá trình khai thác vận hành, tất cả các thiết bị kỹ thuật bảo vệ chống cháy phải bảo đảm khả năng làm việc theo đúng yêu cầu đã đặt ra.
4.31. Việc trang bị hệ thống báo cháy và chữa cháy tự động phải tuân theo TCVN 3890.
5. CẤP NƯỚC CHỮA CHÁY
5.1. Cấp nước chữa cháy ngoài nhà
5.1.1. Các yêu cầu an toàn cháy đối với cấp nước chữa cháy ngoài nhà
5.1.1.1. Việc trang bị cấp nước chữa cháy ngoài nhà phải được thực hiện theo quy định trong TCVN 3890 và tài liệu chuẩn thay thế khác.
5.1.1.2. Chất lượng nước của nguồn cấp nước chữa cháy phải phù hợp với điều kiện vận hành của các phương tiện chữa cháy và phương pháp chữa cháy.
5.1.1.3. Hệ thống đường ống nước chữa cháy thường có áp suất thấp, chỉ duy trì áp suất cao khi phù hợp với luận chứng. Đối với đường ống áp suất cao, các máy bơm chữa cháy phải được trang bị phương tiện bảo đảm hoạt động không trễ hơn 5 phút sau khi có tín hiệu báo cháy.
5.1.1.4. Áp suất tự do tối thiểu trong đường ống nước chữa cháy áp suất thấp (nằm trên mặt đất) khi chữa cháy phải không nhỏ hơn 10 m. Áp suất tự do tối thiểu trong mạng đường ống chữa cháy áp suất cao phải bảo đảm độ cao tia nước đặc không khỏ hơn 20 m khi lưu lượng yêu cầu chữa cháy tối đa và lăng chữa cháy ở điểm cao nhất của tòa nhà. Áp suất tự do trong mạng đường ống kết hợp không khỏ hơn 10 m và không lớn hơn 60 m.
5.1.2 Các yêu cầu an toàn cháy đối với lưu lượng nước cho chữa cháy ngoài nhà
5.1.2.1. Lưu lượng nước cho chữa cháy ngoài nhà (tính cho 1 đám cháy) và số đám cháy đồng thời trong một vùng dân cư tính cho mạng đường ống chính nối vòng lấy theo Bảng 7.
5.1.2.2. Lưu lượng nước cho chữa cháy ngoài nhà (cho 1 đám cháy) cho nhà thuộc nhóm nguy hiểm cháy theo công năng F1, F2, F3, F4 tính toán cho đường ống kết hợp và đường ống phân phối của mạng đường ống, cũng như mạng đường ống trong 1 cụm nhỏ (1 xóm, 1 dãy nhà...) lấy theo giá trị lớn nhất của Bảng 8.
| Dân số, x 1 000 người | Số đám cháy đồng thời | Lưu lượng nước cho chữa cháy ngoài nhà cho 1 đám cháy, l/s | |
| Xây dựng nhà không quá 2 tầng không phụ thuộc bậc chịu lửa | Xây dựng nhà từ 3 tầng trở lên không phụ thuộc bậc chịu lửa | ||
| (1) | (2) | (3) | (4) |
| ≤ 1 | 1 | 5 | 10 |
| Từ 1 đến 5 | 1 | 10 | 10 |
| Trên 5 đến 10 | 1 | 10 | 15 |
| Trên 10 đến 25 | 2 | 10 | 15 |
| Trên 25 đến 50 | 2 | 20 | 25 |
| Trên 50 đến 100 | 2 | 25 | 35 |
| Trên 100 đến 200 | 3 | - | 40 |
| Trên 200 đến 300 | 3 | - | 55 |
| Trên 300 đến 400 | 3 | - | 70 |
| Trên 400 đến 500 | 3 | - | 80 |
| Trên 500 đến 600 | 3 | - | 85 |
| Trên 600 đến 700 | 3 | - | 90 |
| Trên 700 đến 800 | 3 | - | 95 |
| Trên 800 đến 1 000 | 3 | - | 100 |
| Trên 1 000 | 5 | - | 110 |
| CHÚ THÍCH 8: Lưu lượng nước cho chữa cháy ngoài nhà trong khu dân cư phải không nhỏ hơn lưu lượng nước chữa cháy cho nhà theo Bảng 8. CHÚ THÍCH 9: Khi thực hiện cấp nước theo vùng, lưu lượng nước cho chữa cháy ngoài nhà và số đám cháy đồng thời theo từng vùng được lấy phụ thuộc vào số dân sống trong vùng. CHÚ THÍCH 10: Số đám cháy đồng thời và lưu lượng nước cho 1 đám cháy cho một vùng có số dân trên 1 triệu người thì tuân theo luận chứng của các yêu cầu kỹ thuật đặc biệt.
| |||
| Loại nhà | Lưu lượng nước cho chữa cháy ngoài nhà không phục thuộc bậc chịu lửa tính cho 1 đám cháy, l/s, theo khối tích nhà, 1 000 m3 | ||||
| ≤ 1 | Trên 1 đến 5 | Trên 5 đến 25 | Trên 25 đến 50 | Trên 50 | |
| (1) | (2) | (3) | (4) | (5) | (6) |
| Nhà nhóm F1.3, F1.4 có một hoặc nhiều đơn nguyên với số tầng: |
|
|
|
|
|
| ≤ 2 | 10(*) | 10 | 15 | 15 | 20 |
| Trên 2 đến 12 | 10 | 15 | 15 | 20 | 20 |
| Trên 12 đến 16 | - | 20 | 20 | 25 | 25 |
| Trên 16 | - | 20 | 25 | 25 | 30 |
| Nhà nhóm F1.1, F1.2, F2, F3 và F4 với số tầng: |
|
|
|
|
|
| ≤ 2 | 10(*) | 10 | 15 | 20 | 25 |
| Trên 2 đến 12 | 10 | 15 | 20 | 25 | 30 |
| Trên 12 đến 16 | - | 20 | 25 | 30 | 35 |
| Trên 16 | - | 25 | 30 | 30 | 35 |
| CHÚ DẪN: (*) đối với khu dân cư làng, xã (nông thôn) lấy lưu lượng nước cho 1 đám cháy là 5 l/s. CHÚ THÍCH 14: Nếu hiệu suất của mạng đường ống ngoài nhà không đủ để truyền lưu lượng nước tính toán cho chữa cháy hoặc khi liên kết ống vào với mạng đường ống cụt thì cần phải xem xét lắp đặt bồn, bể, với thể tích phải bảo đảm lưu lượng nước cho chữa cháy ngoài nhà trong 3 giờ. CHÚ THÍCH 15: Trong khu dân cư không có đường ống nước chữa cháy thì phải có bồn, bể nước bảo đảm chữa cháy trong 3 giờ.
| |||||
5.1.2.4 Lưu lượng nước cho chữa cháy ngoài nhà cho nhà được ngăn chia bằng tường ngăn cháy thì lấy theo phần của nhà, nơi yêu cầu lưu lượng lớn nhất.
5.1.2.5. Lưu lượng nước cho chữa cháy ngoài nhà cho nhà được ngăn cách bằng vách ngăn cháy được xác định theo khối tích chung của nhà và theo hạng cao nhất của hạng nguy hiểm cháy và cháy nổ.
| Bậc chịu lửa của nhà | Cấp nguy hiểm cháy kết cấu của nhà | Hạng nguy hiểm cháy và cháy nổ của nhà | Lưu lượng nước cho chữa cháy ngoài nhà đối với nhà có chiều rộng không lớn hơn 60 m, tính cho 1 đám cháy, l/s, theo khối tích nhà, 1 000 m3 | ||||||
| ≤ 3 | > 3 đến ≤ 5 | > 5 đến ≤ 20 | > 20 đến ≤ 50 | > 50 đến ≤ 200 | > 200 đến ≤ 400 | > 400 đến ≤ 600 | |||
| (1) | (2) | (3) | (4) | (5) | (6) | (7) | (8) | (9) | (10) |
| I và II | S0, S1 | D, E | 10 | 10 | 10 | 10 | 15 | 20 | 25 |
| I và II | S0, S1 | A, B, C | 10 | 10 | 15 | 20 | 30 | 35 | 40 |
| III | S0, S1 | D, E | 10 | 10 | 15 | 25 | 35 | - | - |
| III | S0, S1 | A, B, C | 10 | 15 | 20 | 30 | 45 | - | - |
| IV | S0, S1 | D, E | 10 | 15 | 20 | 30 | 40 | - | - |
| IV | S0, S1 | A, B, C | 15 | 20 | 25 | 40 | 60 | - | - |
| IV | S2, S3 | D, E | 10 | 15 | 20 | 30 | 45 | - | - |
| IV | S2, S3 | C | 15 | 20 | 25 | 40 | 65 | - | - |
| V | - | D, E | 10 | 15 | 20 | 30 | 55 | - | - |
| V | - | C | 15 | 20 | 25 | 40 | 70 | - | - |
5.1.2.7 Các hệ thống cấp nước chữa cháy của cơ sở (đường ống dẫn nước, trạm bơm, bồn, bể dự trữ nước chữa cháy) phải bảo đảm không được ngừng cấp nước quá 10 phút và không giảm lưu lượng nước quá 30 % lưu lượng nước tính toán trong 3 ngày.
5.1.2.8 Trường hợp công trình nằm trong khu vực chưa có hạ tầng cấp nước chữa cháy ngoài nhà, hoặc đã có nhưng không bảo đảm theo quy định theo các bảng 8, 9 và 10 thì thực hiện theo hướng dẫn của cơ quan Cảnh sát PCCC và CNCH có thẩm quyền.
5.1.3. Số đám cháy tính toán đồng thời
| Bậc chịu lửa của nhà | Cấp nguy hiểm cháy kết cấu của nhà | Hạng nguy hiểm cháy và cháy nổ của nhà | Lưu lượng nước chữa cháy ngoài nhà đối với nhà có chiều rộng từ 60 m trở lên, tính cho 1 đám cháy, l/s, theo khối tích nhà, 1 000 m3 | ||||||||
| ≤ 50 | > 50 đến ≤ 100 | > 100 đến ≤ 200 | > 200 đến ≤ 300 | > 300 đến ≤ 400 | > 400 đến ≤ 500 | > 500 đến ≤ 600 | > 600 đến ≤ 700 | > 700 đến ≤ 800 | |||
| I và II | S0 | A, B, C | 20 | 30 | 40 | 50 | 60 | 70 | 80 | 90 | 100 |
| I và II | S0 | D, E | 10 | 15 | 20 | 25 | 30 | 35 | 40 | 45 | 50 |
5.1.3.2 Khi kết hợp đường ống chữa cháy của khu dân cư và cơ sở công nghiệp nằm ngoài khu dân cư thì số đám cháy tính toán đồng thời tính như sau:
- Khi diện tích của cơ sở công nghiệp đến 150 ha và dân số của khu dân cư đến 10 nghìn người, lấy là 1 đám cháy (lấy lưu lượng nước theo bên lớn hơn); tương tự với số dân từ 10 đến 25 nghìn người lấy là 2 đám cháy (1 đám cháy cho cơ sở công nghiệp và 1 đám cháy cho khu dân cư).
- Khi diện tích khu vực cơ sở công nghiệp trên 150 ha và số dân đến 25 nghìn người, lấy là 2 đám cháy (2 đám cháy tính cho khu vực cơ sở công nghiệp hoặc 2 đám cháy tính cho khu dân cư, lấy theo lưu lượng nước yêu cầu của bên lớn hơn).
- Khi số dân trong khu trên 25 nghìn người thì lưu lượng nước được xác định bằng tổng của lưu lượng yêu cầu lớn hơn (tính cho khu vực cơ sở công nghiệp hoặc khu dân cư) và 50 % lưu lượng yêu cầu nhỏ hơn (tính cho cơ sở hoặc khu dân cư).
5.1.3.3. Thời gian chữa cháy phải lấy là 3 giờ, ngoại trừ những quy định riêng nêu dưới đây:
- Đối với nhà bậc chịu lửa I, II với kết cấu và lớp cách nhiệt làm từ vật liệu không cháy có các khu vực thuộc hạng nguy hiểm cháy nổ D và E lấy là 2 giờ.
- Đối với kho dạng hở chứa vật liệu từ gỗ - không nhỏ hơn 5 giờ.
5.1.3.4. Thời gian lớn nhất để phục hồi nước dự trữ chữa cháy không lớn hơn:
- Đối với khu dân cư và cơ sở công nghiệp có khu vực thuộc hạng nguy hiểm cháy nổ A, B, C lấy là 24 giờ.
- Đối với cơ sở công nghiệp có khu vực thuộc hạng nguy hiểm cháy nổ D và E lấy là 36 giờ.
- Đối với các khu dân cư và cơ sở nông nghiệp lấy là 72 giờ.
CHÚ THÍCH 1: Đối với cơ sở công nghiệp có yêu cầu về lưu lượng nước cho chữa cháy ngoài nhà đến 20 l/s thì cho phép tăng thời gian phục hồi nước chữa cháy như sau:
- Đối với khu vực thuộc hạng nguy hiểm cháy D và E cho phép đến 48 giờ.
- Đối với khu vực thuộc hạng nguy hiểm cháy C cho phép đến 36 giờ.
CHÚ THÍCH 2: Khi không thể bảo đảm phục hồi lượng nước chữa cháy theo thời gian quy định thì cần cung cấp thêm n lần lượng nước dự trữ chữa cháy. Giá trị của n (n = 1,5; 2,0; 2,5; 3,0 ...) phụ thuộc vào thời gian phục hồi thực tế, ttt, và tính theo công thức sau:
𝑛=𝑡𝑡𝑡⁄𝑡𝑞đ
trong đó: ttt - thời gian phục hồi nước dự trữ chữa cháy thực tế.
tqđ - thời gian phục hồi nước dự trữ chữa cháy (theo 5.1.3.4).
5.1.4. Yêu cầu an toàn cháy đối với mạng đường ống và các công trình được xây dựng trên chúng
5.1.4.1. Khi lắp đặt từ 02 đường ống cấp trở lên phải lắp đặt van chuyển đổi giữa chúng khi đó trong trường hợp ngắt 1 đường cấp hoặc 1 phần của nó thì việc chữa cháy vẫn bảo đảm 100 %.
5.1.4.2. Mạng đường ống dẫn nước chữa cháy phải là mạch vòng. Cho phép làm các đường ống cụt khi: cấp nước cho chữa cháy hoặc sinh hoạt - chữa cháy khi chiều dài đường ống không lớn hơn 200 m mà không phụ thuộc vào lưu lượng nước chữa cháy yêu cầu.
Không cho phép nối vòng mạng đường ống ngoài nhà bằng mạng đường ống bên trong nhà và công trình.
CHÚ THÍCH: Ở các khu dân cư đến 5 000 người và yêu cầu về lưu lượng nước cho chữa cháy ngoài nhà đến 10 l/s hoặc số họng nước chữa cháy trong nhà đến 12 thì cho phép dùng mạng cụt chiều dài trên 200 m nếu có xây dựng bồn bể, tháp nước áp lực hoặc bể điều tiết dành cho mạng cụt, trong đó có chứa toàn bộ lượng nước cho chữa cháy.
5.1.4.3. Các van trên các đường ống với mọi đường kính khi điều khiển từ xa hoặc tự động phải là loại van điều khiển bằng điện.
Cho phép sử dụng van khí nén, thủy lực hoặc điện từ.
Khi không điều khiển từ xa hoặc tự động thì van khóa đường kính đến 400 mm có thể là loại khóa bằng tay, với đường kính lớn hơn 400 mm là khóa điện hoặc thủy lực; trong các trường hợp luận chứng riêng cho phép lắp van đường kính trên 400 mm khóa bằng tay.
Trong mọi trường hợp đều phải cho phép mở và đóng được bằng tay.
5.1.4.4. Đường kính của đường ống cấp và mạng sau đường ống cấp phải được tính toán trên cơ sở sau:
- Theo yếu tố kỹ thuật, kinh tế.
- Các điều kiện làm việc khi ngắt sự cố từng đoạn riêng.
Đường kính ống dẫn nước chữa cháy ngoài nhà cho khu dân cư và cơ sở sản xuất không được nhỏ hơn 100 mm, đối với khu vực nông thôn - không được nhỏ hơn 75 mm.
5.1.5 Các yêu cầu đối với bồn, bể trữ nước cho chữa cháy ngoài nhà
5.1.5.1. Bồn, bể cấp nước theo công năng phải bao gồm cho điều tiết, chữa cháy, sự cố và nước mồi.
5.1.5.2. Nếu việc lấy nước chữa cháy trực tiếp từ các nguồn cấp nước không phù hợp với điều kiện kinh tế, kỹ thuật thì trong mọi trường hợp, các bồn, bể trữ nước phải đảm bảo có đủ lượng nước chữa cháy theo tính toán.
5.1.5.3. Thể tích nước chữa cháy trong bồn, bể phải được tính toán để đảm bảo:
- Thực hiện việc cấp nước chữa cháy từ trụ nước ngoài nhà và các hệ thống chữa cháy khác.
- Cung cấp cho các thiết bị chữa cháy chuyên dụng (sprinkler, drencher, ...) không có bể riêng.
- Lượng nước tối đa cho sinh hoạt và sản xuất trong suốt quá trình chữa cháy.
5.1.5.4. Các hồ ao để cho xe chữa cháy hút nước phải có lối tiếp cận và có bãi đỗ xe kích thước không nhỏ hơn 12 m x 12 m với bề mặt bảo đảm tải trọng dành cho xe chữa cháy.
CHÚ THÍCH: Khi xác định thể tích nước chữa cháy trong các bồn, bể thì cho phép tính cả việc nạp thêm vào bồn, bể trong thời gian chữa cháy nếu nó có hệ thống cấp nước đảm bảo quy định theo 5.1.2.7.
5.1.5.5. Khi cấp nước theo 01 đường ống cấp thì phải dự phòng thêm lượng nước bổ sung cho chữa cháy, xác định theo 5.1.5.3.
CHÚ THÍCH: Cho phép không cần tính đến lượng nước bổ sung cho chữa cháy khi chiều dài của một đường ống cấp không lớn hơn 500 m đối với khu dân cư có số dân đến 5 000 người, cũng như cho các đối tượng với yêu cầu về lưu lượng nước cho chữa cháy ngoài nhà không lớn hơn 40 l/s.
5.1.5.6. Tổng số bồn, bể cho chữa cháy trong một mạng ống phải không nhỏ hơn 2.
Giữa các bồn, bể trong mạng ống, mực nước thấp nhất và cao nhất của nước chữa cháy phải tương ứng như nhau.
Khi ngắt một bồn, bể thì lượng nước trữ để chữa cháy trong các bồn, bể còn lại phải không nhỏ hơn 50 % của lượng nước yêu cầu cho chữa cháy.
5.1.5.7. Việc trữ nước chữa cháy trong các bồn, bể chuyên dụng hoặc các hồ nước hở được cho phép đối với:
- Khu dân cư đến 5 000 người.
- Các tòa nhà, không phụ thuộc công năng, đứng riêng biệt ngoài khu dân cư không có hệ thống đường ống nước sinh hoạt hoặc sản xuất, để cung cấp lượng nước cần thiết cho hệ thống cấp nước ngoài nhà.
- Nhà công năng khác nhau có lưu lượng nước yêu cầu cho cấp nước chữa cháy ngoài nhà không quá 10 l/s.
- Nhà có từ 1 đến 2 tầng, không phụ thuộc vào công năng, có diện tích xây dựng không lớn hơn diện tích khoang cháy cho phép đối với loại nhà đó.
5.1.5.8. Lượng nước chữa cháy của bồn, bể và hồ nước nhân tạo xác định trên cơ sở tính toán lượng nước tiêu thụ và thời gian chữa cháy theo 5.1.2.2 đến 5.1.2.6 và 5.1.3.3.
CHÚ THÍCH 1: Tính toán thể tích nước chữa cháy của hồ nhân tạo hở phải tính đến khả năng bốc hơi và đóng băng của nước. Mực nước tối thiểu không được nhỏ hơn 0,5 m.
CHÚ THÍCH 2: Phải bảo đảm lối vào cho xe chữa cháy tiếp cận bể, hồ...
5.1.5.9. Bồn, bể, trụ nước chữa cháy ngoài nhà, hồ nước chữa cháy tự nhiên và nhân tạo phải đặt tại vị trí bảo đảm bán kính phục vụ:
- Khi có xe bơm là 200 m.
- Khi có máy bơm di động là 100 m đến 150 m trong phạm vi hoạt động kỹ thuật của máy bơm.
- Để tăng bán kính phục vụ, cho phép lắp đặt các đường ống cụt có chiều dài không quá 200 m từ bồn, bể và hồ nhân tạo bảo đảm theo 5.1.5.8.
- Khoảng cách từ điểm lấy nước từ bồn, bể hoặc hồ nhân tạo đến nhà có bậc chịu lửa III, IV và V hoặc đến kho hở chứa vật liệu cháy được phải không nhỏ hơn 30 m, đến nhà bậc chịu lửa I và II phải không nhỏ hơn 10 m.
5.1.5.10. Khi không thể hút nước chữa cháy trực tiếp từ bồn, bể hoặc hồ bằng xe máy bơm hoặc máy bơm di động, thì phải cung cấp các hố thu với thể tích từ 3 m3 đến 5 m3 Đường kính ống kết nối bồn, bể hoặc hồ với các hố thu lấy theo các điều kiện tính toán lưu lượng nước cho chữa cháy ngoài nhà, nhưng không nhỏ hơn 200 mm. Trên đoạn ống kết nối phải có hộp van để khóa sự lưu thông nước, việc đóng mở van phải thực hiện được từ bên ngoài hộp. Đầu đoạn ống kết nối ở phía hồ nhân tạo phải có lưới chắn.
5.1.5.11. Bồn, bể áp lực để chữa cháy phải được trang bị thước đo mức nước, thiết bị báo tín hiệu mức nước cho trạm bơm hoặc trạm phân phối nước.
Bồn, bể áp lực của đường ống nước chữa cháy áp lực cao phải trang bị thiết bị bảo đảm tự động ngắt nước lên bồn bể, tháp khi máy bơm chữa cháy hoạt động.
5.1.5.12. Bồn, bể áp lực sử dụng khí ép áp lực, thì ngoài máy ép vận hành phải có máy ép dự bị.
5.2. Hệ thống họng nước chữa cháy trong nhà
5.2.1. Nhà ở, nhà công cộng cũng như nhà hành chính - phụ trợ của công trình công nghiệp phải lắp đặt hệ thống họng nước chữa cháy trong nhà, lưu lượng nước tối thiểu để chữa cháy xác định theo Bảng 11, đối với nhà sản xuất và nhà kho thì lấy theo Bảng 12.
Khi xác định lưu lượng nước chữa cháy cần thiết, phải căn cứ vào chiều cao tia nước đặc và đường kính đầu lăng phun chữa cháy lấy theo Bảng 13. Khi đó tính toán hoạt động đồng thời của họng nước và các hệ thống chữa cháy khác.
CHÚ THÍCH: Trường hợp họng nước chữa cháy sử dụng các thiết bị có thông số không theo Bảng 13 thì phải bảo đảm lưu lượng nước tối thiểu cho chữa cháy đối với một tia phun và chiều cao tia nước đặc theo quy định.
| Nhà ở và công trình công cộng | Số tia phun chữa cháy trên 1 tầng nhà | Lưu lượng tối thiểu cho chữa cháy trong nhà, l/s, đối với một tia phun |
| (1) | (2) | (3) |
| 1- Nhà ở, nhà chung cư | ||
| - Từ 5 đến 16 tầng | 1 | 2,5 |
| - Từ 5 đến 16 tầng, khi hành lang chung dài trên 10 m | 2 | 2,5 |
| - Trên 16 đến 25 tầng | 2 | 2,5 |
| - Trên 16 đến 25 tầng, khi hành lang chung dài trên 10 m | 3 | 2,5 |
| 2- Nhà hành chính |
|
|
| - Từ 6 đến 10 tầng và khối tích đến 25 000 m3 | 1 | 2,5 |
| - Từ 6 đến 10 tầng và khối tích trên 25 000 m3 | 2 | 2,5 |
| - Trên 10 tầng và khối tích đến 25 000 m3 | 2 | 2,5 |
| - Trên 10 tầng và khối tích trên 25 000 m3 | 3 | 2,5 |
| 3- Phòng câu lạc bộ có sân khấu, nhà hát, rạp chiếu phim, phòng có trang bị thiết bị nghe nhìn (sinh hoạt, hội thảo...) |
|
|
| - Đến 300 chỗ | 2 | 2,5 |
| - Trên 300 chỗ | 2 | 5,0 |
| 4- Kí túc xá và nhà công cộng (ngoại trừ mục 2) ... |
|
|
| - Đến 10 tầng và khối tích từ 5 000 m3 đến 25 000 m3 | 1 | 2,5 |
| - Đến 10 tầng và khối tích trên 25 000 m3 | 2 | 2,5 |
| - Trên 10 tầng và khối tích đến 25 000 m3 | 2 | 2,5 |
| - Trên 10 tầng và khối tích trên 25 000 m3 | 3 | 2,5 |
| 5- Nhà hành chính - phụ trợ của công trình công nghiệp có khối tích: |
|
|
| - Từ 5 000 đến 25 000 m3 | 1 | 2,5 |
| - Trên 25 000 m3 | 2 | 2,5 |
| Bậc chịu lửa của nhà | Hạng nguy hiểm cháy và cháy nổ của nhà | Số tia phun chữa cháy và lưu lượng nước tối thiểu, l/s, đối với 01 tia phun, cho chữa cháy trong nhà đối với nhà sản xuất và nhà kho chiều cao đến 50 m và theo khối tích, 1 000 m3 | ||||
| Từ 0,5 đến 5 | Trên 5 đến 50 | Trên 50 đến 200 | Trên 200 đến 400 | Trên 400 đến 800 | ||
| (1) | (2) | (3) | (4) | (5) | (6) | (7) |
| I, II | A, B, C | 2 x 2,5 | 2 x 5 | 2 x 5 | 3 x 5 | 4 x 5 |
| III | C | 2 x 2,5 | 2 x 5 | 2 x 5 | * | * |
| III | D, E | ** | 2 x 2,5 | 2 x 2,5 | * | * |
| IV, V | C | 2 x 2,5 | 2 x 5 | * | * | * |
| IV, V | D, E | ** | 2 x 2,5 | * | * | * |
| CHÚ THÍCH 1: “*” lưu lượng nước và số tia phun phải xây dựng theo luận chứng kỹ thuật đặc biệt. CHÚ THÍCH 2: Đối với nhà có bậc chịu lửa và hạng nguy hiểm cháy không có trong Bảng 12 thì lưu lượng nước lấy theo luận chứng kỹ thuật đặc biệt. CHÚ THÍCH 3: “**” không yêu cầu tia phun chữa cháy. | ||||||
5.2.4. Số tia phun chữa cháy cho mỗi điểm cháy lấy là 02 tia đối với các công trình có yêu cầu số tia phun lớn hơn 02.
5.2.5. Đối với các phần nhà có khu vực công năng khác nhau thì lưu lượng nước cho chữa cháy phải tính toán riêng đối với từng phần theo quy định tại 5.2.1 và 5.2.2. Khi đó lưu lượng nước chữa cháy trong nhà tính toán theo quy định sau:
- Đối với nhà không được ngăn chia bằng các tường ngăn cháy phải tính theo khối tích chung.
- Đối với nhà được ngăn chia bằng các tường ngăn cháy loại 1 hoặc 2 phải tính theo khối tích của phần nhà có yêu cầu lưu lượng nước cao hơn.
Khi liên kết các nhà có bậc chịu lửa I và II bằng các lối đi làm bằng vật liệu không cháy và được lắp đặt cửa ngăn cháy thì khối tích của nhà phục vụ việc xác định lưu lượng nước chữa cháy được tính là khối tích riêng của từng nhà; khi không có cửa ngăn cháy thì tính theo khối tích tổng và theo hạng nguy hiểm cháy cao hơn.
| Chiều cao tia nước đặc, m | Lưu lượng của lăng phun, l/s | Áp suất, MPa, của họng nước chữa cháy với chiều dài cuộn vòi, m | Lưu lượng của lăng phun, l/s | Áp suất, MPa, của họng nước chữa cháy với chiều dài cuộn vòi, m | Lưu lượng của lăng phun, l/s | Áp suất, MPa, của họng nước chữa cháy với chiều dài cuộn vòi, m | ||||||
| (1) | (2) | (3) | (4) | (5) | (6) | (7) | (8) | (9) | (10) | (11) | (12) | (13) |
|
|
| 10 | 15 | 20 |
| 10 | 15 | 20 |
| 10 | 15 | 20 |
| Đường kính đầu lăng phun chữa cháy, mm | ||||||||||||
| 13 | 16 | 19 | ||||||||||
| Họng nước chữa cháy DN 50 (*) | ||||||||||||
| 6 | - | - | - | - | 2,6 | 0,092 | 0,096 | 0,100 | 3,4 | 0,088 | 0,096 | 0,104 |
| 8 | - | - | - | - | 2,9 | 0,120 | 0,125 | 0,130 | 4,1 | 0,129 | 0,138 | 0,148 |
| 10 | - | - | - | - | 3,3 | 0,151 | 0,157 | 0,164 | 4,6 | 0,160 | 0,173 | 0,185 |
| 12 | 2,6 | 0,202 | 0,206 | 0,210 | 3,7 | 0,192 | 0,196 | 0,210 | 5,2 | 0,206 | 0,223 | 0,240 |
| 14 | 2,8 | 0,236 | 0,241 | 0,245 | 4,2 | 0,248 | 0,255 | 0,263 | - | - | - | - |
| 16 | 3,2 | 0,316 | 0,322 | 0,328 | 4,6 | 0,293 | 0,300 | 0,318 | - | - | - | - |
| 18 | 3,6 | 0,390 | 0,398 | 0,406 | 5,1 | 0,360 | 0,380 | 0,400 | - | - | - | - |
|
| Họng nước chữa cháy DN 65(*) | |||||||||||
| 6 | - | - | - | - | 2,6 | 0,088 | 0,089 | 0,090 | 3,4 | 0,078 | 0,080 | 0,083 |
| 8 | - | - | - | - | 2,9 | 0,110 | 0,112 | 0,114 | 4,1 | 0,114 | 0,117 | 0,121 |
| 10 | - | - | - | - | 3,3 | 0,140 | 0,143 | 0,146 | 4,6 | 0,143 | 0,147 | 0,151 |
| 12 | 2,6 | 0,198 | 0,199 | 0,201 | 3,7 | 0,180 | 0,183 | 0,186 | 5,2 | 0,182 | 0,190 | 0,199 |
| 14 | 2,8 | 0,23 | 0,231 | 0,233 | 4,2 | 0,230 | 0,233 | 0,235 | 5,7 | 0,218 | 0,224 | 0,230 |
| 16 | 3,2 | 0,31 | 0,313 | 0,315 | 4,6 | 0,276 | 0,280 | 0,284 | 6,3 | 0,266 | 0,273 | 0,280 |
| 18 | 3,6 | 0,38 | 0,383 | 0,385 | 5,1 | 0,338 | 0,342 | 0,346 | 7,0 | 0,329 | 0,338 | 0,348 |
| 20 | 4,0 | 0,464 | 0,467 | 0,470 | 5,6 | 0,412 | 0,424 | 0,418 | 7,5 | 0,372 | 0,385 | 0,397 |
5.2.7. Áp suất tự do của họng nước chữa cháy phải bảo đảm cho chiều cao của tia nước đặc cần thiết để chữa cháy vào mọi thời điểm trong ngày đối với khu vực cao nhất và xa nhất.
Chiều cao tối thiểu và bán kính hoạt động của tia nước đặc chữa cháy phải bằng chiều cao của khu vực, tính từ sàn đến điểm cao nhất của xà (trần), nhưng không nhỏ hơn các giá trị sau:
- Đối với nhà ở, nhà công cộng, nhà sản xuất và nhà phụ trợ của công trình công nghiệp có chiều cao đến 50 m không nhỏ hơn 6 m.
- Đối với nhà ở cao trên 50 m không nhỏ hơn 8 m.
- Đối với nhà công cộng, nhà sản xuất và nhà phụ trợ của công trình công nghiệp cao trên 50 m không nhỏ hơn 16 m.
CHÚ THÍCH 1: Áp suất của họng nước chữa cháy phải được tính toán tổn thất của cuộn vòi chữa cháy dài 10, 15 và 20 m.
CHÚ THÍCH 2: Để nhận tia nước đặc lưu lượng đến 4 l/s thì sử dụng họng nước chữa cháy DN 50, đối với lưu lượng lớn hơn phải sử dụng họng DN 65. Khi luận chứng kinh tế - kỹ thuật cho phép thì được dùng họng nước chữa cháy DN 50 cho lưu lượng trên 4 l/s.
5.2.8. Thiết kế bể áp lực cho nhà phải bảo đảm mọi thời điểm đều cung cấp được tia nước đặc cao trên 4 m tại tầng cao nhất hoặc tầng ngay dưới nơi đặt bể, và không nhỏ hơn 6 m đối với các tầng còn lại; khi đó số tia nước bảo đảm: 02 tia mỗi tia 2,5 l/s trong 10 phút khi số tia tính toán là 02 hoặc nhiều hơn, 01 tia trong các trường hợp còn lại.
Khi lắp đặt họng nước chữa cháy dùng làm cảm biến điều khiển tự động máy bơm chữa cháy thì không cần xem xét đến bể nước áp lực.
5.2.9. Trong trường hợp lắp đặt hệ thống họng nước chữa cháy riêng biệt với các hệ thống chữa cháy tự động, thì thể tích của bể chứa nước dự trữ phải bảo đảm lượng nước dùng trong 01 giờ, cho một họng nước chữa cháy và các nhu cầu dùng nước khác.
Khi lắp đặt hệ thống họng nước chữa cháy trên các hệ thống chữa cháy tự động thì thời gian làm việc của họng nước lấy bằng thời gian làm việc của hệ thống chữa cháy tự động.
5.2.10. Các nhà từ 06 tầng trở lên khi liên kết hệ thống nước sinh hoạt và chữa cháy thì các ống đứng phải được nối vòng ở trên. Khi đó để bảo đảm việc thay nước trong nhà phải nối vòng ống đứng với một hoặc một vài ống xả đứng có van khóa.
Trong các hệ thống chữa cháy đường ống khô lắp đặt trong các nhà không được sưởi ấm thì van khóa phải được lắp đặt tại các khu vực không có khả năng bị đóng băng.
5.2.11. Việc xác định vị trí và số lượng đường ống đứng và họng nước chữa cháy trong nhà phải đảm bảo quy định sau:
- Cho phép lắp đặt họng kép trên các ống đứng trong nhà sản xuất và nhà công cộng khi số lượng tia nước tính toán không nhỏ hơn 03, còn trong nhà ở không nhỏ hơn 02.
- Trong nhà ở với chiều dài hành lang đến 10 m khi số tia nước bằng 02 cho mỗi điểm thì cho phép phun 02 tia từ một ống đứng.
- Trong nhà ở với chiều dài hành lang lớn hơn 10 m, cũng như nhà sản xuất và nhà công cộng có từ 02 tia nước tính toán trở lên cho mỗi điểm thì phải bố trí 02 tia phun từ 02 tủ chữa cháy cạnh nhau (02 họng nước khác nhau).
CHÚ THÍCH 1: Phải lắp đặt họng nước chữa cháy trong các tầng kỹ thuật, tầng áp mái và tầng hầm kỹ thuật nếu trong đó có vật liệu và kết cấu làm từ vật liệu cháy được.
CHÚ THÍCH 2: Số tia nước từ mỗi tủ không được lớn hơn 2.
5.2.12. Các họng nước chữa cháy được lắp đặt sao cho miệng họng nằm ở độ cao 1,20 m ± 0,15 m so với mặt sàn và đặt trong các tủ chữa cháy có lỗ thông gió, được dán niêm phong. Đối với họng nước chữa cháy kép, cho phép lắp đặt 01 họng nằm trên 01 họng nằm dưới, khi đó họng nằm dưới phải lắp có chiều cao không nhỏ hơn 1,0 m tính từ mặt sàn.
5.2.13. Đối với nhà cao từ 17 tầng trở lên, hệ thống họng nước chữa cháy trong nhà của mỗi vùng phải có họng chờ, có đầu nối với kích cỡ phù hợp để kết nối với phương tiện chữa cháy di động. Các họng này phải được lắp đặt van một chiều và niêm phong mở.
5.2.14. Họng nước chữa cháy bên trong nhà phải được lắp đặt tại các lối vào phía trong hành lang (ở nơi không có nguy cơ nước bị đóng băng) của các buồng thang (trừ các buồng thang không nhiễm khói), tại các sảnh, hành lang, lối đi và những chỗ dễ tiếp cận khác, khi đó việc bố trí phải đảm bảo không gây cản trở các hoạt động thoát nạn.
5.2.15. Tại các khu vực được bảo vệ bằng hệ thống chữa cháy tự động, cho phép lắp đặt họng nước chữa cháy trong nhà trên các đường ống DN 65 hoặc lớn hơn, sau cụm van điều khiển của hệ thống sprinkler bằng nước.
5.2.16. Tại các khu vực kín có khả năng bị đóng băng, các đường ống của hệ thống họng nước chữa cháy trong nhà ở sau trạm bơm cho phép là đường ống khô.
5.2.17. Những van để khóa nước từ các đường ống nhánh cụt cũng như những van khóa lớn từ đường ống thép khép kín phải được bố trí để bảo đảm mỗi đoạn ống chỉ khóa nhiều nhất là 05 họng nước chữa cháy trên cùng một tầng.
5.2.18. Khi trong nhà bố trí trên 12 họng nước chữa cháy hoặc có trang bị hệ thống chữa cháy tự động thì hệ thống cấp nước chữa cháy bên trong nhà, dù thiết kế riêng hay kết hợp cũng phải thiết kế ít nhất hai ống cấp nước và phải thực hiện nối thành mạng vòng.
6. CHỮA CHÁY VÀ CỨU NẠN
6.1. Nhà và công trình phải đảm bảo việc chữa cháy và cứu nạn bằng các giải pháp: kết cấu, bố trí mặt bằng - không gian, kỹ thuật - công trình và giải pháp tổ chức.
Các giải pháp này bao gồm:
- Bố trí các đường cho xe chữa cháy, bãi đỗ xe chữa cháy và lối tiếp cận cho lực lượng và phương tiện chữa cháy, kết hợp chung với các đường và lối đi theo công năng của ngôi nhà hoặc bố trí riêng.
- Bố trí các thang chữa cháy ngoài nhà và bảo đảm các phương tiện cần thiết khác để đưa lực lượng chữa cháy cùng các trang thiết bị kỹ thuật chữa cháy đến các tầng và mái của các ngôi nhà, trong đó gồm cả việc bố trí các thang máy có chế độ “chuyên chở lực lượng chữa cháy” (dưới đây gọi chung là thang máy chữa cháy).
- Bố trí đường ống cấp nước chữa cháy, kết hợp với các đường ống cấp nước sinh hoạt hoặc bố trí riêng, và khi cần thiết, bố trí các họng tiếp nước, đường ống tiếp nước vào trong nhà cho lực lượng chữa cháy, các trụ nước, bể chứa nước chữa cháy hoặc các nguồn cấp nước chữa cháy khác.
- Bảo vệ chống khói cho các lối đi của lực lượng chữa cháy bên trong ngôi nhà.
- Trang bị cho ngôi nhà các phương tiện cứu người cho cá nhân và tập thể trong trường hợp cần thiết.
- Bố trí, xây dựng các công trình, các trạm (đội) phòng cháy và chữa cháy phù hợp với số lượng nhân viên và các thiết bị kỹ thuật chữa cháy cần thiết, đáp ứng các điều kiện chữa cháy trên các công trình hoặc khu vực trong phạm vi hoạt động của các trạm (đội) này theo đúng các quy định hiện hành.
Việc lựa chọn các giải pháp nêu trên phụ thuộc vào bậc chịu lửa, cấp nguy hiểm cháy kết cấu và nhóm nguy hiểm cháy theo công năng của ngôi nhà.
6.2. Đường cho xe chữa cháy và bãi đỗ xe chữa cháy phải đảm bảo các yêu cầu sau:
6.2.1. Các yêu cầu chung
a) Chiều rộng thông thủy của mặt đường cho xe chữa cháy không được nhỏ hơn 3,5 m.
b) Bãi đỗ xe chữa cháy phải có chiều rộng thông thủy đảm bảo khả năng đi vào để triển khai các phương tiện chữa cháy phù hợp với chiều cao và nhóm nguy hiểm cháy theo công năng của nhà như quy định trong Bảng 14.
c) Chỉ cho phép có các kết cấu chặn phía trên đường cho xe chữa cháy và bãi đỗ xe chữa cháy nếu đảm bảo tất cả những yêu cầu sau:
- Chiều cao thông thủy để các phương tiện chữa cháy đi qua không được nhỏ hơn 4,5 m;
- Kích thước của kết cấu chặn phía trên (đo dọc theo chiều dài của đường cho xe chữa cháy và bãi đỗ xe chữa cháy) không được lớn hơn 10 m;
- Nếu có từ hai kết cấu chặn phía trên bắc ngang qua đường cho xe chữa cháy hoặc bãi đỗ xe chữa cháy thì khoảng thông giữa những kết cấu này không được nhỏ hơn 20 m;
- Chiều dài của đoạn cuối của đường cho xe chữa cháy hoặc bãi đố xe chữa cháy không bị chặn bởi các kết cấu chặn phía trên không được nhỏ hơn 20 m; và
- Chiều dài của bãi đỗ xe chữa cháy không được tính đến những đoạn có kết cấu chặn phía trên.
d) Dọc theo tường ngoài của nhà, tại các vị trí đối diện với bãi đỗ xe chữa cháy phải bố trí các lối xuyên qua tường ngoài vào bên trong nhà từ trên cao (lối vào từ trên cao) phù hợp với quy định tại 6.3 để triển khai các hoạt động chữa cháy và cứu nạn.
6.2.2. Việc bố trí đường cho xe chữa cháy và bãi đỗ xe chữa cháy phải đảm bảo các yêu cầu sau:
6.2.2.1 Nhà nhóm F1, F2, F3 và F4 có chiều cao không quá 15 m không yêu cầu có bãi đỗ xe chữa cháy, song phải có đường cho xe chữa cháy tiếp cận đến điểm bất kỳ trên hình chiếu bằng của nhà không lớn hơn 60 m.
| Nhóm nguy hiểm cháy theo công năng của nhà / Chỉ tiêu kích thước bãi đỗ | Kích thước bãi đỗ xe chữa cháy tương ứng theo chiều cao nhà, m | ||
| ≤ 15 | > 15 và ≤ 28 (1) | > 28 | |
| Nhà nhóm F1.3 |
|
|
|
| - Chiều rộng của bãi đỗ xe chữa cháy | Không yêu cầu | ≥ 6 m | ≥ 6 m |
| - Chiều dài của bãi đỗ xe chữa cháy | Không yêu cầu | ≥ 15 m | ≥ 15 m |
| Các nhóm nhà còn lại |
|
|
|
| - Chiều rộng của bãi đỗ xe chữa cháy | Không yêu cầu | ≥ 6 m | ≥ 6 m |
| - Chiều dài của bãi đỗ xe chữa cháy | Lấy theo Bảng 15 và Bảng 16 | ||
| CHÚ THÍCH: (1) Không yêu cầu có bãi đỗ xe chữa cháy đối với nhà có số người sử dụng trên mỗi tầng, tính theo Bảng G.9 (Phụ lục G), không vượt quá 50 người và khoảng cách từ đường cho xe chữa cháy đến họng tiếp nước vào nhà không được lớn hơn 18 m. | |||
6.2.2.3 Nhà hoặc phần nhà nhóm F1.1, F1.2, F2, F3 và F4 có chiều cao lớn hơn 15 m thì tại mỗi vị trí có lối vào từ trên cao phải bố trí một bãi đỗ xe chữa cháy để tiếp cận trực tiếp đến các tấm cửa của lối vào từ trên cao. Chiều dài của bãi đỗ xe chữa cháy phải được lấy theo Bảng 15 căn cứ vào diện tích sàn cho phép tiếp cận của tầng có giá trị diện tích sàn cho phép tiếp cận lớn nhất. Đối với trường hợp nhà có sàn thông tầng, giá trị đó được tính như sau:
a) Đối với nhà có các sàn thông tầng, bao gồm cả các tầng hầm thông với các tầng trên mặt đất thì diện tích sàn cho phép tiếp cận lấy bằng diện tích cộng dồn các giá trị diện tích sàn cho phép tiếp cận của tất cả các sàn thông tầng.
b) Đối với các nhà có từ hai nhóm sàn thông tầng trở lên thì diện tích sàn cho phép tiếp cận phải lấy bằng giá trị cộng dồn của nhóm sàn thông tầng có diện tích lớn nhất.
| Diện tích sàn cho phép tiếp cận, m2 | Chiều dài yêu cầu của bãi đỗ xe chữa cháy, tính theo chu vi nhà, m | |
| Nhà không được bảo vệ bằng hệ thống sprinkler | Nhà được bảo vệ bằng hệ thống sprinkler | |
| ≤ 2 000 | 1/6 chu vi và không nhỏ hơn 15 m | 1/6 chu vi và không nhỏ hơn 15 m |
| > 2 000 và ≤ 4 000 | 1/4 chu vi | 1/6 và không nhỏ hơn 15 m |
| > 4 000 và ≤ 8 000 | 1/2 chu vi | 1/4 chu vi |
| > 8 000 và ≤ 16 000 | 3/4 chu vi | 1/2 chu vi |
| > 16 000 và ≤ 32 000 | Toàn bộ chu vi | 3/4 chu vi |
| > 32 000 | Toàn bộ chu vi | Toàn bộ chu vi |
| Quy mô khối tích, m3 | Chiều dài yêu cầu của bãi đỗ xe chữa cháy, tính theo chu vi nhà, m | |
| Nhà không được bảo vệ bằng hệ thống sprinkler | Nhà được bảo vệ bằng hệ thống sprinkler | |
| (1) | (2) | (3) |
| < 28="" 400="" 28=""> | 1/6 chu vi và không nhỏ hơn 15 m | 1/6 chu vi và không nhỏ hơn 15 m |
| > 28 400 và ≤ 56 800 | 1/4 chu vi | 1/6 chu vi và không nhỏ hơn 15 m |
| > 56 800 và ≤ 85 200 | 1/2 chu vi | 1/4 chu vi |
| > 85 200 và ≤ 113 600 | 3/4 chu vi | 1/4 chu vi |
| (1) | (2) | (3) |
| > 113 600 và ≤ 170 400 | Toàn bộ chu vi | 1/2 chu vi |
| > 170 400 và ≤ 227 200 | Toàn bộ chu vi | 3/4 chu vi |
| > 227 200 | Toàn bộ chu vi | Toàn bộ chu vi |
6.2.2.5 Bố trí đường cho xe chữa cháy hoặc bãi đỗ xe chữa cháy cho nhà hỗn hợp phải đảm bảo những yêu cầu sau:
a) Khi phần nhà không để ở (không thuộc nhóm F1.3) chỉ nằm ở phần dưới của tòa nhà, thì chiều cao nhà để xác định các yêu cầu về đường cho xe chữa cháy hoặc bãi đỗ xe chữa cháy phải căn cứ vào phần nhà không để ở của tòa nhà.
b) Đối với nhà hỗn hợp, không có phần nhà thuộc nhóm F1.3, thì chiều dài yêu cầu của đường cho xe chữa cháy hoặc bãi đỗ xe chữa cháy phải được lấy bằng giá trị lớn hơn trong hai giá trị xác định căn cứ vào:
- Tổng quy mô khối tích của các phần nhà thuộc nhóm F5; hoặc
- Xác định được theo Bảng 15.
c) Đối với nhà hỗn hợp có phần nhà thuộc nhóm F1.3, chiều dài của bãi đỗ xe chữa cháy phải được tính theo 6.2.2.3 đồng thời phải đáp ứng được quy định trong 6.2.2.
6.2.2.6 Đối với các tầng hầm, phải có đường cho xe chữa cháy nằm trong phạm vi 18 m tính từ lối vào trên mặt đất của tất cả các khoang đệm của thang máy chữa cháy hoặc của buồng thang bộ thoát nạn có bố trí họng chờ cấp nước D65 dành cho lực lượng chữa cháy chuyên nghiệp (của hệ thống ống khô).
6.2.3. Bãi đỗ xe chữa cháy phải được bố trí đảm bảo để khoảng cách đo theo phương nằm ngang từ mép gần nhà hơn của bãi đỗ đến điểm giữa của lối vào từ trên cao không gần hơn 2 m và không xa quá 10 m.
6.2.4. Bề mặt của bãi đỗ xe chữa cháy phải ngang bằng. Nếu nằm trên một mặt nghiêng thì độ dốc không được quá 1:15. Độ dốc của đường cho xe chữa cháy không được quá 1:8,3.
6.2.5. Nếu chiều dài của đường cho xe chữa cháy hoặc bãi đỗ xe chữa cháy dạng cụt lớn hơn 46 m thì ở cuối đoạn cụt phải có bãi quay xe được thiết kế theo quy định trong 6.4.
6.2.6. Đường giao thông công cộng có thể được sử dụng làm bãi đỗ xe chữa cháy, nếu vị trí của đường đó phù hợp với các quy định về khoảng cách đến lối vào từ trên cao tại 6.2.3.
6.2.7. Đường cho xe chữa cháy và bãi đỗ xe chữa cháy phải được đảm bảo thông thoáng tại mọi thời điểm. Khoảng không giữa bãi đỗ xe chữa cháy và lối vào từ trên cao phải đảm bảo không bị cản trở bởi cây xanh hoặc các vật thể cố định khác.
6.2.8. Phải đánh dấu tất cả các góc của bãi đỗ xe chữa cháy và đường cho xe chữa cháy ngoại trừ những đường giao thông công cộng được sử dụng làm bãi đỗ xe chữa cháy hoặc đường cho xe chữa cháy. Việc đánh dấu phải được thực hiện bằng các dải sơn phản quang, đảm bảo có thể nhìn thấy được vào buổi tối và phải bố trí ở cả hai phía của đường cho xe chữa cháy hoặc bãi đỗ xe chữa cháy với khoảng cách không quá 5 m.
Tại các điểm đầu và điểm cuối của đường cho xe chữa cháy hoặc bãi đỗ xe chữa cháy phải có biển báo nền trắng, chữ đỏ với chiều cao chữ không nhỏ hơn 50 mm. Chiều cao từ mặt đất đến điểm thấp nhất của biển báo phải nằm trong khoảng 1,0 m đến 1,5 m. Biển báo phải đảm bảo nhìn thấy được vào buổi tối và không được bố trí cách đường cho xe chữa cháy hoặc bãi đỗ xe chữa cháy quá 3 m. Tất cả các phần của đường cho xe chữa cháy hoặc bãi đỗ xe chữa cháy không được cách biển báo gần nhất quá 15 m.
6.2.9. Mặt đường cho xe chữa cháy và bãi đỗ xe chữa cháy phải đảm bảo chịu được tải trọng của xe chữa cháy theo yêu cầu thiết kế và phù hợp với chủng loại phương tiện của cơ quan Cảnh sát PCCC&CNCH nơi xây dựng công trình.
6.3. Lối vào từ trên cao để phục vụ chữa cháy và cứu nạn phải đảm bảo những quy định sau:
6.3.1. Lối vào từ trên cao phải đảm bảo thông thoáng, không bị cản trở ở mọi thời điểm trong thời gian nhà được sử dụng. Lối vào từ trên cao có thể là các lỗ thông trên tường ngoài, cửa sổ, cửa ban công, các tấm tường lắp kính và các tấm cửa có thể mở được từ bên trong và bên ngoài. Không được bố trí đồ đạc hoặc bất kì vật nào có thể gây cản trở trong phạm vi 1 m của phần sàn bên trong nhà tính từ các lối vào từ trên cao.
6.3.2. Lối vào từ trên cao phải được bố trí đối diện với một không gian sử dụng. Không được bố trí ở các phòng kho hoặc phòng máy, buồng thang bộ thoát nạn, sảnh không nhiễm khói, sảnh thang máy chữa cháy hoặc không gian chỉ dẫn đến một điểm cụt.
6.3.3. Mặt ngoài của các tấm cửa của lối vào từ trên cao phải được đánh dấu bằng dấu tam giác đều mầu đỏ hoặc mầu vàng có cạnh không nhỏ hơn 150 mm, đỉnh tam giác có thể hướng lên hoặc hướng xuống. Ở mặt trong phải có dòng chữ “LỐI VÀO TỪ TRÊN CAO - KHÔNG ĐƯỢC GÂY CẢN TRỞ” với chiều cao chữ không nhỏ hơn 25 mm.
6.3.4. Các lối vào từ trên cao phải có chiều rộng không nhỏ hơn 850 mm, chiều cao không nhỏ hơn 1 000 mm, mép dưới của lối vào cách mặt sàn phía trong không lớn hơn 1 100 mm và mép trên cách mặt sàn phía trong không nhỏ hơn 1 800 m.
6.3.5. Số lượng, vị trí của lối vào từ trên cao đối với mỗi khoang cháy của nhà hoặc phần nhà không thuộc nhóm F1.3 phải đảm bảo những quy định sau:
6.3.5.1 Đối với nhà nhóm F1.1, F1.2, F2, F3, F4 và F5 số lượng lối vào từ trên cao phải tính toán dựa vào chiều dài của bãi đỗ xe chữa cháy. Cứ mỗi đoạn đủ hoặc không đủ 20 m chiều dài bãi đỗ xe chữa cháy phải có một vị trí lối vào từ trên cao.
6.3.5.2 Lối vào từ trên cao phải được bố trí cách xa nhau, dọc trên cạnh của nhà. Khoảng cách xa nhất đo dọc theo tường ngoài giữa tâm của hai lối vào từ trên cao liên tiếp nhau được phục vụ bởi một bãi đỗ xe chữa cháy không được quá 20 m. Lối vào từ trên cao phải được phân bố đảm bảo để ít nhất phải có 1 lối vào từ trên cao trên mỗi đoạn 20 m chiều dài của bãi đỗ xe chữa cháy, ngoại trừ những phần nhà 1 tầng không thuộc nhóm F5.
6.3.5.3 Đối với nhà thuộc nhóm F1.1, F1.2, F2, F3 và F4 có chiều cao từ trên 10 m đến 50 m, phải có lối vào từ trên cao ở tất cả các tầng trừ tầng 1 và phải nằm đối diện với bãi đỗ xe chữa cháy.
6.3.5.4 Đối với nhà Nhóm F5, phải bố trí các lối vào từ trên cao ở phía trên một bãi đỗ xe chữa cháy, lên đến chiều cao 50 m.
6.3.5.5 Yêu cầu về lối vào từ trên cao không áp dụng đối với các nhà nhóm F1.3, bao gồm cả những khu vực phụ trợ (ví dụ phòng tập Gym, các phòng câu lạc bộ,... phục vụ riêng cho cư dân của tòa nhà) trong nhà nhóm F1.3.
6.4. Thiết kế bãi quay xe phải tuân theo một trong các quy định sau:
- Hình tam giác đều có cạnh không nhỏ hơn 7 m, một đỉnh nằm ở đường cụt, hai đỉnh nằm cân đối ở hai bên đường.
- Hình vuông có cạnh không nhỏ hơn 12 m.
- Hình tròn, đường kính không nhỏ hơn 10 m.
- Hình chữ nhật vuông góc với đường cụt, cân đối về hai phía của đường, có kích thước không nhỏ hơn 5 m x 20 m.
CHÚ THÍCH: Những quy định trên là ngưỡng tối thiểu, cơ quan quản lý về PCCC và CNCH có thể đưa ra các quy định cụ thể căn cứ vào yêu cầu kỹ thuật của phương tiện chữa cháy ở mỗi địa phương.
6.5. Đối với đường giao thông nhỏ hẹp chỉ đủ cho 1 làn xe chạy thì cứ ít nhất 100 m phải thiết kế đoạn mở rộng tối thiểu 7 m dài 8 m để xe chữa cháy và các loại xe khác có thể tránh nhau dễ dàng.
6.6. Đối với các nhà có chiều cao lớn hơn hoặc bằng 10 m tính đến diềm mái hoặc mép trên của tường ngoài (tường chắn) phải có các lối ra mái trực tiếp từ các buồng thang bộ hoặc đi qua tầng áp mái, hoặc đi theo cầu thang bộ loại 3, hoặc đi theo thang chữa cháy ngoài nhà.
Số lượng lối ra mái và việc bố trí chúng phải dựa trên tính nguy hiểm cháy theo công năng và các kích thước của ngôi nhà, nhưng không được ít hơn một lối ra:
- Cho mỗi khoảng cách nhỏ hơn hoặc bằng 100 m chiều dài của nhà có tầng áp mái.
- Cho mỗi diện tích nhỏ hơn hoặc bằng 1 000 m2 mái của nhà không có tầng áp mái thuộc các nhóm F1, F2, F3 và F4.
- Cho mỗi 200 m chu vi của ngôi nhà nhóm F5 đi theo các thang chữa cháy. Cho phép không bố trí:
- Các thang chữa cháy tại mặt chính của nhà nếu chiều rộng nhà không quá 150 m và ở phía trước ngôi nhà có tuyến đường ống cấp nước chữa cháy.
- Lối ra mái của các nhà một tầng có diện tích mái không lớn hơn 100 m2.
6.7. Trong các tầng áp mái của nhà, trừ các nhà nhóm F1.4, phải có các lối ra mái qua các thang cố định và các cửa đi, cửa nắp hoặc cửa sổ có kích thước không nhỏ hơn 0,6 m x 0,8 m.
Các lối ra mái hoặc ra tầng áp mái từ các buồng thang bộ phải được bố trí theo các bản thang có các chiếu thang ở trước lối ra, qua các cửa ngăn cháy loại 2 kích thước không nhỏ hơn 0,75 m x 1,5 m. Các bản thang và chiếu thang nói trên có thể được làm bằng thép nhưng phải có độ dốc (góc nghiêng) không lớn hơn 2 : 1 (63,5o) và chiều rộng không nhỏ hơn 0,7 m.
Trong các nhà nhóm F1, F2, F3 và F4 cao đến 15 m cho phép bố trí các lối ra tầng áp mái hoặc ra mái từ các buồng thang bộ qua các cửa nắp ngăn cháy loại 2 với kích thước 0,6 m x 0,8 m theo các thang leo bằng thép gắn cố định.
6.8. Trong các tầng kỹ thuật, bao gồm cả các tầng hầm kỹ thuật và các tầng áp mái kỹ thuật, chiều cao thông thuỷ của lối đi phải không nhỏ hơn 1,8 m; trong các tầng áp mái dọc theo toàn bộ ngôi nhà - không nhỏ hơn 1,6 m. Chiều rộng của các lối đi này phải không nhỏ hơn 1,2 m. Trong các đoạn riêng biệt có chiều dài không lớn hơn 2 m cho phép giảm chiều cao của lối đi xuống 1,2 m, còn chiều rộng tối thiểu là 0,9 m.
6.9. Trong các nhà có tầng gác áp mái phải có các cửa nắp trong các kết cấu bao che các hốc của tầng áp mái.
6.10. Tại các điểm chênh lệch độ cao của mái lớn hơn 1,0 m (trong đó có cả điểm chênh cao để nâng các cửa lấy sáng - thông gió) phải có thang chữa cháy.
Tại khu vực chênh lệch độ cao của mái hơn 10 m, nếu mỗi một phần mái diện tích lớn hơn 100 m2 có cửa ra mái riêng thỏa mãn các yêu cầu của 6.6, hoặc độ cao phần thấp hơn của mái, xác định theo 6.6 không vượt quá 10 m thì cho phép không bố trí thang chữa cháy.
6.11. Phải sử dụng các thang chữa cháy loại P1 để lên độ cao đến 20 m và tại các chỗ chênh lệch độ cao của mái từ 1,0 m đến 20 m. Phải sử dụng các thang chữa cháy loại P2 để lên độ cao lớn hơn 20 m và tại các chỗ chênh lệch độ cao trên 20 m.
Các thang chữa cháy phải được làm bằng vật liệu không cháy, đặt ở nơi dễ thấy và cách xa cửa sổ không dưới 1,0 m. Chiều rộng thang 0,7 m. Đối với thang loại P1, từ độ cao 10 m trở lên phải có cung tròn bảo hiểm bán kính 0,35 m, tâm của cung tròn cách thang 0,45 m. Các cung tròn phải được đặt cách nhau 0,7 m, ở nơi ra mái phải đặt chiếu tới có lan can cao ít nhất 0,6 m. Đối với thang P2 phải có tay vịn và có chiếu nghỉ đặt cách nhau không quá 8 m.
6.12. Giữa các bản thang và giữa các lan can tay vịn của bản thang phải có khe hở với chiều rộng thông thủy chiếu trên mặt bằng không nhỏ hơn 100 mm.
6.13. Mỗi khoang cháy của các nhà có chiều cao lớn hơn 28 m (lớn hơn 50 m đối với nhà nhóm F1.3), hoặc nhà có chiều sâu của sàn tầng hầm dưới cùng (tính đến cao độ của lối ra thoát nạn ra ngoài) lớn hơn 9 m phải có tối thiểu một thang máy chữa cháy.
CHÚ THÍCH: Yêu cầu kỹ thuật khác như cấp điện, hệ thống điều khiển, truyền tín hiệu, liên lạc, thiết bị phục vụ bảo vệ chống cháy,... phải đảm bảo theo các tiêu chuẩn kỹ thuật riêng được chọn lựa cho thang máy chữa cháy.
Việc bố trí và lắp đặt các thang máy chữa cháy phải đảm bảo những quy định cơ bản sau:
- Không được sử dụng các thang máy chủ yếu để vận chuyển hàng hóa để làm thang máy chữa cháy.
- Ở điều kiện bình thường, thang máy chữa cháy vẫn được sử dụng để chở người. Thang máy chữa cháy có thể được bố trí với một sảnh thang máy riêng hoặc trong một sảnh chung với các thang máy chở người và hợp lại với nhau bằng một hệ thống điều khiển tự động theo nhóm.
- Có số lượng được tính toán đủ để khoảng cách từ vị trí các thang máy đó đến một điểm bất kỳ trên mặt bằng tầng mà nó phục vụ không vượt quá 60 m.
- Nếu chỉ có một thang máy chữa cháy thì thang máy đó ít nhất phải đến được tất cả các tầng kế cận với tầng đang cháy của ngôi nhà.
- Nếu có nhiều thang máy chữa cháy được bố trí chung trong một giếng thang thì các thang máy có thể phục vụ cho các khu vực khác nhau của tòa nhà với điều kiện phải thể hiện rõ vùng được phục vụ trên mỗi thang máy đó.
- Trong mọi trường hợp, hình thức phục vụ của các thang máy chữa cháy phải giống nhau và thông dụng, ví dụ thang máy chỉ phục vụ các tầng lẻ hoặc các tầng chẵn hoặc tất cả các tầng.
- Nếu có các tầng lánh nạn thì mỗi tầng đó phải được phục vụ bởi ít nhất một thang máy chữa cháy.
- Ở chế độ hoạt động bình thường, cửa các thang máy chữa cháy không được mở vào những tầng lánh nạn đó còn cửa tầng của các giếng thang tại những tầng lánh nạn đó phải thường xuyên được khóa và chỉ được tự động mở khóa khi chuyển sang chế độ phục vụ lực lượng chữa cháy.
- Trong trường hợp có cháy, các thang máy chữa cháy phải đảm bảo để người lính chữa cháy:
+ là người duy nhất được quyền kiểm soát và vận hành để cùng với trang thiết bị của mình tiếp cận đến đám cháy một cách dễ dàng, quen thuộc, an toàn và nhanh chóng.
+ được bảo vệ an toàn khi sử dụng trước tác động của lửa và khói bằng các giải pháp thích hợp, đặc biệt là khi ra khỏi các thang máy đó.
+ có lối đi thông thoáng và an toàn để tiếp cận đến các thang máy đó cũng như đến các sàn được những thang máy đó phục vụ.
+ không phải di chuyển quá hai tầng để tiếp cận đến tầng có thể bị cháy bất kỳ thuộc tòa nhà.
- Được bảo vệ trong các giếng thang máy riêng (không chung với các loại thang máy khác) và trong mỗi giếng thang máy như vậy chỉ được bố trí không quá 3 thang máy chữa cháy. Kết cấu bao bọc giếng thang máy phải có giới hạn chịu lửa không nhỏ hơn REI 120.
- Sảnh thang máy chữa cháy là một khoang đệm đảm bảo tất cả các quy định sau:
+ có diện tích không nhỏ hơn 4 m2.
+ khi kết hợp với các sảnh của buồng thang bộ không nhiễm khói thì diện tích không nhỏ hơn 6 m2.
+ được bao bọc bằng các vách ngăn cháy loại 1.
+ có lắp đặt họng chờ cấp nước D65 dành cho lực lượng chữa cháy chuyên nghiệp.
- Việc bố trí thang máy chữa cháy phải dự tính được đường di chuyển của đội chữa cháy chuyên nghiệp và đảm bảo đội chữa cháy tiếp cận được tất cả các gian phòng trên tất cả các tầng của nhà.
- Sức chở của thang máy chữa cháy không được nhỏ hơn 630 kg đối với nhà chung cư nhóm F1.3 và không nhỏ hơn 1 000 kg đối với nhà sản xuất và nhà công cộng khác.
- Tốc độ di chuyển của thang máy chữa cháy không được nhỏ hơn H/60 (m/s). Trong đó H là chiều cao nâng (m).
- Kết cấu bao che của cabin thang máy chữa cháy phải được làm từ vật liệu không cháy hoặc cháy yếu.
6.14. Trong các nhà có độ dốc mái đến 12 %, chiều cao đến diềm mái hoặc mép trên của tường ngoài (tường chắn) lớn hơn 10 m, cũng như trong các nhà có độ dốc mái lớn hơn 12 % và chiều cao đến diềm mái lớn hơn 7 m phải có lan can, tay vịn trên mái phù hợp tiêu chuẩn hiện hành. Các lan can, tay vịn loại này cũng phải được bố trí cho các mái phẳng, ban công, lôgia, hành lang bên ngoài, cầu thang bên ngoài loại hở, bản thang bộ và chiếu thang bộ mà không phụ thuộc vào chiều cao nhà.
6.15. Các hệ thống cấp nước chữa cháy cho nhà phải bảo đảm để lực lượng và phương tiện chữa cháy có thể tiếp cận và sử dụng ở mọi thời điểm.
6.16. Việc cấp nước chữa cháy cũng như trang bị và bố trí các phương tiện, dụng cụ chữa cháy chuyên dụng khác cho nhà và công trình phải tuân theo những quy định cơ bản trong Phần 5 của quy chuẩn này và của các tiêu chuẩn kỹ thuật có liên quan.
6.17. Phòng trực điều khiển chống cháy.
a) Nhà ở và công trình công cộng cao trên 10 tầng; nhà có từ 2 đến 3 tầng hầm; công trình công cộng tập trung đông người (nhà hát, rạp chiếu phim, quán bar và các nhà có mục đích sử dụng tương tự, với số người trên mỗi tầng, tính theo Bảng G.9 (Phụ lục G), vượt quá 50 người); gara (chỗ để ô-tô, xe máy, xe đạp), nhà sản xuất, kho có diện tích trên 18 000 m2 phải có phòng trực điều khiển chống cháy và có nhân viên có chuyên môn thường xuyên trực tại phòng điều khiển.
b) Phòng trực điều khiển chống cháy phải:
- Có diện tích đủ để bố trí các thiết bị theo yêu cầu phòng chống cháy của nhà nhưng không nhỏ hơn 6 m2.
- Có hai lối ra vào: một lối thông với không gian trống ngoài nhà và một lối thông với hành lang chính để thoát nạn.
- Được ngăn cách với các phần khác của nhà bằng các bộ phận ngăn cháy loại 1.
- Có lắp đặt các thiết bị thông tin và đầu mối của hệ thống báo cháy liên hệ với tất cả các khu vực của ngôi nhà.
- Có bảng theo dõi, điều khiển các thiết bị chữa cháy, thiết bị khống chế khói và có sơ đồ mặt bằng bố trí các thiết bị phòng cháy chữa cháy của nhà.
6.18. Tất cả các tầng hầm trong nhà có từ 2 đến 3 tầng hầm, phải được trang bị hệ thống liên lạc khẩn cấp hai chiều giữa phòng trực điều khiển chống cháy tới những khu vực sau:
- Các phòng thiết bị liên quan đến hệ thống chữa cháy, đặc biệt là các phòng máy bơm của hệ thống sprinkler, phòng máy bơm cấp nước vào hệ thống ống đứng, phòng chuyển mạch, phòng máy phát điện và phòng máy thang máy.
- Tất cả các phòng lắp đặt thiết bị điều khiển hệ thống kiểm soát chống khói.
- Các thang máy chữa cháy.
- Tất cả các gian lánh nạn.
- Các phòng điều khiển hệ thống thông gió.
7. QUY ĐỊNH VỀ QUẢN LÝ
7.1. Quy chuẩn này quy định các yêu cầu kỹ thuật và yêu cầu quản lý bắt buộc phải tuân thủ trong công tác xây dựng mới,cải tạo, sửa chữa hay thay đổi công năng của nhà, là công cụ của cơ quan quản lý nhà nước về phòng cháy chữa cháy và về hoạt động đầu tư xây dựng.
7.2. Điều kiện chuyển tiếp
- Hồ sơ thiết kế xây dựng được thẩm duyệt về phòng cháy chữa cháy bởi cơ quan quản lý nhà nước có thẩm quyền trước khi Quy chuẩn này có hiệu lực tiếp tục thực hiện theo hồ sơ thiết kế đã được thẩm duyệt.
- Hồ sơ thiết kế xây dựng được thẩm duyệt sau thời điểm Quy chuẩn này có hiệu lực phải tuân thủ các quy định trong Quy chuẩn này;
8. TRÁCH NHIỆM CỦA TỔ CHỨC, CÁ NHÂN
8.1. Mọi tổ chức, cá nhân khi tham gia các hoạt động liên quan đến công tác dựng mới,cải tạo, sửa chữa hay thay đổi công năng của nhà và công trình bao gồm lập, thẩm định, phê duyệt, tổ chức thực hiện, quản lý và công tác xây dựng tiêu chuẩn quốc gia, quy chuẩn địa phương liên quan đến nhà chung cư phải tuân thủ các quy định của quy chuẩn này.
8.2. Các cơ quan quản lý Nhà nước về phòng cháy chữa cháy và về xây dựng ở Trung ương và địa phương có trách nhiệm tổ chức kiểm tra sự tuân thủ Quy chuẩn này trong lập, thẩm định, phê duyệt và quản lý xây dựng nhà và công trình trên địa bàn theo quy định của pháp luật.
8.3. Các cơ quan quản lý Nhà nước về phòng cháy chữa cháy và về xây dựng tại các địa phương có trách nhiệm phối hợp ban hành quy định liên quan đến các thông số kỹ thuật để thiết kế, cấu tạo đường cho xe chữa cháy và bãi đỗ xe chữa cháy phù hợp với các đặc điểm của phương tiện chữa cháy tại địa phương.
8.4. Trong quá trình triển khai thực hiện Quy chuẩn này, nếu có vướng mắc, mọi ý kiến gửi về Vụ Khoa học Công nghệ và Môi trường (Bộ Xây dựng) để được hướng dẫn và xử lý.
9. TỔ CHỨC THỰC HIỆN
9.1. Bộ Xây dựng chịu trách nhiệm tổ chức phổ biến, hướng dẫn áp dụng quy chuẩn này cho các đối tượng có liên quan.
9.2. Khi các văn bản quy phạm pháp luật, các tài liệu viện dẫn hoặc hướng dẫn quy định tại Quy chuẩn kỹ thuật này có sự thay đổi, bổ sung hoặc được thay thế thì thực hiện theo các văn bản mới./.
Phụ lục A
Quy định bổ sung về an toàn cháy đối với một số nhóm nhà cụ thể
A.1 Các quy định đối với nhà công nghiệp
A.1.1 Phạm vi áp dụng
A.1.1.1 Nhà công nghiệp dùng cho việc sản xuất sản phẩm, hàng hóa thuộc nhóm F5.1 và F5.2 có không quá 1 tầng hầm.
A.1.1.2 Không áp dụng đối với các nhà công nghiệp có chức năng đặc biệt (nhà sản xuất hay bảo quản các chất và vật liệu nổ; các kho chứa dầu mỏ và sản phẩm dầu mỏ, khí đốt tự nhiên, các loại khí dễ cháy, cũng như các chất tự cháy; nhà sản xuất hoặc kho hóa chất độc hại; công trình hầm mỏ;..
A.1.1.3 Không áp dụng đối với các nhà và gian phòng sau:
- Nhà kho và gian phòng kho dùng để chứa (lưu giữ) phân khoáng khô và hóa chất bảo vệ thực vật, chất phóng xạ, các chất khí không dễ cháy được chứa trong chai dưới áp suất lớn hơn 70 kPa, xi măng, bông, bột mì, thức ăn gia súc, lông thú và sản phẩm từ lông thú cũng như các sản phẩm nông nghiệp.
- Các nhà hoặc gian phòng làm kho lạnh và kho ngũ cốc.
- Các nhà công nghiệp có từ 2 tầng hầm trở lên.
A.1.1.4 Cho phép không áp dụng đối với nhà công nghiệp có sử dụng tiêu chuẩn nước ngoài về phòng cháy chữa cháy trong thiết kế theo quy định của pháp luật Việt Nam, nhưng phải được cơ quan Cảnh sát phòng cháy chữa cháy và cứu nạn cứu hộ có thẩm quyền chấp thuận.
A.1.2 Quy định chung
A.1.2.1 Tổng diện tích nhà lấy bằng tổng diện tích của tất cả các tầng (tầng trên mặt đất, kể cả tầng kỹ thuật, tầng nửa hầm và tầng hầm), với kích thước mặt bằng được đo trong phạm vi giới hạn bởi bề mặt bên trong của các tường bao (hoặc bởi trục các cột biên ở khu vực không có tường bao); đường hầm; sàn giá đỡ trong nhà; sàn lửng; tất cả các sàn của giá đỡ cao tầng trong nhà; thềm (cầu) xếp dỡ; hành lang (trong mặt bằng) và hành lang liên thông sang các tòa nhà khác. Tổng diện tích của tòa nhà không bao gồm: diện tích các tầng hầm kỹ thuật có chiều cao, tính từ sàn đến mặt dưới của kết cấu nhô ra ở phía trên, nhỏ hơn 1,8 m (ở đó không yêu cầu có lối đi để bảo dưỡng các đường ống kỹ thuật); diện tích phía trên trần treo; cũng như diện tích sàn của giá đỡ cao tầng dùng để bảo dưỡng đường ray phía dưới cầu trục, bảo dưỡng cần trục, băng tải, đường ray đơn và thiết bị chiếu sáng.
Diện tích các gian phòng có chiều cao thông từ 2 tầng trở lên, trong phạm vi một nhà nhiều tầng (gian phòng thông 2 tầng hoặc nhiều tầng), được tính vào diện tích tổng cộng của nhà trong phạm vi một tầng.
Khi xác định số lượng tầng của tòa nhà, thì mỗi sàn giá đỡ, sàn của giá đỡ cao tầng và sàn lửng nằm ở cao độ bất kì nhưng có diện tích lớn hơn 40 % diện tích 1 tầng của tòa nhà đó, phải được tính như một tầng.
Diện tích 1 tầng của tòa nhà trong phạm vi một khoang cháy được xác định theo chu vi bên trong của tường bao của tầng, không tính diện tích buồng thang bộ. Nếu trong diện tích đó có sàn giá đỡ, sàn của giá đỡ cao tầng và sàn lửng thì đối với nhà 1 tầng phải tính diện tích của tất cả các sàn giá đỡ, sàn của giá đỡ cao tầng và sàn lửng; còn đối với nhà nhiều tầng chỉ tính diện tích các sàn giá đỡ, sàn của giá đỡ cao tầng và sàn lửng nằm trong phạm vi khoảng cách theo chiều cao giữa các cốt của sàn giá đỡ, sàn của giá đỡ cao tầng và sàn lửng có diện tích ở mỗi cao độ không hơn 40 % diện tích sàn của tầng. Diện tích của thềm (cầu) xếp dỡ phía ngoài dùng cho phương tiện vận tải đường bộ và đường sắt không được tính vào diện tích của tầng nhà trong phạm vi khoang cháy.
Diện tích xây dựng được xác định theo chu vi bên ngoài của tòa nhà ở cao độ chân tường, bao gồm cả các phần nhô ra, đường đi qua dưới tòa nhà, các phần nhà không có kết cấu ngăn che bên ngoài.
A.1.2.2 Khối tích xây dựng của tòa nhà được xác định là tổng khối tích các phần nhà trên mặt đất tính từ cốt ± 0,00 trở lên và phần ngầm từ cốt hoàn thiện nền sàn tầng hầm dưới cùng lên đến cốt ± 0,00.
Khối tích các phần trên mặt đất và phần ngầm của tòa nhà được tính theo kích thước từ mặt ngoài kết cấu bao che, kể cả ô lấy sáng và thông gió của mỗi phần của tòa nhà.
A.1.2.3 Chiều cao các gian phòng tính từ mặt sàn đến mặt dưới của các bộ phận nhô ra phía dưới trần hoặc mái không được nhỏ hơn 2,2 m. Các lối đi có người qua lại thường xuyên và đường thoát nạn phải có chiều cao tính từ mặt sàn đến mặt dưới của các bộ phận nhô ra của các đường ống kỹ thuật và thiết bị không nhỏ hơn 2,0 m, còn đối với các lối đi không có người qua lại thường xuyên thì chiều cao đó phải không nhỏ hơn 1,8 m. Chiều cao thông thủy của lối vào tòa nhà dành cho xe chữa cháy chạy qua không được nhỏ hơn 4,5 m.
A.1.2.4 Đối với tầng kỹ thuật, nếu yêu cầu công nghệ đòi hỏi phải có lối đi lại để bảo dưỡng thiết bị kỹ thuật, đường ống kỹ thuật và các thiết bị công nghệ hỗ trợ bố trí trong đó, thì chiều cao các lối đi này phải lựa chọn phù hợp với A.1.2.3.
A.1.2.5 Lối ra từ tầng hầm phải được bố trí ngoài khu vực hoạt động của các thiết bị nâng chuyển.
A.1.2.6 Chiều rộng của khoang đệm và khoang đệm ngăn cháy phía ngoài cửa thang máy phải rộng hơn chiều rộng cửa ít nhất là 0,5 m (0,25 m về mỗi bên của cửa), và chiều sâu của các khoang đệm đó không được nhỏ hơn 1,2 m đồng thời phải lớn hơn chiều rộng của cánh cửa hoặc cổng ít nhất là 0,2 m.
Khi có lao động là người khuyết tật đi lại bằng xe lăn sử dụng, thì chiều sâu của khoang đệm và khoang đệm ngăn cháy ít nhất phải là 1,8 m, còn chiều rộng ít nhất phải là 1,4 m.
A.1.2.7 Trong các gian phòng có hạng nguy hiểm cháy nổ A và B phải lắp đặt các tấm che ngoài dễ bung.
Trong trường hợp không đủ diện tích để làm các tấm che ngoài dễ bung bằng kính thì cho phép sử dụng những dạng vật liệu không cháy sau:
- thép, nhôm và tấm nhựa có sóng.
- ngói mềm, ngói kim loại.
- đá và vật liệu giữ nhiệt hiệu quả.
Diện tích tấm che ngoài dễ bung phải được xác định bằng tính toán. Trong trường hợp không có số liệu tính toán thì diện tích tấm che ngoài dễ bung phải lấy không nhỏ hơn 0,05 m2 trên 1 m3 thể tích gian phòng hạng A và không ít hơn 0,03 m2 trên 1 m3 thể tích gian phòng hạng B.
CHÚ THÍCH 1: Nếu dùng kính có chiều dày 3, 4 hoặc 5 mm cho các tấm che ngoài dễ bung thì diện tích tương ứng không nhỏ hơn 0,8; 1,0 và 1,5 m2. Không được dùng kính có gia cường, kính 2 lớp, 3 lớp, stalinite và polycarbonate trong tấm che ngoài dễ bung.
CHÚ THÍCH 2: Tấm phủ dạng cuộn trên khu vực tấm che ngoài dễ bung của mái phải được bố trí thành các mảnh có diện tích không lớn hơn 180 m2.
CHÚ THÍCH 3: Tải trọng tính toán của khối lượng tấm che ngoài dễ bung trên mái không được vượt quá 0,7 kPa.
A.1.3 Quy định về bố trí mặt bằng - không gian
A.1.3.1 Đối với các tòa nhà có chiều cao từ cốt mặt đất thiết kế đến thành gờ hoặc mặt trên của tường chắn mái lớn hơn hoặc bằng 10 m thì cứ 40 000 m2 diện tích mặt bằng mái phải có 1 lối lên mái, nếu diện tích mặt bằng mái chưa đủ 40 000 m2 thì vẫn phải bố trí ít nhất 1 lối lên mái. Đối với nhà 1 tầng thì bố trí lối lên mái theo thang thép hở bên ngoài, còn đối với nhà nhiều tầng thì bố trí từ buồng thang bộ.
Đối với các nhà có chiều cao từ cốt mặt đất thiết kế đến mặt sàn trên cùng không quá 30 m và chiều cao của tầng trên cùng không đủ để bố trí buồng thang bộ thoát ra mái, thì cho phép bố trí một thang leo hở bằng thép để thoát nạn từ buồng thang bộ qua mái bằng thang này.
A.1.3.2 Việc bố trí các gian phòng có hạng nguy hiểm cháy khác nhau trong cùng tòa nhà và ngăn chia giữa chúng phải tuân thủ các yêu cầu về đường thoát nạn và lối ra thoát nạn, thiết bị thoát khói, khoang đệm và khoang đệm ngăn cháy, buồng thang bộ và thang leo cũng như lối ra mái được quy định trong những phần liên quan của quy chuẩn này.
Cho phép bố trí 1 tầng có chức năng làm kho hoặc phòng điều hành bên trong nhà công nghiệp, cũng như 1 tầng có chức năng sản xuất và điều hành bên trong nhà kho nếu đảm bảo được các yêu cầu về khoảng cách phòng cháy chống cháy nêu trong Phụ lục E và các quy định liên quan của quy chuẩn này.
Trong các kho trung chuyển (kho ngoại quan) một tầng có bậc chịu lửa I hoặc II và cấp nguy hiểm cháy kết cấu S0, nếu có các hành lang để thoát nạn được bao bọc bởi các vách ngăn cháy loại 1 và có áp suất không khí dương khi xảy ra cháy thì chiều dài đoạn hành lang đó không phải tính vào độ dài của đường thoát nạn.
A.1.3.3 Khi bố trí kho trong nhà công nghiệp thì diện tích cho phép lớn nhất của kho trong phạm vi một khoang cháy và chiều cao của chúng (số tầng) không được vượt quá các giá trị cho trong Bảng H.7, Phụ lục H.
Khi có các sàn giá đỡ, sàn của giá đỡ cao tầng và sàn lửng có diện tích trên mỗi cao độ vượt quá 40 % diện tích sàn, thì diện tích sàn được xác định như đối với nhà nhiều tầng.
A.1.3.4 Khi bố trí chung trong 1 tòa nhà hoặc 1 gian phòng các dây chuyền công nghệ có hạng nguy hiểm cháy và cháy nổ khác nhau thì phải có các giải pháp ngăn chặn sự lan truyền của sự cháy và nổ giữa các dây chuyền đó. Hiệu quả ngăn chặn của các giải pháp đó phải được xem xét đánh giá trong phần công nghệ của dự án. Nếu các giải pháp được lựa chọn không đảm bảo hiệu quả ngăn chặn thì các dây chuyền công nghệ với hạng nguy hiểm cháy và cháy nổ khác nhau phải được bố trí trong các gian phòng riêng và được ngăn cách phù hợp với các yêu cầu trong Phụ lục E.
A.1.3.5 Khi trong tầng hầm có bố trí các phòng có hạng nguy hiểm cháy và cháy nổ C1, C2 và C3 thì tầng hầm đó phải được ngăn chia thành các khoang có diện tích không quá 3 000 m2 bằng các vách ngăn cháy loại 1 với chiều dài mỗi cạnh (tính từ mép ngoài của tường) không vượt quá 30 m.
Trong mỗi khoang như vậy phải cấu tạo ít nhất một cửa sổ có chiều rộng không nhỏ hơn 0,75 m và chiều cao không nhỏ hơn 1,2 m, nằm bên trong một hố có chiều rộng không nhỏ hơn 0,3 m và chiều dài không nhỏ hơn 1,8 m để lắp đặt quạt thổi khói ra ngoài. Tổng diện tích của những cửa sổ đó tối thiểu phải đạt 0,2 % của diện tích sàn. Trong những khoang có diện tích lớn hơn 1 000 m2 phải có ít nhất 02 cửa sổ. Sàn tầng phía trên các tầng hầm đó phải có khả năng chịu lửa ít nhất là REI 45.
Các hành lang phải có chiều rộng không nhỏ hơn 2 m dẫn trực tiếp ra ngoài hoặc qua một buồng thang bộ không nhiễm khói. Các gian phòng phải được ngăn cách với hành lang bằng vách ngăn cháy loại 1.
Tầng hầm có hạng nguy hiểm cháy và cháy nổ C1, C2 hoặc C3 mà theo yêu cầu các dây chuyền công nghệ không thể bố trí gần với tường ngoài thì phải được ngăn chia thành các khoang cháy với diện tích không quá 1 500 m2 và được trang bị hệ thống bảo vệ chống khói phù hợp với Phụ lục D.
A.1.3.6 Các bộ phận công trình của thềm (cầu) xếp dỡ và bộ phận bao che thềm (cầu) xếp dỡ liền kề với các tòa nhà có bậc chịu lửa I, II, III và IV, hạng nguy hiểm cháy là S0 và S1 phải được làm bằng vật liệu không cháy.
A.1.3.7 Thềm (cầu) xếp dỡ hàng hóa và sân ga xếp dỡ phải có ít nhất là 2 thang leo hoặc đường dốc được bố trí cách xa nhau (phân tán).
A.1.3.8 Lựa chọn kết cấu và vật liệu cho nền và lớp phủ sàn nhà kho và gian phòng kho phải tính đến các yếu tố liên quan để đảm bảo ngăn ngừa việc phát sinh ra bụi.
Bề mặt sàn ở những khu vực có nguy cơ hình thành hỗn hợp nổ khí gas, bụi, chất lỏng và các chất khác với nồng độ có thể gây ra nổ hoặc cháy khi gặp tia lửa do va đập của một vật lên sàn hoặc hiện tượng nhiễm tĩnh điện, phải có biện pháp thích hợp để chống nhiễm tĩnh điện và không làm phát sinh tia lửa khi bị va đập.
Những nhà kho cất chứa hàng hóa có nhiệt độ vượt 60 °C thì phải sử dụng sàn chịu nhiệt.
A.1.3.9 Chiều rộng của các nhà kho nhiều tầng, hạng nguy hiểm cháy và cháy nổ B và C không được lớn hơn 60 m.
A.1.3.10 Phòng kho trong nhà công nghiệp phải được cách li với các loại gian phòng khác theo quy định cụ thể như dưới đây.
Các gian sản xuất, gian kỹ thuật và gian kho (nhóm nguy hiểm cháy theo công năng F5) có hạng nguy hiểm cháy và cháy nổ C1 đến C3 được đặt trong nhà ở và nhà công cộng, nếu không có quy định gì khác thì ít nhất phải được ngăn cách với các gian phòng và hành lang khác như sau:
- Với nhà có bậc chịu lửa I ngăn cách bằng vách ngăn cháy loại 1 và sàn ngăn cháy không kém hơn loại 2.
- Với nhà có bậc chịu lửa II, III, IV ngăn cách bằng vách ngăn cháy loại 1 và sàn ngăn cháy không kém hơn loại 3.
Không cho phép đặt gian phòng kho, gian sản xuất, phòng thí nghiệm, v.v. có hạng nguy hiểm cháy và cháy nổ C1, C2 và C3 hoặc cao hơn trong tòa nhà khác dự kiến có từ 50 người sử dụng đồng thời trở lên.
Các gian phòng sản xuất, phòng kỹ thuật và phòng kho có hạng nguy hiểm cháy và cháy nổ C4, đặt trong nhà ở hoặc nhà công cộng thì phải được ngăn cách với các phòng khác và hành lang bằng các vách ngăn cháy không kém hơn loại 2.
Các gian kho có hạng nguy hiểm cháy và cháy nổ C1, C2 và C3 trong nhà công nghiệp phải được ngăn cách với các khu vực khác bằng vách ngăn cháy loại 1 và sàn ngăn cháy không kém hơn loại 3. Đối với các kho cất trữ hàng bằng giá đỡ cao tầng phải ngăn cách bằng tường ngăn cháy loại 1 và sàn ngăn cháy loại 1. Những gian phòng kho như vậy, nếu cất giữ thành phẩm có hạng nguy hiểm cháy và cháy nổ C1, C2 và C3 đặt trong nhà công nghiệp thì phải có tường bao ngoài.
A.1.3.11 Kho cất giữ hàng có hạng nguy hiểm cháy và cháy nổ C trên giá đỡ cao tầng phải được bố trí trong nhà 1 tầng có bậc chịu lửa I đến IV và cấp nguy hiểm cháy kết cấu của nhà S0.
Các giá đỡ hàng phải có sàn đỡ nằm ngang, đặc và làm từ vật liệu không cháy đặt cách nhau không quá 4 m theo chiều cao.
A.1.3.12 Khi chia một gian kho chứa hàng hóa có cùng mức độ nguy hiểm cháy như nhau bằng các vách ngăn theo điều kiện công nghệ hoặc vệ sinh, thì phải nêu rõ các yêu cầu đối với những vách ngăn đó trong phần thuyết minh công nghệ của dự án.
A.1.3.13 Các lỗ cửa sổ của nhà kho phải được đặt thêm tấm cửa mở lật lên trên với tổng diện tích xác định theo tính toán đảm bảo thoát khói khi có cháy.
Trong gian phòng lưu trữ cho phép không cần lắp đặt ô cửa sổ nếu đã có hệ thống thoát khói được tính toán phù hợp với yêu cầu trong Phụ lục D.
A.2 Các quy định đối với nhà thuộc nhóm nguy hiểm cháy theo công năng F1.2, F4.3 và nhà hỗn hợp có chiều cao từ 50 m đến 150 m
A.2.1 Các nhà thuộc các nhóm này có bậc chịu lửa tối thiểu là bậc I.
A.2.2 Nhà phải được phân chia thành các khoang cháy theo chiều cao, với chiều cao mỗi khoang cháy không lớn hơn 50 m. Các khoang cháy được ngăn cách với nhau bằng các tường ngăn cháy và sàn ngăn cháy hoặc bằng các tầng kỹ thuật. Tầng kỹ thuật được ngăn cách bằng các sàn ngăn cháy có giới hạn chịu lửa không nhỏ hơn REI 90. Giới hạn chịu lửa của các tường ngăn cháy và sàn ngăn cháy này lấy theo quy định tại A.2.24.
Mỗi đơn nguyên hoặc một khoang cháy (khi không phân thành đơn nguyên) phải có hệ thống bảo vệ chống cháy hoạt động độc lập và có phòng phương tiện chữa cháy ban đầu.
A.2.3 Đối với phần nhà ở độ cao từ 50 m trở lên thì diện tích cho phép lớn nhất của một tầng nhà trong phạm vi một khoang cháy không được lớn hơn 2 200 m2. Tường và vách ngăn giữa các đơn nguyên phải có giới hạn chịu lửa tương ứng không thấp hơn quy định tại A.2.24.
A.2.4 Các gian phòng tập trung đông người có số chỗ ngồi cố định từ 300 đến 600 chỗ - không được đặt ở độ cao trên 15 m; số chỗ ngồi cố định từ 150 đến 300 chỗ - không được đặt ở độ cao trên 40 m, và với số chỗ ngồi cố định từ 100 đến 150 chỗ - không được đặt ở độ cao trên 50 m. Các gian phòng công cộng đặt ở độ cao trên 50 m thì số chỗ ngồi cố định không được vượt quá 100.
A.2.5 Nhà có bố trí các quán ăn, quán giải khát và các gian phòng công cộng nhóm F3.2 và F3.6, nằm ở độ cao trên 50 m mà số người có mặt cùng một lúc trong mỗi gian phòng đó, tính theo Bảng G.9 (Phụ lục G), vượt quá 50 người thì khoảng cách từ lối ra thoát nạn của các gian phòng đến buồng thang bộ không nhiễm khói gần nhất không được vượt quá 20 m.
CHÚ THÍCH: Đối với các tầng nhà nằm ở độ cao trên 50 m không có hành lang được bao bọc bằng các bộ phận ngăn cháy theo quy định trong A.2.24 thì khoảng cách di chuyển đến cửa của buồng thang bộ không nhiễm khói phải được tính từ điểm xa nhất của gian phòng.
Mái nhà được sử dụng để bố trí các quán ăn, quán giải khát, hoặc các diện tích dùng cho ngắm cảnh, dạo chơi, trong đó có số người cùng một lúc, tính theo Bảng G.9 (Phụ lục G), vượt quá 50 người thì khu vực đó phải có không ít hơn 2 lối ra thoát nạn.
A.2.6 Các gian phòng tập trung đông người, với số lượng người có mặt đồng thời có thể lớn hơn 500 người, thì gian phòng đó phải được ngăn cách với các gian phòng khác bằng các tường và sàn ngăn cháy có giới hạn chịu lửa theo quy định tại A.2.24. Khoảng cách từ lối ra thoát nạn của các phòng này đến buồng thang bộ không nhiễm khói gần nhất không được vượt quá 20 m.
A.2.7 Các gian phòng có người tàn tật sinh hoạt thường xuyên không được đặt cao hơn tầng 2, nếu có người tàn tật dùng xe lăn thì không được đặt cao hơn tầng 1.
Trường hợp người tàn tật sinh hoạt ở các tầng cao hơn phải có các giải pháp bổ sung, đảm bảo khả năng cho người tàn tật di chuyển an toàn tới lối ra thoát nạn hoặc tới được gian lánh nạn khi có cháy xảy ra. Giải pháp bổ sung phải được lý giải bằng tính toán trên cơ sở các tài liệu chuẩn hiện hành được áp dụng.
A.2.8 Không cho phép bố trí các gian phòng kho, lưu trữ sách báo và các vật dụng dễ cháy và có diện tích lớn hơn 50 m2 ở độ cao trên 50 m, cũng như đặt dưới hoặc liền kề các gian phòng, ở đó có số người tính theo Bảng G.9 (Phụ lục G) nhiều hơn 50 người.
A.2.9 Không cho phép bố trí các gian phòng có nguy hiểm cháy nổ (hạng A hoặc B) trong phạm vi ngôi nhà.
A.2.10 Các trạm biến áp chỉ cho phép đặt ở tầng một, tầng nửa hầm và tầng hầm đầu tiên. Các trạm biến áp phải được ngăn cách bằng các bộ phận ngăn cháy có giới hạn chịu lửa theo quy định tại A.2.24.
A.2.11 Các sảnh thang máy phải được ngăn cách với các hành lang và các phòng bên cạnh bằng các vách ngăn cháy có giới hạn chịu lửa theo quy định tại A.2.24.
Vật liệu của các bộ phận cabin thang máy phải được cấu tạo như thang máy chữa cháy.
A.2.12 Phải bố trí thang máy chữa cháy trong các giếng thang riêng biệt, có sảnh thang máy độc lập. Lối ra từ thang máy này đi ra ngoài nhà không được bố trí đi qua sảnh chung.
Số lượng thang máy chữa cháy cho mỗi khoang cháy phải được tính toán đủ để khoảng cách từ vị trí các thang máy đó đến một điểm bất kỳ trên mặt bằng tầng mà nó phục vụ không vượt quá 45 m.
Các cấu kiện bao bọc cabin thang máy chữa cháy (tường, sàn, trần, cửa) phải được làm từ vật liệu không cháy hoặc từ nhóm vật liệu Ch1.
Vật liệu ốp lát hoàn thiện bề mặt các cấu kiện bao bọc cabin áp dụng như cho các gian phòng theo quy định tại A.2.25.
A.2.13 Giới hạn chịu lửa của kết cấu giếng thang máy và buồng máy của thang máy lấy theo quy định tại A.2.24.
A.2.14 Các hành lang phải được phân chia thành các khoang ngăn cách nhau bằng vách ngăn cháy loại 1. Cửa ngăn cháy lắp đặt trên các vách ngăn cháy này phải có cơ cấu tự đóng và các khe cửa phải được che kín (trừ phần chân). Chiều dài mỗi khoang hành lang phải đảm bảo như sau:
- Đối với khối căn hộ: không quá 30 m.
- Đối với khối nhà không phải là căn hộ: không quá 60 m.
A.2.15 Tất cả các buồng thang bộ không nhiễm khói của nhà phải có lối ra bên ngoài trực tiếp tại tầng 1, đồng thời phải có lối ra lên mái nhà, qua cửa ngăn cháy loại 1.
A.2.16 Đường thoát nạn phải được tính toán với số lượng người trong nhà hoặc trong gian phòng tăng lên so với số lượng thiết kế là 1,25 lần (trừ các gian phòng trình diễn và các gian phòng khác đã có số lượng chỗ ngồi quy định).
A.2.17 Nếu trong cùng một thời điểm các khu vực của nhà hoặc của tầng được sử dụng bởi nhiều đối tượng người sử dụng khác nhau hoặc cho nhiều mục đích sử dụng khác nhau thì các yêu cầu về thoát nạn cho toàn bộ nhà hoặc tầng nhà đó phải được tính toán trên cơ sở chức năng hoặc mục đích sử dụng có yêu cầu về thoát nạn khắt khe nhất hoặc phải xác định riêng các yêu cầu về thoát nạn cho từng khu vực của nhà.
A.2.18 Nếu nhà, tầng nhà hoặc một phần của nhà được sử dụng cho nhiều mục đích với các hoạt động khác nhau tại nhiều thời điểm khác nhau thì phải áp dụng chức năng hoặc mục đích sử dụng liên quan đến số lượng người lớn nhất để làm cơ sở xác định các yêu cầu về thoát nạn.
A.2.19 Khi cửa ra vào của các căn hộ hoặc gian phòng bố trí trên hành lang cụt thì khoảng cách từ cửa đó đến lối ra thoát nạn gần nhất không được vượt quá 12 m. Khi cửa được bố trí ở giữa các buồng thang bộ không nhiễm khói thì khoảng cách này không được vượt quá 20 m.
A.2.20 Nhà có chiều cao trên 100 m phải bố trí tầng lánh nạn, trên tầng lánh nạn phải bố trí gian lánh nạn, phải đảm bảo các yêu cầu sau:
a) Tầng lánh nạn cách nhau không quá 20 tầng. Không cho phép bố trí các căn hộ hoặc một phần căn hộ trên tầng lánh nạn.
CHÚ THÍCH: Có thể sử dụng tầng kỹ thuật hoặc một phần tầng kỹ thuật làm gian lánh nạn khi đáp ứng các quy định tại khoản b), c), d), e) f), g) của điều A.2.20.
b) Các gian lánh nạn bố trí ở tầng lánh nạn, phải được bảo vệ bằng bộ phận ngăn cháy có giới hạn chịu lửa không nhỏ hơn REI 150. Không cho phép sử dụng diện tích gian lánh nạn vào các mục đích khác. Các đồ dùng hoặc thiết bị đặt trong gian lánh nạn phải được làm bằng vật liệu không cháy.
c) Gian lánh nạn phải có diện tích với định mức 0,3 m2/người, đảm bảo đủ chứa tổng số người như liệt kê dưới đây:
- Số người của tầng có gian lánh nạn.
- Một nửa tổng số người của tất cả các tầng phía trên tính từ tầng có gian lánh nạn đến tầng có gian lánh nạn tiếp theo; một nửa tổng số người của tất cả các tầng phía trên đối với tầng có gian lánh nạn trên cùng.
- Một nửa tổng số người của tất cả các tầng phía dưới tính từ tầng có gian lánh nạn đến tầng có các gian lánh nạn tiếp theo; một nửa tổng số người của tất cả các tầng phía dưới đối với tầng có gian lánh nạn dưới cùng.
d) Gian lánh nạn phải được thông gió tự nhiên qua các ô thông tường cố định bố trí trên hai tường ngoài (ô thông gió) đảm bảo các yêu cầu:
- Tổng diện tích các ô thông gió ít nhất phải bằng 25 % diện tích gian lánh nạn;
- Chiều cao nhỏ nhất của các ô thông gió (tính từ cạnh dưới đến cạnh trên) không được nhỏ hơn 1,2 m;
- Các ô thông gió cho gian lánh nạn phải được bố trí cách ít nhất 1,5 m theo phương ngang và 3,0 m theo phương đứng tính từ các ô thông tường không được bảo vệ khác nằm ngang bằng hoặc phía dưới nó. Nếu các ô thông gió cho gian lánh nạn có tổng diện tích không nhỏ hơn 50 % diện tích gian lánh nạn thì khoảng cách theo phương đứng được phép giảm xuống đến 1,5 m.
e) Tất cả các trang bị, dụng cụ đặt trong gian lánh nạn phải được làm bằng vật liệu không cháy.
f) Gian lánh nạn phải có cửa thông với buồng thang không nhiễm khói và phải có cửa ra thang máy chữa cháy.
g) Gian lánh nạn phải có trang thiết bị chống cháy riêng gồm: họng nước chữa cháy trong nhà, hệ thống chữa cháy tự động Sprinkler, chiếu sáng sự cố, điện thoại liên lạc với bên ngoài, hệ thống truyền thanh chỉ dẫn thoát nạn...
h) Phía trong buồng thang bộ thoát nạn và trên mặt ngoài của tường buồng thang bộ thoát nạn ở vị trí tầng lánh nạn phải có biển thông báo với nội dung “GIAN LÁNH NẠN/FIRE EMERGENCY HOLDING AREA” đặt ở chiều cao 1 500 mm tính từ mặt nền hoàn thiện của chiếu tới hoặc sàn tầng lánh nạn. Chiều cao chữ trên biển thông báo không được nhỏ hơn 50 mm.
CHÚ THÍCH: Bên cạnh việc trình bày bằng tiếng Việt và tiếng Anh, nội dung biển thông báo có thể được trình bày thêm bằng các ngôn ngữ khác tùy thuộc đặc điểm người sử dụng phổ biến trong nhà.
i) Cho phép phần diện tích gian lánh nạn không được tính vào chỉ tiêu hệ số sử dụng đất và diện tích sàn xây dựng của công trình.
A.2.21 Bố trí đường cho xe chữa cháy và bãi đỗ xe chữa cháy theo quy định trong 6.2.
A.2.22 Nhà phải có các phòng bảo quản các phương tiện chữa cháy tại chỗ được trang bị theo quy định hiện hành, bố trí ở các tầng dưới của mỗi khoang cháy theo chiều cao. Tại tầng 1, phòng phương tiện chữa cháy ban đầu của nhà phải được bố trí liền kề với phòng lắp đặt trung tâm điều khiển hệ thống bảo vệ chống cháy. Tại các các khoang cháy phía trên phải bố trí phòng phương tiện chữa cháy ban đầu cách buồng thang bộ không nhiễm khói hoặc thang máy chữa cháy không quá 30 m.
A.2.23 Để ngăn chặn cháy lan theo mặt đứng phía ngoài nhà qua các sàn ngăn cháy phải có giải pháp đảm bảo chống lan truyền các sản phẩm của đám cháy tại cao trình này.
CHÚ THÍCH: Việc ngăn chặn cháy lan có thể thực hiên bằng cách cấu tạo mái đua bằng vật liệu không cháy bao quanh chu vi nhà với chiều rộng không nhỏ hơn 1 m tại cao trình của sàn ngăn cháy.
A.2.24 Yêu cầu chịu lửa của kết cấu và bộ phận nhà
A.2.24.1 Giới hạn chịu lửa của các cấu kiện xây dựng phải không được thấp hơn các giá trị quy định cho trong Bảng A.1.
A.2.24.2 Giới hạn chịu lửa của các cửa đi, cửa nắp và các tấm bịt lỗ thông trên các cấu kiện xây dựng có yêu cầu về khả năng chịu lửa theo quy định tại Bảng A.1 phải đảm bảo như sau:
- Không nhỏ hơn EI 90 nếu cấu kiện xây dựng tương ứng có giới hạn chịu lửa REI 90 hoặc EI 90 trở lên.
- Không nhỏ hơn EI 60 cho các trường hợp còn lại.
A.2.24.3 Các cửa đi của sảnh thang máy và cửa đi của gian máy của thang máy phải là các cửa không lọt khí, khói.
A.2.24.4 Ở các giếng kỹ thuật, chỉ dùng để đi các đường ống cấp và thoát nước với các ống được chế tạo từ vật liệu không cháy, thì cho phép dùng các cửa, van ngăn cháy loại 2 (EI 30).
Bảng A.1 - Quy định giới hạn chịu lửa tối thiểu của các cấu kiện xây dựng cho nhà hỗn hợp (từ 50 m đến 150 m)
|
STT |
Tên cấu kiện |
Giới hạn chịu lửa tối thiểu |
|||||
|
|
|
Cho nhà cao đến 100 m |
Cho nhà cao trên 100 m |
||||
|
R |
E |
I |
R |
E |
I |
||
|
(1) |
(2) |
(3) |
(4) |
(5) |
(6) |
(7) |
(8) |
|
1 |
Tường chịu lực |
|
|
|
|
|
|
|
1.1 |
Tường ngoài |
120 |
60 |
KQĐ |
180 |
60 |
KQĐ |
|
1.2 |
Tường trong nhà |
120 |
Theo mục 5 |
Theo mục 5 |
180 |
Theo mục 5 |
Theo mục 5 |
|
1.3 |
Tường ngăn cháy |
150 |
150 |
150 |
180 |
180 |
180 |
|
2 |
Cột |
120 |
KQĐ |
KQĐ |
180 |
KQĐ |
KQĐ |
|
3 |
Tường tự chịu lực |
|
|
|
|
|
|
|
3.1 |
Tường ngoài |
90 |
60 |
KQĐ |
90 |
60 |
KQĐ |
|
3.2 |
Tường trong nhà |
90 |
Theo mục 5 |
Theo mục 5 |
90 |
Theo mục 5 |
Theo mục 5 |
|
3.3 |
Tường ngăn cháy |
150 |
150 |
150 |
180 |
180 |
180 |
|
4 |
Tường ngoài không chịu lực (làm bằng các tấm treo) |
KQĐ |
60 |
KQĐ |
KQĐ |
60 |
KQĐ |
|
5 |
Tường trong nhà không chịu lực (các vách ngăn) |
|
|
|
|
|
|
|
5.1 |
Tường ngăn giữa các phòng ở khách sạn, các phòng văn phòng và các phòng tương tự |
KQĐ |
60 |
60 |
KQĐ |
60 |
60 |
|
5.2 |
Tường ngăn cách các gian phòng với sảnh thông tầng; ngăn giữa hành lang và các phòng ở khách sạn, các phòng văn phòng và các phòng tương tự |
KQĐ |
60 |
60 |
KQĐ |
60 |
60 |
|
5.3 |
Tường ngăn cách các gian phòng cho máy phát điện sự cố và cho trạm điện điêzen |
KQĐ |
120 |
120 |
KQĐ |
180 |
180 |
|
5.4 |
Tường ngăn cách các gian bán hàng có diện tích lớn hơn 2 000 m2 và ngăn cách các gian phòng tập trung đông người, có số người đồng thời có mặt lớn hơn 500 người |
KQĐ |
120 |
120 |
KQĐ |
180 |
180 |
|
5.5 |
Tường ngăn cách giữa các căn hộ với nhau và ngăn cách giữa các căn hộ với hành lang và với các gian phòng khác |
KQĐ |
120 |
120 |
KQĐ |
120 |
120 |
|
5.6 |
Tường ngăn cách các sảnh thang máy |
KQĐ |
60 |
60 |
KQĐ |
60 |
60 |
|
5.7 |
Tường ngăn cách các khoang đệm, sảnh của thang máy chữa cháy |
KQĐ |
120 |
120 |
KQĐ |
180 |
180 |
|
5.8 |
Tường ngăn cách giữa phòng tắm hơi trong nhà với các gian phòng khác |
KQĐ |
60 |
60 |
KQĐ |
60 |
60 |
|
5.9 |
Tường ngăn cách các gian phòng của các cơ sở dịch vụ đời sống, có diện tích lớn hơn 300 m2, trong đó có sử dụng các chất dễ bắt cháy |
KQĐ |
60 |
60 |
KQĐ |
60 |
60 |
|
5.10 |
Tường ngăn cách các gian phòng lưu trữ, kho sách báo và tương tự |
KQĐ |
120 |
120 |
KQĐ |
180 |
180 |
|
5.11 |
Tường vách ngăn cách gian phòng của trạm biến áp |
KQĐ |
60 |
60 |
KQĐ |
60 |
60 |
|
6 |
Tường của buồng thang bộ |
|
|
|
|
|
|
|
6.1 |
Tường trong nhà |
120 |
120 |
120 |
180 |
180 |
180 |
|
6.2 |
Tường ngoài |
120 |
60 |
KQĐ |
180 |
60 |
KQĐ |
|
7 |
Các bộ phận trong buồng thang bộ (chiếu thang, dầm thang, bản thang) |
60 |
KQĐ |
KQĐ |
60 |
KQĐ |
KQĐ |
|
8 |
Các bộ phận của cấu kiện sàn |
|
|
|
|
|
|
|
8.1 |
Sàn giữa các tầng và sàn của tầng áp mái |
|
|
|
|
|
|
|
- Dầm, sườn, khung, giàn |
120 |
KQĐ |
KQĐ |
180 |
KQĐ |
KQĐ |
|
|
- Bản sàn |
120 |
120 |
120 |
150 |
150 |
150 |
|
Bảng A.1 (kết thúc)
|
(1) |
(2) |
(3) |
(4) |
(5) |
(6) |
(7) |
(8) |
|
8.2 |
Sàn giữa các tầng và sàn |
|
|
|
|
|
|
|
|
của tầng áp mái, nằm trên và nằm dưới các gian phòng nêu tại mục 5.3 và 5.4 của Bảng này |
|
|
|
|
|
|
|
- Dầm, sườn, khung, giàn |
120 |
KQĐ |
KQĐ |
180 |
KQĐ |
KQĐ |
|
|
- Bản sàn |
120 |
120 |
120 |
180 |
180 |
180 |
|
|
8.3 |
Sàn ngăn cháy |
150 |
150 |
150 |
180 |
180 |
180 |
|
9 |
Các bộ phận của mái |
|
|
|
|
|
|
|
9.1 |
Mái có sử dụng cho việc thoát nạn, cứu nạn |
|
|
|
|
|
|
|
- Dầm, sườn, khung, giàn |
120 |
KQĐ |
KQĐ |
120 |
KQĐ |
KQĐ |
|
|
- Bản mái |
60 |
60 |
60 |
60 |
60 |
60 |
|
|
9.2 |
Mái ở các khu vực khác |
|
|
|
|
|
|
|
- Dầm, sườn, khung, giàn |
30 |
KQĐ |
KQĐ |
30 |
KQĐ |
KQĐ |
|
|
- Bản mái |
30 |
30 |
KQĐ |
30 |
30 |
KQĐ |
|
|
10 |
Kết cấu các giếng và kênh dẫn |
|
|
|
|
|
|
|
10.1 |
Giếng thang máy |
90 |
90 |
90 |
90 |
90 |
90 |
|
10.3 |
Giếng đường ống kỹ thuật, kênh dẫn và hộp kỹ thuật |
60 |
60 |
60 |
60 |
60 |
60 |
|
10.2 |
Giếng thang máy chữa cháy |
120 |
120 |
120 |
120 |
120 |
120 |
|
CHÚ THÍCH: KQĐ: không quy định. |
|||||||
A.2.25 Quy định về sử dụng vật liệu theo tính nguy hiểm cháy
A.2.25.1 Vật liệu lợp, phủ mái phải là vật liệu không cháy. Trường hợp mái có lớp phủ chống thấm là vật liệu cháy được thì phía trên lớp vật liệu đó phải được phủ bằng vật liệu không cháy có chiều dày không nhỏ hơn 50 mm.
A.2.25.2 Lớp hoàn thiện tường, trần và lớp phủ sàn trên đường thoát nạn (hành lang, tiền sảnh, phòng chờ), cũng như ở các tầng kỹ thuật phải được làm từ vật liệu không cháy.
A.2.25.3 Trong các gian phòng lớn, không cho phép hoàn thiện tường, trần và trang trí trần treo bằng các vật liệu có tính nguy hiểm cháy cao hơn Ch1, BC1, SK2, ĐT2, và không cho phép phủ sàn bằng các vật liệu có tính nguy hiểm cháy cao hơn BC2, LT1, SK2, ĐT2.
A.2.25.4 Trong các phòng khách sạn và các phòng ngủ của nhà hỗn hợp không cho phép hoàn thiện tường, trần và trang trí trần treo bằng các vật liệu có tính nguy hiểm cháy cao hơn Ch2, BC2, SK3, ĐT2, và không cho phép phủ sàn bằng các vật liệu có tính nguy hiểm cháy cao hơn BC2, LT2, SK3, ĐT2.
A.2.25.5 Trong các gian phòng lớn, có chỗ ngồi cho khán giả với số lượng lớn hơn 50 chỗ, các bộ phận của ghế tựa mềm, mành rèm, màn che không được làm từ các vật liệu dễ bắt cháy (nhóm BC3). Trong các gian phòng này, không phụ thuộc vào số chỗ ngồi, các ghế ngồi không được làm từ vật liệu có độc tính cao hơn ĐT2.
Các sản phẩm vải, sợi dùng cho trang trí nội thất không được làm từ vật liệu thuộc nhóm dễ bắt cháy (BC3).
A.2.26 Trang thiết bị báo cháy, chữa cháy, cứu nạn
A.2.26.1 Nhà phải được trang bị hệ thống báo cháy tự động theo địa chỉ; phải được bố trí các chuông báo cháy tự động ở tất cả các khu vực, bao gồm: các căn hộ, các phòng văn phòng, các hành lang, sảnh thang máy, phòng chờ sảnh chung, các phòng kỹ thuật thường xuyên có người làm việc...), trừ các gian phòng có điều kiện môi trường sử dụng bình thường luôn ẩm ướt.
A.2.26.2 Nhà phải được trang bị hệ thống loa truyền thanh và điều khiển thoát nạn.
A.2.27 Cấp nước chữa cháy
A.2.27.1 Hệ thống cấp nước chữa cháy trong nhà (mạng đường ống và hệ thiết bị) phải thiết kế riêng biệt, có trạm bơm được bố trí độc lập với các phòng có chức năng khác.
A.2.27.2 Lưu lượng nước chữa cháy trong nhà cho từng khoang cháy phải đủ cho 4 tia phun chữa cháy, lưu lượng nước mỗi tia phun không nhỏ hơn 2,5 l/s.
A.2.27.3 Trong các khoang cháy có các gian phòng công cộng, cho phép bố trí các họng nước chữa cháy có lưu lượng không nhỏ hơn 2,5 l/s, với điều kiện phải có các ống đứng đảm bảo cung cấp cho các họng nước đạt lưu lượng 5 l/s.
A.2.27.4 Phải bố trí 2 ống nối có các đầu nối đường kính phù hợp để đấu nối hệ thống cấp nước chữa cháy trong nhà và các thiết bị chữa cháy tự động với các phương tiện chữa cháy di chuyển ở ngoài nhà.
Phải có các van chặn và van một chiều ở bên trong nhà để điều chỉnh lượng nước chữa cháy cấp vào hệ thống. Các đầu nối đưa ra phía ngoài nhà phải được đặt tại các vị trí thuận tiện cho xe chữa cháy tiếp cận và phải được ký hiệu bằng các chỉ dẫn rõ ràng dễ đọc.
A.2.27.5 Việc bố trí các đầu phun của hệ thống chữa cháy tự động bằng nước cho các gian phòng, sảnh, đường thoát nạn và các bộ phận khác phải đảm bảo, bảo vệ được các lỗ cửa sổ (từ phía ngoài hoặc từ phía trong của gian phòng) và các ô cửa đi của các căn hộ, các gian phòng văn phòng và các gian phòng khác, mà các cửa đó mở vào hành lang.
A.2.27.6 Cường độ phun đối với các hệ thống chữa cháy tự động không được thấp hơn 0,08 l/(s.m2).
A.2.27.7 Đối với hệ thống chữa cháy sprinkler, lưu lượng nước phải đảm bảo không thấp hơn 10 l/s.
A.2.27.8 Trong các khoang đệm buồng của thang bộ không nhiễm khói phải bố trí các họng chờ cấp nước D65 dành cho lực lượng chữa cháy chuyên nghiệp (của hệ thống ống khô). Ở tầng 1 các đường ống này phải có các ống nối để đấu nối với các bơm áp lực cao của các xe chữa cháy.
A.2.28 Hệ thống điện
A.2.28.1 Điện cấp cho các hệ thống thiết bị kỹ thuật nêu dưới đây phải đảm bảo duy trì sự làm việc của các thiết bị đó trong thời gian không ít hơn 3 h kể từ khi có cháy và phải được lấy từ 3 nguồn cấp độc lập:
- Thang máy chữa cháy.
- Các thiết bị của hệ thống bảo vệ chống cháy.
- Hệ thống báo cháy tự động và hướng dẫn thoát nạn.
- Các thiết bị của hệ thống chữa cháy tự động và cấp nước chữa cháy.
- Các thiết bị bảo vệ chống cháy cho hệ thống thiết bị kỹ thuật.
- Các trang thiết bị phục vụ cứu hộ - cứu nạn.
A.2.28.2 Các cáp điện từ trạm biến áp và từ nguồn cấp độc lập đến các thiết bị phân phối đầu vào ở mỗi khoang cháy phải được đặt trong các kênh (hộp) riêng biệt với khả năng chịu lửa theo quy định tại A.2.24, hoặc phải là các cáp có khả năng chịu lửa.
A.2.28.3 Ở các thiết bị phân phối đầu vào của mỗi khoang cháy phải có thiết bị ngắt bảo vệ và được xử lý bảo vệ chống cháy.
A.2.28.4 Ở các tủ phân phối của tầng, và ở các bảng điện của các căn hộ đều phải có thiết bị ngắt bảo vệ. Cấu tạo kết cấu của các tủ này phải đảm bảo loại trừ được khả năng lan cháy ra ngoài phạm vi tủ.
A.2.28.5 Ở các vị trí các cáp và dây dẫn xuyên qua các cấu kiện xây dựng có yêu cầu khả năng chịu lửa thì liên kết chèn khe hở của cáp phải có giới hạn chịu lửa không thấp hơn giới hạn chịu lửa của cấu kiện mà cáp và dây xuyên qua.
A.2.28.6 Các đèn chiếu sáng thoát nạn phải đảm bảo duy trì hoạt động trong điều kiện nhiệt độ cao.
A.2.28.7 Cáp (dây) dẫn điện từ tủ phân phối của tầng đến các gian phòng, phải được đi trong các kênh dẫn hoặc trong các cấu kiện xây dựng làm từ vật liệu không cháy.
A.2.28.8 Việc đấu nối dây điện từ thiết bị phân phối đầu vào đến các hệ thống bảo vệ chống cháy (thiết bị điện của hệ thống chữa cháy, báo cháy, hút xả khói, chiếu sáng thoát nạn...) phải được thực hiện bằng các cáp có khả năng chịu lửa, có lớp khoáng cách điện, có giới hạn chịu lửa không thấp hơn 120 phút.
A.2.29 Hệ thống thông gió và bảo vệ chống khói
A.2.29.1 Các nhóm gian phòng với công năng khác nhau đặt trong phạm vi của cùng một khoang cháy phải có hệ thống thông gió, điều hòa và sưởi ấm không khí hoạt động độc lập.
A.2.29.2 Gian phòng đặt thiết bị thông gió phải đặt trong phạm vi khoang cháy mà thiết bị đó phục vụ, cho phép đặt trong một gian phòng chung thiết bị thông gió của các hệ thống phục vụ cho các khoang cháy khác nhau, trừ các trường hợp sau đây:
- Thiết bị của các hệ thống cấp khí vào, từ sự tuần hoàn lại của không khí, phục vụ cho các gian phòng có hạng nguy hiểm cháy và cháy nổ C1 đến C3, không được đặt cùng với thiết bị của các hệ thống dùng cho các gian phòng có hạng nguy hiểm cháy nổ khác.
- Thiết bị của các hệ thống cấp khí vào, phục vụ cho các phòng ở, không được đặt cùng với thiết bị của hệ thống cấp khí vào, phục vụ cho các gian phòng dùng trong dịch vụ đời sống, cũng như cùng với thiết bị của các hệ thống xả khí ra.
- Thiết bị của hệ thống xả khí ra (đẩy không khí có mùi khó chịu ra ngoài, từ các phòng hút thuốc, vệ sinh,...), không đặt cùng với thiết bị của các hệ thống cấp khí vào.
- Thiết bị của các hệ thống hút xả cục bộ các hỗn hợp nguy hiểm nổ, không đặt cùng với thiết bị của các hệ thống khác.
A.2.29.3 Không cho phép các hệ thống thông gió phục vụ cho các khoang cháy khác nhau sử dụng chung thiết bị tiếp nhận không khí bên ngoài (các miệng hút). Khoảng cách theo phương ngang giữa các miệng hút không khí bố trí ở các khoang cháy liền kề nhau không được nhỏ hơn 3 m.
A.2.29.4 Khoảng cách theo phương ngang giữa các thiết bị tiếp nhận không khí bên ngoài (miệng hút) và miệng phun của cùng một hệ thống xả khí lắp trên một mặt đứng ngoài nhà phải đảm bảo không nhỏ hơn 10 m. Nếu không đảm bảo khoảng cách theo phương ngang thì phải đảm bảo khoảng cách theo phương đứng không nhỏ hơn 6 m.
A.2.29.5 Các ống dẫn khí và các đường ống của mọi hệ thống nằm trong phạm vi khoang cháy mà chúng phục vụ phải đảm bảo một trong những quy định sau:
- Làm từ vật liệu không cháy và có giới hạn chịu lửa không thấp hơn EI 15, với điều kiện đường ống phải được đặt trong một giếng chung, với kết cấu bao quanh giếng có giới hạn chịu lửa không thấp hơn REI 120, và phải có các van ngăn cháy tại các vị trí đường ống xuyên qua các kết cấu bao quanh giếng đó.
- Làm từ vật liệu không cháy và có các van ngăn cháy ở tất cả các vị trí mà đường ống xuyên qua các tường, vách và sàn có yêu cầu về khả năng chịu lửa. Phần ống nằm bên ngoài khoang cháy mà chúng phục vụ, tính từ các bộ phận ngăn cháy trên biên của khoang cháy đó, phải có giới hạn lửa không nhỏ hơn EI 180.
A.2.29.6 Khi bố trí các ống dẫn khí và các đường ống của mọi hệ thống phục vụ cho các khoang cháy khác nhau trong một kênh hoặc giếng chung thì kết cấu bao quanh của kênh hoặc giếng đó phải có giới hạn chịu lửa không nhỏ hơn REI 180 và cấu tạo của các đường ống đó phải đảm bảo các quy định sau:
- Có giới hạn chịu lửa không thấp hơn EI 60 khi đường ống nằm trong khoang cháy mà nó phục vụ và có lắp đặt các van ngăn cháy tại các vị trí mà đường ống xuyên qua kết cấu bao quanh kênh và giếng.
- Có giới hạn chịu lửa không thấp hơn EI 60 khi đường ống nằm bên ngoài khoang cháy mà nó phục vụ, và có lắp đặt các van ngăn cháy tại các vị trí mà đường ống xuyên qua các sàn ngăn cháy nằm ở biên các khoang cháy.
A.2.29.7 Các ống dẫn khí có quy định yêu cầu về khả năng chịu lửa phải được làm từ vật liệu không cháy, có chiều dày không nhỏ hơn 0,8 mm và phải có bộ phận bù dãn nở nhiệt dọc trục. Việc chèn đệm các mối nối của các ống dẫn khí phải được thực hiện bằng các vật liệu không cháy.
A.2.29.8 Các van ngăn cháy phải có thiết bị dẫn động điều khiển từ xa và tự động. Không cho phép sử dụng các van ngăn cháy với bộ dẫn động bằng các phần tử nhiệt. Giới hạn chịu lửa của các van chặn lửa phải đảm bảo các quy định sau:
- Không thấp hơn EI 90, khi bộ phận ngăn cháy tương ứng có giới hạn chịu lửa REI 120 hoặc cao hơn.
- Không thấp hơn EI 60, khi bộ phận ngăn cháy tương ứng có giới hạn chịu lửa REI 60.
A.2.29.9 Hệ thống hút xả khói ra ngoài phải đảm bảo các quy định sau:
- Giới hạn chịu lửa của các quạt hút phải đáp ứng được yêu cầu làm việc theo nhiệt độ tính toán của dòng khí.
- Các ống dẫn khí và kênh dẫn làm từ vật liệu không cháy có giới hạn chịu lửa không thấp hơn:
+ EI 180 - đối với các ống dẫn khí và các kênh dẫn nằm bên ngoài khoang cháy mà chúng phục vụ.
+ EI 120 - Đối với các ống dẫn khí thẳng đứng và các kênh dẫn nằm trong phạm vi khoang cháy mà chúng phục vụ.
- Các van ngăn khói phải có thiết bị dẫn động điều khiển từ xa và tự động, có giới hạn chịu lửa không thấp hơn:
+ EI 60 - đối với các gian để xe ô tô và các hành lang cách ly của gara kín.
+ EI 45 - đối với các phòng có mặt đồng thời 50 người trở lên, tính theo Bảng G.9 (Phụ lục G), trong một khoảng thời gian nhất định và đối với các sảnh thông tầng.
+ EI 30 - đối với các hành lang, sảnh, hành lang bên.
A.2.29.10 Các quạt dùng để đẩy các sản phẩm cháy ra ngoài phải được đặt trong các gian phòng riêng biệt, được bao bọc bằng các vách ngăn cháy loại 1, được thông gió đảm bảo trong trường hợp có cháy nhiệt độ không khí trong phòng không vượt quá 60 oC.
A.2.29.11 Các giếng bao bọc đường ống của hệ thống cấp không khí vào để bảo vệ chống khói phải có giới hạn chịu lửa không thấp hơn giới hạn chịu lửa của các sàn mà nó cắt qua. Giới hạn chịu lửa yêu cầu của các ống dẫn khí của hệ thống cấp khí vào này phải không được nhỏ hơn:
- EI 60 - đối với các ống dẫn khí theo tầng của hệ thống cấp khí vào cho các khoang đệm ngăn cháy, các hành lang cách ly của gara kín.
- EI 30 - đối với các ống dẫn khí của hệ thống cấp khí vào bảo vệ cho các buồng thang bộ và giếng thang máy, cũng như cho các khoang đệm ngăn cháy ở các cao trình trên mặt đất.
A.2.29.12 Các van ngăn cháy của hệ thống cấp khí vào cho bảo vệ chống khói phải có giới hạn chịu lửa không thấp hơn giới hạn chịu lửa yêu cầu đối với các ống dẫn khí của hệ thống này.
A.2.29.13 Việc điều khiển thiết bị và cơ cấu vận hành của hệ thống bảo vệ chống khói phải được thực hiện bằng cả chế độ tự động (từ hệ thống phát hiện cháy) và điều khiển từ xa (từ bàn điều khiển của kíp trực của nhân viên điều độ và từ các nút bấm bố trí ở các lối ra thoát nạn của các tầng hoặc ở các tủ chữa cháy). Trong tất cả các kịch bản về tình huống nguy hiểm cháy, phải ngắt các hệ thống thông gió và điều hòa không khí thông thường (không được sử dụng ở chế độ bảo vệ chống khói), và mở ngay hệ thống thông gió thoát khói và cấp khí vào cho bảo vệ chống khói.
A.2.29.14 Các thông tin về vị trí và tình trạng thực tế của các thiết bị và cơ cấu vận hành của hệ thống bảo vệ chống khói phải được theo dõi và nhận biết tại trạm điều khiển.
A.2.29.15 Các cơ cấu và thiết bị vận hành của hệ thống bảo vệ chống khói phải đảm bảo có độ tin cậy hoạt động được xác định bằng xác suất an toàn không nhỏ hơn 0,999.
A.2.30 Hệ thống thu gom rác
A.2.30.1 Thân ống đổ rác phải được làm bằng vật liệu không cháy.
A.2.30.2 Cửa van nhận rác của ống đổ rác phải được bố trí trong một phòng riêng, ngăn cách với các không gian khác bằng vách ngăn cháy có giới hạn chịu lửa không thấp hơn EI 120. Các cửa cửa ngăn cháy lắp trên vách này phải có giới hạn chịu lửa không thấp hơn EI 60, được trang bị cơ cấu tự đóng và được chèn kín các khe cửa.
Phụ lục B
Phân loại vật liệu xây dựng theo các đặc trưng cháy
B.1 Vật liệu xây dựng được phân thành hai loại: vật liệu cháy và vật liệu không cháy theo các trị số của các thông số thí nghiệm cháy như sau:
a) Vật liệu không cháy, phải đảm bảo trong suốt khoảng thời gian thí nghiệm:
- Mức gia tăng nhiệt độ của lò đốt không quá 50 oC.
- Khối lượng mẫu bị giảm không quá 50 %.
- Thời gian kéo dài của ngọn lửa không quá 10 giây.
b) Vật liệu cháy là vật liệu khi thí nghiệm, không thỏa mãn một trong 3 yếu tố trên.
CHÚ THÍCH 1: Các thông số thí nghiệm được xác định theo tiêu chuẩn ISO 1182 hoặc tiêu chuẩn tương đương.
CHÚ THÍCH 2: Một số vật liệu thực tế sau được xếp vào vật liệu không cháy: Các vật liệu vô cơ nói chung như bê tông, gạch đất sét nung, gốm, kim loại, khối xây và vữa trát, ...
B.2 Theo tính cháy, vật liệu cháy được phân thành 4 nhóm, ứng với các thông số cháy thí nghiệm như sau:
Bảng B.1 - Phân nhóm vật liệu cháy theo tính cháy
|
Nhóm cháy của vật liệu |
Các thông số cháy |
|||
|
Nhiệt độ khí trong ống thoát khói (ký hiệu T), oC |
Mức độ hư hỏng làm giảm chiều dài mẫu (ký hiệu L), % |
Mức độ hư hỏng làm giảm khối lượng mẫu (ký hiệu m), % |
Khoảng thời gian tự cháy, giây |
|
|
Ch1 - Cháy yếu |
≤ 135 |
≤ 65 |
≤ 20 |
0 |
|
Ch2 - Cháy vừa phải |
≤ 235 |
≤ 85 |
≤ 50 |
≤ 30 |
|
Ch3 - Cháy mạnh vừa |
< 450 |
> 85 |
≤ 50 |
≤ 300 |
|
Ch4 - Cháy mạnh |
> 450 |
> 85 |
> 50 |
> 300 |
|
CHÚ THÍCH 1: Các thông số thí nghiệm được xác định theo tiêu chuẩn Việt Nam hiện hành hoặc tiêu chuẩn tương đương về phương pháp thử tính cháy của vật liệu xây dựng. CHÚ THÍCH 2: Nếu thí nghiệm theo ISO 1182, các vật liệu đáp ứng yêu cầu sau cũng được xếp vào nhóm vật liệu cháy yếu: - Mức gia tăng nhiệt độ của lò đốt không quá 50 oC. - Khối lượng mẫu bị giảm không quá 50 % và thời gian kéo dài của ngọn lửa không quá 20 giây. |
||||
B.3 Theo tính bắt cháy, vật liệu cháy được phân thành 3 nhóm ứng với các thông số thí nghiệm cháy như sau:
Bảng B.2 - Phân nhóm vật liệu cháy theo tính bắt cháy
|
Nhóm bắt cháy của vật liệu |
Cường độ thông lượng nhiệt bề mặt tới hạn, kW/m2 |
|
BC1 - khó bắt cháy |
≥ 35,0 |
|
BC2 - bắt cháy vừa phải |
lớn hơn hoặc bằng 20,0 và nhỏ hơn 35,0 |
|
BC3 - dễ bắt cháy |
< 20,0 |
|
CHÚ THÍCH: Các thông số thí nghiệm được xác định theo tiêu chuẩn ISO 5657 (Thử nghiệm phản ứng với lửa - Thử nghiệm tính bắt cháy của sản phẩm xây dựng khi chịu tác động của nguồn nhiệt bức xạ) hoặc tiêu chuẩn tương đương. |
|
B.4 Theo tính lan truyền lửa trên bề mặt, vật liệu cháy được phân thành 4 nhóm ứng với các thông số thí nghiệm cháy như sau:
Bảng B.3 - Phân nhóm vật liệu cháy theo tính lan truyền lửa trên bề mặt
|
Nhóm lan truyền lửa trên bề mặt của vật liệu |
Cường độ thông lượng nhiệt bề mặt tới hạn, kW/m2 |
|
LT1 - không lan truyền |
≥ 11,0 |
|
LT2 - lan truyền yếu |
Lớn hơn hoặc bằng 8,0 và nhỏ hơn 11,0 |
|
LT3 - lan truyền vừa phải |
Lớn hơn hoặc bằng 5,0 và nhỏ hơn 8,0 |
|
LT4 - lan truyền mạnh |
< 5,0 |
|
CHÚ THÍCH: Các thông số thí nghiệm được xác định theo tiêu chuẩn ISO 9239-2 (Thử nghiệm phản ứng với lửa - Tính lan truyền lửa trên bề mặt vật liệu phủ sàn khi chịu tác động của nguồn nhiệt bức xạ) hoặc tiêu chuẩn tương đương. |
|
B.5 Theo khả năng sinh khói, vật liệu cháy được phân thành 3 nhóm ứng với các thông số thí nghiệm như sau:
Bảng B.4 - Phân nhóm vật liệu cháy theo khả năng sinh khói
|
Nhóm theo khả năng sinh khói của vật liệu |
Trị số hệ số sinh khói của vật liệu, m2/kg |
|
SK1 - khả năng sinh khói thấp |
≤ 50 |
|
SK2 - khả năng sinh khói vừa phải |
Lớn hơn 50 và nhỏ hơn hoặc bằng 500 |
|
SK3 - khả năng sinh khói cao |
> 500 |
|
CHÚ THÍCH: Các thông số thí nghiệm được xác định theo tiêu chuẩn ISO 5660 - 2 (Thử nghiệm phản ứng với lửa - Tốc độ giải phóng nhiệt, tốc độ sinh khói và tốc độ mất khối lượng - Phần 2 Tốc độ sinh khói) hoặc tiêu chuẩn tương đương. |
|
B.6 Theo độc tính, vật liệu cháy được phân thành 4 nhóm ứng với chỉ số độc tính HCL50 của sản phẩm cháy như sau:
Bảng B.5 - Phân nhóm vật liệu cháy theo độc tính
|
Nhóm theo độc tính của vật liệu |
Chỉ số Hcl50, g/m3, tương ứng với thời gian để lộ |
|||
|
5 phút |
15 phút |
30 phút |
60 phút |
|
|
ĐT1 - Độc tính thấp |
> 210 |
> 150 |
> 120 |
> 90 |
|
ĐT2 - Độc tính vừa phải |
70 đến 210 |
50 đến 150 |
40 đến 120 |
30 đến 90 |
|
ĐT3 - Độc tính cao |
25 đến 70 |
47 đến 50 |
13 đến 40 |
10 đến 30 |
|
ĐT4 - Độc tính đặc biệt cao |
≤ 25 |
≤ 47 |
≤ 13 |
≤ 10 |
|
CHÚ THÍCH: Các thông số thí nghiệm và tính toán chỉ số HCL50 theo quy định của tiêu chuẩn ISO 13344 (Đánh giá tính độc hại gây chết người của các sản phẩm khí sinh ra khi cháy) hoặc tiêu chuẩn tương đương. |
||||
Phụ lục C
Phân hạng nhà và các gian phòng theo tính nguy hiểm cháy và cháy nổ
C.1 Theo tính nguy hiểm cháy và cháy nổ, nhà và các gian phòng được phân thành các hạng A, B, C1 đến C4, D và E.
C.1.1 Hạng nguy hiểm cháy và cháy nổ của gian phòng được phân như Bảng C.1.
Bảng C.1 - Phân hạng nguy hiểm cháy và cháy nổ đối với gian phòng
|
Hạng nguy hiểm cháy của gian phòng |
Đặc tính của các chất và vật liệu có (hình thành) trong gian phòng |
|
A Nguy hiểm cháy nổ |
- Các chất khí cháy, chất lỏng dễ bắt cháy có nhiệt độ bùng cháy không lớn hơn 28 oC, với khối lượng có thể tạo thành hỗn hợp khí - hơi nguy hiểm nổ, khi bốc cháy tạo ra áp suất nổ dư tính toán trong gian phòng vượt quá 5 kPa. - Các chất và vật liệu có khả năng nổ và cháy khi tác dụng với nước, với ôxy trong không khí hoặc tác dụng với nhau, với khối lượng để áp suất nổ dư tính toán trong gian phòng vượt quá 5 kPa. |
|
B Nguy hiểm cháy nổ |
- Các chất bụi hoặc sợi cháy, chất lỏng dễ bắt cháy, có nhiệt độ bùng cháy lớn hơn 28 oC, các chất lỏng cháy, và khối lượng có thể tạo thành hỗn hợp khí - bụi hoặc khí - hơi nguy hiểm nổ, khi bốc cháy tạo ra áp suất nổ dư tính toán trong gian phòng vượt quá 5 kPa. |
|
C1 đến C4 Nguy hiểm cháy |
- Các chất lỏng cháy hoặc khó cháy, các chất và vật liệu cháy và khó cháy ở thể rắn (kể cả bụi và sợi), các chất và vật liệu khi tác dụng với nước, với ôxy trong không khí hoặc tác dụng với nhau có khả năng cháy, ở điều kiện gian phòng có các chất và vật liệu này không thuộc các hạng A hoặc B. - Việc chia gian phòng thành các hạng C1 đến C4 theo trị số tải trọng cháy riêng của các chất chứa trong nó như sau: C1 - Có tải trọng cháy riêng lớn hơn 2 200 MJ/m2. C2 - Có tải trọng cháy riêng từ 1 401 MJ/m2 đến 2 200 MJ/m2. C3 - Có tải trọng cháy riêng từ 181 MJ/m2 đến 1 400 MJ/m2. C4 - Có tải trọng cháy riêng từ 1 MJ/m2 đến 180 MJ/m2.
|
|
D Nguy hiểm cháy vừa phải |
Các chất và vật liệu không cháy ở trạng thái nóng, nóng đỏ hoặc nóng chảy, mà quá trình gia công có kèm theo sự phát sinh bức xạ nhiệt, tia lửa và ngọn lửa; Các chất rắn, lỏng, khí cháy được sử dụng để làm nhiên liệu. |
|
E Nguy hiểm cháy thấp |
Các chất và vật liệu không cháy ở trạng thái nguội. |
C.1.2 Hạng nguy hiểm cháy và cháy nổ của nhà
a) Nhà được xếp vào hạng A nếu trong nhà đó tổng diện tích của các gian phòng hạng A vượt quá 5 % diện tích của tất cả các gian phòng của nhà, hoặc vượt quá 200 m2.
Cho phép không xếp nhà vào hạng A nếu tổng diện tích của các gian phòng hạng A trong nhà đó không vượt quá 25 % tổng diện tích của tất cả các gian phòng của nhà (nhưng không vượt quá 1 000 m2) và các gian phòng hạng A đó đều được trang bị các thiết bị chữa cháy tự động.
b) Nhà được xếp vào hạng B nếu đồng thời thỏa mãn 2 điều kiện sau:
- Nhà không thuộc hạng A.
- Tổng diện tích của các gian phòng hạng A và B vượt quá 5 % tổng diện tích của tất cả các gian phòng của nhà hoặc vượt quá 200 m2.
Cho phép không xếp nhà vào hạng B nếu tổng diện tích của các gian phòng hạng A và B trong nhà đó không vượt quá 25 % tổng diện tích của tất cả các gian phòng của nhà (nhưng không vượt quá 1 000 m2) và các gian phòng hạng A và B đó đều được trang bị các thiết bị chữa cháy tự động.
c) Nhà được xếp vào hạng C nếu đồng thời thỏa mãn 2 điều kiện sau:
- Nhà không thuộc hạng A hoặc B.
- Tổng diện tích của các gian phòng hạng A, B và C vượt quá 5 % (10 %, nếu trong nhà không có hạng A và B) tổng diện tích của tất cả các gian phòng của nhà.
Cho phép không xếp nhà vào hạng C nếu tổng diện tích của các gian phòng hạng A, B và C trong nhà đó không vượt quá 25 % tổng diện tích của tất cả các gian phòng của nhà (nhưng không vượt quá 3 500 m2) và các gian phòng đó đều được trang bị các thiết bị chữa cháy tự động.
d) Nhà được xếp vào hạng D nếu đồng thời thỏa mãn 2 điều kiện sau:
- Nhà không thuộc hạng A, B và C.
- Tổng diện tích của các gian phòng hạng A, B, C và D vượt quá 5 % tổng diện tích của tất cả các gian phòng của nhà.
Cho phép không xếp nhà vào hạng D nếu tổng diện tích của các gian phòng hạng A, B, C và D trong nhà đó không vượt quá 25 % tổng diện tích của tất cả các gian phòng của nhà (nhưng không vượt quá 5 000 m2) và các gian phòng hạng A, B, C đều được trang bị các thiết bị chữa cháy tự động.
e) Nhà được xếp vào hạng E nếu nó không thuộc các hạng A, B, C hoặc D.
C.2 Một số nhà và gian phòng thuộc các phân xưởng, nhà kho, bộ phận sản xuất được phép phân hạng nguy hiểm cháy và cháy nổ như sau:
a) Hạng A
- Phân xưởng chế tạo và sử dụng Natri và Kali.
- Phân xưởng nhà máy làm sợi nhân tạo, cao su nhân tạo.
- Phân xưởng sản xuất xăng, dầu.
- Phân xưởng Hydro hóa chưng cất và phân chia khí.
- Phân xưởng sản xuất nhiên liệu lỏng nhân tạo, thu hồi và chưng cất các chất lỏng hòa tan hữu cơ với nhiệt độ bùng cháy ở thể hơi từ 28 oC trở xuống.
- Kho chứa bình đựng hơi đốt, kho xăng.
- Các căn phòng chứa ắc quy kiềm và axit của nhà máy điện.
- Các trạm bơm chất lỏng có nhiệt độ bắt cháy ở thể hơi từ 28 oC trở xuống.
b) Hạng B
- Phân xưởng sản xuất và vận chuyển than cám, mùn cưa, những trạm tẩy rửa các thùng dầu madút và các chất lỏng khác có nhiệt độ bùng cháy ở thể hơi từ 28 oC đến 61 oC.
- Gian nghiền và xay cán chất rắn, phân xưởng chế biến cao su nhân tạo, phân xưởng sản xuất đường, những kho chứa dầu madút của nhà máy điện, những trạm bơm chất lỏng có nhiệt độ bùng cháy ở thể hơi từ 28 oC đến 61 oC.
c) Hạng C
- Phân xưởng xẻ gỗ, Phân xưởng làm đồ mỹ thuật bằng gỗ.
- Phân xưởng dệt và may mặc.
- Phân xưởng công nghiệp giấy với quá trình sản xuất khô.
- Xí nghiệp chế biến sơ bộ sợi bông, gai đay và những chất sợi khác.
- Những bộ phận sàng, sẩy hạt của các nhà máy xay và kho chứa hạt.
- Phân xưởng tái sinh dầu mỡ, chưng cất nhựa đường, những kho chứa vật liệu cháy và dầu mỡ.
- Những thiết bị phân phối điện có máy ngắt điện và thiết bị điện với lượng dầu mỡ lớn hơn 60 kg cho một đơn vị thiết bị.
- Cầu vượt, hành lang dùng để vận chuyển than đá, than bùn.
- Kho kín chứa than, những kho hàng hỗn hợp, những trạm bơm chất lỏng có nhiệt độ bùng cháy của hơi trên 61 oC.
d) Hạng D
- Phân xưởng đúc và luyện kim, Phân xưởng rèn, hàn.
- Trạm sửa chữa đầu máy xe lửa.
- Phân xưởng cán nóng kim loại, gia công kim loại bằng nhiệt.
- Những gian nhà đặt động cơ đốt trong.
- Phòng thí nghiệm điện cao thế.
- Nhà chính của nhà máy điện (gian lò, gian tuốc bin, ...).
- Trạm nồi hơi.
e) Hạng E
- Phân xưởng cơ khí gia công nguội kim loại (trừ hợp kim Magiê).
- Sân chứa liệu (quặng).
- Xưởng sản xuất xút (trừ bộ phận lò).
- Trạm quạt gió, trạm máy ép không khí và các chất khí không cháy.
- Phân xưởng tái sinh axít.
- Trạm sửa chữa xe điện và đầu máy xe điện.
- Phân xưởng dập, khuôn và cán nguội các khoáng chất quặng Amiăng, muối và các nguyên liệu không cháy khác.
- Phân xưởng thuộc công nghiệp dệt và giấy có quá trình sản xuất ướt.
- Phân xưởng chế biến thực phẩm, cá, thịt, sữa.
- Trạm điều khiển điện.
- Công trình làm sạch nước (lắng, lọc, tẩy, ...).
- Trạm bơm và hút nước của nhà máy điện.
- Bộ phận chứa Axit Cacbonic và Clo, các tháp làm lạnh, những trạm bơm chất lỏng không cháy.
Phụ lục D
Các quy định bảo vệ chống khói cho nhà và công trình
D.1 Việc bảo vệ chống khói cho nhà và công trình để đảm bảo an toàn cho người thoát khỏi ngôi nhà khi xảy ra cháy. Hệ thống chống khói phải độc lập cho từng khoang cháy. Việc bảo vệ chống khói cho nhà và công trình bao gồm hút xả khói (bao gồm cả các sản phẩm cháy) và cấp không khí vào.
D.2 Việc hút khói phải được thực hiện từ các khu vực sau:
a) Từ hành lang và sảnh của nhà ở, nhà công cộng, nhà hành chính - sinh hoạt và nhà hỗn hợp có chiều cao lớn hơn 28 m. Chiều cao của nhà được xác định theo 1.4.8.
b) Từ các hành lang của tầng hầm, tầng nửa hầm không có thông gió tự nhiên của các nhà ở, nhà công cộng, nhà hành chính - sinh hoạt, nhà sản xuất và nhà hỗn hợp, mà hành lang này dẫn vào các khu vực thường xuyên có người.
c) Từ các hành lang có chiều dài lớn hơn 15 m, không có thông gió tự nhiên của các nhà sản xuất, nhà kho hạng A, B và C từ 2 tầng trở lên, cũng như của các công trình công cộng và nhà hỗn hợp từ 6 tầng trở lên;
d) Từ hành lang và sảnh chung của nhà hỗn hợp có buồng thang bộ thoát nạn không nhiễm khói.
e) Từ các sảnh thông tầng của nhà có chiều cao lớn hơn 28 m, cũng như từ các sảnh thông tầng có chiều cao lớn hơn 15 m và từ các hành lang có cửa đi hoặc ban công mở thông với không gian của sảnh thông tầng trên.
f) Từ các gian phòng sản xuất và kho có số chỗ làm việc ổn định (đối với gian phòng lưu trữ dạng kệ thì không phụ thuộc vào số chỗ làm việc ổn định) hạng nghuy hiểm cháy A, B, C trong nhà bậc chịu lửa I đến IV, hoặc hạng nguy hiểm cháy D, E trong nhà bậc chịu lửa IV, V.
g) Từ các khu vực tiếp cận vào buồng thang bộ thoát nạn không nhiễm khói, hoặc từ các gian phòng không có thông gió tự nhiên sau:
- diện tích từ 50 m2 trở lên, thường xuyên hoặc nhất thời tập trung từ 50 người trở lên, tính theo Bảng G.9 (Phụ lục G), ngoại trừ trường hợp khẩn cấp, không tính diện tích chiếm chỗ của các thiết bị, vật dụng.
- các gian thương mại, trưng bày sản phẩm hàng hóa.
- các phòng đọc và lưu trữ sách của thư viện, các gian triển lãm, bảo tàng có diện tích từ 50 m2 trở lên có chỗ làm việc ổn định, dùng để lưu trữ hoặc sử dụng các chất và vật liệu cháy.
- phòng thay đồ, gửi đồ diện tích từ 200 m2 trở lên.
h) Các gian phòng lưu giữ ô-tô, xe máy của các gara ô-tô, xe máy ngầm và gara ô-tô, xe máy kín trên mặt đất được bố trí riêng hoặc xây trong hoặc xây liền kề với các nhà có chức năng khác (với việc chuyển xếp ô-tô có hoặc không có lái xe tham gia) và cả các đường dốc được cách ly của các gara ô-tô này.
Cho phép thiết kế hút khói qua hành lang bên cạnh của gian phòng có diện tích đến 200 m2 hạng nguy hiểm cháy C1, C2, C3 cũng như công năng khác lưu trữ hoặc sử dụng chất và vật liệu cháy.
Đối với các gian phòng thương mại và văn phòng diện tích không lớn hơn 800 m2 khi khoảng cách từ điểm xa nhất của gian phòng đến lối ra thoát nạn gần nhất không lớn hơn 25 m thì cho phép hút khói qua các hành lang, sảnh, thông tầng bên cạnh.
CHÚ THÍCH 1: Khu vực không có thông gió tự nhiên khi cháy là khu vực không có ô cửa mở trên cấu trúc xây dựng ngoài (tường ngoài) hoặc khu vực có ô cửa mở nhưng diện tích không đủ để thoát sản phẩm cháy.
CHÚ THÍCH 2: Để thông gió tự nhiên khi cháy cho hành lang thì trên mỗi 30 m chiều dài hành lang phải có các ô cửa mở trên cấu trúc bên ngoài được bố trí ở độ cao không nhỏ hơn 2,2 m từ mặt sàn đến mép dưới của ô cửa và tổng diện tích không nhỏ hơn 2,5 % diện tích sàn hành lang.
CHÚ THÍCH 3: Để thông gió tự nhiên khi cháy cho gian phòng cần phải có các ô cửa mở trên cấu trúc bên ngoài ở độ cao không nhỏ hơn 2,2 m từ mặt sàn đến mép dưới của ô cửa và với tổng diện tích không nhỏ hơn 2,5 % diện tích sàn của gian phòng. Nếu chỉ có cấu trúc bên ngoài nằm ở 1 phía của gian phòng thì khoảng cách từ cấu trúc bên ngoài đến tường đối diện với các ô cửa mở không được lớn hơn 20 m. Nếu các ô cửa mở nằm ở hai cấu trúc bên ngoài đối diện nhau thì khoảng cách giữa hai cấu trúc đó không lớn hơn 40 m.
D.3 Các yêu cầu tại D.2 không cần áp dụng đối với:
a) Các gian có diện tích đến 200 m2, được trang bị hệ thống chữa cháy tự động bằng bọt hoặc nước (trừ gian phòng hạng nguy hiểm cháy A, B và các gara đỗ xe kín được đỗ xe nhờ lái xe).
b) Các gian phòng được trang bị chữa cháy tự động bằng khí, bột, aerosol (trừ các gara đỗ xe kín được đỗ xe nhờ lái xe).
c) Các hành lang và sảnh khi tất cả các gian phòng có cửa đi vào hành lang hoặc sảnh này đã được thoát khói trực tiếp.
d) Các gian phòng diện tích đến 50 m2 nằm trong gian phòng chính đã được thoát khói.
e) Các gian phòng công năng công cộng xây dựng tại tầng 1 (tầng trệt) trong các nhóm F1.2 và F1.3, có kết cấu ngăn cách với khu vực ở và có lối ra thoát nạn trực tiếp ra bên ngoài khi khoảng cách từ điểm xa nhất của gian phòng đến lối ra này không lớn hơn 25 m và diện tích không lớn hơn 800 m2.
D.4 Lưu lượng hút khói phải được xác định bằng tính toán trong những trường hợp sau:
a) Từ các hành lang nêu trong D.2 a), b), c), d) - cho mỗi đoạn chiều dài không lớn hơn 60 sm.
b) Từ các gian phòng nêu trong D.2 e), f), g), h) - cho mỗi vùng khói có diện tích không lớn hơn 3 000 m2.
CHÚ THÍCH: Việc tính toán lưu lượng hút khói phải theo các tiêu chuẩn kỹ thuật hiện hành, có xét đến tải trọng cháy, nhiệt độ, các sản phẩm cháy được tạo ra, các thông số của không khí bên ngoài, đặc trưng hình học và vị trí của các lỗ mở.
D.5 Thiết kế hệ thống hút khói bảo vệ các hành lang phải riêng biệt với hệ thống hút khói để bảo vệ các phòng.
D.6 Cửa thu khói của các giếng hút khói để hút khói từ các hành lang phải đặt ở dưới trần của hành lang và không được thấp hơn dạ cửa (cạnh trên của lỗ cửa đi của lối ra thoát nạn). Cho phép đặt các cửa thu khói trên các ống nhánh dẫn vào giếng hút khói. Chiều dài hành lang cần lắp một cửa thu khói không được lớn hơn 30 m.
D.7 Khi hút khói trực tiếp từ các gian phòng có diện tích lớn hơn 3 000 m2 thì phải chia thành các vùng khói có diện tích không lớn hơn 3 000 m2 và phải tính đến khả năng xảy ra cháy ở một trong các vùng đó. Mỗi cửa thu khói chỉ được tính phục vụ cho một diện tích không quá 1 000 m2.
D.8 Việc thoát khói trực tiếp cho các gian phòng của nhà 1 tầng phải bao gồm cả thoát khói tự nhiên qua các ống có van, cửa nắp hoặc các ô lấy sáng không bịt kín.
Từ các vùng gần cửa sổ, với chiều rộng tới 15 m, cho phép thoát khói qua các lỗ cửa nhỏ của cửa sổ (cửa chớp) mà cạnh dưới của lỗ cửa ở độ cao không nhỏ hơn 2,2 m tính từ mặt nền.
Trong các nhà nhiều tầng phải có hệ thống thoát khói cưỡng bức dạng cơ khí.
D.9 Các đường ống và thiết bị của hệ thống hút khói phải được làm từ vật liệu không cháy, có giới hạn chịu lửa không nhỏ hơn:
- EI 120 - đối với các đường ống và kênh dẫn khói nằm bên ngoài phạm vi của khoang cháy mà hệ thống đó phục vụ; khi đó tại các vị trí đường ống và kênh khói đi xuyên qua tường, sàn ngăn cháy của khoang cháy không được lắp các van ngăn cháy loại thường mở.
- EI 60 - đối với các đường ống và kênh dẫn khói nằm trong phạm vi của khoang cháy được phục vụ, khi sử dụng để thải khói từ các gara để xe dạng kín.
- EI 45 - đối với đường ống và kênh dẫn khói theo phương đứng nằm trong phạm vị của khoang cháy được phục vụ, khi hút sản phẩm cháy trực tiếp tại khu vực phục vụ đó.
- EI 30 - đối với các trường hợp khác nằm trong phạm vi khoang cháy được phục vụ.
CHÚ THÍCH: Không yêu cầu giới hạn chịu lửa đối với các đường ống nằm trong kênh hoặc giếng kỹ thuật được bao bọc bởi các bộ phận ngăn cháy có giới hạn chịu lửa tương đương theo quy định.
Việc bố trí các quạt hút với giới hạn chịu lửa phù hợp (ví dụ: 0,5 h ở 200 oC; 0,5 h ở 300 oC; 1 h ở 300 oC; 1 h ở 400 oC; 1 h ở 600 oC hoặc 1,5 h ở 600 oC, ...) phải được thực hiện căn cứ vào nhiệt độ tính toán của dòng khí chuyển dịch, tương ứng với hạng của gian phòng được phục vụ.
Khói và sản phẩm cháy phải được xả ở bên ngoài nhà và công trình theo một trong hai phương án sau:
- Qua các ô thoáng, giếng thải nằm trên tường ngoài không có ô cửa hoặc cách các ô cửa không nhỏ hơn 5 m theo cả phương ngang và phương đứng và cách mặt đất hơn 2 m. Khoảng cách đến ô cửa có thể giảm xuống nếu bảo đảm vận tốc thải khói không nhỏ hơn 20 m/s.
- Qua các giếng thải khói tách biệt nằm trên mặt đất ở khoảng cách không nhỏ hơn 15 m tính đến tường ngoài có ô cửa và các miệng hút của hệ thống điều hòa không khí, tăng áp của nhà đó cũng như nhà lân cận.
Cho phép xả khói từ các ống hút khói từ tầng hầm và tầng nửa hầm qua các khoang được thông gió. Trong trường hợp này, miệng xả khói phải được đặt cách nền của khoang thông gió ít nhất là 6 m (cách kết cấu của một ngôi nhà ít nhất là 3 m theo chiều đứng và 1 m theo chiều ngang) hoặc đối với thiết bị xả dạng ướt phải cách mặt sàn ít nhất là 3 m. Không lắp các van khói trên những ống này.
D.10 Việc bảo vệ chống khói phải cung cấp không khí từ bên ngoài vào các khu vực sau:
a) Trong giếng thang máy (khi không thể hỗ trợ cấp khí các khoang đệm trong điều kiện có cháy) ở những nhà có buồng thang không nhiễm khói.
b) Trong khoang đệm của thang máy chữa cháy.
c) Trong các buồng thang bộ không nhiễm khói loại N2.
d) Trong các khoang đệm của buồng thang bộ không nhiễm khói loại N3.
e) Trong các khoang đệm trước thang máy (bao gồm cả thang máy) trong các tầng hầm và tầng nửa hầm.
f) Các khoang đệm ở cầu thang bộ loại 2, dẫn đến các gian phòng của tầng 1 của tầng hầm hoặc tầng nửa hầm, trong các phòng có sử dụng hoặc cất giữ các vật chất và vật liệu cháy.
Trong các khoang đệm ở các gian xưởng luyện, đúc, cán và các gian gia công nhiệt khác cho phép cấp không khí vào từ các gian thông khí của nhà.
g) Trong các khoang đệm ở lối vào sảnh kín và hành lang từ các tầng hầm và tầng nửa hầm của sảnh kín và hành lang theo D.2 f).
h) Khoang đệm ở lối vào các sảnh thông tầng và khu bán hàng, từ cao trình của các tầng nửa hầm và tầng hầm.
i) Khoang đệm ở các buồng thang bộ loại N2 trong các nhà hỗn hợp, nhà ở cao trên 75 m, nhà chung cư cao trên 50 m.
j) Phần dưới của sảnh thông tầng, các khu bán hàng và các gian phòng khác được bảo vệ bằng hệ thống quạt hút, xả khói.
k) Các khoang đệm ngăn chia gian phòng giữ ô-tô của các gara kín trên mặt đất và của gara ngầm với các gian phòng sử dụng khác.
l) Khoang đệm ngăn chia gian giữ ô-tô với đường dốc kín của các gara ngầm hoặc thiết bị tạo màn không khí bố trí ở trên cửa đi (cổng) từ phía gian phòng giữ ô-tô của gara ngầm.
m) Khoang đệm ở các lối ra từ buồng thang bộ loại N2 đi vào sảnh lớn thông với các tầng trên của nhà hỗn hợp.
n) Khoang đệm (sảnh thang máy) ở lối ra từ thang máy vào các tầng nửa hầm và tầng hầm của nhà hỗn hợp.
D.11 Lưu lượng cấp không khí dùng để bảo vệ chống khói cần được tính toán để đảm bảo áp suất không khí không thấp hơn 20 Pa ở các vị trí sau:
a) Phần dưới của giếng thang máy khi các cửa vào giếng thang máy đều đóng kín ở tất cả các tầng (trừ tầng dưới).
b) Phần dưới của mọi khoang của buồng thang bộ không nhiễm khói loại N2, khi các cửa trên đường thoát nạn từ các hành lang và sảnh trên tầng có cháy vào buồng thang bộ và từ ngôi nhà ra bên ngoài để mở, khi các cửa từ các hành lang và sảnh trên tất cả các tầng còn lại đều đóng kín.
c) Các khoang đệm trên tầng có cháy trong các nhà có buồng thang bộ không nhiễm khói loại N3, khi lối vào hành lang hoặc sảnh tại các tầng hầm, phòng chờ thang máy và các khoang đệm trước thang máy có một cửa mở, còn ở tất cả những tầng khác cửa đều đóng.
Lưu lượng cấp không khí vào khoang đệm trên một cửa mở phải được tính toán trong điều kiện gió thổi qua cửa có tốc độ trung bình (nhưng không thấp hơn 1,3 m/s), và phải tính đến hiệu ứng tổ hợp của việc thổi khói ra ngoài. Lưu lượng cấp không khí vào một khoang đệm khi các cửa đóng phải xét đến lượng khí bị thất thoát do cửa không được kín khít.
Độ dư của áp suất không khí phải được so sánh với không gian liền kề với gian phòng được bảo vệ.
D.12 Khi tính toán các thông số của hệ thống cấp không khí vào phải kể đến:
a) Độ dư của áp suất không khí không thấp hơn 20 Pa và không lớn hơn 50 Pa - ở các giếng thang máy, ở các buồng thang bộ không nhiễm khói loại N2, ở các khoang đệm của buồng thang bộ không nhiễm khói loại N3 trong các không gian liền kề (hành lang, sảnh).
b) Các cửa hai cánh có diện tích lớn.
c) Các buồng thang máy thông với chiếu tới của thang bộ và khi các cửa thang máy ở tầng đang xét để mở.
D.13 Các đường ống và thiết bị của hệ thống cấp không khí vào phải được làm từ vật liệu không cháy, có giới hạn chịu lửa phù hợp yêu cầu của tiêu chuẩn liên quan hiện hành.
Phụ lục E
Yêu cầu về khoảng cách phòng cháy chống cháy giữa các nhà và công
trình
E.1 Đối với nhà ở, công trình công cộng và nhà phụ trợ của các cơ sở công nghiệp
Khoảng cách phòng cháy chống cháy (PCCC) giữa các nhà ở, công trình công cộng và nhà phụ trợ của các cơ sở công nghiệp lấy theo Bảng E.1.
Khoảng cách PCCC từ nhà ở, công trình công cộng, nhà phụ trợ có bậc chịu lửa I và II đến các ngôi nhà sản xuất và gara có bậc chịu lửa I và II phải không nhỏ hơn 9 m; đến các ngôi nhà sản xuất có mái với lớp cách nhiệt bằng chất liệu Polyme hoặc vật liệu cháy phải không nhỏ hơn 15 m.
Bảng E.1 - Khoảng cách PCCC giữa các nhà ở, công trình công cộng và nhà phụ trợ của các cơ sở công nghiệp
|
Bậc chịu lửa của ngôi nhà thứ nhất |
Khoảng cách, m, đến ngôi nhà thứ hai có bậc chịu lửa |
||
|
I, II |
III |
IV, V |
|
|
I, II |
6 |
8 |
10 |
|
III |
8 |
8 |
10 |
|
IV, V |
10 |
10 |
15 |
|
CHÚ THÍCH 1: Khoảng cách giữa các ngôi nhà và công trình là khoảng cách thông thủy giữa các bức tường hoặc các kết cấu bên ngoài của chúng. Trong trường hợp các kết cấu của ngôi nhà hoặc công trình làm bằng những vật liệu cháy lồi ra hơn 1 m thì phải lấy khoảng cách giữa các kết cấu này. CHÚ THÍCH 2: Khoảng cách giữa các bức tường không có lỗ cửa sổ cho phép lấy nhỏ hơn 20 % ngoại trừ các ngôi nhà có bậc chịu lửa IV và V. CHÚ THÍCH 3: Đối với các nhà 2 tầng có kết cấu khung và tấm với bậc chịu lửa V, cũng như các nhà được lợp bằng vật liệu cháy thì khoảng cách PCCC cần phải tăng thêm 20 %. CHÚ THÍCH 4: Khoảng cách giữa các ngôi nhà có bậc chịu lửa I và II được phép nhỏ hơn 6 m, nếu các bức tường của ngôi nhà cao hơn nằm đối diện với ngôi nhà khác là các tường ngăn cháy. CHÚ THÍCH 5: Không quy định khoảng cách giữa các nhà ở, cũng như giữa các nhà ở và các công trình phục vụ sinh hoạt khác khi tổng diện tích đất xây dựng (gồm cả diện tích đất không xây dựng giữa chúng) không vượt quá diện tích tầng cho phép lớn nhất trong phạm vi của một khoang cháy (xem Phụ lục H, nhà nhóm F.1, F.2). |
|||
E.2 Đối với các nhà và công trình công nghiệp
Khoảng cách PCCC giữa các nhà và các công trình công nghiệp phụ thuộc vào bậc chịu lửa và hạng sản xuất của chúng phải không nhỏ hơn giá trị trong Bảng E.2.
E.3 Các trường hợp khoảng cách PCCC được lấy nhỏ hơn quy định
Khoảng cách PCCC từ một ngôi nhà đến các ngôi nhà và công trình xung quanh, có thể lấy nhỏ hơn các quy định nêu trong mục E.1 (Bảng E.1) và trong mục E.2 (Bảng E.2) khi được sự chấp thuận của cơ quan PCCC có thẩm quyền và thực hiện theo các quy định sau:
Bảng E.2 - Khoảng cách PCCC giữa các nhà và công trình công nghiệp
|
Bậc chịu lửa của ngôi nhà thứ nhất |
Khoảng cách, m, đến ngôi nhà thứ hai có bậc chịu lửa |
||
|
I, II |
III |
IV, V |
|
|
I, II |
- Đối với các nhà và công trình thuộc hạng sản xuất D và E: không quy định. - Đối với nhà và công trình thuộc hạng sản xuất A, B và C: 9 m (xem thêm Chú thích 3). |
9 |
12 |
|
III |
9 |
12 |
15 |
|
IV và V |
12 |
15 |
18 |
|
CHÚ THÍCH 1: Khoảng cách nhỏ nhất giữa các ngôi nhà và công trình là khoảng cách thông thủy giữa các bức tường hoặc kết cấu bên ngoài của chúng. Trong trường hợp ngôi nhà hoặc công trình có phần kết cấu làm bằng những vật liệu cháy lồi ra hơn 1 m thì khoảng cách nhỏ nhất phải lấy là khoảng cách giữa các kết cấu này. CHÚ THÍCH 2: Không quy định khoảng cách giữa các ngôi nhà sản xuất và công trình công nghiệp trong những trường hợp sau: a) Nếu tổng diện tích mặt sàn của từ 2 ngôi nhà trở lên có bậc chịu lửa III, IV không vượt quá diện tích cho phép tầng lớn nhất trong phạm vi một khoang cháy (Phụ lục H). b) Nếu như tường của ngôi nhà hay công trình cao hơn hoặc rộng hơn, quay về phía một công trình khác là bức tường ngăn cháy. c) Nếu các ngôi nhà và công trình có bậc chịu lửa III không phụ thuộc vào độ nguy hiểm cháy theo hạng sản xuất của chúng có các bức tường đứng đối diện là tường đặc hoặc tường có lỗ được xây kín bằng gạch block kính (hoặc kính có cốt) với giới hạn chịu lửa không nhỏ hơn 1 giờ. CHÚ THÍCH 3: Khoảng cách đã cho đối với những ngôi nhà và công trình có bậc chịu lửa I, II, thuộc hạng sản xuất A, B, C, được giảm từ 9 m xuống còn 6 m khi đáp ứng một trong những điều kiện sau: a) Ngôi nhà và công trình được trang bị hệ thống chữa cháy tự động. b) Tải trọng riêng làm bằng các chất cháy trong các ngôi nhà thuộc hạng sản xuất C nhỏ hơn hoặc bằng 10 kg tính trên 1 m2 diện tích tầng. |
|||
b) Khoảng cách PCCC của ngôi nhà được xác định trong trường hợp này là khoảng cách từ ngôi nhà đến đường ranh giới khu đất của ngôi nhà (không phải khoảng cách đến một ngôi nhà khác ở khu đất bên cạnh).
CHÚ THÍCH: Đường ranh giới khu đất của ngôi nhà có thể là đường nằm trùng hoặc song song với một cạnh của ngôi nhà hoặc hợp với một cạnh của ngôi nhà một góc nhỏ hơn 80o.
c) Cho phép tường ngoài của ngôi nhà cách đường ranh giới khu đất của nhà trong phạm vi từ 0 mét đến nhỏ hơn 1,0 m; với các điều kiện sau:
- Tường ngoài phải là tường ngăn cháy loại 1 (REI 150) đối với nhà có bậc chịu lửa I và II; và là tường ngăn cháy loại 2 (REI 45) đối với nhà có bậc chịu lửa III và IV.
- Bề mặt ngoài của tường ngoài không được sử dụng các vật liệu có tính nguy hiểm cháy cao hơn các nhóm Ch1 và LT1.
d) Nếu tường ngoài của ngôi nhà cách đường ranh giới khu đất của nhà một khoảng lớn hơn 1,0 m thì cho phép bố trí, cấu tạo một số phần diện tích của bề mặt tường ngoài có tính chịu lửa thấp hơn yêu cầu đối với một tường ngăn cháy và được gọi là phần diện tích không được bảo vệ chống cháy của tường. Diện tích cho phép lớn nhất của phần không được bảo vệ chống cháy của tường ngoài được quy định phụ thuộc vào khoảng cách của tường ngoài đó đến đường ranh giới khu đất của nhà, và được quy định tại Bảng E.3.
CHÚ THÍCH: Phần không được bảo vệ chống cháy của tường ngoài thường là các phần sau:
- Các cửa (cửa đi, cửa sổ,...) không đáp ứng yêu cầu là các cửa ngăn cháy trong tường ngăn cháy.
- Các phần tường có giới hạn chịu lửa thấp hơn giới hạn chịu lửa của tường ngăn cháy tương ứng.
- Các phần tường mà bề mặt ngoài có sử dụng các vật liệu có tính nguy hiểm cháy bằng và cao hơn các nhóm Ch2 và LT2.
Bảng E.3 - Khoảng cách từ tường ngoài của nhà (hoặc khoang cháy) đến đường ranh giới khu đất xác định theo diện tích vùng bề mặt không được bảo vệ chống cháy của tường đó
|
Khoảng cách nhỏ nhất giữa mặt bên của ngôi nhà tới đường ranh giới khu đất, m |
Tỷ lệ diện tích lớn nhất của các vùng bề mặt không được bảo vệ chống cháy so với tổng diện tích bề mặt tường đối diện với ranh giới khu đất, % |
|
|
Nhà ở, công trình công cộng, nhà phụ trợ của các cơ sở công nghiệp |
Nhà và công trình công nghiệp, nhà kho |
|
|
1,0 |
1,0 |
4,0 |
|
1,5 |
2,0 |
8,0 |
|
3,0 |
4,0 |
20,0 |
|
6,0 |
8,0 |
40,0 |
|
CHÚ THÍCH 1: Khi tính toán xác định diện tích lớn nhất của bề mặt không được bảo vệ chống cháy của tường ngoài, có thể bỏ qua không tính các vùng sau: - Vùng có diện tích nhỏ hơn 1 m2 và khoảng cách đến bất kì một vùng không được bảo vệ chống cháy khác phải không nhỏ hơn 4 m. - Vùng không được bảo vệ chống cháy có diện tích nhỏ hơn 0,1 m2 và khoảng cách đến bất kỳ một vùng không được bảo vệ chống cháy khác phải không nhỏ hơn 1,5 m. - Vùng tường ngoài của một cầu thang bộ có buồng thang và các tường bên trong của buồng thang đảm bảo yêu cầu ngăn cháy tương ứng với bậc chịu lửa của nhà. - Vùng bề mặt ngoài của tường ngoài có sử dụng vật liệu với tính nguy hiểm cháy bằng và cao hơn các nhóm Ch2 và LT2 thì diện tích không được bảo vê chống cháy được lấy bằng 1/2 diện tích của vùng đó. CHÚ THÍCH 2: Các giá trị trung gian có thể xác định bằng cách nội suy. |
||
Phụ lục F
Giới hạn chịu lửa danh định của một số cấu kiện kết cấu
F.1 Cấu kiện tường
Bảng F.1 - Tường xây hoặc tường bê tông
|
TT |
Kết cấu và vật liệu |
Chiều dày nhỏ nhất không kể lớp trát, mm, để đảm bảo giới hạn chịu lửa |
|||||||||||
|
Cho cấu kiện chịu lực |
Cho cấu kiện không chịu lực |
||||||||||||
|
REI 240 |
REI 180 |
REI 120 |
REI 90 |
REI 60 |
REI 30 |
EI 240 |
EI 180 |
EI 120 |
EI 90 |
EI 60 |
EI 30 |
||
|
(1) |
(2) |
(3) |
(4) |
(5) |
(6) |
(7) |
(8) |
(9) |
(10) |
(11) |
(12) |
(13) |
(14) |
|
1 |
Bê tông cốt thép, có chiều dày nhỏ nhất của lớp bê tông bảo vệ cốt thép chịu lực chính là 25 mm |
|
|
|
|
|
|
|
|
|
|
|
|
|
|
a) Không trát |
180 |
- |
100 |
100 |
75 |
75 |
|
|
|
|
|
|
|
|
b) Trát Ximăng cát dày 12,5 mm |
180 |
- |
100 |
100 |
75 |
75 |
|
|
|
|
|
|
|
|
c) Trát thạch cao - cát dày 12,5 mm |
180 |
- |
100 |
100 |
75 |
75 |
|
|
|
|
|
|
|
|
d) Trát thạch cao - Vermiculite dày 12,5 mm |
125 |
- |
75 |
75 |
63 |
63 |
|
|
|
|
|
|
|
2 |
Bê tông cốt liệu Cấp 2c), không mịn |
|
|
|
|
|
|
|
|
|
|
|
|
|
|
a) Trát Ximăng cát dày 13 mm |
|
|
|
|
|
|
150 |
150 |
150 |
150 |
150 |
150 |
|
|
b) Trát thạch cao - cát dày 13 mm |
|
|
|
|
|
|
150 |
150 |
150 |
150 |
150 |
150 |
|
|
c) Trát thạch cao - Vermiculite dày 13 mm |
|
|
|
|
|
|
150 |
150 |
150 |
150 |
150 |
150 |
|
3 |
Tường gạch đất sét nung, bê tông hoặc vôi - cát |
|
|
|
|
|
|
|
|
|
|
|
|
|
|
a) Không trát |
200 |
200 |
100 |
100 |
100 |
100 |
170 |
170 |
100 |
100 |
75 |
75 |
|
|
b) Trát Ximăng cát dày 13 mm |
200 |
200 |
100 |
100 |
100 |
100 |
170 |
170 |
100 |
100 |
75 |
75 |
|
|
c) Trát thạch cao - cát dày 13 mm |
200 |
200 |
100 |
100 |
100 |
100 |
170 |
170 |
100 |
100 |
75 |
75 |
|
|
d) Trát thạch cao - Vermiculite hoặc thạch cao- perlitea) dày 13 mm |
100 |
- |
100 |
100 |
100 |
100 |
100 |
- |
100 |
100 |
75 |
75 |
|
4 |
Tường Block bê tông cốt liệu Cấp 1 b) |
|
|
|
|
|
|
|
|
|
|
|
|
|
|
a) Không trát |
150 |
- |
100 |
100 |
100 |
100 |
150 |
- |
75 |
75 |
75 |
50 |
|
|
b) Trát Ximăng cát dày 12,5 mm |
150 |
- |
100 |
100 |
100 |
100 |
100 |
- |
75 |
75 |
75 |
50 |
|
|
c) Trát thạch cao - cát dày 12,5 mm |
150 |
- |
100 |
100 |
100 |
100 |
100 |
- |
75 |
75 |
75 |
50 |
|
|
d) Trát thạch cao - Vermiculite 12,5 mm |
100 |
- |
100 |
100 |
100 |
100 |
75 |
- |
75 |
62 |
50 |
50 |
|
5 |
Tường Block bê tông cốt liệu Cấp 2 c) |
|
|
|
|
|
|
|
|
|
|
|
|
|
|
a) Không trát |
- |
- |
100 |
100 |
100 |
100 |
150 |
- |
100 |
100 |
75 |
50 |
|
|
b) Trát Ximăng cát dày 12,5 mm |
- |
- |
100 |
100 |
100 |
100 |
150 |
- |
100 |
100 |
75 |
50 |
|
|
c) Trát thạch cao - cát dày 12,5 mm |
- |
- |
100 |
100 |
100 |
100 |
150 |
- |
100 |
100 |
75 |
50 |
|
|
d) Trát thạch cao -Vermiculite 12,5 mm |
100 |
- |
100 |
100 |
100 |
100 |
100 |
- |
75 |
75 |
75 |
50 |
|
6 |
Tường Block bê tông xốp chưng áp có khối lượng thể tích từ 475 kg/m3 đến 1 200 kg/m3 |
180 |
140 |
100 |
100 |
100 |
100 |
100 |
|
62 |
62 |
50 |
50 |
|
7 |
Tường bê tông lỗ, có 1 lõi rỗng nằm trong chiều dày tường, cốt liệu Cấp 1b) |
|
|
|
|
|
|
|
|
|
|
|
|
|
|
a) Không trát |
- |
- |
100 |
100 |
100 |
100 |
150 |
- |
100 |
100 |
75 |
75 |
|
|
b) Trát Ximăng cát dày 12,5 mm |
- |
- |
100 |
100 |
100 |
100 |
150 |
- |
100 |
75 |
75 |
75 |
|
|
c) Trát thạch cao - cát dày 12,5 mm |
- |
- |
100 |
100 |
100 |
100 |
150 |
- |
100 |
75 |
75 |
75 |
|
|
d) Trát thạch cao -Vermiculite 12,5 mm |
- |
- |
100 |
100 |
100 |
100 |
100 |
- |
75 |
75 |
75 |
62 |
|
8 |
Tường bê tông lỗ, có 1 lõi rỗng nằm trong chiều dày tường, cốt liệu Cấp 2c) |
|
|
|
|
|
|
|
|
|
|
|
|
|
|
a) Không trát |
- |
- |
- |
- |
- |
- |
150 |
- |
150 |
125 |
125 |
125 |
|
|
b) Trát Ximăng cát dày 12,5 mm |
- |
- |
- |
- |
- |
- |
150 |
- |
150 |
125 |
125 |
100 |
|
|
c) Trát thạch cao - cát dày 12,5 mm |
- |
- |
- |
- |
- |
- |
150 |
- |
150 |
125 |
125 |
100 |
|
|
d) Trát thạch cao -Vermiculite 12,5 mm |
- |
- |
- |
- |
- |
- |
125 |
- |
100 |
100 |
100 |
75 |
|
9 |
Tường gạch lỗ đất sét nung với tỷ lệ phần đặc lớn hơn 50 % |
|
|
|
|
|
|
|
|
|
|
|
|
|
|
a) Trát Ximăng cát dày 12,5 mm |
- |
- |
- |
- |
- |
- |
- |
|
|
- |
100 |
75 |
|
|
b) Trát thạch cao - cát dày 12,5 mm |
- |
- |
- |
- |
- |
- |
- |
|
|
- |
100 |
75 |
|
|
c) Trát thạch cao - Vermiculite 12,5 mm |
- |
- |
- |
- |
- |
- |
200 |
- |
100 |
100 |
100 |
62 |
|
10 |
Tường rỗng có lớp tường ngoài xây bằng gạch nung hoặc block đất sét với chiều dày không nhỏ hơn 100 mm và lớp tường trong như sau: |
|
|
|
|
|
|
|
|
|
|
|
|
|
|
a) Xây bằng gạch hoặc block đất sét nung, hỗn hợp, bê tông hoặc vôi - cát |
100 |
100 |
100 |
100 |
100 |
100 |
75 |
- |
75 |
75 |
75 |
75 |
|
|
b) Xây bằng gạch hoặc viên bê tông đặc hoặc lỗ, cốt liệu Cấp 1b) |
100 |
100 |
100 |
100 |
100 |
100 |
75 |
- |
75 |
75 |
75 |
75 |
|
11 |
Tường rỗng với lớp tường ngoài xây bằng block đất sét nung có lỗ như mục 9 ở trên và lớp tường trong xây bằng viên bê tông xốp chưng áp có khối lượng thể tích từ 480 kg/m3 đến 1 200 kg/m3 |
150 |
140 |
100 |
100 |
100 |
100 |
75 |
75 |
75 |
75 |
75 |
75 |
|
CHÚ THÍCH: a) Chỉ áp dụng trát perlite - thạch cao vào gạch đất sét nung. b) “Cốt liệu Cấp 1” có nghĩa là: xỉ bọt, đá bọt, xỉ lò cao, viên tro bay, gạch vỡ và các sản phẩm đất sét nung (bao gồm cả viên gạch phồng), clinker nung già và đá vôi nghiền. c) “Cốt liệu Cấp 2” có nghĩa là: sỏi cuội, đá granite và tất cả các dạng đá nghiền tự nhiên khác ngoài đá vôi. |
|||||||||||||
Bảng F.2 - Kết cấu vách (không chịu lực)
|
TT |
Kết cấu và vật liệu |
Giới hạn chịu lửa |
|
(1) |
(2) |
(3) |
|
1 |
Vách khung xương thép có lớp phủ bên ngoài dày 16 mm trên Lati thép và ốp bên trong bằng block bê tông xốp chưng áp có khối lượng thể tích từ 480 đến 1 120 kg/m3 và chiều dày bằng: 50 mm 62 mm 75 mm |
EI 120 EI 180 EI 240 |
|
2 |
Vách khung xương thép có lớp phủ bên ngoài bằng block bê tông dày 100 mm và ốp bên trong bằng vữa thạch cao dày 16 mm trên Lati thép |
EI 240 |
|
3 |
Vách khung xương thép có lớp phủ bên ngoài dày 16 mm trên Lati thép và ốp bên trong bằng bằng vữa thạch cao dày 16 mm trên Lati thép |
EI 60 |
|
4 |
Khung xương thép hoặc gỗ với vật liệu hoàn thiện trên hai mặt bằng a) Vữa thạch cao hoặc ximăng cát trên Lati thép với chiều dày bằng 19 mm 12,5 mm |
EI 60 EI 30 |
Bảng F.2 (tiếp theo)
|
(1) |
(2) |
(3) |
|
|
b) Vữa thạch cao - Vermiculite hoặc thạch cao - Perlite trên Lati thép với chiều dày bằng |
|
|
|
25 mm |
EI 120 |
|
|
19 mm |
EI 90 |
|
|
12,5 mm |
EI 60 |
|
|
c) Tấm ốp hoàn thiện dày 9,5 mm có lớp trát thạch cao dày 5 mm |
EI 30 |
|
|
d) Tấm ốp hoàn thiện dày 9,5 mm có lớp trát thạch cao - Vermiculite chiều dày bằng: |
|
|
|
25 mm |
EI 120 |
|
|
16 mm |
EI 90 |
|
|
10 mm |
EI 60 |
|
|
5 mm |
EI 30 |
|
|
e) Tấm ốp hoàn thiện dày 12,5 mm |
|
|
|
Không trát |
EI 30 |
|
|
Có lớp trát thạch cao dày 12,5 mm |
EI 60 |
|
|
f) Tấm ốp hoàn thiện dày 12,5 mm có lớp trát thạch cao - Vermiculite chiều dày bằng: |
|
|
|
25 mm |
EI 120 |
|
|
16 mm |
EI 90 |
|
|
10 mm |
EI 60 |
|
|
g) Tấm ốp hoàn thiện dày 19 mm (hoặc gồm hai lớp dày 9,5 mm cố định tại các mép cắt) không có lớp trát ngoài |
EI 60 |
|
|
h) Tấm ốp hoàn thiện dày 19 mm cho hai lớp dày 9,5 mm có lớp trát ngoài là thạch cao - Vermiculite chiều dày bằng: |
|
|
|
16 mm |
EI 120 |
|
|
10 mm |
EI 90 |
|
|
i) Tấm ốp bằng sợi cách nhiệt dày 12,5 mm có lớp trát thạch cao dày 12,5 mm |
EI 30 |
|
|
j) Tấm sợi gỗ dày 25 mm có lớp trát thạch cao dày 12,5 mm |
EI 60 |
|
5 |
Tấm ép vỏ trấu trong các khung gỗ trát cả hai mặt bằng lớp trát thạch cao dày 5 mm |
EI 60 |
|
6 |
Vách ngăn rỗng bằng tấm ốp hoàn thiện dày 9,5 mm |
|
|
|
Không trát |
EI 30 |
|
|
Có lớp trát thạch cao dày 12,5 mm |
EI 30 |
|
|
Có lớp trát thạch cao - vermiculite dày 22 mm |
EI 120 |
Bảng F.2 (kết thúc)
|
(1) |
(2) |
(3) |
|
7 |
Vách ngăn rỗng bằng tấm ốp hoàn thiện dày 12,5 mm Không trát Có lớp trát thạch cao dày 12,5 mm Có lớp trát thạch cao - vermiculite dày 16 mm |
EI 30 EI 60 EI 120 |
|
8 |
Tấm ốp hoàn thiện dày 19 mm trát cả hai mặt bằng lớp thạch cao dày 16 mm |
EI 60 |
|
9 |
Tấm ốp hoàn thiện dày 12,5 mm được gắn kết bằng vữa thạch cao mỏng mịn vào hai mặt của tấm ốp hoàn thiện dày 19 mm |
EI 90 |
|
10 |
Ba lớp tấm ốp hoàn thiện dày 19 mm được gắn kết bằng vữa thạch cao mỏng mịn |
EI 120 |
|
11 |
Tấm sợi gỗ dày 12,5 mm có lớp phủ hoặc trát với chiều dày bằng: 75 mm 50 mm |
EI 120 EI 60 |
|
12 |
Tấm ép vỏ trấu dày 50 mm có các mạch ghép được phủ bằng các thanh nẹp gỗ tiết diện 75 mm x 12,5 mm |
EI 30 |
Bảng F.3 - Tường ngoài (không chịu lực)
|
TT |
Kết cấu và vật liệu |
Giới hạn chịu lửa |
|
(1) |
(2) |
(3) |
|
1 |
Tường bằng khung xương thép có các tấm phủ bên ngoài là vật liệu không cháy và ốp bên trong bằng |
|
|
|
a) Lớp trát ximăng cát hoặc thạch cao dày 12,5 mm trên Lati thé
|
EI 240 |
|
|
b) Hai lớp tấm ốp hoàn thiện dày 9,5 mm |
EI 30 |
|
|
c) Tấm ốp hoàn thiện dày 9,5 mm trát bằng thạch cao dày 12,5 mm |
EI 30 |
|
|
d) Tấm ốp hoàn thiện dày 12,5 mm trát bằng thạch cao dày 5 mm |
EI 30 |
|
|
e) Tấm ép vỏ trấu dày 50 mm |
EI 30 |
|
|
f) Tấm ép vỏ trấu dày 50 mm trát bằng thạch cao dày 5 mm |
EI 120 |
|
2 |
Tường bằng khung xương gỗ có lớp phủ bên ngoài dày 10 mm bằng lớp phủ ximăng cát hoặc xi măng - vôia) và ốp bên trong bằng |
|
|
|
a) Lớp trát thạch cao dày 16 mm trên Lati thép |
EI 60 |
|
|
b) Tấm ốp hoàn thiện dày 9,5 mm trát thạch cao dày 12,5 mm |
EI 60 |
|
|
c) Tấm ốp hoàn thiện dày 12,5 mm trát bằng thạch cao dày 5 mm |
EI 60 |
|
|
d) Tấm ép vỏ trấu dày 50 mm |
EI 60 |
|
|
e) Block bê tông xốp có chiều dày bằng: |
|
Bảng F.3 (kết thúc)
|
(1) |
(2) |
(3) |
|
|
50 mm |
EI 180 |
|
|
62 mm |
EI 240 |
|
|
75 mm |
EI 240 |
|
|
100 mm |
EI 240 |
|
3 |
Tường bằng khung xương gỗ có lớp phủ bên ngoài dày 100 mm bằng gạch hoặc block đất sét nung, bê tông hoặc vôi - cát, bên trong trát thạch cao dày 16 mm trên Lati thép |
EI 240 |
|
|
75 mm |
EI 180 |
|
|
75 mm |
EI 180 |
|
4 |
Tường bằng khung xương gỗ có lớp phủ bên ngoài bằng các tấm ốp chồng mép hoặc gỗ dán dày 9,5 mma) và ốp bên trong bằng |
|
|
|
a) Trát thạch cao dày 16 mm trên Lati thép |
EI 30 |
|
|
b) Tấm ốp hoàn thiện dày 9,5 mm trát thạch cao dày 12,5 mm |
EI 30 |
|
|
c) Tấm ốp hoàn thiện dày 12,5 mm trát bằng thạch cao dày 5 mm |
EI 30 |
|
|
d) Tấm ép vỏ trấu dày 50 mm |
EI 30 |
|
|
e) Block bê tông xốp có chiều dày bằng: |
|
|
|
50 mm |
EI 180 |
|
|
62 mm |
EI 240 |
|
|
75 mm |
EI 240 |
|
|
100 mm |
EI 240 |
|
CHÚ THÍCH: a) Phải coi sự có mặt của bộ phận ngăn chặn các dạng hơi có thể cháy được trong phần bề dày của những kết cấu này không có đóng góp gì cho khả năng chịu lửa của chúng |
||
F.2 Dầm bê tông cốt thép
Bảng F.4 - Dầm bê tông cốt thép
|
TT |
Đặc điểm |
Kích thước nhỏ nhất của phần bê tông, mm, để đảm bảo giới hạn chịu lửa |
|||||
|
R 240 |
R 180 |
R 120 |
R 90 |
R 60 |
R 30 |
||
|
(1) |
(2) |
(3) |
(4) |
(5) |
(6) |
(7) |
(8) |
|
1 |
Bê tông cốt liệu gốc silic |
|
|
|
|
|
|
|
|
a) Chiều dày trung bình của lớp bê tông bảo vệ cốt thép chịu lực chính |
65 a) |
55 a) |
45 a) |
35 |
25 |
15 |
|
|
b) Chiều rộng tiết diện dầm |
280 |
240 |
180 |
140 |
110 |
80 |
|
2 |
Bê tông cốt liệu gốc silic có trát ximăng hoặc thạch cao dày 15 mm trên lưới thép mảnh |
|
|
|
|
|
|
|
|
a) Chiều dày trung bình của lớp bê tông bảo vệ cốt thép chịu lực chính |
50 a) |
40 |
30 |
20 |
15 |
15 |
|
|
b) Chiều rộng tiết diện dầm |
250 |
210 |
170 |
110 |
85 |
70 |
|
3 |
Bê tông cốt liệu gốc silic có trát Vermiculite / thạch cao b) dày 15 mm |
|
|
|
|
|
|
|
|
a) Chiều dày trung bình của lớp bê tông bảo vệ cốt thép chịu lực chính |
25 |
15 |
15 |
15 |
15 |
15 |
|
|
b) Chiều rộng tiết diện dầm |
170 |
145 |
125 |
85 |
60 |
60 |
|
4 |
Bê tông cốt liệu nhẹ |
|
|
|
|
|
|
|
|
a) Chiều dày trung bình của lớp bê tông bảo vệ cốt thép chịu lực chính |
50 |
45 |
35 |
30 |
20 |
15 |
|
|
b) Chiều rộng tiết diện dầm |
250 |
200 |
160 |
130 |
100 |
80 |
|
CHÚ THÍCH: a) Có thể phải bổ sung cốt thép phụ để giữ lớp bê tông bảo vệ. b) Vermiculite/thạch cao phải có tỷ lệ trộn theo thể tích nằm trong khoảng 1,5 đến 2 : 1 |
|||||||
F.3 Dầm bê tông cốt thép ứng suất trước
Bảng F.5 - Dầm bê tông cốt thép ứng suất trước
|
TT |
Đặc điểm |
Kích thước nhỏ nhất của phần bê tông, mm, để đảm bảo giới hạn chịu lửa |
|||||
|
R 240 |
R 180 |
R 120 |
R 90 |
R 60 |
R 30 |
||
|
(1) |
(2) |
(3) |
(4) |
(5) |
(6) |
(7) |
(8) |
|
1 |
Bê tông cốt liệu gốc silic a) Chiều dày trung bình của lớp bê tông bảo vệ cốt thép căng |
100 a) |
85 a) |
65 a) |
50 a) |
40 |
25 |
|
|
b) Chiều rộng tiết diện dầm |
280 |
240 |
180 |
140 |
110 |
80 |
|
2 |
Bê tông cốt liệu gốc silic, có các ván bê tông Vermiculite dày 15 mm sử dụng như tấm chắn cố định a) Chiều dày trung bình của lớp bê tông bảo vệ cốt thép căng |
75 a) |
60 |
45 |
35 |
25 |
15 |
|
|
b) Chiều rộng tiết diện dầm |
210 |
170 |
125 |
100 |
70 |
70 |
|
3 |
Bê tông cốt liệu gốc silic, có các ván bê tông Vermiculite dày 25 mm sử dụng như tấm chắn cố định a) Chiều dày trung bình của lớp bê tông bảo vệ cốt thép căng |
65 |
50 |
35 |
25 |
15 |
15 |
|
|
b) Chiều rộng tiết diện dầm |
180 |
140 |
100 |
70 |
60 |
60 |
|
4 |
Bê tông cốt liệu gốc silic, có trát thạch cao dày 15 mm trên lưới thép mảnh a) Chiều dày trung bình của lớp bê tông bảo vệ cốt thép căng |
90 a) |
75 |
50 |
40 |
30 |
15 |
|
|
b) Chiều rộng tiết diện dầm |
250 |
210 |
170 |
110 |
85 |
70 |
|
5 |
Bê tông cốt liệu gốc silic có trát Vermiculite/ thạch cao b) dày 15 mm a) Chiều dày trung bình của lớp bê tông bảo vệ cốt thép căng |
75 a) |
60 |
45 |
30 |
25 |
15 |
|
|
b) Chiều rộng tiết diện dầm |
170 |
145 |
125 |
85 |
60 |
60 |
|
6 |
Bê tông cốt liệu gốc silic có trát Vermiculite / thạch caob) dày 25 mm a) Chiều dày trung bình của lớp bê tông bảo vệ cốt thép căng |
50 |
45 |
30 |
25 |
15 |
15 |
|
|
b) Chiều rộng tiết diện dầm |
140 |
125 |
85 |
70 |
60 |
60 |
|
7 |
Bê tông cốt liệu nhẹ a) Chiều dày trung bình của lớp bê tông bảo vệ cốt thép căng |
80 |
65 |
50 |
40 |
30 |
20 |
|
|
b) Chiều rộng tiết diện dầm |
250 |
200 |
160 |
130 |
100 |
80 |
|
CHÚ THÍCH: a) Có thể phải bổ sung cốt thép phụ để giữ lớp bê tông bảo vệ. b) Vermiculite / thạch cao phải có tỷ lệ trộn theo thể tích nằm trong khoảng 1,5 đến 2 : 1 |
|
||||||
F.4 Cột bê tông cốt thép
Bảng F.6 - Cột bê tông cốt thép (có 4 mặt đều tiếp xúc với lửa)
|
TT |
Đặc điểm |
Kích thước nhỏ nhất của phần bê tông, mm, để đảm bảo giới hạn chịu lửa |
|||||
|
R 240 |
R 180 |
R 120 |
R 90 |
R 60 |
R 30 |
||
|
1 |
Bê tông cốt liệu gốc silic a) Không có biện pháp bảo vệ bổ sung |
450 |
400 |
300 |
250 |
200 |
150 |
|
|
b) Có trát ximăng hoặc thạch cao dày 15 mm trên lưới thép mảnh |
300 |
275 |
225 |
150 |
150 |
150 |
|
|
c) Có trát Vermiculite/thạch cao a) |
275 |
225 |
200 |
150 |
120 |
120 |
|
2 |
Bê tông cốt liệu đá vôi hoặc gốc silic Có cốt thép phụ trợ trong lớp bê tông bảo vệ |
300 |
275 |
225 |
200 |
190 |
150 |
|
3 |
Bê tông cốt liệu nhẹ |
300 |
275 |
225 |
200 |
190 |
150 |
|
CHÚ THÍCH: a) Vermiculite/thạch cao phải có tỷ lệ trộn theo thể tích nằm trong khoảng 1,5:1 đến 2:1 |
|||||||
Bảng F.7 - Cột bê tông cốt thép (có 1 mặt tiếp xúc với lửa)
|
TT |
Đặc điểm |
Kích thước nhỏ nhất của phần bê tông, mm, để đảm bảo giới hạn chịu lửa |
|||||
|
R 240 |
R 180 |
R 120 |
R 90 |
R 60 |
R 30 |
||
|
1 |
Bê tông cốt liệu gốc silic a) Không có biện pháp bảo vệ bổ sung |
180 |
150 |
100 |
100 |
75 |
75 |
|
|
b) Có trát Vermiculite / thạch cao a) dày 15 mm trên bề mặt tiếp xúc với lửa |
125 |
100 |
75 |
75 |
65 |
65 |
|
CHÚ DẪN: a) Vermiculite / thạch cao phải có tỷ lệ trộn theo thể tích nằm trong khoảng 1,5 đến 2 : 1 |
|||||||
F.5 Thép kết cấu
Bảng F.8 - Cột chống bằng thép được bọc bảo vệ (khối lượng cột trên 1 m dài không nhỏ hơn 45 kg)
|
TT |
Kết cấu và vật liệu bọc bảo vệ |
Chiều dày nhỏ nhất, mm, của lớp bảo vệ để đảm bảo giới hạn chịu lửa |
|||||
|
R 240 |
R 180 |
R 120 |
R 90 |
R 60 |
R 30 |
||
|
(1) |
(2) |
(3) |
(4) |
(5) |
(6) |
(7) |
(8) |
|
A |
Lớp bảo vệ dạng đặc a) (không trát) |
|
|
|
|
|
|
|
1 |
Bê tông cốt liệu tự nhiên có cấp phối không ít xi măng hơn 1 : 2 : 4 |
|
|
|
|
|
|
|
|
a) Bê tông không tham gia chịu lực, có cốt thép b) |
50 |
- |
25 |
25 |
25 |
25 |
|
|
b) Bê tông có tham gia chịu lực được gia cường bằng cốt thép |
75 |
- |
50 |
50 |
50 |
50 |
|
2 |
Gạch đặc bằng đất sét nung, composite hoặc vôi - cát |
100 |
75 |
50 |
50 |
50 |
50 |
|
3 |
Block đặc bằng bê tông xỉ bọt hoặc bê tông đá bọt có cốt thép b) tại tất cả các mối nối ngang |
75 |
60 |
50 |
50 |
50 |
50 |
|
B |
Lớp bảo vệ dạng rỗngc) |
|
|
|
|
|
|
|
1 |
Gạch đặc bằng đất sét nung, composite hoặc vôi - cát được gia cường tại tất cả các mối nối ngang, không trát |
115 |
- |
50 |
50 |
50 |
50 |
|
2 |
Block đặc bằng bê tông xỉ bọt hoặc bê tông đá bọt được gia cườngb) tại tất cả các mối nối ngang, không trát |
75 |
- |
50 |
50 |
50 |
50 |
|
3 |
Lati thép, trát thạch cao hoặc ximăng - vôi với chiều dày bằng: |
- |
- |
38d) |
25 |
19 |
12,5 |
|
4 |
a) Lati thép, trát thạch cao - Vermiculite hoặc thạch cao perlite với chiều dày bằng: |
50d) |
- |
19 |
16 |
12,5 |
12,5 |
|
|
b) Lati thép đặt cách nhau 25 mm tính từ cánh có trát thạch cao - Vermiculite hoặc thạch cao perlite với chiều dày bằng: |
44 |
- |
19 |
12,5 |
12,5 |
12,5 |
|
5 |
Tấm ốp hoàn thiện bằng thạch cao buộc bằng sợi thép 1.6 mm với khoảng cách 100 mm |
|
|
|
|
|
|
|
|
a) Tấm ốp hoàn thiện dày 9,5 mm có trát thạch cao với chiều dày bằng: |
- |
- |
- |
- |
12,5 |
12,5 |
|
|
b) Tấm ốp hoàn thiện dày 19 mm có trát thạch cao với chiều dày bằng: |
- |
- |
12,5 |
10 |
7 |
7 |
|
6 |
Tấm ốp hoàn thiện bằng thạch cao buộc bằng sợi thép 1.6 mm với khoảng cách 100 mm a) Tấm ốp hoàn thiện dày 9,5 mm có trát thạch cao - Vermiculite với chiều dày bằng: |
- |
- |
16 |
15 |
10 |
10 |
|
|
b) Tấm ốp hoàn thiện dày 19 mm có trát thạch cao - Vermiculite với chiều dày bằng: |
38d) |
- |
20 |
13 |
10 |
10 |
|
7 |
Tấm Vermiculite - ximăng theo tỷ lệ 4 : 1 được gia cường bằng lưới thép và bả hoàn thiện. Chiều dày tấm bằng: |
63 |
- |
25 |
25 |
25 |
25 |
|
CHÚ THÍCH: a) Lớp bảo vệ dạng đặc có nghĩa là một vỏ bên ngoài được gắn chặt vào thép, không tạo ra khe hở giữa bề mặt tiếp xúc và tất cả các mạch ghép nối trong phần vỏ đó đều kín và đặc. b) Cốt thép gia cường phải là các sợi thép buộc có chiều dày không nhỏ hơn 2,3 mm, hoặc là một lưới thép có khối lượng đơn vị không nhỏ hơn 0,48 kg/m2. Khoảng cách giữa các bộ phận cốt thép gia cường, trong lớp bảo vệ bằng bê tông, theo bất kỳ chiều nào không được lớn hơn 150 mm. c) Lớp bảo vệ dạng rỗng có nghĩa là có một khoảng trống giữa vật liệu bảo vệ và thép. Tất cả các dạng bảo vệ rỗng cho cột phải được chèn bịt một cách có hiệu quả tại mỗi cao trình sàn. d) Cần có lưới thép mảnh gia cường đặt cách bề mặt từ 12,5 mm đến 19 mm trừ trường hợp có sử dụng các nẹp góc (corner bead) đặc biệt |
|||||||
Bảng F.9 - Dầm bằng thép được bọc bảo vệ (khối lượng dầm trên 1 m dài không nhỏ hơn 30 kg)
|
TT |
Kết cấu và vật liệu bảo vệ |
Chiều dày nhỏ nhất, mm, của lớp bảo vệ để đảm bảo giới hạn chịu lửa |
|||||
|
R 240 |
R 180 |
R 120 |
R 90 |
R 60 |
R 30 |
||
|
(1) |
(2) |
(3) |
(4) |
(5) |
(6) |
(7) |
(8) |
|
A |
Lớp bảo vệ dạng đặc a) (không trát) |
|
|
|
|
|
|
|
1 |
Bê tông cốt liệu tự nhiên có cấp phối không ít xi măng hơn 1 : 2 : 4 a) Bê tông không tham gia chịu lực, có cốt thépb) |
75 |
50 |
25 |
25 |
25 |
25 |
|
|
b) Bê tông có tham gia chịu lực có cốt thép |
75 |
75 |
50 |
50 |
50 |
50 |
|
2 |
Phun bọc bằng vermiculite - ximăng với chiều dày bằng: |
- |
- |
38 |
32 |
19 |
12,5 |
|
B |
Lớp bảo vệ dạng rỗngc) |
|
|
|
|
|
|
|
1 |
Lati thép a) Trát ximăng - vôi với chiều dày bằng: |
- |
- |
38 |
25 |
19 |
12,5 |
|
|
b) Trát thạch cao với chiều dày bằng: |
- |
- |
22 |
19 |
16 |
12,5 |
|
|
c) Trát thạch cao - vermiculite hoặc thạch cao - perlite với chiều dày bằng: |
32 |
- |
12,5 |
12,5 |
12,5 |
12,5 |
|
2 |
Tấm ốp hoàn thiện bằng thạch cao buộc bằng sợi thép 1.6 mm với khoảng cách 100 mm |
|
|
|
|
|
|
|
|
a) Tấm ốp hoàn thiện dày 9,5 mm, trát thạch cao với chiều dày bằng: |
- |
- |
- |
- |
12,5 |
12,5 |
|
|
b) Tấm ốp hoàn thiện dày 19 mm, trát thạch cao với chiều dày bằng: |
- |
- |
12,5 |
10 |
7 |
7 |
|
3 |
Tấm ốp hoàn thiện buộc bằng sợi thép 1.6 mm với khoảng cách 100 mm |
|
|
|
|
|
|
|
|
a) Tấm ốp hoàn thiện dày 9,5 mm cố định vào khung xương gỗ bằng đinh, trát thạch cao với chiều dày bằng: |
- |
- |
- |
- |
- |
12,5 |
|
|
b) Tấm ốp hoàn thiện dày 19 mm, trát thạch cao - vermiculite với chiều dày bằng: |
- |
- |
16 |
15 |
10 |
10 |
|
|
c) Tấm ốp hoàn thiện dày 19 mm, trát thạch cao - vermiculite với chiều dày bằng: |
32 |
- |
10 |
10 |
7 |
7 |
|
|
d) Tấm ốp hoàn thiện dày 19 mm, trát thạch cao với chiều dày bằng: |
- |
- |
20 |
13 |
10 |
10 |
|
4 |
Tấm vermiculite - ximăng theo tỷ lệ 4:1 được gia cường bằng lưới thép và bả hoàn thiện. Chiều dày tấm bằng: |
63 |
- |
25 |
25 |
25 |
25 |
|
5 |
Trát thạch cao - cát dày 12,5 mm vào tấm sợi gỗ cường lực với chiều dày bằng: |
- |
- |
50 |
38 |
38 |
38 |
|
CHÚ THÍCH: a) Lớp bảo vệ dạng đặc có nghĩa là một vỏ bên ngoài được gắn chặt vào thép, không tạo ra khe hở giữa bề mặt tiếp xúc và tất cả các mạch ghép nối trong phần vỏ đó đều kín và đặc. b) Cốt thép gia cường phải là các sợi thép buộc có chiều dày không nhỏ hơn 2,3 mm, hoặc là một lưới thép có khối lượng đơn vị không nhỏ hơn 0,48 kg/m2. Khoảng cách giữa các bộ phận cốt thép gia cường, trong lớp bảo vệ bằng bê tông, theo bất kỳ chiều nào không được lớn hơn 150 mm. c) Lớp bảo vệ dạng rỗng có nghĩa là có một khoảng trống giữa vật liệu bảo vệ và thép. Tất cả các dạng bảo vệ rỗng cho cột phải được chèn bịt một cách có hiệu quả tại mỗi cao trình sàn. d) Chiều dày thể hiện là giá trị trung bình. |
|||||||
F.6 Nhôm kết cấu
Bảng F.10 - Cột chống và dầm bằng hợp kim nhôm được bọc bảo vệ (khối lượng cấu kiện trên 1 m dài không nhỏ hơn 16 kg)
|
TT |
Kết cấu và vật liệu bảo vệ |
Chiều dày nhỏ nhất, mm, của lớp bảo vệ để đảm bảo giới hạn chịu lửa |
|||||
|
R 240 |
R 180 |
R 120 |
R 90 |
R 60 |
R 30 |
||
|
A |
Lớp bảo vệ dạng đặca) |
|
|
|
|
|
|
|
1 |
Phun bọc bằng vermicullite - ximăng với chiều dày bằng: |
- |
- |
- |
- |
44 |
19 |
|
B |
Lớp bảo vệ dạng rỗngb) |
|
|
|
|
|
|
|
1 |
Lati thép, trát thạch cao - vermiculite hoặc thạch cao - perlite với chiều dày bằng: |
- |
- |
32 |
22 |
16 |
12,5 |
|
2 |
Lati thép trát thạch cao mịn với chiều dày bằng |
- |
- |
- |
- |
19 |
12,5 |
|
3 |
Tấm ốp hoàn thiện bằng thạch cao buộc bằng sợi thép 1,6 mm với khoảng cách 100 mm, trát thạch cao - vermiculite dày: |
- |
- |
22 |
16 |
10 |
10 |
|
CHÚ THÍCH: a) Lớp bảo vệ dạng đặc có nghĩa là một vỏ bên ngoài được gắn chặt vào thép, không tạo ra khe hở giữa bề mặt tiếp xúc và tất cả các mạch ghép nối trong phần vỏ đó đều kín và đặc. b) Lớp bảo vệ dạng rỗng có nghĩa là có một khoảng trống giữa vật liệu bảo vệ và thép. Tất cả các dạng bảo vệ rỗng cho cột phải được chèn bịt một cách có hiệu quả tại mỗi cao trình sàn. |
|||||||
F.7 Kết cấu sàn
Bảng F.11 - Sàn gỗ
|
TT |
Kết cấu và vật liệu |
Chiều dày nhỏ nhất, mm, của lớp bảo vệ để đảm bảo giới hạn chịu lửa |
|
|
REI 60 |
REI 30 |
||
|
(1) |
(2) |
(3) |
(4) |
|
A |
Tấm có mép ghép phẳng cố định vào các dầm gỗ có chiều rộng không nhỏ hơn 38 mm, bề mặt trần phía dưới bằng |
|
|
|
1 |
Nẹp gỗ và trát với chiều dày trát bằng |
- |
16,0 |
|
2 |
Nẹp gỗ và trát với chiều dày trát nhỏ nhất bằng 16 mm, bề mặt dưới được che bằng tấm ốp hoàn thiện có chiều dày bằng |
- |
12,5 |
|
3 |
Lati thép và trát bằng |
|
|
|
|
a) Thạch cao với chiều dày bằng |
- |
16,0 |
|
|
b) Vermiculite với chiều dày bằng |
- |
12,5 |
|
4 |
Một lớp tấm ốp hoàn thiện có chiều dày bằng: |
- |
12,5 |
|
5 |
Một lớp tấm ốp hoàn thiện dày 9,5 mm, trát thạch cao với chiều dày bằng: |
- |
12,5 |
|
6 |
Một lớp tấm ốp hoàn thiện dày 12,5 mm, trát thạch cao với chiều dày bằng: |
- |
12,5 |
|
7 |
Hai lớp tấm ốp hoàn thiện có tổng chiều dày bằng: |
- |
25,0 |
|
8 |
Một lớp tấm sợi cách nhiệt chiều dày nhỏ nhất 9,5 mm, trát thạch cao với chiều dày bằng: |
- |
5,0 |
|
9 |
Một lớp tấm sợi cách nhiệt chiều dày nhỏ nhất 12,5 mm, trát thạch cao với chiều dày bằng: |
- |
12,5 |
|
10 |
Tấm sợi gỗ dày 25 mm, trát thạch cao với chiều dày bằng: |
- |
5,0 |
|
B |
Tấm có mép ghép dạng rãnh và gờ với chiều dàya) không nhỏ hơn 16 mm (chiều dày hoàn thiện), cố định vào các dầm gỗ có chiều rộng không nhỏ hơn 38 mm, bề mặt trần phía dưới bằng |
|
|
|
1 |
Nẹp gỗ và trát với chiều dày trát bằng |
- |
16,0 |
|
2 |
Nẹp gỗ và trát với chiều dày trát nhỏ nhất bằng 16 mm, bề mặt dưới được che bằng tấm ốp hoàn thiện có chiều dày bằng |
- |
9,5 |
|
3 |
Lati thép và trát bằng |
|
|
|
|
a) Thạch cao với chiều dày bằng |
22,0 |
16,0 |
|
|
b) Vermiculite với chiều dày bằng |
12,5 |
12,5 |
|
4 |
Một lớp tấm ốp hoàn thiện có chiều dày bằng: |
- |
9,5 |
|
5 |
Một lớp tấm ốp hoàn thiện với chiều dày nhỏ nhất là 9,5 mm, trát bằng: |
|
|
|
|
a) Thạch cao với chiều dày bằng |
- |
12,5 |
|
|
b) Vermiculite - thạch cao với chiều dày bằng |
12,5 |
- |
|
6 |
Một lớp tấm ốp hoàn thiện dày 12,5 mm, trát thạch cao với chiều dày bằng: |
- |
5,0 |
|
7 |
Hai lớp tấm ốp hoàn thiện có tổng chiều dày bằng: |
- |
22,0 |
|
8 |
Một lớp tấm sợi cách nhiệt chiều dày nhỏ nhất 9,5 mm, trát thạch cao với chiều dày bằng: |
- |
5,0 |
|
9 |
Tấm sợi gỗ dày 25 mm, trát bằng: |
|
|
|
|
a) Thạch cao với chiều dày bằng |
- |
5,0 |
|
|
b) Vermiculite - thạch cao với chiều dày bằng |
10,0 |
- |
|
C |
Tấm có mép ghép dạng rãnh và gờ với chiều dàya) không nhỏ hơn 21 mm (chiều dày hoàn thiện), cố định vào các dầm gỗ có kích thước tiết diện (cao x rộng) không nhỏ hơn 175 mm x 50 mm, bề mặt trần phía dưới bằng |
|
|
|
1 |
Nẹp gỗ và trát với chiều dày trát bằng |
- |
16,0 |
|
2 |
Lati thép và trát với chiều dày trát bằng |
- |
16,0 |
|
3 |
Một lớp tấm ốp hoàn thiện có chiều dày bằng: |
- |
9,5 |
|
4 |
Một lớp tấm ốp hoàn thiện với chiều dày nhỏ nhất là 9,5 mm, trát bằng: |
|
|
|
|
a) Thạch cao với chiều dày bằng |
- |
12,5 |
|
|
b) Vermiculite - thạch cao với chiều dày bằng |
12,5 |
- |
|
5 |
Một lớp tấm ốp hoàn thiện dày 12,5 mm, trát thạch cao với chiều dày bằng: |
- |
5,0 |
|
6 |
Hai lớp tấm ốp hoàn thiện có tổng chiều dày bằng: |
- |
19,0 |
|
7 |
Một lớp tấm sợi cách nhiệt với chiều dày bằng: |
- |
12,5 |
|
8 |
Một lớp tấm sợi cách nhiệt có chiều dày nhỏ nhất là 12,5 mm trát thạch cao với chiều dày bằng: |
- |
12,5 |
|
9 |
Tấm sợi gỗ dày 25 mm, trát bằng: |
|
|
|
|
a) Thạch cao với chiều dày bằng |
|
5,0 |
|
|
b) Vermiculite - thạch cao với chiều dày bằng |
10,0 |
|
|
CHÚ THÍCH: a) Hoặc chiều dày tương đương của tấm gỗ dăm bào |
|||
Bảng F.12 - Sàn bê tông cốt thép (Cốt liệu gốc silic hoặc đá vôi)
|
TT |
Kết cấu sàn |
Kích thước nhỏ nhất, mm, để đảm bảo giới hạn chịu lửa |
|||||
|
REI 240 |
REI 180 |
REI 120 |
REI 90 |
REI 60 |
REI 30 |
||
|
(1) |
(2) |
(3) |
(4) |
(5) |
(6) |
(7) |
(8) |
|
1 |
Bản sàn đặc a) Chiều dày trung bình của lớp bê tông bảo vệ cốt thép chịu lực |
25 |
25 |
20 |
20 |
15 |
15 |
|
|
b) Chiều cao tổng thểa) của tiết diện |
150 |
150 |
125 |
125 |
100 |
100 |
|
2 |
Bản sàn ống với ống tiết diện hình tròn hoặc ống, cao hơn chiều rộng. Phải có không ít hơn 50 % tổng diện tích tiết diện ngang của sàn là vật liệu đặc a) Chiều dày trung bình của lớp bê tông bảo vệ cốt thép chịu lực |
25 |
25 |
20 |
20 |
15 |
15 |
|
|
b) Chiều dày của bản cánh phía dưới |
50 |
40 |
40 |
30 |
25 |
20 |
|
|
c) Chiều cao tổng thểa) của tiết diện |
190 |
175 |
160 |
140 |
110 |
100 |
|
3 |
Tiết diện hộp có một hoặc nhiều khoang rỗng theo chiều dọc với chiều rộng lớn hơn chiều cao a) Chiều dày trung bình của lớp bê tông bảo vệ cốt thép chịu lực |
25 |
25 |
20 |
20 |
15 |
15 |
|
|
b) Chiều dày của bản cánh phía dưới |
50 |
40 |
40 |
30 |
25 |
20 |
|
|
c) Chiều cao tổng thểa) của tiết diện |
230 |
205 |
180 |
155 |
130 |
105 |
|
4 |
Tiết diện có sườn tăng cứng với phần hộp rỗng chèn bằng block đất sét nung, hoặc sườn tiết diện T ngược có phần hộp rỗng được chèn bằng block bê tông hoặc đất sét nung. Nếu sàn có không quá 50 % tổng diện tích tiết diện ngang là vật liệu đặc thì phải được phủ một lớp trát dày 15 mm ở bể mặt phía dưới |
|
|
|
|
|
|
|
|
a) Chiều dày trung bình của lớp bê tông bảo vệ cốt thép chịu lực |
25 |
25 |
20 |
20 |
15 |
15 |
|
|
b) Chiều rộng hoặc sườn tăng cứng hoạc dầm ở phía dưới |
125 |
100 |
90 |
80 |
70 |
50 |
|
|
c) Chiều cao tổng thểa) của tiết diện |
190 |
175 |
160 |
140 |
110 |
100 |
|
5 |
Sườn tăng cứng chữ T |
|
|
|
|
|
|
|
|
a) Chiều dày trung bình của lớp bê tông bảo vệ cốt thép chịu lực, đo ở mặt đáy |
65b) |
55 b) |
45 b) |
35 |
25 |
15 |
|
|
b) Chiều dày của lớp bê tông bảo vệ cốt thép chịu lực, đo ở mặt bên |
65 |
55 |
45 |
35 |
25 |
15 |
|
|
c) Chiều rộng sườn hoặc của chân chữ T |
150 |
140 |
115 |
90 |
75 |
60 |
|
|
d) Chiều dày của cánh |
150 |
150 |
125 |
125 |
100 |
90 |
|
6 |
Sườn tăng cứng tiết diện chữ U ngược với bán kính cong tại giao điểm của bản đáy với phần trên cùng của sườn không lớn hơn chiều dày của tiết diện |
|
|
|
|
|
|
|
|
a) Chiều dày trung bình của lớp bê tông bảo vệ cốt thép chịu lực, đo ở mặt đáy |
65 b) |
55 b) |
45 b) |
35 |
25 |
15 |
|
|
b) Chiều dày của lớp bê tông bảo vệ cốt thép, đo ở mặt bên |
40 |
30 |
25 |
20 |
15 |
10 |
|
|
c) Chiều rộng sườn hoặc của chân chữ U |
75 |
70 |
60 |
45 |
40 |
30 |
|
|
d) Chiều dày tại bản phía trên |
150 |
150 |
125 |
125 |
100 |
90 |
|
7 |
Sườn tăng cứng tiết diện chữ U ngược với bán kính cong tại giao điểm của bản đáy với phần trên cùng của sườn lớn hơn chiều dày của tiết diện |
|
|
|
|
|
|
|
|
a) Chiều dày trung bình của lớp bê tông bảo vệ cốt thép chịu lực, đo ở mặt đáy |
65 b) |
55 b) |
45 b) |
35 |
25 |
15 |
|
|
b) Chiều dày của lớp bê tông bảo vệ cốt thép, đo ở mặt bên |
40 |
30 |
25 |
20 |
15 |
10 |
|
|
c) Chiều rộng sườn hoặc của chân chữ U |
70 |
60 |
50 |
40 |
35 |
25 |
|
|
d) Chiều dày tại bản phía trên |
150 |
150 |
100 |
100 |
75 |
65 |
|
CHÚ THÍCH: a) Có thể cộng thêm chiều dày của các lớp láng hoặc lớp hoàn thiện bằng vật liệu không cháy b) Có thể phải bổ sung cốt thép phụ để giữ lớp bê tông bảo vệ |
|||||||
Bảng F.13 - Sàn bê tông cốt thép ứng suất trước (Cốt liệu gốc silic hoặc đá vôi)
|
TT |
Kết cấu sàn |
Kích thước nhỏ nhất, mm, để đảm bảo giới hạn chịu lửa |
|||||
|
REI 240 |
REI 180 |
REI 120 |
REI 90 |
REI 60 |
REI 30 |
||
|
(1) |
(2) |
(3) |
(4) |
(5) |
(6) |
(7) |
(8) |
|
1 |
Bản sàn đặc |
|
|
|
|
|
|
|
|
a) Chiều dày trung bình của lớp bê tông bảo vệ cốt thép căng |
65a) |
50a) |
40 |
30 |
25 |
15 |
|
|
b) Chiều cao tổng thểb) của tiết diện |
150 |
150 |
125 |
125 |
100 |
100 |
|
2 |
Bản sàn ống với ống tiết diện hình tròn hoặc ống cao hơn chiều rộng. Phải có không ít hơn 50 % tổng diện tích tiết diện ngang của sàn là vật liệu đặc |
|
|
|
|
|
|
|
|
a) Chiều dày trung bình của lớp bê tông bảo vệ cốt thép căng |
65 a) |
50 a) |
40 |
30 |
25 |
15 |
|
|
b) Chiều dày của bản cánh phía dưới |
50 |
40 |
40 |
30 |
25 |
20 |
|
|
c) Chiều cao tổng thểb) của tiết diện |
190 |
175 |
160 |
140 |
110 |
100 |
|
3 |
Tiết diện hộp có một hoặc nhiều khoang rỗng theo chiều dọc với chiều rộng lớn hơn chiều |
|
|
|
|
|
|
|
|
a) Chiều dày trung bình của lớp bê tông bảo vệ cốt thép căng |
65 a) |
50 a) |
40 |
30 |
25 |
15 |
|
|
b) Chiều dày của bản cánh phía dưới |
65 |
50 |
40 |
30 |
25 |
15 |
|
|
c) Chiều cao tổng thểb) của tiết diện |
230 |
205 |
180 |
155 |
130 |
105 |
|
4 |
Tiết diện có sườn tăng cứng với phần hộp rỗng chèn bằng block đất sét nung, hoặc dầm tiết diện T ngược có phần hộp rỗng được chèn bằng block bê tông hoặc đất sét nung. Nếu sàn có không quá 50 % tổng diện tích tiết diện ngang là vật liệu đặc thì phải được phủ một lớp trát dày 15 mm ở bể mặt phía dưới |
|
|
|
|
|
|
|
|
a) Chiều dày trung bình của lớp bê tông bảo vệ cốt thép căng |
65 a) |
50 a) |
40 |
30 |
25 |
15 |
|
|
b) Chiều rộng hoặc sườn tăng cứng hoặc dầm ở phía dưới |
125 |
100 |
90 |
80 |
70 |
50 |
|
|
c) Chiều cao tổng thểb) của tiết diện |
190 |
175 |
160 |
140 |
110 |
100 |
|
5 |
Sườn tăng cứng tiết diện chữ T |
|
|
|
|
|
|
|
|
a) Chiều dày trung bình của lớp bê tông bảo vệ cốt thép căng, đo ở mặt đáy |
100 a) |
85 a) |
65 a) |
50 a) |
40 |
25 |
|
|
b) Chiều dày của lớp bê tông bảo vệ cốt thép căng, đo ở mặt bên |
100 |
85 |
65 |
50 |
40 |
25 |
|
|
c) Chiều rộng sườn hoặc của chân chữ T |
250 |
200 |
150 |
110 |
90 |
60 |
|
|
d) Chiều dày của cánhb) |
150 |
150 |
125 |
125 |
100 |
90 |
|
6 |
Sườn tăng cứng tiết diện chữ U ngược với bán kính cong tại giao điểm của bản đáy với phần trên cùng của sườn không lớn hơn chiều dày của tiết diện |
|
|
|
|
|
|
|
|
a) Chiều dày trung bình của lớp bê tông bảo vệ cốt thép căng, đo ở mặt đáy |
100 a) |
85 a) |
65 a) |
50 a) |
40 |
25 |
|
|
b) Chiều dày của lớp bê tông bảo vệ cốt thép căng, đo ở mặt bên |
50 |
45 |
35 |
25 |
20 |
15 |
|
|
c) Chiều rộng sườn hoặc của chân chữ U |
125 |
100 |
75 |
55 |
45 |
30 |
|
|
d) Chiều dày tại bản phía trênb) |
150 |
150 |
125 |
125 |
100 |
90 |
|
7 |
Sườn tăng cứng tiết diện chữ U ngược với bán kính cong tại giao điểm của bản đáy với phần trên cùng của sườn lớn hơn chiều dày của tiết diện |
|
|
|
|
|
|
|
|
a) Chiều dày trung bình của lớp bê tông bảo vệ cốt thép căng, đo ở mặt đáy |
100 a) |
85 a) |
65 a) |
50 a) |
40 |
25 |
|
|
b) Chiều dày của lớp bê tông bảo vệ cốt thép căng, đo ở mặt bên |
50 |
45 |
35 |
25 |
20 |
15 |
|
|
c) Chiều rộng sườn hoặc của chân chữ U |
110 |
90 |
70 |
50 |
40 |
30 |
|
|
d) Chiều dày tại bản phía trênb) |
150 |
150 |
125 |
125 |
100 |
90 |
|
CHÚ THÍCH: a) Có thể phải bổ sung cốt thép phụ để giữ lớp bê tông bảo vệ b) Có thể cộng thêm chiều dày của các lớp láng hoặc lớp hoàn thiện bằng vật liệu không cháy
|
|||||||
F.8 Bộ phận lắp kính
Bảng F.14 - Bộ phận lắp kính
|
TT |
Kết cấu và vật liệu |
Chiều dày nhỏ nhất, mm, của bộ phận lắp kính để đảm bảo giới hạn chịu lửa |
|
|
E 60 |
E 30 |
||
|
1 |
Kính, tổ hợp gián tiếp với kim loại có điểm nóng chảy không thấp hơn 982,2 oC, có hình vuông với diện tích không lớn hơn 0,015 m2 Chiều dày của kính |
|
6,35 |
|
2 |
Kính, gia cường bằng lưới kim loại đan ô vuông đường kính không nhỏ hơn 0,46 mm, khoảng cách tính từ tim các sợi trong lưới không quá 12,70 mm, giao điểm của các sợi kim loại được liên kết hàn bấm điểm, hoặc lưới kim loại đan ô lục giác với khoảng cách mắt lưới đo theo hai cạnh song song là 25,4 mm Chiều dày của kính |
|
6,35 |
|
3 |
Kính, gia cường bằng lưới kim loại như đề cập trong mục 2 của bảng này lắp đặt trong cửa đi, cửa sổ, ô lấy sáng, cửa mái và cửa trời được cố định trong khung kim loại (chắn cố định) với diện tích không lớn hơn 1,115 m2. Việc cố định được thực hiện bởi nẹp góc kim loại, tất cả các chi tiết kim loại phải có điểm nóng cháy không thấp hơn 982,2 oC Chiều dày của kính |
6,35 |
6,35 |
|
4 |
Viên gạch hoặc block bằng kính trong tường |
- |
98,43 |
|
CHÚ THÍCH 1: Trong bảng trên, một số vị trí thuộc cột giới hạn chịu lửa không có giá trị có nghĩa là bộ phận kính theo miêu tả không được phép sử dụng cho trường hợp đó. CHÚ THÍCH 2: Kính phù hợp với mục 1 và 2 trên đây khi lắp đặt trong cửa đi, cửa sổ, ô lấy sáng, cửa mái và cửa trời được cố định trong khung gỗ (chắn cố định) có chiều rộng và chiều dày nhỏ nhất là 44,45 mm không bị giảm yếu. Việc cố định được thực hiện bởi nẹp góc bằng gỗ hoặc kim loại hoặc bởi tổ hợp tấm kính và chi tiết giữ góc hoặc kẹp với diện tích không quá 0,372 m2.
|
|||
Phụ lục G
Quy định về khoảng cách đến các lối ra thoát nạn và chiều rộng của lối ra thoát nạn
G.1 Khoảng cách giới hạn cho phép từ chỗ xa nhất (có người sinh hoạt, làm việc) tới lối ra thoát nạn gần nhất
G.1.1 Đối với nhà ở
Khoảng cách giới hạn cho phép từ cửa ra vào của căn hộ (nhà nhóm F1.3) hay của phòng ở (nhà nhóm F1.2) đến lối ra thoát nạn gần nhất (buồng thang bộ hoặc lối ra bên ngoài) phài phù hợp với Bảng G.1.
Bảng G.1 - Khoảng cách giới hạn cho phép từ cửa ra vào của căn hộ hay của phòng ở đến lối ra thoát nạn gần nhất
|
Bậc chịu lửa của nhà |
Cấp nguy hiểm cháy kết cấu của nhà |
Khoảng cách giới hạn cho phép từ cửa ra vào căn hộ hoặc phòng ở đến lối ra thoát nạn gần nhất, m |
|
|
Khi cửa bố trí ở giữa các buồng thang bộ hoặc giữa các lối ra ngoài |
Khi cửa bố trí ở hành lang cụt |
||
|
I, II |
S0 |
40 |
25 |
|
II |
S1 |
30 |
20 |
|
III |
S0 |
30 |
20 |
|
S1 |
25 |
15 |
|
|
IV |
S0 |
25 |
15 |
|
S1, S2 |
20 |
10 |
|
|
V |
Không quy định |
20 |
10 |
G.1.2 Đối với công trình công cộng
a) Khoảng cách giới hạn cho phép theo đường thoát nạn từ cửa ra vào của gian phòng xa nhất của nhà công cộng (trừ các gian phòng vệ sinh, phòng tắm giặt, phục vụ khác) đến lối ra thoát nạn gần nhất (lối ra bên ngoài hoặc vào buồng thang bộ) phải phù hợp với Bảng G.2a.
CHÚ THÍCH: Đối với các tầng nhà không có hành lang được bao bọc bằng các bộ phận ngăn cháy theo quy định trong 3.3.5 thì khoảng cách giới hạn cho phép của đường thoát nạn phải tính từ điểm xa nhất của gian phòng trên tầng nhà đó.
b) Khoảng cách giới hạn cho phép từ một điểm bất kỳ của các gian phòng có khối tích khác nhau không có ghế ngồi cho khán giả đến lối ra thoát nạn gần nhất phải phù hợp với Bảng G.2b. Khi có sự kết hợp các lối thoát nạn chính vào một lối chung thì chiều rộng của lối chung không được nhỏ hơn tổng chiều rộng của các lối thành phần.
Bảng G.2a- Khoảng cách giới hạn cho phép từ cửa ra vào của gian phòng tới lối ra thoát nạn gần nhất đối với nhà công cộng
|
Bậc chịu lửa của nhà |
Khoảng cách, m, khi mật độ dòng người thoát nạn, người/m2, là |
||||
|
Đến 2 |
Từ lớn hơn 2 đến 3 |
Từ lớn hơn 3 đến 4 |
Từ lớn hơn 4 đến 5 |
Lớn hơn 5 |
|
|
(1) |
(2) |
(3) |
(4) |
(5) |
(6) |
|
A. Từ gian phòng có cửa ra bố trí ở giữa các buồng thang bộ hoặc ở giữa các lối ra bên ngoài |
|||||
|
I, II, III |
60 |
50 |
40 |
35 |
20 |
|
IV |
40 |
35 |
30 |
25 |
15 |
|
V |
30 |
25 |
20 |
15 |
10 |
|
B. Từ gian phòng có cửa ra mở vào hành lang cụt hoặc mở vào sảnh chung |
|||||
|
I, II, III |
30 |
25 |
20 |
15 |
10 |
|
IV |
20 |
15 |
15 |
10 |
7 |
|
V |
15 |
10 |
10 |
5 |
5 |
|
CHÚ THÍCH 1: Mật độ dòng người thoát nạn được xác định bằng tỉ số giữa tổng số người phải thoát nạn theo đường thoát nạn và diện tích của đường thoát nạn đó. CHÚ THÍCH 2: Phải áp dụng những giá trị khoảng cách cho trong Bảng G.2a như sau: Đối với trường mầm non lấy theo cột (6); Đối với các trường học, trường kỹ thuật dạy nghề và các trường cao đẳng, chuyên nghiệp và đại học lấy theo cột (3); Đối với các cơ sở điều trị nội trú lấy theo cột (5); Đối với khách sạn lấy theo (4). Đối với các nhà công cộng khác, mật độ dòng người thoát nạn trong hành lang được lấy cụ thể cho từng dự án. |
|||||
Bảng G.2b - Khoảng cách giới hạn cho phép từ một điểm bất kỳ của gian phòng công cộng không có ghế ngồi cho khán giả tới lối ra thoát nạn gần nhất
|
Loại sử dụng của gian phòng |
Bậc chịu lửa của nhà |
Khoảng cách giới hạn cho phép, m, từ 1 điểm bất kỳ của gian phòng tới lối ra thoát nạn gần nhất với khối tích gian phòng, nghìn m3 |
||
|
Đến 5 |
Từ lớn hơn 5 đến 10 |
Lớn hơn hoặc bằng 10 |
||
|
(1) |
(2) |
(3) |
(4) |
(5) |
|
1- Các gian phòng chờ, bán vé, trưng bày triển lãm, khiêu vũ, nghỉ và tương tự. |
I, II |
30 |
45 |
55 |
|
III, IV |
20 |
30 |
* |
|
|
V |
15 |
* |
* |
|
|
2- Các gian phòng ăn, phòng đọc khi diện tích của mỗi lối đi chính tính theo đầu người không nhỏ hơn 0,2 m2. |
I, II |
65 |
* |
* |
|
III, IV |
45 |
* |
* |
|
|
V |
30 |
* |
* |
|
|
3a- Các gian phòng thương mại khi diện tích của các lối đi chính tính theo phần trăm diện tích của gian phòng không nhỏ hơn 25 %. |
I, II |
50 |
65 |
80 |
|
III, IV |
35 |
45 |
* |
|
|
V |
25 |
* |
* |
|
|
3b- Các gian phòng thương mại khi diện tích của các lối đi chính tính theo phần trăm diện tích của gian phòng nhỏ hơn 25 %. |
I, II |
25 |
30 |
35 |
|
III, IV |
15 |
20 |
* |
|
|
V |
10 |
* |
* |
|
|
CHÚ THÍCH: (*) Khoảng cách giới hạn này phải được xác định theo luận chứng kỹ thuật riêng. |
||||
G.1.3 Đối với nhà sản xuất
a) Khoảng cách giới hạn cho phép từ chỗ làm việc xa nhất trong gian phòng đến lối ra thoát nạn gần nhất (lối ra trực tiếp bên ngoài hoặc buồng thang bộ) phài phù hợp với Bảng G.3. Đối với các gian phòng có diện tích lớn hơn 1 000 m2 thì khoảng cách cho trong Bảng G.3 bao gồm cả chiều dài của đường đi theo hành lang để đến lối ra.
b) Khoảng cách giới hạn cho phép trong Bảng G3 với các trị số trung gian của khối tích của gian phòng được xác định bằng nội suy tuyến tính.
c) Khoảng cách giới hạn cho phép trong Bảng G3 được thiết lập cho các gian phòng có chiều cao đến 6,0 m. Khi chiều cao gian phòng lớn hơn 6,0 m, thì khoảng cách này được tăng lên như sau: khi chiều cao gian phòng đến 12,0 m thì tăng thêm 20 %; đến 18,0 m thì tăng thêm 30 %; đến 24,0 m thì tăng thêm 40 %, nhưng không được lớn hơn 140,0 m đối với gian phòng có hạng A, B và không lớn hơn 240,0 m đối với gian phòng có hạng C.
Bảng G.3 - Khoảng cách giới hạn cho phép từ chỗ làm việc xa nhất đến lối ra thoát nạn gần nhất của nhà sản xuất
|
Khối tích của gian phòng (1 000 m3) |
Hạng của gian phòng |
Bậc chịu lửa của nhà |
Cấp nguy hiểm cháy kết cấu của nhà |
Khoảng cách, m, khi mật độ dòng người thoát nạn trên lối đi chung, người/m2, là |
||
|
Đến 1 |
Từ lớn hơn 1 đến 3 |
Từ lớn hơn 3 đến 5 |
||||
|
(1) |
(2) |
(3) |
(4) |
(5) |
(6) |
(7) |
|
Đến 15 |
A, B |
I, II, III, IV |
S0 |
40 |
25 |
15 |
|
C1, C2, C3 |
I, II, III, IV |
S0 |
100 |
60 |
40 |
|
|
III, IV |
S1 |
70 |
40 |
30 |
||
|
V |
S2, S3 |
50 |
30 |
20 |
||
|
30 |
A, B |
I, II, III, IV |
S0 |
60 |
35 |
25 |
|
C1, C2, C3 |
I, II, III, IV |
S0 |
145 |
85 |
60 |
|
|
III, IV |
S1 |
100 |
60 |
40 |
||
|
40 |
A, B |
I, II, III, IV |
S0 |
80 |
50 |
35 |
|
C1, C2, C3 |
I, II, III, IV |
S0 |
160 |
95 |
65 |
|
|
III, IV |
S1 |
110 |
65 |
45 |
||
|
50 |
A, B |
I, II, III, IV |
S0 |
120 |
70 |
50 |
|
C1, C2, C3 |
I, II, III, IV |
S0 |
180 |
105 |
75 |
|
|
III, IV |
S1 |
160 |
95 |
65 |
||
|
Bằng và lớn hơn 60 |
A, B |
I, II, III, IV |
S0 |
140 |
85 |
60 |
|
C1, C2, C3 |
I, II, III, IV |
S0 |
200 |
110 |
85 |
|
|
III, IV |
S1 |
180 |
105 |
75 |
||
|
Bằng và lớn hơn 80 |
C1, C2, C3 |
I, II, III, IV |
S0 |
240 |
140 |
100 |
|
III, IV |
S1 |
200 |
110 |
85 |
||
|
Không phụ thuộc vào khối tích |
C4, D |
I, II, III, IV |
S0 |
Không hạn chế |
Không hạn chế |
Không hạn chế |
|
III, IV |
S1 |
160 |
95 |
65 |
||
|
V |
Không quy định |
120 |
70 |
50 |
||
|
Không phụ thuộc vào khối tích |
E |
I, II, III, IV |
S0, S1 |
Không hạn chế |
Không hạn chế |
Không hạn chế |
|
IV, V |
S2, S3 |
160 |
95 |
65 |
||
|
CHÚ THÍCH: Mật độ dòng người thoát nạn được xác định bằng tỉ số giữa tổng số người phải thoát nạn theo đường thoát nạn và diện tích của đường thoát nạn đó |
||||||
d) Khoảng cách giới hạn cho phép từ cửa ra vào của gian phòng xa nhất có diện tích không lớn hơn 1 000 m2 của nhà sản xuất đến lối ra thoát nạn gần nhất (ra ngoài hoặc vào buồng thang bộ) phải phù hợp với Bảng G.4.
G.2 Chiều rộng của lối ra thoát nạn
G.2.1 Đối với nhà công cộng
a) Chiều rộng của một lối ra thoát nạn, từ hành lang vào buồng thang bộ, cũng như chiều rộng bản thang phải được xác định theo số lượng người cần thoát nạn qua lối ra thoát nạn đó và định mức người thoát nạn tính cho 1 mét chiều rộng lối ra (cửa ra). Tùy theo bậc chịu lửa của nhà định mức này được lấy không vượt quá các giá trị sau:
Nhà có bậc chịu lửa I, II không được lớn hơn 165 người/m.
Nhà có bậc chịu lửa III, IV không được lớn hơn 115 người/m.
Nhà có bậc chịu lửa V không được lớn hơn 80 người/m.
Bảng G.4 - Khoảng cách giới hạn cho phép từ cửa ra vào của gian phòng sản xuất có diện tích đến 1 000 m2 tới lối ra thoát nạn gần nhất
|
Vị trí cửa ra của gian phòng |
Hạng của gian phòng |
Bậc chịu lửa của nhà |
Cấp nguy hiểm cháy kết cấu của nhà |
Khoảng cách đi theo hành lang, m, từ cửa gian phòng đến lổi ra thoát nạn gần nhất, khi mật độ dòng người thoát nạn trên lối đi chung, người/m2, là |
|||
|
Đến 2 |
Từ lớn hơn 2 đến 3 |
Từ lớn hơn 3 đến 4 |
Từ lớn hơn 4 đến 5 |
||||
|
Ở giữa hai lối ra thoát nạn |
A, B |
I, II, III, IV |
S0 |
60 |
50 |
40 |
35 |
|
C1, C2, C3 |
I, II, III, IV |
S0 |
120 |
95 |
80 |
65 |
|
|
III, IV |
S1 |
85 |
65 |
55 |
45 |
||
|
Không quy định |
S2, S3 |
60 |
50 |
40 |
35 |
||
|
C4, D, E |
I, II, III, IV |
S0 |
180 |
140 |
120 |
100 |
|
|
C4, D, E |
III, IV |
S1 |
125 |
100 |
85 |
70 |
|
|
Không quy định |
S2, S3 |
90 |
70 |
60 |
50 |
||
|
Đi vào hành lang cụt |
Không phụ thuộc vào hạng |
I, II, III, IV |
S0 |
30 |
25 |
20 |
15 |
|
III, IV |
S1 |
20 |
15 |
15 |
10 |
||
|
Không quy định |
S2, S3 |
15 |
10 |
10 |
8 |
||
b) Để tính toán chiều rộng lối thoát nạn của các nhà thuộc trường học phổ thông, trường học nội trú và các khu nội trú của trường, cần xác định số lượng người lớn nhất đồng thời có mặt trên một tầng từ số lượng người lớn nhất của các phòng học, của các phòng dạy nghề và của các phòng ngủ cũng như các gian thể thao, hội nghị, giảng đường nằm trên tầng đó (Xem mục G.3, Bảng G.9).
c) Chiều rộng của các cửa ra từ các phòng học với số lượng học sinh lớn hơn 15 người, không được nhỏ hơn 0,9 m.
d) Chiều rộng của một lối ra thoát nạn từ các gian phòng không có ghế ngồi cho khán giả phải xác định theo số lượng người cần thoát nạn qua lối ra đó theo Bảng G.5, nhưng không được nhỏ hơn 1,2 m ở các gian phòng có sức chứa hơn 50 người.
e) Chiều rộng của các lối đi thoát nạn chính trong một gian phòng thương mại phải lấy như sau:
Không nhỏ hơn 1,4 m khi diện tích thương mại không lớn hơn 100 m2.
Không nhỏ hơn 1,6 m khi diện tích thương mại lớn hơn 100 m2 và không lớn hơn 150 m2.
Không nhỏ hơn 2,0 m khi diện tích thương mại lớn hơn 150 m2 và không lớn hơn 400 m2.
Không nhỏ hơn 2,5 m khi diện tích thương mại lớn hơn 400 m2.
f) Số lượng người trên 1 m chiều rộng đường thoát nạn từ các khán đài của các công trình thể thao và biểu diễn ngoài trời phải phù hợp với Bảng G.6.
Bảng G.5 - Số lượng người tối đa trên 1 mét chiều rộng của lối ra thoát nạn của các gian phòng không có ghế ngồi cho khán giả của nhà công cộng
|
Loại sử dụng của gian phòng |
Bậc chịu lửa của nhà |
Số lượng người tối đa trên 1 mét chiều rộng của lối ra thoát nạn trong các gian phòng có khối tích (nghìn m3) |
||
|
Đến 5 |
Từ lớn hơn 5 đến 10 |
Lớn hơn hoặc bằng 10 |
||
|
1- Các gian phòng thương mại khi diện tích của các lối đi thoát nạn chính không nhỏ hơn 25 % diện tích của gian phòng; Các phòng ăn và phòng đọc khi mật độ dòng người trong mỗi lối đi chính không lớn hơn 5 người/m2. |
I, II |
165 |
220 |
275 |
|
III, IV |
115 |
155 |
* |
|
|
V |
80 |
* |
* |
|
|
2- Các gian phòng thương mại khi diện tích của các lối đi thoát nạn chính nhỏ hơn 25 % diện tích của gian phòng; - Các gian phòng khác. |
I, II |
75 |
100 |
125 |
|
III, IV |
50 |
70 |
* |
|
|
V |
40 |
* |
* |
|
|
CHÚ THÍCH: (*) Số lượng người tối đa trên 1 m chiều rộng của lối ra thoát nạn phải được xác định theo luận chứng kỹ thuật riêng. |
||||
G.2.2 Đối với nhà sản xuất
a) Chiều rộng của một lối ra thoát nạn từ một gian phòng phải xác định theo số lượng người cần thoát nạn qua lối ra đó và theo số lượng người trên 1 m chiều rộng của lối ra thoát nạn phù hợp với Bảng G.7 sau, nhưng không nhỏ hơn 0,9 m.
Số lượng người trên 1 m chiều rộng của một lối ra thoát nạn đối với các trị số trung gian của khối tích của nhà được xác định bằng nội suy.
Số lượng người trên 1 m chiều rộng của một lối ra thoát nạn từ các gian phòng có chiều cao lớn hơn 6 m được tăng lên như sau: tăng lên 20 % khi chiều cao nhà là 12 m; tăng lên 30 % khi chiều cao nhà là 18 m và lên 40 % khi chiều cao nhà là 24 m. Khi chiều cao nhà là các trị số trung gian thì số lượng người trên 1 m chiều rộng của một lối ra thoát nạn được xác định nội suy.
Bảng G.6 - Số lượng người tối đa trên 1 mét chiều rộng của đường thoát nạn từ khán đài của các công trình thể thao, biểu diễn ngoài trời
|
Bậc chịu lửa của công trình |
Số lượng người tối đa trên 1 m chiều rộng của đường thoát nạn |
|||
|
Theo các cầu thang bộ của các lối đi chính của khán đài |
Đi qua cửa ra từ các lối đi chính của khán đài |
|||
|
Đi xuống |
Đi lên |
Đi xuống |
Đi lên |
|
|
I, II |
600 |
825 |
620 |
1 230 |
|
III, IV |
420 |
580 |
435 |
860 |
|
V |
300 |
415 |
310 |
615 |
|
CHÚ THÍCH: Số lượng tổng cộng người thoát nạn đi qua một cửa ra thoát nạn không được vượt quá 1.500 người, khi khán đài có bậc chịu lửa I, II. Khi khán đài có bậc chịu lửa là bậc III, thì tổng số người đi qua phải giảm xuống 30 % và ở bậc IV, bậc V thì phải giảm xuống 50 %. |
||||
Bảng G.7 - Số lượng người tối đa trên 1 mét chiều rộng của lối ra thoát nạn từ một gian phòng của nhà sản xuất
|
Khối tích của gian phòng, nghìn m3 |
Hạng của gian phòng |
Bậc chịu lửa của nhà |
Cấp nguy hiểm cháy kết cấu của nhà |
Số lượng người tối đa trên 1m chiều rộng của lối ra thoát nạn từ một gian phòng, người |
|
(1) |
(2) |
(3) |
(4) |
(5) |
|
Đến 15 |
A, B |
I, II, III, IV |
S0 |
45 |
|
C1, C2, C3 |
I, II, III, IV |
S0 |
110 |
|
|
III, IV |
S1 |
75 |
||
|
Không quy định |
S2, S3 |
55 |
||
|
30 |
A, B |
I, II, III, IV |
S0 |
65 |
|
C1, C2, C3 |
I, II, III, IV |
S0 |
155 |
|
|
III, IV |
S1 |
110 |
||
|
40 |
A, B |
I, II, III, IV |
S0 |
85 |
|
C1 , C2, C3 |
I, II, III, IV |
S0 |
175 |
|
|
III, IV |
S1 |
120 |
||
|
50 |
A, B |
I, II, III, IV |
S0 |
130 |
|
C1, C2, C3 |
I, II, III, IV |
S0 |
195 |
|
|
III, IV |
S1 |
135 |
||
|
Bằng và lớn hơn 60 |
A, B |
I, II, III, IV |
S0 |
150 |
|
C1, C2, C3 |
I, II, III, IV |
S0 |
220 |
|
|
III, IV |
S1 |
155 |
||
|
Bằng và lớn hơn 80 |
C1, C2, C3 |
I, II, III, IV |
S0 |
260 |
|
III, IV |
S1 |
220 |
||
|
Không phụ thuộc vào khối tích |
C4, D |
I, II, III, IV |
S0 |
260 |
|
III, IV |
S1 |
180 |
||
|
Không quy định |
S2, S3 |
130 |
||
|
Không phụ thuộc vào khối tích |
E |
Không quy định |
||
b) Chiều rộng của một lối ra thoát nạn từ hành lang ra bên ngoài hoặc vào một buồng thang bộ, phải xác định theo tổng số người cần thoát nạn qua lối ra đó và theo định mức số người trên 1 m chiều rộng của lối ra thoát nạn phù hợp với Bảng G.8 nhưng không nhỏ hơn 0,9 m.
Bảng G.8 - Số lượng người tối đa trên 1 mét chiều rộng của lối ra thoát nạn từ hành lang của nhà sản xuất
|
Hạng của gian phòng có nguy hiểm cháy cao nhất có lối ra thoát nạn đi vào hành lang |
Bậc chịu lửa của nhà |
Cấp nguy hiểm cháy ket cấu của nhà |
Số lượng người tối đa trên 1m chiều rộng của lối ra thoát nạn từ hành lang, người |
|
A, B |
I, II, III, IV |
S0 |
85 |
|
C1, C2, C3 |
I, II, III, IV |
S0 |
173 |
|
IV |
S1 |
120 |
|
|
Không quy định |
S2, S3 |
85 |
|
|
C4, D, E |
I, II, III, IV |
S0 |
260 |
|
IV |
S1 |
180 |
|
|
Không quy định |
S2, S3 |
130 |
G.3 Xác định số lượng người lớn nhất trong ngôi nhà hoặc trong một phần của nhà
Số lượng người lớn nhất trong một gian phòng, một tầng hoặc của ngôi nhà là số lượng người lớn nhất theo thiết kế được duyệt. Khi thiết kế không chỉ rõ giá trị này, số lượng người lớn nhất được tính bằng diện tích sàn của phòng, của tầng hoặc của ngôi nhà chia cho hệ số không gian sàn (m2/người) nêu tại Bảng G.9.
CHÚ THÍCH: “Diện tích sàn" ở đây không kể diện tích của cầu thang bộ, thang máy, khu vệ sinh và các phần phụ trợ khác.
Bảng G.9 - Hệ số không gian sàn(a)
|
TT |
Không gian sử dụng(b)(c) |
Hệ số không gian sàn, m2/người |
|
(1) |
(2) |
(3) |
|
1 |
Khu vực vui chơi có mái che, hội trường, nơi đông người, câu lạc bộ, sàn nhảy, quầy Bar, Karaoke và các khu tương tự |
1,0 |
|
2 |
Sảnh lớn, sảnh thông tầng, khu tiếp đón, khu khách chờ, ... |
3,0 |
|
3 |
Phòng họp, phòng khách, phòng hội thảo, phòng ăn, phòng đọc, phòng học, căng-tin,. |
1,5 |
|
4 |
Nhà chợ, trung tâm thương mại, siêu thị |
3,0 |
|
5 |
Phòng triển lãm hoặc trường quay (phim, thu phát sóng, truyền hình, ghi âm) |
1,5 |
|
6 |
Các cửa hàng mua bán, dịch vụ: bách hóa, dịch vụ cắt, uốn tốc, giặt là, sửa chữa hoặc tương tự |
3,0 |
|
7 |
Phòng trưng bày nghệ thuật, khu trưng bày sản phẩm, bảo tàng hoặc các khu tương tự |
5,0 |
|
8 |
Văn phòng |
6,0 |
|
9 |
Các cửa hàng bán đồ nội thất lớn như bàn ghế, đồ trải sàn, ... |
7,0 |
|
10 |
Nhà bếp hoặc thư viện |
7,0 |
|
11 |
Phòng ngủ hoặc phòng ngủ kết hợp phòng học |
8,0 |
|
12 |
Phòng khách, phòng giải trí |
10,0 |
|
13 |
Kho hoặc nơi chứa đồ |
30,0 |
|
14 |
Nhà để xe ôtô |
2 người/ô để xe |
|
CHÚ THÍCH: (a) Nếu không sử dụng các giá trị trong bảng trên thì có thể xác định hệ số không gian sàn theo số liệu thực tế lấy từ công trình tương tự. Trong trường hợp này, các số liệu cần phải phản ánh mật độ sinh hoạt trung bình tại thời điểm cao nhất trong năm. (b) Khi một đối tượng không thuộc không gian sử dụng được nêu ở trên thì có thể lựa chọn giá trị phù hợp từ một đối tượng tương tự. (c) Nếu một khu vực nhà được sử dụng cho nhiều mục đích khác nhau thì cần áp dụng hệ số cho số lượng người lớn nhất. Nếu ngôi nhà có nhiều khu vực sử dụng khác nhau thì mỗi khu vực cần được tính toán với hệ số không gian tương ứng cho khu vực đó. |
||
Phụ lục H
Một số quy định về số tầng giới hạn (chiều cao cho phép) và diện tích khoang cháy của nhà
H.1 Nhà ở
H.1.1 Nhà chung cư
Chiều cao cho phép của nhà và diện tích cho phép lớn nhất của một tầng nhà trong phạm vi một khoang cháy đối với nhà chung cư được quy định theo Bảng H.1.
Bảng H.1 - Diện tích khoang cháy và chiều cao lớn nhất cho phép của nhà chung cư
|
Bậc chịu lửa của nhà |
Cấp nguy hiểm cháy kết cấu của nhà |
Chiều cao lớn nhất cho phép của nhà, m |
Diện tích cho phép lớn nhất của một tầng nhà trong phạm vi một khoang cháy, m2 |
|
I |
S0 |
75 |
2 200 |
|
II |
S0 |
50 |
2 200 |
|
S1 |
28 |
2 200 |
|
|
III |
S0 |
25 |
1 800 |
|
S1 |
15 |
1 800 |
|
|
IV |
S0 |
5 |
1 000 |
|
3 |
1 400 |
||
|
S1 |
5 |
800 |
|
|
3 |
1 200 |
||
|
S2 |
5 |
500 |
|
|
3 |
900 |
||
|
V |
Không quy định |
5 |
500 |
|
3 |
800 |
||
|
CHÚ THÍCH: Quy định về số tầng (chiều cao cho phép), diện tích khoang cháy của các nhà thuộc nhóm nguy hiểm cháy theo công năng F1.3 có chiều cao từ trên 75 m đến 150 m, các nhà thuộc nhóm nguy hiểm cháy theo công năng F1.2, F4.3 và nhà hỗn hợp có chiều cao từ trên 50 m đến 150 m được nêu trong A.2 và A.3 của Phụ lục A. |
|||
H.1.2 Nhà ký túc xá
Chiều cao cho phép của nhà và diện tích cho phép của một tầng nhà trong phạm vi một khoang cháy đối với nhà ký túc xá được lấy như sau:
- Đối với nhà ký túc xá có dạng đơn nguyên lấy theo Bảng H.1 (như nhà ở chung cư).
- Đối với nhà ký túc xá có dạng hành lang lấy theo Bảng H.2.
Bảng H.2 - Diện tích khoang cháy cho nhà ký túc xá có dạng hành lang chung
|
Bậc chịu lửa của nhà |
Cấp nguy hiểm cháy kết cấu của nhà |
Chiều cao lớn nhất cho phép của nhà, m |
Diện tích cho phép lớn nhất của một tầng nhà trong phạm vi một khoang cháy, m2 |
|
I |
S0 |
50 |
2 200 |
|
II |
S0 |
28 |
2 200 |
|
S1 |
15 |
1 000 |
|
|
III |
S0 |
15 |
1 000 |
|
S1 |
9 |
1 200 |
|
|
IV, V |
Không quy định |
3 |
400 |
H.2 Nhà và công trình công cộng
H.2.1 Số tầng lớn nhất và diện tích cho phép lớn nhất của một tầng nhà trong phạm vi một khoang cháy của một số loại công trình công cộng được quy định tại Bảng H.3.
Bảng H.3 - Diện tích cho phép lớn nhất của một tầng trong phạm vi một khoang cháy
của một số loại công trình công cộng
|
Bậc chịu lửa của nhà |
Số tầng lớn nhất |
Diện tích cho phép lớn nhất của một tầng trong phạm vi một khoang cháy, m2 |
|
I, II |
Lấy theo Bảng H.4 và 16 tầng cho các công trình công cộng khác |
2 200 |
|
III |
Lấy theo Bảng H.4 và 05 tầng cho các công trình công cộng khác |
1 800 |
|
IV |
1 |
1 400 |
|
2 |
1 000 |
|
|
V |
1 |
1 000 |
|
2 |
800 |
CHÚ THÍCH 1: Trong các nhà có bậc chịu lửa I và II, khi có trang bị hệ thống chữa cháy tự động thì diện tích khoang cháy cho trong Bảng H.3 được phép tăng lên nhưng không quá 2 lần.
CHÚ THÍCH 2: Các tường (mặt tường), vách và trần bằng gỗ của nhà có bậc chịu lửa V sử dụng làm nhà trẻ, trường phổ thông, trường nội trú, cơ sở khám bệnh và điều trị ngoại trú, các trại chăm sóc sức khỏe cho trẻ em và các câu lạc bộ (ngoại trừ các nhà câu lạc bộ 1 tầng có tường ốp đá) phải được bảo vệ chống cháy.
CHÚ THÍCH 3: Nếu trong phạm vi khoang cháy của nhà 1 tầng có một phần nhà 2 tầng với diện tích chiếm không quá 15 % diện tích của khoang cháy thì khoang cháy đó vẫn được coi như nhà 1 tầng.
CHÚ THÍCH 4: Trong các nhà ga hành khách và các nhà hay phòng có công năng tương tự với không gian rộng lớn (trung tâm thương mại, sảnh thông tầng), nếu không thể bố trí được các tường ngăn cháy thì cho phép thay thế tường ngăn cháy bằng thiết bị tạo màn nước drencher bố trí thành 2 dải cách nhau 0,5 m và với cường độ phun không nhỏ hơn 1 l/s cho mỗi mét chiều dài màn nước (tính chung cho cả 2 dải). Khoảng thời gian duy trì màn nước ít nhất là 1 giờ. Ngoài ra phải có giải pháp ngăn chặn lan truyền của khói giữa các khoang cháy.
CHÚ THÍCH 5: Trong các nhà ga sân bay có bậc chịu lửa I, diện tích sàn giữa các tường ngăn cháy (khoang cháy) có thể tăng lên đến 10 000 m2 khi không có tầng hầm hoặc nếu có tầng hầm thì trong tầng hầm (tầng nửa hầm) không có các kho và các dạng buồng khác có chứa các vật liệu cháy (ngoại trừ buồng giữ đồ và mũ áo của nhân viên). Khi đó, lối đi lại từ các phòng dụng cụ vệ sinh đặt trong tầng hầm và tầng nửa hầm lên tầng 1 có thể đi theo các buồng thang bộ hở, nếu đi từ các buồng giữ đồ phải đi theo các cầu thang bộ riêng nằm trong buồng thang kín. Các buồng giữ đồ (ngoại trừ những buồng có trang bị các hốc gửi tự động) và buồng giữ mũ áo phải được ngăn cách với những phần khác của tầng hầm bằng các vách ngăn cháy loại I và được trang bị hệ thống chữa cháy tự động, còn các trạm điều độ - chỉ huy phải được ngăn cách bằng các vách ngăn cháy.
CHÚ THÍCH 6: Trong các nhà ga sân bay, không hạn chế diện tích sàn giữa các tường ngăn cháy nếu được trang bị các hệ thống chữa cháy tự động.
CHÚ THÍCH 7: Những phần phụ của nhà chính như mái hiên, sân thềm, hành lang ngoài,... được phép lấy bậc chịu lửa thấp hơn 1 bậc so với bậc chịu lửa của nhà chính.
CHÚ THÍCH 8: Trong các gian thi đấu thể thao, bể bơi trong nhà (kể cả có ghế ngồi hoặc không có ghế ngồi) cũng như trong các gian phòng huấn luyện bơi lội, các khu vực huấn luyện bắn súng trong nhà (kể cả đặt ở dưới khán đài hoặc xây trong các ngôi nhà công cộng khác) thì diện tích khoang cháy có thể tăng lên đến 6 000 m2 đối với nhà 1 tầng có bậc chịu lửa I, II; tăng lên đến 5 000 m2 đối với nhà từ 2 đến 5 tầng có bậc chịu lửa I và tăng lên đến 4 000 m2 đối với nhà từ 2 đến 5 tầng có bậc chịu lửa II.
CHÚ THÍCH 9: Trong các nhà nhà thi đấu thể thao độc lập, có bậc chịu lửa I, II cho phép bố trí diện tích khoang cháy lên tới 10 000 m2. Diện tích này được phép tăng thêm nhưng không quá 2 lần khi có hệ thống chữa cháy tự động.
CHÚ THÍCH 10: Trong các gian tiền sảnh và phòng chờ có diện tích lớn hơn giá trị trong Bảng H.3, cho phép thay thế tường ngăn cháy bằng vách ngăn cháy trong suốt loại 2.
H.2.2 Nhà trẻ, mẫu giáo, bệnh viện, nhà hộ sinh, nhà học, rạp chiếu bóng, nhà hát, câu lạc bộ, nhà văn hóa, nhà của cơ sở bán hàng, nhà của cơ sở dịch vụ đời sống là các công trình độc lập thì số tầng lớn nhất và quy mô phục vụ tùy thuộc vào bậc chịu lửa của nhà, được lấy theo Bảng H.4.
Bảng H.4 - Số tầng lớn nhất hoặc chiều cao lớn nhất cho phép của một số dạng nhà và
công trình công cộng độc lập
|
Tên công trình và quy mô |
Bậc chịu lửa của nhà |
Số tầng lớn nhất / chiều cao lớn nhất |
|
(1) |
(2) |
(3) |
|
1- Nhà trẻ, Mẫu giáo a) Đến 50 cháu |
V, IV |
1 tầng |
|
b) Đến 150 cháu |
III |
2 tầng |
|
c) Đến 350 cháu |
II, I |
3 tầng(a) |
|
2- Bệnh viện, Nhà hộ sinh a) Đến 50 giường |
V, IV |
1 tầng |
|
b) Trên 50 giường |
III |
2 tầng |
|
c) Không phụ thuộc số giường |
II, I |
9 tầng(b) |
|
3- Nhà học của trường phổ thông và nội trú a) Đến 270 chỗ |
V |
1 tầng |
|
b) Đến 360 chỗ |
IV |
1 tầng |
|
c) Đến 720 chỗ |
III |
2 tầng |
|
d) Không phụ thuộc số lượng chỗ |
II |
4 tầng(c) |
|
e) Không phụ thuộc số lượng chỗ |
I |
5 tầng(d) |
|
4- Rạp chiếu bóng |
|
|
|
a) Dưới 300 chỗ |
V |
1 tầng |
|
b) Đến 400 chỗ |
IV |
2 tầng |
|
c) Đến 600 chỗ |
III |
2 tầng |
|
d) Từ 600 chỗ trở lên |
II, I |
Không quy định |
|
5- Nhà hát |
II, I |
Không quy định |
|
6- Câu lạc bộ, Nhà văn hóa(e) |
|
|
|
a) Dưới 300 chỗ |
V |
1 tầng |
|
b) Dưới 400 chỗ |
IV |
2 tầng |
|
c) Dưới 600 chỗ |
III |
3 tầng |
|
d) Từ 600 chỗ trở lên |
II, I |
Không quy định |
|
7- Nhà của cơ sở bán hàng (Cửa hàng bách hóa, lương thực thực phẩm, siêu thị) |
V, IV |
1 tầng |
|
|
III |
2 tầng |
|
|
II, I |
5 tầng |
|
8- Nhà của các cơ sở dịch vụ dân cư, đời sống |
V, IV |
1 tầng |
|
|
III |
2 tầng |
|
|
II, I |
6 tầng |
|
CHÚ THÍCH: (a) Trong nhà trẻ, mẫu giáo 3 tầng thì ở tầng 3 chỉ được bố trí các cháu lớp lớn; các gian phòng dành cho học nhạc và thể dục; không gian chơi cho các cháu. |
||
|
(b) Khu vực dành cho trẻ em (kể cả trẻ dưới 3 tuổi có người lớn đi kèm) trong bệnh viện phải được bố trí từ tầng 5 trở xuống. Khu vực dành cho trẻ em dưới 7 tuổi phải bố trí từ tầng 2 trở xuống. |
||
Bảng H.4 (kết thúc)
|
(1) |
(2) |
(3) |
|
Trong các nhà nội trú của các bệnh viện, nhà hộ sinh, nhà điều dưỡng người già, người tàn tật, ... với các khu vực dành cho người bệnh nằm điều trị không có khả năng di chuyển theo các cầu thang bộ thì phải bố trí một vùng an toàn để có thể di chuyển tạm thời người bệnh đến đó rồi tổ chức sơ tán tiếp ra bên ngoài nhưng với áp lực về mặt thời gian ít hơn. Diện tích của vùng an toàn phải được xác định theo tính toán và khi có cháy phải được tạo áp suất không khí dương từ 20 Pa đến 40 Pa. (c) Không bố trí các phòng học cho học sinh lớp 1 ở tầng 4. (d) Các phòng học của học sinh chỉ được phép bố trí từ tầng 4 trở xuống. (e) Gian khán giả của câu lạc bộ, nhà văn hóa có bậc chịu lửa IV phải bố trí ở tầng 1; Gian khán giả của câu lạc bộ, nhà văn hóa có bậc chịu lửa III chỉ được bố trí từ tầng 2 trở xuống. |
||
H.3 Tầng cao nhất cho phép bố trí các gian giảng đưởng, hội nghị, hội thảo, phòng họp, gian tập thể thao...
Các gian giảng đường, hội nghị, hội thảo, phòng họp, gian tập thể thao; phòng chiếu phim; phòng câu lạc bộ, phòng hát; cơ sở bán hàng (cửa hàng bách hóa, lương thực thực phẩm, siêu thị); cơ sở dịch vụ dân cư, đời sống trong các nhà công cộng, nhà hỗn hợp chỉ được bố trí ở tầng cao nhất như quy định tại Bảng H.5.
Bảng H.5 - Tầng cao nhất được phép bố trí các gian gian giảng đưởng, hội nghị, hội thảo, phòng họp, gian tập thể thao...
|
Tên gian phòng, khu vực và quy mô |
Bậc chịu lửa của nhà |
Tầng cao nhất được phép bố trí |
|
(1) |
(2) |
(3) |
|
1- Giảng đường, hội nghị, hội thảo, phòng họp, gian tập thể thao(a) |
|
|
|
Đến 300 chỗ |
|
14 |
|
Từ trên 300 đến 600 chỗ |
I, II |
5 |
|
Trên 600 chỗ |
|
3 |
|
Đến 300 chỗ |
|
3 |
|
Từ trên 300 đến 600 chỗ |
III |
2 |
|
Đến 300 chỗ |
IV, V |
1 |
|
2- Phòng chiếu phim(a) |
|
|
|
a) Dưới 300 chỗ |
V |
1 |
|
b) Đến 400 chỗ |
IV |
2 |
|
c) Đến 600 chỗ |
III |
2 |
|
d) Từ 600 chỗ trở lên |
II, I |
6 |
|
3- Câu lạc bộ, Nhà văn hóa(b) |
|
|
|
a) Dưới 300 chỗ |
V |
1 |
|
b) Dưới 400 chỗ |
IV |
2 |
|
c) Dưới 600 chỗ |
III |
3 |
|
d) Từ 600 chỗ trở lên |
I, II |
6 |
|
4- Cơ sở bán hàng (Cửa hàng bách hóa, lương thực thực phẩm, siêu thị) |
V, IV |
1 |
|
|
III |
2 |
|
|
II, I |
5 |
|
5- Cơ sở dịch vụ dân cư, đời sống(c) |
V, IV |
1 |
|
|
III |
2 |
|
|
II, I |
6 |
|
CHÚ THÍCH: (a) Khi xác định tầng cao nhất để bố trí các gian phòng có sàn dốc thì cao độ của tầng được lấy tương đương cao độ của hàng ghế ngồi đầu tiên. Các gian hội trường của các trường phổ thông và bán trú với bậc chịu lửa III phải được bố trí không quá tầng 2, sàn của các gian phòng này phải là sàn ngăn cháy loại 2. (b) Gian khán giả của câu lạc bộ, nhà văn hóa có bậc chịu lửa IV phải bố trí ở tầng 1; Gian khán giả của câu lạc bộ, nhà văn hóa có bậc chịu lửa III chỉ được bố trí từ tầng 2 trở xuống. (c) Cho phép bố trí các gian phòng nhóm F3.2, F3.6 cao hơn tầng 6 khi tuân thủ quy định tại A.2.4. |
||
H.4 Đối với nhà sản xuất và nhà kho
H.4.1 Đối với nhà sản xuất, diện tích tầng cho phép lớn nhất trong phạm vi một khoang cháy phụ thuộc vào bậc chịu lửa, cấp nguy hiểm cháy kết cấu của nhà và chiều cao nhà được quy định tại Bảng H.6.
Bảng H.6 - Diện tích khoang cháy cho nhà sản xuất (nhà nhóm F5.1)
|
Hạng của nhà sản xuất |
Số tầng tối đa cho phép, tầng |
Bậc chịu lửa của nhà |
Diện tích cho phép lớn nhất của một tầng nhà trong phạm vi một khoang cháy, m2 |
||
|
Nhà 1 tầng |
Nhà 2 tầng |
Nhà 3 tầng trở lên |
|||
|
(1) |
(2) |
(3) |
(4) |
(5) |
(6) |
|
A và B |
6 |
I |
(*) |
||
Bảng H.6 (kết thúc)
|
(1) |
(2) |
(3) |
(4) |
(5) |
(6) |
|
A và B (trong trường hợp không sản xuất hóa chất và chế biến dầu khí) |
6 |
II |
(*) |
5 200 |
3 500 |
|
A (có sản xuất hóa chất và chế biến dầu khí) |
6 |
II |
(*) |
5 200 |
3 500 |
|
B (có sản xuất hóa chất và chế biến dầu khí) |
6 |
II |
(*) |
10 400 |
7 800 |
|
C |
Không quy định |
I đến II |
(*) |
||
|
3 |
III |
5.200 |
3 500 |
2 600 |
|
|
1 |
IV |
2 600 |
|
|
|
|
1 |
V |
1 200 |
|
|
|
|
D |
Không quy định |
I đến II |
(*) |
||
|
3 |
III |
6 500 |
5 200 |
3 500 |
|
|
1 |
IV |
3 500 |
|
|
|
|
D |
1 |
V |
1 500 |
|
|
|
E |
Không quy định |
I và II |
(*) |
||
|
3 |
III |
7 800 |
6 500 |
3 500 |
|
|
1 |
IV |
3 500 |
|||
|
1 |
V |
2 600 |
|||
|
CHÚ DẪN: (*) Không quy định cụ thể về diện tích khoang cháy nhưng công trình phải tuân thủ đầy đủ các yêu cầu về PCCC của tiêu chuẩn thiết kế áp dụng cho công trình đó. CHÚ THÍCH 1: Các gian sản xuất có các hệ thống chữa cháy tự động diện tích sàn giữa các tường ngăn cháy cho phép tăng lên so với quy định tại Bảng H.6 nhưng không quá 2 lần. CHÚ THÍCH 2: Khi các phòng hoặc gian sản xuất được trang bị các thiết bị báo cháy tự động, thì diện tích sàn giữa các tường ngăn cháy cho phép tăng 25 % so với quy định ở Bảng H.6. CHÚ THÍCH 3: Diện tích khoang cháy ở tầng 1 của nhà nhiều tầng, khi sàn trần tầng 1 có giới hạn chịu lửa 150 phút, được phép lấy như diện tích khoang cháy của nhà 1 tầng. CHÚ THÍCH 4: Đối với các nhà sản xuất chế biến gỗ có bậc chịu lửa II, diện tích khoang cháy được phép lấy tối đa là 10 400 m2 đối với nhà 1 tầng. Đối với nhà hai tầng, diện tích khoang cháy tối đa là 7.800 m2, còn đối với nhà nhiều tầng hơn thì diện tích khoang cháy tối đa là 5 200 m2. CHÚ THÍCH 5: Trong các ngôi nhà sản xuất một tầng có bậc chịu lửa I và II, cho phép không thiết kế tường ngăn cháy. Quy định này không áp dụng đối với nhà có bậc chịu lửa II mà trong đó sản xuất hóa chất, chế biến gia công dầu khí, hoặc các kho chứa vật liệu hay sản phẩm dễ cháy; các ngôi nhà sản xuất gia công chế biến gỗ. |
|||||
H.4.2 Đối với nhà kho, bậc chịu lửa, cấp nguy hiểm cháy kết cấu, chiều cao nhà kho và diện tích tầng trong phạm vi một khoang cháy của nhà lấy theo quy định ở Bảng H.7.
Bảng H.7 - Diện tích khoang cháy cho nhà kho
|
Hạng của nhà kho |
Chiều cao nhà, m |
Bậc chịu lửa của nhà |
Cấp nguy hiểm cháy kết cấu của nhà |
Diện tích tầng cho phép lớn nhất của một tầng nhà trong phạm vi một khoang cháy, m2 |
||
|
Nhà 1 tầng |
Nhà 2 tầng |
Nhà nhiều tầng |
||||
|
(1) |
(2) |
(3) |
(4) |
(5) |
(6) |
(7) |
|
A |
- |
I, II |
S0 |
5 200 |
- |
- |
|
- |
III |
S0 |
4 400 |
- |
- |
|
|
- |
IV |
S0 |
3 600 |
- |
- |
|
|
B |
18 |
I, II |
S0 |
7 800 |
5 200 |
3 500 |
|
- |
III |
S0 |
6 500 |
- |
- |
|
|
- |
IV |
S0 |
5 200 |
- |
- |
|
|
C |
36 |
I, II |
S0 |
10 400 |
7 800 |
5 200 |
|
24 |
III |
S0 |
10 400 |
5 200 |
2 600 |
|
|
- |
IV |
S0, S1 |
7 800 |
- |
- |
|
|
- |
IV |
S2, S3 |
2 600 |
- |
- |
|
|
- |
V |
Không quy định |
1 200 |
- |
- |
|
|
D |
Không hạn chế |
I, II |
S0 |
Không hạn chế |
10 400 |
7 800 |
|
36 |
III |
S0, S1 |
Không hạn chế |
7 800 |
5 200 |
|
|
12 |
IV |
S0, S1 |
Không hạn chế |
2 200 |
- |
|
|
- |
IV |
S2, S3 |
5 200 |
- |
- |
|
|
9 |
V |
Không quy định |
2 200 |
1 200 |
- |
|
|
CHÚ THÍCH: Khi trong các gian phòng kho có hệ thống chữa cháy tự động, thì diện tích quy định trong Bảng H.7 được phép tăng lên nhưng không quá 2 lần. |
||||||
Phụ lục I
(tham khảo)
Một số hình vẽ minh họa nội dung các quy định
I.1 Ngăn cách lối ra thoát nạn của tầng hầm với lối ra thoát nạn của các tầng xuống khi bố trí chung trong một buồng thang bộ (xem quy định 3.2.2)

(a)

(b)
Hình I.1 - Lối ra thoát nạn từ tầng hầm lên được bố trí thoát trực tiếp ra bên ngoài: a) hình ảnh tổng thể; b) bố trí mặt bằng


(b)
Hình I.2 - Lối ra thoát nạn từ tầng hầm lên được bố trí thoát vào sảnh tầng 1 sau đó có
lối đi riêng để thoát ra bên ngoài: a) hình ảnh tổng thể; b) mặt bằng
I.2. Bố trí phân tán các lối ra thoát nạn (xem quy định 3.2.8)

a) Hai buồng thang bộ thoát nạn bố trí gần nhau nên không đảm bảo thoát nạn khi có đám cháy ở khu vực lân cận

b) Hai buồng thang bộ thoát nạn bố trí xa nhau nên khi có đám cháy ở khu vực lân cận của một trong hai buồng thì vẫn có thể thoát nạn qua buồng thang còn lại
Hình I.3 - Minh họa về bố trí phân tán các buồng thang bộ thoát nạn: trường hợp a) bố
trí không đúng nguyên tắc, trường hợp b) bố trí đúng nguyên tắc

Hình I.4 - Nguyên tắc nửa đường chéo mặt bằng khi bố trí phân tán các lối ra thoát nạn

a) Nếu khoảng phân tán của lối ra thoát nạn L ≤ ½ D và toàn nhà không được bảo vệ bằng hệ thống sprinkler thì không được coi là có 2 lối ra thoát nạn

b) Nếu đường thoát nạn là một hành lang được bảo vệ bằng các bộ phận ngăn cháy theo đúng quy định thì khoảng phân tán của các lối ra thoát nạn có thể được đo dọc theo hành
Hình I.5 - Minh họa về nguyên tắc đảm bảo khoảng phân tán của lối ra thoát nạn đối
với mặt bằng một tầng nhà
I.3. Cầu thang và buồng thang bộ trên đường thoát nạn
I.3.1 Các loại cầu thang và buồng thang bộ thông thường (xem quy định 2.5.1)

CHÚ DẪN:
1- Cầu thang bộ loại 1 (cầu thang kín, trong nhà): Cầu thang bên trong nhà, được bao bọc kín bởi kết cấu buồng thang và cửa ra vào có khả năng chịu lửa (ngăn cháy). Tường phía ngoài có thể có lỗ mở.
2- Cầu thang bộ loại 2 (cầu thang bộ hở, trong nhà): Cầu thang bên trong nhà, không được bao bọc kín bởi kết cấu buồng thang, không gian cầu thang thông với các không gian khác của nhà.
3- Cầu thang bộ loại 3 (cầu thang bộ hở, ngoài nhà): Cầu thang nằm phía ngoài nhà và không có buồng thang.
4- Buồng thang bộ loại L1: Kết cấu bao bọc cầu thang bộ trong nhà, có khả năng chịu lửa (ngăn cháy), có lỗ mở lấy ánh sáng ở tường ngoài trên mỗi tầng.
5- Buồng thang bộ loại L2: Kết cấu bao bọc cầu thang bộ trong nhà, có khả năng chịu lửa (ngăn cháy), có lỗ mở lấy ánh sáng từ trên mái của buồng thang.
Hình I.6 - Ví dụ minh họa các dạng cầu thang bộ và buồng thang bộ thông thường
I.3.2 Một số buồng thang bộ không nhiễm khói loại N1











CHÚ DẪN:
a) Khoảng đệm không nhiễm khói là một ban công.
b) Khoảng đệm không nhiễm khói là một lôgia.
c) Khoảng đệm không nhiễm khói là một sảnh chung nằm ở biên của nhà, đảm bảo yêu cầu về thông gió tự nhiên.
d) Khoảng đệm không nhiễm khói qua một sảnh chung nằm sâu trong mặt bằng nhưng có không gian đủ rộng để đảm bảo yêu cầu về thông gió tự nhiên.
e) Khoảng đệm không nhiễm khói là một sảnh có thông gió tự nhiên với khoang lõm.
f) Khoảng đệm không nhiễm khói là một sảnh ngăn khói có thông gió tự nhiên qua giếng đứng.
g) Khoảng đệm không nhiễm khói là một sảnh chung nằm giữa các khối nhà và đảm bảo điều kiện lưu thông của không khí qua sảnh nhờ những lỗ thông trên hai tường đối diện
h), i), k) Khoảng đệm không nhiễm khói đi theo hành lang bên
Hình I.8 - Ví dụ minh họa về khoảng đệm không nhiễm khói dẫn vào buồng thang bộ loại N1
I.3.3 Buồng thang bộ không nhiễm khói loại N2 và N3

Hình I.9 - Ví dụ minh họa buồng thang bộ không nhiễm khói loại N2 và N3
Bạn chưa Đăng nhập thành viên.
Đây là tiện ích dành cho tài khoản thành viên. Vui lòng Đăng nhập để xem chi tiết. Nếu chưa có tài khoản, vui lòng Đăng ký tại đây!
Bạn chưa Đăng nhập thành viên.
Đây là tiện ích dành cho tài khoản thành viên. Vui lòng Đăng nhập để xem chi tiết. Nếu chưa có tài khoản, vui lòng Đăng ký tại đây!