- Tổng quan
- Nội dung
- VB gốc
- Tiếng Anh
- Hiệu lực
- VB liên quan
- Lược đồ
-
Nội dung hợp nhất
Tính năng này chỉ có tại LuatVietnam.vn. Nội dung hợp nhất tổng hợp lại tất cả các quy định còn hiệu lực của văn bản gốc và các văn bản sửa đổi, bổ sung, đính chính... trên một trang. Việc hợp nhất văn bản gốc và những văn bản, Thông tư, Nghị định hướng dẫn khác không làm thay đổi thứ tự điều khoản, nội dung.
Khách hàng chỉ cần xem Nội dung hợp nhất là có thể nắm bắt toàn bộ quy định hiện hành đang áp dụng, cho dù văn bản gốc đã qua nhiều lần chỉnh sửa, bổ sung.
- Tải về
Thông tư 06/2016/TT-BGTVT Quy chuẩn kỹ thuật quốc gia về báo hiệu đường bộ
| Cơ quan ban hành: | Bộ Giao thông Vận tải |
Số công báo:
Số công báo là mã số ấn phẩm được đăng chính thức trên ấn phẩm thông tin của Nhà nước. Mã số này do Chính phủ thống nhất quản lý.
|
Đã biết
|
| Số hiệu: | 06/2016/TT-BGTVT | Ngày đăng công báo: |
Đã biết
|
| Loại văn bản: | Thông tư | Người ký: | Nguyễn Hồng Trường |
|
Ngày ban hành:
Ngày ban hành là ngày, tháng, năm văn bản được thông qua hoặc ký ban hành.
|
08/04/2016 |
Ngày hết hiệu lực:
Ngày hết hiệu lực là ngày, tháng, năm văn bản chính thức không còn hiệu lực (áp dụng).
|
Đã biết
|
|
Áp dụng:
Ngày áp dụng là ngày, tháng, năm văn bản chính thức có hiệu lực (áp dụng).
|
Đã biết
|
Tình trạng hiệu lực:
Cho biết trạng thái hiệu lực của văn bản đang tra cứu: Chưa áp dụng, Còn hiệu lực, Hết hiệu lực, Hết hiệu lực 1 phần; Đã sửa đổi, Đính chính hay Không còn phù hợp,...
|
Đã biết
|
| Lĩnh vực: | Giao thông |
TÓM TẮT THÔNG TƯ 06/2016/TT-BGTVT
Từ ngày 01/7/2020, Thông tư này bị hết hiệu lực bởi Thông tư 54/2019/TT-BGTVT về Quy chuẩn kỹ thuật quốc gia về báo hiệu đường bộ.
Xem chi tiết Thông tư 06/2016/TT-BGTVT có hiệu lực kể từ ngày 01/11/2016
|
BỘ GIAO THÔNG VẬN TẢI Số: 06/2016/TT-BGTVT |
CỘNG HÒA XÃ HỘI CHỦ NGHĨA VIỆT NAM Hà Nội, ngày 08 tháng 4 năm 2016 |
THÔNG TƯ
BAN HÀNH QUY CHUẨN KỸ THUẬT QUỐC GIA VỀ BÁO HIỆU ĐƯỜNG BỘ
Căn cứ Luật Giao thông đường bộ ngày 13 tháng 11 năm 2008;
Căn cứ Luật Tiêu chuẩn và Quy chuẩn kỹ thuật ngày 29 tháng 6 năm 2006;
Căn cứ Nghị định số 127/2007/NĐ-CP ngày 01 tháng 8 năm 2008 của Chính phủ quy định chi tiết thi hành một số điều của Luật Tiêu chuẩn và Quy chuẩn kỹ thuật;
Căn cứ Nghị định số 67/2009/NĐ-CP ngày 03 tháng 8 năm 2009 của Chính phủ sửa đổi một số điều của Nghị định số 127/2007/NĐ-CP ngày 01 tháng 8 năm 2007 của Chính phủ quy định chi tiết thi hành một số điều của Luật Tiêu chuẩn và Quy chuẩn kỹ thuật;
Căn cứ Nghị định số 107/2012/NĐ-CP ngày 20 tháng 12 năm 2012 của Chính phủ quy định chức năng, nhiệm vụ, quyền hạn và cơ cấu tổ chức của Bộ Giao thông vận tải;
Theo đề nghị của Vụ trưởng Vụ Khoa học - Công nghệ và Tổng cục trưởng
Tổng cục Đường bộ Việt Nam,
Bộ trưởng Bộ Giao thông vận tải ban hành Quy chuẩn kỹ thuật quốc gia về báo hiệu đường bộ.
Điều 1. Ban hành kèm theo Thông tư này “Quy chuẩn kỹ thuật quốc gia về báo hiệu đường bộ”.
Mã số đăng ký: QCVN 41:2016/BGTVT.
Điều 2. Hiệu lực thi hành
1. Thông tư này có hiệu lực thi hành kể từ ngày 01 tháng 11 năm 2016.
2. Thông tư này thay thế Thông tư số 17/2012/TT-BGTVT ngày 29 tháng 5 năm 2012 của Bộ trưởng Bộ Giao thông vận tải ban hành “Quy chuẩn kỹ thuật quốc gia về báo hiệu đường bộ” QCVN 41:2012/BGTVT và Thông tư số 27/2015/TT-BGTVT ngày 23 tháng 6 năm 2015 của Bộ trưởng Bộ Giao thông vận tải ban hành “Quy chuẩn kỹ thuật quốc gia về biển chỉ dẫn trên đường cao tốc” QCVN 83:2015/BGTVT.
Điều 3. Chánh Văn phòng Bộ, Chánh Thanh tra Bộ, các Vụ trưởng, Tổng cục trưởng Tổng cục Đường bộ Việt Nam, Thủ trưởng các cơ quan, đơn vị thuộc Bộ Giao thông vận tải, Giám đốc Sở Giao thông vận tải các tỉnh, thành phố trực thuộc Trung ương, các tổ chức và cá nhân có liên quan chịu trách nhiệm thi hành Thông tư này./.
|
|
KT. BỘ TRƯỞNG |
QCVN 41:2016/BGTVT
QUY CHUẨN KỸ THUẬT QUỐC GIA VỀ BÁO HIỆU ĐƯỜNG BỘ
National Technical Regulation on Traffic Signs and Signals
Lời nói đầu
- QCVN 41:2016/BGTVT do Tổng cục Đường bộ Việt Nam biên soạn, Bộ Khoa học và Công nghệ thẩm định, Bộ trưởng Bộ Giao thông vận tải ban hành theo Thông tư số 06/2016/TT-BGTVT ngày 08 tháng 4 năm 2016.
MỤC LỤC
Phần 1: Quy định chung
Phần 2: Quy định kỹ thuật
Chương 1 - Thứ tự hiệu lực của hệ thống báo hiệu và thứ tự đường ưu tiên
Chương 2 - Hiệu lệnh điều khiển giao thông
Chương 3 - Biển báo hiệu
Chương 4 - Biển báo cấm
Chương 5 - Biển báo nguy hiểm và cảnh báo
Chương 6 - Biển hiệu lệnh
Chương 7 - Biển chỉ dẫn trên đường ôtô không phải là đường cao tốc
Chương 8 - Biển phụ, biển viết bằng chữ
Chương 9 - Biển chỉ dẫn trên đường cao tốc
Chương 10 - Vạch kẻ đường
Chương 11 - Cọc tiêu, tiêu phản quang, tường bảo vệ và hàng rào chắn
Chương 12 - Cột kilômét, Cọc H
Chương 13 - Mốc lộ giới
Chương 14 - Báo hiệu cấm đi lại
Chương 15 - Gương cầu lồi, dải phân cách và lan can phòng hộ
Phần 3: Quy định về quản lý
Phần 4: Tổ chức thực hiện
Phụ lục A - Đèn tín hiệu
Phụ lục B - Ý nghĩa - Sử dụng biển báo cấm
Phụ lục C - Ý nghĩa - Sử dụng biển báo nguy hiểm và cảnh báo
Phụ lục D - Ý nghĩa - Sử dụng biển hiệu lệnh
Phụ lục E - Ý nghĩa - Sử dụng biển chỉ dẫn
Phụ lục F - Ý nghĩa - Sử dụng các biển phụ
Phụ lục G - Vạch kẻ đường
Phụ lục I - Cột kilômét - Cọc H - Mốc lộ giới
Phụ lục K - Kích thước chữ viết và con số trên biển báo
Phụ lục M - Chi tiết các thông số thiết kế biển báo
Phụ lục N - Mã hiệu đường cao tốc
Phụ lục O - Kích thước mã hiệu đường bộ
Phụ lục P - Chi tiết các thông số thiết kế biển báo chỉ dẫn trên đường cao tốc
Phần 1
QUY ĐỊNH CHUNG
Điều 1. Phạm vi điều chỉnh
Quy chuẩn này quy định về hệ thống báo hiệu đường bộ, bao gồm: hiệu lệnh của người điều khiển giao thông, tín hiệu đèn giao thông, biển báo hiệu, vạch kẻ đường, cọc tiêu, tường bảo vệ và rào chắn, cột kilômét, cọc H, mốc lộ giới, gương cầu lồi, dải phân cách có lan can phòng hộ.
Quy chuẩn này quy định về hệ thống báo hiệu áp dụng cho tất cả các tuyến đường bộ trong mạng lưới đường bộ Việt Nam bao gồm: đường cao tốc, đường quốc lộ, đường tỉnh, đường huyện, đường xã, đường đô thị, đường chuyên dùng và các đường nằm trong hệ thống đường bộ tham gia Điều ước quốc tế mà Việt Nam là thành viên (Hiệp định GMS-CBTA, các thỏa thuận trong ASEAN và các thỏa thuận quốc tế khác) - sau đây gọi là các tuyến đường đối ngoại.
Điều 2. Đối tượng áp dụng
Quy chuẩn này áp dụng đối với người tham gia giao thông trên mạng lưới đường bộ của Việt Nam và các tổ chức, cá nhân liên quan đến quản lý, đầu tư xây dựng, bảo vệ, bảo trì, khai thác, sử dụng kết cấu hạ tầng giao thông đường bộ.
Điều 3. Giải thích từ ngữ
Trong Quy chuẩn này, các từ ngữ dưới đây được hiểu như sau:
3.1. Đường cao tốc (ĐCT) là đường dành riêng cho xe ôtô và một số loại xe chuyên dùng được phép đi vào theo quy định của Luật Giao thông đường bộ, có dải phân cách phân chia đường cho xe chạy hai chiều riêng biệt mà dải phân cách này xe không đi được lên trên; không giao nhau cùng mức với một hoặc một số đường khác; được bố trí đầy đủ trang thiết bị phục vụ, bảo đảm giao thông liên tục, an toàn, rút ngắn thời gian hành trình và chỉ cho xe ra, vào ở những điểm nhất định.
3.2. Quốc lộ (QL) là đường nối liền thủ đô Hà Nội với trung tâm hành chính cấp tỉnh; đường nối liền trung tâm hành chính cấp tỉnh từ ba địa phương trở lên; đường nối liền từ cảng biển quốc tế, cảng hàng không quốc tế đến các cửa khẩu quốc tế, cửa khẩu chính trên đường bộ; đường có vị trí đặc biệt quan trọng đối với sự phát triển kinh tế - xã hội của vùng, khu vực.
3.3. Đường tỉnh (ĐT) là đường nối trung tâm hành chính của tỉnh với trung tâm hành chính của huyện hoặc trung tâm hành chính của tỉnh lân cận; đường có vị trí quan trọng đối với sự phát triển kinh tế - xã hội của tỉnh.
3.4. Đường huyện (ĐH) là đường nối từ trung tâm hành chính của huyện với trung tâm hành chính của xã, cụm xã hoặc trung tâm hành chính của huyện lân cận; đường có vị trí quan trọng đối với sự phát triển kinh tế - xã hội của huyện.
3.5. Đường xã (ĐX) là đường nối trung tâm hành chính của xã với các thôn, làng, ấp, bản và đơn vị tương đương hoặc đường nối với các xã lân cận; đường có vị trí quan trọng đối với sự phát triển kinh tế - xã hội của xã.
3.6. Đường đô thị (ĐĐT) là đường nằm trong phạm vi địa giới hành chính nội thành, nội thị xã và thị trấn.
3.7. Đường qua khu đông dân cư là đoạn đường bộ nằm trong khu vực nội thành phố, nội thị xã và những đoạn đường có dân cư sinh sống sát dọc theo đường, có các hoạt động có thể ảnh hưởng đến an toàn giao thông đường bộ và được xác định bằng biển báo là đường qua khu đông dân cư (khi cần thiết có thể xác định riêng cho từng chiều đường).
3.8. Đường chuyên dùng (ĐCD) là đường chuyên phục vụ cho việc vận chuyển, đi lại của một hoặc một số cơ quan, tổ chức, cá nhân.
3.9. Đường bộ gồm đường, cầu đường bộ, hầm đường bộ, bến phà đường bộ.
3.10. Đường dành riêng cho các loại phương tiện cơ giới là tuyến đường, phần đường hoặc làn đường dành riêng cho phương tiện cơ giới lưu thông, tách biệt với phần đường dành riêng cho các phương tiện thô sơ và người đi bộ bằng dải phân cách hoặc vạch sơn dọc liền và được chỉ dẫn bằng biển báo hiệu hoặc vạch sơn.
3.11. Đường dành riêng cho một số loại phương tiện là tuyến đường, phần đường hoặc làn đường dành riêng cho một hoặc một vài loại phương tiện được lưu thông tách biệt với phần đường cho các phương tiện khác và được chỉ dẫn bằng biển báo hiệu hoặc vạch sơn.
3.12. Đường dành riêng cho các phương tiện thô sơ và người đi bộ là tuyến đường, phần đường hoặc làn đường được phân biệt với phần đường dành riêng cho phương tiện cơ giới bằng các dải phân cách hoặc vạch sơn dọc liền.
3.13. Đường ưu tiên là đường mà trên đó phương tiện tham gia giao thông được các phương tiện giao thông đến từ hướng khác nhường đường khi qua nơi đường giao nhau, được cắm biển báo hiệu đường ưu tiên.
3.14. Làn đường ưu tiên là làn đường mà trên đó phương tiện tham gia giao thông được quy định là ưu tiên sẽ được các phương tiện khác nhường đường khi cùng tham gia giao thông.
3.15. Đường không ưu tiên là những đường giao cùng mức với đường ưu tiên.
3.16. Đường một chiều là những đường chỉ cho đi một chiều.
3.17. Đường hai chiều là những đường dùng chung cho cả chiều đi và về trên cùng một phần đường xe chạy mà không có dải phân cách.
3.18. Đường đôi là những đường mà chiều đi và về trên cùng phần đường xe chạy được phân biệt bằng dải phân cách (trường hợp phân biệt bằng vạch sơn thì không phải đường đôi).
3.19. Phần đường xe chạy là phần của đường bộ được sử dụng cho phương tiện giao thông qua lại.
3.20. Phần đường dành cho xe cơ giới là phần của đường bộ được sử dụng cho các phương tiện giao thông cơ giới đường bộ và xe máy chuyên dùng qua lại.
3.21. Phần đường dành cho xe thô sơ là phần của đường bộ được sử dụng cho các phương tiện giao thông thô sơ đường bộ qua lại.
3.22. Làn đường là một phần của phần đường xe chạy được chia theo chiều dọc của đường, có đủ bề rộng cho xe chạy an toàn. Một phần đường xe chạy có thể có một hoặc nhiều làn đường.
3.23. Dải phân cách là bộ phận của đường mà xe không chạy trên đó được và để phân chia phần đường xe chạy thành hai chiều xe chạy riêng biệt hoặc để phân chia phần đường dành cho xe cơ giới và xe thô sơ hoặc của nhiều loại xe khác nhau trên cùng một chiều giao thông.
3.24. Nơi đường giao nhau là nơi hai hay nhiều đường giao nhau hoặc giao nhau với đường sắt trên cùng một mặt phẳng; nơi đường giao nhau không phải là nơi các đường bộ giao với các ngõ, ngách, hẻm hoặc lối ra vào các khu đất lân cận trừ khi được cấp có thẩm quyền quy định là nơi đường giao nhau.
3.25. Xe cơ giới là chỉ các loại xe ôtô; máy kéo; rơ-moóc hoặc sơ-mi rơ-moóc được kéo bởi xe ôtô; xe máy 2 bánh; xe máy 3 bánh; xe gắn máy (kể cả xe máy điện) và các loại xe tương tự được thiết kế để chở người và hàng hóa trên đường bộ. Xe cơ giới bao gồm cả tàu điện bánh lốp (là loại tàu dùng điện nhưng không chạy trên đường ray).
3.26. Tải trọng bản thân xe là khối lượng của xe, đo bằng kilôgam (kg) hoặc tấn (t) ở trạng thái tỉnh được ghi theo thông số quy định trong Giấy chứng nhận kiểm định an toàn kỹ thuật và bảo vệ môi trường phương tiện giao thông cơ giới đường bộ không kể đến khối lượng người trong xe và khối lượng hàng hóa trên xe.
3.27. Tải trọng toàn bộ xe (tổng tải trọng) là bằng tải trọng bản thân xe cộng với khối lượng của người, hành lý và hàng hóa xếp trên xe (nếu có).
3.28. Tải trọng toàn bộ xe cho phép là bằng tải trọng bản thân xe cộng với khối lượng chuyên chở cho phép xác định theo Giấy chứng nhận kiểm định an toàn kỹ thuật và bảo vệ môi trường phương tiện giao thông cơ giới đường bộ.
3.29. Tải trọng trục xe là phần của tải trọng toàn bộ xe phân bổ trên mỗi trục xe (trục đơn, cụm trục kép, cụm trục ba).
3.30. Xe ôtô con (hay còn gọi là xe con) là xe ôtô được xác định theo Giấy chứng nhận kiểm định an toàn kỹ thuật và bảo vệ môi trường phương tiện giao thông cơ giới đường bộ, để chở người không quá 9 chỗ ngồi kể cả lái xe hoặc xe ôtô chở hàng với khối lượng chuyên chở cho phép dưới 1.500 kg; xe ôtô con bao gồm cả các loại xe có kết cấu như xe máy 3 bánh nhưng có tải trọng bản thân xe lớn hơn 400 kg và tải trọng toàn bộ xe cho phép nhỏ hơn 1.500 kg.
3.31. Xe bán tải (xe pickup) có kết cấu thùng chở hàng đi liền với thân xe, có khối lượng chuyên chở cho phép xác định theo Giấy chứng nhận kiểm định an toàn kỹ thuật và bảo vệ môi trường phương tiện giao thông cơ giới đường bộ nhỏ hơn 1.500 kg và có từ 5 chỗ ngồi trở xuống thì được xem là xe con.
3.32. Ôtô tải (hay còn gọi là xe tải) là xe ôtô để chở hàng hoặc thiết bị chuyên dùng có khối lượng chuyên chở cho phép xác định theo Giấy chứng nhận kiểm định an toàn kỹ thuật và bảo vệ môi trường phương tiện giao thông cơ giới đường bộ từ 1.500 kg trở lên.
3.33. Ôtô khách (hay còn gọi là xe khách) là xe ôtô được xác định theo Giấy chứng nhận kiểm định an toàn kỹ thuật và bảo vệ môi trường phương tiện giao thông cơ giới đường bộ để chở người với số lượng lớn hơn 9 người.
3.34. Xe buýt là xe ôtô khách có số chỗ ngồi ít hơn số chỗ đứng hoặc là xe ôtô khách được quy định sử dụng vận tải hành khách công cộng.
3.35. Ôtô đầu kéo kéo sơ-mi rơ-moóc là chỉ những loại xe cơ giới chuyên chở hàng hóa mà thùng xe là sơ-mi rơ-moóc được thiết kế nối với ôtô đầu kéo và truyền một phần trọng lượng đáng kể lên ôtô đầu kéo và ôtô đầu kéo không có bộ phận chở hàng hóa hoặc chở người (ôtô đầu kéo là ôtô được thiết kế để kéo sơ-mi rơ-moóc).
3.36. Ôtô kéo rơ-moóc là xe ôtô được thiết kế dành riêng hoặc chủ yếu dùng để kéo rơ-moóc.
3.37. Rơ-moóc là chỉ phương tiện có kết cấu để sao cho khối lượng toàn bộ của rơ-moóc không đặt lên ôtô kéo.
3.38. Máy kéo là chỉ đầu máy tự di chuyển bằng xích hay bánh lốp để thực hiện các công việc đào, xúc, nâng, ủi, gạt, kéo, đẩy.
3.39. Xe môtô (hay còn gọi là xe máy) là xe cơ giới hai hoặc ba bánh và các loại xe tương tự, di chuyển bằng động cơ có dung tích xy lanh từ 50 cm3 trở lên, tải trọng bản thân xe không quá 400 kg đối với xe máy 2 bánh hoặc khối lượng chuyên chở cho phép xác định theo Giấy chứng nhận kiểm định an toàn kỹ thuật và bảo vệ môi trường phương tiện giao thông cơ giới đường bộ từ 350 kg đến 500 kg đối với xe máy 3 bánh. Khái niệm này không bao gồm xe gắn máy nêu tại Khoản 3.40 quy định tại Điều này.
3.40. Xe gắn máy là chỉ phương tiện chạy bằng động cơ, có hai bánh hoặc ba bánh và vận tốc thiết kế lớn nhất không lớn hơn 50 km/h. Nếu dẫn động là động cơ nhiệt thì dung tích làm việc hoặc dung tích tương đương không được lớn hơn 50 cm3.
3.41. Xe thô sơ gồm xe đạp (kể cả xe đạp máy, xe đạp điện), xe xích lô, xe súc vật kéo, xe lăn dùng cho người khuyết tật và các loại xe tương tự không sử dụng động cơ gây ra sức kéo.
3.42. Xe đạp là phương tiện có hai bánh xe hoặc ba bánh và di chuyển được bằng sức người đạp hoặc bằng tay quay, kể cả xe chuyên dùng của người tàn tật có tính năng tương tự.
3.43. Xe đạp thồ là xe đạp chở hàng trên giá đèo hàng hoặc chằng buộc hai bên thành xe.
3.44. Xe người kéo là những loại phương tiện thô sơ có một hoặc nhiều bánh và chuyển động được nhờ sức người kéo hoặc đẩy trừ xe nôi trẻ em và phương tiện chuyên dùng đi lại của người tàn tật.
3.45. Xe súc vật kéo là những phương tiện thô sơ chuyển động được do súc vật kéo.
3.46. Người tham gia giao thông là người điều khiển; người sử dụng phương tiện tham gia giao thông đường bộ; người điều khiển, dẫn dắt súc vật; người đi bộ trên đường.
3.47. Xe ưu tiên là xe được quyền ưu tiên theo quy định của Luật Giao thông đường bộ.
3.48. Mốc lộ giới là cọc mốc được cắm ở mép ngoài cùng xác định ranh giới của đất dành cho đường bộ theo chiều ngang đường.
3.49. Giá long môn là khung treo biển báo hiệu phía trên mặt đường.
3.50. Cột cần vươn là một dạng kết cấu treo biển báo hoặc đèn tín hiệu giao thông dạng cột bên đường có cần vươn ra đường. Cột cần vươn khi cần thiết được dùng cho đường có phần đường dành cho xe cơ giới theo một hướng từ 2 làn xe trở lên; nơi đường có tốc độ xe chạy cao; nơi có nhiều xe tải và xe buýt; nơi bị khuất tầm nhìn hoặc nơi đường có mật độ giao thông cao.
3.51. Hàng nguy hiểm là hàng hóa có chứa các chất nguy hiểm khi chở trên đường có khả năng gây nguy hại tới tính mạng, sức khỏe con người, môi trường, an toàn và an ninh quốc gia.
3.52. Tốc độ vận hành là tốc độ mà người lái vận hành chiếc xe của mình.
3.53. Tốc độ thiết kế là tốc độ được lựa chọn để thiết kế các yếu tố cơ bản của đường trong các điều kiện khó khăn.
3.54. Tốc độ suất tích lũy 85% (V85) là tốc độ vận hành mà ở đó 85% các lái xe vận hành xe chạy từ tốc độ này trở xuống.
3.55. Tốc độ hạn chế tối đa là tốc độ lớn nhất trên một tuyến đường, đoạn đường hoặc làn đường được cấp có thẩm quyền quy định. Người điều khiển phương tiện không được phép vận hành xe ở tốc độ cao hơn.
3.56. Tốc độ hạn chế tối thiểu là tốc độ nhỏ nhất trên một tuyến đường, đoạn đường hoặc làn đường được cấp có thẩm quyền quy định. Người điều khiển phương tiện không được phép vận hành xe ở tốc độ nhỏ hơn khi có điều kiện giao thông đảm bảo an toàn cho phép xe chạy với tốc độ cao hơn.
3.57. Tầm nhìn là khoảng cách đo dọc theo mặt đường tính từ mũi xe của một chiếc xe đang chạy đến một vật thể ở phía trước.
3.58. Tầm nhìn dừng xe an toàn là khoảng cách đo dọc theo đường tính từ mũi xe để một chiếc xe đang chạy có thể dừng lại an toàn trước một vật thể tỉnh bất ngờ xuất hiện trên cùng một làn đường ở phía trước.
3.59. Tầm nhìn vượt xe an toàn là khoảng cách đo dọc theo mặt đường tính từ mũi xe để một chiếc xe đang chạy trên đường 2 làn xe hai chiều có thể vượt qua một chiếc xe khác chạy chậm hơn cùng chiều bằng cách chiếm dụng làn xe chạy phía chiều ngược lại và quay trở về làn cũ của mình một cách an toàn.
3.60. Vượt phải là tình huống giao thông trong đó một phương tiện vượt phương tiện khác về phía bên phải của phương tiện bị vượt trên cùng một chiều đường tại các đường chỉ có một làn xe cơ giới mỗi chiều. Các phương tiện không được phép vượt phải nhau trừ một số trường hợp được quy định trong Luật Giao thông đường bộ.
3.61. Xe trên các làn chạy nhanh hơn nhau là tình huống giao thông mà các phương tiện trên các làn theo cùng một chiều đường của các đường có nhiều hơn hai làn đường mỗi chiều có thể chạy nhanh hơn nhau miễn là tuân thủ quy định về tốc độ và loại phương tiện sử dụng làn đường. Khi chuyển làn phải tuân thủ theo quy tắc giao thông đường bộ.
3.62. Nhường đường cho phương tiện khác là tình huống giao thông mà phương tiện nhường đường không tiếp tục di chuyển như hiện tại để phương tiện được nhường đường không phải chuyển hướng hoặc phải phanh đột ngột.
3.63. Nút giao khác mức liên thông là nơi giao nhau của đường bộ bằng tổ hợp các công trình vượt hoặc chui và nhánh nối mà ở đó cho phép các phương tiện tham gia giao thông chuyển hướng đến đường ở các cao độ khác nhau.
3.64. Nhánh nối là đường dùng để kết nối các hướng đường trong nút giao.
3.65. Lối ra là nơi các phương tiện tham gia giao thông tách ra khỏi dòng giao thông trên đường chính.
3.66. Lối vào là nơi các phương tiện tham gia giao thông nhập vào dòng giao thông trên đường chính.
Phần 2
QUY ĐỊNH KỸ THUẬT
Chương 1
THỨ TỰ HIỆU LỰC CỦA HỆ THỐNG BÁO HIỆU VÀ THỨ TỰ ĐƯỜNG ƯU TIÊN
Điều 4. Thứ tự hiệu lực của hệ thống báo hiệu
4.1. Khi đồng thời bố trí các hình thức báo hiệu có ý nghĩa khác nhau cùng ở một khu vực, người tham gia giao thông phải chấp hành loại hiệu lệnh theo thứ tự như sau:
4.1.1. Hiệu lệnh của người điều khiển giao thông;
4.1.2. Hiệu lệnh của đèn tín hiệu;
4.1.3. Hiệu lệnh của biển báo hiệu;
4.1.4. Hiệu lệnh của vạch kẻ đường và các dấu hiệu khác trên mặt đường.
4.2. Khi ở một vị trí đã có biển báo hiệu đặt cố định lại có biển báo hiệu khác đặt có tính chất tạm thời mà hai biển có ý nghĩa khác nhau thì người tham gia giao thông phải chấp hành hiệu lệnh của biển báo hiệu có tính chất tạm thời. Biển có tính chất tạm thời là biển sử dụng mang tính tình huống nhằm tổ chức điều khiển giao thông có tính chất ngắn hạn như trong các sự kiện, sự cố giao thông hay sử dụng trong quá trình thi công hoặc sửa chữa đường.
Điều 5. Thứ tự đường ưu tiên
5.1. Quy định về thứ tự đường ưu tiên như sau:
- Đường cao tốc;
- Quốc lộ;
- Đường đô thị;
- Đường tỉnh;
- Đường huyện;
- Đường xã;
- Đường chuyên dùng.
5.2. Nếu hai đường cùng thứ tự, giao nhau cùng mức, việc xác định đường nào là đường ưu tiên được xem xét lần lượt theo quy định sau:
5.2.1. Được cấp có thẩm quyền quy định là đường ưu tiên;
5.2.2. Đường có cấp kỹ thuật cao hơn thì được ưu tiên;
5.2.3. Khi lưu lượng xe khác nhau, đường có lưu lượng xe trung bình ngày đêm lớn hơn thì được ưu tiên;
5.2.4. Khi lưu lượng xe trung bình ngày đêm bằng nhau, đường có nhiều xe ôtô vận tải công cộng lớn hơn thì được ưu tiên;
5.2.5. Đường nào có mặt đường cấp cao hơn thì được ưu tiên.
5.3. Không được quy định cả hai đường giao nhau cùng mức cùng đồng thời là đường ưu tiên.
Chương 2
HIỆU LỆNH ĐIỀU KHIỂN GIAO THÔNG
Điều 6. Các phương pháp điều khiển giao thông
6.1. Các phương tiện điều khiển giao thông:
6.1.1. Bằng tay;
6.1.2. Bằng cờ;
6.1.3. Bằng gậy điều khiển giao thông có màu đen trắng xen kẽ (có đèn hoặc không có đèn ở bên trong);
6.1.4. Bằng đèn tín hiệu ánh sáng.
6.2. Phương pháp chỉ huy giao thông:
6.2.1. Người điều khiển;
6.2.2. Bằng hệ thống tín hiệu ánh sáng tự động.
Điều 7. Hiệu lệnh của người điều khiển giao thông
7.1. Hiệu lệnh của người điều khiển được thể hiện bằng tay, cờ, gậy hoặc đèn tín hiệu ánh sáng điều khiển giao thông. Để thu hút sự chú ý của người tham gia giao thông, người điều khiển giao thông ngoài sử dụng các phương pháp nêu trên còn dùng thêm còi.
7.2. Hiệu lệnh của cảnh sát điều khiển giao thông:
7.2.1. Tay giơ thẳng đứng để báo hiệu cho người tham gia giao thông ở các hướng đều phải dừng lại;
7.2.2. Hai tay hoặc một tay dang ngang để báo hiệu cho người tham gia giao thông ở phía trước và ở phía sau người điều khiển phải dừng lại; người tham gia giao thông ở phía bên phải và bên trái người điều khiển được đi tất cả các hướng; cánh tay trái người điều khiển gập đi gập lại sau gáy để báo hiệu người tham gia giao thông bên trái người điều khiển đi nhanh hơn hoặc cánh tay phải người điều khiển gập đi gập lại trước ngực để báo hiệu người tham gia giao thông bên phải người điều khiển đi nhanh hơn; bàn tay trái hoặc phải của người điều khiển ở vị trí ngang thắt lưng và đưa lên, xuống báo hiệu người tham gia giao thông ở bên trái hoặc bên phải người điều khiển đi chậm lại; bàn tay trái hoặc phải của người điều khiển giơ thẳng đứng vuông góc với mặt đất báo hiệu người tham gia giao thông ở bên trái hoặc bên phải người điều khiển dừng lại; 7.2.3. Tay phải giơ về phía trước để báo hiệu cho người tham gia giao thông ở phía sau và bên phải người điều khiển dừng lại; người tham gia giao thông ở phía trước người điều khiển được rẽ phải; người tham gia giao thông ở phía bên trái người điều khiển được đi tất cả các hướng; người đi bộ qua đường phía sau lưng người điều khiển giao thông được phép đi; đồng thời tay trái giơ về phía trước lặp đi lặp lại nhiều lần, song song với tay phải báo hiệu người tham gia giao thông ở phía bên trái người điều khiển được rẽ trái qua trước mặt người điều khiển.
7.3. Quy định về việc sử dụng âm hiệu còi trong điều khiển giao thông của cảnh sát điều khiển giao thông như sau:
7.3.1. Một tiếng còi dài, mạnh là ra lệnh dừng lại;
7.3.2. Một tiếng còi ngắn là cho phép đi;
7.3.3. Một tiếng còi dài và một tiếng còi ngắn là cho phép rẽ trái;
7.3.4. Hai tiếng còi ngắn, thổi mạnh là ra hiệu nguy hiểm đi chậm lại;
7.3.5. Ba tiếng còi ngắn thổi nhanh là báo hiệu đi nhanh lên;
7.3.6. Thổi liên tiếp tiếng một, nhiều lần, mạnh là báo hiệu phương tiện dừng lại để kiểm tra hoặc báo hiệu phương tiện vi phạm.
7.4. Quy định về việc sử dụng ánh sáng trong hiệu lệnh dừng xe của cảnh sát giao thông như sau: cầm đèn ánh sáng có mặt đỏ giơ cao hướng về phía phương tiện đang chạy tới.
7.5. Trường hợp khi có tín hiệu hoặc hiệu lệnh phải dừng lại, nếu phương tiện tham gia giao thông đã đi vượt qua vạch sơn số 7.1 “Vạch dừng xe” tại các nơi đường giao nhau mà dừng lại sẽ gây mất an toàn giao thông thì được phép đi tiếp; người đi bộ còn đang đi ở lòng đường thì nhanh chóng đi hết hoặc dừng lại ở đảo an toàn, nếu không có đảo thì dừng lại ở vạch sơn phân chia hai dòng phương tiện giao thông đi ngược chiều.
7.6. Trường hợp người điều khiển chỉ gậy chỉ huy giao thông vào hướng xe nào thì xe ở hướng đó phải dừng lại.
Điều 8. Hiệu lực của người điều khiển giao thông
Tất cả các lái xe, người đi bộ đều phải chấp hành nghiêm chỉnh hiệu lệnh của người điều khiển giao thông, kể cả trong trường hợp hiệu lệnh trái với tín hiệu của đèn điều khiển giao thông, biển báo hiệu hoặc vạch kẻ đường.
Điều 9. Người điều khiển giao thông
Người điều khiển giao thông phải là cảnh sát giao thông mặc sắc phục theo quy định của Bộ Công an hoặc là người được giao nhiệm vụ điều khiển giao thông có mang băng đỏ rộng 10 cm ở khoảng giữa cánh tay phải.
Điều 10. Điều khiển giao thông bằng tín hiệu đèn
10.1. Đèn tín hiệu chính điều khiển giao thông được áp dụng ba loại màu tín hiệu: xanh, vàng và đỏ; chủ yếu có dạng hình tròn, lắp theo chiều thẳng đứng hoặc nằm ngang.
10.1.1. Thứ tự tín hiệu lắp theo chiều thẳng đứng: đèn đỏ ở trên, đèn vàng ở giữa và đèn xanh ở dưới.
10.1.2. Thứ tự tín hiệu lắp đặt theo chiều ngang: đèn đỏ ở phía bên trái, đèn vàng ở giữa và đèn xanh ở phía bên phải theo chiều lưu thông.
10.2. Đèn tín hiệu ngoài ba dạng đèn chính còn được bổ sung một số đèn phụ tùy thuộc vào quy mô nút giao và tổ chức giao thông. Việc bố trí đèn phụ được thực hiện tại các nút giao rộng và nơi đường có nhiều xe tải, xe buýt có kích thước lớn lưu thông gây cản trở tầm nhìn.
10.2.1. Đèn phụ có hình mũi tên hoặc các hình có ký hiệu phù hợp với quy định của Quy chuẩn này, được lắp đặt trên mặt phẳng ngang với đèn tín hiệu xanh. Các hình trên đèn phụ có thể là hình một loại phương tiện giao thông hoặc hình người đi bộ.
10.2.2. Đèn tín hiệu không có đèn phụ thì trong từng tín hiệu của đèn chính, có thể có hình mũi tên. Nếu mũi tên chỉ hướng cho phép rẽ trái thì đồng thời cho phép quay đầu, trừ khi có cắm biển báo số P.124 (a,b) “Cấm quay đầu xe”.
10.2.3. Đèn tín hiệu kèm đồng hồ đếm ngược có tác dụng báo hiệu thời gian có hiệu lực của đèn chính; màu của số trên đồng hồ đếm ngược phải sử dụng cùng màu với tín hiệu của đèn chính đang có tác dụng hiệu lệnh.
10.2.4. Đèn tín hiệu có hình chữ thập màu đỏ báo hiệu xe phải dừng lại. Trong trường hợp xe đã ở trong nút giao thì phải nhanh chóng đi ra khỏi nút giao.
10.3. Ý nghĩa của đèn tín hiệu:
10.3.1. Tín hiệu xanh: cho phép đi.
10.3.2. Tín hiệu vàng: báo hiệu sự thay đổi tín hiệu của đèn từ xanh sang đỏ. Tín hiệu vàng bật sáng, người điều khiển phương tiện phải cho xe dừng trước vạch sơn “Vạch dừng xe”. Nếu không có vạch sơn “Vạch dừng xe”, thì phải dừng phía trước đèn tín hiệu theo chiều đi. Trường hợp phương tiện đã tiến sát đến hoặc đã vượt quá vạch sơn“Vạch dừng xe”, nếu dừng lại sẽ nguy hiểm thì phải nhanh chóng đi tiếp ra khỏi nơi giao nhau.
10.3.3. Tín hiệu vàng nhấp nháy: báo hiệu được đi nhưng phải chú ý và thận trọng quan sát, nhường đường cho người đi bộ sang đường hoặc các phương tiện khác theo quy định của Luật Giao thông đường bộ.
10.3.4. Tín hiệu đỏ: báo hiệu phải dừng lại trước vạch dừng xe. Nếu không có vạch sơn “Vạch dừng xe”, thì phải dừng trước đèn tín hiệu theo chiều đi.
10.4. Ý nghĩa của đèn phụ hình mũi tên:
10.4.1. Nếu đèn có lắp đèn phụ hình mũi tên màu xanh thì các loại phương tiện giao thông chỉ được đi khi tín hiệu mũi tên bật sáng cho phép. Tín hiệu mũi tên cho phép rẽ trái thì đồng thời cho phép quay đầu nếu không có báo hiệu cấm quay đầu khác.
10.4.2. Nếu đèn phụ có hình của một loại phương tiện giao thông nào đó xanh thì chỉ loại phương tiện đó được phép đi.
10.4.3. Khi tín hiệu mũi tên màu xanh được bật sáng cùng một lúc với tín hiệu đỏ hoặc vàng thì các phương tiện đi theo hướng mũi tên nhưng phải nhường đường cho các loại phương tiện đi từ các hướng khác đang được phép đi.
10.4.4. Khi tín hiệu mũi tên màu đỏ được bật sáng cùng lúc với tín hiệu đèn chính màu xanh thì phương tiện không được đi theo hướng mũi tên. Những nơi bố trí mũi tên màu đỏ phải bố trí làn chờ cho các xe đi hướng đang có đèn màu đỏ.
10.4.5. Khi tín hiệu màu đỏ có hình của một loại phương tiện nào đó bật sáng cùng lúc với tín hiệu đèn chính màu xanh thì loại phương tiện đó không được đi. Những nơi có bố trí đèn hình phương tiện màu đỏ thì phải bố trí làn chờ cho phương tiện đó.
10.5. Điều khiển giao thông bằng loại đèn hai màu:
10.5.1. Điều khiển giao thông đối với người đi bộ bằng loại đèn hai màu: khi tín hiệu màu đỏ có tín hiệu hình người tư thế đứng hoặc chữ viết "Dừng lại"; khi tín hiệu màu xanh, có hình người tư thế đi hoặc chữ viết "Đi".
Người đi bộ chỉ được phép đi qua đường khi tín hiệu đèn xanh bật sáng và đi trong hàng đinh gắn trên mặt đường hoặc vạch sơn dành cho người đi bộ qua đường. Tín hiệu đèn xanh nhấp nháy báo hiệu chuẩn bị chuyển sang tín hiệu màu đỏ; người đi bộ lúc này không nên bắt đầu đi ngang qua đường.
10.5.2. Loại đèn hai màu xanh và đỏ không nhấp nháy dùng để điều khiển giao thông ở những nơi giao nhau với đường sắt, bến phà, cầu cất, dải cho máy bay lên xuống ở độ cao không lớn v.v... Đèn xanh bật sáng: cho phép các phương tiện giao thông được đi. Đèn đỏ bật sáng: cấm đi. Hai đèn xanh và đỏ không được cùng bật sáng một lúc.
10.5.3. Loại đèn đỏ hai bên thay nhau nhấp nháy nơi giao nhau với đường sắt, khi bật sáng thì mọi phương tiện phải ngừng lại và chỉ được đi khi đèn tắt. Ngoài ra để gây chú ý, ngoài đèn đỏ nhấp nháy còn trang bị thêm chuông điện hoặc tiếng nói nhắc nhở có tàu hỏa.
10.6. Để điều khiển giao thông trên từng làn đường riêng có thể áp dụng đèn tín hiệu gồm 2 hộp treo trên phần đường xe chạy, tín hiệu xanh có hình mũi tên phải đặt ngay trên làn đường cần điều khiển, tín hiệu đỏ có hình hai gạch chéo. Những tín hiệu của đèn này có ý nghĩa như sau:
10.6.1. Tín hiệu xanh cho phép đi ở trên làn đường có mũi tên chỉ;
10.6.2. Tín hiệu đỏ phải dừng lại theo điểm 10.3.4 khoản 10.3 Điều này trên làn đường có đèn treo tín hiệu màu đỏ.
Điều 11. Xe ưu tiên và tín hiệu của xe ưu tiên
11.1. Những xe sau đây được quyền ưu tiên đi trước xe khác khi qua đường giao nhau từ bất kỳ hướng nào tới theo thứ tự:
11.1.1. Xe chữa cháy đi làm nhiệm vụ;
11.1.2. Xe quân sự, xe công an đi làm nhiệm vụ khẩn cấp; đoàn xe có xe cảnh sát dẫn đường;
11.1.3. Xe cứu thương đang thực hiện nhiệm vụ cấp cứu;
11.1.4. Xe hộ đê, xe đi làm nhiệm vụ khắc phục sự cố thiên tai, dịch bệnh hoặc xe đi làm nhiệm vụ trong tình trạng khẩn cấp theo quy định của pháp luật;
11.1.5. Đoàn xe tang.
11.2. Xe quy định tại các điểm từ 11.1.1 đến 11.1.4 của khoản 11.1 Điều này khi làm nhiệm vụ có tín hiệu còi, cờ, đèn theo quy định không bị hạn chế tốc độ; được phép đi vào đường ngược chiều, các đường khác có thể đi được, kể cả khi có tín hiệu đèn đỏ và chỉ phải tuân theo chỉ dẫn của người điều khiển giao thông.
11.3. Tín hiệu của xe chữa cháy đi làm nhiệm vụ:
11.3.1. Xe chữa cháy có đèn quay hoặc đèn chớp phát sáng màu đỏ hoặc xanh gắn trên nóc xe và có còi phát tín hiệu ưu tiên.
11.4. Tín hiệu của xe quân sự đi làm nhiệm vụ khẩn cấp:
11.4.1. Xe ôtô có đèn quay hoặc đèn chớp phát sáng màu đỏ gắn trên nóc xe, cờ hiệu quân sự cắm ở đầu xe phía bên trái người lái; có còi phát tín hiệu ưu tiên.
11.4.2. Xe máy có đèn quay hoặc đèn chớp phát sáng màu đỏ gắn ở càng xe phía trước hoặc phía sau; cờ hiệu quân sự cắm ở đầu xe; có còi phát tín hiệu ưu tiên.
11.5. Tín hiệu của xe công an đi làm nhiệm vụ khẩn cấp:
11.5.1. Xe ôtô có đèn quay hoặc đèn chớp phát sáng màu xanh hoặc đỏ gắn trên nóc xe, cờ hiệu công an cắm ở đầu xe phía bên trái người lái; có còi phát tín hiệu ưu tiên.
11.5.2. Xe máy có đèn quay hoặc đèn chớp phát sáng màu xanh hoặc đỏ gắn ở càng xe phía trước hoặc phía sau, cờ hiệu công an cắm ở đầu xe; có còi phát tín hiệu ưu tiên.
11.6. Tín hiệu của xe cảnh sát giao thông dẫn đường:
11.6.1. Xe ôtô có đèn quay hoặc đèn chớp phát sáng màu xanh - đỏ gắn trên nóc xe, cờ hiệu Công an cắm ở đầu xe phía bên trái người lái; có còi phát tín hiệu ưu tiên;
11.6.2. Xe máy có đèn quay hoặc đèn chớp phát sáng màu xanh hoặc đỏ gắn ở càng xe phía trước hoặc phía sau; cờ hiệu công an cắm ở đầu xe; có còi phát tín hiệu ưu tiên.
11.7. Tín hiệu của xe cứu thương đang thực hiện nhiệm vụ cấp cứu Xe cứu thương có đèn quay hoặc đèn chớp phát sáng màu đỏ gắn trên nóc xe; có còi phát tín hiệu ưu tiên.
11.8. Tín hiệu của xe hộ đê, xe đi làm nhiệm vụ trong tình trạng khẩn cấp theo quy định của pháp luật.
11.8.1. Xe làm nhiệm vụ cứu hộ đê có cờ hiệu “HỘ ĐÊ” cắm ở đầu xe phía bên trái người lái.
11.8.2. Xe đi làm nhiệm vụ khắc phục sự cố thiên tai, dịch bệnh hoặc xe đi làm nhiệm vụ trong tình trạng khẩn cấp theo quy định của pháp luật thực hiện như sau:
a) Xe đi làm nhiệm vụ khắc phục sự cố thiên tai, dịch bệnh có biển hiệu riêng.
b) Xe đi làm nhiệm vụ trong tình trạng khẩn cấp theo quy định của pháp luật có cờ hiệu “TÌNH TRẠNG KHẨN CẤP” cắm ở đầu xe phía bên trái người lái.
11.9. Sử dụng tín hiệu của xe ưu tiên:
11.9.1. Xe được quyền ưu tiên chỉ được sử dụng tín hiệu ưu tiên khi đi làm nhiệm vụ và thiết bị phát tín hiệu ưu tiên trên xe phải được cơ quan có thẩm quyền cấp giấy phép sử dụng.
11.9.2. Các phương tiện giao thông cơ giới đường bộ không thuộc loại xe được quyền ưu tiên thì không được lắp đặt, sử dụng còi, cờ, đèn phát tín hiệu ưu tiên. Xe được quyền ưu tiên phải lắp đặt, sử dụng tín hiệu còi, cờ, đèn ưu tiên theo quy định tại các khoản 11.3, 11.4, 11.5, 11.6, 11.7 và khoản 11.8 của Điều này.
11.10. Khi có tín hiệu của xe được quyền ưu tiên, người tham gia giao thông phải nhanh chóng giảm tốc độ, tránh hoặc dừng lại sát lề đường bên phải để nhường đường. Không được gây cản trở xe được quyền ưu tiên.
Điều 12. Hiệu lực của đèn tín hiệu
Ở nơi đường giao nhau vừa có đèn tín hiệu vừa có biển báo hiệu và vạch sơn thì lái xe phải tuân theo hiệu lệnh của đèn tín hiệu. Trong trường hợp không sử dụng đèn tín hiệu để điều khiển giao thông theo từng làn đường riêng thì tín hiệu đèn có tác dụng cho toàn bộ phần đường xe chạy theo hướng xe đến. Trong trường hợp đèn tín hiệu tắt hoặc có đèn tín hiệu vàng nhấp nháy thì lái xe phải tuân theo biển báo hiệu và vạch sơn theo thứ tự hiệu lực đã quy định.
Điều 13. Vị trí và độ cao đặt đèn tín hiệu
13.1. Mặt đèn phải vuông góc với chiều đi, ở bên phải người tham gia giao thông theo hướng đi.
13.2. Theo chiều ngang đường: đèn đặt trên lề đường hoặc giải phân cách và cách mép phần đường xe chạy từ 0,5 m đến 2 m.
13.3. Theo chiều đứng:
13.3.1. Khi hộp đèn bố trí theo chiều thẳng đứng trên cột đặt bên đường: chiều cao từ mặt đèn dưới cùng đến mặt đường hoặc vỉa hè trong phạm vi từ 2 m đến 3 m đối với hộp đèn ba màu và từ 2 m đến 2,5 m đối với hộp đèn hai màu áp dụng cho người đi bộ;
13.3.2. Khi hộp đèn được đặt theo chiều ngang trên các cột cần vươn thì chiều cao tối thiểu là 5,2 m tính từ điểm thấp nhất của đèn đến mặt đường hoặc mặt vỉa hè;
13.3.3. Đèn phải được bố trí sao cho người tham gia giao thông nhìn thấy được từ xa đủ để giảm tốc độ và dừng xe được an toàn;
13.3.4. Đèn phải đặt trên cột cần vươn ở phía xa, tốt nhất là treo giữa nút trong các nút giao rộng hoặc khi có bố trí đèn phụ hình mũi tên cho hướng rẽ trái. Phía giao thông đang tới (phía gần) phải bố trí thêm đèn “đúp” ngay trước vạch dừng xe.
13.3.5. Ở trong khu đông dân cư, khu đô thị có đường phố chật hẹp, đèn có thể bố trí trên thân cột thẳng đứng đặt bên đường về phía tay phải của chiều đường theo quy định tại điểm 13.3.1 khoản 13.3 Điều này ngay trước vạch dừng xe.
13.4. Độ lớn (kích thước) và độ sáng của bóng đèn tín hiệu phải được thiết kế phù hợp với điều kiện khai thác đặc biệt phải nhìn thấy được trong điều kiện người tham gia giao thông bị ngược ánh sáng mặt trời.
Điều 14. Kích thước, hình dạng và các quy định khác của đèn tín hiệu
Kích thước, hình dạng và các quy định khác của đèn tín hiệu quy định ở Phụ lục A của Quy chuẩn này.
Chương 3
BIỂN BÁO HIỆU
Điều 15. Phân loại biển báo hiệu
Biển báo hiệu đường bộ trong Quy chuẩn này được chia thành 5 nhóm cơ bản sau đây: biển báo cấm; biển hiệu lệnh; biển báo nguy hiểm và cảnh báo; biển chỉ dẫn; biển phụ, biển viết bằng chữ.
Biển báo hiệu trên đường cao tốc và đường đối ngoại phải phù hợp với các quy định nêu tại các Điều ước quốc tế mà Việt Nam là thành viên.
15.1. Nhóm biển báo cấm là nhóm biển biểu thị các điều cấm mà người tham gia giao thông không được vi phạm. Biển báo cấm chủ yếu có dạng hình tròn, viền đỏ, nền màu trắng, trên nền có hình vẽ hoặc chữ số, chữ viết màu đen thể hiện điều cấm, trừ một số trường hợp đặc biệt.
15.2. Nhóm biển hiệu lệnh là nhóm biển để báo các hiệu lệnh phải chấp hành.
Người tham gia giao thông phải chấp hành các hiệu lệnh trên biển báo. Trừ một số biển đặc biệt, các biển thể hiện hình tròn trên nền xanh lam có hình vẽ màu trắng đặc trưng cho hiệu lệnh nhằm báo cho người tham gia giao thông đường biết.
15.3. Nhóm biển báo nguy hiểm và cảnh báo là nhóm biển báo cho người tham gia giao thông biết trước các nguy hiểm trên đường để chủ động phòng ngừa kịp thời. Biển có hình tam giác đều, viền đỏ, nền màu vàng, trên có hình vẽ màu đen mô tả sự việc cần báo hiệu.
15.4. Nhóm biển chỉ dẫn là nhóm biển báo dùng để cung cấp thông tin và các chỉ dẫn cần thiết cho người tham gia giao thông. Biển có hình chữ nhật hoặc hình vuông hoặc hình mũi tên, nền màu xanh lam.
15.5. Nhóm biển phụ, biển viết bằng chữ là nhóm biển nhằm thuyết minh bổ sung nội dung biển chính hoặc được sử dụng độc lập.
Điều 16. Kích thước của biển báo
16.1. Quy chuẩn này quy định các thông số về kích thước biển, hình vẽ trong biển và chữ viết tương ứng với đường đô thị có hệ số là 1 (xem Hình 1 và Bảng 1);
16.2. Đối với các đường khác, kích thước biển, hình vẽ trong biển và chữ viết phải nhân với hệ số tương ứng trong Bảng 2, kích thước biển được làm tròn theo nguyên tắc:
a) Số hàng đơn vị ≤ 5 thì lấy bằng 5;
b) Số hàng đơn vị > 5 thì lấy bằng 0 và tăng số hàng chục lên 1 đơn vị.

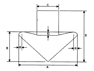
Hình 1 - Kích thước các loại biển báo chính
Bảng 1 - Kích thước cơ bản của biển báo hệ số 1
Đơn vị tính: cm
|
Loại biển |
Kích thước |
Độ lớn |
|
Biển báo tròn |
Đường kính ngoài của biển báo, D |
70 |
|
Chiều rộng của mép viền đỏ, B |
10 |
|
|
Chiều rộng của vạch đỏ, A |
5 |
|
|
Biển báo bát giác |
Đường kính ngoài biển báo, D |
60 |
|
Độ rộng viền trắng xung quanh, B |
3 |
|
|
Biển báo tam giác |
Chiều dài cạnh của hình tam giác, L |
70 |
|
Chiều rộng của viền mép đỏ, B |
5 |
|
|
Bán kính lượn tròn của viền mép đỏ, R |
3,5 |
|
|
Khoảng cách đỉnh cung tròn đến đỉnh tam giác cơ bản, C |
3 |
Bảng 2-Hệ số kích thước biển báo
|
Loại đường |
Đường cao tốc |
Đường đôi ngoài đô thị |
Đường ôtô thông thường (*) |
Đường đô thị (***) |
|
Biển báo cấm, biển hiệu lệnh, biển báo nguy hiểm và cảnh báo |
2 |
1,8 |
1,25 |
1 |
|
Biển chỉ dẫn |
(**) |
2,0 |
1,5 |
1 |
Ghi chú:
(*) Đường ô tô thông thường là các đường ô tô không phải là đường ô tô cao tốc, đường đôi, đường đô thị.
(**) Hệ số kích thước biển chỉ dẫn trong Bảng 2 không áp dụng cho các đường cao tốc. Đường cao tốc có quy định riêng tại Chương 9 của Quy chuẩn này.
(***) Đối với các biển báo lắp đặt trên giá long môn, giá cần vươn của đường đôi trong đô thị sử dụng hệ số kích thước như quy định cho đường đôi ngoài đô thị.
16.3. Chi tiết thông số về chữ viết, kích thước biển, hình vẽ trong biển được quy định tại các Phụ lục K, M và Phụ lục P của Quy chuẩn này. Đối với biển chỉ dẫn, tùy theo điều kiện thực tế, kích thước biển có thể tăng lên để đảm bảo tính rõ ràng thông tin, cân đối và thẩm mỹ của biển báo.
16.4. Đối với các đường giao thông nông thôn tùy theo quy mô và điều kiện khai thác mà vận dụng các hệ số kích thước là: 1,25; 1,00 hoặc 0,75.
16.5. Biển di động, biển đặt tạm thời trong thời gian ngắn và các biển sử dụng trong các trường hợp đặc biệt (vị trí biển ở dải phân cách hẹp, biển đặt trên các ngõ, ngách, hẻm; các hình biển trong biển ghép) có thể điều chỉnh kích thước với hệ số bằng 0,5 hoặc 0,75 (có làm tròn số theo quy định).
16.6. Đối với các tuyến đường đối ngoại thì biển bằng chữ được điều chỉnh kích thước biển để bố trí đủ chữ viết trên cơ sở quy định của Quy chuẩn này.
Điều 17. Chữ viết và màu sắc của biển
17.1. Chữ viết trên biển phải phù hợp với quy định về kiểu chữ nêu tại Phụ lục K của Quy chuẩn này, trong đó:
17.1.1. Sử dụng kiểu chữ tiêu chuẩn “gt1-Kiểu chữ nén” và “gt2-Kiểu chữ thường” để ghi thông tin bằng chữ trên biển.
17.1.2. Chữ viết hoa kiểu chữ thường hoặc kiểu chữ nén sử dụng để viết các thông tin chỉ dẫn về hướng đi, các danh từ riêng hoặc các thông tin có tính chất nhấn mạnh, gây chú ý cho người tham gia giao thông. Chỉ nên sử dụng kiểu chữ nén trong trường hợp phải hạn chế kích thước của biển.
17.1.3. Chữ viết thường được sử dụng để viết tên địa danh bằng tiếng Anh, các thông tin dịch vụ và trên các biển phụ.
17.1.4. Trên cùng một hàng chữ chỉ sử dụng một loại nét chữ.
17.1.5. Chữ viết trên biển phải là tiếng Việt đủ dấu. Khoảng cách giữa các chữ cái từ 25% - 40% chiều cao chữ, khoảng cách giữa các chữ bất kỳ trên cùng một hàng chữ từ 75% - 100% chiều cao chữ. Khoảng cách theo chiều đứng giữa các hàng chữ tối thiểu 50% - 75% chiều cao chữ lớn nhất của hàng sau. Khoảng cách giữa hàng chữ trên và dưới cùng với mép biển tối thiểu bằng 40% chiều cao chữ cao nhất trong hàng. Khoảng cách theo chiều ngang của các chữ ở góc trên cùng và dưới cùng đến mép biển tối thiểu bằng 60% chiều cao chữ với chữ viết hoa và 100% với chữ viết thường.
17.1.6. Khoảng cách giữa chữ ghi đơn vị đo lường (t, m, km) và chữ số phía trước lấy bằng 50% chiều cao chữ ghi đơn vị đo lường.
17.1.7. Chiều cao chữ phải được lựa chọn căn cứ trên tốc độ xe chạy sao cho người tham gia giao thông có thể đọc được rõ ràng cả ban ngày và ban đêm. Chiều cao chữ tối thiểu trên các biển chỉ dẫn là 100 mm với đường thông thường và đường đô thị; 150 mm với đường đôi ngoài đô thị và 300 mm đối với đường cao tốc. Chữ viết chỉ địa danh và hướng đường có chiều cao tối thiểu là 150 mm. Khuyến khích sử dụng kích thước chữ viết lớn nhưng phải đảm bảo tính cân đối và thẩm mỹ đối với biển báo.
11.7.8. Chữ viết phải lựa chọn câu, từ ngắn gọn, dễ hiểu nhất; thông tin trên biển phải thống nhất với các thông tin báo hiệu khác.
11.7.9. Chỉ sử dụng màu của chữ như sau: màu trắng trên nền đen, xanh hoặc đỏ; màu đen trên nền trắng hoặc vàng hoặc màu vàng trên các nền xanh.
11.7.10. Chữ viết trên biển chỉ dẫn trên đường cao tốc ngoài việc tuân thủ các quy định trong khoản 17.1 Điều 17 còn phải tuân thủ khoản 49.3 Điều 49 của Quy chuẩn này.
17.2. Màu sắc trên biển
Màu sắc trên biển phải tuân theo quy định kỹ thuật về màu sắc và thống nhất trong các nhóm biển sử dụng trên mạng lưới đường bộ.
Điều 18. Biển báo giao thông có thông tin thay đổi
18.1. Biển báo giao thông có thông tin thay đổi (biển báo VMS) là biển báo điện tử có thể thay đổi thông tin trên cùng một mặt biển. Biển được sử dụng khi thông tin hiển thị trên biển báo cần phải thay đổi tùy theo tình huống giao thông. Tùy theo mục đích, thông tin trên biển có thể là chỉ dẫn, cấm, hiệu lệnh hoặc báo nguy hiểm và cảnh báo. Biển không được dùng để quảng cáo, sử dụng hình hoạt họa, nhấp nháy, các hình có tính chất di chuyển.
Khi ở một vị trí đã có biển báo có thông tin tỉnh đồng thời lại có thêm biển báo có thông tin thay đổi mà hai biển này có ý nghĩa khác nhau thì người tham gia giao thông phải chấp hành hiệu lệnh của biển báo hiệu có thông tin thay đổi.
18.2. Thể hiện thông tin trên biển báo VMS
18.2.1. Thông tin trên biển báo có thể là chữ viết, hình vẽ hoặc ký hiệu phù hợp với ý nghĩa báo hiệu.
18.2.2. Khi thông tin hiển thị dạng chữ viết, không bố trí quá ba dòng chữ, mỗi dòng không quá 20 ký tự. Khoảng cách giữa các chữ, ký tự từ 25 % - 40 % chiều cao chữ.
Khoảng cách giữa các từ trong dòng thông tin từ 75 % - 100 % chiều cao chữ. Khoảng cách giữa các dòng chữ từ 50 % - 75 % chiều cao chữ. Các thông tin phải là tiếng Việt đủ dấu. Chiều cao chữ tối thiểu phải là 450 mm cho các đường có tốc độ hạn chế tối đa từ 70 km/h trở lên và 300 mm với các tốc độ hạn chế tối đa dưới 70 km/h.
18.2.3. Tỷ lệ bề rộng và chiều cao chữ từ 0,7 - 1,0; đối với kiểu chữ nén có thể giảm tỷ lệ này xuống giá trị nhỏ nhất là 0,2.
18.2.4. Độ sáng của biển báo điện tử phải đáp ứng yêu cầu về kỹ thuật và phải được nhìn rõ vào ban ngày và ban đêm. Chữ phải sáng trên nền đen hoặc trên nền tối hơn.
18.2.5. Màu chữ sử dụng trên biển phải phù hợp với các màu đặc trưng của các biển cấm, hiệu lệnh, cảnh báo hoặc chỉ dẫn. Chữ màu đỏ thể hiện thông tin cấm, chữ màu vàng thể hiện thông tin cảnh báo, chữ màu trắng thể hiện các thông tin hiệu lệnh, chữ màu xanh lam dùng để cung cấp thông tin chỉ dẫn, chữ màu da cam để thể hiện hiệu lệnh tạm thời, chữ màu hồng huỳnh quang thể hiện sự điều tiết giao thông theo điều kiện khai thác thực tế, và màu vàng - xanh lá cây huỳnh quang cho người đi xe đạp, đi bộ.
18.2.6. Mỗi thông tin không được quá hai câu. Mỗi câu không được quá ba dòng chữ trên biển. Câu phải rõ nghĩa, dễ hiểu và không gây hiểu nhầm.
18.2.7. Nội dung thông tin được hiển thị tức thì, không sử dụng các hiệu ứng như: nhấp nháy, mờ dần hoặc rõ dần, cuốn trượt ngang, trượt dọc, hoạt hoạ.
Điều 19. Hiệu lực của biển báo theo chiều ngang đường
19.1. Hiệu lực của các loại biển báo nguy hiểm và cảnh báo và biển chỉ dẫn có giá trị trên các làn đường của một chiều xe chạy.
19.2. Hiệu lực của các loại biển báo cấm và biển hiệu lệnh có thể có giá trị trên tất cả các làn đường hoặc chỉ có giá trị trên một hoặc một số làn của một chiều xe chạy. Nếu hiệu lực của biển báo cấm, biển hiệu lệnh chỉ hạn chế trên một hoặc một số làn đường thì phải treo biển ở trên giá long môn hoặc cột cần vươn.
Điều 20. Vị trí đặt biển báo theo chiều dọc và ngang đường
20.1. Biển báo hiệu phải đặt ở vị trí để người tham gia giao thông dễ nhìn thấy và có đủ thời gian để chuẩn bị đề phòng, thay đổi tốc độ hoặc thay đổi hướng nhưng không được làm cản trở tầm nhìn và sự đi lại của người tham gia giao thông.
Trường hợp không xác định được cự ly nhìn thấy biển, những nơi vị trí biển báo có thể bị khuất thì cho phép lấy tầm nhìn đảm bảo người tham gia giao thông có thể nhìn thấy biển báo hiệu là 150 m trên những đường xe chạy với tốc độ cao và có nhiều làn đường, 100 m trên những đường ngoài khu đông dân cư và 50 m trên những đường trong khu đông dân cư.
20.2. Biển được đặt thẳng đứng, về phía tay phải (trừ các trường hợp bất khả kháng) và mặt biển vuông góc với chiều đi. Trong các trường hợp cần thiết khi phần đường xe chạy rộng thì phải lắp đặt thêm biển báo phía bên trái của chiều giao thông đi tới để nhắc lại biển đã lắp đặt phía bên phải; vị trí biển nhắc lại phải ngang bằng với biển bên phải.
Biển viết bằng chữ áp dụng riêng đối với xe thô sơ và người đi bộ, trong trường hợp hạn chế được phép đặt mặt biển song song với chiều đi.
20.3. Khoảng cách mép ngoài của biển theo phương ngang đường phải cách mép phần đường xe chạy tối thiểu là 0,5 m và tối đa là 1,7 m. Trường hợp không có lề đường, hè đường, khuất tầm nhìn hoặc các trường hợp đặc biệt khác được phép điều chỉnh theo phương ngang nhưng mép biển phía phần xe chạy không được chờm lên mép phần đường xe chạy và cách mép phần đường xe chạy không quá 3,5 m.
20.4. Ở trong khu dân cư hoặc trên các đoạn đường có hè đường cao hơn phần xe chạy thì cho phép đặt biển trên hè đường nhưng mép mặt biển phải cách mép hè là 0,5 m và không choán quá nửa bề rộng hè đường. Nếu không đảm bảo được nguyên tắc đó thì phải treo biển ở phía trên phần xe chạy.
20.5. Trên những đoạn đường có dải phân cách hoặc các đảo giao thông, cho phép đặt biển trên đó nhưng mép ngoài của biển phải cách mép dải phân cách hoặc mép đảo ít nhất 0,5 m.
20.6. Trên những đường mà mỗi chiều xe chạy có từ hai làn đường trở lên, biển được treo trên giá long môn hoặc cột cần vươn. Trong các trường hợp không đặt trên giá long môn hoặc cột cần vươn, thì có thể lắp đặt thêm biển báo phía bên trái của chiều xe chạy.
Điều 21. Giá long môn và cột cần vươn
21.1. Giá long môn và cột cần vươn là kết cấu thép chịu được trọng lượng bản thân, trọng lượng biển báo và chịu được gió bão cấp 12.
21.2. Chân trụ giá long môn và chân cột cần vươn đặt ở lề đường, vỉa hè, phải cách mép ngoài mặt đường kể cả những nơi bố trí làn đường dừng xe khẩn cấp, làn đường tăng, giảm tốc ít nhất là 0,5 m. Nếu chân trụ giá long môn đặt ở trong phạm vi dải phân cách, phải cách mép ngoài của dải phân cách ít nhất 0,5 m.
21.3. Khi treo biển trên giá long môn thì cạnh dưới của biển (hoặc mép dưới của dầm nếu thấp hơn cạnh dưới biển) cách mặt đường ít nhất là 5,2 m đối với đường cao tốc và 5,0 m đối với các đường khác (xem Hình 2).

Hình 2 - Giá long môn
Điều 22. Độ cao đặt biển và ghép biển
22.1. Biển phải được đặt chắc chắn cố định trên cột riêng như quy định ở Điều 24 của Quy chuẩn này. Tuy nhiên ở khu đô thị, khu dân cư, có thể cho phép kết hợp đặt biển trên cột điện hoặc những vật kiến trúc vĩnh cửu nhưng phải đảm bảo những tiêu chuẩn kỹ thuật đặt biển về vị trí, độ cao, khoảng cách nhìn thấy biển theo Quy chuẩn này và đảm bảo thẩm mỹ.
22.2. Trường hợp treo biển trên cột: độ cao đặt biển tính từ mép dưới của biển đến mặt đường là 1,8 m đối với đường ngoài khu đông dân cư và 2,0 m đối với đường trong khu đông dân cư, theo phương thẳng đứng. Biển số 507 “Hướng rẽ” đặt cao từ 1,2 m đến 1,5 m. Loại biển viết bằng chữ áp dụng riêng cho xe thô sơ và người đi bộ đặt cao hơn mặt lề đường hoặc hè đường là 1,8 m. Trường hợp đặc biệt có thể thay đổi cho phù hợp nhưng không nhỏ hơn 1,2 m, không quá 5,0 m, do Cơ quan quản lý đường bộ quyết định.
22.3. Trường hợp biển treo ở phía trên phần xe chạy thì cạnh dưới của biển phải cao hơn mặt đường từ 5 m đến 5,5 m.
22.4. Nếu có nhiều biển cần đặt cùng một vị trí, cho phép đặt kết hợp trên cùng một cột nhưng không quá 3 biển và theo thứ tự ưu tiên như sau: biển báo cấm, biển báo nguy hiểm hoặc cảnh báo, biển hiệu lệnh, biển chỉ dẫn (xem minh họa trên Hình 3).

Ghi chú: con số ghi trên hình biểu thị thứ tự ưu tiên
Hình 3 - Sơ đồ kết hợp các biển báo trên một cột
Khoảng cách giữa các mép biển với nhau là 5 cm, độ cao từ mép thấp nhất của các biển trong nhóm biển đến mặt đường là 1,8 m đối với đường ngoài phạm vi khu đông dân cư và 2,0 m đối với đường trong phạm vi khu đông dân cư.
22.5. Trường hợp khó bố trí như quy định tại khoản 22.4 Điều này, cho phép dùng 1 biển ghép hình vuông hoặc hình chữ nhật có kích thước đủ rộng, nền trắng trên đó có vẽ các hình biển (các biển đơn) cần có theo thứ tự đã nêu. Khoảng cách giữa các mép gần nhất của các biển đơn và từ mép biển đơn đến mép biển ghép là 10 cm. Vị trí và độ cao của biển ghép phải tuân thủ theo Điều 20 và các khoản từ 22.1 đến 22.3 của Điều này.
22.6. Trường hợp cần kết hợp một hoặc nhiều biển thuộc các nhóm biển: biển báo cấm, biển báo nguy hiểm hoặc cảnh báo, biển hiệu lệnh với biển phụ thì có thể cho phép bố trí hình biển phụ kết hợp với hình biển báo chính trên cùng một mặt biển của một biển ghép có hình vuông hoặc hình chữ nhật có kích thước đủ rộng, nền trắng.
Điều 23. Phản quang trên mặt biển báo
Các loại biển báo hiệu đường bộ phải được dán màng phản quang đảm bảo tiêu chuẩn kỹ thuật để thấy rõ cả ban ngày và ban đêm.
Điều 24. Quy định về cột biển
24.1. Cột biển báo hiệu phải làm bằng vật liệu chắc chắn (bằng thép hoặc bằng vật liệu khác có độ bền tương đương) có đường kính tiết diện cột tối thiểu 8 cm.
24.3. Tại các nơi thường xuyên bị hạn chế tầm nhìn do sương mù hoặc có khả năng dễ bị xe va chạm vào ban đêm, các cột biển báo cần sử dụng vật liệu phản quang để tăng khả năng nhìn rõ.
Chương 4
BIỂN BÁO CẤM
Điều 25. Tác dụng của biển báo cấm
Biển báo cấm để biểu thị các điều cấm. Người tham gia giao thông phải chấp hành những điều cấm mà nội dung biển đã thể hiện.
Điều 26. Ý nghĩa sử dụng các biển báo cấm
26.1. Biển báo cấm gồm 63 biển có mã P (cấm) và DP (hết cấm) với tên các biển như sau:
- Biển số P.101: Đường cấm;
- Biển số P.102: Cấm đi ngược chiều;
- Biển số P.103a: Cấm xe ôtô;
- Biển số P.103 (b,c): Cấm xe ôtô rẽ trái, rẽ phải;
- Biển số P.104: Cấm xe máy;
- Biển số P.105: Cấm xe ôtô và xe máy;
- Biển số P.106 (a,b): Cấm xe ôtô tải;
- Biển số P.106c: Cấm các xe chở hàng nguy hiểm;
- Biển số P.107: Cấm xe ôtô khách và xe ôtô tải;
- Biển số P.107a: Cấm xe ôtô khách;
- Biển số P.107b: Cấm xe ôtô taxi;
- Biển số P.108: Cấm xe kéo rơ-moóc;
- Biển số P.108 a: Cấm xe sơ-mi rơ-moóc;
- Biển số P.109: Cấm máy kéo;
- Biển số P.110 a: Cấm xe đạp;
- Biển số P.110 b: Cấm xe đạp thồ;
- Biển số P.111 a: Cấm xe gắn máy;
- Biển số P.111 (b) hoặc (c): Cấm xe ba bánh loại có động cơ (xe lam, xích lô máy);
- Biển số P.111d: Cấm xe ba bánh không có động cơ (xích lô);
- Biển số P.112: Cấm người đi bộ;
- Biển số P.113: Cấm xe người kéo đẩy;
- Biển số P.114: Cấm xe súc vật kéo;
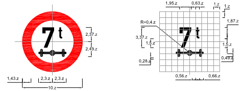
- Biển số P.115: Hạn chế tải trọng toàn bộ xe cho phép;
- Biển số P.116: Hạn chế tải trọng trục xe (trục đơn);
- Biển số P.117: Hạn chế chiều cao;
- Biển số P.118: Hạn chế chiều ngang;
- Biển số P.119: Hạn chế chiều dài xe ôtô;
- Biển số P.120: Hạn chế chiều dài xe ôtô, máy kéo rơ-moóc hoặc sơ-mi-rơ-moóc;
- Biển số P.121: Cự ly tối thiểu giữa hai xe;
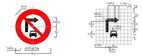
- Biển số P.123 (a,b): Cấm rẽ (phải, trái);
- Biển số P.124 (a,b): Cấm quay đầu xe; Cấm ô tô quay đầu xe;
- Biển số P.124 (c,d): Cấm rẽ trái và quay đầu xe; Cấm rẽ phải và quay đầu xe;
- Biển số P.124 (e,f): Cấm ô tô rẽ trái và quay đầu xe; Cấm ô tô rẽ phải và quay đầu xe;
- Biển số P.124 d: Cấm xe ôtô rẽ trái và quay đầu xe;
- Biển số P.125: Cấm vượt;
- Biển số P.126: Cấm xe ôtô tải vượt;
- Biển số P.127: Tốc độ tối đa cho phép;
- Biển số P.127 a: Tốc độ tối đa cho phép về ban đêm;
- Biển số P.127 b: Biển gộp tốc độ tối đa cho phép theo làn đường đặt bên đường hoặc trên cột cần vươn;
- Biển số P.127 c: Biển gộp tốc độ tối đa cho phép theo phương tiện trên từng làn đường;
- Biển số P.127d: Biển hết hạn chế tốc độ tối đa cho phép trên biển ghép
- Biển số P.128: Cấm sử dụng còi;
- Biển số P.129: Kiểm tra;
- Biển số P.130: Cấm dừng xe và đỗ xe;
- Biển số P.131 (a,b,c): Cấm đỗ xe;
- Biển số P.132: Nhường đường cho xe cơ giới đi ngược chiều qua đường hẹp;
- Biển số DP.133: Hết cấm vượt;
- Biển số DP.134: Hết hạn chế tốc độ tối đa;
- Biển số DP.135: Hết tất cả các lệnh cấm;
- Biển số P.136: Cấm đi thẳng;
- Biển số P.137: Cấm rẽ trái, rẽ phải;
- Biển số P.138: Cấm đi thẳng, rẽ trái;
- Biển số P.139: Cấm đi thẳng, rẽ phải;
- Biển số P.140: Cấm xe công nông và các loại xe tương tự.
26.2. Ý nghĩa sử dụng của từng biển được giải thích chi tiết ở Phụ lục B.
Điều 27. Biển báo cấm theo giờ
Khi cần thiết cấm phương tiện theo giờ phải đặt biển phụ số S.508 dưới biển cấm, có thể viết thêm chú thích bằng tiếng Việt và phụ đề tiếng Anh trong biển này (nếu khu vực đó có nhiều người nước ngoài tham gia giao thông hoặc tuyến đường đối ngoại).
Điều 28. Biển báo cấm nhiều loại phương tiện
Để báo đường cấm nhiều loại phương tiện có thể kết hợp đặt các ký hiệu phương tiện bị cấm trên một biển theo quy định như sau:
28.1. Các loại phương tiện cơ giới kết hợp trên một biển;
28.2. Các loại phương tiện thô sơ kết hợp trên một biển;
28.3. Mỗi biển chỉ kết hợp nhiều nhất hai loại phương tiện.
Điều 29. Kích thước, hình dạng và màu sắc của biển báo cấm
Kích thước, hình dạng và màu sắc của biển được quy định chi tiết ở Điều 16, Điều 17 và Phụ lục B của Quy chuẩn này.
Điều 30. Vị trí đặt biển báo cấm theo chiều đi và hướng hiệu lực của biển
30.1. Biển báo cấm được đặt ở nơi đường giao nhau hoặc trước một vị trí trên đường cần cấm.
Biển có hiệu lực bắt đầu từ vị trí đặt biển trở đi. Nếu vì lý do nào đó, biển phải đặt cách xa vị trí định cấm thì phải đặt biển phụ số S.502 để chỉ rõ khoảng cách từ sau biển cấm đến vị trí biển bắt đầu có hiệu lực.
30.2. Khi cần thiết để chỉ rõ hướng tác dụng của biển và chỉ vị trí bắt đầu hay vị trí kết thúc hiệu lực của biển phải đặt biển phụ số S.503 "Hướng tác dụng của biển".
30.3. Các biển báo cấm từ biển số P.101 đến biển số P.120 không cần quy định phạm vi có hiệu lực của biển, không có biển báo hết cấm.
30.4. Kèm theo các biển báo cấm nêu tại khoản 30.3 Điều này phải đặt các biển chỉ dẫn lối đi cho xe bị cấm (trừ trường hợp đường cấm vì lý do đường, cầu bị tắc mà không có lối rẽ tránh) như quy định ở Chương 7 “Biển chỉ dẫn trên đường ôtô không phải là đường cao tốc”.
30.5. Biển số P.121 và biển số P.128 có hiệu lực đến hết khoảng cách cấm ghi trên biển phụ số 501 hoặc đến vị trí đặt biển số DP.135 "Hết tất cả các lệnh cấm".
30.6. Biển số P.123 (a,b) và biển số P.129 có hiệu lực tại vị trí cắm biển.
30.7. Biển số P.124 (a,b,c,d) có hiệu lực ở vị trí nơi đường giao nhau, chỗ mở dải phân cách nhưng không cho phép quay đầu xe hoặc căn cứ vào biển phụ số S.503.
30.8. Biển số P.125, P.126, P.127(a,b,c,d), P.130, P.131 (a,b,c) có hiệu lực đến nơi đường giao nhau tiếp giáp hoặc đến vị trí đặt biển hết cấm (các biển số DP.133, DP.134, DP.135). Các biển số P.130 và P.131 (a,b,c) còn căn cứ vào các biển phụ số S.503 (a,b,c,d,e,f).
30.9. Nếu đoạn đường phải thi hành biển cấm có hiệu lực rất dài thì tại các nơi đường giao nhau biển cấm phải được nhắc lại đặt ngay phía sau nơi giao nhau theo hướng đường đang có biển cấm. Nếu không có biển nhắc lại, biển cấm được mặc nhiên xem là hết hiệu lực.
Chương 5
BIỂN BÁO NGUY HIỂM VÀ CẢNH BÁO
Điều 31. Tác dụng của biển báo nguy hiểm và cảnh báo
Biển báo nguy hiểm và cảnh báo được dùng để báo cho người tham gia giao thông biết trước tính chất của sự nguy hiểm hoặc các điều cần chú ý phòng ngừa trên tuyến đường. Khi gặp biển báo nguy hiểm và cảnh báo, người tham gia giao thông phải giảm tốc độ đến mức cần thiết, chú ý quan sát và chuẩn bị sẵn sàng xử lý những tình huống có thể xẩy ra để phòng ngừa tai nạn.
Điều 32. Ý nghĩa sử dụng các biển báo nguy hiểm và cảnh báo
32.1. Biển báo nguy hiểm và cảnh báo gồm có 83 biển có mã W với tên các biển như sau:
- Biển số W.201 (a,b): Chỗ ngoặt nguy hiểm;
- Biển số W.201 (c,d): Chỗ ngoặt nguy hiểm có nguy cơ lật xe;
- Biển số W.202 (a,b): Nhiều chỗ ngoặt nguy hiểm liên tiếp;
- Biển số W.203 (a,b,c): Đường bị thu hẹp;
- Biển số W.204: Đường hai chiều;
- Biển số W.205 (a,b,c,d,e): Đường giao nhau;
- Biển số W.206: Giao nhau chạy theo vòng xuyến;
- Biển số W.207(a,b,c,d,e,f,g,h,i,k,l): Giao nhau với đường không ưu tiên;
- Biển số W.208: Giao nhau với đường ưu tiên;
- Biển số W.209: Giao nhau có tín hiệu đèn;
- Biển số W.210: Giao nhau với đường sắt có rào chắn;
- Biển số W.211a: Giao nhau với đường sắt không có rào chắn;
- Biển số W.211b: Giao nhau với đường tầu điện;
- Biển số W.212: Cầu hẹp;
- Biển số W.213: Cầu tạm;
- Biển số W.214: Cầu quay - Cầu cất;
- Biển số W.215 a: Kè, vực sâu phía trước;
- Biển số W.215 (b,c): Kè, vực sâu phía bên trái và phía bên phải;
- Biển số W.216 a: Đường ngầm;
- Biển số W.216 b: Đường ngầm có nguy cơ lũ quét;
- Biển số W.217: Bến phà;
- Biển số W.218: Cửa chui;
- Biển số W.219: Dốc xuống nguy hiểm;
- Biển số W.220: Dốc lên nguy hiểm;
- Biển số W.221 a: Đường lồi lõm;
- Biển số W.221 b: Đường có gồ giảm tốc;
- Biển số W.222 a: Đường trơn;
- Biển số W.222 b: Lề đường nguy hiểm;
- Biển số W.223 (a,b): Vách núi nguy hiểm;
- Biển số W.224: Đường người đi bộ cắt ngang;
- Biển số W.225: Trẻ em;
- Biển số W.226: Đường người đi xe đạp cắt ngang;
- Biển số W.227: Công trường;
- Biển số W.228 (a,b): Đá lở;
- Biển số W.228 c: Sỏi đá bắn lên;
- Biển số W.228 d: Nền đường yếu;
- Biển số W.229: Dải máy bay lên xuống;
- Biển số W.230: Gia súc;
- Biển số W.231: Thú rừng vượt qua đường;
- Biển số W.232: Gió ngang;
- Biển số W.233: Nguy hiểm khác;
- Biển số W.234: Giao nhau với đường hai chiều;
- Biển số W.235: Đường đôi;
- Biển số W.236: Kết thúc đường đôi;
- Biển số W.237: Cầu vồng;
- Biển số W.238: Đường cao tốc phía trước;
- Biển số W.239: Đường cáp điện ở phía trên;
- Biển số W.240: Đường hầm;
- Biển số W.241: Ùn tắc giao thông;
- Biển số W.242 (a,b): Nơi đường sắt giao vuông góc với đường bộ;
- Biển số W.243 (a,b,c): Nơi đường sắt giao không vuông góc với đường bộ;
- Biển số W.244: Đoạn đường hay xảy ra tai nạn;
- Biển số W.245 (a,b): Đi chậm (a), Đi chậm có chỉ dẫn tiếng Anh (b);
- Biển số W.246 (a,b,c): Chú ý chướng ngại vật;
- Biển số W.247: Chú ý xe đỗ.
32.2. Ý nghĩa sử dụng từng biển được giải thích chi tiết ở Phụ lục C.
Điều 33. Kích thước, hình dạng và màu sắc của biển báo nguy hiểm
33.1. Biển báo nguy hiểm hoặc cảnh báo có hình tam giác đều, ba đỉnh lượn tròn; một cạnh nằm ngang, đỉnh tương ứng hướng lên trên, trừ biển số W.208 "Giao nhau với đường ưu tiên" thì đỉnh tương ứng hướng xuống dưới.
33.2. Kích thước cụ thể của hình vẽ và màu sắc được quy định chi tiết ở Phụ lục C và Điều 16 và Điều 17 của Quy chuẩn này.
Điều 34. Vị trí đặt biển báo nguy hiểm và cảnh báo theo chiều đi và hiệu lực tác dụng của biển
34.1. Biển báo nguy hiểm và cảnh báo được đặt cách nơi định báo một khoảng cách theo Bảng 3. Trường hợp cần thiết có thể điều chỉnh theo thực tế cho phù hợp.
Bảng 3 - Khoảng cách từ nơi đặt biển đến chỗ định báo
|
Tốc độ vận hành trung bình của xe trong khoảng 10 km ở vùng đặt biển |
Khoảng cách từ nơi đặt biển đến chỗ định báo |
|
- Dưới 20 km/h - Từ 20 km/h đến dưới 35 km/h - Từ 35 km/h đến dưới 50 km/h - Từ 50 km/h trở lên |
- Dưới 50 m - Từ 50 m đến dưới 100 m - Từ 100 m đến dưới 150 m - Từ 150 m đến 250 m |
34.2. Khoảng cách từ biển đến nơi định báo phải thống nhất trên cả đoạn đường có tốc độ trung bình xe như nhau. Trường hợp đặc biệt cần thiết, có thể đặt biển xa hoặc gần hơn nhưng phải có thêm biển phụ số S.502 "Khoảng cách đến đối tượng báo hiệu".
34.3. Biển số W.208 “Giao nhau với đường ưu tiên”: trong khu đông dân cư đặt trực tiếp trước vị trí giao nhau với đường ưu tiên, ngoài khu đông dân cư thì tùy theo khoảng cách đặt xa hay gần vị trí giao nhau với đường ưu tiên mà có thêm biển phụ số S.502.
34.4. Mỗi kiểu biển báo báo một yếu tố nguy hiểm có thể xảy ra ở một vị trí hoặc một đoạn đường. Phải đặt biển phụ số S.501 "Phạm vi tác dụng của biển" để chỉ rõ chiều dài đoạn đường nguy hiểm bên dưới các biển số W.202 (a,b), W.219, W.220, W.221a, W.225, W.228, W.231, W.232 nếu yếu tố nguy hiểm xảy ra trên một đoạn đường. Nếu chiều dài có cùng yếu tố nguy hiểm lớn thì đặt biển nhắc lại kèm biển phụ số S.501 ghi chiều dài yếu tố nguy hiểm còn lại tiếp đó.
34.5. Phải hạn chế sử dụng biển báo nguy hiểm và cảnh báo tràn lan nếu các tính chất không thực sự gây nguy hiểm cho người tham gia giao thông.
34.6. Trong phạm vi những đoạn đường hạn chế tốc độ:
34.6.1. Trường hợp chỗ ngoặt nguy hiểm phải đặt biển hạn chế tốc độ tối đa nhỏ hơn 40 km/h thì không phải đặt biển báo chỗ ngoặt nguy hiểm (biển số W.201 (a,b) và biển số W.202 (a,b);
34.6.2. Trường hợp đường xấu, trơn, không bằng phẳng phải đặt biển hạn chế tốc độ tối đa dưới 50 km/h thì không phải đặt biển báo về đường không bằng phẳng, đường trơn (biển số W.221 (a,b) và biển số W.222 a);
34.6.3. Đường phố do tốc độ xe phải đi chậm, liên tục có đường giao nhau tại ngã ba, ngã tư thì không đặt biển số W.205 (a,b,c,d,e) "Đường giao nhau".
34.7. Tại các nơi đường được ưu tiên giao với các đường khác mà không được xem là nơi đường giao nhau theo quy định của Quy chuẩn này thì không cần đặt các biển W.207, W.208. Tuy nhiên, có thể sử dụng các biển này khi thấy cần thiết.
Chương 6
BIỂN HIỆU LỆNH
Điều 35. Tác dụng của biển hiệu lệnh
Biển hiểu lệnh là biển báo cho người tham gia giao thông biết các điều bắt buộc phải chấp hành.
Điều 36. Ý nghĩa sử dụng các biển hiệu lệnh
36.1. Biển hiệu lệnh gồm 65 biển có mã R và R.E với tên các biển như sau:
- Biển số R.122: Dừng lại;
- Biển số R.301 (a,b,c,d,e,f,h,i): Hướng đi phải theo;
- Biển số R.302 (a,b,c): Hướng phải đi vòng chướng ngại vật;
- Biển số R.303: Nơi giao nhau chạy theo vòng xuyến;
- Biển số R.304: Đường dành cho xe thô sơ;
- Biển số R.305: Đường dành cho người đi bộ;
- Biển số R.306: Tốc độ tối thiểu cho phép;
- Biển số R.307: Hết hạn chế tốc độ tối thiểu;
- Biển số R.308 (a,b): Tuyến đường cầu vượt cắt qua;
- Biển số R.309: Ấn còi;
- Biển số R.310 (a,b,c) "Hướng đi phải theo cho các xe chở hàng nguy hiểm";
- Biển số R.403 a: Đường dành cho xe ôtô;
- Biển số R.403 b: Đường dành cho xe ôtô, xe máy;
- Biển số R.403 c : Đường dành cho xe buýt;
- Biển số R.403 d: Đường dành cho xe ôtô con;
- Biển số R.403 e: Đường dành cho xe máy;
- Biển số R.403 f: Đường dành cho xe máy và xe đạp;
- Biển số R.404 a: Hết đoạn đường dành cho xe ôtô;
- Biển số R.404 b: Hết đoạn đường dành cho ôtô, xe máy;
- Biển số R.404 c: Hết đoạn đường dành cho xe buýt;
- Biển số R.404 d: Hết đoạn đường dành cho xe ôtô con;
- Biển số R.404 e: Hết đoạn đường dành cho xe máy;
- Biển số R.404 f: Hết đoạn đường dành cho xe máy và xe đạp;
- Biển số R.411: Hướng đi trên mỗi làn đường phải theo;
- Biển số R.412 a: Làn đường dành cho xe ôtô khách;
- Biển số R.412 b: Làn đường dành cho xe ôtô con;
- Biển số R.412 c: Làn đường dành cho xe ôtô tải;
- Biển số R.412 d: Làn đường dành cho xe máy;
- Biển số R.412 e: Làn đường dành cho xe buýt;
- Biển số R.412 f: Làn đường dành cho xe ôtô;
- Biển số R.412 g: Làn đường dành cho xe máy và xe đạp;
- Biển số R.412 h: Làn đường dành cho xe đạp;
- Biển số R.412 i: Kết thúc làn đường dành cho xe ôtô khách;
- Biển số R.412 j: Kết thúc làn đường dành cho xe ôtô con;
- Biển số R.412 k: Kết thúc làn đường dành cho xe ôtô tải;
- Biển số R.412 l: Kết thúc làn đường dành cho xe máy;
- Biển số R.412 m: Kết thúc làn đường dành cho xe buýt;
- Biển số R.412 n: Kết thúc làn đường dành cho xe ôtô;
- Biển số R.412 o: Kết thúc làn đường dành cho xe xe máy và xe đạp;
- Biển số R.412 p: Kết thúc làn đường dành cho xe đạp;
- Biển số R.415: Biển gộp làn đường theo phương tiện;
- Biển số R.420: Bắt đầu khu đông dân cư;
- Biển số R.421: Hết khu đông dân cư;
- Biển số R.E,9 a: Cấm đỗ xe trong khu vực;
- Biển số R.E,9 b: Cấm đỗ xe theo giờ trong khu vực;
- Biển số R.E,9 c: Khu vực đỗ xe;
- Biển số R.E,9 d: Hạn chế tốc độ tối đa trong khu vực;
- Biển số R.E,10 a: Hết cấm đỗ xe trong khu vực;
- Biển số R.E,10 b: Hết cấm đỗ xe theo giờ trong khu vực;
- Biển số R.E,10 c: Hết khu vực đỗ xe;
- Biển số R.E,10 d: Hết hạn chế tốc độ tối đa trong khu vực;
- Biển số R.E,11 a: Đường hầm;
- Biển số R.E,11 b: Kết thúc đường hầm.
36.2. Ý nghĩa sử dụng của từng kiểu biển được giải thích chi tiết ở Phụ lục D.
Điều 37. Kích thước, hình dạng và màu sắc của biển hiệu lệnh
37.1. Các biển hiệu lệnh chủ yếu có quy cách hình tròn, hình chữ nhật màu xanh lam, hình vẽ màu trắng. Khi hết hiệu lệnh thường sử dụng vạch chéo màu đỏ kẻ từ trên xuống và từ phải qua trái đè lên hình màu trắng.
37.2. Kích thước cụ thể của hình vẽ trên các biển được quy định chi tiết ở Điều 16 và Phụ lục D của Quy chuẩn này.
Điều 38. Vị trí đặt biển hiệu lệnh theo chiều đi và hiệu lực tác dụng của biển
38.1. Các biển hiệu lệnh phải đặt trực tiếp tại vị trí cần báo hiệu lệnh. Do điều kiện khó khăn nếu đặt xa hơn phải đặt kèm biển phụ số S.502.
38.2. Các biển hiệu lệnh có hiệu lực kể từ vị trí đặt biển. Riêng biển số R.301a nếu đặt ở sau nơi đường giao nhau tiếp theo thì hiệu lực của biển kể từ vị trí đặt biển đến nơi đường giao nhau tiếp theo. Biển không cấm xe rẽ phải, rẽ trái để vào cổng nhà hoặc ngõ phố trên đoạn đường có hiệu lực của biển.
38.3. Nếu đoạn đường phải thi hành biển hiệu lệnh có hiệu lực rất dài thì tại các nơi đường giao nhau, biển hiệu lệnh phải được nhắc lại, đặt ngay sau nơi giao nhau theo hướng đường đang có biển hiệu lệnh. Nếu không có biển nhắc lại thì biển hiệu lệnh được mặc nhiên xem là hết hiệu lực.
Chương 7
BIỂN CHỈ DẪN TRÊN ĐƯỜNG ÔTÔ KHÔNG PHẢI LÀ ĐƯỜNG CAO TỐC
Điều 39. Tác dụng của biển chỉ dẫn
Các biển chỉ dẫn để chỉ dẫn hướng đi hoặc các điều cần thiết nhằm giúp người tham gia giao thông trong việc điều khiển phương tiện và hướng dẫn giao thông trên đường được thuận lợi, đảm bảo an toàn.
Điều 40. Ý nghĩa sử dụng các biển chỉ dẫn trên đường ôtô không phải là đường cao tốc
40.1. Biển chỉ dẫn trên các đường ôtô không phải là đường cao tốc gồm 90 biển có mã “I” với tên các biển như sau:
- Biển số I.401: Bắt đầu đường ưu tiên;
- Biển số I.402: Hết đoạn đường ưu tiên;
- Biển số I.405 (a,b,c): Đường cụt;
- Biển số I.406: Được ưu tiên qua đường hẹp;
- Biển số I.407 (a,b,c): Đường một chiều;
- Biển số I.408: Nơi đỗ xe;
- Biển số I.408 a: Nơi đỗ xe một phần trên hè phố;
- Biển số I.409: Chỗ quay xe;
- Biển số I.410: Khu vực quay xe;
- Biển số I.413 a: Đường phía trước có làn đường dành cho ôtô khách;
- Biển số I.413 (b,c): Rẽ ra đường có làn đường dành cho ôtô khách;
- Biển số I.414 (a,b,c,d): Chỉ hướng đường;
- Biển số I.415: Mũi tên chỉ hướng đi;
- Biển số I.416: Đường tránh;
- Biển số I.417 (a,b,c): Chỉ hướng đường phải đi cho từng loại xe;
- Biển số I.418: Lối đi ở những vị trí cấm rẽ;
- Biển số I.419 a: Chỉ dẫn địa giới;
- Biển số I.419 b: Chỉ dẫn địa giới trên tuyến đường đối ngoại;
- Biển số I.422 a: Di tích lịch sử;
- Biển số I.422 b: Di tích lịch sử trên tuyến đường đối ngoại;
- Biển số I.423 (a,b): Nơi người đi bộ sang ngang;
- Biển số I.423c: Điểm bắt đầu đường đi bộ;
- Biển số I.424 (a,b): Cầu vượt qua đường cho người đi bộ;
- Biển số I.424 (c,d): Hầm chui qua đường cho người đi bộ;
- Biển số I.425: Bệnh viện;
- Biển số I.426: Trạm cấp cứu;
- Biển số I.427 a: Trạm sửa chữa;
- Biển số I.427 b: Trạm kiểm tra tải trọng xe;
- Biển số I.428: Cửa hàng xăng dầu;
- Biển số I.429: Nơi rửa xe;
- Biển số I.430: Điện thoại;
- Biển số I.431: Trạm dừng nghỉ;
- Biển số I.432: Khách sạn;
- Biển số I.433 a: Nơi nghỉ mát;
- Biển số I.433 (b,c,d): Báo hiệu nơi cắm trại, nhà nghỉ lưu động;
- Biển số I.433 e: Báo hiệu nhà trọ;
- Biển số I.434 a: Bến xe buýt;
- Biển số I.434 b: Bến xe tải;
- Biển số I.435: Bến xe điện;
- Biển số I.436: Trạm cảnh sát giao thông;
- Biển số I.439: Tên cầu;
- Biển số I.440: Đoạn đường thi công;
- Biển số I.441 (a,b,c): Báo hiệu phía trước có công trường thi công;
- Biển số I.442: Chợ;
- Biển số I.443: Xe kéo rơ-moóc;
- Biển số I.444 (a,b,c,d,e,f,g,h,i,j,k,l,m): Biển báo chỉ dẫn địa điểm;
- Biển số I.445 (a,b,c,d,e,f,g,h): Biển báo kiểu mô tả tình trạng đường sá;
- Biển số I.446: Nơi đỗ xe dành cho người tàn tật;
- Biển số I.447 (a,b,c,d): Biển báo cầu vượt liên thông;
- Biển số I.448: Làn đường cứu nạn hay làn thoát xe khẩn cấp;
- Biển số I.449: Biển tên đường.
40.2. Ý nghĩa sử dụng của từng biển được giải thích chi tiết ở Phụ lục E của Quy chuẩn này.
Điều 41. Chú thích về chữ viết trên biển chỉ dẫn trên đường ôtô không phải là đường cao tốc
Biển chỉ dẫn viết bằng chữ đặt trong thành phố, thị xã và những tuyến quốc lộ có nhiều phương tiện do người nước ngoài điều khiển thêm phụ đề tiếng Anh bên dưới hàng chữ tiếng Việt. Chữ tiếng Anh sử dụng loại chữ viết thường.
Điều 42. Kích thước, hình dạng và màu sắc của biển chỉ dẫn trên đường ôtô không phải là đường cao tốc
42.1. Biển chỉ dẫn có hình dạng là hình vuông, hình chữ nhật.
42.2. Các biển có nền là màu xanh lam, hình vẽ và chữ viết màu trắng. Nếu nền màu trắng thì hình vẽ và chữ viết màu đen trừ một số biển chỉ dẫn khác với quy định này được cụ thể ở Phụ lục E của Quy chuẩn này.
42.3. Kích thước chi tiết của hình vẽ, chữ viết, con số và màu sắc của các biển quy định ở Điều 16, Điều 17 và Phụ lục E của Quy chuẩn này.
Điều 43. Vị trí đặt biển chỉ dẫn theo chiều đi trên đường ôtô không phải là đường cao tốc
Tùy theo tính chất, mỗi kiểu biển được đặt ở một vị trí quy định như sau:
43.1. Biển số I.401 và biển số I.402 phải đặt tương ứng ngay tại vị trí bắt đầu và vị trí cuối của đường ưu tiên và đường dành cho xe ôtô.
43.2. Biển số I.407 (a,b,c), I.413 (a,b,c) và I.418 đặt ở nơi đường bộ giao nhau:
- Biển số I.407 a và I.413 a đặt sau nơi đường bộ giao nhau;
- Biển số I.407 (b,c), I.413 (b,c) đặt trước nơi đường bộ giao nhau;
- Biển số I.418 đặt trước biển báo cấm rẽ và cách nơi đường bộ giao nhau được chỉ dẫn trên biển ít nhất 30 m.
43.3. Biển số I.405 (a,b,c), I.414 (a,b,c,d), I.416, I.417 (a,b) nhằm mục đích chỉ dẫn cho các loại xe cơ giới là chủ yếu, phải đặt biển báo nguy hiểm hoặc cảnh báo ở vị trí cách nơi đường giao nhau từ 20 m đến 50 m. Trường hợp không đặt biển nguy hiểm và cảnh báo thì biển chỉ dẫn trên phải đặt cách nơi đường giao nhau định chỉ dẫn một khoảng cách như quy định ở Điều 34 của Quy chuẩn này.
43.4. Biển số I.406, I.408, I.409, I.410, I.417c và các biển từ biển số I.422 đến biển số I.436 được đặt ngay tại vị trí trước và sát đoạn đường cần chỉ dẫn, nếu đặt cách xa hơn phải kèm biển số S.502.
Điều 44. Quy định về biển chỉ dẫn chỉ hướng đường trên đường ôtô không phải là đường cao tốc
44.1. Tất cả nơi đường giao nhau phải đặt biển chỉ hướng đường (biển số I.414 (a,b,c,d)). Trong khu dân cư thì có thể chỉ đặt biển trên các hướng chủ yếu nối khu dân cư đó với địa danh lịch sử, đô thị, khu dân cư, khu du lịch, khu công nghiệp lân cận tiếp theo.
44.2. Biển số I.414 (a,b) dùng trong trường hợp chỉ có một địa danh khu dân cư trên hướng đường cần phải chỉ dẫn. Biển số I.414 (c,d) dùng trong trường hợp có từ hai địa danh khu dân cư cần phải chỉ dẫn.
44.3. Trên mỗi hướng đường ghi nhiều nhất là ba địa danh phải chỉ dẫn. Địa danh ở xa hơn phải viết xuống dưới, lần lượt những địa danh đã ghi trên biển phải được giữ nguyên trên những biển chỉ đường tiếp theo cho đến vị trí của địa danh gần nhất đã ghi trên biển.
44.4. Địa danh và khoảng cách ghi trên biển quy định như sau:
44.4.1. Những địa danh được chỉ dẫn phải là địa danh mà tuyến đường đi qua.
Việc lựa chọn địa danh để chỉ dẫn theo thứ tự ưu tiên sau đây và được sử dụng trên tất cả các loại hệ thống đường (ĐCT,QL, ĐT, ĐH, ĐX, ĐĐT) trừ hệ thống đường chuyên dùng:
- Tên thành phố trực thuộc Trung ương;
- Tên thành phố trực thuộc tỉnh;
- Tên tỉnh lỵ (trung tâm hành chính cấp tỉnh): không báo tên tỉnh trừ trường hợp tên tỉnh trùng với tên tỉnh lỵ;
- Tên thị xã;
- Tên huyện lỵ (trung tâm hành chính cấp huyện): không báo tên huyện trừ trường hợp tên huyện trùng với tên huyện lỵ;
- Tên thị trấn;
- Di tích lịch sử hoặc danh lam thắng cảnh;
- Tên ngã ba, ngã tư quan trọng, tên điểm đầu hoặc điểm cuối tuyến đường;
44.4.2. Trên đường chuyên dùng chỉ ghi địa danh nơi đường giao nhau, điểm đầu hoặc điểm cuối tuyến đường.
44.4.3. Khoảng cách ghi trên biển là cự ly từ vị trí đặt biển đến trung tâm địa danh phải chỉ dẫn (phù hợp với thông tin trên cột kilômét) và ghi số chẵn đến kilômét nếu cự ly ≥ 1,0 km và ghi số chẵn đến 100 m nếu cự ly < 1,0 km. Cự ly từng đoạn phải phù hợp với cự ly toàn bộ và phải thống nhất cả hai chiều xe chạy.
Chương 8
BIỂN PHỤ, BIỂN VIẾT BẰNG CHỮ
Điều 45. Biển phụ
45.1. Tác dụng của biển phụ:
Biển phụ thường được đặt kết hợp với các biển báo chính: biển báo nguy hiểm, biển báo cấm, biển hiệu lệnh và biển chỉ dẫn nhằm thuyết minh bổ sung để hiểu rõ, trừ biển số 507 "Hướng rẽ" được sử dụng độc lập.
45.2. Ý nghĩa sử dụng biển phụ:
45.2.1. Biển phụ gồm 31 biển có mã S, SG và SH với tên các biển như sau:
- Biển số S.501: Phạm vi tác dụng của biển;
- Biển số S.502: Khoảng cách đến đối tượng báo hiệu;
- Biển số S.503 (a,b,c,d,e,f): Hướng tác dụng của biển;
- Biển S.H,3 (a,b,c): Hướng tác dụng của biển;
- Biển số S.504: Làn đường;
- Biển số S.505 a: Loại xe;
- Biển số S.505 b: Loại xe hạn chế qua cầu;
- Biển số S.505 c: Tải trọng trục hạn chế qua cầu;
- Biển số S.506 (a,b): Hướng đường ưu tiên;
- Biển số S.507: Hướng rẽ;
- Biển số S.508 (a,b): Biểu thị thời gian;
- Biển số S.509 (a,b): Thuyết minh biển chính;
- Biển số S.510: Chú ý đường trơn có băng tuyết;
- Biển số S.G,7: Địa điểm cắm trại;
- Biển số S.G,8: Địa điểm nhà trọ;
- Biển số S.G,9 b: Chỉ dẫn tới điểm đỗ xe dành cho lái xe muốn sử dụng phương tiện công cộng;
- Biển số S.G,11 a; S.G,11 c: Chỉ dẫn số lượng làn và hướng đi cho từng làn;
- Biển số S.G,12 a; S.G,12 b: Chỉ dẫn làn đường không lưu thông;
- Biển số S.H,6: Ngoại lệ.
45.2.2. Ý nghĩa sử dụng của từng biển được giải thích chi tiết ở Phụ lục F của Quy chuẩn này.
45.3. Kích thước, hình dạng và màu sắc biển phụ:
45.3.1. Biển phụ có hình dạng là hình chữ nhật hoặc hình vuông.
45.3.2. Các biển có nền là màu trắng, hình vẽ và chữ viết màu đen hoặc có nền là màu xanh lam, chữ viết màu trắng. Biển số S.507 và S.508 (a,b) có đặc điểm riêng chỉ dẫn ở Phụ lục F của Quy chuẩn này;
45.3.3. Kích thước chi tiết của hình vẽ, chữ viết, con số và màu sắc của các biển quy định ở Điều 16, Điều 17 và Phụ lục K của Quy chuẩn này (kích thước biển phụ tương ứng với biển chính).
45.4. Vị trí đặt biển phụ:
Các biển phụ đều được đặt ngay phía dưới biển chính trừ biển số S.507 sử dụng độc lập được đặt ở phía lưng đường cong đối diện với hướng đi hoặc đặt ở giữa đảo an toàn nơi đường giao nhau.
Điều 46. Biển viết bằng chữ
46.1. Biển viết bằng chữ chỉ dùng trong trường hợp không áp dụng được các kiểu biển đã quy định.
46.2. Biển viết bằng chữ có hình chữ nhật. Biển dùng để chỉ dẫn có nền màu xanh chữ viết màu trắng, biển dùng để báo cấm hay hiệu lệnh có nền màu đỏ chữ viết màu trắng.
46.3. Hàng chữ viết trên biển tùy theo nội dung chỉ dẫn hoặc hiệu lệnh nhưng phải ngắn gọn. Biển dùng để báo cấm bắt đầu bằng chữ "Cấm".
46.4. Có thể sử dụng biển ghép hình chữ nhật để thể hiện các thông tin trong trường hợp có nhiều thông tin cần thể hiện và việc bố trí các biển đơn là phức tạp. Biển đặt trên hè đường. Mặt biển có thể vuông góc hoặc song song với chiều đường xe thô sơ hoặc người đi bộ.
Điều 47. Hình dạng, kích thước, hình vẽ của biển phụ, biển viết bằng chữ
Hình dạng, kích thước, hình vẽ của biển quy định tại Điều 16, Điều 17 và Phụ lục K của Quy chuẩn này. Hình dạng biển viết bằng chữ là hình chữ nhật có chiều cao tối thiểu 20 cm.
Điều 48. Chữ viết và chữ số của biển phụ, biển viết bằng chữ
48.1. Tất cả những chữ viết, chữ số ghi trên biển và cột kilômét dùng thống nhất theo hai kiểu: kiểu chữ thường và kiểu chữ nén theo quy định tại Điều 17 và Phụ lục K;
48.2. Kiểu chữ thường dùng trong trường hợp hàng chữ ngắn và trung bình;
48.3. Kiểu chữ nén dùng trong trường hợp hàng chữ dài;
48.4. Trên một hàng chữ bao giờ cũng phải dùng thống nhất một kiểu chữ;
48.5. Chiều cao chữ viết của biển viết bằng chữ nhỏ nhất là 10 cm (ứng với hệ số 1). Với biển ghép cho phép sử dụng chữ nhỏ nhất là 5 cm.
Chương 9
BIỂN CHỈ DẪN TRÊN ĐƯỜNG CAO TỐC
Điều 49. Quy định chung đối với biển chỉ dẫn trên đường cao tốc
49.1. Chức năng biển chỉ dẫn trên đường cao tốc
Cung cấp thông tin đầy đủ, chính xác cho người điều khiển phương tiện nhằm lái xe an toàn trên đường cao tốc và đi đến địa điểm mong muốn, cụ thể:
49.1.1. Chỉ dẫn tên đường và hướng tuyến;
49.1.2. Chỉ dẫn địa điểm, hướng đi, khoảng cách đến các thành phố, thị xã, thị trấn và các tuyến đường;
49.1.3. Chỉ dẫn đến các địa điểm khu công nghiệp, dịch vụ công cộng như: sân bay, bến tàu, bến xe khách, bến tàu thủy, bến phà, trạm kiểm tra tải trọng xe, trạm dừng nghỉ, nơi nghỉ mát, nơi danh lam thắng cảnh và giải trí;
49.1.4. Thông báo chuẩn bị tới nút giao, lối ra phía trước;
49.1.5. Chỉ dẫn tách, nhập làn khi ra, vào đường cao tốc;
49.1.6. Chỉ dẫn tốc độ tối đa, tốc độ tối thiểu khi tham gia giao thông trên đường cao tốc;
49.1.7. Chỉ dẫn giữ khoảng cách lái xe an toàn cho người điều khiển phương tiện;
49.1.8. Cung cấp tần số sóng radio nhằm giúp người tham gia giao thông trên đường cao tốc nắm bắt thông tin về tình trạng giao thông, thời tiết và các thông tin tiện ích trên đường cao tốc.
49.1.9. Các biển chỉ dẫn khác: biển chỉ dẫn địa danh; địa phận hành chính cấp tỉnh, thành phố; biển tên cầu, tên công trình lớn.
49.1.10. Các biển chỉ dẫn trên đường cao tốc có mã là IE.
49.2. Yêu cầu đối với biển chỉ dẫn trên đường cao tốc
Biển chỉ dẫn trên đường cao tốc phải đáp ứng được các yêu cầu sau:
49.2.1. Nội dung ghi trên biển chỉ dẫn phải ngắn gọn, đơn giản, dễ hiểu; ưu tiên sử dụng các ký hiệu, số hiệu và hình vẽ minh hoạ;
49.2.2. Kích cỡ chữ viết, chữ số và ký hiệu phải đảm bảo để người điều khiển phương tiện nhìn rõ và nắm bắt được nội dung từ khoảng cách ít nhất là 150 m trong điều kiện thời tiết bình thường;
49.2.3. Phải được dán màng phản quang, đảm bảo yêu cầu theo tiêu chuẩn quốc gia về “Màng phản quang dùng cho báo hiệu đường bộ”.
49.3. Kích thước biển chỉ dẫn trên đường cao tốc
Kích thước biển chỉ dẫn trên đường cao tốc được xác định trên cơ sở diện tích cần thiết để bố trí nội dung thông tin chỉ dẫn. Kích thước biển chỉ dẫn loại A (áp dụng cho đường có tốc độ thiết kế 100 km/h và 120 km/h) được quy định chi tiết tại Phụ lục P của Quy chuẩn này. Kích thước biển chỉ dẫn loại B (áp dụng cho đường có tốc độ thiết kế 60 km/h và 80 km/h) được điều chỉnh trên cơ sở chiều cao chữ quy định trong Bảng 4 của Quy chuẩn này cho phù hợp.
Điều 50. Nội dung biển chỉ dẫn trên đường cao tốc
50.1. Nội dung biển chỉ dẫn trên đường cao tốc
50.1.1. Nội dung biển chỉ dẫn đường cao tốc được tổ hợp từ một hoặc nhiều thông tin sau: địa danh, ký hiệu đường bộ, mũi tên chỉ hướng, mũi tên chỉ làn xe, chữ viết, chữ số, hình vẽ và các ký hiệu khác.
50.1.2. Trình bày nội dung biển chỉ dẫn trên đường cao tốc được thực hiện theo quy tắc sau đây:
a) Địa danh, tên đoạn tuyến đường cao tốc, ký hiệu đường bộ được viết bằng chữ in hoa;
b) Trong biển chỉ dẫn, không ghi quá ba tên điểm đến trên cùng một biển chỉ dẫn thông báo trước hoặc trên biển chỉ dẫn chỉ lối ra;
c) Không ghi tên tuyến đường và tên thành phố nằm trên tuyến đường đó trên cùng một biển chỉ dẫn;
d) Trong biển chỉ dẫn, không viết quá ba hàng chữ tiếng Việt;
đ) Biển chỉ dẫn trên đường cao tốc gồm hai thứ tiếng: tiếng Việt và tiếng Anh. Chiều cao tối thiểu chữ tiếng Việt và chữ tiếng Anh được quy định trong Bảng 4.
Bảng 4 - Quy định về chiều cao chữ viết tối thiểu
|
Loại biển chỉ dẫn |
Loại B |
Loại A |
||
|
Tốc độ thiết kế, km/h |
60; 80 |
100; 120 |
||
|
Chiều cao chữ tiếng Việt, cm |
30,0 |
36,0 |
33,0 |
40,0 |
|
Chiều cao chữ tiếng Anh, cm |
20,0 |
24,0 |
25,0 |
30,0 |
50.2. Bố trí chữ viết và kích thước chữ viết trên biển chỉ dẫn trên đường cao tốc
50.2.1. Nguyên tắc bố trí chữ viết trên biển chỉ dẫn trên đường cao tốc quy định như sau:
a) Khoảng cách giữa dòng chữ tiếng Việt và dòng chữ tiếng Anh bằng chiều cao chữ tiếng Anh;
b) Khoảng cách giữa dòng chữ tiếng Anh đến dòng chữ tiếng Việt tiếp theo bằng chiều cao chữ tiếng Anh;
c) Khoảng trống ở phía trên, phía dưới biển chỉ dẫn có kích thước bằng chiều cao chữ tiếng Việt lớn nhất trong biển;
d) Khoảng trống ở phía bên trái và bên phải biển chỉ dẫn (của dòng dài nhất) có kích thước bằng chiều cao của chữ tiếng Việt lớn nhất trong biển;
đ) Thông thường, dòng chữ của biển chỉ dẫn được bố trí căn chính giữa theo chiều ngang của biển chỉ dẫn. Khi bố trí biểu tượng, sơ đồ nút giao, dòng chữ trên biển chỉ dẫn được bố trí sao cho phù hợp, tuân thủ theo quy định tại các Phụ lục của Quy chuẩn này.
50.2.2. Kích thước chữ viết, chữ số và khoảng cách giữa các chữ được quy định chi tiết trong Phụ lục K của Quy chuẩn này.
50.3. Màu sắc của biển chỉ dẫn trên đường cao tốc
50.3.1. Màu nền, màu chữ và đường viền của biển chỉ dẫn trên đường cao tốc được quy định như sau:
a) Đối với biển có tính chất chỉ dẫn giao thông, chữ viết, chữ số và hình vẽ trên biển chỉ dẫn được thể hiện bằng màu trắng trên nền màu xanh lá cây và đường viền mép biển là màu trắng;
b) Đối với biển có tính chất chỉ dẫn dịch vụ công cộng, chữ viết, chữ số và hình vẽ trên biển chỉ dẫn được thể hiện bằng màu trắng trên nền màu xanh lam và đường viền mép biển là màu trắng;
c) Đối với biển có tính chất chỉ dẫn cảnh báo, chữ viết, chữ số và hình vẽ trên biển chỉ dẫn được thể hiện bằng màu đen trên nền màu vàng huỳnh quang và đường viền mép biển là màu đen;
d) Đối với biển có tính chất chỉ dẫn giải trí, chữ viết, chữ số và hình vẽ trên biển chỉ dẫn được thể hiện bằng màu trắng trên nền màu nâu và đường viền mép biển là màu trắng;
đ) Trừ những quy định khác, chữ viết, chữ số và hình vẽ trên biển chỉ dẫn được thể hiện bằng màu trắng trên nền màu xanh lá cây và đường viền mép biển là màu trắng. 50.3.2. Chi tiết cụ thể về màu nền, màu chữ và đường viền được quy định cụ thể cho từng biển chỉ dẫn tại Phụ lục P của Quy chuẩn này. Kiểu chữ viết, màu chữ viết và màu nền của biển chỉ dẫn trên đường cao tốc được quy định trong Bảng 5.
Bảng 5 - Quy định về kiểu chữ, màu sắc của biển chỉ dẫn
|
TT |
Mô tả biến chỉ dẫn |
Kiểu chữ |
Màu chữ, số |
Màu nền |
Màu viền |
|
1 |
Ký hiệu đường cao tốc |
gt2 |
đen |
vàng huỳnh quang |
đen |
|
2 |
Ký hiệu quốc lộ, đường tỉnh, đường huyện |
gt2 |
đen |
trắng |
đen |
|
3 |
Biển số IE.450 (a,b) chỉ dẫn sơ đồ, khoảng cách đến nút giao với đường dẫn vào đường cao tốc |
gt2 |
trắng |
xanh lam |
Trắng |
|
4 |
Biển số IE.451 (a,b) chỉ dẫn lối vào, khoảng cách đến lối vào đường cao tốc |
gt2 |
trắng |
xanh lam |
trắng |
|
5 |
Biển số IE.452 chỉ dẫn bắt đầu đường cao tốc |
gt2 |
trắng |
xanh lá cây |
trắng |
|
6 |
Biển số IE.453 (a,b) chỉ dẫn điểm kết thúc, khoảng cách đến điểm kết thúc đường cao tốc |
gt2 |
trắng |
xanh lá cây |
trắng |
|
7 |
Biển số IE.454 chỉ dẫn khoảng cách đến lối ra phía trước |
gt2 |
trắng |
xanh lá cây |
trắng |
|
8 |
Biển số IE.455 (a,b) chỉ dẫn khoảng cách đến các lối ra tiếp theo |
gt2 |
trắng |
xanh lá cây |
trắng |
|
9 |
Biển số IE.456 (a,b,c) chỉ dẫn khoảng cách, hướng rẽ đến trạm dừng nghỉ |
gt2 |
trắng |
xanh lá cây |
trắng |
|
10 |
Biển số IE.457 (a,b) chỉ dẫn nơi đỗ xe trong trạm dừng nghỉ |
gt2 |
trắng |
xanh lá cây |
trắng |
|
11 |
Biển số IE.458 chỉ dẫn khoảng cách đến các trạm dừng nghỉ tiếp theo |
gt2 |
trắng |
xanh lá cây |
trắng |
|
12 |
Biển số IE.459 (a,b) chỉ dẫn khoảng cách đến khu tham quan, du lịch |
gt2 |
trắng |
xanh lá cây |
trắng |
|
13 |
Biển số IE.460 chỉ dẫn cột lý trình kilômét |
gt2 |
trắng |
xanh lá cây |
trắng |
|
14 |
Biển số IE.461 (a,b,c) chỉ dẫn khoảng cách đến khu dịch vụ công cộng, giải trí |
gt2 |
trắng |
xanh lá cây |
trắng |
|
15 |
Biển số IE.461d chỉ dẫn hướng rẽ vào khu giải trí |
gt2 |
trắng |
nâu |
trắng |
|
16 |
Biển số IE.462 chỉ dẫn tần số trên sóng radio |
gt2 |
trắng |
xanh lá cây |
trắng |
|
17 |
Biển số IE.463 (a,b,c) chỉ dẫn khoảng cách, hướng rẽ vào trạm kiểm tra tải trọng xe |
gt2 |
trắng |
xanh lá cây |
trắng |
|
18 |
Biển số IE.464 (a,b) chỉ dẫn địa điểm và phương hướng |
gt2 |
trắng |
xanh lá cây |
trắng |
|
19 |
Biển số IE.465 (a,b) chỉ dẫn địa điểm và khoảng cách |
gt2 |
trắng |
xanh lá cây |
trắng |
|
20 |
Biển số IE.466 chỉ dẫn sơ đồ lối ra một chiều |
gt2 |
trắng |
xanh lá cây |
trắng |
|
21 |
Biển số IE.467 (a,b) chỉ dẫn vị trí nhập làn, khoảng cách đến vị trí nhập làn |
gt2 |
trắng |
xanh lá cây |
trắng |
|
22 |
Biển số IE.468 (a,b,c) chỉ dẫn chướng ngại vật phía trước |
- |
- |
vàng huỳnh quang |
đen |
|
23 |
Biển số IE.469 chỉ dẫn hướng rẽ |
- |
- |
vàng huỳnh quang |
đen |
|
24 |
Biển số IE.470 chỉ dẫn số điện thoại khẩn cấp |
gt2 |
trắng |
xanh lá cây |
trắng |
|
25 |
Biển số IE.471 chỉ dẫn giữ khoảng cách lái xe an toàn |
gt2 |
đen |
vàng huỳnh quang |
đen |
|
26 |
Biển số IE.472 (a,b,c,d,e) chỉ dẫn khoảng cách đến trạm thu phí, trạm thu phí, thu phí không dừng, rút thẻ, thu phí |
gt2 |
trắng |
xanh lá cây |
trắng |
|
27 |
Biển số IE.473 chỉ dẫn giảm tốc độ |
gt2 |
đen |
vàng huỳnh quang |
đen |
|
28 |
Biển số IE.474 chỉ dẫn lối ra |
gt2 |
trắng |
xanh lá cây |
trắng |
|
29 |
Các biển chỉ dẫn khác: biển chỉ dẫn địa danh; địa phận hành chính cấp tỉnh, thành phố; biển tên cầu, tên công trình lớn. (Thiết kế chi tiết các biển chỉ dẫn khác có thể vận dụng các quy định về biển chỉ dẫn cho đường ô tô không phải là đường cao tốc ngoại trừ các quy định nêu trong Bảng này) |
gt2 |
trắng |
xanh lá cây |
trắng |
50.4. Đường viền của biển chỉ dẫn trên đường cao tốc
50.4.1. Chiều rộng đường viền xung quanh biển chỉ dẫn được quy định như sau:
a) Lấy bằng 5,0 cm đối với biển chỉ dẫn có kích thước ≥ 300,0 x 100,0 cm;
b) Lấy bằng 3,0 cm đối với biển chỉ dẫn có kích thước < 300,0 x 100,0 cm.
50.4.2. Bán kính cong của đường viền xung quanh biển chỉ dẫn được lấy bằng 2% cạnh dài nhất của biển chỉ dẫn.
50.5. Ký hiệu mũi tên trên biển chỉ dẫn trên đường cao tốc
50.5.1. Đối với các biển chỉ dẫn chỉ lối ra, mũi tên xiên hướng lên phía trên được dùng để chỉ lối ra; hướng mũi tên phù hợp với hướng của lối ra.
50.5.2. Đối với mũi tên chỉ làn, mũi tên thẳng, hướng xuống dưới (chỉ sử dụng ở biển lắp đặt trên giá long môn) để quy định làn xe đi tới một địa điểm hay một tuyến đường nào đó.
50.5.3. Kích thước của mũi tên được quy định chi tiết như sau:
a) Mũi tên chỉ làn:

Kích thước mũi tên
Đơn vị: cm
|
A |
B |
C |
D |
E |
R |
|
80,0 |
40,0 |
16,25 |
7,5 |
55,0 |
2,5 |
b) Mũi tên chỉ hướng:

Kích thước mũi tên
Đơn vị: cm
|
A |
B |
C |
D |
E |
R |
|
48,0 |
40,0 |
18,0 |
4,0 |
80,0 |
3,0 |
Mũi tên chỉ hướng phải có hướng trùng với hướng cần chỉ dẫn.
50.6. Mã hiệu đường bộ trong biển chỉ dẫn trên đường cao tốc
50.6.1. Mã hiệu đường bộ được đặt trong một khuôn hình chữ nhật có kích thước cố định, gồm hai phần: tên đường bộ viết tắt và số hiệu đường bộ. Tên đường bộ viết tắt (Đường cao tốc - CT, Quốc lộ - QL, Đường tỉnh - ĐT, Đường huyện - ĐH). Số hiệu đường bộ được quy định cụ thể tại Nghị định số 11/2010/NĐ-CP ngày 24/02/2010 của Chính phủ Quy định về quản lý và bảo vệ kết cấu hạ tầng giao thông đường bộ. Tên đường bộ viết tắt và số hiệu đường bộ được phân cách bằng một dấu chấm. Sử dụng kiểu chữ gt2 (kiểu chữ thường) để ghi ký hiệu đường bộ, trong đó tùy theo độ dài của ký hiệu đường bộ, cho phép điều chỉnh chiều rộng của ký tự và khoảng cách giữa các ký tự cho sao phù hợp với khuôn hình chữ nhật định sẵn. Căn cứ quy hoạch phát triển mạng lưới đường bộ cao tốc Việt Nam đến năm 2020 và tầm nhìn sau năm 2020 đã được phê duyệt, mã hiệu đường cao tốc theo quy hoạch được quy định tại Phụ lục N của Quy chuẩn này. Kích thước mã hiệu đường cao tốc được quy định cụ thể tại Phụ lục O của Quy chuẩn này.
50.6.2. Quy định màu nền, chữ viết và chữ số trong mã hiệu đường bộ như sau:
a) Mã hiệu đường cao tốc được thể hiện trên nền màu vàng huỳnh quang, chữ màu đen và viền màu đen trong Hình 4a;
b) Mã hiệu quốc lộ, đường tỉnh và đường huyện được thể hiện trên nền màu trắng, chữ màu đen và viền màu đen (các Hình 4b, 4c, 4d).

Hình 4- Mã hiệu đường bộ
50.7. Biểu tượng khu công nghiệp, dịch vụ công cộng và giải trí
Các biểu tượng khu công nghiệp, dịch vụ công cộng và giải trí được sử dụng để trình bày nội dung của một số biển chỉ dẫn nhằm mục đích đưa thông tin ngắn gọn, dễ hiểu đến người tham gia giao thông.


Hình 5 - Biểu tượng khu công nghiệp, dịch vụ công cộng và giải trí
Về nguyên tắc, các biểu tượng khu công nghiệp, dịch vụ công cộng và giải trí được thể hiện trên nền màu trắng, hình vẽ màu đen và đường viền màu đen (Hình 5). Tuy nhiên, màu sắc của một số biểu tượng phải tuân thủ theo quy định tại Công ước Viên (Viena) về báo hiệu đường bộ. Kích thước của các biểu tượng này xem chi tiết tại Phụ lục P (mục P.8) và Phụ lục P (mục P.13) của Quy chuẩn này.
50.8. Số hiệu và tên biển chỉ dẫn
|
TT |
Số hiệu |
Tên biển chỉ dẫn |
|
1 |
Biển số IE.450 (a, b) |
Sơ đồ, khoảng cách đến nút giao với đường dẫn vào đường cao tốc |
|
2 |
Biển số IE. 451 (a,b) |
Lối vào và khoảng cách đến lối vào đường cao tốc |
|
3 |
Biển số IE.452 |
Bắt đầu đường cao tốc |
|
4 |
Biển số IE.453 (a,b) |
Kết thúc đường cao tốc |
|
5 |
Biển số IE.454 |
Khoảng cách đến lối ra phía trước |
|
6 |
Biển số IE.455 (a,b) |
Khoảng cách đến các lối ra tiếp theo |
|
7 |
Biển số IE.456 (a,b,c) |
Trạm dừng nghỉ và khoảng cách đến trạm dừng nghỉ |
|
8 |
Biển số IE.457 (a,b) |
Nơi đỗ xe trong trạm dừng nghỉ |
|
9 |
Biển số IE.458 |
Khoảng cách đến các trạm dừng nghỉ tiếp theo |
|
10 |
Biển số IE.459 (a,b) |
Khoảng cách đến khu tham quan, du lịch |
|
11 |
Biển số IE.460 |
Cột lý trình kilômét |
|
12 |
Biển số IE.461 (a,b,c,d) |
Khu dịch vụ công cộng, giải trí |
|
13 |
Biển số IE.462 |
Tần số trên sóng radio |
|
14 |
Biển số IE.463 (a,b,c) |
Trạm kiểm tra tải trọng xe |
|
15 |
Biển số IE.464 (a,b) |
Địa điểm và phương hướng |
|
16 |
Biển số IE.465 (a,b) |
Địa điểm và khoảng cách |
|
17 |
Biển số IE.466 |
Sơ đồ lối ra một chiều |
|
18 |
Biển số IE.467 (a,b) |
Nhập làn |
|
19 |
Biển số IE.468 (a,b) |
Chướng ngại vật phía trước |
|
20 |
Biển số IE.469 |
Hướng rẽ |
|
21 |
Biển số IE.470 |
Số điện thoại khẩn cấp |
|
22 |
Biển số IE.471 |
Giữ khoảng cách lái xe an toàn |
|
23 |
Biển số IE.472 (a,b) |
Trạm thu phí |
|
24 |
Biển số IE.473 |
Giảm tốc độ |
|
25 |
Biển số IE.474 |
Lối ra |
50.9. Lắp đặt biển chỉ dẫn
Biển chỉ dẫn trên đường cao tốc phải được lắp trên cột cần vươn, giá long môn hoặc trên cột được bố trí bên lề đường.
50.9.1. Lắp đặt biển chỉ dẫn trên giá long môn, cột cần vươn:
a) Bố trí biển chỉ dẫn trên giá long môn, cột cần vươn ngay phía trên làn xe để người điều khiển phương tiện có thể dễ dàng nhận thấy biển chỉ dẫn từ xa. Giá long môn, cột cần vươn phải có kết cấu bền vững, có khả năng chịu lực và chịu được gió bão cấp 12;
b) Chiều cao tối thiểu từ đáy biển chỉ dẫn đến điểm cao nhất của mặt đường không nhỏ hơn 5,2 m. Chân giá long môn, cột cần vươn cách mép ngoài lề đường tối thiểu là 0,5 m (Hình 6).

Hình 6 - Giá kiểu khung lắp đặt biển chỉ dẫn cho đường cao tốc
50.9.2. Lắp đặt biển chỉ dẫn bên lề đường cao tốc:
Vị trí lắp đặt biển chỉ dẫn bên lề đường cao tốc tuân thủ theo quy định tại Điều 20 của Quy chuẩn này.
Điều 51. Các loại biển chỉ dẫn trên đường cao tốc
51.1. Sơ đồ, khoảng cách đến nút giao với đường dẫn vào đường cao tốc
51.1.1. Biển số IE.450a chỉ dẫn khoảng cách đến nút giao với đường dẫn vào đường cao tốc (Hình 7a), dùng để báo trước khoảng cách sắp đến nút giao với đường dẫn vào đường cao tốc, với khoảng cách ghi trên biển quy về bội số của 100 m.
51.1.2. Biển số IE.450b chỉ dẫn sơ đồ đến đường dẫn vào đường cao tốc (Hình 7b).
Biển này đặt cách nút giao với đường dẫn vào đường cao tốc tối thiểu bằng tầm nhìn một chiều của cấp đường trên đường xe đang chạy theo quy định tại Bảng 6.


Hình 7 - Biển số IE.450 chỉ dẫn sơ đồ và khoảng cách đến nút giao với đường dẫn vào đường cao tốc
Bảng 6 - Tầm nhìn tối thiểu trên đường nhánh
|
Tốc độ thiết kế trên đường nhánh, km/h |
80 |
60 |
50 |
40 |
35 |
30 |
|
Tầm nhìn, m |
110 |
75 |
65 |
45 |
35 |
30 |
51.2. Lối vào và khoảng cách đến lối vào đường cao tốc
51.2.1. Biển số IE.451a chỉ dẫn khoảng cách đến lối vào đường cao tốc, được đặt trên đường dẫn vào đường cao tốc (Hình 8a); dùng để báo trước khoảng cách đến lối vào đường cao tốc; tùy theo chiều dài của đường dẫn vào đường cao tốc mà xác định vị trí đặt biển đến lối vào đường cao tốc cho phù hợp.
51.2.2. Biển số IE.451b chỉ dẫn lối vào đường cao tốc (Hình 8b). Biển này đặt ở vị trí cuối đường dẫn vào đường cao tốc.

Hình 8 - Biển số IE.451 chỉ dẫn lối vào, khoảng cách đến lối vào đường cao tốc
51.3. Bắt đầu đường cao tốc
Biển số IE.452 chỉ dẫn bắt đầu đường cao tốc (Hình 9). Biển này được thể hiện trên nền xanh lá cây, chữ màu trắng, bao gồm các thông tin về tên và ký hiệu đường cao tốc, giá trị hạn chế tốc độ tối đa và tốc độ tối thiểu.

Hình 9 - Biển số IE.452 chỉ dẫn bắt đầu đường cao tốc
51.4. Kết thúc đường cao tốc
51.4.1. Biển số IE.453a chỉ dẫn khoảng cách đến điểm kết thúc đường cao tốc (Hình 10a) và Biển số IE.453b chỉ dẫn điểm kết thúc đường cao tốc (Hình 10b). Kích thước Biển số IE.453 được quy định chi tiết trong Phụ lục P (mục P.4) của Quy chuẩn này.

Hình 10 - Biển số IE.453 chỉ dẫn khoảng cách đến điểm kết thúc đường cao tốc
51.5. Khoảng cách đến lối ra phía trước
Biển số IE.454 chỉ dẫn khoảng cách đến lối ra phía trước (Hình 11). Tùy thuộc vào quy mô nút giao mà bố trí hai biển cách 1,0 km và 2,0 km trước nút giao hay chỉ sử dụng một biển với khoảng cách đặt trước nút giao 1,0 km. Giá trị khoảng cách ghi trên biển chỉ lấy số nguyên không lấy số lẻ. Kích thước biển chỉ dẫn khoảng cách đến lối ra phía trước được quy định chi tiết trong Phụ lục P (mục P.5) của Quy chuẩn này.

Hình 11 - Biển số IE.454 chỉ dẫn khoảng cách đến lối ra phía trước
51.6. Khoảng cách đến các lối ra tiếp theo
Biển số IE.455 chỉ dẫn khoảng cách đến các lối ra tiếp theo (Hình 12) để báo trước khi qua khu vực phía trước có nhiều nút giao. Thông thường, biển chỉ dẫn khoảng cách đến các lối ra tiếp theo chỉ thể hiện cho hai hoặc ba nút giao liên tiếp trên đường cao tốc. Biển được lắp đặt ở phía trước nút giao bên lề đường để chỉ khoảng cách đến các lối ra tiếp theo. Kích thước biển chỉ dẫn khoảng cách đến các lối ra tiếp theo được quy định chi tiết trong Phụ lục P (mục P.6) của Quy chuẩn này.

Hình 12 - Biển số IE.455 chỉ dẫn khoảng cách đến các lối ra tiếp theo
51.7. Trạm dừng nghỉ
51.7.1. Biển số IE.456 chỉ dẫn khoảng cách và hướng rẽ đến trạm dừng nghỉ, được đặt bên lề đường cao tốc. Biển chỉ dẫn đến trạm dừng nghỉ phải bố trí ba hoặc bốn dịch vụ cơ bản, trong đó có ba dịch vụ chính sau: xăng dầu-ăn uống-nơi cung cấp thông tin. Dịch vụ thứ tư được lựa chọn trong số dịch vụ có trong trạm dừng nghỉ, chẳng hạn như: điện thoại; nhà nghỉ; trạm sửa chữa; cấp cứu; bãi đỗ xe tải; dịch vụ cho người tàn tật … Các loại dịch vụ trong trạm dừng nghỉ phải được biểu hiện dưới dạng hình vẽ, biểu tượng đơn giản, dễ hiểu. Kích thước biểu tượng dịch vụ được quy định chi tiết trong Phụ lục P (mục P.13) của Quy chuẩn này.
51.7.2. Biển số IE.456a thông báo khoảng cách đến trạm dừng nghỉ (Hình 13); Biển số IE.456b chỉ dẫn hướng rẽ vào trạm dừng nghỉ, đặt cách nút giao vào trạm dừng nghỉ khoảng 150 m (Hình 14); Biển số IE.456c chỉ dẫn lối vào trạm dừng nghỉ, đặt ngay trước lối vào trạm dừng nghỉ (Hình 15).
51.8. Nơi đỗ xe trong trạm dừng nghỉ
Thông thường, Biển số IE.457a chỉ dẫn khoảng cách đến nơi đỗ xe trong trạm dừng nghỉ (Hình 16) được lắp đặt cùng với biển chỉ dẫn đến trạm dừng nghỉ. Biển số IE.457b chỉ dẫn hướng rẽ đến vị trí bãi đỗ xe trong trạm dừng nghỉ. Kích thước chi tiết biển chỉ dẫn nơi đỗ xe trong trạm dừng nghỉ được quy định trong Phụ lục P (mục P.9) của Quy chuẩn này.

Hình 13 - Biển số IE.456a chỉ dẫn khoảng cách đến trạm dừng nghỉ

Hình 14 - Biển số IE.456b chỉ dẫn hướng rẽ đến trạm dừng nghỉ

Hình 15 - Biển số IE.456c chỉ dẫn trạm dừng nghỉ

Hình 16 - Biển số IE.457 chỉ dẫn nơi đỗ xe trong trạm dừng nghỉ
51.9. Khoảng cách đến các trạm dừng nghỉ tiếp theo
Biển số IE.458 chỉ dẫn khoảng cách đến các trạm dừng nghỉ tiếp theo. Biển này được đặt tại vị trí ngay sau khi ra khỏi trạm dừng nghỉ, bên lề đường (Hình 17). Chi tiết biển chỉ dẫn khoảng cách đến trạm dừng nghỉ tiếp theo được quy định trong Phụ lục P (mục P.10) của Quy chuẩn này.

Hình 17 - Biển số IE.458 chỉ dẫn khoảng cách đến trạm dừng nghỉ tiếp theo
51.10. Khu tham quan, du lịch
51.10.1. Biển số IE.459 chỉ dẫn đến khu tham quan, du lịch được đặt ở bên lề đường (Hình 18). Biển này chỉ dẫn khoảng cách và hướng đến khu du lịch, khu danh lam thắng cảnh. Kích thước chi tiết biển chỉ dẫn khu tham quan, du lịch được quy định trong Phụ lục P (mục P.11) của Quy chuẩn này.
51.10.2. Biển số IE.459a thông báo khoảng cách đến khu tham quan, du lịch; Biển số IE.459b chỉ dẫn hướng rẽ vào khu tham quan, du lịch, đặt cách nút giao vào khu tham quan, du lịch khoảng 150 m.

Hình 18 - Biển số IE.459 chỉ dẫn đến khu tham quan, du lịch
51.11. Cột kilômét
Biển số IE.460 chỉ dẫn cột kilômét trên đường cao tốc đặt tại lề đường (tương ứng với cột kilômét dạng tấm hình chữ nhật đặt ở lề đường quy định tại Điều 65 của Quy chuẩn này), bao gồm chữ Km và lý trình ghi dưới dạng chữ số được trình bày theo chiều dọc, có viền màu trắng trên nền màu xanh lá cây (Hình 19). Biển chỉ dẫn cột lý trình kilômét được đặt cách mép lề đường 0,5 m. Chi tiết biển chỉ dẫn cột kilômét được quy định trong Phụ lục I của Quy chuẩn này.

Hình 19 - Biển số IE.460 chỉ dẫn cột lý trình kilômét
51.12. Khu dịch vụ công cộng, giải trí
Biển số IE.461 chỉ dẫn khoảng cách và hướng đến khu dịch vụ công cộng, giải trí. Biển này được thể hiện trên nền màu xanh lá cây, chữ màu trắng kết hợp với các biểu tượng dịch vụ tương ứng (Hình 20). Các biển này chỉ được sử dụng khi có yêu cầu (định hướng cho người điều khiển phương tiện giao thông tới các nơi có phục vụ công cộng như sân bay, ga tàu hoả, bến xe khách, bến cảng, bến tàu thủy, v.v… hay đến nơi có dịch vụ giải trí như sân gôn, khu câu cá, bãi tắm biển, khu rừng sinh thái. Biển này được lắp đặt bên lề đường, gần khu vực nút giao rẽ vào nơi cung cấp dịch vụ. Chi tiết biển chỉ dẫn đến khu dịch vụ công cộng, giải trí được quy định trong Phụ lục P (mục P.12) của Quy chuẩn này.


Hình 20 - Biển chỉ dẫn dịch vụ công cộng và giải trí
51.13. Tần số trên sóng radio
Biển số IE.462 chỉ dẫn tần số trên sóng radio được sử dụng ở những khu vực thời tiết hay thay đổi ảnh hưởng tới lưu thông của các phương tiện hoặc khu vực có điều kiện đi lại đặc biệt hoặc những vị trí cần thiết khác trên đường cao tốc (Hình 21). Biển chỉ dẫn thể hiện tần số sóng radio để phát thông tin thời tiết và các thông tin tiện ích liên quan đến giao thông trên đường cao tốc. Chi tiết biển chỉ dẫn thông tin trên sóng radio được quy định trong Phụ lục P (mục P.14) của Quy chuẩn này.

Hình 21 - Biển số IE.462 chỉ dẫn tần số trên sóng radio
51.14. Trạm kiểm tra tải trọng xe
Biển số IE.463 chỉ dẫn đến trạm kiểm tra tải trọng xe (Hình 22), bao gồm: biển số IE.463a chỉ dẫn khoảng cách đến trạm kiểm tra tải trọng xe; Biển số IE.463b chỉ dẫn hướng rẽ vào nơi đặt trạm kiểm tra tải trọng xe; biển số IE.463c chỉ dẫn lối vào trạm kiểm tra tải trọng xe. Biển số IE.463c chỉ lối vào trạm kiểm tra tải trọng xe được đặt ở nút giao giữa đường cao tốc và đường vào trạm kiểm tra tải trọng xe. Chi tiết biển chỉ dẫn đến trạm kiểm tra tải trọng xe được quy định trong Phụ lục P (mục P.15) của Quy chuẩn này.

Hình 22 - Biển số IE.463 chỉ dẫn đến trạm kiểm tra tải trọng xe
51.15. Địa điểm và phương hướng
Biển số IE.464 chỉ dẫn địa điểm và phương hướng dùng để chỉ dẫn địa danh nơi đến và mũi trên cho một làn xe chạy cụ thể, bao gồm tên địa danh nơi đến và mũi tên chỉ xuống làn xe chạy (Hình 23). Các mũi tên sử dụng trong biển này bao gồm: 1) mũi tên phân làn có dạng mũi tên thẳng đứng hướng xuống dưới; 2) mũi tên chỉ hướng có dạng xiên lên trên để chỉ làn xe có hiệu lực đến một địa điểm nào đó. Biển chỉ dẫn địa điểm và phương hướng được bố trí trên giá long môn trước khu vực lối ra. Biển số IE.464b đặt ở vị trí gần nút giao phía lưng đường cong trên đường ra khỏi đường cao tốc. Chi tiết biển chỉ dẫn địa điểm và phương hướng được quy định trong Phụ lục P (mục P.16) của Quy chuẩn này.


Hình 23 - Biển số IE.464 chỉ dẫn địa điểm và phương hướng
51.16. Địa điểm và khoảng cách
Biển số IE.465 chỉ dẫn địa điểm và khoảng cách, bao gồm hai hoặc ba dòng mang tên của đích đến và khoảng cách tới đích đó tính bằng kilômét (Hình 24). Dòng thứ nhất (dòng trên cùng) xác định vị trí nút giao đến địa danh gần nhất. Dòng thứ hai (nếu có) xác định khoảng cách đến khu du lịch giải trí hoặc đầu mối giao thông lớn. Dòng thứ ba (dòng cuối cùng) chỉ dẫn khoảng cách đến thành phố lớn (cấp cao nhất) mà tuyến đường đi qua. Biển này được đặt ở bên lề đường ngay khi vào đường cao tốc và sẽ được lặp lại với khoảng cách lớn hơn 10 km. Chi tiết biển chỉ dẫn địa điểm và khoảng cách được quy định trong Phụ lục P (mục P.17) của Quy chuẩn này.

Hình 24 - Biển số IE.465 chỉ dẫn địa điểm và khoảng cách
51.17. Sơ đồ lối ra một chiều
Biển số IE.466 chỉ dẫn sơ đồ lối ra một chiều tại tất cả các nút giao trên đường cao tốc, được bố trí ở trên giá long môn (Hình 25). Chi tiết biển chỉ dẫn sơ đồ lối ra một chiều được quy định trong Phụ lục P (mục P.18) của Quy chuẩn này.

Hình 25 - Biển số IE.466 chỉ dẫn sơ đồ lối ra một chiều
51.18. Nhập làn
Biển số IE.467a chỉ dẫn vị trí nhập làn xe, được sử dụng để chỉ dẫn cho người điều khiển phương tiện giao thông biết trước sắp đến vị trí nhập làn xe (Hình 26a). Biển số IE.467a được sử dụng kết hợp với biển chỉ dẫn khoảng cách đến vị trí nhập làn xe (Biển số IE.467b), được thể hiện trong Hình 26b. Biển chỉ dẫn vị trí nhập làn được đặt bên lề đường gần vị trí nút giao tại điểm nhập làn xe. Chi tiết biển chỉ dẫn nhập làn được quy định trong Phụ lục P (mục P.19) của Quy chuẩn này.

Hình 26 - Biển số IE.467 chỉ dẫn vị trí nhập làn
51.19. Chướng ngại vật phía trước
Biển số IE.468 chỉ dẫn chướng ngại vật phía trước để báo cảnh báo phía trước có sự cản trở lưu thông bình thường (nằm bên trong phần xe chạy hay ngay sát phần đường xe chạy) và chỉ dẫn hướng đi qua đó cần đặt biển. Biển số IE.468a chỉ dẫn đi theo hướng bên trái; Biển số IE.468b chỉ dẫn đi được cả hai hướng; Biển số IE.468c chỉ dẫn đi theo hướng bên phải (Hình 27). Biển chỉ dẫn chướng ngại vật phía trước gồm các đường xiên màu đen được bố trí trên nền màu vàng huỳnh quang. Chi tiết biển chỉ dẫn chướng ngại vật phía trước được quy định trong Phụ lục P (mục P.20) của Quy chuẩn này.

Hình 27 - Biển số IE.468 chỉ dẫn chướng ngại vật phía trước
51.20. Hướng rẽ
Biển số IE.469 chỉ dẫn hướng rẽ để nhắc người điều khiển phương tiện chuẩn bị đổi hướng đi khi sắp vào đường cong nguy hiểm, có bán kính cong nhỏ (Hình 28). Biển được đặt ở phía lưng đường cong, cách mép lề đường 0,5 m hoặc đặt trên dải phân cách giữa đối với đường có hai chiều xe chạy riêng biệt. Chi tiết biển chỉ dẫn hướng rẽ được quy định trong Phụ lục P (mục P.21) của Quy chuẩn này. Khoảng cách lắp đặt Biển số 469 phụ thuộc vào bán kính cong và tốc độ lưu thông trên nhánh rẽ ra khỏi đường cao tốc, được quy định trong Bảng 7.

Hình 28 - Biển số IE.469 chỉ dẫn hướng rẽ
Bảng 7 - Quy định về khoảng cách đặt Biển số IE.469
|
Tốc độ (km/h) |
Bán kính cong (m) |
Khoảng cách biển (m) |
|
< 30 |
< 60 |
12 |
|
30 - 50 |
60 - 120 |
24 |
|
50 - 70 |
120 - 220 |
36 |
|
70 - 100 |
220 - 380 |
48 |
51.21. Số điện thoại khẩn cấp
Biển số IE.470 sử dụng chữ màu trắng trên nền màu xanh lá cây, cung cấp số điện thoại khẩn cấp cho người điều khiển phương tiện giao thông trong trường hợp khẩn cấp, xảy ra sự cố, tai nạn trên đường cao tốc (Hình 29). Biển này được lắp đặt bên lề đường. Chi tiết biển chỉ dẫn số điện thoại khẩn cấp được quy định trong Phụ lục P (mục P.22) của Quy chuẩn này.

Hình 29 - Biển số IE.470 chỉ dẫn số điện thoại khẩn cấp
51.22. Giữ khoảng cách lái xe an toàn
Biển số IE.471 sử dụng chữ màu đen trên nền màu vàng huỳnh quang có viền màu đen (Hình 30). Biển này thông báo cho người điều khiển phương tiện biết để giữ khoảng cách lái xe an toàn khi lưu thông trên đường cao tốc. Quy định chi tiết biển chỉ dẫn giữ khoảng cách lái xe an toàn được trình bày trong Phụ lục P (mục P.23) của Quy chuẩn này.

Hình 30 - Biển số IE.471 chỉ dẫn giữ khoảng cách lái xe an toàn

Hình 31 - Biển số IE.472 chỉ dẫn khoảng cách đến trạm thu phí
51.23. Trạm thu phí
Biển số IE.472 sử dụng chữ màu trắng trên nền màu xanh lá cây, được đặt cách trạm thu phí với một khoảng cách phù hợp nhằm thông báo cho người điều khiển phương tiện biết trước chuẩn bị đến trạm thu phí (Hình 31). Biển này được lắp đặt bên lề đường hoặc trên giá kiểu khung. Chi tiết biển chỉ dẫn trạm thu phí và các biển chỉ dẫn khác liên quan đến trạm thu phí được quy định trong Phụ lục P (mục P.24) của Quy chuẩn này.
51.24. Giảm tốc độ
Biển số IE.473 cảnh báo cho người điều khiển phương tiện chú ý lái xe và giảm tốc độ tại khu vực có nguy cơ mất an toàn giao thông (Hình 32). Biển này sử dụng chữ màu đen trên nền màu vàng huỳnh quang, được đặt tại các vị trí cần thiết phải giảm tốc độ, như vào khu vực đường cong nguy hiểm hoặc khu vực sắp đến trạm thu phí, trạm kiểm tra tải trọng xe, trạm dừng nghỉ, khu vực hay có sương mù, …. Thông thường, biển này được lắp đặt bên lề đường ở vị trí dễ quan sát hoặc trên giá kiểu khung. Chi tiết biển chỉ dẫn giảm tốc độ được quy định tại Phụ lục P (mục P.25) của Quy chuẩn này.

Hình 32 - Biển số IE.473 chỉ dẫn giảm tốc độ
51.25. Lối ra đường cao tốc
Biển số IE.474 sử dụng chữ màu trắng trên nền màu xanh lá cây, chỉ dẫn lối ra đường cao tốc, được đặt bên lề đường hoặc trên giá kiểu khung tại vị trí trước lối ra đường cao tốc (Hình 33). Chi tiết biển chỉ dẫn lối ra đường cao tốc được quy định trong Phụ lục P (mục P.26) của Quy chuẩn này.

Hình 33 - Biển số IE.474 chỉ dẫn lối ra
CHƯƠNG 10
VẠCH KẺ ĐƯỜNG
Điều 52. Quy định chung đối với vạch kẻ đường
52.1. Vạch kẻ đường là một dạng báo hiệu để hướng dẫn, điều khiển giao thông nhằm nâng cao an toàn và khả năng thông xe.
52.2. Vạch kẻ đường có thể dùng độc lập và có thể kết hợp với các loại biển báo hiệu đường bộ hoặc đèn tín hiệu chỉ huy giao thông.
52.3. Vạch kẻ đường bao gồm các loại vạch, chữ viết, hình vẽ ở trên mặt đường xe chạy, trên thành vỉa hè, trên các công trình giao thông và một số bộ phận khác của đường để quy định trật tự giao thông, chỉ rõ khổ giới hạn của các công trình giao thông, chỉ hướng đi quy định của làn đường xe chạy.
52.4. Vạch kẻ đường phải bảo đảm cho xe chạy trên đường êm thuận, đảm bảo độ bám giữa lốp xe và mặt đường, không bị trơn trượt, không cao quá mặt đường 6 mm.
52.5. Khi sử dụng, lựa chọn vạch kẻ đường phải đảm bảo hợp lý về tổ chức giao thông đối với từng tuyến đường và căn cứ vào chiều rộng mặt đường phần xe chạy, tốc độ xe chạy, lưu lượng, phương tiện và người đi bộ tham gia giao thông để quyết định. Vạch kẻ đường phải có ý nghĩa báo hiệu thống nhất và bổ trợ cho đèn tín hiệu và biển báo.
52.6. Đối với đường cao tốc, đường có tốc độ thiết kế ≥ 60 km/h và các đường có tốc độ V85 từ 80 km/h trở lên, vạch kẻ đường phải có vật liệu phản quang. Các loại đường khác, căn cứ theo khả năng tài chính và yêu cầu khác mà có thể sử dụng vật liệu phản quang.
Điều 53. Phân loại vạch kẻ đường
53.1. Dựa vào vị trí sử dụng, vạch kẻ đường được chia thành hai loại: vạch trên mặt bằng (bao gồm vạch trên mặt đường: vạch dọc đường, ngang đường và những loại vạch tương tự khác) và vạch đứng.
53.1.1. Vạch trên mặt bằng dùng để quy định các phần đường khác nhau trên mặt bằng có màu trắng trừ một số vạch quy định ở Phụ lục G có màu vàng;
53.1.2. Vạch đứng kẻ trên thành vỉa hè, các công trình giao thông và một số bộ phận khác của đường. Loại vạch này kết hợp giữa vạch vàng và vạch đen hoặc vạch trắng và vạch đỏ.
53.2. Dựa vào phương pháp kẻ, vạch kẻ đường được chia thành ba loại như sau:
53.2.1. Vạch dọc đường là vạch kẻ dọc theo hướng xe chạy trên đường;
53.2.2. Vạch ngang đường là vạch kẻ có hướng cắt ngang đường hoặc hình thành một góc chéo với hướng xe chạy;
53.2.3. Các loại vạch khác là các loại ký hiệu chữ hoặc hình thức khác.
53.3. Dựa vào chức năng, ý nghĩa sử dụng, vạch kẻ đường gồm: vạch hiệu lệnh, vạch cảnh báo, vạch chỉ dẫn, vạch giảm tốc độ.
53.4. Dựa vào hình dáng, kiểu, vạch kẻ đường được chia thành hai loại sau:
53.4.1. Vạch trên mặt đường, trên thành vỉa hè (bó vỉa) hoặc ở ranh giới phân cách làn xe, gồm vạch kẻ liền và vạch kẻ đứt khúc;
53.4.2. Ký hiệu chữ và ký hiệu hình gồm chữ cái, chữ số hoặc hình vẽ trên mặt đường.
Điều 54. Ý nghĩa sử dụng và kích thước của các vạch kẻ đường
Ý nghĩa sử dụng và kích thước của các vạch kẻ đường được quy định ở Phụ lục G.
Điều 55. Hiệu lực của vạch kẻ đường
Vạch kẻ đường khi sử dụng độc lập thì người tham gia giao thông phải tuân theo ý nghĩa của vạch kẻ đường. Vạch kẻ đường khi sử dụng kết hợp với đèn tín hiệu, biển báo hiệu thì người tham gia giao thông phải tuân theo ý nghĩa, hiệu lệnh của cả vạch kẻ đường và đèn tín hiệu, biển báo hiệu theo thứ tự quy định tại Điều 4 của Quy chuẩn này.
Chương 11
CỌC TIÊU, TIÊU PHẢN QUANG, TƯỜNG BẢO VỆ VÀ HÀNG RÀO CHẮN
Điều 56. Tác dụng của cọc tiêu hoặc tường bảo vệ
Cọc tiêu hoặc tường bảo vệ đặt ở lề của các các đoạn đường nguy hiểm có tác dụng hướng dẫn cho người tham gia giao thông biết phạm vi phần đường an toàn và hướng đi của tuyến đường.
Tường bảo vệ còn có tác dụng bảo vệ cho các phương tiện tham gia giao thông khỏi văng ra khỏi phần đường xe chạy. Tường bảo vệ đồng thời cần có tác dụng dẫn hướng cho lái xe vào ban đêm bằng vạch sơn đứng hoặc tiêu phản quang gắn trên đó.
Điều 57. Hình dạng và kích thước cọc tiêu
Cọc tiêu có tiết diện là hình vuông, kích thước cạnh tối thiểu 12 cm hoặc hình tròn có tiết diện tối thiểu tương đương; chiều cao cọc tiêu tính từ vai đường đến đỉnh cọc là 70 cm; ở những đoạn đường cong, có thể trồng cọc tiêu thay đổi chiều cao cọc, cao dần từ 40 cm tại tiếp đầu, tiếp cuối đến 70 cm tại phân giác. Phần cọc trên mặt đất được sơn trắng, đoạn 10 cm ở đầu trên cùng có màu đỏ và bằng chất liệu phản quang hoặc phát quang. Trong một số trường hợp có thể sử dụng các cọc tiêu với màu sắc khác nhưng trên trên cọc tiêu phải gắn các tiêu phản quang theo các quy định tại Điều 61.
Điều 58. Các trường hợp cắm cọc tiêu
58.1. Những trường hợp sau phải cắm cọc tiêu:
58.1.1. Phía lưng các đường cong nằm từ tiếp đầu đến tiếp cuối. Trong trường hợp có đường cong chuyển tiếp thì phải bố trí cọc tiêu từ điểm nối đầu đến điểm nối cuối;
58.1.2. Các đoạn nền đường bị thắt hẹp;
58.1.3. Các đoạn đường có taluy âm cao từ 2 m trở lên;
58.1.4. Các đoạn đường men theo sông, suối, đầm, hồ, ao;
58.1.5. Các đoạn đường bộ giao nhau với đường sắt cùng mức;
58.1.6. Dọc hai bên những đoạn đường bị ngập nước thường xuyên hoặc chỉ ngập theo mùa và hai bên thân đường ngầm, đường tràn;
58.1.7. Các đoạn đường qua bãi cát, đồng lầy, đồi cỏ mà khó phân biệt mặt đường phần xe chạy với dải đất hai bên đường.
58.2. Không cần bố trí cọc tiêu trong trường hợp phần đường xe chạy đã được phân biệt rõ bởi bó vỉa, vỉa hè hoặc các kết cấu liền kề hoặc khi đã sử dụng tiêu phản quang dạng mũi tên tại các đường cong.
Điều 59. Kỹ thuật cắm cọc tiêu
59.1. Đường mới xây dựng hoặc nâng cấp cải tạo, cọc tiêu cắm sát vai đường và mép trong của cọc phải cách đều mép phần đường xe chạy tối thiểu 0,5 m, lượn đều theo mép phần xe chạy trừ trường hợp bị vướng chướng ngại vật.
59.2. Đường đang sử dụng, lề đường không đủ rộng thì cọc tiêu cắm sát vai đường.
59.3. Nếu đường đã có hàng cây xanh trồng ở trên vai đường hoặc lề đường, cho phép cọc tiêu cắm ở sát mép hàng cây nhưng bảo đảm quan sát thấy rõ hàng cọc nhưng không được lấn vào phía tim đường làm thu hẹp phạm vi sử dụng của đường.
59.4. Nếu ở vị trí theo quy định phải cắm cọc tiêu đã có tường bảo vệ hoặc rào chắn cao trên 0,40 m thì không phải cắm cọc tiêu.
59.5. Lề đường ở trong hàng cọc tiêu phải bằng phẳng chắc chắn, không gây nguy hiểm cho xe khi đi ra sát hàng cọc tiêu và không có vật chướng ngại che khuất hàng cọc tiêu.
59.6. Đối với đường đang sử dụng, nếu nền và mái đường không bảo đảm được nguyên tắc nêu ở khoản 59.1 Điều này thì tạm thời cho phép cắm cọc tiêu lấn vào trong lề đường đến phạm vi an toàn.
59.7. Cọc tiêu phải cắm thẳng hàng trên đường thẳng và lượn cong dần trong đường cong, với khoảng cách giữa các cọc như sau:
59.7.1. Khoảng cách (S) giữa hai cọc tiêu trên đường thẳng là S = 10 m với các đường ô tô thông thường và 30 m với đường cao tốc;
59.7.2. Khoảng cách giữa hai cọc tiêu trên đường cong nằm:
a) Nếu đường cong có bán kính R = 10 m đến 30 m thì khoảng cách giữa hai cọc tiêu S = 3 m;
b) Nếu đường cong có bán kính R: 30 m < R ≤ 100 m thì khoảng cách giữa hai cọc tiêu S = 5 m;
c) Nếu đường cong có bán kính R > 100 m thì S = 10 m;
d) Khoảng cách giữa hai cọc tiêu ở tiếp đầu (hoặc nối đầu) và tiếp cuối (hoặc nối cuối) có thể bố trí xa hơn 3 m so với khoảng cách của hai cọc tiêu trong phạm vi đường cong.
59.7.3. Khoảng cách giữa hai cọc tiêu trên đoạn đường dốc:
a) Nếu đường có độ dốc ≥ 3 %, khoảng cách giữa hai cọc tiêu là 5 m;
b) Nếu đường có độ dốc < 3 %, khoảng cách giữa hai cọc tiêu là 10 m (không áp dụng đối với đầu cầu và đầu cống);
c) Khoảng cách giữa hai cọc tiêu trên đoạn đường dốc nơi có đường cong nằm thì lấy theo quy định tại điểm 59.7.2 khoản 59.7 Điều này. Khi hết phạm vi đường cong nằm, khoảng cách của các cọc tiêu lấy theo tiết a và tiết b điểm này.
59.7.4. Mỗi hàng cọc tiêu cắm ít nhất là 6 cọc.
Điều 60. Hàng cây thay thế cọc tiêu
Trên những đoạn đường nếu hàng cây có đủ điều kiện như sau thì được phép sử dụng thay thế cọc tiêu:
60.1. Khoảng cách giữa hai cây khoảng 10 m và tương đối bằng nhau (đường kính 0,15 m trở lên);
60.2. Hàng cây trồng ở ngay vai đường hoặc trên lề đường; lượn đều theo mép phần đường xe chạy;
60.3. Thân cây được thường xuyên quét vôi trắng từ độ cao trên vai đường 1,5 m trở xuống.
Điều 61. Tiêu phản quang
61.1. Quy định chung đối với tiêu phản quang
61.1.1. Tiêu phản quang là thiết bị dẫn hướng được gắn các công cụ phản quang để dẫn hướng xe chạy vào ban đêm hoặc trong điều kiện sương mù, điều kiện hạn chế tầm nhìn. Tiêu phản quang được bố trí tại các nơi mà tuyến đường có thể gây ngộ nhận hoặc lúng túng về hướng đường.
61.1.2. Tiêu phản quang phải gắn công cụ phản quang cho phép nhìn rõ vào buổi tối dưới ánh đèn pha ôtô đạt tiêu chuẩn trong điều kiện thời tiết bình thường ở cự ly 300m.
61.1.3. Công cụ phản quang có thể là các tấm nhựa phản quang, các khối kim loại gắn phản quang, màng phản quang dán trên các miếng kim loại v.v... Công cụ phản quang có thể có dạng hình tròn, hình chữ nhật, hình tam giác hoặc hình đa giác được gắn lên các lan can phòng hộ, tường bảo vệ hoặc gắn xuống mặt đường. Công cụ phản quang cũng bao gồm các vật liệu phản quang dạng dải quấn quanh các cọc tiêu phản quang.
61.1.4. Tiêu phản quang màu vàng được sử dụng ở các dải phân cách giữa. Tiêu phản quang màu đỏ được sử dụng cho hướng ngược chiều của đường một chiều (để cảnh báo người lái đi nhầm đường) và sử dụng cho các đường lánh nạn.
61.1.5. Tiêu phản quang bao gồm: tiêu phản quang bố trí bên đường hoặc trên dải phân cách, tiêu phản quang dạng mũi tên và đinh phản quang (còn gọi là cóc phản quang) bố trí trên mặt đường.
61.2. Tiêu phản quang bố trí bên đường hoặc trên dải phân cách
61.2.1. Phạm vi áp dụng tiêu phản quang bố trí bên đường hoặc trên dải phân cách:
a) Trên các đường cao tốc:
+ Bố trí dọc hai bên đường. Khi đó, nếu lan can phòng hộ cách mép phần đường xe chạy dưới 2,4 m, gắn tiêu phản quang lên lan can phòng hộ. Các trường hợp khác phải bố trí tiêu phản quang dạng cột đặt bên đường;
+ Bố trí ít nhất một bên trên các nhánh nối của các nút giao khác mức liên thông.
b) Trên các đường khác: nên sử dụng tiêu phản quang tại vị trí các đoạn đường bị thu hẹp phần đường xe chạy mà không có lan can phòng hộ, các đoạn đường đèo dốc quanh co hạn chế tầm nhìn, trong phạm vi đường lánh nạn, nơi đường bộ giao nhau với đường sắt. Nơi đường thường xuyên có sương mù cần bố trí tiêu phản quang trên các vật thể cứng liền kề phần xe chạy như các đầu đảo giao thông, bó vỉa v.v... khi khó nhận biết các vật thể này về ban đêm.
61.2.2. Không cần sử dụng tiêu phản quang bố trí bên đường và trên dải phân cách trong các trường hợp sau:
a) Trên mặt đường đã được gắn đinh phản quang liên tục;
b) Đã sử dụng tiêu phản quang dạng mũi tên trong các đường cong;
c) Tại những nơi có đèn đường chiếu sáng liên tục về ban đêm;
d) Làn đường mở rộng dần theo chiều xe chạy.
61.2.3. Vị trí và khoảng cách tiêu phản quang bố trí bên đường và trên dải phân cách như sau:
a) Tiêu phản quang phải đặt cách mép phần xe chạy phía ngoài cùng từ 0,6 m -
2,4 m và cách đều mép mặt đường, lượn cong đều theo mép phần đường xe chạy;
b) Trên đường thẳng, khoảng cách giữa tiêu phản quang không nhỏ hơn 10 m và không quá 100 m;
c) Trong phạm vi đường cong nằm, khoảng cách nhỏ nhất giữa các tiêu phản quang là 6 m và tối đa là 100 m phụ thuộc vào bán kính đường cong;
d) Phần đường thẳng tiếp giáp với điểm bắt đầu hoặc kết thúc của đường cong bố trí 3 tiêu. Tiêu đầu tiên cách điểm bắt đầu hoặc kết thúc của đường cong là 1S; tiêu thứ hai cách tiêu thứ nhất là 3S, và tiêu thứ 3 cách tiêu thứ 2 là 6S nhưng cũng không cách xa quá 100 m (S là khoảng cách giữa các tiêu bố trí trong đường cong).
61.3. Tiêu phản quang dạng mũi tên
61.3.1. Tiêu phản quang dạng mũi tên bao gồm một biển vẽ dạng mũi tên chỉ hướng màu đen trên nền vàng gắn trên đỉnh các cột (xem Hình 34).

Hình 34-Tiêu phản quang dạng mũi tên
61.3.2. Kích thước tiêu phản quang dạng mũi tên được quy định như sau:

|
Kích thước |
A |
B |
C |
D |
E |
F |
|
Đường có tốc độ thiết kế < 60 km/h |
220 |
400 |
110 |
200 |
10 |
10 |
|
Đường có tốc độ thiết kế 60 - 80 km/h |
300 |
500 |
150 |
250 |
15 |
15 |
|
Đường có tốc độ thiết kế > 80 km/h |
600 |
800 |
300 |
400 |
20 |
20 |
61.3.3. Tiêu phản quang dạng mũi tên được sử dụng trong phạm vi đường cong nằm trong các trường hợp sau:
a) Trên các đường cao tốc tại các đường cong có bán kính bằng bán kính tối thiểu nhỏ nhất theo cấp đường;
b) Trên các nhánh rẽ trái gián tiếp của các nút giao khác mức liên thông;
c) Trên các đoạn đường cong hạn chế tầm nhìn hoặc các đường cong được đánh giá là điểm đen về tai nạn giao thông; các đường cong được gắn biển số 201 “Chỗ ngoặt nguy hiểm” có lưng hướng ra phía vực sâu mà không có tường bảo vệ hoặc lan can phòng hộ; các đường cong dạng con rắn.
61.3.4. Tiêu phản quang dạng mũi tên được bố trí ở phía lưng của đường cong nằm, bắt đầu từ điểm bắt đầu cho đến điểm kết thúc đoạn cong. Khoảng cách giữa các tiêu phản quang dạng mũi tên không nhỏ hơn 12 m và không lớn hơn 60 m.
61.4. Đinh phản quang
61.4.1. Đinh phản quang theo phương dọc đường được bố trí như sau:
a) Trên các đường cao tốc:
+ Bắt buộc bố trí trên các vạch sơn kênh hóa dòng xe tại đầu các mũi đảo tách dòng và nhập dòng. Trong trường hợp này, cần sử dụng đinh phản quang màu vàng trong phạm vi từ mũi đảo thực (đảo cứng) cho đến mũi hết mũi đảo bằng vạch sơn với cự ly giữa các đinh phản quang tối đa là 6 m.
+ Có thể bố trí đinh phản quang trên các vạch sơn phân chia giữa phần xe chạy chính và làn dừng xe khẩn cấp.
b) Với đường nhiều hơn 2 làn xe mỗi hướng không có dải phân cách cố định, có thể bố trí một hàng đinh phản quang tại tim đường nằm giữa vạch sơn kép phân chia hai chiều xe chạy.
61.4.2. Có thể sử dụng đinh phản quang màu vàng gắn theo phương ngang đường tại vị trí mặt đường bị thấp xuống hoặc vồng lên đột ngột theo phương ngang đường và trên vạch dừng xe nơi phần đường người đi bộ cắt qua không có tín hiệu đèn điều khiển.
61.4.3. Đinh phản quang không được nhô cao khỏi mặt đường quá 2,5 cm.
Điều 62. Tường bảo vệ
62.1. Có thể xây tường bảo vệ để thay thế cọc tiêu. Tường bảo vệ thay thế cọc tiêu phải được gắn tiêu phản quang hoặc được sơn phản quang theo các quy định về bố trí tiêu phản quang và vạch kẻ đường (vạch đứng) quy định trong Quy chuẩn này;
62.2. Tường bảo vệ dày tối thiểu từ 0,2m - 0,3m, cao trên vai đường tối thiểu 0,5m.
Điều 63. Hàng rào chắn cố định
63.1. Hàng rào chắn cố định đặt ở những vị trí nền đường bị thắt hẹp, ở đầu cầu, đầu cống hoặc ở đầu những đoạn đường cấm, đường cụt, không cho xe, người qua lại.
63.2. Đường hai đầu cầu nơi bề rộng cầu hẹp hơn bề rộng nền đường thì phải sử dụng hàng rào có lan can phòng hộ; lan can lúc này được sơn hoặc gắn tiêu phản quang có tác dụng dẫn hướng như cọc tiêu.
63.3. Hai đầu cống nơi chiều dài cống hẹp hơn bề rộng nền đường thì phải sử dụng hàng rào có lan can phòng hộ hoặc xây tường bảo vệ. Tường hoặc lan can được sơn hoặc gắn tiêu phản quang có tác dụng như cọc tiêu.
63.4. Trên các bộ phận của hàng rào chắn (cột, thanh ngang) phải gắn tiêu phản quang hoặc được sơn phản quang theo các quy định về bố trí tiêu phản quang và vạch kẻ đường (vạch đứng) quy định trong Quy chuẩn này.
Điều 64. Hàng rào chắn di động
64.1. Hàng rào chắn di động là những hàng rào chắn có thể di động theo yêu cầu hoặc đóng mở được.
64.2. Hàng rào chắn di động đặt ở những vị trí cần điều khiển sự đi lại và kiểm soát giao thông.
64.3. Chiều cao hàng rào chắn di động là 0,85 m, chiều dài là suốt phần đường cấm.
64.4. Trên các bộ phận của hàng rào chắn (cột, thanh ngang) phải gắn tiêu phản quang hoặc được sơn phản quang theo các quy định về bố trí tiêu phản quang và vạch kẻ đường (vạch đứng) quy định trong Quy chuẩn này.
CHƯƠNG 12
CỘT KILÔMÉT, CỌC H
Điều 65. Tác dụng của cột kilômét
Cột kilômét có tác dụng xác định lý trình để phục vụ yêu cầu quản lý đường và kết hợp chỉ dẫn cho những người tham gia giao thông biết khoảng cách trên hướng đi.
Điều 66. Phân loại cột kilômét
66.1. Có 3 loại cột kilômét được sử dụng gồm:
66.1.1. Cột kilômét dạng cột thấp (Hình I.1-Phụ lục I);
66.1.2. Cột kilômét dạng cột cao (Hình I.2-Phụ lục I);
66.1.3. Cột kilômét dạng tấm hình chữ nhật (Hình I.3-Phụ lục I).
66.2. Đối với đường hai làn xe không có dải phân cách giữa, sử dụng một cột kilômét dạng cột thấp đặt ở lề đường hoặc sử dụng một cột kilômét dạng cột cao đặt phía ngoài lan can phòng hộ. Cột kilômét được đặt về phía tay phải theo hướng đi từ điểm đầu (điểm gốc đường) đến điểm cuối tuyến đường. Trong trường hợp khó khăn có thể đặt cột kilômét về phía tay trái.
66.3. Đối với đường ôtô thông thường có nhiều hơn hai làn xe không có dải phân cách giữa thì sử dụng hai cột kilômét dạng cột thấp ở hai bên lề đường. Trong trường hợp có lan can phòng hộ thì sử dụng cột kilômét dạng cột cao đặt phía bên ngoài của lan can phòng hộ.
66.4. Đối với đường ôtô thông thường có dải phân cách giữa có bề rộng ≤ 4,0 m thì sử dụng một cột kilômét dạng cột cao đặt ở giữa dải phân cách.
Trường hợp bề rộng dải phân cách giữa hẹp, không đặt được cột kilômét dạng cột cao thì sử dụng hai cột kilômét dạng cột cao đặt ở hai bên lề đường phía bên phải chiều xe chạy và một cột dạng tấm hình chữ nhật (nền trắng, chữ đen) đặt ở dải phân cách giữa.
66.5. Đối với đường ôtô thông thường có dải phân cách giữa có bề rộng > 4,0 m thì sử dụng hai cột kilômét dạng cột cao đặt ở hai mép dải phân cách phía bên trái chiều xe chạy.
66.6. Đối với đường ôtô cao tốc có dải phân cách giữa có bề rộng ≤ 4,0 m thì sử dụng một cột kilômét dạng cột cao đặt ở giữa dải phân cách và hai cột dạng tấm hình chữ nhật đặt ở hai bên lề đường.
66.7. Đối với đường ôtô cao tốc có dải phân cách giữa có bề rộng > 4,0 m thì sử dụng hai cột kilômét dạng cột cao đặt ở hai mép dải phân cách và hai cột dạng tấm hình chữ nhật đặt ở hai bên lề đường.
Điều 67. Quy cách cột kilômét
67.1. Hình dạng, màu sắc kích thước và chữ viết trên cột kilômét quy định ở Phụ lục I.
67.2. Đối với đường có tốc độ thiết kế ≥ 60 km/h, mặt cột kilômét phải được phản quang để được nhìn rõ về ban đêm. Khuyến khích sử dụng mặt cột kilômét phản quang đối với các đường khác.
67.3. Đối với cột kilômét dạng cột cao đặt ở giữa dải phân cách, mép thấp nhất của cột đến mặt đường tối thiểu là 1.200 mm; mép ngoài cột cách mép phần xe chạy tối thiểu 500 mm.
67.4. Đối với cột kilômét dạng tấm hình chữ nhật đặt ở lề đường hoặc dải phân cách giữa chiều cao mép biển thấp nhất so với mép mặt đường tối thiểu là 1.200 mm. Biển đặt cách mép phần xe chạy tối thiểu là 0,5 m theo chiều ngang.
Điều 68. Vị trí đặt cột kilômét theo chiều cắt ngang đường
Đối với cột kilômét dạng cột thấp và dạng cột cao, vị trí đặt cột kilômét theo hướng cắt ngang đường theo quy định như vị trí chôn cọc tiêu quy định ở khoản 59.1 và khoản 59.2 Điều 59. Nếu đường qua khu đông dân cư đã có hè đường cao hơn phần xe chạy thì cột kilômét đặt trên hè đường cách mép phần xe chạy 0,75 m (tính đến tim cột).
Điều 69. Vị trí đặt cột kilômét theo chiều dọc đường
69.1. Vị trí đặt cột kilômét theo chiều dọc đường là khoảng cách chẵn 1.000 m của tim đường bắt đầu từ điểm gốc đường. Điểm gốc đường gọi là “km 0”.
69.2. Vị trí điểm gốc đường và điều chỉnh cục bộ hướng tuyến của một tuyến đường, chiều dài cục bộ do cấp có thẩm quyền quản lý hệ thống đường đó ra quyết định.
69.3. Khi thay đổi điểm gốc đường và điều chỉnh cục bộ hướng tuyến theo quyết định của cấp có thẩm quyền quy định ở khoản 69.2 Điều này mới đặt lại hệ thống cột kilômét. Nhà thầu bảo trì không được tự ý thay đổi vị trí cột kilômét.
69.4. Khi không thể đặt cột kilômét chính xác tại lý trình yêu cầu do vướng chướng ngại vật thì cho phép dịch chuyển cột trong cự ly 50 m theo phương dọc đường.
Điều 70. Tên địa danh và khoảng cách ghi trên cột kilômét
70.1. Tên địa danh chỉ dẫn trên cột kilômét được ghi trên các cột kilômét dạng cột thấp và cột kilômét dạng cột cao theo quy định ở Phụ lục I của Quy chuẩn này.
70.2. Khoảng cách ghi kèm theo tên địa danh là chiều dài từ cột kilômét đến vị trí trung tâm địa danh mang tên địa phương đó, lấy số chẵn đến km.
Điều 71. Phạm vi áp dụng cột kilômét
Cột kilômét quy định như trên chỉ áp dụng trên các hệ thống quốc lộ, đường tỉnh, đường huyện và đường chuyên dùng, không áp dụng với hệ thống đường đô thị và hệ thống đường xã.
Điều 72. Cọc H (Cọc 100 m)
72.1. Cọc H được sử dụng trên các tuyến Quốc lộ là các cọc lý trình 100 m được trồng trong phạm vi giữa hai cột kilômét liền kề. Cứ cách 100 m từ cột kilômét trước đến cột kilômét sau trồng một cọc H. Trên chiều dài 1 km có 9 cọc H lần lượt là H1, H2 đến H9. Kỹ thuật chôn cọc H tương tự như cọc mốc lộ giới hoặc dạng tấm gắn lên trên dải phân cách hay hộ lan.
72.2. Trường hợp tại vị trí cần cắm cọc H đã có hộ lan, tường bảo vệ hoặc các vật cứng cố định thì có thể viết hoặc gắn thông tin cọc H trực tiếp lên các kết cấu nói trên hoặc sử dụng dạng tấm gắn trên các kết cấu đó. Thông tin cần thể hiện trên cọc H xem Phụ lục I của Quy chuẩn này.
73.2. Kích thước, hình dáng, màu sắc quy định tại Phụ lục I của Quy chuẩn này.
Chương 13
MỐC LỘ GIỚI
Điều 75. Tác dụng của cọc mốc lộ giới
Cọc mốc lộ giới là một loại báo hiệu đường bộ dùng để xác định giới hạn bề rộng đất dành cho đường bộ (gồm đất của đường bộ và hành lang an toàn đường bộ) theo quy định của Luật Giao thông đường bộ.
Điều 74. Cấu tạo cột mốc
74.1. Cột mốc được đúc bằng bê tông không có cốt thép với kích thước (20 cm x 20 cm x 100 cm). Phần đầu cọc mỗi cạnh vát 10°, phần chôn xuống đất dài 50 cm, có bê tông chèn chân cột theo thiết kế.
74.2. Mặt trước cột (phía quay ra đường) ghi chữ "MỐC LỘ GIỚI", chữ chìm, nét chữ màu đỏ cao 6 cm, rộng 1 cm, sâu vào trong bê tông 3 mm - 5 mm;
74.3. Cột được sơn màu trắng. Phần trên cùng cao 10 cm (từ đỉnh cột trở xuống) sơn màu đỏ;
74.4. Chi tiết quy định tại Phụ lục I của Quy chuẩn này
Điều 75. Quy định cắm cột mốc lộ giới
75.1. Đường qua khu đông dân cư, thị xã, làng, bản: bình quân cứ 100 m cắm một cột về mỗi bên đường.
75.2. Đường qua khu vực đồng ruộng, đồi thấp, ngoài khu đông dân cư, tùy theo địa hình cụ thể mà cự ly các cột thay đổi từ 500 m đến 1.000 m.
75.3. Ở vùng núi cao chỉ cắm đại diện ở một số vị trí sao cho đủ để giúp cho quản lý hành lang an toàn đường bộ.
Điều 76. Các quy định khác
76.1. Các đơn vị quản lý đường có trách nhiệm cắm mốc lộ giới và bàn giao cho UBND cấp xã sở tại quản lý theo quy định. Đối với các dự án xây dựng mới, chủ đầu tư chỉ đạo đơn vị thi công cắm đầy đủ mốc lộ giới và lập thành hồ sơ, sau khi hoàn thành công trình phải bàn giao hồ sơ hoàn công trong đó có hồ sơ mốc lộ giới xác định hành lang an toàn đường bộ cho đơn vị quản lý đường bộ và UBND cấp xã sở tại quản lý theo quy định;
76.2. Mốc lộ giới trên các tuyến đường phải được thể hiện, lập trên bình đồ duỗi thẳng với tỷ lệ 1/10.000.
Chương 14
BÁO HIỆU CẤM ĐI LẠI
Điều 77. Phân loại cấm đi lại
Có ba loại cấm đi lại trên đường như sau:
77.1. Cấm riêng từng loại phương tiện;
77.2. Cấm riêng từng chiều đi;
77.3. Cấm toàn bộ sự đi lại, trong đó nguyên nhân dẫn đến phải cấm cũng được chia ra:
77.3.1. Cấm đi lại vì những lý do đường, cầu bị tắc;
77.3.2. Cấm đi lại vì những lý do đặc biệt khác.
Điều 78. Cấm riêng từng loại phương tiện
78.1. Nếu cần phải cấm đi lại của riêng từng loại phương tiện hoặc một số loại phương tiện nhất định, phải đặt các biển báo cấm quy định từ B.3 đến B.20 Phụ lục B của Quy chuẩn này (từ biển số P.103 đến biển số P.120, trừ biển số P.112 dùng để cấm người đi bộ).
78.2. Vị trí đặt biển báo cấm theo quy định ở Điều 30.
78.3. Cùng đặt với biển báo cấm phải có biển chỉ dẫn lối đi cho phương tiện bị cấm.
Điều 79. Cấm riêng từng chiều đi
79.1. Nếu phải cấm phương tiện đi lại trên một chiều, phải đặt biển báo cấm số P.102 "Cấm đi ngược chiều" theo quy định ở Mục B.2 Phụ lục B, chiều đi ngược lại phải đặt biển chỉ dẫn số I.407a "Đường một chiều" quy định ở Mục E.7 Phụ lục E của Quy chuẩn này.
79.2. Vị trí đặt biển báo cấm theo quy định ở Điều 30.
79.3. Cùng đặt với biển báo cấm phải có biển chỉ dẫn lối đi cho phương tiện bị cấm.
Điều 80. Cấm toàn bộ sự đi lại
80.1. Cấm đi lại do sự cố cầu, đường:
80.1.1. Trên những đoạn đường bị sự cố, các loại phương tiện và người đi bộ không thể đi lại được phải đặt rào chắn và đặt biển số P.101 "Đường cấm" như quy định ở Mục B.1 Phụ lục B của Quy chuẩn này.
80.1.2. Vị trí rào chắn phải đặt ở vị trí có đường tránh, đường phân luồng cho các loại phương tiện đi lại. Kèm theo rào chắn và biển số P.101, phải đặt biển chỉ hướng đi cho các loại phương tiện (biển số I.416, I.417 (a,b,c) quy định ở Mục E.16, và E.17 Phụ lục E của Quy chuẩn này.
80.1.3. Nếu trên hướng đường từ vị trí phân luồng đến vị trí bị tắc vẫn phải cho phương tiện đi lại thì không đặt rào chắn mà đặt biển như sau:
a) Trên đường chính, trước vị trí phân luồng 100 m, đặt biển chỉ dẫn hướng đi phù hợp cho các loại phương tiện (biển số I.416, I.417 (a,b,c));
b) Sau biển chỉ hướng đi 30 m, đặt biển chỉ dẫn "Đường cụt" (biển số I.405c) như quy định ở Mục E.5 Phụ lục E của Quy chuẩn này
c) Trên hướng đường bị tắc, sau vị trí phân luồng cứ khoảng 300 m đến 500 m lại đặt biển chỉ dẫn "Đường cụt" (biển số I.405c) nhắc lại;
d) Đến giáp vị trí đường tắc, không cho phương tiện đi tiếp được nữa thì đặt rào chắn và biển số P.101 "Đường cấm" như quy định ở Mục B.1 Phụ lục B của Quy chuẩn này.
80.1.4. Nếu đường bị tắc không có hướng phân luồng, phương tiện phải chờ đợi một thời gian rồi mới tiếp tục được đi thì đặt hàng rào chắn và đặt biển số P.101 "Đường cấm" như quy định ở Mục B.1 Phụ lục B của Quy chuẩn này.
80.1.5. Vị trí đặt rào chắn cấm đường phải lựa chọn vị trí phương tiện có thể quay đầu được hoặc gần vị trí có dân cư để thuận tiện cho phương tiện chờ đợi đồng thời phải đặt bảng thông báo về tình hình giao thông và ngày, giờ phương tiện có thể tiếp tục đi lại.
80.2. Cấm đi lại vì những lý do khác:
80.2.1. Nếu vì những lý do đặc biệt phải cấm đi lại trong thời gian dài thì phải đặt rào chắn và đặt biển số P.101 như quy định ở Mục B.1 Phụ lục B của Quy chuẩn này.
80.2.2. Nếu cấm đi lại chỉ thi hành đột xuất trong thời gian ngắn thì ngoài việc đặt rào chắn và biển báo đường cấm, phải bố trí người thường trực chỉ huy phương tiện trong suốt thời gian cấm.
Điều 81. Tổ chức trạm điều khiển giao thông
81.1. Trường hợp cấm đi lại xảy ra đột ngột hoặc việc tổ chức phân luồng trên địa bàn phức tạp về giao thông thì ngoài hệ thống báo hiệu như quy định từ Điều 77 đến Điều 80 của Quy chuẩn này phải tổ chức các trạm điều khiển giao thông.
81.2. Trạm điều khiển giao thông phải có người thường trực làm việc liên tục suốt ngày đêm để điều hành giao thông.
81.3. Phải trang bị tại trạm đủ rào chắn, biển báo, đèn, cờ để điều khiển sự đi lại.
81.4. Nếu phải lập trạm điều khiển giao thông vì lý do đường, cầu bị hư hỏng thì cơ quan quản lý đường có trách nhiệm tổ chức trạm.
81.5. Nếu phải lập trạm điều khiển giao thông do các công việc xây dựng, sửa chữa cầu đường hoặc các công trình khác có ảnh hưởng đến sự đi lại thì các đơn vị thầu xây lắp phải chịu kinh phí để cơ quan quản lý đường bộ tổ chức trạm.
81.6. Nếu phải tổ chức trạm trong một thời gian ngắn vì các lý do khác ngoài các lý do nêu ở khoản 81.4 và khoản 81.5 Điều này thì tùy tính chất công việc do cơ quan công an chịu trách nhiệm hoặc cơ quan công an chủ trì phối hợp với cơ quan quản lý đường bộ tổ chức thực hiện.
81.7. Trước khi tổ chức trạm theo quy định ở khoản 81.6 Điều này, cơ quan công an lấy ý kiến với cơ quan quản lý đường bộ để được phối hợp, hỗ trợ.
Điều 82. Báo hiệu cấm đường trong những trường hợp khẩn cấp
Trong những trường hợp khẩn cấp phải cấm đường nhưng chưa kịp bố trí hệ thống báo hiệu theo quy định thì những tín hiệu sau đây có giá trị ngăn cấm đường: một cây chắn ngang đường, đồng thời có người gác hướng dẫn giao thông đứng ở vị trí giữa đường, hai tay giơ ngang vai làm lệnh, mặt hướng về phía xe chạy đến. Nếu có cờ đỏ hoặc vải đỏ thì treo ở giữa cây chắn. Ban đêm dùng đèn đỏ thay cờ.
Điều 83. Báo hiệu cấm từng phần mặt đường, lề đường, vỉa hè
83.1. Trong trường hợp từng bộ phận, từng phần của con đường như vỉa hè, lề đường, đường người đi trên cầu, một phần hoặc toàn bộ làn đường bị hư hỏng hoặc đang sửa chữa thì phải đặt rào chắn xung quanh những bộ phận hoặc phần công trình đó để người và phương tiện không đi vào khu vực đó gây nguy hiểm.
83.2. Rào chắn phải chắc chắn.
83.3. Ở giữa rào chắn phải đặt biển số P.101 "Đường cấm". Nếu là công trường đang thi công thì kèm theo biển số P.101 đặt thêm biển số W.227 "Công trường".
Kèm theo rào chắn phải đặt cờ đỏ khổ 40 cm x 40 cm về ban ngày và đèn đỏ chiếu sáng về ban đêm;
83.4. Hàng rào chắn của các công trường thi công thường xuyên di động có thể làm theo kiểu mang đi mang lại được. Chiều cao cột rào chắn trong trường hợp này chỉ cần cao hơn mặt đất 0,6 m đến 1,2 m (hàng rào chắn có thể là từng đoạn rào bằng sắt sơn trắng đỏ, chân có bánh xe hoặc chóp nón bằng nhựa hay bằng cao su...).
83.5. Nếu chiều ngang phạm vi cấm đường chiếm hoàn toàn một làn đường trên những đường có hai làn đường, tạm thời hai chiều xe đi và về phải đi chung nhau một làn còn lại thì ngoài những báo hiệu phải đặt như quy định ở khoản 83.3 Điều này, cần phải đặt thêm:
83.5.1. Cách rào chắn 250 m trên đường trường hoặc 50 m trên đường trong khu đông dân cư, đặt biển số W.204 "Đường hai chiều";
83.5.2. Sau biển số W.204, đặt biển báo hiệu ưu tiên cho chiều xe đi theo đúng làn đường không bị cấm (biển số I.406 “Được ưu tiên qua đường hẹp”) và đặt biển để báo xe đi trên hướng làn đường cấm phải đi nhờ đường sẽ phải nhường đường (biển số P.132 “Nhường đường cho xe cơ giới ngược chiều qua đường hẹp”).
Chương 15
GƯƠNG CẦU LỒI, DẢI PHÂN CÁCH VÀ LAN CAN PHÒNG HỘ
Điều 84. Gương cầu lồi
84.1. Gương cầu lồi có tác dụng cải thiện tầm nhìn cho người tham gia giao thông ở các vị trí đường cong bán kính nhỏ, tầm nhìn bị che khuất. Qua gương cầu lồi người điều khiển phương tiện có thể quan sát được từ xa phương tiện chạy ngược chiều để điều chỉnh tốc độ cho phù hợp.
84.2. Vị trí đặt gương cầu lồi
84.2.1. Gương cầu lồi sử dụng ở các vị trí đường cong bán kính nhỏ, bị che khuất tầm nhìn được đặt chủ yếu ở các đường cong ôm núi có tầm nhìn hạn chế.
84.2.2. Vị trí gương cầu lồi đặt ở sát vai nền đường phía lưng, trên đường phân giác của góc đỉnh đường cong. Gương phải đặt vuông góc với mặt phẳng nằm ngang và mép dưới gương cao hơn cao độ vai đường là 1,2 m.
Điều 85. Dải phân cách
85.1. Dải phân cách là bộ phận của đường mà xe không chạy trên đó được dùng để phân chia phần đường xe chạy thành hai chiều xe chạy riêng biệt hoặc để phân chia phần đường của xe cơ giới và xe thô sơ hoặc của nhiều loại xe khác nhau trên cùng một chiều giao thông.
85.2. Khi dải phân cách đặt ở tim đường và sử dụng để phân chia giữa hai chiều xe chạy thì gọi là dải phân cách giữa; khi dải phân cách sử dụng để phân chia phần đường chính và phần đường bên hoặc phân chia giữa phần đường xe cơ giới và xe thô sơ hoặc của nhiều loại phương tiện khác nhau trên cùng một chiều giao thông thì gọi là dải phân cách bên.
85.3. Dải phân cách có hai loại là dải phân cách cố định và dải phân cách di động.
85.3.1. Dải phân cách cố định là dải phân cách có vị trí cố định trên phần đường xe chạy. Dải phân cách cố định gồm các loại cơ bản sau:
a) Dải phân cách dạng bó vỉa bên trong đổ đất trồng cây (đối với dải phân cách rộng), có thể sử dụng kết hợp lan can phòng hộ nửa cứng hoặc mềm;
b) Dải phân cách có dạng một dải đất xen kẹp giữa các phần xe chạy, có dạng lõm xuống hoặc tận dụng điều kiện địa hình tự nhiên, có thể sử dụng kết hợp lan can phòng hộ nửa cứng hoặc mềm;
c) Dải phân cách sử dụng lan can phòng hộ cứng xây cố định trên mặt đường có chiều cao trong khoảng 0,3 m - 0,8 m, tối đa là 1,27 m nếu có nhu cầu chắn sáng, độ rộng tùy theo mặt đường rộng hẹp để thiết kế và phải được gắn tiêu phản quang hoặc được sơn phản quang theo các quy định về bố trí tiêu phản quang và vạch kẻ đường (vạch đứng) quy định trong Quy chuẩn này.
85.3.2. Dải phân cách di động là các dải phân cách có thể di chuyển theo bề rộng trên mặt đường được tạo bởi các cột (cục) bê tông, nhựa composite bên trong có thể đổ cát hoặc nước cao từ 0,3 m - 0,8 m xếp liền nhau hoặc có các ống thép Ø40 - Ø50 xuyên qua tạo thành hệ thống lan can trên mặt đường.
85.4. Điều kiện đặt dải phân cách cố định và di động:
85.4.1. Dải phân cách cố định nên sử dụng khi đường có từ 4 làn xe trở lên để phân làn đường đi theo hai hướng riêng biệt.
85.4.2. Dải phân cách di động chỉ dùng ở những nơi mặt đường chỉ đủ 2 hay 3 làn xe, cần chia tạm thời hai chiều hoặc hai làn xe riêng biệt.
Điều 86. Lan can phòng hộ
Có ba loại lan can phòng hộ, gồm lan can phòng hộ cứng, nửa cứng và lan can phòng hộ mềm.
86.1. Lan can phòng hộ cứng là loại phòng hộ bằng bê tông cốt thép hoặc kết cấu có độ cứng tương tự ngăn ngừa các xe đâm xuyên qua chiều đường ngược lại gây nguy hiểm. Loại này được áp dụng ở các đường có tốc độ cao, dải phân cách cố định bề rộng hẹp, đường có nhiều xe tải và xe buýt.
86.2. Lan can phòng hộ dạng nửa cứng là loại phòng hộ bằng tôn lượn sóng gồm một hoặc hai hàng được lắp đặt song song với mặt đường bằng cột thép gắn xuống đường; mép trên của tôn sóng phải cao hơn đỉnh cột.
86.3. Lan can phòng hộ mềm là loại phòng hộ dạng dây cáp treo và được căng trước lên các hệ đầu cột gắn xuống đường.
Phần 3
QUY ĐỊNH VỀ QUẢN LÝ
Điều 89. Nguyên tắc quản lý
89.1. Các tuyến đường bộ khi đưa vào khai thác phải bố trí, lắp đặt đầy đủ báo hiệu theo quy định của Quy chuẩn này;
89.2. Lộ trình thay thế, điều chỉnh đối với báo hiệu đường bộ:
89.2.1. Báo hiệu đường bộ thay thế, bổ sung mới phải tuân thủ theo quy định của Quy chuẩn này.
89.2.2. Biển báo có nội dung và ý nghĩa sai khác, không đúng với Quy chuẩn này phải được thay thế, điều chỉnh ngay.
89.2.3. Báo hiệu đường bộ không thuộc trường hợp khoản 89.2.2 có nội dung chưa hoàn toàn phù hợp với Quy chuẩn này nhưng không gây hiểu nhầm, hiểu sai khác so với quy định tại Quy chuẩn này và còn sử dụng tốt sẽ được thay thế dần, hoàn thành trước ngày 20/8/2019.
89.2.4. Báo hiệu đường bộ ngoài trường hợp quy định tại các khoản 89.2.2 và 89.2.3 mà có biểu tượng, ký hiệu, kích thước chưa hoàn toàn phù hợp với Quy chuẩn này nhưng không gây hiểu nhầm, hiểu sai khác so với quy định tại Quy chuẩn này sẽ được thay thế dần, hoàn thành trước ngày 20/8/2025.
89.3. Đối với dự án công trình đường bộ, nếu hệ thống báo hiệu đường bộ chưa thi công thì phải điều chỉnh theo Quy chuẩn này; Hệ thống báo hiệu đường bộ là hạng mục công trình phải hoàn thành trước khi nghiệm thu, bàn giao đưa vào khai thác, sử dụng.
89.4. Ngoài báo hiệu đường bộ quy định trong Quy chuẩn này, trường hợp cần thiết, Tổng cục Đường bộ Việt Nam căn cứ vào thực tế, đề xuất báo cáo Bộ Giao thông vận tải xem xét, quyết định.
Điều 90. Trách nhiệm và quyền hạn của cơ quan quản lý đường bộ
90.1. Các cơ quan quản lý đường bộ có trách nhiệm bảo đảm cho hệ thống báo hiệu trên đường được đầy đủ, thống nhất và rõ ràng theo quy định tại Quy chuẩn này.
Trường hợp báo hiệu bị mất, hư hỏng, mờ hoặc chưa đúng với quy định trong Quy chuẩn này phải có biện pháp bổ sung, sửa chữa, thay thế theo lộ trình tại Điều 89.
90.2. Tổ chức, cá nhân trực tiếp thực hiện công tác quản lý bảo trì trong phạm vi của mình, kịp thời phát hiện hư hỏng, mất mát và ngăn chặn, xử lý các xâm hại hệ thống báo hiệu, báo cáo về cơ quan quản lý đường bộ.
Điều 91. Trách nhiệm của người sử dụng đường bộ
91.1. Người sử dụng đường bộ, khi tham gia giao thông phải chấp hành Quy chuẩn này.
91.2. Không được tự ý di chuyển, chiếm đoạt, làm hư hỏng hoặc làm thay đổi hiệu lực và tác dụng của những báo hiệu đặt trên đường;
91.3. Có trách nhiệm phát hiện, kiến nghị đến cơ quan quản lý đường bộ các hư hỏng, mất mát, không phù hợp của hệ thống báo hiệu đường bộ.
91.4. Chịu trách nhiệm bồi thường các thiệt hại do làm hư hỏng, mất mát; bị xử lý theo quy định của pháp luật nếu làm thay đổi tác dụng hiệu lực báo hiệu đường bộ.
Phần 4
TỔ CHỨC THỰC HIỆN
Điều 93. Tổ chức thực hiện
93.1. Tổng cục Đường bộ Việt Nam có trách nhiệm hướng dẫn, kiểm tra việc thực hiện Quy chuẩn này trên toàn mạng lưới đường bộ; triển khai thực hiện trên hệ thống Quốc lộ; xây dựng các bộ định hình hướng dẫn việc thiết kế và lắp đặt hệ thống báo hiệu đường bộ, bảo đảm tính thống nhất, đồng bộ theo Quy chuẩn này.
93.2. Sở Giao thông vận tải có trách nhiệm triển khai thực hiện Quy chuẩn này trên hệ thống Đường tỉnh, Đường huyện, Đường xã, Đường đô thị và Đường chuyên dùng trong phạm vi địa giới hành chính.
93.2. Vụ Khoa học công nghệ chủ trì, phối hợp với Tổng cục Đường bộ Việt Nam và các cơ quan có liên quan tổ chức kiểm tra việc thực hiện Quy chuẩn này.
93.4. Trong quá trình thực hiện quy chuẩn, nếu có khó khăn, vướng mắc, báo cáo Bộ Giao thông vận tải xem xét, hướng dẫn hoặc sửa đổi, bổ sung cho phù hợp.
PHỤ LỤC A
ĐÈN TÍN HIỆU
A.1. Các dạng đèn tín hiệu

Hình A.1-Các dạng đèn tín hiệu
A.2. Kích thước
a) Dạng đèn 1 Kiểu 1 là dạng đèn chính thường dùng, có 3 đèn tín hiệu xanh - vàng - đỏ đường kính bóng đèn từ 200 mm đến 300 mm, đối với đèn đỏ bắt buộc đường kính 300 mm. Ngoài ra còn các kiểu 2, 3, 4, 5 và 6 ngoài đèn chính còn đèn phụ báo hiệu cho phép xe đi thẳng hoặc rẽ trái, rẽ phải, quay đầu.
b) Dạng đèn 1 Kiểu 1b: ngoài đèn chính 3 màu (đỏ - vàng - xanh) còn có hộp đèn phụ (nhỏ treo thấp hơn đèn chính) cũng 3 màu (đỏ - vàng - xanh) nhắc lại tín hiệu đèn chính và đèn điều khiển giao thông cho người đi bộ.
c) Nếu cho phép các loại phương tiện vòng trái và quay đầu phải sử dụng kiểu 4, 5, 6.
d) Dạng đèn 2 là đèn chính có lồng mũi tên cho phép xe được đi thẳng, rẽ trái, rẽ phải. Chú ý về màu sắc của mũi tên vẽ trên mặt kính của tín hiệu:
- Tín hiệu xanh: mũi tên màu xanh trên nền màu đen.
- Tín hiệu vàng: nét vẽ của mũi tên màu đen trên nền màu vàng.
- Tín hiệu đỏ: nét vẽ của mũi tên màu đen trên nền màu đỏ.
e) Dạng đèn 1, 2 phải lắp đặt theo chiều thẳng đứng, dạng 8 có thể lắp theo chiều ngang trên các cột có cần vươn. Nguyên tắc là bóng đỏ ngoài cùng và bóng xanh trong cùng.
g) Đèn hai khoang dạng đèn 3, đường kính 300 mm bên trái là 2 mũi gạch chéo màu đỏ - các phương tiện dừng lại, còn bên phải là mũi tên màu xanh - các phương tiện được phép đi theo hướng chiều của mũi tên.
h) Dạng đèn 4 và 5 kiểu 1, 2 đều có đường kính của đèn từ 200 mm - 300 mm, dạng 5 kiểu 2 là loại đèn đỏ chữ thập (cấm đi - đặt sau nơi đường giao nhau).
i) Dạng đèn 6 gồm 4 tín hiệu màu trắng có đường kính từ 80 mm đến 100 mm, bảng bố trí đèn tín hiệu có kích thước 300 mm x 400 mm.
k) Dạng đèn 7 có hai tín hiệu nằm trên một kết cấu chung, người đứng màu đỏ, người đi màu xanh trên nền kính màu đen đường kính là 200 mm đến 300 mm để hướng dẫn người đi bộ.
l) Dạng đèn 8, đường kính của bóng đèn tín hiệu 60 mm, đây là đèn dùng cho việc hướng dẫn xe đạp trên những đường dành riêng cho xe đạp. Thông thường phía dưới đèn có biển kích thước 200 mm x 200 mm nền màu trắng, hình xe đạp tượng trưng màu đen.
m) Ngoài các dạng đèn đã nêu, có thể bố trí các tín hiệu khác nhau (xanh, đỏ, vàng) trên cùng một bóng đèn nhưng phải đảm bảo một tín hiệu màu duy nhất, rõ ràng trên mặt đèn ở từng thời điểm trong chu kỳ của đèn. Đèn tín hiệu có thể lắp đặt trên cột đứng, cột cần vươn hay giá long môn.
A.3. Một số quy định khi sử dụng hệ thống đèn tín hiệu
a) Dùng dạng đèn 1 và 2 là hai dạng đèn chính để áp dụng điều khiển giao thông đường bộ. Ngoài ra có thể áp dụng điều khiển chuyển động của tàu điện, ôtô buýt, xe điện bánh hơi (nếu có) nhưng thông thường để áp dụng điều khiển tàu điện, ôtô buýt, xe điện bánh hơi thì dùng theo dạng 6 để phù hợp với quy định quốc tế;
b) Nơi nút giao có tầm nhìn của lái xe không bảo đảm thì dùng đèn tín hiệu kiểu 1 của dạng 1 nhưng điểm thấp nhất của đèn điều khiển cách mặt đường xe chạy từ 1,8 m trở lên, các quy định khác không thay đổi;
c) Lắp đặt "Đúp" các đèn dạng 1 cần lựa chọn cho phù hợp các điều kiện sau:
- Trên đường một chiều các loại phương tiện được đi cả phần đường ở phía bên trái;
- Trên đường hai chiều xe chạy, trước nút giao trên lề đường (hè đường) hay đảo an toàn, nếu không đủ điều kiện đặt đèn trước nút giao thì có thể lắp đèn tín hiệu về hai chiều xe chạy nhưng với điều kiện khoảng cách tối thiểu là 24 m.
d) Đèn dạng 2 nhằm để điều khiển theo làn đường được đặt ở gần nút giao trên những đường có 3 làn đường xe chạy; những nút có nhiều làn xe rẽ trái; có thể đặt trên đảo giao thông hay trên mép phần xe chạy;
e) Đèn dạng 1, 2, 7, 8 cho phép tín hiệu xanh nhấp nháy 3 hoặc 4 lần trước khi chuyển tín hiệu vàng;
g) Đèn dạng 1, 2 đường kính của bóng tín hiệu rộng 300 mm áp dụng ở trên những đường phố chính, trên đường quốc lộ hay khu vực quảng trường. Trong các trường hợp khác thì dùng đường kính của tín hiệu 200 mm. Đặc biệt cho phép dạng 1 và 2 đặt theo chiều thẳng đứng, tín hiệu trên cùng có đường kính 300 mm, các tín hiệu ở thấp hơn đường kính là 200 mm;
h) Đèn dạng 3 được sử dụng trong trường hợp tổ chức giao thông cho một làn xe của chiều ngược lại được dùng cho giao thông của hướng thuận do có sự chênh lệch lưu lượng đáng kể giữa hai hướng. Hướng thuận trong các giờ cao điểm có lưu lượng lớn và ở trạng thái ùn tắc cần thêm làn xe để tăng năng lực thông qua, còn hướng ngược lưu lượng lại nhỏ. Khi sử dụng như vậy, mũi tên xanh chỉ xuống bật sáng có nghĩa là người tham gia giao thông theo hướng thuận chiều có thể sử dụng thêm làn của hướng ngược chiều đó để đi và ngược lại khi đèn có dấu cộng màu đỏ bật sáng thì làn đó không được sử dụng. Phần đường xe chạy phải có tổng số làn ≥ 3 làn đường và không có dải phân cách hai chiều xe chạy;
i) Căn cứ tình trạng giao thông cụ thể Tư vấn thiết kế hoặc người quản lý giao thông áp dụng cho phù hợp theo yêu cầu kỹ thuật sau:
- Đèn tín hiệu được treo ở ngoài mép mặt đường không ít hơn 0,5 m (theo chiều ngang). Đối với đường có 3 làn xe trở lên thì đèn tín hiệu treo ở phía trên theo chiều xe chạy;
- Thời gian đèn xanh tối thiểu cho một hướng giao thông ít nhất là 15 giây;
- Đèn dành cho người đi bộ có chu kỳ đèn dài ít nhất là 7 giây. Khi lưu lượng người đi bộ thấp và bề rộng đường hẹp 2 làn xe và không là đường ưu tiên thì có thể giảm bớt chu kỳ đèn ngắn hơn nhưng không ít hơn 4 giây. Chú ý, tốc độ của người đi bộ sang đường tính bằng 1,2 m/s, nếu nơi bố trí dành cho người khuyết tật qua đường sẽ phải tính tốc độ của người sang đường thấp hơn 1,2 m/s và căn cứ vào thị sát để đặt chu kỳ đèn cho phù hợp.
Để trợ giúp người đi bộ sang đường nhất là người khiếm thị, khiếm thính hoặc khuyết tật người ta còn sử dụng thiết bị cảm biến thụ động hoặc nút ấn. Thiết bị nút ấn dành cho người đi bộ sang đường bao gồm nút ấn, đèn nhấp nháy đặt chung trên một cột ở vị trí thuận lợi trên vỉa hè ngay vị trí bắt đầu dành cho người đi bộ sang đường. Thiết bị nút ấn còn trang bị bộ phận phát âm thanh để báo nơi đặt thiết bị nút ấn, âm thanh dễ nhận biết có chu kỳ 0,15 giây và lặp lại sau 1 giây, âm thanh có thể nghe thấy từ cự ly 1,8 m đến 3,7 m và âm lượng không thấp hơn 5 dB nhưng không cao hơn 89 dB và sẽ bị vô hiệu hóa khi chu kỳ đèn nhấp nháy kết thúc. Khi đặt thiết bị nút ấn phải khảo sát thực địa để bố trí phù hợp.
- Sử dụng đèn tín hiệu có đường kính 300 mm ở những đường có tốc V85 từ 60 km/h trở lên và ở nơi thường xuyên không có người điều khiển giao thông, nơi có nhiều người già tham gia giao thông;
- Đèn tín hiệu phải nhìn thấy từ xa và không nhỏ hơn khoảng cách quy định trong bảng A.1:
Bảng A.1-Khoảng cách tối thiểu nhìn thấy đèn tín hiệu
|
80Tốc độ V85 (km/h) |
Khoảng cách nhìn thấy nhỏ nhất (m) |
|
30 |
50 |
|
40 |
65 |
|
50 |
85 |
|
60 |
110 |
|
70 |
140 |
|
80 |
165 |
|
90 |
195 |
- Đèn tín hiệu được treo ở ngoài mép mặt đường hoặc vỉa hè thì cạnh dưới của đèn không thấp hơn 1,4 m và không cao quá 5,8 m so với mặt đảo, mặt hè, mặt lề nơi đặt cột đèn tín hiệu. Khi treo trên làn xe chạy thì cạnh dưới của đèn không thấp hơn 5,2 m và không cao quá 7,8 m so với mặt đường nơi treo đèn;
- Những nơi đặt đèn có độ sáng của thiên nhiên sau đèn gây rối nhận biết của người điều khiển phương tiện thì cần nghiên cứu tạo nền sau đèn để trợ giúp nhận biết cho người điều khiển phương tiện;
- Do người điều khiển phương tiện tập trung quan sát phía trước để điều khiển phương tiện, vì vậy, khi đặt đèn tín hiệu hoặc các báo hiệu giao thông trên lề, hè cần xác định vùng quan sát hiệu quả. Cách xác định như sau: mở một góc 40° từ vị trí mắt người lái đối xứng qua trục mắt tạo thành vùng nhìn rõ của người lái. Cũng cần chú ý khả năng quan sát được đèn của các xe phía sau các xe lớn hoặc người tham gia giao thông bị ngược ánh nắng mặt trời.
PHỤ LỤC B
Ý NGHĨA - SỬ DỤNG BIỂN BÁO CẤM
B.1. Biển số P.101 "Đường cấm"
a) Để báo đường cấm các loại phương tiện đi lại cả hai hướng, trừ các xe được ưu tiên theo quy định, phải đặt biển số P.101 "Đường cấm".
b) Nếu đường cấm vì lý do đường, cầu bị tắc thì biển cấm đặt ở giữa phần xe chạy kèm theo có hàng rào chắn ngang trước phần xe chạy như quy định ở Điều 82, các xe được ưu tiên cũng không được phép đi vào.
c) Nếu đường cấm cả người đi bộ thì phải đặt thêm biển số P.112 "Cấm người đi bộ" (ở trong khu đông dân cư) hoặc kéo dài hàng rào chắn ngang suốt cả nền đường (ở ngoài khu đông dân cư).
d) Nếu đường cấm vì những lý do khác nhưng cầu, đường vẫn sử dụng được thì biển đặt ở giữa đường nhưng không đặt hàng rào chắn.
e) Nếu phần xe chạy quá hẹp, biển đặt ở giữa phần xe chạy sẽ làm cản trở những xe được phép ra vào đường cấm thì đặt biển ở mép phần xe chạy.

Hình B.1 - Biển số P.101
B.2. Biển số P.102 "Cấm đi ngược chiều"
a) Để báo đường cấm các loại xe (cơ giới và thô sơ) đi vào theo chiều đặt biển, trừ các xe được ưu tiên theo quy định, phải đặt biển số P.102 "Cấm đi ngược chiều". Người đi bộ được phép đi trên vỉa hè hoặc lề đường.
b) Chiều đi ngược lại với chiều đặt biển P.102 là lối đi thuận chiều, các loại xe được phép đi do đó phải đặt biển chỉ dẫn số I.407a.

Hình B.2 - Biển số P.102
B.3. Biển số P.103a "Cấm xe ôtô", Biển số P.103b và P.103c "Cấm xe ôtô rẽ phải" và "Cấm ôtô rẽ trái"
a) Để báo đường cấm các loại xe cơ giới kể cả xe máy 3 bánh có thùng đi qua, trừ xe máy 2 bánh, xe gắn máy và các xe được ưu tiên theo quy định, phải đặt biển số P.103 "Cấm xe ôtô".
Nếu đường cấm vì lý do đường, cầu bị yếu, có thể đặt hàng rào chắn hay chướng ngại vật trong phần đường xe chạy.
b) Để báo đường cấm các loại xe cơ giới kể cả xe máy 3 bánh có thùng rẽ phải hay rẽ trái, trừ xe máy 2 bánh, xe gắn máy và các xe được ưu tiên theo quy định, phải đặt biển số P.103b "Cấm xe ôtô rẽ phải" hay biển số P.103c "Cấm xe ôtô rẽ trái".

Hình B.3 - Biển số P.103
B.4. Biển số P.104 "Cấm xe máy"
Để báo đường cấm các loại xe máy, trừ xe máy được ưu tiên theo quy định, phải đặt biển số P.104 "Cấm xe máy". Biển không có giá trị cấm những người dắt xe máy.

Hình B.4 - Biển số P.104
B.5. Biển số P.105 "Cấm xe ôtô và xe máy"
Để báo đường cấm các loại xe cơ giới và xe máy đi qua trừ xe gắn máy và các xe được ưu tiên theo quy định, phải đặt biển số P.105 "Cấm xe ôtô và xe máy".

Hình B.5 - Biển số P.105
B.6. Biển số P.106 (a,b) "Cấm xe ôtô tải" và Biển số P.106c "Cấm xe chở hàng nguy hiểm”
a) Để báo đường cấm các loại xe ôtô tải trừ các xe được ưu tiên theo quy định, phải đặt biển số P.106a "Cấm xe ôtô tải". Biển có hiệu lực cấm đối với cả máy kéo và các xe máy chuyên dùng đi vào đoạn đường đặt biển số P.106a.
b) Để báo đường cấm các loại xe ôtô tải có khối lượng chuyên chở (theo Giấy chứng nhận kiểm định an toàn kỹ thuật và bảo vệ môi trường phương tiện giao thông cơ giới đường bộ) lớn hơn một giá trị nhất định, phải đặt biển số P.106b. Biển có hiệu lực cấm các xe ô tô tải có khối lượng chuyên chở (xác định theo Giấy chứng nhận kiểm định an toàn kỹ thuật và bảo vệ môi trường phương tiện giao thông cơ giới đường bộ) lớn hơn giá trị chữ số ghi trong biển (chữ số tấn ghi bằng màu trắng trên hình vẽ xe). Biển có hiệu lực cấm đối với cả máy kéo và các xe máy chuyên dùng đi vào đoạn đường đặt biển.
c) Để báo đường cấm các xe chở hàng nguy hiểm, phải đặt biển số P.106c.

Hình B.6 - Biển số P.106
B.7. Biển số P.107 "Cấm xe ôtô khách và xe ôtô tải"
Để báo đường cấm xe ôtô chở khách và các loại xe ôtô tải kể cả các loại máy kéo và xe máy thi công chuyên dùng đi qua trừ các xe được ưu tiên theo quy định, phải đặt biển số P.107 "Cấm xe ôtô khách và xe ôtô tải".

Hình B.7 - Biển số P.107
B.7a. Biển số P.107a "Cấm xe ôtô khách"
a) Để báo cấm ôtô chở khách đi qua trừ các xe ưu tiên theo quy định, phải đặt biển số P.107a “Cấm xe ôtô khách”. Biển này không cấm xe buýt.
b) Trường hợp cấm xe khách theo số chỗ ngồi thì sử dụng biển phụ ghi số chỗ ngồi đối với các xe cần cấm.

Hình B.7a - Biển số P.107a
B.7b. Biển số P.107b "Cấm xe ôtô taxi"
Để báo cấm xe ôtô taxi đi lại, phải đặt biển P.107b “Cấm xe ôtô taxi”. Trường hợp cấm xe ôtô taxi theo giờ thì đặt biển phụ ghi giờ cấm.

Hình B.7b - Biển số P.107b
B.8. Biển số P.108 " Cấm xe kéo rơ-moóc"
Để báo cấm các loại xe cơ giới kéo theo rơ-moóc kể cả xe máy, máy kéo, ôtô khách kéo theo rơ-moóc đi lại, trừ loại ôtô sơ-mi-rơ-moóc và các xe được ưu tiên (có kéo theo rơ-moóc) theo quy định, phải đặt biển số P.108 "Cấm xe ôtô, máy kéo kéo rơ-moóc".

Hình B.8 - Biển số P.108
B.8a. Biển số P.108a "Cấm xe sơ-mi-rơ-moóc "
Để báo đường cấm các loại xe sơ-mi-rơ-moóc và các xe kéo rơ- moóc trừ các xe được ưu tiên (có dạng xe sơ-mi-rơ-moóc hoặc có kéo theo rơ-moóc) theo quy định, phải đặt biển số P.108a "Cấm xe sơ-mi-rơ-moóc".

Hình B.8a - Biển số P.108a
B.9. Biển số P.109 "Cấm máy kéo"
Để báo đường cấm các loại máy kéo, kể cả máy kéo bánh hơi và bánh xích đi qua, phải đặt biển số P.109 "Cấm máy kéo".

Hình B.9 - Biển số P.109
B.10. Biển số P.110a "Cấm xe đạp" và Biển số P.110b "Cấm xe đạp thồ"
a) Để báo đường cấm xe đạp đi qua, phải đặt biển số P.110a "Cấm đi xe đạp". Biển không có giá trị cấm những người dắt xe đạp.
b) Để báo đường cấm xe đạp thồ đi qua, phải đặt biển số P.110b "Cấm xe đạp thồ". Biển này không cấm người dắt loại xe này.

Hình B.10 - Biển số P.110
B.11. Biển số P.111a "Cấm xe gắn máy", biển số P.111 (b,c) "Cấm xe ba bánh loại có động cơ" và biển số P.111d "Cấm xe ba bánh loại không có động cơ"
a) Để báo đường cấm xe máy và xe gắn máy đi qua, phải đặt biển số P.111a "Cấm xe máy". Biển không có giá trị đối với xe đạp.
b) Để báo đường cấm xe ba bánh loại có động cơ như xe lam, xe xích lô máy, xe lôi máy, v.v... phải đặt biển số P.111b hoặc P.111c "Cấm xe ba bánh loại có động cơ".
c) Để báo đường cấm xe ba bánh loại không có động cơ như xe xích lô, xe lôi đạp, v.v... phải đặt biển số P.111d "Cấm xe ba bánh loại không có động cơ".

Hình B.11 - Biển số P.111
B.12. Biển số P.112 "Cấm người đi bộ"
Để báo đường cấm người đi bộ qua lại, phải đặt biển số P.112 "Cấm người đi bộ".

Hình B.12 - Biển số P.112
B.13. Biển số P.113 "Cấm xe người kéo, đẩy"
Để báo đường cấm xe thô sơ, chuyển động do người kéo, đẩy đi qua, phải đặt biển số P.113 "Cấm xe người kéo, đẩy". Biển không có giá trị cấm những xe nôi của trẻ em và phương tiện chuyên dùng để đi lại của những người tàn tật.

Hình B.13 - Biển số P.113
B.14. Biển số P.114 "Cấm xe súc vật kéo"
Để báo đường cấm súc vật vận tải hàng hóa hoặc hành khách dù kéo xe hay chở trên lưng đi qua, phải đặt biển số P.114 "Cấm xe súc vật kéo".

Hình B.14 - Biển số P.114
B.15. Biển số P.115 "Hạn chế tải trọng toàn bộ xe"
Để báo đường cấm các loại xe (cơ giới và thô sơ) kể cả các xe được ưu tiên theo quy định, có tải trọng toàn bộ xe (tải trọng bản thân xe cộng với khối lượng chuyên chở) vượt quá trị số ghi trên biển đi qua, phải đặt biển số P.115 "Hạn chế tải trọng toàn bộ xe".

Hình B.15 - Biển số P.115
B.16. Biển số P.116 "Hạn chế tải trọng trên trục xe"
Để báo đường cấm các loại xe (cơ giới và thô sơ) kể cả các xe được ưu tiên theo quy định, có tải trọng toàn bộ xe (cả xe và hàng) phân bổ trên một trục bất kỳ của xe (tải trọng trục xe) vượt quá trị số ghi trên biển đi qua, phải đặt biển số P.116 "Hạn chế tải trọng trên trục xe".

Hình B.16 - Biển số P.116
B.17. Biển số P.117 "Hạn chế chiều cao"
a) Để báo hạn chế chiều cao của xe, phải đặt biển số P.117 "Hạn chế chiều cao".
b) Biển số P.117 có hiệu lực cấm các xe (cơ giới và thô sơ) có chiều cao vượt quá trị số ghi trên biển không được đi qua, kể cả các xe được ưu tiên theo quy định (chiều cao tính từ mặt đường, mặt cầu đến điểm cao nhất của xe hoặc hàng).
c) Trị số ghi trên biển là khoảng cách từ điểm cao nhất của mặt đường đến điểm thấp nhất của chướng ngại vật vượt trên đường trừ đi 0,5 m. Cho phép làm tròn số đến 0,1 m theo hướng điều chỉnh tăng (ví dụ: chiều cao thực là 4,75 m; trị số ghi trên biển là: 4,75-0,5 = 4,25 làm tròn = 4,3 m).
d) Tất cả những vị trí trên đường có chướng ngại vật mà khoảng cách từ điểm cao nhất của mặt đường đến điểm thấp nhất của chướng ngại vật dưới 4,75 m đều phải đặt biển.

Hình B.17 - Biển số P.117
B.18. Biển số P.118 "Hạn chế chiều ngang xe"
a) Để báo hạn chế chiều ngang của xe, phải đặt biển số P.118 "Hạn chế chiều ngang xe ôtô".
b) Biển số P.118 có hiệu lực cấm các xe (cơ giới và thô sơ) kể cả các xe được ưu tiên theo quy định có chiều ngang (kể cả xe và hàng hóa) vượt quá trị số ghi trên biển đi qua.
c) Số ghi trên biển là khoảng cách theo chiều ngang ở trạng thái tỉnh nhỏ nhất của vật chướng ngại trên đường trừ đi 0,4 m.
d) Tất cả những vị trí trên đường có chướng ngại vật mà khoảng cách theo chiều ngang ở trạng thái tỉnh nhỏ hơn 3,2 m đều phải đặt biển.

Hình B.18 - Biển số P.118
B.19. Biển số P.119 "Hạn chế chiều dài xe"
a) Để báo đường cấm các loại xe (cơ giới và thô sơ) kể cả các xe được ưu tiên theo quy định, có độ dài toàn bộ kể cả xe và hàng lớn hơn trị số ghi trên biển đi qua, phải đặt biển số P.119 "Hạn chế chiều dài xe".
b) Trị số ghi trên biển là chỉ độ dài cho phép lớn nhất tính bằng mét đối với xe đơn chiếc nhằm ngăn ngừa khả năng gây ách tắc giao thông.
c) Biển được đặt ở những đoạn đường có bán kính đường cong nằm nhỏ, đèo dốc quanh co hoặc ở những đoạn đường mà xe có chiều dài lớn, gây nguy hiểm cho các phương tiện ngược chiều.

Hình B.19 - Biển số P.119
B.20. Biển số P.120 "Hạn chế chiều dài xe ôtô, máy kéo moóc hoặc sơ-mi-rơ moóc"
a) Để báo đường cấm các loại xe cơ giới kéo theo moóc kể cả ôtô sơ-mi-rơ-moóc và các loại xe được ưu tiên kéo moóc theo luật nhà nước quy định, có độ dài toàn bộ kể cả xe, moóc và hàng lớn hơn trị số ghi trên biển đi qua, phải đặt biển số P.120 "Hạn chế chiều dài ôtô kéo moóc ".
b) Trị số ghi trên biển là chỉ độ dài cho phép lớn nhất tính bằng mét đối với toàn bộ chiều dài đoàn xe kể cả hàng.

Hình B.20 - Biển số P.120
B.21. Biển số P.121 "Cự ly tối thiểu giữa hai xe"
a) Để báo xe ôtô phải đi cách nhau một khoảng tối thiểu phải đặt biển số P.121 "Cự ly tối thiểu giữa hai xe".
b) Số ghi trên biển cho biết khoảng cách tối thiểu tính bằng mét. Biển có hiệu lực cấm các xe ôtô kể cả xe được ưu tiên theo quy định đi cách nhau một cự ly nhỏ hơn trị số ghi trên biển báo.
c) Chiều dài có hiệu lực của biển số P.121 được báo bằng biển số S.501 "Phạm vi tác dụng của biển" đặt dưới biển chính (hoặc từ vị trí đặt biển đến vị trí đặt biển số P.135 "Hết tất cả các lệnh cấm" nếu đồng thời có nhiều biển cấm khác hết tác dụng).

Hình B.21 - Biển số P.121
B.23. Biển số P.123a "Cấm rẽ trái" và Biển số P.123b "Cấm rẽ phải"
a) Để báo cấm rẽ trái hoặc rẽ phải (theo hướng mũi tên chỉ) ở những vị trí đường giao nhau, phải đặt biển số P.123a "Cấm rẽ trái" hoặc biển số P.123b "Cấm rẽ phải". Biển không có giá trị cấm quay đầu xe.
b) Biển có hiệu lực cấm các loại xe (cơ giới và thô sơ) rẽ sang phía trái hoặc phía phải trừ các xe được ưu tiên theo quy định.
c) Trước khi đặt biển cấm rẽ, cần đặt biển chỉ dẫn hướng đi thích hợp.

Hình B.23 - Biển số P.123
B.24. Biển số P.124 (a,b) "Cấm quay đầu xe", biển số P.124c "Cấm rẽ trái và quay đầu xe”, biển số P.124d "Cấm rẽ phải và quay đầu xe”, biển số P.124e "Cấm ô tô rẽ trái và quay đầu xe” và biển số P.124f "Cấm ô tô rẽ phải và quay đầu xe”
a) Để báo cấm các loại xe quay đầu (theo kiểu chữ U), phải đặt biển số P.124a "Cấm quay đầu xe". Chiều mũi tên phù hợp với chiều cấm quay đầu xe.
b) Để báo cấm xe ôtô quay đầu (theo kiểu chữ U), phải đặt biển số P.124b "Cấm ôtô quay đầu xe". Chiều mũi tên phù hợp với chiều cấm xe ô tô quay đầu.
c) Để báo cấm các loại xe rẽ trái đồng thời cấm quay đầu phải đặt biển P.124c “Cấm rẽ trái và quay đầu xe”.
d) Để báo cấm các loại xe rẽ phải đồng thời cấm quay đầu phải đặt biển P.124d “Cấm rẽ phải và quay đầu xe”.
e) Để báo cấm xe ôtô rẽ trái và đồng thời cấm quay đầu phải đặt biển P.124e “Cấm ôtô rẽ trái và quay xe”.
f) Để báo cấm xe ôtô rẽ phải và đồng thời cấm quay đầu phải đặt biển P.124f “Cấm ôtô rẽ trái và quay xe”.
g) Biển số P.124a có hiệu lực cấm các loại xe (cơ giới và thô sơ) và biển số P.124b có hiệu lực cấm xe ôtô và xe máy 3 bánh (side car) quay đầu (theo kiểu chữ U) trừ các xe được ưu tiên theo quy định.
Biển không có giá trị cấm rẽ trái để đi sang hướng đường khác.
h) Nếu đặt biển "Cấm quay đầu xe" hay biển "Cấm ôtô quay đầu xe" ở một đoạn đường không phải là nơi đường giao nhau thì vị trí bắt đầu cấm phải dùng biển số S.503d "Hướng tác dụng của biển" đặt bên dưới biển chính.
i) Trước hoặc sau những vị trí đặt biển cấm quay xe phải đặt biển chỉ dẫn vị trí quay xe biển số I.409 hoặc I.410.

Hình B.24 - Biển số P.124
B.25. Biển số P.125 "Cấm vượt"
a) Để báo cấm các loại xe cơ giới vượt nhau, phải đặt biển số P.125 "Cấm vượt".
b) Biển có hiệu lực cấm tất cả các loại xe cơ giới vượt nhau (kể cả xe được ưu tiên theo quy định) nhưng được phép vượt xe máy 2 bánh, xe gắn máy.
c) Biển hết hiệu lực cấm khi có biển số P.133 "Hết cấm vượt" hoặc đến vị trí đặt biển số P.135 "Hết tất cả các lệnh cấm" nếu đồng thời có nhiều biển cấm khác hết tác dụng.

Hình B.25 - Biển số P.125
B.26. Biển số P.126 "Cấm ôtô tải vượt"
a) Để báo cấm các loại ôtô tải vượt xe cơ giới khác, phải đặt biển số P.126 " Cấm ôtô tải vượt".
b) Biển có hiệu lực cấm các loại ôtô tải có khối lượng chuyên chở (theo Giấy chứng nhận kiểm định an toàn kỹ thuật và bảo vệ môi trường phương tiện giao thông cơ giới đường bộ) lớn hơn 3.500 kg kể cả các xe được ưu tiên theo quy định vượt xe cơ giới khác. Được phép vượt xe máy 2 bánh, xe gắn máy.
c) Biển không có giá trị cấm các loại xe cơ giới khác vượt nhau và vượt ôtô tải.
d) Biển hết hiệu lực cấm khi có biển số DP.133 "Hết cấm vượt" hoặc đến vị trí đặt biển số DP.135 "Hết tất cả các lệnh cấm" nếu đồng thời có nhiều biển cấm khác hết tác dụng.

Hình B.26 - Biển số P.126
B.27. Biển số P.127 "Tốc độ tối đa cho phép"
a) Để báo tốc độ tối đa cho phép các xe cơ giới chạy, phải cắm biển số P.127 "Tốc độ tối đa cho phép";
b) Biển có hiệu lực cấm các loại xe cơ giới chạy với tốc độ tối đa vượt quá trị số ghi trên biển trừ các xe được ưu tiên theo quy định. Người điều khiển phương tiện căn cứ vào điều kiện cụ thể khác như khí hậu thời tiết tình trạng mặt đường, tình hình giao thông, phương tiện, điều kiện sức khỏe để điều khiển phương tiện với tốc độ phù hợp, an toàn và không quá giá trị ghi trên biển;
c) Số ghi trên biển hạn chế tốc độ tối đa cho phép tính bằng km/h và tùy theo tiêu chuẩn kỹ thuật hoặc điều kiện khai thác thực tế của đường mà quy định cho phù hợp. Khi không có các nghiên cứu cụ thể, có thể tham khảo toán đồ trên Hình B.27a để xác định giá trị tốc độ tối đa cho phép cho từng hướng đường;
d) Không nên quy định tốc độ tối đa cho phép nhỏ hơn 40 km/h và lớn hơn 120 km/h. Ở những đoạn ngắn, có thể không hạn chế tốc độ mà chỉ nên sử dụng biển cảnh báo đi chậm. Không sử dụng biển số P.127 một cách tràn lan khi không có nghiên cứu cụ thể;
e) Trong trường hợp chuyển tiếp từ giá trị tốc độ lớn xuống giá trị tốc độ nhỏ mà sự chênh lệch giữa hai giá trị tốc độ này lớn thì nên đặt biển hạn chế tốc độ tối đa trung gian. Đoạn chuyển tiếp trung gian được quy định là không nhỏ hơn 250 m cho việc chuyển tiếp từ tốc độ 120 km/h xuống 100 km/h; 200 m cho cho việc chuyển tiếp từ tốc độ 100 km/h xuống 80 km/h; 150 m cho việc chuyển tiếp từ tốc độ 80 km/h xuống 60 km/h; 180 m cho việc chuyển tiếp từ tốc độ 90 km/h xuống 60 km/h hoặc từ tốc độ 80 km/h xuống 50 km/h;

Hình B.27a - Toán đồ xác định tốc độ hạn chế tối đa theo tầm nhìn xe chạy và độ dốc dọc đường (sử dụng để tham khảo)
g) Trong đô thị, nếu đã có quy định về tốc độ tối đa cho phép áp dụng chung cho đô thị thì không cần đặt biển báo tốc độ tối đa cho phép trừ một số trường hợp như đường đối ngoại, đường vành đai và đường tránh, đường cao tốc đô thị, đường trục chính đô thị, đường quốc lộ qua đô thị, và một số đoạn đường cần thiết khác.
h) Trường hợp đường qua cầu tạm, cầu yếu, qua cầu phao, đường vào phà, trạm kiểm tra giao thông, qua hầm, qua trạm thu phí, trạm kiểm tra tải trọng xe, thì tùy theo yêu cầu kỹ thuật để quy định tốc độ tối đa cho phép.
i) Trường hợp đường qua công trường đang thi công sử dụng biển cảnh báo công trường, trường hợp cần thiết thì sử dụng biển hạn chế tốc độ tối đa cho phép tạm thời. Hết phạm vi công trường cần có biển báo hết cấm. Khi công trường hoàn thành hoặc ngừng thi công, phải tháo bỏ biển báo cấm tạm thời ngay sau khi khôi phục lại giao thông bình thường;
k) Khi sử dụng biển số P.127 tại các đoạn nhập làn và tách làn của các vị trí ra và vào đường ô tô, để chỉ rõ hiệu lực của biển chỉ có tác dụng cho các xe nhập làn và tách làn tại vị trí này, phải sử dụng kèm biển số S.509, trên biển ghi chữ “Lối vào” hoặc “Lối ra” tương ứng.

Hình B.27b - Biển số P.127
B.27a. Biển số P.127a "Tốc độ tối đa cho phép về ban đêm"
a) Khi cần phải quy định tốc độ tối đa về ban đêm cho các phương tiện phải đặt biển số P.127a “Tốc độ tối đa cho phép về ban đêm”.
Áp dụng biển số P.127a cho một số trường hợp qua khu đông dân cư vào ban đêm nhằm mục đích nâng cao tốc độ vận hành khi đường ít xe chạy. Biển chỉ có hiệu lực trong thời gian ghi trên biển và trong phạm vi từ vị trí đặt biển đến vị trí biển số R.421 “Hết đoạn đường qua khu đông dân cư”. Biển được đặt sau vị trí biển số R.420 “Đoạn đường qua khu đông dân cư”.
b) Số ghi trên biển tốc độ tối đa cho phép lớn nhất về ban đêm tính bằng km/h và không lớn hơn 80 km/h. Người tham gia giao thông về ban đêm không được vượt quá giá trị tốc độ ghi trên biển trừ một số trường hợp ưu tiên được quy định. Trong phạm vi hiệu lực của biển P.127a ”Tốc độ tối đa cho phép về ban đêm”, nếu gặp biển số P.127 “Tốc độ tối đa cho phép” thì người lái phải tuân thủ theo giá trị tốc độ tối đa quy định ghi trên biển số P.127.

Hình B.27a - Biển số P.127a
B.27b. Biển số P.127b "Biển ghép tốc độ tối đa cho phép trên từng làn đường"
a) Khi quy định tốc độ tối đa cho phép trên từng làn đường, nếu chỉ sử dụng 1 biển đặt bên đường hoặc trên cột cần vươn thì phải sử dụng biển số P.127b. Xe chạy trên làn nào phải tuân thủ tốc độ tối đa cho phép trên làn đường đó.
b) Biển số P.127b là biển hình chữ nhật nền màu xanh, trên đó thể hiện tốc độ tối đa trên các làn đường. Biển đặt bên đường hoặc treo trên giá long môn, cột cần vươn.

Hình B.27b - Biển số P.127b
B.27c. Biển số P.127c "Biển ghép tốc độ tối đa cho phép theo phương tiện, trên từng làn đường"
a) Khi quy định tốc độ tối đa cho phép theo phương tiện trên từng làn đường phải sử dụng biển số P.127c. Các loại phương tiện phải đi đúng làn đường và tuân thủ tốc độ tối đa cho phép trên làn đường đó.
b) Biển số P.127c là biển hình chữ nhật nền màu xanh, trên đó thể hiện tốc độ tối đa trên các làn đường. Biển đặt bên đường hoặc treo trên cột cần vươn. Biểu tượng trên biển có thể thay đổi theo điều kiện sử dụng thực tế.

Hình B.27c - Biển số P.127c
B.27d. Biển số P.127d "Biển hết hạn chế tốc độ tối đa cho phép theo biển ghép"
a) Đến hết đoạn đường hạn chế tốc độ tối đa cho phép theo biển ghép P.127b, P.127c phải đặt biển số P.127d “Biển hết hạn chế tốc độ tối đa cho phép theo biển ghép” tương ứng. Trường hợp "Hết tất cả các lệnh cấm" đặt biển số DP.135.
b) Biển có giá trị báo cho người tham gia giao thông biết hiệu lực của biển số P.127d hết tác dụng. Kể từ biển này, các xe được phép chạy với tốc độ tối đa đã quy định trong Luật Giao thông đường bộ.

Hình B.27d - Biển số P.127d
B.28. Biển số P.128 "Cấm sử dụng còi"
a) Để báo cấm các loại xe sử dụng còi phải đặt biển số P.128 "Cấm sử dụng còi".
b) Chiều dài có hiệu lực của biển cấm sử dụng còi được báo bằng biển số S.501 "Phạm vi tác dụng của biển" đặt dưới biển chính (hoặc từ vị trí đặt biển đến vị trí đặt biển số DP.135 "Hết tất cả các lệnh cấm" nếu đồng thời có nhiều biển cấm khác hết tác dụng).

Hình B.28 - Biển số P.128
B.29. Biển số P.129 "Kiểm tra"
Để báo nơi đặt trạm kiểm tra; các loại phương tiện vận tải qua đó phải dừng lại để làm thủ tục kiểm tra, kiểm soát theo quy định, phải đặt biển số P.129 “Kiểm tra”.

Hình B.29 - Biển số P.129
B.30. Biển số P.130 "Cấm dừng xe và đỗ xe"
a) Để báo nơi cấm dừng xe và đỗ xe, phải đặt biển số P.130 "Cấm dừng xe và đỗ xe".
Biển có hiệu lực cấm các loại xe cơ giới dừng và đỗ ở phía đường có đặt biển trừ các xe được ưu tiên theo quy định. Đối với các loại xe ôtô buýt chạy theo hành trình quy định được hướng dẫn vị trí dừng thích hợp.
b) Hiệu lực cấm của biển bắt đầu từ vị trí đặt biển đến nơi đường giao nhau hoặc đến vị trí quy định đỗ xe, dừng xe (hoặc đến vị trí đặt biển số P.135 "Hết tất cả các lệnh cấm" nếu đồng thời có nhiều biển cấm khác hết tác dụng). Nếu cần thể hiện đặc biệt thì vị trí bắt đầu cấm phải dùng biển số S.503d và vị trí kết thúc, dùng biển số S.503f "Hướng tác dụng của biển" đặt bên dưới biển chính.
c) Trong trường hợp chỉ cấm dừng, đỗ xe vào giờ nhất định thì dùng biển số S.508 (a, b).
d) Trong phạm vi có hiệu lực của biển, nếu có chỗ mở dải phân cách cho phép xe quay đầu thì cần đặt thêm biển số P.130 nhắc lại.

Hình B.30 - Biển số P.130
B.31. Biển số P.131 (a,b,c) "Cấm đỗ xe"
a) Để báo nơi cấm đỗ xe trừ các xe được ưu tiên theo quy định, phải đặt biển số P.131 (a,b,c) "Cấm đỗ xe".
Biển số P.131a có hiệu lực cấm các loại xe cơ giới đỗ ở phía đường có đặt biển.
Biển số P.131b có hiệu lực cấm các loại xe cơ giới đỗ ở phía đường có đặt biển vào những ngày lẻ và biển số P.131c vào những ngày chẵn.
b) Hiệu lực cấm và thời gian cấm đỗ xe áp dụng theo quy định tại điểm c, d mục B.30 đối với biển số P.130.
c) Trong phạm vi có hiệu lực của biển, nếu có chỗ mở dải phân cách cho phép xe quay đầu thì cần đặt thêm biển nhắc lại.

Hình B.31 - Biển số P.131
B.32. Biển số P.132 "Nhường đường cho xe cơ giới đi ngược chiều qua đường hẹp"
a) Để báo các loại xe (cơ giới và thô sơ) kể cả các xe được ưu tiên theo quy định khi thấy biển số P.132 phải nhường đường cho các loại xe cơ giới đang đi theo hướng ngược lại qua các đoạn đường hẹp hoặc cầu hẹp, phải đặt biển số P.132 "Nhường đường cho xe cơ giới ngược chiều qua đường hẹp".
b) Biển có hiệu lực đối với các loại xe cơ giới và thô sơ kể cả xe được ưu tiên theo quy định khi đi vào các đoạn đường hẹp có đặt biển số P.132 và trên hướng ngược lại đang có các loại xe cơ giới đi tới thì phải dừng lại ở vị trí thích hợp để nhường đường.

Hình B.32 - Biển số P.132
B.33. Biển số DP.133 "Hết cấm vượt"
Để báo hết đoạn đường cấm vượt, phải đặt biển số DP.133 "Hết cấm vượt" (hoặc đặt biển số DP.135 "Hết tất cả các lệnh cấm" nếu đồng thời có nhiều biển cấm khác hết tác dụng).
Biển có tác dụng báo cho người tham gia giao thông biết hiệu lực của các biển số P.125 và biển số P.126 hết tác dụng. Các xe cơ giới được phép vượt nhau nhưng phải theo quy định về điều kiện cho phép vượt nhau.

Hình B.33 - Biển số DP.133
B.34. Biển số DP.134 "Hết hạn chế tốc độ tối đa"
a) Đến hết đoạn đường hạn chế tốc độ tối đa phải đặt biển số DP.134 "Hết hạn chế tốc độ tối đa" (hoặc đặt biển số DP.135 "Hết tất cả các lệnh cấm" nếu đồng thời có nhiều biển cấm khác hết tác dụng).
b) Biển có giá trị báo cho người tham gia giao thông biết hiệu lực của biển số P.127 hết tác dụng. Kể từ biển này, các xe được phép chạy với tốc độ tối đa đã quy định trong Luật Giao thông đường bộ.

Hình B.34 - Biển số DP.134
B.35. Biển số DP.135 "Hết tất cả các lệnh cấm"
a) Đến hết đoạn đường mà nhiều biển báo cấm cùng hết hiệu lực, phải đặt biển số DP.135 "Hết tất cả các lệnh cấm".
b) Biển có giá trị báo cho người tham gia giao thông biết hiệu lực của biển số P.121 và nhiều biển cấm khác từ biển số P.125 đến biển số P.131 (a,b,c) được đặt trước đó cùng hết tác dụng.

Hình B.35 - Biển số DP.135
B.36. Biển số P.136 "Cấm đi thẳng"
Đường ở phía trước cấm tất cả các loại xe (cơ giới và thô sơ) đi thẳng phải đặt biển số P.136 "Cấm đi thẳng". Biển được đặt ở vị trí ngay trước nút giao của đường cấm đi thẳng. Nếu có quy định cấm về thời gian và loại xe thì sử dụng biển báo phụ thời gian hoặc hình vẽ loại xe cấm.

Hình B.36-Biển số P.136
B.37. Biển số P.137 "Cấm rẽ trái, rẽ phải"
Các ngả đường phía trước cấm tất cả các loại xe (cơ giới và thô sơ) rẽ trái hay rẽ phải, phải đặt biển số P.137 "Cấm rẽ trái, rẽ phải". Biển được đặt ở vị trí ngay trước nút giao của đường cấm rẽ phải, rẽ trái. Nếu có quy định cấm về thời gian hoặc loại xe thì sử dụng biển báo phụ thời gian hoặc hình vẽ loại xe cấm.
- Vạch chéo màu đỏ đè lên mũi tên màu đen

Hình B.37 - Biển số P.137
B.38. Biển số P.138 "Cấm đi thẳng, rẽ trái"
Biểu thị đường qua nút giao cấm tất cả các loại xe (cơ giới và thô sơ) đi thẳng, rẽ trái, phải đặt biển số P.138 "Cấm đi thẳng, rẽ trái"; biển đặt ở vị trí ngay trước nút giao. Nếu có quy định cấm về thời gian hoặc loại xe thì sử dụng biển báo phụ thời gian hoặc hình vẽ loại xe cấm.

Hình B.38 - Biển số P.138
B.39. Biển số P.139"Cấm đi thẳng, rẽ phải"
Biểu thị đường qua nút giao cấm tất cả các loại xe (cơ giới và thô sơ) đi thẳng, rẽ phải, phải đặt biển biển số P.139 "Cấm đi thẳng, rẽ phải"; biển đặt ở vị trí ngay trước nút giao. Nếu có quy định cấm về thời gian hoặc loại xe thì sử dụng biển báo phụ thời gian hoặc hình vẽ loại xe cấm.

Hình B.39-Biển số P.139
B.40. Biển số P.140 "Cấm xe công nông và các loại xe tương tự"
Để báo đường cấm xe công nông phải đặt biển số 140 “Cấm xe công nông và các loại xe tương tự”.

Hình B.40 - Biển số P.140
PHỤ LỤC C
Ý NGHĨA - SỬ DỤNG BIỂN BÁO NGUY HIỂM VÀ CẢNH BÁO
C.1. Biển số W.201 (a,b) "Chỗ ngoặt nguy hiểm"
a) Để báo trước sắp đến một chỗ ngoặt nguy hiểm phải đặt biển số W.201 (a,b):
- Biển số W.201a chỗ ngoặt nguy hiểm vòng bên trái;
- Biển số W.201b chỗ ngoặt nguy hiểm vòng bên phải.
b) Chỗ ngoặt nguy hiểm là vị trí đường cong như sau:
- Ở vùng đồng bằng, đường cong có góc chuyển hướng lớn hơn hay bằng 45° hoặc có bán kính nhỏ hơn hay bằng 100 m.
- Ở vùng núi, đường cong có góc ở chuyển hướng lớn hơn hay bằng 45° hoặc có bán kính nhỏ hơn hay bằng 40 m.
c) Ở những vùng mà việc quan sát của người tham gia giao thông gặp khó khăn như vùng cây rậm rạp, vùng thường có sương mù thì các vị trí đường cong không phân biệt độ lớn góc ở tâm hoặc bán kính đều coi là chỗ ngoặt nguy hiểm.
d) Sau đoạn thẳng dài từ 1 km trở lên thì đường cong đầu tiên không phân biệt độ lớn góc ở tâm hoặc bán kính đều coi là chỗ ngoặt nguy hiểm.
a) Biển số W.201a b) Biển số W.201b

Hình C.1 - Biển số W.201
C.1a. Biển số W.201 (c,d) "Chỗ ngoặt nguy hiểm có nguy cơ lật xe"
Để báo trước sắp đến chỗ ngoặt nguy hiểm có khả năng gây lật các xe có trọng tâm cao và tải trọng lớn như xe tải, xe buýt giường nằm, xe chở chất lỏng, v.v... phải đặt biển số W.201(c,d):
- Biển số W.201c chỗ ngoặt nguy hiểm có nguy cơ lật xe bên phải khi đường cong vòng sang trái ;
- Biển số W.201d chỗ ngoặt nguy hiểm có nguy cơ lật xe bên trái khi đường cong vòng bên phải.

Hình C.1a - Biển số W.201c và W.201d
C.2. Biển số W.202 (a,b) "Nhiều chỗ ngoặt nguy hiểm liên tiếp"
a) Để báo trước sắp đến hai chỗ ngoặt ngược chiều nhau liên tiếp phải đặt biển số 202 (a,b):
- Biển số W.202a đặt trong trường hợp có từ 2 chỗ ngoặt, ở gần nhau trong đó có ít nhất một chỗ ngoặt nguy hiểm mà chỗ ngoặt đầu tiên hướng vòng bên trái;
- Biển số W.202b đặt trong trường hợp như biển số 202a nhưng hướng vòng bên phải.
b) Hai chỗ ngoặt gọi là gần nhau khi đoạn thẳng từ tiếp cuối của đường cong trước đến tiếp đầu của đường cong tiếp sau nhỏ hơn 160 m.

Hình C.2 - Biển số W.202
C.3. Biển số W.203 (a,b,c) "Đường bị thu hẹp"
a) Để báo trước sắp đến một đoạn đường bị thu hẹp đột ngột phải đặt biển số W.203 (a,b,c):
- Biển số W.203a đặt trong trường hợp đường bị thu hẹp cả hai bên;
- Biển số W.203b hoặc biển số W.203c đặt trong trường hợp đường bị thu hẹp về phía trái hoặc phía phải.
b) Đoạn đường bị thu hẹp là đoạn đường mà phần xe chạy bị thu hẹp lại, các làn xe đi ngược chiều nhau gặp khó khăn, nguy hiểm và khả năng thông qua giảm đột ngột so với đoạn đường trước đó.
c) Sau khi đặt biển số W.203 (a,b,c) nếu đường bị thu hẹp đến mức không có khả năng thông qua cho hai xe đi ngược chiều thì phải đặt trước vị trí thu hẹp các biển xác định quyền ưu tiên của chiều đi (biển số P.132 và biển số I.406).
d) Ở tất cả những vị trí đường bị hẹp, người tham gia giao thông phải chú ý quan sát giao thông ngược chiều. Xe đi ở chiều đường bị thu hẹp phải nhường đường cho xe đi ngược chiều.
e) Nếu trước vị trí bị thu hẹp có đặt biển số P.132 thì phải nhường cho xe chạy ngược chiều; nếu đặt biển số I.406, thì xe được ưu tiên qua đường hẹp trước và xe ngược chiều có trách nhiệm chờ đợi.

Hình C.3 - Biển số W.203
C.4. Biển số W.204 "Đường hai chiều"
a) Để báo trước sắp đến đoạn đường do sửa chữa hoặc có trở ngại ở một phía đường mà phải tổ chức đi lại cho phương tiện cả hai chiều trên phía đường còn lại hoặc để báo trước đoạn đường đôi tạm thời hoặc đoạn đường có chiều xe đi và về đi chung thì phải đặt biển số W.204 "Đường hai chiều".
b) Các đoạn đầu và cuối đường có dải phân cách giữa chuyển tiếp sang đường đi chung hai chiều hoặc khi hết đoạn đường một chiều cũng phải đặt biển số W.204.

Hình C.4 - Biển số W.204
C.5. Biển số W.205 (a,b,c,d,e) "Đường giao nhau"
Để báo trước sắp đến nơi giao nhau cùng mức của các tuyến đường cùng cấp (không có đường nào ưu tiên) trên cùng một mặt bằng phải đặt biển số W.205 (a,b,c,d,e) "Đường giao nhau". Biển được đặt trước nơi đường giao nhau ở ngoài phạm vi nội thành, nội thị là chủ yếu. Trong nội thành, nội thị có thể châm chước không đặt biển này.

Hình C.5 - Biển số W.205
C.6. Biển số W.206 "Giao nhau chạy theo vòng xuyến"
Để báo trước nơi giao nhau có bố trí đảo an toàn ở giữa nút giao, các loại xe qua nút giao phải đi vòng xuyến quanh đảo an toàn theo chiều mũi tên, phải đặt biển số W.206 "Giao nhau chạy theo vòng xuyến". Trong nội thành, nội thị có thể không đặt biển này.

Hình C.6 - Biển số W.206
C.7. Biển số W.207 (a,b,c,d,e,f,g,h,i,k,l) "Giao nhau với đường không ưu tiên"
a) Trên đường ưu tiên, để báo trước sắp đến nơi giao nhau với đường không ưu tiên phải đặt biển số W.207 (a,b,c,d,e,f,g,h,i,k,l). Tùy theo hình dạng nơi giao nhau để chọn kiểu biển cho thích hợp. Tại chỗ đường giao với các ngõ, ngách, hẻm hoặc tương tự, tùy theo điều kiện giao thông có thể xem xét sử dụng biển số W.207 khi cần thiết.
b) Biển số W.207 (a,b,c,d,e,f,g,h,i,k,l) được đặt trước nơi đường giao nhau ở ngoài phạm vi nội thành, nội thị là chính. Các xe đi trên đường có đặt biển này được quyền ưu tiên qua nơi giao nhau, chỉ phải nhường đường cho các loại xe được quyền ưu tiên theo quy định.
c) Chỉ được phép đặt biển số W.207 (a,b,c,d,e,f,g,h,i,k,l) trên đường ưu tiên sau khi đã đặt biển số R.401 "Bắt đầu đường ưu tiên" và biển số R.402 "Hết đoạn đường ưu tiên". Biển số R.401 và R.402 được đặt ở đầu và cuối đoạn đường ưu tiên để chỉ dẫn phạm vi đoạn đường ưu tiên.
d) Khi một tuyến đường đã đặt các biển số R.401 và R.402 thì tất cả các nhánh đường khác ở nơi đường giao nhau phải đặt biển số W.208 "Giao nhau với đường ưu tiên".
e) Khi đường ưu tiên giao với nhiều đường không ưu tiên liên tiếp với mật độ lớn thì sử dụng biển số W.207d hoặc số W.207e kết hợp với sử dụng biển phụ để xác định phạm vi tác dụng của biển (phạm vi đoạn đường giao với nhiều đường không ưu tiên liên tiếp). Trong phạm vi tác dụng của biển số W.207d và số W.208e, không cần thiết phải cắm các biển số W.207 khác.

Hình C.7 - Biển số W.207 (a,b,c,d,e)

Hình C.8 - Biển số W.207 (f,g,h)

Hình C.9 - Biển số W.207 (i,k,l)
C.8. Biển số W.208 "Giao nhau với đường ưu tiên"
a) Trên đường không ưu tiên, để báo trước sắp đến nơi giao nhau với đường ưu tiên phải đặt biển số W.208 "Giao nhau với đường ưu tiên". Trong nội thành, nội thị có thể không đặt biển này.
b) Các xe đi trên đường có đặt biển số W.208 phải nhường đường cho xe đi trên đường ưu tiên khi qua nơi giao nhau (trừ các loại xe được quyền ưu tiên theo quy định).
c) Bên dưới biển số W.208 phải đặt biển số S.506b "Hướng đường ưu tiên" nếu ở nơi đường giao nhau đường ưu tiên thay đổi hướng (rẽ ngoặt).
d) Trường hợp đặt biển số W.208 ở trong khu đông dân cư, biển được đặt trực tiếp trước vị trí giao nhau với đường ưu tiên. Ở ngoài khu đông dân cư, tùy theo đặt xa hay gần mà có thêm biển số S.502 "Khoảng cách đến đối tượng báo hiệu".

Hình C.10 - Biển số W.208
C.9. Biển số W.209 "Giao nhau có tín hiệu đèn"
a) Để báo trước nơi giao nhau có điều khiển giao thông bằng tín hiệu đèn trong trường hợp người tham gia giao thông khó quan sát thấy đèn để kịp thời xử lý, phải đặt biển số W.209 "Giao nhau có tín hiệu đèn". Trường hợp dễ dàng nhận biết đèn tín hiệu thì không nên đặt biển số W.209.
b) Biển số W.209 có thể được dùng bổ sung hoặc thay thế cho các biển số W.205, W.206, W.207, W.208.

Hình C.11 - Biển số W.209
C.10. Biển số W.210 " Giao nhau với đường sắt có rào chắn"
Để báo trước sắp đến chỗ giao nhau giữa đường bộ và đường sắt có rào chắn kín hay rào chắn nửa kín và có nhân viên ngành đường sắt điều khiển giao thông phải đặt biển số W.210 "Giao nhau với đường sắt có rào chắn".

Hình C.12 - Biển số W.210
C.11. Biển số W.211a "Giao nhau với đường sắt không có rào chắn" và Biển số W.211b "Giao nhau với đường tàu điện"
a) Để báo trước sắp đến chỗ giao nhau giữa đường bộ và đường sắt không có rào chắn, không có người điều khiển giao thông phải đặt biển số W.211a "Giao nhau với đường sắt không có rào chắn".
b) Trong trường hợp có từng đoạn đường bộ và đường sắt cùng đi chung với nhau, như cầu đi chung cũng phải cũng phải đặt một trong hai biển số W.210 hoặc W.211a cho phù hợp với thực tế có hay không có rào chắn.
c) Nơi đặt biển số W.211a, phải đặt thêm biển số W.242(a,b) "Nơi đường sắt giao nhau vuông góc với đường bộ" đặt cách ray ngoài cùng của đường sắt là 10 m.
d) Để chỉ nơi đường bộ giao nhau cùng mức với đường tàu điện, phải đặt biển số W.211b "Giao nhau với đường tàu điện". Chỉ cần thiết phải đặt biển này khi đường tàu điện không được nhìn thấy rõ ràng và kịp thời.

Hình C.13 - Biển số W.211
C.12. Biển số W.212 "Cầu hẹp"
Để báo trước sắp đến cầu hẹp là loại cầu có chiều rộng phần xe chạy nhỏ hơn hoặc bằng 4,50 m phải đặt biển số W.212 "Cầu hẹp". Khi qua các cầu này lái xe phải đi chậm, quan sát, nhường nhau và dừng lại chờ ở hai đầu cầu.

Hình C.14 - Biển số W.212
C.13. Biển số W.213 "Cầu tạm"
a) Để báo trước sắp đến cầu tạm là loại cầu được làm để sử dụng tạm thời cho xe cộ qua lại, phải đặt biển số W.213 "Cầu tạm".
b) Nếu trọng tải của cầu thấp và khổ cầu hẹp thì phải đặt thêm các biển số 115 "Hạn chế trọng lượng xe" và biển số P.118 "Hạn chế chiều ngang" hoặc các biển báo cần thiết khác. Khi gặp báo hiệu cầu tạm, người sử dụng phương tiện tham gia giao thông cần thận trọng, khi nước ngập nhất thiết không được qua cầu.

Hình C.15 - Biển số W.213
C.14. Biển số W.214 "Cầu quay - cầu cất"
Để báo phía trước gặp cầu quay, cầu cất là loại cầu trong từng thời gian có cắt giao thông đường bộ bằng cách quay hoặc nâng nhịp thông thuyền để cho tàu thuyền qua lại, phải đặt biển số W.214 "Cầu quay - cầu cất". Các phương tiện đi trên đường bộ phải dừng lại chờ đợi.

Hình C.16 - Biển số W.214
C.15. Biển số W.215a "Kè, vực sâu phía trước", biển số W.215b “Kè, vực sâu bên đường phía bên trái” và biển số W.215c “Kè, vực sâu bên đường phía bên phải”
Để báo trước sắp tới những vị trí có kè chắn vực sâu hoặc sông suối ở phía trước hoặc đi sát đường, cần đề phòng tình huống nguy hiểm rơi xuống vực sâu hoặc sông suối (thường có ở những chỗ ngoặt nguy hiểm) phải đặt biển số W.215a "Kè, vực sâu phía trước" hoặc biển số W.215b “Kè, vực sâu bên đường phía bên trái” hoặc biển số W.215c “Kè, vực sâu bên đường phía bên phải”. Trong trường hợp đường đã có tường bảo vệ, hộ lan thì có thể không cần phải cắm biển này.

Hình C.17 - Biển số W.215
C.16. Biển số W.216a "Đường ngầm" và biển số W.216b “Đường ngầm có nguy cơ lũ quét”
a) Để báo trước những vị trí có đường ngầm (đường tràn) phải đặt biển số W.216a "Đường ngầm". Trường hợp đường ngầm thường xuyên có lũ quét phải đặt biển số W.216b “Đường ngầm có nguy cơ lũ quét”. Khi cần thiết thì đặt thêm biển phụ có chữ “LŨ” bên dưới biển này.
b) Đường ngầm là những đoạn đường vượt qua sông, suối, khe cạn mà nước có thể chảy tràn qua thường xuyên hoặc khi có lũ.
c) Ở hai đầu đường ngầm phải cắm cột báo mức nước (cột thủy chí).

Hình C.18 - Biển số W.216
C.17. Biển số W.217 "Bến phà"
Để báo trước sắp đến bến phà, phải đặt biển số W.217 "Bến phà". Người tham gia giao thông phải tuân theo nội quy bến phà.

Hình C.19 - Biển số W.217
C.18. Biển số W.218 "Cửa chui"
Để báo trước sắp đến đường có cổng chắn ngang, kiểu cổng như đường hầm, cổng thành, cầu vượt đường bộ dạng cầu vòm, v.v... phải đặt biển số W.218 "Cửa chui".

Hình C.20 - Biển số W.218
C.19. Biển số W.219 "Dốc xuống nguy hiểm"
a) Để báo trước sắp tới đoạn đường xuống dốc nguy hiểm phải đặt biển số W.219 "Dốc xuống nguy hiểm".
b) Con số ghi trong biển chỉ độ dốc thực tế tính bằng % làm tròn không có số thập phân Chiều dài của đoạn dốc được chỉ dẫn bằng biển số S.501 "Phạm vi tác dụng của biển" đặt bên dưới biển chính.
c) Những vị trí xuống dốc nguy hiểm là:
- Độ dốc từ 6% trở lên và chiều dài dốc trên 600 m;
- Độ dốc từ 10% trở lên và chiều dài dốc trên 140 m;
Người lái các phương tiện phải lựa chọn phương thức chạy xe cho phù hợp để xe xuống dốc một cách thuận lợi, an toàn.

Hình C.21 - Biển số 219
C.20. Biển số W.220 "Dốc lên nguy hiểm"
a) Để báo trước sắp tới đoạn đường lên dốc nguy hiểm phải đặt biển số W.220 "Dốc lên nguy hiểm".
b) Con số ghi trong biển chỉ độ dốc thực tế tính bằng %, làm tròn đến %.
Chiều dài của đoạn dốc được chỉ dẫn bằng biển số S.501 "Phạm vi tác dụng của biển" đặt bên dưới biển chính.
c) Những vị trí lên dốc nguy hiểm là:
- Độ dốc từ 6% trở lên và chiều dài dốc trên 600 m;
- Độ dốc từ 10% trở lên và chiều dài dốc trên 140 m;
Người lái các phương tiện phải lựa chọn phương thức chạy xe cho phù hợp để xe lên dốc một cách thuận lợi, an toàn.

Hình C.22 - Biển số W.220
C.21. Biển số W.221 (a,b) "Đường không bằng phẳng"
a) Để báo trước sắp tới đoạn đường có mặt đường không bằng phẳng, lồi lõm, v.v... xe chạy với tốc độ cao sẽ nguy hiểm, phải đặt biển số W.221 (a,b):
- Biển số W.221a "Đường có ổ gà, lồi lõm" đặt trong trường hợp đường đang tốt, xe chạy nhanh lại đột ngột chuyển sang những đoạn lồi lõm, gập ghềnh, ổ gà, lượn sóng;
- Những đoạn đường khi xe chỉ chạy được tốc độ dưới 50 km/h hoặc khi bố trí vạch sơn giảm tốc thì không phải đặt biển số W.221a trong trường hợp trên.
- Chiều dài của đoạn đường không bằng phẳng được chỉ dẫn bằng biển số S.501 "Phạm vi tác dụng của biển" đặt bên dưới biển chính.
- Biển số W.221b báo hiệu đoạn "Đường có gồ giảm tốc" để cảnh báo xe đi chậm trước khi qua những điểm có gồ giảm tốc phía trước hoặc những vị trí tiếp giáp với đầu cầu, cống bị lún, võng;

Hình C.23 - Biển số W.221
C.22. Biển số W.222a "Đường trơn" và Biển số W.222b "Lề đường nguy hiểm"
a) Để báo trước sắp tới đoạn đường có thể xảy ra trơn trượt đặc biệt là khi thời tiết xấu, mưa phùn phải đặt biển số W.222a báo hiệu "Đường trơn". Khi gặp biển này, tốc độ xe chạy phải giảm phù hợp và người tham gia giao thông phải thận trọng.
b) Để báo những nơi lề đường không ổn định, khi xe đi vào dễ gây văng đất đá hoặc bánh xe quay tại chỗ, phải đặt biển số W.222b "Lề đường nguy hiểm".

Hình C.24 - Biển số 222
C.23. Biển số W.223 (a,b) "Vách núi nguy hiểm"
Để báo hiệu đường đi sát vách núi phải đặt biển báo nguy hiểm số W.223 (a,b) "Vách núi nguy hiểm". Biển dùng để báo nguy hiểm cho người tham gia giao thông phải cẩn thận. Biển đặt ở nơi sắp vào đoạn đường đi sát vách núi vừa hẹp vừa hạn chế tầm nhìn. Khi dùng biển cần chú ý vách núi nằm ở bên trái hay bên phải đường để đặt biển W.223a hoặc biển W.223b cho phù hợp.

Hình C.25 - Biển số W.223
C.24. Biển số W.224 "Đường người đi bộ cắt ngang"
a) Để báo trước sắp tới phần đường dành cho người đi bộ sang qua đường, phải đặt biển số W.224 "Đường người đi bộ cắt ngang". Gặp biển này các xe phải giảm tốc độ, nhường ưu tiên cho người đi bộ và chỉ được chạy xe khi không gây nguy hiểm cho người đi bộ.
b) Phần đường dành cho người đi bộ cắt ngang tại nơi đường giao nhau, trong nội thành, nội thị nơi người qua lại nhiều phải được sơn kẻ vạch đường dành cho người đi bộ.
c) Không cần phải đặt biển này tại các đoạn đường qua khu đông dân cư nếu người tham gia giao thông dễ thấy được phần đường sang ngang của người đi bộ, khi tốc độ hạn chế tối đa dưới 50 km/h hoặc tại vị trí này có hệ thống đèn điều khiển giao thông.

Hình C.26 - Biển số W.224
C.25. Biển số W.225 "Trẻ em"
a) Để báo trước là gần đến đoạn đường thường có trẻ em đi ngang qua hoặc tụ tập trên đường như ở vườn trẻ, trường học, câu lạc bộ, phải đặt biển số W.225 "Trẻ em".
b) Chiều dài của đoạn đường này được chỉ dẫn bằng biển số S.501 "Phạm vi tác dụng của biển" đặt bên dưới biển chính.
c) Gặp biển này, người tham gia giao thông phải đi chậm và thận trọng đề phòng khả năng xuất hiện và di chuyển bất ngờ của trẻ em trên mặt đường.

Hình C.27 - Biển số W.225
C.26. Biển số W.226 "Đường người đi xe đạp cắt ngang"
Để báo trước là gần tới vị trí thường có người đi xe đạp từ những đường nhỏ cắt ngang qua hoặc từ đường dành cho xe đạp đi nhập vào đường ôtô, phải đặt biển số W.226 "Đường người đi xe đạp cắt ngang".

Hình C.28 - Biển số W.226
C.27. Biển số W.227 "Công trường"
Để báo trước gần tới đoạn đường đang tiến hành thi công sửa chữa, cải tạo, nâng cấp có người và máy móc đang làm việc trên mặt đường, phải đặt biển số W.227 báo hiệu "Công trường".Khi gặp biển báo này tốc độ xe chạy phải giảm cho thích hợp, không gây nguy hiểm cho người và máy móc trên đoạn đường đó.

Hình C.29 - Biển số W.227
C.28. Biển số W.228 (a,b) "Đá lở" và biển số W.228c "Sỏi đá bắn lên" và biển số W.228d "Nền đường yếu"
a) Để báo trước gần tới đoạn đường có hiện tượng đất đá từ trên ta luy dương sụt lở bất ngờ gây nguy hiểm cho xe cộ và người đi đường, đặc biệt là ở những đoạn đường miền núi, phải đặt biển số W.228 (a,b) "Đá lở". Chiều dài của đoạn nguy hiểm, sử dụng biển số S.501 "Phạm vi tác dụng của biển" đặt dưới biển chính. Khi sử dụng biển này phải căn cứ thực tế mà đặt biển số W.228a hoặc biển số W.228b cho phù hợp.
Gặp biển này, người tham gia giao thông phải chú ý; đặc biệt khi thời tiết xấu, hạn chế tầm nhìn, không dừng hay đỗ xe trong khu vực đá lở sau những trận mưa lớn.
b) Để báo trước nơi có kết cấu mặt đường rời rạc, khi phương tiện đi qua, làm cho các viên đá, sỏi băng lên gây nguy hiểm và mất an toàn cho người và phương tiện tham gia giao thông phải đặt biển số W.228c "Sỏi đá bắn lên".
c) Để cảnh báo những đoạn nền đường yếu, đoạn đường đang theo dõi lún mà việc vận hành xe ở tốc độ cao có thể gây nguy hiểm phải đặt biển số W.228d “Nền đường yếu”. Lái xe cần chú ý giảm tốc độ hợp lý.

Hình C.30 - Biển số W.228
C.29. Biển số W.229 "Dải máy bay lên xuống"
Để báo trước đoạn đường ở vùng sát đường băng sân bay và cắt ngang qua hướng máy bay lên xuống ở độ cao không lớn, phải đặt biển số W.229 "Dải máy bay lên xuống". Nếu cần thiết, tại những vị trí này phải điều khiển giao thông bằng tín hiệu cờ và đèn đỏ hoặc hiệu lệnh bằng tay của người chỉ huy giao thông.

Hình C.31 - Biển số W.229
C.30. Biển số W.230 "Gia súc"
Để báo trước gần tới đoạn đường thường có gia súc thả rông hoặc lùa qua ngang đường, đường ở vùng đồng cỏ của nông trường chăn nuôi, vùng thảo nguyên ..., phải đặt biển số W.230 "Gia súc". Người tham gia giao thông có trách nhiệm đi chậm, quan sát và dừng lại bảo đảm cho gia súc có thể qua đường không bị nguy hiểm.

Hình C.32 - Biển số W.230
C.31. Biển số W.231 "Thú rừng vượt qua đường"
Để báo trước gần tới đoạn đường thường có thú rừng qua đường như đường đi qua rừng hay khu vực bảo tồn thiên nhiên cấm săn bắn, phải đặt biển số W.231 "Thú rừng vượt qua đường". Chiều dài của đoạn đường này được chỉ dẫn bằng biển số S.501 "Phạm vi tác dụng của biển" đặt bên dưới biển chính, người tham gia giao thông phải đi chậm, chú ý quan sát hai bên đường và thận trọng đề phòng tai nạn.

Hình C.33 - Biển số W.231
C.32. Biển số W.232 "Gió ngang"
a) Để báo trước gần tới đoạn đường thường có gió ngang thổi mạnh gây nguy hiểm phải đặt biển số W.232 "Gió ngang". Người tham gia giao thông cần phải điều chỉnh tốc độ xe chạy cho thích hợp, đề phòng gió thổi mạnh gây lật xe.
b) Biển này chỉ đặt ngoài phạm vi thành phố, khu đông dân cư. Tại vị trí nguy hiểm nên đặt thiết bị đo gió để những người tham gia giao thông biết được hướng và cường độ gió.

Hình C.34 - Biển số W.232
C.33. Biển số W.233 "Nguy hiểm khác"
Nếu trên đường có những nguy hiểm mà không thể vận dụng được các kiểu biển từ biển số W.201a đến biển số W.232 theo quy định từ phần C.1 đến phần C.32 Phụ lục này thì phải đặt biển số W.233 "Nguy hiểm khác".

Hình C.35 - Biển số W.233
C.34. Biển số W.234 "Giao nhau với đường hai chiều"
Trên đường một chiều, để báo trước sắp đến vị trí giao nhau với đường hai chiều phải đặt biển số W.234 "Giao nhau với đường hai chiều". Trong nội thành, nội thị có thể không đặt biển này.

Hình C.36 - Biển số W.234
C.35. Biển số W.235 "Đường đôi"
Để báo trước sắp đến đoạn đường có chiều đi và chiều về phân biệt bằng dải phân cách cứng phải đặt biển số W.235 "Đường đôi".

Hình C.37 - Biển số W.235
C.36. Biển số W.236 " Kết thúc đường đôi"
Để báo trước sắp kết thúc đoạn đường có chiều đi và chiều về phân biệt bằng dải phân cách cứng phải đặt biển số W.236 " Kết thúc đường đôi". Đường đôi chỉ được chia bằng vạch sơn không phải đặt biển này.

Hình C.38 - Biển số W.236
C.37. Biển số W.237 "Cầu vồng"
Dùng để nhắc nhở lái xe phải thận trọng. Biển đặt ở trên đoạn đường sắp đến công trình có độ vồng lớn ảnh hưởng tới tầm nhìn.

Hình C.39 - Biển số W.237
C.38. Biển số W.238 "Đường cao tốc phía trước"
Biển số W.238 được đặt trên đường nhánh nhập vào đường cao tốc để báo cho các phương tiện đi trên đường này biết có "Đường cao tốc phía trước".

Hình C.40 - Biển số W.238
C.39. Biển số W.239 "Đường cáp điện ở phía trên"
a) Ở những nơi có đường dây điện cắt ngang phía trên tuyến đường phải đặt biển số W.239 "Đường cáp điện ở phía trên" và kèm theo biển số W.509a "Chiều cao an toàn" ở phía dưới.
b) Biển được đặt phía bên phải cho cả hai chiều đường xe chạy cách vị trí có cáp khoảng 20 m - 30 m.
c) Khi chiều cao an toàn > 5,5m không nhất thiết phải đặt biển W.239, ngoại trừ các trường hợp các đoạn đường có yêu cầu khai thác đặc biệt
Chiều cao an toàn: là chiều cao từ điểm võng tỉnh thấp nhấp ở trạng thái võng cực đại đến điểm cao nhất của công trình trừ đi chiều cao phóng điện an toàn theo cấp điện.

Hình C.41 - Biển số W.239
C.40. Biển báo W.240 " Đường hầm"
Để nhắc lái xe chú ý chuẩn bị đi vào hầm đường bộ phải đặt biển số W.240 "Đường hầm". Biển đặt ở bên phải chiều đi trước khi vào hầm.

Hình C.42 - Biển số W.240
C.41. Biển số W.241 "Ùn tắc giao thông"
Để báo đoạn đường hay xảy ra ùn tắc giao thông phải đặt biển số W.241 "Ùn tắc giao thông".

Hình C.43 - Biển số 241
C.42. Biển số W.242 (a,b) "Nơi đường sắt giao vuông góc với đường bộ"
Để bổ sung cho biển số W.211 "Giao nhau với đường sắt không có rào chắn", phải đặt biển số W.242 (a,b) để chỉ chỗ đường sắt giao vuông góc đường bộ. Biển đặt trên đường bộ cách ray gần nhất của đường sắt 10 m.
Nếu tại chỗ giao nhau, đường sắt chỉ có một cặp đường ray cắt ngang đường bộ thì đặt biển số W.242a.
Nếu tại chỗ giao nhau, đường sắt có từ hai cặp đường ray trở lên cắt ngang đường bộ thì đặt biển số W.242b.

Hình C.44 - Biển số W.242
C.43. Biển báo số W.243 (a,b,c) "Nơi đường sắt giao không vuông góc với đường bộ"
Để báo trước sắp đến vị trí giao cắt đường bộ với đường sắt cùng mức, không vuông góc và không có người gác, không có rào chắn phải đặt biển số W.243 "Nơi đường sắt giao không vuông góc với đường bộ". Biển được đặt ở phía dưới biển số W.211 “Giao nhau với đường sắt không có rào chắn ”. Báo hiệu đường sắt giao cắt không vuông góc với đường bộ gồm có 3 biển: biển số W.243a đặt ở nơi cách ray gần nhất nơi giao đường sắt 50 m, biển số W.243b và biển số W.243c đặt cách ray gần nhất nơi giao đường sắt 100 m và 150 m.

Hình C.45 - Biển số W.243
C.44. Biển số W.244 "Đoạn đường hay xảy ra tai nạn"
Dùng để cảnh báo nguy hiểm đoạn đường phía trước thường xảy ra tai nạn để lái xe cần đặc biệt chú ý, phải đặt biển số W.244 "Đoạn đường hay xảy ra tai nạn". Biển được đặt ở vị trí thích hợp nơi sắp vào đoạn đường thường xảy ra tai nạn.

Hình C.46 - Biển số W.244
C.45. Biển số W.245 (a,b) "Đi chậm"
Dùng để nhắc lái xe giảm tốc độ đi chậm, phải đặt biển số W.245 (a,b) "Đi chậm". Biển đặt ở vị trí thích hợp trước khi đến đoạn đường yêu cầu đi chậm.
Đối với các tuyến đường đối ngoại, bắt buộc dùng biển số W.245b.

Hình C.47 - Biển số W.245
C.46. Biển số W.246 (a,b,c) "Chú ý chướng ngại vật"
Dùng để báo trước cho lái xe biết phía trước có chướng ngại vật, xe cần giảm tốc độ và đi theo chỉ dẫn trên biển báo, phải đặt biển số W.246a "Chú ý chướng ngại vật - Vòng tránh ra hai bên", biển số W.246b "Chú ý chướng ngại vật - Vòng tránh sang bên trái” và biển số W.246c "Chú ý chướng ngại vật - Vòng tránh sang bên phải”. Biển này đặt ở vị trí thích hợp trước khi đến đoạn đường có chướng ngại vật.

Hình C.48 - Biển số W.246
C.47. Biển số W.247 "Chú ý xe đỗ"
a) Để cảnh báo có các loại xe ôtô, máy kéo, rơ-moóc hoặc sơ-mi rơ-moóc được kéo bởi xe ôtô hoặc ôtô đầu kéo, xe máy chuyên dùng đang đỗ chiếm một phần đường xe chạy, phải đặt trên mặt đường biển số W.247 “Chú ý xe đỗ”, biển được đặt cách xe phía trước và phía sau xe (theo chiều đi) 5 m;
b) Đối với đường một chiều, chỉ đặt một biển sau xe (hoặc đoàn xe) đỗ.
c) Đối với đoàn xe gồm nhiều xe cùng đỗ, chỉ đặt biển này ở phía trước xe đầu và sau xe cuối của đoàn xe trên đường hai làn xe.
d) Biển đặt trực tiếp trên mặt đường.

Hình C.49 - Biển số W.247
PHỤ LỤC D
Ý NGHĨA - SỬ DỤNG BIỂN HIỆU LỆNH
D.1. Biển số R.122 "Dừng lại"
a) Để báo các xe (cơ giới và thô sơ) dừng lại, phải đặt biển số R.122 "Dừng lại". Đây là biển hiệu lệnh dạng đặc biệt.
b) Biển có hiệu lực buộc các loại xe cơ giới và thô sơ kể cả xe được ưu tiên theo quy định dừng lại trước biển hoặc trước vạch ngang đường và chỉ được phép đi khi thấy các tín hiệu (do người điều khiển giao thông hoặc đèn cờ) cho phép đi. Trong trường hợp trên đường không đặt tín hiệu đèn cờ, không có người điều khiển giao thông hoặc các tín hiệu đèn không bật sáng thì người tham gia giao thông chỉ được phép đi khi trên đường không còn nguy cơ mất an toàn giao thông.
c) Để đảm bảo quyền ưu tiên rẽ tại nơi giao nhau cho người tham gia giao thông ưu tiên, phải đặt trên đường không ưu tiên biển số R.122 kèm theo biển số S.506b "Hướng đường ưu tiên" bên dưới. Biển có hiệu lực bắt buộc người tham gia giao thông trên đường không ưu tiên phải nhường đường (trừ các xe được quyền ưu tiên theo quy định) cho xe trên đường ưu tiên được đi trước qua vị trí giao nhau.
d) Khi tầm nhìn tại nơi đường giao nhau không đảm bảo, cần bố trí biển số R.122 kết hợp với biển phụ ghi chữ “Dừng lại quan sát” và vạch sơn gờ giảm tốc trên đường không ưu tiên.

Hình D.1 - Biển số R.122
D.1a. Biển số R.301 (a,b,c,d,e,f,g,h) "Hướng đi phải theo"
a) Để báo cho các loại xe (thô sơ và cơ giới) phải đi theo hướng quy định, phải đặt một trong những kiểu biển số R.301 (a,b,c,d,e,f,g,h) "Hướng đi phải theo". Tùy theo hướng đi mà chọn kiểu biển cho phù hợp.
b) Biển có hiệu lực bắt buộc các loại xe phải đi theo hướng mũi tên chỉ (trừ xe được quyền ưu tiên theo quy định):
- Biển số R.301 a: các xe chỉ được đi thẳng;
- Biển số R.301 b: các xe chỉ được rẽ phải;
- Biển số R.301 c: các xe chỉ được rẽ trái;
- Biển số R.301 d: các xe chỉ được rẽ phải;
- Biển số R.301 e: các xe chỉ được rẽ trái;
- Biển số R.301 f: các xe chỉ được đi thẳng và rẽ phải;
- Biển số R.301 g: các xe chỉ được đi thẳng và rẽ trái;
- Biển số R.310 h: các xe chỉ được rẽ trái và rẽ phải.
c) Khi đặt biển số R.301a ở trước nơi đường giao nhau thì hiệu lực tác dụng của biển là ở phạm vi khu vực nơi đường giao nhau phía sau biển tức là cấm xe rẽ phải hay rẽ trái. Nếu biển này đặt ở sau nơi đường giao nhau (bắt đầu vào đoạn đường phố) thì hiệu lực tác dụng của biển là từ vị trí đặt biển đến nơi đường giao nhau. Trong trường hợp này cấm rẽ trái và quay đầu trong vùng tác dụng của biển, chỉ cho phép rẽ phải vào cổng nhà hoặc ngõ phố có trên đoạn đường từ nơi đường giao nhau đặt biển đến nơi đường giao nhau tiếp theo.
- Biển số R.301 (b,c) được đặt ở sau nơi đường giao nhau nhằm chỉ hướng cho phép xe đi ngang qua nơi đường giao nhau và ngăn chặn hướng đi ngược chiều trên đường phố với đường một chiều. Biển bắt buộc người tham gia giao thông chỉ được phép rẽ phải hoặc rẽ trái ở phạm vi nơi đường giao nhau trước mặt biển.
- Biển số R.301 (d,e) được đặt ở trước nơi đường giao nhau. Biển bắt buộc người tham gia giao thông chỉ được phép rẽ phải hoặc rẽ trái ở phạm vi nơi đường giao nhau đằng sau mặt biển.
- Biển số R.301f được đặt ở trước nơi đường giao nhau. Biển bắt buộc người tham gia giao thông chỉ được phép đi thẳng hay rẽ phải ở phạm vi nơi đường giao nhau đằng sau mặt biển.
- Biển số R.301g được đặt ở trước nơi đường giao nhau và người tham gia giao thông chỉ được phép đi thẳng hay rẽ trái và được phép quay đầu xe để đi theo hướng ngược lại.
- Biển số R.301h được đặt ở sau nơi đường giao nhau nhằm ngăn ngừa chuyển động ngược chiều trên đường phố với đường một chiều. Biển bắt buộc người tham gia giao thông chỉ được phép rẽ trái, quay đầu hoặc rẽ phải ở phạm vi nơi đường giao nhau trước mặt biển.

Hình D.2 - Biển số R.301 (a,b,c,d)

Hình D.3 - Biển số R.301 (e,f,h,i)
D.2. Biển số R.302 (a,b) "Hướng phải đi vòng chướng ngại vật"
a) Để báo các loại xe (cơ giới và thô sơ) hướng đi để qua một chướng ngại vật, phải đặt biển số R.302 (a,b,c) "Hướng phải đi vòng chướng ngại vật".
b) Biển được đặt trước chướng ngại vật và tùy theo hướng đi: chỉ được vòng sang phải; chỉ được vòng sang trái; hay phải vòng sang trái hoặc sang phải mà lựa chọn kiểu biển cho phù hợp.
c) Biển có hiệu lực bắt buộc các loại xe phải đi vòng chướng ngại vật theo hướng mũi tên chỉ.

Hình D.4 - Biển số R.302
D.3. Biển số R.303 "Nơi giao nhau chạy theo vòng xuyến"
a) Để báo cho các loại xe (thô sơ và cơ giới) phải chạy vòng theo đảo an toàn ở nơi đường giao nhau phải đặt biển số R.303 "Nơi giao nhau chạy theo vòng xuyến".
b) Biển có hiệu lực bắt buộc các loại xe muốn chuyển hướng phải chạy vòng theo đảo an toàn theo hướng mũi tên.

Hình D.5 - Biển số R.303
D.4. Biển số R.304 " Đường dành cho xe thô sơ"
a) Để báo đường dành cho xe thô sơ (kể cả xe của người tàn tật) và người đi bộ, phải đặt biển số R.304 "Đường dành cho xe thô sơ".
b) Biển có hiệu lực bắt buộc các loại xe thô sơ (kể cả xe của người tàn tật) và người đi bộ phải dùng đường dành riêng này để đi và cấm các xe cơ giới kể cả xe gắn máy, các xe được ưu tiên theo quy định đi vào đường đã đặt biển này, trừ trường hợp đi cắt ngang qua nhưng phải đảm bảo tuyệt đối an toàn cho xe thô sơ và người đi bộ.

Hình D.6 - Biển số R.304
D.5. Biển số R.305 "Đường dành cho người đi bộ"
a) Để báo đường dành cho người đi bộ, phải đặt biển số R.305 "Đường dành cho người đi bộ".
b) Biển có hiệu lực bắt buộc người đi bộ phải dung đường dành riêng này để đi.
c) Các loại xe cơ giới và thô sơ (trừ xe đạp và xe lăn dành cho người tàn tật), kể cả các xe được ưu tiên theo quy định không được phép đi vào trên đường đã đặt biển này, trừ trường hợp đi cắt ngang qua nhưng phải đảm bảo tuyệt đối an toàn cho người đi bộ.

Hình D.7 - Biển số R.305
D.6. Biển số R.306 "Tốc độ tối thiểu cho phép"
a) Để báo tốc độ tối thiểu cho phép các xe cơ giới chạy, phải đặt biển số R.306 "Tốc độ tối thiểu cho phép".
b) Biển có hiệu lực bắt buộc các loại xe cơ giới vận hành với tốc độ không nhỏ hơn trị số ghi trên biển trong điều kiện giao thông thuận lợi và an toàn. Các loại xe có tốc độ tối đa theo quy định của nhà sản xuất không đạt tốc độ tối thiểu đã ghi trên biển không được phép đi vào đường này.
c) Trị số ghi trên biển chỉ tốc độ tối thiểu cho phép tính bằng km/h và được quy định tùy theo tiêu chuẩn kỹ thuật của cầu đường và tổ chức giao thông, không được quy định trị số lớn hơn trị số tốc độ an toàn.
d) Kiểu biển này chỉ áp dụng trên những đoạn đường cần nâng cao năng lực thông xe, ở ngoài khu đông dân cư, xe chạy với tốc độ cao.

Hình D.8 - Biển số R.306
D.7. Biển số R.307 "Hết hạn chế tốc độ tối thiểu"
a) Đến hết đoạn đường hạn chế tốc độ tối thiểu phải đặt biển số R.307 "Hết hạn chế tốc độ tối thiểu" (hoặc đặt biển số DP.135 "Hết tất cả các lệnh cấm", nếu đồng thời có nhiều biển cấm khác hết tác dụng).
b) Biển có giá trị báo cho người tham gia giao thông biết hiệu lực của biển số R.306 hết tác dụng, kể từ biển này các xe được phép chạy chậm hơn trị số ghi trên biển nhưng không được gây cản trở các xe khác.

Hình D.9 - Biển số R.307
D.8. Biển số R.308 (a,b) "Tuyến đường cầu vượt cắt qua"
Biểu thị phía trước có cầu vượt, xe có thể đi thẳng hoặc theo chỉ dẫn trên hình vẽ để rẽ trái (hay rẽ phải), phải đặt biển số R.308 (a,b) “Tuyến đường cầu vượt cắt ngang”. Biển đặt tại vị trí thích hợp trước cầu vượt để hướng dẫn xe đi thẳng hoặc rẽ trái (hay rẽ phải).

Hình D.10 - Biển số R.308
D.9. Biển số R.309 "Ấn còi"
Biểu thị xe cộ đi đến vị trí cắm biển đó thì phải ấn còi. Đặt biển ở trước khúc đường ngoặt gấp hoặc sắp vào đường đèo dốc dọc lớn hơn 10%, tầm nhìn bị hạn chế.

Hình D.11 - Biển số R.309
D.10. Biển số R.310 (a,b,c)" Hướng đi phải theo cho các xe chở hàng nguy hiểm"
Để báo cho các loại xe chở hàng nguy hiểm phải đi theo hướng quy định, phải đặt một trong những kiểu biển số R.310 (a,b,c) " Hướng đi phải theo cho các xe chở hàng nguy hiểm ". Tùy theo hướng đi mà chọn kiểu biển cho phù hợp.

Hình D.12 - Biển số R.310
D.11. Biển số R.403a "Đường dành cho ôtô”, biển số R.403b “Đường dành cho ôtô, xe máy", biển số R.403c “Đường dành cho xe buýt”, biển số R.403d “Đường dành cho ôtô con”, biển số R.403e “Đường dành cho xe máy”, biển số R.403f “Đường dành cho xe máy và xe đạp”
a) Để báo hiệu bắt đầu đường dành cho các loại ôtô đi lại, phải đặt biển số R.403a "Đường dành cho ôtô".
b) Để báo hiệu bắt đầu đường dành cho các loại ôtô, xe máy (kể cả xe gắn máy) đi lại phải đặt biển số R.403b "Đường dành cho ôtô, xe máy".
c) Để báo hiệu bắt đầu đường dành cho xe buýt, phải đặt biển số R.403c “Đường dành cho xe buýt”.
d) Để báo hiệu bắt đầu đường dành cho xe ôtô con, phải đặt biển số R.403d “Đường dành cho ôtô con”.
e) Để báo hiệu bắt đầu đường dành cho xe máy, phải đặt biển số R.403e “Đường dành cho xe máy”.
g) Để báo hiệu bắt đầu đường dành cho xe máy (kể cả xe gắn máy) và xe đạp (kể cả xe thô sơ), phải đặt biển số R.403f “Đường dành cho xe máy và xe đạp”.
h) Ngoài các loại phương tiện quy định trên biển được đi lại, các loại phương tiện giao thông khác không được phép đi vào đoạn đường có đặt các biển R.403a, R.403b, R.403c, R.403d, R.403e, R.403f.

Hình D.13 - Biển số R.403
D.12. Biển số R.404a "Hết đoạn đường dành cho xe ôtô”, biển số R.404b “Hết đoạn đường dành cho xe ôtô, xe máy", biển số R.404c “Hết đoạn đường dành cho xe buýt”, biển số R.404d “Hết đoạn đường dành cho xe ôtô con”, biển số R.404e “Hết đoạn đường dành cho xe máy”, biển số R.404f “Hết đoạn đường dành cho xe máy và xe đạp”
a) Đến hết đoạn đường dành cho ôtô đi lại phải đặt biển số R.404a "Hết đoạn đường dành cho xe ôtô".
b) Đến hết đoạn đường dành cho ôtô, xe máy đi lại phải đặt biển số R.404b "Hết đoạn đường dành cho xe ôtô, xe máy".
c) Đến hết đoạn đường dành cho xe buýt đi lại phải đặt biển số R.404c "Hết đoạn đường dành cho xe buýt".
d) Đến hết đoạn đường dành cho xe ôtô con đi lại phải đặt biển số R.404e "Hết đoạn đường dành cho xe ôtô con".
e) Đến hết đoạn đường dành cho xe máy đi lại phải đặt biển số R.404f "Hết đoạn đường dành cho xe ôtô, xe máy".
g) Đến hết đoạn đường dành cho xe máy và xe đạp đi lại phải đặt biển số R.404g "Hết đoạn đường dành cho xe ôtô".
h) Kích thước và màu sắc của hình vẽ trên biển:
- Giống như biển số R.404 nhưng có thêm vạch chéo đỏ từ góc phía trên bên phải xuống phía dưới bên trái.

Hình D.14 - Biển số R.404
D.13. Biển số R.411 "Hướng đi trên mỗi làn đường phải theo"
a) Để báo hiệu cho người tham gia giao thông biết số lượng làn đường trên mặt đường và hướng đi trên mỗi làn đường theo vạch kẻ đường, phải đặt biển số R.411 "Hướng đi trên mỗi làn đường theo vạch kẻ đường". Biển sử dụng phải phối hợp với vạch kẻ đường (loại vạch 9.3: vạch mũi tên chỉ hướng trên mặt đường). Tùy theo tình hình thực tế về số lượng làn đường và hướng đi trên mỗi làn đường mà có ký hiệu phù hợp. Biển có tác dụng bắt buộc người tham gia giao thông phải đi đúng làn đường đã được chỉ dẫn hướng phù hợp với hành trình của xe.
Chú ý: số làn đường và hướng mũi tên tùy theo yêu cầu chỉ dẫn thực tế mà vẽ cho phù hợp. Hình trên biến số R.411 chỉ là một trường hợp.

Hình D.15 - Biển số R.411
D.14. Biển số R.412 (a,b,c,d,e,f,g,h) "Làn đường dành riêng cho từng loại xe"
a) Để báo hiệu cho người tham gia giao thông biết có làn đường dành riêng cho từng loại xe riêng biệt , phải đặt biển số R.412 (a,b,c,d,e,f,g,h) "Làn đường dành riêng cho từng loại xe ". Biển được đặt phía trên làn xe , ở đầu đường theo chiều xe chạy . Tùy loại phương tiện cần quy định mà bố trí biển cho phù hợp. Các loại xe khác không được đi vào làn đường có đặt biển này (trừ các xe được quyền ưu tiên theo quy định). Riêng biển số R.412e “Làn đường dành cho xe buýt”, nếu vạch sơn phân làn dành cho xe buýt có dạng nét đứt, các xe khác có thể đi vào làn xe này nhưng phải ưu tiên cho xe buýt (phải nhường đường, chuyển sang làn khác để không ảnh hưởng đến việc vận hành của xe buýt); trường hợp vạch sơn phân làn dành cho xe buýt là nét liền, các phương tiện khác không được đi vào làn đường dành cho xe buýt.
- Biển số R.412a "Làn đường dành cho xe ôtô khách": làn đường dành riêng cho ôtô khách (kể cả ôtô buýt). Trong trường hợp cần phân làn các loại xe khách theo số chỗ ngồi thì ghi số chỗ ngồi cho phép của xe khách lên thân xe trong hình vẽ của biển.
- Biển số R.412b "Làn đường dành cho xe ôtô con".
- Biển số R.412c "Làn đường dành cho xe ôtô tải". Trong trường hợp cần phân làn các loại xe tải theo khối lượng chuyên chở cho phép thì thì ghi trị số khối lượng chuyên chở cho phép của xe tải lên thân xe trong hình vẽ của biển.
- Biển số R.412d "Làn đường dành cho xe máy": làn đường dành riêng cho xe máy và xe gắn máy.
- Biển số R.412e “Làn đường dành cho xe buýt”.
- Biển số R.412f “Làn đường dành cho ôtô”: làn đường dành cho các loại xe ôtô.
- Biển số R.412g “Làn đường dành cho xe máy và xe đạp”: làn đường dành riêng cho xe máy (kể cả xe gắn máy) và xe đạp (kể cả các loại xe thô sơ khác).
- Biển số R.412h “Làn đường dành cho xe đạp”: làn đường dành riêng cho xe đạp (kể cả các loại xe thô sơ khác).
b) Khi đến gần nơi đường bộ giao nhau, xe được phép chuyển làn để đi theo hành trình mong muốn. Việc chuyển làn phải thực hiện theo đúng các quy định.

Hình D.16 - Biển số R.412
D.15 Biển số R.412 (i,j,k,l,m,n,o,p) "Kết thúc làn đường dành riêng cho từng loại xe”
a) Khi kết thúc làn đường dành cho xe ôtô khách đi lại phải đặt biển số R.413i " Kết thúc làn đường dành cho xe ôtô khách".
b) Khi kết thúc làn đường làn đường dành cho xe ôtô con đi lại phải đặt biển số R.413j "Kết thúc làn đường dành cho ôtô con".
c) Khi kết thúc làn đường dành cho xe ôtô tải đi lại phải đặt biển số R.413k "Kết thúc làn đường dành cho xe ôtô tải".
d) Khi kết thúc làn đường dành cho xe máy đi lại phải đặt biển số R.413l "Kết thúc làn đường dành cho xe máy".
e) Khi kết thúc làn đường dành riêng cho xe buýt đi lại phải đặt biển số R.413m "Kết thúc làn đường dành cho xe buýt".
g) Khi kết thúc làn đường dành cho xe ôtô đi lại phải đặt biển số R.413n "Kết thúc làn đường dành cho xe ôtô".
h) Khi kết thúc làn đường dành cho xe máy và xe đạp đi lại phải đặt biển số R.413o "Kết thúc làn đường dành cho xe máy và xe đạp".
i) Khi kết thúc làn đường dành cho đạp đi lại phải đặt biển số R.413p "Kết thúc làn đường dành cho xe đạp".

Hình D.17 - Biển số R.413
D.16. Biển số R.415 “Biển gộp làn đường theo phương tiện”
a) Để báo hiệu cho người tham gia giao thông biết số lượng làn đường và loại xe được phép lưu thông trên từng làn đường theo quy định phải đặt biển số R.415 “Biển gộp làn đường theo phương tiện”. Tùy theo tình hình thực tế về số lượng làn đường và ý đồ tổ chức giao thông mà sử dụng các ký hiệu phương tiện trên các làn cho phù hợp. Hình trên biển số R.415 chỉ là một trường hợp. Biển không áp dụng với các xe chuyển làn để ra vào hoặc dừng đổ bên đường. Khi sử dụng biển này phải kết hợp với vạch sơn phân chia làn đường phù hợp và thống nhất.

Hình D.18 - Biển số R.415
b) Khi đến gần nơi đường bộ giao nhau, xe được phép chuyển làn để đi theo hành trình mong muốn. Việc chuyển làn phải thực hiện theo đúng các quy định.
c) Biển R.415 là biển hình chữ nhật nền màu xanh, trên đó thể hiện hình vẽ các loại phương tiện cho phép sử dụng trên từng làn đường. Biển đặt bên đường hoặc treo trên cột cần vươn.
d) Biển này chỉ áp dụng với những đoạn đường có 2 đến 4 làn đường cho mỗi hướng lưu thông
D.17. Biển số R.420 "Bắt đầu khu đông dân cư"
a) Để báo hiệu bắt đầu đoạn đường vào phạm vi khu đông dân cư, phải đặt biển số R.420 "Bắt đầu khu đông dân cư".
b) Biển có tác dụng báo cho người tham gia giao thông biết phạm vi phải tuân theo những quy định đi đường được áp dụng ở khu đông dân cư.
c) Đoạn đường qua khu vực đông dân cư được xác định bắt đầu bằng biển số R.420 “Bắt đầu khu đông dân cư” và kết thúc bằng biển số R.421 “Hết khu đông dân cư”.
+ Đối với đoạn đường nằm trong khu vực nội thành phố, nội thị xã: căn cứ vào mức độ đô thị hóa và mật độ dân cư sinh sống bên đường để đặt biển báo số R.420 và số R.421 trên các tuyến đường ở vị trí vào, ra đô thị cho phù hợp (không đặt biển báo theo địa giới hành chính được quy hoạch, nếu chưa đô thị hóa hoặc dân cư thưa thớt); Biển báo số R.420 có hiệu lực khu đông dân cư đối với tất cả các tuyến đường nằm trong khu vực đô thị cho đến vị trí đặt biển báo số R.421.
+ Đối với đoạn đường nằm ngoài khu vực nội thành phố, nội thị xã: đoạn đường được xem là qua khu đông dân cư khi có chiều dài từ 500 m trở lên, các lối ra vào nhà trực tiếp với đường bộ ở cự ly trung bình từ 6 m trở xuống theo chiều ngang, khoảng cách trung bình giữa các lối ra vào nhà dưới 10 m.
d) Trong phạm vi biển số R.420 có hiệu lực, khi gặp biển báo tốc độ tối đa cho phép (biển số P.127) người tham gia giao thông phải chấp hành quy định của biển số P.127.

Hình D.19 - Biển số R.420
D.18. Biển số R.421 "Hết khu đông dân cư"
Để báo hiệu hết đoạn đường qua phạm vi khu đông dân cư, phải đặt biển số R.421 "Hết khu đông dân cư". Biển có tác dụng báo cho người tham gia giao thông biết phạm vi phải tuân theo những quy định đi đường được áp dụng ở khu đông dân cư đã hết hiệu lực.

Hình D.20 - Biển số R.421
D.19. Biển hiệu lệnh có tác dụng trong khu vực
Để báo cấm, hạn chế hay chỉ dẫn có hiệu lực cho tất cả các tuyến đường trong một khu vực (hiệu lực cho cả khu vực), phải cắm biển “Bắt đầu vào khu vực” (biển số R.E,9a;
R.E,9b; R.E,9c; R.E,9d). Từ ZONE được biểu thị ở phía trên và chi tiết cấm, hạn chế hay chỉ dẫn được biểu thị ở bên dưới:
- Để cấm đỗ xe trong khu vực, phải cắm biển R.E,9a “Cấm đỗ xe trong khu vực”;
- Để cấm đỗ xe theo giờ trong khu vực, phải cắm biển R.E,9b “Cấm đỗ xe theo giờ trong khu vực”;
- Để quy định khu vực đỗ xe, phải cắm biển R.E,9c “Khu vực đỗ xe”;
- Để quy định hạn chế tốc độ tối đa trong khu vực phải cắm biển R.E,9d “Hạn chế tốc độ tối đa trong khu vực”.

Hình D.21-Biển “Bắt đầu vào khu vực”
D.20. Biển hết hiệu lực khu vực
Để chỉ dẫn ra khỏi khu vực có báo cấm, hạn chế hay chỉ dẫn có hiệu lực trong một khu vực phải cắm biển “Ra khỏi khu vực” (biển số R.E,10a; R.E,10b; R.E,10c; R.E,10d)
- Để báo hiệu hết cấm đỗ xe trong khu vực phải cắm biển R.E,10a “Hết cấm đỗ xe trong khu vực”;
- Để báo hiệu hết cấm đỗ xe theo giờ trong khu vực phải cắm biển R.E,10b “Hết cấm đỗ xe theo giờ trong khu vực”;
- Để quy định hết khu vực đỗ xe phải cắm biển R.E,10c “Hết khu vực đỗ xe”;
- Để quy định hết hạn chế tốc độ tối đa trong khu vực phải cắm biển R.E,10d “Hết hạn chế tốc độ tối đa trong khu vực”.

Hình D.22-Biển “Ra khỏi khu vực”
D.21. Báo hiệu có hầm chui và kết thúc hầm chui (biển R.E,11a; R.E,11b theo GMS)
a) Để chỉ dẫn đoạn đường qua hầm có áp dụng quy định giao thông riêng phải cắm biển R.E,11a “Đường hầm”.
b) Để chỉ dẫn hết đoạn đường qua hầm, các quy định giao thông riêng không còn áp dụng, phải cắm biển R.E,11b “ Kết thúc đường hầm”.

Hình D.23-Biển báo hiệu hầm chui
PHỤ LỤC E
Ý NGHĨA - SỬ DỤNG BIỂN CHỈ DẪN
E.1. Biển số I.401 "Bắt đầu đường ưu tiên"
a) Để biểu thị ưu tiên cho các phương tiện trên đường có đặt biển này được đi trước phải đặt biển số I.401 “Bắt đầu đường ưu tiên”. Biển đặt tại vị trí thích hợp trước khi đường nhánh sắp nhập vào trục đường chính, yêu cầu phương tiện từ đường nhánh ra phải dừng lại nhường cho phương tiện trên đường chính đi trước.
Trong trường hợp trên đường ưu tiên đã có các biển W.207, tại các đường nhánh đã có biển W.208 thì không nhất thiết phải đặt biển số I.401.
b) Trên đoạn đường này, phương tiện được quyền ưu tiên đi qua nơi giao nhau không có điều khiển giao thông. Phương tiện trên đường khác nhập vào hay cắt ngang qua phải nhường đường (trừ các xe được quyền ưu tiên theo quy định). Nếu ở chỗ giao nhau có điều khiển giao thông thì nguyên tắc chạy xe ưu tiên hết tác dụng (trừ các xe được quyền ưu tiên theo quy định).
c) Phía dưới biển số I.401, phải đặt biển số S.506a "Hướng đường ưu tiên". Nếu ở nơi đường giao nhau đường ưu tiên thay đổi hướng.
d) Trên các đường không ưu tiên, ở những điểm giao nhau phải đặt biển số W.208 "Giao nhau với đường ưu tiên" hoặc biển số P.122 "Dừng lại", bên dưới có đặt biển số S.506b "Hướng đường ưu tiên".

Hình E.1 - Biển số I.401
E.2. Biển số I.402 "Hết đoạn đường ưu tiên"
Đến hết đoạn đường quy định là ưu tiên, phải đặt biển số I.402 "Hết đoạn đường ưu tiên".

Hình E.2 - Biển số I.402
E.5. Biển số I.405 (a,b,c) "Đường cụt"
a) Để chỉ dẫn những đường cụt, phải đặt các biển sau:
- Biển số I.405 (a,b) để chỉ lối rẽ vào đường cụt. Tùy theo lối rẽ vào đường cụt mà chọn kiểu biển cho phù hợp. Biển này đặt trên đường chính trước khi đến nơi đường giao nhau để rẽ vào đường cụt.
- Biển số I.405c để chỉ dẫn phía trước là đường cụt. Biển này đặt trước đường cụt 300 m đến 500 m và cứ 100 m phải đặt thêm một biển.
- Đường cụt là những đường xe không thể tiếp tục đi qua được. Những đường cụt có thể là những ngõ cụt (ở trong khu đông dân cư); đường hoặc cầu bị đứt do thiên tai, địch hoạ hoặc đường tránh dự phòng mà mà tại vị trí vượt sông, suối chưa có phương tiện vượt sông; đường đi vào cầu nhưng cầu hỏng v.v...
b) Những đường cụt mà xe cộ không thể đi vào được hoặc không sử dụng thì không đặt biển đường cụt mà phải rào chắn ngay tại nơi đường giao nhau và đặt biển số P.101 "Đường cấm".

Hình E.5 - Biển số I.405
E.6. Biển số I.406 "Được ưu tiên qua đường hẹp"
a) Để chỉ dẫn cho người tham gia giao thông cơ giới biết mình được quyền ưu tiên đi trước trên đoạn đường hẹp, phải đặt biển số I.406 "Được ưu tiên qua đường hẹp".
b) Nếu trên hướng đi ngược chiều có xe (cơ giới hoặc thô sơ) đã đi vào phạm vi đường hẹp thì xe đi theo chiều ưu tiên cũng phải nhường đường.
c) Khi đã đặt biển số I.406 thì ở chiều ngược lại bắt buộc phải đặt biển số P.132 "Nhường đường cho xe cơ giới đi ngược chiều qua đường hẹp".

Hình E.6 - Biển số I.406
E.7. Biển số I.407 (a,b,c) "Đường một chiều"
a) Để chỉ dẫn những đoạn đường chạy một chiều, phải đặt biển số I.407 (a,b,c) "Đường một chiều". Biển số I.407a đặt sau nơi đường giao nhau, biển số I.407b,c đặt trước nơi đường giao nhau và đặt trên đường chuẩn bị đi vào đường một chiều.
b) Biển số I.407 (a,b,c) chỉ cho phép các loại phương tiện giao thông đi theo chiều vào theo mũi tên chỉ, cấm quay đầu ngược lại (trừ các xe được quyền ưu tiên theo quy định).
c) Khi hết đoạn đường một chiều đặt biển số I.204 "Đường hai chiều". Biển số I.204 cho biết bắt đầu đi hai chiều.

Hình E.7 - Biển số I.407
E.8. Biển số I.408 "Nơi đỗ xe"
a) Để chỉ dẫn những nơi được phép đỗ xe, những bãi đỗ xe, bến xe, v.v..., phải đặt biển số I.408 "Nơi đỗ xe".
b) Chiều dài nơi đỗ xe có thể được xác định giới hạn bằng vạch kẻ trên mặt đường hoặc bãi đỗ có hình dáng rõ ràng. Phạm vi quy định đỗ xe sẽ hết hiệu lực 10 m trước khi đến nơi đường giao nhau tiếp theo.

Hình E.8 - Biển số I.408
E.8a. Biển số 408a "Nơi đỗ xe một phần trên hè phố"
a) Để chỉ dẫn những nơi được phép đỗ xe một phần trên hè phố rộng, phải đặt biển số I.408a "Nơi đỗ xe một phần trên hè phố". Xe phải đỗ từ ½ thân xe trở lên trên hè phố.
b) Biển có thể đặt vuông góc theo chiều hướng đi hoặc đặt song song và có hiệu lực từ vị trí đặt biển. Chiều dài nơi đỗ xe có thể được xác định giới hạn bằng vạch kẻ trên mặt đường. Khi cần thiết có thể đặt thêm biển phụ chỉ hiệu lực của vùng cho phép đỗ.

Hình E.8a - Biển số I.408a
E.9. Biển số I.409 "Chỗ quay xe"
a) Để chỉ dẫn vị trí được phép quay đầu xe, phải đặt biển số I.409 "Chỗ quay xe".
b) Bên dưới biển số I.409 có thể đặt biển số S.502 "Khoảng cách đến đối tượng báo hiệu".

Hình E.9 - Biển số I.409
E.10. Biển số I.410 "Khu vực quay xe"
a) Để chỉ dẫn khu vực được phép quay đầu xe, phải đặt biển số I.410 "Khu vực quay xe". Trên biển mô tả cách thức tiến hành quay xe.
b) Bên dưới biển số I.410 có thể đặt biển số I.502 "Khoảng cách đến đối tượng báo hiệu".

Hình E.10 - Biển số I.410
E.13. Biển số I.413a "Đường phía trước có làn đường dành cho ô tô khách" và biển số I.413 (b,c) "Rẽ ra đường có làn đường dành cho ô tô khách "
a) Để chỉ dẫn cho người tham gia giao thông biết đường phía trước có làn đường dành riêng cho ô tô khách theo chiều ngược lại, phải đặt biển số I.413a "Đường phía trước có làn đường dành cho ô tô khách". Biển được đặt ở nơi đường giao nhau đầu đường một chiều mà hướng ngược chiều có ô tô khách được phép chạy.
b) Để chỉ dẫn cho người tham gia giao thông biết ở nơi đường giao nhau rẽ phải hoặc rẽ trái là rẽ ra đường có làn đường dành riêng cho ô tô khách, phải đặt biển số I.413b hoặc biển số I.413c báo hiệu "Rẽ ra đường có làn đường dành cho ô tô khách". Tùy theo hướng rẽ mà lựa chọn kiểu biển cho phù hợp.

Hình E.13 - Biển số I.413
E.14. Biển số I.414 (a,b,c,d) "Chỉ hướng đường"
Ở các nơi đường bộ giao nhau, phải đặt biển số I.414 (a,b,c,d) "Chỉ hướng đường" để chỉ dẫn hướng đường đến các địa danh, khu dân cư. Trên biển cần chỉ dẫn cả số hiệu (tên) đường và cự ly (làm tròn đến kilômét; nếu cự ly < 1,0 km thì làm tròn đến 100 m):
- Biển số I.414 (a,b) đặt ở nơi đường đường bộ giao nhau và chỉ có một địa danh và khu dân cư trên hướng đường cần phải chỉ dẫn.
- Biển số I.414 (c,d) đặt ở nơi đường đường bộ giao nhau có từ hai địa danh, khu dân cư cần phải chỉ dẫn trên biển. Địa danh xa hơn phải viết bên dưới.
- Hình vẽ phác họa chỉ hướng đường trên biển phải phù hợp (đồng dạng) với các hướng đường trên thực tế. Chữ và số viết tùy theo kích thước biến và số ký tự để căn chỉnh cho phù hợp, đảm bảo rõ ràng, mỹ quan; khuyến khích sử dụng cỡ chữ lớn.

Hình E.14 - Biển số I.414
E.15. Biển số I.415 "Mũi tên chỉ hướng đi"
Trong khu đông dân cư, ở các đường giao nhau để chỉ dẫn hướng đi đến một địa danh lân cận tiếp theo và khoảng cách (làm tròn đến km) đến nơi đó, cần phải đặt biển số I.415 "Mũi tên chỉ hướng đi".

Hình E.15 - Biển số I.415
E.16. Biển số I.416 "Đường tránh"
a) Đặt trước các đường giao nhau, để chỉ dẫn lối đi đường tránh, đường vòng trong trường hợp đường chính bị tắc hoặc đường chính cấm một số loại xe đi qua phải đặt biển số I.416 "Đường tránh".
b) Hình biển cấm vẽ trên biển này được sử dụng các loại biển từ số P.101 đến biển số P.120 tùy theo trường hợp cần thiết yêu cầu.

Hình E.16 - Biển số I.416
E.17. Biển số I.417 (a,b,c) "Chỉ hướng đường phải đi cho từng loại xe"
a) Ở các đường giao nhau trong trường hợp cấm hoặc hạn chế một số loại xe, phải có biển để chỉ hướng đường phải đi cho từng loại xe đến một khu dân cư tiếp theo phải đặt biển số I.417 (a,b,c) "Chỉ hướng đường phải đi cho từng loại xe".
b) Tùy theo loại xe, địa danh khu đông dân cư và hướng đi cần chỉ dẫn để sử dụng kiểu biển và chữ đề trên biển cho thích hợp.

Hình E.17 - Biển số I.417
E.18. Biển số I.418 "Lối đi ở những vị trí cấm rẽ"
a) Để chỉ lối đi ở các nơi đường giao nhau bị cấm rẽ, phải đặt biển số I.418 "Lối đi ở những vị trí cấm rẽ". Biển được đặt ở nơi đường giao nhau trước đường cấm rẽ.
b) Hình vẽ trên biển tùy theo quy định thực tế mà vẽ cho phù hợp.

Hình E.18 - Biển số I.418
E.19. Biển số I.419 "Chỉ dẫn địa giới"
a) Để chỉ dẫn địa giới hành chính giữa các thành phố, tỉnh, huyện, phải đặt biển số I.419 (a,b) "Chỉ dẫn địa giới".
Biển số I.419b áp dụng cho các tuyến đường đối ngoại và các tuyến đường có nhiều người nước ngoài đi lại. Biển I.419a áp dụng cho các trường hợp khác.
b) Trên đường quốc lộ biển "Chỉ dẫn địa giới" đặt ở ranh giới hành chính giữa hai thành phố trực thuộc trung ương hoặc hai tỉnh hoặc thành phố trực thuộc trung ương với tỉnh. Trên các đường tỉnh biển "Chỉ dẫn địa giới" đặt ở ranh giới hành chính như quy định cho quốc lộ và ranh giới hành chính thành phố trực thuộc tỉnh với huyện hoặc hai huyện liền kề. Trên các đường huyện, đường xã, đường đô thị và đường chuyên dùng không nhất thiết phải đặt biển "Chỉ dẫn địa giới".
c) Vị trí đặt biển "Chỉ dẫn địa giới" phải được các cấp chính quyền của hai địa phương có liên quan xác định. Lý trình ghi trên biển số I.419a được làm tròn đến mét.
d) Tùy theo địa hình, biển "Chỉ dẫn địa giới" có thể đặt ở phía tay trái hay phải theo hướng đi của người tham gia giao thông.

Hình E.19a - Biển số I.419a

Hình E.19b-Biển số I.419b
E.22. Biển số I.422 "Di tích lịch sử"
Để chỉ dẫn những nơi có di tích lịch sử hoặc những nơi có danh lam thắng cảnh, những nơi có thể tham quan v.v... ở hai ven đường, phải đặt biển số I.422 (a,b) "Di tích lịch sử".
Biển số I.422b áp dụng cho các tuyến đường đối ngoại và các tuyến đường có nhiều người nước ngoài đi lại. Biển số I.422a áp dụng cho các trường hợp khác.

Hình E.22a - Biển số I.422a

Hình E.22b-Biển số I.422b
E.23a. Biển số I.423 (a,b) "Vị trí người đi bộ sang ngang"
a) Để chỉ dẫn người đi bộ và người tham gia giao thông biết vị trí dành cho người đi bộ sang ngang, phải đặt biển số I.423 (a,b) "Đường người đi bộ sang ngang".
b) Biển này được sử dụng độc lập ở những vị trí sang ngang, đường không có tổ chức điều khiển giao thông hoặc có thể sử dụng phối hợp với vạch kẻ đường. Gặp biển này người tham gia giao thông phải điều khiển xe chạy chậm, chú ý quan sát, ưu tiên cho người đi bộ sang ngang.
Khi đã có vạch sơn kẻ đường cho người đi bộ hoặc trước vị trí người đi bộ sang đường đã cắm biển số W.224 hoặc biển số R.305 thì không cần sử dụng biển số I.423 (a,b).

Hình E.23a - Biển số I.423
E.23b. Biển số I.423c “Điểm bắt đầu đường đi bộ” (biển F,9 theo Hiệp định GMS)
Để chỉ dẫn cho người đi bộ và người lái xe biết nơi bắt đầu đoạn đường dành cho người đi bộ, phải đặt biển số I.423c "Điểm bắt đầu đoạn đường đi bộ". Biển này không dùng cho các vị trí đi bộ cắt ngang qua đường.

Hình E.23b-Biển số I.423c
E.24. Biển số I.424 (a,b) "Cầu vượt qua đường cho người đi bộ"
Để chỉ dẫn cho người đi bộ sử dụng cầu vượt qua đường, phải đặt biển số I.424 (a,b) "Cầu vượt qua đường cho người đi bộ". Tùy hướng thực tế của người đi bộ qua đường mà sử dụng biển số I.424a hoặc biển số I.424b cho phù hợp.
Khi người đi bộ dễ dàng nhận biết cầu vượt qua đường cho người đi bộ thì có thể không cần sử dụng biển số I.424 (a,b).

Hình E.24 - Biển số I.424
E.25. Biển số I.424 (c,d) "Hầm chui qua đường cho người đi bộ"
Để chỉ dẫn cho người đi bộ sử dụng hầm chui qua đường, phải đặt biển số I.424 (c,d) "Hầm chui qua đường cho người đi bộ". Tùy hướng thực tế của người đi bộ qua hầm mà sử dụng biển số I.424c hoặc I.424d cho phù hợp.

Hình E.25 - Biển số I.424
E.26. Biển số I.425 "Bệnh viện"
a) Để chỉ dẫn sắp đến cơ sở điều trị bệnh ở gần đường như bệnh viện, bệnh xá, trạm xá v.v... phải đặt biển số I.425 "Bệnh viện".
b) Gặp biển này người tham gia giao thông đi chậm, chú ý quan sát và không sử dụng còi.

Hình E.26 - Biển số I.425
E.27. Biển số I.426 "Trạm cấp cứu"
Để chỉ dẫn nơi có trạm cấp cứu y tế ở gần đường, phải đặt biển số I.426 "Trạm cấp cứu".

Hình E.27 - Biển số I.426
E.28. Biển số I.427a "Trạm sửa chữa"
Để chỉ dẫn nơi đặt xưởng, trạm chuyên phục vụ sửa chữa ôtô, xe máy hỏng trên đường, phải đặt biển số I.427a "Trạm sửa chữa".

Hình E.28 - Biển số I.427a
E.29. Biển số I.427b “Trạm kiểm tra tải trọng xe”
Để chỉ dẫn nơi đặt trạm kiểm tra tải trọng xe, phải đặt biển số I.427b "Trạm kiểm tra tải trọng xe".

Hình E.29 - Biển số I.427b
E.30. Biển số I.428 "Cửa hàng xăng dầu"
Để chỉ dẫn những nơi có đặt cửa hàng xăng, dầu hoặc nạp điện phục vụ cho phương tiện giao thông đi trên đường, phải đặt biển số I.428 "Cửa hàng xăng dầu".

Hình E.30 - Biển số I.428
E.31. Biển số I.429 "Nơi rửa xe"
Để chỉ dẫn những nơi có bố trí rửa xe, phải đặt biển số I.429 "Nơi rửa xe".

Hình E.31 - Biển số I.429
E.32. Biển số I.430 "Điện thoại"
Để chỉ dẫn những nơi có đặt trạm điện thoại công cộng chuyên phục vụ khách đi đường, phải đặt biển số I.430 "Điện thoại".

Hình E.32 - Biển số I.430
E.33. Biển số I.431 "Trạm dừng nghỉ"
Để chỉ dẫn những nơi có các dịch vụ phục vụ khách đi đường (ăn uống nghỉ ngơi, cung cấp nhiên liệu…), phải đặt biển số I.431 "Trạm dừng nghỉ". Tùy trạm dừng nghỉ có dịch vụ gì mà bố trí các biểu tượng hình vẽ cho phù hợp.

Hình E.33 - Biển số I.431
E.34. Biển số I.432 "Khách sạn"
Để chỉ dẫn nơi có khách sạn phục vụ khách đi đường, phải đặt biển số I.432 "Khách sạn".

Hình E.34 - Biển số I.432
E.35a. Biển số I.433a "Nơi nghỉ mát"
Để chỉ dẫn nơi nghỉ mát, phải đặt biển số I.433a "Nơi nghỉ mát"

Hình E.35a - Biển số I.433a
E.35b. Biển số I.433 (b,c,d) - Báo hiệu nơi cắm trại, nhà nghỉ lưu động
Trên các tuyến đường đối ngoại và các tuyến đường có nhiều người nước ngoài đi lại, để chỉ dẫn sắp đến nơi có vị trí cắm trại, nơi tập kết nhà lưu động phải đặt biển số I.433b "Nơi cắm trại", biển số I.433c “Nơi dành cho nhà lưu động” hoặc biển số I.433d “Nơi cắm trại và nhà lưu động”.

Hình E.35b-Biển báo nơi cắm trại, nhà nghỉ lưu động
E.35c. Biển số I.433e - Báo hiệu nhà trọ (Youth Hostel)
Trên các tuyến đường đối ngoại và các tuyến đường có nhiều người nước ngoài đi lại, để chỉ dẫn sắp đến nơi có nhà trọ, phải đặt biển số I.433e "Nhà trọ".

Hình E.35c-Biển số I.433e
E.36. Biển số I.434a "Bến xe buýt"
Để chỉ dẫn chỗ dừng đỗ xe buýt cho khách lên xuống, phải đặt biển số I.434a "Bến xe buýt". Biển số I.434a được bố trí kết hợp với biển phụ để chỉ dẫn các thông tin về số hiệu tuyến, tên tuyến, điểm đầu, điểm cuối và lộ trình tuyến xe buýt. Biển phụ có thể bố trí liền kề với biển số I.434a hoặc trong khu vực đón trả khách.
Trong trường hợp chỗ dừng đỗ xe buýt không phải là bến xe theo các quy định hiện hành thì thay chữ “Bến xe buýt” trên biển thành chữ “Điểm dừng xe buýt”.
Trong trường hợp chỗ dừng đỗ dùng để đón trả khách tuyến cố định thì thay chữ “Bến xe buýt” thành chữ “Điểm đón trả khách tuyến cố định” và bỏ chữ “BUS STOP” trên biển.

Hình E.36 - Biển số I.434a
E.37. Biển số I.434b "Bến xe tải"
Để chỉ dẫn khu vực đỗ xe tải để nhận và trả hàng hóa, phải đặt biển số I.434b "Bến xe tải".
Trong trường hợp khu vực đỗ xe tải không phải là bến xe theo các quy định hiện hành thì thay chữ “Bến xe tải” trên biển thành chữ “Điểm dừng xe tải”.

Hình E.37 - Biển số I.434b
E.38. Biển số I.435 "Bến xe điện"
Để chỉ dẫn chỗ dừng đỗ xe điện cho khách lên xuống, phải đặt biển số I.435 "Bến xe điện".

Hình E.38 - Biển số I.435
E.39. Biển số I.436 "Trạm cảnh sát giao thông"
Để chỉ dẫn nơi đặt trạm cảnh sát giao thông, phải đặt biển số I.436 "Trạm cảnh sát giao thông". Các phương tiện phải giảm tốc độ đến mức an toàn và không được vượt khi đi qua khu vực này.

Hình E.39 - Biển số I.436
E.42. Biển số I.439 "Tên cầu"
a) Để chỉ các thông tin về một cầu phải đặt biển số I.439 "Tên cầu". Biển số I.439 chỉ đặt khi chiều dài cầu lớn hơn 30 m và các cầu có chiều dài nhỏ hơn hoặc bằng 30 m nhưng có tên gắn với địa danh văn hóa, lịch sử. Không lắp đặt biển tên cầu đối với cầu có biểu tượng riêng và cầu trong khu vực đô thị (nội thành phố, nội thị xã).
Để có thông tin phục vụ quản lý cầu, ngoài việc cắm biển số I.439 “Tên cầu”, trong mọi trường hợp cần gắn các thông tin bao gồm: tên cầu, lý trình làm tròn đến mét, tên hoặc số hiệu đường, tải trọng thiết kế, chiều dài cầu, năm xây dựng vào thành dầm biên của cầu (gần đường lên, xuống kiểm tra cầu).
b) Biển "Tên cầu" được đặt ở hai đầu cầu cách đuôi mố 10 m phía bên phải theo hướng đến.
c) Trên biển "Tên cầu" ghi: Tên cầu, lý trình và tên đường.

Hình E.42 - Biển số I.439
E.43. Biển số I.440 "Đường đang thi công"
a) Để chỉ dẫn những đoạn đường đang thi công sửa chữa hoặc nâng cấp cải tạo, phải đặt biển số I.440 "Đường đang thi công".
Lý trình ghi trên biển được làm tròn đến m.
b) Biển số I.440 được đặt ở hai đầu đoạn đường đang thi công sửa chữa hoặc nâng cấp cải tạo và được đặt sau biển số I.441 (a,b,c).

Hình E.43 - Biển số I.440
E.44. Biển số I.441 (a,b,c) "Báo hiệu phía trước có công trường thi công"
a) Để báo cho người tham gia giao thông biết phía trước có công trường thi công, sửa chữa hoặc nâng cấp, phải đặt biển số I.441 (a,b,c) "Báo hiệu phía trước có công trường thi công".
b) Biển số I.441 (a,b,c) được đặt ở hai đầu đoạn thi công và cách hai đầu đoạn thi công 500 m, 100 m và 50 m, trước biển số I.440.
c) Cùng với biển số I.441 (a,b,c) phải đặt kèm theo biển số W.227. Khi cần thiết có thể đặt thêm biển P.127 "Tốc độ tối đa cho phép" và biển số P.134 "Hết hạn chế tốc độ tối đa" khi kết thúc đoạn đường thi công.

Hình E.44 - Biển số I.441
E.45. Biển số I.442 "Chợ"
Để báo sắp đến khu vực có chợ gần đường phải đặt biển số I.442 "Chợ", xe cơ giới qua lại khu vực này phải chú ý quan sát, giảm tốc độ.

Hình E.45 - Biển số I.442
E.46. Biển số I.443 "Xe kéo moóc"
a) Để báo hiệu xe có kéo moóc hoặc xe kéo xe, phải đặt biển số I.443 "Xe kéo moóc".
b) Biển số I.443 được đặt trên nóc cabin xe kéo.
Nền biển màu xanh lam, hình tam giác màu vàng khoảng cách đều các cạnh hình vuông.

Hình E.46 - Biển số I.443
E.47. Biển số I.444 "Biển báo chỉ dẫn địa điểm"
Nhằm chỉ dẫn cho người đi đường biết hướng đến những địa điểm quan trọng, các loại biển báo phân biệt địa điểm chủ yếu bao gồm:
- Ga tàu (biển số I.444a) đặt biển ở trước nơi đường giao nhau chỉ hướng vào ga xe lửa;
- Biển báo sân bay (biển số I.444b) đặt biển ở trước nơi đường giao nhau với đường vào sân bay;
- Biển báo bãi đậu xe (biển số I.444c) đặt biển ở trước nơi đường giao nhau với đường vào bãi đậu xe;
- Biển báo bến xe khách đường dài (biển số I.444d) đặt biển ở trước nơi đường giao nhau với đường vào bến xe khách đường dài;
- Biển chỉ dẫn trạm cấp cứu (biển số I.444e) đặt biển ở nơi đường giao nhau với đường vào bệnh viện và trạm cấp cứu;
- Biển báo bến tàu khách (biển số I.444f) đặt biển ở trước nơi đường giao nhau với đường vào bến tàu khách;
- Biển chỉ dẫn khu danh thắng và du lịch (biển số I.444g) đặt biển ở trước nơi đường giao nhau với đường vào khu danh thắng và du lịch;
- Biển chỉ dẫn trạm xăng (biển số I.444h) đặt biển ở trước nơi đường giao nhau với đường vào trạm bán xăng dầu;
- Biển chỉ dẫn trạm rửa xe (biển số I.444i) đặt biển ở trước nơi đường giao nhau với đường vào trạm phục vụ rửa xe;
- Biển chỉ dẫn bến phà (biển số I.444j) đặt biển ở trước nơi đường giao nhau với đường ra bến phà;
- Biển báo ga tàu điện ngầm (biển số I.444k) đặt biển ở nơi đường giao nhau với đường vào ga tàu điện ngầm;
- Biển chỉ dẫn khu vực dịch vụ cho khách đi đường (biển số I.444l) đặt biển ở trước nơi đường giao nhau với đường vào trạm dừng nghỉ;
- Biển báo trạm sửa chữa xe (biển số I.444m) đặt biển ở trước nơi đường giao nhau với đường vào trạm sửa chữa xe trong khu dịch vụ.

E.48. Biển số I.445 "Biển báo mô tả tình trạng đường”
Nhằm bảo đảm cho giao thông thông suốt, phòng tránh tai nạn, ở những đoạn đường hay xảy ra điều kiện xấu, gây mất an toàn giao thông thì tại những vị trí trước khi vào những đoạn đường đó phải đặt biển báo mô tả tình trạng đường sá để nhắc lái xe tập trung quan sát, giảm tốc độ, biển số I.445 gồm các loại dưới đây:
- Biểu báo đường trơn phải chạy chậm (biểu số I.445a) biển đặt tại vị trí thích hợp trước đoạn đường bị trơn trượt khi trời mưa hoặc láng dầu v.v...;
- Biển báo đường dốc phải đi chậm, lái xe phải cẩn thận (biển số I.445b) biển đặt ở vị trí thích hợp trước đoạn đường có độ dốc lớn và tầm nhìn hạn chế;
- Biển báo đoạn đường sương mù, tầm nhìn hạn chế phải đi chậm, tập trung quan sát (biển số I.445c) biển đặt trước đoạn đường nhiều sương mù;
- Biển báo đoạn đường có nền đường yếu (biển số I.445d) biển đặt ở vị trí thích hợp trước đoạn đường mà nền đường có hiện tượng sụt lún, không bằng phẳng, nhắc nhở lái xe đi chậm và cẩn thận;
- Biển báo xe lớn hoặc quá khổ đi sát về bên phải (biển số I.445e) biển đặt ở nơi thích hợp trước khi đi vào đoạn đường có từ hai làn xe trở lên, hướng dẫn cho lái xe lớn hoặc quá khổ phải đi tốc độ thấp không được chiếm làn đường của các loại xe khác;
- Biển báo chú ý khu vực có gió ngang mạnh (biển số I.445f) biển đặt biển ở vị trí trước khi đi vào cầu lớn, cầu vượt qua vịnh hoặc cửa núi đoạn đường thường có gió ngang cường độ mạnh;
- Biển báo đoạn đường nguy hiểm hay xẩy ra tai nạn (biển số I.445g) đặt biển ở nơi thích hợp trước khi vào đoạn đường hay xẩy ra tai nạn;
- Biển báo đường xuống dốc liên tục (biển số I.445h) đặt biển ở nơi thích hợp khi sắp vào đoạn đường xuống dốc liên tục, nhằm nhắc nhở lái xe phải đi chậm, đi sát bên phải;

E.49. Biển số I.446 "Nơi đỗ xe dành cho người tàn tật"
Để báo hiệu nơi đỗ xe dành cho người tàn tật phải đặt biển số I.446 "Nơi đỗ xe dành cho người tàn tật". Biển đặt tại vị trí thích hợp có thể sử dụng kết hợp với biển P.131a “Cấm đỗ xe” và biển số I.408 “Nơi đỗ xe”.

Hình E.55 - Biển số I.446
E.50. Biển số I.447 “Biển báo cầu vượt liên thông”
Biển đặt tại vị trí trước khi vào cầu vượt có tổ chức giao thông liên thông giữa các tuyến. Tùy theo nút giao mà bố trí biển số I.447a, I.447b, I.445c, I.447d cho phù hợp. Tại các lối rẽ thì sử dụng biển I.414c,d để báo các hướng đi.
Nếu sơ đồ, hình thái giao không phù hợp với hình vẽ trên các biển I.447a, I.447b, I.445c, I.447d thì phải điều chỉnh hình vẽ cho phù hợp (đồng dạng) với sơ đồ, hình thái nút giao (các hướng tuyến trong nút giao).

E.51. Biển số I.448 "Làn đường cứu nạn hay làn thoát xe khẩn cấp"
Biển chỉ dẫn gồm 3 cặp biển ở các cự ly 2 km, 1 km và 300 m nhằm chỉ dẫn cho người tham gia giao thông biết vị trí và khoảng cách có làn cứu nạn.
Nếu sơ đồ, hình thái vị trí làn đường cứu nạn không phù hợp với hình vẽ trên các biển I.448 thì phải điều chỉnh hình vẽ cho phù hợp.

Hình E.58 - Biển số I.448
E.52. Biển số I.449 "Biển tên đường"
Để báo tên đường cho các tuyến đường đối ngoại, sử dụng biển số I.449 “Biển tên đường”.
Biển I.449 có nền màu xanh đậm, chữ màu trắng.

Hình E.59-Biến số I.449
PHỤ LỤC F
Ý NGHĨA - SỬ DỤNG CÁC BIỂN PHỤ
F.1. Biển số S.501. "Phạm vi tác dụng của biển"
a) Phải đặt biển số S.501 "Phạm vi tác dụng của biển" để thông báo chiều dài đoạn đường nguy hiểm hoặc cấm hoặc hạn chế bên dưới một số biển báo nguy hiểm, biển báo cấm hoặc hạn chế sau đây:
- Biển số W.202 (a,b,c) "Nhiều chỗ ngoặt nguy hiểm liên tiếp";
- Biển số W.219 "Dốc xuống nguy hiểm";
- Biển số W.220 "Dốc lên nguy hiểm";
- Biển số W.221a "Đường có ổ gà, sống trâu";
- Biển số W.225 "Trẻ em";
- Biển số W.228 (a,b) "Đá lở";
- Biển số W.231 "Thú rừng vượt qua đường";
- Biển số W.128 "Cấm sử dụng còi";
- Biển số W.121 "Cự ly tối thiểu giữa hai xe".
b) Chiều dài đoạn nguy hiểm hoặc cấm hoặc hạn chế ghi theo đơn vị mét (m) và lấy chẵn đến hàng chục mét.

Hình F.1 - Biển số S.501
F.2. Biển số S.502 "Khoảng cách đến đối tượng báo hiệu"
a) Bên dưới các loại biển báo nguy hiểm, biển báo cấm, biển hiệu lệnh và chỉ dẫn, trong trường hợp vị trí đặt các biển báo đó khác với quy định chung, phải đặt biển số S.502 "Khoảng cách đến đối tượng báo hiệu" để thông báo khoảng cách thực tế từ vị trí đặt biển đến đối tượng báo hiệu ở phía trước.
b) Con số trên biển ghi theo đơn vị mét (m) và lấy chẵn đến hàng chục mét.

Hình F.2 - Biển số S.502
F.3. Biển số S.503 (a,b,c,d,e,f) "Hướng tác dụng của biển"
a) Các biển số S.503 (a,b,c) đặt bên dưới các biển báo cấm, biển hiệu lệnh để chỉ hướng tác dụng của biển là hướng vuông góc với chiều đi.
b) Biển số S.503b để chỉ đồng thời hai hướng tác dụng (trái và phải).
c) Các biển số S.503 (d,e,f) đặt bên dưới biển số W.224 "Cấm quay xe", biển số P.130 "Cấm dừng xe và đỗ xe", biển số P.131 (a,b,c) "Cấm đỗ xe" để chỉ hướng tác dụng của biển là hướng song song với chiều đi.
d) Biển số S.503e để chỉ đồng thời hai hướng tác dụng (trước và sau) nơi đặt biển báo nhắc lại lệnh cấm dừng và cấm đỗ xe.

Trên các tuyến đường đối ngoại và các tuyến đường có nhiều người đi lại có thể sử dụng biển phụ S.H,3a; S.H,3b; S.H,3c (Biển H,3 (a,b,c) theo GMS).

Hình F.3b-Biển số S.H,3 (a,b,c)
F.4. Biển số S.504 "Làn đường"
Biển số S.504 được đặt bên trên làn đường và dưới các biển báo cấm và biển hiệu lệnh hay bên dưới đèn tín hiệu để chỉ làn đường chịu hiệu lực của biển báo hay đèn tín hiệu.

Hình F.4 - Biển số S.504
F.5. Biển số S.505a "Loại xe"
Biển số S.505a được đặt bên dưới các biển báo cấm và biển hiệu lệnh hay biển chỉ dẫn để chỉ loại xe chịu hiệu lực của biển báo cấm, biển hiệu lệnh hay biển chỉ dẫn. Tùy theo loại xe chịu hiệu lực mà bố trí hình vẽ cho phù hợp.

Hình F.5 - Biển số S.505a
F.6. Biển số S.505b "Loại xe hạn chế qua cầu"
Biển số S.505b được đặt bên dưới biển báo số P.106a “Cấm xe ôtô tải” để chỉ các loại xe tải chịu hiệu lực của biển báo và tải trọng toàn bộ xe cho phép (bao gồm tải trọng bản thân xe và khối lượng chuyên chở cho phép) tương ứng với mỗi loại xe không phụ thuộc vào số lượng trục.
Biển S.505b được lắp đặt cho từng cầu. Biển đặt bên phải theo chiều đi cách hai đầu cầu từ 10 đến 20 m ở vị trí dễ quan sát.
Trường hợp cầu hư hỏng đột xuất, cầu có tải trọng khai thác thấp, ngoài việc đặt biển báo hiệu S.505b còn phải đặt bổ sung các bảng thông tin hướng dẫn ở hai đầu đoạn tuyến để thông báo cho người tham gia giao thông về vị trí tải trọng của cầu có tải trọng khai thác thấp nhất nằm trong đoạn tuyến.

Hình F.6 - Biển số S.505(b)
F.7. Biển số S.505c "Tải trọng trục hạn chế qua cầu"
a) Biển số S.505c được đặt bên dưới biển báo số P.106a “Cấm ôtô xe tải” để chỉ các loại xe tải có tải trọng trục lớn nhất cho phép tương ứng với mỗi loại trục (trục đơn, trục kép, trục ba).
b) Biển S.505c được đặt cùng với biển số S.505b bên dưới biển số P.106 và các xe qua cầu phải thỏa mãn điều kiện của cả hai biển (biển số S.505b và S.505c);

Hình F.7 - Biển số S.505c
F.8. Biển số S.506 (a,b) "Hướng đường ưu tiên"
a) Biển số S.506a được đặt bên dưới biển chỉ dẫn số I.401 trên đường ưu tiên để chỉ dẫn cho người tham gia giao thông trên đường này biết hướng đường ưu tiên ở ngã tư.
b) Biển số S.506b được đặt bên dưới biển số W.208 và biển số R.122 trên đường không ưu tiên để chỉ dẫn cho người tham gia giao thông trên đường này biết hướng đường ưu tiên ở ngã tư.

Hình F.8 - Biển số S.506
F.9. Biển số S.507 "Hướng rẽ"
a) Biển số S.507 được sử dụng độc lập để báo trước cho người tham gia giao thông biết chỗ rẽ nguy hiểm và để chỉ hướng rẽ.
b) Biển được đặt trong trường hợp người tham gia giao thông khó nhận biết hướng rẽ của đường. Biển có thể đặt đồng thời hai biển ngược chiều nhau để chỉ hướng rẽ trái và rẽ phải, với độ cao đặt biển từ 1,2 m đến 1,5 m. Trường hợp cần dẫn hướng trong đường cong có thể sử dụng tiêu phản quang.
c) Biển không thay thế cho việc đặt các biển báo nguy hiểm số W.201 (a,b) và W.202 (a,b,c).

Hình F.9 - Biển số S.507
F.10. Biển số S.508. "Biểu thị thời gian"
Biển số S.508 (a,b) được đặt dưới biển báo cấm hoặc biển hiệu lệnh nhằm quy định phạm vi thời gian hiệu lực của các biển báo cấm, biển hiệu lệnh cho phù hợp yêu cầu.

Hình F.10 - Biển số S.508
F.11. Biển số S.509 "Thuyết minh biển chính"
a) Để bổ sung cho biển số W.239 "Đường cáp điện ở phía trên", phải đặt biển số S.509a "Chiều cao an toàn" bên dưới biển số W.239, biển này chỉ rõ chiều cao cho các phương tiện đi qua an toàn.
b) Để bổ sung cho biển số P.130 "Cấm dừng, đỗ xe", biển số P.131 (a,b,c) "Cấm đỗ xe", phải đặt thêm biển số S.509b "Cấm đỗ xe" bên dưới biển số P.130, P.131 (a,b,c).
c) Các trường hợp khác có thể vận dụng cho phù hợp.

Hình F.11 - Biển số S.509
F.12. Biển số S.510 “Chú ý đường trơn có băng tuyết”
Để cảnh báo đường trơn, có tuyết trong những ngày trời có tuyết, phải đặt biển phụ số S.510 “Chú ý đường trơn có băng tuyết”. Biển hình chữ nhật nền đỏ, chữ và viền màu trắng.

Hình F.12-Biển số S.510
F.13. Biển chỉ dẫn tới địa điểm cắm trại, tới nhà trọ (biển G,7; G,8 theo GMS)
Để chỉ dẫn tới địa điểm cắm trại hoặc nhà trọ, phải đặt biển số S.G,7 "Địa điểm cắm trại" hoặc S.G,8 “Địa điểm nhà trọ”.

Hình F.13-Biển chỉ dẫn tới địa điểm cắm trại, tới nhà trọ
F.14. Chỉ dẫn tới điểm đỗ xe dành cho lái xe muốn sử dụng phương tiện công cộng (biển G,9b theo GMS)
Để chỉ dẫn tới địa điểm đỗ xe dành cho xe có lái xe muốn sử dụng phương tiện công cộng, phải đặt biển số S.G,9b.

Hình F.14-Biển số S.G,9b
F.15. Biển chỉ dẫn số lượng làn và hướng đi cho từng làn (biển S.G,11a; G,11c theo hiệp định GMS)
Để thông báo cho lái xe số làn và hướng đi của từng làn xe, phải cắm biển số S.G,11a; S.G,11c; các biển này phải có số mũi tên bằng số lượng làn xe đi cùng hướng và phải chỉ dẫn số lượng làn xe của hướng đi sắp tới.

Hình F.15-Biển chỉ dẫn số lượng làn và hướng đi cho từng làn
F.16. Biển chỉ dẫn làn đường không lưu thông (biển G,12a; G,12b theo hiệp định GMS)
Để chỉ dẫn cho lái xe biết làn đường không lưu thông phải cắm biển S.G,12a; S.G,12b.

Hình F.16-Biển chỉ dẫn làn đường không lưu thông
F.17. Biển báo phụ “Ngoại lệ” (biển H,6 theo hiệp định GMS)
Để chỉ các trường hợp mà biển cấm hoặc hạn chế được coi là không áp dụng đặc biệt cho một nhóm đối tượng tham gia giao thông nào đó phải cắm biển S.H,6 và thể hiện nhóm đối tượng đó cùng với cụm từ “Except - Ngoại lệ”.

Hình F.17-Biển số S.H,6
PHỤ LỤC G
VẠCH KẺ ĐƯỜNG
G1. Vạch dọc đường
1.1. Nhóm vạch phân chia hai chiều xe chạy
a. Vạch 1.1: Vạch phân chia hai chiều xe chạy (vạch tim đường), dạng vạch đơn, đứt nét
Áp dụng: dùng để phân chia hai chiều xe chạy ngược chiều nhau ở những đoạn đường có từ 2 làn xe trở lên, không có dải phân cách giữa. Xe được phép cắt qua để sử dụng làn ngược chiều từ cả hai phía.
Minh họa:

Hình G.1 - Vạch 1.1
Quy cách: Vạch 1.1 là vạch đơn, đứt nét, màu vàng. Bề rộng nét vẽ b = 15 cm, chiều dài đoạn nét liền L1 = 1 m - 3 m; chiều dài đoạn nét đứt (2 m - 6 m); tỷ lệ L1/L2=1:2.
Tốc độ vận hành càng cao, chọn chiều dài đoạn nét liền L1 và chiều dài đoạn nét đứt L2 càng lớn. Chọn giá trị chiều dài đoạn nét liền L1 và đoạn nét đứt L2 nhỏ trong các trường hợp cần tăng tính dẫn hướng xe chạy (ví dụ trong phạm vi đường cong nằm bán kính nhỏ).
b. Vạch 1.2: Vạch phân chia hai chiều xe chạy (vạch tim đường), dạng vạch đơn, nét liền
Áp dụng: dùng để phân chia hai chiều xe chạy cho đường có 2 hoặc 3 làn xe, không có dải phân cách giữa; xe không được lấn làn, không được đè lên vạch. Vạch này thường sử dụng ở đoạn đường không đảm bảo tầm nhìn vượt xe, nguy cơ tai nạn giao thông đối đầu lớn.
Chỉ được sử dụng vạch 1.2 để phân chia hai chiều xe chạy khi bề rộng làn đường đáp ứng được điều kiện chuyển động của các loại xe có kích thước lớn được phép tham gia giao thông trên tuyến đường đang xét.
Minh họa:

Hình G.2 - Vạch 1.2
Quy cách: Vạch 1.2 là vạch đơn, liền nét, màu vàng, bề rộng vạch 15 cm.
c. Vạch 1.3: Vạch phân chia hai chiều xe chạy ngược chiều (vạch tim đường), dạng vạch đôi, nét liền
Áp dụng:
- Dùng để phân chia hai chiều xe chạy cho đường có từ 4 làn xe trở lên, không có dải phân cách giữa, xe không được lấn làn, không được đè lên vạch. Vạch này thường sử dụng ở đoạn đường không đảm bảo tầm nhìn vượt xe, nguy cơ tai nạn giao thông đối đầu lớn hoặc ở các vị trí cần thiết khác.
- Trường hợp các đường có 2 hoặc 3 làn xe, không có dải phân cách giữa có thể sử dụng vạch 1.3 ở các vị trí cần thiết để nhấn mạnh mức độ nguy hiểm, không được lấn làn, không được đè lên vạch. Tác dụng của vạch 1.3 trong trường hợp này tương tự vạch 1.2.
Minh họa:

Hình G.3 - Vạch 1.3
Quy cách: Vạch 1.3 là vạch đôi song song, liền nét, màu vàng, bề rộng nét vẽ b = 15 cm, khoảng cách phía trong hai mép vạch đơn nhỏ nhất là 15 cm; lớn nhất là 50 cm.
Trong trường hợp khoảng cách hai mép phía trong của các vạch đơn lớn hơn 50 cm thì phải sử dụng vạch kênh hóa dòng xe dạng gạch chéo, màu vàng (vạch 4.1).
d. Vạch 1.4: Vạch phân chia hai chiều xe chạy, dạng vạch đôi gồm một vạch nét liền, một vạch nét đứt
Áp dụng: dùng để phân chia hai chiều xe chạy cho đường có từ 2 làn xe trở lên, không có dải phân cách hai chiều xe chạy, sử dụng ở các đoạn cần thiết phải cấm xe sử dụng làn ngược chiều theo một hướng xe chạy nhất định để đảm bảo an toàn. Xe trên làn đường tiếp giáp với vạch đứt nét được phép cắt qua và sử dụng làn ngược chiều khi cần thiết; xe trên làn đường tiếp giáp với vạch liền nét không được cắt qua vạch.
Trường hợp chỉ có một làn xe trên hướng tiếp giáp với vạch liền nét, bề rộng của làn đường này phải đáp ứng được điều kiện chuyển động của các loại xe có kích thước lớn được phép tham gia giao thông trên tuyến đường đang xét.
Minh họa:

Hình G.4 - Vạch 1.4
Quy cách: Vạch 1.4 là vạch đôi song song, một vạch liền nét, một vạch đứt nét. Bề rộng nét vẽ của các vạch b = 15 cm; khoảng cách phía trong hai mép vạch đơn là 15 cm - 20 cm. Đối với vạch đứt nét, chiều dài đoạn nét liền L1 = (1 m - 3 m); chiều dài đoạn nét đứt L2 = (2 m - 6 m); tỷ lệ L1/L2 = 1:2.
Tốc độ vận hành càng cao, chọn chiều dài đoạn nét liền L1 và chiều dài đoạn nét đứt L2 càng lớn. Chọn giá trị chiều dài đoạn nét liền L1 và đoạn nét đứt L2 nhỏ trong các trường hợp cần tăng tính dẫn hướng xe chạy (ví dụ trong phạm vi đường cong nằm bán kính nhỏ).
e. Vạch 1.5: Vạch xác định ranh giới làn đường có thể thay đổi hướng xe chạy
Áp dụng: dùng để xác định ranh giới làn đường có thể thay đổi hướng xe chạy trên đó theo thời gian. Hướng xe chạy ở một thời điểm trên làn đường có thể đổi chiều được quy định bởi người điều khiển giao thông, tín hiệu đèn, biển báo hoặc các báo hiệu khác phù hợp.
Minh họa:

Hình G.5 - Vạch 1.5
Quy cách: Vạch 1.5 là vạch đôi, đứt nét, màu vàng, bề rộng nét vẽ b = 15 cm; khoảng cách phía trong hai mép vạch đơn là 15 cm - 20 cm; khoảng cách nét liền L1 = (1 m - 2 m), khoảng cách nét đứt L2 = ( 3m-6m), tỷ lệ L1:L2 = 1:3.
Tốc độ vận hành càng cao, chọn chiều dài đoạn nét liền L1 và chiều dài đoạn nét đứt L2 càng lớn. Chọn giá trị chiều dài đoạn nét liền L1 và đoạn nét đứt L2 nhỏ trong các trường hợp cần tăng tính dẫn hướng xe chạy (ví dụ trong phạm vi đường cong nằm bán kính nhỏ).
g. Sử dụng vạch phân chia hai chiều xe chạy trong đường cong nằm hoặc đường cong đứng không đảm bảo tầm nhìn vượt xe an toàn
Để kẻ vạch tim đường cho các đoạn đường trong phạm vi đường cong nằm hoặc đường cong đứng có yêu cầu cấm vượt xe cần phải xác định được các vùng cấm vượt theo từng hướng xe chạy. Vùng cấm vượt theo một hướng xe chạy là vùng có chiều dài tầm nhìn thực tế nhỏ hơn chiều dài tầm nhìn vượt xe an toàn tối thiểu. Tùy theo yêu cầu cấm vượt mà bố trí loại vạch sơn dùng để phân cách hai chiều xe chạy cho phù hợp. Sử dụng vạch 1.3 cho vùng cấm vượt ở cả hai phía; sử dụng vạch 1.4 cho vùng cấm vượt ở một phía (lưu ý nét sơn liền trong vạch 1.4 được vẽ về phía có yêu cầu cấm vượt) và sử dụng vạch 1.1 cho vùng không có yêu cầu cấm vượt ở cả hai phía (xem minh họa về các loại vạch trên Hình G.6 và Hình G.7).

Ghi chú: Các vùng cấm vượt ở hai phía có thể trùm lên nhau hoặc không trùm lên nhau.
Hình G.6 - Xác định vị trí các loại vạch phân chia hai chiều xe chạy (vạch tim đường) trong phạm vi đường cong đứng

Ghi chú: Các vùng cấm vượt ở hai phía có thể trùm lên nhau hoặc không trùm lên nhau.
Hình G.7 - Xác định vị trí các loại vạch phân chia hai chiều xe chạy (vạch tim đường) trong phạm vi đường cong nằm
Chỉ dẫn xác định vùng cấm vượt:
+ Điểm bắt đầu vùng cấm vượt (điểm a và a’ trên Hình G.6 và Hình G.7) là điểm mà tầm nhìn thực tế đối với xe đi vào đường cong bắt đầu nhỏ hơn chiều dài tầm nhìn vượt xe tối thiểu tương ứng với tốc độ xe chạy tốc độ hạn chế lớn nhất hoặc tốc độ V85. Tốc độ V85 là giá trị tốc độ mà 85% số xe trong dòng xe có tốc độ nhỏ hơn hoặc bằng giá trị này. Chiều dài tầm nhìn vượt xe tối thiểu được lấy theo Bảng G.1 dưới đây.
Bảng G.1 - Chiều dài tầm nhìn vượt xe tối thiểu dùng để xác định vùng cấm vượt
|
159Tốc độ hạn chế lớn nhất hoặc tốc độ V85 (km/h) |
Tầm nhìn vượt xe tối thiểu (m) (chỉ dùng để xác định vùng cấm vượt) |
Tốc độ hạn chế lớn nhất hoặc tốc độ V85 (km/h) |
Tầm nhìn vượt xe tối thiểu (m) (chỉ dùng để xác định vùng cấm vượt) |
|
30 |
120 |
80 |
245 |
|
40 |
140 |
90 |
280 |
|
50 |
160 |
100 |
320 |
|
60 |
180 |
110 |
355 |
|
70 |
210 |
120 |
395 |
+ Điểm kết thúc vùng cấm vượt (điểm b và b’ trên Hình G.6 và Hình G.7) là điểm mà tầm nhìn thực tế bắt đầu lớn hơn chiều dài tầm nhìn vượt xe tối thiểu tương ứng tốc độ xe chạy V85 hoặc tốc độ thiết kế (sau khi xe đã đi qua đoạn không đảm bảo tầm nhìn vượt xe).
Quy định về chiều dài các đoạn kẻ vạch:
+ Khi chiều dài vùng cấm vượt (chiều dài đoạn vạch liền nét xen kẽ các đoạn vạch đứt nét) theo một chiều xe chạy nhỏ hơn 30 m, cần mở rộng vùng cấm vượt đảm bảo chiều dài nhỏ nhất 30 m.
+ Chiều dài vùng cho phép vượt nằm xen kẽ các vùng cấm vượt trên một hướng xe chạy không được nhỏ hơn 100 m.
Chỉ sử dụng vạch có chức năng cấm vượt xe khi bề rộng làn xe trên hướng cấm vượt xe trong phạm vi đường cong đủ để đảm bảo điều kiện chuyển động của các loại xe có kích thước lớn được phép tham gia giao thông trên tuyến đường đang xét.
g. Sử dụng vạch phân chia hai chiều xe chạy cho đường có 3 làn xe trong khu vực số làn đường trên một hướng thay đổi từ một làn sang hai làn và ngược lại
Hình G.8 và Hình G.9 minh họa việc sử dụng vạch sơn phân chia hai chiều xe chạy cho đường có 3 làn xe trong khu vực số làn đường trên một hướng thay đổi từ một làn sang hai làn và ngược lại:

Ghi chú: Khoảng cách d = 75 m, khoảng cách L ≥ 25 m.
Hình G.8 - Bố trí vạch sơn phân chia hai chiều xe chạy cho đường có 3 làn xe trong khu vực số làn trên một hướng thay đổi từ một làn sang hai làn

Ghi chú: Khoảng cách d = 75 m, L1 ≥ 100 m, khoảng cách L2 ≥ 100 m.
Hình G.9 - Bố trí vạch sơn phân chia hai chiều xe chạy cho đường có 3 làn xe trong khu vực số làn trên một hướng thay đổi từ hai làn sang một làn
Lưu ý:
+ Các vạch gạch chéo được vẽ song song mỗi vạch rộng 45 cm, khoảng cách hai mép vạch 100 cm, vạch nghiêng một góc 135o theo chiều ngược chiều kim đồng hồ so với hướng chuyển động của xe (vạch 4.1).
+ Vạch xác định phạm vi kẻ vạch gạch chéo song song là vạch đơn liền nét (xem trên Hình G.8 và Hình G.9). Vạch này có bề rộng bằng bề rộng nét vẽ của các vạch đơn cấu tạo nên vạch 1.3 được sử dụng tương ứng trong Hình G.8 và Hình G.9.
G1.2. Nhóm vạch phân chia các làn xe chạy cùng chiều
a. Vạch 2.1: Vạch phân chia các làn xe cùng chiều, dạng vạch đơn, đứt nét
Áp dụng: dùng để phân chia các làn xe cùng chiều. Trong trường hợp này, xe được phép thực hiện việc chuyển làn đường qua vạch 2.1.
Minh họa:

Hình G.10 - Vạch 2.1
Quy cách: Vạch 2.1 là vạch đơn, đứt nét, màu trắng. Bề rộng nét vẽ b = 15cm, chiều dài đoạn nét liền L1 = (1 m - 3 m); chiều dài đoạn nét đứt (3 m - 9 m); tỷ lệ L1/L2 = 1:3.
Tốc độ vận hành càng cao, chọn chiều dài đoạn nét liền L1 và chiều dài đoạn nét đứt L2 càng lớn. Chọn giá trị chiều dài đoạn nét liền L1 và đoạn nét đứt L2 nhỏ trong các trường hợp cần tăng tính dẫn hướng xe chạy (ví dụ trong phạm vi đường cong nằm bán kính nhỏ).
b. Vạch 2.2: Vạch phân chia các làn xe cùng chiều, dạng vạch đơn, liền nét.
Áp dụng: dùng để phân chia các làn xe cùng chiều trong trường hợp không cho phép xe chuyển làn hoặc sử dụng làn khác; xe không được lấn làn, không được đè lên vạch.
Minh họa:

Hình G.11 - Vạch 2.2
Quy cách: Vạch 2.2 là vạch đơn, liền nét, màu trắng, bề rộng vạch 15 cm.
c. Vạch 2.3: Vạch giới hạn làn đường dành riêng hoặc làn đường ưu tiên
Áp dụng: Vạch giới hạn làn đường dành riêng cho một loại xe cơ giới nhất định (vạch liền nét), các loại xe khác không được đi vào làn xe này trừ những trường hợp khẩn cấp theo Luật Giao thông đường bộ.
Vạch giới hạn làn đường ưu tiên cho một loại xe cơ giới nhất định (vạch đứt nét), các xe khác có thể sử dụng làn đường này nhưng phải nhường đường cho xe được ưu tiên sử dụng làn khi xuất hiện loại xe này trên làn xe.
Xe trên làn đường dành riêng hoặc làn đường ưu tiên có thể cắt qua các vạch này khi làn đường hoặc phần đường xe chạy liền kề không cấm sử dụng loại xe này.
Minh họa:

Hình G.12 - Minh họa bố trí vạch giới hạn làn đường dành riêng hoặc ưu tiên cho xe buýt
Quy cách:
- Vạch giới hạn đường dành riêng hoặc ưu tiên được cấu tạo bằng vạch đơn, màu trắng, bề rộng vạch 30 cm. Vạch 2.3 có thể là vạch đứt nét hoặc vạch liền nét. Đối với vạch nét đứt, bề rộng nét liền L1 = (1 m - 2m), bề rộng nét đứt L2 = (1 m-2 m), tỷ lệ L1/L2 = 1:1.
- Vạch 2.3 dạng nét đứt cũng được dùng để xác định phạm vi làn đường dành riêng hoặc ưu tiên ở vị trí đầu hoặc cuối làn đường như minh họa trên Hình G.12.
- Vạch giới hạn làn đường dành riêng hoặc ưu tiên được sử dụng đi kèm với chữ viết biểu thị loại xe được dành riêng hoặc ưu tiên hoặc có thể đi kèm với ký hiệu chỉ loại xe được phép sử dụng làn đường.
- Vạch giới hạn làn đường dành riêng hoặc ưu tiên được kẻ từ chỗ bắt đầu bố trí làn đường dành riêng hoặc ưu tiên, cứ qua một nút giao phải viết lại chữ một lần. Nếu khoảng cách giữa các ngã tư dài hơn 500 m thì có thể viết chữ nhắc lại ở quãng giữa đoạn đường.
G1.3. Nhóm vạch giới hạn mép phần đường xe chạy
a. Vạch 3.1: Vạch giới hạn mép ngoài phần đường xe chạy hoặc vạch phân cách làn xe cơ giới và làn xe thô sơ Áp dụng: để xác định mép ngoài phần đường xe chạy hoặc phân cách làn xe cơ giới và xe thô sơ.
Khi sử dụng vạch 3.1 để xác định mép ngoài phần xe chạy (phần lề gia cố có kết cấu tương đương với kết cấu mặt đường được coi là phần xe chạy) thì mép ngoài cùng của vạch cách mép ngoài cùng phần xe chạy từ 15 đến 30 cm đối với đường thông thường và sát với làn dừng khẩn cấp đối với đường ôtô cao tốc. Vạch giới hạn mép phần đường xe chạy được áp dụng trên: đường cao tốc, đường có bề rộng phần đường xe chạy từ 7,0 m trở lên và các trường hợp cần thiết khác.
Khi sử dụng vạch 3.1 để phân chia giữa làn đường xe cơ giới và làn đường xe thô sơ thì khi bề rộng phần đường cho xe thô sơ phải đảm bảo tối thiểu 1,5 m mới kẻ vạch này, nếu không đủ 1,5m thì không bố trí vạch phân chia giữa làn đường xe cơ giới và làn đường xe thô sơ (xe cơ giới và xe thô sơ chạy chung). Khi làn đường xe thô sơ nhỏ hơn 2,5 m thì không cần bố trí vạch mép ngoài phần xe chạy phía lề đất. Chỉ bố trí làn đường dành riêng cho xe thô sơ khi mật độ xe thô sơ lớn hoặc trong trường hợp cần thiết khác. Khi tách làn xe cơ giới và xe thô sơ riêng thì phải sử dụng biển báo hoặc kết hợp sơn chữ “XE ĐẠP” trên làn xe thô sơ. Xe chạy được phép đè lên vạch khi cần thiết và phải nhường đường cho xe thô sơ.
Trường hợp tổ chức giao thông cho xe máy chạy chung làn với xe thô sơ thì phải sử dụng biển báo hoặc kết hợp sơn chữ "XE MÁY", “XE ĐẠP” trên làn này. Xe chạy được phép đè lên vạch khi cần thiết và phải nhường đường cho xe thô sơ.
Minh họa:

Hình G.13 - Minh họa bố trí vạch giới hạn mép phần xe chạy
Quy cách vạch như sau: Vạch 3.1a là vạch đơn, liền nét, bề rộng vạch b = 15 cm - 20 cm. Vạch 3.1b là vạch đơn, nét đứt, bề rộng vạch b = (15 cm - 20 cm); khoảng cách nét liền L1 = 0,6 m; khoảng cách nét đứt L2 = 0,6 m. Tỷ lệ L1/L2 = 1:1.
b. Một số loại vạch khác có thể sử dụng để xác định mép phần xe chạy
- Vạch 3.2, vạch 3.3: sử dụng để phân cách giữa làn xe cơ bản và làn xe chuyển tốc, giữa làn xe cơ bản và làn xe phụ thêm hoặc vạch phân cách, kênh hóa các làn xe trong khu vực tách và nhập làn.
Vạch 3.2: Vạch liền nét, màu trắng, bề rộng vạch là 45 cm cho đường ôtô cao tốc và 30 cm cho các đường khác. Xe không được phép chuyển làn qua vạch 3.2 trừ các trường hợp khẩn cấp theo quy định tại Luật giao thông đường bộ.
Vạch 3.3: Vạch đứt nét, màu trắng, bề rộng vạch là 45 cm cho đường ôtô cao tốc và 30 cm cho các đường khác, khoảng cách nét đứt L1 = (100 cm - 300 cm); khoảng cách nét đứt L2 = (100 cm - 300 cm); L1:L2 = 1:1. Xe được phép cắt, chuyển làn qua vạch.
Ngoài ra, vạch 3.3 còn được sử dụng để kẻ đoạn chuyển tiếp từ vạch 2.1 sang vạch 3.2. Chiều dài đoạn chuyển tiếp từ vạch 2.1 sang vạch 3.2 trong khoảng từ 50 m đến 100 m.
- Vạch 3.4: sử dụng để báo hiệu sắp đến đến vạch 1.2 hoặc vạch 2.2; hoặc sử dụng để kẻ vạch chuyển tiếp từ vạch 1.1 đến vạch 1.2; hoặc từ vạch 2.1 đến vạch 2.2. Bề rộng vạch 3.4 được lấy tương ứng theo bề rộng của vạch 1.2 hoặc vạch 2.2.
Vạch 3.4: Vạch đứt nét, màu trắng, khoảng cách nét liền L1 = (3 m-6 m), khoảng cách nét đứt L2 = 1 m-2 m, tỷ lệ L1:L2 = 3:1. Chiều dài vạch 3.4 lấy trong khoảng từ 50 m đến 100 m.
c. Bố trí vạch phân làn đường trong khu vực tách và nhập làn
Nguyên tắc chung sử dụng các loại vạch như sau:
- Tại các mũi đảo tách làn hoặc nhập làn có thể bố trí vạch sơn chữ V trên phần diện tích mặt đường giới hạn bởi các đường mép kéo dài từ các cạnh của đảo.
- Các vạch chữ V (vạch 4.2) được vẽ song song mỗi vạch rộng 45 cm, khoảng cách hai mép vạch rộng 100 cm, vạch chữ V được đặt sao cho cạnh chữ V xuôi chiều với hướng chuyển động của xe và hợp với hướng xe chạy một góc 45o.
- Vạch xác định phạm vi kẻ vạch chữ V là vạch liền nét, màu trắng, bề rộng vạch 20 cm (vạch 3.1).
- Vạch phân cách giữa làn xe cơ bản và làn xe chuyển tốc; hoặc vạch phân cách, kênh hóa các làn xe trong khu vực tách và nhập làn tùy từng trường hợp mà có thể sử dụng vạch liền nét, màu trắng, bề rộng vạch 45 cm (vạch 3.2); hoặc sử dụng vạch đứt nét, màu trắng, bề rộng vạch 45 cm, khoảng cách nét đứt L1 = 300 cm; khoảng cách nét đứt L2 = 300 cm (vạch 3.3).
- Xe không được phép cắt qua vạch chữ V trừ các trường hợp khẩn cấp theo quy định tại Luật Giao thông đường bộ.
Dưới đây là một số trường hợp điển hình bố trí vạch phân làn đường trong khu vực tách và nhập làn:
- Bố trí vạch sơn khu vực tách làn kiểu trực tiếp:

Hình G.14 - Minh họa bố trí vạch sơn khu vực tách làn kiểu trực tiếp
- Bố trí vạch sơn khu vực tách làn kiểu có làn chuyển tiếp song song:

Hình G.15 - Minh họa bố trí vạch sơn khu vực tách làn kiểu song song
- Bố trí vạch sơn khu vực nhập làn kiểu trực tiếp:

Hình G.16 - Minh họa bố trí vạch sơn khu vực nhập làn kiểu trực tiếp
- Bố trí vạch sơn khu vực nhập làn kiểu có làn chuyển tiếp song song:

Hình G.17 - Minh họa bố trí vạch sơn khu vực nhập làn kiểu có làn chuyển tiếp song song
d. Bố trí vạch phân làn đường ở điểm dừng xe trên tuyến kiểu bến cảng (có vịnh dừng đỗ)
Sử dụng vạch 3.2 hoặc vạch 3.3 để phân cách giữa làn xe chạy chính và làn dừng xe. Tùy theo bề rộng mặt đường mà có thể sử dụng vạch 5.1 để tạo đảo phân làn đường. Chi tiết xem trên Hình G.18 và Hình G.19.

Hình G.18 - Bố trí vạch ở điểm dừng xe kiểu bến cảng, trường hợp không sử dụng vạch 5.1

Hình G.19 - Bố trí vạch ở điểm dừng xe kiểu bến cảng, trường hợp sử dụng vạch 5.1
e. Bố trí vạch sơn trong khu vực bề rộng phần xe chạy bị thay đổi
Trong khu vực bề rộng phần xe chạy bị thay đổi hoặc số làn xe chạy tăng lên hoặc ít đi, cần thiết phải bố trí các vạch sơn trên mặt đường (có thể kết hợp với biển báo) để cảnh báo người tham gia giao thông điều khiển xe thận trọng hơn.
Dưới đây là các hình vẽ thể hiện quy định về bố trí vạch sơn trong khu vực phần xe chạy bị thay đổi.

Hình G.20 - Bố trí vạch sơn khu vực chuyển tiếp giữa đường 3 làn xe và đường 2 làn xe

Hình G.21 - Bố trí vạch sơn khu vực chuyển tiếp giữa đường 4 làn xe và đường 2 làn xe

Hình G.22 - Bố trí vạch sơn khu vực chuyển tiếp giữa đường 4 làn xe và đường 3 làn xe

Hình G.23 - Bố trí vạch sơn khu vực chuyển tiếp giữa đường 4 làn xe và đường 2 làn xe
Lưu ý:
- Các quy định về bố trí vạch sơn đề cập ở mục này chỉ áp dụng cho khu vực phần xe chạy bị thay đổi. Khu vực bề rộng phần xe chạy bị thay đổi được xác định là phạm vi chiều dài tổng cộng các đoạn D, L, và d tương ứng trên các Hình G.20, G.21, G.22, và G.23.
- Trong khu vực bề rộng phần xe chạy bị thay đổi, vạch 1.3 được sử dụng để phân chia hai chiều xe chạy. Đối với hướng xe chạy có bề rộng mặt đường bị thu hẹp trong khu vực phần xe chạy bị thay đổi phải bố trí vạch giới hạn mép phần xe chạy (vạch 1.3) kết hợp với đặt biển số 203 (b,c) “Đường bị hẹp”.
- Chiều dài đoạn biến đổi bề rộng mặt đường L(m) được xác định như sau:
(khi V ≤ 60 km/h) (1)
hoặc L = 0.625V.W (khi V > 60 km/h) (2)
Trong đó; V: Tốc độ hạn chế lớn nhất hoặc tốc độ V85, km/h; W: Chiều rộng giảm đi, m; D: chiều dài tầm nhìn dừng xe an toàn, m.
- Đoạn kéo dài của vạch ở điểm cuối cùng giảm chiều rộng (d) được lựa chọn như sau: Đường có tốc độ hạn chế lớn nhất hoặc tốc độ V85 > 60 km/h là 40 m, các loại đường khác là 20 m.
g. Bố trí vạch báo gần đến chướng ngại vật
Khi có chướng ngại vật trên đường, cần thiết phải bố trí các vạch sơn trên mặt đường (có thể kết hợp với biển báo) để cảnh báo người tham gia giao thông điều khiển xe thận trọng hơn, vòng tránh chướng ngại vật trên mặt đường.
- Trường hợp đường có hai làn xe, hai chiều xe chạy, khi chướng ngại vật nằm ở giữa đường thì có thể kẻ vạch theo Hình G.24.

Hình G.24 - Bố trí vạch sơn cho đường hai làn xe, hai chiều xe chạy khi có chướng ngại vật nằm ở giữa đường
Lưu ý: trị số d và L xác định tương tự như ở G1.3e: bố trí vạch sơn trong khu vực phần xe chạy bị thay đổi.
Vạch tim đường (vạch phân cách hai chiều xe chạy) có thể là vạch 1.1 hoặc vạch 1.2.
Bề rộng và màu sắc vạch liền nét trên Hình G.20 lấy giống với bề rộng vạch tim đường (vạch phân cách hai chiều xe chạy).
- Trường hợp đường có từ 4 làn xe chạy trở lên, khi chướng ngại vật nằm ở giữa đường thì có thể kẻ vạch theo Hình G.25.

Hình G.25 - Bố trí vạch sơn cho đường có từ 4 làn xe trở lên khi có chướng ngại vật nằm ở giữa đường
Lưu ý: Trị số d và L xác định tương tự như quy định tại điểm e, mục G.1.3: bố trí vạch sơn trong khu vực phần xe chạy bị thay đổi.
Trong phạm vi chiều dài đoạn d và L, sử dụng vạch đôi, liền nét có quy cách, màu sắc giống với vạch 1.3. Ngoài phạm vi này, sử dụng vạch tim đường (vạch phân cách hai chiều xe chạy) áp dụng thích hợp cho đường có từ 4 làn xe trở lên.
- Trường hợp chướng ngại vật trên đường nằm ở giữa hai làn đường cùng chiều thì có thể kẻ vạch theo Hình G.26.

Hình G.26 - Bố trí vạch sơn khi chướng ngại vật nằm ở giữa hai làn đường cùng chiều
Lưu ý: trị số d và L xác định tương tự như mục: Bố trí vạch sơn trong khu vực bề rộng phần xe chạy bị thay đổi.
Trong phạm vi chiều dài đoạn d, sử dụng vạch đơn, liền nét , màu trắng có bề rộng bằng vạch phân cách hai chiều xe chạy (vạch 2.1) tương ứng. Trong phạm vi chiều dài đoạn L, sử dụng vạch chữ V (vạch 4.2). Vạch xác định phạm vi vạch chữ V là vạch đơn, liền nét, màu trắng có bề rộng bằng vạch phân các hai chiều xe chạy (vạch 2.1) được sử dụng.
G1.4. Nhóm vạch kênh hóa dòng xe
a. Vạch 4.1: Vạch kênh hóa dòng xe dạng gạch chéo
Áp dụng: Vạch kênh hóa dòng xe dạng gạch chéo được sử dụng để giới hạn các phần mặt đường không sử dụng cho xe chạy mà sử dụng để kênh hóa các dòng giao thông giao thông trên đường. Khi vạch 4.1 được sử dụng, các phương tiện giao thông phải đi theo tuyến đường quy định, không được lấn vạch hoặc cắt qua vạch trừ những trường hợp khẩn cấp theo quy định tại Luật giao thông đường bộ.
Quy cách vạch như sau:
Vạch 4.1 bao gồm các vạch liền nét, màu trắng được vẽ song song, mỗi vạch rộng 45 cm, khoảng cách hai mép vạch 100 cm, vạch nghiêng một góc 135o theo chiều ngược chiều kim đồng hồ so với hướng chuyển động của xe. Vạch xác định phạm vi kẻ vạch kênh hóa dòng xe dạng gạch chéo là vạch đơn liền nét, màu trắng. Vạch này có bề rộng nét vẽ b = 20 cm. Hình G.27 minh họa cách vẽ vạch kênh hóa dòng xe dạng gạch chéo.

Hình G.27 - Vạch 4.1
b. Vạch 4.2: vạch kênh hóa dòng xe dạng chữ V
Áp dụng: Vạch kênh hóa dòng xe dạng chữ V được sử dụng để giới hạn các phần mặt đường không sử dụng cho xe chạy mà sử dụng để kênh hóa các dòng giao thông giao thông trên đường. Khi vạch 4.2 được sử dụng, các phương tiện giao thông phải đi theo tuyến đường quy định, không được lấn vạch hoặc cắt qua vạch trừ những trường hợp khẩn cấp theo quy định tại Luật Giao thông đường bộ.
Quy cách vạch như sau:
Vạch 4.2 bao gồm các vạch liền nét, màu trắng được vẽ song song, mỗi vạch rộng 45 cm, khoảng cách hai mép vạch 100 cm, vạch nghiêng một góc 135 o theo chiều ngược chiều kim đồng hồ so với hướng chuyển động của xe. Vạch xác định phạm vi kẻ vạch kênh hóa dòng xe dạng chữ V là vạch đơn liền nét, màu trắng. Vạch này có bề rộng nét vẽ b = 20 cm. Hình G.28 minh họa cách vẽ vạch kênh hóa dòng xe dạng chữ V.

Hình G.28 - Minh họa cách vẽ vạch kênh hóa dòng xe dạng chữ V
c. Sử dụng vạch 4.1 và 4.2 để kênh hóa các dòng xe
- Sử dụng vạch 4.1 và 4.2 để dẫn hướng xe ở trạm thu phí:
Tùy theo trường hợp mà có thể sử dụng vạch 4.1 hoặc 4.2 kết hợp với vạch đơn, liền nét màu trắng, bề rộng vạch 20 cm để dẫn hướng xe đến cửa thu phí của cổng trạm thu phí. Chi tiết bố trí xem trên Hình G.29.

Hình G.29 - Vạch dẫn hướng xe ở trạm thu phí
- Sử dụng vạch 4.1 và 4.2 để kênh hóa các dòng xe ở nút giao cùng mức:
Dưới đây là một số trường hợp sử dụng vạch 4.1 và 4.2 để kênh hóa các dòng xe các dòng xe trong phạm vi các nút giao cùng mức.

Hình G.30 - Bố trí vạch kênh hóa dòng xe ở ngã ba phức tạp-Mẫu 1

Hình G.31 - Bố trí vạch kênh hóa dòng xe ở ngã ba phức tạp-Mẫu 2

Hình G.32 - Bố trí vạch kênh hóa dòng xe ở ngã ba phức tạp-Mẫu 3

Hình G.33 - Bố trí vạch kênh hóa dòng xe ở ngã ba phức tạp-Mẫu 4

Hình G.34 - Bố trí vạch kênh hóa dòng xe ở ngã ba phức tạp-Mẫu 5

Hình G.35 - Bố trí kênh hóa dòng xe ở ngã tư phức tạp
d. Vạch 4.3: Vạch kênh hóa dòng xe dạng vành khuyên
Áp dụng: Vạch kênh hóa dòng xe dạng vành khuyên được kẻ ở trung tâm ngã tư giao nhau cùng mức để chỉ thị cho các phương tiện phải đi vòng qua phạm vi kẻ vạch theo chiều ngược chiều kim đồng hồ.
Khi vạch 4.3 được sử dụng, các phương tiện giao thông không được lấn vạch hoặc cắt qua vạch trừ những trường hợp khẩn cấp theo quy định tại Luật giao thông đường bộ.
Minh họa:

Hình G.36 - Vạch vành khuyên-Mẫu 1

Hình G.37 - Vạch vành khuyên - Mẫu 2
Quy cách vạch như sau:
Đường kính và hình dạng của vành khuyên được xác định bởi kích thước của nút giao ngã tư. Vành khuyên kẻ bằng màu trắng, hình dáng và kích thước được thể hiện chi tiết trên Hình G.36 và Hình G.37.
e. Vạch 4.4: Vạch kẻ kiểu mắt võng
Áp dụng: Vạch kẻ kiểu mắt võng được sử dụng để báo cho người điều khiển không được dừng phương tiện trong phạm vi phần mặt đường có bố trí vạch để tránh ùn tắc giao thông.
- Tùy theo sự cần thiết mà có thể sử dụng vạch kẻ kiểu mắt võng ở các vị trí thích hợp. Vạch kẻ kiểu mắt võng có thể sử dụng để xác định phạm vi cấm dừng trong phạm vi nút giao giao cùng mức, trên nhánh dẫn cửa vào hoặc cửa ra của nút giao hoặc những vị trí mặt đường cần thiết không cho phép dừng xe.
Minh họa:

Hình G.38 - Minh họa bố trí vạch kẻ kiểu mắt võng tại nút giao ngã tư

a) Áp dụng cho nút giao ngã ba
Hình G.39 - Minh họa bố trí vạch kẻ kiểu mắt võng tại nút giao ngã ba
Quy cách vạch như sau:
- Vạch mắt võng kiểu đơn giản: gồm vạch chéo trong lòng hình chữ nhật, màu vàng, bề rộng nét vẽ 20 cm - 40 cm (xem minh họa trên Hình G.38 và G.39); áp dụng ở khu vực trung tâm hoặc trên nhánh dẫn ra hoặc vào các nút giao có lưu lượng giao thông ít.
- Vạch mắt võng kiểu thông thường: vạch có nét vẽ màu vàng, vạch vành ngoài giới hạn phạm vi kẻ vạch mắt võng có bề rộng vạch 20 cm. Vạch mắt võng bên trong nghiêng 45° so với vành ngoài, vạch rộng 10 cm khoảng cách đường chéo 1 m - 5 m.
G1.5. Nhóm vạch dọc đường kéo dài qua phạm vi nút giao
a. Vạch 5.1: Vạch dẫn hướng rẽ trái qua phạm vi nút giao
Áp dụng: dùng để định hướng quỹ đạo cho dòng xe rẽ trái theo giải pháp tổ chức làn đường được sử dụng trong nút. Mục đích sử dụng vạch là tăng tính dẫn hướng cho xe chạy; xe có thể cắt qua vạch khi cần thiết. Vạch dẫn hướng rẽ trái qua phạm vi nút giao là đoạn kéo dài của vạch phân cách hai chiều xe chạy (vạch tim đường) hoặc vạch phân chia các làn đường cùng chiều. Không nhất thiết phải sử dụng cả hai loại vạch kéo dài nói trên để định hướng quỹ đạo dòng xe rẽ trái.
Chỉ sử dụng vạch khi quỹ đạo xe chạy được định hướng bởi vạch 5.1 phù hợp với ý đồ tổ chức giao thông và không gây khó hiểu cho các phương tiện qua nút.
Minh họa:

Hình G.40 - Minh họa bố trí vạch 5.1
Quy cách vạch như sau: Vạch 5.1 là vạch đơn, đứt nét, màu vạch lấy theo loại vạch (vạch phân cách hai chiều xe chạy hoặc vạch phân chia làn đường cùng chiều) được kéo dài. Vạch có bề rộng nét vẽ b = 15 cm; chiều dài đoạn nét liền L1 = (0,5 m - 2,0m); chiều dài đoạn nét đứt L2 = (0,5 m - 2,0 m). Tỷ lệ L1/L2 = 1:1.
b. Vạch 5.2: vạch phân làn đường kéo dài qua phạm vi nút giao
Áp dụng: sử dụng ở các nút giao lệch để định hướng quỹ đạo cho dòng xe đi thẳng. Mục đích sử dụng vạch là tăng tính dẫn hướng cho xe chạy; xe có thể cắt qua vạch khi cần thiết.
Minh họa:

Hình G.41 - Minh họa bố trí vạch 5.2
Quy cách vạch như sau: vạch 5.2 là vạch đơn màu trắng, bề rộng nét vẽ b = 15 cm, chiều dài đoạn nét liền L1 = ( 0,5 m - 2,0 m); chiều dài đoạn nét đứt L2 = (0,5 m - 2,0 m); tỷ lệ L1/L2 = 1:1.
c. Vạch 5.3: vạch làn chờ rẽ trái trong nút giao
Áp dụng: vạch được sử dụng để tạo không gian dừng chờ cho các xe rẽ trái sau khi xe đã vượt qua vạch dừng xe trên nhánh dẫn của nút giao có sử dụng đèn tín hiệu điều khiển, nhưng không thể vượt qua nút trong thời gian tín hiệu đèn cho phép rẽ trái. Khi hết thời gian cho phép rẽ trái mà xe đã vượt qua vạch dừng xe trên nhánh dẫn nhưng chưa vượt quá khu vực giới hạn bởi làn xe chờ rẽ trái trong nút giao thì phải dừng lại trong khu vực làn chờ.
Minh họa:

Hình G.42 - Minh họa bố trí vạch 5.3
Quy cách vạch như sau:
Vạch 5.3 gồm hai vạch đơn, đứt nét, màu trắng chạy song song hơi cong về bên trái và một vạch dừng xe (vạch 7.1) ở đầu các vạch đơn đứt nét. Vạch đơn đứt nét có bề rộng nét vẽ b = 15 cm, chiều dài đoạn nét liền L1 = (0,5 m - 1,0 m); chiều dài nét đứt L2 = (0,5 m - 1,0 m). Tỷ lệ L1/L2 = 1:1.
d. Minh họa bố trí vạch phân làn đường trong khu vực nút giao cùng mức
Hình G.43 minh họa một trường hợp điển hình bố trí vạch phân làn đường trong khu vực nút giao cùng mức.

Hình G.43 - Minh họa bố trí phân làn đường trong khu vực nút giao cùng mức
G1.6. Nhóm vạch cấm dừng xe trên đường
a. Vạch 6.1: vạch cấm dừng xe trên đường
Áp dụng: được sử dụng để báo hiệu không được phép dừng xe bên đường. Vạch 6.1 sử dụng phối hợp với ký hiệu chữ “cấm dừng xe” trên mặt đường và biển báo “cấm dừng xe”; ngoài ra căn cứ theo nhu cầu đặt thêm biển báo phụ ghi rõ thời gian cấm dừng xe và phạm vi cấm dừng xe.
Minh họa:

Hình G.44: Vạch cấm dừng xe trên đường
Quy cách vạch như sau:
Vạch 6.1 là vạch đứt khúc màu vàng được sơn trên bó vỉa sát mép mặt đường phía cấm dừng xe hoặc sơn trên mặt đường phía cấm dừng xe, cách mép mặt đường 30 cm khi không có bó vỉa sát mép mặt đường.
Khi vạch 6.1 được bố trí trên bó vỉa, bề rộng phần sơn vàng được lấy bằng bề rộng viên đá vỉa hoặc tối thiểu 15 cm; ngoài ra bề rộng phần sơn vàng được kéo dài trên toàn bộ mặt vát hoặc mặt đứng của viên đá vỉa phía tiếp giáp với mặt đường. Trường hợp bố trí trên mặt đường, bề rộng vạch là 15 cm. Chiều dài của nét liền (màu vàng) L1 là 100 cm hoặc bằng chiều dài của viên bó vỉa (khi bố trí vạch 6.1 trên bó vỉa), chiều dài nét đứt (không sơn) L2 bằng chiều dài nét liền L1.
b. Vạch 6.2: vạch cấm dừng xe hoặc đỗ xe trên đường
Áp dụng: được sử dụng để báo hiệu không được phép dừng hoặc đỗ xe bên đường. Vạch 6.2 sử dụng phối hợp với ký hiệu chữ “cấm dừng đỗ xe” trên mặt đường và biển báo “cấm dừng đỗ xe”; ngoài ra căn cứ theo nhu cầu đặt thêm biển báo phụ ghi rõ thời gian cấm dừng đỗ xe và phạm vi cấm dừng đỗ xe.
Minh họa:

Hình G.45 - Vạch cấm dừng hoặc đỗ xe trên đường
Quy cách vạch như sau:
Vạch 6.2 là vạch liền nét màu vàng được sơn trên bó vỉa sát mép mặt đường phía cấm dừng xe hoặc đỗ xe hoặc sơn trên mặt đường phía cấm dừng xe hoặc đỗ xe, cách mép mặt đường 30 cm khi không có bó vỉa sát mép mặt đường.
Khi vạch 6.2 được bố trí trên bó vỉa, bề rộng phần sơn vàng được lấy bằng bề rộng viên đá vỉa hoặc tối thiểu 15 cm; ngoài ra bề rộng phần sơn vàng được kéo dài trên toàn bộ mặt vát hoặc mặt đứng của viên đá vỉa phía tiếp giáp với mặt đường. Trường hợp bố trí trên mặt đường, bề rộng vạch là 15 cm.
G.2. Vạch ngang đường
G2.1. Vạch dừng xe
Vạch 7.1: Vạch dừng xe
Áp dụng: dùng để xác định vị trí dừng xe để chờ tín hiệu cho phép đi tiếp. Vạch dùng để xác định vị trí người điều khiển phương tiện phải dừng lại khi có tín hiệu đèn đỏ hoặc khi có biển số R.122. Vạch cũng dùng để xác định vị trí người điều khiển phải dừng lại trong các điều kiện nhất định ở một số vị trí như: trên nhánh dẫn tới nút giao cùng mức với đường sắt, trên làn chờ rẽ trái trong phạm vi nút giao, trước vị trí vạch người đi bộ qua đường.
Minh họa:

Hình G.46 - Bố trí vạch dừng xe ở nút giao thông có đèn tín hiệu

Hình G.47 - Vị trí vạch dừng xe ở nút giao có vạch người đi bộ qua đường
Quy cách vạch như sau:
Vạch 7.1 là vạch liền nét màu trắng. Bề rộng vạch, căn cứ vào cấp đường, lưu lượng xe, tốc độ xe chạy mà chọn dùng một trong các giá trị 20 cm, 30 cm hoặc 40 cm (bề rộng nét vẽ lớn hơn áp dụng cho đường có lưu lượng, tốc độ xe chạy lớn hơn). Vạch này kẻ ngang toàn bộ bề rộng đường của hướng xe chạy.
Vạch dừng xe cần đặt ở vị trí mà lái xe có thể dễ dàng quan sát. Tại các nút giao cùng mức, vạch dừng xe nên đặt trùng với đường kéo dài của bó vỉa trục đường giao khi trên nhánh dẫn không bố trí vạch đi bộ cắt qua đường; trường hợp trên nhánh dẫn có bố trí vạch đi bộ cắt qua đường thì vạch dừng xe nên đặt cách mép vạch người đi bộ qua đường (1,5 m - 3,0 m) (xem Hình G.47).
Vạch dừng xe có thể sử dụng kết hợp với vạch chữ “STOP”. Đỉnh chữ “STOP” cách mép vạch dừng xe trong khoảng từ (2,0 m-3,0 m); và có thể vẽ thêm chữ “STOP” để báo hiệu trước trong phạm vi 25 m trước vị trí vạch dừng xe. Chi tiết thể hiện trên Hình 48.

Hình G.48 - Vạch dừng xe tại nút giao không có tín hiệu đèn điều khiển
G2.2. Vạch nhường đường
Vạch 7.2: Vạch nhường đường
Áp dụng: để báo hiệu cho xe phải đi chậm hoặc dừng lại khi cần thiết để nhường đường cho các phương tiện hoặc người trên các hướng giao thông khác được di chuyển trước. Vạch 7.2 được sử dụng kết hợp với biển W.208-“Giao với đường ưu tiên”.
Minh họa:

Hình G.49 - Vạch giảm tốc độ nhường đường-Mẫu 1

Hình G.50 - Vạch giảm tốc độ nhường đường-Mẫu 2
Quy cách vạch như sau:
Có thể sử dụng một trong hai mẫu vạch nhường đường như sau:
- Mẫu 1: Vạch nhường đường là vạch đôi, nét đứt, đi kèm với một hình tam giác ngược, tất cả đều màu trắng. Vạch được kẻ ngang trên toàn bộ bề rộng đường của hướng xe chạy. Chi tiết kích thước vạch xem Hình G.49.
- Mẫu 2: Vạch nhường đường có hình tam giác cân màu trắng, đáy của tam giác hướng về đường ưu tiên rộng 50 cm chiều cao của tam giác là 70 cm. Hai mép kề nhau của 2 tam giác cách nhau 30 cm. Chi tiết xem trên Hình G.50.
Vạch nhường đường cần đặt ở vị trí mà lái xe có thể dễ dàng quan sát. Tại các nút giao cùng mức, vạch nhường đường nên đặt trùng với đường kéo dài của bó vỉa trục đường giao khi trên nhánh dẫn không bố trí vạch đi bộ cắt qua đường. Nếu trên nhánh dẫn có bố trí vạch đi bộ cắt qua đường thì vạch giảm tốc độ nhường đường nên đặt cách mép vạch người đi bộ qua đường (1,5 m - 3,0 m).
G2.3. Vạch đi bộ qua đường
Vạch 7.3: Vạch đi bộ qua đường
Áp dụng: Vạch đi bộ qua đường xác định phạm vi phần đường dành cho người đi bộ cắt qua đường.
Bố trí vạch đi bộ qua đường ở những nơi có người đi bộ qua đường, khoảng cách bố trí hai vạch đi bộ qua đường trên cùng một đoạn đường nên cách nhau lớn hơn 150 m. Chiều rộng nhỏ nhất dành cho bố trí vạch đi bộ qua đường không được nhỏ hơn 3 m, tùy theo lượng người đi qua để nâng thêm chiều rộng, mỗi cấp nâng lên là 1 m.
Trên những đoạn đường không bình thường (tầm nhìn bị hạn chế, dốc dọc lớn, góc ngoặt lớn hoặc đường cong nằm bán kính nhỏ hoặc có các nguy hiểm khó lường hoặc ở những đoạn đường có bề rộng làn xe bị thu hẹp dần) thì không bố trí vạch đi bộ qua đường.
Minh họa:


Hình G.51 - Vạch đi bộ qua đường-Mẫu 1

Hình G.52 - Vạch đi bộ qua đường-Mẫu 2
Quy cách vạch như sau:
- Mẫu 1: Vạch đi bộ qua đường là các đường vạch đậm liền song song màu trắng (còn gọi là vạch ngựa vằn). Kích thước vạch xem trên Hình G.51.
- Mẫu 2: Sử dụng hai vạch liền, màu trắng, bề rộng nét vẽ b = 40 cm kẻ song song theo phương ngang đường để xác định phần đường dành cho người đi bộ (xem Hình 52). Mẫu 2 chỉ áp dụng để xác định phần đường cho người đi bộ qua đường ở những nơi có đèn tín hiệu phân định thời gian người đi bộ được phép qua đường.
Trước vạch đi bộ qua đường cần sử dụng vạch dừng xe. Các phương tiện phải dừng lại trước vạch dừng xe nói trên trong thời gian tín hiệu đèn đỏ hoặc phải dừng lại quan sát trước khi cắt qua vạch dừng xe nếu biển số R.122-“Dừng xe” được sử dụng kèm theo. Trường hợp không có đèn tín hiệu điều khiển và không sử dụng biển số R.122 - “Dừng xe”, các phương tiện phải dừng lại nhường đường cho người đi bộ qua đường khi có dấu hiệu người đi bộ qua đường trong khu vực kẻ vạch dừng xe.
G2.4. Vạch xe đạp qua đường
Vạch 7.4: Vạch xe đạp qua đường
Áp dụng: Vạch đi bộ qua đường xác định phạm vi phần đường dành cho xe đạp cắt qua đường. Ở nơi đường giao nhau không có người, tín hiệu điều khiển giao thông thì xe đạp phải nhường đường cho phương tiện cơ giới chạy trên đường cắt ngang đường xe đạp.
Minh họa:

Hình G.53 - Vạch xe đạp qua đường
Quy cách vạch như sau:
Hai vạch đứt quãng chạy song song rộng bằng nhau bằng 40 cm, chiều dài vạch đứt quãng là 40 cm và cách nhau 40 cm. Hai mép ngoài của 2 vạch cách nhau 1,8 m. Vạch xác định vị trí chỗ xe đạp đi ngang qua đường trên những chỗ giao nhau. Nơi không có điều khiển bằng đèn tín hiệu thì xe đạp phải nhường cho xe cơ giới khác chạy trên đường.
G2.5. Vạch xác định khu vực cấm xe thô sơ trong nút giao
Vạch 7.5: Vạch xác định khu vực cấm xe thô sơ trong nút giao
Áp dụng: Vạch 7.5 sử dụng để báo cho người điều khiển xe thô sơ biết phạm vi cấm khi đi vào nút giao ngã tư có sử dụng đèn tín hiệu điều khiển.
Minh họa:

Hình G.54 - Vạch xác định khu vực cấm xe thô sơ trong nút giao
Quy cách vạch như sau:
Vạch 7.5 gồm các vạch đơn, đứt khúc màu vàng, bề rộng vạch 20 cm. Phạm vi làn cấm xe thô sơ lấy ranh giới là vạch giới hạn làn xe cơ giới. Phần kéo dài của vạch qua phạm vi làn xe thô sơ được vẽ bằng nét liền màu vàng có cùng bề rộng với phần nét đứt là 20 cm.
G2.6. Vạch chỉ dẫn sắp đến chỗ có bố trí vạch đi bộ qua đường
Vạch 7.6: Vạch chỉ dẫn sắp đến chỗ có bố trí vạch đi bộ qua đường
Áp dụng: Vạch 7.6 sử dụng để báo hiệu sắp đến chỗ có bố trí vạch đi bộ qua đường; đặc biệt đối với các chỗ bố trí vạch đi bộ qua đường ở giữa đoạn đường nối hai nút để cảnh báo người lái xe phải nhường đường cho người đi bộ qua đường.
Minh họa:

Hình G.55 - Vạch chỉ dẫn sắp đến chỗ có bố trí vạch đi bộ qua đường
Quy cách vạch như sau:
Vạch có dạng hình thoi, màu trắng. Kích thước vạch xem trên Hình G.56.
G2.7. Vạch báo gần chỗ giao nhau với đường sắt
Vạch 7.7: Vạch báo gần chỗ giao nhau với đường sắt
Áp dụng: Vạch 7.7 sử dụng để báo cho người tham gia giao thông biết phía trước có chỗ giao nhau với đường sắt, nhắc người điều khiển phương tiện thận trọng. Cụm vạch này chỉ dùng ở chỗ không có người gác chắn đường sắt.
Minh họa:

Hình G.56 - Vạch báo chỗ giao nhau với đường sắt
Quy cách vạch như sau:
- Chữ "R" dùng sơn phản quang màu trắng ở bên phải và bên trái vạch chéo "X".
- Vạch chéo "X" cách vạch nét đứt nằm ngang trước và sau là 450 cm, vạch rộng 40 cm, vạch chéo theo phương ngang hết bề rộng chiều xe chạy và dài 600 cm theo chiều dọc.
- Vạch nét đứt nằm ngang dùng sơn phản quang trắng, nét rộng 40 cm, mỗi nét dài 60 cm, cách nhau 60 cm trước và sau vạch chéo "X".
- Bố trí kết hợp với vạch cấm vượt xe và vạch dừng xe. Khoảng cách từ điểm gần nhất của ray theo chiều dọc đến vạch dừng xe là 300 cm. Chi tiết xem trên Hình G.56.
G2.8. Vạch xác định khoảng cách xe trên đường
Vạch 7.8: Vạch xác định khoảng cách xe trên đường.
Áp dụng: Vạch 7.8 là vạch dùng để xác định khoảng cách trên đường, giúp cho lái xe biết cần phải giãn cách cự ly để đảm bảo an toàn với xe chạy phía trước. Vạch thường được sử dụng trên đường ôtô cao tốc ở những nơi hay xảy ra tai nạn do vượt xe hoặc đâm va từ phía sau hoặc ở những vị trí có yêu cầu đặc biệt. Vạch được sử dụng kèm biển báo ghi khoảng cách giữa các vạch theo phương dọc đường.
Minh họa:

Hình G.57 - Bố trí vạch xác định khoảng cách xe trên đường

Hình G.58 - Chi tiết vạch xác định khoảng cách xe trên đường
Quy cách vạch như sau:
Vạch có dạng các đường liền hình mũi nhọn, màu trắng chạy song song với tim đường. Kích thước vạch xem trên Hình G.58.
Vạch xác định khoảng cách xe trên đường nên phối hợp sử dụng với biển báo, cách 50 m thì bố trí một nhóm vạch (2 vạch/ làn, vạch cách nhau 5 m theo chiều dọc) và bố trí trên chiều dài 200 m dọc theo đường (5 cụm vạch/làn đường)
G2.9. Vạch giảm tốc độ
Quy định chung về vạch giảm tốc độ
Vạch giảm tốc độ dùng để báo cho người điều khiển phương tiện biết đoạn đường cần phái giảm tốc độ đồng thời bản thân vạch cũng được cấu tạo để góp phần làm giảm tốc độ xe chạy.
Vạch giảm tốc độ được bố trí ở trước và trong các đoạn đường xe cần phải giảm tốc độ để đảm bảo an toàn, như lối vào trạm thu phí; trên nhánh dẫn tới các nút giao cùng mức, trước các đoạn đường cong nằm bán kính nhỏ cần giới hạn tốc độ xe chạy và ở những nơi cần phải giảm tốc độ.
Vạch giảm tốc độ có màu vàng, có thể bố trí dạng cụm (nhiều vạch đơn) ở phía trước và trong đoạn đường cần giảm tốc độ hoặc là dạng vạch đơn bố trí trên toàn bộ chiều dài đoạn đường cần giảm tốc độ.
G3. Vạch đứng
a. Vạch 8.1: Vạch đứng trên mốc cố định
Áp dụng: sử dụng vạch 8.1 để cảnh báo người điều khiển phương tiện chú ý, trên đường đi phía trước có chướng ngại vật cao hơn mặt đường để đề phòng va quệt phải. Vạch này kẻ trên bề mặt phần đứng của chướng ngại vật có khả năng gây nguy hiểm đối với phương tiện giao thông như: trụ cầu vượt qua đường hoặc mặt trước của hai bên tường ở chỗ cầu vượt hay đường chui qua đường hoặc ở cửa đường hầm, trên kết cấu dải phân cách, trên đảo an toàn của đường ngang dành cho người đi bộ v.v....
Minh họa:

Hình G.63 - Minh họa bố trí vạch đứng trên mốc cố định
Quy cách vạch như sau:
Vạch 8.1 cấu tạo gồm những nét chéo vàng, đen hoặc đỏ, trắng xen kẽ nhau, nghiêng góc 45°, bề rộng và khoảng cách nét là 15 cm khi kẻ nên cho nét chéo xuống chéo về phía đường xe chạy.
Màu vàng, đen được sử dụng cho các đường ngoài khu vực đô thị; màu đỏ, trắng được sử dụng cho các đường trong khu vực đô thị. Khi cần thiết, các vạch cũng có thể được bẻ gập dạng chữ V (xem ví dụ trên Hình G.63). Chi tiết cấu tạo vạch 8.1 thể hiện trên Hình 62.

Chú dẫn:
- H < 2m; b ≤ 30cm thì a = 10cm
- H < 2m; b > 30cm thì a = 15cm
- H ≥ 2m; b > 30cm thì a = 20cm
Hình G.62 - Chi tiết vạch đứng trên mốc cố định
Sử dụng vạch 8.1 cho đảo phân làn tại trạm thu phí:
- Trên bề mặt kết cấu đảo phân làn tại cổng trạm thu phí sử dụng vạch 8.1 để biểu thị vị trí dải phân cách làn xe nhằm tăng tính dẫn hướng cho xe đi đúng làn đường.
- Vạch có màu vàng và màu đen đan xen nhau, chiều rộng của mỗi vạch là 15 cm bắt đầu vẽ từ đầu dải phân cách tạo thành một góc là 45° so mặt phẳng ngang và nghiêng đều về hai phía. Cách vẽ như ở thể hiện trên Hình G.63 và Hình G.64.

Hình G.63 - Sử dụng vạch 8.1 trên đảo phân làn tại trạm thu phí-Mẫu 1

Hình G.64 - Sử dụng vạch 8.1 trên đảo phân làn tại trạm thu phí-Mẫu 2
b. Vạch 8.2: vạch xác định mép dưới thấp nhất của kết cấu cầu vượt qua đường hoặc công trình khác đi phía trên đường
Áp dụng: Sử dụng vạch 8.2 để xác định mép dưới cùng của cầu vượt đường hoặc công trình tương tự nhằm cảnh báo cho người tham gia giao thông về các công trình này.
Minh họa:

Hình G.65 - Chi tiết vạch 8.2
Quy cách vạch như sau:
Vạch 8.2 cấu tạo gồm những nét vạch đỏ-trắng xen kẽ thẳng đứng có chiều rộng là 20 cm, cao 50 cm, bề rộng của phần vạch toàn bộ là 1 m.
c. Vạch số 8.3: vạch kẻ xung quanh các cột tròn đặt trên các đảo an toàn, trên dải phân cách và các vị trí tương tự
Vạch trắng-đỏ song song với mặt phẳng nằm ngang có chiều rộng của phần màu trắng và phần màu đỏ bằng nhau và bằng chiều rộng B của công trình, vạch kẻ ở các cột tròn đặt trên đảo an toàn, trên dải phân cách hoặc các vị trí tương tự:
- Nếu B ≤ 30cm thì a = 10cm.
- Nếu B > 30cm thì a = 15cm.

Hình G.66 - Chi tiết vạch 8.3
d. Vạch số 8.4: vạch kẻ trên cột tín hiệu, cột rào chắn, cột tiêu
Vạch xiên góc màu đỏ tạo với mặt phẳng ngang góc 30° rộng 15 cm, điểm giữa mép trên của vạch cách mặt phẳng đỉnh cột là 15 cm. Độ xiên của vạch hướng về phía mặt đường, vạch kẻ trên cột tín hiệu, cột rào chắn, cột tiêu.

Hình G.67 - Chi tiết vạch 8.4
e. Vạch số 8.5: vạch kẻ ở thanh ngang trên cùng của hàng rào chắn chỗ đường cong có bán kính nhỏ, đường cao hơn so với khu vực xung quanh, đường dốc xuống và những nơi nguy hiểm khác
Vạch đỏ - trắng xen kẽ có kích thước hết bề rộng công trình, vạch đỏ dài 1 m và vạch trắng dài 2 m.

Hình G.68 - Chi tiết vạch 8.5
g. Vạch số 8.6: Vạch kẻ ở thanh trên cùng của rào chắn ở những nơi đặc biệt nguy hiểm
Vạch đỏ liên tục chạy giữa bề mặt rào chắn rộng 10 cm.

Hình G.69 - Chi tiết vạch 8.6
g. Vạch số 8.7: Vạch kẻ ở hàng vỉa các vỉa hè nơi nguy hiểm hoặc hàng vỉa của đảo an toàn
Vạch đỏ - trắng xen kẽ kẻ trên bề mặt đứng và ngang, chiều dài vạch đỏ là L1, vạch trắng là L2. Trong trường hợp thông thường: L1 = 1 m - 2 m; L2 = 2 m - 4 m, tỷ lệ L1:L2 = 1:2 (xem Hình G.70). Đối với các vị trí hàng vỉa uốn cong với bán kính nhỏ, L1 = 0,5 m - 2,0 m; L2 = 0,5 m - 2,0 m, tỷ lệ L1:L2 = 1:1.

Hình G.70 - Chi tiết vạch 8.7
G4. Các loại vạch kẻ đường khác
a. Vạch 9.1: vạch cấm xe quay đầu
Áp dụng: sử dụng vạch 9.1 ở những vị trí cấm quay đầu xe tại nút giao hoặc chỗ mở dải phân cách hai chiều xe chạy.
Minh họa:

Hình G.71 - Vạch cấm xe quay đầu
Quy cách vạch như sau:
Sử dụng vạch màu vàng, hình dáng và kích thước xem trên Hình G.71.
b. Vạch 9.2: Vạch quy định vị trí dừng đỗ của phương tiện giao thông công cộng trên đường
Áp dụng: Sử dụng vạch 9.2 quy định vị trí dừng xe của các phương tiện vận tải hành khách công cộng trên đường như xe buýt, xe tắc xi ... Các loại phương tiện khác và người đi bộ không được dừng, đỗ trong phạm vi kẻ vạch và trong khoảng cách 15 m từ vị trí vạch về hai phía theo phương dọc đường.
Minh họa:

Hình G.72 - Chi tiết vạch số 9.2
Quy cách vạch như sau:
Vạch 9.2 là vạch đơn liền, màu vàng, bề rộng nét vẽ b = 10 cm. Vạch được vẽ dạng gãy khúc (có dạng hình chữ M, nhiều đỉnh). Chiều cao chữ M bằng 2.0 m, đường xiên của chữ M bằng nhau và bằng 2.0 m.
c. Vạch 9.3: Vạch mũi tên chỉ hướng trên mặt đường
Áp dụng: Vạch mũi tên chỉ hướng trên mặt đường được sử dụng để chỉ hướng xe phải đi. Mũi tên chỉ hướng chủ yếu sử dụng ở các nút giao có tách nhập làn và trên đường có nhiều làn xe. Mũi tên cũng có thể được sử dụng cho các phần đường xe chạy một chiều để xác nhận hướng giao thông.
Quy cách vạch như sau:
- Màu sắc của mũi tên chỉ đường là màu trắng.
- Tùy theo tốc độ xe chạy mà chọn kích thước các mũi tên phù hợp theo nguyên tắc tốc độ xe chạy càng lớn thì kích thước mũi tên càng lớn. Kích thước mũi tên thể hiện trên Hình G.73 áp dụng cho các đường có tốc độ xe chạy thấp. Kích thước mũi tên ghi ngoài ngoặc đơn thể hiện trên Hình G.74 áp dụng cho các đường có tốc độ xe chạy cao. Kích thước mũi trên ghi trong ngoặc đơn thể hiện trên Hình G.74 áp dụng cho đường ôtô cao tốc và các đường có tốc độ thiết kế ≥ 100 km/h.

Hình G.73 - Kích thước mũi tên chỉ đường áp dụng cho đường có tốc độ xe chạy thấp

Hình G.74 - Kích thước của mũi tên chỉ đường áp dụng cho đường có tốc độ xe chạy cao
d. Vạch 9.4: Vạch mũi tên báo số làn xe phía trước bị giảm
Áp dụng: sử dụng vạch mũi tên báo số làn xe phía trước bị giảm để báo cho người điều khiển phương tiện biết số làn xe theo hướng mũi tên bị giảm và phải chuyển làn đi theo hướng mũi tên.
Minh họa:

Hình G.75 - Vạch mũi tên báo số làn xe phía trước bị giảm
Quy cách vạch như sau: Vạch mũi tên báo số làn xe phía trước bị giảm có màu trắng. Kích thước vạch trong trường hợp thông thường như thể hiện trên Hình G.75. Trường hợp đường có tốc độ xe chạy thấp kích thước vạch có thể giảm xuống 0,5 lần so với kích thước ghi trên Hình G.76. Trường hợp đường có tốc độ cao có thể tăng kích thước lên 1,5 lần so với kích thước ghi trên Hình G.76.

Hình G.76 - Kích thước vạch mũi tên báo số làn xe phía trước bị giảm
e. Vạch 9.5: Vạch dạng chữ viết hoặc số trên mặt đường
Áp dụng: sử dụng đi kèm với các loại báo hiệu khác nhằm tăng tính rõ ràng về ý nghĩa của các báo hiệu.
Quy định chung: Vạch dạng chữ viết hoặc số có màu trắng; chiều cao chữ viết 3,0 m áp dụng cho đường cao tốc; 2,5 m áp dụng cho các loại đường khác; trong đô thị với các đường có tốc độ xe chạy thấp có thể sử dụng chiều cao chữ là 1,6 m; khoảng cách các hàng chữ hoặc số theo phương dọc đường 1,0 m-1,5 m; bề rộng nét vẽ 12 cm - 18 cm.
Một số vạch chữ và số:
- Vạch 9.5a: Vạch chữ “STOP”

Hình G.77 - Vạch chữ “STOP”
- Vạch 9.5b: vạch chữ làn đường dành riêng cho ôtô “ÔTÔ”

Hình G.78 - Vạch chữ “ÔTÔ”
- Vạch 9.5c: vạch chữ làn đường dành riêng cho xe máy “XE MÁY”

Hình G.79 - Vạch chữ “XE MÁY”
- Vạch 9.5d: vạch chữ làn đường dành riêng cho xe buýt “XE BUÝT”

Hình G.80 - Vạch chữ “XE BUÝT”
- Vạch 9.5.e: vạch chữ làn đường dành riêng cho xe đạp “XE ĐẠP”

Hình G.81 - Vạch chữ “XE ĐẠP”
f. Vạch 9.6: Vạch ký hiệu xe đạp trên mặt đường
Áp dụng: sử dụng trên các làn đường dành riêng cho xe đạp.
Minh họa:

Hình G.82 - Vạch ký hiệu làn đường dành riêng cho xe đạp
Quy cách vạch như sau: Vạch có màu trắng minh họa hình vẽ xe đạp như thể hiện trên Hình G.82. Kích thước hình vẽ được chọn tùy theo bề rộng của làn xe đạp. Các giá trị chiều rộng và chiều cao hình vẽ có thể sử dụng gồm: 75 cm x 120 cm; 110 cm x 170 cm, và 170 cm x 275 cm.
PHỤ LỤC I
CỘT KILÔMÉT-CỌC H-MỐC LỘ GIỚI
I.1. Quy định về hình dạng, kích thước và màu sắc đối với cột kilômét dạng cột thấp và cột kilômét dạng cột cao
a) Cột kilômét dạng cột thấp
- Hình dạng là hình chữ nhật, đầu trên cùng lượn tròn theo hình bán nguyệt đường kính 40 cm.
- Kích thước thân cột (không kể phần đế và phần đầu) có chiều cao 53 cm, chiều rộng 40 cm, chiều dầy 20 cm. Xem hình I.1
- Phần đầu hình bán nguyệt có màu đỏ với hệ thống đường quốc lộ, màu xanh với hệ thống đường tỉnh, màu nâu với hệ thống đường huyện và màu vàng với hệ thống đường chuyên dung. Phần thân cột màu trắng.
b) Cột kilômét dạng cột cao
- Hình dạng là hình chữ nhật đầu trên cùng lượn tròn theo hình bán nguyệt đường kính 52 cm.
- Kích thước: xem Hình I.2.
- Phần đầu hình bán nguyệt có màu đỏ với hệ thống đường quốc lộ, màu xanh với hệ thống đường tỉnh, màu nâu với hệ thống đường huyện và màu vàng với hệ thống đường chuyên dung. Phần thân cột là màu trắng.
I.2 Chữ đề trên cột kilômét dạng cột thấp và cột kilômét dạng cột cao
Chữ đề trên hai mặt thẳng góc với chiều đi màu đen . Nội dung và kích thước chữ như sau:
- Trong phần đầu hình bán nguyệt ghi số hiệu hoặc tên đường và lý trình của cột kilômét. Chiều cao số hiệu hoặc tên đường 4 cm. Chiều cao chữ "k" 8 cm, chữ "m" 5 cm, con số lý trình cao 8 cm, chữ và số màu trắng.
- Trong phần mặt trắng ghi tên địa phương theo quy định tại mục I.3. Chiều cao chữ 12 cm, chiều cao con số và chữ "k" 10 cm, chữ "m" 6,25 cm.
- Trên mặt song song với trục tim đường ghi số hiệu hoặc tên đường bằng màu đen, chiều cao chữ và con số 10 cm.
I.3. Quy định về tên địa phương chỉ dẫn trên cột kilômét dạng cột thấp và cột kilômét dạng cột cao
a) Tên địa phương phải là địa danh mà tuyến đi qua, không được chỉ dẫn tên địa phương trên đường khác đấu nối vào.
b) Những tên địa phương cần chỉ dẫn là những tên địa phương theo quy định tại khoản 44.4 Điều 44 của Quy chuẩn này.
c) Nếu tuyến đường đi qua nhiều tỉnh thì đoạn qua từng tỉnh sẽ chỉ dẫn tên địa phương thuộc địa phận tỉnh mình và chỉ chỉ dẫn thêm tên tỉnh lỵ của tỉnh kế cận hoặc điểm đầu hay điểm cuối con đường trên đoạn đường tiếp giáp với tỉnh kế cận.
d) Một số trường hợp đặc biệt:
- Quốc lộ 1 là tuyến đường đặc biệt quan trọng chạy dọc chiều dài đất nước do đó để thể hiện tính thống nhất quốc gia nên ở tất cả các tỉnh có quốc lộ 1 đi qua đều có thể báo xen kẽ tên ba thành phố lớn trên tuyến đường này là Hà Nội, Huế và Thành phố Hồ Chí Minh.
- Trường hợp một số tỉnh lỵ nằm ở trên đường cũ, do yêu cầu cải tuyến nên đường mới đi tránh tỉnh lỵ, thì vẫn được báo địa danh trên cột kilômét ở tuyến đường mới đi qua ngang tỉnh lỵ đó.
e) Phải đảm bảo mối liên quan chính xác giữa trị số khoảng cách, lý trình cột kilômét và tên địa phương được chỉ dẫn ở cả hai mặt cột kilômét, hướng đi và hướng về:
- Ví dụ: trên QL1, ở mặt bảng hướng về gốc đường ghi lý trình Km131, tên địa phương báo là Bắc Ninh, trị số khoảng cách là 10 km. ở mặt bảng ngược lại (hướng về cuối đường) ghi lý trình Km131, tên địa phương báo là Bắc Giang, trị số khoảng cách là 10 km.
Như vậy, ngay tại cột kilômét này suy ra được Bắc Ninh ở lý trình Km141 vì theo chiều đi lý trình tăng dần (131+10=141), Bắc Giang ở lý trình km121 vì theo chiều ngược lại lý trình giảm dần (131-10=121). Khoảng cách từ Bắc Ninh đến Bắc Giang là 20 km (lấy theo tổng số hai khoảng cách 10+10=20 hoặc lấy theo hiệu số của hai lý trình 141-121= 20 đều có giá trị như nhau). Tiếp đó, bất kỳ ở cột kilômét nào trên QL1 nếu có báo địa danh Bắc Ninh, Bắc Giang cũng phải suy ra được lý trình của Bắc Ninh là Km141 và của Bắc Giang là Km121.
g) Tên những địa phương quá dài thì chữ đứng đầu có thể viết tắt bằng một chữ cái đầu tiên. Ví dụ: "Phan Rang" có thể viết tắt là "P.Rang", "Buôn Ma Thuột" có thể viết tắt "B.M.Thuột".
I.4. Quy định về hình dạng, kích thước và màu sắc đối với cột kilômét dạng tấm hình chữ nhật
- Hình dạng: có dạng biển hình chữ nhật gắn trên cột biển báo.
- Kích thước: tấm hình chữ nhật làm mặt biển có kích thước chiều rộng 350 mm; chiều cao 700 mm, 1000 m hoặc 1300 m tùy theo việc bố trí 1, 2 hoặc 3 con số lý trình thể hiện trên biển theo chiều đứng. Chi tiết xem Hình I.3.
- Biển có nền màu xanh lá cây, viền màu trắng với đường cao tốc.
- Biển có nền màu xanh lam, viền màu trắng với các đường ô tô khác.

Ghi chú: Kích thước ghi trên hình vẽ là cm
Hình I.1-Cột kilômét dạng cột thấp

Ghi chú: Kích thước ghi trên hình vẽ là mm
Hình I.2-Cột kilômét dạng cột cao

Ghi chú: Nền màu xanh lá cây áp dụng cho đường ô tô cao tốc, nền màu xanh lam áp dụng cho các đường ô tô khác
Hình I.3-Biển báo hiệu cột kilômét dạng tấm hình chữ nhật đặt ở lề đường
Bảng các giá trị kích thước trên Hình I.3
Đơn vị: mm
|
198Ký hiệu |
A |
B |
C |
D |
E |
F |
G |
H |
J |
|
Giá trị kích thước (mm) |
300 |
600 |
12 |
90 |
100 |
70 |
250 |
90 |
40 |

Hình I.4-Cọc mốc lộ giới

Hình I.5-Mặt bằng bố trí mốc lộ giới

Hình I.6-Chi tiết cọc H
PHỤ LỤC K
KÍCH THƯỚC CHỮ VIẾT VÀ CON SỐ TRÊN BIỂN BÁO
K.1. Kiểu chữ thường (gt2)
Bảng kê chi tiết kỹ thuật kiểu chữ thường (gt2)
Đơn vị tính: mm - Chiều cao chữ 100 mm
|
Chữ in hoa |
|
Chữ thường |
||||||
|
|
Lề trái |
Giữa |
Lề phải |
|
Lề trái |
Giữa |
Lề phải |
|
|
A |
0,27 |
85,86 |
1,44 |
a |
4,80 |
56,01 |
6,73 |
|
|
Ă |
0,27 |
85,86 |
1,44 |
ă |
4,80 |
56,01 |
6,73 |
|
|
 |
0,27 |
85,86 |
1,44 |
â |
4,80 |
56,01 |
6,73 |
|
|
B |
10,02 |
70,49 |
5,22 |
b |
8,79 |
57,24 |
6,86 |
|
|
C |
6,73 |
71,38 |
0,00 |
c |
3,36 |
58,27 |
0,75 |
|
|
D |
10,02 |
71,31 |
7,21 |
d |
8,79 |
57,24 |
6,86 |
|
|
Đ |
2,06 |
79,20 |
7,28 |
đ |
8,79 |
63,97 |
0,14 |
|
|
E |
10,02 |
64,52 |
3,57 |
e |
5,01 |
58,96 |
5,97 |
|
|
Ê |
10,02 |
64,52 |
3,57 |
ê |
5,01 |
58,96 |
5,97 |
|
|
F |
10,02 |
64,52 |
0,89 |
f |
2,47 |
37,95 |
0,00 |
|
|
G |
6,73 |
71,79 |
7,21 |
g |
6,31 |
57,17 |
9,40 |
|
|
H |
10,02 |
70,49 |
10.57 |
h |
8,79 |
57,24 |
9,40 |
|
|
I |
9,81 |
16,54 |
9,88 |
i |
8,99 |
15,58 |
9,13 |
|
|
J |
0,34 |
58,68 |
8,58 |
j |
0,00 |
27,32 |
8,92 |
|
|
K |
10,09 |
78,45 |
0,00 |
k |
8,85 |
62,87 |
1,17 |
|
|
L |
10,02 |
64,52 |
3,57 |
l |
8,65 |
25,60 |
1,99 |
|
|
M |
10,09 |
85,66 |
10,78 |
m |
9,88 |
98,83 |
10,98 |
|
|
N |
10,02 |
75,50 |
10,57 |
n |
8,79 |
57,24 |
9,40 |
|
|
O |
6,73 |
71,79 |
7,21 |
o |
5,35 |
58,96 |
5,97 |
|
|
Ô |
6,73 |
71,79 |
7,21 |
ô |
5,35 |
58,96 |
5,97 |
|
|
Ơ |
6,73 |
78,45 |
0,55 |
ơ |
5,35 |
68,15 |
0,00 |
|
|
P |
10,02 |
70,08 |
3,23 |
p |
8,79 |
57,24 |
6,86 |
|
|
Q |
3,98 |
81,33 |
0,41 |
q |
6,31 |
57,17 |
9,40 |
|
|
R |
10,02 |
73,78 |
1,92 |
r |
6,11 |
48,52 |
0,00 |
|
|
S |
1,37 |
73,78 |
5,49 |
s |
0,69 |
61,43 |
5,35 |
|
|
T |
0,00 |
70,42 |
0,00 |
t |
2,40 |
32,81 |
3,84 |
|
|
U |
8,24 |
71,59 |
8,72 |
u |
8,79 |
57,24 |
9,40 |
|
|
Ư |
4,80 |
87,92 |
0,00 |
ư |
6,04 |
74,33 |
0,00 |
|
|
V |
0,00 |
78,31 |
0,00 |
v |
0,00 |
64,31 |
0,00 |
|
|
W |
1,17 |
113,86 |
1,85 |
w |
0,14 |
100,27 |
1,03 |
|
|
X |
0,00 |
78,72 |
0,00 |
x |
0,89 |
65,13 |
1,44 |
|
|
Y |
0,00 |
75,09 |
0,00 |
y |
0,00 |
64,58 |
0,00 |
|
|
Z |
3,98 |
64,58 |
4,32 |
z |
4,19 |
53,53 |
4,67 |
|
Ghi chú: Chữ viết và chữ số mẫu dùng để tham khảo khi thiết kế chi tiết biển chỉ dẫn (kích thước mắt lưới = 10x10 mm)

Hình K.1-Ký hiệu các chi tiết kích thước chữ
K.1.1. Chữ in hoa, kiểu chữ thường (gt2)

Ghi chú: đơn vị mm
Hình K.2-Chi tiết chữ viết và con số dạng chữ in hoa, kiểu chữ thường (gt2)
K.1.2. Chữ thường, kiểu chữ thường (gt2)

Hình K.3-Chi tiết chữ viết và con số dạng chữ thường, kiểu chữ thường (gt2)
K.2. Kiểu chữ nén (gt1)
Bảng kê chi tiết kỹ thuật kiểu chữ nén (gt1)
Đơn vị tính: mm - Chiều cao chữ 100 mm
|
205Chữ in hoa |
|
Chữ thường |
||||||
|
|
Lề trái |
Giữa |
Lề phải |
|
Lề trái |
Giữa |
Lề phải |
|
|
A |
0,15 |
57,10 |
0,29 |
a |
5,05 |
42,90 |
6,15 |
|
|
Ă |
0,15 |
57,10 |
0,29 |
ă |
5,05 |
42,90 |
6,15 |
|
|
 |
0,15 |
57,10 |
0,29 |
â |
5,05 |
42,90 |
6,15 |
|
|
B |
7,76 |
46,19 |
6,44 |
b |
6,44 |
42,90 |
5,64 |
|
|
C |
6,88 |
46,19 |
4,61 |
c |
5,20 |
42,75 |
3,44 |
|
|
D |
7,76 |
46,19 |
6,73 |
d |
5,78 |
42,90 |
6,15 |
|
|
Đ |
0,59 |
54,90 |
5,20 |
đ |
5,78 |
49,05 |
0,00 |
|
|
E |
7,76 |
42,75 |
5,34 |
e |
5,05 |
42,90 |
4,90 |
|
|
Ê |
7,76 |
42,75 |
5,34 |
ê |
5,05 |
42,90 |
4,90 |
|
|
F |
7,76 |
42,61 |
4,76 |
f |
2,34 |
31,92 |
0,95 |
|
|
G |
6,73 |
47,95 |
6,44 |
g |
5,05 |
43,05 |
6,30 |
|
|
H |
7,76 |
46,49 |
7,76 |
h |
6,30 |
42,90 |
6,37 |
|
|
I |
7,76 |
14,13 |
7,91 |
i |
6,30 |
14,42 |
6,22 |
|
|
J |
0,73 |
43,05 |
5,20 |
j |
0,15 |
22,77 |
4,17 |
|
|
K |
8,05 |
53,22 |
2,12 |
k |
6,30 |
50,07 |
0,59 |
|
|
L |
7,91 |
42,61 |
3,00 |
l |
6,30 |
21,45 |
2,49 |
|
|
M |
7,76 |
64,20 |
7,76 |
m |
6,30 |
71,52 |
6,22 |
|
|
N |
7,76 |
49,93 |
7,76 |
n |
6,08 |
42,90 |
6,44 |
|
|
O |
6,73 |
48,10 |
6,73 |
o |
5,20 |
42,90 |
5,12 |
|
|
Ô |
6,73 |
48,10 |
6,73 |
ô |
5,20 |
42,90 |
5,12 |
|
|
Ơ |
6,00 |
55,42 |
0,15 |
ơ |
3,73 |
51,39 |
0,29 |
|
|
P |
7,76 |
46,34 |
2,42 |
p |
6,44 |
42,90 |
5,05 |
|
|
Q |
4,90 |
56,22 |
0,00 |
q |
5,64 |
42,90 |
6,30 |
|
|
R |
7,61 |
51,90 |
2,20 |
r |
6,30 |
33,02 |
2,64 |
|
|
S |
3,88 |
49,19 |
4,90 |
s |
3,29 |
42,90 |
3,22 |
|
|
T |
2,34 |
48,83 |
2,27 |
t |
0,73 |
30,31 |
4,32 |
|
|
U |
7,76 |
46,49 |
7,61 |
u |
6,44 |
42,90 |
6,22 |
|
|
Ư |
4,83 |
59,52 |
0,37 |
ư |
4,25 |
56,00 |
0,00 |
|
|
V |
0,88 |
53,51 |
0,88 |
v |
0,00 |
49,93 |
0,00 |
|
|
W |
0,88 |
78,55 |
0,88 |
w |
0,59 |
74,96 |
0,29 |
|
|
X |
1,32 |
55,34 |
0,88 |
x |
0,00 |
49,78 |
0,00 |
|
|
Y |
0,00 |
53,37 |
0,00 |
y |
0,00 |
49,93 |
0,00 |
|
|
Z |
4,76 |
42,90 |
4,03 |
z |
3,29 |
38,95 |
3,44 |
|
Ghi chú: Chữ viết và chữ số mẫu dùng đề tham khảo khi thiết kế chi tiết biển chỉ dẫn (kích thước mắt lưới = 10x10 mm)
K.2.1 Chữ in hoa, kiểu chữ nén (gt1)

Ghi chú: đơn vị mm
Hình K.4 - Chi tiết chữ viết và con số dạng chữ in hoa, kiểu chữ nén (gt1)
K.2.2. Chữ thường, kiểu chữ nén (gt1)

Hình K.5-Chi tiết chữ viết dạng chữ thường, kiểu chữ nén (gt1)
PHỤ LỤC M
CHI TIẾT CÁC THÔNG SỐ THIẾT KẾ BIỂN BÁO
M.1. Nhóm biển báo cấm
Biển số P.101: Đường cấm

Biển số P.102: Cấm đi ngược chiều

Biển số P.103a: Cấm xe ô tô

|
Loại đường |
Đường cao tốc và đường đôi ngoài đô thị |
Đường thông thường |
Đường đô thị |
|
z(mm) |
126 |
87,5 |
70 |
Biển số P.103b: Cấm xe ôtô rẽ phải

Biển số P.103c: Cấm xe ô tô rẽ trái

Biển số P.104: Cấm xe môtô

|
Loại đường |
Đường cao tốc và đường đôi ngoài đô thị |
Đường thông thường |
Đường đô thị |
|
z(mm) |
126 |
87,5 |
70 |
Biển số P.105: Cấm xe ôtô và xe môtô

Biển số P.106a: Cấm xe ôtô tải

Biển số 106b: Cấm xe ôtô tải

|
Loại đường |
Đường cao tốc và đường đôi ngoài đô thị |
Đường thông thường |
Đường đô thị |
|
z(mm) |
126 |
87,5 |
70 |
Biển số P.106c: Cấm xe chở hàng nguy hiểm

Biển số P.107 Cấm xe ôtô khách và xe ôtô tải

Biển số P.107a: Cấm xe ôtô khách

|
Loại đường |
Đường cao tốc và đường đôi ngoài đô thị |
Đường thông thường |
Đường đô thị |
|
z(mm) |
126 |
87,5 |
70 |
Biển số P.107b: Cấm xe ôtô taxi

Biển số P.108: Cấm xe kéo rơ-moóc

|
Loại đường |
Đường cao tốc và đường đôi ngoài đô thị |
Đường thông thường |
Đường đô thị |
|
z(mm) |
126 |
87,5 |
70 |
Biển số P.108a: Cấm xe sơ-mi-rơ-moóc

Biển số P109: Cấm máy kéo

Biển số P.110a: Cấm xe đạp

|
Loại đường |
Đường cao tốc và đường đôi ngoài đô thị |
Đường thông thường |
Đường đô thị |
|
z(mm) |
126 |
87,5 |
70 |
Biển số P.110b: Cấm xe đạp thồ

Biển số P.111a: Cấm xe gắn máy

Biển số P.111b: Cấm xe ba bánh loại có động cơ

|
Loại đường |
Đường cao tốc và đường đôi ngoài đô thị |
Đường thông thường |
Đường đô thị |
|
z(mm) |
126 |
87,5 |
70 |
Biển số P.111c: Cấm xe ba bánh loại có động cơ

Biển số P.111d: Cấm xe ba bánh loại không có động cơ

Biển số P.112: Cấm người đi bộ

|
Loại đường |
Đường cao tốc và đường đôi ngoài đô thị |
Đường thông thường |
Đường đô thị |
|
z(mm) |
126 |
87,5 |
70 |
Biển số P.113: Cấm xe người kéo, đẩy

Biển số P.114: Cấm xe súc vật kéo

Biển số P.115: Hạn chế tải trọng toàn bộ xe

|
Loại đường |
Đường cao tốc và đường đôi ngoài đô thị |
Đường thông thường |
Đường đô thị |
|
z(mm) |
126 |
87,5 |
70 |
Biển số P.116: Hạn chế tải trọng trên trục xe

Biển số P.117: Hạn chế chiều cao

Biển số P.118: Hạn chế chiều ngang xe

|
Loại đường |
Đường cao tốc và đường đôi ngoài đô thị |
Đường thông thường |
Đường đô thị |
|
z(mm) |
126 |
87,5 |
70 |
Biển số P.119: Hạn chế chiều dài xe

Biển số P.120: Hạn chế chiều dài xe ôtô, máy kéo moóc hoặc sơ-mi-rơ-moóc

Biển số P.121: Cự ly tối thiểu giữa hai xe

|
Loại đường |
Đường cao tốc và đường đôi ngoài đô thị |
Đường thông thường |
Đường đô thị |
|
z(mm) |
126 |
87,5 |
70 |
Biển số P.123a: Cấm rẽ trái

Biển số P.123b: Cấm rẽ phải

Biển số P.124a: Cấm quay đầu xe

|
Loại đường |
Đường cao tốc và đường đôi ngoài đô thị |
Đường thông thường |
Đường đô thị |
|
z(mm) |
126 |
87,5 |
70 |
Biển số P.124b: Cấm ôtô quay đầu xe

Biển số P.124c: Cấm rẽ trái và quay đầu xe

Biển số P.124d: Cấm rẽ phải và quay đầu xe

|
Loại đường |
Đường cao tốc và đường đôi ngoài đô thị |
Đường thông thường |
Đường đô thị |
|
z(mm) |
126 |
87,5 |
70 |
Biển số P.124e: Cấm ôtô rẽ trái và quay đầu xe

Biển số P.124f: Cấm ôtô rẽ phải và quay đầu xe

|
Loại đường |
Đường cao tốc và đường đôi ngoài đô thị |
Đường thông thường |
Đường đô thị |
|
z(mm) |
126 |
87,5 |
70 |
Biển số P.125:Cấm vượt
\
Biển số P.126: Cấm ôtô tải vượt

Biển số P.127: Tốc độ tối đa cho phép

|
Loại đường |
Đường cao tốc và đường đôi ngoài đô thị |
Đường thông thường |
Đường đô thị |
|
z(mm) |
126 |
87,5 |
70 |
Biển số P.127a: Tốc độ tối đa cho phép về ban đêm

|
Loại đường |
Đường cao tốc và đường đôi ngoài đô thị |
Đường thông thường |
Đường đô thị |
|
z(mm) |
126 |
87,5 |
70 |
Biển số P.127b: Biển gộp tốc độ tối đa cho phép theo làn đường đặt bên đường hoặc trên cột cần vương

|
Loại đường |
Đường đôi ngoài đô thị |
Đường thông thường |
Đường đô thị |
|
z(mm) |
90 |
62,5 |
50 |
Biển số P.127c: Biển gộp tốc độ tối đa cho phép theo phương tiện trên từng làn đường

Biển số P.127d: Biển hết hạn chế tốc độ tối đa cho phép theo làn đường hoặc theo phương tiện trên từng làn đường

|
Loại đường |
Đường đôi ngoài đô thị |
Đường thông thường |
Đường đô thị |
|
z(mm) |
90 |
62,5 |
50 |
Biển số P.128: Cấm sử dụng còi

Biển số P.129: Kiểm tra
\
Biển số P.130: Cấm dừng xe và đỗ xe

|
Loại đường |
Đường cao tốc và đường đôi ngoài đô thị |
Đường thông thường |
Đường đô thị |
|
z(mm) |
126 |
87,5 |
70 |
Biển số P.131a: Cấm đỗ xe

Biển số P.131b: Cấm đỗ vào ngày lẻ

Biển số P.131b: Cấm đỗ vào ngày ngày chẵn

|
Loại đường |
Đường cao tốc và đường đôi ngoài đô thị |
Đường thông thường |
Đường đô thị |
|
z(mm) |
126 |
87,5 |
70 |
Biển số P.132: Nhường đường cho xe cơ giới đi ngược chiều qua đường hẹp

Biển DP.133: Hết cấm vượt

Biển DP.134: Hết hạn chế tốc độ tối đa

|
Loại đường |
Đường cao tốc và đường đôi ngoài đô thị |
Đường thông thường |
Đường đô thị |
|
z(mm) |
126 |
87,5 |
70 |
Biển DP.135: Hết tất cả các lệnh cấm

Biển số P.136:Cấm đi thẳng

Biển số P.137: Cấm rẽ trái, rẽ phải

|
Loại đường |
Đường cao tốc và đường đôi ngoài đô thị |
Đường thông thường |
Đường đô thị |
|
z(mm) |
126 |
87,5 |
70 |
Biển số P.138: Cấm đi thẳng, rẽ trái

Biển số P.139: Cấm đi thẳng, rẽ phải

Biển số P.140: Cấm xe công nông và các loại xe tương tự

|
Loại đường |
Đường cao tốc và đường đôi ngoài đô thị |
Đường thông thường |
Đường đô thị |
|
z(mm) |
126 |
87,5 |
70 |
M.2. Nhóm biển báo nguy hiểm và cảnh báo

|
Loại đường |
Đường cao tốc và đường đôi ngoài đô thị |
Đường thông thường |
Đường đô thị |
|
z(mm) |
126 |
87,5 |
70 |

|
Loại đường |
Đường cao tốc và đường đôi ngoài đô thị |
Đường thông thường |
Đường đô thị |
|
z(mm) |
126 |
87,5 |
70 |

|
Loại đường |
Đường cao tốc và đường đôi ngoài đô thị |
Đường thông thường |
Đường đô thị |
|
z(mm) |
126 |
87,5 |
70 |

|
Loại đường |
Đường cao tốc và đường đôi ngoài đô thị |
Đường thông thường |
Đường đô thị |
|
z(mm) |
126 |
87,5 |
70 |

|
Loại đường |
Đường cao tốc và đường đôi ngoài đô thị |
Đường thông thường |
Đường đô thị |
|
z(mm) |
126 |
87,5 |
70 |

|
Loại đường |
Đường cao tốc và đường đôi ngoài đô thị |
Đường thông thường |
Đường đô thị |
|
z(mm) |
126 |
87,5 |
70 |

|
Loại đường |
Đường cao tốc và đường đôi ngoài đô thị |
Đường thông thường |
Đường đô thị |
|
z(mm) |
126 |
87,5 |
70 |

|
Loại đường |
Đường cao tốc và đường đôi ngoài đô thị |
Đường thông thường |
Đường đô thị |
|
z(mm) |
126 |
87,5 |
70 |

|
Loại đường |
Đường cao tốc và đường đôi ngoài đô thị |
Đường thông thường |
Đường đô thị |
|
z(mm) |
126 |
87,5 |
70 |

|
Loại đường |
Đường cao tốc và đường đôi ngoài đô thị |
Đường thông thường |
Đường đô thị |
|
z(mm) |
126 |
87,5 |
70 |

|
Loại đường |
Đường cao tốc và đường đôi ngoài đô thị |
Đường thông thường |
Đường đô thị |
|
z(mm) |
126 |
87,5 |
70 |

|
Loại đường |
Đường cao tốc và đường đôi ngoài đô thị |
Đường thông thường |
Đường đô thị |
|
z(mm) |
126 |
87,5 |
70 |

|
Loại đường |
Đường cao tốc và đường đôi ngoài đô thị |
Đường thông thường |
Đường đô thị |
|
z(mm) |
126 |
87,5 |
70 |

|
Loại đường |
Đường cao tốc và đường đôi ngoài đô thị |
Đường thông thường |
Đường đô thị |
|
z(mm) |
126 |
87,5 |
70 |

|
Loại đường |
Đường cao tốc và đường đôi ngoài đô thị |
Đường thông thường |
Đường đô thị |
|
z(mm) |
126 |
87,5 |
70 |

|
Loại đường |
Đường cao tốc và đường đôi ngoài đô thị |
Đường thông thường |
Đường đô thị |
|
z(mm) |
126 |
87,5 |
70 |

|
Loại đường |
Đường cao tốc và đường đôi ngoài đô thị |
Đường thông thường |
Đường đô thị |
|
z(mm) |
126 |
87,5 |
70 |

|
Loại đường |
Đường cao tốc và đường đôi ngoài đô thị |
Đường thông thường |
Đường đô thị |
|
z(mm) |
126 |
87,5 |
70 |

|
Loại đường |
Đường cao tốc và đường đôi ngoài đô thị |
Đường thông thường |
Đường đô thị |
|
z(mm) |
126 |
87,5 |
70 |

|
Loại đường |
Đường cao tốc và đường đôi ngoài đô thị |
Đường thông thường |
Đường đô thị |
|
z(mm) |
126 |
87,5 |
70 |

|
Loại đường |
Đường cao tốc và đường đôi ngoài đô thị |
Đường thông thường |
Đường đô thị |
|
z(mm) |
126 |
87,5 |
70 |

|
Loại đường |
Đường cao tốc và đường đôi ngoài đô thị |
Đường thông thường |
Đường đô thị |
|
z(mm) |
126 |
87,5 |
70 |

|
Loại đường |
Đường cao tốc và đường đôi ngoài đô thị |
Đường thông thường |
Đường đô thị |
|
z(mm) |
126 |
87,5 |
70 |

|
Loại đường |
Đường cao tốc và đường đôi ngoài đô thị |
Đường thông thường |
Đường đô thị |
|
z(mm) |
126 |
87,5 |
70 |

|
Loại đường |
Đường đôi ngoài đô thị |
Đường thông thường |
Đường đô thị |
|
z(mm) |
90 |
62,5 |
50 |

|
Loại đường |
Đường đôi ngoài đô thị |
Đường thông thường |
Đường đô thị |
|
z(mm) |
90 |
62,5 |
50 |

|
Loại đường |
Đường cao tốc và đường đôi ngoài đô thị |
Đường thông thường |
Đường đô thị |
|
z(mm) |
126 |
87,5 |
70 |

|
Loại đường |
Đường cao tốc và đường đôi ngoài đô thị |
Đường thông thường |
Đường đô thị |
|
z(mm) |
126 |
87,5 |
70 |

|
Loại đường |
Đường cao tốc và đường đôi ngoài đô thị |
Đường thông thường |
Đường đô thị |
|
z(mm) |
126 |
87,5 |
70 |
M.3. Nhóm biển hiệu lệnh

|
Loại đường |
Đường cao tốc và đường đôi ngoài đô thị |
Đường thông thường |
Đường đô thị |
|
z(mm) |
126 |
87,5 |
70 |

|
Loại đường |
Đường cao tốc và đường đôi ngoài đô thị |
Đường thông thường |
Đường đô thị |
|
z(mm) |
126 |
87,5 |
70 |

|
Loại đường |
Đường cao tốc và đường đôi ngoài đô thị |
Đường thông thường |
Đường đô thị |
|
z(mm) |
126 |
87,5 |
70 |

|
Loại đường |
Đường cao tốc và đường đôi ngoài đô thị |
Đường thông thường |
Đường đô thị |
|
z(mm) |
126 |
87,5 |
70 |

|
Loại đường |
Đường cao tốc và đường đôi ngoài đô thị |
Đường thông thường |
Đường đô thị |
|
z(mm) |
126 |
87,5 |
70 |

|
Loại đường |
Đường cao tốc và đường đôi ngoài đô thị |
Đường thông thường |
Đường đô thị |
|
z(mm) |
126 |
87,5 |
70 |

|
Loại đường |
Đường cao tốc và đường đôi ngoài đô thị |
Đường thông thường |
Đường đô thị |
|
z(mm) |
126 |
87,5 |
70 |

|
Loại đường |
Đường cao tốc và đường đôi ngoài đô thị |
Đường thông thường |
Đường đô thị |
|
z(mm) |
126 |
87,5 |
70 |

|
Loại đường |
Đường cao tốc và đường đôi ngoài đô thị |
Đường thông thường |
Đường đô thị |
|
z(mm) |
90 |
62,5 |
50 |

|
Loại đường |
Đường cao tốc và đường đôi ngoài đô thị |
Đường thông thường |
Đường đô thị |
|
z(mm) |
90 |
62,5 |
50 |

|
Loại đường |
Đường cao tốc và đường đôi ngoài đô thị |
Đường thông thường |
Đường đô thị |
|
z(mm) |
90 |
62,5 |
50 |

|
Loại đường |
Đường cao tốc và đường đôi ngoài đô thị |
Đường thông thường |
Đường đô thị |
|
z(mm) |
90 |
62,5 |
50 |

|
Loại đường |
Đường cao tốc và đường đôi ngoài đô thị |
Đường thông thường |
Đường đô thị |
|
z(mm) |
90 |
62,5 |
50 |

|
Loại đường |
Đường cao tốc và đường đôi ngoài đô thị |
Đường thông thường |
Đường đô thị |
|
z(mm) |
90 |
62,5 |
50 |

|
Loại đường |
Đường cao tốc và đường đôi ngoài đô thị |
Đường thông thường |
Đường đô thị |
|
z(mm) |
90 |
62,5 |
50 |

|
Loại đường |
Đường cao tốc và đường đôi ngoài đô thị |
Đường thông thường |
Đường đô thị |
|
z(mm) |
90 |
62,5 |
50 |

|
Loại đường |
Đường cao tốc và đường đôi ngoài đô thị |
Đường thông thường |
Đường đô thị |
|
z(mm) |
90 |
62,5 |
50 |

|
Loại đường |
Đường đôi ngoài đô thị |
Đường thông thường |
Đường đô thị |
|
z(mm) |
90 |
62,5 |
50 |

|
Loại đường |
Đường đôi ngoài đô thị |
Đường thông thường |
Đường đô thị |
|
z(mm) |
90 |
62,5 |
50 |


|
Loại đường |
Đường đôi ngoài đô thị |
Đường thông thường |
Đường đô thị |
|
z(mm) |
90 |
62,5 |
50 |

|
Loại đường |
Đường đôi ngoài đô thị |
Đường thông thường |
Đường đô thị |
|
z(mm) |
90 |
62,5 |
50 |


|
Loại đường |
Đường đôi ngoài đô thị |
Đường thông thường |
Đường đô thị |
|
z(mm) |
126 |
87,5 |
70 |

|
Loại đường |
Đường đôi ngoài đô thị |
Đường thông thường |
Đường đô thị |
|
z(mm) |
126 |
87,5 |
70 |

|
Loại đường |
Đường đôi ngoài đô thị |
Đường thông thường |
Đường đô thị |
|
z(mm) |
126 |
87,5 |
70 |

|
Loại đường |
Đường cao tốc và đường đôi ngoài đô thị |
Đường thông thường |
Đường đô thị |
|
z(mm) |
90 |
62,5 |
50 |
M.4. Nhóm biển chỉ dẫn

|
Loại đường |
Đường đôi ngoài đô thị |
Đường thông thường |
Đường đô thị |
|
z(mm) |
100 |
75 |
50 |

|
Loại đường |
Đường đôi ngoài đô thị |
Đường thông thường |
Đường đô thị |
|
z(mm) |
100 |
75 |
50 |

|
Loại đường |
Đường đôi ngoài đô thị |
Đường thông thường |
Đường đô thị |
|
z(mm) |
100 |
75 |
50 |

|
Loại đường |
Đường đôi ngoài đô thị |
Đường thông thường |
Đường đô thị |
|
z(mm) |
100 |
75 |
50 |

|
Loại đường |
Đường đôi ngoài đô thị |
Đường thông thường |
Đường đô thị |
|
z(mm) |
100 |
75 |
50 |

|
Loại đường |
Đường đôi ngoài đô thị |
Đường thông thường |
Đường đô thị |
|
z(mm) |
100 |
75 |
50 |

|
Loại đường |
Đường đôi ngoài đô thị |
Đường thông thường |
Đường đô thị |
|
z(mm) |
100 |
75 |
50 |

|
Loại đường |
Đường đôi ngoài đô thị |
Đường thông thường |
Đường đô thị |
|
z(mm) |
140 |
105 |
70 |

|
Loại đường |
Đường đôi ngoài đô thị |
Đường thông thường |
Đường đô thị |
|
z(mm) |
100 |
75 |
50 |

|
Loại đường |
Đường đôi ngoài đô thị |
Đường thông thường |
Đường đô thị |
|
z(mm) |
100 |
75 |
50 |

|
Loại đường |
Đường đôi ngoài đô thị |
Đường thông thường |
Đường đô thị |
|
z(mm) |
100 |
75 |
50 |

|
Loại đường |
Đường đôi ngoài đô thị |
Đường thông thường |
Đường đô thị |
|
z(mm) |
100 |
75 |
50 |

|
Loại đường |
Đường đôi ngoài đô thị |
Đường thông thường |
Đường đô thị |
|
z(mm) |
100 |
75 |
50 |

|
Loại đường |
Đường đôi ngoài đô thị |
Đường thông thường |
Đường đô thị |
|
z(mm) |
100 |
75 |
50 |

|
Loại đường |
Đường đôi ngoài đô thị |
Đường thông thường |
Đường đô thị |
|
z(mm) |
100 |
75 |
50 |

|
Loại đường |
Đường đôi ngoài đô thị |
Đường thông thường |
Đường đô thị |
|
z(mm) |
100 |
75 |
50 |

|
Loại đường |
Đường đôi ngoài đô thị |
Đường thông thường |
Đường đô thị |
|
z(mm) |
100 |
75 |
50 |

|
Loại đường |
Đường đôi ngoài đô thị |
Đường thông thường |
Đường đô thị |
|
z(mm) |
100 |
75 |
50 |

|
Loại đường |
Đường đôi ngoài đô thị |
Đường thông thường |
Đường đô thị |
|
z(mm) |
100 |
75 |
50 |

|
Loại đường |
Đường đôi ngoài đô thị |
Đường thông thường |
Đường đô thị |
|
z(mm) |
100 |
75 |
50 |

|
Loại đường |
Đường đôi ngoài đô thị |
Đường thông thường |
Đường đô thị |
|
z(mm) |
100 |
75 |
50 |

|
Loại đường |
Đường đôi ngoài đô thị |
Đường thông thường |
Đường đô thị |
|
z(mm) |
100 |
75 |
50 |

|
Loại đường |
Đường đôi ngoài đô thị |
Đường thông thường |
Đường đô thị |
|
z(mm) |
75 |
56.25 |
37,5 |


|
Loại đường |
Đường đôi ngoài đô thị |
Đường thông thường |
Đường đô thị |
|
z(mm) |
100 |
75 |
50 |

|
Loại đường |
Đường đôi ngoài đô thị |
Đường thông thường |
Đường đô thị |
|
z(mm) |
100 |
75 |
50 |

|
Loại đường |
Đường đôi ngoài đô thị |
Đường thông thường |
Đường đô thị |
|
z(mm) |
80 |
60 |
40 |

|
Loại đường |
Đường đôi ngoài đô thị |
Đường thông thường |
Đường đô thị |
|
z(mm) |
80 |
60 |
40 |

|
Loại đường |
Đường đôi ngoài đô thị |
Đường thông thường |
Đường đô thị |
|
z(mm) |
80 |
60 |
40 |

|
Loại đường |
Đường đôi ngoài đô thị |
Đường thông thường |
Đường đô thị |
|
z(mm) |
80 |
60 |
40 |

|
Loại đường |
Đường đôi ngoài đô thị |
Đường thông thường |
Đường đô thị |
|
z(mm) |
80 |
60 |
40 |

|
Loại đường |
Đường đôi ngoài đô thị |
Đường thông thường |
Đường đô thị |
|
z(mm) |
80 |
60 |
40 |

|
Loại đường |
Đường đôi ngoài đô thị |
Đường thông thường |
Đường đô thị |
|
z(mm) |
80 |
60 |
40 |

|
Loại đường |
Đường đôi ngoài đô thị |
Đường thông thường |
Đường đô thị |
|
z(mm) |
100 |
75 |
50 |

|
Loại đường |
Đường đôi ngoài đô thị |
Đường thông thường |
Đường đô thị |
|
z(mm) |
100 |
75 |
50 |

|
Loại đường |
Đường đôi ngoài đô thị |
Đường thông thường |
Đường đô thị |
|
z(mm) |
100 |
75 |
50 |
M.5. Nhóm biển phụ

|
Loại đường |
Đường đôi ngoài đô thị |
Đường thông thường |
Đường đô thị |
|
z(mm) |
90 |
62,5 |
50 |

|
Loại đường |
Đường đôi ngoài đô thị |
Đường thông thường |
Đường đô thị |
|
z(mm) |
90 |
62,5 |
50 |

|
Loại đường |
Đường đôi ngoài đô thị |
Đường thông thường |
Đường đô thị |
|
z(mm) |
90 |
62,5 |
50 |

|
Loại đường |
Đường đôi ngoài đô thị |
Đường thông thường |
Đường đô thị |
|
z(mm) |
90 |
62,5 |
50 |


|
Loại đường |
Đường đôi ngoài đô thị |
Đường thông thường |
Đường đô thị |
|
z(mm) |
90 |
62,5 |
50 |

|
Loại đường |
Đường đôi ngoài đô thị |
Đường thông thường |
Đường đô thị |
|
z(mm) |
90 |
62,5 |
50 |

|
Loại đường |
Đường đôi ngoài đô thị |
Đường thông thường |
Đường đô thị |
|
z(mm) |
90 |
62,5 |
50 |

|
Loại đường |
Đường đôi ngoài đô thị |
Đường thông thường |
Đường đô thị |
|
z(mm) |
90 |
62,5 |
50 |

|
Loại đường |
Đường đôi ngoài đô thị |
Đường thông thường |
Đường đô thị |
|
z(mm) |
90 |
62,5 |
50 |

|
Loại đường |
Đường đôi ngoài đô thị |
Đường thông thường |
Đường đô thị |
|
z(mm) |
90 |
62,5 |
50 |
PHỤ LỤC N
MÃ HIỆU ĐƯỜNG CAO TỐC
|
Mã đường cao tốc |
Tên đường cao tốc |
Ghi chú |
|
|
Đường cao tốc Bắc-Nam phía Đông Hà Nội-Cần Thơ |
Điểm đầu: tại nút giao Pháp Vân Điểm cuối: TP. Cần Thơ Tuyến đi qua các vị trí: Pháp Vân – Cầu Giẽ-Ninh Bình-Nghi Sơn (Thanh Hoá)-Hồng Lĩnh (Hà Tĩnh) – Bùng (Quảng Bình)-Cam Lộ (Quảng Trị)-Tuý Loan (Đà Nẵng) - Quảng Ngãi-Bình Định-Nha Trang-Phan Thiết-Dầu Giây - Long Thành-Bến Lức-Trung Lương-Mỹ Thuận – Cần Thơ |
|
|
Đường cao tốc Bắc-Nam phía Tây Phú Thọ - Kiên Giang |
Điểm đầu: Phú Thọ Điểm cuối: Kiên Giang Tuyến đi qua các vị trí: Đoan Hùng (Phú Thọ)-Chợ Bến (Hoà Bình) – Khe Cò (Hà Tĩnh)-Bùng (Quảng Bình)-Cam Lộ (Quảng Trị)-Tuý Loan (Đà Nẵng)-Ngọc Hồi (Kon Tum)-Chơn Thành (Đồng Nai)-Đức Hoà (Long An)-Mỹ An (Đồng Tháp) – Rạch Sỏi (Kiên Giang) |
|
|
Đường cao tốc Lạng Sơn – Bắc Giang-Bắc Ninh |
Điểm đầu: Lạng Sơn Điểm cuối: Bắc Ninh |
|
|
Đường cao tốc Hà Nội-Hải Phòng |
Điểm đầu: Hà Nội Điểm cuối: Hải Phòng |
|
|
Đường cao tốc Hà Nội-Việt Trì - Lào Cai |
Điểm đầu: Hà Nội Điểm cuối: Lào Cai |
|
|
Đường cao tốc Nội Bài-Hạ Long-Móng Cái |
Điểm đầu: Nội Bài Điểm cuối: Móng Cái |
|
|
Đường cao tốc Hà Nội-Thái Nguyên-Chợ Mới |
Điểm đầu: Hà Nội Điểm cuối: Chợ Mới (Bắc Kạn) |
|
|
Đường cao tốc Láng - Hòa Lạc-Hoà Bình |
Điểm đầu: Láng (Hà Nội) Điểm cuối: Hoà Bình |
|
|
Đường cao tốc Ninh Bình – Hải Phòng-Quảng Ninh |
Điểm đầu: Ninh Bình Điểm cuối: Quảng Ninh |
|
|
Đường cao tốc Hồng Lĩnh – Hương Sơn |
Điểm đầu: Hồng Lĩnh (Hà Tĩnh) Điểm cuối: Hương Sơn (Hà Tĩnh) |
|
|
Đường cao tốc Cam Lộ - Lao Bảo |
Điểm đầu: Cam Lộ (Quảng Trị) Điểm cuối: Lao Bảo (Quảng Trị) |
|
|
Đường cao tốc Quy Nhơn – Pleiku |
Điểm đầu: Quy Nhơn (Bình Định) Điểm cuối: Pleiku (Gia Lai) |
|
|
Đường cao tốc Biên Hòa – Vũng Tàu |
Điểm đầu: Biên Hoà (Đồng Nai) Điểm cuối: Vũng Tàu |
|
|
Đường cao tốc Dầu Giây – Đà Lạt |
Điểm đầu: Dầu Giây (Đồng Nai) Điểm cuối: Đà Lạt (Lâm Đồng) |
|
|
Đường cao tốc TP. Hồ Chí Minh-Thủ Dầu Một-Chơn Thành |
Điểm đầu: TP. Hồ Chí Minh Điểm cuối: Nhơn Thành (Bình Phước) |
|
|
Đường cao tốc TP. Hồ Chí Minh-Mộc Bài |
Điểm đầu: TP. Hồ Chí Minh Điểm cuối: Mộc Bài (Tây Ninh) |
|
|
Đường cao tốc Châu Đốc – Cần Thơ-Sóc Trăng |
Điểm đầu: Châu Đốc (An Giang) Điểm cuối: Sóc Trăng |
|
|
Đường cao tốc Hà Tiên – Rạch Giá-Bạc Liêu |
Điểm đầu: Hà Tiên (Kiên Giang) Điểm cuối: Bạc Liêu |
|
|
Đường cao tốc Cần Thơ – Cà Mau |
Điểm đầu: Cần Thơ Điểm cuối: Cà Mau |
|
|
Đường cao tốc vành đai 3 TP. Hà Nội |
Trên địa phận thành phố Hà Nội |
|
|
Đường cao tốc vành đai 4 TP. Hà Nội |
Trên địa phận thành phố Hà Nội |
|
|
Đường cao tốc vành đai 3 TP. Hồ Chí Minh |
Trên địa phận thành phố Hồ Chí Minh |
Ghi chú: Mã hiệu đường cao tốc chưa có trong Quy hoạch phát triển mạng đường bộ cao tốc Việt Nam đến năm 2020 và tầm nhìn sau năm 2020 đã được phê duyệt sẽ được Bộ Giao thông vận tải cập nhật, bổ sung trong quá trình điều chỉnh quy hoạch và công bố.
PHỤ LỤC O
KÍCH THƯỚC MÃ HIỆU ĐƯỜNG BỘ
a) Kích thước mã hiệu đường cao tốc

Ghi chú: a là khoảng cách căn giữa.
Thông số kỹ thuật yêu cầu
|
Hạng mục |
Màu sắc |
Vật liệu |
Kiểu chữ |
Ghi chú |
|
Chữ/Số/Khung |
Đen |
Màng phản quang loại VIII, IX, X cấu trúc kim cương |
gt2 |
|
|
Nền |
Vàng huỳnh quang |
|
b) Kích thước mã hiệu quốc lộ

Ghi chú: a là khoảng cách căn giữa.
Thông số kỹ thuật yêu cầu
|
Hạng mục |
Màu sắc |
Vật liệu |
Kiểu chữ |
Ghi chú |
|
Chữ/Số/Khung |
Đen |
Màng phản quang loại VIII, IX, X cấu trúc kim cương |
gt2 |
|
|
Nền |
Trắng |
|
c) Kích thước ký hiệu đường tỉnh:

Ghi chú: a là khoảng cách căn giữa.
Thông số kỹ thuật yêu cầu
|
333Hạng mục |
Màu sắc |
Vật liệu |
Kiểu chữ |
Ghi chú |
|
Chữ/Số/Khung |
Đen |
Màng phản quang loại VIII, IX, X cấu trúc kim cương |
gt2 |
|
|
Nền |
Trắng |
|
d) Kích thước mã hiệu đường huyện:

Ghi chú: a là khoảng cách căn giữa.
Thông số kỹ thuật yêu cầu
|
334Hạng mục |
Màu sắc |
Vật liệu |
Kiểu chữ |
Ghi chú |
|
Chữ/Số/Khung |
Đen |
Màng phản quang loại VIII, IX, X cấu trúc kim cương |
gt2 |
|
|
Nền |
Trắng |
PHỤ LỤC P
CHI TIẾT CÁC THÔNG SỐ THIẾT KẾ BIỂN CHỈ DẪN TRÊN ĐƯỜNG CAO TỐC
P.1. Biển chỉ dẫn sơ đồ và khoảng cách đến nút giao với nhánh nối vào đường cao tốc
a) Biển số IE.450a:

Ghi chú: k2 = H2; L là chiều rộng biển; W là chiều cao biển.
Thông số kỹ thuật yêu cầu
Đơn vị: cm
|
Hạng mục |
Màu sắc |
Vật liệu |
Kiểu chữ & Kích thước |
Ghi chú |
|
Chữ/Số/Khung |
Trắng |
Màng phản quang loại VIII, IX, X cấu trúc kim cương |
gt2 H1=40 k2=H2=33 h2=25 |
|
|
Nền |
Xanh lam |
|||
|
Biểu tượng đường cao tốc |
Trắng, xanh lá cây |
100 x 70 |
|
|
|
Ký hiệu đường cao tốc |
Nền vàng huỳnh quang, chữ số đen |
55 x 120 |
|
|
|
Ký hiệu đường tỉnh |
Nền trắng, chữ số đen |
55 x 120 |
|
b) Biển số IE.450b:

Ghi chú: k1 = H1; L là chiều rộng biển; W là chiều cao biển.
Thông số kỹ thuật yêu cầu
Đơn vị: cm
|
336Hạng mục |
Màu sắc |
Vật liệu |
Kiểu chữ & Kích thước |
Ghi chú |
|
Chữ/Số/Khung |
Trắng |
Màng phản quang loại VIII, IX, X cấu trúc kim cương |
gt2 k1=H1=33 |
|
|
Nền |
Xanh lam |
|||
|
Biểu tượng đường cao tốc |
Trắng, xanh lá cây |
100 x 70 |
|
|
|
Mã hiệu đường cao tốc |
Nền vàng huỳnh quang, chữ số đen |
55 x 120 |
|
|
|
Mã hiệu đường tỉnh |
Nền trắng, chữ số đen |
55 x 120 |
|
P.2. Biển chỉ dẫn lối vào đường cao tốc
a) Biển số IE.451a:

Ghi chú: a,b,c là khoảng cách căn giữa; k2 = H2; k2’ = H2’; k1’=H1’;
L là chiều rộng biển; W là chiều cao biển.
Thông số kỹ thuật yêu cầu
Đơn vị: cm
|
Hạng mục |
Màu sắc |
Vật liệu |
Kiểu chữ & Kích thước |
Ghi chú |
|
Chữ/Số/Khung |
Trắng |
Màng phản quang loại VIII, IX, X cấu trúc kim cương |
gt2 H1=40 k1’=H1’=30 k2=H2=33 k2’ =H2’=25 h2=25 |
|
|
Nền |
Xanh lam |
|||
|
Biểu tượng đường cao tốc |
Nền xanh lá cây, hình vẽ trắng |
100 x 70 |
|
|
|
Mã hiệu đường cao tốc |
Nền vàng huỳnh quang, chữ số đen |
55 x 120 |
|
b) Biển số IE.451b:

Ghi chú: a,b,c là khoảng cách căn giữa; k1’ = H1’; k2=H2; k2’ = H2’;
L là chiều rộng biển; W là chiều cao biển.
Thông số kỹ thuật yêu cầu
Đơn vị: cm
|
Hạng mục |
Màu sắc |
Vật liệu |
Kiểu chữ & Kích thước |
Ghi chú |
|
Chữ/Số/Khung |
Trắng |
Màng phản quang loại VIII, IX, X cấu trúc kim cương |
gt2 H1=40 k1’=H1’=30 k2=H2=33 k2’ =H2’=25 |
|
|
Nền |
Xanh lam |
|
||
|
Biểu tượng đường cao tốc |
Nền xanh lá cây, hình vẽ trắng |
100 x 70 |
|
|
|
Mã hiệu đường cao tốc |
Nền vàng huỳnh quang, chữ số đen |
55 x 120 |
|
P.3 Biển chỉ dẫn bắt đầu đường cao tốc
Biển số IE.452

Ghi chú: a,b,c là khoảng cách căn giữa; k1 = H1; k1’ = H1’;
L là chiều rộng biển; W là chiều cao biển.
Thông số kỹ thuật yêu cầu
Đơn vị: cm
|
Hạng mục |
Màu sắc |
Vật liệu |
Kiểu chữ & Kích thước |
Ghi chú |
|
Chữ/Số/Khung |
Trắng |
Màng phản quang loại VIII, IX, X cấu trúc kim cương |
gt2 k1=H1=33 k1’ =H1’=25 |
|
|
Nền |
Xanh lá cây |
|||
|
Biểu tượng đường cao tốc |
Nền xanh lá cây, hình vẽ trắng |
100 x 70 |
|
|
|
Mã hiệu đường cao tốc |
Nền vàng huỳnh quang, chữ số đen |
55 x 120 |
|
|
|
Tốc độ tối đa |
Nền trắng, viền đỏ, chữ số đen |
Ø100 |
|
|
|
Tốc độ tối thiểu |
Nền xanh lam, chữ số trắng |
Ø100 |
|
P.4. Biển chỉ dẫn kết thúc đường cao tốc
a) Biển số IE.453a:

Ghi chú: a,b,c là khoảng cách căn giữa; k1’=H1’; k2 = H2; k2’ = H2’;
L là chiều rộng biển; W là chiều cao biển.
Thông số kỹ thuật yêu cầu
Đơn vị: cm
|
340Hạng mục |
Màu sắc |
Vật liệu |
Kiểu chữ & Kích thước |
Ghi chú |
|
Chữ/Số/Khung |
Trắng |
Màng phản quang loại VIII, IX, X cấu trúc kim cương |
gt2 H1=40 k1’ =H1’=30 k2=H2=33 k2 =H2’=25 h2=25 |
|
|
Nền |
Xanh lá cây |
|||
|
Biểu tượng kết thúc đường cao tốc |
Nền xanh lá cây, hình vẽ trắng, vạch đỏ |
100 x 70 |
|
|
|
Mã hiệu đường cao tốc |
Nền vàng huỳnh quang, chữ số đen |
55 x 120 |
|
b) Biển số IE.453b:

Ghi chú: a,b,c là khoảng cách căn giữa; k1’=H1’; k2 = H2; k2’ = H2’;
L là chiều rộng biển; W là chiều cao biển.
Thông số kỹ thuật yêu cầu
Đơn vị: cm
|
341Hạng mục |
Màu sắc |
Vật liệu |
Kiểu chữ Kích thước |
Ghi chú |
|
Chữ/Số/Khung |
Trắng |
Màng phản quang loại VIII, IX, X cấu trúc kim cương |
gt2 H1=40 k1’=H1’=30 k2=H2=33 k2’ =H2’=25 |
|
|
Nền |
Xanh lá cây |
|||
|
Biểu tượng kết thúc đường cao tốc |
Nền xanh lá cây, hình vẽ trắng, vạch đỏ |
100 x 70 |
|
|
|
Mã đường cao tốc |
Nền vàng huỳnh quang, chữ số đen |
55 x 120 |
|
P.5. Biển chỉ dẫn khoảng cách đến lối ra phía trước
Biển số IE.454:

Ghi chú: a là khoảng cách căn giữa; k1 = H1;
L là chiều rộng biển; W là chiều cao biển.
Thông số kỹ thuật yêu cầu đối với Biển số IE.454
Đơn vị: cm
|
Hạng mục |
Màu sắc |
Vật liệu |
Kiểu chữ & Kích thước |
Ghi chú |
|
Chữ/Số/Khung |
Trắng |
Màng phản quang loại VIII, IX, X cấu trúc kim cương |
gt2 k1=H1=40 H2=33 |
|
|
Nền |
Xanh lá cây |
|||
|
Biểu tượng lối ra |
Nền vàng huỳnh quang, chữ đen |
gt1 |
|
P.6. Biển chỉ dẫn khoảng cách đến lối ra tiếp
a) Biển số IE.455a:

Ghi chú: a là khoảng cách căn giữa; k1= H1;
L là chiều rộng biển; W là chiều cao biển.
b) Biển số IE.455b:

Ghi chú: a là khoảng cách căn giữa; k1= H1;
L là chiều rộng biển; W là chiều cao biển.
Thông số kỹ thuật yêu cầu
Đơn vị: cm
|
Hạng mục |
Màu sắc |
Vật liệu |
Kiểu chữ & Kích thước |
Ghi chú |
|
Tên nút giao |
Trắng |
Màng phản quang loại VIII, IX, X cấu trúc kim cương |
gt2 H2=33 |
|
|
Số km |
Trắng |
gt2 |
|
|
|
Nền |
Xanh lá cây |
|
||
|
Biểu tượng lối ra |
Nền vàng huỳnh quang, chữ đen |
120 x 150 |
|
c) Biểu tượng lối ra

Thông số kỹ thuật yêu cầu
Đơn vị: cm
|
Hạng mục |
Màu sắc |
Vật liệu |
Kiểu chữ & Kích thước |
Ghi chú |
|
Nội dung |
Đen |
Màng phản quang loại VIII, IX, X cấu trúc kim cương |
gt1 H1=33 H1’=25 |
|
|
Nền |
Vàng huỳnh quang |
|
P.7. Biển chỉ dẫn trạm dừng nghỉ
a) Biển số IE.456a:
+ Biển có ba dịch vụ:

+ Biển có bốn dịch vụ:

Ghi chú: a,b,c,d,e là khoảng cách căn giữa, k2=H2;
L là chiều rộng biển; W là chiều cao biển.
Thông số kỹ thuật yêu cầu
Đơn vị: cm
|
Hạng mục |
Màu sắc |
Vật liệu |
Kiểu chữ & Kích thước |
Ghi chú |
|
Tên trạm dừng nghỉ |
Trắng |
Màng phản quang loại VIII, IX, X cấu trúc kim cương |
gt2 k2=H2=33 |
|
|
Số m |
Trắng |
gt2 |
|
|
|
Nền |
Xanh lá cây |
|
||
|
Biểu tượng dich vụ công cộng |
Nền trắng, hình vẽ đen |
75 x 75 |
|
b) Biển số IE.456b:
+ Biển có ba dịch vụ:

+ Biển có bốn dịch vụ:

Ghi chú: a,b,c,d, e là khoảng cách căn giữa; k1=H1;
L là chiều rộng biển; W là chiều cao biển.
Thông số kỹ thuật yêu cầu
Đơn vị: cm
|
Hạng mục |
Màu sắc |
Vật liệu |
Kiểu chữ & Kích thước |
Ghi chú |
|
Tên trạm dừng nghỉ |
Trắng |
Màng phản quang loại VIII, IX, X cấu trúc kim cương |
gt2 k1=H1=33 |
|
|
Nền |
Xanh lá cây |
|
||
|
Biểu tượng dịch vu công cộng |
Nền trắng, hình vẽ đen |
75 x 75 |
|
c) Biển số IE.456c:
+ Biển có ba dịch vụ:

+ Biển có bốn dịch vụ:

Ghi chú: a,b,c,d là khoảng cách căn giữa; k1=H1;
L là chiều rộng biển; W là chiều cao biển.
Thông số kỹ thuật yêu cầu
Đơn vị: cm
|
Hạng mục |
Màu sắc |
Vật liệu |
Kiểu chữ & Kích thước |
Ghi chú |
|
Tên trạm dừng nghỉ |
Trắng |
Màng phản quang loại VIII, IX, X cấu trúc kim cương |
gt2 k1=H1=33 |
|
|
Nền |
Xanh lá cây |
|
||
|
Biểu tượng dịch vụ công cộng |
Nền trắng, hình vẽ đen |
75 x 75 |
|
d) Biểu tượng trạm dừng nghỉ:

Thông số kỹ thuật yêu cầu
Đơn vị: cm
|
Hạng mục |
Màu sắc |
Vật liệu |
Kiểu chữ & Kích thước |
Ghi chú |
|
Nội dung |
Trắng |
Màng phản quang loại VIII, IX, X cấu trúc kim cương |
gt1 H1=33 H1’=25 |
|
|
Nền |
Xanh lam |
|
|
P.8. Biển chỉ dẫn nơi đỗ xe trong trạm dừng nghỉ

Thông số kỹ thuật yêu cầu
Đơn vị: cm
|
Hạng mục |
Màu sắc |
Vật liệu |
Kiểu chữ & Kích thước |
Ghi chú |
|
P |
Trắng |
Màng phản quang loại VIII, IX, X cấu trúc kim cương |
gt2 |
|
|
Số/Chữ m |
Trắng |
gt2 |
|
|
|
Nền |
Xanh lá cây |
|
||
|
Mũi tên |
Trắng |
|
P.9. Biểu tượng dịch vụ công cộng
1. Điện thoại:
Đơn vị: cm
|
Kích thước |
A |
B |
C |
D |
E |
|
Loại B |
60,0 |
1,5 |
5,0 |
50,0 |
5,0 |
|
Loại A |
75,0 |
2,0 |
6,2 |
62,6 |
5,0 |

2. Trạm sửa chữa:
Đơn vị: cm
|
Kích thước |
A |
B |
C |
D |
E |
|
Loại B |
60,0 |
1,5 |
5,0 |
50,0 |
5,0 |
|
Loại A |
75,0 |
2,0 |
13,2 |
52,6 |
5,0 |

3. Cấp cứu:
Đơn vị: cm
|
Kích thước |
A |
B |
C |
D |
E |
|
Loại B |
60,0 |
1,5 |
5,0 |
50,0 |
5,0 |
|
Loại A |
75,0 |
2,0 |
13,2 |
52,6 |
5,0 |

4. Nhà vệ sinh:
Đơn vị: cm
|
Kích thước |
A |
B |
C |
D |
E |
|
Loại B |
60,0 |
1,5 |
5,0 |
50,0 |
5,0 |
|
Loại A |
75,0 |
2,0 |
6,2 |
62,6 |
5,0 |

5. Nhà nghỉ:
Đơn vị: cm
|
Kích thước |
A |
B |
C |
D |
E |
|
Loại B |
60,0 |
1,5 |
18,7 |
22,6 |
5,0 |
|
Loại A |
75,0 |
2,0 |
22,0 |
31,0 |
5,0 |

6. Phục vụ người khuyết tật:
Đơn vị: cm
|
Kích thước |
A |
B |
C |
D |
E |
|
Loại B |
60,0 |
1,5 |
6,0 |
48,0 |
5,0 |
|
Loại A |
75,0 |
2,0 |
7,8 |
59,4 |
5,0 |

7. Xăng dầu:
Đơn vị: cm
|
Kích thước |
A |
B |
C |
D |
E |
|
Loại B |
60,0 |
1,5 |
7,5 |
45,0 |
5,0 |
|
Loại A |
75,0 |
2,0 |
10,0 |
55,0 |
5,0 |

8. Ăn uống:
Đơn vị: cm
|
Kích thước |
A |
B |
C |
D |
E |
|
Loại B |
60,0 |
1,5 |
7,5 |
45,0 |
5,0 |
|
Loại A |
75,0 |
2,0 |
6,2 |
62,6 |
5,0 |

9. Cảnh sát giao thông:
Đơn vị: cm
|
Kích thước |
A |
B |
C |
D |
E |
F |
|
Loại B |
60,0 |
96,0 |
2,5 |
6,5 |
47,0 |
5,0 |
|
Loại A |
75,0 |
120,0 |
5,0 |
7,7 |
59,6 |
5,0 |

10. Nơi cung cấp thông tin:
Đơn vị: cm
|
Kích thước |
A |
B |
C |
D |
E |
|
Loại B |
60,0 |
1,5 |
7,5 |
45,0 |
5,0 |
|
Loại A |
75,0 |
2,0 |
10,0 |
55,0 |
5,0 |

11. Nơi rửa xe:
Đơn vị: cm
|
Kích thước |
A |
B |
C |
D |
E |
|
Loại B |
60,0 |
1,5 |
3,0 |
54,0 |
5,0 |
|
Loại A |
75,0 |
2,0 |
5,5 |
64,0 |
5,0 |

P.10 Biển chỉ dẫn khoảng cách đế các trạm dừng nghỉ tiếp theo
a) Biển số IE.458:

Ghi chú: a,b là khoảng cách căn giữa; k1 = H1;
L là chiều rộng biển; W là chiều cao biển.
Thông số kỹ thuật yêu cầu đối với Biển số 458
Đơn vị: cm
|
Hạng mục |
Màu sắc |
Vật liệu |
Kiểu chữ & Kích thước |
Ghi chú |
|
Tên trạm dừng nghỉ |
Trắng |
Màng phản quang loại VIII, IX, X cấu trúc kim cương |
gt2 H2=33 |
|
|
Số km |
Trắng |
gt2 k1=H1=40 H2=33 |
||
|
Nền |
Xanh lá cây |
|
|
|
|
Biểu tượng trạm dừng nghỉ |
Nền xanh lam, chữ trắng |
100 x 250 |
|
P.11. Biển chỉ dẫn khu tham quan du lịch
a) Biển số IE.459a:

Ghi chú: a,b là khoảng cách căn giữa; k2=H2;
L là chiều rộng biển; W là chiều cao biển.
Thông số kỹ thuật yêu cầu
Đơn vị: cm
|
Hạng mục |
Màu sắc |
Vật liệu |
Kiểu chữ & Kích thước |
Ghi chú |
|
Tên khu du lịch |
Trắng |
Màng phản quang loại VIII, IX, X cấu trúc kim cương |
gt2 k2=H2=40 |
|
|
Số m |
Trắng |
gt2 |
|
|
|
Nền |
Xanh lá cây |
|
||
|
Biểu tượng khu du lịch |
Nền xanh lam, chữ trắng |
100 x 180 |
|
b) Biển số IE.459b:

Ghi chú: a,b là khoảng cách căn giữa; k1=H1;
L là chiều rộng biển; W là chiều cao biển.
Thông số kỹ thuật yêu cầu
Đơn vị: cm
|
Hạng mục |
Màu sắc |
Vật liệu |
Kiểu chữ & Kích thước |
Ghi chú |
|
Tên khu du lịch |
Trắng |
Màng phản quang loại VIII, IX, X cấu trúc kim cương |
gt2 k1=H1=40 |
|
|
Nền |
Xanh lá cây |
|
||
|
Biểu tượng khu du lịch |
Nền xanh lam, chữ trắng |
100 x 180 |
|
|
|
Mũi tên |
Trắng |
|
|
|
d) Biểu tượng khu du lịch:

Thông số kỹ thuật yêu cầu
Đơn vị: cm
|
360Hạng mục |
Màu sắc |
Vật liệu |
Kiểu chữ & Kích thước |
Ghi chú |
|
Nội dung |
Trắng |
Màng phản quang loại VIII, IX, X cấu trúc kim cương |
gt1 H1=33 H1’=25 |
|
|
Nền |
Xanh lam |
|
P.12. Biển chỉ dẫn khu du lịch công cộng và giải trí
a) Biển số IE.461a:

Ghi chú: a là khoảng cách căn giữa; u = 0.5 x H1; k2 = H2;
L là chiều rộng biển; W là chiều cao biển.
Thông số kỹ thuật yêu cầu
Đơn vị: cm
|
Hạng mục |
Màu sắc |
Vật liệu |
Kiểu chữ & Kích thước |
Ghi chú |
|
Chữ |
Trắng |
Màng phản quang loại VIII, IX, X cấu trúc kim cương |
gt2 H1=40 k2=H2=33 h2=25 |
|
|
Nền |
Xanh lá cây |
|
||
|
Biểu tượng |
Nền trắng, hình vẽ đen |
75 x 75 |
|
b) Biển số IE.461b:

Ghi chú: a là khoảng cách căn giữa; u = 0.5 x H1; k1 = H1,
L là chiều rộng biển; W là chiều cao biển.
Thông số kỹ thuật yêu cầu
Đơn vị: cm
|
Hạng mục |
Màu sắc |
Vật liệu |
Kiểu chữ & Kích thước |
Ghi chú |
|
Chữ |
Trắng |
Màng phản quang loại VIII, IX, X cấu trúc kim cương |
gt2 k1=H1=33 |
|
|
Nền |
Xanh lá cây |
|
||
|
Biểu tượng |
Nền trắng, hình vẽ đen |
75 x 75 |
|
|
|
Mũi tên |
Trắng |
|
|
|
c) Biển số IE.461c:

d) Biển số IE.461d:

Ghi chú: a là khoảng cách căn giữa; k1 = H1;
L là chiều rộng biển; W là chiều cao biển.
Thông số kỹ thuật yêu cầu
Đơn vị: cm
|
363Hạng mục |
Màu sắc |
Vật liệu |
Kiểu chữ & Kích thước |
Ghi chú |
|
|
Chữ |
Trắng |
Màng phản quang loại VIII, IX, X cấu trúc kim cương |
gt2 k1=H1=33 |
|
|
|
Nền |
Biển số IE.461c |
Xanh lá cây |
|
||
| Biển số IE.461d |
Nâu |
||||
| Biểu tượng | |||||
|
Nền trắng, hình vẽ đen |
75 x 75 |
|
|||
P.13 Biểu tượng khu công nghiệp, dịch vụ công cộng và giải trí
1. Sân bay:
Đơn vị: cm
|
Kích thước |
A |
B |
C |
D |
E |
|
Loại B |
60,0 |
1,5 |
5,0 |
50,0 |
5,0 |
|
Loại A |
75,0 |
2,0 |
6,2 |
62,6 |
5,0 |

2. Bến xe khách:
Đơn vị: cm
|
Kích thước |
A |
B |
C |
D |
E |
|
Loại B |
60,0 |
1,5 |
5,0 |
50,0 |
5,0 |
|
Loại A |
75,0 |
2,0 |
6,2 |
62,6 |
5,0 |

3. Bến tàu:
Đơn vị: cm
|
Kích thước |
A |
B |
C |
D |
E |
|
Loại B |
60,0 |
1,5 |
5,0 |
50,0 |
5,0 |
|
Loại A |
75,0 |
2,0 |
6,2 |
62,6 |
5,0 |

4. Bến tàu thủy:
Đơn vị: cm
|
Kích thước |
A |
B |
C |
D |
E |
|
Loại B |
60,0 |
1,5 |
5,0 |
50,0 |
5,0 |
|
Loại A |
75,0 |
2,0 |
6,2 |
62,6 |
5,0 |

5. Khu công nghiệp:
Đơn vị: cm
|
Kích thước |
A |
B |
C |
D |
E |
|
Loại B |
60,0 |
1,5 |
5,0 |
50,0 |
5,0 |
|
Loại A |
75,0 |
2,0 |
6,2 |
62,6 |
5,0 |

6. Đập thủy điện:
Đơn vị: cm
|
Kích thước |
A |
B |
C |
D |
E |
|
Loại B |
60,0 |
1,5 |
16,2 |
27,6 |
5,0 |
|
Loại A |
75,0 |
2,0 |
20,0 |
35,0 |
5,0 |

7. Sân gôn:
Đơn vị: cm
|
Kích thước |
A |
B |
C |
D |
E |
|
Loại B |
60,0 |
1,5 |
5,0 |
50,0 |
5,0 |
|
Loại A |
75,0 |
2,0 |
6,0 |
63,0 |
5,0 |

8. Khu câu cá:
Đơn vị: cm
|
Kích thước |
A |
B |
C |
D |
E |
|
Loại B |
60,0 |
1,5 |
3,0 |
54,0 |
5,0 |
|
Loại A |
75,0 |
2,0 |
4,0 |
67,0 |
5,0 |

9) Bãi tắm biển, khu bơi lội:
Đơn vị: cm
|
Kích thước |
A |
B |
C |
D |
E |
|
Loại B |
60,0 |
1,5 |
17,5 |
25,0 |
5,0 |
|
Loại A |
75,0 |
2,0 |
21,5 |
32,0 |
50 |

10. Rừng sinh thái:
Đơn vị: cm
|
Kích thước |
A |
B |
C |
D |
E |
|
Loại B |
60,0 |
1,5 |
7,0 |
46,0 |
5,0 |
|
Loại A |
75,0 |
2,0 |
8,5 |
58,0 |
5,0 |

P.14. Biển chỉ dẫn tần số trên sóng Radio
1. Biển số IE.462:

Ghi chú: k1 = H1; k2’ = H2’; L là chiều rộng biển; W là chiều cao biển.
Thông số kỹ thuật yêu cầu
Đơn vị: cm
|
Hạng mục |
Màu sắc |
Vật liệu |
Kiểu chữ & Kích thước |
Ghi chú |
|
Chữ |
Trắng |
Màng phản quang loại VIII, IX, X cấu trúc kim cương |
gt2 k1=H1=40 H2=33 k2’=H2’=25 |
|
|
Nền |
Xanh lá cây |
|
P.15. Biển chỉ dẫn trạm kiểm tra tải trọng xe
1. Biển số IE.463a

Ghi chú: k2 = H2; k2’ = H2’; L là chiều rộng biển; W là chiều cao biển.
Thông số kỹ thuật yêu cầu
Đơn vị: cm
|
370Hạng mục |
Màu sắc |
Vật liệu |
Kiểu chữ & Kích thước |
Ghi chú |
|
Chữ |
Trắng |
Màng phản quang loại VIII, IX, X cấu trúc kim cương |
gt2 H1=40 k2=H2=33 k2’=H2’=25 h2=25 |
|
|
Nền |
Xanh lá cây |
|
2. Biển số IE.463b

Ghi chú: k1=H1; k1’=H1’; L là chiều rộng biển; W là chiều cao biển.
Thông số kỹ thuật yêu cầu
Đơn vị: cm
|
Hạng mục |
Màu sắc |
Vật liệu |
Kiểu chữ & Kích thước |
Ghi chú |
|
Chữ |
Trắng |
Màng phản quang loại VIII, IX, X cấu trúc kim cương |
gt2 k1=H1=33 k1’=H1’=25 |
|
|
Nền |
Xanh lá cây |
|
||
|
Mũi tên |
Trắng |
|
3. Biển số IE.463c

Ghi chú: k1 = H1; k1’ = H1’; L là chiều rộng biển; W là chiều cao biển.
Thông số kỹ thuật yêu cầu
Đơn vị: cm
|
Hạng mục |
Màu sắc |
Vật liệu |
Kiểu chữ & Kích thước |
Ghi chú |
|
Chữ |
Trắng |
Màng phản quang loại VIII, IX, X cấu trúc kim cương |
gt2 k1=H1=33 k1’=H1’=25 |
|
|
Nền |
Xanh lá cây |
|
P.16. Biển chỉ dẫn địa điểm và phương hướng
1. Biển số IE.464a:


Ghi chú: a, b là khoảng cách căn giữa; k1 = H1.
L là chiều rộng biển; W là chiều cao biển.
Thông số kỹ thuật yêu cầu
Đơn vị : cm
|
Hạng mục |
Màu sắc |
Vật liệu |
Kiểu chữ & Kích thước |
Ghi chú |
|
Tên địa điểm |
Trắng |
Màng phản quang loại VIII, IX, X cấu trúc kim cương |
gt2 k1=H1=40 |
|
|
Nền |
Xanh lá cây |
|
|
|
|
Mũi tên |
Trắng |
Phụ lục |
|
|
|
Ký hiệu đường cao tốc |
Nền vàng huỳnh quang, chữ số đen |
|
|
|
|
Ký hiệu quốc lộ |
Nền trắng, chữ số đen |
|
|
2. Biển số IE.464b:

Ghi chú: k1 = H1; L là chiều rộng biển; W là chiều cao biển.
Thông số kỹ thuật yêu cầu
Đơn vị: cm
|
375Hạng mục |
Màu sắc |
Vật liệu |
Kiểu chữ & Kích thước |
Ghi chú |
|
Tên địa điểm |
Trắng |
Màng phản quang loại VIII, IX, X cấu trúc kim cương |
gt2 k1=H1=40 |
|
|
Nền |
Xanh lá cây |
|
P.17. Biển chỉ dẫn địa điểm và khoảng cách
1. Biển số IE.465a:

Ghi chú: k1 = H1; L là chiều rộng biển; W là chiều cao biển.
Thông số kỹ thuật yêu cầu
Đơn vị: cm
|
Hạng mục |
Màu sắc |
Vật liệu |
Kiểu chữ & Kích thước |
Ghi chú |
|
Tên địa điểm, số km |
Trắng |
Màng phản quang loại VIII, IX, X cấu trúc kim cương |
gt2 k1=H1=40 H2=33 |
|
|
Nền |
Xanh lá cây |
|
2. Biển số IE.465b

Ghi chú: k1 = H1; L là chiều rộng biển; W là chiều cao biển.
Thông số kỹ thuật yêu cầu
Đơn vị: cm
|
Hạng mục |
Màu sắc |
Vật liệu |
Kiểu chữ & Kích thước |
Ghi chú |
|
Tên địa điểm, số km |
Trắng |
Màng phản quang loại VIII, IX, X cấu trúc kim cương |
gt2 k1=H1=40 H2=33 |
|
|
Nền |
Xanh lá cây |
|
P.18. Biển chỉ dẫn sơ đồ lối ra
Biển số IE.466

Ghi chú: k1 = H1, u = ½ H1, L là chiều rộng biển; W là chiều cao biển.
Thông số kỹ thuật yêu cầu
Đơn vị: cm
|
Hạng mục |
Màu sắc |
Vật liệu |
Kiểu chữ & Kích thước |
Ghi chú |
|
Chữ |
Trắng |
Màng phản quang loại VIII, IX, X cấu trúc kim cương |
gt2 k1=H1=40 |
|
|
Nền |
Xanh lá cây |
|
||
|
Ký hiệu đường cao tốc |
Nền vàng huỳnh quang, chữ số đen |
gt2 |
|
|
|
Ký hiệu đường tỉnh |
Nền trắng, chữ số đen |
gt2 |
|
|
|
Biểu tượng |
Nền trắng,hình vẽ đen |
|
P.19. Biển chỉ dẫn nhập làn
a) Biển số IE.467a: chỉ dẫn vị trí nhập làn

Ghi chú: a là khoảng cách căn giữa; k1 = H1, k1’ = H1’;
L là chiều rộng biển; W là chiều cao biển.
Thông số kỹ thuật yêu cầu
Đơn vị: cm
|
|
Màu sắc |
Vật liệu |
Kiểu chữ & Kích thước |
Ghi chú |
|
Chữ |
Trắng |
Màng phản quang loại VIII, IX, X cấu trúc kim cương |
gt2 k1=H1=33 k1’=H1’=25 |
|
|
Nền |
Xanh lá cây |
|
||
|
Biểu tượng nhập làn |
Nền đen, mũi tên trắng, vàng huỳnh quang |
200 x 200 |
|
b) Biển số IE.467b: chỉ dẫn khoảng cách đến vị trí nhập làn

Ghi chú: a là khoảng cách căn giữa; k2=H2, k2’=H2’.
L là chiều rộng biển; W là chiều cao biển.
Thông số kỹ thuật yêu cầu
Đơn vị: cm
|
Hạng mục |
Màu sắc |
Vật liệu |
Kiểu chữ & Kích thước |
Ghi chú |
|
Chữ |
Trắng |
Màng phản quang loại VIII, IX, X cấu trúc kim cương |
gt2 k2=H2=33 k2’=H2’=25 |
|
|
Nền |
Xanh lá cây |
|
||
|
Số |
Trắng |
gt2 |
|
|
|
Chữ m |
Trắng |
gt2 |
|
c) Kích thước biểu tượng vị trí nhập làn xe trên biển IE.467(a,b):

Thông số kỹ thuật yêu cầu
Đơn vị: cm
|
Hạng mục |
Màu sắc |
Vật liệu |
Kiểu chữ & Kích thước |
Ghi chú |
|
Nền đường |
Đen |
Màng phản quang loại VIII, IX, X cấu trúc kim cương |
|
|
|
Mũi tên |
Trắng, vàng huỳnh quang |
80 x 48 |
|
P.20 Biển chỉ dẫn chướng ngại vật phía trước
Biển số IE.468a,b,c:

Thông số kỹ thuật yêu cầu
Đơn vị: cm
|
A |
B |
C |
D |
E |
F |
|
30 |
90 |
12,5 |
7,5 |
45° |
1,6 |
P.21. Biển chỉ dẫn hướng rẽ

Biển số IE.469
Đơn vị: cm
|
Kích thước |
A |
B |
C |
D |
E |
F |
|
Loại B |
30 |
50 |
15 |
25 |
1,5 |
1,5 |
|
Loại A |
60 |
80 |
30 |
40 |
2,0 |
2,0 |
P.22. Biển chỉ dẫn số điện thoại khẩn cấp
Biển số IE.470

Thông số kỹ thuật yêu cầu
Đơn vị: cm
|
Hạng mục |
Màu sắc |
Vật liệu |
|
Kiểu chữ & Kích thước |
Ghi chú |
|
Chữ |
Trắng |
Màng phản quang loại VIII, IX, X cấu trúc kim cương |
|
gt2 Bề rộng 80% (spacing) |
|
|
Nền |
Xanh lá cây |
|
|
||
|
Biểu tượng |
Nền trắng, hình vẽ đen |
75 x 75 |
|
P.23. Biển chỉ dẫn giữ khoảng cách an toàn
Biển số IE.471

Ghi chú: k1 = H1; k1’=H1’; L là chiều rộng biển; W là chiều cao biển.
Thông số kỹ thuật yêu cầu của
Đơn vị: cm
|
Hạng mục |
Màu sắc |
Vật liệu |
Kiểu chữ & Kích thước |
Ghi chú |
|
Chữ |
Đen |
Màng phản quang loại VIII, IX, X cấu trúc kim cương |
gt2 k1=H1=40 k1’=H1’=30 |
|
|
Nền |
Vàng huỳnh quang |
|
P.24. Biển chỉ dẫn trạm thu phí
a) Biển số IE.472a:

Ghi chú: a là khoảng cách căn giữa; k1 = H1; k1’ = H1’;
L là chiều rộng biển; W là chiều cao biển.
Thông số kỹ thuật yêu cầu
Đơn vị: cm
|
Hạng mục |
Màu sắc |
Vật liệu |
Kiểu chữ & Kích thước |
Ghi chú |
|
Chữ |
Trắng |
Màng phản quang loại VIII, IX, X cấu trúc kim cương |
gt2 k1=H1=40 k1’=H1’=30 h2=25 |
|
|
Nền |
Xanh lá cây |
|
b) Biển số IE.472b: Trạm thu phí.

Ghi chú: k1 = H1; k1’=H1’; L là chiều rộng biển; W là chiều cao biển.
Thông số kỹ thuật yêu cầu
Đơn vị: cm
|
Hạng mục |
Màu sắc |
Vật liệu |
Kiểu chữ & Kích thước |
Ghi chú |
|
Chữ |
Trắng |
Màng phản quang loại VIII, IX, X cấu trúc kim cương |
gt2 k1=H1=40 k1’=H1’=30 |
|
|
Nền |
Xanh lá cây |
|
c) Biển số IE.472c: Thu phí không dừng.

Thông số kỹ thuật yêu cầu
Đơn vị: cm
|
388Hạng mục |
Màu sắc |
Vật liệu |
Kiểu chữ & Kích thước |
Ghi chú |
|
Chữ |
Xanh lá cây |
Màng phản quang loại VIII, IX, X cấu trúc kim cương |
gt2 H1=33 H1’=25 |
|
|
Viền |
Đen |
|
||
|
Nền |
Vàng huỳnh quang |
|
d) Biển số IE.472d: Rút thẻ.

Thông số kỹ thuật yêu cầu
|
Hạng mục |
Màu sắc |
Vật liệu |
Kiểu chữ & Kích thước |
Ghi chú |
|
Chữ |
Đen |
Màng phản quang loại VIII, IX, X cấu trúc kim cương |
gt1 H1=33 H1’=25 |
Đơn vị: mm |
|
Nền |
Vàng huỳnh quang |
|
e) Biển số IE.472e: Thu phí.

Thông số kỹ thuật yêu cầu
Đơn vị: cm
|
Hạng mục |
Màu sắc |
Vật liệu |
Kiểu chữ & Kích thước |
Ghi chú |
|
Chữ |
Đen |
Màng phản quang loại VIII, IX, X cấu trúc kim cương |
gt1 H1=33 H1’=25 |
|
|
Nền |
Vàng huỳnh quang |
|
P.25. Biển chỉ dẫn giảm tốc độ
Biển số IE.473:

Ghi chú: k1 = H1; k1’=H1’; L là chiều rộng biển; W là chiều cao biển.
Thông số kỹ thuật yêu cầu
Đơn vị: cm
|
Hạng mục |
Màu sắc |
Vật liệu |
Kiểu chữ & Kích thước |
Ghi chú |
|
Chữ |
Đen |
Màng phản quang loại VIII, IX, X cấu trúc kim cương |
gt2 k1=H1=40 k1’=H1’=30 |
|
|
Nền |
Vàng huỳnh quang |
|
P.26. Biển chỉ dẫn lối ra
Biển số IE.474:

Ghi chú: a là khoảng cách căn giữa, k1 = H1; k1’=H1’;
L là chiều rộng biển; W là chiều cao biển.
Thông số kỹ thuật yêu cầu
Đơn vị:cm
|
Hạng mục |
Màu sắc |
Vật liệu |
Kiểu chữ & Kích thước |
Ghi chú |
|
Chữ |
Trắng |
Màng phản quang loại VIII, IX, X cấu trúc kim cương |
gt2 k1=H1=40 k1’=H1’=30 |
|
|
Nền |
Xanh lá cây |
|
||
|
Mũi tên |
Trắng |
|
Bạn chưa Đăng nhập thành viên.
Đây là tiện ích dành cho tài khoản thành viên. Vui lòng Đăng nhập để xem chi tiết. Nếu chưa có tài khoản, vui lòng Đăng ký tại đây!
Bạn chưa Đăng nhập thành viên.
Đây là tiện ích dành cho tài khoản thành viên. Vui lòng Đăng nhập để xem chi tiết. Nếu chưa có tài khoản, vui lòng Đăng ký tại đây!





















