- Tổng quan
- Nội dung
- Tiêu chuẩn liên quan
- Lược đồ
- Tải về
Tiêu chuẩn TCVN 14226:2025 Bảo vệ bằng vỏ ngoài cho người và thiết bị - Đầu dò kiểm tra xác nhận
| Số hiệu: | TCVN 14226:2025 | Loại văn bản: | Tiêu chuẩn Việt Nam |
| Cơ quan ban hành: | Bộ Khoa học và Công nghệ | Lĩnh vực: | Khoa học-Công nghệ , Công nghiệp |
| Trích yếu: | IEC 61032:1997 Bảo vệ bằng vỏ ngoài cho người và thiết bị - Đầu dò kiểm tra xác nhận | ||
|
Ngày ban hành:
Ngày ban hành là ngày, tháng, năm văn bản được thông qua hoặc ký ban hành.
|
22/01/2025 |
Hiệu lực:
|
Đã biết
|
| Người ký: | Đang cập nhật |
Tình trạng hiệu lực:
Cho biết trạng thái hiệu lực của văn bản đang tra cứu: Chưa áp dụng, Còn hiệu lực, Hết hiệu lực, Hết hiệu lực 1 phần; Đã sửa đổi, Đính chính hay Không còn phù hợp,...
|
Đã biết
|
TÓM TẮT TIÊU CHUẨN VIỆT NAM TCVN 14226:2025
Tiêu chuẩn quốc gia TCVN 14226:2025: Bảo vệ bằng vỏ ngoài cho người và thiết bị - Đầu dò kiểm tra xác nhận
Tiêu chuẩn quốc gia TCVN 14226:2025 được ban hành theo công văn của Bộ Khoa học và Công nghệ, có hiệu lực từ ngày công bố. Tiêu chuẩn này hoàn toàn tương đương với IEC 61032:1997, quy định các chi tiết và kích thước của các đầu dò thiết kế để kiểm tra khả năng bảo vệ bằng vỏ ngoài cho người và thiết bị.
Tiêu chuẩn quy định rằng các đầu dò cần được sử dụng để bảo vệ con người khỏi việc tiếp cận các phần nguy hiểm bên trong vỏ ngoài của thiết bị. Đồng thời, nó cũng yêu cầu các đầu dò phải bảo vệ thiết bị bên trong tránh sự xâm nhập của các vật rắn từ bên ngoài. Tiêu chuẩn này tập trung vào việc hướng dẫn cách lựa chọn và sử dụng đầu dò, khuyến khích người dùng áp dụng các đầu dò đã được quy định thay vì sửa đổi chúng.
Trong tiêu chuẩn có mô tả về việc phân loại các đầu dò, bao gồm đầu dò tiếp cận, đầu dò vật thể, và đầu dò mã IP (mã cấp bảo vệ). Các loại đầu dò này được chia thành nhiều nhóm, dựa theo mục đích kiểm tra và kiểu bảo vệ cụ thể mà chúng được thiết kế để thử nghiệm.
Một điểm nổi bật là việc lựa chọn đầu dò có mã IP được khuyến khích, trừ khi không thể sử dụng vì lý do đặc biệt. Mọi tiêu chuẩn sản phẩm liên quan cũng cần viện dẫn đến các quy định và điều kiện thử nghiệm, để đảm bảo tính đồng bộ và chính xác trong tiến hành thí nghiệm.
Tiêu chuẩn cũng đưa ra các yêu cầu kỹ thuật cho thiết kế đầu dò thử nghiệm, bao gồm độ nhám bề mặt, lực đặt vào, cùng với thông tin về vật liệu sử dụng. Các khuyến cáo về bảo vệ đầu dò khỏi ăn mòn cũng được nhấn mạnh, để đảm bảo đầu dò luôn trong tình trạng tốt khi được sử dụng.
Ngoài ra, tiêu chuẩn cung cấp các phụ lục tham khảo nhằm giải thích tác động của dung sai đầu dò đến kết quả thử nghiệm cũng như quy tắc xác định dung sai cho các đầu dò. Nhìn chung, tiêu chuẩn TCVN 14226:2025 đặt ra các nguyên tắc rõ ràng và chi tiết để đảm bảo an toàn cho người sử dụng thiết bị điện và điện tử.
Tải tiêu chuẩn Việt Nam TCVN 14226:2025
TIÊU CHUẨN QUỐC GIA
TCVN 14226:2025
IEC 61032:1997
BẢO VỆ BẰNG VỎ NGOÀI CHO NGƯỜI VÀ THIẾT BỊ - ĐẦU DÒ KIỂM TRA XÁC NHẬN
Protection of persons and equipment by enclosures - Probes for verification
Lời nói đầu
TCVN 14226:2025 hoàn toàn tương đương với IEC 61032:1997;
TCVN 14226:2025 do Ban kỹ thuật tiêu chuẩn quốc gia TCVN/TC/E1 Máy điện và khí cụ điện biên soạn, Viện Tiêu chuẩn Chất lượng Việt Nam đề nghị, Ủy ban Tiêu chuẩn Đo lường Chất lượng Quốc gia thẩm định, Bộ Khoa học và Công nghệ công bố.
BẢO VỆ BẰNG VỎ NGOÀI CHO NGƯỜI VÀ THIẾT BỊ - ĐẦU DÒ KIỂM TRA XÁC NHẬN
Protection of persons and equipment by enclosures - Probes for verification
1 Phạm vi áp dụng
Tiêu chuẩn này quy định các chi tiết và kích thước của các đầu dò được thiết kế để kiểm tra xác nhận khả năng bảo vệ bằng vỏ ngoài liên quan đến:
- bảo vệ con người chống tiếp cận các phần nguy hiểm bên trong vỏ ngoài;
- bảo vệ thiết bị bên trong vỏ ngoài chống sự xâm nhập của các vật rắn từ bên ngoài.
Mục đích của tiêu chuẩn này là:
- tập hợp các đầu dò vật thể và đầu dò tiếp cận hiện đang được quy định trong các tiêu chuẩn khác, cùng với các đầu dò mới cần thiết bất kỳ vào tiêu chuẩn này;
- hướng dẫn lựa chọn các đầu dò thử nghiệm;
- khuyến khích quy định các đầu dò thử nghiệm phù hợp với những đầu dò đã được quy định trong tiêu chuẩn này thay vì sửa đổi các chi tiết và kích thước;
- hạn chế việc mở rộng hơn nữa các loại đầu dò thử nghiệm.
Khi lựa chọn đầu dò, ưu tiên đến các đầu dò có mã IP.
Việc sử dụng các đầu dò khác, đặc biệt là các đầu dò không được quy định trong tiêu chuẩn này, cần được giới hạn ở những trường hợp mà việc sử dụng đầu dò có mã IP không khả thi vì một lý do nào đó.
CHÚ THÍCH 1: Việc lựa chọn đầu dò thử nghiệm vì một mục đích cụ thể được thực hiện trong các tiêu chuẩn sản phẩm liên quan.
Việc áp dụng các đầu dò, điều kiện thử nghiệm, điều kiện chấp nhận và quy trình trong trường hợp có sự xung đột về các kết quả thử nghiệm được thực hiện trong các tiêu chuẩn sản phẩm liên quan.
2 Tài liệu viện dẫn
Các tài liệu viện dẫn sau đây là cần thiết cho việc áp dụng tiêu chuẩn. Đối với các tài liệu viện dẫn ghi năm công bố thì áp dụng bản được nêu. Đối với các tài liệu viện dẫn không ghi năm công bố thì áp dụng phiên bản mới nhất, bao gồm cả các sửa đổi.
IEC 60050(826): 1982, International Electrotechnical Vocabulary (IEV) - Chapter 826: Electrical installations of buildings (Từ vựng kỹ thuật điện quốc tế - Chương 826: Hệ thống lắp đặt điện trong các tòa nhà)
IEC 60529:1989[1], Degrees of protection provided by enclosures (IP Code) (Cấp bảo vệ bằng vỏ ngoài (mã IP))
IEC 60536:1976, Classification of electrical and electronic equipment with regard to protection against electric shock (Phân loại thiết bị điện và điện tử liên quan đến bảo vệ chống điện giật)
ISO 4287-1:1984, Surface roughness - Terminology - Part 1: Surface and its parameters (Nhám bề mặt - Thuật ngữ-Phần 1: Bề mặt và các tham số bề mặt)
3 Thuật ngữ và định nghĩa
Tiêu chuẩn này áp dụng các thuật ngữ và định nghĩa sau đây.
3.1
Vỏ ngoài (enclosure)
Phần bảo vệ của thiết bị chống các ảnh hưởng nhất định từ bên ngoài và bảo vệ chống tiếp xúc trực tiếp từ tất cả các hướng [IEV 826-03-12],
CHÚ THÍCH: Định nghĩa này được lấy từ Từ vựng kỹ thuật điện quốc tế (IEV) cần các giải thích thêm dưới đây:
a) Vỏ ngoài cung cấp bảo vệ cho người hoặc vật nuôi tránh tiếp cận các phần nguy hiểm.
b) Tấm chắn, các dạng lỗ hở hoặc phương tiện khác bất kỳ - được gắn với vỏ ngoài hoặc được tạo thành bởi thiết bị có vỏ ngoài - thích hợp để ngăn ngừa hoặc hạn chế sự xâm nhập của đầu dò thử nghiệm quy định thì cũng được coi là một phần của vỏ ngoài, trừ khi chúng có thể được tháo ra mà không cần sử dụng chìa khoá hoặc dụng cụ.
(xem 3.1 của lEC 60529)
3.2
Phần nguy hiểm (hazardous part)
Phần gây nguy hiểm khi tiếp cận hoặc chạm vào (xem 3.5 của IEC 60529).
3.2.1
Phần mang điện nguy hiểm (hazardous live part)
Phần mang điện mà trong một số điều kiện ảnh hưởng từ bên ngoài nhất định có thể gây điện giật (xem 3.5.1 của IEC 60529).
3.2.2
Phần cơ khí nguy hiểm (hazardous mechanical part)
Phần chuyển động, không phải trục quay nhẵn, gây nguy hiểm khi chạm vào (xem 3.5.2 của IEC 60529).
3.2.3
Phần nóng hoặc nóng đỏ nguy hiểm (hazardous hot or glowing part)
Phần nóng hoặc nóng đỏ gây nguy hiểm khi chạm vào.
3.3
Đầu dò tiếp cận (access probe)
Đầu dò thử nghiệm mô phỏng theo cách thức thông thường, một phần của con người hoặc dụng cụ, hoặc những vật tương tự mà con người cầm vào, để kiểm tra xác nhận có đủ khe hở không khí đến các phần nguy hiểm hay không (xem 3.8 của IEC 60529).
3.4
Đầu dò vật thể (object probe)
Đầu dò thử nghiệm mô phỏng vật rắn bên ngoài để kiểm tra xác nhận khả năng xâm nhập vào vỏ ngoài (xem 3.9 của IEC 60529).
3.5
Đầu dò mã IP (IP code probe)
Đầu dò thử nghiệm để kiểm tra xác nhận cấp bảo vệ được quy định trong IEC 60529.
3.6
Đầu dò khác (other probe)
Đầu dò thử nghiệm khác với các đầu dò mã IP.
3.7
Khe hở không khí đủ để bảo vệ chống tiếp cận các phần nguy hiểm (adequate clearance for protection against access to hazardous parts)
Khoảng cách để ngăn ngừa việc tiếp xúc hoặc tiếp cận của đầu dò đến các phần nguy hiểm (xem 3.7 của IEC 60529).
CHÚ THÍCH 1: Các yêu cầu để kiểm tra xác nhận khe hở không khí thích hợp được quy định trong IEC 60529.
4 Phân loại đầu dò
Các đầu dò được phân loại như sau:
a) theo tên gọi
- đầu dò mã IP;
- đầu dò khác;
b) theo loại bảo vệ mà chúng được thiết kế để kiểm tra
- đầu dò tiếp cận;
- đầu dò vật thể;
c) theo mối nguy cụ thể mà chúng được thiết kế để kiểm tra
- đầu dò được thiết kế chủ yếu sử dụng để kiểm tra xác nhận khả năng bảo vệ người chống tiếp cận các phần mang điện nguy hiểm hoặc phần cơ khí nguy hiểm;
- đầu dò được thiết kế chuyên dụng được sử dụng để kiểm tra xác nhận khả năng bảo vệ người chống tiếp cận các phần cơ khí nguy hiểm;
- đầu dò được thiết kế chủ yếu sử dụng để kiểm tra khả năng bảo vệ người chống tiếp cận các phần bên trong liên quan đến nguy hiểm về nhiệt, ví dụ các phần nóng hoặc nóng đỏ bên trong;
- đầu dò được thiết kế để kiểm tra xác nhận khả năng bảo vệ thiết bị chống sự xâm nhập của các vật rắn từ bên ngoài.
5 Danh mục các đầu dò
Danh mục so sánh các đầu dò thử nghiệm cùng với ứng dụng của chúng được cho trong Bảng 1. Các tiêu chuẩn khác cần viện dẫn đến một đầu dò thử nghiệm của tiêu chuẩn này bằng cách sử dụng mã của nó (cột 2) và mô tả ngắn gọn (cột 4), mà không cần sao chép lại hình vẽ liên quan (cột 3).
Bảng 1 - Danh mục các đầu dò
| 1 | 2 | 3 | 4 | 5 |
| Đầu dò và ứng dụng 3) | Mã đầu dò 1) | Hình số | Mô tả ngắn gọn, mm | Lực đặt vào, N |
| Đầu dò tiếp cận theo IEC 60529 (mã IP) |
|
|
|
|
| Để kiểm tra xác nhận khả năng bảo vệ người tránh tiếp cận với phần mang điện nguy hiểm hoặc phần cơ khí nguy hiểm | A | 1 | - Viên bi Ø 50 có tay cầm | 50 |
| B | 2 | - Ngón tay thử nghiệm có khớp | 10 | |
| C2) | 3 | - Thanh tròn Ø 2,5 - dài 100 | 3 | |
| D2) | 4 | - Sợi dây kim loại Ø 1,0 - dài 100 | 1 | |
| Đầu dò vật thể theo IEC 60529 (mã IP) |
|
|
|
|
| Để kiểm tra xác nhận khả năng bảo vệ thiết bị chống sự xâm nhập của vật rắn từ bên ngoài | 1 | 5 | - Viên bi Ø 50 | 50 |
| 2 | 6 | - Viên bi Ø 12,5 | 30 | |
| Đầu dò tiếp cận khác |
|
|
|
|
| Để kiểm tra xác nhận khả năng bảo vệ người tránh tiếp cận với phần mang điện nguy hiểm hoặc phần cơ khí nguy hiểm | 11 | 7 | - Ngón tay thử nghiệm không có khớp | 50 |
| 12 | 8 | - Chốt hình trụ Ø 4 - dài 50 | * | |
| 13 | 9 | - Chốt hình côn Ø 3 đến Ø 4 - dài 15 | * | |
| 14 | 10 | - Thanh 3 × 1 | 20 | |
| 15 | - | - Đã xoá | - | |
| 16 | - | - Đã xoá | - | |
| 17 | 11 | - Sợi dây kim loại Ø 0,5 | * | |
| 18 | 12 | - Ngón tay thử nghiệm nhỏ Ø 8,6 - dài 57,9 | 10 | |
| 19 | 13 | - Ngón tay thử nghiệm nhỏ Ø 5,6 - dài 44 | 10 | |
| Đầu dò tiếp cận khác |
|
|
|
|
| Để kiểm tra xác nhận khả năng bảo vệ người tránh tiếp cận với phần cơ khí nguy hiểm | 31 | 14 | - Côn Ø 110/60 | 50 |
| 32 | 15 | - Thanh tròn 0 25 | 30 | |
| 33 | - | - Đã xoá | - | |
| Đầu dò tiếp cận khác |
|
|
|
|
| Để kiểm tra xác nhận khả năng bảo vệ người tránh tiếp cận với phần nóng hoặc nóng đò | 41 | 16 | - Đầu dò Ø 30 | * |
| 42 | - | - Đã xoá | - | |
| 43 | 17 | - Thanh 50 x 5 | * | |
| * Với lực không đáng kể. 1) Mã chữ cái và mã một chữ số liên quan đến mã IP. Đối với mã hai chữ số, chữ số đầu tiên liên quan đến sử dụng dự kiến của đầu dò như được chỉ ra ở đầu dòng tương ứng. Chữ số thứ hai chỉ ra số seri trong nhóm. 2) Các đầu dò thử nghiệm C và D cũng được sử dụng để kiểm tra xác nhận khả năng bảo vệ thiết bị chống sự xâm nhập của vật rắn từ bên ngoài có đường kính 2,5 mm hoặc lớn hơn và 1 mm hoặc lớn hơn tương ứng. 3) Bảng này liệt kê các đầu dò và các ứng dụng chính của chúng; có thể có các ứng dụng khác quy định trong tiêu chuẩn sản phẩm liên quan. | ||||
6 Đầu dò thử nghiệm
6.1 Đầu dò mã IP
6.1.1 Đầu dò mã IP được thiết kế để kiểm tra xác nhận
- khả năng bảo vệ người chống tiếp cận các phần nguy hiểm;
- khả năng bảo vệ thiết bị chống sự xâm nhập của vật rắn từ bên ngoài.
6.1.2 Đầu dò tiếp cận
a)
Kích thước tính bằng milimét

Đầu dò này được thiết kế để kiểm tra xác nhận khả năng bảo vệ người chống tiếp cận các phần nguy hiểm. Đầu dò này cũng được sử dụng để kiểm tra xác nhận khả năng bảo vệ chống tiếp cận bằng mu bàn tay.
Hình 1 - Đầu dò thử nghiệm A
b)
Kích thước tính bằng milimét

Vật liệu: kim loại, trừ khi có quy định khác.
Dung sai trên các kích thước khi không quy định:
- các góc: ![]()
- các kích thước thẳng: đến và bằng 25 mm:
mm; trên 25 mm: ± 0,2 mm.
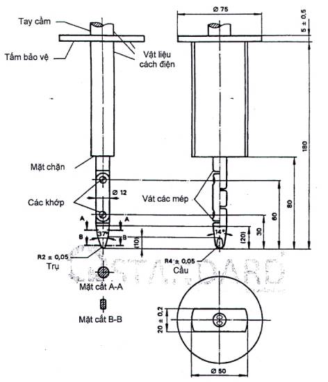
Cả hai khớp phải cho phép dịch chuyển trên cùng mặt phẳng và cùng hướng qua một góc 90° với dung sai từ 0° đến + 10°.
Đầu dò này được thiết kế để kiểm tra xác nhận khả năng bảo vệ cơ bản chống tiếp cận các phần nguy hiểm. Đầu dò này cũng được sử dụng để kiểm tra xác nhận khả năng bảo vệ chống tiếp cận bằng ngón tay.
Hình 2 - Đầu dò thử nghiệm B
c)
Kích thước tính bằng milimét

Đầu dò này được thiết kế để kiểm tra xác nhận khả năng bảo vệ người chống tiếp cận các phần nguy hiểm. Đầu dò này cũng được sử dụng để kiểm tra xác nhận khả năng bảo vệ chống tiếp cận bằng dụng cụ.
Hình 3 - Đầu dò thử nghiệm C
d)
Kích thước tính bằng milimét

Đầu dò này được thiết kế để kiểm tra xác nhận khả năng bảo vệ người chống tiếp cận các phần nguy hiểm. Đầu dò này cũng được sử dụng để kiểm tra xác nhận khả năng bảo vệ chống tiếp cận bằng sợi dây kim loại.
Hình 4 - Đầu dò thử nghiệm D
6.1.3 Đầu dò vật thể
a)
Kích thước tính bằng milimét

Viên bi được thiết kế để kiểm tra xác nhận cấp bảo vệ bằng vỏ ngoài chống sự xâm nhập của vật rắn từ bên ngoài có đường kính 50 mm hoặc lớn hơn.
b)
Hình 5 - Đầu dò thử nghiệm 1
Kích thước tính bằng milimét

Viên bi được thiết kế để kiểm tra xác nhận cấp bảo vệ bằng vỏ ngoài chống sự xâm nhập của vật rắn từ bên ngoài có đường kính 12,5 mm hoặc lớn hơn.
Hình 6 - Đầu dò thử nghiệm 2
6.2 Các đầu dò tiếp cận khác
6.2.1 Các đầu dò được nêu trong 6.2.2 và 6.2.3 được sử dụng để xử lý các yêu cầu đặc biệt được quy định trong các tiêu chuẩn sản phẩm liên quan.
Đầu dò này chỉ nên được chọn khi việc sử dụng đầu dò mã IP là không khả thi.
6.2.2 Đầu dò tiếp cận các phần mang điện nguy hiểm hoặc các phần cơ khí nguy hiểm
Các đầu dò được thiết kế để kiểm tra xác nhận khả năng bảo vệ người chống tiếp cận các phần mang điện nguy hiểm hoặc các phần cơ khí nguy hiểm:
a)
Kích thước tính bằng milimét

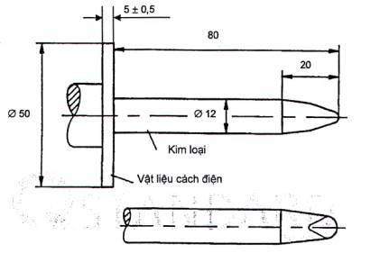
Đối với các kích thước đầu ngón tay và các dung sai: xem Hình 2.
Đầu dò này có thể được sử dụng để kiểm tra xác nhận khả năng bảo vệ người chống tiếp cận các phần mang điện nguy hiểm, và kiểm tra độ bền cơ của các lỗ hở trong vỏ ngoài hoặc các tấm chắn bên trong.
Hình 7 - Đầu dò thử nghiệm 11
b)
Kích thước tính bằng milimét

Chốt này được thiết kế để sử dụng trên các thiết bị nhằm kiểm tra xác nhận khả năng tiếp cận các phần mang điện nguy hiểm hoặc các phần cơ khí nguy hiểm, có nhiều khả năng chạm đến ngẫu nhiên bằng dụng cụ, ví dụ tuốc nơ vít hoặc vật nhọn tương tự trong sử dụng bình thường.
c)
Hình 8 - Đầu dò thử nghiệm 12
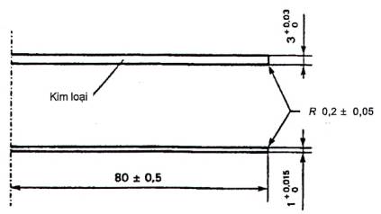
Kích thước tính bằng milimét

Chốt này được thiết kế để kiểm tra xác nhận khả năng bảo vệ chống tiếp cận các phần mang điện nguy hiểm trong thiết bị điện cấp 0 và cấp II (xem IEC 60536).
Hình 9 - Đầu dò thử nghiệm 13
d)
Kích thước tính bằng milimét

Thanh này được thiết kế để kiểm tra xác nhận khả năng bảo vệ chống tiếp cận các phần mang điện nguy hiểm của các ổ cắm xuyên qua tấm che.
Hình 10 - Đầu dò thử nghiệm 14
e)
Kích thước tính bằng milimét

Sợi dây kim loại này được thiết kế để kiểm tra xác nhận khả năng bảo vệ chống tiếp cận các phần mang điện nguy hiểm của đồ chơi sử dụng điện.
Hình 11 - Đầu dò thử nghiệm 17
f)
Kích thước tính bằng milimét

- Ngón tay: vật liệu kim loại
- Tay cầm: vật liệu cách điện
Phần kéo dài của tay cầm thể hiện cánh tay của trẻ em.
Tay cầm được cung cấp với chiều dài 451,6 mm và đầu dò cần được đặt vào có hoặc không có phần kéo dài này, chọn trường hợp nào có điều kiện nặng nề hơn.
Cả hai khớp phải cho phép dịch chuyển trong cùng một mặt phẳng và cùng một hướng qua một góc 90°.
Đầu dò này được thiết kế để mô phỏng sự tiếp cận các phần nguy hiểm bởi trẻ em trên 36 tháng tuổi đến dưới 14 tuổi.
Hình 12 -Đầu dò thử nghiệm 18 (đầu dò ngón tay thử nghiệm nhỏ Ø 8,6)
g)
Kích thước tính bằng milimét

- Ngón tay: vật liệu kim loại
- Tay cầm: vật liệu cách điện
Phần kéo dài của tay cầm thể hiện cánh tay của trẻ em.
Tay cầm được cung cấp với chiều dài 464,3 mm và đầu dò cần được đặt vào có hoặc không có phần kéo dài này, chọn trường hợp nào có điều kiện nặng nề hơn.
Cả hai khớp phải cho phép dịch chuyển trong cùng một mặt phẳng và cùng một hướng qua một góc 90°.
Đầu dò này được thiết kế để mô phỏng sự tiếp cận các phần nguy hiểm bởi trẻ em 36 tháng tuổi hoặc ít hơn.
Hình 13 - Đầu dò thử nghiệm 19 (đầu dò ngón tay thử nghiệm nhỏ Ø 5,6)
6.2.3 Đầu dò tiếp cận phần cơ khí nguy hiểm
Các đầu dò được thiết kế riêng để kiểm tra xác nhận khả năng bảo vệ người chống tiếp cận các phần cơ khí nguy hiểm:
a)
Kích thước tính bằng milimét

Đầu dò này được thiết kế để kiểm tra xác nhận khả năng bảo vệ người chống tiếp cận các phần cơ khí nguy hiểm, của hệ thống nghiền trong các cơ sở xử lý chất thải thực phẩm.
Hình 14 - Đầu dò thử nghiệm 31
b)
Kích thước tính bằng milimét

Thanh này có thể được thiết kế để kiểm tra xác nhận khả năng bảo vệ chống tiếp cận các phần cơ khí nguy hiểm bằng các cơ cấu bảo vệ của quạt điện.
Hình 15 - Đầu dò thử nghiệm 32
6.2.4 Đầu dò tiếp cận các phần nóng hoặc nóng đỏ nguy hiểm
Các đầu dò được thiết kế để kiểm tra xác nhận khả năng bảo vệ người chống tiếp cận các phần nóng hoặc nóng đỏ nguy hiểm.
a)
Kích thước tính bằng milimét

Đầu dò này được thiết kế để kiểm tra xác nhận khả năng bảo vệ chống tiếp cận các phần tử gia nhiệt nóng đỏ.
Hình 16 - Đầu dò thử nghiệm 41
b)
Kích thước tính bằng milimét

Thanh này có thể được thiết kế để kiểm tra xác nhận khả năng bảo vệ chống tiếp cận các phần tử gia nhiệt của máy sưởi bức xạ nóng đỏ nhìn thấy được, loại cố định hoặc xách tay.
Hình 17 - Đầu dò thử nghiệm 43
7 Đặc tính thiết kế của đầu dò thử nghiệm
7.1 Phương tiện thích hợp (ví dụ lò xo) phải được quy định để đo lực đặt vào.
7.2 Độ nhám bề mặt Ra theo ISO 4287-1 của các phần kim loại của đầu dò thử nghiệm, khi được giao, không được vượt quá 1,6 μm.
Tất cả các phần của đầu dò mà có thể tiếp xúc với mẫu thử nghiệm phải có độ cứng tối thiểu là 50 HCR (Rockwell, thang C).
CHÚ THÍCH 1: Khi cần kiểm tra bằng các phương tiện điện, cần có đầu nối để cho phép đấu nối nguồn điện áp cực thấp.
Nếu không có quy định khác trong các tiêu chuẩn sản phẩm, khuyến cáo rằng điện áp của mạch chỉ thị không nhỏ hơn 40 V và không lớn hơn 50 V.
CHÚ THÍCH 2: Các đầu dò thử nghiệm cần được bảo vệ chống ăn mòn. Nếu đầu dò được làm bằng vật liệu dễ bị ăn mòn, cần có một số bảo vệ, đặc biệt khi không được sử dụng. Khuyến cáo sử dụng dầu hoặc bảo vệ tương tự.
CHÚ THÍCH 3: Các tay cầm cần được thiết kế sao cho có thể giữ chúng chắc chắn.
Phụ lục A
(tham khảo)
Ảnh hưởng của dung sai đầu dò thử nghiệm lên thiết bị và các kết quả thử nghiệm
A.1 Quy định chung
Đầu dò thử nghiệm là phương tiện được tạo ra và được chỉ định để kiểm tra xác nhận khả năng bảo vệ thiết bị điện liên quan đến tiếp cận các phần nguy hiểm:
Các dung sai chặt chẽ được mong muốn để đảm bảo tính tương thích và tái lập của các kết quả thử nghiệm, tuy nhiên, các dung sai lớn là cần thiết để chế tạo các đầu dò một cách kinh tế và cho phép ăn mòn do sử dụng thường xuyên.
Điều quan trọng là cả người thiết kế thiết bị điện có các phần nguy hiểm cũng như người sử dụng đầu dò thử nghiệm đều phải nhận thức được thực tế này của các giới hạn tự nhiên trong việc áp dụng đầu dò thử nghiệm.
Về nguyên tắc, các kích thước liên quan của thiết bị điện (ví dụ các lỗ mở hoặc khe hở không khí) cần được thiết kế để cung cấp biên an toàn đủ giữa các phần nguy hiểm và đầu dò thử nghiệm có tính đến dung sai lớn nhất áp dụng cho đầu dò.
Các ví dụ dưới đây được đưa ra để giải thích vấn đề chi tiết hơn.
A.2 Đầu dò thử nghiệm có chiều dài không xác định
Ví dụ: đầu dò 17, 32, 43.
Theo các điều kiện thử nghiệm quy định trong các tiêu chuẩn sản phẩm liên quan, mục đích của thử nghiệm là kiểm tra xác nhận khả năng bảo vệ người chống tiếp cận các phần nguy hiểm bên trong vỏ ngoài.
Đầu dò này được thiết kế để thể hiện rằng không thể tiếp cận vào bên trong vỏ ngoài (xem Hình A.1).

Hình A.1 - Phạm vi dung sai trên đường kính của đầu dò thử nghiệm hình trụ
A: lỗ mở lớn nhất trong vỏ ngoài cần thử nghiệm
B: kích thước lớn nhất của đầu dò
C: kích thước nhỏ nhất của đầu dò
B - C: phạm vi dung sai của đầu dò Hướng dẫn cho người thiết kế thiết bị: A < C
Hướng dẫn cho người sử dụng đầu dò thử nghiệm:
A > B: thử nghiệm không đạt
A < C: thử nghiệm đạt
C < A < B: phạm vi độ không đảm bảo đo có thể tránh nếu tuân thủ quy định A < C
A.3 Đầu dò thử nghiệm có chiều dài xác định
Ví dụ: các đầu dò C, D, 14, và phần hình trụ của đầu dò B, 11, 31,41.
Các đầu dò này mô phỏng các phần của cơ thể người hoặc các dụng cụ được người cầm trong tay.
Theo các điều kiện thử nghiệm quy định trong các tiêu chuẩn sản phẩm liên quan, mục đích của thử nghiệm này nhằm kiểm tra xác nhận khả năng bảo vệ người chống tiếp cận với các phần nguy hiểm bên trong vỏ ngoài.
Đầu dò có thể xâm nhập xuyên qua lỗ hở cho đến mặt chặn của nó, nhưng giữ khe hở không khí đủ giữa đầu dò và các phần nguy hiểm (xem Hình A.2).

Hình A.2 - Phạm vi dung sai trên chiều dài của đầu dò thử nghiệm
A: khoảng cách ngắn nhất của các phần nguy hiểm cần thử nghiệm
B: kích thước lớn nhất của đầu dò
C: kích thước nhỏ nhất của đầu dò
B - C: phạm vi dung sai của đầu dò
Hướng dẫn cho người thiết kế:
A > B kể cả khe hở không khí quy định trong trường hợp thiết bị cao áp
Hướng dẫn cho người sử dụng đầu dò thử nghiệm:
A ≤ C: thử nghiệm không đạt
A > B: thử nghiệm đạt
C < A ≤ B: phạm vi độ không đảm bảo đo có thể tránh nếu tuân thủ quy định A > B
A.4 Đầu dò thử nghiệm có phần côn
Ví dụ:các đầu dò B, 11, 13, 31, 41.
Về cơ bản áp dụng quy tắc trong A.3.
Độ sâu xâm nhập của phần côn được giới hạn bởi đường kính của đầu dò, tuy nhiên, cụ thể trong trường hợp các góc côn nhỏ, sẽ có một phạm vi rộng độ không đảm bảo đo, như thể hiện trong Hình A.3.
Người thiết kế cần đặc biệt lưu ý đến các quy định chung được nêu trong phần đầu của phụ lục này nếu sử dụng các đầu dò thử nghiệm có các phần côn.

Hình A.3 - Sự thay đổi độ sâu xâm nhập b với các đầu dò có phần côn
Các hình dưới đây thể hiện độ sâu xâm nhập b và độ lệch của chúng là hàm của độ rộng lỗ hở a và dung sai của các kích thước b đối với các đầu dò thử nghiệm có phần côn được liệt kê trong tiêu chuẩn này:
Kích thước tính bằng milimét

Hình A.4 - Phạm vi dung sai của độ sâu xâm nhập b xuyên qua độ rộng lỗ hở a đối với đầu dò thử nghiệm B: ngón tay thử nghiệm có khớp và đầu dò thử nghiệm 11: ngón tay thử nghiệm không có khớp
Kích thước tính bằng milimét

Hình A.5 - Phạm vi dung sai của độ sâu xâm nhập b xuyên qua độ rộng lỗ hở a đối với đầu dò thử nghiệm 13: chốt hình côn, Ø 3 đến Ø 4, dài 15
Kích thước tính bằng milimét

Hình A.6 - Phạm vi dung sai của độ sâu xâm nhập b xuyên qua độ rộng lỗ hở a đối với đầu dò thử nghiệm 31: côn Ø 110/60
Kích thước tính bằng milimét

Hình A.7 - Phạm vi dung sai của độ sâu xâm nhập b xuyên qua độ rộng lỗ hở a đối với đầu dò thử nghiệm 41: đầu dò Ø 30
Phụ lục B
(tham khảo)
Quy tắc xác định dung sai cho các đầu dò
B.1 Kích thước
B.1.1 Các kích thước của các phần tác động của đầu dò cần được xác định dung sai theo Bảng 1, Bảng 2 và Bảng 3 của ISO 2768-1, như sau:
- Các kích thước thẳng cần được quy định dung sai theo Bảng 1 của ISO 2768-1 và được gọi là
• cấp dung sai cao đối với các phần bằng kim loại, và
• cấp dung sai trung bình đối với các phần bằng vật liệu cách điện hoặc các phần không quy định.
- Các mép gẫy (bán kính ngoài và chiều cao vát cạnh) phải có dung sai cao/trung bình, như quy định trong Bảng 2 ISO 2768-1.
- Các kích thước góc phải có dung sai cao/trung bình, như quy định trong Bảng 3 ISO 2768-1.
B.1.1 Các kích thước của các phần không tác động của đầu dò, ví dụ tay cầm, tấm bảo vệ, v.v... được cho không kèm dung sai.
B.2 Lực
Lực đặt lên các đầu dò cần có dung sai ±10 %.
Mục lục
Lời nói đầu
1 Phạm vi áp dụng
2 Tài liệu viện dẫn
3 Thuật ngữ và định nghĩa
4 Phân loại đầu dò
5 Danh mục các đầu dò
6 Đầu dò thử nghiệm
7 Đặc tính thiết kế của đầu dò thử nghiệm
Phụ lục A (tham khảo) - Ảnh hưởng của dung sai đầu dò thử nghiệm lên thiết bị và các kết quả thử nghiệm
Phụ lục B (tham khảo) - Quy tắc xác định dung sai cho các đầu dò
[1] Hệ thống tiêu chuẩn quốc gia đã có TCVN 4255:2025 hoàn toàn tương đương với IEC 60529:2013.
Bạn chưa Đăng nhập thành viên.
Đây là tiện ích dành cho tài khoản thành viên. Vui lòng Đăng nhập để xem chi tiết. Nếu chưa có tài khoản, vui lòng Đăng ký tại đây!