- Tổng quan
- Nội dung
- Tiêu chuẩn liên quan
- Lược đồ
- Tải về
Tiêu chuẩn TCVN 14225:2025 Nhà máy nhiệt điện - Thí nghiệm xác định các đặc tính kỹ thuật
| Số hiệu: | TCVN 14225:2025 | Loại văn bản: | Tiêu chuẩn Việt Nam |
| Cơ quan ban hành: | Bộ Khoa học và Công nghệ | Lĩnh vực: | Công nghiệp , Điện lực |
| Trích yếu: | Nhà máy nhiệt điện - Thí nghiệm xác định các đặc tính kỹ thuật của toàn nhà máy | ||
|
Ngày ban hành:
Ngày ban hành là ngày, tháng, năm văn bản được thông qua hoặc ký ban hành.
|
18/02/2025 |
Hiệu lực:
|
Đã biết
|
| Người ký: | Đang cập nhật |
Tình trạng hiệu lực:
Cho biết trạng thái hiệu lực của văn bản đang tra cứu: Chưa áp dụng, Còn hiệu lực, Hết hiệu lực, Hết hiệu lực 1 phần; Đã sửa đổi, Đính chính hay Không còn phù hợp,...
|
Đã biết
|
TÓM TẮT TIÊU CHUẨN VIỆT NAM TCVN 14225:2025
Tiêu chuẩn quốc gia TCVN 14225:2025: Nhà máy nhiệt điện - Thí nghiệm xác định các đặc tính kỹ thuật của toàn nhà máy
Tiêu chuẩn quốc gia TCVN 14225:2025 về Nhà máy nhiệt điện được ban hành nhằm xác định các đặc tính kỹ thuật của toàn bộ nhà máy nhiệt điện. Tiêu chuẩn này đã được phát triển dựa trên tiêu chuẩn ASME PTC 46 - 2015, với ngày ban hành được ghi nhận là 01/01/2025. Nó có hiệu lực từ ngày ban hành, áp dụng cho việc thí nghiệm xác định hiệu suất trong điều kiện vận hành bình thường của nhà máy.
Tiêu chuẩn có phạm vi áp dụng rộng rãi, bao gồm cả nhà máy nhiệt điện chu trình kết hợp và nhà máy nhiệt điện sử dụng nhiên liệu rắn, lỏng và khí. Những yêu cầu cụ thể nhằm duy trì hiệu suất và độ chính xác trong các thí nghiệm cũng được đề cập rõ ràng. Trong số đó, độ không đảm bảo trong kết quả thí nghiệm không được vượt quá các giá trị quy định trong bảng giới hạn.
Cụ thể, bảng 1 trong tiêu chuẩn đưa ra các giá trị độ không đảm bảo cho từng loại nhà máy, như:
- Tua bin khí chu trình đơn giản có sinh hơi với độ không đảm bảo 1,25% cho hiệu suất nhiệt đầu vào.
- Đối với tua bin khí chu trình kết hợp, giá trị này cũng là 1,25%.
- Nhà máy chu trình hơi nước cấp vào trực tiếp có độ không đảm bảo 1,5%.
Để thực hiện các thí nghiệm này, một loạt các yêu cầu về thiết bị và phương pháp đo được quy định trong phần 4 của tiêu chuẩn. Các phương pháp đo cho phép xác định áp suất, nhiệt độ, lưu lượng và độ ẩm. Các thông số này được tính toán theo nhiều công thức khác nhau để tạo lập báo cáo kết quả và yêu cầu thẩm định trước và sau thí nghiệm.
Ngoài các thông tin kỹ thuật, tiêu chuẩn cũng đề cập đến việc kiểm tra độ không đảm bảo trong kết quả thí nghiệm. Để đảm bảo tính chính xác, các phương pháp phân tích độ không đảm bảo trước và sau thí nghiệm được hướng dẫn rõ ràng, có thể thấy rằng mục tiêu là tạo ra một hệ thống đánh giá đáng tin cậy và có tính khả thi cao cho quy trình thử nghiệm.
Tiêu chuẩn TCVN 14225:2025 với các quy định cụ thể đã góp phần cải thiện quản lý và vận hành các nhà máy nhiệt điện, đảm bảo phát triển bền vững và hiệu quả năng lượng, từ đó tốt hơn phục vụ nhu cầu điện năng của xã hội và kinh tế.
Tải tiêu chuẩn Việt Nam TCVN 14225:2025
TIÊU CHUẨN QUỐC GIA
TCVN 14225:2025
NHÀ MÁY NHIỆT ĐIỆN - THÍ NGHIỆM XÁC ĐỊNH CÁC ĐẶC TÍNH KỸ THUẬT CỦA TOÀN NHÀ MÁY
Thermal Power Plant - Overall Plant Performance Test Codes
MỤC LỤC
Lời nói dầu
1. Phạm vi áp dụng và các yêu cầu chung
1.1 Phạm vi áp dụng
1.2 Tài liệu viện dẫn
1.3 Định nghĩa và các thuật ngữ
2. Đường bao thí nghiệm
3. Những nguyên tắc hướng dẫn thí nghiệm xác định đặc tính kỹ thuật toàn nhà máy
3.1 Các nguyên tắc chung
3.2 Chương trình thí nghiệm
3.3 Chuẩn bị thí nghiệm
3.4 Thực hiện thí nghiệm
3.5 Tính toán và báo cáo kết quả
4. Thiết bị và phương pháp đo
4.1 Yêu cầu chung
4.2 Đo áp suất
4.3 Đo nhiệt độ
4.4 Đo độ ẩm
4.5 Đo lưu lượng
4.6 Đo nhiệt đầu vào chính
4.7 Đo phát điện
4.8 Tần số lưới điện
4.9 Thu thập và xử lý dữ liệu
5. Tính toán và kết quả
5.1 Công thức cơ bản
5.2 Điều kiện về công suất nhà máy và nhiệt đầu vào của nhà máy được đo thông qua các công thức cơ bản
5.3 Thực hiện các công thức hiệu suất cơ bản cho các chu trình cụ thể và mục tiêu thí nghiệm
5.4 Thảo luận về áp dụng các hệ số hiệu chỉnh
5.5 Xem xét đặc biệt về công thức hiệu suất được áp dụng cho các chu trình kết hợp
5.6 Trường hợp đặc biệt khi đường ống bên ngoài đường bao thí nghiệm
5.7 Những nhận xét đặc biệt khi áp dụng cho các nhà máy tua bin hơi
6. Báo cáo kết quả
6.1 Yêu cầu chung
6.2 Tóm tắt
6.3 Giới thiệu
6.4 Tính toán và kết quả
6.5 Công cụ
6.6 Kết luận
6.7 Phụ lục
7. Kiểm tra độ không đảm bảo
7.1 Giới thiệu
7.2 Phân tích độ không đảm bảo trước thí nghiệm
7.3 Phân tích độ không đảm bảo sau thí nghiệm
7.4 Đầu vào để phân tích độ không đảm bảo
Phụ lục A (tham khảo) Tính toán mẫu, nhà máy đồng phát chu trình kết hợp không có vòi đốt bổ sung. Bộ giải nhiệt hoàn toàn nằm trong đường bao thí nghiệm
Phụ lục B (tham khảo) Tính toán mẫu, nhà máy chu trình đồng phát kết hợp với vòi đốt bổ sung. Giải nhiệt bên ngoài đường bao thí nghiệm
Phụ lục C (tham khảo) Tính toán mẫu, nhà máy đồng phát chu trình kết hợp không có vòi đốt bổ sung. Giải nhiệt bằng nguồn nước làm mát bên ngoài đường bao thí nghiệm
Phụ lục D (tham khảo) Đại diện của hiệu chỉnh sự khác biệt về nhiệt độ giải nhiệt so với nhiệt độ không khí đầu vào của turbine khí (Δ5 hoặc (ω5), nếu cần thiết, đối với nhà máy chu trình kết hợp điển hình
Phụ lục E (tham khảo) Tính toán mẫu của một nhà máy đốt than siêu tới hạn sử dụng tua bin ngưng hơi
Phụ lục F (tham khảo) Tính toán mẫu độ không đảm bảo: Nhà máy điện chu trình kết hợp không có vòi đốt bổ sung. Giải nhiệt với dàn ngưng làm mát bằng không khí trong đường bao thí nghiệm
Phụ lục G (tham khảo) Điều kiện không khí đầu vào
Phụ lục H (tham khảo) Phương pháp xác định suất tiêu hao nhiệt hiệu chỉnh thí nghiệm ở phụ tải thấp ờ điều kiện tham chiếu cụ thể cho nhà máy chu trình kết hợp
Phụ lục I (tham khảo) Thí nghiệm nhà máy với thiết bị làm mát không khí đầu vào không hoạt động
Lời nói đầu
TCVN 14225:2025 Nhà máy nhiệt điện - Thí nghiệm xác định đặc tính kỹ thuật của toàn nhà máy (Thermal Power Plant - Overall Plant Performance Test Code) được biên soạn dựa trên cơ sở tham khảo tiêu chuẩn ASME PTC 46 - 2015, Overall Plant Performance - performance test codes (Hiệu suất toàn nhà máy - tiêu chuẩn thí nghiệm hiệu suất). Tiêu chuẩn này được biên soạn tuân thủ theo các yêu cầu quy định đối với Tiêu Chuẩn Việt Nam TCVN, bám sát về nội dung và tương đương về mặt kỹ thuật đối với bản gốc tiêu chuẩn ASME PTC 46 -2015 và sử dụng hệ đơn vị SI.
TCVN 14225:2025 được Hội Khoa Học Kỹ Thuật Nhiệt Việt Nam biên soạn, Bộ Công Thương đề nghị, Bộ khoa học và Công nghệ thẩm định và công bố.
NHÀ MÁY NHIỆT ĐIỆN - THÍ NGHIỆM XÁC ĐỊNH CÁC ĐẶC TÍNH KỸ THUẬT CỦA TOÀN NHÀ MÁY
Thermal Power Plant - Overall Plant Performance Test Codes
1. Phạm vi áp dụng và các yêu cầu chung
1.1 Phạm vi áp dụng
Tiêu chuẩn này áp dụng cho việc thí nghiệm xác định các đặc tính kỹ thuật của toàn nhà máy nhiệt điện. Tiêu chuẩn này có thể được sử dụng để xác định hiệu suất của một nhà máy nhiệt điện trong điều kiện vận hành bình thường, với tất cả các thiết bị hoạt động ổn định có các chức năng đầy đủ.
Tiêu chuẩn này cung cấp các phương pháp và quy trình cho các nhà máy nhiệt điện chu trình kết hợp và cho hầu hết các nhà máy nhiệt điện chu trình Rankine sử dụng nhiên liệu rắn, lỏng và khí. Không có hạn chế nào về việc sử dụng tiêu chuẩn này cho các kiểu nhà máy nhiệt điện chu trình nhiệt khác, miễn là các quy trình rõ ràng có thể được đáp ứng. Các công thức hiệu suất và phương pháp thí nghiệm ở đây có thể áp dụng cho phần chu trình hơi nước trong nhà máy nhiệt điện năng lượng mặt trời, hoặc chu trình hơi nước trong nhà máy điện hạt nhân.
Các điều kiện cần được đáp ứng để thí nghiệm một nhà máy nhiệt điện hoặc cơ sở đồng phát phù hợp với tiêu chuẩn bao gồm:
(a) Có sẵn phương thức thông qua đo trực tiếp hoặc gián tiếp để xác định tất cả các nguồn nhiệt đầu vào, điện năng đầu ra và các dòng năng lượng thứ cấp ra khỏi đường bao thí nghiệm;
(b) Có sẵn phương thức xác định tất cả các giá trị thông qua việc đo trực tiếp hoặc gián tiếp để hiệu chỉnh các kết quả từ việc thí nghiệm theo các điều kiện tham chiếu cơ sở;
(c) Độ không đảm bảo trong các kết quả thí nghiệm phải nhỏ hơn hoặc bằng với các độ không đảm bảo được đưa ra trong Bảng 1 cho kiểu nhà máy thích hợp;
(d) Môi chất làm việc đối với chu trình hơi phải là hơi nước. Hạn chế này chỉ áp dụng trong phạm vi mà các môi chất khác cần các phép đo hoặc các phương pháp đo khác với những phép đo hoặc phương pháp đo được đưa ra bởi tiêu chuẩn này đối với các chu trình hơi nước
Các thí nghiệm ngoài phạm vi của tiêu chuẩn. Các thí nghiệm giải quyết các vấn đề không liên quan đến hiệu suất nhà máy điện nằm ngoài phạm vi của Tiêu chuẩn này bao gồm các thí nghiệm sau:
(a) Thí nghiệm đánh giá phát thải: Các thí nghiệm để xác minh sự tuân thủ các mức phát thải quy định hoặc cần để hiệu chuẩn và chứng nhận các hệ thống giám sát phát thải.
(b) Thí nghiệm chứng thực vận hành. Các thí nghiệm được tiến hành một cách đặc biệt trong suốt quá trình khởi động hoặc chu kì vận hành sau đó, để chứng minh khả năng vận hành đã được chỉ định (ví dụ: vận hành với tải tối thiểu, tự động điều khiển tải và tốc độ thay đổi tức thì của tải, khả năng chuyển đổi nhiên liệu, v.v.).
(c) Thí nghiệm độ tin cậy: các thí nghiệm được thực hiện trong khoảng thời gian mở rộng tính theo ngày hoặc theo tuần để chứng minh khả năng nhà máy điện tạo ra mức sản lượng tối thiểu xác định hoặc độ sẵn sàng. Các phương pháp đo, tính toán và hiệu chỉnh ở đây có thể được sử dụng để thiết kế các thí nghiệm thuộc kiểu này. Tuy nhiên, tiêu chuẩn này không đưa ra các quy trình thí nghiệm rõ ràng hoặc tiêu chí nghiệm thu cho mục tiêu này.
Bảng 1. Độ không đảm bảo thí nghiệm lớn nhất cho phép
| Kiểu nhà máy nhiệt điện | Mô tả | Hiệu suất nhiệt đầu vào/suất | Công suất hiệu chỉnh, % |
| Tua bin khí chu trình đơn giản có sinh hơi | Tua bin khí với nhiệt thải được sử dụng cho việc sinh hơi | 1,25 | 0,8 |
| Tua bin khí chu trình kết hợp | Kết hợp các chu trình tua bin khí và tua bin hơi với lò hơi thu hồi nhiệt có hoặc không có đốt bổ sung | 1,25 | 0,8 |
| Chu trình hơi nước | Hơi nước cấp vào trực tiếp (ví dụ: địa nhiệt) | 1,5 | 1,0 |
| Chu trình hơi nước | Sử dụng nhiên liệu lỏng hoặc khí thuần nhất | 1,5 | 1,0 |
| Chu trình hơi nước | Sử dụng nhiên liệu rắn thuần nhất | 3,0 | 1,0 |
CHÚ THÍCH CHUNG:
(a) Đối với các nhà máy tua bin khí, độ không đảm bảo lớn nhất nêu trên cho phép tua bin khí vận hành ở các điều kiện do nhà sản xuất tua bin khí quy định, và đối với các nhà máy sử dụng tua bin hơi thì các giá trị độ không đảm bảo lớn nhất nêu trên cho phép các nhà máy sử dụng tua bin hơi vận hành ở mức đầy tải hoặc gần đầy tải.
(b) Nếu thiết kế nhà máy không rơi vào một trong các trường hợp trong bảng này một cách rõ ràng thì giá trị độ không đảm bảo thí nghiệm có thể cao hơn. Trong mọi trường hợp, điều đặc biệt quan trọng là kiểm tra phân tích độ không đảm bảo thí nghiệm trước để độ không đảm bảo có được thấp nhất theo các phương pháp được mô tả trong điều 4.
(c) Công suất và suất tiêu hao nhiệt hiệu chỉnh được trình bày trong bảng này đều dựa trên cơ sở giá trị tinh.
1.2 Tài liệu viện dẫn
Các tài liệu viện dẫn sau rất cần thiết cho việc áp dụng tiêu chuẩn này. Đối với các tài liệu viện dẫn ghi năm công bố thì áp dụng phiên bản được nêu. Đối với các tài liệu viện dẫn không ghi năm công bố thì áp dụng phiên bản mới nhất, bao gồm cả các sửa đổi, bổ sung (nếu có).
ANSI/IEEE Standard 120, Master Test Guide for Electrical Measurements in Power Circuits (Hướng dẫn kiểm tra tổng thể về phép đo điện trong mạch điện)
ANSI/IEEE Standard C57.13, Requirements for Instrument Transformers (Các yêu cầu thiết bị đo cho máy biến áp)
ASME MFC 11, Measure of Fluid Flow by Means of Coriolis Mass Flowmeter (Đo dòng lưu chất bằng thiết bị đo lưu lượng kiểu coriolis)
ASME PTC 1, General Instructions (Hướng dẫn chung)
ASME PTC 2, Definitions and Values (Các định nghĩa và đại lượng)
ASME PTC 4, Fired steam Generators (Lò hơi đốt nhiên liệu)
ASME PTC 4.4, Gas Turbine Heat Recovery Steam Generators (Lò hơi thu hồi nhiệt từ tua bin khí)
ASME PTC 6, Steam Turbines (Tua bin hơi)
ASME PTC 6.2, Steam Turbines in Combined Cycles (Tua bin hơi trong chu trình kết hợp)
ASME PTC 12.4, Moisture Separator Reheaters (Bộ tái nhiệt tách ẩm)
ASME PTC 19.1, Test Uncertainty (Thử nghiệm độ không đảm bảo)
ASME PTC 19.2, Pressure Measurement (Đo áp suất)
ASME PTC 19.3, Temperature Measurement (Đo nhiệt độ)
ASME PTC 19.3TW, Thermowell (Lỗ đo nhiệt độ)
ASME PTC 19.5, Flow Measurement (Đo lưu lượng)
ASME PTC 22, Gas Turbines (Tua bin khí)
AS ME PTC 23, Atmospheric Water Cooling Equipment (Thiết bị làm mát nước áp suất môi trường)
ASME PTC 30.1, Air-Cooled steam Condensers (Bình ngưng làm mát bằng không khí)
ASME PTC 51, Gas Turbine Inlet Air-Conditioning Equipment (Thiết bị làm mát không khí đầu vào tua bin khí)
ASTM D4809, Standard Test Method for Heat of Combustion of Liquid Hydrocarbon Fuels by Bomb Calorimeter (Precision Method) Phương pháp thí nghiệm tiêu chuẩn xác định nhiệt lượng của quá trình cháy nhiên liệu hydrocarbon lỏng bằng bom nhiệt lượng kế (phương pháp chính xác)
ASTM E177, Standard Practice for Use of the Terms Precision and Bias in ASTM Test Methods (Thực hành chuẩn để xác định độ chính xác và độ lệch trong các phương pháp thử nghiệm của ASTM)
ISO/IEC 17025, General requirements for the competence of testing and calibration laboratories (các yêu cầu chung về cạnh tranh của các phòng thí nghiệm kiểm tra và hiệu chỉnh)
ISO/TS 21748, Guidance for the use of repeatability, reproducibility and trueness estimates on measurement uncertainty estimation (Hướng dẫn sử dụng ước tính độ lặp lại, độ tái tạo và độ tin cậy trong đánh giá độ không đảm bảo)
NIST Technical Note 1265, Guidance for Realizing the International Scale of 1990 (ITS-90) (hướng dẫn nhận dạng các thang đo quốc tế năm 1990)
TCVN 9595-1:2013, Độ không đảm bảo đo - phần 1: giới thiệu về trình bày độ không đảm bảo đo
TCVN 9595-3:2013, Độ không đảm bảo đo - phần 3: hướng dẫn trình bày độ không đảm bảo đo
TCVN 9595-3:2013 (ISO/IEC GUIDE 98-3:2008) về độ không đảm bảo đo - Phần 3: Hướng dẫn trình bày độ không đảm bảo đo (GUM:1995) Ban hành: 01/01/2013 I Cập nhật: 05/03/2014
TCVN 6165 - 2009 từ vựng quốc tế về đo lường học - Khái niệm, thuật ngữ chung và cơ bản.
1.3 Định nghĩa và các thuật ngữ
Trong tiêu chuẩn này sử dụng các thuật ngữ, định nghĩa sau:
1.3.1 Định nghĩa về các hệ số hiệu chỉnh
ω1, ∆1: lần lượt là các hệ số hiệu chỉnh cộng thêm cho công suất nhiệt cấp đầu vào và điện đầu ra, để hiệu chỉnh cho dòng nhiệt tham chiếu cơ sở.
ω2, ∆2: lần lượt là các hệ số hiệu chỉnh cộng thêm cho công suất nhiệt cấp đầu vào và điện đầu ra, để hiệu chỉnh cho hệ số công suất máy phát tham chiếu cơ sở.
ω3, ∆3: lần lượt là các hệ số hiệu chỉnh cộng thêm cho công suất nhiệt cấp đầu vào và điện đầu ra, để hiệu chỉnh cho xả lò hơi tham chiếu cơ sở.
ω4, ∆4: lần lượt là các hệ số hiệu chỉnh cộng thêm cho công suất nhiệt cấp đầu vào và điện đầu ra, để hiệu chỉnh cho nhiệt đầu vào thứ cấp tham chiếu cơ sở.
ω5A, ∆5A: lần lượt là các hệ số hiệu chỉnh cộng thêm cho công suất nhiệt cấp đầu vào và điện đầu ra, để hiệu chỉnh cho các trạng thái không khí đầu vào tham chiếu cơ sở tại tháp giải nhiệt hoặc không khí đầu vào của dàn ngưng giải nhiệt bằng không khí.
ω5B, ∆5B: lần lượt là các hệ số hiệu chỉnh cộng thêm cho công suất nhiệt cấp đầu vào và điện đầu ra, để hiệu chỉnh cho nhiệt độ nước tuần hoàn tham chiếu cơ sở.
ω5C, ∆5C: lần lượt là các hệ số hiệu chỉnh cộng thêm cho công suất nhiệt cấp đầu vào và điện đầu ra, để hiệu chỉnh cho áp suất ngưng tụ tham chiếu cơ sở.
ω6, ∆6: lần lượt là các hệ số hiệu chỉnh cộng thêm cho công suất nhiệt cấp đầu vào và điện đầu ra, để hiệu chỉnh cho các tải tự dùng tham chiếu cơ sở.
ω7, ∆7: lần lượt là các hệ số hiệu chỉnh cộng thêm cho công suất nhiệt cấp đầu vào và điện đầu ra, để hiệu chỉnh cho độ chênh lệch giữa áp suất đo được và áp suất danh nghĩa nếu như mục đích thí nghiệm nhằm vận hành ở công suất đã định từ trước. Cũng có thể được sử dụng nếu như việc bố trí hoạt động với đơn vị bắt buộc không như yêu cầu.
b1, α1, f1 lần lượt là các hệ số hiệu chỉnh nhân thêm cho công suất nhiệt đầu vào, điện, và suất tiêu hao nhiệt, để hiệu chỉnh nhiệt độ đầu vào tham chiếu cơ sở.
b2, α2, f2: lần lượt là các hệ số hiệu chỉnh nhân thêm cho công suất nhiệt đầu vào, điện, và suất tiêu hao nhiệt, để hiệu chỉnh áp suất đầu vào tham chiếu cơ sở.
b3, α3, f3: lần lượt là các hệ số hiệu chỉnh nhân thêm cho công suất nhiệt đầu vào, điện, và suất tiêu hao nhiệt, để hiệu chỉnh độ ẩm đầu vào tham chiếu cơ sở.
b4, α4, f4: lần lượt là các hệ số hiệu chỉnh nhân thêm cho công suất nhiệt đầu vào, điện, và suất tiêu hao nhiệt, để hiệu chỉnh nhiệt độ nhiên liệu cấp tham chiếu cơ sở.
b5, α5, f5: lần lượt là các hệ số hiệu chỉnh nhân thêm cho công suất nhiệt đầu vào, điện, và suất tiêu hao nhiệt, để hiệu chỉnh việc phân tích nhiên liệu tham chiếu cơ sở.
b6, α6, f6: lần lượt là các hệ số hiệu chỉnh nhân thêm cho công suất nhiệt đầu vào, điện, và suất tiêu hao nhiệt, để hiệu chỉnh tần số lưới điện tham chiếu cơ sở.
1.3.2 Chữ viết tắt, ký hiệu và chỉ số dưới
1.3.2.1. Chữ viết tắt
Các chữ viết tắt dưới đây được sử dụng trong tiêu chuẩn
| A/D: | Analog-To-Digital - Kỹ thuật số |
| AC: | Alternating Current - Dòng điện xoay chiều |
| ACC: | Air-Cooled Condenser - Bình ngưng làm mát bằng không khí |
| ACDC: | AC To DC Conversion Efficiency Factor - Hệ số hiệu quả chuyển đổi AC sang DC |
| AE: | Aging Effect - Ảnh hưởng lão hóa |
| AH: | Air Heater - Bộ sấy không khí |
| AHAIT: | Air Heater Air Inlet Temperature - Nhiệt độ không khí đầu vào của bộ sấy không khí |
| AHGIT: | Air Heater Gas Inlet Temperature - Nhiệt độ khói đầu vào của bộ sấy không khí |
| AHGOT: | Air Heater Gas Outlet Temperature - Nhiệt độ khói đầu ra của bộ sấy không khí |
| AQCS: | Air Quality Control System - Hệ thống điều khiển chất lượng không khí |
| AUX XFMR: | Auxiliary Transformer - Máy biến áp tự dùng |
| b.e.: | Boiler Fuel Efficiency - Hiệu suất nhiên liệu của lò hơi |
| BD: | Blowdown Flow - Lưu lượng xả |
| BFP: | Boiler Feed Pump - Bơm cấp lò hơi |
| BFPT: | Boiler Feed Pump Turbine - Bơm cấp lò hơi dẫn động bằng tua bin |
| BFW: | Boiler Feed Water - Nước cấp lò hơi |
| BL: | Base Load - Phụ tải cơ sở |
| C: | Coefficient - Hệ số |
| CC: | Correction Curve - Đường cong hiệu chỉnh |
| CGCU: | Calibration Gas Composition Uncertainty - Độ không đảm bảo về thành phần khí hiệu chuẩn |
| CIT: | Constant Initial Temperature - Nhiệt độ ban đầu không đổi |
| CME: | Chromatograph Method Effect - Ảnh hưởng của phương pháp sắc ký |
| CT: | Current Transformer - Máy biến dòng |
| CT: | Cooling Temperature - Nhiệt độ làm mát |
| CTG: | Combustion Turbine Generator - Máy phát tua bin khí |
| CTR: | Current Transformer Marked Ratio - Tỷ lệ đặc trưng của máy biến dòng |
| CTRCFc: | Current Transformer Ratio Correction Factor - Hệ số hiệu chỉnh tỷ số biến dòng từ dữ liệu hiệu chuẩn |
| CU: | Calibration Uncertainty - Độ không đảm bảo của việc hiệu chuẩn |
| D/A: | Digital-To-Analog - Chuyển đổi số |
| D/S: | Downstream - Phía sau |
| DAE: | Data Acquisition Effect - Ảnh hưởng thu thập dữ liệu |
| DAS | Data Acquisition System - Hệ thống thu thập dữ liệu |
| db: | Dry Bulb - Bầu khô |
| DC: | Direct Current - Dòng điện một chiều |
| DCS: | Distributed Control System - Hệ thống điều khiển phân tán |
| DEE: | DAS Environmental Effect - Ảnh hưởng môi trường DAS |
| DP: | Differential Pressure - Độ chênh áp |
| DPRE: | Das Parasitic Resistance Effect - Ảnh hưởng nhiễu điện trở của hệ thống thu thập dữ liệu (DAS) |
| DPVE: | Das Parasitic Voltage Effect - Ảnh hưởng nhiễu điện áp của hệ thống thu thập dữ liệu (DAS) |
| DRU: | DAS Reference Uncertainty - Độ không đảm bảo tham chiếu của hệ thống thu thập dữ liệu (DAS) |
| DSE: | DAS Stability Effect - Ảnh hưởng ổn định của hệ thống thu thập dữ liệu (DAS) |
| ECE: | Exciting Current Effect - Hiệu ứng dòng điện kích từ |
| EMF: | Electromotive Force - Suất điện động |
| ExcLoss: | Exciter Power - Công suất máy kích từ |
| FC: | Field Current (DC A) - Dòng điện kích từ |
| FD fan: | Forced Draft Fan - Quạt hút |
| FV: | Field Voltage (DC V) - Điện áp kích từ |
| GSME: | Gas Sampling Method Effect - Ảnh hưởng của phương pháp lấy mẫu khí |
| GT: | Gas Turbine - Tua bin khí |
| GTTexh: | Gas Turbine Exhaust Temperature - Nhiệt độ khói thải tua bin khí |
| HHV: | Higher Heating Value - Nhiệt trị cao |
| HP: | High Pressure - Cao áp |
| HR: | Heat Rate - Suất tiêu hao nhiệt |
| HRSG: | Heat Recovery steam Generator - Lò hơi thu hồi nhiệt |
| HV: | Heating Value - Nhiệt trị |
| HVT: | High-Velocity Thermocouple - nhiệt kế cặp nhiệt tốc độ cao |
| IACE: | Inlet Air-Conditioning Equipment - Thiết bị điều hòa không khí đầu vào |
| IGV: | Inlet Guide Vane - Cánh dẫn hướng đầu vào |
| IP: | Intermediate Pressure - Trung áp |
| IRE: | Input Range Effect - Ảnh hưởng của phạm vi đầu vào |
| LFE: | Line Filter Effect - Ảnh hưởng của bộ lọc dòng điện |
| LHV: | Lower Heating Value - Nhiệt trị thấp |
| LP: | Low Pressure - Hạ áp |
| LPSE: | Line Pressure Effect Span Error - Sai số khoảng đo do ảnh hưởng áp suất đường ống |
| LPZE: | Line Pressure Effect Zero Error - hiệu ứng áp suất đường ống sai số bằng không |
| MAIN XFMR: | Main Transformer - Máy biến áp chính |
| MCF: | Meter Correction Factor - Hệ số hiệu chỉnh thiết bị đo |
| MPE: | Mounting Position Effect - Ảnh hưởng của vị trí lắp |
| MU: | Makeup Temperature - Nhiệt độ bù |
| NIST | National Institute of Standard and Technology - Viện tiêu chuẩn và công nghệ quốc gia Hoa kỳ |
| PA fan: | Primary Air Fan - Quạt gió sơ cấp |
| PACFc: | Phase-Angle Correction Factor - Hệ số hiệu chỉnh góc pha |
| PF: | Power Factor - Hệ số công suất |
| PFE: | Power Factor Effect - Ảnh hưởng của hệ số công suất |
| PL: | Part Load - Phụ tải thấp |
| PRE: | Percentage Of Rated Effect - Ảnh hưởng của phần trăm định mức |
| PRPL: | Part Load Power Ratio - Tỷ lệ công suất phụ tải thấp |
| PSE: | Power Supply Effect - Ảnh hưởng của cấp nguồn |
| PWC: | Corrected Primary Power - Công suất hiệu chỉnh sơ cấp |
| PWR: | Net Plant Power - Công suất phát lên lưới của nhà máy |
| RCFc: | Ratio Correction Factor - Hệ số hiệu chỉnh tỷ lệ |
| RFI: | Radio Frequency Interference - Nhiễu tần số vô tuyến |
| RFIE: | Radio Frequency Interference Effect - Ảnh hưởng của nhiễu tần số vô tuyến |
| RH: | Relative Humidity - Độ ẩm tương đối |
| RH: | Reheater - Bộ tái nhiệt |
| RTD: | Resistance Temperature Detector - Cảm biến nhiệt điện trở |
| RU: | Reference Uncertainty - Độ không đảm bảo tham chiếu |
| SCAH: | Steam Coil Air Heater - Bộ sấy không khí bằng hơi kiểu ống |
| SH: | Sensible Heat - Nhiệt vật lý |
| SH: | Superheater - Bộ quá nhiệt |
| ST: | Steam Turbine - Tua bin hơi |
| STG: | Steam Turbine Generator - Mát phát tua bin hơi |
| SW: | Secondary Power - Công suất thứ cấp |
| TC: | Temperature Coefficient - Hệ số nhiệt độ |
| TE: | Ambient Temperature Effect - Ảnh hưởng của nhiệt độ môi trường |
| TEE: | Thermistor Environmental Effect - Hiệu ứng môi trường của nhiệt kế điện trở |
| TexhlF: | GT Exhaust Temperature Impact Factor -Hệ số tác động đến nhiệt độ khói thải của tua bin khí |
| THTE: | Thermistor Heat Transfer Effect - Ảnh hưởng truyền nhiệt của nhiệt kế điện trở |
| TR: | Turndown Ratio - Độ thích ứng |
| TRU: | Thermistor Reference Uncertainty - Độ không đảm bảo tham chiếu của nhiệt kế điện trở |
| TSHE: | Thermistor Self Heating Effect - Ảnh hưởng tự làm nóng của nhiệt kế điện trở |
| U/S: | Upstream - Phía trước |
| URL: | Upper Range Limit - Giới hạn phạm vi trên |
| UVC: | Universal Viscosity Curve - Đường cong độ nhớt phổ quát |
| VE: | Vibration Effect - Hiệu ứng rung |
| VT: | Voltage Transformer - Máy biến điện áp |
| VTR: | Voltage Transformer Marked Ratio - Tỷ lệ đánh dấu của máy biến áp |
| VTRCFc: | Voltage Transformer Ratio Correction Factor - Hệ số hiệu chỉnh tỷ số biến áp |
| VTVDC: | Voltage Transformer Voltage-Drop Correction - Hiệu chỉnh điện áp rơi của máy biến điện áp |
| VWO: | Valves-Wide-Open - Van mở rộng |
| wb: | Wet Bulb - Bầu ướt |
1.3.2.2. Ký hiệu.
Bảng 2 đưa ra các ký hiệu sử dụng trong tiêu chuẩn
Bảng 2 - Ký hiệu
| Ký hiệu | Diễn tả | Đơn vị |
| Cx | Hệ số hiệu chỉnh sự suy giảm của tua bin khí trong thí nghiệm hiệu suất theo từng giai đoạn | ... |
| fn | Hệ số hiệu chỉnh nhân cho suất tiêu hao nhiệt hoặc hiệu suất nhiệt | ... |
| H | Entanpy | kJ/kg |
| HHV | Nhiệt trị cao của nhiên liệu | kJ/kg |
| HR | Suất tiêu hao nhiệt | kJ/kW-h |
| HV | Nhiệt trị | kJ/kg |
| l | Dòng điện | A |
| LHV | Nhiệt trị thấp của nhiên liệu | kJ/kg |
| M | Lưu lượng khối lượng | kg/s |
| P | Công suất | kW hoặc MW |
| p | Áp suất | bara |
| PF | Hệ số công suất | ... |
| Q | Nhiệt đầu vào từ nhiên liệu | kJ/s |
| T | Nhiệt độ | °C |
| T | Nhiệt độ tuyệt đối | K |
| V | Điện áp | V |
| Vars | Công suất phản kháng | MVA |
| Watts | Công suất thực | kW hoặc MW |
| αn | Hệ số hiệu chỉnh nhân cho công suất điện | ... |
| bn | Hệ số hiệu chỉnh nhân cho công suất nhiệt đầu vào | ... |
| ∆n | Hệ số hiệu chỉnh cộng cho công suất điện | kW hoặc MW |
| δn | Hệ số hiệu chỉnh cộng cho nhiệt độ dòng khói thải trong việc kiểm tra hiệu suất theo từng giai đoạn | °C |
| yn | Hệ số hiệu chỉnh nhân cho dòng không khí trong việc kiểm tra hiệu suất theo từng giai đoạn | ... |
| ηn | Hiệu suất | % |
| λn | Hệ số hiệu chỉnh nhân cho phụ tải tự dùng | ... |
| mn | Hệ số hiệu chỉnh cộng cho việc tổn thất áp suất đường ống | kW hoặc MW |
| ωn | Hệ số hiệu chỉnh cộng cho công suất nhiệt đầu vào | kJ/s |
1.3.2.3. Chỉ số dưới.
Bảng 3 đưa ra các chỉ số dưới sử dụng trong tiêu chuẩn
Bảng 3 - Chỉ số dưới
| Ký hiệu | Diễn tả |
| corr | Kết quả tính toán hoặc kết quả đo được hiệu chỉnh liên quan tới các điều kiện tham chiếu cơ sở |
| meas | Kết quả được tính toán hoặc đo trước khi hiệu chỉnh liên quan tới các điều kiện tham chiếu cơ sở |
| GT | Tua bin khí |
| ST | Tua bin hơi |
| db | Bầu khô |
| wb | Bầu ướt |
1.3.3 Các thuật ngữ
Các thuật ngữ sử dụng cho việc thí nghiệm và phân tích thiết bị được định nghĩa như dưới đây.
1.3.3.1
Biến số/thông số thứ cấp (secondary parameters/variables)
Các biến số/thông số được đo nhưng không đưa vào tính toán các kết quả thí nghiệm.
1.3.3.2
Biến (variable)
Là phép đo gián tiếp và là một đại lượng vật lý không xác định trong một công thức đại số được xác định bởi các thông số.
1.3.3.3
Bố trí (disposition)
Việc sắp đặt phần cứng và phần mềm của nhà máy để sắp xếp hoạt động của nhà máy nhằm phục vụ cho mục đích thí nghiệm hiệu suất.
1.3.3.4
Các bên tham gia thí nghiệm (parties to a test)
Những cá nhân và tổ chức quan tâm tới các kết quả này.
1.3.3.5
Các biến/thông số dòng sơ cấp (primary parameters/variables)
Là các biến/thông số được sử dụng trong việc tính toán các kết quả thí nghiệm. Chúng được phân loại thành: Loại 1: các biến/thông số dòng sơ cấp có hệ số độ nhạy tương đối bằng 0,2% hoặc lớn hơn. Loại 2: các biến/thông số dòng sơ cấp có hệ số độ nhạy tương đối thấp hơn 0,2%.
1.3.3.6
Các điều kiện tham chiếu cơ sở (Base reference conditions)
Giá trị của tất cả các thông số bên ngoài nghĩa là các thông số bên ngoài đường bao thí nghiệm mà các kết quả thí nghiệm được hiệu chỉnh theo đó. Các dòng nhiệt thứ cấp vào và ra đều dựa trên các điều kiện tham chiếu cơ sở.
1.3.3.7
Các nhiên liệu khí hoặc lỏng thuần nhất (Consistent liquid or gas fuels)
Các nhiên liệu có nhiệt trị thay đổi ít hơn tỷ lệ ±1% giữa giá trị cao nhất và thấp nhất trong suốt quá trình thí nghiệm.
1.3.3.8
Các so sánh liên phòng thí nghiệm (interlaboratory comparisons)
Sự tổ chức, thực hiện, và đánh giá về những hiệu chuẩn các hạng mục giống nhau hoặc tương tự nhau bởi hai hay nhiều phòng thí nghiệm theo các điều kiện định trước.
1.3.3.9
Chuẩn tham chiếu (reference Standard)
Là giá trị chuẩn có chất lượng đo cao nhất có thể tại một vị trí nhất định bao gồm tất cả thiết bị đo và thử nghiệm cũng như các tài liệu tham khảo có ảnh hưởng trực tiếp đến khả năng truy xuất nguồn gốc và độ chính xác của việc hiệu chuẩn mà các phép đo tại vị trí đó được rút ra.
1.3.3.10
Chuỗi đo thí nghiệm (test run)
Một nhóm các kết quả đọc được từ thí nghiệm.
1.3.3.11
Có thể truy nguyên (traceable)
Những dữ liệu có thể chứng minh rằng thiết bị có thể được truy nguyên thông qua một chuỗi các hiệu chuẩn cho đến một tham chiếu cơ bản thích hợp
1.3.3.12
Công suất (Power)
Công suất điện của nhà máy phát ra bên ngoài đường bao thí nghiệm.
1.3.3.13
Công suất hiệu chỉnh (corrected power)
Công suất phát ra bên ngoài đường bao thí nghiệm tại các điều kiện vận hành đã được quy định thí nghiệm trước đó và được hiệu chỉnh đến các điều kiện tham chiếu cơ sở.
1.3.3.14
Đầu ra thứ cấp (secondary output)
Bất kỳ dòng năng lượng hữu ích phi điện năng đầu ra nào được sử dụng bởi một quá trình bên ngoài.
1.3.3.15
Độ không đảm bảo mang tính hệ thống, B (systematic uncertainty)
Ước lượng các giới hạn của sai số hệ thống với mức độ tin cậy xác định (thông thường 95%).
1.3.3.16
Độ không đảm bảo ngẫu nhiên (2S) (random uncertainty)
Ước lượng các giới hạn của sai số ngẫu nhiên với độ tin cậy xác định (thường 95% yêu cầu về độ tự do đủ để có giá trị phân phối Student bằng 2).
1.3.3.17
Độ không đảm bảo, U (Uncertainty)
±U là khoảng của phép đo hoặc kết quả chứa giá trị thực đối với một khoảng tin cậy đã định.
1.3.3.18
Độ lặp lại (repeatability)
Thước đo mức độ tương ứng chặt chẽ của các kết quả của 2 chuỗi đo thí nghiệm
1.3.3.19
Độ lệch hiệu chuẩn (calibration drift)
Mức độ thay đổi trong các đặc tính hiệu chuẩn.
1.3.3.20
Độ nhạy (sensitivity)
Tỷ lệ thay đổi trong kết quả với sự thay đổi một đơn vị trong thông số
1.3.3.21
Đường bao thí nghiệm (test boundary)
Là đường biên giới để xác định các dòng năng lượng cần thiết phục vụ cho tính toán các kết quả đã hiệu chỉnh.
1.3.3.22
Giải nhiệt (heat sink)
Nơi chứa nhiệt thải ra từ bình ngưng của tua bin hơi. Đối với một hệ thống làm mát từ ao, sông, hồ hoặc đại dương thì nơi chứa nhiệt thải là nước ở đó. Còn đối với một hệ thống thiết bị trao đổi nhiệt kiểu làm mát bằng không khí khô hoặc bay hơi thì nơi chứa nhiệt thải là không khí xung quanh.
1.3.3.23
Hệ số ảnh hưởng (influence coefficient)
Là tỷ lệ của sự thay đổi kết quả đối với sự thay đổi một đơn vị của thông số đầu vào.
1.3.3.24
Hiệu chuẩn (calibration)
Là quá trình so sánh phản hồi của một thiết bị đo với một thiết bị đo chuẩn trên một số dải đo và điều chỉnh thiết bị đo đó để làm cho phù hợp với tiêu chuẩn nếu thích hợp
1.3.3.25
Hiệu chuẩn tại chỗ (field calibration)
Quá trình hiệu chuẩn được thực hiện trong điều kiện ít được kiểm soát hơn và sử dụng thiết bị đo và thử nghiệm kém nghiêm ngặt hơn so với hiệu chuẩn trong phòng thí nghiệm.
1.3.3.26
Hiệu chuẩn trong phòng thí nghiệm (laboratory calibration)
Quá trình hiệu chuẩn được thực hiện trong điều kiện được kiểm soát chặt chẽ với thiết bị đo và thử nghiệm chuyên dụng cao đã được hiệu chuẩn bởi các thiết bị thí nghiệm và đo đã được định rõ. Thiết bị này hiện đã được hiệu chuẩn bởi các cơ quan có chức năng, pháp lý phê duyệt và vẫn có thể truy xuất đến viện tiêu chuẩn và công nghệ quốc gia, một tổ chức tiêu chuẩn quốc tế được công nhận hoặc một hằng số vật lý tự nhiên được công nhận thông qua các phép so sánh liên tục có độ không chắc chắn được xác định.
1.3.3.27
Hiệu suất (efficiency)
Là điện năng đầu ra chia cho nhiệt lượng đầu vào. Khi có nhiệt lượng thứ cấp vào và ra như hơi nước cho quá trình sinh ra bởi nhà máy điện đồng phát, hiệu suất được thể hiện ở các giá trị tham chiếu được chỉ định của các dòng nhiệt thứ cấp đó.
1.3.3.28
Kết quả thí nghiệm (test reading)
Một lần ghi lại kết quả của tất cả các thiết bị thí nghiệm được yêu cầu.
1.3.3.29
Không khí vào (inlet air)
Là không khí đi vào đường bao thí nghiệm tại các bề mặt của thiết bị nhà máy có thể áp dụng.
1.3.3.30
Khu vực điện (power island)
Đối với một nhà máy nhiệt điện sử dụng chu trình Rankine hơi nước thì khu vực điện này là phần chưa kể đến lò hơi, các thiết bị phụ và hệ thống giải nhiệt. Đối với một nhà máy nhiệt điện chu trình kết hợp thì là một phần của chu trình không bao gồm hệ thống giải nhiệt.
1.3.3.31
Khu vực nhiệt (thermal island)
Đối với một nhà máy nhiệt điện sử dụng chu trình rankine hơi nước thì khu vực nhiệt của chu trình này gồm có lò hơi và các thiết bị phụ trợ. Còn đối với một nhà máy nhiệt điện chu trình kết hợp thì “nó đồng nghĩa với khu vực điện” hoặc là “khu vực nhiệt này tương đương với khu vực điện”.
1.3.3.32
Kiểm tra năng lực (proficiency testing)
Xác định khả năng hiệu chỉnh của phòng thí nghiệm bằng việc so sánh liên phòng thí nghiệm hoặc các cách khác.
1.3.3.33
Liên kết chuẩn (traceability)
Thuộc tính về kết quả của một phép đo có thể liên quan đến các tiêu chuẩn thích hợp, thường là các tiêu chuẩn quốc gia hoặc quốc tế thông qua một chuỗi so sánh liên tục.
1.3.3.34
Miệng hút đầu vào (inlet scroll)
Được biết như miệng hình chuông, là đầu vào khu vực cố định trước tua bin khí.
1.3.3.35
Ngoài phạm vi dung sai (out - of - tolerance)
Tình trạng mà một thiết bị hoặc hệ thống đo nhất định không đáp ứng được các giới hạn thiết kế quy định về sai số cho phép theo hiệu chuẩn, thông số kỹ thuật, quy định, v.v.
1.3.3.36
Nhà máy đồng phát (cogeneration plant)
Một chu trình sản xuất cả điện và ít nhất một đầu ra thứ cấp để sử dụng trong một quy trình sản xuất bên ngoài đường bao thí nghiệm.
1.3.3.37
Nhiệt đầu vào (heat input)
Năng lượng nhiệt đi vào đường bao thí nghiệm.
1.3.3.38
Nhiệt đầu vào hiệu chỉnh (corrected heat input)
Nhiệt đầu vào chính đi vào đường bao thí nghiệm được hiệu chỉnh theo điều kiện tham chiếu cơ sở.
1.3.3.39
Nhiệt đầu vào sơ cấp (primary heat input)
Năng lượng cung cấp cho chu trình từ nhiên liệu hoặc nguồn khác (như hơi nước) có sẵn để chuyển đổi thành điện năng cộng với năng lượng đầu ra thứ cấp.
1.3.3.40
Nhiệt đầu vào thứ cấp (secondary heat inputs)
Nhiệt đầu vào bổ sung cho đường bao thí nghiệm phải được tính đến, chẳng hạn như lượng nhiệt bổ sung cho chu trình và nước ngưng thu hồi từ quá trình.
1.3.3.41
Nhiệt trị (heating value)
Lượng nhiệt sinh ra khi cháy hoàn toàn một đơn vị khối lượng nhiên liệu ở áp suất không đổi.
1.3.3.42
Phát thải (emissions)
Phát thải là bất kỳ nguồn thải ra nào từ nhà máy. Những nguồn này có thể bao gồm các nguồn dạng khí, hạt, nhiệt hoặc tiếng ồn thải ra không khí xung quanh, sông hoặc đất. Chúng có thể được giám sát theo quy định hoặc các yêu cầu khác.
1.3.3.43
Sai số độ chụm (precision error)
Xem sai số ngẫu nhiên.
1.3.3.44
Sai số đo δ (measurement error)
Sự khác biệt thực sự, chưa biết giữa giá trị đo được và giá trị thực.
1.3.3.45
Sai số hệ thống b (systematic error)
Đôi khi được gọi là “sai số hiệu dịch"; sai số cố định hoặc sai số hệ thống thực sự đặc trưng cho mọi giá trị trong bất kỳ tập hợp các phép đo nào dựa vào mật độ; thành phần không đổi của sai số đo tổng δ.
1.3.3.46
Sai số ngẫu nhiên ϵ (random error uncertainty)
Đôi khi được gọi là “lỗi độ chụm”; sai số ngẫu nhiên thật sự đặc trưng cho một số trong một tập hợp các phép đo, ϵ thay đổi ngẫu nhiên, phân phối theo dạng gaussian-normal trong suốt quá trình đo.
1.3.3.47
Sai số tổng (total error)
Giá trị được chấp thuận gần nhất giữa giá trị đo và giá trị thực.
1.3.3.48
Suất tiêu hao nhiệt (heat rate)
Suất tiêu hao nhiệt là nghịch đảo của hiệu suất nhiệt được xác định theo lượng nhiệt tiêu hao cần thiết để sản xuất ra 1 đơn vị công suất điện. (J/kWh)
1.3.3.49
Suất tiêu hao nhiệt hiệu chỉnh (corrected heat rate)
Suất tiêu hao nhiệt hiệu chỉnh là suất tiêu hao nhiệt sau khi hiệu chỉnh theo các điều kiện tham chiếu cơ sở. (J/kWh)
1.3.3.50
Thí nghiệm công suất hiệu chỉnh xác định (specified corrected power test)
Là việc tiến hành thí nghiệm với công suất hiệu chỉnh được chỉ định gần với giá trị thiết kế quan tâm; ví dụ như một thí nghiệm chấp thuận của nhà máy chu trình hơi nước có suất tiêu hao nhiệt được đảm bảo ở một phụ tài xác định và các thí nghiệm với phụ tải thấp hơn để phát triển các đường cong về suất tiêu hao nhiệt.
1.3.3.511
Thí nghiệm nghiệm thu (acceptance test)
Là hoạt động đánh giá để xác định liệu một nhà máy mới hoặc một nhà máy có thay đổi có đạt được tiêu chuẩn về hiệu suất như mong muốn để người mua “chấp thuận” từ nhà cung cấp hay không.
1.3.3.52
Thí nghiệm theo chế độ chỉ định (specified disposition test)
Là thí nghiệm được thực hiện ở một chế độ chỉ định của nhà máy với tải và suất tiêu hao nhiệt được xác định bởi thí nghiệm. Ví dụ về mục tiêu thử nghiệm này là thử nghiệm điểm van trong một nhà máy chu trình hơi nước (bao gồm cả thí nghiệm công suất tối đa) và thí nghiệm tải cơ sở trong một nhà máy chu trình kết hợp có hoặc không có vòi đốt bổ sung nhiên liệu cháy.
1.3.3.53
Thiết bị đo (instrument)
Công cụ hoặc thiết bị được sử dụng để đo kích thước vật lý về độ dài, độ dày, rộng, trọng lượng hoặc bất kỳ giá trị nào khác của một thông số. Những thông số này có thể bao gồm kích thước, khối lượng, áp suất, nhiệt độ, lưu lượng chất lỏng, điện áp, dòng điện, mật độ, độ nhớt và công suất. Các cảm biến sử dụng có thể không tích hợp hiển thị nhưng có thể truyền các tín hiệu tới các thiết bị kiểu máy tính từ xa để hiển thị, xử lý hoặc điều khiển quá trình. Thiết bị đo cũng bao gồm các thiết bị phụ trợ ảnh hưởng trực tiếp đến việc hiển thị của thiết bị đo chính, lấy ví dụ như ampe kế mắc rẽ. Thiết bị đo cũng bao gồm các công cụ hoặc các vật cố định được sử dụng như cơ sở xác định khả năng chấp nhận từng phần.
1.3.3.54
Thiết bị đo dự phòng (redundant instrumentation)
Hai hay nhiều thiết bị đo cùng một thông số liên quan đến cùng một vị trí.
1.3.3.55
Thông số (parameter)
Một đại lượng vật lý thu được từ việc đo trực tiếp tại một vị trí được xác định bởi một dụng cụ đo đơn, hoặc bởi phép lấy giá trị trung bình của vài dụng cụ đo tương tự.
1.3.3.56
Vật liệu chuẩn (reference material)
Là vật liệu hoặc chất có một hoặc nhiều tính chất được thiết lập đủ để sử dụng cho hiệu chuẩn thiết bị, đánh giá phương pháp đo hoặc để ấn định giá trị cho vật liệu
1.3.3.57
Xác minh (verification)
Tập hợp của các hoạt động thiết lập bằng chứng bằng hiệu chuẩn hoặc kiểm tra mà các yêu cầu chỉ định đã được đáp ứng.
2. Đường bao thí nghiệm
Đường bao thí nghiệm xác định các dòng năng lượng phải được đo để tính toán các kết quả hiệu chỉnh. Đường bao thí nghiệm là một khái niệm được sử dụng để định nghĩa các dòng năng lượng phải được đo để xác định hiệu suất. Tất cả các dòng năng lượng đầu vào và đầu ra cần thiết cho việc tính toán thí nghiệm phải được xác định bằng việc tham chiếu tới điểm mà chúng đi qua đường bao. Các dòng năng lượng bên trong đường bao không cần phải xác định trừ khi chúng xác minh các điều kiện hoạt động cơ sở hoặc trừ khi chúng liên quan về mặt chức năng tới các điều kiện bên ngoài đường bao này.
Các phương pháp và quy trình được phát triển trong tiêu chuẩn này nhằm đưa ra tính linh hoạt trong việc định rõ đường bao thí nghiệm cho một lần thí nghiệm. Đường bao thí nghiệm sẽ được xác định rõ cho mục đích thí nghiệm cụ thể.
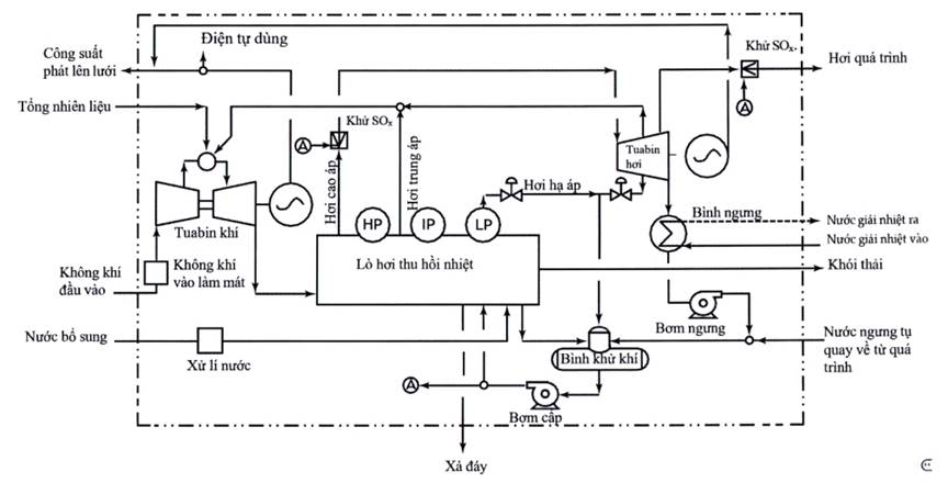
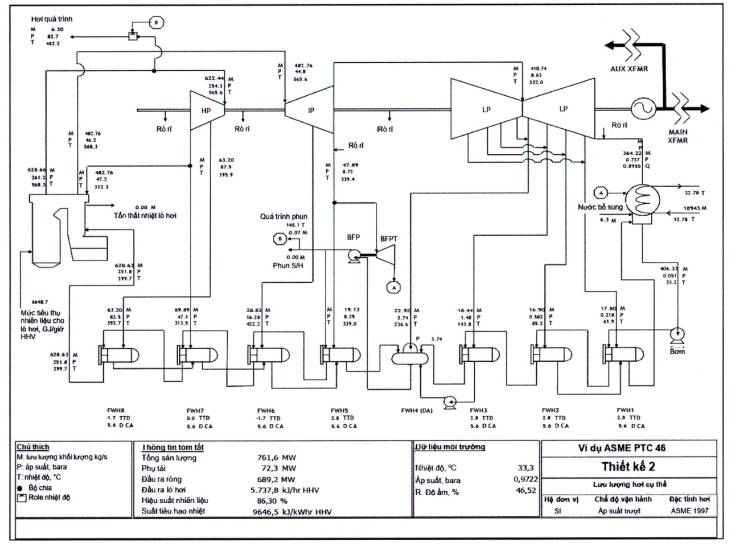
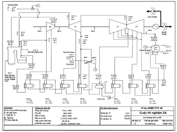
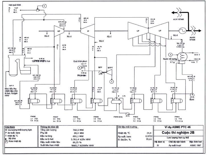
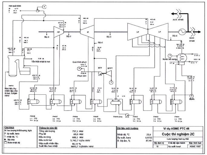
Để áp dụng tiêu chuẩn này thì đường bao thí nghiệm phải bao gồm một chu trình sản xuất điện từ nhiệt riêng biệt. Điều này có nghĩa rằng tất cả các dòng năng lượng đi qua đường bao phải được tính đến. Đối với một thí nghiệm cụ thể, đường bao thí nghiệm cụ thể phải được thiết lập bởi các bên tham gia thí nghiệm. Một số hoặc tất cả các dòng năng lượng điển hình cần thiết cho các chu trình nhà máy phổ biến được thể hiện trong Hình 1.
Các đường liền nét biểu thị một số hoặc tất cả yếu tố liên quan đến lưu lượng khối lượng, điều kiện nhiệt động lực học, và phân tích hóa học của các dòng năng lượng đi qua đường bao thí nghiệm cần được xác định để tính toán kết quả thí nghiệm hiệu suất cho toàn nhà máy. Đặc tính của các đồng năng lượng được biểu thị bởi các đường đứt nét có thể cần thiết để cân bằng năng lượng và khối lượng nhưng cũng có thể không cần phải xác định để tính toán kết quả thí nghiệm. Việc xác định phát thải nằm ngoài phạm vi của tiêu chuẩn này.



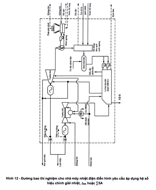
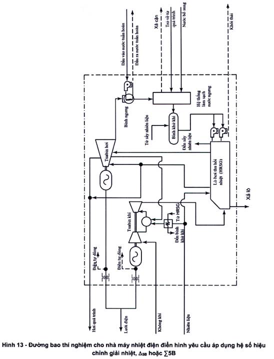
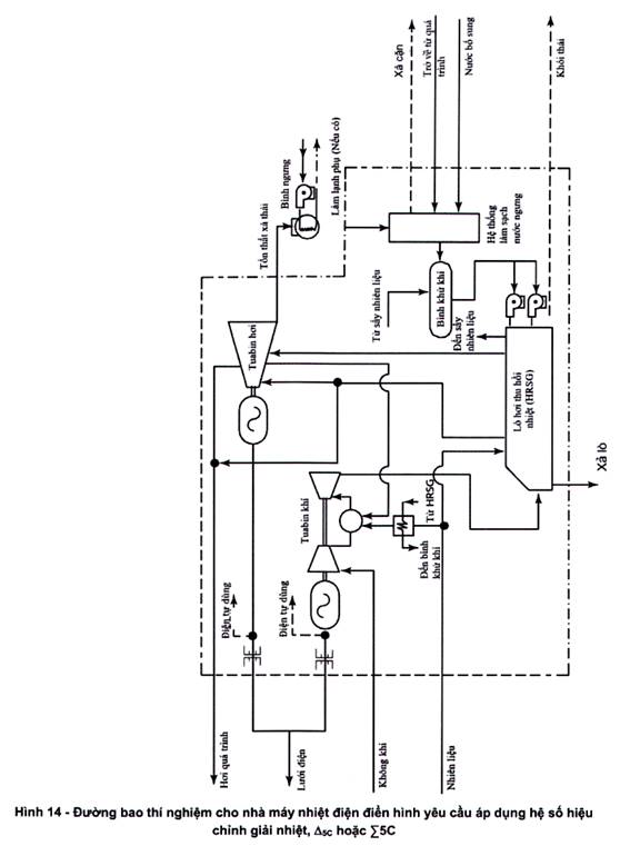
Các đường bao thí nghiệm điển hình cho hai ứng dụng phổ biến nhất của nhà máy nhiệt điện là chu trình hơi nước và tua bin khí chu trình kết hợp nói chung lần lượt được thể hiện trong Hình 2 và Hình 3. Nếu các nhà máy này là các nhà máy đồng phát thì các dòng năng lượng đầu vào và đầu ra quá trình thứ cấp cũng sẽ được thể hiện đi qua đường bao thí nghiệm. Các đường bao thí nghiệm đáng tin cậy hơn đối với các chu trình cụ thể được thể hiện trong các Hình 12, 13, 14 và 15 và trong các phụ lục mô tả các ví dụ tính toán.
3. Những nguyên tắc hướng dẫn thí nghiệm xác định đặc tính kỹ thuật toàn nhà máy
3.1 Các nguyên tắc chung
3.1.1 Mục đích thí nghiệm
Có 3 mục đích thí nghiệm khác nhau được đề cập trong tiêu chuẩn này cùng với một vài ví dụ.
(a) Thí nghiệm theo chỉ định. Việc thí nghiệm có thể thực hiện được với một chế độ chỉ định. Ví dụ như thí nghiệm điểm van trong nhà máy nhiệt điện hơi nước (bao gồm cả việc thí nghiệm công suất tối đa) hoặc thí nghiệm theo phụ tải cơ sở đối với nhà máy nhiệt điện chu trình kết hợp có hoặc không có vòi đốt bổ sung. Công suất và suất tiêu hao nhiệt hiệu chỉnh có thể được xác định theo thí nghiệm này hoặc thí nghiệm phụ tải thấp đối với nhà máy điện chu trình kết hợp với tương ứng phần trăm tải cơ sở được chỉ định.
(b) Thí nghiệm theo công suất hiệu chỉnh chỉ định. Việc thí nghiệm có thể thực hiện ở một mức công suất hiệu chỉnh chỉ định. Ví dụ như:
(1) thí nghiệm với nhà máy nhiệt điện hơi nước khi suất tiêu hao nhiệt được đảm bảo với mức phụ tải chỉ định hoặc thí nghiệm với phụ tải thấp để phát triển các đường đặc tuyến về suất tiêu hao nhiệt.
(2) thí nghiệm với nhà máy nhiệt điện chu trình kết hợp có vòi đốt bổ sung có thể thay thế để đáp ứng cho mục tiêu thí nghiệm công suất hiệu chỉnh. Trong mọi trường hợp thì công suất phải ổn định để có được công suất hiệu chỉnh bằng với giá trị thiết kế và suất tiêu hao nhiệt hiệu chỉnh cũng được xác định qua việc thí nghiệm này.
(c) Thí nghiệm theo Công suất xác định không hiệu chỉnh. Việc thí nghiệm có thể được thực hiện tại một công suất xác định (không hiệu chỉnh) mà không liên quan đến các điều kiện hoạt động hoặc các điều kiện ngoại cảnh tại đường bao thí nghiệm. Ví dụ cho trường hợp này là một thí nghiệm nghiệm thu trong nhà máy nhiệt điện chu trình kết hợp có vòi đốt bổ sung mà có đảm bảo về tải cơ sở trên một dải nhiệt độ đầu vào. Công suất không hiệu chỉnh hoặc công suất hiệu chỉnh và suất tiêu hao nhiệt hiệu chỉnh có thể xác định được thông qua thí nghiệm này.
Không cần quan tâm đến mục đích thí nghiệm, các kết quả thí nghiệm theo tiêu chuẩn này sẽ là công suất hiệu chỉnh, suất tiêu hao nhiệt hiệu chỉnh và nhiệt đầu vào hiệu chỉnh. Lưu ý rằng việc thí nghiệm phải được thực hiện theo mục đích thích hợp để đảm bảo đúng quy trình, cách thức hoạt động thích hợp trong suốt quá trình thí nghiệm và các công thức hiệu suất được áp dụng chính xác. Mục 5 cung cấp các công thức hiệu suất tổng quát và các thay đổi trong công thức để hỗ trợ cho các mục đích thí nghiệm cụ thể.
3.1.2 Khuyến cáo chung
Cần có các khuyến cáo hợp lý khi chuẩn bị tiến hành thí nghiệm theo tiêu chuẩn này. Cần lập ra bản ghi chép để xác định và phân biệt thiết bị và phương pháp thí nghiệm được lựa chọn. Nên tạo ra một tài liệu ghi chép rõ ràng có giá trị lâu dài với tất cả các mô tả, bàn vẽ, hoặc hình ảnh cần thiết. Vị trí thiết bị đo phải được xác định từ trước, được chấp thuận bởi các bên tham gia thí nghiệm và được mô tả chi tiết trong bản ghi chép. Các thiết bị đã hiệu chuẩn còn dư thừa sẽ được thay thế cho các thiết bị dễ bị hỏng hoặc vỡ khi bảo dưỡng.
3.1.3 Thỏa thuận và tuân thủ theo yêu cầu của tiêu chuẩn
Tiêu chuẩn này thích hợp để sử dụng bất kỳ khi nào cần xác định hiệu suất với độ không đảm bảo nhỏ nhất. Việc tuân thủ nghiêm ngặt theo các yêu cầu xác định trong tiêu chuẩn này là yếu tố quyết định để đạt được mục tiêu đó.
3.1.4 Thí nghiệm chấp thuận
Tiêu chuẩn này có thể được ghi vào trong hợp đồng dưới dạng tài liệu tham khảo để cung cấp phương thức xác minh cho các bảo đảm về mặt thương mại đối với suất tiêu hao nhiệt và sản lượng điện của nhà máy. Nếu tiêu chuẩn này được sử dụng để bảo đảm cho việc thí nghiệm nghiệm thu hoặc cho bất kỳ thí nghiệm nào khác trong đó có nhiều bên đại diện thì các bên đại diện này cần có sự đồng thuận về phương pháp chọn để thí nghiệm và các phương pháp đo, cũng như bất kỳ khác biệt nào so với các yêu cầu của tiêu chuẩn này.
3.1.4.1 Các thỏa thuận quan trọng
Các bên tham gia thí nghiệm cần đồng thuận trong tất cả các vấn đề quan trọng mà tiêu chuẩn này chưa quy định rõ được tóm tắt như sau:
(a) Tất cả các bên tham gia thí nghiệm chấp thuận kế hoạch thí nghiệm;
(b) Các đại diện của mỗi bên tham gia thí nghiệm sẽ quyết định ai sẽ tham gia nhóm thí nghiệm và quan sát việc thí nghiệm, đồng thời xác nhận việc thí nghiệm được tiến hành phù hợp với các yêu cầu thí nghiệm. Họ cũng phải có quyền phê duyệt bất kỳ các sửa đổi theo thỏa thuận nào khi cần thiết đối với các yêu cầu thí nghiệm trong suốt quá trình thí nghiệm;
(c) Hợp đồng hoặc các yêu cầu về đặc điểm kỹ thuật liên quan đến điều kiện vận hành, điều kiện tham chiếu cơ sở, bảo đảm hiệu suất, đường bao thí nghiệm, và sự tuân thủ về môi trường;
(d) Các yêu cầu hỗ trợ cho việc thí nghiệm dựa vào tiêu chuẩn này bao gồm việc cung cấp nhiên liệu thí nghiệm và khả năng chấp nhận tải của phía tiêu thụ điện và nhiệt.
(e) Các yêu cầu thông báo trước khi chuẩn bị thí nghiệm để đảm bảo tất cả các bên có đủ thời gian có mặt để thí nghiệm;
(f) Thời điểm hợp lý để kiểm tra nhà máy và đồng ý rằng nó đã sẵn sàng để thí nghiệm;
(g) Các sửa đổi đối với chương trình thí nghiệm dựa trên việc thí nghiệm sơ bộ;
(h) Có danh sách kiểm tra sự cô lập theo chu trình và trình tự van;
(i) Các hoạt động của thiết bị nằm ngoài hướng dẫn của nhà cung cấp;
(j) Các hoạt động cần thực hiện nếu các điều kiện về vị trí nằm ngoài các giới hạn được liệt kê trong Bảng 4;
(k) Tiêu chuẩn về độ ổn định của nhà máy trước khi bắt đầu thí nghiệm;
(I) Các điều chỉnh được phép đối với hoạt động của nhà máy trong suốt quá trình vận hành ổn định và giữa các lần thí nghiệm;
(m) Thời gian tiến hành thí nghiệm;
(n) Quyết định cho các kết quả thí nghiệm không thể lặp lại;
(o) Loại bỏ các kết quả đọc thí nghiệm.
3.1.4.2 Dữ liệu và nhật ký thí nghiệm
Một bộ dữ liệu hoàn chỉnh và một bản sao kết quả đo thí nghiệm tự ghi chi tiết phải được cung cấp cho tất cả các bên tham gia thí nghiệm. Tất cả các dữ liệu và hồ sơ thí nghiệm phải được chuẩn bị để cho phép việc sao chép rõ ràng và dễ đọc. Các bản ghi dữ liệu hoàn chỉnh sẽ bao gồm ngày tháng và thời gian trong ngày quan sát được ghi lại. Việc quan sát ở đây sẽ là việc đọc các kết quả thực tế mà không áp dụng bất kỳ việc hiệu chỉnh thiết bị đo bổ sung nào ngoài việc hiệu chuẩn thiết bị đo để mối quan hệ giữa giá trị đọc thực tế và giá trị được ghi lại trong thí nghiệm có thể theo dõi được. Kết quả đo thực nghiệm chi tiết phải tạo thành một bản ghi chép các sự kiện hoàn chỉnh. Không được phép xóa hoặc hủy bỏ bất kỳ bản ghi chép dữ liệu nào, bất kỳ trang nào trong kết quả đo thực nghiệm chi tiết, hoặc bất kỳ bản ghi chép kết quả thực tế nào. Nếu cần sửa chữa thì sự thay đổi được ghi vào sao cho giá trị ghi ban đầu vẫn dễ đọc và một lời giải thích cần được thêm vào. Đối với việc ghi chép dữ liệu bằng tay, việc đọc kết quả thí nghiệm thực tế sẽ được ghi vào các mẫu đã chuẩn bị từ trước tạo thành các trang dữ liệu gốc được xác nhận bởi các chữ ký của người quan sát. Đối với việc thu thập dữ liệu tự động thì các tập tin được in ra hoặc các tập tin sử dụng trên máy tính sẽ phải được xác nhận bởi trưởng nhóm và các thành viên có mặt khác từ các bên tham gia thí nghiệm. Khi không có bản sao ở dạng giấy tờ nào được tạo ra thì các bên tham gia thí nghiệm phải đồng ý trước về phương pháp được sử dụng để xác minh, sao chép, và phân phối dữ liệu. Việc sao lưu các tập tin dữ liệu sử dụng trên máy tính phải được thực hiện và được chuyển tới các bên tham gia thí nghiệm. Các tập tin dữ liệu này phải có định dạng sao cho các bên tham gia thí nghiệm dễ dàng sử dụng.
3.1.5 Các phép đo bắt buộc
Tiêu chuẩn này yêu cầu tính linh hoạt khi xác định đường bao thí nghiệm, vì nó phụ thuộc đôi chút vào thiết kế nhà máy cụ thể. Cần cẩn thận hơn nếu các thiết bị của nhà máy và hệ thống điều khiển phân tán (DCS) được sử dụng để ghi lại các giá trị đo chính mặc dù điều đó đã được đề cập trong việc sử dụng tiêu chuẩn này. Nói chung, trong trường hợp của thiết bị đo thì việc hiệu chuẩn tại nhà máy là không theo yêu cầu cần thiết của tiêu chuẩn này cho việc thí nghiệm đặc tính. Thêm vào đó, hệ thống DCS này không được thiết kế để sử dụng như một hệ thống thu thập dữ liệu theo mức tiêu chuẩn. Nếu DCS được sử dụng thì người phụ trách phải nắm được các cài đặt về dải tần số hoạt động và nén số hình ảnh quan trọng đã lưu lại trong DCS và trong chương trình phần mềm có thu thập dữ liệu, nhiễu chuyển đổi từ tín hiệu tương tự sang tín hiệu số, và bất kỹ thuật toán nào tác động đến việc đọc và tác động của nó đối với nhiễu trong DCS. Nhìn chung, các phép đo và các phép xác định được yêu cầu cho các dòng năng lượng sau.
3.1.5.1 Nhiệt đầu vào sơ cấp
Đo hoặc tính toán theo lưu lượng khối lượng nhiên liệu và nhiệt trị (bao gồm nhiệt vật lý) tại điểm mà chúng đi qua đường bao thí nghiệm. Đường bao thí nghiệm này thường sẽ là nơi nhiên liệu đi vào thiết bị của nhà máy; tuy nhiên, việc đo thực tế có thể trước hoặc sau điềm đó nếu có vị trí đo tốt hơn và nếu các thành phần nhiên liệu và lưu lượng khối lượng nhiên liệu tại điểm đo là tương đương nhau hoặc có thể được hiệu chỉnh chính xác tới các điều kiện tại đường bao thí nghiệm.
Đối với các nhiên liệu ở dạng lỏng và khí thì phương pháp xác định nhiệt đầu vào sơ cấp phụ thuộc vào kiểu nhà máy và nhiên liệu cụ thể. Trong hầu hết các trường hợp nó được xác định bằng tích số của khối lượng nhiên liệu đo được với nhiệt trị trung bình của nhiên liệu và nhiệt vật lý. Nếu nhà máy nhiệt điện hơi nước sử dụng nhiên liệu rắn có chất lượng phù hợp, hoặc đôi khi đối với cả nhiên liệu lỏng và khí thì nhiệt đầu vào được xác định bằng tích số của nhiệt đầu vào để sinh hơi với giá trị nghịch đảo của hiệu suất nhiên liệu của lò hơi. Hiệu suất này được xác định theo phương pháp cân bằng năng lượng (cũng được gọi là phương pháp tổn thất nhiệt). Còn nếu nhà máy là dạng tua bin hơi đốt nhiên liệu lỏng hoặc khí thì nhiệt đầu vào sơ cấp có thể được xác định bằng tích số của lưu lượng khối lượng nhiên liệu đo được với nhiệt trị trung bình và nhiệt vật lý.
Đối với nhiên liệu rắn có thành phần thuần nhất, phương pháp cân bằng năng lượng, cần thực hiện cân bằng năng lượng theo tiêu chuẩn ASME PTC 4.
Nhiệt trị của nhiên liệu có thể được biểu thị bằng nhiệt trị cao, HHV, hoặc nhiệt trị thấp, LHV. Hơi nước được hình thành như một sản phẩm của quá trình đốt cháy tất cả các nhiên liệu gốc hydrocarbon. Khi được biểu thị dưới dạng LHV thì toàn bộ hơi nước được hình thành được hiểu là vẫn còn ở trạng thái khí. Khi được biểu thị dưới dạng HHV thì toàn bộ hơi nước được hình thành được hiểu là ngưng tụ tới trạng thái lỏng tại nhiệt độ tham chiếu của các chất trong quá trình cháy. Do đó HHV bao gồm nhiệt hóa hơi của nước trong giá trị được đưa ra. Tiêu chuẩn này không bắt buộc sử dụng HHV hoặc LHV. Khi sử dụng phương pháp cân bằng năng lượng thì việc xử lý nhiệt hóa hơi phải nhất quán với việc sử dụng HHV hoặc LHV.
Các công thức trong điều 5 có thể áp dụng cho cả nhiệt trị cao hoặc nhiệt trị thấp. Các công thức được sử dụng trong tính toán kết quả phải được xem xét để xác minh rằng tất cả các tham chiếu đến nhiệt trị đều nhất quán (cả nhiệt trị cao hoặc nhiệt trị thấp) và tất cả các đường cong hiệu chỉnh và các chương trình cân bằng nhiệt dựa trên cùng một định nghĩa về nhiệt trị.
Bảng 4 - Hướng dẫn thiết lập độ lệch cho phép so với thiết kế
| Điều kiện | Nhà máy chu trình kết hợp | Tua bin khí có lò hơi thu hồi nhiệt để sinh hơi | Nhà máy chu trình tua bin hơi nước có nhiệt đầu vào sơ cấp được đo trực tiếp | Nhà máy chu trình tua bin hơi nước có nhiệt đầu vào sơ cấp được đo bằng phương pháp tổn thất nhiệt |
| Các điều kiện không khí đầu vào thiết bị | Độ lệch cho phép tối đa của tua bin khí ở chế độ bắt buộc, ví dụ như tải cơ sở. Thay đổi theo tua bin khí. | Độ lệch cho phép tối đa của tua bin khí ở chế độ bắt buộc, ví dụ như tải cơ sở. Thay đổi theo tua bin khí. | 14°C theo nhiệt độ bầu ướt hoặc 17°C theo nhiệt độ bầu khô nếu thiết bị giải nhiệt làm mát bằng không khí (tháp giải nhiệt hoặc dàn ngưng làm mát bằng không khí) nằm trong đường bao thí nghiệm. | Sẽ nghiêm ngặt hơn về sai số cho phép so với nhiệt đầu vào chính của nhà máy sử dụng chu trình tua bin hơi được đo trực tiếp, hoặc sẽ nghiêm ngặt hơn về các quy định của lò hơi đối với nhiệt độ không khí đầu vào. |
| Các điều kiện giải nhiệt: làm mát không khí trong đường bao thí nghiệm | Xem “không khí đầu vào” trong bảng này | Xem “không khí đầu vào” trong bảng này | Xem “không khí đầu vào” trong bảng này | Xem “không khí đầu vào” trong bảng này |
| Các điều kiện giải nhiệt: (a) làm mát nước tuần hoàn hoặc (b) áp suất bình ngưng tại đường bao thí nghiệm | Tương đương với giới hạn về sự thay đổi đầu ra của tua bin có thể tính được với áp suất ngưng tụ. Thay đổi theo tua bin hơi. | Không có giá trị | Tương đương với giới hạn về sự thay đổi đầu ra của tua bin có thể tính được với áp suất ngưng tụ. Thay đổi theo tua bin hơi. | Tương đương với giới hạn về sự thay đổi đầu ra của tua bin có thể tính được với áp suất ngưng tụ. Thay đổi theo tua bin hơi. |
| Dòng nhiệt: giá trị-dòng nhiệt quá trình tối thiểu F(min), là một hàm của giá trị dòng nhiệt quá trình tham chiếu cơ sở [Chú thích (1) và (2)] | Nếu Rb ≤ 0,30: F(min) = 0,30xFbx(Pps/Pms) Nếu Rb > 0,30: F(min) = RbxFbx(Pps/Pms) [Chú thích (1)] | Nếu Rb ≤ 0,30: F(min) = 0,30xFbx(Pps/Pms) Nếu Rb > 0,30: F(min) = RbxFbx(Pps/Pms) [Chú thích (1) và (2)] | Nếu Rb ≤ 0,30: F(min) = 0,75xFbx(Pps/Pms) Nếu Rb >0,30: F(min) = [0,75+(Rb- 0,30)/0,70x0,25] xFbx(Pps/Pms) [Chú thích (1) và (2)] | Nếu Rb ≤ 0,30: F(min) = 0,75xFbx(Pps/Pms) Nếu Rb > 0,30: F(min) = [0,75+(Rb - 0,30)/0,70x0,25] xFbx(Pps/Pms) [Chú thích (1) và (2)] |
| Dòng nhiệt: entanpy hơi của quá trình, được tham chiếu tới ISO hoặc nhiệt độ tuyệt đối | Tương đương với 10% entanpy dòng hơi cuối quá trình thí nghiệm (Nếu có) | Tương đương với 10% entanpy dòng hơi cuối quá trình thí nghiệm (Nếu có) | Tương đương với 10% entanpy dòng hơi cuối quá trình thí nghiệm (Nếu có) | Tương đương với 10% entanpy dòng hơi cuối quá trình thí nghiệm (Nếu có) |
| Nhiên liệu khí, nhiên liệu lỏng: phân tích nhiên liệu (nhiệt trị, các thành phần) | Độ lệch có thể cho phép đối với tua bin khí. Thay đổi theo tua bin. | Độ lệch có thể cho phép đối với tua bin khí. Thay đổi theo tua bin | Độ lệch có thể cho phép đối với lò hơi. Thay đổi theo lò hơi. | Độ lệch có thể cho phép đối với lò hơi. Thay đổi theo lò hơi. |
| Nhiên liệu rắn: phân tích nhiên liệu (nhiệt trị, các thành phần) | Những giới hạn về đặc tính kỹ thuật của nhiên liệu trong hợp đồng | Những giới hạn về đặc điểm kỹ thuật của nhiên liệu trong hợp đồng | Những giới hạn về đặc điểm kỹ thuật của nhiên liệu trong hợp đồng | Những giới hạn về đặc điểm kỹ thuật của nhiên liệu trong hợp đồng |
| Các thông số điện: hệ số công suất, kW, tần số | Độ lệch có thể cho phép từ tài liệu tham khảo của nhà sản xuất ra máy phát. Các thay đổi với máy phát hoặc tua bin cụ thể | Độ lệch có thể cho phép từ tài liệu tham khảo của nhà sản xuất ra máy phát. Các thay đổi với máy phát hoặc tua bin cụ thể | Độ lệch có thể cho phép từ tài liệu tham khảo của nhà sản xuất ra máy phát. Các thay đổi với máy phát hoặc tua bin cụ thể | Độ lệch có thể cho phép từ tài liệu tham khảo của nhà sản xuất ra máy phát. Các thay đổi với máy phát hoặc tua bin cụ thể |
| CHÚ THÍCH 1: Fb = giá trị dòng nhiệt quá trình tham chiếu cơ sở, kg/h hoặc kW(t) F(min) = giá trị dòng nhiệt quá trình tối thiểu trong suốt thời gian thí nghiệm, đơn vị phù hợp với Fb NP = công suất điện tinh của nhà máy dựa vào cân bằng nhiệt, kW(e) PE = tương đương cơ học về giá trị dòng nhiệt quá trình dựa vào cân bằng nhiệt, kW(t) Pms = áp suất hơi chính, kPa Pps = áp suất hơi quá trình, kPa Rb = tỷ lệ PE/(NP+PE), đại lượng không thứ nguyên CHÚ THÍCH 2: Các giá trị nhỏ hơn có thể được áp dụng cho giá trị dòng nhiệt quá trình tối thiểu bắt buộc chỉ khi nào các đặc tính của chu trình hơi nước (như các hệ số lưu lượng của tua bin hơi) cần thiết cho việc tính toán cân bằng nhiệt có thể được xác nhận bằng dữ liệu. | ||||
3.1.5.2 Nhiệt đầu vào thứ cấp
Nhiệt đầu vào thứ cấp cho chu trình có thể là nhiệt thu hồi từ năng lượng quá trình, nhiệt bổ sung, và nhiệt năng lượng thấp thu hồi từ bên ngoài. Đây là các phép đo để xác định lưu lượng khối lượng và mức năng lượng cần thiết để hiệu chỉnh đối với các điều kiện tham chiếu cơ sở.
3.1.5.3 Điều kiện không khí đầu vào
Không khí sử dụng trong các bộ phận hệ thống cháy và các bộ phận trong hệ thống thải nhiệt cần thiết phải được xác định áp suất, nhiệt độ và độ ẩm. Việc đo các thông số này phải được thực hiện với không khí đi vào các bộ phận hệ thống cháy và các bộ phận trong hệ thống thải nhiệt. Việc đo các thông số không khí xung quanh tại một hoặc nhiều vị trí ở phía trước của nhà máy không thể thay thế được. Phụ lục tham khảo G giải thích lý do căn bản của yêu cầu này. Các bộ phận chính cần đo không khí đầu vào, tùy theo loại nhà máy và thiết bị trong đường bao thí nghiệm, là
(a) Tua bin khí;
(b) Tháp giải nhiệt;
(c) Dàn ngưng giải nhiệt bằng không khí;
(d) Lò hơi sử dụng nhiên liệu đốt.
3.1.5.4 Chất hấp thụ
Chất hấp thụ lưu huỳnh hoặc các hóa chất phụ khác ảnh hưởng đến suất tiêu hao nhiệt hoặc công suất đã hiệu chỉnh phải xác định chất lượng, phân tích và tính toán để hiệu chỉnh theo các điều kiện thiết kế. Việc hiệu chỉnh tỷ lệ phun chất hấp thụ bị giới hạn bởi những thay đổi do khác biệt giữa các đặc điểm thí nghiệm và thiết kế nhiên liệu hoặc chất hấp thụ, hoặc do sự thay đổi tới các điều kiện môi trường xung quanh.
3.1.5.5 Công suất điện
Công suất điện của nhà máy chính là đầu ra của nhà máy ở đường bao thí nghiệm. Khi đường bao thí nghiệm ở phía cao của máy biến áp tăng áp thì điểm đo cụ thể có thể ở vị trí đó, ở một vị trí xa, hoặc có thể được thực hiện bằng cách đo các đầu ra của máy phát điện và phụ tải tự dùng có hiệu chỉnh về tổn thất máy biến áp tăng áp dựa trên các thí nghiệm hiệu suất máy biến áp cộng với bất kỳ tổn hao dòng đáng kể giữa điểm đo và đường bao thí nghiệm. Tiêu chí để lựa chọn các điểm đo cụ thể dựa trên việc xác định độ không đảm bảo thấp nhất có thể đạt được.
3.1.5.6 Đầu ra thứ cấp
Các đầu ra năng lượng không ở dạng năng lượng điện phải được xác định để tính toán kết quả.
3.1.5.7 Điều kiện giải nhiệt
Cần hiệu chỉnh đầu ra của nhà máy theo sự khác biệt giữa điều kiện tham chiếu cơ sở và điều kiện giải nhiệt thí nghiệm. Các thông số quan tâm phụ thuộc vào phương pháp giải nhiệt được sử dụng. Khi làm mát chu trình mở thì đó là nhiệt độ và lưu lượng nước tuần hoàn tại điểm vượt qua đường bao thí nghiệm. Đối với hệ thống làm mát kiểu bay hơi và làm mát kiểu khô thì đó là các đặc tính của không khí ở đầu vào hệ thống làm mát (tức là áp suất khí quyển, nhiệt độ bầu khô, và nhiệt độ bầu ướt, nếu thích hợp). Khi đường bao thí nghiệm không bao gồm hệ thống giải nhiệt thì việc hiệu chỉnh dựa trên áp suất hơi thoát của tua bin hơi.
3.1.6 Tiêu chí lựa chọn vị trí đo
Vị trí đo được chọn để có độ không đảm bảo trong phép đo thấp nhất. Vị trí ưu tiên là ở đường bao thí nghiệm, nhưng chỉ khi vị trí đo là vị trí tốt nhất để xác định các thông số yêu cầu.
3.1.7 Các phép đo bắt buộc cụ thể
Các phép đo cụ thể cần thiết cho một bài thí nghiệm phụ thuộc vào thiết kế nhà máy cụ thể và đường bao thí nghiệm cần thiết để đáp ứng mục đích thí nghiệm cụ thể.
3.1.8 Áp dụng cho việc hiệu chỉnh
Việc tính toán kết quả cho bất kỳ nhà máy hoặc khu vực nhiệt nào theo tiêu chuẩn này cần có sự điều chỉnh bằng cách áp dụng các hệ số hiệu chỉnh cộng và nhân cho các giá trị xác định của thí nghiệm nhiệt đầu vào và công suất. Dạng tổng quát của các Công thức này như sau:

Một định nghĩa thay thế về suất tiêu hao nhiệt và hiệu suất nhiệt hiệu chỉnh là:

Định dạng của các công thức tổng quát tạo ra các hiệu chỉnh khác nhau cho hiệu suất đo được và phân tách chúng theo toán học để chúng có thể được áp dụng riêng. Các hệ số hiệu chỉnh là cần thiết do nó ảnh hưởng tới những hiệu chỉnh được phép, chẳng hạn như những yếu tố tạo ra những thay đổi trong các dòng quá trình của nhà máy đồng phát, và những yếu tố cần thiết do các tác động bên ngoài không thể kiểm soát, chẳng hạn như nhiệt độ không khí đầu vào thiết bị.
Ngoài ra, điều 5 cho phép người dùng tiêu chuẩn sử dụng phần mềm máy tính để cân bằng nhiệt với dữ liệu thí nghiệm đầu vào có được khi thực hiện thí nghiệm để các đặc tính hiệu chỉnh có thể được tính toán từ dữ liệu với chỉ một lần cân bằng nhiệt cần thiết.
Mặc dù các hệ số hiệu chỉnh này nhằm tính đến tất cả các thay đổi từ các điều kiện tham chiếu cơ sở, nhưng cũng có khả năng hiệu suất của nhà máy có thể bị ảnh hưởng bởi các quy trình hoặc điều kiện không lường trước được tại thời điểm mà tiêu chuẩn này được viết ra. Trong trường hợp này, các hệ số hiệu chỉnh bổ sung, cả cộng và nhân, sẽ là cần thiết.
Tất cả các hệ số hiệu chỉnh phải dẫn đến một sự "không hiệu chỉnh", nếu tất cả các điều kiện thí nghiệm bằng với các điều kiện tham chiếu cơ sở. Các đường cong hiệu chỉnh thí nghiệm phải phản ánh các cài đặt điều khiển cuối cùng.
3.1.9 Xem xét về thiết kế, xây dựng và khởi động
Trong giai đoạn thiết kế của nhà máy, sự xem xét về quá trình thí nghiệm nghiệm thu cần được tiến hành một cách chính xác cho hiệu suất tổng thể của từng loại nhà máy cụ thể.
Cũng cần xem xét các yêu cầu về độ chính xác của thiết bị đo, hiệu chuẩn, các yêu cầu về tài liệu hiệu chuẩn lại và vị trí của thiết bị đo cố định trong nhà máy được thí nghiệm, cần xem xét dự phòng đầy đủ ngay trong các giai đoạn thiết kế các thiết bị đo tạm thời khi thiết bị đo của nhà máy không đầy đủ để đáp ứng yêu cầu của tiêu chuẩn này. Ví dụ, tất cả các máy biến điện áp (voltage transformer (VTs)) phải được hiệu chuẩn và tất cả các máy biến dòng (current transformer (CTs)) phải được hiệu chuẩn để đo công suất.
Nếu các hộ tiêu thụ điện hoặc hơi nước không thể tiếp nhận được điện hoặc hơi quá trình thì các dự phòng khác sẽ được thực hiện để duy trì các giá trị thí nghiệm trong phạm vi sai lệch cho phép thích hợp theo các giá trị thiết kế trong Bảng 4.
Bảng 5 liệt kê các hạng mục cần xem xét trong quá trình thiết kế, xây dựng và khởi động nhà máy cụ thể.
3.2 Chương trình thí nghiệm
3.2.1 Lịch trình của các hoạt động thí nghiệm
Một chương trình thí nghiệm chi tiết phải được chuẩn bị trước khi tiến hành thí nghiệm tiêu chuẩn để ghi lại tất cả các vấn đề ảnh hưởng đến việc tiến hành thí nghiệm và cung cấp các bước chi tiết để thực hiện bài thí nghiệm. Chương trình thí nghiệm bao gồm lịch trình của các hoạt động thí nghiệm, chỉ định và mô tả trách nhiệm của nhóm thí nghiệm, quy trình thí nghiệm và báo cáo kết quả.
Một lịch trình thí nghiệm bao gồm chuỗi sự kiện, thời gian thí nghiệm dự kiến, thông báo của các bên tham gia thí nghiệm, chuẩn bị chương trình thí nghiệm, chuẩn bị và tiến hành thí nghiệm và chuẩn bị báo cáo kết quả.
3.2.2 Nhóm thí nghiệm
Trong chương trình thí nghiệm theo tiêu chuẩn này, nhóm thí nghiệm sẽ chịu trách nhiệm về việc lập kế hoạch, chuẩn bị, thực hiện thí nghiệm, phân tích và báo cáo thí nghiệm. Nhóm thí nghiệm bao gồm nhân sự thí nghiệm cần thiết để thu thập dữ liệu, lấy mẫu và phân tích, cũng như giám sát. Các nhóm khác có thể cần thiết để hỗ trợ việc chuẩn bị và thực hiện thí nghiệm như đại diện nhà cung cấp, khách hàng, bên chứng kiến, phòng thí nghiệm bên ngoài và các dịch vụ khác.
Cần chỉ định trưởng nhóm thí nghiệm để thực hiện bài thí nghiệm theo các yêu cầu thí nghiệm. Trưởng nhóm thí nghiệm chịu trách nhiệm thiết lập kế hoạch và truyền đạt cho tất cả nhân viên thí nghiệm và tất cả các bên tham gia thí nghiệm. Trưởng nhóm thí nghiệm cũng phải đảm bảo việc chuẩn bị và duy trì các hồ sơ đầy đủ bằng văn bản về tất cả các hoạt động thí nghiệm. Trường nhóm thí nghiệm điều phối việc thiết lập các điều kiện hoạt động cần thiết với nhân viên vận hành nhà máy.
3.2.3 Quy trình thí nghiệm
Chương trình thí nghiệm phải bao gồm các quy trình thí nghiệm, chẳng hạn như quy trình sau đây cung cấp các chi tiết để tiến hành thí nghiệm.
(a) Đối tượng thí nghiệm;
(b) Phương thức hoạt động;
(c) Tiêu chí chấp nhận thí nghiệm để hoàn thành thí nghiệm;
(d) Các điều kiện tham chiếu cơ sở;
(e) Định nghĩa rõ đường bao thí nghiệm xác định đầu vào và đầu ra và vị trí đo;
(f) Hoàn thành phần tích độ không đảm bảo trước khi thí nghiệm, với độ không đảm bảo hệ thống được thiết lập cho mỗi phép đo và ước tính về các độ không đảm bảo ngẫu nhiên;
(g) Các yêu cầu cụ thể về loại, vị trí và hiệu chuẩn cho tất cả các hệ thống đo và thiết bị và tần số thu thập dữ liệu;
(h) Mẫu, thu thập, xử lý và phương pháp phân tích và tần suất cho nhiên liệu, chất hấp thụ, tro, v.v;
(i) Phương pháp vận hành nhà máy;
(j) Xác định các phòng thí nghiệm thí nghiệm được sử dụng để phân tích nhiên liệu, chất hấp thụ và tro;
(k) Bố trí hoạt động bắt buộc hoặc tính toán cho tất cả năng lượng nhiệt bên trong và các hộ tiêu thụ điện phụ có ảnh hưởng quan trọng đến kết quả thí nghiệm;
(I) Mức độ sạch yêu cầu của thiết bị và các quy trình kiểm tra;
(m) Quy trình có tính đến sự suy giảm hiệu suất, nếu có;
(n) Các yêu cầu về việc bố trí van;
(o) Yêu cầu thí nghiệm sơ bộ;
(p) Tiêu chí ổn định trước thí nghiệm;
(q) Tiêu chí ổn định bắt buộc và phương pháp duy trì các điều kiện hoạt động trong các giới hạn này;
(r) Những thay đổi cho phép từ các điều kiện tham chiếu cơ sở và các phương pháp thiết lập và duy trì các điều kiện hoạt động trong những giới hạn này;
(s) Số lần thí nghiệm và thời gian của mỗi lần tiến hành;
(t) Yêu cầu về bắt đầu thí nghiệm và dừng thí nghiệm;
(u) Tiêu chí chấp nhận và loại bỏ dữ liệu;
(v) Phạm vi cho phép về các điều kiện của nhiên liệu, bao gồm các thành phần và nhiệt trị;
(w) Đường cong hiệu chỉnh với các thuật toán điều chỉnh đường cong, dữ liệu dạng bảng hoặc mô hình nhiệt;
(x) Tính toán mẫu hoặc quy trình chi tiết xác định sự giảm dữ liệu từ chuỗi đo thí nghiệm và việc tính toán, hiệu chỉnh kết quả thí nghiệm về điều kiện tham chiếu cơ sở;
(y) Phương pháp kết hợp các chuỗi đo thí nghiệm để tính toán kết quả thí nghiệm cuối cùng;
(z) Yêu cầu về lưu trữ dữ liệu, lưu giữ tài liệu và phân phối báo cáo thí nghiệm;
(aa) Định dạng báo cáo thí nghiệm, nội dung, bao gồm và danh mục.
Bảng 5 - Xem xét về thiết kế, xây dựng và khởi động
| Mục | Điện | Dòng | Áp suất | Nhiệt độ | Chí thích |
| Thiết bị đo cố định trong nhà máy được sử dụng để đo thực nghiệm | X | X | X | X | (1) |
| Các kết nối và phần đoạn ống nối | X | X | X | X | (2) |
| Những thay đổi về vị trí | ... | X | X | X | (3) |
| Thay đổi trong định tuyến vòng lặp | ... | X | X | X | (4) |
| Khả năng áp dụng | X | X | X | X | (5) |
| Truy cập | X | X | X | X | (6) |
| Tác động môi trường | X | X | X | X | (7) |
| Số lượng | .... | .... | X | X | (8) |
| Bố trí | X | X | X | .... | (9) |
| Khả năng lặp lại phép đo | X | X | X | X | (10) |
| Thời gian cài đặt | .... | X | .... | .... | (11) |
| Các đoạn thẳng phía trước và phía sau | .... | X | .... | .... | (12) |
| Hiệu chỉnh cột nước | .... | X | X | .... | (13) |
| Giám sát cột nước | .... | X | X | .... | (14) |
| Các bình chứa nước ngưng | .... | X | X | .... | (15) |
| Theo dõi nhiệt | .... | X | X | .... | (16) |
CHÚ THÍCH:
(1) Cần xem xét trong giai đoạn thiết kế nhà máy nếu muốn sử dụng một số thiết bị đo cố định trong nhà máy cho các phép đo chính. Thiết bị đo cố định như vậy phải đáp ứng các yêu cầu loại 1 của điều 4 nếu chúng được coi là thiết bị đo đạt tiêu chuẩn loại 1 hay là các yêu cầu cho loại 2 trong điều 4 nếu độ chính xác thấp hơn được chấp nhận. Điều này bao gồm việc hiệu chuẩn trong phòng thí nghiệm phù hợp và nộp tất cả các báo cáo, chứng nhận hoặc kết quả hiệu chuẩn liên quan đến các thiết bị đo cố định của nhà máy được sử dụng cho thí nghiệm, nếu có. Cần có khả năng thực hiện hiệu chuẩn lại hoặc xác minh sau thí nghiệm như được mô tả trong tiêu chuẩn này. Nhiều khi, sau khi xem xét các yêu cầu trên, có thể quyết định sử dụng các thiết bị đo tạm thời ở một số khu vực mà ban đầu dự kiến sử dụng thiết bị cố định. Tương tự, cũng có thể quyết định sử dụng các thiết bị đo cố định thay thế khác. Những quyết định này nên được giải quyết tốt nhất trong giai đoạn thiết kế;
(2) Các kết nối và phân đoạn ống nối cần cho thiết bị đo thí nghiệm tạm thời sẽ được sử dụng cho các phép đo chính. Kết nối áp suất, lỗ đo nhiệt độ, phần đoạn ống nối cho thiết bị đo lưu lượng và các dây đo điện cho thiết bị đo thí nghiệm tạm thời cần thiết để đáp ứng các yêu cầu loại 1 trong Điều 4 nên được đưa vào thiết kế nhà máy;
(3) Tài liệu ghi lại việc di dời các hạng mục trong định tuyến vòng lặp thay đổi của quy trình trong suốt quá trình thiết kế và/hoặc giai đoạn xây dựng của nhà máy. Mọi tác động đến độ không đảm bảo thí nghiệm cần được xác định và cân nhắc có xem xét đến các giới hạn của hợp đồng và tiêu chuẩn. Ví dụ như việc di dời thiết bị đo lưu lượng trong dây chuyền công nghệ;
(4) Ví dụ như định tuyến lại các nhánh nước ngưng;
(5) Mức độ gần với giá trị mong muốn trong quá trình thí nghiệm đo được. Lưu ý xem giá trị được ghi lại là giá trị tức thời hay giá trị trung bình. Cũng lưu ý các khả năng lưu dữ liệu trước đó cần thiết cho thí nghiệm;
(6) Cần có quyền truy cập để kiểm tra, hiệu chuẩn thực hiện bất kỳ cài đặt và tháo gỡ thiết bị tạm thời nào;
(7) Giảm thiểu các ảnh hưởng suất điện động (EMF), rung động và xung động đối với thiết bị và các mạch thiết bị đo. Đảm bảo nối đất thích hợp cho các mạch thiết bị và hệ thống kỹ thuật số;
(8) Số lượng thiết bị và cổng thiết bị có sẵn tại một vị trí để giảm độ không đảm bảo và cung cấp khả năng thu thập dữ liệu dự phòng. Ví dụ như sử dụng các nhiệt kế cặp nhiệt với hai đầu đo hay đầu đo kép để đo nhiệt độ tới hạn;
(9) Cách bố trí các nhánh thiết bị đo để giảm thiểu sai số đo. Các biện pháp phòng ngừa được liệt kê trong Điều 4 của tiêu chuẩn này. Nếu sử dụng thiết bị máy biến áp thì phải sử dụng cỡ dây thích hợp để giảm sụt áp và cáp trung tính phải được cung cấp để thiết bị đo công suất 3 pha chính xác có thể sử dụng được;
(10) Điều này cho phép xác nhận giá trị quy trình và bao gồm kế hoạch dự phòng cho các phép đo thí nghiệm. Cần xác định một thiết bị riêng biệt để kết hợp và sao lưu kết quả đo;
(11) Thời gian lắp đặt thiết bị đo lưu lượng liên quan đến việc làm sạch bằng axit và/hoặc thổi hơi. Ví dụ, một thiết bị đo lưu lượng đã hiệu chuẩn không nên lắp đặt trước khi làm sạch bằng axit hoặc thổi hơi nước;
(12) Đoạn thẳng phía trước và phía sau phần tử đo lưu lượng để giảm thiểu độ không đảm bảo. Các đoạn thẳng phía trước và phía sau tác động lên độ không đảm bảo trong phép đo lưu lượng và do đó phải được tối đa hóa;
(13) Cần hiệu chỉnh các cột nước để đo những biến đổi trong quá trình một cách chính xác. Sự chênh lệch về độ cao của đầu đo lưu lượng sẽ thay đổi độ chênh áp đo được khi lưu lượng bằng không. Các thiết bị đo lưu lượng nên được lắp đặt trong các đường ống nằm ngang;
(14) Khả năng kiểm tra cột nước để xác nhận độ cao cột nước;
(15) Các bình chứa nước ngưng có thể được sử dụng để kiểm tra hoặc nạp đầy nước ngưng vào thiết bị đo;
(16) Xác thực việc cài đặt theo dõi nhiệt, cần kiểm tra để xác nhận rằng quá trình theo dõi nhiệt được thực hiện trên các cột nước là phù hợp với hướng dẫn của nhà sản xuất để ngăn nước ngưng bị sôi;
3.3 Chuẩn bị thí nghiệm
Tất cả các bên tham gia thí nghiệm phải được thông báo kịp thời, như được quy định trong hợp đồng trước đó, để cho phép các bên bố trí thời gian phù hợp để phản hồi và chuẩn bị nhân sự, trang thiết bị, hoặc tài liệu. Thông tin cập nhật nên được cung cấp ngay khi nó thực hiện.
Nhật ký thí nghiệm phải được duy trì trong suốt quá trình thí nghiệm để ghi chép lại bất kỳ sự cố nào ảnh hưởng đến thí nghiệm, thời gian xảy ra và ảnh hưởng kết quả quan sát được. Nhật ký này trở thành một phần của hồ sơ không thể thiếu quá trình thí nghiệm.
Sự an toàn của nhân viên và bảo dưỡng thiết bị liên quan đến thí nghiệm cần được xem xét. Ví dụ, cung cấp lối vào an toàn đến các vị trí hay điểm đo kiểm, các trang thiết bị phù hợp phải sẵn sàng và khu vực làm việc an toàn cho nhân viên cũng như xác định nguy hiểm tiềm ẩn đối với thiết bị đo kiểm hoặc kiểm định bị chuyển đổi do điều kiện môi trường khắc nghiệt như nhiệt độ hoặc rung động.
Tài liệu sẽ được phát triển hoặc sẵn sàng cho dữ liệu được tính toán hoặc điều chỉnh để cung cấp cho quá trình thẩm tra độc lập về các thuật toán, các hằng số, tỷ lệ, các hiệu chỉnh hiệu chuẩn, độ lệch, các điểm gốc và chuyển đổi.
3.3.1 Thiết bị thí nghiệm
Thiết bị đo được phân loại như mô tả trong điều 4.1.2.3. Thiết bị đo được sử dụng để thu thập dữ liệu ít nhất phải chính xác như thiết bị đo kiểm được xác định trong phân tích độ không đảm bảo trước đó. Thiết bị này có thể là thiết bị đo hiện tại của nhà máy hoặc thiết bị đo tạm thời.
Cần sử dụng nhiều thiết bị đo để giảm độ không đảm bảo thí nghiệm tổng thể. Tần suất thu thập dữ liệu phụ thuộc vào phép đo cụ thể và thời gian thí nghiệm. Trong phạm vi thực tế, việc thu thập dữ liệu nên thực hiện với ít nhất 30 lần đọc dữ liệu để giảm thiểu tác động của sai số ngẫu nhiên đến phân tích độ không đảm bảo sau thí nghiệm. Khuyến khích sử dụng các hệ thống thu thập dữ liệu tự động để tạo điều kiện thu thập đủ dữ liệu.
Phải thực hiện kiểm định hoặc kiểm tra đầy đủ tất cả các thiết bị đo và các hồ sơ, báo cáo kiểm định đó phải sẵn sàng.
3.3.2 Thu thập dữ liệu
Dữ liệu sẽ được lấy từ các thiết bị đọc dữ liệu tự động hoặc từ những người quan sát chính xác và phù hợp. Hệ thống ghi dữ liệu tự động và công cụ tiên tiến phải được kiểm định để so sánh độ chính xác được yêu cầu. Người quan sát không yêu cầu phải lấy quá nhiều lần đọc dữ liệu do việc thiếu thời gian có thể dẫn đến không hiệu quả và độ chính xác không phù hợp. Các công cụ sao chép phải được cân nhắc cụ thể và việc đọc dữ liệu đồng thời phải được thực hiện tại các điểm đo kiểm nhất định để đạt được độ chính xác của thí nghiệm.
3.3.3 Vị trí và nhận dạng dụng cụ đo
Dụng cụ đo phải được bố trí/định vị để giảm thiểu ảnh hưởng về điều kiện môi trường xung quanh đối với độ không đảm bảo, ví dụ: nhiệt độ hoặc sự biến đổi nhiệt độ. Phải chú ý đến việc sử dụng dây dẫn trên tuyến đường đi đến thiết bị thu thập dữ liệu để ngăn nhiễu tín hiệu điện. Các bản hướng dẫn sử dụng thiết bị đo phải được sắp xếp để người giám sát có thể đọc dễ dàng và thuận tiện. Tất cả các thiết bị đo phải được đánh dấu thống nhất để tránh nhầm lẫn trong quá trình xác định. Bảng hiệu chuẩn, đồ thị hoặc các mối quan hệ toán học cần phải sẵn sàng cho tất cả các bên thực hiện thí nghiệm. Người giám sát dữ liệu lưu trữ phải được hướng dẫn về mức chính xác mong muốn của việc đọc dữ liệu.
3.3.4 Nhân viên thí nghiệm
Nhân viên thí nghiệm yêu cầu đủ số lượng và chuyên môn để hỗ trợ việc thực hiện thí nghiệm (xem mục 3.2.2, nhóm thí nghiệm). Nhân viên thí nghiệm phải quen thuộc với các yêu cầu vận hành khi thí nghiệm để vận hành các thiết bị một cách phù hợp.
3.3.5 Kiểm tra và vệ sinh thiết bị
Vì thí nghiệm không nhằm mục đích cung cấp thông tin chi tiết về các thành phần riêng lẻ, nên tiêu chuẩn này không cung cấp hiệu chỉnh cho bất kỳ thiết bị nào ở tình trạng không vệ sinh và hoạt động không tốt. Trước khi tiến hành kiểm tra, việc vệ sinh, tình trạng và tuổi thọ của thiết bị phải được xác định bằng việc kiểm tra thiết bị hoặc xem nhật ký vận hành hoặc cả hai. Việc vệ sinh phải được hoàn thành trước khi thí nghiệm và thiết bị phải được vệ sinh theo thỏa thuận.
Nhà máy cần được kiểm tra để đảm bảo rằng thiết bị và hệ thống con đã được cài đặt và đang vận hành phù hợp với các thông số thiết kế và nhà máy đã sẵn sàng để kiểm tra. Khi nhà sản xuất hoặc nhà cung ứng là một bên tham gia hiệu chỉnh, họ nên có cơ hội thích hợp để kiểm tra thiết bị, hiệu chỉnh các lỗi và điều chỉnh thiết bị phù hợp với thí nghiệm. Tuy nhiên, nhà sản xuất không được quyền thay đổi hoặc điều chỉnh thiết bị hay điều kiện theo cách mà các quy định, hợp đồng, an toàn hoặc các quy định khác bị thay đổi hoặc hủy bỏ. Nhà sản xuất không được điều chỉnh thiết bị vì mục đích thí nghiệm, việc điều chỉnh này có thể cản trở việc vận hành tức thời, liên tục và đáng tin cậy ở tất cả các mức công suất hoặc đầu ra thông qua các điều kiện vận hành nhất định. Bất kỳ hành động nào xảy ra phải lập văn bản và báo cáo ngay lập tức cho tất cả các bên tham gia thí nghiệm.
3.3.6 Thí nghiệm sơ bộ
Việc tiến hành thí nghiệm sơ bộ có ghi chép là để xác định thiết bị có ở trong tình trạng thích hợp để thí nghiệm hay không, kiểm tra dụng cụ đo và phương pháp đo, kiểm tra sự đầy đủ về việc tổ chức, quy trình và đào tạo nhân sự. Tất cả các bên tham gia thí nghiệm có thể tiến hành thí nghiệm sơ bộ phù hợp khi cần thiết. Việc quan sát trong suốt quá trình tiến hành thí nghiệm sơ bộ phải được thực hiện qua việc tính toán các kết quả như một cách kiểm tra tổng thể về quy trình, bố trí và cách thức tổ chức. Nếu việc tiến hành thí nghiệm sơ bộ tuân thủ tất cả các yêu cầu cần thiết của tiêu chuẩn thí nghiệm thích hợp, việc tiến hành thí nghiệm sơ bộ này có thể được sử dụng để tiến hành thí nghiệm chính thức theo tiêu chuẩn áp dụng. Một số lý do cho việc tiến hành thí nghiệm sơ bộ là:
a) Để xác định xem thiết bị của nhà máy có ở điều kiện thích hợp để tiến hành thí nghiệm;
b) Để thực hiện các điều chỉnh, những nhu cầu không hiển nhiên trong quá trình chuẩn bị thí nghiệm;
c) Để kiểm tra tình trạng vận hành của tất cả các dụng cụ đo, bộ điều khiển và hệ thống thu thập dữ liệu;
d) Để đảm bảo rằng độ không đảm bảo dự báo được xác định từ những phân tích trước đó phù hợp với việc kiểm tra hệ thống hoàn chỉnh;
e) Để đảm bảo rằng việc vận hành của cơ sở vật chất có thể được duy trì ở trạng thái ổn định;
f) Để đảm bảo rằng các đặc tính nhiên liệu, phân tích và nhiệt trị của nhiên liệu nằm trong giới hạn cho phép và có đủ số lượng để tránh làm gián đoạn quá trình thí nghiệm;
g) Để đảm bảo rằng các đầu vào và đầu ra đường bao quá trình không bị ràng buộc ngoài những hạn chế được xác định trong các yêu cầu thí nghiệm;
h) Để nhân viên thí nghiệm làm quen với nhiệm vụ của mình;
i) Để truy xuất đủ dữ liệu tinh chỉnh hệ thống điều khiển, nếu cần thiết.
3.4 Thực hiện thí nghiệm
Điều này cung cấp các hướng dẫn về vấn để thực tế của thí nghiệm hiệu suất và giải quyết các vấn đề sau: bắt đầu, dừng thí nghiệm và tiến hành thí nghiệm, các phương pháp vận hành trước và trong quá trình thí nghiệm, điều chỉnh trước và trong khi thí nghiệm, thời gian và số lần thí nghiệm và số lượng các giá trị đọc dữ liệu, và sự ổn định của điều kiện thí nghiệm.
Bảng 6 - Các khoảng thời gian ổn định trước khi tiến hành thí nghiệm
| Loại nhà máy | Tính ổn định |
| Lò hơi đốt khí | 1h |
| Lò hơi đốt dầu | 1h |
| Lò hơi đốt than nghiền | 1h |
| Lò hơi tầng sôi | 24h (Chú thích 1) |
| Chu trình đơn giản với thu hồi nhiệt | 1h |
| Chu trình kết hợp | 1h |
| Động cơ phản lực | 1h |
| Lò đốt ghi và buồng lửa xoáy | 4h |
CHÚ THÍCH CHUNG: Bảng này trình bày các khoảng thời gian khuyến nghị sau khi nhà máy vận hành gần hoặc tại mục tiêu thí nghiệm để có sự ổn định nhiệt phù hợp và các biến động thoáng qua được giảm thiều. Những giai đoạn này không bao gồm thời gian từ khi khởi động lạnh.
Chú thích 1: Nếu độ ổn định hóa học đã được đáp ứng thì việc thí nghiệm có thể bắt đầu 1 giờ sau khi đạt được, ổn định hóa học là độ ổn định nhiệt động của một hệ hóa học. Ổn định nhiệt động xảy ra khi một hệ ở trạng thái năng lượng thấp nhất, hoặc ở trạng thái cân bằng hóa học với môi trường của nó
Bảng 7 - Thời gian tiến hành thí nghiệm tối thiểu được khuyến nghị
| Loại nhà máy | Tiến hành thí nghiệm |
| Lò hơi đốt khí | 2h |
| Lò hơi đốt dầu | 2h |
| Lò hơi đốt than nghiền | 2h |
| Lò hơi tầng sôi | 4h |
| Chu trình đơn giản với thu hồi nhiệt | 1h |
| Chu trình kết hợp | 1h |
| Lò đốt ghi và lò đốt xoáy ổn định | 4h |
3.4.1 Bắt đầu, dừng thí nghiệm và tiến hành thí nghiệm
Trưởng nhóm thí nghiệm chịu trách nhiệm đảm bảo rằng tất cả việc thu thập dữ liệu bắt đầu từ khi bắt đầu thí nghiệm và tất cả các bên tham gia thí nghiệm đều được thông báo về thời gian bắt đầu.
3.4.1.1 Tiêu chí bắt đầu
Trước khi bắt đầu mỗi quá trình thí nghiệm đặc tính, các điều kiện sau đây phải được thỏa mãn:
(a) Vận hành: Vận hành, cấu hình và sắp xếp cho thí nghiệm phù hợp với các yêu cầu thí nghiệm đã thỏa thuận, bao gồm:
(1) Vận hành thiết bị và phương pháp kiểm soát;
(2) Cấu hình tổ máy bao gồm dòng nhiệt quá trình bắt buộc;
(3) Van cách ly dòng/chu trình;
(4) Nhiên liệu có sẵn phù hợp và chất phụ gia của nhiên liệu nằm trong giới hạn cho phép của phân tích nhiên liệu để thí nghiệm (bằng cách phân tích càng sớm càng tốt trước thí nghiệm);
(5) Vận hành nhà máy nằm trong giới hạn của đường cong hiệu chỉnh công suất, thuật toán hoặc chương trình;
(6) Vận hành thiết bị nằm trong giới hạn cho phép;
(7) Với một loạt các lần tiến hành thí nghiệm, hoàn thành các điều chỉnh nội bộ cần thiết để phép đo có khả năng lặp lại;
(b) Ổn định: Trước khi bắt đầu thí nghiệm, nhà máy phải được vận hành trong một khoảng thời gian đủ ở tải thí nghiệm để chứng minh và xác minh độ ổn định phù hợp.
(c) Thu thập dữ liệu; Các hệ thống thu thập dữ liệu sẽ hoạt động và nhân viên thí nghiệm phải có mặt và sẵn sàng thu thập mẫu hoặc ghi dữ liệu.
3.4.1.2 Tiêu chí dừng
Thông thường, việc thí nghiệm dừng lại khi người điều hành thí nghiệm hài lòng và cho rằng các yêu cầu cho một chuỗi đo thí nghiệm hoàn chỉnh đã được đáp ứng. Người điều hành thí nghiệm nên xác nhận các phương pháp vận hành trong quá trình thí nghiệm. Người điều hành thí nghiệm có thể gia hạn hoặc chấm dứt thí nghiệm nếu các yêu cầu không được đáp ứng.
Việc ghi dữ liệu phải được kiểm tra để đảm bảo đã hoàn thành và chất lượng. Sau khi tất cả các chuỗi đo thí nghiệm hoàn thành, hãy đảm bảo thiết bị chỉ hoạt động cho mục đích thí nghiệm (chẳng hạn như thông hơi). Đưa bảng điều khiển hoạt động trở lại các chức năng điều phối bình thường, nếu thích hợp.
3.4.2 Phương pháp vận hành trước và trong quá trình thí nghiệm
Tất cả các thiết bị cần thiết cho việc vận hành bình thường và ổn định ở các điều kiện thí nghiệm phải được vận hành trong suốt quá trình thí nghiệm hoặc được tính đến trong các hiệu chỉnh. Việc vận hành gián đoạn các thiết bị trong đường bao thí nghiệm phải được tất cả các bên đồng ý.
Các ví dụ điển hình nhưng chưa đầy đủ về việc vận hành thiết bị được xét đến bao gồm thiết bị xử lý nhiên liệu, thổi bụi, hệ thống xử lý tro, thiết bị làm mát không khí đầu vào máy nén tua bin khí hoặc hay thiết bị làm mát bay hơi, máy nén khí, thiết bị xử lý nước, thiết bị giám sát môi trường và xả.
3.4.2.1 Chế độ vận hành
Chế độ vận hành của nhà máy trong quá trình thí nghiệm phải phù hợp với mục tiêu thí nghiệm và là cơ sở cho phương pháp luận hiệu chỉnh. Các hiệu chỉnh được sử dụng trong Công thức xác định đặc tính chung và sự phát triển của các đường đặc tuyến hiệu chỉnh sẽ bị ảnh hưởng bởi chế độ hoạt động của nhà máy. Nếu muốn một tải nhất định được hiệu chỉnh hoặc đo, hệ thống điều khiển nhà máy phải được thiết lập cấu hình để duy trì tải trong quá trình thí nghiệm. Nếu cần, hệ thống điều khiển nên duy trì bố trí xác định và không làm thay đổi các thông số đã được cài đặt, chẳng hạn như vị trí van.
Thiết bị của nhà máy phải được vận hành theo cách phù hợp với cơ sở thiết kế hoặc đảm bảo, hoặc theo cách sẽ làm giảm độ không đảm bảo thí nghiệm tổng thể và theo cách cho phép hiệu chỉnh từ những điều kiện vận hành thí nghiệm so với các điều kiện tham chiếu cơ sở.
Năng lượng quá trình (hơi và nước ngưng từ quá trình) phải được giám sát theo cách ổn định nhất có thể. Điều này có thể yêu cầu vận hành ở chế độ bằng tay hoặc xả ra khí quyển nếu thiết bị không thể đáp ứng sự ổn định hoặc tiêu chí về số lượng.
3.4.2.2 Van cách ly dòng /chu trình
Danh sách van cách ly chu trình sẽ được phát triển để đáp ứng các mục tiêu của thí nghiệm. Danh sách này nên được chia thành ba loại: danh sách van cách ly bằng tay, danh sách van cách ly tự động và danh sách van cách ly thí nghiệm.
3.4.2.2.1 Danh sách van cách ly bằng tay
Danh sách này phải là một danh sách đầy đủ tất cả các van bằng tay cần được đóng khi vận hành bình thường, và các van này ảnh hưởng đến độ chính xác hoặc kết quả của thí nghiệm nếu chúng không được khóa chặt. Thiết bị nhà máy cần được vận hành theo cách phù hợp với cơ sở thiết kế hoặc bảo đảm hoặc theo cách giảm độ không đảm bảo thí nghiệm tổng quát và theo cách cho phép hiệu chỉnh từ những điều kiện vận hành so với các điều kiện tham chiếu cơ sở. Các vị trí van này nên được kiểm tra trước và sau khi thí nghiệm.
3.4.2.2.2 Danh sách van cách ly tự động
Danh sách này là danh sách các van cần phải đóng khi trong vận hành bình thường nhưng có thể mở theo từng thời điểm (chẳng hạn như các van xả khẩn cấp của bộ hâm nước). Ảnh hưởng những van đến độ chính xác kết quả thí nghiệm nếu chúng không được khóa chặt. Các vị trí van này nên được kiểm tra trước khi thí nghiệm sơ bộ và theo dõi trong quá trình thí nghiệm tiếp theo (Trong phạm vi có sẵn từ hệ thống kiểm soát nhà máy, các vị trí van này phải được giám sát liên tục trong quá trình thí nghiệm).
3.4.2.2.3 Danh sách van cách ly thí nghiệm
Danh sách này là danh sách các van cần được đóng lại trong quá trình thí nghiệm hiệu suất. Các van này nên giới hạn đối với các van phải được đóng để đo chính xác hiệu suất nhà máy trong quá trình thí nghiệm. Ví dụ, xả lò hơi có thể cần phải đóng lại trong suốt hoặc một phần của quá trình thí nghiệm để đo sản lượng hơi một cách chính xác. Vị trí van xả nên được đề cập trong chương trình thí nghiệm.
Không có van nào thường mở nên được đóng lại cho mục đích duy nhất là thay đổi hiệu suất tối đa của nhà máy.
Các van trong danh sách kiểm tra van cách ly thí nghiệm phải được đóng trước khi thí nghiệm sơ bộ. Các van có thể cần được mở giữa các lần tiến hành thí nghiệm.
Cần nỗ lực để loại trừ rò rỉ qua các van đã yêu cầu đóng trong quá trình thí nghiệm, và xác định độ lớn của bất kỳ rò rỉ nào qua van mà không thể loại trừ. Các phương pháp sau đây được đề xuất để cô lập hoặc xác minh sự cô lập của thiết bị không liên quan và các dòng chảy từ ngoài với chu trình hơi - nước cấp:
(a) Van đôi;
(b) Mặt bích đặc;
(c) Đệm kín giữa hai mặt bích;
(d) Loại bỏ đoạn ống chỉ để kiểm tra trực quan;
(e) Kiểm tra trực quan để xả hơi từ các nguồn như van an toàn, van thông hơi khởi động, và lỗ thông hơi bể xả;
(f) Van chặn không bị rò rỉ (thí nghiệm có sự chứng kiến của cả hai bên) và không được vận hành trước hoặc trong quá trình kiểm tra;
(g) Chỉ số nhiệt độ (chỉ được chấp nhận trong một số điều kiện cần thiết theo thỏa thuận chung).
Nếu không thể loại trừ rò rỉ thì phải định lượng rò rỉ bằng các phương pháp sẵn có nếu được sự đồng ý của các bên. Một số phương pháp không xâm nhập là phân tích phổ tần số, phân tích hiệu ứng Doppler và phân tích tạm thời có thể được sử dụng để phát hiện dòng chảy qua van.
Mức nước của các bể chứa khác nhau trong chu trình nước - hơi (ví dụ: bể thu hồi nước ngưng, bao hơi,...) nên được đo để ước lượng tổn thất chu trình không tính được.
3.4.2.3 Vận hành thiết bị
Thiết bị nhà máy cần thiết cho vận hành bình thường phải được vận hành theo quy định trong hướng dẫn của các nhà cung cấp thiết bị tương ứng (để hỗ trợ các mục tiêu thí nghiệm đặc tính toàn nhà máy). Thiết bị cần thiết cho vận hành nhà máy hoặc được yêu cầu để nhà máy vận hành ở điều kiện tham chiếu cơ bản phải được vận hành hoặc tính đến khi xác định phụ tải điện tự dùng.
Danh sách kiểm tra thiết bị sẽ được phát triển. Danh sách kiểm tra nên được chia thành hai loại sau:
(a) Thiết bị phụ trợ điện;
(b) Danh sách các hộ tiêu thụ năng lượng nội bộ không phải điện năng.
Danh sách kiểm tra phải bao gồm một bảng các bố trí vận hành được yêu cầu của tất cả các hộ tiêu thụ năng lượng nội bộ của nhà máy không phải điện năng lớn hơn 0,05% có khả năng ảnh hưởng đến sản lượng hiệu chỉnh, cũng như tình trạng thực tế trong quá trình thí nghiệm.
Bất kỳ thay đổi nào trong vận hành thiết bị ảnh hưởng đến kết quả thí nghiệm lớn hơn 0,25% sẽ làm quá trình tiến hành thí nghiệm vô hiệu hoặc có thể được định lượng đưa vào tính toán kết quả thí nghiệm. Cho phép chuyển sang thiết bị dự phòng, chẳng hạn như máy bơm dự phòng. Việc tiêu thụ năng lượng nội bộ phi điện năng gián đoạn và phụ tải tự dùng, phải được tính toán theo cách cân bằng và áp dụng cho việc tiêu thụ điện năng của thiết bị hoàn chỉnh theo chu trình vận hành hoàn chỉnh trong thời gian thí nghiệm. Ví dụ về phụ tải tự dùng gián đoạn bao gồm xử lý nước tái sinh, bơm giếng khoan, xử lý vật liệu, thổi bụi, xả, theo dõi nhiệt và sấy không khí.
3.4.2.4 Gần với các điều kiện thiết kế
Các bên mong muốn vận hành nhà máy trong suốt quá trình thí nghiệm gần với các điều kiện đặc tính tham chiếu cơ sở và trong phạm vi thiết kế cho phép của nhà máy và của thiết bị để hạn chế mức độ hiệu chỉnh sản lượng điện và suất tiêu hao nhiệt. Bảng 4 được phát triển dựa trên việc đạt độ không đảm bảo thí nghiệm tổng quát như mô tả trong Bảng 1. Những hiệu chỉnh quá mức đối với các thông số hiệu suất của nhà máy có thể ảnh hưởng xấu đến độ không đảm bảo của thí nghiệm. Để duy trì sự tuân thủ những yêu cầu tiêu chuẩn thí nghiệm, thí nghiệm thực tế nên được tiến hành theo các tiêu chí được đưa ra trong Bảng 4, Bảng 6 và Bảng 7 hoặc các tiêu chí vận hành khác dẫn đến độ không đảm bảo thí nghiệm tổng thể tương thích với Bảng 1.
3.4.2.5 Tính ổn định
Thời gian vận hành cần thiết để đạt được trạng thái ổn định phù hợp sẽ phụ thuộc vào quá trình vận hành trước đó, sử dụng Bảng 6 làm hướng dẫn.
3.4.2.6 Sản lượng của nhà máy
Thí nghiệm có thể được tiến hành tại bất kỳ điều kiện tải nào, theo yêu cầu để đáp ứng các mục tiêu của thí nghiệm. Đối với những thí nghiệm yêu cầu tải hiệu chỉnh hoặc tải được đo nhất định, sản lượng điện tiến hành thí nghiệm phải được thiết lập để kết quả công suất điện thí nghiệm ước tính là 1% giá trị thiết kế áp dụng. Đối với những thí nghiệm yêu cầu bố trí cụ thể của nhà máy, sản lượng điện thí nghiệm sẽ phụ thuộc vào chính hiệu suất của nhà máy và sẽ không được kiểm soát. Các điều kiện thí nghiệm thực tế không được vượt quá giá trị danh định của thiết bị do nhà sản xuất cung cấp.
3.4.2.7 Năng lượng nhiệt nhà máy
Năng lượng nhiệt phát ra tại nhà máy đồng phát phải được thiết lập ở các mức quy định. Nếu việc kiểm soát tự động năng lượng phát ra không mang tính ổn định đầy đủ và gần với các điều kiện thiết kế thì cần kiểm soát bằng tay hoặc mở van cho năng lượng phát ra.
3.4.2.8 Nhiên liệu và chất phụ gia của nhiên liệu
Việc tiêu thụ, các đặc tính của nhiên liệu và chất phụ gia của nhiên liệu (chẳng hạn như đá vôi) nên được duy trì không thay đổi theo thực tế vận hành trong suốt thời gian thí nghiệm sơ bộ và thí nghiệm thực tế. Sai lệch cho phép về đặc tính nhiên liệu đối với các nhiên liệu khác nhau và các thành phần được quy định trong Bảng 4.
3.4.2.9 Phát thải
Mặc dù có thể có các trường hợp được quy định trong các yêu cầu hợp đồng trong đó tuân thủ môi trường hoặc các yêu cầu tuân thủ khác và hiệu suất nhiệt phải được chứng minh đồng thời, đây không phải là yêu cầu kỹ thuật của tiêu chuẩn này.
3.4.2.10 Vệ sinh trực tiếp
Việc vệ sinh trực tiếp bề mặt truyền nhiệt của lò hơi và máy nén tua bin khí cần được giải quyết.
3.4.3 Điều chỉnh trước và trong quá trình thí nghiệm
3.4.3.1 Những điều chỉnh cho phép trong giai đoạn ổn định hoặc giữa các lần tiến hành thí nghiệm
Mọi điều chỉnh có thể được thực hiện đối với thiết bị và/hoặc điều kiện vận hành, nhưng các yêu cầu để xác định vận hành ổn định vẫn được áp dụng. Ví dụ, nếu phân phối nhiên liệu trên mặt ghi bị thay đổi, thời gian vận hành ổn định phù hợp phải được cho phép để thay đổi hoàn toàn tro trên ghi. Tương tự, sự thay đổi trong quá trình tái tuần hoàn tro của lò hơi tầng sôi phải cho phép ổn định lại tầng sôi. Những thay đổi trong các phép đo không chính thức, chẳng hạn như nhiệt độ hơi nước có thể được thực hiện miễn là yêu cầu về độ ổn định của các phép đo chính vẫn giữ được.
Những điều chỉnh trước khi thí nghiệm là cần thiết để sửa chữa các lỗi của thiết bị đo hoặc điều khiển để tối ưu hóa hiệu suất của nhà máy cho tình trạng vận hành bình thường. Cho phép kiểm định lại thiết bị đo bị nghi ngờ hoặc cho phép đo bị sai. Cho phép điều chỉnh và/hoặc tối ưu hóa thành phần hoặc hiệu suất của nhà máy. Cho phép điều chỉnh để tránh các hiệu chỉnh hoặc để giảm thiểu mức độ hiệu chỉnh hiệu suất.
3.4.3.2 Những điều chỉnh được phép trong quá trình thí nghiệm
Những điều chỉnh được phép trong quá trình thí nghiệm là những điều bắt buộc để khắc phục sự cố điều khiển, bảo trì thiết bị vận hành an toàn, hoặc để duy trì sự ổn định của nhà máy. Chuyển từ điều khiển tự động sang điều khiển bằng tay và điều chỉnh những giới hạn vận hành hoặc thiết lập các điểm của dụng cụ đo hoặc thiết bị nên tránh trong quá trình thí nghiệm.
3.4.3.3 Những điều chỉnh không cho phép
Mọi điều chỉnh dẫn đến thiết bị vận hành vượt quá giới hạn vận hành, thiết kế hoặc an toàn của nhà sản xuất và/hoặc giới hạn vận hành không được quy định. Các điều chỉnh hoặc tái hiệu chuẩn có thể ảnh hưởng xấu đến độ ổn định của phép đo chính trong quá trình thí nghiệm cũng không được phép.
3.4.4 Thời gian tiến hành, số lần tiến hành thí nghiệm và số lần đọc
3.4.4.1 Thời gian tiến hành
Thời gian tiến hành y thí nghiệm phải có độ dài đủ để dữ liệu phản ánh hiệu suất trung bình và/hoặc hiệu suất của nhà máy. Điều này bao gồm việc xem xét các độ lệch trong các thông số được đo do điều khiển, nhiên liệu và đặc tính vận hành của nhà máy. Thời gian tiến hành thí nghiệm đề xuất được lập tại Bảng 7.
Trưởng nhóm thí nghiệm có thể xác định có cần thời gian thí nghiệm dài hơn hay không. Thời gian đề xuất được đề cập trong Bảng 7 nhìn chung dựa trên việc thu thập dữ liệu liên tục. Tùy thuộc vào nhân sự sẵn có và phương pháp thu thập dữ liệu, thời gian thí nghiệm có thể kéo dài để có đủ số lượng mẫu của tham số đo và có độ không đảm bảo thí nghiệm theo yêu cầu. Khi bắt buộc phải đo theo điểm, chẳng hạn như vận tốc và nhiệt độ cho dòng khói thải hoặc thiết bị đo lấy mẫu tốc độ cao trong lò hơi để xác định phân bổ oxy và nhiệt độ thì quá trình tiến hành thí nghiệm phải kéo dài đủ để hoàn thành đầy đủ hai quá trình lấy mẫu. Tiến hành thí nghiệm bằng cách sử dụng nhiên liệu pha trộn hoặc chất thải cũng có thể cần thời gian lâu hơn nếu sự thay đổi trong nhiên liệu là đáng kể. Thời gian tiến hành thí nghiệm nên xem xét thời gian vận chuyển của các mẫu.
3.4.4.2 Số lần tiến hành thí nghiệm
Một lần vận hành máy là tập hợp các quan sát đầy đủ khi thiết bị vận hành ở những trạng thái ổn định. Một lần thí nghiệm là một lần vận hành máy hoặc trung bình của nhiều lần vận hành máy.
Mặc dù không yêu cầu số lần vận hành máy nhiều, nhưng lợi ích của việc vận hành máy nhiều sẽ được ghi nhận. Việc thực hiện vận hành máy nhiều hơn một lần sẽ:
(a) Cung cấp một phương pháp hợp lệ để loại bỏ các lần tiến hành thí nghiệm không tốt;
(b) Kiểm tra tính hợp lệ của các kết quả;
(c) Xác minh độ lặp lại của các kết quả. Kết quả có thể không thể lặp lại do các độ lệch trong cả hai phương pháp thí nghiệm (các độ lệch thí nghiệm) hoặc hiệu suất thực tế của thiết bị đang được thí nghiệm (các độ lệch quy trình).
Sau khi hoàn thành lần tiến hành thí nghiệm đầu tiên để đáp ứng tiêu chí cho một lần tiến hành thí nghiệm có thể chấp nhận được (có thể là tiến hành thí nghiệm sơ bộ), dữ liệu phải được hợp nhất và kết quả sơ bộ được tính toán và kiểm tra để đảm bảo rằng kết quả là hợp lý.
3.4.4.3 Đánh giá giữa các lần tiến hành thí nghiệm
Khi so sánh kết quả từ hai lần tiến hành thí nghiệm (x1 và x2) và khoảng không đảm bảo, ba trường hợp được minh họa trong Hình 4 cần được xem xét.
(a) Trường hợp 1: vấn đề rõ ràng tồn tại khi không có sự trùng lặp giữa các khoảng không đảm bảo, hoặc khoảng không đảm bảo đã bị đánh giá quá thấp, có lỗi trong các phép đo, hoặc giá trị thực không phải là hằng số. Việc kiểm tra để xác định các giá trị đọc không hợp lý, độ không đảm bảo có hệ thống bị bỏ qua hoặc đánh giá thấp v.v. là cần thiết để giải quyết sự khác biệt này;
(b) Trường hợp 2: Trường hợp này, khi khoảng độ không đảm bảo trùng lặp hoàn toàn, ta có thể tin tưởng rằng việc tính toán là đúng về tất cả các thành phần độ không đảm bảo chính. Khoảng độ không đảm bảo nhỏ hơn, X2 ± U2, được chứa hoàn toàn trong khoảng này, X1 ± U1;
(c) Trường hợp 3: Trường hợp tồn tại độ không đảm bảo bị trùng lặp 1 phần là khó phân tích nhất. Đối với cả hai kết quả tiến hành thí nghiệm và cả hai khoảng độ không đảm bảo để thí nghiệm, giá trị chính xác nằm trong vùng mà giá trị khoảng độ không đảm bảo trùng lặp. Do đó, sự trùng lặp càng lớn thì độ tin cậy càng nhiều và có tính hợp lệ của các phép đo và ước lượng khoảng độ không đảm bảo. Sự khác biệt giữa hai phép đo tăng lên, vùng trùng lặp thu lại.
Nếu một lần vận hành máy hoặc một loạt lần vận hành máy thuộc trường hợp 1 hoặc trường hợp 3, kết quả từ tất cả các lần vận hành máy cần được xem xét kỹ để giải thích lý do cho sự biến đổi quá mức. Nếu không thể xác định được lý do cho sự thay đổi, sau đó hoặc tăng dải độ không đảm bảo có bao gồm các lần vận hành máy để tạo ra các giá trị lặp lại hoặc thực hiện nhiều lần vận hành máy hơn để thành phần chính xác của độ không đảm bảo có thể tính trực tiếp từ kết quả thí nghiệm.
| Trường hợp 1 Không trùng lặp | Trường hợp 2 Trùng lặp hoàn toàn | Trường hợp 3 Trùng lặp 1 phần |
| | |
|
Hình 4 - Ba trường hợp sau thí nghiệm
Kết quả của các lần vận hành máy phải lấy trung bình để xác định kết quả trung bình. Độ không đảm bảo của kết quả được tính theo tiêu chuẩn ASME PTC 19.1.
3.4.4.4 Số lần đọc
Việc đọc dữ liệu đủ sẽ được thực hiện trong thời gian thí nghiệm để đạt tổng độ không đảm bảo phù hợp với những điểm liệt kê trong Bảng 1. Lý tưởng nhất là ít nhất 30 bộ dữ liệu phải được ghi lại cho tất cả các phép đo không tích hợp của các thông số chính và các biến. Không có yêu cầu cụ thể nào về số lượng đọc dữ liệu tích hợp hoặc các phép đo các tham số và biến thứ cấp cho mỗi lần tiến hành thí nghiệm.
3.4.5 Tính ổn định của các điều kiện thí nghiệm
Tiêu chí chính cho các điều kiện thí nghiệm ở trạng thái ổn định là giá trị trung bình của dữ liệu phản ánh sự cân bằng giữa năng lượng đầu vào và năng lượng đầu ra cho việc phát nhiệt hay điện. Các thông số chính không kiểm soát được sẽ ảnh hưởng đến điều kiện trạng thái ổn định của quá trình thí nghiệm thường là các điều kiện môi trường xung quanh. Thời gian và lịch trình thí nghiệm phải đảm bảo giảm thiểu tác động từ môi trường bên ngoài.
3.5 Tính toán và báo cáo kết quả
Dữ liệu được lấy trong quá trình thí nghiệm cần được xem xét và loại bỏ một phần hoặc toàn bộ nếu không tuân thủ các yêu cầu về sự ổn định của các điều kiện thí nghiệm.
Mỗi tiêu chuẩn phải bao gồm việc phân tích thí nghiệm trước và sau độ không đảm bảo và kết quả của những phân tích này sẽ nằm trong các yêu cầu của tiêu chuẩn cho loại nhà máy đang được thí nghiệm.
3.5.1 Nguyên nhân loại bỏ dữ liệu
Sau khi hoàn thành thí nghiệm hoặc trong quá trình thí nghiệm, dữ liệu thí nghiệm phải được xem xét để xác định dữ liệu trong khoảng thời gian nhất định nên xóa bỏ trước khi tính toán kết quả thí nghiệm hay không. Nhật ký thí nghiệm phải được lưu giữ. Bất kì sự cố nào trong nhà máy sẽ làm dữ liệu thí nghiệm vi phạm các yêu cầu tại Bảng 4 sẽ bị loại bỏ. Tối thiểu 10 phút sau khi phục hồi các tiêu chí này cũng phải loại bỏ để tái ổn định.
Nếu những mâu thuẫn nghiêm trọng ảnh hưởng đến kết quả trong quá trình tiến hành thí nghiệm hoặc trong quá trình tính toán kết quả, việc vận hành máy sẽ bị vô hiệu hoàn toàn, hoặc việc vận hành máy có thể bị vô hiệu chỉ một phần nếu phần bị ảnh hưởng tại giai đoạn đầu hoặc giai đoạn cuối của việc vận hành máy. Việc vận hành máy bị vô hiệu sẽ bị lặp lại, nếu cần thiết, để đạt được các mục tiêu thí nghiệm. Trong quá trình thí nghiệm, bất kỳ những điểm cài đặt cho hệ thống điều khiển bị sửa đổi sẽ ảnh hưởng đến sự ổn định của giới hạn tiêu chuẩn vận hành ngoài mức cho phép như đã xác định trong Bảng 4 thì dữ liệu thí nghiệm phải được xem xét để loại ra khỏi tính toán của kết quả thí nghiệm. Thời gian bị loại bỏ sẽ bắt đầu ngay lập tức trước khi thay đổi và kết thúc không ít hơn 10 phút sau khi phục hồi các tiêu chí đề cập trong Bảng 4.
Việc phân tích ngoại lai cho dữ liệu giả cần được thực hiện theo ASME PTC19.1 cho tất cả các phép đo chính sau khi thí nghiệm kết thúc. Việc phân tích này sẽ chỉ rõ bất kỳ khoảng thời gian nào khác cần bị loại bỏ trước khi tính toán kết quả thí nghiệm.
3.5.2 Độ không đảm bảo
Độ không đảm bảo thí nghiệm và dung sai thí nghiệm không phải là các điều khoản có thể thay thế cho nhau. Tiêu chuẩn này không giải quyết dung sai thí nghiệm, dung sai thí nghiệm là một điều khoản của hợp đồng.
Tiêu chuẩn này đề cập đến độ không đảm bảo thí nghiệm trong bốn Phần dưới đây.
(a) Phần 1 xác định độ không đảm bảo thí nghiệm tối đa cho phép;
(b) Phần 3 xác định các yêu cầu đối với phân tích độ không đảm bảo trước và sau thí nghiệm và cách thức áp dụng trong quá trình thí nghiệm. Những phân tích về độ không đảm bảo và giới hạn sai số;
(c) Phần 4 mô tả độ không đảm bảo hệ thống yêu cầu cho mỗi phép đo thí nghiệm;
(d) Phần 7 và Phụ lục F cung cấp hướng dẫn áp dụng để xác định kết quả phân tích độ không đảm bảo trước và sau thí nghiệm.
3.5.3 Phân tích độ không đảm bảo trước và sau thí nghiệm
(a) Trước thí nghiệm: Việc phân tích độ không đảm bảo trước thí nghiệm nên thực hiện để việc thí nghiệm được thiết kế đáp ứng các yêu cầu của tiêu chuẩn. Ước lượng, sai số hệ thống và sai số ngẫu nhiên đối với mỗi phép đo thí nghiệm đề xuất phải được sử dụng để giúp xác định số lượng và chất lượng của các công cụ thí nghiệm cần thiết tuân thủ tiêu chuẩn hoặc thông số kỹ thuật trong hợp đồng. Việc phân tích độ không đảm bảo trước thí nghiệm phải bao gồm việc phân tích độ không đảm bảo ngẫu nhiên để thiết lập những dao động cho phép của các thông số chính để đạt được độ không đảm bảo cho phép. Ngoài ra, việc phân tích độ không đảm bảo trước thí nghiệm có thể được sử dụng để xác định các hệ số hiệu chỉnh có ý nghĩa đối với thí nghiệm đã hiệu chỉnh. Để đơn giản hóa,Tiêu chuẩn này cho phép loại bỏ những hiệu chỉnh không làm thay đổi 0,05% kết quả thí nghiệm. Ngoài ra, việc phân tích độ không đảm bảo nên được sử dụng để xác định cấp chính xác cần thiết cho mỗi phép đo và duy trì các tiêu chuẩn tổng thể cho thí nghiệm;
(b) Sau thí nghiệm: Việc phân tích độ không đảm bảo sau thí nghiệm cần được thực hiện như một phần của thí nghiệm Tiêu chuẩn. Việc phân tích độ không đảm bảo sau thí nghiệm sẽ cho thấy chất lượng thực tế của thí nghiệm để xác định độ không đảm bảo cho phép được mô tả trong Phần 1 đã được thực hiện hay chưa.
4. Thiết bị và phương pháp đo
4.1 Yêu cầu chung
4.1.1 Giới thiệu
Phần này mô tả chi tiết các yêu cầu về thiết bị đo của tiêu chuẩn. Nó cũng đánh giá những điểm nổi bật của các phụ lục để có thể áp dụng trực tiếp. Ngoài ra, người dùng có thể tham khảo thêm các bộ tiêu chuẩn khác chuyên biệt về các loại thiết bị đo và phương pháp đo như ASME PTC19 ASM E PTC 19.1, ASME PTC 19.2, ASME PTC 19.3, ASME PTC 19.5, và ASME PTC 19.22; bộ tiêu chuẩn về hướng dẫn chung ASME PTC1. Nội dung chi tiết bao gồm việc phân loại các phép đo cho mục đích lựa chọn và bảo trì thiết bị đo, yêu cầu hiệu chỉnh và kiểm định, công tơ điện, và các thông tin khác dành riêng cho thí nghiệm.
Nếu các yêu cầu của thiết bị đo trong phụ lục thiết bị và dụng cụ chặt chẽ hơn khi các thiết bị đo này được cập nhật, do sự phát triển của kỹ thuật, thì những yêu cầu mới sẽ thay thế những yêu cầu đã được đặt ra trong tiêu chuẩn này. Các thiết bị và phương pháp mới có thể được sử dụng thay cho bất kỳ thiết bị đo nào đã được đề xuất trong tiêu chuẩn này khi chúng sẵn có, miễn là các thiết bị và phương pháp mới này đáp ứng độ không đảm bảo cho phép được chỉ định ở đây.
4.1.2 Tiêu chí lựa chọn thiết bị đo
4.1.2.1 Chỉ định đo
Đo có thể được chỉ định là tham số hoặc biến số. Các thuật ngữ "tham số" và "biến số" đôi khi được sử dụng thay thế cho nhau trong ngành công nghiệp và trong một số tiêu chuẩn khác. Tiêu chuẩn này phân biệt tham số và biến số.
Một tham số được coi là một phép đo trực tiếp và là một đại lượng vật lý tại một vị trí được xác định bằng một thiết bị duy nhất hoặc bằng giá trị trung bình của phép đo từ một số thiết bị tương tự. Trường hợp sau đó, một số thiết bị có thể được sử dụng để xác định tham số có khả năng hiển thị chất lượng gradien không gian, chẳng hạn như nhiệt độ không khí đầu vào. Tương tự, thiết bị đa chức năng có thể được sử dụng để xác định một tham số chỉ đơn giản là dự phòng để giảm độ không đảm bảo ngẫu nhiên trong thí nghiệm, chẳng hạn như sử dụng hai phép đo nhiệt độ của lưu chất trong một đường ống trong cùng một mặt phẳng, nơi nhiệt độ thí nghiệm là nhiệt độ và áp suất.
Một biến được coi là một phép đo gián tiếp và là một đại lượng chưa biết trong một Công thức đại số được xác định từ các tham số. Các Công thức hiệu suất trong Phần 5 chứa các biến được sử dụng để tính toán kết quả hiệu suất bao gồm công suất hiệu chỉnh, nhiệt đầu vào hiệu chỉnh và suất tiêu hao nhiệt hiệu chỉnh. Các biến số điền hình trong các Công thức này là lưu lượng, entanpy, các hệ số hiệu chỉnh và công suất điện. Mỗi biến có thể được coi như một kết quả trung gian cần thiết để xác định kết quả hiệu suất.
Do đó, các tham số là các đại lượng được đo trực tiếp để xác định giá trị của các biến số cần thiết để tính toán kết quả hiệu suất theo các Công thức trong Phần 5. Ví dụ về các thông số như là nhiệt độ và áp suất để xác định entanpy biến thiên; hoặc nhiệt độ, áp suất và chênh áp để tính toán dòng biến đổi.
4.1.2.2 Phân loại đo
Một tham số hoặc biến số được phân loại là sơ cấp hoặc thứ cấp phụ thuộc vào việc sử dụng tham số hay biến số như thế nào theo tiêu chuẩn này. Các tham số và các biến số sử dụng để tính toán kết quả thí nghiệm được coi là các tham số sơ cấp và các biến số sơ cấp. Ngoài ra, các tham số thứ cấp và các biến số thứ cấp không tham gia vào tính toán kết quả, nhưng được sử dụng để kiểm tra kết quả thí nghiệm có phù hợp hay không. Tham số sơ cấp và biến số sơ cấp còn được phân loại là cấp 1 hoặc cấp 2 tùy thuộc vào hệ số nhạy tương đối với kết quả của phép thí nghiệm. Các tham số sơ cấp cấp 1 và các biến số sơ cấp cấp 1 là những tham số và biến số có hệ số nhạy tương đối là 0,2% hoặc cao hơn. Các tham số sơ cấp và biến số sơ cấp có hệ số nhạy tương đối nhỏ hơn 0,2% được phân loại là tham số sơ cấp cấp 2 và biến số sơ cấp cấp 2. Vì điểm 0 tùy ý, trong trường hợp đo nhiệt độ cho các tham số sơ cấp và biến số sơ cấp có hệ số nhạy 0,2% sẽ được thay thế bằng 0,2%/°C.
4.1.2.3 Phân loại thiết bị đo
Thiết bị đo được sử dụng để đo tham số có nhiều loại khác nhau theo yêu cầu, độ chính xác, độ trễ và cách xử lý tùy thuộc vào cách sử dụng để đo các tham số và phụ thuộc vào các tham số đó ảnh hưởng như thế nào đến kết quả hiệu suất. Tiêu chuẩn này không yêu cầu thiết bị đo có độ chính xác cao dùng để xác định các thông số thứ cấp. Thiết bị đo các thông số thứ cấp có thể là thiết bị đo được lắp đặt cố định tại nhà máy.
Tiêu chuẩn này yêu cầu kiểm định đầu ra của thiết bị đo trước giai đoạn thí nghiệm. Việc kiểm định có thể được hiệu chỉnh hoặc so sánh với hai hoặc nhiều các phép đo độc lập các tham số tham chiếu tại cùng một điểm. Các thiết bị này cần có các thiết bị dự phòng hoặc độc lập khác có thể kiểm định tính toàn vẹn trong suốt thời gian thí nghiệm. Thiết bị được phân loại là cấp 1 hoặc cấp 2, tùy thuộc vào các yêu cầu thiết bị đo được xác định bởi tham số. Cần cẩn thận để đảm bảo các thiết bị đo đáp ứng các yêu cầu đặt ra trong tiêu chuẩn này liên quan đến việc phân loại.
4.1.2.3.1 Thiết bị đo cấp 1
Thiết bị đo cấp 1 được sử dụng để xác định các thông số sơ cấp cấp 1. Thiết bị đo cấp 1 yêu cầu độ chính xác cao và phải đáp ứng các yêu cầu về sản xuất và lắp đặt cụ thể như được quy định trong họ tiêu chuẩn ASME PTC 19. Thiết bị đo cấp 1 yêu cầu hiệu chỉnh chính xác trong thí nghiệm.
4.1.2.3.2 Thiết bị đo cấp 2
Thiết bị đo cấp 2 hoặc tốt hơn sẽ được sử dụng để xác định tham số thứ cấp cấp 2. Một số thiết bị đo cấp 2 có thể đáp ứng các yêu cầu về độ không đảm bảo được quy định trong tiêu chuẩn này với việc hiệu chỉnh tại nhà máy được thực hiện để chứng nhận nhưng các thiết bị đo này kiểm định theo kỹ thuật được mô tả tại điều 4.1.3.2.
4.1.3 Hiệu chỉnh và kiểm định thiết bị
4.1.3.1 Giới thiệu
Kết quả của hiệu chỉnh phép ước lượng sai số của chỉ số thiết bị đo, hệ thống đo hoặc việc gán các giá trị cho các dấu trên các thang tùy ý. Kết quả của việc hiệu chỉnh đôi khi được biểu thị dưới dạng hệ số hiệu chỉnh, hoặc dưới dạng một loạt các hệ số hiệu chỉnh hình thành đường cong hiệu chỉnh. Việc hiệu chỉnh phải được thực hiện trong môi trường được kiểm soát phạm vi cần thiết để đảm bảo kết quả hợp lệ. Việc xem xét thích đáng sẽ cho thấy nhiệt độ, độ ẩm, ánh sáng, độ rung, kiểm soát bụi, độ sạch, nhiễu điện từ và các yếu tố khác ảnh hưởng đến hiệu chỉnh, ở những nơi thích hợp, những hệ số này phải được theo dõi, lưu lại và nếu có thể thì hiệu chỉnh bù sẽ được áp dụng để hiệu chỉnh kết quả thu được trong môi trường khác nhau với các điều kiện chấp nhận được. Các hiệu chỉnh được thực hiện phù hợp với Tiêu chuẩn này được phân loại theo trong phòng thí nghiệm hoặc hiệu chỉnh tại nhà máy. Các ứng dụng hiệu chỉnh trong phòng thí nghiệm sẽ được sử dụng trên tất cả các thiết bị đo cấp 1.
4.1.3.1.1 Hiệu chỉnh cấp phòng thí nghiệm
Các hiệu chỉnh cấp phòng thí nghiệm nên được thực hiện tuân thủ nghiêm ngặt chính sách đã thiết lập, các yêu cầu và mục tiêu của chương trình đảm bảo chất lượng của phòng thí nghiệm.
Các thiết bị, phương tiện đo sử dụng trong phương pháp đo, phương pháp thí nghiệm thuộc tiêu chuẩn này phải được kiểm định, hiệu chuẩn theo quy định pháp luật về đo.
Cần phải xem xét để đảm bảo không gian thích hợp, ánh sáng và các điều kiện môi trường như nhiệt độ, độ ẩm, thông gió, tiếng ồn và độ rung thấp các cấp độ.
4.1.3.1.2 Hiệu chỉnh cấp nhà máy
Các biện pháp thích hợp phải được thực hiện để đảm bảo rằng trạng thái hiệu chỉnh cần thiết được duy trì trong suốt quá trình vận chuyển và tại chỗ. Việc đáp ứng các chuẩn tham chiếu đối với môi trường thay đổi hoặc các thông số liên quan khác sẽ được công bố và được ghi lại. Việc đo hiệu chỉnh tại nhà máy và thiết bị thí nghiệm yêu cầu hiệu chỉnh theo các nguồn đã được phê duyệt hoặc hằng số vật lý tự nhiên được thừa nhận (nội tại) thông qua so sánh liên tục để xác định độ không đảm bảo. Độ không đảm bảo có thể đạt được khi hiệu chỉnh tại nhà máy được mong đợi lớn hơn so với hiệu chỉnh trong phòng thí nghiệm do các yếu tố như môi trường tại nơi hiệu chỉnh và các ảnh hưởng bất lợi có thể có khác như việc vận chuyển thiết bị hiệu chỉnh. Các ứng dụng hiệu chỉnh tại nhà máy thường sử dụng các thiết bị đo thông số thứ cấp và thiết bị đo cấp 2 để xác định dung sai trong quá trình kiểm định tại nhà máy như được mô tả tại điều 4.1.3.2. Hiệu chỉnh tại nhà máy phải bao gồm hiệu chỉnh vòng lặp như được xác định tại điều 4.1.3.8. Hiệu chỉnh tại nhà máy phải thực hiện để kiểm tra thiết bị cấp 1 trong trường hợp thiết bị cấp 1 nghi bị lệch hoặc không trễ.
4.1.3.2 Kiểm định
Kiểm định đưa ra một phương pháp để kiểm tra độ lệch giữa các giá trị xuất từ thiết bị đo và các giá trị đã biết tương ứng luôn nhỏ hơn giới hạn sai số cho phép đã xác định theo một tiêu chuẩn, quy định, hoặc đặc điểm kỹ thuật cụ thể để quản lý thiết bị đo. Kết quả của việc kiểm định dẫn đến quyết định tiếp tục đo hay thực hiện điều chỉnh, sửa chữa, hạ cấp hoặc hết hạn kiểm định.
Các kỹ thuật kiểm định bao gồm các hiệu chỉnh tại nhà máy, kiểm tra độ bền, so sánh giữa các thiết bị dự phòng, kiểm tra tín hiệu đo về không và thực hành tính toán dòng năng lượng. Kiểm tra độ bền bao gồm, nhưng không giới hạn ở, quan sát áp suất khí quyển thông qua thiết bị đo áp suất tuyệt đối, kiểm tra tại nhà máy bao gồm kiểm tra trực quan và kết quả đo không tải trên thiết bị đo điện. Các so sánh bao gồm, nhưng không giới hạn ở, bể kiểm tra nước/điện tử cho các thiết bị đo nhiệt độ và đối chiếu với thiết bị dự phòng. Thực hành tính toán dòng năng lượng bao gồm, nhưng không giới hạn, khối lượng, nhiệt và tính toán cân bằng năng lượng. Những yêu cầu kiểm định tại nhà máy có thể áp dụng phải được đánh giá dựa trên những yêu cầu duy nhất cho mỗi lần cài đặt. Khi thích hợp, những đề xuất của nhà sản xuất và các Thiết bị và dụng cụ bổ sung về Tiêu chuẩn thí nghiệm hiệu suất nên được tham chiếu nhiều hơn về kỹ thuật kiểm định tại nhà máy.
4.1.3.3 Chuẩn tham chiếu
Chuẩn tham chiếu phải được hiệu chỉnh thường xuyên theo phương thức cung cấp truy xuất nguồn gốc tới NIST, tổ chức tiêu chuẩn quốc tế được công nhận khác hoặc các hằng số vật lý tự nhiên được xác định (nội tại) và có độ chính xác, ổn định, phạm vi và độ phân giải cho mục đích sử dụng. Chuẩn tham chiếu sẽ được duy trì cho hiệu chỉnh, xử lý và sử dụng tuân thủ nghiêm ngặt với một chương trình chất lượng hiệu chỉnh trong phòng thí nghiệm. Khi cần thiết, sử dụng các chuẩn tham chiếu để hiệu chỉnh tại nhà máy, các biện pháp thích hợp phải được thực hiện để đảm bảo rằng trạng thái hiệu chỉnh cần thiết được duy trì trong quá trình vận chuyển và tại chỗ. Tính toàn vẹn của các chuẩn tham chiếu phải được kiểm định bằng thí nghiệm chuyên môn hoặc so sánh liên phòng thí nghiệm. Tất cả các chuẩn tham chiếu nên được hiệu chỉnh ở tần số do nhà sản xuất chỉ định trừ khi người dùng có dữ liệu để hỗ trợ kéo dài thời gian hiệu chỉnh. Dữ liệu hỗ trợ là dữ liệu lịch sử hiệu chỉnh chứng minh hiệu chỉnh sai lệch ít hơn độ chính xác của chuẩn tham chiếu trong khoảng thời gian hiệu chỉnh mong muốn.
Độ không đảm bảo chung của các chuẩn tham chiếu phải được xem xét và các chuẩn tham chiếu phải được lựa chọn sao cho độ không đảm bảo chung của các tiêu chuẩn được sử dụng trong hiệu chỉnh đóng góp nhỏ hơn 25% của độ không đảm bảo tổng thể. Độ không đảm bảo hiệu chỉnh tổng thể nên được xác ở độ tin cậy 95%. Chuẩn tham chiếu với độ không đảm bảo thấp hơn có thể được sử dụng nếu độ không đảm bảo của chuẩn tham chiếu kết hợp với độ không đảm bảo của thiết bị đang được hiệu chỉnh thấp hơn so với yêu cầu về độ chính xác của thiết bị. Ví dụ, đối với một số loại công tơ đo lưu lượng, tiêu chuẩn 25% không thể đáp ứng được. Tuy nhiên, đường cong hiệu chỉnh phù hợp có thể đạt được từ việc hiệu chỉnh 20 điểm trong phòng thí nghiệm với độ không đảm bảo lớn hơn 0,2%.
Nói chung, tất cả các thiết bị cấp 1 và cấp 2 sử dụng để đo các tham số sơ cấp (cấp 1 và cấp 2) nên được hiệu chỉnh theo các chuẩn tham chiếu của NIST, Tổ chức tiêu chuẩn quốc tế được công nhận khác, hoặc hằng số vật lý tự nhiên được công nhận (nội tại) với các giá trị do NIST chỉ định hoặc chấp nhận. Thiết bị sử dụng đo các thông số thứ cấp không cần phải hiệu chỉnh theo chuẩn tham chiếu. Những thiết bị này có thể được hiệu chỉnh dựa trên một thiết bị đã được hiệu chỉnh.
4.1.3.4 Điều kiện môi trường
Hiệu chỉnh thiết bị để đo các thông số sơ cấp (cấp 1 hoặc cấp 2) cần được thực hiện theo vòng lặp lại tình trạng thông qua các thiết bị được sử dụng để thực hiện các phép đo thí nghiệm. Thường không thực tế hoặc không thể thực hiện hiệu chỉnh theo tình trạng môi trường lặp lại, các nguồn sai số cơ bản bổ sung được xác định và ước tính. Việc xem xét nguồn gốc sai số phải bao gồm tất cả quá trình và tình trạng môi trường xung quanh có thể ảnh hưởng đến hệ thống đo như nhiệt độ, áp suất, độ ẩm, nhiễu điện từ và bức xạ.
4.1.3.5 Loại thiết bị và điểm hiệu chỉnh
Số điểm hiệu chỉnh phụ thuộc vào việc phân loại các tham số mà thiết bị sẽ đo. Các phân loại này được thảo luận tại điều 4.1.2.2. Các điểm hiệu chỉnh phải phù hợp với phạm vi đo mong đợi. Trong một số trường hợp đo lưu lượng, việc hiệu chỉnh có thể rất cần thiết để ngoại suy.
4.1.3.5.1 Tham số sơ cấp
(a) Thiết bị đo cấp 1. Các thông số sơ cấp của thiết bị đo cấp 1 phải được hiệu chỉnh trong phòng thí nghiệm ít nhất 2 điểm trở lên theo yêu cầu kiểm định trên mặt chia độ, điều này là cần thiết để áp dụng dữ liệu hiệu chỉnh cho dữ liệu đo, hoặc nếu thiết bị đo có chất lượng mà độ lệch giữa hiệu chỉnh trong phòng thí nghiệm và dữ liệu đo được là không ảnh hưởng đến kết quả thí nghiệm. Đo lưu lượng yêu cầu hiệu chỉnh phải có 20 điểm hiệu chỉnh. Máy biến áp không yêu cần hiệu chỉnh trên 2 điểm so với yêu cầu kiểm định trên mặt chia độ và phải được hiệu chỉnh theo điều 4.7.6.
Mỗi thiết bị đo nên hiệu chỉnh sao cho điểm đo gần sát với phương thức tăng và giảm. Việc vận dụng này giảm thiều mọi ảnh hưởng của trễ. Một số thiết bị được chế tạo với cơ chế thay đổi phạm vi khi thiết bị được cài đặt. Trong trường hợp này, thiết bị phải được hiệu chỉnh ở mỗi giai đoạn sử dụng trong thời gian thí nghiệm.
Trên thực tế, một số thiết bị không thể được hiệu chỉnh trong toàn bộ khoảng thời gian làm việc. Ví dụ, thiết bị đo lưu lượng thường được hiệu chỉnh ở lưu lượng thấp hơn phạm vi làm việc và dữ liệu hiệu chỉnh được ngoại suy. Phép ngoại suy này được mô tả tại điều 4.5.
(b) Thiết bị đo cấp 2. Các thông số sơ cấp của thiết bị đo cấp 2 phải được hiệu chỉnh tại một số điểm ngang bằng theo yêu cầu kiểm định trên mặt chia độ. Nếu thiết bị có thể cho thấy thường có độ trễ nhỏ hơn độ chính xác cần thiết, điểm đo chỉ cần được tiếp cận từ một hướng (tăng hoặc giảm đến điểm đó).
Một số thiết bị đo cấp 2 có thể đáp ứng các yêu cầu về độ không đảm bảo đặt ra trong tiêu chuẩn này với hiệu chỉnh tại nhà máy được thực hiện để chứng nhận nhưng các thiết bị này yêu cầu kiểm định tại nhà máy bằng kỹ thuật được mô tả tại đây.
4.1.3.5.2 Tham số thứ cấp
Các thông số thứ cấp của thiết bị đo nên thực hành kiểm định tại nhà máy như được mô tả tại điều 4.1.3.2 và nếu được hiệu chỉnh, chỉ cần hiệu chỉnh tại một điểm trong phạm vi làm việc dự kiến.
4.1.3.6 Thời gian hiệu chỉnh
Vì sự khác biệt của các loại thiết bị đo khác nhau và cách bảo dưỡng khác nhau nên không có quy định bắt buộc nào được thực hiện liên quan đến khoảng thời gian giữa hiệu chỉnh trong phòng thí nghiệm ban đầu và giai đoạn thí nghiệm. Xử lý thiết bị quan trọng hơn nhiều so với thời gian đã trôi qua kể từ khi hiệu chỉnh. Thiết bị đo có thể được hiệu chỉnh một ngày và xử lý sai vào ngày tiếp theo. Ngược lại, thiết bị đo có thể được hiệu chỉnh và đặt trong môi trường được kiểm soát và hiệu chỉnh sẽ vẫn có hiệu lực trong một khoảng thời gian dài. Tương tự, thiết bị có thể được cài đặt tại nhà máy nhưng không hoạt động và/hoặc trong nhiều trường hợp có thể thấy việc lặp lại đáng kể. Trong những trường hợp này, thiết bị đo có thể bị rung hoặc những hư hại khác, và phải thực hiện kiểm định tại nhà máy.
Tất cả các thiết bị thí nghiệm sử dụng đo các thông số sơ cấp cấp 1 phải được hiệu chỉnh cấp phòng thí nghiệm trước khi thí nghiệm và phải đáp ứng các yêu cầu về chế tạo cơ bản, cài đặt và vận hành. Việc ủy thác không được thực hiện liên quan đến khoảng thời gian giữa hiệu chỉnh cấp phòng thí nghiệm và giai đoạn thí nghiệm. Một số thiết bị thí nghiệm dùng để đo các thông số cấp 2 có thể đáp ứng các yêu cầu về độ không đảm bảo được quy định trong tiêu chuẩn này với việc hiệu chỉnh tại nhà máy đã được thực hiện cho việc kiểm định nhưng các thiết bị thí nghiệm này yêu cầu kiểm định tại nhà máy theo kỹ thuật được mô tả ở đây. Thiết bị thí nghiệm dùng để đo các thông số thứ cấp không yêu cầu điều chỉnh trong phòng thí nghiệm, khác với những gì được thực hiện tại nhà máy để được chứng nhận nhưng thiết bị này yêu cầu kiểm định tại nhà máy trước khi thí nghiệm.
Sau khi thí nghiệm, kiểm định tại nhà máy sẽ được tiến hành trên các thiết bị đo các thông số cho dữ liệu có vấn đề. Nếu kết quả cho thấy độ trôi không chấp nhận được hoặc sai thì cần phải khảo sát thêm. Các thiết bị đo lưu lượng đáp ứng các yêu cầu tiêu chuẩn này để đo các thông số sơ cấp cấp 1 và cấp 2 và các biến số không cần phải qua kiểm tra sau thí nghiệm nếu các thiết bị này làm việc chưa vi phạm điều kiện về tính toàn vẹn. Điều kiện đó bao gồm sự rò rỉ hơi và tẩy rửa bằng hóa chất.
4.1.3.7 Độ trôi hiệu chỉnh
Khi kiểm định tại nhà máy cho thấy độ trôi nhỏ hơn độ chính xác của thiết bị, độ trôi được coi là chấp nhận được và việc hiệu chỉnh trước thí nghiệm được sử dụng làm cơ sở cho việc xác định kết quả thí nghiệm. Đôi khi độ trôi hiệu chỉnh của thiết bị là không được chấp nhận. Nếu độ trôi hiệu chỉnh kết hợp với độ chính xác chuẩn tham chiếu là căn bậc hai của tổng bình phương các sai số và vượt quá độ chính xác của thiết bị thì độ trôi hiệu chỉnh của thiết bị là không chấp nhận được.
Độ trôi hiệu chỉnh có thể do thiết bị đo bị hỏng, do vận chuyển, lắp đặt hoặc tháo dỡ thiết bị đo thí nghiệm. Khi chứng nhận hiệu chỉnh tại nhà máy chỉ ra độ trôi không đáp ứng được yêu cầu về độ không đảm bảo của thí nghiệm thì việc khảo sát thêm cần được thực hiện.
Hiệu chỉnh trong phòng thí nghiệm sau thí nghiệm có thể được yêu cầu, và phán đoán kỹ thuật phải được sử dụng để xác định cho dù hiệu chỉnh ban đầu hay hiệu chỉnh lại là chính xác thông qua việc đánh giá những kiểm định tại nhà máy. Dưới đây là một số thực tế kiểm định tại nhà máy được khuyến nghị dẫn đến việc áp dụng phán đoán kỹ thuật tốt.
(a) Khi thiết bị đo được vận chuyển đến nơi thí nghiệm giữa quá trình hiệu chỉnh và thời gian thí nghiệm, việc kiểm tra một điểm trước khi thí nghiệm có thể cô lập khi xảy ra sự trôi. Ví dụ, kiểm tra điểm áp suất 0 ở lỗ xả của thiết bị truyền áp lực, điềm có phụ tải bằng không của điện kế hoặc điểm đóng băng của thiết bị đo nhiệt độ.
(b) Ở những nơi có thiết bị đo dự phòng, độ trôi hiệu chỉnh phải được phân tích để xác định dữ liệu hiệu chỉnh nào (ban đầu hoặc hiệu chỉnh lại) cho sự đồng thuận tốt hơn giữa các thiết bị dự phòng.
4.1.3.8 Hiệu chỉnh vòng lặp
Tất cả các thiết bị đo các thông số sơ cấp (cấp 1 hoặc cấp 2) phải được hiệu chỉnh vòng lặp. Hiệu chỉnh vòng lặp liên quan đến việc hiệu chỉnh thiết bị thông qua bộ điều chỉnh tín hiệu. Điều này có thể được thực hiện bằng cách hiệu chỉnh thiết bị đo thông qua sử dụng bộ điều chỉnh tín hiệu trong phòng thí nghiệm hoặc tại chỗ trong suốt quá trình thí nghiệm trước khi thiết bị được kết nối với quá trình. Ngoài ra, bộ điều chỉnh tín hiệu có thể được hiệu chỉnh tách biệt với thiết bị đo bằng cách sử dụng tín hiệu đã biết cho mỗi kênh sử dụng máy phát tín hiệu chính xác.
4.1.3.9 Chương trình đảm bảo chất lượng
Bất kỳ nhà máy nào thực hiện hiệu chỉnh thiết bị đo cấp 1 sẽ có một chương trình đảm bảo chất lượng ghi lại các thông tin sau:
(a) Quá trình kiểm định;
(b) Đào tạo các kỹ thuật viên kiểm định;
(c) Biên bản kiểm định mẫu;
(d) Bản danh mục kiểm định mẫu;
(e) Bản ghi các thiết bị đã được kiểm định.
Chương trình đảm bảo chất lượng cần được thiết kế để đảm bảo các tiêu chuẩn được hiệu chỉnh theo yêu cầu và các kỹ thuật viên được đào tạo phù hợp sẽ hiệu chỉnh thiết bị theo đúng cách.
Các bên tham gia thí nghiệm phải được phép tiếp cận cơ sở hiệu chuẩn để kiểm tra. Chương trình đảm bảo chất lượng cần được cung cấp trong suốt thời gian kiểm tra.
4.1.4 Thiết bị đo của nhà máy
Thiết bị đo của nhà máy có thể được sử dụng cho phép đo sơ cấp, nếu thiết bị đo của nhà máy (bao gồm thiết bị điều chỉnh tín hiệu) có thể chứng minh đã đáp ứng các yêu cầu về độ không đảm bảo tổng thể.
Trong trường hợp đo lưu lượng, tất cả các thiết bị đo (áp suất quá trình, nhiệt độ, chênh áp hoặc xung từ thiết bị đo) phải được ghi lại.
4.1.5 Thiết bị dự phòng
Khuyến khích vận hành dự phòng trong trường hợp chỉ sử dụng một loại thiết bị đo riêng biệt cho thấy độ trôi hiệu chỉnh có thể không được chấp nhận và không có thiết bị nào có sẵn. Các thiết bị dự phòng nên được sử dụng để đo tất cả thông số sơ cấp (cấp 1 hoặc cấp 2) khi đo thực tế. Ngoại trừ các thiết bị đo lưu lượng dự phòng và thiết bị đo điện dự phòng do sự gia tăng chi phí lớn.
Các thiết bị dự phòng cho thấy lợi ích trong việc giảm thành phần ngẫu nhiên của độ không đảm bảo. Bên cạnh đó, chúng ta có thể giám sát độ chính xác của thiết bị thông qua việc so sánh về mặt kỹ thuật để phát hiện các vấn đề của các thiết bị.
Các công cụ độc lập khác ở các vị trí riêng biệt cũng có thể giám sát độ chính xác của thiết bị. Một ví dụ mẫu về một quá trình entanpi không đổi tức là so sánh entanpi theo áp suất và nhiệt độ tại hai điểm khác nhau trên cùng một đường hơi.
4.2 Đo áp suất
4.2.1 Giới thiệu
Mục này trình bày các yêu cầu và hướng dẫn để đo áp suất. Thiết bị đo áp suất điện tử nên được sử dụng cho các phép đo sơ cấp đổi giảm thiểu lỗi hệ thống và lỗi ngẫu nhiên. Thiết bị đo áp suất điện tử cung cấp các quy trình bù cho độ nhạy, cân bằng không, ảnh hưởng nhiệt đối với độ nhạy và ảnh hưởng nhiệt bằng không. Các thiết bị khác đáp ứng các yêu cầu của độ không đảm bảo trong mục này có thể được sử dụng. Các nhân tố ảnh hưởng đến độ không đảm bảo của phép đo áp suất bao gồm, nhưng không giới hạn, nhiệt độ môi trường, độ phân giải, độ lặp lại, tuyến tính, độ trễ, độ rung, cung cấp điện, độ ổn định, vị trí lắp đặt, tần số vô tuyến (RFI), áp suất tĩnh, cột nước, thời gian khởi động, thu thập dữ liệu, biến đổi không gian và chất lượng cảm biến sơ cấp.
Hệ thống đường nối giữa quá trình và thiết bị đo thứ cấp phải truyền một cách chính xác áp suất để đạt được các phép đo chính xác. Các nguồn lõi có thể xảy ra bao gồm truyền áp suất, rò rỉ, mất ma sát, lưu chất bị tắc (ví dụ: khí trong dòng lỏng hoặc chất lỏng trong dòng khí), khối lượng riêng biến đổi bên trong các cột (tức là các cột nước), và sự biến đổi khối lượng riêng giữa các cột (chỉ là độ chênh áp).
Tất cả các cáp tín hiệu phải được bọc cách điện để tránh ảnh hưởng từ trường và điện cảm của các thiết bị ở gần. Tất cả các loại cáp tín hiệu này phải được đặt cách xa các thiết bị EMF (có từ trường mạnh) như động cơ, máy phát điện, đường dây dẫn điện, máng cáp và tủ điện.
Trước khi hiệu chỉnh, dải đo áp suất có thể được thay đổi để phù hợp tốt hơn với quy trình. Tuy nhiên, độ nhạy với sự dao động nhiệt độ xung quanh có thể tăng khiến dải đo áp suất này bị thay đổi.
Các điểm hiệu chỉnh bổ sung không bắt buộc sẽ làm tăng độ chính xác. Trong suốt quá trình hiệu chỉnh, điểm đo nên được tiếp cận theo cách thức tăng hoặc giảm để tối thiểu các ảnh hưởng độ trễ.
Một số thiết bị đo áp suất cho phép người dùng thay đổi dải đo áp suất một lần nữa sau khi thiết bị đo áp suất này được lắp đặt. Thiết bị đo áp suất này phải được hiệu chỉnh ở mỗi dải để sử dụng trong suốt thời gian hiệu chỉnh.
Khu vực dành riêng cho các quá trình hơi và nước, dữ liệu đọc từ tất cả các thiết bị đo áp suất tĩnh và bất kỳ thiết bị đo chênh áp nào có đầu kết nối ở các độ cao khác nhau (chẳng hạn như trên các phần tử dòng thẳng đứng) phải được điều chỉnh để tính đến độ cao của cột nước.
Việc điều chỉnh này sẽ được áp dụng ở thiết bị đo áp suất, hệ thống điều khiển tự động hoặc hệ thống thu thập dữ liệu bằng tay sau khi dữ liệu thô được đã thu thập, cần phải cẩn thận để đảm bảo việc điều chỉnh này được áp dụng đúng cách, đặc biệt là ở áp suất tĩnh thấp, và chỉ được áp dụng một lần duy nhất.
4.2.2 Độ không đảm bảo yêu cầu
Độ không đảm bảo yêu cầu phụ thuộc vào loại tham số và biến số đo. Tham khảo điều 4.1.2 2 và 4.1.2.3 để thảo luận về phản loại phép đo và phân loại thiết bị đo.
Các tham số và biến số sơ cấp cấp 1 phải dùng các thiết bị đo áp suất có cấp chính xác 0,1% hoặc tương đương để tổng độ không đảm bảo của thiết bị đo áp suất là ± 0,3% hoặc tốt hơn trong khoảng đo kiểm định. Áp suất khí quyển phải được đo bằng thiết bị đo áp suất có tổng độ không đảm bảo là ± 0,1% hoặc tốt hơn trong khoáng đo kiểm định.
Các tham số và biến số sơ cấp cấp 2 phải dùng các thiết bị đo áp suất có cấp chính xác 0,25% hoặc tương đương tổng độ không đảm bảo của thiết bị đo áp suất là ± 0,5% hoặc tốt hơn trong khoảng đo kiểm định. Các thông số và biến số thứ cấp có thể dùng bất kỳ loại thiết bị đo áp suất nào hoặc các thiết bị tương đương.
4.2.3 Khuyến nghị các thiết bị đo áp suất
Thiết bị đo áp suất là các thiết bị đo được đề xuất. Có ba loại thiết bị đo áp suất được cân nhắc để ứng dụng là thiết bị đo áp suất tuyệt đối, thiết bị đo áp suất quy chuẩn và thiết bị đo chênh áp.
4.2.3.1 Thiết bị đo áp suất tuyệt đối
(a) Ứng dụng. Thiết bị đo áp suất tuyệt đối dùng để đo áp suất từ độ không tuyệt đối. Thiết bị đo áp suất tuyệt đối nên được sử dụng trên tất cả vị trí đo với áp suất tương đương hoặc nhỏ hơn khí quyển. Thiết bị đo áp suất tuyệt đối cũng có thể được sử dụng để đo áp suất lớn hơn áp suất khí quyển.
(b) Hiệu chỉnh. Thiết bị đo áp suất tuyệt đối có thể được hiệu chỉnh bằng một trong hai phương pháp. Phương pháp thứ nhất cần đấu nối thiết bị kiểm tra với một thiết bị tạo chân không chính xác theo từng cấp mong muốn. Thiết bị có thể là một áp kế pít tông trong một chuông thủy tinh có áp suất bằng không hay một bơm pít tông mà đầu hút tạo chân không bằng không.
Phương pháp hiệu chỉnh thứ hai là tạo và giữ chân không không đổi trong một buồng chân không bằng việc sử dụng thiết bị hút tạo chân không và kiểm soát chân không. Thiết bị hiệu chỉnh và thiết bị được hiệu chỉnh đều được đấu nối với buồng chân không. Buồng chân không phải duy trì chân không không đổi trong quá trình hiệu chỉnh của thiết bị. Các thiết bị khác có thể sử dụng để hiệu chỉnh thiết bị đo áp suất tuyệt đối nhưng với điều kiện là phải thực hiện cùng một cấp chính xác.
4.2.3.2 Thiết bị đo áp suất dư
(a) Ứng dụng: Thiết bị đo áp suất dư dùng để đo áp suất từ áp suất khí quyển. Áp suất dư bằng áp suất tuyệt đối trừ đi áp suất khí quyển tại vị trí thí nghiệm.
![]()
Áp suất khí quyển tại vị trí thí nghiệm này nên đo bằng thiết bị đo áp suất tuyệt đối. Thiết bị đo áp suất dư chỉ có thể được sử dụng để đo áp suất ở những vùng có áp suất cao hơn áp suất khí quyển. Thiết bị đo áp suất dư được ưa chuộng hơn thiết bị đo áp suất tuyệt đối khi sử dụng đo ở những nơi có áp suất cao hơn áp suất khí quyển vì chúng dễ hiệu chỉnh hơn.
(b) Hiệu chuẩn: Cảm biến áp suất có thể được hiệu chuẩn bằng một áp kế pít tông chính xác. Áp suất được tạo ra bởi trọng lượng so sánh của áp kế pittong phải được hiệu chỉnh theo trọng trường tại địa phương, lực đẩy của không khí, sức căng bề mặt của pít tông, độ lệch diện tích pít tông khối lượng thực tế của trọng lượng, diện tích thực của pít tông và nhiệt độ môi trường làm việc. Nếu các hiệu chỉnh trên không được sử dụng, áp suất tạo ra từ áp kế pít tông có thể không chính xác. Diện tích thực của pít tông và khối lượng trọng lượng được xác định cho mỗi lần áp kế pittong được hiệu chuẩn. Các thiết bị khác có thể được sử dụng để hiệu chuẩn áp kế nhưng với điều kiện là phải thực hiện cùng một cấp chính xác.
4.2.3.3 Áp kế chênh áp
(a) Ứng dụng. Áp kế chênh áp thường được áp dụng khi đo lưu lượng bằng thiết bị đo theo độ chênh áp, hoặc khi phải xác định mức độ giảm áp suất trong ống dẫn hoặc đường ống và việc định tuyến ống áp suất là thực tế.
(b) Hiệu chỉnh. Áp kế chênh áp sử dụng để xác định các tham số và biến số sơ cấp cấp 1 phải được hiệu chỉnh ở đường áp suất tĩnh trừ khi có thông tin chi tiết về ảnh hưởng của áp suất của đường áp suất tĩnh lên độ chính xác của thiết bị chứng tỏ tuân thủ các yêu cầu về độ không đảm bảo của điều 4.2.2. Việc hiệu chỉnh ở đường áp suất tĩnh được thực hiện bằng cách tạo áp lực thực lên thiết bị được kiểm định. Các hiệu chỉnh ở đường áp suất tĩnh có thể được thực hiện bằng một trong các ba phương pháp sau:
(1) hai áp kế pít tông có độ chính xác cao;
(2) kết hợp một áp kế pít tông và thiết bị chia;
(3) một áp kế pít tông và một áp kế chênh áp tiêu chuẩn.
Áp kế chênh áp sử dụng để xác định tham số và biến số sơ cấp cấp 2 hoặc các tham số và biến số thứ cấp không cần hiệu chỉnh tại áp suất tĩnh trên đường ống mà có thể được hiệu chỉnh bằng một áp kế pít tông chính xác kết nối với phía áp suất cao của thiết bị.
Nếu không sử dụng phương pháp hiệu chuẩn áp suất tĩnh trên đường ống, thì cần phải điều chỉnh khoảng đo để bù cho sự thay đổi áp suất tĩnh cao trên đường ống, trừ khi thiết bị đã được bù trừ nội bộ cho ảnh hưởng này. Khi thiết bị đã được lắp đặt tại hiện trường, độ chênh áp từ nguồn phải được cân bằng, và giá trị đọc được tại điểm không cần được ghi lại. Sai lệch tại điểm không này phải được trừ khỏi giá trị áp suất vi sai đo được trong quá trình kiểm tra. Các thiết bị khác cũng có thể được sử dụng để hiệu chuẩn áp kế chênh áp, miễn là đảm bảo cùng một mức chính xác khi thực hiện.
4.2.4 Đo áp suất tuyệt đối
4.2.4.1 Giới thiệu
Đo áp suất tuyệt đối là đo các áp suất thấp hơn hoặc cao hơn áp suất khí quyển. Thiết bị đo áp suất tuyệt đối nên được sử dụng đo loại áp suất này. Việc đo áp suất tuyệt đối cụ thể trong thí nghiệm có thể bao gồm áp suất khí quyển và áp suất bình ngưng.
Áp kế chênh áp cũng có thể sử dụng để đo áp suất chân không bằng cách sử dụng đầu “thấp” của thiết bị này kết nối với nguồn đo một cách chính xác để nhận kết quả âm do bị trừ từ áp suất khí quyển để có giá trị tuyệt đối. Phương pháp này có thể được sử dụng nhưng không được khuyến khích cho các tham số và biến số sơ cấp cấp 1 vì những phép đo này thường nhỏ và sự chênh lệch giữa hai số lớn có thể là nguyên nhân sai số.
4.2.4.2 Lắp đặt
Thiết bị đo áp suất tuyệt đối được sử dụng cho các phép đo áp suất tuyệt đối nên phải được lắp đặt tại một vị trí cố định để giảm thiểu ảnh hưởng liên quan đến nhiệt độ môi trường xung quanh, độ rung, va chạm máy móc, chất ăn mòn và RFI. Thiết bị này phải được lắp đặt theo cùng một hướng như lúc hiệu chuẩn. Nếu thiết bị này gắn tại vị trí khác so với hiệu chuẩn, điểm 0 có thể dịch chuyển một lượng bằng nhánh lưu chất do vị trí lắp khác nhau gây ra. Các yêu cầu về ống xung lực và lắp đặt phải tuân theo thông số kỹ thuật của nhà sản xuất. Nhìn chung, các hướng dẫn sau đây nên được sử dụng để xác định vị trí thiết bị đo và vị trí của ống xung lực:
(a) Giữ ống xung lực càng ngắn càng tốt;
(b) Độ dốc ống xung lực ít nhất 8 cm/m hướng thiết bị đo lên tới sự kết nối quá trình đối với lưu chất;
(c) Độ dốc của ống xung ít nhất 8 cm/m hướng thiết bị đo xuống kết nối quá trình đối với khí;
(d) Tránh các điểm cao của đường lỏng và các điểm thấp của đường khí;
(e) Sử dụng ống xung đủ lớn để không bị ảnh hưởng do ma sát và ngăn chặn sự tắc nghẽn;
(f) Giữ cho lưu chất trong quá trình ăn mòn hoặc nhiệt độ cao không tiếp xúc trực tiếp với cảm biến và mặt bích.
Trong hệ thống hơi, đường ống tín hiệu phải kéo dài ít nhất 0,61 m theo chiều ngang từ nguồn trước khi bắt đầu độ dốc. Chiều dài ngang này sẽ cho phép sự ngưng tụ hoàn toàn để hình thành độ dốc với đầy lưu chất lỏng.
Nhánh là chất lỏng ngưng tụ trong đường ống tín hiệu. Chất lỏng này gây ra cột áp tĩnh đường ống tín hiệu. Cột áp tĩnh này phải được trừ từ phép đo áp suất. Cột áp tĩnh được tính toán bằng cách nhân chiều cao của đường ống tín hiệu theo trọng lực và khối lượng riêng của chất lỏng trong đường ống tín hiệu.
Tất cả các đường ống tín hiệu đo chân không phải dốc liên tục hướng từ nguồn lên đến thiết bị. Tiêu chuẩn khuyến nghị hệ thống lọc phải được sử dụng để cô lập khí lọc trong quá trình đo. Hệ thống lọc liên tục có thể sử dụng; tuy nhiên, hệ thống này cần phải có quy định để không ảnh hưởng đến việc đọc dữ liệu. Trước giai đoạn thí nghiệm, các dữ liệu đọc từ thiết bị lọc cần được thực hiện liên tiếp kể cả khi bật và tắt chế độ lọc để chứng minh không khí lọc không ảnh hưởng.
Mỗi thiết bị đo áp suất phải được lắp đặt với một van cách ly ở điểm cuối đường ống tín hiệu lên của thiết bị. Đường ống tín hiệu đo được thông hơi với nước sạch (trong hệ thống hơi) trước khi thiết bị này được lắp đặt. Điều này hiến các cặn và mảnh vụn không có trong đường ống tín hiệu. Sau khi lắp đặt xong, cần chờ đủ thời gian để lưu chất điền đầy đường ống thì kết quả đọc mới chính xác.
Sau khi thiết bị đo được kết nối với quá trình, kiểm tra rò rỉ phải được tiến hành. Đối với các phép đo chân không, kiểm tra rò rỉ được thực hiện bằng cách cô lập hệ thống lọc đầu tiên sau đó đến nguồn. Nếu đường ống tín hiệu không có rò rỉ, việc đọc dữ liệu đo sẽ không thay đổi. Đối với các phép đo không phải đo chân không, sử dụng lưu chất phát hiện rò rỉ trên phụ kiện ống xung lực để kiểm tra rò rỉ.
Các thiết bị đo áp suất khí quyển nên được lắp đặt trong cùng một khu vực chung và ở cùng một độ cao chung đại diện nhất của đường bao thí nghiệm và giảm thiểu độ không đảm bảo thí nghiệm.
4.2.5 Đo áp suất dư
4.2.5.1 Giới thiệu. Đo áp suất dư là các phép đo áp suất bằng hoặc cao hơn áp suất khí quyển. Các phép đo này có thể được thực hiện bằng thiết bị đo áp suất dư hoặc áp suất tuyệt đối. Khuyến khích sử dụng thiết bị đo áp suất vì thiết bị này dễ dàng hơn trong việc hiệu chuẩn và trong việc kiểm tra tại chỗ. Các phép đo áp suất quy chuẩn thông dụng trong thí nghiệm bao gồm áp suất nhiên liệu khí và áp suất trao đổi quá trình. Khi sử dụng với các phép đo áp suất thấp cần phải thận trọng vì chúng có thể đi vào vùng chân không khi hoạt động tải thấp.
4.2.5.2 Lắp đặt. Thiết bị đo áp suất quy chuẩn sử dụng đo áp suất dư phải được lắp đặt tại một vị trí ổn định để giảm thiểu các tác động liên quan với nhiệt độ môi trường xung quanh, rung động, va đập cơ khí, chất ăn mòn và RFI. Thiết bị này được lắp đặt cùng một hướng như lúc hiệu chuẩn. Nếu thiết bị này gắn tại vị trí khác so với hiệu chuẩn, điểm 0 có thể dịch chuyển một lượng bằng cột chất lỏng do vị trí lắp khác nhau gây ra. Các yêu cầu về lắp đặt và ống xung lực phải tuân theo thông số kỹ thuật của nhà sản xuất. Nhìn chung, những hướng dẫn dưới đây nên được sử dụng để xác định vị trí của thiết bị đo và vị trí của ống xung lực:
(a) Giữ ống xung càng ngắn càng tốt;
(b) Độ dốc ống xung lực ít nhất 8 cm/m hướng thiết bị đo lên phía kết nối quá trình đối với chất lỏng;
(c) Độ dốc của ống xung ít nhất 8 cm/m hướng thiết bị đo xuống kết nối quá trình đối với khí;
(d) Tránh các điểm cao của đường lỏng và các điểm thấp của đường khí;
(e) Sử dụng ống xung đủ lớn để không bị ảnh hưởng do ma sát và ngăn chặn sự tắc nghẽn;
(f) Giữ cho lưu chất trong quá trình ăn mòn hoặc nhiệt độ cao không tiếp xúc trực tiếp với cảm biến và mặt bích.
Trong hơi, đường ống tín hiệu phải kéo dài ở ít nhất 0,61 m theo chiều ngang từ nguồn trước khi bắt đầu độ dốc. Chiều dài ngang này sẽ cho phép sự ngưng tụ hoàn toàn để hình thành độ dốc với đầy chất lỏng.
Cột nước là lưu chất lỏng ngưng tụ hoặc nước trong đường ống tín hiệu. Lưu chất lỏng này gây ra cột áp tĩnh để phát triển đường ống tín hiệu. Cột áp tĩnh này phải được trừ từ phép đo áp suất. Cột áp tĩnh được tính toán bằng cách nhân chiều cao của đường ống tín hiệu theo trọng lực và khối lượng riêng của lưu chất lỏng trong đường ống tín hiệu.
Mỗi thiết bị đo áp suất phải được lắp đặt với một van cách ly ở điểm cuối đường ống tín hiệu lên của thiết bị. Đường ống tín hiệu đo được thông với nước sạch hoặc hơi (trong hệ thống hơi) trước khi thiết bị này lắp đặt. Điều này khiến cặn và mảnh vụn không còn trong đường ống tín hiệu. Sau khi lắp đặt, cần chờ đủ thời gian để lưu chất lỏng làm đầy đường ống thì kết quả đọc mới chính xác.
Sau khi thiết bị này được kết nối với quy trình, tiến hành kiểm tra rò rỉ. Sử dụng lưu chất lỏng phát hiện rò rỉ trên phụ kiện ống xung lực để kiểm tra rò rỉ.
4.2.6 Phép đo độ chênh áp suất
4.2.6.1 Giới thiệu
Được sử dụng để xác định sự chênh lệch của áp suất tĩnh tại các đầu đo áp trong phần tử đo sơ cấp. Áp kế chênh áp nên được sử dụng cho các phép đo này. Các phép đo chênh áp thông thường có thể bao gồm chênh áp của nhiên liệu khí hoặc dòng quá trình trở về thông qua một phần tử đo lưu lượng hoặc tổn thất áp suất trong đường ống hoặc vòi đốt bổ sung. Các thiết bị đo chênh áp đo chênh lệch áp suất hoặc mức độ giảm áp suất được sử dụng để tính toán lưu lượng lưu chất lỏng.
4.2.6.2 Lắp đặt
Thiết bị đo chênh áp được sử dụng để đo độ chênh lệch áp suất phải được lắp đặt ở một vị trí ổn định để giảm thiểu ảnh hưởng liên quan đến nhiệt độ môi trường xung quanh, rung động, va chạm cơ khí, chất ăn mòn và RFI. Thiết bị này phải được lắp đặt theo cùng một hướng thông qua hiệu chuẩn. Nếu thiết bị này gắn tại vị trí khác so với hiệu chuẩn, điểm 0 có thể dịch chuyển một lượng bằng cột lưu chất lỏng do vị trí lắp khác nhau gây ra. Các yêu cầu về lắp đặt và ống xung lực phải tuân theo thông số kỹ thuật của nhà sản xuất. Nhìn chung, những hướng dẫn dưới đây nên được sử dụng để xác định vị trí của thiết bị đo và vị trí của ống xung lực:
(a) Giữ ống xung càng ngắn càng tốt;
(b) Độ dốc ống xung lực ít nhất 8cm/m hướng thiết bị đo lên kết nối quá trình đối với lưu chất lỏng;
(c) Độ dốc của ống xung ít nhất 8cm/m hướng thiết bị đo xuống kết nối quá trình đối với khí;
(d) Tránh các điểm cao của đường ống lưu chất lỏng và các điểm thấp của đường ống chất khí;
(e) Đảm bảo cả hai nhánh xung lực ở cùng một nhiệt độ;
(f) Khi sử dụng bịt kín lưu chất lỏng, đổ đầy cả hai nhánh xung lực đến cùng một mức;
(g) Sử dụng ống xung động đủ lớn để không bị ảnh hưởng của tránh ma sát và ngăn chặn sự tắc nghẽn;
(h) Giữ chất lỏng ăn mòn hoặc nhiệt độ cao không tiếp xúc trực tiếp cảm biến và mặt bích;

Trong hệ thống hơi, đường ống tín hiệu cần kéo dài đoạn nằm ngang ít nhất là 0,61 m từ nguồn đo trước khi dốc xuống về điểm ban đầu. Chiều dài nằm ngang này sẽ cho phép sự ngưng tụ hoàn toàn để hình thành nên đường dốc xuống với đầy lưu chất lỏng.
Mỗi thiết bị đo phải được lắp đặt với một van cách ly ở cuối đường ống tín hiệu dòng trên của thiết bị. Các đường ống tín hiệu của thiết bị phải được thông hơi với nước sạch hoặc hơi (trong hệ thống hơi) trước khi thiết bị được lắp đặt. Điều này khiến các cặn và mảnh vụn không có trong đường ống tín hiệu. Sau khi lắp đặt xong, cần chờ đủ thời gian để lưu chất lỏng điền đầy đường ống thì kết quả đọc mới chính xác.
Thiết bị đo chênh áp nên được lắp đặt sử dụng một Bộ phận phối 5 đầu, như chỉ ra trong Hình 5. Bộ phận phối 5 đầu này được đề xuất sử dụng nhiều hơn Bộ phận phối 3 đầu vì Bộ phận phối 5 đầu loại bỏ khả năng rò rỉ qua van cân bằng. Van xả hoạt động giúp phát hiện rò rỉ tại các van cân bằng.
Khi thiết bị này được kết nối với quá trình, phải tiến hành kiểm tra rò rỉ. Việc kiểm tra rò rỉ được thực hiện để phát hiện rò rỉ trên phụ kiện ống xung lực.
Khi thiết bị đo chênh áp được lắp đặt trên phần tử lưu lượng nằm trong đường hơi hoặc nước thẳng đứng thì phép đo phải được hiệu chuẩn cho sự chênh lệch do chiều cao đường ống tín hiệu và nhánh lưu chất lỏng thay đổi trừ khi đường ống tín hiệu phía trên được lắp đặt để cản đường hơi hoặc đường nước bên trong lớp cách nhiệt hướng xuống nơi thấp hơn đường tín hiệu nhô ra khỏi lớp cách nhiệt. Việc hiệu chuẩn trong trường hợp không có cách nhiệt được chỉ ra trong Hình 5. Xem Bảng 7 để biết đơn vị và hệ số chuyển đổi.

4.3 Đo nhiệt độ
4.3.1 Giới thiệu
Phần này trình bày các yêu cầu và hướng dẫn để đo nhiệt độ. Phần này cũng thảo luận về thiết bị đo nhiệt độ, và cách thức sử dụng các thiết bị đo nhiệt độ, hiệu chuẩn các thiết bị đo nhiệt độ. Thiết bị đo nhiệt độ điện tử nên được sử dụng cho các phép đo sơ cấp để giảm thiểu sai số hệ thống và ngẫu nhiên. Các yếu tố ảnh hưởng đến độ không đảm bảo của nhiệt độ bao gồm, nhưng không giới hạn, độ ổn định, môi trường, tự tỏa nhiệt, điện trở bên trong, điện áp bên trong, độ phân giải, độ lặp lại, trễ, rung, thời gian khởi động, nhúng hoặc dẫn, bức xạ, động, thay đổi không gian và thu thập dữ liệu.
Công nghệ đo nhiệt độ thay đổi liên tục theo thời gian nên Tiêu chuẩn này không giới hạn việc sử dụng thiết bị đo nhiệt độ khác mà hiện nay chưa có hoặc chưa đạt tiêu chuẩn. Nếu một thiết bị có sẵn và chứng minh được độ không đảm bảo bắt buộc và độ tin cậy thì thiết bị đo này có thể được sử dụng.
Tất cả các cáp tín hiệu phải được bọc cách điện để tránh ảnh hưởng từ trường và điện cảm của các thiết bị ở gần. Tất cả các loại cáp tín hiệu này phải được đặt cách xa các thiết bị EMF (có từ trường mạnh) như động cơ, máy phát điện, ống bọc dây điện, máng cáp và tủ điện.
4.3.2 Độ không đảm bảo bắt buộc
Độ không đảm bảo bắt buộc phụ thuộc vào loại tham số và biến số được đo. Tham khảo điều 4.1.2.2 và 4.1.2.3 về phân loại các phép đo và phân loại thiết bị, tương ứng.
Các tham số và biến số sơ cấp cấp 1 phải là được xác định với các thiết bị đo nhiệt độ có độ không đảm bảo hệ thống nhỏ hơn ± 0,28°C đối với nhiệt độ cần đo nhỏ hơn 93°C và không quá ± 0,56°C đối với nhiệt độ nhiệt độ đo lớn hơn 93°C.
Các tham số và biến số sơ cấp cấp 2 phải là được xác định với các thiết bị đo nhiệt độ có độ không đảm bảo hệ thống không quá ± 1,7°C.
Các tham số và biến số thứ cấp phải được xác định với các thiết bị đo nhiệt độ có độ không đảm bảo hệ thống không quá ± 3,9°C.
Các giới hạn độ không đảm bảo bên trên loại trừ bất kỳ ảnh hưởng của độ không đảm bảo có gradient không gian theo nhiệt độ được coi là có tính hệ thống.
4.3.3 Thiết bị đo nhiệt độ đề xuất
Đề xuất sử dụng cặp nhiệt, nhiệt kế điện trở bán dẫn và nhiệt kế điện trở để đo nhiệt độ. Các yếu tố kinh tế, ứng dụng và độ không đảm bảo cần được xem xét trong việc lựa chọn thiết bị đo nhiệt độ thích hợp nhất.
4.3.3.1 Cặp nhiệt. Cặp nhiệt có thể được sử dụng để đo nhiệt độ của bất kỳ lưu chất nào trên 93°C. Nhiệt độ tối đa phụ thuộc vào loại cặp nhiệt và vật liệu cách nhiệt được sử dụng. Cặp nhiệt không nên được sử dụng cho các phép đo dưới 93°C. Cặp nhiệt là thiết bị loại vi sai. Cặp nhiệt đo sự chênh lệch giữa vị trí đo được đề cập và nhiệt độ tham chiếu. Sự khác biệt này càng lớn, EMF đo được từ cặp nhiệt càng cao. Vì thế, dưới 93°C EMF trở nên thấp và chịu tiếng ồn làm tăng độ không đảm bảo và tính không chính xác của hệ thống.
Các lỗi đo liên quan đến cặp nhiệt điện thường bắt nguồn từ các nguồn chính sau:
a) Kết nối các điểm chuyển tiếp;
b) Hiệu chuẩn dây cặp nhiệt;
c) Trở kháng ngắn mạch;
d) Tác dụng điện;
e) Điều chỉnh nhiệt độ;
f) Dòng ồn và dòng rò;
g) Thông số kỹ thuật của cặp nhiệt.
"Cặp nhiệt sẽ hiển thị EMF được tạo từ các dây đồng đều sẽ là một hàm chênh nhiệt độ giữa phép đo và giao lộ tham chiếu. Tuy nhiên, nếu các dây này không đồng đều, và sự không đồng đều này lại ở một khu vực có gradient nhiệt độ, EMF bên ngoài sẽ xuất hiện và đầu ra của cặp nhiệt sẽ phụ thuộc vào các yếu tố liên quan đến sự chênh nhiệt độ giữa hai điểm nối này. Do đó, tỉnh Đồng đều của cặp dây nhiệt là nhân tố quan trọng ảnh hưởng đến độ chính xác phép đo.”[1]

Bảng 7 - Đơn vị và Hệ số chuyển đổi cho việc hiệu chuẩn cột nước để đo lưu lượng
| Độ cao, mật độ lưu chất và độ chênh áp | Giá trị hằng số | ||||
| Ap | p | g | ∆z | Hằng số tỷ lệ, gc | Hằng số chuyển đổi đơn vị, n |
| Pa |
|
| m | gc = 1,0 Không thứ nguyên | n = 1,0 Không thứ nguyên |
| CHÚ THÍCH CHUNG: g là gia tốc trọng trường, m/s2 cho một nguồn được thừa nhận, hoặc được dự báo như: g = m/s2 = 9,80616 x {1 - 0,0026373 x cos(2 x vĩ độ x π/180) + 0,0000059 x [cos2(2 x vĩ độ x π/180)]} - 0,000003086 x cao độ theo mét CHÚ THÍCH: (1) N ≡ kg-m/s2 và Pa = N/m2. Do đó, Pa = kg/m-s.2 | |||||
“Tất cả các cặp nhiệt kim loại cơ bản sẽ không đồng đều khi sử dụng ở nhiệt độ cao, tuy nhiên, nếu tất cả phần không đồng đều của các dây cặp nhiệt ở trong cùng một vùng có nhiệt độ đồng đều, thì phần không đồng đều không ảnh hưởng đến chỉ số đọc của cặp nhiệt. Do đó, sự gia tăng về độ ngập của cặp nhiệt điện ảnh hưởng đến phần dây của cặp nhiệt chưa được làm nóng trước đó vào khu vực gradient nhiệt độ, và do đó, chỉ số đọc của cặp nhiệt sẽ phù hợp với mối liên hệ nhiệt độ EMF gốc, sự gia tăng độ ngập của cặp nhiệt độ này đủ để đưa tất cả các phần dây này vào vùng có nhiệt độ đồng đều. Nếu độ ngập giảm xuống, phần không đồng đều của dây sẽ nhiều hơn và sẽ được đưa vào vùng gradient nhiệt độ, do đó làm phát sinh sự thay đổi của EMF chỉ định. Hơn nữa, sự thay đổi về sự phân bổ nhiệt độ dọc theo các phần không đồng đều của dây gần sẽ xảy ra khi một cặp nhiệt tháo ra khỏi nơi lắp đặt và được lắp đặt tại nơi khác, mặc dù việc ngập và nhiệt độ của đường nối có kết quả giống nhau trong cả hai trường hợp. Do EMF chỉ định đã bị thay đổi.”[2]
Các phần tử của một cặp nhiệt phải được cách điện với nhau, với mặt đất và với dây dẫn mà chúng có thể được gắn vào, ngoại trừ ở điểm nối đo. Khi một cặp nhiệt được gắn dọc một dây dẫn, chẳng hạn như một đường ống hoặc cấu trúc kim loại, đặc biệt nên cẩn thận để đảm bảo cách điện tốt nhất giữa dây của cặp nhiệt và dây dẫn để ngăn dòng điện rò rỉ trong dây dẫn đi vào mạch của cặp nhiệt và làm sai lệch các kết quả đọc. Dòng điện rò rỉ có thể được giảm hơn nữa khi sử dụng công nghệ tích hợp kỹ thuật chuyển đổi tương tự sang số (analog to digital (A/D)) được bảo vệ. Hơn nữa, để giảm khả năng nhiễu gây ra từ tính, các dây của cặp nhiệt phải được nối theo cấu trúc xoắn đồng đều.
Khi cặp nhiệt điện được gắn dọc theo dây dẫn, chẳng hạn như đường ống hoặc kết cấu kim loại, cần đặc biệt cẩn thận để đảm bảo cách điện tốt giữa dây dẫn của cặp nhiệt điện và dây dẫn để ngăn dòng điện rò rỉ trong dây dẫn đi vào mạch của cặp nhiệt điện và làm sai lệch kết quả đọc
Cặp nhiệt dễ bị trượt sau những chu kỳ đo. Chu kỳ đo là hoạt động để cặp nhiệt độ tiếp xúc với nhiệt độ quá trình và loại bỏ điều kiện môi trường xung quanh, số chu kỳ đo của một cặp nhiệt phải được giữ ở mức tối thiểu.
Cặp nhiệt có thể được sử dụng một cách hiệu quả trong các khu vực có độ rung cao như hơi cao áp đầu vào tua bin hơi. Các vị trí đo có độ rung cao có thể không có lợi cho các thiết bị đo khác. Tiêu chuẩn này khuyến nghị rằng EMF/10 cao nhất được sử dụng trong tất cả các ứng dụng. NIST đã khuyến nghị phạm vi nhiệt độ cho từng loại cặp nhiệt cụ thể.
4.3.3.1.1 Các tham số sơ cấp cấp 1
Các cặp nhiệt sử dụng đo các thông số sơ cấp cấp 1 phải có dây dẫn liên tục từ nút đo đến kết nối trên nút tham chiếu. Những cặp nhiệt có độ chính xác cao phải có một điểm tham chiếu ở 0°C hoặc nút tham chiếu môi trường được cách nhiệt và hiệu chuẩn tốt.
4.3.3.1.2 Các tham số sơ cấp cấp 2
Các cặp nhiệt sử dụng đo các thông số sơ cấp cấp 2 phải có các mối nối với dây tín hiệu. Điểm nối của hai dây tín hiệu này phải được duy trì ở cùng một nhiệt độ. Điểm nối tham chiếu có thể ở nhiệt độ môi trường với điều kiện môi trường xung quanh được đo và các phép được bù khi thay đổi nhiệt độ điểm nối tham chiếu.
4.3.3.1.3 Nút tham chiếu
Nhiệt độ của nút tham chiếu phải được đo chính xác thông qua công nghệ bù phần mềm hoặc phần cứng. Độ chính xác kết quả đo nhiệt độ tại nút không được lớn hơn độ chính xác của nhiệt độ tại nút tham chiếu. Nhiệt độ tại nút tham chiếu phải được giữ ở điểm băng hoặc ở nhiệt độ phải ổn định tại điểm tham chiếu đẳng nhiệt. Khi các nút tham chiếu của cặp nhiệt nhúng trong một bồn nước đá, bao gồm kết hợp tan chảy, đá bào và nước[3] thì bầu nhiệt kế chính xác phải được nhúng ở cùng một mức với các nút tham chiếu và liên hệ với chúng. Bất kỳ sai lệch nào so với điểm băng phải được hiệu chuẩn ngay lập tức. Mỗi nút tham chiếu phải được cách điện. Khi phương pháp nút tham chiếu đẳng nhiệt-lạnh được sử dụng, nút tham chiếu này phải sử dụng phép đo nhiệt độ chính xác của bộ góp tham chiếu. Khi sử dụng các tham chiếu theo dõi tự động, các nút tham chiếu này có khả năng kiểm soát nhiệt độ tham chiếu trong phạm vi ± 0,03°C. Đặc biệt phải chú ý đến các thiết bị đầu cuối của bất kỳ nút tham chiếu nào vì lỗi có thể xảy ra khi thay đổi nhiệt độ, thay đổi các thành phần của vật liệu hoặc do lỗi dây cặp nhiệt. Thông qua hiệu chuẩn, hệ thống tham chiếu tổng thể được kiểm định để độ không đảm bảo nhỏ hơn ± 0,1°C. Các khối tham chiếu đẳng nhiệt của cặp nhiệt này được trang bị như một phần của hệ thống kỹ thuật số có thể được sử dụng theo tiêu chuẩn này với điều kiện độ chính xác tương đương với nút tham chiếu điện tử. Hệ thống thu thập dữ liệu thương mại sử dụng một nút tham chiếu đã đo và độ chính xác của phép đo này kết hợp với thông số kỹ thuật của nhà sản xuất cho thiết bị. Độ không đảm bảo của nút tham chiếu phải bao gồm trong tính toán độ không đảm bảo của phép đo để xác định nếu phép đo này đáp ứng các tiêu chuẩn của Bộ tiêu chuẩn này.
4.3.3.1.4 Đo tín hiệu cặp nhiệt
Ngày nay, nhiều thiết bị được sử dụng để đo điện áp đầu ra. Việc sử dụng từng thiết bị trong một hệ thống để xác định nhiệt độ yêu cầu thì các thiết bị này phải đáp ứng các yêu cầu về độ không đảm bảo đối với tham số. Khuyến nghị sử dụng sự chuyển đổi tín hiệu cặp nhiệt thông qua thang đo nhiệt độ quốc tế của công nghệ phần mềm bù năm 1990 (ITS-90).
4.3.3.2 Nhiệt kế điện trở (RTD)
Nhiệt kế điện trở (RTD) chỉ sử dụng để đo dải nhiệt từ -270°C đến 850°C. ASTM E1137 cung cấp thông số kỹ thuật tiêu chuẩn cho nhiệt kế điện trở làm bằng bạch kim trong công nghiệp và bao gồm các yêu cầu về sản xuất, áp suất, độ rung và va chạm cơ học để cải thiện hiệu suất và tuổi thọ của các thiết bị này.

Hình 7 - Nhiệt kế điện trở bốn dây
Các lỗi đo liên quan đến RTD thường từ các nguồn chính sau:
(a) Tự nóng lên;
(b) Môi trường;
(c) Điều chỉnh nhiệt độ;
(d) EMF nhiệt;
(e) Tính ổn định;
(f) Độ nhúng.
Mặc dù RTD được coi là một thiết bị tuyến tính hơn là cặp nhiệt, do công nghệ sản xuất, các ứng dụng có độ rung dễ làm ảnh hưởng đến RTD. Do đó, cần phải xét đến sự ảnh hưởng đến độ ổn định của thiết bị thông qua việc kiểm tra các đặc tính kỹ thuật và tính áp dụng của RTD. Những kỹ thuật kiểm định tại nhà máy cần phải sử dụng để chứng minh sự ổn định thông qua các yêu cầu về độ không đảm bảo của điều 4.3.2.
4.3.3.2.1 Tham số sơ cấp cấp 1
Các tham số sơ cấp cấp 1 phải được đo bằng các RTD bạch kim bốn dây cấp A như được vẽ trong Hình 8. Các RTD ba dây chỉ được chấp nhận nếu chúng có thể đáp ứng các yêu cầu về độ không đảm bảo của Tiêu chuẩn này.
4.3.3.2.2 Tham số sơ cấp cấp 2
Các tham số sơ cấp cấp 2 phải được đo bằng các RTD bạch kim 3 dây cấp A như được vẽ trong Hình 8. Công nghệ bốn dây được ưu tiên hơn để giảm thiểu ảnh hưởng liên quan đến điện trở của dây dẫn do các dây này không giống nhau.
4.3.3.2.3 Đo tín hiệu RTD
Có rất nhiều thiết bị dùng để đo điện trở đầu ra. Các thiết bị sử dụng để xác định nhiệt độ yêu cầu cần phải đáp ứng yêu cầu về độ không đảm bảo của các tham số này.
4.3.3.3 Nhiệt kế điện trở bán dẫn
Nhiệt kế điện trở bán dẫn được chế tạo bằng vật liệu bán dẫn giống như gốm sứ có điện trở biến đổi nhạy cảm với nhiệt. Thiết bị này có thể được sử dụng cho bất kỳ phép đo nào dưới 149°C. Nếu các phép đo trên 149°C thì tín hiệu nhận được sẽ kém và nhạy với các lỗi do nhiễu tạo ra từ dòng điện. Mặc dù có sẵn các đơn vị hệ số nhiệt độ dương nhưng các nhiệt kế điện trở bán dẫn có hệ số nhiệt độ âm (Temperature coeficient (TC)); không giống như RTD, điện trở của nhiệt kế giảm đi khi nhiệt độ tăng. TC âm có thể lớn đến vài phần trăm cho mỗi độ C, cho phép nhiệt kế điện trở bán dẫn phát hiện những thay đổi rất nhỏ về nhiệt độ khi dây dẫn của nhiệt kế điện trở hoặc cặp nhiệt không quan sát được. Do đó, nhiệt kế điện trở bán dẫn được đặc trưng bởi tính cảm ứng trong khi cặp nhiệt là linh hoạt nhất và RTD ổn định nhất.

Sai số đo liên quan đến nhiệt kế điện trở bán dẫn cơ bản được lấy từ các nguồn chính sau:
(a) Tự nóng lên;
(b) Môi trường;
(c) Điều chỉnh nhiệt độ;
(d) Hiệu chuẩn;
(e) Tính ổn định;
(f) Độ nhúng.
Thông thường, phép đo điện trở bốn dây không cần thiết cho nhiệt kế điện trở bán dẫn cũng như cho các RTD để đo các thông số sơ cấp cấp 1 do độ cảm ứng cao. Do đó, điện trở dây dẫn đo được tạo ra lỗi lớn nhỏ hơn lỗi tương đương từ RTD. Tuy nhiên, trong trường hợp dây dẫn dài hoặc dây có điện trở cao được sử dụng mà không nằm trong hiệu chuẩn thì điện trở dây dẫn phải được bù trong quá trình đo. Nói chung, nhiệt kế điện trở bán dẫn dễ hỏng hơn RTD và cặp nhiệt và phải được lắp đặt và xử lý cẩn thận theo thông số kỹ thuật của nhà sản xuất để tránh bị phá nát hoặc điểm nối bị chia tách.
4.3.3.3.1 Đo tín hiệu nhiệt kế điện trở bán dẫn
Có nhiều thiết bị để đo điện trở đầu ra. Các thiết bị sử dụng để xác định nhiệt độ yêu cầu phải đáp ứng các yêu cầu về độ không đảm bảo đối với tham số.
4.3.4 Hiệu chuẩn các thiết bị đo nhiệt độ thông số sơ cấp
Tiêu chuẩn này khuyến nghị rằng các thiết bị đo thông số sơ cấp (Cấp 1 hoặc Cấp 2) sử dụng để đo nhiệt độ phải có quá trình hiệu chuẩn phù hợp (ba hoặc bốn bộ dữ liệu hiệu chuẩn). Quá trình hiệu chuẩn bao gồm cấp nhiệt độ của thiết bị đã thực hiện giữa các lần hiệu chuẩn. Một thiết bị sau khi sử dụng phải ổn định ở nhiệt độ thấp và có thể không ổn định ở nhiệt độ cao hơn. Do đó, quá trình hiệu chuẩn của thiết bị phải được đánh giá để chứng minh sự phù hợp các yêu cầu của tham số.
Trong suốt quá trình hiệu chuẩn bất kỳ cặp nhiệt nào, nút tham chiếu phải được giữ cố định, tốt nhất là ở điểm đóng băng với nút tham chiếu điện tử, nút tham chiếu đẳng nhiệt, hoặc trong bồn nước đá. Việc hiệu chuẩn sẽ được tiến hành trên phạm vi nhiệt độ của thiết bị
Hiệu chuẩn các thiết bị đo nhiệt độ được hoàn thành bằng cách đưa thiết bị đo nhiệt độ thích hợp vào trong môi trường hiệu chỉnh với chuẩn tham chiếu có xác nhận nguồn gốc. Loại môi trường hiệu chỉnh được chọn dựa trên phạm vi hiệu chỉnh được yêu cầu và thường bao gồm hoặc là thiết bị hiệu chỉnh khối, bể cát tầng sôi hoặc bể tuần hoàn. Sau đó, cài đặt nhiệt độ của môi trường hiệu chỉnh tới điểm cài đặt nhiệt độ hiệu chỉnh. Nhiệt độ của môi trường hiệu chỉnh phải ổn định cho đến khi nhiệt độ tiêu chuẩn này dao động thấp hơn độ chính xác của tiêu chuẩn này. Tín hiệu hoặc kết quả đọc từ tiêu chuẩn và từ thiết bị đo nhiệt độ phù hợp được lấy mẫu để xác định độ lệch của thiết bị nhiệt độ phù hợp.
4.3.5 Thang đo nhiệt độ
Thang đo nhiệt độ quốc tế năm 1990 (International Temperature Scale of 1990 (ITS-90)) được NIST hiện thực hóa và duy trì để cung cấp thang nhiệt độ tiêu chuẩn cho khoa học và công nghiệp ở Hoa Kỳ sử dụng.
Nhiệt độ trên ITS-90 có thể được biểu thị theo nhiệt độ quốc tế K, biểu thị qua ký hiệu T90 hoặc theo nhiệt độ quốc tế độ C, biểu thị qua ký hiệu t90. Giá trị T90 có đơn vị là K và giá trị t90 có đơn vị là °C. Mối quan hệ giữa T90 (K) và t90 (°C) là
![]()
ITS-90 được thiết kế sao cho các giá trị nhiệt độ trên nó gần đúng với các giá trị nhiệt độ nhiệt động lực học Kelvin. Nhiệt độ trên ITS-90 được xác định theo trạng thái cân bằng của các chất tinh khiết (điểm xác định), dụng cụ nội suy và phương trình liên quan đến đặc tính đo được với T90. Các trạng thái cân bằng xác định và các giá trị nhiệt độ được gán cho chúng được liệt kê trong NIST Technical Note 1265 và ASTM MNL 12.
4.3.6 Các ứng dụng điển hình
4.3.6.1 Đo nhiệt độ của lưu chất lỏng áp suất cao trong đường ống hoặc bồn chứa
Đo nhiệt độ của lưu chất lỏng trong đường ống hoặc bồn chứa được thực hiện bằng cách lắp đặt một ống bảo vệ (thermowell), ống bảo vệ là một thiết bị kín áp được nhúng vào lưu chất lỏng qua thành đường ống hoặc thành bể chứa để bảo vệ thiết bị đo nhiệt độ khỏi môi trường khắc nghiệt, áp suất cao và dòng chảy, ống bảo vệ có thể được lắp đặt vào một hệ thống qua ren, mối hàn, hoặc đầu nối bích và có lỗ khoan kéo dài đến gần đầu mút của thiết bị đo để tạo điều kiện nhúng ngập trong lớp môi chất đo.
Đo nhiệt độ của lưu chất áp suất cao trong đường ống hoặc tàu. Việc đo nhiệt độ của lưu chất trong đường ống hoặc bình chứa được thực hiện bằng cách lắp đặt một ống bảo vệ. Ống bảo vệ là một thiết bị kín áp suất nhô ra khỏi đường ống hoặc thành bình vào trong lưu chất để bảo vệ thiết bị đo nhiệt độ khỏi môi trường khắc nghiệt, áp suất cao và dòng chảy. Có thể lắp đặt ống bảo vệ vào hệ thống bằng mối nối ren, mối hàn ổ cắm hoặc mặt bích và có một lỗ khoan kéo dài đến gần đầu để tạo điều kiện cho thiết bị đo nhiệt độ được ngâm trong nước.
Lỗ khoan này phải có kích thước phù hợp với thiết bị đo nhiệt độ và bồn chứa. Thiết bị đo nhiệt độ thường bị cong, gây khó khăn cho việc đưa thiết bị vào.
Phần dưới lỗ khoan của ống bảo vệ phải có hình dạng giống như đầu mút của thiết bị đo nhiệt độ. Các ống và bồn chứa phải càng mỏng càng tốt, phù hợp với ứng suất an toàn và các yêu cầu của Tiêu chuẩn ASME, và mặt trong của ống phải sạch, khô và không bị ăn mòn hoặc ôxy hóa. Lỗ khoan phải được làm sạch bằng không khí áp suất cao trước khi đưa thiết bị vào.
Ống bảo vệ nên được lắp đặt sao cho đầu mút của ống cắm phải được ngập sâu vào trong lớp môi chất được đo. Trừ khi bị giới hạn bởi thiết kế, cảm biến nhiệt độ phải được ngâm trong lưu chất lỏng ở độ sâu ít nhất là 75mm nhưng không nhỏ hơn một phần tư đường kính ống. Nếu đường kính của đường ống nhỏ hơn 100mm thì cảm biến nhiệt độ phải được bố trí theo trục đường ống, bằng cách đưa thiết bị vào khủyu ống hoặc ống chữ T. Nếu không có các phụ kiện này, đường ống phải được sửa đổi để thực hiện việc đo. Ống bảo vệ nên được đặt trong khu vực nơi mà lưu chất được trộn đều và không chảy tầng. Nếu vị trí lắp đặt gần với đầu ra của lò hơi, tua bin, bình ngưng hoặc các thành phần khác của nhà máy nhiệt điện thì ống bảo vệ nên lắp phía sau cút nối của đường ống.
Nếu có nhiều ống bảo vệ được đặt tại một vị trí đường ống thì ống bảo vệ thứ hai nên đặt ở phía đối diện của đường ống và không nối trực tiếp với ống bảo vệ đầu tiên.
Khi lắp đặt thiết bị đo nhiệt độ thì phải “ấn chặt” để đảm bảo có tiếp xúc nhiệt dương giữa thiết bị đo nhiệt độ và ống bảo vệ.
Đối với các phép đo thông số sơ cấp cấp 1, một phần của ống bảo vệ hoặc nắp cách nhiệt nhô ra ngoài đường ống hoặc bể chứa nên được bọc cách nhiệt dọc theo thiết bị đo để giảm thiểu tổn thất do dẫn nhiệt.

Để đo nhiệt độ của hơi quá nhiệt được giảm ôn, vị trí của ống bảo vệ liên quan tới thiết bị phun nước giảm ôn phải được lựa chọn cẩn thận, ống bảo vệ phải được đặt ở vị trí mà nước giảm ôn được trộn đều với hơi. Có thể đạt được điều này bằng cách đặt ống bảo vệ ở phía sau của hai đoạn gấp khúc trong đường hơi qua điểm phun giảm ôn.
4.3.6.2 Đo nhiệt độ của lưu chất lỏng áp suất thấp trong đường ống hoặc bồn chứa
Để thay thế việc lắp đặt ống bảo vệ trong đường ống, nếu như môi chất cần đo ở áp suất thấp thì thiết bị đo nhiệt độ có thể được lắp đặt trực tiếp vào trong đường ống hoặc bồn chứa hoặc theo phương pháp “dòng chảy qua lỗ”.
Thiết bị đo nhiệt độ có thể đặt trực tiếp vào môi chất bằng cách sử dụng một vỏ bảo vệ tách ly áp lực. Vỏ bảo vệ này phải vừa khít để giữ chặt thiết bị đo. Bịt đầu bằng nhựa hay teflon được khuyên dùng để thiết bị có thể di chuyển một cách dễ dàng, sử dụng ở bất cứ nơi nào. Thiết bị đo phải được nhúng qua bề mặt của lưu chất. Thiết bị đo nhiệt độ không nên nhúng quá sâu vào trong lưu chất vì dòng chất lưu sẽ gây chấn động thiết bị đo. Nếu chất lưu là những chất khí nguy hiểm như khí tự nhiên hay propan thì cần kiểm tra rò rỉ ở đầu nối thiết bị đo.
Một dạng “dòng chảy qua lỗ” được trình bày trong Hình 9. Sơ đồ này chỉ được áp dụng cho hệ thống nước lạnh, nơi mà lưu chất không nguy hiểm và giá thành không quá đắt đỏ. Nguyên lý là cho môi chất chảy ra từ đường ống hoặc bồn chứa, đi qua đầu đo nhiệt độ.
4.3.6.3 Đo nhiệt độ của không khí và sản phẩm cháy.
Không khí (làm mát, đốt cháy, pha trộn,...) và các sản phẩm cháy (khói thải, khói lò,...) đi qua một đường ống, chịu sự biến đổi về không gian như vận tốc không đồng đều, thay đổi góc dòng chảy, nhiệt độ và thành phần. Đặc biệt, điều này đúng ở đầu vào của ống dẫn hoặc gần khu vực xáo trộn dòng chảy, chẳng hạn như chỗ ngoặt dòng, ống chạc ba, quạt, cánh gió, van điều tiết hoặc chỗ chuyển tiếp. Nếu những ảnh hưởng biến đổi không gian không được xác định theo phương pháp đo thì những ảnh hưởng này được coi là sai số của phương pháp và là nguyên nhân gây ra độ không đảm bảo hệ thống trong hệ thống đo. Nhìn chung, độ không đảm bảo của nhiệt độ có thể giảm bằng cách lấy mẫu nhiều hơn các điểm trong một mặt phẳng vuông góc với dòng chảy hoặc bằng cách sử dụng các phương pháp tính toán phức tạp hơn như trọng số lưu lượng/trọng số vận tốc và bù góc dòng chảy.
Mặt phẳng đo nên được đặt cách xa vị trí ngoặt dòng, điểm thắt hoặc mở rộng của ống dẫn. Nếu sự phân tầng nghiêm trọng, Trọng số khối lượng/vận tốc của dòng chảy nên được áp dụng để giảm các lỗi tiềm ẩn trong việc xác định nhiệt độ trung bình. Các phép đo nhiệt độ phải được ghi độc lập và không được nhóm lại với nhau để tạo ra một đầu ra duy nhất. Như vậy, số lượng và vị trí của các thiết bị đo nhiệt độ và các điểm đo vận tốc dòng chảy cần được xác định sao cho Độ không đảm bảo toàn hệ thống của thiết bị đo nhiệt độ trung bình không khí vào là nhỏ nhất có thể. Trong trường hợp phân tích độ không đảm bảo trước thì trọng số vận tốc là không cần thiết, dựa trên CFD hoặc kinh nghiệm trước đó về các dòng chảy tương tự, chứng tỏ độ không đảm bảo của nhiệt độ trung bình của dòng đáp ứng giới hạn của độ không đảm bảo theo yêu cầu mà không cần áp dụng trọng số lưu lượng/vận tốc.
Tổng nhiệt độ của dòng chảy là bắt buộc phải có và, nếu vận tốc trung bình trong khu vực đo nhiệt độ vượt quá 30,48 m/s, thì kết quả đo nhiệt độ riêng lẻ nên được điều chỉnh để đạt được vận tốc mong muốn.
![]()
Trong đó:
Cp = Nhiệt dung riêng, kJ/kg °C
J = Giá trị tương đương của nhiệt cơ học, 1000 kg.m2/kJ.s2
T = Nhiệt độ đo được, °C
Tt = Tổng nhiệt độ, °C
Tv = Nhiệt độ động, °C
V = Vận tốc khí, m/s
CHÚ THÍCH: Điều này rất quan trọng đối với người sử dụng Tiêu chuẩn, khi điều chỉnh ảnh hưởng vận tốc, để đảm bảo rằng nó phù hợp với ứng dụng điều chỉnh này như các hệ thống thiết bị trạm và các hiệu chỉnh tham số/biến số dựa trên các phép đo này có thể đã bao gồm điều chỉnh này.
Khuyến cáo rằng nhiệt độ của không khí và các sản phẩm cháy nên được đo ở phạm vi thí nghiệm quy định; tuy nhiên, có thể có những trường hợp mà việc đo ở phía trước hoặc phía sau lại thiết thực hơn và dẫn đến phép đo có độ không đảm bảo thấp hơn, chẳng hạn như chọn đo nhiệt độ bên trong ống thông gió vào thay vì tại đầu vào của ống bởi vì khu vực bên trong ống thông gió, không khí sẽ được hoà trộn tốt hơn, như vậy kết quả đo ở đây sẽ đại diện tốt hơn cho việc đo đạc. Nếu các phép đo được thực hiện tại các vị trí ngoài phạm vi thí nghiệm được chỉ định thì vị trí được chọn sao cho không xảy ra hiện tượng nhận nhiệt hoặc mất nhiệt giữa phạm vi quy định và vị trí đo đã lựa chọn.
4.3.6.3.1 Đo nhiệt độ đầu vào của không khí cháy
Đo nhiệt độ và vận tốc của đầu vào không khí cháy yêu cầu một vài điểm đo để giảm thiểu các tác động về độ không đảm bảo của sự phân tầng, số lượng điểm cần đo phải được xác định để có độ không đảm bảo đối với nhiệt độ trung bình đầu vào thấp hơn 0,55°C.
(a) Các phép đo nhiệt độ cố định: Các phép đo nhiệt độ tại dòng không khí đầu vào phải được lấy ở tâm có diện tích bằng nhau hoặc sao cho phù hợp với dạng hình học đã cho. Phải sử dụng tối thiểu một thiết bị đo nhiệt độ trên 9,29 m2 diện tích để xác định nhiệt độ của không khí đầu vào hoặc bốn thiết bị đo nhiệt độ cho khu vực có diện tích lớn hơn.
(b) Các phép đo vận tốc: Trong trường hợp này, profin vận tốc được xác định bằng cách sử dụng các ống pitot, đo tốc độ gió bằng dây nóng, hoặc các thiết bị tương tự. Các phép đo vận tốc tại dòng không khí đầu vào sẽ được lấy tại cùng vị trí đo nhiệt độ. Trọng số vận tốc không cần thiết trong những trường hợp phân tích Độ không đảm bảo trước đó, dựa trên CFD hoặc kinh nghiệm về dòng lưu lượng tương tự được đề cập, chứng minh Độ không đảm bảo ở nhiệt độ trung bình đầu vào là dưới 0,55°C.
Tần suất đo và vị trí đo phải đủ để có thể tính đến sự phân tầng của nhiệt độ không khí sau các ứng dụng có hệ thống làm mát hoặc hệ thống sưởi đầu vào. Trong các ứng dụng với sương mù đầu vào, làm mát bay hơi hoặc làm lạnh, các cảm biến phải có khả năng đo nhiệt độ bầu khô ở phạm vi không bị ảnh hưởng bởi sự ngưng tụ hoặc sự tác động của giọt nước, số lượng vị trí và tần suất đo sẽ được xác định dựa trên phân tích độ không đảm bảo trước đó.
4.3.6.3.2 Đo nhiệt độ của các sản phẩm cháy trong đường ống
Đo nhiệt độ và vận tốc của các sản phẩm cháy yêu cầu một vài điểm đo để giảm thiểu các tác động về Độ không đảm bảo của sự phân tầng, số lượng điểm cần đo phải được xác định để chắc chắn rằng độ không đảm bảo về nhiệt độ trung bình của các sản phẩm cháy thấp hơn 5,56°C.
(a) Các phép đo nhiệt độ cố định: Các phép đo nhiệt độ của các sản phẩm cháy nên được thực hiện ở các tâm có diện tích bằng nhau hoặc sao cho tương đương với hình dạng đã cho. Tối thiểu từ 4 điểm đo đến tối đa 36 điểm đo. Các phép đo phải được thực hiện tại các vị trí có diện tích bằng nhau và bằng 0,84 m2 hoặc nhỏ hơn đối với trường hợp có tối thiểu 4 điểm đo. Trong trường hợp diện tích yêu cầu bằng nhau và bằng 0,84 m2 dẫn đến có nhiều hơn 36 điểm đo, các diện tích bằng nhau này có thể lớn hơn 0,84 m2. Các thiết kế lưới thay thế và số lượng điểm đo có thể lệch so với các yêu cầu của tiêu chuẩn nếu kết quả đo có thể chứng minh rằng độ không đảm bảo của nhiệt độ trung bình của các sản phẩm cháy dưới 5,56°C.
(b) Các phép đo vận tốc: Trong trường hợp này, profin vận tốc được xác định bằng cách sử dụng các ống pitot, thiết bị đo tốc độ gió bằng lade, hoặc các thiết bị tương tự. Các phép đo vận tốc của các sản phẩm cháy sẽ được lấy tại cùng vị trí đo nhiệt độ. Trọng số vận tốc không cần thiết trong những trường hợp phân tích Độ không đảm bảo trước đó, dựa trên CFD hoặc kinh nghiệm về dòng lưu lượng tương tự được đề cập, chứng minh Độ không đảm bảo ở nhiệt độ trung bình đầu vào là dưới 5,56°C.
Điển hình như trong lò hơi hoặc khói thải của tua bin khí, áp suất đường ống là thấp hoặc âm nên không cần có ống bảo vệ. Cặp nhiệt có vỏ bọc dài hoặc cặp nhiệt không có vỏ bọc chỉ cần gắn vào một thanh hoặc đầu dò vận tốc là đủ. Lỗi sẽ xuất hiện nếu nhiệt độ của sản phẩm cháy được đo tại điểm có nhiệt độ khí chênh lệch đáng kể so với nhiệt độ bề mặt xung quanh. Tình trạng này xảy ra khi nhiệt độ khí cao và nhiệt độ bề mặt được làm mát thấp hơn nhiệt độ khí. Cặp nhiệt bị làm mát do bức xạ truyền đến bề mặt xung quanh và điều này nên được xem xét khi nhiệt độ đo giảm. Ngoài ra, khi điểm đo ở tại vị trí tiếp xúc với quá trình cháy thực tế hoặc ở vị trí trực tiếp, cặp nhiệt được gia nhiệt bởi bức xạ từ quá trình cháy. Đầu dò của cặp nhiệt tốc độ cao (HVT) có thể được sử dụng để giảm lỗi này.
4.3.6.3.3 Đo nhiệt độ bầu khô và bầu ướt ở đầu vào của tháp giải nhiệt
Việc đo nhiệt độ bầu ướt của không khí là cần thiết cho việc kiểm tra cấu hình nhà máy với tháp giải nhiệt nằm trong phạm vi được quy định trong tiêu chuẩn này. Việc đo nhiệt độ bầu khô đầu vào là cần thiết đối với tháp giải nhiệt tuần hoàn tự nhiên, có quạt hỗ trợ và tháp giải nhiệt ướt/khô. Việc đo nhiệt độ bầu khô đầu vào cũng được yêu cầu cho tháp giải nhiệt có hút gió cơ học với thiết kế hút gió cưỡng bức nhằm xác định mật độ không khí đầu vào của quạt để hiệu chỉnh công suất của quạt. Các thiết bị được lựa chọn để đo nhiệt độ bầu khô và bầu ướt phải đáp ứng tất cả các yêu cầu về đo độ ẩm tại điều 4.4.3.2 ngoại trừ bấc và việc cấp nước cho việc đo bầu khô. Thiết bị được chọn và số lượng điểm đo cần thiết phải được xác định để đảm bảo rằng Độ không đảm bảo tổng thể đo được cho nhiệt độ trung bình đầu vào thấp hơn 1,11°C.
Đối với phép đo nhiệt độ bầu khô và bầu ướt đầu vào, các thiết bị đo không được đặt quá 1,5m bên ngoài các cửa hút gió. Cần cẩn thận để đảm bảo nước bắn tung tóe tại cửa hút gió không ảnh hưởng đến các thiết bị đo. Phải áp dụng đủ số lượng điểm đo để đảm bảo rằng giá trị trung bình thí nghiệm là một đại diện chính xác của nhiệt độ bầu ướt trung bình thực ở đầu vào.
Để bắt đầu một cách thận trọng, một điểm đo nhiệt độ trên mỗi đầu vào không khí cần được xem xét nhằm mục đích xác định nhiệt độ bầu khô và/hoặc bầu ướt trung bình tại tháp giải nhiệt.
Thông thường, yêu cầu về thiết bị đo xung quanh tháp giải nhiệt có thể được giảm bớt mà không ảnh hưởng đáng kể đến độ không đảm bảo thí nghiệm đối với các tình huống sau:
(a) Phạm vi thiết bị là chu trình kết hợp, trong đó hiệu suất tua bin hơi thường là giữa một phần tư và một nửa sản lượng đầu ra của nhà máy.
(b) Chế độ vận hành của các cánh tầng cuối tua bin hơi và tháp giải nhiệt nằm gần giữa đường bao vận hành thiết kế, có xu hướng làm giảm hệ số độ nhạy của độ chênh nhiệt độ không khí đầu vào đối với kết quả của nhà máy. Ví dụ về điều này có thể bao gồm bình ngưng làm mát bằng không khí vận hành vào các ngày lạnh, nhiệt độ bầu ướt thấp hơn 5,5oC so với mức tối đa của thiết kế cho tháp giải nhiệt ướt hoặc bố trí thí nghiệm không có vòi đốt bổ sung cho tổ máy được thiết kế có vòi đốt bổ sung.
(c) Phạm vi thí nghiệm không dự đoán được nguồn gốc của sự phân tầng không khí đầu vào của tháp giải nhiệt hoặc chênh lệch nhiệt độ giữa tháp giải nhiệt và các dòng đường bao thí nghiệm khác. Các nguồn phân tầng điển hình bao gồm các khu vực nhiều gió như các khu vực ven biển cũng như các khu vực bị hạn chế lưu lượng khí đầu vào do cấu trúc hoặc địa hình tự nhiên. Các nguồn chênh lệch nhiệt độ điển hình có thể là các dòng nhiệt thải của nhà máy (ví dụ, khói thải từ lò hơi thu hồi nhiệt (HRSG) và hệ thống làm mát máy phát điện) và các nhà máy lân cận với các thiết bị xả/thải nhiệt vào khí quyển.
Số lượng thiết bị đo thực tế cho tháp giải nhiệt tối thiểu là 4 cho các chế độ làm việc hoặc cho các tải dưới 100 MWh và tối thiểu là 8 cho các tải lớn hơn. Việc giảm số lượng thiết bị đo sẽ yêu cầu phân tích hệ số độ nhạy chi tiết cũng như kiến thức cụ thể về dự án của sự phân tầng tháp giải nhiệt.
4.3.6.3.4 Đo nhiệt độ khô đầu vào của bình ngưng làm mát bằng không khí
Phép đo nhiệt độ không khí đầu vào phải bao gồm một số lượng cảm biến nhiệt độ bầu khô quy định. Số lượng các điểm đo cần thiết phải được xác định để có độ không đảm bảo đối với nhiệt độ trung bình đầu vào thấp hơn 0,55°C. Phải lựa chọn ít nhất một điểm đo nhiệt độ bầu khô đầu vào cho một quạt, với tối thiểu 12 điểm đo nhiệt độ bầu khô đầu vào cho mỗi tổ máy. Các điểm đo phải được lắp đặt tại phía sau mặt phẳng xả của quạt, trong luồng không khí, càng gần với độ cao của đầu quạt càng tốt. Lối ra hoặc tấm chắn bảo vệ quạt là vị trí lắp đặt thiết bị phù hợp. Thông thường, các điểm đo phải nằm ở nửa ngoài của bán kính quạt, ở phía gần tường trên chu vi của dàn ngưng làm mát bằng không khí (Air Cooled Condenser (ACC)) nhất và cách đường kính ngoài của quạt là 1m.
Một cách khác là xác định vị trí của thiết bị đo nhiệt độ xung quanh chu vi của ACC. Những thiết bị đo này phải được tách ra với số lượng bằng nhau và được đặt cách đều xung quanh chu vi của ACC với một thiết bị đo đặt ở trung tâm ACC. Những thiết bị đo này phải được treo cao 1m, bên dưới đỉnh cửa hút gió. Nếu những vị trí này không thể tiếp cận được do thiết kế của ACC thì các vị trí khác sẽ được lựa chọn và chấp thuận.
4.4 Đo độ ẩm
4.4.1 Giới thiệu
Điều này trình bày những yêu cầu và hướng dẫn để đo độ ẩm. Thiết bị đo độ ẩm được đề xuất, hiệu chỉnh và những ứng dụng của các thiết bị đo độ ẩm cũng được thảo luận. Thiết bị đo độ ẩm điện tử được sử dụng cho các phép đo sơ cấp để giảm thiểu sai số ngẫu nhiên và sai số hệ thống.
Độ không đảm bảo của thiết bị đo độ ẩm cũng xét đến các ảnh hưởng nhưng không giới hạn ở sự cộng hưởng, độ ổn định, môi trường, lỗi đo áp suất, lỗi đo nhiệt độ, thời gian khởi động máy, biến đổi không gian, phi tuyến tính, độ lặp lại, đầu ra tương tự và thu thập dữ liệu.
Do công nghệ đo độ ẩm thay đổi theo thời gian nên tiêu chuẩn này không giới hạn việc sử dụng thiết bị đo độ ẩm không sẵn có hoặc hiện không đáng tin cậy. Một thiết bị như vậy có thể được sử dụng nếu chứng minh được độ không đảm bảo và độ tin cậy đạt yêu cầu.
Các phép đo xác định độ ẩm được thực hiện tương tự như các phép đo nhiệt độ bầu khô và bầu ướt ngoài môi trường để tạo cơ sở cho việc xác định các đặc tính của không khí.
Tất cả các cáp tín hiệu phải được cách điện và tránh dòng điện cảm ứng từ các thiết bị điện xung quanh. Tất cả các cáp tín hiệu phải được lắp đặt cách xa các thiết bị phát sinh EMF như động cơ, máy phát điện, dây điện, máng cáp và bảng điện.
4.4.2 Độ không đảm bảo yêu cầu
Độ không đảm bảo yêu cầu phụ thuộc vào loại tham số và biến số được đo. Tham khảo điều 4.1.2.2 và 4.1.2.3 để thảo luận về phân loại phép đo và phân loại thiết bị đo.
Sử dụng các thiết bị đo độ ẩm đo các tham số và biến số sơ cấp cấp 1 để xác định độ ẩm tương đối với độ không đảm bảo tại bầu ướt không lớn hơn ± 2% các điểm hoặc 0,39°C.
Sử dụng các thiết bị đo độ ẩm đo các tham số và biến số sơ cấp cấp 2 để xác định độ ẩm tương đối với độ không đảm bảo tại bầu ướt không lớn hơn 4% các điểm hoặc 0,76°C.
Các thông số và biến số thứ cấp có thể được đo bằng bất kỳ loại thiết bị đo độ ẩm nào.
4.4.3 Thiết bị đo độ ẩm đề xuất
Thiết bị đo độ ẩm tương đối, ẩm kế bầu ướt và bầu khô, ẩm kế đo điểm sương gương lạnh (ẩm kế ngưng tụ) được đề xuất để sử dụng đo độ ẩm. Các yếu tố kinh tế, ứng dụng và độ không đảm bảo phải được cân nhắc trong việc lựa chọn thiết bị đo độ ẩm phù hợp nhất.
4.4.3.1 Thiết bị đo độ ẩm tương đối
4.4.3.1.1 Ứng dụng
Thiết bị đo độ ẩm tương đối được chế tạo từ vật liệu chịu nước. Khi độ ẩm thay đổi ở nhiệt độ môi trường, vật liệu này trao đổi đủ ẩm để lấy lại trạng thái cân bằng và những thay đổi về đo phù hợp với điện trở hoặc điện dung của thiết bị. Thiết bị đo độ ẩm tương đối sẵn có trên thị trường sử dụng cảm biến với nhiều loại chất hút ẩm, bao gồm các chất điện giải và vật liệu không hòa tan. Thiết bị đo độ ẩm tương đối thường được sử dụng để đo trực tiếp các thông số như độ ẩm tương đối và nhiệt độ bầu khô, và sử dụng một màng polyme mỏng làm cảm biến để hấp thụ các phân tử nước. Những thiết bị này thường dựa trên bộ vi xử lý và từ các tham số về độ ẩm tương đối và các biến nhiệt độ bầu khô như nhiệt độ điểm sương, độ ẩm tuyệt đối, tỷ lệ trộn, nhiệt độ bầu ướt và entanpy có thể tính toán. Trong trường hợp các thiết bị có đầu ra là các tham số hoặc biến số độ ẩm được sử dụng trong tính toán các kết quả thí nghiệm (tham số sơ cấp hoặc biến số sơ cấp) thì các công thức và cơ sở tính toán bên trong của thiết bị sẽ được thẩm tra để chứng minh sự phù hợp với những yêu cầu chi tiết về độ không đảm bảo tại điều 4.4.2. Thiết bị đo độ ẩm tương đối thường cung cấp các thông số kỹ thuật chính xác bao gồm độ phi tuyến tính và độ lặp lại trong điều kiện độ ẩm tương đối (RH) (nghĩa là, ±2% RH từ 0% đến 90% RH và ± 3% RH từ 90% đến 100% RH).
Ứng dụng của thiết bị đo độ ẩm tương đối rất nhạy cảm với cân bằng nhiệt độ vì sự khác biệt giữa đối tượng được đo và cảm biến gây ra lỗi. Lỗi này lớn nhất khi cảm biến lạnh hơn hoặc ấm hơn môi trường xung quanh và độ ẩm cao.
Cảm biến phải được lắp đặt ở một vị trí để giảm thiểu sự nhiễm bẩn cảm biến. Không khí phải được lưu thông tự do xung quanh cảm biến. Nên sử dụng một luồng không khí nhanh vì nó đảm bảo cảm biến và môi trường xung quanh ở trạng thái cân bằng nhiệt độ. Hướng lắp đặt nên phù hợp với thông số kỹ thuật của nhà sản xuất.
4.4.3.1.1.1 Nguồn chính của các lỗi đo
Các nguồn chính của lỗi đo liên quan đến thiết bị đo độ ẩm tương đối thường là:
(a) Nhiễm bẩn cảm biến;
(b) Đầu ra của thiết bị;
(c) Vị trí lắp đặt;
(d) Cân bằng nhiệt độ;
(e) Độ chính xác;
(f) Độ hoà tan.
4.4.3.1.2 Hiệu chỉnh
Thông thường thiết bị đo độ ẩm tương đối được hiệu chỉnh bằng một trong hai phương pháp. Phương pháp đầu tiên liên quan đến việc hiệu chỉnh theo các tiêu chuẩn độ ẩm được chứng nhận, chất lượng cao, chẳng hạn như những tiêu chuẩn được tạo ra bằng ẩm kế trọng lượng để đạt được độ chính xác tối đa. Phương pháp thứ hai hiệu chỉnh bằng dung dịch muối được chứng nhận có thể bao gồm clorua liti (LiCl), magie clorua (MgC2), natri clorua (NaCl) và kali sunfat (K2SO4). Trong quá trình hiệu chỉnh, nhiệt độ của cảm biến và nhiệt độ của đối tượng được đo phải ở trạng thái cân bằng để giảm thiểu sai số liên quan đến cắn bằng nhiệt độ. Ngoài ra, khi sử dụng phương pháp thứ hai, độ ẩm cân bằng của các dung dịch muối phải được hiệu chỉnh cho nhiệt độ dung dịch sử dụng hiệu chỉnh chuẩn của tương đương.
Thiết bị đo độ ẩm tương đối phải được hiệu chỉnh để đáp ứng các yêu cầu về độ không đảm bảo trong độ ẩm cụ thể như được mô tả trong điều 4.4.2. Điều này sẽ được chứng minh bằng việc áp dụng phân tích độ không đảm bảo với việc xem xét độ không đảm bảo liên quan đến các thông số đo khác bao gồm áp suất khí quyển và nhiệt độ bầu khô hoặc bầu ướt ngoài môi trường.
4.4.3.2 Ẩm kế bầu ướt và bầu khô
4.4.3.2.1 Ứng dụng
Ẩm kế bầu khô và bầu ướt bao gồm hai cảm biến nhiệt độ và sử dụng các ảnh hưởng nhiệt độ gây ra bởi sự trao đổi nhiệt ẩn. Một cảm biến đo nhiệt độ bầu khô ngoài môi trường; cái còn lại được phủ bằng bấc sạch hoặc vật liệu thấm hút khác, bị làm ướt và dẫn đến bay hơi làm nguội đến nhiệt độ bầu ướt. Theo truyền thống, cảm biến nhiệt độ là đầu dò nhiệt kế điện trở hoặc nhiệt kế điện trở bán dẫn như đã thảo luận trong điều 4.3.3.2 và điều 4.3.3.3. Các cảm biến nhiệt độ phải được che chắn khỏi ánh sáng mặt trời và các nguồn bức xạ khác và phải có luồng không khí liên tục đi qua phần tử cảm biến. Phép đo ẩm kế yêu cầu người vận hành có tay nghề cao để đảm bảo kiểm soát cẩn thận một số biến số có thể ảnh hưởng đến kết quả đo.
Ẩm kế Sling dễ bị ảnh hưởng bởi bức xạ từ môi trường xung quanh và các lỗi khác như là các lỗi do hoạt động của mao dẫn bị lỗi. Nếu sử dụng ẩm kế sling, điều quan trọng là dụng cụ được quay đủ số vòng cho đến khi nhiệt độ bầu ướt đạt giá trị nhỏ nhất ổn định. Khi điều này xảy ra, bắt buộc phải đọc nhanh nhiệt độ khi xem xét các ảnh hưởng quán tính lên yếu tố nhiệt độ trong trường hợp nhiệt kế chất lỏng trong thủy tinh để giảm thiểu sai số khi quan sát. Dữ liệu nên được lấy trung bình ít nhất ba lần quan sát.
Mặc dù không bắt buộc, nhưng một ẩm kế hút khí cơ học được mô tả từ (a) đến (f) bên dưới đây, được đề xuất là thiết bị đo độ ẩm cấp 1. Nếu sử dụng ẩm kế, không nên đặt bấc trên cảm biến nhiệt độ bầu khô (như yêu cầu cho việc đo nhiệt độ bầu ướt). Nếu tốc độ không khí qua phần tử cảm biến lớn hơn 7,6 m/s thì cần phải che chắn phần tử cảm biến để giảm thiểu tác động trì trệ.
Nhiệt độ bầu ướt nhiệt động lực học là nhiệt độ không khí tạo ra khi không khí được làm mát đoạn nhiệt đến bão hòa. Nhiệt độ bầu ướt có thể phỏng đoán được từ ẩm kế hút khí cơ học được thiết kế phù hợp. Quá trình hoạt động của ẩm kế không phải bão hòa đoạn nhiệt, mà là một quá trình truyền nhiệt và khối lượng đồng thời từ phần tử cảm biến bầu ướt. Nhiệt độ thu được từ ẩm kế đủ gần với nhiệt độ bầu ướt nhiệt động lực học trong hầu hết các điều kiện. Tuy nhiên, không nên sử dụng ẩm kế để đo nhiệt độ thấp hơn 5°C hoặc khi độ ẩm tương đối nhỏ hơn 15%. Trong phạm vi sử dụng cho phép, ẩm kế được thiết kế phù hợp để có thể xác định nhiệt độ bầu ướt với độ không đảm bảo xấp xỉ ± 0,14°C dựa trên độ không đảm bảo của cảm biến nhiệt độ ± 0,08°C.
Ẩm kế hút khí cơ học phải kết hợp các tính năng sau:
(a) Phần tử cảm biến được che chắn khỏi ánh sáng mặt trời trực tiếp và bất kỳ bề mặt nào khác ở nhiệt độ khác với nhiệt độ bầu khô. Nếu phép đo được thực hiện dưới ánh sáng mặt trời trực tiếp thì cảm biến phải được bao bọc bởi một tấm chắn hai lớp cho phép không khí được hút qua cảm biến và giữa các lớp này;
(b) Phần tử cảm biến được treo lơ lửng trong dòng không khí và không tiếp xúc với các tấm chắn;
(c) Phần tử cảm biến được bọc kín bởi một bấc bông sạch được giữ ướt từ một nguồn nước cất. Chiều dài của bấc phải đủ để giảm thiểu các tác động dẫn nhiệt của phần tử cảm biến và đảm bảo nó được làm ướt đúng cách;
(d) Vận tốc không khí qua phần tử cảm biến được duy trì không đổi trong phạm vi từ 240 m/phút đến 360 m/phút;
(a) Không khí được hút qua phần tử cảm biến theo cách mà nó không bị làm nóng bởi động cơ quạt hoặc các nguồn nhiệt khác. Ẩm kế phải được đặt ở độ cao ít nhất 1,5 m so với mặt đất và không được đặt trong phạm vi 1,5 m của nhà máy.
4.4.3.2.1.1 Nguyên nhân chính dẫn đến các sai số đo. Nguyên nhân chính dẫn đến các sai số đo liên quan tới ẩm kế bầu ướt và bầu khô thường là
(a) Cảm biến nhiệt độ;
(b) Vị trí lắp đặt;
(c) Bức xạ nhiệt;
(d) Dẫn nhiệt (nước trong bể quá ấm);
(e) Hoạt động mao dẫn bị lỗi (chỗ lõm bầu ướt rất lớn);
(f) Dòng khí quá cao hoặc quá thấp qua bấc.
4.4.3.2.2 Hiệu chuẩn
Cảm biến nhiệt độ của ẩm kế bầu khô và bầu ướt phải được hiệu chuẩn phù hợp với điều 4-3.4 và phải đáp ứng các yêu cầu về độ không đảm bảo ở độ ẩm cụ thể như được mô tả ở đây. Điều này phải được chứng minh khi áp dụng phân tích độ không đảm bảo mà có xem xét tới độ không đảm bảo liên quan đến các thông số đo khác bao gồm áp suất khí quyển.
4.4.3.3 Ẩm kế ngưng tụ (ẩm kế điểm sương gương lạnh)
4.4.3.3.1 Ứng dụng
Nhiệt độ điểm sương là nhiệt độ của không khí ẩm khi nó bão hòa ở cùng áp suất môi trường xung quanh. Nhiệt độ điểm sương có thể được đo bằng ẩm kế ngưng tụ. Nguyên lý của các thiết bị này dựa trên việc thiết lập nhiệt độ tương ứng với sự bắt đầu ngưng tụ. Ẩm kế này xác định áp suất riêng phần của hơi nước trong chất khí bằng cách đo trực tiếp nhiệt độ điểm sương của chất khí. Nhiệt độ của bề mặt cảm biến hoặc gương được điều chỉnh thủ công hoặc tự động cho đến khi ngưng tụ thành sương hoặc sương mù. Sự ngưng tụ được kiểm soát ở trạng thái cân bằng và nhiệt độ bề mặt được đo bằng thiết bị đo nhiệt độ có độ chính xác cao. Ẩm kế ngưng tụ có sẵn trên thị trường sử dụng phần tử thạch anh áp điện làm bề mặt cảm biến. Một sóng âm bề mặt được tạo ra ở một bên của cảm biến thạch anh và được đo ở bên còn lại. Các ẩm kế ngưng tụ đòi hỏi một hệ thống lấy mẫu để hút không khí từ vị trí lấy mẫu qua gương lạnh với tốc độ được kiểm soát. Ẩm kế ngưng tụ có sẵn trên thị trường đo nhiệt độ điểm sương với phạm vi chính xác từ ±0,1 °C đến ±1°C đến phạm vi nhiệt độ điểm sương từ -75°C đến 60°C.
Sai số đo liên quan đến ẩm kế ngưng tụ thường xuất phát từ các nguồn chính sau:
(a) Cảm biến bị bẩn;
(b) Tín hiệu tương tự đầu ra;
(c) Vị trí lắp đặt;
(d) Độ chính xác;
(e) Độ hoà tan;
4.4.3.3.2 Hiệu chuẩn
Ẩm kế ngưng tụ phải được hiệu chuẩn để đáp ứng các yêu cầu về độ không đảm bảo với độ ẩm cụ thể như được mô tả ở đây. Điều này phải được chứng minh khi áp dụng phân tích độ không đảm bảo mà có xem xét tới độ không đảm bảo liên quan đến các thông số đo khác bao gồm áp suất khí quyển và nhiệt độ bầu khô hoặc bầu ướt của môi trường xung quanh.
4.5 Đo lưu lượng
4.5.1 Giới thiệu
Phần này trình bày các yêu cầu và hướng dẫn để đo lưu lượng cho tiêu chuẩn này. Nó cũng thảo luận về các thiết bị đo lưu lượng được khuyến nghị, hiệu chuẩn các thiết bị đo lưu lượng và ứng dụng của thiết bị đo lưu lượng.
Áp kế chênh áp (kiểu lỗ tiết lưu, vòi phun và ống venturi), lưu lượng kế khối lượng (lưu lượng kế Coriolis), thiết bị siêu âm, và thiết bị cơ (kiểu tua bin và kiểu pít tông) là các loại thiết bị được đề xuất trong tiêu chuẩn này. Bảng 8 xác định các thiết bị đo được khuyến nghị (R), chấp nhận được (A) và không được khuyến nghị (N) cho các ứng dụng khác nhau.
Xem điều 4.5.3 để biết thêm chi tiết về ứng dụng của các thiết bị đo lưu lượng và 8 cm. Tuy nhiên, vì công nghệ đo lưu lượng sẽ thay đổi theo thời gian nên Tiêu chuẩn này không giới hạn việc sử dụng các thiết bị đo lưu lượng khác hiện chưa có sẵn hoặc hiện chưa đáng tin cậy. Nếu một thiết bị như vậy trở nên khả dụng và được chứng minh là có độ không đảm bảo và độ tin cậy cho phép thì nó có thể được sử dụng.
Quy trình khởi động phải đảm bảo rằng các đoạn ống chỉ được cung cấp trong các điều kiện có thể vi phạm tính toàn vẹn của thiết bị đo lưu lượng để tránh thay đổi đặc tính của thiết bị. Những điều kiện như vậy có thể bao gồm phun hơi hoặc tẩy rửa bằng hóa chất. Khi thiết bị đo lưu lượng được cất giữ thì nó phải được đậy nắp và bảo vệ khỏi tác hại của môi trường như độ ẩm và bụi bẩn.
Theo ASME PTC 19.5, dòng chảy phải ổn định hoặc thay đổi rất chậm như một hàm của thời gian. Các xung của dòng chảy phải nhỏ so với tổng tốc độ dòng chảy. Tần suất thu thập dữ liệu phải bao gồm đầy đủ cả khoảng thời gian dòng chảy không ổn định. Sự dao động trong dòng chảy phải được ngăn chặn trước khi bắt đầu thí nghiệm bằng cách điều chỉnh rất cẩn thận các bộ điều khiển lưu lượng và mức hoặc bằng cách kết hợp với đường hồi lưu như bơm tái tuần hoàn hoặc sử dụng trợ lực như là tiết lưu đầu ra của bơm theo dòng giữa các nguồn xung và thiết bị đo lưu lượng. Các thiết bị giảm chấn thủy lực như bộ hạn chế trên thiết bị đo không loại bỏ được sai số do xung động và do đó không được phép sử dụng.
Bảng 8 - Các áp kế chênh áp khuyến nghị đối với từng môi chất khác nhau
| Chất lưu | Lỗ tiết lưu | Vòi phun hoặc ống Venturi | Coriolis | Siêu âm | Tua bin | Pít tông |
| Nước [Chú thích (1)] | R | R | R | A | A | A |
| Hơi | R | R | N | N | N | N |
| Khí tự nhiên | R | N | R | A | A | N |
| Dầu | A | N | A | N | A | R |
| Chất lỏng hữu cơ truyền nhiệt | A | N | A | N | A | R |
GHI CHÚ CHUNG: R = khuyến nghị, A = chấp nhận, N = không khuyến nghị.
CHÚ THÍCH 1: Thiết bị cơ kiểu tua bin hoặc kiểu pít tông được khuyến nghị cho dòng nước trong đường ống nhỏ hơn 7,6 cm.
Nếu lưu chất lỏng không duy trì ở một pha khi đi qua thiết bị đo lưu lượng, hoặc nếu hình thành hai pha khi đi vào thiết bị đo thì nó nằm ngoài phạm vi của tiêu chuẩn. Khi nước đi qua thiết bị đo lưu lượng thì nước không nên chuyển thành hơi nước. Khi hơi nước đi qua thiết bị đo lưu lượng thì hơi nước phải duy trì ở trạng thái quá nhiệt.
Tất cả các cáp tín hiệu phải có vỏ bọc nối đất hoặc các cặp xoắn vào nhau để thoát bất kỳ dòng điện cảm ứng nào từ các thiết bị điện gần đó. Tất cả các cáp tín hiệu nên được lắp đặt cách xa các thiết bị sản sinh EMF như động cơ, máy phát điện, ống bọc dây điện, máng cáp và bảng điện.
Không thể chấp nhận kết quả lưu lượng khối lượng như được hiển thị bằng bản in của thiết bị đo hoặc bằng thiết bị tính toán dòng chảy nếu không hiển thị kết quả trung gian và dữ liệu được sử dụng cho các tính toán. Trong trường hợp của thiết bị đo kiểu chênh áp thì các kết quả trung gian sẽ bao gồm hệ số lưu lượng, đường kính đã hiệu chỉnh đối với sự giãn nở nhiệt, hệ số giãn nở,... Dữ liệu đo thực bao gồm áp suất tĩnh, độ chênh áp và nhiệt độ.
Đối với trường hợp của thiết bị đo cơ học, các kết quả trung gian bao gồm các hằng số của thiết bị được sử dụng trong tính toán và cách xác định nó từ đường cong hiệu chuẩn của thiết bị đo này. Dữ liệu bao gồm tần số, nhiệt độ và áp suất.
Đối với bất kỳ thiết bị đo lưu lượng nào cũng cần phải phân tích nhiên liệu và các kết quả trung gian được sử dụng để tính toán khối lượng riêng của lưu chất lỏng.
4.5.2 Độ không đảm bảo cho phép
Độ không đảm bảo cho phép sẽ phụ thuộc vào loại thông số và biến số được đo. Tham khảo các điều 4.1.2.2 và 4.1.2.3 để thảo luận về phân loại đo và phân loại thiết bị đo đạc tương ứng.
Nếu Tiêu chuẩn này không quy định khác thì các thông số và biến số chính loại 1 phải được xác định bằng các thiết bị đo lưu lượng có độ không đảm bảo hệ thống không quá ± 0,5% lưu lượng khối lượng. Các thông số và biến sơ cấp loại 1 phải được hiệu chuẩn trong phòng thí nghiệm.
Các thông số và biến sơ cấp loại 2 phải được đo bằng các thiết bị/phương pháp đo lưu lượng mà sẽ dẫn đến đóng góp độ không đảm bảo tương đối của các thông số và biến vào kết quả đo không quá ±0,2%.
Khai triển: (hệ số nhạy tương đối x Độ không đảm bảo kết hợp tương đối) < hoặc = 0,2%
Các thông số và biến sơ cấp loại 2 có thể sử dụng các công thức thực nghiệm cho hệ số lưu lượng đối với thiết bị đo chênh áp nếu đáp ứng các yêu cầu về độ không đảm bảo và thiết bị được sản xuất, lắp đặt và vận hành theo đúng tiêu chuẩn. Các thiết bị đo cơ học được sử dụng để đo các thông số và biến sơ cấp loại 2 phải được hiệu chuẩn trong phòng thí nghiệm.
4.5.3 Các thiết bị đo lưu lượng
Thiết bị đo chênh áp (kiểu lỗ tiết lưu, vòi phun và ống venturi), lưu lượng kế Coriolis, lưu lượng kế siêu âm và thiết bị cơ (tua bin và kiểu pít tông) là các thiết bị đo lưu lượng được khuyến nghị cho các ứng dụng cụ thể được nêu trong tài liệu này. Cần cân nhắc về kinh tế, ứng dụng và độ không đảm bảo trong việc lựa chọn thiết bị đo lưu lượng thích hợp nhất.
Trong trường hợp thiết bị đo lưu lượng được hiệu chuẩn trong phòng thí nghiệm thì toàn bộ thiết bị đo chính còn lại phải được hiệu chuẩn. Điều này sẽ bao gồm phần tử chính, đoạn ống đo trước và sau điểm đo và bộ điều hòa lưu lượng. Phải có một phương pháp căn chỉnh cơ học rõ ràng để tái lập vị trí chính xác của đoạn ống đo hoặc phần tử chính khi nó được hiệu chuẩn. Phần dòng chảy phải không có bụi bẩn và không ẩm ướt để vận chuyển và lưu trữ. Bất cứ khi nào có thể, ưu tiên vận chuyển phần dòng chảy như 1 khối và không được tháo rời để vận chuyển hoặc lắp đặt.
4.5.3.1 Thiết bị đo chênh áp
Trong phần này, các yêu cầu về ứng dụng và hiệu chuẩn đối với thiết bị đo lưu lượng kiểu lỗ tiết lưu, vòi phun và ống venturi được trình bày.
Tất cả các thiết bị đo chênh áp được sử dụng trong phép đo các thông số và biến sơ cấp Loại 1 phải được hiệu chuẩn trong phòng thí nghiệm. Nếu thiết bị nắn dòng hoặc các thiết bị điều hòa dòng chảy khác được sử dụng trong thí nghiệm, chúng sẽ được bao gồm trong đường ống của thiết bị đo khi hiệu chuẩn được thực hiện. Các phòng thí nghiệm thủy lực đạt tiêu chuẩn thường hiệu chuẩn trong phạm vi độ không đảm bảo là 0,2%. Do đó, với độ không chính xác đúng theo đường cong vốn có, có thể đạt được độ không đảm bảo nhỏ hơn 0,3% trong hệ số xả của các thiết bị đo đã hiệu chuẩn trong phòng thí nghiệm. Thiết bị đo chênh áp được sử dụng trong phép đo các thông số và biến cơ bản Loại 2 có thể sử dụng công thức thực nghiệm cho hệ số xả đối với thiết bị đo chênh áp nếu đáp ứng các yêu cầu về độ không đảm bảo và thiết bị được thiết kế, sản xuất, lắp đặt và vận hành theo tiêu chuẩn
Đối với thiết bị đo chênh áp được sử dụng làm thiết bị Loại 1, nó phải được sản xuất, hiệu chuẩn, lắp đặt và vận hành theo tiêu chuẩn. Việc tính toán lưu lượng phải được thực hiện theo tiêu chuẩn đó. Phải kiểm tra tài liệu về đo của nhà máy, yêu cầu sản xuất, thông số kỹ thuật về kích thước của việc lắp đặt bao gồm nhiễu phía dòng vào và dòng ra và cũng kiểm tra tài liệu về quy trình khởi động để xác nhận sự phù hợp với các yêu cầu của tiêu chuẩn. Các chi tiết sẽ được chú giải như được đề xuất từ (a) đến (m) dưới đây.
(a) Yêu cầu về chiều dài của đường ống thẳng phía dòng vào và dòng ra của thiết bị đo chính và giữa thiết bị điều hòa dòng chảy (nếu được sử dụng) và thiết bị đo chính;
(b) Đường kính và độ tròn của thiết bị đo lưu lượng và đường ống, và vị trí đo độ tròn;
(c) Độ trơn của đường ống;
(d) Độ trơn bên trong của vòi phun đo lưu lượng hoặc thiết bị đo lưu lượng kiểu ống venturi;
(e) Độ nhẵn và độ phẳng của bề mặt phía dòng vào của tấm tiết lưu;
(f) Kích thước và dung sai gia công cơ khí cho tất cả các kích thước của thiết bị đo chính được đưa ra trong tiêu chuẩn;
(g) Độ sắc của mép tấm tiết lưu;
(h) Độ dày yêu cầu đối với tấm tiết lưu;
(i) Kiểm tra để đảm bảo không có gờ sắc, vết nứt, mép dây,...;
(j) Các yêu cầu về vị trí, kích thước và sản xuất của đầu lấy áp, bao gồm cả dung sai về gia công và kích thước;
(k) Vị trí đo nhiệt độ;
(I) Độ lệch tâm của thiết bị đo chính và đường ống;
(m) Yêu cầu sản xuất và kiểu của bộ điều hòa dòng chảy (nếu sử dụng).
Các biến và thông số sơ cấp cấp 1 phải được đo với tối thiểu hai bộ vòi lấy chênh áp, mỗi bộ đều có thiết bị đo chênh áp độc lập. Khuyến nghị rằng hai bộ vòi lấy áp cách nhau 90° hoặc 180°. Ngoài ra, đối với vòi phun kiểu cổ thắt, đồng hồ hiển thị được sản xuất với bốn bộ vòi lấy chênh áp và hai bộ được đo riêng lẻ. Hơn nữa, việc tính toán lưu lượng nên được thực hiện riêng biệt cho từng cặp đầu lấy áp và tính trung bình, cần nghiên cứu xem độ lệch về kết quả so với tính toán của từng bộ vòi có nhiều hơn độ không đảm bảo lưu lượng hay không. Trong trường hợp đoạn ống đo được lắp đặt ở phía đầu ra của điểm ngoặt dòng hoặc đoạn ống chạc ba thì nên lắp các cặp vòi đơn sao cho trục của chúng vuông góc với mặt phẳng của điểm ngoặt dòng hoặc đoạn ống chạc ba. Các thiết bị đo chênh áp phải được lắp ráp, hiệu chuẩn (nếu có) và nguyên vẹn suốt thời gian thí nghiệm kể từ khi sản xuất. Sau khi được sản xuất và hiệu chuẩn (nếu có), không được tháo rời cụm lưu lượng kế ở các mặt bích của thiết bị đo chính. Nếu cần phải tháo rời bộ phận để kiểm tra hoặc các lý do khác trước khi thí nghiệm, các quy định để sắp xếp lại chính xác và lắp ráp lại, chẳng hạn như các chốt, phải được đưa vào phần tái lập vị trí chính xác của phần tử đo lưu lượng khi nó được sản xuất và hiệu chuẩn (nếu có). Nếu việc lắp ráp lại thích hợp không được đảm bảo bằng các phương pháp được khuyến nghị thì phần tử đo lưu lượng phải được coi là chưa hiệu chuẩn trong phân tích độ không đảm bảo. Ngoài ra, các miếng đệm hoặc vòng đệm (nếu được sử dụng) phải được chèn sao cho chúng không nhô ra ở bất kỳ điểm nào bên trong đường ống hoặc ngang qua đầu lấy áp hoặc khe lấy áp khi sử dụng thiết bị đo lỗ tiết lưu kiểu góc.
Bảng 9 - Đơn vị và hệ số chuyển đổi lưu lượng khối lượng thông qua áp kế chênh áp
| Đơn vị tỷ lệ lưu lượng khối lượng | Kích thước hình học, khối lượng riêng lưu chất, độ chênh áp | Giá trị hằng số | |||
| m | d hoặc D | p | ∆p | Hằng số tỷ lệ, gc | Hằng số chuyển đổi đơn vị, n |
|
| m |
| Pa | gc =1,0 không thứ nguyên | n = 1,0 không thứ nguyên |
CHÚ THÍCH 1: N = kg-m/s2, và Pa = N/m3, Do đó, Pa = Kg/m-s2.
Công thức tổng quát của lưu lượng khối lượng thông qua thiết bị đo kiểu chênh áp cho chất lỏng và khí di chuyển với vận tốc cận âm từ Tiêu chuẩn ASME PTC 19.5 là
![]()
Trong đó:
C = hệ số xả.
d = đường kính của thiết bị đo lưu lượng (lỗ khoan) ở nhiệt độ dòng lưu chất.
gc = hằng số tỷ lệ.
m = lưu lượng khối lượng.
n = hệ số chuyển đổi đơn vị cho tất cả các đơn vị phải nhất quán.
b = tỷ lệ giữa đường kính thiết bị đo lưu lượng (lỗ khoan) và đường kính ống (d/D), cả hai đường kính ở nhiệt độ dòng lưu chất.
ξ = hệ số giãn nở.
ρ = mật độ lưu chát.
∆p = độ chênh áp.
Bảng 9 cung cấp các đơn vị thích hợp và hệ số chuyển đổi cho Công thức (14) theo đơn vị SI.
Quy trình xác định hệ số xả và hệ số giãn nở cho các thiết bị khác nhau được đưa ra trong ASME PTC 19.5. Lưu ý rằng vì hệ số xả phụ thuộc vào số Reynolds, mà số Reynolds lại phụ thuộc vào lưu lượng, cả việc định cỡ và tính toán lưu lượng qua các thiết bị đo này đòi hỏi phải lặp đi lặp lại. Đối với thiết bị đo chênh áp có cấu tạo phù hợp, hệ số xả là một hàm của số Reynolds của dòng chảy, đường kính của phần tử đo lưu lượng và đường kính ống đối với khu vực có dòng chảy trong các nhà máy nhiệt điện. Hệ số xả của thiết bị đo kiểu vòi phun và ống venturi khoảng 1,0 so với hệ số xả điển hình của thiết bị đo kiểu lỗ tiết lưu vào khoảng 0,6.
Dữ liệu hiệu chuẩn trong phòng thí nghiệm cho các loại lưu lượng kế chênh áp cùng loại và cùng kích thước, cũng như các mối quan hệ của hệ số xả (C) so với số Reynolds đều có sẵn cho từng loại thiết bị đo chênh áp. Các công thức thực nghiệm cho hệ số xả dựa trên các nghiên cứu về kết quả của một số lượng lớn các hiệu chuẩn. Việc áp dụng các công thức thực nghiệm cho hệ số xả có thể được sử dụng cho các biến sơ cấp loại 2 nếu đáp ứng được các yêu cầu về độ không đảm bảo. Trong một số trường hợp, nên thực hiện hiệu chuẩn trong phòng thí nghiệm thủy lực đối với thiết bị đo chênh áp cụ thể để xác định hệ số xả riêng. Để đáp ứng các yêu cầu về độ không đảm bảo của tiêu chuẩn này đối với các thông số và biến sơ cấp cấp 1, cần phải hiệu chuẩn thiết bị đo. Hệ số giãn nở là một hàm của đường kính của phần tử đo lưu lượng và đường ống, tỷ lệ giữa độ chênh áp với áp suất tĩnh và số mũ đẳng entropy của khí hoặc hơi. Nó được sử dụng cho các dòng chảy có thể nên được; trong trường hợp này thường là khí. Nó hiệu chỉnh hệ số xả do các ảnh hưởng của hệ số nén. Điều này có nghĩa rằng việc hiệu chuẩn thủy lực của lưu lượng kế chênh áp cũng có giá trị như nhau đối với ứng dụng dòng chảy nên được cũng như trong ứng dụng dòng chảy không nên được với độ chính xác không cao. Đây là một ưu điểm mạnh của thiết bị đo chênh áp nói chung vì việc xác định lưu lượng dòng chảy nên được trong phòng thí nghiệm thường kém chính xác hơn so với dòng chảy không nên được. Giá trị của ξ để đo lưu lượng nước là đồng nhất vì nó là dòng chảy không nén được.
Bảng 10 - Tóm tắt Độ không đảm bảo của hệ số xả và hệ số giãn nở
| Vị trí | Độ không đảm bảo của hệ số xả thực nghiệm cho thiết bị đo lưu lượng chưa được hiệu chỉnh, C | Độ không đảm bảo của hệ số giãn nở, ϵ [Chú thích (1)] |
| Lỗ tiết lưu | 0,6% với 0,2 ≤ b ≤ 0,6 b%với 0,6 ≤ b ≤ 0,75 |
|
| Ống Venturi | 0,7% với 0,3 < b ≤0,75 |
|
| Vòi phun, đầu lấy áp thành ống | 1,0% với 0,2 ≤ b ≤0,5 |
|
| Vòi phun, đầu lấy áp kiểu cổ đo | 0,5% với 0,25 ≤ b ≤ 0,5 |
|
CHÚ THÍCH CHUNG:
(a) Áp suất và độ chênh áp có cùng đơn vị.
CHÚ THÍCH 1: Độ không đảm bảo hệ thống của công thức thực nghiệm của hệ số xả và hệ số giãn nở trong công thức tổng quát cho từng thiết bị đo chênh áp được khuyến nghị lấy từ ASME PTC 19.5 và được cung cấp trong Bảng này để thuận tiện sử dụng.
Cần lưu ý rằng các giá trị độ không đảm bảo được lập bảng có các ràng buộc phân tích về số Reynolds, đường kính lỗ khoan và tỷ lệ beta và cần nhấn mạnh rằng các giá trị này giả định rằng thiết bị đo lưu lượng được sản xuất, lắp đặt và vận hành như quy định trong ASME PTC 19.5 và trong tài liệu này. Khi sử dụng các công thức thực nghiệm, độ không đảm bảo của hệ số xả cho đến nay là thành phần quan trọng nhất của độ không đảm bảo lưu lượng và là yếu tố có ảnh hưởng lớn trong phân tích độ không đảm bảo, giả sử rằng quá trình đo và thiết bị đo chênh áp được sử dụng cùng với thiết bị đo đạt yêu cầu.
Tổng độ không đảm bảo của dòng chảy chứa các thành phần bao gồm độ không đảm bảo trong việc xác định mật độ lưu chất, đường kính phần tử đo lưu lượng (lỗ khoan) và đường kính ống và độ không đảm bảo áp suất, nhiệt độ và chênh áp ngoài các thành phần gây ra bởi độ không đảm bảo trong C và ξ.
4.5.3.1.1 Lưu lượng kế kiểu lỗ tiết lưu
4.5.3.1.1.1 Ứng dụng. Lưu lượng kế kiểu lỗ tiết lưu có thể được sử dụng cho các nhiên liệu lỏng và khí trong các đường ống lớn hơn 5 cm và hơi áp suất thấp.
Ba dạng hình học của lỗ lấy áp bao gồm lỗ lấy áp kiểu mặt bích, lỗ lấy áp kiểu D và D/2 và lỗ lấy áp kiểu góc. Tiêu chuẩn này khuyến nghị rằng chỉ sử dụng lỗ lấy áp kiểu mặt bích hoặc lỗ lấy áp kiểu góc cho các phép đo biến sơ cấp với lưu lượng kế kiểu lỗ tiết lưu.
Mặt ở phía dòng vào giống như cái môi của tấm tiết lưu mở rộng ra khỏi đường ống, được gọi là thẻ, sẽ được đánh dấu vĩnh viễn với thông tin sau:
(a) Xác định ở phía dòng vào;
(b) Đường kính lỗ khoan đo được đến năm con số quan trọng;
(c) Đường kính ống phía dòng vào được đo đến năm con số quan trọng nếu cùng một nhà cung cấp làm tấm tiết lưu;
(d) Số nhận dạng của lỗ tiết lưu hoặc của thiết bị đo.
4.5.3.1.1.2 Hiệu chuẩn
Việc hiệu chuẩn của lưu lượng kế kiểu lỗ tiết lưu không làm tăng độ không đảm bảo khi thiết bị được sử dụng trong các phép đo khí. Độ không đảm bảo của hệ số giãn nở trong dòng chảy cơ sở [Công thức (14)] là như nhau cho dù thiết bị đo kiểu lỗ tiết lưu được hiệu chỉnh cho nước hoặc không khí/khí đốt. Độ không đảm bảo của hệ số giãn nở được thể hiện trong Bảng 10.
4.5.3.1.2 Lưu lượng kế kiểu vòi phun
4.5.3.1.2.1 Ứng dụng
Lưu lượng kế kiểu vòi phun trong một thí nghiệm của tiêu chuẩn có thể được sử dụng để đo lưu lượng hơi và lưu lượng nước trong ống có đường kính ít nhất là 10 cm. Đối với việc đo lưu lượng nước, phần dòng chảy đã được hiệu chuẩn với vòi phun kiểu cổ thắt có thể đạt được độ không đảm bảo là 0,3%.
Ba loại thiết bị đo chính được khuyến nghị bao gồm vòi phun tỷ lệ beta thấp, vòi phun tỷ lệ beta cao và vòi phun kiểu cổ thắt. Các vòi phun khác có thể được sử dụng nếu mức độ cẩn thận tương đương được thực hiện trong quá trình chế tạo và lắp đặt chúng và nếu chúng được hiệu chuẩn trong phòng thí nghiệm với cùng mức độ cẩn thận và độ chính xác như yêu cầu trong tài liệu này.
4.5.3.1.2.2 Hiệu chuẩn
Ít nhất 20 điểm hiệu chuẩn phải được thực hiện trên phạm vi rộng nhất của số Reynolds để có thể áp dụng cho việc Kiểm tra hiệu suất. Quy trình để xác định xem đường cong hiệu chuẩn có trùng với đường cong lý thuyết hay không phải được thực hiện. Quy trình điều chỉnh các đường cong này bao gồm phép ngoại suy, nếu cần, và đánh giá đường cong cho hệ số xả.
4.5.3.1.3 Lưu lượng kế kiểu ống Venturi
4.5.3.1.3.1 Ứng dụng
Lưu lượng kế kiểu ống Venturi trong một thí nghiệm của Tiêu chuẩn có thể được sử dụng để đo lưu lượng hơi và lưu lượng nước trong ống có đường kính ít nhất là 10 cm.
Ống venturi (thuộc loại Herschel cổ điển) là loại thiết bị đo chính được khuyến nghị. Các ống venturi khác có thể được sử dụng nếu mức độ cẩn thận tương đương được thực hiện trong quá trình chế tạo và lắp đặt và nếu chúng được hiệu chuẩn trong phòng thí nghiệm với cùng sự cẩn thận và độ chính xác như yêu cầu trong tài liệu này.
4.5.3.1.3.2 Hiệu chuẩn
Do các cân nhắc về sự tương đồng thiết kế nên thiết bị đo lưu lượng kiểu ống venturi của ASME thường duy trì cùng một đại lượng vật lý của dòng chảy giống như vòi phun kiểu cổ thắt. Như vậy, tương tự như thiết bị đo kiểu vòi phun, ít nhất 20 điểm hiệu chuẩn phải được tiến hành trên phạm vi rộng nhất của số Reynolds mà có thể áp dụng cho việc kiểm tra hiệu suất. Quy trình điều chỉnh đường cong hiệu chuẩn bao gồm cả phép ngoại suy, nếu cần, đối với hệ số xả phải được thực hiện.
4.5.3.2 Lưu lượng kế Coriolis
4.5.3.2.1 Ứng dụng
Lưu lượng kế Coriolis trong thí nghiệm của tiêu chuẩn có thể được sử dụng cho dòng nhiên liệu khí và lỏng trong phạm vi đặc điểm kỹ thuật về áp suất, nhiệt độ của dòng và đặc tính của lưu lượng kế. Lưu lượng kế Coriolis đo lưu lượng khối lượng trực tiếp. Do thiết bị đo không nhạy cảm với sự biến dạng của biên dạng vận tốc và dòng xoáy nên thường không có yêu cầu nào về quá trình đo thông thường hoặc việc điều hòa dòng chảy. Để giảm thiểu độ không đảm bảo, số 0 của thiết bị Coriolis phải được xác nhận ở đường nhiệt độ thí nghiệm trước khi bắt đầu kiểm tra hiệu suất.
4.5.3.2.2 Hiệu chuẩn
Việc hiệu chuẩn lưu lượng kế Coriolis thường được tiến hành bằng nước. Các chất lưu khác có thể được sử dụng vì các hằng số này có giá trị đối với các chất lưu khác. Các điểm hiệu chuẩn phải được lấy ở tốc độ dòng chảy xung quanh phạm vi tốc độ dòng chảy dự kiến trong quá trình thí nghiệm. Tác động của áp suất vận hành và nhiệt độ lên lưu lượng kế trong quá trình thí nghiệm phải được áp dụng để điều chỉnh ảnh hưởng của các điều kiện vận hành khác với điều kiện hiệu chuẩn. Lưu lượng kế Coriolis phải được đặc trưng cho áp suất dòng và nhiệt độ dòng. Phải cẩn thận để các hằng số trong quá trình xử lý của lưu lượng kế tồn tại trong suốt quá trình hiệu chuẩn trong phòng thí nghiệm giống với các hằng số có trong lưu lượng kế khi nó được đưa vào vận hành và trong quá trình kiểm tra hiệu suất. Các hằng số như vậy bù cho các đặc tính vật lý, điện và cảm biến. Ngoài ra, cần xác nhận rằng các hệ số hiệu chuẩn được xác định trong quá trình hiệu chuẩn trong phòng thí nghiệm cũng được áp dụng chính xác trong bộ xử lý của lưu lượng kế.
4.5.3.3 Lưu lượng kế siêu âm
4.5.3.3.1 Ứng dụng
Lưu lượng kế siêu âm có thể được sử dụng để đo lưu lượng nhiên liệu khí và đo lưu lượng nước. Các lưu lượng kế này đo vận tốc của chất lỏng lưu thông mà trong đó lưu lượng thể tích có thể được tính toán dựa trên các kích thước vật lý đã biết của vùng đo. Do độ nhạy của biên dạng vận tốc trên phép đo của nó nên phải sử dụng bộ điều hòa dòng chảy cũng như các đoạn ống thẳng phía dòng vào và dòng ra thích hợp. Để đảm bảo ứng dụng phù hợp, các nhà sản xuất thường cung cấp lưu lượng kế siêu âm hoàn chỉnh với bộ điều hòa dòng chảy và các đoạn ống thẳng ráp nối cần thiết.
4.5.3.3.2 Hiệu chuẩn
Việc hiệu chuẩn trong phòng thí nghiệm của lưu lượng kế siêu âm phải được tiến hành theo dạng các đoạn ống ráp nối hoàn chỉnh. Khi được sử dụng để đo lưu lượng khí tự nhiên, việc hiệu chuẩn trong phòng thí nghiệm thường được tiến hành với khí tự nhiên ở tốc độ dòng chảy xung quanh phạm vi tốc độ dòng chảy trong quá trình vận hành tải nền của tua bin khí. Cần phải cẩn thận để các hằng số và thuật toán trong quá trình xử lý của lưu lượng kế tồn tại trong quá trình hiệu chuẩn trong phòng thí nghiệm giống hệt với các hằng số và thuật toán có trong lưu lượng kế khi nó được đưa vào vận hành và trong quá trình kiểm tra hiệu suất. Các hằng số và thuật toán như vậy bù đắp cho các đặc tính vật lý, điện và cảm biến. Ngoài ra, cần xác nhận rằng các hệ số hiệu chuẩn được xác định trong quá trình hiệu chuẩn trong phòng thí nghiệm cũng được áp dụng chính xác trong bộ xử lý của lưu lượng kế.
4.5.3.4 Lưu lượng kế cơ học
Trong phần này, các yêu cầu về ứng dụng và hiệu chuẩn đối với việc sử dụng lưu lượng kế kiểu tua bin và lưu lượng kế kiểu chuyển vị dương (lưu lượng kế pít tông) được trình bày. Lưu lượng kế kiểu tua bin thường được phân loại là lưu lượng kế tự suy luận vì chủng đo các đặc tính nhất định của dòng chất lỏng và "luận ra" lưu lượng thể tích trong khi lưu lượng kế kiểu chuyển vị dương thường được phân loại là lưu lượng kế kiểu trực tiếp vì chúng đo lưu lượng thể tích trực tiếp bằng cách liên tục tách (cô lập) dòng chảy thành các vùng thể tích rời rạc và đếm chúng.
Một sự khác biệt cơ bản giữa lưu lượng kế kiểu chênh áp và lưu lượng kế kiểu cơ học bắt nguồn từ Công thức dòng chảy. Việc tính toán lưu lượng của lưu lượng kế kiểu chênh áp có thể dựa trên các nguyên tắc cơ bản về dòng chất lỏng sử dụng định luật Nhiệt động lực học thứ nhất trong đó sai lệch so với kỳ vọng lý thuyết có thể được giả định theo hệ số xả. Do đó, người ta có thể sản xuất, lắp đặt và vận hành một lưu lượng kế kiểu chênh áp với Độ không đảm bảo đã biết trước. Ngược lại, hoạt động của lưu lượng kế kiểu cơ học không bắt nguồn sâu xa từ các nguyên tắc cơ bản của nhiệt động lực học và có các đặc tính làm việc được thiết lập dựa trên thiết kế và hiệu chuẩn, cần phải bảo dưỡng, kiểm tra và hiệu chuẩn lại định kỳ vì việc hiệu chuẩn này sẽ thay đổi theo thời gian do hao mòn, hư hỏng hoặc nhiễm bẩn.
Tất cả các lưu lượng kế kiểu cơ học được sử dụng để đo các thông số và biến sơ cấp cấp 1 hoặc cấp 2 phải được hiệu chuẩn trong phòng thí nghiệm. Các hiệu chuẩn này phải được thực hiện trên từng lưu lượng kế sử dụng chất lỏng, điều kiện vận hành và cách bố trí đường ống gần giống với các điều kiện thí nghiệm như thực tế. Nếu thiết bị nắn dòng hoặc các thiết bị điều hòa dòng chảy khác được sử dụng trong thí nghiệm, chúng phải được đưa vào đường ống của thiết bị đo khi việc hiệu chuẩn được thực hiện.
4.5.3.4.1 Lưu lượng kế kiểu tua bin
4.5.3.4.1.1 Ứng dụng
Các ứng dụng được đề xuất của lưu lượng kế kiểu tua bin theo Tiêu chuẩn này là đo lưu lượng dòng chảy chất lỏng trong đường ống có đường kính nhỏ hơn 8 cm.
Lưu lượng kế kiểu tua bin là thiết bị đo thể tích gián tiếp. Bộ phận chính của nó là một bánh tua bin hướng trục quay tự do trong dòng chất lỏng. Dòng chất lỏng làm quay bánh tua bin với tốc độ tỷ lệ thuận với vận tốc trung bình của chất lỏng trong phần tiết diện tự do của lưu lượng kế kiểu tua bin. Do đó, tốc độ của bánh tua bin tỷ lệ thuận với lưu lượng thể tích của dòng chảy, với số vòng quay tỷ lệ thuận với thể tích đã đi qua lưu lượng kế. Lưu lượng kế kiểu tua bin có hai dạng cơ bản: điện từ và cơ khí.
Lưu lượng kế kiểu điện từ có hai bộ phận chuyển động gồm rô to và các ổ trục. Vận tốc rô to được theo dõi bằng cách đếm các xung được tạo ra khi rô to đi qua từ trường được tạo ra bởi một cuộn dây cảm biến điện từ nằm trong mô-đun đo. Hệ số mét, hoặc hệ số “K”, được xác định cho lưu lượng kế trong phòng thí nghiệm hiệu chuẩn lưu lượng bằng cách đếm các xung cho một thể tích lưu lượng đã biết và thường được biểu thị bằng xung trên ACF (feet khối thực tế). Hệ số “K” này là hệ số duy nhất cho lưu lượng kế và giúp xác định độ chính xác của lưu lượng kế.
Lưu lượng kế kiểu cơ học sử dụng một bộ truyền bánh răng cơ khí để xác định mối quan hệ của rô to với thể tích. Bộ truyền bánh răng thường bao gồm một loạt các bánh răng xoắn, bánh răng truyền động và cụm bánh răng trung gian để truyền chuyển động của rô to đến một bộ đếm cơ khí. Trong lưu lượng kế kiểu cơ học, một đường cong lý thuyết được thiết lập trong phòng thí nghiệm hiệu chuẩn lưu lượng và một tổ hợp các bánh răng thay đổi được lắp đặt để chuyển đổi đường cong lý thuyết này thành 100%.
Hiệu suất của lưu lượng kế kiểu tua bin thường được xác định bằng độ thích ứng, độ tuyến tính và độ lặp lại.
(a) Độ thích ứng: Độ thích ứng là thước đo độ ổn định của đầu ra trong một tập hợp các điều kiện dòng chảy nhất định và được định nghĩa là tỷ số giữa công suất tối đa của lưu lượng kế với công suất tối thiểu trong một tập hợp các điều kiện hoạt động và Trong đó lưu lượng kế duy trì độ chính xác được chỉ định;
(b) Độ tuyến tính: Độ tuyến tính được định nghĩa là tổng độ lệch trong chỉ thị của lưu lượng kế trên một phạm vi lưu lượng đã nêu và thường được các nhà sản xuất lưu lượng kế quy định trong phạm vi ±0,5% trên phạm vi lưu lượng giới hạn. Lưu lượng kế với độ chính xác cao có độ tuyến tính điền hình là ±0,15% đối với chất lỏng và ±0,25% đối với chất khí, thường được chỉ định trong phạm vi động 10:1 dưới lưu lượng danh định tối đa;
(c) Độ lặp lại: Độ lặp lại được định nghĩa là khả năng lưu lượng kế chỉ ra số đọc giống nhau mỗi khi tồn tại cùng một điều kiện và thường được quy định bằng ±0,1% số đọc đối với chất lỏng và ±0,25% đối với chất khí. Độ chính xác phải được quy định dưới dạng một bản thuyết minh tổng hợp về độ lặp lại và độ tuyến tính trong một phạm vi lưu lượng dòng chảy đã nêu;
Lưu lượng kế kiểu tua bin dễ bị ghi nhận quá tốc độ bảo đảm do chất gây ô nhiễm, xoáy thuận, biên dạng vận tốc không đồng đều và dao động trong dòng chảy. Trong dòng khí, chất gây ô nhiễm có thể tích tụ bên trong các bộ phận của lưu lượng kế và làm giảm diện tích dòng chảy, dẫn đến vận tốc dòng chất lỏng lớn hơn, rô to chuyển động nhanh hơn và góc thoát rô to bị lệch. Vận tốc tăng và góc thoát của chất lỏng bị thay đổi làm cho rô to chạy quá tốc độ bảo đảm. Đối với tất cả các chất lỏng, dòng chảy rối thuận phía đầu vào có thể do nhiều nguyên nhân khác nhau như là các đoạn gấp khúc của đường ống, điều hòa dòng chảy không đủ, bộ lọc ở đầu vào bị tắc một phần hoặc cánh gạt thẳng bên trong bị hỏng. Vòng xoáy thuận làm cho dòng chất lỏng va đập vào rô to ở một góc lớn hơn, làm cho rô to chạy quá tốc độ bảo đảm. Trong trường hợp xuất hiện sự biến dạng của biên dạng vận tốc tại đầu vào rô to do cấu hình đường ống phía đầu vào, van, máy bơm, sai lệch mặt bích và các vật cản khác thì tốc độ rô to ở một lưu lượng nhất định sẽ bị ảnh hưởng. Nói chung, đối với lưu lượng dòng chảy trung bình nhất định thì cấu hình vận tốc không đồng đều dẫn đến tốc độ rô to cao hơn so với cấu hình vận tốc đồng đều. Trong dòng chảy dao động, vận tốc chất lỏng tăng và giảm, dẫn đến sự gia tốc và giảm tốc theo chu kỳ của rô to gây ra quá độ bảo đảm đo thực. Lưu lượng kế tua bin rô to kép với khả năng tự kiểm tra và tự chẩn đoán được khuyến nghị để hỗ trợ độ chính xác của phép đo nhằm phát hiện và điều chỉnh mài mòn cơ học, ma sát chất lỏng và xoáy phía đầu vào. Ngoài ra, các thuật toán lưu lượng và điện tử của lưu lượng kế tua bin rô to kép phát hiện và thực hiện các điều chỉnh từng phần đối với hiện tượng phản lực và dao động khắc nghiệt.
4.5.3.4.1.2 Hiệu chuẩn
Việc hiệu chuẩn riêng lẻ phải được thực hiện trên từng lưu lượng kế tua bin ở các điều kiện càng gần với điều kiện thí nghiệm mà lưu lượng kế sẽ hoạt động càng tốt. Điều này phải bao gồm việc sử dụng lưu chất, điều kiện vận hành (nhiệt độ và áp suất) và cách bố trí đường ống gần giống với điều kiện thí nghiệm như thực tế với các điểm dữ liệu hiệu chuẩn được lấy ở lưu lượng dòng chảy bao quanh phạm vi dòng thí nghiệm dự kiến. Sự định hướng của lưu lượng kế tua bin sẽ ảnh hưởng đến bản chất của tải trên các ổ trục rô to và do đó, hiệu suất của lưu lượng kế ở lưu lượng dòng chảy thấp. Để có độ chính xác tối ưu, lưu lượng kế tua bin phải được lắp đặt cùng hướng mà nó đã được hiệu chuẩn. Báo cáo hiệu chuẩn lưu lượng kế tua bin phải được kiểm tra để xác nhận độ không đảm bảo như đã được hiệu chuẩn trong môi trường hiệu chuẩn.
Vì ảnh hưởng do độ nhớt lên hệ số hiệu chuẩn “K” của lưu lượng kế tua bin là duy nhất nên lưu lượng kế tua bin đo lưu lượng dòng nhiên liệu lỏng phải được hiệu chuẩn tại hai điểm độ nhớt động học xung quanh độ nhớt chất lỏng thí nghiệm. Mỗi điểm độ nhớt động học phải có ba nhiệt độ hiệu chuẩn khác nhau bao gồm nhiệt độ nhiên liệu lỏng dự kiến trong quá trình thí nghiệm. Một đường cong độ nhớt phổ quát (UVC) nên được phát triển để thiết lập độ nhạy cho hệ số “K” của lưu lượng kế theo một hàm của tỷ số giữa tần số đầu ra và độ nhớt động học. Đường cong độ nhớt phổ quát phản ánh các tác động tổng hợp của vận tốc, mật độ và độ nhớt tuyệt đối tác động lên lưu lượng kế. Hai ảnh hưởng sau được kết hợp thành một tham số duy nhất bằng cách sử dụng độ nhớt động học.
Kết quả của việc hiệu chuẩn phải bao gồm
(a) Sai số tại lưu lượng nhỏ nhất và tại tất cả các lưu lượng dòng chảy trên mức lưu lượng nhỏ nhất: 0,1/0,25/0,4/0,7 của lưu lượng lớn nhất;
(b) Tên và địa điểm của phòng thí nghiệm hiệu chuẩn;
(c) Phương pháp hiệu chuẩn (chuông báo, vòi phun âm, lỗ tiết lưu dòng tới hạn, các dụng cụ đo chính, ...);
(d) Độ không đảm bảo ước tính của phương pháp;
(e) Bản chất và điều kiện (áp suất, nhiệt độ, độ nhớt, trọng lượng riêng) của chất lỏng thí nghiệm; và
(f) Vị trí của lưu lượng kế (ngang, dọc - chảy lên, dọc - chảy xuống).
Khi trình bày dữ liệu hiệu chuẩn, sai số tương đối hoặc đối nghịch của nó (hiệu chỉnh) hoặc hiệu suất thể tích hoặc nghịch đảo của nó (hệ số lưu lượng kế) phải được vẽ biểu đồ so với số Reynolds của lưu lượng kế (Lỗ khoan của lưu lượng kế phải được đo chính xác như một phần của quá trình hiệu chuẩn).
4.5.3.4.2 Lưu lượng kế kiểu thể tích
4.5.3.4.2.1 Ứng dụng
Tiêu chuẩn này khuyến nghị cho lưu lượng kế kiểu thể tích đối với dòng nhiên liệu lỏng cho tất cả các kích thước đường ống, nhưng đặc biệt đối với các đường ống nhỏ hơn 8 cm. Có nhiều kiểu dáng của lưu lượng kế kiểu thể tích bao gồm tấm lắc, piston quay, cánh gạt quay, và các loại bánh răng hoặc cánh quạt. Tất cả các thiết kế này đều đo lưu lượng thể tích trực tiếp bằng cách liên tục tách (cô lập) dòng chảy thành các phân đoạn thể tích rời rạc và đếm chúng. Như vậy, chúng thường được gọi là thể tích kế. Bởi vì mỗi số đếm đại diện cho một thể tích chất lỏng rời rạc nên lưu lượng kế kiểu thể tích phù hợp cho việc phân lô và hạch toán tự động. Không giống như lưu lượng kế kiểu phân cấp áp suất và lưu lượng kế kiểu tua bin, lưu lượng kế kiểu thể tích tương đối không nhạy cảm với việc lắp đặt đường ống và các điều kiện dòng chảy yếu; thực tế chúng là một dòng chảy rối chứ không phải bất cứ thứ gì khác ở phía dòng vào hoặc dòng ra trong hệ thống đường ống của nhà máy.
Lưu lượng kế kiểu thể tích cho độ chính xác cao (±0,1% lưu lượng dòng chảy thực tế trong một số trường hợp) và độ lặp lại tốt (±0,05% số đọc trong một số trường hợp) và độ chính xác không bị ảnh hưởng đáng kể bởi dòng chảy dao động trừ khi nó cuốn theo không khí hoặc khí trong chất lỏng. Hoàn toàn có thể giảm xuống tới mức 100:1, mặc dù phạm vi 15:1 hoặc thấp hơn phổ biến hơn.
Khuyến nghị sử dụng lưu lượng kế kiểu thể tích mà không cần bù nhiệt độ. Ảnh hưởng của nhiệt độ đến mật độ chất lỏng có thể được tính bằng cách tính toán khối lượng dòng chảy dựa trên trọng lượng riêng tại nhiệt độ dòng chảy.
![]()
Trong đó:
qmh = lưu lượng khối lượng, kg/s
qv = lưu lượng thể tích, L/s
sg = trọng lượng riêng tại nhiệt độ dòng chảy, không thứ nguyên
Phân tích nhiên liệu phải được hoàn thành trên các mẫu được lấy trong quá trình thí nghiệm. Nhiệt trị thấp hơn và cao hơn của nhiên liệu và trọng lượng riêng của nhiên liệu phải được xác định từ các phân tích nhiên liệu này. Trọng lượng riêng phải được đánh giá ở ba điểm nhiệt độ nằm trong phạm vi nhiệt độ đo được trong quá trình thí nghiệm. Sau đó, trọng lượng riêng ở nhiệt độ dòng chảy phải được xác định bằng cách nội suy giữa các giá trị đo được với nhiệt độ chính xác.
4.5.3.4.2.2 Hiệu chuẩn
Nên tiến hành việc hiệu chuẩn các lưu lượng kế này trong cùng một chất lỏng ở cùng một nhiệt độ và lưu lượng hay như trong môi trường hoặc phòng thí nghiệm hiệu suất dự kiến của chúng. Nếu phòng thí nghiệm hiệu chuẩn không có chất lưu đồng nhất thì quy trình tốt nhất tiếp theo là hiệu chuẩn lưu lượng kế trong chất lỏng tương tự trên cùng một phạm vi hệ số sụt áp - độ nhớt dự kiến đang sử dụng. Khuyến nghị này ngụ ý nhân đôi độ nhớt tuyệt đối của hai chất lưu.
4.6 Đo nhiệt đầu vào chính
4.6.1 Nhiên liệu rắn đồng nhất
Nhiên liệu rắn đồng nhất được định nghĩa là những nhiên liệu có nhiệt độ thay đổi nhỏ hơn 2,0% trong quá trình kiểm tra hiệu suất. Nhiệt lượng đầu vào của nhà máy theo dòng nhiên liệu rắn đồng nhất phải được đo và tính toán bằng phương pháp gián tiếp vì không thể đo chính xác dòng nhiên liệu rắn bằng phương pháp trực tiếp. Phương pháp tiếp cận yêu cầu phân chia lượng nhiệt bổ sung vào chất lưu làm việc cho hiệu suất nhiên liệu của lò hơi như sau:
![]()
Trong đó
năng lượng đầu ra lò hơi = nhiệt được thêm vào chất lưu làm việc (bao gồm cả xả) bởi lò hơi, kJ/kg
nhiệt đầu vào cơ sở = năng lượng được bổ sung vào cơ sở bởi nhiên liệu đồng nhất, kJ/kg
Hiệu suất nhiên liệu nồi hơi (b.e.) phải được tính bằng phương pháp cân bằng năng lượng theo ASME PTC 4.
Năng lượng đầu ra của lò hơi là năng lượng được thêm vào nước cấp của lò hơi khi nó trở thành hơi quá nhiệt và khi hơi nước được tái nhiệt nếu có. Năng lượng đầu ra của lò hơi được tính toán bằng cách vẽ một khối cân bằng năng lượng và khối lượng xung quanh lò hơi. Khi đó, tích của lưu lượng và entanpy của mỗi dòng nước và hơi qua khối cân bằng năng lượng được tính bằng phép lấy tổng. Các dòng đi vào khối cân bằng năng lượng là âm và các dòng đi ra là dương. Tất cả các dòng hơi nước hoặc nước vào hoặc ra khỏi lò hơi sẽ được tính chung. Các dòng này bao gồm nước cấp, nước giảm ôn quá nhiệt, xả, hơi nước thổi bụi và các dòng hơi khác.
Sau đây là một số hướng dẫn về thời điểm nên đưa dòng vào và cách thực hiện các phép đo. Dòng nước giảm ôn hơi quá nhiệt thường bắt nguồn từ việc xả bơm cấp lò hơi. Tuy nhiên, đôi khi nó bắt nguồn từ dòng nước cấp ở phía đầu ra của bất kỳ bộ hâm nước nào và từ phía đầu ra của thiết bị đo nước cấp. Nếu trường hợp thứ hai xảy ra, bỏ qua dòng nước phun giảm ôn hơi quá nhiệt trong tính toán.
Việc xả lò hơi thường ra khỏi chu trình nhất và nên được tính là một trong những dòng đi ra khỏi khối cân bằng năng lượng. Entanpy của dòng này là chất lỏng bão hòa ở áp suất bao hơi. Tiêu chuẩn này khuyến nghị rằng việc xả lò hơi nên được tách ra vì rất khó đo lưu lượng chất lỏng bão hòa.
Hơi thổi bụi nên được tính là dòng đi ra nếu nó bắt nguồn từ bên trong lò hơi. Thường thì hơi nước này bắt nguồn từ phía đầu vào của một trong các bộ quá nhiệt. Nếu không thể đo được hơi thổi bụi thì phải tách nó ra trong quá trình thí nghiệm. Nếu hơi thổi bụi bắt nguồn từ phía đầu ra của hơi chính thì không nên đưa vào tính toán.
Lưu lượng hơi chính thường được tính bằng cách lấy lưu lượng nước cấp trừ đi lưu lượng xả và lưu lượng ngoại lai có thể có khác như hơi thổi bụi.
Lưu lượng hơi tái nhiệt đến lò hơi được xác định bằng cách trừ đi lưu lượng hơi chính của bất kỳ quá trình rò rỉ và trích ra nào rời đi khỏi dòng hơi chính trước khi nó quay trở lại lò hơi dưới dạng hơi tái nhiệt. Rò rỉ đều phải được đo trực tiếp, được tính toán bằng cách sử dụng áp suất của nhà cung cấp cho các mối quan hệ dòng chảy, hoặc được xác định bằng các phương pháp được tất cả các bên chấp nhận. Lưu lượng trích ra phải được đo trực tiếp hoặc được tính toán bằng cân bằng nhiệt xung quanh bộ gia nhiệt nếu quá trình trích ra là để dùng cho bộ gia nhiệt. Dòng phun tái nhiệt cũng phải được bao gồm như một trong những dòng chảy vào lò hơi. Dòng hồi lưu tái nhiệt là tổng của dòng hơi tái nhiệt đến lò hơi và dòng phun tái nhiệt lạnh.
4.6.2 Nhiên liệu lỏng hoặc khí đồng nhất
Nhiên liệu lỏng hoặc khí đồng nhất là những nhiên liệu có nhiệt trị thay đổi nhỏ hơn 1% trong quá trình kiểm tra hiệu suất. Vì các dòng chất lỏng và khí và các nhiệt trị có thể được xác định với độ chính xác cao, nhiệt lượng đầu vào từ các loại nhiên liệu này thường được xác định bằng phép đo trực tiếp dòng nhiên liệu và nhiệt trị được xác định trong phòng thí nghiệm hoặc nhiệt trị được xác định trực tuyến sử dụng sắc phổ. Nhiệt đầu vào của nhiên liệu lỏng hoặc khí đồng nhất cũng có thể được xác định bằng cách tính toán như đối với nhiên liệu rắn đồng nhất.
Lưu lượng nhiên liệu lỏng và khí đồng nhất thường được đo trực tiếp cho các nhà máy nhiệt điện dựa trên tua bin khí. Đối với các nhà máy tua bin hơi, phương pháp có độ không đảm bảo nhỏ nhất nên được sử dụng tùy thuộc vào vị trí cụ thể.
Phần 4.5 bao gồm thảo luận về phép đo lưu lượng nhiên liệu lỏng và khí. Nếu sử dụng phương pháp trực tiếp, lưu lượng được nhân với nhiệt trị của dòng nhiên liệu để thu được nhiệt đầu vào cơ sở cho chu trình. Nhiệt trị có thể được đo bằng máy sắc phổ trực tuyến hoặc bằng cách lấy mẫu dòng nhiên liệu theo chu kỳ (ít nhất ba mẫu cho mỗi lần thử) và phân tích từng mẫu riêng lẻ để tìm nhiệt trị.
4.7 Đo phát điện
4.7.1 Giới thiệu
Tiểu mục này trình bày các yêu cầu và hướng dẫn liên quan đến phép đo phát điện.
Phạm vi của tiểu mục này bao gồm
(a) Phép đo đa pha (ba pha) dòng điện xoay chiều (AC) thực (hoạt động) và công suất phản kháng đầu ra. Thông thường, phép đo nhiều pha sẽ là phát điện lưới hoặc tổng thể của nhà máy, phép đo trực tiếp sản lượng máy phát điện (tổng sản lượng), hoặc điện năng tiêu thụ của thiết bị phụ trợ lớn của nhà máy (chẳng hạn như bộ truyền động bơm cấp lò hơi);
(b) Phép đo sản lượng điện một chiều (DC). Thông thường, phép đo DC sẽ ở phía máy phát của bất kỳ kết nối nào với mạch nguồn mà nguồn điện có thể đi vào hoặc rời khỏi mạch và càng gần các đầu nối của máy phát điện càng tốt.
4.7.2 Độ không đảm bảo bắt buộc
Độ không đảm bảo bắt buộc sẽ phụ thuộc vào loại tham số và biến được đo. Tham khảo các đoạn 4.1.2.2 và 4.1.2.3 để thảo luận về phân loại đo và phân loại thiết bị đo tương ứng.
4.7.2.1 Các tham số và biến sơ cấp
(a) Loại 1. Các thông số và biến sơ cấp cấp 1 phải được đo bằng thiết bị đo công suất cấp chính xác 0,1% hoặc cao hơn, máy biến dòng (loại thiết bị đo) cấp độ chính xác 0,3% trở lên và máy biến áp cấp độ chính xác 0,3% trở lên (loại thiết bị đo);
(b) Loại 2. Các thông số và biến sơ cấp cấp 2 phải được đo bằng thiết bị đo công suất cấp độ chính xác 0,5% trở lên, máy biến dòng (loại thiết bị đo) cấp độ chính xác 0,3% trở lên và máy biến áp cấp độ chính xác 0,3% trở lên (loại thiết bị đo). Trong trường hợp các tham số hoặc biến sơ cấp Loại 2 có độ nhạy tương đối nhỏ hơn 0,02 phần trăm trên phần trăm, thì có thể chấp nhận xác định công suất với Độ không đảm bảo tổng thể là ±0,5%.
4.7.2.2 Các tham số và biến thứ cấp
Các thông số và biến thứ cấp có thể được đo bằng bất kỳ loại thiết bị đo công suất nào. Việc sử dụng máy biến áp đã được hiệu chuẩn sẽ làm giảm Độ không đảm bảo tổng thể, nếu dữ liệu hiệu chuẩn được sử dụng để tính toán kết quả thí nghiệm; tuy nhiên, việc sử dụng các máy biến áp đã được hiệu chuẩn không phải là yêu cầu của Tiêu chuẩn.
4.7.3 Kết nối hệ thống đo điện xoay chiều nhiều pha
Việc đấu nối các phần tử chính để đo của hệ thống điện xoay chiều nhiều pha phải chịu Độ không đảm bảo bắt buộc và mức độ mất cân bằng giữa các pha có thể gặp phải. Nhiều kết nối khác nhau và đặc biệt có thể được sử dụng để đo dòng điện xoay chiều nhiều pha; tuy nhiên, các kết nối được đề cập trong Tiêu chuẩn này sẽ dành cho hệ thống loại ba dây hoặc bốn dây và được khuyến nghị để đáp ứng các yêu cầu về độ không đảm bảo của tiêu chuẩn này.
Nguyên tắc cơ bản mà phép đo công suất dòng điện xoay chiều nhiều pha dựa trên đó là Định lý Blondel. Định lý này nói rằng đối với một hệ thống gồm N vật dẫn, cần có N-1 phần tử đo để đo công suất hoặc năng lượng thực của hệ thống. Điều này đúng với bất kỳ điều kiện mất cân bằng tải nào. Do đó, hiển nhiên là các kết nối điện của máy phát điện với hệ thống chi phối việc lựa chọn hệ thống đo đếm. Do đó, các phương pháp đo tối thiểu cần thiết để sử dụng trên mỗi hệ thống ba pha này có thể được chia thành các loại sau:
Bảng 11 - Tóm tắt các hạn chế về phương pháp đo
| Cấu hình |
| Những hạn chế | ||
| Tiêu chuẩn hiệu | Ứng dụng | Cách mắc | Điện áp | Tải |
| 1,5E | 1½ phần tử | 3 pha, 3 - dây | Cân bằng | Cân bằng |
| 2E | 2 phần tử | 3 pha, 3 - dây | Không | Không |
| 3E | 3 phần tử | 3 pha, 3 - dây | Không | Không |
| 2,5E | 2½ phần tử | 3 pha, 4 - dây | Cân bằng | Cân bằng |
| 3E | 3 phần tử | 3 pha, 4 - dây | Không | Không |
(a) Hệ thống điện ba dây. Hệ thống điện ba dây bao gồm hai công tơ một pha hoặc một công tơ hai pha;
(b) Hệ thống điện bốn dây. Hệ thống điện bốn dây bao gồm ba công tơ một pha hoặc một công tơ ba pha.
Bảng 11 cung cấp hướng dẫn về các hạn chế của các phương pháp đo kết nối khác nhau để đảm bảo phương pháp đo thích hợp được chọn để đáp ứng các yêu cầu về độ không đảm bảo như mô tả trong điều 4.7.3. Cần lưu ý, trong cấu hình hai phần tử của kết nối ba pha, ba dây, nếu tải (dòng pha) không cân bằng, thì phương pháp này có thể dẫn đến sai số khi tính toán tổng hệ số công suất vì chỉ có hai phép đo VA được sử dụng trong tính toán. Do đó, cấu hình ba phần tử của kết nối ba pha, ba dây là cấu hình được khuyến nghị trong việc xác định hệ số công suất do tính ổn định trong việc cân bằng tải của hệ thống điện ba dây.
Hệ thống điện ba dây và bốn dây được xác định bằng các kết nối giữa máy phát và máy biến áp: sao - tam giác, tam giác - sao, sao - sao, tam giác - tam giác. Loại kết nối và bố trí địa điểm cần được xem xét trước khi quyết định hệ thống đo đếm điện năng nào phù hợp với một ứng dụng đo nhất định. Điều 4.7.3.1 và 4.7.3.2 mô tả từng hệ thống này và các kỹ thuật đo.
4.7.3.1 Hệ thống điện ba dây
Hệ thống nguồn ba dây được sử dụng cho một số loại hệ thống điện như trong Hình 10. Mô tả ngắn gọn về các hệ thống điện ba dây khác nhau như sau: Tam giác hở. Máy phát điện nối tam giác hở không có sẵn dây trung tính hoặc dây thứ tư để tạo điều kiện cho dây dẫn trung tính; do đó, nó chỉ có thể được kết nối trong kết nối ba dây. Máy phát điện được kết nối tam giác hở là phổ biến vì nó được kết hợp với mức độ tin cậy cao hơn (nếu một cuộn dây không mở, hai cuộn dây còn lại vẫn có thể duy trì điện áp đường dây đầy đủ cho tải).

(a) Kiểu sao nối đất trở kháng cao. Hệ thống ba dây thông dụng là máy phát điện được kết nối kiểu sao với thiết bị nối đất trung tính trở kháng cao. Máy phát điện được nối trực tiếp với máy biến áp có cuộn dây sơ cấp tam giác và phân phối tải được thực hiện ở phía thứ cấp nối đất của máy biến áp. Bất kỳ sự mất cân bằng tải nào ở phía phân phối tải của máy biến áp được coi là dòng điện trung tính trong kết nối đất. Ở phía máy phát của máy biến áp, dòng điện trung tính được lọc ra hiệu quả do cuộn dây tam giác, và không cần dây dẫn trung tính;
(b) Kiểu sao nối đất trở kháng thấp. Một loại hệ thống ba dây khác sử dụng máy phát điện được kết nối sao với điện trở nối đất trung tính trở kháng thấp. Trong trường hợp này, máy phát được kết nối với thanh cái phân phối tải ba dây và các tải được kết nối pha với pha, một pha hoặc ba pha tam giác. Điện trở nối đất có kích thước để mang dòng điện sự cố từ 400 A đến 2000 A;
(c) Kiểu sao không nối đất. Một ví dụ thứ tư ít phổ biến hơn về hệ thống ba dây là một máy phát điện kiểu sao không có dây nối đất được sử dụng với một máy biến áp nối đất tam giác - sao. Trong hầu hết các trường hợp, đầu nối sao không nối đất không được phép sử dụng theo tiêu chuẩn điện quốc gia (NFPA 70), vì nó dễ bị xung, quá độ đổ chuông và lỗi gây ra điện áp cao nối đất.
Hệ thống điện ba dây có thể được đo bằng cách sử dụng hai máy biến điện áp (VT) kết nối Tam giác hở và hai máy biến dòng (CT). Hệ thống đo sáng tam giác hở được thể hiện trong Hình 10. Các máy biến áp dụng cụ này được kết nối với hai thiết bị watt/var, một thiết bị đo W/VAR hai phần tử, hai thiết bị đo Wh/VARh hoặc một thiết bị đo hai phần tử Wh/VARh hai phần tử. Các thiết bị đo var là cần thiết để thiết lập hệ số công suất PF như sau:
![]()
Trong đó:
PF = hệ số công suất
Varst = tổng số vars cho ba pha
Wattst = tổng số watts cho ba pha
Ngoài ra, đối với mạch hình sin ba pha, ba dây cân bằng, hệ số công suất, PF, có thể được tính toán từ phép đo công suất pha với pha như sau:

Trong đó:
PF = hệ số công suất
WattsA-B = pha công suất thực từ A đến B
WattsC-B = pha công suất thực từ C đến B
4.7.3.2 Hệ thống điện bốn dây
Hệ thống đo công suất bốn dây điển hình được thể hiện trong Hình 11. Có hai loại hệ thống điện bốn dây, như sau:
(a) Trong loại đầu tiên, nơi mà đầu ra máy phát được mong muốn từ máy phát được kết nối sao với mặt đất rắn hoặc trở kháng mà dòng điện có thể đi qua;
(b) Trong loại thứ hai, nơi phát điện của nhà máy được đo ở một nơi nào đó khác với máy phát điện, chẳng hạn như ở phía cao của máy biến áp tăng áp. Trong trường hợp này, trung tính được mô phỏng bởi một mặt đất.
Ngoài ra, ngoại trừ kết nối máy phát điện tam giác hở, tất cả các hệ thống ba dây được mô tả trong điều 4.7.3.1 cũng có thể được đo bằng hệ thống đo bốn dây được mô tả trong đoạn này.
Trong hệ thống điện bốn dây, công suất được đo bằng cách sử dụng ba VT và ba CT, như thể hiện trong Hình 11. Các máy biến áp đo này được kết nối với ba thiết bị đo watt/var, một thiết bị đo watt/var ba phần tử, ba thiết bị đo watt-giờ/var-giờ hoặc một thiết bị đo watt - giờ/var - giờ ba phần tử. Các thiết bị đo var là cần thiết để thiết lập hệ số công suất PF như sau:

Trong đó:
PF = hệ số công suất
Varst = tổng số vars cho ba pha
Wattst = tổng số watts cho ba pha
Ngoài ra, hệ số công suất PF có thể được xác định bằng cách đo dòng điện và điện áp từng pha, với công thức sau:
![]()
Trong đó:
Ii = dòng điện pha cho mỗi pha trong ba pha
PF = hệ số công suất
Vi = điện áp pha cho mỗi pha trong ba pha

4.7.4 Thiết bị đo điện
Có năm loại thiết bị đo điện có thể được sử dụng để đo năng lượng điện.
(a) Thiết bị đo Watt;
(b) Thiết bị đo watt - giờ;
(c) Thiết bị đo var;
(d) Thiết bị đo var - giờ;
(e) Thiết bị đo hệ số công suất.
Có thể sử dụng thiết bị đo một pha hoặc nhiều pha. Tuy nhiên, nếu sử dụng thiết bị đo nhiều pha thì đầu ra từ mỗi pha phải có sẵn hoặc thiết bị đo phải được hiệu chuẩn cho các phép đo ba pha. Các thiết bị đo này được mô tả bên dưới.
Thời gian khởi động của thiết bị đo điện phải phù hợp với khuyến nghị của nhà sản xuất để đảm bảo đáp ứng các thông số kỹ thuật của thiết bị. Nên chọn thiết bị đo điện với các cài đặt dải đo khác nhau để giảm thiểu sai số đọc trong khi tuân thủ các điều kiện thí nghiệm. Độ không đảm bảo hệ thống liên quan đến máy phân tích công suất kỹ thuật số sử dụng một số dạng kỹ thuật số hóa để chuyển đổi tín hiệu tương tự sang các thông số kỹ thuật về độ chính xác dạng kỹ thuật số sẽ xem xét các đại lượng ảnh hưởng bao gồm nhưng không giới hạn ở các ảnh hưởng môi trường như nhiệt độ môi trường, từ trường, điện trường và độ ẩm, hệ số công suất, hệ số đỉnh, độ chính xác đầu ra D/A, độ chính xác của bộ hẹn giờ (thời gian tích hợp) và độ ổn định lâu dài.
Các dây dẫn đến dụng cụ phải được bố trí sao cho điện cảm hoặc bất kỳ nguyên nhân tương tự nào khác sẽ không ảnh hưởng đến kết quả đọc. Điện cảm có thể được giảm thiểu bằng cách sử dụng các cặp xoắn và được bảo vệ cho các dây dẫn của dụng cụ. Chúng tôi mong muốn kiểm tra toàn bộ sự sắp xếp của các dụng cụ cho các trường khuếch tán từ. Ngoài ra, dây dẫn phải có điện trở cách điện phù hợp với thông số của chúng.
Để giảm thiểu sụt áp trong mạch điện áp, phải chọn thiết bị đo dây có xét đến chiều dài của dây dẫn, tải trên mạch biến áp và điện trở của cầu chì an toàn. Các sai số do điện trở của dây dẫn (kể cả cầu chì) phải luôn được tính đến, bằng phép đo sụt điện áp hoặc bằng tính toán.
Phải hết sức cẩn thận trong việc vận chuyển các dụng cụ cầm tay đã được hiệu chuẩn. Các thiết bị phải được đặt trong khu vực không có từ trường và tĩnh điện khuếch tán. Khi sử dụng thiết bị đo tích hợp, phải cung cấp thiết bị định thời thích hợp để xác định chính xác công suất thực trong khoảng thời gian thí nghiệm.
Để giảm ảnh hưởng của suy hao thiết bị đối với độ chính xác của phép đo, nên chọn thiết bị đo công suất sử dụng nguồn điện riêng và có đầu vào điện áp trở kháng cao (tức là 2,4 MΩ) và đầu vào dòng điện trở kháng thấp (ví dụ: 6 mΩ).
4.7.4.1 Thiết bị đo Watt
Watt kế đo công suất hoạt động tức thời. Công suất tác dụng tức thời phải được đo thường xuyên trong quá trình tiến hành thí nghiệm và được tính trung bình trong thời gian tiến hành thí nghiệm để xác định công suất trung bình (kilowatt) trong quá trình thí nghiệm. Nếu muốn có tổng năng lượng điện hoạt động (kilowatt - giờ) thì công suất trung bình phải được nhân với thời gian thí nghiệm tính bằng giờ.
Các watt kế đo biến sơ cấp loại 1 như công suất phát ròng hoặc tổng công suất hoạt động phải có độ không đảm bảo hệ thống bằng hoặc nhỏ hơn 0,2% số đọc. Phép đo với độ không đảm bảo hệ thống bằng hoặc nhỏ hơn 0,5% số đọc phải được sử dụng cho phép đo các biến sơ cấp cấp 2. Không có yêu cầu về độ chính xác đo đối với phép đo các biến thứ cấp. Đầu ra từ các watt kế phải được lấy mẫu với tần số đủ cao để đạt được độ không đảm bảo ngẫu nhiên có thể chấp nhận được. Đây là một hàm của sự thay đổi của công suất đo được. Nguyên tắc chung là tần suất không ít hơn một lần mỗi phút.
4.7.4.2 Thiết bị đo watt-giờ
Thiết bị đo watt-giờ đo năng lượng hoạt động (kilowatt - giờ) trong thời gian thí nghiệm. Phép đo watt - giờ phải được chia cho thời gian thí nghiệm tính bằng giờ để xác định công suất tác dụng trung bình (kilowatt) trong thời gian thí nghiệm.
Thiết bị đo watt-giờ đo biến sơ cấp cấp 1 chẳng hạn như mức phát điện hoạt động trên lưới hoặc tổng phải có Độ không đảm bảo bằng hoặc nhỏ hơn 0,2% giá trị đọc. Phép đo với Độ không đảm bảo bằng hoặc nhỏ hơn 0,5% số đọc phải được sử dụng để đo các biến sơ cấp cấp 2. Không có yêu cầu về độ chính xác đo đối với phép đo các biến thứ cấp.
Độ chính xác của đầu ra thiết bị đo watt-giờ thường thấp đến mức có thể xảy ra độ không chính xác cao trong một khoảng thời gian thí nghiệm điển hình. Thường các thiết bị đo watt-giờ có đầu ra tương tự hoặc kỹ thuật số với độ chính xác cao hơn có thể được sử dụng để tăng độ chính xác. Một số thiết bị đo watt - giờ cũng có đầu ra dạng xung có thể được tổng hợp theo thời gian để xác định tổng năng lượng chính xác trong thời gian thí nghiệm. Đối với thiết bị đo watt - giờ kiểu đĩa không có đầu ra bên ngoài, số vòng quay của đĩa có thể được tính trong quá trình thí nghiệm để tăng độ chính xác.
Một số thiết bị đo watt-giờ điện tử cũng hiển thị đèn nhấp nháy hoặc các phần tử LCD tương ứng với các vòng quay của đĩa có thể được hẹn giờ để xác định sản lượng điện của máy phát điện. Trong những trường hợp như vậy, có thể đạt được độ chính xác cao hơn nhiều thường bằng cách tính thời gian cho một sự kiện có thể lặp lại rời rạc (ví dụ, một số lần nhấp nháy nhất định của màn hình LCD hoặc các vòng quay hoàn toàn của đĩa) thay vì đếm số lượng sự kiện trong một khoảng thời gian cố định (ví dụ, số vòng quay của đĩa trong 5 phút).
4.7.4.3 Thiết bị đo var
Var kế đo công suất phản kháng tức thời. Các phép đo var thường được sử dụng trên hệ thống bốn dây để tính toán hệ số công suất, như đã thảo luận trong điều 4.7.3.2. Công suất phản kháng tức thời phải được đo thường xuyên trong quá trình tiến hành thí nghiệm và được tính trung bình trong thời gian tiến hành thí nghiệm để xác định công suất phản kháng trung bình (kilovar) trong quá trình thí nghiệm. Nếu muốn có tổng năng lượng điện phản kháng (kilovar - giờ) thì công suất trung bình phải được nhân với thời gian thí nghiệm tính bằng giờ.
Thiết bị đo Var đo biến sơ cấp Loại 1 hoặc Loại 2 phải có Độ không đảm bảo hệ thống bằng hoặc nhỏ hơn 0,5% dải đo. Không có yêu cầu về độ chính xác đo đối với phép đo các biến thứ cấp. Đầu ra từ các thiết bị đo var phải được lấy mẫu với tần số đủ cao để đạt được Độ không đảm bảo ngẫu nhiên có thể chấp nhận được. Đây là một hàm của sự biến thiên của công suất đo được. Một nguyên tắc chung là tần suất không ít hơn một lần mỗi phút.
4.7.4.4 Thiết bị đo var-giờ
Thiết bị đo Var-giờ đo năng lượng phản ứng (kilovar - giờ) trong thời gian thí nghiệm. Phép đo var-giờ phải được chia cho thời gian thí nghiệm tính bằng giờ để xác định công suất phản kháng trung bình (kilovars) trong thời gian thí nghiệm.
Thiết bị đo Var - giờ đo biến sơ cấp loại 1 hoặc loại 2 phải có Độ không đảm bảo bằng hoặc nhỏ hơn 0,5% dải đo. Không có yêu cầu về độ chính xác đo đối với phép đo các biến thứ cấp.
Độ chính xác của đầu ra thiết bị đo var - giờ thường thấp đến mức có thể xảy ra độ không chính xác cao trong một khoảng thời gian thí nghiệm điển hình. Thường các thiết bị đo var-giờ có đầu ra tương tự hoặc kỹ thuật số với độ chính xác cao hơn có thể được sử dụng để tăng độ chính xác. Một số thiết bị đo var - giờ cũng có đầu ra dạng xung có thể được tổng hợp theo thời gian để xác định tổng năng lượng chính xác trong thời gian thí nghiệm. Đối với thiết bị đo var - giờ loại đĩa không có đầu ra bên ngoài, có thể đếm số vòng quay của đĩa trong quá trình thí nghiệm để tăng độ chính xác.
4.7.4.5 Thiết bị đo hệ số công suất
Thiết bị đo hệ số công suất có thể được đo trực tiếp bằng cách sử dụng đầu dò hệ số công suất ba pha khi có điều kiện về tải và tần số cân bằng. Các đầu dò hệ số công suất phải có độ không đảm bảo hệ thống bằng hoặc nhỏ hơn 0,01 PF của hệ số công suất được chỉ định.
4.7.5 Hiệu chuẩn thiết bị đo điện
4.7.5.1 Hiệu chuẩn thiết bị đo Watt và thiết bị đo Watt-giờ
Thiết bị đo Watt và watt - giờ, được gọi chung là thiết bị đo công suất, được hiệu chuẩn bằng cách sử dụng đồng thời nguồn điện thông qua thiết bị đo công suất thí nghiệm và đồng thời một chuẩn watt kế hoặc thiết bị đo watt - giờ. Việc so sánh này nên được thực hiện ở tối thiểu năm mức công suất trong phạm vi công suất dự kiến. Sự khác biệt giữa thiết bị thí nghiệm và dụng cụ tiêu chuẩn cho từng mức công suất phải được tính toán và áp dụng cho dữ liệu đo công suất từ thí nghiệm. Đối với các điểm kiểm tra giữa các mức công suất hiệu chuẩn, nên sử dụng đường cong phù hợp hoặc nội suy tuyến tính. Các mức công suất đã chọn sẽ được tiếp cận theo cách tăng và giảm. Dữ liệu hiệu chuẩn ở mỗi mức công suất phải được tính trung bình để giảm thiểu bất kỳ ảnh hưởng trễ nào. Nếu sử dụng thiết bị đo nhiều pha, đầu ra của mỗi pha phải có sẵn hoặc thiết bị đo phải được hiệu chuẩn với cả ba pha đồng thời.
Khi hiệu chuẩn thiết bị đo watt - giờ, đầu ra từ chuẩn watt kế phải được đo với tần số đủ cao để giảm sai số ngẫu nhiên trong quá trình hiệu chuẩn để Độ không đảm bảo tổng của quá trình hiệu chuẩn đáp ứng mức yêu cầu. Đầu ra trung bình có thể được nhân với khoảng thời gian hiệu chuẩn để so sánh với đầu ra của thiết bị đo watt - giờ.
Thiết bị đo watt phải được hiệu chuẩn ở tần số đường dây điện của thiết bị được thí nghiệm, tức là không hiệu chuẩn thiết bị đo ở tần số 60 Hz và sử dụng trên thiết bị 50Hz và ngược lại. Watt kế đạt chuẩn phải có dòng điện đi qua chúng trước khi hiệu chuẩn để đảm bảo thiết bị đủ “ấm”. Watt kế đạt chuẩn này cần được kiểm tra số đọc không mỗi ngày trước khi hiệu chuẩn.
4.7.5.2 Hiệu chuẩn thiết bị đo Var và thiết bị đo Var - giờ
Để hiệu chuẩn một thiết bị đo var hoặc var - giờ, người ta phải có một chuẩn var hoặc một chuẩn thiết bị đo watt và một thiết bị đo góc pha chính xác. Ngoài ra, thiết bị được sử dụng để cung cấp điện thông qua các dụng cụ thí nghiệm và tiêu chuẩn phải có khả năng chuyển pha để tạo ra một số hệ số công suất ổn định khác nhau. Các hệ số công suất khác nhau này tạo ra công suất phản kháng trên phạm vi hiệu chuẩn của thiết bị. Nếu sử dụng tiêu chuẩn thiết bị đo var, quy trình hiệu chuẩn các watt kế được nêu trong điều 4.7.5.1 nên được sử dụng. Nếu sử dụng chuẩn oát kế và thiết bị đo góc pha, phải thực hiện đồng thời các phép đo từ thiết bị đo góc pha, chuẩn và dụng cụ thí nghiệm. Mức var phải được tính từ watt trung bình và góc pha trung bình.
Thiết bị đo Var phải được hiệu chuẩn ở tần số đường dây điện của thiết bị được thí nghiệm, tức là không hiệu chỉnh thiết bị đo ở 60 Hz và sử dụng trên thiết bị 50 Hz và ngược lại. Thiết bị đo Var đặc biệt nhạy cảm với tần số và nên được sử dụng trong phạm vi 0,5 Hz của tần số hiệu chuẩn.
Khi hiệu chuẩn thiết bị đo var - giờ, đầu ra từ tiêu chuẩn thiết bị đo var hoặc tổ hợp thiết bị đo góc pha/watt phải được đo với tần số đủ cao để giảm sai số ngẫu nhiên trong quá trình hiệu chuẩn để tổng Độ không đảm bảo của quá trình hiệu chuẩn đáp ứng mức yêu cầu. Đầu ra trung bình có thể được nhân với khoảng thời gian hiệu chuẩn để so sánh với đầu ra của thiết bị đo var - giờ.
Nếu sử dụng thiết bị đo nhiều pha, đầu ra của mỗi pha phải có sẵn hoặc thiết bị đo phải được hiệu chuẩn với cả ba pha đồng thời.
4.7.6 Máy biến áp đo
Máy biến áp đo được sử dụng với mục đích giảm điện áp và dòng điện đến các giá trị có thể đo được một cách thuận tiện, điển hình là các dải tương ứng là 120 V và 5 A, và cách điện các dụng cụ đo khỏi điện thế cao có thể tồn tại trên mạch được thí nghiệm.
Trở kháng trong các mạch máy biến áp phải không đổi trong quá trình thí nghiệm. Thiết bị rơ le bảo vệ hoặc bộ điều chỉnh điện áp không được nối với máy biến áp dụng cụ được sử dụng cho thí nghiệm. Thiết bị đo đạc trạm thông thường có thể được kết nối với máy biến áp thí nghiệm nếu biết kết quả về tải tiêu thụ tổng và nằm trong phạm vi dữ liệu hiệu chuẩn.
Máy biến áp dụng cụ bao gồm máy biến áp và máy biến dòng. Máy biến áp đo điện áp từ dây dẫn đến nguồn tiêu thụ và máy biến dòng đo dòng điện trong dây dẫn.
Máy biến áp dụng cụ đưa ra các lỗi khi chuyển đổi điện áp/dòng điện cao chính thành điện áp/dòng điện thấp thứ cấp. Những sai số này dẫn đến sự thay đổi của tỷ lệ thực so với tỷ lệ được đánh dấu và cũng là sự biến đổi của góc pha so với lý tưởng (0). Độ lớn của sai số phụ thuộc vào khả năng chịu tải (số lượng và loại dụng cụ kết nối với máy biến áp), dòng điện thứ cấp (trong trường hợp máy biến dòng) và trong trường hợp đo công suất, hệ số công suất của thiết bị được đo.
Thí nghiệm gần với hệ số công suất đơn nhất sẽ giảm thiểu độ nhạy của công suất đo được đối với sai số góc pha phát sinh từ thiết bị đo điện, α, máy biến dòng, b, và máy biến điện áp, γ.
4.7.6.1 Máy biến áp
Máy biến áp đo áp pha - pha hoặc điện áp pha - trung tính. Máy biến điện áp dùng để chuyển đổi đường dây hoặc điện áp chính (thường là điện áp rất cao) thành điện áp thấp hơn hoặc thứ cấp an toàn để đo (thường là 120 V cho hệ thống pha - pha và 69 V cho hệ thống pha - trung tính). Vì lý do này, điện áp thứ cấp được đo bởi máy biến điện áp phải được nhân với một tỷ lệ đã đánh dấu để tính điện áp chính.
Máy biến điện áp có sẵn trong một số cấp độ chính xác đo. Đối với phép đo các biến sơ cấp loại 1 hoặc loại 2, phải sử dụng máy biến áp cấp độ chính xác 0,3% hoặc tốt hơn (loại thiết bị đo). Trong trường hợp đo biến áp chính Loại 1, máy biến áp phải được hiệu chuẩn về tỷ số vòng dây và góc pha và hoạt động trong phạm vi chịu tải danh định của chúng. Phương pháp hiệu chuẩn phải cho phép xác định tỷ lệ vòng quay và góc pha với Độ không đảm bảo tương ứng là ± 0,1% và ± 0,9 mrad (3 phút). Việc hiệu chuẩn phải bao gồm các thí nghiệm tỷ lệ và góc pha từ 90% đến 110% điện áp chính danh định ở tần số danh định với tải trọng bằng 0 và với tải trọng tiêu chuẩn lớn nhất mà máy biến áp được đánh giá ở cấp chính xác tốt nhất. Mức độ của các hiệu chỉnh như vậy phụ thuộc vào khả năng chịu tải (số lượng và loại thiết bị được kết nối với máy biến áp) và trong trường hợp đo công suất, hệ số công suất của thiết bị được đo. Tỷ lệ này thường thấp hơn giá trị danh nghĩa từ 0,1% đến 0,3% đối với một tải nhỏ trong khi góc pha thường không đáng kể lại hơi ảnh hưởng. Hệ số hiệu chỉnh tỷ số máy biến áp phải được áp dụng cho các tải thực tế tồn tại trong quá trình thí nghiệm. Tải điện áp - dòng điện thực tế phải được xác định bằng cách tính toán từ trở kháng của dây dẫn hoặc bằng phép đo trực tiếp, cần xác định và áp dụng các hiệu chỉnh giảm điện áp của các đường nối.
Khi sử dụng máy biến áp, cần chú ý tránh ngắn mạch thứ cấp. Mạch có thể được mở bất cứ khi nào bạn muốn.
4.7.6.2 Máy biến dòng
Máy biến dòng đo dòng điện trong một pha nhất định. Máy biến dòng dùng để chuyển đổi dòng điện hoặc dòng chính (thường rất cao) thành dòng đo thấp hơn hoặc thứ cấp. Vì lý do này, dòng điện thứ cấp được đo bởi máy biến dòng phải được nhân với một tỷ lệ được đánh dấu để tính dòng điện chính.
Có sẵn máy biến dòng cho một số cấp độ đo chính xác. Đối với phép đo của các biến sơ cấp loại 1 hoặc loại 2, máy biến dòng (loại thiết bị đo) với cấp chính xác 0,3% trở lên sẽ được sử dụng. Đối với các phép đo biến sơ cấp, máy biến dòng được hiệu chuẩn về tỷ số vòng dây và góc pha ở tải ngoài bằng không (0 VA) và ít nhất một tải vượt quá mức tối đa dự kiến trong quá trình thí nghiệm ở 10% và 100% dòng điện danh định. Kết quả thí nghiệm độ chính xác có thể được sử dụng từ các thí nghiệm kiểu (thiết kế của) nhà máy để xác định tỷ số vòng quay và hệ số hiệu chỉnh góc pha. Thí nghiệm điển hình thường được thực hiện trên ít nhất một máy biến áp của mỗi nhóm thiết kế có thể có đặc tính khác nhau trong thí nghiệm cụ thể. Máy biến dòng phải được làm việc trong dải chịu tải danh định của chúng trong quá trình thí nghiệm và phải được làm việc gần 100% dòng điện danh định để giảm thiểu sai số của thiết bị.
Gần các đầu ra dòng điện danh định thì các hệ số hiệu chỉnh tỷ lệ và góc pha đối với máy biến dòng có thể bị bỏ qua do tác động tối thiểu của chúng đến Độ không đảm bảo; tuy nhiên, nếu tỷ lệ hoặc hệ số hiệu chỉnh góc pha dự kiến vượt quá 0,02% ở điều kiện thí nghiệm thực tế, thì hệ số hiệu chỉnh thực tế phải được áp dụng.
Khi sử dụng máy biến dòng, cần cẩn thận không bao giờ để hở mạch thứ cấp khi dòng điện đang ở trong cuộn sơ cấp vì điện áp cao nguy hiểm có thể phát sinh và sự tăng nhiệt độ quá mức cuối cùng có thể xảy ra do tổn hao cao trong máy biến áp. Ngoài ra, lõi biến dòng có thể bị nhiễm từ vĩnh viễn do thao tác vô ý với mạch thứ cấp bị hở, dẫn đến thay đổi tỷ lệ và đặc tính góc pha. Khi cần thiết để mở mạch thứ cấp trong khi dòng điện đang ở trong cuộn sơ cấp, để thay đổi thiết bị, ví dụ, cuộn thứ cấp phải được nối ngắn mạch, tốt nhất là ở các đầu nối của máy biến áp.
4.7.7 Tính toán công suất trung bình đã hiệu chỉnh hoặc năng lượng tổng đã hiệu chỉnh
Phương pháp tính toán công suất trung bình hoặc năng lượng tổng phải được thực hiện cho loại hệ thống đo cụ thể được sử dụng. Đối với biến sơ cấp Loại 1, các phép đo công suất phải được hiệu chỉnh cho tỷ lệ biến áp thực tế và sai số góc pha. Sai số cho từng pha được sửa chữa bằng cách áp dụng dữ liệu hiệu chuẩn từ máy biến áp và thiết bị đo điện như sau:
![]()
Trong đó:
CTR = tỷ số đặc trưng của máy biến dòng
CTRCFC = hệ số hiệu chỉnh tỷ số biến dòng từ dữ liệu hiệu chuẩn (nếu có)
MCF = hệ số hiệu chỉnh thiết bị đo từ dữ liệu hiệu chuẩn (nếu có)
PACFC = hệ số điều chỉnh góc pha từ dữ liệu hiệu chuẩn
PWC = công suất chính hiệu chỉnh
SW = công suất thứ cấp đo được
VTR = tỷ số đặc trưng của máy biến áp
VTRCFC = hệ số hiệu chỉnh tỷ số biến áp từ dữ liệu hiệu chuẩn
VTVDC = hiệu chỉnh điện áp rơi của máy biến áp
Hệ số hiệu chỉnh của thiết bị đo (MCF) được xác định từ dữ liệu hiệu chuẩn. Mỗi pha của thiết bị đo nên được hiệu chuẩn như một hàm của dòng điện thứ cấp. Quá trình này phải được thực hiện ở tối thiểu hai điện áp thứ cấp khác nhau và ở hai hệ số công suất khác nhau. MCF thực tế tại các điều kiện thí nghiệm sau đó có thể được nội suy.
Hệ số hiệu chỉnh góc pha cho mỗi pha (PACFC) tính đến độ lệch pha xảy ra trong máy biến điện áp γ, máy biến dòng b và thiết bị đo điện α. Sự dịch chuyển pha của mỗi máy biến áp có thể có tác động bù trừ. Ví dụ, nếu CT dịch chuyển dạng sóng dòng điện sang phải và VT dịch chuyển dạng sóng điện áp theo cùng một hướng thì đầu ra của thiết bị đo điện không bị ảnh hưởng bởi sự dịch chuyển pha. Mỗi sự dịch chuyển pha phải được xác định từ dữ liệu hiệu chuẩn.
![]()
Trong đó:
α = góc pha dịch chuyển trong thiết bị đo điện
b = góc pha dịch chuyển trong máy biến dòng
γ = góc pha dịch chuyển trong máy biến áp
θ = arc cos (hệ số công suất)
4.7.8 Đo công suất kích từ
Nếu yêu cầu đo công suất kích từ thì công suất cung cấp cho máy kích từ có thể được xác định bằng hai phương pháp sau:
Bắt nguồn từ dòng ngắt điện. Công suất kích từ có thể được tính toán từ đầu vào dòng điện và điện áp đến máy biến áp hoặc máy cắt nguồn kích từ. Lưu ý rằng công suất tác dụng tới máy kích từ có hệ số công suất thấp (~ 0,3) nên phép đo này chứa độ méo sóng hài có thể ảnh hưởng đến độ không đảm bảo. Việc tính toán được thực hiện như sau:
![]()
Trong đó:
A = dòng kích từ pha trung bình (A) - giá trị đo được
ExcLoss = công suất máy kích từ (kW)
PF = hệ số công suất - giá trị đo được hoặc tính toán
V = điện áp tạo trường trung bình (V) - giá trị đo được
1000 = hệ số chuyển đổi từ watt sang kW
Bắt nguồn từ điện áp tạo trường và dòng điện kích từ. Công suất cung cấp cho máy kích từ có thể được xác định bằng cách tính toán công suất đầu ra của máy kích từ và bằng cách hiệu chỉnh cho hiệu suất chuyển đổi AC sang DC giả định. Việc tính toán được thực hiện như sau:
![]()
Trong đó:
ACDC = hệ số hiệu quả chuyển đổi AC sang DC (thường là 0,975) - giá trị giả định
ExcLoss = công suất của bộ kích từ (kW)
FC = dòng kích từ (DC A) - giá trị đo được
FV = điện áp tạo trường (DC V) - giá trị đo được
4.8 Tần số lưới điện
Tần số lưới có thể được xác định bằng cách đo tốc độ trục. Thông thường, đối với tua bin không giảm tốc, tốc độ trục phải là 3000 vòng/phút, với tần số 50 Hz.
Tốc độ trục có thể được đo bằng cảm biến tốc độ tiêu chuẩn được sử dụng trong hệ thống điều khiển tua bin. Đối với tua bin khí được kết nối với máy phát điện xoay chiều, tần số dòng đo được tại các đầu nối của máy phát có thể được sử dụng thay cho tốc độ trục để điều chỉnh hiệu suất tua bin khí vì tốc độ trục được kết hợp trực tiếp với tần số dòng. Phương pháp được chọn phải đáp ứng yêu cầu về Độ không đảm bảo trong Tiêu chuẩn này.
4.9 Thu thập và xử lý dữ liệu
Mục này trình bày các yêu cầu và hướng dẫn liên quan đến việc thu thập và xử lý dữ liệu thí nghiệm. Cũng được trình bày là các yếu tố cơ bản cần thiết cho việc hình thành một hệ thống thu thập và xử lý dữ liệu tổng thể.
Tiêu chuẩn này thừa nhận rằng các công nghệ và phương pháp trong việc thu thập và xử lý dữ liệu sẽ tiếp tục thay đổi và cải tiến theo thời gian. Nếu các công nghệ và phương pháp mới có sẵn và được chứng minh là đáp ứng các tiêu chuẩn bắt buộc nêu trong Tiêu chuẩn này, chúng có thể được sử dụng.
4.9.1 Hệ thống thu thập dữ liệu
Mục đích của hệ thống thu thập dữ liệu là thu thập dữ liệu và lưu trữ nó ở dạng thích hợp để xử lý hoặc trình bày. Các hệ thống có thể đơn giản như một người ghi dữ liệu theo cách thủ công đến phức tạp như một hệ thống dựa trên máy tính kỹ thuật số. Bất kể độ phức tạp của hệ thống như thế nào, hệ thống thu thập dữ liệu phải có khả năng ghi, lấy mẫu và lưu trữ dữ liệu trong phạm vi các yêu cầu của thí nghiệm và độ không đảm bảo cho phép do Bộ luật này quy định.
4.9.2 Hệ thống thu thập dữ liệu thủ công
Trong một số trường hợp, việc ghi dữ liệu theo cách thủ công có thể cần thiết. Loại hệ thống này cũng tạo ra độ không đảm bảo dưới dạng sai số của con người và độ không đảm bảo đó phải được tính đến tương ứng. Hơn nữa, do tốc độ lấy mẫu hạn chế, các hệ thống thủ công có thể cần thời gian dài hơn hoặc nhân viên bổ sung để có đủ số lượng mẫu được lấy. Lưu ý khoảng thời gian thí nghiệm cần có để thu thập số lượng mẫu theo yêu cầu của thí nghiệm. Phiếu thu thập dữ liệu cần được chuẩn bị trước khi thí nghiệm. Các phiếu thu thập dữ liệu phải xác định vị trí địa điểm thí nghiệm, ngày, giờ và loại dữ liệu được thu thập, đồng thời cũng phải xác định thời gian lấy mẫu cần thiết cho các phép đo. Thời gian lấy mẫu phải được tính bằng đồng hồ bấm giờ kỹ thuật số hoặc thiết bị có chức năng đo thời gian khác. Nếu cần chỉnh sửa bảng dữ liệu trong quá trình thí nghiệm, tất cả các chỉnh sửa sẽ được thực hiện bằng mực đen và tất cả các lỗi sẽ được đánh dấu bằng một dòng duy nhất và được người chỉnh sửa ký tên và ghi ngày tháng.
4.9.3 Hệ thống thu thập dữ liệu tự động
Các hệ thống tự động có lợi ở chỗ chúng cho phép thu thập dữ liệu từ nhiều nguồn ở tần số cao trong khi ghi lại khoảng thời gian bằng đồng hồ kỹ thuật số bên trong. Tốc độ lấy mẫu nhanh chóng giúp giảm độ không đảm bảo của thí nghiệm và thời gian thí nghiệm. Các hệ thống này có thể bao gồm một đơn vị xử lý tập trung hoặc xử lý phân tán đến nhiều vị trí trong nhà máy.
Việc thiết lập, lập trình, danh sách kênh, điều hòa tín hiệu, độ chính xác hoạt động và danh sách thiết bị tạo nên hệ thống tự động được sử dụng để xác định các thông số chính cấp 1 phải được chuẩn bị và cung cấp trong báo cáo thí nghiệm.
4.9.4 Quản lý dữ liệu
4.9.4.1 Dữ liệu được thu thập tự động
Tất cả dữ liệu được thu thập tự động phải được ghi lại ở trạng thái chưa hiệu chỉnh, chưa được tính toán để cho phép hiệu chỉnh dữ liệu sau thí nghiệm để áp dụng bất kỳ hiệu chỉnh hiệu chuẩn cần thiết nào. Ngay sau khi thí nghiệm và trước khi rời khỏi địa điểm thí nghiệm, các bản sao của dữ liệu được thu thập tự động phải được phân phối giữa các bên tham gia thí nghiệm để đảm bảo tránh nguy cơ dữ liệu đó vô tình bị mất, bị hỏng hoặc bị sửa đổi. Các bước tương tự cần được thực hiện với bất kỳ kết quả đã hiệu chỉnh hoặc tính toán nào từ thí nghiệm.
4.9.4.2 Dữ liệu được thu thập thủ công
Tất cả dữ liệu được thu thập thủ công được ghi trên phiếu thu thập dữ liệu phải được xem xét về tính đầy đủ và chính xác. Ngay sau khi thí nghiệm và trước khi rời địa điểm thí nghiệm, các bản sao của phiếu thu thập dữ liệu phải được thực hiện và phân phát giữa các bên tham gia thí nghiệm để loại trừ khả năng dữ liệu đó vô tình bị mất, bị hỏng hoặc bị sửa đổi.
4.9.4.3 Hệ thống xử lý dữ liệu
Hệ thống tính toán dữ liệu phải có khả năng tính trung bình mỗi đầu vào được thu thập trong quá trình kiểm tra. Hệ thống cần tính toán độ lệch chuẩn và hệ số phương sai của từng thiết bị. Hệ thống phải có khả năng xác định vị trí và loại bỏ dữ liệu giả được sử dụng trong tính toán giá trị trung bình. Hệ thống cũng phải có khả năng vẽ biểu đồ dữ liệu thí nghiệm và mỗi lần đọc công cụ theo thời gian để tìm kiếm xu hướng và dữ liệu ngoại lai.
4.9.5 Lựa chọn hệ thống thu thập dữ liệu
4.9.5.1 Yêu cầu về hệ thống thu thập dữ liệu
Quy trình thí nghiệm phải quy định rõ ràng loại phép đo được thực hiện, độ không đảm bảo cho phép của mỗi phép đo, số điểm dữ liệu cần thiết, độ dài của phép thử, số lượng mẫu yêu cầu và tần suất thu thập dữ liệu để đáp ứng độ không đảm bảo cho phép được thiết lập bởi tiêu chuẩn này. Thông tin này sẽ đóng vai trò là hướng dẫn trong việc lựa chọn thiết bị thu thập dữ liệu và thiết kế hệ thống.
Hệ thống thu thập dữ liệu phải đáp ứng các yêu cầu hiệu chuẩn vòng lặp của điều 4.1.3.8.
4.9.5.2 Hệ thống thu thập dữ liệu tự động tạm thời
Tiêu chuẩn này khuyến nghị sử dụng các hệ thống thu thập dữ liệu tự động tạm thời cho mục đích thí nghiệm. Các hệ thống này có thể được hiệu chuẩn cẩn thận và xác nhận hoạt động thích hợp của chúng trong phòng thí nghiệm và sau đó được vận chuyển đến khu vực thí nghiệm, do đó cung cấp khả năng truy xuất nguồn gốc và kiểm soát toàn bộ hệ thống. Các thiết bị bị hạn chế tiếp xúc với các yếu tố và tránh các vấn đề liên quan đến việc xây dựng và bảo trì nhà máy thông thường.
Bố trí địa điểm và điều kiện môi trường xung quanh phải được xem xét khi xác định loại và ứng dụng của các hệ thống tạm thời.
4.9.5.3 Hệ thống đo lường và điều khiển hiện có của nhà máy
Tiêu chuẩn này không cấm việc sử dụng hệ thống đo và điều khiển của nhà máy. Tuy nhiên, hệ thống phải đáp ứng các yêu cầu quy định trong Tiêu chuẩn này. Các giới hạn và hạn chế của các hệ thống này cần được xem xét khi quyết định có sử dụng chủng để thí nghiệm đánh giá hiệu suất hay không.
Hầu hết các hệ thống điều khiển nhà máy phân tán áp dụng các giới hạn ngưỡng hoặc giới hạn chết đối với các tín hiệu dữ liệu. Điều này dẫn đến dữ liệu chỉ là báo cáo về sự thay đổi của một thông số vượt quá giá trị ngưỡng đã đặt. Tất cả các giá trị ngưỡng phải được đặt đủ thấp để tất cả các tín hiệu dữ liệu được gửi đến hệ thống thu thập dữ liệu trong quá trình kiểm tra được báo cáo và lưu trữ. Ngoài các giới hạn chết, hầu hết các DCS bao gồm chuyển đổi tín hiệu tương tự sang tín hiệu số và áp dụng nén cho tín hiệu làm tăng độ không đảm bảo. Tương tự như thiết bị đo, tất cả các tác động về độ không đảm bảo hệ thống của việc sử dụng DCS làm bộ ghi dữ liệu phải được hiểu đầy đủ và tính đến trong phân tích độ không đảm bảo trước và sau thí nghiệm bằng các hướng dẫn của TCVN 9595- 3:2013 và ASME PTC 19.22.
Hầu hết các hệ thống nhà máy không tính toán lưu lượng theo tiêu chuẩn này, mà theo các mối quan hệ đơn giản hóa. Điều này bao gồm, ví dụ, hệ số xả không đổi hoặc thậm chí là hệ số giãn nở. Chỉ báo lưu lượng của hệ thống nhà máy không được sử dụng trong quá trình thực thi tiêu chuẩn này trừ khi các thông số đầu vào cơ bản cũng được ghi lại và lưu lượng tính toán được xác nhận là hoàn toàn theo tiêu chuẩn này và ASME PTC 19.5
5. Tính toán và kết quả
5.1 Công thức cơ bản
Các công thức tính hiệu suất cơ bản (25), (26), (27) và (28) có thể áp dụng cho bất kỳ nhà máy nhiệt điện nào thuộc phạm vi của tiêu chuẩn này
Đối với công suất được hiệu chỉnh:
Đối với nhiệt đầu vào được hiệu chỉnh:
Đối với suất tiêu hao nhiệt được hiệu chỉnh:
hoặc
Hệ số hiệu chỉnh cộng ωi và ∆l và hệ số điều chỉnh nhân αj, bj, và fj được sử dụng tính kết quả đo chính xác trở lại điều kiện tham chiếu cơ sở. Từ các định dạng của công thức (25) đến (28), ta thấy rằng các hệ số hiệu chỉnh cộng được áp dụng để đưa ra hiệu suất của các hệ thống con tách rời của nhà máy đến các điều kiện tham chiếu cơ bản chung, và sau đó các hệ số hiệu chỉnh nhân được áp dụng để hiệu chỉnh các điều kiện biên thí nghiệm ảnh hưởng đến toàn bộ nhà máy: điều kiện đầu vào, điều kiện và đặc tính của nhiên liệu và tần số lưới điện. Bảng 12 và 13 tóm tắt các hệ số hiệu chỉnh được sử dụng trong các công thức hiệu suất cơ bản.
Các hệ số hiệu chỉnh không áp dụng cho nhà máy cụ thể nào đang được thí nghiệm hoặc cho các mục tiêu thí nghiệm, chỉ đơn giản được thiết lập bằng đơn vị hoặc bằng không, tùy thuộc vào việc chúng là hệ số hiệu chỉnh nhân hay các hệ số hiệu chỉnh cộng.
Một số hệ số hiệu chỉnh có thể có ý nghĩa đối với độ lệch lớn bất thường so với các điều kiện tham chiếu cơ sở, hoặc hoàn toàn không, trong trường hợp đó chúng có thể được bỏ qua. Một ví dụ cho trường hợp này là một số đầu vào nhiệt thứ cấp, chẳng hạn như nhiệt độ quá trình quay về trong hệ thống đồng phát nhiệt điện hoặc dòng nước làm mát bình ngưng trong nhà máy chu trình kết hợp. Nếu phân tích độ không đảm bảo trước thí nghiệm cho thấy sự hiệu chỉnh đối với một tham số cụ thể ảnh hưởng đến kết quả thí nghiệm đã hiệu chỉnh ít hơn 0,05% ở điều kiện thí nghiệm dự kiến thì nó có thể được bỏ qua hoặc bao gồm.
Các Công thức hiệu suất cơ bản, được tổng quát hóa, sau đó có thể được đơn giản hóa để cụ thể cho nhà máy cụ thể và các mục tiêu của chương trình thí nghiệm.
5.2 Điều kiện về công suất nhà máy và nhiệt đầu vào của nhà máy được đo thông qua các công thức cơ bản
Công suất nhà máy đo được có thể được đo trực tiếp tại đường bao thí nghiệm, hoặc được biểu thị như sau:
![]()
Bảng 12 - Tóm tắt các hệ số hiệu chỉnh cộng trong công thức hiệu suất cơ bản
| Hiệu chỉnh cộng đối với nhiệt đầu vào | Điều chỉnh cộng đối với công suất | Điều kiện vận hành hoặc các điều kiện bên ngoài không kiểm soát được yêu cầu hiệu chỉnh | Nhận xét |
| ω1 | ∆1 | Dòng nhiệt (vận hành) | Được tính từ tốc độ dòng chảy và mức năng lượng như là dòng hơi và entanpy. |
| ω2 | ∆2 | Hệ số công suất (vận hành) | Tác động của các hệ số công suất ngoài thiết kế |
| ω3 | ∆3 | Việc xả lò hơi khác với thiết kế (vận hành) | Xả đôi khi được tách biệt vì vậy hiệu suất có thể được hiệu chỉnh chính xác theo tỷ lệ xả thiết kế |
| ω4 | ∆4 | Nhiệt đầu vào thứ cấp (bên ngoài) | Điển hình như quá trình hồi hoặc nhiệt bổ sung |
| ω5A | ∆5A | Điều kiện không khí đầu vào, tháp giải nhiệt hoặc bộ trao đổi nhiệt làm mát không khí cho không khí đầu vào (bên ngoài) | Đối với chu trình kết hợp, có thể dựa trên các điều kiện tại đầu vào của tua bin có cháy |
| ω5B | ∆5B | Chênh lệch nhiệt độ nước tuần hoàn so với thiết kế (bên ngoài) | Được sử dụng nếu không có tháp giải nhiệt hoặc bình ngưng làm mát bằng không khí nằm trong đường bao thí nghiệm |
| ω5C | ∆5C | Áp suất bình ngưng (bên ngoài) | Nếu hệ thống thải nhiệt bên ngoài đường bao thí nghiệm |
| ω5D | ∆5D | Chênh lệch lưu lượng nước tuần hoàn so với thiết kế (bên ngoài) | Được sử dụng nếu không có tháp giải nhiệt hoặc bình ngưng làm mát bằng không khí trong đường bao thí nghiệm. Nếu ảnh hưởng đến kết quả thí nghiệm đã hiệu chỉnh nhỏ hơn 0,05%, các bên có thể đồng ý không áp dụng |
| ω6 | ∆6 | Tải tự dùng, nhiệt và điện (vận hành) | (1) Tính đến tải tự dùng khi các hiệu chỉnh nhân dựa trên tổng công suất (2) Đền bù cho các tải tự dùng không thường xuyên, theo chu kỳ, gián đoạn hoặc tải tự dùng không theo thiết kế |
| ω7 | ∆7 | Công suất đo được khác với lý thuyết nếu mục tiêu thí nghiệm để vận hành ở công suất xác định trước hoặc bố trí vận hành hơi khác so với yêu cầu nếu thí nghiệm bố trí cụ thể (vận hành) | Tính đến (1) khi chênh lệch nhỏ về công suất đo được so với công suất mong muốn để được tiến hành thí nghiệm ở mức công suất đo được hoặc hiệu chỉnh xác định hoặc (2) khi chênh lệch nhỏ giữa vận hành thực tế và yêu cầu, chẳng hạn như vận hành điểm van của một nhà máy tua bin hơi nước |
CHÚ THÍCH CHUNG:
(a) Đối với các hiệu chỉnh cộng từ 1 đến 6, đối với một hiệu chỉnh i đã cho, thường thì ωi hoặc ∆i sẽ được sử dụng cho các nhà máy chu trình kết hợp, nhưng không phải cả hai. Thông thường, việc sử dụng cả hai có nghĩa là việc hiệu chỉnh được thực hiện hai lần cho một điều kiện nhất định. Đối với nhà máy tua bin hơi nước, đôi khi cần thiết để sử dụng hiệu chỉnh ωi và ∆i với cùng chỉ số dưới, như được chỉ ra trong các tính toán mẫu.
(b) Các hệ số hiệu chỉnh cộng với chỉ số bên dưới là 7 phải luôn được sử dụng cùng nhau. Hiệu chỉnh ω7 này là hiệu chỉnh đối với nhiệt đầu vào tương ứng với ∆7.
Bảng 13 - Tóm tắt các hệ số hiệu chỉnh nhân trong các công thức hiệu suất cơ bản
| Hiệu chỉnh nhân cho nhiệt đầu vào | Hiệu chỉnh nhân cho công suất | Hiệu chỉnh nhân cho suất tiêu hao nhiệt
| Hiệu chỉnh yêu cầu theo điều kiện vận hành hoặc các tác động bên ngoài không điều khiển được | Nhận xét |
| b1 | α1 | f1 | Hiệu chỉnh nhiệt độ không khí đầu vào (bên ngoài) | Xác định tại đường bao thí nghiệm ở đầu vào thiết bị |
| b2 | α2 | f2 | Hiệu chỉnh áp suất không khí đầu vào (bên ngoài) | Theo b1, α1, f1 |
| b3 | α3 | f3 | Độ ẩm không khí đầu vào (bên ngoài) | Theo b1, α1, f1 |
| b4 | α4 | f4 | Hiệu chỉnh nhiên độ nhiên liệu cấp (bên ngoài) | Cần phải cẩn thận để không được tính toán hai lần nếu phương pháp tính được sử dụng để hiệu chỉnh nhiệt phù hợp thay cho các đường cong hiệu chỉnh. |
| b5 | α5 | f5 | Hiệu chỉnh do phân tích nhiên liệu khác với thiết kế (bên ngoài) | Việc hiệu chỉnh này là đa biến và thay đổi theo nhiên liệu. |
| b6 | α6 | f6 | Tần số lưới (bên ngoài) | ... |
CHÚ THÍCH CHUNG: Điều kiện không khí đầu vào và phân tích hóa học nhiên liệu/chất hấp thụ sai lệch so với các điều kiện tham chiếu cơ sở là một phần của các hiệu chỉnh đối với phương pháp cân bằng năng lượng cho nhà máy sử dụng nhiên liệu rắn hoặc than khi phương pháp đó được sử dụng để xác định nhiệt đầu vào. Trong những trường hợp đó, chúng không phải là một phần của hiệu chỉnh thí nghiệm hiệu suất tổng thể của nhà máy theo các mục 5.3.2 (b).
Bất kỳ tổn thất nào có thể được loại trừ khỏi công thức (29) nếu nằm ngoài đường bao thí nghiệm.
Các tổn thất trên đường dây có thể được tính toán dựa trên các tính toán về điện trở tuyến tính, độ dài đường dây và dòng điện được đo. Tổn thất máy biến áp có thể được xác định bằng cách sử dụng báo cáo thí nghiệm của trạm biến áp.
Nhiệt đầu vào có thể được tính toán từ dòng nhiên liệu đo được và nhiệt trị thông qua Công thức sau:
Trong đó:
HV = nhiệt trị thấp hoặc cao (HVL hoặc HHV) của nhiên liệu được xác định trong điều kiện tham chiếu cụ thể và mục tiêu của thí nghiệm
hT = entanpy riêng của nhiên liệu ở nhiệt độ dòng phun
hRef = entanpy riêng của nhiên liệu ở nhiệt độ tham chiếu
qm = lưu lượng khối thực tế
SH = nhiệt vật lý đầu vào của nhiên liệu (có thể khác với thí nghiệm suất tiêu hao công suất/nhiệt và tính toán cân bằng nhiệt; xem phần chú thích)
CHÚ THÍCH: Nhiệt độ tham chiếu để xác định suất tiêu hao nhiệt là nhiệt độ nhiên liệu ở các điều kiện chuẩn quy định. Nhiệt độ tham chiếu để xác định cân bằng nhiệt là nhiệt độ tham chiếu entanpy do người dùng chỉ định. Thông thường, việc tính toán thống nhất nhiệt đầu vào cho thí nghiệm suất tiêu hao nhiệt chỉ dựa trên nhiệt ẩn mà không có thành phần nhiệt hiện phù hợp. Trong những trường hợp như vậy, các đường cong hiệu chỉnh thí nghiệm có thể được sử dụng để tính về sự thay đổi nhiệt độ nhiên liệu cấp (xem mục 5.4.2.2). Đặc biệt, khi hệ thống điều hòa nhiên liệu (chẳng hạn như máy gia nhiệt khí nhiên liệu, máy nén khí nhiên liệu,...) nằm trong đường bao thí nghiệm, nên sử dụng các đường cong hiệu chỉnh để tính toán sự khác biệt giữa nhiệt độ nhiên liệu cấp thí nghiệm và tham chiếu thay vì sử dụng thành phần nhiệt phù hợp trong Công thức (30).
Nếu dòng nhiên liệu không thể đo trực tiếp, Qmeas có thể được xác định từ kết quả tính toán nhiệt đầu vào dựa trên các phương pháp cân bằng năng lượng khác.
Đối với các nhà máy nhiệt điện sử dụng nhiên liệu rắn, nhiệt lượng đầu vào có thể được tính toán dựa trên mức độ hấp thụ của lò hơi đo được (được định nghĩa là nhiệt được nhiên liệu bổ sung vào chất lỏng làm việc) và đo hiệu suất năng lượng nhiên liệu của lò hơi đo được. Hiệu suất năng lượng nhiên liệu đo được của lò hơi sẽ được xác định bằng phương pháp cân bằng năng lượng. Sự hấp thụ của lò hơi được xác định bằng các phép đo phía nước/phía hơi của lò hơi. Nhiệt đầu vào hiệu chỉnh được sẽ được xác định bằng các phương pháp được mô tả trong mục 5.3.2 (b).
5.3 Thực hiện các công thức hiệu suất cơ bản cho các chu trình cụ thể và mục tiêu thí nghiệm
5.3.1 Yêu cầu chung
Các hiệu chỉnh có thể áp dụng để sử dụng trong các công thức hiệu suất cơ bản cho một thí nghiệm cụ thể phụ thuộc vào loại nhà máy hoặc chu trình đang được thí nghiệm và mục tiêu của thí nghiệm. Các công thức trong mục này có thể giảm tùy thuộc vào các nhà máy hoặc thí nghiệm cụ thể (nghĩa là, một hiệu chỉnh cộng được hiển thị bằng 0 hoặc một hiệu chỉnh nhân được hiển thị là 1 đối với một thí nghiệm cụ thể).
5.3.2 Mục tiêu thí nghiệm việc bố trí cụ thể
Nếu mục tiêu của thí nghiệm là xác định công suất và suất tiêu hao nhiệt của nhà máy theo cách bố trí vận hành thiết bị cụ thể mà không đặt đầu ra thành công suất có số xác định trước thì Công thức (24) và (27) được đơn giản hóa khác nhau tùy thuộc vào loại nhà máy nhiệt điện.
(a) Nhà máy theo chu trình kết hợp: Bố trí tổ máy cụ thể.
Đối với các nhà máy chu trình kết hợp không có vòi đốt bổ sung hoặc vòi đốt bổ sung không hoạt động và bố trí vận hành cụ thể là tải nền của tua bin khí, các hệ số hiệu chỉnh A là các hiệu chỉnh cộng duy nhất được sử dụng. Việc sử dụng cả hai loại hiệu chỉnh cộng sẽ bị tính toán 2 lần. Lưu ý rằng tất cả các hiệu chỉnh A thông qua chỉ số dưới là 5 liên quan đến công suất chu trình tua bin hơi ngoại trừ hiệu chỉnh hệ số công suất máy phát tua bin khí. Đối với nhà máy chu trình kết hợp, Công thức (25) và (28) rút gọn thành:

Ví dụ về các ứng dụng của công thức (31) và (32) được đề cập tại Phụ lục A và Phụ lục C.
(b) Nhà máy theo chu trình Rankine (Tua bin hơi nước): Bố trí tổ máy cụ thể.
Đối với các nhà máy tua bin hơi, nếu mục tiêu thí nghiệm là đến một bố trí cụ thể, nó thường dựa trên chế độ vận hành điểm van hoặc tốc độ dòng chảy của van tiết lưu. Đối với nhà máy tua bin hơi, các tính toán lò hơi được thực hiện riêng biệt với các tính toán tổng thể của nhà máy để tính toán đầu vào năng lượng nhiên liệu. Tuy nhiên, trong trường hợp thí nghiệm bố trí cụ thể được thực hiện trong khi sử dụng mô hình tích hợp của nhà máy tua bin hơi, công thức (31) và (32) sẽ áp dụng với việc bao gồm ∆7 và ω7 theo một số điều kiện cụ thể.
Đối với mô hình cân bằng nhiệt không tích hợp (xem mục 5.4 và đoạn 5.7.4), các hệ số hiệu chỉnh nhân đối với điều kiện không khí đầu vào (không bao gồm giải nhiệt) và phân tích nhiên liệu và các điều kiện được nằm trong phân tích dữ liệu lò hơi. Qmeas cho thí nghiệm tổng thể của nhà máy là nhiệt đầu vào hiệu chỉnh (xem mục 5.7.4).
Do đó, các hệ số hiệu chỉnh nhân đều là sự thống nhất (ngoại trừ tần số lưới) trong các Công thức hiệu suất tổng thể của nhà máy và một số hệ số hiệu chỉnh cộng với cùng chỉ số được sử dụng.
Các công thức hiệu suất cơ bản cho mô hình công suất không tích hợp, công thức (25) trở thành:
![]()
Đối với nhiệt nhiên liệu đầu vào của lò hơi được đo:
![]()
Đối với mô hình không tích hợp, nhiệt nhiên liệu đầu vào lò hơi hiệu chỉnh sẽ trở thành:
![]()
Đối với suất tiêu hao nhiệt, Công thức (27), mô hình không tích hợp sẽ trở thành:
![]()
Các hiệu chỉnh ∆7 và ω7 duy nhất áp dụng nếu việc bố trí cụ thể là dòng tiết lưu.
Do đó, trong công thức (36), Qboiler corr bằng với đầu ra thí nghiệm của lò hơi (lò hơi hấp thụ), bao gồm năng lượng xả nếu có, chia cho hiệu suất năng lượng nhiên liệu đã hiệu chỉnh của lò hơi (xem mục 5.2).
Các hệ số ω được sử dụng để hiệu chỉnh nhiệt đầu vào đo đã được tính toán cho dòng chảy ra của quá trình trong điều kiện tham chiếu cơ sở của nhà máy và bố trí vận hành yêu cầu.
Đối với các nhà máy chu trình hơi nước sử dụng mô hình nhiệt tích hợp, công thức (31) và (32) được áp dụng.
Đối với mô hình không được tích hợp (xem mục 5.4 và đoạn 5.4.6), đường cong hiệu chỉnh ω được tính toán theo cân bằng nhiệt sử dụng hiệu suất năng lượng nhiên liệu đã hiệu chỉnh từ thí nghiệm lò hơi tham chiếu cơ sở. Nếu hiệu suất đã được hiệu chỉnh thí nghiệm chênh lệch đáng kể so với tham chiếu, thì việc tính toán lại các hiệu chỉnh ω đơn giản bằng cách nhân mỗi cái với tỷ lệ của hiệu suất năng lượng nhiên liệu tham chiếu cơ sở với hiệu suất năng lượng nhiên liệu đã hiệu chỉnh trong thí nghiệm có thể được thực hiện nếu sự khác biệt ảnh hưởng đến kết quả đáng kể.
Ví dụ về việc áp dụng các Công thức hiệu suất cho các nhà máy điện hơi nước được trình bày trong Phụ lục E không bắt buộc.
Lưu ý rằng Công thức (34) có định dạng:
![]()
5.3.3 Công suất hiệu chỉnh được chỉ định
Các thí nghiệm công suất hiệu chỉnh chỉ định có thể được tiến hành đối với các nhà máy tua bin hơi hoặc trong một số trường hợp, đối với các nhà máy chu trình kết hợp:
(a) vòi đốt bổ sung hoặc một số hình thức tăng công suất;
(b) để thí nghiệm tải từng phần.
Khi tiến hành thí nghiệm với mục tiêu là suất tiêu hao nhiệt được xác định ở công suất hiệu chỉnh cụ thể, công suất vận hành thiết bị, sau khi được hiệu chỉnh về các điều kiện tham chiếu cơ bản, được điều chỉnh cho thí nghiệm, càng gần với giá trị thiết kế nhất có thể. ∆7 và ω7 được áp dụng để điều chỉnh cho sự khác biệt nhỏ giữa công suất điều chỉnh thực tế và công suất điều chỉnh mong muốn.
Các công thức áp dụng giống với các công thức trong mục 5.3.2 khi mục tiêu là để thí nghiệm tại một cơ sở vận hành cố định, ngoại trừ ∆7 và ω7 được áp dụng để điều chỉnh sự khác biệt nhỏ giữa công suất điều chỉnh thực tế và công suất điều chỉnh mong muốn. Đối với nhà máy chu trình kết hợp, áp dụng các công thức trong mục 5.3.2 (a) cho thí nghiệm được tiến hành ở tải cơ sở với vòi đốt bổ sung hoặc một số hình thức tăng công suất, áp dụng các công thức trong mục 5.3.2 (b) đối với các nhà máy theo chu trình Rankine. Đối với thí nghiệm tải từng phần chu trình kết hợp, tham khảo công thức được nêu tại Phụ lục H.
5.3.4 Công suất đo được chỉ định
Thí nghiệm khác có bố trí vận hành thiết bị yêu cầu cho phép điều chỉnh công suất đến một giá trị xác định trước cho việc thí nghiệm gọi là thí nghiệm công suất đo được chỉ định trong đó mục tiêu là suất tiêu hao nhiệt. Thí nghiệm này được thực hiện để kết hợp nhà máy nhiệt điện chu trình kết hợp có vòi đốt bổ sung hoặc hình thức tăng công suất khác, chẳng hạn như phun hơi hoặc nước khi sử dụng cho mục đích đó.
Đối với thí nghiệm này, công suất được đặt gần sát nhất có thể với mức quy định bất kể điều kiện biên thí nghiệm.
Các hiệu chỉnh cộng ω có thể áp dụng (nhưng không hiệu chỉnh ∆ ngoại trừ ∆7). ∆7 và ω7 được áp dụng để điều chỉnh sự khác biệt nhỏ giữa công suất điều chỉnh thực tế và công suất điều chỉnh mong muốn.
Trong trường hợp này, công thức hiệu suất cơ bản cho công suất hiệu chỉnh đơn giản hóa thành
![]()
Công thức cơ bản cho suất tiêu hao nhiệt hiệu chỉnh đơn giản hóa thành
![]()
Lưu ý rằng Công thức (39) cũng ở định dạng của Công thức (37). Vì αj = 1 nên bj = fj.
Bảng 14 tóm tắt định dạng của các công thức hiệu suất chung để sử dụng cho các loại nhà máy nhiệt điện khác nhau hoặc các trung tâm nhiệt khác nhau và các mục tiêu thí nghiệm được thảo luận trong mục này. Có thể có các ứng dụng khác cho những kết hợp khác nhau của các hệ số hiệu chỉnh được sử dụng nhưng các Công thức hiệu suất chung này phải luôn áp dụng.
Bảng 14 - Ví dụ về chu trình điển hình và mục tiêu thí nghiệm - Các công thức hiệu suất cụ thể tương ứng
| Loại nhà máy hoặc trung tâm nhiệt | Mục tiêu thí nghiệm | Công thức hiệu suất thí nghiệm áp dụng | Loại mục tiêu thí nghiệm |
| Chu trình kết hợp (tua bin hơi/tua bin khí). Không có vòi đốt bổ sung cho lò hơi thu hồi | Bố trí tổ máy được vận hành theo tải cơ sở cho quá trình thí nghiệm | Công suất: Công thức (31) Suất tiêu hao nhiệt: Công thức (32) | Bố trí cụ thể |
| Chu trình kết hợp (tua bin hơi /tua bin khí). Có vòi đốt bổ sung cho lò hơi thu hồi | Vận hành tải cơ sở và Vòi đốt bổ sung hỗ trợ đến cùng mức công suất yêu cầu của nhà máy bất kể điều kiện của đường bao thí nghiệm | Công suất: Công thức (36) Suất tiêu hao nhiệt: Công thức (37) | Công suất đo cụ thể |
| Chu trình kết hợp (tua bin hơi nước/tua bin khí) có hoặc không có vòi đốt bổ sung cho lò hơi thu hồi hoặc biện pháp tăng công suất khác | Vận hành tải thấp ở phần trăm nhất định của Phụ tải tự dùng đầu ra cơ bản của nhà máy hoặc đầu ra được hiệu chỉnh riêng. | Tham khảo phụ lục H không bắt buộc | Công suất hiệu chỉnh cụ thể |
| Nhà máy tua bin hơi (chu trình Rankine) | Cháy cho đến khi đạt được mức công suất thiết kế cho các điều kiện tham chiếu cơ sở tại thời điểm thí nghiệm | Công suất: Công thức (33) Suất tiêu hao nhiệt: Công thức (34) | Công suất hiệu chỉnh cụ thể |
| Nhà máy tua bin hơi nước (chu trình Rankine) | Vận hành tại điểm van bố trí bố trí theo yêu cầu | Công suất: Công thức (33) Suất tiêu hao nhiệt: Công thức (34) | Bố trí cụ thể |
| Nhà máy tua bin hơi nước (chu trình Rankine) | Vận hành tại tốc độ dòng chảy tiết lưu yêu cầu | Công suất: Công thức (33) Suất tiêu hao nhiệt: Công thức (34) | Bố trí cụ thể |
5.3.5 Thay thế cho các hệ số hiệu chỉnh ∆7 và ω7
Trong quá trình tiến hành thí nghiệm mà mục tiêu thí nghiệm yêu cầu đặt mức công suất, công suất sẽ không chính xác ở mức yêu cầu bởi vì:
(a) các điều chỉnh được thực hiện bằng cách sử dụng các kết quả đọc của hầu hết các điều kiện hoạt động từ phòng điều khiển;
(b) có những dao động bình thường trong quá trình tiến hành thí nghiệm sau khi thiết bị được thiết lập để thí nghiệm;
(c) mức công suất mong muốn có thể phụ thuộc vào phân tích nhiên liệu cuối cùng, phải được giả định cho thí nghiệm.
Tương tự như vậy, trong quá trình thí nghiệm bố trí cụ thể của nhà máy tua bin hơi, có thể thấy thiết bị đã vận hành theo một cách bố trí hơi khác so với yêu cầu vì những lý do tương tự.
Có hai cách để xử lý những tình huống này. Các phương pháp hay dùng là kết hợp các hệ số hiệu chỉnh ∆7 và ω7.
Kỹ thuật thứ hai và kỹ thuật thay thế là nội suy thông qua kết quả của một số lần thí nghiệm để xác định vị trí kết quả ở mức công suất mong muốn hoặc bố trí mong muốn. Nếu phương pháp thay thế được sử dụng, thì ∆7 và ω7 không áp dụng được và có thể bị loại khỏi công thức hiệu suất. Tuy nhiên, các mức công suất đo được hoặc việc bố trí giữa các lần tiến hành thí nghiệm phải có đủ một khoảng chênh lệch với độ không đảm bảo thí nghiệm để có kết quả hợp lý để đạt được theo cách này.
Điều này được thể hiện trong ví dụ tại Phụ lục E đối với thí nghiệm công suất hiệu chỉnh cố định. Thay cho hiệu chỉnh cộng ∆7 và ω7, ba phép thử được tiến hành và kết quả được nội suy.
Thông thường, các mức công suất có thể được thiết lập đủ sát với các mức mong muốn để không cần thiết phải sử dụng phương pháp thay thế. Đối với các nhà máy tua bin hơi nói riêng, suất tiêu hao nhiệt so với công suất khi đầy tải là một đường cong tương đối mịn.
5.3.6 Các mục tiêu thí nghiệm khác nhau cho cùng một chu kỳ
Các thí nghiệm với các mục tiêu khác nhau có thể được tiến hành tại cùng một nhà máy nhiệt điện, trong trường hợp đó cần phải chú ý đảm bảo rằng việc thiết lập phù hợp cho các hệ số hiệu chỉnh được tính toán dựa trên mục tiêu thí nghiệm.
5.4 Thảo luận về áp dụng các hệ số hiệu chỉnh
Định dạng của các công thức cơ bản cho phép tách các ảnh hưởng hiệu chỉnh thích hợp (dòng chảy quá trình, điều kiện không khí đầu vào,...) so với các biến cơ bản đo được của suất tiêu hao nhiệt và công suất để hiệu suất có thể được hiệu chỉnh chính xác theo các điều kiện tham chiếu cơ bản. Các hiệu chỉnh được tính toán cho các thông số tại đường bao thí nghiệm khác với các điều kiện tham chiếu cơ sở ảnh hưởng đến kết quả hiệu suất đo được. Bảng 12 và 27 cho biết mỗi hiệu chỉnh được xem xét do điều kiện bên ngoài không thể kiểm soát được hay do điều kiện vận hành.
Các đường cong hiệu chỉnh áp dụng đo hiệu suất được tính toán bằng mô hình cân bằng nhiệt của các hệ thống tích hợp nằm trong đường bao thí nghiệm ngoại trừ thành phần nhiên liệu không theo thiết kế cho nhà máy chu trình Rankine. Thành phần nhiên liệu không theo thiết kế cho nhà máy chu trình Rankine được xử lý bằng cách sử dụng các quy trình hiệu chỉnh được quy định trong TCVN 14224 :2025. Mô hình cân bằng nhiệt thể hiện định nghĩa toán học về hiệu suất dự kiến của cơ sở Chuyển đổi năng lượng. Mỗi hệ số hiệu chỉnh được tính toán bằng cách thực hiện mô hình cân bằng nhiệt với một phương sai với biến duy nhất được hiệu chỉnh trong phạm vi sai lệch có thể có so với điều kiện tham chiếu. Do đó, các đường cong hiệu chỉnh được phát triển để đưa vào tài liệu Quy trình thí nghiệm của nhà máy cụ thể. Mô hình này được hoàn thành sau khi mua tất cả các thiết bị chính và nhận được thông tin về hiệu suất từ tất cả các nhà cung cấp. Về mặt thực tế, các đường cong hiệu chỉnh thí nghiệm phải phản ánh các cài đặt điều khiển cuối cùng.
Một số hệ số hiệu chỉnh yêu cầu một họ đường cong. Ví dụ, hiệu chỉnh độ ẩm tương đối thường chứa các đường cong trên phạm vi độ ẩm ở các nhiệt độ không khí đầu vào.
Cần lưu ý rằng, các chỉ số phụ bên dưới giống hệt nhau cho tất cả các hệ số hiệu chỉnh cộng và tương tự cho tất cả hệ số hiệu chỉnh nhân, đại diện cho cùng một biến được hiệu chỉnh, nhưng các ký hiệu khác nhau tùy thuộc vào kết quả được hiệu chỉnh.
Thay vì áp dụng các công thức trong mục 5.3, một mô hình cân bằng nhiệt trên máy tính có thể được áp dụng sau thí nghiệm sử dụng dữ liệu thí nghiệm thích hợp và các điều kiện biên để tất cả các hiệu chỉnh cho chuỗi đo thí nghiệm cụ thể được tính toán đồng thời. Nghiên cứu cân bằng nhiệt cho các chu trình khác nhau bằng cách sử dụng các công thức hiệu suất trên chứng minh sự tương tác giữa các hệ số hiệu chỉnh thường dẫn đến sự khác biệt ít hơn 0,2% so với tính toán cân bằng nhiệt hoàn chỉnh sau thí nghiệm với dữ liệu thí nghiệm. Một lợi thế của tính toán cân bằng nhiệt sau thí nghiệm là giảm hoặc loại bỏ các tính toán cân bằng nhiệt cần thiết để tạo ra tất cả các đường cong hiệu chỉnh cân bằng nhiệt.
Có thể sử dụng phương pháp tích hợp hoặc phương pháp không tích hợp để điều chỉnh hiệu suất của tua bin hơi của nhà máy chu trình Rankine. Một phương pháp không tích hợp tách lò hơi ra khỏi phần còn lại của chu trình Rankine. Đề phòng để không thực hiện các hiệu chỉnh không phù hợp đối với hiệu suất của lò hơi trong thí nghiệm hiệu suất toàn nhà máy (tham khảo mục 5.7.4 về phương pháp hiệu chỉnh hiệu suất của lò hơi).
Để giảm dữ liệu sau mỗi lần thí nghiệm, khi tất cả các nhật ký và hồ sơ thí nghiệm đã được hoàn thành và tập hợp, cần kiểm tra một cách nghiêm túc các giới hạn về sai lệch cho phép so với các điều kiện vận hành đã chỉ định có vượt quá quy định của tiêu chuẩn thí nghiệm hay không. Những điều chỉnh dưới mọi hình thức phải được đồng ý và giải thích trong báo cáo thí nghiệm. Nếu những điều chỉnh không được thống nhất, (các) lần tiến hành thí nghiệm có thể bị lặp lại. Sự không nhất quán trong hồ sơ thí nghiệm hoặc kết quả thí nghiệm có thể yêu cầu làm lại thí nghiệm toàn bộ hoặc một phần để đạt được các mục tiêu thí nghiệm. Các hiệu chỉnh phát sinh do sai lệch của bất kỳ điều kiện vận hành thí nghiệm nào so với các điều kiện đã chỉ định sẽ được áp dụng khi tính toán kết quả thí nghiệm.
5.4.1 Các hệ số hiệu chỉnh cộng: ∆ và ω
Các hiệu chỉnh cộng được thảo luận bên dưới trong mục 5.4.1.1 đến 5.4.1.7.
5.4.1.1 Hiệu chỉnh do dòng nhiệt khác với thiết kế: ∆1 và ω1
Đối với một nhà máy đồng phát nhiệt điện, công suất thiết kế và suất tiêu hao nhiệt được chỉ định ở dòng nhiệt thiết kế hoặc đầu ra thứ cấp. Đây là những hiệu chỉnh đối với các sai lệch so với dòng nhiệt tham chiếu thiết kế trong quá trình tiến hành thí nghiệm (nếu có).
Nếu dòng nhiệt ở dạng hơi, là dạng phổ biến nhất thì dòng nhiệt thiết kế cho mỗi quy trình có thể được định nghĩa là:
![]()
Nếu dòng hồi lưu của quá trình thiết kế bằng với dòng hơi của quá trình thiết kế thì công thức (40) đơn giản hóa thành:
![]()
Kết quả thí nghiệm được hiệu chỉnh cho sai lệch so với các điều kiện tham chiếu cơ sở của từng thành phần trong công thức (41). Tổng của các hiệu chỉnh bằng ∆1 (hoặc ω1).
Cũng được phép bao gồm hiệu chỉnh năng lượng trở lại của quá trình như một phần của hiệu chỉnh ∆4 (hoặc ω4, nghĩa là đối với nhiệt đầu vào thứ cấp) vào chu trình (xem mục 5.4.1.4) nếu thuận tiện hơn.
Nếu tùy chọn đó được chọn thì quá trình hồi về không được xem là một phần của hiệu chỉnh ∆1 (hoặc ω1).
5.4.1.2 Hiệu chỉnh hệ số công suất: ∆2 hoặc ω2
Đầu ra của mỗi máy phát được hiệu chỉnh theo hệ số công suất thiết kế. Cần phải cẩn thận để đảm bảo rằng các hiệu chỉnh bao gồm các đặc điểm ngoài thiết kế của tất cả các thiết bị trong đường bao thí nghiệm, bao gồm đường dây dẫn thanh cái pha cô lập, hệ thống kích từ và máy biến áp tăng áp, nếu có. Tổng của tất cả các hiệu chỉnh đối với mỗi máy phát bao gồm ∆2 (hoặc ω2).
Trong trường hợp các hiệu chỉnh của nhà máy được tính toán dựa trên phía hạ áp của máy biến áp tăng áp và không bao gồm việc xem xét tác động của hệ số công suất ngoài thiết kế đến tổn thất máy biến áp tăng áp và đường bao thí nghiệm bao gồm các máy biến áp, sau đó là công thức (29) được diễn giải như sau:

và

Trong đó:
Prated = Công suất hoạt động định mức (dựa trên định mức MVA) của máy biến áp tăng áp tại hệ số công suất thiết kế (PFdesign), ∑∆ là những hiệu chỉnh cộng áp dụng cho thành phần GT hoặc ST
PFdesign = Hệ số tải thiết kế (đường bao thí nghiệm)
Tổn thất có tải là tổn thất phụ thuộc MBA liên quan đến máy biến áp tăng áp.
Tổn thất không tải là tổn thất máy biến áp tăng áp cố định không phụ thuộc vào tải.
Nếu Pstep-up transformer losses,measured PF và ∆2 step-up transformer đến từ cùng một dữ liệu thiết kế hoặc thí nghiệm thì công thức (44) đơn giản hóa thành:
Trong đó, Pstep-up transformer losses,design PF là tổn thất máy biến áp ở hệ số công suất thiết kế và dòng công suất trên đã hiệu chỉnh của máy biến áp tăng áp, kW.
5.4.1.3 Hiệu chỉnh xả lò hơi: ∆3 hoặc ω3
Để so sánh kết quả thí nghiệm với các giá trị cân bằng nhiệt tham chiếu thiết kế, nên cách ly việc xả nếu có thể và hiệu chỉnh tỷ lệ xả thiết kế. Điều này đơn giản hóa việc thí nghiệm vì khó xác định tỷ lệ xả thực tế.
5.4.1.4 Nhiệt đầu vào thứ cấp: ∆4 hoặc ω4
Nhiệt đầu vào thứ cấp là tất cả nhiệt đầu vào đến đường bao thí nghiệm khác với nhiên liệu sơ cấp. Ví dụ như nước bổ sung và thu hồi nhiệt bên ngoài ở mức độ thấp. Tỷ lệ của phần hơi thu hồi từ quá trình cho một tổ máy đồng phát có thể được xem trong thuật ngữ hiệu chỉnh này hoặc như một phần của ∆4 (hoặc ω4).
Ảnh hưởng của sự khác biệt về nhiệt độ nước bổ sung hoặc lưu lượng từ thiết kế nên được xem xét đối với những trường hợp bị ảnh hưởng. Điều này cũng đúng đối với hơi quá trình trở về dưới dạng nước.
Nếu bất kỳ dòng trở về nào được lưu trữ trong bể chứa và sau đó được đưa vào chu trình, ngược với việc thu hồi trực tiếp cho chu trình, các điều kiện trước khi đưa vào chu trình được hiệu chỉnh theo các điều kiện tham chiếu.
5.4.1.5 Giải nhiệt: Các hệ số ∆5 hoặc ω5
Việc hiệu chỉnh duy nhất áp dụng cho các hệ số ∆5A, ∆5B hoặc ∆5C (hoặc (ω5, ω5 hoặc ω5, tùy thuộc vào đường bao thí nghiệm của chu trình, hoặc cấu hình chu trình của nhà máy.
(a) Điều kiện không khí đầu vào tại tháp giải nhiệt hoặc đầu vào của bình ngưng làm mát bằng không khí: ∆5A hoặc ω5A.
Nếu (các) tháp giải nhiệt hoặc (các) bình ngưng được làm mát bằng không khí tồn tại trong đường bao thí nghiệm, sau đó hiệu chỉnh được thực hiện cho tháp giải nhiệt/bình ngưng làm mát bằng không khí theo điều kiện đầu vào khí quyển. Đối với tháp giải nhiệt ướt, điều kiện đầu vào áp dụng là nhiệt độ bầu ướt và áp suất khí quyển. Độ ẩm và nhiệt độ bầu khô có thể được sử dụng thay cho nhiệt độ bầu ướt. Thông thường, đối với tháp giải nhiệt khô, hoặc bình ngưng làm mát bằng không khí, nhiệt độ bầu khô và áp suất khí quyển là điều kiện không khí đầu vào áp dụng theo yêu cầu. Thành phần áp suất khí quyển của hiệu chỉnh này có thể được kết hợp vào các hệ số hiệu chỉnh nhân có hệ số dưới là “2”. Đối với một số lắp đặt bình ngưng làm mát bằng không khí, có thể cần thiết để xem xét ảnh hưởng của vận tốc gió đến hiệu suất.
(b) Nhiệt độ nước tuần hoàn: ∆5B hoặc ω5B.
Nếu không có (các) tháp giải nhiệt hoặc (các) bình ngưng làm mát bằng không khí bên trong đường bao thí nghiệm, sau đó hiệu chỉnh giải nhiệt được thực hiện dựa trên nhiệt độ nước tuần hoàn đo được.
(c) Lưu lượng nước tuần hoàn: ∆5D hoặc ω5D.
Nếu không có (các) tháp giải nhiệt hoặc (các) bình ngưng làm mát bằng không khí và cũng không có máy bơm nước tuần hoàn trong đường bao thí nghiệm, sau đó có thể thực hiện hiệu chỉnh dựa trên lưu lượng nước tuần hoàn đo được.
(d) Áp suất bình ngưng: ∆5C hoặc ω5C.
Nếu bình ngưng không phải là một phần của đường bao thí nghiệm, việc hiệu chỉnh được thực hiện đối với chu trình tua bin hơi dựa trên áp suất bình ngưng đo được.
5.4.1.6 Điện và nhiệt tự dùng: ∆6 hoặc ω6.
Những hiệu chỉnh này dành cho tải tự dùng ngoài thiết kế theo các điều kiện thí nghiệm, cần phải cẩn thận để đảm bảo rằng không tồn tại sự chồng chéo giữa các hiệu chỉnh được thực hiện cũng như đối với nhiệt độ đầu vào và các hiệu chỉnh điều kiện bên ngoài khác trong đó tải tự dùng thông thường biến đổi theo tình trạng bên ngoài khác nhau đã được xem xét. Đối với tải không theo thiết kế không đổi trong phạm vi không khí đầu vào và các điều kiện khác, những hiệu chỉnh ∆6 hoặc ω6 là cộng và có thể được áp dụng bên ngoài dấu ngoặc, nghĩa là hệ số này được áp dụng cho kết quả thí nghiệm sau khi hiệu chỉnh các hệ số nhân còn lại và sau đó.



5.4.1.7 Chênh lệch nhỏ về công suất đo được từ công suất mục tiêu, hoặc bố trí thiết bị thực tế từ việc bố trí vận hành: ∆7 hoặc ω7
Đối với các thí nghiệm công suất chỉ định đo được và công suất hiệu chỉnh được chỉ định, trong đó công suất trong khi thí nghiệm được thiết lập, các hiệu chỉnh này được sử dụng để hiệu chỉnh chính xác với thực tế sẽ không bao giờ bằng công suất mong muốn vì những lý do thực tế được lập bảng trong mục 5.3.5. Những hiệu chỉnh này luôn phải được sử dụng cùng nhau. Sau khi nguồn điện được hiệu chỉnh về giá trị chính xác mà nó phải được cài đặt chính xác thì sự thay đổi đồng thời của nhiệt đầu vào phải được xem xét.
Vì những lý do tương tự, những hiệu chỉnh này được sử dụng khi bố trí vận hành thiết bị yêu cầu hơi khác so với yêu cầu đối với một nhà máy tua bin hơi.
Lưu ý rằng sự khác biệt về công suất là nhỏ và sự điều chỉnh này là sự điều chỉnh nhỏ của công suất tới giá trị thiết kế. Việc hiệu chỉnh này không nhằm mục đích chỉnh sửa nguồn khi bị thiếu hụt nguồn điện.
5.4.2 Các hệ số hiệu chỉnh nhân: α, f và b
Đối với các chu trình kết hợp, một khi hiệu chỉnh cộng về điện thích hợp và tỷ lệ nước/hơi của chu kỳ đã được hiệu chỉnh theo các điều kiện tham chiếu cơ bản bằng các hiệu chỉnh cộng thì sau đó hiệu suất của nhà máy có thể được hiệu chỉnh dựa trên điều kiện không khí đầu vào và các đại lượng bên ngoài khác thông qua sử dụng các hệ số hiệu chỉnh nhân như mô tả dưới đây.
Hệ số hiệu chỉnh nhân số α được sử dụng để hiệu chỉnh công suất đo được và f hoặc b được sử dụng để điều chỉnh suất tiêu hao nhiệt hoặc nhiệt đầu vào đo được.
Các hệ số hiệu chỉnh nhân được thảo luận dưới đây trong mục 5.4.2.1 đến 5.4.2.4.
5.4.2.1 Hiệu chỉnh nhiệt độ, áp suất và độ ẩm đầu vào α1, α2, α3 và f1, f2 và f3 hoặc f1, b2 và b3
Hiệu chỉnh được thực hiện đối với hiệu suất của nhà máy dựa trên nhiệt độ đầu vào (α1 và f1 hoặc b1), áp suất đầu vào (α2 và f2 hoặc b2) và độ ẩm đầu vào (α3 và f3 hoặc b3). Đối với nhà máy nhiệt điện chu trình kết hợp, nhiệt độ không khí và độ ẩm đầu vào thường được đo tại khu vực lọc đầu vào của tua bin khí, trong khi áp suất được đo tại đường tâm của tua bin khí. Đối với thí nghiệm nhà máy hơi tích hợp, điều kiện không khí đầu vào thường được đo tại quạt cấp không khí đầu vào để đốt của lò hơi.
5.4.2.2 Hiệu chỉnh nhiệt độ nhiên liệu cấp: α4 và f4 hoặc b4
Nhiệt độ phía trước của dòng nhiên liệu cấp đầu vào trong bất kỳ thiết bị điều chỉnh nào như sấy sơ bộ khác với hiệu suất ảnh hưởng tham chiếu cơ sở. Việc hiệu chỉnh thực hiện theo các công thức hiệu suất cho trường hợp này.
Một phương pháp khác để kết hợp nhiệt độ nhiên liệu cấp không theo thiết kế là bằng cách tính toán, trong đó nhiệt trị được sử dụng để tính toán tổng nhiệt trị nhiên liệu ở điều kiện tham chiếu và nhiệt nhiên liệu cảm biến được ở nhiệt độ đo được. Người sử dụng Tiêu chuẩn này cần cẩn thận để không vô tình tính gấp đôi cho tác động của nhiệt nhiên liệu cảm biến được bằng cách sử dụng công thức với việc áp dụng α4 và f4 hoặc b4 cùng một thời điểm.
Tuy nhiên, sự thay đổi áp suất nhiên liệu ảnh hưởng đến nhiệt nhiên liệu cảm biến được; tác động đến hiệu suất của nhà máy thường là những thay đổi lớn về áp suất.
5.4.2.3 Hiệu chỉnh phân tích nhiên liệu: α5 và f5 hoặc b5
Sự khác biệt về đặc tính nhiên liệu giữa nhiên liệu thiết kế và nhiên liệu thí nghiệm hiệu suất có thể dẫn đến sự khác biệt so với hiệu suất thiết kế. Hiệu chỉnh này cho sự khác biệt về các đặc tính nhiên liệu.
5.4.2.4 Hiệu chỉnh tần số lưới: α6 và f6 hoặc b6
Khi vận hành ở tần số không theo thiết kế, hiệu suất của động cơ tua bin bị ảnh hưởng. Việc hiệu chỉnh bù đắp cho tình trạng này.
Do tính phi tuyến cao của các hệ số hiệu chỉnh tần số lưới nên có thể cần tính toán các hệ số hiệu chỉnh bằng cách lấy trung bình các hệ số hiệu chỉnh được tính toán từ các phép đo riêng nếu tần số lưới thay đổi nhiều trong thời gian thí nghiệm.
5.5 Xem xét đặc biệt về công thức hiệu suất được áp dụng cho các chu trình kết hợp
5.5.1 Nhiều vị trí của không khí đầu vào
Hiệu suất được hiệu chỉnh bằng cách sử dụng các công thức hiệu suất cơ bản trong các định dạng cho các chu trình kết hợp được trình bày trong mục 5.3 giả định rằng không khí tại mỗi đầu vào tua bin khí là tương đương. Các công thức cũng được viết để đáp ứng yêu cầu đo riêng điều kiện đầu vào của không khí tại (các) tháp giải nhiệt hoặc (các) bình ngưng làm mát bằng không khí (giải nhiệt).
Đối với các cơ sở có nhiều hơn một tua bin khí, hầu như luôn được chấp nhận để lấy trung bình các phép đo đầu vào ở tất cả các cửa vào tua bin khí và sử dụng giá trị trung bình để xác định hệ số hiệu chỉnh đầu vào tua bin khí (α1, b1 và f1) với điều kiện tua bin khí là các mô hình giống hệt nhau, thường là như vậy. Sự khác biệt nhỏ giữa các điều kiện tại mỗi đầu vào sẽ không ảnh hưởng đến kết quả tính toán nếu tất cả các máy đều có cùng một kiểu máy và đáp ứng yêu cầu tải nền của việc bố trí đầu vào.
Phải phát triển và sử dụng hiệu chỉnh riêng cho các điều kiện đầu vào của giải nhiệt khác với ở đầu vào (∆5A hoặc ω5A).
Áp suất khí quyển có thể được giả định là đồng nhất cho toàn bộ địa điểm nếu được đo ở khu vực lân cận của cửa vào tua bin khí.
Nếu cần, khai triển Công thức (32) đối với một chu trình yêu cầu mục tiêu kiểm tra về việc bố trí đầu vào không đổi được viết như sau

Các chỉ số phụ cho các hệ số hiệu chỉnh nhân mới λƞ đề cập đến các thông số tương tự được hiệu chỉnh như trong các phép hiệu chỉnh nhân khác. Cẩn thận trong việc tính toán cân bằng nhiệt để xác định các hệ số hiệu chỉnh cho dạng công thức (47) để dựa trên hệ số hiệu chỉnh λƞ trên tổng cộng suất. Tính toán cân bằng nhiệt để xác định các hiệu chỉnh đối với điều kiện không khí đầu vào bằng cách sử dụng dạng công thức (31) bao gồm các ảnh hưởng tải tự dùng trong các công thức tương ứng αs.
Lưu ý rằng các hệ số hiệu chỉnh α cho tua bin hơi trong Công thức (47) sẽ không giống nhau ngay cả khi tháp giải nhiệt nằm ngoài đường bao thí nghiệm do ảnh hưởng của không khí đầu vào tại đầu vào tua bin khí đối với quá trình sinh hơi.
Tương tự, đối với mục tiêu thí nghiệm với cách bố trí đầu vào cụ thể mà không đặt đầu ra ở mức xác định trước (mục 5.3.2) thì công thức suất tiêu hao nhiệt đã hiệu chỉnh có thể được mở rộng thành dạng sau nếu công thức (47) được sử dụng thay cho công thức (31):
![]()
Các công thức tương tự có thể được phát triển cho các thí nghiệm công suất đo được quy định cho các chu trình kết hợp trong đó có thiết bị dẫn khói thải dạng ống (nếu cần).
5.5.2 Trường hợp đặc biệt của (các) thiết bị điều chỉnh không khí đầu vào
Tiêu chuẩn này khuyến nghị thí nghiệm với hệ thống điều chỉnh không khí đầu vào được cấu hình để phù hợp với các điều kiện tham chiếu, miễn là điều kiện môi trường xung quanh cho phép. Một số trường hợp cụ thể được giải quyết dưới đây.
(a) Đối với bộ làm mát kiểu bay hơi nên thực hiện thí nghiệm trong điều kiện hoạt động bình thường của bộ làm mát bay hơi và áp dụng các hiệu chỉnh thông qua một mô hình hoặc một nhóm đường cong như một hàm của nhiệt độ bầu khô và độ ẩm trong giới hạn phạm vi hoạt động của bộ làm mát kiểu bay hơi (tức là thường ở nhiệt độ môi trường xung quanh cao hơn 15°C đến 20°C). Nếu bộ làm mát kiểu bay hơi không hoạt động trong quá trình thí nghiệm do giới hạn vận hành do nhà sản xuất quy định, thì thí nghiệm hiệu suất của nhà máy vẫn có thể được thực hiện và các bên tham gia thí nghiệm được khuyến khích đạt được thỏa thuận chung về tính năng của bộ làm mát kiểu bay hơi. Các bên cũng được khuyến khích đồng ý về điều kiện môi trường xung quanh mà trong đó thí nghiệm hiệu suất sẽ được tiến hành để giảm thiểu sai số do độ không đảm bảo vốn có (ví dụ, độ ẩm).
(b) Hệ thống phun sương và tạo sương mù cao thường được lắp đặt để làm bão hòa không khí đi vào bằng hơi nước hoặc đến trạng thái quá bão hòa ở một mức độ xác định trước (sương mù cao). Trong cả hai trường hợp, nếu các điều kiện tham chiếu của nhà máy bao gồm hoạt động của các hệ thống này, thì thí nghiệm có thể được tiến hành với các hệ thống này khi đang hoạt động. Đối với các nhà máy được trang bị thiết bị làm mát kiểu bay hơi, cần chú ý đến các giới hạn hoạt động của hệ thống phun sương. Cửa sổ vận hành mà trong quá trình thí nghiệm hiệu suất được tiến hành có thể được chọn là một tập hợp con của cửa sổ vận hành do nhà sản xuất xác định để giảm thiểu các lỗi do Độ không đảm bảo (ví dụ, nhiệt độ và độ ẩm môi trường xung quanh). Ngoài ra, cẩn thận trọng khi chọn loại và số lượng thiết bị đo đạc được sử dụng để đo các điều kiện môi trường xung quanh để đảm bảo đáp ứng hoặc vượt quá các yêu cầu về độ chính xác được xác định trong tiêu chuẩn này.
(c) Đối với hệ thống làm lạnh đầu vào, cần lưu ý rằng các tải tự dùng cần thiết cho việc hoạt động có thể đáng kể và khó mô hình hóa trong các điều kiện tham chiếu không cơ sở. Đối với hệ thống chống đóng băng dựa trên điện trở, tải tự dùng cần thiết cho việc hoạt động có thể đáng kể và khó mô hình hóa trong các điều kiện tham chiếu không có cơ sở.
(d) Đối với hệ thống chống đóng băng kiểu tuần hoàn không khí của máy nén khí, những khó khăn liên quan đến cả việc xác định nhiệt độ đầu vào thực tế và mô hình hóa hoạt động của máy nén không theo thiết kế có khả năng dẫn đến độ không đảm bảo cao và do đó, thông thường không nên tiến hành các thí nghiệm xác minh đảm bảo trong điều kiện như vậy.
Có thể tham khảo Phụ lục I nếu những cân nhắc này dẫn đến quyết định tiến hành thí nghiệm với thiết bị điều hòa không khí đầu vào không hoạt động.
5.5.3 Thí nghiệm theo giai đoạn của các nhà máy chu trình kết hợp cho các tình huống xây dựng theo từng giai đoạn
Tiểu mục này trình bày chi tiết phương pháp luận để kiểm tra công suất và suất tiêu hao nhiệt mới và sạch của nhà máy chu trình kết hợp khi nó được xây dựng theo từng giai đoạn. Các tua bin khí của nhà máy thường hoạt động trong vài tháng ở chế độ chu trình đơn giản trong khi phần hơi của nhà máy chu trình kết hợp đang được xây dựng.
Để xác định hiệu suất sạch và mới của chu trình kết hợp, do đó cần phải thí nghiệm các tua bin khí khi chủng mới và sạch (loạt thí nghiệm giai đoạn 1) và kết hợp các kết quả đó với dữ liệu hiệu suất chu trình tua bin hơi mới và sạch (giai đoạn 2 loạt thí nghiệm). Trong trường hợp sự thay đổi dự kiến hoặc đo được trong các thông số hiệu suất tua bin khí (lưu lượng không khí, đầu ra, tiêu thụ nhiệt và nhiệt độ khói thải) nhỏ hơn độ không đảm bảo tương đối của chúng, thì nên xem xét kỹ thuật thay thế, chẳng hạn như đường cong suy giảm bởi các bên tham gia thí nghiệm.
Giao thức này yêu cầu các hiệu chỉnh thêm vào ngoài các hiệu chỉnh tiêu chuẩn được lập bảng trong Bảng 12 và 27. Đó là:
(a) Sự suy giảm tốc độ dòng khí của tua bin khí;
(b) Sự suy giảm sản lượng của các tua bin khí;
(c) Sự suy giảm tiêu thụ nhiệt của các tua bin khí;
(d) Sự suy giảm nhiệt độ khói thải của tua bin khí. Lưu ý rằng sự xuống cấp có thể làm tăng nhiệt độ khói thải.
Việc xác định các hạng mục này yêu cầu dữ liệu thí nghiệm tua bin khí được lấy với chu trình hơi đã bỏ qua trong loạt thí nghiệm giai đoạn 2. Nếu thiết bị không có đường nối tắt, thí nghiệm giai đoạn 2 chu kỳ đơn giản nên được tiến hành ngay trước khi ngừng hoạt động để kết nối HRSG.
Các thí nghiệm chu kỳ đơn giản trong Giai đoạn 2 được gọi là thí nghiệm giai đoạn 2A, trong khi các thí nghiệm vận hành chu trình kết hợp cuối cùng được coi là thí nghiệm giai đoạn 2B.
Các thuật ngữ cho các hệ số hiệu chỉnh duy nhất của biểu thức này như sau:
Cf = hiệu chỉnh tổng sản lượng điện chu trình hơi ở điều kiện tham chiếu thiết kế đối với tốc độ dòng khí mới và sạch của tua bin khí
Ch = hiệu chỉnh đối với nhiệt đầu vào chu trình kết hợp giai đoạn 2B ở điều kiện tham chiếu thiết kế để tính đến sự suy giảm tiêu thụ nhiệt của tua bin khí
Co = hiệu chỉnh đối với tổng sản lượng điện tua bin khí giai đoạn 2B ở điều kiện tham chiếu thiết kế để tính đến sự suy giảm sản lượng giữa các giai đoạn thí nghiệm
Ct = hiệu chỉnh tổng sản lượng điện chu trình hơi ở điều kiện tham chiếu thiết kế thành nhiệt độ khói thải mới và sạch của tua bin khí
Bảng 15 Quy trình tiến hành thí nghiệm bắt buộc cho từng giai đoạn xây dựng nhà máy chu trình kết hợp
| Giai đoạn thí nghiệm | Lý do thí nghiệm | Chế độ vận hành |
| Giai đoạn 1 | Hiệu suất tua bin khí mới và sạch | Vận hành chu trình đơn giản sau khi vận hành chu trình khởi động đơn giản |
| Giai đoạn 2A | Hiệu suất tua bin khí để xác định ảnh hưởng của sự giảm hiệu suất đối với đầu ra, lượng nhiệt tiêu thụ, lưu lượng khói thải và sự thay đổi nhiệt độ khói thải | Vận hành chu kì đơn giản (xem mục 5.5.3) |
| Giai đoạn 2B | Để xác định hiệu suất của nhà máy chu trình kết hợp trong điều kiện mới và sạch. Điều này được thực hiện bằng cách kết hợp dữ liệu hiệu suất chu trình kết hợp giai đoạn 2B, với các hiệu chỉnh dựa trên các thí nghiệm giai đoạn 1 và giai đoạn 2A. | Vận hành chu trình kết hợp đầy đủ |
Bảng 15 tóm tắt lý do của từng loạt thí nghiệm. Lưu ý rằng thường có sự giảm lưu lượng không khí, giảm đầu ra, tăng suất tiêu hao nhiệt và tăng nhiệt độ khói thải ở chế độ chu trình đơn giản sau khi vận hành kéo dài, đó là lý do tại sao giai đoạn thứ hai của thí nghiệm nên được thực hiện thành hai phần, giai đoạn 2A được sử dụng cùng với giai đoạn 1 để xác định các yếu tố suy giảm này. Để đảm bảo xác định chính xác các hệ số suy giảm, điều quan trọng là phải đảm bảo rằng các tua bin khí được kiểm tra và làm sạch đúng cách trước khi tiến hành các thí nghiệm tua bin khí theo từng mục 3.3.5.
5.5.3.1 Thí nghiệm giai đoạn 1
(a) Mục tiêu của loạt bài thí nghiệm - Giai đoạn 1. Mục tiêu của loạt thí nghiệm giai đoạn 1 là thiết lập hiệu suất tua bin khí mới và sạch cho từng máy như sau:
(1) Công suất hiệu chỉnh sạch và mới của tua bin khí trong hoạt động chu trình đơn;
(2) Nhiệt đầu vào hiệu chỉnh sạch và mới của tua bin khí trong hoạt động chu trình đơn với nhiên liệu không được gia nhiệt;
(3) Luồng không khí ở điều kiện mới và sạch;
(4) Tính hiệu quả của việc điều hòa không khí đầu vào nếu có;
(5) Nhiệt độ khói thải trong điều kiện mới và sạch.
(b) Cấu hình loạt thí nghiệm - Giai đoạn 1. Các thí nghiệm giai đoạn 1 sẽ diễn ra ở chế độ vận hành chu kỳ đơn. Trong trường hợp việc gia nhiệt cho nhiên liệu được cung cấp từ chu trình hơi nước/nước, thí nghiệm giai đoạn 1 có thể được tiến hành với nhiên liệu khí chưa được gia nhiệt trên mỗi tua bin khí. Tổng công suất mới và sạch của tua bin khí đã được hiệu chỉnh trong vận hành chu trình đơn là công suất đo được hiệu chỉnh cho các sai lệch so với các điều kiện tham chiếu cơ sở như sau:

Các hiệu chỉnh trong Công thức (49) chỉ được tính cho hoạt động chu kỳ đơn.
Tổng nhiệt lượng đầu vào mới và sạch của tua bin khí đo được biểu thị bằng tích số của nhiệt trị thấp của khí nhiên liệu và lưu lượng khí nhiên liệu đo được.
![]()
Suất tiêu hao nhiệt mới và sạch của tua bin khí được hiệu chỉnh theo các điều kiện tham chiếu cơ bản được xác định như sau:

Do đó, tổng nhiệt đầu vào mới và sạch của tua bin khí đã được hiệu chỉnh là

Trong tình huống mỗi tua bin khí trong nhà máy chu trình kết hợp được thí nghiệm riêng biệt, các công thức từ (49) đến (52) có thể được đơn giản hóa để phù hợp với một tua bin khí duy nhất tại một thời điểm và những kết quả này có thể được tổng hợp để xác định tổng hiệu suất chu trình đơn giản của tua bin khí.
(c) Luồng không khí ở tải cơ sở trong điều kiện mới và sạch. Thí nghiệm giai đoạn 1 sẽ cung cấp lưu lượng không khí, được điều chỉnh để đảm bảo các điều kiện tham chiếu, cho mỗi tua bin khí ở tải cơ sở trong hoạt động chu trình đơn trong điều kiện mới và sạch. Lưu lượng không khí có thể được xác định bằng cách sử dụng phương pháp miệng hút đầu vào hoặc bằng cân bằng nhiệt.
![]()
CHÚ THÍCH: Định nghĩa của các chỉ số phụ được sử dụng dựa trên Bảng 13.
(d) Nhiệt độ khói thải ở tải nền trong điều kiện mới và sạch. Loạt thí nghiệm giai đoạn 1 cũng sẽ cung cấp nhiệt độ khói thải GT cho mỗi tua bin khí ở tải nền trong vận hành chu trình đơn mới và sạch. Biến này sẽ được xác định là GTTexhmeas,GTi,Phase 1.
Nhiệt độ khói thải đo được hiệu chỉnh cho các điều kiện đầu vào trong quá trình thí nghiệm bằng cách áp dụng các hiệu chỉnh và sau đó được gọi là
![]()
CHÚ THÍCH: Định nghĩa của các chỉ số phụ được sử dụng dựa trên Bảng 13 nhưng được coi là hiệu chỉnh cộng.
(e) Thiết bị điều hòa không khí đầu vào. Thiết bị điều hòa không khí đầu vào trong quá trình thí nghiệm theo từng giai đoạn được xử lý theo mục 5.5.2.
5.5.3.2 Thí nghiệm giai đoạn 2A
(a) Mục tiêu của chuỗi thí nghiệm - Giai đoạn 2A. Mục tiêu của chuỗi thí nghiệm giai đoạn 2A là thiết lập mức độ suy giảm đối với lưu lượng khí, đầu ra, nhiệt đầu vào và nhiệt độ khói thải tua bin khí trong vận hành chu trình đơn ngay trước khi chuyển sang vận hành chu trình kết hợp. Cần chú ý đặc biệt để xác minh rằng các thông số điều khiển tua bin khí đối với cánh dẫn hướng thay đổi và nhiệt độ nung phù hợp với thí nghiệm giai đoạn 1. Tiêu chuẩn này khuyến nghị rằng thí nghiệm giai đoạn 2A được cấu trúc để tạo lại loại thiết bị đo, số lượng và phương pháp lắp đặt từ giai đoạn 1 nhằm giảm ảnh hưởng của sai số hệ thống trong phép đo giữa các giai đoạn;
(b) Cấu hình chuỗi thí nghiệm - Giai đoạn 2A. Các thí nghiệm giai đoạn 2A sẽ được thực hiện cho từng tua bin khí. Áp suất khói thải sẽ được ghi lại với các máy ở tải nền trong hoạt động chu trình đơn. Thí nghiệm suy giảm dòng khí được lặp lại từ các thí nghiệm giai đoạn 1;
(c) Tính toán chuỗi thí nghiệm - Giai đoạn 2A. Tương tự như tính toán giai đoạn 1, công suất tua bin khí đã hiệu chỉnh chu kỳ đơn, suất tiêu hao nhiệt, lưu lượng khí và nhiệt độ khói thải sẽ được tính toán sau thí nghiệm giai đoạn 2A. Các Công thức cho các tham số riêng lẻ được xác định trong mục 5.5.3.1 áp dụng, với chỉ số phụ “Giai đoạn 1” được thay thế bằng “Giai đoạn 2A”.
5.5.3.3 Thí nghiệm giai đoạn 2B
(a) Mục tiêu chuỗi thí nghiệm - Giai đoạn 2B. Mục tiêu của chuỗi thí nghiệm giai đoạn 2B là xác định độ lớn của các giá trị thí nghiệm cuối cùng đối với công suất nhà máy và suất tiêu hao nhiệt của nhà máy được hiệu chỉnh theo các điều kiện tham chiếu cơ sở của dự án và trong điều kiện mới và sạch. Việc tính toán này sẽ được thực hiện theo bốn phần như sau:
(1) Xác định công suất chu trình kết hợp ở các điều kiện thí nghiệm;
(2) Tính toán công suất nhà máy đã điều chỉnh theo điều kiện mới và sạch bằng cách sử dụng các đường cong hiệu chỉnh cc và hệ số suy giảm từ các thí nghiệm giai đoạn 1 và 2a;
(3) Xác định nhiệt đầu vào của nhà máy ở các điều kiện thí nghiệm trong khi tính đến việc gia nhiệt cho nhiên liệu;
(4) Tính toán suất tiêu hao nhiệt của nhà máy được hiệu chỉnh ở các điều kiện mới và sạch bằng cách sử dụng các đường cong hiệu chỉnh cc và hệ số suy giảm từ các thí nghiệm giai đoạn 1 và giai đoạn 2a.
(b) Cấu hình loạt thí nghiệm - Giai đoạn 2B. Thí nghiệm giai đoạn 2B phải được tiến hành với tua bin khí ở chế độ vận hành tải nền song song xả qua HRSG và với tua bin hơi có tải. Trong loạt thí nghiệm này, tua bin khí sẽ hoạt động với nhiên liệu được gia nhiệt nếu đó là chế độ chu trình kết hợp bình thường của chúng. Trong giai đoạn này nhà máy đang vận hành với các dòng xả bị cô lập.
Tính toán chuỗi thí nghiệm - Giai đoạn 2B. Tương tự như tính toán giai đoạn 1, công suất tua bin khí đã hiệu chỉnh, suất tiêu hao nhiệt và lưu lượng khí sẽ được tính toán sau thí nghiệm giai đoạn 2B. Các thuật ngữ này được yêu cầu để tính toán các hệ số hiệu chỉnh riêng lẻ được sử dụng để ghi nhận sự suy giảm. Các công thức cho các tham số riêng lẻ được xác định trong mục 5.5.3.1 áp dụng với chỉ số phụ “Giai đoạn 1” được thay thế bằng “Giai đoạn 2B”.
Các hệ số hiệu chỉnh riêng lẻ để nắm bắt sự suy giảm từ pha 1 đến pha 2A đối với từng thông số này có thể được xác định như sau:
(1) Cf: Độ lớn của hiệu chỉnh suy giảm lưu lượng không khí tua bin khí được xác định bằng cách sử dụng lưu lượng không khí đã hiệu chỉnh từ các pha 1, 2A và 2B như sau:
![]()
Trong đó: mairIF là hệ số tác động của luồng không khí tua bin khí (phần trăm thay đổi trong sản lượng chu trình hơi trên 1% thay đổi trong luồng không khí tua bin khí). Giá trị này có thể được xác định bằng mô hình nhiệt động của nhà máy.
Công thức này cũng giải thích cho bất kỳ sửa đổi nào đối với phần cứng/hệ thống điều khiển điều chỉnh lưu lượng khí của tua bin khí (ví dụ: các van dẫn hướng đầu vào thay đổi) giữa các chế độ vận hành chu trình đơn và chu trình kết hợp.
Ngoài ra, Cf cũng có thể được xác định bằng cách sử dụng lưu lượng khói thải tua bin khí thu được bằng cân bằng nhiệt tua bin khí cho hai giai đoạn thí nghiệm.
(2) CoGTi: Độ lớn của hiệu chỉnh suy giảm công suất tua bin khí được xác định bằng cách sử dụng công suất tua bin khí đã hiệu chỉnh từ các giai đoạn 1,2A và 2B như sau:
![]()
(3) ChGTi: Độ lớn của hiệu chỉnh suy giảm nhiệt đầu vào tua bin khí được xác định bằng cách sử dụng mức tiêu thụ nhiệt tua bin khí đã hiệu chỉnh từ các giai đoạn 1, 2A và 2B như sau:
![]()
(4) Ct: Độ lớn của CtGTi đối với mỗi tua bin khí được xác định bằng cách sử dụng nhiệt độ khói thải tua bin khí đã hiệu chỉnh từ giai đoạn 1 và 2A như sau:
![]()
Trong đó TexhIF là hệ số tác động đến nhiệt độ khói thải TBK (phần trăm thay đổi trong sản lượng chu trình hơi trên 1°F thay đổi trong nhiệt độ TBK). Giá trị này có thể được xác định bằng mô hình nhiệt động của nhà máy.
Tổng sản lượng tổng hiệu chỉnh của tua bin hơi nước được sử dụng cho các đánh giá hiệu suất của nhà máy chu trình kết hợp là

Công thức (483) hiệu chỉnh sản lượng điện chu trình kết hợp đo được thành các điều kiện tham chiếu thiết kế, cũng như điều kiện sạch và mới của tua bin khí bằng cách áp dụng Co, Ct và Cf. Các hệ số hiệu chỉnh ∆ và α hiệu chỉnh theo Bảng 12 và 27. Nhiệt đầu vào đã hiệu chỉnh từ nhiên liệu được sử dụng để đánh giá hiệu suất của nhà máy chu trình kết hợp là
![]()
Công thức (484) biểu thị tổng nhiệt lượng đầu vào từ nhiên liệu đã được hiệu chỉnh theo điều kiện chuẩn và ở tình trạng mới và sạch, bằng cách áp dụng hệ số Ch. vốn dĩ nó cũng giải thích cho bất kỳ quá trình làm nóng sơ bộ nhiên liệu nào được đưa vào chế độ vận hành chu trình kết hợp. Các hệ số hiệu chỉnh tư và p hiệu Chỉnh theo Bảng 12 và 27.
Do đó, tổng suất tiêu hao nhiệt của nhà máy ở điều kiện mới và sạch, chế độ chu trình kết hợp và ở điều kiện tham chiếu cơ sở mới và sạch, được biểu thị bằng
![]()
5.6 Trường hợp đặc biệt khi đường ống bên ngoài đường bao thí nghiệm
Trong trường hợp đường bao thí nghiệm của nhà máy nhiệt điện không bao gồm đường ống hơi liên kết, có thể cần phải hiệu chỉnh tính năng của nhà máy nếu áp suất đường ống này giảm đi sai lệch đáng kể so với thiết kế. Trong trường hợp như vậy, hiệu suất của nhà máy đã hiệu chỉnh sẽ được tính là
![]()
trong đó Uk đại diện cho các hệ số hiệu chỉnh phụ cho mỗi lần giảm áp suất đường ống mà hiệu chỉnh được thực hiện. Hiệu suất thường bị tác động mạnh hơn nhiều bởi sự giảm áp suất trong đường ống hơi nước hơn là đường ống nước, vì vậy các hiệu chỉnh cho sự cố sau này là không mong đợi.
5.7 Những nhận xét đặc biệt khi áp dụng cho các nhà máy tua bin hơi
Bố trí cụ thể cho nhà máy nhiệt điện dựa trên tua bin hơi nước có thể được xác định theo nhiều cách. Các định nghĩa này bao gồm một lượng xác định của dòng hơi chính, điều kiện điểm van cụ thể hoặc nhiệt đầu vào từ nhiên liệu. Cũng có thể tiến hành thí nghiệm công suất hiệu chỉnh đã chỉ định hoặc thí nghiệm công suất đo được chỉ định. Nhiệt đầu vào từ nhiên liệu cũng được sử dụng như một định nghĩa của đầy tải.
Phương pháp điều chỉnh tỷ lệ cháy trong chế độ điều khiển áp suất tiết lưu cụ thể và mục tiêu thí nghiệm phải được thiết lập trước khi phát triển mô hình cân bằng nhiệt, đường cong hiệu chỉnh và quy trình tính toán.
Đối với mục tiêu thí nghiệm có bố trí xác định tại điểm van trong chế độ vận hành điều khiển áp suất, việc hiệu chỉnh hiệu suất theo điều kiện tham chiếu yêu cầu kiến thức hoặc ước tính về cách thức đầu ra điện của nhà máy đã hiệu chỉnh với đầu vào năng lượng nhiên liệu đã hiệu chỉnh. Hình 15 minh họa tổng sản lượng của nhà máy dựa trên tua bin hơi thay đổi như thế nào theo lưu lượng tiết lưu tua bin hơi. Nếu bố trí được chỉ định là lưu lượng tiết lưu, hãy tham khảo mục 5.3.5. Nhà máy có thể được thí nghiệm trên một loạt các dòng tiết lưu tua bin hơi nước đủ để bao gồm điểm yêu cầu về hiệu suất đã hiệu chỉnh. Do đó, các công thức hiệu suất áp dụng trong trường hợp này dành cho bố trí đơn vị cố định, với công suất đã hiệu chỉnh thay đổi. Đường cong đầu ra hiệu chỉnh so với đường cong đầu vào đã hiệu chỉnh được phát triển từ dữ liệu thí nghiệm. Đường cong được nhập ở đầu ra hiệu chỉnh để xác định đầu vào năng lượng nhiên liệu đã hiệu chỉnh. Một thủ tục khác cho việc bố trí cụ thể này sẽ là áp dụng các điều chỉnh ∆7 và ω7.
Sự phi tuyến tính trong đường cong hiệu quả vòng van chủ yếu là do hoạt động điều khiển của van tiết lưu tua bin hơi. Đường có nhãn “hiệu suất vị trí tốt nhất của van” cho thấy sản lượng của nhà máy sẽ thay đổi như thế nào nếu được tính toán trên cơ sở điểm van. Hiệu suất này không thể thực hiện được nhưng được tổng hợp bằng cách kẻ một đường thẳng qua các điểm van tua bin hơi. Trong thực tế, hiệu suất thực tế thay đổi từ hiệu suất điểm van khoảng 0% đến 0,15% đối với máy hồi nhiệt sáu van và từ 0% đến 0,25% hoặc hơn đối với máy không hồi nhiệt.
Nhà máy tua bin hơi có bố trí vận hành yêu cầu dựa trên hoạt động tại điểm van phải được thí nghiệm tại điểm van đó.

Các hiệu chỉnh chính thuộc loại đó sẽ là nhiệt độ nước cấp cuối cùng, nhiệt độ hơi nước tái nhiệt lạnh và thiết bị kiểm soát chất lượng không khí tích hợp cho lò hơi trước khi khói thải thoát ra khỏi bộ gia nhiệt không khí. Tương tự, các hạng mục đôi khi không được coi là một phần của đường bao thí nghiệm lò hơi nằm trong đường bao thí nghiệm, chẳng hạn như quạt FD, PA và bộ sấy không khí phải được xem xét. Đối với thí nghiệm, nhiệt độ đầu vào tham chiếu cơ bản của lò hơi ở đầu vào của quạt, nếu chúng nằm trong đường bao thí nghiệm hiệu suất tổng thể của nhà máy. Trong mọi trường hợp, các hiệu chỉnh đối với thành phần nhiên liệu (và chất phụ, nếu có) nằm ngoài thiết kế phải được thực hiện bằng cách sử dụng các quy trình hiệu chỉnh thay thế thành phần nhiên liệu.
Hình 16 cho thấy đường bao thí nghiệm điển hình cho chu trình hơi Rankine tái nhiệt có thể được sử dụng trong phát điện trực tiếp.

6. Báo cáo kết quả
6.1 Yêu cầu chung
Báo cáo thí nghiệm cho một thí nghiệm hiệu suất phải bao gồm các yêu cầu chung sau:
(a) Tóm tắt được mô tả trong mục 6.2;
(b) Giới thiệu được mô tả trong mục 6.3;
(c) Tính toán và kết quả được mô tả trong mục 6.4;
(d) Dụng cụ đo được mô tả trong mục 6.5;
(e) Kết luận được mô tả trong mục 6.6;
(f) Các phụ lục được mô tả trong mục 6.7.
Đề cương này là một mẫu báo cáo được đề xuất. Các mẫu khác được chấp nhận; tuy nhiên, một báo cáo thí nghiệm hiệu suất toàn nhà máy nên bao gồm tất cả các thông tin được mô tả trong các mục 6.2 đến 6.7 theo sự bố trí phù hợp.
6.2 Tóm tắt
Tóm tắt cần ngắn gọn và phải bao gồm các nội dung chính sau đây:
(a) Thông tin chung về nhà máy và thí nghiệm, chẳng hạn như loại nhà máy và cấu hình hoạt động và mục tiêu thí nghiệm bao gồm các giá trị mục tiêu thí nghiệm;
(b) Ngày và giờ thí nghiệm;
(c) Chữ ký của (các) Trưởng nhóm thí nghiệm;
(d) Chữ ký của (các) bên đánh giá;
(e) (Các) chữ ký phê duyệt;
(f) Tóm tắt kết quả của thí nghiệm bao gồm cả sự không đảm bảo và kết luận đạt được;
(g) So sánh với bảo đảm hợp đồng;
(h) Bất kỳ thỏa thuận nào giữa các bên tham gia thí nghiệm cho phép sai lệch chính nào so với các yêu cầu thí nghiệm bao gồm mô tả lý do tại sao xảy ra độ lệch, kế hoạch giảm thiểu và tác động đến sự không đảm bảo của bài kiểm tra do độ lệch.
6.3 Giới thiệu
Phần giới thiệu của báo cáo thí nghiệm bao gồm những thông tin sau:
(a) Ủy quyền cho các thí nghiệm, đối tượng thí nghiệm, theo nghĩa vụ và đảm bảo của hợp đồng, các thỏa thuận quy định bởi người mà thí nghiệm được chỉ đạo và các bên đại diện thí nghiệm;
(b) Bất kỳ thông tin chung bổ sung nào về nhà máy và thí nghiệm không bao gồm trong bản tóm tắt, như là:
(1) Bối cảnh lịch sử, nếu thích hợp;
(2) Một sơ đồ chu trình hiển thị đường bao thí nghiệm (tham khảo các số liệu trong phụ lục về ví dụ sơ đồ đường bao thí nghiệm cho loại nhà máy cụ thể hoặc mục tiêu thí nghiệm);
(3) Mô tả thiết bị được thí nghiệm và bất kỳ thiết bị phụ trợ khác nào, việc vận hành của các thiết bị này có thể ảnh hưởng đến kết quả thí nghiệm.
(c) Danh sách các đại diện của các bên tham gia thí nghiệm;
(d) Bất kỳ thỏa thuận trước đây không được liệt kê trong tóm tắt, bao gồm mô tả chi tiết sai lệch đối với quy trình kiểm tra thí nghiệm trong suốt quá trình thí nghiệm, giải quyết và ảnh hưởng đến kết quả thí nghiệm;
(e) Tổ chức nhân sự thí nghiệm;
(f) Mục tiêu thí nghiệm cho phần 3 và 5.
6.4 Tính toán và kết quả
Phần này của báo cáo thí nghiệm nên bao gồm chi tiết các thông tin sau:
(a) Phương pháp thí nghiệm và điều kiện vận hành;
(b) Dạng của công thức hiệu suất tổng quát được sử dụng, dựa trên mục tiêu thí nghiệm và hiệu chỉnh phù hợp (điều này được lặp lại từ các yêu cầu thí nghiệm cho thuận tiện);
(c) Bảng tóm tắt các phép đo và những lần quan sát bao gồm cả dữ liệu đã giảm cần thiết để tính toán kết quả và bản tóm tắt điều kiện vận hành bổ sung các phần không phải là phần dữ liệu giảm như vậy;
(d) Tính toán từng bước kết quả thí nghiệm từ giảm dữ liệu bao gồm cả độ không đảm bảo có thể xảy ra (tham khảo phụ lục cho các ví dụ về tính toán từng bước cho từng loại nhà máy và mục tiêu thí nghiệm);
(e) Tính toán chi tiết tốc độ dòng chảy sơ cấp từ dữ liệu áp dụng, bao gồm cả kết quả trung gian, nếu bắt buộc (tốc độ dòng chảy sơ cấp là tốc độ dòng nhiên liệu, và nếu đồng phát, tốc độ dòng chảy quy trình);
(f) Tính toán chi tiết về nhiệt đầu vào từ nhiên liệu của nhà máy nhiệt điện than và phép đo phía hơi/nước;
(g) Tính toán chi tiết về đặc tính nhiên liệu - mật độ, hệ số nén và giá trị gia nhiệt (các giá trị của thuộc tính cứng nhắc được sử dụng trong các tính toán chi tiết sẽ được hiển thị);
(h) Bất kỳ phép tính nào cho thấy việc loại bỏ dữ liệu vì lý do ngoại lệ hoặc vì bất kỳ lý do nào khác;
(i) So sánh độ lặp lại của các lần tiến hành thí nghiệm;
(j) Làm rõ liệu suất tiêu hao nhiệt được báo cáo có dựa trên không trên HHV hay LHV;
(k) Các hệ số hiệu chỉnh được áp dụng do chênh lệch, nếu có, của các điều kiện thí nghiệm từ những điều kiện được chỉ định;
(I) Độ không đảm bảo chính đo được bao gồm phương pháp áp dụng;
(m) Các hoạt động thí nghiệm được nêu ở các đề mục dưới đây:
(1) Kết quả thí nghiệm được tính toán trên cơ sở điều kiện vận hành thí nghiệm, kiểm định thiết bị duy nhất được áp dụng;
(2) Kết quả thí nghiệm được hiệu chỉnh theo các điều kiện quy định nếu các điều kiện vận hành thí nghiệm đã sai lệch so với chỉ định.
(n) Trình bày dạng bảng và biểu đồ nhưng kết quả hiệu chỉnh;
(o) Thảo luận và chi tiết về kết quả thí nghiệm về độ không đảm bảo;
(p) Thảo luận về thí nghiệm, kết quả và kết luận.
6.5 Công cụ
Phần thiết bị đo của báo cáo thí nghiệm bao gồm các thông tin sau:
(a) Lập bảng của thiết bị được sử dụng cho các phép đo sơ cấp và thứ cấp, bao gồm làm, mô hình số, thẻ tên và thẻ số, ngày kiểm định, và giá trị xu hướng;
(b) Mô tả vị trí thiết bị đo;
(c) Phương thức thu thập dữ liệu cho mỗi điểm dữ liệu, chẳng hạn như bản in hệ thống câu hỏi thu thập dữ liệu tạm thời, nhà máy kiểm soát bản in của máy tính hoặc bảng dữ liệu ghi chép và bất kỳ số thẻ xác định và/hoặc địa chỉ;
(d) Xác định công cụ đã được sử dụng cho sao lưu;
(e) Mô tả (các) hệ thống câu hỏi dữ liệu được sử dụng;
(f) Mô tả đầy đủ các phương pháp đo không được quy định bởi tiêu chuẩn cá nhân;
(g) Tóm tắt về kiểm định trước và sau thí nghiệm.
6.6 Kết luận
Phần này của báo cáo thí nghiệm bao gồm những thông tin sau:
(a) Cần thiết thảo luận chi tiết hơn về kết quả thí nghiệm;
(b) Mọi thay đổi được khuyến nghị đối với quy trình kiểm tra trong tương lai do "bài học kinh nghiệm".
6.7 Phụ lục
Các phụ lục cho báo cáo thí nghiệm phải bao gồm các thông tin sau:
(a) Các yêu cầu thí nghiệm;
(b) Bản sao của các bảng dữ liệu gốc và/hoặc các bản in hệ thống các câu hỏi thu thập dữ liệu;
(c) Bản sao nhật ký vận hành hoặc bản ghi khác của hoạt động vận hành cho mỗi lần thí nghiệm;
(d) Bản sao về sơ đồ van đã chữ ký, và các tài liệu khác đề cập việc vận hành theo cấu hình yêu cầu và sự bố trí;
(e) Kết quả phân tích nhiên liệu trong phòng thí nghiệm;
(f) Kết quả kiểm định thiết bị đo từ phòng thí nghiệm, chứng nhận từ nhà máy.
7. Kiểm tra độ không đảm bảo
7.1 Giới thiệu
Kiểm tra độ không đảm bảo là ước tính giới hạn sai số của một kết quả thí nghiệm. Đó là khoảng thời gian về một kết quả thí nghiệm chứa giá trị chính xác với một xác suất hoặc mức độ tin cậy nhất định. Nó dựa trên các tính toán sử dụng lý thuyết xác suất, thông tin thiết bị đo đạc, thủ tục tính toán và dữ liệu thí nghiệm thực tế. Yêu cầu độ không đảm bảo phải được báo cáo với độ tin cậy là 95%.
Tiêu chuẩn này đề cập đến việc kiểm tra độ không đảm bảo trong bốn phần sau.
(a) Phần 1 xác định độ không đảm bảo cho phép tối đa của thí nghiệm mà trên đó thí nghiệm không được chấp nhận với từng loại, hoặc cấu hình của nhà máy nhiệt điện. Độ không đảm bảo lớn nhất được trình bày trong phần 1 là một giới hạn và không phải là một mục tiêu trong việc thiết kế một bài thí nghiệm;
(b) Phần 3 xác định yêu cầu đối với việc phân tích độ không đảm bảo trước thí nghiệm và sau thí nghiệm, và cách chúng được sử dụng trong khi thí nghiệm. Các phân tích về độ không đảm bảo này và các giới hạn sai số được định nghĩa và thảo luận trong mục 3.5.2.1;
(c) Phần 4 mô tả sự cần thiết của độ không đảm bảo hệ thống cho mỗi phép đo thí nghiệm;
(d) Phần 7 và Phụ lục F cung cấp hướng dẫn áp dụng để tính toán độ không đảm bảo trước và sau thí nghiệm.
7.2 Phân tích độ không đảm bảo trước thí nghiệm
Phân tích độ không đảm bảo trước thí nghiệm được yêu cầu như đã nêu trong mục 3.5.2.1 của tiêu chuẩn này để cho phép hoạt động hiệu chỉnh được thực hiện trước khi thí nghiệm, hoặc để giảm thiểu độ không đảm bảo đến một mức độ phù hợp với mục tiêu tổng thể của thí nghiệm, hoặc để giảm chi phí thí nghiệm trong khi vẫn đạt được mục tiêu. Phân tích độ không đảm bảo khá hữu ích để xác định số lần quan sát cần thiết.
7.3 Phân tích độ không đảm bảo sau thí nghiệm
Phân tích độ không đảm bảo sau thí nghiệm được yêu cầu để xác định các khoảng không đảm bảo cho thực nghiệm. Phân tích độ không đảm bảo sau thí nghiệm phải được tiến hành để xác minh các giả định được thực hiện trong phân tích độ không đảm bảo trước thí nghiệm. Đặc biệt, dữ liệu cần được kiểm tra để phát hiện những thay đổi đột ngột và giá trị ngoại lai. Các giả định cho các lỗi ngẫu nhiên phải được kiểm tra bằng cách xác định bậc tự do và độ lệch chuẩn của từng phép đo. Phân tích này có chức năng xác nhận chất lượng của kết quả thí nghiệm hoặc để phơi bày các vấn đề.
7.4 Đầu vào để phân tích độ không đảm bảo
Để thực hiện việc phân tích độ không đảm bảo cho tổng thể nhà máy, yêu cầu phải có dữ liệu đầu vào thí nghiệm để ước tính độ không đảm bảo của từng phép đo yêu cầu và độ nhạy của từng phép đo yêu cầu về các kết quả hiệu chỉnh.
Sau đây là danh sách mẫu của một số điểm nên xem xét khi phát triển một bài phân tích độ không đảm bảo trước và sau thí nghiệm:
(a) Phương pháp hiệu chuẩn;
(b) Tính tuyến tính và phi tuyến tính của các thiết bị;
(c) Độ không đảm bảo về không gian;
(d) Độ không đảm bảo của việc hiệu chỉnh đối với hiệu xuất thiết bị làm mát bay hơi hoặc tạo sương, nếu được thí nghiệm độc lập với toàn thể nhà máy;
(e) Phương pháp hiệu chuẩn và hồi quy tương ứng;
(f) Điều kiện vận hành thực tế của thiết bị so với thiết kế của thiết bị;
(g) Suy giảm tín hiệu, sự thao tác, nén hoặc ứng dụng băng tần trước khi đọc.
Phụ lục A
(Tham khảo)
Tính toán mẫu, nhà máy đồng phát chu trình kết hợp không có vòi đốt bổ sung
Bộ giải nhiệt: Hoàn toàn bên trong đường bao thí nghiệm
Mục tiêu thí nghiệm: Công suất tinh hiệu chỉnh và Suất tiêu hao nhiệt tinh hiệu chỉnh với các tua-bin khí vận hành theo công suất thô xác định đo được
A.1 Khái quát
Phụ lục trình bày quy trình tính toán cho một nhà máy đồng phát chu trình kết hợp không có vòi đốt bổ sung như được chỉ ra trong Phần 5. Các giá trị số của các hiệu chỉnh này và số lượng độc lập của các biến được sử dụng để tính toán chỉ áp dụng cho ví dụ này. Những hiệu chỉnh đặc trưng sẽ được phát triển cho từng nhà máy cụ thể.
A.2 Mô tả chu trình
Nhà máy được thí nghiệm là nhà máy đồng phát chu trình kết hợp không tái nhiệt được trang bị hai tua-bin khí có công suất thiết kế là 85 MW với bộ làm mát bay hơi đầu vào và phun hơi nước để kiểm soát NOx và gia tăng công suất.
Khói thải tua-bin khí tạo ra hơi trong hai lò hơi thu hồi nhiệt ba cấp áp suất (HRSG). Hơi nước áp suất cao 89,27 bara/482°C qua van điều chỉnh của tua-bin ngưng hơi công suất 88 MW có một cửa trích trung áp 25,1 bara để cung cấp dòng hơi mang nhiệt và bù hơi khi xuất hiện tình trạng thiếu hụt hơi phun vào tua bin khí. Hơi thoát từ tua-bin hơi được đưa đến bình ngưng giải nhiệt bằng không khí. Hơi bão hoà áp suất thấp 3,1 bara chỉ được dùng để khử khí trong nước cấp lò hơi. Các lò hơi thu hồi nhiệt HSRG không có khả năng đốt bổ sung. Tần số lưới điện ổn định ở điều kiện chuẩn.
Dòng nhiệt ở dạng hơi xuất ra, chủ yếu được trích từ tua-bin hơi với điều kiện hơi được kiểm soát ở 21,7 bara/288°C.
Bố trí hoạt động của nhà máy là phải có các tua-bin khí ở mức công suất đo được xác định. Bộ giải nhiệt hoàn toàn bên trong đường bao thí nghiệm. Mục tiêu của việc thí nghiệm hiệu suất là công suất lên lưới hiệu chỉnh và suất tiêu hao nhiệt hiệu chỉnh.
A.3 Mô tả giới hạn thí nghiệm
Về cơ bản, toàn bộ nhà máy đều nằm trong đường bao thí nghiệm, như được chỉ ra trên sơ đồ quy trình. Không khí vượt qua đường bao ở đầu vào của tua-bin khí và đầu vào của bình ngưng giải nhiệt bằng không khí.
Công suất điện lên lưới của nhà máy được xác định từ các phép đo sản lượng của từng máy phát điện với mức cho phép được thực hiện đối với tổn thất của từng máy biến áp tăng áp. Phụ tải tự dùng của nhà máy được cung cấp từ nguồn cấp điện áp cao hiệu dụng trong suốt quá trình thí nghiệm.
Lưu lượng nhiên liệu và nhiệt trị được đo đạc trong đường cung cấp nhiên liệu của nhà máy gần nơi nhiên liệu vượt qua đường bao thí nghiệm.
Hơi trích được đo trong đường ống xuất hơi nơi nó vượt qua đường bao thí nghiệm.
A.4 Tham khảo và các điều kiện đo lường
Tham khảo Bảng A.1.
A.5 Kết quả đo lường
Tham khảo Bảng A.2.
Bảng A. 1- Điều kiện tham chiếu và đo lường
| Tham số | Điều kiện tham chiếu | Điều kiện đo lường | Đơn vị |
| Hơi trích | 31,5 | 27,5 | kg/s |
| Hệ số công suất | 0,85 | 0,975 | ... |
| Nhiệt độ đầu vào tua bin khí | 21 | 15 | °C |
| Nhiệt độ khí đầu ra bình ngưng làm mát bằng không khí | 21 | 16 | °C |
| Áp suất môi trường | 0,9951 | 1,00635 | bara |
| Độ ẩm tương đối | 60 | 77 | % |
| Tần số lưới | 50 | 50 | Hz |
Bảng A. 2 - Kết quả đo lường
| Tham số | Kết quả đo |
| Nhiên liệu đầu vào | 579,4 MJ/s HHV |
| Công suất tua bin khí 1 | 87,0 MW |
| Công suất tua bin khí 2 | 87,5 MW |
| Công suất tua bin hơi nước | 49,5 MW |
| Phụ tải tự dùng | 4,5 MW |
A.5.1 Công thức cơ bản

A.6 Những hiệu chỉnh bắt buộc và các hệ số hiệu chỉnh
Tham khảo Bảng A.3.
A.7 Hiệu chỉnh không bắt buộc
Việc hiệu chỉnh và hệ số hiệu chỉnh được liệt kê trong Bảng A.4 đã được xác định là không cần thiết cho việc kiểm tra cụ thể này. Các yếu tố này cũng được liệt kê với lý do không bao gồm các việc hiệu chỉnh và hệ số hiệu chỉnh trong các tính toán của kết quả thí nghiệm.
Các hiệu chỉnh nêu trong Bảng A.4 có thể được yêu cầu đối với các tính toán của thí nghiệm thực tế đối với một nhà máy tương tự. Thực tế là những hiệu chỉnh như vậy đã bị bỏ qua trong ví dụ cụ thể này không có nghĩa là chúng luôn luôn bị bỏ qua.
A.8 Các đường cong hiệu chỉnh và công thức phù hợp
Các đường cong và công thức này là hồi quy tuyến tính và phi tuyến tính của độ lệch hiệu suất được tính toán dựa trên mô hình của một nhà máy cụ thể và không được sử dụng chung cho bất kỳ thí nghiệm nào. Áp dụng hệ đơn vị đo lường US cho các công thức này.
![]()
trong đó
F = kg/s x7.936508 (KPPH)
Bảng A. 3 - Các hiệu chỉnh bắt buộc và hệ số hiệu chỉnh
| Hệ số hiệu chỉnh | Công suất | Năng lượng nhiên liệu |
| Các điều chỉnh bổ sung |
|
|
| Dòng nhiệt | ∆1 | ... |
| Hệ số công suất tua bin khí (1) | ∆2A | ... |
| Hệ số công suất tua bin hơi nước | ∆2B | ... |
| Hệ số công suất tua bin khí (2) | ∆2C | ... |
| Nhiệt độ không khí đầu vào bình ngưng làm mát bằng không khí | ∆5A | ... |
| Các hệ số hiệu chỉnh nhân |
|
|
| Nhiệt độ không khí đầu vào tua bin khí | α1 | b1 |
| Áp suất môi trường | α2 | b2 |
| Độ ẩm tương đối | α3 | b2 |
Bảng A. 4 - Các hệ số hiệu chỉnh không bắt buộc
| Hệ số hiệu chỉnh | Lý do không bắt buộc |
| ∆3 | Xả lò hơi thu hồi (HRSG) được đóng lại cho việc thí nghiệm và sự đảm bảo dựa trên việc không xả |
| ∆4 | Không có nhiệt đầu vào thứ cấp |
| ∆5B | Không áp dụng cho hệ thống ngưng này |
| ∆5C | Không áp dụng cho hệ thống ngưng này |
| ∆6 | Không có phụ tải tự dùng bất thường hoặc không theo thiết kế trong quá trình thí nghiệm |
| ∆7 | Thí nghiệm ở một vị trí không đổi và do đó hiệu chỉnh này bằng 0 |
| α4 và b4 | Điều kiện cung cấp nhiên liệu giống như thiết kế |
| α5 và b5 | Phân tích nhiên liệu phù hợp với nhiên liệu thiết kế |
| α6 | Tần số lưới |
![]()
trong đó:
MW = công suất tua bin khí, MW
pf = hệ số công suất
![]()
trong đó:
MW = công suất tua bin khí, MW
pf = hệ số công suất
![]()
trong đó:
MW = công suất tua bin khí, MW
pf = hệ số công suất
![]()
trong đó:
δ = nhiệt độ không khí đầu vào bình ngưng được làm mát bằng không khí trừ nhiệt độ không khí đầu vào tua bin khí, °Cx9/5 (°F)
![]()
trong đó:
δ = nhiệt độ không khí đầu vào bình ngưng được làm mát bằng không khí trừ nhiệt độ không khí đầu vào tua bin khí, °Cx9/5 (°F)
![]()
trong đó:
δ = nhiệt độ không khí đầu vào bình ngưng được làm mát bằng không khí trừ nhiệt độ không khí đầu vào tua bin khí, °Cx9/5 (°F)
trong đó:
T = nhiệt độ khí đầu vào tua bin khí, °Cx9/5 + 32 (°F)
![]()
trong đó:
p = áp suất khí quyển, bara/0,0689476 (psia)
![]()
trong đó:
RH = độ ẩm tương đối, %
![]()
trong đó:
T = nhiệt độ khí đầu vào tua bin khí, °Cx9/5 + 32 (°F)
![]()
trong đó:
p = áp suất khí quyển, bara/0,0689476 (psia)
![]()
trong đó:
RH = độ ẩm tương đối, %
A.9 Thảo luận
Hiệu chỉnh là cho các yếu tố ảnh hưởng đến hoạt động của nhà máy nằm ngoài tầm kiểm soát của bên vận hành thí nghiệm.
Lưu lượng dòng hơi xuất đã được hiệu chỉnh để đảm bảo điều kiện nhiệt độ và áp suất trong quá trình đo.
Các hiệu chỉnh cho đầu vào năng lượng nhiên liệu đã được sử dụng thay vì các hiệu chỉnh cho suất tiêu hao nhiệt dựa trên sở thích cá nhân đối với phương pháp hiệu chỉnh cụ thể này.
Nhiệt độ không khí đầu vào tua bin khí được sử dụng cho việc hiệu chỉnh này là nhiệt độ không khí bầu khô trung bình tại đầu vào của hai tua bin khí. Độ ẩm tương đối là giá trị trung bình của các phép đo được thực hiện tại đầu vào của hai tua bin khí.
Việc hiệu chỉnh sự khác biệt giữa nhiệt độ không khí đầu vào tua bin khí và nhiệt độ không khí đầu vào bình ngưng làm mát bằng không khí (5A) cho nhà máy này được xác định dựa trên kết quả của mô hình chỉ là một hàm của dòng hơi xuất đi; tuy nhiên, ảnh hưởng của các điều kiện môi trường xung quanh khác đối với việc hiệu chỉnh 5A (ví dụ, áp suất môi trường xung quanh và độ ẩm tương đối xung quanh) cần được xác minh bằng phương pháp lập mô hình trước khi bỏ qua cho một tình huống thí nghiệm nhất định.
Để đơn giản hóa các tính toán, hệ số công suất của ba máy phát được giả định là bằng nhau trong thời gian đo. Điều này không phải lúc nào cũng đúng.
Tham khảo Bảng A.5.
Bảng A. 5 - Các hệ số hiệu chỉnh
| Loại | Mô tả | Giá trị | Đơn vị |
| Cơ bản | Hơi trích | 31,5 | kg/s |
| Cơ bản | Hệ số công suất | 0,85 | - |
| Cơ bản | Nhiệt độ không khí đầu vào tua bin khí | 21 | °C |
| Cơ bản | Nhiệt độ không khí đầu vào bình ngưng làm mát bằng không khí | 21 | °C |
| Cơ bản | Áp suất môi trường | 0,99512 | bar(a) |
| Cơ bản | Độ ẩm tương đối | 60 | % |
| Thí nghiệm | Công suất tua bin khí 1 | 87.000 | kW |
| Thí nghiệm | Công suất tua bin khí 2 | 87.500 | kW |
| Thí nghiệm | Công suất tua bin hơi nước | 49.500 | kW |
| Thí nghiệm | Phụ tải tự dùng | 4.500 | kW |
| Thí nghiệm | Nhiệt lượng nhiên liệu đầu vào - theo nhiệt trị cao | 579,4 | MJ/S |
| Thí nghiệm | Hơi trích | 27,5 | kg/s |
| Thí nghiệm | Hệ số công suất | 0,975 | - |
| Thí nghiệm | Nhiệt độ không khí đầu vào tua bin khí | 15 | °C |
| Thí nghiệm | Nhiệt độ không khí đầu vào bình ngưng làm mát bằng không khí | 16 | °C |
| Thí nghiệm | Áp suất môi trường | 1,0063 | bar(a) |
| Thí nghiệm | Độ ẩm tương đối | 77 | % |
| Thí nghiệm | Tổn thất máy biến áp | 0,5 | % |
| Thí nghiệm | Tổng công suất | 224.000 | kW |
| Thí nghiệm | Phụ tải tự dùng | 4.500 | kW |
| Thí nghiệm | Tổn thất máy biến áp | 1.120 | kW |
| Thí nghiệm | Công suất lưới | 219.500 | kW |
| Dòng nhiệt - delta 1 | |||
| Thí nghiệm | Hơi trích | 27,5 | kg/s |
| Thí nghiệm | Hệ số hiệu chỉnh delta 1 | -2.822 | kW |
| Hệ số công suất tua bin khí - delta 2A và 2C | |||
| Thí nghiệm | Hệ số công suất | 0,975 | kW |
| Thí nghiệm | Công suất tua bin khí 1 | 87.000 | kW |
| Đường cong | Hệ số hiệu chỉnh delta 2A của tua bin khí 1 | -215 | kW |
| Thí nghiệm | Công suất tua bin khí 2 | 87.500 | kW |
| Đường cong | Hệ số hiệu chỉnh delta 2C của tua bin khí 2 | -217 | kW |
| Thêm vào | Tổng hiệu chỉnh delta 2A & 2C | -432 | kW |
| Hệ số công suất tua bin hơi nước - delta 2B | |||
| Thí nghiệm | Hệ số công suất | 0,975 | - |
| Thí nghiệm | Công suất tua bin khí | 49.500 | kW |
| Đường cong | Hệ số hiệu chỉnh delta 2B | -111 | kW |
| Nhiệt độ không khí đầu vào bình ngưng làm mát bằng không khí - delta 5A | |||
| Thí nghiệm | Nhiệt độ không khí đầu vào bình ngưng làm mát bằng không khí | 16 | °C |
| Thí nghiệm | Nhiệt độ không khí đầu vào tua bin khí | 15 | °C |
| Thí nghiệm | Hơi trích | 27,5 | kg/s |
| Đường cong | Hiệu chỉnh delta 5A (150 klb/hr lưu lượng hơi) | 251 | kW |
| Đường cong | Hiệu chỉnh delta 5A (250 klb/hr lưu lượng hơi) | 190 | kW |
| Nội suy | Hiệu chỉnh delta 5A | 210 | kW |
| Nhiệt độ không khí đầu vào tua bin khí - Công suất - alpha 1 | |||
| Thí nghiệm | Nhiệt độ không khí đầu vào tua bin khí | 15 | °C |
| Đường cong | Hiệu chỉnh alpha 1 | 0,96846 | - |
| Áp suất môi trường - alpha 2 | |||
| Thí nghiệm | Áp suất môi trường | 1,0063 | bar(a) |
| Đường cong | Hiệu chỉnh alpha 2 | 0,98756 | - |
| Độ ẩm tương đối - Công suất - alpha 3 | |||
| Thí nghiệm | Độ ẩm tương đối | 77 | % |
| Đường cong | Hiệu chỉnh alpha 3 | 1,01030 | - |
| Nhiệt độ không khí đầu vào tua bin khí - Lưu lượng nhiên liệu - beta 1 | |||
| Thí nghiệm | Nhiệt độ không khí đầu vào tua bin khí | 15 | °C |
| Đường cong | Hiệu chỉnh beta 1 | 0,97275 | - |
| Áp suất môi trường - Lưu lượng nhiên liệu - beta 2 | |||
| Thí nghiệm | Áp suất môi trường | 1,0063 | bar(a) |
| Đường cong | Hiệu chỉnh beta 2 | 0,98831 | - |
| Độ ẩm tương đối - Nhiên liệu - beta 3 | |||
| Thí nghiệm | Độ ẩm tương đối | 77 | % |
| Đường cong | Hiệu chỉnh beta 3 | 1,00980 | - |
| Công suất hiệu chỉnh | |||
| Thí nghiệm | Công suất lưới | 219.500 | kW |
| Đường cong | Delta 1 | -2.822 | kW |
| Đường cong | Tổng delta 2A | -432 | kW |
| Đường cong | Delta 2B | -111 | kW |
| Đường cong | Delta 5A | 210 | kW |
| Đường cong | Alpha 1 | 0,96846 | - |
| Đường cong | Alpha 2 | 0,98756 | - |
| Đường cong | Alpha 3 | 1,01030 | - |
| Tính toán | Công suất lưới đã được hiệu chỉnh | 209.046 | kW |
| Nhiên liệu hiệu chỉnh | |||
| Thí nghiệm | Nhiệt lượng nhiên liệu đầu vào-theo nhiệt trị cao | 579 | MJ/S |
| Đường cong | Beta 1 | 0,97275 | - |
| Đường cong | Beta 2 | 0,98831 | - |
| Đường cong | Beta 3 | 1,00980 | - |
| Tính toán | Nhiệt trị cao nhiên liệu đầu vào đã được hiệu chỉnh | 562,1 | MJ/S |
| Suất tiêu hao nhiệt hiệu chỉnh | |||
| Tính toán | Nhiệt lượng theo nhiệt trị cao đã hiệu chỉnh | 562,1 | MJ/S |
| Tính toán | Công suất lưới đã được hiệu chỉnh | 209.046 | kW |
| Tính toán | Suất tiêu hao nhiệt đã được hiệu chỉnh | 9.680 | kJ/kWh |
Phụ lục B
(tham khảo)
Tính toán mẫu, nhà máy chu trình đồng phát kết hợp có vòi đốt bổ sung
Giải nhiệt: Bên ngoài đường bao thí nghiệm
Mục tiêu thí nghiệm: Đo suất tiêu hao nhiệt hiệu chỉnh ở công suất tính hiệu chỉnh xác định - Vận hành đến công suất dự kiến bằng vòi đốt bổ sung cho lò hơi thu hồi nhiệt (HRSG)
B.1 Tổng quát
Phụ lục tham khảo này trình bày quy trình tính toán cho nhà máy đồng phát chu trình kết hợp có vòi đốt bổ sung như quy định trong Phần 5. Các giá trị số của các hiệu chỉnh này và số lượng các biến độc lập được sử dụng để tính toán chỉ áp dụng cho ví dụ này. Các hiệu chỉnh duy nhất sẽ được phát triển cho từng nhà máy cụ thể.
B.2 Mô tả chu trình và tổ máy
Chu trình này bao gồm một tua bin khí xả khói tới lò hơi thu hồi nhiệt hai cấp áp suất có vòi đốt bổ sung, cộng với một tua bin hơi một thân xả tới bình ngưng làm mát bằng nước (Tham khảo sơ đồ chu trình trong Hình B. 1) Hơi cao áp HP từ HRSG đi đến van điều chỉnh tua bin hơi. Một cửa trích trên tua bin hơi cung cấp hơi để kiểm soát NOx của tua bin khí. Tua bin hơi cũng có một cửa trích. Khi cần ít hoặc không cần hơi quá trình, hơi thấp áp LP từ HRSG được dẫn vào tua bin. Khi cần một lượng hơi quá trình, hơi LP được trích từ tua bin và kết hợp với hơi LP từ HRSG. Chu trình này cũng bao gồm bộ sấy sơ bộ nhiên liệu, bộ khử khí và hệ thống làm sạch bằng hóa chất.
Việc bố trí hoạt động của nhà máy này cho phép điều chỉnh công suất nhà máy bằng cách điều chỉnh tốc độ nhiên liệu đến vòi đốt bổ sung. Bộ giải nhiệt nằm bên ngoài đường bao thí nghiệm. Tua bin khí hoạt động ở tải cơ sở và Công suất điện của nó là một hàm của điều kiện môi trường xung quanh. Tần số lưới điện ổn định ở giá trị thiết kế. Tua bin hơi nước phải cung cấp sự chênh lệch giữa mức công suất thiết kế và công suất điện tua bin khí. Bằng cách thay đổi lưu lượng nhiên liệu của vòi đốt bổ sung, lượng hơi cần thiết trong HRSG được sản xuất để đáp ứng công suất điện tua bin hơi cần thiết và yêu cầu của quá trình xử lý dòng hơi.
Mục tiêu thí nghiệm hiệu suất là đốt vòi đốt bổ sung cho đến khi đạt được công suất thiết kế. Thiết bị được thiết kế để đáp ứng mức công suất này trên cơ sở 365 ngày mỗi năm ở vùng khí hậu ôn hòa.
B.3 Mô tả đường bao thí nghiệm
Đường bao thí nghiệm cũng được thể hiện trên Hình B.1. Lưu ý rằng bình ngưng nằm ngoài đường bao thí nghiệm.
Các dòng có năng lượng đi vào hệ thống cần được xác định là:
(a) không khí cho tua bin khí;
(b) nhiên liệu cho cả tua bin khí và vòi đốt bổ sung;
(c) dòng bổ sung;
(d) nước ngưng bão hòa từ bình ngưng sang hệ thống ngưng;
Các dòng có năng lượng rời khỏi hệ thống cần được xác định là;
(e) năng lượng điện;
(f) hơi quá trình;
(g) hơi xả từ tua bin hơi nước đến bình ngưng;
(h) xả từ HRSG.

B.4 Bảng điều kiện tham khảo
Các thông số cần hiệu chỉnh và giá trị thiết kế của chúng được cho trong Bảng B.1.
Bảng B. 1 - Những điều kiện tham chiếu
| Mô tả điều kiện tham chiếu | Giá trị tham chiếu |
| Tổng công suất điện của nhà máy | 81.380 kW |
| Nhiệt độ môi trường | -1.1°C |
| Áp suất môi trường | 101,2 kPa |
| Độ ẩm tương đối môi trường | 60% |
| Nhiệt độ nhiên liệu vào tua bin khí | 177°C |
| Nhiệt trị cao nhiên liệu | 50.723,6 kJ/kg |
| Tỷ lệ cacbon trên hydro trong nhiên liệu | 3,06 |
| Hệ số công suất máy phát tua bin khí | 0,85 |
| Hệ số công suất máy phát tua bin hơi nước | 0,85 |
| xả bao hơi cao áp của HRSG HP | 1% lưu lượng hơi |
| xả bao hơi hạ áp của HRSG LP | 1% lưu lượng hơi |
| Nhiệt độ nước bổ sung | 16°C |
| Lưu lượng nước bổ sung thừa [CHÚ THÍCH (1)] | 0 kg/s |
| Áp suất bình ngưng | 5,08 kPa |
| Lưu lượng hơi của quá trình | 6,2999 kg/s |
| Enthalpy hơi của quá trình | 2.882,9 kJ/kg |
| Tần số lưới | 50 Hz |
| CHÚ THÍCH 1: Đây là lưu lượng vượt quá mức cần thiết cho nước bổ sung do hơi NOx, hơi quá trình,... đi vào chu trình. | |
B.5 Hệ số hiệu chỉnh bắt buộc
Đối với việc thí nghiệm, nhà máy được vận hành bằng cách điều chỉnh lượng vòi đốt bổ sung cho đến khi đạt mức công suất thiết kế. Vì mong muốn giảm thiểu các hiệu chỉnh đối với công suất, các hiệu chỉnh thay thế được thực hiện đối với nhiệt đầu vào bằng cách sử dụng các hiệu chỉnh ω [tham khảo Công thức (37)]. Hiệu chỉnh nhân được thực hiện đối với suất tiêu hao nhiệt bằng cách sử dụng hệ số hiệu chỉnh f [tham khảo Công thức (38)]. Có một hiệu chỉnh cộng cho công suất Δ7, được sử dụng kết hợp với công suất ω7 để hiệu chỉnh từ công suất đo thành công suất thiết kế.
Do đó, từ Công thức suất tiêu hao nhiệt chung tổng thể

và mối quan hệ
![]()
![]()
Công thức thí nghiệm cho nhà máy cụ thể và thí nghiệm này trở thành
![]()
Các hiệu chỉnh riêng lẻ trong Công thức này được mô tả trong Bảng B.2 và B.3.
B.6 Các đường cong hiệu chỉnh và công thức phù hợp
Một loạt các cân bằng nhiệt đã được thực hiện để xác định các hiệu chỉnh của thí nghiệm hiệu suất.
Các hiệu chỉnh đầu tiên được trình bày dưới dạng Công thức và theo sau đó là một loạt các đường cong (xem Hình B.2 đến B.12).
Bảng B. 2 - Các hệ số hiệu chỉnh bắt buộc
| Kí hiệu | Mô tả |
| ω1 | Hiệu chỉnh nhiệt đầu vào để tính toán cho dòng chảy quá trình (tức là hơi quá trình) khác so với thiết kế |
| ω2 | Hiệu chỉnh nhiệt đầu vào để tính toán cho hệ số công suất máy phát điện khác so với thiết kế. Hiệu chỉnh này được chia nhỏ thành ω2A cho máy phát điện tua bin khí và ω2B cho máy phát điện tua bin hơi |
| ω3 | Hiệu chỉnh nhiệt đầu vào để tính toán cho xả khác với thiết kế |
| ω4 | Hiệu chỉnh nhiệt đầu vào để tính toán cho Nhiệt đầu vào thứ cấp (tức là nước bổ sung) khác so với thiết kế |
| ω5c | Hiệu chỉnh nhiệt đầu vào để tính toán cho áp suất ngưng khác so với thiết kế. (Sự hiệu chỉnh) ω5A cho nhiệt độ không khí đầu vào khác so với thiết kế. Sự hiệu chỉnh ω5B cho nhiệt độ nước tuần hoàn khác so với thiết kế.) |
| ω7 | Hiệu chỉnh nhiệt đầu vào để tính toán cho chênh lệch giữa áp suất đo và áp suất thiết kế |
| ∆7 | Sự khác biệt giữa công suất thiết kế và công suất đo |
| f1 | Hiệu chỉnh hệ số suất tiêu hao nhiệt toàn nhà máy để tính toán cho nhiệt độ môi trường khác so với thiết kế |
| f2 | Hiệu chỉnh hệ số suất tiêu hao nhiệt toàn nhà máy để tính toán cho áp suất môi trường khác so với thiết kế |
| f3 | Hiệu chỉnh hệ số suất tiêu hao nhiệt toàn nhà máy để tính toán cho độ ẩm tương đối khác so với thiết kế |
| f4 | Hiệu chỉnh hệ số suất tiêu hao nhiệt toàn nhà máy để tính toán cho nhiệt độ nhiên liệu khác so với thiết kế |
| f5 | Hiệu chỉnh hệ số suất tiêu hao nhiệt toàn nhà máy để tính toán cho sự cháy nhiên liệu khác so với thiết kế |
Bảng B. 3 - Dữ liệu đo
| Mô tả | Giá trị đo |
| Tổng công suất điện tua bin khí | 54.921 kW |
| Tổng công suất điện tua bin hơi nước | 27.244 kW |
| Hệ số công suất máy phát điện tua bin khí | 0,95 |
| Hệ số công suất máy phát điện tua bin hơi nước | 0,95 |
| Nhiệt độ không khí đầu vào | 8,5°C |
| Áp suất môi trường | 101,8 kPa |
| Độ ẩm tương đối của môi trường | 30% |
| Nhiệt độ nhiên liệu tua bin khí | 180°C |
| Nhiệt trị cao nhiên liệu | 53.103 kJ/kg |
| Tỷ lệ cacbon trên hydro trong nhiên liệu | 3,05 |
| Xả bao hơi HRSG HP | Cô lập |
| Xả bao hơi HRSG LP | Cô lập |
| Nhiệt độ nước cấp | 17,9°C |
| Áp suất bình ngưng | 4,06 kPa |
| Áp suất hơi quá trình | 1.299 kPa |
| Nhiệt độ hơi quá trình | 239,6°C |
| Dữ liệu dưới đây được tính toán từ các phép đo khác: | |
| Lưu lượng nhiên liệu tua bin khí | 3,2641 kg/s |
| Lưu lượng nhiên liệu cháy trong vòi đốt bổ sung | 0,6864 kg/s |
| Lưu lượng hơi quá trình | 5,8748 kg/s |
| Dòng hơi chứa NOx | 5,7395 kg/s |
| Lưu lượng nước cấp | 11,630 kg/s |
| Entanpy hơi quá trình | 2904,5 kJ/kg |
Hiệu chỉnh đối với nhiệt đầu vào để giải thích cho dòng quá trình sản xuất (tức là hơi quá trình) khác với thiết kế, được biểu thị bằng hệ đơn vị US:
ω1 = 55.082.885- 78,4074405xF + 6,7583x10-7xF2 - 25.310,41xH + 9,68613371 xH2- 0,41827648xFxH - 1,0758x10-9xF2xH - 0,00011342xFxH2 + 4,2804x10-13xF2xH2
trong đó:
F = lưu lượng hơi quá trình, kg/s x 7.936,641 (Ib/h)
H = entanpy hơi quá trình, kJ/kg /2,326 (Btu/lb)
ω1 = hiệu chỉnh nhiệt đầu vào, Btu/h
Hiệu chỉnh nhiệt đầu vào để tính hệ số công suất của máy phát tua bin khí khác với thiết kế, được biểu thị bằng hệ đơn vị US:
ω2A = 76.855.305,67 - 154.591.165x(PF) + 75.497.833,33x(PF)2 - 3.387,76765xP + 0,034160678xP2+ 6.736,6085x(PF)xP - 3.236,47x(PF)2xP - 0,06782565x(PF)xP2 + 0,032513667x(PF)2xP2
trong đó:
(PF) = hệ số công suất máy phát tua bin khí
p = tổng công suất điện được đo tại các đầu cuối của máy phát tua bin khí, kW
ω2A = hiệu chỉnh nhiệt đầu vào, Btu/h
Hiệu chỉnh nhiệt đầu vào để tính hệ số công suất của máy phát tua bin hơi khác với thiết kế, được biểu thị bằng hệ đơn vị US:
ω2B = 6.286.157 - 12.273.205x(PF) + 5.738.500x(PF)2 - 443,8303xP + 0,004955327xP2 + 914,5335714x(PF)xP - 461,6238095x(PF)2xP - 0,012295x(PF)xP2 + 0,007606122x(PF)2xP2
trong đó:
(PF) = hệ số công suất máy phát tua bin khí
P = tổng công suất điện được đo tại các đầu cuối của máy phát tua bin khí, kW
ω2B = hiệu chỉnh nhiệt đầu vào, Btu/h
Điều chỉnh nhiệt đầu vào để tính đến xả khác với thiết kế.
Hiệu chỉnh từ giảm mức bị cô lập thành 1% xả hơi HP, được biểu thị bằng hệ đơn vị US:
ω3 = 592.390,1 - 672,4xT + 1,000,0485xT2
trong đó:
T = nhiệt độ đầu vào, °Cx9/5 + 32 (°F)
ω3 = hiệu chỉnh nhiệt đầu vào, Btu/h
Xả hơi LP không đáng kể.
Hiệu chỉnh đối với nhiệt đầu vào để giải thích cho nhiệt đầu vào thứ cấp (ví dụ, bổ sung) khác với thiết kế, được biểu thị bằng hệ đơn vị US:
ω4 = -571.800 - 1.300,38xF + 5.9631 x10-19xF2 + 9.440xT + 1,5xT2+ 0,17475FT + 6,7793x10-21F2T + 0,0002125xFxT2 - 5,294x10-23xF2xT2
trong đó:
F = lưu lượng bổ sung dư, kg/s 7.936,641 (Ib/h)
T = nhiệt độ bù, °Cx9/5 + 32 (°F)
ω4 = hiệu chỉnh nhiệt đầu vào, Btu/h
Hiệu chỉnh nhiệt đầu vào để giải thích cho áp suất bình ngưng khác với thiết kế, được biểu thị bằng hệ đơn vị US:
ω5C= 11.686.296,56 -8.308.140,313xP + 344.850,625xP2 + 68.357,175xT-393,718125xT2-52.424,275xPxT + 4.568,55xP2xT + 282,085625xPxT2 - 13,07125xP2xT2

Hình B. 2 - Hiệu chỉnh nhiệt đầu vào cho dòng nhiệt

Hình B.3- Hiệu chỉnh nhiệt đầu vào cho hệ số công suất tua bin khí

Hình B. 4 - Hiệu chỉnh nhiệt đầu vào cho hệ số công suất tua bin hơi

Hình B. 5 - Hiệu chỉnh nhiệt đầu vào cho xả cao áp
CHÚ THÍCH CHUNG: Hiệu chỉnh từ cô lập đến 1 %.

Hình B. 6 - Hiệu chỉnh nhiệt đầu vào cho chu trình nước bổ sung dư thừa

Hình B. 7 - Hiệu chỉnh nhiệt đầu vào cho áp suất bình ngưng tuabin hơi

Hình B. 8 - Hiệu chỉnh nhiệt đầu vào cho công suất đo khác với thiết kế

Hình B. 9 - Điều chỉnh suất tiêu hao nhiệt cho nhiệt độ không khí đầu vào

Hình B. 10 - Hiệu chỉnh suất tiêu hao nhiệt cho áp suất môi trường

Hình B. 11 - Hiệu chỉnh suất tiêu hao nhiệt cho nhiệt độ nhiên liệu

Hình B. 12 - Hiệu chỉnh suất tiêu hao nhiệt cho phân tích nhiên liệu
trong đó:
P = áp suất bình ngưng, kPa × 0,0345 (in. Hg, tuyệt đối)
T = nhiệt độ đầu vào, °C × 9/5 + 32 (°F)
ω5C = hiệu chỉnh nhiệt đầu vào, Btu/giờ
Hiệu chỉnh nhiệt đầu vào để giải thích sự khác biệt giữa công suất đo được và công suất thiết kế, được biểu thị bằng các đơn vị US:
![]()
trong đó:
Δ7 = chênh lệch giữa công suất thiết kế và công suất đo được, Pdesign - Pmeas (kW)
T = nhiệt độ đầu vào, °C × 9/5 + 32 (°F)
Sự khác biệt giữa công suất thiết kế và công suất đo được, trong đó Δ7 = 81.380 - Pmeas và Δ7 = hiệu chỉnh cho nhiệt đầu vào, Btu/giờ.
Hệ số hiệu chỉnh đối với nhiệt đầu vào để giải thích cho nhiệt độ đầu vào khác với thiết kế, áp dụng hệ đơn vị US như sau:
f1 = 1,012975085-0.0004378037 × T+ 1,766957 × 10-7 x T2
trong đó:
T = nhiệt độ đầu vào, °C × 9/5 + 32 (°F)
Hệ số hiệu chỉnh đối với nhiệt đầu vào để tính đến áp suất môi trường khác với thiết kế, áp dụng hệ đơn vị US như sau:
f2 = 1,617199959 - 0,08191305 × P + 0,002715903 × P2
trong đó:
P = áp suất môi trường xung quanh kPa × 0,145059, psia
Hệ số hiệu chỉnh nhiệt đầu vào để tính đến độ ẩm tương đối khác với thiết kế.
f3 = 1,0 (hiệu chỉnh không đáng kể)
Hệ số hiệu chỉnh đối với nhiệt đầu vào để tính đến nhiệt độ nhiên liệu tua bin khí khác với thiết kế, áp dụng hệ đơn vị US như sau:
f4 = 0,99301814 + 0,00001994817 × T
trong đó:
T = nhiệt độ nhiên liệu, °C × 9/5 + 32 (°F)
Hệ số hiệu chỉnh đối với nhiệt đầu vào để tính đến nhiệt trị nhiên liệu khác với thiết kế, áp dụng hệ đơn vị US như sau:
![]()
trong đó:
R = nhiên liệu tỷ lệ carbon trên hydro, không có đơn vị
V = nhiệt trị cao của nhiên liệu, kJ/kg × 0,42992 (Btu/lb)
B.7 Tính toán mẫu và kết quả
Các mục "Giá trị hiệu chỉnh" của Bảng B.4 được tính như mô tả bên dưới. Công thức thí nghiệm dành riêng cho nhà máy được lặp lại cho thuận tiện.
![]()
Sự hiệu chỉnh bổ sung đối với công suất là
82.165 kW - 785 kW = 81.380 kW
Các hiệu chỉnh bổ sung đối với nhiệt đầu vào là
755.874.400 kJ/h + 2.415.228 kJ/h + 346.164 kJ/h + 144.560 kJ/h + 827.610 kJ/h - 127.245 kJ/h + 2.760,379 kJ/h - 6.648.343 kJ/h = 755.592.753 kJ/h
Các hiệu chỉnh nhân đôi là
(0,9926623) × (0,9998435) × (1,000000) × (1,0001197) × (0,9964189) = 0,989071059
Công thức hoàn chỉnh cuối cùng là
HRcorr = [(755.592.753 kJ/h) × (0,989071 )]/81.380 kW
HRcorr = 9.183 kJ/kWh
Bảng B. 4 - Hiệu chỉnh hiệu suất
| Tổng công suất thiết kế của nhà máy | |||
| Mô tả | Giá trị đo | Hiệu chỉnh | Giá trị đã được hiệu chỉnh |
| Tổng công suất máy phát điện tua bin khí | 54.921 kW | ... | ... |
| Tổng công suất máy phát điện tua bin hơi nước | 27.244 kW | ... | ... |
| Tổng công suất nhà máy | 82.165 kW | ... | ... |
| Chênh lệch so với công suất thiết kế | ... | Δ7 = - 785kW | ... |
| Tổng công suất nhà máy đã được hiệu chỉnh | ... | ... | 81.380 kW |
| Lưu lượng khí tua bin khí | 3,2641 kg/s | ... | ... |
| Lưu lượng khí cháy trong vòi đốt bổ sung | 0,6864 kg/s | ... | ... |
| Tổng lưu lượng khí | 3,9505 kg/s | ... | ... |
| Nhiệt trị cao nhiên liệu HHV | 53,149k kJ/kg | ... | ... |
| Nhiệt đầu vào đo được | 755.886,026 kJ/h | ... | ... |
| Lưu lượng hơi quá trình | 5,8748 kg/s | ... | ... |
| Entanpy hơi quá trình | 2.907,0 kJ/kg | ... | ... |
| Hiệu chỉnh dòng nhiệt quá trình | ... | ω1 = 2.415.237 kJ/h | ... |
| Hệ số công suất máy phát điện tua bin khí | 0,95 | ... | ... |
| Hệ số hiệu chỉnh công suất máy phát điện tua bin khí | ... | ω2A = 346.165 kJ/h |
|
| Hệ số công suất máy phát điện tua bin hơi nước | 0,95 | ... | ... |
| Hệ số hiệu chỉnh công suất máy phát điện tua bin hơi nước | ... | ω3B = 144.561 kJ/h |
|
| Xả HP và LP | Cô lập | ... | ... |
| Hiệu chỉnh xả | ... | ω3 = 827.610 kJ/h |
|
| Lưu lượng nước bổ sung thừa | 0,0157 kg/s | ... | ... |
| Nhiệt độ nước bổ sung | 17,9°C | ... | ... |
| Hiệu chỉnh nước bổ sung | ... | ω4 = - 127.245 kJ/h | ... |
| Áp suất bình ngưng | 4,06 kPa | ... | ... |
| Hiệu chỉnh áp suất bình ngưng | ... | ωSC = 2.760.389 kJ/h | ... |
| Độ chênh công suất (A7) | ... | - 785 kW | ... |
| Hiệu chỉnh độ chênh công suất | ... | ω7 = - 6.648.368 kJ/h | ... |
| Nhiệt độ môi trường | 8,50°C | ... | ... |
| Hiệu chỉnh nhiệt độ môi trường | ... | f1 = 0,9926623 | ... |
| Áp suất môi trường | 101,8 kPa | ... | ... |
| Hiệu chỉnh áp suất môi trường | ... | f2 = 0,9998435 | ... |
| Độ ẩm tương đối môi trường | 30% | ... | ... |
| Hiệu chỉnh độ ẩm tương đối môi trường | ... | f3 = 1,000000 | ... |
| Nhiệt độ nhiên liệu tua bin khí | 180 °C | ... | ... |
| Hiệu chỉnh nhiệt độ nhiên liệu tua bin khí | ... | f4 = 1,0001197 | ... |
| Nhiệt trị cao nhiên liệu | 53,149 kJ/kg | ... | ... |
| Tỷ lệ cacbon trên hydro trong nhiên liệu | 3,05 | ... | ... |
Phụ lục C
(tham khảo)
Tính toán mẫu, nhà máy đồng phát chu trình kết hợp không có vòi đốt bổ sung
Giải nhiệt: Nguồn nước làm mát bên ngoài đường bao thí nghiệm
Mục tiêu thí nghiệm: Bố trí được xác định là tải cơ sở tua bin khí (Công suất đỉnh)
C.1 Giới thiệu
Nhà máy Chu trình kết hợp/ đồng phát cho tính toán chung này được thể hiện trong Hình C.1. Các hạng mục trang bị chính như sau:
(a) tua bin khí: 115 MW ở điều kiện ISO [15°C, 60% RH, mực nước biển (1,013 mbara)], đầu vào 12 mbar và 36 mbar giảm áp suất khói thải, phun hơi nước để kiểm soát NOx đến 25 ppm, và vòi đốt bổ sung khí tự nhiên;
(b) lò hơi thu hồi nhiệt: ba mức áp suất hơi, một trong số đó được sử dụng với bộ khử khí tích hợp. Các điều kiện thiết kế tại đầu ra của HRSG là 88 barg và 482°C đối với hơi nước cao áp HP, 23 barg và 260°C đối với hơi trung áp IP, và hơi nước bão hòa 1,0 barg cho thiết bị khử khí tích hợp;
(c) tua bin hơi nước: loại ngưng hơi, công suất danh nghĩa 40 MW, với áp suất hơi thoát 67,5 mbara với hai cửa trích ở mức 21,7 barg và 11,4 barg;
(d) bình ngưng: kiểu ống vỏ có nhiệt độ đầu vào nước làm mát là 26,5°C và tăng 11 K;
(e) bình khử khí: tích hợp với bao hơi LP với hơi cố định từ đường hơi IP nếu cần.
C.2 Đường bao thí nghiệm
Đường bao thí nghiệm được thể hiện trong Hình C.1. Các điểm chắc chắn cho phép tính này như sau:
(a) công suất điện tinh kết hợp từ máy phát tua bin khí và hơi;
(b) nhiên liệu đầu vào cho tua bin khí (được chỉ định là LHV để tham khảo);
(c) dòng hơi nước đồng phát đến người dùng;
(d) dòng nước ngưng thu hồi từ người dùng;
(e) điều kiện không khí đầu vào tại lối vào đầu lọc tua bin khí;
(f) nhiệt độ đầu vào nước làm mát bình ngưng;
(g) xả từ HRSG;
(h) nhiệt độ nước bổ sung.
C.3 Điều kiện tham chiếu thí nghiệm
Đối với tính toán mẫu sau đây, các điều kiện tham chiếu thiết kế là
Bảng C.1- Điều kiện tham chiếu thí nghiệm
| Điều kiện tham chiếu | Tính toán |
| Nhiệt độ không khí đầu vào | 15,6°C |
| Độ ẩm tương đối của không khí đầu vào | 60% |
| Áp suất không khí đầu vào | 1,01325 bar |
| Lưu lượng hơi quá trình | 18,9 kg/s |
| Áp suất hơi quá trình | 10,3 barg |
| Nhiệt độ hơi quá trình | 189 °C |
| Lưu lượng nước ngưng trở về | 75% ở 82°C |
| Nhiệt độ nước bổ sung | 16,1°C |
| Lưu lượng xả | 1,81 kg/s |
| Nhiệt độ đầu vào nước làm mát | 18 °C |
| Công suất điện phát lên lưới của nhà máy | 145.540 kW |
| Suất tiêu hao nhiệt của nhà máy LHV | 8.405 kJ/kWh |
C.4 Hệ số hiệu chỉnh
Công thức tổng quát cho công suất hiệu chỉnh từ Phần 5 là

Công thức tổng quát suất tiêu hao nhiệt chung từ Phần 5 là

Các yêu cầu thí nghiệm dựa trên việc bố trí tổ máy xác định, mà trong ví dụ này được xác định là tua bin khí ở tải cơ sở không có vòi đốt bổ sung. Đối với cấu hình thí nghiệm này, tất cả các hệ số hiệu chỉnh từ ω1 đến ω7 và Δ7 trở thành số không.
Các giả định đơn giản hóa cụ thể khác cho toàn bộ thí nghiệm này liên quan đến các biến được tìm thấy trong Công thức trên và trong Bảng 5.1.1 và 5.1.2.
(a) Hệ số công suất của máy phát được chỉ định là giá trị cố định 0,9 và sẽ không thay đổi, do đó Δ2 bằng không;
(b) Ảnh hưởng của lượng nước ngưng trở về và nhiệt độ nước bổ sung được tính đến khi tính năng lượng hơi của quá trình thực xuất ra; do đó Δ4 bằng không;
(c) Vì công suất tinh là cơ sở đo lường, Δ6 bằng không;
(d) Nhiệt độ nhiên liệu trong quá trình thí nghiệm không đổi ở giá trị thiết kế, do đó α4 và f4 đồng nhất;
(e) Thành phần nhiên liệu tương đối gần với giá trị thiết kế, do đó α5 và f5 đồng nhất;
(f) Tần số lưới trong quá trình thí nghiệm không đổi ở giá trị thiết kế, do đó α6 và f6 đồng nhất.
Danh sách hoàn chỉnh của các hiệu chỉnh cộng và nhân từ Bảng 12 và 13 có thể áp dụng cho các điều kiện biên được mô tả ở trên được trình bày trong Bảng C.3.
Các Công thức thí nghiệm cho nhà máy cụ thể này và thí nghiệm trở thành

C.5 Các đường cong hiệu chỉnh và công thức phù hợp
Các hệ số hiệu chỉnh được liệt kê trong C.4 được xác định tốt nhất bằng cách sử dụng mô hình máy tính của nhà máy hoàn chỉnh. Tiểu mục này chứa các bảng (Bảng C.2 đến C.7) hiển thị các hệ số hiệu chỉnh kết quả từ các tính toán mô hình nhà máy cho các phạm vi thông số khác nhau. Đối với mỗi tham số, biến hiệu chỉnh công suất và/hoặc các biến hiệu chỉnh suất tiêu hao nhiệt phù hợp với đường cong bằng cách sử dụng phù hợp đa thức bậc ba. Sau bảng chứa các hệ số hiệu chỉnh cho từng điều kiện biên, một biểu đồ hiển thị các điểm dữ liệu và sự phù hợp của đường cong được trình bày (Hình C.2 đến C.7).
C.6 Tính toán mẫu và kết quả
Dữ liệu thí nghiệm đo được để tính toán mẫu được thể hiện trong Bảng C.8.
Sử dụng dữ liệu thí nghiệm mẫu trong Bảng C.8, các hệ số hiệu chỉnh cộng và nhân kết quả được tính toán dựa trên các Công thức phù hợp với đường cong được trình bày trong phần phụ C.5. Sau đó, các giá trị tính toán của hệ số hiệu chỉnh được đưa vào các Công thức thích hợp để hiệu chỉnh công suất đã thí nghiệm và suất tiêu hao nhiệt theo các điều kiện chuẩn. Các đầu vào giá trị biên, giá trị kết quả hiệu chỉnh, công suất đã hiệu chỉnh, suất tiêu hao nhiệt đã hiệu chỉnh và phương sai của công suất và suất tiêu hao nhiệt đã hiệu chỉnh từ điểm thiết kế đều được ghi trong Bảng C.9, C.10 và C.11.
Công thức kiểm tra là

C.7 Thảo luận về kết quả
Công suất được hiệu chỉnh tốt hơn so với thiết kế. Suất tiêu hao nhiệt hiệu chỉnh kém hơn so với thiết kế.

Hình C.1 - Giới hạn thí nghiệm của nhà máy đồng phát/chu trình kết hợp với nguồn làm mát bên ngoài

Hình C.2 - Hệ số hiệu chỉnh nhiệt độ đầu vào

Hình C.3 - Hệ số hiệu chỉnh áp suất đầu vào

Hình C. 4 - Hệ số hiệu chỉnh độ ẩm tương đối dầu vào

Hình C.5 - Hệ số hiệu chỉnh năng lượng hơi quá trình lên lưới

Hình C.6 - Hệ số hiệu chỉnh lưu lượng xả

Hình C.7 - Hệ số hiệu chỉnh nhiệt độ giải nhiệt bình ngưng
Bảng C.2 - Các hệ số hiệu chỉnh có thể áp dụng
| Điều kiện vận hành | Hệ số hiệu chỉnh |
| Nhiệt độ không khí đầu vào | α1, f1 |
| Áp suất không khí đầu vào | α2, f2 |
| Độ ẩm không khí đầu vào | α3, f1 |
| Năng lượng hơi quá trình lên lưới | Δ1 |
| Lưu lượng xả HRSG | Δ3 |
| Nhiệt độ nước làm mát bình ngưng | Δ5B |
Bảng C.3 - Các hệ số hiệu chỉnh nhiệt độ đầu vào
| Nhiệt độ đầu vào T, °C | Công suất nhà máy phát lên lưới PWR, kW | Suất tiêu hao nhiệt nhà máy phát lên lưới HR, kJ/kWh | Công suất hiệu chỉnh α1 | Suất tiêu hao nhiệt hiệu chỉnh f1 |
| -1,1 | 153.010 | 8.478,3 | 0,951180 | 0,995035 |
| 2,2 | 151.660 | 8.457,7 | 0,959647 | 0,997455 |
| 5,6 | 150.170 | 8.445,0 | 0,969168 | 0,998963 |
| 8,9 | 148.650 | 8.432,1 | 0,979078 | 1,000488 |
| 12,2 | 147.220 | 8.412,4 | 0,988589 | 1,002834 |
| 15,6 | 145.540 | 8.404,6 | 1,000000 | 1,000000 |
| 18,9 | 142.880 | 8.428,2 | 1,018617 | 1,000951 |
| 22,2 | 140.190 | 8.454,0 | 1,038162 | 0,997903 |
| 25,6 | 137.500 | 8.479,4 | 1,058473 | 0,994911 |
| 28,9 | 134.900 | 8.495,9 | 1,078873 | 0,992971 |
| 32,2 | 132.170 | 8.520,3 | 1,101158 | 0,990131 |
| CHÚ THÍCH CHUNG: Các kết quả phù hợp với đường cong: α1 = 2,09527972×10-7×T3 + 7,62627622×10-05×T2 + 1,91448897×10-03×T + 9,54411598×10-01 f1 = 2,87124126×10-07T3 ‒ 4,46829371×10-05×T2 + 9,56740929×10-04×T + 9,95746757×10-01 | ||||
Bảng C.4 - Các hệ số hiệu chỉnh áp suất khí quyển
| Áp suất đầu vào P, bar | Công suất nhà máy phát lên lưới PWR, kW | Suất tiêu hao nhiệt nhà máy phát lên lưới HR, kJ/kWh | Biến hiệu chỉnh công suất α2 | Biến hiệu chỉnh suất tiêu hao nhiệt f2 |
| 0,91438 | 128.530 | 8.588,2 | 1,132343 | 0,978624 |
| 0,92451 | 130.280 | 8.567,2 | 1,117132 | 0,981022 |
| 0,93472 | 132.030 | 8.546,7 | 1,102325 | 0,983372 |
| 0,94485 | 133.770 | 8.526,8 | 1,087987 | 0,985672 |
| 0,95506 | 135.520 | 8.507,3 | 1,073937 | 0,987921 |
| 0,96519 | 137.270 | 8.488,3 | 1,060246 | 0,990131 |
| 0,97533 | 139.020 | 8.469,9 | 1,046900 | 0,992289 |
| 0,98553 | 140.770 | 8.451,8 | 1,033885 | 0,994408 |
| 0,99567 | 142.510 | 8.434,2 | 1,021262 | 0,996485 |
| 1,00587 | 144.260 | 8.417,0 | 1,008873 | 0,998521 |
| 1,01601 | 146.010 | 8.400,1 | 0,996781 | 1,000528 |
| CHÚ THÍCH CHUNG: Các kết quả phù hợp với đường cong: α2 = - 1,94411235×P3 + 7,29971817×P2 ‒ 9,98633959×P + 5,64668131 f2 = 2,72208867×10-01×P3 ‒ 1,00252069×P2 + 1,38926529×P + 3,38402125×10-01 | ||||
Bảng C.5 - Hệ số hiệu chỉnh độ ẩm tương đối đầu vào
| Độ ẩm tương đối đầu vào RH, % | Công suất phát lên lưới của nhà máy PWR, kW | Suất tiêu hao nhiệt toàn nhà máy phát lên lưới HR, kJ/kWh | Biến hiệu chỉnh công suất α3 | Biến hiệu chỉnh suất tiêu hao nhiệt f3 |
| 10 | 145.620 | 8.388,6 | 0,999451 | 1,001901 |
| 20 | 145.610 | 8.391,9 | 0,999520 | 1,001510 |
| 30 | 145.590 | 8.395,0 | 0,999657 | 1,001145 |
| 40 | 145.570 | 8.398,2 | 0,999794 | 1,000754 |
| 50 | 145.560 | 8.401,4 | 0,999863 | 1,000377 |
| 60 | 145.540 | 8.404,6 | 1,000000 | 1,000000 |
| 70 | 145.520 | 8.407,7 | 1,000137 | 0,999623 |
| 80 | 145.510 | 8.410,9 | 1,000206 | 0,999247 |
| 90 | 145.490 | 8.414,1 | 1,000343 | 0,998870 |
| CHÚ THÍCH CHUNG: Các kết quả phù hợp với đường cong: α3 = - 3,43434344×10-10×RH3 + 5,37229437×10-08×RH2 + 8,92871573×10-06×RH + 9,99346381 ×10-01 f3 = - 1,76767680×10-11×RH3 + 6,81818186×10-09×RH2 ‒ 3,83800505×10-05×RH + 1,00228217 | ||||
Bảng C.6- Hệ số hiệu chỉnh năng lượng hơi quá trình lên lưới
| Năng lượng hơi quá trình lên lưới | Công suất phát lên lưới | Công suất hiệu chỉnh |
| 35.652 | 148.600 | - 3.060 |
| 38.029 | 147.990 | - 2.450 |
| 40.406 | 147.380 | - 840 |
| 42.782 | 146.770 | - 1.230 |
| 45.159 | 146.150 | - 610 |
| 47.536 | 145.540 | 0 |
| 49.913 | 144.920 | 620 |
| 52.290 | 144.310 | 1.230 |
| 54.666 | 143.690 | 1.850 |
| 57.043 | 143.080 | 2.460 |
| 59.420 | 142.460 | 3.080 |
| CHÚ THÍCH CHUNG: Các kết quả phù hợp với đường cong: Δ1 = - 3,47212049×10-12×SE3 + 5,48793642×10-07×SE2 + 2,30118810×10-01×SE - 1,18045455×1004 | ||
Bảng C.7 - Các hệ số hiệu chỉnh lưu lượng xả
| Lưu lượng xả BD, kg/s | Công suất nhà máy phát lên lưới PWR, kW | Hiệu chỉnh công suất Δ3, kW |
| 0 | 145.970 | -430 |
| 0,30250 | 145.910 | - 370 |
| 0,60500 | 145.830 | -290 |
| 0,90750 | 145.760 | - 220 |
| 1,21000 | 145.690 | - 150 |
| 1,51250 | 145.610 | -70 |
| 1,81500 | 145.540 | 0 |
| 2,11750 | 145.470 | 70 |
| 2,42000 | 145.390 | 150 |
| 2,72250 | 145.320 | 220 |
| 3,02499 | 145.250 | 290 |
| CHÚ THÍCH CHUNG: Các kết quả phù hợp với đường cong: Δ3 = - 2,73665363×BD3 + 1,35640918×101×BD2 + 2,22929081×102×BD ‒ 4,32517398×102 | ||
Bảng C.8 - Các hệ số hiệu chỉnh nhiệt độ làm mát bình ngưng
| Nhiệt độ giải nhiệt bình ngưng CT, °C | Công suất nhà máy phát lên lưới PWR, kW | Hiệu chỉnh công suất Δ5B, kW |
| 10,0 | 145.850 | - 310 |
| 11,7 | 145.830 | - 290 |
| 13,3 | 145.780 | - 240 |
| 15,0 | 145.710 | - 170 |
| 16,7 | 145.630 | - 90 |
| 18,3 | 145.520 | 20 |
| 20,0 | 145.400 | 140 |
| 21,7 | 145.260 | 280 |
| 23,3 | 145.100 | 440 |
| 25,0 | 144.920 | 620 |
| 26,7 | 144.730 | 810 |
| CHÚ THÍCH CHUNG: Các kết quả phù hợp với đường cong: Δ5B = -1,63636364×10-02×CT3 + 4,24405594×CT2 ‒ 7,06153846×101×CT ‒ 1,39160839×101 | ||
Bảng C.9 - Dữ liệu đo
| Biến số | Giá trị | Đơn vị |
| Nhiệt độ không khí đầu vào | 26,7 | °C |
| Độ ẩm tương đối đầu vào | 70 | % |
| Áp suất đầu vào | 0,951 | bar |
| Công suất lưới đầu ra | 125.910 | kW |
| Lưu lượng nhiên liệu | 6,045 | kg/s |
| Nhiệt trị thấp nhiên liệu | 50.021 | kJ/kg |
| Lưu lượng hơi quá trình | 20,79 | kg/s |
| Áp suất hơi quá trình | 10,34 | barg |
| Nhiệt độ hơi quá trình | 189,0 | °C |
| Lưu lượng nước ngưng trở về | 15,59 | kg/s |
| Nhiệt độ nước bổ sung cho nước cấp | 21,0 | °C |
| Nhiệt độ đầu vào nước giải nhiệt | 21,0 | °C |
| Xả HRSG | 0 | kg/s |
Bảng C.10 - Các giá trị tính toán
| Biến số | Giá trị | Đơn vị |
| Nhiệt đầu vào | 302.377 | kJ/s |
| Nhiệt đầu vào | 1,0886×109 | kJ/h |
| Áp suất hơi quá trình | 11,291 | bar |
| Entanpy hơi quá trình | 2.790,6 | kJ/kg |
| Năng lượng hơi trích quá trình | 58.016 | kJ/s |
| Entanpy nước ngưng trở về [CHÚ THÍCH (1)] | 344,2 | kJ/kg |
| Năng lượng nước ngưng trở về | 5.366 | kJ/s |
| Lưu lượng nước bổ sung | 5,20 | kg/s |
| Entanpy nước bổ sung | 89,1 | kJ/kg |
| Năng lượng nước bổ sung | 463,3 | kJ/s |
| Năng lượng hơi quá trình lên lưới [CHÚ THÍCH (2)] | 52.187 | kJ/s |
| CHÚ THÍCH 1: Nhiệt độ nước ngưng hồi về không đổi ở giá trị thiết kế là 82°C. CHÚ THÍCH 2: Năng lượng thực hơi của quá trình được tính bằng hiệu số giữa năng lượng hơi trích của quá trình và năng lượng của nước ngưng hồi về và nước bổ sung. | ||
Bảng C.11 - Các giá trị hệ số hiệu chỉnh
| Hệ số hiệu chỉnh | Các giá trị tính toán |
| α1 | 1,063884 |
| α2 | 1,079442 |
| α3 | 1,000117 |
| f1 | 0,994903 |
| f2 | 0,987036 |
| f3 | 0,999623 |
| Δ1 | 1.205,7 |
| Δ3 | - 432,5 |
| Δ5B | 223,2 |
Bảng C. 12 - Các giá trị tính toán
| Biến số | Giá trị | Đơn vị |
| Công suất nhà máy phát lên lưới đã được hiệu chỉnh | 145.757 | kW |
| Suất tiêu hao nhiệt nhà máy phát lên lưới đã được hiệu chỉnh | 8.420,1 | kJ/kWh |
| Công suất nhà máy phát lên lưới được đảm bảo | 145.540 | kW |
| Suất tiêu hao nhiệt nhà máy phát lên lưới được đảm bảo | 8.405,0 | kJ/kWh |
| Phương sai công suất nhà máy phát lên lưới | 217 | kW |
| Phương sai suất tiêu hao nhiệt nhà máy phát lên lưới | 15,1 | kJ/kWh |
Phụ lục D
(tham khảo)
Đại diện của hiệu chỉnh sự khác biệt về nhiệt độ giải nhiệt so với nhiệt độ không khí đầu vào của turbine khí (δ5 hoặc ω5), nếu cần thiết, đối với nhà máy chu trình kết hợp điển hình
D.1 Tổng quát
Sự tính toán của Phụ lục A giả định rằng điều kiện không khí đầu vào tại (các) đầu vào tua bin khí giống với (các) đầu vào không khí của (các) tháp giải nhiệt, điều kiện cho phép theo Phần 5. Xem mục 5.5.1. Đối với nhà máy điện chu trình kết hợp, cần xem xét sự khác biệt về nhiệt độ bầu khô ở mỗi vị trí, Hình D.1 và D.2 lần lượt hiển thị các đường cong hiệu chỉnh điển hình α1 và Δ5A. Mục đích là để cho thấy Δ5A có thể được biểu diễn như thể nào.
Hình D.1.1 dựa trên nhiệt độ đo được ở đầu vào tua bin khí. Hình D.1.2 là hiệu chỉnh Δ5A cho sự chênh lệch nhiệt độ giữa đầu vào tháp giải nhiệt và đầu vào tua bin khí.
Nhà máy là một chu trình kết hợp 150 MW điển hình. Lưu ý rằng, ở nhiệt độ đầu vào tua bin khí 15°C, hiệu chỉnh công suất nhà máy chênh lệch khoảng 35 kW mỗi độ kelvin (19 kW/°C) giữa đầu vào của máy nén tua bin khí và đầu vào của tháp giải nhiệt - một khoảng khá nhỏ khi xét đến các sai số tích hợp trong phép đo lượng khí đầu vào của tháp giải nhiệt.

Hình D. 1 - Đường cong hiệu chỉnh nhiệt độ dầu vào tua bin khí
CHÚ THÍCH CHUNG: Áp dụng cho tua bin khí tài cơ sở sử dụng nhiên liệu khí đốt tự nhiên.

Hình D. 2 - Sự chênh lệch điều kiện không khí đầu vào giữa tháp giải nhiệt và tua bin khí
CHÚ THÍCH CHUNG: Áp dụng cho tua bin khí tải cơ sở sử dụng nhiên liệu khí đốt tự nhiên.
Phụ lục E
(tham khảo)
Tính toán mẫu của một nhà máy đốt than siêu tới hạn sử dụng tua bin ngưng hơi
E.1 Mô tả chu trình
Nhà máy hơi nước mẫu là một nhà máy dựa trên tua bin ngưng hơi siêu tới hạn đốt than, với tám bộ gia nhiệt nước cấp và quá trình khai thác không kiểm soát từ đường hơi chính cho hơi quá trình. Nước ngưng trở về ở nhiệt độ thấp vào hệ thống xử lý nước của nhà máy. Lò hơi là lò đốt than bột Á bitum. Bình ngưng được làm mát bằng nước tuần hoàn hút từ sông.
Có hai phương án nhà máy sẵn có cho ví dụ này. Phương án đầu tiên (phương án 1) là một ví dụ về một nhà máy hoạt động ở chế độ áp suất cố định tại một công suất tinh đo được xác định. Phương án 1 cũng thể hiện một phương pháp hiệu chỉnh bằng cách sử dụng mô hình nhà máy tích hợp. Phương án thứ hai (phương án 2) là một ví dụ về một nhà máy hoạt động ở chế độ áp suất trượt và hoạt động ở một lưu lượng hơi tiết lưu xác định. Phương án 2 cũng thể hiện một phương pháp hiệu chỉnh bằng cách sử dụng mô hình nhà máy không tích hợp.
Mặc dù có kích thước và cấu hình tương tự nhưng lò hơi và tua bin không giống nhau đối với cả hai trường hợp.
Đối với phương án 1 (áp suất tiết lưu cố định với chế độ vận hành công suất tinh cố định), STG được điều chỉnh mở van tua bin hơi mở rộng (VWO) với áp suất tiết lưu là 54,3 bara ở lưu lượng hơi 638,18 kg/s và nhiệt độ hơi chính/hơi tái nhiệt là 565,6°C. Lò hơi được thiết kế để sản xuất 644,48 kg/s, với công suất lò hơi là 5.845,1 GJ/h HHV. Ở các điều kiện đầu vào STG này, áp suất và nhiệt độ hơi chính tại lò hơi là 261,2 bara và 565,6°C. Tổng công suất điện của nhà máy là 748.010 kW, với công suất điện tinh là 676.949 kW. Chế độ vận hành dự kiến cho phương án 1 sẽ là thay đổi tốc độ đốt để duy trì công suất tinh mục tiêu là 663.419 kW (98% tải điện) trong khi duy trì áp suất cố định ở van tiết lưu STG.
Đối với phương án 2 (áp suất trượt với chế độ vận hành dòng tiết lưu cố định), STG có kích thước cho lưu lượng tiết lưu là 641,33 kg/s ở áp suất 261,4 bara và nhiệt độ hơi chính/hơi tái nhiệt là 565,6°C. Lưu lượng hơi đầu ra của lò hơi là 647,50 kg/s ở áp suất đầu ra SH là 268,3 bara và nhiệt độ là 565,6°C. Các van tiết lưu luôn ở trạng thái VWO. Tổng công suất điện của nhà máy thiết kế là 780.620 kW, với công suất điện tinh là 706.461 kW. Sản lượng lò hơi thiết kế là 5.875,8 GJ/h HHV. Phương thức vận hành dự kiến cho thí nghiệm này là giảm tốc độ đốt của lò hơi đề duy trì lưu lượng tiết lưu danh nghĩa là 622,43 kg/s (97% lưu lượng hơi thiết kế).
E.2 Mô tả đường bao thí nghiệm
Toàn bộ nhà máy nằm trong đường bao thí nghiệm. Không khí đi vào lò hơi tại cửa hút gió cưỡng bức và quạt gió sơ cấp. Nước làm mát từ sông vượt qua Đường bao thí nghiệm. Công suất điện tinh được cung cấp từ phía cao áp của máy biến áp tăng áp. Phép đo công suất tinh được thực hiện ở phía thấp áp của máy biến áp tăng áp với tổn thất máy biến áp cho phép. Tổng công suất tua bin hơi nước được đo tại các đầu cuối của máy phát điện. Công suất phụ của nhà máy được tính từ hiệu số giữa tổng công suất đo được và công suất tinh. Hơi nước của quá trình được đo tại đường bao nhà máy với phần đo lưu lượng đã hiệu chỉnh.
E.3 Mô tả chung về các trường hợp thí nghiệm, mô hình và việc hiệu chỉnh
Có hai tập hợp các phép tính mẫu được minh họa trong Phụ lục ví dụ này.
Phương án 1 được tiến hành với áp suất hơi cố định, công suất điện tinh đo được chỉ định và sẽ giải quyết việc sử dụng mô hình lò hơi tích hợp để tính toán và hiệu chỉnh. Phương pháp tích hợp sử dụng một mô hình nhà máy tổng thể để dự đoán các đặc tính hiệu suất nhiệt của lò hơi, máy phát tua bin, bộ giải nhiệt và chu trình gia nhiệt nước cấp. Một đặc tính quan trọng của mô hình nhiệt tích hợp là khả năng dự đoán hiệu suất của lò hơi ở các điều kiện ngoài thiết kế, loại bỏ nhu cầu hiệu chỉnh hiệu suất của lò hơi với các điều kiện tham chiếu cơ bản bằng cách sử dụng phương pháp ASME PTC 4 (ngoại trừ các hiệu chỉnh đối với đặc tính nhiên liệu).
Phương án 2 được tiến hành với áp suất hơi trượt, lưu lượng hơi tiết lưu xác định và sẽ giải quyết việc sử dụng mô hình lò hơi không tích hợp để tính toán và hiệu chỉnh. Phương pháp không tích hợp tính toán suất tiêu hao nhiệt thực của nhà máy bằng cách kết hợp hiệu suất lò hơi đã hiệu chỉnh với hiệu suất chu trình hơi đã hiệu chỉnh.
Mỗi phép tính mẫu trường hợp thí nghiệm dựa trên ba lần tiến hành thí nghiệm độc lập. Mỗi lần tiến hành thí nghiệm được hiệu chỉnh độc lập. Kết quả thí nghiệm cuối cùng được tính bằng giá trị trung bình của ba lần tiến hành thí nghiệm đã hiệu chỉnh.
Cần lưu ý sự thận trọng liên quan đến việc hiệu chỉnh lò hơi và tua bin có thể được sử dụng ở đây. Bởi vì đây là kiểm tra hiệu suất tổng thể của nhà máy (dựa trên các hiệu chỉnh đối với các điều kiện tham chiếu của cơ sở bên ngoài nhà máy), một số hiệu chỉnh lò hơi, tua bin và có lẽ các thiết bị khác sẽ không nằm trong phương pháp hiệu chỉnh thích hợp cho tiêu chuẩn này. Ví dụ, các hiệu chỉnh dựa trên các thông số bên trong nhà máy thường là một phần của thí nghiệm ASME PTC 4 (đối với hiệu suất lò hơi) hoặc ASME PTC 6 (đối với hiệu chỉnh đối với công suất tua bin và suất tiêu hao nhiệt), không được sử dụng. Một số ví dụ không đầy đủ là phụ trợ lò hơi, hiệu suất của bộ làm nóng nước cấp, áp suất hydro của máy phát, v.v. Điều này cũng bao gồm một số hiệu chỉnh nhất định trong phương pháp tính toán ASME PTC 4 [ví dụ: nhiệt độ nước cấp, hiệu suất của bộ gia nhiệt không khí (liên quan đến nhiên liệu), mức không khí dư thừa,...]. Một ngoại lệ đối với cảnh báo này là nếu mục tiêu của thí nghiệm là xác định hiệu suất của nhà máy ở một điều kiện vận hành cụ thể, thì thông số đó cũng có thể là sự hiệu chỉnh đối với hiệu suất của nhà máy (ví dụ, lưu lượng tiết lưu tua bin hơi).
Điều quan trọng nữa là phải nhận ra việc lựa chọn chế độ vận hành ảnh hưởng như thế nào đến phương pháp tính toán hiệu suất của nhà máy. Đối với thí nghiệm được thiết kế phù hợp, mô hình hiệu suất nhiệt phải phát triển các đường cong hiệu chỉnh của nhà máy (hoặc chu trình hơi nước), dựa trên mục tiêu thí nghiệm đã thiết lập và phương thức hoạt động theo kế hoạch trong quá trình thí nghiệm. Sau đó, nhà máy phải được vận hành theo nguyên lý vận hành mà dựa trên các đường cong hiệu chỉnh khi thực hiện thí nghiệm tính năng.
Cuối cùng, đường bao thí nghiệm của nhà máy phải bao gồm các quạt gió cưỡng bức và quạt gió sơ cấp trong đường bao thí nghiệm. Khi sử dụng mô hình không tích hợp, điều này yêu cầu nhiệt độ đầu vào của máy sưởi không khí phải được điều chỉnh về điều kiện tham chiếu cơ bản bằng cách nhập nhiệt độ không khí xung quanh thiết kế cộng với quạt được đo tăng gió cưỡng bức/không khí sơ cấp (FD/PA) vào các tính toán ASME PTC 4. Các hiệu chỉnh đối với nhiệt độ khí ra khỏi máy sưởi không khí do sự thay đổi của nhiệt độ không khí xung quanh cũng có thể được thực hiện, dựa trên hiệu quả của máy sấy không khí đã đo được.
E.3.1 Phương án 1 tính toán mẫu: Đầu ra đo lường dược chỉ định
Mục tiêu thí nghiệm là để chứng minh hiệu suất của nhà máy ở công suất đo được chỉ định là 663,419 kW. Nhà máy được vận hành ở chế độ áp suất hơi cố định, với van tiết lưu duy trì 254,3 bara. Tốc độ đốt của lò hơi đã được điều chỉnh để duy trì sản lượng đo được quy định không đổi. Các phép tính được thực hiện với “mô hình lò hơi tích hợp”. (Tổn thất tiết lưu được ước tính bằng mô hình nhiệt sử dụng tính toán “giá trị trung bình của các vòng van”) Việc điều chỉnh bố trí cụ thể sẽ điều chỉnh công suất tinh thành một giá trị không đổi, với sự điều chỉnh tương ứng với nhiệt đầu vào của nhà máy. Hiệu chỉnh phụ tải tự dùng dương sẽ hiệu chỉnh cho thiết bị không cần thiết bổ sung đang hoạt động trong quá trình thí nghiệm.
Các điều kiện tham chiếu cơ sở và dữ liệu thí nghiệm cho trường hợp ví dụ 1 được liệt kê trong Bảng E.1 và E.2.
E.3.1.1 Đầu ra hiệu chỉnh
Đầu ra hiệu chỉnh cho mỗi lần tiến hành thí nghiệm được tính bằng Công thức (34), được lặp lại bên dưới. Các thuật ngữ trong chương trình được mỏ tả trong Phần 5.
Pcorr = Pmeas + Δ7
Hiệu chỉnh đầu ra duy nhất áp dụng cho giao thức thí nghiệm này cho trường hợp 1 là Δ7. Điều này là do mục tiêu thí nghiệm là giữ đầu ra không đổi và để nhiệt đầu vào thay đổi theo những thay đổi trong điều kiện biên thí nghiệm. Do đó, các đường cong hiệu chỉnh không phản ánh bất kỳ thay đổi nào trong sản lượng để phù hợp với mục tiêu thí nghiệm này. Delta 7 (Δ7) là hiệu chỉnh duy nhất được áp dụng để giải thích cho sự khác biệt nhỏ giữa đầu ra thực tế và đầu ra mục tiêu thí nghiệm.
Tóm tắt về hiệu chỉnh đầu ra và suất tiêu hao nhiệt cho các lần tiến hành thí nghiệm được nêu trong Bảng E.4.
E.3.1.2 Năng lượng nhiên liệu đầu vào hiệu chỉnh và suất tiêu hao nhiệt hiệu chỉnh
Năng lượng nhiên liệu hiệu chỉnh (Qcorr) được tính theo tử số của Công thức (5.3.4), trong đó
Qcorr = (Qcorr fuel + ω1A + ω1C + ω2 + ω4 + ω5A1 + ω5A2 + ω5B + ω6 + ω7)
Lưu ý rằng một số hiệu chỉnh được coi là không đáng kể (ví dụ, thay đổi áp suất hơi của quá trình), trong khi các hiệu chỉnh khác được mở rộng thành nhiều phần (ví dụ, đặc tính nhiên liệu).
Qmeas tương tự, nhưng không giống với công suất thí nghiệm của lò hơi QrO, như được định nghĩa trong ASME PTC 4, bao gồm năng lượng xả (ví dụ, không áp dụng cho lò hơi siêu tới hạn) hoặc các tổn thất khác, chia cho hiệu suất năng lượng nhiên liệu đã hiệu chỉnh được tính theo ASME PTC 4. Qmeas theo nghĩa này thể hiện mức tiêu thụ năng lượng nhiên liệu thí nghiệm được hiệu chỉnh theo nhiên liệu tham chiếu và nhiệt độ môi trường tham chiếu cho lò hơi. Thuật ngữ QrO được sử dụng trong khác với ASME PTC 4 ở chỗ nó không thực hiện hiệu chỉnh đối với hiệu suất lò hơi bao gồm các thông số bên trong nhà máy không vượt qua Đường bao thí nghiệm, chẳng hạn như nhiệt độ nước cấp. Mẫu này sử dụng “mô hình hiệu suất lò hơi tích hợp”, có nghĩa là các đường cong hiệu chỉnh tổng thể của nhà máy đã được tích hợp các ảnh hưởng hiệu suất lò hơi.
Bảng E. 1 - Ví dụ về điều kiện đường bao thí nghiệm đối với tổ máy siêu tới hạn - Trường hợp 1
| Tham số đo lường | Đơn vị đo | Thiết kế | Thí nghiệm 1A | Thí nghiệm 1B | Thí nghiệm 1C |
| Nhiệt độ bầu khô tại chỗ | °C | 33,3 | 23,9 | 25,0 | 25,6 |
| Độ ẩm tương đối tại chỗ | % | 52,4 | 87,1 | 86,1 | 84,3 |
| Áp suất khí quyển tại chỗ | bara | 0,972 | 0,986 | 0,985 | 0,979 |
| Lưu lượng hơi quá trình | kg/s | 6,30 | 7,94 | 8,32 | 7,56 |
| Áp suất hơi quá trình | ba ra | 82,732 | 84,801 | 86,180 | 85,490 |
| Nhiệt độ hơi quá trình | °C | 482.2 | 487.8 | 493.3 | 492.2 |
| Nhiệt độ nước ngưng trở về (nước bổ sung) | °C | 15,6 | 15,6 | 15,6 | 15,6 |
| Enthalpy nước bổ sung | kJ/kg | 65,43 | 65,43 | 65,43 | 65,43 |
| Nhiệt độ nước sông | °C | 12,8 | 16,7 | 15,6 | 15,0 |
| Hệ số công suất thiết bị đầu cuối máy phát điện theo thuộc tính than (như đã đốt) PRB | ... | 0,840 | 0,960 | 0,970 | 0,960 |
| Cacbon | % wt | 49,000 | 51,000 | 50,000 | 49,500 |
| Hydro | % wt | 3,400 | 4,000 | 4,200 | 3,800 |
| Nitơ | % wt | 0,800 | 0,800 | 0,800 | 0,800 |
| Oxy | % wt | 11,930 | 8,190 | 5,490 | 5,090 |
| Lưu huỳnh | % wt | 0,510 | 0,510 | 0,510 | 0,510 |
| Độ ẩm | % wt | 27,590 | 32,000 | 35,000 | 37,000 |
| Độ tro | % wt | 6,770 | 3,500 | 4,000 | 3,300 |
| HHV | kJ/kg | 19.852 | 21.595 | 22.032 | 21.358 |
| Hiệu chỉnh phụ tải tự dùng (dấu cộng là thêm vào đầu ra) | kW | 0,0 | 450,0 | 300,0 | 100,0 |
| CHÚ THÍCH CHUNG: Tải = 100%; Chế độ vận hành = áp suất cố định; Mục tiêu = Công suất điện được đo lường cụ thể; Mô hình = Tích hợp. | |||||
Bảng E. 2 - Dữ liệu đo thử nghiệm trường hợp 1
| Tham số đo lường | Đơn vị đo | Thiết kế | Thí nghiệm 1A | Thí nghiệm 1B | Thí nghiệm 1C |
| Các thông số vận hành lò hơi, như đã đo | |||||
| Lưu lượng hơi quá nhiệt đầu ra của lò hơi | kg/s | 634,99 | 627,92 | 627,92 | 626,29 |
| Enthalpy hơi quá nhiệt đầu ra của lò hơi | kJ/kg | 3.385,40 | 3.385,40 | 3.385,40 | 3.385,40 |
| Tổn thất nhiệt lò hơi | kg/s | 0,00 | 0,00 | 0,00 | 0,00 |
| Enthalpy tổn thất nhiệt lò hơi | kJ/kg | 1.327,08 | 1.316,81 | 1.316,54 | 1.316,10 |
| Lưu lượng phun giảm ôn hơi quá nhiệt | kg/s | 0,00 | 0,00 | 0,00 | 0,00 |
| Enthalpy phun giảm ôn hơi quá nhiệt | kJ/kg | 625,66 | 626,85 | 626,74 | 626,69 |
| Lưu lượng phun giảm ôn hơi tái nhiệt | kg/s | 0,00 | 0,00 | 0,00 | 0,00 |
| Lưu lượng hơi tái nhiệt lạnh | kg/s | 486,56 | 483,73 | 483,35 | 482,90 |
| Entanpy hơi tái nhiệt lạnh | kJ/kg | 2.992,04 | 2.983,76 | 2.983,64 | 2.983,51 |
| Lưu lượng hơi tái nhiệt nóng | kg/s | 486,56 | 483,73 | 483,35 | 482,90 |
| Entanpy hơi tái nhiệt nóng | kJ/kg | 3.596,64 | 3.598,53 | 3.598,56 | 3.598,60 |
| Lưu lượng nước cấp | kg/s | 643,94 | 627,90 | 627,92 | 626,29 |
| Enthalpy nước cấp | kJ/kg | 1.327,08 | 1.316,81 | 1.316,54 | 1.316,10 |
| Lưu lượng bộ sấy không khí (từ lò hơi) | kg/s | 0,00 | 0,00 | 0,00 | 0,00 |
| Thông số đầu ra lò hơi như đã đo | GJ/h | 5.721,4 | 5.746,7 | 5.746,7 | 5.734,8 |
| Nhiệt độ tham chiếu lò hơi (hằng số) | °C | 25,0 | 25,0 | 25,0 | 25,0 |
| Nhiệt độ khói ra khỏi bộ sấy không khí cấp 1 đo được | °C | 182,2 | 180,6 | 180,0 | 181,1 |
| Nhiệt độ khói ra khỏi bộ sấy không khí cấp 2 đo được | °C | 179,4 | 177,8 | 177,2 | 178,3 |
| Nhiệt độ khói vào bộ sấy không khí đo được | °C | 332,2 | 335,6 | 335,0 | 335,0 |
| Phụ tải tự dùng lò hơi không được điều chỉnh | kW | 13.928,14 | 13.339,326 | 13.390,971 | 13.373,7504 |
| Hiệu suất lò hơi đã đo được | % | 86,23 | 86,3 | 86,31 | 86,28 |
| Các thông số hoạt động chính | |||||
| Lưu lượng tiết lưu | kg/s | 628,77 | 620,04 | 619,62 | 618,76 |
| Áp suất tiết lưu | bara | 254,340 | 254,340 | 254,340 | 254,340 |
| Nhiệt độ tiết lưu | °C | 565,6 | 565,6 | 565,6 | 565,6 |
| Nhiệt độ hơi tái nhiệt nóng tua bin | °C | 565,6 | 565,6 | 565,6 | 565,6 |
| Năng lượng hơi quá trình | GJ/h | 76,0 | 96,1 | 101,0 | 91,8 |
| Tổng công suất điện | kW | 733.060 | 732.930 | 733.350 | 733.210 |
| Phụ tải tự dùng (% theo tổng chưa được điều chỉnh) chưa được điều chỉnh | % | 9,50 | 9,10 | 9,13 | 9,12 |
| Lưu lượng nước giải nhiệt bình ngưng | kg/s | 19.531,34 | 19.151,45 | 19.151,45 | 19.151,45 |
| Lưu lượng nước bổ sung | kg/s | 15,24 | 7,94 | 8,32 | 7,56 |
| Các kết quả thí nghiệm, chưa được điều chỉnh | |||||
| Nhiệt đầu ra lò hơi, nhiệt trị cao chưa được điều chỉnh | GJ/h | 5.721,4 | 5.746,7 | 5.746,7 | 5.734,8 |
| Hiệu suất lò hơi, nhiệt trị cao chưa được điều chỉnh | % | 86,23 | 86,30 | 86,31 | 86,28 |
| Nhiệt đầu vào lò hơi, chưa được điều chỉnh | GJ/h | 6.635,1 | 6.659,0 | 6.658,2 | 6.646,8 |
| Công suất điện phát lên lưới chưa được điều chỉnh | kW | 663.419 | 666.233 | 666.395 | 666.341 |
| Suất tiêu hao nhiệt phát lên lưới, HHV chưa được điều I chỉnh | kJ/kWh | 10.001,4 | 9.995,0 | 9.991,3 | 9.975,0 |
Bảng E. 3 - Kết quả hiệu chỉnh thí nghiệm trong trường hợp 1
| Các hệ số hiệu chỉnh (Công suất điện phát lên lưới và nhiệt cấp đầu vào) | Đơn vị đo | Thiết kế | Thí nghiệm 1A | Thí nghiệm 1B | Thí nghiệm 1C |
| Bố trí cụ thể, Δ7, (công suất điện) | kW | ... | - 2.814 | - 2.976 | - 2.922 |
| Dòng nhiệt, ω1 |
|
|
|
|
|
| Lưu lượng quá trình, ω1A | GJ/h | ... | - 12,3 | - 15,1 | - 9,5 |
| Áp suất quá trình, ω1B | GJ/h | ... | Không đáng kể | Không đáng kể | Không đáng kể |
| Nhiệt độ quá trình, ω1C | GJ/h | ... | - 0,3 | - 0,7 | - 0,6 |
| Hệ số công suất máy phát điện, ω2 | GJ/h | ... | 5,3 | 5,8 | 5,3 |
| Các nguồn nhiệt đầu vào cấp 2 (Nhiệt độ MU), ω4 | GJ/h | ... | Không đáng kể | Không đáng kể | Không đáng kể |
| Các điều kiện môi trường, ω5A |
|
|
|
|
|
| Nhiệt độ môi trường, ω5A1 | GJ/h | ... | 15,4 | 13,6 | 12,7 |
| Độ ẩm tương đối môi trường, ω5A2 | GJ/h | ... | - 22,6 | - 22,0 | - 20,8 |
| Nhiệt độ nước sông, ω5B | GJ/h | ... | - 30,1 | - 18,3 | - 12,9 |
| Phụ tải tự dùng, ω6 | GJ/h | ... | - 4,8 | - 3,2 | - 1,1 |
| Bố trí cụ thể, ω7 | GJ/h | ... | - 30,3 | - 32,0 | - 31,4 |
| Các kết quả thí nghiệm |
|
|
|
|
|
| Nhiệt đầu vào lò hơi, nhiệt trị cao đã được hiệu chỉnh | GJ/h | 6.635,1 | 6.579,0 | 6.586,0 | 6.588,3 |
| Công suất điện phát lên lưới đã được hiệu chỉnh | kW | 663.419 | 663.419 | 663.419 | 663.419 |
| Suất tiêu hao nhiệt phát lên lưới, nhiệt trị cao đã được hiệu chỉnh | kJ/kWh | 10.001,4 | 9.916,8 | 9.927,4 | 9.930,8 |
Các tiêu chuẩn cơ bản để xác định hiệu suất nhiên liệu của lò hơi đã được hiệu chỉnh phải được xem xét trước khi thí nghiệm. Phân tích nhiên liệu tham chiếu cơ sở được trình bày chi tiết trong Bảng E.5
Qmeas = QrO /ηfuel uncorrected
trong đó
QrO = đầu ra thí nghiệm của lò hơi, bao gồm cả năng lượng xả (nếu có)
ηfuel uncorrected = hiệu suất năng lượng nhiên liệu hiệu chỉnh lò hơi được biểu thị dưới dạng số thập phân
Hiệu chỉnh hiệu suất năng lượng nhiên liệu được thực hiện bằng cách sử dụng thành phần nhiên liệu được phân tích tại thời điểm thí nghiệm. Sau khi biết nhiệt đầu vào thực tế, nhiệt đầu vào đầu tiên sẽ được hiệu chỉnh cho các đặc tính của nhiên liệu. Điều này được thực hiện bằng cách thay thế các đặc tính nhiên liệu thiết kế vào bảng tính ASME PTC 4 để xác định hiệu suất nhiên liệu của lò hơi, để xác định nhiệt đầu vào được hiệu chỉnh một phần, được gọi là Qcorr fuel
Qcorr fuel = QrO/nfuel uncorrected × ηfuel uncorrected / ηfuel corr for fuel
trong đó
ηfuel corr for fuel = hiệu suất năng lượng nhiên liệu hiệu chỉnh lò hơi được biểu thị dưới dạng số thập phân
Hiệu chỉnh hiệu suất năng lượng nhiên liệu được thực hiện bằng cách sử dụng thành phần nhiên liệu thiết kế trong tính toán hiệu suất thay vì thành phần nhiên liệu phân tích tại thời điểm thí nghiệm.
Suất tiêu hao nhiệt hiệu chỉnh cho mỗi lần tiến hành thí nghiệm được tính từ Công thức (35).
![]()
Dưới đây là kết quả đầu ra đã hiệu chỉnh và kết quả suất tiêu hao nhiệt đã hiệu chỉnh của mỗi lần tiến hành thí nghiệm đối với phương án mẫu 1.
E.3.2 Phương án 2 tính toán mẫu: Dòng hơi cụ thể
Mục tiêu thí nghiệm là chứng minh hiệu suất của nhà máy ở lưu lượng hơi tiết lưu xác định là 622,44 kg/s hoạt động ở chế độ áp suất trượt.
Các điều kiện tham chiếu cơ bản cho ví dụ Phương án 2 được liệt kê trong Bảng E.5. Chúng giống với phương án 1, ngoại trừ độ ẩm tương đối.
Bảng E.6 ghi lại các dữ liệu thí nghiệm đo được và một số thông số vận hành chính của nhà máy trong quá trình thí nghiệm. Như trong ví dụ phương án 1, hiệu suất lò hơi đo được tính bằng cách sử dụng các tính toán tiêu chuẩn ASME PTC 4. Tuy nhiên, vì phương án 2 thể hiện thí nghiệm nhà máy nhiệt điện than sử dụng mô hình nhiệt “không tích hợp” (không bao gồm lò hơi), hiệu suất lò hơi hiệu chỉnh bằng cách sử dụng các hiệu chỉnh theo ASME PTC 4 phải được xác định với các lưu ý tương tự đối với tính toán này như chi tiết trong phương án 1 tính toán mẫu.
Như trong phương án 1, các hiệu chỉnh đối với nhiệt độ nước cấp cho lò hơi và các hiệu chỉnh ASME PTC 4 khác cho các thông số bên trong đường bao thí nghiệm của nhà máy về hiệu suất nhiên liệu của lò hơi sẽ không được thực hiện. Ví dụ này cho rằng việc thay đổi đặc tính nhiên liệu không có ảnh hưởng đáng kể đến nhiệt độ hơi nước. Các đường cong hiệu chỉnh đầu ra và suất tiêu hao nhiệt giả định rằng tốc độ đốt của lò hơi được điều chỉnh để duy trì 622,44 kg/s ở van tiết lưu STG; các van tua bin luôn ở trạng thái van mở rộng (VWO).
Trong Bảng E.6, nhiệt độ không khí đi vào đã hiệu chỉnh dựa trên nhiệt độ đầu vào quạt FD/PA thiết kế và độ tăng của quạt đo được sử dụng để tính toán hiệu quả của lò hơi đã hiệu chỉnh.
Bảng E. 4 - Ví dụ về điều kiện đường bao thí nghiệm đối với tổ máy siêu tới hạn - Trường hợp 2
| Tham số đo lường | Đơn vị | Thiết kế | Thí nghiệm 2A | Thí nghiệm 2B | Thí nghiệm 2C |
| Nhiệt độ bầu khô tại chỗ | °C | 33,3 | 23,9 | 24,4 | 25,6 |
| Nhiệt độ bầu ướt tại chỗ | °C | 23,9 | 23,9 | 23,9 | 23,9 |
| Áp suất khí quyển tại chỗ | bara | 0,972 | 0,972 | 0,972 | 0,972 |
| Lưu lượng hơi quá trình | kg/s | 6,30 | 6,55 | 5,67 | 6,17 |
| Áp suất hơi quá trình | bara | 82,732 | 83,422 | 79,285 | 81,354 |
| Nhiệt độ hơi quá trình | °C | 482,2 | 487,8 | 483,3 | 476,7 |
| Nhiệt độ nước ngưng trở về (nước bổ sung) | °C | 15,6 | 11,1 | 13,3 | 13,9 |
| Entanpy nước bổ sung | kJ/kg | 65,43 | 46,78 | 56,10 | 58,42 |
| Nhiệt độ nước sông | °C | 12,8 | 10,6 | 10,6 | 11,1 |
| Hệ số công suất thiết bị đầu cuối máy phát điện theo thuộc tính than (như đã đốt) Powder River Basin, PRB | … | 0,840 | 0,960 | 0,970 | 0,960 |
| Carbon | % wt | 49,000 | 48,860 | 48,860 | 48,860 |
| Hydrogen | % wt | 3,400 | 3,420 | 3,400 | 3,410 |
| Nitrogen | % wt | 0,800 | 0,723 | 0,710 | 0,696 |
| Oxygen | % wt | 11,930 | 10,479 | 11,170 | 11,165 |
| Lưu huỳnh | % wt | 0,510 | 0,518 | 0,520 | 0,499 |
| Độ ẩm | % wt | 27,590 | 31,300 | 30,500 | 30,600 |
| Tro | % wt | 6,770 | 4,700 | 4,840 | 4,770 |
| HHV | kJ/kg | 19.852 | 19.824 | 19.801 | 19.818 |
| CHÚ THÍCH CHUNG: Tải = 100%; Chế độ vận hành = Áp suất cố định; Mục tiêu = Lưu lượng hơi xác định; Mô hình = Không tích hợp. | |||||
Bảng E. 5 - Dữ liệu đo thí nghiệm trường hợp 2
| Tham số đo lường | Đơn vị | Thiết kế | Thí nghiệm 2A | Thí nghiệm 2B | Thí nghiệm 2C |
| Các thông số vận hành lò hơi, đo được | |||||
| Nhiệt độ tham chiếu lò hơi | °C | 25,0 | 25,0 | 25,0 | 25,0 |
| Lưu lượng hơi quá nhiệt đầu ra của lò hơi | kg/s | 628,66 | 626,22 | 631,26 | 628,74 |
| Enthalpy hơi quá nhiệt đầu ra của lò hơi | kJ/kg | 3.385,4 | 3.390,2 | 3.387,9 | 3.389,1 |
| Tổn thất nhiệt lò hơi | kg/s | 0,00 | 0,00 | 0,00 | 0,00 |
| Enthalpy tổn thất nhiệt lò hơi | kJ/kg | 1.329,3 | 1.326,0 | 1.329,0 | 1.327,5 |
| Lưu lượng phun giảm ôn hơi quá nhiệt | kg/s | 0,00 | 0,00 | 0,00 | 0,00 |
| Enthalpy phun giảm ôn hơi quá nhiệt | kJ/kg | 627,1 | 624,4 | 625,8 | 625,1 |
| Lưu lượng phun giảm ôn hơi tái nhiệt | kg/s | 0,00 | 0,00 | 0,00 | 0,00 |
| Lưu lượng hơi tái nhiệt lạnh | kg/s | 482,76 | 481,35 | 485,63 | 483,48 |
| Entanpy hơi tái nhiệt lạnh | kJ/kg | 2.972,7 | 2.979,1 | 2.977,3 | 2.978,2 |
| Lưu lượng hơi tái nhiệt nóng | kg/s | 482,76 | 481,35 | 485,63 | 483,48 |
| Entanpy hơi tái nhiệt nóng | kJ/kg | 3.596,6 | 3.596,8 | 3.596,5 | 3.596,6 |
| Lưu lượng nước cấp | kg/s | 628,74 | 626,22 | 631,38 | 628,86 |
| Enthalpy nước cấp | kJ/kg | 1.329,3 | 1.326,0 | 1.329,0 | 1.327,5 |
| Lưu lượng bộ sấy không khí (từ lò hơi) | kg/s | 0,00 | 0,00 | 0,00 | 0,00 |
| Thông số đầu ra lò hơi, đo được | GJ/h | 5.737,8 | 5.724,0 | 5.761,4 | 5.742,7 |
| Hiệu suất của lò hơi, đo được | % | 86,30 | 86,28 | 86,25 | 86,10 |
| Các thông số vận hành chính lò hơi | |||||
| Nhiệt độ không khí môi trường tham chiếu cơ sở | °C | 33,3 | 33,3 | 33,3 | 33,3 |
| Phần trăm lưu lượng gió cấp 1 (phần trăm của tổng số) (giả thiết) | % | 17,0 | 17,0 | 17,0 | 17,0 |
| Độ tăng nhiệt độ của quạt gió cấp 1 đo được | °C | 11,1 | 11,7 | 11,7 | 11,7 |
| Độ tăng nhiệt độ của quạt FD đo được | °C | 10,0 | 8,9 | 9,4 | 8,9 |
| Nhiệt độ gió cấp 1 đi vào bộ sấy không khí, đã hiệu chỉnh | °C | 44,4 | 45,0 | 44,7 | 44,9 |
| Nhiệt độ gió cấp 2 đi vào bộ sấy không khí, đã hiệu chỉnh | °C | 43,3 | 42,2 | 42,8 | 42,2 |
| Nhiệt độ không khí đi vào có trọng số, đã hiệu chỉnh | °C | 43,5 | 42,7 | 43,1 | 42,7 |
| Nhiệt độ khói ra khỏi bộ sấy không khí đo được | °C | 182,2 | 184,4 | 183,9 | 185,0 |
| Nhiệt độ khói đi vào bộ sấy không khí đo được | °C | 333,3 | 334,4 | 336,7 | 333,3 |
| Hiệu suất bộ sấy không khí cấp 1 đo được | % | 48,0 | 47,0 | 46,5 | 47,4 |
| Nhiệt độ gió cấp 1 đi vào bộ sấy không khí, đã hiệu chỉnh | °C | 44,4 | 45,0 | 44,7 | 44,9 |
| Nhiệt độ khói ra khỏi bộ sấy không khí cấp 1, đã hiệu chỉnh | °C | 194,7 | 198,4 | 200,9 | 196,6 |
| Nhiệt độ khói ra khỏi bộ sấy không khí cấp 2 đo được | °C | 179,4 | 181,7 | 181,1 | 179,4 |
| Nhiệt độ khói đi vào bộ sấy không khí đo được | °C | 333,3 | 334,4 | 336,7 | 333,3 |
| Hiệu suất bộ sấy không khí cấp 2 đo được | % | 52,0 | 51,0 | 53,0 | 52,5 |
| Nhiệt độ gió cấp 2 đi vào bộ sấy không khí, đã hiệu chỉnh | °C | 44,4 | 45,0 | 44,7 | 44,9 |
| Nhiệt độ khói ra khỏi bộ sấy không khí cấp 2, đã hiệu chỉnh | °C | 183,1 | 186,8 | 181,9 | 181,9 |
| Nhiệt độ đầu ra không khí nóng có trọng số, đã hiệu chỉnh | °C | 185,1 | 188,8 | 185,2 | 184,4 |
| Phụ tải tự dùng lò hơi, chưa hiệu chỉnh | kW | 14.470 | 13.725 | 13.887 | 13.810 |
| Hiệu suất lò hơi, chưa hiệu chỉnh | % | 86,30 | 86,28 | 86,25 | 86,10 |
| Hiệu suất lò hơi, đã hiệu chỉnh | % | 86,30 | 86,31 | 86,29 | 86,24 |
| Hiệu suất lò hơi so với hiệu chỉnh tải theo ASME PTC 4 | … | 1,00 | 1,00 | 1,00 | 1,00 |
| Hiệu suất lò hơi, đã hiệu chỉnh | % | 86,30 | 86,31 | 86,29 | 86,24 |
| Các thông số vận hành chính | |||||
| Lưu lượng tiết lưu (cơ sở của các đường cong hiệu chỉnh) | kg/s | 622,44 | 619,72 | 625,64 | 622,67 |
| Áp suất tiết lưu | bara | 254,338 | 249,837 | 252,033 | 250,931 |
| Nhiệt độ tiết lưu | °C | 565,6 | 565,6 | 565,6 | 565,6 |
| Nhiệt độ hơi tái nhiệt nóng tua bin | °C | 565,6 | 565,6 | 565,6 | 565,6 |
| Năng lượng hơi quá trình | GJ/h | 76,0 | 79,4 | 68,6 | 74,2 |
| Tổng công suất điện | kW | 761.580 | 754.100 | 760.530 | 757.110 |
| Phụ tải tự dùng (% của tổng chưa hiệu chỉnh), chưa hiệu chỉnh | % | 9,50 | 9,10 | 9,13 | 9,12 |
| Lưu lượng nước giải nhiệt bình ngưng | kg/s | 18.942,71 | 19.220,77 | 19.220,77 | 19.220,77 |
| Lưu lượng nước bổ sung | kg/s | 6,30 | 6,55 | 5,67 | 6,17 |
| Các kết quả thí nghiệm, chưa hiệu chỉnh | |||||
| Nhiệt đầu ra lò hơi, nhiệt trị cao, chưa hiệu chỉnh | GJ/h | 5.737,8 | 5.724,0 | 5.761,4 | 5.742,7 |
| Công suất điện phát lên lưới, chưa được điều chỉnh | kW | 689.230 | 685.477 | 691.094 | 688.062 |
| Suất tiêu hao nhiệt phát lên lưới, nhiệt trị cao, chưa được điều chỉnh | kJ/kWh | 9.646,5 | 9.674,9 | 9.661,2 | 9.677,9 |
Ngoài ra, việc tính toán hiệu suất nhiên liệu của lò hơi sử dụng nhiệt độ khói đầu vào của bộ sấy không khí đã được hiệu chỉnh dựa trên nhiệt độ không khí đi vào đã hiệu chỉnh và hiệu quả của bộ sấy không khí. Nhiệt độ khói đầu ra [nhiệt độ khói đầu vào của bộ sấy không khí (AHGIT)] từ bộ sấy không khí sơ cấp và thứ cấp ở điều kiện tham chiếu như sau:
![]()
trong đó:
| AHAIT | = nhiệt độ không khí đầu vào đã hiệu chỉnh của bộ sấy không khí, °C |
| AHGIT | = nhiệt độ khói đầu vào được đo lường của bộ sấy không khí, °C |
| AHGITcorr | = nhiệt độ khói đầu vào của bộ sấy không khí, đã hiệu chỉnh, °C |
| AHGITmeas | = nhiệt độ khói đầu vào của bộ sấy không khí, được đo lường, °C |
| ηp | = hiệu suất đo được của bộ sấy không khí, % |
và hiệu suất của bộ sấy không khí (ηp) được tính như sau
![]()
trong đó:
| AHAIT | = nhiệt độ không khí đầu vào được đo lường của bộ sấy không khí, °C |
| AHGIT | = nhiệt độ khói đầu vào được đo lường của bộ sấy không khí, °C |
| AHGOT | = nhiệt độ khói đầu ra được đo lường của bộ sấy không khí, °C |
Nhiệt độ khói đầu vào đã hiệu chỉnh của bộ sấy không khí sơ cấp và thứ cấp được xác định và xác định trọng số dựa trên sự phân chia dòng khí giữa bộ sấy không khí sơ cấp và thứ cấp. Nhiệt độ khói đầu vào của bộ sấy không khí đã hiệu chỉnh có trọng số này được sử dụng trong tính toán hiệu suất lò hơi đã hiệu chỉnh.
Danh sách các thông số vận hành chính cũng được cung cấp cho thí nghiệm. Các thông số chính như những thông số này phải được xác định cho cấu hình và thí nghiệm cụ thể của nhà máy, đồng thời được giám sát trong quá trình thí nghiệm để xác minh tính ổn định và thích hợp của nhà máy phạm vi hoạt động.
E.3.2.1 Đầu ra hiệu chỉnh
Đầu ra hiệu chỉnh cho mỗi lần tiến hành thí nghiệm được tính bằng Công thức (34), được sửa đổi để phản ánh ví dụ Phương án 2 cụ thể được lặp lại bên dưới. Các thuật ngữ trong Công thức được mô tả trong Phần 5.
Pcorr = Pmeas + Δ1A,B,C + Δ2 + Δ4 + Δ5B + A6A,B,C + Δ7)
Các định nghĩa bổ sung của Phần 5 như sau:
Δ1A hiệu chỉnh dòng nhiệt, dòng quá trình.
Δ1B hiệu chỉnh dòng nhiệt, áp suất quá trình.
Δ1C hiệu chỉnh dòng nhiệt, nhiệt độ quá trình.
Δ6A hiệu chỉnh tải tự dùng, công suất quạt.
Δ6B hiệu chỉnh tải tự dùng, ảnh hưởng nhiên liệu đến máy nghiền và quạt.
Δ6C hiệu chỉnh tải tự dùng, tải không liên tục.
Tóm tắt về hiệu chỉnh đầu ra và suất tiêu hao nhiệt cho các lần tiến hành thí nghiệm được đưa ra trong Bảng E.9.
Vì đây là đơn vị siêu tới hạn nên không có điều chỉnh xả.
E.3.2.2 Hiệu chỉnh đầu ra lò hơi nhiên liệu và suất tiêu hao nhiệt đã hiệu chỉnh
Đầu ra lò hơi đã hiệu chỉnh (QrOcorr) được tính theo tử số của Công thức (35), được sửa đổi đề phản ánh ví dụ cụ thể được mô tả trong Trường hợp 2
QrOcorr = QrO + ω1A,B,C + ω7
trong đó
QrO = đầu ra thí nghiệm của lò hơi, bao gồm cả năng lượng xả (nếu có)
Bảng E. 6 - Trường hợp 2 các kết quả thí nghiệm đã được hiệu chỉnh
| Các hệ số hiệu chỉnh (Đầu ra phát lên lưới và đầu ra lò hơi) | Đơn vị | Thiết kế | Thí nghiệm 2 A | Thí nghiệm 2B | Thí nghiệm 2C |
| Dòng nhiệt, Δ1 |
|
|
|
|
|
| Lưu lượng quá trình, Δ1A | kW | 0 | 63 | -210 | -54 |
| Áp suất quá trình, Δ1B | kW | 0 | 3 | -10 | -5 |
| Nhiệt độ quá trình, Δ1C | kW | 0 | -27 | -3 | 35 |
| Hệ số công suất máy phát điện, Δ2 | kW | 0 | -892 | -1.021 | -908 |
| Xả, Δ3 | kW | NA | NA | NA | NA |
| Các nguồn nhiệt đầu vào thứ cấp (MU temperature), Δ4 | kW | 0 | -3 | -2 | -1 |
| Nhiệt độ nước sông, (đa biến w/lưu lượng), Δ5B | kW | 0 | -1.614 | -1.614 | -1.400 |
| Các Phụ tải tự dùng, Δ6 |
|
|
|
|
|
| Hiệu chỉnh nhiệt độ không khí trên công suất quạt, Δ6A | kW | 0 | 31 | 30 | 27 |
| Hiệu chỉnh ảnh hưởng của nhiên liệu đối với máy nghiền và quạt, Δ6B | kW | 0 | -22 | -17 | -18 |
| Hiệu chỉnh các tải không cần thiết gián đoạn, Δ6C | kW | 0 | 345 | 360 | 420 |
| Bố trí cụ thể, (lưu lượng tiết lưu không đổi) | kW | 0 | 2.868 | -2.701 | 95 |
| Dòng nhiệt, ω1 |
|
|
|
|
|
| Lưu lượng quá trình, ω1A | GJ/h | 0,00 | -1,94 | 4,44 | 0,79 |
| Áp suất quá trình, ω1B | GJ/h | 0,00 | 0,00 | 0,00 | 0,00 |
| Nhiệt độ quá trình, ω1C | GJ/h | 0,00 | 0,00 | 0,00 | 0,00 |
| Hệ số công suất máy phát điện, ω2 | GJ/h | NA | NA | NA | NA |
| Xả, ω3 | GJ/h | NA | NA | NA | NA |
| Các nguồn nhiệt đầu vào thứ cấp (MU temperature), ω4 | GJ/h | NA | NA | NA | NA |
| Nhiệt độ nước sông (đa biến w/lưu lượng), ω5B | GJ/h | NA | NA | NA | NA |
| Các phụ tải tự dùng, ω6 | GJ/h | NA | NA | NA | NA |
| Bố trí cụ thể, ω7 | GJ/h | 0,77 | 19,74 | -21,64 | -0,86 |
| Các kết quả thí nghiệm |
|
|
|
|
|
| Nhiệt đầu ra lò hơi, nhiệt trị cao, đã hiệu chỉnh | GJ/h | 5.738,6 | 5.742,9 | 5.743,0 | 5.742,6 |
| Công suất điện phát lên lưới, đã hiệu chỉnh | kW | 689.230 | 686.229 | 685.905 | 686.254 |
| Hiệu suất lò hơi, đã hiệu chỉnh theo ASME PTC 4, nhiệt trị cao | % | 86,30 | 86,31 | 86,29 | 86,24 |
| Suất tiêu hao nhiệt phát lên lưới, nhiệt trị cao, đã hiệu chỉnh | kJ/kWh | 9.647,9 | 9.696,2 | 9.703,2 | 9.703,2 |
Một số hệ số hiệu chỉnh được liệt kê trong Công thức (35) trong Công thức trên được xác định là không đáng kể hoặc không áp dụng được cho lựa chọn mục tiêu thí nghiệm đã nêu.
Qmeas = QrO/ηfuel corrected
trong đó
Qcorr = hiệu chỉnh nhiệt đầu vào thiết bị
ηfuel corrected = hiệu suất năng lượng của nhiên liệu hiệu chỉnh của lò hơi được biểu thị dưới dạng số thập phân
Trong Công thức trên, QrO tương tự, nhưng không giống với sản lượng thí nghiệm của lò hơi (QrO) như được định nghĩa trong ASME PTC 4, bao gồm năng lượng xả hoặc các tổn thất khác, chia cho hiệu suất năng lượng nhiên liệu đã hiệu chỉnh được tính theo ASME PTC 4. QrO in giá trị này đại diện cho mức tiêu thụ năng lượng của nhiên liệu thí nghiệm được hiệu chỉnh theo nhiên liệu chuẩn và nhiệt độ môi trường chuẩn đối với lò hơi. Thuật ngữ QrO được sử dụng trong khác với ASME PTC 4 ở chỗ nó không thực hiện hiệu chỉnh đối với hiệu suất lò hơi bao gồm các thông số bên trong nhà máy không vượt qua đường bao thí nghiệm, chẳng hạn như hiệu suất của bộ hâm nước. Mẫu này sử dụng “mô hình hiệu suất lò hơi không tích hợp”, có nghĩa là phương pháp hiệu chỉnh của ASME PTC 4 phải được thực hiện.
Các tiêu chuẩn cơ bản để xác định hiệu suất nhiên liệu của lò hơi đã được hiệu chỉnh phải được xem xét trước khi thí nghiệm.
Phân tích nhiên liệu tham chiếu cơ sở được trình bày chi tiết trong Bảng E.5 Các hiệu chỉnh đối với kết quả thí nghiệm đo được (ngoại trừ hiệu suất lò hơi) được nêu trong Bảng E.9
Các thuật ngữ được mô tả trong Bảng 5.1.1 trong Phần 5. Đối với một ví dụ không tích hợp, các hiệu chỉnh omega là đối với đầu ra của lò hơi, không phải nhiệt đầu vào. Sử dụng các mối quan hệ và thuật ngữ được thảo luận ở trên, đầu ra đã hiệu chỉnh được xác định là
Pcorr = Pmeas + Δ1A,B,C + Δ2 + Δ4 + Δ5B + Δ6A,B,C + Δ7)
Suất tiêu hao nhiệt hiệu chỉnh cho mỗi lần tiến hành thí nghiệm được tính từ Công thức (35).

Dưới đây là kết quả đầu ra và suất tiêu hao nhiệt đã hiệu chỉnh của mỗi lần tiến hành thí nghiệm.
E.3.3 Trường hợp 1 các đường cong hiệu chỉnh
Hình E.1 đến E.8 cho thấy các đường cong hiệu chỉnh trường hợp 1 và những thay đổi trong nhiệt đầu vào.
E.3.4 Trường hợp 2 các đường cong hiệu chỉnh
Hình E.9 đến E.17 cho thấy các đường cong hiệu chỉnh trường hợp 2 và những thay đổi trong sản lượng thực và sản lượng lò hơi.
E.3.5 Các trường hợp thiết kế và tiến hành thí nghiệm
Hình E.18 và E.19 đến E.20 đến E.33 cho thấy các phương án thiết kế 1 và 2 và tiến hành thí nghiệm cho mỗi trường hợp.
y = -0,000897x + 44,850000
R2 = 1,000000

Hình E.1 - Thay đổi nhiệt đầu vào so với lưu lượng hơi quá trình
y = -0,03217x + 28,95929
R2 = 0,99944

Hình E. 2 - Thay đổi nhiệt đầu vào so với lưu lượng hơi quá trình

Hình E. 3 - Thay đổi nhiệt đầu vào so với hệ số công suất của máy phát
y = 0,864975x - 79,516336
R2 = 0,999989

Hình E. 4 - Thay đổi nhiệt đầu vào so với nhiệt độ môi trường
y = -0,616262x + 32,266102
R2 = 1,000000

Hình E. 5 - Thay đổi nhiệt đầu vào so với độ ẩm tương đối
y = -0,17435x2 + 15,66969x - 329,86828
R2 = 0,99689

Hình E. 6 - Thay đổi nhiệt đầu vào so với nhiệt độ nước sông
y = -0,010195x + 0,000011
R2 = 1,000000

Hình E. 7 - Thay đổi nhiệt đầu vào so với Phụ tải tự dùng
y = 10,194765x + 0,000000
R2 = 1,000000

Hình E. 8 - Thay đổi nhiệt đầu vào so với thay đổi đầu ra tinh
y = 4,456459×10-13x3 ‒ 6,635707×10-8x2 + 4,232247×10-2x - 2,02Q736×103
R2 = 9,989783x10-1

Hình E. 9 - Thay đổi đầu ra tinh so với lưu lượng hơi quá trình
y = 1,346726×10-3x2 ‒ 2,957411×100x + 1,610038×103
R2 = 9,716776×10-1

Hình E.10 - Thay đổi đầu ra tinh so với áp suất hơi quá trình
y = 6,44707×10-3x2 - 1,47365×101x + 8,04424×103
R2 = 9 78917×10-1

Hình E. 11 - Thay đổi đầu ra tinh so với nhiệt độ hơi quá trình

Hình E. 12 - Thay đổi đầu ra tinh so với hệ số công suất máy phát
y = 0,388x ‒ 23,278
R2 = 0,857

Hình E. 13 - Thay đổi đầu ra tinh so với nhiệt độ nước bổ sung
y = 17,604x2 ‒ 1598,817x + 34136,210
R2 = 0,992

Hình E. 14 - Thay đổi đầu ra tinh so với nhiệt độ nước sông
y = 118,497328x ‒ 315,524856
R2 = 0,999722

Hình E. 15 - Thay đổi đầu ra tinh so với thay đổi trong lưu lượng van tiết lưu
y = -0,000864x + 43,087460
R2 = 0,999943

Hình E. 16 - Thay đổi ở đầu ra lò hơi so với lưu lượng hơi quá trình
y = 0,8804869x - 0,7725927
R2 = 0,9999720

Hình E. 17 - Thay đổi ở đầu ra lò hơi so với thay đổi trong lưu lượng van tiết lưu

Hình E. 18 - Phương án thiết kế 1

Hình E. 19 - Thí nghiệm 1A

Hình E. 20 - Thí nghiệm 1B

Hình E. 21 - Thí nghiệm 1C

Hình E. 22 - Phương án thiết kế 2

Hình E. 23 - Thí nghiệm 2A

Hình E. 24 - Thí nghiệm 2B

Hình E. 25 - Thí nghiệm 2C
Phụ lục F
(tham khảo)
Tính toán độ không đảm bảo của mẫu:
Nhà máy chu trình kết hợp không có vòi đốt bổ sung
Giải nhiệt: Dàn ngưng làm mát bằng không khí trong đường bao thí nghiệm
Mục tiêu thí nghiệm: Xác định công suất điện tinh hiệu chỉnh và suất tiêu hao nhiệt tinh hiệu chỉnh từ tải cơ sở xác định của nhà máy (Công suất đỉnh)
F.1 Giới thiệu
Phụ lục này minh họa việc tính toán độ không đảm bảo sau thí nghiệm đối với công suất điện tinh đã hiệu chỉnh và suất tiêu hao nhiệt thực đã hiệu chỉnh đối với thí nghiệm hiệu suất nhiệt được thực hiện trên nhà máy chu trình kết hợp 600 MW 2×2×1 danh nghĩa. Việc tính toán độ không đảm bảo được thực hiện theo ASME PTC 19.1. Các tính toán mẫu về độ không đảm bảo đối với công suất điện tinh đã hiệu chỉnh và suất tiêu hao nhiệt tinh đã hiệu chỉnh được đưa ra. Các tính toán mẫu được cung cấp ở đây dựa trên cách bố trí nhà máy cụ thể, quy trình thí nghiệm, thiết bị thí nghiệm và dữ liệu thí nghiệm. Không áp dụng độ không đảm bảo của mẫu cho bất kỳ phép thử tính năng nào khác. Người sử dụng tiêu chuẩn này phải đánh giá độ không đảm bảo có tính đến mục tiêu thí nghiệm, phương pháp tính toán và các phương pháp đo cụ thể được sử dụng cho thí nghiệm cụ thể của họ. Các phép tính mẫu chỉ được đưa ra để chỉ ra phương pháp tính độ không đảm bảo cho ví dụ này. Ví dụ này, trong đó nó là một phân tích độ không đảm bảo sau thí nghiệm, sẽ sử dụng độ lệch chuẩn thực tế (thành phần độ không đảm bảo ngẫu nhiên) và hệ số độ nhạy dựa trên dữ liệu đã được thí nghiệm. Trong phân tích độ không đảm bảo trước đó, các đại lượng này phải được ước tính dựa trên kinh nghiệm kỹ thuật hoặc đánh giá.
F.2 Mô tả chu trình và xử lý đơn vị
Nhà máy được thí nghiệm là một nhà máy chu trình kết hợp 2×2×1 được cung cấp bởi hai tua bin khí công suất danh nghĩa 174 MW được trang bị đầu đốt NOx thấp khô và với không khí đầu vào được làm mát kiểu bay hơi. Các tua bin khí thải vào lò hơi thu hồi hai, ba cấp áp suất, các lò hơi thu hồi nhiệt có trích nước trung áp để cấp nhiệt cho lò gia nhiệt nhiên liệu khí. Hơi nước sinh ra trong lò hơi thu hồi nhiệt (HRSG) 3 cấp áp suất có tái nhiệt được cấp cho 1 tua bin ngưng hơi có công suất danh nghĩa 255 MW. Hơi ra từ tua bin hơi được đưa đến bình ngưng làm mát bằng không khí (ACC). Các HRSG không có đốt bổ sung.
Các điều kiện tham chiếu thí nghiệm dựa trên việc bố trí thiết bị lò hơi 3 cấp áp suất cố định được xác định bởi tải cơ sở của tua bin khí với hệ thống làm mát không khí đầu vào kiểu bay hơi. Thí nghiệm được tiến hành với các hệ thống làm mát bay hơi không hoạt động. Các bộ làm mát bay hơi đã được thí nghiệm riêng theo ASME PTC 51 và kết quả của thí nghiệm tại nhà máy đã được hiệu chỉnh cho bộ làm mát bay hơi thực tế theo Phụ lục I. Phụ lục này đã được viết để chứng minh trường hợp đặc biệt khi bộ làm mát bay hơi được đưa ra khỏi dịch vụ và không nhằm mục đích mâu thuẫn với mục 5.5.2 về khuyến nghị thí nghiệm với bộ làm mát bay hơi đang sử dụng. Tua bin hơi được đặt ở van điều khiển áp suất mở/trượt. Không có đường nhánh trên HRSG hoặc máy phát tua bin hơi nước (STG) và các quạt bình ngưng làm mát bằng không khí được đặt ở tốc độ tối đa. Việc xả và bổ sung đã bị cô lập.
F.3 Mô tả giới hạn thí nghiệm
Đường bao thí nghiệm bao gồm toàn bộ nhà máy, như được chỉ ra trên sơ đồ quy trình thể hiện trong Hình F.1. Không khí đi qua đường bao tại đầu vào của tua bin khí và đầu vào đến bình ngưng. Công suất điện tinh của nhà máy mỗi máy phát điện được xuất trên các đường dây riêng biệt. Tốc độ dòng nhiên liệu được đo tại lưu lượng kế kiểu tiết lưu nằm trong đường ống nhiên liệu của nhà máy gần điểm mà nhiên liệu đi qua đường bao thí nghiệm. Thành phần nhiên liệu và kết quả nhiệt trị dựa trên các mẫu lấy được lấy trong đường ống nhiên liệu của nhà máy, cũng gần điểm mà nhiên liệu đi qua đường bao thí nghiệm, ở phía hạ lưu của bộ phân tách/lọc ẩm của nhiên liệu nhà máy.
Các dòng năng lượng đi vào hệ thống bao gồm:
(1) không khí cho tua bin khí;
(2) không khí cho bình ngưng làm mát bằng không khí;
(3) nhiên liệu cho cả hai tua bin khí;
(4) dòng nước bổ sung.
(b) Các dòng năng lượng thoát ra khỏi hệ thống bao gồm:
(1) công suất điện tinh tua bin khí 1;
(2) công suất điện tỉnh tua bin khí 2;
(3) công suất điện tinh tua bin hơi;
(4) xả;
(5) khói thải từ HRSG;
(6) không khí từ bình ngưng làm mát bằng không khí.
Ngoài các dòng chảy qua đường bao, các ảnh hưởng bên ngoài đường bao ảnh hưởng đến các dòng chảy qua đường bao phải được giải quyết. Một ví dụ về điều này là hệ số công suất. Vì hệ số công suất thường được điều khiển bởi lưới điện và nằm ngoài sự kiểm soát của nhà máy, ảnh hưởng này phải được tính đến trong phân tích thông qua hiệu chỉnh.
F.4 Đo lường
Thí nghiệm được thực hiện bằng cách sử dụng sự kết hợp của trạm và thiết bị thí nghiệm tạm thời. Bảng F.4.1 cung cấp danh sách các phép đo được thực hiện và số lượng dụng cụ được sử dụng để xác định đo.
F.5 Điều kiện tham chiếu
Các tham số yêu cầu hiệu chỉnh và giá trị tham chiếu cơ sở của chúng được nêu trong Bảng F.5-1.
F.6 Điều kiện đo lường
Thí nghiệm hiệu suất của nhà máy bao gồm bốn lần tiến hành thí nghiệm trong 30 phút. Tổng kết của các giá trị trung bình cho các lần tiến hành thí nghiệm 1, 2, 3 và 4 được đưa ra trong các Bảng F.6.1, F.6.2, F.6.3 và F.6.4 tương ứng.
Thí nghiệm làm mát bay hơi bao gồm một lần tiến hành thí nghiệm 60 phút. Tóm tắt các giá trị trung bình cho thí nghiệm làm mát bay hơi được đưa ra trong Bảng F.65.
F.7 Các công thức căn bản và các hiệu chỉnh của ứng dụng
Đối với ví dụ này, các công thức tổng quát cho công suất điện tinh đã hiệu chỉnh và suất tiêu hao nhiệt thực đã hiệu chỉnh được đưa ra bởi


Hình F. 1 - Sơ đồ quy trình quy trình ngưng làm mát bằng không khí của nhà máy chu trình kết hợp

Vì nhà máy này là một chu trình kết hợp không có vòi đốt bổ sung, Phần 5 quy định rằng có thể sử dụng các hiệu chỉnh thay thế của ωi hoặc Δi, nhưng không thể áp dụng cả hai yếu tố. Đối với ví dụ này hiệu chỉnh cộng đối với công suất được chọn thay cho hiệu chỉnh đối với nhiệt đầu vào mặc dù nó có giá trị như nhau để thực hiện điều chỉnh sau. Vì vậy, đối với ví dụ này, các hiệu chỉnh thay thế cho nhiệt đầu vào không được sử dụng. Bảng F.7.1 và F.7.2 cung cấp tóm tắt về hệ số hiệu chỉnh cộng và hệ số hiệu chỉnh nhân tương ứng được áp dụng cho ví dụ này.
Bảng F. 1 - Các phép đo và thiết bị thí nghiệm hiệu suất
| Phép đo | Thiết bị sử dụng |
| Dữ liệu thời gian | |
| Thời gian cháy CTG 1 | Đồng hồ tua bin khí |
| Thời gian cháy CTG 2 | Đồng hồ tua bin khí |
| Dữ liệu điện | |
| CTG 1 xuất tinh (phía cao thế của máy biến áp) | Đồng hồ đo điện |
| hệ số công suất CTG 1 (phía cao thế của máy biến áp) | Đồng hồ đo điện |
| CTG 2 xuất tinh (phía cao thế của máy biến áp) | Đồng hồ đo điện |
| hệ số công suất CTG 2 (phía cao thế của máy biến áp) | Đồng hồ đo điện |
| STG xuất tinh (phía cao thế của máy biến áp) | Đồng hồ đo điện |
| hệ số công suất STG (phía cao thế của máy biến áp) | Đồng hồ đo điện |
| Đầu ra máy phát điện tua bin khí 1 | Đồng hồ trạm |
| Đầu ra máy phát điện tua bin khí 2 | Đồng hồ trạm |
| Đầu ra máy phát điện tua bin hơi | Đồng hồ trạm |
| Công suất phản kháng máy phát điện tua bin khí 1 | Đồng hồ trạm |
| Công suất phản kháng máy phát điện tua bin khí 2 | Đồng hồ trạm |
| Công suất phản kháng máy phát điện tua bin hơi | Đồng hồ trạm |
| Dữ liệu môi trường/đầu vào | |
| Nhiệt độ đầu vào máy nén CTG 1 | 4 nhiệt điện trở |
| Nhiệt độ đầu vào máy nén CTG 2 | 4 nhiệt điện trở |
| Nhiệt độ bầu khô môi trường xung quanh CTG 1 | 8 nhiệt điện trở @ bộ lọc |
| Nhiệt độ bầu khô môi trường xung quanh CTG 2 | 8 nhiệt điện trở @ bộ lọc |
| Độ ẩm tương đối môi trường xung quanh CTG 1 | 2 cảm biến đo độ ẩm tương đối |
| Độ ẩm tương đối môi trường xung quanh CTG 2 | 2 cảm biến đo độ ẩm tương đối |
| Áp suất khí quyển | 1 thiết bị đo tín hiệu đo áp suất |
| Nhiệt độ bầu khô đầu vào ACC | 12 nhiệt điện trở với ẩm kế |
| Dữ liệu lưu lượng nhiên liệu | |
| Áp suất cấp nhiên liệu (đầu vào máy nén khí) | 1 thiết bị đo tín hiệu đo áp suất |
| Độ chênh áp suất dòng nhiên liệu | 2 thiết bị đo tín hiệu đo áp suất |
| Áp suất dòng nhiên liệu | 1 thiết bị đo tín hiệu đo áp suất |
| Nhiệt độ dòng nhiên liệu | 1 nhiệt điện trở |
| Đường kính trong vòi đốt bổ sung dòng nhiên liệu | Phòng thí nghiệm đo lường |
| Đường kính dòng chảy phần tử nhiên liệu nhà máy | Phòng thí nghiệm đo lường |
| Dữ liệu phân tích nhiên liệu | |
| Metan (xCH4) | Phòng thí nghiệm phân tích sắc kí khí (Mẫu lấy 300cc) |
| Etan (xCH2) | Phòng thí nghiệm phân tích sắc kí khí (Mẫu lấy 300cc) |
| Propan (xCH3) | Phòng thí nghiệm phân tích sắc kí khí (Mẫu lấy 300cc) |
| Iso-Butan (xlCH4) | Phòng thí nghiệm phân tích sắc kí khí (Mẫu lấy 300cc) |
| N-Butan (xNCH4) | Phòng thí nghiệm phân tích sắc kí khí (Mẫu lấy 300cc) |
| Iso-Pentan (xlCH5) | Phòng thí nghiệm phân tích sắc kí khí (Mẫu lấy 300cc) |
| N-Pentan (xNCH5) | Phòng thí nghiệm phân tích sắc kí khí (Mẫu lấy 300cc) |
| N-Hexan (xCH6) | Phòng thí nghiệm phân tích sắc kí khí (Mẫu lấy 300cc) |
| N-Heptan (XCH7) | Phòng thí nghiệm phân tích sắc kí khí (Mẫu lấy 300cc) |
| N-Octan (xCH8) | Phòng thí nghiệm phân tích sắc kí khí (Mẫu lấy 300cc) |
| Nonan (xCH9) | Phòng thí nghiệm phân tích sắc kí khí (Mẫu lấy 300cc) |
| Decan (xCH10) | Phòng thí nghiệm phân tích sắc kí khí (Mẫu lấy 300cc) |
| Khí cacbonic (XCO2) | Phòng thí nghiệm phân tích sắc kí khí (Mẫu lấy 300cc) |
| Nitơ (xN2) | Phòng thí nghiệm phân tích sắc kí khí (Mẫu lấy 300cc) |
| Oxy (xO2) | Phòng thí nghiệm phân tích sắc kí khí (Mẫu láy 300cc) |
| Heli (xHe) | Phòng thí nghiệm phân tích sắc kí khí (Mẫu lấy 300cc) |
| Hydro (xH2) | Phòng thí nghiệm phân tích sắc kí khí (Mẫu lấy 300cc) |
| Cacbon monoxit (xCO) | Phòng thí nghiệm phân tích sắc kí khí (Mẫu lấy 300cc) |
| Hydro sunfua (xH2S) | Phòng thí nghiệm phân tích sắc kí khí (Mẫu lấy 300cc) |
| Nước (xH2O) | Phòng thí nghiệm phân tích sắc kí khí (Mẫu lấy 300cc) |
Bảng F. 2 - Các điều kiện tham chiếu hiệu suất
| Các điểm vận hành | Giá trị thí nghiệm | Đơn vị |
| Công suất điện phát lên lưới | 515.000 | kW |
| Suất tiêu hao nhiệt phát lên lưới (nhiệt trị thấp) | 6638,5 | kJ/kWh |
| Nhiệt độ bầu khô môi trường xung quanh | 14,4 | °C |
| Độ ẩm tương đối môi trường xung quanh | 53,0 | % |
| Đầu vào bộ làm mát bay hơi | Bật | ... |
| Nhiệt độ đầu vào máy nén | 10,3 | °C |
| Độ cao | 3,658 | m |
| Áp suất khí quyển | 1,012 | bara |
| Thời gian cháy CTG | < 200 | h |
| Hệ số công suất CTG | 0,85 | ... |
| Hệ số công suất STG | 0,85 | ... |
| Áp suất cấp nhiên liệu | 13,79 | barg |
| Nhiệt độ cấp nhiên liệu | 25,0 | °C |
| Ni tơ | 0,500 | % |
| Khí cacbonic | 0,800 | % |
| Metan | 95,032 | % |
| Etan | 2,500 | % |
| Propan | 0,800 | % |
| n-Butan | 0,102 | % |
| Iso-butan | 0,105 | % |
| n-Pentan | 0,030 | % |
| Iso-pentan | 0,045 | % |
| n-Hexan | 0,086 | % |
| Thể tích riêng | 1,38 | m3/kg |
| Nhiệt trị thấp của khói (LHV) | 48,339 | kJ/kg |
| Nhiệt trị cao của khói (HHV) | 53,609 | kJ/kg |
| Tỷ lệ nguyên tử H/C trong khói | 3,895 |
|
| GHI CHÚ CHUNG: (a) Quá trình cháy tua bin ở tải cơ sở như được xác định bởi đường cong kiểm soát nhiệt độ khói thải của nhà sản xuất. (b) Quá trình cháy tua bin ở tình trạng mới và sạch theo quy định của nhà sản xuất (< 2060 giờ đốt). | ||
Bảng F. 3 - Kiểm tra hiệu suất các điều kiện đã đo 1
| Thông số vận hành | Giá trị | Đơn vị |
| Số giờ CTG hoạt động trung bình | 353,9 | h |
| Công suất phát CTG 1 | 158.750 | kW |
| Công suất phát CTG 2 | 163.458 | kW |
| Công suất phát của STG | 173.850 | kW |
| Đầu ra máy phát CTG 1 | 167,68 | MW |
| Đầu ra máy phát CTG 2 | 168,40 | MW |
| Đầu ra máy phát STG | 174,04 | MW |
| Công suất phản kháng máy phát CTG 1 | 28,09 | MVar |
| Công suất phản kháng máy phát CTG 2 | 27,25 | MVar |
| Công suất phản kháng máy phát STG | 18,47 | MVar |
| Trạng thái làm mát bay hơi đầu vào | Tắt | ... |
| Nhiệt độ không khí khô | 16,7 | °C |
| Độ ẩm tương đối | 77,0 | % |
| Áp suất khí quyển | 0,9975 | bara |
| Nhiệt độ không khí khô đầu vào | 17 | °C |
| Áp suất cho cung cấp nhiên liệu | 16,53 | barg |
| Độ chênh áp dòng cấp nhiên liệu DP | 542,1 | cm H2O |
| Áp suất dòng nhiên liệu | 17,64 | bara |
| Nhiệt độ dòng nhiêu liệu | 16,76 | °C |
| Ni tơ | 0,737 | % |
| Khí cacbonic | 0,687 | % |
| Oxy | 0,010 | % |
| Heli | 0,020 | % |
| Hydro | 0,000 | % |
| Metan | 96,093 | % |
| Etan | 1,967 | % |
| Pro pan | 0,303 | % |
| n-Butan | 0,057 | % |
| Iso-butan | 0,077 | % |
| n-Pentan | 0,017 | % |
| Iso-pentan | 0,030 | % |
| n-Hexan | 0,003 | % |
Bảng F. 4 - Kiểm tra hiệu suất các điều kiện đã đo 2
| Thông số vận hành | Giá trị | Đơn vị |
| Số giờ CTG hoạt động trung bình | 354,4 | h |
| Công suất phát CTG 1 | 159.563 | kW |
| Công suất phát CTG 2 | 164.210 | kW |
| Công suất phát của STG | 174.300 | kW |
| Đầu ra máy phát CTG 1 | 167,92 | MW |
| Đầu ra máy phát CTG 2 | 168,60 | MW |
| Đầu ra máy phát STG | 174,54 | MW |
| Công suất phản kháng máy phát CTG 1 | 31,15 | MVar |
| Công suất phản kháng máy phát CTG 2 | 30,25 | MVar |
| Công suất phản kháng máy phát STG | 14,01 | MVar |
| Trạng thái làm mát bay hơi đầu vào | Tắt | ... |
| Nhiệt độ không khí khô | 16,8 | °C |
| Độ ẩm tương đối | 77,0 | % |
| Áp suất khí quyển | 0,9984 | ba ra |
| Nhiệt độ không khí khô đầu vào | 17,1 | °C |
| Áp suất cho cung cấp nhiên liệu | 16,51 | barg |
| Độ chênh áp dòng cấp nhiên liệu DP | 545,4 | cm H2O |
| Áp suất dòng nhiên liệu | 17,608 | bara |
| Nhiệt độ dòng nhiêu liệu | 16,6 | °C |
| Ni tơ | 0,753 | % |
| Khí cacbonic | 0,693 | % |
| Oxy | 0,010 | % |
| Heli | 0,020 | % |
| Hydro | 0,000 | % |
| Metan | 96,067 | % |
| Etan | 1,970 | % |
| Propan | 0,327 | % |
| n-Butan | 0,067 | % |
| Iso-butan | 0,057 | % |
| n-Pentan | 0,010 | % |
| Iso-pentan | 0,017 | % |
| n-Hexan | 0,010 | % |
Bảng F. 5 - Kiểm tra hiệu suất các điều kiện đã đo 3
| Thông số vận hành | Giá trị | Đơn vị |
| Số giờ CTG hoạt động trung bình | 354,9 | h |
| Công suất phát CTG 1 | 158.940 | kW |
| Công suất phát CTG 2 | 163.300 | kW |
| Công suất phát của STG | 174.190 | kW |
| Đầu ra máy phát CTG 1 | 167,28 | MW |
| Đầu ra máy phát CTG 2 | 168,14 | MW |
| Đầu ra máy phát STG | 173,92 | MW |
| Công suất phản kháng máy phát CTG 1 | 32,53 | MVar |
| Công suất phản kháng máy phát CTG 2 | 31,72 | MVar |
| Công suất phản kháng máy phát STG | 16,10 | MVar |
| Trạng thái làm mát bay hơi đầu vào | Tắt | ... |
| Nhiệt độ không khí khô | 17,4 | °C |
| Độ ẩm tương đối | 77,1 | % |
| Áp suất khí quyển | 0,9985 | ba ra |
| Nhiệt độ không khí khô đầu vào | 18,1 | °C |
| Áp suất cho cung cấp nhiên liệu | 16,50 | barg |
| Độ chênh áp dòng cấp nhiên liệu DP | 542,3 | cm H2O |
| Áp suất dòng nhiên liệu | 17,60 | bara |
| Nhiệt độ dòng nhiêu liệu | 16,5 | °C |
| Ni tơ | 0,747 | % |
| Khí cacbonic | 0,690 | % |
| Oxy | 0,010 | % |
| Heli | 0,020 | % |
| Hydro | 0,003 | % |
| Metan | 96,050 | % |
| Etan | 1,980 | % |
| Propan | 0,330 | % |
| n-Butan | 0,073 | % |
| Iso-butan | 0,060 | % |
| n-Pentan | 0,010 | % |
| Iso-pentan | 0,017 | % |
| n-Hexan | 0,010 | % |
Bảng F. 6 - Kiểm tra hiệu suất các điều kiện đã đo 4
| Thông số vận hành | Giá trị | Đơn vị |
| Số giờ CTG hoạt động trung bình | 355,4 | h |
| Công suất phát CTG 1 | 158.500 | kW |
| Công suất phát CTG 2 | 163.298 | kW |
| Công suất phát của STG | 174.100 | kW |
| Đầu ra máy phát CTG 1 | 167,08 | MW |
| Đầu ra máy phát CTG 2 | 167,78 | MW |
| Đầu ra máy phát STG | 174,18 | MW |
| Công suất phản kháng máy phát CTG 1 | 36,21 | MVar |
| Công suất phản kháng máy phát CTG 2 | 35,49 | MVar |
| Công suất phản kháng máy phát STG | 23,57 | MVar |
| Trạng thái làm mát bay hơi đầu vào | Tắt | ... |
| Nhiệt độ không khí khô | 17,7 | °C |
| Độ ẩm tương đối | 77,1 | % |
| Áp suất khí quyển | 0,9990 | bara |
| Nhiệt độ không khí khô đầu vào | 18,5 | °C |
| Áp suất cho cung cấp nhiên liệu | 16,479 | barg |
| Độ chênh áp dòng cấp nhiên liệu DP | 541,6 | cm H2O |
| Áp suất dòng nhiên liệu | 17,581 | bara |
| Nhiệt độ dòng nhiêu liệu | 16,5 | °C |
| Ni tơ | 0,747 | % |
| Khí cacbonic | 0,683 | % |
| Oxy | 0,007 | % |
| Heli | 0,020 | % |
| Hydro | 0,007 | % |
| Metan | 96,053 | % |
| Etan | 1,980 | % |
| Propan | 0,323 | % |
| n-Butan | 0,070 | % |
| Iso-butan | 0,067 | % |
| n-Pentan | 0,013 | % |
| Iso-pentan | 0,020 | % |
| n-Hexan | 0,010 | % |
Bảng F. 7 - Trung bình thí nghiệm của bộ làm mát bay hơi
| Thông số vận hành | Giá trị | Đơn vị |
| Nhiệt độ không khí khô CTG 1 | 21,4 | °C |
| Độ ẩm tương đối CTG 1 | 55,0 | % |
| Nhiệt độ không khí ẩm CTG 1 | 15,6 | °C |
| Nhiệt độ đầu vào máy nén CTG 1 | 16,0 | °C |
| Chế độ của bộ làm mát kiểu bay hơi đầu vào CTG 1 | Bật | ... |
| Áp suất khí quyển CTG 1 | 1,0105 | bara |
| Hiệu suất | 93,2 | % |
| Bộ làm mát kiểu bay hơi CTG 2 (Hiệu suất thiết kế = 85%) | ||
| Nhiệt độ không khí khô CTG 2 | 21,1 | °C |
| Độ ẩm tương đối CTG 2 | 55,0 | % |
| Nhiệt độ không khí ẩm CTG 2 | 15,3 | °C |
| Nhiệt độ đầu vào máy nén CTG 2 | 15,7 | °C |
| Chế độ của bộ làm mát kiểu bay hơi đầu vào CTG 2 | Bật | ... |
| Áp suất khí quyển CTG 2 | 1,0105 | ba ra |
| Hiệu suất | 93,7 | % |
Bảng F. 8 - Tóm tắt các hệ số hiệu chỉnh bổ sung
| Điều chỉnh bổ sung cho nguồn | Trạng thái (Có/Không) | Điều chỉnh | Nhận xét |
| Δ1 | Không | Dòng nhiệt | Không có dòng nhiệt trong thí nghiệm này. Như vậy, Δ1 = 0 |
| Δ2 | Có | Hệ số công suất | Δ2 = Hiệu chỉnh phụ cho Hệ số công suất tại mỗi điểm nối của máy phát = Δ2a + Δ2b + Δ2c Với Δ2a = Hiệu chỉnh hệ số công suất cho máy phát tua bin khí 1 Δ2b = Hiệu chỉnh hệ số công suất cho máy phát tua bin khí 2 Δ2c = Hiệu chỉnh Hệ số Công suất cho máy phát tua bin hơi |
| Δ3 | Không | Xả lò hơi không theo thiết kế | BD được tách để tốc độ dòng chảy thực tế khớp với tốc độ dòng BD thiết kế. Như vậy, Δ3 = 0. |
| Δ4 | Không | Nhiệt đầu vào thứ cấp | Nhà máy không có hệ thống hồi nước ngưng và nước bổ sung được tách riêng. Như vậy, Δ4 = 0 |
| Δ5A | Có | Điều kiện không khí đầu vào, tháp giải nhiệt hoặc đầu vào của bộ trao đổi nhiệt được làm mát bằng không khí | Điều kiện không khí đầu vào tua bin khí và bình ngưng làm mát bằng không khí được theo dõi trong quá trình thí nghiệm. |
| Δ5B | Không | Nhiệt độ nước tuần hoàn khác với thiết kế | Nhà máy được trang bị một bình ngưng làm mát bằng không khí, vì vậy nhà máy không có hệ thống nước tuần hoàn. Do đó, Δ5B = 0. |
| Δ5C | Không | Áp suất bình ngưng | Toàn bộ hệ thống loại bỏ nhiệt nằm bên trong giới hạn thí nghiệm. Như vậy, Δ5C = 0. |
| Δ6 | Có | Phụ tải tự dùng, nhiệt và điện | Hai thành phần chính của điều chỉnh này như sau: |
| (1) quạt ACC hoạt động khác với thiết kế (2) tải khí nén khác với thiết kế. | |||
| a7 | Không | Công suất đo được khác với tiêu chuẩn nếu mục tiêu thí nghiệm là hoạt động ở công suất được khai thác hoặc bố trí hơi khác so với yêu cầu thí nghiệm | Mục tiêu của thí nghiệm không được xác định. Như vậy, Δ7 = 0. |
F.8 đường cong hiệu chỉnh và công thức đa thức
Đối với ví dụ này, một loạt các cân bằng nhiệt đã được tiến hành với chương trình cân bằng nhiệt để xác định các hiệu chỉnh kiểm tra hiệu suất. Các hiệu chỉnh này được trình bày dưới dạng đường cong được vẽ trong Hình F.2 và F.3 đến F.4 và F.13. Bảng F.9 và F.10 cung cấp tóm tắt các hệ số đa thức bậc ba cho mỗi lần hiệu chỉnh.
Các đường cong hiệu chỉnh từ α1 đến α6 và f1 đến f6 được tạo ra khi bộ làm mát bay hơi không hoạt động. Các hệ số hiệu chỉnh bổ sung (α7a và f7a) đã được áp dụng để tính đến trạng thái hoạt động của bộ làm mát bay hơi hiệu quả 85%.
Các hiệu chỉnh nhân sau đây đã được áp dụng để giải thích cho việc bộ làm mát bay hơi không hoạt động trong quá trình thí nghiệm:
(a) Hệ số hiệu chỉnh nhân đối với đầu ra
α7a = 1,01506
(b) Hệ số hiệu chỉnh nhân đối với suất tiêu hao nhiệt
f7a = 1,00027
Các hiệu chỉnh bổ sung cho công suất điện (α7b) và suất tiêu hao nhiệt (f7b) đã được áp dụng trong ví dụ này để hiệu chỉnh cho hiệu suất thực tế của bộ làm mát bay hơi được xác định bằng thí nghiệm bộ làm mát bay hơi riêng biệt.
Bảng F. 9 - Tóm tắt các hệ số hiệu chỉnh nhân
| Hiệu chỉnh phần tử công suất | Điều chỉnh phần tử công suất nhiệt | Trạng thái (Có/Không) | Điều chỉnh | Nhận xét |
| α1 | f1 | Có | Hiệu chỉnh nhiệt độ đầu vào | Được đo tại đầu vào tua bin khí và xung quanh đầu vào của bình ngưng được làm mát bằng không khí. |
| α2 | f2 | Có | Hiệu chỉnh áp suất không khí đầu vào | Được đo tại tâm của tua bin khí. |
| α3 | f3 | Có | Độ ẩm không khí đầu vào | Được đo tại đầu vào của tua bin khí. |
| α4 | f4 | Có | Điều chỉnh nhiệt độ cấp nhiên liệu | Nhiệt độ cấp nhiên liệu gần như thiết kế và được coi là không đáng kể. Do đó, α4 = f4 = 1. |
| α5 | f5 | Có | Điều chỉnh do thành phần nhiên liệu khác với thiết kế | Đo tại giới hạn làm việc của nhà máy. |
| α6 | f6 | Không | Tần số lưới | Điều này không được đánh giá trong phần này. f6 = 1. |
| α7a | f7a | Có | Hoạt động của bộ làm mát | Hiệu chỉnh này dùng để điều chỉnh cơ sở thiết kế của bộ làm mát kiểu bay hơi đang hoạt động với hiệu suất 85% khi thí nghiệm so với khi không hoạt động. |
| α7b | f7b | Có | Hoạt động của bộ làm mát | Hiệu chỉnh này dùng để điều chỉnh theo hiệu suất thực tế của bộ làm mát kiểu bay hơi. |
F.9 Tính toán mẫu và kết quả thí nghiệm đã sửa chữa
Bảng F.10 và F.11 cung cấp tóm tắt các thông số đo thí nghiệm trung bình, tóm tắt các hiệu chỉnh được áp dụng và kết quả là công suất tinh đã hiệu chỉnh và suất tiêu hao nhiệt thực đã hiệu chỉnh cho tất cả bốn thí nghiệm.
F.10 Tiếp cận phân tích độ không đảm bảo
Phân tích độ không đảm bảo được trình bày ở đây được phân loại độ không đảm bảo trong đo lường là độ không đảm bảo do sai số ngẫu nhiên hoặc độ không đảm bảo do sai số hệ thống. Độ không đảm bảo do sai số hệ thống được chia thành độ không đảm bảo do hệ thống thiết bị và độ không đảm bảo do hệ thống không gian. Mối tương quan giữa các thiết bị đo hoặc các nguồn có các yếu tố độ không đảm bảo của thiết bị đo phải được tính đến trong độ không đảm bảo của hệ thống của thiết bị. Độ không đảm bảo hệ thống không gian của phép đo phải được tính đến khi tham số được đo thay đổi trong không gian.
Các mục từ F.12 đến F.17 xác định và phân loại các nguồn độ không đảm bảo do hệ thống của thiết bị đo cho từng phương tiện đo đã ghi lại dữ liệu được sử dụng trong tính toán kết quả thí nghiệm. Theo F.21 minh họa việc tính toán độ không đảm bảo do hệ thống theo không gian. Theo F.24 mô tả việc xác định độ không đảm bảo do ngẫu nhiên. Độ không đảm bảo do hệ thống tương quan được thảo luận trong F.26.
Các độ không đảm bảo này sau đó được truyền đi qua quá trình phân tích và giảm dữ liệu để xác định độ không đảm bảo liên quan đến công suất điện tinh đã hiệu chỉnh và suất tiêu hao nhiệt tinh đã hiệu chỉnh. Tất cả lượng không đảm bảo được trình bày ở đây có độ tin cậy 95%. ASME PTC 19.1 đã đưa ra khái niệm về độ không đảm bảo tiêu chuẩn và độ không đảm bảo mở rộng, trong đó độ không đảm bảo tiêu chuẩn là độ không đảm bảo được nêu trên một độ lệch tiêu chuẩn duy nhất của cơ sở trung bình và độ không đảm bảo mở rộng dựa trên cơ sở tin cậy 95%. Ví dụ này bỏ qua bước kết hợp độ không đảm bảo thành phần trên cơ sở tiêu chuẩn và sau đó chuyển sang cơ sở 95% bằng cách trình bày tất cả độ không đảm bảo của thành phần trên cơ sở tin cậy 95%.
F.11 Công thức và điều khoản chung về phân tích độ không đảm bảo
Các Công thức và thuật ngữ tổng quát sau đây được sử dụng trong ví dụ này.
![]()
| Binst = | độ không đảm bảo hệ thống của thiết bị đo. Giá trị của số hạng này bằng căn bậc hai của các nguồn không đảm bảo của hệ thống thành phần cho thiết bị. |
| Bspatial = | độ không đảm bảo hệ thống theo không gian. Giá trị của thuật ngữ này được tính toán từ dữ liệu thí nghiệm thực tế cho những phép đo thường biểu hiện sự thay đổi trong không gian. |
| U95,SYS = | độ không đảm bảo hệ thống tổng thể của phép đo ở độ tin cậy 95%. Giá trị của số hạng này bằng căn bậc hai của Binst và Bspatial. |

Hình F. 2 - Hiệu chỉnh về công suất cho hệ số công suất của máy phát tua bin khí

Hình F. 3 - Hiệu chỉnh về công suất cho hệ số công suất của máy phát tua bin hơi

Hình F. 4 - Hiệu chỉnh về công suất cho nhiệt độ bầu khô đầu vào ACC

Hình F. 5 - Hiệu chỉnh về công suất cho nhiệt độ bầu khô môi trường

Hình F. 6 - Hiệu chỉnh về suất tiêu hao nhiệt cho nhiệt độ bầu khô môi trường

Hình F. 7 - Hiệu chỉnh về công suất cho áp suất khí quyển

Hình F. 8 - Hiệu chỉnh về suất tiêu hao nhiệt cho áp suất khí quyển

Hình F. 9 - Hiệu chỉnh công suất cho độ ẩm tương đối môi trường

Hình F. 10 - Hiệu chỉnh suất tiêu hao nhiệt cho độ ẩm tương đối môi trường

Hình F. 11 - Hiệu chỉnh về công suất cho thành phần nhiên liệu

Hình F. 12 - Hiệu chỉnh về suất tiêu hao nhiệt cho thành phần nhiên liệu

Hình F. 13 - Hiệu chỉnh về công suất và suất tiêu hao nhiệt cho hiệu suất thiết bị làm mát bay hơi
Bảng F.10 - Tóm tắt hệ số đường cong hiệu chỉnh
| Đường cong hiệu chỉnh | α0 | α1 | α2 | α3 |
| Các hệ số hiệu chỉnh |
|
|
|
|
| ∆2, Tổn thất máy phát CTG (PF = 1,00) | 6,65x105 | 1,80x102 | 1,80x101 | 0.000x100 |
| ∆2, Tổn thất máy phát CTG (PF = 0,95) | 6,83x105 | 2,90x102 | 2,10x101 | 0.000x100 |
| ∆2, Tổn thất máy phát CTG (PF = 0,90) | 6,90x105 | 4,00x102 | 2.40X101 | 0.000x100 |
| ∆2, Tổn thất máy phát CTG (PF = 0,85) | 7,05x105 | 3,20x102 | 2,80x101 | 0.000x100 |
| ∆2, Tổn thất máy phát CTG (PF = 1,00) | 3,14x106 | 2,25x102 | 8,65x100 | 0.000x100 |
| ∆2, Tổn thất máy phát CTG (PF = 0,95) | 3,17x106 | 2,01x102 | 1,05x101 | 0.000x100 |
| ∆2, Tổn thất máy phát CTG (PF = 0,90) | 3,13x106 | 6,74x102 | 1,10x101 | 0.000x100 |
| ∆2, Tổn thất máy phát CTG (PF = 0,85) | 3,29x106 | -4,13x102 | 1.48X101 | 0.000x100 |
| ∆5a, Chênh lệch giữa nhiệt độ đầu vào ACC và CTG (Tdb = 4,44 °C) | -1,11x103 | 5,95x105 | 6,02x103 | 2,42x103 |
| ∆5a, Chênh lệch giữa nhiệt độ đầu vào ACC và CTG (Tdb = 14,44 °C) | -2,92x104 | 2,43x105 | 2,67x103 | 1,19x103 |
| ∆5a, Chênh lệch giữa nhiệt độ đầu vào ACC và CTG (Tdb = 21,11 °C) | -6,62x101 | 3,80x105 | 2,01x104 | 9,52x102 |
| ∆5a, Chênh lệch giữa nhiệt độ đầu vào ACC và CTG (Tdb = 32,22 °C) | -3,00x104 | 8,66x105 | 1,25x104 | -8,75x102 |
| Hệ số hiệu chỉnh đối với công suất |
|
|
|
|
| α1, nhiệt độ không khí khô xung quanh | 9,47x102 | 3,40x100 | -4,56x10-03 | 2,10x10-03 |
| α2, áp suất môi trường xung quanh | 2,77x103 | 2,04x103 | -1,42x102 | 4,22x102 |
| α3, độ ẩm tương đối (Tdb = -1,11 °C) | 1,00x103 | 5,57x10-01 | -3,72x100 | 2,05x100 |
| α3, độ ẩm tương đối (Tdb = 14,44 °C) | 1,00x103 | -5,97x100 | 5,94x100 | -2,65x100 |
| α3, độ ẩm tương đối (Tdb = 21,11 °C) | 1,00x103 | -5,60x10-02 | 5,45x10-01 | 1,41x10-01 |
| α3, độ ẩm tương đối (Tdb = 35 °C) | 9,97x102 | 6,86x100 | -1,90x100 | 1,54x100 |
| α5, nhiên liệu phân tích khác với thiết kế (H/C = 3,80) | 9,84x102 | 3,48x10-04 | 0.000x100 | 0.000x100 |
| α5, nhiên liệu phân tích khác với thiết kế (H/C = 3,89) | 9,83x102 | 3,47x10-04 | 0,000x100 | 0,000x100 |
| α5, nhiên liệu phân tích khác với thiết kế (H/C = 4,00) | 9,82x102 | 3,57x10-04 | 0,000x100 | 0,000x100 |
| α6, tần số lưới (phía ngoài) | 1,00x103 | 0,000x100 | 0,000x100 | 0,000x100 |
| α7a, hoạt động của bộ làm mát bay hơi | 1,02x103 | 0,000x100 | 0,000x100 | 0,000x100 |
| α7b, hiệu suất làm mát | 1,00x104 | 0,000x100 | 0,000x100 | 0,000x100 |
| Hệ số hiệu chỉnh đối với công suất nhiệt | 2,42x103 | 4,23x103 | 4,19x103 | 1,38x103 |
| f1, nhiệt độ không khí khô xung quanh | 1,00x103 | 4,66x10-01 | -1,37x100 | 6,27x10-01 |
| f2, áp suất môi trường xung quanh | 1,00x103 | -6,70x10-01 | -1,03x100 | 5,53x10-01 |
| f3, độ ẩm tương đối (Tdb = -1,11 °C) | 1,00x103 | -5,60x100 | 3,63x100 | -1,80x100 |
| f3, độ ẩm tương đối (Tdb = 14,44 °C) | 1,00x103 | -9,23x100 | 3,82x100 | -1,84x100 |
| f3, độ ẩm tương đối (Tdb = 21,11 °C) | 1,00x103 | -7,03x10-05 | 0,000x100 | 0,000x100 |
| f3, độ ẩm tương đối (Tdb = 35 °C) | 1,00x103 | -6,96x10-05 | 0,000x100 | 0,000x100 |
| f5, nhiên liệu phân tích khác với thiết kế (H/C = 3,80) | 1,00x103 | -7,88x10-05 | 0,000x100 | 0,000x100 |
| f5, nhiên liệu phân tích khác với thiết kế (H/C = 3,89) | 1,00x103 | 0,000x100 | 0,000x100 | 0,000x100 |
| f5, nhiên liệu phân tích khác với thiết kế (H/C = 4,00) | 1,00x104 | 0,000x100 | 0,000x100 | 0,000x100 |
| f6, tần số lưới (phía ngoài) | 1,00x104 | 0,000x100 | 0,000x100 | 0,000x100 |
| f7a, hoạt động của bộ làm mát kiểu bay hơi | 1,00x103 | -2,51x10-03 | 2,13x10-07 | 0,000x100 |
| f7b, hiệu suất làm mát | 6,65x105 | 1,80x102 | 1,80x101 | 0,000x100 |
Bảng F. 11 - Tóm tắt các thông số đo lường, hiệu chỉnh và kết quả
| Quá trình | Đơn vị | Thí nghiệm 1 | Thí nghiệm 2 | Thí nghiệm 3 | Thí nghiệm 4 |
| Đầu vào |
|
|
|
|
|
| Trạng thái làm việc của bộ làm mát (Y/N) | Y/N | N | N | N | N |
| Số giờ đốt CTG 1 | h | 350,6 | 351,1 | 351,6 | 352,1 |
| Số giờ đốt CTG 2 | h | 357,2 | 357,7 | 358,2 | 358,7 |
| Số giờ đốt trung bình | h | 353,9 | 354,4 | 354,9 | 355,4 |
| Công suất phát CTG1 | kW | 158.750 | 159.563 | 158.940 | 158.500 |
| Công suất phát CTG2 | kW | 163.458 | 164.210 | 163.300 | 163.298 |
| Công suất phát STG | kW | 173.850 | 174.300 | 174.190 | 174.100 |
| Áp suất cho cung cấp nhiên liệu | barg | 16,532 | 16,505 | 16,500 | 16,479 |
| Lưu lượng nhiên liệu cung cấp | kg/h | 67.865 | 68.018 | 67.831 | 67.767 |
| Nhiệt trị thấp nhiên liệu, LHV | kJ/kg | 48.356 | 48.335 | 48.343 | 48.354 |
| Tỷ lệ nguyên tử H/C trong nhiên liệu | … | 3,938 | 3,938 | 3,937 | 3,937 |
| Nhiệt độ không khí khô xung quanh CTG | °C | 16,7 | 16,8 | 17,4 | 17,7 |
| Áp suất khí quyển | ba ra | 0,9975 | 0,9984 | 0,9985 | 0,9990 |
| Độ ẩm tương đối xung quanh | % | 77,0 | 77,0 | 77,1 | 77,1 |
| Nhiệt độ không khí khô vào ACC | °C | 17,0 | 17,1 | 18,1 | 18,5 |
| Đầu ra máy phát tua bin khí 1 | MW | 167.678 | 167.923 | 167.285 | 167.080 |
| Công suất phản kháng máy phát tua bin khí 1 | … | 28.085 | 31.146 | 32.526 | 36.211 |
| Đầu ra máy phát tua bin khí 2 | MW | 168.397 | 168.604 | 168.143 | 167.780 |
| Công suất phản kháng máy phát tua bin khí 2 | … | 27.251 | 30.252 | 31.721 | 35.491 |
| Đầu ra máy phát tua bin hơi | MW | 174.037 | 174.539 | 173.920 | 174.180 |
| Công suất phản kháng máy phát tua bin hơi | … | 18.465 | 14.012 | 16.102 | 23.566 |
| Phụ tải tự dùng sai lệch so với thiết kế | kW | -192,1 | -200,1 | -205,3 | -212,5 |
| Giá trị tính toán |
|
|
|
|
|
| Pmeas, công suất điện đo được của nhà máy | kW | 496.058 | 498.073 | 496.43 | 495.898 |
| Hệ số công suất máy phát CTG 1 | … | 0,986 | 0,983 | 0,982 | 0,977 |
| Hệ số công suất máy phát CTG 2 | … | 0,987 | 0,984 | 0,983 | 0,978 |
| Hệ số công suất máy phát STG | … | 0,994 | 0,997 | 0,996 | 0,991 |
| Nhiệt độ không khí khô vào ACC - Nhiệt độ không khí khô CTG | °C | 0,39 | 0,34 | 0,69 | 0,82 |
| Tổng lưu lượng nhiên liệu của nhà máy | kg/h | 67.865 | 68.018 | 67.831 | 67.767 |
| Qmeas, Nhiệt đầu vào nhà máy | GJ/h | 3.281,7 | 3.287,6 | 3.279,2 | 3.276,8 |
| Lưu lượng nhiệt nhà máy thực đo được | kJ/kWh | 6.615,5 | 6.600,7 | 6.605,5 | 6.607,8 |
| Các hệ số hiệu chỉnh phụ |
|
|
|
|
|
| ∆1, dòng nhiệt | kW | 0,0 | 0,0 | 0,0 | 0,0 |
| ∆2a, hiệu chỉnh hệ số công suất CTG 1 | kW | -311,6 | -305,1 | -299,3 | -288,3 |
| ∆2b, hiệu chỉnh hệ số công suất CTG 2 | kW | -316,1 | -309,8 | -304,4 | -292,9 |
| ∆2c, hiệu chỉnh hệ số công suất STG | kW | -216,1 | -220,6 | -218,0 | -210,7 |
| ∆3, xả HP, HRSG HP | kW | 0,0 | 0,0 | 0,0 | 0,0 |
| ∆3, xả IP, HRSG IP | kW | 0,0 | 0,0 | 0,0 | 0,0 |
| ∆4, nhiệt đầu vào thứ cấp | kW | 0,0 | 0,0 | 0,0 | 0,0 |
| ∆5a, Chênh lệch giữa nhiệt độ đầu vào ACC và CTG | kW | 278,5 | 264,4 | 388,2 | 438,1 |
| ∆6, Phụ tải tự dùng khác với điều kiện thiết kế | kW | -192,1 | -200,1 | -205,3 | -212,5 |
| ∆7, công suất đo được khác tiêu chuẩn | kW | 0,0 | 0,0 | 0,0 | 0,0 |
| Tổng | kW | -757,3 | -771,2 | -638,9 | -566,4 |
| Đầu vào | |||||
| Hệ số hiệu chỉnh đa nhân đối với công suất | |||||
| α1, nhiệt độ không khí khô xung quanh | … | 1,0105 | 1,0111 | 1,0144 | 1,0158 |
| α2, áp suất khí quyển | … | 1,0153 | 1,0143 | 1,0142 | 1,0137 |
| α3, độ ẩm tương đối xung quanh | … | 0,9998 | 0,9998 | 0,9999 | 0,9999 |
| α4, nhiệt độ nhiên liệu | … | 1,0000 | 1,0000 | 1,0000 | 1,0000 |
| α5, nhiên liệu phân tích khác với thiết kế | … | 0,9996 | 0,9996 | 0,9996 | 0,9996 |
| α6, tần số lưới (bên ngoài) | … | 1,0000 | 1,0000 | 1,0000 | 1,0000 |
| α7a, hoạt động của bộ làm mát | … | 1,01506 | 1,01506 | 1,01506 | 1,01506 |
| α7b, hiệu suất làm mát khác với thiết kế | … | 1,00167 | 1,00167 | 1,00167 | 1,00167 |
| Sản phẩm của α’s | … | 1,0426 | 1,0422 | 1,0445 | 1,0465 |
| Hệ số hiệu chỉnh đa nhân đối với suất tiêu hao nhiệt | |||||
| f1, nhiệt độ không khí khô xung quanh | … | 0,9986 | 0,9985 | 0,9981 | 0,9979 |
| f2, áp suất khí quyển | … | 0,9997 | 0,9997 | 0,9997 | 0,9997 |
| f3, độ ẩm tương đối xung quanh | … | 0,9995 | 0,9995 | 0,9995 | 0,9994 |
| f4, nhiệt độ nhiên liệu | … | 1,0000 | 1,0000 | 1,0000 | 1,0000 |
| f5, nhiên liệu phân tích khác với thiết kế | … | 1,0001 | 1,0001 | 1,0001 | 1,0001 |
| f6, tần số lưới (bên ngoài) | … | 1,0000 | 1,0000 | 1,0000 | 1,0000 |
| f7a, hoạt động của bộ làm mát | … | 1,00027 | 1,00027 | 1,00027 | 1,00027 |
| f7b, hiệu suất làm mát khác với thiết kế | … | 0,99975 | 0,99975 | 0,99975 | 0,99975 |
| Sản phẩm của f’s | … | 0,9980 | 0,9979 | 0,9974 | 0,9972 |
| Tính toán công suất phát lên lưới | |||||
| Công suất điện tinh hiệu chỉnh Pcorr | kW | 516.382 | 518.278 | 518.365 | 518.350 |
| Tính toán suất tiêu hao nhiệt tinh | |||||
| Suất tiêu hao nhiệt tinh hiệu chỉnh HPcorr | kJ/kWh LHV | 6.267,1 | 6.252,8 | 6.252,7 | 6.252,7 |
= độ lệch chuẩn của giá trị trung bình. Giá trị của thuật ngữ này được tính toán từ dữ liệu thí nghiệm phù hợp với Công thức (6-1.4) của ASME PTC 19.1.
t95,v = Phân phối t của Student. Giá trị t của Student được xác định cho mỗi phép đo dựa trên bậc tự do của phép đo và mức độ tin cậy 95%.
U95, RND = độ không đảm bảo ngẫu nhiên của phép đo ở độ tin cậy 95%. Giá trị của số hạng này bằng tích của
và t95,v
U95, RND =
x t95,v
U95, TOT = Tổng độ không đảm bảo ở độ tin cậy 95%. Giá trị của thuật ngữ này bằng giá trị gốc của U95, SYS và U95, RND. U95, TOT = ![]()
θ = hệ số độ nhạy tuyệt đối
θ’ = hệ số độ nhạy tương đối
Trong đó
UkW,SYS, UHR,SYS, UHI,SYS = độ không đảm bảo hệ thống của đầu ra đã hiệu chỉnh, suất tiêu hao nhiệt đã hiệu chỉnh và nhiệt đầu vào đo được tương ứng. Giá trị của mỗi thuật ngữ bằng tích của U95,SYS và hệ số nhạy áp dụng.
UkW,RAND, UHR,RAND, UHI,RAND = độ không đảm bảo ngẫu nhiên của đầu ra đã hiệu chỉnh, suất tiêu hao nhiệt đã hiệu chỉnh và nhiệt đầu vào đo được tương ứng. Giá trị của mỗi thuật ngữ bằng tích của U95,RAND và hệ số nhạy áp dụng.
UkW,TOT UHR,TOT, UHI,TOT = tổng độ không đảm bảo của đầu ra đã hiệu chỉnh, suất tiêu hao nhiệt đã hiệu chỉnh và nhiệt đầu vào đo được tương ứng. Giá trị của mỗi số hạng bằng căn bậc hai của USYS và URAND.
Bảng F. 12 - Thông tin vận hành và nhà cung cấp thiết bị đo áp suất
| Vị trí đo | Số lượng | URL (1) | Khoảng đo (2) | TR (3) |
| Áp suất khí quyển | 1 | 2,0684 bara | 0,8274-1,0342 bara = 0,2068 | 10:01 |
| Áp suất nhiên liệu cấp vào nhà máy (đầu vào máy nén khí nhiên liệu) | 1 | 55,1581 bara | 0-55,1581 bara = 55,1581 | 1:01 |
| Chênh lệch áp suất dòng nhiên liệu | 2 | 635,00 cm-H2O | 0-635,00 cm-H2O = 635,00 | 1:01 |
| Áp suất dòng nhiên liệu | 1 | 55,1581 bara | 0-27,5790 bara = 27,5790 | 2:01 |
| CHÚ THÍCH 1: URL = giới hạn phạm vi trên CHÚ THÍCH 2: Khoảng đo = khoảng hiệu chuẩn CHÚ THÍCH 3: TR = độ thích ứng = URL/khoảng đo | ||||
Hệ số độ nhạy được tính bằng số phù hợp với Công thức (7-2.3) và (7-2.4) của ASME PTC 19.1.
Đối với hệ số độ nhạy tuyệt đối ![]()
Đối với hệ số độ nhạy tương đối ![]()
Trong đó:
∆R = nhiễu loạn kết quả số hữu hạn do nhiễu loạn số hữu hạn của tham số đầu vào của quy trình tính toán giảm dữ liệu
= sự nhiễu loạn số hữu hạn của tham số đầu vào của quy trình tính toán giảm dữ liệu
F.12 Phân tích độ không đảm bảo hệ thống của thiết bị đo áp suất
Thiết bị đo áp suất kỹ thuật số được cung cấp bởi vòng cung cấp điện 24 V đã được sử dụng cho thí nghiệm này. Dữ liệu được ghi lại trong khoảng thời gian 30 giây bằng máy tính cá nhân, phần mềm giao tiếp kỹ thuật số và modem giao tiếp vòng kỹ thuật số. Cáp kết nối là dây xoắn đôi được bảo vệ riêng với mặt đất che chắn. Bảng F.13 trình bày danh sách các vị trí đo và thông tin vận hành của nhà cung cấp đối với các bộ truyền áp suất được sử dụng tại các vị trí đo trong quá trình thí nghiệm.
Với mục đích của phân tích này, các nguồn của độ không đảm bảo được xác định đối với các bộ truyền áp suất được sử dụng trong việc thực hiện kiểm tra này như sau:
(a) Độ chính xác đã nêu;
(b) Độ không đảm bảo của việc hiệu chuẩn;
(c) Độ không đảm bảo đã nêu [Độ không đảm bảo tham chiếu/Độ không đảm bảo hiệu chuẩn (RU/CU)];
(d) Ảnh hưởng từ nhiệt độ môi trường xung quanh (TE);
(e) Ảnh hưởng áp suất dòng không lỗi (LPZE);
(f) Lỗi khoảng thời gian ảnh hưởng áp suất dòng (LPSE);
(g) Ảnh hưởng vị trí lắp (MPE);
(h) Ảnh hường rung (VE);
(i) Ảnh hưởng cấp nguồn (PSE);
(j) Ảnh hưởng nhiễu tần số vô tuyến (RFI) (RFIE);
(k) Ảnh hưởng thu thập dữ liệu (DAE).
Từng nguồn độ không đảm bảo được nghiên cứu riêng lẻ trước khi kết hợp thành một đặc điểm kỹ thuật tổng thể về hiệu suất cho máy phát như thể hiện trong đoạn F.12.1 đến F.12.11.
F.12.1 Độ chính xác đã nêu
Nhà sản xuất bộ truyền áp suất tuyên bố độ chính xác tham chiếu tùy thuộc vào độ thích ứng (TD) được đặt trong quá trình hiệu chuẩn. Nhà sản xuất tuyên bố rằng độ chính xác tham chiếu bao gồm những điều sau:
(a) độ lặp lại;
(b) độ tái tạo;
(c) tính tuyến tính;
(d) độ trễ.
F.12.2 Độ không đảm bảo của việc hiệu chuẩn
Các kết quả từ một phân tích hiệu chuẩn trước đó.
F.12.3 Độ không đảm bảo của việc hiệu chuẩn
Độ chính xác đã nêu và độ không đảm bảo hiệu chuẩn càng lớn.
Bảng F. 13 - Độ không đảm bảo tham chiếu, độ không đảm bảo hiệu chỉnh của thiết bị đo áp suất
| Vị trí đo | Độ chính xác được nêu % khoảng đo | Sai số hiệu chuẩn % khoảng đo | Sai số thiết bị % khoảng đo |
| Áp suất khí quyển | 0,05 | 0,10 | 0,10 |
| Áp suất cho cung cấp nhiên liệu (đầu vào máy nén khí) | 0,027 | 0,04 | 0,04 |
| Độ chênh áp suất dòng nhiên liệu | 0,05 | 0,075 | 0,075 |
| Áp suất dòng nhiên liệu | 0,027 | 0,04 | 0,04 |
Trong ví dụ này, mục tiêu của quá trình hiệu chuẩn là để chứng minh rằng thiết bị đo nằm trong các thông số kỹ thuật hiệu suất ban đầu do nhà cung cấp công bố. Tuy nhiên, trong trường hợp áp suất khí quyển, chứng chỉ hiệu chuẩn của phòng thí nghiệm cho biết độ không đảm bảo hiệu chuẩn là 0,10% của khoảng đo, cao hơn độ chính xác tham chiếu của nhà cung cấp. Do đó, độ không đảm bảo hiệu chuẩn được sử dụng như độ không đảm bảo đã nêu đối với thiết bị. Bảng F.14 trình bày tóm tắt về độ chính xác tham chiếu/độ không đảm bảo hiệu chuẩn và độ chính xác đã nêu đối với các thiết bị áp suất được sử dụng trong quá trình thí nghiệm.
F.12.4 Ảnh hưởng từ nhiệt độ môi trường (TE)
Các bộ truyền áp suất được sử dụng cho thí nghiệm thể hiện sự nhạy cảm với những thay đổi của nhiệt độ môi trường xung quanh. Theo chứng chỉ hiệu chuẩn, việc hiệu chuẩn được thực hiện ở 20°C. Nhiệt độ môi trường danh định đo được tại các vị trí đo không bao giờ thấp hơn 16,7°C, và do đó 16,7°C được coi là nhiệt độ môi trường giới hạn khi được sử dụng để ước tính ảnh hưởng nhiệt độ. Nhà sản xuất định lượng ảnh hưởng nhiệt độ môi trường bằng cách trình bày các Công thức dựa trên URL, phần trăm khoảng thời gian, nhiệt độ môi trường xung quanh, nhiệt độ hiệu chuẩn và TDiff = 28°C. Thí nghiệm các thiết bị áp suất trong buồng xung quanh cho thấy ảnh hưởng này là tuyến tính với nhiệt độ. Các Công thức này do nhà sản xuất thiết bị cung cấp và ảnh hưởng nhiệt độ thu được trình bày trong Bảng F.15.
F.12.5 Ảnh hưởng dòng chảy không lỗi (LPZE)
Sự đóng góp của độ không đảm bảo đối với ảnh hưởng của áp suất đường dây được giả định là không đáng kể vì các bộ truyền vi sai được cắt bằng không ở áp suất đường dây. Quá trình không cắt xén không ảnh hưởng đến hiệu lực của hiệu chuẩn. Ảnh hưởng dòng chảy không lỗi không áp dụng cho các bộ truyền áp suất khí quyển hoặc áp suất tĩnh.
F.12.6 Lỗi khoảng đo do ảnh hưởng của đường áp suất (LPSE)
Sự đóng góp của độ không đảm bảo đối với ảnh hưởng áp suất đường dây được nhà sản xuất đưa ra là 0,01% số đọc trên 68,9476 bar. Để đơn giản, áp suát dòng lớn nhất và số đọc chênh lệch áp suất tối đa xác định được trong quá trình thí nghiệm được sử dụng trong phân tích cùng với khoảng đo thực của thiết bị, do đó thể hiện tình huống xấu nhất. Với các giả định này được áp dụng, đóng góp độ không đảm bảo tối đa được trình bày trong Bảng F.16. Lỗi Khoảng đo do ảnh hưởng của đường áp suất không áp dụng cho các thiết bị đo áp suất khí quyển hoặc áp suất tĩnh.
F.12.7 Ảnh hưởng vị trí gắn (MPE)
Sự đóng góp của độ không đảm bảo đối với ảnh hưởng lắp được giả định là không đáng kể vì các thiết bị đo được lắp đặt theo cùng một hướng hiệu chuẩn. Cài đặt đã được kiểm tra với một mức độ để xác nhận hướng phù hợp.
F.12.8 Ảnh hưởng rung (VE)
Hiệu quả đo do dao động là không đáng kể ngoại trừ ở tần số cộng hưởng. Các tần số cộng hưởng không được quan sát và các vị trí lắp đặt đã được kiểm tra xem có rung động trước khi lắp không.
F.12.9 Ảnh hưởng cấp nguồn (PSE)
Ảnh hưởng cung cấp điện là không đáng kể vì nguồn điện được điều chỉnh ở 24V và các máy phát được đọc kỹ thuật số.
F.12.10 Ảnh hưởng RFI (RFIE)
Ảnh hưởng RFI là không đáng kể vì hệ thống đã được cách nhiệt thích hợp và các máy phát được đọc kỹ thuật số.
F.12.11 Ảnh hưởng thu thập dữ liệu (DAE)
Ảnh hưởng thu thập dữ liệu là không đáng kể vì hệ thống thu thập dữ liệu là một thành phần tích hợp của máy phát và dữ liệu được truyền kỹ thuật số từ máy phát và được máy tính xách tay ghi lại. Hơn nữa, vì việc thu thập dữ liệu được tích hợp, nó được hiệu chỉnh cùng với thiết bị.
Bảng F. 14 - Ảnh hưởng của nhiệt độ môi trường xung quanh
| Vị trí đo | Tính toán ảnh hưởng của nhiệt độ môi trường | TE % khoảng đo |
| Áp suất khí quyển |
| 0,030 |
| Áp suất cho cung cấp nhiên liệu |
| 0,006 |
| Độ chênh áp suất dòng nhiên liệu |
| 0,00387 |
| Áp suất dòng nhiên liệu |
| 0,007 |
Với mỗi nguồn lỗi được xác định, phân loại và ước tính, tổng đặc điểm kỹ thuật hiệu suất có thể được xác định bằng cách tính tổng bình phương của từng nguồn đóng góp vì chúng không có mối liên hệ với nhau. Công thức tổng quát là như sau:
Độ không đảm bảo chỉ định của hiệu suất thiết bị truyền áp suất tổng =
![]()
Tổng độ không đảm bảo của thiết bị được trình bày trong Bảng F.16.
Bảng F. 15 - Sai số khoảng đo do ảnh hưởng đường áp suất
| Vị trí đo | Áp suất đường ống lớn nhất | Giá trị đọc lớn nhất | Độ không đảm bảo do khoảng đo ảnh hưởng bởi áp suất ống % khoảng đo |
| Độ chênh áp suất dòng nhiên liệu | 16,7437 barg | 546,6 cm-H2O |
|
|
|
F.13 Phân tích độ không đảm bảo có hệ thống của phép đo nhiệt độ nhiệt kế điện trở
Tất cả các phép đo nhiệt độ của dụng cụ thí nghiệm tạm thời được thực hiện bằng các nhiệt kế điện trở 2,2 kΩ tương tự được kết nối với bộ chuyển mạch thu thập dữ liệu đo điện trở. Các phép đo điện trở sau đó được chuyển đổi sang đơn vị nhiệt độ kỹ thuật (°C) bằng cách sử dụng gói phần mềm áp dụng Công thức Steinhart-Hart được xác định thông qua hiệu chuẩn của phòng thí nghiệm. Các nhiệt kế điện trở và bộ chuyển mạch thu thập dữ liệu đã được hiệu chỉnh vòng lặp. Cáp kết nối được bảo vệ riêng biệt, dây xoắn đôi với mặt đất che chắn. Dữ liệu được ghi lại trong khoảng thời gian 30 giây bằng cách sử dụng máy tính cá nhân và phần mềm giao tiếp chuyển mạch thu thập dữ liệu.
Bảng F. 16 - Tổng độ không đảm bảo cụ thể của thiết bị đo áp suất thể hiện
| Vị trí đo | Tổng độ không đảm bảo % khoảng đo |
| Áp suất khí quyển |
|
| Áp suất cho cung cấp nhiên liệu |
|
| Độ chênh áp dòng nhiên liệu |
|
| Áp suất dòng nhiên liệu |
|
| CHÚ THÍCH CHUNG: Các phát biểu ở trên về độ không đảm bảo được tính bằng phần trăm của khoảng. Để sử dụng chúng trong phân tích độ không đảm bảo, chúng sẽ được chuyển đổi thành phần trăm giá trị đọc. | |
Bảng F. 17 - Thông tin nhà cung cấp và vận hành nhiệt kế điện trở
| Sai số cho phép 0°C - 70°C | Điện trở Ω 25°C | Beta 0°C - 50°C | Hệ số Ω 25°C/125°C |
| ±0,1°C | 2.252 | 3.891 | 29,26 |
| CHÚ THÍCH CHUNG: Nhiệt độ làm việc tối đa là 150°C. | |||
Điện trở đường dây dẫn riêng lẻ được đo và bù trong phần mềm thu thập dữ liệu. Nhiệt kế điện trở được sử dụng để đo nhiệt độ bóng đèn khô xung quanh được triển khai trong nhà lọc trong phạm vi 0,127 m của mặt bộ lọc trong một dạng lưới có diện tích bằng nhau. Các đầu dò được đặt sao cho chúng không bị bức xạ mặt trời (bóng râm). Các nhiệt điện trở được đặt trong vòi đốt bổ sung đầu vào của máy nén để đo nhiệt độ đầu vào của máy nén được đưa vào vòi đốt bổ sung thông qua các cổng cố định trong thành ống theo hình lưới có diện tích bằng nhau. Các đầu dò này được gắn chặt vào các cấu trúc hỗ trợ để tránh rung động do dòng vào. Các nhiệt kế điện trở được sử dụng để đo nhiệt độ bầu khô đầu vào của bình ngưng được làm mát bằng không khí đã được triển khai với các thiết bị đo độ ẩm để bảo vệ phần tử khỏi tác động của bức xạ mặt trời. Bấc và chai nước đã được tháo ra khỏi thiết bị đo độ ẩm để đo bầu khô.
Bảng F.17 trình bày danh sách thông tin hoạt động của nhà cung cấp đối với các nhiệt kế điện trở được sử dụng trong thí nghiệm.
Vì các phép đo nhiệt độ bằng nhiệt kế điện trở được thực hiện cùng với một công tắc thu thập dữ liệu, nên cả nhiệt kế điện trở và việc thu thập dữ liệu đều được phân tích riêng lẻ về những đóng góp không chắc chắn của chúng. Sau đó, độ không đảm bảo đối với nhiệt kế điện trở và việc thu thập dữ liệu được kết hợp để đạt được độ không đảm bảo hệ thống tổng thể.
Với mục đích của phân tích này, các nguồn của độ không đảm bảo được xác định đối với các nhiệt kế điện trở được sử dụng trong quá trình thực hiện của thí nghiệm này như sau:
(a) Độ chính xác được công bố của nhiệt điện trở [Độ không đảm bảo tham chiếu/Độ không đảm bảo hiệu chuẩn (TRU/CU)];
(b) Ảnh hưởng môi trường nhiệt điện trở (TEE);
(c) Ảnh hưởng ổn định nhiệt điện trở (TSE);
(d) Ảnh hưởng tự làm nóng nhiệt điện trở (TSHE);
(e) Ảnh hưởng truyền nhiệt nhiệt điện trở (THTE);
Các nguồn độ không đảm bảo được xác định đối với hệ thống thu thập dữ liệu (DAS) được sử dụng trong quá trình thực hiện thí nghiệm này như sau:
(f) Độ chính xác theo quy định của DAS [Độ không đảm bảo tham chiếu/Độ không đảm bảo hiệu chuẩn (DRU/CU)];
(g) Ảnh hưởng môi trường DAS (DEE);
(h) Ảnh hưởng ổn định DAS (DSE);
(i) Ảnh hưởng kháng nhiễu DAS (DPRE);
(j) Ảnh hưởng nhiễu điện áp DAS (DPVE);
Mỗi nguồn của độ không đảm bảo được nghiên cứu riêng lẻ trước khi kết hợp thành một đặc điểm kỹ thuật hiệu suất tổng thể cho nhiệt kế điện trở và công tác thu thập dữ liệu được sử dụng cùng nhau như thể hiện trong mục F.13.1 đến F.13.10.
F.13.1 Độ chính xác được công bố của nhiệt điện trở [Độ không đảm bảo tham chiếu /Độ không đảm bảo hiệu chuẩn (TRU/CU)]
Nhà sản xuất nhiệt kế điện trở tuyên bố khả năng hoán đổi cho nhau là ±0,1°C. Thuật ngữ này đôi khi bị nhầm lẫn với sự không chắc chắn. Khả năng thay thế cho nhau đề cập đến cách các nhiệt kế điện trở theo dõi chính xác đường cong điện trở danh nghĩa. Độ không đảm bảo của các nhiệt kế điện trở ở nhiệt độ đo được tốt hơn đáng kể so với tuyên bố về khả năng thay thế cho nhau của chúng nếu được hiệu chuẩn. Trong ví dụ này, vai trò của quá trình hiệu chuẩn là chứng minh độ không đảm bảo và cung cấp hồi quy Steinhart-Hart cho việc hiệu chuẩn. Chứng chỉ hiệu chuẩn cho nhiệt kế điện trở có độ không đảm bảo ±0,056°C khi hồi quy hiệu chuẩn xác định Công thức Steinhart-Hart được sử dụng để chuyển đổi các số đọc điện trở thành đơn vị nhiệt độ cho phạm vi hiệu chuẩn nhiệt độ từ 0°C đến 121,11°C.
F.13.2 Ảnh hưởng môi trường nhiệt điện trở (TEE)
Các đặc tính truyền nhiệt giữa đầu dò nhiệt điện trở và môi trường xung quanh thay đổi từ điều kiện hiệu chuẩn sang điều kiện thí nghiệm, đưa thêm lỗi vào phép đo nhiệt độ. Các nhiệt kế điện trở được triển khai trong nhà lọc và cửa hút máy nén được lắp đặt cách xa các nguồn nhiệt tới và ra khỏi vùng ảnh hưởng của bức xạ mặt trời. Nhiệt kế điện trở được triển khai tại đầu vào ACC được trang bị thiết bị đo độ ẩm được thiết kế để giảm thiểu ảnh hưởng của bức xạ mặt trời. Các nhiệt kế điện trở được sử dụng để đo nhiệt độ nhiên liệu được đặt trong các bầu bảo vệ và được cách ly tốt. Mọi biện pháp phòng ngừa đã được thực hiện để đảm bảo rằng các đầu dò nhiệt kế điện trở được bảo vệ khỏi sự cố phát nhiệt, truyền nhiệt và các nguồn bức xạ mặt trời. Người ta cho rằng các quy trình lắp đặt, cách nhiệt và che chắn đầy đủ đã được tuân thủ nghiêm ngặt để loại bỏ và/hoặc giảm thiểu những sai sót này, và kết quả là sự đóng góp của ảnh hưởng đến môi trường được coi là không đáng kể.
F.13.3 Ảnh hưởng ổn định nhiệt kế điện trở (TSE)
Hiệu chuẩn sau thí nghiệm được sử dụng để xác minh độ ổn định trong giới hạn độ chính xác ±0,056°C. Do đó, sự đóng góp của ảnh hưởng đến độ không đảm bảo ổn định là không đáng kể.
F.13.4 Ảnh hưởng tự làm nóng nhiệt kế điện trở (TSHE)
Khi dòng điện đi qua phần tử điện trở của một nhiệt kế điện trở, nhiệt được tạo ra do công suất liên tục bị tiêu tán trong cảm biến. Nhiệt tạo ra dẫn đến sự chênh lệch đo lường tiềm năng tùy thuộc vào đặc điểm truyền nhiệt giữa cảm biến và môi trường xung quanh nó. Trong ví dụ hiện tại, ảnh hưởng này được bao gồm trong quá trình hiệu chuẩn vì các đầu dò được hiệu chuẩn vòng lặp với hệ thống thu thập dữ liệu cung cấp dòng điện cho cảm biến. Do đó, không có sự đóng góp riêng biệt nào về độ không đảm bảo được áp dụng cho loại ảnh hưởng tự gia nhiệt.
F.13.5 Ảnh hưởng truyền nhiệt nhiệt kế điện trở (THTE)
Nhiệt kế điện trở được sử dụng để đo nhiên liệu được lắp đặt trong một bầu bảo vệ bằng thép không gỉ và đường ống trong đó nhiệt kế điện trở được lắp đặt được cách nhiệt. Khi tồn tại sự chênh lệch nhiệt độ giữa dòng khí và thành ống thì sẽ xảy ra hiện tượng truyền nhiệt. Sự truyền nhiệt này hiện diện giữa nhiệt kế điện trở và thành ống do dẫn truyền qua bầu bảo vệ. Sự đối lưu cũng xuất hiện giữa dòng khí và bầu bảo vệ. Mặc dù thấp hơn so với đối lưu và dẫn nhiệt, sự truyền nhiệt bức xạ cũng tồn tại. Sự đối lưu dẫn dắt giá trị của nhiệt kế điện trở gần hơn với nhiệt độ dòng khí trong khi sự dẫn nhiệt đẩy giá trị của nhiệt kế điện trở gần hơn với nhiệt độ thành ống. Để giải thích cho sự đóng góp của độ không đảm bảo do các ảnh hưởng truyền nhiệt, một mô hình nhiệt của bầu bảo vệ có tính đến mật độ khí, vận tốc khí, nhiệt độ khí, nhiệt độ thành ống, hình dạng hình học lỗ thăm nhiệt và vật liệu ống đã được sử dụng để ước tính sai số nhiệt độ. Các thông số kỹ thuật của lỗ thăm nhiệt là đường kính ngoài 1,27 cm, đường kính trong 0,635 cm và 24,21 cm đối với dòng khí. Nhiệt độ khí trung bình là 15,59°C và vận tốc khí trung bình là 29,46 m/s. Nhiệt độ thành ống trung bình được đo là 174°C. Mô hình nhiệt dẫn đến dự đoán sai số nhiệt độ là 0,000048°C.
Với mỗi nguồn lỗi được xác định, phân loại và ước tính cho nhiệt kế điện trở, tổng đặc điểm kỹ thuật hiệu suất nhiệt kế điện trở có thể được xác định bằng cách tính tổng bình phương của từng bộ phận góp phần vi chúng không tương quan với nhau. Công thức tổng quát như sau:
Tổng đặc điểm kỹ thuật hiệu suất nhiệt kế điện trở
Độ không đảm bảo = ![]()
Tổng độ không đảm bảo của phần tử nhiệt kế điện trở được trình bày trong Bảng F.18. Các tính toán riêng biệt được hiển thị cho những nhiệt điện trở được lắp đặt bên trong một bầu bảo vệ và nhiệt kế điện trở không có bầu bảo vệ.
F.13.6 Độ chính xác DAS [Độ không đảm bảo tham chiếu/Độ không đảm bảo hiệu chuẩn (DRU/CU)]
Nhà sản xuất DAS công bố thông số kỹ thuật về độ không đảm bảo trong 90 ngày đối với các phép đo điện trở là ± (0,008% giá trị đọc + 0,001% phạm vi) cho phạm vi 10 kΩ. Nhà sản xuất phát biểu rằng thông số kỹ thuật về độ không đảm bảo bao gồm những điều sau:
(a) lỗi đo lường
(b) lỗi chuyển mạch
(c) lỗi chuyển đổi đầu dò
Bảng F. 18 - Tổng độ không đảm bảo của đặc điểm kĩ thuật của nhiệt kế điện trở
| Vị trí đo | Đặc điểm sai số kỹ thuật (°C) |
| Không bầu bảo vệ |
|
| Có bầu bảo vệ |
|
Trong ví dụ này, vai trò chính của quá trình hiệu chuẩn là để chứng minh rằng DAS nằm trong các thông số kỹ thuật hoạt động ban đầu do nhà cung cấp công bố.
Giá trị đọc cao nhất của 7.355 Ω ở 0°C tương ứng với độ không đảm bảo cao nhất được mong đợi trong dải hiệu chuẩn 0°C đến 121,11°C. Do đó, trường hợp xấu nhất có thể xảy ra lỗi hệ thống liên quan đến độ chính xác của hiệu chuẩn HP DAS tính bằng:
BR = ±(0,008% x 7.355 Ω + 0,001% x 10.000 Ω) = ±0,6884 Ω
Hệ số độ nhạy sai số điện trở được sử dụng để chuyển đổi sai số hiệu chuẩn độ chính xác DAS từ điện trở sang nhiệt độ. ASME PTC 19.1 định nghĩa độ nhạy là sai số được truyền đến kết quả đo do sai số đơn vị trong tham số đo. Hệ số độ nhạy có thể được xác định thông qua phân tích phân tích hoặc phân tích số như
hoặc ![]()
Trong đó
Pi = tham số đo
r = kết quả đo lường
θr,Pi = hệ số độ nhạy đối với phép đo kết quả liên quan đến thông số đo
Độ nhạy sau đó có thể được áp dụng như:
BT = BR x θT,R
Trong đó
BR = sai số điện trở, Ω
BT = sai số điện trở, °C
θT,R = hệ số độ nhạy sai số điện trở, °C/Ω
Dạng tổng quát của Công thức Steinhart-Hart liên quan đến điện trở đo được với nhiệt độ được tính bởi:
![]()
Trong đó
| a = | hệ số = 0,001470268 |
| b = | hệ số = 0,000237817 |
| c = | hệ số = 1,04014E-07 |
| RT = | điện trở ở nhiệt độ T, Ω |
| T = | nhiệt độ, K |
CHÚ THÍCH: Hệ số là cho nhiệt kế điện trở tiêu chuẩn 2,2k Ω.
Công thức sau cho kết quả bằng cách lấy đạo hàm riêng của T đối với RT:
![]()
Hệ số độ nhạy có thể được tính cho 7.355 Ω và 0°C như sau:

Dấu hệ số độ nhạy thể hiện độ dốc tại điểm 7.355 Ω và 0°C là âm. Tuy nhiên, chỉ độ lớn của θT,R là cần thiết. Tuy nhiên, hệ số độ nhạy sai số điện trở có thể được áp dụng để chuyển đổi sai số hiệu chuẩn độ chính xác DAS từ điện trở sang nhiệt độ như sau:
BT = BR x θT,R = (± 0,6884 Ω) x (0,002663388 K/ Ω) = ±0,0018 K = ± 0,0018°C
F.13.7 DAS Kiểm tra ảnh hưởng môi trường (DEE)
Hoạt động của DAS trong các điều kiện môi trường khác với điều kiện môi trường mà nó đã được hiệu chuẩn có thể gây ra thêm độ không đảm bảo. Thông số kỹ thuật của nhà sản xuất thường cung cấp các hệ số nhiệt độ có thể được sử dụng để đánh giá hiệu suất của thiết bị dựa trên phạm vi nhiệt độ hoạt động dự kiến.
Sai số môi trường DAS có thể được tính theo Công thức sau:
BDAS = TC x ∆T
Trong đó
TC = hệ số nhiệt độ được sử dụng để đánh giá các thông số kỹ thuật chính xác, do nhà sản xuất đưa ra cho phạm vi điện trở thích hợp
∆T = chênh lệch giữa phạm vi nhiệt độ môi trường trong quá trình hiệu chuẩn và phạm vi nhiệt độ môi trường xung quanh trong quá trình hoạt động, được đánh giá về sự khác biệt trong trường hợp xấu nhất
Đối với dải đo 10 kΩ, nhà sản xuất đưa ra hệ số nhiệt độ là
TC = [± (0,0006% giá trị đọc + 0,0001% khoảng đo)/°C]
Hệ số nhiệt độ này có hiệu lực đối với phạm vi nhiệt độ hoạt động từ 0°C đến 18°C và 28°C đến 55°C. Không có hệ số nhiệt độ cho nhiệt độ hoạt động từ 18°C đến 28°C. Chênh lệch nhiệt độ T được tính bằng hiệu số giữa nhiệt độ hoạt động và nhiệt độ giới hạn của dải hiệu chuẩn. Trong quá trình thí nghiệm, DAS được đặt trong phòng có điều hòa nhiệt độ và chênh lệch nhiệt độ được đo là
∆T = 9°C
Thay thế các giá trị của hệ số nhiệt độ và chênh lệch nhiệt độ vào công thức sai lệch môi trường DAS sẽ thu được kết quả
BDAS,env = [±(0,0006% giá trị đọc + 0,0001% khoảng đo)/°C] x [9°C]
BDAS,env = [±(0,0054% giá trị đọc + 0,0009% khoảng đo)]
Từ biểu thức này có thể thấy rằng sai số môi trường lớn nhất tồn tại khi nhiệt kế điện trở là cực đại. Điều này xảy ra ở giới hạn dưới của dải hiệu chuẩn, ở nhiệt độ 0°C tương ứng với điện trở RTD là 7.355 Ω. Sai lệch môi trường DAS tối đa cho hệ thống sau đó được tính là
BDAS,env = [±(0,0054% giá trị đọc x 7355 Ω + 0,0009% x 10000 Ω)]
BDAS,env = ±0,487 Ω
Việc áp dụng hệ số độ nhạy sai số điện trở cho sai lệch môi trường DAS tạo ra sai lệch bổ sung do môi trường DAS bằng
BDAS,env = BDAS,env (Ω) x θT,R
BDAS,env = (± 0,487 Ω) x (0,002663388 K/Ω) = ± 0,0013 K = ±0,0013°C
F.13.8 Ảnh hưởng ổn định DAS (DSE)
Hiệu chuẩn sau thí nghiệm được sử dụng để xác minh tính ổn định của hệ thống trong giới hạn độ chính xác ± (0,008% giá trị đọc + 0,001% khoảng đo). Do đó, sai lệch bổ sung do ổn định DAS là không đáng kể.
F.13.9 DAS Parasitic Resistance Effect Ảnh hưởng nhiễu điện trở (DPRE)
Nhiễu điện trở được đưa vào mạch đo bằng dây dẫn, mất cân bằng dây dẫn, kết nối mạch và rơ le ghép kênh. Có thể giảm thiểu ảnh hưởng của nhiễu điện trở bằng cách sử dụng các kỹ thuật lắp đặt, hiệu chuẩn và đo lường thích hợp. Đối với phân tích này, người ta đã giả định rằng các kỹ thuật này đã được tuân thủ nghiêm ngặt để giảm thiểu những ảnh hưởng này. Các tác động riêng lẻ của các nguồn lỗi này sẽ được phân tích.
(a) Ảnh hưởng dây dẫn chính. Các nhiệt điện trở được nối với DAS bằng kỹ thuật đo 4 dây. Ảnh hưởng điện trở dây chính được loại bỏ thông qua kỹ thuật đo 4 dây. Do đó, sai số phân cực do nhiễu điện trở của các dây đọc bằng không.
(b) Ảnh hưởng mất cân bằng dây dẫn. Mất cân bằng dây chính không gây ra sai số cho phép đo do sử dụng kỹ thuật đo 4 dây, giúp loại bỏ nhiễu điện trở do mất cân bằng dây chính. Do đó, sai số phân cực bổ sung do Ảnh hưởng mất cân bằng dây dẫn không góp phần.
(c) Ảnh hưởng kết nối. Các đầu nối có trong mạch đo lường có khả năng tạo ra các nhiễu điện trở. Kỹ thuật đo 4 dây giúp loại bỏ ảnh hưởng của nhiễu điện trở do các kết nối mạch gây ra. Do đó, sai lệch bổ sung do các Ảnh hưởng kết nối mạch được giả định là không đáng kể.
(d) Ảnh hưởng chuyển tiếp đa kênh. Nhiễu điện trở được đưa vào mạch đo bằng "điện trở tiếp xúc" có trong tất cả các rơ-le ghép kênh. Giá trị điện trở tiếp xúc của hai dây rơ-le phần ứng cho bộ đa kênh nhỏ hơn 1 Ω. Tuy nhiên, kỹ thuật đo 4 dây được DAS sử dụng loại bỏ các Ảnh hưởng điện trở tiếp xúc trong mạch đo. Do đó, sai lệch bổ sung do các Ảnh hưởng chuyển tiếp đa kênh được giả định là không đáng kể.
F.13.10 Ảnh hưởng nhiễu điệp áp DAS (DPVE)
Nhiễu điện áp được đưa vào mạch đo bởi nhiễu và EMF nhiệt. Các ảnh hưởng của nhiễu điện áp có thể được giảm thiểu và/hoặc loại bỏ bằng cách sử dụng các kỹ thuật đo lường và lắp đặt thích hợp. Những thực hành này đã được tuân thủ nghiêm ngặt để giảm thiểu ảnh hưởng nhiễu điện áp.
(a) Nhiễu. Ảnh hưởng của nhiễu tĩnh điện và điện từ được giảm thiểu bằng cách sử dụng cáp thiết bị xoắn đôi được che chắn và các kỹ thuật nối đất phù hợp. Ngoài ra, DAS sử dụng một thiết bị đo tương tự sang kỹ thuật số được bảo vệ, tích hợp để giảm hơn nữa các Ảnh hưởng nhiễu bên ngoài đối với các phép đo. Tích hợp tín hiệu đầu vào được thực hiện ở tần số không đổi, thường là tần số đường truyền, để loại bỏ tất cả nhiễu 60 Hz khỏi tín hiệu.
Thông qua việc sử dụng phương pháp đo 4 dây và sử dụng kỹ thuật bù điện trở, sai lệch bổ sung do nhiễu là không đáng kể.
(b) EMF nhiệt. Các EMF nhiệt được giảm thiểu bằng cách sử dụng các kết nối chất liệu đồng sạch với nhau và bằng cách giảm thiểu gradients nhiệt độ trong mạch đo. Hai nguồn EMF nhiệt phổ biến nhất trong mạch đo lường là qua các kết nối mạch và rơ-le bộ đa kênh.
Nhà sản xuất DAS liệt kê tiềm năng nhiệt điện cho các loại kết nối phổ biến như trong Bảng F.19.
Bảng F. 19 - Khả năng biến đổi nhiệt của các loại mối nổi phổ biến
| Vật liệu | Khả năng |
| Cu-Cu Cu-Pb/Sn | ≤ 0,2 μV/°C 1-3 μV/°C |
Giả sử chênh lệch nhiệt độ không quá 1°C trên bất kỳ kết nối nào và giả sử tất cả các kết nối đều là Cu-Cu hoặc Cu-Pb/Sn sạch thì EMF nhiệt tiềm năng trên bất kỳ mối nối nào là
BDAS,connection = 3 μV
DAS sử dụng hai rơ-le phần ứng dây trong bộ đa kênh của nó và nhà sản xuất DAS dải điện thế nhiệt của rơ-le phần ứng hai dây là < 3 μV. Do đó, EMF tiềm năng trên bất kỳ rơ-le bộ đa kênh nào là
BDAS,relay = 3 μV
Vì độ lớn và dấu của các EMF nhiệt trên mỗi kết nối và rơ le phụ thuộc vào chất lượng của mối nối và chênh lệch nhiệt độ mối nối, độ lệch tại mỗi mối nối sẽ được coi là độc lập. Tổng độ lệch do nhiễu điện áp có thể được ước tính là căn bậc hai của tổng bình phương của độ lệch tại mỗi điểm nối. Đối với mạch đo bao gồm hai rơ le đa kênh và tám kết nối Cu-Pb/Sn, tổng sai lệch do EMF nhiệt là
![]()
Điều này sẽ dẫn đến sai lệch độ không đảm bảo do EMF nhiệt
![]()
Tiếp theo, một hệ số độ nhạy sai số điện áp nên được phát triển để chuyển đổi các sai lệch này từ điện áp sang nhiệt độ. Một lần nữa sử dụng định nghĩa độ nhạy của ASME PTC 19.1 khi sai số được truyền đến kết quả đo do sai số đơn vị trong tham số đo, hệ số độ nhạy của sai số điện áp có thể được tìm thấy bằng cách sử dụng Định luật Ohms.
Runkown = Vmeasured/lsource
Độ nhạy của điện trở tới sai số điện áp là
![]()
Theo nhà sản xuất DAS, dòng điện nguồn cho dải 10 kΩ là 0,1 mA, do đó
![]()
Độ nhạy của kết quả phép đo nhiệt độ đối với sai số điện áp sau đó có thể được xác định bởi
![]()
Sử dụng hệ số độ nhạy sai số điện trở đã được tính toán trước đó, Công thức này xác định hệ số độ nhạy sai số điện áp là
![]()
Sai số này có thể được chuyển đổi sang đơn vị nhiệt độ bằng cách nhân sai số nhiễu điện áp với hệ số độ nhạy sai số điện áp như sau:
BDAS,EMF = BDAS,EMF (V) x θT,V
Bảng F. 20 - Tổng sai số của Đặc điểm kỹ thuật hiệu suất DAS
| Tổng sai số |
|
|
Bảng F. 21 - Tổng sai số phép đo nhiệt độ có hệ thống
| Vị trí đo | Tổng sai số |
| Không bầu bảo vệ |
|
| Có bầu bảo vệ |
|
Việc áp dụng độ nhạy này đối với sai lệch môi trường DAS dẫn đến sai số bổ sung do EMF nhiệt như
BDAS,EMF = (±9,5 μV) x (0,02663388 K/V)
BDAS,EMF = ± 2,53 x 10-7 K = ± 2,53 x 10-7 °C
Có thể thấy, ảnh hưởng này có thể được cho là không đáng kể.
Với mỗi nguồn sai số được xác định, phân loại và ước tính cho DAS, tổng hiệu suất cụ thể của DAS có thể được xác định bằng cách tổng bình phương của từng phần vì chúng không liên quan. Công thức tổng quát như sau:
Tổng độ không đảm bảo đặc tính kỹ thuật hiệu suất
![]()
Tổng độ không đảm bảo từng phần DAS, được kết hợp để tạo ra tổng độ không đảm bảo đặc tính kỹ thuật hiệu suất DAS, được trình bày trong Bảng F.22.
Hiện có thể xác định tổng độ không đảm bảo hệ thống của phép đo nhiệt độ nhiệt điện trở bằng cách kết hợp độ không đảm bảo đặc tính hiệu suất tổng của điện trở nhiệt với độ không đảm bảo đặc tính hiệu suất tổng DAS. Việc tính toán được thực hiện như trong Bảng F.23.
F.14 Phân tích độ không đảm bảo hệ thống của thiết bị đo độ ẩm tương đối
Thiết bị đo độ ẩm được hoạt động bởi nguồn cấp điện áp 24 V đã được sử dụng cho các phép đo độ ẩm tương đối trong quá trình thí nghiệm này. Dữ liệu được ghi lại trong khoảng thời gian 30 giây bằng máy tính cá nhân, phần mềm giao tiếp kỹ thuật số và moden giao tiếp vòng kỹ thuật số. Cáp kết nối được bảo vệ riêng biệt, dây xoắn đôi nối đất.
Bảng F. 22 - Tổng độ không đảm bảo thông số kĩ thuật thiết bị đo độ ẩm
| Mô tả đo lường | Đặc điểm sai số kỹ thuật |
| Độ ẩm tương đối |
|
Với mục đích của phân tích này, các nguồn độ không đảm bảo được xác định đối với các thiết bị đo độ ẩm được sử dụng trong quá trình thực hiện thí nghiệm này như sau:
(a) Độ chính xác xác định [Độ không đảm bảo tham chiếu/Độ không đảm bảo hiệu chuẩn (RU/CU)];
(b) Ảnh hưởng nhiệt độ môi trường xung quanh (TE);
(c) Ảnh hưởng rung (VE);
(d) Ảnh hưởng nguồn cấp (PSE);
(e) Ảnh hưởng RFI (RFIE);
(f) Ảnh hưởng Thu thập Dữ liệu (DAE).
Từng nguồn độ không đảm bảo được nghiên cứu riêng lẻ trước khi kết hợp thành một thông số kỹ thuật hiệu suất tổng cho thiết bị đo độ ẩm như được hiển thị trong phần F.14.1 đến F.14.6.
F.14.1 Độ chính xác xác định [Độ không đảm bảo tham chiếu/Độ không đảm bảo hiệu chuẩn (RU/CU)]
Nhà sản xuất thiết bị chuyển đổi độ ẩm yêu cầu độ chính xác tham chiếu ở 20°C tùy thuộc vào độ ẩm tương đối. Đối với độ ẩm tương đối nhỏ hơn 90%, độ chính xác đã nêu là ± 2% RH. Lần hiệu chuẩn trước cho thấy độ không đảm bảo hiệu chuẩn thấp hơn độ chính xác xác định. Do đó, độ không đảm bảo xác định (RU/CU) bằng với độ chính xác xác định là ± 2%.
F.14.2 Ảnh hưởng nhiệt độ môi trường xung quanh (TE)
Nhà sản xuất thiết bị đo độ ẩm cung cấp giá trị độ ẩm phụ thuộc vào nhiệt độ môi trường xung quanh. Khi nhiệt độ môi trường từ 10°C đến 40°C, sự phụ thuộc nhiệt độ bằng không. Vì nhiệt độ môi trường trong quá trình thí nghiệm chỉ trên 15,6°C nên không có sự bổ sung thêm nào về độ không đảm bảo do ảnh hưởng của nhiệt độ môi trường xung quanh.
F.14.3 Ảnh hưởng rung (VE)
Hiệu quả đo do rung là không đáng kể ngoại trừ ở tần số cộng hưởng. Các tần số cộng hưởng không được quan sát thấy.
F.14.4 Ảnh hưởng nguồn cấp (PSE)
Ảnh hưởng nguồn cấp điện áp là không đáng kể vì nguồn điện được điều chỉnh ở 24 V và các thiết bị đo độ ẩm được đọc kỹ thuật số.
F.14.5 Ảnh hưởng RFI (RFIE)
Ảnh hưởng RFI là không đáng kể vì hệ thống đã được cách nhiệt thích hợp và các bộ truyền độ ẩm được đọc kỹ thuật số.
F.14.6 Ảnh hưởng Thu thập Dữ liệu (DAE)
Ảnh hưởng thu thập dữ liệu là không đáng kể vì hệ thống thu thập dữ liệu là một phần tích hợp của thiết bị đo độ ẩm và dữ liệu được truyền kỹ thuật số từ thiết bị đo độ ẩm và được máy tính xách tay ghi lại. Hơn nữa, vì việc thu thập dữ liệu được tích hợp, nó được hiệu chuẩn cùng với thiết bị.
Với mỗi nguồn sai số được xác định, phân loại và ước tính, tổng đặc tính kỹ thuật hiệu suất có thể được xác định bằng cách tính tổng bình phương của từng phần vì chúng không có mối liên quan với nhau. Công thức tổng quát như sau:
Tổng độ không đảm bảo đặc tính kỹ thuật hiệu suất chuyển đổi độ ẩm =
![]()
Tổng độ không đảm bảo của thiết bị được trình bày trong Bảng F.24
F.15 Phân tích độ không đảm bảo hệ thống của đồng hồ đo công suất
Các phép đo công suất điện tinh được thực hiện tại vị trí đo lường ở phía cao áp của mỗi máy biến áp của máy phát điện. Thiết bị đo tại trạm được sử dụng cho hệ thống đo lưới điện, bao gồm thiết bị có độ chính xác cao (cấp độ chính xác 0,1%), đồng hồ đo điện kỹ thuật số, ba máy biến áp và ba máy biến dòng cho mỗi đầu ra. Cấu hình dây ba pha, ba dây được sử dụng cho mỗi đầu ra.
Dữ liệu công suất tức thời được ghi lại trong khoảng thời gian 30 giây bằng máy tính cá nhân và phần mềm giao tiếp.
Bảng F.23 - Độ không đảm bảo hệ thống đo độ chính xác của đồng hồ đo công suất
| Vị trí đo | Giá trị đọc thấp nhất | Dải đo | Độ chính xác |
| Đường công suất phát CTG 1 | 156.500 kw | 250.000 kW |
|
|
| |||
| Đường công suất phát CTG 2 | 161.900 kw | 250.000 kW |
|
|
| |||
| Đường công suất phát STG | 173.300 kW | 300.000 kW |
|
|
|
Đồng hồ đo công suất được đặt trong phòng điều hòa, nơi nhiệt độ được kiểm soát 21,1°C ± 1,1°C. Máy biến áp và máy biến dòng có độ chính xác 0,3% và không được hiệu chuẩn. Ba đồng hồ đo điện là cùng một mẫu của cùng một nhà sản xuất. 9 máy biến áp và máy biến dòng được mua cùng một lúc từ cùng một nhà sản xuất. Do đó, các phép đo này được coi là tương quan.
Với mục đích của phân tích này, các nguồn độ không đảm bảo được xác định đối với đồng hồ đo công suất được sử dụng trong quá trình thực hiện thí nghiệm này như sau:
(a) Độ chính xác xác định của đồng hồ đo điện [Độ không đảm bảo tham chiếu/Độ không đảm bảo hiệu chuẩn (RU/CU)];
(b) Ảnh hưởng nhiệt độ môi trường xung quanh (TE);
(c) Ảnh hưởng hệ số công suất (PFE);
(d) Ảnh hưởng phạm vi đầu vào (IRE);
(e) Ảnh hưởng bộ lọc dòng điện (LFE);
(f) Ảnh hưởng lão hóa (AE).
Từng nguồn độ không đảm bảo được nghiên cứu riêng lẻ trước khi kết hợp thành một thông số kỹ thuật hiệu suất tổng cho đồng hồ đo điện, như được hiển thị trong F.15.1 đến F.15.6.
F.15.1 Độ chính xác xác định của đồng hồ đo điện (TRU/CU)]
Nhà sản xuất đồng hồ đo điện công bố độ chính xác 0,04% số đọc + 0,04% phạm vi ở nhiệt độ từ 20°C đến 26°C. Đối với mỗi đồng hồ đo công suất, số đọc tối thiểu trong quá trình thí nghiệm được sử dụng để tính toán độ không đảm bảo, như được chỉ ra trong Bảng F.25.
F.15.2 Ảnh hưởng nhiệt độ môi trường xung quanh (TE)
Độ chính xác xác định được cung cấp bởi nhà sản xuất cho một loạt các nhiệt độ. Trong trường hợp này, độ chính xác xác định có giá trị trong khoảng từ 20°C đến 26°C. Vì đồng hồ đo điện được sử dụng trong phòng điều hòa nhiệt độ 21,1°C ± 1,1°C, nên không có ảnh hưởng nhiệt độ bổ sung.
F.15.3 Ảnh hưởng hệ số công suất (PFE)
Ảnh hưởng hệ số công suất xác định của nhà sản xuất bằng 0 đối với các hệ số công suất 0,85. Do đó, không có thêm độ không đảm bảo nào được bổ sung bởi ảnh hưởng này.
Bảng F. 24 - Tổng độ không đảm bảo về thông số kĩ thuật của đồng hồ đo công suất
| Vị trí đo | Đặc điểm sai số kỹ thuật (%giá trị đọc) |
| Đường công suất phát CTG 1 |
|
| Đường công suất phát CTG |
|
| Đường công suất phát STG |
|
F.15.4 Ảnh hưởng phạm vi đầu vào (IRE)
Độ chính xác xác định của nhà sản xuất đưa ra ở trên là hợp lệ khi giá trị điện áp và dòng điện đầu vào nằm trong khoảng 10% đến 110% giá trị danh định tương ứng của chúng. Trong quá trình thí nghiệm này, các giá trị điện áp và dòng điện nằm trong phạm vi quy định đó đối với cả ba đồng hồ đo công suất. Không có bổ sung nào về độ không đảm bảo được áp dụng cho ảnh hưởng phạm vi đầu vào.
F.15.5 Ảnh hưởng bộ lọc dòng điện (LFE)
Độ chính xác xác định của nhà sản xuất được đưa ra ở trên là khi bộ lọc dòng bị tắt. Khi bộ lọc dòng được bật, có thêm một phần bổ sung vào độ không đảm bảo. Trong quá trình thí nghiệm này, tất cả các đồng hồ đo điện đều được sử dụng khi tắt bộ lọc đường dây, vì vậy không có bổ sung nào về độ không đảm bảo.
F.15.6 Ảnh hưởng lão hóa (AE)
Độ chính xác xác định của nhà sản xuất được đưa ra ở trên đủ điều kiện là độ chính xác của 6 tháng. Trong khoảng thời gian từ 6 tháng đến 1 năm (khoảng thời gian hiệu chuẩn đã nêu của nhà sản xuất), độ không đảm bảo bổ sung vào phần phạm vi của độ chính xác của đồng hồ. Tất cả ba đồng hồ đo điện đã được hiệu chuẩn 3 tháng trước Thí nghiệm này. Không có bổ sung nào về độ không đảm bảo lão hóa được áp dụng.
Với mỗi nguồn sai số được xác định, phân loại và ước tính, tổng đặc tính kỹ thuật hiệu suất có thể được xác định bằng cách tính tổng bình phương của từng phần vì chúng không có mối liên quan với nhau. Công thức tổng quát như sau:
Tổng độ không đảm bảo đặc tính kỹ thuật hiệu suất đo công suất =
![]()
Tổng độ không đảm bảo công suất được trình bày trong Bảng F.26.
Ngoài độ không đảm bảo công suất được tính toán trong Bảng F.26, còn có các nguồn độ không đảm bảo bổ sung do máy biến dòng và máy biến áp bổ sung vào độ không đảm bảo tổng công suất. Máy biến áp đưa ra các sai số trong phép đo công suất thông qua các biến đổi tỷ số biến áp và độ lệch pha giữa điện áp sơ cấp và thứ cấp.
Các máy biến áp và dòng điện được sử dụng trong hệ thống đo lường này không được hiệu chuẩn trước khi lắp đặt. Không có thông tin liên quan đến độ không đảm bảo tham chiếu cơ bản của máy biến áp hoặc ảnh hưởng độ không đảm bảo của các nguồn thành phần để làm cơ sở phân tích độ không đảm bảo chi tiết của máy biến áp. Cấp độ chính xác đo được đưa ra là 0,3% cho tất cả các máy biến áp và máy biến dòng. Cấp chính xác của dụng cụ đo là một khẳng định rằng thiết bị đáp ứng các yêu cầu đo lường nhất định nhằm giữ sai số trong giới hạn quy định. Do đó, cấp độ chính xác đại diện cho sai số lớn nhất của máy biến áp tại các tải xác định.
Trong ngành công nghiệp điện, việc lắp ráp các hệ thống đo lường và thiết bị đo lường sử dụng các cấu thành của một “cấp độ chính xác” nhất định đã trở nên phổ biến. Từ cách tiếp cận này, người ta thường rút ra kết luận phi lý rằng độ chính xác của thiết bị bằng với cấp độ chính xác. Có khả năng kết luận này là sai và độ không đảm bảo thực tế thấp hơn loại độ chính xác. Cách duy nhất để biết độ không đảm bảo thực tế là thực hiện phân tích sai số chi tiết.
Trong quá trình thí nghiệm các tải xác định không được vượt quá đối với máy biến áp và máy biến dòng, vì vậy có thể nói rằng sai số bổ sung do vượt quá tải không xuất hiện. Phân tích chi tiết độ không đảm bảo của máy biến áp và máy biến dòng tại các điều kiện như thí nghiệm có thể dẫn đến kết quả độ không đảm bảo thấp hơn; tuy nhiên, do thiếu thông tin cung cấp cho các máy biến áp, thận trọng hơn nên ước tính 0,3% của độ không đảm bảo được sử dụng.
Bảng F.25 - Tổng sai số của máy biến áp
| Vị trí đo | Đặc điểm sai số kỹ thuật |
| Máy biến áp |
|
| Máy biến dòng |
|
Bảng F. 26 - Tổng sai số hệ thống đo công suất
| Vị trí đo | Đặc điểm sai số kỹ thuật |
| Đường công suất phát CTG 1 |
|
| Đường công suất phát CTG |
|
| Đường công suất phát STG |
|
Với mục đích của phân tích này, các nguồn độ không đảm bảo được xác định đối với máy biến dòng và máy biến áp được sử dụng trong quá trình thực hiện thí nghiệm này như sau
Độ chính xác của máy biến áp (RU/CU). Như đã thảo luận ở trên, máy biến áp không được hiệu chuẩn và độ không đảm bảo tham chiếu cơ sở đối với máy biến áp là không xác định; do đó, ước tính thận trọng về độ không đảm bảo 0,3% sẽ được sử dụng.
(a) Ảnh hưởng dòng điện kích từ của máy biến áp (ECE). Dòng điện kích từ của máy biến áp nằm trong phạm vi giá trị yêu cầu để không có thêm độ không đảm bảo do ảnh hưởng này gây ra.
(b) Ảnh hưởng phần trăm điện áp hoặc dòng điện định mức (PRE). Máy biến áp và máy biến dòng điện được sử dụng tương ứng ở 100% điện áp danh định và 100% dòng điện danh định. Không có thêm độ không đảm bảo nào được bổ sung bởi ảnh hưởng này.
(c) Ảnh hưởng hệ số công suất của phụ tải tự dùng hệ thống điện (PFE). Hệ số công suất của phụ tải tự dùng hệ thống điện gần như thống nhất. Không có thêm độ không đảm bảo nào được bổ sung bởi ảnh hưởng này.
(d) Ảnh hưởng tải của các thiết bị được kết nối với cuộn dây thứ cấp (BE). Các tải định mức không được vượt quá. Không có thêm độ không đảm bảo nào được bổ sung bởi ảnh hưởng này.
Với mỗi nguồn sai số được xác định, phân loại và ước tính, tổng đặc tính kỹ thuật hiệu suất có thể được xác định bằng cách tính tổng bình phương của từng phần vì chúng không có mối liên quan với nhau. Công thức tổng quát như sau:
Tổng độ không đảm bảo của máy biến áp = ![]()
Tổng độ không đảm bảo của máy biến áp được trình bày trong Bảng F.25.
Với các nguồn sai số do đồng hồ đo công suất (PME), máy biến áp (PTE) và máy biến dòng (CTE) được xác định và ước tính, tổng độ không đảm bảo hệ thống của các phép đo công suất có thể được xác định bằng tổng bình phương tổng của từng bộ vì chúng không có mối liên quan với nhau. Công thức tổng quát như sau:
Tổng độ không đảm bảo công suất hệ thống = ![]()
CHÚ THÍCH: Như đã nêu trước đó, các dụng cụ có mối tương quan với nhau bởi mối quan hệ của chúng với cùng một nhà sản xuất. Do đó, độ không đảm bảo tương quan phải được áp dụng cho độ không đảm bảo PTE và CTE phù hợp với Công thức (8.1.4) của ASME PTC 19.1. Tuy nhiên, nếu cùng một loại độ chính xác đang được sử dụng cho từng thành phần, thì về mặt đại số, Công thức độ không đảm bảo tương quan sẽ bằng cấp độ chính xác.
Tổng độ không đảm bảo công suất hệ thống được trình bày trong Bảng F.26.
F.16 Phân tích độ không đảm bảo hệ thống trong phân tích thành phần/nhiệt trị/độ nén/độ ẩm nhiên liệu
Các phép phân tích thành phần của các mẫu nhiên liệu khí tự nhiên được thực hiện bởi phòng thí nghiệm được chứng nhận sử dụng đồ thị sắc ký khí theo các phương pháp nêu trong ASTM D1945 và ISO 6974. Phòng thí nghiệm cho biết rằng họ đã hiệu chuẩn máy sắc ký bằng các khí hiệu chuẩn có thể truy nguyên theo NIST hoặc các tổ chức tương đương. Việc đánh giá phương pháp luận, thiết bị, thủ tục và các tiêu chuẩn hiệu chuẩn đã được tiến hành để xác định các nguồn gốc của độ không đảm bảo và xác minh các tuyên bố của phòng thí nghiệm.
Kết quả đánh giá đã được đưa ra từ buổi đánh giá rằng phòng thí nghiệm và các nhà cung cấp khí của họ đang tuân thủ các thông lệ mang lại kết quả có độ chính xác cao nhất dựa trên kiến thức kỹ thuật hiện tại, có tính đến chi phí và giá trị của thông tin thu được; do đó, chúng tuân thủ các triết lý của ASME PTC 1-2004.
Với mục đích của phép phân tích này, các nguồn độ không đảm bảo được xác định đối với các phép phân tích cấu tử bằng đồ thị sắc ký khí như sau:
(a) Độ không đảm bảo về thành phần khí hiệu chuẩn (CGCU);
(b) Ảnh hưởng của phương pháp sắc ký (CME);
(c) Ảnh hưởng của phương pháp lấy mẫu khí (GSME).
Mỗi nguồn của độ không đảm bảo được nghiên cứu riêng lẻ trước khi bình phương tổng các thành phần thành một đặc tính kỹ thuật hiệu suất kết hợp như được hiển thị trong F.16.1 đến F.16.3.
F.16.1 Độ không đảm bảo hiệu chuẩn thành phần khí (CGCU)
Máy sắc ký khí được hiệu chuẩn bằng cách sử dụng khí chuẩn hiệu chuẩn được pha trộn bởi một công ty khí đặc biệt. Công ty khí đốt đã sử dụng phương pháp sắc ký khí làm phương pháp chính để xác nhận các kết hợp và sử dụng phép phân tích trọng lượng để kiểm tra xác nhận việc phân tích sắc ký khí định kỳ. Công ty khí đốt đặc biệt cũng sử dụng các kỹ thuật xử lý và lưu trữ vật liệu thích hợp để tránh lắng cặn và ô nhiễm hydrocacbon nặng không mong muốn. Thông qua các hoạt động này, công ty khí đốt đặc biệt đã cung cấp các chứng chỉ về độ không đảm bảo cho khí hiệu chuẩn như trong Bảng F.27.
Độ không đảm bảo được chứng nhận cấu thành việc hiệu chuẩn
F.16.2 Ảnh hưởng của phương pháp sắc ký (CME)
Các phương pháp phòng thí nghiệm sử dụng để xác định thành phần phù hợp với ASTM D1945 và ISO 6974. Phòng thí nghiệm cung cấp các tuyên bố về sự tuân thủ các giới hạn độ lặp lại và độ tái lập nêu trong ASTM D1945 nhưng không cung cấp dữ liệu chứng minh mức độ tuân thủ. Khi thiếu thông tin này, độ không đảm bảo phải được đánh giá bằng cách sử dụng thông tin về độ lặp lại, độ tái lập và độ chính xác (ISO/TS 21748).
Bảng F. 27 - Độ không đảm bảo lường khí
| Thành phần | % mol | U95 |
| Metan (xCH4) | 95,406 | 0,31 |
| Etan (xCH2) | 2,132 | 0,21 |
| Propan (xCH3) | 0,282 | 0,79 |
| Iso-butan (xICH4) | 0,041 | 0,71 |
| N-butan (xNCH4) | 0,052 | 0,81 |
| Iso-pentan (xICH5) | 0,02 | 1,48 |
| N-pentan (xNCH5) | 0,02 | 1,62 |
| N-hexan (xCH6) | 0,0042 | 1,94 |
| Khí cacbonic (XCO2) | 0,792 | 0,73 |
| Nitơ (xN2) | 0,821 | 0,71 |
| Oxy (xO2) | 0,001 | 2,2 |
| Hydro (xH2) | 0,4 | 0,72 |
| Tổng | 100,000 | … |
CHÚ THÍCH: ASME PTC 19.1 không cung cấp định nghĩa về độ chính xác. Tuy nhiên, nó nêu rõ trong Phần 1 rằng đã cố gắng phù hợp nó với Hướng dẫn của Tổ chức Tiêu chuẩn hóa Quốc tế (ISO) về Biểu hiện của Độ không đảm bảo trong Đo lường (GUM). Vì ASME PTC 19.1 không xử lý trực tiếp việc xác định độ không đảm bảo bằng cách sử dụng thông tin về tính lặp lại, tính tái lập và tính chính xác, nên việc sử dụng ISO/TS 21748 đã được sử dụng để chứng minh cách tiếp cận thích hợp để ước tính độ không đảm bảo với loại thông tin này. ISO định nghĩa tính chính xác là mức độ gần nhất giữa giá trị trung bình thu được từ một tập hợp lớn các kết quả thí nghiệm và giá trị tham chiếu được chấp nhận. Thước đo tính chính xác thường được thể hiện dưới dạng độ lệch.
Kỹ thuật này được đề cập trong ISO/TS 21748 có thể chấp nhận được nếu đáp ứng các tiêu chí sau:
(a) Tiêu chí 1. Các ước tính về độ lặp lại, độ tái lập và độ chính xác có sẵn từ thông tin công bố về phương pháp sử dụng;
(b) Sự đáp ứng 1. ASTM D1945 cung cấp thông tin về độ lặp lại và độ tái lập. Thông tin về độ chính xác và độ chệch không được cung cấp. Không thể cung cấp một tuyên bố chung đã công bố về độ chính xác hoặc độ chệch vì đại lượng này phụ thuộc vào độ không đảm bảo liên quan đến chất mẫu đối chiếu (khí hiệu chuẩn). Độ không đảm bảo liên quan đến phân tích thành phần của khí hiệu chuẩn sẽ được sử dụng để biểu thị độ chính xác;
(c) Tiêu chí 2. Phòng thí nghiệm có thể xác định liệu độ lệch cho các phép đo có nằm trong mức dự kiến hay không trên cơ sở tiêu chí của tiêu chí 1;
(d) Sự đáp ứng 2. Vì không có tuyên bố đúng hoặc sai cho phương pháp, phòng thí nghiệm không thể thiết lập điểm này. Tuy nhiên, phương pháp ISO/TS 21748 này vẫn có hiệu lực vì chúng tôi sẽ sử dụng các tuyên bố về độ lệch khí hiệu chuẩn để chứng minh đại lượng này;
(e) Tiêu chí 3. Phòng thí nghiệm có thể xác định xem liệu đạt được bằng các phép đo hiện tại có nằm trong mức dự kiến hay không trên cơ sở ước tính độ lặp lại và độ tái lập của tiêu chí 1;
(f) Sự đáp ứng 3. Phòng thí nghiệm đưa ra các tuyên bố rằng đạt được nằm trong khoảng mong đợi trên cơ sở các tuyên bố về độ lặp lại và độ tái lập của phương pháp;
(g) Tiêu chí 4. Phòng thí nghiệm có thể xác định bất kỳ ảnh hưởng nào đến phép đo không được đề cập đầy đủ trong các nghiên cứu được đề cập trong tiêu chí 1, và định lượng phương sai có thể phát sinh từ những ảnh hưởng này, có tính đến hệ số độ nhạy và độ không đảm bảo cho mỗi ảnh hưởng;
(h) Thực hiện 4. Phòng thí nghiệm tuyên bố rằng thiết bị được sử dụng trong các điều kiện phòng thí nghiệm được kiểm soát và không có thêm ảnh hưởng nào đến thiết bị.
Với các tiêu chí được đáp ứng, độ không đảm bảo có thể được ước lượng bằng cách kết hợp ước lượng độ tái lập với độ không đảm bảo kết hợp với độ chính xác và ảnh hưởng của các ảnh hưởng bổ sung để tạo thành ước lượng độ không đảm bảo kết hợp. Các số tái lập đã công bố được cung cấp trong ASTM D1945 được hiển thị trong nhánh tái lập của Bảng F.27. Theo tiêu chuẩn được đưa ra bởi ASTM E177-04E1, giới hạn lặp lại, r và giới hạn tái lập, R, được tính bằng
![]()
Trong đó
Sr = độ lệch chuẩn lặp lại
![]()
Trong đó
Sr = độ lệch chuẩn lặp lại
Bảng F. 28- Độ tái lặp ASTM D1945 sau khi được chuyển đổi
| Thành phần % mol | Tính lặp % mol | Tính lặp sau khi chuyển đổi % mol |
| 0 đến 0,1 | 0,02 | 0,0141 |
| 0,1 đến 1,0 | 0,07 | 0,0495 |
| 1,0 đến 5,0 | 0,10 | 0,0707 |
| 5,0 đến 10 | 0,12 | 0,0849 |
| trên 10 | 0,15 | 0,1061 |
Giá trị 1,96 phản ánh giới hạn 95% đối với kích thước mẫu vô hạn. Độ tái lập SR bao gồm Sr. Vì Sr dựa trên cùng một người vận hành, cùng một thiết bị, cùng một thời điểm, nên nó bao gồm sự thay đổi trong một phòng thí nghiệm do sự khác biệt về thời gian của người vận hành-thiết bị. Nó cũng bao gồm sự thay đổi giữa các phòng thí nghiệm và bất kỳ sự khác biệt nào về các yêu cầu vật liệu, môi trường, v.v. Để phù hợp với tiêu chuẩn của ISO/TS 21748 và ASME PTC 19.1, thuật ngữ
phải được chia cho Công thức trên. Điều này dẫn đến nhánh độ tái lập được chuyển đổi trong Bảng F.27.
Thông tin này có thể được chuyển thành các tuyên bố về thành phần độ không đảm bảo sau đây cho từng cấu tử bằng cách chia cho tập hợp cấu thành thực tế trong mỗi khoảng, do đó tính được giá trị cơ sở tương đối.
Trong quá trình thí nghiệm, một mẫu nhiên liệu được lấy ở đầu, giữa và cuối mỗi lần tiến hành thí nghiệm. Các thành phần từ mỗi mẫu được lấy trung bình để xác định phân tích thành phần nhiên liệu trung bình trong mỗi giai đoạn thí nghiệm. Vì mỗi phép phân tích thành phần nhiên liệu được xác định với cùng một thiết bị phòng thí nghiệm, các đại lượng tái lập sẽ được coi là tương quan. Để mô phỏng mối tương quan này, các số tái lập sẽ được áp dụng trực tiếp cho các thành phần trung bình, do đó tránh được việc áp dụng toán học bổ sung cho các thành phần phân tích riêng lẻ và kết hợp với phân tích chuỗi Taylor mở rộng. (Vui lòng xem phụ lục tham khảo C của ASME PTC 19.1 để biết thêm chi tiết). Với điều này đã nói, độ tái lập tương đối được đưa ra trong Bảng F.28 và F.29.
F.16.3 Ảnh hưởng của phương pháp lấy mẫu khí (GSME)
Các mẫu khí được thu thập theo đúng GPA 2166. Các chai đã được rửa sạch và hút chân không trước khi lấy mẫu. Các mẫu được thu thập ở phần hạ lưu của bộ tách/lọc ẩm của nhà máy và nhiên liệu không được gia nhiệt. Áp suất, nhiệt độ và vị trí đo trong quá trình lấy mẫu không tạo điều kiện thuận lợi cho sự hiện diện của chất lỏng ngưng tụ. Với đầu dò lấy mẫu nằm ở giữa đường ống, tránh được sự nhiễm bẩn tích tụ thành ống. Các chai chứa mẫu không được tiếp xúc với sự thay đổi nhiệt độ quá cao trong quá trình vận chuyển đến phòng thí nghiệm để làm rơi ra hydrocacbon. Các chai chứa mẫu và van nối bằng vật liệu không phản ứng hoặc hấp thụ, để tránh làm thay đổi thành phần. Với tất cả các bước này được thực hiện, không có thêm độ không đảm bảo do phương pháp lấy mẫu và độ không đảm bảo của phương pháp lấy mẫu khí sẽ được ước tính bằng không.
Với mỗi nguồn sai số được xác định, phân loại và ước tính cho các thành phần nhiên liệu, tổng thông số kỹ thuật về hiệu suất của thành phần nhiên liệu có thể được xác định bằng cách tổng bình phương các thành phần vì chúng không liên quan với nhau. Công thức tổng quát như sau:
Tổng độ không đảm bảo đặc tính kỹ thuật hiệu suất về thành phần nhiên liệu =
![]()
Độ không đảm bảo của yếu tố thành phần nhiên liệu được trình bày trong Bảng F.31, F.32, F.33 và F.34 cho các thí nghiệm 1, 2, 3 và 4 tương ứng.
Nhiệt trị cho mỗi lần phân tích khí trung bình được tính bằng phương pháp luận ASTM D3588. Thứ tự ưu tiên cho các đặc tính nhiệt trị khí lý tưởng đã nêu được sử dụng để thực hiện phương pháp tính toán ASTM D3588 cho từng thành phần được lấy từ GPA 2145, sau đó là ASTM D3588 và sau đó là Sách dữ liệu kỹ thuật GPSA. ASTM D3588 tuyên bố rằng độ không đảm bảo (hai lần độ lệch chuẩn) của nhiệt trị khí lý tưởng của các thành phần phải là 0,03%. Với điều này đã được nêu, độ không đảm bảo của phương pháp liên quan đến tính toán ASTM D3588 nhiệt trị là 0,03%.
Khả năng nén cho mỗi lần phân tích khí trung bình được tính toán bằng các phương pháp nêu trong Báo cáo AGA số 8 sử dụng phương pháp đặc tính chi tiết (đầu vào của các thành phần khí riêng lẻ). Theo báo cáo AGA số 8, độ không đảm bảo mục tiêu liên quan đến các yếu tố nén khí tự nhiên sử dụng Phương pháp đặc tính chi tiết cho áp suất từ 0 MPa đến 12 MPa và nhiệt độ từ -8°C đến 62°C là 0,1%. Với độ nén đã được nêu, độ không đảm bảo của phương pháp liên quan đến độ nén được xác định trong báo cáo AGA số 8 là 0,1%.
Bảng F. 29 - Độ tái lập tương đối cho thí nghiệm 1 và thí nghiệm 2
| Thành phần | Thí nghiệm 1 | Thí nghiệm 2 | ||||
| Trung bình | Khả năng tái lập | Trung bình | Khả năng tái lập | |||
| % mol | % mol | % Tương đối | % mol | % mol | % Tương đối | |
| Metan (xCH4) | 96,0933 | 0,1061 | 0,1104 | 96,0667 | 0,1061 | 0,1104 |
| Etan (xCH2) | 1,9667 | 0,0707 | 3,5955 | 1,9700 | 0,0707 | 3,5894 |
| Propan (xCH3) | 0,3033 | 0,0495 | 16,3178 | 0,3267 | 0,0495 | 15,1523 |
| Iso-butan (xICH4) | 0,0767 | 0,0141 | 18,4463 | 0,0567 | 0,0141 | 24,9567 |
| N-butan (xNCH4) | 0,0567 | 0,0141 | 24,9567 | 0,0667 | 0,0141 | 21,2132 |
| Iso-pentan (xICH5) | 0,0300 | 0,0141 | 47,1405 | 0,0167 | 0,0141 | 84,8528 |
| N-pentan (xNCH5) | 0,0167 | 0,0141 | 84,8528 | 0,0100 | 0,0141 | 141,4214 |
| N-hexan (xCH6) | 0,0033 | 0,0141 | 424,2641 | 0,0100 | 0,0141 | 141,4214 |
| N-heptan (XCH7) | 0,0000 | 0,0141 | … | 0,0000 | 0,0141 | … |
| N-octan (xCH8) | 0,0000 | 0,0141 | … | 0,0000 | 0,0141 | … |
| Nonane (xCH9) | 0,0000 | 0,0141 | … | 0,0000 | 0,0141 | … |
| Decan (xCH10) | 0,0000 | 0,0141 | … | 0,0000 | 0,0141 | … |
| Khí cacbonic (xCO2) | 0,6867 | 0,0495 | 7,2084 | 0,6933 | 0,0495 | 7,1391 |
| Nitơ (xN2) | 0,7367 | 0,0495 | 6,7191 | 0,7533 | 0,0495 | 6,5705 |
| Oxy (xO2) | 0,0100 | 0,0141 | 141,4214 | 0,0100 | 0,0141 | 141,4214 |
| Heli (xHe) | 0,0200 | 0,0141 | 70,7107 | 0,0200 | 0,0141 | 70,7107 |
| Hydro (xH2) | 0,0000 | 0,0141 | … | 0,0000 | 0,0141 | … |
| Cacbon monoxit (xCO) | 0,0000 | 0,0141 | … | 0,0000 | 0,0141 | … |
| Hydro sunfua (xH2S) | 0,0000 | 0,0141 | … | 0,0000 | 0,0141 | … |
| Nước (xH2O) | 0,0000 | 0,0141 | … | 0,0000 | 0,0141 | … |
| Tổng | 100,0000 | … | … | 100,0000 | … | … |
Bảng F. 30 - Độ tái lập tương đối cho thí nghiệm 3 và thí nghiệm 4
| Thành phần | Thí nghiệm 3 | Thí nghiệm 4 | ||||
| Trung bình | Khả năng tái lập | Trung bình | Khả năng tái lập | |||
| % mol | % mol | % Tương đối | % mol | % mol | % Tương đối | |
| Metan (xCH4) | 96,0500 | 0,1061 | 0,1104 | 96,0533 | 0,1061 | 0,1104 |
| Etan (xCH2) | 1,9800 | 0,0707 | 3,5712 | 1,9800 | 0,0707 | 3,5712 |
| Propan (xCH3) | 0,3300 | 0,0495 | 14,9992 | 0,3233 | 0,0495 | 15,3085 |
| Iso-butan (xICH4) | 0,0600 | 0,0141 | 23,5702 | 0,0667 | 0,0141 | 21,2132 |
| N-butan (xNCH4) | 0,0733 | 0,0141 | 19,2847 | 0,0700 | 0,0141 | 20,2031 |
| Iso-pentan (xICH5) | 0,0167 | 0,0141 | 84,8528 | 0,0200 | 0,0141 | 70,7107 |
| N-pentan (xNCH5) | 0,0100 | 0,0141 | 141,4214 | 0,0133 | 0,0141 | 106,0660 |
| N-hexan (xCH6) | 0,0100 | 0,0141 | 141,4214 | 0,0100 | 0,0141 | 141,4214 |
| N-heptan (XCH7) | 0,0000 | 0,0141 | 0,0000 | 0,0141 | … | … |
| N-octan (xCH8) | 0,0000 | 0,0141 | 0,0000 | 0,0141 | … | … |
| Nonane (xCH9) | 0,0000 | 0,0141 | 0,0000 | 0,0141 | … | … |
| Decan (xCH10) | 0,0000 | 0,0141 | 0,0000 | 0,0141 | … | … |
| Khí cacbonic (xCO2) | 0,6900 | 0,0495 | 7,1735 | 0,6833 | 0,0495 | 7,2435 |
| Nitơ (xN2) | 0,7467 | 0,0495 | 6,6291 | 0,7467 | 0,0495 | 6,6291 |
| Oxy (xO2) | 0,0100 | 0,0141 | 141,4214 | 0,0067 | 0,0141 | 212,1,320 |
| Heli (xHe) | 0,0200 | 0,0141 | 70,7107 | 0,0200 | 0,0141 | 70,7107 |
| Hydro (xH2) | 0,0033 | 0,0141 | 424,2641 | 0,0067 | 0,0141 | 212,1320 |
| Cacbon monoxit (xCO) | 0,0000 | 0,0141 | 0,0000 | 0,0141 | … | … |
| Hydro sunfua (xH2S) | 0,0000 | 0,0141 | 0,0000 | 0,0141 | … | … |
| Nước (xH2O) | 0,0000 | 0,0141 | 0,0000 | 0,0141 | … | … |
| Tổng | 100,0000 | 100,0000 | … | … | … | … |
Bảng F. 31 - Tổng sai số của thành phần nhiên liệu cho thí nghiệm 1
|
| Thí nghiệm 1 | ||||
| Thành phần | Trung bình %mol | %CGCU (Tương đối) | %CME (Tương đối) | %GSME (Tương đối) | % Tổng (Tương đối) |
| Metan (xCH4) | 96,0933 | 0,3100 | 0,1104 | 0,0000 | 0,3291 |
| Etan (xCH2) | 1,9667 | 0,2100 | 3,5955 | 0,0000 | 3,6016 |
| Propan (xCH3) | 0,3033 | 0,7900 | 16,3178 | 0,0000 | 16,3370 |
| Iso-butan (xICH4) | 0,0767 | 0,7100 | 18,4463 | 0,0000 | 18,4599 |
| N-butan (xNCH4) | 0,0567 | 0,8100 | 24,9567 | 0,0000 | 24,9699 |
| Iso-pentan (xICH5) | 0,0300 | 1,4800 | 47,1405 | 0,0000 | 47,1637 |
| N-pentan (xNCH5) | 0,0167 | 1,6,00 | 84,8528 | 0,0000 | 84,8683 |
| N-hexan (xCH6) | 0,0033 | 1,9400 | 424,2641 | 0,0000 | 424,2685 |
| N-heptan (XCH7) | 0,0000 | … | … | … | … |
| N-octan (xCH8) | 0,0000 | … | … | … | … |
| Nonane (xCH9) | 0,0000 | … | … | … | … |
| Decan (xCH10) | 0,0000 | … | … | … | … |
| Khí cacbonic (xCO2) | 0,6867 | 0,7300 | 7,2,084 | 0,0000 | 7,2452 |
| Nitơ (xN2) | 0,7367 | 0,7100 | 6,7,191 | 0,0000 | 6,7565 |
| Oxy (xO2) | 0,0100 | 2,2000 | 141,4214 | 0,0000 | 141,4385 |
| Heli (xHe) | 0,0200 | 0,7200 | 70,7107 | 0,0000 | 70,7143 |
| Hydro (xH2) | 0,0000 | 0,4000 | … | 0,0000 | 0,4000 |
| Cacbon monoxit (xCO) | 0,0000 | … | … | … | … |
| Hydro sunfua (xH2S) | 0,0000 | … | … | … | … |
| Nước (xH2O) | 0,0000 | … | … | … | … |
| Tổng | 100,0000 | … | … | … | … |
Bảng F. 32 - Tổng sai số của thành phần nhiên liệu cho thí nghiệm 2
| Thành phần | Thí nghiệm 2 | ||||
| Trung bình %mol | %CGCU (Tương đối) | %CME (Tương đối) | %GSME (Tương đối) | % Tổng (Tương đối) | |
| Metan (xCH4) | 96,0667 | 0,3100 | 0,1104 | 0,0000 | 0,3291 |
| Etan (xCH2) | 1,9700 | 0,2100 | 3,5894 | 0,0000 | 3,5955 |
| Propan (xCH3) | 0,3267 | 0,7900 | 15,1523 | 0,0000 | 15,1729 |
| Iso-butan (xICH4) | 0,0567 | 0,7100 | 24,9567 | 0,0000 | 24,9668 |
| N-butan (xNCH4) | 0,0667 | 0,8100 | 21,2132 | 0,0000 | 21,2287 |
| Iso-pentan (xICH5) | 0,0167 | 1,4800 | 84,8528 | 0,0000 | 84,8657 |
| N-pentan (xNCH5) | 0,0100 | 1,6200 | 141,4214 | 0,0000 | 141,4306 |
| N-hexan (xCH6) | 0,0100 | 1,9400 | 141,4214 | 0,0000 | 141,4347 |
| N-heptan (XCH7) | 0,0000 | … | … | … | … |
| N-octan (xCH8) | 0,0000 | … | … | … | … |
| Nonane (xCH9) | 0,0000 | … | .. | … | … |
| Decan (xCH10) | 0,0000 | … | … | … | … |
| Khí cacbonic (xCO2) | 0,6933 | 0,7300 | 7,1391 | 0,0000 | 7,1763 |
| Nitơ (xN2) | 0,7533 | 0,7100 | 6,5705 | 0,0000 | 6,6087 |
| Oxy (xO2) | 0,0100 | 2,2000 | 141,4214 | 0,0000 | 141,4385 |
| Heli (xHe) | 0,0200 | 0,7200 | 70,7107 | 0,0000 | 70,7143 |
| Hydro (xH2) | 0,0000 | 0,4000 | … | 0,0000 | 0,4000 |
| Cacbon monoxit (xCO) | 0,0000 | … | … | … | … |
| Hydro sunfua (xH2S) | 0,0000 | … | … | … | … |
| Nước (xH2O) | 0,0000 | … | … | … | … |
| Tổng | 100,0000 | … | … | … | … |
Bảng F. 33 - Tổng sai số của thành phần nhiên liệu cho thí nghiệm 3
| Thành phần | Thí nghiệm 3 | ||||
| Trung bình % mol | %CGCU (Tương đối) | %CME (Tương đối) | %GSME (Tương đối) | % Tổng (Tương đối) | |
| Metan (xCH4) | 96,0500 | 0,3100 | 0,1104 | 0,0000 | 0,3291 |
| Etan (xCH2) | 1,9800 | 0,2100 | 3,5712 | 0,0000 | 3,5774 |
| Propan (xCH3) | 0,3300 | 0,7900 | 14,9992 | 0,0000 | 15,0200 |
| Iso-butan (xICH4) | 0,0600 | 0,7100 | 23,5702 | 0,0000 | 23,5809 |
| N-butan (xNCH4) | 0,0733 | 0,8100 | 19,2847 | 0,0000 | 19,3017 |
| Iso-pentan (xICH5) | 0,0167 | 1,4800 | 84,8528 | 0,0000 | 84,8657 |
| N-pentan (xNCH5) | 0,0100 | 1,6200 | 141,4214 | 0,0000 | 141,4306 |
| N-hexan (xCH6) | 0,0100 | 1,9400 | 141,4214 | 0,0000 | 141,4347 |
| N-heptan (XCH7) | 0,0000 | … | … | … | … |
| N-octan (xCH8) | 0,0000 | … | … |
| … |
| Nonane (xCH9) | 0,0000 | … | … | … | … |
| Decan (xCH10) | 0,0000 | … | … | … | … |
| Khí cacbonic (xCO2) | 0,6900 | 0,7300 | 7,1735 | 0,0000 | 7,2106 |
| Nitơ (xN2) | 0,7467 | 0,7100 | 6,6291 | 0,0000 | 6,6670 |
| Oxy (xO2) | 0,0100 | 2,2000 | 141,4214 | 0,0000 | 141,4385 |
| Heli (xHe) | 0,0200 | 0,7200 | 70,7107 | 0,0000 | 70,7143 |
| Hydro (xH2) | 0,0033 | 0,4000 | 424,2641 | 0,0000 | 424,2643 |
| Cacbon monoxit (xCO) | 0,0000 | … | … | … | … |
| Hydro sunfua (xH2S) | 0,0000 | … | … | … | … |
| Nước (xH2O) | 0,0000 | … | … | … | … |
| Tổng | 100,0000 | … | … | … | … |
Bảng F. 34 - Tổng sai số của thành phần nhiên liệu cho thí nghiệm 4
| Thành phần | Thí nghiệm 4 | ||||
| Trung bình % mol | %CGCU (Tương đối) | %CME (Tương đối) | %GSME (Tương đối) | % Tổng (Tương đối) | |
| Metan (xCH4) | 96,0533 | 0,3100 | 0,1104 | 0,0000 | 0,3291 |
| Etan (xCH2) | 1,9800 | 0,2100 | 3,5712 | 0,0000 | 3,5774 |
| Propan (xCH3) | 0,3233 | 0,7900 | 15,3085 | 0,0000 | 15,3289 |
| Iso-butan (xICH4) | 0,0667 | 0,7100 | 21,2132 | 0,0000 | 21,2251 |
| N-butan (xNCH4) | 0,0700 | 0,8100 | 20,2031 | 0,0000 | 20,2193 |
| Iso-pentan (xICH5) | 0,0200 | 1,4800 | 70,7107 | 0,0000 | 70,7262 |
| N-pentan (xNCH5) | 0,0133 | 1,6200 | 106,0660 | 0,0000 | 106,0784 |
| N-hexan (xCH6) | 0,0100 | 1,9400 | 141,4214 | 0,0000 | 141,4347 |
| N-heptan (XCH7) | 0,0000 | … | … | … | … |
| N-octan (xCH8) | 0,0000 | … | … | … | … |
| Nonane (xCH9) | 0,0000 | … | … | … | … |
| Decan (xCH10) | 0,0000 | … | … | … | … |
| Khí cacbonic (xCO2) | 0,6833 | 0,7300 | 7,2435 | 0,0000 | 7,2802 |
| Nitơ (xN2) | 0,7467 | 0,7100 | 6,6291 | 0,0000 | 6,6670 |
| Oxy (xO2) | 0,0067 | 2,2000 | 212,1320 | 0,0000 | 212,1434 |
| Heli (xHe) | 0,0200 | 0,7200 | 70,7107 | 0,0000 | 70,7143 |
| Hydro (xH2) | 0,0067 | 0,4000 | 212,1320 | 0,0000 | 212,1324 |
| Cacbon monoxit (xCO) | 0,0000 | … | … | … | … |
| Hydro sunfua (xH2S) | 0,0000 | … | … | … | … |
| Nước (xH2O) | 0,0000 | … | … | … | … |
| Tổng | 100,0000 | … | … | … | … |
Độ ẩm của khí được coi là không đáng kể do vị trí lấy mẫu và phân tích lấy mẫu nhiên liệu trước đó được thực hiện theo ASTM D1142 cho thấy độ ẩm không thể phát hiện được. Với thông tin này, nhiên liệu được coi là khô và đã được xử lý. Đối với ví dụ này, độ không đảm bảo liên quan đến độ ẩm được loại trừ vì phân tích khí được coi là khô.
F.17 Độ không đảm bảo hệ thống của lưu lượng nhiên liệu
Lưu lượng nhiên liệu của nhà máy được đo bằng cách sử dụng phần dòng chảy tiết lưu được xây dựng và hiệu chỉnh tuân thủ nghiêm ngặt mục 4 của ASME PTC 19.5. Phần dòng chảy được lắp đặt trong đường ống quá trình không có bất kỳ vật cản nào ảnh hưởng đến thượng nguồn để tránh các ảnh hưởng độ không đảm bảo bổ sung do vị trí lắp đặt. Việc hiệu chuẩn được thực hiện trong một nhà máy nước với cùng một dải số Reynold trong hoạt động thực tế, do đó không cần thiết phải ngoại suy hiệu chuẩn. Tuyên bố về độ không đảm bảo mở rộng ở mức tin cậy 95% từ cơ sở hiệu chuẩn là cơ sở tương đối 0,25% cho hệ số xả đã nêu.
Theo 3.1.1 của ASME PTC 19.5, Công thức lưu lượng cơ bản được sử dụng để tính lưu lượng khối lượng nhiên liệu khí tự nhiên là

Trong đó
C = hệ số xả (mỗi lần hiệu chuẩn)
d = đường kính lỗ khoan tấm lỗ (theo ASME PTC 19.5. Bảng 4), m
gc = hằng số tỷ lệ = 1,0
n = hệ số chuyển đổi đơn vị cho công thức chung cho dòng chảy qua đồng hồ đo phân cấp áp suất = 1 (kg/m-s2-Pa)1/2
qm = lưu lượng khối lượng nhiên liệu khí tự nhiên [theo ASME PTC 19.5, Công thức (3.1.1)], kg/s
β = tỷ số giữa đường kính lỗ khoan của tấm lỗ thoát nước với đường kính ống bên trong phía trên, β = d/D
∆P = độ chênh áp suất (theo ASME PTC 19.5, Bảng 4), Pa
= hệ số giãn nở thượng nguồn [theo ASME PTC 19.5, Công thức (3.8.2)]
= khối lượng riêng của dòng chất lỏng thượng nguồn (theo ASME PTC 19.5 Bảng 4), kg/m3
Hệ thống phân tích độ không đảm bảo đối với lưu lượng nhiên liệu được ước tính bằng căn bậc hai của tổng bình phương (căn bậc hai của tổng bình phương) của độ không đảm bảo hệ thống liên quan đến các biến thích hợp.
WFG = f (C,
, d, ∆P,
, β)
Tuy nhiên, vì tiết diện dòng chảy đã được hiệu chỉnh, độ không đảm bảo có hệ thống của đường kính lỗ khoan tấm lỗ d, đường kính ống D và tỷ số của đường kính lỗ khoan tấm lỗ với đường kính ống bên trong phía trên β, được bao gồm giá trị độ không đảm bảo hệ thống của hệ số xả. Vì quá trình hiệu chuẩn sử dụng các kích thước này trong việc xác định chênh lệch áp suất đối với dòng chảy, nên độ không đảm bảo liên quan đến các yếu tố đó là không thể thiếu trong tuyên bố về độ không đảm bảo của hệ số xả trong phòng thí nghiệm. Do đó, độ không đảm bảo hệ thống đối với lưu lượng nhiên liệu là căn bậc hai của tổng bình phương (căn bậc hai của tổng bình phương) của độ không đảm bảo hệ thống liên quan đến các biến thích hợp còn lại như sau:
WFG = f (C,
, ∆P,
)
Độ không đảm bảo hệ thống liên quan đến hệ số xả C được coi là độ không đảm bảo giãn nở tương đối 0,25% từ cơ sở hiệu chuẩn ở mức tin cậy 95%. Độ không đảm bảo hệ thống liên quan đến hệ số giãn nở được xác định bằng cách sử dụng công thức theo mục 4.10 của ASME PTC 19.5 của
= 4(∆P/P). Độ không đảm bảo hệ thống với ∆P được lấy từ thiết bị thí nghiệm, một phân tích độ không đảm bảo hệ thống được đưa ra trong F.12. Độ không đảm bảo liên quan đến tỷ trọng được tìm thấy bằng cách phân tích độ không đảm bảo hệ thống liên quan đến áp suất nhiên liệu, nhiệt độ nhiên liệu, phân tích thành phần nhiên liệu và độ không đảm bảo của phương pháp hệ số nén. Độ không đảm bảo của lưu lượng nhiên liệu dự đoán được cung cấp trong Bảng F.35 đến F.47. Để tham khảo, các tiểu mục từ F.22 đến F.26 phác thảo cách xác định tương tự tổng độ không đảm bảo đối với dòng nhiên liệu.
F.18 Độ không đảm bảo hệ thống của thiết bị đo
Độ không đảm bảo hệ thống thiết bị đo được tính toán trong bảng tính và phụ thuộc vào loại độ chính xác mà dữ liệu thu thập được báo cáo. Để phù hợp với ASME PTC 19.1, tất cả độ không đảm bảo phải được chuyển đổi thành độ không đảm bảo tuyệt đối. Nếu phép đo được thực hiện là tuyệt đối thì độ không đảm bảo hệ thống của thiết bị được lấy như đã báo cáo. Nếu độ không đảm bảo được báo cáo nằm trong một tỷ lệ phần trăm số đọc nhất định, thì nó được chuyển thành tuyệt đối bằng cách lấy độ chính xác của thiết bị đo được báo cáo, chia cho 100 và nhân với giá trị thí nghiệm trung bình của thông số mong muốn.
Chuyển đổi từ phần trăm số đọc thành độ không đảm bảo tuyệt đối của thiết bị đo như sau:
![]()
Nếu độ không đảm bảo của thiết bị dựa trên phần trăm của khoảng cách, độ không đảm bảo được chuyển thành độ không đảm bảo tuyệt đối bằng cách chia độ chính xác của thiết bị đo cho 100 và nhân nó với chiều dài của khoảng cách.
Chuyển đổi từ phần trăm khoảng cách thành độ không đảm bảo hệ thống tuyệt đối như sau:
![]()
Tất cả độ không đảm bảo hệ thống thiết bị đo được báo cáo trong Bảng F.35 đến F.47 là tuyệt đối.
F.19 Phân tích độ nhạy
Để kết hợp tổng độ không đảm bảo của tất cả các thông số đo thành độ không đảm bảo tổng thể của kết quả thí nghiệm, phải xác định độ nhạy của kết quả đối với các thay đổi của từng thông số. ASME PTC 19.1 định nghĩa độ nhạy là tỷ số giữa sự thay đổi trong kết quả so với sự thay đổi đơn vị của một tham số. Hệ số độ nhạy có thể được xác định thông qua giải tích hoặc đại số như sau:
| Dạng giải tích: | Dạng đại số: |
Trong đó
R = kết quả đã hiệu chỉnh
= tham số đo lường
θR,Pi = hệ số độ nhạy cho kết quả đã hiệu chỉnh đối với một tham số đo lường
Đối với thí nghiệm này, độ nhạy của công suất điện phát lên lưới đã hiệu chỉnh và suất tiêu hao nhiệt thực đối với mỗi thông số đo được xác định bằng phương pháp số. Bảng tính được sử dụng để tính toán kết quả thí nghiệm đã hiệu chỉnh được sử dụng để tăng từng giá trị đo riêng lẻ để có thể xác định sự thay đổi tương ứng trong kết quả đã hiệu chỉnh. Tỷ số giữa sự thay đổi của kết quả hiệu chỉnh với sự thay đổi của giá trị đo là hệ số độ nhạy tuyệt đối. Như được chỉ định trong 7.2.2 của ASME PTC 19.1, gia số của giá trị đo được sử dụng để tính toán sự thay đổi trong kết quả đã hiệu chỉnh được giữ ở mức nhỏ nhất trong thực tế. Kết quả phân tích độ nhạy cho tất cả các phép đo và lần tiến hành thí nghiệm được thể hiện trong bảng kết quả độ không đảm bảo tổng thể. Xem Bảng F.47 đến F.50.
Bảng F. 35 - Phân tích độ không đảm bảo có hệ thống của việc đánh giá dòng nhiên liệu
(Thí nghiệm lần 1)
| Đánh giá | Lưu lượng nhiên liệu 67.865 kg/h | ||||
|
| Giá trị sai số hệ thống | ||||
| Giá trị thí nghiệm | Sai số hệ thống của thiết bị Binst | Độ nhạy tuyệt đối θ | Sai số hệ thống của dòng nhiên liệu UF1,SYS (kg/h) | ||
| Trung bình | Đơn vị | ||||
| Thông số dòng nhiên liệu |
|
|
|
|
|
| Độ chênh áp của dòng nhiên liệu | 542,14 | cmH2O | 0,381 | 61,07 | 23,266 |
| Áp suất của dòng nhiên liệu | 17,64 | bara | 0,023 | 2.035,97 | 46,043 |
| Nhiệt độ của dòng nhiên liệu | 16,76 | °C | 0,056 | -130,34 | -7,241 |
| Độ không đảm bảo khi hiệu chỉnh lưu lượng kế (PTC 19.5) | … | … | … | … | 169,663 |
| Độ không đảm bảo của phương pháp hệ số mở rộng (AGA 3) | … | … | … | … | 81,747 |
| Độ không đảm bảo của phương pháp hệ số nén (AGA 8) | … | … | … | … | 33,933 |
| Thông số phân tích nhiên liệu |
|
|
|
| |
| Metan (xCH4) | 960,933 | % mol | 0,316 | -15,48 | -4,895 |
| Etan (xCH2) | 19,667 | % mol | 0,071 | 295,67 | 20,943 |
| Propan (xCH3) | 0,3033 | % mol | 0,050 | 601,67 | 29,816 |
| Iso-butan (xICH4) | 0,0767 | % mol | 0,014 | 909,81 | 12,876 |
| N-butan (xNCH4) | 0,0567 | % mol | 0,014 | 906,77 | 12,830 |
| Iso-pentan (xICH5) | 0,0300 | % mol | 0,014 | 1.212,70 | 17,159 |
| N-pentan (xNCH5) | 0,0167 | % mol | 0,014 | 1.216,10 | 17,201 |
| N-hexan (xCH6) | 0,0033 | % mol | 0,014 | 1.550,68 | 21,930 |
| N-heptan (xCH7) | 0,0000 | % mol | 0,000 | 0,00 | 0,000 |
| N-octan (xCH8) | 0,0000 | % mol | 0,000 | 0,00 | 0,000 |
| Nonane (xCH9) | 0,0000 | % mol | 0,000 | 0,00 | 0,000 |
| Decan (xCH10) | 0,0000 | % mol | 0,000 | 0,00 | 0,000 |
| Khí cacbonic (xCO2) | 0,6867 | % mol | 0,050 | 563,21 | 28,020 |
| Nitơ (xN2) | 0,7367 | % mol | 0,050 | 212,81 | 10,592 |
| Oxy (xO2) | 0,0100 | % mol | 0,014 | 298,62 | 4,224 |
| Heli (xHe) | 0,0200 | % mol | 0,014 | -295,63 | -4,181 |
| Hydro (xH2) | 0,0000 | % mol | 0,000 | 0,00 | 0,000 |
| Cacbon monoxit (xCO) | 0,0000 | % mol | 0,000 | 0,00 | 0,000 |
| Hydro sunfua (xH2S) | 0,0000 | % mol | 0,000 | 0,00 | 0,000 |
| Nước (xH2O) | 0,0000 | % mol | 0,000 | 0,00 | 0,000 |
|
| RSS | 207,41 | |||
| Giá trị sai số dòng nhiên liệu | |||||
| 0,31% | |||||
Bảng F. 36 - Phân tích độ không đảm bảo có hệ thống của việc đánh giá dòng nhiên liệu
(Thí nghiệm lần 2)
|
| Lưu lượng nhiên liệu 68.017 kg/h | ||||
| Đánh giá |
| Giá trị sai số hệ thống | |||
| Giá trị thí nghiệm | Sai số hệ thống của thiết bị Binst | Độ nhạy tuyệt đối θ | Sai số hệ thống của dòng nhiên liệu UF1,SYS (kg/h) | ||
| Trung bình | Đơn vị | ||||
| Thông số dòng nhiên liệu |
|
|
|
|
|
| Độ chênh áp của dòng nhiên liệu | 545,40 | cmH2O | 0,381 | 60,83 | 23,175 |
| Áp suất của dòng nhiên liệu | 17,61 | bara | 0,023 | 2.044,31 | 46,232 |
| Nhiệt độ của dòng nhiên liệu | 16,64 | °C | 0,056 | -130,67 | -7,259 |
| Độ sai số khi hiệu chỉnh lưu lượng kế (PTC 19.5) | … | … | … | … | 170,044 |
| Độ sai số của phương pháp hệ số mở rộng (AGA 3) | … | … | … | … | 82,563 |
| Độ sai số của phương pháp hệ số nén (AGA 8) | … | … | … | … | 34,009 |
| Thông số phân tích nhiên liệu |
|
|
|
| |
| Metan (xCH4) | 960,667 | % mol | 0,316 | -15,51 | -4,903 |
| Etan (xCH2) | 19,700 | % mol | 0,071 | 296,32 | 20,989 |
| Propan (xCH3) | 0,3267 | % mol | 0,050 | 602,98 | 29,887 |
| Iso-butan (xICH4) | 0,0567 | % mol | 0,014 | 911,79 | 12,900 |
| N-butan (xNCH4) | 0,0667 | % mol | 0,014 | 908,75 | 12,861 |
| Iso-pentan (xICH5) | 0,0167 | % mol | 0,014 | 1.215,34 | 17,190 |
| N-pentan (xNCH5) | 0,0100 | % mol | 0,014 | 1.218,75 | 17,237 |
| N-hexan (xCH6) | 0,0100 | % mol | 0,014 | 1.554,05 | 21,980 |
| N-heptan (XCH7) | 0,0000 | % mol | 0,000 | 0,00 | 0,000 |
| N-octan (xCH8) | 0,0000 | % mol | 0,000 | 0,00 | 0,000 |
| Nonane (xCH9) | 0,0000 | % mol | 0,000 | 0,00 | 0,000 |
| Decan (xCH10) | 0,0000 | % mol | 0,000 | 0,00 | 0,000 |
| Khí cacbonic (xCO2) | 0,6933 | % mol | 0,050 | 564,48 | 28,086 |
| Nitơ (xN2) | 0,7533 | % mol | 0,050 | 213,30 | 10,620 |
| Oxy (xO2) | 0,0100 | % mol | 0,014 | 299,30 | 4,233 |
| Heli (xHe) | 0,0200 | % mol | 0,014 | -296,26 | -4,190 |
| Hydro (xH2) | 0,0000 | % mol | 0,000 | 0,00 | 0,000 |
| Cacbon monoxit (xCO) | 0,0000 | % mol | 0,000 | 0,00 | 0,000 |
| Hydro sunfua (xH2S) | 0,0000 | % mol | 0,000 | 0,00 | 0,000 |
| Nước (xH2O) | 0,0000 | % mol | 0,000 | 0,00 | 0,000 |
|
| RSS | 208,13 | |||
| Giá trị sai số dòng nhiên liệu | |||||
| 0,31% | |||||
Bảng F. 37 - Phân tích độ không đảm bảo có hệ thống của việc đánh giá dòng nhiên liệu
(Thí nghiệm lần 3)
| Đánh giá | Lưu lượng nhiên liệu 67.831 kg/h | ||||
|
| Giá trị sai số hệ thống | ||||
| Giá trị thí nghiệm | Sai số hệ thống của thiết bị Binst | Độ nhạy tuyệt đối θ | Sai số hệ thống của dòng nhiên liệu UF1,SYS (kg/h) | ||
| Trung bình | Đơn vị | ||||
| Thông số dòng nhiên liệu |
|
|
|
|
|
| Độ chênh áp của dòng nhiên liệu | 542,34 | cmH2O | 0,381 | 61,01 | 23,245 |
| Áp suất của dòng nhiên liệu | 17,59 | bara | 0,023 | 2.040,17 | 46,138 |
| Nhiệt độ của dòng nhiên liệu | 16,51 | °C | 0,056 | -130,39 | -7,244 |
| Độ sai số khi hiệu chỉnh lưu lượng kế (PTC 19.5) | … | … | … | … | 169,578 |
| Độ sai số của phương pháp hệ số mở rộng (AGA 3) | … | … | … | … | 81,936 |
| Độ sai số của phương pháp hệ số nén (AGA 8) | … | … | … | … | 33,916 |
| Thông số phân tích nhiên liệu |
|
|
|
| |
| Metan (xCH4) | 960,500 | % mol | 0,316 | -15,56 | -4,920 |
| Etan (xCH2) | 19,800 | % mol | 0,071 | 295,37 | 20,922 |
| Propan (xCH3) | 0,3300 | % mol | 0,050 | 601,15 | 29,797 |
| Iso-butan (xICH4) | 0,0600 | % mol | 0,014 | 909,08 | 12,862 |
| N-butan (xNCH4) | 0,0733 | % mol | 0,014 | 906,05 | 12,825 |
| Iso-pentan (xICH5) | 0,0167 | % mol | 0,014 | 1.211,76 | 17,139 |
| N-pentan (xNCH5) | 0,0100 | % mol | 0,014 | 1.215,17 | 17,186 |
| N-hexan (xCH6) | 0,0100 | % mol | 0,014 | 1.549,52 | 21,916 |
| N-heptan (XCH7) | 0,0000 | % mol | 0,000 | 0,00 | 0,000 |
| N-octan (xCH8) | 0,0000 | % mol | 0,000 | 0,00 | 0,000 |
| Nonane (xCH9) | 0,0000 | % mol | 0,000 | 0,00 | 0,000 |
| Decan (xCH10) | 0,0000 | % mol | 0,000 | 0,00 | 0,000 |
| Khí cacbonic (xCO2) | 0,6900 | % mol | 0,050 | 562,71 | 27,996 |
| Nitơ (xN2) | 0,7467 | % mol | 0,050 | 212,55 | 10,581 |
| Oxy (xO2) | 0,0100 | % mol | 0,014 | 298,29 | 4,219 |
| Heli (xHe) | 0,0200 | % mol | 0,014 | -295,52 | -4,180 |
| Hydro (xH2) | 0,0033 | % mol | 0,014 | -327,41 | -4,630 |
| Cacbon monoxit (xCO) | 0,0000 | % mol | 0,000 | 0,00 | 0,000 |
| Hydro sunfua (xH2S) | 0,0000 | % mol | 0,000 | 0,00 | 0,000 |
| Nước (xH2O) | 0,0000 | % mol | 0,000 | 0,00 | 0,000 |
|
| RSS | 207,47 | |||
| Giá trị sai số dòng nhiên liệu | |||||
| 0,31% | |||||
Bảng F. 38 - Phân tích độ không đảm bảo có hệ thống của việc đánh giá dòng nhiên liệu
(Thí nghiệm lần 4)
| Đánh giá | Lưu lượng nhiên liệu 67.766 kg/h | ||||
|
| Giá trị sai số hệ thống | ||||
| Giá trị thí nghiệm | Sai số hệ thống của thiết bị Binst | Độ nhạy tuyệt đối θ | Sai số hệ thống của dòng nhiên liệu UF1,SYS (kg/h) | ||
| Trung bình | Đơn vị | ||||
| Thông số dòng nhiên liệu |
|
|
|
|
|
| Độ chênh áp của dòng nhiên liệu | 541,63 | cmH2O | 0,381 | 61,03 | 23,253 |
| Áp suất của dòng nhiên liệu | 17,58 | bara | 0,023 | 2.039,83 | 46,130 |
| Nhiệt độ của dòng nhiên liệu | 16,46 | °C | 0,056 | -130,29 | -7,238 |
| Độ sai số khi hiệu chỉnh lưu lượng kế (PTC 19.5) | … | … | … | … | 169,417 |
| Độ sai số của phương pháp hệ số mở rộng (AGA 3) | … | … | … | … | 81,816 |
| Độ sai số của phương pháp hệ số nén (AGA 8) | … | … | … | … | 33,883 |
| Thông số phân tích nhiên liệu |
|
|
|
| |
| Metan (xCH4) | 96,0533 | % mol | 0,316 | -15,56 | -4,919 |
| Etan (xCH2) | 1,9800 | % mol | 0,071 | 295,06 | 20,900 |
| Propan (xCH3) | 0,3233 | % mol | 0,050 | 600,55 | 29,765 |
| Iso-butan (xICH4) | 0,0667 | % mol | 0,014 | 908,17 | 12,851 |
| N-butan (xNCH4) | 0,0700 | % mol | 0,014 | 905,15 | 12,811 |
| Iso-pentan (xICH5) | 0,0200 | % mol | 0,014 | 1.210,57 | 17,124 |
| N-pentan (xNCH5) | 0,0133 | % mol | 0,014 | 1.213,97 | 17,170 |
| N-hexan (xCH6) | 0,0100 | % mol | 0,014 | 1.547,98 | 21,894 |
| N-heptan (xCH7) | 0,0000 | % mol | 0,000 | 0,00 | 0,000 |
| N-octan (xCH8) | 0,0000 | % mol | 0,000 | 0,00 | 0,000 |
| Nonane (xCH9) | 0,0000 | % mol | 0,000 | 0,00 | 0,000 |
| Decan (xCH10) | 0,0000 | % mol | 0,000 | 0,00 | 0,000 |
| Khí cacbonic (xCO2) | 0,6833 | % mol | 0,050 | 562,14 | 27,965 |
| Nitơ (xN2) | 0,7467 | % mol | 0,050 | 212,33 | 10,570 |
| Oxy (xO2) | 0,0067 | % mol | 0,014 | 297,99 | 4,214 |
| Heli (xHe) | 0,0200 | % mol | 0,014 | -295,24 | -4,175 |
| Hydro (xH2) | 0,0067 | % mol | 0,014 | -327,09 | -4,626 |
| Cacbon monoxit (xCO) | 0,0000 | % mol | 0,000 | 0,00 | 0,000 |
| Hydro sunfua (xH2S) | 0,0000 | % mol | 0,000 | 0,00 | 0,000 |
| Nước (xH2O) | 0,0000 | % mol | 0,000 | 0,00 | 0,000 |
|
| RSS | 207,27 | |||
| Giá trị sai số dòng nhiên liệu | |||||
| 0,31% | |||||
Bảng F. 39 - Phân tích độ không đảm bảo có hệ thống của việc đánh giá dòng nhiên liệu
(Thí nghiệm lần 1)
| Đánh giá | Lưu lượng nhiên liệu 149,62 KPPH | ||||
| Độ không đảm bảo có hệ thống | |||||
| Giá trị thí nghiệm | Độ không đảm bảo có hệ thống của thiết bị đo Binst | Độ nhạy tuyệt đối θ | Độ không đảm bảo có hệ thống của dòng nhiên liệu UF1,SYS KPPH | ||
| Trung bình | Đơn vị | ||||
| Thông số dòng nhiên liệu |
|
|
|
| |
| Độ chênh áp của dòng nhiên liệu | 542,14 | cm H2O | 0,070% | 0,488 | 0,034% |
| Áp suất của dòng nhiên liệu | 17,64 | bara | 0,128% | 0,529 | 0,068% |
| Nhiệt độ của dòng nhiên liệu | 16,76 | °C | 0,161% | -0,066 | -0,011% |
| Độ không đảm bảo hiệu chuẩn lưu lượng kế tiết lưu (PTC 19.5) | … | … | … | … | 0,250% |
| Độ không đảm bảo của phương pháp hệ số mở rộng (AGA 3) | … | … | … | … | 0,120% |
| Độ không đảm bảo của phương pháp hệ số nén (AGA 8) | … | … | … | … | 0,050% |
| Thông số phân tích nhiên liệu | |||||
| Metan (xCH4) | 96,0933 | % mol | 0,329% | -0,022 | -0,007% |
| Etan (xCH2) | 1,9800 | % mol | 3,602% | 0,009 | 0,031% |
| Propan (xCH3) | 0,3033 | % mol | 16,337% | 0,003 | 0,044% |
| Iso-butan (xICH4) | 0,0767 | % mol | 18,460% | 0,001 | 0,019% |
| N-butan (xNCH4) | 0,0567 | % mol | 24,970% | 0,001 | 0,019% |
| Iso-pentan (xICH5) | 0,0200 | % mol | 47,164% | 0,001 | 0,025% |
| N-pentan (xNCH5) | 0,0167 | % mol | 84,868% | 0,000 | 0,025% |
| N-hexan (xCH6) | 0,0033 | % mol | 424,269% | 0,000 | 0,032% |
| N-heptan (xCH7) | 0,0000 | % mol | 0,000% | 0,000 | 0,000% |
| N-octan (xCH8) | 0,0000 | % mol | 0,000% | 0,000 | 0,000% |
| Nonane (xCH9) | 0,0000 | % mol | 0,000% | 0,000 | 0,000% |
| Decan (xCH10) | 0,0000 | % mol | 0,000% | 0,000 | 0,000% |
| Khí cacbonic (xCO2) | 0,6867 | % mol | 7,245% | 0,006 | 0,041% |
| Nitơ (xN2) | 0,7367 | % mol | 6,757% | 0,002 | 0,016% |
| Oxy (xO2) | 0,0100 | % mol | 141,438% | 0,000 | 0,006% |
| Heli (xHe) | 0,0200 | % mol | 70,714% | 0,000 | -0,006% |
| Hydro (xH2) | 0,0000 | % mol | 0,000% | 0,000 | 0,000% |
| Cacbon monoxit (xCO) | 0,0000 | % mol | 0,000% | 0,000 | 0,000% |
| Hydro sunfua (xH2S) | 0,0000 | % mol | 0,000% | 0,000 | 0,000% |
| Nước (xH2O) | 0,0000 | % mol | 0,000% | 0,000 | 0,000% |
|
| RSS | 0,306% | |||
| Độ không đảm bảo việc đánh giá dòng nhiên liệu | |||||
Bảng F. 40 - Phân tích độ không đảm bảo có hệ thống của việc đánh giá dòng nhiên liệu
(Thí nghiệm lần 2)
| Đánh giá | Lưu lượng nhiên liệu 149,40 KPPH | ||||
| Độ không đảm bảo có hệ thống | |||||
| Giá trị thí nghiệm | Độ không đảm bảo có hệ thống của thiết bị đo Binst | Độ nhạy tuyệt đối θ | Độ không đảm bảo có hệ thống của dòng nhiên liệu UF1,SYS KPPH | ||
| Trung bình | Đơn vị | ||||
| Thông số dòng nhiên liệu |
|
|
|
| |
| Độ chênh áp của dòng nhiên liệu | 545,40 | cm H2O | 0,070% | 0,488 | 0,034% |
| Áp suất của dòng nhiên liệu | 17,61 | bara | 0,128% | 0,529 | 0,068% |
| Nhiệt độ của dòng nhiên liệu | 16,64 | °C | 0,161% | -0,066 | -0,011% |
| Độ không đảm bảo hiệu chuẩn lưu lượng kế tiết lưu (PTC 19.5) | … | … | … | … | 0,250% |
| Độ không đảm bảo của phương pháp hệ số mở rộng (AGA 3) | … | … | … | … | 0,121% |
| Độ không đảm bảo của phương pháp hệ số nén (AGA 8) |
|
|
|
| 0,050% |
| Thông số phân tích nhiên liệu | |||||
| Metan (xCH4) | 96,0667 | % mol | 0,329% | -0,0219 | -0,007% |
| Etan (xCH2) | 1,9700 | % mol | 3,596% | 0,0086 | 0,031% |
| Propan (xCH3) | 0,3267 | % mol | 15,173% | 0,0029 | 0,044% |
| Iso-butan (xICH4) | 0,0567 | % mol | 24,967% | 0,0008 | 0,019% |
| N-butan (xNCH4) | 0,0667 | % mol | 21,229% | 0,0009 | 0,019% |
| Iso-pentan (xICH5) | 0,0167 | % mol | 84,866% | 0,0003 | 0,025% |
| N-pentan (xNCH5) | 0,0100 | % mol | 141,431% | 0,0002 | 0,025% |
| N-hexan (xCH6) | 0,0100 | % mol | 141,435% | 0,0002 | 0,032% |
| N-heptan (xCH7) | 0,0000 | % mol | 0,000% | 0,0000 | 0,000% |
| N-octan (xCH8) | 0,0000 | % mol | 0,000% | 0,0000 | 0,000% |
| Nonane (xCH9) | 0,0000 | % mol | 0,000% | 0,0000 | 0,000% |
| Decan (xCH10) | 0,0000 | % mol | 0,000% | 0,0000 | 0,000% |
| Khí cacbonic (xCO2) | 0,6933 | % mol | 7,176% | 0,0058 | 0,041% |
| Nitơ (xN2) | 0,7533 | % mol | 6,609% | 0,0024 | 0,016% |
| Oxy (xO2) | 0,0100 | % mol | 141,438% | 0,0000 | 0,006% |
| Heli (xHe) | 0,0200 | % mol | 70,714% | -0,0001 | -0,006% |
| Hydro (xH2) | 0,0000 | % mol | 0,000% | 0,0000 | 0,000% |
| Cacbon monoxit (xCO) | 0,0000 | % mol | 0,000% | 0,0000 | 0,000% |
| Hydro sunfua (xH2S) | 0,0000 | % mol | 0,000% | 0,0000 | 0,000% |
| Nước (xH2O) | 0,0000 | % mol | 0 000% | 0,0000 | 0,000% |
|
| RSS | 0,306% | |||
|
| Độ không đảm bảo việc đánh giá dòng nhiên liệu | ||||
Bảng F. 41 - Phân tích độ không đảm bảo có hệ thống của việc đánh giá dòng nhiên liệu (Thí nghiệm lần 3)
| Đánh giá | Lưu lượng nhiên liệu 149,54 KPPH | ||||
| Độ không đảm bảo có hệ thống | |||||
| Giá trị thí nghiệm | Độ không đảm bảo có hệ thống của thiết bị đo Binst | Độ nhạy tuyệt đối θ | Độ không đảm bảo có hệ thống của dòng nhiên liệu UF1,SYS KPPH | ||
| Trung bình | Đơn vị | ||||
| Thông số dòng nhiên liệu |
|
|
|
| |
| Độ chênh áp của dòng nhiên liệu | 542,34 | cm H2O | 0,070% | 0,488 | 0,034% |
| Áp suất của dòng nhiên liệu | 17,59 | bara | 0,129% | 0,529 | 0,068% |
| Nhiệt độ của dòng nhiên liệu | 16,51 | °C | 0,162% | -0,066 | -0,011% |
| Độ không đảm bảo hiệu chuẩn lưu lượng kế tiết lưu (PTC 19.5) | … | … | … | … | 0,250% |
| Độ không đảm bảo của phương pháp hệ số mở rộng (AGA 3) | … | … | … | … | 0,121% |
| Độ không đảm bảo của phương pháp hệ số nén (AGA 8) | … | … | … | … | 0,050% |
| Thông số phân tích nhiên liệu |
| ||||
| Metan (xCH4) | 96,0500 | % mol | 0,329% | -0,022 | -0,007% |
| Etan (xCH2) | 1,9800 | % mol | 3,577% | 0,009 | 0,031% |
| Propan (xCH3) | 0,3300 | % mol | 15,020% | 0,003 | 0,044% |
| Iso-butan (xICH4) | 0,0600 | % mol | 23,581% | 0,001 | 0,019% |
| N-butan (xNCH4) | 0,0733 | % mol | 19,302% | 0,001 | 0,019% |
| Iso-pentan (xICH5) | 0,0167 | % mol | 84,866% | 0,000 | 0,025% |
| N-pentan (xNCH5) | 0,0100 | % mol | 141,431% | 0,000 | 0,025% |
| N-hexan (xCH6) | 0,0100 | % mol | 141,435% | 0,000 | 0,032% |
| N-heptan (xCH7) | 0,0000 | % mol | 0,000% | 0,000 | 0,000% |
| N-octan (xCH8) | 0,0000 | % mol | 0,000% | 0,000 | 0,000% |
| Nonane (xCH9) | 0,0000 | % mol | 0,000% | 0,000 | 0,000% |
| Decan (xCH10) | 0,0000 | % mol | 0,000% | 0,000 | 0,000% |
| Khí cacbonic (xCO2) | 0,6900 | % mol | 7,211% | 0,006 | 0,041% |
| Nitơ (xN2) | 0,7467 | % mol | 6,667% | 0,002 | 0,016% |
| Oxy (xO2) | 0,0100 | % mol | 141,438% | 0,000 | 0,006% |
| Heli (xHe) | 0,0200 | % mol | 70,714% | 0,000 | -0,006% |
| Hydro (xH2) | 0,0033 | % mol | 424,264 % | 0,000 | -0,007% |
| Cacbon monoxit (xCO) | 0,0000 | % mol | 0,000% | 0,000 | 0,000% |
| Hydro sunfua (xH2S) | 0,0000 | % mol | 0,000% | 0,000 | 0,000% |
| Nước (xH2O) | 0,0000 | % mol | 0,000% | 0,000 | 0,000% |
|
|
|
|
| RSS | 0,306% |
|
|
|
|
| Độ không đảm bảo của việc đánh giá dòng nhiên liệu | |
Bảng F. 42 - Phân tích độ không đảm bảo có hệ thống của việc đánh giá dòng nhiên liệu (Thí nghiệm lần 4)
| Đánh giá | Lưu lượng nhiên liệu 149,54 KPPH | ||||
| Độ không đảm bảo có hệ thống | |||||
| Giá trị thí nghiệm | Độ không đảm bảo có hệ thống của thiết bị đo Binst | Độ nhạy tuyệt đối θ | Độ không đảm bảo có hệ thống của dòng nhiên liệu UF1,SYS KPPH | ||
| Trung bình | Đơn vị | ||||
| Thông số dòng nhiên liệu |
|
|
|
|
|
| Độ chênh áp của dòng nhiên liệu | 541,63 | cm H2O | 0,070% | 0,488 | 0,034% |
| Áp suất của dòng nhiên liệu | 17,58 | bara | 0,129% | 0,529 | 0,068% |
| Nhiệt độ của dòng nhiên liệu | 16,46 | °C | 0,162% | -0,066 | -0,011% |
| Độ không đảm bảo hiệu chuẩn lưu lượng kế tiết lưu (PTC 19.5) | … | … | … | … | 0,250% |
| Độ không đảm bảo của phương pháp hệ số mở rộng (AGA 3) | … | … | … | … | 0,121% |
| Độ không đảm bảo của phương pháp hệ số nén (AGA 8) | … | … | … | … | 0,050% |
| Thông số phân tích nhiên liệu | |||||
| Metan (xCH4) | 96,0533 | % mol | 0,329% | -0,022 | -0,007% |
| Etan (xCH2) | 1,9800 | % mol | 3,577% | 0,009 | 0,031% |
| Propan (xCH3) | 0,3233 | % mol | 15,329% | 0,003 | 0,044% |
| Iso-butan (xICH4) | 0,0667 | % mol | 21,225% | 0,001 | 0,019% |
| N-butan (xNCH4) | 0,0700 | % mol | 20,219% | 0,001 | 0,019% |
| Iso-pentan (xICH5) | 0,0200 | % mol | 70,726% | 0,000 | 0,025% |
| N-pentan (xNCH5) | 0,0133 | % mol | 106,078% | 0,000 | 0,025% |
| N-hexan (xCH6) | 0,0100 | % mol | 141,435% | 0,000 | 0,032% |
| N-heptan (xCH7) | 0,0000 | % mol | 0,000% | 0,000 | 0,000% |
| N-octan (xCH8) | 0,0000 | % mol | 0,000% | 0,000 | 0,000% |
| Nonane (xCH9) | 0,0000 | % mol | 0,000% | 0,000 | 0,000% |
| Decan (xCH10) | 0,0000 | % mol | 0,000% | 0,000 | 0,000% |
| Khí cacbonic (xCO2) | 0,6833 | % mol | 7,280% | 0,006 | 0,041% |
| Nitơ (xN2) | 0,7467 | % mol | 6,667% | 0,002 | 0,016% |
| Oxy (xO2) | 0,0067 | % mol | 212,143% | 0,000 | 0,006% |
| Heli (xHe) | 0,0200 | % mol | 70,714% | 0,000 | -0,006% |
| Hydro (xH2) | 0,0067 | % mol | 212,132 % | 0,000 | -0,007% |
| Cacbon monoxit (xCO) | 0,0000 | % mol | 0,000% | 0,000 | 0,000% |
| Hydro sunfua (xH2S) | 0,0000 | % mol | 0,000% | 0,000 | 0,000% |
| Nước (xH2O) | 0,0000 | % mol | 0,000% | 0,000 | 0,000% |
|
| RSS | 0,306% | |||
| Độ không đảm bảo của việc đánh giá dòng nhiên liệu | |||||
F.20 Tóm tắt về độ không đảm bảo hệ thống của thiết bị đo
Phần 4 thảo luận về các yêu cầu đối với thiết bị đo được sử dụng trong thí nghiệm, bao gồm cả độ không đảm bảo tối đa cho phép đối với các cách đo cụ thể. Các yêu cầu về độ không đảm bảo phụ thuộc vào thông số và độ nhạy của kết quả tính toán đối với thông số đó. Bảng F.51 trình bày tóm tắt các giá trị độ không đảm bảo hệ thống của thiết bị được tính toán trong các phần trước và thể hiện sự tuân thủ/không tuân thủ với các yêu cầu về độ không đảm bảo của thiết bị.
F.21 Độ không đảm bảo hệ thống của không gian đo
Với phần thiết bị đo của độ không đảm bảo hệ thống được xác định như mô tả ở trên, phần không gian của độ không đảm bảo hệ thống phải được tính toán. Trong ví dụ này, các thông số đo thể hiện sự thay đổi trong không gian là nhiệt độ đầu vào của máy nén, nhiệt độ bầu khô xung quanh và nhiệt độ bầu khô đầu vào ACC.
Dữ liệu thí nghiệm được sử dụng để tính ước lượng độ không đảm bảo hệ thống do sự thay đổi không gian của tham số đo theo Công thức sau:
![]()
Trong đó
Bspatial = độ không đảm bảo hệ thống theo không gian
L = số vị trí đo
Sx = độ lệch chuẩn của vị trí trung bình với độ tin cậy 95%
sx = độ lệch chuẩn của vị trí trung bình
t95 = giá trị t ở độ tin cậy 95% và L-1 bậc tự do
Độ không đảm bảo theo không gian được tính toán riêng cho mỗi lần tiến hành thí nghiệm. Bảng F.52 tóm tắt kết quả tính toán độ không đảm bảo theo không gian cho tất cả các lần tiến hành thí nghiệm. Bảng F.53 đến F.55 minh họa việc tính toán độ không đảm bảo theo không gian của các phép đo áp dụng cho thí nghiệm 1.
F.22 Độ không đảm bảo rút gọn dữ liệu
Theo thỏa thuận giữa các bên, các đường cong hiệu chỉnh sẽ được phát triển bằng cách sử dụng chương trình máy tính cân bằng nhiệt được sử dụng để thiết kế nhà máy và dựa trên các mục tiêu hiệu suất. Mô hình được phát triển bằng cách sử dụng thông tin cân bằng nhiệt từ mỗi nhà cung cấp thiết bị lớn. Vì phương pháp đường cong hiệu chỉnh đã được chọn, độ không đảm bảo bổ sung đã được đưa vào dưới dạng độ không đảm bảo rút gọn dữ liệu. Theo từng mục 5.3.4 của ASME PTC 19.1, độ không đảm bảo rút gọn dữ liệu bao gồm các yếu tố đóng góp độ không đảm bảo như độ phân giải tính toán, sai số phù hợp với đường cong, giả định, áp dụng phép tính gần đúng, phương pháp tính toán,.... Một số loại lỗi này đã được xem xét trong các phần khác của ví dụ này, chẳng hạn như độ không đảm bảo của phương pháp liên quan đến tính toán độ nén của báo cáo AGA số 8 và độ không đảm bảo của phương pháp liên quan đến tính toán giá trị gia nhiệt theo ASTM D3588.
Phương pháp đường cong hiệu chỉnh là một phương pháp hiệu chỉnh dựa trên xấp xỉ đạo hàm bậc nhất, do đó không phải tất cả các tương tác do thay đổi điều kiện biên đều được ghi lại, dẫn đến sai số. Trước khi thí nghiệm và để hỗ trợ phân tích độ không đảm bảo trước đó, ước tính độ không đảm bảo liên quan đến phương pháp đường cong hiệu chỉnh đã được phát triển theo phương pháp sau. 50 trường hợp với điều kiện biên khác nhau được tiến hành trên chương trình máy tính cân bằng nhiệt. Ngoài ra, cùng năm mươi trường hợp điều kiện biên tương tự đã được hiệu chỉnh trở lại điều kiện tham chiếu bằng cách sử dụng phương pháp đường cong hiệu chỉnh. Năm mươi trường hợp điều kiện biên đã được lựa chọn cẩn thận để đảm bảo rằng chúng sẽ bao gồm các điều kiện thí nghiệm dự kiến. Sự khác biệt giữa công suất và suất tiêu hao nhiệt được hiệu chỉnh theo điều kiện tham chiếu bằng phương pháp đường cong hiệu chỉnh và chương trình máy tính cân bằng nhiệt công suất và suất tiêu hao nhiệt dự đoán được xác định cho tất cả năm mươi trường hợp. Từ nghiên cứu này, người ta xác định rằng phương pháp đường cong hiệu chỉnh có thể được sử dụng để xác định một cách nhất quán các kết quả đã hiệu chỉnh trong phạm vi 0,2% dự đoán của chương trình máy tính cân bằng nhiệt cho cả công suất phát và suất tiêu hao nhiệt. Giá trị của độ không đảm bảo của phương pháp đường cong hiệu chỉnh được xác định trong quá trình phân tích trước thí nghiệm được sử dụng để phân tích độ không đảm bảo sau thí nghiệm theo thỏa thuận của các bên thí nghiệm. Cần lưu ý rằng bằng cách sử dụng độ phù hợp của đường cong để tạo ra các hiệu chỉnh trong nghiên cứu này, độ không đảm bảo liên quan đến phương pháp đường cong điều chỉnh được bao gồm trong độ không đảm bảo của phương pháp đường cong hiệu chỉnh.
Bảng F. 43 - Phân tích độ không đảm bảo của việc đánh giá dòng nhiên liệu (Thí nghiệm lần 1)
| Đánh giá | Độ không đảm bảo của phép đo đạc | Độ không đảm bảo kết quả thí nghiệm | |||||||||||
|
| Tính hệ thống | Tính ngẫu nhiên | Tổng | Lưu lượng nhiên liệu 67.865 kg/h | |||||||||
| Giá trị thí nghiệm | Độ không đảm bảo có hệ thống của thiết bị đo Binst | Độ không đảm bảo có hệ thống của thiết bị đo Bspatial | Tổng độ không đảm bảo có tính hệ thống U95,SYS | Độ lệch chuẩn trung bình S | Phân phối t của Student t95,v | Độ không đảm bảo ngẫu nhiên U95,RND | Tổng độ không đảm bảo lường U95,TOT | Độ nhạy tuyệt đối θ | Độ không đảm bảo có hệ thống của dòng nhiên liệu UF1,SYS kg/h | Độ không đảm bảo ngẫu nhiên của dòng nhiên liệu UF1,RND kg/h | Tổng độ không đảm bảo của dòng nhiên liệu UF1 kg/h | ||
| Trung bình | Đơn vị | ||||||||||||
| Thông số dòng nhiên liệu |
|
|
|
|
|
|
|
|
|
|
|
| |
| Độ chênh áp thiết bị cấp dòng nhiên liệu | 542,14 | cm H2O | 0,381 | 0,0 | 0,38 | 0,311 | 2,00 | 0,62 | 0,73 | 61,07 | 23,266 | 28,029 | 44,58 |
| Áp suất thiết bị cấp dòng nhiên liệu | 17,64 | bara | 0,023 | 0,0 | 0,023 | 0,008 | 2,00 | 0,02 | 0,03 | 2035,97 | 46,043 | 33,672 | 57,04 |
| Nhiệt độ thiết bị cấp dòng nhiên liệu | 16,76 | °C | 0,056 | 0,0 | 0,06 | 0,046 | 2,00 | 0,09 | 0,11 | -130,34 | -7,241 | -12,063 | 14,07 |
| Độ không đảm bảo của hiệu chuẩn lưu lượng kế tiết lưu (PTC 19.5) | … | … | … | … | … | … | … | … | … | … | 169,663 | … | 169,66 |
| Độ không đảm bảo của phương pháp hệ số mở rộng (AGA 3) | … | … | … | … | … | … | … | … | … | … | 81,747 | … | 81,75 |
| Độ không đảm bảo của phương pháp hệ số nén (AGA 8) | … | … | … | … | … | … | … | … | … | … | 33,933 | … | 33,93 |
| Thông số phân tích nhiên liệu | |||||||||||||
| Metan (xCH4) | 96,0933 | % mol | 0,316 | 0,0 | 0,32 | 0,012 | 4,30 | 0,05 | 0,32 | -15,48 | -4,895 | -0,800 | 4,96 |
| Etan (xCH2) | 1,9667 | % mol | 0,071 | 0,0 | 0,07 | 0,003 | 4,30 | 0,01 | 0,07 | 295,67 | 20,943 | 4,241 | 21,37 |
| Propan (xCH3) | 0,3033 | % mol | 0,050 | 0,0 | 0,05 | 0,009 | 4,30 | 0,04 | 0,06 | 601,67 | 29,816 | 22,831 | 37,55 |
| Iso-butan (xICH4) | 0,0767 | % mol | 0,014 | 0,0 | 0,01 | 0,009 | 4,30 | 0,04 | 0,04 | 909,81 | 12,876 | 34,523 | 36,85 |
| N-butan (xNCH4) | 0,0567 | % mol | 0,014 | 0,0 | 0,01 | 0,003 | 4,30 | 0,01 | 0,02 | 906,77 | 12,830 | 13,005 | 18,27 |
| Iso-pentan (xICH5) | 0,0300 | % mol | 0,014 | 0,0 | 0,01 | 0,006 | 4,30 | 0,02 | 0,03 | 1.212,70 | 17,159 | 30,125 | 34,67 |
| N-pentan (xNCH5) | 0,0167 | % mol | 0,014 | 0,0 | 0,01 | 0,003 | 4,30 | 0,01 | 0,02 | 1.216,10 | 17,201 | 17,442 | 24,50 |
| N-hexan (xCH6) | 0,0033 | % mol | 0,014 | 0,0 | 0,01 | 0,003 | 4,30 | 0,01 | 0,02 | 1.550,68 | 21,930 | 22,240 | 31,23 |
| N-heptan (XCH7) | 0,0000 | % mol | 0,000 | 0,0 | 0,00 | 0,000 | 4,30 | 0,00 | 0,00 | 0,00 | 0,000 | 0,000 | 0,00 |
| N-octan (xCH8) | 0,0000 | % mol | 0,000 | 0,0 | 0,00 | 0,000 | 4,30 | 0,00 | 0,00 | 0,00 | 0,000 | 0,000 | 0,00 |
| Nonane (xCH9) | 0,0000 | % mol | 0,000 | 0,0 | 0,00 | 0,000 | 4,30 | 0,00 | 0,00 | 0,00 | 0,000 | 0,000 | 0,00 |
| Decan (xCH10) | 0,0000 | % mol | 0,000 | 0,0 | 0,00 | 0,000 | 4,30 | 0,00 | 0,00 | 0,00 | 0,000 | 0,000 | 0,00 |
| Khí cacbonic (xCO2) | 0,6867 | % mol | 0,050 | 0,0 | 0,05 | 0,003 | 4,30 | 0,01 | 0,05 | 563,21 | 28,020 | 8,078 | 29,16 |
| Nitơ (xN2) | 0,7367 | % mol | 0,050 | 0,0 | 0,05 | 0,012 | 4,30 | 0,05 | 0,07 | 212,81 | 10,592 | 11,005 | 15,27 |
| Oxy (xO2) | 0,0100 | % mol | 0,014 | 0,0 | 0,01 | 0,000 | 4,30 | 0,00 | 0,01 | 298,62 | 4,224 | 0,000 | 4,22 |
| Heli (xHe) | 0,0200 | % mol | 0,014 | 0,0 | 0,01 | 0,000 | 4,30 | 0,00 | 0,01 | -295,63 | -4,181 | 0,000 | 4,18 |
| Hydro (xH2) | 0,0000 | % mol | 0,000 | 0,0 | 0,00 | 0,000 | 4,30 | 0,00 | 0,00 | 0,00 | 0,000 | 0,000 | 0,00 |
| Cacbon monoxit (xCO) | 0,0000 | % mol | 0,000 | 0,0 | 0,00 | 0,000 | 4,30 | 0,00 | 0,00 | 0,00 | 0,000 | 0,000 | 0,00 |
| Hydro sunfua (xH2S) | 0,0000 | % mol | 0,000 | 0,0 | 0,00 | 0,000 | 4,30 | 0,00 | 0,00 | 0,00 | 0,000 | 0,000 | 0,00 |
| Nước (xH2O) | 0,0000 | % mol | 0,000 | 0,0 | 0,00 | 0,000 | 4,30 | 0,00 | 0,00 | 0,00 | 0,000 | 0,000 | 0,00 |
Bảng F. 44 - Phân tích độ không đảm bảo của việc đánh giá dòng nhiên liệu (Thí nghiệm lần 2)
| Đánh giá | Độ không đảm bảo của phép đo đạc | Độ không đảm bảo kết quả thí nghiệm | |||||||||||
|
| Tính hệ thống | Tính ngẫu nhiên | Tổng | Lưu lượng nhiên liệu 68.018 kg/h | |||||||||
| Giá trị thí nghiệm | Độ không đảm bảo có hệ thống của thiết bị đo Binst | Độ không đảm bảo có hệ thống của thiết bị đo Bspatial | Tổng độ không đảm bảo có tính hệ thống U95,SYS | Độ lệch chuẩn trung bình S | Phân phối t của Student t95,v | Độ không đảm bảo ngẫu nhiên U95,RND | Tổng độ không đảm bảo lường U95,TOT | Độ nhạy tuyệt đối θ | Độ không đảm bảo có hệ thống của dòng nhiên liệu UF1,SYS kg/h | Độ không đảm bảo ngẫu nhiên của dòng nhiên liệu UF1,RND kg/h | Tổng độ không đảm bảo của dòng nhiên liệu UF1, kg/h | ||
| Trung bình | Đơn vị | ||||||||||||
| Thông số dòng nhiên liệu |
|
|
|
|
|
|
|
|
|
|
|
| |
| Độ chênh áp thiết bị cấp dòng nhiên liệu | 545,40 | cm H2O | 0,381 | 0,0 | 0,38 | 0,095 | 2,00 | 0,19 | 0,43 | 60,83 | 23,175 | 11,588 | 25,91 |
| Áp suất thiết bị cấp dòng nhiên liệu | 17,61 | bara | 0,023 | 0,0 | 0,023 | 0,008 | 2,00 | 0,02 | 0,03 | 2.044,31 | 46,232 | 31,724 | 56,07 |
| Nhiệt độ thiết bị cấp dòng nhiên liệu | 16,64 | °C | 0,056 | 0,0 | 0,06 | 0,053 | 2,00 | 0,11 | 0,12 | -130,67 | -7,259 | -13,756 | 15,55 |
| Độ không đảm bảo của hiệu chuẩn lưu lượng kế tiết lưu (PTC 19.5) | … | … | … | … | … | … | … | … | … | … | 170,044 | … | 170,04 |
| Độ không đảm bảo của phương pháp hệ số mở rộng (AGA 3) | … | … | … | … | … | ... | … | … | … | … | 82,563 | … | 82,56 |
| Độ không đảm bảo của phương pháp hệ số nén (AGA 8) | ... | … | … | … | … | … | … | … | … | … | 34,009 | … | 34,01 |
| Thông số phân tích nhiên liệu | |||||||||||||
| Metan (xCH4) | 96,0667 | % mol | 0,316 | 0,0 | 0,32 | 0,009 | 4,30 | 0,04 | 0,32 | -15,51 | -4,903 | -0,589 | 4,94 |
| Etan (xCH2) | 1,9700 | % mol | 0,071 | 0,0 | 0,07 | 0,006 | 4,30 | 0,02 | 0,08 | 296,32 | 20,989 | 7,361 | 22,24 |
| Propan (xCH3) | 0,3267 | % mol | 0,050 | 0,0 | 0,05 | 0,003 | 4,30 | 0,01 | 0,05 | 602,98 | 29,887 | 8,648 | 31,11 |
| Iso-butan (xICH4) | 0,0567 | % mol | 0,014 | 0,0 | 0,01 | 0,003 | 4,30 | 0,01 | 0,02 | 911,79 | 12,900 | 13,077 | 18,37 |
| N-butan (xNCH4) | 0,0667 | % mol | 0,014 | 0,0 | 0,01 | 0,003 | 4,30 | 0,01 | 0,02 | 908,75 | 12,861 | 13,033 | 18,31 |
| Iso-pentan (xICH5) | 0,0167 | % mol | 0,014 | 0,0 | 0,01 | 0,003 | 4,30 | 0,01 | 0,02 | 1.215,34 | 17,190 | 17,431 | 24,48 |
| N-pentan (xNCH5) | 0,0100 | % mol | 0,014 | 0,0 | 0,01 | 0,000 | 4,30 | 0,00 | 0,01 | 1.218,75 | 17,237 | 0,000 | 17,24 |
| N-hexan (xCH6) | 0,0100 | % mol | 0,014 | 0,0 | 0,01 | 0,000 | 4,30 | 0,00 | 0,01 | 1.554,05 | 21,980 | 0,000 | 21,98 |
| N-heptan (xCH7) | 0,0000 | % mol | 0,000 | 0,0 | 0,00 | 0,000 | 4,30 | 0,00 | 0,00 | 0,00 | 0,000 | 0,000 | 0,00 |
| N-octan (xCH8) | 0,0000 | % mol | 0,000 | 0,0 | 0,00 | 0,000 | 4,30 | 0,00 | 0,00 | 0,00 | 0,000 | 0,000 | 0,00 |
| Nonane (xCH9) | 0,0000 | % mol | 0,000 | 0,0 | 0,00 | 0,000 | 4,30 | 0,00 | 0,00 | 0,00 | 0,000 | 0,000 | 0,00 |
| Decan (xCH10) | 0,0000 | % mol | 0,000 | 0,0 | 0,00 | 0,000 | 4,30 | 0,00 | 0,00 | 0,00 | 0,000 | 0,000 | 0,00 |
| Khí cacbonic (xCO2) | 0,6933 | % mol | 0,050 | 0,0 | 0,05 | 0,003 | 4,30 | 0,01 | 0,05 | 564,48 | 28,086 | 8,096 | 29,23 |
| Nitơ (xN2) | 0,7533 | % mol | 0,050 | 0,0 | 0,05 | 0,003 | 4,30 | 0,01 | 0,05 | 213,30 | 10,620 | 3,059 | 11,05 |
| Oxy (xO2) | 0,0100 | % mol | 0,014 | 0,0 | 0,01 | 0,000 | 4,30 | 0,00 | 0,01 | 299,30 | 4,233 | 0,000 | 4,23 |
| Heli (xHe) | 0,0200 | % mol | 0,014 | 0,0 | 0,01 | 0,000 | 4,30 | 0,00 | 0,01 | -296,26 | -4,190 | 0,000 | 4,19 |
| Hydro (xH2) | 0,0000 | % mol | 0,000 | 0,0 | 0,00 | 0,000 | 4,30 | 0,00 | 0,00 | 0,00 | 0,000 | 0,000 | 0,00 |
| Cacbon monoxit (xCO) | 0,0000 | % mol | 0,000 | 0,0 | 0,00 | 0,000 | 4,30 | 0,00 | 0,00 | 0,00 | 0,000 | 0,000 | 0,00 |
| Hydro sunfua (xH2S) | 0,0000 | % mol | 0,000 | 0,0 | 0,00 | 0,000 | 4,30 | 0,00 | 0,00 | 0,00 | 0,000 | 0,000 | 0,00 |
| Nước (xH2O) | 0,0000 | % mol | 0,000 | 0,0 | 0,00 | 0,000 | 4,30 | 0,00 | 0,00 | 0,00 | 0,000 | 0,000 | 0,00 |
| Độ không đảm bảo về đánh giá dòng nhiên liệu | 213,30 | ||||||||||||
| 0,31% | |||||||||||||
Bảng F. 45 - Phân tích độ không đảm bảo của việc đánh giá dòng nhiên liệu (Thí nghiệm lần 3)
| Đánh giá | Độ không đảm bảo của phép đo đạc | Độ không đảm bảo kết quả thí nghiệm | |||||||||||
|
| Tính hệ thống | Tính ngẫu nhiên | Tổng | Lưu lượng nhiên liệu 67.831 kg/h | |||||||||
| Giá trị thí nghiệm | Độ không đảm bảo có hệ thống của thiết bị đo Binst | Độ không đảm bảo có hệ thống của thiết bị đo Bspatial | Tổng độ không đảm bảo có tính hệ thống U95,SYS | Độ lệch chuẩn trung bình S | Phân phối t của Student t95,v | Độ không đảm bảo ngẫu nhiên U95,RND | Tổng độ không đảm bảo lường U95,TOT | Độ nhạy tuyệt đối θ | Độ không đảm bảo có hệ thống của dòng nhiên liệu UF1,SYS kg/h | Độ không đảm bảo ngẫu nhiên của dòng nhiên liệu UF1,RND kg/h | Tổng độ không đảm bảo của dòng nhiên liệu UF1 kg/h | ||
| Trung bình | Đơn vị | ||||||||||||
| Thông số dòng nhiên liệu |
|
|
|
|
|
|
|
|
|
|
|
| |
| Độ chênh áp thiết bị cấp dòng nhiên liệu | 542,34 | cm H2O | 0,381 | 0,0 | 0,38 | 0,097 | 2,00 | 0,43 | 0,73 | 61,01 | 23,245 | 11,807 | 26,07 |
| Áp suất thiết bị cấp dòng nhiên liệu | 17,59 | bara | 0,023 | 0,0 | 0,023 | 0,008 | 2,00 | 0,03 | 0,03 | 2.040,17 | 46,138 | 33,222 | 56,85 |
| Nhiệt độ thiết bị cấp dòng nhiên liệu | 16,51 | °C | 0,056 | 0,0 | 0,06 | 0,011 | 2,00 | 0,06 | 0,11 | -130,39 | -7,244 | -2,987 | 7,84 |
| Độ không đảm bảo của hiệu chuẩn lưu lượng kế tiết lưu (PTC 19.5) | … | … | … | … | … | … | … | … | … | … | 169,578 | … | 169,58 |
| Độ không đảm bảo của phương pháp hệ số mở rộng (AGA 3) | … | … | … | … | … | … | … | … | … | … | 81,936 | … | 81,94 |
| Độ không đảm bảo của phương pháp hệ số nén (AGA 8) | … | … | … | … | … | … | … | … | … | … | 33,916 | … | 33,92 |
| Thông số phân tích nhiên liệu | |||||||||||||
| Metan (xCH4) | 96,0500 | % mol | 0,316 | 0,0 | 0,32 | 0,006 | 4,30 | 0,02 | 0,32 | -15,56 | -4,920 | -0,387 | 4,93 |
| Etan (xCH2) | 1,9800 | % mol | 0,071 | 0,0 | 0,07 | 0,006 | 4,30 | 0,02 | 0,08 | 295,37 | 20,922 | 7,337 | 22,17 |
| Propan (xCH3) | 0,3000 | % mol | 0,050 | 0,0 | 0,05 | 0,006 | 4,30 | 0,02 | 0,06 | 601,15 | 29,797 | 14,933 | 33,33 |
| Iso-butan (xICH4) | 0,0600 | % mol | 0,014 | 0,0 | 0,01 | 0,006 | 4,30 | 0,02 | 0,03 | 909,08 | 12,862 | 22,583 | 25,99 |
| N-butan (xNCH4) | 0,0733 | % mol | 0,014 | 0,0 | 0,01 | 0,003 | 4,30 | 0,01 | 0,02 | 906,05 | 12,825 | 12,995 | 18,26 |
| Iso-pentan (xICH5) | 0,0167 | % mol | 0,014 | 0,0 | 0,01 | 0,003 | 4,30 | 0,01 | 0,02 | 1.211,76 | 17,139 | 17,379 | 24,41 |
| N-pentan (xNCH5) | 0,0100 | % mol | 0,014 | 0,0 | 0,01 | 0,000 | 4,30 | 0,00 | 0,01 | 1.215,17 | 17,186 | 0,000 | 17,19 |
| N-hexan (xCH6) | 0,0100 | % mol | 0,014 | 0,0 | 0,01 | 0,000 | 4,30 | 0,00 | 0,01 | 1.549,52 | 21,916 | 0,000 | 21,92 |
| N-heptan (xCH7) | 0,0000 | % mol | 0,000 | 0,0 | 0,00 | 0,000 | 4,30 | 0,00 | 0,00 | 0,00 | 0,000 | 0,000 | 0,00 |
| N-octan (xCH8) | 0,0000 | % mol | 0,000 | 00 | 0,00 | 0,000 | 4,30 | 0,00 | 0,00 | 0,00 | 0,000 | 0,000 | 0,00 |
| Nonane (xCH9) | 0,0000 | % mol | 0,000 | 0,0 | 0,00 | 0,000 | 4,30 | 0,00 | 0,00 | 0,00 | 0,000 | 0,000 | 0,00 |
| Decan (xCH10) | 0,0000 | % mol | 0,000 | 0,0 | 0,00 | 0,000 | 4,30 | 0,00 | 0,00 | 0,00 | 0,000 | 0,000 | 0,00 |
| Khí cacbonic (xCO2) | 0,6900 | % mol | 0,050 | 0,0 | 0,05 | 0,006 | 4,30 | 0,02 | 0,06 | 562,71 | 27,996 | 13,978 | 31,29 |
| Nitơ (xN2) | 0,7467 | % mol | 0,050 | 0,0 | 0,05 | 0,003 | 4,30 | 0,01 | 0,05 | 212,55 | 10,581 | 3,048 | 11,01 |
| Oxy (xO2) | 0,0100 | % mol | 0,014 | 0,0 | 0,01 | 0,000 | 4,30 | 0,00 | 0,01 | 298,29 | 4,219 | 0,000 | 4,22 |
| Heli (xHe) | 0,0200 | % mol | 0,014 | 0,0 | 0,01 | 0,000 | 4,30 | 0,00 | 0,01 | -327,41 | -4,180 | 0,000 | 4,18 |
| Hydro (xH2) | 0,0033 | % mol | 0,000 | 0,0 | 0,00 | 0,003 | 4,30 | 0,01 | 0,02 | 0,00 | -4,630 | -4,696 | 6,59 |
| Cacbon monoxit (xCO) | 0,0000 | % mol | 0,000 | 0,0 | 0,00 | 0,000 | 4,30 | 0,00 | 0,00 | 0,00 | 0,000 | 0,000 | 0,00 |
| Hydro sunfua (xH2S) | 0,0000 | % mol | 0,000 | 00 | 0,00 | 0,000 | 4,30 | 0,00 | 0,00 | 0,00 | 0,000 | 0,000 | 0,00 |
| Nước (xH2O) | 0,0000 | % mol | 0,000 | 0,0 | 0,00 | 0,000 | 4,30 | 0,00 | 0,00 | 0,00 | 0,000 | 0,000 | 0,00 |
| RSS | 207,47 | 52.31 |
| ||||||||||
| Độ không đảm bảo về đánh giá dòng nhiên liệu | 213,96 | ||||||||||||
| 0,32% | |||||||||||||
Bảng F. 46 - Phân tích độ không đảm bảo của việc đánh giá dòng nhiên liệu (Thí nghiệm lần 4)
| Đánh giá | Độ không đảm bảo của phép đo đạc | Độ không đảm bảo kết quả thí nghiệm | |||||||||||
|
| Tính hệ thống | Tính ngẫu nhiên | Tổng | Lưu lượng nhiên liệu 67.767 kg/h | |||||||||
| Giá trị thí nghiệm | Độ không đảm bảo có hệ thống của thiết bị đo Binst | Độ không đảm bảo có hệ thống của thiết bị đo Bspatial | Tổng độ không đảm bảo có tính hệ thống U95,SYS | Độ lệch chuẩn trung bình S | Phân phối t của Student t95,v | Độ không đảm bảo ngẫu nhiên U95,RND | Tổng độ không đảm bảo lường U95,TOT | Độ nhạy tuyệt đối θ | Độ không đảm bảo có hệ thống của dòng nhiên liệu UF1,SYS kg/h | Độ không đảm bảo ngẫu nhiên của dòng nhiên liệu UF1,RND kg/h | Tổng độ không đảm bảo của dòng nhiên liệu UF1 kg/h | ||
| Trung bình | Đơn vị | ||||||||||||
| Thông số dòng nhiên liệu |
|
|
|
|
|
|
|
|
|
|
|
| |
| Độ chênh áp thiết bị cấp dòng nhiên liệu | 541,63 | cm H2O | 0,381 | 0,0 | 0,38 | 0,097 | 2,00 | 0,19 | 0,43 | 61,03 | 23,253 | 11,856 | 26,10 |
| Áp suất thiết bị cấp dòng nhiên liệu | 17,58 | bara | 0,023 | 0,0 | 0,023 | 0,008 | 2,00 | 0,02 | 0,03 | 2.039,83 | 46,130 | 32,957 | 56,69 |
| Nhiệt độ thiết bị cấp dòng nhiên liệu | 16,46 | °C | 0,056 | 0,0 | 0,06 | 0,012 | 2,00 | 0,02 | 0,06 | -130,29 | -7,238 | -3,204 | 7,92 |
| Độ không đảm bảo của hiệu chuẩn lưu lượng kế tiết lưu (PTC 19.5) | … | … | … | … | … | … | … | … | … | … | 169,417 | … | 169,42 |
| Độ không đảm bảo của phương pháp hệ số mở rộng (AGA 3) | … | … | … | … | … | … | … | … | … | … | 81,816 | … | 81,82 |
| Độ không đảm bảo của phương pháp hệ số nén (AGA 8) | … | … | … | … | … | … | … | … | … | … | 33,883 | … | 33,88 |
| Thông số phân tích nhiên liệu | |||||||||||||
| Metan (xCH4) | 96,0533 | % mol | 0,316 | 0,0 | 0,32 | 0,009 | 4,30 | 0,04 | 0,32 | -15,56 | -4,919 | -0,591 | 4,95 |
| Etan (xCH2) | 1,9800 | % mol | 0,071 | 0,0 | 0,07 | 0,006 | 4,30 | 0,02 | 0,08 | 295,06 | 20,900 | 7,330 | 22,15 |
| Propan (xCH3) | 0,3233 | % mol | 0,050 | 0,0 | 0,05 | 0,003 | 4,30 | 0,01 | 0,05 | 600,55 | 29,765 | 8,613 | 30,99 |
| Iso-butan (xICH4) | 0,0667 | % mol | 0,014 | 0,0 | 0,01 | 0,003 | 4,30 | 0,01 | 0,02 | 908,17 | 12,851 | 13,025 | 18,30 |
| N-butan (xNCH4) | 0,0700 | % mol | 0,014 | 0,0 | 0,01 | 0,006 | 4,30 | 0,02 | 0,03 | 905,15 | 12,811 | 22,485 | 25,88 |
| Iso-pentan (xICH5) | 0,0200 | % mol | 0,014 | 0,0 | 0,01 | 0,006 | 4,30 | 0,02 | 0,03 | 1.210,57 | 17,214 | 30,072 | 34,61 |
| N-pentan (xNCH5) | 0,0133 | % mol | 0,014 | 0,0 | 0,01 | 0,003 | 4,30 | 0,01 | 0,02 | 1.213,97 | 17,170 | 17,411 | 24,45 |
| N-hexan (xCH6) | 0,0100 | % mol | 0,014 | 0,0 | 0,01 | 0,000 | 4,30 | 0,00 | 0,01 | 1.547,98 | 21,894 | 0,000 | 21,89 |
| N-heptan (XCH7) | 0,0000 | % mol | 0,000 | 0,0 | 0,00 | 0,000 | 4,30 | 0,00 | 0,00 | 0,00 | 0,000 | 0,000 | 0,00 |
| N-octan (xCH8) | 0,0000 | % mol | 0,000 | 0,0 | 0,00 | 0,000 | 4,30 | 0,00 | 0,00 | 0,00 | 0,000 | 0,000 | 0,00 |
| Nonane (xCH9) | 0,0000 | % mol | 0,000 | 0,0 | 0,00 | 0,000 | 4,30 | 0,00 | 0,00 | 0,00 | 0,000 | 0,000 | 0,00 |
| Decan (xCH10) | 0,0000 | % mol | 0,000 | 0,0 | 0,00 | 0,000 | 4,30 | 0,00 | 0,00 | 0,00 | 0,000 | 0,000 | 0,00 |
| Khí cacbonic (xCO2) | 0,6833 | % mol | 0,050 | 0,0 | 0,05 | 0,003 | 4,30 | 0,01 | 0,05 | 562,14 | 27,965 | 8,062 | 29,10 |
| Nitơ (xN2) | 0,7467 | % mol | 0,050 | 0,0 | 0,05 | 0,003 | 4,30 | 0,01 | 0,05 | 212,33 | 10,570 | 3,045 | 11,00 |
| Oxy (xO2) | 0,0067 | % mol | 0,014 | 0,0 | 0,01 | 0,003 | 4,30 | 0,01 | 0,02 | 297,99 | 4,214 | 4,274 | 6,00 |
| Heli (xHe) | 0,0200 | % mol | 0,014 | 0,0 | 0,01 | 0,000 | 4,30 | 0,00 | 0,01 | -295,24 | -4,175 | 0,000 | 4,18 |
| Hydro (xH2) | 0,0067 | % mol | 0,000 | 0,0 | 0,00 | 0,003 | 4,30 | 0,01 | 0,00 | -327,09 | -4,626 | -4,691 | 6,59 |
| Cacbon monoxit (xCO) | 0,0000 | % mol | 0,000 | 0,0 | 0,00 | 0,000 | 4,30 | 0,00 | 0,00 | 0,00 | 0,000 | 0,000 | 0,00 |
| Hydro sunfua (xH2S) | 0,0000 | % mol | 0,000 | 0,0 | 0,00 | 0,000 | 4,30 | 0,00 | 0,00 | 0,00 | 0,000 | 0,000 | 0,00 |
| Nước (xH2O) | 0,0000 | % mol | 0,000 | 0,0 | 0,00 | 0,000 | 4,30 | 0,00 | 0,00 | 0,00 | 0,000 | 0,000 | 0,00 |
| RSS | 207,27 | 57,99 |
| ||||||||||
| Độ không đảm bảo về đánh giá dòng nhiên liệu | 215,22 | ||||||||||||
| 0,32% | |||||||||||||
Bảng F. 47 - Phân tích độ không đảm bảo của việc đánh giá dòng nhiên liệu (Thí nghiệm lần 1)
| Đánh giá | Độ không đảm bảo của phép đo đạc | Độ không đảm bảo kết quả thí nghiệm | |||||||||||
|
| Tính hệ thống | Tính ngẫu nhiên | Tổng | Lưu lượng nhiên liệu 149,62 KPPH | |||||||||
| Giá trị thí nghiệm | Độ không đảm bảo có hệ thống của thiết bị đo Binst | Độ không đảm bảo có hệ thống của thiết bị đo Bspatial | Tổng độ không đảm bảo có tính hệ thống U95,SYS | Độ lệch chuẩn trung bình | Phân phối t của Student t95,v | Độ không đảm bảo ngẫu nhiên U95,RND | Tổng độ không đảm bảo lường U95,TOT | Độ nhạy tuyệt đối θ | Độ không đảm bảo có hệ thống của dòng nhiên liệu UF1,SYS KPPH | Độ không đảm bảo ngẫu nhiên của dòng nhiên liệu UF1,RND KPPH | Tổng độ không đảm bảo của dòng nhiên liệu UF1 KPPH | ||
| Trung bình | Đơn vị | ||||||||||||
| Thông số dòng nhiên liệu | |||||||||||||
| Độ chênh áp thiết bị cấp dòng nhiên liệu | 542,14 | cm H2O | 0,070% | 0,000% | 0,070% | 0,057% | 2,00 | 0,115% | 0,135% | 0,488 | 0,034% | 0,056% | 0,066% |
| Áp suất thiết bị cấp dòng nhiên liệu | 17,64 | bara | 0,128% | 0,000% | 0,128% | 0,047% | 2,00 | 0,094% | 0,159% | 0,529 | 0,068% | 0,050% | 0,084% |
| Nhiệt độ thiết bị cấp dòng nhiên liệu | 16,76 | °C | 0,161% | 0,000% | 0,161% | 0,134% | 2,00 | 0,268% | 0,313% | -0,066 | -0,011% | -0,018% | 0,021% |
| Độ không đảm bảo của hiệu chuẩn lưu lượng kế tiết lưu (PTC 19.5) | … | … | … | … | … | … | … | … | … | … | 0,250% | … | 0,250% |
| Độ không đảm bảo của phương pháp hệ số mở rộng (AGA 3) | … | … | … | … | … | … | … | … | … | … | 0,120% | … | 0,120% |
| Độ không đảm bảo của phương pháp hệ số nén (AGA 8) | … | … | … | … | … | … | … | … | … | … | 0,050% | … | 0,050% |
| Thông số phân tích nhiên liệu | |||||||||||||
| Metan (xCH4) | 96,0933 | % mol | 0,329% | 0,000% | 0,329% | 0,013% | 4,30 | 0,054% | 0,333% | -0,0219 | -0,007% | -0,001% | 0,007% |
| Etan (xCH2) | 1,9667 | % mol | 3,602% | 0,000% | 3,602% | 0,169% | 4,30 | 0,729% | 3,675% | 0,009 | 0,031% | 0,006% | 0,031% |
| Propan (xCH3) | 0,3033 | % mol | 16,337% | 0,000% | 16,337% | 2,907% | 4,30 | 12,510% | 20,576% | 0,003 | 0,044% | 0,034% | 0,055% |
| Iso-butan (xICH4) | 0,0767 | % mol | 18,460% | 0,000% | 18,460% | 11,503% | 4,30 | 49,495% | 52,825% | 0,001 | 0,019% | 0,051% | 0,054% |
| N-butan (xNCH4) | 0,0567 | % mol | 24,970% | 0,000% | 24,970% | 5,882% | 4,30 | 25,310% | 35,554% | 0,001 | 0,019% | 0,019% | 0,027% |
| Iso-pentan (xICH5) | 0,0300 | % mol | 47,165% | 0,000% | 47,165% | 19,245% | 4,30 | 82,805% | 95,294% | 0,001 | 0,025% | 0,044% | 0,051% |
| N-pentan (xNCH5) | 0,0167 | % mol | 84,868% | 0,000% | 84,868% | 20,000% | 4,30 | 86,503% | 120,863% | 0,000 | 0,025% | 0,026% | 0,036% |
| N-hexan (xCH6) | 0,0033 | % mol | 424,269% | 0,000% | 424,269% | 100,000% | 4,30 | 430,265% | 604,262% | 0,000 | 0,032% | 0,033% | 0,046% |
| N-heptan (xCH7) | 0,0000 | % mol | 0,000% | 0,000% | 0,000% | 0,000% | 4,30 | 0,000% | 0,000% | 0,000 | 0,000% | 0,000% | 0,000% |
| N-octan (xCH8) | 0,0000 | % mol | 0,000% | 0,000% | 0,000% | 0,000% | 4,30 | 0,000% | 0,000% | 0,000 | 0,000% | 0,000% | 0,000% |
| Nonane (xCH9) | 0,0000 | % mol | 0,000% | 0,000% | 0,000% | 0,000% | 4,30 | 0,000% | 0,000% | 0,000 | 0,000% | 0,000% | 0,000% |
| Decan (xCH10) | 0,0000 | % mol | 0,000% | 0,000% | 0,000% | 0,000% | 4,30 | 0,000% | 0,000% | 0,000 | 0,000% | 0,000% | 0,000% |
| Khí cacbonic (xCO2) | 0,6867 | % mol | 7,245% | 0,000% | 7,245% | 0,485% | 4,30 | 2,089% | 7,540% | 0,006 | 0,041% | 0,012% | 0,043% |
| Nitơ (xN2) | 0,7367 | % mol | 6,757% | 0,000% | 6,757% | 1,631% | 4,30 | 7,020% | 9,743% | 0,002 | 0,016% | 0,016% | 0,023% |
| Oxy (xO2) | 0,0100 | % mol | 141,438% | 0,000% | 141,438% | 0,000% | 4,30 | 0,000% | 141,438% | 0,000 | 0,006% | 0,000% | 0,006% |
| Heli (xHe) | 0,0200 | % mol | 70,714% | 0,000% | 70,714% | 0,000% | 4,30 | 0,000% | 70,714% | 0,000 | 0,006% | 0,000% | 0,006% |
| Hydro (xH2) | 0,0000 | % mol | 0,000% | 0,000% | 0,000% | 0,000% | 4,30 | 0,000% | 0,000% | 0,000 | 0,000% | 0,000% | 0,000% |
| Cacbon monoxit (xCO) | 0,0000 | % mol | 0,000% | 0,000% | 0,000% | 0,000% | 4,30 | 0,000% | 0,000% | 0,000 | 0,000% | 0,000% | 0,000% |
| Hydro sunfua (xH2S) | 0,0000 | % mol | 0,000% | 0,000% | 0,000% | 0,000% | 4,30 | 0,000% | 0,000% | 0,000 | 0,000% | 0,000% | 0,000% |
| Nước (xH2O) | 0,0000 | % mol | 0,000% | 0,000% | 0,000% | 0,000% | 4,30 | 0,000% | 0,000% | 0,000 | 0,000% | 0,000% | 0,000% |
| RSS | 0,306% | 0,119% |
| ||||||||||
| Độ không đảm bảo về đánh giá dòng nhiên liệu | 0,33% | ||||||||||||
Bảng F. 48 - Phân tích độ không đảm bảo của việc đánh giá dòng nhiên liệu (Thí nghiệm lần 2)
| Đánh giá | Độ không đảm bảo của phép đo đạc | Độ không đảm bảo kết quả thí nghiệm | ||||||||||||
|
| Tính hệ thống | Tính ngẫu nhiên | Tổng | Lưu lượng nhiên liệu 149,95 KPPH | ||||||||||
| Giá trị thí nghiệm | Độ không đảm bảo có hệ thống của thiết bị đo Binst | Độ không đảm bảo có hệ thống của thiết bị đo Bspatial | Tổng độ không đảm bảo có tính hệ thống U95,SYS | Độ lệch chuẩn trung bình | Phân phối t của Student t95,v | Độ không đảm bảo ngẫu nhiên U95,RND | Tổng độ không đảm bảo lường U95,TOT | Độ nhạy tuyệt đối θ | Độ không đảm bảo có hệ thống của dòng nhiên liệu UF1,SYS KPPH | Độ không đảm bảo ngẫu nhiên của dòng nhiên liệu UF1,RND KPPH | Tổng độ không đảm bảo của dòng nhiên liệu UF1 KPPH | |||
| Trung bình | Đơn vị | |||||||||||||
| Thông số dòng nhiên liệu |
| |||||||||||||
| Độ chênh áp thiết bị cấp dòng nhiên liệu | 545,40 | cm H2O | 0,070% | 0,000% | 0,070% | 0,017% | 2,00 | 0,035% | 0,078% | 0,488 | 0,034% | 0,017% | 0,038% | |
| Áp suất thiết bị cấp dòng nhiên liệu | 17,61 | bara | 0,128% | 0,000% | 0,128% | 0,044% | 2,00 | 0,088% | 0,156% | 0,529 | 0,068% | 0,047% | 0,082% | |
| Nhiệt độ thiết bị cấp dòng nhiên liệu | 16,64 | °C | 0,161% | 0,000% | 0,161% | 0,153% | 2,00 | 0,306% | 0,346% | -0,066 | -0,011% | -0,020% | 0,023% | |
| Độ không đảm bảo của hiệu chuẩn lưu lượng kế tiết lưu (PTC 19.5) | ... | … | … | … | … | … | … | … | … | … | 0,250% | … | 0,250% | |
| Độ không đảm bảo của phương pháp hệ số mở rộng (AGA 3) | … | … | … | … | … | … | … | … | … | … | 0,121% | … | 0,121% | |
| Độ không đảm bảo của phương pháp hệ số nén (AGA 8) | … | … | … | … | … | … | … | … | … | … | 0,050% | … | 0,050% | |
| Thông số phân tích nhiên liệu | ||||||||||||||
| Metan (xCH4) | 96,0667 | % mol | 0,329% | 0,000% | 0,329% | 0,009% | 4,30 | 0,039% | 0,331% | -0,0219 | -0,007% | -0,001% | 0,007% | |
| Etan (xCH2) | 1,9700 | % mol | 3,596% | 0,000% | 3,596% | 0,293% | 4,30 | 1,261% | 3,810% | 0,009 | 0,031% | 0,011% | 0,033% | |
| Propan (xCH3) | 0,3267 | % mol | 15,173% | 0,000% | 15,173% | 1,020% | 4,30 | 4,390% | 15,795% | 0,003 | 0,044% | 0,013% | 0,046% | |
| Iso-butan (xICH4) | 0,0567 | % mol | 24,967% | 0,000% | 24,967% | 5,882% | 4,30 | 25,310% | 35,552% | 0,001 | 0,019% | 0,019% | 0,027% | |
| N-butan (xNCH4) | 0,0667 | % mol | 21,229% | 0,000% | 21,229% | 5,000% | 4,30 | 21,513% | 30,224% | 0,001 | 0,019% | 0,019% | 0,027% | |
| Iso-pentan (xICH5) | 0,0167 | % mol | 84,866% | 0,000% | 84,866% | 20,000% | 4,30 | 86,503% | 120,861% | 0,001 | 0,025% | 0,026% | 0,036% | |
| N-pentan (xNCH5) | 0,0100 | % mol | 141,431% | 0,000% | 141,431% | 0,000% | 4,30 | 0,000% | 141,431% | 0,000 | 0,025% | 0,000% | 0,025% | |
| N-hexan (xCH6) | 0,0100 | % mol | 141,435% | 0,000% | 141,435% | 0,000% | 4,30 | 0,000% | 141,435% | 0,000 | 0,032% | 0,000% | 0,032% | |
| N-heptan (XCH7) | 0,0000 | % mol | 0,000% | 0,000% | 0,000% | 0,000% | 4,30 | 0,000% | 0,000% | 0,000 | 0,000% | 0,000% | 0,000% | |
| N-octan (xCH8) | 0,0000 | % mol | 0,000% | 0,000% | 0,000% | 0,000% | 4,30 | 0,000% | 0,000% | 0,000 | 0,000% | 0,000% | 0,000% | |
| Nonan (xCH9) | 0,0000 | % mol | 0,000% | 0,000% | 0,000% | 0,000% | 4,30 | 0,000% | 0,000% | 0,000 | 0,000% | 0,000% | 0,000% | |
| Decan (xCH10) | 0,0000 | % mol | 0,000% | 0,000% | 0,000% | 0,000% | 4,30 | 0,000% | 0,000% | 0,000 | 0,000% | 0,000% | 0,000% | |
| Khí cacbonic (xCO2) | 0,6933 | % mol | 7,176% | 0,000% | 7,176% | 0,481% | 4,30 | 2,069% | 7,468% | 0,006 | 0,041% | 0,012% | 0,043% | |
| Nitơ (xN2) | 0,7533 | % mol | 6,609% | 0,000% | 6,609% | 0,442% | 4,30 | 1,904% | 6,877% | 0,002 | 0,016% | 0,004% | 0,016% | |
| Oxy (xO2) | 0,0100 | % mol | 141,438% | 0,000% | 141,438% | 0,000% | 4,30 | 0,000% | 141,438% | 0,000 | 0,006% | 0,000% | 0,006% | |
| Heli (xHe) | 0,0200 | % mol | 70,714% | 0,000% | 70,714% | 0,000% | 4,30 | 0,000% | 70,714% | 0,000 | -0,006% | 0,000% | 0,006% | |
| Hydro (xH2) | 0,0000 | % mol | 0,000% | 0,000% | 0,000% | 0,000% | 4,30 | 0,000% | 0,000% | 0,000 | 0,000% | 0,000% | 0,000% | |
| Cacbon monoxit (xCO) | 0,0000 | % mol | 0,000% | 0,000% | 0,000% | 0,000% | 4,30 | 0,000% | 0,000% | 0,000 | 0,000% | 0,000% | 0,000% | |
| Hydro sunfua (xH2S) | 0,0000 | % mol | 0,000% | 0,000% | 0,000% | 0,000% | 4,30 | 0,000% | 0,000% | 0,000 | 0,000% | 0,000% | 0,000% | |
| Nước (xH2O) | 0,0000 | % mol | 0,000% | 0,000% | 0,000% | 0,000% | 4,30 | 0,000% | 0,000% | 0,000 | 0,000% | 0,000% | 0,000% | |
|
|
|
|
|
|
|
|
|
|
| RSS | 0,306% | 0,069% |
| |
| Độ không đảm bảo về đánh giá dòng nhiên liệu | 0,31% | |||||||||||||
Bảng F. 49 - Phân tích độ không đảm bảo của việc đánh giá dòng nhiên liệu (Thí nghiệm lần 3)
| Đánh giá | Độ không đảm bảo của phép đo đạc | Độ không đảm bảo kết quả thí nghiệm | |||||||||||
|
| Tính hệ thống | Tính ngẫu nhiên | Tổng | Lưu lượng nhiên liệu 149,54 KPPH | |||||||||
| Giá trị thí nghiệm | Độ không đảm bảo có hệ thống của thiết bị đo Binst | Độ không đảm bảo có hệ thống của thiết bị đo Bspatial | Tổng độ không đảm bảo có tính hệ thống U95,SYS | Độ lệch chuẩn trung bình | Phân phối t của Student t95,v | Độ không đảm bảo ngẫu nhiên U95,RND | Tổng độ không đảm bảo lường U95,TOT | Độ nhạy tuyệt đối θ | Độ không đảm bảo có hệ thống của dòng nhiên liệu UF1,SYS KPPH | Độ không đảm bảo ngẫu nhiên của dòng nhiên liệu UF1,RND KPPH | Tổng độ không đảm bảo của dòng nhiên liệu UF1 KPPH | ||
| Trung bình | Đơn vị | ||||||||||||
| Thông số dòng nhiên liệu | |||||||||||||
| Độ chênh áp thiết bị cấp dòng nhiên liệu | 542,34 | cm H2O | 0,070% | 0,000% | 0,070% | 0,018% | 2,00 | 0,036% | 0,079% | 0,488 | 0,034% | 0,017% | 0,038% |
| Áp suất thiết bị cấp dòng nhiên liệu | 17,59 | bara | 0,129% | 0,000% | 0,129% | 0,046% | 2,00 | 0,093% | 0,158% | 0,529 | 0,068% | 0,049% | 0,084% |
| Nhiệt độ thiết bị cấp dòng nhiên liệu | 16,51 | °C | 0,162% | 0,000% | 0,162% | 0,033% | 2,00 | 0,067% | 0,175% | -0,066 | -0,011% | -0,004% | 0,012% |
| Độ không đảm bảo của hiệu chuẩn lưu lượng kế tiết lưu (PTC 19.5) | … | … | … | … | … | … | … | … | … | … | 0,250% | … | 0,250% |
| Độ không đảm bảo của phương pháp hệ số mở rộng (AGA 3) | … | … | … | … | … | … | … | … | … | … | 0,121% | … | 0,121% |
| Độ không đảm bảo của phương pháp hệ số nén (AGA 8) | … | … | … | … | … | … | … | … | … | … | 0,050% | … | 0,050% |
| Thông số phân tích nhiên liệu | |||||||||||||
| Metan (xCH4) | 96,0500 | % mol | 0,329% | 0,000% | 0,329% | 0,006% | 4,30 | 0,026% | 0,331% | -0,0220 | -0,007% | -0,001% | 0,007% |
| Etan (xCH2) | 1,9800 | % mol | 3,577% | 0,000% | 3,577% | 0,292% | 4,30 | 1,255% | 3,810% | 0,009 | 0,031% | 0,011% | 0,033% |
| Propan (xCH3) | 0,3300 | % mol | 15,020% | 0,000% | 15,020% | 1,750% | 4,30 | 7,528% | 15,795% | 0,003 | 0,044% | 0,022% | 0,049% |
| Iso-butan (xICH4) | 0,0567 | % mol | 23,581% | 0,000% | 23,581% | 9,623% | 4,30 | 41,402% | 35,552% | 0,001 | 0,019% | 0,033% | 0,038% |
| N-butan (xNCH4) | 0,0600 | % mol | 19,302% | 0,000% | 19,302% | 4,545% | 4,30 | 19,558% | 30,224% | 0,001 | 0,019% | 0,019% | 0,027% |
| Iso-pentan (xICH5) | 0,0167 | % mol | 84,866% | 0,000% | 84,866% | 20,000% | 4,30 | 86,503% | 120,861% | 0,001 | 0,025% | 0,026% | 0,036% |
| N-pentan (xNCH5) | 0,0100 | % mol | 141,431% | 0,000% | 141,431% | 0,000% | 4,30 | 0,000% | 141,431% | 0,000 | 0,025% | 0,000% | 0,025% |
| N-hexan (xCH6) | 0,0100 | % mol | 141,435% | 0,000% | 141,435% | 0,000% | 4,30 | 0,000% | 141,435% | 0,000 | 0,032% | 0,000% | 0,032% |
| N-heptan (xCH7) | 0,0000 | % mol | 0,000% | 0,000% | 0,000% | 0,000% | 4,30 | 0,000% | 0,000% | 0,000 | 0,000% | 0,000% | 0,000% |
| N-octan (xCH8) | 0,0000 | % mol | 0,000% | 0,000% | 0,000% | 0,000% | 4,30 | 0,000% | 0,000% | 0,000 | 0,000% | 0,000% | 0,000% |
| Nonane (xCH9) | 0,0000 | % mol | 0,000% | 0,000% | 0,000% | 0,000% | 4,30 | 0,000% | 0,000% | 0,000 | 0,000% | 0,000% | 0,000% |
| Decan (xCH10) | 0,0000 | % mol | 0,000% | 0,000% | 0,000% | 0,000% | 4,30 | 0,000% | 0,000% | 0,000 | 0,000% | 0,000% | 0,000% |
| Khí cacbonic (xCO2) | 0,6900 | % mol | 7,211% | 0,000% | 7,211% | 0,837% | 4,30 | 3,600% | 7,468% | 0,006 | 0,041% | 0,021% | 0,046% |
| Nitơ (xN2) | 0,7467 | % mol | 6,667% | 0,000% | 6,667% | 0,446% | 4,30 | 1,921% | 6,877% | 0,002 | 0,016% | 0,004% | 0,016% |
| Oxy (xO2) | 0,0100 | % mol | 141,438% | 0,000% | 141,438% | 0,000% | 4,30 | 0,000% | 141,438% | 0,000 | 0,006% | 0,000% | 0,006% |
| Heli (xHe) | 0,0200 | % mol | 70,714% | 0,000% | 70,714% | 0,000% | 4,30 | 0,000% | 70,714% | 0,000 | -0,006% | 0,000% | 0,006% |
| Hydro (xH2) | 0,0033 | % mol | 424,264% | 0,000% | 424,264% | 100,000% | 4,30 | 430,265% | 0,000% | 0,000 | -0,007% | -0,007% | 0,010% |
| Cacbon monoxit (xCO) | 0,0000 | % mol | 0,000% | 0,000% | 0,000% | 0,000% | 4,30 | 0,000% | 0,000% | 0,000 | 0,000% | 0,000% | 0,000% |
| Hydro sunfua (xH2S) | 0,0000 | % mol | 0,000% | 0,000% | 0,000% | 0,000% | 4,30 | 0,000% | 0,000% | 0,000 | 0,000% | 0,000% | 0,000% |
| Nước (xH2O) | 0,0000 | % mol | 0,000% | 0,000% | 0,000% | 0,000% | 4,30 | 0,000% | 0,000% | 0,000 | 0,000% | 0,000% | 0,000% |
|
|
|
|
|
|
|
|
|
|
| RSS | 0,306% | 0,077% |
|
| Độ không đảm bảo về đánh giá dòng nhiên liệu | 0,32% | ||||||||||||
Bảng F. 50 - Phân tích độ không đảm bảo của việc đánh giá dòng nhiên liệu (Thí nghiệm lần 4)
| Đánh giá | Độ không đảm bảo của phép đo đạc | Độ không đảm bảo kết quả thí nghiệm | |||||||||||
|
| Tính hệ thống | Tính ngẫu nhiên | Tổng | Lưu lượng nhiên liệu 149,40 KPPH | |||||||||
| Giá trị thí nghiệm | Độ không đảm bảo có hệ thống của thiết bị đo Binst | Độ không đảm bảo có hệ thống của thiết bị đo Bspatial | Tổng độ không đảm bảo có tính hệ thống U95,SYS | Độ lệch chuẩn trung bình | Phân phối t của Student t95,v | Độ không đảm bảo ngẫu nhiên U95,RND | Tổng độ không đảm bảo lường U95,TOT | Độ nhạy tuyệt đối θ | Độ không đảm bảo có hệ thống của dòng nhiên liệu UF1,SYS KPPH | Độ không đảm bảo ngẫu nhiên của dòng nhiên liệu UF1,RND KPPH | Tổng độ không đảm bảo của dòng nhiên liệu UF1 KPPH | ||
| Trung bình | Đơn vị | ||||||||||||
| Thông số dòng nhiên liệu | |||||||||||||
| Độ chênh áp thiết bị cấp dòng nhiên liệu | 542,14 | cm H2O | 0,070% | 0,000% | 0,070% | 0,018% | 2,00 | 0,036% | 0,079% | 0,488 | 0,034% | 0,017% | 0,039% |
| Áp suất thiết bị cấp dòng nhiên liệu | 17,64 | bara | 0,129% | 0,000% | 0,129% | 0,046% | 2,00 | 0,092% | 0,158% | 0,529 | 0,068% | 0,049% | 0,084% |
| Nhiệt độ thiết bị cấp dòng nhiên liệu | 16,76 | °C | 0,162% | 0,000% | 0,162% | 0,03% | 2,00 | 0,072% | 0,177% | -0,066 | -0,011% | -0,005% | 0,012% |
| Độ không đảm bảo của hiệu chuẩn lưu lượng kế tiết lưu (PTC 19.5) | … | … | … | … | … | … | … | … | … | … | 0,250% | … | 0,250% |
| Độ không đảm bảo của phương pháp hệ số mở rộng (AGA 3) | … | … | … | … | … | … | … | … | … | … | 0,121% | … | 0,121% |
| Độ không đảm bảo của phương pháp hệ số nén (AGA 8) | … | … | … | … | … | … | … | … | … | … | 0,050% | … | 0,050% |
| Thông số phân tích nhiên liệu | |||||||||||||
| Metane (xCH4) | 96,0533 | % mol | 0,329% | 0,000 % | 0,329% | 0,009% | 4,30 | 0,040% | 0,331% | -0,0221 | -0,007% | -0,001% | 0,007% |
| Etane (xCH2) | 1,9800 | % mol | 3,577% | 0,000 % | 3,577% | 0,292% | 4,30 | 1,255% | 3,791% | 0,009 | 0,031% | 0,011% | 0,033% |
| Propane (xCH3) | 0,3233 | % mol | 15,329% | 0,000 % | 15,329% | 1,031% | 4,30 | 4,436% | 15,958% | 0,003 | 0,044% | 0,013% | 0,046% |
| Iso-butane (xICH4) | 0,0667 | % mol | 21,225% | 0,000 % | 21,225% | 5,000% | 4,30 | 21,513% | 30,221% | 0,001 | 0,019% | 0,019% | 0,027% |
| N-butane (xNCH4) | 0,0700 | % mol | 20,219% | 0,000 % | 20,219% | 8,248% | 4,30 | 35,488% | 40,844% | 0,001 | 0,019% | 0,033% | 0,038% |
| Iso-pentane (xICH5) | 0,0200 | % mol | 70,726% | 0,000 % | 70,726% | 28,868 % | 4,30 | 124,207% | 142,932% | 0,000 | 0,025% | 0,044% | 0,051% |
| N-pentane (xNCH5) | 0,0133 | % mol | 106,078% | 0,000 % | 106,078 % | 25,000 % | 4,30 | 107,566% | 151,073% | 0,000 | 0,025% | 0,026% | 0,036% |
| N-hexane (xCH6) | 0,0100 | % mol | 141,435% | 0,000 % | 141,435 % | 0,000% | 4,30 | 0,000% | 141,435% | 0,000 | 0,032% | 0,000% | 0,032% |
| N-heptane (xCH7) | 0,0000 | % mol | 0,000% | 0,000 % | 0,000% | 0,000% | 4,30 | 0,000% | 0,000% | 0,000 | 0,000% | 0,000% | 0,000% |
| N-octane (xCH8) | 0,0000 | % mol | 0,000% | 0,000 % | 0,000% | 0,000% | 4,30 | 0,000% | 0,000% | 0,000 | 0,000% | 0,000% | 0,000% |
| Nonane (xCH9) | 0,0000 | % mol | 0,000% | 0,000 % | 0,000% | 0,000% | 4,30 | 0,000% | 0,000% | 0,000 | 0,000% | 0,000% | 0,000% |
| Decane (xCH10) | 0,0000 | % mol | 0,000% | 0,000 % | 0,000% | 0,000% | 4,30 | 0,000% | 0,000% | 0,000 | 0,000% | 0,000% | 0,000% |
| Carbon dioxide (xCO2) | 0,6833 | % mol | 7,280% | 0,000 % | 7,280% | 0,488% | 4,30 | 2,099% | 7,577% | 0,006 | 0,041% | 0,012% | 0,043% |
| Nitrogen (xN2) | 0,7467 | % mol | 6,667% | 0,000% | 6,667% | 0,466% | 4,30 | 1,911% | 6,938% | 0,002 | 0,016% | 0,004% | 0,016% |
| Oxygen (xO2) | 0,0067 | % mol | 212,143% | 0,000 % | 212,143 % | 50,000 % | 4,30 | 215,133% | 302,137% | 0,000 | 0,006% | 0,006% | 0,009% |
| Helium (xHe) | 0,0200 | % mol | 70,714% | 0,000 % | 70,714% | 0,000% 0 | 4,30 | 0,000% | 70,714% | 0,000 | -0,006% | 0,000% | 0,006% |
| Hydrogen (xH2) | 0,0067 | % mol | 212,132% | 0,000 % | 212,132 % | 50,000 % | 4,30 | 215,133% | 302,129% | 0,000 | -0,007% | -0,007% | 0,010% |
| Carbon monoxide (xCO) | 0,0000 | % mol | 0,000% | 0,000 % | 0,000% | 0,000% | 4,30 | 0,000% | 0,000% | 0,000 | 0,000% | 0,000% | 0,000% |
| Hydrogen sulfide (xH2S) | 0,0000 | % mol | 0,000% | 0,000 % | 0,000% | 0,000% | 4,30 | 0,000% | 0,000% | 0,000 | 0,000% | 0,000% | 0,000% |
| Nước (xH2O) | 0,0000 | % mol | 0,000% | 0,000 % | 0,000% | 0,000% | 4,30 | 0,000% | 0,000% | 0,000 | 0,000% | 0,000% | 0,000% |
| RSS | 0,306% | 0,086% |
| ||||||||||
| Độ không đảm bảo về đánh giá dòng nhiên liệu | 0,32% | ||||||||||||
Bảng F. 51 - Tóm tắt độ không đảm bảo có tính hệ thống của thiết bị đo
| Phần đo lường | Tổng độ không đảm bảo có tính hệ thống của thiết bị đo lường | Hệ số độ nhạy tương đối với công suất/suất tiêu hao nhiệt [Chú thích (1)] | Chỉ định độ nhạy | Yêu cầu về độ không đảm bảo theo Mục 4 | ĐẠT/ KHÔNG ĐẠT |
| Công suất phát lên lưới của CTG 1 | ±0,437% giá trị đọc | 0,32/-0,32 | Bậc 1 | Sử dụng bậc chính xác | ĐẠT |
| Công suất phát lên lưới của CTG 2 | ±0,436% giá trị đọc | 0,33/-0,33 | Bậc 1 | 0,1% đồng hồ đo điện | ĐẠT |
| Công suất phát lên lưới của STG | ±0,438% giá trị đọc | 0,35/-0,35 | Bậc 1 | 0,3% CTs/PTs | ĐẠT |
| Sản lượng máy phát điện CTG 1 | ±0,438% giá trị đọc | -0,001/0,001 | Bậc 2 | Sử dụng bậc chính xác | ĐẠT |
| Sản lượng máy phát điện CTG 2 | ±0,438% giá trị đọc | -0,001/0,001 | Bậc 2 | 0,5% đồng hồ đo điện | ĐẠT |
| Sản lượng máy phát điện STG | ±0,438% giá trị đọc | -0,001/0,001 | Bậc 2 | 0,3% CTs/PTs | ĐẠT |
| công suất phản kháng CTG 1 | ±0,438% giá trị đọc | 0,0001/-0,0001 | Bậc 2 |
| ĐẠT |
| công suất phản kháng CTG 2 | ±0,438% giá trị đọc | 0,0001/-0,0001 | Bậc 2 |
| ĐẠT |
| công suất phản kháng STG | ±0,438% giá trị đọc | 0,00004/-0,00004 | Bậc 2 |
| ĐẠT |
| Môi trường/Thông số đầu vào |
| ||||
| Nhiệt độ đầu vào máy nén | ±0,056°C | 0,0/0,0 [Chú thích (2)] | Bậc 2 | ±3,9°C | ĐẠT |
| Nhiệt độ không khí khô | ±0,056°C | 0,44/-0,017 [Chú thích (2)] | Bậc 1 | ±0,28°C | ĐẠT |
| Độ ẩm tương đối ngoài môi trường | ±2% độ ẩm tương đối | 0,0004/-0,002 | Bậc 2 | ±2% | ĐẠT |
| Áp suất khí quyển | ±0,11% khoảng cách | 1,04/0,019 0,06/-0,06 | Bậc 1 | ±0,3% khoảng cách | ĐẠT |
| Nhiệt độ không khí khô vào ACC | ±0,056°C | [Chú thích (2)] | Bậc 2 | ±1,7°C | ĐẠT |
| Thông số dòng nhiên liệu |
| ||||
| Áp suất để cấp dòng nhiên liệu (đầu vào máy nén khí) | ±0,040% khoảng cách | 0,012/-0,012 | Bậc 2 | ±0,5% khoảng cách | ĐẠT |
| Độ chênh áp dòng nhiên liệu | ±0,075% khoảng cách | 0,0/0,49 | Bậc 1 | ±0,3% khoảng cách | ĐẠT |
| Áp suất dòng nhiên liệu | ±0,041% khoảng cách | 0,0/0,53 | Bậc 1 | ±0,3% khoảng cách | ĐẠT |
| Nhiệt độ dòng nhiên liệu | ±0,056°C | 0,0/-0,19 [Chú thích (2)] | Bậc 2 | ±1,7°C | ĐẠT |
| Lưu lượng nhiên liệu tính toán | ±0,31% lưu lượng khối lượng | 0,0/1,0 | Bậc 1 | ±0,5% lưu lượng khối lượng | ĐẠT |
| CHÚ THÍCH 1: Hệ số độ nhạy tương đối được trình bày ở Thí nghiệm lần 1. CHÚ THÍCH 2: Đơn vị cho hệ số nhạy đối với nhiệt độ là % trên °C. Tất cả các hệ số độ nhạy khác là % trên %. | |||||
Bảng F. 52 - Tóm tắt về độ không đảm bảo có tính hệ thống ngoài môi trường
| Phần đo lường | Thí nghiệm 1 | Thí nghiệm 2 | Thí nghiệm 3 | Thí nghiệm 4 |
| Nhiệt độ đầu vào máy nén | 0,454 | 0,251 | 0,375 | 0,463 |
| Nhiệt độ không khí khô | 0,253 | 0,259 | 0,359 | 0,440 |
| Nhiệt độ không khí khô vào ACC | 0,325 | 0,319 | 0,351 | 0,394 |
Bảng F. 53 - Tính toán độ không đảm bảo có tính hệ thống do sự thay đổi ngoài môi trường
(Nhiệt độ đầu vào máy nén tính bằng °C)
| Vị trí đo nhiệt độ | Kiểm tra nhiệt độ trung bình tại vị trí | |
| 1 | 16,24 | |
| 2 | 15,38 | |
| 3 | 16,21 | |
| 4 | 16,44 | |
| 5 | 16,90 | |
| 6 | 15,99 | |
| 7 | 16,53 | |
| 8 | 17,14 | |
| Độ lệch tiêu chuẩn của nhiệt độ trung bình theo vị trí, °C | Sx | 0,543 |
| Phân phối t của Student (7 bậc tự do) | T95,v | 2,37 |
| Độ không đảm bảo có tính hệ thống do sự thay đổi ngoài môi trường, °C | Bspatial | 0,545 |
Bảng F. 54 - Tính toán độ không đảm bảo có tính hệ thống do sự thay đổi ngoài môi trường
(Nhiệt độ tính bằng °C)
| Vị trí đo nhiệt độ | Kiểm tra nhiệt độ trung bình tại vị trí | |
| 1 | 16,67 | |
| 2 | 16,89 | |
| 3 | 15,86 | |
| 4 | 16,05 | |
| 5 | 16,92 | |
| 6 | 16,69 | |
| 7 | 16,95 | |
| 8 | 17,10 | |
| 9 | 16,98 | |
| 10 | 16,83 | |
| 11 | 15,85 | |
| 12 | 16,14 | |
| 13 | 16,98 | |
| 14 | 16,08 | |
| 15 | 17,12 | |
| 16 | 17,17 | |
| Độ lệch tiêu chuẩn của nhiệt độ trung bình theo vị trí, °C | Sx | 0,475 |
| Phân phối t của Student (7 bậc tự do) | T95,v | 2,13 |
| Độ không đảm bảo có tính hệ thống do sự thay đổi ngoài môi trường, °C | Bspatial | 0,253 |
Bảng F. 55 - Tính toán độ không đảm bảo có tính hệ thống do sự thay đổi ngoài môi trường
(Nhiệt độ bầu khô ACC tính bằng °C)
| Vị trí đo nhiệt độ | Kiểm tra nhiệt độ trung bình tại vị trí | |
| 1 | 17,28 | |
| 2 | 17,13 | |
| 3 | 16,24 | |
| 4 | 16,91 | |
| 5 | 18,15 | |
| 6 | 16,70 | |
| 7 | 16,83 | |
| 8 | 16,85 | |
| 9 | 16,71 | |
| 10 | 16,73 | |
| 11 | 17,75 | |
| 12 | 17,21 | |
| Độ lệch tiêu chuẩn của nhiệt độ trung bình theo vị trí, °C | Sx | 0,512 |
| Phân phối t của Student (7 bậc tự do) | T95,v | 2,20 |
| Độ không đảm bảo có tính hệ thống do sự thay đổi ngoài môi trường, °C | Bspatial | 0,325 |
Vì chương trình máy tính cân bằng nhiệt được sử dụng để tạo ra đường cong hiệu chỉnh là mô hình được sử dụng để thiết kế nhà máy, nên không có độ không đảm bảo bổ sung nào liên quan đến các dự đoán của mô hình nhiệt được xem xét.
F.23 Độ không đảm bảo hệ thống tổng thể
Độ không đảm bảo hệ thống tổng thể của phép đo được tính toán từ độ không đảm bảo hệ thống của thiết bị đo và độ không đảm bảo hệ thống theo không gian đo như sau:
![]()
Trong đó
Binst = độ không đảm bảo hệ thống của thiết bị
Bspatial = độ không đảm bảo hệ thống theo không gian
U95,SYS = độ không đảm bảo hệ thống tổng thể
Kết quả của phép tính độ không đảm bảo tổng thể có hệ thống cho tất cả các phép đo và lần tiến hành thí nghiệm được thể hiện trong bảng kết quả độ không đảm bảo tổng thể. Xem Bảng F.56 đến F.63.
F.24 Độ không đảm bảo ngẫu nhiên
Độ không đảm bảo ngẫu nhiên của phép đo được ước tính là tích của độ lệch chuẩn của giá trị trung bình và giá trị t của Student như sau:
![]()
Trong đó
= độ lệch chuẩn của giá trị trung bình
t95,v = Giá trị t của Student ở mức độ tin cậy 95% và nhiệt độ tự do v
U95,RND = độ không đảm bảo ngẫu nhiên của phép đo ở độ tin cậy 95%
Bảng F. 56 Phân tích độ không đảm bảo sau thử nghiệm của công suất điện đầu ra đã hiệu chuẩn và suất tiêu hao nhiệt tinh của nhà máy
(Tiến hành thí nghiệm lần 1)
| ĐÁNH GIÁ | Độ không đảm bảo của thiết bị đo | Độ không đảm bảo của các kết quả thí nghiệm | Độ không đảm bảo của các kết quả thí nghiệm | ||||||||||||||
| Giá trị thí nghiệm | Tính hệ thống | Tính ngẫu nhiên | Tổng | Công suất điện đầu ra đã hiệu chỉnh 516.382 kW | Suất tiêu hao nhiệt đã hiệu chỉnh 6.612,2 kJ/kWh | ||||||||||||
| Trung bình X | Đơn vị | Binst Độ không đảm bảo có tính hệ thống của thiết bị đo | Sspatial Độ không đảm bảo có tính hệ thống của không gian | U95,SYS Độ không đảm bảo có tính hệ thống tổng quát | Sx Độ lệch chuẩn trung bình | t95,v Phân phối t của Student | U95,RND Độ không đảm bảo có tính ngẫu nhiên | U95,TOT Tổng độ không đảm bảo của thiết bị đo | θ Độ nhạy tuyệt đối | UP1,SYS [kW] Độ không đảm bảo có tính hệ thống của công suất điện đã hiệu chỉnh | UP1,RND [kW] Độ không đảm bảo có tính ngẫu nhiên của công suất điện đã hiệu chỉnh | UP1 [kW] Tổng độ không đảm bảo của công suất điện đã hiệu chỉnh | θ Độ nhạy tuyệt đối | UHR1,SYS [kJ/kWh] Độ không đảm bảo có tính hệ thống của suất tiêu hao nhiệt đã hiệu chỉnh | UHR1,RND [kJ/kWh] Độ không đảm bảo có tính ngẫu nhiên của suất tiêu hao nhiệt đã hiệu chỉnh | UHR1 [kJ/kWh] Tổng độ không đảm bảo của suất tiêu hao nhiệt đã hiệu chỉnh | |
| Độ không đảm bảo của phương pháp đường cong hiệu chỉnh |
|
|
|
|
|
|
|
|
|
| 1032,764 |
| 1032,76 |
| 13,224 |
| 13,2 |
| Thông số điện |
|
|
|
|
|
|
|
|
|
|
|
|
|
|
|
|
|
| CTG #1 Phát lên lưới (Phía cao áp của máy biến áp) | 158.750 | kW | 693,5 | 0,0 | 693,46 | 131,538 | 2,00 | 263,21 | 741,73 | 1,043 | 723,0 | 274,4 | 773,3 | -0,013 | -9,256 | -3,513 | 9,9 |
| CTG #2 Phát lên lưới (Phía cao áp của máy biến áp) | 163.458 | kW | 713,3 | 0,0 | 713,26 | 111,823 | 2,00 | 223,76 | 747,53 | 1,043 | 743,6 | 233,3 | 779,3 | -0,013 | -9,520 | -2,987 | 9,98 |
| STG Phát lên lưới (Phía cao áp của máy biến áp) | 173.850 | kW | 761,5 | 0,0 | 761,54 | 64,768 | 2,00 | 129,60 | 772,49 | 1,043 | 793,9 | 135,1 | 805,4 | -0,013 | -10,165 | -1,730 | 10,31 |
| Tương quan giữa CTG 1 và CTG 2 |
|
|
|
|
|
|
|
|
|
| 1036,9 |
| 1036,9 |
| 13,3 |
| 13,28 |
| Tương quan giữa CTG 1 và STG |
|
|
|
|
|
|
|
|
|
| 1071,5 |
| 1071,5 |
| 13,7 |
| 13,72 |
| Tương quan giữa CTG 2 và STG |
|
|
|
|
|
|
|
|
|
| 1086,6 |
| 1086,6 |
| 13,9 |
| 13,91 |
| Động cơ tua bin khí #1 Đầu ra máy phát điện | 167,68 | MW | 0,84 | 0,0 | 0,84 | 0,036 | 1,97 | 0,07 | 0,84 | -3,725 | -3,123 | -0,262 | 3,13 | 0,048 | 0,040 | 0,003 | 0,04 |
| Động cơ tua bin khí #2 Đầu ra máy phát điện | 168,40 | MW | 0,84 | 0,0 | 0,84 | 0,035 | 1,97 | 0,07 | 0,84 | -3,735 | -3,145 | -0,254 | 3,16 | 0,048 | 0,040 | 0,003 | 0,04 |
| Đầu ra máy phát điện động cơ tua bin hơi | 174,04 | MW | 0,87 | 0,0 | 0,87 | 0,070 | 2,00 | 0,14 | 0,88 | -1,598 | -1,391 | -0,224 | 1,41 | 0,020 | 0,018 | 0,003 | 0,02 |
| Động cơ tua bin khí #1 Công suất phản kháng của máy phát điện | 28,09 | MVAR | 0,28 | 0,0 | 0,28 | 0,084 | 1,97 | 0,16 | 0,33 | 2,404 | 0,675 | 0,395 | 0,78 | -0,031 | -0,009 | -0,005 | 0,01 |
| Động cơ tua bin khí #2 Công suất phản kháng của máy phát điện | 27,25 | MVAR | 0,27 | 0,0 | 0,27 | 0,079 | 1,97 | 0,16 | 0,31 | 2,334 | 0,636 | 0,364 | 0,73 | -0,030 | -0,008 | -0,005 | 0,01 |
| Công suất phản kháng máy phát điện tua bin hơi | 18,47 | MVAR | 0,18 | 0,0 | 0,18 | 0,736 | 2,00 | 1,47 | 1,48 | 1,008 | 0,186 | 1,485 | 1,50 | -0,013 | -0,002 | -0,019 | 0,02 |
| Thông số môi trường |
|
|
|
|
|
|
|
|
|
|
|
|
|
|
|
|
|
| Hiệu quả của thiết bị làm mát bằng bay hơi | 93,40 | % |
|
| 6,88 |
|
|
| 6,88 | 103,276 | 710,542 | 0,000 | 710,54 | -0,198 | -1,365 | 0,000 | 1,36 |
| Nhiệt độ đầu vào máy nén | 16,36 | °C | 0,056 | 0,45 | 0,46 | 0,294 | 2,00 | 0,59 | 0,74 | 0,000 | 0,000 | 0,000 | 0,00 | 0,000 | 0,000 | 0,000 | 0,00 |
| Nhiệt độ bầu khô ngoài môi trường tại CTG | 16,65 | °C | 0,056 | 0,25 | 0,26 | 0,067 | 2,00 | 0,13 | 0,29 | 2296,169 | 594,443 | 308,898 | 669,91 | -1,118 | -0,289 | -0,150 | 0,33 |
| Độ ẩm tương đối ngoài môi trường | 77,04 | % | 2,000 | 0,00 | 2,00 | 0,007 | 2,00 | 0,01 | 2,00 | -2,9 | -5,741 | -0,041 | 5,74 | -0,13 | -0,266 | -0,002 | 0,27 |
| Áp suất khí quyển | 0,998 | bara | 0,00022 | 0,00000 | 0,00 | 0,00002 | 2,00 | 0,00 | 0,00 | -538261,7 | -115,789 | -18,094 | 117,19 | 122,9 | 0,026 | 0,004 | 0,03 |
| Nhiệt độ bầu khô đầu vào ACC | 17,04 | °C | 0,056 | 0,33 | 0,33 | 0,057 | 2,00 | 0,11 | 0,35 | 312,9 | 103,271 | 35,831 | 109,31 | -4,0 | -1,322 | -0,459 | 1,40 |
| Thông số nhiệt đầu vào |
|
|
|
|
|
|
|
|
|
|
|
|
|
|
|
|
|
| Áp suất cấp nhiên liệu của thiết bị (Đầu vào tua bin khí) | 16,53 | barg | 0,007 | 0,0 | 0,01 | 0,002 | 2,00 | 0,00 | 0,01 | 383,2 | 2,534 | 1,405 | 2,90 | -4,9 | -0,032 | -0,018 | 0,04 |
| Độ chênh áp của thiết bị cấp nhiên liệu | 542,14 | cm H2O | 0,381 | 0,0 | 0,38 | 0,311 | 2,00 | 0,62 | 0,73 | 0,0 | 0,000 | 0,000 | 0,00 | 5,9 | 2,267 | 3,705 | 4,34 |
| Áp suất của thiết bị cấp nhiên liệu | 17,64 | bara | 0,023 | 0,0 | 0,02 | 0,0083 | 2,00 | 0,02 | 0,03 | 0,0 | 0,000 | 0,000 | 0,00 | 198,3 | 4,485 | 3,280 | 5,56 |
| Nhiệt độ của thiết bị cấp nhiên liệu | 16,76 | °C | 0,056 | 0,00 | 0,06 | 0,046 | 2,00 | 0,09 | 0,11 | 0,0 | 0,000 | 0,000 | 0,00 | -12,697 | -0,705 | -1,175 | 1,37 |
| Đường kính trong ống của thiết bị cấp nhiên liệu | 25,33 | cm | 0,003 | 0,0 | 0,00 | 0,000 | 0,00 | 0,00 | 0,00 | 0,0 | 0,000 | 0,000 | 0,00 | -130,9 | -0,332 | 0,000 | 0,33 |
| Đường kính phần cổ lọ của thiết bị cấp nhiên liệu | 17,51 | cm | 0,003 | 0,0 | 0,00 | 0,000 | 0,00 | 0,00 | 0,00 | 0,0 | 0,000 | 0,000 | 0,00 | 943,2 | 2,396 | 0,000 | 2,40 |
| Độ không đảm bảo của hiệu chuẩn lưu lượng kế Orifice (PTC 19.5) |
|
|
|
|
|
|
|
|
|
|
|
|
|
| 16,530 |
| 16,53 |
| Độ không đảm bảo phương pháp hệ số mở rộng (AGA 3) |
|
|
|
|
|
|
|
|
|
|
|
|
|
| 7,965 |
| 7,96 |
| Độ không đảm bảo phương pháp hệ số nén (AGA 8) |
|
|
|
|
|
|
|
|
|
|
|
|
|
| 3,306 |
| 3,31 |
| Độ không đảm bảo của phương pháp nhiệt trị (ASTM D 3588) |
|
|
|
|
|
|
|
|
|
| 2,635 |
| 2,63 |
| 1,977 |
| 1,98 |
| Metan (xCH4) | 96,0933 | % mol | 0,316 | 0,0 | 0,32 | 0,012 | 4,30 | 0,05 | 0,32 | 0,155 | 0,049 | 0,008 | 0,05 | 0,691 | 0,219 | 0,036 | 0,22 |
| Etan (xC2) | 1,9667 | % mol | 0,071 | 0,0 | 0,07 | 0,003 | 4,30 | 0,01 | 0,07 | 80,2 | 5,678 | 1,150 | 5,79 | 26,4 | 1,870 | 0,379 | 1,91 |
| Propan (xC3) | 0,3033 | % mol | 0,050 | 0,0 | 0,05 | 0,009 | 4,30 | 0,04 | 0,06 | 158,9 | 7,875 | 6,030 | 9,92 | 50,7 | 2,511 | 1,923 | 3,16 |
| Iso-Butan (xIC4) | 0,0767 | % mol | 0,014 | 0,0 | 0,01 | 0,009 | 4,30 | 0,04 | 0,04 | 236,6 | 3,348 | 8,977 | 9,58 | 74,3 | 1,052 | 2,820 | 3,01 |
| N-Butan (xNC4) | 0,0567 | % mol | 0,014 | 0,0 | 0,01 | 0,003 | 4,30 | 0,01 | 0,02 | 237,7 | 3,363 | 3,408 | 4,79 | 74,8 | 1,059 | 1,073 | 1,51 |
| Iso-Pentan (xIC5) | 0,0300 | % mol | 0,014 | 0,0 | 0,01 | 0,006 | 4,30 | 0,02 | 0,03 | 315,6 | 4,465 | 7,839 | 9,02 | 98,5 | 1,393 | 2,446 | 2,82 |
| N-Pentan (xNC5) | 0,0167 | % mol | 0,014 | 0,0 | 0,01 | 0,003 | 4,30 | 0,01 | 0,02 | 316,4 | 4,475 | 4,537 | 6,37 | 99,4 | 1,406 | 1,425 | 2,00 |
| N-Hexan (xC6) | 0,0033 | % mol | 0,014 | 0,0 | 0,01 | 0,003 | 4,30 | 0,01 | 0,02 | 394,6 | 5,581 | 5,660 | 7,95 | 126,1 | 1,783 | 1,808 | 2,54 |
| N-Heptan (XC7) | 0,0000 | % mol | 0,000 | 0,0 | 0,00 | 0,000 | 4,30 | 0,00 | 0,00 | 0,0 | 0,000 | 0,000 | 0,00 | 0,0 | 0,000 | 0,000 | 0,00 |
| N-Octan (xC8) | 0,0000 | % mol | 0,000 | 0,0 | 0,00 | 0,000 | 4,30 | 0,00 | 0,00 | 0,0 | 0,000 | 0,000 | 0,00 | 0,0 | 0,000 | 0,000 | 0,00 |
| Nonan (xC9) | 0,0000 | % mol | 0,000 | 0,0 | 0,00 | 0,000 | 4,30 | 0,00 | 0,00 | 0,0 | 0,000 | 0,000 | 0,00 | 0,0 | 0,000 | 0,000 | 0,00 |
| Decan (xC10) | 0,0000 | % mol | 0,000 | 0,0 | 0,00 | 0,000 | 4,30 | 0,00 | 0,00 | 0,0 | 0,000 | 0,000 | 0,00 | 0,0 | 0,000 | 0,000 | 0,00 |
| Khí cacbonic (xCO2) | 0,6867 | % mol | 0,050 | 0,0 | 0,05 | 0,003 | 4,30 | 0,01 | 0,05 | -230,5 | -11,467 | -3,306 | 11,93 | -118,0 | -5,872 | -1,693 | 6,11 |
| Nitơ (xN2) | 0,7367 | % mol | 0,050 | 0,0 | 0,05 | 0,012 | 4,30 | 0,05 | 0,07 | -146,7 | -7,302 | -7,587 | 10,53 | -89,3 | -4,446 | -4,619 | 6,41 |
| Oxy (xO2) | 0,0100 | % mol | 0,014 | 0,0 | 0,01 | 0,000 | 4,30 | 0,00 | 0,01 | -167,6 | -2,370 | 0,000 | 2,37 | -96,6 | -1,367 | 0,000 | 1,37 |
| Heli (xHe) | 0,0200 | % mol | 0,014 | 0,0 | 0,01 | 0,000 | 4,30 | 0,00 | 0,01 | -21,0 | -0,297 | 0,000 | 0,30 | -44,5 | -0,630 | 0,000 | 0,63 |
| Hydro (xH2) | 0,0000 | % mol | 0,000 | 0,0 | 0,00 | 0,000 | 4,30 | 0,00 | 0,00 | 0,0 | 0,000 | 0,000 | 0,00 | 0,0 | 0,000 | 0,000 | 0,00 |
| Cacbon Monoxit (xCO) | 0,0000 | % mol | 0,000 | 0,0 | 0,00 | 0,000 | 4,30 | 0,00 | 0,00 | 0,0 | 0,000 | 0,000 | 0,00 | 0,0 | 0,000 | 0,000 | 0,00 |
| Hydro Sulphua (xH2S) | 0,0000 | % mol | 0,000 | 0,0 | 0,00 | 0,000 | 4,30 | 0,00 | 0,00 | 0,0 | 0,000 | 0,000 | 0,00 | 0,0 | 0,000 | 0,000 | 0,00 |
| Nước (xH2O) | 0,0000 | % mol | 0,000 | 0,0 | 0,00 | 0,000 | 4,30 | 0,00 | 0,00 | 0,0 | 0,000 | 0,000 | 0,00 | 0,0 | 0,000 | 0,000 | 0,00 |
|
|
| 2656,9 | 495,3 |
|
| 38,41 | 9,94 |
| |||||||||
| Đánh giá độ không đảm bảo của tổng công suất điện đầu ra đã hiệu chuẩn | 2702,7 | Đánh giá độ không đảm bảo của tổng suất tiêu hao nhiệt đã hiệu chuẩn | 39,67 | ||||||||||||||
| 0,52% | 0,60% | ||||||||||||||||
Bảng F. 57 - Phân tích độ không đảm bảo sau thử nghiệm của công suất điện đầu ra đã hiệu chuẩn và suất tiêu hao nhiệt tinh của nhà máy
(Tiến hành thí nghiệm lần 2)
| ĐÁNH GIÁ | Độ không đảm bảo của thiết bị đo | Độ không đảm bảo của các kết quả thí nghiệm | Độ không đảm bảo của các kết quả thí nghiệm | ||||||||||||||
| Giá trị thí nghiệm | Tính hệ thống | Tính ngẫu nhiên | Tổng | Công suất điện đầu ra đã hiệu chỉnh 518.278 kW | Suất tiêu hao nhiệt đã hiệu chỉnh 6.597,1 kJ/kWh | ||||||||||||
| Trung bình X | Đơn vị | Binst Độ không đảm bảo có tính hệ thống của thiết bị đo | Sspatial Độ không đảm bảo có tính hệ thống của không gian | U95,SYS Độ không đảm bảo có tính hệ thống tổng quát | Sx Độ lệch chuẩn trung bình | t95,v Phân phối t của Student | U95,RND Độ không đảm bảo có tính ngẫu nhiên | U95,TOT Tổng độ không đảm bảo của thiết bị đo | θ Độ nhạy tuyệt đối | UP2,SYS [kW] Độ không đảm bảo có tính hệ thống của công suất điện đã hiệu chỉnh | UP2,RND [kW] Độ không đảm bảo có tính ngẫu nhiên của công suất điện đã hiệu chỉnh | UP2 [kW] Tổng độ không đảm bảo của công suất điện đã hiệu chỉnh | θ Độ nhạy tuyệt đối | UHR2,SYS [kJ/kWh] Độ không đảm bảo có tính hệ thống của suất tiêu hao nhiệt đã hiệu chỉnh | UHR2,RND [kJ/kWh] Độ không đảm bảo có tính ngẫu nhiên của suất tiêu hao nhiệt đã hiệu chỉnh | UHR2 [kJ/kWh] Tổng độ không đảm bảo của suất tiêu hao nhiệt đã hiệu chỉnh | |
| Độ không đảm bảo của phương pháp đường cong hiệu chỉnh |
|
|
|
|
|
|
|
|
|
| 1032,764 |
| 1032,76 |
| 13,224 |
| 13,2 |
| Thông số điện |
|
|
|
|
|
|
|
|
|
|
|
|
|
|
|
|
|
| CTG #1 Phát lên lưới (Phía cao áp của máy biến áp) | 159.563 | kW | 697,0 | 0,0 | 697,01 | 6,274 | 2,00 | 12,55 | 697,13 | 1,042 | 726,4 | 13,1 | 726,5 | -0,013 | -9,245 | -0,167 | 9,2 |
| CTG #2 Phát lên lưới (Phía cao áp của máy biến áp) | 163.458 | kW | 716,5 | 0,0 | 716,54 | 19,844 | 2,00 | 39,71 | 717,63 | 1,042 | 746,8 | 41,4 | 747,9 | -0,013 | -9,504 | -0,527 | 9,52 |
| STG Phát lên lưới (Phía cao áp của máy biến áp) | 164.210 | kW | 763,5 | 0,0 | 763,51 | 0,000 | 2,00 | 0,00 | 763,51 | 1,042 | 795,7 | 0,0 | 795,7 | -0,013 | -10,127 | 0,000 | 10,13 |
| Tương quan giữa CTG 1 và CTG 2 |
|
|
|
|
|
|
|
|
|
| 1041,6 |
| 1041,6 |
| 13,3 |
| 13,26 |
| Tương quan giữa CTG 1 và STG |
|
|
|
|
|
|
|
|
|
| 1075,2 |
| 1075,2 |
| 13,7 |
| 13,68 |
| Tương quan giữa CTG 2 và STG |
|
|
|
|
|
|
|
|
|
| 1090,1 |
| 1090,1 |
| 13,9 |
| 13,87 |
| Động cơ tua bin khí #1 Đầu ra máy phát điện | 167,92 | MW | 0,84 | 0,0 | 0,84 | 0,020 | 1,97 | 0,04 | 0,84 | -3,745 | -3,144 | -0,148 | 3,15 | 0,048 | 0,040 | 0,002 | 0,04 |
| Động cơ tua bin khí #2 Đầu ra máy phát điện | 168,60 | MW | 0,84 | 0,0 | 0,84 | 0,015 | 1,97 | 0,03 | 0,84 | -3,753 | -3,164 | -0,111 | 3,17 | 0,048 | 0,040 | 0,001 | 0,04 |
| Đầu ra máy phát điện động cơ tua bin hơi | 174,54 | MW | 0,87 | 0,0 | 0,87 | 0,018 | 2,00 | 0,04 | 0,87 | -1,589 | -1,387 | -0,057 | 1,39 | 0,020 | 0,018 | 0,001 | 0,02 |
| Động cơ tua bin khí #1 Công suất phản kháng của máy phát điện | 31,15 | MVAR | 0,31 | 0,0 | 0,31 | 0,069 | 1,97 | 0,14 | 0,34 | 2,638 | 0,822 | 0,358 | 0,90 | -0,034 | -0,010 | -0,005 | 0,01 |
| Động cơ tua bin khí #2 Công suất phản kháng của máy phát điện | 30,25 | MVAR | 0,30 | 0,0 | 0,30 | 0,071 | 1,97 | 0,14 | 0,33 | 2,566 | 0,776 | 0,360 | 0,86 | -0,033 | -0,010 | -0,005 | 0,01 |
| Công suất phản kháng máy phát điện tua bin hơi | 14,01 | MVAR | 0,14 | 0,0 | 0,14 | 0,292 | 2,00 | 0,58 | 0,60 | 0,768 | 0,108 | 0,449 | 0,46 | -0,010 | -0,001 | -0,006 | 0,01 |
| Thông số môi trường |
|
|
|
|
|
|
|
|
|
|
|
|
|
|
|
|
|
| Hiệu quả của thiết bị làm mát bằng bay hơi | 93,40 | % |
|
| 6,88 |
|
|
| 6,88 | 103,656 | 713,150 | 0,000 | 713,15 | -0,198 | -1,362 | 0,000 | 1,36 |
| Nhiệt độ đầu vào máy nén | 16,74 | °C | 0,056 | 0,27 | 0,27 | 0,043 | 2,00 | 0,09 | 0,29 | 0,000 | 0,000 | 0,000 | 0,00 | 0,000 | 0,000 | 0,000 | 0,00 |
| Nhiệt độ bầu khô ngoài môi trường tại CTG | 16,76 | °C | 0,056 | 0,27 | 0,27 | 0,043 | 2,00 | 0,09 | 0,29 | 2312,795 | 632,311 | 200,755 | 663,41 | -1,129 | -0,309 | -0,098 | 0,32 |
| Độ ẩm tương đối ngoài môi trường | 77,03 | % | 2,000 | 0,00 | 2,00 | 0,010 | 2,00 | 0,02 | 2,00 | -2,7 | -5,365 | -0,052 | 5,36 | -0,13 | -0,269 | -0,003 | 0,27 |
| Áp suất khí quyển | 0,998 | bara | 0,00022 | 0,00000 | 0,00 | 0,00003 | 2,00 | 0,00 | 0,00 | -539738,3 | -116,107 | -29,335 | 119,75 | 123,4 | 0,027 | 0,007 | 0,03 |
| Nhiệt độ bầu khô đầu vào ACC | 17,10 | °C | 0,056 | 0,33 | 0,34 | 0,043 | 2,00 | 0,09 | 0,35 | 314,3 | 106,112 | 27,317 | 109,57 | -4,0 | -1,350 | -0,348 | 1,39 |
| Thông số nhiệt đầu vào |
|
|
|
|
|
|
|
|
|
|
|
|
|
|
|
|
|
| Áp suất cấp nhiên liệu của thiết bị (Đầu vào tua bin khí) | 16,51 | barg | 0,007 | 0,0 | 0,01 | 0,000 | 2,00 | 0,00 | 0,01 | 380,8 | 2,514 | 0,000 | 2,51 | -4,8 | -0,032 | 0,000 | 0,03 |
| Độ chênh áp của thiết bị cấp nhiên liệu | 545,40 | cm H2O | 0,381 | 0,0 | 0,38 | 0,095 | 2,00 | 0,19 | 0,43 | 0,0 | 0,000 | 0,000 | 0,00 | 5,9 | 2,247 | 1,124 | 2,51 |
| Áp suất của thiết bị cấp nhiên liệu | 17,61 | bara | 0,023 | 0,0 | 0,02 | 0,008 | 2,00 | 0,02 | 0,03 | 0,0 | 0,000 | 0,000 | 0,00 | 198,2 | 4,483 | 3,076 | 5,44 |
| Nhiệt độ của thiết bị cấp nhiên liệu | 16,64 | °C | 0,056 | 0,00 | 0,06 | 0,053 | 2,00 | 0,11 | 0,12 | 0,0 | 0,000 | 0,000 | 0,00 | -12,671 | -0,704 | -1,334 | 1,51 |
| Đường kính trong ống của thiết bị cấp nhiên liệu | 25,33 | cm | 0,003 | 0,0 | 0,00 | 0,000 | 0,00 | 0,00 | 0,00 | 0,0 | 0,000 | 0,000 | 0,00 | -130,5 | -0,332 | 0,000 | 0,33 |
| Đường kinh phần cổ lọ của thiết bị cấp nhiên liệu | 17,51 | cm | 0,003 | 0,0 | 0,00 | 0,000 | 0,00 | 0,00 | 0,00 | 0,0 | 0,000 | 0,000 | 0,00 | 941,0 | 2,390 | 0,000 | 2,39 |
| Độ không đảm bảo của hiệu chuẩn lưu lượng kế Orifice (PTC 19.5) |
|
|
|
|
|
|
|
|
|
|
|
|
|
| 16,493 |
| 16,49 |
| Độ không đảm bảo phương pháp hệ số mở rộng (AGA 3) |
|
|
|
|
|
|
|
|
|
|
|
|
|
| 8,008 |
| 8,01 |
| Độ không đảm bảo phương pháp hệ số nén (AGA 8) |
|
|
|
|
|
|
|
|
|
|
|
|
|
| 3,299 |
| 3,30 |
| Độ không đảm bảo của phương pháp nhiệt trị (ASTM D 3588) |
|
|
|
|
|
|
|
|
|
| 2,643 |
| 2,64 |
| 1,972 |
| 1,97 |
| Metan (xCH4) | 96,0667 | % mol | 0,316 | 0,0 | 0,32 | 0,009 | 4,30 | 0,04 | 0,32 | 0,213 | 0,067 | 0,008 | 0,07 | 0,719 | 0,227 | 0,027 | 0,23 |
| Etan (xC2) | 1,9700 | % mol | 0,071 | 0,0 | 0,07 | 0,006 | 4,30 | 0,02 | 0,08 | 80,6 | 5,711 | 2,003 | 6,05 | 26,4 | 1,869 | 0,656 | 1,98 |
| Propan (xC3) | 0,3267 | % mol | 0,050 | 0,0 | 0,05 | 0,003 | 4,30 | 0,01 | 0,05 | 159,8 | 7,920 | 2,292 | 8,24 | 50,6 | 2,509 | 0,726 | 2,61 |
| Iso-Butan (xIC4) | 0,0567 | % mol | 0,014 | 0,0 | 0,01 | 0,003 | 4,30 | 0,01 | 0,02 | 237,8 | 3,365 | 3,411 | 4,79 | 74,2 | 1,050 | 1,065 | 1,50 |
| N-Butan (xNC4) | 0,0667 | % mol | 0,014 | 0,0 | 0,01 | 0,003 | 4,30 | 0,01 | 0,02 | 238,9 | 3,381 | 3,427 | 4,81 | 74,8 | 1,058 | 1,072 | 1,51 |
| Iso-Pentan (xIC5) | 0,0167 | % mol | 0,014 | 0,0 | 0,01 | 0,003 | 4,30 | 0,01 | 0,02 | 317,3 | 4,487 | 4,550 | 6,39 | 98,4 | 1,391 | 1,411 | 1,98 |
| N-Pentan (xNC5) | 0,0100 | % mol | 0,014 | 0,0 | 0,01 | 0,000 | 4,30 | 0,00 | 0,01 | 318,0 | 4,498 | 0,000 | 4,50 | 99,3 | 1,404 | 0,000 | 1,40 |
| N-Hexan (xC6) | 0,0100 | % mol | 0,014 | 0,0 | 0,01 | 0,000 | 4,30 | 0,00 | 0,01 | 396,7 | 5,611 | 0,000 | 5,61 | 125,9 | 1,781 | 0,000 | 1,78 |
| N-Heptan (xC7) | 0,0000 | % mol | 0,000 | 0,0 | 0,00 | 0,000 | 4,30 | 0,00 | 0,00 | 0,0 | 0,000 | 0,000 | 0,00 | 0,0 | 0,000 | 0,000 | 0,00 |
| N-Octan (xC8) | 0,0000 | % mol | 0,000 | 0,0 | 0,00 | 0,000 | 4,30 | 0,00 | 0,00 | 0,0 | 0,000 | 0,000 | 0,00 | 0,0 | 0,000 | 0,000 | 0,00 |
| Nonan (xC9) | 0,0000 | % mol | 0,000 | 0,0 | 0,00 | 0,000 | 4,30 | 0,00 | 0,00 | 0,0 | 0,000 | 0,000 | 0,00 | 0,0 | 0,000 | 0,000 | 0,00 |
| Decan (xC10) | 0,0000 | % mol | 0,000 | 0,0 | 0,00 | 0,000 | 4,30 | 0,00 | 0,00 | 0,0 | 0,000 | 0,000 | 0,00 | 0,0 | 0,000 | 0,000 | 0,00 |
| Khí cacbonic (xCO2) | 0,6933 | % mol | 0,050 | 0,0 | 0,05 | 0,003 | 4,30 | 0,01 | 0,05 | -231,3 | -11,507 | -3,317 | 11,98 | -117,8 | -5,859 | -1,689 | 6,10 |
| Nitơ (xN2) | 0,7533 | % mol | 0,050 | 0,0 | 0,05 | 0,003 | 4,30 | 0,01 | 0,05 | -147,2 | -7,329 | -2,111 | 7,63 | -89,1 | -4,437 | -1,278 | 4,62 |
| Oxy (xO2) | 0,0100 | % mol | 0,014 | 0,0 | 0,01 | 0,000 | 4,30 | 0,00 | 0,01 | -168,2 | -2,378 | 0,000 | 2,38 | -96,4 | -1,363 | 0,000 | 1,36 |
| Heli (xHe) | 0,0200 | % mol | 0,014 | 0,0 | 0,01 | 0,000 | 4,30 | 0,00 | 0,01 | -21,1 | -0,298 | 0,000 | 0,30 | -44,4 | -0,628 | 0,000 | 0,63 |
| Hydro (xH2) | 0,0000 | % mol | 0,000 | 0,0 | 0,00 | 0,000 | 4,30 | 0,00 | 0,00 | 0,0 | 0,000 | 0,000 | 0,00 | 0,0 | 0,000 | 0,000 | 0,00 |
| Cacbon Monoxit (xCO) | 0,0000 | % mol | 0,000 | 0,0 | 0,00 | 0,000 | 4,30 | 0,00 | 0,00 | 0,0 | 0,000 | 0,000 | 0,00 | 0,0 | 0,000 | 0,000 | 0,00 |
| Hydro Sulphua (xH2S) | 0,0000 | % mol | 0,000 | 0,0 | 0,00 | 0,000 | 4,30 | 0,00 | 0,00 | 0,0 | 0,000 | 0,000 | 0,00 | 0,0 | 0,000 | 0,000 | 0,00 |
| Nước (xH2O) | 0,0000 | % mol | 0,000 | 0,0 | 0,00 | 0,000 | 4,30 | 0,00 | 0,00 | 0,0 | 0,000 | 0,000 | 0,00 | 0,0 | 0,000 | 0,000 | 0,00 |
|
|
| 2675,0 | 209,4 |
|
| 38,33 | 4,76 |
| |||||||||
| Đánh giá độ không đảm bảo của tổng công suất điện đầu ra đã hiệu chuẩn | 2683,2 | Đánh giá độ không đảm bảo của tổng suất tiêu hao nhiệt đã hiệu chuẩn | 38,63 | ||||||||||||||
| 0,52% | 0,59% | ||||||||||||||||
Bảng F. 58 Phân tích độ không đảm bảo sau thử nghiệm của công suất điện đầu ra đã hiệu chuẩn và suất tiêu hao nhiệt tinh của nhà máy
(Tiến hành thí nghiệm lần 3)
| ĐÁNH GIÁ | Độ không đảm bảo của thiết bị đo | Độ không đảm bảo của các kết quả thí nghiệm | Độ không đảm bảo của các kết quả thí nghiệm | ||||||||||||||
| Giá trị thí nghiệm | Tính hệ thống | Tính ngẫu nhiên | Tổng | Công suất điện đầu ra đã hiệu chỉnh 518.365 kW | Suất tiêu hao nhiệt đã hiệu chỉnh 6.596,9 kJ/kWh | ||||||||||||
| Trung bình X | Đơn vị | Binst Độ không đảm bảo có tính hệ thống của thiết bị đo | Sspatial Độ không đảm bảo có tính hệ thống của không gian | U95,SYS Độ không đảm bảo có tính hệ thống tổng quát | Sx Độ lệch chuẩn trung bình | t95,v Phân phối t của Student | U95,RND Độ không đảm bảo có tính ngẫu nhiên | U95,TOT Tổng độ không đảm bảo của thiết bị đo | θ Độ nhạy tuyệt đối | UP3,SYS [kW] Độ không đảm bảo có tính hệ thống của công suất điện đã hiệu chỉnh | UP3,RND [kW] Độ không đảm bảo có tính ngẫu nhiên của công suất điện đã hiệu chỉnh | UP3 [kW] Tổng độ không đảm bảo của công suất điện đã hiệu chỉnh | θ Độ nhạy tuyệt đối | UHR3,SYS [kJ/kWh] Độ không đảm bảo có tính hệ thống của suất tiêu hao nhiệt đã hiệu chỉnh | UHR3,RND [kJ/kWh] Độ không đảm bảo có tính ngẫu nhiên của suất tiêu hao nhiệt đã hiệu chỉnh | UHR3 [kJ/kWh] Tổng độ không đảm bảo của suất tiêu hao nhiệt đã hiệu chỉnh | |
| Độ không đảm bảo của phương pháp đường cong hiệu chỉnh |
|
|
|
|
|
|
|
|
|
| 1036,731 |
| 1036,73 |
| 13,194 |
| 13,2 |
| Thông số điện |
|
|
|
|
|
|
|
|
|
|
|
|
|
|
|
|
|
| CTG #1 Phát lên lưới (Phía cao áp của máy biến áp) | 158.940 | kW | 694,3 | 0,0 | 694,29 | 70,158 | 2,00 | 140,39 | 708,34 | 1,046 | 725,9 | 146,8 | 740,6 | -0,013 | -9,237 | -1,868 | 9,4 |
| CTG #2 Phát lên lưới (Phía cao áp của máy biến áp) | 163.300 | kW | 712,6 | 0,0 | 712,56 | 0,000 | 2,00 | 0,00 | 712,56 | 1,046 | 745,0 | 0,0 | 745,0 | -0,013 | -9,480 | 0,000 | 9,48 |
| STG Phát lên lưới (Phía cao áp của máy biến áp) | 174.190 | kW | 763,0 | 0,0 | 763,03 | 12,953 | 2,00 | 25,92 | 763,47 | 1,046 | 797,8 | 27,1 | 798,2 | -0,013 | -10,151 | -0,345 | 10,16 |
| Tương quan giữa CTG 1 và CTG 2 |
|
|
|
|
|
|
|
|
|
| 1040,0 |
| 1040,0 |
| 13,2 |
| 13,23 |
| Tương quan giữa CTG 1 và STG |
|
|
|
|
|
|
|
|
|
| 1076,2 |
| 1076,2 |
| 13,7 |
| 13,69 |
| Tương quan giữa CTG 2 và STG |
|
|
|
|
|
|
|
|
|
| 1090,3 |
| 1090,3 |
| 13,9 |
| 13,87 |
| Động cơ tua bin khí #1 Đầu ra máy phát điện | 167,28 | MW | 0,84 | 0,0 | 0,84 | 0,016 | 1,97 | 0,03 | 0,84 | -3,752 | -3,138 | -0,120 | 3,14 | 0,048 | 0,040 | 0,002 | 0,04 |
| Động cơ tua bin khí #2 Đầu ra máy phát điện | 168,14 | MW | 0,84 | 0,0 | 0,84 | 0,015 | 1,97 | 0,03 | 0,84 | -3,764 | -3,165 | -0,114 | 3,17 | 0,048 | 0,040 | 0,001 | 0,04 |
| Đầu ra máy phát điện động cơ tua bin hơi | 173,92 | MW | 0,87 | 0,0 | 0,87 | 0,070 | 2,00 | 0,14 | 0,88 | -1,593 | -1,385 | -0,224 | 1,40 | 0,020 | 0,018 | 0,003 | 0,02 |
| Động cơ tua bin khí #1 Công suất phản kháng của máy phát điện | 32,53 | MVAR | 0,33 | 0,0 | 0,33 | 0,137 | 1,97 | 0,27 | 0,42 | 2,755 | 0,896 | 0,742 | 1,16 | -0,035 | -0,011 | -0,009 | 0,01 |
| Động cơ tua bin khí #2 Công suất phản kháng của máy phát điện | 31,72 | MVAR | 0,32 | 0,0 | 0,32 | 0,141 | 1,97 | 0,28 | 0,42 | 2,690 | 0,853 | 0,746 | 1,13 | -0,034 | -0,011 | -0,009 | 0,01 |
| Công suất phản kháng máy phát điện tua bin hơi | 16,10 | MVAR | 0,16 | 0,0 | 0,16 | 0,498 | 2,00 | 1,00 | 1,01 | 0,885 | 0,142 | 0,881 | 0,89 | -0,011 | -0,002 | -0,011 | 0,01 |
| Thông số môi trường |
|
|
|
|
|
|
|
|
|
|
|
|
|
|
|
|
|
| Hiệu quả của thiết bị làm mát bằng bay hơi | 93,40 | % |
|
| 6,88 |
|
|
| 6,88 | 103,673 | 713,271 | 0,000 | 713,27 | -0,198 | -1,362 | 0,000 | 1,36 |
| Nhiệt độ đầu vào máy nén | 17,40 | °C | 0,056 | 0,40 | 0,41 | 0,013 | 2,00 | 0,03 | 0,41 | 0,000 | 0,000 | 0,000 | 0,00 | 0,000 | 0,000 | 0,000 | 0,00 |
| Nhiệt độ bầu khô ngoài môi trường tại CTG | 17,42 | °C | 0,056 | 0,37 | 0,38 | 0,013 | 2,00 | 0,03 | 0,38 | 2359,662 | 885,191 | 61,701 | 887,34 | -1,172 | -0,440 | -0,031 | 0,44 |
| Độ ẩm tương đối ngoài môi trường | 77,12 | % | 2,000 | 0,00 | 2,00 | 0,005 | 2,00 | 0,01 | 2,00 | -1,5 | -2,922 | -0,014 | 2,92 | -0,15 | -0,293 | -0,001 | 0,29 |
| Áp suất khí quyển | 0,999 | bara | 0,00022 | 0,00000 | 0,00 | 0,00002 | 2,00 | 0,00 | 0,00 | -539743,0 | -116,108 | -22,549 | 118,28 | 123,5 | 0,027 | 0,005 | 0,03 |
| Nhiệt độ bầu khô đầu vào ACC | 18,11 | °C | 0,056 | 0,37 | 0,37 | 0,029 | 2,00 | 0,06 | 0,38 | 337,3 | 125,134 | 19,834 | 126,70 | -4,3 | -1,592 | -0,252 | 1,61 |
| Thông số nhiệt đầu vào |
|
|
|
|
|
|
|
|
|
|
|
|
|
|
|
|
|
| Áp suất cấp nhiên liệu của thiết bị (Đầu vào tua bin khí) | 16,50 | barg | 0,007 | 0,0 | 0,01 | 0,001 | 2,00 | 0,00 | 0,01 | 386,1 | 2,548 | 1,101 | 2,78 | -4,9 | -0,032 | -0,014 | 0,04 |
| Độ chênh áp của thiết bị cấp nhiên liệu | 542,34 | cm H2O | 0,381 | 0,0 | 0,38 | 0,097 | 2,00 | 0,19 | 0,43 | 0,0 | 0,000 | 0,000 | 0,00 | 5,9 | 2,260 | 1,148 | 2,54 |
| Áp suất của thiết bị cấp nhiên liệu | 17,59 | bara | 0,023 | 0,0 | 0,02 | 0,008 | 2,00 | 0,02 | 0,03 | 0,0 | 0,000 | 0,000 | 0,00 | 198,4 | 4,486 | 3,230 | 5,53 |
| Nhiệt độ của thiết bị cấp nhiên liệu | 16,51 | °C | 0,056 | 0,00 | 0,06 | 0,011 | 2,00 | 0,02 | 0,06 | 0,0 | 0,000 | 0,000 | 0,00 | -12,679 | -0,704 | -0,290 | 0,76 |
| Đường kính trong ống của thiết bị cấp nhiên liệu | 25,33 | cm | 0,003 | 0,0 | 0,00 | 0,000 | 0,00 | 0,00 | 0,00 | 0,0 | 0,000 | 0,000 | 0,00 | -130,6 | -0,332 | 0,000 | 0,33 |
| Đường kính phần cổ lọ của thiết bị cấp nhiên liệu | 17,51 | cm | 0,003 | 0,0 | 0,00 | 0,000 | 0,00 | 0,00 | 0,00 | 0,0 | 0,000 | 0,000 | 0,00 | 941,0 | 2,390 | 0,000 | 2,39 |
| Độ không đảm bảo của hiệu chuẩn lưu lượng kế Orifice (PTC 19.5) |
|
|
|
|
|
|
|
|
|
|
|
|
|
| 16,492 |
| 16,49 |
| Độ không đảm bảo phương pháp hệ số mở rộng (AGA 3) |
|
|
|
|
|
|
|
|
|
|
|
|
|
| 7,969 |
| 7,97 |
| Độ không đảm bảo phương pháp hệ số nén (AGA 8) |
|
|
|
|
|
|
|
|
|
|
|
|
|
| 3,298 |
| 3,30 |
| Độ không đảm bảo của phương pháp nhiệt trị (ASTM D 3588) |
|
|
|
|
|
|
|
|
|
| 2,644 |
| 2,64 |
| 1,972 |
| 1,97 |
| Metan (xCH4) | 96,0500 | % mol | 0,316 | 0,0 | 0,32 | 0,006 | 4,30 | 0,02 | 0,32 | 0,162 | 0,051 | 0,004 | 0,05 | 0,697 | 0,220 | 0,017 | 0,22 |
| Etan (xC2) | 1,9800 | % mol | 0,071 | 0,0 | 0,07 | 0,006 | 4,30 | 0,02 | 0,08 | 80,5 | 5,702 | 2,000 | 6,04 | 26,4 | 1,867 | 0,655 | 1,98 |
| Propan (xC3) | 0,3300 | % mol | 0,050 | 0,0 | 0,05 | 0,006 | 4,30 | 0,02 | 0,06 | 159,6 | 7,909 | 3,964 | 8,85 | 50,6 | 2,507 | 1,256 | 2,80 |
| Iso-Butan (xIC4) | 0,0600 | % mol | 0,014 | 0,0 | 0,01 | 0,006 | 4,30 | 0,02 | 0,03 | 237,5 | 3,361 | 5,901 | 6,79 | 74,2 | 1,050 | 1,843 | 2,12 |
| N-Butan (xNC4) | 0,0733 | % mol | 0,014 | 0,0 | 0,01 | 0,003 | 4,30 | 0,01 | 0,02 | 238,6 | 3,378 | 3,422 | 4,81 | 74,7 | 1,057 | 1,071 | 1,51 |
| Iso-Pentan (xIC5) | 0,0167 | % mol | 0,014 | 0,0 | 0,01 | 0,003 | 4,30 | 0,01 | 0,02 | 316,9 | 4,482 | 4,544 | 6,38 | 98,3 | 1,390 | 1,410 | 1,98 |
| N-Pentan (xNC5) | 0,0100 | % mol | 0,014 | 0,0 | 0,01 | 0,000 | 4,30 | 0,00 | 0,01 | 317,6 | 4,492 | 0,000 | 4,49 | 99,2 | 1,403 | 0,000 | 1,40 |
| N-Hexan (xC6) | 0,0100 | % mol | 0,014 | 0,0 | 0,01 | 0,000 | 4,30 | 0,00 | 0,01 | 396,2 | 5,604 | 0,000 | 5,60 | 125,8 | 1,780 | 0,000 | 1,78 |
| N-Heptan (XC7) | 0,0000 | % mol | 0,000 | 0,0 | 0,00 | 0,000 | 4,30 | 0,00 | 0,00 | 0,0 | 0,000 | 0,000 | 0,00 | 0,0 | 0,000 | 0,000 | 0,00 |
| N-Octan (xC8) | 0,0000 | % mol | 0,000 | 0,0 | 0,00 | 0,000 | 4,30 | 0,00 | 0,00 | 0,0 | 0,000 | 0,000 | 0,00 | 0,0 | 0,000 | 0,000 | 0,00 |
| Nonan (xC9) | 0,0000 | % mol | 0,000 | 0,0 | 0,00 | 0,000 | 4,30 | 0,00 | 0,00 | 0,0 | 0,000 | 0,000 | 0,00 | 0,0 | 0,000 | 0,000 | 0,00 |
| Decan (xC10) | 0,0000 | % mol | 0,000 | 0,0 | 0,00 | 0,000 | 4,30 | 0,00 | 0,00 | 0,0 | 0,000 | 0,000 | 0,00 | 0,0 | 0,000 | 0,000 | 0,00 |
| Khí cacbonic (xCO2) | 0,6900 | % mol | 0,050 | 0,0 | 0,05 | 0,006 | 4,30 | 0,02 | 0,06 | -231,2 | -11,505 | -5,744 | 12,86 | -117,7 | -5,858 | -2,925 | 6,55 |
| Nitơ (xN2) | 0,7467 | % mol | 0,050 | 0,0 | 0,05 | 0,003 | 4,30 | 0,01 | 0,05 | -147,2 | -7,327 | -2,111 | 7,63 | -89,1 | -4,436 | -1,278 | 4,62 |
| Oxy (xO2) | 0,0100 | % mol | 0,014 | 0,0 | 0,01 | 0,000 | 4,30 | 0,00 | 0,01 | -168,1 | -2,378 | 0,000 | 2,38 | -96,4 | -1,363 | 0,000 | 1,36 |
| Heli (xHe) | 0,0200 | % mol | 0,014 | 0,0 | 0,01 | 0,000 | 4,30 | 0,00 | 0,01 | -21,0 | -0,298 | 0,000 | 0,30 | -44,4 | -0,628 | 0,000 | 0,63 |
| Hydro (xH2) | 0,0033 | % mol | 0,014 | 0,0 | 0,01 | 0,003 | 4,30 | 0,01 | 0,02 | -73,1 | -1,034 | -1,049 | 1,47 | -19,8 | -0,280 | -0,284 | 0,40 |
| Cacbon Monoxit (xCO) | 0,0000 | % mol | 0,000 | 0,0 | 0,00 | 0,000 | 4,30 | 0,00 | 0,00 | 0,0 | 0,000 | 0,000 | 0,00 | 0,0 | 0,000 | 0,000 | 0,00 |
| Hydro Sulphua (xH2S) | 0,0000 | % mol | 0,000 | 0,0 | 0,00 | 0,000 | 4,30 | 0,00 | 0,00 | 0,0 | 0,000 | 0,000 | 0,00 | 0,0 | 0,000 | 0,000 | 0,00 |
| Nước (xH2O) | 0,0000 | % mol | 0,000 | 0,0 | 0,00 | 0,000 | 4,30 | 0,00 | 0,00 | 0,0 | 0,000 | 0,000 | 0,00 | 0,0 | 0,000 | 0,000 | 0,00 |
|
|
| 2746,6 | 164,7 |
|
| 38,33 | 5,86 |
| |||||||||
| Đánh giá độ không đảm bảo của tổng công suất điện đầu ra đã hiệu chuẩn | 2751,5 | Đánh giá độ không đảm bảo của tổng suất tiêu hao nhiệt đã hiệu chuẩn | 38,78 | ||||||||||||||
| 0,53% | 0,59% | ||||||||||||||||
Bảng F. 59 - Phân tích độ không đảm bảo sau thử nghiệm của công suất điện đầu ra đã hiệu chuẩn và suất tiêu hao nhiệt tinh của nhà máy
(Tiến hành thí nghiệm lần 4)
| ĐÁNH GIÁ | Độ không đảm bảo của thiết bị đo | Độ không đảm bảo của các kết quả thí nghiệm | Độ không đảm bảo của các kết quả thí nghiệm | ||||||||||||||
| Giá trị thí nghiệm | Tính hệ thống | Tính ngẫu nhiên | Tổng | Công suất điện đầu ra đã hiệu chỉnh 518.350 kW | Suất tiêu hao nhiệt đã hiệu chỉnh 6.596,9 kJ/kWh | ||||||||||||
| Trung bình X | Đơn vị | Binst Độ không đảm bảo có tính hệ thống của thiết bị đo | Sspatial Độ không đảm bảo có tính hệ thống của không gian | U95,SYS Độ không đảm bảo có tính hệ thống tổng quát | Sx Độ lệch chuẩn trung bình | t95,v Phân phối t của Student | U95,RND Độ không đảm bảo có tính ngẫu nhiên | U95,TOT Tổng độ không đảm bảo của thiết bị đo | θ Độ nhạy tuyệt đối | UP4,SYS [kW] Độ không đảm bảo có tính hệ thống của công suất điện đã hiệu chỉnh | UP4,RND [kW] Độ không đảm bảo có tính ngẫu nhiên của công suất điện đã hiệu chỉnh | UP4 [kW] Tổng độ không đảm bảo của công suất điện đã hiệu chỉnh | θ Độ nhạy tuyệt đối | UHR4,SYS [kJ/kWh] Độ không đảm bảo có tính hệ thống của suất tiêu hao nhiệt đã hiệu chỉnh | UHR4,RND [kJ/kWh] Độ không đảm bảo có tính ngẫu nhiên của suất tiêu hao nhiệt đã hiệu chỉnh | UHR4 [kJ/kWh] Tổng độ không đảm bảo của suất tiêu hao nhiệt đã hiệu chỉnh | |
| Độ không đảm bảo của phương pháp đường cong hiệu chỉnh |
|
|
|
|
|
|
|
|
|
| 1036,700 |
| 1036,70 |
| 13,194 |
| 13,2 |
| Thông số điện |
|
|
|
|
|
|
|
|
|
|
|
|
|
|
|
|
|
| CTG #1 Phát lên lưới (Phía cao áp của máy biến áp) | 158.500 | kW | 692,4 | 0,0 | 692,37 | 0,000 | 2,00 | 0,00 | 692,37 | 1,046 | 724,5 | 0,0 | 724,5 | -0,013 | -9,220 | 0,000 | 9,2 |
| CTG #2 Phát lên lưới (Phía cao áp của máy biến áp) | 163.298 | kW | 712,6 | 0,0 | 712,56 | 1,667 | 2,00 | 3,34 | 712,57 | 1,046 | 745,7 | 3,5 | 745,7 | -0,013 | -9,488 | -0,044 | 9,49 |
| STG Phát lên lưới (Phía cao áp của máy biến áp) | 174.100 | kW | 762,6 | 0,0 | 762,63 | 0,000 | 2,00 | 0,00 | 762,63 | 1,046 | 798,1 | 0,0 | 798,1 | -0,013 | -10,155 | 0,000 | 10,16 |
| Tương quan giữa CTG 1 và CTG 2 |
|
|
|
|
|
|
|
|
|
| 1039,5 |
| 1039,5 |
| 13,2 |
| 13,23 |
| Tương quan giữa CTG 1 và STG |
|
|
|
|
|
|
|
|
|
| 1075,4 |
| 1075,4 |
| 13,7 |
| 13,68 |
| Tương quan giữa CTG 2 và STG |
|
|
|
|
|
|
|
|
|
| 1091,0 |
| 1091,0 |
| 13,9 |
| 13,88 |
| Động cơ tua bin khí #1 Đầu ra máy phát điện | 167,08 | MW | 0,84 | 0,0 | 0,84 | 0,014 | 1,97 | 0,03 | 0,84 | -3,772 | -3,151 | -0,105 | 3,15 | 0,048 | 0,040 | 0,001 | 0,04 |
| Động cơ tua bin khí #2 Đầu ra máy phát điện | 167,78 | MW | 0,84 | 0,0 | 0,84 | 0,014 | 1,97 | 0,03 | 0,84 | -3,781 | -3,172 | -0,105 | 3,17 | 0,048 | 0,040 | 0,001 | 0,04 |
| Đầu ra máy phát điện động cơ tua bin hơi | 174,18 | MW | 0,87 | 0,0 | 0,87 | 0,037 | 2,00 | 0,07 | 0,87 | -1,628 | -1,418 | -0,122 | 1,42 | 0,021 | 0,018 | 0,002 | 0,02 |
| Động cơ tua bin khí #1 Công suất phản kháng của máy phát điện | 36,21 | MVAR | 0,36 | 0,0 | 0,36 | 0,055 | 1,97 | 0,11 | 0,38 | 3,032 | 1,098 | 0,329 | 1,15 | -0,039 | -0,014 | -0,004 | 0,01 |
| Động cơ tua bin khí #2 Công suất phản kháng của máy phát điện | 35,49 | MVAR | 0,35 | 0,0 | 0,35 | 0,058 | 1,97 | 0,11 | 0,37 | 2,975 | 1,056 | 0,337 | 1,11 | -0,038 | -0,013 | -0,004 | 0,01 |
| Công suất phản kháng máy phát điện tua bin hơi | 23,57 | MVAR | 0,24 | 0,0 | 0,24 | 0,218 | 2,00 | 0,44 | 0,50 | 1,277 | 0,301 | 0,556 | 0,63 | -0,016 | -0,004 | -0,007 | 0,01 |
| Thông số môi trường |
|
|
|
|
|
|
|
|
|
|
|
|
|
|
|
|
|
| Hiệu quả của thiết bị làm mát bằng bay hơi | 93,40 | % |
|
| 6,88 |
|
|
| 6,88 | 103,670 | 713,250 | 0,000 | 713,25 | -0,198 | -1,362 | 0,000 | 1,36 |
| Nhiệt độ đầu vào máy nén | 17,66 | °C | 0,056 | 0,49 | 0,50 | 0,019 | 2,00 | 0,04 | 0,50 | 0,000 | 0,000 | 0,000 | 0,00 | 0,000 | 0,000 | 0,000 | 0,00 |
| Nhiệt độ bầu khô ngoài môi trường tại CTG | 17,68 | °C | 0,056 | 0,45 | 0,46 | 0,019 | 2,00 | 0,04 | 0,46 | 2377,690 | 1088,050 | 89,735 | 1091,74 | -1,187 | -0,543 | -0,045 | 0,55 |
| Độ ẩm tương đối ngoài môi trường | 77,07 | % | 2,000 | 0,00 | 2,00 | 0,008 | 2,00 | 0,02 | 2,00 | -1,0 | -1,958 | -0,015 | 1,96 | -0,15 | -0,302 | -0,002 | 0,30 |
| Áp suất khí quyển | 0,999 | bara | 0,00022 | 0,00000 | 0,00 | 0,00001 | 2,00 | 0,00 | 0,00 | 539468,2 | -116,048 | -9,585 | 116,44 | 123,9 | 0,027 | 0,002 | 0,03 |
| Nhiệt độ bầu khô đầu vào ACC | 18,50 | °C | 0,056 | 0,41 | 0,42 | 0,014 | 2,00 | 0,03 | 0,42 | 347,2 | 144,353 | 9,884 | 144,69 | -4,4 | -1,837 | -0,126 | 1,84 |
| Thông số nhiệt đầu vào |
|
|
|
|
|
|
|
|
|
|
|
|
|
|
|
|
|
| Áp suất cấp nhiên liệu của thiết bị (Đầu vào tua bin khí) | 16,48 | barg | 0,007 | 0,0 | 0,01 | 0,000 | 2,00 | 0,00 | 0,01 | 385,8 | 2,543 | 0,000 | 2,54 | -4,9 | -0,032 | 0,000 | 0,03 |
| Độ chênh áp của thiết bị cấp nhiên liệu | 541,63 | cm H2O | 0,381 | 0,0 | 0,38 | 0,097 | 2,00 | 0,19 | 0,43 | 0,0 | 0,000 | 0,000 | 0,00 | 5,9 | 2,263 | 1,154 | 2,54 |
| Áp suất của thiết bị cấp nhiên liệu | 17,58 | bara | 0,023 | 0,0 | 0,02 | 0,008 | 2,00 | 0,02 | 0,03 | 0,0 | 0,000 | 0,000 | 0,00 | 198,5 | 4,490 | 3,208 | 5,52 |
| Nhiệt độ của thiết bị cấp nhiên liệu | 16,46 | °C | 0,056 | 0,00 | 0,06 | 0,012 | 2,00 | 0,02 | 0,06 | 0,0 | 0,000 | 0,000 | 0,00 | -12,681 | -0,705 | -0,312 | 0,77 |
| Đường kính trong ống của thiết bị cấp nhiên liệu | 25,33 | cm | 0,003 | 0,0 | 0,00 | 0,000 | 0,00 | 0,00 | 0,00 | 0,0 | 0,000 | 0,000 | 0,00 | -130,6 | -0,332 | 0,000 | 0,33 |
| Đường kính phần cổ lọ của thiết bị cấp nhiên liệu | 17,51 | cm | 0,003 | 0,0 | 0,00 | 0,000 | 0,00 | 0,00 | 0,00 | 0,0 | 0,000 | 0,000 | 0,00 | 941,0 | 2,390 | 0,000 | 2,39 |
| Độ không đảm bảo của hiệu chuẩn lưu lượng kế Orifice (PTC 19.5) |
|
|
|
|
|
|
|
|
|
|
|
|
|
| 16,492 |
| 16,49 |
| Độ không đảm bảo phương pháp hệ số mở rộng (AGA 3) |
|
|
|
|
|
|
|
|
|
|
|
|
|
| 7,965 |
| 7,96 |
| Độ không đảm bảo phương pháp hệ số nén (AGA 8) |
|
|
|
|
|
|
|
|
|
|
|
|
|
| 3,298 |
| 3,30 |
| Độ không đảm bảo của phương pháp nhiệt trị (ASTM D 3588) |
|
|
|
|
|
|
|
|
|
| 2,644 |
| 2,64 |
| 1,972 |
| 1,97 |
| Metan (xCH4) | 96,0533 | % mol | 0,316 | 0,0 | 0,32 | 0,009 | 4,30 | 0,04 | 0,32 | 0,127 | 0,040 | 0,005 | 0,04 | 0,682 | 0,215 | 0,026 | 0,22 |
| Etan (xC2) | 1,9800 | % mol | 0,071 | 0,0 | 0,07 | 0,006 | 4,30 | 0,02 | 0,08 | 80,4 | 5,694 | 1,997 | 6,03 | 26,3 | 1,865 | 0,654 | 1,98 |
| Propan (xC3) | 0,3233 | % mol | 0,050 | 0,0 | 0,05 | 0,003 | 4,30 | 0,01 | 0,05 | 159,4 | 7,900 | 2,286 | 8,22 | 50,5 | 2,505 | 0,725 | 2,61 |
| Iso-Butan (xIC4) | 0,0667 | % mol | 0,014 | 0,0 | 0,01 | 0,003 | 4,30 | 0,01 | 0,02 | 237,3 | 3,358 | 3,403 | 4,78 | 74,1 | 1,049 | 1,063 | 1,49 |
| N-Butan (xNC4) | 0,0700 | % mol | 0,014 | 0,0 | 0,01 | 0,006 | 4,30 | 0,02 | 0,03 | 2384 | 3,374 | 5,922 | 6,82 | 74,6 | 1,056 | 1,854 | 2,13 |
| Iso-Pentan (xIC5) | 0,0200 | % mol | 0,014 | 0,0 | 0,01 | 0,006 | 4,30 | 0,02 | 0,03 | 316,5 | 4,478 | 7,863 | 9,05 | 98,2 | 1,389 | 2,440 | 2,81 |
| N-Pentan (xNC5) | 0,0133 | % mol | 0,014 | 0,0 | 0,01 | 0,003 | 4,30 | 0,01 | 0,02 | 317,3 | 4,488 | 4,551 | 6,39 | 99,1 | 1,402 | 1,422 | 2,00 |
| N-Hexan (xC6) | 0,0100 | % mol | 0,014 | 0,0 | 0,01 | 0,000 | 4,30 | 0,00 | 0,01 | 395,9 | 5,599 | 0,000 | 5,60 | 125,8 | 1,779 | 0,000 | 1,78 |
| N-Heptan (xC7) | 0,0000 | % mol | 0,000 | 0,0 | 0,00 | 0,000 | 4,30 | 0,00 | 0,00 | 0,0 | 0,000 | 0,000 | 0,00 | 0,0 | 0,000 | 0,000 | 0,00 |
| N-Octan (xC8) | 0,0000 | % mol | 0,000 | 0,0 | 0,00 | 0,000 | 4,30 | 0,00 | 0,00 | 0,0 | 0,000 | 0,000 | 0,00 | 0,0 | 0,000 | 0,000 | 0,00 |
| Nonan (xC9) | 0,0000 | % mol | 0,000 | 0,0 | 0,00 | 0,000 | 4,30 | 0,00 | 0,00 | 0,0 | 0,000 | 0,000 | 0,00 | 0,0 | 0,000 | 0,000 | 0,00 |
| Decan (xC10) | 0,0000 | % mol | 0,000 | 0,0 | 0,00 | 0,000 | 4,30 | 0,00 | 0,00 | 0,0 | 0,000 | 0,000 | 0,00 | 0,0 | 0,000 | 0,000 | 0,00 |
| Khí cacbonic (xCO2) | 0,6833 | % mol | 0,050 | 0,0 | 0,05 | 0,003 | 4,30 | 0,01 | 0,05 | -231,3 | -11,505 | -3,317 | 11,97 | -117,7 | -5,857 | -1,689 | 6,10 |
| Nitơ (xN2) | 0,7467 | % mol | 0,050 | 0,0 | 0,05 | 0,003 | 4,30 | 0,01 | 0,05 | -147,2 | -7,328 | -2,111 | 7,63 | -89,1 | -4,436 | -1,278 | 4,62 |
| Oxy (xO2) | 0,0067 | % mol | 0,014 | 0,0 | 0,01 | 0,003 | 4,30 | 0,01 | 0,02 | -168,1 | -2,378 | -2,412 | 3,39 | -96,4 | -1,363 | -1,382 | 1,94 |
| Heli (xHe) | 0,0200 | % mol | 0,014 | 0,0 | 0,01 | 0,000 | 4,30 | 0,00 | 0,01 | -21,1 | -0,298 | 0,000 | 0,30 | -44,4 | -0,628 | 0,000 | 0,63 |
| Hydro (xH2) | 0,0067 | % mol | 0,014 | 0,0 | 0,01 | 0,003 | 4,30 | 0,01 | 0,02 | -73,1 | -1,034 | -1,048 | 1,47 | -19,8 | -0,280 | -0,284 | 0,40 |
| Cacbon Monoxit (xCO) | 0,0000 | % mol | 0,000 | 0,0 | 0,00 | 0,000 | 4,30 | 0,00 | 0,00 | 0,0 | 0,000 | 0,000 | 0,00 | 0,0 | 0,000 | 0,000 | 0,00 |
| Hydro Sulphua (xH2S) | 0,0000 | % mol | 0,000 | 0,0 | 0,00 | 0,000 | 4,30 | 0,00 | 0,00 | 0,0 | 0,000 | 0,000 | 0,00 | 0,0 | 0,000 | 0,000 | 0,00 |
| Nước (xH2O) | 0,0000 | % mol | 0,000 | 0,0 | 0,00 | 0,000 | 4,30 | 0,00 | 0,00 | 0,0 | 0,000 | 0,000 | 0,00 | 0,0 | 0,000 | 0,000 | 0,00 |
|
|
| 2819,1 | 91,7 |
|
| 38,34 | 5,63 |
| |||||||||
| Đánh giá độ không đảm bảo của tổng công suất điện đầu ra đã hiệu chuẩn | 2820,6 | Đánh giá độ không đảm bảo của tổng suất tiêu hao nhiệt đã hiệu chuẩn | 38,75 | ||||||||||||||
| 0,54% | 0,59% | ||||||||||||||||
Bảng F. 60 - Phân tích độ không đảm bảo của việc đánh giá công suất điện đầu ra đã hiệu chuẩn và suất tiêu hao nhiệt toàn nhà máy phát lên lưới (Tiến hành thí nghiệm lần 1)
| ĐÁNH GIÁ | Độ không đảm bảo của thiết bị đo | Độ không đảm bảo của các kết quả thí nghiệm | Độ không đảm bảo của các kết quả thí nghiệm | ||||||||||||||
| Giá trị thí nghiệm | Tính hệ thống | Tính ngẫu nhiên | Tổng | Công suất điện đầu ra đã hiệu chỉnh 516.382 kW | Suất tiêu hao nhiệt đã hiệu chỉnh 6.612,2 kJ/kWh | ||||||||||||
| Trung bình X | Đơn vị | Binst Độ không đảm bảo có tính hệ thống của thiết bị đo | Sspatial Độ không đảm bảo có tính hệ thống của không gian | U95,SYS Độ không đảm bảo có tính hệ thống tổng quát | Sx Độ lệch chuẩn trung bình | t95,v Phân phối t của Student | U95,RND Độ không đảm bảo có tính ngẫu nhiên | U95,TOT Tổng độ không đảm bảo của thiết bị đo | θ Độ nhạy tuyệt đối | UP1,SYS [kW] Độ không đảm bảo có tính hệ thống của công suất điện đã hiệu chỉnh | UP1,RND [kW] Độ không đảm bảo có tính ngẫu nhiên của công suất điện đã hiệu chỉnh | UP1 [kW] Tổng độ không đảm bảo của công suất điện đã hiệu chỉnh | θ Độ nhạy tuyệt đối | UHR1,SYS [Btu/kWh] Độ không đảm bảo có tính hệ thống của suất tiêu hao nhiệt đã hiệu chỉnh | UHR1,RND [Btu/kWh] Độ không đảm bảo có tính ngẫu nhiên của suất tiêu hao nhiệt đã hiệu chỉnh | UHR1 [Btu/kWh] Tổng độ không đảm bảo của suất tiêu hao nhiệt đã hiệu chỉnh | |
| Độ không đảm bảo của phương pháp đường cong hiệu chỉnh |
|
|
|
|
|
|
|
|
|
| 0,200% |
|
|
| 0,200% |
|
|
| Thông số điện |
|
|
|
|
|
|
|
|
|
|
|
|
|
|
|
|
|
| CTG #1 Phát lên lưới (Phía cao áp của máy biến áp) | 158.750 | kW | 0,437% | 0,000% | 0,437% | 0,083% | 2,00 | 0,166% | 0,467% | 0,321 | 0,140% | 0,053% | 0,150% | -0,320 | -0,140% | -0,053% | 0,150% |
| CTG #2 Phát lên lưới (Phía cao áp của máy biến áp) | 163.458 | kW | 0,436% | 0,000% | 0,436% | 0,068% | 2,00 | 0,137% | 0,457% | 0,330 | 0,144% | 0,045% | 0,151% | -0,330 | -0,144% | -0,045% | 0,151% |
| STG Phát lên lưới (Phía cao áp của máy biến áp) | 173.850 | kW | 0,438% | 0,000% | 0,438% | 0,037% | 2,00 | 0,075% | 0,444% | 0,351 | 0,154% | 0,026% | 0,156% | -0,351 | -0,154% | -0,026% | 0,156% |
| Tương quan giữa CTG 1 và CTG 2 |
|
|
|
|
|
|
|
|
|
| 0,201% |
| 0,201% |
| 0,201% |
| 0,201% |
| Tương quan giữa CTG 1 và STG |
|
|
|
|
|
|
|
|
|
| 0,207% |
| 0,207% |
| 0,207% |
| 0,207% |
| Tương quan giữa CTG 2 và STG |
|
|
|
|
|
|
|
|
|
| 0,210% |
| 0,210% |
| 0,210% |
| 0,210% |
| Động cơ tua bin khí #1 Đầu ra máy phát điện | 167,68 | MW | 0,500% | 0,000% | 0,500% | 0,021% | 1,97 | 0,042% | 0,502% | -0,001 | -0,001% | 0,000% | 0,001% | 0,001 | 0,001% | 0,000% | 0,001% |
| Động cơ tua bin khí #2 Đầu ra máy phát điện | 168,40 | MW | 0,500% | 0,000% | 0,500% | 0,021% | 1,97 | 0,040% | 0,502% | -0,001 | -0,001% | 0,000% | 0,001% | 0,001 | 0,001% | 0,000% | 0,001% |
| Đầu ra máy phát điện động cơ tua bin hơi | 174,04 | MW | 0,500% | 0,000% | 0,500% | 0,040% | 2,00 | 0,080% | 0,506% | -0,001 | 0,000% | 0,000% | 0,000% | 0,001 | 0,000% | 0,000% | 0,000% |
| Động cơ tua bin khí #1 Công suất phản kháng của máy phát điện | 28,09 | MVAR | 1,000% | 0,000% | 1,000% | 0,298% | 1,97 | 0,586% | 1,159% | 0,000 | 0,000% | 0,000% | 0,000% | 0,000 | 0,000% | 0,000% | 0,000% |
| Động cơ tua bin khí #2 Công suất phản kháng của máy phát điện | 27,25 | MVAR | 1,000% | 0,000% | 1,000% | 0,291% | 1,97 | 0,573% | 1,153% | 0,000 | 0,000% | 0,000% | 0,000% | 0,000 | 0,000% | 0,000% | 0,000% |
| Công suất phản kháng máy phát điện tua bin hơi | 18,47 | MVAR | 1,000% | 0,000% | 1,000% | 3,988% | 2,00 | 7,979% | 8,042% | 0,000 | 0,000% | 0,000% | 0,000% | 0,000 | 0,000% | 0,000% | 0,000% |
| Thông số môi trường |
|
|
|
|
|
|
|
|
|
|
|
|
|
|
|
|
|
| Hiệu quả của thiết bị làm mát bằng bay hơi | 93,40 | % |
|
| 7,366% |
|
|
| 7,366% | 0,019 | 0,138% | 0,000% | 0,138% | -0,003 | -0,021% | 0,000% | 0,021% |
| Nhiệt độ đầu vào máy nén | 16,36 | °C | 0,163% | 1,330% | 1,339% | 0,860% | 2,00 | 1,721% | 2,181% | 0,000 | 0,000% | 0,000% | 0,000% | 0,000 | 0,000% | 0,000% | 0,000% |
| Nhiệt độ bầu khô ngoài môi trường tại CTG | 16,65 | °C | 0,161% | 0,734% | 0,752% | 0,195% | 2,00 | 0,391% | 0,847% | 0,15 | 0,115% | 0,060% | 0,130% | -0,006 | -0,004% | -0,002% | 0,005% |
| Độ ẩm tương đối ngoài môi trường | 77,04 | % | 2,596% | 0,000% | 2,596% | 0,009% | 2,00 | 0,019% | 2,596% | 0,000 | -0,001% | 0,000% | 0,001% | -0,002 | -0,004% | 0,000% | 0,004% |
| Áp suất khí quyển | 0,998 | bara | 0,022% | 0,000% | 0,022% | 0,002% | 2,00 | 0,003% | 0,022% | -1,0 | -0,022% | -0,004% | 0,023% | 0,019 | 0,000% | 0,000% | 0,000% |
| Nhiệt độ bầu khô đầu vào ACC | 17,04 | °C | 0,160% | 0,934% | 0,948% | 0,164% | 2,00 | 0,329% | 1,003% | 0,021 | 0,020% | 0,007% | 0,021% | -0,021 | -0,020% | -0,007% | 0,021% |
| Thông số nhiệt đầu vào |
|
|
|
|
|
|
|
|
|
|
|
|
|
|
|
|
|
| Áp suất cấp nhiên liệu của thiết bị (Đầu vào tua bin khí) | 16,53 | barg | 0,040% | 0,000% | 0,040% | 0,011% | 2,00 | 0,022% | 0,046% | 0,012 | 0,000% | 0,000% | 0,001% | -0,012 | 0,000% | 0,000% | 0,001% |
| Độ chênh áp của thiết bị cấp nhiên liệu | 542,14 | cm H2O | 0,070% | 0,000% | 0,070% | 0,057% | 2,00 | 0,115% | 0,135% | 0,000 | 0,000% | 0,000% | 0,000% | 0,488 | 0,034% | 0,056% | 0,066% |
| Áp suất của thiết bị cấp nhiên liệu | 17,64 | bara | 0,128% | 0,000% | 0,128% | 0,047% | 2,00 | 0,094% | 0,159% | 0,000 | 0,000% | 0,000% | 0,000% | 0,529 | 0,068% | 0,050% | 0,084% |
| Nhiệt độ của thiết bị cấp nhiên liệu | 16,76 | °C | 0,161% | 0,000% | 0,161% | 0,134% | 2,00 | 0,268% | 0,313% | 0,000 | 0,000% | 0,000% | 0,000% | -0,066 | -0,011% | -0,018% | 0,021% |
| Đường kính trong ống của thiết bị cấp nhiên liệu | 25,33 | cm | 0,010% | 0,000% | 0,010% | 0,000% | 0,00 | 0,000% | 0,010% | 0,000 | 0,000% | 0,000% | 0,000% | -0,501 | -0,005% | 0,000% | 0,005% |
| Đường kính phần cổ lọ của thiết bị cấp nhiên liệu | 17,51 | cm | 0,015% | 0,000% | 0,015% | 0,000% | 0,00 | 0,000% | 0,015% | 0,000 | 0,000% | 0,000% | 0,000% | 2,497 | 0,036% | 0,000% | 0,036% |
| Độ không đảm bảo của hiệu chuẩn lưu lượng kế Orifice (PTC 19.5) |
|
|
|
|
|
|
|
|
|
|
|
|
|
| 0,250% |
| 0,250% |
| Độ không đảm bảo phương pháp hệ số mở rộng (AGA 3) |
|
|
|
|
|
|
|
|
|
|
|
|
|
| 0,120% |
| 0,120% |
| Độ không đảm bảo phương pháp hệ số nén (AGA 8) |
|
|
|
|
|
|
|
|
|
|
|
|
|
| 0,050% |
| 0,050% |
| Độ không đảm bảo của phương pháp nhiệt trị (ASTM D 3588) |
|
|
|
|
|
|
|
|
|
| 0,001% |
| 0,001% |
| 0,030% |
| 0,030% |
| Metan (xCH4) | 96,0933 | % mol | 0,329% | 0,000% | 0,329% | 0,013% | 4,30 | 0,054% | 0,333% | 0,000 | 0,000% | 0,000% | 0,000% | 0,010 | 0,003% | 0,001% | 0,003% |
| Etan (xC2) | 1,9667 | % mol | 3,602% | 0,000% | 3,602% | 0,169% | 4,30 | 0,729% | 3,675% | 0,000 | 0,001% | 0,000% | 0,001% | 0,008 | 0,028% | 0,006% | 0,029% |
| Propan (xC3) | 0,3033 | % mol | 16,337% | 0,000% | 16,337% | 2,907% | 4,30 | 12,510% | 20,576% | 0,000 | 0,002% | 0,001% | 0,002% | 0,002 | 0,038% | 0,029% | 0,048% |
| Iso-Butan (xIC4) | 0,0767 | % mol | 18,460% | 0,000% | 18,460% | 11,503% | 4,30 | 49,495% | 52,825% | 0,000 | 0,001% | 0,002% | 0,002% | 0,001 | 0,016% | 0,043% | 0,046% |
| N-Butan (xNC4) | 0,0567 | % mol | 24,970% | 0,000% | 24,970% | 5,882% | 4,30 | 25,310% | 35,554% | 0,000 | 0,001% | 0,001% | 0,001% | 0,001 | 0,016% | 0,016% | 0,023% |
| Iso-Pentan (xIC5) | 0,0300 | % mol | 47,164% | 0,000% | 47,164% | 19,245% | 4,30 | 82,805% | 95,294% | 0,000 | 0,001% | 0,002% | 0,002% | 0,000 | 0,021% | 0,037% | 0,043% |
| N-Pentan (xNC5) | 0,0167 | % mol | 84,868% | 0,000% | 84,868% | 20,000% | 4,30 | 86,053% | 120,863% | 0,000 | 0,001% | 0,001% | 0,001% | 0,000 | 0,021% | 0,022% | 0,030% |
| N-Hexan (xC6) | 0,0033 | % mol | 424,269% | 0,000% | 424,269% | 100,000% | 4,30 | 430,265% | 604,262% | 0,000 | 0,001% | 0,001% | 0,002% | 0,000 | 0,027% | 0,027% | 0,038% |
| N-Heptan (xC7) | 0,0000 | % mol | 0,000% | 0,000% | 0,000% | 0,000% | 4,30 | 0,000% | 0,000% | 0,000 | 0,000% | 0,000% | 0,000% | 0,000 | 0,000% | 0,000% | 0,000% |
| N-Octan (xC8) | 0,0000 | % mol | 0,000% | 0,000% | 0,000% | 0,000% | 4,30 | 0,000% | 0,000% | 0,000 | 0,000% | 0,000% | 0,000% | 0,000 | 0,000% | 0,000% | 0,000% |
| Nonan (xC9) | 0,0000 | % mol | 0,000% | 0,000% | 0,000% | 0,000% | 4,30 | 0,000% | 0,000% | 0,000 | 0,000% | 0,000% | 0,000% | 0,000 | 0,000% | 0,000% | 0,000% |
| Decan (xC10) | 0,0000 | % mol | 0,000% | 0,000% | 0,000% | 0,000% | 4,30 | 0,000% | 0,000% | 0,000 | 0,000% | 0,000% | 0,000% | 0,000 | 0,000% | 0,000% | 0,000% |
| Khí cacbonic (xCO2) | 0,6867 | % mol | 7,245% | 0,000% | 7,245% | 0,485% | 4,30 | 2,089% | 7,540% | 0,000 | -0,002% | -0,001% | 0,002% | -0,012 | -0,089% | -0,026% | 0,092% |
| Nitơ (xN2) | 0,7367 | % mol | 6,757% | 0,000% | 6,757% | 1,631% | 4,30 | 7,020% | 9,743% | 0,000 | -0,001% | -0,001% | 0,002% | -0,010 | -0,067% | -0,070% | 0,097% |
| Oxy (xO2) | 0,0100 | % mol | 141,438% | 0,000% | 141,438% | 0,000% | 4,30 | 0,000% | 141,438% | 0,000 | 0,000% | 0,000% | 0,000% | 0,000 | -0,021% | 0,000% | 0,021% |
| Heli (xHe) | 0,0200 | % mol | 70,714% | 0,000% | 70,714% | 0,000% | 4,30 | 0,000% | 70,714% | 0,000 | 0,000% | 0,000% | 0,000% | 0,000 | -0,010% | 0,000% | 0,010% |
| Hydro (xH2) | 0,0000 | % mol | 0,000% | 0,000% | 0,000% | 0,000% | 4,30 | 0,000% | 0,000% | 0,000 | 0,000% | 0,000% | 0,000% | 0,000 | 0,000% | 0,000% | 0,000% |
| Cacbon Monoxit (xCO) | 0,0000 | % mol | 0,000% | 0,000% | 0,000% | 0,000% | 4,30 | 0,000% | 0,000% | 0,000 | 0,000% | 0,000% | 0,000% | 0,000 | 0,000% | 0,000% | 0,000% |
| Hydro Sulphua (xH2S) | 0,0000 | % mol | 0,000% | 0,000% | 0,000% | 0,000% | 4,30 | 0,000% | 0,000% | 0,000 | 0,000% | 0,000% | 0,000% | 0,000 | 0,000% | 0,000% | 0,000% |
| Nước (xH2O) | 0,0000 | % mol | 0,000% | 0,000% | 0,000% | 0,000% | 4,30 | 0,000% | 0,000% | 0,000 | 0,000% | 0,000% | 0,000% | 0,000 | 0,000% | 0,000% | 0,000% |
|
| RSS | 0 515% | 0096% |
| RSS | 0,581% | 0,150% |
| |||||||||
| Đánh giá độ không đảm bảo của tổng công suất điện đầu ra đã hiệu chuẩn | 0,523% | Đánh giá độ không đảm bảo của tổng suất tiêu hao nhiệt đã hiệu chuẩn | 0,600% | ||||||||||||||
|
|
| ||||||||||||||||
Bảng F. 61 - Phân tích độ không đảm bảo của việc đánh giá công suất điện đầu ra đã hiệu chuẩn và suất tiêu hao nhiệt toàn nhà máy phát lên lưới (Tiến hành thí nghiệm lần 2)
| ĐÁNH GIÁ | Độ không đảm bảo của thiết bị đo | Độ không đảm bảo của các kết quả thí nghiệm | Độ không đảm bảo của các kết quả thí nghiệm | ||||||||||||||
| Giá trị thí nghiệm | Tính hệ thống | Tính ngẫu nhiên | Tổng | Công suất điện đầu ra đã hiệu chỉnh 518.278 kW | Suất tiêu hao nhiệt đã hiệu chỉnh 6.597,1 kJ/kWh | ||||||||||||
| Trung bình X | Đơn vị | Binst Độ không đảm bảo có tính hệ thống của thiết bị đo | Sspatial Độ không đảm bảo có tính hệ thống của không gian | U95,SYS Độ không đảm bảo có tính hệ thống tổng quát | Sx Độ lệch chuẩn trung bình | t95,v Phân phối t của Student | U95,RND Độ không đảm bảo có tính ngẫu nhiên | U95,TOT Tổng độ không đảm bảo của thiết bị đo | θ Độ nhạy tuyệt đối | UP2,SYS [kW] Độ không đảm bảo có tính hệ thống của công suất điện đã hiệu chỉnh | UP2,RND [kW] Độ không đảm bảo có tính ngẫu nhiên của công suất điện đã hiệu chỉnh | UP2 [kW] Tổng độ không đảm bảo của công suất điện đã hiệu chỉnh | θ Độ nhạy tuyệt đối | UHR2,SYS [Btu/kWh] Độ không đảm bảo có tính hệ thống của suất tiêu hao nhiệt đã hiệu chỉnh | UHR2,RND [Btu/kWh] Độ không đảm bảo có tính ngẫu nhiên của suất tiêu hao nhiệt đã hiệu chỉnh | UHR2 [Btu/kWh] Tổng độ không đảm bảo của suất tiêu hao nhiệt đã hiệu chỉnh | |
| Độ không đảm bảo của phương pháp đường cong hiệu chỉnh |
|
|
|
|
|
|
|
|
|
| 0,200% |
|
|
| 0,200% |
|
|
| Thông số điện |
|
|
|
|
|
|
|
|
|
|
|
|
|
|
|
|
|
| CTG #1 Phát lên lưới (Phía cao áp của máy biến áp) | 159.563 | kW | 0,437% | 0,000% | 0,437% | 0,004% | 2,00 | 0,008% | 0,437% | 0,321 | 0,140% | 0,003% | 0,140% | -0,321 | -0,140% | -0,003% | 0,140% |
| CTG #2 Phát lên lưới (Phía cao áp của máy biến áp) | 163.458 | kW | 0,436% | 0,000% | 0,436% | 0,012% | 2,00 | 0,024% | 0,437% | 0,330 | 0,144% | 0,008% | 0,144% | -0,330 | -0,144% | -0,008% | 0,144% |
| STG Phát lên lưới (Phía cao áp của máy biến áp) | 164.210 | kW | 0,438% | 0,000% | 0,438% | 0,000% | 2,00 | 0,000% | 0,438% | 0,350 | 0,154% | 0,000% | 0,154% | -0,350 | -0,154% | 0,000% | 0,154% |
| Tương quan giữa CTG 1 và CTG 2 |
|
|
|
|
|
|
|
|
|
| 0,201% |
| 0,201% |
| 0,201% |
| 0,201% |
| Tương quan giữa CTG 1 và STG |
|
|
|
|
|
|
|
|
|
| 0,207% |
| 0,207% |
| 0,207% |
| 0,207% |
| Tương quan giữa CTG 2 và STG |
|
|
|
|
|
|
|
|
|
| 0,210% |
| 0,210% |
| 0,210% |
| 0,210% |
| Động cơ tua bin khí #1 Đầu ra máy phát điện | 167,92 | MW | 0,500% | 0,000% | 0,500% | 0,012% | 1,97 | 0,024% | 0,501% | -0,001 | -0,001% | 0,000% | 0,001% | 0,001 | 0,001% | 0,000% | 0,001% |
| Động cơ tua bin khí #2 Đầu ra máy phát điện | 168,60 | MW | 0,500% | 0,000% | 0,500% | 0,009% | 1,97 | 0,018% | 0,500% | -0,001 | -0,001% | 0,000% | 0,001% | 0,001 | 0,001% | 0,000% | 0,001% |
| Đầu ra máy phát điện động cơ tua bin hơi | 174,54 | MW | 0,500% | 0,000% | 0,500% | 0,010% | 2,00 | 0,021% | 0,500% | -0,001 | 0,000% | 0,000% | 0,000% | 0,001 | 0,000% | 0,000% | 0,000% |
| Động cơ tua bin khí #1 Công suất phản kháng của máy phát điện | 31,15 | MVAR | 1,000% | 0,000% | 1,000% | 0,221% | 1,97 | 0,436% | 1,091% | 0,000 | 0,000% | 0,000% | 0,000% | 0,000 | 0,000% | 0,000% | 0,000% |
| Động cơ tua bin khí #2 Công suất phản kháng của máy phát điện | 30,25 | MVAR | 1,000% | 0,000% | 1,000% | 0,236% | 1,97 | 0,463% | 1,102% | 0,000 | 0,000% | 0,000% | 0,000% | 0,000 | 0,000% | 0,000% | 0,000% |
| Công suất phản kháng máy phát điện tua bin hơi | 14,01 | MVAR | 1,000% | 0,000% | 1,000% | 2,084% | 2,00 | 4,170% | 4,288% | 0,000 | 0,000% | 0,000% | 0,000% | 0,000 | 0,000% | 0,000% | 0,000% |
| Thông số môi trường |
|
|
|
|
|
|
|
|
|
|
|
|
|
|
|
|
|
| Hiệu quả của thiết bị làm mát bằng bay hơi | 93,40 | % |
|
| 7,366% |
|
|
| 7,366% | 0,019 | 0,138% | 0,000% | 0,138% | -0,003 | -0,021% | 0,000% | 0,021% |
| Nhiệt độ đầu vào máy nén | 16,74 | °C | 0,161% | 0,776% | 0,792% | 0,126% | 2,00 | 0,252% | 0,831% | 0,000 | 0,000% | 0,000% | 0,000% | 0,000 | 0,000% | 0,000% | 0,000% |
| Nhiệt độ bầu khô ngoài môi trường tại CTG | 16,76 | °C | 0,161% | 0,775% | 0,792% | 0,126% | 2,00 | 0,251% | 0,831% | 0,15 | 0,122% | 0,039% | 0,128% | -0,006 | -0,005% | -0,001% | 0,005% |
| Độ ẩm tương đối ngoài môi trường | 77,03 | % | 2,596% | 0,000% | 2,596% | 0,013% | 2,00 | 0,025% | 2,596% | 0,000 | -0,001% | 0,000% | 0,001% | -0,002 | -0,004% | 0,000% | 0,004% |
| Áp suất khí quyển | 0,998 | bara | 0,022% | 0,000% | 0,022% | 0,003% | 2,00 | 0,005% | 0,022% | -1,0 | -0,022% | -0,006% | 0,023% | 0,019 | ^0,000% | 0,000% | 0,000% |
| Nhiệt độ bầu khô đầu vào ACC | 17,10 | °C | 0,159% | 0,955% | 0,968% | 0,125% | 2,00 | 0,249% | 1,000% | 0,021 | 0,020% | 0,005% | 0,021% | -0,021 | -0,020% | -0,005% | 0,021% |
| Thông số nhiệt đầu vào |
|
|
|
|
|
|
|
|
|
|
|
|
|
|
|
|
|
| Áp suất cấp nhiên liệu của thiết bị (Đầu vào tua bin khí) | 16,51 | barg | 0,040% | 0,000% | 0,040% | 0,000% | 2,00 | 0,000% | 0,040% | 0,012 | 0,000% | 0,000% | 0,000% | -0,012 | 0,000% | 0,000% | 0,000% |
| Độ chênh áp của thiết bị cấp nhiên liệu | 545,40 | cm H2O | 0,070% | 0,000% | 0,070% | 0,017% | 2,00 | 0,035% | 0,078% | 0,000 | 0,000% | 0,000% | 0,000% | 0,488 | 0,034% | 0,017% | 0,038% |
| Áp suất của thiết bị cấp nhiên liệu | 17,61 | bara | 0,128% | 0,000% | 0,128% | 0,044% | 2,00 | 0,088% | 0,156% | 0,000 | 0,000% | 0,000% | 0,000% | 0,529 | 0,068% | 0,047% | 0,082% |
| Nhiệt độ của thiết bị cấp nhiên liệu | 16,64 | °C | 0,161% | 0,000% | 0,161% | 0,153% | 2,00 | 0,306% | 0,346% | 0,000 | 0,000% | 0,000% | 0,000% | -0,066 | -0,011% | -0,020% | 0,023% |
| Đường kính trong ống của thiết bị cấp nhiên liệu | 25,33 | cm | 0,010% | 0,000% | 0,010% | 0,000% | 0,00 | 0,000% | 0,010% | 0,000 | 0,000% | 0,000% | 0,000% | -0,501 | -0,005% | 0,000% | 0,005% |
| Đường kính phần cổ lọ của thiết bị cấp nhiên liệu | 17,51 | cm | 0,015% | 0,000% | 0,015% | 0,000% | 0,00 | 0,000% | 0,015% | 0,000 | 0,000% | 0,000% | 0,000% | 2,497 | 0,036% | 0,000% | 0,036% |
| Độ không đảm bảo của hiệu chuẩn lưu lượng kế Orifice (PTC 19.5) |
|
|
|
|
|
|
|
|
|
|
|
|
|
| 0,250% |
| 0,250% |
| Độ không đảm bảo phương pháp hệ số mở rộng (AGA 3) |
|
|
|
|
|
|
|
|
|
|
|
|
|
| 0,121% |
| 0,121% |
| Độ không đảm bảo phương pháp hệ số nén (AGA 8) |
|
|
|
|
|
|
|
|
|
|
|
|
|
| 0,050% |
| 0,050% |
| Độ không đảm bảo của phương pháp nhiệt trị (ASTM D 3588) |
|
|
|
|
|
|
|
|
|
| 0,001% |
| 0,001% |
| 0,030% |
| 0,030% |
| Metan (xCH4) | 96,0667 | % mol | 0,329% | 0,000% | 0,329% | 0,009% | 4,30 | 0,039% | 0,331% | 0,000 | 0,000% | 0,000% | 0,000% | 0,010 | 0,003% | 0,000% | 0,003% |
| Etan (xC2) | 1,9700 | % mol | 3,596% | 0,000% | 3,596% | 0,293% | 4,30 | 1,261% | 3,810% | 0,000 | 0,001% | 0,000% | 0,001% | 0,008 | 0,028% | 0,010% | 0,030% |
| Propan (xC3) | 0,3267 | % mol | 15,173% | 0,000% | 15,173% | 1,020% | 4,30 | 4,390% | 15,795% | 0,000 | 0,002% | 0,000% | 0,002% | 0,003 | 0,038% | 0,011% | 0,040% |
| Iso-Butan (xIC4) | 0,0567 | % mol | 24,967% | 0,000% | 24,967% | 5,882% | 4,30 | 25,310% | 35,552% | 0,000 | 0,001% | 0,001% | 0,001% | 0,001 | 0,016% | 0,016% | 0,023% |
| N-Butan (xNC4) | 0,0667 | % mol | 21,229% | 0,000% | 21,229% | 5,000% | 4,30 | 21,513% | 30,224% | 0,000 | 0,001% | 0,001% | 0,001% | 0,001 | 0,016% | 0,016% | 0,023% |
| Iso-Pentan (xIC5) | 0,0167 | % mol | 84,866% | 0,000% | 84,866% | 20,000% | 4,30 | 86,053% | 120,861% | 0,000 | 0,001% | 0,001% | 0,001% | 0,000 | 0,021% | 0,021% | 0,030% |
| N-Pentan (xNC5) | 0,0100 | % mol | 141,431% | 0,000% | 141,431% | 0,000% | 4,30 | 0,000% | 141,431% | 0,000 | 0,001% | 0,000% | 0,001% | 0,000 | 0,021% | 0,000% | 0,021% |
| N-Hexan (xC6) | 0,0100 | % mol | 141,435% | 0,000% | 141,435% | 0,000% | 4,30 | 0,000% | 141,435% | 0,000 | 0,001% | 0,000% | 0,001% | 0,000 | 0,027% | 0,000% | 0,027% |
| N-Heptan (XC7) | 0,0000 | % mol | 0,000% | 0,000% | 0,000% | 0,000% | 4,30 | 0,000% | 0,000% | 0,000 | 0,000% | 0,000% | 0,000% | 0,000 | 0,000% | 0,000% | 0,000% |
| N-Octan (xC8) | 0,0000 | % mol | 0,000% | 0,000% | 0,000% | 0,000% | 4,30 | 0,000% | 0,000% | 0,000 | 0,000% | 0,000% | 0,000% | 0,000 | 0,000% | 0,000% | 0,000% |
| Nonan (xC9) | 0,0000 | % mol | 0,000% | 0,000% | 0,000% | 0,000% | 4,30 | 0,000% | 0,000% | 0,000 | 0,000% | 0,000% | 0,000% | 0,000 | 0,000% | 0,000% | 0,000% |
| Decan (xC10) | 0,0000 | % mol | 0,000% | 0,000% | 0,000% | 0,000% | 4,30 | 0,000% | 0,000% | 0,000 | 0,000% | 0,000% | 0,000% | 0,000 | 0,000% | 0,000% | 0,000% |
| Khí cacbonic (xCO2) | 0,6933 | % mol | 7,176% | 0,000% | 7,176% | 0,481% | 4,30 | 2,069% | 7,468% | 0,000 | -0,002% | -0,001% | 0,002% | -0,012 | -0,089% | -0,026% | 0,092% |
| Nitơ (xN2) | 0,7533 | % mol | 6,609% | 0,000% | 6,609% | 0,442% | 4,30 | 1,904% | 6,877% | 0,000 | -0,001% | 0,000% | 0,001% | -0,010 | -0,067% | -0,019% | 0,070% |
| Oxy (xO2) | 0,0100 | % mol | 141,438% | 0,000% | 141,438% | 0,000% | 4,30 | 0,000% | 141,438% | 0,000 | 0,000% | 0,000% | 0,000% | 0,000 | -0,021% | 0,000% | 0,021% |
| Heli (xHe) | 0,0200 | % mol | 70,714% | 0,000% | 70,714% | 0,000% | 4,30 | 0,000% | 70,714% | 0,000 | 0,000% | 0,000% | 0,000% | 0,000 | -0,010% | 0,000% | 0,010% |
| Hydro (xH2) | 0,0000 | % mol | 0,000% | 0,000% | 0,000% | 0,000% | 4,30 | 0,000% | 0,000% | 0,000 | 0,000% | 0,000% | 0,000% | 0,000 | 0,000% | 0,000% | 0,000% |
| Cacbon Monoxit (xCO) | 0,0000 | % mol | 0,000% | 0,000% | 0,000% | 0,000% | 4,30 | 0,000% | 0,000% | 0,000 | 0,000% | 0,000% | 0,000% | 0,000 | 0,000% | 0,000% | 0,000% |
| Hydro Sulphua (xH2S) | 0,0000 | % mol | 0,000% | 0,000% | 0,000% | 0,000% | 4,30 | 0,000% | 0,000% | 0,000 | 0,000% | 0,000% | 0,000% | 0,000 | 0,000% | 0,000% | 0,000% |
| Nước (xH2O) | 0,0000 | % mol | 0,000% | 0,000% | 0,000% | 0,000% | 4,30 | 0,000% | 0,000% | 0,000 | 0,000% | 0,000% | 0,000% | 0,000 | 0,000% | 0,000% | 0,000% |
|
| RSS | 0,516% | 0,040% |
| RSS | 0,581% | 0,072% |
| |||||||||
| Đánh giá độ không đảm bảo của tổng công suất điện đầu ra đã hiệu chuẩn | 0,518% | Đánh giá độ không đảm bảo của tổng suất tiêu hao nhiệt đã hiệu chuẩn | 0,586% | ||||||||||||||
|
|
| ||||||||||||||||
Bảng F. 62 - Phân tích độ không đảm bảo của việc đánh giá công suất điện đầu ra đã hiệu chuẩn và suất tiêu hao nhiệt toàn nhà máy phát lên lưới (Tiến hành thí nghiệm lần 3)
| ĐÁNH GIÁ | Độ không đảm bảo của thiết bị đo | Độ không đảm bảo của các kết quả thí nghiệm | Độ không đảm bảo của các kết quả thí nghiệm | ||||||||||||||
| Giá trị thí nghiệm | Tính hệ thống | Tính ngẫu nhiên | Tổng | Công suất điện đầu ra đã hiệu chỉnh 518.365 kW | Suất tiêu hao nhiệt đã hiệu chỉnh 6.596,9 kJ/kWh | ||||||||||||
| Trung bình X | Đơn vị | Binst Độ không đảm bảo có tính hệ thống của thiết bị đo | Sspatial Độ không đảm bảo có tính hệ thống của không gian | U95,SYS Độ không đảm bảo có tính hệ thống tổng quát | Sx Độ lệch chuẩn trung bình | t95,v Phân phối t của Student | U95,RND Độ không đảm bảo có tính ngẫu nhiên | U95,TOT Tổng độ không đảm bảo của thiết bị đo | θ Độ nhạy tuyệt đối | UP3,SYS [kW] Độ không đảm bảo có tính hệ thống của công suất điện đã hiệu chỉnh | UP3,RND [kW] Độ không đảm bảo có tính ngẫu nhiên của công suất điện đã hiệu chỉnh | UP3 [kW] Tổng độ không đảm bảo của công suất điện đã hiệu chỉnh | θ Độ nhạy tuyệt đối | UHR3,SYS [Btu/kWh] Độ không đảm bảo có tính hệ thống của suất tiêu hao nhiệt đã hiệu chỉnh | UHR3,RND [Btu/kWh] Độ không đảm bảo có tính ngẫu nhiên của suất tiêu hao nhiệt đã hiệu chỉnh | UHR3 [Btu/kWh] Tổng độ không đảm bảo của suất tiêu hao nhiệt đã hiệu chỉnh | |
| Độ không đảm bảo của phương pháp đường cong hiệu chỉnh |
|
|
|
|
|
|
|
|
|
| 0,200% |
|
|
| 0,200% |
|
|
| Thông số điện |
|
|
|
|
|
|
|
|
|
|
|
|
|
|
|
|
|
| CTG #1 Phát lên lưới (Phía cao áp của máy biến áp) | 158.940 | kW | 0,437% | 0,000% | 0,437% | 0,044% | 2,00 | 0,088% | 0,446% | 0,321 | 0,140% | 0,028% | 0,143% | -0,321 | -0,140% | -0,028% | 0,143% |
| CTG #2 Phát lên lưới (Phía cao áp của máy biến áp) | 163.300 | kW | 0,436% | 0,000% | 0,436% | 0,000% | 2,00 | 0,000% | 0,436% | 0,329 | 0,144% | 0,000% | 0,144% | -0,329 | -0,144% | 0,000% | 0,144% |
| STG Phát lên lưới (Phía cao áp của máy biến áp) | 174.190 | kW | 0,438% | 0,000% | 0,438% | 0,007% | 2,00 | 0,015% | 0,438% | 0,351 | 0,154% | 0,005% | 0,154% | -0,351 | -0,154% | -0,005% | 0,154% |
| Tương quan giữa CTG 1 và CTG 2 |
|
|
|
|
|
|
|
|
|
| 0,201% |
| 0,201% |
| 0,201% |
| 0,201% |
| Tương quan giữa CTG 1 và STG |
|
|
|
|
|
|
|
|
|
| 0,208% |
| 0,208% |
| 0,208%! |
| 0,208% |
| Tương quan giữa CTG 2 và STG |
|
|
|
|
|
|
|
|
|
| 0,210% |
| 0,210% |
| 0,210% |
| 0,210% |
| Động cơ tua bin khí #1 Đầu ra máy phát điện | 167,28 | MW | 0,500% | 0,000% | 0,500% | 0,010% | 1,97 | 0,019% | 0,500% | -0,001 | -0,001% | 0,000% | 0,001% | 0,001 | 0,001% | 0,000% | 0,001% |
| Động cơ tua bin khí #2 Đầu ra máy phát điện | 168,14 | MW | 0,500% | 0,000% | 0,500% | 0,009% | 1,97 | 0,018% | 0,500% | -0,001 | -0,001% | 0,000% | 0,001% | 0,001 | 0,001% | 0,000% | 0,001% |
| Đầu ra máy phát điện động cơ tua bin hơi | 173,92 | MW | 0,500% | 0,000% | 0,500% | 0,040% | 2,00 | 0,081% | 0,506% | -0,001 | 0,000% | 0,000% | 0,000% | 0,001 | 0,000% | 0,000% | 0,000% |
| Động cơ tua bin khí #1 Công suất phản kháng của máy phát điện | 32,53 | MVAR | 1,000% | 0,000% | 1,000% | 0,421% | 1,97 | 0,828% | 1,298% | 0,000 | 0,000% | 0,000% | 0,000% | 0,000 | 0,000% | 0,000% | 0,000% |
| Động cơ tua bin khí #2 Công suất phản kháng của máy phát điện | 31,72 | MVAR | 1,000% | 0,000% | 1,000% | 0,444% | 1,97 | 0,874% | 1,328% | 0,000 | 0,000% | 0,000% | 0,000% | 0,000 | 0,000% | 0,000% | 0,000% |
| Công suất phản kháng máy phát điện tua bin hơi | 16,10 | MVAR | 1,000% | 0,000% | 1,000% | 3,090% | 2,00 | 6,183% | 6,264% | 0,000 | 0,000% | 0,000% | 0,000% | 0,000 | 0,000% | 0,000% | 0,000% |
| Thông số môi trường |
|
|
|
|
|
|
|
|
|
|
|
|
|
|
|
|
|
| Hiệu quả của thiết bị làm mát bằng bay hơi | 93,40 | % |
|
| 7,366% |
|
|
| 7,366% | 0,019 | 0,138% | 0,000% | 0,138% | -0,003 | -0,021% | 0,000% | 0,021% |
| Nhiệt độ đầu vào máy nén | 17,40 | °C | 0,158% | 1,141% | 1,152% | 0,037% | 2,00 | 0,074% | 1,154% | 0,000 | 0,000% | 0,000% | 0,000% | 0,000 | 0,000% | 0,000% | 0,000% |
| Nhiệt độ bầu khô ngoài môi trường tại CTG | 17,42 | °C | 0,158% | 1,054% | 1,066% | 0,037% | 2,00 | 0,074% | 1,068% | 0,16 | 0,171% | 0,012% | 0,171% | -0,006 | -0,007% | 0,000% | 0,007% |
| Độ ẩm tương đối ngoài môi trường | 77,12 | % | 2,593% | 0,000% | 2,593% | 0,006% | 2,00 | 0,012% | 2,594% | 0,000 | -0,001% | 0,000% | 0,001% | -0,002 | -0,004% | 0,000% | 0,004% |
| Áp suất khí quyển | 0,999 | bara | 0,022% | 0,000% | 0,022% | 0,002% | 2,00 | 0,004% | 0,022% | -1,0 | -0,022% | -0,004% | 0,023% | 0,019 | 0,000% | 0,000% | 0,000% |
| Nhiệt độ bầu khô đầu vào ACC | 18,11 | °C | 0,155% | 1,022% | 1,034% | 0,082% | 2,00 | 0,164% | 1,047% | 0,023 | 0,024% | 0,004% | 0,024% | -0,023 | -0,024% | -0,004% | 0,024% |
| Thông số nhiệt đầu vào |
|
|
|
|
|
|
|
|
|
|
|
|
|
|
|
|
|
| Áp suất cấp nhiên liệu của thiết bị (Đầu vào tua bin khí) | 16,50 | barg | 0,040% | 0,000% | 0,040% | 0,009% | 2,00 | 0,017% | 0,044% | 0,012 | 0,000% | 0,000% | 0,001% | -0,012 | 0,000% | 0,000% | 0,001% |
| Độ chênh áp của thiết bị cấp nhiên liệu | 542,34 | cm H2O | 0,070% | 0,000% | 0,070% | 0,018% | 2,00 | 0,036% | 0,079% | 0,000 | 0,000% | 0,000% | 0,000% | 0,488 | 0,034% | 0,017% | 0,038% |
| Áp suất của thiết bị cấp nhiên liệu | 17,59 | bara | 0,129% | 0,000% | 0,129% | 0,046% | 2,00 | 0,093% | 0,158% | 0,000 | 0,000% | 0,000% | 0,000% | 0,529 | 0,068% | 0,049% | 0,084% |
| Nhiệt độ của thiết bị cấp nhiên liệu | 16,51 | °C | 0,162% | 0,000% | 0,162% | 0,033% | 2,00 | 0,067% | 0,175% | 0,000 | 0,000% | 0,000% | 0,000% | -0,066 | -0,011% | -0,004% | 0,012% |
| Đường kính trong ống của thiết bị cấp nhiên liệu | 25,33 | cm | 0,010% | 0,000% | 0,010% | 0,000% | 0,00 | 0,000% | 0,010% | 0,000 | 0,000% | 0,000% | 0,000% | -0,501 | -0,005% | 0,000% | 0,005% |
| Đường kính phần cổ lọ của thiết bị cấp nhiên liệu | 17,51 | cm | 0,015% | 0,000% | 0,015% | 0,000% | 0,00 | 0,000% | 0,015% | 0,000 | 0,000% | 0,000% | 0,000% | 2,497 | 0,036% | 0,000% | 0,036% |
| Độ không đảm bảo của hiệu chuẩn lưu lượng kế Orifice (PTC 19.5) |
|
|
|
|
|
|
|
|
|
|
|
|
|
| 0,250% |
| 0,250% |
| Độ không đảm bảo phương pháp hệ số mở rộng (AGA 3) |
|
|
|
|
|
|
|
|
|
|
|
|
|
| 0,121% |
| 0,121% |
| Độ không đảm bảo phương pháp hệ số nén (AGA 8) |
|
|
|
|
|
|
|
|
|
|
|
|
|
| 0,050% |
| 0,050% |
| Độ không đảm bảo của phương pháp nhiệt trị (ASTM D 3588) |
|
|
|
|
|
|
|
|
|
| 0,001% |
| 0,001% |
| 0,030% |
| 0,030% |
| Metan (xCH4) | 96,0500 | % mol | 0,329% | 0,000% | 0,329% | 0,006% | 4,30 | 0,026% | 0,330% | 0,000 | 0,000% | 0,000% | 0,000% | 0,010 | 0,003% | 0,000% | 0,003% |
| Etan (xC2) | 1,9800 | % mol | 3,577% | 0,000% | 3,577% | 0,292% | 4,30 | 1,255% | 3,791% | 0,000 | 0,001% | 0,000% | 0,001% | 0,008 | 0,028% | 0,010% | 0,030% |
| Propan (xC3) | 0,3300 | % mol | 15,020% | 0,000% | 15,020% | 1,750% | 4,30 | 7,528% | 16,801% | 0,000 | 0,002% | 0,001% | 0,002% | 0,003 | 0,038% | 0,019% | 0,043% |
| Iso-Butan (xIC4) | 0,0600 | % mol | 23,581% | 0,000% | 23,581% | 9,623% | 4,30 | 41,402% | 47,647% | 0,000 | 0,001% | 0,001% | 0,001% | 0,001 | 0,016% | 0,028% | 0,032% |
| N-Butan (xNC4) | 0,0733 | % mol | 19,302% | 0,000% | 19,302% | 4,545% | 4,30 | 19,558% | 27,478% | 0,000 | 0,001% | 0,001% | 0,001% | 0,001 | 0,016% | 0,016% | 0,023% |
| Iso-Pentan (xIC5) | 0,0167 | % mol | 84,866% | 0,000% | 84,866% | 20,000% | 4,30 | 86,053% | 120,861% | 0,000 | 0,001% | 0,001% | 0,001% | 0,000 | 0,021% | 0,021% | 0,030% |
| N-Pentan (xNC5) | 0,0100 | % mol | 141,431% | 0,000% | 141,431% | 0,000% | 4,30 | 0,000% | 141,431% | 0,000 | 0,001% | 0,000% | 0,001% | 0,000 | 0,021% | 0,000% | 0,021% |
| N-Hexan (xC6) | 0,0100 | % mol | 141,435% | 0,000% | 141,435% | 0,000% | 4,30 | 0,000% | 141,435% | 0,000 | 0,001% | 0,000% | 0,001% | 0,000 | 0,027% | 0,000% | 0,027% |
| N-Heptan (xC7) | 0,0000 | % mol | 0,000% | 0,000% | 0,000% | 0,000% | 4,30 | 0,000% | 0,000% | 0,000 | 0,000% | 0,000% | 0,000% | 0,000 | 0,000% | 0,000% | 0,000% |
| N-Octan (xC8) | 0,0000 | % mol | 0,000% | 0,000% | 0,000% | 0,000% | 4,30 | 0,000% | 0,000% | 0,000 | 0,000% | 0,000% | 0,000% | 0,000 | 0,000% | 0,000% | 0,000% |
| Nonan (xC9) | 0,0000 | % mol | 0,000% | 0,000% | 0,000% | 0,000% | 4,30 | 0,000% | 0,000% | 0,000 | 0,000% | 0,000% | 0,000% | 0,000 | 0,000% | 0,000% | 0,000% |
| Decan (xC10) | 0,0000 | % mol | 0,000% | 0,000% | 0,000% | 0,000% | 4,30 | 0,000% | 0,000% | 0,000 | 0,000% | 0,000% | 0,000% | 0,000 | 0,000% | 0,000% | 0,000% |
| Khí cacbonic (xCO2) | 0,6900 | % mol | 7,211% | 0,000% | 7,211% | 0,837% | 4,30 | 3,600% | 8,059% | 0,000 | -0,002% | -0,001% | 0,002% | -0,012 | -0,089% | -0,044% | 0,099% |
| Nitơ (xN2) | 0,7467 | % mol | 6,667% | 0,000% | 6,667% | 0,446% | 4,30 | 1,921% | 6,938% | 0,000 | -0,001% | 0,000% | 0,001% | -0,010 | -0,067% | -0,019% | 0,070% |
| Oxy (xO2) | 0,0100 | % mol | 141,438% | 0,000% | 141,438% | 0,000% | 4,30 | 0,000% | 141,438% | 0,000 | 0,000% | 0,000% | 0,000% | 0,000 | -0,021% | 0,000% | 0,021% |
| Heli (xHe) | 0,0200 | % mol | 70,714% | 0,000% | 70,714% | 0,000% | 4,30 | 0,000% | 70,714% | 0,000 | 0,000% | 0,000% | 0,000% | 0,000 | -0,010% | 0,000% | 0,010% |
| Hydro (xH2) | 0,0033 | % mol | 424,264% | 0,000% | 424,264% | 100,000% | 4,30 | 430,265% | 604,259% | 0,000 | 0,000% | 0,000% | 0,000% | 0,000 | -0,004% | -0,004% | 0,006% |
| Cacbon Monoxit (xCO) | 0,0000 | % mol | 0,000% | 0,000% | 0,000% | 0,000% | 4,30 | 0,000% | 0,000% | 0,000 | 0,000% | 0,000% | 0,000% | 0,000 | 0,000% | 0,000% | 0,000% |
| Hydro Sulphua (xH2S) | 0,0000 | % mol | 0,000% | 0,000% | 0,000% | 0,000% | 4,30 | 0,000% | 0,000% | 0,000 | 0,000% | 0,000% | 0,000% | 0,000 | 0,000% | 0,000% | 0,000% |
| Nước (xH2O) | 0,0000 | % mol | 0,000% | 0,000% | 0,000% | 0,000% | 4,30 | 0,000% | 0,000% | 0,000 | 0,000% | 0,000% | 0,000% | 0,000 | 0,000% | 0,000% | 0,000% |
|
| RSS | 0,530% | 0,032% |
| RSS | 0,581% | 0,089% |
| |||||||||
| Đánh giá độ không đảm bảo của tổng công suất điện đầu ra đã hiệu chuẩn | 0,531% | Đánh giá độ không đảm bảo của tổng suất tiêu hao nhiệt đã hiệu chuẩn | 0,588% | ||||||||||||||
|
|
| ||||||||||||||||
Bảng F. 63 - Phân tích độ không đảm bảo của việc đánh giá công suất điện đầu ra đã hiệu chuẩn và suất tiêu hao nhiệt toàn nhà máy phát lên lưới (Tiến hành thí nghiệm lần 4)
| ĐÁNH GIÁ | Độ không đảm bảo của thiết bị đo | Độ không đảm bảo của các kết quả thí nghiệm | Độ không đảm bảo của các kết quả thí nghiệm | ||||||||||||||
| Giá trị thí nghiệm | Tính hệ thống | Tính ngẫu nhiên | Tổng | Công suất điện đầu ra đã hiệu chỉnh 518.350 kW | Suất tiêu hao nhiệt đã hiệu chỉnh 6.596,9 kJ/kWh | ||||||||||||
| Trung bình X | Đơn vị | Binst Độ không đảm bảo có tính hệ thống của thiết bị đo | Sspatial Độ không đảm bảo có tính hệ thống của không gian | U95,SYS Độ không đảm bảo có tính hệ thống tổng quát | Sx Độ lệch chuẩn trung bình | t95,v Phân phối t của Student | U95,RND Độ không đảm bảo có tính ngẫu nhiên | U95,TOT Tổng độ không đảm bảo của thiết bị đo | θ Độ nhạy tuyệt đối | UP4,SYS [kW] Độ không đảm bảo có tính hệ thống của công suất điện đã hiệu chỉnh | UP4, RND [kW] Độ không đảm bảo có tính ngẫu nhiên của công suất điện đã hiệu chỉnh | UP4 [kW] Tổng độ không đảm bảo của công suất điện đã hiệu chỉnh | θ Độ nhạy tuyệt đối | UHR4,SYS [Btu/kWh] Độ không đảm bảo có tính hệ thống của suất tiêu hao nhiệt đã hiệu chỉnh | UHR4, RND [Btu/kWh] Độ không đảm bảo có tính ngẫu nhiên của suất tiêu hao nhiệt đã hiệu chỉnh | UHR4 [Btu/kWh] Tổng độ không đảm bảo của suất tiêu hao nhiệt đã hiệu chỉnh | |
| Độ không đảm bảo của phương pháp đường cong hiệu chỉnh |
|
|
|
|
|
|
|
|
|
| 0,200% |
|
|
| 0,200% |
|
|
| Thông số điện |
|
|
|
|
|
|
|
|
|
|
|
|
|
|
|
|
|
| CTG #1 Phát lên lưới (Phía cao áp của máy biến áp) | 158.500 | kW | 0,437% | 0,000% | 0,437% | 0,000% | 2,00 | 0,000% | 0,437% | 0,320 | 0,140% | 0,000% | 0,140% | -0,320 | -0,140% | 0,000% | 0,140% |
| CTG #2 Phát lên lưới (Phía cao áp của máy biến áp) | 163.298 | kW | 0,436% | 0,000% | 0,436% | 1,667 | 2,00 | 3,34 | 712,57 | 745,7 | 3,5 | 745,7 | -0,013 | -8,993 | -0,042 | 8,99 | 0,144% |
| STG Phát lên lưới (Phía cao áp của máy biến áp) | 174.100 | kW | 0,438% | 0,000% | 0,438% | 0,001% | 2,00 | 0,002% | 0,436% | 0,330 | 0,144% | 0,001% | 0,144% | -0,330 | -0,144% | -0,001% | 0,154% |
| Tương quan giữa CTG 1 và CTG 2 |
|
|
|
|
|
|
|
|
|
| 0,201% |
| 0,201% |
| 0,201% |
| 0,201% |
| Tương quan giữa CTG 1 và STG |
|
|
|
|
|
|
|
|
|
| 0,207% |
| 0,207% |
| 0,207% |
| 0,207% |
| Tương quan giữa CTG 2 và STG |
|
|
|
|
|
|
|
|
|
| 0,210% |
| 0,210% |
| 0,210% |
| 0,210% |
| Động cơ tua bin khí #1 Đầu ra máy phát điện | 167,08 | MW | 0,500% | 0,000% | 0,500% | 0,008% | 1,97 | 0,017% | 0,500% | -0,001 | -0,001% | 0,000% | 0,001% | 0,001 | 0,001% | 0,000% | 0,001% |
| Động cơ tua bin khí #2 Đầu ra máy phát điện | 167,78 | MW | 0,500% | 0,000% | 0,500% | 0,008% | 1,97 | 0,017% | 0,500% | -0,001 | -0,001% | 0,000% | 0,001% | 0,001 | 0,001% | 0,000% | 0,001% |
| Đầu ra máy phát điện động cơ tua bin hơi | 174,18 | MW | 0,500% | 0,000% | 0,500% | 0,021% | 2,00 | 0,043% | 0,502% | -0,001 | 0,000% | 0,000% | 0,000% | 0,001 | 0,000% | 0,000% | 0,000% |
| Động cơ tua bin khí #1 Công suất phản kháng của máy phát điện | 36,21 | MVAR | 1,000% | 0,000% | 1,000% | 0,153% | 1,97 | 0,300% | 1,044% | 0,000 | 0,000% | 0,000% | 0,000% | 0,000 | 0,000% | 0,000% | 0,000% |
| Động cơ tua bin khí #2 Công suất phản kháng của máy phát điện | 35,49 | MVAR | 1,000% | 0,000% | 1,000% | 0,162% | 1,97 | 0,319% | 1,050% | 0,000 | 0,000% | 0,000% | 0,000% | 0,000 | 0,000% | 0,000% | 0,000% |
| Công suất phản kháng máy phát điện tua bin hơi | 23,57 | MVAR | 1,000% | 0,000% | 1,000% | 0,924% | 2,00 | 1,850% | 2,103% | 0,000 | 0,000% | 0,000% | 0,000% | 0,000 | 0,000% | 0,000% | 0,000% |
| Thông số môi trường |
|
|
|
|
|
|
|
|
|
|
|
|
|
|
|
|
|
| Hiệu quả của thiết bị làm mát bằng bay hơi | 93,40 | % |
|
| 7,366% |
|
|
| 7,366% | 0,019 | 0,138% | 0,000% | 0,138% | -0,003 | -0,021% | 0,000% | 0,021% |
| Nhiệt độ đầu vào máy nén | 17,66 | °C | 0,157% | 1,396% | 1,405% | 0,053% | 2,00 | 0,106% | 1,409% | 0,000 | 0,000% | 0,000% | 0,000% | 0,000 | 0,000% | 0,000% | 0,000% |
| Nhiệt độ bầu khô ngoài môi trường tại CTG | 17,68 | °C | 0,157% | 1,281% | 1,291% | 0,053% | 2,00 | 0,106% | 1,295% | 0,16 | 0,210% | 0,017% | 0,211% | -0,006 | -0,008% | -0,001% | 0,008% |
| Độ ẩm tương đối ngoài môi trường | 77,07 | % | 2,595% | 0,000% | 2,595% | 0,010% | 2,00 | 0,020% | 2,595% | 0,000 | 0,000% | 0,000% | 0,000% | -0,002 | -0,005% | 0,000% | 0,005% |
| Áp suất khí quyển | 0,999 | bara | 0,022% | 0,000% | 0,022% | 0,001% | 2,00 | 0,002% | 0,022% | -1,0 | -0,022% | -0,002% | 0,022% | 0,019 | 0,000% | 0,000% | 0,000% |
| Nhiệt độ bầu khô đầu vào ACC | 18,50 | °C | 0,153% | 1,136% | 1,146% | 0,039% | 2,00 | 0,078% | 1,149% | 0,024 | 0,028% | 0,002% | 0,028% | -0,024 | -0,028% | -0,002% | 0,028% |
| Thông số nhiệt đầu vào |
|
|
|
|
|
|
|
|
|
|
|
|
|
|
|
|
|
| Áp suất cấp nhiên liệu của thiết bị (Đầu vào tua bin khí) | 16,48 | barg | 0,040% | 0,000% | 0,040% | 0,000% | 2,00 | 0,000% | 0,040% | 0,012 | 0,000% | 0,000% | 0,000% | -0,012 | 0,000% | 0,000% | 0,000% |
| Độ chênh áp của thiết bị cấp nhiên liệu | 541,63 | cm H2O | 0,070% | 0,000% | 0,070% | 0,018% | 2,00 | 0,036% | 0,079% | 0,000 | 0,000% | 0,000% | 0,000% | 0,488 | 0,034% | 0,017% | 0,039% |
| Áp suất của thiết bị cấp nhiên liệu | 17,58 | bara | 0,129% | 0,000% | 0,129% | 0,046% | 2,00 | 0,092% | 0,158% | 0,000 | 0,000% | 0,000% | 0,000% | 0,529 | 0,068% | 0,049% | 0,084% |
| Nhiệt độ của thiết bị cấp nhiên liệu | 16,46 | °C | 0,162% | 0,000% | 0,162% | 0,036% | 2,00 | 0,072% | 0,177% | 0,000 | 0,000% | 0,000% | 0,000% | -0,066 | -0,011% | -0,005% | 0,012% |
| Đường kính trong ống của thiết bị cấp nhiên liệu | 25,33 | cm | 0,010% | 0,000% | 0,010% | 0,000% | 0,00 | 0,000% | 0,010% | 0,000 | 0,000% | 0,000% | 0,000% | -0,501 | -0,005% | 0,000% | 0,005% |
| Đường kính phần cổ lọ của thiết bị cấp nhiên liệu | 17,51 | cm | 0,015% | 0,000% | 0,015% | 0,000% | 0,00 | 0,000% | 0,015% | 0,000 | 0,000% | 0,000% | 0,000% | 2,497 | 0,036% | 0,000% | 0,036% |
| Độ không đảm bảo của hiệu chuẩn lưu lượng kế Orifice (PTC 19.5) |
|
|
|
|
|
|
|
|
|
|
|
|
|
| 0,250% |
| 0,250% |
| Độ không đảm bảo phương pháp hệ số mở rộng (AGA 3) |
|
|
|
|
|
|
|
|
|
|
|
|
|
| 0,121% |
| 0,121% |
| Độ không đảm bảo phương pháp hệ số nén (AGA 8) |
|
|
|
|
|
|
|
|
|
|
|
|
|
| 0,050% |
| 0,050% |
| Độ không đảm bảo của phương pháp nhiệt trị |
|
|
|
|
|
|
|
|
|
| 0,001% |
| 0,001% | 0,001% | 0,030% |
| 0,030% |
| Metan (xCH4) | 96,0533 | % mol | 0,329% | 0,000% | 0,329% | 0,009% | 4,30 | 0,040% | 0,331% | 0,000 | 0,000% | 0,000% | 0,000% | 0,010 | 0,003% | 0,000% | 0,003% |
| Etan (xC2) | 1,9800 | % mol | 3,577% | 0,000% | 3,577% | 0,292% | 4,30 | 1,255% | 3,791% | 0,000 | 0,001% | 0,000% | 0,001% | 0,008 | 0,028% | 0,010% | 0,030% |
| Propan (xC3) | 0,3233 | % mol | 15,329% | 0,000% | 15,329% | 1,031% | 4,30 | 4,436% | 15,958% | 0,000 | 0,002% | 0,000% | 0,002% | 0,002 | 0,038% | 0,011% | 0,040% |
| Iso-Butan (xIC4) | 0,0667 | % mol | 21,225% | 0,000% | 21,225% | 5,000% | 4,30 | 21,513% | 30,221% | 0,000 | 0,001% | 0,001% | 0,001% | 0,001 | 0,016% | 0,016% | 0,023% |
| N-Butan (xNC4) | 0,0700 | % mol | 20,219% | 0,000% | 20,219% | 8,248% | 4,30 | 35,488% | 40,844% | 0,000 | 0,001% | 0,001% | 0,001% | 0,001 | 0,016% | 0,028% | 0,032% |
| Iso-Pentan (xIC5) | 0,0200 | % mol | 70,726% | 0,000% | 70,726% | 28,868% | 4,30 | 124,207% | 142,932% | 0,000 | 0,001% | 0,002% | 0,002% | 0,000 | 0,021% | 0,037% | 0,043% |
| N-Pentan (xNC5) | 0,0133 | % mol | 106,078% | 0,000% | 106,078% | 25,000% | 4,30 | 107,566% | 151,073% | 0,000 | 0,001% | 0,001% | 0,001% | 0,000 | 0,021% | 0,022% | 0,030% |
| N-Hexan (xC6) | 0,0100 | % mol | 141,435% | 0,000% | 141,435% | 0,000% | 4,30 | 0,000% | 141,435% | 0,000 | 0,001% | 0,000% | 0,001% | 0,000 | 0,027% | 0,000% | 0,027% |
| N-Heptan (xC7) | 0,0000 | % mol | 0,000% | 0,000% | 0,000% | 0,000% | 4,30 | 0,000% | 0,000% | 0,000 | 0,000% | 0,000% | 0,000% | 0,000 | 0,000% | 0,000% | 0,000% |
| N-Octan (xC8) | 0,0000 | % mol | 0,000% | 0,000% | 0,000% | 0,000% | 4,30 | 0,000% | 0,000% | 0,000 | 0,000% | 0,000% | 0,000% | 0,000 | 0,000% | 0,000% | 0,000% |
| Nonan (xC9) | 0,0000 | % mol | 0,000% | 0,000% | 0,000% | 0,000% | 4,30 | 0,000% | 0,000% | 0,000 | 0,000% | 0,000% | 0,000% | 0,000 | 0,000% | 0,000% | 0,000% |
| Decan (xC10) | 0,0000 | % mol | 0,000% | 0,000% | 0,000% | 0,000% | 4,30 | 0,000% | 0,000% | 0,000 | 0,000% | 0,000% | 0,000% | 0,000 | 0,000% | 0,000% | 0,000% |
| Khí cacbonic (xCO2) | 0,6833 | % mol | 7,280% | 0,000% | 7,280% | 0,488% | 4,30 | 2,099% | 7,577% | 0,000 | -0,002% | -0,001% | 0,002% | -0,012 | -0,089% | -0,026% | 0,092% |
| Nitơ (xN2) | 0,7467 | % mol | 6,667% | 0,000% | 6,667% | 0,446% | 4,30 | 1,921% | 6,938% | 0,000 | -0,001% | 0,000% | 0,001% | -0,010 | -0,067% | -0,019% | 0,070% |
| Oxy (xO2) | 0,0067 | % mol | 212,143% | 0,000% | 212,143% | 50,000% | 4,30 | 215,133% | 302,137% | 0,000 | 0,000% | 0,000% | 0,001% | 0,000 | -0,021% | -0,021% | 0,029% |
| Heli (xHe) | 0,0200 | % mol | 70,714% | 0,000% | 70,714% | 0,000% | 4,30 | 0,000% | 70,714% | 0,000 | 0,000% | 0,000% | 0,000% | 0,000 | -0,010% | 0,000% | 0,010% |
| Hydro (xH2) | 0,0067 | % mol | 212,132% | 0,000% | 212,132% | 50,00% | 4,30 | 215,133% | 302,129% | 0,000 | 0,000% | 0,000% | 0,000% | 0,000 | -0,004% | -0,004% | 0,006% |
| Cacbon Monoxit (xCO) | 0,0000 | % mol | 0,000% | 0,000% | 0,000% | 0,000% | 4,30 | 0,000% | 0,000% | 0,000 | 0,000% | 0,000% | 0,000% | 0,000 | 0,000% | 0,000% | 0,000% |
| Hydro Sulphua (xH2S) | 0,0000 | % mol | 0,000% | 0,000% | 0,000% | 0,000% | 4,30 | 0,000% | 0,000% | 0,000 | 0,000% | 0,000% | 0,000% | 0,000 | 0,000% | 0,000% | 0,000% |
| Nước (xH2O) | 0,0000 | % mol | 0,000% | 0,000% | 0,000% | 0,000% | 4,30 | 0,000% | 0,000% | 0,000 | 0,000% | 0,000% | 0,000% | 0,000 | 0,000% | 0,000% | 0,000% |
|
| RSS | 0,544% | 0,018% |
| RSS | 0,581% | 0,085% |
| |||||||||
| Đánh giá độ không đảm bảo của tổng công suất điện đầu ra đã hiệu chuẩn | 0,544% | Đánh giá độ không đảm bảo của tổng suất tiêu hao nhiệt đã hiệu chuẩn | 0,587% | ||||||||||||||
|
|
| ||||||||||||||||
Bảng F. 64 - Tóm tắt phần phân tích độ không đảm bảo
| Mô tả | Công suất đã hiệu chuẩn | Suất tiêu hao nhiệt đã hiệu chuẩn | Chú thích | ||||
| kW | USYS x θ | UP | kJ/kWh | USYS x θ | UHR | ||
| Thí nghiệm lần 1 | 516.382 | 2.656,9 | 2.702,7 | 6.612,2 | 38,41 | 39,67 | Từ phân tích công suất điện đầu ra hiệu chỉnh và độ không đảm bảo của suất tiêu hao nhiệt |
| Thí nghiệm lần 2 | 518.278 | 2.675,0 | 2.683,2 | 6.597,1 | 38,33 | 38,63 | Từ phân tích công suất điện đầu ra hiệu chỉnh và độ không đảm bảo của suất tiêu hao nhiệt |
| Thí nghiệm lần 3 | 518.365 | 2.746,6 | 2.751,5 | 6.596,9 | 38,33 | 38,78 | Từ phân tích công suất điện đầu ra hiệu chỉnh và độ không đảm bảo của suất tiêu hao nhiệt |
| Thí nghiệm lần 4 | 518.350 | 2.819,1 | 2.820,6 | 6.596,9 | 38,34 | 38,75 | Từ phân tích công suất điện đầu ra hiệu chỉnh và độ không đảm bảo của suất tiêu hao nhiệt |
| Kết quả hiệu chuẩn trung bình, RAve | 517.844 | … | … | 6.600,8 | … | … | Kết quả trung bình được tính toán |
| Kết quả độ lệch chuẩn trung bình, RStDev | 487,6 | … | … | 3,80 | … | … | Độ lệch chuẩn được tính toán từ kết quả của các Thí nghiệm |
| Độ không đảm bảo có tính hệ thống trung bình, BAve |
| 2.724,4 | … | … | 38,35 | … | Độ không đảm bảo có hệ thống được tính trung bình từ các Thí nghiệm |
| Độ không đảm bảo toàn phần, UP và UHR | … | … | 3.135,4 | … | … | 40,22 |
|
| Độ không đảm bảo toàn phần, UP và UHR | … | … | 0,61% | … | … | 0,61% | = UP/RAve and UHR/RAve |
Độ lệch chuẩn của giá trị trung bình được tính toán từ dữ liệu thí nghiệm theo công thức sau [Công thức (6.1.4) của ASME PTC 19.1]:
![]()
Trong đó
N = số phép đo hoặc quan sát được sử dụng để tính giá trị trung bình (cỡ mẫu)
= độ lệch chuẩn của giá trị trung bình
Sx = độ lệch chuẩn của mẫu dữ liệu được sử dụng để tính giá trị trung bình
Giá trị t của Student ở khoảng tin cậy 95% được xác định bằng cách tra cứu bảng dựa trên các bậc tự do thích hợp. Ở đây, bậc tự do bằng N - 1. Đối với ví dụ về độ không đảm bảo sau thí nghiệm này, độ không đảm bảo ngẫu nhiên của mỗi phép đo được tính toán từ dữ liệu thí nghiệm theo các công thức được trình bày ở trên. Độ lệch chuẩn của giá trị trung bình và giá trị t của Student đã được tính toán cho mỗi phép đo được sử dụng để tính toán kết quả kiểm tra. Bảng F.65 đến F.68 minh họa việc tính toán độ lệch chuẩn của giá trị trung bình cho các phép đo đã chọn trong quá trình thí nghiệm 1. Kết quả của độ lệch chuẩn của phép tính giá trị trung bình cho tất cả các phép đo và các Thí nghiệm được hiển thị trong các bảng kết quả độ không đảm bảo tổng thể. Xem Bảng F.47 đến F.50.
Khi nhiều thiết bị được sử dụng để đo một thông số duy nhất, chẳng hạn như nhiệt độ bầu khô môi trường, độ lệch chuẩn của giá trị trung bình được tính từ các giá trị trung bình của mốc thời gian từ nhiều lần đọc trên thiết bị. Nói cách khác, nhiều lần đọc thiết bị được tính trung bình tại mỗi mốc thời gian. Dữ liệu trung bình kết quả được sử dụng để tính toán độ lệch chuẩn của giá trị trung bình. Phương pháp này loại bỏ sự thay đổi không gian từ phép tính độ lệch chuẩn.
Giá trị t của Student tương ứng với mỗi độ lệch chuẩn của giá trị trung bình được xác định bằng cách tra cứu bảng dựa trên số điểm mẫu dữ liệu được sử dụng để xác định độ lệch chuẩn. Bảng F.68 tóm tắt kích thước của mẫu dữ liệu và giá trị t của Student thu được cho mỗi phép đo trong quá trình thí nghiệm. Kích thước của mẫu dữ liệu và giá trị t của Student là như nhau đối với mỗi lần tiến hành thí nghiệm trong quá trình kiểm tra hiệu suất này.
F.25 Tổng độ không đảm bảo
Tổng độ không đảm bảo bằng bình phương tổng của độ không đảm bảo hệ thống tổng thể và độ không đảm bảo ngẫu nhiên của phép đo. Nó được tính theo công thức sau:
![]()
U95, TOT = độ không đảm bảo ngẫu nhiên của phép đo
U95, SYS = độ không đảm bảo hệ thống tổng thể của phép đo
U95, RND = tổng độ không đảm bảo
Kết quả của phép tính tổng độ không đảm bảo cho tất cả các phép đo và vận hành thí nghiệm được thể hiện trong phân tích độ không đảm bảo hệ thống sau thí nghiệm của lưu lượng nhiên liệu. Xem Bảng F.47 đến F.50. Chúng cũng được hiển thị trong các bảng kết quả độ không đảm bảo tổng thể. Xem Bảng F.56 đến F.63.
F.26 Độ không đảm bảo của kết quả hiệu chỉnh
Độ không đảm bảo hệ thống của kết quả đã hiệu chỉnh được tính bằng bình phương tổng-căn của tích của hệ số độ nhạy và độ không đảm bảo hệ thống tổng thể đối với mỗi thông số đo, như sau:
![]()
Trong đó
K = tổng số thông số đo
UR,SYS = độ không đảm bảo hệ thống của kết quả đã hiệu chỉnh
U95,SYSi = độ không đảm bảo hệ thống tổng thể của tham số đo i
θi = hệ số độ nhạy cho kết quả đã hiệu chỉnh đối với tham số đo i
Bảng F. 65 - Tính toán độ lệch chuẩn trung bình (Độ chênh áp của lưu lượng nhiên liệu cấp cho nhà máy cho thí nghiệm số 1, cm-H2O)
| Thời gian đo | Độ chênh áp trung bình | Thời gian đo | Áp suất đo | |
| 1 | 536,84 | 34 | 543,57 | |
| 2 | 539,44 | 35 | 543,74 | |
| 3 | 537,14 | 36 | 544,38 | |
| 4 | 537,32 | 37 | 544,43 | |
| 5 | 537,90 | 38 | 544,35 | |
| 6 | 537,13 | 39 | 544,15 | |
| 7 | 538,08 | 40 | 543,41 | |
| 8 | 538,14 | 41 | 543,75 | |
| 9 | 538,43 | 42 | 544,00 | |
| 10 | 539,22 | 43 | 543,80 | |
| 11 | 539,83 | 44 | 545,08 | |
| 12 | 538,64 | 45 | 544,28 | |
| 13 | 539,18 | 46 | 543,33 | |
| 14 | 540,49 | 47 | 543,74 | |
| 15 | 539,74 | 48 | 543,36 | |
| 16 | 540,74 | 49 | 544,07 | |
| 17 | 541,22 | 50 | 543,70 | |
| 18 | 541,31 | 51 | 544,45 | |
| 19 | 540,97 | 52 | 542,07 | |
| 20 | 541,52 | 53 | 543,24 | |
| 21 | 540,78 | 54 | 543,20 | |
| 22 | 542,03 | 55 | 544,98 | |
| 23 | 541,55 | 56 | 543,43 | |
| 24 | 542,20 | 57 | 544,60 | |
| 25 | 544,39 | 58 | 543,87 | |
| 26 | 543,35 | 59 | 542,58 | |
| 27 | 543,49 | 60 | 544,33 | |
| 28 | 543,55 | Độ lệch chuẩn trung bình, cm-H2O | Sx | 2,410 |
| 29 | 543,77 | |||
| 30 | 543,58 | |||
| 31 | 544,32 | Độ lệch chuẩn trung bình toàn phần, cm-H2O |
| 0,311 |
| 32 | 543,58 | |||
| 33 | 544,70 | |||
Bảng F. 66 - Tính toán độ lệch chuẩn trung bình (Áp suất thiết bị cấp nhiên liệu cho Thí nghiệm số 1, bara)
| Thời gian đo | Áp suất đo | Thời gian đo | Áp suất đo | |
| 1 | 17,5708 | 34 | 17,5453 | |
| 2 | 17,5390 | 35 | 17,5655 | |
| 3 | 17,7407 | 36 | 17,6261 | |
| 4 | 17,5907 | 37 | 17,6938 | |
| 5 | 17,7386 | 38 | 17,6529 | |
| 6 | 17,6212 | 39 | 17,6255 | |
| 7 | 17,7306 | 40 | 17,6782 | |
| 8 | 17,6811 | 41 | 17,6705 | |
| 9 | 17,6478 | 42 | 17,7045 | |
| 10 | 17,6438 | 43 | 17,5809 | |
| 11 | 17,7409 | 44 | 17,5826 | |
| 12 | 17,6357 | 45 | 17,5901 | |
| 13 | 17,6671 | 46 | 17,6576 | |
| 14 | 17,7024 | 47 | 17,7387 | |
| 15 | 17,6809 | 48 | 17,6668 | |
| 16 | 17,5697 | 49 | 17,6490 | |
| 17 | 17,6486 | 50 | 17,5128 | |
| 18 | 17,7420 | 51 | 17,5268 | |
| 19 | 17,5440 | 52 | 17,5686 | |
| 20 | 17,5788 | 53 | 17,5533 | |
| 21 | 17,7379 | 54 | 17,5934 | |
| 22 | 17,6312 | 55 | 17,6069 | |
| 23 | 17,5621 | 56 | 17,5697 | |
| 24 | 17,5723 | 57 | 17,6589 | |
| 25 | 17,5626 | 58 | 17,6550 | |
| 26 | 17,6347 | 59 | 17,6729 | |
| 27 | 17,6985 | 60 | 17,6888 | |
| 28 | 17,6157 | Độ lệch chuẩn trung bình, bara | Sx | 0,0640 |
| 29 | 17,6811 | |||
| 30 | 17,7207 | |||
| 31 | 17,6625 | Độ lệch chuẩn trung bình toàn phần, bara |
| 0,0083 |
| 32 | 17,5958 | |||
| 33 | 17,7404 | |||
Bảng F. 67 - Tính toán độ lệch chuẩn trung bình (Nhiệt độ bầu khô đầu vào ACC cho Thí nghiệm số 1, °C)
| Thời gian đo | Nhiệt độ đo | Thời gian đo | Nhiệt độ đo | |
| 1 | 17,92 | 34 | 16,74 | |
| 2 | 17,90 | 35 | 16,72 | |
| 3 | 17,86 | 36 | 16,70 | |
| 4 | 17,81 | 37 | 16,66 | |
| 5 | 17,76 | 38 | 16,66 | |
| 6 | 17,72 | 39 | 16,64 | |
| 7 | 17,68 | 40 | 16,63 | |
| 8 | 17,63 | 41 | 16,60 | |
| 9 | 17,57 | 42 | 16,60 | |
| 10 | 17,56 | 43 | 16,60 | |
| 11 | 17,50 | 44 | 16,59 | |
| 12 | 17,49 | 45 | 16,58 | |
| 13 | 17,48 | 46 | 16,58 | |
| 14 | 17,47 | 47 | 16,59 | |
| 15 | 17,47 | 48 | 16,59 | |
| 16 | 17,47 | 49 | 16,61 | |
| 17 | 17,47 | 50 | 16,62 | |
| 18 | 17,47 | 51 | 16,63 | |
| 19 | 17,45 | 52 | 16,65 | |
| 20 | 17,40 | 53 | 16,66 | |
| 21 | 17,35 | 54 | 16,66 | |
| 22 | 17,29 | 55 | 16,67 | |
| 23 | 17,20 | 56 | 16,68 | |
| 24 | 17,12 | 57 | 16,69 | |
| 25 | 17,05 | 58 | 16,70 | |
| 26 | 16,98 | 59 | 16,69 | |
| 27 | 16,95 | 60 | 16,68 | |
| 28 | 16,91 | Độ lệch chuẩn trung bình, °C | Sx | 0,444 |
| 29 | 16,87 | |||
| 30 | 16,85 | |||
| 31 | 16,82 | Độ lệch chuẩn trung bình toàn phần, °C |
| 0,057 |
| 32 | 16,80 | |||
| 33 | 16,78 | |||
Bảng F. 68 - Tóm tắt phân phối t cho Thí nghiệm số 1
| Đo lường | Số điểm dữ liệu | Phân phối t của Student |
| CTG 1 công suất điện phát lên lưới | 60 | 2,001 |
| CTG 2 công suất điện phát lên lưới | 60 | 2,001 |
| STG công suất điện phát lên lưới | 60 | 2,001 |
| CTG 1 đầu ra máy phát điện | 351 | 2,000 [Chú thích (1)] |
| CTG 2 đầu ra máy phát điện | 351 | 2,000 [Chú thích (1)] |
| STG đầu ra máy phát điện | 60 | 2,001 |
| CTG 1 công suất phản kháng máy phát điện | 351 | 2,000 [Chú thích (1)] |
| CTG 2 công suất phản kháng máy phát điện | 351 | 2,000 [Chú thích (1)] |
| STG công suất phản kháng máy phát điện | 60 | 2,001 |
| Nhiệt độ bầu khô ngoài môi trường | 60 | 2,001 |
| Độ ẩm tương đối ngoài môi trường | 60 | 2,001 |
| Áp suất khí quyển | 60 | 2,001 |
| Nhiệt độ bầu khô đầu vào ACC | 60 | 2,001 |
| Áp suất cung cấp nhiên liệu nhà máy (đầu vào máy nén khí) | 60 | 2,001 |
| DP dòng nhiên liệu cung cấp cho nhà máy | 60 | 2,001 |
| Áp suất dòng nhiên liệu cung cấp cho nhà máy | 60 | 2,001 |
| Nhiệt độ dòng nhiên liệu cung cấp cho nhà máy | 60 | 2,001 |
| Nitơ | 3 | 4,303 |
| Khí cacbonic | 3 | 4,303 |
| Oxy | 3 | 4,303 |
| Heli | 3 | 4,303 |
| Hydro | 3 | 4,303 |
| Metan | 3 | 4,303 |
| Etan | 3 | 4,303 |
| Propan | 3 | 4,303 |
| n-Butan | 3 | 4,303 |
| Iso-butan | 3 | 4,303 |
| n-Pentan | 3 | 4,303 |
| Iso-pentan | 3 | 4,303 |
| n-Hexan | 3 | 4,303 |
| CHÚ THÍCH 1: Các phép đo có bậc tự do lớn có mức độ tin cậy 95% được biểu thị bằng phân phối t của Student. | ||
Độ không đảm bảo hệ thống của kết quả đã hiệu chỉnh cũng là nơi tính thêm độ không đảm bảo do tương quan giữa các công cụ. Khi các tham số đo có tương quan với độ không đảm bảo hệ thống, độ không đảm bảo hệ thống tuyệt đối của kết quả được tính như thể hiện trong công thức dưới đây phù hợp với Công thức (8.1.2) của ASME PTC 19.1.
![]()
Trong đó
Binst,x/y = thuật ngữ để ước tính phương sai của độ không đảm bảo hệ thống giữa các tham số x và y
Binst,x/z = thuật ngữ để ước tính phương sai của độ không đảm bảo hệ thống giữa các tham số x và z
K = tổng số thông số đo
UR, SYS = độ không đảm bảo hệ thống của kết quả đã hiệu chỉnh
U95,SYSi = độ không đảm bảo hệ thống tổng thể của tham số đo, i
θi = hệ số độ nhạy cho kết quả đã hiệu chỉnh đối với tham số đo, i
θx = hệ số độ nhạy của kết quả cho tham số đo x
θy = hệ số độ nhạy của kết quả cho tham số đo y
θz = hệ số độ nhạy của kết quả cho tham số đo z
Một thuật ngữ cho 2xθxxθyxBinst,x/y nên được đưa vào công thức cho từng cặp tham số đo có tương quan với độ không đảm bảo hệ thống.
Các số hạng phương sai được tính thể hiện trong công thức dưới đây.
Binst,x/y = (bx)1(by)1 + (bx)2(by)2 + ... +(bx)i(by)i
Trong đó
Binst,x/y = thuật ngữ để ước tính hiệp phương sai của độ không đảm bảo hệ thống giữa các tham số x và y
(bx)1 = thành phần độ không đảm bảo hệ thống nguyên tố 1 cho tham số đo x
(bx)2 = thành phần độ không đảm bảo hệ thống nguyên tố 2 cho tham số đo x
(bx)i = thành phần độ không đảm bảo hệ thống phần tử i cho tham số đo x
(by)1 = thành phần độ không đảm bảo hệ thống nguyên tố 1 cho tham số đo y
(by)2 = thành phần độ không đảm bảo hệ thống nguyên tố 2 cho tham số đo y
(by)i = thành phần độ không đảm bảo hệ thống phần tử i cho tham số đo y
Mỗi thuật ngữ hiệp phương sai đại diện cho tổng các tích của các phần Binst,x và Binst,y phát sinh từ cùng một nguồn và do đó có tương quan hoàn toàn (theo mục 8.1, ASME PTC 19.1). Trong thực tế, các nguồn độ không đảm bảo thành phần tạo nên Binst,x và Binst,y có thể không tương quan hoàn toàn; tuy nhiên, để giả định mối tương quan hoàn toàn là cách tiếp cận thận trọng hơn và sẽ đảm bảo độ không đảm bảo được tính toán nằm trong dải tin cậy 95%. Trong trường hợp độ không đảm bảo hệ thống thành phần đối với mỗi nguồn giống nhau đối với tham số x và y, cũng có thể xảy ra khi thiết bị đo được sử dụng để đo tham số x là của cùng một nhà sản xuất và kiểu máy với thiết bị đo được sử dụng để đo thông số y, Binst,x/y có thể được tính toán từ
Binst,x/y = (Binst,x) x (Binst,y)
Trong đó
Binst,x = độ không đảm bảo hệ thống của thiết bị được sử dụng để đo tham số x
Binst,y = độ không đảm bảo hệ thống của công cụ được sử dụng để đo tham số y
Khi độ không đảm bảo hệ thống thành phần đối với mỗi nguồn giống nhau đối với một cặp tham số tương quan, công thức cho UR,SYS có thể được viết như sau:
![]()
F.27 Độ không đảm bảo ngẫu nhiên của kết quả đã hiệu chỉnh
Độ không đảm bảo ngẫu nhiên của kết quả đã hiệu chỉnh được tính bằng bình phương tổng - căn của tích của hệ số độ nhạy và độ không đảm bảo ngẫu nhiên cho mỗi thông số đo, như sau:
![]()
Trong đó
K = tổng số thông số đo
UR,RND = độ không đảm bảo ngẫu nhiên của kết quả đã hiệu chỉnh
θi = hệ số độ nhạy cho kết quả đã hiệu chỉnh đối với tham số đo, i
U95,RNDi = độ không đảm bảo ngẫu nhiên của tham số đo, i
Kết quả của độ không đảm bảo ngẫu nhiên của phép tính kết quả đã hiệu chỉnh cho tất cả các phép đo và Thí nghiệm được thể hiện trong bảng kết quả độ không đảm bảo tổng thể. Xem Bảng F.47 đến F.50.
F.28 Tổng độ không đảm bảo của kết quả đã hiệu chỉnh
Độ không đảm bảo của kết quả đã hiệu chỉnh là tổng bình phương của tích của tổng độ không đảm bảo và hệ số độ nhạy của mỗi thông số đo. Từ ASME PTC 19.1:
![]()
hoặc
![]()
hoặc
![]()
hoặc
![]()
Trong đó
K = tổng số thông số đo
URi = độ không đảm bảo của kết quả đã hiệu chỉnh do tham số i
UR, TOT = tổng độ không đảm bảo của kết quả đã hiệu chỉnh
U95,RND = độ không đảm bảo ngẫu nhiên của tham số i
U95,SYSi = độ không đảm bảo hệ thống tổng thể của tham số i
U95,TOT = tổng độ không đảm bảo của tham số i
θi = hệ số độ nhạy của tham số i
Kết quả của tổng độ không đảm bảo của phép tính kết quả đã hiệu chỉnh cho tất cả các phép đo và Thí nghiệm được thể hiện trong bảng kết quả độ không đảm bảo tổng thể. Các bảng từ F.56 đến F.59 hiển thị các tính toán tổng thể về độ không đảm bảo và kết quả. Các Bảng từ F.60 đến F.63 hiển thị các tính toán và kết quả tổng thể về độ không đảm bảo trên cơ sở (tỷ lệ phần trăm) tương đối. Bảng F.23.13 hiển thị độ không đảm bảo của kết quả trung bình của thí nghiệm như được xác định theo phương pháp mô tả trong mục 7.3.2 và trong mục 7.5 của ASME PTC 19.1.
F.29 Độ không đảm bảo của thí nghiệm ảnh hưởng của thiết bị làm kiểu bay hơi riêng biệt
Do sự tách biệt của thí nghiệm hiệu suất của nhà máy với thí nghiệm hiệu quả của thiết bị làm mát kiểu bay hơi, độ không đảm bảo của thí nghiệm thiết bị làm mát kiểu bay hơi cần được xem xét trong độ không đảm bảo tổng thể của thí nghiệm. Phần phụ này sẽ trình bày tính toán cần thiết cho độ không đảm bảo liên quan đến các hiệu chỉnh α7b và f7b. Đối với ví dụ này, các thiết bị đo được coi là cùng một thiết bị đo được sử dụng cho thí nghiệm hiệu suất của nhà máy. Đối với thí nghiệm này, chỉ có một giai đoạn thí nghiệm được sử dụng. Cần có hiệu chuẩn riêng nếu khe hở hiệu chuẩn vượt quá mức tối đa được xác định trước. Giả định rằng tất cả các thiết bị được sử dụng cho thí nghiệm hiệu quả của máy lạnh bay hơi (Bảng F.69) đều đạt được kết quả hiệu chuẩn giống như thí nghiệm hiệu suất của nhà máy. Do đó, các Bảng F.16, F.21 và F.22 sẽ được sử dụng để tính toán độ không đảm bảo hệ thống.
Một phép tính giống với phép tính được thực hiện trong F.21 cần được thực hiện để thu được kết quả độ không đảm bảo theo không gian. Kết quả phân tích đó được hiển thị trong Bảng F.70.
Độ không đảm bảo ngẫu nhiên được tính toán từ tổng thể dữ liệu. Tính toán này giống với tính toán được thực hiện trong tiểu mục F.27.
Kết quả tính toán độ không đảm bảo được thể hiện trong Bảng F.71 và F.72.
Bảng F. 69 - Độ không đảm bảo của dụng cụ đo xác định hiệu quả thiết bị làm mát bay hơi
| Thiết bị đo | Độ không đảm bảo có hệ thống βx | Tài liệu tham khảo |
| Nhiệt độ bầu khô ngoài môi trường | ±0,06°C | Bảng F.21 |
| Độ ẩm tương đối ngoài môi trường | ±2% | Bảng F.22 |
| Nhiệt độ đầu vào máy nén | ±0,06°C | Bảng F.21 |
| Áp suất khí quyển | ±0,11% | Bảng F.16 |
Bảng F.70 - Độ không đảm bảo về không gian của kiểm tra độ hiệu quả thiết bị làm mát bay hơi
| Đo lường | Thí nghiệm CTG 1 | Thí nghiệm CTG 2 |
| Nhiệt độ bầu khô ngoài môi trường | 0,231 | 0,279 |
| Nhiệt độ đầu vào máy nén | 0,063 | 0,076 |
Bảng F. 71 - Phân tích độ không đảm bảo của việc đánh giá hiệu quả thiết bị làm mát bay hơi GT 1
| Đánh giá | Độ không đảm bảo của thiết bị đo | Độ không đảm bảo của các kết quả thí nghiệm |
| |||||||||||
| Giá trị thí nghiệm | Tính hệ thống | Tính ngẫu nhiên | Tổng | Lưu lượng nhiên liệu 93,08% |
| |||||||||
| Độ không đảm bảo có hệ thống của thiết bị đo Binst | Độ không đảm bảo có hệ thống về không gian Bspatial | Độ không đảm bảo có hệ thống toàn phần U95,SYS | Độ lệch chuẩn trung bình | Phân phối t của Student t95,v | Độ không đảm bảo ngẫu nhiên U95,RND | Tổng độ không đảm bảo của thiết bị đo U95,TOT | Độ nhạy tuyệt đối | Độ không đảm bảo có hệ thống của hiệu quả thiết bị làm mát bay hơi UP1,SYS | Độ không đảm bảo ngẫu nhiên của hiệu quả thiết bị làm mát bay hơi UP1,RAND | Tổng độ không đảm bảo của thiết bị làm mát bay hơi UP1 | ||||
| Trung bình | Đơn vị |
| ||||||||||||
| Dữ liệu ngoài môi trường |
| |||||||||||||
| Nhiệt độ bầu khô ngoài môi trường tại CTG | 21,38 | °C | 0,100 | 0,42 | 0,43 | 0,061 | 2,00 | 0,12 | 0,44 | 0,082 | 3,51% | 1,01% | 3,65% |
|
| Nhiệt độ đầu vào máy nén | 16,00 | °C | 0,100 | 0,11 | 0,15 | 0,045 | 2,00 | 0,09 | 0,18 | 0,096 | 1,45% | 0,86% | 1,69% |
|
| Độ ẩm tương đối ngoài môi trường | 54,91 | % | 2,00 | 0,00 | 2,00 | 0,164 | 2,00 | 0,33 | 2,03 | 0,023 | 4,61% | 0,76% | 4,67% |
|
| Áp suất khí quyển | 1,011 | Bara | 0,110 | 0,00 | 0,11 | 0,000 | 2,00 | 0,00 | 0,11 | 0,024 | 0,26% | 0,00% | 0,26% |
|
|
| RSS | 5,98% | 1.53% |
|
| |||||||||
| Độ không đảm bảo của việc đánh giá (tuyệt đối) | 6,17% |
| ||||||||||||
Bảng F. 72 - Phân tích độ không đảm bảo của việc đánh giá hiệu quả thiết bị làm mát bay hơi GT 2
| Đánh giá | Độ không đảm bảo của thiết bị đo | Độ không đảm bảo của các kết quả thí nghiệm |
| |||||||||||
| Giá trị thí nghiệm | Tính hệ thống | Tính ngẫu nhiên | Tổng | Lưu lượng nhiên liệu 93,60% |
| |||||||||
| Độ không đảm bảo có hệ thống của thiết bị đo Binst | Độ không đảm bảo có hệ thống về không gian Bspatial | Độ không đảm bảo có hệ thống toàn phần U95,SYS | Độ lệch chuẩn trung bình | Phân phối t của Student t95,v | Độ không đảm bảo ngẫu nhiên U95,RND | Tổng độ không đảm bảo của thiết bị đo U95,TOT | Độ nhạy tuyệt đối | Độ không đảm bảo có hệ thống của hiệu quả thiết bị làm mát bay hơi UP1,SYS | Độ không đảm bảo ngẫu nhiên của hiệu quả thiết bị làm mát bay hơi UP1,RAND | Tổng độ không đảm bảo của thiết bị làm mát bay hơi UP1 Trung bình | ||||
| Trung bình | Đơn vị |
| ||||||||||||
| Dữ liệu ngoài môi trường |
| |||||||||||||
| Nhiệt độ bầu khô ngoài môi trường tại CTG | 21,11 | °C | 0,259 | 0,50 | 0,57 | 0,049 | 2,00 | 0,10 | 0,57 | 0,082 | 4,64% | 0,80% | 4,71% |
|
| Nhiệt độ đầu vào máy nén | 15,69 | °C | 0,259 | 0,14 | 0,29 | 0,029 | 2,00 | 0,06 | 0,30 | 0,096 | 2,82% | 0,56% | 2,87% |
|
| Độ ẩm tương đối ngoài môi trường | 54,62 | % | 2,00 | 0,00 | 2,00 | 0,145 | 2,00 | 0,29 | 2,02 | 0,023 | 4,60% | 0,67% | 4,65% |
|
| Áp suất khí quyển | 1,011 | Bara | 0,005 | 0,00 | 0,00 | 0,000 | 2,00 | 0,00 | 0,00 | 0,024 | 0,01% | 0,00% | 0,01% |
|
|
| RSS | 7,12% | 1.18% |
|
| |||||||||
| Độ không đảm bảo của việc đánh giá (tuyệt đối) | 7,21% | | ||||||||||||
Phụ lục G
(tham khảo)
Điều kiện đầu vào không khí
G.1 Tổng quan
Yêu cầu các phép đo để xác định các điều kiện của không khí (tức là nhiệt độ bầu khô, độ ẩm riêng phần và áp suất khí quyển) tại mặt phẳng nơi mà nó đi vào thiết bị đốt hoặc thải nhiệt. Mục đích của phụ lục tham khảo này là giải thích lý do tại sao các điều kiện đầu vào đã được quy định, và các phân nhánh tiềm ẩn của chỉ định này trong việc đánh giá hoạt động của một nhà máy.
Hiệu suất của thiết bị đốt và thải nhiệt của nhà máy có liên quan về mặt chức năng với điều kiện của không khí đi vào thiết bị. Suất tiêu hao nhiệt và công suất tinh phải được hiệu chỉnh để có sự khác biệt giữa điều kiện không khí xung quanh thí nghiệm và tham chiếu. Đường bao thí nghiệm, như được thảo luận trong Phần 3 của tiêu chuẩn này, yêu cầu rằng đường bao thí nghiệm phải được vẽ sao cho các đầu vào vượt qua đường bao thí nghiệm không bị ảnh hưởng bởi các điều kiện bên trong đường bao thí nghiệm. Tuy nhiên, điều này không nhất thiết đúng với không khí đầu vào thiết bị nhà máy. Tùy thuộc vào thiết kế nhà máy, hướng bộ phận, điều kiện tầm nhìn, tốc độ gió và hướng gió tại thời điểm thí nghiệm, nhiệt độ hoặc độ ẩm của thiết bị nhà máy không khí đầu vào có thể bị ảnh hưởng bởi sự thất thoát nhiệt của nhà máy. Các lỗ xả hơi, ống xả của tháp giải nhiệt và các tổn thất nhiệt khác có thể bị cuốn vào không khí xung quanh khi nó được hút vào thiết bị đốt hoặc thải nhiệt.
Mức độ hoặc tần suất của sự nhận nhiệt hoặc thất thoát nhiệt không khí đi vào thiết bị của nhà máy phụ thuộc nhiều vào thiết kế và bố trí của nhà máy. Do đó, sẽ thích hợp hơn nếu đo điều kiện không khí xung quanh ở vị trí nhiệt độ theo hướng ngược lại của nhà máy. Mặc dù điều này có thể phù hợp hơn, nhưng nó thường không thực tế. Nhiệt độ và độ ẩm không khí thay đổi theo độ cao và điều kiện mặt đất có gió. Không khí đi vào thiết bị cháy và thải nhiệt được hút vào từ mọi hướng. Do đó, các điều kiện trung bình của không khí được hút vào thiết bị có thể thay đổi đáng kể so với các điều kiện được đo tại bất kỳ vị trí gió đơn lẻ nào. Ngoài ra, các thay đổi sẽ xảy ra theo thời gian với những thay đổi về tốc độ trôi đi của môi trường xung quanh (thay đổi nhiệt độ theo độ cao), điều kiện gió và tác động gió ngược trên mặt đất của nhà máy.
Như đã nêu trước đây, hiệu suất của nhà máy là một hàm của điều kiện không khí đi vào thiết bị. Thí nghiệm tính năng có giá trị nhỏ nếu nó không thể cung cấp kết quả lặp lại có thể được so sánh với các giá trị tham chiếu tại một tập hợp các điều kiện tham chiếu cụ thể. Vì không có cách thực tế nào để liên hệ giữa không khí xung quanh với không khí đi vào thiết bị, nhiều thí nghiệm dựa trên các phép đo không khí xung quanh sẽ cho biết kết quả phân tán rộng rãi do ảnh hưởng của sự thay đổi về tốc độ gió, hướng gió và tốc độ trôi đi của môi trường xung quanh. Giải pháp thay thế duy nhất sẽ là chỉ định và đo tốc độ trôi đi của môi trường xung quanh, tốc độ gió và hướng gió ở các điều kiện tham chiếu cơ sở. Tuy nhiên, điều này sẽ làm tăng đáng kể độ phức tạp và chi phí của thí nghiệm, và sẽ hạn chế thí nghiệm ở những thời điểm mà các điều kiện xung quanh này đều nằm trong giới hạn quy định của các giá trị tham chiếu cơ sở tương ứng của chúng. Do đó, các thí nghiệm kiểm tra có thể bị trì hoãn vô thời hạn trong khi chờ điều kiện xung quanh thay đổi.
Mặc dù việc không khí vào đã được chỉ định, nó phải được công nhận rằng việc kéo theo các tổn thất nhiệt do không khí vào thiết bị là một vấn đề tiềm ẩn có thể gây bất lợi đáng kể đến sản lượng và hiệu suất thực tế của nhà máy. Bởi vì thí nghiệm sẽ không tiết lộ ảnh hưởng của tổn thất nhiệt lên hiệu suất của nhà máy, điều đặc biệt quan trọng những ảnh hưởng đối với hiệu quả này là phải được xem xét cẩn thận và xem xét thiết kế nhà máy và đặc điểm kỹ thuật thiết bị cũng như trong quá trình phát triển của nhà máy tổng thể kế hoạch kiểm tra hiệu suất.
Phụ lục H
(tham khảo)
Phương pháp xác định suất tiêu hao nhiệt hiệu chỉnh thí nghiệm của phụ tải thấp ở điều kiện tham chiếu xác định cho nhà máy điện chu trình kết hợp
H.1 Giới thiệu
Trong một số trường hợp, cần biết hiệu suất hoặc suất tiêu hao nhiệt của nhà máy điện chu trình kết hợp ở một điều kiện phụ tải thấp cụ thể được biểu thị bằng một phần công suất tải cơ sở của nhà máy hoặc công suất tải cơ sở tua bin khí. Hoạt động phụ tải thấp điển hình của nhà máy chu trình kết hợp đòi hỏi hệ thống điều khiển tua bin khí điều chỉnh các cánh dẫn hướng đầu vào tua bin khí (IGV) và/hoặc van nhiên liệu, với phần còn lại của nhà máy theo bộ, để đạt được công suất điện mong muốn của nhà máy.
Điều chỉnh IGV làm tăng thêm mức độ phức tạp cho thí nghiệm phụ tải thấp, bởi vì góc IGV cần thiết cho một phần tải của nhà máy (hoặc tua bin khí) ở các điều kiện tham chiếu có thể sẽ khác đáng kể so với yêu cầu cung cấp cùng một phần tải cơ sở của nhà máy (hoặc tua bin khí) ở một nhóm điều kiện môi trường khác nhau. Do mục tiêu của thí nghiệm này là xác định suất tiêu hao nhiệt của nhà máy ở một phần phụ tải được chỉ định ở điều kiện tham chiếu, thí nghiệm nên được tiến hành lý tưởng với tua bin khí IGV được đặt ở vị trí tương ứng với phần phụ tải tại tham chiếu đã chỉ định với điều kiện và vị trí IGV không đổi trong suốt thời gian thí nghiệm. Bất kỳ sai lệch nào so với mục tiêu IGV này sẽ dẫn đến việc nhà máy hoạt động ở một phần phụ tải khác với phần phụ tải mục tiêu. Việc điều tiết (các) van điều khiển dòng nhiên liệu để đạt được mục tiêu phụ tải một phần yêu cầu cũng phải đối mặt với những thách thức tương tự. Do đó, các hạn chế thực tế khi tiến hành thí nghiệm như vậy khiến cho không chỉ hiệu chỉnh hiệu suất tải của bộ phận được đo về điều kiện chuẩn xác định mà còn phải điều chỉnh hiệu suất đã hiệu chỉnh đối với bất kỳ độ lệch nào giữa phần trăm tải cơ sở thực tế tại đó thí nghiệm, cuối cùng được tiến hành và phần trăm tải mục tiêu dự kiến là cần thiết.
Phụ lục này cung cấp hướng dẫn thực hiện thí nghiệm và xác định suất tiêu hao nhiệt hoặc hiệu suất ở phụ tải thấp của nhà máy điện chu trình kết hợp. Mục tiêu là xác định suất tiêu hao nhiệt hoặc hiệu suất nhiệt hiệu chỉnh ở một điều kiện phụ tải thấp được chỉ định của nhà máy (hoặc tua bin khí) tại các điều kiện tham chiếu của nhà máy.
Các đường cong hiệu chỉnh được sử dụng để hiệu chỉnh công suất điện đo thí nghiệm và suất tiêu hao nhiệt theo điều kiện chuẩn. Tương tự như các thí nghiệm tải cơ sở, mô hình nhiệt cũng có thể được sử dụng để hiệu chỉnh miễn là nó có hiệu lực đối với đường bao hoạt động bao gồm phụ tải một phần của bộ phận mục tiêu được chỉ định. Phụ lục này bao gồm hai ví dụ về xác định suất tiêu hao nhiệt hiệu chỉnh của phụ tải thấp tại một điều kiện tham chiếu xác định.
Dự kiến độ không đảm bảo của thí nghiệm tải thấp sẽ vượt quá độ không đảm bảo của thí nghiệm tải cơ sở trên cùng một nhà máy.
H.2 Giả định cơ bản
Phương pháp thí nghiệm phụ tải thấp được trình bày trong phụ lục này dựa trên các giả định sau:
(a) Hoạt động phụ tải thấp của phần chu trình kết hợp đạt được bằng cách điều chỉnh IGV và/hoặc (các) van điều khiển nhiên liệu của (các) tua bin khí.
(b) Đầu ra tải cơ sở ở các điều kiện tham chiếu được xác định bằng tiêu chuẩn trước chương trình thí nghiệm phụ tải thấp.
(c) Có sẵn một tập hợp các đường cong hiệu chỉnh phụ tải thấp theo chu kỳ cụ thể cho điều kiện phần trăm phụ tải thấp mong muốn hoặc mô hình nhiệt khả dụng cho biên hoạt động.
H.3 Kết cấu thí nghiệm
Khuyến nghị rằng các thí nghiệm phụ tải thấp được tiến hành sau khi kết thúc các thí nghiệm tải cơ sở để tạo điều kiện xác định mục tiêu phụ tải thấp thích hợp như một chức năng của đầu ra tải cơ sở đã hiệu chỉnh. Như với bất kỳ thí nghiệm hiệu suất nhiệt nào, cần cố gắng hết sức để tiến hành các thí nghiệm suất tiêu hao nhiệt của phụ tải thấp ở các điều kiện chuẩn quy định hoặc càng gần với các điều kiện đó càng tốt hoặc thực tế. Ví dụ, khi tiến hành thí nghiệm phụ tải thấp 50% được chỉ định (tải mục tiêu), người ta mong muốn đặt chính xác nhà máy ở mục tiêu này, nhưng có thể không đạt được do những thay đổi liên tục về điều kiện môi trường, thành phần nhiên liệu, hệ số công suất, và các thông số bên ngoài. Các nghiên cứu đã chỉ ra rằng độ lệch tối đa 2,5% so với phụ tải một phần của nhà máy mục tiêu ở các điều kiện quy định là có thể chịu được với tác động không đáng kể đến kết quả thí nghiệm.
Để chuẩn bị cho thí nghiệm, trước tiên hãy thiết lập mục tiêu tải cho thí nghiệm phụ tải thấp. Phụ tải thấp thí nghiệm này phải được xác định dựa trên phụ tải thấp chu trình kết hợp mục tiêu ở các điều kiện tham chiếu quy định. Các công thức sau đây được áp dụng.
Đầu tiên, xác định mục tiêu phụ tải thấp ở các điều kiện tham chiếu được chỉ định như sau:
PPL_target = PPL_frac x PBL_corr (H.3.1)
Trong đó
PBL_corr = Phụ tải cơ sở được hiệu chỉnh chu trình kết hợp từ thí nghiệm tải cơ sở, kW
PPL_frac = Phụ tải thấp của chu trình kết hợp mục tiêu ở các điều kiện tham chiếu được chỉ định
PPL_target = Phụ tải thấp mục tiêu của chu trình kết hợp ở các điều kiện tham chiếu được chỉ định
Trong các tình huống mà suất tiêu hao nhiệt được chỉ định ở phụ tải thấp mục tiêu, PPL_target sẽ bằng phụ tải thấp được chỉ định.
Tiếp theo, xác định mục tiêu phụ tải thấp ở các điều kiện thí nghiệm bằng cách áp dụng ngược lại các hệ số hiệu chỉnh phụ tải thấp như sau:
![]()
Trong đó
PPL_pretest = Phụ tải thấp mục tiêu của chu trình kết hợp ở điều kiện thí nghiệm, kW
PPL_target = Phụ tải thấp mục tiêu của chu trình kết hợp ở các điều kiện tham chiếu được chỉ định, kW
αPLj = Hệ số hiệu chỉnh nhân của phụ tải thấp chu trình kết hợp
∆PLi = Hệ số hiệu chỉnh cộng của phụ tải thấp chu trình kết hợp, kW
Trong các tình huống trong đó phần phụ tải thấp mục tiêu được chỉ định là một phần nhỏ của sản lượng tua bin khí tải cơ sở, các đường cong hiệu chỉnh đầu ra cụ thể của tua bin khí sẽ được yêu cầu và Công thức (H.3-1) và (H.3-2) được cập nhật như sau:
PPL_target,x = PPL_frac x PBL_corr,x (H.3.3)
Trong đó
PBL_corr,x = Tua bin khí x tải đầu ra cơ bản đã hiệu chỉnh từ thí nghiệm tải cơ sở chu trình kết hợp, kW
PPL_frac = Phụ tải thấp tua bin khí mục tiêu ở các điều kiện tham chiếu được chỉ định
PPL_target,x = Phụ tải thấp mục tiêu ở các điều kiện tham chiếu được chỉ định cho tua bin khí x, kW
![]()
Trong đó
PPL_pretest,x = Tua bin khí x Phụ tải thấp mục tiêu ở các điều kiện thí nghiệm
PPL_target,x = Phụ tải thấp mục tiêu ở các điều kiện tham chiếu được chỉ định cho tua bin khí x, kW
αPLj = Hệ số hiệu chỉnh nhân phụ tải thấp tua bin khí
∆PLi = Hệ số hiệu chỉnh cộng phụ tải thấp tua bin khí, kW
Nếu các tua bin khí là các mô hình giống hệt nhau, thì để đơn giản hóa, tải mục tiêu trước đó có thể được tính như một mục tiêu phụ tải thấp trung bình và tất cả các tua bin khí có thể đạt được tải như nhau.
Sau khi phụ tải thấp mục tiêu đã được thiết lập, ta có thể thiết lập và vận hành nhà máy chu trình kết hợp ở mục tiêu phụ tải thấp mong muốn này. Không cần phải nói rằng các điều kiện biên (ví dụ: điều kiện môi trường xung quanh) trong thời gian thực tế của thí nghiệm sẽ không được biết trước khi tiến hành thí nghiệm, do đó không thể dự đoán mục tiêu tải chính xác cho thí nghiệm. Tuy nhiên, tải mục tiêu có thể được tính toán bằng cách sử dụng chụp nhanh các điều kiện biên thu được ngay trước khi bắt đầu tiến hành thí nghiệm bằng phương pháp được mô tả ở trên. Sau đó, các tua bin khí phải đạt được tải sao cho sản lượng của nhà máy (hoặc tua bin khí) tại vị trí biên thí nghiệm càng gần với sản lượng phụ tải thấp mục tiêu tại các điều kiện thí nghiệm (PPL_pretest) càng tốt.
Các điều kiện biên thí nghiệm phải được theo dõi liên tục trong suốt thời gian thí nghiệm. Miễn là các thông số biên thí nghiệm khá ổn định trong suốt thời gian tiến hành thí nghiệm, phụ tải thấp mục tiêu cho quá trình tiến hành thí nghiệm sẽ không thay đổi. Mặt khác, bất kỳ sự thay đổi dần đáng kể nào trong một điều kiện biên sẽ gây ra sự thay đổi dần tương ứng trong phụ tải thấp mục tiêu. Theo thực tế, thí nghiệm phụ tải thấp phải được tiến hành tại thời điểm khi các điều kiện biên ổn định nhất có thể để tránh bất kỳ thay đổi đáng kể nào về phụ tải thấp mục tiêu trong suốt thời gian thí nghiệm. Các Thí nghiệm trong đó nên tránh các thay đổi đột ngột xảy ra trong các thông số biên không thể kiểm soát được trong quá trình tiến hành thí nghiệm.
H.4 Phương pháp hiệu chỉnh
Các Công thức hiệu suất cơ bản nêu trong Phần 5, với một số sửa đổi, được sử dụng để xác định suất tiêu hao nhiệt theo phụ tải thấp hoặc hiệu suất của nhà máy chu trình kết hợp ở các điều kiện tham chiếu quy định. Vì các hạn chế thực tế ảnh hưởng đến khả năng thực hiện thí nghiệm phụ tải thấp ở mục tiêu chính xác đã định, nên cần phải điều chỉnh công suất đo thí nghiệm và suất tiêu hao nhiệt (hoặc hiệu suất) đối với độ lệch này. Do việc điều chỉnh phụ tải thấp như vậy ảnh hưởng đến toàn bộ nhà máy chứ không chỉ một phần của nhà máy chu trình kết hợp, nó sẽ phải được coi là hệ số hiệu chỉnh nhân. Do đó, các thừa số ∆7 và ω7 được thay thế bằng các thừa số nhân tương đương (α7, β7, f7). Ngoài ra, sản lượng hiệu chỉnh và tiêu thụ nhiệt đã hiệu chỉnh (nếu được tính toán) sẽ được coi là các bước trung gian vì mục tiêu của thí nghiệm là xác định suất tiêu hao nhiệt đã hiệu chỉnh tại một phụ tải thấp mục tiêu cụ thể.
Các công thức cơ bản được viết lại như sau để tính toán hiệu suất phụ tải thấp.
Công suất điện phát lên lưới đã hiệu chỉnh được biểu thị bằng
![]()
Nhiệt đầu vào đã hiệu chỉnh được biểu thị bằng
![]()
Suất tiêu hao nhiệt hiệu chỉnh được biểu thị bằng
![]()
Đối với các nhà máy chu trình kết hợp sử dụng sơ đồ điều khiển điều chỉnh IGV tua bin khí để đạt được tải thấp mong muốn của bộ phận nhà máy, các nghiên cứu đã chỉ ra rằng các đường cong hiệu chỉnh nhiệt độ môi trường có ảnh hưởng hai chiều với góc IGV. Vì góc IGV của tua bin khí có liên quan trực tiếp đến tải mong muốn, nên đường cong hiệu chỉnh suất tiêu hao nhiệt theo nhiệt độ môi trường xung quanh có thể được vẽ dưới dạng biểu đồ hai biến với phụ tải thấp, như thể hiện trong Hình H.1. Do đó, hệ số hiệu chỉnh f1 và f7 có thể được kết hợp và sự kết hợp trực tiếp thu được từ đường cong này. Trong các tình huống mà tác động hai biến này được coi là không đáng kể, có thể cung cấp các đường cong riêng biệt cho f1 và f7. Hai phép tính mẫu cung cấp một ví dụ cho mỗi phương pháp trong số hai cách tiếp cận.
H.5 Mẫu tính toán
Hai phép tính mẫu được cung cấp trong phần này cung cấp quy trình từng bước tính toán suất tiêu hao nhiệt hiệu chỉnh của nhà máy chu trình kết hợp ở phụ tải thấp mục tiêu ở các điều kiện tham chiếu quy định sau khi tiến hành thí nghiệm như vậy. Các lưu ý sau đây áp dụng cho hai phép tính mẫu.
Các đường cong hiệu chỉnh chu kỳ cụ thể đã được sử dụng. Tuy nhiên, phương pháp hiệu chỉnh có thể áp dụng cho bất kỳ nhà máy chu trình kết hợp nào.
(a) Giải nhiệt cho đường bao thí nghiệm là áp suất hơi xả thải tua bin hơi. Điều này có thể dễ dàng mở rộng để bao gồm hệ thống ngưng (bình ngưng/tháp giải nhiệt/bình ngưng làm mát bằng không khí) trong Đường bao thí nghiệm.
(b) Trước khi tiến hành các thí nghiệm phụ tải thấp, các thí nghiệm tải cơ sở đã được thực hiện để xác định tải cơ sở đầu ra đã hiệu chỉnh.
(c) Phụ tải thấp thí nghiệm được xác định theo mục H.3 và được theo dõi liên tục để đảm bảo rằng Phụ tải thấp thí nghiệm nằm trong phạm vi ±2,5% của phụ tải thấp mục tiêu đã chỉ định.
(d) Trên cơ sở tuyệt đối, suất tiêu hao nhiệt cải thiện (thấp hơn) khi tải tăng lên. Điều này có thể được nhìn thấy trong biểu đồ suất tiêu hao nhiệt so với tải trọng. Sự thay đổi suất tiêu hao nhiệt thực do vận hành nhà máy khác với tải mục tiêu có thể làm tăng suất tiêu hao nhiệt (nếu nhà máy được vận hành ở tải thấp hơn mục tiêu) hoặc giảm suất tiêu hao nhiệt (nếu nhà máy được vận hành ở một tải cao hơn mục tiêu).
(e) Để đơn giản, chỉ có nhiệt độ môi trường ở các điều kiện thí nghiệm là thay đổi so với tham chiếu.
(f) Phụ tải thấp mục tiêu đã được xác định là một phần nhỏ của sản lượng phụ tải thấp cơ sở của nhà máy chu trình kết hợp. Với các sửa đổi nhỏ, các ví dụ này có thể được mở rộng sang tình huống trong đó phụ tải thấp mục tiêu bộ phận đã được xác định là một phần nhỏ của sản lượng tải cơ sở tua bin khí.

Hình H. 1 - Đường cong hiệu chỉnh nhiệt độ môi trường
Bảng H. 1 - Bảng giá trị mẫu
| Đo lường | Các điều kiện tham chiếu | Các điều kiện thí nghiệm |
| Nhiệt độ ngoài môi trường, °C | TAMB_REF = 15 | TAMB_PL-TEST = 31,1 |
| Áp suất ngoài môi trường, bar | PAMB_REF = 1,013 | PAMB_PL-TEST = 1,013 |
| Độ ẩm tương đối ngoài môi trường, % | RHREF = 60 | RHPL-TEST = 60 |
| Nhiệt độ nhiên liệu, °C | TFUEL_REF = 185 | TFUEL_PL-TEST = 185 |
| Thành phần nhiên liệu | FuelREF | FuelREF |
| Tần số, Hz | 50 | 50 |
| Hệ số công suất | 0,85 | 0,85 |
| Áp suất hơi xả của tua bin hơi, mbar | STXPREF = 33,86 | STXPPL-TEST = 33,86 |
| Đầu ra đã hiệu chuẩn của tải cơ sở, kw = PBL_CORR = 378.000 | ||
| Đầu ra đo được của tải thấp, kW = PPL_MEAS = 274.039 | ||
| Lượng nhiệt tiêu thụ đo được của tải thấp LHV, MJ/h = QPL_MEAS = 1.821,8 | ||
H.5.1 Ví dụ 1 (Ảnh hưởng hai chiều của nhiệt độ môi trường xung quanh và phụ tải thấp)
Tính toán mẫu được trình bày trong Bảng H.1 là đại diện cho một kịch bản trong đó tác động biến thiên của nhiệt độ môi trường đối với góc IGV tua bin khí đã được xem xét. Bảng minh họa cách hiệu chỉnh suất tiêu hao nhiệt theo phụ tải thấp đo được thành phụ tải thấp mục tiêu được chỉ định là 75% ở các điều kiện tham chiếu được chỉ định.
H.5.1.1 Xác định
Xác định suất tiêu hao nhiệt đã hiệu chỉnh ở 75% tải cơ sở đầu ra ở điều kiện tham chiếu (HRCORR @ 75% tải).
H.5.1.2 Giải pháp
Các đường cong hiệu chỉnh phụ tải thấp trông tương tự như các đường cong hiệu chỉnh phụ tải cơ sở tương ứng, ngoại trừ đường cong hiệu chỉnh nhiệt độ môi trường xung quanh. Như vậy, quá trình xác định các hệ số điều chỉnh cho tất cả các điều kiện biên, ngoại trừ nhiệt độ môi trường, là nhất quán giữa tải cơ sở và phụ tải thấp.
Đường cong hiệu chỉnh nhiệt độ môi trường, được hiển thị trong Hình H. 1, đã được vẽ với phần trăm tải chuẩn hóa trên trục x và suất tiêu hao nhiệt theo phụ tải thấp chuẩn hóa tương ứng trên trục y, ở các nhiệt độ môi trường khác nhau. Phần trăm phụ tải thấp chuẩn hóa đạt được bằng cách lấy tỷ số giữa phần trăm phụ tải thấp thí nghiệm (ở nhiệt độ môi trường thí nghiệm) và phần trăm phụ tải thấp mục tiêu. Họ đường cong này tương tự như họ đường cong suất tiêu hao nhiệt điển hình cho bất kỳ nhà máy chu trình kết hợp nào, chỉ được chuẩn hóa đối với phụ tải thấp mục tiêu thí nghiệm. Trong các tình huống mà tải mục tiêu được xác định là một phần của tải cơ sở tua bin khí đầu ra, phần trăm phụ tải thấp chuẩn hóa trên trục x có thể được vẽ biểu đồ bằng cách sử dụng phần phụ tải thấp của tua bin khí làm tham chiếu thay vì phần phụ tải thấp của chu trình kết hợp.
Các bước liên quan đến tính toán suất tiêu hao nhiệt phụ tải thấp đã hiệu chỉnh có thể được chia thành ba phần như sau:
(a) xác định độ gần của phụ tải thấp bộ phận thí nghiệm thực tế với phụ tải thấp mục tiêu ở các điều kiện tham chiếu quy định;
(b) xác định nhiệt độ môi trường xung quanh và các hệ số hiệu chỉnh tải đối với suất tiêu hao nhiệt;
(c) tính toán suất tiêu hao nhiệt tải thấp đã hiệu chỉnh.
Điều này được thực hiện bằng quy trình hai bước như được mô tả bên dưới.
Bước 1: Xác định phụ tải thấp ở nhiệt độ môi trường đo thí nghiệm. Các bước phụ sau đây có liên quan:
Bước 1a: Tính toán đầu ra thí nghiệm phụ tải thấp đã hiệu chỉnh trung gian bằng cách áp dụng tất cả các hiệu chỉnh có thể áp dụng, ngoại trừ nhiệt độ môi trường.
Bước 1: Xác định phụ tải thấp ở nhiệt độ môi trường đo thí nghiệm. Các bước phụ sau đây có liên quan:
Bước 1a: Tính toán đầu ra thí nghiệm phụ tải thấp đã hiệu chỉnh trung gian bằng cách áp dụng tất cả các hiệu chỉnh có thể áp dụng, ngoại trừ nhiệt độ môi trường.
![]()
PPL_IC là phụ tải thấp đầu ra ở nhiệt độ môi trường xung quanh thí nghiệm phụ tải thấp và tất cả các điều kiện biên khác được giữ ở mức tham chiếu.
Bước 1b: Xác định tải đầu ra cơ bản có thể mong đợi ở nhiệt độ môi trường thí nghiệm (TAMB_PL-TEST = 31,1°C) và tất cả các điều kiện khác được giữ ở mức tham chiếu.
![]()
CHÚ THÍCH: α1_BL thu được từ đường cong hiệu chỉnh nhiệt độ môi trường xung quanh tải cơ sở.
Bước 1c: Tính phụ tải thấp ở nhiệt độ môi trường đo được thí nghiệm. Điều này thu được bằng cách lấy tỷ lệ của phụ tải thấp đầu ra đã hiệu chỉnh trung gian (PPL_IC) với đầu ra tải cơ sở dự kiến ở nhiệt độ môi trường xung quanh phụ tải thấp thí nghiệm

Bước 2: Chiếu phụ tải thấp ở nhiệt độ môi trường đo thí nghiệm thu được từ Bước 1 ở trên lên phụ tải thấp tương ứng ở các điều kiện tham chiếu quy định. Hình H. 1 có thể được sử dụng như sau:
Bước 2a: Xác định tỷ số giữa phụ tải ở nhiệt độ môi trường đo thí nghiệm và phụ tải thấp mục tiêu ở các điều kiện tham chiếu quy định.

Bước 2b: Xác định tọa độ (X;Y) trên đường cong hiệu chỉnh suất tiêu hao nhiệt của phụ tải thấp (Hình H. 1) mà tại đó thí nghiệm phụ tải thấp được thực hiện, (X;Y)TAMB_PL-TEST.
![]()
Hình H. 1 tại X =%PLIC@TAMB PL-TEST và xác định tọa độ Y tương ứng của nó tại đường cong nhiệt độ môi trường xung quanh phụ tải thấp thí nghiệm.
![]()
Từ Hình H.1 và đường cong 31,1°C
![]()
Vì vậy,
(X;Y)TAMB_PL-TEST = (1,06994; 1,01384) (H.5.1.8)
Bước 2c: Theo đường IGV không đổi đi qua
di chuyển đến đường cong nhiệt độ môi trường tham chiếu để xác định
(H.5.1.9)
(từ Hình H. 1)
Bước 2d: Xác định hiệu chỉnh nhiệt độ đầu ra phụ tải thấp cho đầu ra phần trăm (α1_PL) dưới dạng tỷ lệ của tọa độ X từ Công thức (H.5-8) và (H.5-9).

Bước 2e: Tính toán phụ tải thấp ở các điều kiện tham chiếu được chỉ định như sau:
![]()
![]()
H.5-1.2.1 Xác định các hệ số điều chỉnh nhiệt độ môi trường và phụ tải cho suất tiêu hao nhiệt.
Vì đường cong hiệu chỉnh nhiệt độ môi trường là một biến hai chiều đối với phụ tải một phần, hệ số hiệu chỉnh kết hợp có thể thu được trực tiếp từ đường cong trong Hình H. 1. Tọa độ "Y" thu được từ bước 2b trong H.4.2.4.2 [Công thức (H.5-8)] đại diện cho nhiệt độ môi trường kết hợp và hệ số hiệu chỉnh tải theo suất tiêu hao nhiệt.
f1_PL x f7_PL = 1/1,01384 (H.5.1.14)
Tuy nhiên, nếu người sử dụng phụ lục này muốn xác định sự phân chia giữa hai hệ số hiệu chỉnh, thì có thể sử dụng cách tiếp cận sau.
Để có được hệ số hiệu chỉnh nhiệt độ môi trường xung quanh cho suất tiêu hao nhiệt (f1_PL), hãy lấy tỷ lệ của tọa độ Y từ công thức (H.5-8) và (H.5-9), như sau:

Tọa độ Y từ Công thức (H.5-9) đại diện cho hệ số hiệu chỉnh tải theo suất tiêu hao nhiệt (f7_PL).
f7_PL= 1/0,99517 (H.5.1.17)
Do đó, hệ số hiệu chỉnh kết hợp sẽ là
![]()
Bảng H. 2 - Bảng giá trị mẫu
| Đo lường | Các điều kiện tham chiếu | Các điều kiện thí nghiệm |
| Nhiệt độ ngoài môi trường, °C | 15 | 29 |
| Áp suất ngoài môi trường, bar | 1,01325 | 1,01325 |
| Độ ẩm tương đối ngoài môi trường, % | 60 | 60 |
| Nhiệt độ nhiên liệu, °C | 15 | 15 |
| LHV nhiên liệu khí, kJ/kg | 50.035 | 50.035 |
| Tốc độ tua bin, (vòng/phút) | 3.000 | 3.000 |
| Hệ số công suát | 0,85 | 0,85 |
| Áp suất hơi xả của tua bin hơi, mbar | 33,86 | 33,86 |
| Đầu ra đã hiệu chuẩn của tải cơ sở, kW = 370.000 | ||
| Đầu ra đo được của tải thấp, kW = 202.000 | ||
| Lưu lượng dòng nhiên liệu đo được, kg/s = 7,825 | ||
Giá trị này giống với giá trị thu được trực tiếp từ Hình H. 1 trong Công thức (H.5.14).
H.5-1.2.2 Tính toán suất tiêu hao nhiệt phụ tải thấp đã hiệu chỉnh
Suất tiêu hao nhiệt phụ tải thấp đã hiệu chỉnh bây giờ có thể được tính như sau:

H.5.2 Ví dụ 2 (Nhiệt độ môi trường không biến thiên với phụ tải thấp)
Tính toán mẫu được trình bày trong Bảng H.2 đại diện cho một kịch bản trong đó nhiệt độ môi trường xung quanh có ảnh hưởng tối thiểu hoặc không có ảnh hưởng hai biến đối với góc IGV tua bin khí. Bảng minh họa cách hiệu chỉnh suất tiêu hao nhiệt phụ tải thấp đo được thành phụ tải thấp mục tiêu được chỉ định là 75% ở các điều kiện tham chiếu được chỉ định.
H.5.2.1 Xác định
Xác định suất tiêu hao đã hiệu chỉnh ở 75% tải cơ sở được thí nghiệm ở các điều kiện chuẩn.
H.5.2.2 Giải pháp
Các đường cong hiệu chỉnh phụ tải thấp trông tương tự như các đường cong hiệu chỉnh phụ tải cơ sở tương ứng, bao gồm cả đường cong hiệu chỉnh nhiệt độ môi trường xung quanh. Như vậy, quá trình xác định các hệ số điều chỉnh cho tất cả các điều kiện biên là nhất quán giữa các phép tính của phụ tải cơ sở và phụ tải thấp.
Đường cong hiệu chỉnh phụ tải thấp là đường cong hiệu chỉnh nhân bổ sung duy nhất có trong tập hợp các đường cong hiệu chỉnh phụ tải thấp. Vì đối với ví dụ này, độ dốc của đường cong hiệu chỉnh tải không bị ảnh hưởng bởi nhiệt độ môi trường xung quanh, đường cong hiệu chỉnh này (Hình H. 2) được trình bày dưới dạng một đường cong đơn thay vì một họ đường cong (như trong Hình H. 1). Đường cong này cũng đã được vẽ với phần trăm phụ tải thấp chuẩn hóa trên trục x và suất tiêu hao nhiệt theo phụ tải thấp chuẩn hóa tương ứng trên trục y. Phần trăm phụ tải thấp chuẩn hóa đạt được bằng cách lấy tỷ số giữa phần trăm phụ tải thấp thí nghiệm (ở nhiệt độ môi trường tham chiếu quy định) và phần trăm phụ tải thấp mục tiêu. Như với ví dụ 1 trong đoạn H.5.2, trong các tình huống trong đó phụ tải thấp mục tiêu được xác định là một phần nhỏ của sản lượng tải cơ sở tua bin khí, phụ tải thấp phần trăm chuẩn hóa trên trục x có thể được vẽ bằng cách sử dụng phụ tải thấp bộ phận tua bin khí làm tham chiếu.
Tương tự như ví dụ 1, các bước liên quan đến tính toán suất tiêu hao nhiệt theo phụ tải thấp đã hiệu chỉnh có thể được chia thành ba phần như sau:
(a) Xác định độ gần của phụ tải thấp thí nghiệm thực tế với phụ tải thấp mục tiêu ở các điều kiện tham chiếu quy định;
(b) Xác định hệ số hiệu chỉnh tải đối với suất tiêu hao nhiệt;
(c) Tính toán suất tiêu hao nhiệt phụ tải thấp đã hiệu chỉnh.

Hình H. 2 - Hệ số hiệu chỉnh suất tiêu hao nhiệt theo tải
Tính toán công suất thí nghiệm đầu ra thực tế theo phụ tải thấp đã hiệu chỉnh (PPLT_CORR) bằng cách cộng công suất đầu ra theo phụ tải thấp đo được (PPL_MEAS) vào tổng của hiệu chỉnh cộng
và nhân với tích của hiệu chỉnh 6 bội ![]()
![]()
PPLT_CORR = (202.000 + 0) x 1,10765
PPLT_CORR = 223.745 kW
Tính phần trăm phụ tải thấp thí nghiệm đã hiệu chỉnh (PLtest_corr) bằng cách chia công suất đầu ra thực tế theo phụ tải thấp đã hiệu chỉnh cho công suất đầu ra tải cơ sở đã hiệu chỉnh (PBL_CORR)
PLtest_corr = PPLT_CORR/PBL_ref
PLtest _corr = 100 x (223.745/300.000)
PLtest _corr = 74,58 % (±2,5% của 75%) (H.5.2.2)
H.5.2.2.1 Xác định hệ số hiệu chỉnh phụ tải thấp cho suất tiêu hao nhiệt
Tính toán phần trăm phụ tải thấp chuẩn hóa (hoặc tỷ lệ công suất phụ tải thấp) (PRPL) bằng cách chia phần trăm phụ tải thấp thí nghiệm đã hiệu chỉnh cho phần trăm phụ tải thấp mục tiêu (PL) ở các điều kiện tham chiếu được chỉ định.
PRPL = PLtest_corr/PL
PRPL = 74,58%/75% = 0,9944 (H.5.2.3)
Sử dụng đường cong trong Hình H. 2 để thu được hệ số hiệu chỉnh suất tiêu hao nhiệt theo tải f7 = (1/1,00115) = 0,99885.
H.5.2.2.2 Tính toán suất tiêu hao nhiệt theo phụ tải thấp đã hiệu chỉnh
Tính toán nhiệt vào đo được (Qmeas) bằng cách nhân lưu lượng nhiên liệu đo được (mF_meas) với nhiệt trị thấp đo được của nhiên liệu (LHVmeas)
Qmeas = mF_meas x LHVmeas
Qmeas = 7,825 x 3.600 x 50.035
Qmeas = 1.409.485.950 kJ/h
Tính suất tiêu hao nhiệt theo phụ tải thấp đã hiệu chỉnh ở các điều kiện tham chiếu được chỉ định (HRPL_corr) bằng cách sử dụng công thức sau:

HRPL_corr = 6.735,7 kJ/kWh (H.5.2.4)
Phụ lục I
(tham khảo)
Thí nghiệm nhà máy với thiết bị làm mát không khí đầu vào không hoạt động
I.1 Xem xét điều kiện không khí đầu vào
Phụ lục này mô tả một cách tiếp cận để kiểm tra hiệu suất của tổ máy với thiết bị làm mát không khí đầu vào không hoạt động (IACE) không hoạt động. Nó cung cấp một phương pháp để hiệu chỉnh hiệu suất theo điều kiện tham chiếu cơ sở và sau đó sửa hiệu suất điều kiện tham chiếu cơ sở đã tính toán để bao gồm hiệu suất của thiết bị.
Tiêu chuẩn khuyến nghị thí nghiệm với thiết bị làm mát không khí đầu vào được định dạng để phù hợp với các điều kiện tham chiếu. Các lỗi do phân chia thiết bị làm mát không khí đầu vào thiết bị ra khỏi đường bao thí nghiệm không phản ánh thiết bị làm mát không khí đầu vào trong đường bao thí nghiệm. Do đó, độ không đảm bảo liên quan đến việc bố trí thiết bị làm mát không khí đầu vào phải được xác định duy nhất.
Có một số điều kiện môi trường xung quanh và cấu hình hoạt động mà theo đó việc thí nghiệm với thiết bị làm mát không khí đầu vào như bộ làm mát bay hơi, bộ làm mát cửa hút gió, thiết bị làm lạnh đầu vào và hệ thống chống đóng băng có thể đang hoạt động không mong muốn do khả năng kiểm soát, điều kiện môi trường xung quanh hoặc công nghệ hoặc thương mại khác. Các bên tham gia thí nghiệm phải xác định các điều kiện mà kết quả thí nghiệm với IACE đang sử dụng cung cấp thêm sai số cho thí nghiệm dựa trên độ nhạy của điều kiện đầu vào đối với hiệu suất ở điều kiện chuẩn cũng như điều kiện thí nghiệm.
Sau đây là một số yếu tố có thể khiến thiết bị làm mát không khí đầu vào dừng hoạt động:
(a) Tăng độ nhạy của các biến sơ cấp đối với kết quả của thí nghiệm. Ví dụ, sự thay đổi trong điều kiện nhiệt độ đầu ra của thiết bị là 0,6 °C có thể ảnh hưởng đến kết quả đầu ra của nhà máy đã hiệu chỉnh tới 0,5%. Do đó, cần đặc biệt chú ý đến các thông số và phương pháp hiệu chỉnh ảnh hưởng đến hiệu suất hiệu chỉnh liên quan đến các yếu tố ảnh hưởng đến nhiệt độ đầu ra của thiết bị;
(b) Một số hệ thống điều khiển nhà máy điều chỉnh hiệu suất của thiết bị làm mát không khí đầu vào dựa trên các phép đo nhiệt độ bầu khô hoặc ướt ở dòng xuống, điều này có thể dẫn đến điều kiện đầu vào không mong muốn do lỗi thiết bị và/hoặc sự thay đổi không gian;
(c) Kiểm tra hiệu suất của nhà máy với IACE cũng có thể không thực tế trong trường hợp điều kiện không khí đầu vào hạn chế hoặc ngăn cản hoạt động của thiết bị, chẳng hạn như sử dụng bộ làm mát bay hơi khi điều kiện không khí đầu vào quá lạnh.
I.2 Thiết bị làm mát bay hơi và dàn phun sương
Đối với máy làm mát bay hơi và dàn phun sương, một điều cần tuân thủ nữa là những thay đổi lớn trong thông số liên quan đến hiệu suất (hiệu quả, nhiệt độ bầu khô đầu ra, hệ số hiệu suất sương mù) chỉ tạo ra những thay đổi tương đối nhỏ về nhiệt độ không khí hạ lưu ở độ ẩm tương đối cao. Việc xác định chính xác hiệu quả trong phạm vi độ không đảm bảo có ý nghĩa liên quan đến ảnh hưởng đến hoạt động của nhà máy phải được các bên tham gia thí nghiệm xác định.
Hiệu quả của bộ làm mát bay hơi hoặc phun sương, eff được xác định bởi:
![]()
Trong đó:
| db = | bầu khô |
| e = | đầu ra hoặc xuôi dòng (D/S) |
| i = | đầu vào hoặc ngược dòng (U/S) |
| T = | nhiệt độ |
| wb = | bầu ướt |
Sai số rất nhỏ trong phép đo nhiệt độ có thể gây ra sự khác biệt lớn trong việc tính toán hiệu quả ở độ ẩm tương đối cao, như được thể hiện trong Bảng I.1, giả định một ngày 26,67 °C ở độ ẩm tương đối 80%. Sự phụ thuộc vào độ chính xác của nhiệt độ sự chắc chắn đối với các tính toán hiệu quả giảm khi độ ẩm tương đối giảm. Bảng I.2 giả định một ngày 26,67 °C ở độ ẩm tương đối 20%.
Nếu nhà máy được kiểm tra với (các) bộ làm mát bay hơi/thiết bị làm mát không hoạt động thì công thức sau được cung cấp để so sánh với hiệu suất của nhà máy tham khảo cơ sở:
Pcorr,evap cooler I/S = Pcorr, evap cooler O/S x KP evap cooler (I.2)
trong đó Pcorr, evap cooler O/S là công suất hiệu chỉnh được xác định bằng Công thức (26) với các hiệu chỉnh được thực hiện đối với (các) nhiệt độ và độ ẩm đầu vào tham chiếu cơ sở xử lý không khí đầu vào khi IACE không hoạt động và KPevap cooler là hệ số hiệu chỉnh công suất được sử dụng để hiệu chỉnh hiệu suất của nhà máy đã thí nghiệm với IACE không hoạt động để thực hiện nó với IACE đang hoạt động ở nhiệt độ và độ ẩm đầu vào tham chiếu cơ bản.
Bảng I. 1- Thay đổi nhiệt độ đầu vào máy nén khi độ ẩm tương đối cao
| Độ hiệu quả | Nhiệt độ bầu khô đầu vào máy nén | Độ ẩm tương đối đầu vào, % | Nhiệt độ bầu khô đầu ra máy nén | Độ ẩm tương đối đầu ra, % | Nhiệt độ bầu ướt |
| 0,70 | 26,67°C | 80 | 24,78°C | 94 | 23,94°C |
| 0,75 | 26,67°C | 80 | 24,61°C | 95 | 23,94°C |
| 0,85 | 26,67°C | 80 | 24,11°C | 97 | 23,94°C |
| 0,95 | 26,67°C | 80 | 23,94°C | 99 | 23,94°C |
| 1,00 | 26,67°C | 80 | 23,94°C | 100 | 23,94°C |
| CHÚ THÍCH CHUNG: Sự thay đổi 30% về độ hiệu quả tương ứng với sự thay đổi 0,83°C nhiệt độ đầu ra máy nén ở độ ẩm tương đối tương ứng. | |||||
Tương tự
HRcorr,evap cooler I/S = HRcorr, evap cooler O/S x KHR evap cooler (I.3)
Hoặc
Qcorr,evap cooler I/S = Qcorr, evap cooler O/S x KQ evap cooler (I.4)
Bảng I.2 - Thay đổi nhiệt độ đầu vào máy nén khi độ ẩm tương đối thấp
| Độ hiệu quả | Nhiệt độ bầu khô đầu vào máy nén | Độ ẩm tương đối đầu vào, % | Nhiệt độ bầu khô đầu ra máy nén | Độ ẩm tương đối dầu ra, % | Nhiệt độ bầu ướt |
| 0,70 | 26,67°C | 20 | 17,49°C | 94 | 23,94°C |
| 0,75 | 26,67°C | 20 | 16,83°C | 95 | 23,94°C |
| 0,85 | 26,67°C | 20 | 15,52°C | 97 | 23,94°C |
| 0,95 | 26,67°C | 20 | 14,21°C | 99 | 23,94°C |
| 1,00 | 26,67°C | 20 | 13,55°C | 100 | 23,94°C |
| CHÚ THÍCH CHUNG: Sự thay đổi 30% về độ hiệu quả tương ứng với sự thay đổi 3,93°C nhiệt độ đầu ra máy nén tại độ ẩm tương đối tương ứng. | |||||
Các thuật ngữ bên trái đại diện cho suất tiêu hao nhiệt đã hiệu chỉnh và nhiệt đầu vào đã hiệu chỉnh, tương ứng với những gì chúng sẽ có với (các) bộ làm mát bay hơi/dàn phun sương được sử dụng trong quá trình thí nghiệm nhà máy. Các thuật ngữ đầu tiên ở phía bên phải của công thức đại diện cho suất tiêu hao nhiệt đã hiệu chỉnh hoặc nhiệt đầu vào đã hiệu chỉnh với bộ làm mát của thiết bị bay hơi hoặc thiết bị ngừng hoạt động theo các công thức thích hợp trong mục 5.3 và được hiệu chỉnh theo các điều kiện tham chiếu cơ bản tại đầu vào của thiết bị xử lý khí đầu vào. Các thuật ngữ K là hệ số hiệu chỉnh để điều chỉnh hiệu suất của nhà máy được thí nghiệm với (các) bộ làm mát bay hơi hoặc (các) bộ làm mát bay hơi không hoạt động so với hiệu suất mà thiết bị đó đang sử dụng, dựa trên mô hình nhiệt của toàn bộ thí nghiệm phạm vi.
Để xác định hiệu quả thực tế của IACE, thí nghiệm được tiến hành theo ASME PTC 51-2011.
Có thể sử dụng các hệ số K thiết kế (như chi tiết trong Bảng F.9 với các hệ số “f7b” và “f7b”) hoặc các hệ số K được thí nghiệm thực tế (như chi tiết trong Bảng F.9 với các hệ số “α7b” và “f7b”) để tính toán kết quả cuối cùng. Quyết định này phải dựa trên độ không đảm bảo của các kết quả được thí nghiệm cũng như mức độ gần nhau của hai giá trị.
I.3 Các hệ thống làm mát đầu vào khác
Độ chính xác của phép đo, khả năng mô hình hóa và độ không đảm bảo kết quả phải được xem xét đối với tất cả các loại hệ thống điều hòa đầu vào. Một số cân nhắc phổ biến trong ngành được đưa ra sau đây để đề cập đến hệ thống làm mát không khí không phải là thiết bị làm mát hoặc thiết bị làm mát bay hơi.
Đối với hệ thống làm mát đầu vào, cần lưu ý rằng tải tự dùng cần thiết cho hoạt động có thể đáng kể và khó mô hình hóa trong các điều kiện tham chiếu không có cơ sở.
[1] ASME PTC 19.3-1974 (R2004), chương 9, trang 106, đoạn 70
[2] AI Dahl, “Stability of Base-Metal Thermocouples in Air From 800°F to 2,200°F,” National Bureau of Standards, Washington, D.C., in Temperature, Vol. 1, Reinhold: New York, 1941, trang 1238
[3] ASTM MNL 12, Hướng dẫn sử dụng ..... chiếu
Bạn chưa Đăng nhập thành viên.
Đây là tiện ích dành cho tài khoản thành viên. Vui lòng Đăng nhập để xem chi tiết. Nếu chưa có tài khoản, vui lòng Đăng ký tại đây!





