- Tổng quan
- Nội dung
- Tiêu chuẩn liên quan
- Lược đồ
- Tải về
Tiêu chuẩn Việt Nam TCVN 5574:1991 Kết cấu bê tông cốt thép
| Số hiệu: | TCVN 5574:1991 | Loại văn bản: | Tiêu chuẩn Việt Nam |
| Cơ quan ban hành: | Đang cập nhật | Lĩnh vực: | Xây dựng |
|
Ngày ban hành:
Ngày ban hành là ngày, tháng, năm văn bản được thông qua hoặc ký ban hành.
|
1991 |
Hiệu lực:
|
Đang cập nhật |
| Người ký: | Đang cập nhật |
Tình trạng hiệu lực:
Cho biết trạng thái hiệu lực của văn bản đang tra cứu: Chưa áp dụng, Còn hiệu lực, Hết hiệu lực, Hết hiệu lực 1 phần; Đã sửa đổi, Đính chính hay Không còn phù hợp,...
|
Đã biết
|
TÓM TẮT TIÊU CHUẨN VIỆT NAM TCVN 5574:1991
Nội dung tóm tắt đang được cập nhật, Quý khách vui lòng quay lại sau!
TIÊU CHUẨN VIỆT NAM
TCVN 5574:1991
Nhóm H
KẾT CẤU BÊ TÔNG CỐT THÉP – TIÊU CHUẨN THIẾT KẾ
Reinforced concrete structures - Design standards
1. Chỉ dẫn chung
Những nguyên tắc cơ bản
1.1. Tiêu chuẩn này dùng để thiết kế kết cấu bê tông cốt thép của mọi loại công trình, trừ những kết cấu làm việc trong những điều kiện đặc biệt và các kết cấu chuyên ngành có chỉ dẫn thiết kế riêng.
Chú thích:
1. Điều kiện đặc biệt là môi trường nhiệt độ cao hoặc thấp (thường xuyên trên 700 hoặc dưới âm 400C), môi trường xâm thực mạnh đối với bê tông.
2. Những kết cấu thuỷ công, cầu, mặt đường, hầm có yêu cầu thiết kế riêng sẽ không được thiết kế theo tiêu chuẩn này.
1.2. Khi thiết kế cần tạo sơ đồ kết cấu, chọn kích thước tiết diện và bố trí cốt thép bảo đảm được độ bền, độ ổn định và độ cứng không gian xét trong tổng thể, cũng như riêng từng bộ phận của kết cấu. Việc bảo đảm là cần thiết ở mọi giai đoạn xây dựng và sử dụng.
Việc chọn giải pháp kết cấu phải xuất phát từ điều kiện kinh tế kĩ thuật hợp lí, điều kiện thi công cụ thể, phải chú ý giảm đến mức tối thiểu vật liệu, công sức và giá thành xây dựng.
Khi thiết kế kết cấu làm việc trong môi trường xâm thực và có độ ẩm lớn phải có những biện pháp bảo vệ kết cấu chống ăn mòn.
1. 3. Đối với kết cấu đổ bê tông tại chỗ cần chú ý thống nhất hoá các kích thước và cần chú ý dùng các khung cốt thép không gian.
Đối với kết cấu lắp ghép cần:
- Chú ý đến việc sản xuất cấu kiện trong các xí nghiệp chuyên môn, cơ giới hoá: Chọn kích thước cấu kiện có độ lớn hợp lí, phù hợp với thiết bị cẩu lắp cũng như điều kiện sản xuất và vận chuyển;
- Đặc biệt chú ý đến độ bền vững của mối nối. Kết cấu mối nối cần bảo đảm việc truyền lực một cách chắc chắn, bảo đảm độ bền của chính cấu kiện ở trong vùng nối cũng như bảo đảm sự dính kết của bê tông mới đổ thêm với bê tông cũ của kết cấu.
- Khi chọn kết cấu lắp ghép nên ưu tiên dùng bê tông cốt thép ứng lực trước với bê tông cốt thép cường độ cao, cũng như nên dùng các loại bê tông nhẹ nếu như không bị hạn chế về điều kiện sử dụng.
1.4. Trong các kết cấu thi công của kết cấu hay trong bản thuyết minh kèm theo phải ghi rõ những vấn đề cần thiết mà chưa được thể hiện đầy đủ bằng hình vẽ để bảo đảm cho việc chế tạo và thi công được chính xác.
Chú thích:
1. Thiết lập bản vẽ kết cấu bê tông cốt thép theo TCVN 2253 : 1977
2. Các yêu cầu về thành phần bê tông, nhóm cốt thép và khi cần thì ghi cả mác thép, phương pháp nối cốt thép, khoảng cách giữa các cốt thép tại các tiết diện chính, bề dày lớp bảo vệ, những yêu cầu về thi công mối nối, sơ đồ của cấu kiện lắp ghép khi vận chuyển và cẩu lắp v .v… Trong bản vẽ tổng thể của kết cấu ghi cả sơ đồ tính toán và sơ đồ tải trọng.
Những yêu cầu tính toán cơ bản
1.5. Kết cấu bê tông cốt thép cần phải thoả mãn những yêu cầu về tính toán theo hai nhóm trạng thái giới hạn:
a) Theo nhóm trạng thái giới hạn thứ nhất nhằm đảm bảo khả năng chịu lực của kết cấu. Cụ thể là bảo đảm cho kết cấu:
- Không bị phá hoại do tác dụng của tải trọng và tác động;
- Không bị mất ổn định về hình dáng hoặc về vị trí;
- Không bị phá hoại vì mỏi;
- Không bị phá hoại do tác dụng đồng thời của các nhân tố về lực và những ảnh hưởng bất lợi của môi trường.
b) Theo nhóm trạng thái giới hạn thứ hai nhằm bảo đảm sự làm việc bình thường của kết cấu. Cụ thể cần hạn chế:
- Khe nứt không mở rộng quá giới hạn cho phép hoặc không được xuất hiện
- Không có những biến dạng quá giới hạn cho phép (độ võng, góc xoay, góc trượt, dao động).
1.6. Tính toán kết cấu theo khả năng chịu lực được tiến hành dựa vào điều kiện:
T £ Ttd (1-1)
Trong đó:
T – Giá trị nguy hiểm có thể xảy ra của từng nội lực hoặc do tác dụng đồng thời của một số nội lực.
Ttd – Khả năng chịu lực (ứng với tác dụng của T) của tiết diện đang xét của kết cấu khi tiết diện chịu lực đạt đến trạng thái giới hạn.
Chú thích:
1. Giá trị T xác định theo tải trọng tính toán và được chọn trong các tổ hợp nội lực ứng với các trường hợp nguy hiểm đối với sự làm việc của kết cấu, xét về cả trị số và cả về phương chiều của nội lực.
Giá trị Ttd được xác định theo đặc trưng hình học của tiết diện và đặc trưng tính toán của vật liệu. Các đặc trưng này được xác định với một xác xuất bảo đảm và độ an toàn nhất định, được quy định theo phần II. Các biểu thức tính Ttd cũng như việc cụ thể hoá điều kiện (1-1) được trình bày trong phần III của tiêu chuẩn này.
2. Cho phép dùng điều kiện (1-1) khi Tvà Ttd ứng với:
- Ứng suất do tải trọng tính toán gây ra và cường độ tính toán của vật liệu.
- Tập hợp các tải trọng và các tác động lên kết cấu và khả năng chịu lực tổng thể của kết cấu.
3. Điều kiện (1-1) cần được thỏa mãn đối với mọi phần, mọi tiết diện của kết cấu, ứng với mọi giai đoạn làm việc.
1.7. Khả năng chống nứt của kết cấu được phân thành ba cấp phụ thuộc vào điều kiện làm việc của chúng và loại cốt thép được dùng.
Cấp I – Không cho phép xuất hiện vết nứt
Cấp II – Cho phép có vết nứt ngắn hạn với bề rộng hạn chế khi kết cấu chịu tải trọng tạm thời bất lợi nhưng bảo đảm vết nứt sẽ được khép kín lại khi kết cấu và tải trọng tạm thời dài hạn.
Cấp III – Cho phép có vết nứt với bề rộng hạn chế.Quy định về cấp chống nứt và giá trị bề rộng khe nứt giới hạn cho ở bảng 1.
Bảng 1
| Điều kiện làm việc của kết cấu | Cấp chống nứt ứng với loại cốt thép được dùng vàgiá trị của bề rộng khe nứt giới hạn (mm) | |||||
| Thép thanh nhóm CI, CII, CIII | Thép thanh từ nhóm CIV trở lên và dây thép thường | Các loại dây thép cường độ cao (d lớn hơn hoặc bằng 4mm) | Dây thép cường độ cao d nhỏ hơn hoặc bằng 3mm | |||
| 1. Kết cấu chịu áp lực của chất lỏng hoặc hơi cũng như cấu kiện nằm dưới mực nước ngầm. | a) Khi toàn bộ tiết diện chịu kéo | Cấp 3 0,15 | Cấp 1 | Cấp 1 | Cấp 1 | |
| a) Khi một phần tiết diện chịu nén | Cấp 3 0,25 | Cấp 3 0,20 | Cấp 2 0,10 | Cấp 1 | ||
| 2. Kết cấu chịu trực tiếp áp lực của vật liệu rời | Cấp 3 0,25 | Cấp 2 0,15 | Cấp 2 0,05 | |||
| 3. Các cấu kiện khác | a) Làm việc ở ngoài trời hoặc trong đất trên mực nước ngầm | Cấp 3 0,30 | Cấp 2 0,15 | Cấp 2 0,15 | ||
| b) Làm việc ở nơi được che phủ | Cấp 3 0,35 | Cấp 3 0,15 | Cấp 2 0,15 | |||
| Chú thích: 1. Bề rộng khe nứt giới hạn cho trong bảng ứng với tác dụng của toàn bộ tải trọng, kể cả dài hạn và ngắn hạn. Đối với kết cấu cấp 3 khi chỉ kiểm tra riêng với tải trọng dài hạn, giới hạn bề rộng khe nứt lấy giảm đi 0,05mm 2. Ở những vùng chịu ảnh hưởng của nước mặn lấy giảm bề rộng khe nứt giới hạn 0,1mm đối với cấp 3, giảm 0,05mm đối với cấp 2. Nếu sau khi giảm mà bề rộng khe nứt giới hạn bằng không thì nâng kết cấu lên thành cấp 1. 3. Đối với những công trình tạm có niên hạn sử dụng dưới 20 năm cho phép tăng bề rộng khe nứt giới hạn lên 0,05mm 4. Khi dùng các loại cốt thép khác, quy về cốt thép tương đương để xếp cấp chống nứt. | ||||||
Kiểm tra về việc không xuất hiện vết nứt theo điều kiện (1-2)
T1 £ Tn (1-2)
Trong đó:
T1 – Nội lực dùng để kiểm tra
Tn – Khả năng chống nứt của tiết diện Kiểm tra độ mở rộng khe nứt theo điều kiện (1-3)
an £ agh (1-3)
Trong đó:
an – Bề rộng khe nứt của bê tông ở ngang mức cốt thép chịu kéo
agh – Bề rộng giới hạn của khe nứt lấy theo quy định của bảng 1.
Chú thích:
1. Đối với kết cấu chống nứt cấp 1, xác định T1 theo như chỉ dẫn về xác định T ở điều 1.6.
2. Ở điều kiện (1-2) cho phép lấy T1 và Tn như là ứng suất kéo trong bê tông và cường độ chịu kéo của bê tông.
3. Đối với bê tông chống nứt cấp 2 và 3 khi thỏa mãn điều kiện (1-2) thì không cần kiểm tra về độ mở rộng khe nứt trong đó đối với kết cấu cấp 2 lấy T1 do tải trọng tính toán, đối với kết cấu cấp 3 lấy T1 do tải trọng tiêu chuẩn.
4. Bề rộng khe nứt an của kết cấu cấp 3 cũng như cấp 2 đều được xác định theo nội lực do tải trọng tiêu chuẩn gây ra.
5. Việc phân cấp và tính toán về khe nứt như đã nêu trong mục này quy định cho khe nứt thẳng góc và nghiêng,
6. Để tránh việc xuất hiện và mở rộng các khe nứt dọc (do bê tông bị nén quá mức, do sự trượt tương đối của cốt thép trong bê tông v .v… ) cần phải dùng các biện pháp cấu tạo (đặt cốt thép ngang) hoặc hạn chế ứng suất nén trong bê tông.
1.8. Tính toán kiểm tra về biến dạng theo điều kiện (1-4) :
f £ fgh (1-4)
Trong đó:
f – Biến dạng của kết cấu (độ võng, góc xoay, góc trượt, biên độ giao động) do tải trong tiêu chuẩn gây ra.
fgh – Trị số giới hạn của biến dạng. Trị số giới hạn độ võng của một số kết cấu cho ở bảng 2.
Bảng 2
| Loại cấu kiện | Giới hạn độ võng |
| 1. Dầm cầu trục với a) Cầu trục quay tay b) Cầu trục chạy điện |
1/500L 1/600L |
| 2. Sàn có trần phẳng, cấu kiện của mái và tấm tường treo (khi tính tấm tường ngoài mặt phẳng). |
|
| a) Khi nhịp L < 6m b) Khi 6 £ L £ 7,5m c) Khi L > 7,5m | (1/200)L 3cm (1/250)L |
| 3. Sàn với trần có sườn và cầu thang a) Khi nhịp L < 5 b) Khi 5 £ L £ 10 c) Khi L > 10 |
(1/200)L 2,5cm (1/400)L |
| Chú thích: L là nhịp tính toán của dầm hoặc bản kê lên 2 gối. Đối với các công son, dùng L = 2L1 với L1 là độ vươn của công son. | |
Chú thích:
1. Khi thiết kế kết cấu có độ võng trước thì lúc kiểm tra về võng cho phép trừ đi độ võng đó nếu không có hạn chế gì đặc biệt.
2. Đối với các cấu kiện khác không nêu ở trong bảng 2 thì giới hạn độ võng được quy định tuỳ theo tính chất và nhiệm vụ của chúng nhưng giới hạn đó không được lớn quá 1/150 nhịp hoặc 1/75 độ vươn của công son.
3. Khi quy định độ võng giới hạn không phải do yêu cầu về công nghệ sản xuất và cấu tạo mà chỉ do yêu cầu về thẩm mĩ thì để tính toán f chỉ lấy các tải trọng tác dụng dài hạn.
1.9. Tính toán kết cấu về tổng thể cũng như tính toán từng cấu kiện của nó cần tiến hành đối với mọi giai đoạn: chế tạo, vận chuyển, xây dựng, sử dụng và sửa chữa. Sơ đồ tính toán ứng với mỗi giai đoạn phải phù hợp với giải pháp cấu tạo được chọn.
Cho phép không cần tính toán kiểm tra độ mở rộng khe nứt và biến dạng nếu như do thực nghiện hoặc do thực tế sử dụng các kết cấu tương tự đã khẳng định được: bề rộng khe nứt ở mọi giai đoạn không vượt quá trị số giới hạn và độ cứng của kết cấu ở giai đoạn sử dụng là đủ bảo đảm.
1.10. Trị số về tải trọng và tác động dùng để tính toán kết cấu, hệ số vượt tải, hệ số tổ hợp tải trọng, cách phân chia tải trọng (thường xuyên và tạm thời, tác dụng dài hạn và ngắn hạn v. v… ) cần lấy theo các tiêu chuẩn về tải trọng.
Chú thích :
1. Trong trường hợp chung thiết kế nhà và công trình lấy tải trọng theo TCVN 2737 : 1978.
2. Đối với các ngành có quy định riêng về tải trọng thì được phép dùng các quy định đó nhưng cần phân biệt rõ tải trọng tiêu chuẩn và tính toán, tác dụng ngắn hạn và dài hạn.
3. Đối với những vùng khí hậu quá nóng mà kết cấu không được bảo vệ phải chịu bức xạ mặt trời cần kể đến tác dụng nhiệt khí hậu.
4. Đối với kết cấu tiếp xúc với nước (hoặc nằm trong nước) cần phải kể đến áp lực đẩy ngược của nước (theo tiêu chuẩn thiết kế kết cấu thuỷ công).
1.11. Khi tính toán kết cấu lắp ghép chịu tác dụng của nội lực sinh ra trong lúc chuyên trở và cẩu lắp, tải trọng do trọng lượng bản thân cấu kiện cần nhân với hệ số động lực lấy như sau: bằng 1,8 khi chuyên chở, bằng 1,5 khi cẩu lắp. Trong trường hợp này không cần kể đến hệ số vượt tải cho trọng lượng bản thân.
1.12. Các kết cấu nửa lắp ghép cũng như kết cấu toàn khối dùng cốt cứng (cột chịu lực thi công) cần tính toán theo hai giai đoạn làm việc sau đây:
a) Trước khi bê tông mới đổ đạt được cường độ quy định: tính toán các bộ phận lắp ghép hoặc các cốt cứng chịu tác dụng của tải trọng do trọng lượng bản thân của phần bê tông mới đổ và của mọi tải trọng khác tác dụng trong qúa trình đổ bê tông.
b) Sau khi bê tông mới đổ đạt được cường độ quy định: tính toán kết cấu bao gồm cả phần lắp ghép hoặc cốt cứng cùng với bê tông mới đổ, chịu tải trọng tác dụng trong quá trình sau này của việc xây dựng và theo tải trọng khi sử dụng kết cấu.
1.13. Nội lực trong kết cấu bê tông cốt thép siêu tĩnh được xác định có xét đến biến dạng dẻo của bê tông và của cốt thép, xét đến sự có mặt của khe nứt và trong những trường hợp cần thiết cũng cần xét đến trạng thái biến dạng của cả kết cấu và của các cấu kiện riêng biệt.
Đối với các kết cấu mà việc tính toán nội lực có kể đến biến dạng dẻo của bê tông cốt thép là chưa được hoàn chỉnh cũng như đối với các giai đoạn trung gian của việc tính toán có kể đến biến dạng dẻo, thì cho phép xác định nội lực theo giả thuyết vật liệu làm việc đàn hồi tuyến tính.
1.14. Khi tính toán kết cấu theo khả năng chịu lực, ngoài các tác động bình thường của tải trọng cần xét đến những trường hợp ngẫu nhiên có thể làm thay đổi sự tác dụng của lực hoặc thay đổi sơ đồ kết cấu.
Chú thích:
1. Đối với cấu kiện chịu nén cần kể đến độ lệch tâm ngẫu nhiên của lực dọc theo điều 3.19.
2. Khi tính theo khả năng chống nứt và theo biến dạng không cần kể đến các tác dụng ngẫu nhiên.
1.15. Khoảng cách giữa các khe nhiệt độ - độ co giãn cần phải được quy định bằng tính toán .Đối với kết cấu bê tông cốt thép thường và kết cấu ứng lực trước có khả năng chống nứt cấp 3 cho phép không cần tính toán khoảng cách nói trên nếu chúng không vượt quá trị số trong bảng 3.
Bảng 3
| Kết cấu | Khoảng cách lớn nhất giữa các khe nhiệt độ - co giãn cho phép không cần tính toán,m |
| 1. Khung lắp ghép (kể cả trường hợp có mái bằng kim loại hoặc gỗ) 2. Kết cấu lắp ghép bằng các tấm đặc 3. Khung toàn khối hoặc nửa lắp ghép 4. Kết cấu tấm đặc toàn khối hoặc nửa lắp ghép |
70 60 60 50 |
| Chú thích: 1. Trị số trong bảng không dùng cho các kết cấu chịu nhiệt độ dưới 40 độ âm 2. Đối với kết cấu nhà một tầng, được phép tăng trị số cho trong bảng lên 20 % 3. Trị số cho trong bảng đối với nhà khung là ứng với trường hợp không có hệ giằng cột hoặc khi hệ giằng đặt ở giữa khối nhiệt độ. | |
2. Vật liệu dùng cho kết cấu
Bê tông
2.1. Bê tông dùng cho kết cấu được thiết kế theo tiêu chuẩn này là bê tông dùng chất kết dính xi măng, dùng cốt liệu vô cơ và có cấu trúc đặc chắc. Theo khối lượng riêng chia ra bê tông nặng với 1800 < g £ 2500kg/m3 và bê tông nhẹ với 800 £ g £1800kg/m3.
Bê tông nặng dùng cốt liệu đặc. Bê tông nhẹ dùng cốt liệu lớn có lỗ rỗng, cốt liệu bé đặc hoặc xốp.
Chú thích: Tiêu chuẩn này không dùng cho các kết cấu làm bằng bê tông đặc biệt nặng (g > 2500 kg/m3), bê tông đặc biệt nhẹ (g < 800kg/m3), bê tông cốt liệu bé (đường kính dưới 5mm) bê tông dùng cốt liệu và chất kết dính đặc biệt (chất dẻo).
2.2. Chỉ tiêu chất lượng cơ bản của bê tông được biểu thị bằng mác. Mác thiết kế quy định theo các đặc trưng sau:
a) Mác theo cường độ chịu nén, kí hiệu bằng chữ M, lấy bằng cường độ chịu nén, tính theo đơn vị KG/cm2 của mẫu chuẩn khối vuông, được dưỡng hộ và thí nghiệm theo tiêu chuẩn nhà nước.
Bê tông được quy định có những mác thiết kế và cường độ chịu nén như sau:
-Với bê tông nặng: M100, M150, M200, M250, M300, MM350, M400, M500, M600
-Với bê tông nhẹ: M50, M75, M100, M150, M200, M250, M300.
b) Mác theo cường độ chịu kéo, kí hiệu bằng chữ K, lấy bằng cường độ chịu kéo (KG/cm2) của mẫu thử theo tiêu chuẩn nhà nước.
- Với bê tông nặng, quy định các mác : K10, K15, K20, K25, K30, K35, K40.
- Với bê tông nhẹ: K10, K15, K20, K30.
c) Mác theo khả năng chống thấm, kí hiệu bằng chữ T, lấy theo hệ số thấm nước qua mẫu thử, theo tiêu chuẩn nhà nước. Quy định các mác: T2,T4, T6, T8, T10, T12.
Tuổi của mẫu thử để xác định mẫu thiết kế của bê tông quy định căn cứ vào thời gian từ lúc thi công kết cấu đến khi nó bắt đầu chịu tải. Thông thường lấy tuổi 28 ngày cho các công trình xây dựng dân dụng, công nghiệp và cầu đường, tuổi 60 hoặc 90 ngày cho các bộ phận của công trình thuỷ lợi nằm trong đất hoặc nước.
Chú thích:
1. Mác theo cường độ chịu nén được gọi tắt là mác, là chỉ tiêu cơ bản nhất, trong mọi thiết kế cần ghi rõ. Mẫu chuẩn bị khối vuông có cạnh 15cm và được tiến hành thử theo TCVN 3118 : 1979.
2. Cần quy định mác theo cường độ chịu kéo đối với những kết cấu làm việc về kéo là chủ yếu. thí nghiệm về kéo theo TCVN 3119 : 1979Cần quy định mác theo khả năng chống thấm cho các kết cấu có yêu cầu chống thấm hoặc có yêu cầu về độ đặc chắc của bê tông. Thí nghiệm về chống thấm theo TCVN 3116 : 1979.
3. Cho phép không ghi hạn tuổi kèm theo mác bê tông quy định hạn đó là 28 ngày, với các hạn tuổi khác cần ghi rõ.
4. Khi có yêu cầu về khả năng chịu lực cao của kết cấu và có đủ điều kiện chế tạo, cho phép dùng các mác thiết kế của bê tông cao hơn quy định của mục này (ví dụ: dùng M700, M800) lúc đó các chỉ tiêu tính toán của bê tông được phép lấy theo số liệu thí nghiệm hoặc theo tiêu chuẩn riêng (ví dụ theo tiêu chuẩn của Liên Xô và các nước bạn trong khối tương trợ kinh tế).
5. Đối với các kết cấu chịu nhiệt độ âm (kết cấu bên trong nhà máy lạnh hoặc kho lạnh) cần chú ý đến khả năng chịu đóng băng của bê tông.
2.3. Việc chọn mác thiết kế của bê tông phải dựa vào nhiệm vụ và tính chất của kết cấu cũng như điều kiện thi công. Bê tông phải có đủ cường độ cần thiết để chịu lực. Trong vùng đặt cốt thép, bê tông cần có đủ độ chắc để bảo vệ cốt thép.
Đối với kết cấu có cốt thép đặt theo tính toán cần dùng bêtông nặng có mác không dưới M150, bê tông nhẹ mác không dưới M75.
Chú thích: Nên dùng mác thiết kế như sau:
- Với kết cấu chịu tải trọng rung động, dùng bê tông nặng mác không dưới M200
- Với thanh chịu nén có kích thước tiết diện được xác định theo tính toán về cường độ, với kết cấu vỏ mỏng như tường và công trình thi công bằng ván khuôn trượt, dùng mác không dưới M200.
- Với cột chịu nén khá lớn, dùng mác không dưới M300
2.4. Cường độ tiêu chuẩn của bê tông gồm các loại sau:
- Cường độ chịu nén của khối mẫu vuông R.
R = Rn(1 – 1,64V) (2-1)
Trong đó:
Rn – Giá trị trung bình của cường độ các mẫu thử chuẩn
V – Hệ số biến động của cường độ bê tông.Hệ số V được xác định theo hệ quả tính toán về hệ thống kê. Trong trường hợp thiếu số liệu thống kê cho phép lấy V = 0,15.
- Cường độ tiêu chuẩn về nén Rn.c lấy bằng:
Rn.c = AnR (2-2)
Trong bảng 4 cho hệ số An và giá trị Rn.c phụ thuộc vào mác của bê tông.
- Cường độ tiêu chuẩn về kéo Rk.c lấy như sau:
a - Khi chỉ xác định mác bê tông theo cường độ chịu nén mà không kiểm tra cường độ chịu kéo lấy Rk.c theo bảng 4.
b - Khi xác định mác bê tông theo cường độ chịu kéo, lấy Rkc. theo công thức sau:
Rk.c = Rk.m(1-1,64Vk) (2-3)
Trong đó :
Rk.m – Giá trị trung bình của cường độ chịu kéo của các mẫu thử chuẩn.
Vk – Hệ số biến động về cường độ chịu kéo, lấy theo kết quả của tính toán thống kê.
Khi thiếu số liệu cho phép lấy Vk = 0,17
Bảng 4
| Đại lượng và đơn vị | Mác bêtông theo cường độ chịu nén | ||||||||||
| 50 | 75 | 100 | 150 | 200 | 250 | 300 | 350 | 400 | 500 | 600 | |
| Hệ số An | 0,765 | 0,762 | 0,760 | 0,755 | 0,750 | 0,745 | 0,740 | 0,735 | 0,730 | 0,700 | 0,700 |
| Cường độ tiêu chuẩn về nén Rn.cKG/cm2 | 28 | 43 | 57 | 85 | 112 | 140 | 167 | 195 | 220 | 160 | 310 |
| Cường độ tiêu chuẩn về kéo Rk.cKG/cm2 | 4,2 | 5,8 | 7,2 | 9,5 | 11,5 | 13 | 15 | 16,5 | 18 | 20 | 22 |
| Chú thích: Đối với bê tông dùng xi măng nhôm ô xít, trị số Rk.c bằng giá trị cho trong bảng nhân với 0,7. | |||||||||||
Chú thích:
1. Cường độ tiêu chuẩn của bê tông được xác định với xác suất bảo đảm 95%. Hệ số 1,64 được lấy ứng với xác suất đó.
2. Khi tính toán kiểm tra các kết cấu đã được xây đựng được phép lấy cường độ tiêu chuẩn của bê tông theo các kết quả thí nghiệm và theo cách tính toán trong mục này.
2.5. Cường độ tính toán của bê tông gồm cường độ về nén Rn và cường độ về kéo Rk được xác định như sau:
(2 - 4a)
(2 - 4b)
Trong đó:
Kbn, Kbk – Hệ số an toàn của bê tông về nén và về kéo.
mbn, mbk – Hệ số điều kiện làm việc.
Chú thích:
1. Sau khi xác định cường độ tính toán theo công thức (2-4) được phép làm tròn số với ba con số có nghĩa.
2. Cường độ tính toán gốc (chưa nhân với hệ số điều kiện làm việc) của bê tông được cho ở phụ lục 1.
3. Ngoài cường độ tính toán Rk, Rn còn quy định giới hạn mỏi của bê tông như trong điều 2.8.
2.6. Khi tính toán kết cấu theo nhóm trạng thái giới hạn thứ nhất, lấy hệ số an toàn như sau:
a- Về nén Kbn = 1,3
b- Về kéo:
+ Khi lấy cường độ Rk.c theo mác về nén Kbk = 1,5
+ Khi xác định mác bê tông theo cường độ chịu kéo Kbk = 1,35
2.7. Hệ số điều kiện làm việc của bê tông về nén nbn, về kéo mbk lấy bằng tích số các hệ số điều kiện làm việc riêng biệt mni, mki (i = 1,2,3, … )
Các hệ số mni, mki lấy theo bảng 5.
2.8. Giới hạn mỏi của bê tông về nén Rm.n về kéo Rkn được xác định như sau:
Rm.n = mb.mRn (2-5a)
Rk.m = mb.mRk (2-5b)
Trong đó: mb.m – Là hệ số mỏi của bê tông, lấy phụ thuộc vào độ biến động của ứng suất rb và vào trạng thái ẩm của bê tông, lấy mn.m theo bảng 6.
Bảng 5
| Nhân tố cần để đến điều kiện làm việc | Kí hiệu hệ số | Giá trị |
| 1 | 2 | 3 |
| 1. Điều kiện môi trường a) Bảo đảm cho bê tông được tiếp tục tăng cường độ theo thời gian (môi trường nước, đất ẩm hoặc không khí có độ ẩm trên 75%) |
mnl và mkl |
1 |
| b) Không bảo đảm cho bê tông tăng cường độ theo thời gian (khô hanh) |
| 0,85 |
| 2. Điều kiện sử dụng kết cấu a) Kết cấu nằm trong vùng thường xuyên khô nóng và chịu trực tiếp bức xạ của mặt trời (không được che phủ) |
mn2 và mk2 |
0,90 |
| b) Các kết cấu khác với các loại ở mục a |
| 1,0 |
| 3. Đổ bê tông theo phương đứng, mỗi lớp đổ dày trên 1,5m | mn3 và mk3 | 0,85 |
| 4. Khi dùng biện pháp chưng hấp ở nhiệt độ và áp lực cao để tăng nhanh cường độ bêtông. | mn4 và mk4 | 0,90 |
| 5. Cột được đổ bê tông theo phương đứng có cạnh lớn của tiết diện dưới 30cm | mn5 | 0,85 |
Chú thích: Nếu tính kết cấu với tải trọng tác dụng ngắn hạn là chủ yếu (ảnh hưởng của tải trọng dài hạn dưới 30%) cho phép lấy mnl và mkl ở mục b bảng 1.
Bảng 6
| Loại bêtông | Trạng thái ẩm của bêtông | Hệ số mỏi mbm ứng với độ biến động của ứng suất rb khi kết cấu chịu tải trọng trùng lặp | ||||||
| 0-0,1 | 0,2 | 0,3 | 0,4 | 0,5 | 0,6 | ³ 0,7 | ||
| Bêtông nặng | Độ ẩm tự nhiên Bão hòa nước | 0,75 0,5 | 0,8 0,6 | 0,85 0,7 | 0,9 0,8 | 0,95 0,9 | 1 0,95 | 1 1 |
| Bêtông nhẹ | Độ ẩm tự nhiên Bão hòa nước | 0,6 0,45 | 0,7 0,55 | 0,8 0,65 | 0,85 0,75 | 0,9 0,88 | 0,95 0,95 | 1 1 |
| Chú thích: Hệ số biến động
Trong đó: | ||||||||
2.9. Giá trị mô đun đàn hồi ban đầu của bê tông khi nén và khi kéo lấy theo bảng 7
2.10. Hệ số biến dạng ngang (hệ số poát xông) của bê tông lấy bằng 0,2. Mô đun chống trượt Gb lấy bằng 0,4 Eb.
2.11. Hệ số biến dạng nhiệt của bê tông khi nhiệt độ thay đổi trong khoảng từ – 400C đến 700C lấy như sau:
- Đối với bê tông nặng và bê tông nhẹ dùng cát đặc: 1 x 10 – 5 1/độ
- Đối với bê tông nhẹ dùng cắt xốp: 0,7 x 10 – 5 1/độ
Bảng 7
| Loại bêtông | Giá trị Eb- 103KG/cm2 ứng với mác thiết kế về nén của bêtông | ||||||||||
| 50 | 75 | 100 | 150 | 200 | 250 | 300 | 350 | 400 | 500 | 600 | |
| 1. Bê tông nặng a) Khô ứng tự nhiên b) Chưng hấp |
|
|
170 155 |
210 190 |
240 215 |
265 240 |
290 260 |
310 280 |
330 300 |
360 325 |
380 340 |
| 2. Bê tông nhẹ dùng cốt liệu rỗng khi dung trong của bêtông (T/m3) là |
|
|
|
|
|
|
|
|
|
|
|
| 0,8 1,0 1,4 1,8 | 40 50 75 | 50 60 85 110 |
65 95 120 |
105 130 |
115 150 |
125 165 |
135 175 |
|
|
|
|
| Chú thích: 1. Đối với kết cấu ở trong vùng khô nóng chịu trực tiếp bức xạ mặt trời lấy Eb bằng trị số trong bảng nhân với hệ số 0,85. 2. Khi có số liệu về loại xi măng, về thành phần và điều kiện chế tạo bê tông, cho phép lấy giá trị Eb khác với bảng trên nếu có kết quả thí nghiệm đáng tin cậy. 3. Với bê tông nhẹ có dung trọng trong các khoảng giữa lấy Eb theo nội suy. | |||||||||||
Cốt thép
2.12. Để làm cốt cho kết cấu cần dùng các loại thép bảo đảm yêu cầu kỹ thuật quy định theo tiêu chuẩn Nhà nước.
Để làm các chi tiết đặt sẵn và những bản nối cần dùng thép bản cán nóng hoặc thép hình theo tiêu chuẩn thiết kế kết cấu thép.
Chú thích: Theo TCVN 1651 : 1975 có bốn nhóm cốt thép cán nóng: cốt tròn trơn nhóm CI, cốt có gờ nhóm CII, CIII, CIV. Theo TCVN 3101 : 1979 có các loại dây thép các bon thấp kéo nguội dùng làm cốt thép bê tông.
2.13. Cho phép dùng các loại cốt thép khác được sản xuất với mục đích làm cốt cho bê tông khi biết rõ các chỉ tiêu kĩ thuật sau:
a) Thành phần hoá học và phương pháp sản xuất
b) Các chỉ tiêu về cường độ: giới hạn chảy, giới hạn về bền và hệ số biến động của các giới hạn đó.
c) Mô đun đàn hồi
d) Suất dãn cực hạn
d) Độ dẻo
e) Khả năng hàn được
g) Với kết cấu chịu tải trọng rung động trùng lặp cần biết giới hạn mỏi
h) Với kết cấu chịu nhiệt độ cao hoặc thấp cần biết sự thay đổi tính chất cơ học khi tăng giảm nhiệt độ.
Chú thích:
1. Các loại cốt thép khác có thể được sản xuất trong nước hoặc nhập ngoại, thép thanh hoặc thép sợi, được sản xuất bằng cách cuốn nóng, kéo nguội, qua gia công nhiệt (tôi) hoặc qua gia công nguội (vuốt, đập .
2. Với các thép nhập từ các nước trong “Hội đồng tương trợ kinh tế” chủ yếu có các nhóm AI, AII, AIII, AIV, tương đương với các nhóm CI, CII, CIII, CIV. Ngoài ra còn có cốt thép thanh nhóm AV, AVI, thép sợi nhóm BI và BpI v.v…
2.14. Việc chọn dùng loại cốt thép cần xuất phát từ: nhiệm vụ và đặc điểm của kết cấu, điều kiện xây dựng và sử dụng công trình, điều kiện và khả năng cung cấp vật liệu.
- Để làm cốt dọc chịu lực cho các dầm và cột nên ưu tiên dùng cốt thép CIII và CII (AIII và AII).
- Cốt thép nhóm CI chỉ nên dùng trong lưới buộc của kết cấu bản, vỏ, để làm cốt đai và cốt dọc cấu tạo. Cũng cho phép dùng cốt thép nhóm CI để làm cốt dọc chịu lực khi có cơ sở để kết luận về việc dùng cốt thép các nhóm khác là không hợp lí bằng.
- Đối với kết cấu chịu áp lực hơi hoặc chất lỏng, nên dùng cốt thép nhóm CI và CII, cũng cho phép dùng cốt thép nhóm CIII.
- Cốt thép nhóm CIV cũng như cốt thép đã qua gia công nhiệt chỉ được dùng để làm cốt dọc chịu lực trong khung buộc và lưới buộc, chúng được dùng chủ yếu để làm cốt chịu kéo. Cũng cho phép dùng chúng làm cốt chịu nén. Không cho phép dùng cốt thép nhóm CIV cho các kết cấu chịu tải trọng rung động cần tính kiểm tra theo độ mỏi.
- Khi chọn cốt thép cho kết cấu chịu lạnh (dưới 00C), ngoài nhóm thép ra phải chú ý đến mác của thép và cách nối cốt thép với chú ý đặc tính ròn nguội của thép và mối hàn.
- Để làm móc cẩu lắp chỉ nên dùng cốt thép có độ dẻo lớn, chủ yếu là cốt thép nhóm CI chế tạo bằng “thép tỉnh” và “thép nửa tỉnh”.
Chú thích: Đối với các cốt thép nhập ngoại cần căn cứ vào các chỉ tiêu cơ học để quy về nhóm tương đương khi chọn dùng chúng cho kết cấu .
2.15. Cường độ tiêu chuẩn của cốt thép Ra.c lấy bằng giá trị kiểm tra nhỏ nhất với xác suất bảo đảm không dưới 0,95. Đối với cốt thép thanh giá trị kiểm tra là giới hạn chảy thực tế hoặc giới hạn chảy quy ước.
Cường độ tiêu chuẩn của các nhóm cốt thép cán nóng theo TCVN 1651 : 1975 và TCVN 3101 : 1979 cho ở bảng 8.* Đối với những loại cốt thép không có văn bản pháp lí tin cậy về cường độ tiêu chuẩn thì phải tiến hành thí nghiệm và xác định cường độ tiêu chuẩn theo biểu thức sau:
Ra.c = Rtb(1 – 1,64Va) (2-6)
Trong đó:
Rtb – Giá trị trung bình của giới hạn chảy (thực tế hoặc quy ước) của các mẫu thí nghiệm. Đối với thép không có giới hạn chảy lấy Rtb theo giới hạn bền.
Va– Hệ số biến động về giới hạn chảy (hoặc giới hạn bền)
Chú thích:
1. Việc lấy mẫu để thí nghiệm phải theo đúng quy định của tiêu chuẩn Nhà nước (xem TCVN 197 : 1966 Kim loại – Phương pháp thử kéo).
2. Giới hạn chảy quy ước lấy bằng ứng suất khi cốt thép có biến dạng dư bằng 0,2%
3. Hệ số Va được xác định theo kết quả tính toán về xác suất thống kê. Khi có dưới 10 số liệu thí nghiệm lấy Va không nhỏ hơn 0,12.
4. Cường độ tiêu chuẩn của một sô thép nhập của các nước trong hội đồng tương trợ kinh tế cho ở phụ lục 3.
Bảng 8
| Nhóm cốt thép thanh | Cường độ tiêu chuẩn Ra.c (KG/cm2) |
| CI CII CIII CIV Dây thép các bon thấp kéo nguội | 2.200 3.000 4.000 6.000 5.200 |
2.16. Cường độ tính toán của cốt thép gồm cường độ về kéo Ra và cường độ về nén R'a lấy như sau:
- Cường độ tính toán về kéo:
(2 - 7)
Trong đó:
Ka – Là hệ số an toàn
- Cường độ tính toán về nén:
Khi Ra £ 3.600 KG/cm2 lấy R’a = Ra
Khi Ra ³ 3.600 KG/cm2 lấy R’a = 3.600 KG/cm2
Khi mà giữa bê tông và cốt thép không có lực dính, lấy R’a = 0
Chú thích:
1. Cường độ tính toán của một số nhóm thép cho ở phụ lục 2 và phụ lục 3
2. Sau khi xác định Ra theo công thức (2-7) cho phép lấy tròn số với ba con số có nghĩa để tính toán.
3. Đối với cốt thép sản xuất ở trong nước chưa theo đúng TCVN 1651 : 1975 thì cần xác định cường độ của chúng theo biểu thức (2-6) và (2-7) với Ka = 1,25. Khi thiếu số liệu thí nghiệm và các lượng thép dùng cho công trình không lớn (dưới 5 tấn) cho phép lấy Ra =1.90 KG/cm2 và Ra = 1.600 KG /cm2. Khi dùng lượng thép nhiều hơn quy định phải có số liệu để xác định Ra.
2.17. Hệ số an toàn của cốt thép Ka lấy như sau:
Với cốt thép nhóm CI lấy Ka = 1,1
Với cốt thép nhóm CII, CIII lấy Ka = 1,15
Với cốt thép nhóm CIV lấy Ka = 1,20
Với dây thép các bon thấp kéo nguội Ka = 1,65
Khi phải xác định Ra.c theo công thức (2-6) mà trong đó Rtb lấy theo giới hạn chảy thì Ka lấy không bé hơn 1,2 và khi Rtb lấy theo giới hạn bền khi Ka lấy không bé hơn 1,7.
Đối với kết cấu dùng bê tông nhẹ có mác chịu nén dưới 100, hệ số an toàn Ka phải tăng thêm 15%
2.18. Giới hạn mỏi của cốt thép về kéo Ram được xác định như sau:
a) Khi dùng cốt thép nguyên thanh:
Ra.m = ma.mRa (2-8a)
Trong đó:
mam – Là hệ số mỏi của cốt thép lấy phụ thuộc vào độ biến động của ứng suất ra và nhóm cốt thép. Giá trị của mam cho ở bảng 9.
b) Khi dùng cốt thép có liên kết hàn:
Ram = KmmamRa (2-8b)
Trong đó: Km – Là hệ số mỏi do liên kết hàn, lấy theo bảng 10.
Bảng 9
| Nhóm cốt thép | Hệ số mam khi kết cấu chịu tải trọng rung động trùng lặp với độ biến động của ứng suất ra | ||||||||
| -1 | -0,5 | -0,2 | 0 | 0,2 | 0,4 | 0,6 | 0,8 | 1 | |
| CI và AI CII và AII CIII và AIII | 0,40 0,42 0,35 | 0,55 0,48 0,38 | 0,63 0,51 0,40 | 0,72 0,55 0,45 | 0,77 0,60 0,50 | 0,90 0,70 0,60 | 1 0,85 0,75 | 1 1 0,9 | 1 1 1 |
| Chú thích: Hệ số Với samin và samax là giá trị ứng suất bé nhất và lớn nhất tại cùng một điểm của cốt thép tính trong một chu kì thay đổi của tải trọng | |||||||||
2.19. Mô đun đàn hồi của cốt thép Ea lấy như sau:
- Cốt thép nhóm CI và CII : Ea = 2.100.00 KG/cm2
- Cốt thép nhóm CIII và CIV : Ea = 2.000.000KG/cm2
Chú thích: Giá trị Ea của một số cốt thép khác nhau ở phụ lục 3
Bảng 10
| Loại mối hàn | Nhóm cốt | Hệ số Kam ứng với độ biến động của ứng suất ra | ||||||
| 0 | 0,2 | 0,4 | 0,7 | 0,8 | 0,9 | 1 | ||
| 1 | 2 | 3 | 4 | 5 | 6 | 7 | 8 | 9 |
| Hàn đối đầu tiếp xúc, mặt ngoài mối hàn được làm nhẵn | CI, CII, CIII, (AI, AII, AIII) |
0,9 |
0,95 |
1 |
1 |
1 |
1 |
1 |
| Hàn đối đầu tiếp xúc không làm nhẵn, Hàn hồ quang có máng đệm, hàn điểm tiếp xúc. | CI, CII (AI, AII) | 0,65 | 0,7 | 0,75 | 0,9 | 1 | 1 | 1 |
| CIII (AIII) | 0,55 | 0,60 | 0,65 | 0,70 | 0,75 | 0,85 | 1 | |
| Hàn hồ quang đối đầu bán tự động, Hàn hồ quang có thanh kẹp | CI, CII (AI, AII) | 0,25 | 0,3 | 0,35 | 0,5 | 0,65 | 0,85 | 1 |
| CIII (AIII) | 0,2 | 0,25 | 0,3 | 0,45 | 0,6 | 0,8 | 1 | |
| Chú thích: 1. Các trị số cho trong bảng dùng khi đường kính cốt thép từ 20mm trở xuống 2. Khi đường kính cốt thép từ 22 đến 30 mm lấy giảm Km xuống 5%, khi đường kính từ 32 đến 40mm lấy giảm Km xuống 10%. | ||||||||
3. Tính toán theo trạng thái giới hạn thứ nhất
3.1. Tính toán các cấu kiện bê tông cốt thép theo khả năng chịu lực cần được tiến hành theo tiết diện thẳng góc với trục, theo tiết diện nghiêng và tiết diện vênh trong không gian. Ngoài ra cần tiến hành tính toán kiểm tra những vùng chịu lực tác dụng cục bộ.
Theo tiết diện thẳng góc tính toán với tác dụng lực dọc N, của mô men uốn M hoặc của một số tổ hợp gồm M và N.
Tính toán theo tiết diện nghiêng ở những vùng cấu kiện chịu lực cắt Q tính với tác dụng của Q và của M.Việc kiểm tra khả năng chịu lực theo tiết diện vênh tiến hành khi cấu kiện chịu mô men xoắn.
Chú thích: Các kí hiệu dùng trong phần này và cả ở các phần sau được tập chung giải thích ở phụ lục. Chỉ những kí hiệu không có trong bảng mới được giải thích khi gặp lần đầu .Cấu kiện chịu uốn, tính theo khả năng chịu lực trên tiết diện thẳng góc.
3.2. Tính toán cấu kiện chịu uốn có tiết diện chữ nhật, chữ T (hoặc các tiết diện khác đưa về các dạng trên) chịu mô men uốn tác dụng trong mặt phẳng đối xứng, cốt thép dọc đặt tập trung vào các cạnh vuông góc với mặt phẳng uốn phải thỏa mãn điều kiện hạn chế sau:

Giá trị của a0 cho trong bảng 11 phụ thuộc vào các bê tông và cường độ tính toán về kéo của cốt thép.
Khi trong tính toán có kể đến cốt thép đặt ở vùng nén còn cần tuân theo điều kiện (3-2)
x ³ 2a' (3-2)
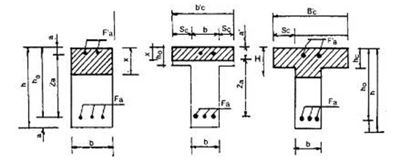
3.3. Tính toán tiết diện chữ nhật nói ở điều 3.2 (Hình 1a) theo các điều kiện.
M £ Rnbx(h0 – 0,5x) + R’aF’aZ (3-3)
Rnbx = RaFa - R’aF’a (3-4)
Bảng11
| Cường độ tính toán về kéo của cốt thép Ra KG/cm2 | Hệ số ao ứng với mác chịu nén của bêtông nặng | ||||
| 200 | 250-300 | 350-400 | 500 | 600 | |
| 3000 | 0,62 | 0,58 | 0,55 | 0,52 | 0,48 |
| 4000 | 0,58 | 0,55 | 0,55 | 0,50 | 0,45 |
| 5000 | 0,55 | 0,55 | 0,52 | 0,45 | 0,42 |
| 6000 | 0,50 | 0,48 | 0,45 | 0,42 | 0,40 |
| Chú thích: 1. Với các giá trị Ra trung gian cho phép lấy ỏo theo giá trị Ra ở cận trên hoặc cũng có thể lấy theo nội suy đường thẳng. 2. Đối với kết cấu dùng bêtông nhẹ lấy ỏo giảm xuống 5% so với trị số cho trong bảng. | |||||
3.4. Tính toán tiết diện chữ T có cánh trong vùng nén nói ở điều (3.2), được tiến hành:
a) Khi giới hạn của nén nằm trong cánh : (hình 1b) tức là x £ hc hoặc
Rnb'ch'c ³ RaFa - R'aF'a (3-5)
thì tính toán như đối với tiết diện chữ nhật có bề rộng bằng b'c
b) Khi giới hạn của vùng nén nằm trong sườn (hình 1c) tức là x < h',c hoặc điều (3.5) không được thoả mãn, tính toán theo các điều kiện :
M £ Rnbx (h0 – 0,5x) + Rn(b'c – b)h'c(h0 – 0,5h'c) + R'aF'aZa 3-6)
Rnbx + Rn(b'c – b)h'c = RaFa – R’aF’a (3-7)
Chú thích: Giá trị của bề rộng cánh đưa vào trong tính toán phải tuân theo các quy định sau đây:
Bề rộng mỗi bên sải cánh tính từ mép sườn (đoạn kí hiệu Sc trên hình 1) không được lớn quá 1/6 nhịp của cấu kiện và không lớn quá các trị số sau:

Hình 1
a) Với dầm gồm sườn đúc liền toàn khối với bản, co các sườn ngang mà khoảng cách giữa chúng bé hơn khoảng cách giữa các sườn dọc thì Sc < 1/ 2 B0 với B0 là khoảng cách giữa hai mặt trong của sườn dọc.
b) Với dầm như mục a nhưng khoảng cách giữa các sườn ngang lớn hơn khoảng cách giữa các sườn dọc hoặc không có sườn ngang thì ngoài điều kiện Sc £ 1/ 2. B0 còn thêm:
- Khi h’c ³ 0,1 thì Sc £ 9h,c
- Khi 9h,c < 0,1 thì Sc £ 6h,c
c) Với dầm chữ T độc lập, cánh có dạng công xơn thì :
- Khi h,c < 0,1 thì Sc £ 6h,c
- Khi 0,05h £ h,c < 0,1 lấy Sc £ 3h,c
- Khi h,c < 0,05h lấy Sc = 0 (không kể đến phần nhỏ của cánh)
3.5. Tính toán tiết diện chữ nhật và chữ T trong một số trường hợp riêng:
a) Trường hợp trong tính toán không kể đến cốt thép đặt ở vùng nén (tiết diện đặt cốt đơn) thì trong các công thức tính cho Fa = 0 và không cần điều kiện (3-2)
b) Khi vì những lí do xác đáng nào đó mà cần đặt tăng cốt thép Fa và tính x từ công thức (3-4) hoặc (3-7) mà không thoả mãn điều kiện (3-1) thì trong các điều kiện (3-3) hoặc (3-6) thì lấy x = a0h0 để tính toán .
c) Khi có kể đến cốt thép F,a mà không thoả mãn điều kiện (3-2) thì cần thay điều kiện (3-3) và (3-6) theo một trong hai cách sau:
M £ RaFaZa (3-8)
- Tính toán theo trường hợp tiết diện đặt cốt đơn theo mục 1 của điều này.Trong hai cách trên cần chọn lấy cách cho khả năng chịu lực lớn hơn hoặc cho cốt thép ít hơn.
d) Tiết diện chữ T có cánh trong vùng kéo được tính như tiết diện chữ nhật bh, bỏ qua phần nhô của cánh.
đ) Tính toán cấu kiện chịu uốn xiên theo mục 3.31.
3.6. Tính toán tiết diện hình vành khuyên khi tỉ số bán kính trong và bán kính ngoài r1/r2 ³ 0,5 và có cốt thép dọc từ 6 thanh trở lên, đặt đều theo vòng quanh, được tiến hành theo các công thức (3-35), (3-36) nhưng trong đó cho N = 0 và thay Nhe0 bằng M.
Tính toán cấu kiện chịu uốn theo khả năng chịu lực trên tiết diện nghiêng
3.7. Tính toán diện nghiêng có các điểm nút là điểm đầu ở mép vùng kéo và điểm cuối tại tâm của vùng nén. Qua mỗi điểm mút có nhiều tiết diện nghiêng. Cần tìm được tiết diện nghiêng nguy hiểm và tính toán kiểm tra các tiết diện đó.
Cần kiểm tra các tiết diện nghiêng theo khả năng chịu lực cắt và khả năng chịu mô men.
Chú thích: Trong tính toán thực tế có thể cho phép xem điểm cuối của tiết diện nghiêng ở tại mép vùng nén.
3.8. Cấu kiện chịu lực cắt Q phải thoả mãn điều kiện hạn chế (3-9):
Q £ K0Rnbh0 (3-9)
Hệ số K0 lấy như sau:
- Với bê tông có mác từ 400 trở xuống: K0 = 0,35
- Với bê tông mác 500: K0 = 0,3
- Với bê tông mác 600: K0 = 0,25
Chú thích: Giá trị của lực cắt Q và kích thước tiết diện b, ho ở trong điều kiện (3-9) cũng như ở trong điều kiện (3-10) được lấy từ tiết diện thẳng góc đi qua điểm đầu của tiết diện nghiêng.
3.9. Khi thoả mãn điều kiện (3-10) thì không cần tính toán khả năng chịu lực của tiết diện nghiêng theo lực cắt, lúc này cốt ngang trong cấu kiện được đặt theo yêu cầu cấu tạo:
Q £ K1 Rk b h0 (3-10)
Trong đó :K1 – Hệ số:
+ Với kết cấu dùng bê tông nặng thì K1 = 0,6 đối với dầm, K1 = 0,8 đối với bản
+ Với kết cấu dùng bê tông nhẹ lấy K1 giảm 25%.
3.10. Khi không thoả mãn điều kiện (3-10) cần tính toán cốt thép ngang và khả năng chịu lực cắt theo tiết diện nghiêng. Cần tính với các tiết diện nghiêng có điểm nút ở các vị trí sau:
- Tại mép của gối tựa
- Tại chỗ thay đổi đột ngột kích thước tiết diện
- Tại chỗ thay đổi mật độ cốt đai
- Tại điểm cuối của lớp cốt xiên
3.11. Với các cấu kiện có kích thước tiết diện không đổi, có đặt cốt ngang (cốt đai, cốt xiên ) tính toán tiết diện nghiêng về khả năng chịu lực cắt theo điều kiện:
Q £ ∑ RdFd + ∑ RadFx sina + Qb (3-11)
Trong đó:
Q – Là lực cắt tác dụng trên tiết diện nghêng, lấy bằng tổng hợp lực cắt do ngoại lực tác dụng trên phần cấu kiện nằm về một phía tiết diện nghiêng đang khảo sát.
FdFx – Diện tích tiết diện một lớp cốt đai và cốt xiên theo lực cắt lấy bằng cường độ tính toán về kéo của cốt thép tương ứng nhân với hệ số làm việc md
Rad = md Ra
md = 0,8 đối với các cốt đai và cốt xiên thông thường
md = 0,7 đối với cốt ngang dùng dây thép kéo nguội hoặc dùng cốt thép nhóm CIII và AIII có đường kính bé hơn 1/3 đường kính cốt dọc, trong khung hàn.
md = 0,6 đối với cốt đai dùng dây thép kéo nguội trong khung buộc.
a - Góc nghiêng của cốt xiên so với phương trục cấu kiện
Qb – Khả năng chịu lực cắt của bê tông vùng nén, xác định theo (3-12)
(3 - 12)
K2 – Hệ số, lấy bằng 2 đối với kết cấu làm bằng bê tông nặng, bằng 1,7 đối với kết cấu làm bằng bê tông nhẹ.
C – Chiều dài hình chiếu tiết diện nghiêng trên trục dọc của cấu kiện.
Chú thích: Thuật ngữ cốt đai nói trong điều này và các điều tiếp theo (3-12, 3-13, 3-14, 3-15) là chung cho cả cốt đai trong khung buộc và cốt thép ngang trong khung hàn.
3.12. Với cấu kiện nói ở điều 3.10, khi trong phạm vi tiết diện nghiêng cốt đai được đặt đều và không có cốt xiên thì chiều dài hình chiếu tiết diện nghiêng nguy hiểm, ứng với khả năng lực cắt bé nhất được xác định như sau:

và khả năng chịu lực cắt của cốt đai và bê tông ứng với tiết diện nghiêng vừa nói sẽ là :
(3 - 13)
Trong đó:
(3 - 14)
Khi xảy ra điều kiện Q > Qdb cho phép tính diện tích cần thiết của các lớp cốt xiên theo công thức (3-15).
(3 - 15)
Thứ tự các lớp cốt xiên được tính từ gối trở ra. Khi tính lớp cốt xiên thứ nhất Fxl dùng Q1 là lực cắt tại gối, khi tính các lớp cốt xiên phía sau Fx2 , Fx3 dùng lực cắt tại tiết diện đi qua điểm mút của lớp cốt xiên phía trước.
3.13. Với cấu kiện có chiều cao tiết diện thay đổi (tăng lên theo chiều cao của M) tiến hành tính toán theo điều kiện sau:
a) Với cấu kiện có mép chịu kéo nằm ngang và mép chịu nén nghiêng, tính toán theo điều kiện (3-11) với giá trị Qb theo (3-12) trong đó lấy h0 tại tiết diện thẳng góc đi qua điểm cuối của tiết diện nghiêng.
b) Với cấu kiện có mép chịu nén nằm ngang và mép chịu kéo nghiêng, tính toán kiểm tra theo điều kiện (3-11) nhưng phải cộng thêm vào vế phải một đại lượng Qa là hình chéo của lực trong cốt thép chịu kéo lên phương vuông góc với trục. Xác định Qa theo công thức (3-16).
(3 - 16)
Trong đó:
Mc – Mô men uốn xác định tại tiết diện thẳng góc đi qua điểm cuối của tiết diện nghiêng.
Z – Cánh tay đòn nội lực tại tiết diện thẳng góc nói trên.
Zd và Zx – Cánh tay đòn khi lấy mô men của lực trong các cốt và cốt xiên đối với trục đi qua điểm cuối của tiết diện nghiêng và vuông góc với mặt phẳng uốn.
b - Góc lập bởi phương của cốt thép chịu kéo với trục dầm .
Trong trường hợp b này giá trị Qb được tính theo công thức (3-12) trong đó lấy h0 tại tiết diện thẳng góc đi qua điểm đầu của tiết diện nghiêng.
Chú thích: Khái niệm “nằm ngang” (của mép chịu kéo hoặc mép chịu nén) ở trong mục này là tương đối, với ý nghĩa xem trục dọc của cấu kiện là nằm ngang và mép nằm ngang là mép song song với trục cấu kiện.
3.14. Khi cốt đai và cốt xiên được đặt theo tính toán thì khoảng cách giữa các lớp cốt đai u, của các lớp cốt xiên Ux1, Ux2, … Uxc đều phải nhỏ hơn giá trị Umax .
(3 - 17)
Các khoảng cách U, Ux được đo theo phương của trục cấu kiện. Khoảng cách Ux1 tính từ mép gối tựa đến điểm đầu của lớp cốt xiên thứ nhất, Ux2 ,Ux3 tính từ điểm cuối của lớp cốt xiên.
Phía trước đến điểm đầu lớp phía sau: Uxo là khoảng cách từ điểm cuối của lớp cốt xiên cuối cùng đến tiết diện thẳng góc mà từ đó trở đi thoả mãn điều kiện Q £ Qdb
Khi tính Umax để dùng cho đoạn nào của cấu kiện thì dùng Q lớn nhất trong đoạn đó.

3.15. Với kết cấu dạng bản, nói chung cần thoả mãn điều kiện (3-10) Khi vì những lí do xác đáng cần hạn chế kích thước tiết kiệm mà điều kiện (3-10) không thoả mãn thì cần đặt cốt ngang.
a) Khi đặt cốt ngang theo dạng như cốt đai thì tính toán theo các điều (3.11), (3.12)
b) Khi đặt cốt xiên mà không đặt cốt đai thì diện tích mỗi lớp cốt xiên được xác định như sau:
(3 - 18)
Trong đó:
P – Là tải trọng phân bố đều tác dụng thường xuyên lên mặt bản vàhướng vào phía trong bản (ví dụ như tải trọng tác dụng ở mặt trên bản sàn và hướng xuống dưới như phản lực đất tác dụng vào mặt dưới bản móng). Nếu trong P có kể đến trọng lượng bản thân thì trọng lượng đó cần nhân với hệ số 0,5.
Cấu tạo của các lớp cốt xiên tuân theo quy định của điều (3.14) với trị số Umax tính theo công thức (3.17) nhưng thay hệ số 0,75 bằng 0,5.
3.16. Tính toán tiết diện nghiêng về khả năng chịu mô men theo điều kiện :
M £ am Ra Fa Z + ∑ Ra Fx Zx + ∑ Ra Fd Zd (3-19)

Trong đó:
M – Mô men của tất cả ngoại lực đặt ở một phía so với tiết diện nghiêng đang khảo sát lấy đối với trục quay. Trục quay là trục đi qua điểm hợp lực trong vùng nén và vuông góc với mặt phẳng uốn (hình 4)
Các thành phần ở vế phải là tổng mô men đối với trục quay của nội lực trong cốt dọc, trong cốt xiên và trong cốt đai.
Các cốt này cắt qua vùng kéo của tiết diện nghiêng.
Z, Zx, Zd – Cánh tay đòn nội lực tính từ trục quay đến các lực trong cốt dọc, cốt xiên và cốt đai.
an £ 1 – Hệ số kể đến ảnh hưởng neo không chắc cốt thép dọc trong đoạn đầu mút cấu kiện . Khi cốt thép được neo chắc thì an = 1.
Khi đầu cốt thép không có chi tiết neo thực tế Lx nhỏ hơn đoạn neo cần thiết Lneo thì:

Chú thích:
1. Cánh tay đòn nội lực Z, Zx, Zd có thể giải thích tương tự như ở công thức (3-16).
2. Đoạn neo thực tế Lx tính từ nút cốt thép đến tiết diện nghiêng.
3. Chiều dài neo cần thiết Lx được xác định theo công thức (3.60)
4. Chiều cao của vùng nén của tiết diện nghiêng đo theo phương vuông góc với trục cấu kiện được xác định theo chỉ dẫn của các điều 3.3, 3.4.
5. Thông thường cả vế phải và vế trái của điều kiện (3-19) đều phụ thuộc vào chiều dài của hình chiếu tiết diện nghiêng là C vì vậy trong khi tính toán cần xác đình tiết diện nghiêng nguy hiểm bằng cách đưa các thành phần có chứa C về một vế rồi tìm điều kiện để xác định giá trị của C.
3.17. Cần tính toán theo điều kiện (3-19) đối với các tiết diện nghiêng có điểm đầu tại các vị trí sau:
a) Chỗ thay đổi đột ngột chiều cao tiết diện .
b) Mép gối tựa biên kê tự do
c) Chỗ thay đổi cốt thép dọc chịu kéo (do cắt bớt hoặc uốn sang phía khác).
Đối với cấu kiện có chiều cao không đổi hoặc thay đổi đều có thể không cần tính toán tiết diện nghiêng theo mô men tại các vị trí và trong những điều kiện sau:
1. Tiết diện nghiêng có điểm đầu tại mép của gối tựa biên kê tự do nếu đoạn neo của cốt thép thép dọc chịu kéo Lx tuân theo điều kiện sau:
Lx ³ 5d nếu thoả mãn điều kiện (3-10)
Lx ³ 10d nếu thoả mãn điều kiện (3-10)
Lx - đoạn cốt thép kể từ mút đến mép gối tựa.
2. Tiết diện nghiêng có điểm đầu ở chỗ uốn cốt thép chịu kéo nếu điểm uốn cách “ tiết diện dùng toàn bộ” một đoạn lớn hơn 0,5h0 và điểm kết thúc của đoạn uốn nằm ngoài “tiết diện bớt”.
Tiết diện dùng toàn bộ của một cốt thép là tiết diện thẳng góc mà tại đó cốt thép được sử dụng hết khả năng chịu lực. Tiết diện bớt của một cốt thép là tiết diện thẳng góc mà tại đó bắt đầu không cần đến nó nữa (khi tính về khả năng chịu mô men trên tiết diện thẳng góc).
3. Tiết diện nghiêng có điểm đầu tại chỗ cắt bớt cốt dọc chịu kéo nếu điểm cắt thực tế cách điểm cắt lí thuyết một đoạn xác định theo công thức (3-20) đồng thời w ³ 20d
(3 - 20)
Trong đó:
Q – Lực cắt tại tiết diện thẳng góc đi qua điểm cắt lí thuyết cốt thép.
Fx – Diện tích lớp cốt xiên nằm trong phạm vi của đoạn
wqd – Xác định theo công thức (3-14)
Điểm cắt lí thuyết của một cốt thép nằm tại tiết diện bớt của nó .
Cấu kiện chịu nén
3.18. Chiều dài chịu nén của cấu kiện chịu nén l0 được xác định theo trạng thái biến dạng bất lợi nhất khi chịu tải, có chú ý đến biến dạng không đàn hồi và những đặc điểm khác của sự làm việc.
Đối với các kết cấu thường gặp cho phép lấy chiều dài tính toán như sau:
a) Đối với cột khung nhà nhiều tầng khi có từ hai nhịp trở lên và liên kết giữa xà và cột là cứng.
- Khi sàn lắp ghép l0 = H
- Khi sàn toàn khối l0 = 0,7H
Trong đó H là chiều cao tầng nhà (khoảng cách giữa các mắt khung).
b) Đối với khung đỡ cầu trục, cột nhà một tầng liên kết khớp với kết cấu mái mà mái thì cứng trong mặt phẳng của nó, có khả năng chuyển tải trọng ngang, lấy l0 theo bảng 12.
c) Đối với giàn :
- Thanh cánh trên và thanh xiên ở đầu giàn l0 = l
- Thanh cánh đứng và các thanh xiên khác l0 = 0,85l
Trong đó: l là khoảng cách giữa các mắt giàn
Riêng khi tính thanh cánh trên theo phương ngoài mặt phẳng giàn thì l là khoảng cách giữa các liên kết vuông góc với mặt phẳng giàn .
d) Đối với vòm :
- Khi tính toán trong mặt phẳng vòm
l0 = 0,58S với vòm hai khớp và vòm 3 khớp
l0 = 0,37S với vòm không khớp
- Khi tính ngoài mặt phẳng vòm l0 = S0S là chiều dài còn S0 là chiều dài đoạn vòm ở giữa các điểm liên kết theo phương ngoài mặt phẳng.
3.19. Khi tính toán cấu kiện chịu nén cần kể đến độ lệch tâm ngẫu nhiên ban đầu của lực dọc gây ra bởi những nhân tố chưa kể đến trong tính toán. Độ lệch tâm ngẫu nhiên eng được cộng thêm vào độ lệch tâm của lực dọc do tính toán tĩnh lực.
Đối với các cấu kiện chịu nén có sơ đồ tĩnh định hoặc là bộ phận của kết cấu siêu tĩnh nhưng chịu lực nén trực tiếp đặt lên nó thì giá trị của eng lấy không nhỏ hơn 1/25 chiều cao của tiết diện không nhỏ hơn các trị số sau:
2cm đối với cột và các tấm có chiều dài từ 25cm trở lên
1,5cm đối với các tấm có chiều dày từ 15 đến 25cm
1cm đối với các tấm có chiều dày dưới 15cm
Đối với các bộ phận của kết cấu chịu tĩnh không chịu lực nén trực tiếp và các thanh bụng của giàn cho phép bỏ qua độ lệch tâm ngẫu nhiên.
3.20. Cấu kiện chịu nén trung tâm có cốt dọc đặt theo chu vi tiết diện và có cột ngang dạng cốt đai hoặc các thanh rời được hàn với cốt dọc được tính toán theo điều kiện:
N £ j (RnFb + R’aFat) (3 - 21)
Trong đó :j - Hệ số uốn dọc lấy theo bảng 13.
Chú thích:
1. Nếu Fat không vượt quá 3% diện tích toàn bộ tiết diện F thì trong tính toán cho phép lấy Fb = F.
2. Cho phép tính theo trường hợp nén trung tâm các cấu kiện .
Bảng 12
| Tính chất của cột | Chiều dài tính toán l0 của cột khi tính chúng trong mặt phẳng của: | ||||
| Các kết cấu chịu lực của mái hay vuông góc với cầu trục ngoài trời | Trục bằng cột dọc hoặc trục song song của cầu trục ngoài trời | ||||
| Khi không có | Khi có | ||||
| Liên kết trong mặt phẳng của hàng cột dọc | |||||
| Nhà có cầu trục | Phần cột trên dầm cầu trục khi dầm cầu trục là: | Không liên tục | 2,5Ht | 2Ht | 1,5Ht |
| Liên tục | 2Ht | 1,5Ht | |||
| Phần cột dưới khi dầm cầu trục là: | Không liên tục | 1,5Hd | 1,2Hd | 0,8Hd | |
| Liên tục | 1,3Hd | 0,8Hd | |||
| Nhà không có cầu trục tiết diện cột không đổi | Một nhịp | 1,5H | 1,2H | 0,8H | |
| Hai hay nhiều nhịp | 1,2H | ||||
| Khung đỡ cầu trục ngoài trời khi dầm cầu trục là | Không liên tục | 2Hd | 1,5Hd | 0,8Hd | |
| Liên tục | 1,5Hd | Hd | 0,8Hd | ||
| Chú thích: 1. Ht - Chiều cao của phần cột bên trên cầu trục Hd - Chiều cao phần cột bên dưới, tính từ mặt trên của móng đến mặt dưới của dầm cầu trục H - Chiều cao toàn bộ cột tính từ mặt trên móng 2. Khi tính các nhà có cầu trục mà trong tổ hợp nội lực không kể đến tải trọng của cầu trục khi lấy chiều dài tính toán của cột như đối với nhà không có cầu trục. 3. Số liệu trong bảng không dùng cho các cột nhánh | |||||
Bảng 13
| Độ mảnh | Đối với tiết diện bất kì l0/r | 28 | 35 | 48 | 92 | 76 | 90 | 110 | 130 | |
| Đối với tiết diện chữ nhật l0/b | 8 | 10 | 14 | 18 | 22 | 26 | 32 | 38 | ||
| Đối với tiết diện tròn l0/D | 7 | 8,5 | 12 | 15,5 | 19 | 22,5 | 28 | 33 | ||
| Hệ số j đối với cấu kiện làm bằng | Bê tông nặng | 1 | 0,98 | 0,93 | 0,85 | 0,77 | 0,68 | 0,54 | 0,4 | |
| Bê tông nhẹ | 1 | 0,96 | 0,84 | 0,73 | 0,61 | 0,51 | 0,36 | 0,24 | ||
Chú thích:
r – Bán kính quán tính nhỏ nhất của tiết diện
b – Kích thước cạnh bé của tiết diện chữ nhật
D - Đường kính tiết diện tròn
l0 – Chiều dài tính toán của cấu kiện
Đối với cấu kiện làm bằng bê tông nặng có thể tính toán j theo công thức:
j = 1,028 – 0,0000288l - 0,0016l
j = 1,028 – 0,000345l2b – 0,00554lb
Với giới hạn:
28 < l = l0/r < 100
28 < lb = l0/b < 30
a) Theo sơ đồ tĩnh học là cấu kiện chỉ chịu lực nén tác dụng theo đúng trục và được phép bỏ qua độ lệch tâm ngẫu nhiên
b) Cấu kiện với độ lệch tâm của lực dọc không vượt quá độ lệch tâm ngẫu nhiên và độ mảnh
l = l0/r không quá 70 (l0/b £ 20)
c) Với các cấu kiện được nói trong chú thích 2 nhưng có độ mảnh l0/r không quá 42 mà cần làm tăng khả năng chịu lực so với cấu kiện thông thường nói trong điều này thì có thể dùng các biện pháp như cốt đai dạng lò xo, dùng các lưới hàn ngang v.v… lúc này tính toán cấu kiện theo các tài liệu riêng.
3.21. Cấu kiện chịu lệch tâm chịu tác dụng đồng thời của lực nén N và mô men uốn M. Sơ đồ tính toán đưa về một lực N đặt lệch với độ lệch tâm e0 = M/N . Khi tính cấu kiện chịu nén lệch tâm phải chú ý:
a) Chọn các cặp nội lực M, N bất lợi trong đó ngoài giá trị tuyệt đối của M còn cần xét đến chiều của nó. Với một lực nén N đã chọn để tính cần lấy M có giá trị tương ứng lớn nhất. Còn nếu với M đã chọn để tính mà N tương ứng có khả năng thay đổi thì cần xét đến cả giá trị N bé nhất và N lớn nhất.
b) Phân biệt trường hợp nén lệch tâm lớn hoặc nén lệch tâm bé. Điều kiện để phân biệt chủ yếu dựa vào chiều cao vùng nén. Với tiết diện chữ nhật dựa vào giá trị x rút ra từ công thức (3-27) và (3-26). Chỉ trong trường hợp cần tính toán cả Fa và F’a không đối xứng, khi không có đủ điều kiện để xác định x từ phương trình (3-27) thì có thể dùng điều kiện bổ trợ để phán đoán: Khi độ lệch tâm của các lực dọc lớn hơn hay bằng e0gh thì tính theo nén lệch tâm lớn và ngược lại. Tính e0gh theo công thức (3-30).
c) Khi tính độ lệch tâm của lực dọc e0 cần xét đến độ lệch tâm ngẫu nhiên theo điều (3.19)
3.22. Khi tính toán cấu kiện chịu nén lệch tâm cần xét đến ảnh hưởng của hiện tượng uốn dọc bằng hệ số h. Hệ số này được đem nhân với độ lệch tâm của lực dọc :
(3 - 22)
Trong đó : Nth là lực dọc tới hạn, xác định theo công thức (3-23)
(3 - 23)
Trong đó:
Ja, Jb- Mô men quán tính của tiết diện bê tông và của tiết diện toàn bộ cốt thép để lấy đối với trục trung tâm tiết diện và vuông góc với mặt phẳng uốn.
S – Hệ số kể đến ảnh hưởng của độ lệch tâm của lực dọc e0.
Khi e0 < 0,05h lấy S = 0,84
Khi e0 > 5h lấy S = 0,122
Với khoảng cách giữa của e0, lấy .
(3 - 24)
Kđh – Hệ số kể đến ảnh hưởng tác dụng dài hạn của tải trọng
(3 - 25)
M1.dh - Mô men uốn của tải trọng tác dụng dài hạn lấy đối mép chịu kéo (hoặc chịu nén ít ) của tiết diện.
M1 – Mô men uốn của tải trọng tác dụng dài hạn lấy đối với mép trên.
Chú thích
1. Cho phép lấy gần đúng trị số Kdh như sau:
1,9 +2 khi toàn bộ tải trọng là dài hạn
1,7 + 1,8 đối với trường hợp tải trọng tác dụng dài hạn là chủ yếu.
1,4 + 1,6 đối với trường hợp tải trọng dài hạn chiếm khoảng một nửa toàn bộ tải trọng
1,1 + 1,3 khi tải trọng tác dụng ngắn hạn là chủ là chủ yếu.
2. Cho phép bỏ qua ảnh hưởng của uốn dọc.
Khi

Với r và h là bán kính quán tính của tiết diện và cạnh tiết diện chữ nhật theo phương mặt phẳng uốn.
3.23. Tính toán cấu kiện có tiết diện chữ nhật chịu nén lệch tâm lớn (H. 4a) theo các điều kiện :
N’c £ Rnbx(h’0 – 0,5x) + R’aF’aZa (3-26)
N = Rnbx + R’aF’a - RaFa (3-27)
Tính toán theo trường hợp nén lệch tâm lớn khi thoả mãn điều kiện (3-1) và nếu trong tính toán kể cả cốt chịu nén thì cần thoả mãn điều kiện (3-2)Khi điều kiện (3-2) không thoả mãn thì cho phép lấy theo kết quả có lợi hơn trong hai cách sau:
a) Không kể đến cốt chịu nén và do đó không cần điều kiện (3-2)
b) Dùng điều kiện bổ trợ (3-28) thay cho (3-26)
N’c £ Ra Fa Za
Trong các biểu thức trên e và e’ là khoảng cách từ lực dọc N đặt lệch tâm đến trọng tâm của cốt thép Fa và đến trọng tâm F’a.
e = he0 + 0,5h – a
e’ = e – h0 + a’

3.24. Cấu kiện có tiết diện chịu nén lệch tâm bé (H.4b) khi điều kiện (3-1) không được thoả mãn có nghĩa là x > a0h0
Tính toán cấu kiện chịu nén lệch tâm bé cũng theo điều kiện (3-26) nhưng trong đó lấy giá trị x như sau:
a) Khi e0 £ 0,2h0 lấy
(3 - 29a)
b) Khi e0 > 0,2 h0 lấy
x = 1,8 (e0gh – e0) + a0h0 (3-29b)
Nhưng đồng thời x cũng không bé hơn a0h0 , trong đó:
eogh = 0,4 (1,25h - a0h0) (3-30)
Cốt thép Fa của cấu kiện chịu nén lệch tâm bé được kiểm tra theo điều kiện cấu tạo. Khi xảy ra điều k i ệ n e0 < 0,15h0 còn cần phải kiểm tra về khả năng chịu lực theo điều kiện (3-31) với giả thuyết cốt thép Fa chịu nén với ứng suất s'a
Ne’ £ Rnbx (0,5x – a) +s’a FaZa (3-31)
Trong đó:
e’- Khoảng cách từ lực dọc đặt l ệch đến trọng tâm cốt thép F’a . Khi tính e’ có thể không kể đến độ lệch tâm ngẫu nhiên hoặc nếu có thể thì phải lấy eng theo hướng làm tăng e’.
Với tiết diện chữ nhật:
e’ = 0,5h – e0 – a’ (3-32)
s’a= (1- e0/h0)R’a (3-33)

Chú thích: Không dùng giá trị x xác định theo các công thức (3-29) để làm điều kiện phán đoán về trường hợp nén lệch tâm lớn hoặc bé mà chỉ dùng các biểu thức đó, khi đã có căn cứ để kết luận về trường hợp đang tính là nén lệch tâm bé.
3.25. Tính toán cấu kiện chịu nén lệch tâm có tiết diện vòng khuyên với tỉ số các bán kính r1/r2 ³ 0,5, với số cốt thép dọc có từ 6 thanh trở lên và đặt theo chu vi (hình 5) được tiến hành như sau:a) Trường hợp nén lệch tâm lớn khi thoả mãn điều kiện:
j £ 0,8pa0 (3-34)
Thì tính toán kiểm tra theo (3-35)
Nhe0 £ 1/j{RbFr0 + (9Ra + R’a)Fatra ]sinj (3-35)
Trong đó:
(3 - 36)
Góc j tính theo đơn vị Radian, là một nửa góc trung tâm của vùng nén.
r0 – Bán kính trung bình của tiết diện
r0 = 0,5(r1 + r2)ra – Bán kính của vòng tròn bố trí cốt thép
Fat – Diện tích tiết diện cốt thép dọc
F – Diện tích toàn bộ bê tông
Trường hợp nén lệch tâm bé khi không thoả mãn điều kiện (3-34).
N(he0 + r0) £ (KaR’aFat + KbRnF)r0 (3-37)
Trong đó: Ka và Kb là các hệ số:
Khi he0 £ r0
thì 
(3 - 38)
Khi he0 > r0 thì
Ka = 2/3 và Kb = 1,35a0
3.26. Khi cấu kiện chịu nén lệch tâm có chịu tác dụng của lực cắt cần kiểm tra và tính toán theo khả năng chịu lực trên tiết diện nghiêng như đối với cấu kiện chịu uốn.
Cấu kiện chịu kéo
3.27. Cấu kiện chịu kéo trung tâm được tính toán theo điều kiện
N £ RaFat (3-39)
3.28. Cấu kiện chịu kéo lệch tâm chịu tác dụng đồng thời của lực N và mô men uốn M. Sơ đồ tính toán đưa về thành một lực N đặt lệch tâm một đoạn e0 = M/N
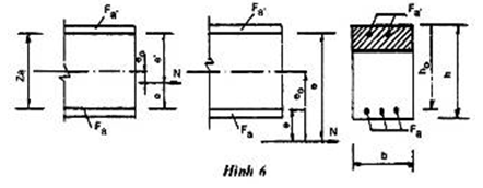
Cần phân biệt trường hợp chịu kéo lệch tâm bé khi lực dọc đặt lệch tâm nằm ở trong khoảng giữa của cốt thép Fa , F’a và trường hợp chịu kéo lệch tâm lớn khi lực dọc đặt ra ngoài khoảng trên

3.29. Tính toán cấu kiện chịu kéo lệch tâm bé theo hai điều kiện sau:
Ne £ RaF’aZa (3-40)
Ne’ £ RaFaZa (3-41)
Trong đó e và e’ là khoảng cách từ điểm đặt lực dọc lệch tâm đến trọng tâm cốt thép Fa và F’a, (hình 6)
Tính toán cấu kiện chịu kéo lệch tâm lớn , tiết diện chữ nhật theo các điều kiện:
Ne’ £Rnbx(h0 – x/2) + R’aF’aZa (3-42)
N = RaFa - R’aF’a - Rnbx (3-43)
Trong đó:
e = e0 – 0,5h + a
Chiều cao vùng chịu nén x phải thoả mãn điều kiện hạn chế (3-4) và (3-2). Nếu theo công thức (3-43) tính được x > a0h0 thì trong điều kiện (3-42) cũng chỉ dùng x = a0h0 để tính.
Nếu tính được x < 2a’ thì có thể thay điều kiện (3-42) bằng điều kiện bổ trợ sau:
N(e + h0 – a’) £ Ra FaZa (3-44)
3.30. Khi cấu kiện chịu kéo lệch tâm có chịu tác dụng của lực cắt cần phải kiểm tra khả năng chịu lực theo tiết diện nghiêng. Việc tính toán kiểm tra được tiến hành theo các điều kiện từ 3.8 đến 3.12 trong đó các hệ số K1 vàK2 phải được nhân thêm với hệ số KN kể đến ảnh hưởng của lực kéo.
(3 - 45)
Nhưng đồng thời lấy KN không nhỏ hơn 0,2.
Cấu kiện chịu uốn xiên và kéo, nén lệch tâm xiên
3.31. Cấu kiện chịu uốn xiên và kéo nén lệch tâm xiên trường hợp lệch tâm lớn được tính toán theo điều kiện:
M £ RnFbZb + ∑ s’ai Z’aif’ai - ∑saifaiZai = 0 (3-46)
RnFn + ∑ s’aif’ai - ∑saifai± N = 0 (3-47)
Trong đó:
M – Trong cấu kiện chịu uốn là hình chiếu của mô men ngoại lực lên mặt phẳng vuông góc với đường thẳng giới hạn của vùng nén (đường 1-1 trên hình 7)
Trong cấu kiện chịu nén lệch tâm và kéo lệch tâm M là mô men của lực dọc đặt lệch tâm N lấy đối với trục biên. Trục này song song với đường thẳng giới hạn vùng nén và đi qua trọng tâm cốt thép chịu kéo xa nhất (trục 2-2 trên hình 7).

Ngoài điều kiện (3-46), (3-47) thì việc bố trí cốt thép, hình dáng và kích thước vùng bê tông chịu nén được xác lập từ điều kiện sau: Đối với cấu kiện chịu uốn mặt phẳng của nội lực phải song song với mặt phẳng của mô men ngoại lực. Đối với cấu kiện chịu nén hoặc kéo lệch tâm thì điểm đặt lực dọc lệch tâm N, điểm đặt hợp lực vùng nén và điểm đặt hợp lực của cốt thép chịu kéo phải cùng nằm trên một đường thẳng (các điểm N, B, A trên hình 7)
Chiều cao vùng nén x phải thoả mãn điều kiện :
x < a0h0B
Trong đó :
a0 – xem điều 3.2 và bảng 11
h0B – khoảng cách từ điểm xa nhất của vùng nén đến trục biên
Zb- khoảng cách từ trọng tâm Fb đến trục biên
Zai và Z’ai - khoảng cách từ cốt thép thứ i đến trục biên
Ứng suất trong cốt thép chịu kéo sai và trong cốt thép chịu nén sailấy phụ thuộc vào khoảng cách ti, ti tính từ trọng tâm của mỗi cốt thép đến đường thẳng giới hạn của vùng nén.
Với cốt thép chịu kéo khi ti ³ 0,6(h0B – x) thì sai = ra
khi ti < 0,6(h0B – x) thì

Với cốt chịu nén khi ti ³ 0,6x thì sai = Ra
khi ti < 0,6x thì

Trong điều kiện (3-47) trước số hạng N lấy dấu cộng ứng với trường hợp kéo lệch tâm và dấu trừ - nén lệch tâm.
Chú thích:
1. Điều kiện để xét trường hợp nén lệch tâm là điều kiện hạn chế chiều cao vùng nén x. Điều kiện của trường hợp nén lệch tâm lớn là điểm đặt của lực kéo lệch tâm nằm ra ngoài phạm vi bố trí cốt thép .
2. Việc tính toán theo điều kiện (3-46) và (3-47) thường tiến hành theo cách tính kiểm tra về điều kiện đã bố trí cốt thép và thực hiện phép tính gần đúng dần.
3.32. Cấu kiện chịu nén lệch tâm xiên trường hợp lệch tâm bé với tiết diện có hai trục đối xứng x và y, được tính toán kiểm tra theo điều kiện:
(3 - 48)
Trong đó :
Nx , Ny – Khả năng chịu lực của tiết diện khi xét riêng về nén lệch tâm trong phương x và y.
N0 – Khả năng chịu lực khi nén trúng tâm.
3.33. Cấu kiện chịu kéo lệch tâm xiên trường hợp lệch tâm bé khi điểm đặt của lực dọc lệch tâm nằm trong phạm vi bố trí cốt thép . Lúc này cần bố trí cốt dọc sao cho trọng tâm của nó trùng (hoặc gần trùng) với điểm đặt lực dọc. Tính toán kiểm tra theo điều kiện (3-49) và (3-50) tương tự (3-40) và(3-41) nhưng thiết lập theo cả hai phương vuông góc với nhau;
Nex £ RaF’axZax (3-49)
Nex £ RaFayZay
Ncy £ RaF’ayZay (3-50)
N’cy £ RaFayZay
Cấu kiện chịu uốn xoắn
3.34. Cấu kiện có chịu mô men xoắn Mx cần được tính toán kiểm tra khả năng chịu lực theo tiết diện vênh trong không gian với các giả thiết sau:
- Bỏ qua sự chịu lực của bê tông vùng kéo
- Vùng nén được quy ước xem là phẳng và chéo với trục dọc của cấu kiện, ứng suất trong bê tông vùng nén lấy là phân bố đều ;
- Ứng suất trong cốt thép dọc và cốt đai cắt qua vùng kéo tiết diện đang khảo sát lấy bằng cường độ tính toán Ra và Rad :
- Ứng suất trong cốt thép dọc ở vùng nén lấy bằng cường độ tính toán R’a.Cấu kiện chịu uốn – xoắn được tính toán kiểm tra theo hai sơ đồ :
a) Do tác dụng đồng thời của mô men uốn M và mô men xoắn Mx vùng nén của tiết diện vênh sẽ nằm về phía vùng nén do M.

b) Do tác dụng đồng thời của lực cắt Q và Mx , vùng nén của tiết diện vênh sẽ theo mép tiết diện song song với phương tác dụng của Q.
Các giá trị Mx, M, Q dùng trong tính toán lấy lại tiết diện thẳng góc với trục dọc cấu kiện và đi qua trọng tâm của vùng nén của tiết diện vênh.
3.35. Cấu kiện có tiết diện hình chữ nhật chịu xoắn hoặc uốn phải thoả mãn điều kiện hạn chế (3.51).
Mx £ 0,1 Rnb2h (3-51)
Trong đó b và h tương ứng là cạnh bé và cạnh lớn của tiết diện.
Đồng thời, với bê tông có mác trên 400 thì cũng chỉ lấy Rn như bê tông mác 400.
3.36. Cấu kiện nói ở điều 3.35., được tính với tác dụng của M và Mx
Theo điều kiện
(3 - 52)
Chiều cao vùng nén x xác định từ điều kiện :
RaFa – R’aF’a = Rnbx (3 - 53)
Trong đó: V = M/Mx

Đồng thời trị số md cần lấy trong phạm vi
m0 £ md £ 3m0 (3-54)
Với :
(3 - 55)
C – Hình chiếu của vùng nén lên phương trục dọc của cấu kiện. Tiến hành tính toán với tiết diện nguy hiểm nhất nhưng đồng thời C không lớn hơn 2h +b
Chú thích: Cấu tạo cốt thép dọc cần tuân theo điều 5.14.
3.37. Tính toán cấu kiện có tiết diện chữ nhật với tác dụng của Q và Mxtheo điều kiện:
(3 - 56)
Chiều cao vùng nén x được xác định từ điều kiện :
RaFa1 – R’aF’a1 = Rnhx
Trong đó :
Fa1 + Fa1 – Diện tích tiết diện cốt thép dọc chịu kéo và chịu nén đặt dọc theo cạnh như hình 8b.
b0 – Khoảng cách từ trọng tâm cốt thép chịu kéo Fa1 đến mép chịu nén của tiết diện

Giá trị của md1 cũng cần thoả mãn điều kiện (3-54) trong khi đó tính m0 theo (3-55) thì thay đổi vai trò của b và h cho nhau.
Hình chiếu của vùng nén lên trục dọc cấu kiện là C1 được xác định với tiết diện nguy hiểm nhất nhưng đồng thời lấy C1 không lớn hơn 2b + h
Khi thoả mãn điều kiện
Mx £ 0,5 Qb (3-58)
thì có thể thay việc kiểm tra theo điều kiện (3-59) với Qdb tính theo công thức (3-13)
(3 - 59)
Các trường hợp chịu lực cục bộ – Neo cốt thép
3.38. Cốt thép dọc chịu kéo hoặc chịu nén cần được neo trắc bằng cách kéo quá “tiết diện dùng toàn bộ” một đoạn không bé hơn Lneo xác định theo công thức :
(3 - 60)
Trong đó:
d - đường kính cốt thép
mneol - hệ số cho trong bảng 14.
Chú thích :
1.Tiết diện dùng toàn bộ là tiết diện thẳng góc với trục cấu kiện mà tại đó cốt thép được tính toán với toàn bộ khả năng chịu lực.
2. Nếu các thanh cốt thép chưa được dùng hết khả năng chịu lực thì khi xác định Lneo theo công thức (3-60), giá trị Ra cần được nhân với hệ số sử dụng lấy bằng tỉ số giữa diện tích cốt thép cần theo tính toán và diện tích thực có của cốt thép
3. Nếu dọc theo cốt thép chịu kéo mà trong bê tông đã hình thành các vết nứt thì cần đưa thanh cốt thép vào neo ở vùng nén.
4. Khi không đủ điều kiện để thực hiện các yêu cầu về neo cốt thép như đã trình bầy thì phải dùng những biện pháp có hiệu quả để đảm bảo cho cốt thép phát huy hết khả năng chịu lực (như là dùng cốt thép gián tiếp để gia cố bê tông, dùng cách hàn vào đầu thanh thép các chi tiết neo, uốn đầu thanh thêp) lúc này chiều dài đoạn neo cũng không được nhỏ hơn 10d.
Bảng 14
| Điều kiện làm việc của cốt thép | Hệ số mneo | Hệ số l | Lneo không bé hơn | |
| Đối với thép có gờ | Đối với thép trơn | |||
| 1. Neo cốt chịu kéo trong vùng bêtông chịu kéo | 0,7 | 1,2 | 11 | 25d và 250mm |
| 2. Neo cốt chịu nén hoặc cốt chịu kéo vào bêtông vùng nén | 0,5 | 0,8 | 8 | 15d và 200mm |
| 3. Mối nối chồng cốt thép trong vùng kéo 4. Mối nối chồng trong vùng nén | 0,9 0,65 | 1,55 1 | 11 8 | 30d và 250mm 15 và 200mm |
Nén cục bộ
3.39. Các phần của cấu kiện không gia cố bằng cốt gián tiếp được tính toán kiểm tra về nén cục bộ theo điều kiện :
N £ hcb Rcb Fcb (3 - 61)
Trong đó :
N – Lực nén tác dụng cục bộ
Fcb – Diện tích bị nén cục bộ
hcb - Hệ số, lấy bằng 1 khi lực nén cục bộ phân bố đều , bằng 0,75 khi lực nén cục bộ phân bố không đều
Rcb – Cường độ tính toán của bê tông về nén cục bộ, xác định theo công thức
Rcb = gnRn (3 - 62)
Trị số
nhưng không lớn hơn các giá trị sau:
2,5 đối với bê tông nặng và bê tông nhẹ có mác trên 100
1,5 đối với bê tông nhẹ có mác 50 đến 100
Ftt – Diện tích tính toán xác định như sau:
Ftt bao gồm Fcb và một phần xung quanh Fcb , phẫn xung quanh này được lấy đối xứng qua Fcb như chỉ dẫn trên hình 9.

3.40. Tính toán về nén cục bộ các phần cấu kiện làm bằng bê tông nặng và được gia cố bằng các lưới hàn được tiến hành theo điều kiện :
N £ (gbRn + Km1 Ra1gc) Fcb (3-63)
Trong đó:
gb – Lấy theo như ở công thức (3-62) nhưng không lớn hơn 3,5
Ra1 – Cường độ tính toán về kéo của cốt thép làm lưới
m1 – Tỉ số cốt thép của lưới

n, f, l – Số thanh, diện tích tiết diện và chiều dài của thanh thép làm lưới theo phương 1 và phương 2
F1 – Diện tích của bê tông nằm bên trong chu vi lưới (tính theo thanh trục ngoài cùng).
S1 – Khoảng cách giữa các lưới
Hệ số gc xét đến ảnh hưởng của độ rộng lưới, xác định theo công thức :

Trong công thức (3-64) trị số F1 lấy không lớn hơn Ftt
Hệ số k xét đến hiệu quả của lưới được xác định như sau:

Với 
Chú thích: Cấu tạo của lưới phải tuân theo điều (5.23)
C. Nén thủng
3.41. Tính toán về nén thủng đối với kết cấu dạng bản, không được đặt cốt ngang, chịu lực phân bố trong một diện tích giới hạn được tiến hành theo điều kiện :
P £ 0,75 Rk B h0 (3 - 65)
Trong đó: B – Trị số trung bình của chu vi của các đáy hình tháp nén thủng
Chú thích:
1. Tính toán về nén thủng cần tiến hành đối với móng cọc, mặt sàn chịu tải trọng tập trung v.v…
2. Hình tháp nén thủng có đáy bé là phần trực tiếp chịu lực nén, có các mặt nghiêng 450, có đáy lớn ngang mức cốt thép chịu lực.
3. Nếu sơ đồ liên kết có thể tạo ra sự nén thủng theo mặt tháp có độ nghiêng lớn hơn 450 (ví dụ : đài cọc, hình 10b) thì vế phải của điều kiện (3-65) được nhân thêm với tỉ số :h0/c nhưng không lớn hơn 2,5. ở đây c là hình chiếu của mặt bên tháp nén thủng lên phương vuông góc với lực.
4. Khi trong phạm vi tháp nén thủng có đặt cốt thép ngang thì có thể tính toán để các cốt ngang này chịu lực nén thủng, lúc này cũng cần thoả mãn điều kiện (3-65) nhưng thay hệ số 0,75 bằng 1,2. Cấu tạo các cốt ngang nói ở điều 5.24

D. Dật đứt
3.42. Tính toán về dật đứt vùng kéo của cấu kiện khi có lực tập trung vào khoảng giữa chiều cao tiết diện hoặc có lực kéo đặt lên bề mặt cấu kiện (hình 11) cần tiến hành theo điều kiện :
P £ RaFtr
Trong đó:
Ftr – Diện tích tiết diện các thanh cốt treo đặt trong phạm vi đoạn dài
Str – b1 + 2h1 với b1 là bề rộng phần phân bố cực
P, h1 – khoảng cách từ trung tâm vùng truyền lực P đến trục cốt thép dọc chịu kéo của cấu kiện .

E. Xà gãy khúc (tính cốt bó)
3.43. Khi phần lõm chỗ gãy khúc của xà (hoặc của nút khung) nằm vào trong miền chịu kéo cần tính toán cốt thép bó theo điều kiện :
Pk £ RaFabsinj (3 - 67)
Trong đó:
Pk – Lực kéo tính toán, lấy bằng tổng hợp lực trong cốt chịu kéo đặt liên tục (không neo vào vùng nén) và 35% lực trong cốt được tách rời để neo vào vùng nén.
Rk = (2RaFa1 + 0,7RaFa2) cosj (3 - 67)

Trong đó :
Fa1 – Diện tích cốt chịu kéo không neo vào vùng nén đặt liên tục
Fa2 – Diện tích cốt chịu kéo được neo chắc vào vùng nén.
j - Một nửa góc lõmab
Fab– Diện tích tiết diện ngang toàn bộ các cốt bó, các cốt này cần được đặt trong phạm vi
Sb = h tg3/3 j
Chú thích:
1. Các cốt bó phải ôm lấy toàn bộ cốt dọc chịu kéo và neo chắc vào vùng nén.
2. Khi góc 2j ³ 1600 cho phép đặt các cốt dọc chịu kéo liên tục qua chỗ gãy khúc. Khi 2j < 1600 thì phần lớn hoặc toàn bộ cốt dọc chịu kéo phải tách rời và neo chắc vào vùng nén.
G. Chi tiết liên kết
3.44. Chi tiết liên kết kiểu bàn chông (dùng các thanh neo hàn vuông góc với bản thép phẳng) (hình 13), chịu mô men uốn M, lực dọc N và lực cắt Q được tính theo như sau:
(3 - 69)
Trong đó:
Fan – Tổng diện tích tiết diện ngang của cácthanh neo ở hàng ngoài cùng.
Na – Lực kéo lớn nhất trong một hàng thanh neo.

Qa – Lực trượt trên mỗi hàng thanh neo

N’a – Lực nén lớn nhất trong hàng thanh neo

na – Số lượng các thanh neo. Riêng trong công thức (3-71) lấy na không quá 4.
Z – Khoảng cách giữa hai hàng thanh neo ngoài cùng
Ka – Hệ số xác định theo công thức:

Nhưng không nhỏ hơn 0,15
V = 0,3 Na/Qa Nếu N’a ³ 0
V = 0,6N/Q Nếu N’a < 0
K – Hệ số xác định theo công thức (3-74) khi đường kính thanh neo từ 8 đến 25mm, bê tông nặng mác từ 150 đến 600.

Trong công thức (3-74)
Rn và Ra tính theo đơn vị kg/cm2 (hoặc daN/cm2)
fan- tiết diện ngang một thanh neo ở hàng ngoài cùng, đơn vị cm2
Chú thích :
1. Diện tích tiết diện các thanh neo của các hành giữa lấy không nhỏ hơn Fan
2. Lực N xem là dương nếu có hướng từ chi tiết liên kết ra phía ngoài (kéo), nếu lực N hướng vào trong (nén) thì nó mang dấu âm.
3. Trong trường hợp tính toán bằng công thức (3-70), (3-71), (3-72) được Na, N’a có giá trị âm thì trong công thức (3-69), (3-71) cho chúng bằng không. Khi tính theo (3-71) mà được Qa âm thì trong (3-69) cũng cho nó bằng không. Ngoài ra nếu Na âm thì trong công thức (3-71) thay N’a bằng N.
4. Nếu tấm thép của chi tiết không đặt chìm vào bê tông mà đặt ngay trên mặt cấu kiện thì phải giảm hệ số K xuống 20% và lấy N’a bằng không.
3.45. Liên kết chịu lực trượt là chủ yếu nên dùng thanh neo xiên, hàn lên mặt tấm thép (H 13c), góc b giữa thanh neo và phương của lực trượt trong khoảng 150 đến 300, diện tích các thanh neo được xác định theo công thức.


Khi mà ngoài ảnh hưởng chủ yếu củalực trượt Q, liên kết còn chịu tác dụng của M và N thì ngoài thanh treo xiên còn cần các thanh neo thẳng góc như đã nêu trong điều 3.14. Trong đó khi tính theo công thức (3-69) lấy Ka = 1 và lấy Qa = 0,1 giá trị tính được theo công thức (3-71).
3.46. Kết cấu của chi tiết liên kết cần có đủ độ cứng để đảm bảo việc phân bố đều nội lực giữa các thanh neo chịu kéo và truyền đều lực nén lên bê tông .
Các bộ phận bằng thép của liên kết và các đường hàn được tính toán theo tiêu chuẩn thiết kết kết cấu thép.
Khi thanh neo được hàn góc với bản thép thì chiều dày d của bản phải thoả mãn điều kiện :

Trong đó :
d - Đường kính thanh treo
Rc – Cường độ tính toán về chịu cắt của bản thép, lấy theo tiêu chuẩn thiết kế kết cấu thép.
H. Công xôn ngắn – vai cột
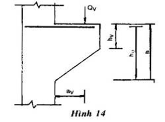
3.47. Công xôn ngắn – vai cột (lv £ 0,9h0) đỡ dầm, giàn v.v… chịu lực đặt tập trung, cần được kiểm tra về nén cục bộ, về uốn và cắt (hình14)

Khi tính toán cốt thép chịu kéo do uốn cần tăng mô men uốn lên 25%.
Tính toán theo lực cắt cần thoả mãn điều kiện :

Trong đó:
Kv – Hệ số, lấy bằng 1,2 đối với bê tông nặng và bằng 0,8 đối với bê tông nhẹ.
mv – Hệ số, lấy như sau: với cầu trục có chế độ làm việc rất nặng lấy bằng 0,5, nặng 0,7, trung bình và nhẹ 0,9, với tải trọng tĩnh lấy bằng 1,0
Khi vai cột được làm liền vào nút cứng của khung được phép tăng mv lên 25%
av – Khoảng cách từ điểm đặt Qv đến tiết diện sát mép cột của công xôn.
Chú thích:
1. Việc tính toán kiểm tra theo điều kiện (3-77) chỉ dùng cho các công xôn có góc nghiêng giữa mép chịu nén và đường nằm ngang (góc a trên hình 14) không quá 450 và chiều cao đầu mút công xôn hv không nhỏ hơn 1/3 chiều cao của tiết diện công xôn ở sát mép cột.
2. Cấu tạo cốt thép trong công xôn cần tuân theo quy định của điều 5.12.
Kiểm tra về mỏi
3.48. Cần kiểm tra kết cấu bê tông cốt thép về mỏi khi kết cấu chịu tải trọng trùng lập với chu kỳ từ một triệu trở lên.
Đối với mọi cấu kiện cần kiểm tra mỏi trên tiết diện thẳng góc còn đối với các cấu kiện có chịu lực cắt thì cần kiểm tra thêm về mỏi trên tiết diện nghiêng.
Giới hạn mỏi của bê tông Rnm và Rkm được xác định theo điều 2.8.
Giới hạn mỏi của cốt thép Ram được xác định theo điều 2.18.
3.49. Kiểm tra về mỏi trên tiết diện thẳng góc cần tiến hành theo điều kiện :
- Đối với bê tông chịu nén:
sbmax £ Rnm (3-78a)
- Đối với cốt thép chịu kéo:
sâmx £ Ran (3-78b)
Trong đó : smax và sâmx là ứng suất pháp lớn nhất ứng với bê tông chịu nén và cốt thép chịu kéo.
Để xác định ứng suất trong bê tông và trong cốt thép, cho phép tính theo giai đoạn đàn hồi, dùng giả thiết diện phẳng và tính toán với tiết diện tương đương. Hệ số tính đổi của cốt thép n’ lấy bằng 25, 20, 15 và 10 ứng với mác bê tông tương ứng là 200, 300, 400 và 500.
Chú thích :
1. Khi xác định tiết diện tương đương không kể đến vùng kéo của bê tông nếu bê tông bị nứt, có nghĩa là ứng suất kéo trong bê tông vượt quá Rkm.
2. Không cần kiểm tra cốt thép chịu nén về mỏi.
3.50. Kiểm tra về mỏi trên tiết diện nghiêng cần tiến hành theo điều kiện sau: cốt thép ngang phải chịu được tổng hợp lực của ứng suất kéo chính tác dụng ở mức trọng tâm của tiết diện tương đương . Cường độ tính toán của cốt thép ngang lúc này lấy bằng Ra nếu thoả mãn điều kiện (3-79) thì cho phép không cần kiểm tra cốt thép ngang về mỏi .
skcmax £ KcR (3 - 79)
Trong đó:
skcmax – Là ứng suất kéo chính cực đại, tính tại mức của trọng tâm tiết diện tương đương
Kc – Hệ số, với sàn và dầm chịu tải trọng của máy không cân bằng thì kc = 1, với dầm cầu trục chế độ làm việc nặng và trung bình kc = 1,1 và 1,2.
4. Tính toán theo trạng thái giới hạn thứ hai
4.1. Tính toán theo trạng thái giới hạn thứ hai nhằm đảm bảo sự làm việc bình thường của kết cấu . Sự làm việc này được quy định bởi tính chất và nhiệm vụ của kết cấu, điều kiện và môi trường sử dụng kết cấu, yêu cầu của công nghệ, tâm lý của những người có liên quan và thẩm mĩ của công trình. Việc tính toán kiểm tra được tiến hành theo các quy định chung tại ở điều 1.5. đến 1.9.
Đối với những kết cấu thông thường thì khi kiểm tra theo giới hạn thứ hai dùng tải trọng tiêu chuẩn. Chỉ đối với một số kết cấu đặc biệt có quy định riêng mới dùng tải trọng tính toán .
Kiểm tra bề rộng khe nứt cũng như sự hình thành vết nứt cần tiến hành theo phương thẳng góc và nghiêng với trục dọc cấu kiện.
Tính toán bề rộng khe nứt
4.2. Bề rộng khe nứt thẳng góc với trục dọc của cấu kiện là an được xác định theo công thức (4-1) với đơn vị mm.

Trong đó :
K – Hệ số, đối với cấu kiện chịu nén và chịu uốn lệch tâm K = 1 với cấu kiện chịu kéo K = 1,2.
C – Hệ số, xét đến tính chất tác dụng của tải trọng
- Với tác dụng ngắn hạn của tải trọng : C = 1
- Với tải trọng rung động trùng lặp cũng như với tác dụng dài hạn của tải trọng: C = 1,5.
h - Hệ số, xét đến tính chất bề mặt cốt thép
- Với cốt thép có gờ h = 1,0
- Với cốt thép thanh tròn trơn h = 1,3
- Với sợi thép có gờ hoặc dây bện h = 1,2
- Với sợi thép trơn h = 1,4
P – Tỉ số phần trăm của tiết diện cốt thép dọc chịu kéo đối với diện tích làm việc của tiết diện bê tông. Trong khi tính toán theo công thức (4-1) lấy P không lớn hơn 2. Đối với cấu kiện chịu uốn, chịu nén lệch tâm và kéo lệch tâm tiết diện chữ nhật (hoặc chữ T có cánh chịu nén) thì :

Đối với cấu kiện chịu nén trung tâm:

d - Đường kính cốt thép dọc chịu kéo tính bằng mm
Ea và sa – Mô đun đàn hồi và ứng suất trong cốt thép chịu kéo, tính cùng đơn vị như nhau.
Chú thích:
1. Với kết cấu dùng bê tông mác M100 và thấp hơn thì bề rộng khe nứt tính theo công thức (4-1) cần tăng lên 30%.
2. Trong trường hợp cốt thép có nhiều loại đường kính khác nhau d1, d2… thì đường kính tương đương như sau:

4.3. Khi trên kết cấu có cả tải trọng tác dụng dài hạn và ngắn hạn thì bề rộng khe nứt tổng cộng sẽ là :
an = and + an.ng (4 - 2)
Trong đó :
and – Bề rộng khe nứt do tác dụng của tải trọng dài hạn (tính với C = 1,5 và sa do tải trọng ngắn hạn).
an.ng- Bề rộng khe nứt do phần tải trọng tác dụng ngắn hạn (tính với C = 1 và với sa do tải trọng ngắn hạn).
Chú thích:
1. Cần kiểm tra giá trị an theo điều (1.3) trong đó agh lấy theo bảng 1, ngoài ra đối với kết cấu chống nứt cấp 3 còn cần kiểm tra giá trị and cũng theo điều kiện (1-3) nhưng trong đó agh được lấy giảm đi 0,05mm so với trị số cho trong bảng.
2. Cho phép tính bề rộng khe nứt tổng cộng theo công thức (3-1) trong đó lấy lấy sa do toàn bộ tải trọng gây ra và hệ số C tương đương bằng.
C = 1 + 0,5T1/T
Trong đó :
T – là nội lực do toàn bộ tải trọng gây ra T1
T1 – nội lực do tác dụng của tải trọng dài hạn và tải trọng rung động.
T và T1 đối với cấu kiện chịu kéo là lực dọc N, đối với cấu kiện chịu uốn là mô men M còn đối với cấu kiện chịu kéo lệch tâm và nén lệch tâm là tích N(e ± Z1) như trong công thức tính sa
4.4. ứng suất trong cốt thép chịu kéo sa được xác định như sau:
- Với cấu kiện chịu nén trung tâm:

- Với cấu kiện chịu uốn:

- Với cấu kiện chịu nén lệch tâm:

- Với cấu kiện chịu nén lệch tâm khi độ lệch tâm: eo ³ 0,8h0

- Với cấu kiện chịu kéo lệch tâm mà eo < 0,8h0 thì dùng công thức (4-3d) trong đó thay Z1 bằng Za.
Trong các công thức trên: N và M là lực dọc và mô men uốn (tương ứng từng trường hợp tính toán mà lấy nội lực do tải trọng tiêu chuẩn tác dụng dài hạn, ngắn hạn hoặc toàn bộ tải trọng).
e - Độ lệch tâm của lực dọc lấy đối với trọng tâm cốt thép Fa (xem điều 3.22. và 3.29.).
Z1 – Cánh tay đòn nội lực (xem điều 4.9.)
4.5. Bề rộng khe nứt nghiêng của cấu kiện chịu uốn (tính bằng mm) được xác định theo công thức 4.4

Trong đó :
C và h - Hệ số lấy như công thức (4-1)
dmax - Đường kính lớn nhất của cốt đai, cốt xiên
mng – Hệ số cốt thép ngang
mng = md + mx
md = Fd/bu là hệ số cốt đai
mx = Fx/bux là hệ số cốt xiên
Vng = 1000 (20-1200mng) nhưng đồng thời lấy Vng không bé hơn 8000.
t – ứng suất cắt trong bê tông

Q – Lực cắt lớn nhất trong đoạn cấu kiện đang khảo sát có cốt ngang đặt phân bố đều
Chú thích:
1. .Tiết diện khảo sát đầu tiên lấy cách gối tựa một đoạn không nhỏ hơn h0
2. Đối với cấu kiện dùng bê tông mác M100 và thấp hơn, giá trị an tính theo (4-4) cần tăng lên 30%
3. Khi dùng cốt đai và cốt xiên bằng các loại thép khác nhau thì xác định hệ sốh tương đương như sau:

Tính toán về biến dạng
4.6. Biến dạng (độ võng, góc xoay) của các kết cấu bê tông cốt thép được tính toán theo các phương pháp của cơ học kết cấu sau khi đã xác định được độ cứng chống uốn và độ cong 1/r của cấu kiện theo các quy định của phần này.
Độ cứng và độ cong sẽ được xác định cho từng tiết diện hoặc cho từng đoạn cấu kiện phụ thuộc vào biểu đồ mô men uốn và cấu tạo của tiết diện, trong đó điều kiện cần chú ý là trong bê tông vùng kéo có hình thành vết nứt hay không .
Chú thích:
1. Đối với kết cấu có khả năng chống nứt cấp 3 có thể có những đoạn không có vết nứt xuất hiện, ở những đoạn này điều kiện (1-2) được thoả mãn trong đó có thể xác định Tn theo các công thức của phần VI, khi chỉ kể đến ảnh hưởng của bê tông và cốt thép thường còn cho bằng không các ảnh hưởng của cốt thép ứng lực trước.
2. Tính toán các đoạn không có vết nứt tiến hành theo điều 4.7. Tính toán các đoạn có vết nứt tiến hành theo các điều 4.8. đến 4.11.
4.7. Trong những đoạn không có vết nứt tính độ cứng chống uốn theo công thức (4-6) và độ cong của công thức (4-7)
B0 = kdEbJtđ (4 - 6)

Trong đó:
Kd – Hệ số xét đến biến dạng dẻo của bê tông. Với bê tông nặng Kd = 0,85 với bê tông nhẹ Kd = 0,7.
Jtd – Mô men quán tính của tiết diện tương đương gồm toàn bộ tiết diện bê tông và tiết diện cốt thép. Hệ số tính đổi của cốt thép là: n = Ea/Eb
– Mô men do tải trọng ngoài gây ra lấy đối với trục đi qua trọng tâm tiết diện tương đương và vuông góc với mặt phẳng uốn.
C – Hệ số xét đến ảnh hưởng từ biến. Khi tính tới tác dụng ngắn hạn của tải trọng lấy C = 1, với tác dụng dài hạn lấy C = 2
Chú thích: Dùng công thức (4-7) để tính riêng các độ cong toàn bộ lấy bằng tổng độ cong của các thành phần .
4.8. Trong những đoạn có khe nứt xuất hiện ở vùng bê tông chịu kéo, tính độ cứng chống uốn theo công thức (4-8) và độ cong theo công thức (4-9).


Trong đó :
Ma – Mô men uốn lấy đổi với trục đi qua trọng tâm cốt thép Ea và vuông góc với mặt phẳng uốn.
Z1 – Cánh tay đòn nội lực tại tiết diện có khe nứt.
yb – Hệ số kể đến biến dạng không đều của mép bê tông vùng nén, lấy bằng 0,9. Với kết cấu được tính với tải trọng trùng lặp lấy bảng 1.
ya – Hệ số kể đến biến dạng không đều của cốt thép chịu kéo, lấy theo điều 4.10. Riêng với kết cấu chịu tải trọng trùng lặp lấy ya = 1
g’ – Hệ số đặc trưng cho trạng thái đàn hồi - dẻo của bê tông vùng nén, lấy bằng 0,45 với tác dụng ngắn hạn của tải trọng và bằng 0,15 với tác dụng dài hạn.
g’ – Hệ số xác định theo công thức (4-13)
x = X/h0 Chiều cao tương đối của vùng nén, xác định công thức (4-10)
Các công thức (4-8) và (4-9) dùng cho cấu kiện có tiết diện chữ nhật, chữ T, chữ I (hoặc các tiết diện khác đưa về được theo các dạng trên ) làm việc về chịu uốn lệch tâm và kéo lệch tâm với độ lệch tâm e0 ³ 0,8h0
Trong công thức (4-9) dùng dấu (+) cho cấu kiện chịu kéo lệch tâm, dấu (-) cho cấu kiện chịu nén lệch tâm.
Chú thích:
1. Dùng công thức (4-8) và (4-9) là để tính độ cong thành phần ứng với từng trường hợp tác dụng của tải trọng. Độ cong toàn bộ lấy bằng tổng đại số của các độ cong thành phần, xác định theo điều (4.11.)
2. Đối với cấu kiện chịu uốn thì Ma = M và không có thành phần thứ 2 của công thức (4-9)
3. Đối với cấu kiện chịu kéo và chịu nén lệch tâm thì Na = Nc.(e0 ± Ya) = M ± NYa. Dấu cộng dùng cho cấu kiện nén, Ya là khoảng cách từ trục cấu kiện đến trục cốt thép Fa với tiết diện chữ nhật Ya = 0,5h = a.
4.9. Giá trị x tính theo công thức (4-10).

ở chỗ có hai dấu trong công thức (4-10), lấy dấu đặt trên cho trường hợp chịu nén lệch tâm và dấu đặt dưới cho trường hợp kéo lệch tâm.



Độ lệch tâm của lực dọc e được lấy đối với trọng tâm cốt thép Fa xem công thức(4-3)
Cánh tay đòn nội lực Z1 được xác định theo công thức (4-14)

Với d’ = h’c/h0 còn nếu h’c = 0 thì d = 2a’/h0
Chú thích:
1. Đối với cấu kiện chịu nén lệch tâm thì trị số Z1 không được lấy hơn 0,97e
2. Đối với tiết diện chữ T có cánh trong vùng nén mà tính được x < h’c/h0 thì tiến hành tính lại theo trường hợp tiết diện chữ nhật thay b bằng b’c
3. Bề rộng cánh b’c được lấy theo quy định ở điều 4.3
4.10. Hệ số ya được xác định theo công thức (4-15) nhưng lấy không lớn 1.

Trong đó :
S – Hệ số, lấy bằng 0,8 khi tính với tác dụng dài hạn của tải trọng, bằng 1 và 1,1 khi tính với tác dụng ngắn hạn, ứng với cốt thép trơn và cốt thép có gờ.
m – Hệ số, xác định theo công thức (4-16) nhưng lấy không lớn hơn1
Đối với cấu kiện chịu uốn

Đối với cấu kiện chịu nén lệch tâm và kéo lệch tâm

r1 – Là khoảng cách từ trọng tâm tiết diện tương đương đến đỉnh lõi của tiết diện ở trong vùng nén, dùng dầu trừ trước r cho trường hợp nén lệch tâm.
Wa – Mô men kháng chống nứt (đàn hồi – dẻo) của tiết diện tương đương lấy đổi với thớ chịu kéo ngoài cùng. Xác định Wn theo công thức (4-17)

Trong đó :
ja, jb, ja’ – Mô men quán tính của tiết diện bê tông vùng nén của cốt thép Fa và F’a lấy đối với trục trung hoà .
Sk – Mô men tĩnh của diện tích vùng bê tông chịu kéo lấy đối với trục trung hoà.
x0 – Chiều cao của vùng nén khi chưa xuất hiện vết nứt.
Vị trí trục trung hoà được xác định từ điều kiện bằng không của mô men tĩnh của tiết diện tương đương:
Sb + nS'a - nSa – 0,5(h – x0) Fk = 0
Trong đó :
Sa, Sb, S’a – Mô men tĩnh của diện tích bê tông vùng nén, của diện tích vùng cốt thép Fa và F’a lấy đối với trục trung hoà.
Fk – Diện tích bê tông vùng kéo.
4.11. Khi trên cấu kiện có tải trọng tác dụng dài hạn và ngắn hạn thì độ cong toàn bộ được xác định bằng tổng đại số các độ cong thành phần

Trong đó :
1/r1 - Độ cong do tác dụng ngắn hạn của toàn bộ tải trọng
1/rng- Phần độ cong tăng lên do tác dụng ngắn hạn của tải trọng tạm thời ngắn hạn để tính độ cong này cần xét sự làm việc của kết cấu khi chịu toàn bộ tải trọng. Có thể tính 1/rd theo công thức (4-19)

1/r1 - Độ cong do tác dụng ngắn hạn của toàn bộ tải trọng
1/r2 - Độ cong do tác dụng ngắn hạn của tải trọng thường xuyên và tải trọng tạm thời dài hạn (độ cong ban đầu gây ra do các tải trọng sẽ tác dụng dài hạn).
Biểu đồ độ cong của cấu kiện là tập hợp giá trị độ cong của từng tiết diện hoặc của từng đoạn.
Đối với cấu kiện chịu uốn có tiết diện không đổi cho phép xác định biểu đồ độ cong như sau: trong mỗi đoạn mà biểu đồ mô men uốn cùng dấu, tính độ cong tại tiết diện có mô men lớn nhất còn độ cong tại các tiết diện khác dấu tỉ lệ với giá trị mô men (điều này có nghĩa là cho phép xem độ cứng B là hằng số trong từng đoạn).
Chú thích:
1. Đối với cấu kiện chịu tải trọng dài hạn là chủ yếu (Tdh ³ 0,6T) cho phép xác định độ cong toàn bộ theo công thức sau:

2. Đối với cấu kiện chịu tải trọng ngắn hạn là chủ yếu (Tng ³ 0,6T) cho phép xác định độ cong toàn bộ theo công thức sau:

Trong đó :
T, Tdh , Tng – Nội lực do toàn bộ tải trọng, do tải trọng dài hạn và do tải trọng ngắn hạn.


4.12. Độ võng tại một tiết diện A nào đó của cấu kiện được xác định theo công thức :

Trong đó:
- Mô men uốn tại tiết diện x do tác dụng của lực đơn vị đặt tại A và hướng theo phương của độ võng.
1/r(x) - Độ cong tại tiết diện x xác định theo các tải trọng gây ra độ võng cần tính. Giá trị độ cong được lấy theo từng đoạn hoặc không có vết nứt, lấy với dấu được quy định trên biểu đồ độ cong.
Chú thích:
1. Đối với cấu kiện chịu uốn có sơ đồ đơn giản (kề lên hai gối tự do hoặc công xôn), có biểu đồ mô men uốn một đầu có thể dùng công thức sau để tính độ võng:

b - Là hệ số phụ thuộc vào liên kết và dạng tải trọng, được đo ở phụ lục 5 hoặc lấy theo các tài liệu tham khảo.
2. Khi tính riêng các độ võng thành phần f1, f2 và Fd ứng với các độ cong thành phần: 1/r1 ; 1/r2 và 1/rd thì độ võng tổng cộng sẽ là :
F = f1 – f2 + fd
3. Theo các chú thích ở điều 4.11, cho phép tính độ võng tổng cộng theo các công thức sau:
f = Acfdh Khi tải trọng tác dụng dài hạn là chủ yếu.
f = A1f1 khi tải trọng ngắn hạn là chủ yếu.
4. Trong một số trường hợp sau đây cần phải điều chỉnh độ võng tính được bằng cách nhân với hệ số F
a) Với dầm sàn có lỗ rỗng: F = 0,8
b) Với bản đặc có chiều dày dưới 25cm, đặt cốt bằng lưới phẳng có vết nứt trong vùng kéo

Nhưng không lấy lớn hơn 1,5. Giá trị a1 = 0,7cm
c) Với cấu kiện chịu uốn mà L/h < 10, cần kể đến ảnh hưởng của lực cắt làm tăng độ võng

Trong đó : V = 6 đối với các đoạn dầm công xôn, V = 10 đối với đoạn dầm kê lên 2 gối tựa.
5. Các quy định về cấu tạo
5.1. Khi thiết kế kết cấu bê tông cốt thép cần tuân theo những quy định về cấu tạo để đảm bảo việc chế tạo chúng, đảm bảo sự làm việc chung giữa cốt thép và bê tông, bảo đảm độ bền vững và tuổi thọ của công trình.
Kích thước của tiết diện
5.2. Khi quyết định chọn kích thước tiết diện của kết cấu bê tông cốt thép, ngoài việc xác định chúng từ cách tính toán theo trạng thái giới hạn còn cần:
- Xét đến yều cầu và hiệu quả kinh tế;
- Xét đến yêu cầu về thống nhất hoá ván khuôn và cách đặt thép;
- Xét điều kiện của công nghệ chế tạo kết cấu ;
- Bảo đảm về yêu cầu bố trí cốt thép trong tiết diện (chiều dày lớp bảo vệ, khoảng cách giữa các cốt) và yêu cầu về neo cốt thép .
5.3. Kích thước tổi thiểu của tiết diện được quy định như sau:
a) Đối với bản toàn khối, chiều dày không nhỏ hơn:
50mm đối với bản mái
60mm đối với nhà ở và nhà công cộng
70mm đối với sàn nhà sản xuất
Khi dùng bê tông mác 250 trở lên cho phép lấy chiều dày tối thiểu giảm xuống 10mm.
Khi dùng bê tông nhẹ có mác từ M100 trở xuống thì chiều dày tối thiểu trong mọi trường hợp là 70mm.
b) Đối với các bản lắp ghép – chiều dày tối thiểu được xác định từ điều kiện bảo đảm lớp bê tông bảo vệ cần thiết và điều kiện đặt cốt thép theo chiều dày bản.
c) Đối với cấu kiện chịu nén, kích thước tối thiểu của tiết diện được chọn sao cho độ mảnh l = l0/r về mọi phương không vượt quá độ mảnh giới hạn lbh
lgh = 100 đối với các cột nhà
lgh = 160 đối với các cấu kiện khác
Lớp bê tông bảo vệ
5.4. Lớp bảo vệ cho cốt thép chịu lực cần bảo đảm sự làm việc chung giữa cốt thép và bê tông ở mọi giai đoạn làm việc của kết cấu, bảo vệ cốt thép khỏi bị tác động của không khí bên ngoài, của nhiệt độ và các ảnh hưởng có hại khác của môi trường.
Đối với cột dọc chịu lực, chiều dày lớp bảo vệ không được nhỏ hơn đường kính thanh thép và không nhỏ hơn:
10mm đối với bản và tấm tường có chiều dày từ 100mm trở xuống
15mm đối với bản và tường dày trên 10mm, đối với cột, dầm và sườn có chiều cao tiết diện dưới 250mm.
20mm đối với cột dầm và sườn có chiều cao tiết diện 250mm trở lên.
30mm đối với dầm móng và móng lắp ghép.
35mm đối với móng đổ tại chỗ nếu như có đổ lớp bê tông lót
70mm đối với móng đổ tại chõ không có lớp bê tông lót
Trong những vùng chịu ảnh hưởng của hơi nước mặn cần lấy tăng chiều dày lớp bảo vệ lên 5mm.
5.5. Lớp bảo vệ cho cốt đai, cốt phân bố, cốt cấu tạo không được nhỏ hơn đường kính cốt và không nhỏ hơn
10mm khi h < 250mm
15mm khi h ³ 250mm
5.6. Mút của cốt thép dọc chịu lực phải cách mút của cấu kiện một đoạn không nhỏ hơn các trị số sau:
Với cấu kiện lắp ghép: 10mm cho các loại bản, Panen;
15mm cho các loại dầm cột
Với kết cấu đổ tại chỗ: 15mm khi đường kính cốt thép từ 30mm trở xuống
20mm khi đường kính cốt thép từ 32mm trở lên
Khoảng cách của cốt thép
5.7. Khoảng cách giữa các cốt thép cần được quy định nhằm bảo đảm sự làm việc chung giữa cốt thép và bê tông, bảo đảm thuận tiện cho việc đổ dầm vữa bê tông
Khoảng hở giữa các thanh cốt thép dọc đặt rời cũng như giữa cốt thép dọc của các khung hàn phẳng không được nhỏ hơn đường kính của thành và không nhỏ hơn các trị số quy định sau:
a) Với cốt thép có vị trí nằm ngang hoặc nghiêng khi đổ bê tông
25mm đối với lớp cốt phía dưới
30mm đối với lớp cốt phía trên
Khi ở phía dưới cốt thép đặt thành nhiều lớp thì trừ hài lớp ở cuối cùng ra còn đối với các lớp phía trên, khe hở không nhỏ hơn 50mm.
b) Với cốt thép có vị trí đứng khi đổ bê tông, khe hở không nhỏ hơn 50mm
Chú thích:
1. Với cốt thép có vị trí đứng chung nếu bảo đảm việc kiểm tra một cách có hệ thống kích thước cốt liệu của bê tông thì cho phép giảm khe hở của cốt thép xuống đến 35mm nhưng cũng phải bảo đảm lớn hơn một lần rưỡi kích thước lớn nhất của cốt liệu.
2. Trong điều kiện kích thước tiết diện bị hạn chế mà buộc phải đặt nhiều cốt thép thì cho phép đặt cốt thép thành đôi, ghép sát nhau theo phương chuyển động của vữa bê tông khi đổ, lúc này khe hở giữa các đôi cốt thép không được nhỏ hơn 1,5 lần đường kính cốt.
5.8. Khoảng cách giữa các trục cốt thép dọc không được lớn quá 400mm. Ngoài ra với cốt thép chịu lực trong bản tại những vùng có nội lực lớn khoảng cách đó không lớn hơn:
200mm khi chiều dày bản h £ 150mm
1,5h khi h > 150mm
Neo cốt thép
5.9. Đối với những thanh thép có gờ cũng như những thanh tròn trơn dùng trong khung và lưới hàn thì đầu mút để thẳng, không cần uốn móc.
Những thanh tròn trơn chịu kéo, dùng trong khung buộc và lưới cần được uốn móc ở đầu .
Chú thích
1. Đối với cốt dọc chịu kéo và chịu nén, kể từ tiết diện mà có được tính toán với toàn bộ khả năng chịu lực cho đến mút của cốt không được nhỏ hơn đoạn neo xác định theo điều 3.38.
2. Neo cốt thép dọc chịu kéo tại gối biên kê tự do của cấu kiện chịu uốn theo những quy định ở điểm 1 của điều 3.17. Khi vì những lí do đặc biệt mà không thể thực hiện được chiều dài đoạn neo quy định như trên thì phải dùng các biện pháp khác để đảm bảo neo chắc cốt thép nhưng lúc này đoạn neo của cốt thép cũng không được nhỏ hơn một nửa trị số đã quy định.
Bố trí cốt thép dọc
5.10. Tỉ số phần trăm giữa diện tích tiết diện cốt thép dọc với diện tích tiết diện làm việc của bê tông không được lấy nhỏ hơn trị số cho trong bảng 15.
Trong các cấu kiện có cốt thép dọc đặt đều theo chu vi tiết diện (cấu kiện nén trung tâm, cấu kiện có tiết diện vòng khuyên… ) thì tỉ số tối thiểu giữa diện tích toàn bộ cốt thép dọc với diện tích tiết diện gấp đôi trị số trong bảng.
Chú thích
1. Quy định của điều này không dùng cho các trường hợp sau:
a) Với cốt thép chỉ được đặt theo yêu cầu chịu lực lúc chuyên chở, cẩu lắp.
b) Với cốt thép đặt theo chu vi tấm bản, xác định theo việc tính tấm bản chịu uốn trong mặt phẳng của chúng.
2. Diện tích tiết diện làm việc của tiết diện chữ nhật, chữ T lấy bằng tích bh0.
Bảng 15
| Điều kiện làm việc của cốt thép | m Min (%) |
| 1. Cốt thép Fa của cấu kiện chịu uốn và cấu kiện chịu kéo lệch tâm lớn | 0,05 |
| 2. Cốt thép Fa và F'a của cấu kiện chịu nén lệch tâm bé | 0,05 |
| 3. Cốt thép Fa và F'a của cấu kiện chịu nén lệch tâm khi: |
|
| a) | 0,05 |
| b) | 0,10 |
| c) | 0,20 |
| d) | 0,25 |
| Chú thích: Đối với cấu kiện chịu nén lệch tâm được dùng không quá 50% khả năng chịu lực thì lấy mmin = 0,05% không phụ thuộc vào độ mảnh l0/r. | |
5.11. Trong dầm chịu uốn khi chiều cao tiết diện trên 700mm, trong cột hoặc thanh chịu nén lệch tâm khi chiều cao tiết diện trên 500mm cần đặt cốt dọc cấu tạo ở các cạnh bên sao cho khoảng cách giữa các cột dọc (đo theo cạnh) không quá 400mm.
Diện tích tiết diện của một thanh cấu tạo không nhỏ hơn 0,001 a1b1 với :
a1 – Khoảng cách giữa các cốt dọc
b1 – Một nửa bề rộng tiết diện nhưng không lớn hơn 200mm
5.12. Trong dầm có chiều rộng trên 150mm số cột dọc chịu lực đưa vào gối không ít hơn 2, trong sườn của panen và trong dầm có chiều rộng dưới 150mm cho phép đưa vào dầm một cốt dọc.
Trong bản, các cốt dọc chịu lực đưa vào gối không ít hơn một phần ba số lượng cốt ở giữa nhịp. Khi đặt cốt trong bản bằng lưới hàn cuộn cho phép uốn toàn bộ lưới lên phía mặt trên trong đoạn gần gối.
5.13. Đường kính của cốt dọc trong các cấu kiện không lấy lớn quá
40mm khi dùng bê tông nặng mác 300 trở xuống
32mm khi dùng bê tông nhẹ mác 200 trở lên;
25,20 và 16mm ứng với khi dùng bê tông nhẹ mác 150, 100 và 75.
Đường kính của cốt dọc chịu nén có xét đến trong tính toán không lấy nhỏ hơn 12mm
5.14. Trong cấu kiện chịu uốn – xoắn cần đặt cốt dọc trên mọi cạnh của tiết diện. Với cạnh từ 100mm đến 200mm đặt ít nhất 2 cốt với cạnh trên 20mm đặt ít nhất 3 cốt và khoảng cách giữa các cốt không nhỏ quá 200mm.
Diện tích cốt dọc đặt ở vùng nén do uốn lấy không nhỏ hơn b Fa với

Chú thích: cốt dọc đặt ở góc tiết diện được kể cho cả hai cạnh chứa nó.
Cốt thép ngang
5.15. Ở các mặt của cấu kiện có đặt cốt dọc đều cần đặt cốt ngang bao đến cốt dọc ngoài cùng.
Cho phép không đặt cốt ngang theo phương bề rộng các dầm và sườn mỏng (bề rộng từ 150mm trở xuống) nếu trong đó chỉ dùng cốt dọc chịu lực hoặc dùng một khung hàn .
Cho phép không đặt cốt ngang theo phương cạnh đứng của tiết diện trong các dầm và sườn chịu uốn có chiều cao từ 300mm trở xuống nếu điều kiện (3-10) được thoả mãn.
5.16. Khoảng cách giữa các cốt ngang trong mọi trường hợp không được lớn quá 500mm và hai lần bề rộng của mặt cấu kiện .
Trong các cấu kiện có kể đến sự làm việc của cốt dọc chịu nén, khoảng cách của các cốt ngang còn không được vượt quá 15d1 khi dùng khung buộc, 20d1 khi dùng khung hàn.
Trong cấu kiện chịu nén khoảng cách trên lấy không quá 10d1 và 300mm trong trường hợp tỉ số cốt thép dọc lớn hơn 3% và trong những vùng nối cốt dọc của khung (d1 là đường kính nhỏ nhất của cốt dọc chịu nén được kể đến trong tính toán)
5.17. Trong các dầm và sườn chịu uốn khoảng cách giữa cốt ngang đặt theo phương tác dụng của lực cắt lấy không lớn hơn các quy định sau:
a) Trong đoạn gần gối tựa:
0,5 và 150mm khi chiều cao tiết diện h £ 450mm
1/3 và 300mm khi chiều cao h > 450mm
b) Trong đoạn còn lại giữa dầm :
3/ 4 h và 500mm khi h > 300mm
Khi h £ 300mm và thoả mãn điều kiện (3-10) thì có thể không cần đặt cốt ngang trong đoạn giữa dầm vừa nêu.
Chú thích: Đoạn gần gối tựa lấy bằng 1/ 4 nhịp khi cấu kiện chịu tải trọng phân bố đều; lấy bằng khoảng cách từ gối đến lực tập trung đầu tiên (nhưng không bé hơn 1/4 nhịp) khi cấu kiện chịu lực tập chung.
5.18. Trong cấu kiện chịu nén cấu tạo của cốt đai trong khung buộc phải bảo đảm liên kết chắc chắn các cột dọc, để khi bị nén cốt dọc không bị cong phình ra theo bất kì phương nào. Các cốt dọc cần được đặt vào chỗ uốn của cốt đai ( tối thiểu cứ cách một cốt dọc lại có một cốt đai đặt vào chỗ uốn như vậy và các chỗ uốn này cách nhau không quá 400mm theo cạnh tiết diện ). Khi cạnh của tiết diện không quá 400mm và trên mỗi cạnh có không có 4 cốt dọc cho phép dùng một cốt đai bao quanh toàn bộ cốt dọc.
Khi cấu tạo cấu kiện chịu nén bằng các khung hàn phẳng thì cần liên kết chúng lại thành khung không gian bằng cách dùng các thanh ngang hàn điểm tiếp xúc với những thanh dọc ở góc khung. Cũng cho phép dùng các thanh ngang có uốn móc buộc với thanh dọc tại những vị trí có thanh ngang trong khung hàn.
Nếu trong mỗi khung hàn phẳng có nhiều cốt dọc thì cần dùng các thanh ngang uốn móc để buộc liên kết các thanh dọc trung gian trong các khung đối diện, cứ cách một cốt dọc lại có tối thiểu một cốt được buộc như vậy và khoảng cách các thanh buộc này không quá 400mm. Cho phép không đặt các thanh buộc nếu cạnh của tiết diện không quá 500mm và số cốt dọc trên cạnh ấy không quá 4 thanh.
5.19. Đường kính của cốt đai trong khung buộc lấy theo quy định sau:
Trong cấu kiện chịu nén: không nhỏ hơn 5mm và 0,25d2 với d2 là đường kính lớn nhất của cốt dọc chịu nén.
Trong cấu kiện chịu uốn: không nhỏ hơn 6mm khi chiều cao tiết diện h £ 800m và không nhỏ hơn 8mm khi h > 800mm.
Trong khung hàn và lưới hàn tỉ lệ giữa đường kính cốt ngang và cốt dọc được lấy theo các quy định về hàn cốt thép (QPXD 71 : 1977).
5.20. Cốt xiên có thể dùng trong khung buộc của cấu kiện chịu uốn để tăng khả năng chịu lực cắt, bán kính cong chỗ uốn xiên không được nhỏ hơn 10d, đoạn thẳng nằm ngang ở đầu cỗt xiên không được nhỏ hơn 20d nếu nó ở vùng kéo và 10d nếu nó ở trong vùng nén. Điểm uốn của cốt xiên và khoảng cách giữa các lớp cốt xiên cần tuân theo quy định của điều 3.14, 3.15 mục 2 của điều 3.17.
5.21. Cấu tạo cốt thép trong những công xôn ngắn (tính toán theo điều 3.47.) cần tuân theo các quy định sau:
a) Khi h £ 2,5 av công xôn được đặt cốt đai xiên trong toàn bộ chiều cao (hình 15a)
b) Khi h > 2,5 av công xôn được đặt cốt xiên theo phương ngang theo toàn bộ chiều cao và các cốt xiên (hình 15b)
c) Khi h > 3,5 av và nếu thoả mãn điều kiện Q < Rkbh0 cho phép không cần đặt cốt xiên.
Trong các trường hợp trên bước của cốt đai không quá 1/4 h và không quá 150mm, đường kính cốt xiên không quá 1/15 chiều dài tính toán của cốt xiên ltx và không quá 25mm.
Tổng diện tích cácthanh cốt đai xiên cũng như tổng diện tích của các thanh cốt xiên cắt qua nửa trên của mép đường truyền lực lt đều lấy không nhỏ hơn 0,002bh0.

5.22. Trong các cấu kiện chịu uốn xoắn, cốt đai buộc cần làm thành vòng kín và đoạn chập lên nhau dài 30d. Khi dùng khung hàn tất cả các thanh ngang cả các thanh ngang theo hai phương, cần được hàn với thanh cốt dọc ở góc để tạo thành vòng kín, khoảng cách giữa các cốt đai (và cốt ngang) không lớn quá 200mm.
5.23. Lưới hàn gia cố mút cấu kiện để tăng khả năng về chịu nén cục bộ (tính toán theo điều 3.40.) được cấu tạo theo các quy định sau:
Cốt để làm lưới dùng thép nhóm CI, CII, CIII, cũng như sợi thép thường, đường kính từ 4 đến 8mm, cho phép đến 1,2mm
Kích thước các ô lưới không lớn quá 100mm và 1/4 cạnh bé của tiết diện , đồng thời không nhỏ hơn 45mm.
Bước của lưới St không lớn hơn 150mm và 1/3 cạnh bé của tiết diện đồng thời không nhỏ hơn 60mm,
Chu vi của lưới phải bao hết toàn bộ cốt thép dọc. ở mỗi đầu cấu kiện cần gia cố được đặt không ít hơn 4 lưới, đặt trong một đoạn dài 20d nếu cốt dọc là cốt trơn và 15d với cốt dọc có gờ (d- đường kính cốt dọc),
5.24. Khi đặt cốt ngang để tăng khả năng chống nén thủng (chú thích 4 điều 3.41.) cần tuân theo các quy định sau:
Các cốt ngang được neo ở hai đầu bằng cách hàn với cốt dọc hoặc uốn móc và ngoặc và cốt dọc. Khoảng cách giữa các cốt ngang không lớn hơn 200mm và 1/3 h phạm vi cần đặt cốt ngang rộng 1,5h.
Liên kết hàn cốt thép
5.25. Để liên kết các cốt thép cán nóng trơn và có gờ cũng như sợi thép thường nên dùng cách hàn tiếp xúc (hàn điểm, hàn đối đầu ) và hàn hồ quang.
Không được phép hàn liên kết các cốt thép qua gia công nhiệt, các sợi thép cường độ cao.
Khi chọn kiểu liên kết hàn cần tuân theo các chỉ dẫn của quy phạm Nhà nước (xem QPXD 71 : 1977 – Chỉ dẫn hàn cốt thép và chi tiết đặt sẵn trong kết cấu bê tông cốt thép ).
5.26. Hàn điểm tiếp xúc cần được dùng khi sản xuất khung và lưới hàn và các chi tiết đặt sẵn kiểu bàn chông.
Hàn đối đầu tiếp xúc được dùng để nối dài các thanh thép có đường kính từ 10mm trở lên. Hàn đối đầu tiếp xúc các thanh đường kính dưới 10mm chỉ cho phép thực hiện tại nhà máy có trang thiết bị chuyên dùng.
5.27. Hàn hồ quang được dùng để:
a) Liên kết các thanh thép cán nóng đường kính trên 8mm với nhau và với thép bản (chi tiết đặt sẵn) trong điều kiện dựng lắp cũng như liên kết với các bản neo.
b) Để chế tạo các chi tiết thép đặt sẵn và để liên kết chúng tại các mối nối của kết cấu lắp ghép. Khi không có thiết bị để hàn tiếp xúc cho phép hàn hồ quang các trường hợp sau:
- Để nối dài các cốt thép cán nóng có đường kính 8mm trở lên.
- Để liên kết các chi tiết phụ vào chỗ giao nhau giữa cốt dọc và cốt ngang trong khung và lưới .
Liên kết chồng cốt thép (nối buộc)
5.28. Liên kết chồng được dùng để nối cốt thép trong khungvà lưới buộc cũng như trong khung và lưới hàn với đường kính cốt không quá 36mm.
Không nên dùng liên kết chồng trong vùng kéo của cấu kiện chịu uốn và kéo lệch tại những nơi cốt thép được dùng hết khả năng chịu lực.
Không được dùng liên kết chồng trong những cấu kiện thẳng mà toàn bộ tiết diện chịu kéo (ví dụ: trong thanh căng của vòm, thanh cán của giàn…) cũng như trong mọi trường hợp dùng cốt thép từ nhóm CIV (AIV) trở lên.
5.29. Khi nối cốt thép chịu lực cũng như nối lưới hàn và khung hàn trong phương làm việc, chiều dài đoạn chồng lên nhau xác định theo công thức (3-60) và bảng 14.
Cần bố trí mối nối chồng so le nhau. Tại vị trí hoặc trong đoạn nhỏ hơn Lneo diện tích tiết diện cốt chịu lực được nối không vượt quá 50% diện tích toàn bộ cốt chịu lực khi dùng cốt có gờ và không quá 25% khi dùng cốt trơn.
Cho phép nối không so le khi đặt thép theo cấu tạo (không tính toán ) và cũng như trong những trường hợp cốt thép được dùng chưa quá 50% khả năng chịu lực.
5.30. Lưới hàn bằng thép tròn trơn cũng như khung hàn được nối chồng theo phương làm việc còn cần tuân theo quy định sau: Trong phạm vi đoạn nối trong mỗi lưới (hoặc khung) phải có ít nhất hai thanh cốt ngang được hàn với toàn bộ cốt dọc.
Lưới bằng thép có gờ có thể không đặt thanh ngang trong phạm vi đoạn nối .
Mối nối của kết cấu lắp ghép
5.31. Khi nối các cấu kiện của kết cấu lắp ghép thì nội lực của cấu kiện này truyền sang cấu kiện khác thông qua mối nối cốt chịu lực, chi tiết thép đặt sẵn, khe được nhồi bê tông, các then chốt bê tông hoặc truyền trực tiếp qua bề mặt bê tông(đối với cấu kiện chịu nén).
5.32. Mối nối phần cấu kiện chịu lực kéo cần được thực hiện bằng:
a) Hàn các đầu cốt thép chịu lực
b) Hàn các chi tiết thép đặt sẵn.
c) Dùng các thanh thép, các bó sợi thép hoặc bu lông luồn qua các ống, rãnh của cấu kiện được nối rồi căng chúng.
Các mối nối cứng cần được làm toàn khối hoá bằng cách nhồi bê tông vào khe giữa các cấu kiện, các ống, rãnh trong cấu kiện cần được chèn kín bằng vữa xi măng hoặc bê tông cốt liệu bé.
Chú thích: Cho phép không nhồi bê tông ở mối nối truyền lực nén nếu khi chế tạo cấu kiện bảo đảm cho các đầu mối tì sát mặt vào nhau (bằng cách dùng đầu nút cấu kiện này làm mặt khuôn để đúc cấu kiện kia).
5.33. Các chi tiết thép đặt sẵn cần được neo chắc vào bê tông bằng các thanh neo hoặc bằng cách hàn vào cốt thép chịu lực. Thanh neo nên làm bằng thép có gờ CII, CIII. Chiều dài của thanh neo chịu kéo lấy theo quy định của điều 3.46. và theo các yêu cầu về hàn.
Chú thích:
1. Chiều dài của thanh neo có thể rút ngắn so với quy định nếu đầu thanh neo được hàn vào bản neo hoặc được ép chùn thành mấu neo (đường kính mấu bằng 2d đối với thanh neo bằng thép CI, CII, bằng 3d với CIII). Lúc này chiều dài thanh neo cũng không được dưới 10d và được tính theo khả năng chống nứt trượt và ép mặt lên bê tông .
2. Theo công nghệ hàn, tỉ lệ giữa chiều dày bản thép và đường kính thanh neo lấy như sau:
- Khi thanh đặt thẳng góc với mặt bản và hàn dưới lớp trợ dung như khi hàn hồ quang, đặt đầu thanh thép vào lỗ khoét trong bản; không nhỏ hơn 0,75.
- Khi đặt thanh thép dọc lên mặt bản thép và hàn hồ quang đường hàn cạnh không nhỏ hơn 0,3
3. Trong các chi tiết kiểu bàn chông (thanh neo đặt vuông góc với bản) có thể giảm chiều dày bản thép 25% so với trị số quy định trên đây nếu ở mặt ngoài của bản có hàn thêm các sườn cứng dọc theo đường nối tâm của các thanh neo.
5.34. Đầu nối của cấu kiện chịu nén lệch tâm cần được đặt các lưới thép theo quy định của điều 5.23.
Một số yêu cầu cấu tạo riêng
5.35. Vị trí thiết kế của cốt thép trong cấu kiện cần được bảo đảm bằng các biện pháp có hiệu quả (dùng các mấu giữ bằng nhựa, các miếng chèn, miếng lót bằng bê tông sỏi nhỏ .v.v…)
5.36. Các lỗ có kích thước lớn trong bản bê tông cốt thép cần được đặt cốt thép theo chu vi với diện tích không bé hơn diện tích cốt chịu lực (theo cùng phương) yêu cầu theo tính toán bản như bản đặc.
5.37. Khi thiết kế các cấu kiện của sàn lắp ghép cần dự kiến cấu tạo các khe giữa chúng. Bề rộng các khe được quy định từ điều kiện bảo đảm việc chèn kín khe bằng bê tông một cách có chất lượng, bề rộng đó không nhỏ hơn 20mm đối với cấu kiện có chiều cao tiết diện dưới 250mm, không nhỏ hơn 30mm đối với cấu kiện có chiều cao tiết diện lớn hơn.
5.38. Trong các cấu kiện của kết cấu lắp ghép cần dự kiến chi tiết gá lắp để treo buộc khi nâng cất: dùng móc cẩu lắp chôn vào bê tông, ống thép đặt luồn qua bê tông v.v… móc cẩu lắp cần làm bằng thép cán nóng theo chỉ dẫn của điều 2.14.
6. Tính toán và cấu tạo kết cấu bê tông cốt thép ứng lực trước
Chỉ dẫn chung
6.1. Khi thiết kế kết cấu bê tông cốt thép ứng lực trước, ngoài các yêu cầu chung đối với kết cấu bê tông cốt thép còn cần xác định một cách chắc chắn nhất phương pháp và kĩ thuật thi công, vật liệu sẽ được dùng xuất phát từ khả năng thực tế có thể đạt được đồng thời phải chú ý đầy đủ các đặc điểm của việc chế tạo và tính toán loại kết cấu này.
Chú thích:
1. Khi tính toán và cấu tạo kết cấu bê tông cốt thép ứng lực trước cần theo đúng những quy định như đối với bê tông cốt thép thường và những bổ xung và sửa đổi được trình bày trong phần này.
2. Việc tính toán và kiểm tra kết cấu theo các trạng thái giới hạn cần tiến hành cả đối với giai đoạn chế tạo và các giai đoạn tiếp sau.
3. Trên bản vẽ kết cấu, ngoài các yêu cầu nêu ở mục 1.4 còn cần ghi rõ cường độ bê tông cần đạt đến lúc gây ứng lực trước (R0) mác bê tông và mác vữa để lấp kín neo và các ống rãnh, trị số của lực kéo và trình tự căng cốt thép điều kiện và thứ tự ngừng căng cốt thép, phương pháp cắt và điểm cắt cốt thép trong trường hợp căng trước, chỉ dẫn về việc lấp kín ống rãnh và neo trong trường hợp căng sau .v.v…
6.2. Cốt thép dùng để căng trước (gọi tắt là cốt thép căng) chủ yếu là các cốt cường độ cao.
a) Khi chiều dài cấu kiện dưới 12m nên dùng các thanh thép cán nóng nhóm AIV, AV và các thanh thép đã qua gia công nhiệt để nâng cao cường độ A1IV, A1V, A1VI, cũng có thể dùng dây thép cường độ cao.
b) Khi chiều dài cấu kiện trên 12m nên dùng các dây thép cường độ cao loại trơn BII, loại có gờ BpII, cũng có thể dùng cốt cán nóng AIV và AV.
c) Đối với các kết cấu chịu áp lực của hơi, của nước hoặc của vật liệu rời nên dùng theo thứ tự ưu tiên các loại sau đây: Dây thép BII, BpII, cốt thép A1IV, AV, AIV và A1IV.
d) Đối với các kết cấu nằm trong môi trường xâm thực nên ưu tiên dùng cốt thép AIV.
Chú thích:
1. Dây thép tròn dùng làm cốt bê tông ứng lực trước lấy theo TCVN 3100 : 1979
2. Cũng cho phép dùng dây thép và cốt thép cường độ cao ngoài các loại đã nêu trong mục này để làm cốt thép căng khi biết rõ các tính chất cơ học của nó theo điều 2.13.
3. Cường độ tiêu chuẩn, cường độ tính toán và mô đun đàn hồi của một số dây thép và cốt thép được cho ở phụ lục 4.
6.3. Bê tông dùng cho kết cấu có thể là bê tông nặng hoặc bê tông nhẹ, mác thiết kế lấy không thấp hơn quy định của bảng 16 phụ thuộc vào nhóm cốt thép căng và đường kính của chúng.
6.4. Việc căng cốt thép thông thường có thể thực hiện một trong hai cách căng trên bệ (căng trước khi đổ bê tông ) và căng bê tông (căng sau khi đổ bê tông) với các biện pháp.
Bảng 16
| Nhóm cốt thép căng | Mác bêtông không thấp hơn |
| 1. Dây thép cường độ cao a) Dây trơn BII có làm neo b) Dây có gờ BpII không làm neo: Khi đường kính từ 5mm trở xuống Khi đường kính từ 6mm trở lên c) Bện dây 7 sợi 2) Cốt thép thanh không làm neo a) Khi đường kính từ 10 đến 18mm Với thép nhóm AIV và ATIV AV và ATV ATVI b) Khi đường kính từ 20mm trở lên Với thép nhóm: AIV và ATIV AV và ATIV ATVI |
M250
M250 M400 M350
M200 M250 M350
M250 M350 M400 |
Thiết bị cơ giới hoặc bằng điện nhiệt. Khi chọn phương pháp hoặc biện pháp căng cần xuất phát từ đặc điểm của kết cấu và điều kiện chế tạo.
Ứng suất trước và hao tổn ứng suất
6.5. Trị số giới hạn của ứng suất trước trong cốt thép căng, sb, được quy định như sau:
a) Đối với cốt thép thanh
s0 + P £ Rac và s - P ³ 0,3Rac (6-1)
b) Đối với dây thép:
s £ s ³ (6-2)
Trong đó :
P - Độ lệch cho phép lấy bằng 0,05s0 trong trường hợp căng bằng thiết bị cơ giới và P = 300 + 3600/L trong trường hợp căng bằng điện – nhiệt (P tính theo đơn vị KG/cm2; L chiều dài thanh thép tính bằng mét).
Trị số ứng suất khống chế trong cốt thép căng sKH được quyết định ứng với khi kết thúc việc căng cốt thép (bằng tính toán hoặc đo kiểm tra).
Khi căng trên bệ
sKH = s0 - sneo - sms (6-3)
Khi căng trên bê tông
sKH = s0 - nsb (6-4)
Trong đó :
sneo, sms – Các hao tổn ứng suất kể ở mục 6.6
sb – ứng suất trước trong bê tông ngang mức đặt cốt thép căng.
6.6. Khi tính toán các cấu kiện ứng lực trước cần kể đến các hao tổn ứng suất trước của cốt thép căng.
Xác định các hao tổn chỉ dẫn sau:
a) Hao tổn do hiện tượng chùng ứng suất của cốt thép sch
- Khi căng bằng cơ giới,
+ Đối với dây thép cường độ cao:

+ Đối với cốt thép thanh:
sch = 0,1s0 – 200KG/cm2
Khi căng bằng điện – nhiệt
+. Đối với dây thép: sch = 0,05s0
+ Đối với dây thép thanh: sch = 0,03s0
b) Hao tổn do chênh lệch nhiệt độ giữa cốt thép căng và thiết bị nhận lực căng
snh = 12,5∆t
∆t – chênh lệch nhiệt độ tính bằng độ, khi thiếu số liệu chính xác có thể lấy ∆t=650C
c) Hao tổn do biến dạng của neo đặt ở thiết bị căng:
sneo = l/L Ea
L – Chiều dài cốt thép căng (mm)
l - Tổng các biến dạng của bản thân neo, của khe hở tại neo, của sự ép sát các tấm đệm, lấy l theo số liệu thực nghiệm. Khi thiếu số liệu thực nghiệm có thể lấy l = 2mm cho mỗi đầu neo.
d) Hao tổn do ma sát của cốt thép
- Khi căng cốt thép trên bê tông, ma sát của cốt thép với thành ống:
sms = s0(1 -
)
e - Cơ số lôgarít tự nhiên
K, m - Hệ số xác định theo bảng 17
x – Chiều dài của cốt thép từ thiết bị căng đến tiết diện tính toán (m)
– Tổng góc quay của trục cốt thép (độ)
- Khi căng cốt thép trên bệ, ma sát của cốt thép với thiết bị uốn gập tính sms theo công thức trên với x = 0 và m = 0,25.
Bảng 17
| Loại ống rãnh | Trị số K | Trị số m khi cốt thép là: | |
| Bó dây thép | Thanh có gờ | ||
| 1. Ống có vỏ kim loại 2. Ống có bề mặt bằng bêtông tạo nên bằng lõi cứng 3. Ống có bề mặt bằng bê tông tạo nên bằng lõi mềm | 0,003 0 0,0015 | 0,35 0,55 0,55 | 0,4 0,65 0,65 |
e) Hao tổn do biến dạng của khuôn (dùng khuôn thép khi chế tạo kết cấu theo phương pháp căng trước).

a - Hệ số:
Khi căng cốt thép bằng kích a = 
Khi căng cốt thép bằng tời a = 
∆ - Độ dịch dần của gối bệ xác định theo sự tính toán biến dạng của khuôn
L – Khoảng cách giữa các mép ngoài của gối bệ
t – Số lượng các nhóm cốt thép được căng không đồng thời
Khi thiếu các số liệu để tính toán cho phép sk = 300KG/cm2
h) Hao tổn do co ngót của bê tông sco lấy theo bảng 18
Bảng 18
| Loại và mác bêtông | Trị số sco KG/cm2 ứng với | ||
| Trường hợp căng trên bệ | Trường hợp căng trên bêtông | ||
| Bêtông khô cứng bình thường | Bêtông được dưỡng hộ nhiệt | ||
| Bê tông nặng mác M400 và bé hơn M 500 M 600 Bê tông nhẹ Khi dùng cát đặc Khi dùng cát xốp |
400 500 600
500 650 |
350 400 500
450 550 |
300 350 400 |
g) Hao tổn do từ biến nhanh ban đầu của bê tông
stbn – xảy ra trong trường hợp căng trước ngay sau khi buông cốt thép cho nén bê tông
- Đối với bê tông khô cứng tự nhiên
Khi
£ a thì stbn = 500
(KG/cm2)
Khi
> a thì stnb = 500 + 1000b(
- a) (KG/cm2)
Trong đó a và b là các hệ số phụ thuộc mác bê tông, với M300 và lớn hơn thì a = 0,6 và b = 1,5. M200 a= 0,5 và b = 3.
sb – ứng suất nén trong bê tông tại mức cốt thép căng, tính sb có kể đến các hao tổn ứng suất từ mục 1 đến mục 5.
R0 – Cường độ khối vuông của bê tông lúc buông cốt thép.
- Đối với bê tông được dưỡng hộ nhiệt thì trị số Îtbn được tính theo các công thức trên có nhân thêm hệ số 0,85.
i) Hao tổn do từ biến của bê tông xảy ra sau một quá trình chịu nén lâu dài stb
- Đối với bê tông nặng và bê tông nhẹ dùng cát đặc
Khi
thì s = 2000K
(KG/cm2)
Khi
thì s = 4000K(
- 0,3) (KG/cm2)
Trong đó:
K – Hệ số, lấy như sau: với bê tông khô cứng tự nhiên K = 1
Với bê tông được dưỡng hộ nhiệt K = 0,85
sb và R0 được giải thích như ở mục g.
- Đối với bê tông nhẹ dùng cát xốp tính s theo các công thức trên rồi nhân với hệ số 1,2
j) Hao tổn do bê tông bị cốt thép vòng hoặc cốt thép dạng lò xo ép lõm xuống : sb
Hao tổn này xảy ra cho trường hợp căng sau khi các kết cấu tròn đường kính dưới 3 mét.
scl= 300Kg/cm2
k) Hao tổn do biến dạng ép các khe nối giữa các đoạn sck . Hao tổn này xẩy ra cho trường hợp căng sau khi kết cấu được ghép bằng các đoạn

Trong đó:
nk – Số lượng khe nối của kết cấu
l - Biến dạng ép sát tại mỗi khe. Với khe được nhồi bằng bê tông l = 0,3mm;
Với khe ghép trực tiếp các đoạn với nhau l = 0,5mm
l- Chiều dài cốt thép căng – mm
Các hao tổn ứng suất được chia làm hai nhóm, nhóm thứ nhất sh1 gồm các hao tổn xẩy ra trong quá trình chế tạo. Nhóm thứ hai sh2 xẩy ra sau khi kết thúc việc chế tạo.
Khi căng trên bệ
sh1 = sch + sneo + snh + sms + sk + stbn
sh2 = sco + stb
Khi căng trên bê tông :
sh1 = sneo + sms
sh2 = sch + s co + s tb + scl + sck
Tổng hao tổn ứng suất sh = sh1 + sh2 và trong tính toán lấy không bé hơn 100KG/cm2
6.7. Khi xác định hao tổn về ứng suất trước do co ngót và từ biến của bê tông theo mục h và i của điều 6.6 cần kể đến các chi tiết sau:
a) Nếu biết trước thời gian chất tải của công trình thì các giá trị sco và stb được nhân với hệ số b xác định theo công thức d sau nhưng không lớn hơn 1.

Trong đó:
t – Thời gian tính bằng ngày, khi tính sc0 – kể từ lúc kết thúc đổ bê tông, khi tính stb – kể từ lúc nén bê tông
b) Khi biết rõ loại xi măng, thành phần bê tông, điều kiện chế tạo và sử dụng kết cấu cho phép dùng những phương pháp chính xác để xác định các hao tổn sco và stb
6.8. Trị số ứng suất trước trong cốt thép căng dùng trong tính toán được nhân với hệ số chính xác khi căng mcx. Lấy mcx = 0,9 đến 0,95 trong trường hợp nếu giảm ứng suất trước sẽ bất lợi cho sự làm việc của kết cấu, lấy mcx = 1,05 đến 1,1 nếu ngược lại.
Khi xác định các hao tổn ứng suất cũng như khi tính toán kiểm tra bề rộng khe nứt và kiểm tra độ võng cho phép không kể đến hệ số chính xác.
6.9.Trị số ứng suất trước trong cốt thép căng s01 và trong cốt thép thường sai được xác định tuỳ theo giai đoạn tính toán có kể đến các hao tổn ứng suất tương ứng (chỉ số i chỉ giai đoạn tính toán)
a) Với ứng suất trong cốt thép căng
Ở giai đoạn nén bê tông (s01 ): kể đến hao tổn sh1
Ở giai đoạn sử dụng (s02) : kể đến hao tổn sh1 và s
b) Với ứng suất trong cốt thép thường
Ở giai đoạn nén bê tông sa1 lấy bằng trị số stbn
Ở giai đoạn sử dụng sa2 lấy bằng tổng trị số sco vào stb
Ứng lực trước tác dụng lên cấu kiện là N0 lấy bằng tổng đại số nội lực trong cốt thép tínhvới các ứng suất nêu trên kia. Tuỳ theo việc bố trí cốt thép và ứng suất trước có trong từng cốt mà N0 có thể tác dụng trung tâm hoặc lệch tâm (với độ lệch tâm e0) lên tiết diện.
Khi tính lực N0 tác dụng trong đoạn đầu mút cấu kiện cần xét đến quy định của điều 6.12.
6.10. ứng suất trước trong bê tông cần được xác định với các quy tắc tính toán vật liệu đàn hồi và đổi tiết diện gồm nhiều loại vật liệu thành tiết diện tương đương.
Để tính tiết diện tương đương cần loại bỏ những phần giảm yếu do các ống, rãnh và đem đổi diện tích các cốt thép thành diện tích bê tông tương đương với hệ số tính đổi n = Ea/Eb (mỗi loại cốt thép tính với Ea của nó). Khi trên tiết diện có nhiều loại bê tông với các Eb khác nhau thì lấy một loại làm chuẩn và đổi các loại khác thành tương đương với nó. Giá trị nội lực để xác định ứng suất trước trong bê tông lấy bằng ứng lực trước N0 (cùng với độ lệch tâm e0 xác định theo điều 6.9.).
6.11. ứng suất nén trước trong bê tông không được vượt quá giá trị gR0. Trị số g cho trong bảng 19.
Bảng 19
| Trạng thái của ứng suất trước trong bê tông | Phương pháp căng cốt thép | Trị số g khi lực No tác dụng | |
| Trung tâm | Lệch tâm | ||
| Giảm xuống khi kết cấu chịu tác dụng của ngoại lực | Trên bệ | 0,65 | 0,75 |
| Trên bê tông | 0,55 | 0,65 | |
| Tăng lên khi kết cấu chịu tác dụng của ngoại lực | Trên bệ | 0,50 | 0,55 |
| Trên bê tông | 0,45 | 0,50 | |
Chú thích: Trị số ứng suất trước được kiểm tra như trên là ứng suất tính tại thớ chịu nén ngoài cùng và khi tính không cần xét đến hệ số mcx của cốt thép căng.
6.12. Trong trường hợp căng cốt thép trên bệ và sự truyền lực từ cốt thép sang bê tông thông qua lực dính (không dùng neo) thì đoạn chuyền lực ở đầu mút cấu kiện được xác định theo công thức :

Trong đó:
soi – ứng suất trước trong cốt thép đã trừ đi sh1. Khi tính toán về khả năng chịu lực mà Ra > soi thì trong công thức (6-5) thay bằng Ra
mtr – và
– các hệ số lấy theo bảng 20.
Trong đoạn Ln xem ứng suất trong cốt thép và bê tông tăng theo quy luật đường thẳng.
Bảng 20 - Hệ số mtr và Dn
| Dạng và loại cốt thép | mtr | Dn |
| 1. Thép thanh có gờ | 0,3 | 10 |
| 2. Dây thép có gờ đường kính 5mm Dây thép có gờ, đường kính 4mm Dây thép có gờ, đường kính 3mm | 1,8 1,8 1,8 | 40 50 60 |
| 3. Thép bện 7 sợi, đường kính bện15mm Thép bện 7 sợi, đường kính bện 12mm Thép bện 7 sợi, đường kính bện 9mm Thép bện 7 sợi, đường kính bện 7,5mm đến 4,5mm | 1,25 1,4 1,6 1,8 | 25 25 30 40 |
Chú thích:Trong đoạn truyền lực L không cho phép xuất hiện vết nứt khi tính toán với tải trọng tiêu chuẩn.
Tính toán theo khả năng chịu lực
6.13. Tính toán cấu kiện ứng lực theo khả năng cũng được tiến hành theo các tiết diện thẳng góc, tiết diện nghiêng và tiết diện vênh tuỳ theo nội lực tác dụng.
Công thức tính toán thiết lập cho từng trường hợp được tiến hành như các điều của phần III, trong đó phải kể thêm các thành phần của cốt thép căng, đối với cốt thép căng nằm trong vùng chịu kéo Fog tính với cường độ tính toán Ra, đối với cốt thép căng nằm trong vùng nén Fcg tính với ứng suất sử dụng ssd
Chú thích:
1. Thí dụ đối với cấu kiện chịu uốn tiết diện chữ T công thức (3-6) và (3-7) viết thành:
M £ Rn bx (h0 – 0,5x) + Rn (R’x – b)h’c ( h0 – 0,5h’c) + R’aF’aZa + úsdF’cgZ0
Rn bx + Rn(b’c – b)h’c = RaFa + RaFcg – R’aF’a - úsdF’cg
đối với cấu kiện chịu kéo trung tâm, công thức (3-39) được viết thành:
N£ Ra Fat + Ra Fcg
2. Các cốt thép Fa và Fcg mỗi loại được tính với cường độ tính toán Ra của chính nó.
3. Chiều cao làm việc h0 cũng như các cánh tay đòn nội lực Za, Z0 được tính đến điểm đặt hợp lực trong cốt thép vùng kéo.
4. Khi tính toán khả năng chịu lực lúc chế tạo (chịu tác dụng của lực ép trước) cho phép lấy hệ số điều kiện làm việc của bê tông mbg = 1,1 để nhân vào cường độ tính toán .
6.14. Ứng suất sử dụng của cốt thép căng nằm trong vùng nén được xác định như sau:
ssd = R’a – mcx (s0 - sh) (6-6)
Trong đó:
R’a – Cường độ tính toán về nén của cốt thép lấy bằng 4000KG/cm2
Chú thích:
1. Giá trị ọsd có thể dương (nén) hoặc âm (kéo) và nó được đưa vào công thức tính toán cùng với dấu đại số.
2. Khi cốt thép F’cg không được dính kết chắc chắn với bê tông mà tính được ọsd dương thì trong tính toán lấy nó bằng không (xem rằng lúc này cốt thép không có khả năng chịu nén).
6.15. Khi tính khả năng chịu lực trên tiết diện thẳng góc của kết cấu chịu uốn, chịu nén lệch tâm lớn và chịu kéo lệch tâm với giá trị hạn chế vùng nén của bê tông a0 (xem điều kiện 3-1) được xác định theo biểu thức sau:

Trong đó
a1 - Đặc trưng của miền bê tông chịu nén
a1 = a – 0,0008 R (6-8)
a = 0,85 đối với bê tông nặng
a = 0,8 đối với bê tông nhẹ
sA – ứng suất trong cốt thép
sA = Ra + 400 - s0 (6-9)
Chú thích:
1. Các giá trị Ra, Rn, ú0 và úA trong các công thức trên đều tính với đơn vị KG/cm2.
2. Giá trị ú0 trong công thức (6-9) được xác định với hệ số mcx = 0,9 và có kể đến các hao tổn ứng suất.
Tính toán theo yêu cầu không xuất hiện vết nứt
6.16. Kết cấu cấp 1 về khả năng chống nứt (xem bảng 1 và điều 1.7) cần được tính toán theo yêu cầu không xuất hiện vết nứt. Việc tính toán này được tiến hành đối với cả tiết diện thẳng góc và tiết diện nghiêng.
Khả năng chống nứt được xác định với các giả thiết:
- Tiết diện phẳng
- Biến dạng tỉ đối lớn nhất ở mép bê tông chịu kéo đạt đến trị số:

- Ứng suất trong vùng bê tông chịu kéo phân bố đều và bằng Rkc
- Ứng suất trước trong cốt thép căng được xác định với hệ số mcx = 0,9 và kể đến mọi hao tổn ứng suất.
6.17. Khả năng chống nứt của cấu kiện chịu kéo trung tâm xác định theo công thức (6-10)
Nn = Rkc(Fb + 2nFat + 2nFcg) + N0 (6-10)
Trong đó: N0 ứng lực trước trong cấu kiện xác định theo điều 6.10 và 6.16.
Khả năng chống nứt theo tiết diện thẳng góc của cấu kiện chịu uốn, chịu nén lệch tâm và kéo lệch tâm xác định theo công thức (6-11)
Mn = RkcWn + M1 (6-11)
Trong đó:
Wn - Mô men kháng chống nứt của tiết diện tương đương đối với mép chịu kéo (xem công thức 4-17).
M1 – Mô men do ứng lực trước N0 gây ra đối với trục đi qua đỉnh lõi nằm xa nhất với vùng bê tông chịu kéo cần kiểm tra chống nứt.
M1 = N0 (eoi ± r1) (6-12)
r1 – Khoảng cách từ đỉnh lõi trên tới trọng tâm tiết diện tương đương.
Lấy dấu (+) trước r1, khi tính kiểm tra vùng kéo do tải trọng ngoài gây ra, lấy dấu trừ (-) khi tính kiểm tra vùng kéo do ứng lực trước gây ra.
eoi - Độ lệch tâm của lực N0 lấy đối với trọng tâm tiết diện tương đương.
Đối với cấu kiện chịu uốn so sánh Mn với mô men uốn M
Đối với cấu kiện chịu nén lệch tâm và kéo lệch tâm so sánh Mn với tích N (e0 ± r) trong đó e0 là độ lệch tâm của lực dọc do tải trọng ngoài, dấu trừ (-) dùng với cấu kiện chịu nén , dấu (+) dùng với cấu kiện chịu kéo.
6.18. Kiểm tra khả năng chống nứt trên tiết diện thẳng góc của cấu kiện chịu tải trọng rung động trùng lặp cần được tiến hành theo điều kiện
sK £ mbmRkc (6-13)
Trong đó:
sk –ứng suất kéo cực đại trong bê tông xác định theo phương những quy định tính toán kiểm tra về mỏi
Khi tính sk ứng lực trước N0 được xem như ngoại lực.
6.19. Tính toán kiểm tra không cho phép xuất hiện vết nứt nghiêng được tiến hành theo điều kiện
sch £ Rkc (6-14)
sch – ứng suất chính kéo do ngoại lực và do ứng lực trước gây ra

sx – ứng suất pháp trong bê tông theo phương song song với trục cấu kiện do ngoại lực trước gây ra.
sy – ứng suất pháp trong bê tông theo phương vuông góc với trục cấu kiện do ngoại lực tác dụng cục bộ của phản lực gối tựa, của các lực tập trung và phân bố, do ứng lực trước trong các cốt đai và cốt xiên.
txy – ứng suất tiếp trong bê tông do ngoại lực và do ứng lực trước trong cốt xiên
Xác định sx , sy , txy theo quy tắc đối với vật liệu đàn hồi .
Giá trị sxsy được mang dấu dương nếu nó là kéo.
Chú thích:
1. Kiểm tra theo điều kiện (6-14) tại trọng tâm tiết diện tương đương và tại chỗ giáp nhau của cánh và sườn tiết diện chữ T.
2. Khi kiểm tra ở đoạn đầu mút cấu kiện cần xét đến quy định của điều 6.12.
3. Đối với cấu kiện chịu tải trọng rung động trùng lặp thì vế phải của điều (6-14) cần được nhân với hệ số điều kiện làm việc về mỏi của bê tông mbm như trong điều 6.18.
Tính toán bề rộng khe nứt
6.20. Bề rộng khe nứt thẳng góc với trục cấu kiện xác định theo công thức (4-1) trong đó sa là độ tăng của ứng suất kéo trong cốt thép kể từ khi ứng suất trước tại mép bê tông giảm đến không (do tải trọng ngoài tác dụng) cho đến khi kết cấu chịu tác dụng của toàn bộ tải trọng tiêu chuẩn.
Đối với cấu kiện chịu kéo trung tâm.

Đối với cấu kiện chịu uốn.

e1- Khoảng cách từ điểm đặt lực N0 đến trọng tâm cốt thép chịu kéo.
6.21. Bề rộng khe nứt nghiêng được tính theo công thức (4-4) với

Tính toán kiểm tra về khép kín khe nứt
6.22. Kết cấu cấp 2 về khả năng chống nứt cần được kiểm tra về việc khép kín khe nứt khi kết cấu chịu tải trọng thường xuyên và tải trọng tạm thời dài hạn . Điều này được bảo đảm khi:
a) Trong cốt thép căng trước không xuất hiện biến dạng không hồi phục khi kết cấu chịu toàn bộ tải trọng tiêu chuẩn, có nghĩa là phải thoả mãn điều kiện sau:
s0 + sa £ KRac (6-19)
Trong đó:
sa - Độ tăng ứng suất xác định theo điều 6.20
K – Hệ số, với dây thép K = 0,65, với thép thanh K = 0,8
b) Dưới tác dụng của ứng lực trước N0 và của các tải trọngthường xuyên và tạm thời dài hạn, tại mép của cấu kiện vẫn tồn tại ứng suất nén trong bê tông không dưới 10KG/cm2, ứng suất nén này xác định theo các quy tắc đối với vật liệu đàn hồi .
Tính toán độ võng
6.23. Độ cứng và độ cong thành phần của cấu kiện không có vết nứt được xác định theo điều 4.7. Độ cong toàn bộ được xác định theo công thức (6-20)

Trong đó:
1/rng và 1/rdh - Độ cong do tác dụng của tải trọng ngắn hạn và dài hạn xác định theo công thức (4-7)
1/rv - Độ cong gây ra do sự vồng của cấu kiện khi chịu tác dụng của ứng lực trước.

1/rtv - Độ cong gây ra do co ngót và từ biến của bê tông khi cấu kiện vồng lên vì tác dụng của ứng lực trước.

etb và e’tb – Biến dạng tỉ đối của bê tông gây ra bởi co ngót và từ biến tính tại mức trọng tâm của cốt thép chịu kéo và tại mép của bê tông vùng nén.

Trị số sc lấy bằng tổng của hao tổn ứng suất trước co ngót và từ biến của bê tông đối với cốt thép căng chịu kéo. Trị số s’c cũng lấy như trên đối với cốt thép căng quy ước đặt tại mép của vùng nén.
6.24. Đối với những đoạn của cấu kiện có hình thành khe nứt thẳng góc nhưng với tác dụng của tải trọng khảo sát mà các khe nứt đó được khép kín lại thì tính toán theo điều 6.23. nhưng các độ cong:
và
được tăng lên 20%
6.25. Đối với những đoạn có khe nứt, tính độ cứng và độ cong thành phần theo điều 4.8 trong đó để tính Ma phải kể cả tác dụng của ứng lực trước (ứng lực trước N0 được xem như một thành phần của ngoại lực) và thay giá trị N bằng lực dọc tổng cộng N1 = N + + N0 gồm lực dọc do ngoại lực gây ra và ứng lực trước.
Chú thích:
1. Giá trị e trong công thức (4-10) và (4-15) là độ lệch của lực dọc tổng cộng N1 lấy đối với trọng tâm cốt thép chịu kéo.

2. Giá trị của hệ số m trong công thức (4-15) xác định theo công thức (6-23) với M1 tính theo công thức (6-12)
(6 - 23)
6.26. Độ cong tổng cộng của các đoạn nói ở trên điều 2.25 được xác định như sau:
(6 - 24)
Trong đó:

- Được định nghĩa như ở điều 4.11 và được xác định theo công thức (6-22)
6.27. Độ võng của cấu kiện được xác định theo chỉ dẫn của điều 4.12 với các giá trị độ cong được tính theo công thức (6-20) hoặc (6-24)
Chỉ dẫn bổ sung về cấu tạo
6.28. Khi trong cấu kiện ngoài cốt thép căng còn có đặt cả cốt dọc thường thì các cốt thép thường được đặt với mặt ngoài của cấu kiện sao cho các cốt ngang (cốt đai) bao lấy toàn bộ cốt thép căng.
6.29. Ở dưới neo của cốt thép căng cũng như ở vùng uốn cốt thép căng cần có gia cố cục bộ bằng các chi tiết thép, bằng các cốt ngang bổ sung cũng như làm tăng kích thước tiết diện .
6.30. Tại đầu mút của cấu kiện ứng lực trước cần đặt cốt ngang bổ sung hoặc cốt gián tiếp (dạng lưới hàn hoặc cốt lò xo với bước 5 –10cm) trong một đoạn không hở hơn:
- 0,6 ln và 20cm đối với cấu kiện căng trước dùng cốt thép không có neo (xem điều 6.12)
- Hai lần kích thước bộ phận neo khi có dùng các bộ phận đó.
Việc dùng neo là cần thiết đối với cốt thép được căng trên bê tông và cũng như đối với cốt thép căng trên bệ khi lực dính không đủ đảm bảo.
6.31. Tại đầu mút cấu kiện , khi cốt thép căng dọc đặt tập trung vào mép dưới hoặc mép trên, cần dự kiến đặt thêm các cốt ngang căng trước hoặc cốt ngang thường.
Cốt ngang căng trước cần được gây ứng lực sớm hơn khi căng cốt dọc. Lực căng trong cốt ngang không nhỏ hơn 15% lực căng của toàn bộ cốt dọc trong vùng kéo.
Cốt ngang thường cần được neo chắc chắn ở hai đầu bằng cách hàn với các chi tiết thép. Diện tích các cốt ngang này cần chịu được 20% nội lực của cốt dọc căng trước ở phần dưới của tiết diện gối tựa. Riêng đối với kết cấu được kiểm tra về mỏi thì con số trên là 30%.
6.32. Khi dùng dây thép thành bó cần dự kiến làm các khe hở giữa các dây hoặc giữa các nhóm dây (bằng cách đặt cốt lò xo ở giữa bó dây, đặt miếng chèn ở neo v.v…) kích thước khe hở phải đủ bảo đảm cho vữa xi măng (hoặc bê tông cốt liệu bé) lọt qua được khi lấp kín ống rãnh.
6.33. Chiều dày lớp bê tông bảo vệ trong kết cấu lực trước cần theo các quy định bổ sung sau:
a) Ở đầu mút cấu kiện , trong đoạn truyền lực (xem điều 6.12) chiều dày lớp bảo vệ không được bé hơn các trị số sau:
- 20mm khi dùng dây thép có gờ và dây bện
- 40mm khi dùng cốt thép thanh có gờ đồng thời không bé hơn 2d đối với cốt thép nhóm AIV, 3d đối với cốt thép nhóm AV, AVI.
b) Khi căng cốt thép trên bê tông mà cốt thép được đặt trong ống , khoảng cách từ mặt bên đến mép ống, ngoài quy định trên còn không được nhỏ hơn một nửa chiều cao tiết diện ống.
6.34. Khi làm kết cấu ứng lực trước siêu tĩnh nên chọn sơ đồ và phương pháp cấu tạo sao cho việc căng cốt thép không nên gây nội lực phụ làm xấu đi sự làm việc của kết cấu. Để làm việc này cho phép cấu tạo nên các khe hoặc khớp tạm thời, sau khi căng cốt thép thì sẽ làm toàn khối hoá chúng lại.
PHỤ LỤC 1
CƯỜNG DỘ TÍNH TOÁN GỐC CỦA BÊ TÔNG
| Cường độ và kí hiệu | Giá trị cường độ (KG/cm2) theo mác bêtôn về nén | |||||||||
| 75 | 100 | 150 | 200 | 250 | 300 | 350 | 400 | 500 | 600 | |
| Cường độ tính toán gốc về nén Rn | 35 | 45 | 65 | 90 | 110 | 130 | 155 | 170 | 215 | 250 |
| Cường độ tính toán gốc về kéo Rk | 3,8 | 4,8 | 6 | 7,5 | 8,8 | 10 | 11 | 12 | 13,4 | 14,5 |
| Chú thích: 1. Cường độ tính toán Rn và Rk lấy bằng trị số cho trong bảng nhân với hệ số điều kiện làm việc (bảng 5, điều 2.5, 2.7) trong những điều kiện bình thường thì điều kiện làm việc mb = 1 lấy Rn và Rk theo số liệu trong bảng. 2. Với bê tông dùng xi măng nhôm ôxít (xi măng phèn) giá trị Rk lấy trị số trong bảng nhân với 0,7 | ||||||||||
PHỤ LỤC 2
CƯỜNG ĐỘ TÍNH TOÁN CỦA CỐT THÉP
| Nhóm cốt thép | Các loại cường độ tính tloán (KG/cm2) và kí hiệu | ||
| Về kéo Ra | Về nén R'a | Khi tính cốt đai và cốt xiên Rad | |
| CI (theo TCVN 1651 - 75) CII CIII CIV Dây thép kéo nguội (theo TCVN 3101-79) | 2000 2600 3400 5000 3000 | 2000 2600 3400 3600 3000 | 1.600 2.100 2.700 4000 1.800 (2100) |
| Con số trong ngoặc (2100) dùng cho dây thép là cốt ngang của khung hàn. | |||
PHỤ LỤC 3
CƯỜNG ĐỘ TIÊU CHUẨN CƯỜNG ĐỘ TÍNH TOÁN VÀ MÔ ĐUN ĐÀN HỒI CỦA MỘT SỐ THÉP NHẬP NGOẠI
| Nhóm cốt thép | Cường độ tiêu chuẩn RacKG/cm2 | Cường độ tính toán KG/cm2 | Mô đun đàn hồi Ea KG/cm2 | ||
| Về kéo Ra | Về nén R'a | Tính cốt thép ngang Rad | |||
| a) Thép thanh AI AII AIII AIV b) Dây thép BI
BpI d = 3 - 4mm
d= 5mm |
2400 3000 4000 6000 5500
5500
5250 |
2300 2800 3600 5000 3150
3500
3400 |
2300 2800 3600 4000 3150
3500
3400 |
1800 2200 2800 4000 1900 (2200)
2600 (2800) 2500 (2700) |
2.100.000 2.100.000 2.100.000 2.000.000 2.000.000
1.700.000
1.700.000 |
| Con số trong ngoặc () dùng cho dây thép là cốt ngang của khung hàn | |||||
PHỤ LỤC 4
CƯỜNG ĐỘ TIÊU CHUẨN CƯỜNG ĐỘ TÍNH TOÁN VÀ MÔ ĐUN ĐÀN HỒI CỦA MỘT SỐ THÉP DÙNG LÀM CỐT CĂNG TRƯỚC
| Nhóm cốt thép và đường kính | Cường độ tiêu chuẩn Rac KG/cm2 | Cường độ tính toán về kéo Ra KG/cm2 | Mô đun đàn hồi Ea KG/cm2 |
| 1 | 2 | 3 | 4 |
| A.V ATIV ATV ATVI BII với d = 3mm d = 4mm d = 5mm d = 6mm d = 7mm d = 8mm BpII với d = 3mm d = 4mm d = 5mm d = 6mm d = 7mm d = 8mm | 8000 6000 8000 10000
19.000 18.000 17.000 16.000 15.000 14.000
18.000 17.000 16.000 15.000 14.000 13.000 | 6400 5000 6400 8000
12.300 11.600 11.000 10.300 9.700 9.000
11.600 11.000 10.300 9.700 9.000 8.400 | 1.900.000 1.900.000 1.900.000 1.900.000
2.000.000 2.000.000 - - - -
2.000.000 - - - - - |
PHỤ LỤC 5
HỆ SỐ b ĐỂ TÍNH ĐỘ VÕNG CỦA ĐẦM ĐƠN GIẢN

PHỤ LỤC 6
GIẢI THÍCH CÁC KÍ HIỆU CƠ BẢN
| Kí hiệu | Giải thích | Cách xác định |
| 1 | 2 | 3 |
| M,N,Q
Mx | M - Mô men uốn N - Lực dọc nén hoặc kéo Q - Lực cắt Mx - Mô men xoắn - Các nội lực có thể được xác định theo tải trọng tính toán hoặc tải trọng tiêu chuẩn tùy trường hợp tính toán kiểm tra | Theo tính toán về tỉnh học kết cấu |
| N0 | Ứng lực trước trong kết cấu | Theo điều 6.7 |
| Rn, Rk Rnc, Rkc Ra, R'a Rad
Rac | - Cường độ tính toán của bêtông về nén và kéo - Cường độ tiêu chuẩn của bêtông về nén và kéo - Cường độ tính toán của cót thép về kéo, về nén và tính cốt ngang - Theo lực cắt - Cường độ tiêu chuẩn của cốt thép | Theo điều 2.5 và phụ lục 1 Theo điều 2.4 và bảng 4 Theo điều 2.16, 3.11 và phụ lục 2,3,4 bảng 8 và phụ lục 3,4 Theo điều 2.15 |
| b
h
b'c,h'c
ho x Za
F
Fa,F'a
Fat
Fcg
a
a'
d Ea, Eb
u
ao | - Bề rộng của tiết diện chữ nhật của sườn tiết diện chữ T, chữ I, b là cạnh nằm trong phương vuông góc với mặt phẳng uốn. - Chiều cao của tiết diện, là cạnh nằm trong phương mặt phẳng uốn - Kích thước của cánh tiết diện chữ T nằm trong vùng nén - Chiều cao làm việc của tiết diện - Chiều cao vùng bêtông chịu nén - Khoảng cách từ trọng tâm cốt thép F'a đến trọng tâm cốt thép Fa - Diện tích toàn bộ tiết diện ngang các kích thước đã có - Diện tích tiết diện ngang của cốt thép dọc chịu lực (cốt thép thường) Trong cấu kiện chịu uốn Fa đặt ở vùng kéo còn F'a ở vùng nén. Trong cấu kiện nén lệch tâm F'a ở vùng nén nhiều hơn còn Fa ở phía đối diện (kéo hoặc nén ít hơn). Trong cấu kiện kéo lệch tâm Fa ở vùng kéo nhiều còn F'a
Diện tích tiết diện ngang của toàn bộ cốt thép dọc chịu lực (cốt thép thường). Trong cấu kiện kéo trung tâm và nén trung tâm, trong cấu kiện có tiết diện vòng khuyên hoặc là tổng của Fa và F'a. - Diện tích tiết diện ngang của cốt thép căng trước đặt ở vùng kéo và nén. - Khoảng cách từ điểm đặt hợp lực trong cốt thép Fa và Fcg đến mép chịu kéo (hoặc nén ít) của tiết diện. Trong trường hợp không có Fcg và Fa+ chỉ dùng bằng một loại thép thì tính a từ trọng tâm Fa đến mép tiết diện. - Khoảng cách từ trọng tâm cốt thép F'a đến mép chịu nén (hoặc kéo ít) của tiết điện. - Đường kính cốt thép - Mô đun đàn hồi của cốt thép và của bê tông
- Tỉ số giữa mô đun đàn hồi của cốt thép và của bêtông - Hệ số tính đổi từ cốt thép sang bêtông tương đương - Khoảng cách giữa các cốt thép ngang (cốt đai)
- Trị số hạn chế vùng bê tông chịu nén | Theo cấu tạo
Lấy b'c theo quy định ở chú thích của điều 3.4 h0 = h - a Theo tính toán Za = h0 - a' Tính toán theo các kích thước đã có Khi kiểm tra khả năng chịu lực Thì FaF'a đã biết theo cấu tạo hoặc chọn trước. Khi cần tính toán cốt thép thì phải xác định (Fa và có thể cả F'a) theo tính toán Quy định về cấu tạo cốt dọc theo các điều 5.10 và 5.13.
nt
Xác định theo cấu tạo cốt thép hoặc phải giả thiết trước để tính toán khi cần tính Fa
nt
Theo điều 2.9 và 2.19
Cấu tạo cốt ngang theo các điều 5.14, 5.18. Xem điều 3.2 và bảng 11. |
Bạn chưa Đăng nhập thành viên.
Đây là tiện ích dành cho tài khoản thành viên. Vui lòng Đăng nhập để xem chi tiết. Nếu chưa có tài khoản, vui lòng Đăng ký tại đây!

và
là ứng suất nhỏ nhất và lớn nhất tại một điểm của bêtông trong một chu kì thay đổi của tải trọng trung lặp.




