- Tổng quan
- Nội dung
- Tiêu chuẩn liên quan
- Lược đồ
- Tải về
Tiêu chuẩn Quốc gia TCVN 12885:2020 Thi công cầu đường bộ (từ Phần 1 đến Phần 32)
| Số hiệu: | TCVN 12885:2020 | Loại văn bản: | Tiêu chuẩn Việt Nam |
| Cơ quan ban hành: | Bộ Khoa học và Công nghệ | Lĩnh vực: | Xây dựng , Giao thông |
|
Ngày ban hành:
Ngày ban hành là ngày, tháng, năm văn bản được thông qua hoặc ký ban hành.
|
2020 |
Hiệu lực:
|
Đã biết
|
| Người ký: | Đang cập nhật |
Tình trạng hiệu lực:
Cho biết trạng thái hiệu lực của văn bản đang tra cứu: Chưa áp dụng, Còn hiệu lực, Hết hiệu lực, Hết hiệu lực 1 phần; Đã sửa đổi, Đính chính hay Không còn phù hợp,...
|
Đã biết
|
TÓM TẮT TIÊU CHUẨN VIỆT NAM TCVN 12885:2020
Nội dung tóm tắt đang được cập nhật, Quý khách vui lòng quay lại sau!
Tải tiêu chuẩn Việt Nam TCVN 12885:2020
TIÊU CHUẨN QUỐC GIA
TCVN 12885:2020
THI CÔNG CẦU ĐƯỜNG BỘ
Bridge Construction Specifications
Mục lục
• Lời nói đầu
• TCVN 12885-1:2020 Thi công cầu đường bộ - Phần 1: Đào và đắp kết cấu
• TCVN 12885-2:2020 Thi công cầu đường bộ - Phần 2: Tháo dỡ kết cấu hiện có
• TCVN 12885-3:2020 Thi công cầu đường bộ - Phần 3: Công trình tạm
• TCVN 12885-4:2020 Thi công cầu đường bộ - Phần 4: Cọc đóng
• TCVN 12885-5:2020 Thi công cầu đường bộ - Phần 5: Cọc khoan nhồi
• TCVN 12885-6:2020 Thì công cầu đường bộ - Phần 6: Neo đất
• TCVN 12885-7:2020 Thi công cầu đường bộ - Phần 7: Kết cấu chắn đất
• TCVN 12885-8:2020 Thi công cầu đường bộ - Phần 8: Kết cấu bê tông
• TCVN 12885-9:2020 Thi công cầu đường bộ - Phần 9: Cốt thép
• TCVN 12885-10:2020 Thi công cầu đường bộ - Phần 10: Tạo ứng suất trước
• TCVN 12885-11:2020 Thi công cầu đường bộ - Phần 11: Kết cấu thép
• TCVN 12885-12:2020 Thi công cầu đường bộ - Phần 12: Mặt cầu dạng sàn mạng bản thép
• TCVN 12885-13:2020 Thi công cầu đường bộ - Phần 13: Sơn
• TCVN 12885-14:2020 Thi công cầu đường bộ - Phần 14: Đá xây
• TCVN 12885-15:2020 Thi công cầu đường bộ - Phần 15: Khối xây bằng gạch và block bê tông
• TCVN 12885-16:2020 Thi công cầu đường bộ - Phần 16: Kết cấu gỗ
• TCVN 12885-17:2020 Thi công cầu đường bộ - Phần 17: Xử lý bảo quản gỗ
• TCVN 12885-18:2020 Thi công cầu đường bộ - Phần 18: Gối cầu
• TCVN 12885-19:2020 Thi công cầu đường bộ - Phần 19: Tấm bịt khe co giãn mặt cầu
• TCVN 12885-20:2020 Thi công cầu đường bộ - Phần 20: Lan can
• TCVN 12885-21:2020 Thi công cầu đường bộ - Phần 21: Lớp chống thấm
• TCVN 12885-22:2020 Thi công cầu đường bộ - Phần 22: Bảo vệ mái dốc
• TCVN 12885-23:2020 Thi công cầu đường bộ - Phần 23: Các kim loại khác
• TCVN 12885-24:2020 Thi công cầu đường bộ - Phần 24: Vữa phun bằng khí nén
• TCVN 12885-25:2020 Thi công cầu đường bộ - Phần 25: Vỏ hầm bê tông và thép
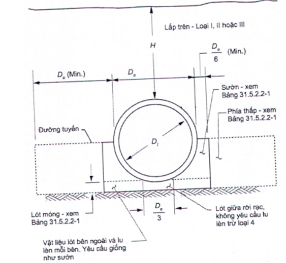
• TCVN 12885-26:2020 Thi công cầu đường bộ - Phần 26: Cống kim loại
• TCVN 12885-27:2020 Thi công cầu đường bộ - Phần 27: Cống bê tông
• TCVN 12885-28:2020 Thi công cầu đường bộ - Phần 28: Bề mặt chịu mài mòn
• TCVN 12885-29:2020 Thi công cầu đường bộ - Phần 29: Neo chôn
• TCVN 12885-30:2020 Thi công cầu đường bộ - Phần 30: Cống ống nhựa nhiệt dẻo
• TCVN 12885-31:2020 Thi công cầu đường bộ - Phần 32: Bộ truyền va đập
• TCVN 12885-32:2020 Thi công cầu đường bộ - Phần 33: Cọc siêu nhỏ
Lời nói đầu
Bộ tiêu chuẩn TCVN 12885:2020 do Viện Khoa học và Công nghệ GTVT biên soạn, Bộ Giao thông vận tải đề nghị, Tổng cục Tiêu chuẩn Đo lường chất lượng thẩm định, Bộ Khoa học và Công nghệ công bố.
Bộ tiêu chuẩn TCVN 12885:2020 được xây dựng trên cơ sở tham khảo LRFD Bridge Construction Specifications (4th Edition 2017), sử dụng hệ đơn vị đo lường quốc tế SI.
Bộ tiêu chuẩn TCVN 12885:2020, Thi công cầu đường bộ bao gồm các phần sau:
- Phần 1: Đào và đắp kết cấu;
- Phần 2: Tháo dỡ kết cấu hiện có;
- Phần 3: Công trình tạm;
- Phần 4: Cọc đóng;
- Phần 5: Cọc khoan nhồi;
- Phần 6: Neo đất;
- Phần 1: Kết cấu chắn đất;
- Phần 8: Kết cấu bê tông;
- Phần 9: Cốt thép;
- Phần 10: Tạo ứng suất trước;
- Phần 11: Kết cấu thép;
- Phần 12: Mặt cấu dạng sàn mạng bản thép;
- Phần 13: Sơn;
- Phần 14: Đá xây;
- Phần 15: Khối xây bằng gạch và block bê tông;
- Phần 16: Kết cấu gỗ;
- Phần 17: Xử lý bảo quản gỗ;
- Phần 18: Gối cầu;
- Phần 19: Tấm bịt khe co giãn mặt cầu;
- Phần 20: Lan can;
- Phần 21: Lớp chống thấm;
- Phần 22: Bảo vệ mái dốc;
- Phần 23: Các kim loại khác;
- Phần 24: Vữa phun bằng khí nén;
- Phần 25: Vỏ hầm bê tông và thép;
- Phần 26: Cống kim loại;
- Phần 27: Cống bê tông;
- Phần 28: Bề mặt chịu mài mòn;
- Phần 29: Neo chôn;
- Phần 30: Cống ống nhựa nhiệt dẻo;
- Phần 31: Bộ truyền va đập;
- Phần 32: Cọc siêu nhỏ.
THI CÔNG CẦU ĐƯỜNG BỘ - PHẦN 1: Đào và đắp kết cấu
Bridge Construction Specifications – Part 1: Structure Excavation and Backfill
1 Phạm vi áp dụng
Bộ tiêu chuẩn TCVN 12885:2020 áp dụng đối với công tác thi công các cầu, cống có kết cấu thông thường, sử dụng các công nghệ thi công thông thường trên đường bộ; cũng có thể tham khảo để thi công các cầu, cống trên đường sắt, có yêu cầu kỹ thuật tương tự.
Tiêu chuẩn này quy định các yêu cầu thi công và nghiệm thu, áp dụng đối với công tác đào loại bỏ và đắp các vật liệu cần thiết cho việc thi công móng, tường chắn và các kết cấu chủ yếu khác trong thi công cầu.
Tiêu chuẩn này được dùng làm cơ sở để xây dựng Chỉ dẫn kỹ thuật thi công đối với công tác nêu trên trong dự án xây dựng cầu đường bộ.
2 Tài liệu viện dẫn
Các tài liệu viện dẫn sau là cần thiết cho việc áp dụng tiêu chuẩn này. Đối với các tài liệu viện dẫn ghi năm công bố thì áp dụng phiên bản được nêu. Đối với các tài liệu viện dẫn không ghi năm công bố thì áp dụng phiên bản mới nhất, bao gồm cả các sửa đổi, bổ sung (nếu có).
TCVN 9436:2012, Nền đường ô tô - Thi công và nghiệm thu.
TCVN 12885-3:2020, Thi công cầu đường bộ - Phần 3: Công trình tạm.
TCVN 12885-8:2020, Thi công cầu đường bộ - Phần 8: Kết cấu bê tông.
TCVN 12885-26:2020, Thi công cầu đường bộ - Phần 26: Cống kim loại.
TCVN 12885-27:2020, Thi công cầu đường bộ - Phần 21: Cống bê tông.
GSHC-9, Guide Specifications for Highway Construction, 2008 (Tiêu chuẩn hướng dẫn thi công đường bộ)
3 Thuật ngữ và định nghĩa
Tiêu chuẩn này sử dụng các thuật ngữ và định nghĩa sau:
3.1
Chủ đầu tư (owner) xây dựng (viết tắt là Chủ đầu tư)
Cơ quan, tổ chức, cá nhân sở hữu vốn, vay vốn hoặc được giao trực tiếp quản lý, sử dụng vốn để thực hiện hoạt động đầu tư xây dựng.
3.2
Kỹ sư (engineer) tư vấn giám sát (viết tắt là Kỹ sư)
Người có bằng cấp chuyên môn theo yêu cầu của công việc cụ thể và có chứng chỉ hành nghề tư vấn giám sát, làm thuê cho tổ chức tư vấn giám sát hay trực tiếp cho Chủ đầu tư.
3.3
Giám sát viên (inspector)
Người thuộc tổ chức tư vấn giám sát, có chứng chỉ hành nghề phù hợp với yêu cầu nhiệm vụ tư vấn giám sát xây dựng của dự án, công trình.
3.4
Nhà thầu (contractor) xây dựng (viết tắt là Nhà thầu)
Tổ chức, cá nhân có đủ điều kiện năng lực hoạt động xây dựng, năng lực hành nghề xây dựng khi tham gia quan hệ hợp đồng trong hoạt động đầu tư xây dựng.
3.5
Nhà sản xuất (producer)
Tổ chức hay cá nhân chuyên tạo ra hàng hóa và dịch vụ.
3.6
Nhà cung cấp (supplier)
Tổ chức hay cá nhân cung cấp hàng hóa hay dịch vụ.
3.7
Hồ sơ hợp đồng (contract documents)
Hợp đồng dân sự được thỏa thuận bằng văn bản giữa bên giao thầu (Chủ đầu tư) với bên nhận thầu (Nhà thầu) để thực hiện một phần hay toàn bộ công việc trong hoạt động đầu tư xây dựng.
3.8
Đào đất (excavation)
Công việc loại bỏ đất, đá hoặc vật liệu khác liên quan đến các công trình xây dựng bằng cách sử dụng các công cụ, máy móc hoặc chất nổ để tạo thành bề mặt hở, lỗ hoặc hang. Công tác đào đất bao gồm bất kỳ công việc như đào đất, đào rãnh, đào đê vây, đào giếng, khoan lỗ, đào hầm và công trình ngầm.
3.9
Đắp đất (backíill)
Công việc thi công hoàn chỉnh nền đất bằng cách san đắp hoặc lấp đầy trở lại các khu vực đào.
4 Tổng quát
Công tác đào bao gồm việc loại bỏ các loại vật liệu, cần thiết cho việc thi công móng cầu, tường chắn và các kết cấu chủ yếu khác theo hồ sơ hợp đồng hoặc theo chỉ dẫn của Kỹ sư.
Nếu không có các quy định khác trong hợp đồng, công tác đào phải gồm cả việc cung cấp các thiết bị cần thiết, thi công và sau đó thu dọn các đê vây, cột chống và hệ thống khống chế nước cần thiết cho thi công công trình.
Nếu không có các quy định khác trong hợp đồng, công tác đào cũng phải gồm cả việc đắp đất cần thiết, kể cả việc lưu giữ các loại vật liệu đào lên mà được dùng để đắp lại và đem đồ thải các vật liệu đào không cần thiết cho đắp lại, trong nền đường đắp, hoặc theo quy định đối với vật liệu thửa và không phù hợp trong Phần 203.03 của GSHC-9, hoặc TCVN 9436:2012.
Nếu không có các quy định khác trong hợp đồng, công tác đào phải gồm mọi việc dọn quang, đào gốc cây và dỡ bỏ các kết cấu hiện có trong khu vực đào.
Việc phân loại công tác đào, nếu có, cần được chỉ rõ trên hồ sơ hợp đồng và nêu lên trong bản kiến nghị.
Việc thu dọn và đổ thải các vật liệu tự nhiên hoặc nhân tạo chôn dưới đất được bao gồm trong công tác đào ở nơi có các vật đó, trừ khi việc thu dọn và đổ thải như vậy được bao gồm trong các hạng mục công việc khác. Tuy nhiên, trong trường hợp vật chôn vùi nhân tạo, thì việc thu dọn và đổ thải các vật này sẽ được chi trả như công việc làm thêm và khối lượng này sẽ không bao gồm trong khối lượng đào được đo, nếu:
- việc loại bỏ vật đó đòi hỏi sử dụng các phương pháp hoặc thiết bị không được dùng cho các công việc đào khác trong dự án;
- sự tồn tại của vật đó không được chỉ rõ trong các bản vẽ của hợp đồng;
- sự tồn tại của vật đó có thể không được xác định trong khảo sát hiện trường, kể cả việc gặp phải các công trình tiện ích trong khu vực;
- Nhà thầu yêu cầu như vậy bằng văn bản trước khi thu dọn vật đó.
5 Bản vẽ biện pháp thi công
Khi có quy định trong hợp đồng, Nhà thầu cần cung cấp bản vẽ biện pháp thi công, kèm theo những tính toán thích hợp về phương pháp đào, thi công nền đắp và các thao tác đắp đất. Bản vẽ này phải cho thấy các chi tiết giằng, chống, xử lý mái dốc hoặc hệ thống bảo vệ kiến nghị sử dụng khác và phải kèm theo các tính toán thiết kế và các số liệu xác minh đủ chi tiết để cho phép xem xét về kỹ thuật bản thiết kế đề nghị.
Bản vẽ biện pháp thi công bảo vệ chống lún sụt phải đệ trình trước khi sử dụng để có đủ thời gian xem xét, sửa lại nếu cần thiết và chấp thuận không gây chậm trễ cho công việc.
Bản vẽ biện pháp thi công phải được Kỹ sư chấp thuận trước khi thực hiện công việc có liên quan và việc chấp thuận này không giảm cho Nhà thầu bất kỳ trách nhiệm nào trong hợp đồng để hoàn thành công việc.
6 Vật liệu
Vật liệu dùng để đắp không được chứa các chất nguy hại, gỗ hoặc chất có thể bị mục ruỗng và phải có cấp phối sao cho đạt được độ chặt yêu cầu thích hợp bằng cách dùng các phương pháp đầm chặt do Nhà thầu lựa chọn.
Vật liệu thấm cho tiêu thoát nước ngầm phù hợp với Phần 703.17 của GSHC-9.
7 Thi công
7.1 Chiều sâu bệ móng
Cao độ đáy bệ móng, đã cho trên hồ sơ hợp đồng, chỉ được xem là gần đúng và Kỹ sư có thể yêu cầu bằng văn bản các thay đổi về kích thước hoặc cao độ bệ móng cần thiết để đảm bảo bệ móng thoả đáng.
7.2 Chuẩn bị móng và khống chế nước
7.2.1 Tổng quát
Các kết cấu phần dưới, khi có thể, phải thi công trong các hố đào hở và khi cần thiết hố đào phải được giăng chống hoặc bảo vệ bằng các đê vây thi công theo các yêu cầu trong Điều 7 của TCVN 12885-3:2020. Khi đế móng có thể đặt khô không sử dụng đê vây, có thể bỏ các khung chống với sự chấp thuận của Kỹ sư, toàn bộ hố đào được đổ đầy bê tông tới độ cao yêu cầu của mặt trên đế móng. Lượng bê tông yêu cầu tăng thêm phải được cung cấp và được đổ. Hệ thống kiểm soát nước tạm thời phù hợp với các yêu cầu trong Điều 8 của TCVN 12885-3:2020.
7.2.2 Đào trong dòng kênh
Khi đào trong một dòng kênh hoặc sông suối, trừ khi được phép làm khác, không được đào phía ngoài các giếng chìm, cũi, đê vây, cọc thép hoặc cọc ván, lòng sông thiên nhiên cạnh kết cấu không được làm xáo trộn nếu không được Kỹ sư cho phép. Nếu đào hoặc nạo vét tại địa điểm kết cấu trước khi hạ giếng chìm, cũi hoặc làm đê vây kiểu dìm hoặc tại chỗ, sau khi nền móng đã làm xong, Nhà thầu phải đắp tất cả hố đã đào tới mặt đất trước khi xây mỏng hoặc đáy sông bằng vật liệu được Kỹ sư chấp thuận. Vật liệu đào từ móng hoặc các hố đào khác được chất tạm trong khu vực dòng chảy của sông phải thu dọn để khu vực dòng chảy không bị cản trở.
7.2.3 Móng trên nền đá
Khi móng đặt trên nền đá, nền đá phải không có đất đá rời rạc, sạch sẽ và đào tới bề mặt phẳng, hoặc làm phẳng, đánh bậc hoặc tạo nhám theo chỉ dẫn của Kỹ sư. Các khe nứt phải làm sạch và lấp đầy bằng bê tông hoặc vữa trước khi làm bệ móng.
Khi cần nổ mìn để bệ móng đạt đến cao độ thiết kế, các mảnh đá vụn, rời rạc bị phá vỡ ở dưới cao độ chịu tải phải được loại bỏ hoặc thay bằng bê tông hoặc vữa.
7.2.4 Các loại móng khác
Khi móng đặt trên nền đào không phải là đá, phải đặc biệt lưu ý không được xáo trộn đáy hố đào, và việc loại bỏ cuối cùng vật liệu nền tới cao độ dự kiến chỉ được thực hiện ngay trước khi đổ bệ móng.
Khi đất dưới đáy bệ móng không có cọc chống đỡ, bị xáo trộn, đất phải bị loại bỏ và thay bằng bê tông hoặc vật liệu được chấp thuận khác. Dưới các bệ móng có cọc chống đỡ, khối đất đào vượt hoặc bị xáo trộn phải được thay thế và đầm chặt theo chỉ dẫn của Kỹ sư.
7.2.5 Chấp thuận nền móng
Sau khi đào xong, Nhà thầu cần thông báo cho Kỹ sư và không được đổ bê tông hoặc vật liệu đế móng khác trước khi Kỹ sư chấp thuận chiều sâu hố đào và đặc tính của nền đất.
7.3 Đắp đất
Đất đắp phù hợp với các quy định của Điều 6. Nếu không có đủ đất có chất lượng phù hợp lấy từ hố đào trong giới hạn dự án, Nhà thầu cần lấy vật liệu từ nơi khác đến theo chỉ dẫn của Kỹ sư.
Trừ khi được quy định khác trong hồ sơ hợp đồng, các không gian đào không bị chiếm chỗ bởi mố, trụ, hoặc công trình vĩnh cửu phải được đắp lại bằng đất cho tới bề mặt của đất xung quanh, với dự trữ đủ cho lún. Trừ khi có các quy định khác, tất cả đất đắp phải đầm tới độ chặt của đất xung quanh, mặt trên của đất phải san gọn gàng. Đất đắp xung quanh trụ phải đổ sao cho có cùng độ cao ở cùng một thời điểm. Đá có kích thước lớn hơn 75 mm không được đổ lên trên mặt bê tông.
Thi công nền đất phù hợp với các yêu cầu của Phần 203.03 của GSHC-9, hoặc của TCVN 9436:2012. Đất đắp tại tường chắn, mố, tường cánh, trụ khung trong nền đường đắp phải rải thành từng lớp nằm ngang không quá 150 mm, được đầm lèn tốt và phải đắp lên trên các phía của kết cấu hoặc công trình một cách đồng đều. Đất đắp trong hoặc bên dưới nền đường đắp, bên trong lòng đường trong các khu vực đào, hoặc trước các mố và tường chắn hoặc tường cánh phải được đầm đến độ chặt yêu cầu đối với nền đường đắp.
Nếu chưa được Kỹ sư đồng ý, không được đắp đất trên bất cứ kết cấu bê tông nào. Việc đắp đất cũng phải theo các yêu cầu của Điều 18.2 của TCVN 12885-8:2020. Việc đắp đất trước mố và tường cánh phải làm trước để phòng ngừa khả năng chuyển dịch ra phía trước của mố. Không được phép xói nước vào đất đắp sau mố hoặc tường cánh.
Phải bố trí thoả đáng các lỗ thoát nước để thoát hoàn toàn nước của đất đắp. Phải đặt các rãnh tiêu nước gồm ít nhất 0,06 m3 vật liệu thấm nước bọc trong các tấm sợi lọc để ngăn ngừa bị tắc hoặc lọt các hạt mịn của đất đắp ra ngoài.
Việc đắp các cống kim loại và cống bê tông phải thực hiện theo các yêu cầu của TCVN 12885-26:2020 và TCVN 12885-27:2020.
8 Đo đạc
Khối lượng công tác đào, đắp kết cấu phải đo theo m3. Khối lượng phải xác định từ giới hạn cho trên hồ sơ hợp đồng, hoặc yêu cầu của Kỹ sư. Không giảm trừ khối lượng của công tác đào khi Nhà thầu không đào đất đá ngoài giới hạn của kết cấu thực tế nhưng nằm trong giới hạn của công tác đào.
Khi không có quy định khác trong hồ sơ hợp đồng, giới hạn cho công tác đào kết cấu được lấy như sau:
- giới hạn nằm ngang sẽ là các mặt phẳng thẳng đứng ở cách 450 mm phía ngoài đường giới hạn mép bệ móng hoặc mép của kết cấu nếu không có bệ móng,
- giới hạn trên mặt là mặt đất trước khi xây móng hoặc đỉnh của mặt cắt ngang sàn ủi theo yêu cầu, lấy giới hạn thấp hơn,
- và giới hạn phía dưới phải là đáy của bệ móng hoặc đáy của kết cấu hoặc giới hạn thấp hơn của hố đào theo yêu cầu của Kỹ sư.
Khi móng nằm trong nền đắp và các Tiêu chuẩn kỹ thuật yêu cầu nền đắp phải thi công tới cao độ quy định cao hơn đáy bệ móng hoặc đáy kết cấu trước khi thi công móng, thì cao độ quy định này được xem là mặt đất ban đầu.
Khi cần thiết, theo ý kiến của Kỹ sư, phải đưa móng xuống dưới cao độ cho trên hồ sơ hợp đồng, thì việc đào sâu thêm 900 mm được tính trong khối lượng hạng mục này. Việc đào sâu thêm quá độ sâu này được tính như công việc làm thêm.
THI CÔNG CẦU ĐƯỜNG BỘ - PHẦN 2: THÁO DỠ KẾT CẤU HIỆN CÓ
Sridge Construction Specifications - Part 2: Removal of Existing Structures
1 Phạm vi áp dụng
Bộ tiêu chuẩn TCVN 12885:2020 áp dụng đối với công tác thi công các cầu, cống có kết cấu thông thường, sử dụng các công nghệ thi công thông thường trên đường bộ; cũng có thể tham khảo để thi công các cầu, cống trên đường sắt, có yêu cầu kỹ thuật tương tự.
Tiêu chuẩn này quy định các yêu cầu thi công và nghiệm thu, áp dụng đối với công tác tháo dỡ hoàn toàn hoặc một phần, và thu dọn công trường hoặc tận dụng các vật liệu, cấu kiện cầu, tường chắn và các kết cấu chủ yếu khác, phải tháo dỡ trong hồ sơ hợp đồng thi công cầu.
Tiêu chuẩn này được dùng làm cơ sở để xây dựng Chỉ dẫn kỹ thuật thi công đối với công tác nêu trên trong dự án xây dựng cầu đường bộ.
2 Tài liệu viện dẫn
Các tài liệu viện dẫn sau là cần thiết cho việc áp dụng tiêu chuẩn này. Đối với các tài liệu viện dẫn ghi năm công bố thì áp dụng phiên bản được nêu. Đối với các tài liệu viện dẫn không ghi năm công bố thì áp dụng phiên bản mới nhất, bao gồm cả các sửa đổi, bổ sung (nếu có).
TCVN 8774:2012, An toàn thi công cầu.
TCVN 11815:2017, Thiết kế công trình phụ trợ trong thi công cầu.
3 Thuật ngữ và định nghĩa
Tiêu chuẩn này sử dụng các thuật ngữ và định nghĩa nêu trong TCVN 12885-1:2020 và các thuật ngữ, định nghĩa sau:
3.1
Tháo dỡ kết cấu (Removal of structures)
Dỡ bỏ hoàn toàn hoặc một phần kết cấu công trình, và thu dọn công trường, hoặc tận dụng một phần các kết cấu phải dỡ bỏ.
4 Mô tả
Công việc này bao gồm việc tháo dỡ hoàn toàn hoặc một phần, và thu dọn công trường, hoặc tận dụng các các vật liệu, cấu kiện cầu, tường chắn và các kết cấu chủ yếu khác phải tháo dỡ, được quy định trong hồ sơ hợp đồng. Trừ khi có quy định khác, công tác này cũng bao gồm việc đào và lập các hào, lỗ đào/hố đào do việc tháo dỡ mà có. Nó cũng bao gồm các chi phí cho hệ thống giám sát môi trường và sức khỏe hoặc cho các kế hoạch khác có thể được yêu cầu.
5 Bản vẽ biện pháp thi công
Bản vẽ biện pháp thi công cho biết các phương pháp và trình tự tháo dỡ:
- khi các kết cấu hoặc các phần của kết cấu được quy định phải tháo dỡ và tận dụng,
- khi công tác tháo dỡ được thực hiện trên hoặc liền kề đường xe chạy hoặc đường sắt,
- khi được quy định trong hồ sơ hợp đồng.
Ít nhất 10 ngày trước khi dự kiến bắt đầu công việc tháo dỡ, các bản vẽ biện pháp thi công phải đệ trình cho Kỹ sư để chấp thuận. Công việc tháo dỡ không được bắt đầu trước khi bản vẽ được chấp thuận. Việc chấp thuận này không giảm nhẹ trách nhiệm của Nhà thầu, quy định trong hồ sơ hợp đồng đối với việc hoàn thành công việc.
Khi cần tận dụng các vật liệu/kết cấu tháo dỡ, bản vẽ phải chỉ rõ các đánh dấu dự kiến để đặt tên các phân đoạn riêng rẽ của kết cấu.
6 Thi công
6.1 Tổng quát
Trừ các công trình tiện ích công cộng và các hạng mục khác mà Kỹ sư có thể hướng dẫn Nhà thầu để lại nguyên vẹn, Nhà thầu cần san bằng, tháo dỡ và thanh thải mọi kết cấu hoặc bộ phận kết cấu được chỉ định phải tháo dỡ. Tất cả bê tông và các móng khác phải tháo dỡ tới độ sâu ít nhất 600 mm dưới cao độ mặt đất hoặc 900 mm dưới cao độ lớp mặt nền đường, lấy cao độ nào thấp hơn. Trừ khi có các quy định khác trong hồ sơ hợp đồng, Nhà thầu có thể hoặc nhổ các cọc hoặc cắt chúng tại điểm không nhỏ hơn 600 mm dưới mặt đất. Các lỗ hổng để lại do việc tháo dỡ kết cấu phải lấp đến cao độ của đất xung quanh, nếu nằm trong khu vực xây dựng đường xe chạy phải lu lèn theo các yêu cầu của hồ sơ hợp đồng đối với nền đường đắp.
Không được dùng thuốc nổ, trừ tại các vị trí và điều kiện nói trong các hồ sơ hợp đồng. Tất cả công tác nổ mìn phải hoàn thành trước khi làm công việc mới.
6.2 Tận dụng
Vật liệu được chỉ định phải tận dụng trong hồ sơ hợp đồng để dùng lại trong dự án hoặc cho tương lai, phải thuộc về tài sản của Chủ đầu tư và phải được tháo dỡ cẩn thận thành từng đoạn có thể vận chuyển được và phải cất giữ gần công trường tại vị trí do Kỹ sư chỉ định. Nhà thầu phải khôi phục và thay thế vật liệu hư hỏng hoặc bị phá hủy.
Đinh tán và bu lông phải tháo ra khỏi các kết cấu thép được tận dụng, phải tháo bằng cách tẩy đầu bằng đục, sau đó đột hoặc khoan ra khỏi lỗ, hoặc bằng phương pháp khác mà không làm tổn thương đến các cấu kiện để sử dụng lại và được sự chấp thuận của Kỹ sư. Trước khi tháo các cấu kiện hoặc đoạn kết cấu thép phải đánh dấu chỗ nối với nhau bằng sơn theo sơ đồ hoặc bản vẽ được Kỹ sư chấp thuận.
Bu lông và đinh phải tháo khỏi các tấm gỗ mà Kỹ sư coi là có thể tận dụng được như một phần của tận dụng kết cấu gỗ.
6.3 Tháo dỡ một phần kết cấu
Khi kết cấu phải mở rộng hoặc sửa đổi và chỉ phải tháo dỡ các phần của kết cấu hiện có, các phần này phải tháo thế nào để kết cấu còn lại không bị hư hỏng và trong điều kiện thích hợp để sử dụng theo dự định. Không được dùng các phương pháp có sử dụng thuốc nổ hoặc đạn phá trong một nhịp hoặc trụ trừ khi phải tháo dỡ toàn bộ nhịp hoặc trụ. Bất kỳ hư hỏng nào đối với các phần giữ lại để sử dụng phải được Nhà thầu sửa chữa.
Trước khi bắt đầu các thao tác dỡ bê tông, liên quan đến việc loại bỏ một phần của cấu kiện bê tông liền khối, phải thực hiện cắt sâu khoảng 25 mm thành một đường dọc theo các giới hạn tháo dỡ trên các mặt của cấu kiện mà sẽ nhìn thấy được khi công việc hoàn thành.
Bê tông cũ được dỡ bỏ cẩn thận theo các đường chỉ định bằng cách khoan, đục hoặc các phương pháp khác được Kỹ sư chấp thuận. Các bề mặt lộ ra là kết quả của việc phá bỏ này phải hợp lý và thậm chí phải phẳng, với các góc thẳng, sắc nét cho phép khớp nối gọn gàng với công trình mới hoặc thoả mãn cho việc sử dụng dự kiến. Chỗ nào có các thanh cốt thép hiện có phải kéo dài từ kết cấu hiện có sang kết cấu mới, phải phá bỏ bê tông và để lại các thanh thép thò ra, sạch sẽ và không hư hỏng. Khi các thanh thép thò ra không kéo sang công trình mới phải được cắt ngang bằng với bề mặt bê tông cũ.
Trong khi dỡ bỏ toàn bộ chiều dày của bê tông mặt cầu trên các dầm ngang hoặc dầm dọc bằng thép sẽ được giữ lại, Nhà thầu cần chú ý không để cho các bản cánh trên bị vết khía, vết khoét hoặc vặn méo. Mọi hư hỏng phải được sửa chữa theo chỉ dẫn của Kỹ sư. Các sửa chữa có thể bao gồm mài, hàn, nắn thẳng bằng nhiệt hoặc thay thế cấu kiện, tùy thuộc vào vị trí và tính chất nghiêm trọng của hư hỏng.
6.4 Loại bỏ vật liệu tháo dỡ
Bất kỳ vật liệu không được chỉ định tận dụng lại, sẽ thuộc về Nhà thầu. Trừ quy định ở đây, Nhà thầu sẽ cất giữ hoặc loại bỏ các vật liệu bên ngoài hành lang công trình. Nếu vật liệu thải bỏ được đặt trên đất của cá nhân, Nhà thầu cần được sự cho phép bằng văn bản của Chủ sử dụng đất và phải cung cấp 01 bản sao của mỗi thoả thuận cho Kỹ sư. Các vật liệu phế thải có thể để đặt ở địa điểm của Chủ đầu tư khi các vị trí đó đã nêu trong hồ sơ hợp đồng.
Trừ khi có các quy định khác trong hồ sơ hợp đồng, bê tông phá bỏ có thể chôn lấp trong nền đường liền kề, miễn là bê tông phải đập thành mảnh có thể xử lý dễ dàng và chôn vào trong nên đắp ở độ sâu lớn hơn 900 mm dưới cao độ hoàn thiện và mặt mái dốc. Bê tông phá bỏ không được chôn trong các khu vực sẽ đóng cọc hoặc trong phạm vi 3.000 mm cách các cây to, đường ống, cột, nhà cửa, các công trình/ kết cấu vĩnh cửu khác, trừ khi Kỹ sư cho phép. Bê tông phá bỏ cũng có thể để bên ngoài hành lang như đã quy định ở trên.
Hồ sơ hợp đồng phải chỉ rõ các vật liệu nguy hại đã biết bao gồm lịch sử sơn. Vật liệu nguy hại phải được thanh thải đúng cách và duy trì ghi chép phù hợp.
7 Đo đạc
Công việc như quy định theo hạng mục này phải được đo đạc cho từng kết cấu riêng biệt, hoặc phần kết cấu phải dỡ bỏ.
THI CÔNG CẦU ĐƯỜNG BỘ - PHẦN 3: CÔNG TRÌNH TẠM
Bridge Construction Specifications - Part 3: Temporary Works
1 Phạm vi áp dụng
Bộ tiêu chuẩn TCVN 12885:2020 áp dụng đối với công tác thi công các cầu, cống có kết cấu thông thường, sử dụng các công nghệ thi công thông thường trên đường bộ; cũng có thể tham khảo để thi công các cầu, cống trên đường sắt, có yêu cầu kỹ thuật tương tự.
Tiêu chuẩn này quy định các yêu cầu thi công và nghiệm thu, áp dụng đối với công tác thi công và tháo dỡ các công trình tạm, trong thi công cầu.
Tiêu chuẩn này được dùng làm cơ sở để xây dựng Chỉ dẫn kỹ thuật thi công đối với công tác nêu trên trong dự án xây dựng cầu đường bộ.
2 Tài liệu viện dẫn
Các tài liệu viện dẫn sau là cần thiết cho việc áp dụng tiêu chuẩn này. Đối với các tài liệu viện dẫn ghi năm công bố thì áp dụng phiên bản được nêu. Đối với các tài liệu viện dẫn không ghi năm công bố thì áp dụng phiên bản mới nhất, bao gồm cả các sửa đổi, bổ sung (nếu có).
TCVN 11823:2017, Thiết kế cầu đường bộ.
TCVN 11815:2017, Thiết kế công trình phụ trợ trong thi công cầu.
TCVN 12885-8:2020, Thi công cầu đường bộ - Phần 8: Kết cấu bê tông.
TCVN 4453:1995, Kết cấu bê tông và bê tông cốt thép toàn khối - Quy phạm thi công và nghiệm thu.
TCVN 8789:2011, Sơn bảo vệ kết cấu thép - Yêu cầu kỹ thuật và phương pháp thử.
LRFD-8, AASHTO LRFD Bridge Design Specifications, 2017 (Tiêu chuẩn thiết kế cầu).
GSBTW-2, Guide Design Specifications for Bridge Temporary Works, 2012 (Tiêu chuẩn hướng dẫn thiết kế công trình tạm cho xây dựng cầu).
ACI 117-06, Specifications for Tolerances for Concrete Construction and Materials and Commentary, 2006 (Tiêu chuẩn về dung sai đối với vật liệu và thi công bê tông và khuyến nghị).
AWS D1.1/D1.1M, Structural Welding Code - Steel (Tiêu chuẩn hàn kết cấu - Thép).
TT-P-641d, Pederal Specification - Primer Coating; Dust-Zinc Oxide (Tiêu chuẩn Liên bang - Sơn lót, sơn bụi oxide kẽm).
3 Thuật ngữ và định nghĩa
Tiêu chuẩn này sử dụng các thuật ngữ và định nghĩa nêu trong TCVN 12885-1:2020 và các thuật ngữ, định nghĩa sau:
3.1
Đà giáo (Falsework)
Các kết cấu phụ tạm dùng để đỡ kết cấu chính trong quá trình thi công.
3.2
Ván khuôn (Formwork)
Những khuôn mẫu tạm thời được gia công bằng kim loại và gỗ đã qua xử lý nhằm tạo hình các kết cấu công trình bê tông.
3.3
Đê vây (Cofferdams)
Kết cấu phụ tạm, được thi công tới chiều sâu thích hợp để đảm bảo ổn định và đủ sâu để bịt kín xung quanh, không cho nước vào bên trong khu vực thi công công trình.
3.4
Khung chống (Shoring)
Kết cấu phụ tạm gồm các thanh chống hoặc thanh giằng hoặc các hệ chống đỡ trong đê vây, có đủ khả năng chịu các tải trọng tác động và đảm bảo an toàn.
4 Tổng quát
4.1 Mô tả
Công việc này bao gồm việc thi công và tháo dỡ các công trình tạm, thường được Nhà thầu thiết kế và sử dụng khi thi công, và việc không được thực hiện đúng có thể ảnh hưởng xấu đến tính chất của công việc hợp đồng hoặc gây nguy hiểm cho sự an toàn của các tiện ích liền kề, tài sản hoặc công cộng. Các tiện ích như vậy bao gồm nhưng không giới hạn ở đà giáo, ván khuôn và ván khuôn trượt, đê vây, khung chống, vòng vây ngăn nước và cầu tạm. Phải giảm thích hợp các ứng suất cho phép và hệ số sức kháng áp dụng cho thiết kế, khi sử dụng các vật liệu không phải là mới hoặc đã bị hư hỏng. Trong phạm vi có thể, các tính toán phải bao gồm việc xác định các đặc trưng mặt cắt có xét đến hư hỏng hoặc tổn thất mặt cắt.
4.2 Bản vẽ biện pháp thi công
Khi quy định trong hồ sơ hợp đồng hoặc có yêu cầu của Kỹ sư, Nhà thầu cần cung cấp bản vẽ biện pháp thi công với các tính toán thiết kế và các số liệu căn cứ, có đầy đủ chi tiết để cho phép xem xét lại về kết cấu trong bản vẽ thiết kế kiến nghị của công trình tạm. Khi có liên quan đến bê tông, các số liệu đó phải gồm cả trình tự và tốc độ đổ bê tông. Phải cung cấp đủ bản sao để đáp ứng yêu cầu của Kỹ sư và các cơ quan có thẩm quyền xem xét. Bản vẽ biện pháp thi công phải đệ trình trước ngày sử dụng dự kiến, đủ thời gian để xem xét, sửa chữa lại nếu thấy cần, và chấp thuận mà không làm chậm trễ công việc.
Nhà thầu không được khởi công bát cứ công trình tạm nào cần đến bản vẽ biện pháp thi công, trước khi các bản vẽ đó được Kỹ sư chấp thuận. Việc chấp thuận này không làm giảm nhẹ trách nhiệm của Nhà thầu đối với kết quả đạt được do việc sử dụng các bản vẽ này, hoặc bất kỳ trách nhiệm nào khác theo hợp đồng.
4.3 Thiết kế
Việc thiết kế các công trình tạm phù hợp với LRFD-8 hoặc TCVN 11823:2017, hoặc GSBTW-2, hoặc TCVN 11815:2017, hoặc phù hợp với Tiêu chuẩn hoặc Quy trình kỹ thuật thiết kế khác đã được xác lập và được chấp nhận phổ biến cho công trình đó.
Khi sử dụng các cấu kiện chế sẵn, thiết kế không được đặt tải lên các cấu kiện vượt quá mức tải trọng do Nhà sản xuất quy định. Đối với thiết bị có công suất định mức được xác định bằng thử tải, tải trọng thiết kế phải như nêu trong GSBTW-2, hoặc TCVN 11815:2017.
Tốc độ chất tải dùng cho thiết bị đặc biệt, như các giàn phục vụ lắp ráp, có thể thuộc thẩm quyền của Cơ quan quản lý về an toàn và/hoặc quy định của Nhà nước hoặc địa phương. Tuy nhiên, không trường hợp nào mức tải trọng được vượt quá 80 % tải trọng tối đa chịu đựng được khi thử nghiệm tải trọng thiết bị.
Khi được yêu cầu bởi quy chế hoặc quy định trong hồ sơ hợp đồng, bản vẽ thiết kế phải được chuẩn bị và các bản vẽ được Nhà thầu ký tên và đóng dấu.
4.4 Thi công
Công trình tạm phải thi công theo bản vẽ biện pháp thi công được chấp thuận. Nhà thầu phải xác nhận rằng chất lượng vật liệu và công việc thực hiện phù hợp với giả thiết khi thiết kế.
4.5 Tháo dỡ
Trừ khi có quy định khác, các công trình tạm phải được tháo dỡ khi hoàn thành xây dựng công trình. Khu vực phải được khôi phục về tình trạng ban đầu hoặc theo trạng thái dự kiến và dọn sạch rác, mảnh vụn.
5 Đà giáo
5.1 Tổng quát
Đà giáo phải được thi công phù hợp với bản vẽ. Đà giáo phải đủ độ cứng và cường độ đề chịu các tải trọng tác động một cách an toàn, và tạo ra tuyến và cao độ trong kết cấu hoàn thành như chỉ ra trong hồ sơ hợp đồng.
Đà giáo phải được thiết lập cao độ nhằm cho phép độ lún và độ võng dự kiến xảy ra, và đạt được biên dạng đứng và độ vồng đã chỉ ra trong hồ sơ hợp đồng hoặc theo yêu cầu của Kỹ sư đối với kết cấu vĩnh cửu.
Bản vẽ biện pháp thi công đà giáo phải được Nhà thầu ký tên và đóng dấu, khi chiều cao của đà giáo vượt quá 4,3 m hoặc khi có giao thông qua lại dưới cầu ngoài công nhân tham gia xây dựng cầu.
5.2 Móng
Móng đà giáo phải chịu tải đều trên vật liệu chống đỡ, và phải an toàn để không bị phá hoại và ngăn sự mềm hóa.
Khi Chủ đầu tư yêu cầu, Nhà thầu phải chứng minh bằng các thử tải phù hợp rằng khả năng chịu tải của nền đất, đã giả định trong thiết kế, không vượt quá khả năng chống đỡ của vật liệu móng.
Khả năng chịu tải của cọc đóng, trừ khi cọc được đóng bằng búa rơi, cần được xác định bằng công thức của Gates hoặc công thức đóng cọc được thừa nhận khác. Nếu sử dụng búa rơi, khả năng chịu lực cho phép của cọc không vượt quá giá trị chỉ ra trong công thức đóng cọc, chia cho hệ số an toàn 1,5.
5.3 Thi công gỗ
Dầm, thanh giằng và các liên kết bằng gỗ phải có kích thước và loại gỗ theo quy định, phải thẳng và không bị hư hỏng.
Cần phải sử dụng chi tiết mối nối thích hợp khi việc nối các cấu kiện gỗ là không tránh khỏi. Khi đó các cấu kiện thực tế, liên tục hoặc chồng ghép sẽ được sử dụng.
Khi được phép sử dụng các cấu kiện không liên tục, khớp nối phải được thực hiện ở tâm của gối đỡ. Khi dầm gồm một cặp cấu kiện, mối nối các cấu kiện phải được xen kẽ giữa các gối. Các bộ phận ghép cặp được sử dụng để tạo thành một dầm có chiều cao giống nhau.
5.4 Thi công thép
Hệ giằng thích hợp phải được bố trí trong mặt cắt của cấu kiện chịu nén và để chống lại lực ngang tác dụng lên đà giáo.
Dầm đã qua sử dụng và đặc biệt là các dầm được sử dụng lại từ các công việc trước đó, phải được kiểm tra cẩn thận về mất mát tiết diện do hàn, đinh tán hoặc lỗ bu lông, hoặc các lỗ mở sườn mà có thể ảnh hưởng xấu đến khả năng chịu tải an toàn của dầm.
5.5 Hệ cột chống chuyên dụng
Hệ cột chống chuyên dụng phải không bị hư hỏng và được lắp ráp bằng cách chỉ sử dụng các bộ phận do Nhà sản xuất cung cấp cho hệ thống cụ thể.
Hệ cột chống chuyên dụng phải được lắp đặt phù hợp với khuyến nghị của Nhà sản xuất, có dự phòng để điều chỉnh theo chiều đứng.
Ống mở rộng phải được nối giằng theo yêu cầu và dung sai lắp đặt không vượt quá dung sai khuyến nghị bởi Nhà sản xuất.
5.6 Các bộ phận chế tạo sẵn
Khi các bộ phận chế tạo sẵn được sử dụng trong đà giáo, Chủ đầu tư sẽ được cung cấp giấy chứng nhận có chữ ký của Nhà cung cấp, hoặc đại diện được ủy quyền. Giấy chứng nhận phải nêu rõ bộ phận được sử dụng phù hợp với các khuyến nghị của Nhà sản xuất về tải trọng và điều kiện sử dụng.
5.7 Các bộ phận không thương mại
Nếu việc thi công đà giáo kết hợp các thành phần chung hoặc các bộ phận tự chế tạo từ thép hoặc gỗ, như tấm đỡ nhô ra, gối đỡ dầm, và các thiết bị tương tự, Chủ đầu tư có thể yêu cầu thử tải để thiết lập khả năng chịu tải an toàn của bộ phận đó. Thử nghiệm như vậy phải được thực hiện tại hiện trường, trên các bộ phận ngẫu nhiên được Chủ đầu tư lựa chọn, theo các điều kiện mô phỏng việc sử dụng dự kiến đối với đà giáo. Khả năng cho phép của bất kỳ bộ phận nào như vậy không được vượt quá 40 % khả năng chịu tải tới hạn như chỉ ra trong thử tải.
5.8 Khoảng không cho giao thông (tĩnh không)
Trừ khi có quy định khác, kích thước tối thiểu của tĩnh không dưới đà giáo, cho xe đi qua trong quá trình thi công, phải rộng hơn tối thiểu 1,5 m so với chiều rộng của đường đi, được đo giữa các rào chăn sử dụng. Tĩnh không đứng tối thiểu đối với đường cao tốc, đường cấp I, II, III phải là 4,75 m, và đường cấp IV trở xuống là 4,5 m.
Đà giáo tại các lối mở giao thông phải được bảo vệ bởi hệ thống rào chắn bê tông tạm thời. Đà giáo được lắp đặt sao cho cung cấp khoảng cách tối thiểu 75 mm giữa rào chắn ghim và móng đà giáo, và tối thiểu 300 mm giữa rào chắn và các bộ phận khác của đà giáo. Đối với rào chắn không ghim, phải cung cấp khoảng cách tối thiểu 600 mm giữa rào chắn và móng đà giáo, và tối thiểu 840 mm giữa rào chắn và các bộ phận khác của đà giáo.
Giằng tạm đáp ứng yêu cầu trong Phần 2.3.7 của GSBTW-2, hoặc TCVN 11815:2017, phải được lắp đặt đồng thời với bộ phận liên kết của đà giáo.
Đối với đà giáo ở trên hoặc bên cạnh chỗ giao thông, các chi tiết tạo ổn định ngang và kháng tặc động, trừ bu lông trong liên kết, phải được lắp đặt tại thời điểm mỗi bộ phận của đà giáo được lắp dựng và sẽ được giữ nguyên tại chỗ cho đến khi đà giáo được dỡ bỏ.
5.9 Điều chỉnh
Kích vít (tăng đơ), cặp nêm và các thiết bị khác phù hợp phải được sử dụng tại mỗi cột trụ để:
- điều chỉnh cao độ của đà giáo;
- cho phép điều chỉnh nhỏ trong quá trình đổ bê tông hoặc kết cấu thép được quan sát độ lệch do lún so với dự kiến;
- cho phép giải phóng dần dần đà giáo.
Nhà thầu cần đưa ra phép đo chính xác về độ lún đà giáo trong quá trình đổ bê tông và bảo dưỡng bê tông.
5.9.1 Nêm
Nêm được lắp đặt theo bộ 2 nêm (cặp kết hợp), trừ nêm đơn có thể được sử dụng trên bề mặt dốc. Nêm có chiều cao không quá 1/3 chiều dài của chúng. Khi lắp đặt, bộ nêm sẽ được tiếp xúc trên ít nhất một nửa bề mặt nghiêng của chúng.
Nêm có thể được sử dụng ở đầu hoặc cuối của cột trụ hoặc thanh chống, nhưng không phải ở cả 2 đầu.
5.9.2 Kích
Kích vít không được kéo dài vượt quá giới hạn thiết lập bởi Nhà sản xuất.
Khi kích thủy lực được sử dụng để điều chỉnh, tải trọng tác động của mỗi bộ phận sẽ được truyền ở cuối chu kỳ điều chỉnh đến thiết bị chống đỡ cố định có khả năng chống lại tải trọng mà không có lún hoặc xoắn bổ sung.
Khi sử dụng hộp cát, khoảng cách hình khuyên giữa các bộ phận hạn chế của kích và mép của tấm đế không được vượt quá 6 mm.
5.10 Dải độ vồng
Khi được chỉ dẫn bởi Chủ đầu tư, dải độ vồng phải được cung cấp và thiết lập để bù độ võng của dầm, biên dạng thẳng đứng, và độ võng kết cấu dự kiến.
Đối với kết cấu bê tông đúc tại chỗ, độ võng tính toán của cấu kiện chịu uốn của đà giáo không được vượt quá 1/240 chiều dài nhịp, bất kể thực tế là độ võng có thể được bù bằng dải độ vồng.
5.11 Tải trọng
Kiểm soát trình tự và tốc độ đổ bê tông phải được thực hiện để giảm thiểu các điều kiện tải trọng không cân bằng. Bê tông cũng được xả vào ván khuôn theo cách ngăn ngừa sự quá tải.
5.12 Hạ đà giáo
Trừ khi có quy định khác hoặc được chấp thuận, đà giáo phải được giải phóng trước khi lắp lan can hoặc rào chắn cho các loại cầu. Đối với cầu vòm, thời gian giải phóng đà giáo liên quan đến việc thi công các kết cấu cầu phía trên vòm phải được thể hiện trong thiết kế hoặc được hướng dẫn bởi Kỹ sư.
Không được giải phóng đà giáo đỡ kết cấu nhịp cầu liên tục hoặc cầu khung cho đến khi thỏa mãn yêu cầu về cường độ nén của bê tông kết cấu trong nhịp đó và trong nhịp liền kề trên đoạn dài ít nhất 1/2 chiều dài nhịp, nơi đà giáo sẽ được dỡ bỏ.
Đối với cầu BTDƯL căng sau, các chống đỡ đà giáo có thể tiếp tục duy trì hoạt động sau khi các bộ phận kết cấu DƯL được giải phóng theo cách cho phép bê tông chịu trọng lượng của nó và phân phối dần ứng suất. Trình tự dỡ bỏ phải theo cách các mối nối cố định ở đầu trụ sẽ không chịu các lực phá hoại. Trình tự dỡ bỏ gối đỡ đà giáo phải được chỉ ra trên bản vẽ đà giáo.
5.13 Tháo dỡ đà giáo
Đà giáo phải được thiết kế sao cho dễ dàng và an toàn trong việc tháo dỡ. Thiết bị điều chỉnh phù hợp phải được cung cấp để liên kết đà giáo khi lắp dựng, và để thuận tiện khi tháo bỏ. Các phần của đà giáo sẽ được chuyển đi và tái sử dụng mà không cần tháo dỡ phải được thiết kế để chống lại các lực tác động lên đà giáo trong quá trình di chuyển.
6 Ván khuôn
6.1 Tổng quát
Ván khuôn phải bằng gỗ, thép hoặc vật liệu được chấp thuận khác, phải kín vữa và có đủ độ cứng để ngăn ngừa sự biến dạng bề mặt của bê tông hình thành do áp lực của bê tông và các tải trọng khác xảy ra trong các thao tác thi công.
Ván khuôn dùng cho các mặt bê tông lộ ra nhìn thấy được phải tạo được mặt nhẵn có cấu trúc đồng đều và màu sắc cơ bản giống với màu sắc khi dùng gỗ dán chuyên dùng. Các tấm lót ván khuôn này phải bố trí sao cho các đường nối tạo thành sơ đồ đối xứng phù hợp với đường nét chung của kết cấu. Phải dùng cùng loại vật liệu lót ván khuôn trong toàn bộ mỗi bộ phận kết cấu. Các ván khuôn đó phải đủ cứng để cho gợn sóng của mặt bê tông không vượt quá 3 mm khi kiểm tra bằng thước thẳng hoặc dưỡng dài 1.500 mm. Các góc nhọn phải tạo vát với các dải vát cạnh khoảng 20 mm.
Không được tiến hành đổ bê tông trong ván khuôn cho đến khi các công việc liên quan đến thi công ván khuôn được hoàn thành, các mảnh vụn được loại bỏ, các vật liệu chôn trong bê tông được đặt vào đúng vị trí, và Kỹ sư đã kiểm tra.
6.2 Dung sai
Ván khuôn phải được thi công và lắp dựng đúng với đường nét và cao độ theo quy định của hồ sơ hợp đồng. Hệ thống chống đỡ phù hợp phải được thiết kế để duy trì ván khuôn thẳng hàng trong quá trình thi công.
Trừ khi được quy định trong hồ sơ hợp đồng, ván khuôn phải được thi công phù hợp với giới hạn dung sai theo ACI 117-06 hoặc TCVN 4453:1995. Lớp bề mặt cũng phải được quy định theo ACI 117- 06 hoặc TCVN 4453:1995.
Ván khuôn phải được Nhà thầu kiểm tra với sự có mặt của Kỹ sư trước khi đổ bê tông. Việc kiểm tra như vậy không làm giảm trách nhiệm của Nhà thầu để đạt được kết cấu bê tông có dung sai quy định, không bị cong, phồng, hoặc các khuyết tật khác. Trường hợp có khiếm khuyết, phương pháp sửa chữa, bao gồm việc dỡ bỏ và thay thế, phải được chấp thuận bởi Kỹ sư.
6.3 Mối nối
Khe co giãn, khe thi công và khe cách ly phải được đặt như chỉ ra trong hồ sơ hợp đồng. Vị trí các khe cần thiết do việc ngắt thiết bị hoặc gián đoạn khác phải được phê duyệt bởi Kỹ sư.
Bê tông phải được đổ liên tục từ khe đến khe. cốt thép phải đi qua các khe thi công hoặc phải được nổi ở các khe bằng mối nối cơ khí. Rãnh nối, khi cần thiết, phải được tạo ra để đảm bảo đường nối rãnh hoàn chỉnh và thẳng tuyến.
Vách ngang phải đủ để chống đỡ áp lực ngang của bê tông mà không nhìn thấy dịch chuyển trong khi đô bê tông. Bê tông phải được đầm kỹ tại khe nối vách ngăn để đảm bảo sự cố kết của bê tông tại khe nối.
Khe co giãn được thi công để cho phép sự dịch chuyển tự do. Xu hướng bê tông chảy vào mối nối, có khả năng gây ra sự di chuyển hoặc ngăn sự hoạt động thích hợp của khe nôi, phải được loại bỏ cẩn thận.
6.4 Phụ kiện của ván khuôn
Mối nối hoặc neo bằng kim loại, được sử dụng để duy trì ván khuôn liên kết thích hợp, phải được sản xuất để cho phép loại bỏ hoặc phá đi tới chiều sâu ít nhất là 25 mm từ mặt bê tông mà không làm hỏng bê tông. Các lỗ hổng tạo ra phải được lấp đầy hoàn toàn bằng vữa xi măng. Khi sử dụng dịch chuyển qua thanh giằng, lỗ hổng tạo ra phải được thi công sao cho giảm thiểu diện tích. Các lỗ hổng phải được lập đầy hoàn toàn bằng vữa xi măng.
Các bộ phận dây quấn, bu lông, hoặc các loại buộc khác phải có các đầu bọc trong bê tông hoặc bôi dầu để dễ dàng gỡ bỏ. Các phụ kiện sử dụng lại phải được kiểm tra về độ thẳng, mòn ren, và các hư hỏng khác.
Khi sử dụng cốt thép bọc epoxy, các mối nối hoặc neo bằng kim loại hoặc thanh giằng mà giữ lại trong bê tông phải là vật liệu chống ăn mòn hoặc vật liệu bọc bằng chất điện môi.
6.5 Ván khuôn chế tạo sẵn
Các yêu cầu đối với ván khuôn chế tạo sẵn, bất kể loại vật liệu, giống như yêu cầu đối với tiêu chuẩn ván khuôn bao gồm thiết kế, cường độ, độ kín vữa, cạnh vát, góc vát, liên kết, sự thẳng tuyến, dầu bôi, và tái sử dụng. Lớp ván phải có đủ cường độ để giữ đúng với hình dáng và sự thẳng tuyến. Các đầu bu lông và đinh tán phải chìm trên bề mặt ván khuôn.
6.6 Ván khuôn để lại
Ván khuôn để lại ở mặt dưới bản mặt cầu, như thép lượn sóng hoặc tấm bê tông đúc sẵn, có thể được sử dụng nếu thể hiện trong hồ sơ hợp đồng hoặc được Kỹ sư chấp thuận. Trước khi sử dụng ván khuôn đó, Nhà thầu cần cung cấp các chi tiết đầy đủ cho Kỹ sư để xem xét và chấp thuận. Trừ khi có ghi chú khác, hồ sơ hợp đồng của kết cấu phải định kích thước cho việc sử dụng các ván khuôn có thể tháo rời. Các thay đổi cần thiết để đáp ứng các ván khuôn để lại phải được chấp thuận.
Tấm ván khuôn không được phép đặt trực tiếp trên đầu của dầm dọc phụ hoặc cánh dầm sàn. Tấm ván khuôn phải được siết chặt an toàn để tạo thành các tấm đỡ, và phải có chiều dài chịu tải tối thiểu là 25 mm mỗi đầu. Gối đỡ ván khuôn phải được đặt tiếp xúc trực tiếp với cánh của dầm dọc phụ và dầm sàn. Các gắn kèm phải được thực hiện bằng mối hàn, bu lông, kẹp, hoặc các phương tiện khác được chấp thuận. Tuy nhiên, không được phép hàn hồ quang và hàn các chống đỡ ván khuôn. Hàn và mối hàn phù hợp với quy định của AWS D1.1/D1.1M.
Bất kỳ ván khuôn kim loại vĩnh cửu nào lộ ra mà lớp mạ kẽm đã bị hư hỏng phải được làm sạch triệt để, chải bằng bàn chải và sơn với hai lớp kẽm sơn lót bụi oxide-kẽm theo TT-P-641d, Loại II, không màu, hoặc loại tương đương theo TCVN 8789:2011, thỏa mãn yêu cầu của Kỹ sư. Một chút đổi màu trong khu vực các mối hàn thì không cần quan tâm.
Khe thi công ngang phải được đặt tại đáy của rãnh và lỗ sâu 6 mm phải được khoan tại hiện trường ở chỗ không ít hơn 300 mm ở giữa dọc theo khe nối. Khe nối và các lỗ khoan phải được đặt ở vị trí thấp nhất của mặt dưới bê tông.
6.7 Ván khuôn ống
Ống được sử dụng làm khuôn tạo ra các lỗ rỗng trong bản bê tông được thiết kế và chế tạo đúng cách hoặc bằng cách khác được xử lý để làm cho bề mặt bên ngoài không thấm nước. Trước khi đổ bê tông, ống như vậy phải được bảo vệ khỏi thời tiết và được lưu trữ và lắp đặt bằng các phương pháp có thể ngăn ngừa sự biến dạng hoặc hư hỏng. Các đầu của ống phải được phủ mũ làm cho kín vữa và không thấm nước. Nếu gỗ hoặc vật liệu khác mà giãn nở khi ẩm được sử dụng để đóng ống, thì khe cao su đúc sẵn dày 6 mm phải được sử dụng xung quanh chu vi của mũ để cho phép giãn nở. Ống thông khí PVC phải được đặt gần mỗi đầu của ống. Các ống này phải được đặt để tạo ra sự thông khí tích cực cho các lỗ rỗng. Sau khi dỡ bỏ ván khuôn ngoài, ống thông hơi sẽ được cắt gọt trong khoảng 13 mm bề mặt đáy của bê tông hoàn thiện.
Neo và dây buộc cho ống phải phù hợp để ngăn ngừa sự di chuyển của ống trong khi đổ bê tông.
6.8 Hệ giằng và neo giữ
Ván khuôn cho tường hoặc cột phải được neo giữ, chằng chống, hoặc neo giằng để kháng lại lực gió và chịu được thay đổi sự thẳng tuyến do hoạt tải thi công. Hệ giằng một mặt được thiết kế để chịu lực kéo và lực nén. Thanh giằng ngang và các bộ phận khác của ván khuôn phải được thiết kế để truyền các lực ngang tích lũy đến hệ giằng chống.
6.9 Dỡ bỏ ván khuôn
6.9.1 Tổng quát
Không được dỡ bỏ ván khuôn nếu không có sự đồng ý của Kỹ sư. Khi xác định thời điểm dỡ bỏ ván khuôn, phải xem xét vị trí và đặc trưng của của kết cấu, thời tiết, vật liệu sử dụng trong hỗn hợp bê tông, và các điều kiện khác ảnh hưởng đến cường độ ban đầu của bê tông.
Không được sử dụng các phương pháp dỡ bỏ ván khuôn mà có thể gây vượt ứng suất hoặc gây hư hỏng bề mặt của bê tông. Các chống đỡ phải được dỡ bỏ theo cách cho phép ứng suất trong kết cấu do trọng lượng bản thân, diễn ra một cách đều và từ từ. Đối với kết cấu vòm, trình tự dỡ bỏ ván khuôn phải được quy định hoặc phê duyệt.
6.9.2 Thời điểm dỡ bỏ ván khuôn
Khi thi công tại hiện trường được kiểm soát bằng thí nghiệm cường độ chịu nén của bê tông, việc dỡ bỏ ván khuôn chống đỡ hoặc đà giáo sẽ không được bắt đầu cho đến khi bê tông đạt cường độ nén quy định, ngoài ra không được dỡ bỏ chống đỡ trong vòng 7 ngày sau đổ bê tông.
Nếu việc thi công tại hiện trường được kiểm soát bằng thí nghiệm cường độ chịu nén hoặc thí nghiệm chịu uốn, các khoảng thời gian tối thiểu sau đây, không kể ngày khi nhiệt độ trung bình thấp hơn 4,4°C, sẽ trôi qua sau khi đổ bê tông trước khi đà giáo hoặc ván khuôn được dỡ bỏ:
- Không chống đỡ trọng lượng tĩnh của bê tông: 24 h
- Đối với các bản của dầm hộp và lan can: 12 h
Nếu đạt được cường độ cao sớm khi sử dụng xi măng Loại III hoặc phụ gia trong hỗn hợp bê tông, thì khoảng thời gian này có thể giảm xuống khi có sự cho phép của Kỹ sư.
Ván khuôn sẽ không được dỡ bỏ cho đến khi bê tông có đủ cường độ để ngăn hư hỏng bề mặt.
6.10 Sử dụng lại ván khuôn
Ván khuôn và vật liệu làm ván khuôn có thể được sử dụng lại sau khi đã kiểm tra các hư hỏng. Vật liệu bị hư hỏng phải bỏ đi hoặc sửa chữa lại. Các vật liệu sử dụng lại phải đáp ứng các yêu cầu của ván khuôn liên quan đến thiết kế, cường độ, độ kín vữa, và sự thẳng hướng.
7 Đê vây và khung chống
7.1 Tổng quát
Đê vây phải được thi công tới chiều sâu thích hợp để đảm bảo ổn định và đủ sâu để bịt kín khống cho nước vào. Chúng phải được thiết kế và thi công an toàn, được làm kín nước cần thiết để đủ công năng thích hợp cho các công việc được thực hiện bên trong đó. Nói chung, kích thước bên trong của đê vây phải có đủ khoảng trống để thi công các ván khuôn và kiểm tra phía ngoài chúng và cho phép bơm nước ra ngoài ván khuôn. Đê vây bị nghiêng hoặc bị dịch ngang do quá trình hạ phải nắn thẳng và dịch lại, hoặc làm rộng thêm để tạo ra khoảng trống cần thiết.
Nhà thầu cần kiểm soát nước chảy vào đê vây sao cho bê tông bệ móng có thể thi công khô. Nhà thầu phải xác định có cần lớp bịt đáy không, nếu cần thì phải xác định chiều dày của lớp bịt đáy và thời gian bảo dưỡng cần thiết và phải chịu trách nhiệm hoàn toàn về chất lượng bịt đáy. Sau khi lớp bịt đáy được bảo dưỡng, đê vây phải được bơm nước ra và phần bê tông còn lại được thi công khô. Khi áp dụng đê vây trọng lực và trọng lượng được dùng để chống lại một phần áp lực thủy tĩnh tác động vào đáy lớp bịt đáy, phải bố trí neo đặc biệt như chốt hoặc khoá để truyền toàn bộ trọng lượng đê vây trong lớp bịt đáy. Trong khi đổ và bảo dưỡng lớp bịt đáy, phải kiểm tra cao độ nước bên trong vòng vây để phòng ngừa dòng chảy qua lớp bịt đáy, nếu đê vây được giữ lại tại chỗ, nó phải có lỗ thoát nước ở dưới mực nước thấp.
Khung chống phải đủ để chịu được các tải trọng tác động và phải tuân thủ các quy tắc an toàn.
7.2 Bảo vệ bê tông
Các đê vây được thi công để bảo vệ bê tông tươi khỏi bị hư hại do động nước dâng lên đột ngột và phòng ngừa móng bị hư hỏng do xói. Không được dùng các thanh chống hoặc thanh giằng hoặc các hệ chống đỡ trong vòng vây đâm vào trong hoặc xuyên qua công trình chính mà không được Kỹ sư cho phép bằng văn bản.
7.3 Tháo dỡ
Trừ khi có quy định hoặc chấp thuận khác, các đê vây và khung chống với các cọc ván và thanh chống phải tháo dỡ sau khi hoàn thành kết cấu phần dưới, phải chú ý không làm ảnh hưởng hoặc hư hại công trình đã hoàn thành.
8 Hệ thống kiểm soát nước tạm thời
8.1 Tổng quát
Hệ thống kiểm soát nước tạm thời gồm có đê, kênh đổi dòng, máng nước và các công trình dẫn nước mặt khác, hệ thống tường chắn nước và bơm, kể cả hệ thống giếng sâu và bộ lọc ống kim, dùng để ngăn nước vào trong các hố đào cho kết cấu.
8.2 Bản vẽ biện pháp thi công
Bản vẽ biện pháp thi công của hệ thống kiểm soát nước tạm thời, khi cần thiết, phải bao gồm các chi tiết thiết kế và thiết bị, phương thức thao tác vận hành, và vị trí của điểm hoặc các điểm thoát nước. Thiết kế và vận hành phù hợp với các yêu cầu kiểm tra việc ô nhiễm và xói lở của nước.
8.3 Thao tác vận hành
Việc hút nước ra khỏi khung vây móng phải thực hiện theo cách ngăn chặn khả năng nước chảy qua bê tông mới đổ. Không được hút nước trong khi đổ bê tông hoặc trong thời gian ít nhất 24 h sau đó, trừ khi bơm từ một hố thích hợp tách riêng với công trình bê tông bằng tường kín nước hoặc phương pháp hữu hiệu khác được Kỹ sư chấp thuận.
Chỉ được hút cạn nước đê vây đã bịt đáy sau khi lớp bịt đáy đủ cứng để chịu được áp lực thủy tĩnh.
Bơm từ các bộ lọc ống kim hoặc các giếng sâu phải điều chỉnh đề tránh làm hư hại cho công trình liền kề do lún sụt.
9 Cầu tạm
9.1 Tổng quát
Cầu tạm phải thi công, bảo trì và tháo dỡ sao cho không làm nguy hại cho công trình hoặc cộng đồng.
9.2 Cầu tránh
Khi được Chủ đầu tư cung cấp thiết kế, cầu tránh phải thi công và bảo trì theo đúng thiết kế đó hoặc phương án thiết kế khác được chấp thuận. Khi các yêu cầu kỹ thuật cho phép, Nhà thầu có thể trình phương án thiết kế đề xuất. Các phương án thiết kế khác phải tương đương về mọi mặt với bản vẽ thiết kế và các số liệu do Chủ đầu tư cấp và phải được Kỹ sư chấp thuận. Bản vẽ biện pháp thi công và bản tính toán cho các phương án thiết kế phải được Nhà thầu ký tên và đóng dấu.
Khi thiết kế không được Chủ đầu tư cấp, Nhà thầu cần lập bản vẽ thiết kế và cung cấp bản vẽ biện pháp thi công cho Kỹ sư để chấp thuận. Bản vẽ thiết kế phải cung cấp các khoảng tĩnh không, tuyến, khả năng chịu tải và các thông số tính toán khác đã quy định hoặc được chấp thuận trong hồ sơ hợp đồng. Bản vẽ thiết kế phù hợp với LRFD-8, hoặc TCVN 11823:2017. Nếu không có quy định nào khác về hoạt tải thiết kế trong hồ sơ hợp đồng, phải dùng tải trọng HL93. Bản vẽ biện pháp thi công và các tính toán thiết kế phải được Nhà thầu ký tên và đóng dấu.
9.3 Cầu công vụ
Khi đề xuất xây dựng cầu công vụ hoặc cầu khác dùng cho thi công mà không dùng cho sử dụng công cộng, vượt qua bất kỳ hành lang đường giao thông hoặc đường sắt, phải trình Kỹ sư để chấp thuận bản vẽ biện pháp thi công với thiết kế hoàn chỉnh và các chi tiết bao gồm cả tải trọng lớn nhất. Các bản vẽ này phải được Nhà thầu ký tên và đóng dấu. Bản vẽ thiết kế phù hợp với LRFD-8, hoặc TCVN 11823:2017 khi có thể hoặc các Tiêu chuẩn thích hợp khác.
9.4 Bảo trì
Việc bảo trì các cầu tạm đòi hỏi phải có bản vẽ biện pháp thi công, phải bao gồm cả việc thay thế chúng trong trường hợp bị hư hỏng một phần hoặc toàn bộ. Trường hợp Nhà thầu bị chậm trễ hoặc tiến hành không thoả đáng việc sửa chữa hoặc thay thế, Chủ đầu tư có quyền cung cấp nhân lực, vật liệu và giám sát công trình khi cần để khôi phục kết cấu cho việc đảm bảo giao thông công cộng.
10 Đo đạc
Khi trong bản danh mục hợp đồng có kể đến hạng mục bê tông bịt đáy cho đê vây, bê tông này được đo đạc như quy định trong TCVN 12885-8:2020.
THI CÔNG CẦU ĐƯỜNG BỘ - PHẦN 4: CỌC ĐÓNG
Bridge Construction Specifications - Part 4: Driven Poundation Piles
1 Phạm vi áp dụng
Bộ tiêu chuẩn TCVN 12885:2020 áp dụng đối với công tác thi công các cầu, cống có kết cấu thông thường, sử dụng các công nghệ thi công thông thường trên đường bộ; cũng có thể tham khảo để thi công các cầu, cống trên đường sắt, có yêu cầu kỹ thuật tương tự.
Tiêu chuẩn này quy định các yêu cầu thi công và nghiệm thu, áp dụng đối với công tác cung cấp và đóng các cọc thép, cọc gỗ, cọc bê tông DƯL trong móng với kích thước quy định theo hồ sơ hợp đồng, trong thi công cầu.
Tiêu chuẩn này được dùng làm cơ sở để xây dựng Chỉ dẫn kỹ thuật thi công đối với công tác nêu trên trong dự án xây dựng cầu đường bộ.
2 Tài liệu viện dẫn
Các tài liệu viện dẫn sau là cần thiết cho việc áp dụng tiêu chuẩn này. Đối với các tài liệu viện dẫn ghi năm công bố thì áp dụng phiên bản được nêu. Đối với các tài liệu viện dẫn không ghi năm công bố thì áp dụng phiên bản mới nhất, bao gồm cả các sửa đổi, bổ sung (nếu có).
TCVN 11823:2017, Thiết kế cầu đường bộ.
TCVN 1072:1971, Gỗ - Phân nhóm theo tính chất cơ lý.
TCVN 9393:2012, Cọc - Phương pháp thử nghiệm hiện trường bằng tải trọng tĩnh ép dọc trục.
TCVN 11321:2016, Cọc - Phương pháp thử động biến dạng lớn.
LRFD-8, AASHTO LRFD Bridge Design Specifications, 2017 (Tiêu chuẩn thiết kế cầu).
ASTM A36/A36M, Standard Specification for Carbon structural Steel (Tiêu chuẩn kỹ thuật đối với thép kết cấu bằng Carbon).
ASTM A572/A572M, Standard Specification for High-Strength Low-Alloy Columbium-Vanadium structural Steel (Tiêu chuẩn kỹ thuật đối với thép kết cấu hợp kim thấp cường độ cao).
ASTM A992/A992M, Standard Specification for structural Steel Shapes (Tiêu chuẩn kỹ thuật đối với hình dạng thép kết cấu).
ASTM A148/A148M, Standard Specification for Steel Castings, High strength, for structural Purposes (Tiêu chuẩn kỹ thuật đối với thép đúc, cường độ cao, cho mục đích kết cấu).
ASTM D1143/D1143M, Standard Test Methods for Piles under static Axial Compressive Load (Tiêu chuẩn phương pháp thử đối với cọc chịu tải trọng nén tĩnh dọc trục).
ASTM D3689, Standard Test Method for Individual Piles underStatic Axial Tensile Load (Tiêu chuẩn phương pháp thử đối với cọc đơn chịu tải trọng tĩnh kéo dọc trục).
ASTM D3966, Standard Test Method for Piles under Lateral Loads (Tiêu chuẩn phương pháp thử đối với cọc chịu tải trọng ngang).
ASTM D4945, Standard Test Method for High-Strain Dynamic Testing of Piles (Tiêu chuẩn phương pháp thử đối với thử động biến dạng lớn của cọc).
ASTM D5643, Standard Specifications for Coal Tar Roof Cement, Asbestos Free (Tiêu chuẩn kỹ thuật đối với xi măng nhựa than đá, amiăng tự do).
ASTM D25, Standard Specification for Round Timber Piles (Tiêu chuẩn kỹ thuật đối với cọc gỗ tròn).
APWA U1-06, Use Category System: User Specification for Treated Wood (Sử dụng hệ thống phân loại: Tiêu chuẩn người dùng đối với gỗ đã qua xử lý).
PCI MNL-116, Manual for Quality Control for Plants and Production of Structural Precast Concrete Products (Hướng dẫn kiểm soát chất lượng đối với các nhà máy và sản xuất các sản phẩm kết cấu bê tông đúc sẵn).
AWS D1.1/D1.1M, Structural Welding Code - Steel (Tiêu chuẩn hàn kết cấu - Thép).
3 Thuật ngữ và định nghĩa
Tiêu chuẩn này sử dụng các thuật ngữ và định nghĩa nêu trong TCVN 12885-1:2020 và các thuật ngữ, định nghĩa sau:
3.1
Cọc (Pile)
Cấu kiện thẳng đứng hoặc xiên, được hạ vào đất hoặc thi công tại chỗ trong đất, để truyền tải trọng vào nền đất.
3.2
Móng cọc (Pile foundation)
Hệ thống các cọc được nối lại với nhau trong một kết cấu thống nhất để truyền tải trọng lên nền đất.
3.3
Cọc đơn (Single pile)
Cọc truyền tải trọng vào nền đất trong điều kiện không có ảnh hưởng của các cọc khác tới nó.
3.4
Nhóm cọc (Pile group)
Gồm một số cọc được bố trí gần nhau và liên kết với nhau bằng đài cọc.
4 Giới thiệu
Công việc này bao gồm việc cung cấp và đóng các cọc trong móng với chủng loại và kích thước quy định trong hồ sơ hợp đồng, kể cả việc cắt đầu cọc hoặc thi công cọc móng khi yêu cầu. Tiêu chuẩn này cũng bao gồm cả việc cung cấp các cọc thử nghiệm và tiến hành các thí nghiệm tải trọng. Cọc phải phù hợp và được lắp đặt theo Tiêu chuẩn này ở đúng vị trí, đúng cao độ, chiều sâu đóng cọc và khả năng chịu lực chỉ ra trong hồ sơ hợp đồng theo chỉ dẫn của Kỹ sư.
Trừ khi các thử cọc được yêu cầu, Nhà thầu sẽ cung cấp các cọc theo kích thước thể hiện trong hồ sơ hợp đồng. Khi yêu cầu thử nghiệm cọc, chiều dài cọc sản xuất thể hiện trong hồ sơ hợp đồng chỉ sử dụng cho mục đích ước tính, và chiều dài thực tế cung cấp để sản xuất cọc phải được Kỹ sư xác định sau khi các cọc thử được đóng và thử nghiệm. Các chiều dài trong danh mục cung cấp bởi Kỹ sư chỉ gồm các chiều dài dự tính sử dụng trong kết cấu hoàn thành. Nhà thầu phải tăng chiều dài đã cho hoặc đổ bê tông tại chỗ nối dài đầu cọc để tăng chiều dài cần thiết phù hợp với phương pháp đóng cọc.
5 Vật liệu
5.1 Cọc thép
5.1.1 Cọc thép cán
5.1.1.1 Tiêu chuẩn về các tính chất của thép
Thép được sử dụng trong cọc thép cán phù hợp với các tiêu chuẩn sau đây của ASTM:
- ASTM A36/A36M, Tiêu chuẩn thép kết cấu bằng Carbon
- ASTM A572/A572M, Tiêu chuẩn thép kết cấu hợp kim thấp cường độ cao
- ASTM A992/A992M, Tiêu chuẩn hình dạng thép kết cấu
Danh sách trên không loại trừ việc sử dụng thép đặt hàng hoặc sản xuất khác với các tiêu chuẩn liệt kê trên, hoặc các tiêu chuẩn ASTM hoặc TCVN đã xuất bản, mà thiết lập các tính chất và sự phù hợp của nó.
Thép cho để thép đúc, nếu sử dụng, phù hợp với ASTM A148/A148M (cấp 90-60).
5.1.1.2 Kích thước tối thiểu
Mặt cắt của cọc có hình dạng “H” hoặc “W” và cần tuân theo các yêu cầu sau:
- Chiều rộng cánh không vượt quá 14 lần chiều dày tối thiểu của cánh hoặc sườn, và chiều rộng cánh không được ít hơn 80 % chiều cao mặt cắt.
- Chiều cao danh định theo hướng sườn không nhỏ hơn 200 mm.
Cánh và sườn có chiều dày danh định tối thiểu không nhỏ hơn 9,5 mm.
5.1.2 Cọc ống thép
5.1.2.1 Tiêu chuẩn về thép
Cọc ống thép bao gồm ống thép phù hợp với thiết kế của dự án.
- Kích thước tối thiểu: ống phải có đường kính ngoài và chiều dày vách tối thiểu như thể hiện trong hồ sơ hợp đồng.
- Đầu kết thúc của cọc ống kín phải được làm kín bằng thép tấm hoặc thép rèn hoặc thép đúc, hoặc chi tiết đóng kín theo thiết kế được duyệt. Các tấm cuối phải có chiều dày tối thiểu là 19 mm. Tấm cuối phải được cắt gọt phù hợp với biên ngoài của vách cọc. Đầu ống phải được vát mép trước khi hàn vào tấm cuối bằng cách sử dụng mối hàn góc ngấu một phần.
5.1.2.2 Bê tông cho cọc ống bê tông
Trước khi đổ bê tông trong cọc, cọc phải được kiểm tra bằng phương pháp được chấp nhận để xác nhận cọc đủ chiều dài và điều kiện khô đáy. Nếu có nước trong ống cọc, thì nước phải được lây đi trước khi đổ bê tông.
Bê tông cho cọc ống bê tông phải có cường độ chịu nén tối thiểu 17 MPa và độ sụt không ít hơn 150 mm và không quá 250 mm. Bê tông phải được đổ liên tục trong cọc.
Không được đổ bê tông cho đến khi việc đóng cọc trong phạm vi bán kính 4.570 mm của cọc đã hoàn thành, hoặc việc đóng cọc trong phạm vi trên phải bị ngưng lại cho đến khi bê tông cọc cuối cùng đã được đổ xong ít nhất 2 ngày.
5.2 Cọc gỗ
5.2.1 Tổng quát
Nhà thầu cần cung cấp cọc gỗ được xử lý áp lực phù hợp với ASTM D25 hoặc TCVN 1072:1971. Cọc không đạt tiêu chuẩn sẽ bị từ chối.
5.2.2 Đệ trình
Xác nhận bằng cách xử lý loại cây, quá trình tạo áp lực được sử dụng, lượng chất bảo quản giữ lại, và phù hợp với tiêu chuẩn áp dụng cần được trình cho Kỹ sư. Bất kỳ mối nối kết cấu nào như là cho tải trọng nâng phải được thể hiện trong bản đệ trình.
5.2.3 Chế tạo tại hiện trường
Khi có quy định, cọc gỗ phải được lắp đế kim loại như đã nêu trong Điều 7.2.2.3 của Tiêu chuẩn này. Nếu đầu cọc được cắt gọt đến cao độ cắt cuối cùng, thì bề mặt cắt tại đầu cọc phải được xử lý như nêu trong Điều 7.7.2.
5.2.4 Xử lý áp lực
Xử lý áp lực phù hợp với APWA U1-06. Loại UC4C áp dụng đối với đóng cọc ở vùng nước ngọt và cho nên móng. Loại UC5A, UC5B và UC5C thường được áp dụng cho đóng cọc gỗ để sử dụng ở vùng nước mặn và nước lợ khi liên tục tiếp xúc với nước biển.
5.2.5 Các duy trì yêu cầu
Các chất bảo quản và thẩm thấu của chất bảo quản được cung cấp trong APWA U1-06, Tiêu chuẩn hàng hóa E và G cho loại sử dụng quy định sẽ được áp dụng.
5.3 Cọc bê tông DƯL
Sản xuất cọc phù hợp với quy định của PCI MNL-116.
5.3.1 Ván khuôn
Ván khuôn cọc bê tông DƯL phù hợp với các yêu cầu chung đối với công tác ván khuôn bê tông được quy định trong PCI MNL-116.
5.3.2 Đổ bê tông
Bê tông được đổ liên tục, trong vòng 3 ngày sau khi căng thép DƯL; tuy nhiên, bê tông không được đổ trong ván khuôn cho đến khi việc đặt cốt thép và các neo đã được kiểm tra và chấp thuận bởi đại diện kiểm soát chất lượng của Nhà sản xuất. Các cọc phải có bê tông đồng đều, bề mặt phẳng nhẵn, và cốt thép đặt vị trí thích hợp trong quá trình chế tạo. Trừ khi sử dụng bê tông tự đầm, bê tông phải đầm bằng máy rung đầu nhỏ hơn khoảng cách tối thiểu giữa cốt thép DƯL. Đảm bảo rằng bề mặt đầu cọc vuông góc với trục dọc của cọc.
5.3.3 Hoàn thiện
Việc hoàn thiện cọc phải được thực hiện theo PCI MNL-116. Việc hoàn thiện tiêu chuẩn là các mặt bên được tạo ra với độ mịn hợp lý sau khi đổ bê tông so với hình thức đã được phê duyệt. Việc hoàn thiện tiêu chuẩn của đầu cọc phải là kết thúc nổi với dụng cụ mép.
5.3.4 Bảo dưỡng và bảo vệ
Bảo dưỡng cọc phù hợp với PCI MNL-116. Cọc phải được bảo dưỡng bằng cách sử dụng phương pháp bảo dưỡng ẩm hoặc bảo dưỡng hơi nước gia tốc.
Cọc bê tông không được đóng cho đến khi nó được bảo dưỡng đầy đủ để chống lại ứng suất do vận hành và đóng cọc mà không có hư hỏng.
Trong thời tiết lạnh, thời gian bảo dưỡng kéo dài có thể được yêu cầu, như quy định trong hồ sơ hợp đồng.
5.3.5 Tạo ứng suất trước
Tạo ứng suất trước cho cọc phù hợp với PCI MNL-116.
5.3.6 Bản vẽ chế tạo
Nhà thầu cần trình các bản vẽ chế tạo yêu cầu cho cọc bê tông DƯL đến Kỹ sư, chỉ ra kích thước cọc, vật liệu, bố trí cáp DƯL, và lực DƯL đề xuất, và các bổ sung hoặc bố trí lại cốt thép so với bản vẽ thể hiện trong hồ sơ hợp đồng. Việc thi công cọc không bắt đầu cho đến khi Kỹ sư phê duyệt các bản vẽ.
5.3.7 Bảo quản và vận chuyển
Vận hành, bảo quản và vận chuyển các cọc bê tông DƯL cần được thực hiện theo cách tránh ứng suất uốn quá mức, nứt, vỡ, hoặc yếu tố gây hư hỏng khác.
6 Lớp bảo vệ
Nếu có yêu cầu bảo vệ, Nhà thầu chịu trách nhiệm khôi phục hoặc sửa chữa bất kỳ hư hỏng nào đối với lớp bảo vệ.
7 Đóng cọc
7.1 Thiết bị đóng cọc
Thiết bị đóng cọc bao gồm búa, đệm búa, chụp đầu cọc, đệm cọc, và các phụ kiện khác được cung cấp bởi Nhà thầu cần được Kỹ sư phê duyệt trước khi tiến hành đóng cọc. Để có được sự chấp thuận này, Nhà thầu cần đệ trình mô tả về thiết bị đóng cọc cho Kỹ sư ít nhất 2 tuần trước khi việc đóng cọc bắt đầu. Mô tả phải có đầy đủ chi tiết phù hợp để hệ thống đóng cọc dự kiến có thể được đánh giá bằng phân tích phương trình sóng.
Nếu sức kháng danh định được xác định bằng thử tải tĩnh, thử tải động, thử tải tĩnh nhanh, hoặc phân tích phương trình sóng, Nhà thầu cần trình Kỹ sư các kết quả phân tích phương trình sóng để chỉ ra rằng việc đóng cọc là khả thi.
Nếu sức kháng danh định được xác định bởi công thức động, thì phân tích phương trình sóng là không cần thiết, số nhát búa yêu cầu theo công thức động không được vượt quá 10 nhát mỗi 25 mm.
Hiệu quả của búa sau đây sẽ được sử dụng trong phân tích phương trình sóng của cọc thẳng đứng trừ khi có sẵn thông tin tốt hơn, Bảng 1.
Bảng 1 - Hiệu quả của búa được sử dụng trong phân tích phương trình sóng của cọc theo phương dọc trừ khi có sẵn thông tin tốt hơn
| Loại búa | Hiệu quả (%) |
| Búa rơi | 25-40 |
| Búa hơi đơn động (khí nén/hơi nước) | 67 |
| Búa hơi song động (khí nén/hơi nước) | 50 |
| Búa Diesel | 80 |
| Búa thủy lực hoặc Diesel với bộ đo năng lượng lắp sẵn | 95 |
Hiệu quả của búa phải được điều chỉnh cho đóng cọc.
Ngoài các yêu cầu khác của Tiêu chuẩn này, tiêu chí mà Nhà thầu và Kỹ sư sử dụng để đánh giá thiết bị đóng cọc bao gồm cả số nhát búa yêu cầu trên mỗi mm ở sức kháng danh định yêu cầu và ứng suất đóng cọc trong toàn bộ quá trình đóng, số nhát búa yêu cầu được chỉ ra bởi phân tích phương trình sóng ở sức kháng danh định yêu cầu sẽ từ 2 đến 10 nhát cho mỗi 25 mm đối với thiết bị đóng cọc coi là chấp nhận được.
Ngoài ra, đối với thiết bị đóng cọc coi là chấp nhận được, ứng suất trong cọc, được xác định bởi phân tích phương trình sóng cho toàn bộ hoạt động đóng cọc, không được vượt quá các giá trị dưới đây:
- Đối với cọc thép, ứng suất nén không vượt quá 90% giới hạn chảy của vật liệu cọc.
- Đối với cọc bê tông, ứng suất kéo không được vượt quá [7,9.(f’c)0,5 + ứng suất trước] với f’c tính bằng kPa, và ứng suất nén không được vượt quá [0,85.f’c - ứng suất trước].
- Đối với cọc gỗ, ứng suất đóng cọc do nén không vượt quá ΦdaFco, trong đó Fco là sức kháng cơ sở của gỗ khi nén song song với thớ gỗ theo quy định tại Điều 8.4.1.3 và Φda là hệ số sức kháng cho ứng suất phát sinh trong quá trình đóng cọc quy định tại Điều 8.5.2.2 của LRFD-8, hoặc TCVN 11823:2017 và Φda bằng 1,15.
Trong quá trình đóng cọc, Nhà thầu cần sử dụng hệ thống được chấp thuận. Bất kỳ thay đổi nào trong hệ thống đóng cọc phải được xem xét chỉ sau khi Nhà thầu trình dữ liệu của thiết bị đóng cọc được chỉnh sửa và phân tích phương trình sóng. Nhà thầu được thông báo về sự chấp nhận hoặc từ chối các thay đổi hệ thống đóng cọc trong vòng 2 ngày làm việc kể từ khi Kỹ sư nhận được yêu cầu thay đổi. Thời gian cần thiết để trình, rà soát, và phê duyệt hệ thống đóng cọc sửa đổi không phải là cơ sở để gia hạn thời gian hợp đồng của Nhà thầu.
Sự chấp thuận thiết bị đóng cọc không làm giảm trách nhiệm của Nhà thầu đối với việc đóng cọc, cọc không có hư hỏng, đối với sức kháng danh định yêu cầu, và nếu quy định, chiều sâu xuyên tối thiểu, thể hiện trong hồ sơ hợp đồng.
7.1.1 Búa đóng cọc
7.1.1.1 Tổng quát
Cọc phải được hạ bằng búa đóng hoặc búa rung phù hợp với Tiêu chuẩn này.
Búa đóng cọc phải có kích thước cần thiết để phát triển năng lượng yêu cầu cho đóng cọc bằng cách đếm nhát búa mà không vượt quá 10 nhát mỗi 25 mm ở sức kháng danh định yêu cầu.
7.1.1.2 Búa rơi
Búa rơi không được dùng cho cọc bê tông hoặc đối với cọc có sức kháng danh định yêu cầu vượt quá 60 tấn.
Khi búa rơi được cho phép, thì quả búa phải có trọng lượng không dưới 1,0 tấn và chiều cao rơi không được vượt quá 3.650 mm. Không có trường hợp nào trọng lượng quả búa nhỏ hơn trọng lượng tổng của chụp đầu cọc và cọc. Các búa rơi phải được trang bị dẫn hướng của búa và chụp đầu cọc để đảm bảo va chạm thẳng tâm.
7.1.1.3 Búa hơi
Nếu công thức động được sử dụng để thiết lập số nhát búa yêu cầu, thì trọng lượng của các bộ phận va đập của búa hơi sử dụng phải không được nhỏ hơn 1/3 trọng lượng của cọc và mũ cọc, và trong mọi trường hợp, bộ phận va đập có trọng lượng dưới 1,4 tấn. Nếu sử dụng phân tích phương trình sóng để xác định số nhát búa yêu cầu và ứng suất đóng cọc, thì giới hạn này về trọng lượng quả búa sẽ không áp dụng.
Máy móc và thiết bị trang bị cho búa hơi phải có đủ năng lực để duy trì, trong điều kiện làm việc, áp lực tại búa được quy định bởi Nhà sản xuất. Ống nối máy nén với búa ít nhất phải có kích thước tối thiểu được khuyến cáo bởi Nhà sản xuất.
Tính năng của búa phải được đánh giá ở đầu cọc bằng cách đo số nhát búa trong 1 min và so sánh các nhát búa với khuyến nghị của Nhà sản xuất.
7.1.1.4 Búa Diesel
Nếu búa diesel đầu mở (tác động đơn) không được trang bị thiết bị để đo tốc độ va chạm ở các thời điểm trong quá trình đóng cọc, cú va đập sẽ thu được bằng cách đo tốc độ hoạt động bằng tay hoặc với thiết bị đo tự động.
Búa diesel đầu kín (tác động kép) phải được trang bị đầu đo áp suất buồng nảy trong tình trạng làm việc tốt, được gắn gần mặt đất để có thể dễ dàng đọc bởi Kỹ sư. Nhà thầu cần cung cấp biểu đồ tương quan của áp suất buồng này và thế năng.
7.1.1.5 Búa thủy lực
Búa thủy lực phải được trang bị một hệ thống để đo năng lượng quả búa. Hệ thống phải ở trong tình trạng làm việc tốt và các kết quả cần phải dễ dàng và ngay lập tức sẵn có cho Kỹ sư.
7.1.1.6 Búa rung
Phương pháp đóng cọc bằng búa rung hoặc phương pháp khác có thể được sử chỉ khi được quy định trong hồ sơ hợp đồng hoặc bằng văn bản của Kỹ sư. Trừ khi có chiều dài cọc được đánh giá từ thử tải tĩnh cọc, sức kháng danh định của cọc đóng bằng búa rung sẽ được xác minh bằng việc đóng bổ sung cọc đầu tiên trong mỗi nhóm 10 cọc bằng búa va đập với năng lượng phù hợp để đo sức kháng danh định trước đóng các cọc còn lại trong nhóm. Trường hợp đất có sự thay đổi, cọc bổ sung sẽ được xác minh bởi một búa va đập theo chỉ dẫn của Kỹ sư. Các cọc mà chủ yếu dựa vào khả năng chịu lực điểm phải được đóng lại bằng búa va đập.
Không được sử dụng búa rung để đóng cọc bê tông.
7.1.1.7 Thiết bị hoặc phương pháp bổ sung
Trường hợp độ xuyên yêu cầu không đạt được do việc sử dụng búa phù hợp với yêu cầu tối thiểu nêu trên, Nhà thầu có thể được yêu cầu cung cấp búa có năng lượng lớn hơn hoặc, khi được phép, sử dụng các phương pháp bổ sung như phun nước hoặc khoan trước.
7.1.2 Phụ kiện đóng cọc
7.1.2.1 Đệm búa
Thiết bị đóng cọc bằng va chạm trừ búa rơi phải được trang bị vật liệu đệm búa có chiều dày phù hợp để ngăn hư hỏng búa hoặc cọc. Búa được thiết kế mà đệm búa là không cần thiết thì loại yêu cầu này.
Khi áp dụng, đệm búa phải là vật liệu bền, được chế tạo để giữ được tính chất đồng đều trong quá trình đóng cọc. Gỗ, dây thừng, hoặc đệm amiăng không được sử dụng. Tấm đầu búa phải được đặt trên đệm búa để đảm bảo lực nén đều vật liệu đệm. Đệm búa phải được thay thế bởi Nhà thầu trước khi đóng cọc được phép tiếp tục bất cứ khi nào có sự giảm chiều dày của đệm búa vượt quá 25% chiều dày ban đầu hoặc, đối với máy búa hơi, khi sự giảm chiều dày vượt quá khuyến cáo của Nhà sản xuất.
7.1.2.2 Chụp đầu cọc
Cọc đóng bằng búa va đập phải được trang bị với chụp đầu cọc để phân phối các nhát búa đều và tập trung vào đầu cọc. Bề mặt của chụp đầu cọc tiếp xúc với cọc phải phẳng, nhẵn và phải nằm song song với đế búa và đỉnh cọc. Chụp đầu cọc phải được dẫn hướng và không được lắc tự do. Chụp đầu cọc phù hợp với đầu cọc theo cách duy trì sự thẳng tâm của búa và cọc.
Đối với các loại cọc đặc biệt, đầu đóng thích hợp, trục gá, hoặc các thiết bị khác phải được cung cấp để cọc có thể được đóng mà không bị hư hỏng.
Đối với cọc gỗ, kích thước của chụp đầu cọc bên trong hoặc đế búa phải không vượt quá đường kính đầu cọc hơn 50 mm. Nếu đường kính cọc gỗ hơi lớn hơn kích thước chụp đầu cọc hoặc để búa, thì đâu cọc phải được cắt gọt để phù hợp với chụp đầu cọc.
7.1.2.3 Đệm cọc
Đệm cọc sẽ bảo vệ đầu của cọc bê tông. Chiều dày của đệm được đặt trên đầu cọc trước khi đóng cọc phải được lựa chọn bằng phân tích phương trình sóng để hạn chế ứng suất đóng cọc không vượt quá. Nếu việc đếm nhát búa đóng cọc cần thiết được xác định bởi công thức động, thì đệm phải có chiều dày ít nhất là 100 mm.
Đệm cọc mới phải được cung cấp nếu trong quá trình đóng cọc, đệm bắt đầu có khói hoặc nén quá mức xảy ra. Kích thước đệm cọc sẽ phân phối đều nhát búa trên toàn bộ mặt cắt ngang của cọc.
Đệm cọc phải được bảo vệ khỏi thời tiết và giữ khô trước khi sử dụng. Đệm cọc phải không được ngâm trong bất kỳ chất lỏng nào trừ khi được Kỹ sư phê duyệt. Việc sử dụng của vật liệu đệm cọc được sản xuất thay cho đệm cọc gỗ phải được đánh giá từng trường hợp cụ thể.
Đệm cọc đã qua sử dụng trong tình trạng tốt phải được sử dụng cho các thử nghiệm va đập lại.
7.1.2.4 Giá búa
Sử dụng giá búa để dẫn cọc và búa thẳng ở các vị trí thích hợp trong quá trình đóng cọc. Giá búa được xây dựng theo cách cho phép búa tự do di chuyển trong khi vẫn duy trì sự thẳng tuyến của búa và cọc đảm bảo tác động thẳng tâm cho mỗi nhát búa.
Giá búa được thiết kế để cho phép chỉnh thẳng các cọc bị đập liên hồi khi áp dụng.
Giá búa có thể là loại cố định hoặc loại xoay. Loại giá búa xoay, khi sử dụng, sẽ được khớp với cổng cọc ở đáy của giá búa. Giá búa phải được gắn vào trong đất hoặc cọc bị hạn chế trong khung kết cấu như một khuôn mẫu để duy trì sự thẳng tuyến.
7.1.2.5 Cọc dẫn
Cọc dẫn chỉ được sử dụng khi có sự chấp thuận bằng văn bản của Kỹ sư hoặc khi được chỉ định trong hồ sơ hợp đồng.
Đối với cọc bê tông, đệm cọc phải được sử dụng tại đầu cọc, và sự phù hợp của cọc dẫn sẽ được kiểm tra bằng phân tích phương trình sóng để xác minh số lượng nhát búa, ứng suất đóng cọc, và sức kháng danh định.
Đối với cọc thép hoặc cọc gỗ, nếu phân tích phương trình sóng không được thực hiện, thì cọc dẫn phải có sức kháng từ 50 % và 200 % sức kháng của cọc.
Cọc dẫn và cọc phải được duy trì thẳng hàng trong quá trình đóng cọc. Cọc dẫn phải có vật liệu và kích thước như vậy để cho phép đóng cọc đến số nhát búa được xác định là cần thiết.
7.1.2.6 Xói nước
Chỉ được phép xói nước nếu quy định trong hồ sơ hợp đồng hoặc được Kỹ sư chấp thuận bằng văn bản.
Nhà thầu cần xác định số lượng tia xói, thể tích và áp lực nước cần thiết tại vòi phun để dễ dàng xói đất đá tiếp giáp với cọc.
Nhà thầu cần kiểm soát và xử lý nước xói nhằm thoả mãn Kỹ sư, hoặc như quy định trong hồ sơ hợp đồng. Nếu xói nước được chỉ định hoặc được Kỹ sư phê duyệt và thực hiện theo Tiêu chuẩn hoặc theo sự chấp thuận của Kỹ sư, Nhà thầu sẽ không phải chịu trách nhiệm cho bất kỳ thiệt hại đến công trường do hoạt động xói nước. Nếu xói nước được sử dụng cho sự thuận tiện của Nhà thầu, thì Nhà thầu chịu trách nhiệm cho các thiệt hại đến công trường do hoạt động xói nước.
Trừ khi được chỉ định bởi Kỹ sư hoặc hồ sơ hợp đồng, vòi phun phải được tháo bỏ trước hoặc khi đầu cọc cao hơn 1.500 mm so với cao độ mũi tối thiểu hoặc cuối cùng, và cọc sau đó phải được đóng mà không có xói nước tới cao độ mũi cuối cùng hoặc tới sức kháng danh định yêu cầu bằng búa va chạm. Nếu sức kháng danh định yêu cầu không đạt ở cao độ mũi cuối cùng, thì cọc có thể được phép thiết lập lại và sau đó sức kháng danh định yêu cầu sẽ được xác định bằng cách vô lại cọc.
7.2 Chuẩn bị đóng cọc
7.2.1 Công việc ở công trường
7.2.1.1 Đào
Nếu thực tế, cọc sẽ không được đóng cho đến khi đất đã đào xong. Mọi vật liệu chèn giữa các cọc phải được lấy đi tới cao độ chính xác trước khi đổ bê tông móng.
Trừ khi có sự đồng ý của Kỹ sư, các cọc ở đầu cầu sẽ không được đóng cho đến khi nền đường đầu cầu đã được thi công.
7.2.1.2 Khoan trước để đóng cọc được dễ dàng
Khi được quy định trong hồ sơ hợp đồng, Nhà thầu cần khoan trước các lỗ với kích thước quy định, tại vị trí cọc, tới chiều sâu cho trong hồ sơ hợp đồng hoặc được Kỹ sư cho phép bằng văn bản. Mọi khoảng rỗng còn lại sau khi đóng cọc xong phải lấp đầy cát hoặc vật liệu khác được chấp thuận. Việc sử dụng thuôn không được phép thay cho việc khoan trước, trừ khi được quy định trong hồ sơ hợp đồng hoặc được phép bằng văn bản của Kỹ sư. Vật liệu từ các lỗ khoan phải dọn đi theo chấp thuận của Kỹ sư.
7.2.1.3 Yêu cầu bổ sung đối với lỗ khoan trước trong nền đường đắp
Nếu yêu cầu bởi hồ sơ hợp đồng, cọc đóng qua nền đã đầm hoặc nền đắp có chiều sâu lớn hơn 1.500 mm phải được đóng trong lỗ khoan trước tới nền đất tự nhiên. Sau khi đóng cọc, không gian xung quanh cọc phải được lấp đầy tới mặt đất bằng cát hoặc vật liệu khác đã chấp thuận. Vật liệu từ các lỗ khoan trước phải được xử lý như chấp thuận của Kỹ sư.
7.2.2 Chuẩn bị cọc
7.2.2.1 Đầu cọc
Đối với cọc thép và gỗ, đầu cọc phải được cắt và duy trì hình vuông theo trục dọc của cọc. Đầu cọc bê tông đúc sẵn phải phẳng, mịn, và vuông góc với trục dọc của cọc để ngăn ngừa các tác động lệch tâm từ chụp đâu cọc. Các tao cáp DƯL phải được cắt dưới bề mặt kết thúc của cọc. Đối với cọc bê tông hoặc cọc gỗ, đầu cọc phải được vát trên các mặt bên.
7.2.2.2 Đai cọc
Khi cọc gỗ được yêu cầu để đóng tới sức kháng danh định lớn hơn 100 tấn hoặc khi điều kiện đóng có yêu cầu khác, thì phải bố trí đai cọc, dải hoặc dụng cụ khác để bảo vệ cọc không bị chẻ hoặc xơ ra.
7.2.2.3 Chóp bịt mũi cọc và tấm đáy
Chóp bịt mũi cọc phải được sử dụng khi được chỉ định bởi Kỹ sư hoặc trong hồ sơ hợp đồng để bảo vệ các loại cọc khi dự kiến đóng qua đất cứng hoặc có chướng ngại vật.
Chóp bịt mũi cọc bằng thép được chế tạo từ thép đúc phù hợp với ASTM A148/A148M (cấp 90-60).
Tấm đáy cho cọc ống kín đầu phải được làm bằng thép ASTM A36/A36M hoặc tốt hơn. Đường kính và chiều dày sẽ do Kỹ sư chỉ định.
Khi chóp bịt mũi cọc được yêu cầu theo điều kiện đất, các lời khuyên cọc gỗ phù hợp với chóp bịt mũi cọc thép được chấp thuận để đảm bảo tiếp xúc đầu và chắc chắn và ngăn ngừa sự tập trung ứng suất cục bộ trong gỗ.
7.3 Đóng cọc
Trừ khi được phê duyệt bởi Kỹ sư, cọc sẽ được đóng đến:
- sức kháng danh định yêu cầu, hoặc;
- sức kháng danh định yêu cầu và cao độ mũi tối thiểu, nếu được chỉ định, hoặc;
- cao độ mũi quy định.
Phải luôn đo số nhát búa, hoặc là trong quá trình đóng ban đầu hoặc bằng cách đóng lại sau một thời gian chờ, như được xác định bởi Kỹ sư.
Đối với búa diesel, các nhát búa sẽ được ghi lại. Đối với búa thủy lực, năng lượng hoặc vận tốc va đập sẽ được ghi lại.
Nếu xói nước được sử dụng liên quan đến việc đóng cọc, sức kháng danh định sẽ được xác định từ kết quả đóng cọc sau khi đầu xói nước đã được rút ra.
Trình tự sử dụng trong đóng cọc không làm cho các cọc bị lạm dụng quá mức và bất thường gây ra nén và vỡ bê tông, tách và chẻ gỗ, hoặc biến dạng quá mức của thép.
7.3.1 Cọc bị trồi
Nếu sự trồi cọc được quan sát, số đọc cao độ tham chiếu đến mốc cố định phải được thực hiện bởi Kỹ sư trên tất cả các cọc ngay sau khi lắp đặt và định kỳ sau đó khi cọc liền kề được đóng để xác định phạm vi trồi cọc.
Trong quá trình đóng cọc liền kề, cọc phải được đóng lại:
- nếu cọc trồi lên cao hơn 12 mm và sức kháng mũi chiếm ưu thế, hoặc;
- nếu cọc trồi lên cao hơn 36 mm và sức kháng ma sát chiếm ưu thế.
Nếu sự trồi cọc được phát hiện đối với cọc ống hoặc cọc ván mà đã được đổ đầy bê tông, thì cọc phải
được đóng lại đến vị trí ban đầu sau khi bê tông đạt được cường độ phù hợp và hệ thống đệm búa - cọc, thỏa mãn với Kỹ sư, được sử dụng.
7.3.2 Chướng ngại vật
Nếu cọc gặp phải chướng ngại vật cô lập, không lường trước được, Nhà thầu phải tiến hành loại bỏ các chướng ngại vật.
7.3.3 Trình tự lắp đặt
Thứ tự lắp đặt cọc trong nhóm cọc sẽ là bắt đầu từ trung tâm của nhóm và tiếp tục ra ngoài theo cả hai hướng, hoặc bắt đầu từ hàng ngoài và tiến hành dần dần qua nhóm.
7.3.4 Độ chối thực tế
Lựa chọn giới hạn số nhất búa của độ chối thực tế rất khó bởi vì nó có thể phụ thuộc vào mặt cắt địa chất tại hiện trường, loại cọc, và giới hạn của Nhà sản xuất búa để ngăn hư hỏng búa. Trong mọi trường hợp phải đóng tiếp tục đối với lớn hơn 75 mm ở điều kiện độ chối thực tế.
7.3.5 Giới hạn ứng suất đóng cọc
Trừ khi được quy định khác trong hồ sơ hợp đồng hoặc bởi Kỹ sư, ứng suất sinh ra trong khi đóng cọc không được vượt quá giới hạn quy định trong Điều 7.1.
7.3.6 Đóng cọc thử
Khi yêu cầu trong hồ sơ hợp đồng, cọc thử phải được cung cấp theo chiều dài quy định và đóng đúng vị trí và đến độ cao, sức kháng danh định hoặc số nhát búa do Kỹ sư chỉ dẫn trước khi các cọc khác được yêu cầu. Các cọc phải được đóng bằng búa va đập được phê duyệt trừ khi có quy định cụ thể khác trong hồ sơ hợp đồng. Búa cùng loại và kích thước phải được sử dụng trên các cọc sản xuất.
Việc phê duyệt thiết bị đóng cọc phù hợp với yêu cầu của Tiêu chuẩn này. Trừ khi có chấp thuận khác của Kỹ sư, Nhà thầu cần đào đất tại mỗi cọc thử đến cao độ của đáy móng trước khi cọc được đóng (xem Điều 7.2.1.1). Cọc thử bổ sung phải được đóng tại các vị trí do Kỹ sư lựa chọn để khám phá các thay đổi có thể có của địa chất dưới đất.
Khi có yêu cầu của Kỹ sư, các cọc thử được đóng tới cao độ ghi trong bản vẽ và nếu không đạt được sức kháng danh định yêu cầu thì phải nối và đóng cho tới khi đạt được khả năng chịu lực yêu cầu.
7.3.7 Độ chính xác đóng cọc
Cọc phải đóng với sai lệch không quá 1:50 theo trục cọc thẳng đứng hoặc 1:25 theo trục cọc xiên cho trong hồ sơ hợp đồng, trừ các cọc dùng làm trụ đà giáo phải đóng sao cho mũ cọc có thể đặt vào đúng vị trí mà không gây ra tác động xấu lên sức chịu tải của cọc.
Sau khi đóng cọc, đầu cọc phải nằm trong phạm vi 150 mm của vị trí trong bản vẽ đối với các cọc được bịt dưới lớp cuối cùng và phải nằm trong phạm vi 75 mm của vị trí trong bản vẽ đối với bệ đỡ bởi cọc.
Không có cọc nào gần hơn 100 mm từ bất kỳ cạnh nào của xà mũ.
7.4 Xác định sức kháng danh định
7.4.1 Tổng quát
Sức kháng danh định của cọc sẽ được xác định bởi Kỹ sư bằng cách sử dụng phương pháp quy định trong hồ sơ hợp đồng. Phương pháp được sử dụng để xác định sức kháng của cọc trong hoặc sau khi lắp đặt phải phù hợp với phương pháp luận xác minh sức kháng của cọc được giả định trong giai đoạn thiết kế dự án phù hợp với Điều 10.5.5.2.3 của LRFD-8, hoặc TCVN 11823:2017.
7.4.2 Thử tải tĩnh
Nếu thử tải tĩnh được sử dụng để xác định sức kháng dọc trục của cọc, thử nghiệm sẽ không được thực hiện ít hơn 5 ngày sau khi cọc thử được đóng trừ khi được Kỹ sư phê duyệt hoặc quy định khác trong hồ sơ hợp đồng. Thử tải tĩnh cần tuân thủ các quy trình quy định trong ASTM D1143/D1143M hoặc TCVN 9393:2012 và trình tự đặt tải phải làm theo phương pháp thử tải nhanh, trừ khi dữ liệu chi tiết về tải trọng - chuyển vị dài hạn là cần thiết, trong trường hợp này trình tự đặt tải tiêu chuẩn phải được sử dụng. Thiết bị thử nghiệm và hệ thống đo đạc phù hợp với ASTM D1143/D1143M hoặc TCVN 9393:2012. Thiết bị để thực hiện thử tải tĩnh phải được cung cấp bởi đơn vị quy định trong hồ sơ hợp đồng. Kỹ sư hoặc phòng thí nghiệm phải thực hiện thử nghiệm.
Nhà thầu cần trình hồ sơ hợp đồng chi tiết của thiết bị chất tải dự kiến, cho Kỹ sư để chấp thuận. Đệ trình phải bao gồm hiệu chỉnh kích thủy lực, loadcell và đồng hồ đo áp lực được tiến hành trong vòng 30 ngày trước khi huy động đến công trường. Khi phương pháp được chấp thuận yêu cầu sử dụng cọc chịu kéo (cọc neo) mà sau đó sẽ được sử dụng làm cọc lâu dài trong công trình, thì cọc chịu kéo đó phải có cùng loại và kích thước như cọc sản xuất và phải được đóng đúng vị trí của cọc lâu dài khi có thể.
Khi thực hiện thử tải tĩnh, Nhà thầu cần cung cấp thiết bị an toàn và sử dụng đầy đủ biện pháp an toàn thích hợp. Các chống đỡ phù hợp cho tấm thử tải tĩnh, kích và các thiết bị phụ trợ phải được cung cấp để ngăn ngừa trường hợp mất tải do hư hỏng thủy lực, hư hỏng cọc thử, hoặc khác nguyên nhân.
Phương pháp xác định thất bại của thử tải tĩnh cần được quy định trong hồ sơ hợp đồng hoặc bởi Kỹ sư. Dựa trên kết quả thử tải tĩnh, Kỹ sư cần cung cấp tiêu chí đóng cọc cho việc chấp nhận cọc thi công.
Khi được quy định, thử nghiệm tải trọng tĩnh chịu kéo sẽ được hiện theo ASTM D3689. Khi quy định, thử nghiệm tải trọng ngang cần được tiến hành phù hợp với ASTM D3966.
7.4.3 Thử tải động
Thử tải động đựợc thực hiện theo quy định của ASTM D4945 hoặc TCVN 11321:2016. Nhà thầu cần chuẩn bị các thiết bị yêu cầu gắn kèm theo chỉ dẫn của Kỹ sư.
Nhà thầu cần đóng cọc theo chỉ dẫn của Kỹ sư. Nếu được chỉ dẫn bởi Kỹ sư, Nhà thầu cần làm giảm năng lượng đóng cọc truyền tới cọc bằng sử dụng đệm bổ sung hoặc giảm năng lượng đầu ra của búa để duy trì ứng suất trong cọc chấp nhận được. Nếu việc đóng cọc không đồng trục được chỉ ra bởi thiết bị đo động, Nhà thầu cần bố trí lại hệ thống đóng cọc ngay lập tức.
Nếu sức kháng danh định yêu cầu không đạt khi kết thúc đóng cọc, Nhà thầu cần khôi phục lại thử tải động sau khoảng thời gian chờ quy định trong hồ sơ hợp đồng hoặc theo chỉ dẫn của Kỹ sư. Khi kết thúc thời gian chờ, các thiết bị thử tải sẽ được gắn lại, cọc được đóng lại, và thử tải động được lặp lại. Búa phải được làm nóng trước khi bắt đầu đóng lại. Giá trị xuyên yêu cầu lớn nhất trong quá trình đóng lại là 75 mm, hoặc thu được tối đa 20 nhát búa, tùy theo điều kiện nào xảy ra trước.
7.4.4 Phân tích phương trình sóng
Khi quy định trong hồ sơ hợp đồng, Kỹ sư sử dụng phân tích phương trình sóng sẽ xác định tiêu chí đóng cọc cần thiết để đạt sức kháng danh định yêu cầu của cọc. Tính chất đất và cọc sử dụng trong phân tích này sẽ được thể hiện trong hồ sơ hợp đồng hoặc theo xác định của Kỹ sư. Nhà thầu cần cung cấp cho Kỹ sư thông tin cần thiết về các thiết bị đóng cọc dự kiến để thực hiện phân tích phương trình sóng.
7.4.5 Công thức động
Khi sử dụng công thức động, công thức cụ thể được quy định trong hồ sơ hợp đồng. Công thức động không được sử dụng nếu sức kháng danh định yêu cầu lớn hơn 2.670 kN.
Công thức chỉ được xem xét áp dụng khi:
- đầu cọc không bị loe, dập nát, hay các hư hỏng khác, và
- cọc dẫn không được sử dụng.
Nếu công thức động được sử dụng để thiết lập việc tiêu chí đóng cọc, công thức của FHWA- Gates quy định ở đây nên được sử dụng. Sức kháng danh định của cọc được đo khi đóng cọc sử dụng phương pháp này sẽ được tính như sau:
| Rndr = 7 (Ed)0.5 log10 (10Nb) - 550 | (1) |
trong đó:
Rndr - sức kháng danh định của cọc đo trong khi đóng cọc (kN);
Ed - năng lượng đóng cọc. Đây là động năng trong búa khi đập cho mỗi nhát búa. Nếu tốc độ búa đập không đo được, thì có thể giả định bằng thế năng của búa ở chiều cao va chạm, tính bằng trọng lượng búa nhân với số lần va chạm (kN-m);
Nb - số nhát búa cho 25 mm dịch chuyển của cọc (nhát búa /25 mm).
Nếu sử dụng công thức động khác với công thức được cung cấp ở đây, thì cần hiệu chuẩn dựa trên kết quả đo thử tải tĩnh để hệ số sức kháng phù hợp, theo Điều C10.5.5.2 của LRFD-8, hoặc TCVN 11823:2017.
7.5 Nối cọc
7.5.1 Cọc thép
Phải sử dụng cọc có đủ chiều dài khi có thể. Nếu cho phép nối, phương pháp nối phù hợp với ANSI/AWS D1.1/D1.1M hoặc được Kỹ sư chấp thuận. Phương pháp hàn hồ quang hoặc hàn dưới lớp thuộc nên được sử dụng khi nối các cọc thép. Chỉ các thợ hàn được cấp chứng chỉ mới được hàn. Mối nối cơ khí không hàn chỉ được sử dụng cho cọc chịu nén.
7.5.2 Cọc bê tông
Cọc đủ chiều dài nên được sử dụng trong thực tế. Khi nối cọc được cho phép, chi tiết mối nối cọc bê tông phải phù hợp với hồ sơ hợp đồng, hoặc như phê duyệt của Kỹ sư. Mối nối cơ khí bao gồm cả mối nối khớp cũng có thể được sử dụng.
7.5.3 Cọc gỗ
Cọc gỗ không được ghép nối trừ khi được quy định trong hồ sơ hợp đồng hoặc bằng văn bản của Kỹ sư.
7.6 Cọc hư hỏng
- Cọc phải được rút lên nếu có thể thực hiện được, và thay thế bằng cọc mới, nếu cần thiết, bằng cọc dài hơn.
- Một hoặc nhiều cọc thay thế được đóng gần với cọc hư hỏng.
Cọc được đóng dưới cao độ giáp nối quy định phải được sửa chữa bằng một trong các phương pháp sau đã được phê duyệt bởi Kỹ sư đối với cọc về câu hỏi:
- Cọc được ghép nối hoặc xây dựng theo cách khác cách được cung cấp ở đây.
- Phần thích hợp của móng được mở rộng xuống để gắn cọc đúng cách.
Cọc được đóng ngoài vị trí thích hợp của nó quy định trong hồ sơ hợp đồng hoặc bởi Kỹ sư, phải được sửa chữa bằng một trong các phương pháp sau đã được phê duyệt bởi Kỹ sư đối với cọc về câu hỏi:
- Một hay nhiều cọc thay thế được đóng cạnh cọc bị sai vị trí.
- Móng được mở rộng theo chiều ngang để kết hợp cọc bị sai vị trí.
- Bổ sung thêm cốt thép.
7.7 Cắt cọc
7.7.1 Tổng quát
Cọc phải cắt ở một mặt phẳng đúng với cao độ yêu cầu và neo vào kết cấu như đã cho trong hồ sơ hợp đồng. Không được để xảy ra nứt bê tông khi cắt cọc. Các đoạn cọc cắt bỏ thuộc về tài sản của Nhà thầu và phải thu dọn thoả đáng.
7.7.2 Yêu cầu đặc biệt với cọc gỗ
Cọc gỗ phải được cắt tới cao độ cao thể hiện trên hồ sơ hợp đồng. Chiều dài của cọc trên cao độ cắt là đủ để cho phép loại bỏ các vật liệu bị hư hỏng do đóng cọc.
Ngay khi thực hiện cắt cuối cùng trên móng cọc gỗ được xử lý, khu vực cắt phải được xử lý bằng ứng dụng tự do của đồng naphthenate cho đến khi nhìn thấy được bằng chứng về sự thâm nhập mở rộng chấm dứt. Giải pháp đồng naphthenate phải có tối thiểu 2 % kim loại đồng.
Xử lý cọc biển khu vực tiếp xúc với thời tiết được phủ một lớp phủ cố định lâu dài như epoxy hoặc có mũ hình nón hoặc mũ khác gắn vào cọc.
Đóng cọc đỡ kết cấu gỗ khi cọc bị cắt bỏ, nhưng không phủ bê tông, phải được xử lý bằng ứng dụng tự do của đồng naphthenate cho đến khi nhìn thấy được bằng chứng về sự thâm nhập mở rộng chấm dứt. Ngoài ra, lớp phớt xây dựng bão hòa hoặc vài sợi thủy tinh phủ bên cạnh của cọc ít nhất là 50 mm phải đảm bảo gắn chặt và phủ hoàn toàn với tấm kim loại hoặc tâm nhôm mạ kẽm dày cỡ 20.
Vết cắt, chỗ hư hỏng và các lỗ có thể xảy ra khi loại bỏ các đinh hoặc ghim xuyên vào khu vực xử lý, cũng như lỗ bu lông của mối nối, phải được xử lý bằng cách dùng xi măng nhựa than đá theo ASTM D5643.
Đầu cọc cắt phải được xử lý đúng cách tuân thủ các quy định của địa phương, và quốc gia.
8 Đo đạc
8.1 Cọc gỗ, thép và bê tông
8.1.1 Cọc đã cung cấp
Khối lượng của cọc sẽ là tổng chiều dài tính bằng mét của các cọc. Cọc phải có loại hình và chiều dài được ghi trong hồ sơ hợp đồng hoặc chỉ dẫn bằng văn bản của Kỹ sư, được cung cấp phù hợp với các yêu cầu về vật liệu theo Tiêu chuẩn này và được cất giữ hoặc được lắp đặt ở điều kiện tốt tại công trình và được Kỹ sư chấp thuận.
Khi cần nối thêm cọc, chiều dài nối thêm theo yêu cầu bằng văn bản của Kỹ sư được tính vào trong chiều dài cọc đã cấp.
8.1.2 Cọc đã đóng
Khối lượng cọc đã đóng là khối lượng được chấp nhận của mỗi loại cọc đóng.
8.2 Mối nối cọc, chóp bịt mũi cọc
Khi trên hồ sơ hợp đồng có nêu các mối nối cọc, chóp bịt mũi cọc để bảo vệ, số lượng mối nối, chóp bịt mũi cọc được đo là số lượng cho trên hồ sơ hợp đồng hoặc theo văn bản của Kỹ sư, và thực tế đã lắp trên cọc dùng cho công trình. Không tính khối lượng cho các mối nối hoặc chóp bịt cọc được dùng theo phương án của Nhà thầu. Khi không được nêu trong hồ sơ hợp đồng, các mối nối, chóp bịt mũi cọc do Kỹ sư yêu cầu sẽ được tính theo công việc làm thêm.
8.3 Thử tải tĩnh
Khối lượng thử tải tĩnh là số thử nghiệm tải trọng tĩnh đã hoàn thành.
Cọc thử cho thử tải tĩnh, cho dù được kết hợp vào kết cấu cố định hay không, sẽ được đo theo yêu cầu cung cấp cọc thử và đóng cọc thử.
THI CÔNG CẦU ĐƯỜNG BỘ - PHẦN 5: CỌC KHOAN NHỒI
Bridge Construction Specifications - Part 5: Drilled Sharfts
1 Phạm vi áp dụng
Bộ tiêu chuẩn TCVN 12885:2020 áp dụng đối với công tác thi công các cầu, cống có kết cấu thông thường, sử dụng các công nghệ thi công thông thường trên đường bộ; cũng có thể tham khảo để thi công các cầu, cống trên đường sắt, có yêu cầu kỹ thuật tương tự.
Tiêu chuẩn này quy định các yêu cầu thi công và nghiệm thu, áp dụng đối với công tác cung cấp vật liệu, nhân công, dụng cụ, thiết bị, dịch vụ cần thiết để thi công cọc khoan nhồi trong công trình cầu.
Tiêu chuẩn này được dùng làm cơ sở để xây dựng Chỉ dẫn kỹ thuật thi công đối với công tác nêu trên trong dự án xây dựng cầu đường bộ.
2 Tài liệu viện dẫn
Các tài liệu viện dẫn sau là cần thiết cho việc áp dụng tiêu chuẩn này. Đối với các tài liệu viện dẫn ghi năm công bố thì áp dụng phiên bản được nêu. Đối với các tài liệu viện dẫn không ghi năm công bố thì áp dụng phiên bản mới nhất, bao gồm cả các sửa đổi, bổ sung (nếu có).
TCVN 12885-8:2020, Thi công cầu đường bộ - Phần 8: Kết cấu bê tông
TCVN 1651-1:2018, Thép cốt bê tông - Phần 1: Thép thanh tròn trơn
TCVN 1651-2:2018, Thép cốt bê tông - Phần 2: Thép thanh vằn
TCVN 11823:2017, Thiết kế cầu đường bộ
LRFD-8, AASHTO LRFD Bridge Design Specifications, 2017 (Tiêu chuẩn thiết kế cầu)
HM-WB, Standard Specifications for Transportation Materials and Methods of Sampling and Testing, 2017 (Tiêu chuẩn kỹ thuật đối với vật liệu giao thông và phương pháp lấy mẫu và thử nghiệm)
ASTM A36/ A36M, Standard Specification for Carbon structural Steel (Tiêu chuẩn kỹ thuật đối với thép kết cấu bằng Carbon)
ANSI/API RP 13B-1, Recommended Practice for Field Testing Water-Based Drilling Fluids (Khuyến nghị thực hành cho các thử nghiệm dung dịch khoan tại hiện trường)
3 Thuật ngữ và định nghĩa
Tiêu chuẩn này sử dụng các thuật ngữ và định nghĩa nêu trong TCVN 12885-1:2020 và các thuật ngữ, định nghĩa sau:
3.1
Cọc khoan nhồi (Drilled Shatts)
Loại cọc tiết diện tròn được thi công bằng cách khoan tạo lỗ trong đất sau đó lấp đầy bằng bê tông cốt thép.
3.2
Dung dịch khoan (Slurry)
Gồm nước sạch và các hoá chất khác như bentonite, polymer... có khả năng tạo màng cách nước giữa thành lỗ khoan và đất xung quanh đồng thời giữ ổn định thành lỗ khoan.
3.3
Ống vách (Casings)
Hệ thống ống bằng thép hoặc bê tông, bao xung quanh thành lỗ khoan, đến độ sâu cần thiết sau khi khoan hay đào xong lỗ khoan, tạo thành lớp vỏ khuôn đúc bê tông vững chắc để đúc cọc nhồi.
3.4
Siêu âm lỗ khoan (Cross-hole Sonic Logging)
Phương pháp thử nghiệm đánh giá tính nguyên dạng kết cấu của cọc khoan nhồi và cọc bê tông cốt thép khác.
3.5
Ống siêu âm/ống tiếp cận (Access Tubes)
Trong phương pháp siêu âm lỗ khoan (CSL), sử dụng ống siêu âm thường là ống bằng thép hoặc PVC, được gắn vào khung cốt thép của cọc. Sau 3 ~ 7 ngày bảo dưỡng bê tông cọc, đầu thụ và đầu phát của thiết bị siêu âm sẽ được đưa xuống ống siêu âm dọc theo chiều dài cọc khoan nhồi để thu nhận các tín hiệu truyền qua bê tông cọc nhằm đánh giá tính nguyên dạng của cọc.
4 Mô tả
Công việc này bao gồm việc cung cấp vật liệu, nhân công, dụng cụ, thiết bị, dịch vụ cần thiết để thi công cọc khoan nhồi, phù hợp với hồ sơ hợp đồng và Tiêu chuẩn này.
5 Đệ trình, chấp thuận và thảo luận
5.1 Yêu cầu chung
Ít nhất 4 tuần trước khi bắt đầu thi công khoan, Nhà thầu đệ trình 4 bản sao danh sách dự án tham chiếu cho Kỹ sư phê duyệt, xác minh việc Nhà thầu hoàn thành ít nhất 3 dự án móng trong vòng 5 năm với cọc khoan nhồi có kích thước tương tự (đường kính và chiều sâu), có độ khó được thể hiện trong thiết kế và với các điều kiện địa kỹ thuật tương tự. Mỗi dự án liệt kê, cần mô tả tóm tắt dự án và tên người liên lạc của Chủ đầu tư, số điện thoại.
5.2 Kinh nghiệm và nhân sự
Ít nhất 2 tuần trước khi bắt đầu thi công khoan, Nhà thầu đệ trình 4 bản sao danh sách xác định người giám sát hiện trường và người vận hành máy khoan được phân công cho dự án để Kỹ sư phê duyệt. Danh sách phải có bản tóm tắt chi tiết về kinh nghiệm của từng cá nhân trong việc vận hành khoan cọc, lắp đặt lồng thép và đổ bê tông cọc khoan.
- Giám sát hiện trường phải có tối thiểu 2 năm kinh nghiệm trong việc giám sát thi công móng cọc khoan nhồi có kích thước tương tự (đường kính và chiều sâu), có độ khó được thể hiện trong thiết kế và với các điều kiện địa kỹ thuật tương tự được mô tả trong báo cáo địa kỹ thuật. Kinh nghiệm làm việc phải là trực tiếp chịu trách nhiệm giám sát việc thi công khoan tại hiện trường. Vị trí cấp quản lý dự án không trực tiếp giám sát thi công khoan tại hiện trường sẽ không được chấp nhận đối với yêu cầu kinh nghiệm này.
- Người vận hành máy khoan phải có tối thiểu 1 năm kinh nghiệm trong việc thi công móng cọc khoan nhồi.
Kỹ sư sẽ phê duyệt hoặc từ chối năng lực của Nhà thầu và nhân sự hiện trường trong 10 ngày làm việc sau khi nhận được bản đệ trình. Công việc sẽ không được bắt đầu trên bất kỳ cọc khoan nào cho đến khi năng lực của Nhà thầu và nhân sự hiện trường được Kỹ sư chấp thuận. Kỹ sư có thể đình chỉ thi công khoan cọc nếu Nhà thầu thay thế nhân sự không được phê duyệt mà không có sự chấp thuận trước của Kỹ sư.
5.3 Thiết kế thi công cọc khoan nhồi
Ít nhất 4 tuần trước khi bắt đầu thi công khoan, Nhà thầu đệ trình 4 bản sao thuyết minh thiết kế thi công cọc khoan nhồi cho Kỹ sư để chấp thuận. Khi chuẩn bị thuyết minh, Nhà thầu cần tham khảo các dữ liệu địa chất ngầm dưới đất hiện có, được cung cấp trong hợp đồng khoan và bất kỳ báo cáo địa kỹ thuật nào chuẩn bị cho dự án này. Thiết kế này phải cung cấp các thông tin tối thiểu sau:
- Mô tả trình tự thi công tổng thể và trình tự thi công cọc khoan nhồi khi thi công theo nhóm hoặc thi công theo đường.
- Danh sách, mô tả và năng lực của thiết bị đề xuất, bao gồm nhưng không giới hạn các cần cẩu, cần khoan, mũi khoan, thùng chứa dung dịch khoan, thiết bị làm sạch sau cùng, và máy khoan. Khi thích hợp, thuyết minh phải mô tả tại sao thiết bị được lựa chọn và mô tả thiết bị phù hợp với điều kiện dự kiến và điều kiện dưới mặt đất. Thuyết minh phải bao gồm lịch sử dự án về thiết bị khoan, chứng minh việc sử dụng thành công thiết bị trên cọc khoan có kích thước bằng hoặc lớn hơn trong điều kiện địa kỹ thuật tương tự.
- Chi tiết các phương pháp khoan, bao gồm các phương pháp khoan đề xuất, phương pháp để làm sạch đáy của lỗ khoan, và thiết kế xử lý vật liệu khoan, dung dịch khoan và chất thải nguy hại (nếu có). Nếu thích hợp, điều này sẽ gồm việc xem xét lại phương pháp phù hợp với công trường dự kiến và các điều kiện địa kỹ thuật dưới đất, bao gồm kỹ thuật loại bỏ đá cuội và chướng ngại vật nếu được chỉ ra trong hợp đồng các thông tin địa chất ngầm.
- Chi tiết của (các) phương pháp được sử dụng để đảm bảo lỗ khoan ổn định (nghĩa là, phòng ngừa hang, bùng nền..., sử dụng ống vách tạm, dung dịch khoan hoặc các phương tiện khác) trong quá trình khoan và đổ bê tông. Chi tiết bao gồm đánh giá về tính phù hợp của phương pháp đối với hiện trường dự kiến và điều kiện địa kỹ thuật dưới đất.
- Cung cấp trình tự chi tiết về pha trộn, sử dụng, duy trì, và loại bỏ dung dịch khoan. Thiết kế hỗn hợp chi tiết (bao gồm các phụ gia và mục đích cụ thể của chúng trong dung dịch khoan) và thảo luận về sự phù hợp của nó với các điều kiện địa kỹ thuật dưới đất dự kiến cũng phải được đưa ra cho dung dịch khoan đề xuất.
- Đệ trình phải bao gồm thiết kế chi tiết để kiểm soát chất lượng của dung dịch khoan lựa chọn, bao gồm các kiểm tra được thực hiện, các phương pháp thí nghiệm được sử dụng, và yêu cầu tính chất tối thiểu và/hoặc tối đa phải đáp ứng để đảm bảo các chức năng của dung dịch khoan như dự định, xem xét các điều kiện dưới đất dự kiến và phương pháp thi công cọc, phù hợp với đề xuất của Nhà sản xuất dung dịch khoan và Tiêu chuẩn này.
Tối thiểu, thiết kế kiểm soát chất lượng dung dịch khoan phải bao gồm các kiểm tra sau, Bảng 1.
Bảng 1 - Kiểm soát chất lượng dung dịch khoan
| Tính chất | Phương pháp thí nghiệm |
| Khối lượng riêng (kg/m3) | Trọng lượng dung dịch khoan (khối lượng riêng) - API 13B-1, Phần 1 |
| Độ nhớt (S/L) | Cốc và phễu Marsh - API 13B-1, Phần 2.2 |
| pH | Điện cực thủy tinh, pH kế hoặc giấy đo pH |
| Hàm lượng cát (%) | Cát - API 13B-1, Phần 5 |
- Bản vẽ thi công cốt thép, chi tiết đặt cốt thép bao gồm loại và vị trí của các mối nối, đỡ lồng thép và phương pháp tập trung hóa.
- Trường hợp ống vách được đề xuất hoặc yêu cầu, kích thước ống vách và trình tự chi tiết để lắp đặt ống vách cố định, lắp đặt và tháo dỡ ống vách tạm, và các phương pháp đẩy ống vách dọc theo thiết bị được dùng để khoan tạo lỗ theo các Điều từ 7.1 đến 7.3.
- Trường hợp sử dụng ống vách tạm, chi tiết phương pháp rút ống vách tạm và duy trì cốt thép cọc thẳng tuyến và đúng vị trí, và duy trì độ sụt bê tông để giữ tính hoạt động của bê tông trong quá trình rút ống vách.
- Chi tiết đổ bê tông, bao gồm lịch trình, trình tự đề xuất vận hành máy bơm, và biểu mẫu được Nhà thầu sử dụng để in ra khối lượng bê tông đã đổ so với chiều sâu của cọc cho các lần đổ bê tông cọc.
- Trình tự phương pháp đổ bê tông dưới nước được sử dụng.
- Phương pháp sử dụng để tạo thành mối nối thi công ngang trong quá trình đổ bê tông.
- Khi áp dụng, mô tả vật liệu sử dụng để lấp lỗ khoan tạm thời trong quá trình dừng khoan cọc, cũng như phương pháp được sử dụng để đổ và di dời vật liệu.
- Mô tả phương pháp và vật liệu sử dụng để lấp đầy hoặc loại bỏ các khoảng trống bên dưới đầu cọc giữa đường kính cọc thiết kế và đường kính cọc khoan, hoặc giữa ống vách và đất xung quanh, nếu quy định ống vách cố định.
- Các biện pháp loại bỏ và xử lý bê tông bị bẩn.
Kỹ sư phải đánh giá việc thi công cọc có phù hợp với thiết kế theo hợp đồng và Tiêu chuẩn trong vòng 10 ngày làm việc kể từ ngày nhận được đệ trình. Theo ý kiến của Chủ đầu tư, thảo luận về đệ trình phương pháp thi công cọc có thể được lên kế hoạch sau khi xem xét đệ trình ban đầu của Nhà thầu. Những người tham gia thảo luận về đệ trình phương pháp thi công cọc, gồm:
- Người quản lý, giám sát hiện trường, và các nhân sự của Nhà thầu tham gia vào chuẩn bị và thực hiện thiết kế thi thi công cọc khoan nhồi.
- Kỹ sư dự án và nhân sự của Chủ đầu tư liên quan đến kết cấu, địa kỹ thuật, rà soát thiết kế thi công cọc, và nhân sự của Chủ đầu tư sẽ kiểm tra và giám sát trong quá trình thi công cọc khoan nhồi của dự án.
5.4 Trợ giúp kỹ thuật dung dịch khoan
Nếu dung dịch khoan được sử dụng để thi công cọc khoan nhồi, thì Nhà thầu cần cung cấp, hoặc sắp xếp, hỗ trợ kỹ thuật từ Nhà sản xuất dung dịch khoan như được quy định trong Điều 7.3.4.1. Nhà thầu đệ trình 4 bản sao của từng nội dung sau cho Kỹ sư:
- Tên và số điện thoại của đại diện kỹ thuật của Nhà sản xuất dung dịch khoan.
- Tên (các) nhân sự của Nhà thầu được chỉ định cho dự án và đã được đại diện kỹ thuật của Nhà sản xuất dung dịch khoan đào tạo để sử dụng đúng dung dịch khoan. Đệ trình phải bao gồm giấy chứng nhận đào tạo từ Nhà sản xuất dung dịch khoan cho từng cá nhân, có ghi ngày đào tạo.
5.5 Chấp thuận
Công việc sẽ không được bắt đầu cho đến khi các đệ trình theo yêu cầu được chấp nhận bằng văn bản của Kỹ sư. Các chấp nhận về thủ tục của Kỹ sư phải được tiến hành thử tại hiện trường và không làm giảm trách nhiệm của Nhà thầu để hoàn thành tốt công việc.
5.6 Thảo luận trước khi thi công cọc khoan nhồi
Thảo luận trước khi thi công cọc khoan nhồi sẽ được tổ chức ít nhất 5 ngày làm việc trước khi Nhà thầu bắt đầu bất kỳ công việc thi công cọc tại hiện trường để thảo luận về thông tin khảo sát lỗ khoan, trình tự thi công, nhân lực, thiết bị sử dụng, và các yếu tố của thiết kế thi công cọc khoan được chấp thuận, như quy định tại Điều 5.3. Nếu dung dịch khoan được sử dụng để thi công cọc, tần suất trong lịch trình đến hiện trường dự án của đại diện Nhà sản xuất dung dịch khoan cần được thảo luận. Những người tham dự bao gồm:
- Người quản lý, giám sát hiện trường, và các nhân sự chủ chốt khác được Nhà thầu xác định là phụ trách khoan cọc, thi công ống vách và dung dịch khoan khi thích hợp, đặt cốt thép, và đổ bê tông. Nếu dung dịch khoan được sử dụng để thi công cọc, đại diện Nhà sản xuất dung dịch khoan và nhân sự của Nhà thầu được đào tạo về việc sử dụng dung dịch khoan, như đã xác định với Kỹ sư, phù hợp với Điều 7.3.4.1, cũng sẽ tham gia.
- Kỹ sư dự án, nhân sự kiểm tra chủ chốt, và đại diện thích hợp của Chủ đầu tư.
Nếu nhân sự chủ chốt của Nhà thầu thay đổi, hoặc nếu Nhà thầu đề nghị sửa đổi đáng kể thiết kế thi công cọc khoan nhồi đã chấp thuận, thì việc thảo luận bổ sung có thể được tổ chức theo yêu cầu của Kỹ sư trước khi bất kỳ hoạt động thi công cọc bổ sung nào được thực hiện.
6 Vật liệu
6.1 Bê tông
Bê tông được sử dụng trong thi công cọc khoan nhồi phù hợp với Điều 5 của TCVN 12885-8:2020. Độ sụt bê tông như sau:
- Phương pháp đổ bê tông khô: 150 - 200 mm
- Phương pháp tháo ống vách: 200 - 250 mm
- Phương pháp đổ bê tông dưới nước: 200 - 250 mm
Không được phép mất mát sụt vượt quá 100 mm trong khoảng thời gian bằng thời gian đổ dự kiến cộng thêm 2 h. Độ sụt yêu cầu tối thiểu cho khoảng thời gian này phải là 150 mm. Thời gian duy trì độ sụt yêu cầu có thể được kéo dài thông qua việc sử dụng chất làm chậm và chất làm giảm nước trung bình, nếu được Kỹ sư chấp thuận.
6.2 Cốt thép
Cốt thép sử dụng trong thi công cọc khoan nhồi phù hợp với AASHTO M31M/M31 hoặc TCVN 1651-1:2018 và TCVN 1651-2:2018.
Cốt thép phải được buộc để đáp ứng yêu cầu khoảng cách giữa các thanh cốt thép dọc. Vòng cuộn hoặc vòng xoắn buộc phải được sử dụng để tối đa hóa không gian giữa các cốt thép ngang.
6.3 Ống vách
Ống vách kết cấu cố định phải bằng thép phù hợp với ASTM A36/A36M hoặc ASTM A252 Gr. 2 trừ khi có quy định khác trong thiết kế. Tất cả mối nối ống vách cố định phải phù hợp với Điều 6.13.3 của LRFD-8, hoặc TCVN 11823:2017.
Ống vách vĩnh cửu phải có đủ cường độ để kháng lại sự hư hỏng và biến dạng do vận chuyển và xếp dỡ, ứng suất lắp đặt, và các áp lực và lực tác dụng lên ống vách. Đối với ống vách phi kết cấu vĩnh cửu, có thể sử dụng ống vách lượn sóng.
Ống vách tạm phải là kết cấu thép tấm trơn, trừ khi ống kim loại lượn sóng thể hiện trong thiết kế như là vật liệu thay thế được chấp nhận. Ống vách tạm phải có đủ cường độ để kháng lại hư hỏng và biến dạng từ vận chuyển và xếp dỡ, ứng suất lắp đặt và tháo dỡ, và các áp suất và lực tác dụng lên ống vách. Ống vách phải có khả năng rút ra mà không làm biến dạng và gây hư hỏng cho cọc hoàn thành, và không làm ảnh hưởng đến đất xung quanh.
Ống vách phải kín nước và sạch sẽ trước khi đổ bê tông trong lỗ khoan.
Đường kính bên ngoài ống vách không được nhỏ hơn hơn đường kính quy định của cọc.
Khi thiết kế động đặt yêu cầu cọc phải được thi công với đường kính chỉ ra trong các bản vẽ, Kỹ sư phải quy định rằng ống vách lồng là không được phép.
Khi độ dày tối thiểu của ống vách được quy định trong thiết kế, chỉ phải xem xét nhằm thỏa mãn yêu cầu thiết kế kết cấu. Nhà thầu phải tăng độ dày ống vách từ chiều dày quy định tối thiểu cần thiết nhằm đáp ứng yêu cầu lắp đặt thi công.
6.4 Dung dịch bentonite
Dung dịch bentonite được sử dụng phù hợp với kế hoạch kiểm soát chất lượng quy định tại Điều 5.3. Dung dịch bentonite phù hợp với yêu cầu sau đây, Bảng 2.
Bảng 2 - Yêu cầu đối với dung dịch Bentonite
| Tính chất | Thử nghiệm | Yêu cầu |
| Khối lượng riêng (kg/m3) | Trong lương dung dịch khoan (khối lượng riêng) - API 13B-1, Phần 1 | 1030- 1153 |
| Độ nhớt (s/l) | Cốc và phễu Marsh - API 13B-1, Phần 2.2 | 29,6 - 52,9 |
| pH | Điện cực thủy tinh, pH kế hoặc giấy đo pH | 8-11 |
| Hàm lượng cát (%) (ngay trước khi đổ bê tông) | Cát-API 13B-1, Phần 5 | 4,0 max |
Khi được Kỹ sư phê duyệt, có thể sử dụng dung dịch khoan trong nước muối, và khối lượng riêng cho phép có thể là tăng lên đến 32 kg/m3. Nhiệt độ dung dịch khoan phải ít nhất là 4,4°C khi kiểm tra.
6.5 Dung dịch polymer
Dung dịch polymer được sử dụng phù hợp với khuyến nghị của Nhà sản xuất và phải tuân thủ kế hoạch kiểm soát chất lượng nêu tại Điều 5.3. Chỉ các hệ thống dung dịch khoan tổng hợp đã được phê duyệt bởi Chủ đầu tư mới có thể được sử dụng. Dung dịch polymer phù hợp với yêu cầu sau, Bảng 3.
Bảng 3 - Yêu cầu đối với dung dịch polymer
| Tính chất | Thử nghiệm | Yêu cầu |
| Khối lượng riêng (kg/m3) | Trọng lượng dung dịch khoan (khối lượng riêng) - API 13B-1, Phần 1 | 1025 max |
| Độ nhớt (s/l) | Cốc và phễu Marsh - API 13B-1, Phần 2.2 | 33,8- 142,7 |
| pH | Điện cực thủy tinh, pH kế hoặc giấy đo pH | 8-11,5 |
| Hàm lượng cát (%) (ngay trước khi đổ bê tông) | Cát-API 13B-1, Phần 5 | 1,0 max |
Khi được Kỹ sư phê duyệt, dung dịch polymer có thể được sử dụng trong nước muối, và khối lượng riêng cho phép có thể lên đến 32 kg/m3.
Hàm lượng cát của dung dịch polymer trước khi làm sạch và ngay trước khi đổ bê tông phải ít hơn hoặc bằng 1 %, phù hợp với API 13B-1, Phần 5. Nhiệt độ dung dịch tối thiểu là 4,4 °C khi kiểm tra.
6.6 Dung dịch nước
Nước có thể được sử dụng như là dung dịch khoan khi ống vách được sử dụng trên toàn bộ chiều dài của lỗ khoan.
Dung dịch nước phù hợp với những yêu cầu sau, Bảng 4.
Bảng 4 - Yêu cầu đối với dung dịch nước
| Tính chất | Thử nghiệm | Yêu cầu |
| Khối lượng riêng (kg/m3) | Trong lương dung dịch khoan (khối lượng riêng) - API 13B-1, Phần 1 | 1025 max |
| Hàm lượng cát (%) | Cát-API 13B-1, Phần 5 | 1,0 max |
Khi được Kỹ sư chấp thuận, có thể sử dụng dung dịch trong nước muối, và khối lượng riêng cho phép có thể là tăng lên đến 32 kg/m3. Nhiệt độ dung dịch phải ít nhất là 4,4°C khi kiểm tra.
6.7 Ống siêu âm cho thí nghiệm siêu âm lỗ khoan
Ống siêu âm cho thí nghiệm siêu âm lỗ khoan (CSL) phải là ống thép có chiều dày tối thiểu là 3,7 mm và đường kính trong tối thiểu là 38 mm.
Ống siêu âm phải tròn, bên trong không có khuyết tật và cản trở nào, bao gồm các mối nối ống, để cho phép tự do, không có cản trở nào trong đường kính tối đa 33 mm và đầu thu được sử dụng cho thí nghiệm siêu âm lỗ khoan, ống siêu âm phải kín nước, không bị ăn mòn, bề mặt bên trong và bên ngoài sạch sẽ để đảm bảo tốt dính bám giữa bê tông và ống siêu âm. Ống siêu âm phải được lắp các nắp ren kín nước ở đầu dưới và đầu trên.
6.8 Vữa
Vữa để lấp đầy ống siêu âm sau khi hoàn thành thí nghiệm siêu âm lỗ khoan phải là vữa xi măng nguyên chất có tỷ lệ nước/xi măng tối đa là 0,45.
7 Thi công
7.1 Khoan tạo lỗ
Cọc sẽ được khoan đến độ sâu yêu cầu như chỉ ra trong thiết kế hoặc theo chỉ dẫn của Kỹ sư. Khi hoạt động khoan được bắt đầu, việc khoan cọc sẽ được thực hiện liên tục cho đến khi việc khoan cọc hoàn thành, ngoại trừ việc tạm dừng và ngừng như đã lưu ý, sử dụng các thiết bị được phê duyệt có khả năng khoan cọc qua các loại vật liệu dự kiến. Không được cho phép tạm dừng trong quá trình khoan, trừ khi nối ống vách và loại bỏ vật cản. Nhà thầu cần cung cấp ống vách tạm tại hiện trường với số lượng đủ để đáp ứng nhu cầu của phương pháp thi công dự kiến.
Tạm dừng, được định nghĩa là sự gián đoạn của việc khoan cọc, có thể được cho phép chỉ để nối ống vách và loại bỏ các vật cản. Sự gián đoạn không phù hợp với định nghĩa này của hoạt động khoan cọc được xem là ngừng khoan cọc.
Nếu việc khoan cọc không hoàn thành ở cuối mỗi ca hoặc một vài ca làm việc liên tục, thì việc khoan cọc có thể bị dừng lại, với điều kiện Nhà thầu, trước khi kết thúc ngày làm việc, phải bảo vệ cọc như chỉ ra ở Điều 7.2.
Nếu có dung dịch khoan trong khi khoan cọc, Nhà thầu phải tuân thủ yêu cầu của Điều 7.3.4.2 liên quan đến duy trì mức tối thiểu của dung dịch khoan trong suốt quá trình dừng khoan cọc, và phải khôi phục dung dịch khoan với các tính chất yêu cầu theo Điều 6 trước khi bắt đầu thực hiện lại việc khoan cọc.
7.2 Bảo vệ lỗ khoan
Việc khoan cọc không được để mở qua đêm trừ khi toàn bộ chiều sâu cọc được bảo vệ chống lại sự mất ổn định thành bên. Việc sử dụng dung dịch khoan để bảo vệ cọc trong thời gian ngừng khoan hoặc dừng hoạt động qua đêm có thể được phê duyệt bởi Kỹ sư.
Không yêu cầu sử dụng ống vách khi dừng thi công cọc trong các thành tạo đá ổn định.
7.3 Phương pháp bảo vệ lỗ khoan
Nhà thầu chịu hoàn toàn trách nhiệm cho việc lựa chọn và thực hiện các phương pháp giữ ổn định và duy trì lỗ khoan. Vách và đáy của lỗ khoan phải được bảo vệ sao cho ngăn ngừa hiện tượng vách bị sụt và đáy bị trồi xảy ra, và đất lân cận cọc không bị ảnh hưởng. Nhà thầu có thể khoan cọc mà không cần bảo vệ lỗ khoan, nếu có thể chứng minh được rằng đấu đá là ổn định trong hoặc trên khu vực thấm nước.
7.3.1 Phương pháp thi công ống vách tạm
Trong đất ổn định, Nhà thầu cần thực hiện thi công và tháo bỏ ống vách, và khoan cọc sao cho đất liền kề bên ngoài ống vách và việc khoan cọc đủ chiều sâu là không bị ảnh hưởng.
Nếu Nhà thầu sử dụng ống vách được gắn kín sao cho nước không thể vào lỗ khoan, thì Nhà thầu có thể, với sự chấp thuận của Kỹ sư, tiếp tục khoan trong đất dưới mức nước ngầm với điều kiện mức nước trong ống vách không tăng hoặc gây ra dòng chảy.
Khi rút ống vách tạm, phải duy trì đủ đoạn đầu bê tông lỏng để đảm bảo rằng nước hoặc dung dịch khoan bên ngoài ống vách tạm sẽ không phá vỡ cột bê tông mới đổ.
Rút ống vách phải thực hiện với tốc độ chậm, đều và kéo thẳng theo trục dọc của cọc. Cần tránh góc xoay quá mức của ống vách để hạn chế biến dạng của lồng thép.
Nhà thầu cần loại bỏ ống vách tạm trong lỗ khoan khi hoàn thành việc đổ bê tông, trừ khi được Kỹ sư phép để lại ống vách tạm tại chỗ.
7.3.2 Phương pháp thi công ống vách vĩnh cửu
Trường hợp quy định ống vách vĩnh cửu, việc khoan cọc phải phù hợp với đường kính ngoài quy định của cọc. Sau khi ống vách được đổ bê tông, các khoảng trống giữa ống vách và lỗ khoan phải được lấp đầy bằng vật liệu có các tính chất địa kỹ thuật tương tự đất xung quanh, phù hợp với thiết kế thi công cọc, quy định tại Điều 5.3, và được Kỹ sư chấp thuận.
Phần trên của ống vách vĩnh cửu phải được loại bỏ tới đỉnh cọc hoặc mặt đất hoàn thành, tùy theo cái nào thấp hơn, trừ khi đỉnh của ống vách được thể hiện trong thiết kế ở cao độ khác. Đối với những cọc được thi công trong khối nước cố định, đỉnh của ống vách vĩnh cửu của cọc sẽ được loại bỏ tới cao độ mực nước thấp, trừ khi có hướng dẫn khác của Kỹ sư.
7.3.3 Phương pháp ống vách thay thế
Ống vách của cọc cần được trang bị răng cắt hoặc đế cắt và được thi công bằng cách xoay hoặc rung ống vách.
7.3.4 Dung dịch khoan
Nhà thầu cần sử dụng dung dịch khoan, phù hợp với các Điều 6.4, 6.5 và 6.6, để duy trì sự ổn định trong quá trình khoan và đổ bê tông khi nước bắt đầu thâm nhập vào cọc khoan và duy trì sự hiện diện trong đó.
Nhà thầu cần sử dụng dung dịch khoan để duy trì sự ổn định trong quá trình khoan cọc và đổ bê tông cọc trong trường hợp nước bắt đầu thâm nhập vào cọc khoan ở tốc độ lớn hơn 0,3 m/h; hoặc nêu Nhà thầu không thể hạn chế lượng nước trong cọc đến dưới 75 mm trước khi đổ bê tông, hoặc để cân bằng áp lực nước ở hai bên và đáy của lỗ khoan khi gặp nước ngầm hoặc dự đoán dựa trên dữ liệu dưới đất hiện có.
7.3.4.1 Trợ giúp kỹ thuật dung dịch khoan
Nếu sử dụng dung dịch khoan, người đại diện của Nhà sản xuất, như đã xác định với Kỹ sư theo Điều 5.4, phải:
- cung cấp hỗ trợ kỹ thuật cho việc sử dụng dung dịch khoan;
- có mặt tại hiện trường trước khi đưa dung dịch khoan vào lỗ khoan; và
- Ở lại hiện trường trong quá trình thi công và hoàn thành tối thiểu một cọc để điều chỉnh hỗn hợp dung dịch khoan theo các điều kiện hiện trường cụ thể.
Sau khi đại diện của Nhà sản xuất không còn ở hiện trường, nhân sự của Nhà thầu được đào tạo sử dụng dung dịch khoan, như đã xác định với Kỹ sư theo Điều 5.4, phải có mặt tại hiện trường trong suốt phần còn lại của hoạt động khoan cọc cho dự án này để thực hiện nhiệm vụ nêu trên.
7.3.4.2 Mức tối thiểu của dung dịch khoan trong lỗ khoan
Khi dung dịch khoan được sử dụng để duy trì lỗ khoan ổn định, mức dung dịch khoan trong quá trình khoan được duy trì đến trạng thái cân bằng thủy tĩnh trong suốt quá trình thi công ở chiều cao yêu cầu để cung cấp và duy trì ổn định lỗ khoan, nhưng không dưới 1,5 m trên mực nước ngầm.
Nhà thầu cần cung cấp ống vách, hoặc các phương tiện khác, nếu cần để đáp ứng các yêu cầu này.
Mức dung dịch khoan cần được duy trì ở trên vùng không ổn định một khoảng cách đủ để tránh trồi đáy, sụt hoặc lở những vùng này.
Qua các điểm dừng trong quá trình khoan cọc, Nhà thầu cần theo dõi và duy trì mức dung dịch khoan trong lỗ khoan lớn hơn cao độ sau:
- không thấp hơn độ cao mực nước bên ngoài cọc; hoặc
- cao độ theo yêu cầu để cung cấp và duy trì lỗ khoan ổn định.
7.3.4.3 Làm sạch dung dịch khoan
Nhà thầu phải làm sạch, luân chuyển, loại bỏ cát, hoặc thay thế dung dịch khoan khi cần thiết để duy trì các tính chất của dung dịch khoan theo yêu cầu của Điều 6.4 và 6.5. Hàm lượng cát phải nằm trong giới hạn quy định trong Hợp đồng, trước khi đổ bê tông.
7.4 Chướng ngại vật
Khi gặp chướng ngại vật, Nhà thầu cần kịp thời thông báo cho Kỹ sư. Khi các nỗ lực để vượt qua chướng ngại vật ở cao độ mũi cọc thiết kế, dẫn đến giảm tốc độ khoan và/hoặc thay đổi thiết bị được chấp thuận và phương pháp liên quan đến thiết kế thi công cọc đã phê duyệt, thì Nhà thầu phải loại bỏ, vượt qua hoặc phá vỡ chướng ngại vật theo Điều 8.1.3.
7.5 Bảo vệ kết cấu hiện hữu
Nhà thầu phải kiểm soát các hoạt động để ngăn ngừa hư hỏng đối với các công trình và tiện ích hiện có. Các biện pháp phòng ngừa bao gồm, nhưng không giới hạn, lựa chọn phương pháp và trình tự thi công để ngăn ngừa sự sụt lở quá mức của lỗ khoan và quan trắc và kiểm soát dao động do việc rung hạ ống vách, khoan cọc, hoặc do nổ mìn, nếu cho phép.
7.6 Lấy mẫu và thí nghiệm dung dịch khoan
Dung dịch khoan bentonite và polymer phải được trộn và ngậm nước kỹ trong bể chứa dung dịch khoan, ao lót, hoặc khu vực lưu trữ. Nhà thầu cần lấy mẫu từ cơ sở lưu giữ dung dịch khoan và kiểm tra mẫu về các tính chất vật liệu trước khi bắt đầu đưa dung dịch khoan vào trong lỗ khoan. Dung dịch khoan phải phù hợp với kế hoạch kiểm soát chất lượng có trong thiết kế thi công cọc, theo Điều 5.3, và được Kỹ sư phê duyệt. Bộ mẫu gồm các mẫu lấy ở độ sâu trung bình và trong phạm vi 0,6 m dưới đáy của khu vực lưu trữ.
Nhà thầu phải lấy mẫu và kiểm tra dung dịch khoan với sự có mặt của Kỹ sư, trừ khi có chỉ dẫn khác. Ngày, giờ, tên của người lấy mẫu và kiểm tra dung dịch khoan và kết quả của các phép thử phải được ghi lại. Bản sao của kết quả kiểm tra dung dịch khoan được đệ trình cho Kỹ sư khi hoàn thành mỗi cọc, và trong quá trình thi công từng cọc, khi có yêu cầu của Kỹ sư.
Bộ mẫu của các dung dịch khoan, gồm các mẫu lấy ở giữa chiều cao và trong phạm vi 0,6 m của đáy cọc, phải được lấy và kiểm tra trong quá trình khoan khi cần phải xác minh việc kiểm soát các tính chất của dung dịch khoan. Tối thiểu, phải lấy mẫu dung dịch polymer và kiểm tra ít nhất một lần sau 4 h từ khi bắt đầu sử dụng trong thi công mỗi cọc.
Bộ mẫu của các dung dịch khoan, như quy định, sẽ được lấy và kiểm tra ngay lập tức trước khi đổ bê tông.
Nhà thầu cần chứng minh để thỏa mãn Kỹ sư về các điều kiện ổn định đang duy trì. Nếu Kỹ sư xác định răng điều kiện ổn định không được duy trì, Nhà thầu phải ngay lập tức hành động để ổn định cọc. Nhà thầu phải trình kế hoạch thi công cọc đã giải quyết vấn đề và ngăn ngừa sự không ổn định tương lai. Nhà thầu không được tiếp tục thi công cọc cho đến khi những hư hỏng đã xảy ra được sửa chữa theo Tiêu chuẩn này, và cho đến khi nhận được sự chấp thuận của Kỹ sư về sửa đổi thiết kế thi công cọc.
7.7 Kiểm tra lỗ khoan
Nhà thầu cần sử dụng các phương tiện thích hợp, chẳng hạn như thùng làm sạch, thiết bị vận chuyển, hoặc bơm thủy lực để làm sạch đáy các lỗ khoan. Đối với lỗ khoan ướt trong đất, chiều dày cặn lăng (chất cặn hoặc bùn lắng hoặc vật liệu xáo trộn) ở đáy lỗ khoan, không được vượt quá 75 mm ngay trước khi đổ bê tông. Đối với lỗ khoan khô trong đất, chiều dày cặn lắng (chất cặn hoặc bùn lắng hoặc vật liệu xáo trộn) ở đáy lỗ khoan, không được vượt quá 38 mm ngay trước khi đổ bê tông. Đối với lỗ khoan ướt hoặc khô trong đá, chiều dày cặn lắng (chất cặn hoặc bùn lắng hoặc vật liệu xáo trộn) ở đáy lỗ khoan, không được vượt quá 13 mm cho 50 % diện tích đáy, ngay trước khi đổ bê tông.
Lỗ khoan phải được kiểm tra và phê duyệt bởi Kỹ sư trước khi tiến hành thi công. Phần đáy của lỗ khoan sẽ được thăm dò bằng ống thông khí, băng có vật nặng được gắn vào đầu băng, hoặc các phương tiện khác, được chấp nhận bởi Kỹ sư, để xác định rằng đáy cọc đáp ứng được yêu cầu của hợp đồng.
7.8 Lắp đặt và bố trí cốt thép
Nhà thầu cần thể hiện hệ giằng và cốt thép bổ sung cần thiết để chế tạo lồng thép trên các bản vẽ chế tạo. Nhà thầu chịu trách nhiệm chống đỡ và liên kết tạm lồng thép để đảm bảo duy trì hình dạng của nó trong quá trình lắp ráp, vận chuyển, và lắp đặt.
Mức tối thiểu:
- Ít nhất 4 thanh dọc của mỗi lồng, bằng nhau xung quanh chu vi, phải được buộc ở các chỗ giao cốt thép bằng mối buộc kép.
- Ít nhất 25 % chỗ giao cốt thép còn lại trong mỗi lồng phải dùng mối buộc đơn. Các mối buộc phải xen kẽ giữa các mối buộc lân cận.
- Phải có hệ giằng để ngăn ngừa sự đổ sập lồng thép trong quá trình lắp ráp, vận chuyển và lắp đặt.
Hoàn thành các yêu cầu cơ bản tối thiểu này đối với lồng cốt thép sẽ không làm giảm trách nhiệm hoàn toàn của Nhà thầu đối với hệ chống đỡ và liên kết tạm lồng thép trong quá trình thi công.
Cốt thép phải được đặt cẩn thận đúng vị trí và buộc chặt an toàn để tạo ra khoảng trống tối thiểu được liệt kê dưới đây, và để đảm bảo không có sự dịch chuyển lồng thép xảy ra trong quá trình đổ bê tông.
Lồng thép phải được giữ đúng vị trí trong quá trình đổ bê tông, cốt thép trong cọc phải được buộc và chống đỡ đề vị trí của cốt thép nằm trong sai số cho phép. Các miếng đệm bê tông hoặc các thiết bị giữ khoảng cách không ăn mòn khác được chấp thuận sẽ được sử dụng ở khoảng phù hợp (gần phía dưới, phía trên và trong các khoảng cách không quá 3.000 mm theo chiều dọc) để đảm bảo khoảng cách đồng tâm cho toàn bộ chiều dài của lồng. Số miếng đệm cần thiết ở mỗi cao độ là một khoảng cách cho môi 300 mm đường kính đào, với tối thiểu 4 miếng đệm ở mỗi cao độ. Các miếng đệm phải có kích thước phù hợp để đảm bảo không gian hình khuyên giữa bên ngoài của lồng thép và mặt bên của lỗ khoan dọc theo toàn bộ chiều dài của cọc như thể hiện trong thiết kế. Chân bằng nhựa hoặc bê tông (chống đỡ ở đáy) phải được cung cấp để đảm bảo rằng đáy của lồng được duy trì ở đúng khoảng cách trên nền lỗ khoan, trừ khi lồng được treo từ đế cố định khi đổ bê tông.
Thép giằng để giữ bên trong lồng thép phải được dỡ bỏ sau khi nâng lồng thép nếu sử dụng phương pháp đổ bê tông rơi tự do hoặc đổ bê tông dưới nước.
7.9 Đổ bê tông, bảo dưỡng và bảo vệ
Đổ bê tông phải bắt đầu ngay khi có thể sau khi Nhà thầu hoàn thành việc khoan tạo lỗ và được Kỹ sư kiểm tra. Ngay, trước khi bắt đầu đổ bê tông, việc khoan cọc và các tính chất của dung dịch khoan (nếu sử dụng) phải phù hợp với các Điều từ 6.4 đến 6.6. Việc đổ bê tông phải thao tác liên tục đến đỉnh cọc, hoặc như chỉ ra trong thiết kế.
Nếu không có nước trong lỗ khoan (lỗ khoan khô), bê tông phải đổ vào tâm của lồng thép bằng phương pháp để ngăn ngừa sự tách cốt liệu trên lồng thép. Bê tông phải được đổ sao cho rơi tự do thẳng đứng xuống tâm cọc, không va vào mặt bên, cốt thép, hoặc thanh giằng lồng thép.
Nếu có nước trong lỗ khoan với lượng lớn hơn 75 mm theo chiều sâu hoặc tốc độ nước thấm vào lớn hơn 0,3 m/h, thì lỗ khoan phải được lấp đầy bằng dung dịch khoan với mức tối thiểu quy định tại Điều 7.3.4.2 và dùng phương pháp đổ bê tông dưới nước.
Trong quá trình đổ bê tông dưới nước, đầu xả của ống phải được giữ chìm trong bê tông ít nhất 1.500 mm và ống phải luôn chứa đủ bê tông để ngăn nước tràn vào. Bê tông được đổ liên tục cho đến khi hoàn thành tạo ra cọc liền mạch, đồng đều. Nếu việc đổ bê tông bị gián đoạn, Kỹ sư có thể yêu cầu Nhà thầu chứng minh bằng khoan lõi hoặc các phép thử khác để khẳng định cọc không có lỗ rỗng hoặc khe hở nằm ngang. Nếu thử nghiệm cho thấy cọc có lỗ rỗng hoặc khe hở, Nhà thầu phải sửa chữa hoặc thay thế cọc.
Trước khi đổ bê tông tươi lên bê tông đã lẳng trong nước hoặc dung dịch khoan (mối nối thi công), Nhà thầu phải loại bỏ các cặn bã, lá rơi, sỏi rời, và trầm tích trên bề mặt của bê tông đọng trong nước hoặc dung dịch khoan và bóc ra bất kỳ điểm cao trên bề mặt của bê tông hiện có để ngăn ngừa lồng thép chệch vị trí theo yêu cầu của thiết kế.
Nhà thầu cần hoàn thành biểu đồ lượng bê tông cho mỗi cọc ướt được đổ bằng phương pháp bê tông dưới nước. Biểu đồ này phải được đệ trình cho đơn vị ký hợp đồng trong vòng 24 h sau khi hoàn thành đổ bê tông.
Nhà thầu không được tiến hành khoan cọc trong phạm vi 3 lần đường kính của cọc vừa được đổ bê tông trong vòng 24 h, và chỉ thực hiện khi bê tông đạt đến cường độ nén tối thiểu 12,4 MPa.
7.10 Ống đổ bê tông dưới nước
Khi đổ bê tông dưới nước, Nhà thầu cần sử dụng máy bơm bê tông hoặc ống đổ bê tông trọng lực. Ống đổ bê tông phải có phễu ở phía trên để đổ vào ống kín nước có đường kính ít nhất là 200 mm. Nếu sử dụng máy bơm, ống kín nước phải có đường kính tối thiểu 100 mm, trừ khi được ghi chú ở đây. Đầu xả trên ống đổ bê tông hoặc bơm bê tông phải bao gồm một thiết bị kín nước trong khi ông đầy bê tông. Thay cho thiết bị bịt kín ở đầu xả của đường ống, Nhà thầu có thể đặt “quả cầu” trong phễu trước khi đổ bê tông mà nó sẽ di chuyển qua ống đồ bê tông bằng bê tông để đầy nước hoặc bùn ra khỏi ống đổ bê tông.
7.11 Dung sai thi công cọc khoan nhồi
Cọc khoan nhồi phải được thi công sao cho tâm của cọc được đổ bê tông ở đầu cọc hoặc ống bùn, tùy theo mức nào thấp hơn, nằm trong khoảng dung sai theo phương ngang sau, Bảng 5.
Bảng 5 - Dung sai theo phương ngang của cọc khoan nhồi
| Đường kính cọc | Dung sai |
| Nhỏ hơn hoặc bằng 600 mm | 75 mm |
| Lớn hơn 600 mm và nhỏ hơn 1.500 mm | 100 mm |
| Bằng 1.500 mm hoặc lớn hơn | 150 mm |
Lỗ khoan trong đất phải có độ thẳng đứng nằm trong khoảng 1,5 %. Lỗ khoan trong đá có độ thẳng đứng nằm trong khoảng 2,0 %. Độ thẳng đứng được đo từ đỉnh độ cao cọc đổ bê tông hoặc ông bùn, tùy theo cái nào thấp hơn.
Trong quá trình khoan hoặc đào cọc, Nhà thầu phải kiểm tra thường xuyên độ thẳng đứng, thẳng tuyến, và kích thước của cọc. Bất kỳ sai lệch nào vượt quá dung sai cho phép phải được sửa chữa bằng phương pháp được Kỹ sư chấp thuận.
Cốt thép cọc phải không lớn hơn 150 mm ở trên hoặc 75 mm ở dưới độ cao thiết kế.
7.12 Thử nghiệm tính nguyên dạng
Siêu âm lỗ khoan (thử nghiệm CSL) phải được thực hiện trên cọc như quy định trong hợp đồng. Nhà thầu cần đáp ứng các thử nghiệm CSL bằng cách trang bị và lắp đặt ống siêu âm phù hợp với Điều 6.7.
Nhà thầu cần lắp đặt ống siêu âm cho thử nghiệm CSL trọng cọc khoan nhồi, trừ khi có ghi chú khác, để cho phép truy cập đối với đầu dò thử nghiệm CSL. Nếu, theo ý kiến của Kỹ sư, điều kiện khoan cọc cho phép thi công cọc trong điều kiện khô, thì Kỹ sư có thể chỉ định bỏ qua thử nghiệm.
Nhà thầu gắn ống siêu âm an toàn vào bên trong lồng thép của cọc. Ống siêu âm phải được trang bị và lắp đặt cho mỗi 0,3 m đường kính cọc, làm tròn đến số nguyên gần nhất, như thể hiện trong thiết kế. Tối thiểu 3 ống sẽ được yêu cầu. Ống siêu âm được đặt xung quanh cọc, bên trong cốt thép đai hoặc vòng đệm và cách 75 mm so với cốt thép đứng, ở khoảng cách đều dọc theo vòng tròn qua tâm của các ống siêu âm. Nếu không đạt được mức tối thiểu này do khoảng cách gần của cốt thép dọc, thì ông siêu âm phải được gắn vào cốt thép đứng.
Nếu cắt lồng thép là cần thiết và ống siêu âm cho thử nghiệm CSL được gắn vào lồng, Nhà thầu cần thay đổi vị trí ống siêu âm ở lồng hoặc cắt ống, với điều kiện đầu cắt ống phù hợp với việc tiếp nhận được nắp kín nước, như quy định.
Ống siêu âm phải được lắp đặt thẳng và song song trục dọc của lồng thép, ống siêu âm phải kéo dài từ dưới đáy cọc đến ít nhất 600 mm phía trên đầu cọc. Mối nối ống siêu âm, nếu yêu cầu để đạt được chiều dài đầy đủ, thì phải kín nước. Nhà thầu cần làm sạch ống khỏi các mảnh vụn và các vật liệu không liên quan trước khi lắp đặt ống siêu âm. Cẩn cẩn thận để ngăn ngừa làm hỏng ống trong khi lắp đặt lồng thép và đổ bê tông cọc.
Ống siêu âm phải chứa đầy nước sạch trước khi đổ bê tông, và đầu mũ ren kín nước phải được lắp đặt lại.
Trước khi thực hiện bất kỳ thử nghiệm CSL nào quy định tại đây, Nhà thầu cần cắt phần bê tông ở trên của cọc đến chỗ bê tông tốt.
Chủ đầu tư cần thực hiện thử nghiệm CSL và phân tích trên các cọc hoàn thành được Kỹ sư chỉ định thử nghiệm. Nhà thầu cần thông báo tới Kỹ sư ít nhất 48 h về thời gian bê tông của mỗi cọc cần được bảo dưỡng đủ để cho phép thử nghiệm siêu âm cọc.
Thử nghiệm phải được thực hiện sau khi bê tông cọc được bảo dưỡng ít nhất 96 h. Thời gian bảo dưỡng bổ sung trước khi thử nghiệm có thể được yêu cầu nếu bê tông cọc có sử dụng phụ gia như phụ gia chậm ninh kết hoặc phụ gia giảm nước. Thời gian bảo dưỡng bổ sung trước khi thử nghiệm theo yêu cầu, trong trường hợp này, sẽ không được xem là căn cứ để bổ sung kinh phí hoặc kéo dài thời gian cho Nhà thầu. Không tiến hành thi công tiếp trên cọc hoàn thành cho đến khi thử nghiệm CSL được phê duyệt và cọc được chấp nhận. Thử nghiệm CSL phải hoàn thành trong vòng 7 ngày kể từ khi đổ bê tông cọc.
Sau khi đổ bê tông và trước bắt đầu thử nghiệm CSL cọc, Nhà thầu cần kiểm tra ống siêu âm. Mỗi ống siêu âm mà kiểm tra không đạt thì phải thay thế, với đường kính khoan 50 mm trong bê tông cho toàn bộ chiều dài của cọc. Trừ khi có chỉ dẫn khác của Kỹ sư, các lỗ khoan sẽ được đặt khoảng 150 mm ở bên trong cốt thép và không làm hỏng cọc cốt thép cọc. Mô tả về tạp chất và lỗ rỗng trong lỗ khoan phải được ghi nhận và bản sao của bản ghi phải đệ trình Kỹ sư. Các phát hiện từ lỗ khoan phải được lưu giữ, xác định vị trí và có sẵn để kiểm tra bởi Kỹ sư.
Kỹ sư sẽ xác định sự chấp nhận cuối cùng cho mỗi cọc, dựa trên kết quả thử nghiệm CSL và phân tích cho cọc thử nghiệm và xem xét báo cáo kiểm tra bằng mắt đối với cọc và sẽ đưa ra phản hồi cho Nhà thầu trong vòng 3 ngày làm việc sau nhận được đệ trình về kết quả kiểm tra và phân tích.
Kỹ sư có thể phê duyệt việc tiếp tục thi công cọc trước khi phê duyệt và chấp nhận cọc đầu tiên nếu các quan sát của Kỹ sư về việc thi công cọc đầu tiên đạt yêu cầu, bao gồm, nhưng không giới hạn để, phù hợp với thiết kế thi công cọc, như được chấp thuận của Kỹ sư; và đánh giá của Kỹ sư về các báo cáo hàng ngày của Nhà thầu và ghi chép hàng ngày của giám sát liên quan đến việc khoan cọc, lắp đặt cốt thép, và đổ bê tông là thỏa đáng.
Nếu Kỹ sư xác định việc đổ bê tông trong dung dịch khoan cho cọc là không thích hợp về mặt kết cấu, thì cọc sẽ bị từ chối. Việc đổ bê tông trong dung dịch khoan sẽ bị đình chỉ cho đến khi Nhà thầu đệ trình bằng văn bản cho Kỹ sư về thay đổi phương pháp thi công cọc cần thiết để ngăn ngừa cọc không thích hợp về kết cấu trong tương lai và nhận được văn bản phê duyệt của Kỹ sư.
Nếu Nhà thầu yêu cầu, Kỹ sư có thể chỉ đạo thử nghiệm bổ sung tại cọc. Theo yêu cầu của Kỹ sư, Nhà thầu cần khoan lỗ trong bất kỳ cọc nào đáng ngờ về chất lượng (như xác định từ thử nghiệm CSL và phân tích hoặc bằng quan sát của Kỹ sư) để xác định điều kiện cọc.
Trước khi bắt đầu khoan, Nhà thầu cần trình phương pháp và thiết bị sử dụng để khoan và loại bỏ lõi từ bê tông cọc cho Kỹ sư và sẽ không được bắt đầu khoan cho đến khi nhận được văn bản phê duyệt của Kỹ sư. Phương pháp và thiết bị khoan phải cung cấp phục hồi lõi hoàn chỉnh và giảm thiểu mài mòn và xâm thực lõi.
Nếu thử nghiệm tiếp theo tại cọc cho thấy sự hiện diện của các hư hỏng trong cọc, thì chi phí thử nghiệm và chi phí phát sinh từ việc thử nghiệm bổ sung sẽ do Nhà thầu chịu. Nếu thử nghiệm bổ sung chỉ ra cọc không có khuyết tật, thì chi phí thử nghiệm và chi phí phát sinh từ việc thử nghiệm bổ sung sẽ do tổ chức ký hợp đồng chịu, và, nếu việc thi công cọc nằm trên đường găng tiến độ của Nhà thầu, thì thời gian kéo dài bằng sự chậm trễ gây ra bởi thử nghiệm bổ sung cần được đưa vào.
Đối với các cọc được xác định là không thể chấp nhận, thì Nhà thầu cần trình kế hoạch để khảo sát bổ sung và hành động khắc phục cho Kỹ sư để phê duyệt. Các sửa đổi kích thước của cọc, như chỉ ra trong thiết kế, được yêu cầu bởi khảo sát và kế hoạch hành động khắc phục cần được đưa ra bởi tính toán và bản vẽ thi công. Nhà thầu sẽ không bắt đầu sửa chữa cho đến khi có sự chấp thuận của Kỹ sư về khảo sát và kế hoạch hành động khắc phục.
Ống siêu âm và lỗ khoan lõi phải được làm sạch và lấp đầy vữa sau khi các thử nghiệm hoàn thành và cọc được chấp nhận, ống siêu âm và các lỗ khoan phải được đổ đầy bằng cách sử dụng các ống vữa kéo dài đến đáy của ống hoặc lỗ hoặc vào trong vữa đã được đổ.
8 Đo đạc
8.1 Cọc khoan nhồi trong đất
Việc đào đất cho cọc bao gồm cả vận chuyển được đo bằng mét dài của cọc khoan cho mỗi đường kính. Các đường được tính bằng cách sử dụng đỉnh cao độ của đất, như được xác định dưới đây, và đáy cao độ thể hiện trong thiết kế, trừ khi được điều chỉnh bởi Kỹ sư, ít hơn khoan cọc trong đá đo được theo quy định trong Điều 8.1.2.
Trừ khi có quy định khác, đỉnh của cao độ đất của cọc được xác định là điểm mặt bằng cao nhát hiện có trong phạm vi đường kính cọc. Đối với cọc khi đỉnh cọc nằm trên mặt đất hiện hữu và khi thiết kế chỉ ra đất đắp đặt trên đường mặt đất hiện có đến đỉnh cọc và phía trên, thì đỉnh của cao độ cọc được xác định như đỉnh của bê tông cọc. Khoan cọc qua nền đắp đặt trên đầu cọc sẽ không được đưa vào đo đạc.
8.2 Cọc khoan nhồi trong đá
Khoan cọc trong đá bao gồm cả vận chuyển được đo bằng mét dài của cọc khoan cho mỗi đường kính. Các mét dài được tính bằng cách sử dụng đường kính cọc thể hiện trong thiết kế, đỉnh của mặt đá, được định nghĩa là điểm đá cao nhất trong phạm vi đường kính cọc và cao độ đáy được thể hiện trong thiết kế, trừ khi được điều chỉnh bởi Kỹ sư.
Đỉnh cao độ đá cho mục đích đấu thầu phải được xác định bởi kỹ sư địa chất trong hồ sơ hợp đồng. Đỉnh thực tế của đá cho mục đích đấu thầu có thể khác với thể hiện trong hồ sơ hợp đồng.
8.3 Dỡ bỏ chướng ngại vật
Chướng ngại vật được xác định theo Điều 7.4 sẽ được đo bằng số giờ thi công dỡ bỏ chướng ngại vật.
8.4 Cọc khoan thử
Cọc khoan được thi công trước khi thi công cọc theo hợp đồng cho mục đích chứng minh với Kỹ sư về sự phù hợp của phương pháp đề xuất sẽ được đo cho mỗi cọc thi công thành công.
8.5 Lỗ thăm dò
Lỗ thăm dò quy định trong hợp đồng bởi Kỹ sư cho mục đích xác nhận tính chất địa kỹ thuật của đất, đá và để xác định cao độ đặt cọc đề xuất phải được đo theo chiều dài lỗ thăm dò lắp đặt. Lỗ thăm dò có thể được khoan trước khi khoan cọc hoặc từ nền của lỗ khoan. Cao độ đỉnh phải được xác định là mặt đất tại thời điểm khoan lỗ thăm dò. Cao độ đáy được định nghĩa là đáy lỗ thăm dò.
8.6 Ống vách vĩnh cửu - cung cấp và lắp đặt
Cung cấp và lắp đặt ống vách vĩnh cửu phải đo theo chiều dài của mỗi đường kính ống vách được lắp đặt cố định theo yêu cầu, như quy định trong Điều 7.3. Giới hạn trên của ống vách được định nghĩa là giá trị thấp hơn của:
- đất tự nhiên, hoặc
- nền mỏng,
nếu việc khoan trước khi thi công cọc. Giới hạn dưới sẽ là cao độ chỉ ra trong thiết kế của hợp đồng.
8.7 Thử nghiệm tải trọng
Thử tải được đo cho mỗi lần thực hiện thử nghiệm thành công với khả năng chịu tải quy định hoặc phá hoại cọc. Thử nghiệm đánh giá chất lượng cọc khoan nhồi theo các phương pháp hiện hành.
8.8 Ống thử nghiệm siêu âm cọc
Ống thử nghiệm siêu âm cọc CSL được đo theo chiều dài ống cung cấp và lắp đặt.
8.9 Thi công cọc khoan nhồi
Bê tông cọc sẽ được đo bằng mét khối bê tông đổ tại chỗ. Số mét khối sẽ được tính bằng đường kính cọc và cao độ đỉnh và đáy cọc thể hiện trong thiết kế, trừ khi được điều chỉnh bởi Kỹ sư.
8.10 Cốt thép
Cốt thép cọc sẽ được đo bằng trọng lượng theo kilogram của cốt thép, như thể hiện trong thiết kế. Hệ giăng cho lồng thép được coi là hạng mục phụ của công tác này.
THI CÔNG CẦU ĐƯỜNG BỘ - PHẦN 6: NEO ĐẤT
Bridge Construction Specifications - Part 6: Ground Anchors
1 Phạm vi áp dụng
Bộ tiêu chuẩn TCVN 12885:2020 áp dụng đối với công tác thi công các cầu, cống có kết cấu thông thường, sử dụng các công nghệ thi công thông thường trên đường bộ; cũng có thể tham khảo để thi công các cầu, cống trên đường sắt, có yêu cầu kỹ thuật tương tự.
Tiêu chuẩn này quy định các yêu cầu thi công và nghiệm thu, áp dụng đối với công tác lắp đặt, thử nghiệm và tạo ứng suất cho các neo đất vĩnh cửu được bơm vữa xi măng trong thi công cầu.
Tiêu chuẩn này được dùng làm cơ sở để xây dựng Chỉ dẫn kỹ thuật thi công đối với công tác nêu trên trong dự án xây dựng cầu đường bộ.
2 Tài liệu viện dẫn
Các tài liệu viện dẫn sau là cần thiết cho việc áp dụng tiêu chuẩn này. Đối với các tài liệu viện dẫn ghi năm công bố thì áp dụng phiên bản được nêu. Đối với các tài liệu viện dẫn không ghi năm công bố thì áp dụng phiên bản mới nhất, bao gồm cả các sửa đổi, bổ sung (nếu có).
TCVN 12885-8:2020, Thi công cầu đường bộ - Phần 8: Kết cấu bê tông.
TCVN 12885-10:2020, Thi công cầu đường bộ - Phần 10: Tạo ứng suất trước.
TCVN 2682:2009, Xi măng portland - Yêu cầu kỹ thuật.
TCVN 7570:2006, Cốt liệu cho bê tông và vữa - Yêu cầu kỹ thuật.
TCVN 11823:2017, Thiết kế cầu đường bộ.
TCVN 10952:2015, Cáp dự ứng lực bọc epoxy từng sợi đơn.
LRFD-8, AASHTO LRFD Bridge Design Specifications, 2017 (Tiêu chuẩn thiết kế cầu).
HM-WB, Standard Specifications for Transportation Materials and Methods of Sampling and Testing, 2017 (Tiêu chuẩn kỹ thuật đối với vật liệu giao thông và phương pháp lấy mẫu và thử nghiệm).
ASTM A416/A416M, Standard Specification for Steel Strand, Uncoated Seven-Wire for Prestressed Concrete (Tiêu chuẩn kỹ thuật đối với tao thép, cáp 7 sợi không bọc cho bê tông dự ứng lực).
ASTM A886/A886M, Standard Specification for Steel Strand, Indented, Seven-Wire Stress- Relieved for Prestressed Concrete (Tiêu chuẩn kỹ thuật đối với tao thép, cáp 7 sợi khía răng cưa khử ứng suất cho bê tông dự ứng lực).
ASTM A882/A882M, Standard Specification for Filled Epoxy-Coated Seven-Wire Prestressing Steel strand (Tiêu chuẩn kỹ thuật đối với tao thép, cáp 7 sợi bọc epoxy cho bó cáp dự ứng lực).
ASTM C150, Standard Specification for Portland Cement (Tiêu chuẩn kỹ thuật đối với xi măng portland).
ASTM A709/A709M, Standard Specification for structural Steel for Bridges (Tiêu chuẩn kỹ thuật đối với thép kết cấu cho cầu).
ASTM A536, Standard Specification for Ductile tron Castings (Tiêu chuẩn kỹ thuật đối với gang dẻo).
ASTM A53/A53M, Standard Specification for Pipe, Steel, Black and Hot-Dipped, Zinc-Coated, Weided and Seamless (Tiêu chuẩn kỹ thuật đối với ống, thép, đen và nhúng nóng, mạ kẽm, hàn và không mối nối).
ASTM A500, Standard Specification for Cold-Formed Welded and Seamless Carbon Steel structural Tubing in Rounds and Shapes (Tiêu chuẩn kỹ thuật đối với kết cấu ống thép tròn và thép hình bằng thép carbon không mối nối và được hàn tạo hình nguội).
ASTM D3350, Standard Specification for Polyethylene Plastics Pipe and Fittings Materials (Tiêu chuẩn kỹ thuật đối với vật liệu ống và phụ kiện nhựa Polyethylen).
ASTM D4101, Standard Specification for Polypropylene lnjection and Extrusion Materials (Tiêu chuẩn kỹ thuật đối với vật liệu ép và phun Polypropylene).
ASTM D3963/D3963M, Standard Specification for Pabrication and Jobsite Handling of Epoxy-Coated Reintorcing Steel Bars (Tiêu chuẩn kỹ thuật đối với chế tạo và xử lý hiện trường các thanh cốt thép bọc epoxy).
PTI M10.2, Specification for Unbonded Single strand Tendons, 2nd Edition 2011 (Tiêu chuẩn đối với các tao cáp đơn không dính bám).
3 Thuật ngữ và định nghĩa
Tiêu chuẩn này sử dụng các thuật ngữ và định nghĩa nêu trong TCVN 12885-1:2020 và các thuật ngữ, định nghĩa sau:
3.1
Neo đất (Ground anchors)
Kết cấu (gọi đơn giản là neo) có khả năng truyền tải trọng kéo được đặt vào lớp đất chịu tải. Kết cấu này về cơ bản gồm một đầu neo, chiều dài neo tự do (lõi neo) và bầu neo.
4 Mô tả
Công việc này gồm có thiết kế, cung cấp, lắp đặt, thử nghiệm và tạo ứng suất cho các neo đất vĩnh cửu được bơm vữa xi măng theo các quy định của Tiêu chuẩn này và hồ sơ hợp đồng.
5 Bản vẽ biện pháp thi công
Ít nhất 4 tuần trước khi bắt đầu công việc, Nhà thầu cần trình cho Kỹ sư để xem xét và chấp thuận bản vẽ biện pháp thi công và các tính toán thiết kế mô tả hệ thống hoặc các hệ thống neo đất dự định sử dụng.
Hồ sơ đệ trình phải bao gồm:
(1) Lịch trình neo đất, cho biết:
- Số lượng neo đất
- Tải trọng thiết kế neo đất
- Loại và cỡ cáp ứng suất trước
- Tổng chiều dài tối thiểu của neo
- Chiều dài dính bám tối thiểu
- Chiều dài dính bám tối thiểu của cáp, và
- Chiều dài không dính bám tối thiểu.
(2) Bản vẽ cáp neo đất và hệ thống bảo vệ ăn mòn, gồm các chi tiết sau:
- Đệm kê ngăn cách các bỏ cáp và vị trí của chúng,
- Thanh điều chỉnh đúng tâm và vị trí của chúng,
- Hệ thống bảo vệ ăn mòn chiều dài không dính bám,
- Hệ thống bảo vệ ăn mòn chiều dài dính bám,
- Neo và ống loe đầu neo,
- Hệ thống bảo vệ ăn mòn neo,
- Kích thước lỗ khoan hoặc tạo hình,
- Mức độ mỗi giai đoạn bơm vữa,
- Mọi hiệu chỉnh các chi tiết kết cấu cần thiết để thích ứng với hệ thống neo đất dự định sử dụng.
(3) Thiết kế hỗn hợp vữa và phương thức bơm vữa.
Kỹ sư sẽ chấp thuận hoặc bác bỏ bản vẽ biện pháp thi công của Nhà thầu trong vòng 4 tuần từ ngày nhận được đầy đủ hồ sơ đệ trình. Chỉ được bắt đầu thi công neo đất sau khi bản vẽ biện pháp thi công được chấp thuận bằng văn bản của Kỹ sư. Việc chấp thuận này không giảm nhẹ cho Nhà thầu khỏi bất cứ trách nhiệm nào theo hợp đồng để hoàn thành tốt công việc.
6 Vật liệu
6.1 Thép ứng suất trước
Bó cáp neo đất phải gồm có một hoặc nhiều phần tử thép ứng suất trước, thiết bị neo và nếu cần thiết, các bộ nối phù hợp với yêu cầu mô tả trong TCVN 12885-10:2020.
Các vật liệu sau đây có thể dùng làm cáp neo đất:
- AASHTO M203M/M203 (ASTM A416/A416M (tao cáp 7 sợi không bọc)
- ASTM A886/A886M (tao cáp 7 sợi, khía răng cưa)
- ASTM A882/A882M hoặc TCVN 10952:2015 (tao cáp 7 sợi, bọc epoxy).
6.2 Vữa bơm
Xi măng phải là xi măng Portland loại I, II hoặc III, phù hợp với AASHTO M85 (ASTM C150) hoặc TCVN 2682:2009. Xi măng dùng làm vữa bơm phải tươi không vón cục hoặc các dấu hiệu thủy phân hoặc đông cứng khác.
Cốt liệu phù hợp với các yêu cầu đối với cốt liệu nhỏ mô tả trong TCVN 12885-8:2020 hoặc TCVN 7570:2006.
Có thể dùng các chất phụ gia trong vữa được Kỹ sư chấp thuận. Chỉ được cho thêm vào vữa các chất phụ gia nở khi lấp các lỗ hổng phải bịt, các ống đầu neo và lớp bọc neo. Không được dùng phụ gia đông cứng nhanh.
Nước trộn vữa phải uống được, sạch sẽ và không có lượng các chất có hại cho xi măng Portland hoặc thép ứng suất trước.
6.3 Các bộ phận bằng thép
Tấm gối tựa phải chế tạo từ loại thép phù hợp với AASHTO M270M/M270 (ASTM A709/A709M tối thiểu cấp 36 (Cấp 250) hoặc bằng gang dẻo phù hợp với ASTM A536.
Ống loe đầu neo dùng để tạo ra sự chuyển tiếp từ neo tới lớp bảo vệ ăn mòn chiều dài không dính bám phải chế tạo từ ống thép hoặc ống tuýp phù hợp với yêu cầu của ASTM A53/A53M đối với ông thép hoặc ASTM A500 đối với ống tuýp. Bề dày tối thiểu thành ống phải là 5 mm.
Lớp bọc neo dùng để bao kín các neo lộ ra phải chế tạo từ thép, ống thép, tuýp thép, hoặc gang đúc dẻo phù hợp với yêu cầu của AASHTO M270M/M270 (ASTM A709/A709M) cấp 36 (cấp 250) đối với thép, ASTM A53/A53M đối với ống, ASTM A500 đối với tuýp hoặc ASTM A536 đối với gang dẻo. Bề dày tối thiểu phải bằng 3 mm.
6.4 Các thành phần bảo vệ chống ăn mòn
Mỡ chống ăn mòn phù hợp với yêu cầu của Phần 3.2.5 của PTI M10.2.
Vỏ bọc chiều dài không kính kết của cáp phải gồm có một trong các loại sau:
- Ống polyethylene (PE) không có đường nối có bề dày thành ống tối thiểu 1,5 mm ± 0,25 mm. Polyethylene phải được phân loại theo ASTM D3350.
- Ống polypropylene không có đường nối có bề dày thành ống tối thiểu 1,5 mm ± 0,25 mm. Polypropylene phải được phân loại theo ASTM D4101.
- Ống có thể co dãn do nhiệt gồm có ống polyolefin bức xạ liên kết ngang phải phủ bên trong bằng một chất bịt dính, ống có bề dày thành ống tối thiểu trước khi co ngót phải bằng 0,6 mm. Bề dày lớp bịt dính kết tối thiểu phải bằng 0,5 mm.
- Ống polyvinyl chloride (PVC) gợn sóng có bề dày thành ống tối thiểu bằng 0,8 mm.
Vỏ bọc chiều dài dính bám của cáp phải gồm có một trong các loại sau:
- Ống polyethylene tỷ trọng cao (HDPE) gợn sóng có bề dày thành ống tối thiểu bằng 0,8 mm và phù hợp với yêu cầu của AASHTO M252.
- Ống thép có gờ hoặc ống tuýp có bề dày thành ống tối thiểu 0,6 mm.
- Ống polyvinyl chloride (PVC) gợn sóng có bề dày thành ống tối thiểu bằng 0,8 mm.
- Epoxy nấu chảy dính bám phù hợp với yêu cầu của AASHTO M317M/M317 (ASTM D3963/D3963M), ngoài ra phải có lớp màng 0,4 mm.
6.5 Các bộ phận khác
Ống chống dính bám cho cáp gồm có ống nhựa dẻo nhẵn chống lão hoá do ánh sáng tử ngoại và có thể chịu được mài mòn, va đập và uốn trong khi vận chuyển và lắp đặt.
Miếng kê để ngăn cách các tao của bó cáp nhiều tao phải cho phép vữa chảy tự do. Chúng được chế tạo từ nhựa dẻo, thép hoặc vật liệu không làm hư hỏng thép ứng suất trước. Không được dùng gỗ.
Tấm chỉnh tâm phải làm bằng nhựa dẻo, thép hoặc vật liệu không làm hư hại thép ứng suất trước hoặc bất kỳ bộ phận nào của việc bảo vệ chống ăn mòn cáp. Không được sử dụng gỗ. Tấm chỉnh tâm phải có khả năng duy trì vị trí của cáp để có lớp bọc vữa ít nhất 12 mm phủ trên cáp.
7 Chế tạo
7.1 Chiều dài dính bám và chiều dài dính bám của cáp
7.1.1 Cáp neo đất bảo vệ bằng bơm vữa
Miếng kê phải được đặt dọc chiều dài dính bám của bỏ cáp của loại cáp nhiều tao để cho vữa dính bám với thép ứng suất trước. Chúng phải đặt cách nhau tối đa 3.000 mm với miếng kê trên cao cách đỉnh của chiều dài dính bám của cáp tối đa 1.500 mm và miếng kê dưới thấp cách đáy của chiều dài dính bám của cáp tối đa 1.500 mm.
Tấm chỉnh tâm phải được đặt dọc theo chiều dài dính bám. Chúng phải được đặt cách nhau tối đa 3.000 mm với tấm trên nằm cách đỉnh của chiều dài dính bám tối đa 1.500 mm và tấm dưới nằm cách đáy chiều dài dính bám 300 mm. Không cần đến các tấm chỉnh tâm cho những cáp được lắp đặt sử dụng mũi khoan thân rỗng nếu nó được bơm vữa qua mũi khoan và lỗ khoan được duy trì bằng cách bơm vữa cứng độ sụt 225 mm hoặc nhỏ hơn trong khi rút mũi khoan. Có thể dùng kết hợp miếng kê và tấm chỉnh tấm.
Tấm chỉnh tâm không yêu cầu lắp đặt trên tao cáp sử dụng hệ thống bơm áp lực trong đất hạt thô sử dụng áp suất vữa lớn hơn 1,0 MPa.
7.1.2 Cáp neo đất bảo vệ bằng vỏ bọc
Chiều dài dính bám của cáp phải được bảo vệ bằng ống thép có gờ hoặc ống nhựa dẻo gợn sóng nhồi vữa, hoặc bằng lớp epoxy nóng chảy dính bám. Cáp phải được bơm vữa bên trong vỏ bọc trước khi luồn cáp vào trong lỗ khoan hoặc sau khi đặt cáp vào trong lỗ khoan. Không được phép đục lỗ lên vỏ bọc để vữa có thể chảy từ vỏ bọc ra lỗ khoan hoặc ngược lại. Cáp phải nằm tập trung ở giữa vỏ bọc và ống bọc có kích thước tạo ra được lớp vữa phủ trung bình 5 mm lên thép ứng suất trước. Đối với cáp neo đất bảo vệ bằng vỏ bọc cũng phải dùng các miếng kê và tấm chỉnh tâm để thoả mãn các yêu cầu như quy định trong Điều 7.1.1. Thiết bị neo cáp được bảo vệ bằng epoxy nóng chảy dính bám phải cách ly về điện với kết cấu.
7.2 Chiều dài không dính bám
Chiều dài không dính bám của cáp tối thiểu phải là 4.500 mm hoặc theo chỉ dẫn trong hồ sơ hợp đồng hoặc bản vẽ biện pháp thí công được chấp thuận.
Phải bảo vệ chống ăn mòn bằng ống bọc nhồi hoàn toàn bằng mỡ hoặc vữa chống ăn mòn, hoặc ống tuýp có thể co dãn do nhiệt. Nếu dùng mỡ để nhồi ống bọc, phải bố trí để mỡ không chảy ra hai đầu. Mỡ phải phủ hoàn toàn cáp và lắp đầy đủ các khe hở giữa các sợi của tao 7 sợi. Phải bố trí bảo vệ chống ăn mòn liên tục tại đoạn chuyển tiếp từ chiều dài dính bám sang chiều dài không dính bám của cáp.
Nếu ống bọc không phải là ống nhẵn, phải bố trí ống chống dính bám riêng để đề phòng cáp dính bám vào vữa neo xung quanh chiều dài không dính bám.
7.3 Neo và ống loe đầu neo
Có thể sử dụng các neo không thể căng kéo lại, trừ khi trong hồ sơ hợp đồng quy định sử dụng loại neo có thể căng kéo lại.
Tấm đệm phải có kích thước để cho ứng suất uốn trong tấm đệm và ứng suất nén cục bộ trung bình trong bê tông, nếu áp dụng được, không vượt quá sức kháng danh định cho trong Điều 5.8.4.4.2 của LRFD-8 hoặc TCVN 11823:2017. Kích thước của tấm đệm không được nhỏ hơn kích thước cho trên hồ sơ hợp đồng hoặc trên bản vẽ biện pháp thi công được chấp thuận.
Ống loe phải hàn vào tấm đệm. Ống loe phải có đường kính trong lớn hơn đường kính của cáp tại neo ít nhất 6 mm. Ống loe phải đủ dài để thích ứng với các chuyển vị của kết cấu trong khi thử nghiệm và tạo ứng suất. Với cáp bằng tao thép có vỏ bọc trên chiều dài không dính bám, ống neo phải đủ dài để cáp có thể chuyển tiếp từ đường kính cáp trong chiều dài không dính bám sang đường kính cáp tại đầu neo mà không làm hỏng vỏ bọc. Ống loe nhồi mỡ chống ăn mòn phải có ống cao su Buna-N vĩnh cửu hoặc vòng bịt tương tự được chấp thuận bố trí giữa ống loe và chiều dài không dính bám bảo vệ chống ăn mòn. Ống loe nhồi vữa phải có vòng bịt tạm thời giữa ống loe và chiều dài không dính bám bảo vệ chống ăn mòn.
7.4 Cất giữ và bốc dỡ cáp
Cáp phải được cất giữ và bốc dỡ theo cách sao cho tránh bị hư hại hoặc ăn mòn. Hư hại cho thép ứng suất trước như bị mài mòn, đứt, vết khía, vét hàn hoặc vảy hàn sẽ là lý do để Kỹ sư loại bỏ. Không được phép tiếp đất bằng cách hàn dây dẫn vào thép ứng suất trước. Gỉ nhẹ, không gây ra các vết lõm có thể quan sát bằng mắt thường, không phải là lý do để loại bỏ. Trước khi luồn cáp vào lỗ khoan, các bộ phận bảo vệ chống ăn mòn của nó phải được xem xét có bị hư hỏng không. Mọi hư hỏng phát hiện phải sửa chữa theo cách được Kỹ sư chấp thuận.
Sửa chữa vỏ bọc phải phù hợp với các khuyến nghị của Nhà cung cấp.
8 Lắp đặt
8.1 Khoan
Phương pháp khoan được sử dụng có thể là khoan lấy lõi, khoan xoay, khoan dập, khoan ruột gà hoặc đóng ống vách. Phương pháp khoan sử dụng phải phòng ngừa được việc mất đất phía trên lỗ khoan có thể làm tổn hại cho kết cấu hoặc các kết cấu hiện có. Nếu dùng ống vách cho lỗ neo, phải tháo bỏ, trừ khi Kỹ sư cho để lại tại chỗ. Vị trí, độ nghiêng và tuyến lỗ khoan phải cho trong hồ sơ hợp đồng. Độ nghiêng và tuyến phải trong khoảng ± 3° của góc dự kiến tại tâm đệm và trong khoảng ± 300 mm của vị trí dự kiến ở mặt đất (điểm đầu).
8.2 Luồn cáp
Cáp phải luồn vào trong lỗ khoan tới độ sâu mong muốn không bị trở ngại. Khi cáp không thể luồn vào hoàn toàn, phải rút cáp ra và lỗ khoan phải làm sạch hoặc khoan lại để luôn cáp. Cáp mới luôn vào một phần không được đóng hoặc ép để đưa tiếp vào lỗ.
8.3 Bơm vữa
Phải dùng vữa xi măng nguyên chất hoặc vữa xi măng cát phù hợp với Điều 6.2. Phụ gia, nếu được dùng, phải trộn với liều lượng không vượt quá khuyến nghị của Nhà sản xuất.
Vữa phải bơm từ điểm thấp nhất của lỗ khoan. Vữa có thể bơm qua ống tuýp, ống vách, mũi khoan thân rỗng hoặc cần khoan. Vữa có thể bơm vào trước hoặc sau khi luồn cáp. Phải ghi lại khối lượng vữa và áp lực vữa. Áp lực vữa và mẻ vữa phải khống chế để phòng ngừa đất bị đội lên quá mức hoặc làm nứt các lớp đá.
Trừ các chỉ dẫn dưới đây, vữa ở trên đỉnh chiều dài dính bám có thể được bơm đồng thời với vữa của chiều dài dính bám, nhưng không được bơm có áp lực. Vữa ở đỉnh lỗ khoan phải dừng lại cách phía sau kết cấu hoặc cách đáy ống loe 150 mm, lấy vị trí nào thấp hơn.
Nếu neo đất được lắp đặt trong loại đất hạt nhỏ sử dụng lỗ khoan có đường kính lớn hơn 150 mm, khi đó vữa trên đỉnh chiều dài dính bám phải bơm vào sau khi đã thử tải trọng neo đất. Toàn bộ lỗ khoan có thể bơm vữa đồng thời nếu có thể chứng minh rằng hệ thống neo đất không lấy một phần đáng kể sức chịu tải của nó từ đất bên trên đoạn chiều dài dính bám của neo đất.
Nếu dùng cáp bảo vệ bằng vữa đối với các neo trong đá, khi đó phải sử dụng kỹ thuật bơm vữa áp lực. Bơm vữa áp lực yêu cầu lỗ khoan phải bịt kín và vữa được bơm cho tới lúc có thể duy trì áp lực bơm 0,35 MPa trong phạm vi chiều dài dính bám với thời gian 5 min.
Khi bơm vữa xong, ống vữa có thể để lại trong lỗ khoan với điều kiện nó đầy vữa.
Sau khi bơm vữa, cáp không được chịu tải trong ít nhất 3 ngày.
8.4 Ống loe đầu neo và neo
Việc bảo vệ chống ăn mòn xung quanh chiều dài không dính bám của cáp phải kéo dài vào trong ống loe ít nhất 150 mm qua vòng bịt đáy trong ống loe.
Việc bảo vệ chống ăn mòn xung quanh chiều dài không dính bám của cáp không được tiếp xúc với tâm đệm hoặc đầu neo trong khi thử tải hoặc tạo ứng suất.
Tấm đệm và đầu neo phải đặt vuông góc với trục cáp.
Ống loe phải nhồi đầy mỡ hoặc vữa chống ăn mòn. Mỡ có thể được đưa vào bất kỳ lúc nào trong thi công. Vữa phải cho vào sau khi neo đất đã được thử tải. Nhà thầu cần chứng minh rằng phương pháp lựa chọn để đưa mỡ hoặc vữa vào sẽ làm cho ống loe được nhồi đầy.
Neo không được bọc trong bê tông phải được bao trong hộp thép đầy vữa hoặc mỡ chống ăn mòn.
8.5 Thử nghiệm và tạo ứng suất
Mỗi neo đất phải được Nhà thầu thử nghiệm tải trọng bằng cách thử nghiệm tính năng hoặc thử nghiệm kiểm chứng như quy định ở đây. Không được tác động tải trọng lớn hơn tải trọng tính toán 10 % vào neo đất trước khi thử tải. Tải trọng thử phải tác động đồng thời vào toàn bộ cáp.
8.5.1 Thiết bị thử
Phải dùng đồng hồ đo mặt đĩa hoặc thước vernier có thể đo các chuyển vị tới 0,025 mm để đo chuyển vị của neo đất. Thiết bị phải có thang đo thích hợp để có thể đo tổng dịch chuyển của neo đất mà không phải chỉnh lại thiết bị.
Phải dùng kích thủy lực và bơm để tạo tải trọng thử. Kích và đồng hồ đo áp lực đã hiệu chỉnh được dùng để đo tải trọng tác động. Đồng hồ áp lực phải khắc độ với các độ gia tăng 0,7 MPa hoặc nhỏ hơn. Khi độ giãn đàn hồi lý thuyết của tổng chiều dài neo lúc tải trọng thử tối đa vượt quá hành trình piston của kích, trình tự lặp lại chu trình piston của kích phải được đưa vào trong bản vẽ biện pháp thi công. Mỗi cấp tăng tải trọng thử phải tác động càng nhanh càng tốt.
Phải có đồng hồ đo áp lực tham chiếu đã hiệu chỉnh tại công trường. Đồng hồ tham chiếu phải được hiệu chỉnh với kích thử và đồng hồ áp lực.
Phải bố trí loadcell đo lực bằng điện trở và đồng hồ đo khi thử nghiệm từ biến.
Thiết bị tạo ứng suất phải đặt trên cáp neo đất theo cách mà kích, tấm đệm, loadcell đo lực và neo tạo ứng suất đồng tâm với cáp và cáp được đặt ở tâm thiết bị.
8.5.2 Thử nghiệm tính năng
Năm phần trăm (5 %) neo đất hoặc tối thiểu 3 neo đất, lấy số nào lớn hơn đề thử nghiệm tính năng theo các phương thức sau đây. Kỹ sư phải chọn các neo đất để thử nghiệm tính năng. Các neo còn lại phải thử theo các phương thức thử nghiệm kiểm chứng.
Thử nghiệm tính năng phải làm bằng cách chất tải và dỡ tải theo từng cấp tải trọng của neo đất theo tiến trình sau đây, trừ khi trên hồ sơ hợp đồng có cho tiến trình và tải trọng thử tối đa khác:
- Tải trọng được tăng lên từ gia số này đến gia số khác ngay sau khi ghi dịch chuyển của neo đất.
- Dịch chuyển của neo đất phải đo và ghi tới 0,025 mm gần nhất so với điểm tham chiếu cố định độc lập tại tải trọng thẳng tuyến và tại mỗi gia số của tải trọng.
- Tải trọng được theo dõi bằng đồng hồ đo áp lực.
- Đồng hồ đo áp lực tham chiếu phải đấu nối tiếp với đồng hồ đo áp lực trong khi thử tính năng.
Nếu tải trọng xác định bằng đồng hồ đo áp lực tham chiếu và tải trọng xác định bằng đồng hồ đo áp lực chênh nhau hơn 10 % thì kích, đồng hồ đo áp lực và đồng hồ đo áp lực tham chiếu phải hiệu chỉnh lại. Tại các khoảng tải trọng không phải tải trọng thử nghiệm tối đa, tải trọng phải giữ đủ lâu để có thể đọc được dịch chuyển.
Bảng 1 - Tiến trình thử nghiệm tính năng
| Tải trọng | Tải trọng |
| AL | AL |
| 0,25 DL* | 0,25 DL |
| AL | 0,50 DL |
| 0,25 DL | 0,75 DL |
| 0,50 DL* | 1,00 DL |
| AL | 1,20 DL* |
| 0,25 DL | AL |
| 0,50 DL | 0,25 DL |
| 0,75 DL* | 0,50 DL |
| AL | 0,75 DL |
| 0,25 DL | 1.00 DL |
| 0,50 DL | 1,20 DL |
| 0.75 DL | 1,33 DL* (Tải trọng thử tối đa) |
| 1,00 DL* | Giảm xuống tải trọng chốt (Điều 6.5.5.6) |
CHÚ THÍCH:
AL = Tải trọng thẳng tuyến
DL = Tải trọng thiết kế đối với neo đất
* = Đồ thị yêu cầu, như quy định sau
Tải trọng thử nghiệm tối đa trong thử nghiệm tính năng phải giữ trong 10 min. Kích phải bơm lại khi cần để duy trì được tải trọng không đổi. Thời gian giữ tải trọng phải bắt đầu ngay khi đặt tải trọng thử nghiệm tối đa và dịch chuyển của neo đất phải ghi ở 1, 2, 3, 4, 5, 6 và 10 min. Nếu dịch chuyển của neo đất giữa 1 min và 10 min vượt quá 1,0 mm, tải trọng thử tối đa phải giữ thêm 50 min. Nếu thời gian giữ tải trọng bị kéo dài, dịch chuyển ở neo đất phải ghi ở 15, 20, 25, 30, 45 và 60 min.
Phải lập đồ thị cho thấy diễn biến của dịch chuyển của neo đất theo tải trọng đối với mỗi gia số tải trọng có đánh dấu (*) trong tiến trình thử nghiệm tính năng và đồ thị dịch chuyển neo đất còn dư của cáp tại mỗi tải trọng thẳng tuyến đối với tải trọng cao nhất đặt trước đó. Định dạng đồ thị phải được Kỹ sư chấp thuận trước khi sử dụng.
8.5.3 Thử nghiệm kiểm chứng
Các neo không dùng để thử nghiệm tính năng phải được thử nghiệm kiểm chứng.
Thử nghiệm kiểm chứng phải tiến hành bằng cách tăng dần tải trọng neo đất theo tiến trình sau, trừ khi trong hồ sơ hợp đồng đã ghi tiến trình và tải trọng thử tối đa khác. Tải trọng phải nâng dần từ gia số này sang gia số khác ngay sau khi ghi dịch chuyển của neo đất. Dịch chuyển của neo đất phải đo và ghi tới 0,025 mm gần nhất đối với điểm tham chiếu cố định độc lập tại tải trọng thẳng tuyến và tại mỗi gia số tải trọng. Tải trọng phải được theo dõi bằng đồng hồ đo áp lực. Tại các gia số tải trọng không phải tải trọng thử tối đa, tải trọng phải giữ đủ lâu để có thể đọc được dịch chuyển.
Bảng 2 - Tiến trình thử nghiệm kiểm chứng
| Tải trọng | Tải trọng |
| AL | 1,00 DL |
| 0,25 DL | 1,2 DL |
| 0,50 DL | 1,33 DL (Tải trọng thử tối đa) |
| 0,75 DL | Giảm tới tải trọng chốt |
CHÚ THÍCH:
AL = Tải trọng thẳng tuyến
DL = Tải trọng thiết kế đối với neo đất
Tải trọng thử tối đa trong thử nghiệm kiểm chứng phải giữ trong 10 min. Kích phải bơm lại khi cần để duy trì tải trọng không đổi. Thời gian giữ tải trọng phải bắt đầu ngay khi đặt tải trọng thử tối đa và dịch chuyển neo đất phải đo và ghi tại 1,2, 3, 4, 5, 6 và 10 min. Nếu dịch chuyển neo giữa 1 min và 10 min vượt quá 1,0 mm, tải trọng thử nghiệm phải giữ thêm 50 min. Nếu thời gian giữ tải trọng kéo dài, dịch chuyển của neo đất phải ghi ở 15, 20, 30, 45 và 60 min. Phải lập biểu đồ cho thấy đô thị của dịch chuyển của neo đất theo tải trọng đối với mỗi gia số tải trọng trong thử nghiệm kiểm chứng. Định dạng biểu đồ phải được Kỹ sư chấp thuận trước khi dùng.
8.5.4 Thử nghiệm từ biến
Thử nghiệm từ biến phải được tiến hành nếu có yêu cầu trong hồ sơ hợp đồng. Kỹ sư phải lựa chọn các neo đất để thử từ biến.
Thử nghiệm từ biến phải thực hiện bằng cách chất tải và giảm tải neo đất theo tiến trình thử nghiệm tính năng đã dùng. Ở cuối mỗi chu kỳ chất tải, tải trọng phải giữ không đổi trong thời gian quan sát chỉ ra trong tiến trình thử nghiệm từ biển dưới đây, trừ khi trong hợp đồng có ghi tải trọng thử tối đa khác. Thời gian để đọc và ghi dịch chuyển của neo đất trong mỗi thời gian quan sát phải là 1, 2, 3, 4, 5, 6, 10, 15, 20, 25, 30, 45, 60, 75, 90, 100, 120, 150, 180, 210, 240, 270 và 300 min khi thích hợp. Mỗi giai đoạn giữ tải phải được bắt đầu ngay khi đặt tải trọng thử. Trong thử nghiệm từ biến, đồng hồ đo áp lực và đồng hồ áp lực tham chiếu được dùng để đo tải trọng tác động và loadcell đo tải trọng được dùng để giám sát các thay đổi nhỏ của tải trọng trong thời gian giữ tải trọng không đổi. Kích phải bơm lại khi cần đề duy trì tải trọng không đổi.
Bảng 3 - Tiến trình thử nghiệm từ biển
| AL | Thời gian quan sát (min) |
| 0,25 DL | 10 |
| 0,50 DL | 30 |
| 0,75 DL | 30 |
| 1,00 DL | 45 |
| 1,20 DL | 60 |
| 1,33 DL | 300 |
Phải lập biểu đồ cho thấy đồ thị dịch chuyển của neo đất và dịch chuyển dư đo được trong thử nghiệm từ biến như mô tả trong thử nghiệm tính năng. Cũng như vậy, phải lập đồ thị dịch chuyển từ biển của neo đất cho mỗi lần giữ tải trọng như là hàm logarit của thời gian. Định dạng đô thị phải được Kỹ sư chấp thuận khi sử dụng.
8.5.5 Tiêu chuẩn nghiệm thu thử nghiệm tải trọng neo đất
Neo đất được thử nghiệm tính năng hoặc thử nghiệm kiểm chứng với 10 min giữ tải có thể chấp nhận được nếu:
- Neo đất chịu được tải trọng thử tối đa với dịch chuyển nhỏ hơn 1,0 mm giữa 1 min và 10 min; và
- Tổng dịch chuyển ở tải trọng thử tối đa vượt quá 80 % độ giãn đàn hồi lý thuyết của chiều dài không dính bám, hoặc
- Đối với neo thử nghiệm tính năng trong đá tốt, tổng dịch chuyển tại tải trọng thử tối đa có thể không vượt quá độ giãn đàn hồi lý thuyết của chiều dài không dính bám cộng 50 % độ giãn dài đàn hồi lý thuyết của chiều dài dính bám.
Neo đất được thử nghiệm tính năng hoặc thử nghiệm kiểm chứng với thời gian giữ nguyên tải trọng trong 60 min có thể chấp nhận được nếu:
- Neo đất chịu được tải trọng thử tối đa với tốc độ từ biến không vượt quá 2,0 mm trong chu kỳ thời gian ghi cuối cùng; và
- Tổng dịch chuyển lúc tải trọng thử tối đa vượt 80 % của độ giãn dài đàn hồi lý thuyết của chiều dài không dính bám.
Đối với neo thử nghiệm tính năng trong đá tốt, tổng dịch chuyển của tải trọng thử tối đa có thể không vượt quá độ giãn dài đàn hồi lý thuyết của chiều dài dính bám.
Neo đất được thử từ biển có thể chấp nhận được nếu:
- Neo đất chịu tải trọng thử tối đa với tốc độ từ biển không vượt quá 2,0 mm trong chu kỳ thời gian ghi cuối cùng; và
- Tổng dịch chuyển lúc tải trọng thử tối đa vượt 80 % độ giãn dài đàn hồi lý thuyết của chiều dài
- Đối với neo thử nghiệm tính năng trong đá tốt, tổng dịch chuyển lúc tải trọng thử tối đa có thể không vượt độ giãn dài đàn hồi lý thuyết của chiều dài không dính bám cộng 50 % độ giãn dài đàn hồi lý thuyết của chiều dài dính bám.
Nếu tổng dịch chuyển của neo đất ứng với tải trọng thử nghiệm tối đa không vượt 80 % của độ giãn dài đàn hồi lý thuyết của chiều dài không dính bám, neo đất phải thay thế.
Neo đất có tốc độ từ biến lớn hơn 2,0 mm theo chu kỳ thời gian ghi chép có thể đưa vào trong kết cấu nhưng sức kháng danh định thiết kế phải bằng 1/2 tải trọng phá hoại của nó. Tải trọng phá hoại là tải trọng do neo chịu sau khi tải trọng đã được để ổn định trong 10 min.
Khi neo đất bị phá hoại, Nhà thầu phải sửa đổi thiết kế và/hoặc các phương thức lắp đặt. Các sửa đổi này có thể bao gồm, nhưng không phải chỉ hạn chế ở việc lắp đặt neo đất thay thế, giảm tải trọng thiết kế bằng cách tăng số lượng neo đắt, sửa đổi các phương pháp lắp đặt, tăng chiều dài dính bám hoặc thay đổi loại neo đất. Mọi sửa đổi về phương pháp thiết kế và thi công đều không được bổ sung kinh phí và không được phép kéo dài hợp đồng.
Không được phép thử lại neo đất, ngoại trừ các neo đất được bơm vữa lại có thể được thử lại.
8.5.6 Chốt neo
Khi đã hoàn thành tốt việc thử tải trọng, tải trọng neo đất phải giảm xuống tải trọng chốt neo cho trong hồ sơ hợp đồng và truyền đến thiết bị neo. Neo đất có thể được dỡ tải hoàn toàn trước khi chốt. Sau khi truyền tải trọng và trước khi tháo kích, phải đọc tải trọng dỡ tải. Tải trọng dỡ tải phải nằm trong khoảng 10 % tải trọng chốt quy định. Nếu tải trọng dỡ tải không trong phạm vi 10 % tải trọng chốt quy định, neo phải bố trí lại và đọc tải trọng dỡ tải khác. Quá trình này phải lặp lại cho tới khi đạt được tải trọng chốt mong muốn.
9 Đo đạc
Neo đất được đo đạc theo số lượng neo đã lắp đặt và được chấp nhận như đã cho trong hồ sơ hợp đồng hoặc theo yêu cầu của Kỹ sư. Không thay đổi số lượng neo đất được thanh toán nếu Nhà thầu sử dụng một số lượng neo đất theo phương án khác.
THI CÔNG CẦU ĐƯỜNG BỘ - PHẦN 7: KẾT CẤU CHẮN ĐẤT
Bridge Construction Specifications - Part 7: Earth-Retaining Systems
1 Phạm vi áp dụng
Bộ tiêu chuẩn TCVN 12885:2020 áp dụng đối với công tác thi công các cầu, cống có kết cấu thông thường, sử dụng các công nghệ thi công thông thường trên đường bộ; cũng có thể tham khảo để thi công các cầu, cống trên đường sắt, có yêu cầu kỹ thuật tương tự.
Tiêu chuẩn này quy định các yêu cầu thi công và nghiệm thu, áp dụng đối với công tác cung cấp và lắp đặt kết cấu chắn đất, trong thi công cầu.
Tiêu chuẩn này được dùng làm cơ sở để xây dựng Chỉ dẫn kỹ thuật thi công đối với công tác nêu trên trong dự án xây dựng cầu đường bộ.
2 Tài liệu viện dẫn
Các tài liệu viện dẫn sau là cần thiết cho việc áp dụng tiêu chuẩn này. Đối với các tài liệu viện dẫn ghi năm công bố thì áp dụng phiên bản được nêu. Đối với các tài liệu viện dẫn không ghi năm công bố thì áp dụng phiên bản mới nhất, bao gồm cả các sửa đổi, bổ sung (nếu có).
TCVN 12885-1:2020, Thi công cầu đường bộ - Phần 1: Đào và lắp kết cấu.
TCVN 12885-4:2020, Thi công cầu đường bộ - Phần 4: Cọc đóng.
TCVN 12885-5:2020, Thi công cầu đường bộ - Phần 5: Cọc khoan nhồi.
TCVN 12885-6:2020, Thi công cầu đường bộ - Phần 6: Neo đất.
TCVN 12885-8:2020, Thi công cầu đường bộ - Phần 8: Kết cấu bê tông.
TCVN 12885-9:2020, Thi công cầu đường bộ - Phần 9: Cốt thép.
TCVN 12885-11:2020, Thi công cầu đường bộ - Phần 11: Kết cấu thép.
TCVN 12885-13:2020, Thi công cầu đường bộ - Phần 13: Sơn.
TCVN 12885-14:2020, Thi công cầu đường bộ - Phần 14: Đá xây.
TCVN 12885-15:2020, Thi công cầu đường bộ - Phần 15: Khối xây bằng gạch và block bê tông.
TCVN 12885-16:2020, Thi công cầu đường bộ - Phần 16: Kết cấu gỗ.
TCVN 12885-17:2020, Thi công cầu đường bộ - Phần 17: Xử lý bảo quản gỗ.
TCVN 12885-22:2020, Thi công cầu đường bộ - Phần 22: Bảo vệ mái dốc.
TCVN 12885-24:2020, Thi công cầu đường bộ - Phần 24: Vữa phun bằng khí nén.
TCVN 9685:2013, Cọc ván thép cán nóng.
TCVN 9844:2013, Yêu cầu thiết kế, thi công và nghiệm thu vài địa kỹ thuật trong xây dựng nền đắp trên đất yếu.
HM-WB, Standard Specifications for Transportation Materials and Methods of Sampling and Testing, 2017 (Tiêu chuẩn kỹ thuật đối với vật liệu giao thông và phương pháp lấy mẫu và thử nghiệm).
GSHC-9, Guide Specifications for Highway Construction. 9th Edition 2008 (Tiêu chuẩn hướng dẫn thi công đường bộ).
ASTM C1372, Standard Specification for Segmental Retaining Wall Units (Tiêu chuẩn kỹ thuật đối với các tường chắn phân đoạn).
ASTM C140, Standard Test Methods for Sampling and Testing Concrete Masonry Units and Related Units (Tiêu chuẩn phương pháp thử đối với lấy mẫu và thử nghiệm khối xây bê tông và các kết cấu liên quan).
ASTM A709/A709M, Standard Specification for structural Steel for Bridges (Tiêu chuẩn kỹ thuật đối với thép kết cấu cho cầu).
ASTM C136, Standard Test Methods for Sieve Analysis of Fine and Coarse Aggregates (Tiêu chuẩn phương pháp thử đối với phân tích sàng cốt liệu thô và mịn).
ASTM C3080, Standard Test Methods for Direct Shear Test of Soils under Consolidated Drained Conditions (Tiêu chuẩn phương pháp thử đối với thí nghiệm cắt trực tiếp dưới điều kiện thoát nước cố kết).
ASTM A328/A328M, Standard Specification for Steel Sheet Piling (Tiêu chuẩn kỹ thuật đối với cọc ván thép).
ASTM A690/A690M, Standard Specification for High-Strength Low-Alloy Nickel, Copper, Phosphorus Steel H-Piles and Sheet Piling with Atmospheric Corrosion Resistance for Use in Marine Environments (Tiêu chuẩn kỹ thuật đối với cọc H-hợp kim thấp, đồng, thép phốt-pho cường độ cao với khả năng chống ăn mòn trong khí quyển để sử dụng trong môi trường biển).
ASTM A153/A153M, Standard Specification for Zinc Coating (Hot-Dip) on Iron and Steel Hardware (Tiêu chuẩn kỹ thuật đối với lớp phủ kẽm (nhúng nóng) trên phần cứng sắt và thép).
ASTM A123/A123M, Standard Specification for Zinc (Hot-Dip Galvanized) Coatings on tron and Steel Products (Tiêu chuẩn kỹ thuật đối với lớp phủ kẽm (mạ kẽm nhúng nóng) trên các sản phẩm sắt và thép).
ASTM A572/A572M, Standard Specification for High-Strength Low-Alloy Columbium-Vanadium structural Steel (Tiêu chuẩn kỹ thuật đối với thép kết cấu Columbium-Vanadium hợp kim thấp cường độ cao).
ASTM A82, Standard Specification for Steel Wire, Plain, for Concrete Reinforcement (Tiêu chuẩn kỹ thuật đối với sợi thép trơn cho cốt thép bê tông).
ASTM A185, Standard Specification for Steel Welded Wire Fabric, Plain, for Concrete Reinforcement (Tiêu chuẩn kỹ thuật đối với sợi thép hàn, trơn, cho cốt thép bê tông).
MMM-A-121, Federal Specification Adhesive, Bonding Vulcanized Rubber to Steel (Tiêu chuẩn kỹ thuật liên bang về chất kết dính, cao su lưu hóa liên kết cốt thép).
3 Thuật ngữ và định nghĩa
Tiêu chuẩn này sử dụng các thuật ngữ và định nghĩa nêu trong TCVN 12885-1:2020 và các thuật ngữ, định nghĩa sau:
3.1
Kết cấu chắn đất (Earth-retaining structure)
Loại kết cấu xây dựng để giữ ổn định đất giữa hai độ cao khác nhau, tại vùng địa hình thay đổi độ cao lớn, độ dốc không như ý hoặc ở những nơi có cảnh quan nhân tạo phải cải tạo lớn, không thể tạo mái dốc tự nhiên.
3.2
Tường chắn đất có cốt (Mechanically Stabilized Earth Wall)
Hệ tường chắn đất, sử dụng các cốt gia cường chịu kéo dạng dải hoặc ô lưới bằng kim loại hoặc polimer đặt trong khối đất và cấu kiện làm mặt tường đặt thẳng đứng hoặc gần như thẳng đứng.
3.3
Tường cọc chống (Soldier pile wall)
Tường chắn gồm các cọc đóng (cọc gỗ, cọc thép, cọc bê tông cốt thép) hoặc cọc khoan nhồi, được đặt cách đều nhau và giữa các cọc có thể bố trí các tấm chắn.
4 Mô tả
Công việc này gồm có việc cung cấp và lắp đặt kết cấu chắn đất theo hồ sơ hợp đồng và Tiêu chuẩn này.
5 Bản vẽ biện pháp thi công
Phải đệ trình cho Kỹ sư bản vẽ biện pháp thi công và tính toán thiết kế để xem xét và chấp thuận ít nhất 4 tuần trước khi cóng việc bắt đầu. Các tài liệu yêu cầu cần đệ trình:
- đối với mỗi phương án kết cấu chắn đất độc quyền hoặc không độc quyền đề xuất, như được chấp nhận hoặc quy định trong hồ sơ hợp đồng,
- cấu tạo chi tiết đối với kết cấu phải thi công mà không có trong hồ sơ hợp đồng,
- khi có yêu cầu khác bởi hồ sơ hợp đồng hoặc Tiêu chuẩn này. Bản vẽ biện pháp thi công và tính toán thiết kế phải bao gồm:
+ cao độ đất hiện hữu đã được Nhà thầu kiểm tra đối với mỗi vị trí liên quan đến toàn bộ hay một phần công trình trong nền đất ban đầu,
+ sơ đồ bố trí tường sẽ chắn đất có hiệu quả, nhưng các thông số về chiều dài và chiều cao không nhỏ hơn kết cấu tường đã cho trong hồ sơ hợp đồng,
+ tính toán thiết kế hoàn chỉnh chứng minh thiết kế kiến nghị thoả mãn các thông số trong hồ sơ hợp đồng,
+ chi tiết đầy đủ của các bộ phận cần thiết đối với việc thi công hệ thống phù hợp, kể cả yêu cầu kỹ thuật của vật liệu hoàn chỉnh,
+ yêu cầu về công tác đất bao gồm yêu cầu kỹ thuật về vật liệu và độ chặt của đất đắp,
+ chi tiết sửa đổi hoặc bổ sung hệ thống thoát nước hoặc các công trình khác cần thiết để thích ứng với hệ thống chắn đất,
+ thông tin khác yêu cầu trong hồ sơ hợp đồng hoặc theo yêu cầu của Kỹ sư.
Nhà thầu chỉ được tiến hành bát kỳ công việc nào về kết cấu chắn đất theo yêu cầu của bản vẽ biện pháp thi công sau khi các bản vẽ đó được Kỹ sư chấp thuận. Việc chấp thuận bản vẽ biện pháp thi công của Kỹ sư không giảm nhẹ cho Nhà thầu bất kỳ trách nhiệm nào trong hồ sơ hợp đồng đối với việc hoàn thành tốt công việc.
6 Vật liệu
6.1 Bê tông
6.1.1 Đúc tại chỗ
Bê tông đúc tại chỗ phù hợp với yêu cầu của TCVN 12885-8:2020. Bê tông phải thuộc loại A trừ khi có chỉ định khác trong hồ sơ hợp đồng.
6.1.2 Vữa phun bằng khí nén
Vữa phun bằng khí nén phù hợp với yêu cầu của TCVN 12885-24:2020.
6.1.3 Bộ phận đúc sẵn
Vật liệu, việc chế tạo, cất giữ, vận chuyển và lắp dựng các bộ phận bê tông đúc sẵn phù hợp với yêu cầu trong Điều 16 của TCVN 12885-8:2020. Trừ khi có ghi khác trong hồ sơ hợp đồng hoặc trên bản vẽ biện pháp thi công được chấp thuận, bê tông xi măng Portland dùng cho các bộ phận đúc sẵn phù hợp với loại A (AE) với cường độ chịu nén tối thiểu ở 28 ngày bằng 28 MPa.
6.1.4 Khối tường mặt bằng bê tông phân đoạn
Khối xây bằng bê tông dùng làm tường mặt phải có cường độ nén tối thiểu là 28 MPa và giới hạn hấp thụ nước là 5 %. Khối tường mặt phải thoả mãn yêu cầu của ASTM C1372, trừ việc chấp thuận về độ bền theo phương pháp thí nghiệm này phải đạt được nếu tổn thất về trọng lượng của 4 trong số 5 mẫu sau 150 chu kỳ không vượt quá 1 % trọng lượng ban đầu của nó. Các khối còn phải thỏa mãn yêu cầu bổ sung của ASTM C140.
6.2 Cốt thép
Cốt thép phù hợp với yêu cầu của TCVN 12885-9:2020.
6.3 Thép kết cấu
Thép kết cấu phù hợp với AASHTO M270M/M270 (ASTM A709/A709M) cấp 36 (Cấp 250) trừ khi có quy định khác trong hồ sơ hợp đồng.
6.4 Gỗ
Gỗ phù hợp với yêu cầu của TCVN 12885-16:2020 và Điều 5.2 của TCVN 12885-4:2020.
6.5 Các bộ phận thoát nước
6.5.1 Ống và ống có khoan lỗ
Ống và ống có khoan lỗ phù hợp với Phần 708 và 709 của GSHC-9.
6.5.2 Vải lọc
Vải lọc phù hợp với Phần 620 của GSHC-9, hoặc phù hợp với vài địa kỹ thuật làm tầng lọc thoát nước của TCVN 9844:2013.
6.5.3 Vật liệu thấm nước
Vật liệu thấm nước phù hợp với Phần 704 của GSHC-9 trừ khi có quy định khác trong hồ sơ hợp đồng hoặc trong bản vẽ biện pháp thi công được chấp thuận.
6.5.4 Hệ thống thoát nước địa kỹ thuật hỗn hợp
Hệ thống thoát nước địa kỹ thuật hỗn hợp phù hợp với yêu cầu quy định trong hồ sơ hợp đồng hoặc bản vẽ biện pháp thi công được chấp thuận.
6.6 Đất đắp
6.6.1 Tổng quát
Đất đắp phải bao gồm các đất không chứa chất hữu cơ hoặc các loại vật liệu không phù hợp khác theo xác định của Kỹ sư. Các cỡ hạt phải xác định theo AASHTO T-27 (ASTM C136). Cấp phối phải theo như Bảng 1 dưới đây, trừ khi có quy định khác.
Bảng 1 - Cấp phối đất đắp
| Cỡ sàng | Phần trăm lọt qua (%) |
| 75 mm | 100 |
| 4,75 mm | 35 - 100 |
| 600 μm | 20 - 100 |
| 75 μm | 0 - 15 |
6.6.2 Tường chồng nề và tường ngăn ô
Vật liệu đất đắp đối với tường chồng nề và tường ngăn ô phải có thuộc tính không lọt qua hoặc chảy qua các lỗ hở trong tường. Với tường cao trên 6.000 mm phải có cấp phôi sau, Bảng 2.
Bảng 2 - Cấp phối đất đắp đối với tường chồng nề và tường ngăn ô
| Cỡ sàng | Phần trăm lọt qua (%) |
| 75 mm | 100 |
| 4,75 mm | 25 - 70 |
| 600 μm | 5 - 20 |
| 75 μm | 0 - 5 |
6.6.3 Tường chắn đất có cốt
Đất đắp đối với tường chắn đất có cốt phù hợp với yêu cầu sau đây về cấp phối, góc ma sát trong và ổn định thể tích, Bảng 3.
Bảng 3 - Cấp phối đất đắp đối với tường chắn có cốt
| Cỡ sàng | Phần trăm lọt qua (%) |
| 100 mm | 100 |
| 425 mm | 0 - 60 |
| 75 μm | 0 - 15* |
CHÚ THÍCH:
* Chỉ số dẻo (Pl) theo xác định của AASHTO T90 không được quá 6.
Đất phải có góc ma sát trong không nhỏ hơn 34°, được xác định theo thí nghiệm chống cắt tiêu chuẩn, AASHTO T236 (ASTM D3080), trên phần nhỏ hơn sàng No. 10 (2,00 mm), sử dụng một mẫu đất đầm lèn tới 95 % của AASHTO T99, Phương pháp C hoặc D (với hiệu chỉnh quá kích cỡ) ở hàm lượng âm tối ưu. Không cần thử nghiệm đối với đất đắp trong đó 80 % cỡ hạt lớn hơn 19 mm.
Chất lượng đất phải không có diệp thạch hoặc các hạt mềm, các hạt độ bền kém. Đất phải có độ tổn thất thể tích chống suntat manhê nhỏ hơn 30 % sau 4 chu kỳ.
Ngoài ra, đất đắp phải đáp ứng yêu cầu điện hoá sau đây khi sử dụng đất có cốt thép:
- Độ pH bằng 5 tới 10
- Điện trở suất không nhỏ hơn 30 Ωm
- Hàm lượng Clorit không lớn hơn 100 ppm.
- Hàm lượng Sunfat không lớn hơn 200 ppm.
7 Công tác đất
7.1 Công tác đào kết cấu
Công tác đào kết cấu hệ chắn đất phù hợp với yêu cầu của TCVN 12885-1:2020 và các quy định dưới đây.
7.2 Xử lý móng
Xử lý móng phù hợp với yêu cầu của Điều 7.2 của TCVN 12885-1:2020, trừ khi có quy định khác trong hồ sơ hợp đồng hoặc trong bản vẽ biện pháp thi công được chấp thuận. Nếu phải đào đất nền thì Nhà thầu cần thực hiện việc đào theo các giới hạn đã cho. Đất đã đào đi phải thay bằng loại đất đắp đáp ứng yêu cầu đối với hệ kết cấu chắn đất liên quan được thi công, trừ khi có quy định loại đất khác trong hồ sơ hợp đồng. Đất phải được đầm lèn tới độ chặt không nhỏ hơn 95 % độ chặt tối đa xác định theo AASHTO T99, Phương pháp C hoặc D.
7.3 Lấp đất
Việc lấp đất kết cấu phải theo yêu cầu trong Điều 7.3 của TCVN 12885-1:2020 và Điều 9. Đất sử dụng phù hợp với yêu cầu của Điều 6.6.
8 Thoát nước
8.1 Rãnh biên bằng bê tông
Rãnh biên bằng bê tông phải thi công theo mặt cắt đã cho trong hồ sơ hợp đồng hoặc bản vẽ biện pháp thi công được chấp thuận. Vữa phun khí nén phải phù hợp yêu cầu của TCVN 12885-24:2020. Lỗ thoát phải bố trí tại các chỗ trũng trong mặt cắt, tại các đầu thấp của rãnh và tại các vị trí chỉ định khác.
8.2 Lỗ thoát trong tường
Lỗ thoát trong tường phải thi công tại các vị trí cho trong hồ sơ hợp đồng hoặc bản vẽ biện pháp thi công được chấp thuận. Tại mỗi lỗ thoát phải có ít nhất 0,06 m3 vật liệu thấm nước bọc trong vải lọc.
Khe nối giữa các tấm mặt tường chắn bê tông đúc sẵn làm việc như các lỗ thoát nước phải che phủ bằng vải lọc. Vải lọc phải dính kết với các tấm bê tông mặt bằng chất dính kết phù hợp với MMM-A-121. Các tấm bê tông mặt dán vải lọc phải khô và làm sạch hoàn toàn không còn bụi bẩn và các vật liệu rời.
8.3 Lớp đệm tiêu nước
Lớp đệm tiêu nước gồm có đất thấm nước được bọc trong vải lọc, các ống thu gom, các ống thoát ra và các ông kiểm tra để rửa ống phải thi công theo như được nêu trong hồ sơ hợp đồng hoặc bản vẽ biện pháp thi công được chấp thuận.
Lớp mặt nền để đặt vải lọc thoát nước phải phù hợp với các dung sai về độ chặt và cao độ quy định và phải không có vật liệu rời hoặc từ ngoài rơi vào và các vật nhọn sắc có thể làm hư hỏng vải lọc trong khi lắp đặt. Vải lọc phải căng, thẳng hàng và không có nếp gấp. Các mép tiếp giáp của vải lọc phải chồng lên nhau từ 300 mm đến 450 mm. Nếu vải lọc bị hư hỏng, đoạn bị rách hoặc thủng phải sửa chữa bằng cách đặt một mảnh vải lọc đủ rộng để phủ diện tích bị hư hỏng và đáp ứng yêu cầu về độ phủ chồng lên nhau.
Đất thấm nước phải rải thành các lớp nằm ngang và đảm bảo hoàn toàn cố kết cùng lúc theo phương pháp như quy định với đất đắp. Không được phép để đất thấm nước hoặc đất đắp kề vợi đất thấm nước tạo thành vũng hoặc bị xói. Trong khi rải và đầm lèn vật liệu thấm và vật liệu san lấp hoặc vật liệu đắp, phải đảm bảo giữ lớp đất này có khoảng cách ít nhất là 150 mm giữa vải lọc và thiết bị của Nhà thầu.
Ống thu gom có lỗ phải đặt trong lớp thấm nước theo các cao độ dòng chảy đã cho.
Ống ở đầu thoát ra phải đặt tại các chỗ trũng trong tuyến dòng chảy, tại đầu thấp của ống thu gom và tại các vị trí khác đã cho hoặc được quy định trong hồ sơ hợp đồng. Việc bảo vệ mái dốc bằng đá, khi có yêu cầu tại đầu các ống thoát, phải phù hợp với các chi tiết trong hồ sơ hợp đồng hoặc bản vẽ biện pháp thi công được chấp thuận và yêu cầu trong TCVN 12885-22:2020.
Ống kiểm tra để rửa ống phải đặt tại các đầu cao của ống thu gom và tại các vị trí khác theo quy định trong hồ sơ hợp đồng.
8.4 Hệ thống thoát nước địa kỹ thuật hỗn hợp
Hệ thống thoát nước địa kỹ thuật hỗn hợp phải đặt tại các vị trí cho trên hồ sơ hợp đồng hoặc bản vẽ biện pháp thi công được chấp thuận. Vật liệu thoát nước địa kỹ thuật hỗn hợp phải đặt và liên kết chặt chẽ với mặt đất đào, tấm mặt hoặc tại lưng tường theo quy định trong hồ sơ hợp đồng. Khi phải đổ bê tông lên vật liệu thoát nước địa kỹ thuật hỗn hợp, vật liệu thoát nước phải được bảo vệ chống hư hại và rò rỉ vữa.
9 Thi công
9.1 Tường bê tông và tường xây trọng lực, tường chắn bê tông cốt thép
Thi công đá xây phù hợp với yêu cầu của TCVN 12885-14:2020. Thi công bê tông phù hợp với yêu cầu của TCVN 12885-8:2020. Khối xây bằng bê tông cốt thép phù hợp với yêu cầu của TCVN 12885-15:2020.
Bộ phận tường bê tông đúc sẵn thẳng đứng với bệ móng bằng bê tông đúc tại chỗ phải được đỡ và giằng chống thoả đáng để phòng lún hoặc chuyển vị ngang cho tới khi bệ móng bê tông đã đổ xong và có đủ cường độ để đỡ các bộ phận tường.
Mặt lộ ra của tường bê tông phải hoàn thiện theo Loại I như quy định trong TCVN 12885-8:2020, trừ khi trên hồ sơ hợp đồng hoặc trên bản vẽ biện pháp thi công được chấp thuận có quy định cách xử lý kiến trúc đặc biệt.
9.2 Tường cọc ván và tường cọc chống
Công việc này gồm có việc thi công các tường liên tục bằng cọc ván gỗ, cọc ván thép hoặc cọc ván bê tông và việc thi công tường cọc chống với các cấu kiện mặt nằm ngang bằng gỗ, thép hoặc bê tông.
9.2.1 Tường cọc ván
Cọc ván thép phải là loại và trọng lượng chỉ định trong hồ sơ hợp đồng. Cọc ván thép phù hợp với yêu cầu của AASHTO M202M/M202 (ASTM A328/A328M), AASHTO M270M/M270 (ASTM A709/A709M) cấp 345, hoặc của TCVN 9685:2013 cấp tương đương, hoặc theo yêu cầu kỹ thuật đối với “Cọc dùng trong môi trường biển” của ASTM A690/A690M. Việc sơn cọc ván thép khi có yêu cầu phù hợp với Điều 5 của TCVN 12885-13:2020.
Cọc ván gỗ, trừ khi có quy định khác hoặc được phép làm khác trong hồ sơ hợp đồng, phải được xử lý theo TCVN 12885-17:2020. Cọc phải có kích thước, chủng loại và cấp gỗ quy định trong hồ sơ hợp đồng. Cọc có thể làm từ gỗ đặc hoặc ghép bằng ba tấm ván đóng chặt vào nhau. Cọc phải vát nhọn đầu dưới để nêm cọc bên cạnh chặt vào nhau trong khi đóng.
Cọc ván bê tông phải phù hợp với các chi tiết cho trên hồ sơ hợp đồng hoặc bản vẽ biện pháp thi công được chấp thuận. Nói chung việc chế tạo và lắp đặt phù hợp với yêu cầu đối với cọc chịu lực bê tông đúc sẵn trong TCVN 12885-4:2020. Cọc ván bê tông phải có mộng và rãnh mộng để nối với nhau ở phần dưới đất và mối nối hai rãnh ở phần lộ ra, sau khi lắp phải có các rãnh xoi bên trên không có cát, bùn hoặc rác rưởi, và được nhồi vữa đầy. Trừ khi có quy định khác trong hồ sơ hợp đồng hoặc được chấp thuận bằng văn bản của Kỹ sư, vữa phải gồm một phần xi măng và hai phân cát. Vữa phải đầy qua ống vữa đặt trong bao bằng chất dẻo kín nước chạy dài hết chiều sâu của rãnh phun tạo thành bởi các rãnh của hai cọc tiếp giáp và rãnh này sẽ được lấp đầy hoàn toàn.
Cọc ván phải đóng cho tới chiều sâu quy định hoặc tới khả năng chịu lực phù hợp với yêu cầu của TCVN 12885-4:2020.
Sau khi đóng, đỉnh các cọc ván phải cắt gọn một cách khéo léo thành đường thẳng tại cao độ cho trong hồ sơ hợp đồng hoặc theo chỉ dẫn của Kỹ sư.
Tường cọc ván phải được giằng bằng thanh giằng hoặc các hệ thống giằng khác cho trên hồ sơ hợp đồng hoặc theo chỉ dẫn của Kỹ sư.
Thanh ngang giằng cọc bằng gỗ phải gối chồng lên nhau một cách thoả đáng và được nối tại tất cả các mối nối và các góc. Thanh ngang giằng cọc nên là một thanh dài liền giữa các góc và phải bắt bu lông gần đỉnh các cọc.
Xà mũ bê tông cốt thép, khi có chỉ dẫn trong hồ sơ hợp đồng hoặc bản vẽ biện pháp thi công được chấp thuận, phải thi công theo TCVN 12885-8:2020.
9.2.2 Tường cọc chống
Cọc chống đỡ phải là cọc đóng hoặc cọc khoan nhồi tới chiều sâu quy định hoặc khả năng chịu lực cho trong hồ sơ hợp đồng.
Cọc đóng phải cung cấp và lắp đặt theo yêu cầu của TCVN 12885-4:2020. Cọc phải là loại cho trong hồ sơ hợp đồng.
Cọc thi công trong lỗ khoan phải phù hợp với các chi tiết cho trên hồ sơ hợp đồng. Thi công đào và đúc bê tông cọc hoặc lấp bằng bê tông nghèo phải theo TCVN 12885-5:2020. Thành phần kết cấu của cọc chống đỡ đặt trong lỗ đào phải theo quy định trên hồ sơ hợp đồng. Bê tông cốt thép dù đúc tại chô hay đúc sẵn phù hợp với yêu cầu của TCVN 12885-8:2020. cấu kiện gỗ phù hợp với yêu cầu của TCVN 12885-16:2020 và TCVN 12885-17:2020. Cấu kiện thép phù hợp với yêu cầu của TCVN 12885-11:2020. Sơn cấu kiện thép, nếu có yêu cầu, phù hợp với TCVN 12885-13:2020.
Bê tông lấp xung quanh các cấu kiện cọc bê tông đúc sẵn, cọc gỗ hoặc cọc thép, trong lỗ cọc khoan phải là loại bê tông xi măng Portland có thể mua được trên thị trường với hàm lượng xi măng không nhỏ hơn 280 kg/m3. Bê tông nghèo để lấp phải gồm cát và nước dùng làm bê tông có chất lượng mua ở thị trường và hàm lượng xi măng Portland không quá 56 kg/m3. Giới hạn đổ bê tông và bê tông nghèo phải được chỉ rõ trong hồ sơ hợp đồng.
Mặt tường chạy nằm ngang giữa các cọc chống phải phù hợp với các vật liệu và chi tiết cho trên hồ sơ hợp đồng hoặc bản vẽ biện pháp thi công được chấp thuận. Tấm mặt bằng gỗ phù hợp với yêu cầu trong TCVN 12885-16:2020 và TCVN 12885-17:2020. Các tấm mặt bê tông đúc sẵn và tấm mặt bê tông đúc tại chỗ phù hợp với yêu cầu của TCVN 12885-8:2020. Các neo bê tông, các liên kết hàn và liên kết bu lông để cố định tấm mặt vào cọc chống phải phù hợp với các chi tiết trong hồ sơ hợp đồng.
Mặt lộ ra của tường bê tông phải được hoàn thiện Loại I theo quy định trong TCVN 12885-8:2020 trừ khi trọng hồ sơ hợp đồng hoặc trong bản vẽ biện pháp thi công được chấp thuận có quy định cách xử lý kiến trúc.
9.2.3 Tường cọc ván và tường cọc chống có neo
9.2.3.1 Tổng quát
Việc thi công các tường có neo gồm có việc thi công các tường cọc ván và tường cọc chống đỡ áp lực ngang được neo bằng một thanh giằng và hệ thống neo bê tông hoặc neo đất.
Việc thi công tường cọc ván và tường cọc chống đỡ áp lực ngang phù hợp với yêu cầu của Điều 9.2.1 và 9.2.2 tương ứng.
9.2.3.2 Thanh ngang giằng cọc
Thanh ngang giằng cọc bao gồm gỗ, thép hoặc bê tông phải phù hợp với các chi tiết trong hồ sơ hợp đồng hoặc bản vẽ biện pháp thi công được chấp thuận. Biến dạng của thanh ngang giằng cọc phải sao cho có thể đặt các thanh neo hoặc neo đất mà không bị uốn. Thanh ngang giằng cọc gỗ phù hợp với yêu cầu của TCVN 12885-16:2020 và TCVN 12885-17:2020. Thanh ngang giằng cọc thép phù hợp với yêu cầu của TCVN 12885-11:2020. Thanh ngang giằng cọc bê tông phù hợp với yêu cầu của TCVN 12885-8:2020.
9.2.3.3 Hệ thống neo bê tông
Hệ thống neo bê tông gồm có cọc khoan hoặc các khối bê tông cốt thép đặt trong giới hạn của hố đào đất đá, có hoặc không có cọc đỡ, phải phù hợp với các chi tiết trong hồ sơ hợp đồng hoặc bản vẽ biện pháp thi công được chấp thuận.
Cọc neo xiên phải đóng theo đúng độ xiên đã cho. Cọc neo chịu kéo phải được cung cấp với các biện pháp thoả đáng để neo vào khối bê tông neo.
Neo bê tông cọc khoan phải phù hợp với các chi tiết trong hồ sơ hợp đồng hoặc bản vẽ biện pháp thi công được chấp thuận, và được thi công theo đúng TCVN 12885-5:2020.
9.2.3.4 Thanh neo
Thanh neo phải là thanh thép tròn phù hợp với AASHTO M270M/M270 (ASTM A709/A709M) cấp 36 (cấp 250) trừ khi có quy định khác trong hồ sơ hợp đồng. Phải bố trí bảo vệ chống ăn mòn theo quy định trong các hồ sơ hợp đồng. Phải chú ý trong các thao tác cẩu lắp và lấp hố đào để phòng ngừa hư hại lớp bảo vệ chống ăn mòn hoặc bản thân thanh neo bị uốn.
Liên kết thanh neo với cọc chống, thanh ngang giằng cọc, mặt tường và neo bê tông phải phù hợp với các chi tiết quy định trong hồ sơ hợp đồng.
9.2.3.5 Neo đất
Neo đất phải thi công theo yêu cầu của TCVN 12885-6:2020. Liên kết của neo đất vào cọc chống đỡ, thanh giằng hoặc mặt tường phải phù hợp với các chi tiết trong hồ sơ hợp đồng hoặc bản vẽ biện pháp thi công được chấp thuận.
9.2.3.6 Công tác đất
Công tác đất phù hợp với yêu cầu trong Điều 7.
Trừ khi có quy định khác trong hồ sơ hợp đồng, việc đào ở phía trước các tường không được tiến hành quá 100 mm bên dưới cao độ thanh neo hoặc neo đất cho tới khi các thanh neo và neo hoặc neo đất này được hoàn thành và được Kỹ sư chấp thuận.
Việc đặt tấm mặt phải theo sát việc đào phía trước tường để cho đất bị mất ít nhất.
9.3 Tường chồng nề và tường ngăn ô
Công việc này gồm có việc thi công các tường chồng nề bằng gỗ, bê tông hoặc thép và tường ngăn ô liền khối bằng bê tông với vật liệu lấp đầy trong các ô tạo thành bởi các cấu kiện.
9.3.1 Móng
Ngoài yêu cầu của Điều 7.2 đất nền hoặc lớp đất lót nền phải hoàn thành ở cao độ và độ dốc ngang chính xác sao cho tuyến mặt thẳng đứng hoặc nghiêng sẽ được thực hiện.
Khi có yêu cầu, các ngưỡng gỗ đặt chìm trong đất, các lớp đệm bê tông san bằng hoặc các bệ móng bê tông phải phù hợp với các chi tiết cho trong hồ sơ hợp đồng. Ngưỡng gỗ đặt chìm phải nắm chắc chắn và đều đặn trong đất móng. Bê tông làm các lớp đệm san bằng hoặc bệ móng phải đổ sát vào các cạnh của hố đào trong đất nền.
9.3.2 Các thanh chồng nề
Thanh dọc và ngang của chồng nề phù hợp với yêu cầu của TCVN 12885-16:2020 và cũng phải như vậy đối với dầm mũ, cột và ngưỡng. Cách xử lý bảo quản phù hợp với yêu cầu của TCVN 12885-17:2020. Kích thước của các thanh phải theo như đã cho trong hồ sơ hợp đồng.
Thanh bê tông dọc và ngang phù hợp với yêu cầu của TCVN 12885-8:2020 đối với các thanh bê tông đúc sẵn. Kích thước của các thanh và cường độ tối thiểu của bê tông phải theo như chỉ dẫn trên hồ sơ hợp đồng hoặc bản vẽ biện pháp thi công được chấp thuận.
Thanh chồng nề thép gồm có tấm đáy, cột, thanh dọc và miếng đệm phải được chế tạo từ ván thép phù hợp với AASHTO M218. Bề dày các thanh phải theo như quy định. Thanh chồng nề phải chế tạo sao cho các thanh có cùng kích thước và bề dày danh định có thể hoàn toàn lắp lẫn nhau. Không được phép khoan, đột hoặc dập để sửa chữa các khuyết tật trong chế tạo. Bất cứ thanh nào có các lỗ đột không đúng đều phải thay. Bu lông, đai ốc và đồ kim loại khác phải mạ kẽm theo AASHTO M232M/M232 (ASTM A153/A153M).
9.3.3 Cấu kiện ngăn ô liền khối bằng bê tông
Cấu kiện ngăn ô liền khối bằng bê tông gồm có các ô bốn cạnh có chiều cao đồng đều và chiều sâu khác nhau phải đức theo yêu cầu đề ra cho các cấu kiện đúc sẵn trong TCVN 12885-8:2020. Cường độ chịu nén tối thiểu của bê tông phải bằng 28 MPa. Mặt ô lộ ra phải hoàn thiện theo Loại 1. Các mặt không nhìn thấy được phải có bề mặt hoàn thiện đồng đều không có các túi cốt liệu hở hoặc bề mặt bị cong vềnh quá 6 mm. Chốt khoá thò ra và hốc cho chốt ở mặt trên và mặt dưới của tường bên của ô phải có vị trí chính xác.
9.3.4 Đặt các thanh
Thanh chồng nề bằng gỗ và bê tông phải đặt thành từng lớp liên tiếp nhau với khoảng cách phù hợp với các chi tiết quy định đối với chiều cao riêng của tường đang thi công. Bu lông siết tại giao điểm của các thanh gỗ dọc và ngang phải đặt chính xác để khoảng cách các mép tối thiểu được bảo đảm. Tại giao điểm các thanh bê tông dọc và ngang phải dùng các đệm các tông tẩm asphalt hoặc vật liệu được chấp thuận khác để đạt được lực nén đồng đều giữa các cấu kiện.
Các đoạn cột thép, thanh dọc và miếng kê phải phù hợp với chiều dài và trọng lượng đúng theo quy định. Các thanh này phải đặt thẳng hàng chính xác để cho phép hoàn thành các liên kết bu lông mà không làm méo các thanh. Bu lông tại các liên kết phải xiết với mô men xoắn không nhỏ hơn 34.000 N.mm.
Cấu kiện ngăn ô liền khối bằng bê tông có kích thước chính xác phải chồng lần lượt phù hợp với cách bố trí cho trên hồ sơ hợp đồng hoặc bản vẽ biện pháp thi công được chấp thuận. Phải chú ý khi đặt các cấu kiện để ngăn ngừa hư hỏng các chốt khoá lồi ra. Chốt khoá bị hư hỏng hoặc không khớp phải được sửa chữa bằng phương pháp được Kỹ sư chấp thuận.
9.3.5 Lấp
Các ô được tạo thành bởi các cấu kiện tường phải được lấp bằng vật liệu lấp kết cấu phù hợp với yêu cầu trong Điều 6.6. Việc lấp phải tiến hành đồng thời với việc lắp dựng các cấu kiện tạo thành các ô. Vật liệu lập phải đổ và đầm lèn sao cho không làm xộc xệch hoặc hư hỏng các cấu kiện. Việc lấp các ô phải đổ thành lớp đồng đều dày không quá 300 mm, trừ khi Nhà thầu có kiến nghị khác và được Kỹ sư chấp thuận. Độ chặt phải đạt được ít nhất 95 % độ chặt tối đa xác định theo AASHTO T99, Phương pháp C. Việc lấp sau tường tới các giới hạn của hố đào phải phù hợp với yêu cầu giống như vậy trừ khi có chỉ dẫn hoặc chấp thuận khác.
9.4 Tường chắn đất có cốt
Việc thi công các tường chắn đất có cốt gồm có việc thi công hệ thống tường mặt kết nối với các cốt gia cố bằng thép hoặc polymer và việc đổ vật liệu lấp kết cấu xung quanh cốt gia cố đất.
9.4.1 Tường mặt
Tường mặt gồm có các tấm bê tông đúc sẵn, bê tông đổ tại chỗ hoặc tấm lưới thép hàn phải phù hợp với các chi tiết và vật liệu quy định trong hồ sơ hợp đồng hoặc trên bản vẽ biện pháp thi công được chấp thuận.
Tấm bê tông đúc sẵn phải đúc phù hợp với yêu cầu đề ra cho các kết cấu đúc sẵn trong TCVN 12885-8:2020. Cường độ nén của bê tông phải bằng cường độ quy định trong hồ sơ bê tông hoặc 28 MPa, lấy giá trị lớn hơn. Mặt lộ ra phải được hoàn thiện Loại I hoặc xử lý kiến trúc quy định trong hồ sơ hợp đồng hoặc bản vẽ biện pháp thi công được chấp thuận. Mặt không lộ ra không nhìn thấy được phải được hoàn thiện bề mặt đồng đều không có các túi cốt liệu hở ra hoặc bề mặt bị cong vềnh quá 6 mm. Đồ kim loại liên kết cốt gia cố đất phải được đặt chính xác và giữ chắc trong khi đổ bê tông và không được tiếp xúc với cốt thép gia cường khác. Chất bịt khe nối, các lớp lót chịu lực và vật liệu phủ khe nối phải theo đúng quy định trong hồ sơ hợp đồng.
Tường mặt bê tông đúc tại chỗ phải thi công theo yêu cầu trong TCVN 12885-8:2020. Cốt gia cố đất kéo dài quá tấm mặt tạm thời phải được chôn trong bê tông mặt với các kích thước tối thiểu cho trong hồ sơ hợp đồng hoặc bản vẽ biện pháp thi công được chấp thuận.
Lớp mặt bằng sợi thép hàn, hoặc tạm thời hoặc vĩnh cửu, phải được tạo thành bằng cách tạo một góc 90° với cốt gia cố nằm ngang. Phần thẳng đứng của cốt gia cố đất tạo thành lớp mặt phải nối với mức kế tiếp cao hơn của cốt gia cố đất. Phải đặt ngay sau phần thẳng đứng của cốt gia cố một lưới lót và tấm dệt kim loại. Cỡ sợi và khoảng cách của nó phải theo như quy định trong hồ sơ hợp đồng.
9.4.2 Cốt gia cố đất
Tất cả cốt thép gia cố đất và mọi liên kết thép phải mạ kẽm theo AASHTO M111M/M111 (ASTM A123/A123M).
Cốt gia cố dạng dải thép phải cán nóng theo hình dạng và kích thước yêu cầu. Thép phù hợp với ASTM A572/A572M cấp 65 (cấp 250) trừ khi có quy định khác trong hồ sơ hợp đồng.
Cốt lưới sợi thép hàn phải chế tạo trong xưởng từ sợi thép kéo nguội có các kích cỡ và khoảng cách cho trên hồ sơ hợp đồng hoặc theo bản vẽ biện pháp thi công được chấp thuận. Sợi thép phù hợp với yêu cầu của AASHTO M32M/M32 (ASTM A82), tấm lưới chế tạo phù hợp với yêu cầu của AASHTO M55M/M55 (ASTM A185).
Cốt gia cố Polymer phải là loại và cỡ chỉ định trong hồ sơ hợp đồng hoặc bản vẽ biện pháp thi công được chấp thuận và phải phù hợp với vật liệu quy định và yêu cầu chế tạo.
Đồ kim loại liên kết phải phù hợp với hồ sơ hợp đồng hoặc bản vẽ biện pháp thi công được chấp thuận.
Việc lắp đặt các thiết bị đo để giám sát độ ăn mòn phải phù hợp với yêu cầu quy định.
9.4.3 Thi công
Khi có yêu cầu, phải bố trí một lớp bê tông san bằng đổ tại chỗ hoặc bê tông cốt thép đúc sẵn tại cao độ móng của mỗi tấm. Trước khi đổ các lớp lót san bằng, nền đất phù hợp với yêu cầu của Điều 7.2.
Tấm bê tông đúc sẵn và tấm lưới sợi thép hàn làm mặt tường phải được đặt và đỡ theo sự^cần thiết để cho vị trí cuối cùng của chúng được thẳng đứng hoặc nghiêng theo như đã cho trên hồ sơ hợp đồng hoặc bản vẽ biện pháp thi công với dung sai mà Kỹ sư có thể chấp nhận được.
Lớp bịt khe nối, các tấm gối và vật liệu phủ khe nối phải đặt cùng lúc với việc đặt tấm bê tông mặt.
Vật liệu lấp phù hợp với yêu cầu trong Điều 6.6 phải rải và đầm lèn đồng thời với việc đặt lớp mặt và cốt gia cố đất. Việc đổ vật liệu lấp và đầm lèn phải thực hiện không làm méo mó hoặc dịch chuyển lớp mặt và cốt gia cố đất. Không được dùng xe lu chân cừu hoặc loại vỉ lưới để lu lèn lớp vật liệu lấp trong các giới hạn của cốt gia cố đất. Tại mỗi cao độ cốt gia cố đất, vật liệu lấp phải san bằng sơ bộ tới cao độ khoảng 30 mm bên trên cao độ liên kết tại lớp mặt trước khi đặt cốt gia cố đất. Tất cả cốt gia cố đất phải được kéo đồng đều để loại bỏ mọi độ chùng trong liên kết hoặc vật liệu.
10 Đo đạc
Trừ khi có chỉ định khác trong hồ sơ hợp đồng, các kết cấu chắn đất được đo đạc theo diện tích m2. Diện tích được dựa trên chiều cao thẳng đứng và chiều dài được xây, trừ trường hợp được phép có các phương án kết cấu chắn đất khác nhau trong hồ sơ hợp đồng. Khi cho phép có các phương án kết cấu chắn đất khác nhau, diện tích được dựa trên chiều cao thẳng đứng và chiều dài của mỗi đoạn của loại kết cấu. Chiều cao thẳng đứng của mỗi đoạn được lấy bằng hiệu số về cao độ trên mặt ngoài từ đáy tấm mặt thấp nhất đối với kết cấu không có bệ móng, và từ mặt trên của bệ móng đối với các kết cấu có bệ móng tới đỉnh tường, không bao gồm mọi rào chắn.
THI CÔNG CẦU ĐƯỜNG BỘ - PHẦN 8: KẾT CẤU BÊ TÔNG
Bridge Construction Specifications - Part 8: Concrete Structures
1 Phạm vi áp dụng
Bộ tiêu chuẩn TCVN 12885:2020 áp dụng đối với công tác thi công các cầu, cống có kết cấu thông thường, sử dụng các công nghệ thi công thông thường trên đường bộ; cũng có thể tham khảo để thi công các cầu, cống trên đường sắt, có yêu cầu kỹ thuật tương tự.
Tiêu chuẩn này quy định các yêu cầu thi công và nghiệm thu, áp dụng đối với công tác cung cấp, đổ bê tông, hoàn thiện và bảo dưỡng bê tông trong cầu, cống và các kết cấu khác của cầu.
Tiêu chuẩn này được dùng làm cơ sở để xây dựng Chỉ dẫn kỹ thuật thi công đối với công tác nêu trên trong dự án xây dựng cầu đường bộ.
2 Tài liệu viện dẫn
Các tài liệu viện dẫn sau là cần thiết cho việc áp dụng Tiêu chuẩn này. Đối với các tài liệu viện dẫn ghi năm công bố thì áp dụng phiên bản được nêu. Đối với các tài liệu viện dẫn không ghi năm công bố thì áp dụng phiên bản mới nhất, bao gồm cả các sửa đổi, bổ sung (nếu có).
TCVN 11823:2017, Thiết kế cầu đường bộ.
TCVN 12885-3:2020, Thi công cầu đường bộ - Phần 3: Công trình tạm.
TCVN 12885-9:2020, Thi công cầu đường bộ - Phần 9: Cốt thép.
TCVN 12885-10:2020, Thi công cầu đường bộ - Phần 10: Tạo dự ứng lực.
TCVN 12885-19:2020, Thi công cầu đường bộ - Phần 19: Tấm bịt khe nối mặt cầu.
TCVN 12885-23:2020, Thi công cầu đường bộ - Phần 23: Các kim loại khác.
TCVN 2682:2009, Xi măng poóc lăng - Yêu cầu kỹ thuật.
TCVN 6260:2009, Xi măng poóc lăng hỗn hợp - Yêu cầu kỹ thuật.
TCVN 4506:2012, Nước cho bê tông và vữa - Yêu cầu kỹ thuật.
TCVN 7570:2006, Cốt liệu cho bê tông và vữa - Yêu cầu kỹ thuật.
TCVN 8826:2011, Phụ gia hóa học cho bê tông.
LRFD-8, AASHTO LRFD Bridge Design Specifications, 2017 (Tiêu chuẩn thiết kế cầu).
HM-WB, Standard Specifications for Transportation Materials and Methods of Sampling and Testing, 2017 (Tiêu chuẩn kỹ thuật đối với vật liệu giao thông và phương pháp lấy mẫu và thử nghiệm).
ASTM D448, Standard Classification for Sizes of Aggregate for Road and Bridge Construction (Tiêu chuẩn phân loại kích thước cốt liệu cho thi công cầu đường).
ASTM C567, Standard Test Method for Determining Density of Structural Lightweight Concrete (Tiêu chuẩn phương pháp thử để xác định tỷ trọng bê tông nhẹ kết cấu).
ASTM C150, Standard Specification for Portland Cement (Tiêu chuẩn kỹ thuật đối với xi măng portland)
ASTM C595/C595M, Standard Specification for Blended Hydraulic Cements (Tiêu chuẩn kỹ thuật đối với xi măng thủy lực hỗn hợp).
ASTM C1157, Standard Performance Specification for Hydraulic Cement (Tiêu chuẩn tính năng kỹ thuật cho xi măng thủy lực).
ASTM C330/C330M, Standard Specification for Lightweight Aggregates for Structural Concrete (Tiêu chuẩn kỹ thuật đối với cốt liệu nhẹ cho bê tông kết cấu).
ASTM C260, Standard Specification for Air-Entraining Admixtures for Concrete (Tiêu chuẩn kỹ thuật đối với phụ gia tạo bọt cho bê tông).
ASTM C494/C494M, Standard Specification for Mineral Fiber Hydraulic-Setting Thermal Insulating and Finishing Cement (Tiêu chuẩn kỹ thuật đối với xi măng cách nhiệt và hoàn thiện thủy lực sợi khoáng).
ASTM C618, Standard Specification for Coal Fly Ash and Raw or Calcined Natural Pozzolan for Use as a Mineral Admixture in Concrete (Tiêu chuẩn kỹ thuật đối với tro bay than và Pozzolan tự nhiên thô hoặc nung để sử dụng làm phụ gia khoáng trong bê tông).
ASTM C989/C989M, Standard Specification for Slag Cement for Use in Concrete and Mortars (Tiêu chuẩn kỹ thuật đối với xi măng xỉ sử dụng trong bê tông và vữa).
ASTM C1240, Standard Specification for Silica Fume Used in Cementitious Mixtures (Tiêu chuẩn kỹ thuật đối với Silica Fume sử dụng trong hỗn hợp xi măng).
ASTM C685/C685M, Standard Specification for Concrete Made by Volumetric Batching and Continuous Mixing (Tiêu chuẩn kỹ thuật đối với bê tông được thực hiện bằng cách trộn khối lượng và trộn liên tục).
ASTM C172, Standard Practice for Sampling Freshly Mixed Concrete (Tiêu chuẩn thực hành cho lấy mẫu bê tông tươi).
ASTM C138/C138M, Standard Test Method for Density (Unit Weight), Yield, and Air Content (Gravimetric) of Concrete (Tiêu chuẩn phương pháp thử về mật độ (trọng lượng đơn vị), năng suất và hàm lượng không khí (trọng lượng) của bê tông).
ASTM C136, Standard Test Methods for Sieve Analysis of Fine and Coarse Aggregates (Tiêu chuẩn phương pháp thử cho phân tích sàng cốt liệu thô và mịn).
ASTM C143/C143M, Standard Test Method for Slump of Hydraulic-Cement Concrete (Tiêu chuẩn phương pháp thử về độ sụt của bê tông xi măng thủy lực).
ASTM C231, Standard Test Method for Air Content of Freshly Mixed Concrete by the Pressure Method (Tiêu chuẩn phương pháp thử về hàm lượng không khí của bê tông tươi bằng phương pháp áp suất).
ASTM C128, Standard Test Method for Relative Density (Specific Gravity) and Absorption of Fine Aggregate (Tiêu chuẩn phương pháp thử về mật độ tương đối (trọng lượng riêng) và độ hấp thụ của cốt liệu mịn).
ASTM C127, Standard Test Method for Specific Gravity and Absorption of Coarse Aggregate (Tiêu chuẩn phương pháp thử về trọng lượng riêng và sự hấp thụ của cốt liệu thô).
ASTM C567/C567M, Standard Test Method for Determining Density of Structural Lightweight Concrete (Tiêu chuẩn phương pháp thử để xác định mật độ của bê tông nhẹ kết cấu).
ASTM C192/C192M, Standard Practice for Making and Curing Concrete Test Specimens in the Laboratory (Tiêu chuẩn thực hành để chế tạo và bảo dưỡng mẫu thử bê tông trong phòng thí nghiệm).
ASTM C31/C31M, Standard Practice for Making and Curing Concrete Test Specimens in the Field (Tiêu chuẩn thực hành để chế tạo và bảo dưỡng mẫu thử bê tông ở hiện trường).
ASTM C39/C39M, Standard Test Method for Compressive Strength of Cylindrical Concrete Specimens (Tiêu chuẩn phương pháp thử cường độ chịu nén của mẫu bê tông hình trụ).
ASTM C42/C42M, Standard Test Method for Obtaining and Testing Drilled Cores and Sawed Beams of Concrete (Tiêu chuẩn phương pháp thử để lấy và kiểm tra lõi khoan và dầm bê tông).
ASTM D1751, Standard Specification for Preformed Expansion Joint Filler for Concrete Paving and Structural Construction (Nonextruding and Resilient Bituminous Types) (Tiêu chuẩn kỹ thuật đối với chất làm đầy khe co giãn tạo trước đối với lớp mặt bê tông và kết cấu xây dựng (các loại bitum không biến dạng và đàn hồi)).
ASTM D1752, Standard Specification for Preformed Sponge Rubber and Cork Expansion Joint Fillers for Concrete Paving and Structural Construction (Tiêu chuẩn kỹ thuật đối với chất làm đầy khe co giãn cao su xốp và gỗ xốp tạo trước đối với lớp mặt bê tông và kết cấu xây dựng).
ASTM D994, Standard Specification for Preformed Expansion Joint Filler for Concrete (Bituminous Type) (Tiêu chuẩn kỹ thuật đối với chất làm đầy khe co giãn tạo trước đối với bê tông (dạng bitum)).
ASTM C203, Standard Test Methods for Breaking Load and Flexural Properties of Block-Type Thermal Insulation (Tiêu chuẩn phương pháp thử đối với tải trọng phá hoại và tính chất uốn của vật liệu cách nhiệt dạng khối).
ASTM D3406, Standard Specification for Joint Sealant, Hot-Applied, Elastomeric-Type, for Portland Cement Concrete Pavements (Tiêu chuẩn kỹ thuật đối với chất trám khe nối, ứng dụng nóng, loại đàn hồi, đối với mặt đường bê tông xi măng Portland).
ASTM D6690, Standard Specification for Joint and Crack Sealants, Hot Applied, for Concrete and Asphalt Pavements (Tiêu chuẩn kỹ thuật đối với chất trám khe nối và khe nứt, ứng dụng nóng, cho mặt đường bê tông và mặt đường Asphalt).
ASTM D792, Standard Test Methods for Density and Specific Gravity (Relative Density) of Plastics by Displacement (Tiêu chuẩn phương pháp thử về khối lượng riêng và trọng lượng riêng (tỷ trọng tương đối) của nhựa bằng dịch chuyển).
ASTM D2240, Standard Test Method for Rubber Property - Durometer Hardness (Tiêu chuẩn phương pháp thử đối với tính chất của cao su - độ cứng đo bằng máy).
ASTM D412, Standard Test Methods for Vulcanized Rubber and Thermoplastic Elastomers -Tension (Tiêu chuẩn phương pháp thử đối với cao su lưu hóa và chất đàn hồi nhiệt dẻo).
ASTM D746, Standard Test Method for Brittleness Temperature of Plastics and Elastomers by Impact (Tiêu chuẩn phương pháp thử đối với nhiệt độ giòn của nhựa và chất đàn hồi bằng tác động).
ASTM D747, Standard Test Method for Apparent Bending Modulus of Plastics by Means of a Cantilever Beam (Tiêu chuẩn phương pháp thử đối với modul uốn biểu kiến của nhựa bằng phương pháp dầm hẫng).
ASTM B152/B152M, Standard Specification for Copper Sheet, strip, Plate, and Rolled Bar (Tiêu chuẩn kỹ thuật đối với đồng lá, đồng miếng, đồng tấm và đồng thanh cán).
ASTM C309, Standard Specification for Liquid Membrane-Forming Compounds for Curing Concrete (Tiêu chuẩn kỹ thuật đối với chất tạo màng lỏng cho bê tông đóng rắn)
ASTM C171, Standard Specification for Sheet Materials for Curing Concrete (Tiêu chuẩn kỹ thuật đối với vật liệu tấm cho bê tông bảo dưỡng).
ASTM C403/C403M, Standard Test Method for Time of Setting of Concrete Mixtures by Penetration Resistance (Tiêu chuẩn phương pháp thử đối với thời gian thiết lập hỗn hợp bê tông bằng kháng xuyên).
ASTM D2471, Standard Test Method for Gel Time and Peak Exothermic Temperature of Reacting Thermosetting Resins (Tiêu chuẩn phương pháp thử đối với thời gian gel và nhiệt độ tỏa nhiệt cực đại của nhựa phản ứng nhiệt).
ASTM C192/C192M, Standard Practice for Making and Curing Concrete Test Specimens in the Laboratory (Tiêu chuẩn thực hành để chế tạo và bảo dưỡng mẫu thử bê tông trong phòng thí nghiệm).
ASTM C78, Standard Test Method for Flexural Strength of Concrete (Using Simple Beam with Third- Point Loading) (Tiêu chuẩn phương pháp thử đối với cường độ chịu uốn của bê tông (sử dụng dầm giản đơn chất tải điểm thứ ba)).
ASTM D695, Standard Test Method for Compressive Properties of Rigid Plastics (Tiêu chuẩn phương pháp thử đối với tính chất nén của nhựa cứng).
ASTM D648, Standard Test Method for Deflection Temperature of Plastics Under Flexural Load in the Edgewise Position (Tiêu chuẩn phương pháp thử đối với nhiệt độ lệch của nhựa dưới tải trọng uốn ở vị trí giáp cạnh).
ASTM C845/C845M, Standard Specification for Expansive Hydraulic Cement (Tiêu chuẩn kỹ thuật đối với xi măng thủy lực giãn nở).
ACI 211.1-91, Selecting Proportions for Normal, Heavyweight, and Mass Concrete (Chọn tỷ lệ cho bê tông thường, nặng và khối lượng lớn).
ACI 211.4-93, Guide for Selecting Proportions for High-Strength Concrete with Portland Cement and Fly Ash (Hướng dẫn chọn tỷ lệ đối với bê tông cường độ cao bằng xi măng Portland và tro bay).
ACI 211.2-98, Selecting Proportions for structural Lightweight Concrete (Chọn tỷ lệ cho bê tông nhẹ kết cấu).
ANSI/AHA A135.4, Basic Hardboard (Tấm cứng cơ bản).
TT-S-1543B, Federal Specification Sealing Compound: Silicone Rubber Base (for Caulking, Sealing, and Glazing in Building and other Structures) (Tiêu chuẩn liên bang về chất lấp kín: cơ sở cao su silicon (để hàn, lấp kín và tráng men trong kết cấu xây dựng và kết cấu khác)).
3 Thuật ngữ và định nghĩa
Tiêu chuẩn này sử dụng các thuật ngữ và định nghĩa nêu trong TCVN 12885-1:2020 và các thuật ngữ, định nghĩa sau:
3.1
Cấu kiện bê tông đúc sẵn (Precast concrete members)
Cấu kiện bê tông được sản xuất tại các nhà máy bê tông theo đơn đặt hàng của các Nhà thầu thi công do điều kiện đổ bê tông tại chỗ bị hạn chế hoặc do tiến độ thi công hoặc do phương án thi công định trước của thiết kế.
3.2
Cấu kiện bê tông phân đoạn đúc sẵn (Precast segmental concrete members)
Cấu kiện bê tông đúc sẵn tại công trường hoặc sản xuất tại nhà máy bê tông, nhưng chưa được hoàn thành 100 %, để lắp ghép thành kết cấu hoàn chỉnh.
3.3
Hợp long (Closure)
Công tác đổ bê tông tại chỗ dùng để liên kết hai hoặc nhiều hơn các bộ phận đã đúc trước đó của kết cấu.
3.4
Lớp bê tông bảo vệ (Concrete Cover)
Cự ly tối thiểu được quy định giữa bề mặt bê tông và bề mặt của cốt thép, tao thép, ống bọc kéo sau, neo hoặc các vật chôn khác.
4 Tổng quát
4.1 Mô tả
Công việc này bao gồm việc cung cấp, đổ bê tông, hoàn thiện và bảo dưỡng bê tông trong cầu, cống và các kết cấu khác theo Tiêu chuẩn này và tuân thủ các đường, cao độ và các kích thước quy định trong hồ sơ hợp đồng. Công trình có thể bao gồm các bộ phận kết cấu thi công bằng các phương pháp đổ tại chỗ và đúc sẵn, sử dụng bê tông không cốt thép, có cốt thép hoặc dự ứng lực, hoặc tổ hợp các loại đó.
4.2 Công việc liên quan
Công việc khác liên quan đến thi công các kết cấu bê tông phải tuân theo quy định trong các Điều thích hợp khác của Bộ tiêu chuẩn TCVN 12885:2020, đặc biệt là TCVN 12885-3:2020, TCVN 12885-9:2020 và TCVN 12885-10:2020
4.3 Phương pháp thi công
Khi hồ sơ hợp đồng cho phép Nhà thầu lựa chọn phương pháp hoặc thiết bị sử dụng đối với bất kỳ thao tác nào, trách nhiệm của Nhà thầu là phải dùng phương pháp và thiết bị để thi công công trình đạt yêu cầu, trong mọi điều kiện gặp phải mà không gây hư hại cho bất cứ bộ phận đã hoàn thành của công trình.
Đà giáo và ván khuôn phù hợp với yêu cầu của TCVN 12885-3:2020.
Nói chung, bê tông phải được chống đỡ hoàn toàn cho đến khi đạt được cường độ và tuổi yêu cầu. Tuy nhiên, được phép sử dụng phương pháp ván khuôn trượt hoặc ván khuôn leo để thi công thân trụ và lan can theo kế hoạch của Nhà thầu, đảm bảo rằng:
- kết quả sẽ đạt được về mọi phương diện như cách sử dụng ván khuôn cố định, và
- bố trí thỏa đáng cho việc bảo dưỡng, hoàn thiện và bảo vệ bê tông.
5 Các loại bê tông
5.1 Tổng quát
Loại bê tông sử dụng trong mọi bộ phận của kết cấu phải theo đúng quy định của hồ sơ hợp đồng. Nếu không có quy định, Kỹ sư sẽ chỉ định loại bê tông phải sử dụng.
5.2 Bê tông tỷ trọng bình thường (bê tông nặng)
Các loại bê tông có tỷ trọng bình thường quy định trong Tiêu chuẩn này, được liệt kê trong Bảng 1, trừ loại bê tông tiếp xúc với nước muối hoặc các hóa chất, tỷ lệ N/X phải là 0,45.
Cốt liệu thô Loại B và Loại B (AE) phải được cung cấp thành các kích thước riêng lẻ như chỉ ra trong Bảng 1.
Bảng 1 - Phân loại bê tông tỷ trọng bình thường
| Loại bê tông | Hàm lượng xi măng tối thiểu | Tỷ lệ N/X tối đa | Phạm vi hàm lượng không khí | Cốt liệu thô theo AASHTO M43 (ASTM D448) | Số hiệu kích cỡa | Cường độ chịu nén quy định |
| kg/m3 | kg cho 1 kg | % | Kích cỡ danh định, mm |
| MPa tại tuổi (ngày) | |
| A | 362 | 0,49 | - | 25,0 tới 4,75 | 57 | 28 tại 28 |
| A(AE) | 362 | 0,45 | 6 ± 1,5 | 25,0 tới 4,75 | 57 | 28 tại 28 |
| B | 307 | 0,58 | - | 50 tới 25,0 và 25,0 tới 4,75 | 3 57 | 17 tại 28 |
| B(AE) | 307 | 0,55 | 5 ±1,5 | 50 tới 25,0 Và 25,0 tới 4,75 | 3 57 | 17 tại 28 |
| C | 390 | 0,49 | - | 12,5 tới 4,75 | 7 | 28 tại 28 |
| C(AE) | 390 | 0,45 | 7 ±1,5 | 12,5 tới 4,75 | 7 | 28 tại 28 |
| P | 334 | 0,49 | - b | 25,0 tới 4,75 hoặc 19,0 tới 4,75 | 7 67 | ≤ 41 tạib |
| S | 390 | 0,58 | - | 25,0 tới 4,75 | 7 | - |
| P (HPC) | - c | 0,40 | - b | ≤ 19,0 | 67 | > 41 tạib |
| A(HPC) | - c | 0,45 | - b | - c | - c | ≤ 41 tạib |
| CHÚ THÍCH: a Như ghi chú trong AASHTO M43 (ASTM D448), Bảng 1- Kích cỡ tiêu chuẩn của cốt liệu qua xử lý. b Như quy định trong hồ sơ hợp đồng. c Hàm lượng tối thiểu của vật liệu xi măng và kích cỡ cốt liệu thô phải được lựa chọn để đáp ứng các chỉ tiêu chất lượng khác quy định trong hợp đồng. | ||||||
5.3 Bê tông tỷ trọng nhẹ
Bê tông tỷ trọng nhẹ phải phù hợp với các yêu cầu quy định trong các hồ sơ hợp đồng. Khi hồ sơ hợp đồng yêu cầu sử dụng cát thiên nhiên cho một phần hoặc toàn bộ cốt liệu nhỏ thì cát thiên nhiên phù hợp với AASHTO M6.
Tỷ trọng tương đương của bê tông trọng lượng nhẹ phải được xác định theo ASTM C567.
6 Vật liệu
6.1 Xi măng
Xi măng Portland phù hợp với yêu cầu của AASHTO M85 (ASTM C150) hoặc TCVN 2682:2009 và xi măng thủy lực hỗn hợp phù hợp với yêu cầu của AASHTO M240 (ASTM C595) hoặc ASTM C1157 hoặc TCVN 6260:2009. Với xi măng portland-puzolan Loại IP, thành phần puzolan không được vượt quá 20 % trọng lượng hỗn hợp và tổn thất khi đốt puzolan không quá 5 %.
Trừ đối với Loại P(HPC) và A(HPC) hoặc khi có quy định khác trong hồ sơ hợp đồng, chỉ được sử dụng xi măng Portland Loại I, II hoặc III, xi măng Portland tạo bọt Loại IA, IIA hoặc IIIA, hoặc xi măng thủy lực hỗn hợp IP hoặc IS. Xi măng Loại IA, IIA và IIIA chỉ được sử dụng cho bê tông khi có yêu cầu tạo bọt.
Phải sử dụng các xi măng alcali-thấp phù hợp với yêu cầu của AASHTO M85 (ASTM C150) khi quy định trong hồ sơ hợp đồng hoặc khi có yêu cầu của Kỹ sư như một điều kiện sử dụng cốt liệu có phản ứng alcali-sllica hạn chế.
Trừ sự cho phép khác, sản phẩm của chỉ một nhà máy của bất kỳ thương hiệu nào và loại xi măng phải đựợc sử dụng cho các bộ phận kết cấu mà nhìn thấy được, trừ khi xi măng phải pha trộn để giảm bất kỳ sự vón cục quá mức khi xi măng bị cuốn khí được sử dụng.
Đối với Loại P (HPC) và Loại A (HPC), các mẻ trộn thử sử dụng các vật liệu cấu thành dự kiến phải được thực hiện trước khi đổ bê tông để đảm bảo rằng xi măng và phụ gia là tương thích. Thay đổi trong nhà máy, thương hiệu, hoặc loại xi măng sẽ không được phép khi không có các mẻ trộn thử bổ sung.
6.2 Nước
Nước dùng để trộn bê tông và bảo dưỡng bê tông phải được chấp thuận và phải tương đối sạch, không có dầu, muối, axít, kiềm, đường, cây cỏ hoặc các chất có hại khác. Nước phải được thử nghiệm và phải đáp ứng yêu cầu của AASHTO T26 hoặc TCVN 4506:2012. Nước biết rõ là có chất lượng uống được có thể dùng không cần thử. Khi nguồn nước tương đối nông, chỗ lấy nước phải bao kín để loại trừ bùn, cỏ và các vật liệu khác.
Nước trộn bê tông trong đó có thép không được có nồng độ ion clorit quá 1.000 ppm hoặc sulphat như SO4 quá 1.300 ppm.
6.3 Cốt liệu nhỏ
Cốt liệu nhỏ dùng cho bê tông phù hợp với yêu cầu của AASHTO M6 hoặc TCVN 7570:2006.
6.4 Cốt liệu thô
Cốt liệu thô dùng cho bê tông phù hợp với yêu cầu của AASHTO M80 hoặc TCVN 7570:2006.
6.5 Cốt liệu hỗn hợp
Hỗn hợp cốt liệu nhỏ và cốt liệu thô phù hợp với yêu cầu của AASHTO M XXI.
6.6 Cốt liệu tỷ trọng nhẹ
Cốt liệu tỷ trọng nhẹ dùng cho bê tông phù hợp với yêu cầu của AASHT0 M195 (ASTM C330).
6.7 Phụ gia hoá chất và tạo bọt
Phụ gia tạo bọt phù hợp với yêu cầu của AASHTO M154 (ASTM C260).
Phụ gia hóa học phù hợp với yêu cầu của AASHTO M194 (ASTM C494/C494M) hoặc TCVN 8826:2011. Trừ khi có quy định khác trong hồ sơ hợp đồng, chỉ được sử dụng Loại A, B, D, F hoặc G.
Phụ gia chứa ion clorit (CL) quá 1 % theo trọng lượng phụ gia không được sử dụng trong bê tông cốt thép. Lượng phụ gia vượt quá 0,1 % không được sử dụng trong bê tông dự ứng lực.
Mỗi chuyến hàng phụ gia dùng trong công trình, phải đệ trình Kỹ sư Giấy chứng nhận phù hợp do Nhà sản xuất phụ gia ký. Giấy chứng nhận này phải dựa trên các kết quả thử nghiệm trong phòng thí nghiệm trên thiết bị thử nghiệm được chấp thuận và phải xác nhận rằng phụ gia đáp ứng các quy định trên.
Nếu sử dụng quá một loại phụ gia, Nhà thầu phải trình văn bản chứng minh mỗi phụ gia đều có thể hòa hợp với các phụ gia định sử dụng khác và về trình tự pha trộn với bê tông để có thể đạt các hiệu quả mong muốn.
Phụ gia tạo bọt và các phụ gia hóa học phải trộn vào bê tông trong dung dịch nước. Nước trộn vào như vậy phải được coi như một phần của lượng nước được phép trộn.
6.8 Phụ gia khoáng
Phụ gia khoáng phù hợp với các yêu cầu sau:
- Pozzolan bụi tro và pozzolan tự nhiên nung - AASHTO M295 (ASTM C618)
- Xỉ lò cao dạng hạt đất - AASHTO M302 (ASTM C989)
- Muội silica (Silic dioxyt) - AASHTO M307 (ASTM C1240)
Không được trộn vào bê tông loại tro bay sản xuất trong các nhà máy sử dụng phương pháp phun đá vôi hoặc sử dụng các hợp chất natri ammôni hoặc lưu huỳnh như tro natri cacbonat thường dùng để kiểm soát sự phun tỏa của ống khói.
Mỗi chuyến hàng phụ gia phải có Giấy chứng nhận phù hợp dựa trên các kết quả thử nghiệm và do Nhà sản xuất phụ gia khoáng ký xác nhận là vật liệu phù hợp với các yêu cầu kỹ thuật trên đây.
Khi các vật liệu khác với các loại nói ở trên được đưa vào thành phần thiết kế của bê tông, các tính chất của các vật liệu đó phải được xác định bằng phương pháp như quy định trong hồ sơ hợp đồng.
6.9 Thép
Vật liệu và việc lắp đặt cốt thép và thép dự ứng lực phù hợp với yêu cầu của TCVN 12885-9:2020, và TCVN 12885-10:2020.
7 Thiết kế tỷ lệ thành phần của bê tông
7.1 Thiết kế hỗn hợp bê tông
7.1.1 Trách nhiệm và tiêu chuẩn
Nhà thầu cần thiết kế và chịu trách nhiệm đối với tính năng của mọi hỗn hợp bê tông sử dụng trong kết cấu. Tỷ lệ của hỗn hợp chọn lựa phải tạo ra bê tông có thể thi công dễ dàng và có thể hoàn thiện được cho mọi việc sử dụng dự định và phải phù hợp với các yêu cầu nêu trong Bảng 1 và các yêu cầu khác của Điều này.
Với bê tông tỷ trọng bình thường, phải dùng phương pháp thể tích tuyệt đối mô tả trong ACI 211.1 để lựa chọn các tỷ lệ hỗn hợp. Với Loại P(HPC) có dùng tro bay được phép sử dụng phương pháp cho trong ACI 211.4. Với bê tông tỷ trọng nhẹ, tỷ lệ pha trộn phải được lựa chọn căn cứ vào các mẻ trộn thử dựa vào yếu tố xi măng hơn là yếu tố tỷ lệ N/X được xác định theo cường độ quy định, và sử dụng các phương pháp mô tả trong ACI 211.2.
Thiết kế hỗn hợp phải căn cứ trên các tính chất quy định. Khi cường độ bê tông đã được quy định, hãy chọn cường độ bình quân vừa đủ cao hơn cường độ quy định để khi xét đến khả năng biến đổi dự kiến của bê tông và của các phương thức thử nghiệm thì không quá 1/10 các thử nghiệm về cường độ được dự kiến là thấp hơn cường độ quy định. Thiết kế hỗn hợp phải thay đổi trong quá trình thi công nêu cần thiết để đảm bảo phù hợp với các tính chất quy định của bê tông khi còn ướt và khi đã đông cứng. Với Loại P(HPC) và Loại A(HPC) những thay đổi như vậy chỉ được phép sau khi thực hiện các mẻ trộn thử để chứng minh là thiết kế thay đổi sẽ làm bê tông có được các tính chất quy định.
7.1.2 Thử nghiệm mẻ trộn thử
Với bê tông Loại A, A(AE), P, P(HPC) và A(HPC); bê tông tỷ trọng nhẹ; và các loại bê tông khác, khi có quy định trong hồ sơ hợp đồng hoặc yêu cầu của Kỹ sư, tính năng của thiết kế hỗn hợp bê tông dự kiến phải được xác minh bằng thử nghiệm trong phòng trên các mẻ trộn thử. Nhà thầu hoặc Nhà sản xuất sản phẩm đúc sẵn phải cung cấp kết quả của các thử nghiệm này cho Kỹ sư khi đệ trình thiết kế hỗn hợp kiến nghị.
Nếu các vật liệu và thiết kế hỗn hợp giống như kiến nghị đã sử dụng trên công trình khác những năm trước, bản sao có chứng nhận của các kết quả thử nghiệm bê tông trên công trình đó có thể thay thế cho các kết quả thử nghiệm yêu cầu.
Trị số bình qụân thu được từ các mẻ trộn thử về các đặc tính quy định, như cường độ, phải vượt quá các trị số thiết kế một lượng nhất định tùy thuộc vào khả năng biến động. Với cường độ chịu nén, cường độ bình quân yêu cầu dùng làm căn cứ lựa chọn các thành phần của bê tông được xác định phù hợp với AASHTO M241 (ASTM C685/C685M).
7.1.3 Chấp thuận
Thiết kế hỗn hợp và mọi thay đổi các thiết kế đó phải được Kỹ sư chấp thuận trước khi sử dụng, số liệu thiết kế hỗn hợp, cung cấp cho Kỹ sư, đối với mỗi loại bê tông yêu cầu phải có tên, nguồn gốc, loại và nhãn hiệu của mỗi vật liệu kiến nghị sử dụng và khối lượng bê tông sử dụng theo mét khối (m3).
7.2 Hàm lượng nước
Để tính tỷ lệ N/X của hỗn hợp, trọng lượng nước phải là trọng lượng nước tự do trong hỗn hợp kể cả nước trộn, nước trong mỗi dung dịch phụ gia và lượng nước trong cốt liệu vượt quá lượng cần thiết để đạt điều kiện làm khô bề mặt bão hòa.
Lượng nước sử dụng không được vượt các giới hạn liệt kê trong Bảng 2, và nếu cần thiết sẽ giảm thêm, để tạo được bê tông có độ sệt như liệt kê trong Bảng 2.
Bảng 2 - Giới hạn thử độ sụt của bê tông tỷ trọng bình thường
| Loại công trình | Độ sụt danh định, mm | Độ sụt tối đa, mm |
| Các thành phẩm: |
|
|
| Tiết diện dày quá 300 mm | 25 - 75 | 125 |
| Tiết diện dày 300 mm trở xuống | 25 - 100 | 125 |
| Cọc đúc tại chỗ và cọc khoan nhồi không rung | 125 - 200 | 225 |
| Bê tông đổ dưới nước | 125 - 200 | 225 |
| Đổ lát mái dốc | 75 - 175 | 200 |
Khi dùng phụ gia giảm nước thứ hạng cao Loại F hoặc G, có thể vượt quá các giới hạn độ sụt của Bảng 2 nếu Kỹ sư cho phép.
Khi thấy độ sụt của bê tông vượt quá độ sụt danh định, hỗn hợp của mẻ sau phải điều chỉnh để giảm độ sụt tới giá trị trong phạm vi danh định. Các mẻ bê tông có độ sụt vượt quá độ sụt tối đa quy định không được sử dụng trong công trình.
Nếu mức độ dễ thi công của bê tông thích hợp không thể đạt được bằng cách sử dụng hàm lượng xi măng tối thiểu cho phép thì hàm lượng xi măng và nước phải tăng nhưng không vượt tỷ lệ N/X quy định, hoặc phải sử dụng phụ gia được chấp thuận.
7.3 Hàm lượng xi măng
Hàm lượng xi măng tối thiểu phải như ghi trong Bảng 1 hoặc theo quy định khác ghi trong hồ sơ hợp đồng. Với Loại P(HPC) tổng hàm lượng vật liệu xi măng phải được quy định không vượt quá 593 kg/m3 bê tông. Với các loại xi măng khác hàm lượng xi măng hoặc xi măng cộng phụ gia hóa học không được vượt quá 475 kg/m3 bê tông. Hàm lượng xi măng thực tế sử dụng phải nằm trong các giới hạn này và phải đủ để tạo ra bê tông có cường độ, độ bền và tính năng yêu cầu.
7.4 Phụ gia khoáng
Phụ gia khoáng phải được sử dụng với khối lượng quy định trong hồ sơ hợp đồng. Với các loại bê tông, trừ các Loại P(HPC) và A(HPC), khi sử dụng xi măng các Loại I, II, IV hoặc V theo AASHTO M85 (ASTM C150) và trong hợp đồng không quy định mà cũng không cấm sử dụng phụ gia khoáng thì Nhà thầu được phép thay thế:
- tới 25% lượng xi măng portland yêu cầu bằng tro bay hoặc puzolan phù hợp với AASHTO M295 (ASTM C618),
- tới 50% lượng xi măng portland yêu cầu bằng xỉ lò phù hợp với AASHTO M302 (ASTM C 989), hoặc
- tới 10% lượng xi măng portland yêu cầu bằng silicafume phù hợp với AASHTO M307 (ASTM C 1240).
Khi sử dụng một tổ hợp nào đó gồm tro bay, xỉ lò và muội silica, Nhà thầu được phép thay thế tới 50 % lượng xi măng portland yêu cầu. Tuy nhiên, tro bay không được quá 25 % và muội silica không được quá 10 %. Trọng lượng phụ gia sử dụng phải bằng hoặc lớn hơn trọng lượng xi măng portland được thay thế. Trong tính toán tỷ lệ N/X cho hỗn hợp bê tông, trọng lượng vật liệu xi măng được coi là tổng số trọng lượng của xi măng Portland và của phụ gia khoáng.
Với bê tông Loại P(HPC) và A(HPC), được phép dùng các phụ gia khoáng (pozzolan hoặc xỉ lò) làm vật liệu xi măng với xi măng Portland trong xi măng trộn hoặc như một thành phần riêng biệt đựa vào máy trộn. Lượng phụ gia khoáng được xác định qua các mẻ trộn thử. Tỷ lệ N/X phải là tỷ số giữa trọng lượng của nước với tổng trọng lượng vật liệu xi măng bao gồm cả các phụ gia khoáng. Các tính chất của bê tông khi mới trộn và khi đã đông cứng phải phù hợp với các trị số quy định.
7.5 Phụ gia tạo bọt và phụ gia hóa chất
Phải sử dụng các phụ gia tạo bọt và hóa chất như quy định trong hồ sơ hợp đồng. Ngoài ra các phụ gia này cũng có thể được sử dụng tùy theo sự lựa chọn của Nhà thầu khi được phép của Kỹ sư để tăng tính dễ thi công hoặc thay đổi thời gian hóa cứng của bê tông.
8 Chế tạo bê tông
8.1 Cất giữ cốt liệu
Việc vận chuyển và cất giữ các cốt liệu bê tông phải sao cho ngăn ngừa được việc phân tầng hoặc nhiễm bẩn các vật liệu lạ. Phải sử dụng các phương pháp thoát nước thích hợp để độ ẩm trong cốt liệu được đồng đều trong các mẻ trộn. Các cốt liệu kích cỡ khác nhau phải được cất giữ trong các đống khác nhau ở đủ xa nhau để vật liệu ở mép các đống không trộn lẫn vào nhau. Khi cần thiết, nên bố trí mái che, vách ngăn các đống vật liệu có chiều cao lớn hơn chiều cao đổ vật liệu.
Khi có quy định trong Bảng 1 hoặc trong hồ sơ hợp đồng, cốt liệu thô phải phân tách thành hai hoặc nhiều cỡ để đảm bảo độ đồng đều tốt hơn của hỗn hợp bê tông.
8.2 Cất giữ xi măng
Nhà thầu cần bố trí các biện pháp phù hợp để cất giữ và bảo vệ xi măng khỏi bị ẩm. Vì lý do nào đó xi măng đã bị hóa cứng một phần hoặc chứa các vón cục xi măng thì phải vứt bỏ. Xi măng cất giữ trong thời gian trên 3 tháng nếu là đóng bao, hoặc, 6 tháng nếu là để đống, hoặc xi măng mà vì lý do nào đó Kỹ sư nghi ngờ bị hư hỏng, phải đưa thử nghiệm lại trước khi sử dụng trong công trình.
Phải cung cấp bản sao hồ sơ về xi măng cho Kỹ sư, ở mức chi tiết theo yêu cầu hợp lý của Kỹ sư, về lượng xi măng dùng trong ngày hoặc dùng trong mỗi bộ phận công trình.
8.3 Đo lường vật liệu
Vật liệu phải được cân đong bằng trọng lượng, trừ khi có quy định khác hoặc khi được quy định khác đi trong hồ sơ hợp đồng hoặc khi có quy định cho phép dùng các phương pháp khác. Thiết bị dùng để cân cốt liệu và xi măng phải thiết kế và thi công phù hợp với mục đích đó. Cốt liệu mỗi cỡ và xi măng phải cân riêng biệt. Độ chính xác của các thiết bị cân phải sao để các khối lượng cân đo liên tiếp ở mức chính xác tới 1 % của khối lượng mong muốn. Xi măng đựng trong bao tiêu chuẩn không cần cân, nhưng xi măng rời thì phải cân. Nước trộn phải đo theo thể tích hoặc theo trọng lượng. Độ chính xác của việc đo lượng nước phải trong phạm vi sai số không quá 1 %. Thiết bị đo phải được chấp thuận và phải được thử nghiệm khi Kỹ sư cho là cần thiết.
Trong các dự án cho phép đo lường theo thể tích, các khối lượng theo trọng lượng phải chuyển đổi thành khối lượng theo thể tích tương đương. Trong các trường hợp này, phải xét đến sự thay đổi về điều kiện độ ẩm của cốt liệu, kể cả ảnh hưởng xếp đống của cốt liệu nhỏ để có mức độ cho phép thích hợp.
Khi dùng xi măng đóng bao, khối lượng cốt liệu cho mỗi mẻ phải chính xác đủ cho chẵn một hoặc nhiều bao xi măng và không cho phép có các mẻ trộn với phần lẻ bao xi măng.
8.4 Định lượng mẻ trộn và trộn bê tông
8.4.1 Định lượng mẻ trộn
Khối lượng một mẻ trộn không được vượt quá dung tích của máy trộn theo đảm bảo của Nhà sản xuất.
Vật liệu đo lường phải được định lượng và đưa vào máy trộn, tránh hao hụt do ảnh hưởng của gió hoặc các nguyên nhân khác.
8.4.2 Trộn
Bê tông chỉ được trộn với khối lượng yêu cầu để sử dụng ngay. Lượng trộn phải đủ để nhào trộn đều các thành phần thành hỗn hợp đồng đều. Không được dùng bê tông đã bắt đầu hóa cứng. Không được phép thêm nước để trộn lại bê tông.
Đối với bê tông không phải là bê tông trộn trong khi di chuyển, vật liệu của mẻ trộn đầu tiên cho vào máy trộn phải có một lượng dư của xi măng, cát và nước đủ để phủ mặt trong của trống trộn mà không làm giảm hàm lượng vữa yêu cầu của hỗn hợp.
Khi thử tính năng của máy trộn, như mô tả trong AASHTO M157; thời gian trộn yêu cầu đối với các máy trộn cố định phải không ít hơn 90 s cũng không quá 5 min. Đối với các máy trộn di động, số vòng quay tối thiểu của trống trộn ở tốc độ trộn mà Nhà sản xuất khuyên dùng không được nhỏ hơn 70 và cũng không nhỏ hơn số mà Nhà sản xuất khuyên dùng.
Thiết bị tính giờ trên các máy trộn cố định phải được trang bị chuông hoặc thiết bị báo hiệu thích hợp để cho tín hiệu rõ ràng mỗi khi mở khóa. Trường hợp thiết bị báo giờ bị hư, Nhà thầu được phép tiếp tục vận hành máy trộn trong khi sửa chữa thiết bị báo giờ với điều kiện Nhà thầu sẽ cung cấp đồng hồ được chấp thuận có cả kim phút và kim giây. Nếu thiết bị báo giờ không được lắp đặt ở trạng thái làm việc tốt trong vòng 24 h, việc sử dụng tiếp máy trộn sẽ bị cấm cho tới khi sửa chữa xong.
Với các khối lượng nhỏ bê tông cần dùng ngay hoặc đối với các bộ phận không quan trọng của công trình, bê tông có thể trộn thủ công bằng các phương pháp được Kỹ sư chấp thuận.
Giữa các lần sử dụng, lớp phủ vữa trong thiết bị trộn đã hóa cứng hoặc khô, phải được làm sạch trước khi sử dụng lại.
8.5 Cung cấp bê tông
Tổ chức cung cấp bê tông phải có đủ năng lực thiết bị và phương tiện vận chuyển để đảm bảo giao hàng liên tục theo tốc độ quy định. Tốc độ cung cấp bê tông trong quá trình đổ bê tông phải sao cho việc vận chuyển, đổ và hoàn thiện bê tông được đúng qui cách. Tốc độ này phải chọn sao cho khoảng cách giữa các mẻ bê tông không quá 20 min và phải đủ để ngăn tạo ra các mạch nối trong một lần đổ liền khối do đổ bê tông tươi bên cạnh bê tông đã bắt đầu hóa cứng. Phương pháp cung cấp và vận chuyển bê tông phải sao cho việc đổ bê tông được dễ dàng và giảm thiểu việc thao tác lại và không gây hư hại cho kết cấu hoặc bê tông.
8.6 Lấy mẫu và thử nghiệm
Phải xác định việc tuân thủ các yêu cầu quy định trong Điều này là phù hợp với phương pháp chuẩn sau đây của AASHTO hoặc ASTM:
- Lấy mẫu bê tông tươi, AASHTO T141 (ASTM C172)
- Trọng lượng theo mét khối, sản lượng và hàm lượng không khí (theo trọng lượng) của bê tông, AASHTO T121 (ASTM C138/C138M)
- Phân tích sàng cốt liệu nhỏ và thô, AASHTO T27 (ASTM C136)
- Độ sụt của bê tông xi măng Portland, AASHTO T119 (ASTM C143/C143M)
- Hàm lượng không khí của bê tông tươi trộn bằng phương pháp áp lực, AASHTO T152 (ASTM C231 )
- Trọng lượng riêng và sự hấp thụ của cốt liệu nhỏ, AASHTO T84 (ASTM C128)
- Trọng lượng riêng và sự hấp thụ của cốt liệu thô, AASHTO T85 (ASTM C127)
- Xác định khối lượng riêng của bê tông kết cấu tỷ trọng nhẹ, ASTM C567
- Tạo và bảo dưỡng mẫu thử nghiêm bê tông trong phòng thí nghiệm, ASTM C192/C192M
- Tạo và bảo dưỡng mẫu thử nghiệm bê tông ở hiện trường, AASHTO T23 (ASTM C31/C31M)
- Cường độ nén của mẫu bê tông hình trụ, AASHTO T22 (ASTM C39/C39M).
8.7 Đánh giá cường độ bê tông
8.7.1 Thử nghiệm
Thử nghiệm cường độ phải bao gồm cường độ trung bình của tối thiểu 2 mẫu thử nghiệm cường độ nén hình trụ kích thước 150 x 300 mm, hoặc tối thiểu 3 mẫu thử kích thước 100 x 200 mm; các mẫu được chế tạo từ vật liệu lấy trong cùng một mẻ bê tông chọn bất kỳ, trừ khi, nếu một mẫu được biết rõ ràng là việc lấy mẫu, đúc mẫu hoặc thử nghiệm không đúng, thì mẫu đó phải loại bỏ và thử nghiệm cường độ chỉ bao gồm cường độ của số mẫu còn lại. Nếu cường độ quy định vượt quá 35 MPa, số mẫu của mối thử nghiệm cường độ tối thiểu phải là 3.
8.7.2 Đối với kiểm tra các thao tác thi công
Để xác định tính chính xác của việc bảo dưỡng và bảo vệ, và để xác định khi nào có thể đặt tải hoặc tác động ứng suất lên kết cấu bê tông, các mẫu thử nghiệm hình trụ phải được bảo dưỡng tại vị trí thi công kết cấu trong các điều kiện không thuận lợi hơn các điều kiện không thuận lợi nhất đối với các bộ phận kết cấu mà chúng đại diện, như mô tả trong AASHTO T23 (ASTM C31/C31M), Điều 9.4. Phải tạo đủ số mẫu thử nghiệm và tiến hành các thử nghiệm ở các tuổi thích hợp để xác định khi nào có thể tiến hành các thao tác như tháo đà giáo, tác động lực dự ứng lực hoặc đưa kết cấu vào sử dụng.
8.7.3 Đối với nghiệm thu bê tông
Để xác định bê tông có đủ cường độ quy định, các mẫu thử nghiệm hình trụ phải được bảo dưỡng trong các điều kiện có kiểm soát như mô tả trong Điều 9.3 của AASHTO T23 (ASTM C31/C31M) và thử nghiệm ở tuổi quy định. Các mẫu thử nghiệm để nghiệm thu cho mỗi loại bê tông phải lấy không ít hơn 1 lần/1 ngày cũng không ít hơn 1 lần/mỗi đợt 100 m3 bê tông hoặc 1 lần/mỗi đợt đổ lớn.
Trừ bê tông Loại P(HPC) và A(HPC), mọi bê tông mà thử nghiệm cho thấy có cường độ nhỏ hơn cường độ nén quy định, ở độ tuổi quy định, quá 35 MPa thì phải loại bỏ và thay thế bằng bê tông chấp nhận được. Việc loại bỏ như vậy là thông thường, trừ khi:
- Nhà thầu thu thập và đệ trình chứng cứ cho Kỹ sư rằng, cường độ và chất lượng của bê tông bị loại là có thể chấp nhận được. Nếu chứng cứ như vậy là các lõi khoan lấy từ công trình, các lõi khoan phải lấy và thử nghiệm theo các phương pháp chuẩn của AASHTO T24 (ASTM C42/C42M), hoặc
- Kỹ sư xác định rằng bê tông đó nằm tại vị trí không gây tác hại cho kết cấu.
Với bê tông Loại P(HPC) và A(HPC), mọi bê tông mà thử nghiệm cho thấy là có cường độ nhỏ hơn cường độ quy định, ở độ tuổi quy định đều phải loại bỏ và thay thế bằng bê tông chấp nhận được.
8.7.4 Đối với kiểm tra thiết kế hỗn hợp
Mỗi khi giá trị trung bình của 3 thử nghiệm liên tiếp được làm để xác định khả năng chấp nhận bê tông, cho thấy rơi vào mức nhỏ hơn 1,0 MPa trên cường độ quy định, hoặc bất kỳ một thử nghiệm nào rơi vào mức lớn hơn 1,5 MPa dưới cường độ quy định, Nhà thầu phải có những thay đổi về vật liệu, tỷ lệ trộn, hoặc quy trình sản xuất bê tông trước khi đổ thêm bê tông loại đó. Các thay đổi như vậy phải được Kỹ sư chấp thuận trước khi tiến hành.
8.7.5 Bê tông đúc sẵn bảo dưỡng bằng che phủ kín, hơi nước, hoặc bức xạ nhiệt
Khi cấu kiện bê tông đúc sẵn được bảo dưỡng bằng phương pháp che phủ kín, hơi nước hoặc bức xạ nhiệt, các mẫu hình trụ thử nghiệm cường độ nén, tạo ra nhằm bất kỳ mục đích nói trên nào, phải được bảo dưỡng trong các điều kiện tương tự như của cấu kiện. Bê tông này được coi là chấp nhận được khi thử nghiệm cho thấy bê tông đã đạt được cường độ nén quy định không lâu hơn độ tuổi quy định cho cường độ nén đó.
Các mẫu thử chỉ được bảo dưỡng bằng một trong những phương pháp sau:
- Với bê tông có cường độ quy định bằng hoặc nhỏ hơn 40 MPa, mẫu thử nghiệm phải được bảo dưỡng bên cạnh cấu kiện và trong cùng các tấm phủ sao để mẫu tiếp xúc với cùng điều kiện nhiệt độ như cấu kiện.
- Với các cường độ quy định của bê tông, mẫu thử nghiệm phải được bảo dưỡng đối ứng trong các phòng, trong đó nhiệt độ trong phòng tương quan với nhiệt độ của cấu kiện trước khi cắt các tao thép dự ứng lực. Nhiệt độ trong phòng và nhiệt độ cấu kiện được kiểm tra bằng các cảm biến nhiệt đặt trong phòng và gắn trong cấu kiện. Trừ khi có quy định khác, các cảm biến trong dầm chữ I được đặt tại vị trí trọng tâm của cánh dưới. Với các loại cấu kiện khác, cảm biến nhiệt được đặt tại vị trí trọng tâm của tiết diện dày nhất. Vị trí đặt phải ghi rõ trong hồ sơ hợp đồng. Sau khi cắt các tao thép dự ứng lực, các mẫu thử phải được cất giữ trong môi trường cùng nhiệt độ và cùng độ ẩm với cấu kiện.
9 Bảo vệ bê tông khỏi các điều kiện môi trường
9.1 Tổng quát
Các biện pháp phòng ngừa phải được thực hiện khi cần thiết để bảo vệ bê tông khỏi bị hư hại do thời tiết hoặc các điều kiện môi trường khác trong quá trình đổ và bảo dưỡng bê tông. Bê tông đã bị hư hại do các điều kiện thời tiết phải hoặc là sửa chữa đến tình trạng có thể chấp nhận được hoặc loại bỏ và thay thế.
Nhiệt độ hỗn hợp bê tông ngay trước khi đổ phải trong khoảng 10 °C và 32 °C, trừ khi có quy định khác.
9.2 Bảo vệ khi mưa
Khi mưa, không được bắt đầu đổ bê tông hoặc phải dừng lại trừ khi có bố trí bảo vệ thỏa đáng ngăn ngừa hư hại cho vữa bề mặt hoặc làm cho bề mặt bê tông bị rửa trôi.
9.3 Bảo vệ khi thời tiết nóng
Khi nhiệt độ xung quanh cao hơn 32 °C, ván khuôn, cốt thép, cánh dầm thép và các bề mặt khác sẽ tiếp xúc với hỗn hợp bê tông phải được làm nguội xuống dưới 32 °C bằng cách phun nước hoặc các phương pháp khác được chấp thuận.
Nhiệt độ của bê tông lúc đổ phải duy trì trong phạm vi nhiệt độ quy định bằng một trong những tổ hợp sau đây:
- Che khu vực chứa vật liệu hoặc thiết bị sản xuất.
- Làm mát cốt liệu bằng cách phun nước phù hợp với các yêu cầu của Điều 6.2.
- Làm mát cốt liệu hoặc nước bằng cách làm lạnh hoặc thay một phần hoặc toàn bộ nước của hỗn hợp bằng nước đá đã được làm xốp hoặc nghiền tới mức độ sẽ tan hoàn toàn trong khi trộn bê tông.
- Phun nitơ lỏng.
9.4 Bảo vệ khi thời tiết lạnh
9.4.1 Bảo vệ trong khi bảo dưỡng
Khi thấy khả năng nhiệt độ không khí xuống dưới 2 °C trong thời kỳ bảo dưỡng, trước khi đổ bê tông Nhà thầu cần đệ trình để Kỹ sư chấp thuận kế hoạch đổ và bảo dưỡng bê tông trong thời tiết lạnh, chi tiết các phương pháp và thiết bị sử dụng để đảm bảo duy trì được nhiệt độ yêu cầu của bê tông. Bê tông phải duy trì ở nhiệt độ không dưới 7 °C trong 6 ngày đầu sau khi đổ, trừ khi dùng xi măng pozzolan hoặc xỉ lò cao, giai đoạn này phải như chỉ ra trong Bảng 3.
Bảng 3 - Xi măng Pozzolan và giai đoạn kiểm soát nhiệt độ
| Phần trăm xi măng thay thế bằng puzolan tính theo trọng lượng | Bằng xỉ lò | Giai đoạn yêu cầu kiểm soát nhiệt độ |
| 10 % | 25% | 8 ngày |
| 11 - 15 % | 26 - 35% | 9 ngày |
| 16 - 25 % | 36 - 50 % | 10 ngày |
Yêu cầu trong Bảng 3 về giai đoạn kéo dài khống chế nhiệt độ có thể không cần nếu cường độ nén đạt được 65 % của cường độ quy định trong 6 ngày, sử dụng các mẫu bảo dưỡng tại chỗ, hệ thống bảo dưỡng đối ứng hoặc phương pháp trưởng thành.
Khi sử dụng tổ hợp vật liệu để thay thế xi măng, giai đoạn yêu cầu khống chế nhiệt độ tối thiểu là 6 ngày và phải tiếp tục kéo dài cho đến khi đạt được cường độ nén bằng 65 % cường độ quy định, sử dụng các mẫu bảo dưỡng tại chỗ, hệ thống bảo dưỡng đối ứng hoặc phương pháp trưởng thành.
Nếu sử dụng đốt nóng bên ngoài, nhiệt độ phải được tăng và giảm từ từ và đều sao để không bộ phận nào của bề mặt bê tông bị đốt nóng tới quá 32 °C hoặc gây ra sự thay đổi nhiệt độ hơn 7 °C trong vòng 8 h.
Khi có yêu cầu của Kỹ sư, Nhà thầu cần cung cấp và lắp đặt 2 nhiệt kế loại tối đa - tối thiểu tại mỗi vị trí kết cấu. Các nhiệt kế này phải lắp đặt theo sự chỉ dẫn của Kỹ sư để giám sát nhiệt độ bê tông và không khí xung quanh trong thời kỳ bảo dưỡng.
9.4.2 Trộn và đổ bê tông
Khi nhiệt độ không khí thấp hơn 2°C, nhiệt độ bê tông lúc đổ trong các tiết diện có bề dày nhỏ hơn 300 mm phải lớn hơn 16 °C. Bất kể nhiệt độ không khí thế nào, các cốt liệu không được có sương giá khi cân đong vật liệu, và bê tông không được đổ lên bất kỳ vật liệu nào có nhiệt độ là 0 °C hoặc nhỏ hơn.
9.4.3 Hấp nóng hỗn hợp
Khi cần thiết, để sản xuất bê tông có nhiệt độ quy định, hoặc nước trộn, hoặc cốt liệu, hoặc cả hai phải được hấp nóng trước khi cân đong mẻ trộn. Hấp nóng phải làm sao để không làm tổn hại đến hỗn hợp và không ngăn cản hấp thu lượng không khí cần thiết. Các phương pháp sử dụng phải làm nóng vật liệu đồng đều. Không được hấp nóng cốt liệu trực tiếp bằng khí đốt, bằng lửa hoặc trên tấm kim loại đặt trên lửa. Cốt liệu và nước không được hấp nóng quá 66 °C. Nếu có cốt liệu nào được hấp nóng quá 38 °C thì chúng phải trộn trước với nhau trước khi đổ xi măng vào để xi măng không tiếp xúc với vật liệu nóng trên 38 °C.
9.5 Các yêu cầu đặc biệt đối với mặt cầu
Trong các thời kỳ có độ ẩm thấp, gió hoặc nhiệt độ cao và trước khi tiến hành bảo dưỡng, bê tông đã đổ và hoàn thiện của mặt cầu phải được bảo vệ không để hư hại do bốc hơi nhanh, việc bảo vệ này phải thích đáng để phòng ngừa lớp bề mặt cứng sớm hoặc tăng nứt do khô. Việc bảo vệ này phải thực hiện bằng cách tăng độ ẩm của không khí xung quanh bằng máy phun sương đặt phía đầu gió của mặt cầu, sử dụng các hàng rào che gió hoặc che nắng, giảm bớt nhiệt độ của bê tông, bố trí thời gian đổ bê tông ở các thời điểm mát hơn trong ngày hoặc đêm, hoặc kết hợp các cách đó.
Với các mặt cầu nằm trên hoặc tiếp giáp với nước mặn, hoặc khi có quy định trong hồ sơ hợp đồng, nhiệt độ tối đa của bê tông lúc đó phải là 27 °C.
9.6 Bê tông tiếp xúc với nước mặn
Trừ khi có quy định khác trong hồ sơ hợp đồng, bê tông dùng cho các kết cấu tiếp xúc với nước mặn hoặc nước lợ phải đáp ứng các yêu cầu của bê tông Loại A(HPC). Bê tông này phải trộn với thời gian không dưới 2 min và hàm lượng nước của hỗn hợp phải khống chế và điều chỉnh cẩn thận sao để tạo được bê tông có độ không thấm nước tối đa. Bê tông phải được đầm kỹ lưỡng khi cần thiết để đạt độ chặt tối đa và hoàn toàn không có các túi đá. Trừ khi có quy định khác trong hồ sơ hợp đồng, cự ly tịnh giữa bề mặt bê tông và cốt thép không được nhỏ hơn 100 mm. Không được tạo ra mối nối thi công nào giữa các cao độ mức nước thấp nhất và mức nước cao nhất hoặc giới hạn trên của tác động sóng theo xác định của Kỹ sư. Giữa các mực nước này các ván khuôn không được tháo ra, hoặc phải bố trí biện pháp ngăn chặn không để nước mặn trực tiếp tiếp xúc với bê tông trong thời gian không ít hơn 30 ngày sau khi đổ bê tông. Trừ khi phải sửa chữa túi đá hoặc bịt các lô thanh giằng ván khuôn, bề mặt ban đầu của bê tông khi tháo ván khuôn phải để nguyên không đụng tới. Đối với các cấu kiện đúc sẵn, phải xử lý đặc biệt khi vận chuyển để tránh các vết nứt do biến dạng, dù nhỏ nhất.
9.7 Bê tông tếp xúc với đất hoặc nước sulfat
Khi hồ sơ hợp đồng đã xác định bê tông sẽ tiếp xúc với khu vực có đất hoặc nước sulfat thì bê tông đó phải là Loại A(HPC) và được trộn, đổ và bảo vệ khi tiếp xúc với đất hoặc nước như yêu cầu đối với bê tông tiếp xúc với nước mặn, trừ khi thời gian bảo vệ không ít hơn 72 h.
10 Vận chuyển và đổ bê tông
10.1 Tổng quát
Bê tông phải được vận chuyển, đổ và đầm bằng các phương pháp không gây ra sự phân tầng của hỗn hợp và làm cho bê tông được chặt chẽ đồng nhất, không có các lỗ rỗng và các túi đá. Các phương pháp sử dụng không được làm xê dịch cốt thép hoặc các vật liệu khác chôn trong bê tông. Bê tông phải được đổ và đầm trước khi bắt đầu đông cứng và trong mọi trường hợp không được để quá 1,5 h kể từ lúc đã cho xi măng vào hỗn hợp.
Bê tông không được đổ nếu ván khuôn, các vật liệu gắn bên trong, và đối với móng mở rộng, tính thích hợp của vật liệu móng, chưa được Kỹ sư kiểm tra và chấp thuận. Vữa còn lại của các lần đổ bê tông trước, rác bẩn và vật lạ phải loại ra khỏi khuôn và thép trước khi bắt đầu đổ bê tông. Ván khuôn và lớp mặt nền phải làm ẩm kỹ lưỡng bằng nước ngay trước lúc đổ bê tông vào. Các thanh chống tạm của ván khuôn có thể để tại chỗ cho tới khi việc đổ bê tông không cần đến chúng, sau đó chúng phải được tháo bỏ.
Việc đổ bê tông cho mỗi đoạn kết cấu phải tiến hành liên tục không gián đoạn giữa các thi công theo kế hoạch hoặc giữa các khe co giãn. Tốc độ cung cấp bê tông, trình tự đổ và các phương pháp phải sao cho bê tông luôn được đổ và cố kết với bê tông đã đổ, trước khi bê tông này bắt đầu hóa cứng.
Trong và sau khi đổ bê tông, phải chú ý không làm hư hỏng bê tông hoặc phá vỡ dính kết với cốt thép. Công nhân không được đi lại trên bê tông tươi. Sàn dành cho công nhân và thiết bị không được đặt trực tiếp trên bất kỳ cốt thép nào. Khi bê tông đã hóa cứng, không được tác động lực vào ván khuôn hay các thanh cốt thép thò ra ngoài bê tông, cho tới khi bê tông đủ cường độ để tránh bị hư hỏng.
10.2 Trình tự đổ bê tông
Khi đã quy định hoặc chấp thuận kế hoạch hoặc thời gian biểu đồ bê tông thì trình tự đổ bê tông phải theo đúng kế hoạch này. Trừ khi có quy định cho phép khác trong hồ sơ hợp đồng, phải áp dụng các yêu cầu trong các đoạn sau đây.
10.2.1 Cấu kiện thẳng đứng
Bê tông cho cột, kết cấu phần dưới, tường cống, và các cấu kiện thẳng đứng tương tự khác phải được đổ và cho phép hóa cứng và lún trong một khoảng thời gian trước khi đổ bê tông các cấu kiện ngang gắn với chúng, như xà mũ, tấm bản hoặc bệ móng. Khoảng thời gian đó phải đủ để cho phép hoàn thành lún do mất nước và không ít hơn 12 h đối với các cấu kiện thẳng đứng cao trên 4.500 mm và không ít hơn 30 min đối với các cấu kiện cao trên 1.500 mm, nhưng không quá 4.500 mm. Khi lắp các đai ma sát hoặc các giá công xon đỡ đà giáo trên các cấu kiện thẳng đứng như vậy, và trừ khi được chấp thuận làm khác, cầu kiện thẳng đứng phải đề tại chỗ ít nhất 7 ngày và phải đạt được cường độ quy định trước khi tác động tải trọng từ các cấu kiện nằm ngang.
10.2.2 Kết cấu phần trên
Trừ khi được phép làm khác, chỉ được đổ bê tông trong các kết cấu phần trên sau khi các ván khuôn kết cấu phần dưới đã được tháo dỡ đủ để xác định tính chất của bê tông kết cấu phần dưới đỡ bên dưới.
Bê tông dầm T hoặc các nhịp dầm bản có chiều cao nhỏ hơn 1.200 mm có thể đổ liên tục trong 1 đợt hoặc có thể đổ làm 2 đợt; đợt thứ nhất tới đỉnh thân dầm, và đợt thứ hai đổ xong toàn bộ. Với dầm T hoặc các nhịp dầm bản có chiều cao 1.200 mm hoặc lớn hơn, và trừ khi đà giáo là không bị chảy dẻo, bê tông phải đổ làm 2 đợt, và sau khi đổ thân dầm, phải để ít nhất 5 ngày trước khi đổ bản mặt cầu.
Bê tông dầm hộp có thể đổ trong 2 hoặc 3 đợt riêng rẽ gồm bản đáy, thân dầm và bản mặt. Trong cả hai trường hợp, phải đổ bản đáy trước và, trừ khi được Kỹ sư cho làm khác, chỉ được đổ bê tông bản mặt sau khi thân dầm đã đổ được ít nhất 5 ngày.
10.2.3 Vòm
Bê tông trong vành vòm phải đổ sao để khuôn vòm được chất tải đồng đều và đối xứng. Các vành vòm phải đúc thành các đoạn ngang với kích thước sao để mỗi đoạn có thể đổ trong 1 đợt liên tục. Việc phân đoạn và trình tự đổ phải được chấp thuận và phải sao để tránh được việc tạo ra các ứng suất ban đầu trong cốt thép. Các đoạn phải liên kết với nhau bằng các khóa hoặc chốt thích hợp. Trừ khi hồ sơ hợp đồng cấm không cho làm, các khuôn hình vòm làm cống hoặc các vòm khác có thể đổ liên tục trong 1 đợt.
10.2.4 Cống hộp
Nói chung, tấm bản đáy hoặc đế móng của cống hộp phải được đổ bê tông và để hóa cứng trước khi thi công phân còn lại của cống. Đối với các cống có tường cao 1.500 mm trở xuống, tường bên và tấm bản mặt có thể đổ trong 1 đợt liên tục. Với các tường cống cao hơn, phải áp dụng các yêu cầu đối với các cấu kiện thẳng đứng.
10.2.5 Cấu kiện đúc sẵn
Trình tự đổ bê tông của các cấu kiện đúc sẵn phải đảm bảo bê tông đặc chắc, không xuất hiện vết nứt do lún hoặc co ngót trong toàn bộ cấu kiện.
10.3 Phương pháp đổ bê tông
10.3.1 Tổng quát
Bê tông phải đổ càng gần vị trí cuối cùng của nó càng tốt và không được phép dùng đầm rung để xới, san rộng khối bê tông tươi.
Bê tông được đổ thành các lớp nằm ngang có bề dày không vượt quá tầm với của đầm rung để cố kết bê tông và gắn nó với lượt đổ trước. Trong mọi trường hợp bề dày của 1 lớp không được vượt quá 600 mm. Tốc độ đổ bê tông không được vượt tốc độ giả thiết cho thiết kế ván khuôn có xét hiệu chỉnh theo nhiệt độ thực tế của bê tông được đổ.
Khi các thao tác đổ bê tông có thể liên quan đến việc rót bê tông cao quá 1.500 mm, bê tông phải đổ qua ống dẫn lắp vào đầu phễu, hoặc qua các dụng cụ được chấp thuận khác, cần thiết để phòng ngừa hỗn hợp bị phân tầng và vẩy vữa lên thép và ván khuôn phía trên cao độ lớp đang đổ. Yêu cầu này không áp dụng cho cọc đổ tại chỗ khi việc đổ bê tông được hoàn thành trước khi bê tông đổ trước bắt đầu hóa cứng.
10.3.2 Thiết bị
Thiết bị dùng để đổ bê tông phải có khả năng thích hợp và được thiết kế và thao tác sao để ngăn ngừa hỗn hợp phân tầng hoặc tổn thất vữa. Thiết bị đó không được gây ra chấn động có thể làm hư hại bê tông mới đổ. Thiết bị không được có các bộ phận bằng nhôm tiếp xúc với bê tông. Giữa các lần sử dụng, lớp vữa phủ mặt trong của thiết bị đổ bê tông bị hóa cứng hoặc khô phải được làm sạch khỏi thiết bị trước khi dùng lại.
Máng phải lót bằng vật liệu kín nước, nhẵn nhụi và khi có độ dốc quá lớn, máng phải trang bị các tấm vách làm đổi hướng hoặc đảo chiều.
Bơm bê tông phải hoạt động sao để tạo ra dòng hỗn hợp bê tông liên tục không có các túi không khí. Khi bơm xong, bê tông còn lại trong ống dẫn, nếu được sử dụng, phải được đẩy ra sao để không làm bẩn bê tông hoặc làm phân tách các thành phần.
Hệ thống băng chuyền không được vượt quá tổng chiều dài bằng 168 m, đo từ đầu này tới đầu kia của hệ thống. Bộ băng chuyền phải bố trí để mỗi đoạn sẽ rót vào một phễu thẳng đứng để chuyển sang đoạn sau. Để giảm đến tối thiểu việc phân tầng các thành phần bê tông, phải đặt các thanh gạt trên phễu của mỗi đoạn sao để gạt vữa dính vào băng chuyền và đưa được vào phễu. Đầu thoát ra của hệ băng chuyền phải trang bị phễu và máng hoặc các bộ phận hướng dòng làm cho bê tông rót thẳng đứng vào khu vực đổ bê tông.
10.4 Đầm bê tông
Các loại bê tông, trừ bê tông đổ trong nước và bê tông được miễn trừ khác, phải được đầm bằng rung cơ học ngay sau khi đổ.
Trừ các điều nêu ở đây, phải rung bên trong khối bê tông. Có thể dùng các đầm rung gắn ngoài ván khuôn đối với các tiết diện mỏng khi ván khuôn được thiết kế cho việc rung ngoài.
Đầm rung phải là loại và thiết kế được chấp thuận và có kích thước thích hợp với công trình. Chúng phải có khả năng truyền rung động cho bê tông với các tần số không nhỏ hơn 75 Hz.
Nhà thầu cần bố trí số lượng đầm rung đủ để đầm thoả đáng mỗi mẻ bê tông ngay sau khi đổ vào khuôn. Nhà thầu cũng phải có ít nhất 1 đầm dự phòng có thể dùng ngay được khi có đầm hỏng.
Đầm rung phải thao tác sao để tác động tới toàn bộ bê tông xung quanh cốt thép và các chi tiết gá lắp chôn trong bê tông và tới các góc cạnh của ván khuôn. Chấn động phải tác động tại điểm đổ bê tông và trong khu vực bê tông mới đổ. Đầm rung phải đưa vào và rút ra từ từ khỏi bê tông. Chấn động phải có đủ thời gian và cường độ để cố kết hoàn toàn bê tông, nhưng không được tiếp tục để gây ra sự phân tầng. Chấn động cũng không được kéo dài tại bất kỳ điểm nào tới mức tạo thành khu vực vữa cục bộ. Đầm rung phải đặt cách nhau đồng đều và không được cách nhau xa quá 1,5 lần bán kính hoạt động có hiệu của đầm.
Chấn động không được đặt trực tiếp vào, hoặc qua cốt thép vào, các đoạn hoặc các lớp bê tông đã đông cứng tới mức độ bê tông ngừng biến dẻo khi chịu chấn động. Đầm rung không được dùng để di chuyển bê tông trong ván khuôn.
Khi dùng loại đầm rung ngập chìm trong bê tông để cố kết bê tông bao quanh cốt thép bọc epoxy, các đầm rung phải được trang bị các vỏ bọc bằng cao su hoặc vật liệu phi kim loại.
Việc rung bê tông phải được bổ sung bằng cách xọc sâu, nếu cần thiết, để đảm bảo tạo nên các bề mặt nhẵn và bê tông được đầm dọc theo các bề mặt ván khuôn và tại các góc và các vị trí đầm rung không với tới.
Khi được Kỹ sư chấp thuận, bê tông dùng cho các bộ phận nhỏ không quan trọng, có thể sử dụng xà beng và xẻng thích hợp để đầm.
10.5 Đổ bê tông dưới nước
10.5.1 Tổng quát
Chỉ có bê tông dùng trong vòng vây cọc ván để ngăn nước mới có thể được đổ trong nước, trừ khi có quy định khác trong hồ sơ hợp đồng hoặc được sự chấp thuận đặc biệt của Kỹ sư. Nếu không phải là bê tông Loại S được đổ trong nước, hàm lượng xi măng tối thiểu của hỗn hợp phải tăng thêm 10 % để bù tổn thất do bị nước rửa trôi.
Để ngăn ngừa cốt liệu bị phân tầng, bê tông đổ trong nước phải đổ cẩn thận thành khối chặt chẽ, tại vị trí cuối cùng của nó, bằng ống rót, bơm bê tông hoặc phương pháp khác được chấp thuận mà không bị xáo trộn sau khi đổ. Phải duy trì nước lặng tại điểm bê tông rót xuống, và các khuôn dưới nước phải kín nước. Vòng vây cọc ván phải có lỗ thoát trong khi đổ và bảo dưỡng bê tông để cân bằng áp lực thủy tĩnh và do đó ngăn ngừa dòng nước chảy qua bê tông.
Bê tông đổ dưới nước phải đổ liên tục từ lúc bắt đầu tới khi đổ xong. Bề mặt bê tông phải giữ gần như nằm ngang ở mức độ có thể. Để đảm bảo dính kết hoàn toàn, lớp kế tiếp phải đổ trước khi lớp trước bắt đầu hóa cứng. Với các lần đổ lớn, phải dùng nhiều ống rót hoặc bơm để đảm bảo được yêu cầu này.
10.5.2 Thiết bị
Ống rót gồm có ống kín nước đường kính không nhỏ hơn 250 mm và liên kết khớp với phễu ở đầu trên. Ống rót phải được đỡ để cho phép đầu xả chuyển động tự do trên toàn bộ bề mặt bên trên công trình và cũng cho phép hạ thấp nhanh khi cần thiết để làm chậm hoặc dừng dòng bê tông. Đầu xả phải được bịt kín lúc bắt đầu công việc để ngăn không để nước lọt vào ống khi ống đầy bê tông. Sau khi bắt đầu đổ bê tông, ống rót phải giữ đầy bê tông tới đáy phễu. Nếu nước vào trong ống khi đã bắt đầu đổ bê tông, ống rót phải rút lên, bịt lại đầu xả và đổ lại bê tông. Khi một mẻ đã đổ vào phễu, dòng bê tông được tạo ra bằng cách nhấc nhẹ đầu xả lên, luôn luôn giữ đầu ống trong bê tông đã rót xuống. Dòng bê tông phải liên tục cho đến khi hoàn thành. Khi các thanh chống khung vây làm vướng ngăn cản việc chuyển động ngang của ống rót, phải dùng ống rót cho mỗi khu vực của vòng vây cọc ván.
Bơm bê tông dùng để đổ bê tông dưới nước phải có dụng cụ tại đầu ống xả để bịt kín nước trong khi ống được đổ đầy bê tông từ đầu. Khi dòng bê tông đã bắt đầu chảy, đáy ống xả phải giữ luôn đầy bê tông và thấp hơn bề mặt lớp bê tông đã rót xuống cho tới khi đổ bê tông xong.
10.5.3 Dọn dẹp
Có thể tiến hành hút nước sau khi các mẫu thử nghiệm, bảo dưỡng trong các điều kiện tương tự, cho thấy bê tông đã đủ cường độ để chịu được các tải trọng dự kiến. Sữa xi măng hoặc các vật không đáng có khác đều phải lấy đi hết khỏi bề mặt lộ ra bằng cách cạo, đục hoặc các biện pháp khác mà không làm hư hại đến bề mặt bê tông trước khi đổ bê tông móng.
11 Mối nối thi công
11.1 Tổng quát
Chỉ được làm các mối nối thi công tại chỗ có quy định trong hồ sơ hợp đồng, hoặc chỗ ghi trên thời gian biểu đổ bê tông, trừ khi được chấp thuận khác. Cốt thép trong thiết kế phải kéo dài không đứt đoạn qua mối nối. Trường hợp khẩn cấp, mối nối thi công phải đặt theo chỉ dẫn của Kỹ sư và nếu có chỉ dẫn, phải đặt thêm cốt thép chốt qua mối nối. Thép bổ sung như vậy phải do Nhà thầu cung cấp và lắp đặt.
11.2 Liên kết
Trừ khi có quy định khác trong hồ sơ hợp đồng, các mối nối thi công nằm ngang có thể không có chốt khóa còn các mối nối thẳng đứng phải thi công với khóa chống cắt. Bề mặt bê tông tươi tại mối nối thi công nằm ngang phải xoa thô đủ để làm chặt chẽ hoàn toàn bề mặt và có dụng ý để trong tình trạng có độ nhám. Khóa chống cắt gồm những hốc lõm được tạo thành trên bề mặt, bao phủ khoảng 1/3 bề mặt tiếp xúc. Ván khuôn làm khóa phải vát cạnh để khi tháo không làm hư hỏng bê tông.
Phải rửa sạch vữa xi măng trên mặt, hợp chất bảo dưỡng và các vật lạ khác trước khi đổ bê tông tươi lên bề mặt của mối nối. Phải dùng cách thổi phun cát hoặc phương pháp được chấp thuận khác để làm sạch mối nối thi công nằm ngang tới mức độ để lộ ra cốt liệu sạch. Tất cả mối nối thi công đều phải xối nước rồi để khô tới trạng thái khô bề mặt ngay trước khi đổ bê tông.
11.3 Liên kết và chốt neo vào kết cấu đã có
Khi hồ sơ hợp đồng quy định bê tông mới phải liên kết vào kết cấu bê tông đã có trước đó, phải làm sạch và dội nước bê tông đã có như quy định trong Điều 11.2. Khi hồ sơ hợp đồng cho thấy là chốt neo thép được phun vữa trong các lỗ khoan vào bê tông đã có tại các mối nối thi công như vậy, thì các lỗ phải khoan bằng các phương pháp không làm vỡ hoặc hư hỏng bê tông bên cạnh lỗ. Đường kính của lỗ khoan phải lớn hơn đường kính danh định của chốt 6 mm, trừ khi trong hồ sơ hợp đồng có ghi khác. Vữa phải là bột xi măng Portland hòa với nước. Hàm lượng nước không được quá 15 lít nước cho 43 kg xi măng. Không được phép trộn lại vữa. Ngay trước khi đặt chốt, các lỗ phải làm sạch hết bụi và các vật có hại khác, và hoàn toàn bão hòa nước, phải vét hết nước tự do và lỗ phải làm khô tới trạng thái khô bề mặt. Phải đổ đủ vữa vào lỗ để không còn khoảng trống sau khi cắm chốt. Vữa phải bảo dưỡng ít nhất 3 ngày hoặc tới khi chốt được chôn cứng trong bê tông.
Khi có quy định trong hồ sơ hợp đồng hoặc được Kỹ sư chấp thuận, có thể dùng epoxy thay cho vữa xi măng Portland để liên kết chốt vào bê tông đã có. Khi sử dụng epoxy, phải trộn và đặt theo đúng khuyến cáo của Nhà sản xuất.
11.4 Ván khuôn tại các mối nối thi công
Khi tại các mối nối thi công ván khuôn phủ chờm lên phần bê tông đã đổ trước đó, chúng phải được xiết khít lại trước khi đổ bê tông mới. Cạnh mặt của các khe nối lộ ra nhìn thấy phải làm ván khuôn gọn gàng bằng các vách ngăn thẳng hoặc các dải băng chia cấp, hoàn thiện cẩn thận bằng cách khác khớp với tuyến và cao độ.
12 Khe co giãn
12.1 Tổng quát
Khe co giãn phải thi công tại các vị trí và theo đúng các chi tiết quy định trong hồ sơ hợp đồng. Khe như vậy gồm các khe hở, khe lấp đầy, khe bịt bằng các chất bít kín hoặc vật ngăn nước, khe được tăng cường bằng thép tấm hoặc thép hình và khe tổ hợp các đặc trưng trên.
Khi yêu cầu dùng đến các bộ bịt khe chịu nén bằng vật liệu đàn hồi hoặc khe mặt cầu, chúng phù hợp với quy định của TCVN 12885-19:2020.
12.2 Vật liệu
12.2.1 Tấm nhồi khe giãn nở đúc sẵn
Tấm nhồi khe giãn nở đúc sẵn phù hợp với một trong các yêu cầu sau:
- Tiêu chuẩn kỹ thuật đối với tấm nhồi khe giãn nở đúc sẵn dùng cho mặt lát bê tông và thi công kết cấu AASHTO M213 (ASTM D1751).
- Tiêu chuẩn kỹ thuật đối với tấm nhồi khe giãn nở bằng cao su xốp đúc sẵn và li-e dùng cho tấm thảm bê tông và thi công kết cấu AASHTO M153 (ASTM D1752). Không được dùng Loại II (li-e) khi có yêu cầu biến dạng đàn hồi.
- Tiêu chuẩn kỹ thuật đối với tấm nhồi khe giãn nở đúc sẵn dùng cho bê tông AASHTO M33 (ASTM D994).
12.2.2 Tấm nhồi bằng Polystyrene
Tấm nhồi phải là loại polystyrene co giãn với cường độ chịu uốn tối thiểu bằng 0,24 MPa, như xác định của ASTM C203, và cường độ nén chảy trong khoảng từ 0,1 và 0,3 MPa tại biên dạng nén 5 %. Khi có quy định trong hồ sơ hợp đồng, hoặc có yêu cầu tránh làm hư hỏng khi đổ bê tông, bề mặt tấm polystyrene phải được phủ mặt bằng tấm ép cứng dày 3 mm phù hợp với ANSI A135.4.
12.2.3 Vật liệu khe co ngót
Vật liệu đặt trong các khe co ngót phải gồm có tấm phớt tẩm asphalt hoặc vật liệu chống dính khác được chấp thuận.
12.2.4 Chất lỏng bịt khe có thể rót được
Chất lỏng bịt khe đổ dọc các mép trên của các khe co hoặc nhồi đầy khe giãn phù hợp với một trong số quy định sau:
- Chất bịt rót nóng phù hợp với AASHTO M282 (ASTM D3406), trừ khi chất bịt không tiếp xúc trực tiếp với vật liệu asphalt, phù hợp với ASTM D6690.
- Chất bịt rót nguội phải là loại silicon phù hợp với TT-S-1543, Loại A. Chất bịt phải là loại cao su Silicon một-phần modul thấp, với độ giãn dài cực hạn bằng 1.200 %.
- Dải xốp polyethylene, dùng như chỉ dẫn trong hồ sơ hợp đồng, phải có chất lượng thương mại, có bề mặt trên láng bóng, liên tục, không thấm nước, phù hợp để giữ chất bịt lỏng ở cao độ thích hợp trong khe nối khi đông cứng.
12.2.5 Vỏ bọc kim loại
Bộ vỏ bọc khe giãn nở phải chế tạo từ thép phù hợp với yêu cầu của TCVN 12885-23:2020. Bộ vỏ này phải được chế tạo chính xác và nắn thẳng tại xưởng sau khi chế tạo và mạ kẽm khi cần thiết để phù hợp với tiết diện bê tông.
12.2.6 Tấm chắn nước
Tấm chắn nước phải có loại, kích cỡ và hình dạng nêu trong hồ sơ hợp đồng. Chúng phải đặc chắc, đồng chất và không có lỗ hoặc các khuyết tật khác.
12.2.6.1 Tấm chắn nước cao su
Tấm chắn nước cao su được làm từ cao su tổng hợp neoprene, gia cường muội than, oxit kẽm, các chất polymer hóa và các chất làm mềm. Hợp chất này phải có không ít hơn 70 % neoprene theo thể tích. Cường độ chịu kéo phải không nhỏ hơn 19 MPa với độ giãn dài khi đứt bằng 600 %. Chỉ số độ cứng đo theo thang đo độ cứng Shore từ 50 - 60. Sau 7 ngày trong không khí ở nhiệt độ 70 ± 1 °C, hoặc sau 4 ngày trong oxy ở nhiệt độ 70 ± 1 °C, và áp lực 2 MPa, cường độ chịu kéo không nhỏ hơn 65 % cường độ ban đầu.
Tấm chắn nước cao su phải đúc với tiết diện ngang nguyên vẹn trong các khuôn phù hợp, để tạo ra đoạn đồng đều với biến động về kích thước cho phép bằng ± 0,8 mm. Không được phép nối trong các dải thẳng. Các dải và các bộ phận liên kết đặc biệt phải bảo dưỡng tốt theo cách để bất kỳ tiết diện ngang nào cũng phải chặt chẽ, đồng nhất và không có lỗ hổng. Chỗ nối chồng các bộ phận liên kết đặc biệt phải đúc hoàn toàn. Trong thời gian lưu hóa các khe nối phải giữ chặt bằng các kẹp phù hợp. Vật liệu tại các mối nối phải chặt chẽ, đồng nhất trên toàn bộ tiết diện ngang.
12.2.6.2 Tấm chắn nước Polivinyl chloride
Tấm chắn nước Polyvinyl chloride (PVC) phải chế tạo bằng công nghệ ép đùn từ hợp chất cao su dẻo, chất nhựa cơ bản trong đó là Polyvinyl chloride. Hợp chất phải chứa bất kỳ chất nền bổ sung nào như nhựa, chất hóa dẻo, chất ổn định hoặc các vật liệu cần thiết khác để đảm bảo là, khi vật liệu được tổng hợp lại, nó sẽ đáp ứng được các yêu cầu về tính năng ghi trong Tiêu chuẩn này. Không được dùng PVC tái sinh hoặc các vật liệu khác.
Vật liệu phải tuân theo các yêu cầu vật lý sau đây khi thử nghiệm theo chỉ định phương pháp thử nghiệm của ASTM.
Bảng 4 - Yêu cầu của phương pháp thử nghiệm ASTM
| Trọng lượng riêng | ASTM D792 | 1,35 Max |
| Độ cứng trên máy đo | ASTM D2240 | 75 ± 5 |
| Cường độ kéo | ASTM D412 | 12,5 MPa |
| Độ giãn dài | ASTM D412 | 350% |
| Tính giòn khi lạnh | ASTM D746 | -1,7°C |
| Độ cứng khi chịu uốn | ASTM D747 | 2,4 MPa |
12.2.6.3 Tấm chắn nước bằng đồng
Đồng phù hợp với Tiêu chuẩn về đồng lá, đồng miếng, đồng tấm và đồng thanh cán, AASHTO M 138M/M138 (ASTM B152/B152M) và phải đáp ứng thử nghiệm tính hóa giòn trong Phần 10 của AASHTO M138M/M138 (ASTM B152/B152M).
12.2.6.4 Thử nghiệm vật liệu tấm chắn nước
Nhà sản xuất phải chịu trách nhiệm về việc thử nghiệm các vật liệu tấm chắn nước, trong phòng thử nghiệm của mình hoặc phòng thử nghiệm thương mại đã được chứng nhận, và phải đệ trình Kỹ sư 3 bản sao có chứng thực về các kết quả thử nghiệm.
12.3 Lắp đặt
12.3.1 Khe nối hở
Khe nối hở phải thi công bằng cách chèn vào và sau đó tháo ra các thanh gỗ, tấm kim loại hoặc vật liệu được chấp thuận khác. Việc chèn và tháo bỏ mẫu phải thực hiện mà không làm sứt mẻ hoặc vỡ các góc của bê tông. Khi không có vỏ kim loại bảo vệ, các khe hở trên mặt cầu và đường người đi phải được hoàn thiện bằng dụng cụ gọt mép. Khi hoàn thành công việc hoàn thiện bê tông, phải quét sạch vữa và các mảnh vỡ khác khỏi các khe nối hở.
12.3.2 Khe lấp đầy
Khi các khe lấp đầy, được quy định trong hồ sơ hợp đồng, phải sử dụng các tấm nhồi loại đúc sẵn trừ khi tấm polystyrene được đặc biệt yêu cầu sử dụng. Tấm nhồi cho mỗi khe nối phải gồm càng ít lớp càng tốt. Các mép tiếp giáp của vật liệu nhồi phải thật thẳng hàng với nhau và khít chặt, hoặc khi cần thiết phải vỗ nhẹ, ngăn không để vữa lọt vào. Vật liệu nhồi khe phải neo vào một phía của khe bằng chất dính kết không thấm nước hoặc bằng các phương pháp khác ngăn không để nó bật ra khỏi khe làm ảnh hưởng tới độ nén của vật liệu.
12.3.3 Khe nối được bịt
Trước khi đổ các chất bịt khe dạng lỏng có thể rót được, phải loại bỏ tất cả các vật lạ ra khỏi khe, vật liệu nhồi phải cắt bớt tới chiều sâu đã ghi hoặc được chấp thuận, và bề mặt của bê tông sẽ tiếp xúc với chất bịt phải được làm sạch bằng cách thổi phun cát nhẹ. Khi có yêu cầu, phải đặt dải xốp polyethylene trong khe nối để giữ chất bịt và cách ly nó với vật liệu nhồi. Sau đó vật liệu bịt được trộn và đổ phù hợp với chỉ dẫn của Nhà sản xuất. Mọi vật liệu không dính kết với các cạnh của khe nối trong vòng 24 h sau khi đặt, phải tháo ra và thay thế.
12.3.4 Tấm chắn nước
Tấm chắn nước bằng kim loại, cao su hoặc chất dẻo phải được lắp đặt theo quy định trong hồ sơ hợp đồng. Khi có bố trí chuyển dịch tại khe nối, các tấm chắn nước phải là loại cho phép chuyển dịch mà không bị hư hỏng. Chúng phải được nối, hàn hoặc gắn để tạo thành khe nối liên tục kín nước.
Phải có các biện pháp ngăn không để các tấm chắn nước có thể dịch chuyển hoặc bị hư hỏng do các thao tác thi công hoặc các cách khác. Bề mặt của tấm chắn nước phải được giữ để không có dầu, mỡ, vữa khô hoặc mọi chất lạ khác trong khi đang gắn tấm chắn nước vào bê tông. Phải dùng các biện pháp để đảm bảo các bộ phận của tấm chắn nước được thiết kế để chôn trong khe đều được khối bê tông chặt chẽ bao kín.
12.3.5 Bộ vỏ bọc kim loại của khe giãn nở
Bộ vỏ bọc phải đặt sao cho mặt trên của chúng khớp với mặt phẳng bề mặt bê tông tiếp giáp đã hoàn thiện trên suốt chiều dài bộ vỏ bọc. Khi đặt bộ vỏ bọc phải áp dụng các phương pháp hữu hiệu để có thể giữ chúng ở đúng vị trí trong suốt quá trình đổ bê tông. Độ mở rộng tại các khe giãn nở phải là độ mở rộng quy định trong hồ sơ hợp đồng ở nhiệt độ bình thường hoặc theo chỉ dẫn của Kỹ sư nêu ở các nhiệt độ khác, và phải chú ý tránh làm thu hẹp tĩnh không của khe bằng bất kỳ cách nào.
13 Hoàn thiện bề mặt bê tông
13.1 Tổng quát
Trừ khi có quy định khác trong hồ sơ hợp đồng, sau khi bê tông đã cố kết và trước khi bảo dưỡng, các bề mặt không nằm sát ván khuôn của bê tông phải vỗ mặt cho tới cao độ hoặc độ dốc quy định về hoàn thiện bề mặt bằng cách dùng bay gỗ để xoa chát kín bề mặt. Trong khi bê tông còn ở trạng thái dễ thi công, các khe thi công và khe giãn nở phải được thao tác cẩn thận bằng dụng cụ miết cạnh. Chất nhồi khe phải để lộ ra.
13.2 Hoàn thiện bề mặt đường
Mặt cầu, các bản dẫn lên cầu, và các bề mặt bê tông khác dùng để chạy xe phải được hoàn thiện thành bề mặt nhẫn, không trơn trượt phù hợp với điều này. Trong khi thao tác hoàn thiện, Nhà thầu cần bố trí các công cụ thích hợp và thuận lợi để thực hiện công việc đúng cách, bao gồm việc phun và các hợp chất bảo dưỡng để phun mù, và để kiểm tra công việc.
13.2.1 Vỗ mặt và xoa
Sau khi bê tông đã được đổ và cố kết theo Điều 10, mặt cầu hoặc các bản mặt trên của các kết cấu dùng làm mặt đường phải được hoàn thiện bằng các thiết bị hoàn thiện được chấp thuận. Có thể dùng phương pháp hoàn thiện thủ công, nếu được Kỹ sư chấp thuận, đối với cầu dài không quá 15 m hoặc đối với khu vực bình thường không thể sử dụng thiết bị.
Bề mặt phải được vỗ bằng thiết bị vỗ chạy trên đường ray hoặc các thanh đặt ngang. Ray, thanh ngang và thiết bị vỗ phải đủ cường độ và được điều chỉnh để mặt bê tông sau khi được vỗ sẽ phù hợp với mặt nghiêng và tiết diện ngang dự kiến.
Ray hoặc thanh ngang phải đặt trên các gối đỡ không bị cong oằn và phải lắp đặt hoàn toàn đúng chỗ và được cố định chắc chắn trên đoạn dài đã định cho việc đổ bê tông trước khi được phép đổ bê tông. Đường ray dùng cho máy hoàn thiện phải kéo dài ra quá cả hai đầu chiều dài dự định đổ bê tông một đoạn đủ để bàn xoa của máy xử lý hoàn toàn bê tông đã đổ. Ray hoặc thanh ngang phải có thể điều chỉnh được về cao độ và khi lắp đặt phải xét đến độ lún dự kiến, độ võng và độ võng của đà giáo, khi cần thiết để đạt được bề mặt hoàn thiện theo đúng cao độ và tiết diện yêu cầu. Ray hoặc thanh ngang phải cùng loại và phải đặt sao để không bị cong hoặc võng dưới trọng lượng của thiết bị hoàn thiện và phải ở vị trí thích hợp để thiết bị hoàn thiện có thể hoạt động không ngừng trên toàn bộ bề mặt đang hoàn thiện. Khi cần thiết phải điều chỉnh các ray hoặc thanh ngang để hiệu chỉnh độ lún hoặc độ võng không dự kiến có thể xảy ra trong thao tác hoàn thiện. Nếu các gối đỡ ray đặt trong khu vực bê tông đang đổ, ngay khi không còn cần dùng nữa, phải di chuyển chúng xuống thấp hơn bề mặt hoàn thiện 50 mm và lấp chỗ trống bằng bê tông tươi.
Trước khi bắt đầu việc cung cấp bê tông, máy hoàn thiện hoặc, nếu được sử dụng, dụng cụ vỗ bằng tay phải được vận hành trên toàn bộ khu vực cần hoàn thiện để kiểm tra về độ võng quá mức của ray, chiều dày thích hợp của mặt cầu và lớp phủ bảo vệ cốt thép, và xác nhận hoạt động của các thiết bị. Mọi hiệu chỉnh cần thiết phải thực hiện trước khi bắt đầu đổ bê tông.
Máy hoàn thiện phải di chuyển trên mỗi khu vực của bề mặt nhiều lần tùy theo yêu cầu để đạt được cao độ và tiết diện ngang yêu cầu. Phải luôn giữ một ít bê tông thừa phía trước lưỡi cắt của thanh gạt. Lượng bê tông dư thừa này phải được di chuyển trên suốt đoạn đường tới mép của mẻ đổ hoặc tới ván khuôn, và không được đổ vào tấm bản mà phải bỏ đi.
Sau khi san vỗ, bề mặt phải được hoàn thiện bằng bàn xoa, trục lăn hoặc dụng cụ được chấp thuận khác khi cần thiết để loại bỏ mọi chỗ gồ ghề cục bộ và để lại đủ vữa trên bề mặt bê tông để làm cấu trúc mặt sau này.
Trong quá trình thao tác hoàn thiện, nước dư thừa, vữa xi măng, hoặc các vật lạ đưa vào bề mặt không được dùng lại trong tấm bản, mà phải loại bỏ ngay khi xuất hiện bằng thanh quét cao su hoặc thước san phẳng kéo từ tâm tấm bản ra hai mép.
Không được thêm nước lên bề mặt bê tông để hỗ trợ thao tác hoàn thiện.
13.2.2 Rà bằng thước kiểm tra
Sau khi đã hoàn thiện như mô tả ở trên, toàn bộ bề mặt phải được Nhà thầu kiểm tra bằng thanh thước kim loại dài 3 m, thao tác song song với đường tim của cầu và phải cho thấy không có chỗ nào chênh quá 3 mm kể từ mép kiểm tra của thước. Với các bề mặt mặt cầu sẽ được phủ lớp vật liệu khác dày 25 mm hay hơn nữa, độ chênh này không được vượt 10 mm trên chiều dài 3.000 mm. Các độ chênh vượt quá yêu cầu này phải được sửa chữa trước khi bê tông hóa cứng. Thao tác kiểm tra phải tiến hành bằng cách đặt thước lần sau chờm lên một nửa lần trước.
13.2.3 Làm cấu trúc mặt
Bề mặt phải có cấu trúc không trơn trượt tạo bằng cách kéo bao tải hay tấm thảm, quét bàn chải, kẻ vạch, hoặc tổ hợp các phương pháp đó. Phương pháp sử dụng phải theo như quy định trong hồ sơ hợp đồng hoặc theo sự chấp thuận của Kỹ sư. Các bề mặt sẽ được phủ màng chống thấm nước không cần làm cấu trúc thô. Chúng được hoàn thiện thành bề mặt nhẵn, không có gợn vữa và các vết lồi lõm.
Công tác này phải làm sau khi xoa và vào lúc và bằng cách sao để có thể tạo ra được cấu trúc mong muốn trong khi giảm đến tối thiểu việc dịch chuyển các hạt cốt liệu lớn.
13.2.3.1 Kéo bao tải
Nếu cấu trúc bề mặt được thực hiện bằng cách kéo tải, bề mặt phải hoàn thiện bằng cách kéo dải bao tải ướt không có đường nối trên toàn bộ chiều rộng của bề mặt. Tấm bao tải phải gồm đủ số lớp tải và có đủ chiều dài tiếp xúc với bê tông để kẻ vạch nhẹ lên lớp mặt và phải chuyển động lên phía trước với độ cong tối thiểu của mép trước. Bao tải phải giữ ẩm, sạch, không mang theo các hạt bê tông cứng. Khác với cách dùng bao tải Kỹ sư có thể chấp thuận hoặc chỉ thị cho dùng tấm thảm hoặc tấm cỏ nhân tạo thuộc loại và kích thước được chấp thuận.
13.2.3.2 Quét mặt
Nếu cấu trúc bề mặt được hoàn thiện bằng quét mặt, bề mặt phải được quét khi bê tông đã đủ cứng. Chổi phải là loại được chấp thuận. Các nhát quét phải vuông góc với phương tấm bản, từ mép này qua mép kia, vết sau hơi chờm lên vết trước, và thực hiện bằng cách kéo chổi mà không làm rách bê tông nhưng sao để tạo ra các nếp gợn sóng đều nhau sâu không quá 3 mm. Bề mặt bê tông được hoàn thiện như vậy phải không có điểm rỗ, các dị tật, các chỗ lõm, các túi nhỏ hay các điểm xù xì do tình cờ xáo trộn các hạt cốt liệu thô nằm sát bề mặt khi thao tác quét lần cuối.
13.2.3.3 Cào mặt
Nếu hoàn thiện bằng cách cào bề mặt, động tác cào phải thực hiện theo hướng ngang bằng bàn chải sợi thép, lược hoặc bàn xoa chỉ có một hàng răng hoặc gờ sắc. Các rãnh cào phải rộng từ 1,5 mm tới 5 mm, sâu từ 3 mm tới 5 mm và cách nhau từ 12 mm tới 20 mm, tâm tới tâm. Việc cào mặt phải dừng lại cách đường bó vỉa trên mặt cầu 300 mm. Khu vực tiếp giáp với vỉa đường phải hoàn thiện bằng cách cào nhẹ theo hướng dọc cầu. Một phương án khác, việc cào bề mặt có thể thực hiện bằng cách dùng máy được chấp thuận, thiết kế chuyên dùng cho việc cào hoặc chải bề mặt bê tông.
13.2.4 Thử nghiệm và sửa chữa bề mặt
Sau khi bê tông đông cứng, Kỹ sư sẽ kiểm tra bề mặt lòng đường đã hoàn thiện trên cầu không phải phủ lớp mài mòn. Mọi thay đổi trên bề mặt vượt quá 3 mm trong phạm vi thước kiểm tra dài 3 m phải đánh dấu. Nhà thầu cần sửa chữa các chỗ không đều này bằng thiết bị san bằng hoặc bào rãnh bê tông để tạo bề mặt có cấu trúc bằng đều về độ xù xì so với bê tông xung quanh mà không làm vỡ hoặc gây hư hỏng khác cho phần bê tông còn lại.
13.3 Hoàn thiện bề mặt đường người đi
Sau khi bê tông đường bên lề và mặt đường dành cho người đi bộ đã được đổ tại chỗ, bê tông phải được đầm và bề mặt được vỗ bằng bàn vỗ và xoa bằng bàn xoa bằng gỗ hay li-e. Nếu có chỉ dẫn, sau đó phải chải nhẹ bề mặt theo phương ngang. Phải dùng dụng cụ bào mép gọt các mép và khe giãn nở. Bề mặt không được thay đổi quá 3 mm dưới thước kiểm tra 3 m. Bề mặt phải có cấu trúc nối hạt hoặc thô ráp không trơn khi ướt.
Bề mặt lề đường phải tạo lộ thành khối vuông bằng dụng cụ tạo rãnh quy định trong hồ sơ hợp đồng hoặc theo chỉ dẫn của Kỹ sư.
13.4 Hoàn thiện bằng bay và bàn chải
Bề mặt quy định trong hồ sơ hợp đồng là phải hoàn thiện bằng bay đầu tiên phải được hoàn thiện như quy định trong Điều 13.1. Sau đó, khi bê tông đông cứng một phần, bề mặt phải được hoàn thiện cho nhẵn bằng bay thép tới khi láng bóng không còn chảy nước, tiếp theo phải được chải bằng bàn chải mịn, quét song song.
13.5 Bề mặt bên dưới gối cầu
Khi các tấm kim loại được đặt trực tiếp trên bê tông hoặc trên vật liệu nhồi có bề dày nhỏ hơn 3 mm, trước hết bề mặt phải được hoàn thiện bằng bàn xoa. Sau khi bê tông đã hóa cứng, diện tích sẽ tiếp xúc với tấm kim loại phải mài, tùy khi cần thiết, để tạo ra bệ gối đầy đặn và bằng phẳng. Khi các tấm đỡ được đặt trên vật liệu nhồi dày từ 3 mm đến 12 mm, bề mặt bê tông phải hoàn thiện bằng bay thép không chải và độ phẳng của bề mặt đã hoàn thiện chỉ được thay đổi trong phạm vi 1,5 mm dưới thước kiểm tra đặt trên bề mặt theo mọi phía. Bề mặt không đáp ứng độ bằng phẳng yêu cầu phải mài cho tới khi chấp nhận được.
Bề mặt dưới gối cao su và dưới các tấm kim loại tựa trên lớp vữa hoặc trên lớp vật liệu nhồi dày từ 12 mm trở lên phải hoàn thiện bằng bàn xoa gỗ tới khi bằng phẳng và đều đặn, không có vết gợn.
14 Bảo dưỡng bê tông
14.1 Tổng quát
Bê tông mới đổ phải được bảo dưỡng để ngăn ngừa mất nước bằng cách dùng một hoặc một số phương pháp quy định ở đây. Trừ đối với bê tông Loại A(HPC), việc bảo dưỡng phải bắt đầu ngay sau khi nước tự do đã thoát hết khỏi bề mặt và công việc hoàn thiện đã hoàn thành. Đối với bê tông Loại A(HPC), việc bảo dưỡng bằng nước phải bắt đầu ngay sau khi hoàn thành công việc hoàn thiện. Nếu bề mặt bê tông bắt đầu khô trước khi có thể áp dụng phương pháp bảo dưỡng lựa chọn, bề mặt bê tông phải giữ ẩm bằng cách phun nước như sương mù để không làm hư hỏng bề mặt.
Bảo dưỡng không dùng các phương pháp dùng màng phủ kín nước, hơi nước hoặc nhiệt bức xạ, phải tiến hành liên tiếp không ngừng trong 7 ngày, trừ khi dùng pozzolan quá 10 % (theo trọng lượng) của xi măng Portland trong hỗn hợp. Khi dùng pozzolan như vậy, thời gian bảo dưỡng phải là 10 ngày. Ngoài các tấm bản trên đỉnh của các kết cấu dùng làm mặt đường đã hoàn thiện và bê tông Loại A(HPC), các thời kỳ bảo dưỡng như trên có thể giảm và chấm dứt bảo dưỡng khi các mẫu thử nghiệm bảo dưỡng trong cùng điều kiện với kết cấu cho thấy cường độ bê tông đã đạt ít nhất 70 % cường độ quy định.
Khi Kỹ sư cho là cần thiết trong các thời kỳ thời tiết nóng, phải cung cấp nước cho bề mặt bê tông đang bảo dưỡng bằng phương pháp màng lỏng hoặc bằng phương pháp ván-khuôn-tại-chỗ, cho đến khi Kỹ sư xác định không cần đến tác dụng làm mát nữa.
14.2 Vật liệu
14.2.1 Nước
Nước phù hợp với các yêu cầu của Điều 6.2.
14.2.2 Màng lỏng
Hợp chất tạo thành màng lỏng để bảo dưỡng bê tông phù hợp với yêu cầu của AASHTO M148 (ASTM C309).
14.2.3 Vật liệu màng không thấm nước
Giấy không thấm nước, màng polyethylene và tấm polyethylene bao bì trắng phù hợp với yêu cầu của ASHTO M171 (ASTM C171).
14.3 Các phương pháp
14.3.1 Phương pháp ván khuôn tại chỗ
Bề mặt bê tông có dùng ván khuôn có thể được bảo dưỡng bằng cách để ván khuôn tại chỗ không tháo ra trong thời gian yêu cầu.
14.3.2 Phương pháp nước
Bề mặt bê tông phải giữ liên tục ẩm ướt bằng cách dội nước, phun nước, hoặc phủ bằng các vật liệu giữ liên tục hoàn toàn ướt. Các vật liệu này có thể là các tấm thảm bông, bao bì nhiều lớp hoặc các vật liệu khác được chấp thuận, không làm đổi màu hoặc làm hư hỏng bê tông.
14.3.3 Phương pháp bảo dưỡng bằng màng hợp chất lỏng
Không được sử dụng phương pháp màng lỏng trên các bề mặt cần phải hoàn thiện bằng cách chà xát hoặc trên các bề mặt có mối nối thi công, trừ khi nó được loại bỏ bằng cách thổi cát trước khi đổ bê tông lên mối nối. Chỉ có thể sử dụng các màng lỏng Loại 2, có chất nhuộm trắng trên các bề mặt mặt cầu, trên các bề mặt không lộ ra nhìn thấy được khi công trình đã hoàn thành hoặc trên các bề mặt được Kỹ sư chấp thuận cho sử dụng.
Khi dùng cách bảo dưỡng bằng màng lỏng, bê tông lộ ra phải hoàn toàn bịt kín ngay sau khi nước tự do đã thoát hết khỏi bề mặt. Bề mặt có khuôn phải bịt ngay sau khi tháo khuôn và làm xong công việc hoàn thiện cần thiết. Dung dịch được phun bằng thiết bị phun máy trong 1 hoặc 2 lượt. Có thể dùng máy phun thủ công để phủ các khu vực nhỏ. Dung dịch màng có chứa chất nhuộm màu phải trộn kỹ trước khi sử dụng và khuấy liên tục trong khi phun. Nếu dung dịch được phun thành 2 lượt, lượt thứ hai phải sau lượt thứ nhất 30 min. Phải bố trí đầy đủ thiết bị, cùng với biện pháp kiểm tra chính xác và đảm bảo phủ dung dịch bảo dưỡng lên bề mặt bê tông thành lớp phủ đồng đều với mức 1 L/3,7 m2.
Nếu mưa lên bê tông mới phủ khi màng phủ chưa đủ khô, để không bị hư hỏng, hoặc nếu màng bị hư hỏng vì một lý do nào đó trong thời gian bảo dưỡng, phải phủ lớp dung dịch mới lên các phần bị ảnh hưởng với mức độ bảo dưỡng như quy định ở trên.
14.3.4 Phương pháp phủ tấm không thấm nước
Phương pháp này gồm có việc phủ bề mặt bằng tấm không thấm nước để ngăn không cho bê tông mất độ ẩm. Chỉ có thể dùng phương pháp này khi lớp phủ có thể đảm bảo ngăn cản được thỏa đáng việc mất độ ẩm.
Bê tông phải ẩm ướt khi thi công tấm phủ. Tấm phủ phải có bề rộng lớn nhất có thể và các tấm phủ tiếp giáp nhau phải phủ chồng lên nhau tối thiểu 150 mm và phải bịt kín bằng băng dính, mastic, keo dán hoặc các phương pháp được chấp thuận khác để tạo thành tấm phủ hoàn toàn không thấm nước cho toàn bộ bề mặt bê tông. Tấm phủ phải cố định để không bị gió làm xê dịch. Nếu bộ phận nào của tấm phủ bị rách hoặc hư hỏng trước khi hết thời hạn bảo dưỡng, phần bị rách hoặc hư hỏng phải sửa chữa ngay. Các phần đã mất chất lượng phòng nước không được sử dụng nữa.
14.3.5 Phương pháp bảo dưỡng bằng hơi nước nóng hoặc nhiệt bức xạ
Phương pháp này chỉ có thể sử dụng cho các cấu kiện bê tông đúc sẵn chế tạo trong xưởng.
Bảo dưỡng bằng hơi nước hoặc nhiệt bức xạ phải tiến hành trong buồng kín chứa hơi nước nóng hoặc nhiệt. Hơi nước phải có áp lực thấp và bão hòa. Phải sử dụng các thiết bị ghi nhiệt độ để kiểm soát nhiệt độ là đồng đều trong buồng và trong phạm vi quy định trong hồ sơ hợp đồng.
Không được đưa hơi nước hoặc nhiệt vào bảo dưỡng trước khi bê tông bắt đầu đông cứng, trừ khi để duy trì nhiệt độ trong buồng bảo dưỡng nằm trên nhiệt độ tối thiểu quy định. Thời gian đông cứng ban đầu có thể xác định bằng phương pháp của AASHTO T197 (ASTM C403/C403M).
Trong thời gian chờ đợi, nhiệt độ trong buồng bảo dưỡng không được nhỏ hơn 10 °C và có thể dùng hơi nước nóng hoặc nhiệt bức xạ để duy trì nhiệt độ tối thiểu thích hợp trong buồng bảo dưỡng. Trong thời gian này phải giữ cho bê tông luôn ướt.
Việc đưa hơi nước nóng không được đưa trực tiếp lên bê tông hoặc lên ván khuôn gây ra nhiệt độ cao cục bộ. Trong lần đầu đưa hơi nước nóng hoặc nhiệt vào, nhiệt độ trong bê tông phải tăng với mức độ trung bình không quá 4 °C trong 1 h cho đến khi đạt nhiệt độ bảo dưỡng. Nhiệt độ bảo dưỡng tối đa trong bê tông không được vượt quá 71 °C. Nhiệt độ tối đa phải được duy trì cho tới khi bê tông đạt được cường độ mong muốn. Khi ngừng đưa hơi nước, nhiệt độ bê tông không được giảm với mức độ vượt quá 4 °C mỗi giờ cho tới khi đạt nhiệt độ cao hơn 11 °C so với nhiệt độ không khí bê tông tiếp xúc.
Nhiệt bức xạ được đưa vào bằng các ống hơi tuần hoàn dầu nóng hoặc nước nóng, hoặc bằng các phần tử đốt nóng bằng điện. Bảo dưỡng bằng nhiệt bức xạ phải tiến hành trong buồng kín thích hợp để giữ nhiệt, và tổn thất độ ẩm phải giảm đến tối thiểu bằng cách phủ các bề mặt bê tông lộ ra bằng tấm chất dẻo hoặc bằng cách phun lớp màng hợp chất bảo dưỡng lỏng được chấp thuận. Bề mặt bên trên của các cấu kiện bê tông dùng trong kết cấu liên hợp phải được làm sạch hết các phần còn lại của hợp chất bảo dưỡng không để làm giảm độ dính kết xuống dưới giới hạn thiết kế. Bề mặt các cấu kiện bê tông, mà các vật liệu khác sẽ dính kết vào trong kết cấu hình thành, cũng phải được làm sạch hết các phần còn lại của hợp chất bảo dưỡng không để làm giảm độ dính kết xuống dưới giới hạn thiết kế.
Với các cấu kiện dự ứng lực, việc truyền lực dự ứng lực lên bê tông phải thực hiện ngay sau khi ngừng bảo dưỡng bằng hơi nước nóng hoặc nhiệt bức xạ.
14.4 Mặt cầu
Bề mặt phía trên của mặt cầu phải được bảo dưỡng bằng tổ hợp phương pháp màng lỏng hợp chất bảo dưỡng và phương pháp dùng nước. Màng lỏng phải là Loại 2, có chất nhuộm màu trắng, và phải phủ lên các cầu đang hoàn thiện một cách tăng dần và ngay sau khi đã thao tác hoàn thiện xong cho mỗi đoạn mặt cầu. Bảo dưỡng nước phải thực hiện không chậm hơn 4 h sau khi hoàn thiện xong mặt cầu hoặc, đối với các đoạn mặt cầu trên đó đã hoàn thành công việc hoàn thiện.
Khi dùng bê tông Loại A(HPC) làm mặt cầu, việc bảo dưỡng nước phải thực hiện ngay sau khi hoàn thiện xong mỗi đoạn mặt cầu và phải duy trì trong thời gian tối thiểu là 7 ngày bất kể cường độ là bao nhiêu. Nếu điều kiện không cho phép áp dụng ngay phương pháp bảo dưỡng nước, sau khi hoàn thiện xong phải sử dụng ngay chất làm chậm bốc hơi hoặc áp dụng việc phun mù để duy trì độ ẩm cao phía trên mặt cầu ngăn không để mặt cầu bị khô. Tiếp theo thời kỳ bảo dưỡng nước, tiến hành việc phun lớp màng lỏng hợp chất bảo dưỡng để kéo dài thời kỳ bảo dưỡng.
15 Hoàn thiện bề mặt bê tông đổ trong ván khuôn
15.1 Tổng quát
Các bề mặt bê tông đổ trong ván khuôn đã hoàn thiện được phân loại như sau:
Loại 1 - Hoàn thiện bình thường,
Loại 2 - Hoàn thiện mài,
Loại 3 - Hoàn thiện bằng dụng cụ,
Loại 4 - Hoàn thiện thổi cát,
Loại 5 - Hoàn thiện bằng bàn chải thép hoặc cọ rửa.
Bê tông phải hoàn thiện theo Loại 1, hoàn thiện bề mặt bình thường, và sau đó nếu cần hoàn thiện thêm, sẽ quy định loại hoàn thiện cần làm.
Nếu không có quy định khác trong hồ sơ hợp đồng, các bề mặt lộ ra, trừ mặt dưới của kết cấu và các mặt trong, mặt đáy của các dầm bê tông cũng phải hoàn thiện theo Loại 2, hoàn thiện mài.
Chỉ áp dụng các loại hoàn thiện 3, 4 hoặc 5 khi có quy định trong hồ sơ hợp đồng.
15.2 Loại 1 - Hoàn thiện bình thường
Ngay sau khi tháo dỡ ván khuôn, phải loại bỏ các ba via, mấp mô trên các bề mặt lộ ra hoặc các bề mặt không thấm nước. Chỗ phình hoặc lồi ra đều phải loại bỏ bằng đá mài hoặc đĩa mài.
Phải loại bỏ các túi đá cục bộ dính kết không tốt, hoặc bê tổng tổ ong và thay thế bằng bê tông tốt hoặc vữa chèn như quy định trong Điều 17. Nếu theo ý kiến của Kỹ sư, các túi đá nhiều đến mức có thể ảnh hưởng đến cường độ kết cấu làm giảm tuổi thọ cốt thép, Kỹ sư có thể tuyên bố bê tông bị hư hỏng và yêu cầu loại bỏ và thay thế các phần kết cấu này.
Trên các bề mặt có lỗ hổng do các thanh giằng ván khuôn tạo ra và các lỗ khác, các góc và mép bị vỡ và các khuyết tật khác phải được làm sạch hoàn toàn, sau khi đã làm bão hòa nước phải trét cẩn thận bằng vữa theo Điều 11. Với các bề mặt lộ phải thêm xi măng trắng vào vữa với lượng đủ để làm chỗ vá khi khô sẽ ăn khớp với bê tông xung quanh. Vữa dùng để trét không được để lâu quá 1 h. Sau đó bê tông phải mài nếu có yêu cầu, hoặc bảo dưỡng tiếp theo quy định trong Điều 13. Mối nối thi công và khe co giãn trong công trình đã hoàn thành, phải để lại nguyên vẹn không dính vữa và bê tông. Chất nhồi khe phải để lộ trên suốt chiều dài với các mép chuẩn và sạch.
Bề mặt hoàn thiện xong phải chuẩn và đồng đều. Bề mặt sửa chữa, nếu vẻ ngoài không được thỏa đáng phải mài như quy định trong Điều 15.3.
15.3 Loại 2 - Hoàn thiện mài
Sau khi tháo ván khuôn, việc mài bê tông phải bắt đầu càng sớm chừng nào tình trạng bê tông cho phép. Ngay trước khi bắt đầu công việc này, bê tông phải hoàn toàn bão hòa nước. Phải đợi đủ thời gian để độ ẩm hạ xuống mức vữa dùng để trét các lỗ thanh giằng và các khuyết tật hoàn toàn hóa cứng. Bề mặt hoàn thiện sẽ được mài bằng đá carborundum thô trung bình, có dùng một lượng nhỏ vữa trên mặt đá. Vữa phải gồm xi măng và cát nhỏ, trộn theo cùng tỷ lệ đã sử dụng trong bê tông đang hoàn thiện. Việc mài phải tiếp tục cho đến khi các dấu vết ván khuôn, các chỗ lồi, các chỗ không đều được tẩy sạch, các lỗ rỗng được lấp đầy, và đạt được bề mặt đồng đều. Hồ bột do mài tạo ra phải để nguyên tại chỗ.
Sau khi đã hoàn thành mọi công việc khác có thể ảnh hưởng đến bề mặt thì việc hoàn thiện cuối cùng phải tiến hành bằng cách mài bằng đá carborundum mịn và nước. Việc mài này phải tiếp tục cho đến khi bề mặt cuối cùng có cấu trúc nhẵn và màu sắc đồng đều.
Sau khi việc mài đã hoàn thành và bề mặt đã khô, bề mặt phải được mài bằng bao tải để loại bỏ bột rời để không còn các chỗ vá không tốt, vữa nhão, bột và các dấu vết không đáng có.
Khi dùng các ván khuôn kim loại, ván khuôn sợi ép, ván khuôn có áo lót hoặc ván khuôn gỗ dán trong các điều kiện tốt, Kỹ sư có thể hủy bỏ yêu cầu hoàn thiện Loại 2 (mài) khi việc hoàn thiện Loại 1 đã đạt được độ đồng đều về màu sắc và cấu trúc căn bản giống như có thể đạt được với việc hoàn thiện Loại 2. Trong các trường hợp này, có thể sử dụng cách mài bằng máy mài, bằng thổi cát mịn hoặc bằng các biện pháp khác được Kỹ sư chấp thuận kết hợp với việc hoàn thiện Loại 1.
15.4 Loại 3 - Hoàn thiện bằng dụng cụ
Việc hoàn thiện loại này đối với các tấm panen và các công trình tương tự khác có thể thực hiện bằng búa có răng, cuốc chim, dụng cụ đục đẽo, hoặc các dụng cụ được chấp thuận khác. Nên ưu tiên sử dụng các dụng cụ khởi động bằng khí nén. Không được đục đẽo trước khi bê tông đã hóa cứng được ít nhất 14 ngày và lâu hơn nữa, nếu cần thiết, để ngăn ngừa các hạt cốt liệu bật ra ngoài bề mặt.
15.5 Loại 4 - Hoàn thiện bằng thổi cát
Bề mặt bê tông đã được hoàn toàn bảo dưỡng phải thổi bằng cát cứng, sắc cạnh để tạo thành bề mặt đều, hạt mịn trong đó vữa đã bị thổi đi để lộ ra các hạt cốt liệu.
15.6 Loại 5 - Hoàn thiện bằng bàn chải thép hoặc cọ rửa
Ngay sau khi tháo dỡ ván khuôn và trong khi bê tông còn tương đối tươi, bề mặt phải được cọ rửa hoàn toàn và đồng đều bằng bàn chải sợi thép hoặc sợi cứng, có sử dụng dung dịch axit muriatic với tỷ lệ 1 phần axit, 4 phần nước, theo thể tích, cho tới khi màng hoặc bề mặt xi măng hoàn toàn bị loại bỏ, lộ ra các hạt cốt liệu để lại cấu trúc sỏi rải đều đặn, cho thấy vẻ ngoài có các kết khối granit từ mịn tới thô, tùy thuộc vào loại cấp phối cốt liệu sử dụng. Khi việc cọ chải đã tiến triển đủ để tạo ra cấu trúc mong muốn, toàn bộ bề mặt phải được dội rửa bằng nước có pha một lượng nhỏ amôni để làm sạch các vết axit.
16 Cấu kiện bê tông đúc sẵn
16.1 Tổng quát
Cấu kiện bê tông đúc sẵn được thi công và lắp đặt trong công trình phù hợp với các chi tiết quy định trong hồ sơ hợp đồng.
Nếu được Kỹ sư chấp thuận, có thể sử dụng các phương pháp đúc sẵn cho các bộ phận công trình được chỉ dẫn thi công theo phương pháp đúc tại chỗ. Khi kiến nghị việc đúc sẵn như vậy, Nhà thầu cần đệ trình bản vẽ biện pháp thi công ghi rõ các chi tiết mối nối thi công và mọi thông tin khác mà Kỹ sư yêu cầu.
16.2 Bản vẽ biện pháp thi công
Mỗi khi có quy định trong hồ sơ hợp đồng hoặc có yêu cầu của Kỹ sư, Nhà thầu cần đệ trình bản vẽ biện pháp thi công về các cấu kiện đúc sẵn. Các bản vẽ này phải gồm các chi tiết không được cung cấp trong hồ sơ hợp đồng liên quan đến thi công và lắp đặt các cấu kiện và phải được chấp thuận trước khi đúc sẵn bất kỳ cấu kiện nào. Việc chấp thuận như vậy không miễn trừ bất kỳ trách nhiệm nào của Nhà thầu ghi trong hợp đồng về việc hoàn thành tốt công trình.
16.3 Vật liệu và Chế tạo
Vật liệu và quá trình chế tạo sử dụng với các cấu kiện bê tông đúc sẵn phải phù hợp với các yêu cầu trong các điều khác của Điều này, trừ các yêu cầu được sửa đổi hoặc bổ sung bằng các quy định tiếp theo đây.
Khi cấu kiện đúc sẵn được chế tạo trong các bãi đúc chính thức, Nhà sản xuất phải chịu trách nhiệm về việc giám sát liên tục chất lượng của các vật liệu và cường độ bê tông. Các thử nghiệm phải thực hiện theo các phương pháp thích hợp trong AASHTO hoặc ASTM. Kỹ sư phải được phép quan sát các việc lấy mẫu và thử nghiệm và các kết quả của các thử nghiệm phải để Kỹ sư sử dụng khi cần.
Xưởng chế tạo cấu kiện bê tông đúc sẵn chính thức phải có chứng chỉ hoạt động theo quy định hiện hành của Nhà nước.
Nhân viên kiểm soát chất lượng của Xưởng chế tạo cấu kiện bê tông đúc sẵn phải có chứng chỉ hành nghề và kinh nghiệm phù hợp theo quy định hiện hành của Nhà nước.
Cấu kiện đúc sẵn phải đúc trên các nền móng hoặc các tấm vật liệu cứng. Phải chú ý đặc biệt khi đúc các bề mặt gối đỡ sao để chúng có thể liên kết đúng cách với các bộ phận khác của kết cấu.
Với các cấu kiện dự ứng lực đúc sẵn, một số cấu kiện có thể đúc trên một tuyến liên tục và tạo ứng suất cùng một lần. Phải để khoảng cách giữa đầu các cấu kiện để đủ chỗ đi vào cắt các tao thép sau khi bê tông đạt cường độ yêu cầu.
Ván khuôn thành có thể tháo ngay khi việc tháo chúng không gây ra méo mó cho bề mặt bê tông, với điều kiện việc bảo dưỡng không bị gián đoạn, cấu kiện không được nhấc lên khỏi sàn đúc cho đến khi cường độ của chúng đủ để ngăn ngừa hư hỏng.
Nếu sau này sẽ đổ bê tông đúc tại chỗ lên bề mặt trên của các dầm đúc sẵn, các bề mặt này phải được hoàn thiện với cấu trúc thô bằng cách chải bằng bàn chải thô, cứng. Trước khi chuyên chở, các bề mặt này phải làm sạch hết vữa xi măng hoặc các vật liệu lạ khác bằng cách thổi cát hoặc bằng các phương pháp được chấp thuận khác.
Khi các cấu kiện đúc sẵn được thiết kế để gối đầu với nhau trong công trình hoàn thành, mỗi cấu kiện phải đúc gối đầu với các phân đoạn tiếp giáp để đảm bảo khớp đúng khi lắp ráp. Vì các phân đoạn được đúc gối đầu nên chúng phải được đặt thẳng hàng chính xác để tạo ra được kết cấu cuối cùng đúng hình dạng. Trong khi xếp thẳng hàng, phải điều chỉnh để bù độ võng.
16.4 Bảo dưỡng
Trừ khi được phép làm khác, các cấu kiện đúc sẵn phải bảo dưỡng bằng nước, hoặc phương pháp hơi nước nóng hoặc nhiệt bức xạ. Được phép dùng lớp phủ cách nhiệt bằng phương pháp phủ không thấm nước. Khi dùng phương pháp phủ không thấm nước, nhiệt độ không khí dưới lớp phủ không được dưới 10 °C và có thể dùng hơi nước nóng hoặc nhiệt bức xạ để duy trì nhiệt độ ở trên mức tối thiểu. Nhiệt độ tối đa của bê tông trong quá trình bảo dưỡng không được vượt quá 71 °C. Phải giữ lớp phủ tại chỗ cho đến khi cường độ nén của bê tông đạt cường độ quy định để dỡ ứng suất hoặc tháo khuôn.
16.5 Lưu kho và cẩu lắp
Phải thao tác hết sức cẩn thận khi cẩu lắp và di chuyển các cấu kiện bê tông đúc sẵn. Dầm đúc sẵn phải vận chuyển trong tư thế đứng thẳng và phương phản lực đối với cấu kiện phải như khi ở vị trí cuối cùng. Các điểm tựa khi vận chuyển và lưu kho cần nằm cách vị trí cuối cùng trong phạm vi 750 mm, nếu không vị trí đó phải được xác định trên bản vẽ biện pháp thi công.
Không được vận chuyển các cấu kiện bê tông đúc sẵn cho đến khi thử nghiệm các mẫu thử hình trụ, được chế tạo bằng cùng thứ bê tông và bảo dưỡng trong các điều kiện giống như các dầm, cho thấy bê tông của cấu kiện đó đã đạt cường độ nén bằng cường độ nén thiết kế quy định của bê tông trong cấu kiện.
Phải thận trọng trong khi lưu kho, nâng hạ và cẩu lắp cẩu các cấu kiện đúc sẵn để ngăn ngừa nứt hoặc hư hỏng. Các cấu kiện hư hỏng do lưu kho hoặc cẩu lắp không đúng cách phải được thay thế.
16.6 Lắp ráp
Nhà thầu phải chịu trách nhiệm về an toàn đối với các cấu kiện đúc sẵn trong mọi giai đoạn thi công. Thiết bị nâng phải sử dụng sao để không gây ra các lực uốn, lực xoắn làm hư hỏng. Sau khi cấu kiện đã được lắp đặt và còn chưa được cố định vào kết cấu, cần thiết phải bố trí các thanh giằng tạm để chống gió và các tải trọng khác.
Tấm ván khuôn đúc sẵn đổ bê tông mặt cầu phải lắp đặt sao cho các bề mặt dính liền phải thật khít nhau để vữa không hị rò rỉ quá nhiều. Nếu không làm khít được như vậy, các khe nối phải trét khô hoặc bịt bằng hợp chất trám được chấp thuận trước khi đổ bê tông tại chỗ. Tấm bê tông ở đầu các kết cấu xiên có thể cưa để khớp với độ xiên.
16.7 Chất dính kết epoxy dùng trong dầm hộp phân đoạn đúc sẵn
16.7.1 Vật liệu
Chất dính kết epoxy dùng cho các mối nối đúc gối đầu phải là 100 % các thành phần chất rắn-nhiệt không chứa dung môi hoặc bất kỳ thành phần hữu cơ không phản ứng nào trừ các chất nhuộm màu cần thiết cho việc tạo màu. Chất dính kết epoxy phải có 2 thành phần gồm chất nền và chất làm cứng. Hai thành phần này phải nhuộm màu khác nhau để hỗn hợp ra màu thứ ba tương tự với màu của bê tông trong các phân đoạn nối với nhau, và phải đóng bao bì, ghi nhãn theo tỷ lệ sẵn sàng để sử dụng,
Chất dính kết epoxy phải theo công thức để có phạm vi nhiệt độ cho phép lắp dựng các phân đoạn đúc gối đầu ở các nhiệt độ nền từ 4 °C tới 46 °C. Nếu hai bề mặt để dính kết với nhau có các nhiệt độ nền khác nhau, phải dùng loại chất dính có thể dùng ở nhiệt độ thấp hơn.
Chất dính kết epoxy phải không nhạy cảm với các điều kiện ẩm ướt khi quết lên và sau khi bảo dưỡng phải cho bê tông đã bảo dưỡng cường độ dính kết cao, độ chống nước tốt, các đặc trưng từ biến thấp và cường độ kéo cao hơn bê tông. Ngoài ra, chất dính kết epoxy phải có chức năng như chất bôi trơn trong khi nối các phân đoạn đúc gối đầu, như chất nhồi để gắn khít bề mặt các phân đoạn với nhau và như chất dính kết bền vững, kín nước tại khe nối.
Chất dính kết epoxy phải được thử nghiệm để xác định tính dễ thi công, thời gian hóa cứng, thời gian dẻo, cường độ dính kết và chịu nén, lực cắt và phạm vi nhiệt độ làm việc. Tần số tiến hành thử nghiệm phải theo quy định trong hồ sơ hợp đồng.
Nhà thầu cần đệ trình Kỹ sư các mẫu vật liệu để thử nghiệm đảm bảo chất lượng, và chứng chỉ của phòng thử nghiệm độc lập có uy tín chỉ rõ vật liệu đã qua các thử nghiệm yêu cầu.
Các tính chất đặc trưng của epoxy và các thủ tục thử nghiệm được dùng để đo các tính chất đó phải theo các điều nêu trong các tiểu mục sau đây.
16.7.1.1 Thử nghiệm 1 - Dòng chảy xệ của hợp chất dính kết epoxy
Phương pháp thử nghiệm: Không có quy định
Tiêu chuẩn kỹ thuật: Hợp chất dính kết epoxy phải theo AASHTO M235M/M235 Loại VI, Cấp 3 (không xệ) về tính bền vững ở mức nhiệt độ chỉ định khi dùng của chất dính kết sử dụng.
16.7.1.2 Thử nghiệm 2 - Thời gian hóa cứng của hợp chất dính kết epoxy
Phương pháp thử nghiệm: ASTM D2471 (trừ khi thử với lượng 1 lít và 4 lít)
Tiêu chuẩn kỹ thuật: Tối thiểu 30 min cho lượng 1 lít và 4 lít ở nhiệt độ tối đa của phạm vi nhiệt độ sử dụng thiết kế (ghi chú: không được nhầm lẫn thời gian hóa cứng với thời gian dẻo quy định trong Thử nghiệm 3).
16.7.1.3 Thử nghiệm 3 - Thời gian dẻo của chất dính kết
Phương pháp thử nghiệm: Thời gian dẻo được xác định bằng cách sử dụng các mẫu thử đã nêu chi tiết trong Điều 16.7.1.4. Chất dính kết epoxy, ở nhiệt độ áp dụng quy định cao nhất, được trộn với nhau và quết lên các lăng trụ bê tông theo như chỉ dẫn trong Thử nghiệm 4, các lăng trụ này cũng đang ở nhiệt độ sử dụng quy định cao nhất. Các lăng trụ phủ chất dính kết phải được giữ trong 60 min ở nhiệt độ sử dụng quy định cao nhất với một hoặc nhiều bề mặt phủ chất dính kết để lộ không che phủ trước khi nối ghép. Tiếp đó các lăng trụ đã nối ghép được bảo dưỡng và thử nghiệm theo chỉ dẫn trong Thử nghiệm 4.
Chất dính kết epoxy chỉ có thể được chấp nhận ở nhiệt độ sử dụng quy định khi phá hủy gần như toàn bộ vữa và cốt liệu bê tông mà chất dính kết không hề bị hư hỏng.
Các tình huống thi công đôi lúc có thể yêu cầu quết chất dính kết epoxy lên tiết diện đúc sẵn trước khi lắp ráp, định vị và lắp ghép. Thao tác này có thể yêu cầu các chất dính kết epoxy có thời gian dẻo kéo dài. Nói chung, khi điều kiện lắp dựng là các tiết diện cần dính kết dã được định vị trước khi quết epoxy, chất dính kết epoxy tối thiểu phải có thời gian dẻo là 60 min trong phạm vi nhiệt độ sử dụng quy định.
16.7.1.4 Thử nghiệm 4 - Uốn kéo ba điểm
Phương pháp thử nghiệm: các lăng trụ bê tông 150 x 150 x 225 mm có cường độ nén 28 ngày bằng 41 MPa theo ASTM C192, được thổi cát trên mặt 150 x 150 mm để loại bỏ chất làm dễ tháo khuôn, vữa xi măng,... và ngâm trong nước sạch ở nhiệt độ thấp của phạm vi nhiệt độ sử dụng quy định trong 72 h. Ngay khi lấy các lăng trụ ra khỏi nước, các bề mặt được thổi cát phải để khô trong không khí trong 1 h ở cùng một nhiệt độ và ở độ ẩm tương đối 50 %, và mỗi lăng trụ được quết 1 lớp chất dính kết hỗn hợp dày khoảng 1,5 mm. Các mặt phủ chất dính kết của hai lăng trụ sau đó phải đặt vào nhau và kẹp với lực 0,35 MPa, tác động vuông góc với mặt gắn kết. Sau đó hai lăng trụ này được bọc trong mảnh vải được giữ ướt trong thời kỳ bảo dưỡng 24 h ở nhiệt độ thấp của phạm vi nhiệt độ sử dụng quy định.
Sau 24 h bảo dưỡng ở nhiệt độ thấp của phạm vi nhiệt độ sử dụng quy định đối với chất dính kết epoxy, mẫu phẩm được dính kết phải mở khỏi vải bọc, tháo bỏ kẹp và thử ngay lập tức. Thử nghiệm phải tiến hành theo tiêu chuẩn AASHTO T97 (ASTM C78) đối với cường độ uốn với điểm chất tải thứ ba và đơn vị MR tiêu chuẩn. Cùng lúc chuẩn bị và bảo dưỡng 2 mẫu lăng trụ, chuẩn bị 1 dầm thử nghiệm đi cùng, chế tạo bằng cùng loại bê tông, bảo dưỡng cùng thời kỳ, và thử nghiệm theo AASHTO T97 (ASTM C78).
Tiêu chuẩn kỹ thuật: Chất dính kết epoxy có thể được chấp nhận nếu tải trọng tác động lên các mẫu lăng trụ lúc phá hoại lớn hơn 90 % tải trọng phá hoại trên dầm thử nghiệm đối chiếu.
16.7.1.5 Thử nghiệm 5 - Cường độ nén của chất dính kết epoxy đã bảo dưỡng
Phương pháp thử nghiệm: ASTM D695.
Tiêu chuẩn kỹ thuật: Cường độ nén ở 25 °C tối thiểu phải bằng 14 MPa sau 24 h bảo dưỡng ở nhiệt độ tối thiểu của phạm vi nhiệt độ sử dụng chỉ định và bằng 41 MPa sau 48 h.
16.7.1.6 Thử nghiệm 6 - Độ võng do nhiệt độ của chất dính kết epoxy
Phương pháp thử nghiệm: ASTM D648.
Tiêu chuẩn kỹ thuật: Yêu cầu phải có nhiệt độ tối thiểu khi đo độ võng bằng 50 °C với ứng suất thử bằng 1,8 MPa trên các mẫu thử đã bảo dưỡng 7 ngày tại 25 °C.
16.7.1.7 Thử nghiệm 7 - Cường độ nén và cắt của chất dính kết epoxy đã bảo dưỡng
Phương pháp thử nghiệm: Mẫu thử bằng bê tông được chuẩn bị trong khuôn trụ tiêu chuẩn 150 x 300 mm để chiều cao ở điểm giữa bằng 150 mm và mặt trên có độ dốc 30 độ so vơi đường thẳng đứng. Phần trên và phần dưới của mẫu có các mặt nghiêng có thể tạo thành bằng ghép tấm đệm hình elip hoặc bằng cách cưa từ hình trụ đủ kích thước 150 x 300 mm. Nếu muốn có thể sử dụng các mẫu 75 x 150 mm hoặc 100 x 200 mm. Sau khi các mẫu đã bảo dưỡng ẩm trong 14 ngày các bề mặt nghiêng phải được chuẩn bị bằng cách thổi nhẹ cát, mài đá hoặc cho axit ăn mòn, sau đó rửa sạch và để khô các bề mặt, phủ trong các bề mặt một lớp dày 0,25 mm chất dính kết epoxy định thử nghiệm. Mẫu được kẹp vào nhau và giữ nguyên vị trí trong 24 h. Sau đó bọc toàn bộ trong mảnh vài giữ ướt trong thời gian bảo dưỡng thêm 24 h ở nhiệt độ tối thiểu trong phạm vi nhiệt độ sử dụng chỉ định. Sau đó các mẫu được thử nghiệm ở 25 °C theo AASHTO T22 (ASTM C39/C39M). Cùng lúc các mẫu hình trụ nghiêng đã được chế tạo và bảo dưỡng, phải làm hình trụ thử nghiệm tham chiếu tiêu chuẩn, bằng cùng loại bê tông, bảo dưỡng trong cùng khoảng thời gian và thử nghiệm theo MSHTOT22 (ASTM C39/C39M)
Tiêu chuẩn kỹ thuật: Chất dính kết epoxy có thể được chấp nhận trong phạm vi nhiệt độ sử dụng chỉ định nếu tải trên mẫu hình trụ nghiêng lớn hơn 90 % tải trọng trên hình trụ tham chiếu.
16.7.2 Trộn và quết Epoxy
Vì những chỉ dẫn chung ở đây không thể bao quát các tình huống, các khuyến cáo và chỉ dẫn cho mỗi trường hợp cụ thể phải nhận từ Kỹ sư phụ trách.
Chỉ dẫn do Nhà cung cấp liên quan đến cất giữ, trộn và xử lý an toàn chất dính kết epoxy phải được tuân thủ. Phải trộn kỹ lưỡng epoxy cho tới lúc có màu sắc đồng đều. Cần sử dụng máy trộn có tốc độ không quá 600 vòng/min. Các chất đựng trong bình đã hỏng hoặc đã bị mở nắp không được sử dụng.
Bề mặt sẽ được quết epoxy phải có nhiệt độ ít nhất bằng 4 °C và không được dính dầu, sữa xi măng, chất để dễ tháo khuôn, hoặc bất kỳ vật liệu nào khác có thể ngăn epoxy dính kết với bề mặt bê tông. Phải loại bỏ tất cả sữa xi măng và các chất ô nhiễm khác bằng cách thổi nhẹ cát hoặc phun nước áp suất cao với áp lực tối thiểu bằng 34 MPa. Bề mặt ướt phải để khô trước khi quết chất epoxy. Bề mặt ít nhất phải khô bão hòa (không nhìn thấy nước).
Chỉ được bắt đầu trộn khi phân đoạn đúc sẵn đã được chuẩn bị xong để lắp ráp. Việc quết chất dính kết epoxy hỗn hợp phải tuân theo các chỉ dẫn của Nhà sản xuất, sử dụng bay, găng tay cao su, hoặc bàn chải để quết trên một hoặc cả hai bề mặt sẽ ghép nối với nhau. Lớp phủ phải nhẵn và đồng đều và phải phủ toàn bộ diện tích với bề dày tối thiểu bằng 1,5 mm quết trên cả hai mặt. Phải quan sát thấy một dòng các giọt epoxy, nhìn rõ được, trên các diện tích tiếp xúc để lộ sau khi căng kéo tạm thời. Phải điều phối các thao tác lắp ráp và tiến hành sao để hoàn tất các công việc quết chất dính kết epoxy cho các phân đoạn, lắp ráp, ghép dựng, và căng kéo tạm thời các phân đoạn trong vòng 70 % thời gian mở của chất dính kết.
Phải quết vật liệu dính kết lên các bề mặt phải nối trong vòng nửa đầu của thời gian đặc quánh có ghi trên các bình đựng. Các phân đoạn phải được nối ghép trong vòng 45 min sau khi quết lớp vật liệu epoxy thứ nhất và phải tác động lực tạo dự ứng lực tạm thời lên tiết diện ngang, trung bình bằng 0,3 MPa, trong vòng 70 % thời gian mở của vật liệu epoxy. Không điểm nào của tiết diện ngang được có dự ứng lực tạm thời nhỏ hơn 0,2 MPa.
Phải kiểm tra mối nối ngay sau khi lắp ráp để xem bề dày của khe nối có đồng đều không và có khớp không. Phải loại bỏ lượng epoxy thừa khỏi mối nối ở những nơi có thể với tới được. Phải thông ngay các ống luồn cáp căng sau khi tạo ứng suất, trong khi epoxy còn trong tình trạng chưa đặc quánh, để loại bỏ hoặc mài nhẵn epoxy trong ống và trét các túi đá hoặc lỗ bọt không khí đã hình thành tại mối nối.
Nếu việc ghép nối không được hoàn thành trong vòng 70 % thời gian mở, phải ngừng thao tác và phải loại bỏ hết chất dính kết epoxy khỏi các bề mặt. Bề mặt phải chuẩn bị lại và phải quết epoxy mới lên bề mặt trước khi bắt đầu lại các thao tác ghép nối.
17 Vữa trát và vữa lỏng
17.1 Tổng quát
Công việc này gồm việc chế tạo và thi công vữa trát và vữa lỏng, sử dụng trong các kết cấu bê tông không phải là trong các ống tạo dự ứng lực. Sử dụng như vậy bao gồm vữa để nhồi dưới đáy các tấm khối xây và lấp đầy các khe nối giữa các cấu kiện đúc sẵn thể hiện trong hồ sơ hợp đồng, vữa trát dùng để lấp đầy các lỗ rỗng và sửa chữa các khuyết tật trên bề mặt, vữa lỏng dùng để lấp đầy các khe lỗ chôn bu lông neo, và vữa trát và vữa lỏng cho các công việc như vậy khác khi có yêu cầu hoặc được chấp thuận.
17.2 Vật liệu và trộn
Vật liệu dùng làm vữa trát và vữa lỏng phải phù hợp với các yêu cầu của Điều 6. Cấp phối của cát dùng làm vữa lỏng hoặc vữa trát khi bề rộng hoặc bề dày của lỗ hổng cần lấp đầy nhỏ hơn 20 mm phải được thay đổi sao để tất cả vật liệu qua được sàng No.8 (2,36 mm).
Khi có yêu cầu tạo bọt, phải sử dụng xi măng portland tạo bọt Loại 1A cho bê tông mà vữa trát và vữa lỏng sẽ lấp vào.
Trừ khi có quy định khác trong hồ sơ hợp đồng hoặc có yêu cầu của Kỹ sư, tỷ lệ XM: C cho vữa trát phải là 1:2 và cho vữa lỏng là 1:1. Tỷ lệ tính theo thể tích rời.
Khi quy định dùng vữa trát hoặc vữa lỏng không co ngót, phải sử dụng phụ gia không co ngót hoặc xi măng thủy lực giãn nở, phù hợp với ASTM C845 với loại được Kỹ sư chấp thuận.
Chỉ dùng đủ nước để cho phép đổ và nhét kín. Đối với vữa trát, chỉ dùng vữa đủ nước sao để tạo thành một quả bóng khi nắn nhẹ trong tay.
Phải thực hiện trộn hoặc bằng thủ công hoặc bằng máy trộn loại có cánh quay và phải trộn cho đến khi các thành phần hoàn toàn trộn đều với nhau. Khi đã trộn xong, vữa trát hoặc vữa lỏng không được nhào trộn lại bằng cách thêm nước, và phải thi công vữa trong vòng 1 h.
17.3 Thi công và bảo dưỡng vữa
Diện tích bê tông sẽ tiếp xúc với vữa trát hoặc vữa lỏng phải làm sạch mọi vật liệu rời rạc có thể ngăn cản sự dính kết, các bề mặt bê tông phải dội nước và để đến khô bề mặt ngay trước khi thi công vữa trát hoặc vữa lỏng.
Vữa trát hoặc vữa lỏng phải hoàn toàn lấp đầy và chèn chặt trong các hốc và lỗ, trên các bề mặt, trong các cấu kiện, và tại các vị trí quy định khác. Sau khi thi công, các bề mặt vữa trát hoặc vữa lỏng phải bảo dưỡng bằng phương pháp nước, như quy định ở Điều 14, trong thời gian không dưới 3 ngày.
Rãnh nêm chống cắt, khoảng trống giữa và dưới các bộ phận kết cấu, các lỗ, và các vị trí khác, nơi vữa dễ bị lọt qua, phải làm kín vữa trước khi trát.
Không được chất tải trên vữa mới thi công chưa được 72 h, trừ khi Kỹ sư cho phép làm khác.
Vữa trát và vữa lỏng bảo dưỡng không đúng cách hoặc bị khuyết tật phải được loại bỏ và thay thế.
18 Đặt tải trọng
18.1 Tổng quát
Tải trọng chỉ được tác động lên kết cấu bê tông sau khi bê tông đạt đủ cường độ và, nếu có, sau khi đã tạo đủ dự ứng lực mới được phép chất tải trọng để không xảy ra hư hỏng.
18.2 Tải trọng đất
Khi có thể, trình tự lấp đất xung quanh kết cấu phải sao để giảm tối thiểu các lực lật hoặc lực trượt. Khi việc lấp đất gây ra ứng suất uốn trong bê tông, trừ khi Kỹ sư cho phép làm khác, việc lấp đất chỉ được bắt đầu sau khi bê tông đã đạt không dưới 80 % cường độ quy định.
18.3 Tải trọng thi công
Vật liệu và thiết bị nhẹ chỉ có thể đưa lên mặt cầu sau khi đổ bê tông 24 h, với điều kiện việc bảo dưỡng không bị trở ngại và cấu trúc bề mặt không bị hư hỏng. Các xe cần thiết cho hoạt động thi công và có trọng lượng từ 4,5 kN đến 18 kN, và các tải trọng vật liệu và thiết bị tương đương chỉ được phép đặt trên bất kỳ nhịp nào sau khi bê tông mặt cầu đổ cuối cùng đã đạt cường độ nén ít nhất là 27 MPa. Các tải trọng vượt quá quy định trên chỉ được đưa lên mặt cầu sau khi bê tông mặt cầu đã đạt cường độ quy định. Ngoài ra, đối với các kết cấu căng sau, các xe nặng trên 20 kN và các tải trọng vật liệu và thiết bị tương đương không được đưa lên bất cứ nhịp cầu nào khi thép dự ứng lực của nhịp đó chưa được căng.
Bê tông đúc sẵn hoặc dầm thép không được đặt lên các bộ phận kết cấu phần dưới khi bê tông kết cấu phần dưới chưa đạt được 70 % cường độ quy định.
Mặt khác, các tải trọng do các thao tác thi công tác động lên các kết cấu hiện hữu, mới hoặc đã có một số phần đã hoàn thành, không được vượt quá khả năng chịu tải của kết cấu hoặc bộ phận kết cấu, như xác định theo “Tổ hợp tải trọng Cường độ II” trong Bảng 3.4.1-1 của LRFD-8 hoặc TCVN 11823:2017. Cường độ nén của bê tông (f’c) được dùng trong tính toán khả năng chịu tải phải nhỏ hơn cường độ chịu nén thực tế ở thời điểm chất tải hoặc cường độ chịu nén quy định của bê tông.
18.4 Tải trọng xe cộ giao thông
Trừ khi có quy định khác trong hồ sơ hợp đồng, phương tiện giao thông không được phép đi trên mặt cầu bê tông cho đến khi lần đổ bê tông cuối cùng đã qua ít nhất 14 ngày và cho đến khi bê tông đã đạt cường độ quy định.
19 Yêu cầu đặc biệt đối với các cầu phân đoạn
19.1 Kiểm soát hình học
19.1.1 Số liệu về độ võng và độ vồng
Nhà thầu cần đệ trình số liệu về độ võng và/hoặc độ vồng của mỗi giai đoạn thi công như yêu cầu để thi công đến mức hoàn chỉnh. Trình tự sử dụng phải xét tới tác động của mất mát dự ứng lực phụ thuộc vào thời gian và từ biến xảy ra trong các bước thi công. Số liệu của cả cầu, căn cứ vào trình tự thi công, phương pháp và trình tự do Nhà thầu kiến nghị, phải đệ trình Kỹ sư xem xét trước khi bắt đầu thi công các cọc của trụ cầu.
Nhà thầu phải quan trắc độ vồng tại mỗi giai đoạn và thực hiện các hành động điều chỉnh như chấp thuận của Kỹ sư, để đảm bảo việc lắp dựng đúng kết cấu hoàn chỉnh của cầu.
19.1.2 Kiểm soát hình học
Nhà thầu cần đệ trình Kỹ sư xét chấp thuận kế hoạch kiểm soát hình học của cầu, trong đó phải trình bày chi tiết công việc khảo sát sẽ tiến hành như thế nào và các hành động dự kiến của Nhà thầu để đảm bảo thi công đúng kết cấu hoàn chỉnh thể hiện trong các bản vẽ thiết kế. Kế hoạch kiểm soát hình học phải cung cấp đủ để quan trắc thường xuyên độ võng của kết cấu nhịp, bắt đầu từ khi lắp dựng phân đoạn thi công hẫng đầu tiên và kết thúc với phân đoạn thi công hẫng cuối cùng. Kế hoạch phải bao gồm trình tự điều chỉnh sẽ sử dụng, nếu phần thi công hẵng, khi đã lắp dựng, sai lệch quá 25 mm.
Nhà thầu phải kiểm tra cao độ và biên dạng của kết cấu tại mỗi giai đoạn thi công, và phải lưu lại bản ghi của các lần kiểm tra và các lần điều chỉnh và hiệu chỉnh đã làm. Công tác khảo sát phải tiến hành vào thời điểm ít bị ảnh hưởng nhất của thời tiết. Việc hiệu chỉnh bằng chêm chèn chỉ được làm khi được Kỹ sư chấp thuận.
Đối với việc thi công phân đoạn đúc sẵn bằng cách sử dụng kỹ thuật tuyến khuôn ngắn, phải bố trí hệ thống khảo sát chính xác sao để cao độ và biên dạng ngang trong quá trình đúc sẵn được đo đến độ chính xác ± 0,3 mm. Đối với các loại thi công phân đoạn khác và đối với việc thi công các cầu phân đoạn, phải bố trí khảo sát với mức độ chính xác ± 3 mm.
Đối với việc thi công phân đoạn đúc sẵn dùng các phân đoạn đúc gối đầu, Nhà thầu phải kiểm lại cẩn thận cả các đo đạc lẫn các tính toán hình học trước khi di chuyển các phân đoạn ra khỏi vị trí đúc. Tọa độ tính toán của các mặt cắt đúc phải được hoàn thành trước khi đúc một phân đoạn mới. Ngoài các đường cong tính toán dựa trên kết quả đo độ võng ngang và dọc công trình đã đúc, phải sử dụng những độ dốc ngang đo được của từng phân đoạn để tính đường cong vặn xoắn tích lũy, như một cách kiểm tra các độ võng ngoại suy. Qua việc tính toán các cao độ tạo thành của quá trình đúc ghép, ưu tiên được dành cho việc điều chỉnh các sai lệch về độ vặn xoắn bằng cách vặn ngược lại một cách thích hợp. Phân đoạn ở vị trí ghép đặt không được để chịu xoắn gây ứng suất.
19.2 Sai số cho phép
Trừ khi có quy định khác, cốt thép phải được chế tạo và đặt trong phạm vi sai số cho phép quy định ở đây (CRSI 1990).
- Với chiều cao hữu hiệu quy định d, và lớp bê tông bảo vệ tịnh tối thiểu trong các thanh chịu uốn, tường, và thanh chịu nén trong đó:
Bảng 5 - Sai số cho phép
|
| Sai số cho phép cho d | Sai số cho phép cho lớp bảo vệ tối thiểu |
| 200 mm trở xuống | ± 10 mm | - 10 mm |
| Trên 200 mm | ± 12 mm | - 12 mm |
Nhưng sai số cho phép cho khoảng cách tịnh tới mặt dưới tạo thành là - 6 mm, và không trường hợp nào sai số cho phép cho lớp bảo vệ được vượt tối thiểu 1/3 của lớp bảo vệ tối thiểu như xác định trên bản vẽ kết cấu hoặc trong tiêu chuẩn kỹ thuật.
- Đối với vị trí dọc của các điểm uốn hoặc đầu các thanh: ± 50 mm, trừ tại đầu không liên tục của các cấu kiện, khi đó sai số cho phép là ± 12 mm.
- Khi mà tổng số thanh thép quy định còn được duy trì, sai số hợp lý cho khoảng cách của các thanh riêng rẽ là ± 25 mm, trừ ở những nơi như cửa mở, bộ phận chèn thêm, linh kiện chôn vào..., có thể yêu cầu xê dịch các thanh chút ít.
Ống chôn bên trong đối với mọi loại công trình cầu phân đoạn, phải được lắp đặt với sai số cho phép như quy định trong Điều 7.1 của TCVN 12885-10:2020.
Sai số cho phép đối với các phân đoạn đã hoàn thành phải lấy như chỉ ra trong Bảng 5 và Hình 1. Với các cầu không có lớp phủ, độ bằng phẳng của lớp bản mặt phải là 3 mm trong phạm vi 3.000 mm theo hướng xe chạy.
Kích thước từ phân đoạn tới phân đoạn phải được điều chỉnh để bù trừ cho mọi sai lệch trong phạm vi một phân đoạn sao để tổng chiều dài của kết cấu hoàn thành phù hợp với kích thước ghi trong bản vẽ.
Khi sử dụng thi công đúc hẫng, các sai số cho phép đối với chiều dài của các đoạn hẫng đối diện trong một nhịp phải được nói rõ trong hồ sơ hợp đồng. Lực hướng lên và hướng xuống có thể đặt lên đầu đoạn hẫng cũng phải thể hiện rõ trên các bản vẽ thiết kế và phải xét tới ứng suất kéo cho phép đối với các tổ hợp tải trọng thi công ghi trong Bảng 5.12.5.3.3-1 của LRFD-8 hoặc TCVN 11823:2017.
Sau khi thi công, việc căng kéo sau cùng, điều chỉnh cuối cùng và hiệu chỉnh đã hoàn tất, và kết cấu đã được đặt lên các gối vĩnh cửu, thì kết cấu phần trên phải phù hợp với cao độ và biên dạng ghi trong bản vẽ, có xét đầy đủ tới từ biến và độ võng do tĩnh tải đặt thêm trong phạm vi sai số quy định trong hồ sơ hợp đồng.
Sai số của các phân đoạn đã hoàn thành không được vượt các trị số trong Bảng 5.
Bảng 5 - Sai số cho phép đối với phân đoạn hoàn thành của cầu dầm hộp phân đoạn
| Chiều dài của phân đoạn đúc gối đầu (không tích lũy) 10 mm/m + 25 mm/tối đa | ± 10 mm/m |
| Chiều dài của phân đoạn đúc sẵn | ± 12 mm, nhưng không lớn hơn + 50 mm mỗi nhịp |
| Chiều dày bản bụng | ± 10 mm |
| Chiều cao bản đáy | ±10 mm |
| Chiều cao bản đỉnh | ±10 mm |
| Chiều rộng bao phủ của bản đỉnh | ± 5 mm/m, tối đa ± 25 mm |
| Chiều dày bản ngăn | ± 12 mm |
| Độ dốc cạnh khuôn và mặt dưới đỉnh | ± 1 mm/m |
| Vị trí lỗ đặt tao thép | ± 3 mm |
| Vị trí của khóa chống cắt | ± 6 mm |

Hình 1 - Biểu đồ chủ đạo đối với sai số của phân đoạn
19.3 Bản vẽ biện pháp thi công và các tính toán thiết kế về trình tự thi công
19.3.1 Tổng quát
Trước khi bắt đầu các thao tác thi công kết cấu nhịp tại hiện trường, để Kỹ sư có 30 ngày xem xét tài liệu, Nhà thầu phải theo đúng kế hoạch đệ trình đầy đủ các chi tiết và thông tin liên quan tới phương pháp, vật liệu, thiết bị và trình tự mà Nhà thầu kiến nghị dùng để thi công đoạn kết cấu nhịp theo thông tin cung cấp. Việc trình đệ trình phải bao gồm trình tự thi công từng bước.
Cho phép dùng nhiều phương pháp hoặc kỹ thuật thi công trong phạm vi chung của công trình. Không được phép có bất kỳ sai khác nào đối với vật liệu hoặc chi tiết đã chấp thuận, trừ trước khi sử dụng Nhà thầu đã đệ trình và được Kỹ sư đồng ý.
Đệ trình của Nhà thầu để chấp thuận phải bao gồm các tính toán, bản vẽ và thông tin được khái quát trong Điều 19.3.2 và Điều 19.3.3. Phải đệ trình 2 bộ bản vẽ và tính toán yêu cầu, và nếu cần phải đệ trình lại cho đến khi được Kỹ sư chấp thuận, số bản sao để phân phát theo quy định sẽ được cung cấp sau khi chấp thuận.
19.3.2 Tính toán thiết kế về trình tự thi công
Có thể phải yêu cầu đệ trình các tính toán thiết kế về giàn giáo, thiết bị lắp dựng, ván khuôn, hoặc các công trình tạm khác, và đó là các kết cấu phải chịu các ứng suất tính toán.
Bản vẽ thiết kế các giàn giáo hoặc thiết bị thi công cho tất cả bê tông kết cấu nhịp phải được Nhà thầu thực hiện và ký tên đóng dấu. Các bản tính toán cũng phải đệ trình để chứng minh hệ thống và phương pháp tạo ứng suất do Nhà thầu đề nghị. Các tính toán đó phải bao gồm lực kích yêu cầu và độ giãn dài của các tao thép khi kéo, mức ứng suất của tao cáp tại đầu kéo tao sau khi đóng neo, ứng suất trong vùng neo và tấm phân bố, đường cong ứng suất - biến dạng đặc trưng của thép dự ứng lực sử dụng, mất mát ứng suất khi kéo, vượt ứng suất tạm thời, và cốt thép cần thiết để chịu ứng suất của khối neo.
Ngoài những điểm trên, còn phải đệ trình các bản tính về:
- Tính toán độ võng và độ vồng yêu cầu do tĩnh tải, lực kéo sau, từ biến và co ngót. Phải có bảng trình bày về trị số các độ võng và độ vồng trên bản vẽ biện pháp thi công.
- Tính toán các lực kích yêu cầu tại các mối nối khi căng kéo tạm.
19.3.3 Bản vẽ biện pháp thi công
Nhà thầu phải đệ trình để xin chấp thuận bản vẽ biện pháp thi công chi tiết phù hợp với hồ sơ hợp đồng. Bản vẽ biện pháp thi công phải bao gồm, và không nhất thiết hạn chế chỉ có, các thông tin sau:
- Hình vẽ có đầy đủ kích thước chính xác biểu thị hình học của các phân đoạn bao gồm các hình chiếu, các gờ thụt, các vết khía, các cửa mở, các khối lồi và các chi tiết thích đáng khác.
- Chi tiết bố trí cốt thép thường ghi rõ ràng đầy đủ kích cỡ, khoảng cách, và vị trí, bao gồm cả cốt thép đặc biệt không ghi trên bản vẽ.
- Kích cỡ và chủng loại các ống cho các bó thép căng kéo sau và trắc ngang và trắc dọc chi tiết của chúng. Các gối đỡ ống, ống bơm vữa, ống thoát hơi và các đường rãnh, phải được chỉ rõ cả kích cỡ, chủng loại và vị trí.
- Chi tiết và vị trí của các hạng mục khác được chôn trong phân đoạn, như các vật chèn, thiết bị để nâng cẩu, và các dụng cụ căng kéo cũng phải được chỉ rõ.
- Chi tiết tạo ứng suất bao gồm kích cỡ và các đặc tính của các tao thép, các bộ neo, các tấm bản, các bộ lắp ráp và các thiết bị tạo ứng suất, cũng như các chi tiết về thủ tục tạo lực và trình tự tạo lực, chi tiết và vị trí mọi bộ nối và các cốt thép phụ thêm cần thiết để chống đỡ lực khối neo.
- Bảng biểu ghi rõ trình tự căng kéo, lực căng kéo, và độ giãn dài ban đầu của mỗi bó thép ở mỗi giai đoạn thi công căng kéo sau.
- Bảng biểu ghi rõ mặt chiếu và hình học được dùng để định vị ván khuôn cho phân đoạn sẽ đúc tiếp.
- Đồ thị, biểu đồ hoặc bảng biểu nêu rõ vị trí lý thuyết của mỗi phân đoạn, khi đã thi công hoặc đã lắp đặt, phải được đệ trình Kỹ sư dùng để kiểm tra việc thi công kết cấu nhịp. Phải mô tả rõ các thủ tục chi tiết để điều chỉnh hình học.
- Đòi hỏi phải có các chi tiết về các tao neo giữ và các bộ gối tạm thời và vĩnh cửu.
- Phải cung cấp các chi tiết về thiết bị đổ vữa, về thiết kế hỗn hợp vữa lỏng và phương pháp trộn và đổ vữa.
19.4 Ván khuôn
19.4.1 Tổng quát
Bản vẽ biện pháp thi công phải đệ trình về ván khuôn và xe đúc hẫng theo yêu cầu của hồ sơ hợp đồng.
Ngoài các yêu cầu của hồ sơ hợp đồng, ván khuôn để đúc các phân đoạn bê tông còn có thể dùng để:
- Đúc gối đầu (cho thi công phân đoạn đúc sẵn).
- Sản xuất các phân đoạn với các sai số cho phép.
- Cung cấp số liệu về các khối gắn thêm, các cửa mở, và các chỗ thò ra.
- Điều chỉnh để thay đổi hình học phân đoạn như ghi trong bản vẽ, hoặc để hiệu chỉnh các sai lệch nhỏ trong lần đúc trước tránh để tích lũy sai số.
- Tháo khuôn mà không làm bê tông hư hỏng.
- Tạo mối nối khít, không lọt vữa với phân đoạn trước.
Khối đầu neo phải cho phép nối các ống sao để giữ đúng vị trí và tránh lọt vữa.
Chỗ tiết diện khuôn sẽ nối với mặt ngoài của phân đoạn, không được phép có thêm gờ vượt quá 1,5 mm ra ngoài mặt phẳng và 3 mm cho những góc và điểm uốn. Những gờ giữa những mặt ghép nối của các phân đoạn đúc sẵn không được quá 6 mm.
Ván khuôn không được tháo cho đến khi bê tông đạt cường độ được phép tháo quy định trong hồ sơ hợp đồng được chứng minh bởi thử nghiệm các mẫu hình trụ chế tạo và bảo dưỡng cùng một cách với phân đoạn. Cũng có thể dùng máy đo độ trưởng thành hoặc thiết bị kiểm tra mẫu thử để đánh giá cường độ bê tông trong phân đoạn. Phải chú ý cẩn thận khi thao tác tháo khuôn tránh phá vỡ và sứt mẻ bê tông.
19.4.2 Ván khuôn để thi công phân đoạn đúc sẵn
Ván khuôn biên, đáy, trong và bịt đầu dùng để thi công phân đoạn đúc sẵn phải làm bằng thép, trừ khi Kỹ sư cho phép dùng vật liệu khác.
Ván khuôn phải có độ dày thích hợp, có giằng và nẹp tăng cường, và phải neo giữ thỏa đáng để chống lại các lực do di chuyển và rung động bê tông. Thanh giằng và thiết bị chống giữ bên trong phải được hạn chế chỉ là các bu lông chống ở bản bụng, có thể tháo khỏi bề mặt bê tông dễ trát vá sau khi tháo khuôn. Các chỗ nối phải được thiết kế và duy trì không lọt vữa.
Cao độ và biên dạng của ván khuôn phải được kiểm tra mỗi khi định vị và phải duy trì trong khi đổ bê tông. Cao độ của bản khi hoàn thiện phải được kiểm tra sau khi đã đổ bê tông.
Ván khuôn thép phải giữ không bị gỉ ở mức hợp lý, không dính dầu mỡ và vật lạ. Mọi ván khuôn đều phải làm sạch triệt để trước mỗi lần đúc. Ván khuôn đầu phải để tại chỗ để giữ cho bề mặt đúc nhẵn nhụi.
Có thể dùng ván khuôn gỗ để làm các dải cuối dọc và ngang đổ tại chỗ.
Bề mặt khuôn đúc cấu kiện phải được chế tạo và duy tu để đảm bảo các sai số cho phép của phân đoạn phù hợp với Điều 19.2.
Mặt của mọi ván khuôn, trừ ván khuôn đầu, phải được làm sạch và xử lý bằng dầu khuôn hoặc lớp phủ chống dính khác trước khi đổ bê tông. Vật liệu chống dính giữa các phân đoạn và ở đầu phải được cung cấp phù hợp với Điều 19.7.3. Dầu hoặc vật liệu khác dùng cho mục đích đó phải có độ ổn định và thành phần cấu tạo thuận tiện cho việc tháo khuôn. Vật liệu có thể làm bẩn hoặc phản ứng với bê tông không được dùng để thuận tiện cho việc tháo khuôn mà không làm hư hỏng đến bê tông.
19.5 Gối đỡ vĩnh cửu
Công việc này bao gồm việc cung cấp các vật liệu, chế tạo, và lắp đặt các gối đỡ vĩnh cửu như ghi trong bản vẽ, như quy định ở đây và như chỉ dẫn của Kỹ sư.
Gối đỡ phải được chế tạo phù hợp với bản vẽ, trừ trường hợp đặc biệt được Kỹ sư chấp thuận làm khác.
Trước khi chấp thuận về loại gối được sử dụng, Nhà thầu cần đệ trình chứng chỉ của Nhà sản xuất nói rõ là gối đó và các hạng mục đi kèm đáp ứng các yêu cầu đặt ra. Điều đó không phải là miễn trừ của Chủ đầu tư về các yêu cầu đối với các mẫu vật và việc lấy mẫu, và Chủ đầu tư giữ quyền yêu cầu làm bất cứ thử nghiệm nào được quy định, hoặc thử nghiệm mà Kỹ sư thấy cần làm để đánh giá chất lượng vật liệu.
Nhà thầu cần được Nhà cung cấp giao các chỉ dẫn lắp đặt các bộ gối và thực hiện các thủ tục quy định về lắp đặt gối. Bản vẽ biện pháp thi công phải được đệ trình Kỹ sư để xét chấp nhận phù hợp với các điều của Tiêu chuẩn này quy định về gối đỡ. Sự thích hợp của các chi tiết thiết kế và lắp đặt gói đỡ phải đáp ứng với sự chấp thuận của Kỹ sư trong quyết định cuối cùng.
19.6 Các điều khoản đặc biệt đối với thi công phân đoạn đúc tại chỗ
19.6.1 Tổng quát
Bản vẽ phải được chuẩn bị trên giả thuyết kết cấu nhịp sẽ được thi công bằng phương pháp lựa chọn của công trình bê tông cốt thép phân đoạn đúc tại chỗ. Cho phép sử dụng các phương pháp thi công thay thế khác phù hợp với hồ sơ hợp đồng.
19.6.2 Hệ thống khuôn
Ngoài các tài liệu phải đệ trình như yêu cầu của Điều 19.3, các bản tính và bản vẽ biện pháp thi công sau đây cũng phải đệ trình Kỹ sư xem xét đúng như quy định của hồ sơ hợp đồng:
- Chi tiết và tính toán đầy đủ về ván khuôn và hệ thống đỡ ván khuôn, tải trọng và ứng suất tối đa phát sinh trong phân đoạn đã hoàn thành do thiết bị ván khuôn và đổ bê tông. Việc thiết kê hệ thống đỡ ván khuôn phải xét đến lực xung kích hợp lý có thể xảy ra trong khi đổ bê tông và độ vồng thi công của hệ thống khuôn.
- Tính toán độ võng của hệ thống khuôn trong khi đổ bê tông.
- Chi tiết về hệ thống đỡ tạm thời và các thanh neo giữ cần thiết để giữ ổn định các đoạn hẫng trong khi thi công.
- Trình tự chi tiết từng bước của việc đổ bê tông, tạo ứng lực, đẩy hệ thống đỡ đi lên và điều chỉnh hệ thống theo độ võng tính toán,
- Trình tự chi tiết về cố định đầu đoạn hẫng chống xê dịch vị trí hoặc góc xoay tương đối giữa hai đoạn hẫng trong và sau khi đổ tiếp bê tông hợp long.
19.6.3 Thi công kết cấu nhịp
Công việc này phải bao gồm các việc đặt tạm các gối, nếu có thể áp dụng, đúc các phân đoạn tại chỗ và định vị kết cấu nhịp trên gối vĩnh cửu.
Nhà thầu cần đệ trình các chi tiết đầy đủ và mô tả về các phương pháp, chuẩn bị và thiết bị để Kỹ sư chấp thuận trước khi bắt đầu thi công kết cấu nhịp.
Phương pháp thi công phải bao gồm đúc các phân đoạn, phương pháp neo ghìm kết cấu nhịp trong khi thi công đoạn hẫng, phương pháp tác động các lực tạm dùng để điều chỉnh tuyến hình ngang và thẳng đứng và định vị kết cấu lên gối vĩnh cửu. Cũng phải bao gồm các phương pháp kiểm tra để đảm bảo độ chính xác của tuyến hình của kết cấu nhịp khi hoàn thành.
Trang bị thi công được sử dụng phải bao gồm các máy móc, dụng cụ, nhân công và vật liệu sẽ dùng đến để thi công nhưng sẽ không trở thành bộ phận vĩnh cửu của kết cấu khi hoàn thành. Thiết bị không được để hoạt động từ hoặc đặt trên bất cứ bộ phận nào của kết cấu đang thi công trong bất cứ giai đoạn nào khác với giai đoạn phải đặc biệt đáp ứng các yêu cầu của tổng tải trọng hoạt động trên phân đoạn như hồ sơ hợp đồng cho phép, và/hoặc như Kỹ sư chấp thuận. Nó bao gồm các thiết bị để tạo ứng lực, để làm mối nối, để kích, để rót vữa, và bất kỳ các thiết bị nào khác và nhân lực, vật lực các loại.
Ngoài các tải trọng không cân bằng của phân đoạn được phương pháp thi công cho phép, còn cho phép tác động tải trọng bằng 4,8 x 10-4 MPa. Tải trọng này bao gồm nhân lực, các thiết bị linh tinh khác và vật liệu đặt lên đó. Nhà thầu có trách nhiệm đảm bảo là tải trọng cho phép đó không bị vượt quá.
Việc tạo lực có thể thực hiện phù hợp với trình tự sau:
- Có thể tác động 50 % lực căng kéo sau khi các mẫu thử nén hình trụ, bảo dưỡng tại hiện trường, cho thấy cường độ nén của bê tông đạt 17 MPa và việc đổ bê tông xong đã qua 18 h.
- Hệ thống đỡ khuôn có thể tháo và dịch chuyển lên sau khi đã tác động 50 % lực căng sau.
- Khi cần thiết, việc tạo ứng suất ngang phải phân giai đoạn tiến hành, tránh để bản đỉnh chịu lực quá mức cho phép.
- Các bó thép phải được căng đủ trước khi đổ bê tông đoạn tiếp theo, trừ bó thép ngang nằm gần sát phân đoạn sẽ thi công. Bó thép này chỉ căng đến 50 %, sau đó sẽ căng tiếp khi đã căng các bó của phân đoạn mới. Hệ thống đỡ khuôn phải được thiết kế sao để tránh tạo cho bản đỉnh bị vượt tải tại khu vực có bó thép mới căng một phần.
Khe nối thi công phải hạn chế tại các vị trí ghi trong hồ sơ hợp đồng hoặc được Kỹ sư chấp thuận trước. Khe nối thi công phải được làm sạch hoàn toàn khỏi các sữa bê tông và các vật liệu lạ trước khi đổ bê tông cho đoạn tiếp giáp.
Bề mặt của các mối nối thi công phải được chuẩn bị phù hợp với hồ sơ hợp đồng ngay trước khi đổ bê tông của phân đoạn sau.
Để đổ bê tông phần hợp long hai đoạn hẫng, các đoạn hẫng phải được cố định tránh để xoay chuyển hoặc dịch chuyển của đoạn này tương đối so với đoạn kia. Hệ thống khóa hãm các đoạn hẫng và bộ khuôn đúc chỗ hợp long và thủ tục đổ bê tông chỗ hợp long phải sao để sau khi bắt đầu hóa cứng thì bê tông không bị kéo gây ra nứt.
Nhà thầu cần đệ trình trình tự thi công hoặc bản liệt kê nêu rõ thứ tự theo thời gian của mỗi giai đoạn thi công và thi công kết cấu nhịp.
Nhà thầu cần chuẩn bị bảng biểu các cao độ và biên dạng phải có ở mỗi giai đoạn thi công, như yêu cầu trong hồ sơ hợp đồng, ở các điểm mốc dưới đây, hoặc một phương án khác theo ý kiến của Nhà thầu, và đệ trình Kỹ sư.
- Một trong các điểm góc thấp nhất tại bề mặt bên trên của tấm gối đỡ tạm nào đấy dùng làm gốc đo đạc trong khi thi công, và xác định một điểm tham chiếu cho các cao độ và biên dạng thực tế phải có cho kết cấu khi định vị vĩnh cửu.
- Tất cả 4 góc và đường tim (của các mặt phân đoạn) của bản đỉnh của các phân đoạn trên trụ để xác lập cao độ và điểm đỉnh.
- Hai điểm trên đường tim dọc của mỗi phân đoạn trên trụ, một điểm ở mỗi mép để thiết lập biên dạng.
- Một điểm trên đường tim dọc và tối thiểu một góc của mỗi phân đoạn dọc theo mỗi khe nối giữa các phân đoạn đổ tại chỗ để xác định các cao độ và biên dạng tại mỗi giai đoạn thi công.
Tấm gối đỡ tạm, khi ứng dụng, tại các trụ phải được đặt rất cẩn thận. Bề mặt trên của các tấm đó phải ở cao độ và biên dạng và có cao độ chính xác như yêu cầu trên các bản vẽ và được xác lập theo như các quy định ở trên đối với các gối tạm. Có thể dùng những miếng chèn bên dưới tấm đệm để đảm bảo độ chính xác. Nhà thầu cũng phải suy tính và đề xuất các biện pháp để giữ các tấm gối tạm tại chỗ trong khi đổ bê tông phân đoạn trên trụ.
Nhà thầu cần kiểm tra các cao độ và biên dạng của kết cấu tại mỗi giai đoạn thi công phù hợp với kế hoạch kiểm tra hình học đã đệ trình theo quy định của Điều 19.1 và phải duy trì bản ghi các lần kiểm tra và các điều chỉnh, hiệu chỉnh đã thực hiện.
19.7 Các điều khoản đặc biệt đối với thi công phân đoạn bê tông đúc sẵn
19.7.1 Tổng quát
Kết cấu nhịp phải thi công theo phương pháp thiết kế và chi tiết hóa trong hồ sơ hợp đồng hoặc bằng phương án lựa chọn khác do Nhà thầu trình. Được phép có phương án lựa chọn nếu có quy định trong hồ sơ hợp đồng.
Khi có yêu cầu trong hồ sơ hợp đồng, hệ thống tạo ứng suất và tất cả cốt thép và chi tiết nâng nhấc phải được chứng minh đầy đủ trên phân đoạn được chỉ định trong hồ sơ hợp đồng trước khi đổ bất cứ một phân đoạn chính thức nào. Phân đoạn phải phù hợp với kích cỡ và cấu hình yêu cầu trong hồ sơ hợp đồng, bao gồm các hốc neo bó thép kéo sau, cốt thép thường, bê tông, và các ống dẫn, kể cả các đường cong và khoảng cách. Các bó thép chỉ định trong hồ sơ hợp đồng cho việc thử nghiệm này phải được căng kéo tới lực quy định.
Cấu tạo của bệ đúc và khuôn đúc phải phù hợp để đỡ các phân đoạn không bị lún và vặn xoắn. Bệ đúc phải thiết kế cho một phương pháp và thiết bị cần thiết cho việc điều chỉnh và duy trì cao độ và biên dạng. Chi tiết về thiết bị và thủ tục điều chỉnh phải có trong bản vẽ và tiêu chuẩn kỹ thuật về bệ đúc.
Cao độ của mặt dưới ván khuôn đỉnh và phần trên của mỗi phân đoạn phải xét tới vị trí tương đối của cấu kiện trong kết cấu.
Sau khi đã đúc phân đoạn đầu tiên của mỗi đơn vị, các phân đoạn tiếp theo phải được đúc áp sất phân đoạn đúc lần trước để đảm bảo khả năng chịu lực đầy đủ và biên dạng phù hợp của các bề mặt gắn kết.
Hệ thống neo phải cho phép có thể luồn được các bó thép vào cấu kiện sau khi thi công các phân đoạn.
Các bộ nối bó thép chỉ được sử dụng tại các vị trí quy định đặc biệt trong hồ sơ hợp đồng hoặc được Kỹ sư chấp thuận. Tại bất cứ tiết diện nào không được có quá 50 % bó thép nối. Khi hồ sơ hợp đồng yêu cầu phải có các bó thép tạm bên ngoài, các bó thép và các neo phải được bảo vệ trong các hộp bảo vệ tránh để bị các thiết bị thi công làm hư hỏng và có khả năng kìm hãm một tao hoặc thanh thép đứt hoặc mất ứng suất đột ngột trong khi và sau khi căng kéo và neo. Kiến nghị về trang bị bảo vệ phải đệ trình cho Kỹ sư xem xét chấp thuận.
Phải chú ý đảm bảo là các biến dạng của các phân đoạn đúc gối đầu, do nhiệt thủy hóa của bê tông mới đúc, tại thời điểm hóa cứng ban đầu, không vượt quá 0,8 mm cho một phân đoạn đơn hoặc 20 mm tích lũy cho cả một nhịp. Các biến dạng đó phải được tránh bằng cách bảo vệ thích hợp cả phân đoạn đã đúc và phân đoạn mới đúc trong một bao thể đẳng nhiệt hoặc bằng lớp phủ bảo dưỡng hay tấm chất dẻo.
19.7.2 Chế tạo
Cốt thép phải được chế tạo và lắp đặt phù hợp với hồ sơ hợp đồng. Mọi điểm xung đột hoặc can thiệp tới vị trí chính xác của đường ống và/hoặc cốt thép, hoặc khối lồi, phải lập tức xử lý và hiệu chỉnh theo chỉ dẫn của Kỹ sư. Không được cắt hoặc loại bỏ bất cứ thanh thép nào nhằm giữ nguyên biên dạng của đường ống luồn bó thép. Bất cứ thanh thép, không thể lắp đặt khi muốn dành chỗ cho đường ống, phải được thay thế bằng cách thanh thép đặt thêm với các chiều dài chồng nối thích hợp, cách làm phải đệ trình để Kỹ sư xem xét chấp thuận.
Các phân đoạn phải được đánh dấu phía bên trong theo một hệ ký hiệu thống nhất ngay sau khi tháo khuôn. Hệ ký hiệu đó dùng để nhận dạng mỗi phân đoạn trên bình đồ thi công, trong chi tiết căng kéo sau và các tính toán, và bất cứ tài liệu nào liên quan đến việc chế tạo và thi công các phân đoạn bê tông đúc sẵn.
Phải bố trí các phương tiện tích cực để cố định các đường ống trong mọi hoàn cảnh và phải được ghi rõ trên bản vẽ biện pháp thi công đệ trình để xét chấp thuận. Đường ống phải được kê đỡ trên từng đoạn như quy định trong Điều 7.1 của TCVN 12885-10:2020, hoặc ghi trong hồ sơ hợp đồng, và phải buộc chặt tránh bị xê dịch khi đổ bê tông.
19.7.3 Tách các phân đoạn đúc gối đầu
Nhà thầu cần bố trí các thiết bị dùng để tách, theo một cách thống nhất, các phân đoạn mà không gây hư hại cho bê tông. Phương pháp, cũng như các chi tiết thiết bị dùng để tách các phân đoạn đúc gối đầu phải được ghi trên bản vẽ biện pháp thi công. Vật liệu chống dính phải được quết lên bản bụng và cánh của phân đoạn đúc lần trước để thuận tiện cho việc tách các phân đoạn. Vật liệu chống dính phải dùng để loại bỏ lực dính kết bê tông giữa bề mặt phân đoạn đúc lần trước và phân đoạn mới đúc, cũng như các đầu cuối nếu cần thiết. Phải làm thử trên mẫu có kích thước 600 x 1.200 mm, trước khi đúc các phân đoạn, để chứng minh vật liệu đó là thích hợp. Vật liệu phải là loại không gây hại cho bê tông và phải cho phép tháo rời một phân đoạn mà không sứt mẻ do bê tông bị dính kết.
19.7.4 Thao tác và lắp đặt các phân đoạn
Nhà thầu (hoặc Nhà chế tạo) phải chịu trách nhiệm về việc thao tác, nâng cẩu, lắp đặt, vận chuyển và thi công các phân đoạn sao để có thể an vị trong kết cấu không có hư hỏng.
Các phân đoạn phải được đặt ở tư thế thẳng đứng và duy trì suốt thời gian, và phải được giữ, nâng nhấc, và/hoặc di chuyển sao để không bị vặn xoắn hoặc chịu các lực không đáng có. Các cấu kiện phải được nâng nhấc, cẩu trục, và lưu giữ bằng các thiết bị nâng nhấc được chấp thuận trên bản vẽ biện pháp thi công hoặc bằng các phương pháp khác được Kỹ sư chấp thuận bằng văn bản.
Các phân đoạn không được dịch chuyển khỏi bãi đúc cho đến khi đạt được các yêu cầu về bảo dưỡng và cường độ và phải được kê đỡ sao để ít bị cong vênh nhất.
Việc thử nghiệm toàn diện thiết bị nâng nhấc và cẩu trục phải được thực hiện để chứng minh các thiết bị là phù hợp, trước khi bắt đầu thi công các phân đoạn.
19.8 Các điều khoản đặc biệt đối với đúc đẩy
19.8.1 Tổng quát
Kết cấu thi công bằng phương pháp đúc đẩy phải thực hiện theo Điều 19.3 và các điều khoản bổ sung của điều này.
19.8.2 Đúc các phân đoạn
Việc thi công các cầu đúc đẩy phải căn cứ trên tiến trình thi công một phân đoạn trong 1 tuần. Khi bản đáy và các bản bụng, hoặc một phần của các bản bụng, của các phân đoạn được đúc trước còn bản đỉnh đúc sau, thời gian giữa các lần đổ bê tông không được để quá 3 ngày.
19.8.3 Các sai số cho phép về hình học
Không được vượt các sai số cho phép sau đây trên vùng bề mặt trượt:
- Trong ván khuôn:
+ Sai lệch thẳng đứng theo hướng dọc và hướng ngang: ± 0,8 mm
+ Lệch ngang tại bề ngoài bản bụng: ± 1,5 mm.
- Trên gối trượt:
+ Thẳng đứng: theo hướng dọc giữa các trụ ± 1,5 mm; theo hướng ngang giữa các gối ± 0,8 mm
+ Ngang: sai lệch của các mũi dẫn ± 1,5 mm.
19.8.4 Lực đẩy
Lực đẩy phải được kiểm soát liên tục và kiểm chứng với trị số lý thuyết. Phải duy trì trị số ma sát từ 0 % - 4 %. Trị số ma sát bằng không phải được xét tới trong tính toán lực cần thiết để kìm giữ kết cấu trên độ dốc ngược.
19.8.5 Quan trắc trụ
Độ võng đỉnh trụ phải được quan trắc liên tục. Trong trường hợp độ võng cho phép của trụ có thể bị vượt, khuyên dùng thiết bị quan trắc kết nối tự động với thiết bị đẩy. Phải bố trí việc thông tin giữa mỗi vị trí đặt gối trượt và thiết bị đẩy.
Cao độ đúng của các tấm gối trượt phải được kiểm tra đều đặn theo từng khoảng thời gian. Các tấm chèn phải chuẩn bị dự phòng cho các gối trượt để bù độ lún của trụ, nếu có.
19.9 Hư hỏng và đứt gãy
Đứt hỏng 1 sợi thép cá biệt trong một tao thép 7 sợi là chấp nhận được với sự chấp thuận của Kỹ sư, miễn là tổng diện tích đứt thép không quá 2 % của tổng diện tích tiết diện bó thép.
Các vết nứt nhỏ phi kết cấu hoặc vết nứt trên bề mặt cấu kiện, mà Kỹ sư nhận định là không tiến triển tới bề mặt của cốt thép gần nhất, có thể chấp nhận được trừ khi nhiều và sâu. Các vết nứt xiên biểu thị có hư hỏng do xoắn, vết nứt dọc theo thép tạo ứng suất, hoặc các vết nứt kéo dài vào bề mặt cốt thép và/hoặc bó thép tạo ứng suất, phải là đối tượng xem xét trước khi chấp thuận. Nếu xét có thể chấp thuận, các vết nứt phải được sửa chữa bằng cách đục thành hình chữ V, sâu và rộng 6 mm, rồi trét epoxy hoặc bơm epoxy.
Các đứt gẫy nhỏ, nứt vỡ hoặc rỗ tổ ong sâu không quá 25 mm phải được sửa chữa phù hợp với biện pháp đã trình và được Kỹ sư chấp thuận trước khi bắt đầu chế tạo phân đoạn. Các đứt gẫy lớn hoặc rỗ tổ ong vượt quá quy định ở đây là đối tượng cân nhắc xem xét. Nếu thấy thỏa mãn, các khu vực đó phải được sửa chữa theo chỉ dẫn của Kỹ sư. Những nứt vỡ, bong tróc hoặc rỗ tổ ong trên các mặt ghép thấy có thể chấp nhận được, phải được sửa chữa và bảo dưỡng bê tông trước khi đúc phân đoạn ghép thêm, nếu phân đoạn đó chưa đúc.
20 Đo đạc
Trừ đối với bê tông trong các thành phần công việc mà thanh toán được thực hiện theo các hạng mục bỏ thầu khác, tất cả bê tông của các kết cấu được đo hoặc theo m3 cho mỗi loại bê tông nằm trong hồ sơ hợp đồng hoặc theo đơn vị mỗi loại cấu kiện bê tông đúc sẵn liệt kê trong danh mục trong hồ sơ hợp đồng.
Khi đo bằng m3, khối lượng bê tông sẽ được tính toán từ các kích thước ghi trong hồ sơ hợp đồng hoặc theo văn bản của Kỹ sư với các ngoại lệ sau:
- Khối lượng bê tông liên quan đến các đường gờ, các đường khía, và đường vát góc có diện tích tiết diện ngang bằng hoặc nhỏ hơn 650 mm2, không tính vào hoặc trừ đi.
- Khi có một hạng mục bỏ thầu đối với bê tông được dùng như lớp bịt đáy trong vòng vây cọc ván, khối lượng bê tông này phải bao gồm thể tích thực tế của lớp bê tông bịt đáy tại chỗ, nhưng không trường hợp nào tổng thể tích đo được tính vượt quá tích số của diện tích giữa bề mặt thẳng đứng 300 mm nằm ngoài đường rành mạch của lớp bịt đáy (như được ghi trong hồ sơ hợp đồng) nhân với chiều dày lớp bịt đáy. Chiều dày này được quy định trong hồ sơ hợp đồng, hoặc theo yêu cầu bằng văn bản của Kỹ sư.
Số lượng cấu kiện bê tông đúc sẵn của mỗi loại liệt kê trong hồ sơ hợp đồng sẽ là số lượng cấu kiện có thể chấp nhận của mỗi loại được cung cấp và lắp đặt trong công trình.
Các bộ vỏ bọc kim loại tại các khe co giãn được đo đếm như quy định trong TCVN 12885-23:2020.
Khi có phương án hoặc lựa chọn khác được nêu trong hồ sơ hợp đồng, khối lượng bê tông phải được tính căn cứ vào các kích thước quy định trong hồ sơ hợp đồng và không có thay đổi về khối lượng đo đạc do Nhà thầu đã sử dụng phương án hoặc lựa chọn đó.
THI CÔNG CẦU ĐƯỜNG BỘ - PHẦN 9: CỐT THÉP
Bridge Construction Specifications - Part 9: Reinforcing Steel
1 Phạm vi áp dụng
Bộ tiêu chuẩn TCVN 12885:2020 áp dụng đối với công tác thi công các cầu, cống có kết cấu thông thường, sử dụng các công nghệ thi công thông thường trên đường bộ; cũng có thể tham khảo để thi công các cầu, cống trên đường sắt, có yêu cầu kỹ thuật tương tự.
Tiêu chuẩn này quy định các yêu cầu thi công và nghiệm thu áp dụng đối với công tác cung cấp và đặt cốt thép trong thi công cầu.
Tiêu chuẩn này được dùng làm cơ sở để xây dựng Chỉ dẫn kỹ thuật thi công đối với công tác nêu trên trong dự án xây dựng cầu đường bộ.
2 Tài liệu viện dẫn
Các tài liệu viện dẫn sau là cần thiết cho việc áp dụng tiêu chuẩn này. Đối với các tài liệu viện dẫn ghi năm công bố thì áp dụng phiên bản được nêu. Đối với các tài liệu viện dẫn không ghi năm công bố thì áp dụng phiên bản mới nhất, bao gồm cả các sửa đổi, bổ sung (nếu có).
TCVN 11823:2017, Thiết kế cầu đường bộ.
TCVN 1651-1:2018, Thép cốt bê tông - Phần 1: Thép thanh tròn trơn.
TCVN 1651-2:2018, Thép cốt bê tông - Phần 2: Thép thanh vằn.
TCVN 1651-3:2008, Thép cốt bê tông - Phần 3: Lưới thép hàn.
TCVN 7934:2009 (ISO 14654:1999), Thép phủ epoxy dùng làm cốt bê tông.
LRFD-8, AASHTO LRFD Bridge Design Specifications, 2017 (Tiêu chuẩn thiết kế cầu).
HM-WB, Standard Specifications for Transportation Materials and Methods of Sampling and Testing, 2017 (Tiêu chuẩn kỹ thuật đối với vật liệu giao thông và phương pháp lấy mẫu và thử nghiệm).
ASTM A615/A615M, Standard Specification for Deformed and Plain Carbon-Steel Bars for Concrete Reinforcement (Tiêu chuẩn kỹ thuật đối với các thanh thép carbon có gờ và tròn trơn cho cốt thép bê tông).
ASTM A996/A996M, Standard Specification for Rail-Steel and Axle-Steel Deformed Bars for Concrete Reinforcement (Tiêu chuẩn kỹ thuật đối với thanh thép có gờ thép ray và thép trục cho cốt thép bê tông).
ASTM A706/A706M, Standard Specification for Low-Alloy Steel Deformed and Plain Bars for Concrete Reinforcement (Tiêu chuẩn kỹ thuật đối với thép thanh có gờ và tròn trơn hợp kim thấp cho cốt thép bê tông).
ASTM A496/A496M, Standard Specification for Steel Wire, Deformed, for Concrete Reinforcement (Tiêu chuẩn kỹ thuật đối với thép sợi, có gờ cho cốt thép bê tông).
ASTM A185/A185M, Standard Specification for Steel Welded Wire Fabric, Plain, for Concrete Reinforcement (Tiêu chuẩn kỹ thuật đối với sợi thép hàn, trơn cho cốt thép bê tông).
ASTM A82/A82M, Standard Specification for Steel Wire, Plain, for Concrete Reinforcement (Tiêu chuẩn kỹ thuật đối với sợi thép, trơn cho cốt thép bê tông).
ASTM A497/A497M, Standard Specification for steel Welded Wire Reinforcement, Deformed, for Concrete (Tiêu chuẩn kỹ thuật đối với cốt sợi thép hàn, có gờ cho bê tông).
ASTM D3963/D3963M, Standard Specification for Fabrication and Jobsite Handling of Epoxy-Coated Reinforcing Steel Bars (Tiêu chuẩn kỹ thuật đối với chế tạo và xử lý hiện trường các thanh cốt thép bọc epoxy).
ASTM A884/A884M, Standard Specification for Epoxy-Coated Steel Wire and Welded Wire Reinforcement (Tiêu chuẩn kỹ thuật đối với sợi thép bọc epoxy và cốt thép sợi hàn).
ASTM A775/A775M, Standard Specification for Epoxy-Coated Steel Reinforcing Bars (Tiêu chuẩn kỹ thuật đối với thanh cốt thép bọc epoxy).
ASTM A934/A934M, Standard Specification for Epoxy-Coated Prefabricated Steel Reinforcing Bars (Tiêu chuẩn kỹ thuật đối với thanh cốt thép chế tạo sẵn bọc epoxy).
ASTM A955/A955M, Standard Specification for Castings, Austenitic-Ferritic (Duplex) Stainless Steel, for Pressure-Containing Parts (Tiêu chuẩn kỹ thuật đối với vật đúc, thép không gỉ duplex Austenitic- Ferritic, cho các bộ phận có áp suất).
ASTM A1035/A1035M, Standard Specification for Deformed and Plain, Low-Carbon, Chromium, steel Bars for Concrete Reinforcement (Tiêu chuẩn kỹ thuật đối với các thanh thép có gờ và trơn, carbon thấp, crôm, cho cốt thép bê tông).
ASTM A493, Standard Specification for Stainless Steel Wire and Wire Rods for Cold Heading and Cold Forging (Tiêu chuẩn kỹ thuật đối với sợi thép không gỉ và thanh sợi cho đầu nguội và rèn lạnh).
ACI 315-92, Details and Detailing of Concrete Reinforcement (Các chi tiết và chi tiết của cốt thép bê tông).
ACI 318/318R-95, Building Code Requirements for Structural Concrete and Commentary (Các yêu cầu về tiêu chuẩn xây dựng đối với bê tông kết cấu và giải thích).
ANSI/AWS D1.4, Structural Welding Code - Reinforcing steel, 1998 (Tiêu chuẩn hàn kết cấu - Thép).
3 Thuật ngữ và định nghĩa
Tiêu chuẩn này sử dụng các thuật ngữ và định nghĩa nêu trong TCVN 12885-1:2020 và các thuật ngữ, định nghĩa sau:
3.1
Cốt thép (Reinforcement)
Thanh cốt thép và/hoặc thép dự ứng lực.
3.2
Cốt thép bọc epoxy (Epoxy-coated reinforcing)
Cốt thép được sơn phủ ngoài bằng lớp epoxy để hoạt động như rào cản vật lý, cô lập cốt thép khỏi ba yếu tố cơ bản nhất gây ra sự ăn mòn là oxy, độ ẩm, và các ion clorua. Lớp sơn phủ đồng thời cũng làm việc như là chất cách điện cho thép và giảm thiểu dòng ăn mòn.
3.3
Cốt thép không gỉ (Stainess steel reinforcing)
Hợp kim của sắt, chứa tối thiểu 10,5 % crôm, không bị biến màu hay bị ăn mòn dễ dàng như là các loại thép thông thường khác.
4 Mô tả
Công việc này bao gồm việc cung cấp và đặt cốt thép phù hợp với Tiêu chuẩn này và tuân theo hồ sơ hợp đồng.
5 Vật liệu
5.1 Cốt thép không bọc
Cốt thép không bọc phù hợp với một trong các Tiêu chuẩn sau đây:
- Thép có gờ và thép thanh tròn trơn làm cốt thép cho bê tông phù hợp với AASHTO M31M/M31 (ASTM A615/A615M) hoặc TCVN 1651-1:2018 và TCVN 1651-2:2018. Phải dùng thép cấp 60 (cấp 420) hoặc tương đương, trừ khi có quy định khác trong hồ sơ hợp đồng.
- Thép ray và thép thanh trơn làm cốt cho bê tông phù hợp với AASHTO M322M/M322 (ASTM A996/A996M). Phải dùng thép cấp 60 (cấp 420) trừ khi có các quy định khác trong hồ sơ hợp đồng.
- Thép hợp kim thấp có gờ và thép thanh làm cốt cho bê tông phù hợp với ASTM A706/A706M.
- Thép sợi có gờ làm cốt cho bê tông phù hợp với AASHTO M225M/M225 (ASTM A496).
- Vải sợi thép dẹt hàn làm cốt cho bê tông phù hợp với AASHTO M55M/M55 (ASTM A185) hoặc TCVN 1651-3:2008.
- Sợi thép trơn làm cốt cho bê tông phù hợp với AASHTO M32M/M32 (ASTM A82).
- Thép sợi hàn, có gờ làm cốt cho bê tông phù hợp với AASHTO M221M/M221 (ASTM A497).
5.2 Cốt thép bọc epoxy
Cốt thép bọc epoxy phù hợp với Điều 5.1.
Khi có yêu cầu dùng các thanh cốt thép bọc epoxy, vật liệu và phương pháp bọc, việc chế tạo, vận chuyển, định dạng thép, và sửa chữa các chỗ vỏ bọc hư hỏng, xảy ra trong quá trình chế tạo và vận chuyển từ nơi xếp hàng tới công trường, phù hợp với yêu cầu của AASHTO M284M/M284 (ASTM D3963/D3963M), như quy định trong hồ sơ hợp đồng.
Thanh thép bọc epoxy phải được bọc trong xưởng có chứng chỉ làm công việc này.
Sợi và sợi hàn có bọc epoxy phù hợp yêu cầu của ASTM A884/A884M loại A hoặc TCVN 7934-2009 loại tương đương.
Mỗi chuyến hàng cốt thép có bọc epoxy phải kèm theo chứng chỉ đáp ứng do hãng làm công việc bọc vỏ ký xác nhận là các thanh cốt thép này tuân thủ yêu cầu của AASHTO M317M/M317 (ASTM D3963/D3963M) và AASHTO M284M/M284 (ASTM A775/A775M) hoặc ASTM A934/A934M, hoặc là các tấm lưới sợi hoặc sợi hàn có bọc epoxy đó phù hợp với ASTM A884/A884M, loại A hoặc TCVN 7934-2009 loại tương đương.
5.3 Thanh cốt thép không gỉ
Khi có quy định trong hồ sơ hợp đồng, các cốt thép có gờ hoặc thanh trơn thép không gỉ phải phù hợp yêu cầu của ASTM A955/A955M.
5.4 Thanh cốt thép, crôm, carbon thấp
Trường hợp quy định tại các văn bản hợp đồng, cốt thép thanh có gờ, crôm, carbon thấp phải phù hợp yêu cầu của ASTM A1035/A1035M.
5.5 Báo cáo thử nghiệm của nhà máy
Khi các thanh cốt thép, ngoài các thanh đã phù hợp với ASTM A706/A706M, cần phải nối bằng hàn, hoặc khi có yêu cầu khác, phải đệ trình cho Kỹ sư 1 bản sao có xác nhận báo cáo thử nghiệm của nhà máy cho biết phân tích vật lý và hóa học của mỗi mẻ nấu hoặc lô thanh cốt thép đã giao.
6 Danh mục các thanh và sơ đồ uốn thanh
Khi hồ sơ hợp đồng không bao gồm các danh mục chi tiết các thanh và các sơ đồ uốn thanh, Nhà thầu cần cung cấp các danh mục và sơ đồ đó cho Kỹ sư để xét chấp thuận. Việc chế tạo vật liệu chỉ được bắt đầu sau khi các danh mục đó đã được chấp thuận. Việc chấp thuận danh mục các thanh thép và các sơ đồ uốn sẽ không miễn trừ trách nhiệm của Nhà thầu về sự chính xác của các danh mục và sơ đồ đó.
7 Chế tạo
7.1 Uốn
Các thanh cốt thép phải cắt và uốn theo hình dạng cho trong hồ sơ hợp đồng. Dung sai chế tạo phù hợp với ACI 315-92. Các thanh phải uốn nguội, trừ khi được phép làm khác. Các thanh chôn một phần trong bê tông không được uốn tại hiện trường, trừ khi có quy định trong hồ sơ hợp đồng.
7.2 Kích thước móc và điểm uốn
Kích thước các móc và đường kính các điểm uốn đo phía trong thanh phải như thể hiện trong hồ sơ hợp đồng. Khi các kích thước các móc hoặc đường kính điểm uốn không cho sẵn, chúng phù hợp với Điều 5.10.2 của LRFD-8 hoặc TCVN 11823:2017 hoặc ACI 318/318R-95.
7.3 Nhận dạng
Các thanh thép phải được chuyên chở thành bó tiêu chuẩn, có nhãn và đánh dấu.
8 Vận chuyển, cất giữ và tình trạng bề mặt cốt thép
Cốt thép phải được cất giữ trên các sàn, khối kê hoặc giá đỡ khác cao hơn mặt đất, và được bảo vệ để không bị tổn thương cơ học và hư hỏng bề mặt do tiếp xúc với các điều kiện gây gỉ. Khi lắp đặt trong công trình, cốt thép không được dính chất bẩn, xốp gỉ hoặc lớp gỉ, vữa, sơn, mỡ, dầu hoặc các vỏ phi kim loại khác làm giảm độ dính bám. Được phép dùng cốt thép bọc epoxy phù hợp với Tiêu chuẩn này. Cốt thép không được có các khuyết tật có hại như bị nứt hoặc tách thành lớp. Các chỗ gỉ dính chặt, các vết sẹo, các chỗ không đều trên bề mặt hoặc các vết do cán không phải là nguyên nhân để loại bỏ thép, miễn là các kích thước, diện tích tiết diện ngang tối thiểu và các đặc tính chịu kéo của mẫu thép đáp ứng các yêu cầu vật lý về kích cỡ và cấp thép quy định.
Cốt thép bọc epoxy phải được vận chuyển và cất giữ bằng các phương pháp không làm hư hỏng lớp vỏ epoxy. Các hệ thống cẩu nâng vận chuyển cốt thép bọc epoxy phải có các lớp đệm lót thích hợp tại các diện tích tiếp xúc. Các kệ để bó cốt thép phải được đệm lót và các bó thép phải được cẩu bằng thanh treo cứng nhiều điểm đỡ, hoặc sàn cẩu để ngăn ngừa sự mài mòn giữa các thanh hoặc giữa các sợi do bó thép bị xệ. Không được thả rơi hoặc kéo các thanh hoặc các bó. Các thép bọc epoxy phải vận chuyển và cất giữ trên các giá đỡ bằng gỗ hoặc có đệm lót.
Cốt thép bọc epoxy phải được bảo vệ khỏi nắng chiếu, muối phun, và tiếp xúc với thời tiết bao quanh. Phải bố trí để có luồng không khí luân chuyển quanh các cốt thép đã được bảo vệ để giảm thiểu ngưng đọng hơi nước dưới các lớp bọc bảo vệ.
9 Đặt và buộc cốt thép
9.1 Tổng quát
Cốt thép phải đặt chính xác như đã cho trong hồ sơ hợp đồng và buộc chắc để giữ đúng vị trí trong khi đổ và đầm bê tông. Phải buộc tại tất cả giao điểm các thanh xung quanh chu vi của mỗi tấm cốt thép, và tại các giao điểm khác cách nhau không nhỏ hơn 600 mm từ tim tới tim hoặc tại mỗi giao điểm, lấy khoảng cách nào lớn hơn. Các bó thanh phải buộc với nhau tại các điểm cách nhau không quá 1.800 mm, từ tim tới tim. Để buộc cốt thép bọc epoxy, sợi thép buộc và các kẹp kim loại phải là loại bọc chất dẻo hoặc bọc epoxy. Nếu lưới sợi cốt thép hàn được chuyên chở tới dưới dạng cuộn, phải dàn thành các tấm phẳng trước khi đặt. Không được hàn các thanh giao nhau (hàn đính) để lắp ráp cốt thép, trừ khi được Kỹ sư cho phép bằng văn bản.
9.2 Hệ thống đỡ
Cốt thép phải được đỡ ở vị trí thích hợp bằng cách sử dụng các khối bê tông đúc sẵn, kê đỡ bằng thanh sợi thép, thanh phụ hoặc dụng cụ khác được chấp thuận. Các khối kê hoặc dụng cụ đỡ này phải có chiều cao như vậy và đặt cách đều nhau sao đủ để duy trì khoảng cách giữa các cốt thép và bề mặt ván khuôn hoặc mặt trên của tấm bản mặt cầu trong vòng 6 mm so với cho trong hồ sơ hợp đồng.
Sàn đỡ người và thiết bị trong lúc đổ bê tông phải được chống đỡ trực tiếp trên ván khuôn và không chống đỡ trên cốt thép.
9.3 Khối bê tông đúc sẵn
Khối bê tông đúc sẵn phải có cường độ chịu nén không nhỏ hơn cường độ của bê tông sẽ chôn đặt các khối này. Đối với các bề mặt lộ ra ngoài, bề mặt các khối tiếp xúc với ván khuôn phải có kích thước không quá 50 x 50 mm và phải có màu sắc và cấu trúc hòa hợp với bề mặt bê tông. Khi dùng trên các bề mặt thẳng đứng hoặc dốc nghiêng, các khối này phải có sợi thép chôn để buộc các khối vào cốt thép. Khi dùng trong các tấm bản, có thể dùng sợi thép để buộc, hoặc nếu trọng lượng cốt thép đủ để giữ chắc khối bê tông tại chỗ, có thể làm một đường rãnh tại mặt trên của khối để kê. Với các thanh thép bọc epoxy, các sợi buộc cũng phải bọc chất dẻo hoặc bọc epoxy.
9.4 Bệ đỡ các thanh sợi thép
Bệ đỡ thanh sợi thép, như các kệ đỡ hoặc tấm gối bằng sắt phải phù hợp với thực tiễn công nghiệp. Kệ đỡ hoặc gối đỡ tỳ lên ván khuôn của các bề mặt lộ ra ngoài phải hoặc là Loại 1 - Bảo vệ tối đa (bảo vệ bằng chất dẻo) hoặc là Loại 2, Kiểu B - Bảo vệ có mức độ (bịt thép không gỉ), thép không gỉ dùng cho loại này phù hợp với ASTM A493, Loại 430. Đối với cốt thép bọc epoxy, các bệ đỡ thanh sợi thép phải bọc chất dẻo hoặc bọc epoxy.
9.5 Điều chỉnh
Cốt thép thường dùng trong bê tông kéo sau phải được điều chỉnh hoặc đặt lại trong khi lắp đặt các ống luồn cáp dự ứng lực, tùy theo yêu cầu phải để các khoảng trống dành cho thép, neo và thiết bị tạo dự ứng lực, như được Kỹ sư chấp thuận.
9.6 Sửa chữa lớp vỏ epoxy bị hỏng
Ngoài yêu cầu của Điều 5.2, mọi hư hỏng của lớp vỏ epoxy bọc cốt thép xảy ra trong khi vận chuyển và lắp đặt thép phải được sửa chữa. Lượng tối đa của diện tích các khu vực sửa chữa không được vượt quá 6 % trên 1 m dài. Nếu hư hỏng trong khi vận chuyển, lắp đặt vượt quá 6 % diện tích trên 1 m dài, thanh đó phải loại bỏ và thay bằng thanh thép bọc epoxy khác có thể chấp nhận được. Tổng diện tích phủ bằng vật liệu dùng để vá khi sửa chữa ở các giai đoạn công việc không được vượt quá 5 % tổng diện tích bề mặt mỗi thanh. Vật liệu để vá phải được xác định trước là đạt chất lượng theo yêu cầu đối với vật liệu làm vỏ bọc, và phải ghi rõ trên các bình đựng là đáp ứng yêu cầu của Phụ lục A1 của AASHTO M317M/M317 (ASTM D3963/D3963M) và AASHTO M284M/M284 (ASTM A775/A775M) hoặc Phụ lục 1 của ASTM A934/A934M, hoặc phải kèm theo chứng chỉ hợp cách xác nhận vật liệu đáp ứng yêu cầu của Phụ lục A1 nói trên. Việc vá các khu vực hư hỏng phải thực hiện theo các khuyến cáo của Nhà sản xuất. Việc vá phải dành thời gian để bảo dưỡng trước khi đổ bê tông lên các thanh bọc epoxy.
10 Nối các thanh
10.1 Tổng quát
Cốt thép phải được cung cấp với chiều dài đúng như quy định trong hồ sơ hợp đồng, trừ khi được phép làm khác. Trừ đối với các mối nối quy định trong hồ sơ hợp đồng và các mối nối đối với các thanh No.16 hoặc nhỏ hơn, không được phép nối các loại thanh khác, nếu không được Kỹ sư chấp thuận bằng văn bản. Các mối nối phải đặt so le nhau càng xa càng tốt.
10.2 Mối nối chồng
Mối nối chồng phải có chiều dài như quy định trong hồ sơ hợp đồng. Nếu không quy định trong hồ sơ hợp đồng, chiều dài mối nối chồng phù hợp với Điều 5.10.8.4.3a hoặc Điều 5.10.8.4.5a của LRFD-8 hoặc TCVN 11823:2017, hoặc như được Kỹ sư chấp thuận.
Trong mối nối chồng, các thanh phải đặt và buộc sao để duy trì được khoảng cách tối thiểu tới bề mặt của bê tông cho trong hồ sơ hợp đồng. Không được dùng mối nối chồng đối với các thanh No. 43 và No. 57, trừ như quy định hoặc trong Điều 5.10.8.4.2a hoặc Điều 5.10.8.4.5a của LRFD-8 hoặc TCVN 11823:2017.
10.3 Mối nối hàn
Mối nối hàn chỉ được dùng nếu có vẽ chi tiết trong hồ sơ hợp đồng, hoặc được Kỹ sư cho phép bằng văn bản. Việc hàn phù hợp với ANSI/AWS D1.4, và hồ sơ hợp đồng.
Không được dùng các mối nối hàn trên các thanh bọc epoxy. Để tránh không đốt nóng vỏ bọc của các thanh bọc epoxy, không được hàn quá gần các thanh này.
Mối nối hàn sẽ không được sử dụng với cốt thép phù hợp với ASTM A1035/A1035M.
10.4 Bộ nối cơ khí
Bộ nối cơ khí chỉ được dùng khi có chấp thuận trước hoặc có vẽ chi tiết trong hồ sơ hợp đồng, hoặc được Kỹ sư cho phép bằng văn bản. Bộ nối này phải phát triển được lực kéo hoặc lực nén, tùy yêu cầu, ít nhất bằng 125 % cường độ chảy đặc trưng của thanh thép được nối.
Nếu có yêu cầu của Kỹ sư, 2 cho mỗi 100 mối nối, hoặc một phần của số đó, đặt tại hiện trường và được Kỹ sư chọn một cách ngẫu nhiên, phải được Nhà thầu thay ra và được Kỹ sư thử nghiệm xem có đạt 125 % cường độ chảy quy định của thanh thép được nối hay không.
11 Nối các tấm lưới sợi thép hàn
Tấm lưới sợi thép hàn phải nối bằng cách chồng lên nhau đủ để duy trì cường độ đồng đều và phải buộc chắc chắn tại các đầu và các mép. Đoạn chồng ở mép không được nhỏ hơn chiều rộng ô lưới cộng thêm 50 mm.
12 Thay thế
Chỉ được phép thay thế thanh kích cỡ khác khi được Kỹ sư cho phép. Thanh thép thay thế phải có diện tích tương đương với diện tích thiết kế hoặc lớn hơn, và phù hợp với yêu cầu của Điều 5.6.7 của LRFD-8 hoặc TCVN 11823:2017.
13 Đo đạc
Cốt thép đưa vào trong bê tông sẽ được đo đếm theo kilogram dựa trên tổng trọng lượng tính toán đối với các cỡ và chiều dài các thanh, sợi và tấm lưới sợi thép hàn ghi trong hồ sơ hợp đồng, hoặc được Kỹ sư chấp thuận dùng trong công trình.
Trọng lượng các thanh cốt thép được tính theo trọng lượng cho trong Bảng 1.
Bảng 1 - Thanh cốt thép - trọng lượng và diện tích danh định
| Cỡ thanh No. | Trọng lượng (kG/m) | Diện tích tiết diện (mm2) |
| 10 | 0,560 | 71 |
| 13 | 0,994 | 129 |
| 16 | 1,552 | 199 |
| 19 | 2,235 | 284 |
| 22 | 3,042 | 387 |
| 25 | 3,973 | 510 |
| 29 | 5,060 | 645 |
| 32 | 6,404 | 819 |
| 36 | 7,907 | 1.006 |
| 43 | 11,380 | 1.452 |
| 57 | 20,240 | 2.581 |
Trọng lượng của các sợi thép, các tấm lưới sợi thép hàn và các thanh trơn có kích cỡ khác với các cỡ liệt kê trong Bảng 1 được tính bằng cách sử dụng các kích thước danh định và trọng lượng riêng ước định là 7.850 kg/m3. Nếu trong hồ sơ hợp đồng có cho trọng lượng của sản phẩm sợi thép hàn, tính theo đơn vị trọng lượng mỗi m2, thì sử dụng trị số này.
Trọng lượng cốt thép dùng trong các hạng mục như lan can và các cấu kiện đúc sẵn, mà việc thanh toán cho cốt thép đã xét đến trong giá hợp đồng của hạng mục đó, sẽ không được tính. Được xét các thanh hoặc các chốt có ren, đặt sau khi lắp đặt các cấu kiện đúc sẵn trong công trình và dùng để liên kết các cấu kiện này với bê tông đổ tại chỗ.
Không xét đến các kẹp, sợi thép buộc, các miếng ngăn cách, các kệ đỡ sợi thép và các vật liệu khác dùng để buộc cốt thép tại chỗ. Nếu các thanh được thay thế theo yêu cầu của Nhà thầu dẫn đến kết quả lượng thép sử dụng vượt quá lượng thép quy định trong hồ sơ hợp đồng, chỉ tính theo lượng thép quy định trong hồ sơ hợp đồng.
Thép phụ thêm cho các mối nối không ghi trong hồ sơ hợp đồng, nhưng được phép theo quy định ở đây, không được tính.
Không xét đến trọng lượng lớp vỏ bọc epoxy khi tính trọng lượng cốt thép bọc epoxy.
THI CÔNG CẦU ĐƯỜNG BỘ - PHẦN 10: TẠO DỰ ỨNG LỰC
Bridge Construction Specifications - Part 10: Prestressing
1 Phạm vi áp dụng
Bộ tiêu chuẩn TCVN 12885:2020 áp dụng đối với công tác thi công các cầu, cống có kết cấu thông thường, sử dụng các công nghệ thi công thông thường trên đường bộ; cũng có thể tham khảo để thi công các cầu, cống trên đường sắt, có yêu cầu kỹ thuật tương tự.
Tiêu chuẩn này quy định các yêu cầu thi công và nghiệm thu, áp dụng đối với công tác tạo dự ứng lực cho bê tông đúc sẵn hoặc đúc tại chỗ bằng cách cung cấp, đặt và căng kéo thép dự ứng lực trong thi công cầu.
Tiêu chuẩn này được dùng làm cơ sở để xây dựng Chỉ dẫn kỹ thuật thi công đối với công tác nêu trên trong dự án xây dựng cầu đường bộ.
2 Tài liệu viện dẫn
Các tài liệu viện dẫn sau là cần thiết cho việc áp dụng tiêu chuẩn này. Đối với các tài liệu viện dẫn ghi năm ban hành thì áp dụng phiên bản được nêu. Đối với các tài liệu viện dẫn không ghi năm ban hành thì áp dụng phiên bản mới nhất, bao gồm cả các sửa đổi, bổ sung (nếu có).
TCVN 11823:2017, Thiết kế cầu đường bộ.
LRFD-8, AASHTO LRFD Bridge Design Specifications, 2017 (Tiêu chuẩn thiết kế cầu).
HM-WB, Standard Specifications for Transportation Materials and Methods of Sampling and Testing, 2017 (Tiêu chuẩn kỹ thuật đối với vật liệu giao thông và phương pháp lấy mẫu và thử nghiệm).
GSCB-1, Guide Specifications for Design and Construction of Segmental Concrete Bridges, 1987 (Tiêu chuẩn hướng dẫn cho thiết kế và thi công cầu bê tông phân đoạn).
GSCB-2, Guide Specifications for Design and Construction of Segmental Concrete Bridges, 1999 (Tiêu chuẩn hướng dẫn cho thiết kế và thi công cầu bê tông phân đoạn).
ASTM A416/A416M, Standard Specification for Steel Strand, Uncoated Seven-Wire for Prestressed Concrete (Tiêu chuẩn kỹ thuật đối với tao cáp, 7 sợi không bọc cho bê tông ứng suất trước).
ASTM A421/A421M, Standard Specification For Uncoated Stress-Relieved Steel Wire For Prestressed Concrete (Tiêu chuẩn kỹ thuật đối với sợi thép khử ứng suất không bọc cho bê tông ứng suất trước).
ASTM A722/A722M, Standard Specification for High-Strength Steel Bars for Prestressed Concrete (Tiêu chuẩn kỹ thuật đối với thanh thép cường độ cao cho bê tông ứng suất trước).
ASTM D3350, Standard Specification for Polyethylene Plastics Pipe and Fittings Materials (Tiêu chuẩn kỹ thuật đối với vật liệu ống và phụ kiện nhựa Polyetylen).
ASTM D4101, Standard Classification System and Basis for Specification for Polypropylene Injection and Extrusion Materials (Tiêu chuẩn hệ thống phân loại và cơ sở cho quy định kỹ thuật đối với vật liệu tim và bơm Polypropylen).
ASTM D3895, Standard Test Method for Oxidative-Induction Time of Polyolefins by Differential Scanning Calorimetry (Tiêu chuẩn phương pháp thử đối với thời gian oxy hóa-cảm ứng của polyolefin bằng phương pháp đo nhiệt lượng quét vi sai).
ASTM F714, Standard Specification for Polyethylene (PE) Plastic Pipe (SDR-PR) Based on Outside Diameter (Tiêu chuẩn kỹ thuật đối với ống nhựa Polyetylen (PE) (SDR-PR) dựa trên đường kính ngoài).
ASTM C50/C50M, Standard Practice for Sampling, Sample Preparation, Packaging, and Marking of Lime and Limestone Products (Tiêu chuẩn thực hành để lấy mẫu, chuẩn bị mẫu, đóng gói và đánh dấu các sản phẩm vôi và đá vôi).
ASTM C1152/C1152M, Standard Test Method for Acid-Soluble Chloride in Mortar and Concrete (Tiêu chuẩn phương pháp thử đối với Clorua hòa tan trong axit và vữa).
ASTM C33/C33M, Standard Specification for Concrete Aggregates (Tiêu chuẩn kỹ thuật đối với cốt liệu bê tông).
ASTM C1090/C1090M, Standard Test Method for Measuring Changes in Height of Cylindrical Specimens of Hydraulic-Cement Grout (Tiêu chuẩn phương pháp thử để đo lường sự thay đổi chiều cao của mẫu hình trụ của vữa xi măng thủy lực).
ASTM C940, Standard Test Method for Expansion and Bleeding of Freshly Mixed Grouts for Preplaced-Aggregate Concrete in the Laboratory (Tiêu chuẩn phương pháp thử đối với mở rộng và lan tỏa hỗn hợp vữa tươi cho bê tông cốt liệu đặt trước trong phòng thí nghiệm).
ASTM C942, Standard Test Method for Compressive strength of Grouts for Preplaced-Aggregate Concrete in the Laboratory (Tiêu chuẩn phương pháp thử về cường độ nén của vữa với bê tông cốt liệu đặt trước trong phòng thí nghiệm).
ASTM C953, Standard Test Method for Time of Setting of Grouts for Preplaced-Aggregate Concrete in the Laboratory (Tiêu chuẩn phương pháp thử đối với thời gian thiết lập vữa cho bê tông cốt liệu đặt trước trong phòng thí nghiệm).
ASTM C939/C939M, Standard Test Method for Flow of Grout for Preplaced-Aggregate Concrete (Flow Cone Method) (Tiêu chuẩn phương pháp thử đối với dòng chảy vữa cho bê tông cốt liệu đặt trước (Phương pháp hình nón dòng chảy)).
ASTM C1202, Standard Test Method for Electrical Indication of Concrete's Ability to Resist Chloride Ion Penetration (Tiêu chuẩn phương pháp thử cho dấu hiệu điện của khả năng chống lại sự xâm nhập của ion clorua).
MIL-P-3420F, Military Specification: Packaging Materials, Volatile Corrosion, Inhabitor Treated, Opaque (Tiêu chuẩn kỹ thuật quân sự: vật liệu đóng gói, ăn mòn dễ bay hơi, chất ức chế được xử lý, opaque).
MIL-P-24441/20, Military Specification for zinc-rich paint (Tiêu chuẩn kỹ thuật quân sự đối với sơn giàu kẽm).
3 Thuật ngữ và định nghĩa
Tiêu chuẩn này sử dụng các thuật ngữ và định nghĩa nêu trong TCVN 12885-1:2020 và các thuật ngữ, định nghĩa sau:
3.1
Sợi thép dự ứng lực (Pre-stressed wires)
Sợi thép cường độ cao, tròn, bề mặt trơn nhẵn và có giới hạn bền kéo tối thiểu là 1.035 MPa.
3.2
Tao cáp dự ứng lực (Pre-stressed strand)
Cáp thép xoắn bao gồm 2, 3, 7 hoặc 19 sợi thép cường độ cao và được khử ứng suất (ổn định), dùng cho bê tông dự ứng lực hoặc các mục đích tương tự.
3.3
Thanh thép dự ứng lực (Pre-stressed bars)
Thép thanh cường độ cao có giới hạn bền kéo tối thiểu là 1.035 MPa và có bề mặt dạng ren.
3.4
Neo (Anchorages)
Trong công nghệ kéo sau, đây là thiết bị cơ khí được dùng để neo bó cáp vào bê tông; trong công nghệ kéo trước, đây là thiết bị được dùng để neo bó cáp cho đến khi bê tông đạt được cường độ định trước và dự ứng lực đã truyền vào bê tông; đối với cốt thép thanh, đây là đoạn chiều dài cốt thép hoặc neo cơ học, hoặc móc, hoặc tổ hợp của chúng ở đầu thanh đủ để truyền lực căng trong thanh vào bê tông.
3.5
Bó cáp ngoài (External Tendon)
Bó cáp kéo sau được đặt bên ngoài bê tông, thường nằm trong lòng dầm hộp.
3.6
Kéo căng sau (Post-Tensioning)
Phương pháp tạo dự ứng lực trong đó các tao cáp được căng kéo sau khi bê tông đạt cường độ quy định.
3.7
Kéo căng trước (Pretensioning)
Phương pháp tạo dự ứng lực trong đó các tao cáp được căng kéo trước khi đổ bê tông.
4 Tổng quát
4.1 Mô tả
Công việc này gồm có việc tạo dự ứng lực cho bê tông đúc sẵn hoặc đúc tại chỗ bằng cách cung cấp, lắp đặt và căng kéo thép dự ứng lực: theo các chi tiết cho trong hồ sơ hợp đồng, và như quy định trong Tiêu chuẩn này. Nó bao gồm việc tạo dự ứng lực bằng phương pháp hoặc căng trước hoặc căng sau hoặc bằng một tổ hợp của hai phương pháp đó.
Công việc này phải bao gồm cả việc cung cấp và lắp đặt bất kỳ hạng mục phụ nào cần thiết cho hệ thống dự ứng lực sẽ sử dụng, bao gồm nhưng không hạn chế ở ống tạo lỗ, bộ neo và vữa dùng cho ống bơm vữa áp lực.
Khi các cấu kiện là để thi công với một phần cốt thép căng trước và một phần căng sau, yêu cầu có thể áp dụng được của Tiêu chuẩn này phải áp dụng cho mỗi phương pháp.
4.2 Chi tiết thiết kế
Khi thiết kế cho công việc tạo dự ứng lực không đầy đủ chi tiết trong hồ sơ hợp đồng, Nhà thầu phải xác định các chi tiết hoặc loại hệ thống tạo dự ứng lực để sử dụng và chọn các vật liệu và các chi tiết phù hợp với Tiêu chuẩn này khi cần để đáp ứng các yêu cầu quy định cho việc tạo dự ứng lực. Hệ thống được chọn phải cung cấp mức độ và phân bổ của lực dự ứng lực và cường độ cực hạn yêu cầu trong hồ sơ hợp đồng mà không vượt quá các ứng suất tạm thời cho phép. Trừ khi có quy định khác trong hồ sơ hợp đồng, các thủ tục thiết kế, các hệ số và ứng suất cho phép, ma sát và các mất mát ứng suất trước cũng như khoảng cách các bó cáp và khoảng trống phải phù hợp với một hoặc cả hai tài liệu, LRFD-8 hoặcTCVN 11823:2017 và GSCB-1,2 một cách thích hợp.
Việc tạo dự ứng lực có thể thực hiện bằng các phương pháp căng trước hoặc căng sau trừ khi hồ sơ hợp đồng chỉ quy định các chi tiết căng trước. Nếu hồ sơ hợp đồng chỉ quy định các chi tiết căng trước, thì chỉ được phép sử dụng hệ thống căng sau nếu toàn bộ các chi tiết của mọi sửa đổi cần thiết được Kỹ sư chấp thuận.
Khi lực hoặc ứng suất hữu hiệu hoặc làm việc được quy định trong hồ sơ hợp đồng, nó phải được xem là lực hoặc ứng suất còn lại trong thép dự ứng lực, sau khi đã xảy ra hoặc đã xét tới các mất mát, gồm mất mát do từ biến và co ngót của bê tông, do co ngắn đàn hồi của bê tông, do tự chùng của thép, do ma sát và mất mát khi đóng neo và các mất mát khác liên quan đến phương pháp hoặc hệ thống tạo dự ứng lực. Khi lực kích kéo được quy định trong hồ sơ hợp đồng, phải xem đó là lực tác dụng vào bó cáp trước khi neo và xuất hiện các mất mát, kể cả mất mát do tụt neo.
5 Bản vẽ bổ sung
5.1 Bản vẽ biện pháp thi công và bản vẽ chế tạo
Khi hồ sơ hợp đồng không bao gồm các chi tiết đầy đủ về hệ thống tạo dự ứng lực và phương pháp lắp đặt nó, hoặc khi các chi tiết đầy đủ có trong hồ sơ hợp đồng nhưng Nhà thầu muốn đề nghị có thay đổi nào đó, Nhà thầu cần chuẩn bị và đệ trình cho Kỹ sư bản vẽ biện pháp thi công của hệ thống tạo dự ứng lực đề nghị sử dụng. Việc chế tạo hoặc lắp đặt các vật liệu tạo dự ứng lực chỉ được bắt đầu sau khi Kỹ sư đã chấp thuận các bản vẽ.
Bản vẽ biện pháp thi công của hệ thống tạo dự ứng lực phải trình bày toàn bộ các chi tiết và các tính toán chứng minh phương pháp, vật liệu và thiết bị Nhà thầu kiến nghị sử dụng trong các thao tác tạo dự ứng lực, bao gồm mọi bổ sung hoặc bố trí lại cốt thép và mọi sửa đổi kích thước bê tông so với kích thước quy định trong hồ sơ hợp đồng. Các chi tiết này phải phác ra phương pháp và trình tự tạo ứng suất và phải bao gồm đầy đủ các tiêu chuẩn và các chi tiết của thép dự ứng lực và thiết bị neo, ứng suất làm việc, ứng suất neo, độ giãn dài của bó cáp, loại ống và các số liệu khác liên quan đến thao tác tạo dự ứng lực, kể cả kiến nghị về bố trí cốt thép dự ứng lực trong cấu kiện.
Bản vẽ biện pháp thi công phải đệ trình vào thời gian trước khi bắt đầu công việc có liên quan để Kỹ sư có đủ thời gian xem xét và Nhà thầu đủ thời gian sửa chữa các bản vẽ mà không làm chậm công việc.
Khi có yêu cầu trong các bản vẽ của hợp đồng hoặc trong hồ sơ hợp đồng, Nhà thầu cần chuẩn bị các bản vẽ lắp đặt các hạng mục chôn trong bê tông. Nếu điều khoản đó có cả yêu cầu về kỹ thuật phụ thêm hoặc thiết kế chi tiết, yêu cầu đó phải được nêu rõ, như ghi trong Điều 4.2.
Bản vẽ chế tạo về căng sau hoặc các linh kiện gắn sau khác, như khe co giãn, gối, và bu lông neo do Nhà cung cấp đệ trình, phải được Kỹ sư soát xét chấp thuận về tính phù hợp với khái niệm thiết kế và sự tuân thủ các bản vẽ thiết kế và các tiêu chuẩn. Khi các thông tin về hệ thống tạo dự ứng lực trong hồ sơ hợp đồng được Nhà thầu biến cải, hoặc khi các bản vẽ của hợp đồng không cung cấp các thông tin đầy đủ chi tiết về kích thước của hệ thống tạo dự ứng lực, Nhà thầu có trách nhiệm phối hợp việc sắp đặt hệ thống tạo dự ứng lực với các linh kiện chôn trong bê tông, và hiệu chỉnh các xung đột vị trí do Nhà cung cấp hệ thống căng sau tạo ra, hoặc các thay thế khác. Bố trí của hệ căng sau phải khống chế bố trí của hệ cốt thép thường thứ yếu. Khi cần thiết, vị trí của các cốt thép thường phải điều chỉnh để dành chỗ cho các bó cáp, việc làm này phải được sự chấp thuận của Kỹ sư.
5.2 Bản vẽ lắp đặt
Khi có yêu cầu trong hồ sơ hợp đồng, ngoài bản vẽ biện pháp thi công đã yêu cầu, Nhà thầu cần chuẩn bị các bản vẽ lắp đặt theo tỷ lệ và chi tiết đủ để trình bày các vị trí tương đối và chiều sâu chôn của các linh kiện sẽ chôn trong bê tông của các đoạn kết cấu sẽ được tạo dự ứng lực. Các hạng mục chôn bên trong đó bao gồm ống tạo lỗ, ống thông hơi, cốt thép và thiết bị vùng neo, bu lông neo, thiết bị hãm động đất, bộ bịt khe bản mặt cầu, hệ tống thoát nước, ống tiện ích, và các hạng mục cùng loại khác. Những bản vẽ này phải đủ chi tiết để đảm bảo sẽ không xảy ra xung đột vị trí giữa các hạng mục, và lớp vỏ bê tông bảo vệ là phù hợp. Khi hợp đồng đòi hỏi Nhà thầu triển khai các bản vẽ về hệ thống căng sau, hoặc khi Nhà thầu có các thay đổi về hệ thống dự ứng lực ghi trên bản vẽ, Nhà thầu cần chuẩn bị bản vẽ biện pháp thi công về các hạng mục chôn trong bê tông hoặc kiến nghị các thay đổi về kích thước của công trình, tùy cần thiết, để loại trừ các xung đột, nếu xảy ra do hệ căng sau, và cung cấp lớp bê tông bảo vệ thích hợp. Việc xử lý các điểm xung đột phải theo các điều khoản của Điều 4.2. Mọi sửa đổi như vậy phải được Kỹ sư chấp thuận trước khi bắt đầu làm bất cứ hạng mục liên quan. Điều đó đòi hỏi các bản vẽ lắp đặt phải được chi tiết hóa ở tỷ lệ và chất lượng đủ để trình bày 2 hàng cốt thép và các chi tiết của bó cáp căng sau trên bản vẽ không gian 2 chiều hoặc 3 chiều.
6 Vật liệu
6.1 Thép dự ứng lực và neo
6.1.1 Tao cáp
Tao cáp 7 sợi không bọc phù hợp với yêu cầu của AASHTO M203M/M203 (ASTM A416/A416M). Phải áp dụng Phần bổ sung S1 (độ chùng thấp) khi có quy định.
6.1.2 Sợi thép
Sợi thép độ chùng thấp không bọc phù hợp với yêu cầu của AASHTO M204M/M204 (ASTM A421/A421 M).
6.1.3 Thép thanh
Thanh thép cường độ cao không bọc phù hợp với yêu cầu của AASHTO M275M/M275 (ASTM A722/A722M). Thanh có cường độ cực hạn tối thiểu lớn hơn, nhưng được sản xuất bằng cách khác và được thử nghiệm theo AASHTO M275M/M275 (ASTM A722/A722M) có thể được sử dụng miễn là chúng không có các đặc tính làm chúng ít thỏa mãn hơn các vật liệu đã quy định.
6.2 Neo và bộ nối neo căng sau
Neo và bộ nối neo phải phát huy được ít nhất 96 % cường độ cực hạn thực tế của thép dự ứng lực, khi thử nghiệm trong trạng thái không dính bám không vượt quá biến dạng dự kiến. Việc nối cáp không được làm giảm độ giãn dài khi đứt, thấp hơn yêu cầu của bản thân bó cáp. Bộ neo và/hoặc các thành phần bộ nối neo phải đặt trong các hộp đủ dài để cho phép các chuyển dịch cần thiết. Chỉ được sử dụng bộ nối cáp tại các vị trí được quy định đặc biệt trong hồ sơ hợp đồng và/hoặc được Kỹ sư chấp thuận. Không được sử dụng các bộ nối tại các điểm bó cáp có độ cong gấp.
6.2.1 Hệ thống có dính bám
Chiều dài truyền dính bám giữa neo và vùng mà tại đó cần để phát triển toàn bộ lực dự ứng lực, dưới tải trọng sử dụng và tải trọng cực hạn, bình thường phải đủ để phát triển cường độ cực hạn tối thiểu quy định của thép dự ứng lực. Khi neo hoặc bộ nối nằm tại các tiết diện nguy hiểm khi chịu tải trọng cực hạn, cường độ cực hạn yêu cầu của bó cáp dính bám không được vượt quá khả năng chịu lực cực hạn của toàn bộ hệ bó cáp, kể cả neo và bộ nối, được thử nghiệm trong trạng thái không dính bám.
Ống tạo lỗ phải thiết kế để khi bơm vữa vào bó cáp có thể bơm đầy vữa cho các thành phần bộ nối.
6.2.2 Hệ thống không dính bám
Đối với cáp không dính bám, phải thực hiện 2 thử nghiệm động trên neo đại diện, và bộ nối và cáp phải chịu được, không bị đứt, sau 500.000 chu kỳ, từ 60 % tới 66 % cường độ cực hạn tối thiểu quy định của cáp, và cũng chịu được, sau 50 chu kỳ, từ 40 % tới 80 % cường độ cực hạn tối thiểu quy định của cáp. Mỗi chu kỳ được tính là sự thay đổi từ mức ứng suất thấp nhất tới mức ứng suất cao nhất và ngược lại tới mức thấp nhất. Các mẫu khác nhau có thể dùng cho mỗi một trong 2 thử nghiệm. Với hệ thống sử dụng loại nhiều tao, thép sợi hoặc thép thanh có thể thử nghiệm bằng cách dùng bó cáp thử nghiệm có khả năng chịu lực nhỏ hơn bó cáp đúng kích cỡ. Bó cáp thử nghiệm phải có ứng xử giống như bó cáp đúng kích cỡ và nói chung phải có khả năng chịu tải không dưới 10 % khả năng chịu tải của bó cáp đúng kích cỡ. Yêu cầu phải làm các thử nghiệm động đối với các bó cáp dính bám khi neo được đặt, hoặc sử dụng theo cách mà tải trọng lặp dự kiến có thể tác động lên neo; ngoài ra không cần làm các thử nghiệm động nếu không có yêu cầu trong hồ sơ hợp đồng.
Neo dùng cho bó cáp không dính bám phải không làm giảm tổng độ giãn dài của bó cáp khi chịu tải trọng cực hạn xuống mức dưới 2 %, đo được trong chiều dài tối thiểu là 3.000 mm.
Các thành phần bộ nối phải được bảo vệ hoàn toàn bằng vật liệu bao bọc trước khi chôn vào bê tông.
6.2.3 Thử nghiệm chấp nhận thiết bị neo đặc biệt
6.2.3.1 Yêu cầu đối với khối mẫu thử
Khối mẫu thử là hình lăng trụ chữ nhật. Nó phải chứa các thành phần neo sẽ được chôn trong bê tông của kết cấu. Sắp xếp của chúng phải phù hợp với sự sắp đặt thực tế và các chi tiết kỹ thuật của Nhà cung cấp. Khối mẫu thử phải có một ống rỗng với kích cỡ thích hợp với cốt thép dự ứng lực lớn nhất có thể chứa được trong thiết bị neo.

Hình 1 - Mẫu thử đặc biệt để nghiệm thu thiết bị neo
6.2.3.2 Kích thước khối mẫu thử
Kích thước vuông góc với cốt thép dự ứng lực trên mỗi hướng của khối mẫu phải nhỏ hơn khoảng cách tối thiểu ở đầu hoặc khoảng cách tối thiểu quy định bởi Nhà cung cấp thiết bị neo, quy định là lớp vỏ bảo vệ các cốt thép, đai hoặc bề mặt, phải phù hợp với việc sử dụng và môi trường riêng. Chiều dài của khối dọc theo cốt thép dự ứng lực phải bằng hoặc lớn hơn 2 lần chiều rộng tối đa của tiết diện ngang.
6.2.3.3 Cốt thép cục bộ
Cốt thép đai ở khu vực cục bộ phải giống như quy định của Nhà cung cấp thiết bị neo đối với hệ thống liên quan.
6.2.3.4 Cốt thép lớp vỏ
Ngoài thiết bị neo và các cốt thép đai của neo, có thể bố trí thêm các cốt thép lớp vỏ suốt mẫu. Cốt thép bổ sung cho lớp vỏ phải do Nhà cung cấp thiết bị quy định nhưng không được vượt quá tỷ lệ thể tích bằng 0,01.
6.2.3.5 Cường độ bê tông
Cường độ bê tông lúc tạo ứng suất phải lớn hơn cường độ bê tông của mẫu khi thử nghiệm.
6.2.3.6 Trình tự thử nghiệm
Có thể coi là chấp nhận được bất cứ một trong ba trình tự sau:
- Chất tải chu kỳ mô tả trong Điều 6.2.3.7
- Chất tải liên tục mô tả trong Điều 6.2.3.8, hoặc
- Chất tải đơn điệu mô tả trong Điều 6.2.3.9.
Tải trọng quy định cho việc thử nghiệm được đưa ra theo một phân số của tải trọng cực hạn Fpu của bó cáp lớn nhất mà thiết bị neo đáp ứng được theo thiết kế. Mẫu thử phải được chất tải phù hợp với việc sử dụng bình thường thiết bị trong ứng dụng căng sau, trừ khi tải trọng có thể tác động trực tiếp lên tấm chêm hoặc diện tích tương đương.
6.2.3.7 Thử nghiệm chất tải chu kỳ
6.2.3.7a Tổng quát
Trong thử nghiệm chất tải chu kỳ, tải trọng được tăng tới 0,8.Fpu. Sau đó tải trọng được thực hiện theo chu kỳ biến động từ 0,1.Fpu đến 0,8.Fpu cho đến khi bề rộng vết nứt ổn định, nhưng không dưới 10 chu kỳ. Bề rộng vết nứt được coi là ổn định nếu chủng không thay đổi quá 10 μm qua 3 lần đọc cuối. Sau khi hoàn thành việc chất tải chu kỳ mẫu thử tốt nhất là được chất tải đến phá hoại hoặc tối thiểu tới 1,1.Fpu, nếu bị hạn chế bởi khả năng của thiết bị chất tải.
6.2.3.7b Bề rộng và cách thức nứt
Phải ghi chép bề rộng và cách thức nứt ở tải trọng ban đầu 0,8.Fpu tối thiểu liên tục 3 lần cuối ở tải trọng đỉnh 0,8.Fps trước khi kết thúc chất tải và ở 0,9.Fpu. Tải trọng tối đa cũng phải ghi lại.
6.2.3.8 Thử nghiệm chất tải liên tục
6.2.3.8a Tổng quát
Trong thử nghiệm liên tục, tải trọng phải được tăng tới 0,8. Fpu và giữ không đổi tới khi vết nứt ổn định, nhưng không ít hơn 48 h. Bề rộng vết nứt coi là ổn định nếu chúng không thay đổi quá 25 μm trong 3 lần đọc cuối. Sau khi hoàn thành chất tải liên tục, tốt nhất là mẫu thử được chất tải tới phá hoại hoặc tối thiểu tới 1,1. Fpu, nếu bị hạn chế bởi khả năng của thiết bị chất tải.
6.2.3.8b Bề rộng và cách thức nứt
Phải ghi chép bề rộng và cách thức nứt ở tải trọng ban đầu 0,8. Fpu tối thiểu liên tục 3 lần với khoảng cách 1 h trong 12 h liền trước khi kết thúc chất tải liên tục, và ở 0,9. Fpu trong quá trình chất tải đến phá hoại. Tải trọng tối đa cũng phải ghi lại.
6.2.3.9 Thử nghiệm chất tải đơn điệu
6.2.3.9a Tổng quát
Trong thử nghiệm đơn điệu, tải trọng phải được tăng tới 0,9. Fpu và giữ không đổi trong 1 h. Tốt nhất là mẫu thử được chất tải tới phá hoại hoặc, tối thiểu tới 1,2. Fpu, nếu bị hạn chế bởi khả năng của thiết bị chất tải.
6.2.3.9b Bề rộng và cách thức nứt
Phải ghi chép bề rộng và cách thức nứt ở tải trọng 0,9. Fpu sau chu kỳ 1 h, và ở 1,0. Fpu. Tải trọng tối đa cũng phải ghi lại.
6.2.3.10 Yêu cầu đối với vùng neo
Cường độ của vùng neo phải vượt quá:
- Mẫu thử chịu tải trọng chu kỳ hoặc liên tục …………………… 1,1. Fpu
- Mẫu thử chịu tải trọng đơn điệu …………………… 1,2. Fpu
Phải tuân thủ tiêu chuẩn bề rộng vết nứt tối đa quy định dưới đây trong môi trường xâm thực vừa phải:
- Không có vết nứt lớn hơn 0,25 mm tại 0,8. Fpu sau khi hoàn thành chất tải chu kỳ hoặc liên tục, hoặc tại 0,9. Fpu sau chu kỳ 1 h đối với chất tải đơn điệu.
- Không có vết nứt lớn hơn 0,4 mm tại 0,9. Fpu đối với chất tải đơn điệu.
Đối với môi trường xâm thực cao hơn, tiêu chuẩn bề rộng vết nứt phải giảm tối thiểu 50 %.
6.2.3.11 Yêu cầu đối với lô thử nghiệm
Một lô thử nghiệm phải bao gồm 3 mẫu thử. Mỗi mẫu thử phải đạt các tiêu chuẩn nghiệm thu. Nếu 1 trong 3 mẫu không qua được thử nghiệm, cho phép thử nghiệm bổ sung 3 mẫu khác. Kết quả của 3 mẫu bổ sung phải đáp ứng các tiêu chuẩn nghiệm thu của Điều 6.2.3.10.
Đối với một lô các thiết bị neo đặc biệt tương tự, chỉ yêu cầu thử nghiệm đối với các mẫu đại diện, trừ khi Kỹ sư đòi hỏi phải thử nghiệm năng lực của mỗi thiết bị trong lô.
6.2.3.12 Ghi chép về thiết bị neo
Biên bản nghiệm thu thiết bị neo phải bao gồm:
- Kích thước mẫu thử.
- Bản vẽ và kích thước thiết bị neo, bao gồm các cốt thép đai.
- Số lượng và bố trí cốt thép bổ sung lớp vỏ.
- Loại và cường độ chảy của cốt thép.
- Loại và cường độ nén của bê tông ở thời điểm thử nghiệm
- Loại trình tự thử nghiệm và các đo đạc yêu cầu theo Điều 6.2.37 ~ Điều 6.2.3.10.
7 Lắp đặt ống tạo lỗ và thiết bị neo
7.1 Lắp đặt ống tạo lỗ
7.1.1 Tổng quát
Ống tạo lỗ phải được đỡ chắc chắn đúng vị trí trong ván khuôn bằng cách buộc vào cốt thép thích hợp, không dịch chuyển được trong khi đổ bê tông. Khi cần thiết phải dùng các thanh đỡ bổ sung để giữ cho ống thẳng hàng. Phải dùng các sợi thép buộc vào ván khuôn khi lực đẩy nổi ống trong bê tông lỏng có thể nâng thanh cốt thép lên.
Ống thép polyethylen và ống kim loại dùng cho cốt thép căng sau theo hướng dọc và hướng ngang trong cánh dầm phải được đỡ trên từng khoảng cách không quá 600 mm. Ống polyethylen trong bản bụng dùng cho cốt thép căng sau theo hướng dọc phải buộc vào các thép đai với khoảng cách không quá 600 mm, và ống kim loại dùng cho cốt thép căng sau theo hướng dọc trong bản bụng phải buộc vào thép đai với khoảng cách không quá 1.200 mm.
Khe nối giữa các đoạn ống phải nối bằng các liên kết có hiệu quả không làm biến đổi góc tại các mối nối và ngăn được hiện tượng lọt vữa xi măng.
Sau khi hoàn thành việc lắp đặt ống tạo lỗ, ván khuôn, phải kiểm tra để xác định vị trí ống có thể bị hỏng. Tất cả những lỗ hoặc khe hở không chủ tâm trong ống phải sửa chữa trước khi đổ bê tông.
Các cửa bơm vữa và lỗ thông hơi phải neo chặt vào ống tạo lỗ hoặc vào ván khuôn hoặc vào cốt thép để ngăn dịch chuyển trong khi thao tác đổ bê tông.
Sau khi đặt vào ván khuôn, các đầu ống tạo lỗ phải luôn bịt kín khi cần thiết để ngăn nước hoặc mảnh vụn lọt vào.
Trong quá trình đổ bê tông cho các phân đoạn đúc sẵn, các trục tâm phải dùng làm thanh tăng cường trong mỗi ống tạo lỗ và phải kéo qua suốt chiều dài của phân đoạn đổ bê tông và tối thiểu thêm 600 mm vào ống tạo lỗ tương ứng của phân đoạn đã đổ lần trước. Trục tâm phải đủ cứng để duy trì hình học của ống tạo lỗ trong phạm vi sai số như chỉ ra ở Bảng 1.
Bảng 1- Dung sai vị trí của ống tạo lỗ
| Dung sai | Vị trí theo phương đứng (mm) | Vị trí theo phương ngang (mm) |
| Bó cáp ngang trong bản hoặc trong vùng bản của cấu kiện lớn hơn | ± 6 | ± 12 |
| Bó cáp dọc của kết cấu nhịp có xếp nếp ở sườn Bó cáp qua gối đỡ hoặc giữa nhịp thứ 3 | ± 6 | ± 6 |
| Bó cáp ở cọc giữa của chiều cao sườn | ± 12 | ± 6 |
| Bó cáp dọc, ngang, kết cấu nhịp thường ở đỉnh và đáy của cấu kiện | ± 6 | ± 6 |
| Bó cáp ngang trong kết cấu dưới và móng | ± 12 | ± 12 |
|
| Vị trí theo phương dọc (mm) | Vị trí theo phương ngang (mm) |
| Bó cáp đứng trong sườn | ± 6 | ± 6 |
| Bó cáp đứng trong cọc trụ | ± 6 | ± 6 |
Ngoài ra, phải áp dụng các dung sai sau:
- Trong các trường hợp khác, đặt cáp dung sai là ± 6 mm theo hướng bất kỳ.
- Góc vào và ra của đường cáp tại neo và/hoặc tại mặt bê tông dung sai là ± 3 độ của góc mong muốn được đo theo hướng bất kỳ và sự thay đổi biên dạng được chuyển trơn tru mà không có bất kỳ xoắn vặn.
- Sự thay đổi góc tại mối nối ống tạo lỗ phải không lớn hơn hơn ± 3 độ theo hướng bất kỳ và phải hoàn thành với sự chuyển đổi trơn tru mà không có bất kỳ xoắn vặn.
- Đặt neo dung sai là ± 6 mm theo hướng ngang và ± 25 mm theo hướng dọc cáp trừ các yêu cầu về lớp phủ tối thiểu phải duy trì.
- Vị trí cốt thép neo trong ván khuôn hình xoắn ốc, nhiều thanh chữ u, hoặc liên kết, để định tâm chính xác quanh ống tạo lỗ và để bắt đầu trong phạm vi ± 12 mm phía sau của tấm neo chính.
- Nếu tồn tại xung đột giữa cốt thép và ống dự ứng lực căng sau, thì vị trí của ống dự ứng lực căng sau và điều chỉnh cốt thép cục bộ theo sự phê duyệt của Kỹ sư.
7.1.2 Lỗ thông hơi của ống tạo lỗ
Ống tạo lỗ dùng trong các kết cấu liên tục phải có lỗ thông tại các điểm cao và điểm thấp của tuyến ống, trừ khi độ cong nhỏ như trong các tấm bản liên tục, và tại các vị trí bổ sung được quy định trong hồ sơ hợp đồng. Các lỗ thông tại điểm thấp phải để mở cho đến khi bắt đầu bơm vữa.
7.1.3 Thử ống dự ứng lực căng sau
Lúc hoàn thành đổ bê tông, Nhà thầu cần thử đường dự ứng lực căng sau, đảm bảo là ống thông suốt không vướng mắc hoặc hư hỏng và có thể để lọt bó cáp căng sau định bố trí, bằng cách kéo lõi thử qua ống tạo lỗ. Lõi thử phải có cùng hình dạng tiết diện với ống, và nhỏ hơn 6 mm so với kích thước danh định bên trong của ống. Không khấu trừ thêm đối với kích thước của lõi thử theo dung sai cho phép trong chế tạo và sửa chữa ống. Đối với ống thẳng, phải dùng lõi thử dài tối thiểu 600 mm. Đối với ống cong, chiều dài phải xác định để cho khi cả hai đầu chạm vào vách phía ngoài cùng của ống, lõi thử còn cách vách phía trong cùng 6 mm. Nếu lõi thử không lọt hoàn toàn qua ống, Kỹ sư sẽ loại bỏ cấu kiện, trừ khi có thể sửa chữa để thông ống, đạt được thỏa mãn của Kỹ sư. Khi hoàn thành sửa chữa, lõi thử phải lọt qua ống dễ dàng bằng tay, không cần đến lực quá mạnh hoặc trợ giúp cơ khí.
7.1.4 Thử nghiệm hiện trường áp lực lên ống
Trước khi căng kéo và bơm vữa cho bó cáp trong hoặc cáp ngoài, lắp đặt các mấu vữa, đầu vào, và đầu ra và kiểm tra bó cáp bằng khí nén để xác định xem các mối nối ống có yêu cầu sửa chữa không. Với sự chứng kiến của Kỹ sư, áp lực lên ống cáp là 0,34 MPa và khóa nguồn không khí bên ngoài. Ghi mất mát áp lực trong 1 min. Mất mát áp lực 0,17 MPa là chấp nhận được cho cáp có chiều dài bằng hoặc nhỏ hơn 45,7 m và mất mát áp lực 0,10 MPa là chấp nhận được đối với cáp dài hơn 45,7 m. Nếu mất mát áp lực vượt quá mức cho phép, việc sửa chữa rò rỉ mối nối sử dụng các phương pháp được Kỹ sư phê duyệt và kiểm tra lại.
7.2 Đặt cốt thép dự ứng lực
7.2.1 Đặt cốt thép căng trước
Cốt thép dự ứng lực phải đặt chính xác trong ván khuôn và được giữ bằng kích căng hoặc neo tạm, và khi bó cáp bị uốn gập, phải dùng thiết bị neo ghìm xuống. Thiết bị neo ghìm dùng tại các điểm thay đổi độ dốc của tuyến cáp phải là loại ma sát tháp được chấp thuận.
Cốt thép dự ứng lực không được bỏ ra ngoài bảo bảo vệ cho tới ngay trước khi lắp đặt trong ván khuôn và đổ bê tông. Khe hở của bao gói cần phải bịt lại để bảo vệ cốt thép chưa dùng. Trong khi lộ ra ngoài, cốt thép phải được bảo vệ chống ăn mòn.
7.2.2 Đặt cốt thép căng sau
Tất cả cốt thép dự ứng lực lắp trước trong ống tạo lỗ và đặt trước khi đổ bê tông phải được đặt chính xác và giữ vị trí trong khi đổ bê tông.
Khi cốt thép dự ứng lực sẽ đặt sau khi đã đổ bê tông, Nhà thầu cần chứng minh đến mức thỏa mãn Kỹ sư là ống tạo lỗ không có nước và các mảnh vụn ngay trước lúc đặt cốt thép. Tổng số tao trong một bó cáp riêng biệt có thể kéo vào ống như một đơn nguyên, hoặc từng tao riêng biệt có thể đẩy vào hoặc kéo vào trong ống.
Thiết bị neo hoặc mấu để neo phải đặt và giữ sao cho trục của chúng trùng với trục của bó cáp và tấm neo nằm vuông góc với hướng bó cáp.
Cốt thép dự ứng lực phải được phân bố sao cho lực trong mỗi thân dầm phải bằng nhau hoặc theo yêu cầu trong hồ sơ hợp đồng, trừ các quy định ở đây. Với các dầm hộp có nhiều hơn hai thân dầm, tùy theo sự lựa chọn của Nhà thầu, lực tạo dự ứng lực có thể thay đổi tới 5 % so với lực yêu cầu lý thuyết cho mỗi thân dầm, miễn là đạt được tổng lực yêu cầu trong kết cấu nhịp và lực được phân bố đối xứng đối với đường tim của mặt cắt điển hình.
7.2.2.1 Bảo vệ cốt thép sau khi lắp đặt
Cốt thép dự ứng lực đặt trong các cấu kiện trước khi đổ và bảo dưỡng bê tông hoặc đã đặt trong ống, nhưng chưa bơm vữa trong giới hạn thời gian quy định dưới đây, phải tiếp tục được bảo vệ chống gỉ hoặc ăn mòn khác bằng cách đặt chất ức chế ăn mòn trong ống hoặc trực tiếp quét lên cốt thép. Thép dự ứng lực phải được bảo vệ như vậy cho tới khi bơm vữa hoặc bọc kín trong bê tông. Cốt thép dự ứng lực đã đặt và căng trong các cấu kiện sau khi đổ và bảo dưỡng bê tông và đã được bơm vữa trong giới hạn thời gian quy định dưới đây không cần sử dụng chất ức chế ăn mòn nêu ở đây, và gỉ tạo thành trong khoảng thời gian từ lúc đặt cốt thép đến lúc bơm vữa không phải là lý do để loại bỏ cốt thép.
Khoảng thời gian cho phép từ lúc đặt cốt thép đến lúc bơm vữa không phải sử dụng chất ức chế ăn mòn đối với các điều kiện tiếp xúc khác nhau được quy định như sau:
- Không khí rất ẩm hoặc trên nước mặn …………………. 7 ngày (độ ẩm > 70 %)
- Không khí ẩm trung bình ……………………………. 15 ngày (độ ẩm từ 40 % - 70 %)
- Không khí rất khô ……………………………………… 20 ngày (độ ẩm < 40 %)
Sau khi các cốt thép đã được đặt trong ống, các lỗ đầu ống phải bịt kín không để hơi ẩm lọt vào.
Khi bảo dưỡng bằng hơi nước, trừ khi hệ thống neo yêu cầu lắp đặt, không được lắp đặt cốt thép căng sau cho đến khi bảo dưỡng hơi nước xong.
Cốt thép đó phải được bảo vệ chống gỉ bằng chất ức chế ăn mòn đặt trong ống hoặc quét lên cốt thép, và phải được tạo ứng suất và bơm vữa trong vòng 7 ngày sau khi bảo dưỡng hơi nước.
Khi tiến hành hàn điện trên hoặc gần các cấu kiện có cốt thép dự ứng lực, dây tiếp đất để hàn phải nối trực tiếp vào thép được hàn. Tất cả cốt thép dự ứng lực và dụng cụ phải được bảo vệ chống tia lửa hàn hoặc các hư hỏng khác.
7.3 Đặt dụng cụ neo
Nhà thầu có trách nhiệm về việc đặt chính xác các vật liệu theo hồ sơ thiết kế của Kỹ sư-hồ sơ và các yêu cầu đặt ra bởi Nhà cung cấp thiết bị neo. Nhà thầu cần thực hiện mọi sự thận trọng và chú ý cần thiết trong việc đặt dụng cụ neo, cốt thép, đổ và cố kết bê tông trong khu vực neo. Mọi thay đổi về chi tiết của vùng cục bộ, được kiểm tra theo Điều 5.8.4.4.3 của LRFD-8 hoặc TCVN 11823:2017 ở đây, phải được sự chấp thuận của Kỹ sư và Nhà cung cấp thiết bị.
8 Nhận dạng và thử nghiệm
Sợi, tao cáp, và thanh thép chuyên chở tới công trường phải được gắn số hiệu lô hàng và nhãn hàng nhằm mục đích nhận dạng. Bộ neo chuyên chở đi cũng được nhận dạng như vậy.
Mỗi lô sợi thép hoặc thanh thép và mỗi cuộn tao cáp phải được kèm theo chứng chỉ hợp cách của Nhà sản xuất, chứng chỉ xuất xưởng và báo cáo thử nghiệm. Chứng chỉ xuất xưởng và báo cáo thử nghiệm phải bao gồm:
- Thành phần hóa học (không yêu cầu đối với tao cáp),
- Diện tích tiết diện ngang,
- Cường độ chảy và cực hạn,
- Độ giãn dài khi đứt,
- Modul đàn hồi, và
- Đường cong ứng suất - biến dạng đối với cốt thép dự ứng lực thực tế dự định sử dụng.
Các giá trị chứng nhận phải căn cứ vào các giá trị thử nghiệm và diện tích tiết diện ngang danh định của vật liệu được chứng nhận.
Nhà thầu cần cung cấp cho Kỹ sư để kiểm tra các mẫu thử nghiệm mô tả ở các mục sau đây, lựa chọn cho mỗi lô hàng. Nếu có yêu cầu của Kỹ sư, giám sát viên sẽ lựa chọn các mẫu tại xưởng của Nhà sản xuất.
Các mẫu đệ trình phải mang tính đại diện của lô hàng cung cấp và trong trường hợp sợi thép hoặc tao cáp, phải được lấy trong cùng một cuộn gốc.
Cường độ thực tế của cốt thép dự ứng lực không được nhỏ hơn cường độ quy định bởi Tiêu chuẩn ASTM thích hợp, và phải được xác định bằng các mẫu đại diện của vật liệu tao cáp phù hợp với Tiêu chuẩn ASTM.
Các vật liệu quy định để thử nghiệm phải cung cấp miễn phí và phải giao hàng đúng hạn để thử nghiệm kịp trước thời gian định sử dụng.
8.1 Bó cáp căng trước
Với các tao cáp dự ứng lực, phải cung cấp mẫu dài tối thiểu 1.500 mm phù hợp với yêu cầu của Đoạn 9.1 của AASHTO M203M/M203 (ASTM A416/A416M).
8.2 Bó cáp căng sau
Các chiều dài sau đây phải cung cấp cho mỗi 20 tấn, hoặc một phần của chúng, lô vật liệu dùng cho công trình:
- Các sợi thép không đòi hỏi đầu dẫn - chiều dài đủ để làm một bó sợi song song dài 1.500 mm bao gồm cùng số lượng sợi như bó cáp phải cung cấp.
- Tao cáp cung cấp với phụ kiện - 1.500 mm giữa gần hai đầu phụ kiện.
- Thanh thép phải cung cấp với các đầu có ren và êcu - 1.500 mm giữa hai đoạn ren ở đầu.
8.3 Bộ neo và bộ nối
Nhà thầu cần cung cấp để thử nghiệm 1 mẫu mỗi cỡ tao cáp, bao gồm vật nối của loại lựa chọn với các đầu thử và bộ neo kèm theo, chỉ để thử nghiệm cường độ. Các mẫu phải có chiều dài 1.500 mm, đo ở khoảng giữa 2 bộ điều chỉnh. Nếu kết quả thử nghiệm chứng tỏ cần thiết phải kiểm tra lại thử nghiệm, các mẫu cung cấp thêm không tính tiền.
Khi yêu cầu phải thử nghiệm động, Nhà thầu cần thực hiện các thử nghiệm và cung cấp những bản sao có chứng nhận của các kết quả thử nghiệm, thể hiện sự phù hợp với các yêu cầu quy định, trước khi lắp đặt neo hoặc bộ nối.
Đối với các hệ thống dự ứng lực đã qua thử nghiệm trước đây và bản chấp thuận dùng vào các dự án có cùng cấu hình tao cáp, Kỹ sư có thể không yêu cầu đệ trình toàn bộ mẫu thử, nếu không có thay đổi về vật liệu, thiết kế hoặc chi tiết đã được chấp thuận trước đây. Các bản vẽ chế tạo hoặc các chi tiết tạo dự ứng lực phải nêu rõ dự án đã cấp bản chấp thuận, nếu không vẫn phải tiến hành việc thử nghiệm.
9 Bảo vệ cốt thép dự ứng lực
Cốt thép dự ứng lực phải được bảo vệ khỏi hư hỏng vật lý và han gỉ hoặc các hậu quả xâm thực khác suốt thời gian từ chế tạo đến bơm vữa. Cốt thép dự ứng lực cũng phải không dính các vật liệu có hại như dầu mỡ, sáp hoặc sơn. cốt thép dự ứng lực đã bị hư hỏng vật lý phải bị loại bỏ bất kỳ lúc nào. Phát triển của các vết rỗ hoặc hậu quả xâm thực khác, ngoài các vết gỉ, đều là nguyên do để loại bỏ.
Các cốt thép dự ứng lực phải được đóng gói trong các thùng chứa hoặc trong bao bì chuyên chở để bảo vệ các tao cáp khỏi các hư hỏng vật lý và xâm thực trong khi chuyên chở và cất giữ. Chất ức chế ăn mòn ngăn ngừa gỉ hoặc hậu quả xâm thực khác phải được đặt trong bao bì, hoặc phải kết hợp với vật liệu đóng gói chứa chất ức chế ăn mòn, hoặc khi được Kỹ sư chấp thuận, có thể quét thăng lên thép. Chất ức chế ăn mòn phải không có tác động gây hại đối với thép hoặc bê tông hoặc cường độ dính bám của thép với bê tông hoặc vữa bơm. Bao bì hoặc khuôn đóng gói bị hư hỏng vì bất cứ lý do nào, phải lập tức bị loại bỏ và phục hồi về điều kiện ban đầu.
Bao bì chuyên chở hoặc khuôn đóng gói phải đánh dấu rõ ràng ghi rõ là thùng hàng chứa cốt thép dự ứng lực cường độ cao, và loại chất ức chế ăn mòn sử dụng, bao gồm cả thời gian đóng gói.
Neo, đầu điều chỉnh, bộ nối và tao cáp để trần, sau này không bị chôn kín trong bê tông hoặc vữa bơm trong công trình hoàn thành, phải được bảo vệ chống xâm thực vĩnh viễn.
10 Chất ức chế ăn mòn
Chất ức chế ăn mòn phải bao gồm bột ức chế ở pha hơi (VPI) phù hợp với các quy định của MIL-P- 3420F-87 hoặc theo phê duyệt của Kỹ sư. Khi được chấp thuận, có thể dùng dầu hòa tan trong nước làm chất ức chế ăn mòn trên tao cáp.
11 Ống tạo lỗ
11.1 Tổng quát
Ống dùng để tạo lỗ hoặc khoảng trống trong bê tông để đặt các bó cáp dính bám kéo sau có thể được tạo từ các lõi tháo được hoặc có thể gồm ống cứng hoặc nửa cứng được đúc vào bê tông.
Ống tạo lỗ làm từ các lõi tháo được phải hình thành không thắt eo để ngăn không cho vữa đi qua. Mọi vật liệu tạo lõi phải được loại bỏ.
Ống tạo lỗ làm từ các vỏ để tại chỗ sẽ là loại không để vữa xi măng xâm nhập. Chúng phải truyền được ứng suất dính bám như yêu cầu và phải duy trì được hình dáng dưới trọng lượng của bê tông và phải đủ cứng để giữ được tuyến hình chính xác không nhìn thấy lắc lư trong khi đổ bê tông.
11.2 Ống kim loại
Vỏ ống phải là kim loại, trừ như đưa ra ở đây. Ống như vậy phải là kim loại sắt mạ kẽm và phải được chế tạo bằng hàn mép hoặc gò khóa nối mép. Không yêu cầu mạ kẽm các mép hàn. Ống cứng phải có vách trong nhẫn, và có thể uốn theo hình dạng mà không bị nhăn hoặc bẹp. Ống nửa cứng phải là lượn sóng, và sau đó bó cáp được luồn ống vào sau khi đã đổ bê tông. Chiều dày tối thiểu của vách ống như sau: 0,45 mm với ống đường kính bằng hoặc nhỏ hơn 67 mm, và 0,60 mm với ống đường kính lớn hơn 67 mm. Khi các cốt thép bằng thép thanh được lắp đặt trước với ống như vậy, chiều dày vách ống phải không nhỏ hơn 0,25 mm.
11.3 Ống chất dẻo
Tại các vị trị có môi trường nước mặn hoặc tiếp xúc với các hóa chất làm tan băng, ống chất dẻo sẽ được xem xét và khuyên dùng.
Ống chất dẻo lượn sóng chôn hoàn toàn trong bê tông phải được chế tạo bằng polyethylen hoặc Polypropylen. Bán kính tối thiểu chấp nhận được của đường cong phải do Nhà cung cấp xác lập theo phương pháp thử tiêu chuẩn, ống phải có chiều dày như trong Bảng 2. Ống phải có lớp phủ bên ngoài màu trắng hoặc là loại vật liệu màu trắng có thêm chất chống tia cực tím. Ống polyethylen phải được chế tạo từ loại nhựa đáp ứng hoặc vượt yêu cầu của ASTM D3350 với phân loại tế bào 345464A. Ống Polypropylen phải được chế tạo từ loại nhựa đáp ứng hoặc vượt yêu cầu của ASTM D4101 với phạm vi phân loại tế bào từ PP0340B44544 tới PP0340B65884. Sử dụng nhựa có chứa chất chống oxy hóa với thời gian cảm ứng oxy hóa (OIT) tối thiểu, theo ASTM D3895, là không nhỏ hơn 20 min. Thử nghiệm (OIT) phải được thực hiện trên mẫu lấy từ thành phẩm.
Bảng 2 - Chiều dày ống tạo lỗ
| Hình dạng ống | Đường kính ống | Chiều dày ống |
| Dẹt | bất kỳ | 2,0 |
| Tròn | 22,9 | 2,0 |
| Tròn | 60,3 | 2,0 |
| Tròn | 76,2 | 2,5 |
| Tròn | 85,1 | 2,5 |
| Tròn | 101,6 | 3,0 |
| Tròn | 114,3 | 3,6 |
| Tròn | 130,2 | 4,1 |
| Tròn | 145,0 | 4,1 |
Ống polyethylen cứng đen nhẵn dùng khi cốt thép không chôn trong bê tông phải là những ống cứng chế tạo với nhựa 100 % polyethylen, đáp ứng yêu cầu của ASTM D3350 với phân loại tế bào tối thiểu là 344464C. Phải sử dụng nhựa có chứa chất chống oxy hóa với thời gian cảm ứng oxy hóa (OIT), theo ASTM D3895, không nhỏ hơn 40 min. Thử nghiệm OIT phải được thực hiện trên mẫu lấy từ thành phẩm. Ống phải được chế tạo với tỷ lệ kích thước (DR) là 17,0 như được xác lập bởi hoặc ASTM D3350 hoặc ASTM F714, phù hợp với quá trình chế tạo được sử dụng.
11.4 Diện tích ống
Áp dụng Điều 5.4.6.2 của LRFD-8 hoặc TCVN 11823:2017.
11.5 Phụ kiện của ống
Phụ kiện nối và chuyển tiếp của ống tạo lỗ bằng vỏ phải hoặc là kim loại sắt hoặc là polyethylen, và phải kín không khí và nước và có cường độ đủ để phòng xoắn vặn và xê dịch ống khi đổ bê tông và bơm vữa lấp lòng ống.
Ống và bộ neo phải được chuẩn bị đầy đủ ống hoặc đầu nối thích hợp tại hai đầu ống để bơm vữa sau khi căng tạo dự ứng lực. Như quy định trong Điều 7.1.2, ống phải được chuẩn bị các lỗ thông để thoát hơi hoặc bơm vữa tại điểm cao nhất và để thoát nước ở các điểm thấp trung gian.
Ống thông hơi và ống thoát nước phải có đường kính tối thiểu 20 mm cho các tao cáp và tối thiểu 12 mm cho các cốt thép thanh đơn và bó cáp ống dẹt có 3 hoặc 4 tao cáp. Việc nối các ống phải thực hiện bằng kết cấu nối kim loại hoặc chất dẻo. Ống thông hơi và ống thoát nước phải kín vữa xi măng, có ren khi cần thiết, và thi công bằng mối nối cơ khí hoặc mối nối co ép. Ống thông và ống thoát phải bố trí phương tiện để bơm vữa qua ống thông và bịt kín để ngăn không rò rỉ vữa.
12 Vữa bơm
Vữa bơm khi căng sau phải đáp ứng các đặc tính vật lý về vữa bơm nêu trong Điều 12.3. Vữa bơm có thể là theo thiết kế riêng cho dự án hoặc là sản phẩm đóng gói cung cấp bởi Nhà sản xuất vữa bơm. Đối với vữa theo thiết kế riêng, xi măng và chất phụ gia dùng trong các mẻ thử nghiệm trong phòng của loại vữa kiến nghị sử dụng không được thay đổi trong quá trình xây dựng nếu không thử nghiệm lại. Độ tươi của xi măng phải phù hợp với AASHTO M85 (ASTM C50), trừ như quy định tại đây. Yêu cầu phải thử nghiệm vữa bơm tại hiện trường hàng ngày, đối với những đặc tính sau đây:
- Độ lỏng,
- Chảy nước sau 3 h, và
- Độ thấm.
Sản phẩm vữa bơm đã đóng gói được chấp thuận, cung cấp bởi Nhà sản xuất vữa bơm, có thể dùng như một lựa chọn thay việc thử nghiệm tại hiện trường. Những vữa đó phải đóng gói trước trong thùng đựng có lót hoặc tráng nhựa, dán nhãn ngày xuất xưởng, số lô, và hướng dẫn cách trộn. Mọi thay đổi về vật liệu hoặc nguồn vật liệu phải yêu cầu thử nghiệm lại và chứng nhận là vữa bơm phù hợp với các yêu cầu về đặc tính vật lý. Bản sao về bảng số liệu kiểm soát chất lượng đối với mỗi lô và chuyến hàng gửi tới công trường, phải được cung cấp cho Nhà thầu và để trình cho Kỹ sư. Vật liệu quá 6 tháng kể từ khi sản xuất tới lúc sử dụng đều phải thử nghiệm lại và được Nhà cung cấp xác nhận mới được mang dùng, hoặc phải loại bỏ khỏi công trường và phải thay thế.
12.1 Chấp thuận
Nhà sản xuất vữa bơm cho căng sau phải đệ trình, để chấp thuận, những báo cáo thử nghiệm có chứng nhận của Phòng thí nghiệm bê tông xi măng được kiểm định và độc lập, mà chỉ ra rằng vật liệu đáp ứng các yêu cầu quy định ở đây.
12.2 Trộn vữa bơm
Vật liệu phải được trộn phù hợp với những khuyến cáo của Nhà sản xuất.
Nước dùng trong vữa bơm phải là loại uống được, sạch, không chứa các chất gây hại đối với xi măng Portland hoặc cốt thép dự ứng lực.
12.3 Đặc tính vật lý của vữa bơm
Vữa bơm phải đạt được đặc điểm không chảy nước. Vữa bơm phải không chứa bột nhôm hoặc hệ sinh hơi tạo ra hydro, dioxit cacbon hoặc oxy. Vữa bơm xi măng phải đạt hoặc vượt các đặc tính vật lý quy định nêu ở đây, được xác định bởi tiêu chuẩn sau đây và các phương pháp thử ASTM sửa đổi.
Loại vữa bơm được lấy theo quy định trong Bảng 3 và các đặc tính của vữa quy định trong Bảng 4.
Bảng 3 - Các loại vữa bơm
| Loại | Môi trường | Các vật liệu thành phần | ||||||||
| Xi măng kg | Tro bay (Loại F) %a | Xỉ lò %a | Khói Silic (khô) %a | Tỷ số N/X [W/(c+m)] | Chất giảm nước hạng caob (Loại F hoặc G) L/100kg | Nitrit Calcic Kg/m3 | Phụ gia khácd | Thử nhiệm yêu cầu | ||
| A | Không xâm thực: Trong nhà hoặc Bên ngoài không xâm thực | 100 | 0 | 0 | 0 | 0,45 max | 0 | 0 | -- | 10.9.3 |
| B | Xâm thực: Chịu các chu kỳ ướt/khô, muối tan băng | 100 | 0 min 25 max | 0 min 55 max | 0 min 15 max | 0,45 max | 0 min 3 max | 0 min 30 max | Theo khuyến cáo của Nhà sản xuất | 10.9.3 |
| C Đóng gói | Xâm thực hoặc không xâm thực | -- | -- | -- | -- | 0,45 max | -- | -- | -- | Xem Ghi chú |
| D Đặc biệt |
| Xác định bởi Người thiết kế | 10.9.3 | |||||||
| CHÚ THÍCH: a % thay thế xi măng b Phụ gia loại D và F có thể được Người thiết kế cho phép c Có thể lựa chọn dùng các chất ức chế ăn mòn khác d Các phụ gia khác như phụ gia chống chảy nước, hỗ trợ bơm, và tác nhân tạo bọt e Không cần thử nghiệm nếu vật liệu được đóng gói sẵn và Nhà sản xuất đã tiến hành thử nghiệm tính hiệu quả | ||||||||||
Bảng 4 - Đặc tính của vữa bơm
| Đặc điểm | Trị số thử nghiệm | Phương pháp thử nghiệm |
| Tổng số ion chlorit | Tối đa 0,08 % của vật liệu xi măng, theo trọng lượng | ASTM C1152/C1152M |
| Cốt liệu nhỏ (nếu có dùng) | Kích cỡ tối đa < sàng 300 μm | ASTM C33 |
| Biến đổi thể tích tại 28 ngày | 0,0% + 0,3% tại 24 h và 28 ngày | ASTM C1090* |
| Độ nở | < 2,0% cho tới 3 h | ASTM C940 |
| Cường độ nén tại 28 ngày (bình quân 3 khối) | < 34,5 MPa | ASTM C942 |
| Đông cứng ban đầu của vữa bơm | Tối thiểu 3 h Tối đa 12 h | ASTM C953 |
| Thử nghiệm độ lỏng** Thời gian lọt khỏi nón chẩy (a) ngay sau khi trộn (b) 30 min sau khi trộn có trộn lại 30 s | Tối thiểu 11 s Tối đa 30 s, hoặc Tối thiểu 9 s, tối đa 20 s. Tối đa 30 s hoặc Tối đa 30 s | ASTM C939 ASTM C939*** ASTM C939 ASTM 939*** |
| Chảy nước ở 3 h | Tối đa 0,0% | ASTM C940**** |
| Độ thấm tại 28 ngày | Tối đa 2500 coulomb ở 39 vott cho 6 h | AASHTO T277 (ASTM C1202) |
| CHÚ THÍCH: * Sửa đổi ASTM C1090 để bao gồm kiểm tra cả tại 24 h và 28 ngày ** Điều chỉnh cho tốc độ chảy phải thực hiện phù hợp chặt chẽ với khuyến cáo của Nhà sản xuất *** Độ lỏng của vữa phải đáp ứng thử nghiệm nón chảy chuẩn ASTM C939 hoặc thử nghiệm sửa đổi mô tả ở đây. Sửa đổi thử nghiệm chuẩn ASTM C939 bằng cách đổ đầy nón thử tới đỉnh thay vì chỉ tới vạch chuẩn. Thời gian lọt khỏi là thời gian đổ đầy bình chứa 1 lít đặt ngay dưới nón thử. **** Sửa đổi ASTM C940 cho phù hợp với tấm bấc đưa vào thử nghiệm chảy nước mô tả dưới đây: a) Đặt các thành phần khô, nước trộn, tao cáp dự ứng lực và thiết bị thử qua đêm ở 21°C tới 25°C. b) Rót 800 mL vữa đã trộn với nước ở điều kiện trên vào ống nghiệm có khắc vạch đo. Đánh dấu mức đỉnh lớp vữa. c) Bọc tao cáp bằng ống rộng 50 mm hoặc băng quấn điện tại mỗi đầu trước khi cắt để không làm toe các sợi khi cắt. Làm tan mỡ (bằng aceton hoặc dung môi hexan) và chải bằng bàn chải thép để làm sạch gỉ trên bề mặt tao cáp trước khi đặt vào nhiệt độ quy định. Nhét hoàn toàn tao cáp 7 sợi đường kính 12,7 mm theo chuẩn ASTM A416/A416M, sạch, đã qua nhiệt, dài 500 mm vào ống nghiệm. Đặt đúng tâm và buộc để giữ tao cáp hoàn toàn song song với thành ống (có thể dùng thiết bị giữ đúng tâm). Đánh dấu mức đỉnh lớp vữa. d) Cất giữ vữa đã trộn ở nhiệt độ đã nói ở trên trong (a) e) Đo mức chảy nước mỗi 15 min trong giờ đầu và mỗi giờ sau 2 h. f) Tính lượng nước bị tách ra, nếu có, tại cuối chu kỳ 3 h và độ nở xảy ra theo thủ tục nói trong ASTM C940, với lượng nước bị tách ra tính theo % của thể tích vữa ban đầu. Chú ý là nước bị tách ra nằm ở trên hoặc ở dưới đỉnh lớp vữa. | ||
13 Căng cốt thép
13.1 Yêu cầu chung về căng cốt thép
Cốt thép dự ứng lực phải được căng bằng kích thủy lực để tạo ra các lực cho trong hồ sơ hợp đồng hoặc trên bản vẽ biện pháp thi công được chấp thuận, có xét đến các mất mát thích hợp. Các mất mát được quy định trong Điều 5.9.3 của LRFD-8 hoặc TCVN 11823:2017. Với công trình căng sau, mất mát cũng phải bao gồm mất mát khi đóng neo thích hợp với hệ neo sử dụng.
Đối với các cấu kiện căng trước, ứng suất trong tao cáp trước khi đóng neo (ứng suất kích) không được vượt quá 80 % của cường độ kéo cực hạn tối thiểu của cốt thép dự ứng lực (0,8.f’s). Ứng suất cho phép này, hơi vượt quá các trị số cho phép trong Điều 5.9.2.2 của LRFD-8 hoặc TCVN 11823:2017, có thể được phép bù đắp mất mát do đóng neo và để bù cho chênh lệch nhiệt độ quy định trong Điều 13.2.
Đối với các cấu kiện căng sau, ứng suất chuẩn trước đóng neo (ứng suất kích) và ứng suất trong cốt thép ngay sau khi đóng neo, không được vượt các trị số cho phép trong Điều 5.9.2.2 của LRFD-8 hoặc TCVN 11823:2017.
Căng cốt thép có thể thực hiện bằng các phương pháp căng trước, căng sau hoặc phương pháp kết hợp như quy định trong hồ sơ hợp đồng, hoặc trên bản vẽ biện pháp thi công được chấp thuận, hoặc được Kỹ sư chấp thuận bằng văn bản.
Trong khi tạo ứng suất cho tao cáp, sợi thép riêng lẻ bị đứt có thể được Kỹ sư chấp nhận, miễn là đứt không quá 1 sợi trong tao bị đứt và diện tích của các sợi bị đứt không quá 2 % của tổng diện tích cốt thép dự ứng lực trong cấu kiện.
13.1.1 Cường độ bê tông
Chỉ được tác động hoặc truyền các lực tạo dự ứng lực cho bê tông sau khi bê tông đã đạt cường độ quy định cho việc tạo ứng suất ban đầu. Ngoài ra, bê tông đúc tại chỗ cho các cầu không phải là thi công theo phân đoạn, chỉ được căng sau ít nhất 10 ngày kể từ khi đổ xong đợt bê tông cuối cùng cho cấu kiện sẽ được căng sau.
13.1.2 Thiết bị tạo dự ứng lực
Kích thủy lực dùng để tạo ứng suất cho cốt thép phải có khả năng tạo và duy trì các lực cần thiết và phải được trang bị đồng hồ đo áp lực hoặc loadcell để xác định ứng suất kích. Hệ thống kích phải bố trí thiết bị độc lập để đo độ giãn dài của cốt thép. Đồng hồ đo áp lực phải có đĩa đọc chính xác có đường kính tối thiểu 150 mm hoặc màn hình hiện số. Mỗi kích và đồng hồ đo của kích phải được hiệu chỉnh như một đơn vị có phần co duỗi của xylanh ở vị trí gần đúng mà nó sẽ ở vị trí lực kích cuối cùng, và phải kèm theo đồ thị hoặc đường cong hiệu chỉnh đã được xác nhận. Loadcell phải được hiệu chỉnh và bố trí dụng cụ hiển thị, nhờ đó xác định được lực dự ứng lực trong cốt thép. Phạm vi của loadcell phải sao cho không dùng tới 10 % cuối cùng của khả năng theo đánh giá của Nhà sản xuất để xác định ứng suất kích. Khi được Kỹ sư chấp thuận, có thể dùng các vòng đo lực đã qua hiệu chỉnh thay thế cho loadcell.
Việc hiệu chỉnh lại các dụng cụ đo phải tiến hành hàng năm và mỗi khí áp lực đo và độ giãn dài biểu thị các ứng suất cơ bản khác nhau.
Chỉ được dùng ngọn lửa oxi hoặc các dụng cụ cắt cơ khí để cắt tao cáp sau khi lắp đặt trong cấu kiện hoặc sau khi tạo dự ứng lực. Không được dùng các máy hàn hồ quang điện.
13.1.3 Trình tự tạo dự ứng lực
Khi không có quy định khác về trình tự tạo dự ứng lực cho các cốt thép riêng rẽ trong hồ sơ hợp đồng hoặc trên bản vẽ biện pháp thi công được chấp thuận, việc tạo dự ứng lực cho các cốt thép căng sau và việc cắt bó cáp căng trước phải thực hiện theo trình tự mà tạo ra lực lệch tâm ít nhất trong cấu kiện.
13.1.4 Đo ứng suất
Nhà thầu cần đệ trình cho Kỹ sư để xem xét chấp thuận bản ghi chép các áp lực đo được và độ giãn dài của mỗi cốt thép. Độ giãn dài phải đo chính xác tới 1,5 mm. Đoạn đuôi của bó cáp dự ứng lực căng sau chỉ được cắt sau khi các bản ghi chép tạo dự ứng lực đã được chấp thuận.
Ứng suất trong cốt thép khi càng phải được xác định bằng các số đọc của đồng hồ hoặc loadcell và phải được xác minh bằng độ giãn dài đo được. Tính toán độ giãn dài dự kiến phải sử dụng modul đàn hồi, dựa trên diện tích danh định, như cung cấp của Nhà sản xuất đối với lô cốt thép được căng, hoặc như xác định bằng thử nghiệm chuẩn của tao cáp dùng trong công trình.
Bó cáp phải được căng tới lực ban đầu cần thiết để loại trừ mọi vướng mắc trong hệ thống căng kéo, trước khi bắt đầu đọc số đo độ giãn dài. Lực ban đầu này phải từ 5 % - 25 % lực kích cuối cùng. Lực ban đầu phải đo bằng lực kế hoặc bằng phương pháp được chấp thuận khác, sao để có thể dùng lượng này khi kiểm tra độ giãn dài do tính và đo được. Mỗi tao cáp phải đánh dấu trước khi tạo ứng suất cuối cùng để có thể đo độ giãn dài và đảm bảo là các nêm neo được đóng đúng.
Có thể lường trước rằng có sự chênh lệch của ứng suất qua đo áp lực trên đồng hồ của kích và qua đo độ giãn dài. Trong trường hợp này, lực sử dụng dựa vào biểu thị trên đồng hồ áp lực sẽ tạo ra ứng suất hơi cao hơn chứ không phải hơi thấp hơn. Khi xảy ra chênh lệch giữa áp lực đo được và lượng giãn dài quá 5 % trong bó cáp dài trên 15 m, và quá 7 % trong bó cáp dài từ 15 m trở xuống, phải kiểm tra cẩn thận toàn bộ thao tác và phải xác định và sửa chữa nguồn gốc sai sót trước khi tiến hành tiếp. Khi có bố trí ống tạm để tăng thêm lực dự phòng trường hợp thấy rõ thiếu hụt lực trong các cốt thép dài hơn 15 m, sự chênh lệch giữa lực biểu thị qua áp lực trên đồng hồ và qua lượng giãn dài có thể tăng lên tới 7 % trước khi khảo sát nguồn gốc sai sót.
13.2 Yêu cầu đối với căng trước
Ứng suất được thực hiện bằng cách hoặc tạo ứng suất cho từng tao hoặc tạo ứng suất cho nhiều tao. Lượng ứng suất tạo cho mỗi tao phải được chỉ rõ trong hồ sơ hợp đồng hoặc trên bản vẽ biện pháp thi công được chấp thuận.
Các tao sẽ được tạo dự ứng lực trong một nhóm (tạo ứng suất nhiều tao) phải được đưa tới lực kéo đồng đều ban đầu trước khi được căng đầy đủ. Lực căng ban đầu phải trong phạm vi quy định trong Điều 13.1.4 và phải là lực căng tối thiểu yêu cầu để loại trừ độ chùng và để cân bằng các ứng suất trong cốt thép, được Kỹ sư xác định. Lực này sẽ chịu ảnh hưởng của chiều dài bệ đúc bê tông và kích thước và số lượng cốt thép trong nhóm được căng.
Cốt thép uốn cong sẽ được căng một phần bằng kích tại đầu bệ và một phần bằng cách nâng hoặc hạ cốt thép, hoặc chúng có thể được căng toàn bộ bằng kích, với các cốt thép được ghìm tại các vị trí uốn cong bằng các con lăn, chốt hoặc các phương pháp được chấp thuận khác trong khi thao tác kích.
Phải dùng các dụng cụ ma sát thấp được chấp thuận tại các điểm thay đổi độ dốc trên tuyến cáp khi căng các tao cáp bị uốn, bất kể dùng phương pháp căng nào.
Đối với cốt thép bị uốn, nếu tải trọng xác định bằng số đo độ giãn dài nhỏ hơn quá 5 % so với hiển thị trên đông hồ đo của kích, cốt thép phải được căng từ 2 đầu bệ, và tải trọng tính từ tổng độ giãn dài ở cả 2 đầu phải nằm trong phạm vi 5 % so với chỉ số trên đồng hồ đo của kích.
Khi có lệnh của Kỹ sư, các tao cáp dự ứng lực trong cấu kiện căng trước, nếu căng riêng lẻ, phải được Nhà thầu kiểm tra đối với mất mát ứng suất trước, không quá 3 h trước lúc đổ bê tông cho cấu kiện. Phương pháp và thiết bị kiểm tra mất mát ứng suất trước phải được Kỹ sư chấp thuận. Các tao có mất mát ứng suất trước, quá 3 % phải được căng lại tới ứng suất kích tính toán ban đầu.
Ứng suất trên các tao phải được duy trì giữa các neo cho tới khi bê tông đạt được cường độ nén yêu cầu ở thời điểm truyền ứng suất cho bê tông.
Khi thép dự ứng lực trong cấu kiện căng trước được căng ở nhiệt độ thấp hơn quá 14 °C so với nhiệt độ ước tính của bê tông và thép dự ứng lực ở thời điểm bê tông bắt đầu đông cứng, độ giãn dài tính toán của cốt thép dự ứng lực phải tăng lên để bù lại đối với mất mát ứng suất do sự thay đổi nhiệt độ, nhưng không khi nào ứng suất kích được vượt quá 80 % cường độ kéo cực hạn tối thiểu quy định của cốt thép dự ứng lực.
Phương pháp và thiết bị nối tao cáp phải được Kỹ sư chấp thuận. Khi dùng cách kích riêng lẻ từng tao, chỉ cho phép mỗi tao có 1 mối nối. Khi dùng cách kích nhiều tao, hoặc tất cả các các tao được nối hoặc không nối quá 10 % số tao. Các tao nối phải tương tự về tính chất vật lý, từ cùng một nguồn, và phải có cùng cách "bện" hoặc "sắp đặt". Các mối nối phải nằm bên ngoài các đơn nguyên tạo dự ứng lực.
Ván khuôn thành bên và ván khuôn cánh kiềm chế độ võng phải tháo dỡ trước khi cắt cốt thép căng trước.
Trừ khi có ghi khác trong hồ sơ hợp đồng, các tao căng trước phải cắt sát đầu cấu kiện, và đầu lộ ra của tao và dải 25 mm của bê tông tiếp giáp phải được làm sạch và sơn. Phải làm sạch bằng bàn chải sợi thép hoặc bằng phun cát mài mòn để loại bỏ các bụi bẩn và chất cặn không dính chắc vào kim loại hoặc bề mặt bê tông. Bề mặt phải phủ một lớp dày sơn giàu kẽm phù hợp với yêu cầu của MIL-P-2444.1/20. Sơn phải trộn thấu tại thời điểm quét sơn, và phải quét vào mọi khoảng trống trong các tao cáp.
13.3 Yêu cầu đối với căng sau
Trước khi căng sau một cấu kiện nào, Nhà thầu cần chứng minh để thoả mãn Kỹ sư, rằng cốt thép dự ứng lực là không bị kẹt và không dính bám vào ống tạo lỗ.
Các tao trong mỗi bó cáp, trừ đối với các tao trong ống dẹp không quá 4 tao, phải được tạo ứng suất đồng thời bằng kích nhiều tao.
Việc căng phải thực hiện để tạo ra lực và độ giãn dài quy định trong Điều 8.1.
Trừ khi có nêu ở đây hoặc khi có quy định trong hồ sơ hợp đồng hoặc trên bản vẽ biện pháp thi công được chấp thuận, các cốt thép trong các cấu kiện liên tục căng sau phải được căng bằng kích tại cả 2 đầu cốt thép. Với các cốt thép thẳng và khi việc tạo ứng suất tại một đầu như ghi trong hồ sơ hợp đồng, Nhà thầu có thể lựa chọn kích từ 1 đầu hoặc từ cả 2 đầu cốt thép.
13.4 Ghi chép thao tác tạo dự ứng lực
Với mỗi cốt thép lắp đặt, phải lưu trữ bản ghi chép các thao tác căng sau đây:
- Tên, số hiệu của dự án,
- Nhà thầu và/hoặc Nhà thầu phụ,
- Vị trí cốt thép, kích cỡ và kiểu loại,
- Ngày tháng cốt thép được lắp đặt lần đầu trong ống,
- Số hiệu cuộn/ống cuộn đối với tao cáp hoặc sợi thép và số hiệu nung nóng đối với thanh thép và dây thép,
- Diện tích tiết diện giả thiết và thực tế,
- Modul đàn hồi giả thiết và thực tế,
- Thời gian tao được tạo ứng suất,
- Số hiệu của kích và số hiệu đồng hồ đo tại mỗi đầu cốt thép,
- Lực kích yêu cầu,
- Áp lực đồng hồ,
- Độ giãn dài (dự kiến và thực tế),
- Xê dịch neo (dự kiến và thực tế),
- Thứ tự tạo ứng suất,
- Phương thức tạo ứng suất (một đầu hay đồng thời hai đầu),
- Nhân chứng của thao tác này (Nhà thầu và giám sát viên),
- Ngày tháng được bơm vữa, số ngày kể từ khi tạo ứng suất đến khi bơm vữa),
- Ghi chép mọi thông tin liên quan khác, gồm ngày tháng đổ lại và quét mát tít bitum.
Kỹ sư phải được cung cấp 1 bản sao đầy đủ các thao tác tạo ứng suất, và các thủ tục hiệu chỉnh kích.
13.5 Bảo vệ bó cáp
Trong vòng 4 h sau khi tạo ứng suất và trước khi bơm vữa, các cốt thép phải được bảo vệ chống gỉ hoặc tác động có hại của các mảnh vụn bằng cách nút hoặc bịt kín các cửa mở và ống thông; làm sạch gỉ và các mảnh vụn khác khỏi bề mặt kim loại, mà sẽ được đậy bằng nắp vữa; và đậy nắp vữa bao gồm nắp bịt trên các tấm nêm, cho đến khi bơm vữa cho các bó cáp.
14 Bơm vữa
14.1 Tổng quát
Khi sử dụng phương pháp căng sau, cốt thép dự ứng lực phải được bảo vệ vĩnh viễn và phải dính bám với bê tông bằng cách lấp đầy hoàn toàn khoảng trống giữa ống và cốt thép bằng vữa. Vữa phải được bơm từ những điểm thấp bơm ngược lên ống thông tại các điểm cao. Đối với thi công phân đoạn từng nhịp, vữa phải được bơm vào lỗ bơm tại giữa nhịp.
Mọi thao tác bơm vữa phải được tiến hành bởi những giám sát và đốc công có kinh nghiệm đã qua huấn luyện hướng dẫn và có ít nhất 3 năm kinh nghiệm trong các dự án trước, liên quan đến bơm vữa cho các công trình cùng loại và có quy mô tương tự.
Trước khi tiến hành các thao tác bơm vữa theo lịch trình đã định, phải đệ trình kế hoạch thao tác bơm vữa tối thiểu trước 45 ngày để xem xét chấp nhận. Phải đề nghị Kỹ sư ra văn bản chấp thuận trước khi tiến hành bất cứ đợt bơm vữa nào cho các bó cáp vĩnh cửu.
Tối thiểu phải có các mục sau trong kế hoạch thao tác bơm vữa:
- Cung cấp các tên, lớp đào tạo và kinh nghiệm của đội ngũ bơm vữa và giám sát của đội phù hợp với tiêu chuẩn này;
- Kiểu loại, số lượng, và nhãn hiệu vật liệu dùng trong bơm vữa bao gồm cả các chứng chỉ yêu cầu;
- Loại thiết bị được trang bị, bao gồm cả khả năng liên quan đến nhu cầu và điều kiện làm việc, cũng như thiết bị dự phòng và phụ tùng thay thế;
- Trình tự bơm vữa chung;
- Trình tự kiểm tra áp lực và sửa chữa ống;
- Phương pháp được sử dụng để kiểm soát tốc độ dòng chảy trong ống;
- Tính toán khối lượng vữa theo lý thuyết;
- Trình tự trộn và bơm vữa;
- Hướng bơm vữa;
- Trình tự sử dụng đầu vào và đầu ra của ống;
- Trình tự xử lý sự tắc nghẽn; và
- Trình tự có thể sửa chữa sau bơm vữa.
Trước khi bắt đầu hoạt động bơm vữa, phải được tiến hành cuộc họp chung của Nhà thầu, đội bơm vữa và Kỹ sư. Tại cuộc họp, kế hoạch vận hành bơm vữa, yêu cầu kiểm tra, thủ tục khắc phục, và các vấn đề liên quan sẽ được thảo luận.
14.2 Chuẩn bị ống tạo lỗ
Mỗi ống tạo lỗ phải qua thử nghiệm hơi ép trước khi luồn đặt cốt thép dự ứng lực vào ống. Nếu trong quá trình thử phát hiện có lọt hơi, ống phải được sửa chữa để loại bỏ các điểm rò rỉ hoặc giảm thiểu hậu quả của việc rò rỉ.
Ống phải sạch và không có vật liệu có hại có thể làm giảm độ dính bám hoặc ảnh hưởng tới trình tự bơm vữa.
Ống có vách là bê tông (ống tháo lõi) phải được dội nước để đảm bảo là bê tông hoàn toàn ướt. Ống kim loại khi cần cũng phải dội nước để loại bỏ mọi vật liệu có hại.
Nước để dội vào ống có thể chứa vôi đã tôi (hydroxit calci) hoặc vôi sống (oxit calci) với hàm lượng là 12 gam/lít.
Sau khi dội nước, mọi lượng nước phải được thổi ra khỏi ống bằng khí ép.
14.3 Thiết bị
Thiết bị bơm vữa cho vật liệu vữa Loại B phải bao gồm bộ trộn cắt tốc độ cao có khả năng trộn liên tục tạo ra chất vữa không vón cục và xi măng không bị bong ra, máy bơm vữa, và thiết bị bơm nước dự phòng có nối với nguồn nước. Thiết bị phải có khả năng bơm vữa đã trộn theo cách tuân thủ mọi yêu cầu đề ra.
Phải bố trí thiết bị phụ trợ dành cho việc đo lường chính xác các chất lỏng và chất rắn để định lượng vật liệu cho các mẻ trộn.
Bơm phải là kiểu có piston, và có khả năng tạo áp suất đầu ra ít nhất bằng 1,0 MPa. Bơm phải có các vòng bịt thích hợp để ngăn dầu, không khí, hoặc chất lạ khác lọt vào trong vữa, và ngăn ngừa tổn thất vữa hoặc nước.
Phải đặt đồng hồ áp lực có thang đọc số không lớn hơn 2,0 MPa tại một số điểm trung gian giữa đầu của bơm và đầu vào của ống.
Thiết bị bơm vữa phải có sàng với các lỗ sàng kích cỡ tối đa bằng 3,35 mm để sàng vữa trước khi đưa vào trong bơm. Nếu sử dụng loại vữa có chất phụ gia có tính xúc biến, lô sàng 4,75 mm là thoả mãn. Sàng phải có thể dễ dàng tới gần để giám sát và làm sạch.
Thiết bị bơm vữa là kiểu nạp liệu rơi tự do vào đầu bơm qua phễu, nối trực tiếp phía trên bơm. Phễu phải giữ luôn có tối thiểu một phần vữa suốt trong quá trình thao tác bơm để ngăn không khí kéo theo vào trong ống thép căng sau.
Trong các điều kiện bình thường, thiết bị bơm phải có khả năng bơm vữa liên tục cho bó cáp lớn nhất của dự án trong vòng không quá 20 min.
14.4 Trộn vữa
Nước phải đưa vào máy trộn trước, tiếp theo là vữa xi măng.
Vữa phải được trộn phù hợp với các chỉ dẫn của Nhà sản xuất bằng cách dùng máy trộn chất keo để đạt được hỗn hợp thuần nhất. Phải thực hiện thử nghiệm tính linh động của vữa trộn trước khi bắt đầu quá trình bơm vữa. Tốc độ chảy mục tiêu như là hàm số của loại máy trộn được sử dụng và nhiệt độ môi trường phải lấy từ Nhà sản xuất. Không được bắt đầu quá trình bơm vữa cho đến khi đạt được các đặc tính thích hợp của vữa.
Việc trộn phải kéo dài cho đến khi đạt được chất vữa đồng đều, trộn thấu, không tăng nhiệt độ quá mức hoặc làm mất các tính chất giãn nở của phụ gia. Vữa phải được khuấy liên tục cho đến lúc bơm.
Không được thêm nước để tăng tính linh động của vữa đã bị sút giảm do trì hoãn sử dụng.
Có thể áp dụng các phương pháp khác để xác định tính linh động.
14.5 Bơm vữa
Phải mở các lỗ thông trước khi bắt đầu bơm vữa. Phải bố trí lỗ thông bơm vào và đẩy ra có khóa ngắt chủ động. Phải để cho vữa chảy từ ống bơm đầu tiên cho đến khi tất cả nước còn dư hoặc không khí lọt vào trong ống thoát ra hết trước khi đóng lỗ thông này. Phải duy trì dòng vữa chảy liên tục với tốc độ giữa 10 m và 15 m ống trong 1 min.
Áp lực bơm vào lỗ bơm vào không được quá 1,0 MPa. Thao tác bình thường phải được bắt đầu với khoảng 0,5 MPa. Nếu áp lực thực vượt quá trị số tối đa cho phép, phải đóng lỗ bơm vào và vữa phải bơm vào lỗ tiếp theo đã hoặc chuẩn bị đóng, suốt khi còn duy trì dòng vữa chảy một chiều. Không được bơm vữa vào các lỗ tiếp theo khi mà vữa còn chưa chảy tới.
Vữa phải được bơm suốt ống và liên tục để chảy thừa ra ở lỗ thoát cho đến khi thấy rõ không còn nước thừa hoặc không khí phì ra. Phải thực hiện thử nghiệm tính linh động cho mỗi bó cáp phù hợp với Điều 12.3, đo tính linh động của vữa từ lỗ thoát. Thời gian vữa tuôn ra đo được không được nhanh hơn thời gian tuôn ra ở đầu vào hoặc thời gian tuôn ra tối thiểu xác lập trong Điều 12.3. Nếu thời gian vữa tuôn ra không chấp nhận được, phải tháo thêm vữa ở lô thoát. Phải thử nghiệm thời gian vữa tuôn ra. Chu kỳ này phải tiếp tục cho đến khi đạt tính linh động chấp nhận được của vữa. Để đảm bảo là cốt thép giữ được đầy vữa, các lỗ bơm vào và thoát ra phải đóng theo thứ tự tương ứng dưới áp lực khi ống hoàn toàn nhồi đầy vữa. Khóa đóng chủ động tại lỗ bơm và lỗ thoát không được tháo đi hoặc mở lỗ thông cho đến khi vữa hóa cứng.
14.6 Các vấn đề cần xem xét về nhiệt độ
Khi nhiệt độ dưới 0 °C, ống phải giữ không có nước để tránh làm hư hỏng do đông băng. Nhiệt độ của bê tông phải bằng 2 °C hoặc cao hơn từ lúc bơm vữa cho tới khi khối vữa 50 mm3 bảo dưỡng tại hiện trường đạt tới cường độ nén tối thiểu bằng 5,5 MPa. Vữa không được ở trên 32 °C trong khi trộn hoặc bơm. Nếu cần thiết, nước để trộn phải được làm mát.
14.7 Bơm vữa theo chiều thẳng đứng
Thay vì có khóa đóng chủ động, ống chứa cốt thép thẳng đứng hoặc gần thẳng đứng để bơm vữa theo chiều thẳng đứng kết thúc bằng thùng chứa tại điểm trên cùng Thùng chứa phải có đủ dung tích để lưu trữ lượng nước ứa quá mức của vữa. Mức vữa nhìn thấy của vữa phải được giữ trong thùng chứa. Các thùng chứa phải được duy trì cho đến khi vữa hóa cứng.
Vữa được bơm với tốc độ 5.000 mm ống trong 1 min.
14.8 Kiểm tra sau khi bơm
Phải dùng bơm vữa trong chân không để trét kín mọi lỗ rỗng làm lộ rõ các tao cáp trong quá trình bơm vữa.
Nếu có thể, các neo và lỗ thông ở các điểm cao phải được khoan và thử 48 h sau khi bơm, cho đến khi Kỹ sư tin chắc là không còn nước ứa hoặc lỗ rỗng do vữa lún. Sau khi Kỹ sư chắc chắn không còn lỗ rỗng, mỗi nhịp chỉ cần khoan 1 hoặc 2 chỗ neo và thử để yên tâm về chất lượng của công việc bơm. Mọi lỗ hổng phát hiện được sẽ phải lập tức nhét đầy bằng vữa được chấp thuận.
14.9 Hoàn thiện
Phải đáp ứng các yêu cầu sau:
- Van, nắp đậy, ống lỗ thông không được tháo bỏ hoặc mở cho đến khi vữa hóa cứng.
- Đầu lỗ thông phải cắt bỏ tới tối thiểu 25 mm dưới bề mặt bê tông sau khi vữa đã hóa cứng.
- Lỗ hổng phải trét kín bằng vữa epoxy. Mọi vật liệu hỗn tạp dùng để bịt nắp vữa phải được loại bỏ trước khi tiến hành các công việc tiếp theo nhằm bảo vệ đầu neo.
14.10 Bảo vệ đầu neo
Cần quy định sử dụng nắp vĩnh viễn của ống vữa làm bằng thép không gỉ hoặc bằng chất dẻo gia cố sợi.
Đáp ứng các yêu cầu sau:
- Trong vòng 7 ngày sau khi hoàn thành bơm vữa, neo và các cốt thép căng sau phải được bảo vệ như chỉ rõ trong hồ sơ hợp đồng. Việc đắp lớp vỏ bọc chất dẻo có thể lui lại tới 90 ngày sau khi bơm vữa. Các nắp ống có ren bằng chất dẻo hoặc thép không gỉ phải dùng để đậy ống vữa vào và ra. Vữa epoxy trộn cát thích hợp cho tấm đế kết cấu phải được sử dụng để xây dựng các khối đổ tại vị trí neo ở khe co giãn hoặc các khu vực lộ ra của cấu kiện.
- Sữa xi măng, mỡ, hợp chất bảo dưỡng, xử lý bề mặt, vỏ bọc và dầu đều phải loại bỏ bằng thổi cát hạt to hoặc bơm nước với áp lực vòi bơm tối thiểu bằng 70 MPa. Bề mặt phải được dội nước và xì khô. Bề mặt phải sạch, hoàn chỉnh, và không còn nước đọng. Trường hợp có tranh chấp, phải lấy ACI 503 làm căn cứ để thử nghiệm lớp nền, và phải phát triển lực kéo tối thiểu là 1,2 MPa (trị số kéo ra).
- Phải trộn và quết epoxy theo hướng dẫn kỹ thuật hiện hành chuẩn của Nhà sản xuất. Các chỗ đổ lại phải ở trong khuôn chống rò rỉ để tạo thành các đường gọn. Được phép bơm vữa epoxy để lắp đặt đúng cách. Phải làm khuôn để duy trì chiều cao chất lỏng đảm bảo tiếp xúc chặt chẽ với bề mặt bê tông. Phải làm các lỗ thoát khí khi cần để đảm bảo đổ đầy hoàn toàn khuôn.
- Bề mặt lộ ra ngoài của chỗ đổ lại hoặc nắp ống vữa, trừ đối với các bó cáp ngang, phải được bọc trong hệ vỏ bọc chất dẻo có chiều dày từ 760 đến 1.140 μm. Bê tông, nắp ống vữa hoặc các lớp nền khác phải có kết cấu hoàn chỉnh, sạch và khô. Bê tông phải có tối thiểu 28 ngày tuổi. Các chất sữa xi măng, mỡ, hợp chất bảo dưỡng, lớp vỏ và dầu phải bị loại bỏ bằng thổi cát hạt to hoặc bơm nước với áp lực vòi bơm tối thiểu là 70 MPa để xác lập kết cấu bề mặt neo. Bề mặt phải được thổi khí nén để loại bỏ bụi bẩn hoặc nước.
- Phải chế tạo khối thử nghiệm bê tông kích thước 600 x 1.200 mm có kết cấu bề mặt tương tự với bề mặt cần bọc và mặt thẳng đứng phải được bọc với hệ vỏ bọc chất dẻo đã chọn. Phải xác định số lượng lớp bọc cần thiết để đạt được chiều dày vỏ bọc từ 760 đến 1.140 μm đảm bảo đủ dính bám. Lớp vỏ chất dẻo phải được trộn và phết theo đúng các tiêu chuẩn kỹ thuật hiện hành của Nhà sản xuất. Được phép áp dụng phun và lăn để quết; dùng áp dụng phun được ưa chuộng hơn. Việc bọc vỏ phải được tiến hành bởi nhân viên có tối thiểu 3 năm kinh nghiệm trong việc quết đặt hệ thống polyurethane tương tự. Thành tích hành nghề của những người đó phải đệ trình để Kỹ sư xem xét chấp thuận.
14.11 Giao thông trong khi xây dựng và các thao tác gây ra rung động
Trong khoảng thời gian quy định sau khi bắt đầu công việc bơm vữa cho cốt thép dự ứng lực, phải loại trừ mọi rung động phát sinh từ các nguồn như xe cộ đi lại, búa khoan, máy nén khí, máy phát điện... đang hoạt động trong vùng ảnh hưởng tới kết cấu nhịp, và phải cấm mọi công việc đóng cọc và đầm lèn đất trong phạm vi 91 m quanh két cấu nhịp bị ảnh hưởng. Khoảng thời gian quy định sẽ là 4 h đối với loại vữa xác định có tính năng chống tách nước, và 24 h cho loại vữa đơn giản, Kết cấu nhịp bị ảnh hưởng lấy là phần của toàn bộ kết cấu nhịp, nằm trong phạm vi 91 m phía trước và phía sau hai đầu nhịp đang tiến hành bơm vữa.
15 Đo đạc
Công tác tạo dự ứng lực cho bê tông đúc tại chỗ được tính trọn gói cho mỗi hạng mục hoặc vị trí liệt kê trong hồ sơ hợp đồng.
THI CÔNG CẦU ĐƯỜNG BỘ - PHẦN 11: KẾT CẤU THÉP
Bridge Construction Specifications - Part 11: Steel Structures
1 Phạm vi áp dụng
Bộ tiêu chuẩn TCVN 12885:2020 áp dụng đối với công tác thi công các cầu, cống có kết cấu thông thường, sử dụng các công nghệ thi công thông thường trên đường bộ; cũng có thể tham khảo để thi công các cầu, cống trên đường sắt, có yêu cầu kỹ thuật tương tự.
Tiêu chuẩn này quy định các yêu cầu thi công và nghiệm thu, áp dụng đối với công tác cung cấp, chế tạo và lắp dựng kết cấu thép và các phần thép kết cấu của các kết cấu khác trong thi công cầu.
Tiêu chuẩn này được dùng làm cơ sở để xây dựng Chỉ dẫn kỹ thuật thi công đối với công tác nêu trên trong dự án xây dựng cầu đường bộ.
2 Tài liệu viện dẫn
Các tài liệu viện dẫn sau là cần thiết cho việc áp dụng tiêu chuẩn này. Đối với các tài liệu viện dẫn ghi năm công bố thì áp dụng phiên bản được nêu. Đối với các tài liệu viện dẫn không ghi năm công bố thì áp dụng phiên bản mới nhất, bao gồm cả các sửa đổi, bổ sung (nếu có).
TCVN 11823:2017, Thiết kế cầu đường bộ.
TCVN 11823-6:2017, Thiết kế cầu đường bộ - Phần 6: Kết cấu thép.
TCVN 12885-3:2020, Thi công cầu đường bộ - Phần 3: Công trình tạm.
TCVN 12885-13:2020, Thi công cầu đường bộ - Phần 13: Sơn.
TCVN 12885-18:2020, Thi công cầu đường bộ - Phần 18: Gối cầu.
LRFD-8, AASHTO LRFD Bridge Design Specifications, 2017 (Tiêu chuẩn thiết kế cầu).
HM-WB, Standard Specifications for Transportation Materials and Methods of Sampling and Testing, 2017 (Tiêu chuẩn kỹ thuật đối với vật liệu giao thông và phương pháp lấy mẫu và thử nghiệm).
ASTM A709/A709M, Standard Specification for Structural Steel for Bridges (Tiêu chuẩn kỹ thuật đối với thép kết cấu cho cầu).
ASTM A1085, Standard Specification for Cold-Formed Welded Carbon Steel Hollow Structural Sections (HSS) (Tiêu chuẩn kỹ thuật đối với các phần kết cấu rỗng bằng thép carbon được hàn tạo hình nguội (HSS)).
ASTM A500, Standard Specification for Cold-Formed Welded and Seamless Carbon Steel Structural Tubing in Rounds and Shapes (Tiêu chuẩn kỹ thuật đối với kết cấu ống thép tròn và thép hình bằng thép carbon không mối nối và được hàn tạo hình nguội).
ASTM A847/A847M, Standard Specification for Cold-Formed Welded and Seamless High-Strength, Low-Alloy Structural Tubing with Improved Atmospheric Corrosion Resistance (Tiêu chuẩn kỹ thuật đối với ống thép kết cấu hợp kim thấp, cường độ cao không mối nối và được hàn tạo hình nguội, cải thiện khả năng chống ăn mòn của khí quyển).
ASTM A501, Standard Specification for Hot-Formed Welded and Seamless Carbon Steel Structural Tubing (Tiêu chuẩn kỹ thuật đối với ống thép kết cấu carbon không mối nối và được hàn tạo hình nóng).
ASTM A618, Standard Specification for Hot-Formed Welded and Seamless High-Strength Low-Alloy Structural Tubing (Tiêu chuẩn kỹ thuật đối với ống thép kết cấu hợp kim thấp cường độ cao không mối nối và được hàn tạo hình nóng).
ASTM A252, Standard Specification for Welded and Seamless Steel Pipe Piles (Tiêu chuẩn kỹ thuật đối với cọc ống thép hàn và không mối nối).
ASTM F3125/A3125M, Standard Specification for High Strength Structural Bolts, Steel and Alloy Steel, Heat Treated, 120 ksi (830 MPa) and 150 ksi (1040 MPa) Minimum Tensile Strength, Inch and Metric Dimensions (Tiêu chuẩn kỹ thuật đối với bu lông kết cấu cường độ cao, thép và thép hợp kim, xử lý nhiệt, độ bền kéo tối thiểu 120 ksi (830 MPa) và 150 ksi (1040 MPa), kích thước inch và mét).
ASTM A563, Standard Specification for Carbon and Alloy Steel Nuts (Tiêu chuẩn kỹ thuật đối với đai ốc thép và hợp kim).
ASTM F959, Standard Specification for Compressible-Washer-Type Direct Tension Indicators for Use with Structural Fasteners (Tiêu chuẩn kỹ thuật đối với các chỉ số kéo trực tiếp loại vòng đệm chịu nén để sử dụng các bu lông kết cấu).
ASTM A668/A668M, Standard Specification for Steel Forgings, Carbon and Alloy, for General Industrial Use (Tiêu chuẩn kỹ thuật đối với thép rèn, thép carbon và hợp kim, cho sử dụng công nghiệp nói chung).
ASTM A108, Standard Specification for Steel Bar, Carbon and Alloy, Cold-Finished (Tiêu chuẩn kỹ thuật đối với thanh thép, carbon và hợp kim, hoàn thiện nguội).
ASTM A781/A781M, Standard Specification for Castings, Steel and Alloy, Common Requirements, for General Industrial Use (Tiêu chuẩn kỹ thuật đối với vật đúc, thép và hợp kim, yêu cầu chung, cho sử dụng công nghiệp chung).
ASTM A27/A27M, Standard Specification for Steel Castings, Carbon, for General Application (Tiêu chuẩn kỹ thuật đối với thép đúc, carbon, cho ứng dụng chung).
ASTM A743/A743M, Standard Specification for Castings, Iron-Chromium, Iron-Chromium-Nickel, Corrosion Resistant, for General Application (Tiêu chuẩn kỹ thuật đối với vật đúc, sắt-crom, sắt-crom-niken, chống ăn mòn, cho ứng dụng chung).
ASTM A48/A48M, Standard Specification for Gray Iron Castings (Tiêu chuẩn kỹ thuật đối với gang đúc xám).
ASTM A536, Standard Specification for Ductile Iron Castings (Tiêu chuẩn kỹ thuật đối với gang đúc dẻo).
ASTM A47/A47M, Standard Specification for Ferritic Malleable Iron Castings (Tiêu chuẩn kỹ thuật đối với gang đúc dẻo không gỉ).
ASTM A123/A123M, Standard Specification for Zinc (Hot-Dip Galvanized) Coatings on Iron and Steel Products (Tiêu chuẩn kỹ thuật đối với lớp phủ kẽm (mạ kẽm nhúng nóng) trên các sản phẩm sắt và thép).
ASTM A153/A153M, Standard Specification for Zinc Coating (Hot-Dip) on Iron and Steel Hardware (Tiêu chuẩn kỹ thuật đối với lớp phủ kẽm (nhúng nóng) trên phần cứng sắt và thép).
ASTM A941, Standard Terminology Relating to Steel, Stainless Steel, Related Alloys, and Ferroalloys (Thuật ngữ tiêu chuẩn liên quan đến thép, thép không gỉ, hợp kim liên quan và hợp kim Ferro).
ASTM F436, Standard Specification for Hardened Steel Washers (Metric) (Tiêu chuẩn kỹ thuật đối với vòng đệm thép cứng (hệ mét)).
ASTM A6/A6M, Standard Specification for General Requirements for Rolled Structural Steel Bars, Plates, Shapes, and Sheet Piling (Tiêu chuẩn kỹ thuật đối với các yêu cầu chung đối với các thép thanh, thép tấm, thép hình dạng và cọc ván thép).
AASHTO/AWS D1.5M/D1.5, Bridge Welding Code (Tiêu chuẩn hàn cầu).
API 5L, Specification for Line Pipe (Tiêu chuẩn cho ống).
ANSI/ASME B46.1, Surface Texture (Surface Roughness, Waviness, and Lay) (Kết cấu bề mặt (độ nhám bề mặt, độ mịn và đường nét)).
ANSI/ASME B1.1, Unified Inch Screw Threads (UN and UNR Thread Form).
RCSC (2014), Specification for Structural Joints Using High-Strength Bolts (Tiêu chuẩn cho mối nối kết cấu sử dụng bu lông cường độ cao).
ASTM A325M, Standard Specification for Structural Bolts, Steel, Heat Treated 830 MPa Minimum Tensile Strength (Tiêu chuẩn kỹ thuật đối với bu lông, thép, xử lý nhiệt, cường độ chịu kéo tối thiểu 830 MPa).
ASTM A490M, Standard Specification for High-Strength Steel Bolts, Classes 10.9 and 10.9.3, for Structural Steel Joints (Tiêu chuẩn kỹ thuật đối với bu lông cường độ cao, loại 10.9 và 10.9.3, cho mối nối kết cấu thép).
ASTM B695, Standard Specification for Coatings of Zinc Mechanically Deposited on Iron and Steel (Tiêu chuẩn kỹ thuật đối với lớp sơn kẽm trên sắt và thép).
ASTM A194M, Standard Specification for Carbon and Alloy Steel Nuts for Bolts for High Pressure or High Temperature Service, or Both (Tiêu chuẩn kỹ thuật cho đai ốc bằng thép carbon và thép hợp kim dùng cho bu lông sử dụng áp lực cao hoặc nhiệt độ cao, hoặc cả hai).
ASTM F606M, Standard Test Methods for Determining the Mechanical Properties of Externally and Internally Threaded Fasteners, Washers, and Rivets (Tiêu chuẩn thử nghiệm xác định các thuộc tính cơ học của bu lông ren bên trong và bên ngoài, đai ốc, vòng đệm).
3 Thuật ngữ và định nghĩa
Tiêu chuẩn này sử dụng các thuật ngữ và định nghĩa nêu trong TCVN 12885-1:2020 và các thuật ngữ, định nghĩa sau:
3.1
Bu lông cường độ cao (High strength bolt)
Bu lông được chế tạo bằng thép có hàm lượng carbon trung bình và có thêm các nguyên tố hợp kim; bu lông cường độ cao bao gồm bu lông, đai ốc và vòng đệm; bu lông cường độ cao dùng trong liên kết cầu thép phải là loại có hệ số mô men siết ổn định để khống chế được lực căng trong thân bu lông, như vậy thân bu lông cường độ cao sẽ chịu ép mặt.
3.2
Liên kết (Connection)
Đường hàn hoặc một nhóm các bu lông để truyền ứng suất pháp và/hoặc ứng suất tiếp từ một bộ phận này tới bộ phận khác.
3.3
Khung ngang (Cross-Frame)
Khung giàn ngang liên kết các thành phần chịu uốn dọc kề nhau hoặc ở phía trong mặt cắt ống hay mặt cắt hộp kín để truyền hoặc phân bố tải trọng theo phương đứng và phương ngang cũng như để giữ ổn định cánh chịu nén. Đôi khi được đồng nhất với thuật ngữ vách ngăn.
3.4
Dầm cong (Curved Girder)
Dầm mặt cắt chữ “I”, hoặc hộp kín hay dạng ống có dạng cong trên mặt bằng.
3.5
Cấu kiện khống chế đứt gãy - FCM (Fracture-Critical Member)
Cấu kiện chịu kéo mà sự phá hỏng của nó dẫn tới hoặc sự sập đổ cầu, hoặc cầu không còn có khả năng thực hiện chức năng của nó.
3.6
Dầm tổ hợp (Girder)
Thành phần kết cấu mà chức năng chủ yếu là chịu uốn và chịu cắt dưới tác dụng của tải trọng. Nói chung, thuật ngữ này được sử dụng cho các mặt cắt được chế tạo (tổ hợp).
3.7
Bản tiếp điểm/Bản nút (Gusset Plate)
Bản thép được dùng để liên kết các thanh đứng, thanh xiên và thanh ngang của giàn ở tại tiết điểm khoang giàn.
3.8
Dầm lai (Hybrid Girder)
Dầm thép được chế tạo với thép bản bụng có cường độ chảy tối thiểu thấp hơn của một hoặc cả hai bản cánh.
3.9
Giằng ngang (Lateral Bracing)
Kết cấu dàn nằm trong mặt phẳng ngang giữa hai dầm I hoặc hai cánh của 2 dầm ống để chống biến dạng mặt cắt ngang và bổ sung độ cứng cũng như độ ổn định cho cả cầu.
3.10
Sườn tăng cường (Stiffener)
Bộ phận, thường là thép góc hoặc thép bản, được gắn với bản nắp hoặc bản bụng của dầm cán hoặc dầm tổ hợp để phân bố tải trọng, truyền lực cắt hoặc chống oằn cho bộ phận mà nó được gắn vào.
4 Tổng quát
4.1 Mô tả
Công việc này bao gồm cung cấp, chế tạo và lắp dựng kết cấu thép và các phần thép kết cấu của các kết cấu khác phù hợp với Tiêu chuẩn này, và trong hồ sơ hợp đồng.
Trừ khi có quy định khác, chứng nhận chất lượng phải được yêu cầu cho các Nhà chế tạo theo tiêu chuẩn và các yêu cầu bổ sung thích hợp cho loại công việc được thực hiện. Chi tiết thiết kế được lựa chọn bởi Nhà thầu cần tuân thủ các quy định của LRFD-8 hoặc TCVN 11823:2017.
Sơn phù hợp với quy định của TCVN 12885-13:2020.
Ván khuôn sử dụng trong lắp dựng kết cấu thép phù hợp với quy định của TCVN 12885-3:2020.
Các thành phần kết cấu được chỉ định trong hồ sơ hợp đồng như “tiêu chuẩn phá hủy” phù hợp với quy định của AASHTO/AWS D1.5M/D1.5, Phần 12.
Chế tạo, hàn, thợ hàn và kiểm tra trình độ thao tác hàn phù hợp với quy định của AASHTO/AWS D1.5M/D1.5.
4.2 Thông báo bắt đầu công việc
Nhà thầu cần thông báo đầy đủ cho Kỹ sư về việc bắt đầu công việc tại nhà máy hoặc trong xưởng để có thể bố trí giám sát. Không được chế tạo vật liệu hoặc thực hiện công việc tại xưởng trước khi Kỹ sư được thông báo về các việc đó.
4.3 Giám sát
Thép kết cấu sẽ được giám sát tại địa điểm chế tạo.
Nhà thầu cần cung cấp cho Kỹ sư bản sao của các đơn đặt hàng nhà máy thép và báo cáo thử nghiệm tại nhà máy được xác nhận. Báo cáo thử nghiệm tại nhà máy phải cho thấy các phân tích hóa học và các kết quả thử nghiệm vật lý cho mỗi mẻ thép dùng cho công trình. Với sự chấp thuận của Kỹ sư, phải cung cấp các Chứng chỉ hợp cách thay cho báo cáo thử nghiệm tại các nhà máy đối với các vật liệu thường không được cung cấp với báo cáo thử nghiệm tại nhà máy, và đối với các hạng mục như tấm lót, bản tiếp điểm nhỏ và các vật liệu tương tự khối lượng nhỏ và vật liệu được lấy từ trong kho.
Báo cáo thử nghiệm tại nhà máy được chứng nhận đối với thép có giá trị xung kích được chỉ định phải bao gồm kết quả thử nghiệm va đập rãnh chữ V ngoài các kết quả thử nghiệm khác. Khi quy định áp dụng công nghệ hạt mịn, báo cáo thử nghiệm phải khẳng định vật liệu được sản xuất như vậy. Bản sao đơn đặt hàng nhà máy phải được cung cấp khi các đơn đặt hàng được giao cho Nhà sản xuất. Báo cáo thử nghiệm tại nhà máy được xác nhận và các Chứng chỉ hợp cách phải cung cấp trước khi bắt đầu sản xuất bằng vật liệu được nêu ra trong báo cáo đó. Chứng chỉ hợp cách phải do Nhà sản xuất ký và phải xác nhận rằng vật liệu phù hợp với các yêu cầu kỹ thuật mà chúng được sản xuất.
Vật liệu được sử dụng phải cung cấp cho Kỹ sư để có thể kiểm tra từng mảnh. Kỹ sư có thể tự do tiếp cận mọi lúc, vào bất kỳ nơi nào của chỗ chế tạo, nơi lưu trữ vật liệu hoặc nơi thực hiện công việc trên vật liệu.
4.4 Quyền hạn của Giám sát viên
Giám sát viên có quyền loại bỏ vật liệu hoặc sản phẩm nào không đáp ứng đầy đủ yêu cầu của Tiêu chuẩn này. Trong trường hợp có tranh cãi, Nhà thầu có thể đề đạt đến Kỹ sư, quyết định của Kỹ sư là quyết định cuối cùng.
Việc giám sát tại nhà máy hoặc phân xưởng được dự tính như một biện pháp tạo điều kiện thuận lợi cho công việc và tránh các sai sót, và phải hiểu một cách rõ ràng là việc này không giảm nhẹ trách nhiệm của Nhà thầu đối với vật liệu hoặc sản phẩm bị hư hỏng cần thiết phải thay thế.
Việc Giám sát viên nghiệm thu bất kỳ vật liệu hoặc cấu kiện hoàn thành nào đó sẽ không cản trở việc loại bỏ chúng, nếu thấy hư hỏng. Các vật liệu và sản phẩm bị loại bỏ phải được Nhà thầu thay thế ngay khi có thể hoặc được sửa chữa.
5 Bản vẽ biện pháp thi công
5.1 Bản vẽ chế tạo
Nhà thầu cần đệ trình cho Kỹ sư để chấp thuận bản sao của bản vẽ chế tạo chi tiết. Các bản vẽ chế tạo phải đệ trình trước khi bắt đầu công việc có liên quan, đủ thời gian để Kỹ sư xem xét và Nhà thầu sửa chữa, nếu có, mà không làm chậm công việc.
Bản vẽ chế tạo đối với kết cấu thép phải có đầy đủ kích thước chi tiết và kích thước các bộ phận cấu thành của kết cấu và chi tiết của các bộ phận khác, như chốt, đai ốc, bu lông, tiêu nước, ...
Khi có yêu cầu về hướng quy định của các tấm, phải chỉ rõ phương cán của các tấm.
Bản vẽ chế tạo phải xác định cấp thép và tiêu chuẩn yêu cầu của mỗi tấm.
5.2 Bản vẽ lắp dựng
Nhà thầu cần đệ trình các bản vẽ minh họa đầy đủ phương pháp lắp dựng kiến nghị. Các bản vẽ phải thể hiện chi tiết về giá đỡ đà giáo, thanh giằng chống, dây neo, hố thế, thiết bị nâng, và liên kết vào các cấu kiện cầu; trình tự lắp dựng, vị trí cần cẩu và xà lan, khả năng cẩu, vị trí các điểm cẩu trên các cấu kiện cầu và trọng lượng các cấu kiện. Các bản vẽ phải đầy đủ chi tiết đối với mọi giai đoạn và các trạng thái dự kiến trong khi lắp dựng. Có thể yêu cầu các tính toán để chứng minh các sức kháng đã nhân hệ số không bị vượt quá và khả năng chịu lực và hình dạng cuối cùng của cấu kiện là đúng.
5.3 Sơ đồ độ vồng
Sơ đồ độ vồng sẽ được Nhà chế tạo cung cấp cho Kỹ sư, cho biết độ vồng ở mỗi điểm của khoang trong trường hợp giàn, hoặc sườn vòm, và tại các vị trí điểm nối tại hiện trường và các điểm phân chia chiều dài nhịp (tối thiểu các điểm 1/4) trong trường hợp dầm liên tục và khung cứng. Sơ đồ độ vồng phải thể hiện độ vồng tính toán sử dụng trong việc lắp ráp trước kết cấu theo Điều 8.2.
6 Vật liệu
6.1 Thép kết cấu
6.1.1 Tổng quát
Thép phải cung cấp theo các yêu cầu kỹ thuật sau. Cấp hoặc các cấp của thép cung cấp phải quy định trong hồ sơ hợp đồng.
Tất cả thép sử dụng trong các cấu kiện chính, chịu ứng suất kéo phù hợp với các yêu cầu thử nghiệm va đập rãnh chữ V của AASHTO M270M/M270 (ASTM A709/A709M), trừ các khung ngang và vách ngang của cầu cong.
6.1.2 Thép tấm và thép hình
Tấm thép và thép hình cho thi công bu lông hoặc hàn phù hợp với AASHTO M270M/M270 (ASTM A709/A709M).
Thép hình bằng thép hợp kim ram và tôi với cường độ kéo tối đa quy định là 965 MPa, nhưng đáp ứng các yêu cầu cơ học và hóa hóa khác của AASHTO M270M/M270 (ASTM A709/A709M), Cấp HPS 100W, phải được coi là AASHTO M270M/M270 (ASTM A709/A709M), Cấp HPS 100W.
6.1.3 Thép ống kết cấu
Trừ quy định ở đây, thép ống kết cấu phải là ống hàn uốn nguội hoặc ống không hàn nối phù hợp với ASTM A1085, ASTM A500, Cấp B hoặc Cấp C, hoặc ASTM A847; ống hàn uốn nóng hoặc ống không hàn nối phù hợp với ASTM A501 hoặc ASTM A618.
Ống thép cho ống thép nhồi bê tông (CFST), được thiết kế theo Điều 6.9.6 của LRFD-8 hoặc TCVN 11823:2017, phải phù hợp với các yêu cầu:
- API 5L, tối thiểu Cấp X42, PSL1 hoặc PSL2, hoặc
- ASTM A252, Cấp 3, với các mối hàn đáp ứng yêu cầu của phiên bản hiện hành của AWS D1.1/D1.1M.
6.2 Bu lông cường độ cao
6.2.1 Vật liệu
6.2.1.1 Bu lông cường độ cao
Bu lông cường độ cao phù hợp với một trong các tiêu chuẩn sau:
- ASTM F3125 quy định bu lông cường độ cao cho mối nối kết cấu thép:
- ASTM A307 quy định bu lông và đinh neo thép carbon cường độ chịu kéo 420 MPa, Cấp A hoặc Cấp B;
- AASHTO M164M (ASTM A325M) quy định bu lông có cường độ kéo tối thiểu 830 MPa cho đường kính từ 16 mm tới 27 mm, và 725 MPa cho đường kính từ 30 mm tới 36 mm;
- AASHTO M253M (ASTM A490M) quy định bu lông cường độ cao, các hạng 10.9 và 10.9.3 cho các mối nối thép kết cấu.
Các bu lông loại 1 nên sử dụng với các thép khác với thép có xử lý chống ăn mòn. Các bu lông loại 3 tuân theo ASTM A325M hoặc ASTM A490M phải được sử dụng với các thép có xử lý chống ăn mòn. AASHTO M164 (ASTM A325M), Loại 1, các bu lông có thể tráng kẽm nhúng nóng phù hợp với AASHTO M232M/M232 (ASTM A153/A153M), Hạng C, hoặc tráng kẽm bằng cơ học phù hợp AASHTO M298 (ASTM B695), Hạng 345 (50). Các bu lông tráng kẽm phải được thí nghiệm kéo sau khi tráng kẽm, như AASHTO M164 (ASTM A325M) yêu cầu.
Các bu lông AASHTO M253M (ASTM A490M) không được tráng kẽm.
Các vòng đệm, đai ốc và bu lông của bất cứ liên kết nào phải được tráng kẽm theo cùng phương pháp. Các đai ốc cần được phủ lên nhau tới số lượng tối thiểu yêu cầu đối với lắp ghép linh kiện liên kết, và phải được bôi trơn bằng dầu nhờn có màu sắc trông thấy được.
Khi bu lông cường độ cao sử dụng với các cấp thép chịu thời tiết không sơn phủ, bu lông phải là Cấp 3.
Bu lông và đai ốc không mạ phải được bôi chất nhờn khi giao hàng và lắp đặt.
Nhà cung cấp sẽ cung cấp số lô trên gói hàng và xác nhận khi nào và ở đâu các thử nghiệm được thực hiện, bao gồm thử nghiệm khả năng chịu lực khi xoay và chiều dày kẽm khi dùng bu lông và đai ốc mạ kẽm.
6.2.1.2 Đai ốc
Đai ốc cho bu lông ASTM F3125 phải được liệt kê trong ASTM F3125 như đề nghị hoặc phù hợp với bu lông.
Đai ốc mạ kẽm phải được bôi trơn bằng chất bôi trơn có chứa chất nhuộm nhìn thấy được, phù hợp với ASTM A563, Yêu cầu bổ sung S1 và S2.
Đai ốc cho bu lông AASHTO M164M (ASTM A325M) phù hợp với tiêu chuẩn kỹ thuật đối với các đai ốc thép carbon và hợp kim, AASHTO M291M (ASTM A563M), các Cấp 12, 10S3, 8S, 8S3, 10 hoặc 10S.
Đai ốc cho bu lông AASHTO M253M (ASTM A490M) phù hợp với yêu cầu của AASHTO M291M (ASTM A563M) các Cấp 10S hoặc 10S3 hoặc AASHTO M292M (ASTM A194M) Cấp 2H. Đai ốc để tráng kẽm phải được xử lý nhiệt, Cấp 2H, 12 hoặc 10S3. Các quy định của Điều 6.2.1.1 phải được áp dụng.
Đai ốc tráng kẽm phải được xử lý nhiệt Cấp 10S và phù hợp với quy định về đai ốc ở Điều 6.2.1.1.
Đai ốc phải có độ cứng tối thiểu là 89 HRB.
Đai ốc để sử dụng theo AASHTO M164M (ASTM A325M), các bu lông Loại 3 phải là Cấp 8S3 hoặc 10S3.
Đai ốc để sử dụng theo AASHTO M253M (ASTM A490M), các bulông Loại 3 phải là Cấp 10S3.
6.2.1.3 Vòng đệm
Vòng đệm cho bu lông ASTM F3125 phải được liệt kê trong ASTM F3125 như đề nghị hoặc phù hợp với bu lông.
Vòng đệm phù hợp với tiêu chuẩn kỹ thuật đối với các vòng đệm thép tôi AASHTO M923 (ASTM F436). Các quy định của Điều 6.2.1.1 phải được áp dụng cho các vòng đệm tráng kẽm.
6.2.2 Các thông số kích thước
Chi tiết các thông số kích thước của bu lông, đai ốc, vòng đệm xem trong Phụ lục A.
6.2.3 Lực kéo nhỏ nhất yêu cầu của bu lông
Lực kéo nhỏ nhất của bu lông lấy theo Bảng 1.
Bảng 1 - Lực kéo nhỏ nhất yêu cầu của bu lông
| Đường kính bu lông (mm) | Lực kéo nhỏ nhất yêu cầu (kN) | |
| M164 (A325M) | M253 (A490M) | |
| 16 | 91 | 114 |
| 20 | 142 | 179 |
| 22 | 176 | 221 |
| 24 | 205 | 257 |
| 27 | 267 | 334 |
| 30 | 326 | 408 |
| 36 | 475 | 595 |
6.2.4 Hệ số ma sát
Hệ số ma sát phụ thuộc vào bề mặt ma sát, lấy theo Bảng 2.
Bảng 2 - Hệ số ma sát Ks
| Điều kiện bề mặt ma sát | Hệ số ma sát Ks |
| Loại A | 0,33 |
| Loại B | 0,50 |
| Loại C | 0,33 |
Phân loại điều kiện bề mặt ma sát như sau:
- Bề mặt ma sát Loại A: không sơn, làm sạch lớp váng rỉ ở nhà máy và các bề mặt có sơn phủ loại A được làm sạch bằng thổi hơi ép;
- Bề mặt ma sát Loại B: không sơn, làm sạch bằng thổi hơi ép và các bề mặt có sơn phủ Loại B làm sạch bằng thổi hơi ép;
- Bề mặt ma sát Loại C: bề mặt mạ kẽm nóng và làm nhám bằng bàn chải sắt sau khi mạ.
Khi các định hệ số ma sát cần tuân theo quy định của Điều 13.2.8 của TCVN 11823-6:2017.
6.2.5 Sức kháng của bu lông
Sức kháng của bu lông lấy theo TCVN 11823-6:2017, trong đó:
- Sức kháng tính toán theo Điều 13.2.2;
- Sức kháng cắt theo Điều 13.2.7;
- Sức kháng trượt theo Điều 13.2.8;
- Sức kháng ép mặt theo Điều 13.2.9;
- Sức kháng kéo theo Điều 13.2.10;
- Sức kháng kéo và cắt kết hợp theo Điều 13.2.11.
6.2.6 Nghiệm thu bu lông cường độ cao
Bu lông cường độ cao sau khi gia công phải được kiểm tra kích thước hình học, sau đó mới kiểm tra các công đoạn tiếp theo như quy định trong ASTM F606M.
6.2.6.1 Kiểm tra bu lông
- Thử kéo;
- Xác định độ dai va đập;
- Xác định khả năng chịu lực xoay;
- Xác định độ cứng;
- Thử kéo đứt bu lông;
- Kiểm tra khuyết tật;
- Xác định hệ số ma sát.
6.2.6.2 Kiểm tra đai ốc
- Xác định độ cứng;
- Kéo đứt trong cùng bộ với bu lông.
6.2.6.3 Kiểm tra vòng đệm
- Xác định độ cứng.
6.2.7 Thiết bị đo lực căng trực tiếp
Thiết bị đo lực căng trực tiếp (DTI) phù hợp với yêu cầu của ASTM F959 có thể được sử dụng với bu lông, đai ốc và vòng đệm quy định tại Điều 6.2.1. DTI cũng kết hợp tính năng tự hiển thị hoặc sử dụng DTI/đai ốc giữ. Việc sử dụng tính năng tự hiển thị để thay thế sử dụng thiết bị đo sẽ là đối tượng để Kỹ sư xem xét, chấp thuận.
6.3 Đinh neo hàn chống cắt
Đinh neo hàn chống cắt phải thỏa mãn yêu cầu áp dụng của AASHTO/AWS D1.5M/D1.5 liên quan đến vật liệu, sản xuất, tính chất vật lý, chứng nhận và hàn. Kỹ sư có thể chọn đinh neo của từng loại và kích thước sử dụng theo hồ sơ hợp đồng, khi cần, để kiểm tra các yêu cầu áp dụng.
6.4 Thép rèn và trục thép
6.4.1 Thép rèn
Thép rèn phù hợp với AASHTO M102M/M102 (ASTM A668/A668M), Loại C, D, F hoặc G.
6.4.2 Trục thép carbon hoàn thiện nguội
Trục thép carbon hoàn thiện nguội phù hợp với AASHTO M169 (ASTM A108), Cấp 10160-10300, phải được cung cấp trừ khi có quy định khác trong hồ sơ hợp đồng.
6.5 Thép đúc
Thép đúc sử dụng cho các bộ phận cầu đường bộ, tuân theo một trong các quy định sau, trừ khi có quy định khác:
- ASTM A781/A781M, Cấp 70,
- AASHTO M103M/M103 (ASTM A27/A27M), Cấp 70 hoặc Cấp 70-36, hoặc
- AASHTO M163M/M163 (ASTM A743/A743M), Cấp CA 15.
6.6 Vật đúc bằng sắt
6.6.1 Vật liệu
Vật đúc bằng sắt sử dụng cho các bộ phận cầu đường bộ, tuân theo một trong các quy định sau, trừ khi có quy định khác:
- Vật đúc bằng sắt xám phù hợp với AASHTO M105 (ASTM A48/A48M), Loại 30.
- Vật đúc bằng sắt dẻo phù hợp với ASTM A536, Cấp 60-40-18. Ngoài các thử nghiệm quy định, các mẫu thử lấy từ các khối nguyên vật đúc, như các ống đứng, phải thử nghiệm với các vật đúc nặng hơn 450 kG để xác định chất lượng yêu cầu đạt được trong vật đúc ở trạng thái cuối cùng.
- Các vật đúc dát mỏng phù hợp với ASTM A47/A47M. Cấp 35018 sẽ được cung cấp.
6.6.2 Chất lượng đúc và hoàn thiện
Vật đúc bằng sắt phải đúng về hình dạng và kích thước, không có các khuyết tật do rót khuôn, độ xốp, các vết nứt, các bọt, và hư hỏng khác ở các vị trí ảnh hưởng đến cường độ và giá trị của chúng đối với sử dụng dự định.
Vật đúc phải có các đường gờ rõ nét tại các góc và các cạnh phải sắc nét và hoàn hảo.
6.6.3 Làm sạch
Vật đúc phải được phun cát hoặc được làm sạch hiệu quả bằng cách khác đối với các vảy và cát để có bề mặt nhẵn, sạch và đồng nhất.
6.7 Mạ kẽm
Khi mạ kẽm được quy định trong hồ sơ hợp đồng, sản phẩm kim loại sắt, trừ các liên kết và đồ ngũ kim khác, phải được mạ kẽm theo AASHTO M111M/M111 (ASTM A123/A123M). Các liên kết và đồ ngũ kim khác phải được mạ kẽm theo AASHTO M232M/M232 (ASTM A153/A153M), trừ bu lông cường độ cao phải được mạ theo quy định của ASTM F3125 và yêu cầu của Phụ lục A1.
7 Chế tạo
7.1 Nhận dạng thép trong khi chế tạo
Hệ thống đánh dấu lắp ráp các tấm riêng lẻ của Nhà thầu, và phát hành hướng dẫn cắt rời cho phân xưởng, phải sao cho duy trì đúng như chi tiết nguyên bản.
Nhà thầu có thể cung cấp vật liệu từ kho dự trữ mà có thể nhận dạng bằng số mẻ nấu và báo cáo thử nghiệm tại nhà máy.
Trong khi chế tạo, cho tới khi lắp ráp các cấu kiện, mỗi bộ phận bằng thép đều phải chỉ rõ và dễ đọc các đặc trưng kỹ thuật của thép.
Bất kỳ chi tiết thép mà phải chịu các hoạt động chế tạo như làm sạch bằng phun cát, mạ, đốt nóng để tạo hình, hoặc sơn mà có thể xóa đánh dấu trước khi lắp ráp vào cấu kiện, thì phải được đóng dấu bằng chạm nổi hoặc bằng thẻ gắn chắc chắn. Thẻ gắn thép phải là loại ứng suất thấp.
Theo yêu cầu của Kỹ sư, Nhà thầu cần cung cấp bản khai xác nhận rằng trong suốt hoạt động chế tạo đã duy trì việc nhận dạng thép theo đúng Tiêu chuẩn này.
7.2 Cất giữ vật liệu
Vật liệu kết cấu dù để nguyên hay đã chế tạo, phải được cất giữ trên các sàn gỗ cao hơn mặt đất, các giá trượt hoặc các bệ đỡ khác. Vật liệu phải được giữ không có đất bụi, mỡ và các vật lạ khác, và phải bảo vệ chống ăn mòn tới mức có thể thực hiện được.
7.3 Thép tấm
7.3.1 Phương cán thép
Trừ khi có quy định khác trong hồ sơ hợp đồng, thép tấm dùng cho các cấu kiện chính và các tấm nối đối với các bản cánh phải cắt và chế tạo sao cho hướng cán chính song song với hướng của ứng suất kéo và/hoặc ứng suất nén chính. Tấm nối của sườn thép, miếng đệm, bản táp không dùng làm mối nối các thanh mạ của dàn, tấm liên kết và sườn tăng cường sẽ không có yêu cầu về phương cán thép này.
7.3.2 Mép cắt của tấm thép
Mép cắt của tấm thép dày hơn 16 mm và chịu ứng suất tính toán phải là phẳng, cán, mài hoặc cắt bằng nhiệt sâu tới 6 mm.
7.3.3 Tấm thép uốn cong
7.3.3.1 Tổng quát
Tấm và thanh tới hạn đứt gãy (FCM) và không tới hạn đứt gãy phải được uốn nguội, trừ khi được phép khác theo quy định tại Điều 7.3.3.3. Uốn thép phải được thực hiện phù hợp với AASHTO/AWS D1.5M/D1.5 và các quy định tại Điều 7.3.3.2.
7.3.3.2 Uốn nguội
Trừ khi cho phép ở đây hoặc được chấp thuận bởi Kỹ sư, bán kính uốn cong tối thiểu để uốn nguội (ở nhiệt độ phòng), đo tới mặt lõm của tấm, phải được lấy bằng 127t cho các cấp và chiều dày của thép phù hợp với AASHTO M270M/M270 (ASTM A709/A709M), trong đó t là chiều dày của tấm tính bằng mm. Đối với các loại thép khác, khuyến nghị bán kính uốn cong tối thiểu từ Nhà sản xuất thép tấm phải được tuân theo, nhưng bán kính phải không nhỏ hơn bán kính tối thiểu quy định ở đây. Đối với các tấm nối của vách ngang hoặc khung ngang đến 19 mm, thì bán kính uốn tối thiểu có thể lấy là 38t.
Bất cứ nơi nào có thể, các đường uốn phải được định hướng vuông góc với hướng cán cuối cùng của tâm. Nếu các đường uốn song song với hướng cán cuối cùng, bán kính uốn cong tối thiểu phải được tăng tới 190t. Tấm nối của sườn thép, miếng đệm, bản táp không dùng làm mối nối các thanh mạ của dàn, tấm liên kết và sườn tăng cường sẽ không có yêu cầu về phương cán thép này.
7.3.3.3 Uốn nóng
Tấm và thanh tới hạn đứt gãy và không tới hạn đứt gãy có thể được uốn nóng theo sự chấp thuận của Kỹ sư. Nếu uốn nóng được sử dụng, trình tự gia nhiệt và uốn phải được đệ trình để Kỹ sư xem xét và chấp thuận. Tấm và thanh phải được uốn nóng ở nhiệt độ lớn hơn nhiệt độ dòn của thép (370 ºC) nhưng không lớn hơn 650ºC, trừ đối với AASHTO M270M/M 270 (ASTM A709/A709M), các Cấp HPS 70W và HPS 100W cho tấm và thanh được uốn nóng ở nhiệt độ không lớn hơn 595 ºC. Bán kính tối thiểu của uốn nóng phải thỏa mãn yêu cầu của Điều 7.3.3.2.
7.4 Lắp các sườn tăng cường
Sườn tăng cường ở đầu đối với dầm và sườn tăng cường dự định dùng để đỡ tải trọng tập trung, phải được tì hoàn toàn (bằng cách phay, mài hoặc hàn trên thép có thể hàn được trong các vùng chịu nén của cánh, như đã cho trong hồ sơ hợp đồng) trên các cánh mà các sườn truyền tải trọng vào hoặc chúng nhận tải trọng từ cánh. Các sườn trung gian không có ý định dùng để đỡ tải trọng tập trung, trừ khi được quy định trong hồ sơ hợp đồng, phải khít chặt với cánh chịu nén.
7.5 Mối nối đối đầu
Mối nối đối đầu trong cấu kiện chịu nén của dàn và cột phải phay hoặc cưa để cho mối nối vuông vắn và chịu tải đồng đều. Tại các mối nối khác, không cần phải giáp mặt, khe hở không được quá 10 mm.
7.6 Gia công bề mặt ép tựa
Việc hoàn thiện bề mặt tấm gối và tấm đế và bề mặt chịu lực khác khi chúng tiếp xúc với nhau hoặc với bê tông phải đáp ứng yêu cầu về độ nhám bề mặt ANSI được xác định trong ANSI B46.1. Độ nhám bề mặt, độ sóng và hướng dạng bề mặt chiếm ưu thế, Phần I:
| Tấm bản bằng thép | ANSI 50,8 µm (RMS) |
| Tấm thép nặng tiếp xúc với các đế phải hàn | ANSI 25,4 µm (RMS) |
| Đầu phải phay của các cấu kiện chịu nén, các đầu phay hoặc mài của các sườn tăng cường và các tấm độn | ANSI 12,7 µm (RMS) |
| Gối con lăn và con lắc của cầu | ANSI 6,4 µm (RMS) |
| Chốt và lỗ chốt | ANSI 3,2 µm (RMS) |
| Gối trượt | ANSI 3,2 µm (RMS) |
CHÚ THÍCH:
RMS - Root Mean Square: căn bậc hai trung bình.
7.7 Nắn thẳng vật liệu
Việc nắn thẳng thép tấm, thép góc, thép hình khác và các cấu kiện ghép thành, khi được Kỹ sư cho phép, phải thực hiện bằng các phương pháp không làm kim loại bị phá hoại hoặc các hư hại khác. Cấu kiện bị cong vênh có thể nắn thẳng bằng biện pháp cơ học hoặc nếu được Kỹ sư cho phép, bằng các phương pháp được dự tính cẩn thận và áp dụng có giám sát gia nhiệt cục bộ hạn chế, ngoại trừ việc nắn thẳng bằng nhiệt của AASHTO M270M/M 270 (ASTM A709/A709M), cấu kiện thép Cấp HPS 70W và HPS 100W chỉ được thực hiện theo trình tự được kiểm soát chặt chẽ, mỗi công việc phải được Kỹ sư chấp thuận. Trong mọi trường hợp, nhiệt độ tối đa vượt quá 595 ºC.
Trong các thép khác, nhiệt độ của diện tích gia nhiệt không được vượt quá 650 ºC khi kiểm soát bằng bút thử nhiệt, chất lỏng, hoặc nhiệt kế lưỡng kim chỉ báo. Việc gia nhiệt vượt quá giới hạn đã cho sẽ là lý do để loại bỏ, trừ khi Kỹ sư cho phép thử nghiệm để kiểm tra tính nguyên dạng của vật liệu.
Phần được nắn thẳng bằng nhiệt phải thực sự không có ứng suất từ các ngoại lực, trừ ứng suất do biện pháp cơ học được sử dụng kết hợp với thao tác gia nhiệt.
Bằng chứng về sự phá hỏng sau khi nắn thẳng đoạn cong hoặc vênh sẽ là lý do để loại bỏ tấm bị hư hỏng.
7.8 Lỗ bu lông
7.8.1 Lỗ cho bu lông cường độ cao và bu lông tinh không gia công
7.8.1.1 Tổng quát
Lỗ cho bu lông phải được đột hoặc khoan, trừ như đã nêu ở đây. Đường kính lỗ chuẩn cho bu lông đường kính nhỏ hơn 25 mm sẽ là đường kính danh định của bu lông cộng thêm 1,6 mm. Đối với bu lông đường kính 25 mm và lớn hơn, chiều rộng của mỗi lỗ chuẩn sẽ là đường kính danh định của bu lông cộng thêm 3,2 mm.
Ngoại trừ như đã nêu trong các Điều dưới đây, vật liệu cấu thành cấu kiện bao gồm không quá 5 lớp vật liệu mà có thể được đục lỗ đúng cỡ.
Khi có nhiều hơn 5 lớp vật liệu hoặc theo yêu cầu của Điều 7.8.5, vật liệu phải được khoan phá hoặc đột phá và sau đó doa hoặc khoan tới đúng cỡ khi lắp ráp.
Khi có yêu cầu, các lỗ sẽ được khoan phá hoặc đột phá nhỏ hơn 4,8 mm và sau khi lắp ráp, doa hoặc khoan tới đúng cỡ.
Lỗ trong miếng đệm, khung ngang, bộ phận giằng ngang và lỗ tương ứng trong tấm liên kết giữa dầm và khung ngang, hoặc bộ phận giằng ngang, có thể được đục lỗ đúng cỡ. Lỗ trong cấu kiện chịu lực chính theo phương dọc, dầm ngang hệ mặt cầu, và bộ phận bất kỳ được quy định là tới hạn đứt gãy (FCMs) thì không được đục lỗ đầy đủ; hạn chế này sẽ không áp dụng cho miếng đệm được sử dụng trong nối các cấu kiện khống chế đứt gãy FCM. Trường hợp đục lỗ đúng cỡ được cho phép, lỗ có thể cũng được hình thành bằng cách cắt plasma hoặc phun nước.
Khi được chỉ ra trong hồ sơ hợp đồng, lỗ mở rộng hoặc lỗ rãnh được cho phép với bu lông cường độ cao.
Với sự chấp thuận của Chủ đầu tư, lỗ cho các cấu kiện phụ cũng có thể được cắt nhiệt bằng laser hoặc oxy-acetylene theo các yêu cầu ở đây.
7.8.1.2 Lỗ đột
Nếu lỗ nào đó cần mở rộng để cho bu lông vào, lỗ như vậy phải được doa. Lỗ phải được cắt gọn không có mép rách hoặc lờm xờm. Lỗ hơi có hình côn là kết quả tự nhiên của thao tác đột sẽ được xem là chấp nhận được.
7.8.1.3 Lỗ doa hoặc khoan
Lỗ doa hoặc khoan phải là hình trụ, vuông góc với cấu kiện và phải tuân thủ yêu cầu của Điều 7.8.1.1 về kích thước. Khi có thể thực hiện được, mũi doa phải được dẫn hướng bằng biện pháp cơ học. Phải loại bỏ các rìa xờm trên bề mặt ngoài. Doa và khoan phải thực hiện bằng mũi khoan xoắn, mũi doa xoắn, hoặc máy cắt đột quay. Bộ phận nối cần có lỗ doa hoặc khoan phải lắp ráp và giữ chắc trong khi doa hoặc khoan và phải đánh dấu khớp nhau trước khi tháo rời.
7.8.1.4 Độ chính xác của lỗ
Lỗ có đường kính lớn hơn đường kính danh định không quá 0,8 mm do mũi khoan hoặc mũi doa bằng đường kính danh định tạo ra được xem là có thể chấp nhận được. Bề rộng của lô có rãnh được tạo ra do cắt bằng ngọn lửa hoặc kết hợp khoan hoặc đột và cắt nhiệt thường không được lớn hơn bề rộng danh định quá 0,8 mm. Bề mặt do cắt nhiệt phải được mài nhẵn để thu được độ nhám theo ANSI là 25 µm.
7.8.2 Độ chính xác của nhóm lỗ
7.8.2.1 Độ chính xác trước khi doa
Lỗ đột đúng cỡ, đột nhỏ hơn hoặc khoan nhỏ hơn phải được đột chính xác để sau khi lắp ráp (trước khi doa), chốt hình trụ có đường kính nhỏ hơn đường kính danh định của lỗ đột 3 mm có thể đút qua lỗ thẳng góc với mặt của cấu kiện, không nghiêng, trong ít nhất 75 % các lỗ kề nhau trong cùng mặt phẳng. Nếu yêu cầu này không thỏa mãn, tấm thép đột xấu phải loại bỏ. Nếu lỗ bất kỳ không lọt được chốt có đường kính nhỏ hơn đường kính danh định của lỗ đột 5 mm, sẽ là lý do để loại bỏ.
7.8.2.2 Độ chính xác sau khi doa
Khi các lỗ được doa hoặc khoan, 85% các lỗ trong nhóm kề nhau, sau khi doa hoặc khoan, không được lệch quá 0,8 mm giữa các bề dày tiếp giáp nhau của thép.
Dưỡng thép phải có ống lót bằng thép được tôi cứng trong các lỗ được định kích thước chính xác từ các đường tim của mối nối như đã vạch trên dưỡng. Đường tim được dùng để định vị trí chính xác dưỡng từ các đầu được phay hoặc vạch dấu của cấu kiện.
7.8.3 Liên kết tại hiện trường bằng khoan điều khiển số
Thay vì lỗ có kích thước nhỏ hơn và doa trong khi lắp ráp, hoặc khoan lỗ đủ kích cỡ trong khi lắp ráp, Nhà thầu có thể tùy chọn khoan hoặc đột lỗ bu lông đủ kích cỡ trong các bộ phận chưa lắp ráp và/hoặc các liên kết kể cả dưỡng cho sử dụng các lỗ khớp nhau có kích cỡ nhỏ hơn và được doa, bằng thiết bị đột hoặc khoan điều khiển số (N/C) thích hợp. Lỗ đột đủ kích cỡ phải đáp ứng yêu cầu của Điều 7.8.1.
Nếu dùng thiết bị đột hoặc khoan N/C, Nhà thầu phải yêu cầu chứng minh độ chính xác của phương pháp khoan hoặc đột đó theo quy định của Điều 8.2.3, bằng phương tiện kiểm tra lắp ráp.
Lỗ được khoan hoặc đột bằng thiết bị N/C phải được khoan hoặc đột tới kích cỡ thích hợp qua từng tấm riêng lẻ hoặc khoan qua tổ hợp các tấm được giữ chặt với nhau.
7.8.4 Lỗ dùng cho bu lông tiện hoặc bu lông giá đỡ được chấp thuận
Lỗ cho bu bu lông tiện hoặc bu lông giá đỡ được chấp thuận khác phải khoan hoặc đột nhỏ hơn đường kính danh định của bu lông 5 mm và doa khi lắp ráp, hoặc khoan theo dưỡng thép, hoặc sau khi lắp ráp, khoan từ tấm đặc theo lựa chọn của Nhà sản xuất. Trong bất kỳ trường hợp nào, lỗ hoàn thiện phải khớp đúng theo quy định trong hồ sơ hợp đồng.
7.8.5 Chuẩn bị các liên kết tại hiện trường
Trừ cho phép ở Điều 7.8.3, lỗ trong các liên kết hoặc mối nối tại hiện trường của các cấu kiện chính của giàn, vòm, nhịp dầm liên tục, giá trụ đỡ, tháp (mỗi mặt), dầm bản đặc, và khung cứng phải đột hoặc khoan nhỏ hơn, sau đó doa khi lắp ráp hoặc khoan đúng cỡ theo dưỡng thép khi lắp ráp. Lỗ trong khung ngang, bộ phận liên kết ngang, và lỗ tương ứng trong tấm liên kết giữa dầm và khung ngang hoặc bộ phận liên kết ngang có thể được đột lỗ đúng cỡ. Lỗ trong cấu kiện chịu lực chính theo phương dọc, dầm sàn ngang và bất kỳ thành phần nào được chỉ định là cấu kiện khống chế đứt gãy (FCM) sẽ không được đột lỗ đúng cỡ. Lỗ cho các mối nối hiện trường của dầm dọc phụ bằng thép cán, liên tục trên dầm ngang hoặc khung ngang có thể được khoan đúng cỡ không được lắp vào dưỡng thép. Các lỗ cho dầm ngang hoặc khung ngang có thể được khoan đúng cỡ không được lắp vào dưỡng thép, ngoại trừ các lỗ đối với mối nối đầu dầm ngang và dầm dọc tại hiện trường sẽ được đột phá và doa khi lắp ráp hoặc khoan đúng cỡ theo dưỡng thép. Việc doa hoặc khoan đúng cỡ lỗ liên kết hiện trường qua dưỡng thép phải được thực hiện sau khi dưỡng được đặt với sự cẩn thận tối đa về vị trí và góc và được bắt bu lông chắc chắn tại chỗ. Dưỡng sử dụng để doa khớp nối các cấu kiện hoặc mặt đối diện của cấu kiện đơn phải là bản sao chính xác. Dưỡng được sử dụng cho các mối nối trên các phần hoặc cấu kiện tương tự phải được đặt chính xác đến mức các bộ phận hoặc cấu kiện trùng nhau và không yêu cầu đánh dấu phù hợp.
Đối với bất kỳ mối nối nào, thay vì đột phá và doa hoặc khoan phá và doa, tùy theo quan điểm, Nhà chế tạo có thể khoan lỗ đúng cỡ với các chiều dày hoặc vật liệu lắp ráp ở vị trí thích hợp.
7.9 Chốt và con lăn
7.9.1 Tổng quát
Chốt và con lăn phải tiện chính xác theo các kích thước cho trên bản vẽ và phải thẳng, nhẵn và không rạn nứt. Chốt và con lăn có đường kính lớn hơn 225 mm phải được rèn và tôi hoặc được chuẩn hóa và ram. Các chốt và con lăn có đường kính từ 225 mm trở xuống có thể được rèn và tôi hoặc làm từ các thép trục carbon hoàn thiện nguội.
Trong chốt được tôi có đường kính lớn hơn 225 mm, lỗ đường kính không nhỏ hơn 50 mm phải được khoan trên toàn bộ chiều dài dọc theo trục, sau khi rèn được làm mát tới nhiệt độ thấp hơn phạm vi tới hạn, trong điều kiện thích hợp để ngăn bị hư hỏng do nguội quá nhanh, và trước khi được tôi.
Chốt được chuẩn hóa và ram không yêu cầu lỗ khoan lỗ dọc theo toàn bộ chiều dài của trục.
7.9.2 Khoan lỗ chốt
Lỗ chốt phải khoan đúng đường kính quy định, nhẵn và thẳng, vuông góc với trục của cấu kiện và song song với nhau trừ khi có yêu cầu khác. Bề mặt cuối cùng được tạo ra bằng cách cắt gọt hoàn thiện.
Đường kính lỗ chốt không được vượt quá đường kính chốt trên 0,5 mm đối với chốt có đường kính 125 mm hoặc nhỏ hơn, hoặc trên 0,8 mm đối với chốt lớn hơn.
Khoảng cách giữa các mép ngoài của lỗ ở đầu trong các cấu kiện chịu kéo và giữa các mép trong của lỗ ở đầu trong các thanh chịu nén không được thay đổi so với khoảng cách quy định quá 0,8 mm. Khoan lỗ chốt trong cấu kiện tổ hợp phải làm sau khi cấu kiện được lắp ráp.
7.9.3 Ren cho bu lông và chốt
Ren cho các bu lông và chốt đối với công trình thép kết cấu phù hợp với ANSI/ASME B1.1, Loại 2A đối với ren ngoài và Loại 2B đối với ren trong, trừ các đầu chốt có đường kính bằng 34,9 mm hoặc lớn hơn phải ren 6 ren đến 25 mm.
7.10 Thanh có tai treo
Lỗ chốt phải cắt bằng ngọn lửa và nhỏ hơn đường kính chốt hoàn thiện ít nhất 50 mm. Thanh có tai treo mà được đặt cạnh nhau trong kết cấu phải được kẹp chặt với nhau theo thứ tự mà chúng được đặt trên chốt và phải khoan ở cả hai đầu trong khi kẹp chặt như vậy. Thanh có tai treo phải được đóng gói và đánh dấu lắp khít khi vận chuyển và lắp dựng. Dấu để nhận dạng phải đóng dấu bằng khuôn thép trên mép ở đầu mỗi cấu kiện sau khi chế tạo xong để có thể nhìn thấy khi các thanh lồng vào vị trí trên kết cấu. Dấu thép khuôn rập phải là loại ứng suất thấp. Không được phép hàn trên tai treo hoặc siết chặt các tai treo cạnh nhau.
Thanh có tai treo phải thẳng, không bị vặn và các lỗ chốt phải ở vị trí chính xác trên đường tim của thanh. Độ nghiêng của mỗi thanh bất kỳ so với mặt phẳng của giàn không được vượt quá 0,5%. Các mép của thanh có tai treo nằm giữa đường tim ngang các lỗ chốt của chúng phải được cắt đồng thời bằng 2 đèn xì được hoạt động bằng cơ học đặt sát nhau, được dẫn hướng bằng khuôn gá mẫu vững chắc, theo cách sao cho ngăn được các tấm khỏi bị méo.
7.11 Ram và khử ứng suất
Cấu kiện kết cấu mà được chỉ rõ trong hồ sơ hợp đồng phải ram hoặc chuẩn hóa sẽ phải hoàn thiện bằng gia công, khoan và nắn thẳng sau khi xử lý nhiệt. Chuẩn hóa và ram (ram đầy đủ) phải theo quy định của ASTM A941. Nhiệt độ phải duy trì đồng đều toàn lò nung trong khi nung nóng và làm nguội để cho nhiệt độ tại 2 điểm trên cấu kiện không chênh lệch quá 37,8 ºC ở bất kỳ thời điểm nào.
Cấu kiện bằng thép Cấp HPS 70W và HPS 100W theo AASHTO M270M/M270 (ASTM A709/A709M) không phải ram hoặc chuẩn hóa mà chỉ phải khử ứng suất theo chấp thuận của Kỹ sư sau khi có sự tư vấn của Nhà sản xuất thép.
Bản ghi của mỗi mẻ lò phải nhận dạng các bộ phận đang nung và cho biết nhiệt độ và thời gian biểu thực sự sử dụng. Phải bố trí các dụng cụ thích hợp, bao gồm hỏa kế tự ghi để xác định nhiệt độ của cấu kiện trong lò ở bất kỳ thời điểm nào. Bản ghi thao tác xử lý phải có sẵn đáp ứng sự chấp thuận của Kỹ sư. Nhiệt độ giữ cho khử ứng suất thép phù hợp với Phần 4.4 của AASHTO/AWS D1.5M/D1.5.
Cấu kiện như gối cầu, chân trụ đỡ, hoặc các bộ phận khác được lắp ghép bằng các đoạn thép tấm hàn với nhau, phải được khử ứng suất theo quy trình ở Phần 4.4 của AASHTO/AWS D1.5M/D1.5, khi hồ sơ hợp đồng yêu cầu.
7.12 Dầm cong
7.12.1 Tổng quát
Cánh của dầm hàn, cong phải được cắt theo bán kính quy định trên hồ sơ hợp đồng hoặc uốn cong bằng nhiệt theo quy định trong các Điều sau đây.
7.12.2 Dầm uốn cong bằng nhiệt và dầm tổ hộp hàn
7.12.2.1 Vật liệu
Thép kết cấu phù hợp với AASHTO M270M/M270 (ASTM A709/A709M), Cấp 36, 50, 50 S, 50 W, HPS 50 W (Cấp 250, 345, 345 S, 345 W và HPS 345 W - theo đơn vị MPa), HPS 70 W, hoặc Cấp HPS 100 W (Cấp HPS 485W, HPS 690 W - theo đơn vị MPa) có thể uốn cong bằng nhiệt.
7.12.2.2 Giới hạn hình học
7.12.2.2a Tiêu chuẩn mặt cắt ngang
Dầm cán và dầm tổ hợp hàn mặt cắt chữ I chiều cao không đổi, đáp ứng các tiêu chí sau đây có thể được uốn cong bằng nhiệt cong để có độ cong ngang:
R > 304800mm nếu (tf > 76,2mm) hoặc (b > 762mm) nếu không thì R > 45720mm
ψ ≤ 2,0
ψf ≥ 0,2
tnf ≤ tf
với:
|
| (1) |
|
| (2) |
trong đó:
R - bán kính cong ngang, đo theo đường tim của sườn dầm (mm, trừ khi có ghi chú khác);
b - chiều rộng của cánh rộng (mm);
bnf - chiều rộng của cánh hẹp (mm);
Dw - khoảng cách trống giữa các cánh (mm);
tf - chiều dày của cánh rộng (mm);
tnf - chiều dày của cánh hẹp (mm);
tw - chiều dày của sườn dầm (mm),
7.12.2.2b Bán kính cong tối thiểu cho dầm đôi đối xứng
Đối với dầm đôi đối xứng được uốn cong bằng nhiệt và dầm tổ hợp, bán kính độ cong ngang đo theo đường tim của sườn dầm, tính bằng mm, không được nhỏ hơn giá trị sau đây:
| nếu |
|
|
| thì |
| (3) |
| nếu không thì |
| (4) |
trong đó:
Fyw = cường độ chảy tối thiểu quy định của sườn dầm (MPa).
7.12.2.2c Bán kính cong tối thiểu cho dầm đơn đối xứng
Đối với dầm đơn đối xứng được uốn cong bằng nhiệt và dầm tổ hợp, bán kính cong ngang đo theo tim dầm, tính bằng mm, không được nhỏ hơn các giá trị tính theo công thức (3) và (4). Ngoài ra, đối với dầm đơn đối xứng có ψ ≥ 1,46 và có ψf < ψfo, bán kính không được nhỏ hơn giá trị xác định sau:
|
| (5) |
| trong đó ψfo = 0,68ψ - 0,79 | (6) |
7.12.2.2d Bán kính cong tối thiểu cho dầm hybrid
Dầm hybrid (dầm lai) đáp ứng các tiêu chí sau có thể được uốn cong:
ƞw ≤ ƞf, và
ƞw = ƞf nếu ƞf < 1
byf ≥ byfw nếu ƞf < 1
| với |
| (7) |
|
|
| (8) |
trong đó:
| Fyfw | = ứng suất chảy của cánh dầm với ứng suất chảy thấp (MPa); |
| Fyf | = ứng suất chảy của cánh dầm với ứng suất chảy cao (MPa); |
| Fyw | = ứng suất chảy của sườn dầm (MPa); |
| byfw | = chiều rộng của cánh với ứng suất chảy thấp (mm); |
| byf | = chiều rộng của cánh với ứng suất chảy cao (mm); |
Đối với mặt cắt hybrid có ƞf = 1 và ƞw < 1, bán kính cong ngang được đo đến đường tim dầm, tính bằng mm, không được nhỏ hơn bán kính tối thiểu được xác định theo Điều 7.12.2.2b và Điều 7.12.2.2c với Fyf được thay thế cho Fyw trong công thức (5).
Đối với mặt cắt hybrid có ƞf < 1, bán kính cong ngang được đo đến đường tim dầm, tính bằng mm, không được nhỏ hơn bán kính tối thiểu được xác định theo Điều 7.12.2.2b. Ngoài ra, đối với dầm có
và có
, bán kính không được nhỏ hơn giá trị xác định sau:
|
| (9) |
7.12.2.3 Loại gia nhiệt
Dầm cán và dầm tổ hợp có thể được uốn cong bằng cách gia nhiệt liên tục hoặc gia nhiệt kiểu V theo sự chấp thuận của Kỹ sư. Với phương pháp liên tục, một dải hoặc các dải cách dọc nhau theo mép cánh trên và dưới được gia nhiệt gần như đồng thời tùy thuộc vào bề rộng và bề dày cánh; dải phải đủ rộng và đủ nhiệt độ để đạt độ cong yêu cầu. Với loại gia nhiệt kiểu V, các cánh trên và dưới phải gia nhiệt theo diện tích hình tam giác cụt hoặc hình chêm có đáy dọc mép cánh và cách nhau ở các khoảng đều nhau dọc mỗi cánh; khoảng cách và nhiệt độ phải theo yêu cầu để đạt được độ cong yêu cầu, và phải gia nhiệt dọc theo cánh trên và cánh dưới với tốc độ gần bằng nhau.
Với gia nhiệt kiểu V, đỉnh của diện tích tam giác cụt tác động vào mặt trong của cánh phải kết thúc trước khi đạt tới giao điểm của bụng và cánh. Để tránh làm méo sườn dầm không cần thiết, phải chú ý đặc biệt khi gia nhiệt bề mặt trong của cánh (bề mặt giao cắt với sườn dầm) để nhiệt không tác động trực tiếp vào sườn dầm. Khi bán kính độ cong bằng 305.000 mm hoặc cao hơn, đỉnh của tam giác cụt gia nhiệt tác động vào mặt ngoài của cánh phải kéo dài tới giao điểm của cánh và bụng. Khi bán kính cong nhỏ hơn 305.000 mm, đỉnh của tam giác cụt gia nhiệt tác động tại mặt ngoài của cánh phải kéo dài quá thân một khoảng bằng 1/8 cánh hoặc 75 mm, lấy số nào nhỏ hơn. Hình tam giác cụt phải có góc ôm khoảng 15º - 30º, nhưng đáy tam giác không được vượt quá 250 mm. Các thay đổi về hình dạng nói trên phải thực hiện với sự chấp thuận của Kỹ sư.
Với cả 2 loại gia nhiệt, mép cánh phải gia nhiệt là mép nằm phía trong đường cong nằm ngang sau khi nguội. Chỉ được gia nhiệt cả 2 bề mặt cánh trong và ngoài khi bề dày cánh bằng 31 mm hoặc lớn hơn, trong trường hợp này, 2 bề mặt đều phải gia nhiệt đồng thời. Nhiệt độ tối đa phải theo quy định sau đây.
7.12.2.3 Nhiệt độ
Thao tác uốn cong bằng nhiệt phải tiến hành theo cách mà nhiệt độ của thép không vượt quá 650 ºC đối với thép Cấp 36, 50, 50S, 50W và HPS 50W (Cấp 250, 345, 345S, 345W và HPS 345W - theo đơn vị MPa); và 595 ºC với Cấp HPS 70W và Cấp HPS 100W (Cấp HPS 485W, HPS 690W - theo đơn vị MPa) được đo bằng bút đo nhiệt độ hoặc các biện pháp thích hợp khác. Dầm chỉ được làm nguội nhân tạo sau khi nguội tự nhiên tới 315 ºC. Phương pháp làm nguội nhân tạo phải được Kỹ sư chấp thuận.
7.12.2.4 Vị trí để gia nhiệt
Dầm tổ hợp có thể uốn bằng nhiệt với sườn dầm ở vị trí thẳng đứng hoặc nằm ngang. Khi uốn cong trong vị trí thẳng đứng, dầm phải được chống hoặc đỡ cách nào để xu hướng dầm uốn theo chiều ngang trong quá trình uốn bằng nhiệt không làm cho dầm bị lật.
Khi uốn trong vị trí nằm ngang, dầm phải được đỡ ở 2 đầu và các điểm trung gian, nếu có yêu cầu, để có độ cong đồng đều; ứng suất uốn trong cánh do trọng lượng bản thân dầm và tải trọng tác động bên ngoài không vượt quá ứng suất thiết kế cho phép thường dùng. Khi dầm đặt ở vị trí nằm ngang để gia nhiệt, phải duy trì các khối kẹp an toàn trung gian tại nửa chiều dài của dầm trong phạm vi 50 mm của cánh tại mọi thời điểm trong quá trình gia nhiệt để bảo vệ chống bị xệ đột ngột do cánh bị cong oằn.
7.12.2.5 Trình tự các thao tác
Dầm tổ hợp phải uốn cong bằng nhiệt trong phân xưởng chế tạo trước khi sơn. Thao tác uốn cong bằng nhiệt có thể tiến hành hoặc trước hoặc sau khi hàn xong các sườn tăng cường ngang trung gian. Tuy nhiên, trừ khi có bố trí đối với sự co ngót của dầm, các tấm liên kết và các sườn tăng cường chỗ chịu nén cục bộ phải đặt và liên kết sau khi uốn nóng. Nếu yêu cầu có sườn tăng cường chiều dọc, chúng phải được uốn cong bằng nhiệt hoặc cắt bằng oxy riêng biệt, sau đó hàn vào dầm đã uốn cong. Khi phải liên kết các tấm thép phủ vào dầm cán chúng có thể liên kết trước khi uốn nóng nếu tổng bề dày của cánh và tấm phủ nhỏ hơn 65 mm và bán kính cong lớn hơn 305.000 mm. Với các dầm cán và tấm phủ khác, dầm phải được gia nhiệt để uốn cong trước khi liên kết các tấm phủ; các tấm phủ phải uốn cong bằng nhiệt hoặc cắt bằng oxy riêng rẽ, sau đó hàn vào dầm đã uốn cong.
7.12.2.6 Độ vồng
Dầm tổ hợp phải tạo độ vồng ngược trước khi uốn bằng nhiệt. Độ vồng đối với dầm cán có thể thực hiện bằng phương pháp uốn nguội hoặc bằng nhiệt khi được Kỹ sư chấp thuận. Với các dầm tổ hợp bằng thép tấm, sườn dầm phải cắt theo độ vồng quy định trước có trừ hao thỏa đáng cho độ co ngót do cắt, hàn và uốn cong bằng nhiệt. Tuy nhiên, tùy sự chấp thuận của Kỹ sư, độ lệch vừa phải so với độ vồng quy định có thể sửa chữa bằng cách tác động nhiệt được giám sát cẩn thận.
7.12.2.7 Đo độ cong và độ vồng
Độ cong ngang và độ vồng thẳng đứng phải đo để nghiệm thu cuối cùng sau khi đã hoàn thành các thao tác hàn và gia nhiệt và các cánh đã nguội tới nhiệt độ đồng đều. Độ cong ngang phải kiểm tra với dầm ở vị trí thẳng đứng.
7.13 Kết cấu phần trên kiểu mặt cầu trực hướng
7.13.1 Tổng quát
Giới hạn dung sai kích thước đối với các cấu kiện cầu có mặt cầu trực hướng phải áp dụng cho mỗi cấu kiện hoàn thành nhưng chưa chịu tải và phải theo quy định trong Điều 3.5 của AASHTO/AWS D1.5M/D1.5, trừ các vấn đề sau đây:
- Độ lệch so với độ phẳng, độ thẳng hoặc độ cong chi tiết tại bất kỳ điểm nào là khoảng cách vuông góc từ điểm đó tới cạnh mép của bản mẫu có độ thẳng hoặc độ cong chi tiết và mẫu này đặt tiếp xúc với từng bộ phận tại hai điểm khác.
- Cạnh của mẫu có thể có chiều dài bất kỳ không vượt quá kích thước lớn nhất của bộ phận được kiểm tra, và đối với khoang bất kỳ, không vượt quá 1,5 lần kích thước nhỏ nhất của khoang; nó có thể được đặt bất kỳ ở đâu trong đường biên của bộ phận.
- Độ lệch phải đo giữa các điểm tiếp xúc liền kề của cạnh mẫu với bộ phận; khoảng cách giữa các điểm tiếp xúc liền kề này sẽ được sử dụng trong các công thức để thiết lập giới hạn dung sai đối với đoạn được đo bất cứ khi nào khoảng cách này nhỏ hơn kích thước áp dụng của bộ phận được quy định trong công thức.
7.13.2 Độ phẳng của khoang
Độ lệch tối đa δ so với độ phẳng hoặc độ cong chi tiết của khoang không được vượt quá trị số lớn hơn của 5 mm hoặc:
|
| (10) |
trong đó:
D - kích thước nhỏ nhất tính bằng mm dọc biên của khoang;
T - bề dày tối thiểu tính bằng mm của tấm thép tạo thành khoang.
7.13.3 Độ thẳng của các sườn tăng cường dọc chịu ứng suất nén tính toán, kể cả các sườn của mặt cầu trực hướng
Độ lệch tối đa δ, so với độ thẳng hoặc độ cong chi tiết trong phương bất kỳ vuông góc với chiều dài của sườn tăng cường dọc của bụng dầm hoặc sườn tăng cường khác, chịu ứng suất nén tính toán phải không được vượt quá:
|
| (11) |
trong đó:
L - chiều dài của sườn tăng cường hoặc sườn giữa các cấu kiện ngang, bụng dầm hoặc cánh dầm, tính bằng mm.
7.13.4 Độ thẳng của các sườn tăng cường ngang bụng dầm hoặc các sườn tăng cường khác không chịu ứng suất nén tính toán
Độ lệch tối đa δ, so với độ thẳng hoặc độ cong chi tiết trong phương bất kỳ nào vuông góc với chiều dài của sườn tăng cường ngang bụng dầm hoặc sườn tăng cường khác không chịu ứng suất nén tính toán phải không được vượt quá:
|
| (12) |
trong đó:
L - chiều dài của sườn giữa các cấu kiện ngang, bụng dầm hoặc cánh dầm tính bằng mm.
7.14 Thử nghiệm theo kích thước thực
Khi hợp đồng yêu cầu làm các thử nghiệm với kích thước thực của cấu kiện kết cấu được chế tạo hay thanh có tai treo, Nhà thầu cần bố trí phương tiện, vật liệu thích hợp, giám sát và nhân lực cần thiết cho việc tiến hành và ghi chép các thử nghiệm yêu cầu.
7.15 Đánh dấu và chuyên chở
Mỗi cấu kiện phải sơn hoặc đánh dấu bằng dấu hiệu lắp dựng để nhận dạng và sơ đồ lắp dựng thể hiện các dấu hiệu đó phải được cung cấp cho Kỹ sư.
Nhà thầu cần cung cấp cho Kỹ sư bản sao các đơn đặt hàng vật liệu, tờ khai vận chuyển và sơ đồ lắp dựng theo yêu cầu của Kỹ sư. Trên tờ khai phải ghi trọng lượng của từng cấu kiện riêng biệt. Cấu kiện nặng trên 2.700 kG phải ghi trọng lượng trên đó. Cấu kiện kết cấu phải chở trên xe tải hoặc xe con theo cách nào để chúng có thể được vận chuyển đến và dỡ xuống tại điểm đến mà không bị hư hỏng.
Bu lông, đai ốc và vòng đệm (nếu cần) từ mỗi lô phải được vận chuyển trong cùng container. Nếu chỉ có một lô sản phẩm cho mỗi cỡ đai ốc và vòng đệm, thì đai ốc và vòng đệm có thể được vận chuyển trong các container khác nhau. Chốt, các bộ phận nhỏ và bao bì bu lông, vòng đệm và đai ốc phải chuyên chở trong các hộp, sọt, thùng nhỏ hoặc thùng tròn nhưng trọng lượng tổng cộng mỗi kiện không nặng quá 136 kG. Phía ngoài mỗi thùng chuyên chở phải ghi rõ danh mục và mô tả vật liệu đựng trong đó.
8 Lắp ráp
8.1 Bắt bu lông
Bề mặt kim loại tiếp xúc phải làm sạch trước khi lắp ráp. Các phần của cấu kiện phải được lắp ráp, chốt tốt và siết chặt trước khi khoan, doa hoặc bắt bu lông. Các bộ phận lắp ráp phải để cách nhau, nếu cần, để loại bỏ các rìa, xờm tạo ra khi thao tác. Cấu kiện phải không bị xoắn, uốn và biến dạng khác.
Việc bẩy trong khi lắp ráp chỉ là để đưa các bộ phận vào vị trí và không được tới mức làm rộng các lỗ hoặc làm cong vênh kim loại.
8.2 Lắp ráp trước các liên kết ở hiện trường
8.2.1 Tổng quát
Liên kết ở hiện trường của các cấu kiện chính của giàn, vòm, dầm liên tục, dầm tổ hợp, giá trụ đỡ, trụ tháp và khung cứng phải được lắp ráp trước khi lắp dựng, khi cần, để xác minh hình dạng kết cấu hoặc cấu kiện hoàn thành, và để xác minh hoặc chuẩn bị các mối nối hiện trường. Trách nhiệm của Nhà thầu là phải đạt được hình dạng chính xác và phải đề xuất phương pháp thích hợp để lắp ráp trước, được Kỹ sư chấp thuận. Phương pháp và chi tiết lắp ráp trước phù hợp với phương pháp lắp dựng cho trên bản vẽ lắp dựng và sơ đồ độ vồng do Nhà thầu chuẩn bị và được Kỹ sư chấp thuận.
8.2.2 Liên kết bu lông
Với liên kết bằng bu lông, các lỗ phải chuẩn bị như đã nêu trong Điều 7.8. Khi có thể áp dụng, với cấu kiện chịu nén, các thành phần chính phải lắp ráp với các đầu cấu kiện được phay để nén tì toàn bộ và phải có các lỗ được khoan nhỏ hơn được doa tới cỡ quy định trong khi các mối nối được lắp ráp.
8.2.3 Lắp ráp kiểm tra - Khoan điều khiển số
Khi Nhà thầu quyết định dùng phương pháp khoan điều khiển số, yêu cầu phải lắp ráp kiểm tra đối với mỗi loại kết cấu chính của mỗi dự án, trừ khi có chỉ định khác trong hồ sơ hợp đồng, và phải gồm ít nhất 3 đoạn kề nhau ở phân xưởng, hoặc trong một giàn, các cấu kiện trong ít nhất 3 khoang kề nhau nhưng không nhỏ hơn số khoang gắn với 3 chiều dài thanh giàn kề nhau (nghĩa là chiều dài giữa các mối nối hiện trường).
Lắp ráp kiểm tra phải dựa trên thứ tự lắp dựng kiến nghị, mối nối ở gối, các điểm phức tạp đặc biệt, và các vấn đề tương tự.
Nếu khối lắp ráp kiểm tra, theo một cách cụ thể nào đó, không chứng tỏ là đạt được độ chính xác yêu cầu, Kỹ sư có thể yêu cầu thêm các khối lắp ráp kiểm tra.
Mỗi công tác lắp ráp, kể cả tạo độ vồng, định tuyến, độ chính xác của các lỗ, và độ khít của các mối nối phay phải được Kỹ sư chấp thuận trước khi bắt đầu doa hoặc trước khi bộ lắp ráp kiểm tra khoan điều khiển số N/C được tháo ra.
8.2.4 Liên kết hàn tại hiện trường
Với liên kết hàn tại hiện trường, phải chuẩn bị việc lắp khớp các cấu kiện kể cả khoảng cách chính xác của các cánh đối đầu nhau hoặc kiểm tra với phân đoạn lắp ráp trước theo Điều 8.2.1.
8.3 Đánh dấu khớp nhau
Các bộ phận liên kết lắp ráp trước trong xưởng để đảm bảo khớp đúng ở hiện trường phải đánh dấu khớp, và sơ đồ thể hiện các dấu hiệu đó phải được cung cấp cho Kỹ sư.
8.4 Liên kết dùng bu lông không gia công tinh, bu lông tiện
8.4.1 Tổng quát
Khi quy định dùng bu lông không gia công tinh, các bu lông phải là không gia công tinh hoặc bu lông tiện phù hợp với loại, cấp, và kích thước của bu lông được quy định trong hồ sơ hợp đồng. Bu lông phải có đai ốc tự khóa đơn hoặc đai ốc kép trừ khi nếu không được quy định cụ thể trong hồ sơ hợp đồng. Vòng đệm vát phải được sử dụng khi mặt chịu nén có độ nghiêng lớn hơn 1:20 so với mặt phẳng bình thường đối với trục bu lông. Các yêu cầu kỹ thuật của Điều này không liên quan đến sử dụng bu lông cường độ cao. Liên kết bằng bu lông cường độ cao phù hợp với Điều 8.5.
8.4.2 Bu lông tiện
Bề mặt của thân bu lông tiện phải đáp ứng giá trị mức độ nhám theo ANSI B46.1 bằng 3,2 mm. Đầu và đai ốc bu lông phải là hình lục giác với các kích thước tiêu chuẩn đối với bu lông có kích cỡ danh định quy định hoặc cỡ danh định lớn hơn gần nhất. Đường kính ren phải bằng với thân bu lông hoặc đường kính danh định của bu lông quy định. Lỗ cho bu lông tiện phải doa cẩn thận với bu lông được cung cấp để có thể đóng nhẹ cho vừa. Ren phải ở hoàn toàn phía ngoài các lỗ. Phải bố trí vòng đệm dưới đai ốc.
8.5 Liên kết dùng bu lông cường độ cao
8.5.1 Tổng quát
Điều này bao gồm việc lắp ráp các mối nối kết cấu sử dụng bu lông cường độ cao ASTM F3125 được lắp đặt để phát triển lực căng bu lông yêu cầu tối thiểu quy định trong Bảng 3. Bu lông được sử dụng trong các lỗ phù hợp yêu cầu của Điều 8.8.
8.5.2 Bộ phận ghép bu lông
Vật liệu bị bu lông kẹp phải là thép, không được có vật liệu nào bị kẹp mà có thể nén được như các vòng đệm hoặc vòng cách ly. Các bộ phận bằng thép trong mối ghép bu lông phải khớp cứng với nhau sau khi siết bu lông, và có thể được sơn hoặc không sơn. Độ dốc bề mặt của các bộ phận tiếp xúc với đầu bu lông hoặc đai ốc không được vượt quá 1:20 so với mặt phẳng vuông góc với trục bu lông.
8.5.3 Điều kiện bề mặt
Lúc lắp ráp, bề mặt ghép nối, kể cả bề mặt tiếp xúc với đầu bu lông và đai ốc, không được có vẩy, trừ vẩy cán chặt, và không có bụi đất hoặc vật liệu lạ khác. Cần phải tẩy bỏ các rìa xờm có thể ngăn cản các bộ phận kết nối tì chắc vào nhau trong điều kiện siết chặt.
Được phép sơn trên bề mặt tựa ma sát bao gồm các mối nối trượt tới hạn khi thiết kế theo Điều 6.13.2 của LRFD-8 hoặc TCVN 11823:2017.
Bề mặt tựa ma sát của các liên kết chống trượt phải đáp ứng yêu cầu sau đây, tùy theo trường hợp:
- Trong các mối nối không phủ, sơn, bao gồm bất kỳ lớp phủ quá mức nào, phải được loại bỏ khỏi khu vực nằm cách mép bất kỳ một lỗ bu lông nào chưa tới một đường kính bu lông nhưng không nhỏ hơn 25 mm và các khu vực nằm trong sơ đồ bố trí bu lông.
- Mối nối được quy định có bề mặt tựa ma sát phải sơn, thì phải thổi sạch và được sơn loại sơn có hệ số trượt tối thiểu tương ứng với cấp kháng trượt quy định. Chiều dày của lớp phủ không vượt quá chiều dày đủ điều kiện cho cấp trượt.
- Mối nối sơn không được lắp ráp trước khi lớp sơn được bảo dưỡng với thời gian tối thiểu dùng trong thử nghiệm xác định chất lượng.
- Bề mặt tựa ma sát quy định mạ phải được mạ nóng theo AASHTO M111M/M111 (ASTM A123/A123M).
8.5.4 Lắp đặt
8.5.4.1 Tổng quát
Trước khi vận chuyển, các bộ kẹp phải có số lô thích hợp bao gồm số lô về khả năng vặn. Các liên kết này phải được bảo vệ chống bụi đất và độ ẩm tại công trình. Chỉ được lấy ra khỏi kho bảo quản số lượng các liên kết dự kiến phải lắp và siết chặt trong một ca làm việc. Các liên kết không dùng đến phải trả lại kho bảo quản lúc hết ca. Trước khi lắp đặt, lắp ráp cho các mối nối chống trượt bị tích tụ gỉ hoặc bụi bẩn do các điều kiện công trường, phải được làm sạch, loại dầu mỡ và thử nghiệm khả năng quay theo ASTM F3125, Phụ lục A2, sử dụng 2 bộ kẹp trên mỗi lô. Bu lông xoắn tự đứt (ASTM F3125 Cấp F1852 hoặc F2280) sẽ không loại dầu mỡ, nhưng phải loại bỏ nếu dầu mỡ bị bẩn. Chất bôi trơn trên bề mặt tiếp xúc phải loại bỏ trước khi sơn.
Phải có thiết bị đo lực kéo bu lông (thiết bị định chuẩn Skidmore-Wilhelm hoặc thiết bị đo lực kéo bu lông khác có thể chấp nhận được) tại các vị trí làm việc mà tại đó bu lông cường độ cao được lắp và siết chặt. Thiết bị đo lực kéo phải dùng để tiến hành thử nghiệm khả năng quay và để xác nhận:
- sự thích hợp của toàn bộ liên kết kẹp thỏa mãn yêu cầu của Bảng 3, kể cả việc bôi trơn nếu có yêu cầu sử dụng trong công trình,
- hiệu chỉnh cờ lê vặn, nếu có thể áp dụng được,
- hiểu biết và sử dụng đúng phương pháp lắp dựng của tổ bắt bu lông.
Để tiến hành thử nghiệm hiệu chỉnh cờ lê vặn với các bu lông chiều dày mối ghép mỏng, có thể dùng các thiết bị đo trực tiếp lực kéo (DTI) hoặc thiết bị DTI/đai ốc hãm với các tấm thép chắc chắn thay cho thiết bị đo lực kéo. Thiết bị DTI hoặc thiết bị DTI/đai ốc hãm phải được xác minh trước với bu lông kẹp dài hơn trong thiết bị đo lực căng bu lông. Số lần thử nghiệm xác nhận, số lượng thử nghiệm được thực hiện và thủ tục thử nghiệm được quy định tại các Điều 8.5.4.4 đến Điều 8.5.4.7, nếu có. Độ chính xác của thiết bị đo lực kép phải được xác nhận bởi cơ quan thử nghiệm được chấp thuận, ít nhất mỗi năm 1 lần.
Bu lông và đai ốc cùng với các vòng đệm hoặc các thiết bị DTI/đai ốc hãm có kích cỡ và chất lượng quy định trong hồ sơ hợp đồng, được đặt ở vị trí như yêu cầu dưới đây, phải được đặt trong các lỗ thẳng hàng và siết chặt bằng một trong các phương pháp mô tả trong các Điều 8.5.4.4 đến 8.5.4.7, tới lực kéo ít nhất bằng lực kéo tối thiểu quy định trong Bảng 3. Việc siết chặt có thể được làm bằng cách quay bu lông trong khi đai ốc được giữ không quay khi không thể thực hiện được việc quay đai ốc.
Nếu sử dụng các cờ lê vặn xung kích, chúng phải có khả năng thỏa đáng và được cung cấp đủ khí nén để thực hiện việc siết mỗi bu lông trong khoảng 10 s.
Các loại bu lông không mạ ASTM F3125, Cấp A325 có thể tái sử dụng một lần nếu được sự chấp thuận của Kỹ sư. Không có bu lông F3125 khác theo ASTM có thể sử dụng lại. Việc sơn lại hoặc siết lại các bu lông đã siết trước đó mà nó có thể bị lỏng do lực căng của bu lông liền kề sẽ không được xem xét khi cung cấp lại lực căng tiếp tục từ vị trí ban đầu và không yêu cầu lực xoay lớn hơn, bao gồm cả dung sai, so với yêu cầu của Bảng 4.
Bu lông phải được lắp vào các lỗ của liên kết và liên kết phải đạt đến tình trạng vặn chặt.
Việc vặn chặt phải làm dần một cách có hệ thống từ phần cứng nhất của liên kết đến các mép tự do. Trình tự vặn phải lặp lại cho đến khi cả liên kết ở trong tình trạng chặt.
Bảng 3 - Lực kéo yêu cầu tối thiểu của bu lông ASTM F3125 (kN)
| Kích cỡ bu lông (mm) | Cấp A325 hoặc F1852 | Cấp A490 hoặc F2280 |
| 13 | 53 | 67 |
| 16 | 85 | 107 |
| 19 | 125 | 156 |
| 22 | 173 | 218 |
| 25 | 227 | 285 |
| 29 | 285 | 356 |
| 32 | 360 | 454 |
| 35 | 431 | 538 |
| 38 | 525 | 658 |
Bảng 4 - Độ quay của đai ốc từ điều kiện vặn chặt
|
| Điều kiện mặt ngoài của các bộ phận bắt bu lông | ||
| Chiều dài bu lông đo từ mặt dưới đầu bu lông tới chân bu lông | Cả hai mặt đều vuông góc với trục bu lông | Một mặt vuông góc với trục bu lông, mặt kia nghiêng không quá 1:20. Không dùng vòng đệm vát cạnh | Cả hai mặt đều nghiêng không quá 1:20. Không dùng vòng đệm vát cạnh |
| Nhỏ hơn hoặc bằng 4 lần đường kính | 1/3 vòng | 1/2 vòng | 2/3 vòng |
| Trên 4 lần đường kính nhưng không quá 8 lần đường kính | 1/2 vòng | 2/3 vòng | 5/6 vòng |
| Trên 8 lần đường kính nhưng không quá 12 lần đường kính | 2/3 vòng | 5/6 vòng | 1 vòng |
Độ quay dùng trong Bảng 4 phải lấy số tương ứng so với bu lông, bất kể là cấu kiện (đai ốc hoặc bu lông) có quay không. Dung sai là -30º và +60º.
Giá trị cho trong Bảng 4 chỉ được dùng cho liên kết mà vật liệu trong kẹp bu lông đều là thép.
Khi mà chiều dài bu lông đo từ mặt dưới đầu bu lông tới chân bu lông vượt quá 12 lần đường kính, độ quay yêu cầu phải được xác định bằng thử nghiệm thực với thiết bị căng phù hợp mô phỏng điều kiện thực.
8.5.4.2 Thử nghiệm khả năng quay
Thử nghiệm khả năng quay của Nhà sản xuất phải được yêu cầu cho các bộ lắp ráp bu lông với ASTM F3125 Cấp A325 hoặc A490. Thử nghiệm khả năng quay sẽ không yêu cầu cho bu lông xoắn tự đứt (ASTM F3125 Cấp F1852 hoặc F2280). Thiết bị DTI hoặc thiết bị DTI/đai ốc hãm sẽ không được bao gồm trong thử nghiệm khả năng quay. Các bộ lắp ráp được chỉ định là mạ kẽm phải thử nghiệm sau khi mạ. Vòng đệm phải được yêu cầu như một phần của thử nghiệm mặc dù chúng có thể không được yêu cầu như một phần của trình tự lắp đặt. Thử nghiệm khả năng quay phải được thực hiện theo ASTM F3125, Phụ lục A2.
8.5.4.3 Yêu cầu đối với vòng đệm
Khi mặt ngoài của bộ phận được ghép bằng bu lông có độ nghiêng lớn hơn 1:20 so với mặt phẳng vuông góc với trục bu lông, phải dùng vòng đệm vát chéo tôi cứng để bù lại sự mất song song.
Vòng đệm vát chéo tôi cứng được yêu cầu cho hình dạng "C" và "S", phải là hình vuông hoặc hình chữ nhật, phù hợp với yêu cầu của ASTM F436, và phải vuốt thon theo chiều dày.
Khi cần thiết, vòng đệm có thể được cắt trên một phía tới một điểm không gần hơn 0,875 lần đường kính bu lông kể từ tâm của vòng đệm.
Vòng đệm tôi cứng cho mối nối sử dụng bu lông ASTM F3125 như sau:
- Vòng đệm tôi cứng phải được sử dụng dưới bộ phận xoay khi kéo căng được thực hiện bằng cờ lê hiệu chỉnh hoặc phương pháp xoắn tự đứt.
- Không phân biệt phương pháp căng, vòng đệm tôi cứng phải được sử dụng dưới cả đầu bu lông và đai ốc khi bu lông Cấp A490 hoặc F2280 được lắp đặt trong vật liệu có điểm chảy quy định nhỏ hơn 276 MPa, ngoại trừ vòng đệm không yêu cầu dưới đầu của bu lông đầu tròn Cấp F2280.
- Vòng đệm phải được yêu cầu lỗ vượt kích thước hoặc lỗ rãnh ở bên ngoài như thể hiện trong Bảng 5. Yêu cầu chiều dày tối thiểu phải thỏa mãn bằng vòng đệm đơn; nhiều vòng đệm xếp chồng lên nhau sẽ không được xem xét để đáp ứng yêu cầu. Vòng đệm tấm hoặc thanh liên tục phải có kích thước đủ để che hoàn toàn khe hoặc lỗ sau khi lắp đặt và phải là vật liệu kết cấu, nhưng không cần tôi cứng.
Bảng 5 - Yêu cầu vòng đệm của lỗ vượt kích thước hoặc lỗ rãnh trong lớp bên ngoài
| ASTM F3125 cấp và đường kính bu lông danh định, d | Điều kiện lỗ bu lông | |
| Vượt kích thước hoặc rãnh ngắn | Rãnh dài | |
| A325 hoặc F1852, đường kính bất kỳ A490 hoặc F2280, d ≤ 25 mm | ASTM F436 (không yêu cầu dưới đầu của bu lông Cấp F1852 hoặc F2280) | Vòng đệm tấm dày tối thiểu 8 mm hoặc thanh liên tục |
| A490 hoặc F2280, d ≤ 25 mm | ASTM F436 chiều dày mở rộng hoặc ASTM F436 với vòng đệm tấm dày tối thiểu 9,5 mm hoặc thanh liên tục (không yêu cầu tùy chọn dưới đầu của bu lông đầu tròn Cấp F2280) | ASTM F436 với vòng đệm tấm dày tối thiểu 9,5 mm hoặc thanh liên tục |
Thiết bị đo trực tiếp lực kéo (DTI) không phải lắp đặt lỗ vượt kích thước hoặc lỗ rãnh trong lớp bên ngoài, trừ khi vòng đệm tôi cứng hoặc vòng đệm tấm kết cấu cũng được cung cấp.
8.5.4.4 Phương pháp lắp ráp bằng cách quay đai ốc
Khi sử dụng phương pháp lắp ráp bằng cách quay đai ốc, không cần vòng đệm tôi cứng, trừ có thể quy định như trong Điều 8.5.4.3.
Lúc bắt đầu công việc, phải thử nghiệm xác minh một mẫu đại diện của không ít hơn 3 bộ bu lông của mỗi đường kính, chiều dài và cấp được sử dụng trong công trình, bằng thiết bị có khả năng đo lực kéo bu lông. Thử nghiệm xác minh phải chứng minh rằng phương pháp được tổ thợ bắt bu lông sử dụng để đạt được điều kiện chặt chẽ vừa đủ và khống chế số vòng quay từ lúc chặt vừa đủ đến lực kéo lớn hơn lực kéo yêu cầu trong Bảng 6. Thử nghiệm lại định kỳ phải được thực hiện khi Kỹ sư yêu cầu.
Sau khi siết chặt, lượng xoay áp dụng quy định trong Bảng 4 phải đạt được. Trong thao tác siết chặt, không được quay bộ phận không vặn bằng cờ lê. Lực căng sẽ phát triển có hệ thống từ phần cứng nhất của mối nối ra tới các mép tự do.
Bảng 6 - Lực kéo kiểm chứng
| Kích cỡ bu lông (mm) | Lực kéo kiểm chứng, kN | |
| Cấp A325 | Cấp A490 | |
| 13 | 58 | 71 |
| 16 | 89 | 111 |
| 19 | 129 | 165 |
| 22 | 182 | 227 |
| 25 | 240 | 298 |
| 29 | 298 | 374 |
| 32 | 378 | 476 |
| 35 | 454 | 565 |
| 38 | 552 | 689 |
8.5.4.5 Phương pháp lắp bằng cờ lê hiệu chỉnh
Chỉ được sử dụng phương pháp lắp bằng cờ lê hiệu chỉnh trên cơ sở các thiết bị được hiệu chỉnh hàng ngày và khi dùng vòng đệm tôi cứng dưới bộ phận bị quay trong khi siết chặt. Không chấp nhận mômen xoắn tiêu chuẩn được xác định từ các bảng hoặc công thức được dùng để liên hệ mômen xoắn với lực kéo.
Khi dùng cờ lê hiệu chỉnh để lắp, chúng phải được chỉnh để tạo ra lực kéo bằng hoặc lớn hơn lực kéo tối thiểu quy định trong Bảng 6. Trình tự lắp phải hiệu chỉnh bằng thử nghiệm hiệu chỉnh ít nhất 1 lần mỗi ngày làm việc đối với mỗi bộ lắp ráp bu lông được sử dụng trong công trình. Việc thử nghiệm hiệu chỉnh phải thực hiện với thiết bị có khả năng đo lực kéo thực tế của bu lông bằng cách siết 3 bộ lắp ráp bu lông điển hình của mỗi lô. Bu lông, đai ốc và vòng đệm trong cấu kiện được vặn phải lấy mẫu từ các lô sản phẩm. Cờ lê phải hiệu chỉnh lại khi nhận thấy có sự khác nhau đáng kể trong điều kiện bề mặt của bu lông, ren, đai ốc hoặc vòng đệm. Trong khi lắp đặt thực tế trong kết cấu thép lắp ghép, phải kiểm tra lựa chọn việc hiệu chỉnh cờ lê sao cho không tạo ra số vòng quay của đai ốc hoặc đầu bu lông từ lúc siết chặt vừa đủ lớn hơn số vòng quay quy định trong Bảng 4. Nếu dùng cờ lê xoắn quay tay, phải quay các đai theo phương siết chặt khi đo mômen xoắn.
Khi dùng cờ lê hiệu chỉnh để lắp và kéo các bu lông trong mối nối, bu lông phải lắp vòng đệm tôi cứng dưới bộ phận bị quay. Sau thao tác siết đầu tiên này, liên kết phải siết bằng cơ lê hiệu chỉnh. Việc siết phải tiến hành có hệ thống từ phần cứng nhất của mối nối tới các mép tự do. Phải dùng cơ lê quay lại để “sửa” các bu lông đã siết trước có thể bị lỏng ra do siết các bu lông liền kề sau đó cho tới khi các bu lông được siết chặt tới mức độ quy định.
8.5.4.6 Phương pháp lắp đo trực tiếp lực kéo
Khi thiết bị đo trực tiếp lực kéo (DTI) (xem Điều 6.2.2) được sử dụng với bu lông cường độ cao để biểu thị lực kéo của bu lông, chúng phải được lắp đặt với mấu nhô chống lại bề mặt chịu lực tôi cứng của đầu bu lông hoặc đai ốc, hoặc chống lại vòng đệm tôi cứng nếu dưới bộ phận bị quay. Lắp đặt thiết bị DTI dưới bộ phận bị quay sẽ chỉ được phép nếu vòng đệm được sử dụng để tách bộ phận bị quay khỏi thiết bị DTI, trừ trường hợp thiết bị DTI/đai ốc hãm.
8.5.4.6a Kiểm tra xác nhận
Cần 3 thử nghiệm xác minh không có lỗi cho mỗi tổ hợp lô lắp ráp bu lông, đai ốc và khả năng quay của vòng đệm; lô DTI; vị trí và hướng của DTI; và bộ phận bị quay (đầu bu lông hoặc đai ốc) được dùng trong dự án. Bộ phận dự kiến là không quay (bu lông hoặc đai ốc) phải bị hạn chế xoay nếu các mấu nhô của thiết bị DTI chịu trực tiếp chống lại nó mà không có vòng đệm xen vào.
Bu lông, đai ốc, vòng đệm và DTI lắp ráp phải được lắp đặt trong thiết bị đo lực căng bu lông hiệu chuẩn có ít nhất là 3 ren và tốt nhất là không quá 5 ren đặt giữa mặt chịu lực của đai ốc và đầu bu lông. Bu lông sẽ được siết căng tới lực kéo kiểm chứng trong Bảng 6. Nếu sử dụng cờ lê xung kích, lực kéo được phát triển bằng cách sử dụng cờ lê xung kích không được lớn hơn 2/3 lực kéo yêu cầu và phương pháp không xung kích phải được sử dụng để đạt được lực kéo yêu cầu. Cần ghi chép số độ chối của thiết bị đo khe hở hình nêm 0,125 mm trong khoảng không giữa các mấu nhô.
Bu lông sẽ được tiếp tục căng cho đến khi thiết bị đo khe hở bị từ chối ở các không gian với khoảng trống hiển thị còn lại trong ít nhất một không gian, và lực kéo ở tình trạng này phải được ghi lại. Bu lông sẽ được tháo ra khỏi thiết bị đo lực kéo và đai ốc được vặn ra bằng tay cho chiều dài ren hoàn toàn của bu lông không bao gồm hết ren.
Thất bại thử nghiệm, mà chỉ ra sự kết hợp các tham số thử nghiệm không chấp nhận được nhưng không nhất thiết cho thấy sự thất bại của lô thiết bị DTI, phải được coi là xảy ra theo một trong các điều kiện sau:
- "Độ chối xác minh tối đa" trong Bảng 7 vượt quá lực kéo kiểm chứng; hoặc là
- đai ốc không thể vặn xuống cho toàn bộ chiều dài ren và lực kéo cuối cùng vượt quá 95 % lực kéo đỉnh trung bình đo được trong thử nghiệm khả năng quay của lô bộ kẹp bu lông.
Nếu thiết bị DTI tự hiển thị (xem Điều 6.2.2) được sử dụng để thay thế các thiết bị đo khe hở, hướng dẫn của Nhà sản xuất phải được sử dụng để xác minh đặc tính tự chỉ thị.
Nếu bu lông quá ngắn để vừa với thiết bị hiệu chuẩn, bu lông “thay thế” dài hơn sẽ được thay thế trong phần đầu tiên của thử nghiệm xác minh để xác nhận rằng số độ chối xác minh của thiết bị DTI đáp ứng yêu cầu của Bảng 7. Sự kết hợp của bu lông, đai ốc, vòng đệm, và lô thiết bị DTI được sử dụng trong công việc sẽ được siết căng trong tấm thép cho đến khi thiết bị đo khe hở đạt độ chối trong các không gian với khoảng trống hiển thị còn lại trong ít nhất một không gian. Bu lông sẽ sau đó được tháo bỏ và đai ốc sẽ có thể vặn xuống bằng tay cho toàn bộ chiều dài ren của bu lông không bao gồm hết ren.
Bảng 7 - Yêu cầu độ chối của thiết bị đo khe hở 0,125 mm DTI
| Khoảng trống DTI | Độ chối xác minh lớn nhất | Độ chối lắp đặt nhỏ nhất | ||
| DTI được bọc dưới bộ phận bị xoay | Các trường hợp khác | DTI được bọc dưới bộ phận bị xoay | Các trường hợp khác | |
| 4 | 3 | 2 | 3 | 3 |
| 5 | 4 | 2 | 4 | 3 |
| 6 | 5 | 3 | 5 | 4 |
| 7 | 6 | 3 | 6 | 4 |
| 8 | 7 | 4 | 7 | 5 |
| 9 | 8 | 4 | 8 | 5 |
8.5.4.6b Lắp đặt
Lắp đặt bộ kẹp bu lông sử dụng thiết bị DTI phải được thực hiện theo 2 giai đoạn: siết chặt và kéo căng cuối cùng. Các bộ phận chống lại DTI, nếu không sử dụng vòng đệm để tách DTI khỏi bộ phận đó, phải được giữ không dịch chuyển cho cả hai giai đoạn.
Các bu lông trong mối nối phải được siết chặt để làm cho các tấm ghép tiếp xúc chặt chẽ với nhau. Sau khi siết chặt, số khoảng trống của DTI mà trong đó thiết bị đo khe hở đạt độ chối phải không được vượt quá độ chối xác minh tối đa trong Bảng 7. Bộ kẹp bu lông không đáp ứng yêu cầu của bảng trên sẽ phải thay thế.
Việc siết căng sẽ tiếp tục cho đến khi số độ chối của thiết bị đo khe hở đáp ứng hoặc vượt quá độ chối lắp đặt tối thiểu trong Bảng 7 với khoảng trống hiển thị còn lại trong ít nhất một không gian của DTI. Nếu không thấy khe hở còn lại, việc lắp ráp phải được thay thế.
Khi thiết bị DTI tự chỉ thị (xem Điều 6.2.2) được sử dụng thay cho thiết bị đo khe hở để biểu thị lực kéo, hình ảnh sự xuất hiện của thiết bị DTI lắp đặt phù hợp với hướng dẫn của Nhà sản xuất; nếu không thì việc lắp đặt sẽ phải thay thế.
8.5.4.7 Kiểm tra
8.5.4.7a Tổng quát
Kỹ sư phải xác định yêu cầu của Điều 8.5.4.7a và Điều 8.5.4.7b, sau đây, là đáp ứng trong công trình.
8.6.4.7b Trách nhiệm của Kỹ sư
Trước khi lắp bu lông vào công trình Kỹ sư phải:
- kiểm tra việc đánh dấu, điều kiện bề mặt và việc lưu kho bu lông, đai ốc, vòng đệm và thiết bị DTI, nếu được dùng, và bề mặt được mài của các mối nối phù hợp với yêu cầu của các Điều 6.2, 8.5.1 và Điều 8.5.4.1;
- xem xét các trình tự hiệu chỉnh và/hoặc thử nghiệm đề ra trong các Điều 8.5.4.4 đến 8.5.4.6, khi áp dụng, khẳng định trình tự đã chọn phải được dùng đúng và khi làm đúng các liên kết bu lông được cung cấp, lực kéo quy định trong Bảng 3 sẽ được phát triển.
Kỹ sư phải giám sát việc lắp bu lông của công trình để đảm bảo rằng phương pháp lắp ráp đã chọn, như được chứng minh ở các thử nghiệm ban đầu để phát triển lực kéo quy định, được làm theo một cách bình thường.
8.6.4.7c Trình tự kiểm tra
Hoặc Kỹ sư hoặc Nhà thầu, với sự có mặt của Kỹ sư tùy theo sự lựa chọn của Kỹ sư, phải kiểm tra việc siết bu lông bằng cờ lê vặn kiểm tra, trừ khi phải dùng các loại bu lông và thiết bị đo lực kéo trực tiếp khác được dùng, cho phép kiểm tra bằng các phương pháp khác. Thử nghiệm kiểm tra cần tiến hành trước khi bôi trơn bị mất hoặc gỉ ảnh hưởng tới mô men xoắn.
Phải đặt riêng rẽ 3 bu lông có cùng cấp, cỡ và điều kiện như các bu lông phải kiểm tra trong một thiết bị được hiệu chỉnh để đo lực kéo của bu lông. Thao tác hiệu chỉnh này phải làm ít nhất 1 lần mỗi ngày kiểm tra.
Phải có vòng đệm dưới phần quay khi siết chặt mỗi bu lông nếu dùng vòng đệm trên kết cấu. Nếu trên kết cấu không dùng vòng đệm, vật liệu dùng trong thiết bị đo lực kéo chạm đầu với phần quay phải cùng tiêu chuẩn sử dụng trên kết cấu. Trong thiết bị được hiệu chỉnh, mỗi bu lông phải siết bằng biện pháp thích hợp với lực kéo quy định. Cờ lê kiểm tra sau đó được tác động vào bu lông đã siết chặt để xác định mô men xoắn cần thiết để quay đai ốc hoặc mũ bu lông 5º (25 mm ở bán kính 300 mm) theo phương siết chặt. Phải lấy mô men xoắn trung bình của mô men xoắn yêu cầu đối với tất cả 3 bu lông làm mô men xoắn kiểm tra tại chỗ.
10 % (ít nhất là 2 %) các bu lông đã siết chặt trên kết cấu, được đại diện bởi các bu lông thử, phải được chọn lựa ngẫu nhiên trong mỗi liên kết. Sau đó tác động mô men xoắn kiểm tra tại chỗ vào mỗi bu lông bằng cách quay cờ lê kiểm tra theo chiều siết chặt. Nếu mô men xoắn này không làm quay đầu bu lông hoặc đai ốc, các bu lông trong liên kết được xem là đã siết chặt đúng cách. Nếu mô men xoắn này làm quay một hoặc nhiều mũ bu lông hoặc đai ốc, khi đó phải tác động mô men xoắn kiểm tra tại chỗ vào các bu lông trong liên kết. Bất kỳ bu lông nào có đầu bu lông hoặc đai ốc bị quay trong giai đoạn này phải siết chặt và kiểm tra lại. Tuy nhiên, Nhà thầu có thể siết chặt lại các bu lông trong liên kết và đệ trình lại để kiểm tra, chừng nào mà DTI không bị kéo quá và bộ lắp ráp bu lông không bị hư hỏng.
9 Lắp dựng
9.1 Tổng quát
Nhà thầu cần bố trí mọi dụng cụ máy móc và thiết bị cần thiết để lắp dựng kết cấu.
Đà giáo và ván khuôn phải theo yêu cầu của TCVN 12885-3:2020.
9.2 Bốc xếp và cất giữ vật liệu
Vật liệu cất giữ tại địa điểm làm việc phải đặt trên các giá trượt bên trên mặt đất. Chúng phải được giữ sạch sẽ và thoát nước tốt. Dầm tổ hợp và dầm đúc phải đặt thẳng đứng và chống đỡ. Cấu kiện dài như cột và thanh mạ giàn phải kê trên các giá trượt đặt gần nhau đủ để chúng không bị hỏng do võng. Nếu hồ sơ hợp đồng chỉ riêng cho lắp dựng, Nhà thầu cần kiểm tra vật liệu được giao, đối chiếu với danh mục vận chuyển và báo cáo ngay bằng văn bản về mọi hư hỏng và mất mát phát hiện được. Nhà thầu phải chịu trách nhiệm về bất kỳ hư hỏng hoặc mất mát vật liệu nào sau khi đã nhận.
9.3 Gối cầu và neo
Gối cầu phải được cung cấp và lắp đặt theo TCVN 12885-18:2020.
Nếu kết cấu phần trên bằng thép được đặt trên kết cấu phần dưới được xây dựng theo hợp đồng riêng, Nhà thầu cần xác nhận xem khối xây dựng đó có được thi công đúng vị trí và có đường tuyến và cao độ chính xác không, trước khi đặt hàng vật liệu.
9.4 Phương pháp lắp dựng
9.4.1 Phù hợp với các bản vẽ
Phương thức lắp dựng phù hợp với bản vẽ lắp dựng đã đệ trình theo Điều 5.2. Mọi sửa đổi hoặc khác với phương thức lắp dựng đó cần phải có bản vẽ sửa đổi và kiểm tra ứng suất và hình học.
9.4.2 Các ứng suất lắp dựng
Mọi ứng suất lắp dựng phát sinh trong kết cấu do việc sử dụng phương pháp lắp dựng hoặc thiết bị khác với loại đã cho trong hồ sơ hợp đồng phải được Nhà thầu xét đến. Tính toán thiết kế lắp dựng cho những phương pháp thay đổi này phải do Nhà thầu chuẩn bị và trình Kỹ sư. Tính toán phải cho biết mọi thay đổi về ứng suất hoặc thay đổi về sự làm việc của kết cấu tạm và kết cấu cuối cùng. Nhà thầu có thể bố trí thêm vật liệu do họ chịu kinh phí để giữ cho các ứng suất tạm cũng như ứng suất cuối cùng nằm trong các giới hạn cho phép sử dụng trong tính toán.
Nhà thầu phải chịu trách nhiệm bố trí các giằng chống tạm thời và trang bị tăng thêm độ cứng để thích ứng với các ứng suất cẩu lắp trong các cấu kiện riêng lẻ hoặc các phân đoạn kết cấu trong khi lắp dựng.
9.4.3 Duy trì tuyến tim và độ vồng
Trong khi lắp dựng, Nhà thầu phải chịu trách nhiệm đỡ các phân đoạn kết cấu thế nào để tạo ra tuyến tim và độ vồng chính xác của kết cấu hoàn thành. Phải lắp dựng các khung ngang và giằng chéo cần thiết khi lắp dựng để tạo ra độ ổn định và đảm bảo hình dạng chính xác. Nhà thầu cần bố trí các giằng chống tạm nếu cần thiết tại mọi giai đoạn lắp dựng.
9.5 Lắp ráp ở hiện trường
Các bộ phận phải lắp ráp chính xác như đã chỉ rõ trong hồ sơ hợp đồng hoặc bản vẽ lắp dựng và phải theo đúng các dấu hiệu khớp nhau. Vật liệu phải được vận chuyển cẩn thận để không bộ phận nào bị cong, gẫy hoặc bị hư hỏng khác. Không được dùng búa gõ làm hư hỏng hoặc làm méo mó cấu kiện. Bề mặt tựa và bề mặt thường xuyên tiếp xúc với nhau phải làm sạch trước khi cấu kiện được lắp ráp. Mối nối và liên kết ở hiện trường phải có 1/2 số lỗ lắp bu lông, trừ khi phân tích chỉ ra số lượng lắp bu lông ít hơn là phù hợp, và các chốt lắp ráp hình trụ (1/2 bu lông và 1/2 chốt) trước khi lắp dựng và siết chặt phần còn lại bằng bu lông cường độ cao. Mối nối và liên kết chịu tải trọng xe trong khi lắp dựng phải có 3/4 số lỗ được lắp bu lông và chốt.
Bu lông lắp ráp có thể là loại như bu lông cường độ cao dùng lắp chính thức. Nếu dùng loại bu lông lắp ráp khác, chúng phải có cùng đường kính danh định như bu lông cường độ cao và chốt lắp ráp hình trụ và phải lớn hơn 0,8 mm.
9.6 Liên kết bằng chốt
Phải dùng các đai ốc dẫn hướng và dẫn động khi đóng chốt. Đai ốc được Nhà thầu cung cấp miễn phí. Chốt phải được đóng sao cho cấu kiện có thể chịu tải hoàn toàn trên chúng. Đai ốc của chốt phải bắt chặt và các ren có gờ xờm ở mặt đai ốc phải đục đi bằng đục nhọn.
9.7 Sai sót trong lắp dựng
Việc sửa chữa các sai sót nhỏ cần được doa, cắt, mài và đục với khối lượng nhỏ được xem là hợp pháp khi lắp dựng. Tuy nhiên, mọi sai sót trong xưởng chế tạo hoặc bị biến dạng do cẩu lắp vận chuyển sẽ là lý do để loại bỏ.
Nhà thầu phải chịu trách nhiệm về mọi sai sót, lỗi, và hư hỏng và phải được sửa chữa hoặc thay thế khi cần thiết.
10 Đo đạc
Khối lượng cho mỗi loại sắt và thép được đo bằng kilogram, tính từ kích thước cho trong hồ sơ hợp đồng bằng cách sử dụng quy tắc và giả định trong Bảng 8.
Bảng 8 - Trọng lượng đơn vị của sắt và thép
| Trọng lượng đơn vị, kG/m3 | |
| Gang | 7.130 |
| Sắt dẻo | 7.530 |
| Sắt ren | 7.800 |
| Thép cán hoặc đúc | 7.850 |
Trọng lượng của thép hình cán phải tính trên cơ sở trọng lượng danh định của chúng cho mỗi mét như đã cho trong hồ sơ hợp đồng hoặc trong các Sổ tay.
Trọng lượng của thép tấm phải tính trên cơ sở khối lượng danh định đối với bề rộng và bề dày đã cho trong hồ sơ hợp đồng, cộng thêm một số lượng thừa ước tính bằng một nửa “Biến động cho phép về chiều dày và trọng lượng” được bảng trong ASTM A6/A6M.
Trọng lượng vật đúc phải tính từ kích thước cho trên bản vẽ chế tạo được chấp thuận, trừ các lỗ hở. Phải cộng thêm vào trọng lượng này 5 % xét đến các gờ chỉ và lượng thừa. Có thể lấy trọng lượng cân thay cho trọng lượng tính toán trong trường hợp các vật đúc hoặc bộ phận nhỏ phức tạp mà việc tính toán chính xác trọng lượng của chúng khó khăn.
Không được tính trọng lượng bu lông lắp ráp tạm thời; sơn trong phân xưởng và ở hiện trường; hộp, sọt và các thùng chứa khác dùng để vận chuyển; và vật liệu dùng để đỡ các cấu kiện trong khi vận chuyển và lắp dựng.
Trọng lượng của bất cứ vật liệu thêm nào yêu cầu theo Điều 9.4.2, để đáp ứng các ứng suất lắp dựng do phương pháp lắp dựng mà Nhà thầu chọn cũng không được tính vào.
Khi tính trọng lượng trên cơ sở trọng lượng tính toán thực phải áp dụng các quy định sau đây ngoài các điều quy định trên:
- Trọng lượng phải tính trên cơ sở các kích thước hoàn thiện thực của các bộ phận như đã cho trong hồ sơ hợp đồng, trừ đi các chỗ lồi, chỗ cắt, xén và các lỗ hở trừ lỗ bu lông.
- Trọng lượng của các đầu bu lông, đai ốc, vòng đệm đơn, và đầu ren thòi ra của các bu lông cường độ kéo cao cả trong xưởng và ở hiện trường đều phải tính đến trên cơ sở trọng lượng quy định trong Bảng 9.
Bảng 9 - Trọng lượng cho 100 bu lông
| Kích cỡ bu lông (mm) | Trọng lượng cho 100 bu lông, kG |
| 13 | 8,9 |
| 16 | 14,4 |
| 19 | 23,8 |
| 22 | 36,5 |
| 25 | 52,9 |
| 29 | 74,9 |
| 32 | 96,2 |
| 35 | 127,0 |
| 38 | 154,2 |
- Trọng lượng đường hàn góc quy định trong Bảng 10.
Bảng 10 - Trọng lượng đường hàn góc
| Kích thước đường hàn góc (mm) | Trọng lượng, kG/m |
| 5 | 0,12 |
| 6 | 0,21 |
| 8 | 0,33 |
| 10 | 0,45 |
| 13 | 0,82 |
| 16 | 1,19 |
| 19 | 1,64 |
| 22 | 2,23 |
| 25 | 2,98 |
- Để xác định khối lượng của kim loại mạ, trọng lượng phải thêm vào trọng lượng tính toán của vật liệu cơ bản đối với việc mạ xác định từ trọng lượng các lớp kẽm quy định trong AASHTO M111M/M111 (ASTM A123/A123M).
- Không xét đến trọng lượng sơn.
11 Quy định bổ sung cho dầm thép cong
11.1 Tổng quát
Quy định này áp dụng cho dầm cong nằm ngang và phải xem xét bổ sung cho các quy định khác của Tiêu chuẩn này. Tuy nhiên, khi có mâu thuẫn giữa các quy định này cho dầm cong với các quy định khác của Tiêu chuẩn này thì phải dùng các quy định này.
Nhà thầu cần dùng các quy định này để thiết lập kế hoạch thi công như yêu cầu ở đây.
11.1.1 Phạm vi
Phải áp dụng các quy định này cho kết cấu phần trên bao gồm chế tạo, vận chuyển lắp dựng các dầm, khung ngang và các bộ phận thép kết cấu khác và đổ bê tông mặt cầu.
11.2 Kế hoạch thi công của Nhà thầu đối với cầu dầm cong
Kế hoạch thi công của Kỹ sư, nếu được thể hiện trong hồ sơ hợp đồng, không được coi là thay thế hoặc gợi ý cho bất kỳ sự thay thế nào của Nhà thầu chịu trách nhiệm về chế tạo, lắp dựng hoặc thi công bất kỳ bộ phận nào của cầu.
Nhà thầu cần cung cấp kế hoạch thi công nêu chi tiết về cách chế tạo, trình tự lắp dựng và lắp mặt cầu, ở đây nó được coi là kế hoạch thi công của Nhà thầu. Kế hoạch này có thể dựa vào kế hoạch cho trong hồ sơ hợp đồng, nếu nó được Nhà thầu cung cấp hoặc có thể hoàn toàn do Nhà thầu lập. Trong trường hợp nào cũng phải chứng minh được tính ổn định chung của kết cấu và các bộ phận riêng lẻ trong mỗi giai đoạn thi công bao gồm cả khi tựa lên các kích tạm. Nhà thầu phải ký và đóng dấu lên kế hoạch thi công và được Chủ đầu tư chấp thuận. Khi kế hoạch thi công của Nhà thầu có độ vồng do tĩnh tải của dầm khác với độ vồng thể hiện trong hồ sơ hợp đồng phải được Chủ đầu tư chấp thuận trước khi bắt đầu chế tạo. Kế hoạch thi công của Nhà thầu cần bao gồm:
- Quy trình chế tạo, bao gồm phương pháp làm dầm cong,
- Trọng lượng, chiều dài, chiều rộng và chiều cao vận chuyển và phương tiện vận chuyển,
- Kế hoạch lắp dựng, bao gồm trình tự lắp dựng, năng lực cần cẩu, vị trí, năng lực và cao độ của mọi điểm đỡ tạm, và
- Trình tự đổ mặt cầu, bao gồm thời gian giữa các lần đổ; độ lớn và vị trí của bất kỳ tải trọng tạm cần thiết nào để phòng dầm bị nâng lên ở các gối.
Phải cấp bản tính chỉ rõ các ứng suất thi công đã nhân hệ số thỏa mãn yêu cầu của các Điều 6.10.3 hoặc Điều 6.11.3 của LRFD-8 hoặc TCVN 11823:2017 khi thích hợp.
11.3 Chế tạo
11.3.1 Tổng quát
Nhà chế tạo phải đảm bảo là thép có thể được lắp trong điều kiện không tải trừ khi có quy định khác trong kế hoạch thi công.
11.3.2 Cẩu lắp
Thép hình và thép tấm cán bao gồm cánh và bụng phải được cẩu lắp sao cho tránh các biến dạng nhìn thấy được hoặc hư hỏng ngẫu nhiên khác.
11.3.3 Dầm
11.3.3.1 Dầm I cán
Độ cong ngang có thể thu được bằng cách uốn cong nhiệt. Việc uốn cong dầm phải được thực hiện theo các điều khoản của Điều 6.7.7 của LRFD-8 hoặc TCVN 11823:2017 và Điều 15.4.12.2 của Tiêu chuẩn này.
11.3.3.2 Dầm I tổ hợp hàn
Bổ sung cho việc uốn nóng như quy định trong Điều 11.3.3.1, dầm tổ hợp hàn có thể chế tạo từ cánh được cắt cong.
Độ vồng thẳng đứng có thể đạt được bằng cách cắt bản bụng theo đường viền yêu cầu.
11.3.3.3 Dầm hộp và dầm ống hàn
Cánh dầm hộp phải là cánh cắt cong.
Cánh trên của dầm ống có thể làm cong theo quy định của Điều 11.3.3.2.
11.3.4 Dầm ngang và khung ngang
Dầm ngang và khung ngang trong cầu dầm tổ hợp chữ I cong theo chiều ngang phải được thể hiện chi tiết trên bản vẽ chế tạo để cung cấp điều kiện phù hợp quy định trong hồ sơ hợp đồng.
11.3.5 Lỗ bu lông
Trừ khi hồ sơ hợp đồng cho phép khác, lỗ bu lông trên các mối nối dầm và trên các cấu kiện chịu lực chính phải có kích thước chuẩn. Các ngoại lệ phải được Kỹ sư chấp thuận.
11.3.6 Sai số cho phép
11.3.6.1 Tổng quát
Dầm tổ hợp hàn phải thỏa mãn sai số cho phép về kích thước quy định trong AASHTO/AWS D1.5M/D1.5.
11.3.6.2 Độ vồng
Độ vồng cho trong hồ sơ hợp đồng phải được đính kèm, trừ việc lắp dựng thép hoặc lắp mặt cầu, được tiến hành theo cách sẽ dẫn đến độ võng khác với độ võng dùng để xác định độ vồng quy định. Nếu Nhà thầu hoặc Nhà sản xuất/Nhà lắp dựng của Nhà thầu định dùng cách làm khác, cách thực hiện phải được khẳng định bởi Kỹ sư của Chủ đầu tư, và phải cung cấp bất kỳ tài liệu nào cần cho Kỹ sư chấp thuận. Mỗi bản đệ trình theo yêu cầu cần được thực hiện và chấp thuận trước khi trình bản vẽ chế tạo để được chấp thuận.
11.3.6.3 Chiều dài dầm
Chiều dài dầm sẽ được xác định dựa trên nhiệt độ môi trường 16 ºC, trừ khi có quy định khác trong hồ sơ hợp đồng. Chiều dài dầm phải được đo dọc theo chiều dài dây cung.
11.3.7 Lắp trước
11.3.7.1 Tổng quát
Lắp trước các đoạn dầm phải thỏa mãn quy định của Điều 8.2 của Tiêu chuẩn này. Trừ khi có quy định khác trong kế hoạch thi công của Nhà thầu, lắp trước phải giả thiết là được thực hiện trong điều kiện không tải.
Có thể yêu cầu việc lắp thử ở xưởng các liên kết bu lông ở các liên kết chịu lực của khung ngang hoặc dầm ngang lên dầm đối với các kết cấu có hình dạng phức tạp hoặc cấu kiện cứng.
11.3.7.2 Mối nối hiện trường của các đoạn dầm
Mối nối hiện trường có thể được lắp hoặc ở vị trí thẳng đứng hoặc nằm ngang. Mối nối dầm có thể được lắp trước khi uốn cong bằng nhiệt.
11.4 Kế hoạch vận chuyển
Đối với kết cấu lớn hoặc phức tạp, Chủ đầu tư có thể yêu cầu kế hoạch vận chuyển. Phải xác định loại gối đỡ dầm yêu cầu và vị trí của chúng. Phải thể hiện loại hình, kích thước và vị trí các dây chằng. Phải quy định số lượng dây chằng đầy đủ để có đủ độ dư.
Ứng suất dầm do trọng lượng bản thân trong khi vận chuyển phải tính với 100 % hệ số xung kích.
Ứng suất dầm tính toán phải thỏa mãn quy định của Điều 6.10.3.2 hoặc Điều 6.11.3.2 tương ứng của LRFD-8 hoặc TCVN 11823:2017.
Ứng suất mỏi không được vượt quá ngưỡng mỏi biên độ không đổi đối với loại hình phù hợp trong Bảng 6.6.1.2.5-3 của LRFD-8 hoặc TCVN 11823:2017.
Khi có thể, các đoạn dầm cần vận chuyển trong cùng phương với kết cấu hoàn thành. Dầm phải chống đỡ sao cho hình dạng mặt cắt ngang của chúng được duy trì và ứng suất suốt chiều dày là tối thiểu.
Gối đỡ phải đảm bảo sao cho khống chế được ứng suất uốn ngang động.
Giàn hoặc dầm tăng cường tạm, nếu yêu cầu để thỏa mãn các đòi hỏi của phần này, phải quy định trong kế hoạch vận chuyển.
11.5 Lắp dựng thép
11.5.1 Tổng quát
Phải thực hiện việc lắp dụng phù hợp với kế hoạch thi công của Nhà thầu được Kỹ sư chấp thuận.
Ứng suất đã nhân hệ số, do trọng lượng bản thân của thép và do gió, ở mỗi giai đoạn lắp dựng không được vượt quá trị số tính toán theo quy định của Điều 6.10.3 hoặc Điều 6.11.3 khi áp dụng, của LRFD-8 hoặc TCVN 11823:2017 và Điều 9.4.2 của Tiêu chuẩn này.
Việc doa mở rộng lỗ bu lông trong khi lắp dựng chỉ được phép khi có sự chấp thuận của Kỹ sư.
Mối nối dầm bằng bu lông phải được lắp ráp tại hiện trường phù hợp với các quy định của Điều 9.5 của Tiêu chuẩn này.
11.5.2 Đà giáo
Phải thiết kế đà giáo chịu các tải trọng thẳng đứng và tải trọng ngang được quy định trong kế hoạch thi công. Cao độ của đà giáo phải như là để đỡ dầm ở cao độ vồng không tải. Các kích gắn với đà giáo phải có khoảng nâng đủ để cho phép dỡ tải hoàn toàn. Việc dỡ tải trên các gối tạm cần thực hiện theo cách các gối tạm ở mỗi mặt cắt ngang được dỡ tải đồng đều.
Khi thích hợp, các cần cẩu có thể thay thế cho đà giáo.
11.5.3 Gối cầu
Góc xoay tính toán của gối trong khi thi công không được vượt quá khả năng xoay của gối. Gối phải lắp sao cho, sau khi tĩnh tải tác động, khả năng xoay phải đủ để chịu góc xoay do tải trọng môi trường và hoạt tải. Phải đặt gối di động sao cho nằm ở tâm của dịch chuyển cho phép ở nhiệt độ không khí 16 ºC, trừ khi quy định khác trong hồ sơ hợp đồng.
11.5.4 Dầm I
Nhà thầu cần đảm bảo các dầm là ổn định suốt quá trình lắp dựng. Giai đoạn hoàn thiện của các liên kết bu lông phải được xem xét khi đánh giá cường độ và độ ổn định của thép trong quá trình lắp dựng.
11.5.5 Dầm hộp kín và dầm ống
Nhà thầu cần đảm bảo hình dạng mặt cắt ngang của mỗi hộp được duy trì khi lắp dựng.
Cần lắp giằng ngang phía trên các dầm ống trước khi vận chuyển và lắp các chi tiết hiện trường.
11.6 Mặt cầu
11.6.1 Ván khuôn
11.6.1.2 Tổng quát
Có thể dùng gỗ dán, ván khuôn kim loại vĩnh cửu hoặc panel bê tông làm ván khuôn mặt cầu theo chấp thuận của Chủ đầu tư. Ván khuôn độc quyền phải lắp theo chỉ dẫn kỹ thuật của Nhà sản xuất, kết hợp mọi điều chỉnh đối với Tiêu chuẩn này, được Kỹ sư chấp thuận. Ván khuôn phải tựa lên kết cấu phần trên.
11.6.1.2 Cánh hẫng
Ván khuôn hẫng phải tháo ra khi mặt cầu đã bảo dưỡng. Khi có thể, dầm hẫng cần chống ở gần cánh dưới và gắn vào cánh trên. Nếu dầm hẫng chống vào bản bụng, Nhà thầu cần đảm bảo rằng đã xét đến việc phòng chống biến dạng lâu dài của bản bụng và độ võng quá mức của bản mặt cầu còn ướt và ván khôn. Lực ngang trên bản cánh trên do dầm hẫng phải được tính toán để đảm bảo bản cánh là thích hợp như quy định trong Điều 6.10.3.4 của LRFD-8 hoặc TCVN 11823:2017.
Phải xét các tải trọng tác động lên dầm hẫng khi xác định ứng suất uốn ngang của cánh, lực ở khung ngang kết hợp với biến dạng của cánh và bụng. Nếu tải trọng hoặc tác động của chúng khác với quy định trong hồ sơ hợp đồng, Nhà thầu cần tiến hành phân tích bổ sung và được Kỹ sư chấp thuận.
11.6.1.3 Dầm ống
Ván khuôn mặt cầu không được chống đỡ tại các vị trí khác ngoài cánh dầm, trừ khi đã được xét cụ thể trong thiết kế.
11.6.2 Đổ bê tông
Phải đổ bê tông theo trình tự quy định trong kế hoạch thi công được duyệt. Thời gian giữa các lần đổ phải đảm bảo bê tông của lần đổ trước đã đạt đến tuổi và cường độ quy định trong kế hoạch thi công. Bất kỳ chất phụ gia tăng nhanh hoặc làm chậm nào trong hỗn hợp bê tông đều phải được quy định.
Phải quy định thời gian của mỗi lần đổ trong kế hoạch thi công. Việc đổ bê tông trong vùng mô men do tĩnh tải có cả âm và dương, phải đổ trước ở vùng mô men dương.
11.7 Báo cáo
Mọi sửa đổi về kế hoạch thi công tại hiện trường so với kế hoạch ban đầu phải lập hồ sơ với các chấp thuận thích hợp được ghi nhận.
12 Xử lý tác động siêu âm (uit)
12.1 Tổng quát
Xử lý sau hàn điển hình bao gồm xử lý tác động siêu âm, xử lý nhiệt, mài, nóng chảy mép mối hàn (mài giũa mối hàn GTAW hoặc hồ quang), gõ búa, và phun bi.
Dựa trên nghiên cứu được thực hiện tại Đại học Lehigh, độ bền mỏi của mối nối hàn có thể được cải thiện bằng cách xử lý tác động siêu âm sau hàn. Nói chung, mục tiêu của UIT là làm biến dạng dẻo vật liệu ở các mép mối hàn và tạo ra ứng suất nén dư lớn hơn đáng kể so với ứng suất kéo dự kiến lớn nhất tới độ sâu không nhỏ hơn 5,0 mm.
Xử lý sau hàn chỉ cần thiết ở mép mối hàn. Mép mối hàn được định nghĩa là điểm giao của bề mặt thép hàn và bề mặt thép cơ bản. Do kích thước hữu hạn của mũi kim UIT và quy trình xử lý khuyến nghị, một số thép cơ bản nằm cạnh mép mối hàn phải được xử lý.
Để thực hiện thành công việc xử lý sau hàn, quy trình lấy mẫu phải được bao gồm trong các điều khoản đặc biệt của hồ sơ hợp đồng, trừ khi Nhà sản xuất thiết bị UIT khuyến nghị khác.
12.2 Trình tự thực hiện
Xử lý tác động siêu âm (UIT) phải được thực hiện phù hợp với thiết bị khuyến nghị của Nhà sản xuất, ngoại trừ được mô tả cụ thể trong hồ sơ hợp đồng.
Việc sử dụng UIT sẽ được giới hạn trong thép cơ bản với cường độ chảy tối thiểu quy định là 690 MPa trở xuống.
Trước khi xử lý tác động siêu âm, đế hàn để nhận UIT phải được kiểm tra trực quan và kiểm tra hạt từ phù hợp với các tiêu chuẩn chất lượng quy định trong hồ sơ hợp đồng. Thiết bị phải được hiệu chuẩn dựa theo kích thước khuyết tật tối đa cho phép. Khuyết tật lớn hơn 0,8 mm phải được sửa chữa thỏa đáng trước khi bắt đầu công việc.
UIT phải được thực hiện dọc theo chân mối hàn theo cách thức mà sẽ gây ra tâm của rãnh xử lý là ở chân mối hàn, với việc xử lý đều và chuyển tiếp suôn sẻ tới thép hàn và thép cơ bản liền kề.
UIT phải được thực hiện sao cho tạo ra rãnh đều với bề mặt kim loại sáng và đồng nhất, như được xác minh bằng kiểm tra trực quan ngay lập tức sau hoàn thành. Khi xem dưới kính lúp 10x, rãnh phải không có bất kỳ dấu hiệu rõ ràng nào của kim loại cơ bản chưa được xử lý hoặc kim loại hàn. Nếu tồn tại các dấu hiệu không được xử lý như vậy trong phạm vi xử lý, khu vực đó sẽ phải xử lý lại để có được một bề mặt kim loại sáng, đồng đều trên toàn bộ bề mặt của rãnh UIT.
12.3 Xử lý thép cơ bản và thép hàn khác
Xử lý thép cơ bản hoặc thép hàn khác sau UIT, bao gồm xử lý nhiệt của UIT được xử lý, sẽ không được cho phép.
Phụ lục A
(Quy định)
Các thông số kích thước của bu lông cường độ cao
A.1 Bu lông
Cấu tạo và kích thước của bu lông phải tương ứng với chỉ dẫn trên Hình A.1 và Bảng A.1. Chiều dài bu lông và sai số cho phép của chiều dài lấy theo Bảng A.2 và Bảng A.3. Kích thước đuôi của bu lông lấy theo Bảng 4. Điều 13.2.5 của TCVN 11823-6:2017 quy định đường kính của bu lông không được nhỏ hơn 16 mm. Không được dùng bu lông đường kính 16 mm trong các cấu kiện chủ yếu.

Hình A.1 - Cấu tạo bu lông
Bảng A.1 - Kích thước cơ bản của bu lông (mm)
| D | Ds | S | E | K | K1 | Dw |
| C | Da | F | R | B (Ref) | X (Ref) | ||||||
| Bu lông và bước ren | Đường kính thân bu lông | Bề rộng tính từ 2 mặt | Bề rộng tính từ 2 đỉnh | Chiều cao đầu | Chiều cao phần vặn đai ốc | Đường kính mặt vòng đệm | Độ lệch của mặt tiếp xúc với vòng đệm | Chiều dày mặt vòng đệm | Đường kính vòng chuyển tiếp | Chiều dài vòng chuyển tiếp | Bán kính vòng chuyển tiếp | Chiều dài ren | Chiều dài ren chuyển tiếp | ||||||
| Chiều dài BL ≤ 100 | Chiều dài BL > 100 | ||||||||||||||||||
|
| Max | Min | Max | Min | Max | Min | Max | Min | Min | Min | Max | Max | Min | Max | Max | Min | Thông thường | Max | |
| M16x2 | 16.70 | 15.30 | 27.00 | 26.16 | 31.18 | 29.56 | 10.75 | 9.25 | 6.5 | 24.9 | 0.48 | 0.8 | 0.4 | 18.2 | 3.0 | 0.6 | 31 | 38 | 6.0 |
| M20 x 2.5 | 20.84 | 19.16 | 34.00 | 33.00 | 39.26 | 37.29 | 13.40 | 11.60 | 8.1 | 31.4 | 0.59 | 0.8 | 0.4 | 22.4 | 4.0 | 0.8 | 36 | 43 | 7.5 |
| M22 x 2.5 | 22.84 | 21.16 | 36.00 | 35.00 | 41.57 | 39.55 | 14.90 | 13.10 | 9.2 | 33.3 | 0.63 | 0.8 | 0.4 | 24.4 | 4.0 | 0.8 | 38 | 45 | 7.5 |
| M24 x 3 | 24.84 | 23.16 | 41.00 | 40.00 | 47.34 | 45.20 | 15.90 | 14.10 | 9.9 | 38.0 | 0.70 | 0.8 | 0.4 | 26.4 | 4.0 | 1.0 | 41 | 48 | 9.0 |
| M27 x 3 | 27.84 | 26.16 | 46.00 | 45.00 | 53.12 | 50.85 | 17.90 | 16.10 | 11.3 | 42.8 | 0.77 | 0.8 | 0.4 | 30.4 | 5,0 | 1.2 | 44 | 51 | 9.0 |
| M30 x 3.5 | 30.84 | 29.16 | 50.00 | 49.00 | 57.74 | 55.37 | 19.75 | 17.65 | 12.4 | 46.5 | 0.85 | 0.8 | 0.4 | 33.4 | 6.0 | 1.2 | 49 | 56 | 10.5 |
| M36 x 4 | 37.00 | 35.00 | 60.00 | 58.80 | 69.28 | 66.44 | 23.55 | 21.45 | 15.0 | 55.9 | 1.01 | 0.8 | 0.4 | 39.4 | 6.0 | 1.5 | 56 | 63 | 12.0 |
Bảng A.2 - Chiều dài lớn nhất và nhỏ nhất của bu lông (mm)
| Tên bu lông và bước ren | M16 x 2 | M20 x 2.5 | M22 x 2.5 | M24 x 3 | M27 x 3 | M30 x 3.5 | M36 x 4 | |||||||
| L Chiều dài danh định | Lg Max | Ls Min | Lg Max | Ls Min | Lg Max | Ls Min | Lg Max | Ls Min | Lg Max | Ls Min | Lg Max | Ls Min | Lg Max | Ls Min |
| 45 | 14 | 8 |
|
|
|
|
|
|
|
|
|
|
|
|
| 50 | 19 | 13 | 14 | 6.5 |
|
|
|
|
|
|
|
|
|
|
| 55 | 24 | 18 | 19 | 11.5 | 17 | 9.5 |
|
|
|
|
|
|
|
|
| 60 | 29 | 23 | 24 | 16.5 | 22 | 14.5 | 19 | 10 |
|
|
|
|
|
|
| 65 | 34 | 28 | 29 | 21 5 | 27 | 19 5 | 24 | 15 | 21 | 12 |
|
|
|
|
| 70 | 39 | 33 | 34 | 26.5 | 32 | 24.5 | 29 | 20 | 26 | 17 | 21 | 10.5 |
|
|
| 75 | 44 | 38 | 39 | 31.5 | 37 | 29.5 | 34 | 25 | 31 | 22 | 26 | 15.5 |
|
|
| 80 | 49 | 43 | 44 | 36.5 | 42 | 34.5 | 39 | 30 | 36 | 27 | 31 | 20.5 | 24 | 12 |
| 85 | 54 | 48 | 49 | 41.5 | 47 | 39.5 | 44 | 35 | 41 | 32 | 36 | 25.5 | 29 | 17 |
| 90 | 59 | 53 | 54 | 46.5 | 52 | 44.5 | 49 | 40 | 46 | 37 | 41 | 30.5 | 34 | 22 |
| 95 | 64 | 58 | 59 | 51.5 | 57 | 49.5 | 54 | 45 | 51 | 42 | 46 | 35.5 | 39 | 27 |
| 100 | 69 | 63 | 64 | 56.5 | 62 | 54.5 | 59 | 50 | 56 | 47 | 51 | 40.5 | 44 | 32 |
| 110 | 72 | 66 | 67 | 59.5 | 65 | 57.5 | 62 | 53 | 59 | 50 | 54 | 43.5 | 47 | 35 |
| 120 | 82 | 76 | 77 | 69.5 | 75 | 67.5 | 72 | 63 | 69 | 60 | 64 | 53.5 | 57 | 45 |
| 130 | 92 | 86 | 87 | 79.5 | 85 | 77.5 | 82 | 73 | 79 | 70 | 74 | 63.5 | 67 | 55 |
| 140 | 102 | 96 | 97 | 89.5 | 95 | 87.5 | 92 | 83 | 89 | 80 | 84 | 73.5 | 77 | 65 |
| 150 | 112 | 106 | 107 | 99.5 | 105 | 97.5 | 102 | 93 | 93 | 90 | 94 | 83.5 | 87 | 75 |
| 160 | 122 | 116 | 117 | 109.5 | 115 | 107.5 | 112 | 103 | 109 | 100 | 104 | 93.5 | 97 | 85 |
| 170 | 132 | 126 | 127 | 119.5 | 125 | 117.5 | 122 | 113 | 119 | 110 | 114 | 103.5 | 107 | 95 |
| 180 | 142 | 136 | 137 | 129.5 | 135 | 127.5 | 132 | 123 | 129 | 120 | 124 | 113.5 | 117 | 105 |
| 190 | 152 | 146 | 147 | 139.5 | 145 | 137.5 | 142 | 133 | 139 | 130 | 134 | 123.5 | 127 | 115 |
| 200 | 162 | 156 | 157 | 149.5 | 155 | 147.5 | 152 | 143 | 149 | 140 | 144 | 133.5 | 137 | 125 |
| 210 | 172 | 166 | 167 | 159.5 | 165 | 157.5 | 162 | 153 | 159 | 150 | 154 | 143.5 | 147 | 135 |
| 220 | 182 | 176 | 177 | 169.5 | 175 | 167.5 | 172 | 163 | 169 | 160 | 164 | 153.5 | 157 | 145 |
| 230 | 192 | 186 | 187 | 179.5 | 185 | 177.5 | 182 | 173 | 179 | 170 | 174 | 163.5 | 167 | 155 |
| 240 | 202 | 196 | 197 | 189.5 | 195 | 187.5 | 192 | 183 | 189 | 180 | 184 | 173.5 | 177 | 165 |
| 250 | 212 | 206 | 207 | 199.5 | 205 | 197.5 | 202 | 193 | 199 | 190 | 194 | 183.5 | 187 | 175 |
| 260 | 222 | 216 | 217 | 209.5 | 215 | 207.5 | 212 | 203 | 209 | 200 | 204 | 193.5 | 197 | 185 |
| 270 | 232 | 226 | 227 | 219.5 | 225 | 217.5 | 222 | 213 | 219 | 210 | 214 | 203.5 | 207 | 195 |
| 280 | 242 | 236 | 237 | 229.5 | 235 | 227.5 | 232 | 223 | 229 | 220 | 224 | 213.5 | 217 | 205 |
| 290 | 252 | 246 | 247 | 239.5 | 245 | 237.5 | 242 | 233 | 239 | 230 | 234 | 223.5 | 227 | 215 |
| 300 | 262 | 256 | 257 | 249.5 | 255 | 247.5 | 252 | 243 | 249 | 240 | 244 | 233.5 | 237 | 225 |
Bảng A.3 - Sai số cho phép của chiều dài bu lông (mm)
| Chiều dài danh định | Đường kính danh định |
| M16 đến M36 | |
| Đến 50 mm | ± 1,2 |
| Trên 50 mm đến 80 mm | ± 1,5 |
| Trên 80 mm đến 120 mm | ± 1,8 |
| Trên 120 mm đến 150 mm | ± 2,0 |
| Trên 150 mm | ± 4,0 |
Bảng A.4 - Kích thước đuôi bu lông
| Bu lông và bước ren | V (mm) | Z (mm) | |
| Bán kính | Chiều dài | ||
| Xấp xỉ | Max | Min | |
| M16 x 2 | 22,4 | 3,00 | 1,00 |
| M20 x 2,5 | 28,0 | 3,75 | 1,25 |
| M22 x 2,5 | 30,8 | 3,75 | 1,25 |
| M24 x 3 | 33,6 | 4,50 | 1,50 |
| M27 x 3 | 37,8 | 4,50 | 1,50 |
| M30 x 3,5 | 42,0 | 5,25 | 1,75 |
| M36 x 4 | 50,4 | 6,00 | 2,00 |
A.2 Cấu tạo và kích thước đai ốc
Cấu tạo và kích thước của đai ốc phải tương ứng với chỉ dẫn trên Hình A.2 và Bảng A.5.

Hình A.2 - Cấu tạo đai ốc
Bảng A.5 - Kích thước đai ốc (mm)
| Cỡ ren, d | P | da |
| dw | e, | m | m’, | c |
| s | t | ||||
| Max. | Min. |
| Min. | Min. | Max. | Min. | Min. | Max. | Min. |
| Max. | Min. | |||
| M16 | 2 | 17,3 | 16 |
| 24,9 | 29,56 | 17,1 | 16,4 | 13,1 | 0,8 | 0,4 |
| 27 | 26,16 | 0,47 |
| M20 | 2,5 | 21,6 | 20 |
| 31,4 | 37,29 | 20,7 | 19,4 | 15,5 | 0,8 | 0,4 |
| 34 | 33 | 0,58 |
| M22 | 2,5 | 23,8 | 22 |
| 33,3 | 39,55 | 23,6 | 22,3 | 17,8 | 0,8 | 0,4 |
| 36 | 35 | 0,63 |
| M24 | 3 | 25,9 | 24 |
| 38,0 | 45,20 | 24,2 | 22,9 | 18,3 | 0,8 | 0,4 |
| 41 | 40 | 0,72 |
| M27 | 3 | 28,2 | 27 |
| 42,8 | 50,85 | 27,6 | 26,3 | 21,0 | 0,8 | 0,4 |
| 46 | 45 | 0,80 |
| M30 | 3,5 | 32,4 | 30 |
| 46,5 | 55,37 | 30,7 | 29,1 | 23,3 | 0,8 | 0,4 |
| 50 | 49 | 0,87 |
| M36 | 4 | 38,9 | 36 |
| 55,9 | 66,44 | 36,6 | 35,0 | 28,0 | 0,8 | 0,4 |
| 60 | 58,8 | 1,05 |
A.3 Cấu tạo và kích thước vòng đệm
Cấu tạo và kích thước của vòng đệm phải tương ứng với chỉ dẫn trên Hình A.3 và Bảng A.6.

Hình A.3 - Kích thước vòng đệm
Bảng A.6 - Kích thước vòng đệm (mm)
| Cỡ danh định vòng đệm, mm | Đường kính trong (A), mm |
| Đường kính ngoài (B), mm |
| Chiều dày (C), mm |
|
|
| max | min | max | min | max | min | (E), mm, min B | |
| 16 | 18.4 | 18.0 | 34.0 | 32.4 | 4.6 | 3.1 | 14.0 |
| 20 | 22.5 | 22.0 | 42.0 | 40.4 | 4.6 | 3.1 | 17.5 |
|
|
|
|
|
|
|
|
|
| 22 | 24.5 | 24.0 | 44.0 | 42.4 | 4.6 | 3.4 | 19.2 |
| 24 | 26.5 | 26.0 | 50.0 | 48.4 | 4.6 | 3.4 | 21.0 |
| 27 | 30.5 | 30.0 | 56.0 | 54.1 | 4.6 | 3.4 | 23.6 |
| 30 | 336 | 33.0 | 50.0 | 58.1 | 4.6 | 3.4 | 26.2 |
|
|
|
|
|
|
|
|
|
| 36 | 39.6 | 39.0 | 72.0 | 70.1 | 4.6 | 3.4 | 31.5 |
THI CÔNG CẦU ĐƯỜNG BỘ - PHẦN 12: MẶT CẦU DẠNG SÀN MẠNG BẢN THÉP
Bridge Construction Specifications - Part 12: Steel Grid Flooring
1 Phạm vi áp dụng
Bộ tiêu chuẩn TCVN 12885:2020 áp dụng đối với công tác thi công các cầu, cống có kết cấu thông thường, sử dụng các công nghệ thi công thông thường trên đường bộ; cũng có thể tham khảo để thi công các cầu, cống trên đường sắt, có yêu cầu kỹ thuật tương tự.
Tiêu chuẩn này quy định các yêu cầu thi công và nghiệm thu, áp dụng đối với công tác cung cấp và lắp đặt mặt cầu dạng sàn mạng bản thép loại hở hoặc loại nhồi bê tông trong thi công cầu.
Tiêu chuẩn này được dùng làm cơ sở để xây dựng Chỉ dẫn kỹ thuật thi công đối với công tác nêu trên trong dự án xây dựng cầu đường bộ.
2 Tài liệu viện dẫn
Các tài liệu viện dẫn sau là cần thiết cho việc áp dụng tiêu chuẩn này. Đối với các tài liệu viện dẫn ghi năm công bố thì áp dụng phiên bản được nêu. Đối với các tài liệu viện dẫn không ghi năm công bố thì áp dụng phiên bản mới nhất, bao gồm cả các sửa đổi, bổ sung (nếu có).
TCVN 11823:2017, Thiết kế cầu đường bộ.
TCVN 11823-9:2017, Thiết kế cầu đường bộ - Phần 9: Mặt cầu và hệ mặt cầu.
TCVN 12885-8:2020, Thi công cầu đường bộ - Phần 8: Kết cấu bê tông.
TCVN 12885-9:2020, Thi công cầu đường bộ - Phần 9: Cốt thép.
TCVN 12885-13:2020, Thi công cầu đường bộ - Phần 13: Sơn.
LRFD-8, AASHTO LRFD Bridge Design Specifications, 2017 (Tiêu chuẩn thiết kế cầu).
HM-WB, Standard Specifications for Transportation Materials and Methods of Sampling and Testing, 2017 (Tiêu chuẩn kỹ thuật đối với vật liệu giao thông và phương pháp lấy mẫu và thử nghiệm).
ASTM A709/A709M, Standard Specification for Structural Steel for Bridges (Tiêu chuẩn kỹ thuật đối với thép kết cấu cho cầu).
ASTM A123/A123M, Standard Specification for Zinc (Hot-Dip Galvanized) Coatings on Iron and Steel Products (Tiêu chuẩn kỹ thuật đối với lớp phủ kẽm (mạ kẽm nhúng nóng) trên các sản phẩm sắt và thép).
AASHTO/AWS D1.5M/D1.5, Bridge Welding Code (Tiêu chuẩn hàn cầu).
3 Thuật ngữ và định nghĩa
Tiêu chuẩn này sử dụng các thuật ngữ và định nghĩa nêu trong TCVN 12885-1:2020 và các thuật ngữ, định nghĩa sau:
3.1
Mặt cầu (Deck)
Bộ phận, có hoặc không có lớp phủ, trực tiếp đỡ tải trọng bánh xe và được chống đỡ bởi các cấu kiện khác.
3.2
Mặt cầu dạng sàn mạng bản thép (Steel grid flooring)
Bao gồm bộ phận chính là các dải thép bản đặt đứng giữa các dầm, dầm dọc hoặc dầm ngang và các phần tử phụ cũng là các dải thép bản đặt đứng hàn nối với các phần tử chính tạo thành một sàn mạng ô lưới. Các bộ phận chính và phụ có thể hình thành các hình chữ nhật hoặc chéo và phải được liên kết chắc chắn với nhau. Các giao điểm nối của các bộ phận trong sàn mạng hở, sàn mạng được lấp đầy bê tông một phần, và sàn mạng không lấp đầy liên hợp bản bê tông cốt thép đều phải được hàn.
4 Tổng quát
4.1 Mô tả
Công việc này gồm việc cung cấp và lắp đặt mặt cầu dạng sàn mạng bản thép loại hở hoặc loại nhồi bê tông theo quy định trong hồ sơ hợp đồng. Khi Nhà thầu được phép lựa chọn các chi tiết thiết kế nào đó thì các chi tiết đó phải đáp ứng các yêu cầu đối với việc thiết kế mặt cầu dạng sàn mạng bản thép trong Điều 4.6.2.1 và Điều 9.8.2 của LRFD-8 hoặc TCVN 11823:2017.
4.2 Bản vẽ biện pháp thi công
Nhà thầu cần đệ trình toàn bộ bản vẽ biện pháp thi công với các chi tiết lắp ráp cho Kỹ sư để chấp thuận, chỉ được chế tạo hoặc thi công mặt cầu sau khi các bản vẽ đã được chấp thuận. Việc chấp thuận này không giảm nhẹ cho Nhà thầu về bất kỳ trách nhiệm nào trong hồ sơ hợp đồng để hoàn thành tốt đẹp công việc của mình.
5 Vật liệu
5.1 Thép
Các loại thép hình, thép tấm và thép thanh phù hợp với AASHTO M270M/M270 (ASTM A709/A709M) Cấp 36, 50 hoặc 50W (Cấp 250, 345 hoặc 345W). Trừ khi vật liệu được mạ hoặc phủ epoxy, nó phải có hàm lượng đồng bằng 0,2 %.
Cốt thép phù hợp với yêu cầu của TCVN 12885-9:2020.
5.2 Xử lý bảo vệ
Trừ khi có quy định khác, mặt cầu dạng sàn mạng bản thép loại hở phải mạ theo yêu cầu của AASHTO M111M/M111 (ASTM A123/A123M).
Các loại nhồi đầy hoặc loại nhồi một phần bê tông theo yêu cầu trong hồ sơ hợp đồng, phải hoặc là mạ, sơn, phủ epoxy hoặc cung cấp theo loại thép chịu thời tiết không sơn.
Nếu được sơn, sơn phải quét theo các yêu cầu kỹ thuật trong TCVN 12885-13:2020, trừ khi được phép nhúng. Sơn phải theo quy định đối với kết cấu kim loại trừ khi trong hồ sơ hợp đồng có yêu cầu về sơn hoặc phủ loại khác. Khi quy định sơn, các khu vực của mặt cầu dạng sàn mạng bản thép hoàn toàn bọc kín trong bê tông có thể không sơn, trừ khi có quy định khác trong hồ sơ hợp đồng.
5.3 Bê tông
Bê tông để nhồi mặt cầu dạng sàn mạng bản thép phù hợp với yêu cầu của TCVN 12885-8:2020. Bê tông và cỡ cốt liệu phải theo quy định đối với bê tông Loại C (AE).
5.4 Sức kháng trượt
Mép trên của các cấu kiện tạo thành bề mặt chịu mài mòn của mặt cầu mạng dầm loại hở phải có răng cưa để có sức kháng trượt tối đa.
Mặt cầu mạng dầm nhồi hoặc phủ bằng bê tông phải có cấu trúc chống trượt như quy định trong Điều 13.2 của TCVN 12885-8:2020.
6 Bố trí phân đoạn
Khi cấu kiện chính vuông góc với đường tim của lòng đường, các đơn nguyên thường phải có chiều dài để vượt qua toàn bộ bề rộng lòng đường đối với lòng đường rộng tới 12.000 mm nhưng trong mọi trường hợp các đơn nguyên phải kéo dài ít nhất 3 khoang. Khi cần mối nối, đầu của các cấu kiện mặt cầu chính phải hàn tại các mối nối trên toàn bộ diện tích tiết diện ngang của chúng hoặc liên kết cách khác để tạo ra tính liên tục đầy đủ.
Khi cấu kiện chính song song với đường tim lòng đường, các phân đoạn phải kéo dài không ít hơn 3 khoang, và đầu các đơn nguyên giáp đầu nhau phải hàn trên toàn bộ diện tích tiết diện ngang, hoặc liên kết cách khác để tạo ra tính liên tục đầy đủ phù hợp với thiết kế.
7 Điều khoản cho độ vồng
Trừ khi có quy định khác trong hồ sơ hợp đồng, việc bố trí độ vồng phải làm như sau:
- Đơn nguyên thép khá cứng nên chúng không thể ghép dễ dàng theo độ vồng yêu cầu, phải làm độ vồng trong phân xưởng. Với loại mặt cầu mạng dầm ngoài loại dùng bê tông đổ đầy toàn bộ chiều cao dầm tại hiện trường và liên kết với mặt cầu bằng các bộ liên kết hàn chống cắt, các dầm dọc phải nghiêng hoặc bố trí các thanh gối nghiêng hàn tại xưởng để tạo ra bề mặt gối tựa song song với mặt lòng đường. Nếu dùng các thanh nghiêng, chúng phải liên tục và hàn dọc đường tim của cánh dầm dọc, trong trường hợp đó, chiều dài nhịp tính toán phải do chiều rộng của thanh làm gối không chế thay cho chiều rộng của cánh dầm dọc.
- Dầm dọc, ngoài điều quy định trong đoạn dưới đây, phải làm vồng trong xưởng hoặc bố trí các dải gối để cho mặt cầu hoàn thành sau khi đã võng do tĩnh tải sẽ ăn khớp với độ vồng dọc quy định trong hồ sơ hợp đồng.
- Việc điều chỉnh theo chiều thẳng đứng của các mặt cầu mạng dầm nhồi bê tông toàn bộ chiều cao, mà các mặt cầu này được liên kết với các cấu kiện dầm đỡ bằng các bộ liên kết chống cắt, có thể thực hiện bằng việc sử dụng các bu lông điều chỉnh hoạt động qua các đai ốc hàn vào mạng gối trên cánh trên của các cấu kiện khung. Một cách khác nữa là có thể dùng chêm, và phải dùng chêm nếu các xe thi công được phép đi trên mặt cầu trước khi liên kết cuối cùng.
8 Lắp ráp hiện trường
Khu vực có kích thước lớn phải đặt và nếu cần phải điều chỉnh cho khớp đúng trước khi mặt cầu được liên kết vào các gối đỡ chùng. Phải chú ý cẩn thận trong khi cẩu và đặt để tránh gây ra cho các đơn nguyên mặt cầu ứng suất quá cao. Các cấu kiện chính phải làm liên tục như trong quy định trong Điều 6 và các phân đoạn phải nối với nhau dọc theo mép của chúng bằng cách hàn hoặc bắt bu lông phù hợp với hồ sơ hợp đồng.
9 Liên kết vào các gối đỡ
Trừ khi phương pháp liên kết khác được quy định trong hồ sơ hợp đồng, hoặc được chấp thuận, mặt cầu phải liên kết vào các gối đỡ thép bằng cách hàn mỗi cấu kiện chính thứ tư vào cấu kiện đỡ của nó, tuy nhiên, các mối hàn không được cách nhau quá 380 mm tâm tới tâm. Trước khi hàn một mối hàn nào, mặt cầu phải hoặc là chất tải tạm thời hoặc phải móc xuống để tạo thành mối nối khít nén tỳ toàn bộ. Để giảm đến tối thiểu các ứng suất gây ra do bị móc xuống, mọi cao độ chênh lệch bằng 6 mm trở lên trên một cấu kiện đỡ 1.200 mm phải được chêm trước khi hàn chêm, hàn mạng dầm thép và cấu kiện đỡ. Vị trí, chiều dài và kích cỡ các mối nối hàn phải được sự chấp thuận của Kỹ sư.
Xung quanh chu vi của các đơn nguyên mặt cầu mạng dầm, đầu mút các cấu kiện thép chính của mặt cầu phải được liên kết chắc chắn với nhau bằng thép tấm hoặc thép góc hàn vào đầu các cấu kiện chính, hoặc bằng cách bọc hoàn toàn các đầu trong bê tông.
Khi được quy định trong hồ sơ hợp đồng, có thể sử dụng các phương pháp không phải là hàn bằng cách liên kết mặt cầu dạng sàn mạng bản thép (cả hai loại hở và loại nhồi bê tông) vào các cấu kiện khung. Trong trường hợp như vậy, có thể dùng các liên kết chống cắt có đầu hàn đối với các mạng dâm nhồi bê tông và có thể liên kết các mạng dầm thép hở vào cấu kiện khung bằng bu lông.
10 Hàn
Mọi việc hàn ở xưởng và hiện trường phải tuân theo AASHTO/AWS D1.5M/D1.5.
11 Sửa chữa lớp mạ hư hỏng
Bề mặt bị mài mòn hoặc hư hỏng tại bất cứ thời điểm nào sau khi mạ lớp kẽm phải sữa chữa bằng cách chải bằng bàn chải sợi thép các khu vực hư hỏng và loại bỏ các lớp mạ rời rạc và nứt nẻ, sau đó các khu vực đã được làm sạch được sơn bằng 2 lớp sơn nhiều kẽm chất lượng thương mại không pha loãng (loại dung môi hữu cơ). Không được dùng các bình phun.
12 Nhồi bê tông
12.1 Ván khuôn
Mặt cầu loại nhồi bê tông có cánh dưới không tiếp xúc với nhau phải bố trí các ván khuôn đáy bằng gỗ hoặc kim loại để giữ bê tông nhồi không bị rò rỉ quá nhiều. Ván khuôn phải tháo sau khi bê tông đã được bảo dưỡng, trừ các ván khuôn bằng kim loại phù hợp với đoạn sau đây có thể để lại tại chỗ.
Nếu dùng các dải khuôn kim loại, chúng phải khít sát vào các cánh dưới hoặc các đoạn nhô ra của các cấu kiện mạng dầm và được đặt trong các chiều dài không liên tục và không rộng quá 25 mm trên mép của mỗi gối đỡ, nhưng trong mọi trường hợp ván khuôn phải làm cho tấm bản tỳ thỏa đáng trên gối đỡ. Nếu ván khuôn kim loại để tại chỗ, chúng phải mạ hoặc xử lý bảo vệ theo cùng một phương pháp như đối với mặt cầu mạng dầm.
12.2 Đổ bê tông
Khi hồ sơ hợp đồng chỉ rõ bê tông nhồi không xuống tới đáy mạng dầm thép, ngoài bê tông ở các ô trong đó lắp các bộ liên kết chống cắt, có thể đổ bê tông với mạng dầm trong tư thế lộn ngược trước khi lắp ráp, hoặc phần mạng dầm để lại không nhồi có thể được chắn bằng cách sử dụng một vật liệu nhồi tạm thời có tính trơ, như cát hoặc tấm polystyrene sẽ được tháo sau, hoặc bằng cách sử dụng các dải khuôn lưới kim loại hoặc các phương pháp được chấp thuận khác. Phương pháp được sử dụng phải cho phép chôn hoàn toàn các thanh thứ ba và các đinh neo chống cắt, nếu sử dụng chúng.
Khi hồ sơ hợp đồng chỉ rõ các mạng dầm nhồi đầy hoặc nhồi một phần hoặc các tấm bản bê tông cốt thép gắn vào mạng dầm thép làm việc liên hợp với các cấu kiện đỡ, các đinh neo chống cắt phải chôn hoàn toàn trong bê tông và toàn bộ diện tích giữa cánh trên của cấu kiện đỡ và đáy phần nhồi của mạng dầm nhồi đầy bê tông.
Bê tông dùng để nhồi mặt cầu mạng dầm phải trộn, đổ và bảo dưỡng theo yêu cầu của TCVN 12885-8:2020. Bê tông phải đầm chặt hoàn toàn bằng cách rung mặt cầu dạng sàn mạng bản thép. Thiết bị rung và cách thao tác thiết bị rung phải được chấp thuận của Kỹ sư.
13 Đo đạc
Mặt cầu dạng sàn mạng bản thép phải đo đạc theo mét vuông (m2). Số m2 sẽ dựa trên kích thước mặt cầu tại chỗ và được chấp thuận của Kỹ sư trong công trình hoàn thành.
THI CÔNG CẦU ĐƯỜNG BỘ - PHẦN 13: SƠN
Bridge Construction Specifications - Part 13: Painting
1 Phạm vi áp dụng
Bộ tiêu chuẩn TCVN 12885:2020 áp dụng đối với công tác thi công các cầu, cống có kết cấu thông thường, sử dụng các công nghệ thi công thông thường trên đường bộ; cũng có thể tham khảo để thi công các cầu, cống trên đường sắt, có yêu cầu kỹ thuật tương tự.
Tiêu chuẩn này quy định các yêu cầu thi công và nghiệm thu, áp dụng đối với công tác sơn bề mặt trong thi công cầu.
Tiêu chuẩn này được dùng làm cơ sở để xây dựng Chỉ dẫn kỹ thuật thi công đối với công tác nêu trên trong dự án xây dựng cầu đường bộ.
2 Tài liệu viện dẫn
Các tài liệu viện dẫn sau là cần thiết cho việc áp dụng tiêu chuẩn này. Đối với các tài liệu viện dẫn ghi năm công bố thì áp dụng phiên bản được nêu. Đối với các tài liệu viện dẫn không ghi năm công bố thì áp dụng phiên bản mới nhất, bao gồm cả các sửa đổi, bổ sung (nếu có).
SSPC-PA2, Measurement of Dry Coating Thickness with Magnetic Gages (Đo độ dày lớp phủ khô bằng dụng cụ đo từ tính).
SSPC-SP10, Near-white Blast Cleaning (Làm sạch bằng cách thổi gần trắng).
SSPC-SP1, Solvent Cleaning (Làm sạch bằng dung môi).
MPI Detailed Performance Standard - #10 (Tiêu chuẩn thực hành chi tiết của MPI - #10).
MPI Detailed Performance Standard - #11 (Tiêu chuẩn thực hành chi tiết của MPI - #11).
MPI Detailed Performance Standard - #119 (Tiêu chuẩn thực hành chi tiết của MPI - #119).
3 Thuật ngữ và định nghĩa
Tiêu chuẩn này sử dụng các thuật ngữ và định nghĩa nêu trong TCVN 12885-1:2020 và các thuật ngữ, định nghĩa sau:
3.1
Sơn lót (primed coating)
Lớp sơn tiếp xúc trực tiếp với bề mặt được sơn.
4 Tổng quát
4.1 Mô tả
Công việc này gồm có việc sơn bề mặt phải sơn đã nêu trong hồ sơ hợp đồng. Công việc này bao gồm nhưng không giới hạn ở:
- việc chuẩn bị bề mặt sơn;
- quét sơn và bảo dưỡng;
- bảo vệ công trình;
- bảo vệ các cơ sở vật chất hiện có, xe cộ và công chúng không bị tổn hại do công việc sơn;
- và cung cấp mọi nhân lực, thiết bị, vật liệu cần để tiến hành công việc.
4.2 Bảo vệ công chúng và tài sản
Nhà thầu cần tuân thủ các tiêu chuẩn, quy tắc, điều lệ và yêu cầu đối với sức khỏe, an toàn nghề nghiệp và bảo vệ môi trường tùy theo trường hợp có thể áp dụng được. Việc không tuân thủ các Tiêu chuẩn, quy tắc, điều lệ và yêu cầu này đủ là lý do để phải ngưng công việc hoặc không đủ tư cách.
Phải có các biện pháp phòng ngừa hợp lý để thu gom các vật liệu phế thải (vật liệu phun làm sạch đã dùng và sơn cũ) được xếp vào loại nguy hiểm. Việc loại bỏ các vật liệu phế thải nguy hiểm phải tiến hành theo các quy định của Nhà nước.
Nhà thầu cần bố trí các dụng cụ bảo vệ như vải thô, tấm chắn và các tấm che phủ cần thiết để phòng ngừa hư hỏng cho công trình và thiệt hại cho các tài sản khác hoặc cho người do các thao tác làm sạch và sơn. Nhà thầu phải chịu trách nhiệm về mọi hư hỏng gây ra bởi dự án sơn đối với xe cộ, con người hoặc tài sản.
Sơn hoặc các vết sơn làm cho bề mặt không được chỉ định sơn có vẻ ngoài khó coi phải được Nhà thầu tẩy sạch hoặc xóa sạch.
4.3 Bảo vệ công trình
Nhà thầu cần có mọi biện pháp phòng ngừa cần thiết để bảo vệ bề mặt khỏi nhiễm bẩn trước hoặc trong quá trình sơn.
Nhà thầu cần bảo vệ các bộ phận của công trình chống lại việc làm xấu bề mặt bởi việc làm tung tóe vết đốm, vết nhơ do vật liệu sơn.
Bề mặt sơn bị hư hỏng do các thao tác của Nhà thầu phải do Nhà thầu sửa chữa với các vật liệu và sửa tới tình trạng ngang với tình trạng quy định ở đây.
Nếu xe cộ tạo ra một lượng bụi quá nhiều, Nhà thầu, khi có yêu cầu của Kỹ sư phải phun nước lòng đường và lề đường lân cận hoặc phun chất giảm bụi với một khoảng cách đủ về mỗi phía của vị trí khi đang sơn.
Sau khi hoàn thành các thao tác sơn và bất kỳ công việc nào khác có thể gây ra bụi, mỡ hoặc các chất lạ khác bị đọng lại trên bề mặt sơn, bề mặt này phải hoàn toàn sạch. Khi mở cầu cho thông xe, việc sơn phải làm xong hoàn toàn và bề mặt không bị hư hại và sạch sẽ.
4.4 Chiều dày và màu sắc
Chiều dày màng phủ khô của mỗi lớp sơn và tổng chiều dày của sản phẩm cuối cùng phải phù hợp với hồ sơ hợp đồng. Chiều dày của lớp phủ thực hiện trước hoặc của lớp phủ có sẵn được coi là lớp phủ đầu phải xác định phù hợp với việc đo chiều dày sơn khô bằng dụng cụ đo từ tính SSPC-PA2 trước khi sơn lớp tiếp theo.
Mỗi lớp sơn cần có màu khác nhau để đảm bảo việc phủ đầy đủ và theo cách mà lớp phủ trước có thể được bịt kín bởi chỉ một lớp sơn sau đó.
5 Sơn kết cấu kim loại
5.1 Hệ thống các lớp sơn và loại sơn
Hệ thống các lớp sơn và loại sơn áp dụng phải phù hợp với hệ thống trong hồ sơ hợp đồng.
5.2 Điều kiện thời tiết
Phải sơn trên bề mặt hoàn toàn khô. Không được phép sơn dưới bất kỳ trường hợp nào dưới đây:
- khi nhiệt độ không khí, sơn hoặc bề mặt phải sơn bằng hoặc thấp hơn 4 ºC hoặc trên 38 ºC,
- khi bề mặt kim loại ít hơn 3 ºC ở trên điểm sương,
- khi độ ẩm vượt quá 85 % tại địa điểm công trình,
- khi bề mặt mới sơn có thể bị hư hỏng do mưa, sương mù hoặc bụi,
- hoặc khi có thể dự đoán nhiệt độ không khí tụt xuống dưới 4 ºC trong thời kỳ khô ráo, trừ quy định ở đây đối với việc sơn trong buồng kín.
Bề mặt kim loại đủ nóng để làm cho sơn bị rộp sinh ra màng sơn rỗ hoặc làm cho chất tải màu tách ra khỏi chất nhuộm màu thì không được sơn.
Tùy theo chấp thuận của Kỹ sư, Nhà thầu có thể cung cấp buồng kín phù hợp để có thể sơn trong điều kiện thời tiết khắc nghiệt. Phải có những quy định để khống chế một cách nhân tạo điều kiện không khí bên trong buồng với những giới hạn phù hợp để sơn trong suốt quá trình thao tác sơn. Bề mặt đã sơn dưới lớp che trong thời tiết ẩm ướt hoặc lạnh phải giữ dưới lớp che này tới khi sơn khô hoặc điều kiện thời tiết cho phép mở lớp che.
Mọi việc thổi sạch, trừ khi thực hiện trong nhà kín, và mọi việc sơn phải được tiến hành trong những giờ có ánh sáng ban ngày trừ khi được quy định khác trong hồ sơ hợp đồng.
5.3 Chuẩn bị bề mặt
Bề mặt lộ ra của thép kết cấu, trừ bề mặt mạ kẽm hoặc mạ kim loại khác, phải được làm sạch và sơn.
Bề mặt của thép kết cấu mới phải được làm sạch bằng phương pháp thổi sạch trừ khi có quy định khác trong hồ sơ hợp đồng, hoặc được chấp thuận bằng văn bản của Kỹ sư.
Khi sơn lại các kết cấu thép hiện có, phương pháp làm sạch phải được quy định trong hồ sơ hợp đồng. Mọi hư hại gây ra cho sơn tốt, hoặc cho các diện tích không được chỉ định sơn, do các thao tác của Nhà thầu gây ra phải được Nhà thầu sửa chữa với sự hài lòng của Kỹ sư.
Phương pháp dùng trong việc làm sạch bề mặt kim loại phải phù hợp với các chỉ dẫn kỹ thuật ở đây.
5.3.1 Làm sạch bằng cách thổi
Chất mài mòn dùng để thổi sạch phải là cát khô sạch, mạt khoáng vật, hạt thép, hoặc mạt thép tùy theo sự lựa chọn của Nhà thầu, và phải có một cấp phối phù hợp để tạo ra các kết quả thỏa mãn. Việc sử dụng chất mài mòn khác không được phép nếu không có sự chấp thuận của Kỹ sư bằng văn bản.
Không được phép dùng cát bờ biển có chứa muối hoặc quá nhiều bùn.
Phải loại bỏ tất cả bùn đất, vẩy cán, gỉ, sơn và các vật liệu khác khỏi bề mặt thép lộ ra theo các yêu cầu của Tiêu chuẩn chuẩn bị bề mặt SSPC-SP10. Việc làm sạch bằng thổi phải để lại bề mặt với một cấu trúc bám giữ chặt chẽ đồng đều không dưới 25.4 µm và không lớn hơn 76.2 µm được đo bằng thước đo mặt cắt bề mặt được chấp thuận.
Khi việc thổi sạch được thực hiện gần máy móc, các trục, ổ bi, động cơ và các bộ phận chuyển động phải được bịt kín chống bị lọt vào trước khi bắt đầu thổi.
Bề mặt thổi sạch phải sơn lót hoặc xử lý trong cùng ngày thổi sạch, trừ khi Kỹ sư cho phép làm khác. Nếu bề mặt đã làm sạch bị gỉ hoặc bị làm bẩn trước khi sơn xong, chúng phải được thổi lại cho sạch.
5.3.2 Làm sạch bằng hơi nước
Tất cả bùn đất, mỡ, sơn bột rời rạc, hoặc vật liệu lạ khác đã tích tụ lại trên bề mặt đã sơn hoặc đã mạ trước phải được loại bỏ bằng một máy làm sạch bằng hơi nước trước các giai đoạn làm sạch khác. Quá trình này không có ý định loại bỏ chỗ sơn tốt. Mọi chỗ sơn đã trở nên rời rạc, xoăn lại, bong lên hoặc mất liên kết với các lớp sơn trước, sau khi làm sạch bằng hơi nước phải được loại bỏ theo hướng dẫn của Kỹ sư cho tới lớp sơn tốt hoặc tới bề mặt kim loại.
Phải thêm vào nước cung cấp cho nồi hơi một chất tẩy có thể thoái hóa sinh học hoặc quét vào bề mặt được làm sạch. Chất tẩy phải có thành phần thế nào và cho vào một lượng bao nhiêu để có thể làm sạch theo như đã nêu ở trên.
Mọi chất còn lại, chất tẩy hoặc vật lạ khác có thể tích tụ trên bề mặt đã được làm sạch phải loại bỏ bằng cách phun nước sạch.
Việc làm sạch bằng hơi nước không được thực hiện trước khi sơn hoặc các giai đoạn làm sạch khác quá hai tuần lễ.
Việc sơn tiếp theo sau chỉ được tiến hành sau khi bề mặt làm sạch đã hoàn toàn khô và không trường hợp nào được ít hơn 24 h sau khi làm sạch và phun nước rửa.
5.3.3 Làm sạch bằng dung môi
Trừ khi trong hồ sơ hợp đồng cấm dùng, phải dùng các chất dung môi để loại bỏ dầu, mỡ, và các chất làm nhiễm bẩn hòa tan theo các yêu cầu của SSPC-SP1. Làm sạch bằng dung môi phải tiến hành trước khi làm sạch bằng cách thổi. Nếu các chất làm bẩn vẫn còn lại sau khi thổi thì diện tích đó phải làm sạch lại bằng dung môi.
5.3.4 Làm sạch bằng tay
Phải dùng các bàn chải sợi thép, hoặc dùng tay hoặc chạy máy các dụng cụ cạo tay, các máy mài, hoặc giấy ráp để loại bỏ mọi bùn đất, gỉ và vẩy cán rời rạc, hoặc sơn không dính chắc vào bề mặt kim loại.
Không được dùng búa hơi băm trừ khi được phép bằng văn bản của Kỹ sư.
5.3.5 Rửa bằng máy bơm nước
Rửa bằng máy bơm nước phải dùng nước có áp suất giữa 5.5 MPa đến 10.3 MPa, với các vòi tác dụng cách bề mặt thép không quá 300 mm.
5.4 Quét phun sơn
Nhà thầu cần thông báo cho Kỹ sư bằng văn bản ít nhất trước 1 tuần về ngày bắt đầu làm sạch và sơn.
Sơn phải làm gọn ghẽ, khéo léo. Trừ khi có quy định khác trong hồ sơ hợp đồng, phải sơn quét bằng bàn chải, phun hoặc con lăn hoặc một tổ hợp các cách đó riêng cho loại sơn sử dụng.
Mỗi lớp sơn phải được bảo dưỡng hoàn toàn và mọi chỗ bỏ quãng, khuyết, vùng mỏng hoặc các khuyết điểm khác phải được sửa chữa trước khi quét lớp sau, bề mặt được phủ sơn không được ẩm, có bụi, mỡ hoặc mọi vật liệu có hại khác có thể gây trở ngại cho sự liên kết của các lớp sau. Khi sơn cục bộ, sơn cũ bong lên sau lần thứ nhất phải cạo bỏ và sơn lại trước khi sơn lượt sau.
Được phép dùng các loại sơn quy định “được định lượng sẵn để dùng” và “không pha loãng” trừ khi có quy định khác trong Tiêu chuẩn vật liệu thích hợp với loại sơn sử dụng.
Nếu dùng bàn chải, chúng phải có đủ thân và chiều dài lông để rải sơn thành một màng đồng đều. Phải dùng các bàn chải tròn, hình ô van, hoặc bàn chải dẹt không rộng hơn 115 mm. Sơn phải quét đều và chải kỹ.
Trên bề mặt không thể tới được để sơn bằng biện pháp thông thường, sơn phải quét bằng bàn chải da cừu, bàn chải kiểu chai, hoặc bằng các biện pháp khác được Kỹ sư chấp thuận.
Khi sử dụng con lăn, chúng phải thuộc loại không để lại cấu trúc sần sùi trong màng sơn. Chỉ dùng các con lăn trên bề mặt phẳng, đều để tạo ra một màng sơn có bề dày đều đặn không bỏ quãng, vệt chảy, vệt xệ hoặc các vùng mỏng.
Sơn có thể được phun bằng thiết bị phun không có không khí hoặc phun thông thường.
Phải cung cấp các bộ lọc hoặc bộ tách nước được Kỹ sư chấp thuận và đặt chúng trong đường phun của mỗi bình phun để loại bỏ dầu và nước trong không khí.
Phương pháp phun nào tạo ra quá nhiều sơn, vật chẩy, vệt xệ, hoặc các chỗ mỏng trong màng sơn, hoặc bỏ quãng, bỏ trống sẽ được xem là không thỏa mãn và Kỹ sư có thể yêu cầu thay đổi phương pháp phun hoặc cấm dùng phương pháp đó và yêu cầu dùng bàn chải để thay thế.
Phải dùng các máy trộn để trộn sơn. Trước khi quét, sơn phải trộn một thời gian đủ dài để trộn kỹ lưỡng chất nhuộm màu và chất tải màu với nhau, và giữ được trộn kỹ trong khi quét.
Bề dày màng sơn khô phải đo tại chỗ bằng một thiết bị đo bề dày màng từ tính đã hiệu chỉnh theo SSPC-PA2.
Bề dày mỗi lớp sơn phải khống chế ở bề dày đảm bảo sẽ khô đồng đều trên toàn bộ màng sơn.
Các lớp sơn kế tiếp sau phải có sắc thái tương phản với sơn đã quét.
Kết cấu phải được thổi sạch và sơn với tổng bề dày các lớp sơn lót trước khi lắp dựng. Sau khi lắp dựng và trước khi sơn lớp sau, các chỗ sơn bị hư hại hoặc hư hỏng và bề mặt lộ ra không sơn phải được làm sạch hoàn toàn và sơn cục bộ với các lớp sơn lót tới bề dày quy định.
Bề mặt lộ ra không khí và không thể tới để sơn được sau khi lắp dựng phải được sơn toàn bộ số lớp sơn trước khi lắp dựng.
Nếu có yêu cầu lớp sơn lót vinyl, không được sơn trước khi sơn lớp kế tiếp quá 12 h. Phải phun lớp sơn lót vinyl để tạo ra một màng ướt đồng đều trên bề mặt. Bề dày màng khô phải trong khoảng 7,6 đến 12,7 µm.
Việc sơn các diện tích dưới mối nối liên kết và các tấm nối phù hợp với Điều 8.5.3.
5.4.1 Sơn các loại sơn lót giàu kẽm
Sơn lót giàu kẽm gồm có sơn lót kẽm hữu cơ và vô cơ, phải dùng phương pháp phun. Trên các diện tích không thể phun được, có thể sơn bằng cách chải hoặc trát.
Phải dùng các máy trộn cơ khí để trộn sơn lót. Sau khi trộn, sơn lót giàu kẽm phải lọc qua một sàng kim loại có mắt sàng từ 250 đến 600 µm hoặc 2 lớp vải mỏng hồ cứng ngay trước hoặc trong khi rót vào bình phun.
Phải dùng một bình phun khuấy trong mọi lần phun lớp lót giàu kẽm. Thanh khuấy phải thò xuống dưới và cách đáy bình phun trong khoảng 50 mm và phải luôn chuyển động trong khi phun. Chuyển động này phải đủ để giữ cho sơn được trộn đều.
Thiết bị phun phải cung cấp đủ áp lực cho bình và áp lực phun để tạo ra một lớp sơn có thành phần theo đúng về mọi mặt của các tiêu chuẩn đối với sơn kẽm. Ống mềm từ bình đến vòi phun trong hồ sơ hợp đồng không được dài quá 22.860 mm cũng không được dùng cao hơn hay thấp hơn bình quá 4.570 mm.
Lớp lót giàu kẽm, được bảo dưỡng phải không có bụi, đất, muối, hoặc các lớp đọng có hại khác và hoàn toàn khô trước khi sơn lớp sơn vinyl.
Ngoài ra, việc phủ các loại sơn kẽm vô cơ phải phù hợp với các điều sau:
- Các lớp sơn kẽm vô cơ kế tiếp nhau phải quét trong vòng 24 h, nhưng không ít hơn 30 min sau lần sơn trước của loại sơn đó.
- Trong các khu vực xảy ra các vết nứt bùn trong sơn kẽm vô cơ, phải thổi sạch tới lớp sơn dính kết tốt, và sơn lại tới cùng độ dày bằng cùng phương pháp quy định đối với lớp sơn cũ.
- Sơn phải bảo dưỡng trong 48 h với một độ ẩm tương đối ít nhất bằng 45% trước khi sơn lớp lót vinyl. Lớp sơn kẽm vô cơ bảo dưỡng phải tưới nước bằng vòi và phải trong điều kiện khô bê mặt trước khi quét lớp sơn lót vinyl, nếu như lớp sơn lót vinyl chưa được quét trong vòng 3 tuần sau khi quét lớp sơn kẽm vô cơ hoặc khi rõ ràng có bụi đất, muối hoặc các chất đọng có hại khác trên lớp sơn kẽm vô cơ.
5.5 Đo đạc
Việc làm sạch và sơn thép kết cấu được tính theo hình thức trọn gói, trừ khi có quy định khác trong hồ sơ hợp đồng.
6 Sơn bề mặt mạ kẽm
Bề mặt mạ kẽm cần sơn trước hết phải được làm sạch bằng cách rửa với dung môi nhiên liệu lỏng khoáng vật đủ để làm sạch mọi chất dầu, mỡ, hoặc các vật liệu lạ khác đối với lớp mạ.
Sau khi làm sạch, phải quét lớp lót vinyl cho bề mặt đó. Lớp lót vinyl phải phun để tạo ra một màng ướt đồng đều trên bề mặt. Bề dày màng khô phải trong khoảng từ 7,6 đến 12,7 µm.
Lớp sơn hoàn thiện quét trên bề mặt mạ kẽm đã sơn lót phải quy định trong hồ sơ hợp đồng. Nếu không có quy định khác, lớp sơn hoàn thiện phải giống như lớp sơn dùng trên công trình kim loại liền kề hoặc theo chỉ dẫn của Kỹ sư.
7 Sơn gỗ
7.1 Tổng quát
Trừ khi có quy định khác trong hồ sơ hợp đồng, tất cả gỗ mới yêu cầu sơn phải sơn với 3 lớp sơn. Sơn dùng cho các lớp khác nhau sẽ theo quy định trong Tiêu chuẩn này hoặc quy định trong hồ sơ hợp đồng.
Việc sơn bề mặt đã sơn trước phải theo yêu cầu trong hồ sơ hợp đồng và các Tiêu chuẩn ở đây.
7.2 Chuẩn bị bề mặt
Các lớp sơn bị nứt nẻ hoặc bong ra, sơn thành bột rời rạc, bùn đất và vật liệu lạ khác phải làm sạch bằng bàn chải sợi thép, cạo hoặc các biện pháp khác ngay trước khi sơn. Hàm lượng ẩm của gỗ không được quá 20 % lúc sơn lớp đầu trên.
7.3 Sơn
Sơn dùng cho kết cấu gỗ, trừ khi có quy định khác ở đây, phải như quy định trong hồ sơ hợp đồng. Sơn quy định dùng để phủ lên bề mặt đã sơn trước. Khi chúng được sơn cho gỗ chưa sơn, phải thêm vào sơn dầu thông và dầu lanh theo yêu cầu của tính chất bề mặt với một lượng không quá một phần tám của sơn như quy định. Sơn phải trắng hoặc có màu theo chỉ dẫn của Kỹ sư.
Nếu quy định trong hồ sơ hợp đồng lớp sơn cuối cùng là sơn đen, lớp sơn thứ nhất hoặc lớp lót phải theo quy định trên.
7.4 Quét sơn
Khi được Kỹ sư cho phép bằng văn bản, lớp sơn thứ nhất có thể quét trước khi lắp dựng.
Sau khi lớp thứ nhất đã khô và gỗ đã lắp dựng tại chỗ, các chỗ nứt nẻ, vết rạn, các lỗ đinh hoặc các lỗ lõm khác phải trám mattit cho bằng bề mặt và để cho khô trước khi sơn lớp thứ hai.
Sơn phải sơn bằng bàn chải hoặc phun, hoặc con lăn, quét đều, và sơn đầy đủ vào trong các khe nứt do khô, các góc và các hốc lõm. Không được sơn tiếp theo trước khi toàn bộ bề dày lớp trước đã khô.
Các đường chải sơn cuối cùng bằng sơn nhôm phải theo cùng một chiều để đảm bảo các hạt bột trải ra bằng phẳng.
7.5 Sơn gỗ đã xử lý
Gỗ đã xử lý bằng creosote hoặc một chất bảo quản có gốc dầu pentachlorophenol thường không phải sơn.
Gỗ xử lý bằng chất bảo quản pha nước phải sạch và độ ẩm phải giảm xuống dưới 20% trước khi sơn. Mọi hạt tinh thể muối nhìn thấy được trên mặt gỗ phải rửa và chải sạch, và lại phải giảm hàm lượng nước xuống mức độ quy định trước khi sơn. Gỗ cất giữ đợi sơn phải che phủ và xếp trên các giàn để đảm bảo thông gió.
7.6 Đo đạc
Việc sơn gỗ hiện có được tính theo hình thức trọn gói.
8 Sơn bê tông
8.1 Chuẩn bị bề mặt
Trước khi sơn bề mặt bê tông, phải rửa sạch sữa xi măng và các hợp chất bảo dưỡng khỏi bề mặt bằng cách thổi sạch theo Điều 5.3.1.
Bề mặt bê tông phải hoàn toàn khô và không có bụi đất lúc sơn.
Mọi quy trình và phương pháp làm khô nhân tạo phải được Kỹ sư chấp thuận.
8.2 Sơn
Trừ khi có quy định khác trong hồ sơ hợp đồng, sơn dùng cho bê tông phải là nhũ tương acrylic và về mọi mặt phù hợp với Tiêu chuẩn thực hiện chi tiết của MPI:
- MPI - #10 cho sơn phẳng
- MPI - #11 cho sơn nửa bóng
- MPI - #119 cho sơn bóng.
Sơn này có thể có màu bằng cách sử dụng các chất cô đặc “vạn năng” hoặc “cho mọi mục đích”.
8.3 Quét sơn
Sơn nhũ tương acrilic phải sơn không ít hơn hai lớp để tạo ra một vẻ ngoài đồng đều.
Chỉ được sơn khi nhiệt độ xung quanh từ 10 ºC trở lên. Không được phép sơn khi có thể dự đoán nhiệt độ xung quanh tụt xuống dưới 10 ºC trong khi sơn và để sơn khô.
8.4 Đo đạc
Chuẩn bị và sơn bê tông được tính theo hình thức trọn gói hoặc bằng m2 như liệt kê trong hồ sơ hợp đồng. Khi đo theo m2, việc đo đạc được xác định theo bề mặt của diện tích thực tế đã sơn.
THI CÔNG CẦU ĐƯỜNG BỘ - PHẦN 14: ĐÁ XÂY
Bridge Construction Specifications - Part 14: Stone Masonry
1 Phạm vi áp dụng
Bộ tiêu chuẩn TCVN 12885:2020 áp dụng đối với công tác thi công các cầu, cống có kết cấu thông thường, sử dụng các công nghệ thi công thông thường trên đường bộ; cũng có thể tham khảo để thi công các cầu, cống trên đường sắt, có yêu cầu kỹ thuật tương tự.
Tiêu chuẩn này quy định các yêu cầu thi công và nghiệm thu, áp dụng đối với công tác thi công kết cấu xây bằng đá và phần xây bằng đá của kết cấu liên hợp trong thi công cầu.
Tiêu chuẩn này được dùng làm cơ sở để xây dựng Chỉ dẫn kỹ thuật thi công đối với công tác nêu trên trong dự án xây dựng cầu đường bộ.
2 Tài liệu viện dẫn
Các tài liệu viện dẫn sau là cần thiết cho việc áp dụng tiêu chuẩn này. Đối với các tài liệu viện dẫn ghi năm công bố thì áp dụng phiên bản được nêu. Đối với các tài liệu viện dẫn không ghi năm công bố thì áp dụng phiên bản mới nhất, bao gồm cả các sửa đổi, bổ sung (nếu có).
TCVN 11823:2017, Thiết kế cầu đường bộ.
TCVN 12885-3:2020, Thi công cầu đường bộ - Phần 3: Công trình tạm.
TCVN 12885-8:2020, Thi công cầu đường bộ - Phần 8: Kết cấu bê tông.
TCVN 12885-21:2020, Thi công cầu đường bộ - Phần 21: Lớp phòng nước.
LRFD-8, AASHTO LRFD Bridge Design Specifications, 2017 (Tiêu chuẩn thiết kế cầu).
HM-WB, Standard Specifications for Transportation Materials and Methods of Sampling and Testing, 2017 (Tiêu chuẩn kỹ thuật đối với vật liệu giao thông và phương pháp lấy mẫu và thử nghiệm).
HB-17, Standard Specifications for Highway Bridges. 17th Edition 2002 (Tiêu chuẩn kỹ thuật đối với cầu đường bộ).
ASTM C91C91M, Standard Specification for Masonry Cement (Tiêu chuẩn kỹ thuật đối với xi măng đá xây).
ASTM C207, Standard Specification for Hydrated Lime for Masonry Purposes (Tiêu chuẩn kỹ thuật đối với vôi hydrat cho mục đích xây dựng).
ASTM C5, Standard Specification for Quicklime for Structural Purposes (Tiêu chuẩn kỹ thuật đối với vôi sống cho mục đích kết cấu).
ASTM C144, Standard Specification for Aggregate for Masonry Mortar (Tiêu chuẩn kỹ thuật đối với cốt liệu cho vữa xây).
3 Thuật ngữ và định nghĩa
Tiêu chuẩn này sử dụng các thuật ngữ và định nghĩa nêu trong TCVN 12885-1:2020.
4 Mô tả
Công việc này bao gồm việc thi công kết cấu xây bằng đá và phần xây bằng đá của kết cấu liên hợp theo Tiêu chuẩn này và phù hợp một cách hợp lý với tuyến và cao độ cho trong hồ sơ hợp đồng hoặc được Kỹ sư xác lập.
4.1 Đá hộc xây
Đá hộc xây, như quy định ở đây, bao gồm các loại đá thô và khá vuông, được đặt trong vữa xi măng.
4.2 Đá đẽo xây
Đá đẽo xây gồm các vật xây bằng đá đẽo loại một đặt thành từng lớp đều đặn và bao gồm mọi công việc trong đó, để phân biệt với đá hộc xây, các viên đá được sửa sang hoặc gia công theo kích thước chính xác.
5 Vật liệu
5.1 Tổng quát
Đá để xây phải cứng chắc, chặt chẽ, tốt và bền, không có sứt sẹo, khe nứt, tạp chất hoặc các khuyết tật kết cấu khác. Đá phải là loại và chất lượng quy định trong hồ sơ hợp đồng. Trước khi chuyên chở đá tới công trình, Nhà thầu phải có được sự chấp thuận về nguồn đá đề xuất và phải trình mẫu đá đại diện cho Kỹ sư để kiểm tra và thử nghiệm, nếu cần. Mẫu phải sửa sang và hoàn thiện như quy định để dùng trong công trình và phải có kích thước các chiều không nhỏ hơn 150 mm. Các viên đá dùng trong công trình phải có chất lượng tương đương với mẫu đá đã trình.
5.1.1 Đá hộc
Đá dùng trong công trình xây bằng đá hộc không được có các bề mặt tròn, mài mòn hoặc bị phong hóa. Mọi đá bị phong hóa đều phải loại bỏ.
5.1.2 Đá đẽo
Đá dùng trong công trình xây bằng đá đẽo phải có vân tương đối mịn và đồng đều về màu sắc. Tốt nhất, đá phải lấy từ mỏ, mà sản phẩm của nó được biết là có chất lượng thỏa mãn. Đá phải có tính chất sao cho có thể đẽo thành các đường nét và bề mặt, hoặc cong, hoặc phẳng tùy theo yêu cầu. Viên đá nào có khuyết tật đã sửa chữa bằng xi măng hoặc vật liệu khác phải bị loại bỏ.
5.2 Chuyên chở và cất giữ đá
Công việc ở mỏ và việc giao đá tại địa điểm sử dụng phải được tổ chức để đảm bảo giao kịp thời trước khi xây. Tại mọi thời điểm, phải có khối lượng đá đúng quy định đủ dùng để cho phép các thợ nề lựa chọn đá thích hợp.
Đá phải giữ không có bùn đất, dầu hoặc bất kỳ vật liệu có hại nào khác có thể ngăn cản vữa bám dính tốt vào đá hoặc làm giảm vẻ đẹp của các bề mặt lộ ra.
5.3 Vữa
Thành phần để trộn vữa phù hợp với yêu cầu sau:
- Xi măng Portland, phụ gia và nước theo TCVN 12885-8:2020
- Xi măng xây: ASTM C91
- Vôi tôi: ASTM C207
- Vôi chưa tôi dùng để làm vữa vôi: ASTM C5
- Cốt liệu cát: AASHTO M45 (ASTM C144)
Thành phần vật liệu phải sao cho thể tích cát trong điều kiện ẩm, rời rạc là từ 2,25 đến 3 lần thể tích vật liệu xi măng. Vật liệu xi măng phải bao gồm một phần xi măng Portland với từ 0,25 đến 0,50 phân vôi tôi hoặc vữa vôi, hoặc một phần xi măng với từ 1 đến 2 phần xi măng xây. Có thể dùng các vật liệu trộn sẵn phù hợp với yêu cầu này.
Chỉ được thêm phụ gia khi có quy định trong hồ sơ hợp đồng hoặc được Kỹ sư chấp thuận.
6 Gia công đá xây
6.1 Tổng quát
Mỗi viên đá không được có những chỗ lồi lõm, có thể làm yếu viên đá hoặc làm cho không thể đặt chúng nằm đúng cách, và phải có hình dạng đáp ứng các yêu cầu đối với loại xây quy định.
Khi kích thước không được quy định trong hồ sơ hợp đồng, các viên đá phải được cung cấp kích thước và diện tích bề mặt cần thiết để tạo ra đặc trưng chung và vẻ ngoài như đã cho trong hồ sơ hợp đồng.
Bề dày các lớp, nếu thay đổi, phải giảm đều từ đáy lên đỉnh tường. Kích thước của các viên đá cong trong vòm phải được nêu ra trong hồ sơ hợp đồng.
Khi cần các viên đá xây ngang, chiều dài của chúng không được nhỏ hơn chiều rộng nền của viên đá dọc rộng nhất kề bên, cộng với 300 mm.
6.2 Hoàn thiện bề mặt đá
Đối với mục đích của Tiêu chuẩn này, các kiểu hoàn thiện bề mặt đá được xác định như sau:
- Hoàn thiện nhẵn: có bề mặt trong đó các thay đổi từ đường chuẩn không vượt quá 1,5 mm.
- Hoàn thiện mịn: có bề mặt trong đó các thay đổi từ đường chuẩn không vượt quá 6 mm.
- Hoàn thiện thô: có bề mặt trong đó các thay đổi từ đường chuẩn không vượt quá 12 mm.
- Đẽo: có bề mặt trong đó các thay đổi từ đường chuẩn không vượt quá 20 mm.
- Kiểu mặt đá: có mặt lô nhô không đều không có vết đục. Các đoạn nhô ra ngoài đường chuẩn không được vượt quá 75 mm và không có phần nào của mặt được thấp dưới đường chuẩn.
6.3 Đá hộc xây
6.3.1 Cỡ đá
Viên đá phải có bề dày không nhỏ hơn 200 mm và bề rộng không nhỏ hơn 1,5 lần bề dày. Không có viên nào, trừ các viên ngang, được có chiều dài nhỏ hơn 1,5 lần bề rộng của nó.
6.3.2 Hình dạng
Đá phải gần vuông ở các khe nối, mặt nằm và mặt ngoài. Phải dùng các viên đá được chọn lọc, gần vuông vắn và phẳng theo đường chuẩn, tại các góc và đầu tường. Nếu quy định trong hồ sơ hợp đồng, các góc và góc cạnh ở mặt ngoài phải hoàn thiện với một đường viền bằng cách đục.
Bề mặt nền của đá mặt phải vuông góc với các mặt đá trên một đoạn khoảng 75 mm và từ điểm này có thể lệch khỏi đường vuông góc không quá 50 mm trên chiều dài 300 mm. Bề mặt nối ghép của đá mặt phải tạo thành một góc với bề mặt nền không nhỏ hơn 45º.
Mọi việc tạo dáng hoặc sửa sang viên đá phải làm trước khi đá đặt vào tường, sau khi đặt không được phép sửa sang hoặc gõ búa làm lỏng viên đá.
6.3.3 Sửa sang
Đá phải sửa để loại bỏ các phần mỏng hoặc yếu. Viên đá mặt phải sửa để tạo ra mạch ngang và mạch đứng có sự thay đổi tối đa là 40 mm so với tuyến đúng, trừ khi có chỉ rõ khác trong hồ sơ hợp đồng.
6.4 Đá đẽo xây
6.4.1 Cỡ đá
Viên đá phải lớn và cân đối. Bề dày không nhỏ hơn 300 mm, và không được lớn hơn 750 mm.
6.4.2 Sửa sang
Đá phải sửa theo đúng cỡ và hình dạng trước khi xây và phải đẽo để nằm trên các mặt nằm tự nhiên của chúng với mặt trên và dưới thực sự song song nhau. Không được phép làm các bề mặt nằm lõm. Mặt nằm đáy phải có đúng cỡ của đá và không viên nào được có mặt trên hẫng. Trong thi công mặt đá, phía mặt của bất kỳ viên đá nào cũng không được có đường viền cắt hụt kề với cạnh đáy của chúng làm cho đầu nặng tạo ra vẻ ngoài không ổn định khi đặt.
Nền của đá mặt phải hoàn thiện tốt tới chiều sâu không nhỏ hơn 300 mm.
Mạch thẳng đứng của đá mặt phải hoàn thiện tốt và đầy đặn, vuông vắn tới chiều sâu không nhỏ hơn 225 mm.
Bề mặt lộ ra của đá mặt phải hoàn thiện như quy định trong hồ sơ hợp đồng, với các cạnh được mài tới tuyến đúng và độ nghiêng chính xác. Đường gờ đục rộng 38 mm phải cắt ở các góc ngoài. Đá mặt tạo thành trụ bảo vệ hoặc mũi các trụ phải hoàn thiện thô trừ khi có quy định khác trong hồ sơ hợp đồng.
Lỗ để móc đá không được phép tồn tại trên các bề mặt lộ.
6.4.3 Viên đá lát dọc
Viên đá lát dọc phải có bề rộng mặt nằm không nhỏ hơn 1,5 lần bề dày. Chiều dài viên đá mặt nằm không được nhỏ hơn 2 lần cũng không lớn hơn 3,5 lần bề dày của chúng, và không nhỏ hơn 900 mm.
6.5 Đá vành vòm
Bề mặt mạch xây của đá vành vòm phải hướng tâm và vuông góc với mặt trước của đá. Chúng phải sửa sang trên một đoạn ít nhất 75 mm kể từ mặt trước và mặt đáy, từ điểm này chúng có thể lệch với mặt phẳng vuông góc với mặt trước không quá 20 mm trên một đoạn 300 mm. Mặt sau tiếp xúc với bê tông của thân vòm phải song song với mặt trước và phải sửa sang với một đoạn 150 mm kể từ mặt trong vòm. Mặt trên phải cắt vuông góc với mặt trước và phải sửa với một đoạn ít nhất 75 mm kể từ mặt trước.
Khi bê tông được đổ sau khi khối xây đá đã xây dựng, các viên đá vành vòm tiếp giáp phải thay đổi ít nhất 150 mm theo chiều sâu.
Việc phân lớp trong các viên đá vành vòm phải song song với các mạch hướng tâm và trong các đá khác phải song song với mặt nằm.
Khi có quy định trong hồ sơ hợp đồng, mẫu kích thước đầy đủ của vành vòm phải bố trí gần địa điểm mỏ đá, thể hiện kích thước mặt ngoài của mỗi viên đá vành vòm và bề dày các mạch. Mẫu phải được sự chấp thuận của Kỹ sư trước khi bắt đầu tạo dạng cho mọi viên đá vành vòm, và không được xây đá vành vòm trong kết cấu trước khi các viên đá vành vòm được tạo hình, sửa sang và được Kỹ sư chấp thuận.
7 Thi công
7.1 Điều kiện thời tiết
Không được xây đá trong thời tiết băng giá, trừ khi được phép bằng văn bản của Kỹ sư và theo các điều kiện mà Kỹ sư có thể yêu cầu.
7.2 Trộn vữa
Vữa phải trộn tay hay máy, tùy theo yêu cầu của Kỹ sư. Trong chuẩn bị vữa trộn bằng tay, cát và xi măng phải trộn hoàn hảo với nhau trong thùng vữa kín, sạch cho tới khi hỗn hợp có màu sắc đồng đều, sau đó thêm nước vào với lượng đủ để thành khối dẻo quánh. Vữa trộn máy được chuẩn bị trong máy trộn được chấp thuận và phải trộn không dưới 3 min và không quá 10 min. Vữa phải sử dụng trong vòng 1,5 h sau khi trộn và trước khi bắt đầu đông cứng cuối cùng. Phải trộn lại vữa khi cần thiết để duy trì độ sệt tốt trong khi xây.
7.3 Lựa chọn và đặt đá
7.3.1 Tổng quát
Khi khối xây đặt trên nền đã được chuẩn bị bề mặt, nền phải vững chắc và vuông góc với, hoặc các bậc vuông góc với mặt tường, và được Kỹ sư chấp thuận trước khi đặt đá xây. Khi đá được đặt trên móng khối xây, mặt đỡ của móng khối xây phải được làm sạch hoàn toàn và trong điều kiện bề mặt khô bão hòa khi tiến hành rải lớp vữa đệm.
Mọi việc xây phải do các công nhân có kinh nghiệm thực hiện. Viên đá mặt phải xếp theo mạch ngẫu nhiên để tạo ra hiệu ứng được quy định trong hồ sơ hợp đồng.
Phải chú ý phòng ngừa việc dồn vào một chỗ các viên đá nhỏ hoặc đá cùng cỡ. Khi sử dụng đá bị phong hóa hoặc đá có màu sắc, hoặc đá có cấu trúc thay đổi, cần cố gắng phân phối các loại đá khác nhau một cách đồng đều trên toàn các mặt lộ ra của công trình. Phải dùng các viên đá lớn ở các lớp dưới và dùng các đá lớn, chọn lọc ở các góc. Nói chung, đá phải giảm kích cỡ từ đáy lên đỉnh công trình.
Mỗi viên đá phải rửa sạch và hoàn toàn bão hòa nước trước khi đặt và nền đặt đá phải sạch và khá ẩm. Viên đá phải đặt chắc chắn trong vữa tươi. Mạch vữa phải đầy và đá phải đặt cẩn thận vào chỗ trước khi vữa đông cứng. Không cho phép có các mảnh vụn đá trong các lớp nền. Không cho phép chèn đá bằng các mảnh vụn trong lớp mạch nền.
Đá không được để rơi hoặc trượt trên tường, cũng không được gõ búa, lăn hoặc quay các viên đá trên tường. Chúng phải được đặt cẩn thận không làm chấn động đá đã đặt và chúng phải được mang bằng các móc hoặc dụng cụ khác không gây ra biến dạng.
Trong trường hợp một viên đá bị chuyển động hoặc mạch bị vỡ, viên đá phải được lấy ra, làm sạch hoàn toàn vữa trên nền và các mạch, và đá được đặt lại trong vữa mới.
7.3.2 Đá hộc xây
Đá hộc xây phải đặt theo tuyến và thành lớp tương đối ngang bằng. Lớp đáy hoặc lớp móng phải gồm các viên đá lớn được lựa chọn và các lớp phải đặt trên các lớp nền chịu lực song song với nên tự nhiên của vật liệu. Mạch thẳng đứng trong mỗi lớp đá hộc xây phải cách các mạch của các lớp tiếp giáp ít nhất 150 mm. Mạch thẳng đứng trong mọi trường hợp không được trực tiếp ở trên hoặc ở dưới viên đá ngang.
7.3.3 Đá đẽo xây
Các viên đá trong bất kỳ lớp nào của đá đẽo xây phải đặt sao cho các mạch liên kết không ít hơn 300 mm với các viên đá của các lớp kề bên. Các viên đá ngang phải đặt trên các viên đá dọc và nói chung các viên ngang của mỗi lớp phải chia đều các khoảng cách giữa các viên ngang của các lớp kề bên, nhưng không có viên đá ngang nào được đặt trên một mạch và không được có một mạch nào được làm trên một viên đá ngang.
7.4 Mạch ngang và mạch thẳng đứng
Mạch ngang và mạch thẳng đứng trong đá hộc xây phải có bề dày trung bình không quá 25 mm. Mạch này trong đá đẽo xây có bề dày không nhỏ hơn 10 mm và cũng không lớn hơn 12 mm và bề dày của mạch ngang và mạch thẳng đứng phải đồng đều trong suốt mạch.
Bề dày của mạch ngang trong đá đẽo xây được thay đổi như đã thấy từ đáy lên đỉnh công trình. Tuy nhiên, trong mỗi lớp mạch ngang phải có bề dày đồng đều trong suốt mạch.
Mạch ngang không được kéo dài trên một tuyến không gẫy quá năm viên đá.
Mạch thẳng đứng trong đá đẽo xây phải thẳng đứng. Trong các kết cấu xây đá khác, các mạch có thể nghiêng so với đường thẳng đứng một góc từ 0º đến 45º.
Mỗi viên đá mặt phải liên kết với các viên đá mặt kề bên ít nhất 150 mm theo chiều dọc và 50 mm theo chiều thẳng đứng. Mạch đá vành vòm trên mặt và đáy vòm không được có bề dày nhỏ hơn 6 mm và cũng không lớn hơn 40 mm.
Mạch ngang đối với tường thẳng đứng phải cùng cao độ và đối với tường nghiêng có thể thay đổi từ ngang bằng tới trực giao với tuyến nghiêng của mặt tường. Các mạch đều phải hoàn toàn đầy vữa.
7.5 Viên đá ngang
Viên đá ngang được giữ ở tâm tường có cùng kích thước được thể hiện ở bề mặt và sẽ kéo dài không ít hơn 300 mm vào trong lõi hoặc lưng tường. Chúng phải chiếm không ít hơn 1/5 diện tích mặt tường và phải phân bố đều.
Viên đá ngang khi xây tường đá hộc có bề dày từ 600 mm trở xuống phải kéo dài qua suốt tường.
Viên đá đẽo xây phải đặt trong mỗi lớp và phải có bề rộng không nhỏ hơn 1,5 lần bề dày của chúng. Trong các tường có bề dày từ 1.200 mm trở xuống, các viên đá ngang phải kéo dài qua suốt tường. Trong các tường dày hơn, chiều dài viên đá nằm ngang không được nhỏ hơn 2,5 lần bề dày của chúng khi lớp đá có chiều cao bằng 450 mm trở xuống, và không nhỏ hơn 1.200 mm trong các lớp có chiều cao lớn hơn. Các viên đá ngang phải có tâm cách nhau không quá 2.400 mm. Cứ 2 viên đá dọc phải có ít nhất 1 viên ngang.
7.6 Lõi và lưng tường
7.6.1 Tổng quát
Lõi và lưng tường gồm có hoặc các viên đá đặt ngang và đặt dọc có mạch ngang và mạch đứng không bằng phẳng như quy định ở trên, hoặc bằng bê tông Loại B hoặc C, có thể quy định trong hồ sơ hợp đồng.
Viên đá ngang và dọc trong tường có bề dày từ 900 mm trở xuống phải có chiều rộng hoặc chiều dài bằng toàn bộ bề dày của tường. Việc chèn lưng tường sẽ không được phép.
7.6.2 Đá
Khi dùng đá làm lõi hoặc lưng tường ít nhất 1/2 số đá phải có cùng kích cỡ và đặc trưng như đá mặt, và có các đầu song song. Chiều dày các lớp không được ít hơn 200 mm.
Đá lưng tường phải đặt theo cùng một cách như quy định ở trên đối với đá mặt, với viên đá ngang cài với viên đá ngang mặt tường khi bề dày tường cho phép. Lưng tường phải có mạch không trùng với các mạch tường mặt. Đá lõi phải đặt trên các mạch ngang đầy vữa để liên kết không ít hơn 300 mm với đá mặt và đá lưng và giữa chúng với nhau. Các mạch ngang trong lõi lưng tường không được có bề dày quá 25 mm và các mạch thẳng đứng không quá 100 mm.
7.6.3 Bê tông
Bê tông dùng làm lõi và lưng tường phù hợp với yêu cầu của TCVN 12885-8:2020.
Thao tác liên quan đến việc xử lý và đổ bê tông dùng trong lõi và lưng, tường phù hợp với yêu cầu của TCVN 12885-8:2020. Tuy nhiên, việc trộn và đầm lèn bê tông kề bên lớp mặt đá đẽo xây phải làm cách nào đó để đảm bảo nhồi được các khoảng trống xung quanh viên đá và đảm bảo tiếp xúc đây đủ và liên kết có hiệu quả với các mặt đá.
7.6.4 Lớp tạo mặt bằng
Lõi đá và lưng tường phải xây tới cao độ xấp xỉ lớp mặt, trước khi bắt đầu xây lớp tiếp theo.
Mối nối thi công tạo ra trong lõi hoặc lưng tường bê tông bằng cách đổ bê tông không liên tục, nói chung, phải được đặt không ít hơn 150 mm dưới mạch ngang trên cùng của bất cứ lớp xây nào.
7.7 Tường mặt dùng cho bê tông
Trừ khi có quy định khác trong hồ sơ hợp đồng, phải xây đá trước khi đổ bê tông.
Phải dùng các neo thép đã cho trong hồ sơ hợp đồng. Để cải thiện liên kết giữa đá xây và bê tông lưng tường, mặt sau của vật xây phải làm không đều đặn chừng nào các viên đá cho phép.
Sau khi đã xây lớp đá mặt và vữa đã đủ cường độ, các bề mặt mà bê tông sẽ đổ tiếp giáp với nó phải làm sạch cẩn thận và loại bỏ tất cả bùn đất, vật liệu rời rạc và các tảng vữa rơi.
Khi đổ bê tông, các khe của khối xây phải được lấp đầy và bê tông phải được xọc cho tới khi bê tông tiếp xúc chặt chẽ với mọi bộ phận của mặt sau tường xây.
7.8 Đỉnh tường
7.8.1 Đá
Đá dùng làm đỉnh tường, trụ và các bệ mố cầu phải được lựa chọn cẩn thận và có kích thước đầy đủ. Trên các trụ, toàn bộ bề rộng của đỉnh trụ không được dùng quá 2 viên đá. Đỉnh các bệ mố cầu phải đủ rộng để kéo dài ít nhất 100 mm dưới lưng tường. Mỗi bậc tạo thành đỉnh của tường cánh phải được tạo thành chỉ bằng 1 viên đá chờm ra ngoài viên đá làm bậc ngay dưới đó ít nhất 300 mm.
Mặt trên của đá đỉnh phải cắt vát ít nhất rộng 50 mm, đáy, mặt cắt xiên và mặt trên phải hoàn thiện. Mạch thẳng đứng phải hoàn thiện nhẵn và đỉnh phải xây với các mạch thẳng đứng dày không quá 6 mm. Mặt dưới phần nhô ra của đỉnh nên có một đường rãnh nhỏ giọt nước mưa.
Mạch trong đỉnh tường phải đặt thế nào để tạo ra liên kết không nhỏ hơn 300 mm với các viên đá lớp dưới và sao cho không có mạch nào nằm ngay dưới các tấm gối đỡ xây của kết cấu phần trên.
7.8.2 Bê tông
Đỉnh tường, bệ đỡ gối cầu và tường lưng phải bằng vật liệu quy định trong hồ sơ hợp đồng, khi không có quy định khác phải là bê tông Loại A phù hợp với yêu cầu của TCVN 12885-8:2020.
Đỉnh tường bằng bê tông phải làm thành phân đoạn kéo dài hết bề rộng tường, dày không ít hơn 300 mm và dài từ 1.500 mm đến 3.000 mm. Các phân đoạn có thể đúc tại chỗ hoặc đúc sẵn và lắp đặt vào vị trí trong các mạch ngang đầy vữa.
7.9 Chốt và kẹp
Khi có yêu cầu, đá đỉnh, đá trong các tường cánh mố, và đá trong trụ phải được giữ chắc bằng các chốt hoặc các vòng kẹp bằng sắt rèn như chỉ định trong hồ sơ hợp đồng.
Lỗ chốt phải khoan thủng mỗi viên đá trước khi đặt đá đúng chỗ, sau khi đặt các lỗ chốt này phải khoan kéo dài vào lớp dưới không ít hơn 150 mm.
Kẹp phải có hình dáng và kích thước như đã cho trong hồ sơ hợp đồng hoặc được Kỹ sư chấp thuận. Chúng phải đặt vào trong viên đá sao cho ngang bằng với các bề mặt.
Vòng kẹp và chốt phải đặt trong chì, chú ý để lấp hoàn toàn các khoảng trống xung quanh bằng chì nấu chảy, hoặc phải neo cứng bằng các biện pháp khác được Kỹ sư chấp thuận.
7.10 Các lỗ thoát nước
Tường và mố phải bố trí các lỗ thoát nước. Trừ khi có nêu khác trong hồ sơ hợp đồng hoặc theo yêu cầu của Kỹ sư, lỗ thoát nước phải đặt tại các điểm thấp nhất, nơi có thể để nước chảy thoát ra tự do và phải cách nhau từ tâm tới tâm không quá 3.000 mm. Tại mỗi lỗ thoát phải đổ ít nhất 0,06 m3 vật liệu thoát nước bọc trong tấm vải lọc.
7.11 Miết mạch
Không được miết mạch trong thời tiết băng giá.
Khi có thể, các mạch của mặt tường phải được miết mạch nghiêm chỉnh trước khi vữa đông cứng. Mạch không thể miết như đã nói phải chuẩn bị miết bằng cách cời 50 mm vữa ra trước khi vữa đông cứng. Không để vữa từ các mạch phòi ra hoặc vữa dùng miết mạch dính vào các bề mặt mặt đá.
Mạch không miết lúc xây đá phải hoàn toàn làm ướt bằng nước sạch và nhồi đầy vữa. Vữa phải phù hợp với Điều 5.3 trừ tỷ lệ của vữa vôi phải tăng lên 1/2 đến 2 lần thể tích xi măng, hoặc xi măng phải hoàn toàn là loại xi măng xây. Phải đưa đủ vữa vào trong các mạch và hoàn thiện bằng dụng cụ miết được chấp thuận. Tường phải giữ ẩm trong khi đang miết, khi thời tiết nóng hoặc khô khối xây có miết mạch phải được bảo vệ chống nắng và giữ ẩm ít nhất 3 ngày sau khi hoàn thành.
Sau khi miết mạch xong và vữa đã khô, tường phải rửa sạch hoàn toàn và trong điều kiện gọn gàng.
7.12 Vòm
Số lớp và chiều dày các vành vòm phải theo như đã cho trong hồ sơ hợp đồng. Vành vòm phải xây theo thứ tự đã chỉ rõ trong hồ sơ hợp đồng, phải có đủ kích thước ở mọi chỗ và phải có liên kết không nhỏ hơn bề dày của viên đá. Mạch ngang phải đục thô để làm cho chúng nằm trong các mặt phẳng hướng tâm. Mạch đứng hướng tâm phải nằm trong các mặt phẳng song song với trục ngang của vòm và khi đo tại mặt trong vòm, chúng không được dày quá 20 mm. Mạch đứng vuông góc với trục vòm không được có bề dày vượt quá 25 mm khi đo tại mặt trong vòm. Mặt trong vòm phải sửa sang đủ để cho viên đá nằm chính xác trên giá vòm. Mặt lộ của vành vòm phải hoàn thiện kiểu “mặt - đá” với các cạnh xây theo đúng tuyến xây.
Công việc phải tiến hành từ dưới lên đối xứng với đỉnh vòm, đá đặt trong các mạch đầy vữa và các mạch đứng phải phun vữa nếu cần. Không được phép chèn bằng cách dùng các mảnh đá vụn.
Tường trên vành vòm có thể đổ bằng bê tông Loại B hoặc xây bằng viên đá lớn có hình dạng phù hợp với vòm, liên kết vào các tường đầu vòm và xây trên các mạch ngang đầy vữa. Lưng vòm và các mặt trong của tường cánh vòm phải trát ngoài bằng một lớp vữa xi măng 1:2,5 và phải miết nhẵn bằng bay để chống thấm.
Giá đỡ vòm, lớp phòng nước, thoát nước và lấp đất phải theo quy định trong TCVN 12885-3:2020, TCVN 12885-8:2020, và TCVN 12885-21:2020.
8 Đo đạc
Khối đá xây được đo đạc hoặc theo m3 hoặc m2 theo danh mục trong hồ sơ hợp đồng. Thể tích hoặc diện tích phải là thể tích hoặc diện tích thực tế đã xây trong các kích thước giới hạn cho trong hồ sơ hợp đồng, hoặc các kích thước hồ sơ hợp đồng có thể được Kỹ sư sửa lại.
THI CÔNG CẦU ĐƯỜNG BỘ - PHẦN 15: KHỐI XÂY BẰNG GẠCH VÀ BLOCK BÊ TÔNG
Bridge Construction Specifications - Part 15: Stone Concrete Block and Brick Masonry
1 Phạm vi áp dụng
Bộ tiêu chuẩn TCVN 12885:2020 áp dụng đối với công tác thi công các cầu, cống có kết cấu thông thường, sử dụng các công nghệ thi công thông thường trên đường bộ; cũng có thể tham khảo để thi công các cầu, cống trên đường sắt, có yêu cầu kỹ thuật tương tự.
Tiêu chuẩn này quy định các yêu cầu thi cống và nghiệm thu, áp dụng đối với khối xây bằng gạch hoặc block bê tông, gồm có gạch hoặc block bê tông đặt trong vữa xi măng, và khối xây có thể không tăng cường hoặc có tăng cường bằng cốt thép, trong thi công cầu.
Tiêu chuẩn này được dùng làm cơ sở để xây dựng Chỉ dẫn kỹ thuật thi công đối với công tác nêu trên trong dự án xây dựng cầu đường bộ.
2 Tài liệu viện dẫn
Các tài liệu viện dẫn sau là cần thiết cho việc áp dụng tiêu chuẩn này. Đối với các tài liệu viện dẫn ghi năm công bố thì áp dụng phiên bản được nêu. Đối với các tài liệu viện dẫn không ghi năm công bố thì áp dụng phiên bản mới nhất, bao gồm cả các sửa đổi, bổ sung (nếu có).
TCVN 11823:2017, Thiết kế cầu đường bộ.
TCVN 12885-8:2020, Thi công cầu đường bộ - Phần 8: Kết cấu bê tông.
TCVN 12885-9:2020, Thi công cầu đường bộ - Phần 9: Cốt thép.
TCVN 12885-14:2020, Thi công cầu đường bộ - Phần 14: Đá xây.
LRFD-8, AASHTO LRFD Bridge Design Specifications, 2017 (Tiêu chuẩn thiết kế cầu).
HM-WB, Standard Specifications for Transportation Materials and Methods of Sampling and Testing, 2017 (Tiêu chuẩn kỹ thuật đối với vật liệu giao thông và phương pháp lấy mẫu và thử nghiệm).
HB-17, Standard Specifications for Highway Bridges, 2002 (Tiêu chuẩn kỹ thuật đối với cầu đường bộ).
ASTM C90, Standard Specification for Loadbearing Concrete Masonry Units (Tiêu chuẩn kỹ thuật đối với các khối xây bê tông chịu tải).
ASTM C62, Standard Specification for Building Brick (Solid Masonry Units Made From Clay or Shale) (Tiêu chuẩn kỹ thuật đối với công trình gạch xây (khối xây đặc làm từ đất sét hoặc đá phiến)).
ASTM C55, Standard Specification for Concrete Brick (Tiêu chuẩn kỹ thuật đối với gạch bê tông).
ASTM C476, Standard Specification for Grout for Mansory (Tiêu chuẩn kỹ thuật đối với vữa cho khối xây).
ASTM C780, Standard Test Method for Prognostication and Construction Evaluation of Mortars for Plain and Reinforced Unit Masonry (Tiêu chuẩn phương pháp thử để đánh giá tiên lượng và đánh giá xây dựng của vữa đối với công trình khối xây và khối xây tăng cường).
ASTM C39/C39M, Standard Test Method for Compressive Strength of Cylindrical Concrete Specimens (Tiêu chuẩn phương pháp thử đối với cường độ nén của mẫu bê tông hình trụ).
3 Thuật ngữ và định nghĩa
Tiêu chuẩn này sử dụng các thuật ngữ và định nghĩa nêu trong TCVN 12885-1:2020 và các thuật ngữ, định nghĩa sau:
3.1
Gạch block bê tông (Concrete block)
Loại gạch được sản xuất theo phương pháp rung ép từ hỗn hợp bê tông cứng, thường dùng để xây tường cho các công trình xây dựng.
3.2
Khối xây gạch (Brick masonry)
Được xây dựng bằng cách đặt các viên gạch vào vữa một cách có hệ thống để xây dựng khối đặc có thể chịu được tải trọng.
4 Mô tả
Khối xây bằng gạch block bê tông hoặc gạch được thi công bằng cách đặt gạch block bê tông hoặc gạch trong vữa xi măng, và khối xây có thể không tăng cường hoặc có tăng cường bằng cốt thép. Ở đây không bao gồm mặt đường bằng gạch block bê tông hoặc gạch.
5 Vật liệu
5.1 Gạch block bê tông
Trừ khi có quy định khác trong hồ sơ hợp đồng hoặc được chấp thuận bằng văn bản của Kỹ sư, gạch block bê tông dùng cho công trình xây phải là khối Loại I có khống chế độ ẩm (Cấp N-I) đáp ứng yêu cầu của ASTM C90. Giá trị của ƒ’m phải như đã cho trong hồ sơ hợp đồng.
Gạch block bê tông phải bảo vệ chống mưa hoặc độ ẩm khác trong khi cất giữ trong hoặc ngoài địa điểm công trình để đảm bảo chúng đáp ứng yêu cầu của độ ẩm Loại I lúc đưa chúng vào công trình.
5.2 Gạch
Gạch cho công trình khối xây đáp ứng yêu cầu của Tiêu chuẩn đối với gạch xây dựng (gạch xây đặc làm từ đất sét hoặc đá phiến) AASHTO M114 (ASTM C62), gạch bê tông xây dựng (ASTM 55), hoặc khối xây bê tông đặc chịu lực (ASTM C90). Loại và cấp gạch cung cấp phải như quy định trong hồ sơ hợp đồng.
Gạch phải có kết cấu hạt nhỏ đồng đều, chặt chẽ, không có cục vôi, các lớp mỏng, vết nứt, rạn, muối hòa tan, hoặc các khuyết tật khác có thể bằng cách nào đó làm giảm cường độ, độ bền, vẻ ngoài hoặc tính chất sử dụng với mục đích dự định. Khi gõ bằng búa, gạch phải phát ra tiếng kêu kim loại, rõ ràng.
5.3 Cốt thép
Cốt thép dùng trong kết cấu khối xây bằng gạch hoặc gạch block bê tông, phù hợp với yêu cầu đối với cốt thép không sơn trong TCVN 12885-9:2020.
5.4 Vữa
Vữa sử dụng về mặt vật liệu, tỷ lệ và trộn phù hợp với vữa quy định trong Điều 5.3 và Điều 7.2 của TCVN 12885-14:2020.
5.5 Vữa lỏng
Vữa lỏng để lấp lỗ rỗng của khối xây phải hoặc phù hợp với yêu cầu của ASTM C476 hoặc các yêu cầu dưới đây.
Thay thế cho các yêu cầu của ASTM C476, vật liệu vữa lỏng phù hợp với yêu cầu của TCVN 12885-8:2020 đối với xi măng, cốt liệu, nước và phụ gia, và theo yêu cầu của Điều 5.3 của TCVN 12885-14:2020 đối với vôi. Cốt liệu thô phải có cỡ hạt tối đa hoặc 12 mm hoặc 10 mm. Với vữa lỏng mịn, nếu định tỷ lệ theo thể tích, vật liệu xi măng phải gồm một phần xi măng Portland với không quá 0,1 phần vôi tôi hoặc vữa vôi và các cốt liệu phải gồm có cát với khối lượng bằng từ 2,25 tới 3 lần thể tích vật liệu xi măng. Với vữa lỏng thô, các tỷ lệ cũng giống như với vữa lỏng mịn từ cốt liệu thô phải thêm vào với khối lượng bằng 1 đến 2 lần tổng thể tích các vật liệu xi măng. Nếu định tỷ lệ theo trọng lượng (khối lượng), trọng lượng (khối lượng) sử dụng phải tương đương với trọng lượng (khối lượng) khi dùng phương pháp định tỷ lệ theo thể tích.
Phải điều chỉnh tỷ lệ trộn trong các giới hạn cho phép nếu cần thiết để thỏa mãn yêu cầu về tính dễ thi công và cường độ.
Chỉ thêm phụ gia khi có quy định trong hồ sơ hợp đồng hoặc được Kỹ sư chấp thuận.
5.6 Lấy mẫu và thử nghiệm
5.6.1 Vữa
Trừ khi có quy định khác trong hồ sơ hợp đồng, vữa phải có cường độ chịu nén 28 ngày tối thiểu bằng 12,5 MPa, dựa trên trung bình của 3 mẫu thử nghiệm theo yêu cầu của ASTM C780. Các mẫu hiện trường phải lấy như sau:
- Rải 12 mm hoặc bằng bề dày mạch vữa của vữa trên các viên xây.
- Sau 1 min lấy vữa đi và nén trong một hình trụ 50 x 100 mm thành 2 lớp bằng cách sử dụng đầu bằng của một thanh hoặc bằng ngón tay, đảm bảo nhìn thấy khuôn đã được nhồi đặc.
- Gõ nhẹ ngay hình trụ và để trong điều kiện ẩm.
- Sau 48 h lấy khuôn ra và cất trong phòng sương mù cho đến khi thử.
5.6.2 Vữa lỏng
Khi có yêu cầu trong hồ sơ hợp đồng hoặc do Kỹ sư yêu cầu, Nhà thầu cần chế tạo các mẫu lăng trụ vữa để thử. Các mẫu phải chế tạo tại địa điểm đang thi công theo trình tự sau:
- Đặt các khối xây có cùng điều kiện ẩm như các khối đang xây trên nền không hấp thu nước để tạo thành một lỗ rỗng cho một lăng trụ vuông có chiều cao bằng 2 lần cạnh bên và cỡ tối thiểu của cạnh bằng 75 mm.
- Lót các mặt bên của hình lăng trụ bằng giấy thấm nước hoặc tấm ngăn xốp để cho nước lọt qua lớp lót vào trong khối xây.
- Đổ đầy lăng trụ với vữa mẫu đại diện thành 2 lớp. Nhào từng lớp để loại trừ lỗ rỗng chứa không khí.
- Gạt bằng mẫu và duy trì trong tình trạng ẩm.
- Lấy các lăng trụ ra khỏi các khối xây sau 48 h và giao cho Kỹ sư.
Các lăng trụ vữa được thử theo các quy định của AASHTO T22 (ASTM C39/C39M). Vữa phải đạt cường độ nén sau 28 ngày bằng 13,8 MPa trừ khi có quy định khác trong hồ sơ hợp đồng.
6 Thi công
6.1 Điều kiện thời tiết
Không được xây gạch hoặc gạch block bê tông trong thời tiết băng giá, trừ khi được phép bằng văn bản của Kỹ sư và chịu các điều kiện mà Kỹ sư có thể yêu cầu.
6.2 Xây gạch và gạch block bê tông
Các viên gạch và gạch block bê tông phải đặt sao cho chúng hoàn toàn dính kết vào trong vữa bằng phương pháp “mạch ấn xuống”, không được phép dùng mạch kiểu “miết” vữa hoặc trát vữa. Gạch sét nung hoặc đá phiến phải hoàn toàn bão hòa nước trước khi đặt. Không được làm ướt các gạch block bê tông trước hoặc trong khi thi công trừ khi được Kỹ sư chấp thuận. Việc bố trí các viên nằm ngang và nằm dọc phải sao cho dính kết được cả khối, trừ khi có quy định khác, phải xây các viên ngang và viên dọc xen kẽ nhau với các mạch của các lớp kề nhau không trùng nhau. Các loại xếp mạch khác như để trang trí, phải theo quy định trong hồ sơ hợp đồng.
Các mạch phải được lấp đầy hoàn toàn bằng vữa. Chúng phải có bề dày không nhỏ hơn 6 mm và không lớn hơn 16 mm, bề dày phải đồng đều. Các mạch phải được hoàn thành đúng cách khi công việc đang tiến hành, và trên các mặt lộ ra, chúng phải được vỗ một cách gọn gàng, bằng cách sử dụng mạch “thời tiết”.
Không được dùng các mảnh vỡ hoặc viên sứt trừ khi để tạo dáng xung quanh các lỗ hở không đều hoặc khi không thể tránh được để kết thúc một hàng xây, trong trường hợp này, phải đặt viên gạch nguyên vào góc, còn viên bị chặt đặt bên trong hàng.
Mỗi viên phải được điều chỉnh ở vị trí cuối vùng trong khi vữa còn mềm và dẻo. Viên bị xô lệch khi vữa đã cứng phải bỏ đi và đặt lại trong vữa mới.
Ô thẳng đứng phải bịt bằng vữa phải đặt đúng tuyến để tạo ra một lỗ hổng liên tục không bị tắc nghẽn.
Trụ và tường có thể xây bằng gạch đặc, hoặc có thể gồm một lớp vỏ bằng gạch hoặc vỏ lắp bằng gạch block bê tông và lấp bằng bê tông hoặc vật liệu khác phù hợp theo quy định trong hồ sơ hợp đồng. Chi tiết thi công phải theo đúng thực tế được chấp thuận và làm hài lòng Kỹ sư.
6.3 Đặt cốt thép
Trước và trong khi bơm vữa, cốt thép phải giữ chắc chắn ở vị trí ở đầu và chân và ở các điểm trung gian cách nhau không quá 200 lần đường kính thanh hoặc 3.000 mm. Các thanh phải đặt xa các tường ô và trong khoảng ± 12 mm của vị trí dự định của chúng theo chiều ngang tường và trong khoảng ± 50 mm của vị trí dự định theo chiều dọc tường.
6.4 Rót vữa các lỗ rỗng
Việc thi công rót vữa phải tiến hành sao cho các bộ phận của khối xây tác động cùng nhau như một cấu kiện.
Trước khi rót vữa, khoảng trống rót vữa phải sạch để cho các khoảng trống cần lấp đầy vữa không được có các mẫu vữa xây lồi ra quá 12 mm, các giọt vữa xây hoặc vật lạ khác. Vữa phải rót sao cho các khoảng trống được rót không còn lỗ rỗng.
Vật liệu vữa và hàm lượng nước phải được khống chế để tạo ra một độ lỏng thích hợp cho việc rót không bị phân tầng.
Giới hạn về kích cỡ và chiều cao của khoảng trống hoặc ô rót vữa trung bình không được nhỏ hơn như cho trong Bảng 1. Chỗ rót vữa lỏng cao hơn hoặc bề rộng lỗ rỗng hoặc ô nhỏ hơn như đã cho trong Bảng 1 có thể dùng được khi Kỹ sư chấp thuận, nếu chứng minh được là các khoảng trống nhồi vữa đã được lấp đầy một cách thỏa đáng.
Khi theo yêu cầu trong Bảng 1, phải bố trí các lỗ hổng để dọn sạch trong lớp xây dưới cùng của mỗi cột thẳng đứng nhưng không được cách nhau quá 800 mm ở tâm đối với các khối xây đổ vữa toàn bộ. Lỗ dọn sạch phải đủ kích thước cho phép dọn rác rưởi.
Khối xây có thể xây tới hết chiều cao của việc rót vữa và vữa phải rót trong một lần rót liên tục và mỗi lớp vữa không được quá 1.800 mm. Nếu dùng các mối nối thi công trong các cột vữa, chúng phải nằm bên dưới cao độ một mạch nằm vữa xây ít nhất 40 mm.
Phải tránh việc phân tầng các vật liệu vữa và hư hỏng cho khối xây trong quá trình rót vữa.
Vữa phải được đầm chặt trước khi bị mất tính dẻo, khi lấp đầy các khoảng trống. Vữa rót cao quá 300 mm phải đầm chặt lại bằng máy để làm giảm đến tối thiểu các lỗ rỗng do mất nước. Vữa không được rung bằng máy, phải được nhào trộn.
Trong các bộ phận phi kết cấu, vữa xây có tính dễ rót, có thể được thay thế cho vữa lỏng khi khối xây được thi công và được đổ vữa trong các lần đổ 300 mm hoặc ít hơn.
Rào chắn đứng của khối xây có thể được xây dựng trên khoảng rót vữa. Việc rót vữa vào bất kỳ phần tường nào giữa các rào chắn phải hoàn thành trong 1 ngày, không bị gián đoạn quá 1 h.
Bảng 1 - Các giới hạn rót vữa
| Loại vữa lỏng | Chiều cao rót vữa tối đa, mm | Kích thước trống tối thiểu | Yêu cầu lỗ dọn | |
| Bề rộng khoảng vữa rót, mm | Kích thước ô, mm x mm | |||
| Mịn | 300 | 20 | 40 x 50 | Không |
| 1.500 | 40 | 40 x 50 | Không | |
| 2.400 | 40 | 40 x 75 | Có | |
| 3.600 | 40 | 45 x 75 | Có | |
| 7.200 | 50 | 75 x 75 | Có | |
| Thô | 300 | 40 | 40 x 75 | Không |
| 1.500 | 50 | 65 x 75 | Không | |
| 2.400 | 50 | 75 x 75 | Có | |
| 3.600 | 65 | 75 x 75 | Có | |
| 7.200 | 75 | 75 x 100 | Có | |
6.5 Mũ tường, bệ móng cầu và tường lưng mố
Đỉnh các tường chắn, tường cánh mố cầu và các công trình tương tự bằng gạch hoặc bằng gạch block bê tông lộ nói chung phải bố trí mũ tường bằng đá hoặc bê tông. Mặt dưới của mũ tường phải có độ dốc nghiêng hoặc rãnh nhỏ nước mưa, ít nhất 25 mm ra quá mặt của tường gạch block bê tông hoặc gạch. Mũ trên tường lưng của mố thường không nhô ra quá mặt bệ gối cầu. Khi dùng bê tông, mũ phù hợp với yêu cầu đối với bê tông Loại A quy định trong TCVN 12885-8:2020. Với các mũ tường mỏng, có thể dùng vữa có cùng tỷ lệ như đã dùng để xây gạch block bê tông hoặc gạch để sản xuất các đoạn đúc sẵn có chiều dài không nhỏ hơn 900 mm cũng không lớn hơn 1.500 mm. Mũ tường không được dày dưới 100 mm.
Mũ các trụ và bệ gối cầu ở mố phải dùng đá đẽo hoặc bê tông Loại A và phù hợp với yêu cầu của Điều 4.2 của TCVN 12885-14:2020, hoặc đối với bê tông theọ quy định trong TCVN 12885-8:2020 như chỉ định trong hồ sơ hợp đồng. Trừ khi có nêu khác trong hồ sơ hợp đồng phải dùng bê tông.
7 Đo đạc
Khối xây bằng gạch block bê tông và gạch được đo theo số lượng m3 hoặc m2 của loại công trình thực tế xây dựng trong kết cấu theo hồ sơ hợp đồng hoặc được Kỹ sư sửa đổi bằng các văn bản hướng dẫn. Đơn vị đo cho các loại xây khác nhau phải theo liệt kê trong hồ sơ hợp đồng.
THI CÔNG CẦU ĐƯỜNG BỘ - PHẦN 16: KẾT CẤU GỖ
Bridge Construction Specifications - Part 16: Timber Structures
1 Phạm vi áp dụng
Bộ tiêu chuẩn TCVN 12885:2020 áp dụng đối với công tác thi công các cầu, cống có kết cấu thông thường, sử dụng các công nghệ thi công thông thường trên đường bộ; cũng có thể tham khảo để thi công các cầu, cống trên đường sắt, có yêu cầu kỹ thuật tương tự.
Tiêu chuẩn này quy định các yêu cầu thi công và nghiệm thu, áp dụng đối với công tác cung cấp, chuẩn bị, chế tạo, lắp dựng, xử lý và sơn gỗ trong thi công cầu.
Tiêu chuẩn này được dùng làm cơ sở để xây dựng Chỉ dẫn kỹ thuật thi công đối với công tác nêu trên trong dự án xây dựng cầu đường bộ.
2 Tài liệu viện dẫn
Các tài liệu viện dẫn sau là cần thiết cho việc áp dụng tiêu chuẩn này. Đối với các tài liệu viện dẫn ghi năm công bố thì áp dụng phiên bản được nêu. Đối với các tài liệu viện dẫn không ghi năm công bố thì áp dụng phiên bản mới nhất, bao gồm cả các sửa đổi, bổ sung (nếu có).
TCVN 1072:1971, Gỗ - Phân nhóm theo tính chất cơ lý.
TCVN 11823:2017, Thiết kế cầu đường bộ.
TCVN 12885-4:2020, Thi công cầu đường bộ - Phần 4: Cọc đóng.
TCVN 12885-8:2020, Thi công cầu đường bộ - Phần 8: Kết cấu bê tông.
TCVN 12885-9:2020, Thi công cầu đường bộ - Phần 9: Cốt thép.
TCVN 12885-11:2020, Thi công cầu đường bộ - Phần 11: Kết cấu thép.
TCVN 12885-13:2020, Thi công cầu đường bộ - Phần 13: Sơn.
TCVN 12885-17:2020, Thi công cầu đường bộ - Phần 17: Xử lý và bảo quản gỗ.
TCVN 12885-20:2020, Thi công cầu đường bộ - Phần 20: Lan can.
LRFD-8, AASHTO LRFD Bridge Design Specifications, 2017 (Tiêu chuẩn thiết kế cầu).
HM-WB, Standard Specifications for Transportation Materials and Methods of Sampling and Testing, 2017 (Tiêu chuẩn kỹ thuật đối với vật liệu giao thông và phương pháp lấy mẫu và thử nghiệm).
ASTM A709/A709M, Standard Specification for Structural Steel for Bridges (Tiêu chuẩn kỹ thuật đối với thép kết cấu cho cầu).
ASTM A307, Standard Specification for Carbon Steel Bolts, Studs, and Threaded Rod 60 000 PSI Tensile Strength (Tiêu chuẩn kỹ thuật đối với bu lông thép, đinh tán và thanh ren độ bền kéo 60 000 PSI).
ASTM A153/A153M, Standard Specification for Zinc Coating (Hot-Dip) on Iron and Steel Hardware (Tiêu chuẩn kỹ thuật đối với lớp phủ kẽm (nhúng nóng) trên phần cứng sắt và thép).
ASTM B696, Standard Specification for Steel Bars, Carbon, Hot-Wrought or Cold-Finished, Special Quality, for Pressure Piping Components (Tiêu chuẩn kỹ thuật đối với các thanh thép, carbon, rèn nóng hoặc hoàn thiện lạnh, chất lượng đặc biệt, cho các thành phần đường ống áp lực).
ASTM A123/A123M, Standard Specification for Zinc (Hot-Dip Galvanized) Coatings on Iron and Steel Products (Tiêu chuẩn kỹ thuật đối với lớp phủ kẽm (mạ kẽm nhúng nóng) trên các sản phẩm sắt và thép).
ASTM A47/A47M, Standard Specification for Ferritic Malleable Iron Castings (Tiêu chuẩn kỹ thuật đối với gang đúc dẻo không gỉ).
ANSI/AITC A190.1, American National Standard for Structural Glued Laminated Timber. 2002 (Tiêu chuẩn quốc gia Mỹ đối với kết cấu gỗ dán nhiều lớp).
ASME B18.2.2, Square and Hex Nuts (Đai ốc vuông và lục giác).
ASME B18.2.4.6M, Metric Heavy Hex Nuts (Đai ốc lục giác dày hệ mét).
AWPA M4-02, Standard for the Care of Preservative-treated Wood Products. 2002 (Tiêu chuẩn bảo quản các sản phẩm gỗ được xử lý).
SAE 1010, Society of Automotive Engineers Specification Manual (Tiêu chuẩn hướng dẫn của Hội các kỹ sư tự động hóa).
3 Thuật ngữ và định nghĩa
Tiêu chuẩn này sử dụng các thuật ngữ và định nghĩa nêu trong TCVN 12885-1:2020.
4 Tổng quát
Công việc này gồm có thi công kết cấu gỗ và các bộ phận bằng gỗ trong kết cấu liên hợp theo đúng bản Tiêu chuẩn này và khá sát với chi tiết cho trên hồ sơ hợp đồng hoặc do Kỹ sư xác định.
Công việc này bao gồm việc cung cấp, chuẩn bị, chế tạo, lắp dựng, xử lý và sơn gỗ. Gỗ, xử lý hoặc không xử lý, phải thuộc loại cấp và kích thước quy định, cũng bao gồm cả gỗ xẻ khô có kích cỡ và cấp quy định và các đồ kim loại yêu cầu để liên kết và giằng gỗ.
Công việc khác liên quan đến thi công kết cấu gỗ phải theo như quy định trong các phần thích hợp của TCVN 12885:2020, bao gồm nhưng không giới hạn ở:
- TCVN 12885-4:2020,
- TCVN 12885-13:2020,
- TCVN 12885-17:2020,
- TCVN 12885-20:2020.
5 Vật liệu
5.1 Gỗ tròn và gỗ xẻ (xẻ liền hoặc dán từng lớp)
Gỗ tròn và gỗ xẻ phù hợp với các tiêu chuẩn đối với sản phẩm gỗ AASHTO M168 hoặc TCVN 1072:1971.
Gỗ kết cấu dán từng lớp phù hợp với ANSI/AITC A-190.1, Tiêu chuẩn đối với gỗ kết cấu dán từng lớp. Các lớp ván gỗ riêng biệt không được có bề dày tịnh vượt quá 50 mm. Chúng có thể gồm các tấm nối đầu nhau để làm thành một đoạn dài, các tấm đặt hoặc dán cạnh với cạnh để làm các tấm rộng hơn hoặc các tấm uốn theo khuôn cong trong khi dán. Trên các cấu kiện kết cấu gỗ dán từng lớp không được xử lý bảo quản, phải quét chất bịt kín đầu được chấp thuận sau khi đầu mỗi cấu kiện làm xong đâ được cắt sửa.
Phải nêu rõ cấp gỗ sử dụng cho các mục đích kết cấu khác nhau như quy định trong hồ sơ hợp đồng.
Gỗ ván và gỗ tròn kết cấu, xẻ đặc hoặc dán từng lớp, trong các kết cấu thường xuyên bị phơi ra ngoài, trừ các ván xe chạy trên mặt cầu, phải được xử lý theo yêu cầu của TCVN 12885-17:2020. Kết cấu gỗ xẻ hoặc gỗ tròn tạm thời thuộc một số loại nào đó có yêu cầu lõi gỗ thích hợp như đã ghi trong AASHTO M168, khi hồ sơ hợp đồng cho phép không cần xử lý bảo quản.
Khi hồ sơ hợp đồng yêu cầu chứng chỉ xác nhận chất lượng gỗ tròn hoặc gỗ xẻ, Nhà thầu cần cung cấp các chứng chỉ hợp cách sau đây cho Kỹ sư, tùy theo yêu cầu khi giao vật liệu tại địa điểm công trình.
- Với gỗ tròn và gỗ xẻ, chứng chỉ xác nhận rằng gỗ tròn và gỗ xẻ phù hợp với cấp, chủng loại và bất kỳ yêu cầu quy định nào khác.
- Đối với gỗ dán từng lớp, chứng chỉ xác nhận rằng gỗ dán từng lớp phù hợp với cấp, chủng loại và yêu cầu quy định khác trong ANSI/AITC A-190.1.
- Nếu gỗ được xử lý bằng chất bảo quản, phải cung cấp chứng chỉ hợp cách theo quy định trong Điều 6.3 của TCVN 12885-17:2020.
5.2 Các thành phần bằng thép
Thanh, tấm, thanh có lỗ, và thép hình phù hợp với yêu cầu của AASHTO M270M/M270 (ASTM A709/A709M) Cấp 36 (Cấp 250) trừ khi có quy định khác trong hồ sơ hợp đồng.
5.3 Vật đúc
Vật đúc phải bằng thép hoặc sắt xám đúc, theo quy định trong hồ sơ hợp đồng, phù hợp với yêu cầu của Điều 6.5 hoặc Điều 6.6 của TCVN 12885-11:2020.
5.4 Đồ ngũ kim
Bu lông, đai ốc, bu lông xuyên và chốt có thể bằng thép mềm. Vòng đệm có thể bằng gang có đường gờ hình chữ S hoặc bằng sắt mềm đúc hoặc có thể được dập từ thép tấm mềm, theo quy định trong hồ sơ hợp đồng.
Bu lông phải có đầu hình vuông, lục giác hoặc đầu vòm tiêu chuẩn, hoặc đầu (vòng đệm) loại kinh tế. Đinh phải cắt hoặc bằng sợi thép tròn dạng tiêu chuẩn. Đinh to phải cắt hoặc là đinh thép tròn, hoặc đinh thuyền, tùy theo quy định. Trừ khi có quy định khác, bu lông phù hợp với ASTM A307, và phải có ren thô, dung sai Loại 2 phù hợp với ANSI B18.2.2. Đai ốc vuông và lục giác theo ANSI B18.2.4.6M đai ốc lục giác dày hệ mét.
Trừ khi có quy định khác trong hồ sơ hợp đồng hoặc được phép làm khác, các đồ gá lắp, bao gồm đinh, đinh to, bu lông, chốt, vòng đệm và các vít gỗ mũ vuông phải mạ kẽm.
5.5 Mạ
Trừ khi có quy định khác trong hồ sơ hợp đồng, đồ ngũ kim dùng cho kết cấu gỗ phải mạ theo AASHTO M232M/M232 (ASTM A153/A153M) hoặc mạ cadmium theo AASHTO M199 (ASTM B696). Các thành phần thép, bộ liên kết gỗ, và vật đúc, ngoài gang đúc dễ rèn phải mạ kẽm theo AASHTO M111M/M111 (ASTM A123/A123M).
5.6 Bộ liên kết gỗ
5.6.1 Kích thước
Các loại phụ tùng liên kết gỗ khác nhau nói chung cần phù hợp với kích thước cho trong các Bảng 1 và Bảng 2 với các kích thước quy định trong Điều này.
Bảng 1 - Kích thước điển hình của các bộ liên kết gỗ (tính bằng mm)
| Vòng chẻ | ||
|
| 65 mm | 100 mm |
| Vòng chẻ | ||
| Đường kính trong ở tâm khi khép kín | 63,5 | 101,6 |
| Bề dày kim loại ở trung tâm | 4,1 | 4,9 |
| Chiều cao kim loại (bề rộng vòng) | 19,1 | 25,4 |
| Rãnh: | ||
| Đường kính trong | 65,0 | 103,6 |
| Chiều rộng | 4,6 | 5,3 |
| Chiều cao | 9,5 | 12,7 |
| Đường kính bu lông: | 12,7 | M20 |
| Đường kính lỗ | 14,3 | 20,6 |
| Vòng đệm, tiêu chuẩn | ||
| Tròn, sắt đúc hoặc dát | ||
| Đường kính | 66,7 | 76,2 |
| Tròn, thép mềm | ||
| Đường kính | 34,9 | 50,8 |
| Bề dày | 2,4 | 4,0 |
| Tấm vuông, thép mềm | ||
| Chiều dài cạnh | 50,8 | 76,2 |
| Bề dày | 3,2 | 4,8 |
Bảng 2 - Kích thước điển hình của các bộ liên kết gỗ (tính bằng mm)
| Tấm chống cắt (kích thước bằng mm) | ||||
| Tấm chống cắt | ||||
| Vật liệu | Thép nén | Cỡ nhẹ | Dát | Dát |
| Đường kính tấm | 66,5 | 66,5 | 102,4 | 102,4 |
| Đường kính lỗ bu lông | 20,6 | 20,6 | 20,6 | 23,9 |
| Bề dày tấm | 4,4 | 3,00 | 5,1 | 5,1 |
| Chiều cao cánh | 10,7 | 8,9 | 16,3 | 16,3 |
| Đai giằng bằng thép hoặc thép hình dùng với các tấm chống cắt phải thiết kế theo các kỹ thuật được chấp thuận | ||||
| Đường kính lỗ bu lông trong đai giằng hoặc thép hình | 20,6 | 20,6 | 20,6 | 23,8 |
| Mộng tròn - Kích thước | ||||
| A | 66,8 | 66,8 | 102,4 | 102,4 |
| B | - | 27,2 | 39,4 | 39,4 |
| C | 20,6 | 20,6 | 20,6 | 23,9 |
| D | - | 16,5 | 24,6 | 24,6 |
| E | 4,8 | 3,3 | 6,9 | 6,9 |
| F | 11,4 | 9,7 | 16,3 | 16,3 |
| G | 6,3 | 3,6 | 5,6 | 5,6 |
| H | - | 8,6 | 12,7 | 12,7 |
| I | 57,1 | 60,2 | 88,6 | 88,6 |
| Lỗ bu lông - đường kính trong gỗ | 20,6 | 20,6 | 20,6 | 23,8 |
| Vòng đệm, tiêu chuẩn | ||||
| Tròn, đường kính sắt đúc hoặc dát | 76,2 | 76,2 | 76,2 | 88,9 |
| Tròn, thép trung bình tối thiểu: | ||||
| Đường kính | 50,8 | 50,8 | 50,8 | 57,2 |
| Bề dày | 3,9 | 3,9 | 3,9 | 4,4 |
| Tấm vuông | ||||
| Chiều dài cạnh | 76,2 | 76,2 | 76,2 | 76,2 |
| Bề dày | 6,3 | 6,3 | 6,3 | 6,3 |
5.6.2 Vòng liên kết chẻ khe
Vòng chẻ khe cố đường kính trong 65 mm và 100 mm phải chế tạo từ thép carbon cán nóng phù hợp với SAE 1010. Mỗi vòng phải tạo thành vòng tròn thực, kín và có trục chính của tiết diện ngang của vòng kim loại song song với trục hình học của vòng. Tiết diện kim loại được vát xiên từ phần trung tâm ra tới mép để bề dày ở mép nhỏ hơn tiết diện giữa. Vòng được cắt đứt ở một chỗ trên chu vi, tạo thành một mộng và lỗ mộng.
5.6.3 Tấm liên kết chống cắt
Tấm liên kết chống cắt bằng thép nén có đường kính bằng 66 mm phải được chế tạo từ thép carbon cán nóng phù hợp với SAE 1010. Mỗi tấm phải là vòng tròn thực sự với gờ xung quanh mép, vuông góc với mặt tấm thép và chỉ có ở một mặt, tấm thép có 1 lỗ bu lông ở giữa và 2 lỗ nhỏ ở 2 phía đối diện của lỗ bu lông và ở giữa đoạn từ tâm tới chu vi.
Tấm chống cắt bằng gang đúc dễ rèn có đường kính 100 mm phải được chế tạo theo ASTM A47/A 47M, Cấp 32510 (Cấp 22010), đối với vật đúc bằng gang đúc dễ rèn. Mỗi vật đúc phải gồm có tấm tròn có lỗ với gờ xung quanh mép vuông góc với mặt tấm và chỉ có gờ ở một mặt, tấm có lỗ bu lông ở giữa được doa đúng kích thước với ống lót đồng tâm với lỗ bu lông và thò ra cùng phía với gờ.
5.6.4 Bộ liên kết bằng bàn chông đinh to
Bộ liên kết bàn chông đinh to phải chế tạo từ ASTM A47/A47M, Cấp 32510 (Cấp 22010) đối với vật đúc bằng gang đúc dễ rèn.
Bàn chông vuông gồm có 4 hàng đinh đối diện tạo thành mạng đinh vuông 103 mm có 16 răng được giữ tại chỗ bằng hàn. Đường hàn đối với mạng phẳng phải có tiết diện ngang dạng hình thoi. Đường hàn đối với mạng đinh đường cong đơn phải tăng thêm về chiều dày để bù vào độ cong và phải duy trì bề dày giữa các mặt nghiêng của đường hàn bằng bề rộng của đường hàn.
Bàn chông tròn có đường kính bằng 81 mm gồm có 8 đinh đối diện cách đều nhau xung quanh chu vi ngoài cùng và giữ tại chỗ bằng các đường hàn liên kết xung quanh chu vi ngoài và các đường hàn hướng tâm tới đường hàn tròn trung tâm tạo thành một lỗ bu lông 31 mm. Tiết diện ngang đường hàn góc phải có dạng hình thoi trừ đường hàn tròn trong cùng có thể làm dẹt một phía để làm dấu nhận dạng của Nhà sản xuất.
6 Chế tạo và thi công
6.1 Chất lượng
Chất lượng đều phải là Loại 1, và các khung phải đúng và chính xác. Trừ khi có quy định khác trong hồ sơ hợp đồng, đinh và đinh to phải đóng với lực vừa đủ để đầu đinh ngang bằng với bề mặt gỗ. Các vết búa sâu trong bề mặt gỗ được xem là do chất lượng kém và đủ để loại bỏ công nhân đã làm việc này.
6.2 Cất giữ vật liệu
Gỗ tròn và gỗ xẻ phải cất giữ tại hiện trường thành đống hoặc ngăn xếp có thứ tự. Vật liệu không xử lý phải xếp thành các đống thưa trên các giá đỡ cao trên mặt đất ít nhất 300 mm để tránh hấp thu độ âm của đất và cho không khí lưu thông, chúng phải xếp đống thế nào để cho phép không khí lưu thông tự do giữa các hàng các lớp. Trong các trường hợp đặc biệt mà Kỹ sư yêu cầu, Nhà thầu phải che phủ thích đáng để bảo vệ gỗ chống nắng mưa. Đất bên dưới và vùng lân cận gỗ phải sạch cỏ và rác. Khu vực cất giữ phải chọn hoặc xây dựng thế nào để nước không đọng dưới hoặc gần đống gỗ cất giữ.
6.3 Gỗ đã xử lý
6.3.1 Bốc xếp
Gỗ đã xử lý phải bốc xếp cẩn thận không đánh rơi đột ngột, làm vỡ nát các thớ ngoài, làm sứt sẹo và đâm vào bề mặt gỗ bằng các dụng cụ. Gỗ phải cẩu bằng các dây cáp. Không được dùng các móc xiên, cuốc chim hoặc móc. Khi dùng các dải kim loại để bó các cấu kiện, phải bố trí các tấm đệm bảo vệ các góc không làm hư hỏng gỗ đã xử lý.
6.3.2 Làm mộng và khoan
Mọi việc cưa cắt, làm mộng và khoan gỗ xử lý phải làm trước khi xử lý chừng nào có thể được. Khi gỗ xử lý phải đặt trong nước bị các loại mọt biển phá hoại, phải tránh để chỗ bị cắt không được xử lý, lỗ khoan hoặc các mộng nối dưới mức nước cao.
6.3.3 Vết cắt và xước mòn
Vết cắt và các hốc lõm tạo thành khi khoét vào các gỗ tròn và cọc gỗ đã xử lý creosote, và các chỗ bị xước mòn sau khi đã xén gọt cẩn thận phải được xử lý ở hiện trường theo quy định trong đoạn này hoặc trong đoạn sau. Vết cắt và các hốc lõm phải được quét 2 lớp hỗn hợp 60 % dầu creosote và 40 % hắc ín lợp mái hoặc quét ít nhất 2 lớp dầu creosote nóng và phủ lên trên hắc ín nóng. Hốc lõm có thể tích tụ các chất có hại phải được lấp bằng hắc ín nóng. Trừ khi có quy định khác trong hồ sơ hợp đồng, các chất bảo quản nóng phải đun nóng tới nhiệt độ giữa 66 ºC và 93 ºC. Nơi nào cần lớp phủ đặc biệt, có thể pha chế một hợp chất dẻo phù hợp bằng cách trộn 10 % tới 20 % creosote và 80 % tới 90 % hắc ín than đá.
Với gỗ đã xử lý ban đầu bằng pentachlorophenol, creosote, dung dịch creosote hoặc các chất bảo quản pha nước, các vết cắt, vết lõm, xước mòn xảy ra sau khi xử lý phải được xử lý tại hiện trường bằng 2 lớp dày chất bảo quản phù hợp với yêu cầu của AWPA M4-02.
6.3.4 Lỗ khoan
Lỗ khoan sau khi xử lý phải được xử lý bằng cách lấp đầy các lỗ với chất bảo quản dùng để xử lý tại hiện trường. Sau khi xử lý, các lỗ không lắp bu lông hoặc các vật khác phải được nút lại bằng các nút đã xử lý bảo quản.
6.3.5 Liên kết tạm thời
Khi có sự chấp thuận của Kỹ sư, các ván khuôn hoặc thanh chống tạm thời được liên kết với gỗ đã xử lý bằng đinh hoặc đinh móc, các lỗ do đinh gây ra phải được xử lý như yêu cầu đối với các lỗ khoan và phải lắp bằng các đinh, đinh móc mạ kẽm đóng vào hoặc bằng các nút đã xử lý bảo quản ngang bằng với bề mặt gỗ.
6.4 Lắp các bộ liên kết
Như quy định trong hồ sơ hợp đồng, bộ liên kết gỗ phải là một trong các loại sau đây: vòng chẻ, tấm chống cắt hoặc bàn chông đinh móc. Các loại vòng chẻ và tấm chống cắt phải được lắp trong các rãnh đã xoi trước có kích thước cho ở đây hoặc theo lời khuyên của Nhà sản xuất. Bàn chông đinh móc phải ép vào trong gỗ để gỗ tiếp xúc chắc chắn với nhau. Phải dùng thiết bị áp lực không gây hư hại cho gỗ. Một phương pháp có thể chấp nhận được là dùng các bu lông cường độ cao hoặc các thanh cường độ cao lắp với các vòng đệm ổ bi ma sát thấp. Bu lông cường độ cao sẽ được thay thế bằng bu lông quy định khi lắp đặt cuối cùng. Bộ liên kết này tại một mối nối phải được lắp đồng thời và đồng đều.
Mộng rãnh của bộ liên kết khẩn trong gỗ phải cắt đồng tâm với lỗ bu lông, phù hợp với hình dạng tiết diện ngang của vòng, và phải lắp vừa khít. Đường kính trong của rãnh phải lớn hơn đường kính danh định của vòng để vòng hơi giãn nở trong khi lắp như quy định trong các Bảng 1 và Bảng 2.
Việc chế tạo các cấu kiện gỗ sử dụng bộ liên kết phải làm trước khi xử lý bảo quản. Khi chế tạo trước từ các khuôn mẫu hoặc chi tiết của xưởng, các lỗ bu lông không được lớn hơn 1,5 mm so với việc lắp đặt cần thiết. Lỗ bu lông phải lớn hơn đường kính bu lông hoàn thiện 1,5 mm. Lỗ bu lông phải khoan vuông góc với mặt gỗ.
Gỗ sau khi chế tạo phải cất giữ thế nào để phòng ngừa được các sự thay đổi về kích thước các cấu kiện trước khi lắp ráp. Gỗ phải bảo dưỡng trước khi chế tạo để có thể giữ kích thước được ổn định. Gỗ co ngót trong khi cất giữ làm cho các rãnh khoan trước cho các vòng chẻ hoặc tấm chống cắt thành hình elip hoặc làm cho khoảng cách lỗ bu lông thay đổi là đủ để loại bỏ.
6.5 Lỗ cho bu lông, chốt, thanh hoặc vít gỗ
Lỗ cho các bu lông và chốt tròn phải khoan nhỏ hơn đường kính bu lông hoặc chốt sử dụng 1,5 mm. Đường kính lỗ dùng cho các đinh ốc hoặc chốt vuông phải bằng kích thước nhỏ nhất của đinh ốc hoặc chốt.
Lỗ cho bu lông gia công bằng máy phải khoan gần như cùng một đường kính như bu lông đã hoàn thiện, trừ khi có quy định khác đối với bu lông trong tấm liên kết.
Lỗ dùng cho các thanh thép phải khoan với đường kính lớn hơn đường kính thanh thép 1,5 mm.
Lỗ cho vít đầu vuông phải khoan không lớn hơn thân của vít ở chân ren. Để phòng ngừa ren bị đứt hoặc tước ra, lỗ của thân vít phải khoan với cùng đường kính và cùng chiều sâu như thân. Chiều sâu các lỗ đối với vít đầu vuông phải nhỏ hơn chiều dài dưới đầu vít khoảng 25 mm.
6.6 Bu lông và vòng đệm
Vòng đệm, có kích thước và loại quy định, được dùng dưới các đầu bu lông (trừ đối với các bu lông gỗ có các đầu loại tiết kiệm) và đai ốc mà nếu không có vòng đệm đầu bu lông sẽ tiếp xúc với gỗ.
Đai ốc của các bu lông phải được hãm có hiệu quả sau khi chúng được xiết chặt lần cuối.
6.7 Khoét loe miệng
Cần khoét loe miệng khi cần có bề mặt nhẵn hoặc bằng phẳng. Chỗ hõm do khoét loe miệng trong gỗ đã xử lý phải được xử lý như quy định trong Điều 6.3.3. Lỗ hõm có thể đọng các vật liệu có hại phải lấp bằng hắc ín nóng.
6.8 Làm mộng
Gỗ tròn và gỗ xẻ phải được cắt và làm mộng chính xác khít chặt để cho các mối nối được tì trên toàn bộ diện tích tiếp xúc. Lỗ mộng phải có kích thước chính xác trên toàn chiều sâu của lỗ và các mộng phải khít chặt. Không được phép chêm khi làm mối nối, cũng không chấp nhận các mối nối hở.
6.9 Bệ đỡ kiểu khung
6.9.1 Bệ trên đất
Bệ trên đất phải đặt chắc chắn và bằng phẳng để tì lên đất vững vàng và đầm nèn tại chỗ. Bệ trên đất phải xử lý bảo quản bằng áp lực để tiếp xúc với đất. Khi cho phép làm bê trên đất bằng gỗ không xử lý, gỗ phải là loại gỗ lõi tuyết tùng, lõi gỗ bách, gỗ hồng sắc hoặc loại gỗ bền khác được Kỹ sư chấp thuận.
6.9.2 Bệ bê tông
Bệ bê tông để đỡ các giá đỡ kiểu khung phải được hoàn thiện cẩn thận để dầm hoặc cột có thể gối bằng phẳng. Chốt neo bệ đỡ hoặc cột không được có đường kính nhỏ hơn 20 mm và thò ra ít nhất 150 mm trên mặt bệ. Chốt này phải đúc trong bệ bê tông. Bê tông và cốt thép phù hợp với yêu cầu của TCVN 12885-8:2020 và TCVN 12885-9:2020 tương ứng.
6.9.3 Bệ đỡ
Bệ đỡ phải gối chắc chắn và bằng phẳng trên dầm đất, cọc hoặc bệ. Chúng phải bắt bu lông vào dầm đất, hoặc cọc bằng các bu lông có đường kính không nhỏ hơn 20 mm và ăn sâu vào trong đầm đất hoặc cọc ít nhất 150 mm, hoặc bằng các loại liên kết khác cho chi tiết trong hồ sơ hợp đồng. Khi có thể, phải đào hết đất tiếp xúc với dầm để không khí tự do lưu thông quanh bệ đỡ.
6.9.4 Cột
Cột phải liên kết với bệ bằng chốt có đường kính không nhỏ hơn 20 mm kéo dài ít nhất 150 mm vào trong cột, hoặc bằng các loại liên kết khác cho chi tiết trong hồ sơ hợp đồng.
Cột phải liên kết chặt với bệ đỡ bằng một trong các phương pháp sau, theo quy định trong hồ sơ hợp đồng:
- Bằng chốt có đường kính không nhỏ hơn 20 mm, kéo dài ít nhất 150 mm vào trong cột và bệ đỡ.
- Bằng bu lông có đường kính không nhỏ hơn 20 mm, đóng chéo qua chân cột và kéo dài ít nhất 225 mm vào trong bệ đỡ. Bu lông phải đóng trong các lỗ theo yêu cầu của Điều 6.5 theo một góc 45º và phải xuyên vào cột ít nhất 150 mm bên trên thân cột.
- Bằng các liên kết khác theo chi tiết cho trong hồ sơ hợp đồng.
6.9.5 Mũ cọc
Mũ cọc gỗ phải đặt thẳng hàng, đảm bảo gối bằng phẳng và đồng đều trên các đầu cọc hoặc cột đỡ. Mũ phải liên kết chắc chắn bằng bu lông có đường kính không nhỏ hơn 20 mm kéo dài ít nhất 225 mm vào trong cột hoặc cọc, hoặc bằng các liên kết khác cho chi tiết trong hồ sơ hợp đồng. Bu lông phải nằm gần đúng tâm của cột hoặc cọc.
6.9.6 Thanh giằng
Thanh giằng phải bắt bu lông qua cọc, cột hoặc mũ ở đầu thanh và ở các giao diểm bằng một bu lông có đường kính không nhỏ hơn 16 mm. Thanh giằng phải có đủ chiều dài để có khoảng cách tối thiểu bằng 200 mm giữa bu lông phía ngoài và đầu thanh giằng.
6.10 Dầm dọc
Dầm dọc phải có kích thước đủ tại chỗ gối và phải ở vị trí sao cho các mắt gỗ gần mép phải ở phía trên của dầm.
Dầm phía ngoài có thể nối đối đầu với các đầu cắt vát, nhưng các dầm bên trong phải chờm lên nhau để gối trên toàn bộ bề rộng của dầm ngang mặt cầu hoặc mũ ở mỗi đầu dầm dọc. Đầu nối chờm của dầm dọc không xử lý phải cách nhau ít nhất 12 mm để không khí lưu thông và phải cố định bằng bu lông khi cố quy định trong hồ sơ hợp đồng. Khi các dầm dọc có chiều dài của 2 khoang, các mối nối phải đặt so le.
Trừ khi có quy định khác trong hồ sơ hợp đồng, phải đặt các cấu kiện chạy ngang hoặc các dầm ngang chèn tại điểm giữa mỗi khẩu độ. Cấu kiện chạy ngang các dầm dọc phải làm mộng gọn ghẽ và chính xác và đóng đinh chắc chắn với ít nhất 2 đinh ở mỗi đầu. Các cấu kiện chạy ngang phải gối đầy đủ tại mỗi đầu lên dầm dọc. Dầm ngang chèn phải khít chặt và giữ tại chỗ bằng các dây treo chế sẵn bằng thép mạ hoặc bằng các thanh thép tròn liên kết chi tiết cho trong hồ sơ hợp đồng.
6.11 Sàn bằng ván gỗ
Trừ khi có quy định khác trong hồ sơ hợp đồng, các ván làm sàn phải được sửa sang 4 mặt.
Sàn ván đơn gồm có 1 lớp ván đơn gối trên các dầm dọc hoặc dầm sàn. Ván phải đặt mặt lõi xuống dưới, với các khe 6 mm giữa các ván gỗ đã khô và đặt khít nhau với ván gỗ chưa khô. Mỗi ván đóng đinh to chắc chắn vào mỗi dầm sàn. Ván phải chọn cẩn thận về bề dày và phải đặt sao cho 2 ván kề nhau có bề dày không chênh lệch quá 3 mm.
Sàn gỗ 2 lớp gồm có 2 lớp ván sàn gối trên dầm dọc hoặc dầm sàn. Lớp trên phải đặt chéo góc hoặc song song với đường tim mặt đường tùy theo quy định trong hồ sơ hợp đồng, và mỗi tấm sàn phải liên kết chắc chắn vào lớp dưới. Các mối nối phải lệch nhau ít nhất 900 mm. Nếu lớp ván trên đặt song song với đường tim đường, phải đặc biệt chú ý đến việc liên kết chắc chắn các đầu ván. Ở mỗi đầu cầu, các thanh này phải vát xiên.
6.12 Sàn ván đứng đóng đinh
Ván đứng phải đặt trên cạnh mép, vuông góc với tim đường. Mỗi tấm ván được đóng đinh vào lớp ván trước theo Hình 1. Đinh to phải đủ chiều dài để xuyên qua 2 tấm ván đứng và xuyên vào tấm thứ ba ít nhất một nửa.
Nếu dùng gối đỡ bằng gỗ, cứ 2 tấm ván phải đóng vào 1 gối đỡ. Cỡ đinh phải theo như đã cho trong hồ sơ hợp đồng. Khi có quy định trong hồ sơ hợp đồng, các ván đứng phải liên kết chắc chắn vào các gối đỡ bằng thép bằng cách dùng các kẹp kim loại mạ được chấp thuận. Phải chú ý để mọi tấm ván đều thẳng đứng và sát khít với tấm ván trước, và gối đều lên các gối.

Hình 1 - Sơ đồ đóng đinh (kích thước mm)
6.13 Mặt cầu bằng các khoang gỗ dán từng lớp
Trừ khi có quy định khác trong hồ sơ hợp đồng, các khoang mặt cầu phải xử lý bảo quản bằng áp lực với creosote hoặc pentachlorophenol có vật tải Loại A, C hoặc D. Khi không thể hoàn thành việc chế tạo và khoan các cấu kiện gỗ dán từng lớp để liên kết tại hiện trường trước khi xử lý, các chỗ bị cắt hoặc khoan ở hiện trường phải được xử lý bảo quản theo Điều 6.3.3 và Điều 6.3.4.
Khoang gỗ không được kéo hoặc đẩy trượt. Khoang mặt cầu bằng gỗ dán từng lớp phải được cẩu và vận chuyển theo cách nào đó để không uốn cong khoang mặt cầu, đặc biệt là uốn ngang các tấm ván dán. Khi cẩu, chúng phải được đỡ tại một số điểm đủ để tránh làm việc quá tải, và các mép phải được bảo vệ chống hư hỏng.
Khi trên bản vẽ chỉ ra các chốt giữa các khoang mặt cầu, phải dùng khuôn mẫu hoặc dẫn hướng khoan để đảm bảo các lỗ chốt được cách nhau chính xác. Lỗ phải khoan tới chiều sâu lớn hơn 1/2 chiều dài chốt 6 mm và có cùng đường kính chốt trừ khi trong hồ sơ hợp đồng có ghi khác. Phải dùng một chốt tạm thời để kiểm tra xem có khít không trước khi khoan hàng loạt. Chốt phải có kích thước cho trong hồ sơ hợp đồng với các mũi hơi thon hoặc tròn. Có thể dùng chất bôi trơn để quá trình liên kết được dễ dàng.
Mũi chốt phải đút một phần hoặc đều nhau vào trong các lỗ của 2 khoang đang được nối. Các khoang phải kéo vào nhau và giữ cho các mép song song, cho đến khi các khoang sát đầu nhau. Mỗi khoang phải liên kết chặt chẽ với mỗi dầm dọc hoặc dầm như đã cho trong hồ sơ hợp đồng.
6.14 Mặt cầu liên hợp gỗ - bê tông
Cần các liên kết chống cắt và tạo khả năng kéo xuống giữa các phần gỗ và bê tông được thiết kế để làm việc liên hợp với nhau, các liên kết này được cung cấp và lắp đặt theo đúng các chi tiết đã cho trong hồ sơ hợp đồng. Nếu không cho các chi tiết và kết cấu được nói trong hồ sơ hợp đồng là liên hợp, thì Nhà thầu cần nộp bản vẽ biện pháp thi công về các chi tiết và trang bị như vậy để Kỹ sư chấp thuận trước khi bắt đầu công việc.
6.15 Gờ chắn bánh xe và lan can
Gờ chắn bánh xe và lan can phải làm mộng chính xác theo hồ sơ hợp đồng và lắp dựng theo đúng tuyến và cao độ. Trừ khi có quy định khác trong hồ sơ hợp đồng, các gờ chắn bánh, tay vịn và cột tay vịn phải được gia công bốn mặt (S4S). Gờ chắn bánh phải đặt với các đoạn không ngắn hơn 3.600 mm, trừ khi cần thiết để khớp với các khe giãn nở khoặc khe nối ở đầu.
Lan can phù hợp với yêu cầu trong TCVN 12885-20:2020.
6.16 Giàn gỗ
Giàn gỗ khi hoàn thành không được có đường nét không đều đặn. Mạ giàn phải thẳng và chính xác từ đầu nọ tới đầu kia trong hình chiếu nằm ngang và trong hình chiếu thẳng đứng, mạ phải là một đường cong nhẵn qua các tiết điểm các khoang giàn phù hợp với độ vồng chính xác. Bề mặt tì phải khít chính xác. Điểm tì cắt không bằng phẳng hoặc xù xì sẽ là lý do để loại bỏ thanh gỗ có các khuyết điểm đó.
7 Sơn
Tay vịn và cột tay vịn bằng gỗ hoặc bất kỳ bộ phận nào khác được chỉ định phải sơn trong hồ sơ hợp đồng phải được sơn với 3 lớp sơn quy định. Sơn và việc sơn phù hợp với yêu cầu trong TCVN 12885-13:2020
Các bộ phận kim loại, trừ đồ ngũ kim, kim loại mạ kẽm hoặc mạ cadmium, và gang đúc dễ rèn phải sơn 1 lớp trong phân xưởng và sau khi lắp dựng, phải sơn 2 lớp ở hiện trường theo quy định trong TCVN 12885-13:2020.
8 Đo đạc
Việc đo gỗ tròn và gỗ ván được tính từ các kích thước danh định và chiều dài thực tế. Kích thước tiết diện ngang trong hồ sơ hợp đồng được hiểu là các kích thước tiêu chuẩn. Kích thước tiết diện ngang tiêu chuẩn được dùng trong các tính toán ngay cả khi kích thước thực tế nhỏ hơn kích thước quy định.
Gỗ trong gờ chắn bánh xe phải được tính. Gỗ trong cọc, lan can và các hạng mục khác không được tính.
Việc đo đạc đối với dầm tổ hợp và dầm bằng gỗ dán từng lớp được tính từ các kích thước hoàn thiện và chiều dài thực tế. Khối lượng đối với các dầm tổ hợp và dầm bằng gỗ dán từng lớp được tính là số mét dài cho mỗi tổ hợp kích thước và ứng suất.
Việc đo các dầm tổ hợp và dầm bằng gỗ tròn, gỗ ván, và gỗ dán từng lớp chỉ bao gồm số vật liệu là một phần của công trình đã hoàn thành và được chấp nhận, không tính các vật liệu dùng để lắp dựng như đà giáo, thanh chống, ván ốp, ...
Khối lượng phải là số mét khối của mỗi loại và cấp gỗ tròn và gỗ ván liệt kê trong hồ sơ hợp đồng hoàn thành tại chỗ và được nghiệm thu.
THI CÔNG CẦU ĐƯỜNG BỘ - PHẦN 17: XỬ LÝ BẢO QUẢN GỖ
Bridge Construction Specifications - Part 17: Preservative Treatment of Wood
1 Phạm vi áp dụng
Bộ tiêu chuẩn TCVN 12885:2020 áp dụng đối với công tác thi công các cầu, cống có kết cấu thông thường, sử dụng các công nghệ thi công thông thường trên đường bộ; cũng có thể tham khảo để thi công các cầu, cống trên đường sắt, có yêu cầu kỹ thuật tương tự.
Tiêu chuẩn này quy định các yêu cầu thi công và nghiệm thu, áp dụng đối với công tác cung cấp vật liệu, chuẩn bị, xử lý các vật liệu, và thực hiện các công việc để hoàn thành việc xử lý các sản phẩm gỗ cần trong thi công cầu.
Tiêu chuẩn này được dùng làm cơ sở để xây dựng Chỉ dẫn kỹ thuật thi công đối với công tác nêu trên trong dự án xây dựng cầu đường bộ.
2 Tài liệu viện dẫn
Các tài liệu viện dẫn sau là cần thiết cho việc áp dụng tiêu chuẩn này. Đối với các tài liệu viện dẫn ghi năm công bố thì áp dụng phiên bản được nêu. Đối với các tài liệu viện dẫn không ghi năm công bố thì áp dụng phiên bản mới nhất, bao gồm cả các sửa đổi, bổ sung (nếu có).
TCVN 5505:1991, Bảo quản gỗ - Yêu cầu chung.
TCVN 12885-4:2020, Thi công cầu đường bộ - Phần 4: Cọc đóng.
TCVN 12885-16:2020, Thi công cầu đường bộ - Phần 16: Kết cấu gỗ.
HM-WB, Standard Specifications for Transportation Materials and Methods of Sampling and Testing, 2017 (Tiêu chuẩn kỹ thuật đối với vật liệu giao thông và phương pháp lấy mẫu và thử nghiệm).
3 Thuật ngữ và định nghĩa
Tiêu chuẩn này sử dụng các thuật ngữ và định nghĩa nêu trong TCVN 12885-1:2020.
4 Tổng quát
Công việc này gồm có việc xử lý gỗ, bao gồm gỗ cây, gỗ xẻ, cọc và cột với các chất bảo quản được chỉ định theo Tiêu chuẩn này. Nó bao gồm việc cung cấp vật liệu, chuẩn bị, xử lý các vật liệu, và thực hiện các công việc để hoàn thành việc xử lý các sản phẩm gỗ cần cho dự án.
Loại xử lý bảo quản cần thiết phải theo như quy định trong hồ sơ hợp đồng.
Khi không yêu cầu loại chất bảo quản riêng nào, loại chất bảo quản được sử dụng phải được chấp nhận về tính chất phù hợp của chất đó với các điều kiện tiếp xúc của kết cấu gỗ và phải được sự chấp thuận của Kỹ sư.
Việc bốc xếp và bảo quản gỗ đã xử lý phù hợp với yêu cầu của TCVN 12885-4:2020 và TCVN 12885-16:2020.
5 Vật liệu
5.1 Gỗ
Cọc phù hợp với yêu cầu của TCVN 12885-4:2020. Gỗ tròn và gỗ xẻ phù hợp với yêu cầu của TCVN 12885-16:2020
5.2 Chất bảo quản và cách xử lý
Chất bảo quản gỗ và phương pháp xử lý phù hợp với AASHTO M133 hoặc TCVN 5505:1991. Loại chất bảo quản cung cấp phải phù hợp với loại quy định trong hồ sơ hợp đồng.
Trừ khi có quy định khác trong hồ sơ hợp đồng, các lan can và cột gỗ và gỗ cần sơn phải được xử lý bằng pentachlorophenol với dung môi Loại C hoặc chất bảo quản pha với nước Loại CCA hoặc ACZA.
5.3 Xi măng hắc ín lợp mái
Theo quy định này, chỗ nào nói đến từ ngữ hắc ín, hắc ín than đá, hắc ín than đá lợp mái, hoặc hợp chất hắc ín than đá lợp mái thì có nghĩa là xi măng hắc ín lợp mái.
6 Nhận dạng và kiểm tra
6.1 Nhãn hiệu và kiểm tra tại công trường
Mỗi phiến gỗ đã xử lý phải có nhãn hợp pháp, dấu hiệu hoặc thẻ có chữ rõ ràng cho biết tên của đơn vị xử lý và ký hiệu tiêu chuẩn hoặc yêu cầu kỹ thuật mà việc xử lý đã tuân theo. Kỹ sư phải được bố trí các phương tiện thích hợp và được tự do đến các bộ phận cần thiết của nhà máy xử lý để kiểm tra vật liệu và chất lượng công việc để xác định yêu cầu của hợp đồng có được đáp ứng hay không. Kỹ sư có quyền thử lại các vật liệu sau khi đã giao tại công trường và loại bỏ mọi vật liệu không đáp ứng yêu cầu của hồ sơ hợp đồng với điều kiện là khi kiểm tra lại tại công trường, có thể chấp nhận việc hợp quy cách trong phạm vi 5 % yêu cầu của hồ sơ hợp đồng. Việc kiểm tra lại tại công trường có thể bao gồm cả việc thí nghiệm để xác định thời gian duy trì các chất bảo quản và lấy mẫu phân tích chất bảo quản để xác định chất lượng của chất đó.
6.2 Kiểm tra tại nhà máy xử lý
Trừ khi có quy định khác trong hồ sơ hợp đồng, kiểm tra vật liệu và xử lý bảo quản là trách nhiệm của Nhà thầu và Nhà cung cấp các sản phẩm gỗ đã xử lý. Việc kiểm tra phải tiến hành theo Tiêu chuẩn AASHTO M133 do nhà xử lý gỗ hoặc do cơ quan kiểm tra thương mại độc lập được Kỹ sư chấp thuận.
Cơ quan kiểm tra phải do Nhà thầu trực tiếp thuê hoặc qua Nhà cung cấp của Nhà thầu thuê.
6.3 Chứng chỉ hợp cách
Mỗi khi có quy định trong hồ sơ hợp đồng hoặc có yêu cầu của Kỹ sư, mỗi chuyến hàng vật liệu phải có chứng chỉ hợp cách với các bản sao báo cáo kiểm tra kèm theo cấp cho Kỹ sư. Các chứng chỉ này xác nhận loại chất bảo quản sử dụng và khối lượng tính bằng kilogram cho mỗi mét khối và do Nhà xử lý hoặc Cơ quan kiểm tra độc lập đủ tư cách ký.
7 Đo đạc
Không đo đạc riêng cho việc xử lý bảo quản vì công việc này là một phần công việc đã tính trong việc cung cấp các vật liệu được xử lý bảo quản.
THI CÔNG CẦU ĐƯỜNG BỘ - PHẦN 18: GỐI CẦU
Bridge Construction Specifications - Part 18: Bearing Devices
1 Phạm vi áp dụng
Bộ tiêu chuẩn TCVN 12885:2020 áp dụng đối với công tác thi công các cầu, cống có kết cấu thông thường, sử dụng các công nghệ thi công thông thường trên đường bộ; cũng có thể tham khảo để thi công các cầu, cống trên đường sắt, có yêu cầu kỹ thuật tương tự.
Tiêu chuẩn này quy định các yêu cầu thi công và nghiệm thu, áp dụng đối với công tác cung cấp và lắp đặt các gối cầu trong thi công cầu.
Tiêu chuẩn này được dùng làm cơ sở để xây dựng Chỉ dẫn kỹ thuật thi công đối với công tác nêu trên trong dự án xây dựng cầu đường bộ.
2 Tài liệu viện dẫn
Các tài liệu viện dẫn sau là cần thiết cho việc áp dụng tiêu chuẩn này. Đối với các tài liệu viện dẫn ghi năm công bố thì áp dụng phiên bản được nêu. Đối với các tài liệu viện dẫn không ghi năm công bố thì áp dụng phiên bản mới nhất, bao gồm cả các sửa đổi, bổ sung (nếu có).
TCVN 10308:2014, Gối cầu cao su cốt bản thép không có tấm trượt trong cầu đường bộ - Yêu cầu kỹ thuật và phương pháp thử;
TCVN 10268:2014, Gối cầu kiểu chậu - Yêu cầu kỹ thuật;
TCVN 11823:2017, Thiết kế cầu đường bộ;
TCVN 11823-14:2017, Thiết kế cầu đường bộ - Phần 14: Khe co giãn và gối cầu;
TCVN 12885-8:2020, Thi công cầu đường bộ - Phần 8: Kết cấu bê tông;
TCVN 12885-11:2020, Thi công cầu đường bộ - Phần 11: Kết cấu thép;
LRFD-8, AASHTO LRFD Bridge Design Specifications, 2017 (Tiêu chuẩn thiết kế cầu);
HM-WB, Standard Specifications for Transportation Materials and Methods of Sampling and Testing, 2017 (Tiêu chuẩn kỹ thuật đối với vật liệu giao thông và phương pháp lấy mẫu và thử nghiệm);
ASTM A709/A709M, Standard Specification for Structural Steel for Bridges (Tiêu chuẩn kỹ thuật đối với thép kết cấu cho cầu);
ASTM A802/A802M, Standard Practice for Steel Castings, Surface Acceptance Standards, Visual Examination (Tiêu chuẩn thực hành đối với thép đúc, tiêu chuẩn chấp nhận bề mặt, kiểm tra trực quan);
ASTM A788, Standard Specification for Steel Forgings, General Requirements (Tiêu chuẩn kỹ thuật đối với thép rèn, yêu cầu chung);
ASTM A167, Standard Specification for Stainless and Heat-Resisting Chromium-Nickel Steel Plate, Sheet, and Strip (Tiêu chuẩn kỹ thuật đối với tấm, bản và dải thép mạ crôm không gỉ và chịu nhiệt);
ASTM A240/A240M, Standard Specification for Chromium and Chromium-Nickel Stainless Steel Plate, Sheet, and Strip for Pressure Vessels and for General Applications (Tiêu chuẩn kỹ thuật đối với tấm, bản và dải thép không gỉ mạ crôm và niken cho bình áp lực và các ứng dụng chung);
ASTM D4014, Standard Specification for Plain and Steel-Laminated Elastomeric Bearings for Bridges (Tiêu chuẩn kỹ thuật đối với gối chất dẻo đàn hồi và cốt bản thép cho cầu);
ASTM B36/B36M, Standard Specification for Brass Plate, Sheet, Strip, and Rolled Bar (Tiêu chuẩn kỹ thuật đối với tấm, bản, dải và thanh cuộn bằng đồng thau);
ASTM B121/B121M, Standard Specification for Leaded Brass Plate, Sheet, Strip, and Rolled Bar (Tiêu chuẩn kỹ thuật đối với tấm, tấm, dải và thanh cuộn bằng đồng thau mạ chì);
ASTM D395, Standard Test Methods for Rubber Property - Compression Set (Tiêu chuẩn phương pháp thử đối với bộ nén thuộc tính cao su);
ASTM D2240, Standard Test Method for Rubber Property - Durometer Hardness (Tiêu chuẩn phương pháp thử đối với tính chất của cao su - độ cứng đo bằng máy);
ASTM D412, Standard Test Methods for Vulcanized Rubber and Thermoplastic Elastomers -Tension (Tiêu chuẩn phương pháp thử đối với cao su lưu hóa và chất đàn hồi nhiệt dẻo);
ASTM B22/B22M, Standard Specification for Bronze Castings for Bridges and Turntables (Tiêu chuẩn kỹ thuật đối với đồng đúc cho cầu và bệ xoay);
ASTM B100, Standard Specification for Wrought Copper-Alloy Bearing and Expansion Plates and Sheets for Bridge and Other Structural Use (Tiêu chuẩn kỹ thuật đối với tấm và bản mở rộng hợp kim đồng rèn cho cầu và sử dụng kết cấu khác);
ASTM D4894, Standard Specification for Polytetrafluoroethylene (PTFE) Granular Molding and Ram Extrusion Materials (Tiêu chuẩn kỹ thuật đối với vật liệu đúc hạt và vật liệu ép đùn Polytetrafluoroetylen (PTFE));
ASTM D4895, Standard Specification for Polytetrafluoroethylene (PTFE) Resin Produced From Dispersion (Tiêu chuẩn kỹ thuật đối với nhựa Polytetrafluoroetylen (PTFE) được sản xuất từ chất làm phân tán);
ASTM C881/C881M, Standard Specification for Epoxy-Resin-Base Bonding Systems for Concrete (Tiêu chuẩn kỹ thuật đối với các hệ thống dính kết nền-nhựa-Epoxy cho bê tông);
ASTM D2256/D2256M, Standard Test Method for Tensile Properties of Yams by the Single-Strand Method (Tiêu chuẩn phương pháp thử đối với tính chất kéo của sợi bằng phương pháp tao đơn);
ASTM D638, Standard Test Method for Tensile Properties of Plastics (Tiêu chuẩn phương pháp thử đối với các thuộc tính kéo của nhựa);
ASTM D792, Standard Test Methods for Density and Specific Gravity (Relative Density) of Plastics by Displacement (Tiêu chuẩn phương pháp thử về tỷ trọng và trọng lượng riêng (tỷ trọng tương đối) của nhựa bằng dịch chuyển);
ASTM D5977, Standard Specification for High Load Rotational Spherical Bearings for Bridges and Structures (Tiêu chuẩn kỹ thuật đối với gối hình cầu xoay chịu tải lớn cho cầu và kết cấu);
ASTM B103/B103M, Standard Specification for Phosphor Bronze Plate, Sheet, Strip, and Rolled Bar (Tiêu chuẩn kỹ thuật đối với tấm đồng, bản, dải và thanh cuộn Phosphor);
ASTM D429, Standard Test Methods for Rubber Property - Adhesion to Rigid Substrates (Tiêu chuẩn phương pháp thử đối với tính chất cao su - sự bám dính vào các chất nền cứng);
ASTM A307, Standard Specification for Carbon Steel Bolts, Studs, and Threaded Rod 60 000 PSI Tensile Strength (Tiêu chuẩn kỹ thuật đối với bu lông, đinh tán và thanh ren bằng thép carbon độ bền kéo 60 000 PSI);
ASTM B29, Standard Specification for Refined Lead (Tiêu chuẩn kỹ thuật đối với chì tinh chế);
ASTM C920, Standard Specification for Elastomeric Joint Sealants (Tiêu chuẩn kỹ thuật đối với cho chất trám khe chất dẻo đàn hồi);
AASHTO/AWS D1.5M/D1.5, Bridge Welding Code (Tiêu chuẩn hàn cầu);
AWS D1.6M/D1.6, Structural Welding Code - Stainless Steel (Tiêu chuẩn hàn kết cấu - Thép không gỉ)
ANSI/ASME B46.1, Surface Texture (Surface Roughness, Waviness, and Lay) (Kết cấu bề mặt (độ nhám bề mặt, độ mịn và đường nét)).
3 Thuật ngữ và định nghĩa
Tiêu chuẩn này sử dụng các thuật ngữ và định nghĩa nêu trong TCVN 12885-1:2020 và các thuật ngữ, định nghĩa sau:
3.1
Gối cầu (Bearing)
Bộ phận kết cấu có cơ cấu truyền các tải trọng trong khi vẫn đảm bảo dễ dàng chuyển vị tịnh tiến và/hoặc quay.
3.2
Gối đĩa (Disc bearing)
Tiếp nhận chuyển vị quay bằng biến dạng của một đĩa đơn bằng chất dẻo, được đúc từ một hợp chất urêtan. Nó có thể di động, được dẫn hướng, không được dẫn hướng, hoặc cố định. Sự chuyển động được tạo ra do sự trượt của thép không gỉ được đánh bóng trên Tefelon.
3.3
Gối cố định (Fixed bearing)
Gối ngăn chặn sự chuyển vị dọc khác nhau của các cấu kiện kết cấu tiếp giáp. Gối cố định có thể hoặc không thể cung cấp sự chuyển vị phương ngang khác nhau hoặc sự quay.
3.4
Gối trục quay hoặc gối con lăn (Metal rocker or roller bearing)
Gối chịu tải trọng thẳng đứng bằng sự tiếp xúc trực tiếp giữa hai bề mặt kim loại và tạo ra sự chuyển động bằng sự xoay hoặc lăn của một bề mặt trên bề mặt khác.
3.5
Gối di động (Movable bearing)
Gối làm dễ dàng sự tịnh tiến nằm ngang khác nhau của các cấu kiện kết cấu tiếp giáp trong phương dọc và/hoặc ngang. Nó có thể hoặc không thể tạo ra sự quay.
3.6
PTFE (Polytetrafluorethylene)
Cũng gọi là Teflon.
3.7
Gối chậu (Pot bearing)
Gối chịu tải trọng thẳng đứng bằng nén một đĩa chất dẻo bị giữ ở trong một xilanh thép và tạo ra sự quay do sự biến dạng của đĩa.
3.8
Gối trượt PTFE (Sliding bearing)
Gối chịu tải trọng thẳng đứng nhờ các ứng suất tiếp xúc giữa một tấm PTFE hoặc vải dệt và bề mặt đối tiếp của nó, và nó cho phép các chuyển động bằng sự trượt của PTFE ở trên bề mặt đối tiếp.
3.9
Gối trượt (Sliding bearing)
Gối tạo ra sự chuyển động bằng sự chuyển vị của một bề mặt tương đối với bề mặt khác.
4 Tổng quát
4.1 Bản vẽ biện pháp thi công
Mỗi khi các chi tiết đầy đủ đối với các gối và neo của chúng không cho trong hồ sơ hợp đồng, Nhà thầu cần lập và đệ trình bản vẽ biện pháp thi công đối với gối cầu. Bản vẽ này phải nêu lên tất cả các chi tiết của gối và vật liệu đề nghị sử dụng và phải được sự chấp thuận của Kỹ sư trước khi chế tạo gối. Việc chấp thuận như vậy không giảm nhẹ trách nhiệm của Nhà thầu trong hồ sơ hợp đồng đối với việc hoàn thành gối cầu.
Các đề mục sau phải quy định trong bản vẽ biện pháp thi công:
- Tổng số lượng mỗi loại gối cầu (cố định, di động có dẫn hướng, di động không dẫn hướng), phân nhóm trước tiên theo loại hình (biên độ tải trọng) rồi đến theo khả năng chịu lực thiết kế thực tế.
- Bố trí mặt bằng và mặt đứng cho mọi kích thước liên quan của mỗi loại hình gối.
- Hệ số ma sát thiết kế lớn nhất như được ghi trong hồ sơ hợp đồng.
- Loại vật liệu dùng cho mọi cấu kiện gối.
- Nếu có thể, mô tả rõ ràng và chi tiết mọi phương pháp hàn được dùng khi chế tạo gối không phù hợp với các phương pháp được chấp nhận của AASHTO/AWS D1.5M/D1.5.
- Tải trọng thẳng đứng và nằm ngang, góc xoay và khả năng chuyển động.
- Yêu cầu về sơn hoặc phủ.
- Mặt bằng định tâm.
- Sơ đồ lắp dựng.
- Tính toán thiết kế đầy đủ được kiểm tra phù hợp với Tiêu chuẩn này, nếu Kỹ sư yêu cầu.
- Chi tiết neo.
- Chi tiết lắp trước của gối, nếu có thể.
- Địa điểm nhà máy chế tạo.
- Tên Nhà sản xuất và tên người đại diện chịu trách nhiệm điều phối sản xuất, kiểm tra, lấy mẫu và thử nghiệm.
4.2 Vật liệu
4.2.1 Thép cán
Thép cán phải là loại quy định trong hồ sơ hợp đồng và phù hợp với yêu cầu thử nghiệm của tiêu chuẩn phù hợp. Nếu không có quy định khác, phù hợp với AASHTO M270M/M270 (ASTM A709/A709M) Cấp 36 (Cấp 250) và không được gây ra phản ứng điện phân hoặc hóa học bất lợi với các bộ phận khác của gối và không được gỉ và có vẩy cán.
4.2.2 Thép dát mỏng
Thép dát mỏng phù hợp với yêu cầu của AASHTO M251.
4.2.3 Thép đúc
Thép đúc phù hợp với yêu cầu của ASTM A802/A802M, không được có rỗ khí và tạp chất lớn hơn 3 mm. Mặt trong chậu của gối chậu và mặt tiếp xúc của gối con lắc hoặc mặt ép tỳ của gối con lăn không được có rỗ khí và tạp chất với bất kỳ kích thước nào.
4.2.4 Thép rèn
Thép rèn phù hợp với yêu cầu của ASTM A788.
4.2.5 Thép không gỉ
Thép không gỉ phù hợp với yêu cầu của ASTM A167, Loại 304 hoặc ASTM A240/A240M, Loại 304 và phải có bề dày tối thiểu 0,91 mm và hoàn thiện bề mặt ở bề mặt ép tựa đã hoàn thiện tốt hơn hoặc bằng 0,20 μm. Thép không gỉ tiếp xúc với tấm PTFE phải đánh bóng tới độ hoàn thiện không nhỏ hơn 0,50 μm.
4.3 Đóng gói, bốc xếp và cất giữ
Trước khi gửi hàng khỏi nhà máy, gối phải được đóng gói sao cho đảm bảo khi vận chuyển và cất giữ gối được bảo vệ không bị hư hỏng do bốc xếp, thời tiết hoặc bất kỳ nguy hiểm thông thường khác. Mỗi gối làm xong phải có các bộ phận được nhận dạng rõ ràng, được bắt bu lông chắc chắn và được chằng buộc hoặc cố định cách nào đó để không bị chuyển động tương đối và được đánh dấu ở mặt trên về vị trí và phương hướng của mỗi kết cấu trong dự án phù hợp với hồ sơ hợp đồng.
Cả bộ gối cầu và các bộ phận phải cất giữ ở công trường trong khu vực được bảo vệ chống các tác động gây hư hỏng do môi trường hoặc vật lý. Khi lắp đặt, các gối phải sạch và không có mọi vật liệu lạ.
Không được tháo ra tại hiện trường trừ khi thực sự cần thiết để giám sát hoặc lắp đặt. Gối không được mở hoặc tháo ra tại hiện trường trừ khi có sự giám sát trực tiếp của Nhà sản xuất hoặc được họ chấp thuận.
4.4 Sản xuất hoặc chế tạo
4.4.1 Tổng quát
Nhà sản xuất phải chứng thực là mỗi bộ gối thỏa mãn yêu cầu của hồ sơ hợp đồng và tiêu chuẩn này và phải cung cấp cho Kỹ sư bản sao chứng thực các kết quả thí nghiệm vật liệu. Mỗi gối cao su-thép phải đánh dấu bằng mực không phai hoặc bằng sơn dẻo. Việc đánh dấu phải bao gồm phương, số thứ tự, số lô, số nhận dạng gối, loại và cấp chất dẻo. Trừ khi có quy định khác trong hồ sơ hợp đồng, phải đánh dấu lên bề mặt nhìn thấy được sau khi lắp dựng cầu.
Trừ khi có quy định khác trong hồ sơ hợp đồng, hoàn thiện bề mặt của các bộ phận gối sẽ tiếp xúc với nhau hoặc với bê tông, nhưng không chôn trong bê tông, phù hợp với yêu cầu của TCVN 12885-11:2020.
Bộ gối cầu phải lắp ráp trước trong xưởng do Nhà cung cấp thực hiện và được kiểm tra tính đầy đủ và hình học trước khi vận chuyển đến hiện trường.
Trừ khi có quy định khác trong hồ sơ hợp đồng, các bộ phận gối thép không phải là thép không gỉ gồm cả bu lông neo, phải được mạ kẽm theo Điều 6.7 của TCVN 12885-11:2020.
4.4.2 Dung sai chế tạo
Gối bằng tấm chất dẻo thông thường và gối cao su-thép phải chế tạo như quy định trong hồ sơ hợp đồng với dung sai của AASHTO 251 hoặc TCVN 10308:2014.
Dung sai chế tạo khác cho trong Bảng 1. Các loại dung sai trong Bảng 1 sẽ là như sau:
- Loại A = 0,001 x kích thước danh định
- Loại B = 0,002 x kích thước danh định
- Loại C = 0,005 x kích thước danh định
Kích thước tấm chịu lực để đảm bảo độ phẳng và bề mặt hoàn thiện chỉ áp dụng cho các bề mặt tiếp xúc với gối cầu.
Bảng 1 - Dung sai chế tạo
| Hạng mục | Dung sai bề dày, mm | Dung sai kích thước, mm | Dung sai độ phẳng hoặc không tròn, mm | Hoàn thiện bề mặt μm (rms) | |
| Gối kim loại con lắc và con lăn | |||||
| Con lăn đơn | đường kính | - | -1,600, +1,600 | -0,025, +0,025 | 1,6 |
| Bộ con lăn | đường kính | - | -0,050, +0,050 | -0,025, +0,025 | 1,6 |
| Con lắc | đường kính | - | -3,175, +3,175 | -0,025, +0,025 | 3,2 |
| Chốt | đường kính | - | -0,127, +0,000 | -0,050, +0,050 | 0,8 |
| Bạc lót | đường kính | - | -0,000, +0,127 | -0,050, +0,050 | 0,8 |
| Gối chậu | |||||
| Kích thước chung | -0,000, +6,350 | -0,000, +3,175 | - | - | |
| Chiều sâu bên trong chậu | - | -0,000, +0,635 | - | - | |
| Vách chậu: bề dày và đường kính trong trung bình | -0,000, +3,175 | -0,075, +0,075 | 0,025, +0,025 | 0,8 | |
| Đáy chậu: mặt đỉnh và mặt đáy | -0,000, +0,635 | - | Loại C | 1,6 | |
| Piston: Vành mép | -0,000, +1,600 | -0,075, +0,075 | -0,025, +0,025 | 0,8 | |
| Piston: mặt đỉnh và mặt đáy | -0,000, +0,635 | - | Loại C | 1,6 | |
| Đĩa elastome (không ứng suất) | -0,000, +3,175 | 0,000, +1,600 | - | - | |
| Gối đĩa | |||||
| Kích thước chung | -0,000, +6,350 | -0,000, +3,175 | - | - | |
| Cấu kiện hạn chế cắt | - | -0,000, +0,125 | Loại A | 0,8 | |
| Các bộ phận cơ khí khác | -0,000, +1,600 | 0,000, +1,600 | Loại B | 1,6 | |
| Đĩa Urethane | -0,000, +1,600 | -0,000, +3,175 | Loại B | 1,6 | |
| Gối trượt PTFE phẳng | |||||
| PTFE | -0,000, +1,600 | -0,000, +0,760 | Loại A | - | |
| Thép không gỉ | -0,000, +1,600 | 0,000, +3,175 | Loại A | 0,2 | |
| Gối trượt đồng thau và hợp kim đồng phẳng | |||||
| Mặt trượt | -0,000, +3,175 | -0,000, +3,175 | Loại A | 0,8 | |
| Gối trượt PTFE cong | |||||
| Bán kính lồi | - | -0,255, +0,000 | -0,050, +0,050 | 0,2 | |
| Bán kính lõm | - | -0,000, +0,225 | -0,050, +0,050 | 3,2 | |
| Gối trượt đồng thau và hợp kim đồng thau cong | |||||
| Bán kính lồi | - | -0,255, +0,000 | -0,050, +0,050 | 0,8 | |
| Bán kính lõm | - | -0,000, +0,255 | -0,050, +0,050 | 0,8 | |
| Gối elastome tăng cường thép | |||||
| Kích thước chung | -0,000, +6,350 | -0,000, +6,350 | - | - | |
| Các lớp cao su bên trong | -3,175, +3,175 | - | - | - | |
| Bọc | -0,000, +3,175 | - | - | - | |
| Độ song song: các mặt đỉnh và đáy | ± 0,005 rad | - | - | - | |
| Độ song song: các cạnh | - | ± 0,020 rad | - | - | |
| Tấm elastome | |||||
| Kích thước chung | -0,000, +3,175 | -0,000, +6,350 | - | - | |
| Thanh dẫn hướng | |||||
| Mặt tiếp xúc | - | -0,000, +3,175 | Loại A | ,08 | |
| Cự ly giữa các thanh | - | -0,000, +0,760 | - | - | |
| Độ song song của các thanh | - | ± 0,005 rad | - | - | |
| Bản chịu tải | |||||
| Kích thước chung | -1,600, +1,600 | -6,350, +6,350 | Loại A | 3,2 | |
| Góc vát | ± 0,002 rad | - | - | - | |
4.5 Thử nghiệm và nghiệm thu
4.5.1 Tổng quát
4.5.1.1 Phạm vi
Tiêu chí thử nghiệm và nghiệm thu gối phù hợp với yêu cầu tối thiểu quy định trong Điều 4.5.2. Kỹ sư có thể đòi hỏi các tiêu chuẩn nghiêm ngặt hơn.
Khi gối được chế tạo từ một số bộ phận, mỗi bộ phận phải thỏa mãn yêu cầu thử nghiệm của phần thích hợp.
Kỹ sư phải được tự do đến kiểm tra việc chế tạo gối vào mọi thời gian.
4.5.1.2 Tấm đế vát
Mỗi gối được lấy mẫu để thử nghiệm với một tấm đế vát hoặc bộ phận gắn kèm khác cản trở đặt tải vuông góc với thiết bị gối phải được đưa đến vị trí thử nghiệm kèm theo một tấm nối rời hoặc bộ phận đính kèm. Đối với gối có tấm đế vát, tấm nối phải có cạnh xiên đơn và được thi công sao cho, khi được tiếp xúc với các tấm đế vát, 2 bộ phận sẽ tạo thành 1 bộ phận, có hình chữ nhật và cùng chiều dày. Đối với gối có bộ phận gắn kèm khác, tấm nối hoặc bộ phận gắn kèm phải được thi công để cho phép áp dụng chính xác tải trọng vuông góc với thiết bị gối.
4.5.2 Thử nghiệm
4.5.2.1 Tổng quát
Thử nghiệm quy định ở đây phải được thực hiện bởi Nhà sản xuất. Trừ khi được Kỹ sư đồng ý khác đi, chúng phải được Cơ quan thử nghiệm độc lập giám sát.
Thử nghiệm bổ sung đối với các loại hình gối đặc biệt như quy định trong các Điều khác của Tiêu chuẩn này cũng phải được tiến hành.
4.5.2.2 Thử nghiệm chứng nhận vật liệu
Thử nghiệm chứng nhận vật liệu để xác định các tính chất lý hóa của vật liệu phải được tiến hành phù hợp với tiêu chuẩn của vật liệu thích hợp. Giấy chứng nhận thử nghiệm phải cung cấp cho Kỹ sư.
4.5.2.3 Thử nghiệm ma sát của vật liệu - Chỉ với những bề mặt trượt
Phải đo hệ số ma sát giữa 2 bề mặt tiếp xúc. Phải làm các thử nghiệm trên các mẫu lấy từ mẻ vật liệu giống như vật liệu được dùng cho gối cùng loại hoặc có thể tiến hành thử nghiệm trên gối đã làm xong theo phương án của Nhà sản xuất. Chỉ phải thử với vật liệu mới chứ không phải thử với vật liệu đã thử trước đó.
Phải làm sạch kỹ các bề mặt bằng chất dung môi khử mỡ. Không được dùng chất bôi trơn khác với chất được quy định cho gối cùng loại. Các mặt tiếp xúc của mẫu thử nghiệm phải có diện tích chung không nhỏ hơn diện tích ép tựa hoặc 4.500 mm2.
Mẫu thử phải đặt tải chịu nén tới ứng suất đúng với ứng suất nén tối đa do tĩnh tải khai thác cộng với hoạt tải, phải giữ không đổi 1 h trước và trong suốt quá trình thử nghiệm trượt. Phải áp dụng ít nhất 100 chu kỳ trượt mỗi chu kỳ có độ dịch chuyển ít nhất là ± 25 mm ở nhiệt độ 20°C ± 1°C. Tốc độ trượt đồng đều phải là 65 mm/min.
Hệ số ma sát trượt phải tính cho mỗi hướng của mỗi chu kỳ. Hệ số ma sát khởi động tĩnh ban đầu không được vượt quá 2 lần hệ số ma sát thiết kế. Hệ số ma sát lớn nhất của tất cả các chu kỳ tiếp theo không được vượt quá hệ số ma sát thiết kế. Sự hư hỏng của một mẫu sẽ dẫn đến việc loại bỏ cả lô.
Tiếp sau 100 chu kỳ thử nghiệm phải xác định lại hệ số ma sát trượt và không được vượt quá giá trị ban đầu. Gối hoặc mẫu thử không được có dấu hiệu hao mòn, hư hỏng dính kết hoặc các khuyết điểm khác có thể thấy rõ được.
4.5.2.4 Kiểm tra kích thước
Kích thước của tất cả gối phải được kiểm tra bởi Nhà sản xuất, được ghi lại và cung cấp cho Kỹ sư. Sự không thích hợp của kích thước gối để đáp ứng bất kỳ dung sai nào phải có nguyên nhân, theo ý muốn của Kỹ sư, đối với việc loại bỏ gối hoặc rất nhiều. Phải kiểm tra độ phẳng bằng cách đặt thước đo độ phẳng chính xác lên bề mặt kiểm tra và dùng thước đo khe hở chen vào giữa hai vật. Phải đặt thước đo độ phẳng ở các hướng khác nhau và xác định tình trạng xấu nhất. Có thể dùng không quá 3 thước đo khe hở chồng lên nhau. Thước đo độ phẳng phải dài như kích thước lớn nhất của bề mặt đo phẳng.
Tất cả các kích thước kiểm tra phải đảm bảo dung sai theo Điều 4.4.2.
4.5.2.5 Thử nghiệm khoảng hở
Các bộ phận của gối phải chuyển động được suốt theo chuyển dịch hoặc góc xoay thiết kế của nó để kiểm tra sự tồn tại của khoảng hở yêu cầu. Nếu thử nghiệm được tiến hành trên một bộ phận xoay không phải dưới tải trọng thẳng đứng đầy đủ tương ứng, phải tạo khoảng hở cho phép về các chuyển dịch do tải trọng này có thể gây ra.
4.5.2.6 Thí nghiệm ma sát của gối - Chỉ với những mặt trượt
Không được dùng chất bôi trơn trừ chất được dùng cho cả lô gối. Gối phải đặt tải chịu nén ở khả năng thiết kế cho TTGH sử dụng, trong đó phải giữ không đổi 1 h trước và trong suốt quá trình thử nghiệm trượt. Phải áp dụng ít nhất 12 chu kỳ trượt, mỗi chu kỳ gồm có dịch chuyển nhỏ hơn thiết kế rồi đến dịch chuyển ± 25 mm. Tốc độ trượt trung bình nằm trong khoảng giữa 2,5 mm/min và 25 mm/min. Khi thực hiện thử nghiệm đối với gối trượt cong, phải dùng góc xoay thiết kế thay cho dịch chuyển.
Đối với các gối trượt phẳng, hệ số ma sát trượt phải tính cho mỗi hướng, mỗi chu kỳ và trị số trung bình và độ lệch chuẩn của chúng phải tính cho các chu kỳ từ thứ 6 đến thứ 12. Không phải hệ số ma sát đối với chuyển động thứ nhất cũng không phải trị số trung bình cộng hai độ lệch chuẩn đối với chu kỳ thứ 6 đến thứ 12 được vượt quá trị số dùng trong thiết kế, và trị số trung bình đối với chu kỳ thứ 6 đến thứ 12 không được vượt quá 2/3 giá trị dùng trong thiết kế.
Với các bề mặt trượt cong, phải thiết lập mô men ứng với góc xoay thiết kế ở mỗi dịch chuyển đỉnh (dương và âm), trong chu kỳ thứ nhất và 6 chu kỳ thử nghiệm đầy đủ cuối cùng. Độ lệch tâm của tải trọng tương ứng được tính bằng cách chia mô men cho tổng tải trọng nén tác động. Độ lệch tâm phải đủ nhỏ để các ứng suất cho phép trên PTFE dùng trong thiết kế không bị vi phạm.
4.5.2.7 Thử nghiệm hư hỏng dài hạn
Theo quyết định của Chủ đầu tư, hồ sơ hợp đồng phải quy định xem thử nghiệm hư hỏng dài hạn có phải là được thực hiện trên cơ sở mỗi lô hay thử nghiệm để đáp ứng sơ tuyển. Tiêu chuẩn sơ tuyển của Chủ đầu tư hoặc hồ sơ hợp đồng, nếu có, phải quy rõ xem việc kiểm tra được thực hiện trên gối kích thước đầy đủ, gối mô hình, các bộ phận của gối, mẫu vật liệu sử dụng trong gối, hay là kết hợp những thử nghiệm trên. Các tiêu chuẩn sơ tuyển khác kết hợp với thử nghiệm hư hỏng dài hạn phải được quy định bởi Chủ đầu tư.
Mẫu thử phải có diện tích không nhỏ hơn 4.500 mm2. Mẫu thử trước tiên phải đặt tải chịu nén tới ứng suất tương ứng với khả năng của gối thiết kế theo TTGH sử dụng. Hệ thống trượt phẳng sau đó phải dịch chuyển qua ít nhất 1.000 chu kỳ với biên độ ít nhất là ± 25 mm (tức 50 mm đỉnh tới đỉnh). Hệ trượt cong và xoay phụ thuộc vào sự biến dạng của cấu kiện chất dẻo phải chịu 5.000 chu kỳ hoặc dịch chuyển tương ứng với góc xoay của cộng hoặc trừ biên độ thiết kế. Sự trượt có thể xảy ra ở 250 mm/min, trừ khi đọc số đo hệ số ma sát tốc độ trượt phải là 65 mm/min.
Các hiện tượng sau là lý do loại bỏ gối:
- Hư hỏng thấy được bằng mắt thường, bộ gối bị rời ra như bị mài mòn quá mức, các vết nứt hoặc rạn trong vật liệu.
- Hệ số ma sát vượt quá giá trị dùng trong thiết kế.
4.5.2.8 Khả năng chịu lực ngang của gối - Chỉ với các gối cố định hoặc có dẫn hướng
Phải lựa chọn một hoặc nhiều hơn tổ hợp tải trọng, bao gồm tải trọng khai thác nằm ngang và thẳng đứng đồng thời tồn tại trong kết cấu. Phải tác động tải trọng thẳng đứng trước với 1 lần giá trị danh định của nó. Tải trọng nằm ngang phải tác động theo cấp cho tới 1,5 lần giá trị danh định của nó. Hư hỏng hoặc biến dạng quá mức của bất cứ bộ phận nào cũng là lý do để loại bỏ.
4.6 Tiêu chí hoàn thiện
Nếu một gối của mẫu thử hỏng thì tất cả gối của lô đó bị loại bỏ, trừ khi Nhà sản xuất chọn cách thử từng gối của lô. Kỹ sư có thể yêu cầu tất cả các gối của lô phải được thử.
4.7 Thi công và lắp đặt
Gối phải lắp đặt vào vị trí cho trong hồ sơ hợp đồng bởi công nhân có trình độ. Gối phải đặt ở thời điểm lắp đặt theo các kích thước và độ sai tâm do Nhà sản xuất, Kỹ sư quy định như đã cho trong hồ sơ hợp đồng và điều chỉnh khi cần để xét đến nhiệt độ và các chuyển dịch sau này do nhiệt độ thay đổi, dỡ giàn giáo và co ngắn do dự ứng lực.
Mỗi gối cầu phải đặt vào đúng vị trí của nó trên mặt bằng với sai số trong vòng ± 3 mm và hướng của nó với sai số góc trong vòng 0,02 rad. Gối có dẫn hướng và gối xoay chỉ quanh một trục phải định hướng theo quy định trong hồ sơ hợp đồng với sai số trong vòng 0,005 rad. Tất cả các gối, trừ các gối đặt đối diện nhau theo từng đôi, phải đặt ngang bằng với sai số góc trong vòng 0,005 rad và phải tiếp xúc đầy đủ và đồng đều với bản chịu tải, khi bản này tồn tại. Phải đặt gối đỡ kết cấu phần trên sao cho dưới toàn bộ tĩnh tại độ dốc của nó nằm trong giới hạn sai số góc 0,005 rad của giá trị thiết kế. Mọi độ lệch với dung sai này phải được sửa lại bằng tấm chêm hoặc cách khác được Kỹ sư chấp thuận. Nếu dùng các chêm để làm bằng gối phải lấy ra sau khi bơm vữa và trước khi trọng lượng kết của phần trên tác động lên gối.
Các bộ gối kim loại không chôn trong bê tông phải đặt nằm trên bê tông với chất độn hoặc vật liệu dệt phù hợp với Điều 13.
Khi gối đặt trực tiếp lên công trình bằng thép, bề mặt đỡ gối phải được gia công bằng máy để tạo ra bề mặt ngang bằng và phẳng để đặt gối.
Gối hoặc tấm gắn vào vật xây đặt trên các trụ đỡ bằng thép có thể lắp đặt trực tiếp lên trụ đỡ miễn là trụ đỡ bằng phẳng trong giới hạn sai số 0,002 lần kích thước danh định và đủ cứng để không biến dạng dưới tải trọng quy định.
5 Gối cao su (gối chất dẻo đàn hồi)
5.1 Phạm vi
Gối cao su (gối chất dẻo đàn hồi) nói ở đây bao gồm các tấm không có cốt (chỉ có chất dẻo đàn hồi) và các gối cao su-thép (có tăng cường lớp thép dát mỏng hoặc lưới thép).
5.2 Yêu cầu chung
Gối phải được cung cấp với các kích thước, tính chất vật liệu, cấp cao su và loại thép dát mỏng yêu cầu trong hồ sơ hợp đồng. Tải trọng thiết kế cũng phải cho trong hồ sơ hợp đồng và thử nghiệm phải tiến hành phù hợp. Khi không có quy định khác trong hồ sơ hợp đồng, gối phải là cao su cấp 3, độ cứng 60, gia cường thép và phải chịu các yêu cầu thử nghiệm quy định ở đây.
5.3 Vật liệu
Cao su (chất dẻo đàn hồi) thô phải là Neoprene (cao su nhân tạo) nguyên chất (polychloroprene) hoặc cao su tự nhiên nguyên chất (polyisoprene). Hợp chất của chất dẻo đàn hồi phải phân loại theo cấp nhiệt độ thấp 0, 2, 3, 4 hoặc 5. Các cấp và tính chất vật liệu khác được định nghĩa trong Phần 14 của LRFD-8 hoặc TCVN 11823:2017 và AASHTO M251 hoặc TCVN 10308:2014. Cấp chất dẻo đàn hồi cao hơn có thể thay cho cấp thấp hơn.
5.4 Chế tạo
Gối phù hợp với yêu cầu chế tạo của AASHTO M251 hoặc TCVN 10308:2014.
5.5 Thử nghiệm
Vật liệu dùng làm gối chất dẻo đàn hồi và bản thân gối đã hoàn thiện phải làm các thử nghiệm mô tả trong AASHTO M251 hoặc TCVN 10308:2014.
5.6 Lắp đặt
Gối chất dẻo đàn hồi không có các tấm chịu tải bên ngoài có thể đặt trực tiếp lên bề mặt bê tông hoặc thép miễn là nó phải bằng phẳng trong phạm vi sai số 0,005 của kích thước danh định đối với gối tăng cường thép và 0,01 của kích thước danh định đối với gối khác. Gối phải đặt trên mặt phẳng nằm ngang trong phạm vi 0,01 rad. Bất kỳ sự thiếu song song nào giữa mặt trên của gối và mép dưới của dầm vượt quá 0,01 rad phải được sửa bằng bơm vữa hoặc theo chỉ dẫn khác của Kỹ sư.
Các tấm bên ngoài của gối không được hàn trừ khi còn lại ít nhất 40 mm phần thép giữa mối hàn và chất dẻo đàn hồi. Trong mọi trường hợp chất dẻo đàn hồi hoặc chất dính kết không được chịu nhiệt độ cao hơn 200 °C.
6 Gối chậu và gối đĩa
6.1 Tổng quát
Gối chậu và gối đĩa:
- Phải tương xứng với tải trọng và chuyển động thiết kế cho trong hồ sơ hợp đồng hoặc quy định.
- Phải thử nghiệm ở mức độ thích hợp.
6.2 Vật liệu
6.2.1 Tổng quát
Mọi vật liệu phải mới và chưa sử dụng, cũng không dùng vật liệu tái sinh trong gối đã hoàn thiện.
6.2.2 Thép
Các bộ phận bằng thép, trừ thép không gỉ của gối chậu và gối đĩa phù hợp với yêu cầu của Điều 6 của TCVN 12885-11:2020 đối với thép carbon hoặc cường độ cao, thép kết cấu hợp kim thấp dùng để hàn, hoặc của TCVN 10268:2014.
6.2.3 Thép không gỉ
Thép không gỉ phù hợp với yêu cầu của Điều 4.2.5.
6.2.4 Cấu kiện xoay chất dẻo đàn hồi cho gối chậu
Cấu kiện xoay chất dẻo đàn hồi dùng để làm gối chậu chỉ bao hàm chất polychloroprene (Neoprene) nguyên chất không kết tinh theo AASHTO M251 (ASTM D4014) hoặc polyisoprene tự nhiên (cao su tự nhiên) nguyên chất theo AASHTO M251 như là chất polymer thô. Các tính chất vật lý của Neoprene và cao su tự nhiên phù hợp với các quy định trên với các sửa đổi sau đây:
- Độ cứng theo Shore A của dụng cụ đo độ cứng phải là 50 ± 10 điểm.
- Mẫu thử nghiệm biến dạng dư sau khi nén phải chuẩn bị theo khuôn Loại 2.
6.2.5 Chất bịt kín gối chậu
Chất dẻo đàn hồi ở giữa chậu thép và tấm thép chịu ép tựa ở đỉnh phải bôi trơn bằng mỡ silicon không có phản ứng hóa học với chất dẻo đàn hồi và không thay đổi tính chất của nó trong biên độ môi trường dự kiến tại chỗ hoặc khuyến nghị của Nhà sản xuất.
6.2.6 Vòng bịt gối chậu
Vòng bịt giữa piston thép và cấu kiện xoay chất dẻo đàn hồi của gối chậu phải làm bằng đồng thau phù hợp với ASTM B36/B36M cho vòng có mặt cắt ngang hình chữ nhật và ASTM B121/B121M cho các tiết diện tròn. Kỹ sư có thể chấp nhận vật liệu vòng bịt khác trên cơ sở thử nghiệm chứng tỏ phù hợp với Điều 14.7.4 của LRFD-8 hoặc TCVN 11823:2017.
6.2.7 Tấm và dải polyether urethane (PTFE)
Yêu cầu của tấm và dải PTFE dùng cho gối chậu và gối đĩa phù hợp với quy định của Điều 11.1.
6.2.8 Bộ phận kết cấu polyether urethane dùng cho gối đĩa
Bộ phận kết cấu polyether urethane dùng làm gối đĩa phải đúc bằng hợp chất polyether urethane nguyên khối. Tính chất vật lý của polyether urethane phù hợp với yêu cầu trong Bảng 2.
Bảng 2 - Tính chất vật lý của polyether urethane
| Tính chất vật lý | Phương pháp thử | Các yêu cầu | ||
| Độ cứng Loại D dụng cụ đo độ cứng | ASTM D2240 | 45 | 55 | 65 |
| Ứng suất kéo MPa | ASTM D412 |
|
|
|
| Khi dãn dài 100% |
| 10 | 13 | 16 |
| Khi dãn dài 200% |
| 19 | 23 | 28 |
| Cường độ kéo MPa | ASTM D412 | 28 | 34 | 41 |
| Độ giãn dài cực hạn, % | ASTM D412 | 350 | 285 | 220 |
| Biến dạng dư sau khi nén 22 h ở 70 °C, % | ASTM D395 | 40 | 40 | 40 |
6.3 Các chi tiết chế tạo
6.3.1 Tổng quát
Nhà thầu cần cung cấp cho Kỹ sư thông báo bằng văn bản 30 ngày trước khi bắt đầu chế tạo gối.
Việc hoàn tất khuôn đúc để chế tạo cấu kiện xoay chất dẻo đàn hồi cho gối chậu và bộ phận kết cấu polyether urethane cho gối đĩa phải phù hợp với kỹ thuật gia công cơ khí của xưởng.
Tấm PTFE phải dán vào thép nền đã được phun cát tẩy sạch bằng keo dính epoxy trong điều kiện điều khiển của nhà máy phải phù hợp với các chỉ dẫn của Nhà sản xuất chất dính kết. Tấm PTFE phải thụt sâu vào thép nền của nó ít nhất 1/2 chiều dày. Nếu có thể, trên bề mặt thẳng đứng tấm PTFE được gắn chặt bằng máy vào thép nền. Việc gắn chặt tấm PTFE vào thép nền của nó phải làm theo yêu cầu chế tạo của Điều 11.2.
Sau khi chế tạo, bề mặt thép lộ ra không khí, trừ bề mặt thép không gỉ, phải được sơn hoặc phủ ở xưởng để chống gỉ như quy định trong hồ sơ hợp đồng. Trước khi phủ bề mặt thép lộ ra, phải làm sạch theo khuyến nghị của Nhà sản xuất chất phủ. Bề mặt thép hàn tại hiện trường phải phủ lớp sơn sạch hoặc lớp phủ bảo vệ khác được Kỹ sư chấp thuận, nếu thời gian để lộ trước khi bắt đầu sơn vượt quá 3 tháng. Khi hàn phải loại bỏ lớp phủ bằng sơn. Việc sơn hoặc phủ cuối cùng các bề mặt này phải thực hiện sau khi đã hàn xong.
Phải gắn tấm thép không gỉ vào thép nền bằng mối hàn bịt liên tục. Việc hàn phải phù hợp với và các thợ hàn phải có trình độ phù hợp với yêu cầu của AASHTO/AWS D1.6M/D1.6. Việc hàn thép khác với thép không gỉ, như chỉ ra ở Điều 6 của TCVN 12885-11:2020, phải phù hợp với và các thợ hàn phải có trình độ phù hợp với yêu cầu của AASHTO/AWS D1.5M/D1.5.
Trừ các điều kiện đã nêu, các bề mặt ép tựa của tấm thép phải hoàn thiện bằng máy cho phẳng trong phạm vi 0,0008 mm/mm. Tấm không phẳng lớn hơn 0,0008 mm/mm sẽ bị loại bỏ. Mặt đáy của tấm gối bên dưới (tấm gắn vào vật xây) được thiết kế để đặt lên bệ đỡ không được vượt quá mức phẳng 0,005 mm/mm. Bề mặt cắt bằng oxy không được vượt quá giá trị độ nhám bề mặt 25 pm, xác định bởi ANSI B46.1.
Kích thước chung của gối phải có sai số phù hợp với Bảng 1.
Mỗi gối phải có số nhận dạng dự án, số lô và số riêng của gối bằng mực không phai trên mặt, nhìn thấy được sau khi lắp.
6.3.2 Yêu cầu chế tạo gối chậu
6.3.2.1 Chậu
Phải chế tạo chậu bằng hàn hoặc gia công cơ khí từ một khối thép. Những chậu làm bằng cách hàn một vòng thép vào tấm đáy, mối hàn phải hàn đối đầu ngấu hoàn toàn.
Phải gia công piston từ một khối thép. Đường kính ngoài của piston không được nhỏ hơn đường kính trong của chậu ở cao độ giao diện giữa piston và cấu kiện xoay chất dẻo đàn hồi ít hơn 0,76 mm. Các cạnh của piston phải vát để xoay dễ dàng.
Nếu dùng dẫn hướng thì chúng phải được gắn vào chậu bằng hàn hoặc bắt bu lông.
6.3.2.2 Vòng bịt
Vòng bịt phải thụt sâu vào đĩa chất dẻo đàn hồi và phải vừa khít với thành chậu. Vòng có mặt cắt ngang hình chữ nhật phải lắp với khe hở cách đều quanh chu vi. Khe hở giữa vòng bịt và vách không chỗ nào được vượt quá 0,25 mm. Khe hở giữa các đầu cắt của vòng không được vượt quá 1,25 mm.
6.3.2.3 Cấu kiện xoay chất dẻo đàn hồi
Đệm chất dẻo đàn hồi phải có cùng đường kính danh định với chậu. Đệm chất dẻo đàn hồi phải đúc hoặc cắt riêng từng cái từ tấm nguyên và chế tạo không quá 3 lớp riêng biệt, trong đó không lớp nào có bề dày nhỏ hơn 12,5 mm. Nếu dùng vòng bịt hình chữ nhật thì vòng phải thụt sâu vào hết bề dày vòng.
6.3.3 Yêu cầu chế tạo gối đĩa
6.3.3.1 Khay thép
Khay thép phải chế tạo bằng hàn hoặc cơ khí từ một khối bản thép. Cơ chế hạn chế cắt phải liên kết với tấm gối bằng gắn chặt cơ khí, hàn hoặc cách khác được Kỹ sư chấp thuận.
6.3.3.2 Cấu kiện xoay polyether urethane
Cấu kiện xoay polyether urethane của gối đĩa phải đúc như một khối riêng. Việc hoàn thiện khuôn phải không còn gờ ráp và phù hợp với kỹ năng tốt của phân xưởng.
6.4 Lấy mẫu và thử nghiệm
6.4.1 Cỡ lô
Lấy mẫu, thử nghiệm và nghiệm thu được tiến hành trên cơ sở lô gối. Một lô được xác định là có số lượng gối nhỏ nhất được xác định theo các tiêu chí sau:
- Không được vượt quá khối lượmg của một hồ sơ hợp đồng hoặc dự án;
- Không được vượt quá 25 gối;
- Phải gồm các gối cùng loại bất kể khả năng chịu tải. Các loại gối có thể là loại cố định hoặc di động. Các gối di động có dẫn hướng hoặc không dẫn hướng chỉ được xem là một loại.
6.4.2 Lấy mẫu và nghiệm thu
Nhà sản xuất phải lấy mẫu ngẫu nhiên tối thiểu 2 gối và, khi được cho phép hoặc yêu cầu, lấy tối thiểu 2 bộ phận riêng của gối từ mỗi lô gối hoàn thành để chứng nhận vật liệu và thử nghiệm tính năng bởi Nhà sản xuất. Nhà sản xuất phải hoàn thành thử nghiệm theo yêu cầu và xác định sự phù hợp với tiêu chuẩn này trước khi trình lô gối để kiểm tra đảm bảo chất lượng, thử nghiệm và xem xét chấp nhận. Các kết quả thử nghiệm của Nhà sản xuất phải được cung cấp cho Kỹ sư.
6.4.3 Thử nghiệm đảm bảo chất lượng bởi Kỹ sư
Khi hồ sơ hợp đồng quy định thử nghiệm đảm bảo chất lượng, Nhà sản xuất phải cung cấp cho Kỹ sư số lượng gối đã hoàn thành và các mẫu thành phần để tiến hành thử nghiệm đảm bảo chất lượng theo Bảng 3.
Ít nhất một cấu kiện chất dẻo đàn hồi cho mỗi lô gối của gối chậu và ít nhất một tập hợp các tính chất vật liệu cho mỗi lô gối đĩa phải được tiến hành thử nghiệm. Mọi bề mặt ngoài của các gối sản phẩm được làm mẫu phải nhẵn và không có những chỗ không đồng đều hoặc lồi ra có thể cản trở quy trình thử nghiệm.
Phải cho phép thời gian tối thiểu là 30 ngày để kiểm tra, lấy mẫu và thử nghiệm đảm bảo chất lượng các gối sản xuất và các vật liệu thành phần.
Gối có tấm để vát phù hợp với các quy định của Điều 4.5.1.2.
Kỹ sư có thể lựa chọn ngẫu nhiên (các) gối mẫu yêu cầu từ các lô đã hoàn thành của gối và các mẫu vật liệu elastome và PTFE để thử nghiệm đảm bảo chất lượng.
Nhà thầu phải vận chuyển các mẫu từ nơi sản xuất đến địa điểm thử nghiệm và quay trở lại, hoặc nếu có thể tới địa điểm công trình.
Bảng 3 - Lấy mẫu
| Thử nghiệm | Mẫu yêu cầu |
| Tải trọng thử | Một gối sản phẩm cho mỗi lô |
| Hệ số ma sát | Một gối sản phẩm cho mỗi lô |
| Tính chất vật lý của cấu kiện xoay chất dẻo đàn hồi | Một gối chất dẻo đàn hồi cho mỗi lô |
| Tính chất vật lý tấm PTFE | Một tấm vật liệu PTFE 250 x 380 mm cho mỗi dự án |
| Tính chất vật lý của bộ phận kết cấu polyether urethane (trừ biến dạng dư sau nén) | Một tấm vật liệu polyether urethane 280 x 380 mm (bề dày bằng 1,6 mm tới 3,0 mm) cho mỗi lô |
| Biến dạng dư sau nén của bộ phận kết cấu polyether urethane | Một tấm vật liệu polyether urethane 100 x 100 mm cho mỗi lô, đúc hoặc cắt theo yêu cầu bề dày của ASTM D395, Phương pháp B. |
6.4.4 Thử nghiệm tính năng
6.4.4.1 Thử nghiệm chứng nhận vật liệu
Thử nghiệm chứng nhận vật liệu phải được thực hiện theo Điều 4.5.2.2.
Phải cấp chứng nhận cho các cấu kiện elastome và polyether urethane. Các tính chất vật liệu của chúng phải thỏa mãn yêu cầu quy định trong hồ sơ hợp đồng và các thử nghiệm mô tả trong Điều 6.2.4 cho gối chậu và Điều 6.2.8 cho gối đĩa. Kỹ sư có thể yêu cầu các thử nghiệm bổ sung.
6.4.4.2 Kiểm tra kích thước và sai số
Kích thước và sai số phải được kiểm tra cho các gối theo các Điều 4.5.2.4 và Điều 4.5.2.5.
6.4.4.3 Thử nghiệm hư hỏng dài hạn
Thử nghiệm phá hủy dài hạn phải đáp ứng yêu cầu của Điều 4.5.2.7. Khi thử nghiệm được quy định bởi Chủ đầu tư trên cơ sở mỗi lô, thử nghiệm phá hủy dài hạn phải được thực hiện trên 1 gối đĩa mẫu của mỗi lô và 1 gối chậu mẫu của mỗi lô.
6.4.4.4 Thử nghiệm tải trọng bằng chứng
Gối mẫu phải được thử nghiệm tải trọng ngắn hạn tới 150 % khả năng quy định mức ở 0,02 rad. Nếu kích thước của gối hạn chế thử nghiệm ứng với thiết bị sẵn có, Chủ đầu tư có thể chỉ định thử nghiệm trên 1 mẫu thu gọn với các yêu cầu tương đương. Tải trọng sẽ được giữ trong 5 min, dỡ tải, sau đó lặp lại trong 5 min. Nếu tải giảm xuống dưới giá trị yêu cầu trong cả hai trường hợp, thử nghiệm phải được thực hiện lại từ đầu.
Theo quyết định của Chủ đầu tư, thử nghiệm tải trọng bằng chứng dài hạn cũng có thể được quy định hoặc thay thế cho thử nghiệm tải trọng ngắn hạn. Trừ các trường hợp được quy định dưới đây, độ lớn của tải trọng, trình tự thử nghiệm, và tiêu chuẩn phá hoại đối với thử nghiệm dài hạn sẽ giống với kết quả thử nghiệm ngắn hạn. Tải trọng đầu tiên sẽ được giữ trong 5 min và tải trọng thứ hai sẽ được giữ trong 15 h. Nếu tải trọng giảm dưới 90 % giá trị mục tiêu trong thời gian này, thì tải trọng phải được tăng lên đến giá trị mục tiêu và thời hạn thử nghiệm được tăng lên theo chu kỳ thời gian đối với tải trọng thấp hơn giá trị yêu cầu.
Trong quá trình thử nghiệm, tấm gối thép và piston thép sẽ duy trì liên tục và tiếp xúc đều trong quá trình thử nghiệm.
Gối được kiểm tra trực quan cả trong quá trình thử nghiệm và tháo gỡ sau khi thử nghiệm. Bất kỳ khiếm khuyết nhìn thấy, chẳng hạn như sự trồi hoặc biến dạng của elastomer, polyete urethane, hoặc PTFE; tấm bịt hư hỏng hoặc hạn chế vòng; sự hiện diện của tiếp xúc kim loại - kim loại giữa tường chậu và tấm trên; hoặc thép bị nứt, sẽ là lý do để từ chối lô sản phẩm.
Đối với gối đĩa, tiếp xúc đều và liên tục phải được duy trì giữa phần tử polyether urethane và tấm gối và giữa tấm trượt thép phía trên và tấm gối trên trong suốt thời gian thử nghiệm. Bất cứ sự nhấc lên nào quan sát được sẽ là lý do từ chối lô sản phẩm.
6.4.4.5 Hệ số ma sát trượt
Đối với các gối kiểu giãn nở có hướng dẫn và không dẫn hướng, hệ số ma sát trượt phải được đo tại khả năng chịu lực thiết kế của gối cho mỗi gối mẫu và bộ phận gối theo quy định của Điều 4.5.2.3 và Điều 4.5.2.6.
Hệ số ma sát trượt được tính là tải trọng ngang cần thiết để duy trì gối trượt liên tục, chia cho khả năng chịu lực thiết kế thẳng đứng của gối.
Kết quả thử nghiệm được đánh giá như sau:
- Tiêu chí đạt /không đạt được nêu trong Điều 4.5.2.3.
- Tiêu chí đạt /không đạt được nêu trong Điều 4.5.2.6.
- Đối với các gối thử nghiệm theo Điều 4.5.2.6, gối phải được kiểm tra trực quan cả trong quá trình và sau khi thử nghiệm. Bất kỳ khuyết tật nhìn thấy nào, chẳng hạn như phá hoại dính bám, hư hỏng vật lý, chảy nguội của PTFE tới điểm không dính bám hoặc hư hỏng thành phần, sẽ là lý do từ chối lô gối.
Gối không bị hư hỏng khi thử nghiệm các đặc trưng tính năng có thể sử dụng được trong công trình.
6.5 Lắp đặt
Gối chậu và gối đĩa phải lắp đặt phù hợp với hồ sơ hợp đồng và bản vẽ biện pháp thi công được chấp thuận. Đại diện kỹ thuật của Nhà sản xuất gối phải sẵn sàng cung cấp hướng dẫn cho Nhà thầu trong suốt quá trình lắp đặt. Lúc lắp đặt cuối cùng các gối, Kỹ sư phải giám sát các thành phần của gối để đảm bảo chúng ngang bằng và song song trong khoảng 2,6 mm/m. Mọi độ chênh lệch quá các dung sai cho phép phải được sửa chữa.
7 Gối con lắc và gối con lăn
7.1 Vật liệu
Thép dùng làm gối con lắc và con lăn phải là loại và cáp quy định trong hồ sơ hợp đồng. Thép ở mặt tiếp xúc của gối thép có thể tôi cứng miễn là sau khi tôi, thép thỏa mãn yêu cầu về cường độ và tính dẻo của hồ sơ hợp đồng và tiêu chuẩn vật liệu.
7.2 Chế tạo
7.2.1 Thép
Gối con lắc phải sản xuất bằng đúc, rèn hoặc chế tạo từ tấm thép. Gối con lăn có đường kính lớn hơn 225 mm phải được rèn và tôi. Gối con lăn nhỏ hơn phải rèn và tôi hoặc làm từ trục thép carbon hoàn thiện nguội.
Gối con lăn có đường kính lớn hơn 225 mm phải khoan suốt dọc trục một lỗ có đường kính không nhỏ hơn 50 mm sau khi ren đã để nguội đến nhiệt độ dưới phạm vi tới hạn và trước khi tôi. Phải khoan trong điều kiện tránh được hư hỏng do để nguội quá nhanh.
Việc chế tạo phải tiến hành một cách phù hợp với kỹ năng trong các xưởng hiện đại của thị trường. Các rìa xờm, cạnh thô và sắc và các nứt rạn khác phải loại bỏ.
7.2.2 Bôi trơn
Phải bôi trơn lên các cơ cấu truyền động và lên các bộ phận khác của gối con lăn theo yêu cầu. Loại chất bôi trơn phải quy định trong hồ sơ hợp đồng, và phải thực hiện theo khuyến cáo của Nhà sản xuất.
7.4 Lắp đặt
Lắp đặt các gối con lắc và con lăn phải tính đến mọi thay đổi từ nhiệt độ trung bình của nhịp cầu ở thời điểm đặt gối và mọi thay đổi dự kiến khác về chiều dài của nhịp cầu được đỡ, sao cho ở nhiệt độ trung bình, sau khi tháo bỏ đà giáo và mọi co ngắn do lực dự ứng lực và co ngót, gối con lắc và con lăn phải thẳng đứng. Chú ý cẩn thận để việc chuyển động đầy đủ và tự do của kết cấu phần trên tại các gối di động không bị hạn chế do việc đặt hoặc điều chỉnh gối không đúng.
Nhà thầu phải phủ tất cả các bề mặt tiếp xúc đầy đủ bằng dầu và than chì (graphite) ngay trước lúc đặt gối con lăn.
Gối hình trụ cần định vị cẩn thận để cho trục quay của chúng ở đúng tuyến và trùng với trục quay của kết cấu phần trên.
8 Gối hình cầu
Gối hình cầu phải chế tạo, thử nghiệm và lắp đặt theo quy định trong hồ sơ hợp đồng.
9 Tấm đồng thau hoặc hợp kim đồng dùng cho gối cầu
9.1 Tấm gối và tấm giãn nở bằng đồng thau
Gối và tấm giãn nở bằng đồng thau phù hợp với AASHTO M107 (ASTM B22), hợp kim C91100, C86300 hoặc C90500. Phải cung cấp hợp kim C91100 trừ khi có quy định khác trong hồ sơ hợp đồng. Các bộ phận có thể đúc, cán hoặc rèn. Đúc không được có bọt khí lớn hơn 3 mm và mặt tiếp xúc không được có bọt khí với bất kỳ kích thước nào.
Tấm đồng thau phải đúc theo các chi tiết cho trong hồ sơ hợp đồng. Bề mặt trượt phải đặt song song với chuyển động của nhịp cầu và làm láng bóng trừ khi có cho các chi tiết khác trong hồ sơ hợp đồng.
9.2 Tấm gối và tấm giãn nở hợp kim đồng cán
Tấm gối và tấm giãn nở hợp kim đồng cán phù hợp với AASHTO M108 (ASTM B100). Phải cung cấp Hợp kim C51000 hoặc C51100 trừ khi có quy định khác trong hồ sơ hợp đồng.
Tấm hợp kim đồng phải cung cấp theo chi tiết cho trong hồ sơ hợp đồng. Không yêu cầu hoàn thiện tấm cán miễn là chúng có bề mặt phẳng, chính xác và nhẵn.
9.3 Yêu cầu thử nghiệm
Phải tiến hành các thử nghiệm chứng nhận vật liệu đồng thau và hợp kim đồng của gối để kiểm tra các tính chất vật liệu.
Kỹ sư có thể yêu cầu các thử nghiệm ma sát gối như mô tả trong Điều 4.5.2.6 hoặc thử nghiệm ma sát của vật liệu như mô tả trong Điều 4.5.2.3.
10 Bệ xây, tấm đế và tấm chiêm dùng cho gối cầu
10.1 Vật liệu
Tấm kim loại dùng trong bệ xây, tấm đế và tấm chêm, trừ khi có quy định khác trong hồ sơ hợp đồng, phù hợp với AASHTO M270M/M270 (ASTM A709/A709M) Cấp 36 (Cấp 250). Tấm gối và tấm giãn nở đồng thau hoặc hợp kim đồng phù hợp với yêu cầu của Điều 9.
10.2 Chế tạo
Có thể chế tạo các lỗ trong tấm gối bằng cách khoan, đột hoặc cắt bằng ôxy có điều khiển chính xác. Các rìa xờm phải mài sạch,
10.3 Lắp đặt
Tấm gối phải đặt chính xác ở vị trí ngang bằng như cho trong hồ sơ hợp đồng và phải ép tựa đồng đều lên toàn bộ diện tích. Khi tấm được chôn trong bê tông phải bố trí cách giữ tấm ở nguyên vị trí khi đổ bê tông.
11 Tấm polytetrafluorethylene (ptfe) dùng làm gối
11.1 Tổng quát
Phải chế tạo tấm và dải PTFE từ nhựa PTFE không độn, nguyên chất thuần khiết (không tái chế) từ nhựa PTFE trộn đều với 15 % sợi thủy tinh hoặc 25 % sợi carbon (độn tối đa, phần trăm theo trọng lượng); hoặc từ vải chứa sợi PTFE.
Tấm PTFE được đặt bằng phải dính và thụt sâu vào thép nền của nó. Tấm PTFE được đặt đứng phải dính và thụt sâu vào hoặc được dính và được liên kết cơ học với thép nền của nó. Tấm PTFE phải có độ dày tối thiểu 3 mm và phải thụt sâu vào thép nền của nó ít nhất 1/2 bề dày.
Tấm và dải PTFE đã làm xong phải chịu được mọi axit, kiềm và các sản phẩm dầu mỡ; ổn định ở nhiệt độ từ -218 °C đến 260 °C; không dễ cháy và không hút nước. Chất keo epoxy dùng để dán PTFE và thép nền của nó phải bảo dưỡng bằng nhiệt, keo epoxy ở nhiệt độ cao có thể chịu được nhiệt độ từ -196 °C đến 260 °C.
11.2 Vật liệu
11.2.1 Tấm và dải PTFE
Tấm nhựa PTFE, tấm dệt PTFE, kết cấu PTFE cài xen đồng thau, tấm liên hợp PTFE-kim loại có khoét lỗ, các vật liệu dự trữ và các phần khác của gối cố định hoặc di động có chứa vật liệu PTFE phải có các tính chất ma sát, cơ học, vật lý và chịu ảnh hưởng của thời tiết được quy định trong hồ sơ hợp đồng.
11.2.2 Nhựa PTFE
Nhựa PTFE phải là vật liệu nguyên chất 100% mới, đáp ứng yêu cầu của ASTM D4894 hoặc D4895. Phải thỏa mãn yêu cầu của Bảng 4. Không được dùng vật liệu tái sinh.
Tấm, dải và vải PTFE phải là:
- Bền acid, kiềm và sản phẩm dầu mỡ,
- Ổn định ở nhiệt độ từ -218 °C đến 260 °C,
- Không dễ cháy,
- Không hút nước.
11.2.3 Vật liệu độn
Khi dùng, vật liệu độn phải là sợi thủy tinh cán, sợi carbon hoặc vật liệu độn được chấp thuận khác. Chất độn không có phản ứng hóa học nhưng có tác động liên hợp với PTFE.
11.2.4 Vật liệu dính kết
Vật liệu dính kết dùng để dán tấm PTFE phải là keo epoxy thỏa mãn yêu cầu của AASHTO M235M/M235 (ASTM C881/C881M), màng FEP hoặc tương đương được Kỹ sư chấp thuận.
11.2.5 Tấm PTFE không độn
Tấm PTFE hoàn thiện không độn phải làm từ nhựa PTFE nguyên chất và phù hợp với Bảng 4 với ngoại trừ là phương pháp thử nghiệm ASTM đối với cường độ kéo và độ giãn dài phù hợp với ASTM D2256.
11.2.6 Tấm PTFE có độn
Tấm PTFE có độn phải làm từ nhựa PTFE nguyên chất trộn đồng đều với chất độn có tính trơ được chấp thuận. Hàm lượng tối đa của chất độn phải là 15 % đối với sợi thủy tinh và 25 % đối với sợi carbon. Hàm lượng độn tối đa đối với các vật liệu khác phải do Kỹ sư xác định.
Tấm PTFE có chất độn đã hoàn thiện có chứa sợi thủy tinh hoặc carbon phù hợp với yêu cầu của Bảng 4 với ngoại trừ là phương pháp thử nghiệm ASTM đối với cường độ kéo và độ giãn dài phù hợp với ASTM D638.
Bảng 4 - Đặc tính cơ học của tấm PTFE
| Cơ học | Phương pháp ASTM | Tấm không độn | Tấm có 15 % sợi thủy tinh | Tấm có 25 % sợi carbon | Tấm dệt |
| Cường độ kéo tối thiểu MPa | D638 hoặc D2256 | 19,0 | 14,0 | 9,0 | 17,0 |
| Độ giãn dài tối thiểu % | D638 hoặc D2256 | 200 | 150 | 75 | 35 |
| Trọng lượng riêng tối thiểu | D792 | 2,16 ± 0,03 | 2,20 ± 0,03 | 2,10 ± 0,03 | - |
| Điểm chảy °C | D4894, D4895 hoặc D5977 | 328 ± 2 | 327 ± 10 | 327 ± 10 | - |
CHÚ THÍCH:
Giá trị trung gian của hàm lượng độn có thể dùng nội suy.
11.2.7 Tấm dệt có chứa sợi PTFE
Phải chế tạo tấm dệt PTFE từ sợi fluorocacbon PTFE nhiều sợi nhỏ óng ánh (định hướng) hoặc từ hỗn hợp sợi PTFE bằng cách xoắn, băng PTFE và các sợi khác theo yêu cầu của thiết kế độc quyền. Các tính chất vật lý điển hình của sợi PTFE phải lấy từ Bảng 4 với ngoại trừ là phương pháp thử nghiệm ASTM đối với cường độ kéo và độ giãn dài phù hợp với ASTM D2256.
11.2.8 Bôi trơn
Nếu dùng chất bôi trơn thì nó phải bao gồm tổ hợp các chất rắn không có phản ứng hóa học hoặc điện phân với PTFE và mặt đối tiếp của nó và phải duy trì ổn định trong điều kiện môi trường dự kiến ở vị trí cầu.
11.2.9 Kết cấu PTFE có chất độn xen kẽ đồng thau
Kết cấu PTFE có chất độn xen kẽ đồng thau phải gồm có tấm đồng thau phosphor với lớp mặt đồng thau xốp dày 0,25 mm có tấm hợp chất chì /PTFE. Phải có lớp phủ hợp chất PTFE dày ít nhất 25 mm. Tấm đồng thau phosphor phía sau phù hợp với AASHTO M108 (ASTM B100) và lớp đồng thau xốp phù hợp với ASTM B103/B103M.
11.2.10 Xử lý bề mặt
Khi tấm PTFE được dán bằng epoxy, một mặt của tấm PTFE phải xử lý ở nhà máy bởi Nhà sản xuất được chấp thuận bằng quá trình công nghệ Sodium naphthalene hoặc Sodium Ammonia.
11.2.11 Bề mặt đối tiếp thép không gỉ
Thép không gỉ phù hợp với yêu cầu của Điều 4.2.5.
11.3 Yêu cầu chế tạo
11.3.1 Tổng quát
Phải chế tạo gối di động theo các kích thước để thỏa mãn yêu cầu của phương pháp liên kết vào kết cấu như cho trong hồ sơ hợp đồng.
11.3.2 Gắn vật liệu PTFE
11.3.2.1 Tổng quát
Khi liên kết bằng cơ học tấm PTFE phải gắn vào như cho trong hồ sơ hợp đồng với kích thước, loại hình và số lượng liên kết yêu cầu. Liên kết dùng trong tấm PTFE và vật liệu lấp phải lắp để có được ép tựa hoàn toàn.
11.3.2.2 Tấm PTFE phẳng
Các tấm PTFE phẳng gắn vào tấm nền kim loại phải gắn thụt sâu vào tấm nền một nửa chiều dày PTFE và phải dính chặt. PTFE gắn vào vật liệu khác như chất dẻo đàn hồi phải gắn bằng cách quy định trong hồ sơ hợp đồng hoặc được Kỹ sư chấp thuận.
Tấm PTFE phải dán ở xưởng bằng chất keo được Kỹ sư chấp thuận, phù hợp với chỉ dẫn của Nhà sản xuất keo. Trước khi dán, bề mặt phải được khắc bằng cách sử dụng quá trình sodium naphthalene hoặc sodium ammonia, bởi Nhà sản xuất được chấp thuận. Khi tấm nền là kim loại, phải tiến hành dán dưới áp lực đồng đều lớn hơn 0,7 MPa.
Cường độ bóc của keo dán không được thấp hơn 3.5 N/mm, được thử theo ASTM D429, Phương pháp B. Mặt hoàn thiện của PTFE phải nhẵn, không có bọt và phù hợp với dung sai cho trong Bảng 1. Tấm PTFE độn phải mài nhẵn sau khi dán.
11.3.2.3 Tấm cong
Tấm PTFE cong được dùng trong gối hình cầu phải được gắn bằng ấn thụt sâu vào 1/2 bề dày PTFE. Kích thước của tấm PTFE phải chọn sao cho kín khít trong hố lõm ngay cả khi gối chịu nhiệt độ thiết kế thấp nhất.
11.3.2.4 Tấm dệt có chứa sợi PTFE
Tấm dệt PTFE phải dán hoặc liên kết cơ khí vào lớp nền cứng. Tấm dệt phải có khả năng chịu tải trọng đơn vị 69 MPa mà không chảy nguội. Dính kết tấm dệt, lớp nền phải có khả năng chịu lực bằng (0.1 + μ) P đồng thời với lực thẳng đứng P mà không làm tách lớp dán, trong đó μ là hệ số ma sát thiết kế giữa PTFE và mặt đối tiếp của nó và P là tải trọng thiết kế tác động thẳng góc với mặt đối tiếp.
11.3.3 Bề mặt đối tiếp của thép không gỉ
Mỗi cấu kiện thép không gỉ trong hồ sơ hợp đồng phải được cung cấp như một bộ phận riêng. Phải gắn mỗi tấm vào vật liệu phía sau nó bằng mối hàn bít toàn bộ chu vi để ngăn ẩm lọt vào giữa thép không gỉ và vật liệu phía sau. Mối hàn phù hợp với AASHTO/AWS D1.6M/D1.6. Sau khi hàn, tấm thép không gỉ phải phẳng, không nhăn và tiếp xúc liên tục với tấm thép phía sau nó.
11.3.4 Bôi trơn
Bôi trơn sẽ được áp dụng cho toàn bộ bề mặt PTFE nếu được ghi trong hồ sơ hợp đồng hoặc bởi Kỹ sư. Nếu tấm PTFE được bôi trơn, phải sử dụng đủ chất bôi trơn để lấp đầy các chỗ bôi trơn.
11.4 Thử nghiệm và nghiệm thu
11.4.1 Tổng quát
Kỹ sư phải yêu cầu kiểm tra các bộ gối đã hoàn thành hoặc các mẫu gối đại diện có bề mặt PTFE. Nếu có chỉ định, giám sát viên phải được phép tự do đến các bộ phận cần thiết của nhà máy của Nhà sản xuất và cơ sở thử nghiệm. Khi Nhà sản xuất tiến hành thử nghiệm phải đệ trình các bản sao kết quả thử nghiệm cho Kỹ sư.
Nhà sản xuất được yêu cầu tiến hành các thử nghiệm vật liệu trên những vật liệu dùng cho mặt trượt phù hợp với Điều 4.5.2.3. Ít nhất phải tiến hành 1 thử nghiệm cho mỗi lô.
Nếu Kỹ sư yêu cầu và phương tiện thử nghiệm sẵn có cho phép phải thử nghiệm cả bộ gối về ma sát ép tựa đầy đủ như xác định trong Điều 4.5.2.6. Nếu phương tiện thử nghiệm không cho phép thử nghiệm cả bộ gối theo chỉ đạo của Kỹ sư, Nhà thầu có thể chế tạo thêm các bộ gối và các mẫu có khả năng chịu lực ít nhất ứng với ứng suất sử dụng thẳng góc 445 kN bằng cách phân thành các phần gối. Khi các gối của một dự án đã được chế tạo xong phải thông báo cho Kỹ sư càng sớm càng tốt để Kỹ sư chọn gối thử theo quy định một cách ngẫu nhiên trong lô. Cùng với thông báo về việc hoàn thành chế tạo, phải cung cấp chứng chỉ của Nhà sản xuất về thép, tấm đệm chất dẻo đàn hồi, tấm đệm dệt hoàn thành, PTFE và các vật liệu khác dùng trong chế tạo gối.
Gối được đại diện bởi các mẫu thử, vượt qua các yêu cầu ở trên, sẽ được chấp thuận để sử dụng trong kết cấu, phải được kiểm tra tại chỗ về các hư hỏng có thể nhìn thấy.
11.5 Lắp đặt
Phải lắp đặt như quy định trong Điều 7.3.
12 Bu lông neo
12.1 Vật liệu
Bu lông neo đáp ứng yêu cầu của ASTM A307 hoặc được cho trong hồ sơ hợp đồng. Phải cung cấp bu lông neo với các chi tiết neo, cho phép phát triển đầy đủ cường độ kéo của bu lông. Cần có các móc vòng hoặc tấm cuối.
12.2 Chế tạo
Bu lông neo phải được mộng hoặc ren để đảm bảo kẹp chắc chắn với vật liệu dùng để vùi chúng trong lỗ.
12.3 Lắp đặt
Nhà thầu phải khoan lỗ cho bu lông neo và đặt chúng trong vữa xi măng Portland, hoặc đặt chúng như cho trong hồ sơ hợp đồng hoặc theo quy định hoặc chỉ dẫn của Kỹ sư.
Vị trí các bu lông neo phải xét đến mọi biến thiên so với nhiệt độ trung bình của kết cấu nhịp lúc lắp đặt và sự giãn dài dự kiến của mặt dưới hoặc cánh dưới dầm do tĩnh tải sau khi đặt; ý định là ở nhiệt độ trung bình và dưới tác động của tĩnh tải, các bu lông neo ở gối di động sẽ ở càng gần giữa vị trí của chúng càng tốt. Phải chú ý để kết cấu nhịp được chuyển động tự do ở các gối di động, không bị bu lông neo hoặc đai ốc kìm hãm.
13 Nền của tấm gắn vào vật xây
13.1 Tổng quát
Phải đặt vật liệu độn hoặc tấm dệt làm vật liệu lót nền bên dưới tấm gắn vào vật xây khi có nêu trong hồ sơ hợp đồng. Vật liệu này phải thuộc loại quy định trong hồ sơ hợp đồng hoặc theo lệnh hoặc được sự chấp thuận của Kỹ sư và được đặt để có ép tựa đầy đủ trên diện tích tiếp xúc.
Ngay trước khi đặt vật liệu lót nền và đặt gối hoặc tấm gắn vào vật xây, bề mặt tiếp xúc của bê tông và thép phải được làm sạch hoàn toàn.
13.2 Vật liệu
Tấm dệt sẵn dùng để lót nền phải gồm nhiều lớp vải bông dày 0,27 kg/m2 tấm và dính kết bằng cao su thiên nhiên chất lượng cao hoặc bằng vật liệu tương đương và phù hợp như nhau được ép thành tấm đàn hồi có bề dày đồng đều. Số lớp phải tạo ra bề dày quy định sau khi nén và lưu hóa. Tấm hoàn thiện phải chịu được tải trọng nén vuông góc với mặt phẳng các lớp và không nhỏ hơn 69 MPa mà không làm giảm bất lợi độ dày hoặc bị đùn ra.
Tấm chì sử dụng để lót nền phải là chì khử bạc thông thường, phù hợp với ASTM B29. Tấm chì phải có bề dày đồng đều và không có vết nứt, đường rạn, mảnh bong, vẩy cán và khuyết tật khác. Trừ khi có quy định khác, tấm chì phải có bề dày bằng 3 mm với dung sai cho phép ± 1 mm.
Vật liệu xảm trát dùng để lót nền phải là vật liệu polysulfide hoặc polyurethane không bị trôi phù hợp với quy định của ASTM C920, Loại II.
Vữa phun và vữa xây dùng để lấp dưới tấm gắn vào vật xây phù hợp với Điều 17 của TCVN 12885-8:2020.
14 Yêu cầu chế tạo thanh dẫn hướng
Phải gắn thanh dẫn hướng vào thân gối sao cho bị oằn ít nhất và sau khi gắn đạt được dung sai về độ phẳng của mọi bộ phận gối. Các mặt trượt của hệ dẫn hướng phải bằng phẳng và song song.
Liên kết bu lông hoặc ren dùng để gắn thanh dẫn hướng vào tấm chịu lực phải có chiều dài ren được chôn đủ để phát triển cường độ của chúng.
Nếu dùng vật liệu ma sát thấp ở mặt đối tiếp thì nó phải được gắn vào phần đằng sau nó đồng thời bằng hai hoặc nhiều hơn các cách sau đây:
- dán,
- khẩn sâu vào,
- gắn cơ học bằng các liên kết chìm.
Nếu vật liệu được dán thì nó phải được khắc bằng phương pháp do Nhà sản xuất vật liệu hoặc đại lý keo dán khuyến nghị. Hốc lõm phải là một nửa bề dày vật liệu. Liên kết phải chìm đến độ sâu để đảm bảo là nó không chạm vào vật liệu đối tiếp sau khi bị mài mòn cho phép.
15 Bản chịu tải
Phải chế tạo bản chịu tải bằng một tấm hoặc tổ hợp từ vài tấm thép mỏng, mỗi tấm được định hướng nằm trong mặt phẳng vuông góc với hướng của tải trọng. Bản chịu tải tổ hợp phải được liên kết bằng mối hàn bít hoàn toàn để ngăn ẩm lọt vào. Những mối hàn này cũng cung cấp cường độ chịu cắt đủ để chịu tải trọng tác động. Bản chịu tải không được có các góc và cạnh sắc. Các lỗ có thể khoan, đột hoặc cắt bằng oxy có kiểm soát chính xác. Mọi rìa xờm phải loại bỏ bằng mài.
16 Đo đạc
Gối cầu được đo theo kilogram như xác định từ trọng lượng (khối lượng) hoặc trên cơ sở đơn vị của mỗi loại gối liệt kê trong hồ sơ hợp đồng. Trọng lượng (khối lượng) không bắt buộc khi trọng lượng (khối lượng) tính toán được thể hiện trong hồ sơ hợp đồng, trong trường hợp đó, trọng lượng (khối lượng) thể hiện trong hồ sơ hợp đồng sẽ được sử dụng làm cơ sở thanh toán.
THI CÔNG CẦU ĐƯỜNG BỘ - PHẦN 19: TẤM BỊT KHE CO GIÃN MẶT CẦU
Bridge Construction Specifications - Part 19: Bridge Deck Joint Seals
1 Phạm vi áp dụng
Bộ tiêu chuẩn TCVN 12885:2020 áp dụng đối với công tác thi công các cầu, cống có kết cấu thông thường, sử dụng các công nghệ thi công thông thường trên đường bộ; cũng có thể tham khảo để thi công các cầu, cống trên đường sắt, có yêu cầu kỹ thuật tương tự.
Tiêu chuẩn này quy định các yêu cầu thi công và nghiệm thu, áp dụng đối với công tác cung cấp và lắp đặt khe co giãn mặt cầu dạng tấm bịt với các loại được sử dụng ở chỗ dự kiến có chuyển vị đáng kể qua khe co giãn, trong thi công cầu.
Tiêu chuẩn này được dùng làm cơ sở để xây dựng Chỉ dẫn kỹ thuật thi công đối với công tác nêu trên trong dự án xây dựng cầu đường bộ.
2 Tài liệu viện dẫn
Các tài liệu viện dẫn sau là cần thiết cho việc áp dụng tiêu chuẩn này. Đối với các tài liệu viện dẫn ghi năm công bố thì áp dụng phiên bản được nêu. Đối với các tài liệu viện dẫn không ghi năm công bố thì áp dụng phiên bản mới nhất, bao gồm cả các sửa đổi, bổ sung (nếu có).
TCVN 11823:2017, Thiết kế cầu đường bộ.
TCVN 11823-14:2017, Thiết kế cầu đường bộ - Phần 14: Khe co giãn và gối cầu.
TCVN 12885-8:2020, Thi công cầu đường bộ - Phần 8: Kết cấu bê tông.
TCVN 12885-11:2020, Thi công cầu đường bộ - Phần 11: Kết cấu thép.
TCVN 12885-18:2020, Thi công cầu đường bộ - Phần 18: Gối cầu.
LRFD-8, AASHTO LRFD Bridge Design Specifications, 2017 (Tiêu chuẩn thiết kế cầu).
HM-WB, Standard Specifications for Transportation Materials and Methods of Sampling and Testing, 2017 (Tiêu chuẩn kỹ thuật đối với vật liệu giao thông và phương pháp lấy mẫu và thử nghiệm).
LRFDCONS-4, LRFD Bridge Construction Specifications, 2017 (Tiêu chuẩn thi công cầu).
ASTM D3542, Standard Specification for Preformed Polychloroprene Elastomeric Joint Seals for Bridges (Tiêu chuẩn kỹ thuật đối với tấm bịt mối nối cao su polychloroprene cho cầu).
ASTM D4070, Standard Specification for Adhesive Lubricant for Installation of Preformed Elastomeric Bridge Compression Seals in Concrete Structures (Tiêu chuẩn kỹ thuật đối với chất bôi trơn dính để lắp đặt tấm bịt chịu nén của cầu bằng cao su được tạo hình sẵn trong kết cấu bê tông).
ASTM D5973, Standard Specification for Elastomeric Strip Seals with Steel Locking Edge Rails Used in Expansion Joint Sealing (Tiêu chuẩn kỹ thuật đối với tấm bịt dải cao su với thanh ray khóa thép sử dụng trong tấm bịt khe co giãn).
ASTM D3574, Standard Test Methods for Flexible Cellular Materials - Slab, Bonded, and Molded Urethane Foams (Tiêu chuẩn phương pháp thử nghiệm đối với vật liệu tế bào linh hoạt - tấm, dính bám và bọt Urethane đúc).
ASTM D3514, Standard Test Method for Pilling Resistance and other Related Surface Changes of Textile Fabrics: Elastomeric Pad (Tiêu chuẩn phương pháp thử nghiệm đối với tính kháng Pilling và các thay đổi bề mặt liên quan khác của vải dệt: tấm cao su).
ASTM A240/ A240M, Standard Specification for Chromium and Chromium-Nickel Stainless Steel Plate, Sheet, and Strip for Pressure Vessels and for General Applications (Tiêu chuẩn kỹ thuật đối với tấm, bản và dải thép không gỉ mạ crôm và niken cho bình áp lực và các ứng dụng chung).
AWS D1.1/D1.1M, Structural Welding Code - Steel (Tiêu chuẩn hàn kết cấu - Thép).
3 Thuật ngữ và định nghĩa
Tiêu chuẩn này sử dụng các thuật ngữ và định nghĩa nêu trong TCVN 12885-1:2020 và các thuật ngữ, định nghĩa sau:
3.1
Khe co giãn mặt cầu (Bridge Deck Joint)
Khe hở hay là sự gián đoạn kết cấu giữa hai nhịp liền kề hoặc giữa nhịp và mố cầu. Nó được thiết kế để cho phép sự dịch chuyển tương đối và/hoặc quay của các bộ phận kết cấu tiếp giáp.
3.2
Tấm bịt khe co giãn (Joint Seals)
Thiết bị bằng chất dẻo được đổ vào hoặc chế tạo sẵn, được thiết kế để ngăn ngừa nước và các chất bẩn thâm nhập vào các khe co giãn.
3.3
Khe co giãn hệ modul (Modular Bridge Joint System - MBJS)
Khe co giãn kín nước với hai hoặc nhiều hơn các tấm kín nước đàn hồi được giữ bởi các dầm mép neo vào kết cấu (bản mặt cầu, mố...) và một hoặc nhiều hơn các dầm ngang giữa song song với các dầm mép. Thông thường loại khe co giãn này được sử dụng cho khe có biên độ chuyển vị lớn hơn 100 mm.
4 Tổng quát
Công việc này gồm có việc cung cấp và lắp đặt các hệ bịt khe co giãn mặt cầu dạng tấm bịt với các loại được sử dụng khi dự kiến có những chuyển vị đáng kể ở khe co giãn.
Cách bịt khe co giãn mô tả trong hồ sơ hợp đồng bằng cách rót chất bịt vào khe co giãn phù hợp với yêu cầu của Điều 12 của TCVN 12885-8:2020.
Loại và kích thước hoặc mức độ chuyển vị đối với tấm bịt khe co giãn mặt cầu tại mỗi vị trí phải được nêu trong hồ sơ hợp đồng hoặc theo yêu cầu của Kỹ sư.
Tấm bịt khe co giãn phải ngăn được vật liệu và nước lọt qua hệ khe co giãn.
5 Bản vẽ biện pháp thi công
5.1 Tổng quát
Nếu không nêu trong hồ sơ hợp đồng, bản tính cho biết việc điều chỉnh khe co giãn khi lắp đặt chúng sẽ được yêu cầu trước khi phê duyệt để lắp đặt khe co giãn trong mặt cầu bất kỳ, có thể được đưa ra. Nhà thầu cần đệ trình bản vẽ biện pháp thi công cho Kỹ sư, thể hiện trình tự lắp đặt và lắp ráp chung đối với mặt cầu sử dụng hệ khe co giãn độc quyền. Bản vẽ biện pháp thi công được đệ trình để Kỹ sư chấp thuận đối với khe co giãn có tổng chuyển vị lớn hơn 45 mm.
Bản vẽ biện pháp thi công phải được Kỹ sư chấp thuận trước khi tiến hành việc bịt khe co giãn mặt cầu. Chấp thuận này không giảm nhẹ cho Nhà thầu về bất kỳ trách nhiệm nào theo hồ sơ hợp đồng đối với việc hoàn thành công trình.
5.2 Yêu cầu hồ sơ hợp đồng đặc biệt đối với khe co giãn hệ modul
Trục của khe co giãn hệ modul (khe MBJS) được xác định là trục bất kỳ song song với trục của dầm mép và tấm bịt của khe MBJS. Góc chéo là góc giữa trục dọc của thanh đỡ và đường thẳng góc với trục của khe MBJS. Chuyển dịch song song với trục dọc của thanh đỡ được xem là chuyển dịch dọc. Trục dọc của thanh đỡ thường trùng với phương của chuyển dịch dự kiến do nhiệt. Chuyển dịch vuông góc với trục dọc của thanh đỡ được xem là chuyển dịch ngang.
Hồ sơ hợp đồng phải bao gồm các phần sau:
- Thể hiện mặt cắt ngang của mặt cầu ở mỗi cấu hình khe MBJS duy nhất. Thể hiện khe MBJS ở gần giữa phạm vi khả năng dịch chuyển của nó. Ghi rõ kích thước tổng khoảng hở giữa mặt phẳng tham chiếu thẳng đứng gần bề mặt bên trong của dầm mép và nhiệt độ cầu tương ứng với vị trí đó.
- Nếu hộp đỡ được chống đỡ bởi bản mặt cầu hoặc mố, phải có khoảng trống đủ giữa mặt đáy của khe MBJS và khối nhô của mặt cầu ít nhất là 50 mm để có thể đổ bê tông dễ dàng và cho phép đầm bê tông ở dưới và xung quanh các bộ phận của khe MBJS một cách đầy đủ, đặc biệt là ở dưới bất kỳ bề mặt nằm ngang nào như là đáy của hộp đỡ. Nếu không bố trí được khoảng trống 50 mm thì hộp đỡ phải đặt trên bệ bằng vữa.
- Phải có khoảng trống ít nhất 150 mm giữa hộp đỡ hoặc neo ở đầu hộp đỡ và chu vi của khối nhô để có thể đổ bê tông xung quanh khe MBJS.
- Phải thể hiện chi tiết chỉ rõ hình dạng khe MBJS ở bó vỉa và/hoặc ở lan can.
Nhà thầu cần trình chi tiết của khe MBJS được dùng cùng với bản vẽ lắp đặt và phòng nước, để Kỹ sư chấp thuận trước khi chế tạo khe MBJS. Bản vẽ chế tạo phải bao gồm, nhưng không giới hạn ở các điểm sau:
- Mặt bằng và cắt ngang của khe MBJS đối với mỗi mức chuyển dịch và chiều rộng mặt đường, có chỉ rõ các kích thước và dung sai.
- Phải thể hiện các mối nối trong xưởng và ở hiện trường của dầm giữa/ thanh đỡ bằng hàn và bulông.
- Chi tiết đầy đủ của mọi cấu kiện và các mặt cắt chỉ rõ mọi vật liệu liên quan tới khe MBJS.
- Các tiêu chuẩn ASTM, AASHTO hoặc vật liệu khác.
- Hệ bảo vệ chống gỉ
- Phải chỉ rõ các vị trí nâng và cơ cấu nâng như là một phần của bản vẽ lắp dựng tổng thể.
- Thiết bị điều chỉnh nhiệt độ và kích thước khoảng trống liên quan tới nhiệt độ.
Nhà thầu cũng phải trình các báo cáo thử nghiệm và chứng chỉ dưới đây để xem xét và chấp thuận:
- Chứng chỉ của Nhà sản xuất tuân thủ Chương trình chứng nhận chất lượng. Nhà chế tạo khe co giãn phải được chứng nhận và sẽ chế tạo sản phẩm trong các cơ sở có Chứng chỉ cho sản xuất các bộ phận cầu.
- Chứng nhận rằng nhân sự kiểm tra hàn có trình độ và được chứng nhận là thanh tra hàn. Tài liệu mà bất kỳ nhân sự thực hiện đánh giá không phá hủy (NDE) được chứng nhận.
- Chứng chỉ của Nhà sản xuất về tuân thủ cho tấm PTFE và tấm dệt.
- Chứng nhận khe MBJS đã vượt qua các thử nghiệm sơ chọn theo yêu cầu trong Điều 6.2.
- Chứng nhận rằng các gối, lò xo và dụng cụ định cỡ là cùng một hệ thống, cùng Nhà sản xuất và cấu hình đã được dùng để thử nghiệm sơ chọn theo yêu cầu trong Điều 6.2. Trong mỗi giấy chứng nhận phải có tên và địa chỉ Nhà sản xuất lò xo, gối và dụng cụ định cỡ.
- Tính toán thiết kế phải được Nhà thầu ký và đóng dấu. Tính toán thiết kế phải bao gồm thiết kế mỏi và thiết kế cường độ đối với các cấu kiện kết cấu, liên kết và mối nối.
- Bản vẽ thay thế các bộ phận chịu mài mòn được phép trong thiết kế. Nhà thầu cần trình, để Kỹ sư chấp thuận bằng văn bản, kế hoạch bảo trì và thay thế bộ phận do Nhà sản xuất khe co giãn chuẩn bị. Kế hoạch này phải bao gồm danh mục các bộ phận và hướng dẫn kiểm tra bảo trì, dung sai mài mòn được chấp thuận, phương pháp xác định mài mòn và quy trình thay thế các bộ phận bị hỏng do mòn.
- Phương pháp lắp đặt bao gồm nhưng không giới hạn ở trình tự đặt khe hở đối với các nhiệt độ thay đổi, chống đỡ khi đổ bê tông và lắp đặt ở bó vỉa.
- Phương pháp kiểm soát chất lượng và độ siết chặt cho các mối nối bu lông.
- Khuyến cáo về lưu kho khe MBJS và chi tiết chống đỡ tạm của khe co giãn cho vận chuyển và cẩu lắp.
- Thông số kỹ thuật về trình tự hàn.
- Mọi yêu cầu thay đổi về cốt thép khối nhô để thích hợp với khe MBJS.
- Bản vẽ cầu tạm bắc qua bất kỳ khe MBJS nào khi có giao thông qua lại ngay sau khi lắp.
6 Vật liệu
6.1 Vật liệu và các bộ phận bịt khe co giãn mặt cầu
Vật liệu và các bộ phận bịt khe co giãn mặt cầu phù hợp với các quy định sau đây:
- Tấm bịt khe co giãn bằng chất dẻo đàn hồi chế sẵn theo thiết kế nhiều lớp phù hợp với AASHTO M297 (ASTM D3542).
- Chất bôi trơn - dính kết dùng cho tấm bịt khe elastomer phù hợp với ASTM D4070.
- Các bộ phận bịt khe co giãn mặt cầu phải là loại được chấp thuận cho mỗi kích cỡ yêu cầu và phù hợp với các quy định do Nhà chế tạo cung cấp khi chấp thuận.
- Thép và các bộ phận chế tạo bằng thép phù hợp với yêu cầu của TCVN 12885-11:2020.
6.2 Khe co giãn hệ modul (khe MBJS)
Khe MBJS phù hợp với các quy định sau đây:
- Khe MBJS phù hợp với các quy định do Nhà sản xuất cung cấp khi chấp thuận.
- Khe MBJS phải được sơ chọn, thỏa mãn mọi yêu cầu thử nghiệm được nêu trong Phụ lục A19 của LRFDCONS-4, mà được thiết kế để cho phép chấp thuận khe MBJS được sử dụng cho phạm vi áp dụng giới hạn.
- Khe MBJS phải được thiết kế phù hợp với Điều 14.5 của LRFD-8 hoặc TCVN 11823:2017.
- Tấm bịt khe co giãn chất dẻo đàn hồi chế sẵn theo thiết kế nhiều lớp phù hợp với AASHTO M292 (ASTM D3542).
- Tấm bịt khe co giãn chất dẻo đàn hồi chế sẵn loại dải phù hợp với ASTM D5973.
- Tấm bịt phải liên tục và không cho phép nối trừ khi được Kỹ sư chấp thuận riêng.
- Chất bôi trơn - dính kết dùng cho tấm bịt khe chế sẵn phù hợp với ASTM D4070.
- Lò xo, gối và dụng cụ định cỡ (đôi khi gọi là lò xo điều chỉnh) phải là cùng thành phần và công thức vật liệu, cùng Nhà sản xuất, trình tự chế tạo và cấu hình giống như thứ được dùng trong thử nghiệm sơ chọn. Bọt urethane phù hợp với ASTM D3514.
- PTFE phải là 100 % Teflon nguyên chất, tấm dệt PTFE hoặc PTFE lõm phù hợp với yêu cầu của Điều 11 của TCVN 12885-18:2020 và phải cung cấp cho mọi bề mặt trượt.
- Tấm thép không gỉ phù hợp với ASTM A240/ A240M, Loại 304 phải cung cấp cho mọi bề mặt trượt. ASTM A240/ A240M Loại 316 kiến nghị dùng ở môi trường khắc nghiệt.
- Thép và các cấu kiện thép chế tạo phù hợp với yêu cầu của TCVN 12885-11:2020.
- Các bộ phận nhôm không được sử dụng.
7 Sản xuất và chế tạo
7.1 Khe co giãn bằng tấm bịt chịu nén
Tấm bịt khe co giãn bằng chất dẻo đàn hồi chế sẵn không được nối tại hiện trường, trừ khi được Kỹ sư cho phép đặc biệt.
7.2 Các bộ phận bịt khe co giãn khác của khe MBJS
Các bộ phận bịt khe co giãn phải được chế tạo bởi Nhà sản xuất và giao tại vị trí cầu đã lắp ráp xong, trừ khi có quy định khác trong hồ sơ hợp đồng.
7.3 Khe co giãn hệ modul
7.3.1 Tổng quát
Yêu cầu sau đây áp dụng cho cả hàn ở xưởng và hàn tại hiện trường (nếu có) trừ khi được ghi chú đặc biệt khác. Khe MBJS phải được chế tạo phù hợp với kích thước, hình dạng, chi tiết, tiêu chuẩn vật liệu và quy trình thể hiện trong bản vẽ chế tạo được chấp thuận. Các mối hàn viền phải được hàn liên tục. Các mối hàn viền không liên tục là không được cho phép.
Nên tránh các mối nối hiện trường nếu có thể và toàn bộ khe MBJS phải được vận chuyển và lắp đặt thành một bộ. Nếu không thể tránh mối nối hiện trường, thì các mối nối nên được đặt cách xa vùng bánh xe hay qua và nên đặt dưới rào chắn giao thông ở dải giữa. Chỉ các chi tiết mối nối hiện trường đã được thử mỏi phù hợp với thử nghiệm sơ chọn trong Điều 6.2 mới có thể dùng cho khe MBJS. Thông thường, thiết kế mỏi sẽ quyết định nhịp của dầm giữa với mối nối phải nhỏ hơn các nhịp liên tục; nói chung, tốt nhất là làm nhịp này càng nhỏ càng tốt.
Đôi khi có thể thực hiện mối hàn hiện trường ngấu hoàn toàn trên mặt cầu khi chỉ có một dầm giữa và nó có thể được nâng lên đủ để tiếp cận với đáy của dầm giữa. Phải cẩn thận để tránh kim loại hàn rơi vào rãnh giữ tấm bịt có thể dẫn đến tấm bịt kéo ra và rỉ nước. Không cho phép dùng các mối hàn góc hoặc mối hàn ngấu một phần đối với mối nối dầm giữa. Các mặt cắt dầm mép có thể được nối ở hiện trường với mối hàn góc chỉ trên một phần của mặt cắt.
Nếu sử dụng mối nối hiện trường bằng bu lông, thì các bu lông phải được bị khóa ở vị trí sau khi siết chặt để tránh bị lỏng khi khai thác. Kỹ thuật để tránh lỏng bu lông bao gồm sử dụng chất kết dính, hàn mặt ngoài đai ốc vào các ren lộ ra hoặc làm sây sát ren.
Thiết bị nâng phải được cung cấp, và thiết bị duy trì độ mở rộng định trước của khe co giãn phải được đặt ở khoảng cách đều không quá 4.500 mm dọc theo chiều dài của khe MBJS. Phải dùng ít nhất 3 thiết bị cho một đoạn khe MBJS.
Khi hoàn thành việc chế tạo, Nhà sản xuất phải thực hiện việc kiểm tra lắp thử trước, như mô tả trong Điều 8.4.2, để đảm bảo là khe MBJS sẽ vượt qua được kiểm tra này.
7.3.2 Biên dạng dầm mép và neo
Dầm mép phải được chế tạo từ thép kết cấu. Nếu sử dụng phần tử ngang, nó phải có các lỗ thoát khí đường kính 19 mm, đặt cách nhau 457 mm để cải thiện độ chặt của bê tông theo phần tử ngang. Phần trên cùng của mặt cắt phải nằm giữa 0 mm và 6,4 mm phía dưới bề mặt lớp phủ mặt cầu. Sườn của mặt cắt dầm mép ít nhất dày 9,5 mm. Ít nhất mặt cắt ngang tương tự phải được sử dụng trong thử nghiệm sơ chọn. Các tấm nối ở xưởng của dầm mép phải được hàn xung quanh đảm bảo kín nước. Dầm mép phải được hàn liên tục với các hộp đỡ.
Phải thiết kế neo phù hợp với Điều 14.5.6.9 của LRFD-8 hoặc TCVN 11823-14:2017. Nếu có cánh nằm ngang trong mặt cắt dầm mép thì cánh nằm ngang này cũng phải neo để chịu toàn bộ giá trị tải trọng bánh xe với xung kích tác động bật lên trên (do nẩy lên).
7.3.3 Dầm giữa và thanh đỡ
Dầm giữa, thanh đỡ và chi tiết liên kết phải là cùng loại với thứ đã dùng trong thử nghiệm sơ chọn. Mối nối ở xưởng trong mặt cắt dầm giữa phải là các mối hàn rãnh ngấu hoàn toàn cả hai phía.
Dầm giữa, thanh đỡ và chi tiết liên kết phải được làm thẳng trước khi lắp ráp. Phương pháp làm thẳng bằng nhiệt hoặc bằng nguội đều được phép khi được Kỹ sư phê duyệt. Đối với làm thẳng bằng phương pháp nguội, áp lực uốn phải được đưa ra trong kiểm soát và biến dạng không đàn hồi lớn nhất tại mặt cắt phải không vượt quá 5 lần biến dạng chảy của vật liệu.
Trong hệ nhiều thanh đỡ của khe MBJS, mối nối hàn giữa dầm giữa và thanh đỡ phải là mối hàn rãnh ngấu hoàn toàn. Sau khi hàn, bộ dầm giữa /thanh đỡ phải đặt trên mặt bằng phẳng và phải hiệu chỉnh cho các thanh đỡ nằm trong cùng một mặt phẳng, không có phần nào của đáy bất kỳ thanh đỡ nào lệch ra khỏi mặt phẳng quá 6 mm. Có thể nắn thẳng cụm lắp ráp bằng nắn nhiệt không quá 3 lần.
Đối với thanh đỡ đơn loại MBJS, dầm giữa để đỡ thanh kết nối phải đạt được bằng cách nén trước gối trượt và gối đàn hồi trong phạm vi gông kẹp và bu lông hoặc hàn nó vào dầm giữa.
Trong thanh đỡ đơn bắt bu lông loại MBJS, kết nối giữa gông kẹp và dầm giữa phải được thiết kế như là trượt tới hạn và bu lông phải được căng trước theo TCVN 12885-11:2020 và Bảng 8.5.4.1-1, và được khóa để ngăn ngừa sự nới lỏng khi khai thác.
Thiết bị bu lông cách đều được thiết kế như trượt tới hạn và bu lông phải được căng trước theo TCVN 12885-11:2020 và Bảng 8.5.4.1-1, và được khóa để ngăn sự nới lỏng khi khai thác.
Kỹ thuật để tránh lỏng bu lông bao gồm sử dụng chất kết dính, hàn mặt ngoài đai ốc vào các ren lộ ra hoặc làm sây sát ren.
7.3.4 Tấm bịt
Tấm bịt phải do Nhà sản xuất lắp trước khi vận chuyển, trừ khi dùng mối nối hiện trường cho dầm giữa. Nếu mối nối hiện trường là cần thiết thì phải lắp tấm bịt liên tục (không mối nối) ở hiện trường sau khi hoàn thành việc thi công. Dù trường hợp nào thì khi lắp tấm bịt cũng phải dùng chất bôi trơn - dính kết đã được dùng khi thử nghiệm sơ chọn. Tấm bịt phải kéo dài ra ngoài đầu dầm mép và dầm giữa ít nhất 50 mm.
7.3.5 Hộp đỡ
Hộp đỡ phải làm từ tấm thép hoặc ống thép, có chiều dày ít nhất là 9 mm, được hàn liên tục. Nếu hộp đỡ rộng hơn 400 mm, chiều dày của tấm đỉnh phải tăng lên sao cho tỷ lệ chiều rộng trên chiều dày không vượt quá 45 hoặc dùng nẹp tăng cứng. Nếu hộp đỡ làm bằng những ống xếp lồng vào nhau, đường kính hoặc tỷ lệ chiều rộng / chiều dày của mỗi ống không được vượt quá 45.
7.3.6 Bề mặt trượt PTFE
Phải dán tấm PTFE dưới các điều kiện được kiểm soát và phù hợp với chỉ dẫn của Nhà sản xuất tấm PTFE hoặc Nhà sản xuất keo dán. Sau khi thao tác hoàn thành, bề mặt PTFE phải nhẵn và không có các bọt khí nằm ở dưới.
7.3.7 Bề mặt trượt thép không gỉ cho khe MBJS
Thép không gỉ phải đánh bóng đến mức hoàn thiện bóng 0,2 μm.
7.3.8 Bảo vệ chống ăn mòn
Mọi bề mặt thép, trừ các bề mặt ở dưới thép không gỉ hoặc bề mặt được dán vào tấm PTFE, phải được bảo vệ chống ăn mòn.
8 Lắp đặt
8.1 Tổng quát
Tất cả các vật liệu và linh kiện khe co giãn được cất giữ tại địa điểm thi công, phải được bảo vệ không bị hư hỏng, và các linh kiện phải được đỡ sao cho giữ được hình dáng và biên dạng. Tấm bịt khe co giãn mặt cầu phải thi công và lắp đặt để chạy xe êm thuận. Khe co giãn mặt cầu phải được che phủ bằng vật liệu bảo vệ sau khi lắp đặt cho tới khi làm sạch mặt cầu lần cuối.
Sau khi lắp đặt và trước khi nghiệm thu cuối cùng, tấm bịt khe co giãn mặt cầu phải được thử nghiệm với sự có mặt của Kỹ sư về sự rò nước qua khe co giãn. Bất kỳ rò rỉ nào của tấm bịt khe co giãn sẽ là nguyên nhân để loại bỏ.
8.2 Khe co giãn dùng tấm bịt chịu nén
Khe co giãn ở trong khu vực mặt đường của mặt cầu sẽ được bịt bằng tấm bịt chịu nén, phải đúc với chiều rộng hẹp hơn so với yêu cầu đối với vật liệu đúc sẵn. Khe co giãn như vậy ở bó vỉa và đường người đi có thể đúc toàn bộ bề rộng. Trước khi lắp tấm bịt chịu nén vào khe mà bề rộng của nó hẹp hơn cần thiết, phải cưa một rãnh dọc đỉnh khe co giãn có bề rộng và chiều sâu thích hợp để tiếp nhận vật đúc.
Khi cưa cắt mặt cầu phải làm sao để mặt cầu ít bị vỡ nhất. Phải cắt đồng thời cả hai rãnh tới đúng chiều sâu và tuyến cho trong hồ sơ hợp đồng. Tuyến cưa cắt phải được khống chế bằng thanh dẫn hướng cứng. Bề rộng rãnh phụ thuộc vào nhiệt độ và tuổi bê tông phải theo chỉ dẫn của Kỹ sư. Mép cắt cần được vát để sau này không bị vỡ. Sau khi cắt, các chỗ vỡ, chỗ bị bật ra hoặc chỗ nứt phải được sửa chữa trước khi lắp tấm bịt có bôi trơn. Không yêu cầu cưa cắt khi dùng các bọc sắt.
Khe co giãn lúc lắp đặt phải sạch, khô, không có các mảnh vỡ và sự bất thường mà có thể làm hỏng tấm bịt khe co giãn. Bề mặt bê tông hoặc kim loại phải sạch không gỉ, không có sữa xi măng, dầu, bùn đất, bụi hoặc vật liệu có hại khác. Tấm bịt bằng chất dẻo đàn hồi đúc sẵn phải được lắp đặt bằng thủ công hoặc máy thích hợp, sao cho tấm bịt không bị hỏng. Phải quét chất bôi trơn-dính kết lên cả hai mặt khe co giãn trước khi lắp theo chỉ dẫn của Nhà sản xuất. Tấm bịt khe co giãn băng chất dẻo đàn hồi đúc sẵn phải được nén tới chiều dày quy định trong hồ sơ hợp đồng hoặc được Kỹ sư châp thuận về mức khe hở và nhiệt độ xung quanh khi lắp đặt. Không cho phép lắp lỏng hoặc có các điểm hở giữa tấm bịt và mặt cầu.
8.3 Các bộ phận bịt khe co giãn khác của khe MBJS
Phải thi công các bộ phận bịt khe co giãn để tạo ra phạm vi dịch chuyển tự do tuyệt đối phù hợp với quy định của Kỹ sư hoặc cho trong hồ sơ hợp đồng. Việc lắp đặt phù hợp với khuyến nghị của Nhà sản xuất. Việc lắp đặt cuối cùng các bộ phận bịt khe co giãn mặt cầu tại thời điểm đổ bê tông vào trong các neo của các bộ phận bịt khe co giãn, phụ thuộc vào quan hệ giữa nhiệt độ lúc đó của kết cấu nhịp và nhiệt độ trung bình dự kiến, và phải theo quy định của Nhà sản xuất hoặc của Kỹ sư hoặc thể hiện trong hồ sơ hợp đồng.
8.4 Khe co giãn hệ modul (khe MBJS)
Nhà thầu phải làm theo hướng dẫn lắp đặt bằng văn bản của Nhà sản xuất và các hướng dẫn dưới đây. Kỹ sư ghi trong các hướng dẫn dưới đây có thể là đại diện ủy quyền của Kỹ sư.
8.4.1 Vận chuyển và cẩu lắp
Khe MBJS phải được giao tới công trường và bảo quản phù hợp với khuyến nghị bằng văn bản của Nhà sản xuất, đã được Kỹ sư chấp thuận. Phải sửa chữa hư hỏng của hệ bảo vệ chống ăn mòn thỏa mãn Kỹ sư. Tấm bịt không bị hỏng hoặc bị cắt.
8.4.2 Kiểm tra trước khi lắp
Ngay trước khi lắp đặt khe MBJS và khối nhô phải được Kỹ sư kiểm tra về:
- Định tuyến đúng
- Dính kết hoàn toàn giữa tấm bịt và thép
- Đinh neo hoặc công cụ neo khác đặt chính xác và có hiệu quả.
- Lò xo và gối elastomer đặt đúng cách.
- Nếu dùng màng chống thấm thì phải kiểm tra việc đặt đúng cách.
- Phải kiểm tra tĩnh không yêu cầu 75 mm giữa đáy hộp đỡ khe MBJS và mặt của khối nhô như quy định trong các bản vẽ.
Việc cắt cốt thép mặt cầu có thể làm tổn hại đến tính toàn vẹn kết cấu của khối nhô đòi hỏi sự chấp thuận của Kỹ sư. Kỹ sư phải kiểm tra lưới cốt thép hoặc các thanh thép xem có cách xa dầm mép hoặc neo ít nhất 50 mm để không ảnh hưởng bê tông chảy vào quanh MBJS không.
Không cho phép thép của MBJS có các chỗ cong hoặc vặn (trừ khi phải làm theo mui và độ dốc mặt đường). Tất cả các chỗ cong hoặc xoắn lộ ra của MBJS phải được sửa chữa thỏa mãn Kỹ sư hoặc thay thế.
Tấm bịt không liên kết hoàn toàn vào thép phải được liên kết hoàn toàn. Đinh neo vào bê tông phải được kiểm tra bằng mắt và phải gõ nhẹ bằng búa. Đinh neo không có mối hàn đầy đủ hoặc không phát ra tiếng vang khi gõ nhẹ bằng búa phải được thay thế. Đinh neo đặt dọc theo chiều dài dầm mép dài quá 25 mm so với vị trí cho trong hồ sơ hợp đồng và đinh neo đặt cao hơn cao độ 6 mm (làm giảm lớp bảo vệ) phải được tháo ra cẩn thận và hàn đinh neo mới vào vị trí đúng cách.
8.4.3 Lắp đặt
Trước khi lắp đặt khe co giãn, khối nhô và hệ đỡ phải được bảo vệ chống hư hỏng và xe thi công.
8.4.3.1 Xác định khoảng hở
Phải lắp đặt khe MBJS với khoảng hở đúng phù hợp với nhiệt độ lắp đặt cho trong bản vẽ biện pháp thi công được chấp thuận. Dụng cụ định khoảng hở cần được tháo ra ngay sau khi đổ bê tông.
8.4.3.2 Ván khuôn
Nhà thầu cần đảm bảo là ván khuôn ngăn không cho bê tông chui vào trong các hộp đỡ hoặc bằng bất kỳ cách nào ngăn cản khe MBJS dịch chuyển tự do.
8.4.3.3 Chống đỡ khe MBJS trong khi đổ bê tông
Khe MBJS phải được đỡ đầy đủ trong khi đổ bê tông. Các mối hàn liên kết tạm vào dầm giữa hoặc thanh đỡ để lắp phải được tẩy bỏ và làm nhẵn mặt. Hệ bảo vệ chống ăn mòn phải sửa bằng phương pháp được Kỹ sư chấp thuận và thỏa mãn Kỹ sư. Để giảm bị ăn mòn khe MBJS cần được cách điện bằng cách không nối cốt thép mặt cầu với khe MBJS.
8.4.3.4 Đổ bê tông
Bê tông phải được kiểm soát, trộn và vận chuyển như quy định trong TCVN 12885-8:2020. Không được dùng bê tông có độ sụt cao ở các khối nhô. Bê tông không được đưa vào ván khuôn cho tới khi Kỹ sư đã kiểm tra và chấp thuận việc đặt cốt thép, các đường ống, neo và thép dự ứng lực.
Nếu có độ dốc đứng thì bê tông phải đổ ở phía dốc của khối nhô trước. Bê tông phải được đầm kỹ sao cho bê tông cố kết đầy đủ ở dưới hộp đỡ và dầm mép. Cần chú ý cẩn thận để tránh ván khuôn và cốt thép dịch chuyển. Không được đổ bê tông trong thời tiết giá lạnh và mưa to.
8.4.3.5 Dung sai của khe MBJS hoàn thành
Phải kiểm tra khe MBJS sau khi lắp đặt và kiểm tra 1 lần sau ít nhất 1 năm chịu tải trọng giao thông (hoặc lâu hơn nếu còn thời gian bảo hành) để xác minh các vấn đề sau:
- Mặt trên của khe MBJS phải thụt xuống dưới mặt đường hoàn thiện từ 0 mm đến 6 mm.
- Chênh cao độ giữa các đỉnh của bất kỳ dầm giữa hoặc dầm mép nào không được quá 3 mm. Phải đo sự thay đổi này theo chiều đứng từ đường thẳng nối đỉnh của biên dạng mặt cầu ở mỗi phía khe MBJS.
- Sai khác về chiều rộng khoảng hở ở cả hai đầu của khe bịt hoặc giữa các khoảng hở của khe M.BJS nhiều khoảng hở không được lớn hơn 12 mm.
8.4.3.6 Bắc cầu qua khe MBJS sau khi lắp đặt
Không cho phép tải trọng thi công đi trên khe MBJS ít nhất là 72 h sau khi lắp đặt xong. Nếu cần phải đi qua khe MBJS, Nhà thầu phải bắc cầu vượt qua khe MBJS theo cách được Kỹ sư chấp thuận.
8.4.3.7 Tháo ván khuôn và dọn rác
Mọi ván khuôn và rác rưởi phải loại bảo sau khi lắp đặt.
8.4.3.8 Thử nghiệm cách nước
Phải tiến hành thử nghiệm cách nước nếu hồ sơ hợp đồng quy định. Sau khi khe MBJS được lắp đặt và hoàn thành, khe MBJS phải được cho ngập nước ít nhất 1 h với chiều sâu ngập tối thiểu 75 mm. Nếu quan sát thấy rò rỉ, khe MBJS phải được sửa chữa thỏa mãn Kỹ sư và thử lại. Trình tự sửa chữa phải theo khuyến nghị của Nhà sản xuất và được Kỹ sư chấp thuận.
8.4.3.9 Nghiệm thu
Khe MBJS không vượt qua được kiểm tra hoặc thử nghiệm phải được thay thế hoặc sửa chữa thỏa mãn Kỹ sư. Mọi trình tự sửa chữa đưa ra phải đệ trình Kỹ sư để chấp thuận trước khi bắt đầu việc sửa chữa.
9 Đo đạc
Tấm bịt khe co giãn mặt cầu được đo bằng mét dài của tấm được chấp nhận đã lắp đặt xong bằng cách đo dọc theo độ dốc đường tim tấm bịt khe.
THI CÔNG CẦU ĐƯỜNG BỘ - PHẦN 20: LAN CAN
Bridge Construction Specifications - Part 20: Railings
1 Phạm vi áp dụng
Bộ tiêu chuẩn TCVN 12885:2020 áp dụng đối với công tác thi công các cầu, cống có kết cấu thông thường, sử dụng các công nghệ thi công thông thường trên đường bộ; cũng có thể tham khảo để thi công các cầu, cống trên đường sắt, có yêu cầu kỹ thuật tương tự.
Tiêu chuẩn này quy định các yêu cầu thi công và nghiệm thu, áp dụng đối với công tác cung cấp các vật liệu và thi công lan can trên kết cấu trong thi công cầu.
Tiêu chuẩn này được dùng làm cơ sở để xây dựng Chỉ dẫn kỹ thuật thi công đối với công tác nêu trên trong dự án xây dựng cầu đường bộ.
2 Tài liệu viện dẫn
Các tài liệu viện dẫn sau là cần thiết cho việc áp dụng tiêu chuẩn này. Đối với các tài liệu viện dẫn ghi năm công bố thì áp dụng phiên bản được nêu. Đối với các tài liệu viện dẫn không ghi năm công bố thì áp dụng phiên bản mới nhất, bao gồm cả các sửa đổi, bổ sung (nếu có).
TCVN 12885-8:2020, Thi công cầu đường bộ - Phần 8: Kết cấu bê tông.
TCVN 12885-9:2020, Thi công cầu đường bộ - Phần 9: Cốt thép.
TCVN 12885-11:2020, Thi công cầu đường bộ - Phần 11: Kết cấu thép.
TCVN 12885-13:2020, Thi công cầu đường bộ - Phần 13: Sơn.
TCVN 12885-14:2020, Thi công cầu đường bộ - Phần 14: Đá xây.
TCVN 12885-15:2020, Thi công cầu đường bộ - Phần 15: Công trình xây khối bê tông và gạch.
TCVN 12885-16:2020, Thi công cầu đường bộ - Phần 16: Kết cấu gỗ.
TCVN 12885-17:2020, Thi công cầu đường bộ - Phần 17: Xử lý và bảo quản gỗ.
HM-WB, Standard Specifications for Transportation Materials and Methods of Sampling and Testing, 2017 (Tiêu chuẩn kỹ thuật đối với vật liệu giao thông và phương pháp lấy mẫu và thử nghiệm).
GSHC-9, Guide Specifications for Highway Construction, 2008 (Tiêu chuẩn hướng dẫn thi công đường bộ).
ASTM A307, Standard Specification for Carbon Steel Bolts, Studs, and Threaded Rod 60 000 PSI Tensile Strength (Tiêu chuẩn kỹ thuật đối với bu lông, đinh tán và thanh ren bằng thép carbon độ bền kéo 60 000 PSI).
ASTM A500, Standard Specification for Cold-Formed Welded and Seamless Carbon Steel Structural Tubing in Rounds and Shapes (Tiêu chuẩn kỹ thuật đối với kết cấu ống thép tròn và thép hình bằng thép carbon không mối nối và được hàn tạo hình nguội).
ASTM B221, Standard Specification for Aluminum and Aluminum-Alloy Extruded Bars, Rods, Wire, Profiles, and Tubes (Tiêu chuẩn kỹ thuật đối với các thanh ép, tay đòn, sợi, định hình và ống bằng nhôm hợp kim và nhôm).
ASTM A123/123M, Standard Specification for Zinc (Hot-Dip Galvanized) Coatings on Iron and Steel Products (Tiêu chuẩn kỹ thuật đối với lớp phủ kẽm (mạ kẽm nhúng nóng) trên các sản phẩm sắt và thép).
ASTM A153/153M, Standard Specification for Zinc Coating (Hot-Dip) on iron and Steel Hardware (Tiêu chuẩn kỹ thuật đối với lớp phủ kẽm (nhúng nóng) trên phần cứng sắt và thép).
3 Thuật ngữ và định nghĩa
Tiêu chuẩn này sử dụng các thuật ngữ và định nghĩa nêu trong TCVN 12885-1:2020.
4 Tổng quát
4.1 Mô tả
Công việc này bao gồm việc cung cấp các vật liệu và thi công lan can trên kết cấu. Lan can thi công tại mỗi vị trí phù hợp với loại và các chi tiết trong hồ sơ hợp đồng cho vị trí này. Công việc bao gồm việc cung cấp và đổ vữa hoặc bê tông, bulông neo, chốt cốt thép và các trang bị khác dùng để liên kết lan can vào kết cấu.
4.2 Vật liệu
Các vật liệu không có quy định khác trong hồ sơ hợp đồng, cần phù hợp với yêu cầu của các tiêu chuẩn vật liệu thích hợp của AASHTO.
4.3 Thi công
Trừ khi được Kỹ sư cho phép, lan can sẽ không được lắp đặt cho đến khi định tâm hoặc đà giáo dùng cho nhịp cầu được giải phóng, kết cấu nhịp cầu tự chống đỡ.
4.4 Tuyến tim và cao độ
Tuyến tim và cao độ lan can phải chính xác như quy định trong hồ sơ hợp đồng và có thể bao gồm sự cho phép về độ vồng trong mỗi nhịp, nhưng không được có bất kỳ sự không bằng phẳng nào trong kết cấu nhịp. Trừ khi có quy định khác trong hồ sơ hợp đồng, lan can trên cầu, dù có siêu cao hay không, đều phải thẳng đứng.
5 Lan can kim loại
5.1 Vật liệu và chế tạo
5.1.1 Lan can thép
Vật liệu và chế tạo lan can thép phù hợp với yêu cầu thích hợp của TCVN 12885-11:2020, trừ các đoạn đúc có thể chế tạo từ thép mềm và các đoạn ống phải là ống thép tiêu chuẩn. Đai ốc và bu lông không chỉ định là cường độ cao, phù hợp với yêu cầu của ASTM A307 và ống thép phù hợp với yêu cầu của ASTM A500, cấp B.
5.1.2 Lan can nhôm
Đối với lan can nhôm hoặc các phần lan can, cột đúc bằng nhôm phù hợp với yêu cầu của AASHTO M193; và các bộ phận ép đùn phù hợp với yêu cầu của ASTM B221.
5.1.3 Lan can dầm kim loại
Tay vịn, cột và đồ ngũ kim của lan can dầm kim loại, phù hợp với yêu cầu trong Phần 606 của GSHC-9.
5.1.4 Hàn
Đường hàn lộ ra phải hoàn thiện bằng cách mài hoặc giũa cho bề mặt bằng phẳng. Hàn vật liệu nhôm phải thực hiện trong môi trường được bảo vệ bằng khí trơ, trình tự hàn hồ quang điện không dùng chất trợ dung. Không được phép cắt nhôm bằng mỏ cắt dùng lửa hoặc đèn xì.
5.2 Lắp đặt
Lan can kim loại phải điều chỉnh cẩn thận trước khi cố định tại chỗ để đảm bảo khớp nhau tại các mối nối giáp đầu, tuyến tim chính xác và độ vồng trên toàn bộ chiều dài của chúng. Các lỗ để liên kết tại hiện trường phải khoan sau khi lan can đã đặt tại chỗ trên kết cấu đúng cao độ và tuyến.
Nơi nào hợp kim nhôm tiếp xúc với các kim loại khác hoặc bê tông, bề mặt tiếp xúc phải được phủ hoàn toàn bằng hợp chất xảm điện môi thẩm thấu nhôm, hoặc đặt vòng đệm cao su tổng hợp giữa hai bề mặt.
5.3 Hoàn thiện
Trừ khi có quy định khác trong hồ sơ hợp đồng, bu lông neo, đai ốc và các phần bằng thép của lan can phải mạ kẽm và các phần bằng nhôm không được sơn. Việc mạ tay vịn phù hợp với yêu cầu của AASHTO M 111M/ M111 (ASTM A123/123M) và việc mạ đai ốc và bu lông phù hợp với yêu cầu của AASHTO M232M/ M232 (ASTM A153/153M). Bề mặt mạ hơi bị xây xát phải sửa chữa bằng sơn giàu kẽm. Sau khi lắp dựng, các mấu lồi nhọn phải tẩy sạch và lan can phải rửa sạch các chất lạ làm mất mầu.
Khi có quy định sơn trong hồ sơ hợp đồng, loại và lớp sơn phù hợp với yêu cầu của TCVN 12885-13:2020 hoặc các yêu cầu quy định trong hồ sơ hợp đồng.
6 Lan can bê tông
Lan can bê tông, tùy vào thiết kế, có thể đúc tại chỗ, đúc sẵn hoặc khi được Kỹ sư chấp thuận, bằng phương pháp khuôn trượt.
Mọi vật liệu và cách thi công phù hợp với yêu cầu trong TCVN 12885-8:2020 và TCVN 12885-9:2020. Trừ khi có quy định khác trong hồ sơ hợp đồng, bê tông phù hợp với Loại AE trừ Loại A có thể sử dụng trong các vùng ít xảy ra đóng băng. Khi bề dày tối thiểu của lan can ở bất kỳ điểm nào nhỏ hơn 100 mm, có thể sử dụng Loại C (AE). Không được tháo ván khuôn đối với lan lan đúc sẵn tại chỗ cho tới khi đã có các biện pháp thỏa đáng để bảo dưỡng bê tông và bê tông đã có đủ cường độ để phòng ngừa bề mặt bị hư hỏng hoặc các hư hỏng khác do tháo ván khuôn gây ra. Việc hoàn thiện lan can thi công bằng ván khuôn cố định phải thuộc Loại 2 - Hoàn thiện mài. Việc hoàn thiện lan can thi công bằng ván khuôn trượt và lan can tạm thời phải thuộc Loại 1- Hoàn thiện thông thường.
7 Lan can gỗ
Trừ khi có quy định khác trong hồ sơ hợp đồng, các cột, tay vịn hoặc các thanh gỗ khác trong lan can gỗ phải thi công theo yêu cầu của TCVN 12885-16:2020. Khi có yêu cầu xử lý gỗ, việc xử lý bảo quản phù hợp với yêu cầu của TCVN 12885-17:2020. Bề mặt của các bộ phận của lan can bằng gỗ đã xử lý nằm ở các vị trí có thể tiếp xúc với người phải được quét hai lớp chất phủ chấp nhận được.
8 Lan can đá và gạch
Lan can đá và gạch phù hợp với yêu cầu của TCVN 12885-14:2020 và TCVN 12885-15:2020.
9 Lan can tạm thời
Lan can tạm thời phải thi công bằng các vật liệu và chi tiết nêu trong hồ sơ hợp đồng. Lan can phải nối và đặt đúng tuyến tim tại các vị trí yêu cầu. Rào chắn đúc sẵn tạm thời phải đặt trên các đế chắc chắn. Lan can tạm thời phải duy trì trong điều kiện loại một và chỉ được tháo đi sau khi mọi công việc cần dùng đến lan can đã xong. Lan can đã sử dụng trước đây có thể dùng lại nếu chúng sạch sẽ và không bị hư hỏng. Sau khi tháo đi, lan can tạm thời vẫn thuộc tài sản của Nhà thầu.
10 Đo đạc
Lan can được đo theo mét dài giữa các đầu của lan can hoặc các đầu phía ngoài của cột đầu lấy số nào lớn hơn. Việc đo đạc được đo dọc theo đường dốc dọc bố trí lan can và không phải trừ chỗ đặt cột đèn điện hoặc các khe hở nhỏ khác có yêu cầu trên hồ sơ hợp đồng.
THI CÔNG CẦU ĐƯỜNG BỘ - PHẦN 21: LỚP CHỐNG THẤM
Bridge Construction Specifications - Part 21: Waterproofing
1 Phạm vi áp dụng
Bộ tiêu chuẩn TCVN 12885:2020 áp dụng đối với công tác thi công các cầu, cống có kết cấu thông thường, sử dụng các công nghệ thi công thông thường trên đường bộ; cũng có thể tham khảo để thi công các cầu, cống trên đường sắt, có yêu cầu kỹ thuật tương tự.
Tiêu chuẩn này quy định các yêu cầu thi công và nghiệm thu, áp dụng đối với công tác cung cấp và lắp đặt các vật liệu để chống thấm hoặc chống ẩm bề mặt bê tông hoặc vật xây, trong thi công cầu.
Tiêu chuẩn này được dùng làm cơ sở để xây dựng Chỉ dẫn kỹ thuật thi công đối với công tác nêu trên trong dự án xây dựng cầu đường bộ.
2 Tài liệu viện dẫn
Các tài liệu viện dẫn sau là cần thiết cho việc áp dụng tiêu chuẩn này. Đối với các tài liệu viện dẫn ghi năm công bố thì áp dụng phiên bản được nêu. Đối với các tài liệu viện dẫn không ghi năm công bố thì áp dụng phiên bản mới nhất, bao gồm cả các sửa đổi, bổ sung (nếu có).
ASTM D449, Standard Specification for Asphalt Used in Dampproofing and Waterproofing (Tiêu chuẩn kỹ thuật đối với nhựa đường sử dụng trong chống ẩm và chống thấm).
ASTM D41, Standard Specification for Asphalt Primer Used in Roofing, Dampproofing, and Waterproofing (Tiêu chuẩn kỹ thuật đối với sơn lót nhựa đường sử dụng trong lợp mái, chống ẩm và chống thấm).
ASTM D173, Standard Specification for Bitumen-Saturated Cotton Fabrics Used in Roofing and Waterproofing (Tiêu chuẩn kỹ thuật đối với vải bông bão hòa bitum sử dụng trong lợp mái và chống thấm).
ASTM D3515, Standard Specification for Hot-Mixed, Hot-Laid Bituminous Paving Mixtures (Tiêu chuẩn kỹ thuật đối với hỗn hợp mặt bitum nóng, hỗn hợp nóng).
ASTM D882, Standard Test Method for Tensile Properties of Thin Plastic Sheeting (Tiêu chuẩn phương pháp thử đối với các thuộc tính kéo của tấm nhựa mỏng).
ASTM D146, Standard Test Methods for Sampling and Testing Bitumen-Saturated Felts and Woven Fabrics for Roofing and Waterproofing (Tiêu chuẩn phương pháp thử để lấy mẫu và thử nghiệm vải thô và vải dệt bằng bitum để lợp mái và chống thấm).
ASTM D36, Standard Test Method for Softening Point of Bitumen (Ring-and-Ball Apparatus) (Tiêu chuẩn phương pháp thử để làm mềm điểm bitum (thiết bị vòng và bóng)).
3 Thuật ngữ và định nghĩa
Tiêu chuẩn này sử dụng các thuật ngữ và định nghĩa nêu trong TCVN 12885-1:2020 và các thuật ngữ, định nghĩa sau:
3.1
Màng chống thấm (Waterproofing membrance)
Lớp mỏng bằng vật liệu ngăn nước đặt trên bề mặt kết cấu.
4 Tổng quát
Công việc này bao gồm việc cung cấp và lắp đặt các vật liệu để chống thấm hoặc chống ẩm bề mặt bê tông hoặc vật xây. Bề mặt cần chống thấm hoặc chống ẩm và loại kết cấu cần lắp đặt phải theo như quy định trong hồ sơ hợp đồng.
4.1 Chống thấm
Chống thấm gồm có việc thi công tại chỗ hệ thống màng asphalt hoặc hệ màng asphalt chế sẵn, cả hai loại đều gồm có các vật liệu lót thích hợp và khi cần thiết phải có các lớp phủ bảo vệ. Trừ khi trong hồ sơ hợp đồng có quy định loại hệ thống chống thấm riêng, loại hệ thống chống thấm sử dụng là tùy theo sự lựa chọn của Nhà thầu.
4.2 Chống ẩm
Việc chống ẩm phải gồm 1 lớp lót và 2 lớp quét asphalt phòng nước.
5 Vật liệu
5.1 Hệ thống chống thấm asphalt
5.1.1 Asphalt
Asphalt chống thấm phù hợp với ASTM D449. Phải sử dụng Loại I dưới đất và Loại II trên mặt đất.
5.1.2 Lớp lót
Lớp lót dùng với asphalt chống thấm phù hợp với ASTM D41.
5.1.3 Tấm dệt
Tấm dệt phù hợp với ASTM D173, hoặc ASTM D3515.
Tấm dệt phải cất giữ ở nơi khô ráo, được che chắn. Các cuộn không được để dựng đứng.
5.2 Các hệ thống màng chống thấm chế sẵn
5.2.1 Lớp lót
Lớp lót dùng với màng asphalt tráng cao su phải là vật liệu có gốc neoprene và lớp lót dùng với màng bitum biến tính phải là vật liệu gốc nhựa hoặc dung môi. Các lớp lót phải là loại do Nhà sản xuất khuyên dùng.
5.2.2 Tấm màng chế sẵn
Tấm màng chế sẵn phải là loại asphalt tráng cao su hoặc loại bitum biến tính. Loại asphalt tráng cao su gồm có tấm asphalt tráng cao su được gia cường bằng màng hoặc lưới polyethylene. Loại tấm bitum biến tính gồm tấm polimer bitum biến tính được gia cường bằng tấm dệt polyester hoặc tấm lưới sợi thủy tinh dán ép. Tấm màng phù hợp với yêu cầu trong Bảng 1 và Bảng 2.
Bảng 1 - Tấm màng chế sẵn cho bề mặt không phải là mặt cầu
| Tính chất | Thử nghiệm | Giá trị | |
| Loại asphalt tráng cao su | Loại bitum biến tính | ||
| Cường độ kéo theo phương của máy | ASTM D882 | 3,5 N/mm | 3,5 N/mm |
| % độ giãn dài lúc đứt theo phương của máy | ASTM D882 | 150 % tại 23 °C ± 2°C | 25 % tại 23 °C ± 2 °C |
| Tính uốn dẻo | ASTM D146 | Không nứt | Không nứt |
| Bề dày tối thiểu |
| 1,5 mm | 1,5 mm |
| Điểm hóa mềm tối thiểu | ASTM D36 | 74 °C | 99 °C |
Bảng 2 - Tấm màng chế sẵn cho bề mặt mặt cầu
| Tính chất | Thử nghiệm | Giá trị | |
| Loại asphalt tráng cao su | Loại bitum biến tính | ||
| Cường độ kéo theo phương của máy | ASTM D882 | 8,8 N/mm | 7,0 N/mm |
| % độ giãn dài lúc đứt theo phương của máy | ASTM D882 | 150 % tại 23 °C ± 2°C | 25 % tại 23 °C ± 2 °C |
| Tính uốn dẻo | ASTM D146 | Không nứt | Không nứt |
| Bề dày tối thiểu |
| 1,6 mm | 1,8 mm |
| Điểm hóa mềm tối thiểu | ASTM D36 | 74 °C | 99 °C |
ASTM D882 phải dựa vào phương pháp A, dải rộng 25 mm với việc tách kẹp ban đầu tối thiểu 100 mm, mỗi phút 50 mm dài. Tiêu chí nghiệm thu dựa trên trị số trung bình của 5 mẫu.
ASTM D146 phải dựa trên độ uốn 180 º quanh trục 100 mm ở -12 °C.
5.2.3 Matit
Matit dùng với tấm tráng cao su chế sẵn phải là chất xảm khe nối bằng asphalt tráng cao su dùng nguội. Matit dùng với tấm bitum biến tính phải là hỗn hợp nhựa tổng hợp và bitum.
5.3 Các lớp bảo vệ
Vật liệu dùng làm lớp phủ bảo vệ phù hợp với các điều sau trừ khi có quy định loại khác trong hồ sơ hợp đồng.
Với bề mặt sẽ được lấp đất kín, lớp phủ bảo vệ phải gồm có tấm các tông cứng dày 3 mm hoặc vật liệu khác để bảo vệ bề mặt khỏi bị hư hỏng do vật liệu lấp to và nhọn hoặc do thiết bị thi công gây ra.
Với mặt đường hoặc mặt cầu, lớp phủ bảo vệ phải có lớp bê tông asphalt đặc biệt theo quy định trong hồ sơ hợp đồng.
Với bề mặt nằm ngang bên trên có thi công kết cấu bê tông cốt thép, lớp bảo vệ phải gồm có lớp vữa bê tông 50 mm phù hợp với yêu cầu của Điều 17 của TCVN 12885-8:2020, trừ tỷ lệ sẽ bao gồm 1 phần xi măng portland với 3 phần cốt liệu nhỏ. Lớp vữa này phải gia cường bằng tấm sợi thép hàn 150 x 150 - MW9 x MW9 ở bề mặt trên và bề mặt mặt đáy, hoặc loại tương đương. Bề mặt trên phải hoàn thiện nhẵn và đúng cao độ.
5.4 Lớp chống ẩm
Lớp lót và asphalt dùng để chống ẩm phù hợp với quy định của Điều 5.1.
5.5 Kiểm tra và giao vật liệu
Vật liệu chống thấm và chống ẩm phải thử nghiệm trước khi chuyên chở. Trừ khi có yêu cầu khác của Kỹ sư, chúng phải được thử nghiệm tại nơi sản xuất, và khi thử nghiệm như vậy, phòng hóa học hoặc phòng kiểm tra được chỉ định để làm thử nghiệm phải gửi 1 bản sao các kết quả thử nghiệm cho Kỹ sư, mỗi bao kiện phải được đính 1 nhãn, đóng dấu hoặc các dấu hiệu nhận dạng khác, cho biết bao kiện đó đã được thử nghiệm và chấp nhận được và nhận dạng bao gói với các thử nghiệm ở phòng thử nghiệm.
Nên kiểm tra tại nhà máy, nhưng thay cho việc đó, Kỹ sư có thể yêu cầu gửi cho Kỹ sư các mẫu đại diện, được nhận dạng chính xác để thử nghiệm trước khi chuyên chở vật liệu. Sau khi giao các vật liệu phải lấy các mẫu kiểm tra đại diện để xác định các vật liệu đó có thể chấp nhận được.
Tất cả vật liệu phải giao tại công trình trong các thùng mới nguyên, có đánh dấu rõ ràng bằng nhãn hoặc dấu hiệu của Nhà sản xuất.
6 Chuẩn bị bề mặt
Bề mặt bê tông cần phải chống thấm hoặc chống ẩm phải tương đối nhẵn và không có vật liệu lạ có thể cản trở dính kết và không có các chỗ lồi lõm có thể làm thủng màng chống thấm hoặc chống ẩm. Bề mặt phải khô và ngay trước khi quét lớp lót bề mặt phải hoàn toàn sạch bụi và vật liệu rời.
Không được làm chống thấm hoặc chống ẩm khi thời tiết ẩm ướt, cũng không được làm khi nhiệt độ thấp dưới 2 °C hoặc thấp hơn khuyến nghị của Nhà sản xuất, trừ khi được Kỹ sư chấp thuận trước khi thi công. Nếu bề mặt bê tông tạm thời bị ẩm, phải phủ lớp cát nóng 50 mm, để tại chỗ từ 1 h đến 2 h, hoặc lâu hơn nữa để tạo ra điều kiện ẩm và bề mặt khô, sau đó cát được quét vun lại, để lộ bề mặt đủ để bắt đầu công việc và cứ lặp lại thao tác như thế theo tiến độ công việc.
7 Rải lớp chống thấm
Chỉ được rải lớp chống thấm cho bất kỳ bề mặt nào sau khi Nhà thầu đã chuẩn bị sẵn để rải, lớp phủ bảo vệ và lấp trong thời gian đủ ngắn để người hoặc thiết bị không làm hư hỏng màng, hoặc màng bị hư hỏng do thời tiết hoặc do nguyên nhân nào khác. Màng hoặc lớp phủ bảo vệ bị hư hỏng phải được Nhà thầu sửa chữa hoặc thay thế.
Cần phải chú ý để hạn chế các vật liệu đến các khu vực được chống thấm hoặc chống ẩm và ngăn ngừa làm biến dạng của bất kỳ bộ phận khác của kết cấu bằng cách nhỏ giọt hoặc lan rộng lớp sơn lót hoặc asphalt.
7.1 Chống thấm bằng màng asphalt
7.1.1 Tổng quát
Chống thấm bằng màng asphalt gồm có 1 lớp lót quét trên bề mặt đã được chuẩn bị và 1 màng dính chắc chắn gồm 2 lớp tấm dệt đã thấm bão hòa và quét 3 lượt asphalt chống thấm, khi yêu cầu còn có 1 lớp phủ bảo vệ.
7.1.2 Lắp đặt
Asphalt phải đun nóng tới nhiệt độ giữa 150 °C và 175 °C. Các thùng đun phải trang bị nhiệt kế.
Trong mọi trường hợp, việc chống thấm phải bắt đầu từ điểm thấp của bề mặt cần chống thấm, như vậy nước sẽ chảy vượt qua và không lọt vào hoặc chảy dọc các đoạn chờm lên nhau.
Dải đầu tiên của tấm dệt phải bằng nửa bề rộng, dải thứ hai là toàn bộ bề rộng, chồng lên toàn bộ bề rộng của dải thứ nhất, dải thứ ba và các dải tiếp theo phải là toàn bộ bề rộng và phải chờm để cho tại mọi điểm đều có 2 lớp tấm dệt với các đoạn chờm lên nhau không rộng dưới 50 mm. Các đoạn chờm ở cuối phải ít nhất bằng 300 mm.
Phần rải một lớp lót bắt đầu từ điểm thấp nhất của bề mặt cần chống thấm và để cho khô trước khi rải lớp asphalt thứ nhất. Sau đó lớp chống thấm được tiến hành như sau.
Bắt đầu từ điểm thấp của bề mặt cần chống thấm, quét một đoạn rộng khoảng 500 mm và dài toàn bộ bề mặt bằng asphalt nóng và ngay sau khi quét asphalt, rải lên đó 1 dải tấm dệt đầu tiên, bằng một nửa bề rộng, được ép cẩn thận tại chỗ để loại bỏ các bong bóng không khí và ăn sát vào bề mặt. Dải này và đoạn tiếp theo của bề mặt có bề rộng bằng hơn một nửa và bề rộng tấm dệt được quét tiếp asphalt nóng và rải lên đó toàn bộ bề rộng của tấm dệt, phủ hoàn toàn dải thứ nhất, và ép chặt như trước. Sau đó dải thứ hai này và một đoạn kề bên của bề mặt bê tông lại được quét asphalt nóng và dải thứ ba của tấm dệt được rải trên đó và chờm lên dải thứ nhất không ít hơn 50 mm. Quá trình này tiếp tục với mỗi dải tấm dệt chờm lên ít nhất 50 mm trên dải thứ hai trước đó để cho toàn bộ bề mặt được phủ với ít nhất 2 lớp tấm dệt. Sau đó toàn bộ bề mặt được quét 1 lớp asphalt nóng cuối cùng.
Lớp chống thấm hoàn thành phải là một màng dính kết chắc chắn gồm 2 lớp tấm dệt và 3 lớp quét asphalt và 1 lớp lót. Không có trường hợp nào 1 lớp tấm dệt được chạm với một lớp khác tại bất kỳ một điểm nào và chạm vào bề mặt bê tông vì phải có ít nhất 3 lớp asphalt hoàn chỉnh.
Trong mọi trường hợp, việc quét trên bê tông phải phủ bề mặt để không xuất hiện một vết xám nào và trên tấm dệt nó phải đủ dày để hoàn toàn che phủ tấm dệt. Trên bề mặt nằm ngang phải dùng không ít hơn 5 lít/m2 asphalt cho mỗi công trình hoàn thành và trên bề mặt thẳng đứng không ít hơn 6,25 lít/m2. Công việc phải điều chỉnh thế nào để lúc hết ngày làm việc, các tấm dệt được đặt đã được quét lớp asphalt cuối cùng. Chú ý đặc biệt đến các đoạn chờm để xem chúng có được bịt hoàn hảo không.
7.1.3 Các chi tiết đặc biệt
Tại mép của màng và tại bất kỳ điểm nào bị chọc thủng để đặt các trạng bị phụ như ống hoặc rãnh thoát nước, phải bố trí thích hợp để đề phòng nước lọt vào giữa lớp chống thấm và bề mặt cần chống thấm.
Rìa mép tại các vỉa và sát các dầm, các tường trên vòm... được thực hiện từng lớp riêng biệt chờm lên màng chính ít nhất 300 mm. Các rìa này được bịt kín bằng tấm kim loại chống rìa xờm, hoặc bằng cách gắn các mép trên của rìa trong rãnh rót đầy chất nhồi khe.
Khe nối, chủ yếu là các khe nối hở, nhưng không được thiết kế để giãn nở thì đầu tiên nó phải xảm bằng xô gai hoặc vật liệu khác được Kỹ sư chấp thuận, sau đó nhồi bằng chất nhồi khe nóng.
Khe co giãn, cả nằm ngang và thẳng đứng đều phải bố trí đồng lá hoặc chì lá thành dạng chữ U hoặc “V” theo hồ sơ hợp đồng. Sau khi đặt màng xong, khe được bịt bằng chất bịt khe nóng. Màng được làm liên tục trên các khe co giãn.
Ở các đầu kết cấu, màng được đưa sâu xuống mố và được bố trí phù hợp cho mọi chuyển động.
7.1.4 Vá hư hỏng
Phải chú ý phòng ngừa hư hỏng cho màng đã hoàn thiện do công nhân hoặc thiết bị qua lại bên trên, hoặc do quăng ném vật liệu trên đó. Mọi chỗ hư hỏng có thể xảy ra phải được sửa chữa bằng cách vá. Vá phải mở rộng ít nhất 300 mm quá phần bị hư hỏng ngoài cùng và lớp thứ hai phải kéo dài quá ít nhất 75 mm ngoài lớp thứ nhất.
7.2 Hệ thống chống thấm bằng màng chế sẵn
7.2.1 Tổng quát
Hệ thống chống thấm bằng màng chế sẵn gồm có 1 lớp lót rải lên bề mặt đã chuẩn bị, 1 lớp đơn tấm màng dính chế sẵn và khi có yêu cầu là 1 lớp phủ bảo vệ.
7.2.2 Rải trên mặt cầu
Trước khi rải lớp lót, tại các chỗ mặt cầu sau này được phủ lên bởi tường ngang hoặc thiết bị góp co giãn được phải che bằng cách đóng hoặc dán lên trên lớp giấy xây dựng bền với dầu.
Lớp bịt màng và bê tông asphalt được rải liên tục qua các giấy che này, tuy nhiên tờ giấy che và tấm chế sẵn phải cắt tại khe co giãn hoặc gần đó khi có yêu cầu của Kỹ sư.
Lớp lót có gốc neoprene phải rải thành một lớp với mức khoảng 1 lít cho 7,4 m2. Lớp lót gốc nhựa hoặc dung môi phải rải thành một lớp với mức 1 lít cho 2,9 m2. Lớp lót được rải cho toàn bộ diện tích được phủ bằng phương pháp phun hoặc chổi lăn.
Chất sơn lót phải trộn kỹ và khuấy liên tục trong khi rải.
Lớp lót phải để khô cho tới khi không dính nữa trước khi rải tấm màng.
Nếu tấm màng không được rải trên bề mặt có lớp lót gốc dung môi trong vòng 24 h, hoặc trên bề mặt có lớp lót gốc neoprene trong vòng 36 h, hoặc trên lớp lót gốc nhựa trong vòng 8 h, thì bề mặt phải rải lớp lót lại.
Tấm màng chế sẵn phải rải lên bề mặt đã quét lớp lót bằng phương pháp thủ công hoặc bằng các máy rải. Tấm màng phải đặt theo cách thế nào để theo chiều nước chảy như lợp mái nhà. Đầu tiên, một dải màng có bê rộng tối thiểu 300 mm được dải dọc đường tiếp giáp của mặt cầu với chân barie hoặc mặt vỉa tại phía thấp của mặt cầu với tấm màng kéo dài lên mặt vỉa hoặc barie 75 mm. Sau đó, bắt đầu từ tuyến tim rãnh, các tấm được rải theo chiều dọc và cạnh chờm lên tấm tiếp giáp không ít hơn 60 mm và các đầu cuối chờm lên nhau không ít hơn 150 mm. Sau đo rải một dải bề rộng tối thiểu 300 mm tại đường tiếp giáp của mặt cầu và chân vỉa hoặc lan can tại phía cao của mặt cầu và kéo dài trên mặt vỉa hoặc lan can 75 mm. Sau khi rải, các tấm màng được lăn bằng các con lăn tay hoặc thiết bị khác theo sự cần thiết để tạo ra sự dính kết chắc chắn và đồng đều với bề mặt bê tông đã quét lớp lót. Phải sử dụng các phương thức để giảm đến tối thiểu các nếp nhăn hoặc bọt không khí. Mọi chỗ rách, đứt hoặc các chỗ chờm quá hẹp phải vá lại, sử dụng chất dính tốt và đặt các miếng màng lên khu vực bị hư hỏng theo cách thế nào để miếng vá kéo dài ít nhất 150 mm quá chỗ hư hỏng. Trên các tấm bitum biến tính với một màng polyyeste vĩnh cửu, phải dùng một đèn xì để làm chảy màng polyeste trên đoạn phải vá. Sau đó miếng vá được đặt trên bề mặt đã đốt nóng. Các miếng vá phải lu cán hoặc ép chặt vào bề mặt bê tông.
Tại các khe nối hở, các ống thoát nước mặt cầu và tại các vị trí khác khi có yêu cầu của Kỹ sư, tấm màng phải cắt và lật vào trong khe nối hoặc ống thoát nước khi rải tấm màng.
Với các tấm asphalt tráng cao su và tấm bitum biến tính phải rải matít như một gờ dọc mép lộ ra của tấm màng khi kéo dài lên mặt barie lan can hoặc bó vỉa, các mép này kết thúc ở phía cao của rãnh sau khi đã rải xong các tấm màng.
7.2.3 Rải trên các bề mặt khác
Việc rải các màng chế sẵn trên bề mặt không phải là mặt cầu phù hợp với yêu cầu thích hợp đối với mặt cầu và các yêu cầu sau:
- Tấm màng chế sẵn phải rải thẳng đứng với mỗi tấm sau chờm lên tấm trước tối thiểu 75 mm. Mối nối nằm ngang phải chờm lên nhau ít nhất 150 mm.
- Mép lộ ra của các tấm màng phải miết bằng bay một gờ matít do Nhà sản xuất khuyến nghị hoặc một dải xảm sau khi màng rải xong.
- Ống, ống dẫn nước, ống lót hoặc các trang bị khác nhô ra qua tấm màng chống thấm chế sẵn phải được viền mép bằng một vỏ bọc chế sẵn hoặc chế tạo tại hiện trường, các lớp phủ khít hoặc các biện pháp khác tùy theo sự cần thiết để làm cho công trình kín nước.
7.3 Lớp bảo vệ
Lớp bảo vệ phải đặt ngay sau khi rải tấm chống thấm để phòng ngừa hư hỏng cho tấm chống thấm để lộ ra ánh nắng hoặc thời tiết hoặc hư hỏng do các xe cộ hoặc các thao tác thi công sau đó.
Phải đặt một lớp phủ bảo vệ bằng gỗ ép trên lớp phủ chất dính thuộc loại do Nhà sản xuất chống thấm khuyến nghị. Chất dính phải rải với mức độ đủ để giữ lớp phủ bảo vệ ở vị trí cho tới khi lấp đất.
7.4 Lớp chống ẩm
Bề mặt bê tông, gạch hoặc bề mặt khác cần bảo vệ bằng lớp chống ẩm phải hoàn toàn sạch trước khi rải lớp lót. Bề mặt cần chống ẩm phải được quét lớp lót sau đó được quét cẩn thận bằng asphalt chống thấm. Khi lớp quét thứ nhất đã đủ hóa cứng đủ, toàn bộ bề mặt phải quét lớp asphalt nóng thứ hai. Phải chú ý cẩn thận để xem có các đoạn bỏ quãng trong các lớp và bề mặt được phủ hoàn hoàn.
8 Đo đạc
Lớp chống thấm và lớp chống ẩm được đo theo m2 hoàn chỉnh tại chỗ và được chấp nhận.
THI CÔNG CẦU ĐƯỜNG BỘ - PHẦN 22: BẢO VỆ MÁI DỐC
Bridge Construction Specifications - Part 22: Slope Protection
1 Phạm vi áp dụng
Bộ tiêu chuẩn TCVN 12885:2020 áp dụng đối với công tác thi công các cầu, cống có kết cấu thông thường, sử dụng các công nghệ thi công thông thường trên đường bộ; cũng có thể tham khảo để thi công các cầu, cống trên đường sắt, có yêu cầu kỹ thuật tương tự.
Tiêu chuẩn này quy định các yêu cầu thi công và nghiệm thu, áp dụng đối với công tác thi công các lớp bảo vệ bờ và mái dốc trong thi công cầu.
Tiêu chuẩn này được dùng làm cơ sở để xây dựng Chỉ dẫn kỹ thuật thi công đối với công tác nêu trên trong dự án xây dựng cầu đường bộ.
2 Tài liệu viện dẫn
Các tài liệu viện dẫn sau là cần thiết cho việc áp dụng tiêu chuẩn này. Đối với các tài liệu viện dẫn ghi năm công bố thì áp dụng phiên bản được nêu. Đối với các tài liệu viện dẫn không ghi năm công bố thì áp dụng phiên bản mới nhất, bao gồm cả các sửa đổi, bổ sung (nếu có).
TCVN 10335:2014, Rọ đá, thảm đá và các sản phẩm mắt lưới lục giác xoắn kép phục vụ xây dựng công trình giao thông đường thủy - Yêu cầu kỹ thuật.
TCVN 9844:2013, Yêu cầu thiết kế, thi công và nghiệm thu vải địa kỹ thuật trong xây dựng nền đắp trên nền đất yếu.
TCVN 12885-8:2020, Thi công cầu đường bộ - Phần 8: Kết cấu bê tông.
TCVN 12885-9:2020, Thi công cầu đường bộ - Phần 9: Cốt thép.
TCVN 12885-16:2020, Thi công cầu đường bộ - Phần 16: Kết cấu gỗ.
TCVN 12885-24:2020, Thi công cầu đường bộ - Phần 24: Vữa phun bằng khí nén.
HM-WB, Standard Specifications for Transportation Materials and Methods of Sampling and Testing, 2017 (Tiêu chuẩn kỹ thuật đối với vật liệu giao thông và phương pháp lấy mẫu và thử nghiệm).
GSHC-9, Guide Specifications for Highway Construction, 2008 (Tiêu chuẩn hướng dẫn thi công đường bộ).
ASTM A392, Standard Specification for Zinc-Coated Steel Chain-Link Fence Fabric (Tiêu chuẩn kỹ thuật đối với hàng rào liên kết chuỗi thép mạ kẽm.)
ASTM A90/A90M, Standard Test Method for Weight [Mass] of Coating on Iron and Steel Articles with Zinc or Zinc-Alloy Coatings (Tiêu chuẩn phương pháp thử về trọng lượng [khối lượng] của các sản phẩm sắt và thép với lớp phủ kẽm hoặc hợp kim kẽm).
ASTM C129, Standard Specification for Nonloadbearing Concrete Masonry Units (Tiêu chuẩn kỹ thuật đối với các công trình khối xây bê tông không chịu tải).
ASTM C139, Standard Specification for Concrete Masonry Units for Construction of Catch Basins and Manholes (Tiêu chuẩn kỹ thuật đối với các công trình khối xây bê tông để xây dựng các bể chứa và hố ga).
ASTM C90, Standard Specification for Loadbearing Concrete Masonry Units (Tiêu chuẩn kỹ thuật đối với các công trình khối xây bê tông chịu tải).
3 Thuật ngữ và định nghĩa
Tiêu chuẩn này sử dụng các thuật ngữ và định nghĩa nêu trong TCVN 12885-1:2020 và các thuật ngữ, định nghĩa sau:
3.1
Rọ thép đá (Gabions)
Được làm từ các sợi thép, chứa đầy đá hoặc các vật liệu khác và được sử dụng trong các công trình xây dựng.
3.2
Vải lọc (Filter fabric)
Vật liệu được thiết kế để cho phép nước chảy qua nhưng giữ lại cát, vật liệu bồi lắng, đất,... trong nước.
4 Tổng quát
Công việc này bao gồm việc thi công các lớp bảo vệ bờ và mái dốc theo Tiêu chuẩn này và phù hợp chặt chẽ với các đường tim, cao độ và bề dày cho trong hồ sơ hợp đồng hoặc do Kỹ sư xác lập. Các quy định này phải áp dụng cho lát mái dốc bằng đá hộc, bằng bê tông và bằng bê tông đúc sẵn.
5 Bản vẽ biện pháp thi công
Bất kỳ khi nào như quy định trong hồ sơ hợp đồng hoặc Kỹ sư yêu cầu, Nhà thầu phải cung cấp bản vẽ biện pháp thi công với các tính toán thiết kế và các số liệu làm căn cứ đủ chi tiết để cho phép xem xét về mặt kết cấu bản thiết kế kiến nghị của hệ thống bảo vệ mái dốc. Khi liên quan đến bê tông, các số liệu này bao gồm trình tự và tốc độ đổ bê tông. Phải cung cấp đủ bản sao đáp ứng yêu cầu của Kỹ sư và các đơn vị có quyền xem xét. Bản vẽ biện pháp thi công phải đệ trình đầy đủ trước khi sử dụng để có thể xem xét, sửa chữa nếu cần và chấp thuận mà không làm chậm công việc.
Nhà thầu chỉ được bắt đầu thi công bất cứ hệ thống bảo vệ mái dốc nào theo yêu cầu của bản vẽ biện pháp thi công, sau khi các bản vẽ đã được Kỹ sư chấp thuận. Việc chấp thuận này không làm giảm trách nhiệm của Nhà thầu về các kết quả đạt được do việc sử dụng các bản vẽ đó hoặc bất cứ trách nhiệm nào khác theo hồ sơ hợp đồng.
6 Vật liệu
6.1 Cốt liệu
Cốt liệu dùng để làm là đá hộc phù hợp với yêu cầu của Phần 703.15 của GSHC-9.
Cốt liệu dùng làm rãnh thoát nước ngầm và các thảm lọc phù hợp với các Phần 704 và Phần 705 tương ứng của GSHC-9.
6.2 Rọ thép đá
Rọ thép đá phải thi công bằng lưới thép. Lưới thép phải làm bằng sợi thép mạ kẽm có đường kính tối thiểu 3,0 mm (cỡ sợi thép Mỹ No.11). Cường độ kéo của sợi thép phải trong phạm vi từ 415 MPa tới 585 MPa, được xác định theo ASTM A392 hoặc TCVN 10335:2014. Lớp kẽm mạ tối thiểu của sợi thép phải là 0,25 kg/m2 bề mặt sợi chưa mạ được xác định theo AASHTO T65M/T65 (ASTM A90/A90M).
Sợi ở mép, sợi giằng và sợi liên kết phải đáp ứng yêu cầu có cùng cường độ và lớp mạ quy định trên đây đối với sợi thép dùng làm lưới.
6.3 Vải lọc
Vải lọc phải đáp ứng yêu cầu của Phần 705.03 của GSHC-9 hoặc TCVN 9844:2013.
6.4 Vữa
Vữa phải gồm một phần xi măng portland và ba phần cát trộn kỹ với nước để tạo ra một hỗn hợp dễ thi công.
6.5 Bê tông đóng bao
Bê tông dùng để đóng trong bao phải là hỗn hợp đá mạt sạch hoặc cát, sỏi rửa sạch, xi măng và nước. Hỗn hợp phải chứa không ít hơn 223 kg/m3 xi măng portland cho một mét khối và có đủ nước để có độ sụt từ 75 đến 125 mm. Bao đựng bê tông phải làm bằng bao 0,34 kg/m2 hoặc các loại vải dệt khác có cường độ bằng hoặc lớn hơn. Bao phải có kích thước khoảng 495 mm x 915 mm đo bên trong đường khâu khi bao đặt phẳng, với dung tích khoảng 0,035 m3. Có thể dùng các bao sửa chữa lại, còn tốt.
6.6 Bê tông xi măng portland
Bê tông xi măng portland dùng để lát mái dốc đúc tại chỗ phù hợp với quy định của TCVN 12885- 8:2020 đối với bê tông Loại B hoặc Loại B (AE), sử dụng cấp phối tổ hợp tối đa 25 mm.
Chất nhồi khe co giãn phù hợp với quy định trong Điều 12.2.1 của TCVN 12885-8:2020.
6.7 Vữa rải bằng khí nén
Vật liệu dùng làm vữa rải bằng khí nén phù hợp với yêu cầu của TCVN 12885-24:2020.
6.8 Các khối và hình dạng bê tông xi măng portland đúc sẵn
Các khối và hình dạng bê tông xi măng portland đúc sẵn đáp ứng yêu cầu của ASTM C129, ASTM C139 hoặc ASTM C90, như quy định trong hồ sơ hợp đồng. Vật liệu dùng cho tấm bản bê tông xi măng portland đúc sẵn phù hợp với yêu cầu của Điều 16 của TCVN 12885-8:2020.
6.9 Cốt thép
Cốt thép phải phù hợp với quy định trong TCVN 12885-9:2020.
6.10 Rãnh thoát nước bằng lõi hỗn hợp vải lọc
Loại rãnh thoát nước này gồm có một lõi chế tạo sẵn có một mặt hoặc hai mặt phủ một lớp vải lọc.
Lõi chế tạo sẵn là một lưới vỉ chế sẵn bằng nhựa dập nổi, một tấm thảm có các hình dạng tùy ý dệt bằng sợi nhựa, một hệ lưới thoát nước gồm có một mạng đồng đều các tao dệt polymer tạo thành hai lòng máng liên tục, một hệ các trụ nhựa và các mạng nhựa tạo thành một thảm nửa cứng, hoặc hệ thống khác được Kỹ sư chấp thuận, các hệ thống này sẽ dẫn dòng nước theo như chỉ định trong hồ sơ hợp đồng.
Vải lọc phù hợp với yêu cầu của Điều 6.3 và phải dính liền vào vật liệu lõi.
Nhà thầu phải cung cấp cho Kỹ sư chứng chỉ có ký tên do Nhà sản xuất cấp, nói rõ rãnh thoát nước bằng lõi hỗn hợp vải lọc đề nghị sử dụng có thể chịu được các tải trọng thiết kế tại tất cả các vị trí như dự định mà không làm giảm đáng kể khả năng thoát nước của các lỗ rỗng thoát nước thiết kế trên toàn bộ chiều cao hoặc chiều dài rãnh.
7 Thi công
7.1 Chuẩn bị mái dốc
Khi yêu cầu, mái dốc phải tạo hình dạng để thi công được toàn bộ bề dày của công trình bảo vệ mái dốc quy định và nền hoặc sỏi lọc bất kỳ. Mái dốc không được dốc hơn góc nghỉ tự nhiên quy định của mái dốc quy định trong hợp đồng. Khi mái dốc không thể đào tới đất chưa bị xáo trộn thì lớp đất nằm dưới mái dốc phải được đầm chặt tới 95% độ chặt tiêu chuẩn như quy định trong AASHTO T99.
7.2 Lớp nền
Khi có yêu cầu trong hồ sơ hợp đồng, phải làm một lớp sỏi lọc hoặc tấm lọc trên mái dốc ngay trước khi lát đá hoặc lát mái dốc. Lớp sỏi lọc phải được thiết kế đảm bảo có bề dày tối thiểu như quy định trong hồ sơ hợp đồng.
7.3 Vải lọc
Khi có quy định trong hồ sơ hợp đồng, vải lọc phải rải đều trên mái dốc hoặc bề mặt đã chuẩn bị. Vải lọc phải trải ra trực tiếp trên bề mặt theo các đường tim và kích thước đã cho trong hồ sơ hợp đồng. Vải lọc phải chờm lên nhau ít nhất 300 mm trong mỗi phương và phải cố định vào vị trí bằng các dụng cụ neo được chấp thuận. Nhà thầu phải đặt đá hộc thế nào để không xé rách, chọc thủng hoặc xê dịch tấm lọc. Không được phép cho thiết bị kéo hoặc có bánh xe chạy trên mái dốc đã đặt vải lọc.
7.4 Rãnh thoát nước bằng các lõi hỗn hợp vải lọc
Rãnh thoát nước loại này phải đặt tại các vị trí cho trong hồ sơ hợp đồng và ở chỗ Kỹ sư chỉ dẫn. Việc đặt các hệ thống thu gom và thoát nước như đã nêu trong hồ sơ hợp đồng hoặc theo chỉ dẫn của Kỹ sư.
Vật liệu lõi chế tạo từ các tấm nhựa không thấm nước có các gợn sóng để liên kết, sẽ được đặt sao cho các gợn sóng gần như vuông góc với hệ thống thu gom thoát nước.
Khi chỉ một phía của hệ thoát nước bằng các lõi hỗn hợp vải lọc được phủ vải lọc, thì hệ thoát nước phải đặt sao cho vải lọc phủ lên mặt nền đắp. Vải lọc phủ lên mặt nền đắp phải chờm lên tối thiểu 75 mm tại tất cả các chỗ nối và bọc xung quanh các mép ngoài ít nhất 75 mm ra quá mép ngoài. Nếu cần phải có thêm vải lọc để đặt chờm trên các mối nối và bọc xung quanh các mép, thì vải lọc thêm này phải chờm lên vải lọc trên rãnh ít nhất 150 mm và được gắn vào đó.
Nếu vải lọc trong rãnh bị rách hoặc thủng, đoạn bị hư hỏng phải thay hoàn toàn hoặc sửa chữa bằng cách đặt một miếng vải lọc đủ lớp để phủ diện tích bị hư hỏng và chờm lên 150 mm xung quanh toàn bộ diện tích hư hỏng.
7.5 Đá hộc lát thủ công
Khi quy định đá lát thủ công trong hồ sơ hợp đồng, các viên đá to hơn phải đặt trước với các khe sát nhau trong hào ở chân. Đá phải đặt với trục dọc vuông góc với mặt nền đắp và bố trí để cho mỗi viên đá trên lớp móng phải có 3 điểm tỳ trên các viên đá nằm dưới. Không chấp nhận việc trét các lỗ rỗng để tạo ra điểm tỳ trên các viên đá nhỏ hơn. Không được phép rải đá bằng cách đổ đống. Các khe phải lấp đầy bằng đá nhỏ hoặc mảnh đá vụn.
7.6 Đá hộc lát bằng máy
7.6.1 Lát khô
Đá lát bằng máy phải lát sao để có ít lỗ rỗng nhất, các viên to hơn phải lát trong lớp chân và trên các mặt phía ngoài của đá bảo vệ mái dốc. Đá có thể đổ đống và có thể rải bằng máy ủi hoặc thiết bị thích hợp khác thành các lớp. Khi hoàn thành công trình bảo vệ mái dốc, hào chân móng phải lấp bằng vật liệu đào và không cần lu lèn.
7.6.2 Đặt dưới nước
Khi đặt dưới nước, không được đổ đống tự do nếu không được phép bằng văn bản của Kỹ sư. Phải đặt bằng các phương pháp điều chỉnh được bằng các thùng mở đáy hoặc các túi đan bằng sợi thép thả xuống nước tới điểm đặt quy định.
7.7 Đá đặt trong rọ thép
7.7.1 Chế tạo
Lưới thép phải đan thành các mắt lưới lục giác có kích thước đồng đều. Kích thước lớn nhất theo chiều dài của mắt lưới không được vượt quá 115 mm và diện tích mắt lưới không được vượt quá 5.160 mm2. Lưới thép phải chế tạo thế nào để không bị xổ mối.
Rọ đá phải chế tạo thế nào để các mặt bên, các đầu, nắp và các vách ngăn có thể lắp ráp tại địa điểm thi cóng thành các rọ chữ nhật có kích thước quy định. Rọ phải chế tạo thành từng đơn nguyên riêng lẻ có nghĩa là đáy, nắp, đầu và cạnh bên phải đan thành một đơn nguyên riêng lẻ, hoặc một mép của các bộ phận này được liên kết với tiết diện đáy của rọ theo một cách mà cường độ và độ mềm dẻo tại điểm liên kết ít nhất cũng bằng bản thân lưới.
Khi chiều dài rọ vượt quá bề rộng nằm ngang của nó, rọ phải chia đều ra bằng các vách ngăn, loại lưới và cỡ như thân rọ, thành từng ô mà chiều dài ô không vượt quá bề rộng nằm ngang. Rọ được cung cấp với các vách ngăn cần thiết được buộc chắc chắn ở vị trí đúng trên đáy sao cho không cần buộc thêm ở chỗ nối này.
Tất cả các mép chu vi của lưới tạo thành rọ phải kẹp chắc chắn hoặc viền mép để các mối nối buộc tại các mép có cường độ ít nhất như thân lưới.
Sợi thép viền mép qua tất cả các mép (sợi chu vi) không được có đường kính nhỏ hơn 3,76 mm (cỡ sợi thép Mỹ No.9) và phải có cùng cường độ và lớp mạ như lưới thép.
Sợi buộc và liên kết phải được cung cấp với khối lượng đủ để buộc chắc chắn tất cả các mép của rọ và vách và bố trí 4 sợi liên kết chéo trong mỗi ô có chiều cao bằng bề rộng và ít nhất 2 sợi liên kết chéo trong mỗi ô có chiều cao bằng một nửa bề rộng của rọ. Không cần các sợi liên kết chéo khi chiều cao bằng 1/3 bề rộng rọ. Sợi buộc và sợi liên kết phải có cùng cường độ và lớp mạ như sợi dùng trong lưới, trừ việc chúng có thể nhỏ hơn 2 cỡ (0,68 mm).
Thay vì sợi thép buộc, có thể dùng các vòng uốn cong mạ kẽm 2 cỡ (6,668 mm) để liên kết các rọ giáp nhau và giữ các nắp rọ. Khoảng cách giữa các vòng không được vượt quá 150 mm.
Các mối nối thẳng đứng trong công trình đã hoàn thành phải lệch nhau khoảng 1/3 hoặc 1/2 chiều dài của toàn bộ rọ.
7.7.2 Lắp đặt
Các rọ đá phải đặt trên một nền móng nhẵn. Đường tim và cao độ cuối cùng phải được Kỹ sư chấp thuận.
Mỗi rọ phải lắp ráp bằng cách buộc tất cả các mép đứng với nhau bằng sợi thép cách nhau khoảng 150 mm hoặc bằng một sợi thép liên kết liên tục quấn xung quanh các mép đứng cách 100 mm một vòng. Các rọ rỗng phải đặt theo đúng tuyến và cao độ như đã cho trên hồ sơ hợp đồng hoặc theo hướng dẫn của Kỹ sư. Các sợi thép buộc, các vòng cong, hoặc sợi liên kết được dùng để nối các đơn nguyên với nhau theo cùng một cách như mô tả ở trên về việc lắp ráp. Các sợi buộc bên trong phải cách nhau đồng đều và buộc chắc chắn trong mỗi ô của kết cấu.
Có thể dùng thiết bị căng chắn tiêu chuẩn, dây xích ròng rọc hoặc thanh sắt để căng các rọ lưới thép và giữ thẳng hàng.
Các rọ phải đặt đầy đá cẩn thận bằng tay hoặc máy để đảm bảo tuyến thẳng và tránh các chỗ phình với lỗ hổng ít nhất. Phải tiến hành xen kẽ việc bỏ đá và liên kết sợi thép cho tới khi đây rọ. Sau khi rọ đã đầy, nắp phải uốn cong lên trên cho tới khi gặp các cạnh và mép. Sau đó nắp được buộc chắc chắn vào các cạnh các đầu và vách ngăn với sợi thép buộc hoặc sợi liên kết theo cách đã mô tả ở trên đối với việc lắp ráp.
7.8 Đá hộc xây vữa
Đá được lát trên mái dốc như quy định trong Điều 7.5 và được làm ẩm hoàn toàn bằng nước sau khi đặt. Vữa phải rải trong khi đá còn ẩm và phải vào sâu trong các khe để lấp đầy các lỗ rỗng.
Khi bề dày vượt quá 300 mm, đá phải lát thành các lớp 300 mm và mỗi lớp phải rải vữa trước khi lát lớp thứ hai. Các lớp tiếp theo phải thi công và rải vữa trước khi vữa lớp trước đông cứng.
Chỉ được rải vữa khi thời tiết thích hợp và phải bảo vệ chống đóng băng trong ít nhất 4 ngày. Bề mặt phải được bảo dưỡng bằng đất ẩm, thảm ướt hoặc các lớp bảo dưỡng trong ít nhất 3 ngày sau khi rải vữa.
Phải bố trí các lỗ thoát nước qua lớp đá bảo vệ mái dốc như cho trong hồ sơ hợp đồng hoặc theo hướng dẫn của Kỹ sư.
7.9 Bê tông đóng bao
Các bao phải đổ đầy khoảng 0,028 m3 bê tông, để chừa chỗ trên đầu để gấp lại và giữ bê tông trong khi đặt. Ngay sau khi nhồi bê tông, các bao được đặt và giậm chân nhẹ lên cho phù hợp với mặt đất và với các bao bên cạnh.
Phải làm móng có bề dày gấp đôi bằng hai lớp đầu tiên. Lớp móng thứ nhất gồm có 1 hàng 2 bao đặt dọc với chiều dài của bao song song với đường đồng mức của mái dốc ngang bằng và kề sát nhau trong một hào được sửa sang gọn ghẽ. Hào phải ở vị trí đã nêu trong hồ sơ hợp đồng, hoặc theo chỉ dẫn của Kỹ sư, đào theo đúng chiều sâu và chiều rộng để đáp ứng việc đặt 2 lớp mỏng đầu tiên và đào lùi vào trong mái dốc một đoạn đủ để đặt chính xác lớp bao sau đó. Lớp móng thứ hai gồm 1 hàng bao đặt ngang với chiều dài bao vuông góc với các bao đặt dọc và đặt trực tiếp lên hàng bao đặt dọc. Các hàng còn lại gồm các bao đặt dọc và phải đặt với các khe nối lệch nhau.
Trước khi đặt lớp sau, phải quét sạch bùn đất và rác trên mặt bao. Các bao dọc phải đặt không cho các đầu gấp lại tiếp giáp nhau. Các bao ngang phải đặt với đầu gấp loại quay vào mặt đất. Không được đặt quá 4 lớp bao theo chiều thẳng đứng trước khi lớp thứ nhất đã bắt đầu đông cứng.
Khi bê tông không được tỳ hoặc liên kết đúng cách do các lớp kế tiếp nhau được đặt quá chậm trễ, phải đào một hào nhỏ ở sau các hàng bao và nhồi bê tông tươi trước khi đặt các lớp bao sau. Có thể cần đến các lớp bao ngang tại bất kỳ cao độ nào để tạo thêm độ ổn định.
Bê tông đóng bao xếp như vậy phải bảo dưỡng bằng một thảm đất ướt hoặc phun bằng tia nước nhỏ 2 h một lần trong thời gian ban ngày trong 4 ngày.
Phải bố trí các lỗ thoát nước như đã nêu trong hồ sơ hợp đồng hoặc theo chỉ dẫn của Kỹ sư.
7.10 Lát mái dốc bằng bê tông
7.10.1 Tổng quát
Công việc này bao gồm việc thi công mái dốc bằng bê tông xi măng portland đổ tại chỗ hoặc đúc sẵn. Tùy theo sự lựa chọn của Nhà thầu, lát mái dốc đổ tại chỗ có thể thi công hoặc bằng bê tông xi măng portland hoặc bằng vữa phun bằng khí nén. Khi được quy định trong hồ sơ hợp đồng hoặc được Kỹ sư cho phép, công việc này cũng bao gồm cả các bao tấm dệt nhồi bê tông xi măng portland cốt liệu nhỏ.
7.10.2 Lát mái dốc bằng bê tông đổ tại chỗ
Bê tông phải trộn và đổ theo quy định của TCVN 12885-8:2020 và phải rải và đầm nén cho tới khi bê tông được hoàn toàn đầm chặt và vữa nổi lên bề mặt. Nếu mái dốc quá dốc khó có thể sử dụng bê tông đủ ướt để đầm đến khi vữa nổi lên mặt thì bê tông được đầm cho tới khi được lèn chặt và hình thành một bề mặt vữa dày 6 mm thì phải được miết bằng bay ngay lập tức. Vữa phải gồm 1 phần xi măng portland và 3 phần cốt liệu nhỏ. Bề mặt vữa phải được xem như một phân của bê tông.
Sau khi vỗ cho đúng cao độ, bê tông phải xoa tay bằng bàn xoa gỗ. Các mép và khe nối phải được làm mép với dụng cụ làm mép có bán kính 6 mm trước khi trải. Toàn bộ bê mặt phải chải bằng bàn chải đẩy có lông cấu trúc nhỏ để tạo ra bề mặt đồng đều với các dấu vết bản chải song song với mép khoang.
Vữa phun khí nén phải phun và hoàn thiện theo quy định trong TCVN 12885-24:2020.
Các khe co giãn phải đặt theo chiều ngang cách nhau 6.000 mm. Các khe co giãn theo chiều dọc phải đặt tại các vị trí cho trong hồ sơ hợp đồng. Các khe co giãn phải lấp bằng chất nhồi khe co giãn dày 12 mm.
Bê tông đổ tại chỗ và vữa phun bằng khí nén phải được bảo dưỡng theo quy định trong TCVN 12885-8:2020 và TCVN 12885-24:2020 tương ứng.
Phải bố trí các lỗ thoát nước qua mái dốc lát mặt như đã cho trong hồ sơ hợp đồng hoặc theo hướng dẫn của Kỹ sư.
Khi theo quy định hoặc được phép trong hồ sơ hợp đồng, Nhà thầu có thể sử dụng các rọ tấm dệt nhồi đầy bê tông xi măng portland cốt liệu nhỏ bằng cách bơm vào làm hệ thống bảo vệ mái dốc. Yêu cầu của Nhà thầu về việc sử dụng một hệ riêng phải bằng văn bản kèm theo bản vẽ biện pháp thi công và thông tin đầy đủ về các đặc trưng vật liệu thi công và tính năng của hệ thống kiến nghị.
Nếu có yêu cầu trong hồ sơ hợp đồng, phải lấp bằng vật liệu lấp thấm nước như đã nêu. Tại mỗi lỗ thoát nước và lỗ của rãnh, phải đổ 0,057 m3 vật liệu lấp thấm nước bọc trong các vải lọc.
Khi hoàn thành công trình, các hào chân móng phải lấp bằng vật liệu đào lên và không yêu cầu lèn chặt.
7.10.3 Lát mái dốc bằng bê tông đúc sẵn
Các tấm, các khối hoặc các hình khối bê tông đúc sẵn khác phải đặt trên nền cát đệm 75 mm theo sơ đồ đã cho trong hồ sơ hợp đồng. Các khối và hình khối bê tông khác phải đầm lèn kỹ lưỡng tại cho để tạo ra bề mặt bằng phẳng đồng đều và một nền chắc chắn dưới mỗi khối và hình khối.
Trong các khu vực hồ sơ hợp đồng hoặc Kỹ sư yêu cầu chét mạch vữa, các khối phải đặt thành dãy liền có chiều dài chạy song song với mái dốc và có các khe nối 6 mm. Sau khi đặt các khối, trong các khu vực phải chét vữa, phải rải vữa cát trên bề mặt đủ để quét vào trong các khe nối để lấp các khe này đến khi cách bề mặt 100 mm. Các khối phải tưới ướt theo yêu cầu của Kỹ sư trước khi rải vữa. Các khe nối phải lấp đầy vữa lỏng tới mặt trên của khối.
Sau khi đã hoàn thành rải vữa và vữa đã đủ cứng, các khối phải tưới ướt, được phủ và bảo dưỡng bằng các lớp thảm bảo dưỡng hoặc lớp phủ trong 7 ngày đầu sau khi rải vữa.
8 Đo đạc
8.1 Đá hộc và thảm lọc
Đá hộc đặt thủ công, đá hộc đặt bằng máy, đá hộc xây vữa và cốt liệu thảm lọc phải đo theo mét vuông, mét khối hoặc kilogram như quy định trong hồ sơ hợp đồng. Diện tích phải là diện tích thực tế đã làm theo các kích thước giới hạn cho trong hồ sơ hợp đồng, hoặc các kích thước có thể đã được Kỹ sư sửa đổi, đo theo bề mặt bên trên. Nếu đo theo mét khối, thể tích được tính trên cơ sở diện tích đo được và bề dày quy định trong hồ sơ hợp đồng. Nếu tính theo kilogram, khối lượng phải là số kilogram, đo rời, đã đưa vào công trình.
8.2 Bê tông đóng bao
Bê tông đóng bao được đo theo mét khối bê tông đã đổ. Việc đo được dựa trên thể tích máy trộn.
8.3 Đá hộc trong rọ thép
Đá hộc trong rọ thép được đo theo số mét vuông của diện tích bề mặt.
8.4 Lát mái dốc bằng bê tông đổ tại chỗ
Lát mái dốc bằng bê tông đổ tại chỗ hoặc phun vữa bằng khí nén được đo trên cơ sở mét vuông hoặc mét khối. Diện tích là diện tích thực tế đã lát theo các kích thước giới hạn cho trong hồ sơ hợp đồng, hoặc các kích thước có thể đã được Kỹ sư sửa đổi, đo bên trên bề mặt nghiêng. Nếu đo theo mét khối, thể tích được tính dựa trên diện tích đo được và bề dày cho trong hồ sơ hợp đồng. Không đền bù thêm cho bê tông hoặc vữa phun bằng khí nén rải thêm do móng thấp.
8.5 Lát mái dốc bằng bê tông đúc sẵn
Các tấm, các khối hoặc các hình khối bằng bê tông đúc sẵn được đặt để lát mái dốc được đo theo mét vuông tính theo tuyến cho trong hồ sơ hợp đồng hoặc theo chỉ dẫn của Kỹ sư.
8.6 Vải lọc
Vải lọc được đo theo mét vuông trên mặt đất, hoàn thành tại chỗ, không kể các đoạn chờm.
THI CÔNG CẦU ĐƯỜNG BỘ - PHẦN 23: CÁC KIM LOẠI KHÁC
Bridge Construction Specifications - Part 23: Miscellaneous Metal
1 Phạm vi áp dụng
Bộ tiêu chuẩn TCVN 12885:2020 áp dụng đối với công tác thi công các cầu, cống có kết cấu thông thường, sử dụng các công nghệ thi công thông thường trên đường bộ; cũng có thể tham khảo để thi công các cầu, cống trên đường sắt, có yêu cầu kỹ thuật tương tự.
Tiêu chuẩn này quy định các yêu cầu thi công và nghiệm thu, áp dụng đối với công tác cung cấp và lắp đặt các kim loại khác trong kết cấu mà không được quy định ở chỗ khác trong bộ tiêu chuẩn này.
Tiêu chuẩn này được dùng làm cơ sở để xây dựng Chỉ dẫn kỹ thuật thi công đối với công tác nêu trong dự án xây dựng cầu đường bộ.
2 Tài liệu viện dẫn
Các tài liệu viện dẫn sau là cần thiết cho việc áp dụng tiêu chuẩn này. Đối với các tài liệu viện dẫn ghi năm công bố thì áp dụng phiên bản được nêu. Đối với các tài liệu viện dẫn không ghi năm công bố thì áp dụng phiên bản mới nhất, bao gồm cả các sửa đổi, bổ sung (nếu có).
TCVN 12885-11:2020, Thi công cầu đường bộ - Phần 11: Kết cấu thép.
HM-WB, Standard Specifications for Transportation Materials and Methods of Sampling and Testing, 2017 (Tiêu chuẩn kỹ thuật đối với vật liệu giao thông và phương pháp lấy mẫu và thử nghiệm).
ASTM A36/A36M, Standard Specification for Carbon Structural Steel (Tiêu chuẩn kỹ thuật đối với thép kết cấu bằng Carbon).
ASTM A307, Standard Specification for Carbon Steel Bolts, Studs, and Threaded Rod 60 000 PSI Tensile Strength (Tiêu chuẩn kỹ thuật đối với bu lông, đinh tán và thanh ren bằng thép carbon độ bền kéo 60 000 PSI).
ASTM A325M, Standard Specification for Structural Bolts, Steel, Heat Treated 830 MPa Minimum Tensile Strength [Metric] (Tiêu chuẩn kỹ thuật đối với bu lông kết cấu, thép, xử lý nhiệt, độ bền kéo tối thiểu 830 MPa [hệ mét]).
ASTM A48/A48M, Standard Specification for Gray Iron Castings (Tiêu chuẩn kỹ thuật đối với gang đúc xám).
ASTM F3125/A3125M, Standard Specification for High Strength Structural Bolts, Steel and Alloy Steel, Heat Treated, 120 ksi (830 MPa) and 150 ksi (1040 MPa) Minimum Tensile Strength, Inch and Metric Dimensions (Tiêu chuẩn kỹ thuật đối với bu lông kết cấu cường độ cao, thép và thép hợp kim, xử lý nhiệt, độ bền kéo tối thiểu 120 ksi (830 MPa) và 150 ksi (1040 MPa), kích thước inch và mét).
3 Thuật ngữ và định nghĩa
Tiêu chuẩn này sử dụng các thuật ngữ và định nghĩa nêu trong TCVN 12885-1:2020 và các thuật ngữ, định nghĩa sau:
3.1
Các kim loại khác (Miscellaneous Metal)
Bất kỳ hạng mục kim loại nào khác trong kết cấu mà không quy định ở chỗ khác trong bộ tiêu chuẩn này, và được mô tả như Điều 4 dưới đây.
4 Mô tả
Công việc này bao gồm nhưng không chỉ giới hạn trong các hạng mục sau:
- Bọc thép khe co giãn mặt cầu, và các khe co giãn kiểu tấm trượt và khe răng lược.
- Khung và nắp cửa cống, ống thoát nước, khung và cổng cống, thang hoặc thanh thang, nắp cửa vào và các bộ cửa vào.
- Các hạng mục khác được xác định rõ là kim loại khác trong hồ sơ hợp đồng.
5 Vật liệu
Các kim loại khác được thi công bằng vật liệu phù hợp với tiêu chuẩn vật liệu của AASHTO hoặc ASTM sau đây:
Bảng 1 - Yêu cầu vật liệu của các kim loại khác
| Vật liệu | Tiêu chuẩn |
| Thanh thép, thép tấm và thép hình | ASTM A36/ A36M Cấp 36 (Cấp 250) |
| Bulông và đai ốc | tASTM A307 |
| Bulông, đai ốc và vòng đệm cường độ cao | ASTM A325/A325M |
| Vật đúc bằng thép | Theo Điều 6.5 "Thép đúc" của TCVN 12885-11:2020 |
| Vật đúc bằng sắt xám | AASHTO M105 hoặc ASTM A48/A48M Loại 30 |
| Tấm lá kim loại | Chất lượng thương mại |
6 Chế tạo
Việc chế tạo các hạng mục kim loại khác phải thực hiện theo công nghệ trong các nhà máy hiện đại. Các rìa xờm, mép cạnh thô và sắc và vết rạn nứt khuyết tật khác phải được tẩy bỏ. Các tẩm bị oằn phải nắn thẳng sau khi chế tạo và mạ kẽm.
7 Mạ kẽm
Trừ khi có quy định khác trong hồ sơ hợp đồng, tất cả các hạng mục thép, không chôn ít nhất 50 mm trong bê tông, các nắp và khung đường người đi đúc bằng sắt phải mạ kẽm theo Điều 6.7 của TCVN 12885-11:2020. Bu lông cường độ cao phải phù hợp với ASTM F3125 và yêu cầu của Phụ lục A1. Các bộ lắp ráp phải được mạ kẽm sau khi chế tạo.
8 Đo đạc
Việc đo đạc các kim loại khác phải theo khối lượng. Khi Kỹ sư yêu cầu, mỗi chuyến giao hàng phải kèm theo một thẻ trọng lượng do đốc công cân có xác nhận. Không cần cân khối lượng khi các khối lượng tính toán đã cho trong hồ sơ hợp đồng, trong trường hợp đó khối lượng này được dùng làm cơ sở thanh toán.
THI CÔNG CẦU ĐƯỜNG BỘ - PHẦN 24: VỮA PHUN BẰNG KHÍ NÉN
Bridge Construction Specifications - Part 24: Pneumatically Applied Mortar
1 Phạm vi áp dụng
Bộ tiêu chuẩn TCVN 12885:2020 áp dụng đối với công tác thi công các cầu, cống có kết cấu thông thường, sử dụng các công nghệ thi công thông thường trên đường bộ; cũng có thể tham khảo để thi công các cầu, cống trên đường sắt, có yêu cầu kỹ thuật tương tự.
Tiêu chuẩn này quy định các yêu cầu thi công và nghiệm thu, áp dụng đối với công tác cung cấp và phun vữa bằng khí nén cho thi công các bộ phận của kết cấu, sửa chữa kết cấu bê tông, cấu trúc bề mặt bê tông, bọc cấu kiện kết cấu thép, lót rãnh và mương, lát mái dốc và các công việc khác trong thi công cầu.
Tiêu chuẩn này được dùng làm cơ sở để xây dựng Chỉ dẫn kỹ thuật thi công đối với công tác nêu trên trong dự án xây dựng cầu đường bộ.
2 Tài liệu viện dẫn
Các tài liệu viện dẫn sau là cần thiết cho việc áp dụng tiêu chuẩn này. Đối với các tài liệu viện dẫn ghi năm công bố thì áp dụng phiên bản được nêu. Đối với các tài liệu viện dẫn không ghi năm công bố thì áp dụng phiên bản mới nhất, bao gồm cả các sửa đổi, bổ sung (nếu có).
TCVN 11823:2017, Thiết kế cầu đường bộ.
TCVN 12885-3:2020, Thi công cầu đường bộ - Phần 3: Công trình tạm.
TCVN 12885-8:2020, Thi công cầu đường bộ - Phần 8: Kết cấu bê tông.
TCVN 12885-9:2020, Thi công cầu đường bộ - Phần 9: Cốt thép.
LRFD-8, AASHTO LRFD Bridge Design Specifications, 2017 (Tiêu chuẩn thiết kế cầu).
HM-WB, Standard Specifications for Transportation Materials and Methods of Sampling and Testing, 2017 (Tiêu chuẩn kỹ thuật đối với vật liệu giao thông và phương pháp lấy mẫu và thử nghiệm).
HB-17, Standard Specifications for Highway Bridges, 2002 (Tiêu chuẩn kỹ thuật đối với cầu đường bộ).
ASTM D448, Standard Classification for Sizes of Aggregate for Road and Bridge Construction (Tiêu chuẩn phân loại kích thước cốt liệu cho xây dựng cầu đường).
3 Thuật ngữ và định nghĩa
Tiêu chuẩn này sử dụng các thuật ngữ và định nghĩa nêu trong TCVN 12885-1:2020 và các thuật ngữ, định nghĩa sau:
3.1
Vữa phun (Fresh motar)
Hỗn hợp của một hay nhiều chất kết dính vô cơ, cốt liệu nhỏ và nước, có thể có hoặc không có phụ gia.
3.2
Bu lông neo (Anchor bolt)
Được sử dụng để liên kết các bộ phận kết cấu và phi kết cấu với bê tông. Liên kết được thực hiện bằng cách lắp ráp các thành phần khác nhau như: bu lông neo, tấm thép, tấm đệm. Bu lông neo truyền các loại tải trọng khác nhau: lực căng và lực cắt.
3.3
Đinh neo (Studs)
Neo bê tông mà, sau khi được lắp vào bê tông, có một phần ren nhô lên khỏi bề mặt bê tông.
4 Mô tả
Công việc này bao gồm việc cung cấp và phun vữa bằng khí nén cho việc thi công các bộ phận của kết cấu, sửa chữa kết cấu bê tông, cấu trúc bề mặt bê tông, bọc cấu kiện kết cấu thép, lót rãnh và mương, lát mái dốc và các công việc khác, như quy định trong hồ sơ hợp đồng.
Công việc này cũng bao gồm việc chuẩn bị các bề mặt để tiếp nhận vữa, cung cấp và đặt cốt thép và neo để gia cường.
Vữa phun bằng khí nén gồm có cốt liệu nhỏ trộn khô và xi măng portland phun bằng khí nén với thiết bị thích hợp, nước được cho vào hỗn hợp này ngay trước khi đẩy ra khỏi vòi phun, hoặc vữa được trộn bằng cơ giới và phun bằng khí nén qua vòi phun lên bề mặt đã chuẩn bị.
5 Vật liệu
5.1 Xi măng, cốt liệu, nước và phụ gia
Khi sử dụng, xi măng, cốt liệu, nước và phụ gia phù hợp với yêu cầu của TCVN 12885-8:2020. Cốt liệu phải là cốt liệu nhỏ, trừ việc có tới 30 % cốt liệu thô, phù hợp với AASHTO M43 (ASTM D448) đối với cỡ No.8 (9,5 mm đến 2,36 mm) hoặc cỡ No.16 (9,5 mm đến 1,18 mm), có thể thay cho cốt liệu nhỏ.
Có thể dùng lại cốt liệu bị rơi vãi được thu nhặt lại, nếu còn sạch và không có vật lạ, làm cốt liệu nhỏ với khối lượng không vượt quá 20 % tổng số cốt liệu nhỏ yêu cầu.
5.2 Cốt thép
Cốt thép phù hợp với yêu cầu của TCVN 12885-9:2020.
5.3 Bu lông neo hoặc đinh neo
Đinh neo sử dụng để đỡ tấm sợi thép hoặc các thanh cốt thép khi phun vữa lên bê tông hiện có hoặc đá gồm có bulông móc nở ra được có đường kính tối thiểu 6 mm đặt trong các lỗ khoan. Mỗi bu lông phải chôn đủ sâu trong vật xây chắc để chống lại lực kéo bằng 0,67 kN.
Khi Kỹ sư cho phép, đinh neo thép có đường kính không nhỏ hơn 3 mm và chiều dài tối thiểu bằng 50 mm có thể được sử dụng. Thiết bị dùng để đóng các đinh này phải là loại sử dụng chất nổ làm lực đóng, và phải có khả năng đóng đinh hoặc chốt tới chiều sâu yêu cầu mà không làm hư hỏng bê tông xung quanh.
6 Định tỷ lệ cấp phối và trộn
6.1 Định tỷ lệ cấp phối
Nhà thầu cần đệ trình cho Kỹ sư bản tính hỗn hợp kiến nghị để được chấp thuận trước khi bắt đầu công việc.
Trừ khi có quy định khác, việc tính hỗn hợp phải định ra tỷ lệ xi măng trên cốt liệu, dựa trên thể tích khô rời không nhỏ hơn 1:3,5 đối với thi công và sửa chữa kết cấu bê tông và bọc cấu kiện thép, hoặc không nhỏ hơn 1:5 đối với việc lót mương rãnh và lát mái dốc.
Hàm lượng nước phải thấp đến mức độ thích hợp và phải điều chỉnh để hỗn hợp đủ ướt để dính tốt và đủ khô để không bị chảy xệ xuống hoặc rơi từ các bề mặt thẳng đứng hoặc nghiêng hoặc tách khỏi công trình nằm ngang.
6.2 Trộn
Việc trộn được thực hiện theo quy trình trộn khô hoặc trộn ướt. Trước khi được đổ vào trong thiết bị phun vữa, các vật liệu phải được trộn kỹ và đồng đều trong máy trộn được thiết kế để dùng cho máy khí nén. Có thể là máy trộn kiểu có cánh khuấy hoặc thùng quay, có thể dùng thiết bị và phương pháp trộn trong quá trình vận chuyển đối với quy trình trộn ướt.
7 Chuẩn bị bề mặt
7.1 Bề mặt đất
Khi phun vữa lên đất bằng khí nén, diện tích khu đất phải được san chính xác theo các kích thước như quy định trong hồ sơ hợp đồng và phải lèn chặt hoàn hảo, đủ độ ẩm để tạo thành móng vững chắc và không hút nước của vữa, nhưng không được có nước tự do trên mặt.
Khi cho trong hồ sơ hợp đồng, phải bố trí các khe nối, các ván khuôn bên, các tấm đặt ngang, các dải chắn để chặn và chia ô. Phải dùng dây căng trên đất hoặc dây chuẩn khi cần thiết để xác định bề dày, các mặt phẳng bề mặt và các tuyến tim hoàn thiện.
7.2 Bề mặt ván khuôn
Khi vữa được phun bên trong ván khuôn, ván khuôn phù hợp với yêu cầu của TCVN 12885-3:2020.
7.3 Bề mặt bê tông hoặc đá
Khi vữa được phun trên bê tông hoặc đá, phải loại bỏ các vật liệu bị biến chất hoặc rời rạc bằng cách đục đẽo bằng dụng cụ khí nén hoặc cầm tay. Các vai đường vuông vắn hoặc xẻ rãnh ngầm được cắt sâu khoảng 25 mm dọc chu vi diện tích cần sửa chữa. Bề mặt phải thổi cát nếu cần để làm sạch gỉ trên thép lộ ra và tạo ra một bề mặt sạch sẽ có cấu trúc nhám trên bê tông hoặc đá. Bê mặt trên đó sẽ rải vữa phải giữ cho ướt trong ít nhất 1 h và sau đó để khô tới tình trạng khô bề mặt ngay trước khi rải vữa.
8 Lắp đặt
8.1 Đặt cốt thép
Khi có yêu cầu, cốt thép phải đặt theo đúng yêu cầu của TCVN 12885-9:2020.
Cốt thép trong công trình mới phải đặt theo quy định trong hồ sơ hợp đồng và buộc chắc chắn để đảm bảo không bị xê dịch do tác động của vữa phun bằng khí nén trong khi phun.
Với công việc sửa chữa, cốt thép được đỡ trên các đinh neo đặt trong vật xây hiện có trừ khi Kỹ sư cho rằng cốt thép hiện có trong khu vực sửa chữa đã đủ để sửa chữa. Neo phải đặt cách tâm đến tâm không quá 300 mm, ở các bề mặt trên trần (ngửa); 450 mm, tâm tới tâm, trên các bề mặt thẳng đứng và 900 mm, tâm tới tâm ở các bề mặt nằm ngang trên đỉnh. Ít nhất trong mỗi khu vực vá riêng biệt phải dùng 3 neo.
Kỹ sư phải được thông báo trước ngày bắt đầu công việc đặt neo. Vị trí các chốt neo phải sao cho không làm hư hỏng thanh căng tạo ứng suất trước hoặc các đường ống nằm trong bê tông.
Trừ khi có quy định khác trong hồ sơ hợp đồng, đối với việc sửa chữa, các diện tích miếng vá mà bề dày vữa vượt quá 38 mm phải gia cường bằng 1 lớp tấm lưới sợi thép hàn 50 x 50 - MW8 x MW8 hoặc 75 x 75 - MW10 x MW10. Với các khu vực mà bề dày vữa vượt quá 100 mm, cứ mỗi chiều dày vữa 100 mm của miếng vá hoặc một phần của nó lại phải đặt một lớp tấm lưới. Các tấm lưới phải đặt song song với bề mặt dự định hoàn thiện. Mỗi tấm lưới phải được bọc hoàn toàn trong vữa khi đã bắt đầu đông cứng trước khi đặt tấm lưới kế tiếp. Tấm lưới được đỡ liền kề với bề mặt vật xây đã được chuẩn bị không được gần bề mặt này quá 12 mm. Tấm lưới phải được uốn trước cẩn thận trước khi lắp đặt để khớp với các góc cạnh và các góc lõm, và trong mọi trường hợp không được bật nẩy tại chỗ.
Các hạng mục thép, kể cả neo, thanh cốt thép hoặc tấm lưới sợi thép, không được nằm cách mặt vữa hoàn thiện gần hơn 25 mm.
8.2 Phun vữa
Chỉ được dùng người có kinh nghiệm và phải có chứng cứ đầy đủ là có kinh nghiệm về việc này khi Kỹ sư yêu cầu.
Vữa được phun bằng thiết bị nén khí nén sẽ được phun với tốc độ cao vào bề mặt đã chuẩn bị để tạo ra khối vữa được lèn chặt đồng đều. Máy nén khí và tuyến ống dẫn khí phải có khả năng và kích cỡ thích hợp để tạo ra áp lực tối thiểu bằng 0,24 MPa tại vòi phun với các vòi phun 25 mm và lớn hơn theo tỷ lệ với các vòi phun lớn hơn. Tốc độ vật liệu khi ra khỏi vòi phun phải duy trì đồng đều với tốc độ được xác định đối với các điều kiện công việc đã cho để tạo ra mức độ vữa bật trở lại tối thiểu.
Nước được cho thêm tại vòi phun phải có áp lực đồng đều lớn hơn áp lực khí nén tại vòi phun không dưới 0,1 MPa.
Vữa được phun với mức độ khô có thể thực hiện được để phòng nứt do co ngót. Phải dùng các dải chặn để đảm bảo các góc mép được vuông, tuyển thẳng và bề mặt vữa phẳng, trừ khi quy định trong hồ sơ hợp đồng hoặc được Kỹ sư cho phép làm khác. Các dải này phải đặt sao cho vữa bật trở lại ít nhất. Cuối mỗi ngày làm việc, hoặc các thời kỳ ngừng việc tương tự cần đến mạch nối thi công, vữa phải vuốt dốc thành một mép mỏng. Trước khi phun một đoạn tiếp giáp, phải làm sạch mối nối thi công và làm ướt theo yêu cầu trong Điều 7. Khi phun các bề mặt, dòng vật liệu phun ra từ vòi phải đập vào bề mặt được phủ càng gần vuông góc càng tốt, và vòi phun phải giữ cách bề mặt phủ từ 600 mm đến 1.200 mm.
Cần phun đủ số lớp để có bề dày yêu cầu. Trên các bề mặt thẳng đứng và trên đầu, bề dày mỗi lớp không được lớn hơn 25 mm trừ khi được Kỹ sư chấp thuận, phải phun sao cho lớp vữa không bị xệ xuống hoặc không làm giảm liên kết của lớp trước. Khoảng thời gian giữa các lớp kế tiếp nhau trên các bề mặt dốc, thẳng đứng hoặc nhô ra phải đủ đề vữa bắt đầu khô nhưng chưa kết thúc đông kết. Lúc bắt đầu đông kết, bề mặt phải được làm sạch để loại bỏ màng sữa xi măng mỏng để tạo ra dính kết cho lớp sau.
Phải làm sạch cát bắn ra hoặc cát rời tích lại trên bề mặt phủ trước khi rải lớp vữa đầu tiên hoặc các lớp kế tiếp và không được để chúng nằm trong công trình.
Vật liệu đã trộn quá 45 min và chưa đưa vào công trình không được sử dụng, trừ khi được Kỹ sư cho phép.
Sau khi bảo dưỡng và trước khi nghiệm thu cuối cùng, các khu vực sửa chữa đều phải làm tốt. Các khu vực không chắc và nứt nẻ đều phải loại bỏ và thay thế.
8.2.1 Giới hạn về thời tiết
Không được phun vữa bằng khí nén trên bề mặt khi nhiệt độ xung quanh thấp dưới 5 °C, hoặc khi dự đoán nhiệt độ trong 24 h tới sẽ thấp dưới 0 °C.
Phải ngừng việc phun vữa bằng khí nén nếu có gió lớn cản trở việc phun vữa hoặc có mưa có thể làm trôi vữa đã phun.
8.2.2 Bảo vệ công trình lân cận
Trong khi công việc tiến triển, nơi nào dáng vẻ mặt ngoài là quan trọng, các công trình lân cận có thể vĩnh viễn mất mầu, ố, hoặc hư hỏng khác do phun vữa quá phạm vi, bụi hoặc vữa bật vào, các công trình này phải được che chắn cẩn thận, nếu đã bị dính vữa phải cạo, chải hoặc rửa sớm, khi các vật xung quanh cho phép.
8.3 Hoàn thiện
Sau khi vữa đã phun tới bề dày mong muốn, dùng một cái bay cạo hết các chỗ cao hoặc gạt tới mặt phẳng đúng như đã xác định bằng các dải chắn hoặc đúng theo bề mặt vật xây trước đây, hoặc theo chỉ dẫn. Khi sử dụng các tấm gạt phải đặt nhẹ vào các bề mặt để không làm xáo trộn vữa ở một chiều sâu đáng kể và chúng được gạt ra theo chiều từ dưới lên trên các bề mặt thẳng đứng. Trừ khi có quy định khác trong hồ sơ hợp đồng, bề mặt vữa hoàn thiện phải có 1 lớp vữa nhẵn bóng khoảng 3 mm. Phải chú ý đặc biệt để đạt được một dáng vẻ mặt ngoài đồng đều trên các bề mặt lộ ra.
8.4 Bảo dưỡng và bảo vệ
Vữa phun bằng khí nén phải bảo dưỡng bằng nước theo yêu cầu của Điều 14.3.2 của TCVN 12885- 8:2020. Thời gian bảo dưỡng nước tối thiểu là 96 h.
9 Đo đạc
Khối lượng vữa phun bằng khí nén được đo hoặc theo m2, hoặc theo m3 theo quy định trong hồ sơ hợp đồng.
Đo theo m2 phải dựa trên việc đo diện tích bề mặt đã phun vữa được nghiệm thu trong công trình, đo theo mặt phẳng hoặc cong của mỗi bề mặt. Việc đo m3 được dựa trên các kích thước của công việc này cho trong hồ sơ hợp đồng theo hướng dẫn của Kỹ sư.
THI CÔNG CẦU ĐƯỜNG BỘ - PHẦN 25: VỎ HẦM BÊ TÔNG VÀ THÉP
Bridge Construction Specifications - Part 25: Steel and Concrete Tunnel Liners
1 Phạm vi áp dụng
Bộ tiêu chuẩn TCVN 12885:2020 áp dụng đối với công tác thi công các cầu, cống có kết cấu thông thường, sử dụng các công nghệ thi công thông thường trên đường bộ; cũng có thể tham khảo để thi công các cầu, cống trên đường sắt, có yêu cầu kỹ thuật tương tự.
Tiêu chuẩn này quy định các yêu cầu thi công và nghiệm thu, áp dụng đối với công tác cung cấp tấm vỏ hầm bằng thép dập nguội hoặc tấm bê tông đúc sẵn, lắp đặt các tấm này vào vị trí được chỉ định theo tuyến và cao độ, tạo thành lớp vỏ hoàn chỉnh, trong hầm được thi công bằng phương pháp đào hầm thông thường.
Tiêu chuẩn này được dùng làm cơ sở để xây dựng Chỉ dẫn kỹ thuật thi công đối với công tác nêu trên trong dự án xây dựng cầu đường bộ.
2 Tài liệu viện dẫn
Các tài liệu viện dẫn sau là cần thiết cho việc áp dụng tiêu chuẩn này. Đối với các tài liệu viện dẫn ghi năm công bố thì áp dụng phiên bản được nêu. Đối với các tài liệu viện dẫn không ghi năm công bố thì áp dụng phiên bản mới nhất, bao gồm cả các sửa đổi, bổ sung (nếu có).
TCVN 11823:2017, Thiết kế cầu đường bộ.
TCVN 12885-8:2020, Thi công cầu đường bộ - Phần 8: Kết cấu bê tông.
LRFD-8, AASHTO LRFD Bridge Design Specifications, 2017 (Tiêu chuẩn thiết kế cầu).
3 Thuật ngữ và định nghĩa
Tiêu chuẩn này sử dụng các thuật ngữ và định nghĩa nêu trong TCVN 12885-1:2020 và các thuật ngữ, định nghĩa sau:
3.1
Vỏ hầm (Tunnel liner)
Kết cấu bằng bê tông hoặc thép được lắp đặt trong không gian của hầm nhằm duy trì kích thước hầm và điều kiện làm việc trong không gian hầm.
4 Mô tả
Công việc này gồm có việc cung cấp tấm vỏ hầm bằng thép dập nguội hoặc tấm bê tông đúc sẵn phù hợp với các quy định này có cỡ và kích thước yêu cầu trong hồ sơ hợp đồng, lắp đặt các tấm này vào vị trí được chỉ định trong hồ sơ hợp đồng hoặc do Kỹ sư, theo tuyến và cao độ do Kỹ sư xác lập. Lớp vỏ hoàn chỉnh phải gồm các tấm vỏ ghép với nhau theo các khe nối đặt so le nhau.
Tấm vỏ hầm bằng thép phải là loại có thể mua được ở thị trường. Tấm vỏ hầm bằng bê tông đúc sẵn phải có kích thước và hình dạng phù hợp với phương pháp và thiết bị được sử dụng để lắp đặt chúng.
5 Vật liệu chế tạo
5.1 Tổng quát
Tấm vỏ bằng thép mô tả ở đây phải đáp ứng các tính chất mặt cắt về bề dày, diện tích và mômen quán tính cho trong hồ sơ hợp đồng. Nếu không cho trong hồ sơ hợp đồng, các tính chất phải theo như liệt kê trong Điều 12.13.3 của LRFD-8 hoặc TCVN 11823:2017.
Các tấm thép phải liên kết bằng bu lông trên đường nối dọc và nối chu vi và phải chế tạo sao để có thể lắp dựng hoàn toàn từ phía trong hầm. Cỡ và tính chất bu lông phải theo đúng tiêu chuẩn của Nhà sản xuất nhưng không được nhỏ hơn quy định trong Điều 12.13.3.3 của LRFD-8 hoặc TCVN 11823:2017.
Lỗ vữa có đường kính 50 mm hoặc lớn hơn được bố trí như trong hồ sơ hợp đồng để cho phép phun vữa trong khi việc lắp dựng các tấm vỏ hầm tiến triển.
Tấm vỏ hầm bằng bê tông đúc sẵn phải phù hợp với các chi tiết cho trong hồ sơ hợp đồng và yêu cầu của TCVN 12885-8:2020. Nếu không cho các chi tiết này trong hồ sơ hợp đồng, cho phép Nhà thầu kiến nghị việc sử dụng các tấm vỏ hầm. Nhà thầu cần đệ trình bản vẽ biện pháp thi công để Kỹ sư chấp thuận. Bản vẽ như vậy phải mô tả các vật liệu sử dụng, kích thước tấm, các chi tiết cốt thép, các chi tiết liên kết và các phương pháp lắp dựng. Việc chế tạo các tấm vỏ hầm bê tông mà Nhà thầu đề nghị sử dụng không được tiến hành khi bản vẽ biện pháp thi công chưa được chấp thuận. Việc chấp thuận này không làm giảm nhẹ trách nhiệm của Nhà thầu theo hợp đồng đối với việc hoàn thành công trình.
5.2 Chế tạo và đột lỗ tấm vỏ bằng thép
Tấm vỏ phải chế tạo có các mặt bích nối ở chu vi. Đường nối dọc có thể có mặt bích nối hoặc nối kiểu chông mép. Tấm phải đột lỗ bu lông trên cả mối nối dọc và mối nối chu vi. Khoảng cách bu lông trên các mặt bích chu vi phải theo khoảng cách tiêu chuẩn của Nhà sản xuất và phải là bội số của chiều dài tấm để cho các tấm có cùng độ cong có thể đổi lẫn cho nhau và cho phép đặt so le các mối nối dọc. Khoảng cách bu lông tại các mối nối dọc có mặt bích phải theo khoảng cách tiêu chuẩn của Nhà sản xuất. Với các đường nối chồng mép, cỡ và khoảng cách bu lông phải theo tiêu chuẩn của Nhà sản xuất nhưng không được nhỏ hơn yêu cầu đối với cường độ mối nối dọc quy định trong Điều 12.13.3.3 của LRFD-8 hoặc TCVN 11823:2017.
6 Lắp đặt
6.1 Tấm vỏ bằng thép
Tấm vỏ bằng thép phải là một loại đối với toàn bộ chiều dài của một hầm quy định, được thi công theo loại có mặt bích nối hoặc loại mối nối chồng mép.
Tấm vỏ phải được lắp ráp theo hướng dẫn của Nhà sản xuất.
Tấm vỏ thép có lớp phủ phải thao tác theo cách nào đó để không làm sứt sẹo, bong hoặc rạn nứt lớp phủ. Bất cứ tấm nào bị hư hỏng trong khi thao tác hoặc lắp đặt phải được Nhà thầu thay thế, trừ các khu vực nhỏ bị hư hỏng nhẹ có thể được Nhà thầu sửa chữa theo chỉ dẫn của Kỹ sư.
6.2 Tấm vỏ bằng bê tông đúc sẵn
Việc lắp đặt tấm vỏ hầm bằng bê tông đúc sẵn chỉ được bắt đầu sau khi nhận được sự chấp thuận về bản vẽ biện pháp thi công đã đệ trình theo yêu cầu của Điều 5.1. Việc lắp đặt phải phù hợp với các phương pháp lắp dựng được quy định hoặc chấp thuận.
6.3 Phun vữa
Khi có yêu cầu của Kỹ sư, khoảng hở giữa tấm vỏ và tường hầm phải được phun ép vữa. Vữa phải phun ép qua các lỗ vữa trong các tấm với áp lực đủ để lấp kín hoàn toàn các lỗ hổng.
7 Đo đạc
Chiều dài lớp lót hầm được đo đạc theo mét dài, đo dọc tấm vỏ hầm ngửa.
THI CÔNG CẦU ĐƯỜNG BỘ - PHẦN 26: CỐNG KIM LOẠI
Bridge Construction Specifications - Part 26: Metal Culverts
1 Phạm vi áp dụng
Bộ tiêu chuẩn TCVN 12885:2020 áp dụng đối với công tác thi công các cầu, cống có kết cấu thông thường, sử dụng các công nghệ thi công thông thường trên đường bộ; cũng có thể tham khảo để thi công các cầu, cống trên đường sắt, có yêu cầu kỹ thuật tương tự.
Tiêu chuẩn này quy định các yêu cầu thi công và nghiệm thu, áp dụng đối với công tác cung cấp, chế tạo, lắp đặt và kiểm tra ống kim loại, ống bằng tấm kim loại kết cấu, vòm, vòm ống, kết cấu hộp, kết cấu lượn sóng dày, và ống nhựa nhiệt dẻo tăng cường thép, trong thi công cầu.
Tiêu chuẩn này được dùng làm cơ sở để xây dựng Chỉ dẫn kỹ thuật thi công đối với công tác nêu trên trong dự án xây dựng cầu đường bộ.
2 Tài liệu viện dẫn
Các tài liệu viện dẫn sau là cần thiết cho việc áp dụng tiêu chuẩn này. Đối với các tài liệu viện dẫn ghi năm công bố thì áp dụng phiên bản được nêu. Đối với các tài liệu viện dẫn không ghi năm công bố thì áp dụng phiên bản mới nhất, bao gồm cả các sửa đổi, bổ sung (nếu có).
TCVN 11823:2017, Thiết kế cầu đường bộ.
TCVN 11823-12:2017, Thiết kế cầu đường bộ - Kết cấu vùi và áo hầm.
LRFD-8, AASHTO LRFD Bridge Design Specifications, 2017 (Tiêu chuẩn thiết kế cầu).
HM-WB, Standard Specifications for Transportation Materials and Methods of Sampling and Testing, 2017 (Tiêu chuẩn kỹ thuật đối với vật liệu giao thông và phương pháp lấy mẫu và thử nghiệm).
ASTM A760/A760M, Standard Specification for Corrugated Steel Pipe, Metallic-Coated for Sewers and Drains (Tiêu chuẩn kỹ thuật đối với ống thép lượn sóng, mạ kim loại cho cống và thoát nước).
ASTM B745/B745M, Standard Practice for Ultrasonic Examination of Austenitic Steel Forgings (Tiêu chuẩn thực hành để kiểm tra siêu âm của thép rèn không gỉ).
ASTM A761/A761M, Standard Specification for Corrugated Steel Structural Plate, Zinc-Coated, for FieldBolted Pipe, Pipe-Arches, and Arches (Tiêu chuẩn kỹ thuật đối với tấm kết cấu thép lượn sóng, mạ kẽm, cho ống lắp bu lông tại hiện trường, vòm ống và vòm).
ASTM B746/B746M, Standard Specification for Ductile Iron Gravity Sewer Pipe (Tiêu chuẩn kỹ thuật đối với ống cống trọng lực bằng gang dẻo).
ASTM F468, Standard Specification for Nonferrous Bolts, Hex Cap Screws, Socket Head Cap Screws, and Studs for General Use (Tiêu chuẩn kỹ thuật đối với bu lông kim loại màu, vít mũ lục giác, vít có lô đặt chìa vặn và đinh tán để sử dụng chung).
ASTM A307, Standard Specification for Carbon Steel Bolts, Studs, and Threaded Rod 60 000 PSI Tensile Strength (Tiêu chuẩn kỹ thuật đối với bu lông, đinh tán và thanh ren bằng thép carbon độ bền kéo 60 000 PSI).
ASTM A742/A742M, Standard Specification for Steel Sheet, Metallic Coated and Polymer Precoated for Corrugated steel Pipe (Tiêu chuẩn kỹ thuật đối với tấm thép, tráng kim loại và phủ trước polymer cho ống thép lượn sóng).
ASTM D2487, Standard Practice for Classification of Soils for Engineering Purposes (Unified Soil Classification System) (Tiêu chuẩn thực hành để phân loại đất cho mục đích kỹ thuật (hệ thống phân loại đất thống nhất)).
ASTM A449, Standard Specification for Hex Cap Screws, Bolts and Studs, Steel, Heat Treated, 120/105/90 ksi Minimum Tensile Strength, General Use (Tiêu chuẩn kỹ thuật đối với ốc vít, bu lông và đinh tán lục giác, thép, xử lý nhiệt, độ bền kéo tối thiểu 120/105/90 ksi, sử dụng chung.
AASHTO/AWS D1.5M/D1.5, Bridge Welding Code (Tiêu chuẩn hàn cầu).
AWS D1.2/D1,2M, Structural Welding Code - Aluminum (Tiêu chuẩn hàn kết cấu - Nhôm).
3 Thuật ngữ và định nghĩa
Tiêu chuẩn này sử dụng các thuật ngữ và định nghĩa nêu trong TCVN 12885-1:2020 và các thuật ngữ, định nghĩa sau:
3.1
Cống (Culvert)
Kết cấu vùi mặt cắt ngang hình cong hoặc hình chữ nhật để thoát nước, hoặc cho xe cộ, tiện ích công cộng hay người đi bộ đi qua.
3.2
Ống kim loại lượn sóng (Corrugated Metal Pipe)
Loại ống vật liệu mềm (CMP), mà khả năng chịu lực của kết cấu ống lấy một phần từ cường độ và độ cứng tương đối của vật liệu lấp chèn bao quanh. Tương tác giữa vật liệu chèn lấp và ống CMP tạo ra khả năng của ống chịu được tải trọng khai thác.
3.3
Cống ống nhiệt dẻo tăng cường thép (Steel-Reinforced Thermoplastic Culvert)
Ống có bộ phận chịu lực chính là sườn thép được bao bọc bởi vật liệu dẻo nhiệt mà có thể giằng các sườn thép khỏi bị xoắn và mất ổn định.
4 Tổng quát
Công việc này bao gồm việc cung cấp, chế tạo, lắp đặt và kiểm tra ống kim loại, ống bằng tấm kim loại kết cấu, vòm, vòm ống, kết cấu hộp, kết cấu lượn sóng dày, và ống nhựa nhiệt dẻo tăng cường thép phù hợp với Tiêu chuẩn này và quy định cho trong hồ sơ hợp đồng. Như được dùng trong Tiêu chuẩn này, kết cấu khẩu độ lớn là các ống bằng tấm kim loại hình elip ngang, hình quả lê ngược và vòm có bán kính thay đổi và các cống có hình dạng đặc biệt được xác định trong Phần 12 của LRFD-8 hoặc TCVN 11823:2017.
5 Bản vẽ biện pháp thi công
Khi có quy định hoặc yêu cầu của Kỹ sư, Nhà thầu cần cung cấp các hướng dẫn lắp ráp của Nhà sản xuất hoặc bản vẽ biện pháp thi công và các tính toán chứng minh với đủ chi tiết để cho phép xem xét kết cấu. Phải trình bản vẽ biện pháp thi cóng để xem xét, sửa chữa và chấp thuận mà không làm chậm trễ công việc.
Nhà thầu không được bắt đầu thi công bất cứ cống kim loại nào, được yêu cầu đệ trình bản vẽ biện pháp thi công, trước khi các bản vẽ đó được Kỹ sư chấp thuận. Việc chấp thuận không làm giảm nhẹ cho Nhà thầu về trách nhiệm đối với các kết quả đạt được do việc sử dụng các bản vẽ này hoặc về các trách nhiệm khác trong hợp đồng.
6 Vật liệu
6.1 Ống kim loại lượn sóng
Ống thép phù hợp với yêu cầu của AASHTO M36 (ASTM A760/A760M).
Ống nhôm phù hợp với yêu cầu của AASHTO M196 (ASTM B745/B745M).
6.2 Tấm kết cấu
Tấm thép kết cấu phù hợp với yêu cầu của AASHTO M167M/M167 (ASTM A761/A761M).
Tấm hợp kim nhôm kết cấu phù hợp với yêu cầu của AASHTO M219 (ASTM B746/B746M).
6.3 Đai ốc và bu lông
Đai ốc và bu lông dùng cho ống bằng tấm kim loại kết cấu vòm, vòm ống, và kết cấu hộp phù hợp với yêu cầu của AASHTO M167M/M167 (ASTM A761/A761M). Đai ốc và bu lông dùng cho tấm kết cấu bằng nhôm phải là nhôm phù hợp với ASTM F468 hoặc thép cường độ tiêu chuẩn phù hợp với ASTM A307.
6.4 Dùng lẫn các vật liệu
Vật liệu nhôm và thép không được dùng lẫn với nhau trong bất kỳ công trình lắp đặt nào, trừ khi các vật liệu được cách ly đầy đủ hoặc được bảo vệ chống các phản ứng mạ điện. Bu lông và đai ốc bằng thép mạ nhúng nóng và thép không gỉ có thể chấp nhận làm liên kết các tấm kết cấu nhôm.
6.5 Chế tạo
Tại các đường nối ở chu vi và nối dọc, các tấm phải liên kết bằng bu lông với các đường nối so le nhau để không có quá 3 tấm cùng tập trung vào một điểm.
6.6 Hàn
Nếu cần, việc hàn thép phù hợp với AASHTO/AWS D1.5M/D1.5. Các chỗ hàn của tấm thép, ngoài đồ gá lắp, phải tiến hành trước khi mạ.
Nếu cần việc hàn nhôm phù hợp với ANSI/AWS D1.2/D1.2M.
6.7 Lớp bảo vệ
Khi có yêu cầu trong hồ sơ hợp đồng, các ống kim loại và các cống bằng tấm kết cấu phải được bảo vệ bằng lớp bitum hoặc có phần vòm ngược được lát bằng vật liệu bitum. Các lớp bitum phải tiến hành theo như quy định trong AASHTO M190, Loại A, trừ khi có quy định khác trong hồ sơ hợp đồng. Nếu có yêu cầu, các lớp mặt bitum phải rải trên các lớp áo bitum tới phần đáy phía trong ống như quy định trong AASHTO M190, Loại C, trừ khi có quy định khác trong hồ sơ hợp đồng. Phần đai ốc và bu lông dùng để lắp ráp các ống bằng tấm kết cấu, vòm, vòm ống và cống hộp có lớp phủ thòi ra bên ngoài ống, phải được phủ lớp bitum sau khi lắp ráp. Phần đai ốc và bu lông thời ra bên trong ống không cần phủ.
Lớp phủ polymer, khi có yêu cầu trong hồ sơ hợp đồng, phù hợp với yêu cầu của AASHTO M246 (ASTM A742/A742M). Lớp phủ polymer phải phủ lên tấm thép đã mạ trước khi uốn sóng, trừ khi có quy định khác trong hồ sơ hợp đồng, bề dày không được nhỏ hơn 0,23 mm. Bất kỳ lỗ chốt, chỗ rỗ, vết nứt hoặc thiếu dính kết nào đều là nguyên nhân để loại bỏ. Không được phép làm lớp phủ polymer trên các tấm thép kết cấu.
6.8 Vật liệu lót móng và lấp
6.8.1 Tổng quát
Đất lót móng (trên móng) phải là vật liệu rời tự nhiên hoặc hạt tối đa không quá 1/2 chiều cao lượn sóng. Đất lấp cống kim loại phải là vật liệu hạt như quy định trong hồ sơ hợp đồng và tiêu chuẩn, phải không có vật hữu cơ, đá có kích thước lớn nhất không quá 75 mm (37,5 mm cho ống nhựa nhiệt dẻo thép tăng cường), và độ ẩm phải trong giới hạn yêu cầu khi lu lèn. Tối thiểu vật liệu lấp phải thoả mãn yêu cầu của AASHTO 145 cho A-1, A-2 hoặc A-3.
6.8.2 Cống nhịp lớn
Vật liệu lót móng và lấp phải thoả mãn yêu cầu chung trong Điều 6.8.1. Vật liệu lấp cống có chiều dày đất lấp nhỏ hơn 3.600 mm ít nhất phải thỏa mãn yêu cầu của AASHTO M145 cho A-1, A-2-4, A-2-5 hoặc A-3. Vật liệu lấp cống có chiều dày đất lấp bằng hoặc lớn hơn 3.600 mm ít nhất phải thoả mãn yêu cầu của AASHTO M145 cho A-1 hoặc A-3.
6.8.3 Cống hộp
Vật liệu lót móng và lấp phải thoả mãn yêu cầu chung trong Điều 6.8.1. Vật liệu lấp ít nhất phải thoả mãn yêu cầu của AASHTO M145 cho A-1, A-2-4, A-2-5 hoặc A-3.
6.8.4 Kết cấu lượn sóng dày
Đối với kết cấu lượn sóng dày, lựa chọn vật liệu chèn lấp trong vùng chôn lấp phải đáp ứng yêu cầu của AASHTO M 145 A-1, A-2-4, A-2-5, hoặc A-3 (ASTM D2487 phân loại GW, GP, SW, SP, GM, SM, SC, GC) và yêu cầu của Nhà sản xuất.
6.9 Cống ống nhiệt dẻo tăng cường thép
Cống ống nhựa nhiệt dẻo tăng cường thép phù hợp theo yêu cầu của AASHTO MP 20.
7 Lắp ráp
7.1 Tổng quát
Ống kim loại lượn sóng và ống bằng tấm kết cấu phải lắp ráp theo hướng dẫn của Nhà sản xuất, ống phải được dỡ xuống và cẩu khá cẩn thận, ống hoặc tấm không được lăn hoặc kéo trên sỏi hoặc đá và phải phòng ngừa không được va vào đá hoặc các vật rắn khác trong khi đặt vào hào hoặc trên lớp lót móng.
Ống kim loại lượn sóng phải đặt trên lớp lót móng bắt đầu từ hạ lưu. Ống có đường nối chu vi phải đặt với đường chờm của tấm chu vi hướng về hạ lưu.
Ống phủ bitum, ống phủ polymer và ống có phần nền lõm xây phải đặt theo cách tương tự với ống kim loại lượn sóng với sự chú ý đặc biệt khi bốc dỡ để tránh làm hư hỏng lớp phủ. Ống có loại nền lõm xây phải đặt theo cách sao cho mặt lõm đặt đúng giữa đáy ống.
Cống tấm kim loại kết cấu và ống phải được lắp ráp và đặt theo quy định trong hồ sơ hợp đồng và hướng dẫn lắp dựng chi tiết. Bản sao về hướng dẫn lắp ráp của Nhà sản xuất phải cung cấp như quy định trong Điều 5. Đường nối dọc bắt bu lông phải khớp đúng với các tấm chờm lên nhau và song song với nhau. Momen xoắn tác động vào bu lông đối với các bu lông thép cường độ cao đường kính M20 (ASTM A449) để lắp ráp tấm thép kết cấu phải tối thiểu bằng 135.000 N.mm và tối đa bằng 407.000 N.mm. Tấm nhôm kết cấu phải được lắp ráp bằng bu lông nhôm (ASTM F468) đường kính M20 hoặc bu lông thép cường độ tiêu chuẩn (ASTM A307), các bu lông này phải được vặn bằng momen xoắn tối thiểu bằng 135.000 N.mm và tối đa bằng 203.000 N.mm.
Các đường nối dọc trong kết cấu lượn sóng dày phải được đặt so le.
7.2 Mối nối
Mối nối cho ống cống kim loại lượn sóng và ống thoát nước phải đáp ứng các yêu cầu về tính năng quy định trong các Điều từ 7.2.1 đến 7.2.4.
Mối nối cho cống ống nhựa nhiệt dẻo tăng cường thép đáp ứng yêu cầu của Điều 7.2.5.
7.2.1 Mối nối hiện trường
Mối nối ngang tại hiện trường phải được thiết kế sao cho kết nối các phần của ống thành một ống liên tục không gây ra bất thường đáng kể trong dòng chảy. Ngoài ra, các mối nối phải đáp ứng các yêu cầu tính năng chung quy định trong các Điều từ 7.2.2 đến 7.2.4.
7.2.2 Các loại mối nối
Hồ sơ hợp đồng cần quy định loại mối nối “tiêu chuẩn” hoặc loại mối nối “đặc biệt” phù hợp với yêu cầu có trong tay.
7.2.3 Điều kiện nền đất
Mối nối đặc biệt cần được chỉ định khi gặp phải điều kiện đất yếu.
7.2.4 Tính chất mối nối
Yêu cầu đối với tính chất mối nối phải lấy theo quy định trong Bảng 1. Giá trị đối với các loại ống khác nhau có thể xác định bằng phân tích hợp lý hoặc thử nghiệm phù hợp.
Phải xem xét các vấn đề thiết kế sau đây trong thiết kế hoặc lựa chọn mối nối ống.
- Đoạn phủ chờm trên mối nối - Mối nối tiêu chuẩn không đáp ứng cường độ mômen lựa chọn phải có bề rộng măng sông tối thiểu phủ trên các ống giáp đầu nhau. Tổng bề rộng tối thiểu của măng sông phải như cho trong Bảng 1. Bất kỳ mối nối nào đáp ứng các yêu cầu đối với mối nối đặc biệt có thể sử dụng thay cho mối nối tiêu chuẩn.
- Độ kín đất - Không có khe hở nào được vượt quá 25 mm. Ngoài ra, đối với các loại, nếu cỡ khe hở vượt quá 3 mm, chiều dài của máng phải ít nhất gấp 4 lần kích thước khe hở. Hơn nữa với đất bị xói hoặc không xói tỷ lệ của cỡ đất D85 với cỡ khe hở phải lớn hơn 0,3 đối với cát từ trung bình tới nhỏ và 0,2 đối với cát đồng đều; không cần đáp ứng tỷ lệ này đối với đất lấp dính có chỉ số dẻo vượt 12 %. Một cách khác, nếu mối nối chứng tỏ khả năng có thể chịu được thử nghiệm thủy tĩnh 0,014 MPa mà không bị rò, thì mối nối được xem là kín đất. Mối nối không thoả mãn yêu cầu này có thể làm cho kín đất bằng phủ vải địa kỹ thuật phù hợp.
- Độ kín nước - Các đầu ống tiếp giáp nhau tại bất kỳ mối nối nào không được biến động quá 13 mm về đường kính hoặc quá 38 mm về chu vi đối với các khe nối kín nước.
Bảng 1 - Các loại mối nối ống
|
| Điều kiện đất |
| |||
| Không xói mòn | Xói mòn | ||||
| Loại mối nối | Loại mối nối | ||||
| Tính chất mối nối | Tiêu chuẩn | Đặc biệt | Tiêu chuẩn | Đặc biệt | Loại thoát nước |
| Sức kháng cắt | 2 % | 5% | 2% | 5% | 2 % |
| Sức kháng mômen | 5% | 15% | 5% | 15% | 15% |
| Sức kháng kéo, đường kính 0 - 1.070 mm | 0 | 22.200 N | - | 22.200 N | 22.200 N |
| Sức kháng kéo, đường kính 1.200 mm - 2.100 mm | - | 44.400 N | - | 44.400 N | 44.400 N |
| Đoạn chòm mối nối, tối thiểu (mm) | 265 | NA | 265 | NA | NA |
| Độ kín đất | NA | NA | 0,3 hoặc 0,2 | 0,3 hoặc 0,2 | 0,3 hoặc 0,2 |
| Độ kín nước | Xem chú giải Điều 7.2.4 |
|
|
|
|
CHÚ THÍCH:
NA - Không có số liệu.
7.2.5 Mối nối ống nhựa nhiệt dẻo tăng cường thép
Mối nối cho ống nhựa nhiệt dẻo tăng cường thép phải thực hiện theo các chi tiết thể hiện trong bản vẽ hợp đồng và trên bản vẽ biện pháp thi công đã được phê duyệt. Mỗi mối nối phải được niêm phong để ngăn chặn sự xâm nhập của đất (kín đất), bụi bẩn (kín bụi), hoặc nước (kín nước) theo yêu cầu của hồ sơ hợp đồng. Kiểm tra hiện trường có thể được yêu cầu bởi Kỹ sư bất cứ khi nào có một câu hỏi liên quan đến việc tuân thủ với yêu cầu hợp đồng.
Mối nối phải được lắp đặt sao cho sự kết nối các phần ống sẽ tạo thành bề mặt liên tục không có bất thường trong dòng chảy.
7.3 Lắp ráp các kết cấu khẩu độ lớn
Trừ việc giữ hình dạng bằng cáp, thanh chống hoặc lấp đất, các đường nối dọc phải siết chặt khi treo các tấm. Phải chú ý xếp thẳng hàng các tấm để đảm bảo mối nối đủ khít trước khi siết bu lông. Biến động về kích thước kết cấu trước khi lắp đặt phải phù hợp với các quy định sau:
- Đối với dạng elip nằm ngang có tỷ lệ bán kính ở đỉnh và ở cạnh nhỏ hơn hoặc bằng 3, khẩu độ và đường tên không được sai khác với kích thước quy định quá 2 %.
- Đối với dạng vòm có tỷ lệ bán kính ở đỉnh và ở cạnh lớn hơn hoặc bằng 3, đường tên không được sai khác với kích thước quy định quá 1 % khẩu độ.
- Đối với các kết cấu nhịp lớn khác, khẩu độ và đường tên không được sai khác so với kích thước quy định quá 2 % hoặc 125 mm, lấy số nhỏ hơn.
Sườn tăng cường, khi có yêu cầu bởi thiết kế kết cấu, phải được liên kết vào đỉnh các lượn sóng của tấm kết cấu với khoảng cách bu lông không quá 300 mm. Phải viết các số hoặc chữ nhận dạng dễ đọc trên mỗi sườn để chỉ rõ vị trí chính xác của chúng trong kết cấu cuối cùng.
Sườn tăng cường khi chỉ cần xét như một biện pháp để giữ được đúng hình dạng kết cấu trong khi lắp dựng, phải đặt với khoảng cách và liên kết vào các tấm lượn sóng theo ý của Nhà sản xuất với sự chấp thuận của Kỹ sư.
8 Lắp đặt
8.1 Tổng quát
Với điều kiện đào hào, hào phải được đào theo chiều rộng, chiều sâu và cao độ cho trong hồ sơ hợp đồng.
Việc chuẩn bị đúng đắn nền đất, đổ đất nền chỗ có yêu cầu và việc đổ lớp lót móng phải làm trước việc lắp đặt mọi ống cống. Việc này bao gồm việc san bằng cần thiết đáy hào nguyên thổ hoặc mặt trên của đất nên cũng như việc rải và lu lèn đất nền theo một cao độ đều để toàn bộ chiều dài ống được đỡ trên một nền đồng đều. Đất phải đổ xung quanh ống sao cho đáp ứng được các yêu cầu quy định.
Vật liệu dùng để cải thiện móng, lót móng và lấp kết cấu phải có cỡ hạt tương thích với đất liền kề để tránh di chuyển. Ở nơi cỡ hạt không khống chế tốt, đất liền kề phải được cách ly bằng vải địa kỹ thuật.
Ống phải được bảo vệ bằng lớp phủ đầy đủ trước khi cho phép thiết bị thi công nặng đi lên trên ống trong khi thi công.
Việc đặt, nối, và lấp kín phải phù hợp với các yêu cầu nghiêm ngặt nhất sau: hướng dẫn của Nhà sản xuất, hồ sơ hợp đồng, hoặc Tiêu chuẩn này.
8.2 Móng
Phải khảo sát móng dưới ống cống và đất lấp cống về sức chịu tải thoả đáng. Móng phải làm sao cho đất lập bên trên không lún nhiều hơn ống cống để tránh tải trọng kéo xuống tác dụng lên ống.
Móng phải cung cấp chống đỡ đồng đều cho phần vòm ngược của ống. Đá tảng, đá hoặc các vùng đất yếu trong móng phải được đào đến độ sâu thích hợp và lấp bằng đất được đầm lèn đủ để cung cấp khả năng chống đỡ đồng đều như chỉ ra trong Hình 1.

Hình 1 - Thuật ngữ lắp đặt ống cống
Ở nơi móng thiên nhiên được Kỹ sư đánh giá là không đủ để đỡ ống cống hoặc đất lấp kết cấu, ở đó phải đào đến độ sâu thích hợp và lấp bằng đất được đầm lèn đủ để khống chế độ lún như cho trong Hình 2 và Hình 3.

Ghi chú:
d = 0,04 chiều cao đất lấp trên cống, tối đa là 610 mm
Hình 2 - Xử lý móng đối với vùng đất yếu cục bộ hoặc đá

W = D đối với cống tròn
W = chiều rộng vòm đế phẳng của vòm ống
Hình 3 - Xử lý móng để khống chế lún
Khi vòm ngược có bán kính tương đối lớn ở kề bên các góc hoặc cạnh của mặt cắt có bán kính nhỏ như vòm ống, ống elip hoặc cống chui, móng phải thiết kế để đỡ áp lực hướng tâm tác động bởi các phần bán kính nhỏ của ống. Phải cung cấp chống đỡ móng chính trong vùng mở rộng ra phía ngoài hướng tâm từ vùng có bán kính nhỏ.
Ở nơi lún của ống dự kiến đến cao độ yêu cầu dưới nền đắp cao không duy trì được, ống phải làm vồng đề phòng bị võng quá mức. Phải xác định mức độ vồng dựa trên việc xem xét dòng chảy, độ dốc, chiều cao đắp, tính chất chịu nén của đất móng và chiều sâu của lớp đất không nén được.
8.3 Lót móng
Khi theo ý kiến của Kỹ sư, đất thiên nhiên không cung cấp được nền thích hợp, phải làm lớp thảm lót dày ít nhất bằng 2 lần chiều cao lượn sóng.
Các dạng ống vòm, hình elip ngang và cống chui có nhịp vượt quá 3.600 mm phải được đặt trên nền được tạo hình. Phần nền được tạo hình cần định tâm ở dưới ống và cần có bề rộng tối thiểu bằng 1/2 khẩu độ đối với dạng vòm ống và cống chui, bằng 1/3 khẩu độ đối với dạng elip ngang. Tạo hình trước có thể là hình "V” đơn giản dốc lên mặt đất như trong Hình 4.

W = 1/2 khẩu độ đối với vòm ống và cống chui; W = 1/3 khẩu độ đối với elip ngang
Hình 4 - Tạo hình nền cho các kết cấu vòm ống lớn, elip ngang và cống chui
8.4 Lấp đất
8.4.1 Tổng quát
Cần kiểm tra và thử nghiệm đầy đủ để chắc chắn rằng chất lượng đất và lực lu lèn đạt được là theo đúng quy định.
Việc lấp đất phải đáp ứng yêu cầu của Điều 6.8 và phải đổ thành lớp rời nằm ngang đồng đều dày không quá 200 mm và lu lèn tới tối thiểu 90 % độ chặt tiêu chuẩn theo AASHTO T99. Thiết bị dùng để lu lèn đất lấp trong phạm vi 900 mm cạnh ống hoặc mép của đế móng vòm và cống hộp phải được Kỹ sư chấp thuận trước khi dùng. Trừ như quy định dưới đây cho kết cấu khẩu độ lớn, thiết bị dùng để lu lèn đất lấp ngoài phạm vi này có thể là cùng một loại như dùng để lu lèn nền đường đắp.
Đất lấp phải đổ và lu lèn cẩn thận dưới các hông ống và phải đắp lên ngang bằng ở cả hai bên ống bằng thao tác lấp từ bên này sang bên kia. Đất lấp chênh giữa bên này với bên kia không vượt quá 600 mm hoặc 1/3 đường tên kết cấu, lấy số nhỏ hơn. Phải tiếp tục lấp đất tới trên đỉnh toàn chiều dài ống không ít hơn 300 mm. Đất lấp bên trên cao độ này có thể là đất lấp nền đường. Bề rộng hào phải giữ ở bề rộng tối thiểu theo yêu cầu cho việc đặt ống, rải nên ông nền ống và lấp bên đầy đủ với điều kiện làm việc an toàn. Không được phép tạo thành vũng hoặc xói phun đất lấp trừ khi Kỹ sư cho phép bằng văn bản.
Nơi lắp đặt kết cấu một hoặc nhiều cửa chéo với nền đường phải chống đỡ ống đầy đủ. Chống đỡ có thể đạt được bằng tường đầu bê tông cốt thép hoặc làm vềnh nền đắp để chống đỡ cân bằng cần thiết hai bên. Hình 5 chỉ dẫn về cách làm vênh nền đất.

Hình 5 - Xử lý đầu cống chéo mềm
8.4.2 Vòm
Vòm có thể đòi hỏi việc khống chế hình dạng đặc biệt trong khi lắp và lu lèn đất lấp kết cấu.
Trước khi thi công Nhà chế tạo phải tổ chức hội nghị tiền thi công để khuyến cáo Nhà thầu và Kỹ sư về những nhiệm vụ then chốt cần được thực hiện trong khi lấp đất và giới thiệu các bước khống chế chất lượng dự kiến được dùng để khống chế tải trọng, hình dạng và các chuyển dịch.
8.4.3 Kết cấu khẩu độ lớn
Trước khi thi công, Nhà chế tạo phải tổ chức hội nghị tiền thi công để khuyến cáo Nhà thầu và Kỹ sư về những nhiệm vụ then chốt cần được thực hiện trong khi lấp đất và giới thiệu các bước khống chế chất lượng dự kiến được dùng để khống chế tải trọng, hình dáng và các chuyển dịch.
Thiết bị và trình tự thi công để lấp kết cấu khẩu độ lớn bằng các tấm kết cấu phải là loại không để xảy ra biến dạng kết cấu quá lớn. Hình dạng kết cấu phải được kiểm tra đều đặn trong khi lấp để kiểm tra khả năng có thể chấp nhận phương pháp thi công được dùng. Độ lớn của các thay đổi hình dạng cho phép phải được Nhà chế tạo quy định (Nhà chế tạo kết cấu khẩu độ lớn). Nhà chế tạo phải bố trí giám sát viên kiểm tra hình dạng, có năng lực để giúp Kỹ sư trong khi lấp toàn bộ đất lấp kết cấu tới cao độ phủ vượt trên kết cấu. Giám sát viên khống chế hình dạng kết cấu phải tư vấn cho kỹ sư thi công về khả năng nghiệm thu đất lấp và phương pháp sử dụng cũng như việc khống chế đúng dắn hình dạng. Phải đổ đất lấp kết cấu thành các lớp rời nằm ngang đồng đều không vượt quá 200 mm và phải lấp đồng đều cả hai bên kết cấu. Mỗi lớp phải lu lèn tới tỷ trọng không nhỏ hơn 90 % tỷ trọng sửa đổi theo AASHTO T180. Đất lấp kết cấu phải thi công theo tuyến và cao độ tối thiểu cho trong hồ sơ hợp đồng, giữ ở mức này hoặc thấp hơn cao độ đất kề bên hoặc nền đất. Các ngoại lệ dưới đây về tỷ trọng đất lấp kết cấu yêu cầu là được phép:
- vùng đất dưới vòm ngược của ống,
- chiều rộng 300 mm đến 450 mm của đất liền kề ngay các tấm bên bán kính lớn của dạng vòm có mặt cắt cao và dạng quả lê ngược, và
- phần bên dưới của lớp nằm ngang đầu tiên của lớp phủ trên trên được làm trước và dưới xe bánh xích nhỏ vượt qua kết cầu lần đầu.
8.4.4 Cống hộp
Hội nghị tiền thi công về lấp đất chỉ cần khi có quy định trong hồ sơ hợp đồng hoặc Kỹ sư yêu cầu. Các xem xét khống chế hình dạng giống như đối với cống kim loại.
Đất lấp kết cấu phải đổ thành các lớp rời, nằm ngang và đồng đều không quá 200 mm và lu lèn tới tỷ trọng không nhỏ hơn 90 % tỷ trọng sửa đổi theo AASHTO T180. Đất lấp kết cấu phải thi công theo các tuyến và cao độ tối thiểu cho trong hồ sơ hợp đồng, giữ ở mức này hoặc thấp hơn cao độ đất liền kề hoặc nền đắp.
8.5 Giằng chống
Khi có yêu cầu, phải lắp giằng chống tạm, giữ tại chỗ để bảo vệ công nhân và duy trì hình dạng kết cấu trong thi công.
Đối với kết cấu khẩu độ lớn cần giằng hoặc căng cáp chống đỡ tạm để duy trì hình dạng kết cấu, không được tháo giằng chống này cho tới khi lấp đất tới cao độ có được chống đỡ cần thiết. Không được tháo các giằng bên trong cho tới khi lấp đến đỉnh 1/4 ống hoặc đỉnh phần vòm cong của kết cấu khẩu độ lớn.
8.6 Kết cấu phần dưới của vòm và tường đầu
Kết cấu phần dưới và tường đầu phải thiết kế phù hợp với yêu cầu áp dụng được của LRFD-8 hoặc TCVN 11823:2017.
Đầu của vòm kim loại lượn sóng phải nằm trong rãnh tạo ra trong đế móng bê tông liên tục hoặc phải đặt trên bề mặt đỡ tựa bằng kim loại, thường là thép góc hoặc thép chữ U, thép này được neo chắc chắn hoặc chôn vào trong đế bê tông.
Khi được quy định, gối kim loại có thể là thép góc hoặc chữ U mạ cán nóng hoặc dập nguội, hoặc nhôm góc hoặc chữ U ép đùn. Loại hình này có bề dày không được nhỏ hơn 5 mm và phải neo chắc chắn vào đế móng với khoảng cách tối đa là 600 mm. Khi cấu kiện gối kim loại không chôn hoàn toàn trong rãnh của đế móng, cánh đứng của nó phải đột lỗ để có thể bắt bu lông ở đầu các tấm lượn sóng vào cánh đứng của cấu kiện này.
Khi bố trí tấm vòm ngược không liền khối với đế móng, tấm vòm ngược này phải có cốt thép liên tục.
8.7 Yêu cầu kiểm tra đối với ống kim loại lượn sóng (ống CMP)
8.7.1 Kiểm tra bằng mắt
Phải kiểm tra ống CMP sau khi đặt vào hào theo yêu cầu trong khi lấp đất và sau khi hoàn thành việc lắp đặt để đảm bảo điều kiện lắp đặt cuối cùng cho phép ống làm việc như thiết kế. Việc làm nền và lập đất cũng như là đổ và lu lèn đất phải được xác định để thoả mãn yêu cầu của phần này.
Trong giai đoạn đầu của quá trình lắp đặt, việc kiểm tra phải tập trung vào phát hiện thói quen không đúng và công nhân tay nghề kém. Sai sót về tuyến và cao độ cũng như lắp ráp sai hoặc kỹ thuật lấp phải được sửa đổi trước khi đổ đất lấp đáng kể hoặc lấp hào. Đai ghép nối phải được đánh số đúng đắn lượn sóng và kín khít, mối nối bằng ống loe (âm dương) phải được đỡ tựa chắc chắn để phòng đất hạt nhỏ lọt qua. Ở chỗ dùng đệm, chúng không được lồi ra hoặc treo vào ống, cần đồng đều quanh ống nếu nhìn thấy.
Phải lấy chỗ ống bị vặn ngang hoặc móp để chỉ ra việc lấp đất không đúng. Đoạn ống bị hư hỏng trong khi lắp phải được kỹ sư của Nhà thầu đánh giá, và khi được chỉ đạo đoạn ống này phải được sửa chữa hoặc thay thế.
Phải kiểm tra các ống được phủ bọc để đảm bảo lớp bọc không có vết nứt, trầy xước hoặc các chỗ bị bóc. Phải sửa lớp bọc theo yêu cầu kỹ thuật của vật liệu.
Phải tiến hành kiểm tra cuối cùng bên trong việc lắp đặt ống CMP để đánh giá các vấn đề có thể ảnh hưởng tới sự làm việc lâu dài của cống. Việc kiểm tra cuối cùng phải tiến hành không sớm hơn 30 ngày sau khi hoàn thành lắp đặt và lấp đất.
Việc kiểm tra sẽ xác minh các yêu cầu của việc lót nền, lấp đất và lu lèn có được tuân thủ khi lắp đặt không. Phải rà soát cống về tuyến cống, phân tách ở mối nối, nứt ở lỗ bu lông, méo cục bộ, phình ra, bẹt đi hoặc vặn ngang. Phải kiểm tra việc đổ lớp phủ mỏng để đảm bảo có được mức độ phủ tối thiểu và kiểm tra trước và ngay sau khi tải trọng xe đi qua.
Ống cống nhựa nhiệt dẻo tăng cường thép phải được kiểm tra trước khi lấp lấp để đảm bảo rằng sườn tăng cường bên ngoài không nghiêng trung bình hơn 15 0 so với phương đứng trong phạm vi 610 mm đoạn dài liên tục của ống. Nếu điều kiện này tồn tại, phần đó của ống sẽ được khắc phục hoặc thay thế.
8.7.2 Độ võng lắp đặt
8.7.2.1 Độ võng lắp đặt cho ống CMP và kết cấu tấm
Ống phải được đánh giá để xác định xem đường kính trong của ống tròn có bị giảm nhiều hơn giới hạn cho trong điều này khi đo không ít hơn 30 ngày sau khi hoàn thành việc lắp đặt.
Do dung sai đường kính của các ống kim loại có đường kính bằng 600 mm và nhỏ hơn là rộng nên thường không thử độ võng, cần thực hiện kiểm tra bằng mắt qua máy quay video hoặc công cụ khác để rà soát chỗ móp hoặc hư hỏng khác. Nếu Chủ đầu tư yêu cầu thử độ võng hoặc việc kiểm tra bằng mắt cho thấy có độ võng quá mức, phải dùng công cụ được Kỹ sư chấp thuận có thể kiểm tra các kích thước thân ống và không bị giới hạn bởi ánh sáng yếu, dòng chảy, chiều dài ống hoặc các điều kiện hạn chế khác của môi trường lắp đặt. Nếu thực hiện thử độ võng thì độ võng đối với ống kim loại có đường kính bằng hoặc nhỏ hơn 600 mm không được vượt quá 7,5 % đường kính danh định của ống cộng với dung sai chế tạo mà Chủ đầu tư cho là phù hợp.
Ống có đường kính lớn hơn 600 mm có thể vào và đo trực tiếp các mức độ võng. Thay vì đo trực tiếp, máy quay video định cỡ hoặc công cụ khác được Kỹ sư chấp thuận có thể kiểm tra kích thước thân ống và không bị giới hạn bởi ánh sáng yếu, dòng chảy, chiều dài ống, hoặc các điều kiện hạn chế khác của môi trường lắp đặt.
Trong mọi lắp đặt ống có đường kính lớn hơn 600 mm, ít nhất là 10 % chiều dài ống của dự án phải được Kỹ sư chọn ngẫu nhiên và kiểm tra độ võng. Cũng vậy, như xác định 100 % kiểm tra bằng mắt theo Điều 8.7.1, mọi khu vực độ võng có thể phát hiện bằng mắt phải được kiểm tra độ võng.
Ở chỗ đo trực tiếp, cứ mỗi 3.000 mm chiều dài ống đo 1 lần và yêu cầu có ít nhất 4 số đo cho một ống.
Ống có đường kính lớn hơn 600 mm cần đánh giá bằng đo trực tiếp. Phải xác định độ võng bằng số đo khẩu độ và đường tên với đường kính ống danh định. Độ võng đứng là số phần trăm, được biểu thị bằng: 100 [(đường tên/đường kính) - 1,01. Tương tự, độ võng ngang được biểu thị bằng: 100 [(khẩu độ/đường kính) -1,0].
Đối với ống tròn đường kính lớn hơn 600 mm, bao gồm tấm kết cấu vòm đường kính tròn đơn, độ võng vượt quá 7,5 % đường kính danh định của ống cộng với dung sai chế tạo của 1 % của đường kính danh định hoặc 13 mm lấy số lớn hơn, phải được coi là biểu hiện của vật liệu lấp tồi, tay nghề tồi hoặc cả hai. Phải yêu cầu sửa hoặc thay các ống này. Việc thông qua tiêu chí độ võng không được loại trừ sự cần thiết phải đánh giá liên quan tới móp, vặn ngang hoặc các hư hỏng hình dạng khác.
Đối với vòm ống, độ võng dẫn đến giảm đường tên hoặc tăng khẩu độ vượt quá 7,5 % phải được coi là biểu hiện của vật liệu lấp tồi, tay nghề tồi hoặc cả hai. Phải yêu cầu sửa hoặc thay các ống này. Việc thông qua tiêu chí độ võng không được loại trừ sự cần thiết phải đánh giá liên quan tới lõm, móp, vặn ngang hoặc các hư hỏng hình dạng khác.
Cống bản kết cấu được kiểm tra bằng đo trực tiếp. Chúng phải được lắp ráp phù hợp với dung sai hình dạng của Điều 7.3. Ngay sau khi lấp, công phải được đo để kiểm tra bất kỳ độ võng tức thời nào xảy ra trong khi thao tác lấp đất. Sau 30 ngày, cống phải được đo lại để kiểm tra bất kỳ độ võng phụ thêm nào. Mọi đo đạc độ võng phải dựa trên kích thước thiết kế. Đối với cống đường kính thay đổi như cống elip, vòm ống, vòm cao và vòm thấp, bán kính đỉnh không được tăng vượt quá 10 % của bán kính thiết kế bằng cách tính từ trung độ giữa tới chiều dài phù hợp của mép thẳng đo được. Nếu bán kính đỉnh vượt quá giá trị thiết kế trên 10 % hoặc kết cấu bị vặn ngang hoặc mất đối xứng trên 2 %, phải yêu cầu sửa chữa. Mức độ vặn ngang hoặc mất đối xứng được xác định bằng cách thả dọi từ đỉnh đường tim của cống đã lắp đặt và đo các nửa khẩu độ ở mỗi bên của đường dọi cho tới đường khẩu độ lớn nhất. Đối với cống đối xứng, những số đo này ở mỗi mặt cắt riêng biệt cần bằng nhau. Mức độ vặn ngang và mất đối xứng được biểu thị bằng số phần trăm: 100 [(nửa khẩu độ A - nửa khẩu độ B)/khẩu độ)] < 2.
8.7.2.2 Độ võng lắp đặt cho cống nhiệt dẻo tăng cường thép
Ống sẽ được đánh giá để xác định xem đường kính bên trong của thùng đã giảm hơn 5 % khi đo không dưới 30 ngày sau khi hoàn thành lắp đặt.
Ống sẽ được kiểm tra độ võng bằng cách sử dụng một trục quay hoặc bất kỳ thiết bị khác được Kỹ sư phê duyệt có thể xác định được kích thước của ống và không phải là bị giới hạn bởi ánh sáng yếu, dòng nước, chiều dài đường ống, hoặc các điều kiện hạn chế khác của môi trường cài đặt. Ống lớn hơn 600 mm có thể chui vào và đo độ võng trực tiếp.
Trong các ống lắp đặt, ít nhất 10 % chiều dài ống của dự án phải được lựa chọn ngẫu nhiên bởi Kỹ sư và kiểm tra độ võng. Ngoài ra, phải kiểm tra bằng mắt 100 % chiều dài ống theo Điều 8.7.1, các khu vực có thể phát hiện bằng mắt phải kiểm tra độ võng.
Trường hợp thực hiện đo trực tiếp, phép đo được tiến hành cho mỗi 3.000 mm chiều dài của đường ống và yêu cầu tối thiểu là 4 lần đo cho mỗi lần lắp đặt ống.
Nếu trục gá được dùng để kiểm tra độ võng, nó phải là trục gá chín cần xoay (hoặc số lẻ hơn) và phải được định kích cỡ và kiểm tra bởi Kỹ sư trước khi thử nghiệm. Vòng có kích thước thích hợp phải được sử dụng để kiểm tra hoặc thử nghiệm cho trục gá chính xác. Trục gá phải được kéo qua ống bằng tay bằng dây hoặc cáp. Khi áp dụng, bánh răng có thể được kết hợp trong hệ thống để thay đổi hướng kéo sao cho nhân viên kiểm tra không cần phải đi vào ống hoặc hố ga.
Đối với các vị trí có độ võng ống vượt quá 5 % đường kính bên trong, Nhà thầu phải đánh giá và đệ trình lên Kỹ sư để kiểm tra và chấp thuận, có tính đến mức độ nghiêm trọng của độ võng, tính nguyên dạng của kết cấu, điều kiện môi trường, và tuổi thọ thiết kế của ống. Việc sửa chữa hoặc thay thế ống sẽ được yêu cầu đối với những vị trí mà đánh giá thấy rằng độ võng có thể có vấn đề. Đối với các vị trí có độ võng ống vượt quá 7,5 % đường kính trong, việc sửa chữa hoặc thay thế ống là bắt buộc.
9 Phòng ngừa trong thi công
Cống bao gồm trong phần này phải được xem xét với mọi giai đoạn then chốt trong lắp đặt và mục đích dự kiến cuối cùng. Đối với tải trọng thi công, có thể cần lớp phủ bổ sung nhiều hơn là yêu cầu ở điều kiện cuối cùng mà tải trọng thiết kế tác động lên. Khi thiếu thông tin cụ thể, chiều cao lớp phủ trong Bảng 2 có thể được xem xét cho các cống nhỏ hơn. Lớp phủ tối thiểu cần tăng lên khi điều kiện tại chỗ cần. Kỹ sư hoặc Nhà chế tạo cần cung cấp hướng dẫn về khẩu độ nhịp và tải trọng trục không được liệt kê.
Bảng 2 - Lớp phủ tối thiểu đối với tải trọng thi công qua lại cho các loại hình vòm ống, elip và cống chui
|
| Lớp phủ tối thiểu (mm) đối với tải trọng quy định (KN) | |||
| Khẩu độ ống (mm) | 80 - 220 kN | 220 - 330 kN | 330 - 490 kN | 490 - 670 kN |
| 305 - 1.067 | 600 | 800 | 900 | 900 |
| 1.219 - 1.829 | 900 | 900 | 1.000 | 1.200 |
| 1.961 - 3.048 | 900 | 1.000 | 1.200 | 1.200 |
| 3.200 - 3.658 | 1.000 | 1.200 | 1.400 | 1.400 |
Nhà thầu cần làm mọi lớp phủ bổ sung theo yêu cầu để tránh hư hỏng ống. Lớp phủ tối thiểu phải đo từ đỉnh ống tới đỉnh mặt đường được duy trì trong thi công.
Mặt đường phải duy trì để có được lớp phủ đủ cho tới khi mặt đường được hoàn thành, hoặc tới khi dự án được Chủ đầu tư nghiệm thu nếu không yêu cầu làm mặt đường.
10 Đo đạc
Ống kim loại lượn sóng và ống bằng tấm kết cấu, vòm ống, vòm và cống hộp phải đo theo mét dài tại hiện trường, đã hoàn thành và được nghiệm thu. Số mét dài phải là số trung bình của chiều dài đường tim trên đỉnh và đáy đối với ống, chiều dài đường tim đáy đối với vòm ống và cống hộp, và trung bình các chiều dài đường chân vòm đối với vòm.
THI CÔNG CẦU ĐƯỜNG BỘ - PHẦN 27: CỐNG BÊ TÔNG
Bridge Construction Specifications - Part 27: Concrete Culverts
1 Phạm vi áp dụng
Bộ tiêu chuẩn TCVN 12885:2020 áp dụng đối với công tác thi công các cầu, cống có kết cấu thông thường, sử dụng các công nghệ thi công thông thường trên đường bộ; cũng có thể tham khảo để thi công các cầu, cống trên đường sắt, có yêu cầu kỹ thuật tương tự.
Tiêu chuẩn này quy định các yêu cầu thi công và nghiệm thu, áp dụng đối với công tác chế tạo, cung cấp, lắp đặt và kiểm tra cống bê tông đúc sẵn chôn dưới đất.
Tiêu chuẩn này được dùng làm cơ sở để xây dựng Chỉ dẫn kỹ thuật thi công đối với công tác nêu trên trong dự án xây dựng cầu đường bộ.
2 Tài liệu viện dẫn
Các tài liệu viện dẫn sau là cần thiết cho việc áp dụng tiêu chuẩn này. Đối với các tài liệu viện dẫn ghi năm công bố thì áp dụng phiên bản được nêu. Đối với các tài liệu viện dẫn không ghi năm công bố thì áp dụng phiên bản mới nhất, bao gồm cả các sửa đổi, bổ sung (nếu có).
TCVN 11823:2017, Thiết kế cầu đường bộ.
TCVN 11823-12:2017, Thiết kế cầu đường bộ - Phần 12: Kết cấu vùi và áo hầm.
LRFD-8, AASHTO LRFD Bridge Design Specifications, 2017 (Tiêu chuẩn thiết kế cầu).
HM-WB, Standard Specifications for Transportation Materials and Methods of Sampling and Testing, 2017 (Tiêu chuẩn kỹ thuật đối với vật liệu giao thông và phương pháp lấy mẫu và thử nghiệm).
HDG-4, Highway Drainage Guidelines (Hướng dẫn thoát nước đường bộ).
ASTM C76, Standard Specification for Reinforced Concrete Culvert, Storm Drain, and Sewer Pipe (Tiêu chuẩn kỹ thuật đối với cống, cống thoát nước mưa và ống thoát nước bằng bê tông cốt thép).
ASTM C655, Standard Specification for Reinforced Concrete D-Load Culvert, Storm Drain, and Sewer Pipe (Tiêu chuẩn kỹ thuật đối với cống bê tông cốt thép chịu tải loại D, cống thoát nước mưa và ống thoát nước).
ASTM C1765, Standard Specification for Steel Fiber Reinforced Concrete Culvert, Storm Drain, and Sewer Pipe (Tiêu chuẩn kỹ thuật đối với cống, cống thoát nước mưa và ống thoát nước bằng bê tông cốt sợi thép).
ASTM C506, Standard Specification for Reinforced Concrete Arch Culvert, Storm Drain, and Sewer Pipe (Tiêu chuẩn kỹ thuật đối với cống vòm, cống thoát nước mưa và ống thoát nước bằng bê tông cốt thép).
ASTM C507, Standard Specification for Reinforced Concrete Elliptical Culvert, Storm Drain, and Sewer Pipe (Tiêu chuẩn kỹ thuật đối với cống hình elip, cống thoát nước mưa và ống thoát nước bê tông cốt thép).
ASTM C1433, Standard Specification for Precast Reinforced Concrete Box Sections for Culverts, Storm Drains, and Sewers (Tiêu chuẩn kỹ thuật đối với các mặt cắt hộp bê tông cốt thép đúc sẵn cho cống, cống thoát nước và cống rãnh).
ASTM C1577, Standard Specification for Precast Reinforced Concrete Monolithic Box Sections for Culverts, Storm Drains, and Sewers Designed According to AASHTO LRFD (Tiêu chuẩn kỹ thuật đối với các mặt cắt hộp nguyên khối bê tông cốt thép đúc sẵn cho cống, cống thoát nước và cống rãnh được thiết kế theo AASHTO LRFD).
ASTM C990, Standard Specification for Joints for Concrete Pipe, Manholes, and Precast Box Sections Using Preformed Flexible Joint Sealants (Tiêu chuẩn kỹ thuật đối với các mối nối cho ống bê tông, hố ga và các mặt cắt hộp đúc sẵn bằng cách sử dụng chất trám khe linh hoạt được tạo hình sẵn).
ASTM C443, Standard Specification for Joints for Circular Concrete Sewer and Culvert Pipe, Using Rubber Gaskets (Tiêu chuẩn kỹ thuật đối với các mối nối cho ống cống bê tông tròn và ống cống, sử dụng gioăng cao su).
ASTM D2487, Standard Practice for Classification of Soils for Engineering Purposes (Unified Soil Classification System) (Tiêu chuẩn thực hành để phân loại đất cho mục đích kỹ thuật (Hệ thống phân loại đất thống nhất)).
ASTM C1479, Standard Practice for Installation of Precast Concrete Sewer, Storm Drain, and Culvert Pipe Using Standard Installations (Tiêu chuẩn thực hành để lắp đặt hệ thống thoát nước bê tông đúc sẵn, cống thoát nước mưa và ống cống sử dụng các lắp đặt tiêu chuẩn).
3 Thuật ngữ và định nghĩa
Tiêu chuẩn này sử dụng các thuật ngữ và định nghĩa nêu trong TCVN 12885-1:2020 và các thuật ngữ, định nghĩa sau:
3.1
Cống (Culvert)
Kết cấu vùi mặt cắt ngang hình cong hoặc hình chữ nhật để thoát nước, hoặc cho xe cộ, tiện ích công cộng hay người đi bộ đi qua.
3.2
Cống tròn (Pipe)
Đoạn kết cấu dạng ống hình trụ rỗng bằng bê tông cốt thép, trong đó cốt thép được cấu tạo bởi một hoặc hai lớp làm thành các vành đai hoặc lồng thép.
3.3
Cống hộp (Box culvert)
Đoạn kết cấu có dạng hình hộp rỗng (1 khoang hoặc 2 khoang) bằng bê tông cốt thép được sản xuất theo kích thước quy định.
3.4
Mối nối (Joint)
Phần liên kết giữa đầu dương và đầu âm của các đốt cống hoặc hai đầu đầu vào nhau (nếu hai đầu bằng), bên ngoài phủ đai chống thấm.
4 Tổng quát
Công việc này gồm có việc chế tạo, cung cấp, lắp đặt và kiểm tra cống bê tông đúc sẵn chôn dưới đất theo Tiêu chuẩn này, Phần 12 của LRFD-8 hoặc TCVN 11823:2017 và chi tiết cho trong hồ sơ hợp đồng. Ống bê tông cốt thép đúc sẵn phải tròn, hình vòm hoặc elip, theo quy định của hồ sơ hợp đồng. Tiết diện cống hộp bê tông cốt thép đúc sẵn phải có kích thước quy định như trong hồ sơ hợp đồng.
Các chữ viết tắt:
CH - Đất sét dẻo cao
GC - Sỏi lẫn sét
GL - Sỏi dẻo thấp
GM - Sỏi lẫn bùn
GP - Sỏi phân loại kém
GW - Sỏi phân loại tốt
MH - Bùn dẻo cao
ML - Bùn dẻo thấp
SC - Cát lẫn sét
SP - Cát phân loại kém
SM - Cát lẫn bùn
SW - Cát phân loại tốt
5 Bản vẽ biện pháp thi công
Khi trong hồ sơ hợp đồng không cho đầy đủ các chi tiết, hoặc tiêu chuẩn/chỉ dẫn chi tiết, Nhà thầu cần đệ trình bản vẽ biện pháp thi công và các tính toán chứng minh kết cấu hoặc hệ thống lắp đặt đề xuất. Việc chế tạo và lắp đặt chỉ được bắt đầu sau khi Kỹ sư chấp thuận các bản vẽ. Bản vẽ biện pháp thi công phải cho các chi tiết đầy đủ của kết cấu, vật liệu, thiết bị và phương pháp lắp đặt đề nghị sử dụng.
Bản vẽ biện pháp thi công phải đệ trình trước khi bắt đầu công việc có liên quan, đủ thời gian để xem xét và sửa chữa mà không làm chậm công việc. Việc chấp thuận như vậy của Kỹ sư không giải thoát cho Nhà thầu khỏi bất kỳ trách nhiệm nào trong hợp đồng đối với việc hoàn thành công việc.
6 Vật liệu
6.1 Cống bê tông cốt thép
Vật liệu dùng làm cống bê tông cốt thép đáp ứng các yêu cầu về loại và kích cỡ quy định trong Bảng 1.
Bảng 1 - Yêu cầu về tiêu chuẩn cống bê tông cốt thép
| Loại cống | Tiêu chuẩn |
| Cống tròn | AASHTO M170 (ASTM C76) hoặc AASHTO M242 (ASTM C655) hoặc ASTM C1765 |
| Ống vòm | AASHTO M206M/ M206, (ASTM C506) |
| Ống elip | AASHTO M207M/ M207, (ASTM C507) |
| Tiết diện hình hộp | AASHTO M259 và AASHTO M273 hoặc ASTM C1433 hoặc ASTM C1577 |
6.2 Hoàn thiện bề mặt
Hư hỏng do định thành phần, trộn và đúc không phù hợp tiêu chuẩn hoặc hư hỏng bề mặt như rỗ tổ ong hoặc cấu trúc hở có thể tác động xấu đến chức năng ống phải được sửa chữa hoặc thay ống.
6.3 Chất bịt khe nối
6.3.1 Tổng quát
Nhà thầu cần đệ trình cho Kỹ sư chứng chỉ chứng thực vật liệu được cung cấp phù hợp với yêu cầu về tính chất mối nối.
6.3.2 Vữa xi măng
Vữa phải gồm 1 phần xi măng portland và 2 phần cát theo thể tích. Cát phải có cấp phối tốt và có kích cỡ để tất cả đều lọt qua sàng 2,36 mm. Vật liệu phải trộn tới độ sệt thích hợp với mục đích dự định và dùng trong vòng 30 min sau khi đã trộn với nước. Nếu dùng phụ gia phải được sự chấp thuận của Kỹ sư trước khi sử dụng.
6.3.3 Vòng đệm kín nước mềm
Mối nối có vòng đệm kín nước mềm phù hợp với yêu cầu của ASTM C990 hoặc ASTM C433, phải mềm và có khả năng chịu được sự co giãn và lún của đường ống.
Vòng đệm cao su phải được cất giữ ở nơi càng mát càng tốt, tốt nhất là 21 °C hoặc nhỏ hơn.
Vòng đệm cao su, thuộc loại cần bôi trơn, phải được bôi trơn bằng chất bôi trơn do Nhà sản xuất ống khuyên và cung cấp.
6.3.4 Chất bịt khe nối khác
Chất bịt khe nối khác phải đệ trình để thử nghiệm trước khi dùng chúng và không được dùng khi Kỹ sư chưa chấp thuận.
6.4 Vật liệu lót móng và lấp
Phải áp dụng các quy định của Điều 8.
7 Lắp ráp
7.1 Tổng quát
Đơn nguyên hoặc bộ phận bê tông đúc sẵn phải lắp ráp theo hướng dẫn của Nhà sản xuất. Đơn nguyên hoặc bộ phận phải được bốc dỡ cẩn thận và không được lăn hoặc kéo trên sỏi đá. Phải chú ý để các đơn nguyên không va vào đá hoặc các vật cứng khác trong khi lắp đặt.
7.2 Mối nối
Mối nối đối với ống bê tông cốt thép và đốt cống hộp bê tông cốt thép đúc sẵn phải phù hợp với các chi tiết nêu trong hồ sơ hợp đồng và bản vẽ biện pháp thi công được chấp thuận. Mỗi mối nối phải được bịt để ngăn chặn đất nhỏ hoặc nước lọt vào theo yêu cầu trong hồ sơ hợp đồng. Thử nghiệm hiện trường có thể phải tiến hành theo yêu cầu của Kỹ sư mỗi khi có vấn đề liên quan đến yêu cầu của hợp đồng.
8 Lắp đặt
8.1 Tổng quát
Hào phải đào theo đúng kích thước và cao độ quy định trong hồ sơ hợp đồng hoặc theo yêu cầu của Kỹ sư. Nhà thầu cần bố trí theo yêu cầu để đảm bảo thoát nước thích đáng cho hào để bảo vệ nền trong quá trình thao tác thi công.
Trước khi lắp cống, phải chuẩn bị nền đất cho đúng cách, đổ đất nền khi cần thiết, và rải lớp đệm móng. Công việc này bao gồm việc san bằng cần thiết đáy hào nguyên thổ hoặc mặt trên của nên đất cũng như việc rải và san bằng lớp lót móng tới cao độ đồng đều để toàn bộ chiều dài ống được đỡ trên một nền đồng nhất hơi đàn hồi. Vật liệu lấp phải rải và lu lèn xung quanh công theo cách nào đáp ứng được các yêu cầu quy định.
Đất dùng để cải thiện móng, lót nền và lấp phải có cỡ hạt tương thích với đất liền kề để tránh di chuyển. Khi không khống chế tốt cỡ hạt phải cách ly với đất liền kề bằng vải địa kỹ thuật.
8.2 Lót móng và lấp đất
8.2.1 Tổng quát
Nếu gặp lớp đá hoặc các tảng đá lăn trong giới hạn của lớp nền yêu cầu dưới cống phải phá bỏ và thay thế bằng lớp đất lót nền. Móng phải gồm đất cứng đến rắn tại chỗ, đất đã ổn định hoặc đất lấp được lu lèn. Nếu là móng đá hoặc đắt không biến dạng khác, lớp lót nền tối thiểu phải là 150 mm. Ở nơi, theo ý kiến của Kỹ sư, đất móng tự nhiên phải gia cố, đất này phải thay thế bằng một lớp đất lót nền. Nơi gặp loại đất không ổn định và/hoặc không phù hợp (như than bùn, đất mùn), ở cao độ hoặc dưới cao độ vòm ngược trong khi đào, phải thăm dò và phân tích cần thiết đất ở dưới mặt và xử lý theo chỉ dẫn của Kỹ sư.
Nơi có đá hoặc móng không đàn hồi khác cần phá nổ. Kỹ sư có thể yêu cầu các bước làm phù hợp để bảo vệ ống.
8.2.2 Vòm tròn và ống elip bằng bê tông cốt thép đúc sẵn
Phải cung cấp loại lót móng được quy định trong hồ sơ hợp đồng hoặc trên bản vẽ biện pháp thi công. Loại hình lắp đặt quy định phải phù hợp với:
- Một trong các loại hình lắp đặt cho trong các Bảng 2 và Bảng 3 và
- Chi tiết cho trong các hình từ Hình 1 đến Hình 4, trong đó xác định các vùng đất và kích thước tới hạn đối với các ống tròn, ống vòm và ống elip.

Hình 1 - Ống tròn - Đất trong lắp đặt tiêu chuẩn trong nền đắp

Hình 2 - Ống tròn - Lắp đặt tiêu chuẩn trong hào



Hình 3 - Lót móng trong nền đắp - Các loại hình khác



Hình 4 - Lót móng hào - Các loại hình khác
Bảng 2 - Đất trong lắp đặt tiêu chuẩn trong nền đắp và yêu cầu độ chặt tối thiểu
| Loại lắp đặt | Chiều dày lót móng | Sườn và lót bên ngoài | Phía thấp |
| Loại 1 | Với móng đất, ít nhất bằng D0/600 mm và không ít hơn 75 mm. Với móng đá, ít nhất bằng D0/300 mm và không ít hơn 150 mm | 95 % Loại I | 90 % Loại I, 95 % Loại II, hoặc 100 % Loại III |
| Loại 2 - Lắp đặt ống elip ngang, đứng và vòm | Với móng đất, ít nhất bằng D0/300 mm và không ít hơn 75 mm. Với móng đá, ít nhất bằng D0/300 mm và không ít hơn 150 mm | 90 % Loại I, hoặc 95 % Loại II | 85 % Loại I, 90 % Loại II, hoặc 95 % Loại III |
| Loại 3 - Lắp đặt ống elip ngang, đứng và vòm | Với móng đất, ít nhất bằng D0/600 mm và không ít hơn 75 mm. Với móng đá, ít nhất bằng D0/300 mm và không ít hơn 150 mm | 85 % Loại I, 90 % Loại II, hoặc 95 % Loại III | 85 % Loại I, 90 % Loại II, hoặc 95 % Loại III |
| Loại 4 | Với móng đất, không cần lót móng. Với móng đá, ít nhất bằng D0/300 mm và không ít hơn 150 mm. | Không yêu cầu lu lèn, trừ với Loại III, dùng 85 % Loại III | Không yêu cầu lu lèn, trừ với Loại III, dùng 85 % Loại III |
CHÚ THÍCH: Bảng 2
- Độ chặt và ký hiệu đất, (nghĩa là 95% Loại I) phải lấy để tham khảo cho loại đất với tối thiểu 95% độ chặt Proctor tiêu chuẩn. Các giá trị Protor cải tiến tương đương phải như cho trong Bảng 4.
- Đất ở các vùng lót bên ngoài, ở sườn và ở phần dưới thấp, trừ phạm vi D0/3 từ đường chân ống, phải được lu lèn ít nhất tới độ chặt giống như hầu hết các vùng đất lấp khác.
- Chiều rộng tối thiểu của hào đào đối với lắp đặt Loại 1 đến Loại 3 phải là D0+ 600 mm hoặc 1,33.D0, lấy số lớn hơn, hoặc rộng hơn nếu cần có đủ không gian để đạt được độ chặt quy định ở vùng sườn và lót móng.
- Với các hào đào có vách là đất thiên nhiên, bất kỳ bộ phận nào của vùng phía dưới trong vách đào ít nhất cũng phải vững chắc tương đương đất lấp theo yêu cầu độ chặt quy định cho vùng phía thấp và cũng vững chắc như hầu hết đất trong vùng lấp đất, hoặc phải đào đi và thay bằng đất được lu lèn theo mức quy định.
- Lắp đặt Loại 2 và Loại 3 chỉ dùng cho ống elip ngang, elíp đứng và vòm.
- Chiều dày lót móng yêu cầu là chiều dày của lớp lót móng sau khi đặt ống lên lót móng và trước khi lấp đất.
Bảng 3 - Đất trong lắp đặt tiêu chuẩn trong hào và các yêu cầu về độ chặt tối thiểu
| Loại lắp đặt | Chiều dày lót móng | Sườn và lót bên ngoài | Phía thấp |
| Loại 1 | Với móng đất, ít nhất bằng D0/600 mm và không ít hơn 75 mm. Với móng đá, ít nhất bằng D0/300 mm và không ít hơn 150 mm | 95 % Loại I | 90 % Loại I, 95 % Loại II, hoặc 100 % Loại III, hoặc đất thiên nhiên có độ vững chắc tương đương |
| Loại 2 - Lắp đặt ống elip ngang, đứng và vòm | Với móng đất, ít nhất bằng D0/300 mm và không ít hơn 75 mm. Với móng đá, ít nhất bằng D0/300 mm và không ít hơn 150 mm | 90 % Loại I, hoặc 95 % Loại II | 85 % Loại I, 90 % Loại II, hoặc 95 % Loại III, hoặc đất thiên nhiên có độ vững chắc tương đương |
| Loại 3 - Lắp đặt ống elip ngang, đứng và vòm | Với móng đất, ít nhất bằng D0/600 mm và không ít hơn 75 mm. Với móng đá, ít nhất bằng D0/300 mm và không ít hơn 150 mm | 85 % Loại I, 90 % Loại II, hoặc 95 % Loại III | 85 % Loại l, 90 % Loại II, hoặc 95 % Loại III, hoặc đất thiên nhiên có độ vững chắc tương đương |
| Loại 4 | Với móng đất, không cần lót móng. Với móng đá, ít nhất bằng D0/300 mm và không ít hơn 150 mm. | Không yêu cầu lu lèn, trừ với Loại III, dùng 85% Loại III | Không yêu cầu lu lèn, trừ với Loại III, dùng 85 % Loại III, hoặc đất thiên nhiên có độ vững chắc tương đương |
CHÚ THÍCH: Bảng 3
- Độ chặt và ký hiệu đất (nghĩa là 95 % Loại I) phải lấy để tham khảo cho loại đất với tối thiểu 95 % của độ chặt Proctor tiêu chuẩn. Các giá trị Protor cải tiến tương đương phải như cho trong Bảng 4.
- Cao độ đỉnh hào phải không thấp hơn 0,1H dưới lớp móng đường hoàn thiện, hoặc với mặt đường thì đỉnh hào không thấp hơn 300 mm dưới cao độ đáy của lớp móng mặt đường.
- Đất ở các vùng lót bên ngoài và ở sườn phải được lu lèn ít nhất tới độ chặt giống như hầu hết các vùng đất lấp khác.
- Chiều rộng tối thiểu của hào đào đối với lắp đặt Loại 1 đến Loại 3 phải là D0+ 600 mm hoặc 1,33.D0, lấy số lớn hơn, hoặc rộng hơn nếu cần có đủ không gian để đạt được độ chặt quy định ở vùng sườn và lót móng.
- Với tường hào có dốc đứng trong vòng 10°, độ chặt hoặc độ vững chắc của đất trong tường hào và ở vùng phía dưới thấp không cần xem xét.
- Với tường hào có dốc lớn hơn 10°, bao gồm nền đắp, phần dưới thấp phải lu lèn ít nhất tới cùng độ chặt quy định đối với đất trong vùng đất lấp.
- Lắp đặt Loại 2 và Loại 3 chỉ dùng cho ống elip ngang, elip đứng và vòm.
- Chiều dày lót móng yêu cầu là chiều dày của lớp lót móng sau khi đặt ống lên lót móng và trước khi lấp đất.
Phân loại đất AASHTO M145 (ASTM D2487) và USCS tương đương với các loại nhóm đất trong lắp đặt tiêu chuẩn có thể lấy từ Bảng 31.5.2.2-3.
Bảng 4 - Phân loại đất USCS và AASHTO tương đương với loại đất SIDD
| Loại đất SIDD | Loại đất đại diện | Độ chặt phần trăm | ||
| USCS | AASHTO | Proctor tiêu chuẩn | Proctor cải tiến | |
| Loại I | SW, SP, GW, GP | A-1, A-3 | 100 | 95 |
|
|
| 95 | 90 | |
|
|
| 90 | 85 | |
|
|
| 85 | 80 | |
|
|
| 80 | 75 | |
|
|
| 61 | 59 | |
| Loại II | GM, SM, ML cả GC, SC với dưới 20 % lọt qua sàng số 200 | A-2, A-4 | 100 | 95 |
|
| 95 | 90 | ||
|
| 90 | 85 | ||
|
| 85 | 80 | ||
|
| 80 | 75 | ||
|
| 49 | 46 | ||
| Loại III | GL, MH, GC, SC | A-5, A-6 | 100 | 90 |
|
|
| 95 | 85 | |
|
|
| 90 | 80 | |
|
|
| 85 | 75 | |
|
|
| 80 | 70 | |
|
|
| 45 | 40 | |
| CH Không được dùng ở sườn và lót móng | A-7 | 100 | 90 | |
|
| 95 | 85 | ||
|
| 90 | 80 | ||
|
| 45 | 40 | ||
8.2.3 Cống hộp bê tông cốt thép đúc sẵn
Trừ cho phép khác ở đây, phải làm lót móng theo loại hình lắp đặt quy định phù hợp với Hình 5, trừ khi theo ý kiến của Kỹ sư đất tự nhiên có thể làm lót móng phù hợp.
Vật liệu lót móng có thể là đất dạng hạt lọt hết qua sàng 9,5 mm và có không quá 10 % lọt qua sàng No.200 (75 µm). Đất lấp phải là đất được chọn không có chất hữu cơ, không có đá cục lớn hơn 75 mm và có độ ẩm trong phạm vi yêu cầu đối với độ chặt.

Hình 5 - Các yêu cầu lót móng và lấp đất
8.3 Đặt các đốt cống
Trừ khi được phép của Kỹ sư làm khác đi, việc đặt các đốt cống trên lót móng đã chuẩn bị phải bắt đầu từ đầu ra với mấu nối mở rộng hướng xuống hạ lưu và tiến dần về phía đầu vào với các đoạn giáp đầu khớp nhau chính xác đúng theo tuyến và độ dốc đã xác định. Khi đặt các ống có đoạn mở rộng phải đào các hố cho đoạn mở rộng trong nền theo kích thước sao cho toàn bộ chiều dài thân ống được đỡ trên nền khi đã đặt đúng cách như cho trong Hình 6. Phải bố trí các phương tiện để nâng hạ thoả đáng các đốt cống vào trong hào mà không xáo trộn lót nền đã xử lý và các thành hào. Đầu các đốt cống phải làm sạch trước khi nối với nhau. Đốt cống phải khít và khớp để khi đã đặt trên nền tạo thành một ống dẫn nhẵn, đồng đều. Khi dùng ống elip có cốt thép tròn xung quanh hoặc ống tròn có cốt thép hình elip, ống phải đặt trong hào ở vị trí mà các dấu “Đỉnh” hoặc “Đáy” không được lệch quá 5° so với mặt phẳng thẳng đứng trên suốt trục dọc của ống. Không được dùng thiết bị đào đất để điều chỉnh độ dốc bằng tác động lực lên cống hoặc để nâng hạ cống. Nếu đốt cống lắp đặt không đúng dốc sau khi nối, đốt cống này phải tháo ra, sửa lại độ dốc và nối lại.

Hình 6 - Đào các hố mở rộng để chống đỡ đồng đều
Cống bê tông cốt thép có nhiều lỗ (cửa) phải đặt với đường tim các lỗ song song và cách nhau như cho trong hồ sơ hợp đồng. Các đốt cống và hộp dùng trong lắp đặt song song đòi hỏi được đỡ bên chắc chắn giữa thành bên của các đốt ống hoặc hộp cạnh nhau. Đất lấp được lu lèn, đất lấp dạng hạt hoặc ép vữa giữa các đốt cống được coi là các biện pháp chống đỡ tốt.
8.4 Phần bên, phần dưới thấp và lấp đất hoặc phủ đất
8.4.1 Vòm tròn và ống elip bê tông cốt thép đúc sẵn
Vật liệu phần bên hông, vật liệu ở phần dưới thấp và đất lấp phải được làm theo các giới hạn cho trong các hình từ Hình 1 đến Hình 4.
8.4.2 Đốt cống hộp bê tông cốt thép đúc sẵn
Đất lấp phải được làm theo các giới hạn cho trong Hình 5 cho trường hợp nền đắp hoặc hào.
8.4.3 Thi công phần bên hông, phần thấp và lấp đất hoặc phủ đất
Đất lấp phải rải theo các lớp đất rời dày không quá 200 mm và lu lèn để đạt được tỷ trọng yêu cầu. Đất lấp phải rải và đầm lèn cẩn thận dưới các hông cống và nâng đều đồng thời ở hai bên cống. Chiều rộng hào phải làm hẹp nhất theo yêu cầu để lắp cống. Ngâm hoặc phun nước chỉ được dùng khi được phép của Kỹ sư.
8.4.4 Lớp phủ trên cống trong khi thi công
Nếu thiết bị thi công phải đi qua trên cống đã lắp đặt là cần thiết trong xây dựng công trình, lớp phủ được lu lèn thành dốc leo vượt qua cống phải dày ít nhất 900 mm phía trên đỉnh cống hoặc tới chiều cao mà tải trọng thiết bị tác động lên cống không vượt quá cường độ thiết kế của cống. Khi lắp đặt trong nền đắp lớp phủ này phải mở rộng ra hai bên cống ít nhất bằng chiều rộng 1 lần đường kính cống mỗi bên hoặc 900 mm, lấy số lớn hơn, đề phòng cống có thể dịch chuyển ngang. Nếu lượng xe máy thi công lớn phải đi qua cống đã lắp đặt thì điểm vượt thỉnh thoảng phải thay đổi để giảm thiểu khả năng dịch chuyển ngang.
9 Kiểm tra hiện trường
9.1 Tổng quát
Phải tiến hành kiểm tra bên trong việc lắp đặt các ống cứng bị vùi để đánh giá các vấn đề có thể ảnh hưởng tới sự làm việc lâu dài như các vết nứt, chất lượng mối nối và tuyến ống. Việc kiểm tra phải tiến hành không sớm hơn 30 ngày sau khi hoàn thành lắp đặt và lấp đất.
9.2 Tuyến cống sai
Có thể căn cứ hiện tượng đặt tuyến cống sai để làm dấu hiệu chỉ ra sự tồn tại các vấn đề trong đất chống đỡ hoặc việc khống chế cao độ của Nhà thầu. Phải kiểm tra tuyến đứng và tuyến ngang của cống bằng quan sát dọc đỉnh, vòm ngược và các mặt bên của cống, kiểm tra dịch chuyển khác nhau hoặc độ lún ở các mối nối giữa các đốt cống. Phải kiểm tra tuyến đứng về võng, đứt gãy và vòm ngược phình lên. Người kiểm tra phải xét đến việc đặt cống theo độ vồng hoặc thay đổi cao độ như quy định. Phải kiểm tra tuyến ngang về độ thẳng hoặc độ cong đều đặn.
9.3 Hư hỏng mối nối
Có thể phát hiện mối nối bị rò rỉ khi dòng chảy thấp bằng quan sát trực quan mối nối, bằng cách kiểm tra quanh các đầu cống về bằng chứng xói ngầm, và nếu hợp đồng yêu cầu, bằng các phương pháp thử đặc biệt thường dùng cho thoát nước vệ sinh.
Dịch chuyển khác nhau, nứt, vỡ, đặt đệm không đúng, dịch chuyển hoặc lún của các đốt cống, và rò rỉ phải được ghi trong báo cáo kiểm tra. Vết nứt mối nối nghiêm trọng cũng có ý nghĩa như là mối nối bị tách rời.
Sự tách rời các mối nối lớn hơn giới hạn tối đa của Nhà sản xuất ống phải coi là quan trọng vì chúng làm tăng nhanh hư hỏng do đất lấp lọt vào và lọt ra do xói.
Bằng chứng của mọi sự mất đất qua mối nối là lý do cho khảo sát sau đó để xác định nguồn gốc và yêu cầu sửa chữa hoặc thay thế.
9.4 Vết nứt dọc
Vết nứt dọc cỡ sợi tóc ở đỉnh hoặc ở vòm ngược chỉ rõ cốt thép đã chịu một phần tải trọng, vết nứt có bề rộng bằng hoặc nhỏ hơn 0,25 mm coi là vết nứt nhỏ chỉ cần ghi vào báo cáo kiểm tra.
Những dấu hiệu khuyết tật khác như dịch chuyển khác nhau, mặt bê tông sùi hoa, nứt vỡ hoặc gỉ thép cũng phải ghi chép lại. Khi vết nứt rộng hơn 0,25 mm phải đo bề rộng, chiều dài và vị trí các vết nứt và đường kính ống, cả chiều đứng và chiều ngang. Nhà thầu cần tiến hành đánh giá và trình Kỹ sư để xem xét và thẩm định tính toàn vẹn kết cấu, điều kiện môi trường và tuổi thọ thiết kế của cống.
Vết nứt có bề rộng bằng hoặc lớn hơn 0,25 mm và xác định là có hại phải được trét lại bằng phương pháp được Kỹ sư chấp thuận, ống có vết nứt lớn hơn 2,5 mm và Kỹ sư xác định là vượt quá khả năng sửa chữa kết cấu một cách thoả đáng, phải được chữa lại hoặc thay thế. Các ống có sự dịch chuyển qua vết nứt phải sửa chữa hoặc thay thế.
Ghi chép kiểm tra có vết nứt lớn hơn 0,25 mm phải lưu lại trong tập tin (File) để giám sát trong những lần kiểm tra tiếp theo, số đo và ảnh về vết nứt phải lấy làm cơ sở giám sát trong những lần kiểm tra tiếp theo.
9.5 Vết nứt ngang
Ở nơi quan sát thấy các vết nứt ngang, chúng phải được giám sát như mô tả ở Điều 9.4.
9.6 Tách bóc
Có thể phát hiện tách bóc qua nhìn bằng mắt bê tông dọc mép các vết nứt. Phải gõ búa dọc vết nứt để kiểm tra các vùng hư hỏng mà chưa bị tách ra nhìn thấy được. Những vùng này thường phát ra tiếng rỗng khi gõ. Các vùng này có thể xem như bị tách lớp hoặc khởi nguồn của nứt vỡ. Ống có vấn đề dạng này phải sửa chữa hoặc thay thế.
9.7 Bẹp thành bản
Bất kỳ ống nào bẹp thành bản phải được sửa chữa hoặc thay thế.
9.8 Đốt cuối bị rời ra
Đầu cống bị rời ra do đất đỡ đốt cống ở cửa ra bị xói. Đốt cống này phải được đặt lại.
9.9 Hành động tiếp theo
Bất kỳ công việc sửa chữa hoặc bổ cứu nào được thực hiện trên một cống thì việc kiểm tra tiếp theo phải thực hiện 2 năm 1 lần theo cùng những chỉ dẫn được mô tả trong Điều 9.
10 Đo đạc
Cống được đo theo mét dài được lắp đặt tại chỗ, hoàn thiện và chấp thuận, số mét dài phải là số trung bình của chiều dài tim của đỉnh và đáy mặt cắt ống và hộp.
THI CÔNG CẦU ĐƯỜNG BỘ - PHẦN 28: BỀ MẶT CHỊU MÀI MÒN
Bridge Construction Specifications - Part 28: Wearing Surfaces
1 Phạm vi áp dụng
Bộ tiêu chuẩn TCVN 12885:2020 áp dụng đối với công tác thi công các cầu, cống có kết cấu thông thường, sử dụng các công nghệ thi công thông thường trên đường bộ; cũng có thể tham khảo để thi công các cầu, cống trên đường sắt, có yêu cầu kỹ thuật tương tự.
Tiêu chuẩn này quy định các yêu cầu thi công và nghiệm thu, áp dụng đối với công tác rải bề mặt chịu mài mòn bằng vật liệu bền và không thấm nước lên mặt đường trên cầu, trong thi công cầu.
Tiêu chuẩn này được dùng làm cơ sở để xây dựng Chỉ dẫn kỹ thuật thi công đối với công tác nêu trên trong dự án xây dựng cầu đường bộ.
2 Tài liệu viện dẫn
Các tài liệu viện dẫn sau là cần thiết cho việc áp dụng tiêu chuẩn này. Đối với các tài liệu viện dẫn ghi năm công bố thì áp dụng phiên bản được nêu. Đối với các tài liệu viện dẫn không ghi năm công bố thì áp dụng phiên bản mới nhất, bao gồm cả các sửa đổi, bổ sung (nếu có).
TCVN 12885-8:2020, Thi công cầu đường bộ - Phần 8: Kết cấu bê tông.
HM-WB, Standard Specifications for Transportation Materials and Methods of Sampling and Testing, 2017 (Tiêu chuẩn kỹ thuật đối với vật liệu giao thông và phương pháp lấy mẫu và thử nghiệm).
ASTM D448, Standard Classification for Sizes of Aggregate for Road and Bridge Construction (Tiêu chuẩn phân loại kích thước cốt liệu cho xây dựng cầu đường).
ASTM C231, Standard Test Method for Air Content of Freshly Mixed Concrete by the Pressure Method (Tiêu chuẩn phương pháp thử đối với hàm lượng không khí của bê tông tươi bằng phương pháp áp suất).
3 Thuật ngữ và định nghĩa
Tiêu chuẩn này sử dụng các thuật ngữ và định nghĩa nêu trong TCVN 12885-1:2020 và các thuật ngữ, định nghĩa sau:
3.1
Bê tông nhựa cao su biến tính (Latex modified concrete)
Bê tông xi măng Portland với hỗn hợp mủ cao su. Bê tông nhựa cao su biến tính được coi là gần như không thấm với clorua và được sử dụng rộng rãi để xây dựng lớp phủ mặt cầu nhằm tăng cường khả năng chịu mài mòn.
4 Mô tả
Công việc này gồm có rải bề mặt chịu mài mòn bằng vật liệu bền và không thấm nước lên mặt đường trên cầu, bao gồm việc chuẩn bị bề mặt của mặt cầu mới hoặc cầu hiện có, để tiếp nhận lớp phủ bằng vật liệu rải mặt nói trên.
Loại và bề dày bề mặt mài mòn phải theo đúng như chỉ định trong hồ sơ hợp đồng. Yêu cầu về vật liệu và rải lớp bề mặt mài mòn các loại không phải bằng bê tông nhựa cao su biến tính (latex) biến tính, phải theo quy định trong hồ sơ hợp đồng. Bề mặt mài mòn bằng bê tông nhựa cao su biến tính được cung cấp và rải theo Tiêu chuẩn này.
5 Bề mặt mài mòn bằng bê tông nhựa cao su biến tính (latex)
5.1 Tổng quát
Thiết bị dùng để chuẩn bị bề mặt và định tỷ lệ trộn, rải và hoàn thiện bê tông nhựa cao su phải được Kỹ sư chấp thuận trước khi sử dụng. Việc chấp thuận này tùy thuộc vào tính năng có thoả mãn không và bị hủy bỏ trong trường hợp tính năng này không đạt được. Thiết bị phải có đủ trong tay trước khi bắt đầu các thao tác thi công để xem xét và chấp thuận. Bất kỳ thiết bị nào rò rỉ dầu hoặc một thứ gì khác cản trở trên mặt cầu phải được loại bỏ ngay khỏi địa điểm công tác trước khi sửa chữa.
Nhà thầu cần sử dụng kỹ thuật viên có kinh nghiệm trong việc định tỷ lệ trộn, rải và hoàn thiện bê tông nhựa cao su và người đó phải có mặt và kiểm tra kỹ thuật công việc mỗi khi tiến hành các thao tác này. Trình độ của kỹ thuật viên này, bao gồm danh mục các công trình mà người này đã kinh qua và mức độ trách nhiệm của kỹ thuật viên này về mỗi công trình đó, phải đệ trình cho Kỹ sư để chấp thuận trước khi bắt đầu các thao tác này.
Việc chấp thuận của Kỹ sư về thiết bị hoặc kỹ thuật viên không giảm nhẹ trách nhiệm của Nhà thầu đối với việc hoàn thành công trình.
Nếu trong hồ sơ hợp đồng không có nêu khác, bề dày tối thiểu của bề mặt mài mòn bê tông nhựa cao su biến tính phải bằng 32 mm.
5.2 Vật liệu
5.2.1 Xi măng Portland
Xi măng Portland phù hợp với yêu cầu của Điều 6.1 của TCVN 12885-8:2020, trừ vấn đề chỉ được sử dụng Loại I hoặc II.
5.2.2 Cốt liệu
Cốt liệu phù hợp với yêu cầu của AASHTO M6 đối với cốt liệu nhỏ, và của AASHTO M80 đối với cốt liệu thô. Cốt liệu thô phải có cấp phối từ 13 mm tới 4,75 mm theo AASHTO M43 (ASTM D448).
5.2.3 Nước
Nước để trộn bê tông phù hợp với yêu cầu của Điều 6.2 của TCVN 12885-8:2020.
5.2.4 Nhũ tương nhựa cao su
Hỗn hợp nhũ tương nhựa cao su pha chế phải là nhũ tương polymer, tạo thành màng mỏng, không nguy hiểm trong nước, đã pha tất cả các chất ổn định ở điểm chế tạo và phải đồng nhất và đồng đều về thành phần.
Các tính chất vật lý - Chất biến tính bằng nhựa cao su phù hợp với các yêu cầu sau:
Bảng 1 - Các tính chất vật lý - chất biến tính nhựa cao su
| Chất ổn định loại polymeric Styrene Butadiene | |
| Nhựa cao su | Chất có hoạt tính bề mặt không ion hoá |
| Thành phần xi măng Portland | Polydimethyl Siloxane |
| Số phần trăm (%) chất rắn | 46,0 - 49,0 |
| Trọng lượng (kg) cho mỗi lít, ở 25 °C | 1,0 |
| Màu sắc | Trắng |
Mỗi lần chuyên chở nhũ tương dùng trong công trình phải kèm theo chứng chỉ hợp cách do Nhà sản xuất nhũ tương nhựa cao su ký xác nhận vật liệu phù hợp với các tiêu chuẩn trên đây.
Hỗn hợp nhựa cao su được cất giữ trong các buồng kín phù hợp và không để hở lâu trong nhiệt độ cao quá 30 °C. Bình chứa phụ gia nhũ tương có thể cất giữ tại địa điểm cầu trong thời hạn không quá 10 ngày. Các bình chứa này phải được che phủ hoàn toàn bằng vật liệu thảm cách nhiệt phù hợp để tránh nhiệt độ quá cao.
5.2.5 Bê tông nhựa cao su biến tính
Bê tông nhựa cao su biến tính sử dụng theo dự án phải là hỗn hợp dễ dùng và đáp ứng các yêu cầu quy định trong Bảng 2 và các điều sau:
- Sau khi lấy mẫu vật liệu đã trộn bình thường xả ra, việc bắt đầu thử nghiệm độ sụt phải để chậm lại từ 4 đến 5 min.
- Có thể thêm nước để đạt độ sụt trong các giới hạn quy định.
- Tỷ lệ trọng lượng khô là gần đúng và phải tạo ra khả năng thi công dễ dàng, nhưng do các thay đổi về cấp phối nên có thể điều chỉnh trong các giới hạn theo Kỹ sư. Có thể tăng 0,2 phần trọng lượng cát nếu cốt liệu thô được giảm theo một thể tích tương đương.
Bảng 2 - Hỗn hợp bê tông nhựa cao su biến tính
| Vật liệu hoặc tính chất | Bê tông |
| Xi măng, phần theo trọng lượng | 1,0 |
| Cốt liệu nhỏ, phần theo trọng lượng | 2,5 |
| Cốt liệu thô, phần theo trọng lượng | 2,0 |
| Hỗn hợp nhũ tương nhựa mủ, lít/ 42.6 kg xi măng | 13,25 |
| Hàm lượng không khí của hỗn hợp dẻo (%) (AASHTO T152) (ASTM C231) | 3,0 - 6,0 |
| Độ sụt, mm | 76 - 152 |
5.3 Chuẩn bị bề mặt
5.3.1 Mặt cầu mới
Bề mặt mặt cầu mới trên đó sẽ rải lớp mặt mài mòn phải có cấu trúc nhám bằng cách chải thô hoặc bằng các phương pháp được chấp thuận khác.
Sau khi bảo dưỡng bê tông mặt cầu đã hoàn thành và trước khi rải lớp phủ, toàn bộ diện tích mặt cầu và các mặt đứng của các vỉa, các tường phòng hộ bê tông, tường barie... cao tới 25 mm bên trên cao độ lớp phủ phải được thổi sạch đất, dầu, mỡ, chất bitum, sơn và tất cả các vật liệu lạ khác. Việc thổi sạch diện tích mặt cầu thường được tiến hành trong vòng 24 h trước khi rải lớp phủ lên diện tích đó. Việc làm sạch bằng cách thổi có thể là thổi cát ướt, thổi nước áp lực cao, thổi các hạt cứng, thổi cát khô có vỏ bảo vệ và bộ thu gom bụi, hoặc bằng phương pháp khác được Kỹ sư chấp thuận. Thiết bị thổi nước phải hoạt động với áp lực tối thiểu bằng 24 MPa. Phương pháp sử dụng phải tiến hành phù hợp với các quy tắc ô nhiễm nước và không khí thích hợp và các quy tắc bảo vệ sức khỏe an toàn. Tất cả các chất bẩn, kể cả nước bẩn, do các thao tác thổi sạch phải được làm sạch hoàn toàn và ngay lập tức khỏi các bề mặt đã được thổi sạch và khỏi các khu vực khác mà chất bẩn có thể tích tụ lại. Khu vực đã thổi sạch phải được bảo vệ khi cần thiết chống mọi sự nhiễm bẩn trước khi rải lớp phủ. Khu vực bị nhiệm bẩn và khu vực để lộ ra ngoài quá 36 h sau khi làm sạch phải được thổi sạch lại theo chỉ dẫn của Kỹ sư.
Ngay trước khi rải lớp phủ, phải loại bỏ mọi bụi bẩn và rác rưởi khác bằng cách phun nước hoặc thổi bằng khí nén. Sau đó bề mặt đã xử lý phải ngâm nước sạch trong không ít hơn 1 h trước khi rải lớp phủ nhựa mủ. Trước khi rải lớp phủ, phải thổi sạch hết nước tự do, và phương pháp này phải tiếp tục cho tới khi bề mặt có vẻ khô hoặc vừa đủ ẩm.
Hệ thống cung cấp không khí để làm sạch bằng thổi phải được trang bị bộ lọc dầu trong tuyến ống khí nén và phải bố trí để dầu hoặc mỡ không làm nhiễm bẩn bề mặt bởi bất kỳ thiết bị nào trước khi rải.
5.3.2 Mặt cầu hiện có
Bề mặt mặt cầu hiện có đã bị nhiễm bẩn do xe cộ phải cào xới tới độ sâu cho trong hồ sơ hợp đồng. Nếu không cho hoặc không có quy định về độ sâu, phải loại bỏ tối thiểu 6 mm vật liệu bề mặt bằng cách cào xới.
Trước khi bắt đầu việc cào xới và cho đến khi hoàn thành các thao tác này, tất cả các rãnh thoát nước mặt cầu, các khe co giãn và các khe hở khác có thể bị hư hỏng, theo xác định của Kỹ sư, phải tạm thời che phủ hoặc nút lại để tránh rác bẩn lọt vào.
Việc cào xới phải thực hiện bằng các máy xới chạy điện, hoặc các thiết bị được chấp thuận khác, có khả năng loại bỏ một cách đồng đều bề mặt hiện có tới các chiều sâu yêu cầu mà không làm hư hỏng bê tông bên dưới. Máy cào xới không được thao tác để làm hỏng các đồ kim loại như cửa ống thoát nước và vỏ bọc các khe co giãn. Trong các khu vực mà máy xới không thể tới được và trong các khu vực bị vỡ và ở đó cốt thép bị lộ ra, việc xới và loại bỏ bê tông bị hư hỏng hoặc không tốt phải được thực hiện bằng dụng cụ cầm tay. Không được dùng búa khí nén nặng hơn 20 kg.
Không được cào xới hoặc đục đẽo trong vòng 1.800 mm của lớp phủ mới trước 48 h sau khi rải.
Trong các khu vực gặp bê tông bị hư hỏng hoặc không tốt theo xác định của Kỹ sư, bê tông phải loại bỏ tới độ sâu bằng 20 mm dưới lớp cốt thép phía trên. Yêu cầu phải có khoảng trống tối thiểu bằng 20 mm xung quanh cốt thép trừ nơi lớp cốt thép bên dưới không cho phép thực hiện. Phải chú ý để không làm hư hỏng cốt thép lộ ra. Tất cả cốt thép phải được thổi sạch. Khu vực sửa chữa phải được lấp đầy trong thao tác phủ.
Sau khi cào xới và loại bỏ bê tông không tốt xong, mặt cầu phải thổi sạch và chuẩn bị theo quy định trong Điều 5.3.1.
5.4 Định tỷ lệ cấp phối và trộn
Trước khi rải 14 ngày, Nhà thầu cần đệ trình cho Kỹ sư để chấp thuận thiết kế hỗn hợp kiến nghị bằng văn bản và các mẫu của tất cả các vật liệu hỗn hợp với khối lượng đủ để tạo ra tối thiểu 0,08 m3 bê tông để thử nghiệm thiết kế hỗn hợp trong phòng thí nghiệm.
Thiết bị định tỷ lệ cấp phối và trộn phải là máy trộn loại định tỷ lệ theo thể tích, trộn liên tục, di động, có tất cả các bộ phận nằm bên trong máy.
Máy trộn kiểu liên tục phải là loại giữ được các tỷ lệ của xi măng, cát tự nhiên, và cốt liệu thô không thay đổi chỉ bằng cách hiệu chỉnh máy trộn mà không thể thay đổi tỷ lệ đó bằng cách giữ nguyên dạng dấu niêm phong hoặc các đồng hồ đo gắn ở máy trộn. Ngoài việc trang bị thước đo lưu lượng để hiệu chỉnh bộ phận cung cấp nước của máy trộn, máy trộn cũng được trang bị thước đo nước loại tích lũy có thể đọc tới 0,4 lít gần nhất. Thước đo nước phải dễ tới nơi, chính xác tới dưới 1 % và dễ đọc. Cả hai thước đo nước phải được Kỹ sư kiểm tra mỗi lần hiệu chỉnh máy trộn. Phải có phương pháp được chấp thuận để cho phụ gia vào. Phụ gia phải cho vào máy trộn một cách riêng rẽ chừng nào có thể được. Máy trộn loại liên tục phải được hiệu chỉnh với sự thoả mãn của Kỹ sư trước khi bắt đầu công việc. Việc kiểm tra độ chảy thường phải làm cho mỗi 38 m3 hỗn hợp. Cần thiết phải hiệu chỉnh lại khi các lần kiểm tra độ chảy cho biết và ở bất kỳ thời điểm nào mà Kỹ sư thấy là cần thiết để đảm bảo việc định tỷ lệ các thành phần được chính xác. Không được sử dụng các máy trộn kiểu liên tục đem theo cả các thể tích không khí không thể chấp nhận được vào trong hỗn hợp.
Máy trộn phải giữ sạch và không được có các vật liệu đã cứng hoặc khô một phần ở mọi thời điểm. Máy phải luôn luôn tạo ra hỗn hợp trộn kỹ lưỡng, đồng đều trong các giới hạn hàm lượng không khí và giới hạn độ sụt. Máy trộn làm việc không tốt phải sửa chữa ngay hoặc thay thế bằng máy khác có thể chấp nhận được.
Các đống cốt liệu dự trữ đang sử dụng phải có hàm lượng ẩm đồng đều.
Khả năng trộn phải sao cho các thao tác hoàn thiện có thể tiến hành với tốc độ không thay đổi để việc hoàn thiện cuối cùng được hoàn thành trước khi tạo thành màng dẻo trên bề mặt.
5.5 Rải mặt
5.5.1 Các hạn chế về thời tiết
Việc rải bê tông dùng nhựa cao su biến tính không được bắt đầu khi thời tiết ở dưới, hoặc dự đoán sẽ xuống dưới 7 °C hoặc sẽ cao hơn 27 °C, khi có gió to, mưa hoặc các điều kiện độ ẩm thấp dự kiến sẽ xảy ra trước khi bê tông bắt đầu đông kết. Nếu bất kỳ một trong các điều kiện đó xảy ra trong khi rải, phải chấm dứt việc rải và tạo ra mối nối thi công thẳng. Có thể phải rải ban đêm khi các điều kiện ban ngày không thuận lợi. Nếu phải rải ban đêm, Nhà thầu cần bố trí chiếu sáng thoả đáng.
5.5.2 Thiết bị
Thiết bị rải và hoàn thiện bao gồm các dụng cụ làm bằng tay để rải và chải bê tông nhựa cao su biến tính mới rải và để phân phối bê tông tới đúng cao độ bằng thanh gạt. Phải dùng các máy rung cầm tay, thanh gạt và bàn xoa để đầm lèn và hoàn thiện các bề mặt nhỏ.
Phải dùng máy hoàn thiện được chấp thuận phù hợp với các yêu cầu sau đây để hoàn thiện các diện tích lớn của công trình.
- Máy hoàn thiện phải là tự hành và có khả năng di động tới và lui có điều khiển chính xác. Chiều dài thanh gạt phải đủ để kéo ra ngoài các mép của 2 đầu đoạn đang rải ít nhất 150 mm. Máy hoàn thiện cũng phải có khả năng lu lèn bê tông bằng cách rung và nâng các thanh gạt để tránh bê tông khi chạy lùi. Máy có thể là loại con lăn quay hoặc loại thanh gạt dao động (đưa đi đưa lại).
- Máy loại con lăn quay phải có một hoặc nhiều con lăn, mũi khoan và các máng rung từ 25 Hz đến 40 Hz.
- Máy loại thanh gạt dao động phải có các máy rung trên các thanh gạt có tần số rung có thể thay đổi giữa 50 Hz và 250 Hz. Mặt đáy của các thanh gạt phải rộng không dưới 100 mm và bằng kim loại.
Cần có các thanh ray để máy hoàn thiện chạy lên trên. Ray phải đủ cứng để đỡ trọng lượng của máy mà không làm võng đáng kể và phải đặt bên ngoài khu vực rải bê tông. Neo ray phải cung cấp ổn định ngang và đứng và không được bôi màu phần bê tông sẽ không phủ.
Phải cung cấp cầu công tác có bánh xe hoặc nhẹ có thể mang vác được để dùng sau thao tác hoàn thiện.
5.5.3 Rải và hoàn thiện
5.5.3.1 Mối nối thi công
Mối nối thi công theo kế hoạch được tạo bằng cách đặt vách ngăn tới đúng cao độ. Trước khi rải bê tông lên lớp phủ đã rải trước, mối nối thi công phải cưa thành cạnh thẳng đứng và thẳng. Có thể không phải cưa nếu vách ngăn tạo ra bề mặt thẳng, nhẵn, thẳng đứng. Mặt của mối nối phải thổi bằng cát hoặc nước để loại bỏ vật liệu rời rạc.
Mối nối thi công dọc chỉ được phép làm ở đường tim đường hoặc tại các đường chia làn xe trừ khi có yêu cầu khác trong hồ sơ hợp đồng hoặc được Kỹ sư cho phép.
Trường hợp thao tác đổ bê tông chậm quá 1 h, việc tạo mối nối thi công được chấp thuận bằng cách loại bỏ tất cả vật liệu không tới cao độ hoàn thiện và cưa mép thành một đường thẳng. Trong các đợt chậm trễ ít hơn 1 h trở xuống, đầu của lớp rải có thể bảo vệ không bị khô bằng nhiều lớp bao tải ướt và sạch.
5.5.3.2 Rải bê tông
Máy hoàn thiện phải chạy thử trên toàn bộ diện tích được phủ mỗi ngày trước khi bắt đầu rải bê tông để đảm bảo đạt được bề dày lớp phủ yêu cầu.
Ngay trước khi rải hỗn hợp phủ, phải cọ vữa và chải kỹ một lớp mỏng hỗn hợp bê tông polymer biến tính dùng cho lớp phủ lên bề mặt như một lớp vữa dính kết cho lớp phủ. Hạt thô hơn trong hỗn hợp mà không thể chải cho tiếp xúc với bề mặt thì phải loại bỏ và đổ đi theo cách được Kỹ sư chấp thuận. Phải chú ý để đảm bảo các bề mặt thẳng đứng cũng như nằm ngang nhận được một lớp phủ hoàn hảo, đều đặn và tốc độ tiến triển được hạn chế để vật liệu chải trên mặt không bị khô trước khi nó được phủ với bề dày đầy đủ bê tông nhựa cao su biến tính.
Bê tông dùng nhựa cao su biến tính phải rải trên bề mặt đã xử lý và quét lớp vữa nói trên ngay khi trộn xong. Hỗn hợp phải rải và vỗ khoảng 6 mm bên trên cao độ cuối cùng sau đó được đầm bằng rung và hoàn thiện tới cao độ cuối cùng bằng máy hoàn thiện được chấp thuận, cần dùng các đầm dùi trong các hố sâu, dọc mép, và kề với các vách chắn khe nối. Phải bố trí rung thêm dọc các đường gập nhau nơi các mẻ bê tông tiếp giáp nhau và dọc các đường vỉa. Có thể cần hoàn thiện bằng tay bằng một cái bàn xoa dọc mép mẻ đổ hoặc trên các diện tích sửa chữa nhỏ.
Đường ray thanh gạt và vách chắn thi công phải phân tách với vật liệu mới rải bằng cách đưa một đường bay dọc mặt trong của chúng. Gờ tăng dày không được phân cách với lớp phủ. Phải chú ý để đảm bảo răng đường bay này cắt trên toàn bộ chiều cao và chiều dài của ray sau khi hỗn hợp đã đủ cứng.
5.5.3.3 Hoàn thiện
Phải thao tác thiết bị hoàn thiện để tạo ra bề mặt đồng đều, nhẵn và có cấu trúc đều đặn. Bề mặt cuối cùng không được thay đổi quá 3 mm trên một thước thẳng 3 m đặt dọc trên đó. Trước khi màng dẻo được hình thành, bề mặt được làm nhám bằng cách khía rãnh theo yêu cầu của Điều 13.2.3 của TCVN 12885-8:2020.
5.6 Bảo dưỡng
Bề mặt được phủ ngay bằng một lớp bao tải sạch, ướt ngay khi mặt đường chịu được lớp phủ mà không bị biến dạng.
Trong vòng 1 h phủ bao tải ướt, bao tải phải làm ướt lại nếu cần thiết và một lớp màng polyethylene 0,1 mm, hoặc tấm bao polyethylene đặt trên bao tải ướt, và bề mặt được bảo dưỡng trong 24 h. Sau đó vật liệu bảo dưỡng được bỏ ra trong thời gian 72 h để bảo dưỡng không khí. Nếu trong khi bảo dưỡng, nhiệt độ xuống dưới 7 °C, thời gian bảo dưỡng phải kéo dài theo chỉ dẫn của Kỹ sư.
Xe không được chạy trên lớp phủ trong khi bảo dưỡng.
5.7 Thử nghiệm để nghiệm thu
Sau khi bảo dưỡng xong, lớp phủ được kiểm tra bằng mắt xem có bị nứt hoặc hư hỏng gì khác, và kiểm tra xem có bị tách lớp và mất dính kết bằng cách kéo một cái dây xích hoặc dụng cụ thích hợp khác.
Vết nứt bề mặt sâu không quá 10 mm phải trét bằng chất bịt epoxy thâm nhập sau đó phủ một lớp cát được chấp thuận.
Mọi vết nứt sâu quá 10 mm phải được sửa chữa bằng các phương pháp được Kỹ sư chấp thuận, hoặc các phần bề mặt mài mòn bị ảnh hưởng phải được rỡ bỏ và thay thế. Mọi bề mặt mài mòn tách lớp hoặc mất dính kết hoặc các phần bị hư hỏng do mưa đều phải rỡ bỏ và thay thế.
Sau khi bảo dưỡng ướt xong, bề mặt phải thử nghiệm về độ bằng phẳng và được sửa chữa, nếu cần, theo quy định trong Điều 13.2.4 của TCVN 12885-8:2020.
5.8 Đo đạc
Bề mặt mài mòn và các khu vực yêu cầu cào xới lên được đo bằng m2 dựa trên các kích thước của công việc hoàn thành.
THI CÔNG CẦU ĐƯỜNG BỘ - PHẦN 29: NEO CHÔN
Bridge Construction Specifications - Part 29: Embedment Anchors
1 Phạm vi áp dụng
Bộ tiêu chuẩn TCVN 12885:2020 áp dụng đối với công tác thi công các cầu, cống có kết cấu thông thường, sử dụng các công nghệ thi công thông thường trên đường bộ; cũng có thể tham khảo để thi công các cầu, cống trên đường sắt, có yêu cầu kỹ thuật tương tự.
Tiêu chuẩn này quy định các yêu cầu thi công và nghiệm thu, áp dụng đối với công tác lắp đặt và thử nghiệm hiện trường các neo thép đổ tại chỗ, bơm vữa, dính kết bằng keo và có chân mở rộng trong thi công cầu.
Tiêu chuẩn này được dùng làm cơ sở để xây dựng Chỉ dẫn kỹ thuật thi công đối với công tác nêu trên trong dự án xây dựng cầu đường bộ.
2 Tài liệu viện dẫn
Các tài liệu viện dẫn sau là cần thiết cho việc áp dụng tiêu chuẩn này. Đối với các tài liệu viện dẫn ghi năm công bố thì áp dụng phiên bản được nêu. Đối với các tài liệu viện dẫn không ghi năm công bố thì áp dụng phiên bản mới nhất, bao gồm cả các sửa đổi, bổ sung (nếu có).
ASTM E1512, Standard Test Methods for Testing Bond Performance of Adhesive-Bonded Anchors (Tiêu chuẩn phương pháp thử để kiểm tra tính năng dính bám của mối nối bằng keo).
ASTM E488, Standard Test Methods for Strength of Anchors in Concrete and Masonry Elements (Tiêu chuẩn phương pháp thử về độ bền của neo trong các bộ phận khối xây và bê tông).
ACI 349-01, Code Requirements for Nuclear Safety Related Concrete Structures (Yêu cầu đối với kết cấu bê tông liên quan đến an toàn hạt nhân).
3 Thuật ngữ và định nghĩa
Tiêu chuẩn này sử dụng các thuật ngữ và định nghĩa nêu trong TCVN 12885-1:2020 và các thuật ngữ, định nghĩa sau:
3.1
Neo chôn (Embedment anchor)
Neo bằng thép tấm, được gắn vào bê tông bằng các chất dính kết, nhằm liên kết các bộ phận kết cấu và phi kết cấu với bê tông.
4 Mô tả
Công việc này bao gồm việc lắp đặt và thử nghiệm hiện trường các neo thép đổ tại chỗ, bơm vữa, dính kết bằng keo và có chân mở rộng.
5 Lựa chọn sơ bộ
Neo bê tông bao gồm bê tông đổ tại chỗ; hệ neo dính kết toàn bộ, bao gồm vữa, hợp chất và chất kết dính hóa học và neo thép cắt chân phải được sơ chọn bằng các tiêu chuẩn thử nghiệm chung được thiết kế cho phép chấp thuận hệ neo được dùng cho mọi sử dụng liên kết công trình.
Phải tiến hành thử nghiệm keo kết dính và các hợp chất kết dính khác phù hợp với ASTM E1512, phương pháp thử nghiệm tiêu chuẩn về sự kết dính của neo dính kết.
Phải thử nghiệm neo mở rộng phù hợp với ASTM E488, phương pháp thử nghiệm tiêu chuẩn về cường độ của neo trong các cấu kiện bê tông và khối xây.
Cấu tạo của neo chôn phải phù hợp với ACI 349, các yêu cầu chuẩn về an toàn hạt nhân liên quan đến kết cấu bê tông, Phụ lục B neo chôn thép.
Với các hệ neo khác với neo mở rộng cơ học, Nhà thầu phải đệ trình cho Kỹ sư các báo cáo thử nghiệm chứng thực của một phòng thí nghiệm độc lập nói rõ là hệ có khả năng đạt được cường độ kéo tối thiểu của thép chôn.
6 Vật liệu
Phải cung cấp cho Kỹ sư các báo cáo thử nghiệm của nhà máy chứng nhận các tính chất lý hoá và cường độ của vật liệu được dùng để chế tạo neo.
Epoxy, vinylester hoặc hợp chất hoá học polyester phải chấp nhận được để dán keo. Phải dùng keo dán không nhạy với độ ẩm, có modul cao, ít co ngót và cường độ cao.
Không được dùng các phụ gia của vữa phun và chất dính kết ăn mòn thép hoặc sơn kẽm/ cát mi (Zinc/Cadmiun).
7 Phương pháp thi công
Phải bố trí cự ly tới mép, chiều sâu chôn và cự ly neo đủ để phát tiển cường độ yêu cầu của neo chôn. Phải dùng đường kính lỗ khoan đúng như quy định của Nhà sản xuất. Phải dùng khoan xoay dập, trừ khi khoan kim cương lấy lõi được quy định hoặc thử nghiệm. Nếu khi khoan gặp cốt thép phải chuyển sang vị trí khác hoặc dùng mũi khoan kim cương khoan qua cốt thép theo chỉ dẫn của Kỹ sư. Các lỗ bỏ đi phải bịt bằng chất dính kết được chấp thuận. Các lỗ khoan phải làm sạch kỹ theo khuyến cáo của Nhà sản xuất.
Nhà thầu phải lấy hết các vật rời và hạt bê tông ra khỏi lỗ khoan, chuẩn bị chất dính kết và lắp neo theo chỉ dẫn của Nhà sản xuất hoặc chấp thuận của Kỹ sư.
Phải loại bỏ hoặc thay thế các neo chôn lắp đặt không đúng cách hoặc không đủ cường độ yêu cầu để thoả mãn Kỹ sư.
8 Kiểm tra và thử nghiệm
Ở nơi quy định phải thực hiện tại hiện trường thử nghiệm phá hoại của hệ neo tới tải trọng tới hạn để lập hồ sơ về khả năng chịu lực của hệ đạt được tải trọng kéo ra tương đương toàn bộ trị số lực kéo tối thiểu của neo được dùng. Phải thử nghiệm neo trên các mẫu bê tông đã được bảo dưỡng đầy đủ. Phải thử ít nhất 3 neo theo phương pháp của ASTM E488, trừ khi có quy định khác. Nhà thầu có thể dùng bất kỳ hệ neo được sơ chọn nào thoả mãn các yêu cầu trên.
Phải quy định cho dùng một hệ khác đạt được yêu cầu lực kéo quy định mà không làm chậm tiến độ, nếu thử tải tại hiện trường chứng minh là neo không đạt được trị số lực kéo tối thiểu, hoặc tải trọng do Kỹ sư yêu cầu nếu có quá ít bê tông để phát triển toàn bộ tải trọng dẻo.
Sau khi lắp đặt và bảo dưỡng vật liệu dính kết, mỗi hệ neo phải được vặn tới trị số lực quy định chỉ bằng các phương pháp vặn được chấp thuận. Nếu không có quy định về trị số lực vặn, phải lấy giá trị khuyên dùng của Nhà sản xuất do Kỹ sư cấp.
9 Đo đạc
Số neo chôn liên quan đến dự án phải là số lượng mỗi kích cỡ neo và phương của nó cho trong hồ sơ hợp đồng hoặc được phép dùng trong dự án. Mỗi loại neo chôn được lắp đặt đạt yêu cầu phải được kiểm đếm và tổng hợp trong hồ sơ hợp đồng theo hệ neo và phương của nó như thẳng đứng, nằm ngang và chéo, kích cỡ lấy theo đường kính.
THI CÔNG CẦU ĐƯỜNG BỘ - PHẦN 30: CỐNG ỐNG NHỰA NHIỆT DẺO
Bridge Construction Specifications - Part 30: Thermaplastic Culverts
1 Phạm vi áp dụng
Bộ tiêu chuẩn TCVN 12885:2020 áp dụng đối với công tác thi công các cầu, cống có kết cấu thông thường, sử dụng các công nghệ thi công thông thường trên đường bộ; cũng có thể tham khảo để thi công các cầu, cống trên đường sắt, có yêu cầu kỹ thuật tương tự.
Tiêu chuẩn này quy định các yêu cầu thi công và nghiệm thu, áp dụng đối với công tác cung cấp, lắp đặt và kiểm tra cống vùi bằng ống nhựa nhiệt dẻo và sợi thủy tinh.
Tiêu chuẩn này được dùng làm cơ sở để xây dựng Chỉ dẫn kỹ thuật thi công đối với công tác nêu trên trong dự án xây dựng cầu đường bộ.
2 Tài liệu viện dẫn
Các tài liệu viện dẫn sau là cần thiết cho việc áp dụng tiêu chuẩn này. Đối với các tài liệu viện dẫn ghi năm công bố thì áp dụng phiên bản được nêu. Đối với các tài liệu viện dẫn không ghi năm công bố thì áp dụng phiên bản mới nhất, bao gồm cả các sửa đổi, bổ sung (nếu có).
TCVN 11823:2017, Thiết kế cầu đường bộ.
TCVN 11823-12:2017, Thiết kế cầu đường bộ - Phần 12: Kết cấu vùi và áo hầm.
LRFD-8, AASHTO LRFD Bridge Design Specifications, 2017 (Tiêu chuẩn thiết kế cầu).
HM-WB, Standard Specifications for Transportation Materials and Methods of Sampling and Testing, 2017 (Tiêu chuẩn kỹ thuật đối với vật liệu giao thông và phương pháp lấy mẫu và thử nghiệm).
ASTM F714, Standard Specification for Polyethylene (PE) Plastic Pipe (SDR-PR) Based on Outside Diameter (Tiêu chuẩn kỹ thuật đối với ống nhựa Polyetylen (PE) (SDR-PR) dựa trên đường kính ngoài).
ASTM F894, Standard Specification for Polyethylene (PE) Large Diameter Profile Wall Sewer and Drain Pipe (Tiêu chuẩn kỹ thuật đối với ống thoát nước và cống rãnh dùng ống PE đường kính lớn).
ASTM D3262, Standard Specification for “Fiberglass” (Glass-Fiber-Reinforced Thermosetting-Resin) Sewer Pipe (Tiêu chuẩn kỹ thuật đối với ống thoát nước sợi thủy tinh (sợi thủy tinh-sợi gia cường- nhựa)).
ASTM D1556, Standard Test Method for Density and Unit Weight of Soil in Place by Sand-Cone Method (Tiêu chuẩn phương pháp thử về tỷ trọng và khối lượng đơn vị của đất tại chỗ bằng phương pháp nón-cát).
ASTM D2922, Standard Test Methods for Density of Soil and Soil-Aggregate in Place by Nuclear Methods (Shallow Depth) (Tiêu chuẩn phương pháp thử về tỷ trọng đất và cốt liệu đất tại chỗ bằng phương pháp hạt nhân (độ sâu nông)).
ASTM D3017, Standard Test Method for Water Content of Soil and Rock in Place by Nuclear Methods (Shallow Depth) (Tiêu chuẩn phương pháp thử đối với hàm lượng nước của đất và đá tại chỗ bằng phương pháp hạt nhân (độ sâu nông)).
3 Thuật ngữ và định nghĩa
Tiêu chuẩn này sử dụng các thuật ngữ và định nghĩa nêu trong TCVN 12885-1:2020 và các thuật ngữ, định nghĩa sau:
3.1
Móng cống (Bedding)
Vật liệu mà kết cấu trúc đặt trên nó. Có thể là đất, nếu đất đó đáp ứng được tất cả yêu cầu cần thiết, hoặc vật liệu chèn lấp. Nền có thể được quy định như vật liệu khác so với vật liệu chèn lấp.
3.2
Đáy cống (Culvert bottom)
Điểm thấp nhất bên ngoài cống hình dạng kín.
3.3
Đỉnh vòm cống (Culvert crown)
Điểm cao nhất bên trong cống.
3.4
Đỉnh vòm ngược (Culvert invert)
Điểm thấp nhất bên trong cống hình dạng kín.
3.5
Đỉnh cống (Culvert top)
Điểm cao nhất bên ngoài cống.
3.6
Nền đắp (Embankment)
Đất được rải và lu lèn chặt theo các lớp ở hai bên và phía trên cống.
3.7
Vùng chôn lấp (Embankment zone)
Khu vực đắp chôn lấp cống, bao gồm nền cống, vật liệu chèn hai bên và ở phía trên cống.
3.8
Đất nền móng (Foundation soil)
Đất đỡ nền, cống, và vật liệu chèn lấp. Đất nền phải có bề mặt vững chắc, ổn định và có thể là đất hiện tại (tại chỗ), không bị xáo trộn; có thể là đất thay thế và lu lèn tại chỗ; hoặc vật liệu khác.
3.9
Sườn hông cống (Haunch)
Phần cống giữa đáy cống và đường tuyến (springline).
3.10
Vùng sườn hông (Haunch zone)
Khu vực lấp đất giữa nền đất hoặc nền móng và bề mặt cống từ đáy cống đến gần đường tuyến. Đây là khu vực thường được yêu cầu phương pháp thi công chôn lấp và lu lèn bằng tay. Vật liệu chèn lấp ở khu vực sườn hông giống như vật liệu chèn lấp kết cấu.
3.11
Đất tại chỗ (ln-situ soil)
Đất, không bị xáo trộn đất tồn tại tại vị trí lắp đặt cống.
3.12
Vai cống (Shoulder)
Phần cống giữa đỉnh cống và đường tuyến (springline).
3.13
Lấp đầy mặt bên (Sidefill)
Vùng chôn lấp giữa sườn hông và vai cống để đỡ các mặt của cống.
3.14
Đường tuyến (Springline)
Đường dọc theo mặt bên của cống, nơi tiếp tuyến với tường cống là thẳng đứng. Nó xảy ra ở điểm rộng nhất trong cống.
3.15
Vật liệu lấp kết cấu (Structural backfill)
Vật liệu được rải và lu lèn xung quanh cống để đỡ cống.
3.16
Vùng lấp đầy phía trên (Topfill)
Vùng chôn lấp trên đỉnh cống bắt đầu từ vai và phần mở rộng đến giới hạn của vùng chôn lấp. Vật liệu vùng lấp đầy phía trên như vật liệu chèn lấp.
Các thuật ngữ trên được minh họa trong Hình 1 và Hình 2 dưới đây:

Hình 1 - Thuật ngữ lắp đặt cống

Hình 2 - Xử lý nền bằng tấm móng cống
4 Tổng quát
4.1 Mô tả
Công việc này bao gồm việc cung cấp, lắp đặt và kiểm tra cống vùi bằng ống nhựa nhiệt dẻo và sợi thủy tinh phù hợp với các tiêu chuẩn kỹ thuật và hồ sơ hợp đồng. Trừ khi được lưu ý khác, các điều khoản cho cống ống nhiệt dẻo sẽ được áp dụng cho cống sợi thủy tinh.
4.2 Tầm quan trọng của biện pháp thi công
Hồ sơ hợp đồng phù hợp với yêu cầu của Điều 12.12.3.5 của LRFD-8 hoặc TCVN 11823:2017 và của Tiêu chuẩn này.
5 Bản vẽ biện pháp thi công
Khi bản vẽ và tiêu chuẩn kỹ thuật không được cung cấp trong hồ sơ hợp đồng, Nhà thầu cần cung cấp cho Kỹ sư Hướng dẫn lắp đặt của Nhà sản xuất hoặc bản vẽ biện pháp thi công và các tính toán chi tiết để cho phép xem xét về kết cấu. Số lượng bản sao cần được cung cấp đầy đủ để đáp ứng nhu cầu của Kỹ sư và cơ quan có thẩm quyền xem xét. Bản vẽ biện pháp thi công cần được đệ trình đầy đủ trước khi đề xuất lắp đặt và sử dụng để có thể xem xét, sửa đổi, nếu cần, và chấp thuận mà không làm chậm trễ công việc.
Nhà thầu sẽ không bắt đầu thi công bất kỳ lắp đặt ống nhiệt dẻo nào cần đến bản vẽ biện pháp thi công, cho tới khi bản vẽ được Kỹ sư chấp thuận. Việc chấp thuận này không giảm bớt cho Nhà thầu khỏi trách nhiệm về kết quả đạt được do sử dụng các bản vẽ hoặc bất kỳ trách nhiệm nào khác theo hợp đồng.
6 Vật liệu
6.1 Ống nhựa nhiệt dẻo
Ống polyethylene (PE) phù hợp với yêu cầu chất lượng và kiểm tra vật liệu theo AASHTO M294 hoặc ASTM F714 hoặc ASTM F894.
Ống polyvinylchloride (PVC) phù hợp với yêu cầu chất lượng và kiểm tra vật liệu theo AASHTO M278, hoặc AASHTO M304
Sợi thủy tinh phù hợp yêu cầu chất lượng và kiểm tra vật liệu theo ASTM D3262.
6.2 Vật liệu lót móng và chèn lấp
6.2.1 Tổng quát
Vật liệu lót móng là vật liệu dạng hạt kích thước hạt tối đa 25 mm. Vật liệu chèn lấp là vật liệu dạng hạt theo quy định tại hồ sơ hợp đồng; phải không chứa chất hữu cơ, các mảnh đá có kích thước lớn nhất vượt 38 mm; và phải có độ ẩm trong giới hạn cần thiết cho lu lèn.
Vật liệu lót móng và chèn lắp đáp ứng yêu cầu của AASHTO M145 cho đất A-1, A-2-4, A-2-5, hoặc A- 3. Tối đa 50 % kích thước hạt lọt qua sàng No. 100 và tối đa là 20 % lọt qua sàng No.200.
6.2.2 Kiểm soát sự di chuyển hạt cốt liệu
Thành phần hạt của vật liệu lót móng và chèn lấp phải được lựa chọn để tránh sự di chuyển giữa các hạt vật liệu lân cận. Thành phần hạt của vật liệu lót móng, chèn lấp và nền đắp tại hiện trường phải được đánh giá phù hợp với yêu cầu này.
Ngoài ra, vải địa kỹ thuật thích hợp đáp ứng yêu cầu của AASHTO M288 có thể được sử dụng để duy trì sự phân tách các vật liệu không tương thích.
6.2.3 Vật liệu cường độ thấp có kiểm soát
Vật liệu cường độ thấp có kiểm soát (CLSM), còn được gọi là vật liệu lấp đầy có thể chảy, có thể được sử dụng như là vật liệu lấp đầy. Nếu không được quy định trong hồ sơ hợp đồng, thì việc thiết kế hỗn hợp và chi tiết thi công hoàn chỉnh phải được đệ trình. Chi tiết thị công tối thiểu bao gồm phương pháp kiểm soát lực đẩy nổi và thời gian chờ đợi giữa việc thi công CLSM và lấp lấp trên kết cấu.
7 Lắp ráp
7.1 Tổng quát
Các đoạn ống phải được lắp ráp theo hướng dẫn của Nhà sản xuất và như quy định trong hồ sơ hợp đồng. Bản sao Hướng dẫn lắp ráp của Nhà sản xuất cần được cung cấp cho đội thi công lắp đặt.
Ống phải được bốc dỡ và cẩu lắp với sự cẩn thận hợp lý. Ống và phụ kiện sẽ không được lăn hoặc kéo trên sỏi đá. Cần thận trọng để ngăn các đoạn ống khỏi đá nổi hoặc các vật cứng khác khi đặt vào vị trí.
Ống hoặc phụ kiện bị hư hỏng sẽ không được đưa vào dự án.
7.2 Mối nối
Mối nối ống phải tuân theo các chi tiết được thể hiện trong hồ sơ hợp đồng và trên bản vẽ biện pháp thi công được phê duyệt. Mối nối phải được bọc kín để ngăn chặn sự xâm nhập của đất, cát (kín bẩn), hoặc nước (kín nước) theo yêu cầu của hồ sơ hợp đồng. Việc kiểm tra hiện trường có thể được yêu cầu bởi Kỹ sư bất cứ khi nào có câu hỏi liên quan đến việc tuân thủ yêu cầu của hợp đồng.
Mối nối phải được lắp đặt để kết nối các đoạn ống tạo thành một bề mặt liên tục không có bất thường trong dòng chảy.
8 Lắp đặt
8.1 Tổng quát
Phải có không gian tại công trình để đặt ống cống trừ khi chúng được lắp đặt như dạng cung cấp.
Điều kiện địa chất bất thường phải báo cáo tới Kỹ sư. Nước phải được kiểm soát sao cho ống được đặt trong điều kiện khô.
Việc đặt, nối, và lấp kín ống phải tuân thủ nghiêm ngặt theo hướng dẫn của Nhà sản xuất, hồ sơ hợp đồng, hoặc Tiêu chuẩn này.
8.2 Kiểm soát đào và nước ngầm
Việc đào phải theo chiều rộng, chiều sâu và cao độ thể hiện trong hồ sơ hợp đồng. Hào phải được đào theo cách thức đảm bảo các thành bên ổn định trong mọi điều kiện thi công. Công tác thi công phải phù hợp với các tiêu chuẩn an toàn hiện hành.
Chỉ mở nhiều hào khi có thể duy trì an toàn mỗi ngày thi công. Việc lấp hào càng sớm càng tốt nhưng không muộn hơn cuối ngày làm việc.
Tường hào phải tạo nghiêng, giật cấp, gân tăng cường, hoặc chống đỡ khác để đảm bảo sự ổn định của tường trong suốt quá trình thi công phù hợp với yêu cầu của tiêu chuẩn an toàn. Đá lớn, đá và bất kỳ mảnh vỡ rơi vào hào phải được loại bỏ.
Tường hào nghiêng có thể được giật cấp để dễ lu lèn vật liệu lấp đầy. Nếu sử dụng gân tăng cường ngang, thì nó phải được loại bỏ khi tiến hành lấp đất. Trừ khi có sự chỉ dẫn của Kỹ sư, tấm trải phía dưới đỉnh cao độ ống phải được để lại và được cắt không nhỏ hơn 460 mm phía trên đỉnh ống sau chôn lấp đã được lắp đặt ở độ cao này.
Trường hợp có sự thấm, tấm lót với khe kín đất phải được sử dụng để ngăn ngừa rửa trôi đất phía sau tấm lót. Phải có hành động cần thiết để ngăn ngừa dòng bề mặt chảy vào hào.
Tấm chắn di động có thể được sử dụng thay thế tấm lót và gân tăng cường để cung cấp điều kiện thi công an toàn dưới đáy hào. Tấm chắn phải được sử dụng theo cách mà không để lại lỗ rỗng trong đất chôn lấp hoặc làm gián đoạn đất lu lèn khi tấm chắn hào được đặt trước.
Đối với các công trình lắp đặt, nơi đỉnh cống mở rộng phía trên hoặc trong phạm vi vươn lên của nền đất hiện tại và nền đất hiện tại sẽ được bao phủ bởi đất đắp, cây cối, vật liệu hữu cơ, và bất kỳ vật liệu mềm nào mà không đáp ứng được yêu cầu về độ cứng của vật liệu chèn lấp phải được loại bỏ trong phạm vi ít nhất bằng đường kính cống mỗi bên sườn cống và phải được thay thế bằng vật liệu đắp.
8.3 Kiểm soát nước ngầm
Điều kiện nước phải được kiểm soát. Nước thấm vào hào từ mặt bên hoặc phía trên phải được loại bỏ. Nếu sự thấm liên tục xảy ra, phải sử dụng máy bơm bể chứa để loại bỏ nước. Khi mức nước ở trên đáy của hào, điều kiện nhanh hoặc sự bất ổn của hào đáy có thể xảy ra, trong trường hợp đó mức nước ngầm phải được hạ xuống dưới đáy hào. Mực nước này sẽ được duy trì cho đến khi ống và đất lấp đầy được chôn lấp để bù đắp lực đẩy nổi.
Những chỗ cần đào dưới mức nước ngầm phải được thoát nước đến ít nhất 300 mm dưới phần đào sâu nhất, hoặc khi cống được đặt ở lòng sông hoặc suối, dòng nước phải được làm chệch hướng hoặc phân cách bởi tường chắn nước. Kỹ sư phải chấp nhận trước nêu việc thi công trong nước được tiếp tục. Trong điều kiện này, sỏi thoát nước phải được sử dụng làm nền và móng cống.
8.4 Chiều rộng hào
Chiều rộng hào phải đủ để đảm bảo không gian thi công phù hợp và an toàn và lu lèn vật liệu bên sườn và vật liệu chèn lấp khác. Nếu không quy định trong hồ sơ hợp đồng, không gian giữa ống và tường hào phải rộng hơn thiết bị lu lèn sử dụng trong khu vực ống, nhưng không ít hơn 1,5 lần đường ngoài của ống cộng thêm 300 mm. Hào phải được giữ chiều rộng quy định do bất kỳ sự gia tăng chiều rộng hào nào sẽ làm tăng tải trên ống. Vật liệu chèn lấp đáp ứng yêu cầu của Điều 6.2.1.
Nếu tường hào không đứng được mà không có sự chống đỡ, thì chiều rộng hào phải được tăng lên theo Điều 12.12.3.5 của LRFD-8 hoặc TCVN 11823:2017.
Xác định chiều rộng hào trong đất mà không được chống đỡ và không ổn định phải bao gồm việc xem xét kích thước của ống, độ cứng của đất chôn lấp và đất tại chỗ, chiều dày che phủ và các điều kiện cụ thể khác tại hiện trường.
8.5 Móng
Nền móng dưới cống phải được khảo sát đầy đủ để chịu tải trọng. Nền đất phải được khảo sát toàn bộ chiều rộng của hào, hoặc hào rộng hoặc nền đắp, chiều rộng 300 mm hoặc một nửa khoảng nhịp cống, tùy vào giá trị nào lớn hơn, ở mỗi bên đường tuyến của cống. Các biện pháp khắc phục đối với nền đất mềm hoặc nền đất không thích hợp ghi chú dưới đây phải áp dụng cùng chiều rộng khi khảo sát (xem Hình 2). Chiều sâu của nền cụ thể phải tính đến bao gồm nền kết hợp và chiều sâu móng cống.
- Đối với đá và đá tảng, sử dụng b = D (D - đường kính cống), và sử dụng tối thiểu d = 150 mm, nhưng không ít hơn 2 lần lượn sóng.
- Đối với chỗ mềm, sử dụng b = 2D hoặc chiều rộng hào, tùy thuộc vào cái nào nhỏ hơn, và sử dụng tối thiểu d = 100 mm, nhưng không thấp hơn chiều sâu lượn sóng hoặc nhỏ hơn chiều sâu lượn sóng đủ để giảm ứng suất trong đất mềm tới giá trị chịu tải cho phép.
Nếu đất tại chỗ phù hợp để đỡ cống, thì nó có thể được xem là đủ để làm nền móng. Đáy của hào phải không được xáo trộn vật liệu tại chỗ. Nếu đá tảng, đá, thực vật, chất hữu cơ, hoặc bất kỳ vật liệu mềm nào không đáp ứng yêu cầu độ cứng của vật liệu lấp kết cấu, thì chúng phải được loại bỏ trong chiều rộng ít nhất 1/2 đường kính ở hai bên cống đến độ sâu xác định bởi Kỹ sư và thay thế bằng vật liệu móng quy định. Nếu nền móng không chặt, thì nó phải được lu lèn theo quy định, nhưng không dưới 90 % mật độ lớn nhất theo AASHTO T99 cho đất A-1 hoặc A-3 hoặc 95 % mật độ lớn nhất cho đất A-2, trước khi đặt cống. Sau khi lu lèn, móng phải chắc chắn và ở cao độ cấp để đỡ cống dọc theo chiều dài.
Khi nền đất tự nhiên được đánh giá bởi Kỹ sư không đạt yêu cầu để đỡ cống hoặc không yêu cầu về vật liệu lấp kết cấu, thì đất phải được đào đến độ sâu d và chiều rộng b như mô tả trong hồ sơ hợp đồng. Chỗ đào đựợc lấp đầy bằng vật liệu móng được lu lèn theo quy định nhưng không dưới 90 % tỷ trọng khô lớn nhất theo AASHTO T99 cho đất A-1 hoặc A-3 hoặc 95 % tỷ trọng khô lớn nhất cho đất A-2.
8.6 Bệ móng
Bệ mặt bệ móng phải phù hợp về cao độ, tuyến cống và phải thẳng, phẳng trên chiều dài đoạn ống để uốn dọc không xảy ra, và ống cống thoát nước như thiết kế.
8.7 Đặt các đoạn cống
Cống phải được đặt sau khi móng và bệ móng được chuẩn bị. Ống sẽ được đặt trên bệ móng bắt đầu từ đầu phía hạ lưu. Nếu chiều dài đoạn ống cần thiết nhỏ hơn chiều dài thiết kế quy định, thì phần ống đó không phải là ống đầu cuối.
8.8 Vật liệu lấp kết cấu
8.8.1 Tổng quát
Thiết bị và quy trình thi công chôn lấp cống phải được lựa chọn sao cho độ chặt vật liệu lấp kết cấu và việc kiểm soát độ võng và hình dạng của cống phải đáp ứng được yêu cầu. Việc kiểm tra và thử nghiệm phải được thực hiện để xác minh rằng chất lượng của đất và công tác lu lèn đúng như quy định.
Việc rải và lu lèn đất phía trên của cống phải được thực hiện theo cách mà hình dạng cống không bị méo.
Khi sử dụng chống đỡ tường hào, chúng phải được để lại ở vị trí dưới đỉnh cống hoặc được lấy ra theo cách tránh cản trở việc lu lèn đất chèn lấp.
Vật liệu khác rơi vào hào trong khi rải và lu lèn đất chôn lấp phải được loại bỏ.
Đối với mỗi giai đoạn trong 3 giai đoạn thi công cơ bản (chôn lấp), tức là giai đoạn thi công lấp sườn, lấp mặt bên và lấp trên đỉnh cống, các trình tự phải được thiết lập để đạt được độ lu lèn mà không gây hư hỏng hoặc bóp méo cống quá mức.
8.8.2 Lấp đất dưới sườn cống
Vật liệu phải được rải cẩn thận vào sườn cống sử dụng máy chèn cơ giới, thiết bị chèn thủ công hoặc các phương tiện khác để rải đầy các chỗ trống và đáp ứng mức độ lu lèn quy định. Vật liệu các vùng mặt bên liền kề phải được rải cùng với vùng sườn cống để đỡ vật liệu lấp sườn cống.
Việc rải vật liệu lấp kết cấu ở khu vực sườn cống phải được thực hiện ở cả hai bên cùng một lúc để tránh cống lăn, và lực lu lèn phải được kiểm soát để cống không bị nhấc lên và phía dưới của cống không bị hư hỏng.
Nếu cống được lấp đầy bằng CLSM, thì yêu cầu của tiêu chuẩn dự án hoặc bản vẽ biện pháp thi công chi tiết phải được tuân thủ. Phải có phương tiện để ngăn sự nổi của cống.
Không được cho phép xói nước để đầm đất chôn lấp trừ khi được Kỹ sư chấp thuận trước.
8.8.3 Lấp đất mặt bên cống
Vật liệu lấp mặt bên phải được rải đều theo các lớp ngang, không quá 200 mm chiều dày trừ khi chiều dày lớn hơn được quy định. Các lớp phải được lu lèn bằng thiết bị phù hợp tới không ít hơn 90 % tỷ trọng tối đa theo AASHTO T99 đối với đất A-1 và A-3 và 95 % đối với đất A-2-4 và A-2-5.
Tối đa 50 % kích thước hạt lọt qua mắt sàng No.100 và tối đa 20 % lọt qua mắt sàng No.200.
Sự chênh lệch tối đa về cao độ giữa hai mặt bên cống không lúc nào vượt quá 1/4 đường kính, hoặc 600 mm, tùy theo giá trị nào nhỏ hơn. Với đường ống nhỏ hơn 600 mm, sự chênh lệch này không được nhỏ hơn 1/2 đường kính.
Cao độ bề mặt của đất lấp mặt bên phải được giữ ở mức bằng hoặc thấp hơn cao độ đất và nền đắp liền kề. Việc rải và lu lèn các lớp đất lấp mặt bên lân cận khu vực sườn cống phải được thực hiện đồng thời với việc lấp đầy đất dưới sườn cống.
Vật liệu lấp mặt bên phải được rải, san, và lu lèn song song với cống để tránh tạo ra các khu vực chống đỡ không đều.
Thiết bị được sử dụng để lu lèn các lớp đất lấp mặt bên trong khoảng 900 mm từ mỗi bên cống phải không tạo ra áp lực quá mức vào cống dẫn đến làm méo mó hình dạng cống. Cống nhựa nhiệt dẻo khá mềm, nên vật liệu lấp đầy mặt bên phải được rải và lu lèn để tránh biến dạng quá mức và không đối xứng. Hình dạng phải được giám sát để đảm bảo kết quả đạt yêu cầu.
8.8.4 Lấp đất trên đỉnh cống
Việc rải vật liệu lấp kết cấu phải được bắt đầu thực hiện khi cao độ cao vật liệu lấp mặt bên đạt đến vai cống. Trình tự, theo sự chấp thuận của Kỹ sư, phải được sử dụng cho việc rải và lu lèn lớp đất trên đỉnh cống. Lớp đất trên đỉnh không cần phải mở rộng phía trên ống nhiều hơn 150 mm trừ khi có quy định khác.
Vật liệu bổ sung phía trên lớp đất lấp đỉnh cống phải được cung cấp để bảo vệ cống trước khi cho phép thiết bị thi công nặng thiết bị đi qua. Tải trọng thi công có thể yêu cầu lớp phủ bổ sung mà vượt quá yêu cầu cho điều kiện áp dụng cho tải trọng thiết kế.
9 Lớp phủ tối thiểu
Chiều dày tối thiểu của lớp phủ trên ống nên duy trì trước khi cho phép xe hoặc thiết bị thi công nặng đi ngang qua hào cống. Độ sâu tối thiểu sự cần được thiết lập bởi Kỹ sư dựa trên việc đánh giá các điều kiện cụ thể của dự án. Đối với vật liệu được lắp đặt đến độ chặt tối thiểu theo Điều 8.8, phải dày ít nhất 600 mm trước khi cho phép xe cộ hoặc thiết bị thi công băng qua bề mặt hào. Lớp phủ tối thiểu cho tải trọng thi công được thể hiện trong Bảng 1. Máy đầm kiểu búa thủy lực không được sử dụng trên ống.
Bảng 1 - Chiều dày lớp phủ tối thiểu cho tải trọng thi công1
|
| Chiều dày tối thiểu (mm) cho tải trọng trục chỉ định (kN) | |||
| Đường kính ống danh định (mm) | 80 - 222 kN | 222 - 334 kN | 334 - 490 kN | 490 - 668 kN |
| 600 - 900 | 610 | 760 | 910 | 910 |
| 1.070 - 1.220 | 910 | 910 | 1.070 | 1.220 |
| 1.370- 1.520 | 910 | 910 | 1.070 | 1.220 |
1 Đối với ống sợi thủy tinh đường kính lớn hơn 1.520 mm, chiều dày lớp phủ tối thiểu yêu cầu cho ống đường kính 1.520 mm.
Độ sâu lớp phủ tối thiểu phải được đo từ đỉnh của ống đến bề mặt của đường thi công. Nếu không thảm mặt đường, thì bề mặt phải được duy trì.
10 Yêu cầu kiểm tra
10.1 Kiểm tra bằng mắt
Ống phải được kiểm tra trong và sau khi lắp đặt để đảm bảo làm việc tốt. Lắp đặt bệ móng và đất lấp cũng như rải và lu lèn chúng phải xác định là để thoả mãn các yêu cầu của phần này.
Trong các giai đoạn đầu của quá trình lắp đặt, việc kiểm tra phải tập trung vào phát hiện thực hành sai và tay nghề kém. Sai sót về tuyến và cao độ cũng như kỹ thuật lắp ráp hoặc lấp đất không đúng phải được chỉnh đốn trước khi rải đất lấp hoặc lấp hào đáng kể. Đai nối phải đánh số đúng theo gợn sóng và kín khít, các mối nối lồng ghép phải lắp đúng để phòng các hạt đất nhỏ lọt vào. Nơi dùng đệm kê phải kê đúng đề phòng nước ngầm lọt vào và cần kê đồng đều quanh ống. Chỗ phát hiện nứt hoặc mối nối bị tách phải trình kế hoạch sửa chữa hoặc thay thế để chấp thuận.
Phải tiến hành kiểm tra cuối cùng bên trong tất cả các lắp đặt ống nhựa nhiệt dẻo để đánh giá các vấn đề có thể ảnh hưởng đến sự làm việc lâu dài. Phải tiến hành kiểm tra không sớm hơn 30 ngày sau khi hoàn thành lắp đặt và lấp đất cuối cùng.
Phải kiểm tra các lắp đặt có lớp phủ nông để đảm bảo có được mức độ phủ tối thiểu.
10.2 Kiểm tra độ võng lắp đặt
Ống phải được đánh giá xem đường kính trong của vành ống có bị giảm quá 5 % khi đo không trước 30 ngày sau khi hoàn thành lắp đặt không.
Phải kiểm tra biến dạng ống bằng một lõi đo (mandrel) hoặc dụng cụ khác được Kỹ sư chấp thuận có thể kiểm tra vật lý kích thước ống mà không bị giới hạn bởi ánh sáng yếu, dòng chảy, chiều dài ống hoặc các điều kiện hạn chế khác của môi trường lắp đặt. Cống lớn hơn 610 mm có thể vào và đo trực tiếp các mức độ biến dạng.
Trong mọi lắp đặt ống ít nhất 10 % của tổng chiều dài ống của dự án phải được Kỹ sư chọn ngẫu nhiên và kiểm tra biến dạng. Cũng vậy, như việc xác định 100 % điểm kiểm tra bằng mắt trong Điều 10.1, mọi khu vực biến dạng có thể phát hiện bằng mắt phải được kiểm tra biến dạng.
Ở chỗ đo trực tiếp, cứ mỗi 3.050 mm chiều dài ống đo 1 lần, yêu cầu tối thiểu 4 lần đo cho một lắp đặt.
Nếu dùng lõi đo để thử biến dạng, lõi phải có 9 (hoặc số lẻ lớn hơn) tay đo, Kỹ sư phải định cỡ và kiểm tra trước khi thử. Phải dùng một vòng thử định cỡ chuẩn để kiểm tra và thử độ chính xác của lõi đo. Lõi đo cần dùng thừng hoặc cáp kéo qua ống bằng tay. Ở nơi phù hợp có thể nối puli vào hệ này để thay đổi hướng kéo sao cho nhân viên kiểm tra không cần chui vào ống hoặc hố thăm.
Với những chỗ biến dạng ống vượt quá 5 % đường kính trong, Nhà thầu phải đánh giá và đệ trình báo cáo cho Kỹ sư để rà soát và chấp thuận qua xem xét tính nghiệm trọng của biến dạng, tính toàn vẹn kết cấu, điều kiện môi trường và tuổi thọ thiết kế của ống. Phải yêu cầu sửa chữa hoặc thay thế ống ở những chỗ mà kết quả đánh giá là biến dạng có thể có vấn đề. Với những chỗ biến dạng vượt quá 7,5 % đường kính trong cần sửa chữa hoặc thay thế ống.
10.3 Kiểm soát lu lèn
Lu lèn tại hiện trường phải được đánh giá dựa trên độ chặt khi đầm và độ ẩm thu được từ phương pháp được chấp thuận, chẳng hạn như việc thay thế hình côn (AASHTO T191 hoặc ASTM D1556) hoặc thiết bị đo hạt nhân (ASTM D2922 và ASTM D3017). Kiểm tra độ chặt tham khảo phải được thực hiện trên mẫu đại diện để có được giá trị tỷ trọng khô tối đa (MDD) và độ ẩm tối ưu (OMC). Thử nghiệm này sẽ được lặp lại cho mỗi loại đất gặp phải và đối với các thay đổi thành phần bên trong cùng loại đất. Vì vậy, nên lấy mẫu định kỳ trong quá trình thi công để cung cấp các thí nghiệm tham khảo phù hợp.
Hồ sơ hợp đồng phải xác định số lượng và vị trí các thí nghiệm thực địa để đảm bảo rằng chất lượng của đất và độ đầm chặt đạt được theo quy định và phải quy định tiêu chí chấp nhận cho đất đầm chặt.
10.4 Kiểm tra việc lắp đặt đặc biệt
10.4.1 Sử dụng hệ số triết giảm thi công
Nếu thiết kế cống ống nhiệt dẻo được thực hiện với hệ số lắp đặt nhỏ hơn 1,5 thì việc kiểm tra độ võng bổ sung phải được yêu cầu trong quá trình xây dựng. Trước bắt đầu thi công, Nhà thầu cần trình và được phê duyệt thiết kế thi công chi tiết mà đáp ứng các biện pháp thực hiện quy định bởi Người thiết kế. Điều khoản này quy định không áp dụng cho ống sợi thủy tinh, mà không có hệ số triết giảm cho thiết kế.
10.4.2 Độ võng cho phép đối với cống ống sợi thủy tinh
Khi cống ống sợi thủy tinh được thiết kế với độ võng cho phép nhỏ hơn 5 %, độ võng cho phép và giới hạn độ võng cận trên khi yêu cầu khắc phục hoặc thay thế phải được thể hiện rõ trong bản vẽ biện pháp thi công; và Nhà thầu cần trình kế hoạch kiểm tra cho Kỹ sư để phê duyệt, thừa nhận độ võng cho phép sử dụng trong thiết kế và cách Nhà thầu sẽ đánh giá độ võng đó tại hiện trường. Độ võng tối đa cho phép 5 % theo Điều 10.2 phải được thay bằng độ võng cho phép sử dụng trong thiết kế.
11 Đo đạc
Ống cống được lắp đặt, hoàn thiện, và chấp nhận nghiệm thu sẽ được đo theo mét dài. Số mét dài phải là trung bình của chiều dài đường tim phía trên và phía dưới của ống.
THI CÔNG CẦU ĐƯỜNG BỘ - PHẦN 31: BỘ TRUYỀN VA ĐẬP
Bridge Construction Specifications - Part 31: Shock Transmission Units
1 Phạm vi áp dụng
Bộ tiêu chuẩn TCVN 12885:2020 áp dụng đối với công tác thi công các cầu, cống có kết cấu thông thường, sử dụng các công nghệ thi công thông thường trên đường bộ; cũng có thể tham khảo để thi công các cầu, cống trên đường sắt, có yêu cầu kỹ thuật tương tự.
Tiêu chuẩn này quy định các yêu cầu thi công và nghiệm thu, áp dụng đối với công tác cung cấp và lắp đặt bộ truyền va đập (STU) và bộ phận cơ khí để gắn vào kết cáu cầu trong thi công cầu.
Tiêu chuẩn này được dùng làm cơ sở để xây dựng Chỉ dẫn kỹ thuật thi công đối với công tác nêu trên trong dự án xây dựng cầu đường bộ.
2 Tài liệu viện dẫn
Các tài liệu viện dẫn sau là cần thiết cho việc áp dụng tiêu chuẩn này. Đối với các tài liệu viện dẫn ghi năm công bố thì áp dụng phiên bản được nêu. Đối với các tài liệu viện dẫn không ghi năm công bố thì áp dụng phiên bản mới nhất, bao gồm cả các sửa đổi, bổ sung (nếu có).
TCVN 11823:2017, Thiết kế cầu đường bộ.
TCVN 12885-11:2020, Thi công cầu đường bộ - Phần 11: Kết cấu thép.
LRFD-8, AASHTO LRFD Bridge Design Specifications, 2017 (Tiêu chuẩn thiết kế cầu).
HM-WB, Standard Specifications for Transportation Materials and Methods of Sampling and Testing, 2017 (Tiêu chuẩn kỹ thuật đối với vật liệu giao thông và phương pháp lấy mẫu và thử nghiệm).
ASTM A709/A709M, Standard Specification for Structural Steel for Bridges (Tiêu chuẩn kỹ thuật đối với thép kết cấu cho cầu).
ASTM A240/A240M, Standard Specification for Chromium and Chromium-Nickel Stainless Steel Plate, Sheet, and Strip for Pressure Vessels and for General Applications (Tiêu chuẩn kỹ thuật đối với tấm, bản và dải thép không gỉ mạ crôm và niken cho bình áp lực và các ứng dụng chung).
ASTM A325M, Standard Specification for Structural Bolts, Steel, Heat Treated 830 MPa Minimum Tensile strength [Metric] (Tiêu chuẩn kỹ thuật đối với bu lông kết cấu, thép, xử lý nhiệt, độ bền kéo tối thiểu 830 MPa [hệ mét]).
3 Thuật ngữ và định nghĩa
Tiêu chuẩn này sử dụng các thuật ngữ và định nghĩa nêu trong TCVN 12885-1:2020 và các thuật ngữ, định nghĩa sau:
3.1
Bộ truyền va đập (Shock transmission units)
Thiết bị kết nối các bộ phận kết cấu riêng biệt, xem Hình 1. Nó được đặc trưng bởi khả năng truyền lực tác động ngăn hạn giữa các kết cấu được kết nối trong khi cho phép dịch chuyển dài hạn giữa các kết cấu.

Hình 1 - Bộ truyền va đập (STU)
3.2
Thử nghiệm nguyên mẫu (Prototype testing)
Thử nghiệm được thực hiện nhằm mục đích phát hiện các khuyết tật trước khi đưa thiết bị vào hoạt động.
3.3
Thử nghiệm bằng chứng (Proof testing)
Thử nghiệm tải trọng để xác nhận khả năng chịu tải của kết cấu hoặc thiết bị.
4 Tổng quát
Công việc này gồm có việc cung cấp và lắp đặt bộ truyền va đập (STU) và bộ phận cơ khí để gắn vào kết cấu cầu.
STU và bộ phận cơ khí phải được làm phù hợp với các chi tiết cho trong hồ sơ hợp đồng và các quy định này. Khi các chi tiết đầy đủ không được cấp, STU và bộ phận cơ khí phải được cung cấp phù hợp với các chi tiết hạn chế thể hiện trong hồ sơ hợp đồng và phải cung cấp khả năng chịu tải trọng và dịch chuyển thiết kế tối thiểu và tối đa và các tính năng làm việc quy định.
5 Bản vẽ biện pháp thi công
Khi mà chi tiết đầy đủ của STU và bộ phận cơ khí không cho trong hồ sơ hợp đồng, Nhà thầu cần chuẩn bị và đệ trình bản vẽ biện pháp thi công đối với STU và bộ phận cơ khí. Bản vẽ này phải cho cấu tạo và kích thước bên ngoài của STU và bộ phận cơ khí đề nghị dùng và phải được Kỹ sư chấp thuận trước khi chế tạo. Việc chấp thuận này không giảm bớt cho Nhà thầu khỏi bất kỳ trách nhiệm nào theo hồ sơ hợp đồng cho việc hoàn thành công trình.
Phải quy định các việc sau đây trong bản vẽ biện pháp thi công:
- Tổng số STU yêu cầu, tập hợp theo mức chịu tải và mức giới hạn dịch chuyển;
- Trọng lượng mỗi STU;
- Bố trí mặt bằng và các mặt cắt đứng cho mọi kích thước liên quan, bao gồm các kích thước cho nhiệt độ lắp đặt dự kiến của mỗi STU và bộ phận cơ khí;
- Nhiệt độ thiết kế tối thiểu và tối đa của STU;
- Lực cản tối đa ở mức dịch chuyển quy định do thay đổi nhiệt độ gây ra cho mỗi STU;
- Tổng khả năng dịch chuyển của mỗi STU;
- Khả năng chịu tải định mức tối đa của mỗi STU;
- Dịch chuyển tối đa gây ra bởi mỗi chu kỳ khi chịu tải trọng động:
- Các loại vật liệu được dùng cho mọi STU và bộ phận cơ khí;
- Vật liệu sơn hoặc phủ được dùng;
- Bản vẽ định tuyến cho STU chỉ rõ dung sai về tuyến trên đó phải lắp STU;
- Sơ đồ lắp ráp;
- Tính toán thiết kế của bộ phận cơ khí được điều chỉnh phù hợp với yêu cầu chịu tải nếu hồ sơ hợp đồng đòi hỏi;
- Chi tiết của bộ phận cơ khí;
- Địa điểm sản xuất STU và nhà chế tạo bộ phận cơ khí; và
- Tên Nhà sản xuất và tên người đại diện chịu trách nhiệm điều phối sản xuất, kiểm tra, lấy mẫu và thử nghiệm.
6 Vật liệu
6.1 Thép
Trừ khi ghi chú khác đi trong hồ sơ hợp đồng, bộ phận liên kết cơ khí phù hợp với yêu cầu của AASHTO M270/M270 (ASTM A709/A709M) thép Cấp 50 (Cấp 345). Các bộ phận kim loại khác của STU, trừ cần piston, phù hợp với yêu cầu của SAE 1026 (sổ tay SAE 2004) hoặc tương đương.
Cần piston phù hợp với yêu cầu của ASTM A240/A240M, Loại 304L, thép không gỉ hoặc tương đương.
Bu lông phù hợp với yêu cầu của AASHTO M164 (ASTM A325) ((AASHTO M164M (ASTM A325M)), Loại I, trừ khi quy định khác trong hồ sơ hợp đồng.
6.2 Chất lỏng bên trong
Nhà sản xuất phải xác định chất lỏng dùng bên trong STU để cung cấp khả năng kháng va đập của STU. Khi vật liệu là độc quyền, hồ sơ hợp đồng phải quy định Nhà sản xuất cần chứng minh yêu cầu thiết kế của STU có thể được thoả mãn qua chương trình thử nghiệm. Chất lỏng vận hành dùng trong STU phải là chất được Cơ quan quản lý an toàn và sức khỏe nghề nghiệp chấp thuận, không độc, không cháy, là chất lỏng hoặc bột gốc silicone. Nhà sản xuất phải cấp chứng chỉ về vật liệu trong mỗi STU cũng là vật liệu đã được dùng trong chương trình thử nghiệm.
6.3 Đóng gói, bốc dỡ và lưu kho
Trước khi vận chuyển khỏi nơi sản xuất, STU phải được đóng gói sao cho đảm bảo trong quá trình vận chuyển và lưu kho các STU phải được bảo vệ chống hư hỏng do bốc dỡ và thời tiết hoặc mọi nguy hiểm thông thường khác. Mỗi kiện hàng phải được đánh dấu chỉ rõ số nhận dạng STU, năng lực định mức, tên nhà sản xuất và tên dự án.
STU phải được lưu giữ tại hiện trường trong khu vực được bảo vệ khỏi môi trường và hư hại vật lý. Khi lắp đặt, STU và bộ phận cơ khí phải được làm sạch khỏi mọi vật lạ.
Không được tháo STU tại hiện trường trừ khi tuyệt đối cần thiết phải kiểm tra hoặc để lắp đặt. Không được mở hoặc tháo STU tại hiện trường trừ khi có sự giám sát trực tiếp hoặc chấp thuận của nhà sản xuất.
6.4 Sản xuất/Chế tạo
6.4.1 Tổng quát
Nhà sản xuất phải chứng thực là mỗi STU đều thoả mãn yêu cầu của hồ sơ hợp đồng và các quy định này. Mỗi bộ phải được đóng dấu lên STU con số nhận dạng, năng lực định mức, tên Nhà sản xuất và tên dự án. STU bao gồm bộ phận cơ khí kèm theo phải được Nhà sản xuất lắp sẵn ở xưởng và kiểm tra tính đầy đủ, dung sai và hình học trước khi vận chuyển tới hiện trường.
6.4.2 Bộ phận cơ khí liên kết
Bộ phận cơ khí dùng để nối STU vào kết cấu phần dưới và/hoặc kết cấu phần trên được chế tạo phù hợp với TCVN 12885-11:2020.
6.4.3 Dung sai liên kết
Sai lệch giữa đường kính chốt và đường kính lỗ tối đa là 0,25 mm.
7 Thử nghiệm và nghiệm thu
7.1 Quy định chung
Phải thử nghiệm tất cả các bộ truyền va đập để kiểm tra sự làm việc của chúng và các tính chất thiết kế dưới dịch chuyển chậm, dịch chuyển nhanh và chịu tải trọng chu kỳ. Nói chung có 3 loại thử nghiệm cần thực hiện trên một STU:
- Thử nghiệm lựa chọn sơ bộ (thử nghiệm đặc trưng của hệ) được mô tả trong Điều 7.2;
- Thử nghiệm nguyên mẫu, được mô tả trong Điều 7.3; và
- Thử nghiệm bằng chứng (thử nghiệm kiểm tra chất lượng), được mô tả trong Điều 7.4.
7.2 Thử nghiệm lựa chọn sơ bộ
Tính năng và các tính chất cơ bản của STU phải được xác minh bằng thử nghiệm trước khi có thể điều chỉnh để sử dụng. Các thử nghiệm này bao gồm thử nghiệm thành phần của các bộ phận riêng lẻ, bộ lắp ráp và kết cấu tỷ lệ hoàn chỉnh với STU.
7.3 Thử nghiệm nguyên mẫu
7.3.1 Yêu cầu chung
Phải kiểm tra bằng thử nghiệm nguyên mẫu STU dùng trong thiết kế và phân tích về sức kháng và hành trình dưới dịch chuyển chậm và lực chặn lại dưới dịch chuyển nhanh. Phải thực hiện mọi thử nghiệm ở phòng thí nghiệm độc lập được Kỹ sư chấp thuận. Phải thực hiện mọi thử nghiệm với sự có mặt của Kỹ sư, trừ khi được Kỹ sư chấp thuận khác đi bằng văn bản. Thử nghiệm này có thể tiến hành ở nhiệt độ tại chỗ.
Phải thực hiện thử nghiệm nguyên mẫu xác định ở đây ít nhất một STU cho mỗi loại hình.
7.3.2 Thử nghiệm áp lực thủy tĩnh
Phải thử STU trong ít nhất 3 min ở 150 % áp lực tối đa bên trong theo tính toán để kiểm tra tính toàn vẹn kết cấu của ranh giới áp lực cao. Phải nén và bịt kín STU trong khi thử. Các số đo áp lực ban đầu và cuối cùng phải ghi lại.
NGHIỆM THU:
Không có dấu hiệu rò rỉ dưới áp lực. Áp lực thủy tĩnh không được giảm quá 5 % trong khi thử.
7.3.3 Thử nghiệm dịch chuyển chậm (do nhiệt)
STU phải di dịch trong 3 chu kỳ liên tục và đầy đủ ở tốc độ chậm và hành trình tối đa do Kỹ sư quy định để kiểm tra sự hoạt động và chuyển vị của nó. Phải ghi lại trên đồ thị liên tục của tải trọng và chuyển vị.
NGHIỆM THU:
Không có dấu hiệu rò rỉ trong vận hành. Không có dấu hiệu bó kết cấu trong vận hành. Lực cần để di dịch STU không được vượt quá 10 % lực định mức danh định hoặc do Kỹ sư quy định. STU không bị chặn lại trong khi thử.
7.3.4 Thử nghiệm dịch chuyển nhanh
Phải để toàn bộ lực định mức danh định tác động lên STU ở mức dịch chuyển nhanh do Kỹ sư quy định. Phải thử STU ở cả 2 chiều nén và kéo nhưng không cần là chu kỳ. Phải ghi lại trên đồ thị liên tục quan hệ tải trọng và chuyển vị.
NGHIỆM THU:
STU phải bị chặn trong vòng 12 mm hoặc theo quy định của Kỹ sư ở điểm dịch chuyển bằng không. Phải lấy chuyển vị bị chặn là chuyển vị ở đó đạt được độ cứng không đổi. Chuyển vị ở điểm bị chặn tới tải trọng thử nghiệm tối đa không được vượt quá 12 mm hoặc như quy định của Kỹ sư. Độ cứng của mỗi STU trong suốt biên độ lực từ khi bị chặn tới tải trọng thử nghiệm tối đa không được thay đổi quá 10 %. Bộ STU phải không có dấu hiệu rò rỉ hoặc bị kẹt.
7.3.5 Thử nghiệm mô phỏng động
Phải thử nghiệm STU để xác định khả năng của bộ phận này chặn lại khi chịu tải trọng động. Mỗi bộ phải cho lực kéo tác động trong ít hơn 0,5 s hoặc theo quy định của Kỹ sư, lực này được duy trì trong 5 s. Ở cuối 5 s chịu kéo STU phải chuyển sang cho chịu nén trong vòng 1 s hoặc theo quy định của Kỹ sư. Lực nén này sẽ giữ trong 5 s. Lực kéo và nén này phải bằng nhau và phải ít nhất bằng 3 lần lực chặn xác định trong Điều 7.4.4. Thử nghiệm dịch chuyển nhanh, nhưng không lớn hơn lực định mức danh định. Phải ghi lại trên đồ thị liên tục quan hệ lực - chuyển vị.
NGHIỆM THU:
Chuyển vị giữa điểm tải trọng bằng không và điểm tải trọng tối đa không được vượt quá 12 mm hoặc như quy định của Kỹ sư cả ở giai đoạn chịu tải ban đầu hoặc trong giai đoạn chịu tải ngược lại. Chuyển vị trong phần duy trì tải trọng của thử nghiệm không được vượt quá 12 mm hoặc như Kỹ sư quy định.
7.3.6 Thử nghiệm vượt tải
STU phải được chất tải bằng 1,5 lần lực định mức danh định ở tốc độ đủ nhanh để làm cho STU bị chặn lại, sau đó giữ tải trọng này trong 30 s hoặc như Kỹ sư quy định.
NGHIỆM THU:
STU phải không có dấu hiệu rò rỉ hoặc kẹt.
7.3.7 Thử nghiệm tải trọng mỏi
STU phải được thử tải trọng lặp với 100.000 chu kỳ liên tục và đầy đủ ở tốc độ (tần số) do Kỹ sư quy định và ở tải trọng bằng lực định mức danh định (Pr) của STU.
NGHIỆM THU:
STU phải không có dấu hiệu rò rỉ hoặc kẹt.
7.4 Thử nghiệm bằng chứng (kiểm soát chất lượng)
7.4.1 Yêu cầu chung
Phải tiến hành thử nghiệm này trên mỗi STU sẽ đưa vào trong kết cấu. Mọi thử nghiệm phải được tiến hành ở phòng thí nghiệm độc lập được Kỹ sư chấp thuận. Phải thực hiện mọi thử nghiệm với sự có mặt của Kỹ sư, trừ khi được Kỹ sư chấp thuận khác đi bằng văn bản. Các thử nghiệm này có thể tiến hành ở nhiệt độ xung quanh.
Thử nghiệm bằng chứng phải bao gồm như được mô tả trong các Điều 7.4.2 đến Điều 7.4.4.
7.4.2 Thử nghiệm áp lực thủy tĩnh
Phải thử STU trong ít nhất 3 min ở 150 % áp lực tối đa bên trong theo tính toán để kiểm tra tính toàn vẹn kết cấu của ranh giới áp lực cao. Phải nén và bịt kín STU trong khi thử. Các số đo áp lực ban đầu và cuối cùng phải ghi lại.
NGHIỆM THU:
Không có dấu hiệu rò rỉ dưới áp lực. Áp lực thủy tĩnh không được giảm quá 5 % trong khi thử.
7.4.3 Thử nghiệm dịch chuyển chậm (do nhiệt)
STU phải di dịch trong 3 chu kỳ liên tục và đầy đủ ở tốc độ chậm và hành trình tối đa do Kỹ sư quy định để kiểm tra sự hoạt động và chuyển vị của nó. Phải ghi lại trên đồ thị liên tục của tải trọng và chuyển vị.
NGHIỆM THU:
Không có dấu hiệu rò rỉ trong vận hành. Không có dấu hiệu bó kết cấu trong vận hành. Lực cần để di dịch STU không được vượt quá 10 % lực định mức danh định hoặc do Kỹ sư quy định. STU không bị chặn lại trong khi thử.
7.4.4 Thử nghiệm dịch chuyển nhanh
Phải để toàn bộ lực định mức danh định tác động lên STU ở mức dịch chuyển nhanh do Kỹ sư quy định. Phải thử STU ở cả 2 chiều nén và kéo nhưng không cần là chu kỳ. Phải ghi lại trên đồ thị liên tục quan hệ tải trọng và chuyển vị.
NGHIỆM THU:
STU phải bị chặn trong vòng 12 mm hoặc theo quy định của Kỹ sư ở điểm dịch chuyển bằng không. Phải lây chuyển vị bị chặn là chuyển vị ở đó đạt được độ cứng không đổi. Chuyển vị ở điểm bị chặn tới tải trọng thử nghiệm tối đa không được vượt quá 12 mm hoặc như quy định của Kỹ sư. Độ cứng của mỗi STU trong suốt biên độ lực từ khi bị chặn tới tải trọng thử nghiệm tối đa không được thay đổi quá 10 %. Bộ STU phải không có dấu hiệu rò rỉ hoặc bị kẹt.
8 Sổ tay
8.1 Sổ tay lắp đặt
Nhà sản xuất phải cấp sổ tay lắp đặt bao gồm các chỉ dẫn đặc trưng để đảm bảo trình tự lắp đặt đúng về STU. Phải bao gồm các hạng mục sau:
- Tên người đại diện Nhà sản xuất sẽ cung cấp trợ giúp và khuyến cáo trong khi lắp STU;
- Kích thước tuyến lắp đặt, nhiệt độ lắp đặt và chiều dài lắp đặt “lý tưởng” của STU;
- Cấu tạo của mọi thiết bị lắp đặt yêu cầu và quy trình đầy đủ, bao gồm dung sai cũng như chỉ dẫn sử dụng chúng;
- Bản vẽ phân xưởng của STU và bộ phận liên kết chúng vào cấu kiện cầu, bao gồm dung sai đối với các cấu kiện thiết yếu và chi tiết liên kết;
- Yêu cầu lưu kho các STU tại hiện trường trong khi chờ lắp đặt; và
- Biện pháp cách điện của STU ở nơi có khả năng xảy ra ăn mòn hoá điện hoặc điện phân.
8.2 Sổ tay bảo trì và kiểm tra
Nhà sản xuất phải cung cấp Sổ tay bao gồm các chỉ dẫn riêng để đảm bảo việc bảo trì tốt và các biện pháp kiểm tra STU trong khai thác, cần bao gồm các hạng mục sau:
- Thông tin như về kiểm tra cái gì, cái gì cần quan tâm (tức là nắp cần piston kéo trở lại, nếu có, tìm xem có rò rỉ không). Bao gồm mọi việc đề phòng cần thiết tránh hư hỏng mũ và thiết bị.
- Thông tin về loại mỡ dùng cho phần cần piston lộ ra và chu kỳ bôi trơn.
- Chỉ dẫn về xem xét các lỗ kiểm tra, các điểm bôi mỡ v.v...
- Chỉ dẫn về tháo và lắp lại STU, bao gồm sơ đồ của mọi thiết bị chuyên môn cần thiết.
- Khi hồ sơ hợp đồng yêu cầu, phải cung cấp các chi tiết của dụng cụ và thiết bị cần thiết cho phép thử nghiệm bằng chứng STU để kiểm tra khả năng di chuyển khi gắn trong kết cấu.
- Chỉ dẫn về mỗi lần kiểm tra (thường là 2 năm một lần) và sau mỗi trận động đất đáng kể ít nhất phải bao gồm các việc sau:
+ Thực hiện việc kiểm tra bằng mắt hệ neo để đảm bảo không bị hư hỏng.
+ Xác định nhu cầu nhân lực bảo trì để làm sạch STU và các neo của nó đề phòng ăn mòn tăng nhanh.
+ Xác định nhu cầu sơn lại/phủ lại thiết bị.
+ Phải kiểm tra kỹ lưỡng tất cả STU trên cầu về các dấu hiệu rò rỉ. Nếu khi kiểm tra mũ thấy rò rỉ, thông báo cho lực lượng bảo trì để tháo mũ và kiểm tra hư hỏng của cần piston.
+ Kiểm tra những thay đổi về tuyến đặt hoặc điều kiện cho thấy STU trải qua chịu lực không mong đợi v.v...
+ Mỗi 6 năm hoặc theo quy định của Chủ đầu tư, thông báo cho lực lượng bảo trì mở khoá cài mũ và xem xét điều kiện của cần piston cũng như xác định xem chất lỏng bên trong có bị rò rỉ rõ ràng không.
+ Mỗi 10 năm, thông báo cho lực lượng bảo trì cho STU chịu tải theo lựa chọn của Chủ đầu tư theo cách đảm bảo cho STU triển khai được tải trọng định mức.
9 Đo đạc
Phải đo các STU theo số lượng bộ được lắp đặt và nghiệm thu như cho trong hồ sơ hợp đồng hoặc theo lệnh của Kỹ sư.
THI CÔNG CẦU ĐƯỜNG BỘ - PHẦN 32: CỌC SIÊU NHỎ
Bridge Construction Specifications - Part 32: Micropiles
1 Phạm vi áp dụng
Bộ tiêu chuẩn TCVN 12885:2020 áp dụng đối với công tác thi công các cầu, cống có kết cấu thông thường, sử dụng các công nghệ thi công thông thường trên đường bộ; cũng có thể tham khảo để thi công các cầu, cống trên đường sắt, có yêu cầu kỹ thuật tương tự.
Tiêu chuẩn này quy định các yêu cầu thi công và nghiệm thu, áp dụng đối với công tác cung cấp và thi công móng cọc siêu nhỏ trong thi công cầu.
Tiêu chuẩn này được dùng làm cơ sở để xây dựng Chỉ dẫn kỹ thuật thi công đối với công tác nêu trên trong dự án xây dựng cầu đường bộ.
2 Tài liệu viện dẫn
Các tài liệu viện dẫn sau là cần thiết cho việc áp dụng tiêu chuẩn này. Đối với các tài liệu viện dẫn ghi năm công bố thì áp dụng phiên bản được nêu. Đối với các tài liệu viện dẫn không ghi năm công bố thì áp dụng phiên bản mới nhất, bao gồm cả các sửa đổi, bổ sung (nếu có).
TCVN 9393:2012, Cọc - Phương pháp thí nghiệm bằng tải trọng tĩnh ép dọc trục.
TCVN 4506:2012, Nước cho bê tông và vữa - Yêu cầu kỹ thuật.
TCVN 8826:2011, Phụ gia hóa học cho bê tông.
TCVN 2682:2009, Xi măng poóc lăng - Yêu cầu kỹ thuật.
TCVN 1651-2:2018, Thép cốt bê tông - Phần 2: Thép thanh vằn.
TCVN 3121:2003, Vữa xây dựng - Phương pháp thử.
TCVN 11823:2017, Thiết kế cầu đường bộ.
LRFD-8, AASHTO LRFD Bridge Design Specifications, 2017 (Tiêu chuẩn thiết kế cầu.)
HM-WB, Standard Specifications for Transportation Materials and Methods of Sampling and Testing, 2017 (Tiêu chuẩn kỹ thuật đối với vật liệu giao thông và phương pháp lấy mẫu và thử nghiệm).
ASTM D1143, Standard Test Method for Piles under Static Axial Compressive Load (Tiêu chuẩn phương pháp thử đối với cọc chịu tải trọng tĩnh nén dọc trục).
ASTM D3689, Standard Test Method for Individual Piles under Static Axial Tensile Load (Tiêu chuẩn phương pháp thử đối với cọc đơn chịu tải trọng tĩnh kéo dọc trục).
ASTM A370, Standard Test Methods and Definitions for Mechanical Testing of Steel Products (Tiêu chuẩn phương pháp thử và định nghĩa đối với thử nghiệm cơ học các sản phẩm thép).
ASTM A775/A775M, Standard Specification for Epoxy-Coated Steel Reinforcing Bars (Tiêu chuẩn kỹ thuật đối với thanh cốt thép bọc epoxy).
ASTM A934/A934M, Standard Specification for Epoxy-Coated Prefabricated Steel Reinforcing Bars (Tiêu chuẩn kỹ thuật đối với thanh cốt thép chế tạo sẵn bọc epoxy).
ASTM C109, Standard Test Method for Compressive Strength of Hydraulic Cement Mortars (Using 2- in. or 50-mm Cube Specimens) (Tiêu chuẩn phương pháp thử đối với cường độ nén của vữa xi măng thủy lực (sử dụng mẫu lập phương 2 in. hoặc 50 mm)).
ASTM D3966, Standard Test Method for Piles under Lateral Loads (Tiêu chuẩn phương pháp thử đối với cọc chịu tải trọng ngang).
API 5L, Specification for Line Pipe (Tiêu chuẩn cho ống).
API 5CT, Specification for Casing and Tubing (Tiêu chuẩn cho ống vách và ống).
AWS D1.1 /D1.1M, Structural Welding Code - Steel (Tiêu chuẩn hàn kết cấu - Thép).
3 Thuật ngữ và định nghĩa
Tiêu chuẩn này sử dụng các thuật ngữ và định nghĩa nêu trong TCVN 12885-1:2020 và các thuật ngữ, định nghĩa sau:
3.1
Cọc siêu nhỏ (Micropiles)
Cọc được khoan với đường kính nhỏ (từ 60 mm đến 300 mm), có bơm vữa và thường có cốt thép, trong đó tải trọng tác động được kháng bởi thép, vữa xi măng và dính bám do ma sát của vữa với đất nền.
3.2
Thử nghiệm xác minh (Verification Testing)
Thử nghiệm được thực hiện có hệ thống trên các mẫu được giả định hoặc có thể thay đổi trước khi phát hành kết quả thử nghiệm; và hỗ trợ giải thích kết quả thử nghiệm nếu được yêu cầu.
3.3
Thử nghiệm bằng chứng (Proof Testing)
Thử nghiệm thử nghiệm tải trọng để xác nhận khả năng chịu tải của kết cấu hoặc thiết bị.
4 Mô tả
Công việc này bao gồm việc cung cấp và thi công móng cọc siêu nhỏ có chủng loại và kích thước được chỉ định trong hồ sơ hợp đồng và tiêu chuẩn kỹ thuật. Tiêu chuẩn này cũng bao gồm cung cấp cọc thử và thực hiện các thử nghiệm tải trọng.
5 Đệ trình
5.1 Yêu cầu chung
Ít nhất 4 tuần trước khi bắt đầu lắp đặt cọc siêu nhỏ, Nhà thầu cần đệ trình 4 bản sao danh sách tham khảo dự án cho Kỹ sư để phê duyệt, xác minh việc hoàn thành bởi Nhà thầu của ít nhất 3 dự án nền móng riêng biệt trong vòng 5 năm với việc thi công cọc siêu nhỏ có kích thước và độ khó tương tự được trình bày trong thiết kế, và với các điều kiện địa kỹ thuật tương tự. Mô tả ngắn gọn về từng dự án và tên người liên lạc của Chủ đầu tư và số điện thoại hiện tại được bao gồm cho từng dự án liệt kê.
5.2 Kinh nghiệm và nhân sự
Ít nhất 2 tuần trước khi bắt đầu thi công cọc siêu nhỏ, Nhà thầu cần đệ trình 4 bản sao danh sách các giám sát hiện trường, người vận hành giá khoan, và người kiểm tra tải trọng được giao nhiệm vụ trong dự án cho Kỹ sư để phê duyệt. Danh sách bao gồm bản tóm tắt chi tiết kinh nghiệm của từng cá nhân trong thi công và thử nghiệm cọc siêu nhỏ.
- Người giám sát hiện trường phải có tối thiểu 2 năm kinh nghiệm trong việc giám sát thi công cọc siêu nhỏ có kích thước và độ khó tương tự với những gì được trình bày trong thiết kế và điều kiện địa kỹ thuật tương tự với điều kiện được mô tả trong báo cáo địa kỹ thuật. Kinh nghiệm làm việc phải là trực tiếp giám sát đối với hoạt động thi công cọc siêu nhỏ. Cấp quản lý dự án các vị trí giám sát thi công cọc siêu nhỏ sẽ không được xem xét để chấp nhận cho yêu cầu kinh nghiệm này.
- Người vận hành giá khoan phải có ít nhất 1 năm kinh nghiệm trong thi công móng cọc siêu nhỏ.
- Người kiểm tra tải trọng phải có ít nhất 1 năm kinh nghiệm trong việc thử nghiệm nền móng cọc siêu nhỏ.
Kỹ sư sẽ phê duyệt hoặc từ chối năng lực và nhân sự hiện trường của Nhà thầu trong 10 ngày làm việc sau khi nhận được bản đệ trình. Công việc sẽ không được bắt đầu cho đến khi năng lực và nhân sự hiện trường của Nhà thầu được Kỹ sư phê duyệt. Kỹ sư có thể đình chỉ thi công cọc nếu Nhà thầu thay thế nhân sự hiện trường chưa được chấp thuận mà không có sự phê duyệt trước của Kỹ sư.
5.3 Hồ sơ thi công
Bản vẽ biện pháp thi công và các tính toán thiết kế kết cấu và địa kỹ thuật liên quan đến hệ thống cọc siêu nhỏ do Nhà thầu thực hiện cần được trình Kỹ sư để xem xét và phê duyệt bằng văn bản trước khi bắt đầu thi công.
Mô tả chi tiết về trình tự thi công phải được trình Kỹ sư để xem xét, bao gồm tiến độ yêu cầu các thiết bị chính, trình tự khoan và bơm vữa.
Bản vẽ biện pháp thi công phải bao gồm chi tiết lắp đặt cọc siêu nhỏ như sau:
- Loại cọc, số lượng, vị trí và dạng bố trí cọc;
- Độ nghiêng và hướng của cọc;
- Tải trọng thiết kế đã nhân hệ số của cọc;
- Biến dạng tối đa của cọc do tải trọng thiết kế đã nhân hệ số;
- Loại và kích thước của thép gia cường;
- Chi tiết bộ định tâm của thép gia cường;
- Tổng chiều dài dính bám tối thiểu;
- Tổng chiều dài cọc;
- Cao độ cao đầu cọc;
- Đề xuất thiết kế hỗn hợp vữa xi măng;
- Đề xuất kết quả thử nghiệm vữa xi măng;
- Khối lượng vữa và áp lực tối đa;
- Chi tiết kết nối đầu cọc;
- Cao độ cắt cọc;
- Điều kiện đất nền dự kiến.
Bản vẽ chế tạo các thép kết cấu, bao gồm các bộ phận của cọc và hệ thống chống gỉ và phải trình Kỹ sư để phê duyệt bằng văn bản.
Đối với ống thép được sử dụng làm ống/ống vách cố định, hoặc là thép lõi, tối thiểu là 2 phiếu kiểm tra đại diện hoặc chứng nhận sản xuất phải được đệ trình cho mỗi xe hàng giao cho dự án. Báo cáo thí nghiệm cốt thép của nhà máy phải được trình nhằm ghi chép khi giao vật liệu. Cường độ tới hạn, cường độ chảy, độ giãn dài, và phân tích hóa học được nêu trong báo cáo.
Đối với ống thép/ống vách chịu kéo và yêu cầu mối ghép ren, dữ liệu thể hiện đầy đủ khớp ren chịu kéo phải được đệ trình.
Nhà thầu cần trình để phê duyệt thiết kế hỗn hợp vữa, bao gồm chi tiết các vật liệu, trình tự pha trộn và đổ vữa. Việc đệ trình phải bao gồm các kết quả thí nghiệm xác minh sự chấp nhận thiết kế hỗn hợp vữa đề xuất.
Nhà thầu cần trình để xem xét và phê duyệt kế hoạch chi tiết cho phương pháp đề xuất để thử nghiệm cọc trước khi tiến hành bất kỳ thử nghiệm nào. Kế hoạch phải bao gồm các bản vẽ và chi tiết cần thiết để mô tả rõ ràng phương pháp thử nghiệm và thiết bị đề xuất.
Nhà thầu cần trình để xem xét và chấp nhận trình tự thử nghiệm cọc đề xuất. Trình tự kiểm tra phải phù hợp với tiến độ cụ thể của dự án và được chấp nhận bằng văn bản của Kỹ sư. Thủ tục thử nghiệm tải trọng cọc phù hợp với các phiên bản mới nhất của ASTM D1143 và/hoặc ASTM D3689 hoặc TCVN 9393:2012, và phải chỉ ra các thông tin tối thiểu sau:
- Loại và độ chính xác của thiết bị đo tải trọng;
- Loại và độ chính xác của thiết bị đặt tải;
- Loại và độ chính xác của thiết bị đo biến dạng cọc;
- Loại và công suất của hệ thống đối trọng;
- Báo cáo hiệu chuẩn kích thủy lực, thiết bị đo tải trọng và biến dạng.
Nhà thầu cần đệ trình báo cáo hiệu chuẩn cho từng kích, đầu đo áp lực, loadcell, và đầu đo áp lực tổng thể được sử dụng. Các thí nghiệm hiệu chuẩn phải được thực hiện bởi phòng kiểm nghiệm độc lập. Hiệu chuẩn đồng hồ đo áp lực phải trong vòng 6 tháng trước ngày trình. Việc thí nghiệm sẽ không bắt đầu cho đến khi những hiệu chuẩn này được chấp thuận.
Hồ sơ thi công của Nhà thầu sẽ được trình ít nhất 4 tuần trước khi bắt đầu thi công cọc. Nhà thầu cần đệ trình số bản sao theo yêu cầu của hồ sơ hợp đồng để Kỹ sư chấp thuận. Công việc sẽ không bắt đầu cho đến khi các hồ sơ thi công phù hợp và được chấp thuận bằng văn bản.
5.4 Hồ sơ lắp đặt
Tối thiểu, hồ sơ lắp đặt phải trình trong vòng 24 h sau khi hoàn thành lắp đặt mỗi cọc. Ít nhất, hồ sơ phải bao gồm:
- Tiến trình khoan, tốc độ, và theo dõi;
- Mô tả về điều kiện đất và đá gặp phải;
- Cao độ đầu mút cuối cùng;
- Cao độ cắt cọc;
- Sức kháng danh định;
- Mô tả các ứng xử/điều kiện bất thường;
- Sai lệch của các tham số so với thiết kế;
- Áp lực vữa đạt được (nếu có) bao gồm áp lực mục tiêu và áp lực đạt được;
- Khối lượng vữa bơm;
- Vật liệu và kích thước cọc;
- Hồ sơ thử nghiệm tải trọng, phân tích và chi tiết;
- Thông tin dự án, vị trí cọc (hoặc số hiệu cọc), tên người kiểm tra, phương pháp khoan, vận hành giá khoan.
Ngoài ra, các bản vẽ hoàn công chỉ ra vị trí, độ sâu và độ nghiêng của cọc, và các chi tiết cấu thành chúng phải được đệ trình.
6 Vật liệu
6.1 Nước
Nước để trộn vữa là nước uống, sạch, không có tạp chất gây hại đến vữa hoặc thép. Nếu không có nước uống thì phải kiểm tra theo AASHTO T26 hoặc TCVN 4506:2012 để chấp thuận.
6.2 Phụ gia
Phụ gia phù hợp với yêu cầu của AASHTO M194 hoặc TCVN 8826:2011. Phụ gia mở rộng sẽ chỉ được thêm vào vữa sử dụng cho hàn kín hoặc kết nối đầu cọc. Phụ gia phải tương thích với vữa và được trộn theo khuyến nghị của Nhà sản xuất. Việc sử dụng phụ gia chỉ được phép sau khi thí nghiệm tại hiện trường về độ lỏng và các tính chất của vữa. Phụ gia có chứa clorua không được sử dụng. Thiết bị gia tốc không được phép sử dụng.
Phụ gia kiểm soát việc mất nước, cải thiện tính linh động, giảm lượng nước, và làm chậm việc đông cứng có thể được sử dụng trong vữa với sự chấp thuận bằng văn bản của Kỹ sư.
6.3 Xi măng
Xi măng Portland phù hợp với AASHTO M85, Loại I, II, III, V, hoặc TCVN 2682:2009 Loại xi măng tương đương, và phải là sản phẩm của một Nhà sản xuất. Nếu thương hiệu hoặc loại xi măng được thay đổi trong một dự án, thì phải thí nghiệm bổ sung hỗn hợp vữa để đảm bảo tính nhất quán về chất lượng và tính năng của xi măng tại hiện trường.
6.4 Các chất trơ
Các chất trơ như cát có thể được sử dụng trong vữa ở những trường hợp đặc biệt khi có sự chấp thuận bằng văn bản của Kỹ sư.
6.5 Cốt thép
Cốt thép phải là:
1. Thép có gờ phù hợp với AASHTO M31 cấp 60, 75, hoặc AASHTO M275 cáp 150; hoặc TCVN 1651-2:2018 cấp thép tương đương;
2. Thép bện, thanh thép rỗng phù hợp với yêu cầu về chất lượng, độ dẻo và biến dạng của AASHTO M31 Cấp 60, 75, 85, 95, 150.
Bộ nối thanh, nếu cần, phải đáp ứng các yêu cầu quy định tại Điều 5.11.3 của LRFD-8 hoặc TCVN 11823:2017.
6.6 Ống/ống vách
Nếu ống hoặc ống vách được yêu cầu để chịu tải hoặc giảm độ võng, thì ống thép/ống vách vĩnh cửu phải đáp ứng yêu cầu chịu kéo của API 5L cấp X52 hoặc cao hơn hoặc API 5CT cấp N80 hoặc cao hơn.
Ống/ống vách phải là:
1. Ống/ống vách mới không có chứng nhận sản xuất, miễn là không có khuyết tật (vết lõm, vết nứt vết xước) và có tối thiểu là 2 phiếu thí nghiệm đại diện cho mỗi xe hàng, hoặc
2. Ống/ống vách thép "chất lượng" đáp ứng yêu cầu của APi 5L cấp X52 hoặc cao hơn hoặc API 5CT Cấp N80 hoặc cao hơn (API, 1998).
Thí nghiệm đại diện phải đáp ứng các yêu cầu của ASTM A370-14.
Nếu việc hàn ống/ống vách thép cường cao được yêu cầu, thì trình tự hàn phù hợp với AWS D1.1/D1.1M phải được trình Kỹ sư để xem xét và chấp thuận bằng văn bản trước khi hàn.
Mối nối hoặc đường ren của ống/ống vách phải phát triển cường độ danh định yêu cầu của mặt cắt ống và phải đưa ra biên dạng phù hợp để không bị lệch tâm hoặc bị góc xoay giữa trục của chiều dài hai đoạn nối.
6.7 Tấm và thép hình
Thép tấm và thép hình để gắn ở đầu cọc phù hợp với AASHTO M183 cấp 36 hoặc AASHTO M223 Cấp 50 như quy định trong hồ sơ hợp đồng hoặc bản vẽ biện pháp thi công.
6.8 Bộ định tâm
Bộ định tâm phải được chế tạo từ nhựa hoặc vật liệu không gây hại đến cốt thép. Không được sử dụng gỗ.
Bộ định tâm chuẩn bị cho lớp phủ vữa quy định tại Điều 7.1 và cho phép vữa lưu thông tự do mà không làm lệch vị trí cốt thép.
6.9 Bảo vệ chống gỉ
Yêu cầu về lớp phủ phải được thể hiện trên bản vẽ.
Nếu lớp phủ epoxy được sử dụng, chiều dày tối thiểu lớp phủ tĩnh điện trên cốt thép phải là 0,178 mm. Lớp phủ epoxy phù hợp với AASHTO M284 (ASTM A775) hoặc ASTM A934. Yêu cầu thí nghiệm uốn sẽ được miễn. Lớp phủ epoxy chỉ áp dụng trong nhà máy, không được áp dụng tại hiện trường, ngoại trừ trường hợp sơn sửa. Mọi sơn sửa tại hiện trường phải được thực hiện theo tiêu chuẩn của Nhà sản xuất.
Mạ kẽm không được phép xem như là cách bảo vệ chống gỉ cho các thanh bar cường độ cao hơn Cấp 75.
7 Thi công
7.1 Lắp đặt
Hạn chế về phương pháp khoan hoặc biện pháp lắp đặt phải được xác định cụ thể trong tiêu chuẩn kỹ thuật hoặc bản vẽ của dự án.
Kỹ thuật và trình tự lắp đặt cọc phải phù hợp với điều kiện địa kỹ thuật, hậu cần, môi trường, và khả năng chịu tải của dự án. Nhà thầu cần chọn phương pháp khoan và biện pháp bơm vữa để lắp đặt cọc.
Thiết bị, phương pháp và trình tự khoan phải phù hợp để khoan qua các điều kiện địa chất gặp phải, với sự xáo trộn ít nhất đối với bất kỳ điều kiện tầng phủ hoặc kết cấu lân cận hay dịch vụ nào.
Lỗ khoan phải được đào tới đường kính danh định và chiều dài xác định; và trước khi đặt cốt thép và đổ vữa trừ khi việc lắp đặt được hoàn thành bằng cách bơm vữa qua ống bơm.
Kỹ thuật lắp đặt phải được xác định và dự kiến như vậy để không gây ra sự nối liền hoặc hư hỏng đến các cọc lắp đặt trước đó.
Bộ định tâm phải được đặt ở khoảng cách tối đa 3.050 mm giữa cốt thép trung tâm. Bộ định tâm ở cao nhất và thấp nhất phải được đặt ở khoảng cách tối đa là 1.525 mm tới các đầu cọc. Bộ định tâm phải cho phép vữa lưu thông tự do mà không làm lệch vị trí cốt thép.
Chiều dày lớp vữa bảo vệ tối thiểu như chỉ ra trong Bảng 1.
Bảng 1 - Chiều dày lớp vữa bảo vệ cốt thép tối thiểu
| Điều kiện | Lớp bảo vệ tối thiểu cho thanh thép (mm) | Lớp bảo vệ tối thiểu cho thanh nối thép (mm) |
| Cọc siêu nhỏ trong đất | 25 | 6 |
| Cọc siêu nhỏ trong đá | 13 | 6 |
| Các thanh thép được phủ hoặc bọc kín | 13 | 6 |
Đối với cọc Loại A, B, C và D, cốt thép trung tâm và bộ định tâm phải được hạ vào lỗ khoan tới chiều sâu mong muốn mà không khó khăn gì. Các thanh thép được chèn một phần không được đóng hoặc buộc vào lỗ vì như vậy sẽ không có kết nối hoặc gây hư hỏng đến cọc mà trong đó vữa không đạt được yêu cầu.
Vữa phải được bơm theo Điều 7.2.
Nhà thầu cần kiểm tra cao độ cao đỉnh cọc và điều chỉnh các cọc đã lắp đặt đến cao độ thiết kế.
7.2 Bơm vữa
Nhà thầu cần cung cấp hệ thống và thiết bị được hiệu chuẩn để kiểm tra chất lượng vữa (bao gồm tối thiểu là cường độ chịu nén theo AASHTO T106 (ASTM C109) hoặc TCVN 3121:2003 và mật độ vữa), số lượng, và áp lực bơm trong quá trình bơm vữa.
Việc bơm vữa ở vùng dính bám phải diễn ra trong vòng 24 h sau khi hoàn thành việc khoan khi lắp đặt cọc trong điều kiện đất sét cố kết và đá yếu, mà có thể hư hỏng và mềm đi do sự phát lộ.
Sau khi khoan các cọc Loại A, B, C, hoặc D, lỗ khoan phải được làm sạch bằng nước hoặc không khí, hoặc cả hai để loại bỏ các mảnh vỡ của việc khoan cắt. Cọc Loại E có thể làm sạch bằng vữa.
Nhà thầu cần cung cấp vữa xi măng ổn định, đồng nhất, nguyên chất hoặc vữa xi măng cát với cường độ nén 28 ngày tối thiểu là 28 MPa. Vữa không chứa các chất bẩn hoặc bất cứ bằng chứng khác của sự pha trộn không tốt. Phụ gia, nếu được sử dụng, phải được trộn theo khuyến nghị của Nhà sản xuất. Bơm phải được trang bị đầu đo áp lực để theo dõi áp lực vữa. Đầu đo áp lực phải có khả năng đo áp lực ít nhất 1,0 MPa hoặc 2 lần áp lực vữa thực tế được sử dụng bởi Nhà thầu, tùy điều kiện nào lớn hơn. Thiết bị bơm vữa phải có kích thước đủ để cho phép vữa được bơm trong một hoạt động liên tục. Vữa phải được khuấy liên tục trước khi bơm.
Vữa phải được bơm trong vòng 1 h sau khi trộn, hoặc trong thời gian được khuyến cáo bởi Nhà sản xuất, nếu sử dụng phụ gia. Vữa không bơm trong thời hạn cho phép sẽ bị loại bỏ.
Vữa phải được bơm từ điểm thấp nhất của lỗ khoan (theo phương pháp bơm ống đứng/vữa dâng) cho đến khi hết vữa, và tràn ra ở đỉnh cọc. Vữa có thể được bơm qua ống đổ bê tông, mũi khoan rỗng, hoặc cần khoan. Sau đó để đổ vữa, ví dụ các hoạt động bơm vữa, liên quan đến rút ống khoan/ống vách và áp lực bơm, phải đảm bảo tính liên tục của cột vữa. Không được sử dụng khí nén để tạo áp lực trực tiếp đến vữa lỏng. Áp lực vữa phải được kiểm soát để ngăn ngừa thấm quá mức vào trong đất hoặc qua vết nứt của đất, đá. Toàn bộ cọc phải được bơm vữa tới cao độ cắt cọc theo thiết kế.
Sau khi hoàn thiện bơm vữa cọc Loại A và B, ống vữa có thể vẫn còn trong lỗ khoan, nhưng nó phải đầy vữa. Đối với cọc Loại C và D, ống vữa bơm sau phải được lắp đặt trước khi đổ vữa.
Vữa trong cọc phải đạt được cường độ thiết kế tối thiểu trước khi chịu tải.
Nếu Nhà thầu sử dụng hệ thống bơm vữa sau, các chi tiết liên quan bao gồm áp lực vữa, thể tích, vị trí, và thiết kế hỗn hợp, phải được đệ trình như một phần của Điều 5.3.
7.3 Nối cọc
Mối nối cọc phải được thực hiện để phát triển cường độ thiết kế yêu cầu của mặt cắt cọc.
Chiều dài của ống/ống vách và cốt thép được nối phải bảo đảm độ thẳng và không lệch tâm hoặc thay đổi góc giữa trục của các đoạn nối.
7.4 Dung sai
Đường tim cọc không lớn hơn 75 mm so với vị trí trong thiết kế.
Độ thẳng đứng của lỗ khoan cọc phải nằm trong 2 % của độ thẳng thiết kế.
Độ thẳng đứng của lỗ khoan cọc nghiêng đến 1:6 phải nằm trong 4 % của độ thẳng thiết kế.
Độ thẳng đứng của lỗ khoan cọc nghiêng lớn hơn 1:6 phải nằm trong 7 % của độ thẳng thiết kế.
Cao độ đỉnh cọc trong vòng từ +25 đến -50 mm của cao độ thẳng đứng thiết kế.
Đường tim của cốt thép lõi không lớn hơn 20 mm so với đường tim cọc.
8 Thử nghiệm tải trọng
8.1 Tổng quát
Thử nghiệm tải trọng cọc phải được thực hiện để xác minh sự phù hợp của thiết kế và thi công hệ thống cọc.
8.2 Thử nghiệm xác minh
Số lượng cọc thử, vị trí cọc, tiêu chí chấp nhận về tải trọng và chuyển vị, các hướng đặt tải phải được xác định trong hồ sơ hợp đồng.
Kết quả thử nghiệm tải trọng cọc phải xác minh được sự phù hợp của phương pháp thiết kế và lắp đặt, và phải được Kỹ sư xem xét và chấp thuận trước khi Nhà thầu sản xuất và lắp đặt cọc.
Phương pháp khoan và bơm vữa, ống/ống vách và chi tiết cốt thép khác, và độ sâu chôn của cọc thử nghiệm phải giống như cọc sản xuất, trừ khi có sự đồng ý của Kỹ sư.
Cọc thử nghiệm phải được chất tải đến 150 % tải trọng thiết kế đã nhân hệ số (FDL). Kích phải được đặt ngay từ đầu quá trình thử nghiệm sao cho việc dỡ tải và định vị lại kích trong quá trình thử không phải thực hiện. Cọc phải được thử nghiệm tải trọng kéo trước khi thử nghiệm tải trọng nén. Tải trọng thẳng tim (AL) phải được đặt lên cọc trước khi thiết lập thiết bị ghi chuyển vị. Tải trọng thẳng tim không được lớn hơn 0,04.FDL. Đồng hồ đo phải được “chỉnh không” ở thiết lập đầu tiên của AL
Thử nghiệm tải trọng dọc trục phải được thực hiện bằng cách chất tải lên cọc theo các bước thể hiện trong Bảng 2 và ghi lại chuyển vị đầu cọc ở từng bước.
Đối với thử nghiệm cọc hy sinh, các chu kỳ tải trọng có thể được tiến hành để phá hoại.
Đo chuyển vị cọc phải được thực hiện tại mỗi bước tăng tải. Thời gian giữ tải cho thử nghiệm độ chùng khi đo tại 0,975.FDL phải bắt đầu ngay khi đặt tải trọng thử và được ghi ở phút 1, 2, 3, 4, 5, và 10 min (chỉ chu kỳ tải maxima).
Tiêu chí chấp nhận thử nghiệm xác minh tải trọng cọc:
1. Cọc phải được duy trì tải trọng thiết kế chịu nén và chịu kéo (0,75.FDL) không vượt quá tổng chuyển vị thẳng đứng cho phép đã định tại đầu cọc so với chuyển vị đầu cọc tương đối đo được trước khi bắt đầu thử nghiệm. Nếu sử dụng tải trọng dọc trục, thì chuyển vị cho phép sẽ được giảm bằng cách nhân hệ số (0,75.FDL - AL) /0,75.FDL.
2. Thử nghiệm cọc có mức độ chùng ở cuối bước tăng 0,975.FDL không lớn hơn 1,0 mm/log thời gian chu kỳ (1 min đến 10 min) hoặc 2,0 mm/log thời gian chu trình (6 min đến 60 min) và có tốc độ chùng là tuyến tính hoặc giảm.
3. Phá hủy không xảy ra ở tải trọng thử nghiệm 1,50.FDL . Phá hủy được định nghĩa là khi độ dốc của đường cong tải trọng - chuyển vị (ở cuối khoảng) vượt quá 0,14 mm/kN.
Bảng 2 - Các bước chất tải cho thử nghiệm xác minh
|
| Tải trọng | Thời gian giữ tải (min) |
| Tải trọng | Thời gian giữ tải- (min) |
| 1 | AL | - | 24 | AL | 1 |
| 2 | 0,075. FDL | 4 | 25 | 0,300. FDL | 1 |
| 3 | 0,150. FDL | 4 | 26 | 0,600. FDL | 1 |
| 4 | 0,225. FDL | 4 | 27 | 0,900. FDL | 1 |
| 5 | 0,300. FDL | 4 | 28 | 0,975. FDL | 1 |
| 6 | 0,375. FDL | 4 | 29 | 1,050. FDL | 4 |
| 7 | AL | 1 | 30 | 1,125. FDL | 4 |
| 8 | 0,150. FDL | 1 | 31 | 1,200. FDL | 4 |
| 9 | 0,300. FDL | 1 | 32 | 1,275. FDL | 4 |
| 10 | 0,375. FDL | 1 | 33 | 1,350. FDL | 4 |
| 11 | 0,450. FDL | 4 | 34 | 1,425. FDL | 4 |
| 12 | 0,525. FDL | 4 | 35 | 1,500. FDL | 4 |
| 13 | 0,600. FDL | 4 | 36 | 1,200. FDL | 4 |
| 14 | 0,675. FDL | 4 | 37 | 0,900. FDL | 4 |
| 15 | 0,750. FDL | 4 | 38 | 0,600. FDL | 4 |
| 16 | AL | 1 | 39 | 0,300. FDL | 4 |
| 17 | 0,300. FDL | 1 | 40 | AL | 15 |
| 18 | 0,600. FDL | 1 |
|
|
|
| 19 | 0,675. FDL | 1 |
|
|
|
| 20 | 0,750. FDL | 1 |
|
|
|
| 21 | 0,825. FDL | 4 |
|
|
|
| 22 | 0,900. FDL | 4 |
|
|
|
| 23 | 0,975. FDL | 10 hoặc 60 (thử nghiệm từ biến) |
|
|
|
CHÚ THÍCH:
FDL - Tải trọng thiết kế đã nhân hệ số;
AL - Tải trọng thẳng tim
Nhà thầu cần đệ trình báo cáo bằng văn bản, cung cấp chi tiết về hình học và thi công cọc trong vòng 7 ngày làm việc sau khi hoàn thành thử nghiệm xác minh.
Nếu các thử nghiệm tải trọng cọc không đáp ứng được yêu cầu thiết kế, thì nguyên nhân phải được xác định và thiết kế và/hoặc phương pháp lắp đặt cọc phải được Nhà thầu sửa đổi, và hệ thống mới sẽ được thử nghiệm lại theo chỉ dẫn của Kỹ sư.
Bất kỳ sửa đổi nào mà yêu cầu thay đổi kết cấu phải được Kỹ sư xem xét và chấp nhận trước. Nguyên nhân cho bất kỳ sửa đổi thiết kế hoặc biện pháp thi công nào phải được quyết định để xác định các chi phí bổ sung hợp lý.
8.3 Thử nghiệm bằng chứng
Nhà thầu cần thử nghiệm bằng chứng số lượng tối thiểu các cọc sản xuất. Các cọc thử nghiệm phải được Kỹ sư lựa chọn. Theo đề xuất của Nhà thầu, với sự đồng thuận của Kỹ sư, thử nghiệm chịu kéo có thể được thực hiện đến 1,00.FDL khả năng chịu kéo của kết cấu.
Thử nghiệm tải trọng dọc trục của cọc sẽ được thực hiện bằng cách chất tải lên cọc theo các bước thể hiện trong Bảng 3 và ghi lại chuyển vị đầu cọc ở từng bước.
Bảng 3 - Các bước chất tải cho thử nghiệm bằng chứng
|
| Tải trọng | Thời gian giữ tải (min) |
| Tải trọng | Thời gian giữ tải (min) |
| 1 | AL | - | 9 | 0,80. FDL | 4 |
| 2 | 0,10. FDL | 4 | 10 | 0,90. FDL | 4 |
| 3 | 0,20. FDL | 4 | 11 | 1,00. FDL | 10 hoặc 60 |
| 4 | 0,30. FDL | 4 | 12 | 0,75. FDL | 4 |
| 5 | 0,40. FDL | 4 | 13 | 0,50. FDL | 4 |
| 6 | 0,50. FDL | 4 | 14 | 0,25. FDL | 4 |
| 7 | 0,60. FDL | 4 | 15 | AL | 4 |
| 8 | 0,70. FDL | 4 |
|
|
|
CHÚ THÍCH:
FDL - Tải trọng thiết kế đã nhân hệ số;
AL - Tải trọng thẳng tim
Tiêu chí chấp nhận thử nghiệm bằng chứng tải trọng cọc:
1. Cọc phải được duy trì tải trọng thiết kế chịu nén và chịu kéo (0,75. FDL) không vượt quá tổng chuyển vị thẳng đứng cho phép đã định tại đầu cọc so với chuyển vị đầu cọc tương đối đo được trước khi bắt đầu thử nghiệm. Nếu sử dụng tải trọng dọc trục, thì chuyển vị cho phép sẽ được giảm bằng cách nhân hệ số (0,75. FDL - AL) /0,75. FDL.
2. Thử nghiệm cọc có mức độ chùng ở cuối bước tăng 1.00.FDL không lớn hơn 1,0 mm/log thời gian chu trình (1 đến 10 min) hoặc 2,0 mm/log thời gian chu trình (6 đến 60 min) và có tốc độ chùng là tuyến tính hoặc giảm.
3. Phá hủy không xảy ra ở tải trọng thử nghiệm 1,00.FDL.
Nếu cọc không đáp ứng được sự tiêu chí chấp nhận, thì cần phải sửa đổi thiết kế, biện pháp thi công, hoặc cả hai.
Bất kỳ sửa đổi nào mà yêu cầu thay đổi đối với kết cấu phải được Kỹ sư xem xét và chấp nhận trước. Nguyên nhân cho bất kỳ sửa đổi thiết kế hoặc biện pháp thi công phải được quyết định để xác định các chi phí bổ sung hợp lý.
8.4 Tải trọng ngang
Nếu có yêu cầu, thử nghiệm tải trọng ngang phải được tiến hành phù hợp với ASTM D3966 (phiên bản mới nhất). Thử nghiệm tải trọng ngang phải được thực hiện trước khi thử nghiệm tải trọng dọc trục. Trong cả giai đoạn thử nghiệm xác minh và thử nghiệm bằng chứng, phải quan tâm đến việc thực hiện để không gây ra hư hỏng lâu dài đối với kết cấu cọc, mà sau đó sẽ làm giảm khả năng chịu lực trục của nó.
9 Đo đạc
9.1 Huy động và giải thể
Huy động và giải thể phải được đo trên cơ sở trọn gói.
9.2 Cọc siêu nhỏ
Các tiêu chí cụ thể của dự án như chiều dài cọc tối thiểu và đỉnh cao nhất của cao độ cao vùng dính bám phải được chỉ ra trong bản vẽ hoặc tiêu chuẩn của dự án.
Cọc, được lắp đặt và chấp nhận bao gồm cọc thử nghiệm, phải được đo thẳng đến chân cọc trong đất và trong đá. Cọc, được hoàn thành và đổ tại chỗ, phải có dạng và sức kháng tải trọng như chỉ ra trong hồ sơ hợp đồng hoặc được Kỹ sư chấp nhận bằng văn bản, và vật liệu cọc phù hợp với yêu cầu của tiêu chuẩn kỹ thuật.
Đo đạc như vậy không bao gồm cọc bị hư hỏng trước khi hoàn thành công việc trừ khi đã được khắc phục thỏa mãn yêu cầu của Kỹ sư.
9.3 Thử nghiệm tải trọng xác minh
Thử nghiệm tải trọng xác minh đo bằng số lần thử nghiệm tải trọng được thực hiện và chấp nhận cho mỗi khả năng chịu tải chỉ định của cọc. Thử nghiệm tải trọng được thực hiện theo lựa chọn của Nhà thầu sẽ không bao gồm trong khối lượng để thanh toán.
9.4 Thử nghiệm tải trọng bằng chứng
Thử nghiệm tải trọng bằng chứng đo bằng số lần thử nghiệm tải trọng được thực hiện và chấp nhận cho mỗi khả năng chịu tải chỉ định của cọc. Thử nghiệm tải trọng được thực hiện theo lựa chọn của Nhà thầu sẽ không bao gồm trong khối lượng để thanh toán.
9.5 Trở ngại trong khi khoan
Trở ngại trong khi khoan cọc sẽ được tính theo giờ khi gặp chướng ngại vật, như được định nghĩa trong hồ sơ hợp đồng.
Bạn chưa Đăng nhập thành viên.
Đây là tiện ích dành cho tài khoản thành viên. Vui lòng Đăng nhập để xem chi tiết. Nếu chưa có tài khoản, vui lòng Đăng ký tại đây!











