- Tổng quan
- Nội dung
- Tiêu chuẩn liên quan
- Lược đồ
- Tải về
Tiêu chuẩn quốc gia TCVN 9360:2024 Công trình dân dụng và công nghiệp - Xác định độ lún bằng phương pháp đo cao hình học
| Số hiệu: | TCVN 9360:2024 | Loại văn bản: | Tiêu chuẩn Việt Nam |
| Cơ quan ban hành: | Bộ Khoa học và Công nghệ | Lĩnh vực: | Xây dựng |
| Trích yếu: | Công trình dân dụng và công nghiệp - Xác định độ lún bằng phương pháp đo cao hình học | ||
|
Ngày ban hành:
Ngày ban hành là ngày, tháng, năm văn bản được thông qua hoặc ký ban hành.
|
24/12/2024 |
Hiệu lực:
|
Đã biết
|
| Người ký: | Đang cập nhật |
Tình trạng hiệu lực:
Cho biết trạng thái hiệu lực của văn bản đang tra cứu: Chưa áp dụng, Còn hiệu lực, Hết hiệu lực, Hết hiệu lực 1 phần; Đã sửa đổi, Đính chính hay Không còn phù hợp,...
|
Đã biết
|
TÓM TẮT TIÊU CHUẨN VIỆT NAM TCVN 9360:2024
Tiêu chuẩn quốc gia TCVN 9360:2024: Các quy định về đo độ lún công trình ảnh hưởng tới người thiết kế và thi công
Tiêu chuẩn quốc gia TCVN 9360:2024, được ban hành nhằm thay thế TCVN 9360:2012, đưa ra hướng dẫn chi tiết về việc xác định độ lún của các công trình dân dụng và công nghiệp bằng phương pháp đo cao hình học. Tiêu chuẩn này có hiệu lực từ ngày 01/01/2024.
Đối tượng áp dụng: Tiêu chuẩn này áp dụng cho các chủ đầu tư, nhà thầu thi công, các kỹ sư và nhà thiết kế trong lĩnh vực xây dựng công trình. TCVN 9360:2024 xác định rõ ràng các yêu cầu kỹ thuật đối với việc đo đạc độ lún, qua đó giúp đảm bảo an toàn và chất lượng công trình.
Phạm vi yêu cầu kỹ thuật: Tiêu chuẩn quy định các phương pháp đo độ lún bằng máy thủy chuẩn và các dụng cụ đo. Việc đo lún cần diễn ra ngay từ khi thi công phần móng và tiếp tục theo chu kỳ cho đến khi đạt độ ổn định.
Căn cứ đo: Để xác định độ lún, cần lựa chọn các vị trí mốc và chuẩn sao cho chúng ổn định và có khả năng kiểm tra độ chính xác của quá trình đo. Các mốc này phải được đặt ở lớp đất tốt và không chịu tác động từ các yếu tố bên ngoài.
Chu kỳ đo: Việc đo độ lún cần thực hiện theo chu kỳ, và có thể dừng lại nếu độ lún không biến động sau ba chu kỳ liên tiếp với thời gian quan trắc 12 tháng. Tuy nhiên, nếu phát hiện dấu hiệu chuyển dịch bất thường, cần tiến hành đo bổ sung ngay lập tức.
Thao tác đo: Các thiết bị đo phải có độ chính xác cao, được hiệu chỉnh thường xuyên. Kết quả đo được dùng để kiểm tra và đánh giá thiết kế nền móng, đồng thời là cơ sở để cảnh báo các nguy cơ xảy ra sự cố.
Lập phương án đo: Trước khi tiến hành đo, một phương án kỹ thuật rõ ràng cần được thiết lập nhằm xác định mục đích, nhiệm vụ và các yếu tố liên quan đến phương pháp đo. Phương án này cần được cấp có thẩm quyền phê duyệt và là cơ sở để tổ chức công việc đo lún.
TCVN 9360:2024 bởi vì nó cung cấp hướng dẫn chi tiết và cụ thể cho các bên liên quan, giúp họ thực hiện công việc đo lún một cách chính xác và bài bản, từ đó nâng cao chất lượng và sự an toàn cho các công trình xây dựng dân dụng và công nghiệp. Việc tuân thủ tiêu chuẩn này là cần thiết, giúp giảm thiểu rủi ro về nền móng và đảm bảo tính bền vững cho các công trình trong tương lai.
Tải tiêu chuẩn Việt Nam TCVN 9360:2024
TIÊU CHUẨN QUỐC GIA
TCVN 9360:2024
CÔNG TRÌNH DÂN DỤNG VÀ CÔNG NGHIỆP - XÁC ĐỊNH ĐỘ LÚN BẰNG PHƯƠNG PHÁP ĐO CAO HÌNH HỌC
Civil and industrial works - Settlement determination by geometric leveling
Lời nói đầu
TCVN 9360:2024 thay thế TCVN 9360:2012.
TCVN 9360:2024 do Viện Khoa học công nghệ xây dựng (Bộ Xây dựng) biên soạn, Bộ Xây dựng đề nghị, Tổng cục Tiêu chuẩn Đo lường Chất lượng thẩm định, Bộ Khoa học và Công nghệ công bố.
CÔNG TRÌNH DÂN DỤNG VÀ CÔNG NGHIỆP - XÁC ĐỊNH ĐỘ LÚN BẰNG PHƯƠNG PHÁP ĐO CAO HÌNH HỌC
Civil and industrial works - Settlement determination by geometric leveling
1 Phạm vi áp dụng
Tiêu chuẩn này quy định các yêu cầu kỹ thuật và áp dụng để đo đạc xác định độ lún của công trình dân dụng và công nghiệp bằng phương pháp đo cao hình học.
2 Tài liệu viện dẫn
Các tài liệu viện dẫn sau là cần thiết cho việc áp dụng tiêu chuẩn này. Đối với các tài liệu viện dẫn ghi năm công bố thì áp dụng phiên bản được nêu. Đối với các tài liệu viện dẫn không ghi năm công bố thì áp dụng phiên bản mới nhất, bao gồm cả các sửa đổi, bổ sung (nếu có).
TCVN 9398, Công tác trắc địa trong xây dựng công trình - Yêu cầu chung.
3 Thuật ngữ và định nghĩa
Trong tiêu chuẩn này sử dụng các thuật ngữ và định nghĩa sau:
3.1
Độ lún công trình (settlement of works)
Chuyển vị theo phương đứng của công trình.
3.2
Góc i (angle i)
Góc lệch của trục ngắm ống kính so với mặt phẳng nằm ngang.
3.3
Bộ đo cực nhỏ (micrometer)
Thiết bị phụ trợ giúp nâng cao độ chính xác đọc số của các thiết bị đo đạc.
3.4
“Cóc” (base)
Dụng cụ để đặt mia chuyển độ cao khi đo chênh cao giữa hai điểm không đo được trực tiếp bằng một trạm máy (khoảng cách giữa hai điểm quá xa hoặc không có tầm nhìn).
3.5
Phương pháp đo cao hình học (geometric levelling)
Phương pháp đo chênh cao giữa 2 điểm bằng một tia ngắm nằm ngang của máy thủy chuẩn.
3.6
Chu kì quan trắc lún (settlement monitoring cycle)
Khoảng thời gian giữa hai lần đo lặp lại liên tiếp cho các mốc quan trắc lún gắn ở công trình. Để thực hiện n chu kì quan trắc lún thì cần thực hiện n+1 lần đo lặp. Lần đo quan trắc đầu tiên được quy ước là chu kì 0.
3.7
Vòng đo chênh cao/ Tuyến thủy chuẩn khép kín (close levelling line)
Một tuyến đo khép kín (điểm xuất phát của tuyến đo cũng là điểm kết thúc của tuyến đo).
3.8
Độ lún tương đối của công trình (relative settlement of works)
Độ lún của công trình được đo và tính từ một điểm ổn định nào đó của công trình.
3.9
Độ lún tuyệt đối của công trình (absolute settlement of works)
Độ lún của công trình được đo và tính từ những mốc chuẩn ổn định.
4 Quy định chung
4.1 Căn cứ vào tầm quan trọng của công trình, tình hình địa chất tại công trường để xác định các đối tượng và hạng mục cần đo đạc xác định độ lún, vị trí các mốc chuẩn, phân bố các điểm đo lún, phương pháp đặt mốc, kiểu mốc, độ chính xác khi đo, các tài liệu cần thu thập và phương pháp xử lý số liệu đo.
4.2 Việc đo và xác định độ lún của công trình cần được tiến hành ngay từ khi thi công xong phần móng.
4.3 Độ lún của nền móng công trình cần phải đo một cách hệ thống và thông báo kết quả kịp thời theo chu kì, để nhận được các thông số đặc trưng về độ lún và độ ổn định của nền móng đồng thời kiểm tra những số liệu dự tính về độ lún của còng trình cho các loại đất nền. Việc đo độ lún công trình cần tiến hành thường xuyên cho đến khi đạt được độ ổn định về độ lún (tốc độ lún của công trình nhỏ hơn hoặc bằng 2 mm trong một năm). Đồng thời việc đo độ lún của công trình cũng có thể dừng lại nếu như trong quá trình đo ba chu kì liên tiếp với thời gian quan trắc là 12 tháng tính từ khi công trình đưa vào khai thác sử dụng mà độ lún không biến động vượt quá sai số giới hạn xác định độ lún. Trong trường hợp nếu thấy công trình có những dấu hiệu chuyển dịch đột biến (lún nhiều, nứt, nghiêng, trượt) cần tổ chức đo bổ sung kịp thời, để xác định các thông số chuyển dịch, cảnh báo sớm các rủi ro có thể, cung cấp số liệu nhằm tìm ra nguyên nhân và mức độ nguy hiểm đối với công trình.
4.4 Kết quả đo độ lún của công trình dùng để đánh giá, kiểm chứng thiết kế nền và móng. Đồng thời nó còn làm cơ sở cảnh báo để đưa ra những biện pháp cần thiết phòng chống sự cố có thể xảy ra. Kết quả đo độ lún còn được xem xét kết hợp với những tài liệu về địa kĩ thuật và các tài liệu thí nghiệm kỹ thuật khác.
4.5 Trước khi lập phương án đo độ lún công trình cần nghiên cứu và tham khảo các thông tin sau:
- Đặc điểm về nền móng, quy mô xây dựng của công trình cần đo độ lún và giá trị độ lún cho phép;
- Mặt bằng tổng thể của công trình;
- Các kết quả khảo sát về địa kĩ thuật;
- Mặt bằng, mặt cắt của từng công trình riêng biệt, trong đó có ghi rõ kích thước, vị trí và kết cấu móng;
- Tiến độ thi công công trình;
- Các thông tin về hiện trạng công trình trong thời gian khai thác sử dụng và bảo trì.
4.6 Khi tiến hành đo độ lún của công trình cần căn cứ vào mục đích, yêu cầu và nhiệm vụ đo độ lún để lựa chọn giải pháp kĩ thuật. Trước khi đo cần phải viết đề cương hoặc phương án kĩ thuật đo độ lún của công trình và tùy theo yêu cầu cụ thể phải được cấp có thẩm quyền phê duyệt.
4.7 Độ lún của công trình được đo và tính từ những mốc chuẩn ổn định gọi là độ lún tuyệt đối (trồi, lún). Độ lún công trình được đo và tính từ một điểm ổn định nào đó của công trình gọi là độ lún tương đối (trồi, lún).
4.8 Máy và dụng cụ đo độ lún phải có các tính năng kĩ thuật phù hợp, đảm bảo độ chính xác và cần được kiểm tra, hiệu chỉnh chặt chẽ trước khi đo.
4.9 Độ chính xác của việc đo độ lún của công trình nêu trong đề cương hoặc phương án kĩ thuật, được xác định dựa vào đặc điểm loại nền, móng, giá trị độ lún cho phép và giai đoạn xây dựng công trình.
4.10 Việc đo độ lún của công trình được tiến hành theo các giai đoạn sau:
a) Lập phương án đo: trong đó nêu mục đích, nhiệm vụ của công tác đo độ lún (ghi rõ dự định phân bố các mốc chuẩn, mốc đo độ lún, chuẩn bị kế hoạch đo đạc và lựa chọn phương pháp đo);
b) Tổ chức đo: bao gồm việc xác định khối lượng công việc, lập kế hoạch, chuẩn bị mốc, gắn các mốc đo độ lún, kiểm nghiệm máy, mia và đo ngoài thực địa theo các chu kì;
c) Xử lí số liệu đo đạc: bao gồm việc kiểm tra kết quả đo ngoài thực địa, tính toán sơ bộ kết quả đo, bình sai và tính toán giá trị độ lún, đánh giá độ chính xác của kết quả đo, lập sơ đồ đo theo các chu kì, lập các đồ thị theo trục và bình đồ lún công trình;
d) Viết báo cáo tổng hợp và phân tích kết quả đo;
e) Tổ chức nghiệm thu.
5 Lập phương án đo độ lún của công trình
5.1 Phương án kĩ thuật hoặc đề cương kĩ thuật đo độ lún của công trình được lập tùy thuộc vào tầm quan trọng của công trình, điều kiện địa chất công trình của khu vực xây dựng, các đối tượng đo và đảm bảo các nội dung sau đây:
- Phần giới thiệu chung: giới thiệu về công trình cần quan trắc lún, mục đích, ý nghĩa, nhiệm vụ và yêu cầu của công tác đo độ lún, đặc biệt là yêu cầu độ chính xác đo độ lún của công trình, giới thiệu các đặc điểm hiện trạng, lún, nứt của công trình trước khi đo lún và các đặc điểm khác có liên quan đến công tác đo độ lún;
- Thiết kế hệ thống mốc đo;
- Thiết kế sơ đồ đo và đánh giá độ chính xác của phương án thiết kế, xác lập cấp đo và chu kì đo;
- Phương pháp đo độ lún và quy trình đo;
- Chọn máy, dụng cụ đo và tiến hành các yêu cầu kiểm nghiệm;
- Các quy định cụ thể khi đo đạc, yêu cầu về kiểm tra kết quả đo đạc tại hiện trường;
- Phương pháp xử lí số liệu đo;
- Phương pháp tính toán thông số độ lún;
- Phương pháp phân tích và đánh giá độ ổn định của các mốc chuẩn;
- Lập hồ sơ báo cáo;
- Các vấn đề về vật tư, nhân lực, an toàn lao động và các vấn đề khác.
5.2 Nội dung chi tiết của việc thiết kế hệ thống mốc đo, sơ đồ đo, cấp đo và chu kì đo được trình bày chi tiết ở Điều 7 và Điều 8. Trong quá trình thi công nếu có thay đổi về phương án kĩ thuật hoặc đề cương kĩ thuật cần phải có văn bản cụ thể kèm theo phương án bổ sung.
5.3 Trong phương án kỹ thuật hoặc đề cương kỹ thuật quan trắc độ lún của công trình cần phải đánh giá phương án thiết kế lưới quan trắc để đánh giá xem với thiết bị lựa chọn đo độ lún và đồ hình lưới dự kiến tiến hành quan trắc thì sai số trung phương độ cao điểm yếu nhất của lưới có đạt yêu cầu độ chính xác đề ra hay không.
6 Thiết bị đo độ lún của công trình
6.1 Máy thủy chuẩn dùng để đo độ lún của công trình là các máy thủy chuẩn quang cơ, máy thủy chuẩn tự động cân bằng hoặc máy thủy chuẩn điện tử có độ chính xác cao. Độ chính xác của máy thủy chuẩn sử dụng phải đáp ứng được về yêu cầu độ chính xác đối với từng cấp đo lún.
6.2 Mia để đo độ lún là mia Invar có chiều dài 1 m, 1,7 m, 2 m hoặc 3 m, mia invar mã vạch, mia gỗ có chiều dài 2 m, 3 m, giá trị khoảng chia của các vạch trên mia là 5 mm hoặc 10 mm. Trên mia có gắn ống nước tròn giá trị khoảng chia nhỏ hơn 5’/2 mm.
6.3 Trước khi đo độ lún của công trình cần phải kiểm nghiệm máy theo các nội dung sau:
a) Đối với máy không tự động cân bằng:
- Xem xét bề ngoài của máy;
- Kiểm nghiệm và hiệu chỉnh vị trí bọt nước tròn;
- Kiểm nghiệm và hiệu chỉnh vị trí bọt nước dài;
- Xác định giá trị vạch khắc của ống nước dài và sai số hình ảnh parabol;
- Xác định giá trị vạch chia của bộ đo cực nhỏ trên các khoảng cách khác nhau;
- Kiểm tra độ chính xác của trục ngắm khi điều chỉnh tiêu cự;
- Kiểm tra hoạt động của vít nghiêng bằng mia.
Nếu việc đo độ lún phải tiến hành trong nhiều ngày, thì hàng ngày cần kiểm nghiệm và hiệu chỉnh bọt nước tròn, bọt nước dài. Khi góc i dao động quá 12” thì cần có biện pháp loại trừ ảnh hưởng của nó trước khi đo.
b) Đối với các máy tự động cân bằng:
- Xem xét bề ngoài của máy;
- Kiểm nghiệm và hiệu chỉnh bọt nước tròn;
- Kiểm tra hoạt động của bộ tự cân bằng;
- Xác định giá trị vạch chia của bộ đo cực nhỏ trên các khoảng cách khác nhau;
- Kiểm tra độ chính xác của trục ngắm khi điều chỉnh tiêu cự.
c) Đối với máy thủy chuẩn điện tử, ngoài những yêu cầu ở đoạn a) và b) cần tuân thủ quy trình kiểm tra, kiểm nghiệm thiết bị theo hướng dẫn của nhà sản xuất.
6.4 Trước khi đo độ lún của công trình mia cần phải được kiểm nghiệm theo các nội dung sau:
- Kiểm tra toàn bộ bề ngoài của mia và dải băng Invar;
- Kiểm tra độ căng của băng Invar bằng lực kế có độ chính xác cao. Sai khác giữa lực căng thực tế và độ căng tiêu chuẩn phải nhỏ hơn 1/20, nếu lớn hơn 1/20 thì cần phải chỉnh lại vít căng hoặc thay lò xo;
- Xác định chiều dài thực của các khoảng chia cách nhau 1 m trên thang chính và thang phụ (nếu có) của mia Invar bằng máy chuyên dùng;
- Chênh lệch giữa chiều dài kiểm nghiệm và chiều dài lý thuyết không được vượt quá ± 0,10 mm;
- Xác định sai số khoảng chia 1 dm trên thang chính và thang phụ (nếu có) của mia Invar, sai số này không được vượt quá ± 0,15 mm;
- Kiểm nghiệm mặt đáy mia có vuông góc với trục của mia hay không;
- Kiểm nghiệm giá trị vạch “0” của 2 mia (nếu sử dụng 2 hoặc nhiều mia để đo lún);
- Kiểm nghiệm bọt thủy tròn trên mia;
- Xác định độ võng của mia. Nếu mia có độ võng f lớn hơn 4 mm đối với mia Invar và 8 mm đối với mia gỗ thì phải đổi mia khác;
- Đối với bộ mia mã vạch, mia phải được kiểm tra khoảng cách từng dm, từ dm thứ 5 đến dm thứ 25, chênh cao từng dm đo được so với chênh cao chuẩn không lớn hơn ± 0,3 mm.
7 Mốc chuẩn và mốc đo lún
7.1 Mốc chuẩn
7.1.1 Mốc chuẩn (mốc độ cao cơ sở) là mốc khống chế độ cao, là cơ sở để xác định độ lún của công trình. Mốc chuẩn cần thoả mãn các yêu cầu sau:
- Giữ được độ cao ổn định trong suốt quá trình đo độ lún của công trình (tiêu chí ổn định của các mốc chuẩn được nêu ở 10.2.3);
- Cho phép kiểm tra một cách tin cậy độ ổn định của các mốc khác;
- Cho phép dân độ cao đến các mốc đo lún một cách thuận lợi.
7.1.2 Tùy theo tính chất, diện tích mặt bằng và tầm quan trọng của công trình, số lượng mốc chuẩn cần ít nhất 03 mốc tạo thành lưới để kiểm tra lẫn nhau và được chia thành 3 loại A, B, C như được trình bày ở Phụ lục A.
7.1.3 Vị trí các mốc chuẩn cần được đặt vào lớp đất tốt, ổn định (cát, sạn sỏi, sét cứng, cuội sỏi, v.v. có bề dày lớn). Khoảng cách từ mốc chuẩn đến công trình (công trình dân dụng và công nghiệp) thường từ 50 m đến 100 m. Trong trường hợp khu đất xây dựng công trình không đủ mặt bằng để xây dựng mốc chuẩn cách công trình từ 50 m đến 100 m thì có thể xây dựng mốc chuẩn ở gần công trình nhưng với điều kiện mốc chuẩn được xây dựng phải là mốc chuẩn loại A.
7.1.4 Khoảng cách giữa các mốc chuẩn với nhau cũng không nên đặt quá xa nhau, khoảng cách giữa các mốc chuẩn được bố trí sao cho khi đo đạc đảm sai số trung phương độ cao điểm yếu nhất trong lưới cơ sở đạt độ chính xác đề ra.
7.1.5 Khi sử dụng các công trình để đặt mốc chuẩn thì các công trình này phải hoàn toàn ổn định (không có các hiện tượng biến dạng do chuyển dịch, lún). Không đặt mốc chuẩn tại các công trình có tải trọng động (tải trọng thay đổi).
7.1.6 Mốc chuẩn loại A gồm có: mốc chuẩn loại A dạng lõi kép, mốc chuẩn loại A bằng cọc khoan nhồi, mốc chuẩn loại A dạng cọc ống có đổ bê tông trong lòng ống và mốc chuẩn loại A dạng cọc ống thép mạ kẽm. Loại mốc này thường áp dụng khi đo độ lún các công trình quan trọng xây dựng trên nền đất đá ổn định, chiều sâu khá lớn, khu vực thi công chịu tác động của lực động học. Hình dạng và cấu tạo một số mốc chuẩn loại A được trình bày ở Hình A.1a, Hình A.1b, Phụ lục A.
7.1.7 Mốc chuẩn loại B là mốc có dạng cọc bê tông cốt thép. Mốc này thường áp dụng khi đo độ lún các công trình xây dựng trên móng cọc chiều sâu đạt đến lớp đất đá tốt được sử dụng để tựa cọc công trình. Hình dạng và cấu tạo của mốc chuẩn loại B được trình bày ở Hình A2, Phụ lục A.
7.1.8 Mốc chuẩn loại C là mốc có dạng cọc ngắn hoặc khối bê tông được chôn vào lớp đất tốt nguyên thổ đầu tiên. Loại mốc này thường áp dụng khi đo độ lún các công trình dân dụng được xây dựng trên nền đất đá kém ổn định. Hình dạng và cấu tạo của mốc chuẩn loại C được trình bày ở Hình A.3a, Hình A.3b, Hình A.3c, Phụ lục A.
7.1.9 Đối với các công trình có mật độ mốc quan trắc lún nhiều, các mốc quan trắc phân bố trên diện rộng, các công trình công nghiệp có diện tích lớn hơn 1 km2 cần bố trí thêm các mốc chuẩn trung gian. Các mốc chuẩn trung gian phải chọn ở vị trí tương đối ổn định và thuận tiện cho việc đo ngắm đến các mốc đo lún gắn ở công trình hoặc hạng mục công trình, cấu tạo của các mốc chuẩn trung gian như mốc chuẩn loại A, B và C. Trong mỗi chu kì quan trắc (hoặc định kỳ) mốc chuẩn trung gian phải được đo nối với các mốc chuẩn tạo thành mạng lưới độ cao cơ sở, sau đó tính toán bình sai xác định độ cao của mốc chuẩn trung gian so với mốc chuẩn ổn định.
7.1.10 Cấu tạo đầu đo của mốc chuẩn có dạng hình cầu, chỏm cầu bằng thép không gỉ, bằng đồng hoặc sứ. Nếu chế tạo đầu mốc chuẩn bằng thép thường thì phải được mạ để chống gỉ. Phần đầu của các mốc chuẩn cần được xây bảo vệ có nắp đậy sao cho tác động của mặt đất khu vực đặt mốc không làm ảnh hưởng đến vị trí của mốc (xem Phụ lục A). Đối với các công trình quan trọng mốc chuẩn cần được xây rào bảo vệ và khoá cổng khi ra vào.
7.1.11 Hệ độ cao đo lún là hệ độ cao giả định, trong trường hợp cần đo nối với hệ độ cao quốc gia thì dẫn độ cao từ mốc độ cao quốc gia gần nhất vào hệ thống các mốc chuẩn.
7.1.12 Sau khi mốc chuẩn được thi công xây dựng hoàn thành thì mốc chuẩn đo lún phải có đầy đủ các thông tin về vị trí và độ cao của mốc.
7.2 Mốc đo độ lún
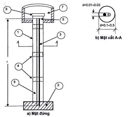
7.2.1 Mốc đo độ lún là mốc được gắn trực tiếp vào các vị trí đặc trưng của các kết cấu chịu lực trên nền móng hoặc thân công trình, dùng để quan sát độ trồi lún của công trình. Mốc đo độ lún được phân ra các loại sau:
- Mốc gắn tường, cột;
- Mốc gắn nền, móng;
- Các mốc chôn sâu dùng để đo độ lún theo lớp đất.
7.2.2 Mốc đo độ lún phải có kết cấu vững chắc, đơn giản và thuận tiện cho việc đo đạc, khi đặt mia, treo mia, không làm thay đổi độ cao của nó.
7.2.3 Khi thiết kế các mốc đo độ lún phải nghiên cứu các tài liệu mặt bằng bố trí móng, mặt bằng công trình để đặt mốc vào đúng vị trí cần thiết, tránh được sự phá hỏng hoặc mất tác dụng đo đạc trong các chu kì sau.
7.2.4 Mốc đo độ lún cần bố trí sao cho phản ánh được một cách đầy đủ nhất về độ lún của toàn công trình và bảo đảm được các điều kiện đo đạc, khi bố trí mốc đo độ lún cần tham khảo ý kiến của người thiết kế. Số lượng mốc đo độ lún cho một công trình cần được tính toán thích hợp sao cho vừa phản ánh được đặc trưng về độ lún của công trình vừa đảm bảo tính kinh tế. Khoảng cách giữa các mốc đo độ lún phụ thuộc vào điều kiện địa chất công trình, mặt bằng kết cấu công trình, giá trị độ lún ước tính và mục đích của việc đo độ lún, v.v.
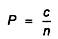
7.2.5 Số lượng mốc đo độ lún đặt cho nhà dân dụng hoặc công trình công nghiệp được ước tính theo công thức tổng quát sau đây:
|
| (1) |
trong đó:
N là số lượng mốc đo độ lún;
P là chu vi nhà hoặc chiều dài móng, tính bằng mét (m);
L là khoảng cách giữa các mốc đo độ lún, tính bằng mét (m).
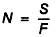
7.2.6 Đối với các nhà xây trên móng cọc hoặc móng bè số lượng mốc đo lún được tính bằng công thức:
|
| (2) |
trong đó:
S là diện tích mặt móng, tính bằng mét vuông (m2);
F là diện tích khống chế của một mốc, tính bằng mét vuông (m2), thường lấy từ 100 m2 đến 150 m2.
7.2.7 Mốc đo độ lún được đặt sao cho có thể chuyền độ cao trực tiếp từ mốc này sang mốc khác đặc biệt là ở các vị trí có liên quan đến sự thay đổi kết cấu, đồng thời có thể đo nối với mốc chuẩn một cách thuận tiện.
7.2.8 Mốc đo độ lún phải được đặt ở các vị trí đặc trưng về độ lún không đều, các vị trí dự đoán là lún mạnh, các kết cấu chịu lực khác nhau, những vị trí thay đổi về địa chất công trình hai bên khe lún, nơi có thay đổi tải trọng, hầm thang máy, vị trí tiếp giáp giữa hai công trình và những vị trí công trình biến dạng đột xuất.
7.2.9 Đối với các công trình nhà ở và nhà chung cư không có khung chịu lực, sử dụng tường gạch chịu lực, móng băng thì mốc đo độ lún được phân bố theo chu vi của công trình, các mốc cách nhau từ 10 m đến 15 m. Khi chiều rộng của công trình lớn hơn 25 m thì các mốc được đặt thêm ở tường ngang, tại chỗ giao nhau của chúng với tường gạch dọc.
7.2.10 Đối với các công trình công nghiệp và nhà khung chịu lực, mốc đo độ lún được đặt tại các cột chịu lực theo chu vi của công trình và bên trong công trình sao cho các mốc được phân bố theo trục ngang và trục dọc tối thiểu là ba mốc tại một hướng. Tại khu vực bệ lò hoặc móng máy các mốc đo độ lún được bố trí dày hơn theo các trục đối xứng.
7.2.11 Đối với các khu nhà chung cư cao tầng có các sàn bằng panen tấm lớn và các nhà tập thể lắp ghép thi các mốc được đặt theo chu vi và trục của nhà cách nhau từ 6 m đến 8 m (tương ứng với hai tấm panen hay còn gọi là tương ứng qua hai bước của panen).
7.2.12 Đối với các nhà xưởng được xây dựng trên móng cọc thì các mốc phân bố cách nhau tối đa là 15m theo trục dọc và trục ngang của công trình. Khi chiều rộng của nhà xưởng lớn hơn 25 m thì số lượng mốc đo độ lún được bố trí tăng thêm một hàng 10 m theo các trục.
7.2.13 Đối với các nhà sản xuất nhiều tầng và các công trình công nghiệp có móng băng giao nhau thì mốc đo độ lún được bố trí theo hướng dọc và ngang của trục móng và theo chu vi của công trình, với mật độ một mốc trên 100 m2 diện tích.
7.2.14 Đối với các công trình loại ống khói, silô, lò luyện gang, công trình dạng tháp, máy nâng, kho thóc v.v. mốc được đặt tối thiểu 4 chiếc theo chu vi. Với các công trình cần bảo đảm chuyển động theo một trục, cần đặt mốc đo độ lún đối xứng qua hai bên của chúng. Đối với các dầm cầu chạy, giá đỡ, đặt mốc tại các cột chịu lực và bố trí theo đường trục.
7.2.15 Đối với các tường vách cứng và vách cứng có trụ, các mốc được đặt theo chu vi của công trình với khoảng cách từ 15 m đến 20 m.
7.2.16 Đối với trường hợp nâng cấp cải tạo công trình thì tại nơi tiếp giáp với công trình cũ được xem như khe lún và mốc đo độ lún được đặt cho cả hai bên của công trình. Khoảng cách giữa các mốc đo độ lún cách nhau từ 15 m đến 20 m.
7.2.17 Đối với các công trình quan trọng, các công trình nghệ thuật mặt ngoài ốp bằng vật liệu quý nên chọn loại mốc đo độ lún có bản lề quay, có nắp đậy nhằm đảm bảo mỹ quan cho công trình. Cấu tạo của mốc loại này được trình bày ở Hình B.2, Phụ lục B.
7.2.18 Khi đặt các mốc lún cần lưu ý đến các độ cao của mốc so với mặt nền đất xung quanh và khoảng cách từ đầu mốc đến mặt phẳng của tường hay cột để cho việc đặt mia được thuận tiện. Đối với các loại mia dựng trên đầu mốc, nên đặt mốc ở độ cao từ 15 cm đến 20 cm so với mặt nền, còn các loại mia treo nên đặt mốc ở độ cao từ 120 cm đến 200 cm so với mặt nền. Khoảng cách từ đầu mốc tới tường hoặc cột thường từ 3 cm đến 4 cm. Nơi đặt các mốc cần phải ghi kí hiệu quy ước và đặt tên cho mỗi mốc.
7.2.19 Trong quá trình đo đạc độ lún nếu phát hiện thấy có mốc đo lún bị mất, cần phải gắn bổ sung mốc mới thay thế cho mốc bị mất. Vị trí gắn mốc mới cách mốc đã mất không vượt quá 3 m, sau khi gắn mốc phải thêm kí hiệu quy ước cho mốc mới.
7.2.20 Sau khi hoàn thành công tác gắn mốc cần lập bản vẽ hoàn công vị trí gắn mốc.
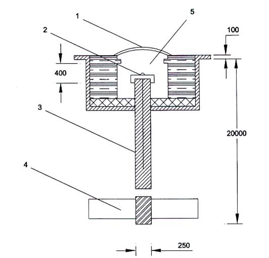
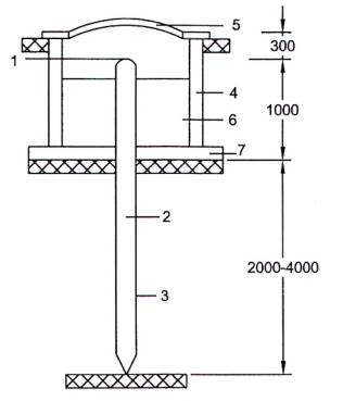
7.2.21 Đối với các loại mốc nền, không nên đặt cao quá 1 cm và chú ý đến điều kiện đặt mia trên đầu mốc. Khi đo lún nền đất xung quanh công trình hoặc nền đất yếu trên phạm vi rộng cần bố trí các mốc đo lún nằm sâu so với mặt đất từ 40 cm đến 50 cm. Cấu tạo của mốc đo lún nền được trình bày ở Hình B.4, Phụ lục B.
7.2.22 Sơ đồ bố trí mốc đo độ lún cho một số dạng nhà cao tầng, trung tâm thương mại và công trình công nghiệp được nêu ở các hình C.1, C.2, C.3 và C.4 trong Phụ lục C.
7.2.23 Cấu tạo mốc đo độ lún được phân ra 2 phần chính:
- Thân mốc;
- Đầu mốc.
Tùy thuộc vào loại công trình mà thân mốc có cấu tạo khác nhau. Khi đặt mốc phải đảm bảo sự liên kết vững chắc giữa thân mốc với thân công trình. Đầu mốc dạng hình cầu, hoặc bán cầu, để bảo đảm khi dựng mia thì mia sẽ luôn luôn tiếp xúc tại một điểm cố định (xem các hình B.1, B.2, B.3, B.4 và B.5 trong Phụ lục B).
7.2.24 Mốc đo độ lún của công trình cần được bảo quản và tránh va đập. Trường hợp cần thiết nên có văn bản bàn giao việc bảo quản mốc với đơn vị chủ quản và nhà thầu thi công công trình.
8 Độ chính xác quan trắc độ lún, thiết kế lưới quan trắc và chu kì đo
8.1 Độ chính xác quan trắc độ lún
8.1.1 Việc đo độ lún của công trình được chia làm 3 cấp chính xác, độ chính xác yêu cầu của từng cấp được đặc trưng bởi sai số trung phương xác định độ lún nhận được từ hai chu kì đo và được thể hiện trong Bảng 1.
Bảng 1 - Độ chính xác của các cấp đo lún
| Cấp đo lún | Độ chính xác, mm |
| Cấp I | ± 1 |
| Cấp II | ± 2 |
| Cấp III | ± 3 |
8.1.2 Căn cứ vào đặc điểm của đất nền và tầm quan trọng của công trình, việc lựa chọn cấp đo lún cần tham khảo Phụ lục D và TCVN 9398.
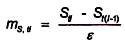
8.1.3 Độ chính xác của việc đo độ lún của công trình cũng được ước tính theo công thức:
|
| (3) |
trong đó:
ms,ti là yêu cầu độ chính xác đo độ lún ở thời điểm ti;
Sti là độ lún (dự báo) ở thời điểm ti;
St(i-1) là độ lún (dự báo) ở thời điểm t(i-1);
ε là hệ số đặc trưng cho độ tin cậy của kết quả quan trắc, thông thường ε trong khoảng từ bốn đến sáu.
8.1.4 Trong trường hợp riêng biệt cấp đo độ lún được chọn phụ thuộc vào những trị số của độ lún dự tính. Việc sử dụng phương pháp đo có thể được điều chỉnh sau khi đã tiến hành đo được ba chu kì đầu tiên và thấy rõ tốc độ lún của nền, móng công trình. Giá trị độ lún dự tính của nền, móng công trình và sai số cho phép đo độ lún cho các giai đoạn được nêu ở Bảng 2.
Bảng 2 - Sai số trung phương đo độ lún theo giai đoạn
| Giá trị độ lún dự tính, Sdt, mm | Giai đoạn xây dựng | Giai đoạn khai thác sử dụng | ||
| Loại đất nền | ||||
| Cát | Đất sét | Cát | Đất sét | |
| Sdt < 50 | 1 | 1 | 1 | 1 |
| 50 ≤ Sdt <100 | 2 | 1 | 1 | 1 |
| 100 ≤ Sdt < 250 | 5 | 2 | 1 | 2 |
| 250 ≤ Sdt < 500 | 10 | 5 | 2 | 5 |
| ≥ 500 | 15 | 10 | 5 | 10 |
8.2 Thiết kế lưới quan trắc độ lún
8.2.1 Mạng lưới độ cao trong đo lún công trình có cấu trúc là hệ thống chỉ bao gồm 2 bậc lưới: bậc lưới khống chế độ cao cơ sở và bậc lưới quan trắc:
- Bậc lưới khống chế độ cao cơ sở: gồm các mốc độ cao cơ sở (mốc chuẩn) đo nối với nhau, có tác dụng là cơ sở độ cao để thực hiện đo nối độ cao đến các điểm quan trắc (mốc lún) trong suốt thời gian theo dõi độ lún. Yêu cầu đối với lưới khống chế độ cao cơ sở là các điểm mốc cơ sở phải ổn định, có độ cao được xác định với độ chính xác cần thiết. Các mốc độ cao cơ sở được đo nối liên kết với nhau tạo thành một mạng lưới chặt chẽ với độ chính xác cao và được kiểm tra thường xuyên trong mỗi chu kì quan trắc;
- Bậc lưới quan trắc: được thành lập bằng cách đo nối liên kết các điểm quan trắc (mốc lún), toàn bộ bậc lưới này được đo nối với hệ thống mốc của lưới độ cao cơ sở. Khi thiết kế lưới quan trắc nên tạo thành nhiều vòng khép để bảo đảm độ vững chắc đồ hình lưới và có điều kiện kiểm tra sai số khép tuyến trong quá trình đo đạc ở thực địa.
Sai số độ cao tổng hợp các bậc lưới được xác định trên cơ sở yêu cầu độ chính xác quan trắc lún (mS) và được xác định theo công thức sau:
|
| (4) |
trong đó:
là sai số độ cao tổng hợp của các bậc lưới;
mS là độ chính xác yêu cầu quan trắc lún.
Sai số độ cao của bậc lưới khống chế độ cao cơ sở (
) và bậc lưới quan trắc (
) được tính như sau:
- Đối với lưới độ cao cơ sở:
|
| (5) |
hoặc:
|
| (6) |
- Đối với lưới quan trắc:
|
| (7) |
hoặc:
|
| (8) |
Trong các công thức từ (5) đến (8):
k là hệ số suy giảm độ chính xác giữa các bậc lưới (k = 2).
Yêu cầu độ chính xác của hệ thống lưới quan trắc đối với các cấp đo lún được nêu ở Bảng 3.
Bảng 3 - Yêu cầu độ chính xác của hệ thống lưới quan trắc đối với các cấp đo lún
| Cấp đo lún | Độ chính xác yêu cầu, mm | Sai số trung phương độ cao điểm yếu nhất đối với các bậc lưới, mm | |
| khống chế cơ sở | quan trắc | ||
| Cấp I | 1 | 0,32 | 0,63 |
| Cấp II | 2 | 0,63 | 1,26 |
| Cấp III | 3 | 0,95 | 1,90 |
8.2.2 Căn cứ vào hệ thống mốc đã thiết kế, yêu cầu về độ chính xác xác định độ lún và khả năng nhìn thấy của các mốc để thiết kế các tuyến đo và xác lập sơ đồ mạng lưới độ cao quan trắc lún. Sơ đồ mạng lưới thiết kế cần phải ước tính độ chính xác theo phương pháp ước tính chặt chẽ trên cơ sở thuật toán bình sai gián tiếp để có phương án lựa chọn máy thủy chuẩn và sơ đồ mạng lưới phù hợp nhằm đảm bảo độ chính xác yêu cầu.
8.2.4 Trọng số trên một đoạn đo trong đo độ lún của công trình được chọn theo số trạm máy và tính theo công thức:
|
| (9) |
trong đó:
n là số trạm máy;
c là hằng số, nếu chọn c = 1 thì mh/tr = μ (mh/tr là sai số trung phương đo chênh cao trên một trạm máy).
8.2.5 Sơ đồ mạng lưới đo độ lún cần được chuyển lên bình đồ hoặc bản đồ tỷ lệ từ 1:100 đến 1:500 và có ghi chú cẩn thận. Trong quá trình đo đạc các chu kì nếu có sự thay đổi về vị trí mốc và tuyến đo thì cần phải bổ sung vào sơ đồ đo.
8.3 Chu kỳ quan trắc độ lún
8.3.1 Tùy thuộc vào từng công trình mà dự kiến chu kì đo. Chu kì đo được tính toán sao cho kết quả thu được phản ánh đúng thực chất quá trình làm việc của nền móng và sự ổn định của công trình. Có thể phân chia chu kì đo thành 3 giai đoạn:
- Giai đoạn thi công xây dựng, công trình lún nhiều;
- Giai đoạn độ lún giảm dần;
- Giai đoạn tắt lún và ổn định.
8.3.2 Giai đoạn thi công xây dựng (công trình lún nhiều), nên đặt mốc và đo chu kì đầu tiên sau khi thi công xong phần móng. Các chu kì tiếp theo tùy thuộc vào công trình cụ thể và tốc độ xây dựng. Có thể xác định bằng (%) tải trọng, nên đo vào các giai đoạn công trình đạt 25 %, 50 %, 75 % và 100 % tải trọng bản thân công trình. Khi tiến độ xây dựng đều thì có thể bố trí chu kì đo theo tuần hoặc tháng.
8.3.3 Giai đoạn độ lún của công trình giảm dần, tùy thuộc vào dạng móng, loại nền đất mà quyết định chu kì đo cho thích hợp. Các chu kì đầu của giai đoạn này có thể tiến hành cách nhau từ 3 đến 6 tháng. Các chu kì tiếp theo được quyết định trên cơ sở độ lún của chu kì gần nhất đã xác định. Số lượng chu kì trong giai đoạn này tùy thuộc vào giá trị và tốc độ lún của công trình mà quyết định.
8.3.4 Giai đoạn ổn định và tắt lún được đo theo chu kì từ 1 đến 2 năm, cho đến khi giá trị độ lún của công trình nằm trong giới hạn ổn định.
8.3.5 Đối với các công trình có tải trọng động: nhà kho, silô, nhà nghiền, v.v. các chu kì đo thường được thực hiện trước mỗi lần chất tải, dỡ tải, v.v. trước khi công trình đưa vào vận hành, khi vận hành và sau khi vận hành.
8.3.6 Chu kì quan trắc lún trong thời gian thi công công trình nhà cao tầng, mỗi khi tăng thêm một đến ba tầng quan trắc một lần; trong giai đoạn sau khi cất nóc công trình đến khi đưa vào sử dụng khoảng một đến ba tháng đo một chu kì; trong giai đoạn bảo hành công trình (nếu có) thì ba đến sáu tháng quan trắc một lần; trong giai đoạn khai thác sử dụng công trình (giai đoạn bảo trì) thì sáu tháng đến một năm quan trắc một chu kì cho đến khi công trình ổn định mới dừng.
9 Đo độ lún của công trình theo cấp đo cao hình học
9.1 Đo độ lún của công trình bằng phương pháp đo cao hình học cấp I
9.1.1 Đo độ lún bằng phương pháp đo cao hình học cấp I, được tiến hành bằng phương pháp kết hợp đo hai chiều: đo đi và đo về bằng máy thủy chuẩn có độ chính xác cao và mia invar như đã nêu ở Điều 6. Đặc tính kỹ thuật của máy thủy chuẩn trong đo độ lún của công trình bằng phương pháp đo cao hình học cấp I phải đáp ứng các yêu cầu sau:
- Độ phóng đại của ống kính yêu cầu từ 24x trở lên đối với máy thủy chuẩn điện tử và 32x trở lên đối với máy thủy chuẩn quang cơ và máy thủy chuẩn tự động cân bằng;
- Giá trị khoảng chia trên mặt bọt nước dài không vượt quá 12”/2 m;
- Giá trị vạch khắc vành đọc số của bộ đo cực nhỏ 0,05 mm và 0,1 mm;
- Việc đo độ lún ở mỗi chu kì được thực hiện theo sơ đồ đã thiết kế. Trước khi đo độ lún máy và mia phải được kiểm tra, kiểm nghiệm theo quy định tại 6.3 và 6.4.
9.1.2 Đối với các máy đo độ cao mới nhận ở xưởng về hoặc các máy mới sửa chữa thì trước khi sử dụng phải được kiểm tra, kiểm nghiệm ở trong phòng và ngoài thực địa theo những nội dung của quy định hiện hành.
9.1.3 Khi đo độ lún của công trình bằng phương pháp đo cao hình học cấp I sử dụng máy thủy chuẩn quang cơ thì phải sử dụng mia Invar có hai thang chia vạch. Giá trị vạch khắc là 5 mm hoặc 10 mm, giá trị khoảng chia của các vạch trên mia có thể là 5 mm hoặc 10 mm. Chiều dài của mia từ 1 m đến 3 m. Sai số khoảng chia 1 m của các thang số không được vượt quá 0,1 mm, khi đo độ lún bằng phương pháp đo cao hình học cấp I ở miền núi sai số này không được vượt quá 0,05 mm. Đối với máy thủy chuẩn điện tử dùng bộ mia mã vạch đã được kiểm tra khoảng cách từng dm, từ dm thứ 5 đến dm thứ 25 trên bãi kiểm tra chuẩn. Trên mia có ống nước tròn với giá trị vạch khắc từ 10” đến 12” trên 2 mm. Dựng mia trên các cóc sắt, cấu tạo và chất lượng cọc sắt phải đảm bảo ổn định về độ cao trong quá trình đo chênh cao.
9.1.4 Trước khi tiến hành công việc đo độ lún cần phải kiểm tra mia, nhằm đảm bảo cho mia không bị cong, các vạch khắc và các dòng chữ số trên mia rõ ràng, ống nước tròn của mia phải có độ nhạy cao. Người cầm mia phải chú ý quan sát các điều kiện sau:
- Đế mia phải tuyệt đối sạch;
- Mia phải được đặt thẳng đứng dựa vào ống nước tròn, ổn định và trên điểm cao nhất của mốc, theo hiệu lệnh của người đo, khi di chuyển nên cẩn thận nhẹ nhàng để mia không bị va đập;
- Trong điều kiện làm việc thiếu ánh sáng, mia phải có đèn chiếu sáng;
- Khi dựng mia trên mốc, người cầm mia đọc tên của mốc. Không có hiệu lệnh của người đo mia không được rời khỏi mốc. Trong thời gian giải lao cần bảo quản mia không để va đập, chấn động, khi đo xong để mia trong phòng.
9.1.5 Trình tự thao tác trên một trạm đo gồm các công việc sau:
- Đặt chân máy: chân máy thủy chuẩn đặt trên trạm khi đo phải được thăng bằng và đảm bảo độ ổn định cao, hai chân của chân máy đặt song song với đường đo, chân thứ ba cắt ngang khi bên phải, khi bên trái, tất cả ba chân của chân máy phải ở những vị trí chắc chắn;
- Chân máy dùng để đo độ lún của công trình cần có độ ổn định cao;
- Lắp máy vào chân bằng ốc nối;
- Cân bằng máy theo ba ốc cân và bọt nước gắn trên máy. Độ lệch của bọt nước tối đa là hai vạch khắc của ống nước.
- Thứ tự thao tác đọc số cụ thể trên một trạm đo như sau:
a) Khi đo độ lún của công trình bằng phương pháp đo cao hình học cấp I sử dụng 2 mia, thực hiện đọc số trên một trạm đo theo trình tự nêu ở Bảng 4.
Bảng 4 - Trình tự đọc số trên một trạm đo khi đo độ lún của công trình bằng phương pháp đo cao hình học cấp I sử dụng 2 mia
| Máy thủy chuẩn | Trạm đo | |
| lẻ | chẵn | |
| quang cơ hoặc tự động cân bằng | Bước 1. Đọc số trên thang chính mia sau Bước 2. Đọc số trên thang chỉnh mia trước Bước 3. Đọc số trên thang phụ mia trước Bước 4. Đọc số trên thang phụ mia sau | Bước 1. Đọc số trên thang chính mia trước Bước 2. Đọc số trên thang chính mia sau Bước 3. Đọc số trên thang phụ mia sau Bước 4. Đọc số trên thang phụ mia trước |
| điện tử | Bước 1. Đọc số lần 1 trên mia mã vạch mia sau Bước 2. Đọc số lần 1 trên mia mã vạch mia trước Bước 3. Đọc số lần 2 trên mia mã vạch mia trước Bước 4. Đọc số lần 2 trên mia mã vạch mia sau | Bước 1. Đọc số lần 1 trên mia mã vạch mia trước Bước 2. Đọc số lần 1 trên mia mã vạch mia sau Bước 3. Đọc số lần 2 trên mia mã vạch mia sau Bước 4. Đọc số lần 2 trên mia mã vạch mia trước |
b) Khi đo độ lún của công trình bằng phương pháp đo cao hình học cấp I sử dụng 1 mia, thực hiện đọc số trên một trạm đo theo trình tự nêu ở Bảng 5.
Đo độ lún của công trình bằng phương pháp đo cao hình học cấp I phải đọc số đến 0,01mm, khi sử dụng hai mia thì số trạm đo trên một tuyến đo phải là số chẵn, khi sử dụng một mia thì số trạm đo trên một tuyến đo có thể là số chẵn hoặc số lẻ, số trạm trên chiều đo đi và chiều đo về không chênh nhau quá 2 trạm.
Bảng 5 - Trình tự đọc số trên một trạm đo khi đo độ lún của công trình bằng phương pháp đo cao hình học cấp I sử dụng 1 mia
| Máy thủy chuẩn | |
| quang cơ hoặc tự động cân bằng | điện tử |
| Bước 1. Đọc số trên thang chính mia sau Bước 2. Đọc số trên thang phụ mia sau Bước 3. Đọc số trên thang chính mia trước Bước 4. Đọc số trên thang phụ mia trước | Bước 1. Đọc số lần 1 trên mia mã vạch mia sau Bước 2. Đọc số lần 2 trên mia mã vạch mia sau Bước 3. Đọc số lần 1 trên mia mã vạch mia trước Bước 4. Đọc số lần 2 trên mia mã vạch mia trước |
9.1.6 Chiều dài của tia ngắm không vượt quá 25 m. Chiều cao của tia ngắm so với mặt đất hay so với mặt trên của chướng ngại vật không được nhỏ hơn 0,8 m. Trọng những trường hợp cá biệt khi đo trong các tầng hầm của công trình có chiều dài tia ngắm không vượt quá 15 m thì được phép thực hiện việc đo ở độ cao tia ngắm là 0,5 m. Tuyệt đối không được đóng cọc, dựng mia trong hố hoặc dưới mương để tăng thêm chiều cao tia ngắm. Chiều cao tia ngắm không quy định khi mia đặt trên dấu mốc.
9.1.7 Công việc đo ngắm chỉ được phép thực hiện trong điều kiện hoàn toàn thuận lợi và hình ảnh của các vạch khắc trên mia rõ ràng, ổn định.
9.1.8 Trước khi bắt đầu thực hiện công việc đo ngắm 15 phút, cần đưa máy ra khỏi hòm đựng để tiếp nhận nhiệt độ môi trường. Trong khi đo nếu cần thiết phải chuyển độ cao đến các mốc đặt trong công trình bằng cách ngắm qua cửa sổ, qua các lỗ hổng ở công trường và ở tường thì các lỗ hổng để chuyển qua này phải có đường kính tối thiểu là 0,5 m. Không nên đặt máy ở nơi ranh giới giữa không khí nóng và lạnh.
9.1.9 Chọn thời gian đo:
- Không nên đo vào thời gian khi mặt trời sắp mọc hoặc sắp lặn, khi hình ảnh dao động, khi có gió mạnh từng hồi, nhiệt độ không khí cao và dao động không đều, bởi vì lúc này việc bắt mục tiêu và kẹp vạch đọc số không chính xác;
- Việc đo ngắm nên bắt đầu sau khi mặt trời mọc nửa giờ và kết thúc trước khi mặt trời lặn một giờ;
- Trong khi đo phải sử dụng ô để che máy, tránh tác động trực tiếp của tia nắng mặt trời dọi vào máy. Khi di chuyển từ trạm máy này đến trạm máy khác phải che máy bằng túi, bao rộng làm bằng vật liệu mịn chuyên dùng.
9.1.10 Chênh lệch khoảng cách từ máy tới mia trước và mia sau tối đa là 0,4 m. Tích lũy những chênh lệch khoảng cách từ máy đến mia trước và mia sau trong một tuyến đo (hoặc vòng khép kín) cho phép không được vượt quá 2 m. Khoảng cách từ máy đến mia được đo bằng máy đo khoảng cách hoặc thước dây. Việc bố trí các khoảng cách từ máy đến mia trước và mia sau gần bằng nhau được thực hiện bằng dây thừng, thước dây hoặc thước thép.
9.1.11 Trên mỗi trạm máy cần kiểm tra ngay kết quả đo. Việc kiểm tra này bao gồm các công việc sau:
- Tính hiệu số đọc thang chính và thang phụ hoặc hiệu số hai lần đọc số của mỗi mia. Hiệu số của chúng không được lớn hơn 0,1 mm, khi có sự khác biệt lớn, việc đo ngắm phải được làm lại;
- Tính các chênh cao theo thang chính và thang phụ hoặc giữa đọc số lần một và đọc số lần hai của mia trước và mia sau. Sự khác biệt của các chênh cao theo thang chính và thang phụ hoặc giữa đọc số lần một và đọc số lần hai không được lớn hơn 0,2 mm. Khi có sự khác biệt lớn, việc đo ngắm phải được làm lại;
- Tính toán chênh cao đo.
9.1.12 Sau khi thực hiện xong một tuyến đo khép kín hoặc thực hiện xong chiều đo đi và chiều đo về cho một tuyến đo, cần phải tính sai số khép vòng đo, sai số khép giữa chiều đo đi và chiều đo về. Sai số này không được vượt quá sai số giới hạn cho phép:
|
| (10) |
trong đó:
fh là sai số khép giới hạn, tính bằng milimét (mm);
n là số trạm máy trong tuyến đo khép kín (đối với đo đi và đo về cho một tuyến đo thì số trạm máy bằng giá trị trung bình của số trạm máy đo đi và số trạm máy đo về).
Kết quả đo được ghi theo mẫu số ở Phụ lục E và và sơ đồ ghi chênh cao đo xem Phụ lục F.
9.2 Đo độ lún của công trình bằng phương pháp đo cao hình học cấp II
9.2.1 Đo độ lún bằng phương pháp đo cao hình học cấp II, được tiến hành theo các vòng đo khép kín, đo theo một chiều bằng máy thủy chuẩn có độ chính xác cao và mia invar như đã nêu ở Điều 6. Đặc tính kỹ thuật của máy thủy chuẩn trong đo độ lún của công trình bằng phương pháp đo cao hình học cấp II phải đáp ứng các yêu cầu sau:
- Độ phóng đại của ống kính yêu cầu từ 24x trở lên đối với máy thủy chuẩn điện tử và 32x trở lên đối với máy thủy chuẩn quang cơ và máy thủy chuẩn tự động cân bằng;
- Giá trị khoảng chia trên mặt bọt nước dài không vượt quá 12”/2 m;
- Giá trị vạch khắc vành đọc số của bộ đo cực nhỏ 0,05 mm và 0,1 mm.
Tất cả các máy và dụng cụ dùng để đo độ lún bằng phương pháp đo cao hình học cấp II đều phải được kiểm tra, kiểm nghiệm ở trong phòng và ngoài thực địa theo nội dung tại 6.3 và 6.4.
9.2.2 Khi đo độ lún bằng phương pháp đo cao hình học cấp II cần dùng mia có băng Invar có một hoặc hai thang chia vạch. Giá trị khoảng chia của các vạch trên mia có thể là 5 mm hoặc 10 mm. Chiều dài của mia từ 1 m đến 3 m. Sai số các khoảng chia 1 m, dm và toàn chiều dài mia không được vượt quá 0,2 mm. Khi mia dùng để đo độ lún ở miền núi thì sai số này không được vượt quá 0,1 mm. Đối với máy thủy chuẩn điện tử dùng bộ mia mã vạch đã được kiểm tra khoảng cách từng dm, từ dm thứ 5 đến dm thứ 25 trên bãi kiểm tra chuẩn. Trên mia có ống nước tròn với giá trị vạch khắc từ 10” đến 12” trên 2 mm.
9.2.3 Đo độ lún bằng phương pháp đo cao hình học cấp II phải đọc số đến 0,01 mm. Trình tự đo ngắm trên một trạm máy được tiến hành như đo độ lún bằng phương pháp đo cao hình học cấp I, trình tự đo ngắm được nêu trong 9.1.5.
9.2.4 Khi đo độ lún của công trình, quá trình đo ngắm được bắt đầu từ một cọc mốc và kết thúc cũng nên dừng ở cọc mốc đó. Cũng có thể kết thúc việc đo ngắm trên một cọc mốc khác theo đường đo khép kín hoặc đường đo nối vào các mốc chuẩn. Số trạm máy trong tuyến đo treo được phép tối đa là 2. Số trạm máy trong tuyến đo khép kín phải bảo đảm độ chính xác cần thiết của giá trị độ lún nhận được.
9.2.5 Chiều dài của tia ngắm không được vượt quá 30 m, trong trường hợp cá biệt khi đường đo dài và sử dụng mia khắc vạch có bề rộng là 2 mm, thì cho phép tăng chiều dài của tia ngắm tới 40 m. Chiều cao của tia ngắm phải cách mặt đất tối thiểu là 0,5 m. Tuyệt đối không được đóng cọc, dựng mia trong hố hoặc dưới mương để tăng thêm chiều cao tia ngắm. Chiều cao tia ngắm không quy định khi mia đặt trên dấu mốc.
9.2.6 Sự chênh lệch về khoảng cách từ máy đến mia trước và mia sau không vượt quá 1 m. Tích lũy chênh lệch khoảng cách từ máy đến mia trong các tuyến đo hoặc một vòng đo khép kín không được vượt quá 4 m. Khi góc i của máy nhỏ hơn từ 4” đến 8” có thể cho phép chênh lệch khoảng cách từ máy đến mia trong một tuyến đo hoặc vòng khép kín không được vượt quá 8 m.
9.2.7 Việc đo độ lún phải thực hiện trong điều kiện thuận lợi cho việc đo ngắm theo quy định đã nêu ở 9.1.8 và 9.1.9.
9.2.8 Nếu sử dụng các điểm chuyển tiếp khi đo độ lún của công trình thì phải sử dụng các “cóc” để đặt mia.
9.2.9 Tại mỗi trạm máy cần kiểm tra ngay các kết quả đo ở ngoài thực địa. Công tác kiểm tra này bao gồm:
- Tính hiệu số đọc thang chính và thang phụ hoặc hiệu số hai lần đọc số của mỗi mia. Hiệu số của chúng không được lớn hơn 0,15 mm, khi có sự khác biệt lớn, việc đo ngắm phải được làm lại.
- Tính các chênh cao theo thang chính và thang phụ hoặc giữa đọc số lần một và đọc số lần hai của mia trước và mia sau. Sự khác biệt của các chênh cao theo thang chính và thang phụ hoặc giữa đọc số lần một và đọc số lần hai không được lớn hơn 0,30 mm. Khi có sự khác biệt lớn, việc đo ngắm phải được làm lại.
- Tính toán chênh cao đo.
9.2.10 Sau khi thực hiện các tuyến đo khép kín, phải tính toán kiểm tra sai số khép vòng đo. Sai số khép vòng đo không được vượt quá sai số cho phép tính theo công thức:
|
| (11) |
trong đó:
fh là sai số khép giới hạn, tính bằng milimét (mm);
n là số trạm máy trong tuyến đo khép kín.
Trong trường hợp có đo đi và đo về cho một tuyến đo thì chênh lệch số trạm máy giữa đo đi và đo về không vượt quá 2 trạm. Sai số khép giữa lần đo đi và đo về cũng được tính bằng công thức (11), số trạm máy bằng giá trị trung bình của số trạm máy đo đi và số trạm máy đo về.
Kết quả đo được ghi theo mẫu số ở Phụ lục E và sơ đồ ghi chênh cao đo xem Phụ lục F.
9.3 Đo độ lún của công trình bằng phương pháp đo cao hình học cấp III
9.3.1 Đo độ lún bằng phương pháp đo cao hình học cấp III, được tiến hành theo các vòng khép kín, đo theo một chiều bằng máy thuỷ chuẩn tự động cân bằng như đã nêu ở Điều 5 không cần lắp Micrometer, máy thủy chuẩn điện tử hoặc máy quang cơ đảm bảo các yêu cầu sau:
- Độ phóng đại ống kính của các máy yêu cầu từ 24x trở lên;
- Giá trị khoảng chia trên mặt ống nước dài không vượt quá 15”/2 mm và nếu là bọt nước tiếp xúc thì giá trị khoảng chia trên mặt ống nước không được vượt quá 30”/2 mm;
- Lưới chỉ chữ thập của máy có 3 chỉ ngang.
9.3.2 Khi đo độ lún bằng phương pháp đo cao hình học cấp III, cần sử dụng các loại mia sau:
- Mia hai mặt chiều dài từ 2 m đến 3 m, với vạch chia bằng centimét;
- Mia có chiều dài từ 1 m đến 3 m, có khắc vạch ở hai thang, vạch chia nhỏ nhất là 0,5 cm;
- Mia một mặt có lắp bọt nước và có vạch khắc xen kẽ đen đỏ có vạch chia nhỏ nhất là 1 cm;
- Mia invar mã vạch;
- Có thể sử dụng mia treo với chiều dài từ 0,5 m đến 1,2 m với vạch chia ở thang như mia thông thường;
- Số 0 của mia treo phải trùng với lỗ trung tâm để chốt khi mia được treo trên đó. Mia treo phải thoả mãn các yêu cầu đã nêu ở 9.1.4;
- Sai số khoảng chia dm và mét của cặp mia không được vượt quá ± 0,5 mm.
9.3.3 Trình tự đo ngắm trên trạm máy bằng phương pháp đo cao hình học cấp III được thực hiện như sau:
Khi đo độ lún của công trình bằng phương pháp đo cao hình học cấp III sử dụng 2 mia, thực hiện đọc số trên một trạm đo theo trình tự nêu ở Bảng 6. Khi sử dụng 1 mia, thực hiện đọc số trên một trạm đo theo trình tự nêu ở Bảng 7.
Đo độ lún của công trình bằng phương pháp đo cao hình học cấp III phải đọc số đến 1,0 mm, khi sử dụng hai mia thì số trạm đo trên một tuyến đo phải là số chẵn, khi sử dụng một mia thì số trạm đo trên một tuyến đo có thể là số chẵn hoặc số lẻ.
Bảng 6 - Trình tự đọc số trên một trạm đo khi đo độ lún của công trình bằng phương pháp đo cao hình học cấp III sử dụng 2 mia
| Máy thủy chuẩn | Trạm đo | |
| lẻ | chẵn | |
| quang cơ hoặc tự động cân bằng | Bước 1. Đọc số trên mặt đen (thang chính) mia sau Bước 2. Đọc số trên mặt đen (thang chính) mia trước Bước 3. Đọc số trên mặt đỏ (thang phụ) mia trước Bước 4. Đọc số trên mặt đen (thang phụ) mia sau | Bước 1. Đọc số trên mặt đen (thang chính) mia trước Bước 2. Đọc số trên mặt đen (thang chính) mia sau Bước 3. Đọc số trên mặt đỏ (thang phụ) mia sau Bước 4. Đọc số trên mặt đỏ (thang phụ) mia trước |
| điện tử | Bước 1. Đọc số lần 1 trên mia mã vạch mia sau Bước 2. Đọc số lần 1 trên mia mã vạch mia trước Bước 3. Đọc số lần 2 trên mia mã vạch mia trước Bước 4. Đọc số lần 2 trên mia mã vạch mia sau | Bước 1. Đọc số lần 1 trên mia mã vạch mia trước Bước 2. Đọc số lần 1 trên mia mã vạch mia sau Bước 3. Đọc số lần 2 trên mia mã vạch mia sau Bước 4. Đọc số lần 2 trên mia mã vạch mia trước |
Bảng 7 - Trình tự đọc số trên một trạm đo khi đo độ lún của công trình bằng phương pháp đo cao hình học cấp III sử dụng 1 mia
| Máy thủy chuẩn | |
| quang cơ hoặc tự động cân bằng | điện tử |
| Bước 1. Đọc số trên mặt đen (thang chính) mia sau Bước 2. Đọc số trên mặt đỏ (thang phụ) mia sau Bước 3. Đọc số trên mặt đen (thang chính) mia trước Bước 4. Đọc số trên mặt đỏ (thang phụ) mia trước | Bước 1. Đọc số lần 1 trên mia mã vạch mia sau Bước 2. Đọc số lần 2 trên mia mã vạch mia sau Bước 3. Đọc số lần 1 trên mia mã vạch mia trước Bước 4. Đọc số lần 2 trên mia mã vạch mia trước |
9.3.4 Chiều dài của tia ngắm không quá 40 m, chiều cao của tia ngắm tối thiểu là 0,3 m so với mặt đất. Sự chênh lệch của khoảng cách từ máy đến mia trước và mia sau không được quá 2 m. Tích lũy chênh lệch khoảng cách từ máy tới mia của các trạm đo trong tuyến đo khép kín không được quá 5 m. Khi góc i của máy đo nhỏ hơn từ 4” đến 8” có thể cho phép chênh lệch khoảng cách từ máy đến mia là 3 m và tích lũy chênh lệch khoảng cách của các trạm đo trong tuyến đo khép kín là 10 m.
9.3.5 Để chuyển độ cao giữa các mốc phải sử dụng các “cóc” để dựng mia. Cho phép sử dụng những điểm chuyển tiếp bằng cọc gỗ có đóng đinh để đặt mia, hoặc đinh móc bằng kim loại đóng vào cọc gỗ với góc không nhỏ hơn 30°, v.v.
9.3.6 Trên mỗi trạm đo cần phải kiểm tra ngay kết quả đo ở ngoài thực địa. Công việc kiểm tra này bao gồm:
- Khi sử dụng mia gỗ hai mặt (mặt đen và mặt đỏ), tính tổng chênh cao trung bình giữa mặt đỏ và mặt đen của mia. Sự khác nhau giữa chúng không được vượt quá 2 mm;
- Khi sử dụng mia Invar hiệu chênh cao theo thang chính và thang phụ không được vượt quá 1,5 mm;
- Khi đo, đọc số trên mia theo ba chỉ của máy, số đọc theo chỉ trung bình (chỉ giữa) với nửa tổng số đọc theo 2 chỉ trên và chỉ dưới không được chênh nhau quá 3 mm;
- Khi sử dụng mia Invar mã vạch và máy thủy chuẩn điện tử thì hiệu chênh cao giữa hai lần đọc số không được vượt quá 1,5 mm.
9.3.7 Sai số khép vòng đo trong tuyến đo khép kín không được vượt quá sai số giới hạn cho phép. Sai số giới hạn cho phép được tính theo công thức:
|
| (12) |
trong đó:
fh là sai số khép giới hạn, tính bằng milimét (mm);
n là số trạm máy trong tuyến đo khép kín.
Trong trường hợp có đo đi và đo về cho một tuyến đo thì chênh lệch số trạm máy giữa đo đi và đo về không vượt quá 2 trạm. Sai số khép giữa lần đo đi và đo về cũng được tính bằng công thức (12), số trạm máy bằng giá trị trung bình của số trạm máy đo đi và số trạm máy đo về.
Kết quả đo được ghi theo mẫu số ở Phụ lục E và sơ đồ ghi chênh cao đo xem Phụ lục F.
10 Xác định độ lún của công trình
10.1 Tính toán khái lược kết quả đo độ lún
10.1.1 Việc tính toán sơ bộ kết quả đo độ lún của công trình được bắt đầu từ việc kiểm tra sổ đo ngoại nghiệp. Các hạn sai giữa số đọc theo thang chính và thang phụ (đối với mia có hai thang khắc vạch) hoặc giữa hai lần đọc số (đối với mia có một thang khắc vạch, mia invar mã vạch) được nêu trong 9.1.11, 9.2.9 và 9.3.6. Nếu các số liệu ghi trong số đo ngoại nghiệp không có sai sót thì tiến hành xác định chênh cao trung bình theo thang chính và thang phụ hoặc chênh cao trung bình giữa hai lần đọc số.
10.1.2 Vẽ sơ đồ các tuyến đo và ghi trên sơ đồ các số liệu sau:
- Chênh cao trung bình tính được theo thang chính và thang phụ hoặc theo hai lần đọc số;
- Số trạm máy trên tuyến đo;
- Hướng của tuyến đo.
10.1.3 Xác định sai số khép của tất cả các vòng khép trên sơ đồ. Sai số khép cho phép của các vòng đo được xác định theo các công thức (10), (11) và (12). Nếu sai số khép vòng đo của tất cả các vòng đo nhỏ hơn hoặc bằng giá trị cho phép thì tiến hành tính toán sơ bộ sai số trung phương đo chênh cao trên một trạm đo theo công thức sau:
|
| (13) |
trong đó:
fh là sai số khép tuyến khép kín thứ i, tính bằng milimét (mm);
ni là số lượng trạm máy trên tuyến khép kín thứ i;
N là số lượng tuyến khép kín;
là sơ bộ sai số trung phương đo chênh cao trên một trạm đo.
Trường hợp sai số khép vòng đo và sai số trung phương đo chênh cao trên một trạm đo vượt quá giá trị cho phép theo Bảng 8 thì phải tiến hành đo lại. Sau khi tính toán sơ bộ nếu mh/tr nhỏ hơn hoặc bằng giá trị cho phép thì tiến hành tính toán bình sai lưới.
Bảng 8 - Yêu cầu sai số trung phương đo chênh cao trên một trạm đo đối với các cấp đo lún
| Cấp đo lún | Sai số trung phương đo chênh cao trên một trạm đo (milimét trên một trạm) |
| Cấp I | ≤ 0,15 |
| Cấp II | ≤ 0,25 |
| Cấp III | ≤ 1,00 |
10.2 Đánh giá độ ổn định của các mốc chuẩn
10.2.1 Trong đo độ lún của công trình, không những các mốc dùng để đo độ lún bị thay đổi độ cao theo thời gian mà ngay cả các mốc chuẩn cũng không giữ được độ cao ổn định trong suốt quá trình đo. Vì vậy, việc kiểm tra độ ổn định của các mốc chuẩn đóng một vai trò đặc biệt quan trọng và là một nội dung bắt buộc trong xử lí số liệu đo độ lún của công trình.
10.2.2 Nguyên nhân gây ra sự dịch chuyển thẳng đứng (trồi, lún) của các mốc chuẩn gồm:
a) Sự dịch chuyển của các lớp đất đá;
b) Sự thay đổi nhiệt độ của các lớp đất đá dẫn đến sự co dãn thân mốc;
c) Ảnh hưởng của sự dịch chuyển thẳng đứng của bản thân công trình.
Đối với các mốc chuẩn kiên cố được đặt vào lớp đất đá gốc chắc chắn thì ảnh hưởng của nhiệt độ là đáng kể. Vì vậy, để tăng độ ổn định của các mốc loại này cần chế tạo thân mốc bằng các vật liệu có hệ số dãn nở nhiệt nhỏ.
Đối với các mốc chuẩn nông không đặt được vào tầng đá gốc ổn định thì ảnh hưởng của sự dịch chuyển các lớp đất đá là khá lớn. Để đảm bảo độ ổn định của mốc, cần phải gia cố phần móng của mốc một cách cẩn thận.
10.2.3 Việc phân tích kiểm tra độ ổn định của các mốc chuẩn cần phải được tiến hành trước khi xác định độ lún cho các mốc kiểm tra. Chỉ có các mốc chuẩn được coi là ổn định mới được tham gia vào quá trình bình sai xác định độ lún của các mốc đo độ lún. Mốc chuẩn được coi là ổn định nếu thỏa mãn điều kiện:
|
| (14) |
trong đó:
Si là độ trồi, lún của mốc chuẩn ở chu kì đang xét so với chu kì đầu;
t là hệ số xác định tiêu chuẩn sai số giới hạn (t = 2);
là sai số trung phương cần thiết để xác định độ trồi, lún đối với các mốc chuẩn.
Dựa trên yêu cầu độ chính xác xác định độ lún thì mốc chuẩn được coi là ổn định khi:
|
| (15) |
trong đó:
ms là yêu cầu độ chính xác xác định độ lún;
k là hệ số suy giảm độ chính xác giữa các bậc lưới (k =2).
10.2.4 Lưới độ cao cơ sở trong đo độ lún của công trình có cấu trúc là lưới tự do, vì vậy ứng dụng thuật toán bình sai lưới tự do trong mạng lưới này để kiểm tra độ ổn định của các mốc chuẩn là cần thiết và phù hợp với bản chất của nó (ví dụ tính toán được trình bày ở Phụ lục G).
10.3 Bình sai lưới độ cao quan trắc lún
10.3.1 Việc bình sai các lưới thủy chuẩn đo độ lún của công trình được thực hiện theo phương pháp bình sai chặt chẽ trên cơ sở của phương pháp số bình phương nhỏ nhất.
Với ứng dụng công nghệ tin học thì việc xử lý số liệu lưới quan trắc được thực hiện nhờ phần mềm chuyên dùng trên máy tính, hầu hết các phần mềm bình sai lưới trắc địa đều có thuật toán dựa trên cơ sở phương pháp bình sai gián tiếp với quy trình tính toán được nêu trong Phụ lục H.
Khi bình sai lưới độ cao quan trắc lún, độ cao gốc của lưới tại thời điểm chu kì 0 là độ cao của tất cả các mốc chuẩn. Tại thời điểm quan trắc chu kỳ thứ n (n = 1, 2, 3, 4, 5, ...), tiến hành phân tích đánh giá độ ổn định của các mốc chuẩn, giá trị độ cao của các mốc chuẩn sau khi phân tích, đánh giá độ ổn định được sử dụng để làm độ cao gốc cho mạng lưới quan trắc lún ở chu kỳ thứ n.
10.3.2 Sau khi bình sai lưới phải lập bảng kê các mốc lún, độ cao và sai số xác định độ cao của từng mốc.
10.3.3 Việc đánh giá độ chính xác của các kết quả đo được thực hiện như sau:
- Xác định sai số trung phương đơn vị trọng số theo công thức:
|
| (16) |
trong đó:
mh/tr là sai số trung phương đo chênh cao trên một trạm máy;
[PVV] = VT PV (P là ma trận trọng số của các trị đo, V là véc tơ số hiệu chỉnh của các trị đo);
n là đoạn đo trong lưới;
k là số điểm cần xác định độ cao (bằng số mốc đo độ lún).
- Sai số trung phương độ cao của điểm bất kỳ:
|
| (17) |
trong đó:
là sai số trung phương độ cao của điểm i;
là trọng số đảo của điểm i.
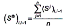
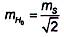
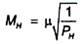
10.4 Tính toán xác định thông số lún và vẽ đồ thị lún
10.4.1 Sau khi có ít nhất hai chu kì đo có thể tính được độ lún của công trình theo các công thức sau đây:
- Độ lún của mốc thứ j trong hai chu kì liên tiếp (chu kì i so với chu kì i-1) được xác định theo công thức:
|
| (18) |
trong đó:
(Sj)i,i-1 là độ lún của mốc thứ j trong hai chu kì liên tiếp (độ lún xảy ra trong khoảng thời gian giữa hai chu kì liên tiếp i và i-1);
(Hj)i là độ cao của mốc thứ j trong chu kì đo thứ i;
(Hj)i-1 là độ cao của mốc thứ j trong chu kì đo kế trước chu kì i;
- Độ lún tổng cộng (độ lún tích lũy hay độ lún lũy kế) của mốc thứ j trong chu kì đo thứ i là:
|
| (19) |
trong đó:
(Sj)i là độ lún tổng cộng của mốc thứ j trong chu kì đo thứ i (độ lún của mốc thứ j xảy ra trong khoảng thời gian từ chu kì đầu tiên đến chu kỳ thứ i);
(Hj)0 là độ cao của mốc thứ j trong chu kì đo đầu tiên.
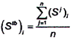
- Độ lún trung bình của công trình trong hai chu kì liên tiếp (chu kỳ i và chu kỳ i-1):
|
| (20) |
- Độ lún trung bình tổng cộng của công trình trong chu kì đo thứ i được xác định theo công thức:
|
| (21) |
Trong các công thức (20) và (21):
(Stb)i,i-1 là độ lún trung bình của công trình trong hai chu kì liên tiếp;
(Stb)i là độ lún trung bình tổng cộng của công trình trong chu kì đo thứ i;
n là số mốc được quan trắc lún gắn trên công trình.
- Tốc độ lún trung bình của công trình trong hai chu kì liên tiếp được tính theo công thức:
|
| (22) |
- Tốc độ lún trung bình tổng cộng của công trình từ chu kì đầu đến chu kỳ i được tính theo công thức:
|
| (23) |
Trong các công thức (22) và (23):
(vtb)i,i-1 là tốc độ lún trung bình của công trình trong hai chu kỳ liên tiếp, tính theo đơn vị milimét trên một tháng;
(vtb)i là tốc độ lún trung bình tổng cộng của công trình từ chu kì đầu đến chu kì i, tính theo đơn vị milimét trên một tháng;
t là khoảng thời gian giữa hai chu kì liên tiếp i và i-1, tính bằng ngày;
T là khoảng thời gian giữa chu kì đo đầu tiên và chu kì i, tính bằng ngày;
30 là số ngày trong một tháng.
10.4.2 Sau mỗi chu kì đo độ lún cần lập bảng thống kê độ cao và độ lún tổng cộng của các mốc trong chu kì hiện tại và độ lún tổng cộng của các mốc, tính độ lún trung bình của công trình trong chu kì đang xét và độ lún tổng cộng của công trình. Ngoài ra cần chỉ rõ các mốc có diễn biến lún đặc biệt: mốc có độ lún lớn nhất, mốc có độ lún nhỏ nhất, tốc độ lún trung bình của công trình và một số nhận xét ngắn gọn. Mẫu bảng thống kê được trình bày trong Phụ lục K.
10.4.3 Hiệu độ lún lớn nhất giữa hai điểm trên công trình
|
| (24) |
trong đó:
Smax là độ lún lớn nhất;
Smin là độ lún nhỏ nhất.
10.4.4 Độ nghiêng của nền công trình trên hướng AB (Hình 1)

Hình 1 - Độ lún lệch và độ nghiêng nền công trình
- Độ nghiêng của nền công trình trên hướng AB (Hình 1) được tính theo công thức:
|
| (25) |
trong đó:
i là góc nghiêng của nền móng công trình trên hướng AB;
ΔSA-B là hiệu độ lún giữa điểm A và điểm B;
LAB là khoảng cách giữa điểm A và điểm B.
Ngoài việc tính độ nghiêng của nền công trình theo hướng giữa điểm có độ lún lớn nhất và điểm có độ lún nhỏ nhất thì cần tính độ lún tương đối lớn nhất (tính ΔS/L lớn nhất).
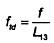
10.4.5 Độ cong tuyệt đối và độ cong tương đối dọc theo trục công trình (Hình 2):

Hình 2 - Độ cong dọc trục công trình
- Độ cong tuyệt đối:
|
| (26) |
- Độ cong tương đối:
|
| (27) |
Trong các công thức (26) và (27):
f là độ cong tuyệt đối dọc trục công trình;
ftd là độ cong tương đối dọc trục công trình;
S1, S2, S3 là độ lún của ba điểm đo độ lún phân bố dọc theo trục công trình theo thứ tự 1, 2, 3 như Hình 2 (đầu, giữa, cuối);
L13 là khoảng cách giữa điểm 1 và điểm 3.
10.4.6 Dựa vào các giá trị độ lún của các mốc theo các chu kì từ 2 đến n, vẽ biểu đồ lún dưới các dạng biểu đồ sau:
- Biểu đồ lún của các mốc quan trắc chu kì n so với chu kì n-1, chu kì n so với chu kì 0 (Hình L.1, Phụ lục L);
- Biểu đồ theo trục dọc và trục ngang của công trình dựa vào các giá trị độ lún của các mốc theo các chu kì từ 2 đến n (Hình L.2, Phụ lục L);
- Biểu đồ lún theo thời gian của các mốc đặc trưng (mốc lún max, mốc lún min) (Hình L.3, Phụ lục L);
- Bình đồ lún công trình (Hình L.4, Phụ lục L).
10.4.7 Đối với các mốc đo lún bị va đập hoặc bị phá hủy, phụ thuộc vào kết cấu móng công trình, số lần đã quan trắc mà có thể áp dụng mô hình lún trong không gian hoặc mô hình lún theo thời gian để nội suy giá trị độ lún đối với các mốc bị va đập hoặc bị phá hủy trong một chu kỳ quan trắc nào đó. Đồng thời với việc nội suy độ lún từ mô hình thì phải gắn mốc mới thay thế cho mốc cũ bị mất ở chu kỳ đó để có mốc quan trắc ở các chu kỳ tiếp theo (chỉ nội suy một chu kỳ, không nội suy nhiều hơn một chu kỳ liên tiếp). Đối với công trình có nhiều mốc quan trắc (các mốc quan trắc có sự lún không đều) thì nên sử dụng các mốc quan trắc ở gần mốc bị va đập hoặc bị phá hủy để xây dựng mô hình lún và nội suy độ lún cho mốc bị va đập hoặc mốc bị phá hủy đó.
11 Lập báo cáo kết quả đo độ lún
11.1 Sau khi kết thúc mỗi chu kì quan trắc lún, phải kịp thời xử lý số liệu. Khi kết quả xử lý số liệu xuất hiện một trong các tình trạng sau đây, phải thông báo ngay cho Chủ đầu tư để có biện pháp tương ứng:
a) Giá trị độ lún đến giá trị dự báo hoặc xấp xỉ giá trị cho phép;
b) Giá trị độ lún thay đổi bất thường.
11.2 Khi kết thúc một giai đoạn đo độ lún, ví dụ kết thúc phần móng hoặc kết thúc một giai đoạn thử tải v.v. cần lập báo cáo giai đoạn. Khi kết thúc quá trình đo độ lún do hết hạn hợp đồng hoặc công trình đã vào giai đoạn tắt lún một cách rõ rệt, cần lập báo cáo kết quả đo độ lún theo các nội dung sau đây:
- Phần I: Nội dung công việc và biện pháp thực hiện;
- Phần II: Các kết quả đo và xác định độ lún;
- Phần III: Kết luận và kiến nghị.
11.3 Trong phần nội dung công việc và biện pháp thực hiện cần nêu rõ các điểm sau đây:
- Mục đích, yêu cầu nhiệm vụ của công tác đo độ lún;
- Giới thiệu đặc điểm về vị trí địa hình, đặc điểm về kĩ thuật của khu vực đo độ lún;
- Đặc điểm về hình dạng, kích thước, loại nền móng, kết cấu kiến trúc, v.v và những đặc điểm về hiện trạng công trình;
- Xây dựng hệ thống mốc chuẩn và mốc đo độ lún có sơ đồ bố trí các mốc chuẩn và mốc đo độ lún trên công trình;
- Phương pháp và dụng cụ đo, độ chính xác yêu cầu và số lượng chu kì đo, tiến độ thực hiện công việc;
- Phương pháp bình sai và đánh giá độ chính xác kết quả đo độ lún.
11.4 Trong phần các kết quả đo và xác định độ lún cần phải thể hiện đầy đủ các nội dung sau:
- Các kết quả đo đạc và bình sai mạng lưới độ cao và tính toán độ lún của các chu kì đo, (tham khảo Phụ lục I);
- Bảng tổng hợp về độ cao sau bình sai của các mốc theo các chu kì (theo mẫu Phụ lục K);
- Bảng tổng hợp về độ lún và tốc độ lún của các mốc theo các chu kì, (theo mẫu của Phụ lục K và công thức (25), (26));
- Độ lún trung bình và tốc độ lún trung bình của công trình;
- Điểm có độ lún lớn nhất và điểm có độ lún nhỏ nhất, độ lún lệch lớn nhất giữa hai điểm A và B;
- Độ nghiêng của nền công trình trên hướng AB;
- Độ cong tuyệt đối và độ cong tương đối theo trục công trình;
- Biểu đồ lún của các mốc quan trắc chu kì n so với chu kì n-1, chu kì n so với chu kì 0 theo Hình L.1, Phụ lục L;
- Biểu đồ theo trục dọc và trục ngang của công trình theo các chu kì từ 2 đến n theo Hình L.2, Phụ lục L;
- Biểu đồ lún theo thời gian của các mốc đặc trưng (mốc lún max, mốc lún min) theo Hình L.3, Phụ lục L;
- Bình đồ lún công trình theo Hình L.4, Phụ lục L.
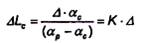
Phụ lục A
(tham khảo)
Cấu tạo các loại mốc chuẩn A, B, C
A.1 Mốc chuẩn loại A
A.1.1 Mốc chuẩn loại A dạng lõi kép
Mốc chuẩn loại A dạng lõi kép có 2 lõi: một lõi chính và một lõi phụ với hệ số giãn nở nhiệt khác nhau là αc và αp (Hình A.1). Kết cấu mốc 2 lõi cho phép xác định số hiệu chỉnh vào chiều dài mốc mà không cần phải đo nhiệt độ trong ống thân mốc. Cơ chế hoạt động của mốc lõi kép như sau:
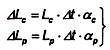
Khi nhiệt độ trung bình trong thân mốc là t, chênh lệch nhiệt độ của thân mốc so với nhiệt độ ở thời điểm kiểm nghiệm là Δt, dẫn đến độ dãn nở của các lõi chính và phụ là:
|
| (A.1) |
trong đó:
| ΔLc | là độ dãn nở của lõi chính; |
| ΔLp | là độ dãn nở của lõi phụ; |
| Lc | là chiều dài lõi chính; |
| Lp | là chiều dài lõi phụ; |
| αc | là hệ số giãn nở nhiệt của lõi chính; |
| αp | là hệ số giãn nở nhiệt của lõi phụ; |
Có thể gia công sao cho chiều dài lõi chính và lõi phụ của mốc bằng nhau (Lc = Lp = L), khi đó hiệu độ giãn nở giữa 2 lõi chính và phụ Δ được đo trực tiếp tại thời điểm quan trắc bằng cách đo chênh cao giữa 2 đầu mốc của các lõi.
Từ công thức (A.1) xác định được hiệu độ giãn nở giữa lõi phụ và lõi chính theo công thức:
|
| (A.2) |
Từ công thức (A.2) tính được hiệu nhiệt độ Δt ở thời điểm đo theo công thức:
|
| (A.3) |
Thay giá trị Δt vào biểu thức thứ nhất của công thức (A.1) sẽ xác định được độ giãn nở của lõi chính:
|
| (A.4) |
Trong (A.4) hệ số K được tính theo công thức:
|
| (A.5) |
Bảng A.1 - Hệ số giãn nở nhiệt α của một số kim loại
| Kim loại | Thép | Nikel | Platin | Đồng |
| α | 1,25 × 10-5 | 1,25 × 10-5 | 0,89 × 10-5 | 1,80 × 10-5 |
Hợp kim invar có hệ số dãn nở nhiệt tương đối nhỏ (cỡ 10-6).

CHÚ DẪN:
| 1 | Ống bảo vệ | 5 | Đầu mốc hình chỏm cầu |
| 2 | Tầng đất đá ổn định (từ 1 m đến 2 m) | 6 | Nắp bảo vệ đầu mốc |
| 3 | Lõi chính | 7 | Hố bảo vệ |
| 4 | Đệm cao su | 8 | Lõi phụ |
Hình A.1a - Mốc chuẩn loại A dạng lõi kép
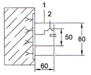
A.1.2 Mốc chuẩn loại A dạng cọc ống
Kích thước tính bằng milimét (mm)

CHÚ DẪN:
| 1 | Nắp đậy |
| 2 | Đầu mốc bằng sứ hoặc đồng |
| 3 | Ống bảo vệ bằng nhựa hoặc bằng thép (đường kính ngoài của ống từ 110 đến 130 mm; độ dày từ 2,2 đến 4,0 mm; chiều sâu ống từ 2,0 đến 3,0 m) |
| 4 | Ống thép mạ kẽm (đường kính ngoài của ống từ 59,9 đến 88,3 mm; độ dày từ 2,6 đến 4,0 mm) |
| 5 | Hố khoan |
| 6 | Tầng đất đá ổn định (từ 1,0 đến 2,0 m) |
| 7 | Nhồi cát xung quanh thân mốc |
Hình A.1b - Mốc chuẩn loại A dạng cọc ống
A.2 Mốc chuẩn loại B
Kích thước tính bằng milimét (mm)

CHÚ DẪN:
| 1 | Nắp đậy |
| 2 | Đầu mốc bằng sứ hoặc đồng |
| 3 | Thân mốc bằng cọc bê tông cốt thép |
| 4 | Tầng đất đá ổn định |
| 5 | Hố bảo vệ đầu mốc |
Hình A.2 - Mốc chuẩn loại B (mốc có dạng cọc bê tông cốt thép)
A.3 Mốc chuẩn loại C
A.3.1 Mốc chuẩn loại C dạng khối bê tông
Kích thước tính bằng milimét (mm)

CHÚ DẪN:
| 1 | Trụ mốc bê tông |
| 2 | Đầu mốc bằng sứ hoặc đồng |
| 3 | Mốc phụ hình ống |
| 4 | Vỏ ống mốc phụ bằng thép hoặc nhựa |
| 5 | Thành có mốc bằng bê tông |
| 6 | Nắp đậy bê tông |
Hình A.3a - Mốc chuẩn loại C dạng khối bê tông
A.3.2 Mốc chuẩn loại C dạng hình ống
Kích thước tính bằng miiimét (mm)

CHÚ DẪN:
| 1 | Đầu mốc (Φ bằng từ 2 cm đến 4 cm) |
| 2 | Ống mốc (Φ bằng từ 7 cm đến 8 cm) |
| 3 | Ống bảo vệ (Φ bằng từ 2 cm đến 4 cm) |
| 4 | Vòng kẹp giữ ống bảo vệ |
| 5 | Thanh neo |
| 6 | Đệm bê tông |
| 7 | Nắp |
| 8 | Giếng gạch hoặc bê tông |
| 9 | Cửa nắp |
| 10 | Xỉ |
| 11 | Lớp đệm bê tông |
Hình A.3b - Mốc chuẩn loại C dạng hình ống
A.3.3 Mốc chuẩn loại C dạng cọc
Kích thước tính bằng milimét (mm)

CHÚ DẪN:
| 1 | Đầu mốc (Φ bằng từ 2 cm đến 4 cm) |
| 2 | Cọc mốc (Φ bằng từ 7 cm đến 8 cm) |
| 3 | Giếng dầu hoặc giếng dầu đặt trong hố móng cọc hoặc giếng quét bitum (nhựa đường) bọc cọc mốc khi chôn |
| 4 | Hố gạch xây, bê tông |
| 5 | Cửa nắp |
| 6 | Xỉ |
| 7 | Lớp đệm bê tông khi đặt trong hố móng (loại mốc này được lắp đặt bằng cách đóng cọc hay chôn chặt dưới hố có độ sâu từ 1 m đến 2 m) |
Hình A.3c - Mốc chuẩn loại C dạng cọc
Phụ lục B
(tham khảo)
Cấu tạo một số loại mốc đo độ lún nền và công trình
B.1 Một số loại mốc đo độ lún của công trình
| Kích thước tính bằng milimét (mm)
| Kích thước tính bằng milimét (mm)
| ||
| Hình B.1 - Mốc đo độ lún có cấu tạo vững chắc | Hình B.2 - Mốc đo độ lún có bản lề quay | ||
| Kích thước tính bằng milimét (mm)
| Kích thước tính bằng milimét (mm)
| ||
| CHÚ DẪN: | CHÚ DẪN: | ||
| 1 | Nắp bảo vệ | 1 | Nắp bảo vệ |
| 2 | Chỏm cầu | 2 | Chỏm cầu |
| Hình B.3 - Mốc đo độ lún có ren | Hình B.4 - Mốc đo độ lún gắn vào bệ lò nung | ||
Kích thước tính bằng milimét (mm)

CHÚ DẪN:
| 1 | Chỏm cầu |
| 2 | Thân móc bằng sắt (Φ bằng từ 18 mm đến 20 mm) |
| 3 | Thân cấu kiện chịu lực |
| 4 | Mặt nền |
Hình B.5 - Cấu tạo mốc đo lún bằng thép
B.2 Một số loại mốc đo độ lún nền công trình
| Kích thước tính bằng milimét (mm)
| Kích thước tính bằng milimét (mm)
|
| Hình B.6 - Mốc đo độ lún nền đất | Hình B.7 - Mốc đo độ lún mặt nền |
Phụ lục C
(tham khảo)
Sơ đồ minh họa bố trí mốc đo độ lún đối với một số công trình
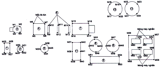
C.1 Sơ đồ minh họa bố trí mốc đo độ lún dây chuyền nhà máy xi măng

CHÚ DẪN:
| 1 | Bể | 7 | Nhà làm lạnh Clinker |
| 2 | Ống khói | 8 | Silo Clinker |
| 3 | Nhà nghiền liệu | 9 | Nhà nén khí |
| 4 | Tháp trao đổi nhiệt | 10 | Nhà nghiền xi măng |
| 5 | Silo bột liệu | 11 | Nhà nghiền than |
| 6 | Trụ lò | 12 | Silo Xi măng |
|
|
| M1, M2, ..., M66: Tên mốc đo độ lún | |
Hình C.1 - Sơ đồ minh họa bố trí mốc đo độ lún dây chuyền nhà máy xi măng
C.2 Sơ đồ minh họa bố trí mốc đo độ lún nhà cao tầng

CHÚ DẪN:
M1, M2, ..., M27 Tên mốc đo lún
Hình C.2 - Sơ đồ minh họa bố trí mốc đo độ lún nhà cao tầng
C.3 Sơ đồ minh họa bố trí mốc đo độ lún công trình trung tâm thương mại và căn hộ cao cấp

CHÚ DẪN:
M1, M2, ..., M100: Tên mốc đo lún (M1, M2,..., M18 - Gắn ở tháp phía Tây; M19, M20,...,M36 - Gắn ở tháp phía Đông; M37, M38,..., M63 - Gắn ở khối Văn phòng; M64, M65,…, M88 - Gắn ở khối đế; M89, M90, ..., M100 - Gắn ở tường vây).
Hình C.3 - Sơ đồ minh họa bố trí mốc đo độ lún công trình trung tâm thương mại và căn hộ cao cấp
Phụ lục D
(tham khảo)
Chọn cấp đo độ lún dựa vào đặc điểm của nền đất và tầm quan trọng của công trình
D.1 Cấp I
Đo độ lún của các công trình quan trọng, các công trình có ý nghĩa đặc biệt, các công trình có thiết kế móng là móng cọc.
D.2 Cấp II
Đo độ lún của các nhà và công trình được xây dựng trên nền đất có tính biến dạng cao, các công trình được đo độ lún để xác định nguyên nhân hư hỏng.
D.3 Cấp III
Đo độ lún của các nhà và công trình được xây dựng trên nền đất lấp, đất có tính lún sụt cao, đất có tính bão hoà nước và trên nền đất bùn chịu nén kém.
Phụ lục E
(tham khảo)
Mẫu sổ đo chênh lệch độ cao theo các cấp
E.1 Mẫu sổ đo chênh lệch độ cao cấp I và cấp II
| Đo từ ……………….. đến ........................... | Ngày ........ tháng ........ năm ........... |
| Thời tiết ...................................................... | Lượng mây ....................................................... |
| Hướng gió .................................................. | Cấp gió ....................... chất đất ....................... |
| Hướng mặt trời .......................................... | Hình ảnh ........................................................... |
| Số trạm đo | Mia sau | Mia trước | Thời gian | Kí hiệu mia | Số đọc chênh lệch độ cao | K+ Chính trừ phụ | Số trung bình chênh lệch độ cao | |
| Chỉ trên Chỉ dưới | Chỉ trên Chỉ dưới | |||||||
| d | d | |||||||
| Δd | ΣAd | Thang chính | Thang phụ | |||||
| 1 | 2 | 3 | 4 | 5 | 6 | 7 | 8 | 9 |
|
|
|
|
|
|
|
|
|
|
E.2 Mẫu sổ đo chênh lệch độ cao cấp III
| Đo từ ......................................................... | Đo từ ......................................................... |
| Bắt đầu ....................................................... | Ngày ........ tháng ........ năm .............. |
| Kết thúc ...................................................... | Người đo ....................................................... |
| Hình ảnh ..................................................... | Người ghi ...................................................... |
| Thời tiết ..................................................... | Người kiểm tra .............................................. |
| Số trạm đo | Mia sau | Chỉ dưới | Mia trước | Chỉ dưới | Kí hiệu mia | Số đọc chỉ giữa | K+ Đen trừ đỏ | Ghi chú | |
| Chỉ trên | Chỉ trên |
|
| ||||||
| Khoảng cách sau d | Khoảng cách trước d | ||||||||
| Chênh lệch Δd | Σ Δd | ||||||||
| 1 | 2 | 3 | 4 | 5 | 6 | 7 | 8 | ||
|
|
|
|
|
|
|
|
| ||
E.3 Mẫu sổ đo chênh lệch độ cao cấp I, cấp II và cấp III bằng máy thủy chuẩn điện tử
| Đo từ…………………. đến ......................... | Ngày ........ tháng ........ năm ........... |
| Thời tiết ...................................................... | Lượng mây ....................................................... |
| Hướng gió .................................................. | Cấp gió ....................... chất đất ....................... |
| Hướng mặt trời .......................................... | Hình ảnh ........................................................... |
| Số trạm đo | Mia sau | Mia trước | Thời gian | Ki hiệu mia | Số đọc chênh lệch độ cao | Lần 1 trừ lần 2 | Số trung bình chênh lệch độ cao | |
| Khoảng cách sau | Khoảng cách trước | |||||||
| D | d | |||||||
| Δd | ΣΔd | Lần 1 | Lần 2 | |||||
| 1 | 2 | 3 | 4 | 5 | 6 | 7 | 8 | 9 |
|
|
|
|
|
|
|
|
|
|
|
|
|
|
|
|
|
|
|
|
Phụ lục F
(tham khảo)
Mẫu ghi kết quả đo chênh cao các mốc trên sơ đồ
F.1 Sơ đồ mạng lưới đo độ lún cụm mốc chuẩn (lưới độ cao cơ sở)
Công trình ................................................................................
Chu kì .................................... Ngày đo ....................................

Hình F.1 - Sơ đồ mạng lưới đo độ lún cụm mốc chuẩn (lưới độ cao cơ sở)
F.2 Sơ đồ mạng lưới độ cao quan trắc lún
Công trình .................................................................................
Chu kì .................................... Ngày đo ....................................

Hình F.2 - Sơ đồ mạng lưới độ cao quan trắc lún
Phụ lục G
(tham khảo)
Đánh giá độ ổn định của các mốc chuẩn bằng thuật toán bình sai lưới tự do
G1 Sơ đồ lưới độ cao cơ sở
Giả sử một lưới độ cao cơ sở phục vụ cho đo lún công trình gồm 3 mốc R1, R2 và R3 như Hình G.1. Chênh cao giữa các mốc trong các chu kì được ghi trong bảng G.1.

Hình G.1 - Sơ đồ lưới độ cao cơ sở gồm 3 mốc chuẩn
G2 Số liệu đo đạc và kết quả đánh giá độ ổn định của các mốc chuẩn
Bảng G.1 - Chênh cao giữa các mốc trong các chu kì
| Tuyến đo | Số trạm máy | Chênh cao, m | |||
| Chu kì 0 | Chu kì 1 | Chu kì 2 | Chu kì 3 | ||
| R1 - R2 | 3 | -0,261 32 | -0,261 69 | -0,261 83 | -0,261 68 |
| R2 - R3 | 6 | -0,159 05 | -0,159 11 | -0,159 55 | -0,160 66 |
| R3 - R1 | 7 | 0,420 81 | 0,421 18 | 0,421 01 | 0,422 09 |
a) Tiêu chuẩn để đánh giá độ ổn định của các mốc cơ sở
Giả sử cấp chính xác quan trắc lún là cấp 1 (ms = 1,0 mm), hệ thống lưới quan trắc lún gồm 02 bậc lưới (bậc lưới độ cao cơ sở và bậc lưới độ cao quan trắc) khi đó với k = 2, t = 2, áp dụng công thức (18) tính được tiêu chuẩn ổn định của các mốc chuẩn là | Si | ≤ 0,9 mm (mốc chuẩn được coi là ổn định khi độ trồi lún của các mốc chuẩn ở chu kì đang xét nhỏ hơn hoặc bằng 0,9 mm).
b) Trong chu kì 0 (chu kỳ đầu tiên), coi tất cả các mốc là ổn định, tiến hành bình sai lưới theo thuật toán bình sai tự do với số liệu độ cao khởi tính giả định HR3 = 10,000 00 m. Kết quả bình sai được ghi trong Bảng G.2 và Bảng G.3.
Bảng G.2 - Độ cao sau bình sai
| Tên điểm | Độ cao H (m) | Sai số mH (mm) |
| R1 | 10,420 62 | 0,22 |
| R2 | 10,159 22 | 0,21 |
| R3 | 10,000 00 | 0,00 |
Bảng G.3 - Trị đo và các đại lượng sau bình sai
| Thứ tự | Ký hiệu đoạn đo | Chênh cao đo, m | Số trạm | Số hiệu chỉnh, mm | Chênh cao sau bình sai, m | |
| Đầu | Cuối | |||||
| 1 | R1 | R2 | -0,261 32 | 3 | -0,08 | -0,261 40 |
| 2 | R2 | R3 | -0,159 05 | 6 | -0,16 | -0,159 22 |
| 3 | R3 | R1 | 0,420 81 | 7 | -0,19 | 0,420 62 |
Kết quả đánh giá độ chính xác:
1. Sai số trọng số đơn vị mh = 0,11 mm trên một trạm;
2. Sai số trung phương độ cao điểm yếu nhất (R1) = 0,22 mm.
c) Sử dụng các mốc ổn định trong chu kì 0 để định vị lưới trong chu kì 1, trong trường hợp này sự thay đổi độ cao của tất cả 3 mốc đều nhỏ hơn giá trị cho phép (giá trị cho phép là 0,9 mm), các mốc chuẩn trong chu kì 1 đều ổn định.
Kết quả bình sai lưới trong chu kì 1 được trình bày trong Bảng G.4 và Bảng G.5.
Bảng G.4 - Độ cao sau bình sai
| Tên điểm | Độ cao H (m) | Sai số mH (mm) | Độ lệch, mm | Độ lệch giới hạn, mm | Đánh giá độ ổn định |
| R1 | 10,420 87 | 0,10 | 0,25 | 0,9 | Ổn định |
| R2 | 10,159 11 | 0,09 | -0,11 | 0,9 | Ổn định |
| R3 | 9,999 86 | 0,11 | -0,14 | 0,9 | Ổn định |
Bảng G.5 - Trị đo và các đại lượng sau bình sai
| Thứ tự | Ký hiệu đoạn đo | Chênh cao đo, m | Số trạm | Số hiệu chỉnh, mm | Chênh cao sau bình sai, m | |
| Đầu | Cuối | |||||
| 1 | R1 | R2 | -0,261 69 | 3 | -0,07 | -0,261 76 |
| 2 | R2 | R3 | -0,159 11 | 6 | -0,14 | -0,159 25 |
| 3 | R3 | R1 | 0,421 18 | 7 | -0,17 | 0,421 01 |
Kết quả đánh giá độ chính xác:
1. Sai số trọng số đơn vị mh = 0,10 mm trên một trạm;
2. Sai số trung phương độ cao điểm yếu nhất (R3) = 0,11 mm.
d) Tiếp tục bình sai đối với các kết quả đo của chu kì 2 ta được các số hiệu chỉnh trong Bảng G.6 và Bảng G.7.
Bảng G.6 - Độ cao sau bình sai
| Tên điểm | Độ cao H (m) | Sai số mH (mm) | Độ lệch, mm | Độ lệch giới hạn, mm | Đánh giá độ ổn định |
| R1 | 10,420 92 | 0,09 | 0,30 | 0,9 | Ổn định |
| R2 | 10,159 16 | 0,09 | -0,06 | 0,9 | Ổn định |
| R3 | 9,999 75 | 0,11 | -0,25 | 0,9 | Ổn định |
Bảng G.7 - Trị đo và các đại lượng sau bình sai
| Thứ tự | Ký hiệu đoạn đo | Chênh cao đo, m | Số trạm | Số hiệu chỉnh, mm | Chênh cao sau bình sai, m | |
| Đầu | Cuối | |||||
| 1 | R1 | R2 | -0,261 83 | 3 | 0,07 | -0,261 76 |
| 2 | R2 | R3 | -0,159 55 | 6 | 0,14 | -0,159 41 |
| 3 | R3 | R1 | 0,421 01 | 7 | 0,16 | 0,421 17 |
Kết quả đánh giá độ chính xác:
1. Sai số trọng số đơn vị mh = 0,09 mm trên một trạm;
2. Sai số trung phương độ cao điểm yếu nhất (R3) = 0,11 mm.
e) Chu kì 3 cũng được bình sai tương tự như các chu kì trước
Kết quả bình sai các trị đo trong chu kì 3 được ghi trong Bảng G.8 và Bảng G.9.
Bảng G.8 - Độ cao sau bình sai
| Tên điểm | Độ cao H (m) | Sai số mH (mm) | Độ lệch, mm | Độ lệch giới hạn, mm | Đánh giá độ ổn định |
| R1 | 10,420 74 | 0,05 | 0,12 | 0,9 | Ổn định |
| R2 | 10,159 10 | 0,05 | -0,12 | 0,9 | Ổn định |
| R3 | 9,998 54 | 0,11 | -1,46 | 0,9 | Không ổn định |
Bảng G.9 - Trị đo và các đại lượng sau bình sai
| Thứ tự | Ký hiệu đoạn đo | Chênh cao đo, m | Số trạm | Số hiệu chỉnh, mm | Chênh cao sau bình sai, m | |
| Đầu | Cuối | |||||
| 1 | R1 | R2 | -0,261 68 | 3 | 0,05 | -0,261 63 |
| 2 | R2 | R3 | -0,160 66 | 6 | 0,09 | -0,160 57 |
| 3 | R3 | R1 | 0,422 09 | 7 | 0,11 | 0,422 20 |
Kết quả đánh giá độ chính xác:
1. Sai số trọng số đơn vị mh = 0,06 mm trên một trạm
2. Sai số trung phương độ cao điểm yếu nhất (R1) = 0,11 mm
Phụ lục H
(tham khảo)
Trình tự tính toán bình sai theo phương pháp bình sai gián tiếp
H.1 Chọn ẩn số
Các ẩn số được chọn phải độc lập. Đối với lưới độ cao ẩn số có thể là các chênh cao hoặc độ cao của các điểm cần xác định. Thông thường người ta hay chọn độ cao của các điểm cần xác định làm ẩn số.
H.2 Lập phương trình số hiệu chỉnh
Ở dạng ma trận, hệ phương trình số hiệu chỉnh như sau:
|
| (H.1) |
trong đó:
A là ma trận hệ số của phương trình số hiệu chỉnh có kích thước n × k (n là số đại lượng đo, k là số ẩn số);
δH là véc tơ số hiệu chỉnh vào các ẩn số, có kích thước bằng số ẩn số;
L là véc tơ số hạng tự do có kích thước bằng số đại lượng đo;
V là véc tơ số hiệu chỉnh có kích thước bằng số đại lượng đo n.
H.3 Xác định trọng số của các đại lượng đo
|
| (H.2) |
H.4 Lập hệ phương trình chuẩn
| NδH + B = 0 | (H.3) |
trong đó:
N = ATPA
B = ATPL
H.5 Giải hệ phương trình chuẩn, xác định nghiệm δH
| δH = -N-1B | (H.4) |
H.6 Đánh giá độ chính xác của kết quả đo
a) Sai số trung phương trọng số đơn vị
|
| (H.5) |
b) Sai số trung phương độ cao của một điểm
|
| (H.6) |
trong đó:
là trọng số đảo của đại lượng cần đánh giá.
Phụ lục I
(tham khảo)
Kết quả bình sai lưới độ cao và tính toán độ lún của công trình
I.1 Các kết quả đo đạc, bình sai lưới chu kì 0
I.1.1 Bình sai lưới độ cao cơ sở chu kì 0
Kết quả tính toán bình sai lưới độ cao cơ sở
Công trình: ....................................
Chu kì: 0, Thời gian đo 24/09/2016.
Bảng I.1 - Chỉ tiêu kỹ thuật lưới
| Thứ tự | Tên tham số | Giá trị |
| 1 | Tổng số điểm | 3 |
| 2 | Số điểm gốc | 1 |
| 3 | Số điểm mới lập | 2 |
| 4 | Số chênh cao đo | 3 |
| 5 | Phương pháp tính | Tự do |
Bảng I.2 - Số liệu khởi tính
| Tên điểm | Độ cao, m |
| R3 | 6,000 00 |
Bảng I.3 - Độ cao sau bình sai
| Tên điểm | Độ cao H (m) | Sai số mH (mm) |
| R1 | 5,777 78 | 0,13 |
| R2 | 5,588 39 | 0,07 |
| R3 | 6,000 00 | 0,00 |
Bảng I.4- Trị đo và các đại lượng sau bình sai
| Thứ tự | Ký hiệu đoạn đo | Chênh cao đo, m | Số trạm | Số hiệu chỉnh, mm | Chênh cao sau bình sai, m | |
| Đầu | Cuối | |||||
| 1 | R3 | R1 | -0,222 36 | 8 | 0,14 | -0,222 23 |
| 2 | R2 | R1 | 0,189 50 | 7 | -0,12 | 0,189 38 |
| 3 | R2 | R3 | 0,411 59 | 1 | 0,02 | 0,411 61 |
Kết quả đánh giá độ chính xác:
1. Sai số trọng số đơn vị mh = 0,07 mm trên một trạm
2. Sai số trung phương độ cao điểm yếu nhất (R1) = 0,13 mm
I.1.2 Bình sai lưới độ cao quan trắc lún chu kì 0
Kết quả tính toán bình sai lưới độ cao quan trắc lún
Công trình: ....................................
Chu kì: 0, Thời gian đo 24/09/2016.
Bảng I.5 - Chỉ tiêu kỹ thuật lưới
| Thứ tự | Tên tham số | Giá trị |
| 1 | Tổng số điểm | 18 |
| 2 | Số điểm gốc | 3 |
| 3 | Số điểm mới lập | 15 |
| 4 | Số chênh cao đo | 24 |
| 5 | Phương pháp tính | Phụ thuộc |
Bảng I.6 - Số liệu khởi tính
| Tên điểm | Độ cao, m |
| R1 | 5,777 78 |
| R2 | 5,588 39 |
| R3 | 6,000 00 |
Bảng I.7 - Độ cao sau bình sai
| Thứ tự | Tên điểm | Độ cao H (m) | Sai số mH (mm) |
| 1 | M1 | 2,901 29 | 0,11 |
| 2 | M2 | 2,822 80 | 0,11 |
| 3 | M3 | 2,860 89 | 0,11 |
| 4 | M4 | 2,803 00 | 0,10 |
| 5 | M5 | 2,944 02 | 0,11 |
| 6 | M6 | 3,099 66 | 0,10 |
| 7 | M7 | 2,929 30 | 0,11 |
| 8 | M8 | 2,945 70 | 0,12 |
| 9 | M9 | 2,874 59 | 0,11 |
| 10 | M10 | 2,975 54 | 0,10 |
| 11 | M11 | 2,887 46 | 0,11 |
| 12 | M12 | 2,890 12 | 0,12 |
| 13 | M13 | 2,810 87 | 0,12 |
| 14 | M14 | 2,891 86 | 0,12 |
| 15 | M15 | 2,837 14 | 0,11 |
Bảng I.8 - Trị đo và các đại lượng sau bình sai
| Thứ tự | Ký hiệu đoạn đo | Chênh cao đo, m | Số trạm | Số hiệu chỉnh, mm | Chênh cao sau bình sai, m | |
| Đầu | Cuối | |||||
| 1 | M1 | M2 | -0,078 41 | 1 | -0,08 | -0,078 49 |
| 2 | M2 | M3 | 0,038 12 | 1 | -0,03 | 0,038 09 |
| 3 | M3 | M4 | -0,057 85 | 1 | -0,03 | -0,057 88 |
| 4 | M4 | M5 | 0,141 05 | 1 | -0,04 | 0,141 01 |
| 5 | M5 | M6 | 0,155 68 | 1 | -0,04 | 0,155 64 |
| 6 | M6 | M1 | -0,198 30 | 1 | -0,08 | -0,198 38 |
| 7 | M2 | M15 | 0,014 39 | 1 | -0,05 | 0,014 34 |
| 8 | M15 | M14 | 0,054 77 | 1 | -0,05 | 0,054 72 |
| 9 | M14 | M13 | -0,080 95 | 1 | -0,04 | -0,080 99 |
| 10 | M13 | M12 | 0,079 29 | 1 | -0,04 | 0,079 25 |
| 11 | M12 | M11 | -0,002 62 | 1 | -0,04 | -0,002 66 |
| 12 | M11 | M10 | 0,088 11 | 1 | -0,04 | 0,088 07 |
| 13 | M10 | M4 | -0,172 53 | 1 | 0,00 | -0,172 53 |
| 14 | M10 | M9 | -0,100 94 | 1 | -0,01 | -0,100 95 |
| 15 | M9 | M8 | 0,071 12 | 1 | -0,01 | 0,071 11 |
| 16 | M10 | R1 | 2,802 39 | 5 | -0,15 | 2,802 24 |
| 17 | M6 | R1 | 2,677 99 | 4 | 0,13 | 2,678 12 |
| 18 | M6 | M7 | -0,170 37 | 1 | 0,01 | -0,170 36 |
| 19 | M7 | M8 | 0,016 39 | 1 | 0,01 | 0,016 40 |
| 20 | M2 | R2 | 2,765 45 | 13 | 0,14 | 2,765 59 |
| 21 | M14 | R3 | 3,108 32 | 14 | -0,18 | 3,108 14 |
| 22 | R3 | R1 | -0,222 36 | 8 | 0,14 | -0,222 22 |
| 23 | R2 | R1 | 0,189 50 | 7 | -0,11 | 0,189 39 |
| 24 | R2 | R3 | 0,411 59 | 1 | 0,02 | 0,411 61 |
Kết quả đánh giá độ chính xác:
1. Sai số trọng số đơn vị mh = 0,07 mm trên một trạm
2. Sai số trung phương độ cao điểm yếu nhất (M13) = 0,12 mm
I.2 Các kết quả đo đạc, bình sai lưới chu kì 1
I.2.1 Bình sai lưới độ cao cơ sở và đánh giá độ ổn định của mốc chuẩn chu kì 1
Kết quả tính toán bình sai lưới độ cao cơ sở
Công trình: ....................................
Chu kì: 1, Thời gian đo 24/12/2016.
Bảng I.9 - Chỉ tiêu kỹ thuật lưới
| Thứ tự | Tên tham số | Giá trị |
| 1 | Tổng số điểm | 3 |
| 2 | Số điểm gốc | 3 |
| 3 | Số điểm mới lập | 0 |
| 4 | Số chênh cao đo | 3 |
| 5 | Phương pháp tính | Tự do |
Bảng I.10 - Số liệu khởi tính
| Tên điểm | Độ cao, m |
| R1 | 5,777 78 |
| R2 | 5,588 39 |
| R3 | 6,000 00 |
Bảng I.11 - Độ cao sau bình sai
| Tên điểm | Độ cao H (m) | Sai số mH (mm) | Độ lệch, mm | Độ lệch giới hạn, mm | Đánh giá độ ổn định |
| R1 | 5,777 22 | 0,07 | -0,56 | 0,9 | Ổn định |
| R2 | 5,588 71 | 0,04 | 0,32 | 0,9 | Ổn định |
| R3 | 6,000 24 | 0,04 | 0,24 | 0,9 | Ổn định |
Bảng I.12 - Trị đo và các đại lượng sau bình sai
| Thứ tự | Ký hiệu đoạn đo | Chênh cao đo, m | Số trạm | Số hiệu chỉnh, mm | Chênh cao sau bình sai, m | |
| Đầu | Cuối | |||||
| 1 | R3 | R1 | -0,222 91 | 8 | -0,11 | -0,223 02 |
| 2 | R2 | R1 | 0,188 41 | 7 | 0,10 | 0,188 51 |
| 3 | R2 | R3 | 0,411 54 | 1 | -0,01 | 0,411 53 |
Kết quả đánh giá độ chính xác:
1. Sai số trọng số đơn vị mh = 0,06 mm trên một trạm
2. Sai số trung phương độ cao điểm yếu nhất (R1) = 0,07 mm
I.2.2 Bình sai lưới độ cao quan trắc lún chu kì 1
Kết quả tính toán bình sai lưới độ cao quan trắc lún
Công trình: ....................................
Chu kì: 1, Thời gian đo 24/12/2016.
Bảng I.13 - Chỉ tiêu kỹ thuật lưới
| Thứ tự | Tên tham số | Giá trị |
| 1 | Tổng số điểm | 18 |
| 2 | Số điểm gốc | 3 |
| 3 | Số điểm mới lập | 15 |
| 4 | Số chênh cao đo | 24 |
| 5 | Phương pháp tính | Phụ thuộc |
Bảng I.14 - Số liệu khởi tính
| Tên điểm | Độ cao H (m) |
| R1 | 5,777 22 |
| R2 | 5,588 71 |
| R3 | 6,000 24 |
Bảng I.15 - Độ cao sau bình sai
| Thứ tự | Tên điểm | Độ cao H (m) | Sai số mH (mm) |
| 1 | M1 | 2,899 40 | 0,20 |
| 2 | M2 | 2,820 55 | 0,19 |
| 3 | M3 | 2,857 90 | 0,19 |
| 4 | M4 | 2,799 82 | 0,18 |
| 5 | M5 | 2,939 84 | 0,20 |
| 6 | M6 | 3,096 90 | 0,18 |
| 7 | M7 | 2,926 22 | 0,20 |
| 8 | M8 | 2,943 56 | 0,21 |
| 9 | M9 | 2,871 39 | 0,21 |
| 10 | M10 | 2,972 28 | 0,17 |
| 11 | M11 | 2,884 66 | 0,20 |
| 12 | M12 | 2,887 33 | 0,21 |
| 13 | M13 | 2,806 81 | 0,21 |
| 14 | M14 | 2,889 53 | 0,20 |
| 15 | M15 | 2,834 23 | 0,20 |
Bảng I.16 - Trị đo và các đại lượng sau bình sai
| Thứ tự | Ký hiệu đoạn đo | Chênh cao đo, m | Số trạm | Số hiệu chỉnh, mm | Chênh cao sau bình sai, m | |
| Đầu | Cuối | |||||
| 1 | M1 | M2 | -0,078 90 | 1 | 0,05 | -0,078 85 |
| 2 | M2 | M3 | 0,037 25 | 1 | 0,10 | 0,037 35 |
| 3 | M3 | M4 | -0,058 18 | 1 | 0,10 | -0,058 08 |
| 4 | M4 | M5 | 0,139 95 | 1 | 0,07 | 0,140 02 |
| 5 | M5 | M6 | 0,156 84 | 3 | 0,22 | 0,157 06 |
| 6 | M6 | M1 | -0,197 71 | 4 | 0,21 | -0,197 50 |
| 7 | M2 | M15 | 0,013 75 | 1 | -0,06 | 0,013 69 |
| 8 | M15 | M14 | 0,055 36 | 1 | -0,06 | 0,055 30 |
| 9 | M14 | M13 | -0,082 63 | 1 | -0,09 | -0,082 72 |
| 10 | M13 | M12 | 0,080 61 | 1 | -0,09 | 0,080 52 |
| 11 | M12 | M11 | -0,002 58 | 1 | -0,09 | -0,002 67 |
| 12 | M11 | M10 | 0,087 71 | 1 | -0,09 | 0,087 62 |
| 13 | M10 | M4 | -0,172 44 | 1 | -0,02 | -0,172 46 |
| 14 | M10 | M9 | -0,100 83 | 2 | -0,06 | -0,100 89 |
| 15 | M9 | M8 | 0,072 20 | 1 | -0,03 | 0,072 17 |
| 16 | M10 | R1 | 2,805 11 | 5 | -0,17 | 2,804 94 |
| 17 | M6 | R1 | 2,680 36 | 5 | -0,04 | 2,680 32 |
| 18 | M6 | M7 | -0,170 71 | 1 | 0,03 | -0,170 68 |
| 19 | M7 | M8 | 0,017 30 | 1 | 0,03 | 0,017 33 |
| 20 | M2 | R2 | 2,767 93 | 13 | 0,23 | 2,768 16 |
| 21 | M14 | R3 | 3,110 36 | 14 | 0,35 | 3,110 71 |
| 22 | R3 | R1 | -0,222 91 | 8 | -0,11 | -0,223 02 |
| 23 | R2 | R1 | 0,188 41 | 7 | 0,10 | 0,188 51 |
| 24 | R2 | R3 | 0,411 54 | 1 | -0,01 | 0,411 53 |
Kết quả đánh giá độ chính xác:
1. Sai số trọng số đơn vị mh = 0,12 mm trên một trạm
2. Sai số trung phương độ cao điểm yếu nhất (M13) = 0,21 mm
I.3 Các kết quả đo đạc, bình sai lưới chu kì 2
I.3.1 Bình sai lưới độ cao cơ sở và đánh giá độ ổn định của mốc chuẩn chu kì 2
Kết quả tính toán bình sai lưới độ cao cơ sở
Công trình: ....................................
Chu kì: 2, Thời gian đo 24/03/2017.
Bảng I.17 - Chỉ tiêu kỹ thuật lưới
| Thứ tự | Tên tham số | Giá trị |
| 1 | Tổng số điểm | 3 |
| 2 | Số điểm gốc | 3 |
| 3 | Số điểm mới lập | 0 |
| 4 | Số chênh cao đo | 3 |
| 5 | Phương pháp tính | Tự do |
Bảng I.18 - Số liệu khởi tính
| Tên điểm | Độ cao, m |
| R1 | 5,777 78 |
| R2 | 5,588 39 |
| R3 | 6,000 00 |
Bảng I.19 - Độ cao sau bình sai
| Tên điểm | Độ cao H (m) | Sai số mH (mm) | Độ lệch, mm | Độ lệch giới hạn, mm | Đánh giá độ ổn định |
| R1 | 5,777 55 | 0,10 | -0,23 | 0,9 | Ổn định |
| R2 | 5,588 64 | 0,06 | 0,25 | 0,9 | Ổn định |
| R3 | 5,999 98 | 0,06 | 0,02 | 0,9 | Ổn định |
Bảng I.20 - Trị đo và các đại lượng sau bình sai
| Thứ tự | Ký hiệu đoạn đo | Chênh cao đo, m | Số trạm | Số hiệu chỉnh, mm | Chênh cao sau bình sai, m | |
| Đầu | Cuối | |||||
| 1 | R3 | R1 | -0,222 57 | 8 | 0,15 | -0,222 42 |
| 2 | R2 | R1 | 0,189 06 | 8 | -0,15 | 0,188 91 |
| 3 | R2 | R3 | 0,411 32 | 1 | 0,02 | 0,411 34 |
Kết quả đánh giá độ chính xác:
1. Sai số trọng số đơn vị mh = 0,08 mm trên một trạm
2. Sai số trung phương độ cao điểm yếu nhất (R1) = 0,10 mm
I.3.2 Bình sai lưới độ cao quan trắc lún chu kì 2
Kết quả tính toán bình sai lưới độ cao quan trắc lún
Công trình: ......................................
Chu kì: 2, Thời gian đo 24/03/2017.
Bảng I.21 - Chỉ tiêu kỹ thuật lưới
| Thứ tự | Tên tham số | Giá trị |
| 1 | Tổng số điểm | 18 |
| 2 | Số điểm gốc | 3 |
| 3 | Số điểm mới lập | 15 |
| 4 | Số chênh cao đo | 24 |
| 5 | Phương pháp tính | Phụ thuộc |
Bảng I.22 - Số liệu khởi tính
| Tên điểm | Độ cao, m |
| R1 | 5,777 55 |
| R2 | 5,588 64 |
| R3 | 5,999 98 |
Bảng I.23 - Độ cao sau bình sai
| Thứ tự | Tên điểm | Độ cao H (m) | Sai số mH (mm) |
| 1 | M1 | 2,898 13 | 0,08 |
| 2 | M2 | 2,819 11 | 0,07 |
| 3 | M3 | 2,856 13 | 0,07 |
| 4 | M4 | 2,797 81 | 0,07 |
| 5 | M5 | 2,938 54 | 0,08 |
| 6 | M6 | 3,096 25 | 0,07 |
| 7 | M7 | 2,924 43 | 0,08 |
| 8 | M8 | 2,941 69 | 0,08 |
| 9 | M9 | 2,870 35 | 0,08 |
| 10 | M10 | 2,970 53 | 0,07 |
| 11 | M11 | 2,882 54 | 0,07 |
| 12 | M12 | 2,885 36 | 0,08 |
| 13 | M13 | 2,804 82 | 0,08 |
| 14 | M14 | 2,887 15 | 0,07 |
| 15 | M15 | 2,831 99 | 0,07 |
Bảng I.24 - Trị đo và các đại lượng sau bình sai
| Thứ tự | Ký hiệu đoạn đo | Chênh cao đo, m | Số trạm | Số hiệu chỉnh, mm | Chênh cao sau bình sai, m | |
| Đầu | Cuối | |||||
| 1 | M1 | M2 | -0,079 02 | 1 | 0,00 | -0,079 02 |
| 2 | M2 | M3 | 0,037 01 | 1 | 0,02 | 0,037 03 |
| 3 | M3 | M4 | -0,058 34 | 1 | 0,02 | -0,058 32 |
| 4 | M4 | M5 | 0,140 75 | 1 | -0,02 | 0,140 73 |
| 5 | M5 | M6 | 0,157 78 | 3 | -0,07 | 0,157 71 |
| 6 | M6 | M1 | -0,198 11 | 4 | -0,01 | -0,198 12 |
| 7 | M2 | M15 | 0,012 91 | 1 | -0,02 | 0,012 89 |
| 8 | M15 | M14 | 0,055 18 | 1 | -0,02 | 0,055 16 |
| 9 | M14 | M13 | -0,082 31 | 1 | -0,02 | -0,082 33 |
| 10 | M13 | M12 | 0,080 56 | 1 | -0,02 | 0,080 54 |
| 11 | M12 | M11 | -0,002 80 | 1 | -0,02 | -0,002 82 |
| 12 | M11 | M10 | 0,088 02 | 1 | -0,02 | 0,088 00 |
| 13 | M10 | M4 | -0,172 68 | 1 | -0,04 | -0,172 72 |
| 14 | M10 | M9 | -0,100 20 | 2 | 0,02 | -0,100 18 |
| 15 | M9 | M8 | 0,071 31 | 2 | 0,02 | 0,071 33 |
| 16 | M10 | R1 | 2,806 95 | 7 | 0,07 | 2,807 02 |
| 17 | M6 | R1 | 2,681 37 | 6 | -0,07 | 2,681 30 |
| 18 | M6 | M7 | -0,171 80 | 2 | -0,02 | -0,171 82 |
| 19 | M7 | M8 | 0,017 27 | 1 | -0,01 | 0,017 26 |
| 20 | M2 | R2 | 2,769 50 | 13 | 0,03 | 2,769 53 |
| 21 | M14 | R3 | 3,112 84 | 13 | -0,01 | 3,112 83 |
| 22 | R3 | R1 | -0,222 57 | 8 | 0,14 | -0,222 43 |
| 23 | R2 | R1 | 0,189 06 | 8 | -0,15 | 0,188 91 |
| 24 | R2 | R3 | 0,411 32 | 1 | 0,02 | 0,411 34 |
Kết quả đánh giá độ chính xác:
1. Sai số trọng số đơn vị mh = 0,04 mm trên một trạm.
2. Sai số trung phương độ cao điểm yếu nhất (M8) = 0,08 mm.
I.4 Kết quả tính độ lún
I.4.1 Kết quả tính độ lún chu kì 1
Kết quả tính độ lún chu kì 1 đo ngày 24/12/2016
Công trình: ...........................................................
| Thứ tự | Tên mốc | Độ cao chu kì 0, H0 (m) (24/09/2016) | Độ cao chu kì 1, H1 (m) (24/12/2016) | Độ lún chu kì 1, S (mm) (H1-H0) | Độ lún tổng cộng, S (mm) (H1-H0) | Tốc độ lún kể từ khi bắt đầu quan trắc, V (mm/tháng) |
| 1 | M1 | 2,901 29 | 2,899 40 | -1,89 | -1,89 | -0,63 |
| 2 | M2 | 2,822 80 | 2,820 55 | -2,25 | -2,25 | -0,75 |
| 3 | M3 | 2,860 89 | 2,857 90 | -2,99 | -2,99 | -1,00 |
| 4 | M4 | 2,803 00 | 2,799 82 | -3,18 | -3,18 | -1,06 |
| 5 | M5 | 2,944 02 | 2,939 84 | -4,18 | -4,18 | -1,39 |
| 6 | M6 | 3,099 66 | 3,096 90 | -2,76 | -2,76 | -0,92 |
| 7 | M7 | 2,929 30 | 2,926 22 | -3,08 | -3,08 | -1,03 |
| 8 | M8 | 2,945 70 | 2,943 56 | -2,14 | -2,14 | -0,71 |
| 9 | M9 | 2,874 59 | 2,871 39 | -3,20 | -3,20 | -1,07 |
| 10 | M10 | 2,975 54 | 2,972 28 | -3,26 | -3,26 | -1,09 |
| 11 | M11 | 2,887 46 | 2,884 66 | -2,80 | -2,80 | -0,93 |
| 12 | M12 | 2,890 12 | 2,887 33 | -2,79 | -2,79 | -0,93 |
| 13 | M13 | 2,810 87 | 2,806 81 | -4,06 | -4,06 | -1,35 |
| 14 | M14 | 2,891 86 | 2,889 53 | -2,33 | -2,33 | -0,78 |
| 15 | M15 | 2,837 14 | 2,834 23 | -2,91 | -2,91 | -0,97 |
| Lún max |
| -4,18 | -4,18 | -1,39 | ||
| Lún min |
| -1,89 | -1,89 | -0,63 | ||
| Lún trung bình |
| -2,92 | -2,92 | -0,97 | ||
| Lún lệch |
| -2,29 | -2,29 |
| ||
| Độ lún trung bình của công trình trong chu kì 1 là: | - 2,92 mm |
| Độ lún trung bình tổng cộng của công trình là: | - 2,92 mm |
| Độ lún max trong chu kì 1 (tại mốc M5) là: | - 4,18 mm |
| Độ lún min trong chu kì 1 (tại mốc M1) là: | -1,89 mm |
| Độ lún tổng cộng max (tại mốc M5) là: | - 4,18 mm |
| Độ lún tổng cộng min (tại mốc M1) là: | -1,89 mm |
| Tốc độ lún trung bình của công trình trong chu kì 1 là: | - 0,97 mm trong một tháng |
| Tốc độ lún trung bình của công trình từ khi bắt đầu quan sát là: | - 0,97 mm trong một tháng. |
I.4.2 Kết quả tính độ lún chu kì 2
Kết quả tính độ lún chu kì 2 đo ngày 24/12/2016
Công trình: .........................................................
| Thứ tự | Tên mốc | Độ cao chu kì 0 H0(m) (24/09/16) | Độ cao chu kì 1 H1(m) (24/12/16) | Độ cao chu kì 2 H2(m) (24/03/17) | ĐỘ LÚN | |||
| Độ lún chu kì 2 (Chu kì 2 so với chu kì 1) | Độ lún tổng cộng (Chu kì 2 so với chu kì 0) | |||||||
| Độ lún S(mm) (H2-H1) | Tốc độ lún chu kì 2 V(mm/tháng) | Độ lún S(mm) (H2-H0) | Tốc độ lún kể từ khi bắt đầu quan trắc V(mm/tháng) | |||||
| 1 | M1 | 2,901 29 | 2,899 40 | 2,898 13 | -1,27 | -0,42 | -3,16 | -0,53 |
| 2 | M2 | 2,822 80 | 2,820 55 | 2,819 11 | -1,44 | -0,48 | -3,69 | -0,62 |
| 3 | M3 | 2,860 89 | 2,857 90 | 2,856 13 | -1,77 | -0,59 | -4,76 | -0,79 |
| 4 | M4 | 2,803 00 | 2,799 82 | 2,797 81 | -2,01 | -0,67 | -5,19 | -0,86 |
| 5 | M5 | 2,944 02 | 2,939 84 | 2,938 54 | -1,30 | -0,43 | -5,48 | -0,91 |
| 6 | M6 | 3,099 66 | 3,096 90 | 3,096 25 | -0,65 | -0,22 | -3,41 | -0,57 |
| 7 | M7 | 2,929 30 | 2,926 22 | 2,924 43 | -1,79 | -0,60 | -4,87 | -0,81 |
| 8 | M8 | 2,945 70 | 2,943 56 | 2,941 69 | -1,87 | -0,62 | -4,01 | -0,67 |
| 9 | M9 | 2,874 59 | 2,871 39 | 2,870 35 | -1,04 | -0,35 | -4,24 | -0,71 |
| 10 | M10 | 2,975 54 | 2,972 28 | 2,970 53 | -1,75 | -0,58 | -5,01 | -0,83 |
| 11 | M11 | 2,887 46 | 2,884 66 | 2,882 54 | -2,12 | -0,71 | -4,92 | -0,82 |
| 12 | M12 | 2,890 12 | 2,887 33 | 2,885 36 | -1,97 | -0,66 | -4,76 | -0,79 |
| 13 | M13 | 2,810 87 | 2,806 81 | 2,804 82 | -1,99 | -0,66 | -6,05 | -1,01 |
| 14 | M14 | 2,891 86 | 2,889 53 | 2,887 15 | -2,38 | -0,79 | -4,71 | -0,78 |
| 15 | M15 | 2,837 14 | 2,834 23 | 2,831 99 | -2,24 | -0,75 | -5,15 | -0,86 |
| Lún max |
|
| -2,38 | -0,79 | -6,05 | -1,01 | ||
| Lún min |
|
| -0,65 | -0,22 | -3,16 | -0,53 | ||
| Lún trung bình |
|
| -1,71 | -0,57 | -4,63 | -0,77 | ||
| Lún lệch |
|
| -1,73 | -0,58 | -2,89 | -0,48 | ||
| Độ lún trung bình của công trình trong chu kì 2 là: | - 1,71 mm |
| Độ lún trung bình tổng cộng của công trình là: | - 4,63 mm |
| Độ lún max trong chu kì 2 (tại mốc M14) là: | - 2,38 mm |
| Độ lún min trong chu kì 2 (tại mốc M6) là: | - 0,65 mm |
| Độ lún tổng cộng max (tại mốc M13) là: | - 6,05 mm |
| Độ lún tổng cộng min (tại mốc M1) là: | - 3,16 mm |
| Tốc độ lún trung bình của công trình trong chu kì 2 là: | - 0,57 mm trong một tháng |
| Tốc độ lún trung bình của công trình từ khi bắt đầu quan sát là: | - 0,77 mm trong một tháng. |
Phụ lục K
(tham khảo)
Các mẫu tổng hợp độ cao của các mốc và tổng hợp kết quả đo lún
K.1 Mẫu tổng hợp độ cao
| Thứ tự | Tên mốc | Độ cao chu kì 0 H0 (m) (04/09/2016) | Độ cao chu kì 1 H1 (m) (04/10/2016) | Độ cao chu kì 2 H2 (m) (04/11/2016) | Đô cao chu kì 3 H3 (m) (04/12/2016) | Độ cao chu kì 4 H4 (m) (04/01/2017) |
| 1 | M1 | 0,959 96 | 0,959 36 | 0,957 33 | 0,956 51 | 0,956 46 |
| 2 | M2 | 0,967 83 | 0,966 73 | 0,964 43 | 0,963 90 | 0,963 58 |
| 3 | M3 | 0,963 45 | 0,962 32 | 0,959 77 | 0,959 32 | 0,959 01 |
| 4 | M4 | 0,955 23 | 0,954 17 | 0,951 25 | 0,950 99 | 0,950 86 |
| 5 | M5 | 0,964 17 | 0,963 28 | 0,960 29 | 0,960 12 | 0,959 94 |
| 6 | M6 | 0,971 68 | 0,970 76 | 0,967 69 | 0,967 87 | 0,967 77 |
| 7 | M7 | 0,976 70 | 0,976 17 | 0,973 57 | 0,973 75 | 0,973 68 |
| 8 | M8 | 1,005 88 | 1,004 50 | 1,002 07 | 1,002 57 | 1,002 53 |
| 9 | M9 | 0,970 09 | 0,968 50 | 0,966 31 | 0,966 25 | 0,966 07 |
| 10 | M10 | 0,994 26 | 0,993 26 | 0,990 55 | 0,990 41 | 0,990 37 |
| 11 | M11 | 0,938 49 | 0,937 74 | 0,935 20 | 0,934 76 | 0,934 50 |
| 12 | M12 | 0,925 14 | 0,923 77 | 0,921 67 | 0,921 44 | 0,921 07 |
| 13 | M13 | 0,954 31 | 0,952 55 | 0,950 97 | 0,950 52 | 0,950 38 |
| 14 | M14 | 0,981 32 | 0,979 49 | 0,978 16 | 0,977 80 | 0,977 43 |
| 15 | M15 | 0,951 49 | 0,950 41 | 0,948 90 | 0,948 06 | 0,947 40 |
| 16 | M16 | 0,954 79 | 0,952 44 | 0,951 05 | 0,950 45 | 0,949 90 |
K.2 Mẫu tổng hợp kết quả đo lún
Thời gian đo chu kì 0: 04-09-2016
Thời gian đo chu kì 1: 04-10-2016
Thời gian đo chu kì 2: 04-11-2016
Thời gian đo chu kì 3: 04-12-2016
Thời gian đo chu kì 4: 04-01-2017
| Thứ tự | Tên mốc | Độ lún | |||||||
| Chu kì 1 | Chu kì 2 | Chu kì 3 | Chu kì 4 | ||||||
| Chu kì 1 so với chu kì 0 S (mm) (H1-H0) | Chu kì 2 so với chu kì 1 S (mm) (H2-H1) | Chu kì 2 so với chu kì 0 S (mm) (H2-H0) | Chu kì 3 so với chu kì 2 S (mm) (H3-H2) | Chu kì 3 so với chu kì 0 S(mm) (H3-H0) | Chu kì 4 so với chu kì 3 S(mm) (H4-H3) | Chu kì 4 so với chu kì 0 S(mm) (H4-H0) | Tốc độ lún kể từ khi bắt đầu quan trắc V (mm/tháng) | ||
| 1 | M1 | -0,60 | -2,03 | -2,63 | -0,82 | -3,45 | -0,05 | -3,50 | -1,27 |
| 2 | M2 | -1,10 | -2,30 | -3,40 | -0,53 | -3,93 | -0,32 | -4,25 | -1,54 |
| 3 | M3 | -1,13 | -2,55 | -3,68 | -0,45 | -4,13 | -0,31 | -4,44 | -1,60 |
| 4 | M4 | -1,06 | -2,92 | -3,98 | -0,26 | -4,24 | -0,13 | -4,37 | -1,58 |
| 5 | M5 | -0,89 | -2,99 | -3,88 | -0,17 | -4,05 | -0,18 | -4,23 | -1,53 |
| 6 | M6 | -0,92 | -3,07 | -3,99 | 0,18 | -3,81 | -0,10 | -3,91 | -1,41 |
| 7 | M7 | -0,53 | -2,60 | -3,13 | 0,18 | -2,95 | -0,07 | -3,02 | -1,09 |
| 8 | M8 | -1,38 | -2,43 | -3,81 | 0,50 | -3,31 | -0,04 | -3,35 | -1,21 |
| 9 | M9 | -1,59 | -2,19 | -3,78 | -0,06 | -3,84 | -0,18 | -4,02 | -1,45 |
| 10 | M10 | -1,00 | -2,71 | -3,71 | -0,14 | -3,85 | -0,04 | -3,89 | -1,41 |
| 11 | M11 | -0,75 | -2,54 | -3,29 | -0,44 | -3,73 | -0,26 | -3,99 | -1,44 |
| 12 | M12 | -1,37 | -2,10 | -3,47 | -0,23 | -3,70 | -0,37 | -4,07 | -1,47 |
| 13 | M13 | -1,76 | -1,58 | -3,34 | -0,45 | -3,79 | -0,14 | -3,93 | -1,42 |
| 14 | M14 | -1,83 | -1,33 | -3,16 | -0,36 | -3,52 | -0,37 | -3,89 | -1,41 |
| 15 | M15 | -1,08 | -1,51 | -2,59 | -0,84 | -3,43 | -0,66 | -4,09 | -1,48 |
| 16 | M16 | -2,35 | -1,39 | -3,74 | -0,60 | -4,34 | -0,55 | -4,89 | -1,77 |
| Lún max | -2,35 | -3,07 | -3,99 | -0,84 | -4,34 | -0,66 | -4,89 | -1,77 | |
| Lún min | -0,53 | -1,33 | -2,59 | 0,50 | -2,95 | -0,04 | -3,02 | -1,09 | |
| Lún trung bình | -0,54 | -1,01 | -1,54 | -0,14 | -1,82 | -0,10 | -1,93 | -0,70 | |
| Lún lệch | -1,82 | -1,74 | -1,40 | -1,34 | -1,39 | -0,62 | -1,87 | -0,68 | |
Phụ lục L
(tham khảo)
Các dạng biểu đồ và bình đồ lún công trình
L.1 Biểu đồ lún của các mốc quan trắc

Hình L.1 - Biểu đồ lún của các mốc quan trắc
L.2 Biểu đồ lún theo trục dọc công trình

Hình L.2 - Biểu đồ lún theo trục dọc công trình
L.3 Biểu đồ lún theo thời gian của các mốc đặc trưng

Hình L.3 - Biểu đồ lún theo thời gian của các mốc đặc trưng
L.4 Bình đồ lún công trình

Hình L.4 - Bình đồ lún công trình (chu kì n so với chu kì 0)
Thư mục tài liệu tham khảo
![]()
[2] GB 50026-2007, Code for engineering surveying (tiêu chuẩn trắc địa công trình).
MỤC LỤC
Lời nói đầu
1 Phạm vi áp dụng
2 Tài liệu viện dẫn
3 Thuật ngữ và định nghĩa
4 Quy định chung
5 Lập phương án đo độ lún của công trình
6 Thiết bị đo độ lún của công trình
7 Mốc chuẩn và mốc đo lún
8 Độ chính xác quan trắc độ lún, thiết kế lưới quan trắc và chu kì đo
9 Đo độ lún của công trình theo cấp đo cao hình học
10 Xác định độ lún của công trình
11 Lập báo cáo kết quả đo độ lún
Phụ lục A (tham khảo) Cấu tạo các loại mốc chuẩn A, B, C
Phụ lục B (tham khảo) Cấu tạo một số loại mốc đo độ lún nền và công trình
Phụ lục C (tham khảo) Sơ đồ minh họa bố trí mốc đo độ lún đối với một số công trình
Phụ lục D (tham khảo) Chọn cấp đo độ lún dựa vào đặc điểm của nền đất và tầm quan trọng của công trình
Phụ lục E (tham khảo) Mẫu sổ đo chênh lệch độ cao theo các cấp
Phụ lục F (tham khảo) Mẫu ghi kết quả đo chênh cao các mốc trên sơ đồ
Phụ lục G (tham khảo) Đánh giá độ ổn định của các mốc chuẩn bằng thuật toán bình sai lưới tự do
Phụ lục H (tham khảo) Trình tự tính toán bình sai theo phương pháp bình sai gián tiếp
Phụ lục I (tham khảo) Kết quả bình sai lưới độ cao và tính toán độ lún của công trình
Phụ lục K (tham khảo) Các mẫu tổng hợp độ cao của các mốc và tổng hợp kết quả đo lún
Phụ lục L (tham khảo) Các dạng biểu đồ và bình đồ lún công trình
Thư mục tài liệu tham khảo
Bạn chưa Đăng nhập thành viên.
Đây là tiện ích dành cho tài khoản thành viên. Vui lòng Đăng nhập để xem chi tiết. Nếu chưa có tài khoản, vui lòng Đăng ký tại đây!










