- Tổng quan
- Nội dung
- Tiêu chuẩn liên quan
- Lược đồ
- Tải về
Tiêu chuẩn Quốc gia TCVN 6746:2000 ITU-T-P310:1993 Đặc tính truyền dẫn của máy điện thoại số có băng tần điện thoại (300 - 3400 Hz)
| Số hiệu: | TCVN 6746:2000 | Loại văn bản: | Tiêu chuẩn Việt Nam |
| Cơ quan ban hành: | Bộ Khoa học, Công nghệ và Môi trường | Lĩnh vực: | Khoa học-Công nghệ |
|
Ngày ban hành:
Ngày ban hành là ngày, tháng, năm văn bản được thông qua hoặc ký ban hành.
|
2000 |
Hiệu lực:
|
Đã biết
|
| Người ký: | Đang cập nhật |
Tình trạng hiệu lực:
Cho biết trạng thái hiệu lực của văn bản đang tra cứu: Chưa áp dụng, Còn hiệu lực, Hết hiệu lực, Hết hiệu lực 1 phần; Đã sửa đổi, Đính chính hay Không còn phù hợp,...
|
Đã biết
|
TÓM TẮT TIÊU CHUẨN VIỆT NAM TCVN 6746:2000
Nội dung tóm tắt đang được cập nhật, Quý khách vui lòng quay lại sau!
Tải tiêu chuẩn Việt Nam TCVN 6746:2000
TCVN 6746:2000
ITU-T-P.310:1996
ĐẶC TÍNH TRUYỀN DẪN CỦA MÁY ĐIỆN THOẠI SỐ CÓ BĂNG TẦN ĐIỆN THOẠI (300 - 3 400 HZ)
Transmission characteristics for telephone band (300-3 400 Hz) digital telephones
Lời nói đầu
TCVN 6746:2000 hoàn toàn tương đương với tiêu chuẩn ITU-T-P.310:1996.
TCVN 6746:2000 do Ban kỹ thuật tiêu chuẩn TCVN/TC/E3 Thiết bị điện tử dân dụng biên soạn, Tổng cục Tiêu chuẩn Đo lường Chất lượng đề nghị, Bộ Khoa học, Công nghệ và Môi trường (nay là Bộ Khoa học và Công nghệ) ban hành.
Tiêu chuẩn này được chuyển đổi năm 2008 từ Tiêu chuẩn Việt Nam cùng số hiệu thành Tiêu chuẩn Quốc gia theo quy định tại khoản 1 Điều 69 của Luật Tiêu chuẩn và Quy chuẩn kỹ thuật và điểm a khoản 1 Điều 6 Nghị định số 127/2007/NĐ-CP ngày 1/8/2007 của Chính phủ quy định chi tiết thi hành một số điều của Luật Tiêu chuẩn và Quy chuẩn kỹ thuật.
ĐẶC TÍNH TRUYỀN DẪN CỦA MÁY ĐIỆN THOẠI SỐ CÓ BĂNG TẦN ĐIỆN THOẠI (300 - 3 400 HZ)
Transmission characteristics for telephone band (300-3 400 Hz) digital telephones
1. Phạm vi áp dụng
Tiêu chuẩn này đề cập đến các thông số âm lượng thu và âm lượng phát, khử trắc âm, trắc âm (chặn nội âm, nội âm), đặc tính độ nhạy/tần số thu và phát, đặc tính tạp âm và méo, tín hiệu ngoài băng tần, độ ổn định suy hao của TCLw và độ trễ của các hệ máy điện thoại số có tổ hợp nghe nói cầm tay (ống điện thoại) ở băng tần điện thoại (300 - 3 400 Hz) dùng mã “dạng sóng” theo G 711 [1] (PCM ở cả 64 và 56 kbit/s) và G.726 [2] (ADPCM, 32 kbit/s).
Các phương pháp đo để thử nghiệm được nêu trong phụ lục B và C.
Việc sử dụng điện thoại số theo G.728 [3] (LD-CELP, 16 kbit/s) và điện thoại di động/không dây đang được xem xét.
Các yêu cầu áp dụng cho bộ chuyển đổi trở kháng âm thanh thấp và máy điện thoại số dùng kỹ thuật phi tuyến đang được xem xét.
Các yêu cầu được nêu ra trong tiêu chuẩn này cũng được dùng làm cơ sở cho các yêu cầu đối với các cấu trúc mã “dạng sóng” khác.
Các trị số cho trong tiêu chuẩn này được dùng khi thiết lập các quy định kỹ thuật trong đó bao gồm cả dung sai được thỏa thuận, v.v...
2. Tiêu chuẩn trích dẫn
[1] CCITT - G.711 (1988): Điều chế mã xung (PCM) tần số tiếng.
[2] CCITT - G.726 (1990): Điều chế mã xung vi sai tương thích (ADPCM) 40, 32, 24, 16 kbit/s.
[3] CCITT - G.728 (1992): Mã hóa tiếng nói ở 16 kbit/s dựa vào dự đoán tuyến tính kích thích có mã trễ ngắn.
[4] ITU-T - P.10 (1993): Các thuật ngữ về chất lượng truyền dẫn điện thoại và máy điện thoại.
[5] ITU-T - G.111 (1993): Âm lượng danh định (LRs) trong nối mạng quốc tế.
[6] CCITT - G.712 (1992): Các đặc tính về chỉ tiêu truyền dẫn của điều chế mã xung.
[7] CCITT - G.223 (1988): Những giả thiết để tính toán tạp âm trên các mạch chuẩn giả định của điện thoại.
[8] CCITT - G.131 (1988): ổn định và tiếng dội.
[9] CCITT - I.412 (1988): ISDN giao diện mạng người dùng - Cấu trúc giao diện và khả năng truy nhập.
[10] ITU-T - O.133 (1993): Thiết bị đo chỉ tiêu các bộ mã hóa và giải mã PCM.
[11] ITU-T - I.430 (1993): Giao diện mạng người dùng cơ bản - Quy định kỹ thuật Lớp 1.
[12] ITU-T - P.64 (1993): Xác định đặc tính độ nhạy/tần số của mạng điện thoại nội hạt.
[13] ITU-T - P.79 (1993): Tính toán âm lượng cho máy điện thoại.
[14] CCITT sêri P, bổ sung 19 (1988): Thông tin về một số chỉ tiêu có liên quan đến suy hao âm lượng.
[15] CCITT - O 131 (1988): Thiết bị đo méo lượng tử dùng tín hiệu thử tạp âm giả ngẫu nhiên.
[16] ITU-T - O 41 (1994): Máy đo tạp âm thoại dùng cho mạch kiểu điện thoại.
[17] ISO 1996-1:1982: Âm học - Mô tả và đo tạp âm môi trường. Phần 1: Các đại lượng cơ bản và các quy trình.
[18] ITU-T - P.57 (1993): Tai giả.
[19] ITU-T - P.51 (1993): Mồm giả.
[20] ITU: Sách tra cứu về đo điện thoại.
[21] ISO 3:1973: Số ưu tiên - Dãy số ưu tiên.
[22] Phần bổ sung sau D.72: Tính toán tỷ số tín hiệu trên tạp âm tổng S/D (PCM G.711, 64 kbit/s, luật-A) FRG, Nhóm nghiên cứu 12, 4-15 tháng 11 năm 1993.
[23] ITU-T - G.122 (1993): ảnh hưởng của hệ thống quốc gia đến độ ổn định và tiếng dội của người nói trong các mạng nối quốc tế.
3. Định nghĩa và chữ viết tắt
Định nghĩa sau đây được dùng trong tiêu chuẩn này:
3.1. Mức âm chuẩn (ARL): Mức âm ở MRP, tạo thành mức ra - 10 dBm0 ở giao diện số.
Những chữ viết tắt trong Khuyến cáo P.10 [4] được áp dụng:
| A/D | Tương tự - sang - Số |
| DTS | Trình tự thử nghiệm số |
| D/A | Số - sang - Tương tự |
| ERP | Điểm chuẩn để tai |
| ETSI | Viện Tiêu chuẩn Viễn thông Châu Âu |
| ISDN | Mạng số liên kết đa dịch vụ |
| LRGP | Vị trí âm lượng ngắt chuông |
| LSTR | Trắc âm (nội âm) của người nghe |
| MRP | Điểm chuẩn để mồm |
| PABX | Tổng đài tự động nội bộ |
| PCM | Điều chế xung mã |
| RLR | Âm lượng thu |
| SLR | Âm lượng phát |
| STMR | Chỉ tiêu khử trắc âm (chặn nội âm) |
| SJE Sje SMJ Smj TCL | Độ nhạy thu (tai thực) Độ nhạy thu (tai giả) Độ nhạy phát (mồm thực) Độ nhạy phát (mồm giả) Suy hao ghép nối đầu cuối |
| TCLw | Suy hao ghép nối đầu cuối có trọng số |
4. Âm lượng phát (SLR) và âm lượng thu (RLR)
Căn cứ vào G.111 [5], nên sử dụng các giá trị danh nghĩa sau đây:
- SLR = 8 dB;
- RLR = 2 dB.
CHÚ THÍCH
Giá trị này của SLR và RLR không có nghĩa là luôn tránh được việc chỉnh tiếng dội trong mạng.
1) Suy hao âm trong máy điện thoại là một thông số quan trọng trong đường dẫn tiếng dội và cần được xem xét cẩn thận. Núm điều chỉnh âm lượng trong máy điện thoại sẽ làm giảm suy hao tiếng dội cùng một lượng như mức tăng của độ tăng ích.
2) Với mục tiêu ngắn hạn, giá trị danh nghĩa của SRL nằm trong dải từ 5 đến 11 dB, còn giá trị danh nghĩa của RLR thì nằm trong dải từ -1 đến 5 dB. Với máy điện thoại số nối với PABX số (mà điện thoại tương tự nối vào), có thể cần đến các giá trị ở đầu thấp của dải nói trên. Lý do là để cung cấp cho khách hàng cùng một mức thu như khi dùng điện thoại tương tự. Cần lưu ý tới núm điều chỉnh âm lượng thu.
5. Khử trắc âm (chặn nội âm) (STMR) và trắc âm (nội âm) của người nghe (LSTR)
Căn cứ vào các điều cần xét sau đây:
- STMR tối ưu trong điều kiện không có tiếng dội;
- hiệu ứng khử trắc âm (chặn nội âm) với tiếng dội của người nói có thời gian trễ ngắn;
- những cản trở trong điều kiện tạp âm môi trường xung quanh cao;
- những gì mà thuê bao đã quen với các thiết bị tương tự hiện có;
nên sử dụng các giá trị sau đây:
- các giá trị chuẩn hóa của STMR trong dải từ 10 đến 15 dB;
- các giá trị chuẩn hóa của LSTR > 15 dB
(Không đòi hỏi áp đặt giá trị tối đa của LSTR.)
CHÚ THÍCH - Giá trị chuẩn của STMR và LSTR có được bằng cách điều chỉnh các giá trị đo với máy điện thoại cụ thể một lượng giá trị SLR và RLR của nó bằng giá trị lệch khỏi giá trị danh nghĩa. Ví dụ nếu SLR là +3 dB tương ứng với giá trị danh nghĩa của nó và RLR là -1 dB tương ứng với giá trị danh nghĩa của nó thì các giá trị STMR và LSTR phải được trừ đi 2 dB để chuẩn hóa chúng.
6. Đặc tính độ nhạy/tần số phát và thu của máy điện thoại số
Căn cứ vào các điều cần xét dưới đây:
- sự tương thích với các máy điện thoại tương tự trong mạng điện thoại hỗn hợp số - tương tự;
- không có méo tần số phụ thuộc độ dài tuyến cần được bù cũng như đối với điện thoại tương tự;
- mục tiêu đạt được chất lượng tổng quát tốt nhất có thể cho điện thoại số
nên sử dụng đặc tính độ nhạy/tần số thu và phát dưới đây:
- đáp tuyến tần số thu SJE cơ bản là phẳng, nên chọn trong khoảng 300 Hz và 3 400 Hz;
- đáp tuyến tần số phát danh nghĩa SMJ nằm trong diện tích chỉ ra ở hình 1;
- tần số dưới 200 Hz, độ dốc xuống của đáp tuyến tần số phát phải không nhỏ hơn 6 dB/octa.
CHÚ THÍCH
1) SJE và SMJ (tai thực và mồm thực) thường được ước lượng từ giá trị đo Sje và Smj (tai giả và mồm giả) theo phụ lục B.
2) Việc mở rộng dải tần số thấp hơn 200 Hz sẽ tăng độ trung thực của tiếng nói.
3) Việc xem xét các bộ lọc chống sai tín hiệu phải được áp dụng cho đáp tuyến tần số.
4) Các đỉnh đánh dấu trên đáp tuyến có thể gây ra những vấn đề về độ ổn định vì vậy nên tránh.
5) Đường cong ưu tiên đối với SJE và SMJ xác định theo cách này coi là mục tiêu thiết kế. Đường cong của từng bộ thu và micrô riêng biệt sẽ sai khác ít nhiều với đường cong “lý tưởng”. Tuy nhiên, khó có thể quy định trong tiêu chuẩn các đặc tính tần số mong muốn của các đường cong đáp tuyến cụ thể có thể sai lệch so với đường cong mục tiêu là bao nhiêu và về phía nào, để có thể chấp nhận được. Với các loại máy điện thoại được phê chuẩn, nói chung, giới hạn về dạng đường cong tần số thu và phát của quốc gia, cũng như các giới hạn về dung sai âm lượng danh định cần được chỉ rõ. Các giới hạn này dựa trên các căn cứ về kỹ thuật cũng như giá thành thực hiện, dung sai sản xuất và các yếu tố kinh tế khác.
6) Với điện thoại dùng linh kiện có trở kháng âm thanh thấp, phải dùng tai giả loại 3 [18]. Trong trường hợp này các giá trị cho trong tiêu chuẩn này không được áp dụng.
`
Hình 1/P.310
Dải đáp tuyến tần số phát danh nghĩa
7. Đặc tính tạp âm khi thu và phát
Căn cứ vào các điều cần xem xét dưới đây:
- sự tương thích với yêu cầu của bộ mã hóa và giải mã theo Khuyến cáo G.712 [6];
- một số tạp âm thêm vào được cho phép tại các phần âm và phần điện (xem phụ lục C);
- sự tương thích với điện thoại tương tự hiện có
nên sử dụng các giới hạn dưới đây:
- mức tạp âm phát tối đa -64 dBm0p;
- mức tạp âm thu tối đa -56 dBPa (A) nếu không có núm điều chỉnh âm lượng cho người dùng hoặc khi núm điều chỉnh âm lượng đặt ở trị số RLR danh nghĩa, được điều khiển bởi tín hiệu PCM tương ứng với giá trị đầu ra của bộ giải mã No.1 cho luật A và 0 cho luật µ.
CHÚ THÍCH - Mức tạp âm có liên quan đến mục tiêu lâu dài cho SLR và RLR.
8. Đặc tính méo khi thu và khi phát
Căn cứ vào các điều cần xem xét dưới đây:
- sự tương thích với yêu cầu của bộ mã hóa và giải mã theo Khuyến cáo G.712 [6];
- một số méo thêm vào được cho phép tại các phần âm và phần điện (xem phụ lục C);
- sự tương thích với điện thoại tương tự hiện có
nên sử dụng các giới hạn sau đây:
Hai bộ số liệu riêng biệt ứng với hai phương pháp đo khác nhau (xem Khuyến cáo G.712 [6]). Cả hai đều có thể chấp nhận được.
CHÚ THÍCH - ETSI xác định dùng cả hai phương pháp, phương pháp tạp âm (Phương pháp 1) và phương pháp sóng sin (phương pháp 2) vì các lý do sau:
· Phương pháp “sóng sin” (1 kHz danh nghĩa) có hiệu quả khi đo méo mã hóa và méo quá tải.
· Phương pháp “tạp âm” gần giống tiếng nói hơn và có thành phần tần số thấp hơn nên dễ chỉ ra sự không hoàn hảo, bao gồm cả méo do điều chế tương hỗ, trong các bộ chuyển đổi cũng như bộ mã hóa.
8.1. Phương pháp 1 (phương pháp tạp âm)
Phương pháp “tạp âm” được dùng thường xuyên cho các bộ mã hóa luật A.
8.1.1. Phát
Tỷ số công suất tín hiệu trên tổng méo (hài và lượng tử hóa) của tín hiệu ra được mã hóa số ở thiết bị đầu cuối phải lớn hơn giới hạn cho trong bảng 1 và bảng 2, tương ứng với Khuyến cáo G.711 [1] (64 kbit/s và G.726 [2] (32 kbit/s), trừ khi thanh áp ở MRP vượt quá +5 dBPa.
Các giới hạn ở mức trung gian được xác định bằng cách kẻ đường thẳng nối hai điểm có giá trị cho trong bảng, trên thang tuyến tính (mức tín hiệu dB) và thang tuyến tính (tỷ số dB).
8.1.2. Thu
Tỷ số công suất tín hiệu trên tổng méo (hài và lượng tử hóa) của tín hiệu ở tai giả [18] phải lớn hơn giới hạn cho trong bảng 1 và 2 tương ứng với Khuyến cáo G.711 (64 kbit/s) và G.726 [2] (32 kbit/s), trừ khi tín hiệu ở tai giả vượt quá +5 dBPa hoặc nhỏ hơn -50 dBPa.
8.2. Phương pháp 2 (phương pháp sóng sin)
8.2.1. Phát
Tỷ số công suất tín hiệu trên tổng méo được đo với trọng số tạp âm riêng (xem Khuyến cáo G.223 [7]) phải lớn hơn giới hạn cho trong bảng 3, 4 và 5 tương ứng với Khuyến cáo G.711 [1] (64 kbit/s), G.711 (56 kbit/s) và G.726 [2] (32 kbit/s), trừ khi thanh áp ở MRP vượt quá +10 dBPa.
Các giới hạn ở mức trung gian được xác định bằng cách kẻ đường thẳng nối hai điểm có giá trị cho trong bảng, trên thang tuyến tính (mức tín hiệu dB) và thang tuyến tính (tỷ số dB).
Bảng 1/P.310
Giới hạn luật A cho tỷ số tín hiệu trên tổng độ méo
(Khuyến cáo G.711, 64 kbit/s) cho phương pháp 1
| Mức phát dB tương ứng với ARL | Mức thu ở giao diện số dBm0 | Tỷ số phát dB | Tỷ số thu dB |
| - 45 | - 55 | 5,0 | 5,0 |
| - 30 | - 40 | 20,0 | 20,0 |
| - 24 | - 34 | 25,5 | 25,0 |
| - 17 | - 27 | 30,2 | 30,6 |
| - 10 | - 20 | 32,4 | 33,0 |
| 0 | - 10 | 33,0 | 33,7 |
| +4 | - 6 | 33,0 | 33,8 |
| +7 | - 3 | 23,5 | 24,0 |
Bảng 2/P.310
Giới hạn luật A cho tỷ số tín hiệu trên tổng độ méo
(Khuyến cáo G.726, 32 kbit/s) cho phương pháp 1
| Mức phát dB tương ứng với ARL | Mức thu ở giao diện số dBm0 | Tỷ số phát dB | Tỷ số thu dB |
| - 45 | - 55 | 5,0 | 5,0 |
| - 30 | - 40 | 20,0 | 20,0 |
| - 24 | - 34 | 25,3 | 24,8 |
| - 17 | - 27 | 29,7 | 30,1 |
| - 10 | - 20 | 31,6 | 32,3 |
| 0 | - 10 | 32,1 | 32,9 |
| +4 | - 6 | 32,1 | 32,9 |
| +7 | - 3 | 22,9 | 23,4 |
8.2.2. Thu
Tỷ số công suất tín hiệu trên tổng méo được đo ở tai giả với trọng số tạp âm riêng (xem Khuyến cáo G.223 [7]) phải cao hơn giới hạn cho trong bảng 3, 4 và 5 tương ứng với các Khuyến cáo G.711 [1] (64 kbit/s), G.711 (56 kbit/s) và G.726 [2] (32 kbit/s), trừ khi tín hiệu ở tai giả vượt quá +10 dBPa hoặc nhỏ hơn -50 dBPa.
Bảng 3/P.310
Các giới hạn về tỷ số tín hiệu trên tổng độ méo (Khuyến cáo G.711, 64 kbit/s) cho phương pháp 2
| Mức phát (dB tương ứng với ARL) | Mức thu ở giao diện số dBm0 | Tỷ số phát dB | Tỷ số thu dB |
| - 35 | - 45 | 17,5 | 17,5 |
| - 30 | - 40 | 22,5 | 22,5 |
| - 20 | - 30 | 30,7 | 30,5 |
| - 10 | - 20 | 33,3 | 33,0 |
| 0 | - 10 | 33,7 | 33,5 |
| +7 | - 3 | 31,7 | 31,2 |
| +10 | 0 | 25,5 | 25,5 |
Bảng 4/P.310
Các giới hạn về tỷ số tín hiệu trên tổng độ méo (Khuyến cáo G.711, 56 kbit/s) cho phương pháp 2
| Mức phát (dB tương ứng với ARL) | Mức thu ở giao diện số dBm0 | Tỷ số phát dB | Tỷ số thu dB |
| - 35 | - 45 | 15,3 | 15,3 |
| - 30 | - 40 | 20,3 | 20,3 |
| - 20 | - 30 | 27,5 | 27,4 |
| - 10 | - 20 | 28,5 | 28,4 |
| 0 | - 10 | 28,6 | 28,6 |
| +7 | - 3 | 27,9 | 27,7 |
| +10 | 0 | 24,2 | 24,2 |
Bảng 5/P.310
Các giới hạn về tỷ số tín hiệu trên tổng độ méo (Khuyến cáo G.726, 32 kbit/s) cho phương pháp 2
| Mức phát dB tương ứng với ARL | Mức thu ở giao diện số dBm0 | Tỷ số phát dB | Tỷ số thu dB |
| - 35 | - 45 | 17,3 | 17,3 |
| - 30 | - 40 | 22,3 | 22,3 |
| - 20 | - 30 | 29,3 | 29,2 |
| - 10 | - 20 | 31,1 | 30,9 |
| 0 | - 10 | 31,3 | 31,2 |
| +7 | - 3 | 30,0 | 29,7 |
| +10 | 0 | 25,0 | 25,0 |
9. Tín hiệu ngoài băng tần
Căn cứ vào các điều cần xem xét dưới đây:
- sự tương thích với yêu cầu của bộ mã hóa và bộ giải mã theo G.712 [6];
- sự tương thích với thực tại có mạng hỗn hợp tương tự - số hiện đang sử dụng
nên sử dụng các giới hạn dưới đây.
9.1. Phát
Với mọi tín hiệu sóng sin có tần số trong khoảng lớn hơn 4,6 kHz đến 8 kHz đặt vào MRP ở mức - 4,7 dBPa, mức tín hiệu ở tần số ảnh bất kỳ phát sinh ở giao diện số phải thấp dưới mức chuẩn tại 1 kHz (- 4,7 dBPa ở MRP), một lượng ít nhất (tính bằng dB) được quy định trong bảng 6.
Bảng 6/P.310 - Các mức tách sóng - Phát
| Tần số sóng sin đặt vào | Giới hạn (tối thiểu) a) |
| 4,6 kHz | 30 dB |
| 8,0 kHz | 40 dB |
| a) Giới hạn ở các tần số trung gian nằm trên đường thẳng kẻ giữa các giá trị cho trên thang độ log (tần số) - thang tuyến tính (dB). | |
9.2. Thu
Với tín hiệu sóng sin được mô phỏng số ở dải tần từ 300 Hz đến 3 400 Hz và ở mức 0 dBm0 đặt vào giao diện số, mức tín hiệu ảnh ngoài băng tần trong dải tần số từ 4,6 kHz đến 8 kHz được đo một cách có chọn lọc ở tai giả [18] phải nhỏ hơn so với mức âm thanh trong băng tần được tạo ra bởi tín hiệu số tại 1 kHz, đặt ở mức được quy định trong bảng 7.
Bảng 7/P.310 - Các mức tách sóng - Thu
| Tần số tín hiệu ảnh | Mức tín hiệu vào tương đương a) |
| 4,6 kHz | - 35 dBm0 |
| 8,0 kHz | - 50 dBm0 |
| a) Giới hạn ở các tần số trung gian nằm trên đường thẳng kẻ giữa các giá trị cho trên thang độ log (tần số) - thang tuyến tính (dB). | |
10. Suy hao ghép nối đầu cuối có trọng số (TCLw)
Căn cứ vào các điều cần xem xét sau đây:
- với mục đích đạt được suy hao ghép nối âm học cao đến mức có thể để giảm thiểu ảnh hưởng của tiếng dội;
- những điều có thể đạt được trong thực tế khi khách hàng tự chọn riêng cách cầm ống điện thoại của mình.
giới hạn sau đây tạm thời được sử dụng:
Suy hao ghép nối đầu cuối có trọng số (TCLw) cần lớn hơn 40 dB khi đo ở trường tự do và với SLR + RLR chuẩn hóa đến OLR = +10 dB.
Tuy nhiên để phù hợp các yêu cầu khách quan về tiếng dội của người nói G.131 [8], thì suy hao ghép nối đầu cuối có trọng số cần lớn hơn 45 dB và cần phấn đấu để đạt được.
CHÚ THÍCH - Vì lý do thực tiễn, điều này có thể cần thiết cho loại ống điện thoại có điều chỉnh âm lượng, để mức TCLw không nhỏ hơn 35 dB khi đặt ở nấc tăng ích cao hơn nấc đặt danh nghĩa của núm điều chỉnh ẩm lượng.
11. Độ ổn định suy hao
Căn cứ vào:
- mục tiêu đạt độ ổn định tốt;
- những điều có thể đạt được trong thực tế của các loại ống điện thoại và bộ chuyển đổi thông thường
nên sử dụng các giới hạn sau đây:
Với ống điện thoại đặt nằm trên bề mặt cứng và bộ chuyển đổi quay về bề mặt cứng, sự suy giảm từ đầu vào số đến đầu ra số phải tối thiểu là 10 dB nhưng không nhỏ hơn 6 dB ở tất cả các tần số trong dải từ 200 Hz đến 4 kHz với SLR + RLR được chuẩn hóa đến OLR = +10 dB.
CHÚ THÍCH - Các ống điện thoại có điều chỉnh âm lượng cần phải duy trì sự ổn định trong suốt dải điều chỉnh âm lượng.
12. Trễ
Căn cứ vào thời gian trễ nhóm âm tạo bởi:
- trễ nhóm do mã hóa, giải mã và lọc theo Khuyến cáo G.712 [6] và G.726 [2];
- trễ nhóm do có luồng không khí và các bộ chuyển đổi
nên sử dụng như sau:
Tổng các trễ nhóm từ điểm chuẩn để mồm đến giao diện số và từ giao diện số đến điểm chuẩn để tai không được vượt quá 2,0 ms cho điện thoại số mã hóa theo Khuyến cáo G.711 và 2,75 ms cho mã hóa theo G.726.
13. Đặc tính (biên độ) đầu vào - đầu ra
Có thể sử dụng kỹ thuật phi tuyến, ví dụ như điều chỉnh âm lượng tự động hoặc kỹ thuật nén/dãn. Những thiết bị này có thể là phi tuyến một cách hữu ý trên một dải mức đầu vào quy định và có thể có những đặc tính động (ví dụ như thời gian làm việc và thời gian treo).
Hiện tại không có những đặc tính khuyến cáo ITU-T hay phương pháp thử nghiệm kiểm định cho những thiết bị này trong điện thoại số (đang nghiên cứu). Trừ điện thoại số được thiết kế đặc biệt với đặc tính phi tuyến, những đặc điểm về thay đổi độ tăng ích cho trong phụ lục A cần được tuân thủ.
Phụ lục A
Sự biến thiên của độ tăng ích theo mức vào
(quy định)
A.1. Hướng phát
Đối với điện thoại số để có đặc tính đầu vào - đầu ra tuyến tính, sự biến thiên của độ tăng ích tương ứng với độ tăng ích cho ARL, phải nằm trong giới hạn cho trong bảng A.1. Với các mức trung gian, những giới hạn về sự biến thiên độ tăng ích này vẫn được áp dụng.
CHÚ THÍCH - Trong trường hợp thanh áp vượt quá +6 dBPa, cần phải kiểm tra tính tuyến tính của mồm giả khi vượt quá giới hạn P.51 [19]. Trong trường hợp này, để đạt kết quả tốt, nên dùng biện pháp hiệu chuẩn trước một cách thích hợp cho mồm giả để bù lại sự sai lệch số liệu đo được bằng cách đưa vào tính toán các kết quả hiệu chuẩn.
Bảng A.1/P310 - Sự biến thiên của độ tăng ích theo mức vào - phát
| Mức phát dB tương ứng với ARL | Giới hạn trên, dB | Giới hạn dưới, dB |
| 13 | 0,5 | - 0,5 |
| 0 | 0,5 | - 0,5 |
| - 30 | 0,5 | - 0,5 |
| - 30 | 1 | - ¥ |
| - 40 | 1 | - ¥ |
| < - 40 | 2 | - ¥ |
A.2. Hướng thu
Đối với điện thoại số để có đặc tính đầu vào - đầu ra tuyến tính, sự biến thiên của độ tăng ích tương ứng với độ tăng ích ở mức vào -10 dBm0, phải nằm trong giới hạn cho trong bảng A.2. Với các mức trung gian, những giới hạn về sự biến thiên độ tăng ích này vẫn được áp dụng.
Bảng A.2/P.310 - Sự biến thiên của độ tăng ích theo mức vào - thu
| Mức thu ở giao diện số, dBm0 | Giới hạn trên, dB | Giới hạn dưới, dB |
| +3 | 0,5 | - 0,5 |
| - 10 | 0,5 | - 0,5 |
| - 40 | 0,5 | - 0,5 |
| - 40 | 1 | - 1 |
| - 50 | 1 | - 1 |
| < - 50 | 2 | - 2 |
Phụ lục B
Các phương pháp đo dùng cho thử nghiệm
(quy định)
B.1. Lời giới thiệu
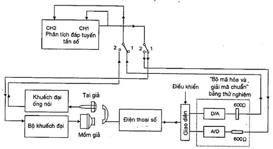
Khuyến cáo ITU-T nêu các phương pháp sau đây để đánh giá tính năng truyền dẫn tiếng nói của máy điện thoại số dùng mã hóa “dạng sóng” phù hợp với Khuyến cáo G.711 [1] (PCM ở 64 kbit/s và 56 kbit/s) và G 726 [2] (ADPCM, 32 kbit/s). Máy điện thoại số là một trong các loại thiết bị có lắp bộ chuyển đổi A/D và D/A và nối với mạng qua dòng bít số.
B.2. Các phương pháp thử nghiệm máy điện thoại số
Nói chung có hai phương pháp đánh giá tính năng truyền dẫn của điện thoại số, phương pháp trực tiếp và phương pháp mã hóa và giải mã. Phương pháp trực tiếp về nguyên lý là chính xác nhất, tuy nhiên phương pháp mã hóa và giải mã đôi khi có thể có những thuận lợi.
B.2.1. Phương pháp xử lý số trực tiếp
Trong phương pháp này, xem hình B.1, dòng bít số nén-dãn đầu vào/đầu ra của máy điện thoại được vận hành trực tiếp. Lợi thế là hầu hết tín hiệu thử, nếu lấy mẫu ở 8 kHz, có thể phát ra và phân tích không cần lấy mẫu lại và không cần bộ chuyển A/D hoặc D/A.

Hình B.1/P.310 - Bố trí mạch thử nghiệm điện thoại số (Phương pháp xử lý số trực tiếp)
B.2.2. Phương pháp dùng bộ mã hóa và giải mã
Trong phương pháp này, xem hình B.2, một bộ mã hóa và giải mã được sử dụng để chuyển dòng bít số nén- dãn đầu vào/đầu ra của máy điện thoại thành giá trị tương tự tương đương, sao cho có thể sử dụng thiết bị và quy trình thử nghiệm sẵn có. Bộ mã hóa và giải mã này phải là loại chất lượng cao, có tính năng càng gần với lý tưởng càng tốt (xem B.5).

Hình B.2/P.310 - Bố trí mạch thử nghiệm điện thoại số (Phương pháp dùng bộ mã hóa và giải mã)
B.3. Định nghĩa điểm chuẩn 0 dB
Để đảm bảo tính tương thích với bộ mã hóa và giải mã đang được sử dụng trong các bộ chuyển mạch số tại địa phương được xác định là điểm 0 dBr, bộ mã hóa và giải mã (luật A hoặc luật µ) được định nghĩa như sau:
- Bộ chuyển đổi D/A - Trình tự thử nghiệm số (DTS) tương ứng với PCM tương đương của tín hiệu tương tự dạng sin có giá trị hiệu dụng thấp hơn 3,14 dB (luật A) hoặc 3,17 dB (luật µ) so với dung lượng đầy tải cực đại của bộ mã hóa và giải mã để tạo ra 0 dBm trên phụ tải 600 W.
Trong đó, DTS được xác định là một trình tự mang tính chu kỳ của tín hiệu chữ như cho trong Khuyến cáo G.711 [1].
- Bộ chuyển đổi A/D - Tín hiệu 0 dBm tạo từ nguồn 600 sẽ cho trình tự thử nghiệm số tương ứng với PCM của tín hiệu tương tự dạng sin có giá trị hiệu dụng thấp hơn 3,14 dB (luật A) hoặc 3,17 dB (luật µ) so với dung lượng đầy tải cực đại của bộ mã hóa và giải mã.
B.4. Định nghĩa giao diện
Nói chung, thiết bị thử nghiệm điện thoại số được nối với máy điện thoại cần thử thông qua một giao diện.
Một giao diện như vậy cần có khả năng cung cấp tất cả trình tự báo hiệu và giám sát cần thiết cho máy điện thoại làm việc với mọi phương thức thử nghiệm. Giao diện phải có khả năng chuyển dòng tín hiệu ra ở dạng số từ máy được thử nghiệm (máy này có thể có các cỡ khác nhau tùy thuộc vào loại máy điện thoại cụ thể, nghĩa là phù hợp với Khuyến cáo I.412 [9] đối với máy ISDN) thành dạng tương thích với thiết bị thử nghiệm. Các giao diện có thể áp dụng để thu và phát riêng rẽ, có tính đến các máy điện thoại được nối với các loại tổng đài khác nhau.
B.5. Quy định kỹ thuật của bộ mã hóa và giải mã
B.5.1. Bộ mã hóa và giải mã lý tưởng
Bộ mã hóa và giải mã lý tưởng gồm bộ mã hóa và giải mã độc lập mà những đặc trưng của chúng có tính chất giả định và phù hợp với G.711 [1]. Bộ mã hóa lý tưởng là bộ chuyển đổi tương tự sang số hoàn hảo, được ghép sau một bộ lọc thông thấp lý tưởng (giả định không có méo suy giảm/tần số và méo thời gian trễ nhóm), và có thể được mô phỏng bằng một bộ xử lý số. Bộ giải mã lý tưởng là bộ chuyển đổi số sang tương tự hoàn hảo được ghép sau bộ lọc thông thấp lý tưởng (giả định không có méo suy giảm/tần số và méo thời gian trễ nhóm), và có thể được mô phỏng bằng bộ xử lý số 1).
Để đo từ phía phát của máy điện thoại, tín hiệu số ra được chuyển đổi bởi bộ giải mã thành tín hiệu tương tự.
Đặc tính điện của tín hiệu ra này được đo bằng các thiết bị đo tương tự thông thường. Để đo từ phía thu của máy điện thoại, tín hiệu ra tương tự từ nguồn tín hiệu được chuyển đổi thành tín hiệu số nhờ bộ mã hóa lý tưởng và cấp cho đầu thu của máy điện thoại số.
CHÚ THÍCH - Đối với các bộ mã hóa và giải mã phù hợp với Khuyến cáo G.726, áp dụng sự chuyển đổi G.711/G.726.
B.5.2. Bộ mã hóa và giải mã chuẩn
Trong thực tế bộ mã hóa và giải mã lý tưởng có thể được gọi là bộ mã hóa và giải mã chuẩn (xem O.133 [10]).
Với bộ mã hóa và giải mã chuẩn, những đặc tính như méo suy giảm/tần số, tạp âm kênh rỗi, méo lượng tử, v.v... phải cao hơn những yêu cầu được quy định trong Khuyến cáo G.712 [6], sao cho không cản trở các thông số tương ứng của thiết bị đem thử. Bộ mã hóa và giải mã chuẩn thích hợp có thể thực hiện bằng cách sử dụng:
1) bộ chuyển đổi tuyến tính chất lượng cao A/D và D/A với ít nhất 14-bit và chuyển mã tín hiệu ra dạng PCM luật A hoặc luật µ;
2) bộ lọc có đáp tuyến thỏa mãn các yêu cầu ở hình B.3

Hình B.3/P.310 - Sai lệch của suy giảm/tần số của phía phát hoặc thu của bộ mã hóa và giải mã chuẩn
B.5.2.1. Giao diện tương tự
Suy giảm cân bằng trở kháng vào, trở kháng ra và suy hao chuyển đổi dọc của giao diện tương tự của bộ mã hóa và giải mã chuẩn phải phù hợp với Khuyến cáo O.133 [10].
B.5.2.2. Giao diện số
Yêu cầu cơ bản đối với giao diện số mã hóa và giải mã chuẩn được cho trong khuyến cáo tương ứng (ví dụ I.430 - Bộ Khuyến cáo cho máy điện thoại ISDN [11]).
B.6. Đo đặc tính truyền dẫn điện thoại số
Việc sử dụng phương pháp thử nghiệm bộ mã hóa và giải mã có nghĩa là quy trình thử nghiệm đối với máy điện thoại số triển khai tho quy trình chung cho máy điện thoại số tương tự (xem Khuyến cáo P.64 [12]). Bộ mã hóa và giải mã chuẩn phải thỏa mãn các yêu cầu của B.5. Tuy nhiên, có sự khác nhau quan trọng liên quan đến mạch thử của chúng, xem hình B.4 đến B.7.
Thiết bị được nối với giao diện và được đặt ở trạng thái sẵn sàng gọi.
CHÚ THÍCH - Khi đo máy điện thoại số cần lưu ý tránh đo ở ước số của tần số lấy mẫu. Để tránh vấn đề này có thể áp dụng dung sai tần số là ± 2%, trừ trường hợp 4 kHz chỉ có thể dùng dung sai - 2%.
Nếu không có quy định nào khác, mức tín hiệu thử nghiệm phải bằng -4,7 dBPa theo hướng phát và -15,8 dBm0 theo hướng thu.
Ống điện thoại có núm điều khiển âm lượng ở phần thu phải được chỉnh càng gần giá trị danh nghĩa càng tốt và bất kỳ sai lệch nào vượt khỏi giá trị danh nghĩa phải được hiệu chỉnh bằng quá trình chuẩn hóa.
B.6.1. Phát
B.6.1.1. Đặc tính tần số phát
Đặc tính tần số phát được đo theo P.64 [12] sử dụng mạch đo theo hình B.4.
B.6.1.2. Thông số âm lượng phát
Chỉ tiêu này được tính từ đặc tính độ nhạy/tần số được xác định ở B.6.1.1 theo phương thức của P.79 [13].
CHÚ THÍCH - Các phương pháp khác để tính thông số âm lượng do các cơ quan quản lý sử dụng với mục tiêu lập kế hoạch nội bộ riêng được trình bày ở bổ sung No.19 cho bộ Khuyến cáo P [14] và sách tra cứu về đo lường điện thoại [20].
B.6.1.3. Méo
CHÚ THÍCH - Trường hợp thanh áp vượt quá +6 dBPa, độ tuyến tính của mồm giả cần được kiểm tra xem có vượt quá giới hạn P.51 hay không. Trong trường hợp này, để đạt hiệu quả tốt, nên hiệu chuẩn trước cho từng mồm giả một cách thích hợp để bù lại sai lệch số liệu đo bằng cách căn cứ vào kết quả hiệu chuẩn.
Phương pháp 1 - Tạp âm
Đầu vào ở MRP là tín hiệu tạp âm có băng tần giới hạn theo Khuyến cáo O.131 [15]. ARL được xác định là mức âm, ở MRP, tạo ra mức -10 dBm0 ở đầu vào. Tín hiệu thử khi đó được đặt ở mức -45, -40, -35, -30, -24, -20, -17, -10, -5, 0, 4, 7 dB so với ARL. Trong phép đo này, mức thanh áp vào được giới hạn ở +5 dBPa.
Đo tỷ số giữa công suất tín hiệu và tổng công suất méo ở đầu ra tín hiệu số (xem O.131 [15]).
Phương pháp 2 - Sóng sin
Tín hiệu sin có tần số nằm trong dải từ 1 004 Hz đến 1 025 Hz được đặt vào MRP. ARL được xác định là mức âm thanh, ở MRP, tạo ra mức -10 dBm0 ở đầu ra. Tín hiệu thử khi đó được đặt ở mức -35, -30, -25, -20, -15, -10, -5, 0, 7, 10 dB so với ARL. Trong phép đo này, mức thanh áp vào được giới hạn ở +10 dBPa.
Tỷ số giữa công suất tín hiệu và tổng công suất méo của tín hiệu ra số được đo bằng máy đo tạp âm thoại có trọng số theo O.41 [16].
B.6.1.4. Tạp âm
Với ống điện thoại đặt ở LRGP và ống nghe được gắn vào điểm treo tai giả ở nơi yên lặng (tạp âm xung quanh nhỏ hơn 30 dBA), mức tạp âm ở đầu ra số được đo bằng máy đo tạp âm thoại có trọng số theo O.41 [16].
CHÚ THÍCH - Yêu cầu mức tạp âm xung quanh không vượt quá NR20 [17].

Hình B.4/P.310 - Đo đặc tính tần số phát
B.6.1.5. Khả năng tách biệt với tín hiệu vào ngoài băng tần
Ống điện thoại đặt ở LRGP và ống nghe được gắn ở điểm treo tai giả [18].
Với tần số vào 1 kHz ở mức -4,7 dBPa đặt ở MRP, mức chuẩn được đo tại giao diện số.
Với tín hiệu vào ở tần số 4,65 kHz, 5 kHz, 6 kHz, 6,5 kHz, 7 kHz và 7,5 kHz có mức quy định ở 9.1, đo mức của bất cứ tần số ảnh nào ở giao diện số.
B.6.2. Thu
B.6.2.1. Đặc tính tần số thu
Đặc tính tần số thu được đo theo Khuyến cáo P.64 [12] dùng bộ đo như chỉ ra ở hình B.5.
B.6.2.2. Thông số âm lượng thu
Chỉ tiêu này được tính toán từ đặc tính độ nhạy/tần số được xác định ở B.6.2.1 theo Khuyến cáo P.79 [13].
CHÚ THÍCH - Các phương pháp khác để tính thông số âm lượng do các cơ quan quản lý sử dụng vì mục tiêu kế hoạch nội bộ riêng được trình bày ở bổ sung số 19 của bộ Khuyến cáo P [14] và sách tra cứu về đo lường điện thoại [20].
B.6.2.3. Méo
Phương pháp 1 - Tạp âm
Ống điện thoại lắp ở LRGP và ống nghe được gắn ở điểm treo tai giả [18]. Tín hiệu tạp âm có băng tần giới hạn mô phỏng dạng số, tương ứng với Khuyến cáo O.131 [15] được đặt vào giao diện số ở các mức sau: -55, -50, -45, -40, -34, -30, -27, -20, -15, -10, -6, -3 dBm0.
Tỷ số của công suất tín hiệu trên tổng công suất méo được đo ở tai giả [18] (xem O.131 [15]).
CHÚ THÍCH 1 - Trường hợp thanh áp vượt quá +6 dBPa, độ tuyến tính của mồm giả cần được kiểm tra khi vượt quá giới hạn P.51 [19].

Hình B.5/P.310 - Đo đặc tính tần số thu
Phương pháp 2 - Sóng sin
Ống điện thoại lắp ở LRGP và ống nghe được gắn ở điểm treo tai giả. Tín hiệu sóng sin mô phỏng trong dải 1 004 Hz đến 1 025 Hz được đặt vào giao diện số ở các mức sau: -45, -40, -35, -30, -25, -20, -15, -10, -3, 0 dBm0.
Tỷ số của công suất tín hiệu trên tổng công suất méo được đo ở tai giả [18], áp dụng trọng số A.
CHÚ THÍCH 2 - Trường hợp thanh áp vượt quá +6 dBPa, tính tuyến tính của mồm giả cần được kiểm tra như là vượt quá giới hạn P.51 [19].
B.6.2.4. Tạp âm
Ống điện thoại đặt ở LRGP và ống nghe được gắn ở điểm treo tai giả [18]. Tín hiệu được đặt ở giao diện số tương ứng với giá trị 1 ở đầu ra giải mã (luật A), hoặc giá trị 0 ở đầu ra giải mã (luật µ). Mức tạp âm trọng số A được đo ở tai giả.
Tạp âm xung quanh khi đo không được quá 30 dBA.
B.6.2.5. Tín hiệu tạp ngoài băng tần
Ống điện thoại đặt ở LRGP và ống nghe được gắn ở điểm treo tai giả [18]. Mức tín hiệu ảnh tạp ngoài băng tần ở tần số đến 8 kHz được đo chọn lọc ở tai giả, với tín hiệu vào ở tần số 500, 1 000, 2 000 và 3 150 Hz đặt ở mức được chỉ ra ở 9.2.
B.6.3. Trắc âm (nội âm)
Lắp đặt để kích thích ống nói của máy điện thoại thử nghiệm như mô tả ở B.6.1 và đo tín hiệu ra ở mạch thu phải được thực hiện như mô tả ở B.6.2. Phương pháp thường sử dụng để đo trắc âm (nội âm) theo P.64 [12] là ống nói và bộ thu lắp trong cùng một ống điện thoại và dùng một gá thử nghiệm để đặt mồm giả [19] và tai giả [18] ở vị trí tương ứng với nhau theo P.64 [12].
CHÚ THÍCH - Lưu ý để tránh truyền dẫn cơ học giữa mồm giả và tai giả.
B.6.3.1. Đặc tính tần số trắc âm (nội âm)
B.6.3.1.1. Đặc tính tần số trắc âm (nội âm) người nói
Đặc tính tần số trắc âm (nội âm) người nói được đo theo P.64 [12] dùng thiết bị đo bố trí như ở hình B.6. Bộ mã hóa và giải mã chuẩn không dùng trong phép đo này nhưng có thể vẫn để trong mạch thử nghiệm mà không nối với mạch ngoài.

Hình B.6/P310 - Đo đặc tính tần số trắc âm (nội âm) của người nói
B.6.3.1.2. Đặc tính tần số trắc âm (nội âm) của người nghe
Đặc tính tần số trắc âm (nội âm) của người nghe được đo theo P.64 [12] dùng bộ thiết bị đo ở hình B.7. Trường khuếch tán âm thanh phải là tạp âm hồng có băng tần giới hạn (50 Hz - 10 kHz) trong khoảng ± 3 dB ở mức -24 dBPa (A) ±1 dB. Bộ mã hóa và giải mã chuẩn không dùng trong phép đo này nhưng có thể vẫn để trong mạch thử nghiệm và không nối với mạch ngoài.

Hình B.7/P310 - Đo đặc tính tần số trắc âm (nội âm) của người nghe
B.6.3.2. Thông số khử trắc âm (chặn nội âm)
Thông số khử trắc âm (chặn nội âm) được tính từ đặc tính độ nhạy/tần số được xác định trong B.6.3.1.2 theo Khuyến cáo P.79 [13].
B.6.3.3. Thông số trắc âm (nội âm) của người nói
Thông số trắc âm (nội âm) của người nói được tính từ đặc tính độ nhạy/tần số được xác định trong B.6.3.1.2 theo Khuyến cáo P.79 [13].
B.6.4. Suy hao ghép nối đầu cuối
Suy hao ghép nối đầu cuối (TCL) được đo trong không khí lưu thông tự do sao cho liên kết cơ học sẵn có của ống điện thoại không bị ảnh hưởng.
Khi tiến hành thử nghiệm, âm thanh ở không gian thử không được gây ảnh hưởng đáng kể. Để phép đo khách quan, không gian thử phải gần như trường tự do (phòng không vang) đến tần số thấp nhất là 275 Hz và phải sao cho ống điện thoại thử nằm hoàn toàn trong trường tự do. Điều này đạt được khi khoảng cách dội lại r ³ 50 cm.
CHÚ THÍCH - Phương pháp kiểm chứng khoảng cách dội lại được cho trong sách tra cứu về đo lường điện thoại, xuất bản lần thứ hai [20].
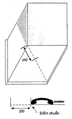
Thử nghiệm được tiến hành với ống điện thoại được treo vào một móc vòng quanh đầu ống nghe, dây của ống điện thoại thả tự do bên dưới ống điện thoại (xem hình B.8).

Hình B.8/P.310 - Vị trí thử ống điện thoại
Sự suy giảm từ đầu vào số đến đầu ra số được đo bằng một âm thanh đơn sắc với mức 0 dBm0 ở tần số một phần mười hai octa thuộc dãy R-40 của dãy số ưu tiên trong ISO 3 [21] đối với tần số từ 300 đến 3 350 Hz. Hệ thống đo bố trí như hình B.9. Mức tạp âm xung quanh phải nhỏ hơn 30 dBA.
TCLw được tính theo B.4/G.122 [23] (Quy tắc hình thang).

Hình B.9/P.310 - Đo suy hao ghép nối đầu cuối
B.6.5. Độ ổn định
Phép đo được tiến hành ở mức tín hiệu vào 0 dBm0 ở dải 1/12 octa đối với khoảng tần số từ 200 Hz đến 4 000 Hz. Với ống điện thoại và mạch truyền dẫn ở trạng thái làm việc, sự suy giảm từ đầu vào số đến đầu ra số được đo ở một trong các điều kiện sau.
Phương pháp 1
a) Ống điện thoại phải đặt ở mặt trong của một trong ba mặt phẳng nhẵn, cứng, vuông góc với nhau, hình thành một góc. Các mặt phẳng phải dàn rộng ra đến 0,5 m tính từ đỉnh của góc. Trên một mặt phẳng phải đánh dấu bằng một đường chéo kéo dài từ góc và một điểm chuẩn 250 mm tính từ góc hình thành bởi ba mặt phẳng, như ở hình B.10.
b) Ống điện thoại với mạch truyền ở trạng thái làm việc phải đặt ở vị trí trên mặt phẳng, xác định như sau:
i) phần áp vào miệng và áp vào tai phải úp vào mặt phẳng;
ii) ống điện thoại phải đặt chính giữa đường chéo, phần áp vào tai phải gần đỉnh của góc nhất;
iii) đầu tận cùng của ống điện thoại phải trùng khớp với pháp tuyến của điểm chuẩn như chỉ ra ở hình B.10.

Hình B.10/P.310 - Góc chuẩn
Phương pháp 2
Ống điện thoại, với mạch truyền ở trạng thái làm việc, được đặt với phần áp vào tai và miệng úp và mặt phẳng cứng, nhẵn và cách xa các vật khác khoảng 0,5 m.
B.6.6. Trễ
Ống điện thoại đặt ở LRGP. ống nghe được gắn ở điểm treo tai giả. Trễ ở hướng phát và thu được đo một cách riêng rẽ từ MRP đến giao diện số (Ds) và từ giao diện số đến ERP (Dr).
Mức âm vào phải là ARL như xác định ở B.6.1.3.
Với mỗi tần số danh nghĩa F0 cho trong bảng B.1 trễ nhóm âm thanh ở mỗi giá trị của F0 được suy ra từ số đo tại các giá trị tương ứng F1 và F2.
Hệ thống đo được chỉ ra ở hình B.11.
Bảng B.1/P.310
Tần số để đo trễ nhóm âm thanh
| F0 (Hz) | F1 (Hz) | F2 (Hz) |
| 500 630 800 1 000 1 250 1 600 2 000 2 500 | 475 605 775 975 1 225 1 575 1 975 2 475 | 525 655 825 1 025 1 275 1 625 2 025 2 525 |
Với mỗi giá trị của F0, trễ nhóm âm thanh được đánh giá như sau:
1) lấy tần số F1 từ bộ phân tích đáp tuyến tần số;
2) đo độ dịch pha tính bằng độ giữa ch1 và ch2 (P1);
3) lấy tần số F2 từ bộ phân tích đáp tuyến tần số;
4) đo độ dịch pha tính bằng độ giữa ch1 và ch2 (P2);
5) tính thời gian trễ nhóm bằng miligiây từ công thức:
CHÚ THÍCH 1 - Khi sử dụng công thức này phải lưu ý rằng cả P1, P2 và (P1 - P2) nằm trong khoảng từ 0 đến 360o, mọi giá trị âm phải được điều chỉnh bằng cách cộng với 360.
Thời gian trễ nhóm âm thanh của thiết bị điện-thanh phải loại trừ khỏi thời gian trễ tính được. Trễ nhóm của tất cả các thiết bị thử nghiệm phụ trợ phải được xác định.
Thời gian trễ được tính từ công thức:
D = Ds + Dr - DE
trong đó DE là thời gian trễ của thiết bị thử.
CHÚ THÍCH 2 - Phương pháp đo trực tiếp, trong trường hợp tín hiệu được khép vòng trong giao diện số, có thể sử dụng khi không có trắc âm (nội âm).

Hình B.11/P.310 - Đo trễ
B.6.7. Đặc tính đầu ra/đầu vào (biên độ)
B.6.7.1. Phi tuyến thiết kế
Đang xem xét.
B.6.7.2. Tuyến tính
B.6.7.2.1. Phát
Ống điện thoại đặt ở LRGP và ống nghe được gắn ở điểm treo tai giả [18].
Tín hiệu sóng sin có dải tần trong khoảng 1 004 Hz đến 1 025 Hz được đặt vào MRP. Mức tín hiệu này được điều chỉnh cho đến khi ở đầu ra là -10 dBm0. Mức tín hiệu ở MRP khi đó là ARL. Tín hiệu thử phải đặt ở các mức sau:
-45, -40, -35, -30, -25, -20, -15, -10, -5, 0, 5, 10, 13 dB so với ARL.
Đo sự biến thiên của độ tăng ích so với độ tăng ích tạo ra ARL.
CHÚ THÍCH - Có thể dùng phương pháp đo chọn lọc để tránh tác động của tạp âm môi trường xung quanh.
B.6.7.2.2. Thu
Ống điện thoại đặt ở LRGP và ống nghe được gắn ở điểm treo tai giả [18].
Tín hiệu sóng sin mô phỏng số có tần số trong dải từ 1 004 Hz đến 1 025 Hz đặt ở giao diện số với các mức sau đây:
-55, -50, -45, -40, -35, -30, -25, -20, -15, -10, -5, 0, 3 dBm0.
Sự biến thiên của độ tăng ích so với độ tăng ích ở mức vào -10 dBm0 phải được đo ở tai giả.
CHÚ THÍCH - Có thể dùng phương pháp đo chọn lọc để tránh tác động của tạp âm môi trường.
Phụ lục C
Méo cho phép
(quy định)
Việc đưa ra đặc tính méo ở phía thu và phía phát (xem điều 8) méo cho phép đối với các sản phẩm phi tuyến, được tính toán theo các cách sau:
- Bộ chuyển đổi (ống nói và ống nghe) có độ méo cho phép 1% với hầu hết các mức vào. Trừ mức vào cao nhất và thấp nhất được phép 5% và mức vào thấp nhất thứ hai cho phép 2%.
- Mức tạp âm cho mạch phát và thu tương đương -64 dBmp.
Sự tham gia của toàn bộ các thành phần của thông số này được tính từ tổng công suất và thông tin cho quá trình tính toán, các giả thiết được dùng có thể tìm trong [22].
CHÚ THÍCH
1) Đây là điều đặc biệt quan trọng để xây dựng các quy định kỹ thuật cho các bộ mã hóa và giải mã “dạng sóng” khác mà không được đề cập trong tiêu chuẩn này.
2) Cần thận trọng để chấp nhận 0,2 - 0,4 dB trong tính toán cuối cùng để còn phải kể đến các nguồn phi tuyến khác như mồm giả, bộ khuếch đại.
3) Tạp âm của phòng ≤ 30 dBA không ảnh hưởng đáng kể.
1) Tính chất này có thể thực hiện được, ví dụ dùng kỹ thuật lấy mẫu vượt trội và bộ lọc số.
Bạn chưa Đăng nhập thành viên.
Đây là tiện ích dành cho tài khoản thành viên. Vui lòng Đăng nhập để xem chi tiết. Nếu chưa có tài khoản, vui lòng Đăng ký tại đây!