- Tổng quan
- Nội dung
- VB gốc
- Tiếng Anh
- Hiệu lực
- VB liên quan
- Lược đồ
-
Nội dung hợp nhất
Tính năng này chỉ có tại LuatVietnam.vn. Nội dung hợp nhất tổng hợp lại tất cả các quy định còn hiệu lực của văn bản gốc và các văn bản sửa đổi, bổ sung, đính chính... trên một trang. Việc hợp nhất văn bản gốc và những văn bản, Thông tư, Nghị định hướng dẫn khác không làm thay đổi thứ tự điều khoản, nội dung.
Khách hàng chỉ cần xem Nội dung hợp nhất là có thể nắm bắt toàn bộ quy định hiện hành đang áp dụng, cho dù văn bản gốc đã qua nhiều lần chỉnh sửa, bổ sung.
- Tải về
Thông tư 52/2015/TT-BGTVT cờ hiệu, trang phục của thanh tra ngành Giao thông
| Cơ quan ban hành: | Bộ Giao thông Vận tải |
Số công báo:
Số công báo là mã số ấn phẩm được đăng chính thức trên ấn phẩm thông tin của Nhà nước. Mã số này do Chính phủ thống nhất quản lý.
|
Đã biết
|
| Số hiệu: | 52/2015/TT-BGTVT | Ngày đăng công báo: |
Đã biết
|
| Loại văn bản: | Thông tư | Người ký: | Đinh La Thăng |
|
Ngày ban hành:
Ngày ban hành là ngày, tháng, năm văn bản được thông qua hoặc ký ban hành.
|
24/09/2015 |
Ngày hết hiệu lực:
Ngày hết hiệu lực là ngày, tháng, năm văn bản chính thức không còn hiệu lực (áp dụng).
|
Đã biết
|
|
Áp dụng:
Ngày áp dụng là ngày, tháng, năm văn bản chính thức có hiệu lực (áp dụng).
|
Đã biết
|
Tình trạng hiệu lực:
Cho biết trạng thái hiệu lực của văn bản đang tra cứu: Chưa áp dụng, Còn hiệu lực, Hết hiệu lực, Hết hiệu lực 1 phần; Đã sửa đổi, Đính chính hay Không còn phù hợp,...
|
Đã biết
|
| Lĩnh vực: | Hành chính, Giao thông |
TÓM TẮT THÔNG TƯ 52/2015/TT-BGTVT
Nội dung tóm tắt đang được cập nhật, Quý khách vui lòng quay lại sau!
Tải Thông tư 52/2015/TT-BGTVT
|
BỘ GIAO THÔNG VẬN TẢI
__________ Số: 52/2015/TT-BGTVT |
CỘNG HÒA XÃ HỘI CHỦ NGHĨA VIỆT NAM Độc lập - Tự do - Hạnh phúc _____________ Hà Nội, ngày 24 tháng 09 năm 2015
|
THÔNG TƯ
QUY ĐỊNH VỀ PHÙ HIỆU, CỜ HIỆU, TRANG PHỤC; PHƯƠNG TIỆN, THIẾT BỊ KỸ THUẬT CỦA THANH TRA NGÀNH GIAO THÔNG VẬN TẢI
Căn cứ Luật Thanh tra ngày 15 tháng 11 năm 2010;
Căn cứ Nghị định số 57/2013/NĐ-CP ngày 31 tháng 5 năm 2013 của Chính phủ quy định về tổ chức và hoạt động thanh tra ngành Giao thông vận tải;
Căn cứ Nghị định số 97/2011/NĐ-CP ngày 21 tháng 10 năm 2011 của Chính phủ quy định về thanh tra viên và cộng tác viên thanh tra;
Căn cứ Nghị định số 92/2014/NĐ-CP ngày 08 tháng 10 năm 2014 của Chính phủ sửa đổi, bổ sung khoản 1 Điều 16 Nghị định số 97/2011/NĐ-CP ngày 21 tháng 10 năm 2011 của Chính phủ quy định về thanh tra viên và cộng tác viên thanh tra;
Căn cứ Nghị định số 107/2012/NĐ-CP ngày 20 tháng 12 năm 2012 của Chính phủ quy định chức năng, nhiệm vụ, quyền hạn và cơ cấu tổ chức của Bộ Giao thông vận tải;
Theo đề nghị của Chánh Thanh tra Bộ Giao thông vận tải,
Bộ trưởng Bộ Giao thông vận tải ban hành Thông tư quy định về phù hiệu, cờ hiệu, trang phục; phương tiện, thiết bị kỹ thuật của thanh tra ngành Giao thông vận tải.
Chương I
QUY ĐỊNH CHUNG
Điều 1. Phạm vi điều chỉnh
1. Thông tư này quy định về phù hiệu, cờ hiệu, trang phục; phương tiện, thiết bị kỹ thuật của thanh tra ngành Giao thông vận tải.
2. Thanh tra viên, công chức, viên chức, nhân viên thuộc Thanh tra Bộ Giao thông vận tải, Thanh tra Sở Giao thông vận tải sử dụng trang phục theo quy định tại Thông tư số 02/2015/TT-TTCP ngày 16 tháng 3 năm 2015 của Tổng Thanh tra Chính phủ quy định về trang phục của cán bộ, thanh tra viên, công chức, viên chức thuộc cơ quan thanh tra nhà nước khi thực hiện hoạt động thanh tra hành chính và sử dụng trang phục theo quy định tại Thông tư này khi thực hiện hoạt động thanh tra, kiểm tra chuyên ngành.
Điều 2. Đối tượng áp dụng
Thông tư này áp dụng đối với các tổ chức, cá nhân thanh tra ngành Giao thông vận tải, bao gồm: Thanh tra Bộ Giao thông vận tải (sau đây gọi tắt là Thanh tra Bộ), Thanh tra Sở Giao thông vận tải (sau đây gọi tắt là Thanh tra Sở), Thanh tra Cục Hàng không Việt Nam (sau đây gọi là Thanh tra Cục Hàng không), Thanh tra Cục Hàng hải Việt Nam (sau đây gọi là Thanh tra Cục Hàng hải); Tổng cục Đường bộ Việt Nam, Cục Đường sắt Việt Nam, Cục Đường thủy nội địa Việt Nam, Cục Hàng không Việt Nam, Cục Hàng hải Việt Nam, Cảng vụ Hàng không, Cảng vụ Hàng hải, Cảng vụ Đường thủy nội địa thuộc Cục Đường thủy nội địa Việt Nam, Chi cục Đường thủy nội địa thuộc Cục Đường thủy nội địa Việt Nam, Cục Quản lý đường bộ thuộc Tổng cục Đường bộ Việt Nam (sau đây gọi là cơ quan được giao thực hiện chức năng thanh tra chuyên ngành giao thông vận tải) và các tổ chức, cá nhân có liên quan.
Chương II
PHÙ HIỆU, CỜ HIỆU, TRANG PHỤC CỦA THANH TRA NGÀNH GIAO THÔNG VẬN TẢI
Điều 3. Phù hiệu
1. Phù hiệu là biểu tượng của Thanh tra ngành Giao thông vận tải.
2. Phù hiệu thanh tra ngành Giao thông vận tải có biểu tượng hình tròn màu đỏ, ở giữa có ngôi sao 05 cánh màu vàng, phía dưới là bánh xe lịch sử màu vàng in dòng chữ “TTGT”, vành tròn ngoài là 02 cành lá ô liu màu vàng trên nền màu xanh. Mẫu phù hiệu của thanh tra ngành Giao thông vận tải quy định tại Phụ lục I ban hành kèm theo Thông tư này.
3. Phù hiệu thanh tra ngành Giao thông vận tải bao gồm:
a) Phù hiệu trên cờ hiệu quy định tại Điều 4 của Thông tư này;
b) Phù hiệu dập trên mặt thắt lưng quy định tại khoản 4 Điều 8 của Thông tư này;
c) Phù hiệu gắn trên biển tên quy định tại khoản 5 Điều 8 của Thông tư này;
d) Phù hiệu dệt trên hình khiên quy định tại khoản 9 Điều 8 của Thông tư này;
đ) Phù hiệu gắn trên sao mũ kêpi quy định tại khoản 11 Điều 8 của Thông tư này.
Điều 4. Cờ hiệu
1. Cờ hiệu Thanh tra ngành Giao thông vận tải được gắn trên các phương tiện và các vị trí trang trọng khác của Thanh tra Giao thông vận tải.
2. Cờ hiệu có hình tam giác cân, cạnh đáy bằng 2/3 chiều cao, vải nền màu xanh da trời sẫm, chất liệu nhẹ, bền chắc, có phù hiệu thanh tra ngành Giao thông vận tải, cụ thể:
a) Cờ treo trên phương tiện là tàu biển, phương tiện thủy nội địa có cạnh đáy 600 mm và chiều cao 900 mm. Trên cờ có phù hiệu thanh tra ngành Giao thông vận tải đường kính 170 mm;
b) Cờ treo trên các phương tiện là ca nô, xe ô tô, xe mô tô và các loại phương tiện kiểm tra khác có cạnh đáy 300 mm và chiều cao là 450 mm. Trên cờ có phù hiệu thanh tra ngành Giao thông vận tải đường kính 110 mm.
3. Mẫu cờ hiệu thanh tra ngành Giao thông vận tải quy định tại Phụ lục II ban hành kèm theo Thông tư này.
Điều 5. Trang phục thanh tra ngành Giao thông vận tải
1. Trang phục của thanh tra viên, công chức thanh tra chuyên ngành, công chức, viên chức, nhân viên được giao nhiệm vụ thanh tra thuộc Thanh tra Bộ, Thanh tra Sở, Thanh tra Cục Hàng hải, Thanh tra Cục Hàng không và các cơ quan được giao thực hiện chức năng thanh tra chuyên ngành giao thông vận tải bao gồm: áo, quần (xuân - hè, thu - đông), mũ kêpi, cà vạt (cravat), thắt lưng, giầy da, bít tất, dép quai hậu, ủng cao su, mũ bảo hiểm, sao mũ, cành tùng, cúc cấp hiệu, cầu vai, cấp hàm, biển tên, quần áo đi mưa, cặp tài liệu.
Mẫu trang phục thanh tra ngành Giao thông vận tải quy định tại Phụ lục III ban hành kèm theo Thông tư này.
2. Tùy từng điều kiện và đặc thù công tác, thanh tra ngành Giao thông vận tải được trang bị bảo hộ lao động theo quy định của pháp luật.
3. Quy cách, màu sắc, chất lượng trang phục thanh tra ngành Giao thông vận tải thực hiện theo quy định tại các Điều 6, 7 và Điều 8 Thông tư này.
4. Thanh tra viên, công chức thuộc Thanh tra Hàng hải, Thanh tra Hàng không và công chức thanh tra chuyên ngành, viên chức được giao thực hiện nhiệm vụ thanh tra chuyên ngành thuộc Cục Hàng hải Việt Nam, Cục Hàng không Việt Nam, Cảng vụ Hàng hải, Cảng vụ Hàng không được sử dụng áo sơ mi màu trắng, có hình khiên gắn trên tay áo bên trái và mũ kêpi có màu trắng.
Điều 6. Quy cách, màu sắc trang phục nam
1. Áo măng tô
a) Chất liệu: vải tuytsi pha len ký hiệu TW8058-1; kiểu dệt chéo 3/1; tỷ lệ PW45/55; mật độ dọc 360 s/10cm2, ngang 270 s/10cm2; trọng lượng 245 g/m2;
b) Màu sắc: xanh tím than;
c) Kiểu dáng: kiểu veston, cổ hình chữ B, thắt đai lưng, khóa bằng đồng; ngực may đề cúp, có một hàng cúc 4 chiếc mạ màu trắng bóng; may bật vai đeo cấp hiệu, có ken vai bằng bông ép; phía trong trên ngực mỗi bên bổ một túi viền; thân trước phía dưới may 2 túi cơi chéo; thân sau cầu vai rời, may chắp sống lưng, có xẻ sống; tay kiểu 2 mang may cá tay, đính cúc; toàn bộ cổ áo, nẹp áo, nắp túi, thân áo được dựng bằng mex; chiều dài áo ngang đùi.
2. Áo veston
a) Chất liệu: vải tuytsi pha len ký hiệu TW8058-1; kiểu dệt chéo 3/1; tỷ lệ PW45/55; mật độ dọc 360 s/10cm2, ngang 270 s/10cm2; trọng lượng 245 g/m2;
b) Màu sắc: xanh tím than;
c) Kiểu dáng: áo khoác, cổ hình chữ B; ngực một hàng cúc 4 chiếc mạ màu trắng bóng; thân trước có 4 túi bổ (2 túi ngực, 2 túi dưới), túi có nắp; may bật vai đeo cấp hiệu, lắp ken vai; thân sau may chắp sống lưng, có xẻ sống; tay kiểu 2 mang, bác tay may lật ra ngoài. Toàn bộ cổ áo, nẹp áo, nắp túi, thân áo được dựng bằng mex.
3. Áo sơ mi dài tay thu đông, xuân hè
a) Chất liệu: vải pôpơlin 8151 PE/VIS; tỷ lệ 65/35; mật độ dọc 320 s/10cm2, ngang 286 s/10cm2; trọng lượng 145 g/m2;
b) Màu sắc: xanh da trời;
c) Kiểu dáng: áo sơ mi cổ đứng; thân trước may 2 túi ngực ốp ngoài, giữa bị túi dán đố, góc đáy túi tròn; ngực một hàng cúc 6 chiếc, cúc thứ 2 từ trên xuống và 2 cúc túi ngực thành một đường thẳng nằm ngang; may bật vai đeo cấp hiệu; thân sau cầu vai chắp, mỗi bên xếp 1 ly; tay dài có măng séc, thép tay bơi chèo.
4. Áo sơmi xuân hè ngắn tay
a) Chất liệu: vải pôpơlin 8151 PE/VIS; tỷ lệ 65/35; mật độ dọc 320 s/10cm2, ngang 286 s/10cm2; trọng lượng 145 g/m2;
b) Màu sắc: xanh da trời;
c) Kiểu dáng: áo sơ mi cổ đứng; thân trước may 2 túi ngực ốp ngoài, giữa bị túi dán đố, góc đáy túi tròn; ngực một hàng cúc 6 chiếc bằng đồng, cúc thứ 2 từ trên xuống và 2 cúc túi ngực thành một đường thẳng nằm ngang; may bật vai đeo cấp hiệu; thân sau cầu vai chắp, mỗi bên xếp 1 ly; tay ngắn, cửa tay gập vào trong may 2 đường song song.
5. Quần thu đông, xuân hè
a) Chất liệu: vải tuytsi pha len ký hiệu TW8058-1; kiểu dệt chéo 3/1; tỷ lệ PW45/55; mật độ dọc 360 s/10cm2, ngang 270 s/10cm2; trọng lượng 245 g/m2;
b) Màu sắc: xanh tím than;
c) Kiểu dáng: quần âu, kiểu cạp rời, 2 túi sườn chéo; thân trước mỗi bên xếp một ly lật về phía dọc quần; cửa quần may khóa kéo bằng nhựa; đầu cạp có một móc và một cúc nhựa nằm trong; thân sau mỗi bên may một chiết, có hai túi hậu cài khuy nhựa; cạp quần may 6 đỉa; gấu quần hớt lên phía trước.
6. Giầy da
a) Chất liệu: đế PU; da nappa màu đen; độ dày 1,4 mm - 1,6 mm; độ bền kéo đứt (Mpa) ³16, (N/cm2) ³ 1100; độ cứng shore A 60 ± 5;
b) Kiểu dáng: kiểu oxford, mũi giầy trơn; nẹp có 4 cặp lỗ để buộc dây trang trí, phần thân giầy đệm mút xốp tạo độ êm, mang trong và mang ngoài có gắn chun co giãn; mũ giầy làm bằng da nappa, mềm dẻo, bóng mờ, vân da mịn màng, lót giầy, lót để trong mặt giầy bằng da bò màu kem; đế được sản xuất bằng chất liệu PU gót cao 4 cm đúc định hình; mặt đế có hoa văn chống trơn trượt.
7. Dép quai hậu
a) Chất liệu: da nappa màu đen; độ dày 1,2 mm - 1,4 mm; độ bền kéo đứt (Mpa) ³18, (N/cm2) ³ 3;
b) Kiểu dáng: quai ngang; đế cao 3 cm, có chốt cài.
Điều 7. Quy cách, màu sắc trang phục nữ
1. Áo măng tô
a) Chất liệu: vải tuytsi pha len ký hiệu TW8058-1; kiểu dệt chéo 3/1; tỷ lệ PW45/55; mật độ dọc 360 s/10cm2, ngang 270 s/10cm2; trọng lượng 245 g/m2;
b) Màu sắc: xanh tím than;
c) Kiểu dáng: kiểu veston, cổ hình chữ B; ngực có một hàng cúc 4 chiếc mạ màu trắng bóng; may bật vai đeo cấp hiệu, có ken vai bằng bông ép; thân trước được thiết kế bổ mảnh từ trên vai xuống, phía dưới may 2 túi cơi chéo; thân sau may chắp sống lưng, có xẻ sống; tay kiểu 2 mang may cá tay, đính cúc; toàn bộ cổ áo, nẹp áo, nắp túi, thân áo được dựng bằng mex.
2. Áo veston
a) Chất liệu: vải tuytsi pha len ký hiệu TW8058-1; kiểu dệt chéo 3/1; tỷ lệ PW45/55; mật độ dọc 360 s/10cm2, ngang 270 s/10cm2; trọng lượng 245 g/m2;
b) Màu sắc: xanh tím than;
c) Kiểu dáng: áo khoác, cổ hình chữ B; ngực một hàng cúc 4 chiếc mạ màu trắng bóng; thân trước có bổ 2 túi dưới, có nắp; may bật vai đeo cấp hiệu, lắp ken vai; thân sau may chắp sống lưng, có xẻ sống; tay kiểu 2 mang, bác tay may lật ra ngoài; toàn bộ cổ áo, nẹp áo, nắp túi, thân áo được dựng bằng mex.
3. Áo sơ mi dài tay thu đông, xuân hè
a) Chất liệu: vải pôpơlin 8151 PE/VIS; tỷ lệ 65/35; mật độ dọc 320 s/10cm2, ngang 286 s/10cm2; trọng lượng 145 g/m2;
b) Màu sắc: xanh da trời;
c) Kiểu dáng: áo sơ mi dài tay cổ đứng; thân trước may 2 túi ngực ốp ngoài, giữa bị túi dán đố, góc đáy túi tròn; có măng séc, thép tay bơi chèo; có bật vai đeo cấp hiệu; gấu áo vạt bầu.
4. Áo sơmi xuân hè ngắn tay
a) Chất liệu: vải pôpơlin 8151 PE/VIS; tỷ lệ 65/35; mật độ dọc 320 s/10cm2, ngang 286 s/10cm2; trọng lượng 145 g/m2;
b) Màu sắc: xanh da trời;
c) Kiểu dáng: kiểu áo sơ mi ngắn tay cổ bẻ; thân sau may chắp sống lưng; chiết ly eo trước, có bật vai đeo cấp hiệu; cửa tay áo viền vào trong; có hai túi ở phía dưới của thân trước; gấu áo vạt bầu (kiểu 1).
Kiểu áo sơ mi ngắn tay cổ đứng; thân trước may 2 túi ngực ốp ngoài, giữa bị túi dán đố, góc đáy túi tròn; có bật vai đeo cấp hiệu; cửa tay áo viền vào trong; gấu áo vạt bầu (kiểu 2).
5. Quần thu đông, xuân hè
a) Chất liệu: vải tuytsi pha len ký hiệu TW8058-1; kiểu dệt chéo 3/1; tỷ lệ PW45/55; mật độ dọc 360 s/10cm2, ngang 270 s/10cm2; trọng lượng 245 g/m2;
b) Màu sắc: xanh tím than;
c) Kiểu dáng: quần âu, kiểu cạp rời, 2 túi sườn chéo; thân trước mỗi bên chiết một ly chìm về phía dọc quần; cửa quần may khóa kéo bằng nhựa; đầu cạp có một móc và một cúc nhựa nằm trong; thân sau mỗi bên may một chiết; gấu bằng.
6. Juyp
a) Chất liệu: vải tuytsi pha len; ký hiệu TW8050-1; kiểu dệt chéo 3/1; tỷ lệ PW45/55; mật độ dọc 360 s/10cm2, ngang 270 s/10cm2; trọng lượng 245 g/m2;
b) Màu sắc: xanh tím than;
c) Kiểu dáng: kiểu juyp chữ A, cạp may rời, bản cạp to; thân trước có 2 túi chéo, có 2 đường gân thẳng từ cạp xuống gấu; thân sau sử dụng khóa giọt lệ và có xẻ sau.
7. Giầy da
a) Chất liệu: đế TPR; da nappa màu đen; độ dày 1,2 mm - 1,4 mm; độ bền kéo đứt (Mpa) ³ 18, (N/cm2) ³ 320; độ cứng shore A 60 ± 5;
b) Kiểu dáng: kiểu không dây, mũi giầy trơn làm bằng da nappa. Lót trong mũ giầy, lót mặt giầy bằng da bò màu kem. Mặt đế dưới giầy có hoa văn chống trơn. Chiều cao gót đế 5 cm.
8. Dép quai hậu
a) Chất liệu: da nappa màu đen; độ dày 1,2 mm - 1,4 mm; độ bền kéo đứt (Mpa) ³ 18, (N/cm2) ³ 3;
b) Kiểu dáng: quai ngang; đế cao 7 cm, có chốt cài.
Điều 8. Các trang phục khác được trang bị chung cho nam và nữ
1. Quần áo mưa
a) Chất liệu: vải polyester tráng nhựa; độ dày 0,2 mm ± 0,01; trọng lượng 230 g/m2 ± 10; độ bền kéo đứt băng vải (N) dọc ³ 700, ngang ³ 370;
b) Màu sắc: xanh sẫm (cỏ úa);
c) Kiểu dáng: kiểu măng tô cổ bẻ, ngực có nẹp che khóa, đóng cúc bấm; thân trước liền, thân sau cầu vai rời, lót cầu vai bằng vải lưới thoát khí; tay kiểu một mang liền, cổ tay may chun; mũ rời có gắn với áo bằng cúc bấm; các đường may chắp dán băng keo bên trong chống thấm nước. Có in chữ “TTGT” phía trước và sau lưng.
2. Cà vạt
a) Chất liệu: vải tuytsi pha len ký hiệu TW8058-1; kiểu dệt chéo 3/1; tỷ lệ PW45/55; mật độ dọc 360 s/10cm2, ngang 270 s/10cm2; trọng lượng 245 g/m2;
b) Màu sắc: xanh tím than;
c) Kiểu dáng: cà vạt có độ dài rộng vừa phải, kiểu thắt sẵn, có khóa kéo, có chốt hãm tự động.
3. Bít tất
a) Chất liệu sợi cotton tổng hợp: cotton 40%, acrylic 23%, spandex 37%; trọng lượng 45 g ± 2/đôi; chất dệt kim len co giãn; kiểu dệt rip và single;
b) Màu sắc: xanh tím than;
c) Kiểu dáng: cổ tất lửng.
4. Thắt lưng da
a) Chất liệu: dây lưng làm bằng da kíp măng bò cật, màu đen; khóa bằng hợp kim nhôm đúc liền khối; trọng lượng khóa dây lưng 72 g ± 5; độ dầy dây lưng 2,8 mm - 3 mm;
b) Kiểu dáng: thân khóa và mặt khóa mạ màu trắng, giữa mặt khóa có phù hiệu thanh tra ngành Giao thông vận tải có kích thước đường kính 22 mm; dây lưng làm bằng da được vuốt cạnh, cuối dây cắt tròn, mặt trong cuối dây được lăn rãnh trượt.
5. Biển tên
a) Chất liệu: đồng vàng tấm dầy 0,6 mm; kim cài bằng hợp kim không gỉ; trọng lượng 10 g ± 1;
b) Màu sắc: xanh dương;
c) Kiểu dáng: làm bằng đồng tấm, mặt phủ sơn màu xanh dương; chiều dài 81 mm, chiều rộng 23 mm; phía bên trái là phù hiệu thanh tra ngành Giao thông vận tải có đường kính 15 mm, phần bên phải có 3 dòng chữ: dòng trên cùng là tên cơ quan, dòng thứ 2 là họ tên người sử dụng, dòng thứ 3 là chức vụ (chức danh hoặc ngạch người sử dụng).
Đối với Thanh tra Cục Hàng hải, Thanh tra Cục Hàng không có chữ viết bằng tiếng Anh tên cơ quan thanh tra “Vietnam Aviation Inspectorate” (đối với Thanh tra Hàng không) hoặc “Vietnam Maritime Inspectorate” (đối với Thanh tra Hàng hải) ở dưới phần chữ tiếng Việt của tên cơ quan.
6. Cặp tài liệu
a) Chất liệu: da màu đen có khóa số; độ dày 1,4 mm - 1,6 mm; độ bền kéo đứt (Mpa) ³ 16, (N/cm2) ³ 1100;
b) Kiểu dáng: cặp tài liệu có quai xách và dây đeo.
7. Cúc áo
a) Chất liệu: đồng vàng tấm dầy 0,3 mm; chân cúc bằng đồng đỏ có đường kính 0,8 mm, chân cúc cao 2,5 mm;
b) Màu sắc: màu trắng bóng;
c) Quy trình mạ: mạ đồng lót, tiếp đến mạ niken và cuối cùng mạ crôm;
d) Kiểu dáng: hình tròn có ngôi sao ở giữa 2 cành tùng, phía dưới có chữ “TTGT” dập nổi.
8. Cúc cấp hiệu
a) Chất liệu: đồng vàng tấm dầy 0,8 mm; chân cúc bu lông và êcu bằng đồng, M2;
b) Màu sắc: màu trắng bóng;
c) Quy trình mạ: mạ đồng lót, tiếp đến mạ niken và cuối cùng mạ crôm;
d) Kiểu dáng: hình tròn có ngôi sao ở giữa 2 cành ôliu, phía dưới là bánh xe lịch sử có chữ “TTGT” dập nổi.
9. Hình khiên
Hình khiên được gắn trên tay áo bên trái của trang phục thanh tra, cách cầu vai 80 mm - 100 mm; hình khiên có kích thước chiều ngang chỗ rộng nhất là 70 mm, chiều cao là 90 mm, bằng vải màu xanh da trời, hai bên là hình bông lúa dài, xung quanh hình khiên viền màu vàng, phần trên có hàng chữ cơ quan quản lý cấp trên trực tiếp; phù hiệu dệt trên hình khiên có kích thước bằng 35 mm. Mẫu hình khiên theo quy định tại Phụ lục I ban hành kèm theo Thông tư này.
10. Cành tùng
Cành tùng được gắn trên ve áo và gắn trên vành sao mũ.
a) Chất liệu: đồng vàng tấm dầy 0,7 mm; chân gài bằng đồng 15 mm x 3 mm; trọng lượng 6 g ± 0,4;
b) Màu sắc: màu trắng bóng;
c) Quy trình mạ: mạ đồng lót, tiếp đến mạ niken và cuối cùng mạ crôm;
d) Kiểu dáng: dáng thẳng, gồm 11 lá và 07 quả.
11. Sao mũ
a) Chất liệu: đồng vàng tấm dầy 0,8 mm; chân cúc bu lông và êcu bằng đồng, M4;
b) Màu sắc: màu trắng bóng;
c) Quy trình mạ: mạ đồng lót, tiếp đến mạ niken, mạ crôm và cuối cùng phủ bóng bảo vệ bề mặt; sơn men kính màu đỏ đun; nền giữa và 2 vành khăn sơn màu xanh; bánh xe lịch sử sơn màu vàng;
d) Kiểu dáng: vành sao mũ là cành tùng, ở giữa là phù hiệu thanh tra ngành Giao thông vận tải có đường kính 36 mm.
12. Mũ kêpi
a) Chất liệu, màu sắc mũ kêpi: vỏ mũ bằng vải tuytsi pha len ký hiệu TW8058-1, màu xanh tím than; dây trang trí lõi bằng sợi peco chỉ số 34 Nm màu vàng sẫm, bọc lõi bằng sợi kim tuyến; dựng cầu chống trán bằng nhựa nguyên chất màu trắng. Lưỡi trai bằng nhựa màu đen; cúc mũ kêpi được làm bằng đồng vàng tấm dầy 0,6 mm, hàn chân gài bằng đồng đỏ đường kính 0,8 mm, dài 15 mm, mạ màu trắng bóng; quy trình mạ cúc mũ kêpi: mạ đồng lót, tiếp đến mạ niken và cuối cùng mạ crôm;
b) Chất liệu và quy trình mạ cành tùng mũ kêpi: cành tùng mũ kêpi được làm bằng đồng vàng tấm dầy 0,8 mm, hàn 4 chân gài bằng đồng đỏ đường kính 8 mm, dài 15 mm; cành tùng mũ kêpi mạ màu trắng bóng; quy trình mạ: mạ đồng lót, tiếp đến mạ niken và cuối cùng mạ crôm;
c) Kiểu dáng mũ kêpi: mặt mũ cao, vành mũ cong, đỉnh và cầu mũ được làm cùng một loại vải; mũ kêpi phông hình tròn, xung quanh phông lồng ống nhựa, bên trong ống nhựa có lồng tanh thép; phía trước trán có dựng mút xốp, giữa trán tán ôzê gắn sao mũ hình tròn có ngôi sao ở giữa 2 cành tùng, mỗi bên mang tán 2 ôzê thoát khí; phía trên lưỡi trai có dây trang trí tết kiểu đuôi sam màu vàng sẫm, hai đầu được đính bằng cúc kim loại hình tròn có ngôi sao ở giữa 2 cành tùng; lưỡi trai bằng nhựa màu đen, thấp dần về phía trước, mặt trên lưỡi trai gắn cành tùng màu trắng bóng.
13. Mũ bảo hiểm
a) Chất liệu: vỏ mũ bằng nhựa poliamit 6 (PA6). Kính mũ bằng nhựa polycacbonat (PC), đệm bảo vệ: xốp polyxtyren (EPS);
b) Màu sắc: vỏ mũ màu xanh đậm, vải nỉ lót trong màu đen, xốp đệm màu trắng, logo có dòng chữ “TTGT” màu trắng kích thước cao 50 mm, rộng 30 mm, kiểu chữ Arial ở mặt trong của mũ;
c) Kiểu dáng: kiểu mũ che bảo vệ cả phần đầu và tai, có kính che mặt và lưỡi trai có thể tháo lắp được; trong lòng mũ đệm xốp lót bằng vải nỉ, đỉnh đầu có lưới thoát khí và mác dệt; giữa quai mũ có đệm cằm, đầu dây quai gắn khóa.
14. Ủng cao su
a) Chất liệu: cao su tổng hợp;
b) Màu sắc: màu đen;
c) Kiểu dáng: kiểu ủng đúc liền, chống nước và chống trơn trượt.
Điều 9. Cấp hiệu
1. Cấp hiệu gồm cầu vai và cấp hàm được đeo trên hai vai áo trang phục của thanh tra viên, công chức thanh tra chuyên ngành, công chức, viên chức, nhân viên được giao nhiệm vụ thanh tra.
Mẫu cấp hiệu quy định tại Phụ lục IV ban hành kèm theo Thông tư này.
2. Quy định về cầu vai
a) Cầu vai của Chánh Thanh tra Bộ có chiều dài 13 cm, phần đầu nhọn rộng 4 cm, phần đuôi rộng 5 cm; nền cấp hiệu bằng vải nỉ màu đỏ; cốt cấp hiệu bằng nhựa nguyên chất màu trắng; sao và viền cấp hiệu bằng đồng tấm, viền kim loại mạ màu trắng bóng; cúc cấp hiệu hình tròn có ngôi sao ở giữa 2 cành tùng;
b) Cầu vai của Thanh tra viên, công chức, viên chức, nhân viên được giao nhiệm vụ thanh tra thuộc Thanh tra Bộ, Thanh tra Sở, Thanh tra Cục Hàng không, Thanh tra Cục Hàng hải có chiều dài 13 cm, phần đầu nhọn rộng 4 cm, phần đuôi rộng 5 cm; nền cấp hiệu bằng vải nỉ màu đỏ; cốt cấp hiệu bằng nhựa nguyên chất màu trắng; sao cấp hiệu bằng đồng tấm mạ màu trắng bóng, có lé bằng vải màu xanh rộng 3 mm; cúc cấp hiệu hình tròn có ngôi sao ở giữa 2 cành tùng;
c) Cầu vai của công chức thanh tra chuyên ngành, viên chức được giao nhiệm vụ thanh tra thuộc các cơ quan được giao thực hiện chức năng thanh tra chuyên ngành giao thông vận tải có chiều dài 13 cm, phần đầu nhọn rộng 4 cm, phần đuôi rộng 5 cm; nền cấp hiệu bằng vải nỉ màu xanh đậm; cốt cấp hiệu bằng nhựa nguyên chất màu trắng; sao cấp hiệu bằng đồng tấm mạ màu trắng bóng, có lé bằng vải màu đỏ rộng 3 mm; cúc cấp hiệu hình tròn có ngôi sao ở giữa 2 cành tùng.
3. Quy định về cấp hàm
a) Chánh thanh tra Bộ: cầu vai được gắn 1 sao 23 mm ở giữa cầu vai;
b) Phó Chánh thanh tra Bộ, Tổng cục trưởng Tổng cục Đường bộ Việt Nam, Cục trưởng Cục Đường sắt Việt Nam, Cục trưởng cục Đường thủy nội địa Việt Nam, Cục trưởng Cục Hàng hải Việt Nam, Cục trưởng Cục Hàng không Việt Nam: cầu vai được gắn 4 sao 23 mm thành một hàng dọc cầu vai, có hai vạch phân cấp bằng kim loại màu trắng bóng;
c) Trưởng phòng thuộc Thanh tra Bộ, Phó Tổng cục trưởng Tổng cục Đường bộ Việt Nam, Phó Cục trưởng Cục Đường sắt Việt Nam, Phó Cục trưởng cục Đường thủy nội địa Việt Nam, Phó Cục trưởng Cục Hàng hải Việt Nam, Phó Cục trưởng Cục Hàng không Việt Nam: cầu vai được gắn 3 sao 23 mm thành một hàng dọc cầu vai, có hai vạch phân cấp bằng kim loại màu trắng bóng;
d) Phó Trưởng phòng thuộc Thanh tra Bộ, Chánh Thanh tra Sở, Chánh Thanh tra Cục, Vụ trưởng Vụ Pháp chế - Thanh tra, Cục trưởng Cục Quản lý đường bộ thuộc Tổng cục Đường bộ Việt Nam; Trưởng phòng Pháp chế - Thanh tra, Trưởng phòng Thanh tra - An toàn thuộc Cục Đường sắt Việt Nam; Trưởng phòng Pháp chế - Thanh tra, Chi Cục trưởng Chi cục Đường thủy nội địa, Giám đốc Cảng vụ Đường thủy nội địa thuộc Cục Đường thủy nội địa Việt Nam; Giám đốc Cảng vụ Hàng hải; Giám đốc Cảng vụ Hàng không: cầu vai được gắn 2 sao 23 mm thành một hàng dọc cầu vai, có hai vạch phân cấp bằng kim loại màu trắng bóng;
đ) Phó Chánh Thanh tra Sở, Phó Chánh thanh tra Cục, Phó Vụ trưởng Vụ Pháp chế - Thanh tra, Phó Cục trưởng Cục Quản lý đường bộ thuộc Tổng cục Đường bộ Việt Nam; Phó Trưởng phòng Pháp chế - Thanh tra, Phó Trưởng phòng Thanh tra - An toàn thuộc Cục Đường sắt Việt Nam; Phó Trưởng phòng Pháp chế - Thanh tra, Phó Chi cục trưởng Chi cục Đường thủy nội địa, Phó Giám đốc Cảng vụ Đường thủy nội địa thuộc Cục Đường thủy nội địa Việt Nam; Phó Giám đốc Cảng vụ Hàng hải; Phó Giám đốc Cảng vụ Hàng không: cầu vai được gắn 1 sao 23 mm ở giữa cầu vai, có hai vạch phân cấp bằng kim loại màu trắng bóng;
e) Đội trưởng thuộc Thanh tra Sở, Đội trưởng Đội Thanh tra - An toàn thuộc Cục Quản lý đường bộ; Đội trưởng Đội Thanh tra - An toàn thuộc Cục Đường sắt Việt Nam; Đội trưởng Đội Thanh tra - An toàn thuộc Chi cục Đường thủy nội địa, Trưởng phòng Thanh tra - An toàn thuộc Cảng vụ Đường thủy nội địa; Trưởng phòng Thanh tra - An toàn thuộc Cảng vụ Hàng hải; Trưởng phòng Pháp chế - Thanh tra thuộc Cảng vụ Hàng không: cầu vai được gắn 2 sao 23 mm thành một hàng dọc cầu vai, có một vạch phân cấp bằng kim loại màu trắng bóng;
g) Phó Đội trưởng thuộc Thanh tra Sở, Phó Đội trưởng Đội Thanh tra - An toàn thuộc Cục Quản lý đường bộ; Phó Đội trưởng Đội Thanh tra - An toàn thuộc Cục Đường sắt Việt Nam; Phó Đội trưởng Đội Thanh tra - An toàn thuộc Chi cục Đường thủy nội địa, Phó Trưởng phòng Thanh tra - An toàn thuộc Cảng vụ Đường thủy nội địa: Phó Trưởng phòng Thanh tra - An toàn thuộc Cảng vụ Hàng hải; Phó Trưởng phòng Pháp chế - Thanh tra thuộc Cảng vụ Hàng không: cầu vai được gắn 1 sao 23 mm ở giữa cầu vai, có một vạch phân cấp bằng kim loại màu trắng bóng;
h) Thanh tra viên cao cấp: cầu vai được gắn 3 sao 23 mm thành một hàng dọc trên 3 vạch phân ngạch màu xanh;
i) Thanh tra viên chính: cầu vai được gắn 2 sao 23 mm thành một hàng dọc trên 2 vạch phân ngạch màu xanh;
k) Thanh tra viên: cầu vai được gắn 1 sao 23 mm trên 1 vạch phân ngạch màu xanh;
l) Công chức, viên chức, nhân viên thuộc Thanh tra Bộ, Thanh tra Sở, Thanh tra Cục: cầu vai không gắn sao và có 1 vạch phân ngạch màu xanh;
m) Công chức thanh tra chuyên ngành, viên chức được giao thực hiện nhiệm vụ thanh tra chuyên ngành thuộc các cơ quan được giao thực hiện chức năng thanh tra chuyên ngành giao thông vận tải: cầu vai gắn 1 sao 23 mm ở giữa trên 1 vạch phân ngạch màu trắng;
n) Người có cấp hiệu theo các điểm a, b, c, d, đ, e, g thì không áp dụng cấp hiệu chức danh nghiệp vụ quy định tại các điểm h, i, k, l, m khoản này.
Điều 10. Tiêu chuẩn và niên hạn cấp phát trang phục
| STT | Tên trang phục | Số lượng | Niên hạn cấp phát |
| 1 | Quần áo thu đông |
|
|
| + Từ Thừa Thiên Huế trở ra | 01 bộ | 02 năm (lần đầu cấp 02 bộ) | |
| + Từ Đà Nẵng trở vào | 01 bộ | 04 năm (lần đầu cấp 02 bộ) | |
| 2 | Quần, áo xuân hè |
|
|
| + Từ Thừa Thiên Huế trở ra | 01 bộ | 01 năm (lần đầu cấp 02 bộ) | |
| + Từ Đà Nẵng trở vào | 02 bộ |
| |
| 3 | Áo măng tô | 01 cái | 04 năm |
| 4 | Áo sơ mi dài tay | 01 cái | 01 năm (lần đầu cấp 02 cái) |
| 5 | Thắt lưng da | 01 cái | 02 năm |
| 6 | Giầy da | 01 đôi | 02 năm |
| 7 | Dép quai hậu | 01 đôi | 01 năm |
| 8 | Bít tất | 02 đôi | 01 năm |
| 9 | Cà vạt | 02 cái | 04 năm |
| 10 | Quần áo mưa | 01 bộ | 01 năm |
| 11 | Ủng cao su | 01 đôi | 01 năm |
| 12 | Mũ bảo hiểm | 01 cái | 02 năm |
| 13 | Cặp tài liệu | 01 cái | 02 năm |
2. Trang phục cấp một lần (trường hợp trang phục bị cũ, hư hỏng, bị mất thì được cấp lại): mũ kêpi, cấp hiệu, cầu vai, cấp hàm, phù hiệu, cờ hiệu, biển tên.
3. Đối với các tỉnh phía Nam, tùy từng điều kiện cụ thể, chuyển đổi trang phục áo măng tô, áo thu đông sang thành 02 áo xuân hè để phù hợp với điều kiện thời tiết.
4. Đối với các tỉnh miền núi phía Bắc, tùy điều kiện cụ thể, chuyển đổi áo măng tô thành áo thu đông có bổ sung thêm lớp bông để phù hợp với điều kiện thời tiết.
Điều 11. Quản lý, sử dụng trang phục
1. Người được cấp trang phục để sử dụng khi thi hành công vụ (tại hiện trường, tiếp nhận hồ sơ xử lý tại văn phòng, tiếp công dân, công bố quyết định thanh tra, kiểm tra, công bố kết luận thanh tra, kiểm tra), dự các hội nghị, ngày truyền thống và các buổi lễ trang trọng khác.
2. Người được cấp trang phục có trách nhiệm quản lý và sử dụng trang phục được cấp đúng quy định.
3. Cơ quan thực hiện chức năng thanh tra ngành Giao thông vận tải có trách nhiệm trang bị cờ hiệu, trang phục đúng tiêu chuẩn, chất lượng quy định tại Thông tư này.
Chương III
PHƯƠNG TIỆN, THIẾT BỊ KỸ THUẬT CỦA THANH TRA NGÀNH GIAO THÔNG VẬN TẢI
Điều 12. Phương tiện, thiết bị kỹ thuật chuyên dùng
1. Thanh tra ngành Giao thông vận tải được trang bị phương tiện, thiết bị kỹ thuật chuyên dùng để phục vụ công tác thanh tra, kiểm tra, xử phạt vi phạm hành chính.
2. Chủng loại phương tiện, thiết bị kỹ thuật phục vụ cho hoạt động của thanh tra ngành Giao thông vận tải.
a) Phương tiện chuyên dùng: xe ô tô chở người đến 7 chỗ ngồi; xe ô tô tải, ô tô bán tải, xe cần cẩu, xe nâng, máy ủi, máy xúc, xe cứu hộ;
b) Tầu, xuồng cao tốc, ca nô;
c) Xe mô tô 2 bánh hoặc 3 bánh;
d) Máy bộ đàm và thiết bị chuyển tiếp sóng;
đ) Cưa máy xách tay;
e) Thiết bị đo của các cơ sở kiểm định kỹ thuật;
g) Thiết bị công nghệ thông tin có tích hợp Wifi, 3G, GPS; máy in cầm tay và các thiết bị công nghệ khác liên quan đến việc thu thập, ghi nhận chứng cứ thanh tra;
h) Phương tiện, thiết bị kỹ thuật chuyên dùng khác như: máy đo độ sâu luồng, tuyến, máy đo nồng độ dầu, máy siêu âm công trình, máy đo tốc độ chạy tầu, đèn soi tia cực tím;
i) Các phương tiện, thiết bị kỹ thuật nghiệp vụ được sử dụng để phát hiện hành vi vi phạm hành chính theo quy định của Chính phủ;
k) Các thiết bị văn phòng.
3. Công cụ tác nghiệp
a) Gậy chỉ huy giao thông có màu đen trắng, sơn phản quang (gậy gỗ hoặc gậy nhựa tổng hợp có đèn gắn pin);
b) Biển STOP có hình lục giác đều mỗi cạnh 100 mm, sơn trắng phản quang cả 2 mặt, trên có chữ STOP màu đỏ cách đều hai mép trên dưới. Tay cầm gỗ F30 mm sơn màu đỏ, trắng;
c) Còi, đèn pin, rào chắn di động có phản quang cao 1,2 m dài 1,5 m bằng sắt hoặc bằng cao su chuyên dùng;
d) Loa cầm tay, loa chuyên dùng, gắn trên xe ô tô, tàu, xuồng cao tốc phục vụ cho công tác tuyên truyền, đảm bảo an toàn giao thông.
4. Tùy theo từng chuyên ngành, từng cấp thanh tra, cấp có thẩm quyền quyết định việc trang bị phương tiện, thiết bị kỹ thuật, công cụ tác nghiệp cho phù hợp với chức năng, nhiệm vụ được giao.
5. Ngoài những phương tiện, thiết bị quy định tại khoản 2 và khoản 3 Điều này, trong trường hợp cần thiết, cơ quan thanh tra ngành Giao thông vận tải được huy động phương tiện, trang thiết bị của các cơ quan quản lý nhà nước, đơn vị sự nghiệp trực thuộc cơ quan quản lý nhà nước cùng cấp hoặc cơ quan thanh tra ngành Giao thông vận tải cấp dưới để phục vụ công tác thanh tra theo quy định của pháp luật.
Điều 13. Quy định về kỹ thuật của phương tiện, thiết bị kỹ thuật chuyên dùng
1. Quy định về kỹ thuật của phương tiện chuyên dùng
a) Xe ô tô chở người đến 7 chỗ: có dung tích tối thiểu 2.000 cm3; có màu xanh đen, nóc có đèn hiệu màu vàng, có vị trí treo cờ hiệu, trong cabin có vị trí gắn các thiết bị chuyên dùng khác. Hai bên cửa xe sơn chữ “THANH TRA GIAO THÔNG” có phản quang, quy cách như sau: chữ in hoa, màu trắng, cao 10-12 cm, nét chữ 01-1,5 cm, in đứng, đủ dấu;
b) Xe ô tô tải và xe ô tô bán tải: có trọng tải tối thiểu 1500 kg, dung tích xi lanh tối thiểu 2.000 cm3 đối với xe ô tô tải; có công suất tối thiểu 120 mã lực, dung tích xi lanh tối thiểu 2.000 cm3, có 4 chỗ ngồi, có đèn hiệu màu vàng ở nóc cabin, có thùng chở hàng và các thiết bị phục vụ công tác thanh tra chuyên ngành đối với xe ô tô bán tải; hai bên thành xe sơn chữ “THANH TRA GIAO THÔNG” có phản quang theo quy cách như sau: chữ in hoa, in đứng, đủ dấu, cỡ chữ tùy thuộc vào từng loại xe; trên nóc cabin có gắn loa để phục vụ công tác đảm bảo trật tự an toàn giao thông;
c) Xe cần cẩu, xe nâng, máy ủi, máy xúc, xe cứu hộ có tiêu chuẩn kỹ thuật phù hợp đáp ứng yêu cầu cụ thể của nhiệm vụ; hai bên thành xe sơn chữ “THANH TRA GIAO THÔNG” có phản quang theo quy cách như sau: chữ in hoa, in đứng, đủ dấu, cỡ chữ tùy thuộc vào từng loại xe. Riêng xe cứu hộ có màu trắng hoặc màu xanh đen, dùng để chở xe và kéo xe, công suất tối thiểu 150 mã lực;
d) Xe mô tô: xe có dung tích tối thiểu 125 cm3, được sơn chữ quy cách quy định tại điểm a khoản 1 Điều này, cỡ nền và chữ nhỏ hơn, tùy thuộc vào từng loại xe;
đ) Tàu, xuồng chuyên dùng phục vụ công tác Thanh tra đường thủy nội địa và hàng hải: có công suất máy tối thiểu 90 mã lực đối với tàu và có công suất máy tối thiểu 25 mã lực: đối với xuồng cao tốc; có màu trắng, có vị trí treo cờ hiệu, hai bên cabin tàu và hai bên mạn xuồng có sơn chữ “THANH TRA GIAO THÔNG” có phản quang theo quy cách như sau: chữ in hoa, màu xanh da trời, cao 20 cm, nét chữ 2,5 cm, in đứng, đủ dấu.
2. Phương tiện, thiết bị phải được đăng ký, kiểm định an toàn kỹ thuật theo quy định của pháp luật.
Điều 14. Chế độ và kinh phí mua sắm phù hiệu, cờ hiệu, trang phục; phương tiện, thiết bị kỹ thuật
Kinh phí để mua sắm, sửa chữa phù hiệu, cờ hiệu, trang phục, phương tiện, thiết bị kỹ thuật được bố trí trong dự toán chi ngân sách nhà nước được cấp có thẩm quyền giao hàng năm hoặc theo đề án, dự án được cấp có thẩm quyền phê duyệt.
Chương IV
ĐIỀU KHOẢN THI HÀNH
Điều 15. Hiệu lực thi hành
1. Thông tư này có hiệu lực kể từ ngày 01 tháng 01 năm 2016.
2. Bãi bỏ Quyết định số 28/2005/QĐ-BGTVT ngày 18 tháng 5 năm 2005 của Bộ trưởng Bộ Giao thông vận tải quy định về cờ hiệu, trang phục, phù hiệu, cấp hiệu, biển hiệu; phương tiện, thiết bị kỹ thuật của Thanh tra giao thông vận tải các cấp (sau đây gọi tắt là Quyết định số 28/2005/QĐ-BGTVT).
3. Các cơ quan thanh tra ngành Giao thông vận tải có thể sử dụng trang phục theo quy định tại Quyết định số 28/2005/QĐ-BGTVT cho đến hết ngày 31 tháng 12 năm 2016, nhưng phải sử dụng cầu vai, cấp hàm, biển tên theo quy định tại Thông tư này.
Điều 16. Trách nhiệm thi hành
1. Chánh Văn phòng Bộ, Chánh Thanh tra Bộ, các Vụ trưởng, Tổng cục trưởng Tổng cục Đường bộ Việt Nam, Cục trưởng Cục Đường sắt Việt Nam, Cục trưởng Cục Đường thủy nội địa Việt Nam, Cục trưởng Cục Hàng không Việt Nam, Cục trưởng Cục Hàng hải Việt Nam, Giám đốc các Sở Giao thông vận tải, các cơ quan, tổ chức và cá nhân có liên quan chịu trách nhiệm thi hành Thông tư này.
2. Thủ trưởng các cơ quan thanh tra ngành Giao thông vận tải xây dựng quy chế nội bộ quản lý, sử dụng phù hiệu, cờ hiệu, trang phục; phương tiện, thiết bị kỹ thuật của thanh tra giao thông vận tải.
3. Thanh tra Bộ có trách nhiệm triển khai và kiểm tra việc thực hiện Thông tư này. Trong quá trình thực hiện, nếu có các vấn đề phát sinh hoặc khó khăn, vướng mắc, các cơ quan, đơn vị phản ánh kịp thời về Bộ Giao thông vận tải để xem xét, giải quyết theo thẩm quyền./.
|
Nơi nhận:
- Như khoản 1 Điều 16; - Văn phòng Chính phủ; - Các Bộ, Cơ quan ngang Bộ, Cơ quan thuộc Chính phủ; - UBND các tỉnh, TP trực thuộc TW; - Cục Kiểm tra văn bản (Bộ Tư pháp); - Các Sở Giao thông vận tải; - Thanh tra các Sở Giao thông vận tải; - Công báo, Cổng thông tin điện tử Chính phủ; - Cổng Thông tin điện tử Bộ Giao thông vận tải; - Báo Giao thông, Tạp chí Giao thông vận tải; - Lưu: VT, TTr (5b). |
BỘ TRƯỞNG
Đinh La Thăng |
PHỤ LỤC I
MẪU PHÙ HIỆU
(Ban hành kèm theo Thông tư số 52/2015/TT-BGTVT ngày 24 tháng 9 năm 2015 của Bộ trưởng Bộ Giao thông vận tải)
1. Phù hiệu

2. Phù hiệu dệt trên hình khiên

Chiều cao chỗ cao nhất hình khiên: 90 mm
Chiều cao từ điểm cạnh khiên đến đáy khiên: 80 mm
Chiều rộng hình khiên: 70 mm
Chiều rộng đỉnh khiên: 24 mm
Từ cạnh khiên đến cạnh đỉnh khiên: 23 mm
Đường kính phù hiệu dệt trên hình khiên: 35 mm
|
|
- SỞ GIAO THÔNG VẬN TẢI đối với thanh tra viên, công chức, nhân viên thuộc Thanh tra Sở - TỔNG CỤC ĐƯỜNG BỘ VIỆT NAM đối với công chức thanh tra chuyên ngành thuộc Tổng Cục Đường bộ Việt Nam và các Cục Quản lý đường bộ |
|
|
- CỤC ĐƯỜNG SẮT VIỆT NAM đối với công chức thanh tra chuyên ngành thuộc Cục Đường sắt Việt Nam - CỤC ĐƯỜNG THỦY NỘI ĐỊA VIỆT NAM đối với công chức thanh tra chuyên ngành, viên chức được giao nhiệm vụ thanh tra tại Cục Đường thủy nội địa Việt Nam, Chi Cục Đường thủy nội địa và Cảng vụ Đường thủy nội địa |
|
|
- CỤC HÀNG HẢI VIỆT NAM đối với thanh tra viên, công chức thuộc Thanh tra Cục Hàng hải, công chức thanh tra chuyên ngành, viên chức được giao nhiệm vụ thanh tra tại Cục Hàng hải Việt Nam và Cảng vụ Hàng hải - CỤC HÀNG KHÔNG VIỆT NAM đối với thanh tra viên, công chức thuộc Thanh tra Cục Hàng không; công chức thanh tra chuyên ngành viên chức được giao nhiệm vụ thanh tra tại Cục Hàng không Việt Nam và Cảng vụ Hàng không |
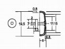
PHỤ LỤC II
MẪU CỜ HIỆU
(Ban hành kèm theo Thông tư số 52/2015/TT-BGTVT ngày 24 tháng 9 năm 2015 của Bộ trưởng Bộ Giao thông vận tải)
Cờ hiệu treo trên tàu biển, phương tiện thủy nội địa

Cạnh đáy: 600 mm
Chiều cao: 900 mm
Đường viền: 10 mm
Đường kính phù hiệu: 170 mm
Phù hiệu cách cạnh đáy: 150 mm
Cờ hiệu treo trên ca nô, xe ô tô và các loại phương tiện tuần tra khác
|
|
Cạnh đáy: 300 mm Chiều cao: 450 mm Đường viền: 5 mm Đường kính phù hiệu: 110 mm Phù hiệu cách cạnh đáy: 70 mm |
PHỤ LỤC III
MẪU TRANG PHỤC
(Ban hành kèm theo Thông tư số 52/2015/TT-BGTVT ngày 24 tháng 9 năm 2015 của Bộ trưởng Bộ Giao thông vận tải)
TRANG PHỤC NAM
|
1. Áo măng tô
|
2. Áo veston
|
|
3. Áo Sơ mi dài tay thu đông, xuân hè
|
4. Áo xuân hè ngắn tay
|
5. Quần thu đông, xuân hè

6. Giầy da

7. Dép quai hậu

TRANG PHỤC NỮ
|
1. Áo măng tô
|
2. Áo veston
|
|
3. Áo Sơ mi dài tay thu đông, xuân hè
|
4. Áo xuân hè ngắn tay
Kiểu 1
Kiểu 2 |
5. Quần thu đông, xuân hè

6. Juyp

|
7. Giầy da
|
8. Dép quai hậu
|
TRANG PHỤC KHÁC TRANG BỊ CHUNG CHO NAM VÀ NỮ
1. Quần, áo mưa

|
2. Cà vạt
|
3. Bít tất
|
4. Thắt lưng

5. Biển tên

Chiều dài: 81 mm
Chiều rộng: 23 mm
Đường kính phù hiệu: 15 mm
Độ rộng đường viền: 1 mm
Khoảng cách từ mép trong đường viền đến hình phù hiệu: 3 mm
6. Cặp tài liệu

|
7. Cúc áo
|
8. Cúc cấp hiệu (Đơn vị tính: mm)
|
|
9. Cành tùng
|
10. Sao mũ
|
11. Mũ kêpi

12. Mũ bảo hiểm

13. Ủng cao su

PHỤ LỤC IV
MẪU CẤP HIỆU
(Ban hành kèm theo Thông tư số 52/2015/TT-BGTVT ngày 24 tháng 9 năm 2015 của Bộ trưởng Bộ Giao thông vận tải)
A. Cầu vai, cấp hàm của thanh tra viên, công chức giữ chức vụ lãnh đạo thuộc Thanh tra Bộ, Thanh tra Sở, Thanh tra Cục Hàng hải, Thanh tra Cục Hàng không
1. Chánh Thanh tra Bộ

2. Phó Chánh Thanh tra Bộ

3. Trưởng phòng thuộc Thanh tra Bộ

4. Phó Trưởng phòng thuộc Thanh tra Bộ, Chánh Thanh tra Sở, Chánh Thanh tra Cục

5. Phó Chánh Thanh tra Sở, Phó Chánh Thanh tra Cục

6. Đội trưởng thuộc Thanh tra Sở

7. Phó Đội trưởng thuộc Thanh tra Sở

B. Cầu vai, cấp hàm đối với thanh tra viên, công chức, nhân viên không giữ chức vụ lãnh đạo quản lý thuộc Thanh tra Bộ, Thanh tra Sở, Thanh tra Cục Hàng không, Thanh tra Cục Hàng hải
1. Thanh tra viên cao cấp

2. Thanh tra viên chính

3. Thanh tra viên

4. Công chức, viên chức, nhân viên

C. Cầu vai, cấp hàm của công chức, viên chức giữ chức vụ lãnh đạo quản lý được giao thực hiện nhiệm vụ thanh tra chuyên ngành thuộc các cơ quan được giao thực hiện chức năng thanh tra chuyên ngành giao thông vận tải
1. Tổng Cục trưởng Tổng cục Đường bộ Việt Nam, Cục trưởng Cục Đường sắt Việt Nam, Cục trưởng cục Đường thủy nội địa Việt Nam, Cục trưởng Cục Hàng hải Việt Nam, Cục trưởng Cục Hàng không Việt Nam

2. Phó Tổng cục trưởng Tổng cục Đường bộ Việt Nam, Phó Cục trưởng Cục Đường sắt Việt Nam, Phó Cục trưởng cục Đường thủy nội địa Việt Nam, Phó Cục trưởng Cục Hàng hải Việt Nam, Phó Cục trưởng Cục Hàng không Việt Nam

3. Vụ trưởng Vụ Pháp chế - Thanh tra, Cục trưởng Cục Quản lý đường bộ thuộc Tổng cục Đường bộ Việt Nam; Trưởng phòng Pháp chế - Thanh tra, Trưởng phòng Thanh tra - An toàn thuộc Cục Đường sắt Việt Nam; Trưởng phòng Pháp chế - Thanh tra, Chi Cục trưởng Chi cục Đường thủy nội địa, Giám đốc Cảng vụ Đường thủy nội địa thuộc Cục Đường thủy nội địa Việt Nam; Giám đốc Cảng vụ Hàng hải; Giám đốc Cảng vụ Hàng không

4. Phó Vụ trưởng Vụ Pháp chế - Thanh tra, Phó Cục trưởng Cục Quản lý đường bộ thuộc Tổng cục Đường bộ Việt Nam; Phó Trưởng phòng Pháp chế - Thanh tra, Phó Trưởng phòng Thanh tra - An toàn thuộc Cục Đường sắt Việt Nam; Phó trưởng phòng Pháp chế - Thanh tra, Phó Chi cục trưởng Chi cục Đường thủy nội địa, Phó Giám đốc Cảng vụ Đường thủy nội địa thuộc Cục Đường thủy nội địa Việt Nam; Phó Giám đốc Cảng vụ Hàng hải; Phó Giám đốc Cảng vụ Hàng không

5. Đội trưởng Đội Thanh tra - An toàn thuộc Cục Quản lý đường bộ; Đội trưởng Đội Thanh tra - An toàn thuộc Cục Đường sắt Việt Nam; Đội trưởng Đội Thanh tra - An toàn thuộc Chi cục Đường thủy nội địa, Trưởng phòng Thanh tra - An toàn thuộc Cảng vụ Đường thủy nội địa; Trưởng phòng Thanh tra - An toàn thuộc Cảng vụ Hàng hải; Trưởng phòng Pháp chế - Thanh tra thuộc Cảng vụ Hàng không

6. Phó Đội trưởng Đội Thanh tra - An toàn thuộc Cục Quản lý đường bộ; Phó Đội trưởng Đội Thanh tra - An toàn thuộc Cục Đường sắt Việt Nam; Phó Đội trưởng Đội Thanh tra - An toàn thuộc Chi cục Đường thủy nội địa, Phó Trưởng phòng Thanh tra - An toàn thuộc Cảng vụ Đường thủy nội địa; Phó Trưởng phòng Thanh tra - An toàn thuộc Cảng vụ Hàng hải; Phó Trưởng phòng Pháp chế - Thanh tra thuộc Cảng vụ Hàng không

D. Cấp hàm của công chức, viên chức không giữ chức vụ lãnh đạo quản lý được giao thực hiện nhiệm vụ thanh tra chuyên ngành thuộc các cơ quan được giao thực hiện chức năng thanh tra chuyên ngành giao thông vận tải

Bạn chưa Đăng nhập thành viên.
Đây là tiện ích dành cho tài khoản thành viên. Vui lòng Đăng nhập để xem chi tiết. Nếu chưa có tài khoản, vui lòng Đăng ký tại đây!
Bạn chưa Đăng nhập thành viên.
Đây là tiện ích dành cho tài khoản thành viên. Vui lòng Đăng nhập để xem chi tiết. Nếu chưa có tài khoản, vui lòng Đăng ký tại đây!




















