- Tổng quan
- Nội dung
- Tiêu chuẩn liên quan
- Lược đồ
- Tải về
Tiêu chuẩn TCVN 16058:2025 Phương tiện giao thông đường bộ - An toàn ôtô điện - Yêu cầu và phương pháp thử trong phê duyệt kiểu
| Số hiệu: | TCVN 13058:2025 | Loại văn bản: | Tiêu chuẩn Việt Nam |
| Cơ quan ban hành: | Bộ Khoa học và Công nghệ | Lĩnh vực: | Giao thông |
| Trích yếu: | Phương tiện giao thông đường bộ - An toàn ôtô điện - Yêu cầu và phương pháp thử trong phê duyệt kiểu | ||
|
Ngày ban hành:
Ngày ban hành là ngày, tháng, năm văn bản được thông qua hoặc ký ban hành.
|
22/05/2025 |
Hiệu lực:
|
Đã biết
|
| Người ký: | Đang cập nhật |
Tình trạng hiệu lực:
Cho biết trạng thái hiệu lực của văn bản đang tra cứu: Chưa áp dụng, Còn hiệu lực, Hết hiệu lực, Hết hiệu lực 1 phần; Đã sửa đổi, Đính chính hay Không còn phù hợp,...
|
Đã biết
|
TÓM TẮT TIÊU CHUẨN VIỆT NAM TCVN 13058:2025
Tiêu chuẩn quốc gia TCVN 13058:2025 về An toàn ô tô điện: Quy định quan trọng đối với nhà sản xuất và người tiêu dùng
Tiêu chuẩn quốc gia TCVN 13058:2025, được ban hành ngày 01/01/2025, chính thức có hiệu lực thay thế TCVN 13058:2020. Tiêu chuẩn này quy định các yêu cầu an toàn về hệ động lực điện của ô tô điện chở người và hàng hóa, nhằm đảm bảo an toàn trong thiết kế và vận hành ô tô điện, đặc biệt với tốc độ thiết kế lớn nhất trên 25 km/h. Đối tượng chịu tác động chính từ tiêu chuẩn này bao gồm các nhà sản xuất ô tô và người tiêu dùng, đặc biệt là những người sử dụng ô tô điện.
Tiêu chuẩn đưa ra các yêu cầu an toàn nghiêm ngặt đối với các hệ động lực điện (Electric power train) và hệ thống lưu trữ năng lượng có thể sạc lại (REESS). Một trong những điểm nổi bật là yêu cầu bảo vệ chống điện giật, trong đó các chi tiết có dòng điện phải được bảo vệ kỹ lưỡng. Điều này bao gồm việc các chi tiết này không được tiếp xúc trực tiếp và phải đạt cấp bảo vệ cụ thể (IPXXD hoặc IPXXB tùy thuộc vào vị trí) để ngăn ngừa nguy cơ điện giật cho người sử dụng.
Ngoài ra, tiêu chuẩn cũng quy định chi tiết về hệ thống giám sát điện trở cách điện trên xe, yêu cầu phải có cảnh báo cho người lái xe khi điện trở cách điện giảm xuống dưới mức an toàn. Điều này có thể ngăn ngừa các sự cố nghiêm trọng có thể xảy ra trong trường hợp hỏng hóc hệ thống điện.
Về phần REESS, tiêu chuẩn yêu cầu các nhà sản xuất phải cung cấp tài liệu và các chứng nhận an toàn liên quan đến hệ thống này, đảm bảo rằng chúng phải được lắp đặt theo hướng dẫn của nhà sản xuất. Đây là một yêu cầu bắt buộc nhằm tăng cường an toàn cho các xe ô tô điện trong quá trình sử dụng.
Tiêu chuẩn cũng lưu ý đến việc cảnh báo dung lượng REESS thấp đối với các xe chạy điện thuần túy, yêu cầu phải có hệ thống cảnh báo hiệu quả, dễ nhận biết trong mọi điều kiện ánh sáng để đảm bảo an toàn cho người lái. Yêu cầu này nhằm đảm bảo rằng lái xe sẽ không bị mất năng lượng đột ngột, ảnh hưởng đến khả năng điều khiển xe.
TCVN 13058:2025 không chỉ có tính chất kỹ thuật mà còn đóng vai trò quan trọng trong việc đảm bảo an toàn và chất lượng của ô tô điện trên thị trường, đồng thời tạo môi trường pháp lý vững chắc cho nhà sản xuất và bảo vệ quyền lợi người tiêu dùng. Đây là một bước tiến quan trọng trong việc phát triển công nghệ ô tô điện tại Việt Nam cũng như triển khai các chuẩn mực quốc tế.
Với những quy định chặt chẽ và tiên tiến, tiêu chuẩn này chắc chắn sẽ giúp nâng cao mức độ an toàn cho cả hệ thống giao thông và người sử dụng phương tiện trong thời đại công nghệ phát triển nhanh chóng như hiện nay.
Tải tiêu chuẩn Việt Nam TCVN 13058:2025
TIÊU CHUẨN QUỐC GIA
TCVN 13058:2025
PHƯƠNG TIỆN GIAO THÔNG ĐƯỜNG BỘ - AN TOÀN Ô TÔ ĐIỆN - YÊU CẦU VÀ PHƯƠNG PHÁP THỬ TRONG PHÊ DUYỆT KIỂU
Road vehicles - Electric vehicles safety - Requirements and test methods in type approval
Lời nói đầu
TCVN 13058:2025 thay thế TCVN 13058:2020.
TCVN 13058:2025 được biên soạn trên cơ sở UNR 100 Revision 3:2022 Uniform provisions concerning the approval of vehicles with regard to specific requirements for the electric power train và UN GTR 20 (2021) Global technical regulation on the electric vehicle safety (EVS).
TCVN 13058:2025 do Ban kỹ thuật tiêu chuẩn quốc gia TCVN/TC 22 Phương tiện giao thông đường bộ biên soạn, Ủy ban Tiêu chuẩn Đo lường Chất lượng Quốc gia đề nghị, Bộ khoa học và Công nghệ công bố.
PHƯƠNG TIỆN GIAO THÔNG ĐƯỜNG BỘ - AN TOÀN Ô TÔ ĐIỆN - YÊU CẦU VÀ PHƯƠNG PHÁP THỬ TRONG PHÊ DUYỆT KIỂU
Road vehicles - Electric vehicles safety - Requirements and test methods in type approval
1 Phạm vi áp dụng
1.1 Tiêu chuẩn quy định yêu cầu an toàn đối với hệ động lực điện (định nghĩa 3.12) của các loại ô tô chở người và chở hàng (M và N, sau đây gọi là ‘xe’), với vận tốc thiết kế lớn nhất trên 25 km/h, được trang bị hệ động lực điện, trừ các xe luôn được kết nối với lưới điện.
Tiêu chuẩn không quy định đối với:
(a) Các yêu cầu an toàn sau va chạm của xe;
(b) Các bộ phận và các hệ thống không được kết nối điện galvanic với bus (sau đây gọi là mạch điện) có điện áp cao của hệ động lực điện.
1.2 Tiêu chuẩn quy định yêu cầu an toàn đối với hệ thống lưu trữ năng lượng có thể sạc lại (REESS), của các xe như nêu trong 1.1 được trang bị hệ động lực điện, trừ các xe luôn được kết nối với lưới điện. Tiêu chuẩn không áp dụng cho ắc quy có công dụng chính là cung cấp năng lượng để khởi động động cơ và/hoặc chiếu sáng và/hoặc các hệ thống phụ khác của xe.
2 Tài liệu viện dẫn
Các tài liệu viện dẫn sau rất cần thiết cho việc áp dụng tiêu chuẩn này. Đối với các tài liệu viện dẫn ghi năm công bố thì áp dụng phiên bản được nêu. Đối với các tài liệu viện dẫn không ghi năm công bố thì áp dụng phiên bản mới nhất, bao gồm cả các sửa đổi, bổ sung (nếu có).
TCVN 8658:2010, Phương tiện giao thông đường bộ - Ký hiệu nhóm xe cơ giới.
UNR 12, Uniform Provisions Concerning the Approval of: Vehicles with Regard to the Protection of the Driver Against the Steering Mechanism in the Event of Impact (Quy định thống nhất liên quan đến việc phê duyệt xe về bảo vệ người lái chống lại cơ cấu lái trong trường hợp va chạm).
UNR 94-03, Uniform Provisions Concerning the Approval of: Vehicles with Regard to the Protection of the Occupants in the Event of a Frontal Collision (Quy định thống nhất liên quan đến việc phê duyệt xe về bảo vệ người ngồi trên xe trong trường hợp va chạm trực diện).
UNR 95, Uniform provisions Concerning the Approval of Vehicles with Regard to the Protection of the Occupants in the Event of a Lateral Collision (Quy định thống nhất liên quan đến việc phê duyệt xe về bảo vệ người ngồi trên xe trong trường hợp xảy ra va chạm bên).
3 Thuật ngữ và định nghĩa
Các thuật ngữ và định nghĩa sau được áp dụng trong tiêu chuẩn này:
3.1
Chế độ có thể lái xe chủ động (Active driving possible mode)
Chế độ của xe khi tác dụng lực lên bàn đạp ga (hoặc tác động điều khiển tương đương) hoặc nhả hệ thống phanh phải khiến hệ động lực điện làm xe di chuyển.
3.2
Chất điện phân gốc nước (Aqueous electrolyte)
Chất điện phân chủ yếu được tạo ra từ dung môi nước có các hợp chất (ví dụ, axit, bazơ) cung cấp các Ion dẫn điện sau sự phân ly của chất điện phân đó.
3.3
Bộ tự động ngắt kết nối (Automatic disconnect)
Một thiết bị khi được kích hoạt sẽ cắt điện từ các nguồn điện khỏi phần còn lại của mạch điện cao áp của hệ thống động lực điện.
3.4
Bộ giắc - dây tách nhánh kết nối (Breakout harness)
Bộ dây kết nối để thử nghiệm, được nối với REESS bên phía có lực kéo của bộ ngắt kết nối tự động
3.5
Pin (Cell)
Một đơn vị điện hóa độc lập được bọc kín chứa một cực dương và một cực âm, nó có sự chênh lệch điện áp giữa hai cực của nó và được sử dụng làm thiết bị lưu trữ điện năng có thể sạc lại.
3.6
Kết nối dẫn điện (Conductive connection)
Giắc cắm được kết nối với mục đích thử nghiệm REESS ở phía trước của bộ ngắt kết nối tự động.
3.7
Đầu nối (Connector)
Thiết bị để kết nối và ngắt kết nối cơ học dây dẫn điện áp cao với bộ phận tiếp xúc phù hợp bao gồm cả vỏ của nó
3.8
Hệ thống lưu trữ năng lượng có thể sạc lại (REESS) (Coupling system for charging the Rechargeable Energy Storage System (REESS))
Mạch điện được sử dụng để sạc REESS từ nguồn điện năng bên ngoài bao gồm cả cổng sạc trên xe.
3.9
Tốc độ C của “n C” (C Rate of “n C”)
Dòng điện không đổi của thiết bị được thử, phải mất 1/n giờ (h) để sạc hoặc xả thiết bị được thử giữa trạng thái sạc 0 % và trạng thái sạc 100 %.
3.10
Tiếp xúc trực tiếp (Direct contact)
Tiếp xúc của người với những chi tiết có dòng điện.
3.11
Hệ thống biến đổi điện năng (Electric energy conversion system)
Một hệ thống (ví dụ pin nhiên liệu) tạo ra và cung cấp điện năng cho động cơ điện.
3.12
Hệ động lực điện (Electric power train)
Mạch điện bao gồm (các) động cơ kéo và có thể bao gồm REESS, hệ thống biến đổi điện năng, bộ chuyển đổi điện tử, dây nối và các đầu kết nối với hệ thống lưu trữ năng lượng có thể sạc lại REESS.
3.13
Khung dẫn điện (Electrical chassis)
Một bộ các chi tiết có dòng điện được đấu nối với nhau, mà điện thế của chúng được lấy làm chuẩn.
3.14
Mạch điện (Electrical circuit)
Tổ hợp các chi tiết có dòng điện kết nối với nhau được thiết kế để cung cấp điện năng trong điều kiện hoạt động bình thường.
3.15
Lớp bảo vệ chống tiếp xúc điện (Electrical protection barrier)
Bộ phận bảo vệ chống lại sự tiếp xúc trực tiếp với các bộ phận có điện áp cao.
3.16
Rò rỉ chất điện phân (Electrolyte leakage)
Thất thoát chất điện phân từ REESS ở dạng lỏng.
3.17
Bộ chuyển đổi điện tử (Electronic converter)
Một thiết bị có khả năng điều khiển và/hoặc biến đổi điện năng cho động cơ điện.
3.18
Vỏ bọc (Enclosure)
Chi tiết bao kín các bộ phận bên trong và bảo vệ khỏi sự tiếp xúc trực tiếp từ mọi hướng.
3.19
Nổ (Explosion)
Sự giải phóng năng lượng đột ngột đủ để gây ra sóng áp suất và/hoặc mảnh văng ra có thể gây ra hư hại về vật lý và/hoặc cấu trúc cho mặt bao quanh thiết bị được thử.
3.20
Chi tiết có dòng điện để hở (Exposed conductive part)
Chi tiết có dòng điện mà có thể chạm vào theo quy định về cấp bảo vệ đầu dò thử nghiệm IPXXB và trở nên có điện trong điều kiện lớp cách điện bị hư hỏng. Nó gồm các chi tiết ở bên dưới một lớp vỏ có thể được gỡ bỏ mà không cần sử dụng các dụng cụ.
3.21
Nguồn cấp điện bên ngoài (External electric power supply)
Nguồn cấp dòng điện xoay chiều (AC) hoặc dòng điện một chiều (DC) ở bên ngoài xe.
3.22
Cháy (Fire)
Sự phát ra ngọn lửa từ một thiết bị được thử. Tia lửa điện và tia hồ quang điện không được xem là ngọn lửa
3.23
Chất điện phân dễ cháy (Flammable electrolyte)
Chất điện phân có chứa các chất được phân loại là "chất lỏng dễ cháy" Loại 3 theo "Khuyến nghị của Liên Hợp Quốc về vận chuyển hàng hóa nguy hiểm - Quy định mẫu (Soát xét 17 từ tháng 6 năm 2011), Tập I, Chương 2.3”
3.24
Điện áp cao (High Voltage)
Sự phân loại của một thiết bị điện hoặc mạch điện, nếu điện áp làm việc lớn nhất của nó có giá trị lớn hơn 60 V và nhỏ hơn hoặc bằng 1500 V đối với dòng điện 1 chiều (DC-Direct current); hoặc lớn hơn 30 V và nhỏ hơn hoặc bằng 1000 V đối với dòng điện xoay chiều (AC- Alternative Current) giá trị sai lệch bình phương trung bình (rms)
3.25
Mạch điện cao áp (High voltage bus)
Mạch điện, bao gồm cả hệ thống khớp nối để sạc hệ thống lưu trữ năng lượng có thể sạc lại (REESS), hoạt động với điện áp cao.
Đối với các mạch điện được kết nối galvanic với nhau và kết nối galvanic với khung dẫn điện mà điện áp lớn nhất giữa bất kỳ chi tiết có dòng điện và khung dẫn điện hoặc bất kỳ Chi tiết có dòng điện để hở nào có giá trị ≤ 30 V AC và ≤ 60 V DC, thì chỉ các bộ phận hoặc các chi tiết của mạch điện hoạt động với điện áp cao được phân loại là mạch điện cao áp.
CHÚ THÍCH: Kết nối galvanic là kết nối điện bởi dòng điện một chiều không đổi theo thời gian.
3.26
Tiếp xúc gián tiếp (Indirect contact)
Sự tiếp xúc của người với những Chi tiết có dòng điện để hở.
3.27
Chi tiết có dòng điện (Live parts)
Chi tiết dẫn điện dùng để cấp điện năng trong những điều kiện hoạt động bình thường.
3.28
Khoang hành lý (Luggage compartment)
Không gian trong xe để chứa hành lý, bị giới hạn bởi mái, mui xe, sàn, thành bên, cũng như lớp ngăn và vỏ bọc để bảo vệ người ngồi trong xe khỏi tiếp xúc trực tiếp với các chi tiết có dòng điện. Khoang hành lý được tách riêng khỏi khoang hành khách bằng vách ngăn phía trước hoặc vách ngăn phía sau.
3.29
Nhà sản xuất (Manufacturer)
Người hoặc tổ chức chịu trách nhiệm trước cơ quan phê duyệt về tất cả các phương diện trong quá trình phê duyệt kiểu và đảm bảo sự phù hợp của sản xuất. Không nhất thiết người đó hoặc tổ chức phải tham gia trực tiếp vào tất cả các giai đoạn chế tạo xe, hệ thống hoặc bộ phận mà chúng là đối tượng của quá trình phê duyệt.
3.30
Chất điện phân không gốc nước (Non-aqueous electrolyte)
Chất điện phân không sử dụng dung môi nước.
3.31
Điều kiện vận hành thông thường (Normal operating conditions)
Bao gồm các chế độ và điều kiện vận hành có thể gặp phải trong quá trình vận hành thông thường của xe, bao gồm lái xe với tốc độ được quy định về pháp lý, đỗ xe và dừng xe khi tham gia giao thông, cũng như sạc bằng bộ sạc tương thích với các cổng sạc cụ thể được lắp đặt trên xe. Nó không bao gồm các tình trạng xe bị hư hỏng do va chạm, mảnh vụn trên đường hoặc bị phá hoại, bị cháy hoặc ngập:nước, hoặc ở trạng thái cần hoặc đang thực hiện dịch vụ và/hoặc bảo trì.
3.32
Hệ thống giám sát điện trở cách điện trên xe (On-board isolation resistance monitoring system)
Thiết bị giám sát điện trở cách điện giữa các mạch điện cao áp và khung dẫn điện.
3.33
Ắc quy kéo kiểu hở (Open type traction battery)
Ắc quy dạng lỏng phải đổ thêm nước và giải phóng khí hydro ra khí quyển.
3.34
Khoang hành khách (Passenger compartment)
Không gian cho người ngồi trên xe, được giới hạn bởi nóc, sàn, sườn bên, cửa ra vào, kính cửa, vách ngăn phía trước và vách ngăn phía sau, hoặc cửa sau, cũng như bởi các lớp ngăn và vỏ bọc để bảo vệ người trên xe khỏi tiếp xúc trực tiếp với các chi tiết có dòng điện.
3.35
Cấp bảo vệ IPXXB (Protection degree IPXXB)
Sự bảo vệ được thực hiện bằng một lớp ngăn/vỏ bọc liên quan đến sự tiếp xúc với các chi tiết có điện áp cao và được kiểm tra bằng đầu kiểm tra dạng ngón tay có khớp nối (IPXXB) như được mô tả trong Phụ lục C.
3.36
Cấp bảo vệ IPXXD (Protection degree IPXXD)
Sự bảo vệ được thực hiện bằng một lớp ngăn/vỏ bọc liên quan đến sự tiếp xúc với các chi tiết có điện áp cao và được kiểm tra bằng dây điện kiểm tra (IPXXD) như được mô tả trong Phụ lục C.
3.37
Hệ thống lưu trữ năng lượng có thể sạc lại (REESS) (Rechargeable Energy Storage System (REESS))
Hệ thống lưu trữ năng lượng có thể sạc lại để cấp điện năng cho động cơ điện.
Ắc quy có công dụng chính cung cấp năng lượng để khởi động động cơ và/hoặc hệ thống chiếu sáng và/hoặc các hệ thống phụ trợ khác của xe không được coi là REESS.
REESS có thể bao gồm (các) hệ thống con với các hệ thống phụ trợ cần thiết để hỗ trợ vật lý, quản lý nhiệt, điều khiển điện tử và các vỏ bọc cần thiết.
3.38
Hệ thống con của REESS (REESS subsystem)
Bất kỳ thành phần nào của REESS lưu trữ điện năng. Một hệ thống con của REESS có thể bao gồm hoặc không bao gồm toàn bộ hệ thống quản lý của REESS.
3.39
Vỡ (Rupture)
Các chỗ hở trên vỏ của bất kỳ cụm pin chức năng bất kỳ nào được hình thành hoặc mở rộng bởi một sự cố, đủ lớn để cho một đầu thử (IPXXB) có đường kính 12 mm xuyên vào và tiếp xúc với các chi tiết có dòng điện (xem Phụ lục C).
3.40
Bộ ngắt kết nối điện (Service disconnect)
Thiết bị để ngắt kết nối mạch điện khi tiến hành kiểm tra và bảo trì REESS, bộ pin nhiên liệu, v.v.
3.41
Chất cách điện rắn (Solid insulator)
Lớp phủ cách điện cho các bộ dây điện để bao phủ và ngăn ngừa các chi tiết có điện áp cao khỏi sự tiếp xúc trực tiếp.
3.42
Điều kiện điện áp riêng (Specific voltage condition)
Điều kiện mà điện áp lớn nhất của mạch điện được kết nối galvanic giữa bộ phận mang điện một chiều DC với bất kỳ bộ phận mang điện nào khác (DC hoặc AC), điện áp lớn nhất đó ≤ 30 V AC (rms) và ≤ 60 V DC.
3.43
Trạng thái sạc (SOC) (State of Charge (SOC))
Lượng điện sạc có sẵn trong một thiết bị được thử được tính bằng tỷ lệ phần trăm dung lượng danh định của nó.
3.44
Thiết bị được thử (Tested - device)
REESS đồng bộ hoặc là hệ thống con của một REESS cần được thử theo các quy định của tiêu chuẩn này.
3.45
Sự cố nhiệt (Thermal event)
Điều kiện khi nhiệt độ bên trong REESS cao hơn đáng kể (theo thông số của nhà sản xuất) nhiệt độ vận hành lớn nhất.
3.46
Sự tăng nhiệt (Thermal runaway)
Sự tăng mất kiểm soát của nhiệt độ pin bởi các phản ứng tỏa nhiệt bên trong pin.
3.47
Sự truyền nhiệt (Thermal propagation)
Sự truyền nhiệt xảy ra trong REESS do sự tăng nhiệt của một pin trong REESS đó.
3.48
Kiểu REESS (Type of REESS)
Các hệ thống không khác biệt đáng kể về các yếu tố cơ bản như:
(a) Tên thương mại hoặc nhãn hiệu của nhà sản xuất;
(b) Hóa học, dung lượng và kích thước vật lý của các pin;
(c) Số lượng pin, chế độ kết nối của các pin và giá đỡ vật lý của các pin;
(d) Cấu trúc, vật liệu và kích thước vật lý của vỏ;
(e) Các thiết bị phụ cần thiết để gá đỡ vật lý, quản lý nhiệt và điều khiển điện tử.
3.49
Đầu sạc điện xe (Vehicle connector)
Thiết bị được dùng lắp vào ổ sạc điện xe để cung cấp điện năng cho xe từ nguồn điện bên ngoài
3.50
Ổ sạc điện xe (Vehicle inlet)
Thiết bị trên xe cho phép sạc điện từ bên ngoài khi cắm đầu sạc điện xe vào nó.
3.51
Kiểu xe (Vehicle type)
Các xe không khác nhau về các yếu tố cơ bản như:
(a) Lắp đặt hệ động lực điện và mạch điện cao áp được kết nối galvanic;
(b) Bản chất và kiểu hệ động lực điện và các bộ phận được kết nối galvanic với điện áp cao.
3.52
Thoát hơi (Venting)
Sự giải phóng áp suất bên trong pin hoặc hệ thống con của REESS hoặc REESS một cách quá mức theo cách được thiết kế nhằm ngăn chặn sự nổ hoặc vỡ
3.53
Điện áp làm việc (Working voltage)
Giá trị bình phương trung bình lớn nhất (rms) của điện áp, được quy định bởi nhà sản xuất mà nó có thể xảy ra giữa bất kỳ Chi tiết có dòng điện nào trong điều kiện mạch hở hoặc trong điều kiện hoạt động bình thường. Nếu mạch điện được chia bằng cách ly galvanic, điện áp làm việc được xác định tương ứng cho mỗi mạch được chia.
4 Tài liệu kỹ thuật và xe mẫu để kiểm tra, thử nghiệm
4.1 Liên quan đến các yêu cầu cụ thể cho hệ động lực điện.
4.1.1 Tài liệu kỹ thuật liên quan đến các yêu cầu riêng đối với hệ động lực điện của nhà sản xuất xe.
4.1.2 Tài liệu kỹ thuật được lập thành 3 bộ, phải được đính kèm các tài liệu được nêu dưới đây:
4.1.2.1 Mô tả chi tiết về kiểu xe liên quan đến hệ động lực điện và mạch điện cao áp được kết nối galvanic.
4.1.2.2 Đối với những xe có REESS, tài liệu bổ sung nêu rõ rằng REESS đó phù hợp với các yêu cầu trong Điều 6.
4.1.3 Một xe đại diện cho kiểu xe để thử nghiệm và nếu có thể, hoặc các xe bổ sung, hoặc các bộ phận của xe được coi là thiết yếu cho thử nghiệm được nêu trong Điều 6.
4.2 Tài liệu của hệ thống lưu trữ năng lượng có thể sạc lại (REESS)
4.2.1 Tài liệu kỹ thuật cho một kiểu REESS hoặc một cụm kỹ thuật riêng biệt về các yêu cầu an toàn của một REESS của nhà sản xuất REESS.
4.2.2 Tài liệu kỹ thuật được lập thành 3 bộ, phải được đính kèm các tài liệu được nêu dưới đây:
4.2.2.1 Mô tả chi tiết kiểu REESS hoặc cụm kỹ thuật riêng biệt về tính năng an toàn của REESS.
4.2.2.2 (Các) bộ phận đại diện cho kiểu của REESS bổ sung, các bộ phận đó được coi là thiết yếu cho thử nghiệm.
5 Các yêu cầu của xe liên quan đến các yêu cầu riêng cho hệ động lực điện
5.1 Bảo vệ chống điện giật
Yêu cầu an toàn về điện này chỉ áp dụng cho các đường điện cao áp của hệ động lực điện được kết nối điện với các bộ phận điện khác trong hệ động lực điện khi chúng không kết nối với nguồn điện cao áp từ bên ngoài.
5.1.1 Bảo vệ chống tiếp xúc trực tiếp
Các chi tiết có dòng điện phải được bảo vệ chống tiếp xúc trực tiếp theo 5.1.1.1 và 5.1.1.2 lớp ngăn, vỏ bọc, các cách điện rắn và đầu nối không được phép hở, tách riêng, tháo ra hoặc loại bỏ mà không sử dụng các dụng cụ, hoặc, với các loại xe nhóm N2, N3, M2 và M3, một thiết bị kích hoạt/hủy kích hoạt do người vận hành điều khiển hoặc thiết bị tương đương.
Tuy nhiên, các đầu nối (bao gồm cổng sạc của xe) được phép tách ra mà không cần sử dụng các công cụ, nếu chúng đáp ứng một hoặc nhiều yêu cầu sau:
(a) Chúng đáp ứng 5.1.1.1 và 5.1.1.2 khi tách ra, hoặc
(b) Chúng được cung cấp với một cơ cấu khóa (cần ít nhất hai hành động riêng biệt để tách đầu nối). Các bộ phận khác, không phải là một phần của đầu nối, chỉ có thể tháo bỏ khi sử dụng các dụng cụ để có thể tách đầu nối hoặc, đối với các xe loại N2, N3, M2 và M3, người vận hành điều khiển thiết bị kích hoạt/hủy kích hoạt hoặc thiết bị tương đương để có thể tách rời đầu nối, hoặc
(c) Điện áp của các chi tiết có dòng điện có trị số bằng hoặc nhỏ hơn 60 V DC hoặc bằng hoặc nhỏ hơn 30 V AC (rms) trong vòng 1 s sau khi tách đầu nối.
Đối với các loại xe N2, N3, M2 và M3, các thiết bị kết nối dẫn điện không được cấp điện ngoại trừ trong quá trình sạc REESS nếu chúng nằm trên nóc xe ngoài tầm với của người đứng bên ngoài xe và đối với xe loại M2 và M3, khoảng cách bao quanh bảo vệ nhỏ nhất từ bậc lên xuống đến nóc xe được lắp thiết bị sạc là 3 m. Trong trường hợp có nhiều bậc thang do sàn nâng bên trong xe, khoảng cách bao quanh được đo từ bậc dưới cùng khi vào, như minh họa trong Hình 1

Hình 1 - Đo khoảng cách bao quanh
5.1.1.1 Để bảo vệ các chi tiết có dòng điện bên trong khoang hành khách hoặc khoang hành lý, phải đạt cấp bảo vệ IPXXD.
5.1.1.2 Để bảo vệ các chi tiết có dòng điện ở các khu vực không phải là khoang hành khách hoặc khoang hành lý, phải đạt cấp bảo vệ IPXXB.
5.1.1.3 Thiết bị ngắt kết nối
Với một thiết bị ngắt kết nối có thể mở, tháo rời, gỡ bỏ mà không cần sử dụng các công cụ, có thể chấp nhận được nếu cấp bảo vệ đầu dò thử nghiệm IPXXB được thỏa mãn với điều kiện thiết bị được mở, tháo rời hoặc ngắt ra mà không cần sử dụng các công cụ.
5.1.1.4 Ghi nhãn
5.1.1.4.1 Trong trường hợp một REESS điện áp cao, nhãn như Hình 2 phải có trên hoặc gần REESS. Nền nhãn có màu vàng, viền và mũi tên có màu đen
Yêu cầu này cũng áp dụng cho một REESS là một phần của mạch điện được kết nối galvanic trong đó điều kiện điện áp riêng không được đáp ứng, độc lập với điện áp lớn nhất của REESS.

Hình 2 - Nhãn của thiết bị điện áp cao
5.1.1.4.2 Nhãn phải dễ thấy trên vỏ bọc và lớp ngăn mà khi được gỡ bỏ phải làm lộ các chi tiết có dòng điện của mạch điện cao áp. Quy định này không bắt buộc với bất kỳ đầu nối nào dùng cho các mạch điện cao áp và không áp dụng cho các trường hợp sau đây:
(a) Trường hợp các lớp ngăn hoặc vỏ bọc không thể chạm vào được, không thể mở hoặc tháo ra; trừ khi các bộ phận khác của xe tháo ra được khi sử dụng các công cụ;
(b) Trường hợp các lớp ngăn và vỏ bọc ở phía dưới sàn xe
(c) Lớp bảo vệ ngăn tiếp xúc hoặc vỏ kín của thiết bị kết nối điện cho xe loại N2, N3, M2 và M3 thỏa mãn các điều kiện mô tả trong 5.1.1
5.1.1.4.3 Dây cáp điện cao áp không nằm trong vỏ bọc phải được nhận biết bằng vỏ ngoài có màu cam.
5.1.2 Bảo vệ chống tiếp xúc gián tiếp
Bảo vệ chống tiếp xúc gián tiếp cũng yêu cầu đối với các xe được trang bị bất kỳ kiểu REESS được phê duyệt theo 5.2.
5.1.2.1 Để bảo vệ chống điện giật có thể phát sinh do tiếp xúc gián tiếp, các chi tiết có dòng điện để hở, như lớp ngăn dẫn điện và vỏ bọc, phải được kết nối galvanic chắc chắn với khung dẫn điện bằng sự đấu nối với dây điện hoặc cáp nối đất, hoặc bằng cách hàn hoặc kết nối sử dụng bu lông, v.v... nhằm ngăn ngừa nguy hiểm có thể xảy ra.
5.1.2.2 Điện trở giữa tất cả các chi tiết có dòng điện để hở và khung dẫn điện phải nhỏ hơn 0,1 Ω khi dòng điện nhỏ nhất 0,2 A chạy qua.
Điện trở giữa hai bộ phận dẫn điện để hở có thể tiếp cận đồng thời bất kỳ của lớp bảo vệ ngăn tiếp xúc cách nhau nhỏ hơn 2,5 m không được vượt quá 0,2 Ω. Điện trở này có thể được tính toán bằng cách sử dụng các điện trở đo riêng biệt của các phần liên quan của đường dẫn điện.
Yêu cầu này được thỏa mãn nếu kết nối gavanic được tạo thành bởi phương pháp hàn. Trong trường hợp có nghi ngờ hoặc nếu kết nối được thiết lập bằng phương pháp khác ngoài hàn thì phép đo phải được thực hiện bằng cách sử dụng một trong các quy trình thử nghiệm được mô tả trong Phụ lục D.
5.1.2.3 Trường hợp xe được kết nối với nguồn điện lưới điện bên ngoài đã nối đất thông qua kết nối dẫn điện giữa đầu sạc và cổng sạc xe, một thiết bị cho phép kết nối galvanic của khung dẫn điện với đất cho nguồn cung cấp điện bên ngoài phải được trang bị.
Thiết bị này phải cho phép nối đất trước khi điện áp bên ngoài cung cấp cho xe và duy trì kết nối này đến khi điện áp bên ngoài được ngắt ra khỏi xe.
Việc tuân thủ yêu cầu này có thể được thể hiện bằng cách hoặc sử dụng đầu nối được chỉ định bởi nhà sản xuất ô tô, bằng kiểm tra trực quan hoặc bằng bản vẽ.
Các yêu cầu trên chỉ có thể áp dụng cho các xe khi sạc tại một điểm sạc cố định, bằng cáp sạc có chiều dài hữu hạn, thông qua bộ ghép nối xe bao gồm đầu sạc và cổng sạc của xe.
5.1.3 Điện trở cách điện
Điều này không phải áp dụng khi các mạch điện được kết nối galvanic với nhau, trong đó phần DC của các mạch này được nối với khung điện và đáp ứng điều kiện điện áp riêng.
5.1.3.1 Hệ động lực điện bao gồm các mạch điện dẫn điện xoay chiều hoặc một chiều riêng biệt.
Nếu các mạch điện cao áp xoay chiều và các mạch điện cao áp một chiều được cách ly galvanic với nhau, điện trở cách điện giữa mạch điện cao áp và khung dẫn điện phải có giá trị nhỏ nhất là 100 Ω/V với điện áp làm việc một chiều, và giá trị nhỏ nhất là 500 Ω/V với điện áp làm việc xoay chiều.
Phép đo phải được thực hiện theo Phụ lục EA “Phương pháp đo điện trở cách điện dựa vào các thử nghiệm trên xe”.
5.1.3.2 Hệ động lực điện gồm các mạch điện kết hợp xoay chiều và một chiều.
Nếu mạch điện cao áp xoay chiều và mạch điện cao áp một chiều được liên kết galvanic, điện trở cách điện giữa mạch điện cao áp và khung dẫn điện phải có giá trị nhỏ nhất 500 Ω/V ứng với điện áp làm việc.
Tuy nhiên, nếu tất cả các mạch điện cao áp xoay chiều được bảo vệ bằng một trong hai phương pháp sau thì điện trở cách điện giữa mạch điện cao áp và khung dẫn điện phải có giá trị nhỏ nhất là 100 Ω/ V ứng với điện áp làm việc:
(a) Cách điện kép hoặc nhiều hơn các lớp cách điện rắn hoặc lớp ngăn hoặc vỏ bọc mà chúng đáp ứng được yêu cầu trong 5.1.1 một cách độc lập, ví dụ như bộ dây dẫn điện;
(b) Các bảo vệ cơ học chắc chắn, đủ bền trong suốt tuổi thọ của xe như vỏ khoang động cơ, các hộp chứa bộ chuyển đổi điện tử hoặc các đầu nối.
Điện trở cách điện giữa mạch điện cao áp và khung dẫn điện có thể được chứng minh qua tính toán đo lường và/hoặc cả hai.
Việc đo lường phải được tiến hành theo Phụ lục EA “Phương pháp đo điện trở cách điện dựa vào các thử nghiệm trên xe”.
5.1.3.3 Xe điện pin nhiên liệu
Trên các xe sử dụng pin nhiên liệu, mạch điện áp cao một chiều phải có hệ thống giám sát điện trở cách điện trên xe cùng với một cảnh báo cho người lái xe nếu điện trở cách điện giảm xuống dưới giá trị yêu cầu tối thiểu là 100 Ω/V. Chức năng của hệ thống giám sát điện trở cách điện trên xe phải được xác nhận như mô tả trong Phụ lục F.
Điện trở cách điện giữa mạch điện áp cao của hệ thống đấu nối để sạc REESS, không được cấp điện trong các điều kiện khác ngoài điều kiện trong quá trình sạc REESS và khung điện không cần phải theo dõi.
5.1.3.4 Yêu cầu về điện trở cách điện của hệ thống đấu nối dùng cho việc sạc REESS
Đối với thiết bị kết nối dẫn điện của xe nhằm mục đích kết nối dẫn điện với nguồn điện xoay chiều bên ngoài nối đất và mạch điện được kết nối điện với thiết bị kết nối dẫn điện của xe trong quá trình sạc REESS, điện trở cách điện giữa mạch điện áp cao và khung điện phải tuân thủ các yêu cầu của đoạn 5.1.3.1 khi ngắt kết nối dẫn điện và đo điện trở cách điện tại các bộ phận mang điện cao áp (tiếp điểm) của thiết bị kết nối dẫn điện trên xe. Trong quá trình đo, REESS có thể bị ngắt kết nối.
5.1.4 Hiệu quả bảo vệ chống nước
Các xe phải duy trì điện trở cách điện sau khi tiếp xúc với nước (ví dụ: rửa xe, lái xe qua vùng nước đọng). Điều này không được áp dụng đối với các mạch điện được kết nối galvanic với nhau, trong đó phần DC của các mạch này được nối với khung điện và điều kiện điện áp riêng được đáp ứng.
5.1.4.1 Có thể áp dụng các yêu cầu quy định tại 5.1.4.2, hoặc yêu cầu quy định tại 5.1.4.3, hoặc yêu cầu được chỉ định trong 5.1.4.4 cho xe trong sản xuất.
5.1.4.2 Phải có bằng chứng và/hoặc tài liệu (nếu có) về cách thức thực hiện thiết kế điện hoặc các bộ phận của xe nằm ngoài khoang hành khách hoặc được gắn bên ngoài, sau khi tiếp xúc với nước vẫn giữ nguyên an toàn và tuân thủ các yêu cầu được mô tả trong Phụ lục GA. Nếu bằng chứng và/hoặc tài liệu được cung cấp không thỏa đáng phải thực hiện thử nghiệm thành phần vật lý dựa trên các thông số kỹ thuật tương tự như được mô tả trong Phụ lục GA.
5.1.4.3 Nếu các phương pháp thử nghiệm quy định trong Phụ lục GB được thực hiện, ngay sau mỗi lần tiếp xúc và khi xe vẫn còn ướt thì xe phải tuân thủ các quy định kiểm tra điện trở cách điện được nêu trong Phụ lục EA và các yêu cầu về điện trở cách điện được nêu trong 5.1.3 phải được đáp ứng. Ngoài ra, sau 24 h tạm dừng, thử nghiệm điện trở cách điện quy định trong Phụ lục EA phải được thực hiện lại và các yêu cầu về điện trở cách điện được nêu trong 5.1.3 phải được đáp ứng.
5.1.4.4 Nếu hệ thống giám sát điện trở cách điện được cung cấp và phát hiện điện trở cách điện nhỏ hơn yêu cầu nêu tại 5.1.3, một cảnh báo phải được hiển thị cho người lái xe. Chức năng của hệ thống giám sát điện trở cách điện trên xe phải được xác nhận như mô tả trong Phụ lục F.
5.2 Hệ thống lưu trữ năng lượng có thể sạc lại (REESS)
5.2.1 Đối với xe được trang bị REESS, các yêu cầu trong 5.2.1.1 hoặc 5.2.1.2 phải được đáp ứng.
5.2.1.1 Đối với một REESS đã được xem xét theo Điều 6 của tiêu chuẩn này, nó phải được lắp theo hướng dẫn được đưa ra bởi nhà sản xuất REESS và tuân thủ theo mô tả trong Phụ lục A.2.
5.2.1.2 REESS bao gồm các thành phần, hệ thống và kết cấu nếu áp dụng phải tuân theo yêu cầu tương ứng trong Điều 6 của tiêu chuẩn này.
5.2.2 Tích tụ khí
Vị trí để các REESS kéo kiểu hở có thể sinh ra khí hydro phải được trang bị quạt thông gió hoặc ống thông gió để ngăn sự tụ khí hydro.
5.2.3 Cảnh báo lỗi của REESS
Xe phải đưa ra một cảnh báo cho lái xe khi xe đang ở chế độ có thể lái chủ động trong trường hợp được quy định tại 6.13 đến 6.15.
Trong trường hợp cảnh báo quang học, khi được chiếu sáng, đèn báo phải đủ sáng để người lái xe có thể nhìn thấy trong cả điều kiện lái xe ban ngày và ban đêm, khi người lái xe đã thích nghi với điều kiện ánh sáng đường xung quanh.
Thông báo này phải được kích hoạt để kiểm tra chức năng của đèn khi hệ thống đẩy được chuyển sang vị trí "Bật" hoặc khi hệ thống đẩy ở vị trí giữa "Bật" và "Khởi động" do nhà sản xuất chỉ định như một vị trí kiểm tra. Yêu cầu này không áp dụng cho thông báo hoặc văn bản được hiển thị tại nơi thông thường.
5.2.4 Cảnh báo dung lượng REESS thấp
Đối với các xe chạy điện thuần túy (các xe được trang bị hệ thống truyền động chứa các máy điện chuyên dụng làm bộ biến đổi năng lượng đẩy và hệ thống lưu trữ năng lượng có thể sạc lại riêng biệt làm hệ thống lưu trữ năng lượng đẩy), phải cung cấp cảnh báo cho người lái xe trong trường hợp trạng thái sạc REESS thấp. Dựa trên đánh giá kỹ thuật, nhà sản xuất phải xác định mức năng lượng REESS cần thiết còn lại khi cảnh báo được đưa ra lần đầu tiên.
Trong trường hợp cảnh báo quang học, khi được chiếu sáng, đèn báo phải đủ sáng để người lái xe có thể nhìn thấy trong cả điều kiện lái xe ban ngày và ban đêm, khi người lái xe đã thích nghi với điều kiện ánh sáng đường xung quanh.
5.3 Ngăn chặn sự dịch chuyển vô tình hoặc ngoài ý muốn của xe
5.3.1 Ít nhất phải có một chỉ dẫn được đưa ra cho người lái xe mỗi lần khi xe đang ở "chế độ có thể lái xe chủ động" sau khi kích hoạt bằng tay hệ thống đẩy.
Tuy nhiên, quy định này không áp dụng trong các điều kiện trong đó động cơ đốt trong cung cấp trực tiếp hoặc gián tiếp công suất đẩy của xe.
5.3.2 Khi rời khỏi xe, người lái phải được thông báo bằng một tín hiệu (ví dụ: tín hiệu quang hoặc âm thanh) nếu xe vẫn ở chế độ có thể lái xe chủ động. Ngoài ra, trong trường hợp xe loại M2 và M3 với trên 22 hành khách không tính người lái thì phải có tín hiệu này khi người lái xe rời khỏi chỗ ngồi.
Tuy nhiên, quy định này là tùy chọn trong các điều kiện với động cơ đốt trong cung cấp, trực tiếp hoặc gián tiếp, sức đẩy của xe khi rời khỏi xe hoặc ghế lái.
5.3.3 Nếu REESS trên xe đang được sạc bởi nguồn điện bên ngoài, xe không thể di chuyển được bằng chính hệ thống đẩy của nó vì đầu nối sạc đang kết nối vật lý với cổng sạc của xe.
Yêu cầu này phải được thể hiện bằng cách sử dụng đầu nối được nhà sản xuất ô tô quy định.
Các yêu cầu trên chỉ áp dụng cho xe khi sạc từ điểm sạc cố định, bằng cáp sạc có chiều dài hữu hạn, thông qua bộ ghép nối xe bao gồm đầu sạc và cổng sạc của xe.
5.3.4 Trạng thái của bộ điều khiển lái phải được người lái xe nhận biết.
5.4 Xác định lượng phát thải hydro
5.4.1 Thử nghiệm này phải được tiến hành trên tất cả các xe được trang bị các REESS kéo kiểu hở. Nếu REESS đáp ứng yêu cầu theo điều 6 của tiêu chuẩn này và được lắp đặt theo 5.2.1.1 thì có thể bỏ qua thử nghiệm này.
5.4.2 Thử nghiệm phải được tiến hành theo phương pháp nêu trong Phụ lục H của tiêu chuẩn này. Việc lấy mẫu hydro và phân tích phải theo những phương pháp đã được quy định. Những phương pháp phân tích khác có thể được phê duyệt nếu chúng cho kết quả tương đương.
5.4.3 Trong quá trình một sạc điện bình thường trong các điều kiện nêu tại Phụ lục H, lượng phát thải khí hydro trong vòng 5 h phải thấp hơn 125 g, hoặc thấp hơn 25 × t2 g trong thời gian t2 (tính bằng h).
5.4.4 Trong một lần sạc được thực hiện bằng một bộ sạc có lỗi (theo những điều kiện nêu tại Phụ lục H) phát thải hydro phải ít hơn 42 g. Ngoài ra bộ sạc phải ngăn được sự cố có thể xảy ra không được lâu hơn 30 min.
5.4.5 Tất cả các hoạt động liên quan tới việc sạc REESS phải được giám sát tự động, gồm cả việc dừng để sạc.
5.4.6 Không thể tiến hành điều khiển bằng tay trong các pha sạc.
5.4.7 Các thao tác bình thường của kết nối và ngắt kết nối với nguồn điện lưới điện hoặc ngắt điện phải không ảnh hưởng đến hệ thống điều khiển của các pha sạc.
5.4.8 Các sự cố nghiêm trọng trong khi sạc phải được cảnh báo liên tục. Một sự cố nghiêm trọng là một sự cố mà có thể dẫn tới hư hỏng bộ sạc trong khi sạc.
5.4.9 Sổ tay hướng dẫn sử dụng phải chỉ rõ về sự phù hợp của xe với yêu cầu này.
5.4.10 Phê duyệt cấp cho kiểu xe liên quan tới phát thải hydro có thể được mở rộng cho những kiểu xe khác thuộc cùng họ xe, theo định nghĩa về họ xe được đưa ra trong Phụ lục H.2
6 Yêu cầu về an toàn đối với hệ thống lưu trữ năng lượng có thể sạc lại (REESS)
6.1 Quy định chung
Các quy trình được quy định trong Phụ lục I phải được áp dụng.
6.2 Rung
6.2.1 Thử nghiệm phải được thực hiện theo Phụ lục IA.
6.2.2 Tiêu chí chấp nhận
6.2.2.1 Trong quá trình thử nghiệm, không được có các dấu vết sau:
(a) Rò rỉ chất điện phân;
(b) Vỡ (chỉ áp dụng với các REESS điện áp cao);
(c) Thoát hơi (với REESS không phải loại ắc quy kéo kiểu hở);
(d) Cháy;
(e) Nổ.
Dấu vết rò rỉ chất điện phân phải được kiểm tra xác nhận bằng đánh giá trực quan mà không phải tháo bất kỳ bộ phận nào của thiết bị được thử. Nếu cần, phải sử dụng kỹ thuật thích hợp để xác định xem có bất kỳ sự rò rỉ chất điện phân nào từ REESS do thử nghiệm hay không. Bằng chứng của việc thoát hơi phải được xác minh bằng cách kiểm tra bằng mắt mà không cần tháo rời bất kỳ bộ phận nào của thiết bị được thử nghiệm.
6.2.2.2 Đối với REESS điện áp cao, điện trở cách điện đo được sau thử nghiệm theo Phụ lục EB phải không nhỏ hơn 100 Ω/V.
6.3 Sốc nhiệt và chu trình
6.3.1 Thử nghiệm phải được tiến hành theo Phụ lục IB.
6.3.2 Tiêu chí chấp nhận
6.3.2.1 Trong quá trình thử nghiệm, không được có các dấu vết sau:
(a) Rò rỉ chất điện phân;
(b) Vỡ (chỉ áp dụng với các REESS điện áp cao);
(c) Thoát hơi (với REESS không phải loại ắc quy kéo kiểu hở);
(d) Cháy;
(e) Nổ.
Dấu vết rò rỉ chất điện phân phải được kiểm tra xác nhận bằng đánh giá trực quan mà không phải tháo bất kỳ bộ phận nào của thiết bị được thử. Nếu cần, phải sử dụng kỹ thuật thích hợp để xác định xem có bất kỳ sự rò rỉ chất điện phân nào từ REESS do thử nghiệm hay không. Bằng chứng của việc thoát hơi phải được xác minh bằng cách kiểm tra bằng mắt mà không cần tháo rời bất kỳ bộ phận nào của thiết bị được thử nghiệm.
6.3.2.2 Đối với REESS điện áp cao, điện trở cách điện đo được sau thử nghiệm theo Phụ lục EB phải không nhỏ hơn 100 Ω/V.
6.4 Tác động cơ học
6.4.1 Va chạm cơ học
Theo lựa chọn của nhà sản xuất, thử nghiệm có thể được tiến hành bằng một trong những cách sau:
(a) Các đối tượng thử nghiệm là xe theo 6.4.1.1, hoặc
(b) Các đối tượng thử nghiệm là bộ phận theo 6.4.1.2, hoặc
(c) Cả (a) và (b), theo các hướng khác nhau của xe.
6.4.1.1 Thử nghiệm trên xe
Sự phù hợp với các yêu cầu về tiêu chí chấp nhận của 6.4.1.3 có thể được chứng minh thông qua các REESS được lắp trên xe đã được thử nghiệm va chạm theo UNR 12, Phụ lục 3 hoặc UNR 94, Phụ lục 3 về tác động từ phía trước, và UNR 95, Phụ lục 4 và tác động phía bên. Nhiệt độ môi trường xung quanh và trạng thái sạc SOC phải phù hợp với những quy định đã được nêu. Yêu cầu này được coi là đáp ứng nếu xe được trang bị hệ động lực điện chạy ở điện áp cao được phê duyệt theo UNR 12 (04 sửa đổi hoặc bản mới hơn) hoặc UNR 94 (01 sửa đổi hoặc bản mới hơn) đối với tác động phía trước và UNR 95 (05 sửa đổi hoặc bản mới hơn) đối với tác động bên.
Sự phê duyệt một REESS được thử nghiệm theo điều này phải được giới hạn trong kiểu xe cụ thể.
6.4.1.2 Thử nghiệm trên bộ phận
Thử nghiệm phải được tiến hành theo Phụ lục IC.
6.4.1.3 Tiêu chí chấp nhận
Trong quá trình thử nghiệm, không được có những dấu vết sau:
(a) Cháy;
(b) Nổ;
(c1) Rò rỉ chất điện phân nếu được thử nghiệm theo 6.4.1.1:
(i) Trường hợp REESS có chất điện phân gốc nước
Trong khoảng thời gian kể từ khi va chạm cho đến 60 min sau va chạm, chất điện phân không bị rò rỉ từ REESS vào khoang hành khách và không được quá 7% thể tích điện phân REESS với lớn nhất 5,0 L bị rò rỉ từ REESS ra bên ngoài khoang hành khách. Lượng chất điện phân rò rỉ có thể được đo bằng các kỹ thuật xác định thể tích chất lỏng thông thường sau khi thu gom. Đối với thùng chứa dung môi Stoddard, chất làm mát và chất điện phân có màu, các chất lỏng phải được tách riêng bằng trọng lượng riêng rồi đo;
(ii) Trường hợp REESS có chất điện phân không gốc nước
Trong khoảng thời gian từ khi va chạm cho đến 60 min sau va chạm, không được rò rỉ dung dịch điện phân từ REESS vào khoang hành khách, khoang hành lý và không rò rỉ dung dịch điện phân ra bên ngoài xe. Yêu cầu này phải được xác nhận bằng cách kiểm tra bằng mắt mà không cần tháo rời bất kỳ bộ phận nào của xe;
(c2) Rò rỉ chất điện phân nếu được thử nghiệm theo 6.4.1.2.
Sau khi thử nghiệm trên xe (6.4.1.1), REESS ở vị trí bên trong khoang hành khách vẫn phải ở nguyên tại vị trí lắp và các bộ phận REESS phải ở nguyên tại bên trong khu vực dành cho REESS. Các bộ phận của REESS nằm bên ngoài khoang hành khách không được vào trong khoang hành khách.
Sau khi thử nghiệm trên bộ phận (6.4.1.2), thiết bị được thử phải được giữ nguyên vị trí lắp và các bộ phận của nó vẫn phải nằm trong khu vực dành cho nó.
Với một REESS điện áp cao, điện trở cách điện của thiết bị được thử phải có giá trị nhỏ nhất 100 Ω/V cho toàn bộ REESS đo được sau khi thử theo Phụ lục EA hoặc Phụ lục EB, hoặc mức bảo vệ IPXXB phải được đáp ứng cho thiết bị được thử.
Đối với một REESS được thử theo 6.4.1.2, dấu vết rò rỉ chất điện phân phải được xác nhận bằng mắt mà không cần tháo bất kỳ chi tiết nào của thiết bị được thử.
6.4.2 Tính toàn vẹn cơ học
Thử nghiệm này chỉ áp dụng với một REESS dùng cho việc lắp đặt trên các xe Loại M1 và N1.
Theo lựa chọn của nhà sản xuất, thử nghiệm có thể được tiến hành bằng một trong những cách sau:
(a) Các thử nghiệm đối tượng là xe theo 6.4.2.1, hoặc
(b) Các thử nghiệm đối tượng là bộ phận theo 6.4.2.2.
6.4.2.1 Thử nghiệm cho xe cụ thể
Theo lựa chọn của nhà sản xuất, thử nghiệm có thể được tiến hành bằng một trong những cách sau:
(a) Các thử nghiệm trên băng thử động lực theo xe theo 6.4.2.1.1, hoặc
(b) Thử nghiệm bộ phận cụ thể theo 6.4.2.1.2, hoặc
(c) Kết hợp của (a) và (b), theo các hướng di chuyển khác nhau của xe.
Khi REESS được gắn trên một vị trí nằm giữa đường từ mép sau của xe và cách đường tâm của xe 300 mm về phía trước của xe và song song với đường đó, nhà sản xuất phải chứng minh được với cơ sở thử nghiệm về tính toàn vẹn cơ học của REESS trên xe.
Việc phê duyệt REESS được thử nghiệm theo mục này phải được giới hạn trong một kiểu xe cụ thể.
6.4.2.1.1 Thử nghiệm động lực học trên xe
Sự phù hợp với yêu cầu về tiêu chí chấp nhận của 6.4.2.3 có thể được chứng minh bởi (các) REESS được lắp trên xe mà đã được thử nghiệm va chạm theo UNR 12, Phụ lục 3 hoặc UNR 94, Phụ lục 3 cho thử nghiệm va chạm từ phía trước, và UNR 95, Phụ lục 4 cho thử nghiệm va chạm từ phía bên. Nhiệt độ môi trường xung quanh và SOC phải tuân theo những quy định đã nêu. Yêu cầu này được coi là đáp ứng nếu xe được trang bị hệ động lực điện chạy ở điện áp cao được phê duyệt theo UNR 12 (04 sửa đổi hoặc bản mới hơn) hoặc UNR 94 (01 sửa đổi hoặc bản mới hơn) đối với tác động phía trước và UNR 95 (05 sửa đổi hoặc bản mới hơn) đối với tác động bên.
6.4.2.1.2 Thử nghiệm bộ phận cụ thể của xe
Thử nghiệm phải được tiến hành theo Phụ lục ID.
Lực ép thay thế lực mô tả trong Phụ lục ID, ID.3.2.1 phải được xác định bởi nhà sản xuất xe từ việc sử dụng các dữ liệu thu được từ các va chạm thực tế hoặc các mô phỏng được quy định rõ trong UNR 12, Phụ lục 3 hoặc UNR 94 theo hướng di chuyển và UNR 95, Phụ lục 4 theo hướng ngang vuông góc với hướng di chuyển. Các lực này phải được sự chấp thuận của cơ sở thử nghiệm
Các nhà sản xuất này có thể, theo thỏa thuận với cơ sở thử nghiệm, sử dụng các lực lấy từ dữ liệu thu được từ các phương pháp thử thay thế về chèn ép, nhưng các lực này phải bằng hoặc lớn hơn các lực mà chúng có thể thu được từ việc sử dụng dữ liệu theo quy định được chỉ định ở trên.
Nhà sản xuất này có thể xác định các chi tiết liên quan của kết cấu xe được sử dụng để bảo vệ cơ học của các bộ phận của REESS. Thử nghiệm phải được tiến hành với REESS được lắp vào kết cấu xe này theo cách phổ cập cho việc lắp trên xe.
6.4.2.2 Thử nghiệm trên bộ phận
Thử nghiệm được tiến hành theo Phụ lục ID
REESS đáp ứng yêu cầu theo điều này phải được lắp tại một vị trí nằm giữa hai mặt phẳng; (a) một mặt phẳng thẳng đứng vuông góc với đường trung tuyến của xe nằm phía sau cách 420 mm so với mép trước của xe và (b) một mặt phẳng thẳng đứng vuông góc với đường trung tuyến của xe nằm cách mép sau xe 300 mm
Các hạn chế về lắp đặt phải được cung cấp bằng tài liệu trong Phụ lục A.2.
Lực ép quy định trong Phụ lục ID, ID.3.2.1 có thể được thay thế bằng giá trị được công bố bởi nhà sản xuất, trong đó lực ép phải được ghi lại trong Phụ lục A.2 dưới dạng hạn chế về lắp đặt. Trong trường hợp này, nhà sản xuất xe sử dụng REESS như vậy phải chứng minh, trong quá trình phê duyệt đối với Điều 5 của tiêu chuẩn này, lực tiếp xúc vào REESS phải không vượt quá giá trị mà nhà sản xuất công bố. Lực này phải được xác định bởi nhà sản xuất xe từ việc sử dụng dữ liệu đã thu được từ va chạm thực tế hoặc các mô phỏng được quy định trong UNR 12, Phụ lục 3 hoặc UNR 94 theo hướng di chuyển và theo UNR 95, Phụ lục 4 theo hướng ngang vuông góc với hướng di chuyển. Các lực này được chấp thuận của nhà sản xuất và cơ sở thử nghiệm.
Nhà sản xuất có thể thống nhất với cơ sở thử nghiệm, sử dụng các lực lấy từ các dữ liệu thu được từ các phương pháp thử thay thế về va chạm, nhưng các lực này phải bằng hoặc lớn hơn các lực lấy từ dữ liệu nhưng các lực này phải bằng hoặc lớn hơn các lực có được từ việc sử dụng dữ liệu theo các quy định UNR đã nêu trên.
6.4.2.3 Tiêu chí chấp nhận
Trong quá trình thử nghiệm không được có các dấu vết sau:
(a) Cháy;
(b) Nổ;
(c1) Rò rỉ chất điện phân nếu được thử nghiệm theo 6.4.1.1:
(i) Trường hợp REESS có chất điện phân gốc nước
Trong khoảng thời gian kể từ khi va chạm cho đến 60 min sau va chạm, chất điện phân không bị rò rỉ từ REESS vào khoang hành khách và không được quá 7 % thể tích chất điện phân REESS với lớn nhất 5,0 L bị rò rỉ từ REESS ra bên ngoài khoang hành khách. Lượng chất điện phân rò rỉ có thể được đo bằng các kỹ thuật xác định thể tích chất lỏng thông thường sau khi thu gom. Đối vợt thùng chứa dung môi Stoddard, chất làm mát và chất điện phân có màu, các chất lỏng phải được tách riêng bằng trọng lượng riêng rồi đo;
(ii) Trường hợp REESS có chất điện phân không gốc nước
Trong khoảng thời gian từ khi va chạm cho đến 60 min sau va chạm, không được rò rỉ dung dịch điện phân từ REESS vào khoang hành khách, khoang hành lý và không rò rỉ dung dịch điện phân ra bên ngoài xe. Yêu cầu này phải được xác nhận bằng cách kiểm tra bằng mắt mà không cần tháo rời bất kỳ bộ phận nào của xe;
(c2) Rò rỉ chất điện phân nếu được thử nghiệm theo 6.4.2.2.
Đối với một REESS điện áp cao, điện trở cách điện của thiết bị được thử phải đảm bảo ít nhất 100 Ω/V cho toàn bộ REESS được đo theo Phụ lục EA hoặc Phụ lục EB hoặc cấp bảo vệ IPXXB phải đáp ứng cho thiết bị được thử.
Trường hợp được thử nghiệm theo 6.4.2.2, các dấu vết rò rỉ chất điện phân phải được xác nhận bằng đánh giá trực quan mà không phải tháo rời bất cứ bộ phận nào của thiết bị được thử.
6.5 Chịu lửa
Thử nghiệm này cần thực hiện đối với REESS có chứa chất điện phân dễ cháy.
Thử nghiệm này không cần thực hiện đối với REESS được lắp trên xe mà mặt thấp nhất của hộp chứa REESS cao hơn 1,5 m so với mặt đất. Tuy nhiên, theo lựa chọn của nhà sản xuất, thử nghiệm này có thể được thực hiện đối với REESS được lắp trên xe mà mặt thấp nhất của hộp chứa REESS cao hơn 1,5 m so với mặt đất. Thử nghiệm phải được tiến hành trên cùng một mẫu thử
Theo lựa chọn của nhà sản xuất, thử nghiệm có thể được tiến hành theo một trong những cách sau:
(a) Thử nghiệm trên xe theo 6.5.1, hoặc
(b) Thử nghiệm trên bộ phận theo 6.5.2.
6.5.1 Thử nghiệm trên xe
Thử nghiệm phải được tiến hành theo Phụ lục IE, IE.3.2.1.
Việc phê duyệt một REESS được thử nghiệm theo điều này phải được giới hạn trong các phê duyệt cho một kiểu xe cụ thể.
6.5.2 Thử nghiệm trên bộ phận
Thử nghiệm phải được tiến hành theo Phụ lục IE, IE.3.2.2.
6.5.3 Tiêu chí chấp nhận
6.5.3.1 Trong quá trình thử nghiệm, thiết bị được thử phải không có dấu vết nổ.
6.6 Bảo vệ chống ngắn mạch ngoài
6.6.1 Thử nghiệm phải được tiến hành theo Phụ lục IF.
6.6.2 Tiêu chí chấp nhận;
6.6.2.1 Trong quá trình thử nghiệm phải không có dấu vết:
(a) Rò rỉ chất điện phân;
(b) Vỡ (chỉ áp dụng với (các) REESS điện áp cao);
(c) Thoát hơi (với REESS không phải loại ắc quy kéo hở);
(d) Cháy;
(e) Nổ.
Dấu vết rò rỉ chất điện phân phải được xác nhận bằng đánh giá trực quan mà không phải tháo bất kỳ bộ phận nào của thiết bị được thử. Nếu cần, phải sử dụng kỹ thuật thích hợp để xác nhận xem có bất kỳ sự rò rỉ chất điện phân nào từ REESS do thử nghiệm hay không. Bằng chứng của việc thoát hơi phải được xác minh bằng cách kiểm tra bằng mắt mà không cần tháo rời bất kỳ bộ phận nào của thiết bị được thử nghiệm.
6.6.2.2 Đối với một REESS điện áp cao, điện trở cách điện đo được sau khi thử theo Phụ lục EB phải không nhỏ hơn 100 Ω/V.
6.7 Bảo vệ chống sạc quá mức
6.7.1 Thử nghiệm phải được tiến hành theo Phụ lục IG.
6.7.2 Tiêu chí chấp nhận
6.7.2.1 Trong quá trình thử nghiệm không có dấu vết:
(a) Rò rỉ chất điện phân;
(b) Vỡ (chỉ áp dụng với (các) REESS điện áp cao);
(c) Thoát hơi (với REESS không phải loại ắc quy kéo hở);
(d) Cháy;
(e) Nổ.
Dấu vết rò rỉ chất điện phân phải được xác nhận bằng đánh giá trực quan mà không phải tháo bất kỳ bộ phận nào của thiết bị được thử. Nếu cần, phải sử dụng kỹ thuật thích hợp để xác nhận xem có bất kỳ sự rò rỉ chất điện phân nào từ REESS do thử nghiệm hay không. Bằng chứng của việc thoát hơi phải được xác minh bằng cách kiểm tra bằng mắt mà không cần tháo rời bất kỳ bộ phận nào của thiết bị được thử nghiệm.
6.7.2.2 Đối với một REESS điện áp cao, điện trở cách điện đo được sau thử nghiệm theo Phụ lục EB phải không nhỏ hơn 100 Ω/V.
6.8 Bảo vệ chống xả quá mức
6.8.1 Thử nghiệm phải được tiến hành theo Phụ lục IH.
6.8.2 Tiêu chí chấp nhận
6.8.2.1 Trong quá trình thử nghiệm phải không có dấu vết:
(a) Rò rỉ chất điện phân;
(b) Vỡ (chỉ áp dụng với (các) REESS điện áp cao);
(c) Thoát hơi (với REESS không phải loại ắc quy kéo hở);
(d) Cháy;
(e) Nổ.
Dấu vết rò rỉ chất điện phân phải được xác nhận bằng đánh giá trực quan mà không phải tháo bất kỳ bộ phận nào của thiết bị được thử. Nếu cần, phải sử dụng kỹ thuật thích hợp để xác nhận xem có bất kỳ sự rò rỉ chất điện phân nào từ REESS do thử nghiệm hay không. Bằng chứng của việc thoát hơi phải được xác minh bằng cách kiểm tra bằng mắt mà không cần tháo rời bất kỳ bộ phận nào của thiết bị được thử nghiệm.
6.8.2.2 Đối với một REESS điện áp cao, điện trở cách điện đo được sau khi thử nghiệm theo Phụ lục EB phải không nhỏ hơn 100 Ω/V.
6.9 Bảo vệ chống quá nhiệt
6.9.1 Thử nghiệm phải được tiến hành theo Phụ lục II của tiêu chuẩn này.
6.9.2 Tiêu chí chấp nhận
6.9.2.1 Trong quá trình thử nghiệm phải không có dấu vết:
(a) Rò rỉ chất điện phân;
(b) Vỡ (chỉ áp dụng với (các) REESS điện áp cao);
(c) Thoát hơi (với REESS không phải loại ắc quy kéo hở);
(d) Cháy;
(e) Nổ.
Dấu vết rò rỉ chất điện phân phải được xác nhận bằng đánh giá trực quan mà không phải tháo bất kỳ bộ phận nào của thiết bị được thử. Nếu cần, phải sử dụng kỹ thuật thích hợp để xác nhận xem có bất kỳ sự rò rỉ chất điện phân nào từ REESS do thử nghiệm hay không. Bằng chứng của việc thoát hơi phải được xác minh bằng cách kiểm tra bằng mắt mà không cần tháo rời bất kỳ bộ phận nào của thiết bị được thử nghiệm.
6.9.2.2 Đối với một REESS điện áp cao, điện trở cách điện đo được sau khi thử nghiệm theo Phụ lục EB phải không nhỏ hơn 100 Ω/V.
6.10 Bảo vệ chống quá dòng
Thử nghiệm này là bắt buộc đối với REESS được thiết kế để sử dụng trên các xe loại M1 và N1 có khả năng sạc bằng nguồn điện một chiều bên ngoài.
6.10.1 Thử nghiệm phải được tiến hành theo Phụ lục IJ của tiêu chuẩn này.
6.10.2 Tiêu chí chấp nhận
6.10.2.1 Trong quá trình thử nghiệm phải không có dấu vết:
(a) Rò rỉ chất điện phân;
(b) Vỡ (chỉ áp dụng với (các) REESS điện áp cao);
(c) Thoát hơi (với REESS không phải loại ắc quy kéo hở);
(d) Cháy;
(e) Nổ.
Dấu vết rò rỉ chất điện phân phải được xác nhận bằng đánh giá trực quan mà không phải tháo bất kỳ bộ phận nào của thiết bị được thử. Nếu cần, phải sử dụng kỹ thuật thích hợp để xác nhận xem có bất kỳ sự rò rỉ chất điện phân nào từ REESS do thử nghiệm hay không. Bằng chứng của việc thoát hơi phải được xác minh bằng cách kiểm tra bằng mắt mà không cần tháo rời bất kỳ bộ phận nào của thiết bị được thử nghiệm.
6.10.2.2 Việc kiểm soát bảo vệ quá dòng của REESS phải chấm dứt quá trình sạc hoặc nhiệt độ đo được trên vỏ của REESS phải được ổn định, sao cho gradient nhiệt độ thay đổi nhỏ hơn 4 °C trong 2 h sau khi đạt đến mức sạc quá dòng lớn nhất.
6.10.2.3 Đối với một REESS điện áp cao, điện trở cách điện đo được sau khi thử nghiệm theo Phụ lục EB phải không nhỏ hơn 100 Ω/V.
6.11 Bảo vệ chống nhiệt độ thấp
Khi cần thiết cho thử nghiệm, phải có các tài liệu sau đây giải thích hiệu suất an toàn ở cấp hệ thống hoặc cấp hệ thống con của xe để chứng minh rằng REESS giám sát và kiểm soát thích hợp các hoạt động của REESS tại nhiệt độ thấp ở mức ranh giới an toàn giới hạn của REESS:
(a) Sơ đồ hệ thống:
(b) Bản giải thích về nhiệt độ giới hạn dưới để đảm bảo REESS vận hành an toàn;
(c) Phương pháp phát hiện nhiệt độ REESS;
(d) Hành động được thực hiện khi nhiệt độ REESS bằng hoặc thấp hơn giới hạn dưới để REESS vận hành an toàn.
6.12 Kiểm soát phát thải khí từ REESS
6.12.1 Trong quá trình vận hành xe bao gồm cả vận hành khi có sự cố, người ngồi trên xe sẽ không phải tiếp xúc với bất kỳ môi trường nguy hiểm nào do phát thải từ REESS.
6.12.2 Các ắc quy kéo kiểu hở phải đáp ứng các yêu cầu về phát thải hydro trong 5.4 của tiêu chuẩn này.
6.12.3 Đối với REESS không phải là ắc quy kéo kiểu hở, yêu cầu ở 6.12.1 được coi là thỏa mãn nếu đáp ứng tất cả các yêu cầu áp dụng của các thử nghiệm sau: 6.2 (rung), 6.3 (sốc nhiệt và chu trình), 6.6 (bảo vệ chống ngắn mạch ngoài), 6.7 (bảo vệ chống sạc quá mức), 6.8 (bảo vệ chống xả quá mức), 6.9 (bảo vệ chống quá nhiệt) và 6.10 (bảo vệ chống quá dòng).
6.13 Cảnh báo trong trường hợp bộ điều khiển xe quản lý hoạt động an toàn của REESS không hoạt động.
REESS hoặc hệ thống xe phải cung cấp tín hiệu để kích hoạt cảnh báo được quy định tại 5.2.3. trong trường hợp bộ điều khiển xe vận hành lỗi (ví dụ: tín hiệu đầu vào và đầu ra tới hệ thống quản lý của REESS, các cảm biến trong REESS, v.v.) để quản lý hoạt động an toàn của REESS. Để thử nghiệm, khi cần thiết phải có tài liệu sau đây giải thích hiệu quả an toàn ở cấp hệ thống hoặc cấp hệ thống con của xe:
6.13.1 Sơ đồ hệ thống xác định tất cả các bộ điều khiển xe quản lý hoạt động của REESS. Sơ đồ phải xác định những thành phần nào được sử dụng để tạo ra cảnh báo do bộ điều khiển xe không hoạt động để thực hiện một hoặc nhiều hoạt động cơ bản.
6.13.2 Bản giải thích bằng chữ mô tả hoạt động cơ bản của các bộ điều khiển xe kiểm soát hoạt động REESS. Lời giải thích phải xác định được các bộ phận của hệ thống điều khiển xe, cung cấp mô tả về chức năng và khả năng quản lý REESS của chúng, đồng thời cung cấp sơ đồ logic và mô tả các điều kiện sẽ dẫn đến việc kích hoạt cảnh báo.
6.14 Cảnh báo trong trường hợp xảy ra sự cố nhiệt trong REESS
REESS hoặc hệ thống xe phải cung cấp tín hiệu để kích hoạt cảnh báo được quy định tại 5.2.3. trong trường hợp xảy ra sự cố nhiệt trong REESS (theo quy định của nhà sản xuất). Để thử nghiệm, khi cần thiết, phải có tài liệu sau đây giải thích hiệu quả an toàn ở cấp độ hệ thống hoặc cấp hệ thống con của xe:
6.14.1 Các thông số và mức ngưỡng liên quan được sử dụng để biểu thị hiện tượng nhiệt (ví dụ: nhiệt độ, tốc độ tăng nhiệt độ, mức SOC, sụt điện áp, dòng điện, v.v.) để kích hoạt cảnh báo.
6.14.2 Sơ đồ hệ thống và phần giải thích bằng văn bản mô tả các cảm biến và hoạt động của bộ điều khiển xe để quản lý REESS trong trường hợp xảy ra sự cố nhiệt.
6.15 Sự truyền nhiệt
Đối với REESS chứa chất điện phân dễ cháy, người ngồi trong xe không được tiếp xúc với bất kỳ môi trường độc hại nào do sự truyền nhiệt gây ra bởi hiện tượng đoản mạch bên trong dẫn đến hiện tượng tăng nhiệt của một pin riêng lẻ. Để đảm bảo điều này, các yêu cầu của 6.15.1 và 6.15.2 phải được thỏa mãn.
6.15.1 REESS hoặc hệ thống xe phải cung cấp tín hiệu để kích hoạt cảnh báo trước trên xe để cho phép đi ra ngoài hoặc 5 min trước khi xuất hiện tình huống nguy hiểm bên trong khoang hành khách do sự lan truyền nhiệt được kích hoạt bởi sự đoản mạch bên trong dẫn đến hiện tượng tăng nhiệt của pin như cháy, nổ hoặc khói. Yêu cầu này được coi là thỏa mãn nếu sự truyền nhiệt không dẫn đến tình huống nguy hiểm cho người ngồi trong xe. Để thử nghiệm, khi cần thiết, phải có tài liệu sau đây giải thích tính năng an toàn của cấp hệ thống hoặc cấp hệ thống phụ của xe:
6.15.1.1 Các thông số (ví dụ: nhiệt độ, điện áp hoặc dòng điện) kích hoạt chỉ báo cảnh báo.
6.15.1.2 Mô tả hệ thống cảnh báo
6.15.2 REESS hoặc hệ thống xe phải có các chức năng hoặc đặc tính trong pin hoặc REESS nhằm bảo vệ người ngồi trong xe (như được mô tả trong 6.15) trong các điều kiện gây ra bởi sự truyền nhiệt được kích hoạt bởi sự ngắn mạch bên trong dẫn đến hiện tượng tăng nhiệt của một pin. Để thử nghiệm, khi cần thiết, phải có tài liệu sau đây giải thích hiệu quả an toàn ở cấp hệ thống hoặc cấp hệ thống phụ của xe:
6.15.2.1 Phân tích giảm rủi ro bằng áp dụng phương pháp tiêu chuẩn thích hợp (ví dụ: IEC 61508, MIL-STD 882E, ISO 26262, AIAG DFMEA, phân tích lỗi như trong SAE J2929 hoặc tương tự), các tài liệu rủi ro đối với người ngồi trên xe do sự truyền nhiệt gây ra được kích hoạt bởi sự cố đoản mạch bên trong dẫn đến hiện tượng tăng nhiệt của một pin và các tài liệu giảm rủi ro nhờ thực hiện các chức năng hoặc đặc tính giảm thiểu rủi ro đã xác định.
6.15.2.2 Sơ đồ hệ thống của tất cả các hệ thống và thành phần vật lý có liên quan. Các hệ thống và bộ phận liên quan là những hệ thống góp phần bảo vệ người ngồi trong xe khỏi các tác động nguy hiểm do sự truyền nhiệt gây ra bởi hiện tượng tăng nhiệt của pin đơn.
6.15.2.3 Sơ đồ thể hiện hoạt động chức năng của các hệ thống và thành phần liên quan, xác định tất cả các chức năng hoặc đặc điểm giảm thiểu rủi ro.
6.15.2.4 Đối với từng chức năng hoặc đặc điểm giảm thiểu rủi ro được xác định:
6.15.2.4.1 Mô tả về chiến lược hoạt động của nó;
6.15.2.4.2 Xác định hệ thống vật lý hoặc thành phần thực hiện chức năng;
6.15.2.4.3 Một hoặc nhiều tài liệu kỹ thuật sau đây liên quan đến thiết kế của nhà sản xuất chứng minh tính hiệu quả của chức năng giảm thiểu rủi ro:
(a) Các thử nghiệm được thực hiện bao gồm quy trình được sử dụng, các điều kiện và dữ liệu kết quả;
(b) Phân tích hoặc xác nhận phương pháp mô phỏng và dữ liệu thu được.
Phụ lục A.1 Phụ lục A.2 Phụ lục A.1 Phụ lục A.2 Phụ lục A.1 Phụ lục A.2
Phụ lục A
(Tham khảo)
Thông tin cho hệ động lực điện và thông tin cho hệ thống lưu trữ năng lượng có thể sạc lại (REESS)
A.1 Thông tin cho hệ động lực điện
(Khổ lớn nhất: A4 (210 × 297 mm))
|
| Ban hành bởi: Tên Cơ quan: ....................................
|
| Liên quan:[1] | .................................... |
| Phê duyệt được cấp Phê duyệt được mở rộng | .................................... .................................... |
| Phê duyệt bị từ chối Sản xuất bị ngưng hoàn toàn Phê duyệt bị thu hồi |
|
Của một kiểu xe về an toàn điện, theo tiêu chuẩn ECE 100
Số phê duyệt .................................... Số mở rộng ....................................
1. Tên thương mại hoặc nhãn hiệu của xe: .................................................................................
2. Kiểu xe: ....................................................................................................................................
3. Loại xe: .....................................................................................................................................
4 Tên và địa chỉ cơ sở sản xuất: ..................................................................................................
5. Tên và địa chỉ của đại diện cơ sở sản xuất (nếu có): ..............................................................
6. Bản mô tả xe: ............................................................................................................................
6.1 Kiểu REESS: ..........................................................................................................................
6.1.1. Số phê duyệt của REESS hoặc bản mô tả REESS[2]
A.2 Thông tin cho hệ thống lưu trữ năng lượng có thể sạc lại (REESS)
(Khổ lớn nhất: A4 (210 × 297 mm))
|
| Ban hành bởi: Tên Cơ quan: ....................................
|
| Liên quan: | .................................... |
| Phê duyệt được cấp Phê duyệt được mở rộng | .................................... .................................... |
| Phê duyệt bị từ chối Sản xuất bị ngưng hoàn toàn Phê duyệt bị thu hồi |
|
của một kiểu REESS, theo TCVN 13058:2025
Số phê duyệt .................................... Số mở rộng ....................................
1. Tên thương mại hoặc nhãn hiệu của REESS: ........................................................................
2. Kiểu REESS: ............................................................................................................................
3. Tên và địa chỉ của cơ sở sản xuất: ..........................................................................................
4. Tên và địa chỉ của đại diện cơ sở sản xuất (nếu có): ...............................................................
5. Bản mô tả REESS: ...................................................................................................................
6. Các hạn chế lắp đặt áp dụng đối với REESS được mô tả trong 6.4 và 6.5: ............................
7. Đệ trình:
8. Cơ sở thử nghiệm chịu trách nhiệm tiến hành các thử nghiệm: ...............................................
9. Ngày tháng của báo cáo do cơ sở thử nghiệm phát hành: .......................................................
10. Số của báo cáo do cơ sở thử nghiệm phát hành: ...................................................................
11. Vị trí nhãn phê duyệt: ..............................................................................................................
12. Lý do mở rộng phê duyệt (nếu có) 2: .......................................................................................
13. Cấp/từ chối/mở rộng/thu hồi phê duyệt2: .................................................................................
6.2. Điện áp làm việc: ....................................................................................................................
6.3. Hệ thống đẩy: .........................................................................................................................
7. Đệ trình để phê duyệt: ...............................................................................................................
8. Cơ sở thử nghiệm chịu trách nhiệm tiến hành các thử nghiệm phê duyệt: ...............................
9. Ngày báo cáo được cơ sở thử nghiệm ban hành: ......................................................................
10. Số của báo cáo do cơ sở thử nghiệm phát hành: ..................................................................
11. Vị trí nhãn phê duyệt kiểu: ......................................................................................................
12. Lý do mở rộng phê duyệt (nếu có) 2: ......................................................................................
13. Cấp/từ chối/mở rộng/thu hồi phê duyệt 2:
14. Địa điểm: ................................................................................................................................
15. Ngày, tháng, năm: ..................................................................................................................
16. Chữ ký: ....................................................................................................................................
17. Các tài liệu trong hồ sơ được đệ trình với yêu cầu phê duyệt hoặc mở rộng có thể được lấy theo yêu cầu
14. Địa điểm: .................................................................................................................................
15. Ngày, tháng, năm: ...................................................................................................................
16. Chữ ký: ....................................................................................................................................
17. Các tài liệu trong hồ sơ được đệ trình với yêu cầu phê duyệt hoặc mở rộng có thể được lấy theo yêu cầu
Phụ lục A.1
(Quy định)
Đặc điểm chính của xe và hệ thống
1. Thông tin chung
1.1. Tên thương mại của cơ sở sản xuất: ...................................................................................
1.2. Kiểu: ......................................................................................................................................
1.3. Loại xe: .................................................................................................................................
1.4. Tên thương mại (nếu có): ....................................................................................................
1.5. Tên và địa chỉ của cơ sở sản xuất: .......................................................................................
1.6. Tên và địa chỉ của đại diện cơ sở sản xuất (nếu có): ............................................................
1.7. Bản vẽ và/hoặc ảnh của xe: ..................................................................................................
1.8. Số phê duyệt của REESS ......................................................................................................
2. Động cơ điện (động cơ kéo): ..................................................................................................
2.1. Kiểu loại: .................................................................................................................................
2.2. Công suất có ích lớn nhất và/hoặc công suất lớn nhất 30 phút (kW): ....................................
3. REESS: ....................................................................................................................................
3.1. Tên và nhãn hiệu thương mại của REESS: ..........................................................................
3.2. Thông số chỉ thị của tất cả loại pin: .......................................................................................
3.2.1. Tính chất hóa học của pin: ................................................................................................
3.2.2. Kích thước vật lý: ...............................................................................................................
3.2.3. Dung lượng của pin (Ah): ..................................................................................................
3.3. Mô tả hoặc các bản vẽ hoặc hình ảnh của REESS giải thích: .............................................
3.3.1. Cấu trúc: .............................................................................................................................
3.3.2. Cấu hình (số lượng pin, chế độ kết nối...): ..........................................................................
3.3.3. Kích thước: ..........................................................................................................................
3.3.4. Vỏ bọc (xây dựng, vật liệu và các kích thước vật lý): ..........................................................
3.4. Đặc tính về điện: ....................................................................................................................
3.4.1. Điện áp danh định (V): ........................................................................................................
3.4.2. Điện áp làm việc (V): ...........................................................................................................
3.4.3. Dung lượng (Ah): ................................................................................................................
3.4.4. Dòng điện lớn nhất (A): .......................................................................................................
3.5. Tỷ lệ trộn khí (tính theo phần trăm): ........................................................................................
3.6. Mô tả hoặc các bản vẽ hoặc ảnh lắp đặt REESS vào xe: ..................................................
3.6.1. Kết cấu đỡ vật lý: ..............................................................................................................
3.7. Kiểu quản lý nhiệt: ...............................................................................................................
3.8. Điều khiển điện tử: ...............................................................................................................
4. Pin nhiên liệu (nếu có)
4.1. Tên và nhãn hiệu thương mại của Pin nhiên liệu: ...............................................................
4.2. Loại pin nhiên liệu: ...............................................................................................................
4.3. Điện áp danh định (V): .........................................................................................................
4.4. Số lượng pin: ......................................................................................................................
4.5. Kiểu hệ thống làm mát (nếu có): .........................................................................................
4.6. Công suất lớn nhất (kW): .....................................................................................................
5. Cầu chì và/hoặc cầu dao
5.1. Kiểu: ....................................................................................................................................
5.2. Sơ đồ thể hiện phạm vi chức năng: ....................................................................................
6. Dây nối điện
6.1. Kiểu: ....................................................................................................................................
7. Bảo vệ chống điện giật ...........................................................................................................
7.1. Mô tả khái niệm bảo vệ: .......................................................................................................
8. Dữ liệu bổ sung
8.1. Mô tả ngắn gọn về cách lắp đặt hoặc bản vẽ các bộ phận của mạch điện/hình ảnh vị trí lắp đặt các linh kiện mạch điện: .........................................................................................................
8.2 Sơ đồ các chức năng điện có trong mạch điện: .....................................................................
8.3. Điện áp làm việc (V): ..............................................................................................................
Phụ lục A.2
(Quy định)
Đặc điểm chính của REESS
1. REESS
1.1. Tên thương mại và nhãn hiệu của REESS: ........................................................................
1.1.1. Loại REESS ......................................................................................................................
1.2. Thông số chỉ thị của các loại pin: .........................................................................................
1.2.1. Hóa học pin: ......................................................................................................................
1.2.2. Kích thước vật lý: ..............................................................................................................
1.2.3. Dung lượng pin (Ah): .........................................................................................................
1.3. Mô tả hoặc (các) bản vẽ hoặc (các) hình ảnh của REESS giải thích
1.3.1. Kết cấu: ..............................................................................................................................
1.3.2. Cấu hình (số lượng pin, chế độ kết nối, v.v.): ....................................................................
1.3.3. Kích thước: ........................................................................................................................
1.3.4. Vỏ (cấu trúc, vật liệu và kích thước vật lý): ........................................................................
1.4. Đặc điểm kỹ thuật điện
1.4.1. Điện áp danh nghĩa (V): .....................................................................................................
1.4.2. Điện áp làm việc (V): ..........................................................................................................
1.4.3. Dung lượng (A): .................................................................................................................
1.4.4. Dòng điện lớn nhất (A): .....................................................................................................
1.5. Tỷ lệ trộn khí (tính bằng phần trăm): .....................................................................................
1.6. Mô tả hoặc (các) bản vẽ hoặc (các) hình ảnh về việc lắp đặt REESS trong xe: ....................
1.6.1. Hỗ trợ vật ly: ........................................................................................................................
1.7. Kiểu kiểm soát nhiệt: ..............................................................................................................
1.8. Điều khiển điện tử: .................................................................................................................
1.9. Loại xe có thể lắp đặt REESS: ...............................................................................................
Phụ lục B
(Tham khảo)
Bố trí nhãn phê duyệt
Mẫu A (xem phần 4.4)

Hình B.1
Nhãn phê duyệt trong Hình B.1 được gắn trên xe cho thấy xe đã được phê duyệt tại Hà Lan (E4) theo UNR 100 hoặc TCVN 13058 và có số phê duyệt 022492. Hai số đầu của số phê duyệt cho biết phê duyệt đã được cấp theo UNR 100 và hoặc TCVN 13058 và được sửa đổi lần 02.

Hình B.2
Nhãn phê duyệt trong Hình B.2 được gắn vào REESS cho thấy loại REESS ("ES") có đã được phê duyệt ở Hà Lan (E4), theo UNR 100 hoặc TCVN 13058 và có số phê duyệt 022492. Hai chữ số đầu tiên của phê duyệt cho biết phê duyệt đã được cấp theo các yêu cầu của UNR 100 hoặc TCVN 13058 đã được sửa đổi lần 02.
Mẫu B (xem 4.5)

Nhãn phê duyệt ở trên được gắn vào xe cho biết rằng xe đã được phê duyệt ở Hà Lan (E4) theo UNR 100 hoặc TCVN 13058 và UNR 42. Số phê duyệt chỉ ra rằng, tại thời điểm phê duyệt tương ứng được cấp, UNR 100 hoặc TCVN 13058 đã được sửa đổi lần 02 và UNR 42 xuất bản lần 1.
Phụ lục C
(Quy định)
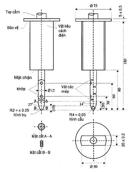
Bảo vệ chống tiếp xúc trực tiếp với các chi tiết có điện áp
C.1 Đầu dò
Đầu dò nhằm kiểm tra xác nhận bảo vệ chống các tiếp xúc với các chi tiết có dòng điện được quy định trong Bảng C.1-1.
C.2 Điều kiện thử nghiệm
Đầu dò được đẩy vào bất kỳ các khe hở của Vỏ bọc với một lực được quy định trong Bảng C.1-1. Nếu đầu dò thâm nhập một phần hoặc toàn bộ, nó được đặt ở mọi vị trí có thể, nhưng không có trường hợp nào, mặt chặn phải thâm nhập hoàn toàn qua khe mở.
Lớp ngăn phía trong được coi là một chi tiết của vỏ bọc.
Một nguồn điện áp thấp (từ 40 V tới 50 V) nối tiếp với một đèn phù hợp nếu cần thiết phải được kết nối giữa đầu thử và các chi tiết có dòng điện ở bên trong lớp ngăn hoặc vỏ bọc.
Phương pháp mạch tín hiệu cũng phải được áp dụng với những chi tiết có dòng điện nguy hiểm của thiết bị có điện áp cao.
Các bộ phận chuyển động bên trong có thể cho chạy chậm, nếu điều này là có thể.
C.3 Tiêu chí chấp nhận
Đầu dò phải không được chạm vào chi tiết có dòng điện.
Yêu cầu này được kiểm tra xác nhận bởi một mạch tín hiệu giữa đầu dò và chi tiết có dòng điện, đèn phải không sáng
Trường hợp thử với IPXXB, đầu dò có khớp nối có thể thâm nhập vào với chiều dài 80 mm, nhưng mặt chặn (đường kính 80 mm × 20 mm) phải không được đi qua khe hở. Bắt đầu từ vị trí thẳng, cả hai khớp của đầu dò phải được uốn lượn liên tiếp một góc tới 90 độ so với trục của phần tiếp giáp của đầu dò và phải đặt ở mọi vị trí.
Trong trường hợp thử với IPXXD, đầu dò có thể xuyên qua toàn bộ chiều dài của nó, nhưng mặt chặn phải không được hoàn toàn xuyên qua lỗ mở
Bảng C.1-1 - Đầu dò dùng cho thử nghiệm bảo vệ người tránh tiếp cận
Các chi tiết có dòng điện nguy hiểm
| Số đầu | Chữ cái bổ sung | Đầu dò thử nghiệm | Lực thử nghiệm |
| 2 | B |
| 10 N±10% |
| 4, 5, 6 | D |
| 1N±10% |

Hình C.1-1 - Đầu dò dạng khớp nối
CHÚ DẪN:
Chất liệu: Kim loại, trừ khi có quy định khác Kích thước tính theo đơn vị mi li mét
Dung sai ước tính về kích thước:
(a) Kích thước góc: 0/-10°;
(b) Với kích thước dài:
(i) nhỏ hơn hoặc bằng 25 mm: 0/-0.05 mm;
(ii) lớn hơn 25 mm: ±0.2 mm
Phải cho phép cả 2 khớp nối chuyển động trong cùng một mặt phẳng và cùng hướng qua một góc 90° với sai số 0 tới +10°.
Phụ lục D
(Quy định)
Kiểm tra xác nhận sự cân bằng điện thế
D.1 Phương pháp kiểm tra bằng máy đo điện trở
Máy đo điện trở được nối với các điểm đo (thông thường, khung điện và vỏ dẫn điện/lớp bảo vệ ngăn tiếp xúc) và điện trở được đo bằng máy đo điện trở đáp ứng thông số kỹ thuật sau:
(a) Máy đo điện trở: Đo dòng điện tối thiểu 0,2 A;
(b) Độ phân giải: 0,01 Ω trở xuống;
(c) Điện trở R phải nhỏ hơn 0,1 Ω.
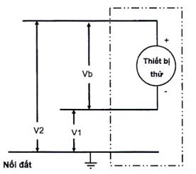
D.2 Phương pháp thử nghiệm sử dụng nguồn điện một chiều, vốn kế và ampe kế
Ví dụ về phương pháp thử nghiệm sử dụng nguồn điện một chiều, vốn kế và ampe kế được trình bày dưới đây.

Hình D.1-1 - Ví dụ về phương pháp thử nghiệm sử dụng nguồn điện một chiều
D.2.1 Quy trình kiểm tra
Nguồn điện DC, vôn kế và ampe kế được kết nối với các điểm đo (Thông thường, khung điện và vỏ bọc dẫn điện/lớp bảo vệ ngăn tiếp xúc).
Điện áp của nguồn điện một chiều được điều chỉnh sao cho dòng điện chạy qua ít nhất là 0,2 A.
Dòng điện "I" và điện áp "U" được đo.
Điện trở “R” được tính theo công thức sau:
R = U/I
Điện trở R phải nhỏ hơn 0,1 Ω.
CHÚ THÍCH: Nếu sử dụng dây dẫn để đo điện áp và dòng điện thì mỗi dây dẫn phải được nối độc lập với lớp ngăn/vỏ/khung điện bảo vệ điện.
Thiết bị đầu cuối có thể dùng chung để đo điện áp và đo dòng điện.
Phụ lục EA
(Quy định)
Phương pháp đo điện trở cách điện dựa vào thử nghiệm trên xe
EA.1 Quy định chung
Điện trở cách điện của mỗi mạch điện cao áp của xe phải được đo hoặc xác định bằng tính toán từ việc sử dụng các giá trị đo từ mỗi chi tiết hoặc bộ phận của mạch điện cao áp (sau đây gọi là phương pháp đo chia nhỏ).
EA.2 Phương pháp đo
Đo điện trở cách điện phải được thực hiện bằng việc lựa chọn một phương pháp đo phù hợp từ các phương pháp được đưa ra trong EA.2.1 và EA.2.2, tùy thuộc vào lượng điện sạc của các chi tiết có dòng điện hoặc điện trở cách điện, v.v...
Các phép đo bằng máy đo Megohm hoặc máy hiện sóng là các phương pháp thay thế thích hợp cho quy trình được mô tả dưới đây để đo điện trở cách điện. Trong trường hợp này, có thể cần phải tắt hệ thống giám sát điện trở cách điện trên xe.
Phạm vi của mạch điện cần đo phải được làm rõ trước, sử dụng sơ đồ mạch điện, v.v... Nếu các mạch điện áp cao được cách ly dẫn điện với nhau thì phải đo điện trở cách điện cho từng mạch điện.
Ngoài ra, các sửa đổi cần thiết có thể được thực hiện để đo điện trở cách điện như bỏ lớp vỏ để tiếp xúc các chi tiết có dòng điện, vẽ các đường đo, thay đổi phần mềm, v v...
Trong trường hợp các giá trị đo được không ổn định do hoạt động của hệ thống giám sát điện trở cách điện trên xe, v.v..., các sửa đổi cần thiết có thể được thực hiện để tiến hành các phương pháp đo như dừng hoạt động của thiết bị liên quan hoặc gỡ bỏ các thiết bị đó. Ngoài ra, khi thiết bị được gỡ bỏ, phải chứng minh được bằng việc sử dụng các bản vẽ, rằng nó không làm thay đổi điện trở cách điện giữa các chi tiết có dòng điện và khung dẫn điện.
Những thay đổi này không ảnh hưởng đến kết quả thử nghiệm.
Phải hết sức cẩn thận khi bị đoản mạch, điện giật, v.v., vì việc xác nhận này có thể yêu cầu hoạt động trực tiếp của mạch điện cao áp.
EA.2.1 Phương pháp đo sử dụng điện áp DC từ nguồn bên ngoài xe
EA.2.1.1 Dụng cụ đo
Phải dùng một dụng cụ thử điện trở cách điện có thể cung cấp điện áp một chiều lớn hơn điện áp làm việc của mạch điện cao áp.
EA.2.1.2 Phương pháp đo
Một dụng cụ thử điện trở cách điện phải được kết nối giữa các chi tiết có dòng điện và khung dẫn điện. Sau đó điện trở cách điện phải được đo bằng cách đặt một điện áp một chiều có giá trị nhỏ nhất bằng một nửa điện áp làm việc của mạch điện cao áp.
Nếu hệ thống có nhiều dải điện áp (ví dụ do bộ biến đổi tăng áp) trong mạch được kết nối galvanic và có một vài bộ phận không thể chịu được điện áp làm việc của toàn mạch thì có thể tiến hành đo riêng biệt điện trở của các bộ phận đó và khung dẫn điện bằng cách áp một điện áp ít nhất có giá trị bằng một nửa điện áp làm việc của chính chúng với các bộ phận bị ngắt kết nối.
EA.2.2 Phương pháp đo bằng cách sử dụng REESS của bản thân xe làm nguồn điện áp DC
EA.2.2.1 Điều kiện xe thử
Mạch điện cao áp phải được cấp điện bởi REESS của bản thân xe và/hoặc hệ thống biến đổi năng lượng của xe và mức điện áp của REESS và/hoặc hệ thống biến đổi năng lượng trong quá trình thử nhỏ nhất phải là giá trị điện áp làm việc danh định theo quy định của nhà sản xuất xe.
EA.2.2.2 Dụng cụ đo
Vôn kế dùng trong thử nghiệm này phải đo được giá trị điện áp một chiều và phải có điện trở trong nhỏ nhất 10 MΩ.
EA.2.2.3 Phương pháp đo
EA.2.2.3.1 Bước 1
Điện áp được đo như trong Hình EA.1 và giá trị điện áp cao (Vb) được ghi lại. Giá trị Vb phải bằng hoặc lớn hơn giá trị điện áp làm việc danh định của REESS và/hoặc hệ thống biến đổi năng lượng theo quy định của nhà sản xuất xe.

Hình EA.1 - Phương pháp đo Vb, V1, V2
EA.2.2.3.2 Bước 2
Đo và ghi lại giá trị điện áp (V1) giữa cực âm của mạch điện cao áp và khung dẫn điện (Hình EA.1).
EA.2.2.3.3 Bước 3
Đo và ghi lại giá trị điện áp (V2) giữa cực dương của mạch điện cao áp và khung dẫn điện (Hình EA.1).
EA.2.2.3.4 Bước 4
Nếu giá trị V1 lớn hơn hoặc bằng giá trị V2, chèn một điện trở tiêu chuẩn đã biết trị số (Ro) giữa cực âm của mạch điện cao áp và khung dẫn điện. Với Ro đã đặt, đo giá trị điện áp (V1’) giữa cực âm của mạch điện cao áp và khung dẫn điện (Hình EA.2).
Tính điện trở cách điện (Ri) theo công thức sau:
Ri = Ro*Vb*(1/V1’ – 1/V1)

Hình EA.2 - Phương pháp đo V1’
Nếu giá trị V2 lớn hơn giá trị V1, đặt 1 điện trở tiêu chuẩn đã biết trị số giữa cực dương của mạch điện cao áp và khung dẫn điện. Với Ro đã đặt, đo giá trị điện áp (V2’) giữa cực dương của mạch điện cao áp và khung dẫn điện (Hình EA.3). Tính điện trở cách điện (Ri) theo công thức được đưa ra. Lấy giá trị điện trở cách điện (Ω) chia cho giá trị điện áp làm việc danh định của mạch điện cao áp (V).
Tính giá trị điện trở cách điện (Ri) theo công thức sau:
Ri = Ro*Vb*(1/V2’ - 1/V2)

Hình EA.3 - Phương pháp tính V2’
EA.2.2.3.5 Bước 5
Lấy giá trị điện trở cách điện Ri (Ω) chia cho điện áp làm việc của mạch điện cao áp (V) ta được giá trị điện trở cách điện (Ω/V).
CHÚ THÍCH: Giá trị điện trở tiêu chuẩn đã biết trị số Ro (Ω) bằng giá trị điện trở cách điện (Ω/V) yêu cầu nhỏ nhất nhân với giá trị điện áp làm việc của xe (V) ± 20 %. Ro không cần thiết phải chính xác với giá trị này vì các phương trình có giá trị với bất kỳ Ro nào; tuy nhiên, giá trị Ro trong phạm vi này phải cho một kết quả phù hợp với các phép đo điện áp.
Phụ lục EB
(Quy định)
Phương pháp đo điện trở cách điện đối với đối tượng thử nghiệm là bộ phận của một REESS
EB.1 Phương pháp đo
Đo điện trở cách điện phải được tiến hành bằng việc lựa chọn một phương pháp đo phù hợp từ các phương pháp được đưa ra trong EB.1.1 đến EB.1.2, tùy thuộc vào lượng điện sạc của các chi tiết có dòng điện hoặc điện trở cách điện.
Các phép đo bằng máy đo Megohm hoặc máy hiện sóng là các phương pháp thay thế thích hợp cho quy trình được mô tả dưới đây để đo điện trở cách điện. Trong trường hợp này, có thể cần phải tắt hệ thống giám sát điện trở cách điện trên xe.
Phạm vi mạch điện được đo phải được định rõ trước bằng việc sử dụng sơ đồ mạch điện, v.v.... Nếu các mạch điện cao áp được cách điện galvanic với nhau, điện trở cách điện phải được đo với mỗi mạch điện.
Nếu điện áp vận hành của thiết bị được thử (Vb, Hình EB.1) không thể đo được (do ngắt mạch bởi các công tắc tơ chính hay cầu chì), thử nghiệm có thể được tiến hành với một thiết bị thử sửa đổi để cho phép đo điện áp trong (thượng nguồn của công tắc tơ chính).
Ngoài ra, có thể thực hiện những sửa đổi cần thiết để đo điện trở cách điện như bỏ lớp vỏ để tiếp xúc các chi tiết có dòng điện, vẽ các đường đo, thay đổi phần mềm, v.v...
Trong trường hợp các giá trị đo không ổn định do hoạt động của hệ thống giám sát điện trở cách điện trên xe, v.v ... các sửa đổi cần thiết được thực hiện để có thể tiến hành các phương pháp đo như cho dừng hoạt động của thiết bị liên quan hoặc gỡ bỏ các thiết bị đó. Ngoài ra, khi thiết bị được gỡ bỏ phải chứng minh được bằng cách dung bản vẽ v.v...rằng nó không làm thay đổi điện trở cách điện giữa các chi tiết có dòng điện và nối đất được nhà sản xuất quy định như một điểm được nối với khung dẫn điện khi được lắp trên xe.
Những sửa đổi này không được ảnh hưởng tới kết quả thử nghiệm.
Cần thận trọng với các dấu vết đoản mạch, điện giật, v.v... để xác nhận điều này có thể yêu cầu các thao tác trực tiếp trên mạch điện cao áp.
EB.1.1 Phương pháp đo sử dụng điện áp DC từ nguồn bên ngoài xe
EB.1.1.1 Dụng cụ đo
Phải dùng một dụng cụ đo điện trở cách điện có thể đặt điện áp một chiều lớn hơn điện áp danh định của thiết bị được thử.
EB.1.1.2 Phương pháp đo
Thiết bị đo điện trở cách điện phải được kết nối giữa các chi tiết có dòng điện và đầu nối đất. Sau đó phải đo điện trở cách điện.
Nếu hệ thống có nhiều dải điện áp (ví dụ do bộ biến đổi tăng áp) trong mạch đã được kết nối galvanic và có bộ phận không thể chịu được điện áp làm việc của toàn mạch thì có thể tiến hành đo riêng điện trở giữa các bộ phận này và đầu nối đất bằng cách sử dụng một điện áp có giá trị bằng một nửa điện áp làm việc với các bộ phận đó bị ngắt kết nối.
EB.1.2 Phương pháp đo sử dụng thiết bị được thử như nguồn điện một chiều.
EB.1.2.1 Điều kiện thử nghiệm
Trong quá trình thử nghiệm giá trị điện áp nhỏ nhất của thiết bị được thử phải bằng giá trị điện áp làm việc danh định của nó.
EB.1.2.2 Điều kiện đo
Vôn kế dùng trong thử nghiệm này phải đo được giá trị điện áp một chiều và phải có điện trở trong nhỏ nhất 10 MΩ.
EB.1.2.3 Phương pháp đo
EB.1.2.3.1 Bước 1
Điện áp được đo như trong Hình EB.1 và điện áp làm việc của thiết bị được thử (Vb, Hình EB.1) được ghi lại. Giá trị Vb phải bằng hoặc lớn hơn điện áp làm việc danh định của thiết bị được thử.

Hình EB.1
EB.1.2.3.2 Bước 2
Đo và ghi lại giá trị điện áp (V1) giữa cực âm của thiết bị được thử và đầu nối đất (Hình EB.1).
EB.1.2.3.3 Bước 3
Đo và ghi lại giá trị điện áp (V2) giữa cực dương của thiết bị được thử và đầu nối đất (Hình EB.1).
EB.1.2.3.4 Bước 4
Nếu V1 lớn hơn hoặc bằng V2, chèn một điện trở tiêu chuẩn đã biết trị số (Ro) giữa cực âm của thiết bị được thử và đầu nối đất. Tiến hành đo giá trị điện áp (V1’) giữa cực âm của thiết bị được thử và đầu nối đất (Hình EB.2).
Tính điện trở cách điện (Ri) theo công thức sau:
Ri = Ro*Vb*(1/V1’ – 1/V1)

Hình EB.2
Nếu giá trị V2 lớn hơn giá trị V1, đặt một điện trở tiêu chuẩn đã biết trị số (Ro) giữa cực dương của thiết bị được thử và đầu nối đất. Tiến hành đo giá trị điện áp (V2’) giữa cực dương của thiết bị được thử và đầu nối đất (Hình EB.3).
Tính điện trở cách điện (Ri) theo công thức sau:
Ri = Ro*Vb*(1/V2’ – 1/V2)

Hình EB.3
EB.1.2.3.5 Bước 5
Lấy giá trị điện trở cách điện Ri(Ω) chia cho điện áp danh định (V) của thiết bị được thử ta được giá trị điện trở cách điện (Ω/V).
CHÚ THÍCH: Giá trị điện trở tiêu chuẩn đã biết trị số Ro (Ω) bằng giá trị điện trở cách điện nhỏ nhất yêu cầu (Ω/V) nhân với giá trị điện áp danh định của thiết bị được thử (V) ± 20 %. Ro không cần thiết phải chính xác với giá trị này vì các phương trình phải tương ứng với bất kỳ Ro nào; tuy nhiên, giá trị Ro trong phạm vi này phải đưa ra một kết quả phù hợp cho các phép đo điện áp.
Phụ lục F
(Quy định)
Phương pháp xác nhận chức năng của hệ thống giám sát điện trở cách điện trên xe
Chức năng của hệ thống giám sát điện trở cách điện trên xe phải được xác nhận bằng phương pháp sau:
(a) Xác định điện trở cách điện, Ri, của hệ thống dẫn động điện với hệ thống giám sát điện trở cách điện theo quy trình được nêu trong Phụ lục EA.
(b) Nếu giá trị điện trở cách điện nhỏ nhất được yêu cầu theo đoạn 5.1.3.1 hoặc 5.1.3.2 là 100 Ω/V, lắp một điện trở Ro vào giữa hai bên của mạch điện áp cao có giá trị thấp hơn V1 hoặc V2 được đo theo phần EA.2.2.3 của Phụ lục EA và khung dẫn điện. Độ lớn của điện trở Ro phải thỏa mãn:
1/(1/(95xU) - 1/Ri) ≤ Ro < 1/(1/(100xU) - 1/Ri)
Trong đó: V là điện áp làm việc của hệ động lực điện.
(c) Nếu giá trị điện trở cách điện tối thiểu được yêu cầu theo 5.1.3.1 hoặc 5.1.3.2 là 500 Ω/V, lắp một điện trở Ro vào giữa hai bên của của mạch điện áp cao có giá trị thấp hơn V1 hoặc V2 được đo theo EA.2.2.3 của Phụ lục EA và khung dẫn điện. Độ lớn của điện trở Ro phải thỏa mãn:
1/(1/(475xU) - 1/Ri) ≤ Ro < 1/(1/(500xU) - 1/Ri)
Trong đó: V là điện áp làm việc của hệ động lực điện.
Phụ lục GA
(Quy định)
Phương pháp kiểm tra xác nhận trên cơ sở việc tuân thủ điện trở cách điện của tài liệu thiết kế điện của xe sau khi tiếp xúc với nước
Phụ lục này mô tả các yêu cầu có thể áp dụng khi chứng nhận các thiết bị điện áp cao hoặc các bộ phận hệ thống của nhà sản xuất chống lại các tác động bất lợi của nước chứ không phải là một thử nghiệm vật lý. Theo nguyên tắc chung, thiết kế điện hoặc các bộ phận của xe phải lần lượt tuân theo các yêu cầu quy định tại “5.1.1. Bảo vệ chống tiếp xúc trực tiếp”, “5.1.2. Bảo vệ chống tiếp xúc gián tiếp” và "5.1.3 Điện trở cách điện" của tiêu chuẩn này và điều này sẽ được cơ quan kiểm tra xác nhận riêng. Các nhà sản xuất xe phải cung cấp thông tin cho cơ quan kiểm tra để xác định, như một điểm tham khảo, vị trí lắp đặt cho từng bộ phận điện áp cao trong/trên xe.
GA.1 Hồ sơ phải có các thông tin sau:
(a) Cách nhà sản xuất kiểm tra sự tuân thủ điện trở cách điện của thiết kế điện của xe sử dụng nước sạch;
(b) Cách thức, sau khi thử nghiệm được thực hiện, bộ phận hoặc hệ thống điện áp cao đã được kiểm tra sự xâm nhập của nước và cách thức, tùy thuộc vào vị trí lắp đặt của nó, mỗi bộ phận/hệ thống điện áp cao đều đáp ứng mức độ bảo vệ thích hợp chống lại nước.
GA.2 Cơ quan kiểm tra sẽ xác minh và xác nhận tính xác thực của các điều kiện được ghi lại đã được tuân thủ và đáng lẽ phải được tuân thủ trong quá trình chứng nhận của nhà sản xuất:
GA.2.1 Cho phép trong quá trình thử nghiệm, hơi ẩm bên trong vỏ bọc được ngưng tụ một phần. Sương có thể đọng lại không được coi là sự xâm nhập của nước. Với mục đích của các thử nghiệm, diện tích bề mặt của bộ phận hoặc hệ thống điện áp cao được thử nghiệm được tính toán với độ chính xác 10 %. Nếu có thể, bộ phận hoặc hệ thống điện áp cao được thử nghiệm sẽ được cấp điện. Nếu bộ phận hoặc hệ thống điện áp cao được thử nghiệm được cấp điện thì phải thực hiện các biện pháp phòng ngừa an toàn đầy đủ.
GA.2.2 Đối với các bộ phận điện, được gắn bên ngoài (ví dụ: trong khoang động cơ), mở bên dưới, cả ở vị trí hở hoặc được bảo vệ, cơ quan kiểm tra phải xác minh, nhằm xác nhận sự tuân thủ, liệu thử nghiệm có được tiến hành bằng cách phun vào bộ phận hoặc hệ thống điện áp cao hay không từ mọi hướng có thể với dòng nước từ vòi thử nghiệm tiêu chuẩn như trên Hình GA.1. Các thông số sau đây được quan sát cụ thể trong quá trình thử nghiệm:
(a) Đường kính trong của vòi phun: 6,3 mm;
(b) Tốc độ xả: 11,9 - 13,2 L/min;
(c) Áp lực nước tại vòi: khoảng 30 kPa (0,3 bar);
(d) Thời gian thử nghiệm trên m2 diện tích bề mặt của bộ phận hoặc hệ thống điện áp cao được thử nghiệm: 1 min;
(e) Thời gian thử nghiệm tối thiểu: 3 min;
(f) Khoảng cách từ vòi phun đến bề mặt bộ phận hoặc hệ thống điện áp cao được thử nghiệm: khoảng 3 m (khoảng cách này có thể giảm xuống nếu cần thiết) để đảm bảo độ ẩm thích hợp khi phun lên trên).
Kích thước tính bằng milimét

D: 6.3 mm như quy định trong (a)
Hình GA.1 - Đầu phun tiêu chuẩn cho thử nghiệm
GA.2.3 Đối với các bộ phận điện, được gắn bên ngoài (ví dụ trong khoang động cơ), được che phủ từ bên dưới, cơ quan kiểm tra phải xác minh nhằm xác nhận sự phù hợp xem:
(a) Vỏ bảo vệ bộ phận khỏi nước phun trực tiếp từ bên dưới và không nhìn thấy được;
(b) Thử nghiệm được tiến hành bằng cách sử dụng vòi phun thử nghiệm bắn tung tóe như trong Hình GA.2;
(c) Tấm chắn chuyển động được tháo ra khỏi vòi phun và máy được phun từ mọi hướng có thể;
(d) Áp lực nước được điều chỉnh để có tốc độ xả (10 ± 0,5) L/min (áp suất khoảng 80 kPa đến 100 kPa (0,8 bar đến 1,0 bar));
(e) Thời gian thử nghiệm là 1 min/m2 diện tích bề mặt tính toán của máy (không bao gồm bề mặt lắp đặt và cánh làm mát) với thời gian tối thiểu là 5 min.
Kích thước tính bằng milimét

Mặt cắt theo mũi tên A (đã bỏ tấm chắn) IEC 927/01
CHÚ DẪN
| 1. Vòi | 7. Đầu phun - đồng thau 121 lỗ Ø 0,5: |
| 2. Đồng hồ đo áp suất | 1. Lỗ trung tâm |
| 3. Ống | 2. Vòng tròn bên trong gồm 12 lỗ ở khoảng cách 30 ° |
| 4. Tấm chắn di chuyển - nhôm | 4. Vòng tròn bên ngoài gồm 24 lỗ ở góc 15 ° |
| 5. Đầu phun | 8. Máy đang được thử nghiệm |
| 6. Trọng lượng đối trọng |
|
Hình GA.2 - Đầu thử nghiệm bắn tung tóe
GA.3 Toàn bộ hệ thống điện áp cao hoặc từng bộ phận được kiểm tra để tuân thủ yêu cầu về điện trở cách điện tại 5.1.3 với các điều kiện sau:
(a) Khung dẫn điện phải được mô phỏng bằng dây dẫn điện, ví dụ: một tấm kim loại và các bộ phận được gắn với các thiết bị lắp tiêu chuẩn của chúng vào nó;
(b) Cáp, nếu được cung cấp, phải được kết nối với bộ phận.
GA.4 Các bộ phận được thiết kế để không bị ướt trong quá trình vận hành không được phép bị ướt và không được phép tích tụ nước có thể chạm tới chúng bên trong bộ phận hoặc hệ thống điện áp cao.
Phụ lục GB
(Quy định)
Quy trình thử nghiệm trên xe để bảo vệ chống lại tác động của nước
GB.1 Rửa
Thử nghiệm này nhằm mục đích mô phỏng quá trình rửa xe thông thường, không phải làm sạch chi tiết bằng cách sử dụng nước áp lực cao hoặc rửa gầm xe.
Các khu vực của xe liên quan đến thử nghiệm này là các đường biên, ví dụ phần làm kín của hai bộ phận như cánh tà, đệm kín cửa kính, đường viền của các bộ phận mở, đường viền của lưới tản nhiệt phía trước và vòng đệm của đèn.
Tất cả các đường biên phải được phơi nhiễm và chạy dọc theo mọi hướng với dòng nước bằng cách sử dụng vòi phun và các điều kiện phù hợp với IPX5 như quy định trong Phụ lục GA.
GB.2 Lái xe qua vùng nước đọng
Xe phải được lái trong vũng nước có độ sâu 10 cm, vượt qua quãng đường 500 m với tốc độ 20 km/h trong thời gian khoảng 1,5 min.
Nếu vũng lội được sử dụng có chiều dài nhỏ hơn 500 m thì xe phải được cho chạy qua vũng nước đó nhiều lần. Tổng thời gian, kể cả thời gian ở ngoài bể lội, phải nhỏ hơn 10 min.
Phụ lục H
(Quy định)
Xác định phát thải hydro trong các quy trình sạc REESS
H.1 Giới thiệu
Phụ lục này mô tả quá trình xác định phát thải hydro trong các quy trình sạc REESS của tất cả xe theo 5.4 của tiêu chuẩn này.
H.2 Mô tả thử nghiệm
Thử nghiệm phát thải hydro (Hình H.1) được tiến hành để xác định phát thải hydro trong các quy trình sạc REESS với bộ sạc. Thử nghiệm bao gồm các bước sau:
| (a) | Chuẩn bị xe/REESS; |
| (b) | Xả điện REESS; |
| (c) | Xác định phát thải hydro trong một lần sạc thông thường; |
| (d) | Xác định phát thải hydro trong một lần sạc khi sử dụng bộ sạc lỗi. |
H.3 Thử nghiệm
H.3.1 Đối tượng thử nghiệm là xe
H.3.1.1 Xe phải trong điều kiện tốt về cơ khí và ít nhất phải chạy được 300 km trong 7 ngày trước khi thử nghiệm. Xe phải được lắp REESS để thử nghiệm phát thải hydro trong suốt thời kỳ đó.
H.3.1.2 Nếu REESS được thử nghiệm trong nhiệt độ lớn hơn nhiệt độ môi trường, người thực hiện phải tuân theo quy trình của nhà sản xuất để giữ nhiệt độ của REESS ở phạm vi chức năng bình thường.
Đại diện của nhà sản xuất phải có thể xác nhận hệ thống điều hòa nhiệt độ của REESS để không bị hư hỏng cũng như lỗi về dung lượng.
H.3.2 Đối tượng thử nghiệm là bộ phận
H.3.2.1 REESS phải trong điều kiện điều kiện tốt về cơ khí và phải tuân ít nhất 5 chu trình tiêu chuẩn (Phụ lục I.1).
H.3.2.2 Nếu REESS được thử nghiệm trong nhiệt độ lớn hơn nhiệt độ môi trường, người thực hiện phải tuân theo quy trình của nhà sản xuất nhằm giữ nhiệt độ REESS ở vùng làm việc bình thường.
Đại diện của nhà sản xuất phải có thể đảm bảo hệ thống hệ thống kiểm soát nhiệt độ của REESS không bị hư hỏng cũng như lỗi về dung lượng

Hình H.1 - Xác định phát thải hydro trong các quy trình sạc REESS
H.4 Thiết bị thử nghiệm dùng cho thử nghiệm phát thải hydro
H.4.1 Băng thử
Băng thử phải đáp ứng các yêu cầu của các bản sửa đổi 06 của UNR 83.
H.4.2 Buồng kín đo phát thải hydro
Buồng kín đo phát thải hydro phải là một buồng kín khí có thể chứa được xe/REESS trong thử nghiệm. Xe/REESS phải có thể tiếp cận được từ mọi phía và buồng phải kín khí theo Phụ lục H.1. Bề mặt bên trong của buồng phải không thấm nước và không phản ứng với hydro hệ thống điều hòa nhiệt độ phải có khả năng kiểm soát nhiệt độ không khí bên trong buồng kín nhằm đáp ứng các quy định về nhiệt trong suốt quá trình thử với sai số ± 2 K trong quá trình thử.
Để phù hợp với sự thay đổi thể tích do phát thải hydro trong buồng kín, có thể sử dụng một thiết bị thử nghiệm có thể thay đổi thể tích hoặc có thể sử dụng thiết bị thử khác. Buồng kín có thể thay đổi thể tích, co dãn nhằm đáp ứng lượng phát thải hydro bên trong buồng. Hai xe khả thi để điều chỉnh những thay đổi về thể tích bên trong là các tấm lưu động, hoặc kiểu thiết kế dạng ống ống thổi, trong đó các túi không thấm trong buồng dãn nở nhằm đáp ứng những thay đổi về áp suất bên trong thông qua việc trao đổi với khí từ bên ngoài buồng. Các thiết kế cho việc điều tiết thể tích phải đảm bảo được tính nguyên vẹn của buồng kín theo quy định tại Phụ lục H.1.
Mọi phương pháp lưu lượng thể tích phải giới hạn chênh lệch giữa áp suất bên trong buồng kín và áp suất khí quyển không quá ± 5 hPa.
Buồng phải có khả năng giữ thể tích ổn định. Buồng kín loại thể tích thay đổi phải có khả năng điều tiết sự thay đổi từ "thể tích danh nghĩa" của nó có tính đến lượng phát thải hydro trong quá trình thử nghiệm (xem Phụ lục H.1, H.1-2.1.1).
H.4.3 Hệ thống phân tích
H.4.3.1 Thiết bị phân tích hydro
H.4.3.1.1 Khí bên trong buồng thử được theo dõi bằng thiết bị phân tích hydro (loại máy dò điện hóa) hoặc máy sắc ký có thể phát hiện độ dẫn nhiệt. Khí mẫu phải được lấy ở điểm giữa của một bên thành hoặc trần của buồng đo và bất kỳ dòng khí rò rỉ nào phải được đưa trở lại buồng kín, tốt nhất là đưa tới một điểm ngay sau quạt gió.
H.4.3.1.2 Thiết bị phân tích khí hydro phải có thời gian đáp ứng 90 % cẩu số đọc cuối cùng trong khoảng dưới 10 s. Độ ổn định phải lớn hơn 2 % giá trị toàn thang đo tại điểm 0 và tại điểm 80 % ± 20 % giá trị toàn thang đo, trong khoảng thời gian 15 min cho tất cả các phạm vi hoạt động.
H.4.3.1.3 Độ lặp lại của thiết bị phân tích được biểu thị bằng một độ lệch chuẩn phải hơn 1 % tại điểm 0 và ở mức 80 % ± 20 % toàn thang đo trên tất cả các dải đo sử dụng.
H.4.3.1.4 Các dải hoạt động của thiết bị phân tích phải được chọn để cho ra độ phân giải tốt nhất trong các quy trình đo, hiệu chuẩn và kiểm tra rò rỉ.
H.4.3.2 Hệ thống ghi dữ liệu máy phân tích hydro
Máy phân tích hydro phải được gắn thiết bị để ghi lại đầu ra tín hiệu điện, với tần suất ít nhất một lần mỗi phút. Hệ thống ghi phải có các đặc tính vận hành ít nhất tương đương với tín hiệu được ghi và phải cung cấp một bản ghi kết quả thường xuyên. Bản ghi kết quả phân tích phải hiển thị một thông tin rõ ràng về sự bắt đầu và kết thúc của hoạt động thử nghiệm sạc bình thường và sạc lỗi.
H.4.4 Ghi nhiệt độ
H.4.4.1 Nhiệt độ trong buồng được ghi lại ở hai điểm bằng cảm biến nhiệt độ, được kết nối để hiển thị giá trị trung bình. Các điểm đo được cách nhau khoảng 0,1 m về phía trong buồng kín từ đường tâm dọc của mỗi thành bên ở độ cao 0,9 ± 0,2 m.
H.4.4.2 Nhiệt độ gần vị trí các pin được ghi lại qua các cảm biến.
H.4.4.3 Nhiệt độ trong phép đo phát thải hydro phải được ghi lại với tần số một lần/phút.
H.4.4.4 Độ chính xác của hệ thống ghi nhiệt độ phải trong khoảng ± 1,0 K và độ chia phải ổn định trong khoảng ± 0,1 K.
H.4.4.5 Hệ thống ghi hoặc xử lý dữ liệu phải có khả năng phân giải thời gian đến ± 15 s.
H.4.5 Ghi áp suất
H.4.5.1 Chênh lệch Δp giữa áp suất khí quyển trong khu vực thử nghiệm và áp suất bên trong buồng kín, trong suốt các phép đo phát thải hydro, được ghi lại ở tần số ít nhất một lần mỗi phút.
H.4.5.2 Độ chính xác của hệ thống ghi áp suất phải nằm trong phạm vi ± 2 hPa và áp suất phải có khả năng phân giải đến ± 0,2 hPa.
H.4.5.3 Hệ thống ghi hoặc xử lý dữ liệu phải có khả năng phân giải thời gian đến ± 15 s.
H.4.6 Ghi điện áp và cường độ dòng điện
H.4.6.1 Điện áp bộ sạc và cường độ dòng điện (REESS), trong suốt phép đo phát thải hydro phải được ghi lại ở tần số ít nhất một lần mỗi phút.
H.4.6.2 Độ chính xác của hệ thống ghi điện áp phải nằm trong phạm vi ± 1 V và điện áp phải có khả năng phân giải đến ± 0,1 V.
H.4.6.3 Độ chính xác của hệ thống ghi cường độ dòng điện phải nằm trong phạm vi ± 0,5 A và cường độ dòng điện phải có khả năng phân giải đến ± 0,05 A.
H.4.6.4 Hệ thống ghi hoặc xử lý dữ liệu phải có khả năng phân giải thời gian đến ± 15 s.
H.4.7 Quạt gió
Buồng thử phải được trang bị một hoặc nhiều quạt gió với lưu lượng gió 0,1 tới 0,5 m3/s để có thể trộn hoàn toàn khí trong buồng kín. Có thể đạt được nhiệt độ đồng nhất và nồng độ hydro trong buồng trong suốt quá trình đo. Luồng khí trực tiếp từ quạt gió hoặc máy thổi không được tác động trực tiếp lên xe trong buồng kín.
H.4.8 Khí
H.4.8.1 Các khí tinh khiết sau đây phải có sẵn để hiệu chuẩn và vận hành:
(a) Không khí tổng hợp tinh khiết (độ tinh khiết <1 ppm phải C1; < 1 ppm CO; < 400 ppm CO2; < 0,1 ppm NO); hàm lượng oxy từ 18 % đến 21 % theo thể tích,
(b) Hydro (H2), độ tinh khiết nhỏ nhất 99,5 %.
H.4.8.2 Hiệu chuẩn và khí hiệu chuẩn toàn thang đo phải chứa hỗn hợp hydro (H2) và không khí tổng hợp tinh khiết. Nồng độ thực của khí hiệu chuẩn phải nằm trong phạm vi ± 2 % giá trị danh định. Độ chính xác của khí pha loãng thu được khi sử dụng bộ chia khí phải nằm trong phạm vi ± 2 % giá trị danh định. Nồng độ quy định trong Phụ lục H.1 cũng có thể thu được bằng bộ chia khí sử dụng không khí tổng hợp làm khí pha loãng.
H.5 Phương pháp thử
Thử nghiệm bao gồm các bước sau:
(a) Chuẩn bị xe/REESS;
(b) Xả điện REESS;
(c) Xác định phát thải hydro trong một quy trình sạc thông thường;
(d) Xả điện REESS kéo;
(e) Xác định phát thải hydro khi sạc với một bộ sạc lỗi.
Nếu bỏ qua một bước, xe/REESS được phải được đưa tới khu vực thử nghiệm sau.
H.5.1 Thử nghiệm trên xe
H.5.1.1 Chuẩn bị xe
Sự hóa già REESS phải được kiểm tra, chứng minh rằng xe đã chạy được ít nhất 300 km trong vòng 7 ngày trước khi thử nghiệm. Trong giai đoạn này, xe phải được trang bị REESS kéo đã được đệ trình để thử phát thải hydro. Nếu điều này không được chứng minh thì phải áp dụng theo quy trình sau:
H.5.1.1.1 Xả và sạc lần đầu của REESS
Quy trình bắt đầu bằng việc xả REESS trong khi lái xe trên đường thử hoặc trên bang thử ở tốc độ ổn định 70 % ± 5 % tốc độ lớn nhất của xe trong 30 min.
Việc xả phải ngừng:
(a) Khi xe không thể chạy ở vận tốc 65 % vận tốc lớn nhất ba mươi phút, hoặc
(b) Khi có chỉ thị dừng xe được báo cho người lái xe bằng thiết bị tiêu chuẩn trên xe, hoặc
(c) Sau khi đi hết 100 km.
H.5.1.1.2 Sạc lần đầu cho REESS
Việc sạc được tiến hành:
(a) Với một bộ sạc;
(b) Nhiệt độ môi trường trong khoảng 293 K tới 303 K.
Quy trình này không bao gồm tất cả các kiểu bộ sạc ngoài.
Tiêu chí kết thúc sạc REESS tương ứng với việc dừng tự động do bộ sạc đưa ra.
Quy trình này bao gồm tất cả các loại sạc đặc biệt có thể được bắt đầu tự động hoặc bằng tay như, ví dụ, sạc cân bằng hoặc sạc dịch vụ.
H.5.1.1.3 Quá trình từ H.5.1.1.1 và H.5.1.1.2 phải lặp lại 2 lần.
H.5.1.2 Xả của REESS
REESS được xả trong khi lái xe trên đường thử hoặc trên băng thử ở tốc độ ổn định 70 % ± 5 % từ tốc độ lớn nhất ở 30 min chạy của xe.
Dừng xả thải xảy ra:
(a) Khi có tín hiệu thông báo cho người lái xe qua thiết bị tiêu chuẩn trên xe, hoặc
(b) Khi vận tốc lớn nhất của xe nhỏ hơn 20 km/h.
H.5.1.3 Ngâm
Trong vòng 15 min kể từ khi hoàn thành thao tác xả REESS được chỉ định trong H.5.2, xe được đưa vào trong khu vực ngâm. Xe được đỗ ít nhất 12 h và lâu nhất 36 h, giữa thời điểm kết thúc sạc REESS kéo và bắt đầu thử nghiệm phát thải khí hydro trong một lần sạc bình thường. Trong thời gian này, xe phải được ngâm ở 293 K ± 2 K
H.5.1.4 Thử nghiệm phát thải hydro trong một lần sạc thường
H.5.1.4.1 Trước khi hoàn thành giai đoạn ngâm, buồng đo phải được làm sạch trong vài phút cho đến khi thu được nền hydro ổn định. Quạt trộn cũng phải được bật tại thời điểm này
H.5.1.4.2 Thiết bị phân tích hydro phải được hiệu chuẩn điểm 0 và hiệu chuẩn toàn thang đo ngay trước thử nghiệm.
H.5.1.4.3 Khi kết thúc quá trình ngâm, xe thử nghiệm, với động cơ đã tắt và cửa sổ xe thử nghiệm và khoang hành lý được mở phải được chuyển vào buồng đo.
H.5.1.4.4 Xe phải được kết nối với nguồn điện lưới REESS được sạc theo quy trình sạc thông thường như được quy định trong H.5.1.4.7.
H.5.1.4.5 Cửa buồng thử được đóng và kín khí trong 2 min bởi khóa điện liên động của bước sạc thường.
H.5.1.4.6 Khởi phát một sạc bình thường cho giai đoạn thử nghiệm phát thải hydro bắt đầu khi buồng được đóng kín. Nồng độ hydro, nhiệt độ và áp suất khí quyển được đo để đưa ra số đọc ban đầu CH2i, Ti và Pi cho phép thử sạc bình thường.
Những giá trị này được sử dụng trong tính toán phát thải hydro (H.6). Trong quy trình sạc bình thường, nhiệt độ môi trường trong buồng đo không được nhỏ hơn 291 K và không được lớn hơn 295 K.
H.5.1.4.7 Quy trình sạc thường
Sạc bình thường tiến hành với một bộ sạc và bao gồm các bước sau:
(a) Sạc với công suất không đổi trong thời gian t1;
(b) Sạc điện quá mức ở dòng không đổi trong thời gian t2. Cường độ sạc điện quá mức được chỉ định bởi nhà sản xuất và tương ứng với cường độ được sử dụng trong quy trình sạc cân bằng
Tiêu chí kết thúc sạc REESS tương ứng với việc dừng tự động do bộ sạc đưa ra với thời gian sạc là t1 + t2. Thời gian sạc này phải được giới hạn ở t1 + 5 h, ngay cả khi có một chỉ báo rõ ràng được cấp cho người lái xe bằng thiết bị tiêu chuẩn rằng REESS chưa được sạc đầy.
H.5.1.4.8 Thiết bị phân tích hydro phải được hiệu chỉnh, hiệu chuẩn điểm 0 và hiệu chuẩn toàn thang đo ngay trước khi kết thúc thử nghiệm.
H.5.1.4.9 Kết thúc giai đoạn lấy mẫu phát thải xảy ra trong t1 + t2 hoặc t1 + 5 h sau khi bắt đầu lấy mẫu lần đầu, như quy định trong H.5.1.4.6. Thời gian khác nhau trôi qua được ghi lại. Nồng độ hydro, nhiệt độ và áp suất khí quyển được đo để đưa ra số đọc cuối cùng CH2f, Tf và Pf cho phép thử sạc bình thường, được sử dụng để tính toán trong H.6.
H.5.1.5 Thử nghiệm phát thải hydro với bộ sạc lỗi
H.5.1.5.1 Trong vòng nhiều nhất là bảy ngày kể từ khi hoàn thành thử nghiệm trước đó, phương pháp thử bắt đầu bằng việc xả điện REESS của xe theo H.5.1.2.
H.5.1.5.2 Các bước của quy trình trong H.5.1.3 phải được lặp lại.
H.5.1.5.3 Trước khi kết thúc giai đoạn ngâm, buồng thử phải được làm thật sạch cho tới khi thu được lượng hydro ổn định. Quạt gió phải bật trong suốt thời gian này.
H.5.1.5.4 Thiết bị phân tích hydro phải được hiệu chỉnh, hiệu chuẩn điểm 0 và hiệu chuẩn toàn thang đo ngay trước thử nghiệm.
H.5.1.5.5 Kết thúc quá trình ngâm, tắt động cơ, mở cửa sổ, khoang hành lý và đưa xe vào buồng thử.
H.5.1.5.6 Xe phải được nối với nguồn điện lưới. REESS được sạc theo quy trình sạc lỗi theo quy định trong H.5.1.5.9.
H.5.1.5.7 Cửa buồng kín được đóng và kín khí trong 2 min bởi khóa liên động của bước sạc thường.
H.5.1.5.8 Khởi phát thử nghiệm phát thải hydro với bộ sạc lỗi bắt đầu khi buồng được đóng kín. Nồng độ hydro, nhiệt độ và áp suất khí quyển được đo để đưa ra các số đọc ban đầu CH2i, Ti và Pi của thử nghiệm sạc lỗi.
Những giá trị này được sử dụng trong tính toán phát thải hydro (H.6). Trong quá trình này, nhiệt độ môi trường buồng kín không được nhỏ hơn 291 K và không được lớn hơn 295 K.
H.5.1.5.9 Quy trình sạc lỗi
Sự cố sạc được thực hiện với bộ sạc phù hợp và bao gồm các bước sau:
(a) Sạc với công suất không đổi trong thời gian t'1;
(b) Sạc với dòng lớn nhất trong 30 min theo khuyến nghị của nhà sản xuất. Trong giai đoạn này, bộ sạc phải cung cấp dòng điện lớn nhất theo khuyến nghị của nhà sản xuất.
H.5.1.5.10 Thiết bị phân tích hydro phải được hiệu chỉnh, hiệu chuẩn điểm 0 và hiệu chuẩn toàn thang đo ngay trước thử nghiệm.
H.5.1.5.11 Kết thúc giai đoạn thử nghiệm xảy ra tại t'1 + 30 min sau khi bắt đầu lấy mẫu ban đầu, như được quy định trong H.5.1.5.8. Thời gian trôi qua được ghi lại. Nồng độ hydro, nhiệt độ và áp suất khí quyển được đo để đưa ra kết quả cuối cùng CH2f, Tf và Pf đối với thử sạc lỗi, được sử dụng để tính toán trong H.6.
H.5.2 Đối tượng thử nghiệm là bộ phận
H.5.2.1 Chuẩn bị REESS
Phải kiểm tra độ hóa già của REESS để xác nhận rằng REESS đã thực hiện ít nhất 5 chu trình tiêu chuẩn (như được quy định trong Phụ lục H.1).
H.5.2.2 Xả điện REESS
REESS được xả 70 % ± 5 % dung lượng danh định của hệ thống.
Tiến hành dừng xả khi SOC nhỏ nhất đạt tới giá trị được quy định bởi nhà sản xuất.
H.5.2.3 Ngâm
Trong vòng 15 min sau khi kết thúc việc xả điện REESS được quy định trong H.5.2.2 và trước khi bắt đầu thử phát thải hydro, REESS phải được ngâm ở 293 K ± 2 K trong thời gian tối thiểu là 12 h và lớn nhất là 36 h.
Trong vòng 15 min kể từ khi hoàn tất xả điện REESS (xem H.5.2.2), REESS được ngâm ở nhiệt độ 293 K ± 2 K nhỏ nhất 12 h và lớn nhất 36 h trước khi bắt đầu thử nghiệm phát thải hydro.
H.5.2.4 Thử phát thải hydro trong quy trình sạc thường
H.5.2.4.1 Trước khi hoàn tất giai đoạn ngâm, buồng thử phải được làm sạch vài phút cho tới khi thu được lượng nền hydro ổn định. Quạt gió phải bật trong suốt thời gian này.
H.5.2.4.2 Thiết bị phân tích hydro phải được hiệu chuẩn điểm 0 và hiệu chuẩn toàn thang đo, hiệu chuẩn bằng khí ngay trước thử nghiệm.
H.5.2.4.3 Kết thúc quá trình ngâm, REESS phải được đưa vào buồng thử.
H.5.2.4.4 REESS phải được sạc theo quy trình sạc bình thường như quy định trong H.5.2.4.7.
H.5.2.4.5 Cửa buồng thử phải được đóng và kín khí trong 2 min bởi khóa liên động của bước sạc thường.
H.5.2.4.6 Giai đoạn thử nghiệm phát thải hydro của quy trình sạc thông thường bắt đầu khi buồng thử được đóng kín. Nồng độ hydro, nhiệt độ và áp suất khí quyển được đo để đưa ra các giá trị CH2i, Ti và Pi ban đầu của thử nghiệm sạc thường.
Những giá trị này được sử dụng trong tính toán phát thải hydro (H.6). Trong quá trình này, nhiệt độ môi trường T của buồng thử không được nhỏ hơn 291 K và không được lớn hơn 295 K.
H.5.2.4.7 Quy trình sạc bình thường
Được tiến hành với một bộ sạc và bao gồm các bước sau:
(a) Sạc với công suất không đổi trong thời gian t1;
(b) Sạc quá dòng với dòng điện không đổi trong thời gian t2. Cường độ dòng sạc điện quá mức được quy định bởi nhà sản xuất và tương ứng với giá trị được sử dụng khi sạc cân bằng.
Tiêu chí kết thúc sạc REESS ứng với việc bộ sạc phát tự động lệnh dừng sau thời gian sạc là t1 + t2.
Thời gian sạc này phải được giới hạn trong t1 + 5 h, ngay cả khi có tín hiệu báo rõ ràng phát ra bởi một thiết bị phù hợp rằng REESS chưa được sạc đầy.
H.5.2.4.8 Thiết bị phân tích hydro phải được hiệu chuẩn điểm 0 và hiệu chuẩn toàn thang đo, hiệu chuẩn bằng khí ngay trước thử nghiệm.
H.5.2.4.9 Kết thúc giai đoạn lấy mẫu phát thải xảy ra trong t1 + t2 hoặc t1 + 5 h sau khi bắt đầu lấy mẫu ban đầu, như quy định trong H.5.2.4.6. Thời gian trôi được ghi lại. Nồng độ hydro, nhiệt độ và áp suất khí quyển được đo để đưa ra kết quả cuối cùng CH2f, Tf và Pf đối với thử sạc lỗi, được sử dụng để tính toán trong H.6.
H.5.2.5 Thử nghiệm phát thải hydro với bộ sạc lỗi
H.5.2.5.1 Phương pháp thử nghiệm phải bắt đầu trong vòng lớn nhất bảy ngày sau khi hoàn thành thử nghiệm trong H.5.2.4, quy trình phải bắt đầu bằng việc xả REESS của xe theo H.5.2.2.
H.5.2.5.2 Các bước của quy trình trong H.5.2.3 phải được lặp lại.
H.5.2.5.3 Trước khi hoàn thành giai đoạn ngâm, buồng đo phải được làm thật sạch trong vài phút cho đến khi thu được nền hydro ổn định. Quạt trộn cũng phải được bật tại thời điểm này.
H.5.2.5.4 Thiết bị phân tích hydro phải được hiệu chuẩn điểm 0 và hiệu chuẩn toàn thang đo, hiệu chuẩn bằng khí ngay trước thử nghiệm.
H.5.2.5.5 Kết thúc quá trình ngâm, REESS phải được đưa vào buồng thử.
H.5.2.5.6 REESS phải được sạc theo quy trình sạc lỗi theo quy định trong H.5.2.5.9.
H.5.2.5.7 Cửa buồng thử phải được đóng và kín khí trong 2 min bởi khóa liên động của bước sạc lỗi.
H.5.2.5.8 Khởi phát một sạc lỗi cho giai đoạn thử nghiệm phát thải hydro bắt đầu khi buồng được đóng kín. Nồng độ hydro, nhiệt độ và áp suất khí quyển được đo để đưa ra số đọc ban đầu CH2i, Ti và Pi cho phép thử sạc lỗi.
Những số liệu này được sử dụng trong tính toán phát thải hydro (H.6). Nhiệt độ xung quanh buồng kín T không được nhỏ hơn 291 K và không quá 295 K trong suốt thời gian sạc không thành công.
H.5.2.5.9 Quy trình sạc lỗi
Sạc lỗi được thực hiện với bộ sạc phù hợp và bao gồm các bước sau:
(a) Sạc với công suất không đổi trong thời gian t1;
(b) Sạc quá dòng với dòng điện không đổi trong thời gian t2. Cường độ dòng sạc điện quá mức được quy định bởi nhà sản xuất và tương ứng với giá trị được sử dụng khi sạc cân bằng.
H.5.2.5.10 Thiết bị phân tích hydro phải được hiệu chuẩn điểm 0 và hiệu chuẩn toàn thang đo, hiệu chuẩn bằng khí ngay trước thử nghiệm.
H.5.2.5.11 Kết thúc giai đoạn thử nghiệm xảy ra t'1 + 30 min sau khi bắt đầu lấy mẫu ban đầu, như được quy định trong H.5.2.5.8. Thời gian trôi được ghi lại. Nồng độ hydro, nhiệt độ và áp suất khí quyển được đo để đưa ra kết quả cuối cùng CH2f, Tf và Pf cho phép thử lỗi sạc, được sử dụng để tính toán trong H.6.
H.6 Tính toán
Các thử nghiệm phát thải hydro được mô tả trong H.5 cho phép tính toán lượng phát thải hydro từ các pha sạc thường và sạc lỗi. Lượng phát thải hydro từ mỗi pha này được tính bằng cách sử dụng nồng độ, nhiệt độ và áp suất hydro ban đầu và kết thúc của buồng thử, với thể tích thực buồng thử.
Sử dụng công thức sau:

Trong đó
| MH2 | khối lượng hydro, tính theo g; |
| CH2 | nồng độ hydro đo được trong buồng, tính theo ppm; |
| V | thể tích buồng thử (m3) được hiệu chỉnh theo thể tích của xe, với các cửa sổ và khoang hành lý mở. Nếu thể tích của xe không được xác định thì phải trừ đi 1,42 m3 thể tích; |
| Vout | thể tích bù m3, theo nhiệt độ và áp suất thử nghiệm; |
| T | nhiệt độ môi trường trong buồng thử, tính theo K; |
| P | áp suất tuyệt đối trong buồng thử, tính theo kPa; |
| k | 2,42. |
Trong đó:
i giá trị đầu;
f giá trị cuối.
H.6.1 Kết quả thử nghiệm
Khối lượng phát thải hydro của REESS:
MN khối lượng phát thải hydro trong thử nghiệm sạc thông thường, tính theo g;
MD khối lượng phát thải hydro trong thử nghiệm sạc lỗi, tính theo g.
Phụ lục H.1
(Quy định)
Hiệu chuẩn thiết bị cho thử nghiệm phát thải hydro
H.1-1 Tần suất hiệu chuẩn và phương pháp
Tất cả các thiết bị phải được hiệu chuẩn trước khi sử dụng lần đầu và sau đó được hiệu chuẩn thường xuyên khi cần thiết và trong mọi trường hợp trong tháng trước khi thử nghiệm phê duyệt kiểu. Các phương pháp hiệu chuẩn được sử dụng được mô tả trong phụ lục này.
H.1-2 Hiệu chuẩn buồng thử
H.1-2.1 Xác định lần đầu thể tích bên trong buồng thử
H.1-2.1.1 Trước khi sử dụng lần đầu, thể tích trong buồng thử phải được xác định như sau. Các kích thước bên trong buồng được đo cẩn thận, có tính cả các thanh giằng. Thể tích bên trong của buồng được xác định từ các phép đo này.
Thể tích buồng thử phải được giữ cố định và nhiệt độ môi trường buồng thử được giữ ở 293 K. Thể tích danh định này phải nằm trong phạm vi ± 0,5 % giá trị được báo cáo.
H.1-2.1.2 Thể tích thực trong buồng thử được xác định bằng thể tích trong buồng trừ đi 1,42 m3. Hoặc có thể trừ đi thể tích của xe thử nghiệm với khoang hành lý và cửa sổ mở hoặc REESS có thể được sử dụng thay vì 1,42 m3.
H.1-2.1.3 Buồng thử phải được kiểm tra như trong H.1-2.3. Nếu khối lượng hydro không phù hợp với khối lượng được bơm vào trong phạm vi ± 2 % thì cần phải có sự điều chỉnh cho đúng
H.1-2.2 Xác định phát thải nền trong buồng thử
Hoạt động này nhằm xác định buồng thử không chứa bất kỳ vật liệu nào có phát ra một lượng hydro đáng kể. Việc kiểm tra phải được thực hiện theo hướng dẫn sử dụng buồng thử và sau bất kỳ hoạt động trong buồng thử mà có thể ảnh hưởng đến phát thải nền, theo tần suất ít nhất một lần/năm.
H.1-2.2.1 Buồng kín loại có thể thay đổi thể tích được hoạt động theo cách điều chỉnh thể tích cố định hoặc không cố định, như mô tả trong H.1-2.1.1. Nhiệt độ trong buồng phải được duy trì ở 293 K ± 2 K, trong suốt thời gian 4 h được nêu dưới đây.
H.1-2.2.2 Buồng kín có thể được đóng kín và quạt gió hoạt động trong khoảng thời gian lâu nhất 12 h trước khi giai đoạn lấy mẫu nền bắt đầu.
H.1-2.2.3 Máy phân tích (nếu cần thiết) phải được hiệu chỉnh, sau đó hiệu chuẩn điểm 0 và hiệu chuẩn toàn thang đo.
H.1-2.2.4 Buồng kín phải được làm sạch cho đến khi thu được giá trị hydro ổn định và quạt gió phải được bật.
H.1-2.2.5 Buồng thử sau đó được đóng kín, đo nồng độ hydro, nhiệt độ và áp suất không khí nền. Đây là các giá trị ban đầu CH2i, Ti và Pi được sử dụng trong tính toán giá trị nền buồng kín.
H.1-2.2.6 Buồng thử phải được đặt trong trạng thái không bị ảnh hưởng bởi quạt gió trong khoảng thời gian 4 h.
H.1-2.2.7 Kết thúc giai đoạn này, phải sử dụng cùng một máy phân tích để đo nồng độ hydro nhiệt độ và áp suất không khí trong buồng. Đây là các giá trị cuối CH2f, Tf và Pf.
H.1-2.2.8 Sự thay đổi khối lượng hydro trong buồng thử phải được tính như đã nêu trong H.1-2.4 và không được vượt quá 0,5 g.
H.1-2.3 Kiểm tra hiệu chuẩn và duy trì lượng hydro trong buồng thử.
Kiểm tra hiệu chuẩn và giữ hydro trong buồng kín để kiểm tra khối lượng tính toán (xem H.1-2.1) và đồng thời đo bất kỳ mức độ rò khí nào. Phải xác định, theo hướng dẫn sử dụng của buồng kín, mức độ rò khí của buồng kín sau bất kỳ hoạt động nào trong buồng kín có thể ảnh hưởng đến tính toàn vẹn của buồng kín, và ít nhất là hàng tháng sau đó. Nếu sáu lần kiểm tra mức giữ hydro hàng tháng liên tiếp có kết quả tốt mà không cần khắc phục, thì mức độ rò khí của buồng kín có thể được xác định hàng quý sau đó miễn là không cần không cần hiệu chỉnh.
H.1-2.3.1 Buồng thử phải được làm sạch cho đến khi đạt được nồng độ hydro ổn định. Quạt gió phải được bật. Máy phân tích hydro được hiệu chuẩn điểm 0 và hiệu chuẩn bằng khí hiệu chuẩn toàn thang đo nếu cần.
H.1-2.3.2 Buồng thử phải được cố định vào vị trí có thể tích danh định.
H.1-2.3.3 Hệ thống điều hòa nhiệt độ môi trường được bật và điều chỉnh giá trị ban đầu là 293 K.
H.1-2.3.4 Khi nhiệt độ buồng thử ổn định ở mức 293 K ± 2 K, buồng thử được đóng kín, đo nồng độ nền, nhiệt độ và áp suất không khí. Đây là các giá trị ban đầu CH2i, Ti và Pi được sử dụng trong hiệu chuẩn buồng thử.
H.1-2.3.5 Buồng thử phải không được cố định theo thể tích danh định.
H.1-2.3.6 Một lượng khoảng 100 g hydro được bơm vào buồng thử. Khối lượng hydro này phải được đo chính xác đến ± 2 % giá trị đo được.
H.1-2.3.7 Lượng khí trong buồng thử phải được trộn trong 5 min và sau đó tiến hành đo nồng độ hydro, nhiệt độ và áp suất không khí. Đây là các giá trị cuối CH2f, Tf và Pf để hiệu chuẩn buồng thử cũng như các giá trị ban đầu CH2i, Ti và Pi để kiểm tra lưu giữ.
H.1-2.3.8 Trên cơ sở các giá trị đo ghi được trong H.1-2.3.4 và H.1-2.3.7 và công thức trong điều H.1-2.4. bên dưới, tính khối lượng hydro trong buồng thử. Kết quả tính toán phải nằm trong phạm vi ± 2 % khối lượng hydro được đo trong H.1-2.3.6.
H.1-2.3.9 Lượng khí của buồng phải được phép trộn ít nhất trong 10 h. Khi hoàn thành giai đoạn này, đo và ghi lại giá trị sau cùng nồng độ hydro, nhiệt độ và áp suất khí quyển. Đây là giá trị sau cùng của CH2f, Tf và Pf để kiểm tra mức độ giữ hydro.
H.1-2.3.10 Sử dụng công thức trong H.1-2.4, sau đó tính toán khối lượng hydro từ các giá trị trong H.1-2.3.7 và H.1-2.3.9. Khối lượng này có thể không sai khác quá 5 % so với khối lượng hydro trong H.1-2.3.8.
H.1-2.4 Tính toán
Việc tính toán sự thay đổi khối lượng hydro thực trong buồng thử được sử dụng để xác định lượng hydrocacbon nền và mức độ rò rỉ của buồng thử. Giá trị đo lần đầu và cuối cùng của nồng độ hydro, nhiệt độ và áp suất khí quyển được sử dụng trong công thức sau để tính toán sự thay đổi về khối lượng

Trong đó:
| MH2 | khối lượng hydro, tính theo g; |
| CH2 | nồng độ hydro đo được trong buồng thử, tính theo ppm thể tích; |
| V | thể tích buồng thử (m3) như đo lường trong H.1-2.1.1; |
| Vout | thể tích bù m3, theo nhiệt độ và áp suất thử nghiệm; |
| T | nhiệt độ môi trường trong buồng thử, tính theo K; |
| P | áp suất tuyệt đối bên trong buồng thử, tính theo kPa; |
| K = | 2.42. |
Trong đó:
i giá trị đầu;
f giá trị cuối.
H.1-3 Hiệu chuẩn thiết bị phân tích khí hydro
Máy phân tích phải được hiệu chuẩn bằng hydro có trong không khí và không khí tổng hợp được làm sạch (xem Phụ lục H, H.4.8.2).
Mỗi dải sử dụng thường được được hiệu chuẩn theo quy trình sau:
H.1-3.1 Thiết lập đường cong hiệu chuẩn bằng ít nhất năm điểm hiệu chuẩn cách đều nhau nhất có thể trong phạm vi hoạt động. Nồng độ danh định của khí hiệu chuẩn có nồng độ cao nhất không được nhỏ hơn 80 % giá trị toàn thang đo.
H.1-3.2 Tính đường cong hiệu chuẩn bằng phương pháp bình phương nhỏ nhất. Nếu bậc đa thức thu được lớn hơn ba, thì số điểm hiệu chuẩn phải ít nhất bằng bậc đa thức này cộng thêm hai.
H.1-3.3 Đường cong hiệu chuẩn phải không được sai khác quá 2 % so với giá trị danh định của từng khí hiệu chuẩn.
H.1-3.4 Sử dụng các hệ số của đa thức thu được từ H.1-3.2, một bảng các các trị số đo của máy phân tích theo nồng độ thực phải được lấy với bước không lớn hơn 1 % trên toàn thang đo. Việc này phải được thực hiện với từng phạm vi được hiệu chuẩn của thiết bị phân tích.
Bảng này phải bao gồm các dữ liệu liên quan như:
(a) Ngày hiệu chuẩn;
(b) các số đọc của chiết áp kế và khí hiệu chuẩn toàn thang đo (nếu áp dụng)
(c) Thang đo danh định;
(d) Dữ liệu chuẩn của mỗi khí hiệu chuẩn được sử dụng;
(e) Giá trị thực và hiển thị của từng khí hiệu chuẩn được sử dụng cùng nhau với % sai khác;
(f) Áp suất hiệu chuẩn của máy phân tích.
H.1-3.5 Có thể sử dụng các phương pháp thay thế (ví dụ: máy tính, bộ chuyển đổi phạm vi điều khiển điện tử) nếu nó được chứng minh với cơ sở thử nghiệm rằng các phương pháp này cho độ chính xác tương đương
Phụ lục H.2
(Quy định)
Đặc tính chính của một họ xe
H.2-1 Các thông số xác định họ xe liên quan tới phát thải hydro
Họ xe có thể được xác định bởi các thông số thiết kế cơ bản mà các thông số này phổ cập cho các xe trong họ của nó. Trong một số trường hợp có thể có sự tương tác của các tham số. Những ảnh hưởng này cũng phải được xem xét để đảm bảo rằng chỉ những xe có đặc điểm phát thải hydro tương tự mới được đưa vào trong họ của nó.
H.2-2 Cuối cùng, những kiểu xe có các thông số được mô tả dưới đây giống hệt nhau được coi là thuộc cùng kiểu phát thải hydro
REESS:
(a) Tên thương mại hoặc nhãn hiệu của nhà sản xuất;
(b) Chỉ báo của tất cả các kiểu cặp điện hóa được sử dụng
(c) Số lượng pin của REESS;
(d) Số lượng hệ thống con của REESS;
(e) Điện áp danh định của REESS (V);
(f) Dung lượng của REESS (kWh);
(g) Tốc độ kết hợp khí (%);
(h) Kiểu thông gió cho hệ thống con của REESS;
(i) Kiểu hệ thống làm mát (nếu có).
Bộ sạc trên xe:
(a) Cấu tạo và kiểu của các bộ phận sạc;
(b) Công suất đầu ra danh định (kW);
(c) Điện áp lớn nhất (V);
(d) Dòng điện sạc lớn nhất (A);
(e) Cấu tạo và kiểu của bộ điều khiển (nếu có);
(f) Sơ đồ làm việc, điều khiển và an toàn;
(g) Đặc tính của các giai đoạn sạc.
Phụ lục I
(Quy định)
Phương pháp thử REESS
Phụ lục I.1
(Quy định)
Phương pháp thực hiện một chu trình tiêu chuẩn
I.1.1 Quy định chung
Một chu trình tiêu chuẩn phải bắt đầu với một lần xả tiêu chuẩn, sau đó là một lần sạc tiêu chuẩn. Chu trình tiêu chuẩn phải được tiến hành ở nhiệt độ môi trường xung quanh là 20 ± 10 °C.
I.1.2 Xả tiêu chuẩn
Tốc độ xả: quy trình xả bao gồm các tiêu chí chấm dứt phải được xác định bởi nhà sản xuất. Nếu không được chỉ định, thì nó phải là một dòng xả với tốc độ 1C với hệ thống REESS và hệ thống con REESS hoàn chỉnh.
Hạn định phóng điện (điện áp cuối): được chỉ định bởi nhà sản xuất.
Với xe hoàn chỉnh, quá trình xả sử dụng băng thử phải được xác định bởi nhà sản xuất. Việc chấm dứt xả sẽ được thực hiện theo sự kiểm soát của xe.
Thời gian nghỉ sau khi xả: tối thiểu 15 min.
I.1.3 Sạc tiêu chuẩn:
Quy trình sạc phải được xác định bởi nhà sản xuất. Nếu không được chỉ định thì đó phải là sạc với dòng điện C/3. Việc sạc được tiếp tục cho đến khi kết thúc bình thường. Việc chấm dứt sạc phải theo Điều 2 của Phụ lục I.2 đối với hệ thống con REESS hoặc REESS.
Đối với một xe hoàn chỉnh có thể được sạc bằng nguồn bên ngoài, quy trình sạc sử dụng nguồn điện bên ngoài phải được xác định bởi nhà sản xuất. Đối với một xe hoàn chỉnh có thể được sạc bằng các nguồn năng lượng trên xe, quy trình sạc sử dụng một băng thử phải được xác định bởi nhà sản xuất. Việc chấm dứt sạc sẽ tùy theo sự kiểm soát của xe.
Phụ lục I.2
Phương pháp điều chỉnh SOC
I.2-1. Việc điều chỉnh SOC phải được tiến hành ở nhiệt độ môi trường xung quanh là 20 °C ± 10 °C đối với các thử nghiệm dựa trên xe và 22 °C ± 5 °C đối với các thử nghiệm dựa trên thành phần.
I.2-2. SOC của Thiết bị được kiểm tra phải được điều chỉnh theo một trong các quy trình sau nếu có. Khi có thể thực hiện các quy trình sạc khác nhau, REESS sẽ được sạc bằng quy trình mang lại SOC cao nhất:
(a) Đối với xe có REESS được thiết kế để sạc từ bên ngoài, REESS sẽ được sạc cho SOC cao nhất theo phù hợp với quy trình do nhà sản xuất quy định để vận hành bình thường cho đến khi quá trình sạc thông thường chấm dứt;
(b) Đối với xe có REESS được thiết kế để chỉ được sạc bằng nguồn năng lượng trên xe, REESS phải được sạc ở mức SOC cao nhất có thể đạt được khi xe hoạt động bình thường. Các nhà sản xuất phải tư vấn về chế độ vận hành của xe để đạt được SOC này;
(c) Trong trường hợp hệ thống con REESS hoặc REESS được sử dụng làm thiết bị được kiểm tra, Thiết bị được kiểm tra này phải được sạc đến SOC cao nhất theo quy trình do nhà sản xuất chỉ định để hoạt động bình thường cho đến khi quá trình sạc thông thường chấm dứt. Các quy trình do nhà sản xuất quy định để sản xuất, dịch vụ hoặc bảo trì có thể được coi là thích hợp nếu chúng đạt được SOC tương đương như trong điều kiện vận hành bình thường. Trong trường hợp thiết bị được thử nghiệm không tự kiểm soát SOC thì SOC phải được sạc không thấp hơn 95 % SOC hoạt động bình thường lớn nhất do nhà sản xuất xác định cho cấu hình cụ thể của thiết bị được thử nghiệm.
I.2-3. Khi xe hoặc hệ thống phụ REESS được thử nghiệm, SOC phải không thấp hơn 95 % SOC theo các I.2.1 và I.2.2 đối với REESS được thiết kế để sạc bên ngoài và không được thấp hơn 90 % SOC theo I.2-1 và I.2-2 đối với REESS được thiết kế để chỉ được sạc bằng nguồn năng lượng trên xe. SOC sẽ được xác nhận bằng phương pháp do nhà sản xuất cung cấp.
Phụ lục IA
(Quy định)
Thử rung
IA.1 Mục đích
Mục đích của thử nghiệm này là để kiểm tra tính năng an toàn của REESS trong môi trường rung trong quá trình vận hành bình thường của xe.
IA.2 Lắp đặt
IA.2.1 Thử nghiệm này phải được thực hiện với REESS đồng bộ hoặc hệ thống con của REESS có liên quan gồm các pin và các kết nối điện. Nếu nhà sản xuất lựa chọn thử nghiệm với các hệ thống con của REESS, nhà sản xuất phải chứng minh kết quả thử nghiệm đó có thể đại diện một cách phù hợp tính năng của REESS đồng bộ theo tính năng an toàn trong cùng điều kiện thử nghiệm. Nếu bộ quản lý điện tử cho REESS không được tích hợp trong hộp chứa các pin thì bộ quản lý điện tử có thể không cần lắp trên thiết bị được thử nếu nhà sản xuất yêu cầu.
IA.2.2 Thiết bị được thử phải được cố định chắc chắn với bệ máy thử rung động để đảm bảo các rung động được truyền trực tiếp tới thiết bị được thử.
Thiết bị được thử phải được gắn với các điểm lắp ban đầu của nó, nếu những điểm đó tồn tại trong thiết bị được kiểm tra, như được lắp trên xe.
IA.3 Phương pháp
IA.3.1 Điều kiện thử chung
Các điều kiện sau đây phải được áp dụng cho thiết bị được thử:
(a) Thử nghiệm phải được tiến hành ở nhiệt độ môi trường 22 °C ± 5 °C;
(b) Khi bắt đầu thử nghiệm, SOC phải được điều chỉnh phù hợp với với Phụ lục I.2;
(c) Khi bắt đầu thử, tất cả các thiết bị bảo vệ ảnh hưởng đến (các) chức năng của thiết bị được thử nghiệm có liên quan đến kết quả của thử nghiệm phải đang hoạt động.
IA.3.2 Phương pháp thử
Các thiết bị được thử phải có rung động dạng sóng hình sin với tần số rung trong khoảng 7 Hz đến 50 Hz và quay trở lại 7 Hz trong 15 min. Chu trình này phải được lặp lại 12 lần trong 3 h theo phương thẳng đứng của hướng lắp REESS theo quy định của nhà sản xuất.
Mối tương quan giữa tần số và gia tốc phải được thể hiện trong Bảng IA.1:
Bảng IA.1 - Tần số và gia tốc
| Tần số (Hz) | Gia tốc (m/s2) |
| 7 - 18 | 10 |
| 18 - 30 | Giảm dần từ 10 xuống 2 |
| 30 - 50 | 2 |
Theo yêu cầu của nhà sản xuất, có thể sử dụng mức gia tốc cao hơn cũng như tần số lớn nhất cao hơn.
Theo yêu cầu của nhà sản xuất, hồ sơ thử rung được xác định bởi nhà sản xuất xe, được kiểm tra xác nhận các ứng dụng của xe và thống nhất với cơ sở thử nghiệm có thể được dùng để thay thế cho tương quan giữa tần số - gia tốc của Bảng IA.1. Sự phê duyệt cho một REESS được thử theo điều kiện này phải được giới hạn trong phê duyệt cho một kiểu xe cụ thể.
Sau khi rung, một chu trình tiêu chuẩn như được mô tả trong Phụ lục I.1 phải được tiến hành, nếu không bị hạn chế bởi thiết bị được thử.
Thử nghiệm phải kết thúc với thời gian quan sát là 1 h ở điều kiện nhiệt độ môi trường của môi trường thử nghiệm.
Phụ lục IB
(Quy định)
Sốc nhiệt và chu trình thử nghiệm
IB.1 Mục đích
Mục đích của thử nghiệm này nhằm kiểm tra xác nhận khả năng chịu đựng của REESS trước những thay đổi đột ngột về nhiệt độ. REESS phải trải qua một số chu trình nhiệt độ quy định, bắt đầu ở nhiệt độ môi trường, sau đó là chu trình nhiệt độ cao rồi thấp. Đó là sự mô phỏng thay đổi đột ngột nhiệt độ môi trường mà có thể tác động tới REESS trong suốt vòng đời của nó.
IB.2 Lắp đặt
Thử nghiệm này phải được tiến hành với REESS đồng bộ hoặc các hệ thống con của REESS bao gồm các pin và các kết nối điện của chúng. Nếu nhà sản xuất lựa chọn thử nghiệm với các hệ thống con của REESS, nhà sản xuất phải chứng minh kết quả thử nghiệm đó có thể tạo ra một cách phù hợp tính năng của một REESS đồng bộ theo tính năng an toàn trong cùng điều kiện thử nghiệm. Nếu bộ quản lý điện tử cho REESS không được tích hợp trong hộp chứa các pin thì có thể không cần lắp trên thiết bị được thử nếu nhà sản xuất yêu cầu.
IB.3 Phương pháp
IB.3.1 Điều kiện thử chung
Các điều kiện sau đây phải được áp dụng cho thiết bị được thử nghiệm khi bắt đầu thử nghiệm:
(a) SOC phải được điều chỉnh theo Phụ lục I.2;
(b) Tất cả các thiết bị bảo vệ, có thể ảnh hưởng đến chức năng của thiết bị được thử và có liên quan đến kết quả của thử nghiệm phải đang hoạt động.
IB.3.2 Phương pháp thử
Thiết bị được thử phải được giữ ít nhất 6 h ở nhiệt độ thử nghiệm bằng 60 ± 2 °C hoặc cao hơn nếu nhà sản xuất yêu cầu, sau đó giữ trong ít nhất 6 h ở nhiệt độ thử nghiệm bằng - 40 ± 2 °C hoặc thấp hơn nếu nhà sản xuất yêu cầu. Khoảng thời gian lâu nhất giữa các cực trị nhiệt độ thử nghiệm là 30 min. Quy trình này phải được lặp lại cho đến khi hoàn thành ít nhất 5 chu trình, sau đó thiết bị được thử phải được giữ trong 24 h ở nhiệt độ môi trường 22 °C ± 5 °C.
Sau 24 h, một chu trình tiêu chuẩn như được mô tả trong Phụ lục I.1 phải được tiến hành, nếu không bị thiết bị được thử cản trở.
Thử nghiệm phải kết thúc trong thời gian quan sát là 1 h ở điều kiện nhiệt độ môi trường thử nghiệm.
Phụ lục IC
(Quy định)
Thử nghiệm va chạm cơ học
IC.1 Mục đích
Mục đích của thử nghiệm này nhằm kiểm tra xác nhận tính năng an toàn của REESS dưới tác động của tải trọng quán tính có thể xảy ra trong một vụ va chạm xe.
IC.2 Lắp đặt
IC.2.1 Thử nghiệm này phải được tiến hành với REESS đồng bộ hoặc các hệ thống con của REESS bao gồm các pin và các kết nối điện của chúng. Nếu nhà sản xuất lựa chọn thử nghiệm với các hệ thống con của REESS, nhà sản xuất phải chứng minh kết quả thử nghiệm đó có thể đại diện một cách phù hợp tính năng của một REESS đồng bộ theo tính năng an toàn trong cùng điều kiện thử nghiệm. Nếu bộ quản lý điện tử cho REESS không được tích hợp trong hộp chứa các pin thì có thể không cần lắp trên thiết bị được thử nếu nhà sản xuất yêu cầu.
IC.2.2 Thiết bị được thử chỉ được lắp lên thiết bị thử bằng các giá treo được cung cấp riêng cho mục đích gắn hệ thống con REESS hoặc REESS vào xe.
IC.3 Phương pháp
IC.3.1. Điều kiện và yêu cầu kiểm tra chung
Điều kiện sau đây phải được áp dụng cho thử nghiệm:
(a) Thử nghiệm phải được tiến hành ở nhiệt độ môi trường là 20 °C ± 10 °C,
(b) Khi bắt đầu thử nghiệm, SOC phải được điều chỉnh phù hợp với với Phụ lục I.2;
(c) Khi bắt đầu thử nghiệm, tất cả các thiết bị bảo vệ có ảnh hưởng đến chức năng của thiết bị được thử nghiệm và có liên quan đến kết quả của thử nghiệm, phải đang hoạt động.
IC.3.2 Phương pháp thử
Thiết bị được thử phải được giảm tốc hoặc, theo lựa chọn của người nộp đơn, được tăng tốc tuân thủ các hành lang tăng tốc được quy định trong Bảng IC.1 đến Bảng IC.3. Cơ sở thử nghiệm tham khảo ý kiến của nhà sản xuất phải quyết định liệu các thử nghiệm có được tiến hành hay không hướng tích cực hoặc tiêu cực hoặc cả hai.
Đối với mỗi xung thử nghiệm được chỉ định, một thiết bị thử nghiệm riêng biệt có thể được sử dụng.
Xung thử phải nằm trong giá trị nhỏ nhất và lớn nhất như quy định trong Bảng IC.1 đến Bảng IC.3. Mức va chạm cao hơn và/hoặc thời gian dài hơn như được mô tả trong giá trị lớn nhất trong Bảng IC.1 đến Bảng IC.3 có thể được áp dụng cho thiết bị được thử nếu được khuyến nghị bởi nhà sản xuất

Hình IC.1 - Mô tả chung các xung thử nghiệm
Bảng IC.1 - Với xe nhóm M1 và N1
| Điểm | Thời gian (ms) | Gia tốc (g) | |
| Dọc | Ngang | ||
| A | 20 | 0 | 0 |
| B | 50 | 20 | 8 |
| C | 65 | 20 | 8 |
| D | 100 | 0 | 0 |
| E | 0 | 10 | 4.5 |
| F | 50 | 28 | 15 |
| G | 80 | 28 | 15 |
| H | 120 | 0 | 0 |
Bảng IC.2 - Với xe nhóm M2 và N2
| Điểm | Thời gian (ms) | Gia tốc (g) | |
| Dọc | Ngang | ||
| A | 20 | 0 | 0 |
| B | 50 | 10 | 5 |
| C | 65 | 10 | 5 |
| D | 100 | 0 | 0 |
| B | 0 | 5 | 2.5 |
| F | 50 | 17 | 10 |
| G | 80 | 17 | 10 |
| H | 120 | 0 | 0 |
Bảng IC.3 - Với xe nhóm M3 và N3
| Điểm | Thời gian (ms) | Gia tốc (g) | |
| Dọc | Ngang | ||
| A | 20 | 0 | 0 |
| B | 50 | 6,6 | 5 |
| C | 65 | 6,6 | 5 |
| D | 100 | 0 | 0 |
| E | 0 | 4 | 2.5 |
| F | 50 | 12 | 10 |
| G | 80 | 12 | 10 |
| H | 120 | 0 | 0 |
Thử nghiệm phải kết thúc trong thời gian quan sát là 1 h ở điều kiện nhiệt độ môi trường thử nghiệm.
Phụ lục ID
(Quy định)
Thử nghiệm tính toàn vẹn cơ học
ID.1 Mục đích
Mục đích của thử nghiệm này nhằm kiểm tra xác nhận tính năng an toàn của REESS dưới tác động của tải trọng tiếp xúc có thể xảy ra trong một tình huống va chạm xe.
ID.2 Lắp đặt
ID.2.1 Thử nghiệm này phải được tiến hành với hoặc REESS đồng bộ hoặc các hệ thống con của REESS bao gồm các pin và các kết nối điện của chúng. Nếu nhà sản xuất lựa chọn thử nghiệm với các hệ thống con của REESS, nhà sản xuất phải chứng minh kết quả thử nghiệm đó có thể đại diện một cách phù hợp cho tính năng của một REESS đồng bộ theo tính năng an toàn trong cùng điều kiện thử nghiệm. Nếu bộ quản lý điện tử cho REESS không được tích hợp trong hộp chứa các pin thì có thể không cần lắp trên thiết bị được thử nếu nhà sản xuất yêu cầu.
ID.2.2 Thiết bị được thử phải được kết nối với thiết bị thử theo khuyến nghị của nhà sản xuất
ID.3 Phương pháp thử
ID.3.1. Điều kiện thử chung
Các điều kiện và yêu cầu sau đây sẽ được áp dụng cho thử nghiệm:
(a) Thử nghiệm phải được tiến hành ở nhiệt độ môi trường xung quanh 20 °C ± 10 °C;
(b) Khi bắt đầu thử nghiệm, SOC phải được điều chỉnh phù hợp với với Phụ lục I.2;
(c) Tất cả các thiết bị bảo vệ, có thể ảnh hưởng đến chức năng của thiết bị được thử và có liên quan đến kết quả của thử nghiệm phải đang hoạt động.
(d) Trong trường hợp 6.4.2.1.2 của tiêu chuẩn này được áp dụng, cấu trúc thân xe, tấm ngăn bảo vệ điện, vỏ hoặc các thiết bị chức năng cơ học khác cung cấp khả năng bảo vệ chống tiếp xúc bất kể bên ngoài hay bên trong REESS có thể được gắn vào thiết bị được kiểm tra nếu nhà sản xuất yêu cầu. Nhà sản xuất phải xác định các bộ phận liên quan được sử dụng để bảo vệ cơ học cho REESS. Phép thử có thể được tiến hành với REESS được lắp vào kết cấu của xe theo cách đại diện cho việc lắp đặt nó trên xe.
ID.3.2 Thử nghiền
ID.3.2.1 Lực nghiền
Thiết bị được thử phải được nghiền giữa điện trở và tấm nghiền như mô tả trong Hình ID.1 với lực ít nhất bằng 100 kN, nhưng không vượt quá 105 kN, trừ khi có quy định khác theo 6.4.2 của tiêu chuẩn này, với thời gian nghiền dưới 3 min và thời gian giữ tối thiểu 100 ms nhưng không quá 10 s.

Hình ID.1
Một lực nghiền lớn hơn, thời gian nghiền lâu hơn, thời gian giữ lâu hơn hoặc kết hợp cả hai, có thể được áp dụng theo yêu cầu của nhà sản xuất.
Việc tác động lực phải được quyết định bởi nhà sản xuất cùng với cơ sở thử nghiệm có xem xét hướng di chuyển của REESS liên quan đến việc lắp đặt nó trong xe. Lực được đặt theo chiều ngang và vuông góc với hướng di chuyển của REESS.
Thử nghiệm phải kết thúc với thời gian quan sát là 1 h ở điều kiện nhiệt độ môi trường của môi trường thử nghiệm.
Phụ lục IE
(Quy định)
Thử nghiệm tính chịu lửa
IE.1 Mục đích
Mục đích của thử nghiệm này nhằm kiểm tra khả năng chống lửa của REESS từ phía ngoài xe do rò rỉ nhiên liệu (có thể từ xe khác). Tình huống này cần để lái xe và hành khách có đủ thời gian để rời khỏi xe.
IE.2 Lắp đặt
IE.2.1 Thử nghiệm này phải được tiến hành hoặc với REESS đồng bộ hoặc các hệ thống con của REESS. Nếu nhà sản xuất lựa chọn thử nghiệm với các hệ thống con của REESS, nhà sản xuất phải chứng minh kết quả thử nghiệm đó có thể đại diện một cách phù hợp tính năng của một REESS đồng bộ theo tính năng an toàn trong cùng điều kiện thử. Nếu bộ quản lý điện tử cho REESS không được tích hợp trong hộp chứa các pin thì có thể không cần lắp trên thiết bị được thử nếu nhà sản xuất yêu cầu. Khi các hệ thống con của REESS phân bố rải rác trên xe, thử nghiệm có thể được tiến hành trên mỗi hệ thống con REESS tương ứng.
IE.3 Phương pháp
IE.3.1 Điều kiện thử chung
Các điều kiện và yêu cầu sau đây sẽ được áp dụng cho thử nghiệm:
(a) Thử nghiệm phải được tiến hành ở nhiệt độ môi trường ít nhất 0 °C;
(b) Tại thời điểm đầu thử nghiệm; SOC phải được điều chỉnh theo Phụ lục I.2
(c) Tại thời điểm đầu thử nghiệm, tất cả các thiết bị bảo vệ, có thể ảnh hưởng đến chức năng của thiết bị được thử và có liên quan đến kết quả của thử nghiệm phải đang hoạt động.
IE.3.2 Phương pháp thử
Đối tượng thử nghiệm là xe hoặc một bộ phận phải do nhà sản xuất quy định:
IE.3.2.1 Thử nghiệm trên xe
Thiết bị được thử phải được lắp trên thiết bị thử nghiệm mô phỏng các điều kiện lắp đặt thực tế càng giống càng tốt; không được sử dụng vật liệu dễ cháy cho việc này ngoại trừ vật liệu là một phần của REESS. Phương pháp theo đó thiết bị được thử được lắp cố định trên thiết bị thử phải tương ứng với các thông số kỹ thuật có liên quan để lắp trên xe. Trong trường hợp REESS được thiết kế cho một mục đích sử dụng xe cụ thể, các chi tiết của xe có ảnh hưởng đến quá trình cháy theo bất kỳ cách nào phải được xem xét.
IE.3.2.2 Đối tượng thử nghiệm là bộ phận
Trong trường hợp đối tượng thử nghiệm là bộ phận, nhà sản xuất có thể chọn thử nghiệm cháy bể xăng hoặc thử nghiệm đầu đốt LPG.
Thiết bị được thử phải được đặt trên tấm dạng lưới phía trên khay, với một hướng theo thiết kế của nhà sản xuất.
Tấm dạng lưới phải được cấu tạo bằng các thanh thép có đường kính 6 mm đến 10 mm, đặt cách nhau 4 mm đến 6 cm. Các thanh thép có thể được giữ cố định bởi các chi tiết bằng thép tấm mỏng.
IE.3.3 Lắp đặt thử nghiệm cháy bể xăng cho thử nghiệm đối tượng là xe hoặc bộ phận.
Thiết bị được thử phải phơi trước ngọn lửa được tạo ra bằng cách đốt nhiên liệu thương mại dùng cho động cơ cháy cưỡng bức (sau đây gọi là nhiên liệu) để trong khay. Lượng nhiên liệu phải đủ để cho phép ngọn lửa, trong điều kiện cháy tự do, cháy trong toàn bộ quá trình thử.
Ngọn lửa phải phủ lên toàn bộ khay trong suốt quá trình phơi trước lửa. Kích thước khay phải được chọn để đảm bảo rằng các mặt của thiết bị được thử được phơi với ngọn lửa. Do đó, khay phải lớn hơn hình chiếu bằng của thiết bị được thử ít nhất 20 cm, nhưng không quá 50 cm. Các cạnh của khay không được cao quá 8 cm so với mức nhiên liệu khi bắt đầu thử nghiệm.
IE.3.3.1 Khay chứa đầy nhiên liệu phải được đặt bên dưới thiết bị được thử theo cách sao cho khoảng cách giữa mức nhiên liệu trong khay và mặt đáy của thiết bị được thử tương ứng với chiều cao thiết kế của thiết bị được thử trên mặt đường tại khối lượng không tải nếu IE.3.2.1 được áp dụng hoặc khoảng 50 cm nếu IE.3.2.2 được áp dụng. Khay hoặc đồ gá lắp chi tiết thử nghiệm hoặc cả hai đều có thể di chuyển tự do
IE.3.3.2 Trong pha C của thử nghiệm, một tấm dạng lưới phải để phía trên khay. Tấm dạng lưới này được đặt cao hơn 3 cm +/-1 cm so với mức nhiên liệu đo được trước khi đốt. Tấm dạng lưới phải được làm bằng vật liệu chịu lửa, như được quy định trong Phụ lục IE.1. Không được có khoảng cách giữa các vật chịu lửa, các vật này phải được đặt trên khay nhiên liệu sao cho các lỗ trên tấm dạng lưới không bị che khuất. Chiều dài và chiều rộng của khung phải nhỏ hơn từ 2 cm đến 4 cm so với kích thước bên trong của khay sao cho khoảng cách giữa khung và mặt bên của khay cách nhau một khoảng từ 1 cm đến 2 cm để cho phép thông gió. Trước khi thử nghiệm, tấm dạng lưới phải ở nhiệt độ môi trường. Các vật liệu chịu lửa có thể được làm ướt để đảm bảo các điều kiện thử nghiệm lặp lại.
IE.3.3.3 Nếu các thử nghiệm được thực hiện ngoài trời, phải cung cấp đủ bảo vệ gió và tốc độ gió ở cao độ của khay không được vượt quá 2,5 km/h.
IE.3.3.4 Thử nghiệm phải bao gồm ba pha B, C và D, nếu nhiên liệu ít nhất ở nhiệt độ 20 °C. Nếu không, thử nghiệm phải bao gồm cả bốn pha từ pha A đến pha D.
IE.3.3.4.1 Pha A: Làm nóng sơ bộ (Hình IE.1)
Nhiên liệu trong khay phải được đốt cháy ở khoảng cách ít nhất 3 m so với thiết bị được thử. Sau 60 s làm nóng sơ bộ, khay phải được đặt bên dưới thiết bị được thử. Nếu kích thước của khay quá lớn mà việc di chuyển có nguy cơ làm tràn chất lỏng nguy hại, v.v. thì thay vì di chuyển khay cho di chuyển thiết bị và dụng cụ thử nghiệm.

Hình IE.1 - Pha A: Làm nóng sơ bộ
IE.3.3.4.2 Pha B: Tiếp xúc trực tiếp với ngọn lửa (Hình IE.2)
Thiết bị được thử phải được tiếp xúc với ngọn lửa từ nhiên liệu cháy tự do trong 70 s.

Hình IE.2 - Pha B: Tiếp xúc trực tiếp với ngọn lửa
IE.3.3.4.3 Pha C: Tiếp xúc gián tiếp với ngọn lửa (Hình IE.3)
Ngay sau khi pha B kết thúc, tấm dạng lưới phải được đặt giữa khay đang cháy và thiết bị được thử. Thiết bị được thử phải được phơi với ngọn lửa tắt dần này trong 60 s nữa.
Trước khi tiến hành pha C của thử nghiệm, theo quyết định của nhà sản xuất pha B có thể được kéo dài trong 60 s nữa.
Tuy nhiên, điều này chỉ được phép khi có thể chứng minh với cơ sở thử nghiệm rằng nó phải không làm giảm mức độ nghiêm trọng của thử nghiệm.

Hình IE.3 - Pha C: Phơi gián tiếp trước ngọn lửa
IE.3.3.4.4 Pha D: Kết thúc thử nghiệm (Hình IE.4)
Khay với tấm dạng lưới phía trên phải được di chuyển trở lại vị trí được mô tả như trong pha A. được dập tắt lửa trên thiết bị được thử. Sau khi di chuyển khay, thiết bị được thử phải được theo được quan sát cho đến khi nhiệt độ bề mặt của thiết bị được thử giảm xuống nhiệt độ môi trường hoặc đã giảm trong tối thiểu 3 h

Hình IE.4 - Pha D: Kết thúc thử nghiệm
IE.3.4 Thiết lập thử nghiệm cháy đầu đốt LPG cho thử nghiệm đối tượng là bộ phận
IE.3.4.1 Thiết bị được thử phải đặt trên thiết bị thử nghiệm ở vị trí mà nhà sản xuất mong muốn trong thiết kế.
IE.3.4.2 Đầu đốt LPG phải được sử dụng để tạo ra ngọn lửa mà Thiết bị được thử tiếp xúc. Chiều cao của ngọn lửa phải khoảng 60 cm trở lên khi không có thiết bị được thử.
IE.3.4.3 Nhiệt độ ngọn lửa phải được đo liên tục bằng cảm biến nhiệt độ. Nhiệt độ trung bình phải được tính toán, ít nhất là mỗi giây trong toàn bộ thời gian tiếp xúc với ngon lửa, là giá trị trung bình của nhiệt độ được đo bằng tất cả các cảm biến nhiệt độ đáp ứng các yêu cầu về vị trí được mô tả trong phần IE.3.4.4.
IE.3.4.4 Tất cả các cảm biến nhiệt độ phải được lắp đặt ở độ cao 5 cm ± 1 cm dưới điểm thấp nhất của bề mặt bên ngoài của thiết bị được thử khi được định hướng như mô tả trong IE.3.4.1. Ít nhất một cảm biến nhiệt độ phải được đặt ở trung tâm của thiết bị được thử và ít nhất bốn cảm biến nhiệt độ phải được đặt trong phạm vi 10 cm từ mép của thiết bị được thử về phía tâm của nó với khoảng cách gần như bằng nhau giữa các cảm biến.
IE.3.4.5 Đáy của thiết bị được thử phải tiếp xúc trực tiếp và hoàn toàn với ngọn lửa đều bằng quá trình đốt cháy nhiên liệu. Ngọn lửa của đầu đốt LPG phải cao hơn hình chiếu ngang của thiết bị được thử ít nhất 20 cm.
IE.3.4.6 Nhiệt độ trung bình 800 °C phải đạt được trong vòng 30 s và duy trì trong khoảng từ 800 °C đến 1.100 °C. Sau đó, thiết bị được thử sẽ được tiếp xúc với khung trong 2 min.
IE.3.4.7 Sau khi tiếp xúc trực tiếp với ngọn lửa, thiết bị được thử phải được quan sát cho đến khi nhiệt độ bề mặt của nó giảm xuống nhiệt độ môi trường xung quanh hoặc đã giảm trong tối thiểu 3 h.
Phụ lục IE.1
(Quy định)
Kích thước và thông số kỹ thuật của vật liệu chịu lửa

| Độ chịu lửa: | (Seger-Kegel) SK 30 |
| Hàm lượng Al2O3: | 30 % - 33 % |
| Độ xốp (Po): | 20 % - 22 % thể tích. |
| Khối lượng riêng: | 1.900 kg/m3 - 2.000 kg/m3 |
| Vùng lỗ hiệu dụng: | 44,18 % |
Phụ lục IF
(Quy định)
Bảo vệ chống ngắn mạch ngoài
IF.1 Mục đích
Mục đích của thử nghiệm này là để xác minh tính năng của bảo vệ chống ngắn mạch để ngăn ngừa REESS khỏi bất kỳ sự cố nghiêm trọng nào khác liên quan do dòng ngắn mạch gây ra.
IF.2 Lắp đặt
Thử nghiệm này phải được tiến hành với REESS đồng bộ hoặc với (các) hệ thống con REESS liên quan. Nếu nhà sản xuất chọn thử nghiệm với (các) hệ thống con, thiết bị được thử phải có khả năng cung cấp điện áp danh định của REESS hoàn chỉnh và nhà sản xuất phải chứng minh rằng kết quả thử nghiệm có thể thể hiện hợp lý hiệu suất của REESS đồng bộ với tính năng an toàn của nó trong cùng điều kiện. Nếu bộ phận quản lý điện tử cho REESS không được tích hợp trong hộp chứa pin, thì bộ phận quản lý điện tử có thể không cần lắp trên thiết bị được thử nếu nhà sản xuất yêu cầu. Thử nghiệm với một chiếc xe hoàn chỉnh, nhà sản xuất có thể cung cấp thông tin để kết nối Giắc kết nối với một vị trí ngay bên ngoài REESS mà có thể cho phép áp dụng ngắn mạch vào REESS.
IF.3 Phương pháp
IF.3.1 Điều kiện thử chung
Các điều kiện và yêu cầu sau đây phải được áp dụng cho thử nghiệm:
(a) Thử nghiệm phải được tiến hành ở nhiệt độ môi trường xung quanh 20 °C ± 10 °C hoặc cao hơn nếu được quy định bởi nhà sản xuất;
(b) Khi bắt đầu thử nghiệm, SOC phải được điều chỉnh phù hợp với với Phụ lục I.2;
(c) Khi bắt đầu thử nghiệm, tất cả các thiết bị bảo vệ, có thể ảnh hưởng đến chức năng của thiết bị được thử và có liên quan đến kết quả của thử nghiệm phải đang hoạt động;
(d) Với thử nghiệm cho xe hoàn chỉnh, Giắc kết nối được kết nối với vị trí do nhà sản xuất chỉ định và hệ thống bảo vệ xe liên quan đến kết quả của thử nghiệm phải được đưa vào hoạt động.
IF.3.2 Ngắn mạch
Khi bắt đầu thử nghiệm, các công tắc tơ chính dùng cho việc sạc và xả điện phải được đóng để biểu trưng cho chế độ xe đang hoạt động cũng như chế độ có thể sạc ngoài. Nếu điều này không thể làm xong trong một thử nghiệm, thì phải tiến hành hai hoặc nhiều thử nghiệm.
Với thử nghiệm (các) hệ thống con của REESS hoặc REESS hoàn chỉnh, các cực dương và cực âm của thiết bị được thử phải được kết nối với nhau để tạo ra ngắn mạch. Kết nối được sử dụng cho mục đích này phải có điện trở không quá 5 mΩ.
Với thử nghiệm cho xe hoàn chỉnh, ngắn mạch được áp dụng thông qua Giắc kết nối. Mối nối dùng để tạo ngắn mạch (bao gồm cả cáp) phải có điện trở không quá 5 mΩ.
Tình trạng ngắn mạch phải được tiếp tục cho đến khi hoạt động của chức năng bảo vệ REESS để ngắt hoặc hạn chế dòng ngắn mạch được xác nhận hoặc trong ít nhất 1 h sau khi nhiệt độ đo trên vỏ hộp của thiết bị được thử đã ổn định, ví dụ như chênh lệch nhiệt độ nhỏ hơn 4 °C sau 2 h.
IF.3.3 Chu trình tiêu chuẩn và thời gian quan sát
Ngay sau khi kết thúc ngắn mạch, một chu trình tiêu chuẩn được quy định trong Phụ lục I.1 phải được tiến hành nếu không bị thiết bị thử nghiệm hạn chế.
Thử nghiệm phải kết thúc trong thời gian quan sát là 1 h ở điều kiện nhiệt độ môi trường thử nghiệm.
Phụ lục IG
(Quy định)
Bảo vệ sạc quá mức
IG.1 Mục đích
Mục đích của thử nghiệm này nhằm kiểm tra xác nhận tính năng của bảo vệ sạc quá mức để ngăn ngừa REESS khỏi bất kỳ sự việc nghiêm trọng gây ra bởi SOC quá cao.
IG.2 Lắp đặt
Thử nghiệm này phải được tiến hành, trong các điều kiện làm việc tiêu chuẩn, với xe hoàn chỉnh hoặc với hệ thống phụ trợ REESS hoàn chỉnh liên quan, không ảnh hưởng đến kết quả thử nghiệm có thể được bỏ qua khỏi thiết bị được thử.
Thử nghiệm có thể được thực hiện với thiết bị được thử đã được sửa đổi, những sửa đổi này sẽ không ảnh hưởng đến kết quả thử nghiệm.
IG.3 Phương pháp
IG.3.1 Điều kiện thử chung
Thử nghiệm phải được tiến hành theo các điều kiện sau:
(a) Thử nghiệm phải được tiến hành với nhiệt độ môi trường trong khoảng 20°C ± 10°C hoặc cao hơn nếu được quy định bởi nhà sản xuất;
(b) SOC của REESS sẽ được điều chỉnh vào khoảng giữa mức phạm vi hoạt động thông thường bởi hoạt động thông thường được khuyến nghị bởi nhà sản xuất chẳng hạn như lái xe hoặc sử dụng bộ sạc ngoài. Không cần điều chỉnh chính xác miễn là REESS hoạt động bình thường;
(c) Đối với việc thử nghiệm trên xe có hệ thống biến đổi năng lượng trên xe (ví dụ: động cơ đốt trong, pin nhiên liệu, v.v.), đổ đầy nhiên liệu để cho phép các hệ thống biến đổi năng lượng đó hoạt động;
(d) Khi bắt đầu thử nghiệm, tất cả các thiết bị bảo vệ có thể ảnh hưởng đến chức năng của Thiết bị được thử và có liên quan đến kết quả thử nghiệm đều phải hoạt động. Tất cả các công tắc tơ chính có liên quan để sạc phải được đóng lại.
IG.3.2 Sạc điện
Quy trình sạc REESS cho thử nghiệm trên xe phải tuân theo IG.3.2.1 và IG.3.2.2 và phải được lựa chọn phù hợp với chế độ vận hành xe liên quan và chức năng của hệ thống bảo vệ. Ngoài ra, quy trình sạc REESS cho thử nghiệm trên xe phải phù hợp với IG.3.2.3. Đối với thử nghiệm dựa trên bộ phận, quy trình sạc phải phù hợp với IG.3.2.4.
IG.3.2.1 Sạc khi xe hoạt động
Quy trình sau được áp dụng cho thử nghiệm dựa trên xe trong chế độ có thể lái xe chủ động:
(a) Đối với các xe có thể được sạc bằng các nguồn năng lượng trên xe (ví dụ: thu hồi năng lượng, hệ thống biến đổi năng lượng trên xe), xe phải được dẫn động bằng băng thử động lực. Hoạt động của xe trên băng thử động lực (ví dụ: mô phỏng lái xe xuống dốc liên tục) sẽ cung cấp dòng điện sạc cao nhất có thể đạt được một cách hợp lý phải được xác định, nếu cần, thông qua tư vấn với nhà sản xuất.
(b) REESS phải được sạc khi xe vận hành trên băng thử khung phù hợp với đoạn IG.3.2.1a). Hoạt động của xe trên băng thử động lực phải kết thúc khi bộ điều khiển bảo vệ quá tải của xe ngắt dòng điện sạc REESS hoặc nhiệt độ của REESS ổn định sao cho nhiệt độ thay đổi theo độ dốc nhỏ hơn 2 °C trong 1 h. Khi bộ điều khiển bảo vệ quá tải của xe có chức năng ngắt tự động không hoạt động hoặc nếu không có chức năng điều khiển đó thì việc sạc phải được tiếp tục cho đến khi nhiệt độ REESS đạt đến 10 °C trên nhiệt độ vận hành lớn nhất do nhà sản xuất quy định.
(c) Ngay sau khi ngừng sạc, một chu trình tiêu chuẩn sẽ được thực hiện theo mô tả tại Phụ lục I.1, nếu xe không bị hạn chế thì thực hiện vận hành xe trên băng thử.
IG.3.2.2 Sạc từ nguồn điện bên ngoài (thử nghiệm trên xe)
Quy trình này có thể áp dụng cho thử nghiệm trên xe đối với các xe được sạc điện bên ngoài:
(a) Cổng sạc điện của xe trong sử dụng bình thường, nếu có, phải được sử dụng để nối thiết bị cấp điện bên ngoài. Giao tiếp điều khiển sạc của thiết bị cung cấp điện bên ngoài phải được thay đổi hoặc vô hiệu hóa để cho phép sạc được theo quy định tại IG.3.2.2(b);
(b) REESS phải được sạc bằng thiết bị cấp điện bên ngoài với dòng điện sạc lớn nhất do nhà sản xuất quy định. Việc sạc sẽ chấm dứt khi bộ điều khiển bảo vệ sạc quá mức của xe ngắt dòng sạc REESS. Khi bộ điều khiển bảo vệ sạc quá mức của xe không hoạt động hoặc nếu không có bộ điều khiển đó thì việc sạc phải được tiếp tục cho đến khi nhiệt độ REESS đạt tới hơn 10 °C so với nhiệt độ vận hành lớn nhất do nhà sản xuất quy định. Trong trường hợp dòng sạc không bị ngắt và nhiệt độ REESS chỉ cao hơn nhiệt độ vận hành lớn nhất dưới 10 °C, hoạt động của xe phải dừng 12 h sau khi bắt đầu sạc bằng thiết bị cấp điện bên ngoài;
(c) Ngay sau khi ngừng sạc, phải thực hiện một chu trình tiêu chuẩn như mô tả tại Phụ lục I.1, nếu xe không bị hạn chế, với việc xe vận hành trên băng thử để xả và với thiết bị cấp điện bên ngoài để sạc.
IG.3.2.3 Sạc bằng cách kết nối giắc kết nối (thử nghiệm trên xe)
Quy trình này có thể áp dụng cho các thử nghiệm trên xe đối với cả các xe có thể sạc bên ngoài và các xe chỉ có thể được sạc bằng các nguồn năng lượng trên xe. Khi đó, nhà sản xuất phải cung cấp thông tin để kết nối Giắc kết nối với một vị trí ngay bên ngoài REESS cho phép sạc REESS:
(a) Giắc kết nối được kết nối với xe theo quy định của nhà sản xuất. Cài đặt dòng điện/điện áp ngắt của thiết bị sạc-xả bên ngoài phải cao hơn ít nhất 10 % so với giới hạn dòng điện/điện áp của Thiết bị được thử. Thiết bị cấp điện bên ngoài được kết nối với Giắc kết nối. REESS phải được sạc bằng nguồn điện bên ngoài với dòng điện sạc lớn nhất do nhà sản xuất quy định;
(b) Việc sạc sẽ kết thúc khi bộ điều khiển bảo vệ sạc quá mức của xe ngắt dòng sạc REESS. Trường hợp hệ thống kiểm soát bảo vệ quá tải của xe không hoạt động hoặc nếu không có kiểm soát như vậy thì việc sạc phải được tiếp tục cho đến khi nhiệt độ REESS cao hơn 10 °C so với nhiệt độ vận hành lớn nhất do nhà sản xuất quy định. Trong trường hợp dòng sạc không bị ngắt và nhiệt độ REESS chỉ cao hơn nhiệt độ vận hành lớn nhất dưới 10 °C, hoạt động của xe phải dừng 12 h sau khi bắt đầu sạc bằng thiết bị cấp điện bên ngoài;
(c) Ngay sau khi ngừng sạc, phải thực hiện một chu trình tiêu chuẩn như mô tả tại Phụ lục I.1 (đối với xe nguyên chiếc) nếu xe không bị hạn chế.
IG.3.2.4 Sạc bằng nguồn điện bên ngoài (thử nghiệm trên bộ phận)
Quy trình này áp dụng cho thử nghiệm trên bộ phận:
(a) Thiết bị sạc/xả bên ngoài phải được nối với các cực chính của REESS. Giới hạn kiểm soát sạc của thiết bị thử phải bị vô hiệu hóa;
(b) REESS phải được sạc bằng thiết bị sạc /xả bên ngoài với dòng điện sạc lớn nhất do nhà sản xuất quy định. Việc sạc sẽ kết thúc khi bộ điều khiển bảo vệ sạc quá mức REESS chấm dứt dòng sạc REESS. Khi bộ điều khiển bảo vệ sạc quá mức của REESS không hoạt động hoặc nếu không có bộ điều khiển như vậy thì việc sạc phải được tiếp tục cho đến khi nhiệt độ REESS đạt cao hơn 10 °C so với nhiệt độ vận hành lớn nhất do nhà sản xuất quy định. Trong trường hợp dòng sạc không bị ngắt và nhiệt độ REESS chỉ cao hơn nhiệt độ vận hành lớn nhất dưới 10 °C thì việc sạc sẽ bị dừng sau 12 h kể từ khi bắt đầu sạc bằng thiết bị cấp điện bên ngoài;
(c) Ngay sau khi ngừng sạc, một chu trình tiêu chuẩn như được mô tả trong Phụ lục I.1 sẽ được tiến hành, nếu REESS không bị hạn chế, với thiết bị sạc-xả bên ngoài.
IG.3.3 Phép thử phải kết thúc sau khoảng thời gian quan sát là 1 h ở điều kiện nhiệt độ môi trường tại nơi thử nghiệm.
Phụ lục IH
(Quy định)
Bảo vệ xả quá mức
IH.1 Mục đích
Mục đích của thử nghiệm này để kiểm tra xác nhận tính năng bảo vệ chống xả quá mức nhằm ngăn ngừa REESS khỏi bất kỳ sự kiện nghiêm trọng nào do SOC quá thấp gây ra.
IH.2 Lắp đặt
Thử nghiệm này phải được tiến hành, trong các điều kiện làm việc tiêu chuẩn, với một xe nguyên chiếc hoặc với REESS hoàn chỉnh. Các hệ thống phụ trợ không ảnh hưởng đến kết quả thử nghiệm có thể bị bỏ qua khỏi thiết bị được thử.
Thử nghiệm có thể được tiến hành với một thiết bị được thử đã được sửa đổi theo thỏa thuận của nhà sản xuất và cơ sở thử nghiệm. Tuy nhiên, những sửa đổi này phải không ảnh hưởng tới kết quả thử nghiệm.
IH.3 Phương pháp
IH.3.1 Điều kiện thử chung
Thử nghiệm phải được tiến hành theo các điều kiện sau:
(a) Thử nghiệm phải được tiến hành với nhiệt độ môi trường trong khoảng 20 °C ± 10 °C hoặc cao hơn nếu được quy định bởi nhà sản xuất;
(b) SOC của REESS phải được điều chỉnh ở mức thấp, nhưng trong phạm vi hoạt động bình thường, bằng hoạt động bình thường do nhà sản xuất khuyến nghị, chẳng hạn như lái xe hoặc sử dụng bộ sạc ngoài. Không cần điều chỉnh chính xác miễn là hoạt động bình thường của REESS được kích hoạt;
(c) Đối với thử nghiệm trên xe có hệ thống biến đổi năng lượng trên xe (ví dụ: động cơ đốt trong, pin nhiên liệu, v.v.), hãy giảm điện năng từ các hệ thống biến đổi năng lượng trên xe đó, ví dụ bằng cách điều chỉnh mức nhiên liệu đến mức gần như rỗng nhưng đủ để xe có thể chuyển sang chế độ lái chủ động;
(d) Khi bắt đầu thử nghiệm, tất cả các thiết bị bảo vệ có thể ảnh hưởng đến chức năng của Thiết bị được thử và có liên quan đến kết quả của thử nghiệm phải được đưa vào hoạt động.
IH.3.2 Xả điện
Quy trình xả REESS cho thử nghiệm trên xe phải phù hợp với đoạn IH.3.2.1 và IH.3.2.2. Ngoài ra, quy trình xả REESS cho thử nghiệm trên xe phải phù hợp với đoạn IH.3.2.3. Đối với thử nghiệm trên bộ phận, quy trình xả phải phù hợp với đoạn IH.3.2.4.
IH.3.2.1 Xả điện khi xe hoạt động
Quy trình này được áp dụng cho các thử nghiệm trên xe tại chế độ có thể lái xe chủ động:
(a) Xe phải được dẫn động bằng băng thử động lực. Hoạt động của xe trên băng thử động lực (ví dụ: mô phỏng lái xe liên tục ở tốc độ ổn định) sẽ phát sinh nguồn xả liên tục ở mức có thể đạt được một cách hợp lý phải được xác định, nếu cần, thông qua tham vấn với nhà sản xuất;
(b) REESS phải được xả điện khi xe hoạt động trên băng thử theo quy định tại đoạn IH.3.2.1a). Hoạt động của xe trên băng thử động lực phải được kết thúc khi bộ điều khiển bảo vệ quá xả của xe ngắt dòng xả của REESS hoặc nhiệt độ của REESS được ổn định sao cho thay đổi gradient nhiệt độ nhỏ hơn 4 °C trong 2 h. Khi kiểm soát bảo vệ xả quá mức không hoạt động, hoặc nếu không có sự kiểm soát đó thì việc xả sẽ được tiếp tục cho đến khi REESS được xả tới 25 % mức điện áp danh định của nó;
(c) Ngay sau khi ngừng xả, thực hiện một lần sạc tiêu chuẩn, sau đó là một lần xả tiêu chuẩn như mô tả tại Phụ lục I.1 nếu xe không bị hạn chế.
IH.3.2.2 Xả điện bằng thiết bị điện phụ trợ (thử nghiệm trên xe)
Quy trình này có thể áp dụng cho các thử nghiệm trên xe ở trạng thái tĩnh:
(a) Xe phải được chuyển sang chế độ vận hành tĩnh cho phép tiêu thụ điện năng từ REESS bằng thiết bị điện phụ trợ. Chế độ vận hành như vậy phải được xác định, nếu cần thiết, thông qua tư vấn với nhà sản xuất. Có thể sử dụng thiết bị (ví dụ như vật chặn bánh xe) để ngăn cản chuyển động của xe khi thích hợp để đảm bảo an toàn trong quá trình thử;
(b) REESS sẽ được xả điện khi vận hành các thiết bị điện, điều hòa không khí, sưởi, chiếu sáng, thiết bị nghe nhìn, v.v., có thể được bật theo các điều kiện nêu tại đoạn IH.3.2.2a). Hoạt động phải kết thúc khi bộ điều khiển bảo vệ quá xả của xe ngắt dòng xả từ REESS hoặc nhiệt độ của REESS ổn định sao cho thay đổi gradient nhiệt độ nhỏ hơn 4 °C trong 2 h. Trong trường hợp bộ điều khiển bảo vệ xả quá mức không hoạt động hoặc nếu không có bộ điều khiển đó thì việc xả điện phải được tiếp tục cho đến khi REESS được xả tới 25 % mức điện áp danh định của nó;
(c) Ngay sau khi ngừng xả, thực hiện một lần sạc tiêu chuẩn, sau đó là một lần xả tiêu chuẩn như mô tả tại Phụ lục I.1 nếu xe không bị hạn chế.
IH.3.2.3. Xả điện từ REESS bằng điện trở phóng điện (thử nghiệm trên xe).
Quy trình này có thể áp dụng cho các xe mà nhà sản xuất cung cấp thông tin để kết nối Giắc kết nối với vị trí ngay bên ngoài REESS cho phép xả REESS:
(a) Nối Giắc kết nối vào xe theo quy định của nhà sản xuất. Đặt xe ở chế độ có thể lái xe chủ động;
(b) Điện trở phóng điện được nối với giắc kết nối và REESS phải được xả điện tại tốc độ do nhà sản xuất cung cấp trong điều kiện hoạt động bình thường. Có thể sử dụng điện trở có công suất phóng điện là 1 kW;
(c) Thử nghiệm phải kết thúc khi cơ chế kiểm soát bảo vệ quá xả của xe ngắt dòng xả điện từ REESS hoặc nhiệt độ của REESS ổn định sao cho thay đổi gradient nhiệt độ nhỏ hơn 4 °C trong 2 h. Trong trường hợp chức năng ngắt xả điện tự động không hoạt động hoặc nếu không có chức năng đó thì việc xả điện phải được tiếp tục cho đến khi REESS được xả tới 25 % mức điện áp danh định của nó;
(d) Ngay sau khi ngừng xả, thực hiện một lần sạc tiêu chuẩn, sau đó là một lần xả tiêu chuẩn như mô tả tại Phụ lục I.1 nếu xe không bị hạn chế.
IH.3.2.4 Xả điện bằng thiết bị bên ngoài (thử nghiệm trên bộ phận)
Quy trình này có thể áp dụng cho thử nghiệm dựa trên bộ phận:
(a) Tất cả các công tắc tơ chính có liên quan phải được đóng lại. Việc xả điện bên ngoài phải được kết nối với các cực chính của thiết bị được thử;
(b) Việc xả điện phải được thực hiện với dòng điện ổn định trong phạm vi hoạt động thông thường do nhà sản xuất quy định;
(c) Quá trình xả điện sẽ được tiếp tục cho đến khi Thiết bị được thử (tự động) ngắt dòng xả điện từ REESS hoặc nhiệt độ của thiết bị được thử ổn định sao cho thay đổi gradient nhiệt độ dưới 4 °C trong 2 h. Trong trường hợp chức năng ngắt tự động không hoạt động hoặc nếu không có chức năng đó thì việc xả điện sẽ được tiếp tục cho đến khi thiết bị được thử được xả tới 25 % mức điện áp danh định của nó;
(d) Ngay sau khi kết thúc quá trình phóng điện, một lần sạc tiêu chuẩn tiếp theo là một lần xả tiêu chuẩn như được mô tả trong Phụ lục I.1 sẽ được thực hiện nếu không bị hạn chế bởi thiết bị được thử.
IH.3.3 Thử nghiệm phải kết thúc sau khoảng thời gian quan sát là 1 h tại điều kiện nhiệt độ môi trường xung quanh tại nơi thử nghiệm.
Phụ lục II
(Quy định)
Bảo vệ quá nhiệt
II.1 Mục đích
Mục đích thử nghiệm này nhằm xác định tính năng các phương pháp bảo vệ REESS chống lại quá nhiệt bên trong khi làm việc. Trong trường hợp không có biện pháp bảo vệ cụ thể nào là cần thiết để ngăn REESS đạt đến trạng thái không an toàn do nhiệt độ bên trong quá cao, hoạt động an toàn này phải được chứng minh.
II.2 Thử nghiệm này có thể được tiến hành trên một REESS hoàn chỉnh theo II.3 và II.4 hoặc trên xe hoàn chỉnh theo II.5 và II.6 của phụ lục này.
II.3 Lắp đặt thử nghiệm được tiến hành với REESS hoàn chỉnh
II.3.1 Các hệ thống phụ trợ không ảnh hưởng đến kết quả thử nghiệm có thể loại bỏ khỏi thiết bị được thử. Thử nghiệm có thể được thực hiện với một thiết bị được thử đã được sửa đối với điều kiện những sửa đổi này không ảnh hưởng đến kết quả thử nghiệm.
II.3.2 Trong trường hợp REESS được lắp chức năng làm mát và REESS vẫn duy trì chức năng cung cấp công suất bình thường mà không cần hoạt động của hệ thống làm mát thì phải ngắt hoạt động hệ thống làm mát để thử nghiệm.
II.3.3 Nhiệt độ của thiết bị được thử phải được đo liên tục bên trong vỏ ở gần các pin trong quá trình thử nghiệm để theo dõi thay đổi của nhiệt độ. Cảm biến trên bo mạch, nếu có, có thể được sử dụng cùng với các công cụ tương thích để đọc tín hiệu.
II.3.4 REESS phải được đặt trong lò đối lưu hoặc buồng điều hòa. Nếu cần, để tiến hành thử nghiệm, REESS phải được kết nối với phần còn lại của hệ thống điều khiển xe bằng cáp kéo dài. Thiết bị sạc/xả bên ngoài có thể được kết nối dưới sự giám sát của nhà sản xuất.
II.4 Quy trình thử cho thử nghiệm với REESS hoàn chỉnh
II.4.1 Khi bắt đầu thử, tất cả các thiết bị bảo vệ ảnh hưởng đến chức năng của thiết bị được thử và có liên quan đến kết quả của thử nghiệm phải được vận hành, ngoại trừ mọi hoạt động hủy kích hoạt hệ thống được thực hiện theo II.3.2.
II.4.2 Thiết bị được thử phải được sạc và xả liên tục bằng thiết bị sạc/xả bên ngoài với một dòng điện để làm tăng nhiệt độ của pin càng nhanh càng tốt trong phạm vi hoạt động bình thường do nhà sản xuất xác định cho đến khi kết thúc thử nghiệm.
Ngoài ra, việc sạc và xả điện có thể được thực hiện bằng các thao tác dẫn động xe trên băng thử, trong đó thao tác dẫn động phải được xác định thông qua sự tư vấn của nhà sản xuất để đạt được các điều kiện nêu trên.
II.4.3 Nhiệt độ của buồng hoặc lò phải được tăng dần từ 20 °C ± 10 °C hoặc ở nhiệt độ cao hơn nếu nhà sản xuất yêu cầu, cho đến khi đạt đến nhiệt độ xác định theo II.4.3.1 hoặc II.4.3.2 nếu có, và sau đó duy trì ở nhiệt độ bằng hoặc cao hơn nhiệt độ này cho đến khi kết thúc thử nghiệm.
II.4.3.1 Khi REESS được trang bị các biện pháp bảo vệ quá nhiệt bên trong, nhiệt độ phải tăng tới ngưỡng được quy định bởi nhà sản xuất, đó là ngưỡng nhiệt độ cho các biện pháp bảo vệ quá nhiệt đó để đảm bảo nhiệt độ của thiết bị được thử phải tăng theo quy định trong II.4.2.
II.4.3.2 Khi REESS không được trang bị bất kỳ phương pháp bảo vệ quá nhiệt bên trong nào, nhiệt độ phải được tăng tới ngưỡng nhiệt lớn nhất theo quy định của nhà sản xuất.
II.4.4 Kết thúc thử nghiệm: Thử nghiệm phải kết thúc khi xuất hiện một trong các hiện tượng sau:
(a) Thiết bị được thử nghiệm ngăn cản và/hoặc hạn định sạc và/hoặc xả để ngăn tăng nhiệt độ;
(b) Nhiệt độ của thiết bị được thử được giữ ổn định, nghĩa là thay đổi nhiệt độ với chênh lệch nhỏ hơn 4 °C trong 2 h;
(c) Bất kỳ sự không đáp ứng tiêu chí chấp nhận quy định trong 6.9.2.1 của tiêu chuẩn này.
II.5 Lắp đặt thử nghiệm trên một xe hoàn chỉnh
II.5.1 Dựa trên thông tin từ nhà sản xuất, đối với REESS có chức năng làm mát thì hệ thống làm mát phải ngừng hoạt động hoặc ở trạng thái hoạt động giảm đáng kể (đối với REESS sẽ không hoạt động nếu hệ thống làm mát bị tắt) trong thử nghiệm.
II.5.2 Nhiệt độ của REESS phải được đo liên tục bên trong vỏ ở gần các pin trong quá trình thử nghiệm để theo dõi sự thay đổi nhiệt độ bằng cách sử dụng các cảm biến trên bo mạch và các công cụ tương thích theo thông tin do nhà sản xuất cung cấp để đọc tín hiệu.
II.5.3 Xe phải được đặt trong buồng điều hòa cài đặt ở nhiệt độ từ 40 °C đến 45 °C trong ít nhất 6 h.
II.6 Quy trình thử đối với phép thử thực hiện trên một xe hoàn chỉnh
II.6.1 Xe phải được sạc và xả liên tục theo cách làm tăng nhiệt độ của pin REESS càng nhanh càng tốt trong phạm vi hoạt động bình thường do nhà sản xuất xác định cho đến khi kết thúc thử nghiệm.
Việc sạc và xả điện sẽ được thực hiện bằng các hoạt động lái xe trên động băng thử động lực, trong đó hoạt động lái xe phải được xác định thông qua tư vấn với nhà sản xuất để đạt được các điều kiện nêu trên.
Đối với xe có thể được sạc bằng nguồn điện bên ngoài, việc sạc có thể được tiến hành bằng nguồn điện bên ngoài nếu dự kiến nhiệt độ sẽ tăng nhanh hơn.
II.6.2 Thử nghiệm sẽ kết thúc khi quan sát thấy một trong những điều sau đây:
(a) Xe ngắt việc sạc và/hoặc xả;
(b) Nhiệt độ của REESS được ổn định sao cho thay đổi gradient nhiệt độ nhỏ hơn 4 °C trong 2 h;
(c) Bất kỳ sự vi phạm nào đối với các tiêu chí chấp nhận được quy định tại 6.9.2.1 của tiêu chuẩn này;
(d) 3 h trôi qua kể từ thời điểm bắt đầu chu trình sạc/xả trong II.6.1.
Phụ lục IJ
(Quy định)
Bảo vệ quá dòng
IJ.1 Mục đích
Mục đích của thử nghiệm này là để xác minh tính năng của bảo vệ quá dòng trong quá trình sạc DC bên ngoài nhằm ngăn REESS khỏi bất kỳ sự kiện nghiêm trọng nào do mức dòng sạc quá mức theo quy định của nhà sản xuất.
IJ.2 Điều kiện thử nghiệm:
(a) Thử nghiệm phải được tiến hành ở nhiệt độ môi trường xung quanh là 20 °C ± 10 °C;
(b) SOC của REESS phải được điều chỉnh ở khoảng giữa phạm vi vận hành bình thường bằng hoạt động bình thường do nhà sản xuất khuyến nghị như lái xe hoặc sử dụng bộ sạc ngoài. Không cần điều chỉnh chính xác miễn là REESS hoạt động bình thường;
(c) Mức quá dòng (giả sử có sự cố của thiết bị cung cấp điện DC bên ngoài) và điện áp lớn nhất (trong phạm vi bình thường) mà có thể được áp dụng sẽ được xác định, nếu cần thiết, thông qua thỏa thuận với nhà sản xuất.
IJ.3 Việc kiểm tra quá dòng phải được tiến hành phù hợp với IJ.4 hoặc IJ.5, nếu có thể áp dụng và phù hợp với thông tin của nhà sản xuất.
IJ.4 Quá dòng trong quá trình sạc bằng nguồn điện bên ngoài.
Quy trình thử nghiệm này được áp dụng cho thử nghiệm trên xe đối với các xe có khả năng sạc bằng nguồn điện DC bên ngoài:
(a) Đầu vào của xe sạc DC phải được sử dụng để kết nối thiết bị cấp điện DC bên ngoài. Giao tiếp điều khiển sạc của thiết bị cung cấp điện bên ngoài được thay đổi hoặc vô hiệu hóa để cho phép mức quá dòng được xác định thông qua tư vấn với nhà sản xuất;
(b) Việc sạc REESS bằng thiết bị cấp điện DC bên ngoài phải được bắt đầu để đạt được dòng sạc bình thường cao nhất do nhà sản xuất quy định. Sau đó, dòng sạc được tăng lên trong 5 s từ dòng sạc bình thường cao nhất đến mức quá dòng được xác định theo đoạn 2 (c). Việc sạc sau đó được tiếp tục ở mức quá dòng này;
(c) Việc sạc sẽ chấm dứt khi chức năng bảo vệ quá dòng của xe ngắt dòng sạc REESS hoặc nhiệt độ của REESS ổn định sao cho thay đổi gradient nhiệt độ nhỏ hơn 4 °C trong 2 h.
(d) Ngay sau khi ngừng sạc, sẽ thực hiện một chu trình tiêu chuẩn như mô tả tại Phụ lục I.1 nếu xe không bị hạn chế.
IJ.5 Quá dòng trong khi sạc bằng cách sử dụng giắc kết nối.
Quy trình thử nghiệm này có thể áp dụng cho REESS của các xe có khả năng sạc bằng nguồn điện DC bên ngoài và nhà sản xuất cung cấp thông tin để kết nối Giắc kết nối đến vị trí ngay bên ngoài REESS cho phép sạc REESS:
(a) Giắc kết nối được kết nối với xe hoặc REESS theo quy định của nhà sản xuất;
(b) Thiết bị cấp điện bên ngoài cùng với nguồn cấp quá dòng được nối với giắc kết nối và quá trình sạc của REESS được bắt đầu để đạt được dòng sạc bình thường cao nhất do nhà sản xuất quy định;
(c) Sau đó, dòng sạc được tăng lên trong 5 s từ dòng sạc bình thường cao nhất đến mức quá dòng được xác định theo đoạn 2 (c) ở trên. Việc sạc sau đó được tiếp tục ở mức quá dòng này;
(d) Việc sạc sẽ bị ngắt khi chức năng bảo vệ quá dòng của xe ngắt sạc hoặc nhiệt độ của thiết bị được thử ổn định sao cho thay đổi gradient nhiệt độ dưới 4 °C trong 2 h;
(e) Ngay sau khi ngừng sạc, phải thực hiện một chu trình tiêu chuẩn như mô tả tại Phụ lục I.1 nếu xe không bị hạn chế.
IJ.6 Thử nghiệm phải kết thúc sau khoảng thời gian quan sát là 1 h tại điều kiện nhiệt độ xung quanh tại môi trường thử nghiệm.
MỤC LỤC
Lời nói đầu
1 Phạm vi áp dụng
2 Tài liệu viện dẫn
3 Thuật ngữ và định nghĩa
4 Tài liệu kỹ thuật và xe mẫu để kiểm tra, thử nghiệm
5 Các yêu cầu của xe liên quan đến các yêu cầu riêng cho hệ động lực điện
6 Yêu cầu về an toàn đối với Hệ thống lưu trữ năng lượng có thể sạc lại (REESS)
Phụ lục A (Tham khảo) Thông tin cho hệ động lực điện và thông tin cho hệ thống lưu trữ năng lượng có thể sạc lại (RESS)
Phụ lục A.1 (Quy định) Đặc điểm chính của xe và hệ thống
Phụ lục A.2 (Quy định) Đặc điểm chính của REESS
Phụ lục B (Tham khảo) Bố trí nhãn phê duyệt
Phụ lục C (Quy định) Bảo vệ chống tiếp xúc trực tiếp với các chi tiết có điện áp
Phụ lục D (Quy định) Kiểm tra xác nhận sự cân bằng điện thế
Phụ lục EA (Quy định) Phương pháp đo điện trở cách điện dựa vào thử nghiệm trên xe
Phụ lục EB (Quy định) Phương pháp đo điện trở cách điện đối với đối tượng thử nghiệm là bộ phận của một REESS
Phụ lục F (Quy định) Phương pháp xác nhận chức năng của hệ thống giám sát điện trở cách điện trên xe
Phụ lục GA (Quy định) Phương pháp kiểm tra xác nhận trên cơ sở việc tuân thủ điện trở cách điện của tài liệu thiết kế điện của xe sau khi tiếp xúc với nước
Phụ lục GB (Quy định) Quy trình thử nghiệm trên xe để bảo vệ chống lại tác động của nước
Phụ lục H (Quy định) Xác định phát thải hydro trong các quy trình sạc REESS
Phụ lục H.1 (Quy định) Hiệu chuẩn thiết bị cho thử nghiệm phát thải Hydro
Phụ lục H.2 (Quy định) Đặc tính chính của một họ xe
Phụ lục I (Quy định) Phương pháp thử REESS
Phụ lục I.1 (Quy định) Phương pháp thực hiện một chu trình tiêu chuẩn
Phụ lục I.2 Phương pháp điều chỉnh SOC
Phụ lục IA (Quy định) Thử rung động
Phụ lục IB (Quy định) Sốc nhiệt và chu trình thử nghiệm
Phụ lục IC (Quy định) Thử nghiệm va chạm cơ học
Phụ lục ID (Quy định) Tính toàn vẹn cơ học
Phụ lục IE (Quy định) Tính chịu lửa
Phụ lục IE.1 (Quy định) Kích thước và thông số kỹ thuật của vật liệu chịu lửa
Phụ lục IF (Quy định) Bảo vệ chống ngắn mạch ngoài
Phụ lục IG (Quy định) Bảo vệ sạc quá mức
Phụ lục IH (Quy định) Bảo vệ quá xả
Phụ lục II (Quy định) Bảo vệ quá nhiệt
Phụ lục Jl (Quy định) Bảo vệ quá dòng
Phụ lục H.1
[1] Phân biệt số quốc gia đã cấp/mở rộng/từ chối/thu hồi phê duyệt (xem quy định phê duyệt trong tiêu chuẩn này).
[2] Gạch phần không áp dụng
Bạn chưa Đăng nhập thành viên.
Đây là tiện ích dành cho tài khoản thành viên. Vui lòng Đăng nhập để xem chi tiết. Nếu chưa có tài khoản, vui lòng Đăng ký tại đây!


