- Tổng quan
- Nội dung
- Tiêu chuẩn liên quan
- Lược đồ
- Tải về
Tiêu chuẩn TCVN 12047-6:2017 Xác định H2, He, O2, N2, CO2 trong khí thiên nhiên
| Số hiệu: | TCVN 12047-6:2017 | Loại văn bản: | Tiêu chuẩn Việt Nam |
| Cơ quan ban hành: | Bộ Khoa học và Công nghệ | Lĩnh vực: | Tài nguyên-Môi trường , Công nghiệp |
|
Ngày ban hành:
Ngày ban hành là ngày, tháng, năm văn bản được thông qua hoặc ký ban hành.
|
2017 |
Hiệu lực:
|
Đã biết
|
| Người ký: | Đang cập nhật |
Tình trạng hiệu lực:
Cho biết trạng thái hiệu lực của văn bản đang tra cứu: Chưa áp dụng, Còn hiệu lực, Hết hiệu lực, Hết hiệu lực 1 phần; Đã sửa đổi, Đính chính hay Không còn phù hợp,...
|
Đã biết
|
TÓM TẮT TIÊU CHUẨN VIỆT NAM TCVN 12047-6:2017
Nội dung tóm tắt đang được cập nhật, Quý khách vui lòng quay lại sau!
Tải tiêu chuẩn Việt Nam TCVN 12047-6:2017
TIÊU CHUẨN QUỐC GIA
TCVN 12047-6:2017
ISO 6974-6:2000
KHÍ THIÊN NHIÊN. XÁC ĐỊNH THÀNH PHẦN VÀ ĐỘ KHÔNG ĐẢM BẢO KÈM THEO BẰNG PHƯƠNG PHÁP SẮC KÝ KHÍ. PHẦN 6: XÁC ĐỊNH HYDRO, HELI, OXY, NITƠ, CACBON DIOXIT VÀ CÁC HYDROCACBON C1 ĐẾN C8 SỬ DỤNG BA CỘT MAO QUẢN
Natural gas - Determination of composition and associated uncertainty by gas chromatography - Part 5: Isothermal method for nitrogen, carbon dioxide, C1 to C5 hydrocarbons and C6+ hydrocarbons
Lời nói đầu
TCVN 12047-6:2017 hoàn toàn tương đương với ISO 6974-6:2002.
TCVN 12047-6:2017 do Ban kỹ thuật Tiêu chuẩn quốc gia TCVN/TC193 Sản phẩm khí biên soạn, Tổng cục Tiêu chuẩn Đo lường Chất lượng đề nghị, Bộ Khoa học và Công nghệ công bố.
Bộ TCVN 12047 (ISO 6974) Khí thiên nhiên - Xác định thành phần và độ không đảm bảo kèm theo bằng phương pháp sắc ký khí, bao gồm các tiêu chuẩn sau.
- TCVN 12047-1 (ISO 6974-1), Phần 1: Hướng dẫn chung và tính toán thành phần;
- TCVN 12047-2 (ISO 6974-2), Phần 2: Tính độ không đảm bảo;
- TCVN 12047-3 (ISO 6974-3), Phần 3: Xác định hydro, heli, oxy, nitơ, cacbon dioxit và các hydrocacbon lên đến C8 sử dụng hai cột nhồi;
- TCVN 12047-4 (ISO 6974-4), Phần 4: Xác định nitơ, cacbon dioxit và các hydrocacbon C1 đến C5 và C6+ đối với hệ thống đo phòng thử nghiệm và đo trực tuyến sử dụng hai cột;
- TCVN 12047-5 (ISO 6974-5), Phần 5: Phương pháp đẳng nhiệt đối với nitơ, cacbon dioxit, các hydrocacbon C1 đến C5 và các hydrocacbon C6+
- TCVN 12047-6 (ISO 6974-6), Phần 6: Xác định hydro, heli, oxy, nitơ, cacbon dioxit và các hydrocacbon C1 đến C8 sử dụng ba cột mao quản.
Lời giới thiệu
Tiêu chuẩn này đưa ra phương pháp chính xác và tin cậy để phân tích khí thiên nhiên, cho phép xác định thành phần của khí thiên nhiên. Dữ liệu thành phần nhận được sử dụng để tính nhiệt trị, tỷ khối và chỉ số Wobbe.
Phương pháp này yêu cầu sử dụng ba cột, được đưa vào trong một hoặc hai sắc ký khí.
Do sử dụng công suất tách cao của các cột mao quản, các cấu tử, nói chung không có mặt trong khí thiên nhiên mà trong một vài chất thay thế khí thiên nhiên, cũng có thể sử dụng phương pháp này để phát hiện. Đối với phép phân tích các chất thay thế khí thiên nhiên, cần sử dụng thêm một thiết bị metan hóa.
Tiêu chuẩn này đưa ra một trong những phương pháp có thể được sử dụng để xác định thành phần của khí thiên nhiên theo TCVN 12047-1 (ISO 6974-1) và TCVN 12047-2 (ISO 6974-2).
KHÍ THIÊN NHIÊN - XÁC ĐỊNH THÀNH PHẦN VÀ ĐỘ KHÔNG ĐẢM BẢO KÈM THEO BẰNG PHƯƠNG PHÁP SẮC KÝ KHÍ - PHẦN 6: XÁC ĐỊNH HYDRO, HELI, OXY, NITƠ, CACBON DIOXIT VÀ CÁC HYDROCACBON C1 ĐẾN C8 SỬ DỤNG BA CỘT MAO QUẢN
Natural gas - Determination of composition with defined uncertainty by gas chromatography - Part 6: Determination of hydrogen, helium, oxygen, nitrogen, carbon dioxide and C1 to C8 hydrocarbons using three capillary columns
1 Phạm vi áp dụng
Tiêu chuẩn này quy định phương pháp sắc ký khí sử dụng ba cột mao quản để xác định định lượng hàm lượng của heli, hydro, oxy, nitơ, cacbon dioxit và các hydrocacbon từ C1 đến C8 trong các mẫu khí thiên nhiên. Phương pháp này có thể áp dụng đối với phép phân tích khi có chứa các thành phần trong dải phần mol được nêu trong Bảng 1 và được sử dụng phổ biến trong ứng dụng phòng thử nghiệm. Những dải này không đại diện các giới hạn phát hiện, mà đại diện cho những giới hạn có độ chụm của phương pháp đã công bố áp dụng. Mặc dù một hoặc nhiều cấu tử trong mẫu có thể không phát hiện được, nhưng vẫn có thể áp dụng phương pháp này.
Tiêu chuẩn này được áp dụng cùng với TCVN 12047-1 (ISO 6974-1) và TCVN 12047-2 (ISO 6974-2).
Phương pháp này cũng có thể áp dụng đối với các phép phân tích các chất thay thế khí thiên nhiên.
CHÚ THÍCH: Thông tin bổ sung về khả năng áp dụng của phương pháp này đối với phép xác định các chất thay thế khí thiên nhiên cũng được đề cập đến trong các tài liệu liên quan.
Bảng 1 - Các dải ứng dụng
| Cấu tử | Công thức | Dải phần mol, % | ||
| Heli | He | 0,002 | đến | 0,5 |
| Hydro | H2 | 0,001 | đến | 0,5 |
| Oxy | O2 | 0,007 | đến | 5 |
| Nitơ | N2 | 0,007 | đến | 40 |
| Metan | CH4 | 40 | đến | 100 |
| Cacbon monoxita | CO | 0,001 | đến | 1 |
| Cacbon dioxit | CO2 | 0,001 | đến | 10 |
| Etylen (acetylen) a | C2H2 | 0,001 | đến | 0,5 |
| Eten a | C2H4 | 0,001 | đến | 0,5 |
| Etan | C2H6 | 0,002 | đến | 15 |
| Propen a b | C3H6 | 0,001 | đến | 0,5 |
| Propan b | C3H8 | 0,001 | đến | 5 |
| i-Butan | C4H10 | 0,0001 | đến | 1 |
| n-Butan | C4H10 | 0,0001 | đến | 1 |
| 2,2-Dimetylpropan (neopentan) | C5H12 | 0,0001 | đến | 0,5 |
| 2-metylbutan (i-pentan) | C5H12 | 0,0001 | đến | 0,5 |
| n-Pentan | C5H12 | 0,0001 | đến | 0,5 |
| Cyclopentan | C5H10 | 0,0001 | đến | 0,5 |
| 2,2-Dimetylbutan | C6H14 | 0,0001 | đến | 0,5 |
| 2,3-Dimetylbutan | C6H14 | 0,0001 | đến | 0,5 |
| 2-Metylpentan | C6H14 | 0,0001 | đến | 0,5 |
| 3-Metylpentan | C6H14 | 0,0001 | đến | 0,5 |
| n-Hexan c | C6H14 | 0,0001 | đến | 0,5 |
| Benzen | C6H6 | 0,0001 | đến | 0,5 |
| Cyclohexan | C6H12 | 0,0001 | đến | 0,5 |
| Các heptan c | C7H16 | 0,0001 | đến | 0,5 |
| Metylcyclohexan | C7H14 | 0,0001 | đến | 0,5 |
| Toluen | C7H8 | 0,0001 | đến | 0,5 |
| Các octan d | C8H18 | 0,0001 | đến | 0,5 |
| Các xylen e | C8H10 | 0,0001 | đến | 0,5 |
| CHÚ THÍCH: Phép phân tích có thể được mở rộng trong các điều kiện cụ thể (ví dụ thể tích mẫu lớn hơn) đối với các hydrocacbon nặng hơn C8, nếu các phần mol > 1 µmol/mol. | ||||
| a Các cấu tử này nói chung không có trong khí thiên nhiên, nhưng có trong chất thay thế khí thiên nhiên. b Việc tách propen ra khỏi propen là tới hạn. Phụ thuộc vào cột đang sử dụng việc tách này có thể không đạt được. c Các cấu tử bao gồm: n-heptan, 2-metylheptan, 3-metylhexan, 3-etylpentan, 2,2-dimetylpentan, 2,3- dimetylpentan, 2,4-dimetylpentan, 3,3-dimetylpentan, 2,2,3-trimetylbutan. Không phải tất cả các đồng phân có thể tách được ra khỏi nhau. d Các cấu tử bao gồm: n-octan, 2-metylheptan, 3-metylhexan, 4-metylheptan, dimetylcyclohexan, 2,2- dimetylhexan, 2,3-dimetylhexan, 2,4-dimetylhexan, 2,5-dimetylhexan, 3,3-dimetylhexan, 3,4-dimetylhexan, 2,2,3-trimetylpentan, 2,2,4-trimetylpentan (i-octan), 2,3,3-trimetylpentan, 2,3,4-trimetylpentan, 2,2,3,3-tetrametylbutan. Không phải tất cả các đồng phân có thể tách được ra khỏi nhau. e Các cấu tử bao gồm: o-xylen, m-xylen, p-xylen, m- và p-xylen sẽ không tách được ra khỏi nhau. | ||||
2 Tài liệu viện dẫn
Các tài liệu viện dẫn sau là cần thiết cho việc áp dụng tiêu chuẩn này. Đối với các tài liệu viện dẫn ghi năm công bố thì áp dụng phiên bản được nêu. Đối với các tài liệu viện dẫn không ghi năm công bố thì áp dụng phiên bản mới nhất, bao gồm cả các sửa đổi, bổ sung (nếu có).
TCVN 12047-1:2017 (ISO 6974-1:2012), Khí thiên nhiên - Xác định thành phần và độ không đảm bảo kèm theo bằng phương pháp sắc ký khí - Phần 1: Hướng dẫn chung và tính thành phần
TCVN 12047-2 (ISO 6974-2), Khí thiên nhiên - Xác định thành phần và độ không đảm bảo kèm theo bằng phương pháp sắc ký khí- Phần 2: Tính độ không đảm bảo
ISO 6142, Gas analysis - Preparation of calibration gas mixtures - Gravimetric method (Phân tích khí- Chuẩn bị các hỗn hợp khí hiệu chuẩn - Phương pháp khối lượng)
ISO 6143, Gas analysis - Comparision methods for determining and checking the composition of calibration gas mixtures (Phân tích khí - Phương pháp so sánh để xác định và kiểm tra thành phần của hỗn hợp khí hiệu chuẩn).
ISO 7504, Gas analysis - Vocabulary (Phân tích khí - Từ vựng)
3 Nguyên tắc
3.1 Phân tích các mẫu khí thiên nhiên
Phép xác định hydro, heli, oxy, nitơ, cacbon dioxit và các hydrocacbon từ C1 đến C8 bằng sắc ký khí sử dụng ba cột mao quản. Sử dụng tiền cột PLOT1) để tách cacbon dioxit (CO2) và etan (C2H6).
Cột rây phân tử PLOT được sử dụng để tách các khí thường trực heli (He), hydro (H2), oxy (O2) và nitơ (N2) và metan (CH4).
Cột màng dày WCOT2) được phủ pha không phân cực được sử dụng để tách các hydrocacbon C3 đến C8 (và nặng hơn).
Các khí thường trực heli (He), hydro (H2), oxy (O2) và nitơ (N2) và metan (CH4) được phát hiện bởi detector dẫn nhiệt (TCD). Các hydrocacbon C2 đến C8 được phát hiện bởi detector ion hóa ngọn lửa (FID).
3.2 Phân tích các chất thay thế khí thiên nhiên
Cacbon monoxit (CO) và cacbon dioxit (CO2) được phát hiện sử dụng FID sau khi khử các cấu tử về CH4 bằng quá trình metan hóa. Sử dụng bộ metan hóa, có thể phát hiện CO và CO2 tại phần mol lớn hơn 0,001 %. Nếu các mẫu không gồm CO hoặc CO2 hoặc nếu phần mol CO và/hoặc CO2 vượt quá 0,02 %, thì không cần bộ metan hóa. CO và CO2 khi đó có thể được phát hiện theo cách khác bằng TCD.
Khi phân tích các chất thay thế khí thiên nhiên, cột PLOT được mô tả trong 3.1 cũng có thể được sử dụng để tách etyn (C2H2) và eten (C2H4) và cột rây phân tử PLOT cũng có thể được sử dụng để phân tích cacbon monoxit (CO).
4 Vật liệu
4.1 Khí mang
4.1.1 Argon (Ar), độ tinh khiết ≥ 99,999 %, không có oxy và nước.
4.1.2 Nitơ (N2), độ tinh khiết ≥ 99,999 % hoặc heli (He) độ tinh khiết ≥ 99,999 %.
4.2 Khí phụ trợ
4.2.1 Cho phát hiện bằng FID:
4.2.1.1 Nitơ (N2) hoặc heli (He) độ tinh khiết ≥ 99,999 %.
4.2.1.2 Không khí, không có các tạp chất hydrocacbon, nghĩa là phần mol của các hydrocacbon < 1 x 10-4%.
4.2.1.3 Hydro (H2), độ tinh khiết ≥ 99,999 %, không có các khí ăn mòn và các hợp chất hữu cơ.
4.2.2 Cho bộ metan hóa (tùy chọn), khi phân tích các chất thay thế khí thiên nhiên:
4.2.2.1 Hydro (H2), độ tinh khiết ≥ 99,999 % (cũng có thể được sử dụng để điều chế khí).
4.2.2.2 Không khí nén sử dụng trong phòng thử nghiệm, để vận hành van khí nén.
4.3 Vật liệu chuẩn
4.3.1 Hỗn hợp khí chuẩn-công tác (WRM), thành phần của hỗn hợp phải được lựa chọn tương tự với thành phần dự kiến của mẫu.
Các phần mol của các cấu tử không được chênh lệch nhiều hơn độ lệch tương đối được công bố trong Bảng 2.
Một chai chứa khí thiên nhiên đã được phân loại, có chứa tất cả các thành phần được đo bằng phương pháp này cũng có thể được sử dụng như là WRM. Chuẩn bị WRM theo ISO 6142 và có chứng chỉ phù hợp với ISO 6143. WRM có chứa ít nhất là nitơ, cacbon dioxit, metan, etan, propan, i-butan, n-butan. Trong trường hợp xác định gián tiếp, hỗn hợp khí chuẩn công tác phải chứa cấu tử chuẩn có nồng độ bằng dải nồng độ dự kiến. Bởi vậy cần thiết phải sử dụng nhiều mẫu WRM.
Bảng 2 - Độ lệch tương đối giữa mẫu và WRM
| Mẫu, phần mol (%) | WRM, độ lệch tương đối (%) |
| 0,001 đến 0,1 | ± 100 |
| 0,1 đến 1 | ± 50 |
| 1 đến 10 | ± 10 |
| 10 đến 50 | ± 5 |
| 50 đến 100 | ± 3 |
4.3.2 Các khí thử nghiệm tính năng.
4.3.2.1 Đối với vận hành thiết bị metan hóa (tùy chọn), bao gồm phân số thể tích từ 0,001 % đến 0,02 % từng chất CH4, CO và CO2 trong heli, để sử dụng khi phân tích các chất thay thế khí thiên nhiên.
4.3.2.2 Khí chứa benzen và cyclohexan, để sử dụng trong kiểm tra xác nhận độ phân giải pic.
4.3.2.3 Khí chứa hydro và heli, để sử dụng trong kiểm tra xác nhận độ phân giải pic.
5 Thiết bị, dụng cụ
5.1 Hệ thống sắc ký khí, bao gồm các bộ phận sau đây:
5.1.1 Hai lò cột, để vận hành chương trình nhiệt độ, có khả năng đưa ra một gradient nhiệt độ tuyến tính nhất định (xem Bảng 3).
Các cột có thể hoặc được lắp đặt trong sắc ký khí hai lò hoặc trong hai thiết bị riêng biệt. Thiết bị phân tích nên có khả năng kiểm soát độc lập các nhiệt độ của cả hai lò cột.
5.1.1.1 Thiết bị lò 1, có chứa tiền cột PLOT và cột rây phân tử (xem Hình 1, 2 và 3).
Thiết bị 1 có thể được trang bị tùy chọn với lò cột để vận hành đẳng nhiệt cho dải nhiệt độ từ 40 °C đến 140 °C và có khả năng duy trì nhiệt độ chính xác ± 0,1 °C tại điểm bất kỳ bên trong khoang lò.
5.1.1.2 Thiết bị lò 2, có chứa cột WCOT.

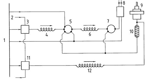
CHÚ DẪN:
1 tiền cột PLOT
2 cột rây phân tử PLOT
3 TCD
4 thiết bị metan hóa
5 FID
Hình 1 - Biểu đồ về cấu hình cột tại thời điểm bơm mẫu

CHÚ DẪN:
1 tiền cột PLOT
2 cột rây phân tử PLOT
3 TCD
4 thiết bị metan hóa
5 FID
Hình 2 - Biểu đồ về cấu hình cột đối với phép xác định CO2 và C2

CHÚ DẪN:
1 tiền cột PLOT
2 cột rây phân tử PLOT
3 TCD
4 metan hóa
5 FID
Hình 3 - Biểu đồ về cấu hình cột đối với phép xác định CO và thổi ngược các hydrocacbon C3+
5.1.2 Bộ điều chỉnh dòng, cho các tốc độ dòng thích hợp đối với các cột mao quản.
5.1.3 Van lấy mẫu khí (GSV), duy trì tại nhiệt độ không đổi chính xác đến ± 0,5 °C.
Các thể tích vòng mẫu khoảng 0,25 mL có thể được sử dụng kết nối với các dụng cụ chia mao quản. Ngoài ra, các van micro có các vòng mẫu bên trong có thể được sử dụng không có dụng cụ chia.
5.1.4 Hệ thống không van hoặc hệ thống chuyển đổi cột micro van, thích hợp cho thổi ngược.
Các ví dụ về các cấu hình khả thi của hệ thống chuyển cột được trình bày trong Hình 4 và Hình 5.
5.1.5 Detector dẫn nhiệt (TCD) và detector ion hóa ngọn lửa (FID), có hằng số thời gian và thể tích bên trong thích hợp để vận hành với các cột mao quản. Đối với các phép phân tích được thực hiện trên hai sắc ký khí riêng rẽ, các thiết bị phải được trang bị như sau:
5.1.5.1 Detector thiết bị 1: TCD và FID
5.1.5.2 Detector thiết bị 2: một FID bổ sung
5.1.6 Hệ thống thu thập dữ liệu, có độ phân giải thích hợp và hằng số thời gian, có khả năng ghi tự động các phép phân tích.
5.1.7 Thiết bị metan hóa (tùy chọn), để khử xúc tác trực tuyến cacbon monoxit (CO) và cacbon dioxit (CO2) thành CH4 khi phân tích các chất thay thế khí thiên nhiên.
Các cấu tử này sau đó có thể được phát hiện độ nhạy bởi FID. Không yêu cầu metan hóa nếu mẫu không chứa CO.
Nếu không lắp đặt thiết bị metan hóa, CO2 và C2H6 được phát hiện khi sử dụng cuvet chuẩn của TCD (Hình 5), do vậy cho các pic đảo ngược (âm) đối với các cấu tử này. Tất cả các cấu tử khác được thổi ngược từ tiền cột.
Xác định hiệu suất chuyển đổi của thiết bị metan hóa (xúc tác niken) bằng cách bơm mẫu thử có chứa lượng đã biết (phân số thể tích 0,001 % đến 0,02 %) của metan, cacbon monoxit và cacbon dioxit. Nếu cần, điều chỉnh nhiệt độ xúc tác để tối ưu hóa hiệu suất chuyển đổi và cân đối pic. Cũng điều chỉnh dòng H2 để tối ưu hóa độ nhạy. Trong các điều kiện vận hành tối ưu hóa thiết bị metan hóa có hiệu suất chuyển đổi gần như bằng 100 %. Nên xác định độ ổn định của thiết bị metan hóa.
Các lượng nhỏ của H2S và các hợp chất lưu huỳnh khác có thể có tiếp cận đến thiết bị metan hóa ngay lập tức làm mất hoạt tính của nền xúc tác. Vì lý do này H2S phải được cắt đứt bằng cách chuyển đổi cột phù hợp. Xúc tác ngộ độc được nhận dạng bằng đoạn bắt đầu của phần đuôi của cả hai pic CO và CO2.
Khuyến nghị kiểm tra xác nhận định kỳ về việc không có rò rỉ. Điều này có thể được thực hiện bằng cách kiểm tra xác nhận rằng việc bơm khí mang không dẫn đến bất kỳ pic nào của nitơ hoặc oxy.
5.2 Cột mao quản, bao gồm các thành phần dưới đây:
5.2.1 Tiền cột mao quản silica nung chảy PLOT, để tách không khí, CO2, C2H2, C2H4, C2H6 và C3H8.
Độ phân giải đủ giữa CH4 và CO2 được yêu cầu để cho phép chuyển đổi cột.
Khuyến nghị cột PoraPLOT U3) kích thước dài 25 m, đường kính trong 0,53 mm, có độ dày pha 20 µm, vì nó phù hợp tốt cho việc tách các cấu tử này.
5.2.2 Cột mao quản rây phân tử silica nóng chảy PLOT để tách He, H2, O2, N2, CH4 và CO.
Thử nghiệm hiệu suất tách của cột này bằng cách bơm mẫu thử của H2 với phần mol 4 % và có He với phần mol 0,05 %. Hiệu quả tách nên cần để định lượng cả hai cấu tử và phải đáp ứng yêu cầu độ phân giải pic được nêu trong 7.1.
Khuyến nghị dùng cột rây phân tử 5 A kích thước dài 25 m, đường kính trong 0,53 mm, có độ dày pha 50 µm.
5.2.3 Cột mao quản silica nóng chảy WCOT không phân cực để tách các hydrocacbon từ C3 đến C8
Hiệu quả tách của cột này là đủ nếu sự phân giải pic giữa benzen và cyclobenzen phù hợp với yêu cầu tính năng dẫn ra trong 7.1.
Khuyến nghị dùng cột mao quản metyl Silicon kích thước dài 50 mm, đường kính trong 0,32 mm, độ dày pha 5µm.
Những cột tách khác cũng có thể được sử dụng nếu có hiệu quả tách tương đương.
6 Cách tiến hành
6.1 Điều kiện vận hành
6.1.1 Máy sắc ký khí
Thiết lập máy sắc ký khí (lắp cột, tốc độ dòng khí mang và khí bổ trợ, lập trình lò, nhiệt độ detector và bộ phận bơm mẫu, chương trình chuyển đổi van) theo hướng dẫn của nhà sản xuất. Ví dụ về các điều kiện sắc ký khí được nêu trong Bảng 3. Những điều kiện này có mục đích tham khảo và có thể điều chỉnh cho ứng dụng cụ thể.

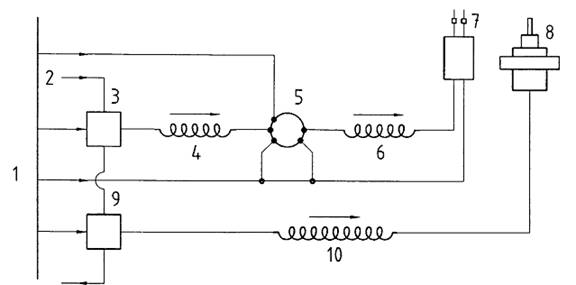
CHÚ DẪN:
| 1 | khí mang | 7 | van 2 |
| 2 | mẫu | 8 | TCD |
| 3 | van mẫu khí 1 | 9 | FID |
| 4 | tiền cột PLOT | 10 | Thiết bị metan hóa |
| 5 | van 1 | 11 | Van mẫu khí 2 |
| 6 | cột rây phân tử PLOT | 12 | Cột WCOT |
Hình 4 - Biểu đồ sắc ký khí sử dụng thiết bị metan hóa để khử CO (van micro 8 cổng với hệ thống chuyển đổi trực tuyến và thiết bị metan hóa)

CHÚ DẪN:
| 1 | khí mang | 6 | cột rây phân tử PLOT |
| 2 | mẫu | 7 | TCD |
| 3 | van mẫu khí 1 | 8 | FID |
| 4 | tiền cột PLOT | 9 | Van mẫu khí 2 |
| 5 | van 1 | 10 | Cột WCOT |
Hình 4 - Biểu đồ máy sắc ký khí không có thiết bị metan hóa (van micro 8 cổng với hệ thống chuyển đổi trực tuyến)
6.1.2 Luyện cột
Một loại vật liệu rây phân tử hấp phụ mạnh các vết nước, là nguyên nhân gây nên sự phân tách pha kém. Do vậy, đặc biệt nếu việc phân tách được thực hiện ở chế độ đẳng nhiệt, thì việc thường xuyên luyện các cột PLOT như đã quy định bởi nhà sản xuất cột được khuyến nghị mạnh mẽ. Nếu lò cột có khả năng thay đổi nhiệt độ, thì nên có một bước tăng nhiệt độ trong quá trình luyện cột tại cuối mỗi lần luyện cột.
Sự tăng nhiệt độ này cũng tạo ra một pic có sắc nét hơn khi phân tích các chất thay thế khí thiên nhiên.
Nhiệt độ vận hành lớn nhất của thiết bị 1 được giới hạn bởi các quy định kỹ thuật của nhà sản xuất tiền cột PoraPLOT.
Bảng 3 - Ví dụ về các điều kiện sắc ký khí
| Sắc ký khí | Thiết bị 1 | Thiết bị 2 | |
| Cột |
|
|
|
| Pha | PoraPLOT Ua | Rây phân tử 5 Aa | Metyl Silicon |
| Chiều dài (m) | 25 | 50 | 50 |
| Đường kính trong (mm) | 0,53 | 0,53 | 0,32 |
| Độ dày pha (µm) | 20 | 50 | 5 |
| Nhiệt độ lớn nhất (°C) | 190 | 300 | 320 |
| Khí mang (độ tinh khiết) | Ar (99,999 %) | Ar (99,999 %) | N2 (99,999 %) |
| Tốc độ dòng (mL/min) | 4 | - | 0,6 |
| Chương trình lò |
|
| |
| Nhiệt độ bắt đầu (°C) | 30 | 35 | |
| Thời gian khởi đầu (min) | 31 | 12 | |
| Tốc độ gia nhiệt (°C/min) | 12 | 8 | |
| Nhiệt độ cuối cùng | 120 | 240 | |
| Thời gian kết thúc | 10 | 6 | |
| Detector |
|
|
|
| Loại detector | TCD | FID | FID |
| Nhiệt độ (°C) | 140 | 240 | 280 |
| Lưu lượng khí bù (mL/min) | 1,5 | 0 | 30 |
| đến buồng đối chứng | 16 | - | - |
| đến thiết bị metan hóa |
| 35 | - |
| Bộ phận bơm mẫu |
|
|
|
| Van | 0,25 mL | - | 0,25 mL |
| Lưu lượng tách dòng (mL/min) | 0 | - | 40 |
| Thiết bị metal hóa (tùy chọn) | - | Xúc tác niken | - |
| Nhiệt độ | - | 375 | - |
| a Cột rây phân tử và cột PoraPLOT U phải được luyện riêng vì các nhiệt độ luyện khác nhau. | |||
6.1.3 Nạp mẫu
Nạp mẫu bằng một phương pháp xác định và lặp lại vào cả hai van lấy mẫu khí (xem Hình 4). Đảm bảo rằng các van lấy mẫu và vòng mẫu (loop) phải được duy trì tại một nhiệt độ không đổi, tại đó không xảy ra sự ngưng tụ các cấu tử mẫu.
Sử dụng thể tích làm sạch vượt quá ít nhất 20 lần thể tích của các van, vòng và các đường khí kèm theo. Việc làm sạch các van và vòng mẫu không đủ dẫn đến các ảnh hưởng lưu giữ từ các mẫu trước hoặc trong pha loãng thể tích mẫu với không khí.
Trước khi bơm, để các mẫu đến áp suất môi trường.
Nếu sử dụng máy sắc ký khí lò đôi, làm chậm thời gian chuyển đổi của van mẫu khí 2 (xem Hình 4) theo thời gian chuyển đổi của van mẫu khí 1, vì để trì hoãn pic thứ nhất (CH4) từ việc rửa giải từ tiền cột PLOT. Điều này sẽ ngăn ngừa CH4 che các cấu tử khác rửa giải từ tiền cột PLOT, đó là CO2, C2H2, C2H4 và C2H6 trong sắc ký đồ. Tuy nhiên, phải đảm bảo việc hoãn này không ảnh hưởng xấu đến sự tích phân mẫu (pha loãng bởi không khí lọt vào)
Kiểm soát thời gian thổi sạch và tốc độ dòng mẫu trong suốt quá trình nạp mẫu. Sự cân bằng áp suất kiểm soát có thể được thực hiện bằng cách chờ thời gian kiểm soát chính xác sau khi thổi sạch hoặc theo dõi áp suất bên trong vòng mẫu.
6.2 Các yêu cầu tính năng
6.2.1 Đánh giá tính năng cột
Thử nghiệm độ phân giải pic như một phần của chu kỳ phân tích thường xuyên.
Đối với từng cấu tử được định lượng một cách độc lập, độ phân giải giữa các pic liền nhau phải vượt quá 1,5. Xác định độ phân giải pic như được quy định trong ISO 7504. Nếu độ phân giải yêu cầu không đạt được, các cấu tử cụ thể này không định lượng được và phải báo cáo độc lập.
Độ phân giải pic điển hình được nêu trong Bảng 4.
Bảng 4 - Độ phân giải pic điển hình
| Cấu tử 1 | Cấu tử 2 | Độ phân giải |
| Metan (CH4) | Cacbon dioxit (CO2) | 18,8 |
| Hydro (H2) | Heli (He) | 5,5 |
| Benzen (C6H6) | Cyclohexan (C6H12) | 5,6 |
| Propen (C3H8) | Propan (C3H8) | 0,7 |
6.2.2 Các hệ số đáp ứng tương đối
Xác định các hệ số đáp ứng tương đối theo TCVN 12047-2 (ISO 6974-2).
6.2.3 Các đặc tính đáp ứng
Các đặc tính đáp ứng được xác định theo TCVN 12047-2 (ISO 6974-2) ít nhất mỗi năm một lần.
6.3 Phép xác định
6.3.1 Các cấu tử He, H2, O2, N2, CH4, CO, CO2, C2H2, C2H4 và C32H6
Xem các Hình 1, 2 và 3 về sự sắp xếp cột của thiết bị 1 tại các giai đoạn khác nhau của phép phân tích.
Nạp mẫu vào tiền cột PLOT, trong đó các khí thường xuyên, CO và CH4 có lưu giữ ít trên tiền cột và do vậy được tách khỏi C2 và các hydrocacbon cao hơn. Chuyển các cấu tử rửa giải sớm, nghĩa là He, H2, O2, N2, CH4 và CO sang cột rây phân tử để tách. Sử dụng TCD để phát hiện các khí thường xuyên và CH4. Để phát hiện CO, rửa giải cuối cùng từ cột rây phân tử, chuyển đổi cột in-line sang thiết bị metan hóa-FID
Tách tiếp CO2 và các hydrocacbon, không được chuyển sang cột rây phân tử, sử dụng tiền cột PLOT, sau đó phát hiện chúng bằng thiết bị metan hóa- FID. Sau khi C2H6 đã được rửa giải, thổi ngược phẩn C3+ sang lỗ thoát ra ngoài. Các ví dụ về sắc ký đồ điển hình được nêu trong Hình 6 và 7.
Việc tách có thể đạt được trên cả hai cột rây phân tử và tiền cột theo chế độ đẳng nhiệt (xem 6.5).
Hydro và heli cũng có thể được xác định gián tiếp mặc dù vấn đề việc lựa chọn hệ số đáp ứng thích hợp cho TCD được công nhận là tốt. Nói chung, nitơ (N2) có thể được sử dụng làm cấu tử chuẩn.
Vì TCD cho đáp ứng kém đối với cacbon monoxit khi sử dụng argon làm khí mang, nên sử dụng FID để xác định CO tại phần mol < 0,2 %. Đối với mục đích này, CO được qua trực tiếp van 2 vào thiết bị metan hóa và FID.
6.3.2 Các hydrocacbon và cao hơn
Nối cột metyl Silicon WCOT trực tiếp với van mẫu khí của nó và FID (xem Hình 5). Tiến hành tách sử dụng chương trình nhiệt độ thích hợp (ví dụ 35 °C đến 240 °C tại tốc độ 8 °C/min). Sử dụng butan làm cấu tử chuẩn để xác định các pentan và các hydrocacbon cao hơn.
Điều chỉnh tốc độ gia nhiệt của chương trình nhiệt độ, sao cho tách CO khỏi các pic khác trong sắc ký đồ FID.
6.3.3 Sự phát hiện
6.3.3.1 TCD
Sử dụng TCD để phát hiện He, H2, O2, N2 và CH4.
CO có thể được phát hiện tại các phần mol > 0,2 % và CO2 tại các phần mol > 0,02 %.
6.3.3.2 FID
Nối FID với hai cột bằng cách lắp ráp.
Sử dụng FID để phát hiện C2H2, C2H4 và C2H6 rửa giải từ tiền cột PoraPLOT U và tất cả các hydrocacbon ở trên C3H6 rửa giải từ cột mao quản metyl silicon WCOT.
Khí phân tích các chất thay thế khí thiên nhiên, sử dụng FID cũng để phát hiện CO2 (sau khi khử về CH4 trong thiết bị metan hóa), C2H2 và C2H4 rửa giải từ tiền cột PoraPLOT U và CO (sau khi khử về CH4 trong thiết bị metan hóa).
Các pic kết quả từ CH4, C2H2, C2H4 và C2H6 là chỉ trong phần đã tách trên cột metyl silicon WCOT, không phù hợp để định lượng.
6.3.4 Thu thập dữ liệu
Bắt đầu thu thập dữ liệu cho cả hai kênh detector đồng thời tại thời điểm bơm đầu tiên.

CHÚ DẪN:
| 1 | heli | 4 | nitơ |
| 2 | hydro | 5 | metan |
| 3 | oxy |
|
|
Hình 6 - Sắc đồ phân tích của heli, hydro, oxy, nitơ và metan trên cột rây phân tử 5A

CHÚ DẪN
| 1 | Carbon dioxide |
| 2 | Ethene |
| 3 | Ethyne |
| 4 | Ethane |
| 5 | Carbon monoxide |
| 6 | Methane |
| 7 | Ethane (ethene, ethyne) |
| 8 | Propene |
| 9 | Propane |
| 10 | i-Butane |
| 11 | n-Butane |
| 12 | neo-Pentane |
| 13 | i-Pentane |
| 14 | n-Pentane |
| 15 | 2,2-Dimethyl butane |
| 16 | 2-Melhylpentane, 2,3-dimethytbutane and cyclopentane |
| 17 | 3-Methylpentane |
| 18 | n-Hexane |
| 19 | Benzene |
| 20 | Cyclohexane |
| 21 | n-Heptane |
| 22 | Toluene |
| 23 | n-Octane |
| 24 | Xylenes |
Hình 7 - Sắc đồ phân tích của CO2 và các cấu tử C1 đến C8 trên cột PoraPLOT U, WCOT và rây phân tử
7 Tính toán
Tính toán các phần mol của các cấu tử theo TCVN 12047-1 (ISO 6974-1).
8 Độ chụm
Các giá trị điển hình đối với độ chụm có thể đạt được với phương pháp này được trình bày trong Phụ lục A.
9 Báo cáo thử nghiệm
Báo cáo kết quả theo Điều 14 của TCVN 12047-1 (ISO 6974-1).
Phụ lục A
(Tham khảo)
Các giá trị độ chụm điển hình
Các giá trị độ chụm điển hình được nêu trong Bảng A.1. Các giá trị này đã nhận được từ trải nghiệm thực tế và chỉ số về tính năng của phương pháp. Như vậy chúng không thể so sánh được như với các giá trị độ chụm được đề cập trong các phụ lục tham khảo của các phần khác TCVN 12047 (ISO 6974) vì chúng phụ thuộc vào chất lượng của các khí hiệu chuẩn và kỹ năng phòng thử nghiệm.
Bảng A.1 - Độ lặp lại và độ tái lập của các kết quả đo
| Mẫu x dải nồng độ | Độ lặp lại | Độ tái lập | ||
| Phần mol x | Phần mol tuyệt đối (%) | Tương đối % | Phần mol tuyệt đối (%) | Tương đối % |
| x < 0,1 | 0,002 | - | 0,002 | - |
| 0,1 < x ≤ 1 | - | 2 | - | 4 |
| 1 < x ≤ 50 | - | 0,8 | - | 1,6 |
| 50 < x ≤ 100 | - | 0,08 | - | 0,16 |
Thư mục tài liệu tham khảo
[1] TCVN 12047-3 (ISO 6974-3), Khí thiên nhiên - Xác định thành phần và độ không đảm bảo kèm theo bằng phương pháp sắc ký khí - Phần 3: Xác định hydro, heli, oxy, nitơ, cacbon dioxit và các hydrocacbon lên đến C8 sử dụng hai cột nhồi
[2] TCVN 12047-4 (ISO 6974-4), Khí thiên nhiên - Xác định thành phần và độ không đảm bảo kèm theo bằng phương pháp sắc ký khí - Phần 4: Xác định nitơ, cacbon dioxit và các hydrocacbon C1 đến C5 và C6+ trong hệ thống đo phòng thử nghiệm và đo trực tuyến sử dụng hai cột
[3] TCVN 12047-5 (ISO 6974-5), Khí thiên nhiên - Xác định thành phần và độ không đảm bảo kèm theo bằng phương pháp sắc ký khí- Phần 5: Xác định nitơ, cacbon dioxit và các hydrocacbon C1 đến C5 và C6+ trong phòng thử nghiệm và hệ thống đo trực tuyến sử dụng ba cột
[4] ISO 6976, Natural gas - Calculation of calorific values, density, relative density and Wobbe index from composition (Khí thiên nhiên - Tính nhiệt trị, khối lượng riêng, tỷ khối và chỉ số Wobbe từ thành phần)
[5] ISO 10715, Natural gas - Sampling guidelines (Khí thiên nhiên - Hướng dẫn lấy mẫu)
[6] ISO 10723, Natural gas - Performance evaluation for analytical systems (Khí thiên nhiên - Đánh giá tính năng đối với hệ thống phân tích)
1) dạng ống hở có lớp xốp
2) dạng ống hở có thành được phủ
3) Cột dạng ống lớp xốp (PLOT) được nhồi Porapak U.Porapak U là một ví dụ về sản phẩm thích hợp có sẵn trên thị trường. Đây là thông tin được nêu ra để thuận lợi cho người sử dụng tiêu chuẩn này và không chỉ định lời xác nhận của tiêu chuẩn cho sản phẩm này.
Bạn chưa Đăng nhập thành viên.
Đây là tiện ích dành cho tài khoản thành viên. Vui lòng Đăng nhập để xem chi tiết. Nếu chưa có tài khoản, vui lòng Đăng ký tại đây!