- Tổng quan
- Nội dung
- Tiêu chuẩn liên quan
- Lược đồ
- Tải về
Tiêu chuẩn TCVN 12005-10:2017 Đánh giá độ ăn mòn dạng sợi lớp phủ sơn, vecni
| Số hiệu: | TCVN 12005-10:2017 | Loại văn bản: | Tiêu chuẩn Việt Nam |
| Cơ quan ban hành: | Bộ Khoa học và Công nghệ | Lĩnh vực: | Xây dựng , Công nghiệp |
|
Ngày ban hành:
Ngày ban hành là ngày, tháng, năm văn bản được thông qua hoặc ký ban hành.
|
2017 |
Hiệu lực:
|
Đã biết
|
| Người ký: | Đang cập nhật |
Tình trạng hiệu lực:
Cho biết trạng thái hiệu lực của văn bản đang tra cứu: Chưa áp dụng, Còn hiệu lực, Hết hiệu lực, Hết hiệu lực 1 phần; Đã sửa đổi, Đính chính hay Không còn phù hợp,...
|
Đã biết
|
TÓM TẮT TIÊU CHUẨN VIỆT NAM TCVN 12005-10:2017
Nội dung tóm tắt đang được cập nhật, Quý khách vui lòng quay lại sau!
Tải tiêu chuẩn Việt Nam TCVN 12005-10:2017
TIÊU CHUẨN QUỐC GIA
TCVN 12005-10:2017
ISO 4628-10:2016
SƠN VÀ VECNI - ĐÁNH GIÁ SỰ SUY BIẾN CỦA LỚP PHỦ - KÝ HIỆU SỐ LƯỢNG, KÍCH CỠ CỦA KHUYẾT TẬT VÀ MỨC BIẾN ĐỔI ĐỒNG NHẤT VỀ NGOẠI QUAN - PHẦN 10: ĐÁNH GIÁ ĐỘ ĂN MÒN DẠNG SỢI
Paints and varnishes - Evaluation of degradation of coatings - Designation of quantity and size of defects, and of intensity of uniform changes in appearance - Part 10: Assessment of degree of filiform corrosion
Lời nói đầu
TCVN 12005-10:2017 hoàn toàn tương đương ISO 4628-10:2016.
TCVN 12005-10:2017 do Ban kỹ thuật tiêu chuẩn quốc gia TCVN/TC35 Sơn và vecni biên soạn, Tổng cục Tiêu chuẩn Đo lường Chất lượng đề nghị, Bộ Khoa học và Công nghệ công bố.
Bộ TCVN 12005 (ISO 4628), Sơn và vecni - Đánh giá sự suy biến của lớp phủ - Ký hiệu số lượng, kích cỡ của khuyết tật và mức biến đổi đồng nhất về ngoại quan, bao gồm các tiêu chuẩn sau:
- TCVN 12005-1:2017 (ISO 4628-1:2016), Phần 1: Giới thiệu chung và hệ thống ký hiệu
- TCVN 12005-2:2017 (ISO 4628-2:2016), Phần 2: Đánh giá độ phồng rộp
- TCVN 12005-3:2017 (ISO 4628-3:2016), Phần 3: Đánh giá độ gỉ
- TCVN 12005-4:2017 (ISO 4628-4:2016), Phần 4: Đánh giá độ rạn nứt
- TCVN 12005-5:2017 (ISO 4628-5:2016), Phần 5: Đánh giá độ bong tróc
- TCVN 12005-6:2017 (ISO 4628-6:2011), Phần 6: Đánh giá độ phấn hóa bằng phương pháp băng dính
- TCVN 12005-7:2017 (ISO 4628-7:2016), Phần 7: Đánh giá độ phấn hóa bằng phương pháp vải nhung
- TCVN 12005-8:2017 (ISO 4628-8:2012), Phần 8: Đánh giá độ tách lớp và độ ăn mòn xung quanh vết khía hoặc khuyết tật nhân tạo khác
- TCVN 12005-10:2017 (ISO 4628-10:2016), Phần 10: Đánh giá độ ăn mòn dạng sợi
SƠN VÀ VECNI - ĐÁNH GIÁ SỰ SUY BIẾN CỦA LỚP PHỦ - KÝ HIỆU SỐ LƯỢNG, KÍCH CỠ CỦA KHUYẾT TẬT VÀ MỨC BIẾN ĐỔI ĐỒNG NHẤT VỀ NGOẠI QUAN - PHẦN 10: ĐÁNH GIÁ ĐỘ ĂN MÒN DẠNG SỢI
Paints and varnishes - Evaluation of degradation of coatings - Designation of quantity and size of defects, and of intensity of uniform changes in appearance - Part 10: Assessment of degree of filiform corrosion
1 Phạm vi áp dụng
Tiêu chuẩn này quy định phương pháp đánh giá số lượng ăn mòn dạng sợi phát triển từ vết được khía bằng cách đo chiều dài của sợi dài nhất L và chiều dài của các sợi thường gặp nhất M.
Các ví dụ bằng hình ảnh được nêu trong Phụ lục A của tiêu chuẩn này minh họa các xếp hạng khác nhau đối với độ dài của sợi dài nhất L và chiều dài của các sợi thường gặp nhất M. Việc so sánh các tấm thử với 12 hình ảnh trong Phụ lục A không thay thế việc đánh giá bằng số bắt buộc (phương pháp 1 hoặc 2).
TCVN 12005-1 (ISO 4628-1) xác định hệ thống được sử dụng để ký hiệu số lượng, kích cỡ của các khuyết tật, mức biến đổi về ngoại quan của lớp phủ và trình bày những nguyên tắc chung của hệ thống. Hệ thống này đặc biệt được sử dụng đối với các khuyết tật gây ra bởi già hóa, phong hóa và đối với những biến đổi đồng nhất như biến đổi về màu sắc, ví dụ ngả vàng.
2 Tài liệu viện dẫn
Các tài liệu viện dẫn sau đây là cần thiết đề áp dụng tiêu chuẩn này. Đối với các tài liệu viện dẫn ghi năm công bố thì áp dụng bản được nêu. Đối với các tài liệu viện dẫn không ghi năm công bố thì áp dụng phiên bản mới nhất, bao gồm cả các sửa đổi, bổ sung (nếu có).
ISO 13076, Paints and varnishes - Lighting and procedure for visual assessments of coatings (Sơn và vecni - Chiếu sáng và quy trình đánh giá trực quan đối với lớp phủ)
3 Thuật ngữ và định nghĩa
Trong tiêu chuẩn này áp dụng các thuật ngữ và định nghĩa sau đây.
3.1
Ăn mòn dạng sợi (filiform corrosion)
Loại ăn mòn tiến triển dưới lớp phủ của sơn, vecni hoặc sản phẩm liên quan, có dạng như sợi chỉ, thường bắt đầu từ các mép lộ ra hoặc từ nơi hư hại cục bộ của lớp phủ
CHÚ THÍCH 1: Thông thường các mạch gỉ không đồng đều về chiều dài và hướng tiến triển, nhưng chúng cũng có thể gần như song song và có chiều dài xấp xỉ nhau.
CHÚ THÍCH 2: Ăn mòn dạng sợi cũng có thể xuất hiện dưới các lớp phủ bảo vệ khác.
CHÚ THÍCH 3: Thông thường các mạch gỉ theo hướng đùn của nền kim loại, không bắt chéo nhau và cần được bắt đầu bởi các ion hoạt hóa.
[Nguồn: ISO 4623-1:2000, 3.1, sửa đổi - Bổ sung Chú thích 3; ISO 4623-2:2003, 3.1, sửa đổi - Các chú thích được đánh số).
4 Đánh giá
4.1 Tổng quan
Thực hiện việc đánh giá dưới điều kiện ánh sáng tốt theo quy định trong ISO 13076.
4.2 Phương pháp 1
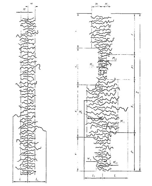
Áp dụng phương pháp này khi có sự ăn mòn đều [xem Hình 1 a)].
Phương pháp bao gồm:
- đo các khoảng cách lớn nhất L1 và Lr, tính bằng milimet, từ vết khía tương ứng đến điểm mà ăn mòn dạng sợi phát triển đến phía bên trái và phía bên phải [xem Hình 1a)], để tính chiều dài của sợi dài nhất L, là giá trị trung bình của L1 và Lr
- đo các khoảng cách M1 và Mr, tính bằng milimet, tương ứng từ phần lớn các sợi phía bên trái và phía bên phải phát triển đến vết khía [xem Hình 1a)], để tính chiều dài M của sợi thường gặp nhất, là giá trị trung bình của M1 và Mr.
4.3 Phương pháp 2
Áp dụng phương pháp này khi có sự ăn mòn không đều [xem Hình 1 b)].
Phương pháp bao gồm:
- đo L, xem phương pháp 1;
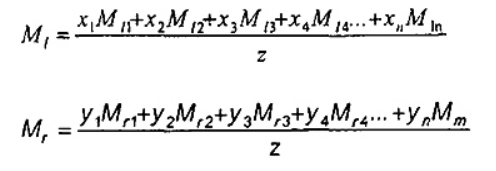
- đo Ml1, Mr1, Ml2 , Mr2, .v.v..., để tính tổng giá trị của Ml và Mr theo công thức sau:

trong đó: Ml1, Mr1, x1, y1 .v.v... và z được nêu trong Hình 1b).
5 Biểu thị kết quả
Biểu thị các xếp hạng bằng số của chiều dài sợi dài nhất L và chiều dài sợi thường gặp nhất M như sau:
- ăn mòn dạng sợi, L5IM3.
Điều này có nghĩa là chiều dài của sợi dài nhất là 5 mm và chiều dài sợi thường gặp nhất là 3 mm.
6 Báo cáo thử nghiệm
Báo cáo thử nghiệm phải bao gồm ít nhất các thông tin sau:
a) tất cả các chi tiết cần thiết để nhận biết lớp phủ được kiểm tra;
b) viện dẫn tiêu chuẩn này, nghĩa là TCVN 12005-10 (ISO 4628-10):
c) các loại bề mặt được kiểm tra, kích cỡ của bề mặt và, nếu thích hợp, vị trí của bề mặt;
d) kết quả đánh giá theo Điều 5:
e) nêu rõ điều kiện chiếu sáng được sử dụng để tiến hành đánh giá;
f) lớp phủ có được cậy hay không;
g) bất kỳ đặc điểm bất thường quan sát được trong quá trình đánh giá;
h) ngày kiểm tra.

| a) | b) |
| CHÚ DẪN: L chiều dài của sợi dài nhất l trái | 1, 2,... số vùng x vùng trên bên trái y vùng trên bên phải z tổng chiều dài của vùng được đánh giá |
Hình 1 - Xác định chiều dài của sợi dài nhất L và chiều dài của các sợi thường gặp nhất M
Phụ lục A
(tham khảo)
Ví dụ bằng hình ảnh của xếp hạng khác nhau đối với độ dài của sợi dài nhất L và chiều dài của các sợi thường gặp nhất M



Hình A.1 - Các ví dụ bằng hình ảnh
Thư mục tài liệu tham khảo
[1] ISO 4623-1:2000, Paints and varnishes - Determination of resistance to filiform corrosion - Part 1: Steel substrates (Sơn và vecni - Xác định độ bền ăn mòn dạng sợi - Phần 1: Nền thép)
[2] ISO 4623-2:2003, Paints and varnishes - Determination of resistance to filiform corrosion - Part 2: Aluminium substrates (Sơn và vecni - Xác định độ bền ăn mòn dạng sợi - Phần 2: Nền nhôm)
MỤC LỤC
Lời nói đầu
1 Phạm vi áp dụng
2 Tài liệu viện dẫn
3 Thuật ngữ và định nghĩa
4 Đánh giá
5 Biểu thị kết quả
6 Báo cáo thử nghiệm
Thư mục tài liệu tham khảo
Bạn chưa Đăng nhập thành viên.
Đây là tiện ích dành cho tài khoản thành viên. Vui lòng Đăng nhập để xem chi tiết. Nếu chưa có tài khoản, vui lòng Đăng ký tại đây!