- Tổng quan
- Nội dung
- Tiêu chuẩn liên quan
- Lược đồ
- Tải về
Tiêu chuẩn quốc gia TCVN 13522-1:2024 ISO 9239-1:2010 Thử nghiệm phản ứng với lửa đối với vật liệu phủ sàn - Phần 1: Xác định ứng xử khi cháy sử dụng nguồn nhiệt bức xạ
| Số hiệu: | TCVN 13522-1:2024 | Loại văn bản: | Tiêu chuẩn Việt Nam |
| Cơ quan ban hành: | Bộ Khoa học và Công nghệ | Lĩnh vực: | Xây dựng |
| Trích yếu: | ISO 9239-1:2010 Thử nghiệm phản ứng với lửa đối với vật liệu phủ sàn - Phần 1: Xác định ứng xử khi cháy sử dụng nguồn nhiệt bức xạ | ||
|
Ngày ban hành:
Ngày ban hành là ngày, tháng, năm văn bản được thông qua hoặc ký ban hành.
|
29/10/2024 |
Hiệu lực:
|
Đã biết
|
| Người ký: | Đang cập nhật |
Tình trạng hiệu lực:
Cho biết trạng thái hiệu lực của văn bản đang tra cứu: Chưa áp dụng, Còn hiệu lực, Hết hiệu lực, Hết hiệu lực 1 phần; Đã sửa đổi, Đính chính hay Không còn phù hợp,...
|
Đã biết
|
TÓM TẮT TIÊU CHUẨN VIỆT NAM TCVN 13522-1:2024
Tiêu chuẩn quốc gia TCVN 13522-1:2024 ISO 9239-1:2010: Quy định cho vật liệu phủ sàn
Tiêu chuẩn quốc gia TCVN 13522-1:2024, tương đương với ISO 9239-1:2010, được Bộ Xây dựng thông qua ngày 25/3/2024, có hiệu lực từ ngày 01/7/2024. Tiêu chuẩn này quy định các phương pháp thử nghiệm phản ứng với lửa đối với vật liệu phủ sàn, trong đó phần 1 tập trung vào việc xác định ứng xử khi cháy dưới tác động của nguồn nhiệt bức xạ.
Tiêu chuẩn này áp dụng cho tất cả các loại vật liệu phủ sàn, bao gồm thảm dệt, gỗ, cao su, và nhựa. Mục tiêu chính là đánh giá khả năng cháy của vật liệu trong các điều kiện kiểm soát, giúp nhận diện mức độ nguy hiểm tiềm tàng khi xảy ra hỏa hoạn.
Phương pháp thử nghiệm: Mẫu vật liệu phủ sàn sẽ được đặt trong buồng thử nghiệm dưới nguồn nhiệt bức xạ, và đánh lửa bằng một ngọn lửa mồi. Quá trình theo dõi khả năng lan truyền lửa và thời gian cháy sẽ được ghi nhận để xác định các chỉ số như thông lượng nhiệt tới hạn (CHF) và mức độ lan truyền lửa.
Biện pháp bảo đảm an toàn: Tiêu chuẩn nhấn mạnh tầm quan trọng của an toàn lao động, yêu cầu lắp đặt các thiết bị bảo vệ, cảm biến và các biện pháp phòng ngừa để giảm thiểu rủi ro phát sinh trong quá trình thử nghiệm. Tất cả những người liên quan cần tuân thủ các hướng dẫn an toàn nghiêm ngặt.
Yêu cầu về mẫu thử: Mẫu thử phải đại diện cho vật liệu sử dụng thực tế và được thực hiện theo quy trình lắp đặt chuẩn. Các yếu tố như keo dán và lớp lót cũng cần đáp ứng theo quy chuẩn để đảm bảo kết quả chính xác nhất.
Đánh giá diễn ra trong điều kiện kiểm soát: Kết quả thử nghiệm sẽ không phản ánh chính xác mức độ nguy hiểm cháy của vật liệu trong điều kiện thực tế nhưng sẽ cung cấp cơ sở để so sánh tính chất của các loại vật liệu khác nhau.
Báo cáo kết quả: Các kết quả thử nghiệm cần được báo cáo chi tiết, bao gồm các thông tin liên quan đến quy trình thử nghiệm, điều kiện môi trường và kết quả đo đạc. Điều này sẽ hỗ trợ cho việc đánh giá cũng như xác định nguy cơ cháy và tính khả thi của lựa chọn vật liệu phủ sàn trong các công trình xây dựng.
Tóm lại, TCVN 13522-1:2024 là một tiêu chuẩn quan trọng nhằm hỗ trợ các nhà thiết kế, kỹ sư xây dựng và nhà sản xuất vật liệu trong việc lựa chọn và sử dụng các vật liệu phủ sàn an toàn, hiệu quả trong bối cảnh an toàn cháy nổ.
Tải tiêu chuẩn Việt Nam TCVN 13522-1:2024
TIÊU CHUẨN QUỐC GIA
TCVN 13522-1:2024
ISO 9239-1:2010
THỬ NGHIỆM PHẢN ỨNG VỚI LỬA ĐỐI VỚI VẬT LIỆU PHỦ SÀN - PHẦN 1: XÁC ĐỊNH ỨNG XỬ KHI CHÁY SỬ DỤNG NGUỒN NHIỆT BỨC XẠ
Reaction to fire tests for floorings - Part 1: Determination of the burning behaviour using a radiant heat source
Lời nói đầu
TCVN 13522-1:2024 hoàn toàn tương đương ISO 9239-1:2010.
TCVN 13522-1:2024 do Viện Vật liệu xây dựng biên soạn, Bộ Xây dựng đề nghị, Tổng cục Tiêu chuẩn Đo lường Chất lượng thẩm định, Bộ Khoa học và Công nghệ công bố.
Bộ TCVN 13522 (ISO 9239), Thử nghiệm phản ứng với lửa đối với vật liệu phủ sàn gồm các tiêu chuẩn sau:
- TCVN 13522-1 (ISO 9239-1:2010), Phần 1: Xác định ứng xử khi cháy sử dụng nguồn nhiệt bức xạ;
- TCVN 13522-2 (ISO 9239-2:2002), Phần 2: Xác định tính lan truyền lửa ở múc thông lượng nhiệt 25 kW/m2.
Lời giới thiệu
Phép đo trong phương pháp này cung cấp cơ sở để đánh giá phương diện ứng xử khi bị lộ lửa của vật liệu phủ sàn. Thông lượng nhiệt bức xạ mô phỏng các mức bức xạ nhiệt có khả năng tác động lên sàn của hành lang mà bề mặt phía trên của nó được đốt nóng bằng ngọn lửa hoặc khí nóng hoặc cả hai trong giai đoạn đầu khi ngọn lửa phát triển ở cạnh một căn phòng hoặc khoang liền kề dưới điều kiện lan truyền ngược gió.
THỬ NGHIỆM PHẢN ỨNG VỚI LỬA ĐỐI VỚI VẬT LIỆU PHỦ SÀN - PHẦN 1: XÁC ĐỊNH ỨNG XỬ KHI CHÁY SỬ DỤNG NGUỒN NHIỆT BỨC XẠ
Reaction to fire tests for floorings - Part 1: Determination of the burning behaviour using a radiant heat source
CẢNH BÁO – Cần nhận biết khả năng nổ của nhiên liệu khí đốt - không khí trong buồng thử nghiệm. Phải lắp đặt bộ phận bảo vệ thích hợp với quy trình kỹ thuật đầy đủ vào hệ thống cung cấp nhiên liệu cho tấm bức xạ. Bộ phận này gồm ít nhất các thành phần sau đây:
- Van ngắt nguồn cấp khí đốt. Van này phải được kích hoạt ngay khi nguồn cấp không khí và/hoặc khí đốt bị lỗi;
- Cảm biến nhiệt hoặc bộ phát hiện ngọn lửa hướng vào bề mặt tấm bức xạ. Bộ phận này có chức năng ngắt dòng nhiên liệu khi ngọn lửa trên tấm bức xạ tắt.
CẢNH BÁO AN TOÀN - Tất cả những người có liên quan tới việc quản lý và thực hiện các phép thử này cần chú ý rằng khi thực hiện phép thử với lửa có thể nguy hiểm và có khả năng phát thải khí độc và các khí có hại trong quá trình thử nghiệm. Mối nguy hiểm cũng có thể phát sinh, ví dụ như nổ trong quá trình thử nghiệm mẫu và quá trình loại bỏ phần còn lại của mẫu thử.
Cần có đánh giá để xác định các mối nguy hiểm và rủi ro tiềm ẩn đối với sức khỏe con người và cung cấp các biện pháp nhận biết và phòng ngừa để đảm bảo an toàn. Phải ban hành hướng dẫn an toàn bằng văn bản. Các thí nghiệm viên phải được đào tạo và phải tuân thủ hướng dẫn an toàn trong tất cả các lần thử nghiệm.
1 Phạm vi áp dụng
Tiêu chuẩn này quy định phương pháp đánh giá trạng thái cháy ngược gió và tính lan truyền lửa của vật liệu phủ sàn lắp đặt theo phương ngang trong buồng thử nghiệm chịu tác động của một gradien thông lượng nhiệt bức xạ khi được bắt cháy bằng ngọn lửa mồi. Đánh giá sự sinh khói theo Phụ lục A khi có yêu cầu. Phương pháp này áp dụng cho tất cả các loại vật liệu phủ sàn như thảm dệt, nứa, gỗ, cao su, tấm phủ nhựa cũng như vật liệu phủ bề mặt. Các kết quả thu được từ phương pháp này phản ánh tính năng của vật liệu phủ sàn, bao gồm mọi vật liệu nền nếu có. Sự thay đổi của tấm lót, keo dán lên vật liệu nền, lớp lót hoặc mọi thay đổi của vật liệu phủ sàn có thể ảnh hưởng đến các kết quả thử nghiệm.
Tiêu chuẩn này áp dụng để đo và mô tả tính chất của vật liệu phủ sàn khi phản ứng với nhiệt và ngọn lửa dưới điều kiện được kiểm soát của phòng thí nghiệm. Không sử dụng riêng tiêu chuẩn này để mô tả hoặc đánh giá tính nguy hiểm cháy hoặc nguy cơ cháy của vật liệu phủ sàn trong điều kiện cháy thực tế.
Phụ lục B đưa ra thông tin về độ chụm của phương pháp thử.
2 Tài liệu viện dẫn
Các tài liệu viện dẫn sau là cần thiết khi áp dụng tiêu chuẩn này. Đối với tài liệu ghi năm công bố chỉ áp dụng bản được nêu. Đối với các tài liệu viện dẫn không ghi năm công bố thì áp dụng phiên bản mới nhất, bao gồm cả các sửa đổi, bổ sung (nếu có).
ISO 554, Standard atmospheres for conditioning and/or testing - Specifications (Khí quyển tiêu chuẩn để ổn định và/hoặc thử nghiệm - Yêu cầu kỹ thuật);
ISO 13943:2000, Fire safety - Vocabulary (An toàn cháy - Thuật ngữ);
ISO 14697, Reaction to fire tests - Guidance on the choice of substrates for building and transport products (Thử nghiệm phản ứng với lửa - Hướng dẫn lựa chọn vật liệu nền cho sản phẩm xây dựng và giao thông);
ISO 14934-3, Fire tests - Calibration and use of heat fluxx meters - Part 3: Secondary calibration method (Thử nghiệm lửa - Hiệu chuẩn và sử dụng đầu đo thông lượng nhiệt - Phần 3: Phương pháp hiệu chuẩn thứ 2);
EB 13238, Reaction to fire tests for building products - Conditioning procedures and rules for selection of subtrates (Thử nghiệm phản ứng với lửa cho các sản phẩm xây dựng - Quy trình ổn định và quy tắc lựa chọn vật liệu nền);
IEC 60584-1, Thermocouples - Part 1: Reference tables (Cặp nhiệt điện - Phần 1: Bảng tham khảo);
3 Thuật ngữ và định nghĩa
Tiêu chuẩn này sử dụng các thuật ngữ và định nghĩa sau:
3.1
Thông lượng nhiệt (Heat flux)
Tổng lượng nhiệt phát ra, truyền đi hoặc nhận được trên đơn vị diện tích và đơn vị thời gian.
CHÚ THÍCH: Thông lượng nhiệt được biểu thị bằng kilo oát trên mét vuông (kW/m2).
3.2
Thông lượng nhiệt tới hạn tại điểm tắt cháy (Critical heat flux at extinguishment)
CHF
Thông lượng nhiệt tới, kW/m2, ở bề mặt của mẫu thử tại điểm mà ngọn lửa ngừng cháy lên phía trước và sau đó có thể tắt.
3.3
Thông lượng nhiệt ở X min (Heat flux at X min)
HF-X
Thông lượng nhiệt, kW/m2, thu được ở vị trí khoảng cách lan truyền lửa xa nhất quan sát trên mẫu thử trong X min đầu tiên của thử nghiệm.
3.4
Thông lượng nhiệt tới hạn (Critical heat flux)
Thông lượng nhiệt tại đó ngọn lửa tắt cháy (CHF) hoặc thông lượng nhiệt sau thời gian thử nghiệm 30 min (HF-30), lấy giá trị thấp hơn (tức là thông lượng nhiệt tương ứng với mức lan truyền lửa xa nhất trong vòng 30 min)
3.5
Biên dạng thông lượng nhiệt (Heat flux profile)
Đường cong biểu thị quan hệ giữa thông lượng nhiệt trên mặt phẳng mẫu thử với khoảng cách tính từ điểm 0.
3.6
Điểm 0 của biên dạng thông lượng nhiệt (Zero point of heat flux profile)
Cạnh trong bên nóng nhất của khay giữ mẫu
3.7
Ngọn lửa cháy ổn định (Sustained flaming)
Ngọn lửa cháy ổn định ngay trong bề mặt hoặc phía trên bề mặt của mẫu thử trong thời gian lớn hơn 4 s.
3.8
Khoảng cách lan truyền lửa (Flame-spread distance)
Mức độ dịch chuyển xa nhất của ngọn lửa cháy ổn định dọc theo chiều dài của mẫu thử trong khoảng thời gian xác định.
3.9
Vật liệu phủ sàn (Flooring)
Các lớp trên của một sàn, bao gồm mọi bề mặt hoàn thiện có hoặc không gắn tấm lót và với mọi lớp nền, lớp giữa và/hoặc keo dính kèm theo.
3.10
Vật liệu nền (Substrate)
Sản phẩm được sử dụng ngay phía dưới sản phẩm có các thông tin cần xác định.
CHÚ THÍCH: Đối với một vật liệu phủ sàn, vật liệu nền là một sàn để gắn vật liệu phủ sàn hoặc vật liệu thay thế cho mặt sàn.
3.11
Tấm phủ (Tiles)
Thường là vật liệu phủ sàn hình vuông có kích thước cạnh tới 500 mm.
4 Nguyên tắc
Mẫu thử được đặt theo vị trí nằm ngang bên dưới một tấm bức xạ đốt bằng khí, đặt nghiêng 30°, tại đó mẫu thử chịu tác động của thông lượng nhiệt xác định. Đặt ngọn lửa mồi ở phía đầu nóng hơn của mẫu thử. Nguyên tắc thử nghiệm được minh họa ở Hình 1. Sau khi bắt cháy, ghi nhận sự phát triển của mặt trước ngọn lửa và lập bản ghi diễn biến của mặt trước ngọn lửa theo phương ngang dọc chiều dài của mẫu thử theo thời gian cần thiết để lan truyền đến khoảng cách xác định. Nếu cần, sự sinh khói trong suốt quá trình thử nghiệm phải được ghi nhận lại dưới dạng hệ số truyền ánh sáng trong ống khói thải.
Biểu thị kết quả thử nghiệm dưới dạng khoảng cách lan truyền theo thời gian, thông lượng nhiệt tới hạn khi tắt cháy và mật độ khói theo thời gian.
5 Thiết bị, dụng cụ
5.1 Quy định chung
Thiết bị được mô tả từ 5.2 đến 5.8 có kích thước thể hiện ở Hình 2 đến Hình 5. Đặt thiết bị trong phòng đủ lớn để đảm bảo khoảng cách ít nhất 0,4 m giữa thiết bị với tường và trần.
5.2 Buồng thử nghiệm
Buồng thử nghiệm được làm từ tấm calci silicat dày (13 ± 1) mm và khối lượng thể tích từ 650 kg/m3 đến 750 kg/m3, có gắn một tấm thủy tinh chống cháy kích thước (110 ± 10) mm x (1 100 ± 100) mm ở mặt trước để có thể quan sát toàn bộ chiều dài mẫu thử trong thử nghiệm. Buồng thử nghiệm phải bọc kim loại bên ngoài. Phía dưới cửa sổ quan sát có cửa thao tác để đưa mẫu thử vào và lấy mẫu ra ngoài sau khi thử nghiệm.
5.3 Khay giữ mẫu
Khay giữ mẫu được chế tạo từ thép chịu nhiệt tiết diện chữ L dày (2,0 ± 0,1) mm với kích thước như Hình 6. Mẫu thử được đặt lộ lửa thông qua cửa (200 ± 3) mm x (1 015 ± 10) mm. Cố định khay giữ mẫu vào mâm thép trượt bởi 2 bu lông trên mỗi đầu. Khay giữ mẫu phải có bộ phận kẹp chặt mẫu thử (ví dụ các thanh kẹp thép), có thể sử dụng tối đa 8 kẹp. Độ dày tổng của khay giữ mẫu là (22 ± 2) mm.
5.4 Mâm trượt
Đáy của buồng thử nghiệm gồm mâm trượt có các chi tiết đảm bảo kẹp chặt khay giữ mẫu cố định và đúng vị trí (xem Hình 1). Tổng diện tích khoảng thông khí giữa buồng thử và khay giữ mẫu là (0,23 ± 0,03) m2 và phân bố đồng đều trên tất cả các cạnh của mẫu thử.
5.5 Thước thép
Gắn ít nhất một thước thép có các vạch chia với khoảng cách 10 mm và 50 mm trên một cạnh của khay giữ mẫu. Có thể sử dụng một thước thép khác đặt ở cạnh còn lại của khay giữ mẫu.
5.6 Tấm bức xạ đốt bằng khí
Nguồn năng lượng bức xạ nhiệt là tấm vật liệu chịu lửa xốp được gắn trên khung kim loại, với bề mặt bức xạ (300 ± 10) mm x (450 ± 10) mm.
Tấm bức xạ có khả năng chịu nhiệt độ đến 900 °C và sử dụng hệ hỗn hợp nhiên liệu khí đốt/không khí1) cùng với các dụng cụ thích hợp (xem Phụ lục C) để đảm bảo sự vận hành ổn định và lặp lại.
Tấm bức xạ nhiệt được đặt phía trên khay giữ mẫu với kích thước dài của nó hợp một góc (30 ± 1)° với mặt phẳng ngang (xem Hình 5).
5.7 Đầu đốt ngọn lửa mồi
Sử dụng đầu đốt ngọn lửa mồi để đốt cháy mẫu thử, đầu đốt có đường kính trong danh nghĩa 6 mm và đường kính ngoài danh nghĩa 10 mm, làm từ thép không gỉ với hai đường lỗ, một đường gồm 19 lỗ cách đều nhau với đường kính lỗ 0,7 mm được khoan xuyên tâm dọc theo đường tâm, và một đường gồm 16 lỗ cách đều nhau với đường kính lỗ 0,7 mm được khoan xuyên tâm, lệch 60° phía dưới đường tâm (Hình 7). Khi vận hành, điều chỉnh lưu lượng khí propan ở mức (0,026 ± 0,002) l/s. Đặt đầu đốt ngọn lửa mồi sao cho ngọn lửa tạo ra từ đường lỗ dưới tác động lên mẫu thử với khoảng cách (10 ± 2) mm tính từ điểm 0 (xem Hình 8). Khi đầu đốt ngọn lửa mồi ở vị trí bắt cháy, nó phải cách cạnh trên của khay giữ mẫu 3 mm. Khi không thử nghiệm, đầu đốt có khả năng dịch chuyển ít nhất 50 mm ra xa điểm 0 của mẫu thử. Sử dụng khí propan thương mại có giá trị nhiệt lượng xấp xỉ 83 MJ/m3.
CHÚ THÍCH 1: Việc giữ các lỗ của đầu đốt thử nghiệm sạch sẽ là rất quan trọng. Loại bỏ các chất gây bẩn bề mặt bằng chổi quét sợi mềm. Để thông các lỗ dùng sợi Ni-Cr hoặc sợi thép không gỉ đường kính 0,5 mm.
CHÚ THÍCH 2: Khi lưu lượng khí propan được điều chỉnh phù hợp và đầu đốt ngọn lửa mồi ở vị trí thử nghiệm, chiều cao ngọn lửa mồi sẽ thay đổi từ xấp xỉ 60 mm đến xấp xỉ 120 mm ngang chiều rộng của đầu đốt (xem Hình 8).
5.8 Hệ thống thoát khói
Hệ thống thoát khói2) được sử dụng để hút sản phẩm cháy, hệ thống này được kết nối đến ống xả khói và tách riêng khỏi ống thoát khói của thiết bị thử. Khi tấm bức xạ đốt bằng khí ở trạng thái tắt, đặt mẫu kiểm tra vào và đóng cửa thao tác, vận tốc không khí trong ống thoát khói là (2,5 ± 0,2) m/s.
5.9 Thiết bị đo gió
Sử dụng thiết bị đo gió với độ chính xác ± 0,1 m/s để đo vận tốc khí trong ống thoát khói. Nó được gắn vào ống thoát khói sao cho điểm đo của nó trùng với đường tâm của ống thoát khói, phía trên cạnh dưới ống thoát khói một khoảng (250 ± 10) mm (xem Hình 4).
5.10 Hỏa kế bức xạ
Để kiểm soát nhiệt đầu ra của tấm bức xạ, sử dụng một hỏa kế bức xạ với dải đo từ 480 °C đến 530 °C (nhiệt độ vật đen tuyệt đối) và độ chính xác ± 5 °C cho phép quan sát được vùng hình tròn đường kính 250 mm ở khoảng cách khoảng 1,4 m.
Độ nhạy của hỏa kế được giữ không đổi giữa dải bước sóng 1 μm đến 9 μm.
5.11 Can nhiệt
Lắp bên trong buồng thử nghiệm một cặp nhiệt điện loại K có vỏ bọc bằng thép không gỉ dày 3,2 mm, phù hợp với IEC 60584-1 với điểm cảm nhận nhiệt được cách điện. Đặt cặp nhiệt điện dọc đường tâm của mặt phẳng đứng của buồng thử nghiệm, cách cạnh trên buồng thử nghiệm 25 mm và 100 mm từ mặt trong của tường ống thoát khói (xem Hình 4 và 5).
Một cặp nhiệt điện thứ hai được lắp vào tâm của ống thoát khói, cách đỉnh ống thoát khói (150 ± 2) mm. Sau mỗi lần thử nghiệm làm sạch các cặp nhiệt điện.
5.12 Đầu đo thông lượng nhiệt
Sử dụng đầu đo thông lượng nhiệt loại Schmidt-Boelter dạng kín với đường kính 25 mm để xác định biên dạng thông lượng nhiệt của mẫu thử. Dải đo từ 0 kW/m2 đến 15 kW/m2 và được hiệu chuẩn trong mức thông lượng nhiệt vận hành từ 1 kW/m2 đến 15 kW/m2. Làm mát đầu đo thông lượng nhiệt bằng nguồn nước có nhiệt độ từ 15 °C đến 25 °C.
Đầu đo thông lượng nhiệt có độ chính xác ± 3 % của giá trị đo được, và được hiệu chuẩn theo ISO 14934-3.
5.13 Mẫu mô phỏng
Mẫu mô phỏng dùng để hiệu chuẩn được làm từ tấm calci silicat không phủ có độ dày (20 ± 1) mm,
Khối lượng thể tích (850 ± 100) kg/m3. Mẫu kiểm tra có chiều rộng (250 ± ˋ10) mm, dài (1050 ± ˋ20) mm (xem Hình 6) với các lỗ đường kính (26 ± ˋ1) mm bố trí trên và dọc đường tâm ở vị trí 110 mm và 210 mm cho đến vị trí 910 mm, tính từ điểm 0 của mẫu kiểm tra.
5.14 Thiết bị ghi
Thiết bị ghi phải phù hợp để ghi tín hiệu ra từ hỏa kế bức xạ và đầu đo thông lượng nhiệt.
5.15 Dụng cụ đo thời gian
Dụng cụ đo thời gian có khả năng ghi thời gian trôi qua đến giây gần nhất và với độ chính xác là 1 s trong 1 h.
5.16 Đo khói
Nếu có yêu cầu đo khói sử dụng thiết bị được mô tả trong Phụ lục A.
6. Mẫu thử
Các mẫu thử phải đại diện cho vật liệu phủ sàn ở hình thức sử dụng cuối cùng của nó.
6.1 Số lượng
Cắt 6 mẫu với kích thước (1 050 ± 5) mm x (230 ± 5) mm, 3 mẫu theo một hướng (ví dụ hướng sản xuất) và 3 mẫu theo hướng vuông góc với hướng đầu tiên.
6.2 Vật liệu nền
Phải gắn mẫu thử trên vật liệu nền giống như mặt sàn trên thực tế (xem EN 13238 hoặc ISO 14697) và phải dựa trên quy trình lắp đặt trong thực tế.
6.3 Keo dán
Keo dán sử dụng cho mẫu thử phải đại diện cho sản phẩm được sử dụng trong thực tế. Nếu trong thực tế sử dụng các keo dán khác thì các mẫu thử phải được chuẩn bị bằng cách sử dụng từng loại keo dán khác nhau hoặc không có keo dán.
6.4 Lớp lót
Khi được sử dụng như một phần của mẫu thử, các lớp lót phải đại diện cho sản phẩm được sử dụng trong thực tế.
6.5 Tấm phủ
Nếu mẫu thử gồm các tấm phủ, lắp các tấm phủ sao cho có ít nhất một mạch nối ở vị trí 250 mm tính từ điểm 0.
Trường hợp tấm phủ không đủ rộng để phủ hết chiều rộng của khay giữ mẫu, mẫu thử phải được gia công để có một mạch nối ở đường tâm dọc.
6.6 Vật liệu phủ sàn không dán keo
Vật liệu phủ sàn không dán keo gồm các tấm phủ, khi thử nghiệm không có keo dán, chỉ được cố định bằng khay giữ mẫu và các kẹp của nó (xem 5.3).
Vật liệu phủ sàn mà bị rơi ra khỏi khung khay giữ mẫu do bị co có thể cho kết quả khác nhau phụ thuộc vào việc cố định. Vì vậy đặc biệt lưu ý sử dụng các kỹ thuật cố định chắc chắn cho vật liệu phủ sàn có xu hướng co khi tiếp xúc nhiệt.
6.7 Rửa và làm sạch
Để xác định ảnh hưởng của quy trình rửa và làm sạch đến tính năng cháy của vật liệu phủ sàn, rửa hoặc làm sạch các mẫu thử theo quy trình đưa ra theo yêu cầu kỹ thuật của vật liệu phủ sàn.
6.8 Thử nghiệm chính thức
Một thử nghiệm chính thức gồm các kết quả từ 3 mẫu thử giống nhau ở mọi phương diện.
Ngoài ra các chi tiết để chuẩn bị mẫu thử phải phù hợp với yêu cầu kỹ thuật sản phẩm.
Đối với vật liệu phủ sàn không bám dính và vật liệu nóng chảy tạo thành vũng, phải đảm bảo các cạnh của khay giữ mẫu phải được đóng kín hoàn toàn. Không nên có làm tăng chiều cao của khay giữ mẫu để điều chỉnh thông nhiệt lượng trên mẫu thử.
7 Ổn định mẫu thử
Các mẫu thử phải được ổn định như quy định ở EN 13238 hoặc ISO 554.
Vật liệu phủ sàn được dán với vật liệu nền cần thời gian đóng rắn ít nhất 3 ngày. Thời gian này có thể là một phần thời gian để ổn định mẫu thử.
8 Quy trình thử nghiệm
8.1 Quy trình hiệu chuẩn
8.1.1 Thiết bị phải được hiệu chuẩn bằng cách sử dụng quy trình dưới đây sau mỗi thay đổi cần thiết của các thiết bị, hoặc ít nhất một tháng một lần. Nếu không có sự thay đổi sau khi hiệu chuẩn, có thể kéo dài khoảng thời gian này đến 6 tháng.
8.1.2 Đặt mâm trượt và lắp khung cùng với mẫu mô phỏng trong buồng thử. Đo tốc độ không khí trong ống thoát khói với hệ thống thoát khói đang hoạt động và cửa thao tác đóng, nếu cần điều chỉnh tốc độ không khí đến (2,5 ± 0,2) m/s. Đánh lửa trên tấm bức xạ.
Để thiết bị nóng lên ít nhất 1 h cho đến khi nhiệt độ buồng thử nghiệm ổn định (xem 8.2.2). Trong giai đoạn này đầu đốt ngọn lửa mồi ở trạng thái tắt.
8.1.3 Đo mức thông lượng nhiệt ở điểm 410 mm bằng đầu đo thông lượng nhiệt tổng. Đặt đầu đo thông lượng nhiệt vào lỗ sao cho mặt cảm nhận nhiệt nằm song song và nhô lên bề mặt mẫu mô phỏng từ 2 mm đến 3 mm. Đợi ổn định số hiển thị trong khoảng thời gian 30 s. Đọc số hiển thị trong 30 s tiếp theo. Nếu mức thông lượng nhiệt trung bình là (5,1 ± 0,2) kW/m2 thì bắt đầu xác định biên dạng thông lượng nhiệt. Nếu không đạt được, thực hiện các điều chỉnh cần thiết đối với lưu lượng khí đốt/không khí tới tấm bức xạ, và lưu lượng nhiên liệu trong tấm bức xạ, thực hiện lần đọc thông lượng nhiệt mới sau ít nhất 10 min.
8.1.4 Thực hiện xác định biên dạng thông lượng nhiệt
Lần lượt đặt đầu đo thông lượng nhiệt vào từng lỗ, bắt đầu ở vị trí 110 mm và kết thúc ở vị trí 910 mm. Đảm bảo mặt cảm nhận nhiệt của đầu đo thông lượng nhiệt và thời gian đo phù hợp với 8.1.3. Để xác định xem mức thông lượng nhiệt có thay đổi trong các lần đo hay không, kiểm tra số đọc ở 410 mm và số đọc ở 910 mm.
8.1.5 Ghi dữ liệu thông lượng nhiệt dưới dạng một hàm của khoảng cách dọc theo mặt phẳng mẫu thử. Cẩn thận vẽ một đường cong trơn qua các điểm dữ liệu. Đường cong này là đường cong biên dạng thông lượng nhiệt (xem Hình 9). Báo cáo giá trị thông lượng nhiệt và sử dụng làm cơ sở để xác định CHF dựa vào nội suy từ đường cong này.
Nếu đường cong biên dạng thông lượng nhiệt trong khoảng dung sai của Bảng 1, thì thiết bị này đã được hiệu chuẩn và việc xác định biên dạng thông lượng nhiệt đã hoàn thành. Nếu không đạt, cẩn thận điều chỉnh lưu lượng nhiên liệu và đảm bảo nhiệt độ buồng thử nghiệm ổn định ít nhất 10 min. Lặp lại quy trình cho đến khi biên dạng thông lượng nhiệt nằm trong quy định Bảng 1.
CHÚ THÍCH: Để hiệu chỉnh chính xác thông lượng nhiệt ở phía đầu nóng hơn, thường chỉ cần sự thay đổi lưu lượng khí đốt. Để hiệu chỉnh chính xác thông lượng nhiệt ở phía đầu mát hơn của mẫu thử, cần thay đổi cả lưu lượng khí đốt và không khí.
8.1.6 Rút mẫu mô phỏng và đóng cửa. Sau 5 min, đo nhiệt độ vật đen tuyệt đối của tấm bức xạ và nhiệt độ của buồng thử. Ghi lại kết quả.
Bảng 1 - Yêu cầu sự phân bố thông lượng nhiệt trên mẫu kiểm tra
| Khoảng cách đến điểm 0 của mẫu thử mm | Thông lượng nhiệt kW/m2 | Sai lệch kW/m2 |
| 110 | 10,9 | ± 0,4 |
| 210 | 9,2 | ± 0,4 |
| 310 | 7,1 | ± 0,4 |
| 410 | 5,1 | ± 0,2 |
| 510 | 3,6 | ± 0,2 |
| 610 | 2,5 | ± 0,2 |
| 710 | 1,8 | ± 0,2 |
| 810 | 1,4 | ± 0,2 |
| 910 | 1,1 | ± 0,2 |
8.2 Quy trình thử nghiệm chuẩn
8.2.1 Điều chỉnh lưu lượng không khí trong ống thoát khói phù hợp với 8.1.2. Rút mẫu kiểm tra và đóng cửa. Đánh lửa tấm bức xạ và để thiết bị thử nghiệm nóng ít nhất 1 h cho đến khi nhiệt độ của buồng thử ổn định.
8.2.2 Đo nhiệt độ vật đen tuyệt đối của tấm bức xạ. Nhiệt độ vật đen tuyệt đối phải nằm trong khoảng ± 5 °C của nhiệt độ vật đen tuyệt đối đọc được trong khi hiệu chuẩn phù hợp với 8.1.6. Nhiệt độ buồng thử nằm trong khoảng ± 10 °C của nhiệt độ buồng thử đọc được trong khi hiệu chuẩn phù hợp với 8.1.6.
Nếu nhiệt độ vật đen tuyệt đối hoặc buồng thử nằm ngoài giới hạn đưa ra, điều chỉnh khí đốt/không khí đi vào tấm bức xạ. Để các bộ phận thiết bị thử nghiệm ổn định ít nhất 15 min trước khi đo lại nhiệt độ. Khi nhiệt độ nằm trong giới hạn đã nêu thì các thiết bị thí nghiệm sẵn sàng để sử dụng.
Nếu cần thiết, điều chỉnh hệ thống đo khói sao cho giá trị đầu ra của nó bằng 100 %. Đảm bảo hệ thống đo đã ổn định trước khi bắt đầu thử nghiệm. Nếu không đạt, tiếp tục điều chỉnh. Kiểm tra việc thổi không khí đến đèn và cả bộ phát hiện khói và điều chỉnh nếu cần thiết.
8.2.3 Đưa mẫu thử gồm bất kỳ lớp lót và vật liệu nền vào khay giữ mẫu. Đặt kẹp thép ngang mặt sau của cụm mẫu thử và bắt các ốc chắc chắn hoặc sử dụng biện pháp cố định khác. Nếu cần thì vuốt đứng các hàng sợi của vật liệu phủ sàn dạng thảm bằng một máy hút bụi và đặt mẫu thử và khay giữ mẫu vào mâm trượt.
Bật lửa trên đầu đốt ngọn lửa mồi, giữ nó cách xa điểm 0 đã định của mẫu thử ít nhất 50 mm. Đẩy mâm trượt trên buồng thử và đóng ngay cửa lại. Đây là thời điểm bắt đầu thử nghiệm. Khởi động thiết bị ghi thời gian và thiết bị ghi.
Sau khi đốt nóng sơ bộ 2 min bằng đầu đốt ngọn lửa mồi cách điểm 0 của mẫu thử ít nhất 50 mm, đưa đầu đốt ngọn lửa mồi tiếp xúc với mẫu thử tại điểm cách 10 mm tính từ cạnh của khay giữ mẫu như quy định 5.5. Để đầu đốt ngọn lửa mồi tiếp xúc với mẫu thử trong 10 min, rồi rút đầu đốt này đến vị trí cách điểm 0 của mẫu thử ít nhất 50 mm. Tắt lửa trên đầu đốt ngọn lửa mồi. Trong suốt thử nghiệm giữ nguyên lưu lượng không khí và khí đốt đến tấm bức xạ.
8.2.4 Cứ 10 min kể từ khi bắt đầu thử nghiệm và tại thời điểm ngọn lửa tàn, đo khoảng cách giữa mặt trước ngọn lửa và điểm 0 chính xác đến 10 mm. Quan sát và ghi mọi hiện tượng đặc trưng như ngọn lửa không ổn định, nóng chảy, phồng rộp, thời gian và vị trí vùng than hồng sau khi ngọn lửa tàn, hiện tượng ngọn lửa cháy xuyên qua vật liệu nền...
Ngoài ra, ghi lại thời gian khi ngọn lửa đạt tới mỗi vạch 50 mm và khoảng cách lan xa nhất đạt được ở thời điểm bất kỳ trong khi thử nghiệm, đo chính xác đến 10 mm.
Dừng thử nghiệm sau 30 min, trừ khi có yêu cầu khác từ khách hàng.
8.2.5 Thực hiện đo khói như mô tả ở Phụ lục A nếu có yêu cầu.
8.2.6 Thực hiện thử nghiệm trên hai mẫu thử phù hợp với 6.1, một mẫu được cắt theo một hướng và một mẫu khác vuông góc với hướng cắt của mẫu kia. Lưu ý xem mẫu nào trong hai mẫu có CHF và/hoặc giá trị HF-30 thấp hơn, tính theo Điều 9. Lặp lại thử nghiệm thêm hai mẫu nữa được cắt cùng hướng với hướng mẫu đó (xem 6.1)
8.2.7 Không tiếp tục bắt đầu thử nghiệm tiếp theo cho đến khi nhiệt độ vật đen tuyệt đối và nhiệt độ buồng thử đảm bảo như quy định ở 8.2.2. Khay giữ mẫu phải ở nhiệt độ phòng trước khi gắn một mẫu thử mới.
9 Biểu thị kết quả
9.1 Từ đường cong biên dạng thông lượng nhiệt đã vẽ theo 8.1.5, chuyển khoảng cách lan truyền lửa quan sát được thành kW/m2 và xác định thông lượng nhiệt tới hạn. Đọc chính xác đến 0,2 kW/m2. Mẫu thử không bắt cháy hoặc lan truyền lửa không quá 110 mm được coi có thông lượng nhiệt tới hạn ≥ 11 kW/m2. Các mẫu thử có khoảng lan truyền lửa lớn hơn 910 mm được coi thông lượng nhiệt tới hạn ≤ 1,1 kW/m2. Mẫu thử bị tắt lửa bởi người vận hành ở phút thứ 30 không có giá trị CHF mà chỉ có giá trị HF-30.
9.2 Báo cáo các kết quả của 4 lần thử nghiệm (xem 8.2.6) dưới dạng giá trị CHF và/hoặc HF-30 ứng với các hướng mô tả thích hợp. Tính giá trị trung bình của thông lượng nhiệt tới hạn (CHF và/hoặc HF-30) từ 3 mẫu thử có cùng hướng.
9.3 Đối với thời gian thử nghiệm dài hơn 30 min, ghi thời gian tắt lửa và khoảng cách lan truyền lửa xa nhất và chuyển thành CHF.
9.4 Báo cáo thời gian mà ngọn lửa chạm đến mỗi vạch 50 mm và ghi khoảng cách lan truyền lửa ở mỗi khoảng thời gian 10 min như mô tả ở 8.2.4, để xác định giá trị HF-X khi có yêu cầu, ví dụ HF-10, HF-20, HF-30. Đồng thời ghi lại thời gian dập tắt và khoảng cách lan truyền lửa lớn nhất cuối cùng.
9.5 Nếu cần, báo cáo các kết quả đo khói theo A.6.
10 Báo cáo thử nghiệm
Báo cáo thử nghiệm bao gồm ít nhất các thông tin dưới đây. Phải đánh giá toàn bộ sự khác biệt giữa các dữ liệu được cung cấp bởi các khách hàng và dữ liệu được xác định bởi các phòng thí nghiệm.
a) viện dẫn tiêu chuẩn này;
b) sai lệch bất kỳ so với phương pháp thử;
c) tên và địa chỉ phòng thí nghiệm;
d) ngày và số nhận dạng của báo cáo thử nghiệm;
e) tên và địa chỉ khách hàng;
f) tên và địa chỉ của nhà sản xuất/cung cấp, nếu biết;
g) ngày nhận mẫu;
h) số hiệu mẫu;
i) mô tả quy trình lấy mẫu, nếu cần;
j) mô tả chung về sản phẩm được thử nghiệm, bao gồm khối lượng thể tích, khối lượng trên đơn vị diện tích và chiều dày, cùng với cách chế tạo mẫu;
k) chi tiết ổn định mẫu thử;
l) ngày thử nghiệm;
m) kết quả thử nghiệm được biểu thị theo Điều 9;
n) những quan sát thực hiện trong khi thử nghiệm;
o) tuyên bố: “Các kết quả thử nghiệm cho biết ứng xử của mẫu thử trong điều kiện thí nghiệm cụ thể, đánh giá mức độ nguy hiểm cháy tiềm ẩn của sản phẩm trong thực tế sử dụng dựa vào nhiều chỉ tiêu khác”.

| CHÚ DẪN |
|
| 1 đèn | 7 ngọn lửa mồi từ đầu đốt thẳng |
| 2 ống xả khói | 8 thước đo |
| 3 bộ phát hiện khói | 9 cửa quan sát |
| 4 chụp thu khói | 10 khay giữ mẫu với mẫu trên mâm trượt |
| 5 buồng thử nghiệm | 11 không khí đi vào quanh mẫu thử ở đáy buồng thử |
| 6 tấm bức xạ đốt bằng khí |
|
Hình 1 - Hình ảnh tổng thể về nguyên tắc thử nghiệm
Kích thước tính bằng milimét

CHÚ DẪN
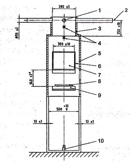
| 1 ống xả khói 2 chụp thu khói 3 buồng thử nghiệm 4 tấm bức xạ đốt bằng khí 5 khay giữ mẫu cùng với mẫu thử 6 cửa quan sát 7 cửa để đưa mẫu vào và rút mẫu ra | 8 hỏa kế bức xạ 9 đèn 10 khe đưa kính lọc vào khi hiệu chuẩn 11 bộ phát hiện khói 12 ống thoát khói 13 ống cấp không khí sạch a Mặt cắt A-A: xem Hình 4 b Mặt cắt B-B: xem Hình 5 |
Hình 2 - Mặt quan sát B-B và hình chiếu bằng
Kích thước tính bằng milimét

CHÚ DẪN
1 ống xả khói
2 đèn
3 ống thép cho hệ thống đo ánh sáng
4 bộ phát hiện khói
5 vòng đệm hoặc các vòng cao su
6 khe đưa kính lọc vào khi hiệu chuẩn
7 chụp thu khói
8 khay giữ mẫu cùng với mẫu thử
9 buồng thử nghiệm
10 cửa để đưa mẫu vào và rút mẫu ra
11 ống cấp không khí sạch
Hình 3 - Mặt quan sát A-A của thiết bị thử nghiệm (xem Hình 2)
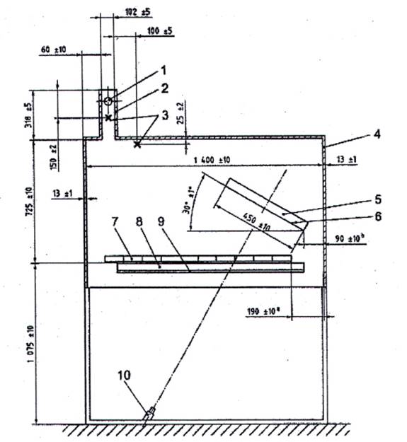
Kích thước tính bằng milimét

CHÚ DẪN
1 vị trí đặt phong kế
2 đo chùm ánh sáng
3 ống thoát khói
4 cặp nhiệt điện
5 buồng thử nghiệm
6 tấm bức xạ đốt bằng khí
7 bề mặt bức xạ
8 đầu đốt ngọn lửa mồi
9 khay giữ mẫu cùng với mẫu thử
10 hỏa quang kế bức xạ
a Kích thước được đo từ bề mặt lộ lửa của mẫu thử đến cạnh đáy của tấm bức xạ
Hình 4 - Mặt cắt A-A của thiết bị thử nghiệm
Kích thước tính bằng milimét

CHÚ DẪN
| 1 cửa để đo ánh sáng | 6 bề mặt bức xạ |
| 2 ống thoát khói | 7 thước đo |
| 3 cặp nhiệt điện | 8 khay giữ mẫu cùng với mẫu thử |
| 4 buồng thử nghiệm | 9 hệ thống chuyển mẫu thử |
| 5 tấm bức xạ đốt bằng khí | 10 hỏa quang kế bức xạ |
a Kích thước được đo từ điểm 0 (cạnh trong của khay giữ mẫu) đến bề mặt trong của tường buồng thử nghiệm
b Kích thước đo từ cạnh đáy của tấm bức xạ đến bề mặt trong của tường buồng thử nghiệm.
Hình 5 - Mặt cắt B-B của thiết bị thử nghiệm
Kích thước tính bằng milimet

CHÚ DẪN
1 khay giữ mẫu
2 mẫu kiểm tra
3 kẹp cố định
4 điểm 0
Hình 6 - Khay giữ mẫu cùng mẫu kiểm tra (không theo tỷ lệ)
Kích thước tính bằng milimet

Hình 7 - Đầu đốt ngọn lửa mồi
Kích thước tính bằng milimet

CHÚ DẪN
1 đầu đốt ngọn lửa mồi
2 khay giữ mẫu
3 mẫu thử
4 khí propan
5 điểm 0
h chiều cao của ngọn lửa mồi: xem 5.7, CHÚ THÍCH 2
Hình 8 - Vị trí đặt đầu đốt ngọn lửa mồi phía trên mẫu thử trong giai đoạn bắt cháy

CHÚ DẪN
X khoảng cách đến điểm 0, mm
Y thông lượng nhiệt, kW/m2
1 giới hạn trên
2 giá trị danh nghĩa
3 giới hạn dưới
CHÚ THÍCH: Bảng 1 đưa ra các giá trị cho đường cong biên dạng thông lượng nhiệt
Hình 9 - Đường cong biên dạng thông lượng nhiệt
Phụ lục A
(quy định)
Đo khói
A.1 Quy định chung
Ngoài các yêu cầu đã nêu trong tiêu chuẩn, thực hiện đo khói khi có yêu cầu như mô tả tại Phụ lục này.
A.2 Nguyên tắc
Xác định mật độ quang học của khói bằng cách đo sự suy giảm ánh sáng bằng một hệ thống gồm một đèn, các thấu kính, lỗ truyền sáng và tế bào quang điện (xem Hình A.1).
A.3 Thiết bị
A.3.1 Hệ thống đo sự suy giảm ánh sáng, gồm các thành phần sau đây và được đặt sao cho muội bám vào trong suốt quá trình thử nghiệm không làm giảm sự truyền ánh sáng quá 2 %.
A.3.2 Đèn, loại đèn chiếu sáng bằng sợi đốt và hoạt động ở nhiệt độ màu (2 900 ± 100) K. Cung cấp dòng điện một chiều ổn định cho đèn, ổn định trong khoảng ± 0,5 % (gồm nhiệt độ, ổn định ngắn hạn và dài hạn).
A.3.3 Hệ các thấu kính, như Hình A.1, cho phép chỉnh ánh sáng thẳng hàng thành một chùm tia song song, đường kính d, ít nhất 20 mm.
A.3.4 Lỗ truyền sáng, đặt ở tiêu điểm của thấu kính L2 như trên Hình A.1. Nó có đường kính d, được chọn theo tiêu cự, f, của thấu kính L2 sao cho d/f nhỏ hơn 0,04.
A.3.5 Bộ phát hiện khói, với tín hiệu ra vượt qua dải tín hiệu ra ít nhất 2 thang thập tiến, tuyến tính trong khoảng 3 % giá trị truyền tải đo được hoặc 1 % truyền tải tuyệt đối. Hiệu chuẩn bộ phát hiện khói bằng cách sử dụng bộ lọc quang học. Cả độ nhiễu và độ lệch của hệ không quá 0,5 % giá trị ban đầu.
Bộ phát hiện khói có phân bổ quang phổ nhạy phù hợp với CIE, hàm v(λ) có độ chính xác ít nhất ± 5 %.
A.3.6 Thiết bị ghi là loại thích hợp để ghi tín hiệu ra từ hệ thống đo sự suy giảm ánh sáng.
A.4 Lắp đặt hệ thống đo khói
Hệ thống đo ánh sáng được lắp để đo sự suy giảm ánh sáng trên trục dọc trong ống khói thải. Lắp tế bào quang điện và đèn trên khung riêng bên ngoài hệ thống thoát khói. Khung này được nối đến hệ thống thoát khói chỉ ở một điểm. Bố trí các ống thép đường kính trong 50 mm giữa ống khói thải của buồng thử nghiệm và thành của hệ thống thoát khói. Các ống này phải có các mối nối đến ống dẫn không khí đã làm sạch vào. Lưu lượng phù hợp của không khí đã làm sạch đi vào mỗi ống thép là 25 l/h. Bố trí hệ thống đo ánh sáng như Hình 3 đến Hình 5.
CHÚ THÍCH: Hệ thống đo ánh sáng được mô tả trong DIN 50055:1998 cũng phù hợp.
A.5 Hiệu chuẩn hệ thống ánh sáng
A.5.1 Quy định chung
Thực hiện hiệu chuẩn hệ thống ánh sáng trước khi thử nghiệm, sau khi lắp đặt, bảo dưỡng, sửa chữa hoặc lắp đặt lại bộ phận giữ hệ đo khói hoặc các thành phần chính của hệ thống thoát khói, và ít nhất 6 tháng một lần. Hiệu chuẩn bao gồm 2 phần: kiểm tra sự ổn định tín hiệu ra và kiểm tra bộ lọc quang học.
A.5.2 Kiểm tra sự ổn định
Thực hiện các bước sau đây với sự hoạt động của thiết bị đo và tấm bức xạ không hoạt động
a) đặt lưu lượng dòng không khí của ống thoát khói ở mức (2,5 ± 0,2) m3/s.
b) bật máy đo thời gian và ghi các tín hiệu từ đầu thu ánh sáng trong khoảng thời gian 30 min.
c) sử dụng phương pháp bình phương nhỏ nhất phù hợp để xác định độ lệch bằng cách điều chỉnh một đường thẳng qua các điểm dữ liệu. Sự chênh lệch giá trị tuyệt đối giữa lần đọc ở 0 min và 30 min của đường tuyến tính chính là độ lệch. Nếu độ lệch và độ nhiễu nằm ngoài giới hạn đưa ra ở A.5.3, không được thử nghiệm cho đến khi việc hiệu chỉnh nằm trong quy định.
d) độ nhiễu được xác định là căn bậc hai trung bình (rms) của độ lệch quanh đường tuyến tính.
A.5.3 Bộ lọc quang học để kiểm tra hệ thống đo khói
Hiệu chuẩn hệ ánh sáng với ít nhất 5 kính lọc mật độ trung tính trong dải mật độ quang học từ 0,05 đến 0,2 (truyền sáng 89 % đến 1 %). Kính lọc mật độ trung tính sử dụng cho hiệu chuẩn phải có khả năng giảm truyền sáng phân tán. Không sử dụng kính lọc có lớp phủ. Mật độ quang học (OD) được tính như sau:
OD = -log(I)
Trong đó I là sự truyền sáng, có giá trị trong dải từ 0 đến 1.
A.5.4 Kiểm tra bộ lọc quang học
Hiệu chuẩn hệ sáng theo quy trình sau đây.
Thực hiện các bước sau trong điều kiện hoạt động của thiết bị đo.
a) Đặt một miếng chặn ánh sáng vào bộ đỡ kính lọc và kiểm tra số 0.
b) Rút miếng chặn ánh sáng và điều chỉnh tín hiệu từ đầu nhận ánh sáng đến 100 %.
c) Bật máy đo và ghi tín hiệu từ đầu nhận ánh sáng trong khoảng 2 min.
d) Đặt từng kính lọc mật độ trung tính vào và ghi tín hiệu tương ứng ít nhất 1 min.
e) Dừng thu nhận tín hiệu và tính các giá trị trung bình cho từng kính lọc.
A.6 Quy trình thử nghiệm
Thực hiện thử nghiệm như mô tả ở Điều 8 và ghi liên tục sự suy giảm ánh sáng trong đường thoát khói hoặc ở khoảng thời gian không quá 10 s trong khi thử nghiệm.
A.7 Biểu thị kết quả
Ghi sự suy giảm ánh sáng lớn nhất, vẽ đường cong của sự suy giảm ánh sáng theo thời gian và tích phân giá trị khói được tính như tích phân của độ mờ khói theo thời gian và biểu thị bằng phần trăm nhân với phút (% x min).

CHÚ DẪN
1 lỗ truyền sáng
2 đèn
3 hạt khói
4 bộ phát hiện khói
5 thành của ống thoát khói
Thấu kính L1 và L2
Hình A.1 - Hệ thống quang học
Phụ lục B
(tham khảo)
Độ chụm của phương pháp thử
Trong quá trình xây dựng tiêu chuẩn, thực hiện một thử nghiệm liên phòng trên 10 mẫu vật liệu phủ sàn. Có tất cả 13 phòng thí nghiệm tham gia vào chương trình thử nghiệm liên phòng này. Các kết quả đưa ra trong Bảng B.1
Bảng B.1 - Các kết quả từ các phòng thí nghiệm
|
| HF-30 kW/m2 | Độ lặp lại | Độ tái lập | ||
| Độ lệch chuẩn Sr | Sr/ma % | Độ lệch chuẩn SR | SR/m | ||
| Tấm ván dăm, không xử lý chậm cháy | 4,4 | 0,1 | 3,4 | 0,6 | 12,6 |
| Sàn gỗ sồi | 7,8 | 1,6 | 19,9 | 1,9 | 24,7 |
| PVC, vinyl liên tục | 10,7 | 0,2 | 2,3 | 0,6 | 5,6 |
| Cao su | 6,4 | 0,8 | 13,0 | 1,5 | 23,9 |
| Thảm polyamit (lót sợi) | 3,8 | 0,4 | 10,5 | 0,8 | 21,3 |
| Thảm polyamit (lót sợi xử lý chậm cháy) | 7,6 | 1,1 | 14,8 | 1,8 | 23,6 |
| Thảm polyamit (lót latex) | 3,7 | 0,8 | 20,5 | 1,0 | 27,1 |
| Thảm polypropylen | 2,7 | 0,2 | 6,5 | 0,4 | 13,4 |
| Thảm polypropylen (nỉ kim) | 5,2 | 1,1 | 21,4 | 2,4 | 47,2 |
| Thảm len/polyamit (80/20) | 7,8 | 0,8 | 10,0 | 1,5 | 18,9 |
| a m là giá trị thống kê | |||||
Phụ lục C
(quy định)
Nguồn cấp khí đốt và không khí
Cấp khí đốt và không khí vào tấm bức xạ qua bộ điều chỉnh áp suất và lưu lượng thích hợp, thiết bị an toàn và lưu lượng kế.
Một hệ thống thích hợp gồm các bộ phận sau:
a) cung cấp khí tự nhiên, metan hoặc propan với lưu lượng tối thiểu 0,1 L/s ở áp suất đủ để khắc phục tổn thất do ma sát qua đường ống, bộ điều chỉnh, van điều khiển, lưu lượng kế, tấm bức xạ...
b) cung cấp không khí với lưu lượng ít nhất 4,5 L/s ở áp suất đủ để tổn thất do ma sát qua đường ống qua đường ống, bộ điều chỉnh, van điều khiển, lưu lượng kế, tấm bức xạ...
c) các van riêng cho cả nguồn cấp không khí và khí đốt;
d) van một chiều và bộ điều chỉnh áp suất trong đường cấp khí đốt;
e) van vận hành bằng điện để tắt tự động nguồn cấp khí trong trường hợp nguồn điện bị lỗi, áp suất không khí bị tụt hoặc nhiệt độ tại bề mặt đốt giảm
f) bộ lọc bụi và van kiểm soát lưu lượng trong nguồn cấp không khí;
g) lưu lượng kế cho khí tự nhiên, metan hoặc propan với lưu lượng thích hợp từ 0,1 L/s đến 1,0 L/s ở nhiệt độ phòng và áp suất để độ phân giải nhỏ hơn hoặc bằng 1 %.
h) lưu lượng kế cho không khí với lưu lượng thích hợp từ 1 L/s đến 10 L/s ở nhiệt độ và áp suất phòng để độ phân giải nhỏ hơn hoặc bằng 1 %;
CHÚ THÍCH: Sử dụng lưu lượng kế để hỗ trợ đặt lưu lượng không khí và khí đốt đến một giá trị để tấm bức xạ đạt nhiệt độ thích hợp và không cần thiết hiệu chuẩn chính xác tuyệt đối.
Thư mục tài liệu tham khảo
[1] DIN 50055 :1989, Light measuring system for testing smoke development.
MỤC LỤC
Lời nói đầu
Giới thiệu
1 Phạm vi áp dụng
2 Tài liệu viện dẫn
3 Thuật ngữ và định nghĩa
4 Nguyên tắc
5 Thiết bị
6 Mẫu thử
7 Ổn định mẫu thử
8 Quy trình thử nghiệm
9 Biểu thị kết quả
10 Báo cáo thử nghiệm
Phụ lục A (quy định) Đo khói
Phụ lục B (tham khảo) Độ chụm của phương pháp thử.
Phụ lục C (quy định) Nguồn cấp khí đốt và không khí
Thư mục tài liệu tham khảo
1) Các hỗn hợp propan và/hoặc butan với không khí được chứng minh là phù hợp cho thử nghiệm, nhưng vẫn có thể sử dụng các hỗn hợp khí đốt khác cùng với không khí.
2) Công suất xả từ 39 m3/min đến 85 m3/min (ở 25°C, 1 bar) được chứng minh phù hợp cho thử nghiệm.
Bạn chưa Đăng nhập thành viên.
Đây là tiện ích dành cho tài khoản thành viên. Vui lòng Đăng nhập để xem chi tiết. Nếu chưa có tài khoản, vui lòng Đăng ký tại đây!