- Tổng quan
- Nội dung
- Tiêu chuẩn liên quan
- Lược đồ
- Tải về
Tiêu chuẩn quốc gia TCVN 9311-1:2024 Thử nghiệm chịu lửa - Các bộ phận công trình xây dựng - Phần 1: Các yêu cầu chung
| Số hiệu: | TCVN 9311-1:2024 | Loại văn bản: | Tiêu chuẩn Việt Nam |
| Cơ quan ban hành: | Bộ Khoa học và Công nghệ | Lĩnh vực: | Xây dựng |
| Trích yếu: | Thử nghiệm chịu lửa - Các bộ phận công trình xây dựng - Phần 1: Các yêu cầu chung | ||
|
Ngày ban hành:
Ngày ban hành là ngày, tháng, năm văn bản được thông qua hoặc ký ban hành.
|
31/12/2024 |
Hiệu lực:
|
Đã biết
|
| Người ký: | Đang cập nhật |
Tình trạng hiệu lực:
Cho biết trạng thái hiệu lực của văn bản đang tra cứu: Chưa áp dụng, Còn hiệu lực, Hết hiệu lực, Hết hiệu lực 1 phần; Đã sửa đổi, Đính chính hay Không còn phù hợp,...
|
Đã biết
|
TÓM TẮT TIÊU CHUẨN VIỆT NAM TCVN 9311-1:2024
TCVN 9311-1:2024: Thử nghiệm chịu lửa - Các yêu cầu chung
Tiêu chuẩn quốc gia TCVN 9311-1:2024 được ban hành nhằm sửa đổi và thay thế cho tiêu chuẩn TCVN 9311-1:2012, với mục đích quy định phương pháp thử nghiệm nhằm xác định giới hạn chịu lửa của các bộ phận công trình xây dựng. Tiêu chuẩn này được ban hành ngày 07/01/2024 và có hiệu lực từ ngày 01/03/2024.
Tiêu chuẩn này được xây dựng trên cơ sở tham khảo các tài liệu quốc tế như ISO 834-1:1999, cùng các sửa đổi sửa đổi ISO 834-1:1999/Amd. 1:2012 và ISO 834-1:1999/Amd.2:2021, đồng thời tuân thủ quy định của TCVN 13249:2020 về an toàn cháy. TCVN 9311-1:2024 bao gồm các yêu cầu chung được áp dụng vào quy trình thử nghiệm và phân loại đối với bộ phận công trình xây dựng trong điều kiện nhiệt tiêu chuẩn.
Về phạm vi áp dụng, tiêu chuẩn này quy định phương pháp thử nghiệm để phân tích giới hạn chịu lửa của các cấu kiện xây dựng, với các mẫu thử nghiệm sẽ được phân loại dựa trên khoảng thời gian mà các bộ phận đủ tiêu chuẩn theo các tiêu chí quy định.
Để thực hiện thử nghiệm, tiêu chuẩn quy định rõ yêu cầu về thiết bị thử nghiệm. Cụ thể, thiết bị bao gồm lò thử nghiệm với khả năng tạo ra các điều kiện nhiệt cụ thể, các thiết bị điều khiển và đo nhiệt độ nhằm đảm bảo quá trình thử nghiệm đạt chuẩn. Đặc biệt, thiết bị đo nhiệt độ phải có độ chính xác cao và cân bằng áp suất trong lò theo quy định.
Tiêu chuẩn cũng quy định rõ các ký hiệu và thuật ngữ quan trọng, như "tính toàn vẹn", "khả năng chịu lực" và "tính cách nhiệt", nhằm đảm bảo sự hiểu biết đồng nhất trong quy trình thử nghiệm. Một số khái niệm như "giới hạn chịu lửa" hay "bộ phận ngăn cháy" cũng được định nghĩa chi tiết.
Ngoài ra, tiêu chuẩn chỉ rõ các điều kiện thử nghiệm, như nhiệt độ trung bình của lò, tỷ lệ áp suất và chất tải trong suốt quá trình thử nghiệm. Đối với lò thử nghiệm, tiêu chuẩn yêu cầu phải đạt được nhiệt độ theo đường cong nhiệt độ/thời gian đã quy định, đồng thời phải đảm bảo áp suất trong lò thử nghiệm phù hợp để không gây ra sai lệch cho kết quả thử nghiệm.
Cuối cùng, tiêu chuẩn cũng quy định về việc hiệu chuẩn các thiết bị thử nghiệm, thời gian và cách thức thực hiện nhằm đảm bảo tính chính xác của kết quả thử nghiệm. Mọi thiết bị đo được yêu cầu tuân thủ các tiêu chuẩn nghiêm ngặt về sai số cho từng loại đo, từ nhiệt độ đến áp suất và độ biến dạng.
Tổng thể, TCVN 9311-1:2024 tạo ra một khuôn khổ pháp lý và kỹ thuật cần thiết để thực hiện các thử nghiệm chịu lửa một cách đồng nhất, đảm bảo an toàn cho các công trình xây dựng.
Tải tiêu chuẩn Việt Nam TCVN 9311-1:2024
TIÊU CHUẨN QUỐC GIA
TCVN 9311-1:2024
THỬ NGHIỆM CHỊU LỬA - CÁC BỘ PHẬN CÔNG TRÌNH XÂY DỰNG - PHẦN 1: CÁC YÊU CẦU CHUNG
Fire resistance test - Elements of building construction - Part 1: General requirements
Lời nói đầu
TCVN 9311-1:2024 thay thế TCVN 9311-1:2012
TCVN 9311-1:2024 được xây dựng trên cơ sở tham khảo ISO 834-1:1999; các sửa đổi ISO 834-1:1999/Amd. 1:2012, ISO 834-1:1999/Amd.2:2021 và EN 1363-1:2020.
TCVN 9311-1:2024 do Viện Khoa học công nghệ xây dựng (Bộ Xây dựng) biên soạn, Bộ Xây dựng đề nghị, Tổng cục Tiêu chuẩn Đo lường Chất lượng thẩm định, Bộ Khoa học và Công nghệ công bố.
Bộ tiêu chuẩn TCVN 9311 có các tiêu chuẩn sau:
TCVN 9311-1:2024, Thử nghiệm chịu lửa - Các bộ phận công trình xây dựng - Phần 1: Các yêu cầu chung.
TCVN 9311-3:2012 (ISO 834-3:1994), Thử nghiệm chịu lửa - Các bộ phận công trình xây dựng - Phần 3: Chỉ dẫn về phương pháp thử và áp dụng số liệu thử nghiệm.
TCVN 9311-4:2012 (ISO 834-4:2000), Thử nghiệm chịu lửa - Các bộ phận công trình xây dựng - Phần 4: Yêu cầu riêng đối với bộ phận ngăn cách đứng chịu tải.
TCVN 9311-5:2012 (ISO 834-5:2000), Thử nghiệm chịu lửa - Các bộ phận công trình xây dựng - Phần 5: Yêu cầu riêng đối với bộ phận ngăn cách nằm ngang chịu tải.
TCVN 9311-6:2012 (ISO 834-6:2000), Thử nghiệm chịu lửa - Các bộ phận công trình xây dựng - Phần 6: Các yêu cầu riêng đối với dầm.
TCVN 9311-7:2012 (ISO 834-7:2000), Thử nghiệm chịu lửa - Các bộ phận công trình xây dựng - Phần 7: Các yêu cầu riêng đối với cột.
TCVN 9311-8:2012 (ISO 834-8:2000), Thử nghiệm chịu lửa - Các bộ phận công trình xây dựng - Phần 8: Các yêu cầu riêng đối với bộ phận ngăn cách đứng không chịu tải.
Bộ tiêu chuẩn ISO 834 có các tiêu chuẩn sau:
ISO 834-2:2019, Fire-resistance tests - Elements of building construction Part 2: Requirements and recommendations for measuring furnace exposure on test samples.
ISO 834-9:2003, Fire-resistance tests - Elements of building construction - Part 9: Specific requirements for non-loadbearing ceiling elements.
ISO 834-10:2014 Fire resistance tests - Elements of building construction - Part 10: Specific requirements to determine the contribution of applied fire protection materials to structural steel elements.
ISO 834-11:2014 Fire resistance tests - Elements of building construction - Part 11: Specific requirements for the assessment of fire protection to structural steel elements.
ISO 834-12:2012 Fire resistance tests - Elements of building construction - Part 12: Specific requirements for separating elements evaluated on less than full scale furnaces.
ISO 834-13:2019 Fire-resistance tests - Elements of building construction - Part 13: Requirements for the testing and assessment of applied fire protection to steel beams with web openings.
ISO 834-14:2019 Fire-resistance tests - Elements of building construction - Part 14: Requirements for the testing and assessment of applied fire protection to solid steel bar.
Lời giới thiệu
TCVN 9311-1:2024 là bản soát xét của TCVN 9311-1:2012 dựa trên ISO 834-1:1999 cùng các sửa đổi ISO 834-1:1999/Amd.1:2012, ISO 834-1:1999/Amd.2:2021;
Nội dung tiêu chuẩn được soát xét gồm bổ sung các quy định đã sửa đổi trong các bản sửa đổi số 1, số 2 của ISO 834-1, thống nhất các thuật ngữ định nghĩa với quy chuẩn kỹ thuật quốc gia về an toàn cháy cho nhà và công trình và TCVN 13249:2020, ngoài ra bổ sung ký hiệu về chênh lệch nhiệt độ, các loại kết cấu gá đỡ theo EN 1363-1:2020.
THỬ NGHIỆM CHỊU LỬA - CÁC BỘ PHẬN CÔNG TRÌNH XÂY DỰNG - PHẦN 1: CÁC YÊU CẦU CHUNG
Fire resistance test - Elements of building construction - Part 1: General requirements
1 Phạm vi áp dụng
Tiêu chuẩn này quy định phương pháp thử để xác định giới hạn chịu lửa của các bộ phận công trình xây dựng theo chế độ nhiệt tiêu chuẩn. Số liệu thử nghiệm thu được cho phép phân loại trên cơ sở khoảng thời gian mà tính năng của các cấu kiện thử nghiệm trong các điều kiện này thỏa mãn các tiêu chí quy định.
2 Tài liệu viện dẫn
Các tài liệu viện dẫn sau cần thiết khi áp dụng tiêu chuẩn này. Đối với các tài liệu viện dẫn có ghi năm công bố thì áp dụng phiên bản được nêu. Đối với các tài liệu viện dẫn không ghi năm công bố thì áp dụng phiên bản mới nhất, bao gồm cả các sửa đổi, bổ sung (nếu có).
TCVN 13249:2020 (ISO 13943:2017), An toàn cháy - Từ vựng
TCVN 8256:2022 Tấm thạch cao - Yêu cầu kỹ thuật
IEC 60584-1, Thermocouples - Part 1: EMF specifications and tolerances (Đầu đo nhiệt - Phần 1: Yêu cầu kỹ thuật và sai số EMF)
ISO 834-2:2019, Fire-resistance tests - Elements of building construction - Part 2: Requirements and recommendations for measuring furnace exposure on test samples (Thử nghiệm chịu lửa - Các bộ phận công trình xây dựng - Phần 2: Các yêu cầu và khuyến nghị khi đo mức độ tiếp xúc với lò thử nghiệm của các mẫu thử)
3 Thuật ngữ và định nghĩa
Trong tiêu chuẩn này sử dụng các thuật ngữ và định nghĩa nêu trong TCVN 13249:2020 và các thuật ngữ, định nghĩa sau:
3.1
Tính chất thực tế (?) của vật liệu (actual material properties)
Tính chất của vật liệu được xác định từ các mẫu đại diện lấy ra từ các mẫu thử chịu lửa theo các yêu cầu về tiêu chuẩn sản phẩm liên quan.
3.2
Thử nghiệm hiệu chuẩn (calibration test)
Quy trình để đánh giá các điều kiện thử thông qua thực nghiệm.
3.3
Sự biến dạng (deformation)
Bất kỳ thay đổi nào về kích thước hay hình dạng của một cấu kiện xây dựng do tác động của kết cấu và/hoặc tác động nhiệt gây ra. Sự biến dạng bao gồm cà hiện tượng võng, giãn nở hoặc co ngót của cấu kiện.
3.4
Bộ phận công trình xây dựng (elements of building construction)
Cấu kiện xây dựng như tường, vách ngăn, sàn, mái, dầm hoặc cột.
3.5
Tính cách nhiệt (insulation)
Khả năng của một bộ phận ngăn cách trong tòa nhà có một mặt tiếp xúc với lửa, nhằm hạn chế sự gia tăng nhiệt độ của bề mặt không tiếp xúc với lửa dưới mức cho phép.
3.6
Tính toàn vẹn (integrity)
Khả năng của một bộ phận ngăn cách trong tòa nhà có một mặt tiếp xúc với lửa, ngăn chặn ngọn lửa và khí nóng truyền qua hoặc ngăn chặn hiện tượng bùng cháy ở mặt không tiếp xúc với lửa.
3.7
Khả năng chịu lực (loadbearing capacity)
Khả năng chịu lực của mẫu thử chịu tải trọng thử nghiệm, trong điều kiện thích hợp, mà không vượt quá các tiêu chí quy định đối với cả mức độ và tốc độ của biến dạng.
3.8
Cấu kiện chịu lực (loadbearing element)
Cấu kiện được sử dụng với mục đích để chịu tải trọng bên ngoài của công trình và duy trì khả năng đó trong đám cháy.
3.9
Mặt phẳng cân bằng áp suất (neutral pressure plane)
Mặt phẳng ở cao độ tại đó áp suất bên trong và bên ngoài lò thử nghiệm bằng nhau.
3.10
Mức sàn biểu kiến (notional floor level)
Độ cao sàn giả định tương ứng với vị trí của bộ phận công trình đang sử dụng.
3.11
Ngăn cản biến dạng (restraint)
Sự ngăn cản hiện tượng giãn nở hoặc xoay (gây ra bởi các tác động nhiệt và/hoặc tác động cơ học) trong các điều kiện đã cho tại vị trí biên, mép cạnh hoặc gối đỡ mẫu thử.
CHÚ THÍCH: Các ví dụ và các kiểu ngăn cản biến dạng là ngăn cản biến dạng theo phương dọc, theo phương ngang và ngăn cản biến dạng xoay.
3.12
Bộ phận ngăn cháy (separating element)
Một bộ phận dùng để phân chia hai khu vực liền kề nhau trong một tòa nhà khi có cháy.
3.13
Kết cấu gá đỡ (supporting construction)
Phần kết cấu có thể được yêu cầu thử nghiệm cho một số bộ phận của tòa nhà, mà tại đó mẫu thử được lắp ráp, chẳng hạn phần tường có cửa được lắp vào.
3.14
Kết cấu thử nghiệm (test construction)
Tổ hợp hoàn chỉnh gồm mẫu thử và kết cấu gá đỡ.
3.15
Mẫu thử nghiệm (test specimen)
Một bộ phận (hoặc một phần) của công trình được cung cấp nhằm mục đích xác định giới hạn chịu lửa hoặc sự đóng góp của chúng vào khả năng chịu lửa cho một bộ phận của công trình khác.
4 Ký hiệu
| Ký hiệu | Tên | Đơn vị |
| A | Diện tích nằm dưới đường cong nhiệt độ-thời gian trung bình thực tế của lò thử nghiệm | (°C· min) |
| As | Diện tích nằm dưới đường cong nhiệt độ-thời gian tiêu chuẩn | (°C· min) |
| C | Độ co ngắn dọc trục xác định từ khi bắt đầu gia nhiệt | mm |
| C(t) | Độ co ngắn dọc trục tại một thời điểm t của quá trình thử nghiệm | mm |
|
| Tốc độ co ngắn dọc trục được xác định như sau
| mm/min |
| d | khoảng cách từ thớ biên của vùng chịu nén tới thớ biên của vùng chịu kéo của tiết diện kết cấu | mm |
| D | Độ võng được xác định từ khi bắt đầu gia nhiệt | mm |
| D(t) | Độ võng tại thời điểm t của quá trình thử nghiệm | mm |
|
| Tốc độ võng được xác định như sau:
| mm/min |
| h | chiều cao ban đầu của mẫu thử nghiệm sau khi đặt tải trọng | mm |
| L | Chiều dài nhịp thông thủy của mẫu thử | mm |
| de | Độ lệch phần trăm (xem 6.1.2) | % |
| t | Thời gian tính từ khi bắt đầu gia nhiệt | min |
| T | Nhiệt độ bên trong lòng lò thử nghiệm | °C |
| ΔT | Chênh lệch nhiệt độ hoặc gia tăng nhiệt độ | °C hoặc K |
5 Thiết bị thử nghiệm
5.1 Yêu cầu chung
Các thiết bị được dùng để tiến hành thử nghiệm chủ yếu bao gồm những loại sau:
a) Một lò thử nghiệm được thiết kế đặc biệt để tạo cho mẫu thử các điều kiện thử nghiệm được quy định trong các điều khoản phù hợp;
b) Thiết bị điều khiển cho phép điều chỉnh nhiệt độ lò thử nghiệm tuân theo quy định tại 6.1;
c) Thiết bị điều khiển và kiểm soát áp suất khí nóng trong lò theo như quy định tại 6.2;
d) Một khung để lắp đặt mẫu thử và có thể được lắp đặt cùng với lò thử nghiệm để đảm bảo các điều kiện về gia nhiệt, áp suất và điều kiện đỡ phù hợp;
e) Thiết bị gia tải và ngăn cản biến dạng mẫu thử, bao gồm việc điều khiển và việc kiểm soát các tải trọng;
f) Thiết bị đo nhiệt độ trong lò thử nghiệm và trên bề mặt không tiếp xúc với lửa của mẫu thử, và những vị trí bên trong phạm vi kết cấu mẫu thử khi cần;
g) Thiết bị đo độ biến dạng của mẫu thử tại vị trí đã được quy định trong các điều khoản phù hợp;
h) Thiết bị để đánh giá tính toàn vẹn của mẫu thử, để xác định có sự phù hợp với các tiêu chí tính năng đã được mô tả ở Điều 10 và để xác định thời gian thử nghiệm đã trôi qua.
5.2 Lò thử nghiệm
Lò thử nghiệm phải được thiết kế để sử dụng nhiên liệu dạng khí hoặc lỏng và phải có khả năng:
a) Nung nóng một mặt của bộ phận ngăn cháy thẳng đứng hoặc nằm ngang; hoặc
b) Nung nóng cột ở tất cả các mặt; hoặc
c) Nung nóng bức tường ở cả hai mặt; hoặc
d) Nung nóng dầm ở ba mặt hoặc bốn mặt, tùy yêu cầu.
CHÚ THÍCH: Lò thử nghiệm được thiết kế sao cho các tổ hợp của hai cấu kiện trở lên có thể được thử nghiệm đồng thời, với điều kiện mọi yêu cầu của mỗi cấu kiện riêng biệt phải được tuân thủ.
Các lớp cách nhiệt lò phải được làm từ những vật liệu có khối lượng riêng nhỏ hơn 1 000 kg/m3. Các vật liệu cách nhiệt này phải có độ dày không nhỏ hơn 50 mm và chiếm ít nhất 70 % diện tích bề mặt tiếp xúc với lửa ở phía bên trong lò thử nghiệm.
5.3 Thiết bị gia tải
Thiết bị gia tải phải có khả năng chất tải lên các mẫu thử theo mức tải trọng như quy định tại 6.3. Có thể chất tải bằng thủy lực, bằng cơ học hoặc sử dụng các vật nặng.
Thiết bị gia tải phải có khả năng mô phỏng các điều kiện tải trọng đều, tải trọng tập trung, tải trọng đúng tâm hoặc tải trọng lệch tâm phù hợp với kết cấu thử nghiệm. Thiết bị gia tải cũng phải có khả năng duy trì tải trọng thử nghiệm ở giá trị không đổi (trong khoảng ± 5 % giá trị yêu cầu) mà không làm thay đổi sự phân bố tải trọng trong suốt thời gian chịu lực. Thiết bị phải có khả năng theo dõi biến dạng tối đa và tốc độ biến dạng của mẫu thử trong thời gian thử nghiệm.
Thiết bị gia tải không được phép ảnh hưởng lớn tới sự truyền nhiệt qua mẫu thử hoặc cản trở việc sử dụng các lớp đệm phân cách của cặp nhiệt kế. Thiết bị này không được ảnh hưởng tới phép đo nhiệt độ bề mặt và/hoặc độ biến dạng và phải cho phép quan sát tổng thể mặt không tiếp xúc trực tiếp với lửa. Tổng diện tích các điểm tiếp xúc giữa thiết bị gia tải và bề mặt mẫu thử không được vượt quá 10 % tổng diện tích bề mặt của mẫu thử nằm ngang.
Trường hợp cần thiết phải chuẩn bị cho việc duy trì tải trọng sau khi kết thúc quá trình gia nhiệt.
5.4 Khung để cố định và đỡ
Các khung đỡ và các thiết bị chuyên dụng khác cần phải được sử dụng sao cho có thể thiết lập được các điều kiện biên và điều kiện đỡ phù hợp với các mẫu thử nghiệm theo như quy định tại 6.4.
5.5 Dụng cụ đo
5.5.1 Nhiệt độ
5.5.1.1 Nhiệt độ lò thử nghiệm
Nhiệt độ lò thử nghiệm phải được đo bằng các nhiệt kế dạng tấm, gồm tấm hợp kim niken có gấp mép, đầu đo nhiệt độ được gắn vào tấm hợp kim niken này cùng với vật liệu cách nhiệt.
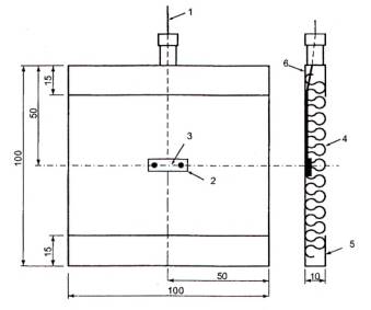
Tấm hợp kim niken phải được chế tạo từ các tấm siêu hợp kim niken Austenitic nhằm chống ô xy hóa ở nhiệt độ cao có kích thước dài (150 ± 1) mm, rộng (100 ± 1) mm, dày (0,7 ± 0,1) mm được gấp mép theo như thiết kế trong Hình 1.
Đầu đo phải làm bằng sợi hợp kim niken-nhôm/niken-crom (loại K), như được định nghĩa trong IEC 60584-1, nằm trong lớp vỏ cách điện chứa trong hợp kim thép chịu nhiệt có đường kính từ 1 mm đến 3 mm và đầu nóng được cách điện với lớp vỏ. Đầu nối nóng của đầu đo nhiệt phải được cố định tại tâm hình học của tấm hợp kim, vị trí được minh họa ở Hình 1, bằng một mảnh hợp kim nhỏ làm từ vật liệu chế tạo ra tấm hợp kim. Mảnh hợp kim này có thể được hàn vào tấm hợp kim hoặc có thể được bắt vít để dễ thay đầu đo nhiệt. Mảnh hợp kim có kích thước xấp xỉ 18 mm × 6 mm nếu được hàn điểm vào tấm hợp kim và kích thước danh nghĩa là 25 mm × 6 mm nếu được bắt vít vào tấm hợp kim. Vít này phải có đường kính 2 mm.
Tổ hợp tấm hợp kim và đầu đo nhiệt phải được lắp thêm một miếng đệm bằng vật liệu cách nhiệt vô cơ có kích thước danh nghĩa là (97 ± 1) mm × (97 ± 1) mm dày (10 ± 1) mm và khối lượng riêng (280 ± 30) kg/m3.
Trước khi nhiệt kế dạng tấm được sử dụng lần đầu, nhiệt kế dạng tấm hoàn chỉnh phải được nung bằng cách đặt trong lò đã được làm nóng sẵn ở nhiệt độ 1 000 °C trong 1h (1 giờ).
CHÚ THÍCH: Có thể dùng cách khác thay cho việc sử dụng lò thông thường bằng cách đặt mặt tiếp xúc của nhiệt kế hướng vào lò thử nghiệm chịu lửa trong thời gian 90 min (90 phút) theo đường cong nhiệt độ/thời gian tiêu chuẩn (chế độ nhiệt tiêu chuẩn).
Khi nhiệt kế dạng tấm được sử dụng nhiều lần, cần có sổ để ghi chép tóm tắt cho mỗi lần sử dụng để kiểm tra quá trình thực hiện và thời gian sử dụng. Đầu đo nhiệt và lớp đệm cách nhiệt phải được thay sau 50h (50 giờ) sử dụng trong lò thử nghiệm.
Kích thước tính bằng milimét (mm)

CHÚ DẪN:
| 1 Đầu đo nhiệt có vỏ bọc với đầu nóng được cách nhiệt | 4 Vật liệu cách nhiệt |
| 2 Mảnh thép được hàn điểm hoặc bắt vít | 5 Tấm hợp kim niken dày (0,7 ± 0,1) mm |
| 3 Đầu nóng của đầu đo nhiệt | 6 Mặt A |
Hình 1 - Minh họa nhiệt kế dạng tấm
5.5.1.2 Nhiệt độ trên bề mặt không tiếp xúc với lửa
Nhiệt độ trên bề mặt không tiếp xúc với lửa của mẫu thử phải được đo bằng đầu đo nhiệt dạng đĩa, như thể hiện trên Hình 2. Để có tiếp xúc nhiệt tốt, các dây hợp kim của đầu đo nhiệt, đường kính 0,5 mm, phải được hàn vào một đĩa bằng đồng dày 0,2 mm, đường kính 12 mm. Mỗi đầu đo nhiệt phải được bọc bằng đệm cách nhiệt vô cơ có kích thước 30 mm × 30 mm dày 2,0 mm ± 0,5 mm, ngoại trừ có các quy định riêng cho các cấu kiện đặc biệt. Đệm cách nhiệt phải có khối lượng riêng là (900 ± 100) kg/m3. Thiết bị đo và ghi số liệu phải có khả năng hoạt động trong các giới hạn được quy định tại 5.6.
Đệm cách nhiệt phải được gắn vào bề mặt mẫu thử, không có chất kết dính giữa đĩa đồng với bề mặt mẫu thử hoặc giữa đĩa đồng với miếng đệm cách nhiệt.
Kích thước tính bằng milimét (mm)

CHÚ DẪN:
1 Dây hợp kim của đầu đo nhiệt đường kính 0,5 mm
2 Đĩa đồng dày 0,2 mm
a) Đầu đo của đĩa bằng đồng

CHÚ DẪN:
1 Các phần cắt cho phép đệm cách nhiệt đặt được trên đĩa đồng
2 Vị trí cắt khác
b) Đĩa đồng và đệm cách nhiệt
Hình 2 - Đầu đo nhiệt và đệm cách nhiệt của bề mặt không tiếp xúc với lửa
5.5.1.3 Đầu đo nhiệt di động
Có ít nhất một đầu đo nhiệt di động được cấu tạo như Hình 3 hoặc dụng cụ đo nhiệt độ thay thế đã được chứng minh là có độ chính xác và thời gian đáp ứng bằng hoặc nhỏ hơn thiết kế được minh họa trong Hình 3 được sử dụng để đo nhiệt độ trên bề mặt không tiếp xúc với lửa trong suốt thử nghiệm tại vị trí có nghi ngờ là có nhiệt độ cao hơn. Mối nối của đầu đo nhiệt bao gồm sợi dây đo nhiệt đường kính 1,0 mm được hàn vào đĩa đồng dày 0,5 mm có đường kính 12 mm. Tổ hợp đầu đo nhiệt phải có tay nắm để có thể đo bất cứ điểm nào trên bề mặt không lộ lửa của mẫu thử nghiệm.

CHÚ DẪN:
1 Ống đỡ bằng thép chịu nhiệt, đường kính 13 mm
2 Ống cách nhiệt bằng gốm hai lỗ, đường kính 8 mm
3 Dây đo nhiệt, đường kính 1,0 mm
4 Đĩa đồng, đường kính 12 mm, dày 0,5 mm
Hình 3 - Tổ hợp đầu đo nhiệt di động
5.5.1.4 Nhiệt độ bên trong
Khi cần thông tin liên quan đến nhiệt độ bên trong của mẫu thử hoặc của một bộ phận cụ thể nào đó, cần sử dụng đầu đo nhiệt có các đặc tính phù hợp với phạm vi nhiệt độ được đo và với loại vật liệu của mẫu thử.
5.5.1.5 Nhiệt độ xung quanh
Nhiệt độ xung quanh mẫu thử trong phạm vi phòng thí nghiệm phải được đo bằng đầu đo nhiệt tại các vùng lân cận của mẫu thử trước và trong suốt quá trình thử nghiệm. Đầu đo nhiệt cần có đường kính danh nghĩa là 3 mm, cách nhiệt bằng vật liệu khoáng, lớp vỏ bọc bằng thép không gỉ loại K như quy định trong IEC 60584 -1. Đầu đo phải được bảo vệ để tránh nhiệt bức xạ và các dòng khí.
5.5.2 Áp suất
Áp suất trong lò phải được đo bằng một trong các kiểu của bộ phận cảm biến trong Hình 4. Thiết bị đo và ghi số liệu phải có khả năng hoạt động trong phạm vi giới hạn cho phép quy định tại 5.6.
5.5.3 Tải trọng
Khi sử dụng các vật nặng, không cần thực hiện thêm phép đo tải trọng trong thử nghiệm. Khi tải trọng được gia thêm bằng hệ thống chất tải thủy lực thì phải được đo bằng bộ đo tải hoặc một thiết bị thích hợp khác có độ chính xác tương tự hoặc bằng cách kiểm soát áp lực tại một vị trí thích hợp. Thiết bị đo và ghi số liệu phải có khả năng hoạt động trong giới hạn cho phép được quy định tại 5.6.
Kích thước tính bằng milimét (mm)

CHÚ DẪN
1 Nối tới máy đo áp suất
2 Lỗ hở
3 Ống thép không gỉ (đường kính trong từ 5 mm đến 10 mm)
a) Kiểu 1: Cảm biến dạng chữ “T”

CHÚ DẪN:
1 Các lỗ hở có đường kính 3,0 mm
2 Các lỗ hở có đường kính 3,0 mm được đặt xoay quanh ống các góc 40°
3 Đầu hàn
4 Ống thép không gỉ
b) Kiểu 2: Cảm biến dạng ống
Hình 4 - Các đầu cảm biến đo áp suất
5.5.4 Biến dạng
Để đo biến dạng có thể dùng thiết bị đo kiểu cơ khí, quang học hoặc điện. Khi thiết bị này được sử dụng để đo các tiêu chí tính năng (ví dụ đo độ võng hoặc độ co ngắn) thì nó phải có khả năng hoạt động với tần số ít nhất 1 lần đọc trên 1 min (1 phút). Cần có biện pháp an toàn cần thiết để loại trừ sai lệch của thiết bị đo do ảnh hưởng bởi nhiệt.
5.5.5 Tính toàn vẹn
5.5.5.1 Đệm bông
Trừ khi có các quy định khác trong các tiêu chuẩn dành riêng cho từng cấu kiện thì đệm bông được dùng trong việc xác định tính toàn vẹn phải làm từ sợi bông mới, không nhuộm, xốp, không lẫn loại sợi khác, dày 20 mm với diện tích 100 mm2, nặng từ 3 gram đến 4 gram. Đệm bông được xử lý trước khi sử dụng bằng cách sấy trong lò sấy ở nhiệt độ 100 °C ± 5 °C trong thời gian ít nhất là 30 min (30 phút). Sau khi khô đệm bông có thể được bảo quản trong bình hút ẩm cho đến khi sử dụng. Khi sử dụng, đệm bông được gắn vào một giá kẹp có tay nắm, như được mô tả trên Hình 5.
Kích thước tính bằng milimét (mm)

CHÚ DẪN:
1 Khớp nối
2 Tay nắm có chiều dài phù hợp
3 Dây thép đỡ đường kính 0,5 mm
4 Nắp có bản lề và chốt cài
5 Khung của giá kẹp đệm bông đường kính 1,5 mm
Hình 5 - Giá kẹp đệm bông
5.5.5.2 Cữ đo khe hở
Có hai loại cữ đo khe hở (Xem Hình 6) được dùng để xác định tính toàn vẹn. Chúng được làm từ thanh thép không gỉ, hình trụ đường kính 6 mm ± 0,1 mm và 25 mm ± 0,2 mm. Cữ đo khe hở phải có tay nắm cách nhiệt với chiều dài thích hợp.
Kích thước tính bằng milimét (mm)

CHÚ DẪN:
1 Thanh thép không gỉ
2 Tay nắm được cách nhiệt
Hình 6 - Cữ đo khe hở
5.6 Độ chính xác của thiết bị đo
Để thực hiện được các thử nghiệm chịu lửa, thiết bị đo cần đáp ứng được các giới hạn sai số như sau:
a) Đo nhiệt độ
| - Lò thử nghiệm: | ± 15 °C |
| - Nhiệt độ xung quanh và trên bề mặt không tiếp xúc với lửa | ± 4 °C |
| - Các vị trí khác | ±10 °C |
| b) Đo áp suất | ± 2 Pa |
| c) Mức tải trọng | ± 2,5 % tải trọng thử nghiệm |
| d) Đo độ co ngắn hoặc giãn nở dọc trục | ± 0,5 mm |
| e) Đo biến dạng khác | ± 2 mm |
6 Điều kiện thử nghiệm
6.1 Nhiệt độ lò thử nghiệm
6.1.1 Đường cong nhiệt độ
Nhiệt độ trung bình của lò thử nghiệm, thu được từ đầu đo nhiệt được quy định tại 5.5.1.1, phải được giám sát và kiểm soát theo mối quan hệ sau (xem Hình 7):
| T = 345 log10 (8t + 1) + 20 | (1) |
trong đó:
T là nhiệt độ trung bình của lò, °C;
t là thời gian, min (phút).

CHÚ DẪN:
1 Nhiệt độ lò thử nghiệm theo thời gian
Hình 7 - Quan hệ nhiệt độ - thời gian tiêu chuẩn (Chế độ nhiệt chuẩn)
6.1.2. Dung sai
Độ lệch phần trăm de của phần biểu đồ đường cong nhiệt độ trung bình được ghi bằng đầu đo nhiệt của lò thử nghiệm quy định theo thời gian, lấy trên phần biểu đồ đường cong nhiệt độ/thời gian tiêu chuẩn phải nằm trong giới hạn:
| a) | de ≤ 15 % | với | 5 < t ≤ 10; |
| b) | de = 15 - 0,5 (t - 10)% | với | 10 < t ≤ 30; |
| c) | de = 5 - 0,083 (t - 30) % | với | 30 < t ≤ 60; |
| d) | de = 2,5 %. | Với | t > 60 |
|
| (2) | ||
trong đó:
de là độ lệch phần trăm;
A là phần diện tích bên dưới đường cong nhiệt độ/thời gian trung bình thực tế của lò thử nghiệm;
As là diện tích phần phía dưới đường cong nhiệt độ/thời gian tiêu chuẩn;
T là thời gian, min (phút).
Tất cả các diện tích đều được tính theo cùng một phương pháp, nghĩa là lấy bằng tổng các phần diện tích có khoảng thời gian không quá 1 min (1 phút) với công thức a); 5 min (5 phút) với công thức b), c) và d) và phải được tính từ thời điểm không. Thời điểm bắt đầu thử nghiệm được mô tả tại 9.3.
Tại thời điểm bất kỳ sau 10 min (10 phút) thử nghiệm đầu tiên, nhiệt độ trong lò thử nghiệm được ghi lại bởi một đầu đo nhiệt trong lò thử nghiệm bất kỳ không được phép chênh lệch quá 100 °C so với nhiệt độ tương ứng của đường cong nhiệt độ/thời gian tiêu chuẩn.
Với các mẫu thử có một lượng vật liệu dễ cháy đáng kể thì độ lệch có thể cao hơn trong khoảng thời gian không quá 10 min (10 phút), với điều kiện độ lệch vượt quá đó được xác định một cách rõ ràng là do hiện tượng bùng cháy đột ngột của một lượng đáng kể vật liệu dễ cháy đã làm tăng nhiệt độ trung bình của lò thử nghiệm.
6.2 Chênh lệch áp suất trong lò thử nghiệm
6.2.1 Quy định chung
Gradien áp suất tuyến tính tồn tại theo suốt chiều cao lò thử nghiệm và mặc dù sẽ có thay đổi tùy thuộc nhiệt độ lò thử nghiệm, giá trị trung bình trên một mét chiều cao lò là 8 Pa được giả thiết để đánh giá các điều kiện áp suất lò thử nghiệm.
Giá trị áp suất lò thử nghiệm tại một độ cao xác định phải là giá trị trung bình danh nghĩa, không tính tới dao động của áp suất gây ra do chuyển động không đều, v.v., và phải được thiết lập tương ứng với áp suất bên ngoài lò ở cùng độ cao. Giá trị trung bình của áp suất lò thử nghiệm khống chế phải được giám sát theo như quy định tại 9.4.2 và được khống chế từ 5 min (5 phút) đầu là khoảng ± 5 Pa và từ 10 min (10 phút) đầu là ± 3 Pa trong tính từ lúc bắt đầu thử nghiệm.
6.2.2 Các bộ phận thẳng đứng
Lò thử nghiệm được vận hành sao cho suất 0 được thiết lập tại độ cao 500 mm tính từ mức sàn danh nghĩa. Tuy nhiên, áp suất tại đỉnh mẫu thử không được lớn hơn 20 Pa và chiều cao của mặt phẳng cân bằng áp suất phải được điều chỉnh cho thích hợp.
6.2.3 Các bộ phận nằm ngang
Lò thử nghiệm phải được vận hành sao cho áp suất 20Pa được thiết lập ở vị trí 100 mm phía dưới mẫu thử nghiệm hoặc mức trần danh nghĩa khi thử nghiệm dầm.
6.3 Chất tải
Phòng thử nghiệm phải chỉ rõ cơ sở xác định tải trọng thử nghiệm. Tải trọng thử nghiệm có thể được xác định trên cơ sở của một trong các yếu tố sau:
a) Đặc trưng vật liệu của mẫu thử nghiệm và phương pháp thiết kế được quy định trong tiêu chuẩn thiết kế kết cấu;
b) Tính chất đặc trưng của vật liệu làm mẫu thử nghiệm và phương pháp thiết kế được quy định trong tiêu chuẩn thiết kế kết cấu; nếu có thể, thiết lập mối quan hệ giữa khả năng chịu lực xác định trên cơ sở tính chất và đặc trưng của vật liệu;
c) Tải trọng tính toán được xác định dựa vào tiêu chuẩn thiết kế kết cấu hoặc được khách hàng thử nghiệm đưa ra trong trường hợp dùng vào mục đích riêng. Mối quan hệ giữa khả năng chịu lực tính toán và tải trọng được xác định trên cơ sở đặc tính vật liệu được đề xuất cho mẫu thử nghiệm và đặc tính riêng của vật liệu cho mẫu thử nghiệm phải được quy định hoặc phải xác định bằng thực nghiệm.
6.4. Ngăn cản biến dạng/điều kiện biên
Mẫu thử phải được lắp đặt vào khung đỡ và ngăn cản biến dạng sao cho các phương pháp này được áp dụng để đỡ tại các đầu mút hoặc các cạnh mẫu thử nghiệm trong suốt quá trình thử, được mô phỏng một cách tiêu biểu và rõ ràng và sẽ được áp dụng cho bộ phận tương tự dùng trong thực tế sử dụng.
Các điều kiện biên có thể tạo ra ngăn cản biến dạng chống lại hiện tượng giãn nở, co ngắn hoặc xoay. Cũng có thể làm cách khác, các điều kiện biên có thể cho biến dạng được tự do. Mẫu thử nghiệm có thể được thử với một trong các điều kiện biên (được áp dụng cho tất cả hoặc chỉ một số cạnh mép). Nên lựa chọn điều kiện này trên cơ sở phân tích kỹ lưỡng các điều kiện diễn ra trong thực tế sử dụng.
Mẫu thử nghiệm đại diện cho các bộ phận có các điều kiện biên không chắc chắn hoặc không ổn định trong quá trình sử dụng phải được đỡ tại các cạnh mép hoặc các đầu mút theo cách sao cho kết quả thiên về an toàn.
Nếu ngăn cản biến dạng được áp dụng trong quá trình thử, thì điều kiện ngăn cản biến dạng phải mô tả được sự dịch chuyển tự do của bộ phận trước khi gặp sức kháng co ngắn, giãn nở hoặc xoay. Mô men và lực bên ngoài được truyền vào bộ phận nhờ sự ngăn cản biến dạng trong quá trình thử phải được ghi chép lại.
6.5 Điều kiện không khí xung quanh
Lò thử nghiệm phải được lắp đặt trong phòng thí nghiệm với kích cỡ phù hợp để tránh nhiệt độ không khí xung quanh bộ phận ngăn cách tăng lên hơn 10 °C so với nhiệt độ ban đầu trong khi mẫu thử vẫn tuân thủ theo tiêu chí cách nhiệt. Trong phòng thí nghiệm không khí phải đảm bảo được lưu thông tự do. Nhiệt độ không khí xung quanh từ 20 °C ± 15 °C khi bắt đầu thử và phải được giám sát ở khoảng cách 1,0 m ± 0,5 m tính từ mặt không tiếp xúc với lửa trong các điều kiện sao cho các cảm biến không chịu ảnh hưởng của bức xạ nhiệt từ mẫu thử và/hoặc lò thử nghiệm (đặc biệt trong trường hợp bộ phận chỉ cần thỏa mãn tiêu chí về tính toàn vẹn).
6.6 Sự sai lệch với các điều kiện thử nghiệm quy định
Nếu các điều kiện nhiệt độ lò, áp suất lò hoặc nhiệt độ xung quanh đạt được trong phép thử ở mức cao hơn đối với mẫu thử thì không được tự động coi phép thử đó là không hợp lệ (xem Điều 11 quy định về tính hợp lệ của phép thử).
6.7 Hiệu chuẩn
6.7.1 Hiệu chuẩn lò thử nghiệm thường sử dụng kết quả thử nghiệm các bộ phận ngăn chia thẳng đứng và bộ phận ngăn chia nằm ngang tiến hành theo ISO 834-2:2019.
6.7.2 Diện tích hiệu dụng của lỗ mở lò thử nghiệm phải bằng hoặc lớn hơn diện tích được yêu cầu đo nhiệt độ trên bề mặt không tiếp xúc với lửa được quy định trong 8.1.2.
CHÚ THÍCH: Diện tích hiệu dụng lỗ mở lò thử nghiệm được quy định tại 3.1 của ISO 834-2:2019.
6.7.3 Phương pháp thử nghiệm được mô tả trong ISO 834-2:2019 phải được tiến hành khi xảy ra một trong hai điều kiện:
a) chu kỳ 5 năm kể từ khi tiến hành thử nghiệm trước; hoặc
b) thực hiện sửa chữa đáng kể với lò thử nghiệm
CHÚ THÍCH: sửa chữa đáng kể bao gồm việc thay thế đầu lửa, lớp cách nhiệt lò hoặc thiết bị kiểm soát sự cháy.
6.7.4 Kết quả thử nghiệm tiến hành theo ISO 834-2:2019 phải phù hợp với các điều kiện
- Sau 10 phút đầu tiên tiếp xúc với lửa của 45 phút quá trình thử nghiệm, chênh lệch nhiệt độ lớn nhất được ghi nhận bởi nhiệt kế dạng tấm trên bề mặt tiếp xúc với lửa của kết cấu gá đỡ không vượt quá 100°C;
- Sau 10 phút đầu tiên tiếp xúc với lửa của 45 phút quá trình thử nghiệm, hàm lượng khí ôxy không ít hơn 1 %. Hàm lượng khí ôxy thu được phải được xác định từ các dụng cụ đo lắp đặt trên kết cấu gá đỡ của mẫu thử đã đạt.
6.8 Môi trường lò thử nghiệm
Tỷ lệ nhiên liệu / không khí của đầu lửa và sự bổ sung của bất kì khí nào khác trong quá trình thử phải được chú ý sao cho hàm lượng ôxy tối thiểu trong lò là 4% (tránh các yếu tố dễ gây cháy nổ như đã được liệt kê trong ISO 834-2:2019). Việc thiết lập tỷ lệ nhiên liệu / không khí của các đầu lửa bao gồm cả khí bổ sung sẽ không được phép thay đổi sau lần kiểm tra cuối cùng về tính năng của lò.
7 Chuẩn bị mẫu thử
7.1 Cấu tạo mẫu
Vật liệu dùng để tạo mẫu thử và phương pháp thi công, lắp đặt phải đại diện cho việc sử dụng các bộ phận trong thực tế. Điều quan trọng là phải tiến hành chế tạo thông qua các tiêu chuẩn về tay nghề thường áp dụng với công trình xây dựng, kể cả việc hoàn thiện bề mặt phù hợp (nếu có). Không được có bất cứ sự thay đổi kết cấu nào (ví dụ sử dụng hệ thống mối nối khác nhau) trong một mẫu thử đơn lẻ. Bất kỳ việc điều chỉnh nào để hoàn thiện việc lắp đặt mẫu thử trong khung đỡ và khung ngăn cản biến dạng cụ thể đều phải làm sao cho không ảnh hưởng lớn đến hoạt động của mẫu thử và phải được mô tả đầy đủ trong báo cáo kết quả thử nghiệm.
7.2 Kích cỡ
Mẫu thử thường phải có kích cỡ thực. Khi mẫu thử không thể có kích cỡ thực, thì kích cỡ mẫu thử phải phù hợp với tiêu chuẩn thử nghiệm quy định cho từng loại bộ phận riêng biệt.
7.3 Số lượng mẫu thử
Phải thử ít nhất một mẫu thử cho mỗi điều kiện đỡ hoặc ngăn cản biến dạng cụ thể. Với các bộ phận ngăn cách của một kết cấu không đối xứng dùng để chịu lửa từ các phía khác nhau thì mẫu thử đại diện cho kết cấu phải được thử tiếp xúc với lửa với từng mặt của mẫu thử trừ trường hợp khẳng định rằng mặt nào đó của mẫu thử tiếp xúc với lửa sẽ gây ra nguy hiểm hơn. Các bộ phận ngăn cách của kết cấu không đối xứng có yêu cầu chịu lửa từ một phía xác định duy nhất sẽ chỉ chịu tiếp xúc với lửa từ phía đó.
7.4 Ổn định mẫu thử
Vào thời điểm thử nghiệm, độ bền và lượng ẩm trong mẫu thử phải gần đúng các điều kiện mong muốn khi sử dụng bình thường. Nếu mẫu thử chứa ẩm hoặc có khả năng hấp thụ ẩm thì sẽ không được thử nghiệm trước khi nó đạt tới điều kiện ổn định. Điều kiện này sẽ được coi như là điều kiện được thiết lập ở trạng thái cân bằng do được bảo quản trong môi trường có độ ẩm tương đối 50 % và nhiệt độ 23 °C.
Một trong các phương pháp có thể đạt được điều kiện ổn định là bảo quản mẫu trong buồng kín (nhiệt độ thấp nhất 15 °C, độ ẩm tương đối tối đa 75 %) trong khoảng thời gian cần thiết để đạt tới trạng thái cân bằng độ ẩm. Trạng thái này đạt được sau khi tiến hành hai lần cân mẫu trong khoảng 24 h mà khối lượng mẫu thử không chênh quá 0,1%.
Có thể thúc đẩy việc làm ổn định mẫu thử miễn là phương pháp này không làm thay đổi thuộc tính của vật liệu thành phần hoặc sự phân bố độ ẩm trong mẫu thử khiến cho nó làm ảnh hưởng tới tính chịu lửa của mẫu thử. Việc ổn định mẫu thử bằng nhiệt độ cao phải thấp hơn các mức nhiệt độ tới hạn đối với vật liệu.
Nếu sau khi làm ổn định, mẫu thử không thể đạt được điều kiện ẩm quy định nhưng đạt được độ bền thiết kế của thành phần hấp thụ thì có thể đem mẫu thử thử nghiệm đốt.
Các mẫu đại diện có thể được dùng để xác định hàm lượng ẩm và được ổn định cùng với mẫu thử. Các mẫu đó phải được chế tạo sao cho thể hiện được lượng hơi nước thoát từ mẫu thử có các mặt chịu lửa và độ dày tương tự. Mẫu thử được ổn định để đạt tới hàm lượng ẩm ổn định.
Các tiêu chuẩn riêng cho các bộ phận cụ thể có thể có các quy tắc bổ sung hoặc quy tắc khác nhằm đạt được trạng thái cân bằng độ ẩm.
7.5. Kiểm tra mẫu thử
Người đặt hàng thử nghiệm phải cung cấp bản mô tả của tất cả các chi tiết cấu tạo, bản vẽ và danh mục các thành phần chính, các nhà sản xuất/nhà cung cấp và cách thức lắp đặt cho phòng thí nghiệm, trước khi tiến hành phép thử. Tất cả mọi việc đều phải được hoàn tất đầy đủ trước khi thử nghiệm để phòng thí nghiệm kiểm tra sự phù hợp của mẫu thử với những thông tin được cung cấp, và bất cứ sự bất cập nào đều phải được xử lý trước khi tiến hành thử nghiệm. Để đảm bảo rằng phần mô tả bộ phận, đặc biệt là phần cấu tạo, phù hợp với bộ phận được thử nghiệm, phòng thí nghiệm phải kiểm tra khâu sản xuất cấu kiện hoặc sẽ yêu cầu bổ sung một hoặc nhiều mẫu thử.
Trong trường hợp không kiểm tra được tính phù hợp về tất cả các khía cạnh của kết cấu mẫu thử khi tiến hành thử nghiệm thì có thể không có đủ bằng chứng tin cậy sau khi thử nghiệm. Trường hợp cần thiết phải dựa vào thông tin do người đặt hàng thử nghiệm cung cấp thì phải nêu rõ trong báo cáo thử nghiệm. Tuy nhiên, phòng thí nghiệm phải đảm bảo sẽ đánh giá đầy đủ mẫu thử và ghi chép chính xác các chi tiết kết cấu vào báo cáo thử nghiệm. Các bước tiến hành bổ sung cho kiểm tra mẫu thử có thể tìm được trong các phương pháp thử nghiệm với từng sản phẩm cụ thể.
7.6. Kết cấu gá đỡ
7.6.1 Quy định chung
Tùy vào từng dạng mẫu thử được đánh giá cần được lắp đặt trên kết cấu gá đỡ.
7.6.2 Kết cấu gá đỡ tiêu chuẩn
7.6.2.1 Kết cấu đỡ cứng khối lượng riêng lớn
Dạng kết cấu này bao gồm tường tấm lớn, tường bằng khối xây gạch hoặc tường bê tông có khối lượng riêng không nhỏ hơn 850 kg/m3 và có chiều dày phù hợp với thời gian chịu lửa dự kiến.
7.6.2.2 Kết cấu đỡ cứng khối lượng riêng nhỏ
Dạng kết cấu này bao gồm tường xây bằng viên bê tông khí có khối lượng riêng (650 ± 200) kg/m3 và có chiều dày phù hợp với thời gian chịu lửa dự kiến.
7.6.2.3 Vữa xây
Các kết cấu gá đỡ với tường tấm lớn (bao gồm cả tường xây bằng viên bê tông khí) hoặc tường bằng khối xây gạch đã nêu ở 7.6.2.1 và 7.6.2.2, các khối xây riêng lẻ phải được xây bằng vữa xây phù hợp với thời gian chịu lửa dụ kiến.
7.6.3 Kết cấu gá đỡ mềm
Đây là dạng vách ngăn nhẹ có bề mặt là tấm thạch cao với xương bằng thép, được cấu tạo theo các điều kiện đưa ra dưới đây cùng với Bảng 1:
a) Các bộ phận:
- Thanh ngang dưới và trên: thanh thép cuộn chữ U, chiều dày từ 0,5 mm đến 1,5 mm;
- Thanh đứng: thanh thép cuộn chữ C, chiều dày từ 0,5 mm đến 2,0 mm;
- Lớp phủ: tấm thạch cao chống cháy (theo TCVN 8256, EN 520 hoặc TCVN tương đương). Số lớp tấm và chiều dày mỗi mặt được quy định trong Bảng 1.
- Cố định:
i) Vít tự khoan/ Vít tự taro;
ii) Lớp đầu tiên sử dụng tấm dày 12,5 mm hoặc 15 mm vít có chiều dài 20 mm đến 36 mm;
iii) Lớp thứ hai sử dụng tấm dày 12,5 mm hoặc 15 mm vít có chiều dải 35 mm đến 46 mm;
- Chất kết dính: lớp phủ thạch cao
- Các nhiệt: quy định trong Bảng 1, ngoại trừ có các quy định khác trong các phương pháp thử nghiệm cụ thể;
b) Kết cấu
- Cố định: tường phải được cố định ở cạnh trên và cạnh dưới;
- Khoảng cách cố định: khoảng cách trọng tâm các vị trí liên kết đối với các thanh liên kết với lò thử nghiệm là 600 mm.
- Các cạnh: các thanh thẳng đứng không liên kết với khung thử nghiệm
- Trọng tâm thanh đứng: từ 400 mm đến 625 mm (phụ thuộc vào kích thước và vị trí các lỗ mở của mẫu thử). Khoảng cách này không áp dụng cho khoảng cách 200 mm giữa mẫu thử nghiệm và mép lò thử nghiệm:
- Cố định thanh đứng: chỉ ma sát;
- Biến dạng cho phép của các thanh xương đứng: tối đa 3,5 mm cho 1 mét chiều cao;
CHÚ THÍCH 1: Đây không phải giá trị cho phép của thiết kế thanh xương đứng.
- Khoảng cách cố định: Tấm thạch cao được cố định vào khung tối đa 300 mm xung quanh chu vi tấm và trong phạm vi mỗi lớp;
- Vị trí các mối nối đứng: đặt so le giữa các lớp tấm thạch cao trong bộ phận ngăn chia nhiều lớp, và so le trên mỗi mặt của thanh đối với bộ phận ngăn chia một lớp;
- Vị trí các mối nối ngang (nếu có): tại vị trí chiều cao 2 400 mm của mỗi lớp; đặt so le giữa các lớp tấm, trong bộ phận năng chia nhiều lớp thì tại cao độ danh nghĩa 600 mm lớp trong và cao độ danh nghĩa 2 400 mm cho lớp ngoài;
- Trám các mối nối: chỉ trám các mối nối ở ngoài bằng hỗn hợp trát gốc thạch cao.
Nếu các tấm dùng trong kết cấu gá đỡ mềm không có chiều cao tối đa thì phải sử dụng mối nối ngang tại các vị trí nêu trên. Các mối nối ngang cần phải được kiểm tra để tránh hư hỏng sớm. Phương pháp phù hợp là đặt tấm thép mỏng rộng 100 mm được làm từ thép dày 0,5 mm phía sau lớp ngoài của tấm vại vị trí các mối nối. Cố định tấm thép mỏng phải được cố định xuyên qua lớp ngoài của tấm với khoảng cách 300 mm. Đối với các hệ, các tấm thép mỏng chỉ yêu cầu ở phía sau lớp tấm ở ngoài. Nếu tấm thép mỏng được sử dụng để bảo vệ các mối nối nằm ngang của kết cấu gá đỡ mềm thì kết quả thử nghiệm chỉ áp dụng với kết cấu gá đỡ mềm có các thanh thép mỏng đó.
Bảng 1 - Yêu cầu kỹ thuật của kết cấu gá đỡ mềm
| Giới hạn chịu lửa | Chiều cao danh nghĩa của thanh xương đứng | Tấm thạch cao chống cháy (TCVN 8256, EN 520 hoặc tương đương) | Cách nhiệt: bông khoáng | ||||
|
| Nhóm A | Nhóm B | Nhóm C | Số lớp trên mỗi mặt | Chiều dày của các tấm (mm) | Chiều dày (mm) | Khối lượng riêng (kg/m3) |
| EI 30 | 44 đến 55 | 56 đến 75 | 76 đến 100 | 1 | 12,5 | 40 đến 50 | 30 đến 60 |
| EI 60 | 44 đến 55 | 56 đến 75 | 76 đến 100 | 2 | 12,5 | 40 đến 50 | 30 đến 60 |
| EI 90 | 44 đến 55 | 56 đến 75 | 76 đến 100 | 2 | 12,5 | 40 đến 50 | 85 đến 115 |
| EI 120 | 62 đến 70 | 71 đến 75 | 76 đến 100 | 2 | 15 | 60 đến 70 | 85 đến 115 |
CHÚ THÍCH 2: Kết cấu gá đỡ mềm có giới hạn chịu lửa 180 và 240 không được xác định là kết cấu gá đỡ tiêu chuẩn vì không có thông tin nhất quán.
CHÚ THÍCH 3: Chiều cao danh nghĩa tối thiểu của thanh xương được thể hiện đối với các sản phẩm được sử dụng trên thị trường xây dựng Châu Âu.
CHÚ THÍCH 4: Kết cấu gá đỡ mềm có lớp cách nhiệt ở khoảng trống bởi điều này làm tăng biến dạng nhiệt.
Thử nghiệm có sử dụng các thanh đứng như định nghĩa trong Nhóm A, B hoặc C có thể áp dụng cho các kết cấu sử dụng các thanh xương có chiều sâu thuộc phạm vi định nghĩa trong từng nhóm; ví dụ: một thử nghiệm với thanh xương có chiều cao tiết diện 50 mm được áp dụng cho các thanh xương có chiều cao tiết diện 44 mm
Kết quả thử nghiệm thực hiện đối với kết cấu phù hợp với nhóm A áp dụng cho các thanh xương thuộc nhóm A, B và C. Kết quả thử nghiệm thực hiện với kết cấu theo nhóm B áp dụng cho các thanh xương thuộc nhóm B và C. Kết quả thử nghiệm thực hiện với kết cấu theo nhóm C chỉ áp dụng cho các thanh xương thuộc nhóm C.
Kích thước tối thiểu của kết cấu gá đỡ mềm phải là (3 × 3) m ngoại trừ các quy định khác được đưa ra trong tiêu chuẩn thử nghiệm cụ thể.
Kết cấu mềm có thể được thi công (lắp đặt) bởi Khách hàng hoặc phòng thử nghiệm theo thỏa thuận.
Vật liệu sử dụng trong kết cấu mềm có thể được cung cấp bởi Khách hàng hoặc phòng thử nghiệm theo thỏa thuận.
Phòng thử nghiệm phải ghi nhận lại kích thước của các thanh xương, nhà sản xuất của tấm thạch cao và vật liệu cách nhiệt bao gồm loại, độ dày, khối lượng riêng của tấm thạch cao và vật liệu cách nhiệt sử dụng trong kết cấu.
7.6.4 Kết cấu gá đỡ thực tế
Khi mẫu thử được thiết kế lắp đặt trên một dạng kết cấu không phải kết cấu gá đỡ tiêu chuẩn thì nó phải được thử nghiệm trên kết cấu gá đỡ mà dự kiến được sử dụng.
8 Dụng cụ đo
8.1 Nhiệt độ
8.1.1 Đầu đo nhiệt lò thử nghiệm (nhiệt kế dạng tấm)
Đầu đo nhiệt dùng để đo nhiệt độ lò thử nghiệm phải được bố trí sao cho có thể cung cấp giá trị đọc đáng tin cậy về nhiệt độ trung bình vùng lân cận mẫu thử. Số lượng và vị trí của các đầu đo nhiệt cho từng loại cấu kiện được quy định riêng trong phương pháp thử cụ thể.
Đầu đo nhiệt phải được bố trí sao cho chúng không tiếp xúc với ngọn lửa từ các buồng đốt của lò thử nghiệm với khoảng cách không nhỏ hơn 450 mm so với tường, sàn hoặc mái lò thử nghiệm.
Khi bắt đầu thử, đầu đo nhiệt phải cách mặt tiếp xúc với lửa của bộ phận thử là (100 ± 50) mm và phải được duy trì ở khoảng cách này trong thời gian thử nghiệm, càng lâu càng tốt.
Phương pháp đỡ phải đảm bảo các đầu đo nhiệt không bị rơi ra hoặc bị bong ra trong quá trình thử.
Khi bắt đầu thử, lò thử nghiệm phải có đủ số đầu đo nhiệt (n) tùy theo yêu cầu của mỗi phương pháp thử. Nếu các đầu đo nhiệt bị hỏng, mà vẫn còn n-1 chiếc trong lò thì phòng thí nghiệm không cần phải thay thế, bổ sung. Còn nếu số đầu đo nhiệt ít hơn n-1 chiếc trong quá trình thử nghiệm thì phòng thí nghiệm phải thay thế để đảm bảo rằng còn lại ít nhất là n-1 chiếc.
Đầu đo nhiệt thường bị hỏng do rơi vỡ và mất chính xác nếu bị sử dụng liên tục, sẽ kém nhạy theo thời gian. Trước mỗi phép thử, phải kiểm tra xem chúng có còn hoạt động tốt không. Nếu có bất cứ dấu hiệu nào về hư hại (hỏng hoặc vận hành không tốt) thì không được phép sử dụng và phải thay bằng chiếc khác.
Vật đỡ đầu đo nhiệt không được phép xuyên hoặc gắn vào mẫu thử trừ khi có các quy định riêng về vị trí của đầu đo. Nếu vật đỡ đầu đo xuyên qua hoặc bị gắn vào mẫu thử, nó sẽ được bố trí để chỉ ảnh hưởng tối thiểu tới tính năng của mẫu thử đối với tiêu chí về mức hư hỏng tương ứng hoặc thông tin bổ sung đang được xác định.
8.1.2 Đầu đo nhiệt bề mặt không tiếp xúc với lửa
Đầu đo nhiệt bề mặt như mô tả tại 5.5.1.2 được gắn vào mặt không tiếp xúc với lửa để đo mức tăng nhiệt độ trung bình và tối đa.
Mức tăng nhiệt độ trung bình trên bề mặt không tiếp xúc với lửa phải dựa trên các phép đo từ các đầu đo nhiệt bề mặt đặt tại tâm hoặc gần tâm mẫu thử và đặt tại tâm hoặc gần tâm một đoạn phần tư mẫu thử. Với các kết cấu lượn sóng hoặc có gờ, số lượng đầu đo nhiệt có thể tăng lên để tương ứng với độ dày tối đa và tối thiểu. Khi bố trí các đầu đo nhiệt, phải tránh xa ít nhất là 50 mm các cầu dẫn nhiệt, khe nối, mối nối và mối liên kết và tránh các chi tiết nối như bulông, đinh vít, v.v. cũng như các vị trí mà đầu đo nhiệt có thể phải chịu ảnh hưởng trực tiếp của khí truyền qua mẫu thử.
Phải gắn thêm các đầu đo nhiệt bổ sung để đo mức tăng nhiệt độ tối đa tại các vị trí có thể xuất hiện các chế độ nhiệt độ cao. Không được đặt đầu đo nhiệt tại các chi tiết liên kết như đinh vít hoặc đinh móc có thể có nhiệt độ cao hơn nếu diện tích tổng hợp của lượng đinh đó nhỏ hơn một phần trăm vùng nằm trong đường tròn đường kính 150 mm. Các đầu đo nhiệt không được đặt trên các chi tiết liên kết có đường kính bề mặt nhỏ hơn 12 mm trừ khi chúng kéo dài xuyên qua tổ hợp. Đối với các chi tiết liên kết nhỏ hơn 12 mm có thể sử dụng các thiết bị đo đặc biệt. Thông tin cụ thể về các vị trí đặt đầu đo nhiệt bề mặt được chỉ ra trong phương pháp thí nghiệm thích hợp với từng bộ phận riêng biệt.
Tốt nhất là các đầu đo nhiệt nên gắn vào bề mặt mẫu thử bằng keo dán chịu nhiệt mà không có bắt kỳ keo dán nào giữa đĩa đồng và mẫu thử hoặc giữa đĩa đồng và miếng đệm và phải bảo đảm khe hở không khí giữa chúng nếu có phải là nhỏ nhất, ở nơi không thể sử dụng keo dán có thể dùng bu lông, đinh vít hoặc kẹp nhưng chỉ tiếp xúc với miếng đệm ở những chỗ không cao hơn đĩa.
8.1.3 Đầu đo nhiệt di động
Đầu đo nhiệt di động theo 5.5.1.3 phải được áp dụng cho bất kỳ điểm nóng nghi ngờ nào xuất hiện trong quá trình thử nghiệm. Không cần thiết phải giữ đầu đo nhiệt tại chỗ để chờ cho đạt được trạng thái ổn định, nếu không đạt tới nhiệt độ 150 °C trong thời gian đo là 20 s. Việc đo bằng đầu đo nhiệt di động phải tránh các chi tiết liên kết như bu lông, đinh vít, kẹp mà nhiệt độ ở đó rõ ràng là cao hơn hoặc thấp hơn, như đã được chỉ rõ cho các vị trí đặt đầu đo nhiệt bề mặt bổ sung không tiếp xúc với lửa.
8.1.4 Đầu đo nhiệt bên trong
Khi sử dụng đầu đo nhiệt bên trong theo 5.5.1.4 phải cố định sao cho không ảnh hưởng tới tính năng của mẫu thử. Đầu nóng phải được gắn kết vào vị trí đặt thích hợp bằng phương tiện phù hợp kể cả búa khoan vào tiết diện thép. Nên đặt càng lâu càng tốt các dây của đầu đo nhiệt để phòng ngừa tình trạng dây nóng hơn đầu đo.
CHÚ THÍCH: Khi có thể được, đoạn dây đầu tiên có chiều dài 50 mm sát với đầu đo nhiệt phải được đặt trong mặt phẳng đẳng nhiệt.
8.2 Áp suất
Cảm biến áp suất (xem 5.5.2) phải được đặt ở những nơi mà chúng không bị va chạm trực tiếp với các dòng đối lưu từ ngọn lửa hoặc đường dẫn thoát khí. Chúng được lắp đặt sao cho có thể đo và giám sát được áp suất nhằm cung cấp các điều kiện như đã nêu trong 6.2. Cả hai ống đều phải đặt nằm ngang trong lò thử nghiệm và vì chúng cùng thoát qua tường lò, nên áp suất liên quan đến cùng một chiều cao định vị từ bên trong tới bên ngoài lò. Nếu sử dụng cảm biến hình chữ T thì các nhánh chữ “T phải có hướng nằm ngang. Mọi đoạn thẳng đứng nào của ống tới dụng cụ đo cũng đều phải được duy trì ở nhiệt độ phòng.
8.2.1 Lò thử nghiệm cho các cấu kiện thẳng đứng
Cảm biến áp suất thứ nhất được dùng để kiểm soát áp suất lò thử nghiệm và phải được đặt trong phạm vi 500 mm so với mặt phẳng áp suất trung hòa.
Cảm biến thứ hai có thể được dùng để cung cấp thông tin về gradien áp suất thẳng đứng trong lò thử nghiệm. Cảm biến này phải được đặt trong phạm vi 500 mm so với đỉnh mẫu thử.
8.2.2 Lò thử nghiệm cho các cấu kiện nằm ngang
Phải có hai cảm biến áp suất trong cùng một mặt phẳng nằm ngang nhưng ở hai vị trí khác nhau so với chu vi mẫu thử. Một cảm biến dùng để kiểm soát còn một cảm biến dùng để kiểm tra sơ bộ ban đầu.
8.3 Độ biến dạng
Dụng cụ để đo độ biến dạng của mẫu thử phải được bố trí sao cho có thể cung cấp số liệu về độ biến dạng trong và sau quá trình thử tính chịu lửa ở những nơi thích hợp.
8.4 Tính toàn vẹn
Xác định tính toàn vẹn của mẫu thử phải được tiến hành bằng miếng đệm bông hoặc cữ đo khe hở, sao cho phù hợp với bản chất và vị trí của khe hở (miếng đệm bông có thể không phù hợp để đánh giá tính toàn vẹn tại những khe hở tại vùng áp suất âm bên trong lò thử nghiệm hoặc những nơi không lắp đặt theo quy định như mô tả ở Hình 5), cụ thể như sau:
8.4.1 Đệm bông
Đệm bông được dùng bằng cách đặt khung đỡ tì vào bề mặt mẫu thử, kề sát lỗ hở hoặc vị trí ngọn lửa cần kiểm tra, trong thời gian 30 s hoặc cho đến khi đệm bóng bắt cháy (xuất hiện ánh sáng hoặc lửa cháy). Tiến hành điều chỉnh nhỏ về vị trí đặt để có thể đạt được hiệu quả tối đa từ khí nóng.
Tại những nơi có sự phân bố không đồng đều trên bề mặt mẫu thử và tại vùng có lỗ hở, cần hết sức thận trọng để đảm bảo rằng các chân của khung đỡ tấm bông đủ duy trì khoảng cách giữa đệm bông với bất cứ phần nào của mẫu thử trong quá trình thực hiện phép đo.
Thí nghiệm viên có thể thực hiện các “phép thử sàng lọc'' để đánh giá tính toàn vẹn của mẫu thử. Quá trình sàng lọc như vậy có thể thực hiện trong khoảng thời gian ngắn lựa chọn bằng cách sử dụng tấm đệm bông tại những vùng có khả năng hỏng và/hoặc cho việc dịch chuyển một miếng đệm trên và quanh các khu vực đó. Việc miếng đệm cháy thành than có thể là dấu hiệu cho thấy mẫu thử sắp hỏng, nhưng không cần dùng đến một miếng đệm mới theo cách thức đã mô tả để xác nhận tính toàn vẹn đã bị hư hại.
Đối với các bộ phận hoặc các phần bộ phận không đáp ứng tiêu chí cách nhiệt, khi nhiệt độ trên bề mặt không lộ lửa (gần khe hở) lớn hơn 300 °C, thì không được sử dụng đệm bông.
8.4.2 Cữ đo khe hở
Cữ đo khe hở được sử dụng để đánh giá kích cỡ khe hở tại bề mặt mẫu thử tại các khoảng thời gian (sẽ được xác định bằng tốc độ biểu hiện của mức phá hủy mẫu thử). Hai cữ đo khe hở sẽ lần lượt được sử dụng mà không cần dùng lực để xác định:
a) Cữ đo khe hở loại 6 mm có thể được xuyên qua mẫu thử để chiếu thẳng vào lò, và có thể dịch chuyển được một khoảng là 150 mm dọc theo khe hở;
b) Cữ đo độ hở 25 mm có thể được xuyên qua mẫu thử để chiếu thẳng vào lò.
Bất kỳ sự gián đoạn nhỏ nào đối với cữ đo mà không có hoặc ít ảnh hưởng tới sự truyền khí nóng thông qua khe hở đều được bỏ qua (ví dụ như các chi tiết liên kết qua mối nối kết cấu bị hở do bị cong vênh).
9 Quy trình thử nghiệm
9.1 Biện pháp ngăn cản biến dạng
Tùy theo thiết kế, ngăn cản biến dạng phù hợp được tạo ra bằng cách đặt mẫu thử bên trong một khung cứng. Phương pháp này áp dụng cho các bộ phận ngăn chia và một số kiểu sàn nhất định (nếu thích hợp). Trong những trường hợp này, bất kỳ khe hở nào giữa các mép của mẫu thử và khung đều phải được lấp đầy bằng loại vật liệu cứng.
Ngăn cản biến dạng được áp dụng là hệ thống thủy lực hoặc các hệ thống chất tải khác. Các lực ngăn cản biến dạng và/hoặc momen có thể được tạo ra để chống lại hiện tượng giãn nở, co ngắn, hoặc xoay. Trong những trường hợp đó, giá trị của các lực ngăn cản biến dạng và các momen đều là những thông tin có ích và phải được đo tại các khoảng thời gian trong suốt quá trình thử nghiệm.
9.2 Gia tải
Với các bộ phận chịu lực, tải trọng thử nghiệm được đặt ít nhất 15 min (15 phút) trước khi tiến hành thử nghiệm và với tốc độ không phát sinh hiệu ứng động. Các biến dạng xuất hiện đều phải được đo. Nếu mẫu thử chứa các vật liệu bị biến dạng rõ rệt tại mức tải thử nghiệm thì tải trọng sử dụng phải được giữ nguyên trước khi tiến hành phép thử tính chịu lửa cho đến khi các hiện tượng biến dạng dần ổn định. Sau khi gia tải và trong quá trình thử, tải trọng phải được duy trì và khi xảy ra biến dạng mẫu thử thì hệ thống gia tải phải nhanh chóng đáp ứng để duy trì giá trị không đổi.
Nếu mẫu thử không bị phá hoại và quá trình gia nhiệt dừng lại, tải trọng có thể được giải phóng ngay lập tức trừ trường hợp cần phải giám sát khả năng tiếp tục chịu lực của mẫu thử. Trong trường hợp này, báo cáo phải mô tả rõ ràng quá trình làm mát mẫu thử và quá trình này được thực hiện bằng cách nhân tạo là di dời ra khỏi lò hay bằng cách mở lò.
9.3 Bắt đầu thử nghiệm
Trước 5 min (5 phút) khi bắt đầu thử nghiệm, phải tiến hành kiểm tra các chỉ số nhiệt độ ban đầu của đầu đo nhiệt nhằm đảm bảo tính đồng nhất và ghi lại các giá trị chuẩn. Phải có được các giá trị chuẩn tương tự về độ biến dạng và ghi chép lại điều kiện ban đầu của mẫu thử.
Khi tiến hành thử, nếu sử dụng nhiệt độ trung bình ban đầu của các tấm đo nhiệt bên trong lò, nhiệt độ trên bề mặt không tiếp xúc với lửa của mẫu thử phải là 20 °C ± 15 °C và nằm trong khoảng 5 °C của nhiệt độ xung quanh ban đầu (xem 6.6).
Trước khi bắt đầu thử nghiệm, nhiệt độ lò thử nghiệm không được vượt quá 50 °C. Thời điểm bắt đầu thử nghiệm là lúc mà trình tự bắt đầu đi theo đường cong nhiệt tiêu chuẩn. Thời gian phá hủy được đo kể từ thời điểm này và tất cả các hệ thống thủ công hoặc tự động dùng để đo và quan sát đều phải khởi động và vận hành cùng thời điểm và lò thử nghiệm phải được kiểm soát để phù hợp với các điều kiện nhiệt độ quy định ở 6.1.
9.4 Đo và quan sát
Từ khi bắt đầu thử nghiệm cần tiến hành các phép đo và quan sát.
9.4.1 Nhiệt độ
Nhiệt độ của đầu đo nhiệt cố định (trừ các đầu đo nhiệt di động) phải được đo và ghi lại tại các khoảng thời gian không quá 1 min (1 phút) trong suốt thời gian nung.
Đầu đo nhiệt di động phải được áp dụng như quy định tại 8.1.3.
9.4.2 Áp suất lò thử nghiệm
Áp suất lò thử nghiệm phải được đo và ghi chép liên tục hoặc vào các khoảng thời gian không quá 5 min (5 phút) tại điểm kiểm tra.
9.4.3 Biến dạng
Các hiện tượng biến dạng của mẫu thử phải được đo và ghi lại kết quả trong suốt quá trình tiến hành thử nghiệm. Trong trường hợp các mẫu thử chịu lực, công việc đo phải được tiến hành trước và sau khi đặt tải thử nghiệm và tại các khoảng thời gian 1 min (1 phút) trong suốt thời gian nung. Tốc độ biến dạng được tính toán dựa trên những phép đo này.
a) Với các mẫu thử chịu lực nằm ngang, phải tiến hành đo tại vị trí được cho là ở đó xuất hiện độ võng tối đa (với bộ phận được đỡ đơn giản, thường tiến hành đo tại giữa nhịp).
b) Với cấu kiện chịu lực thẳng đứng, độ giãn dài (thể hiện mức tăng chiều cao của mẫu thử) sẽ được biểu diễn với dấu dương, còn độ co (thể hiện mức giảm chiều cao của mẫu thử) sẽ được biểu diễn với dấu âm.
9.4.4 Tính toàn vẹn
Tính toàn vẹn của các bộ phận ngăn cách được đánh giá trong suốt quá trình tiến hành phép thử và sau đó phải được ghi chép lại.
a) Đệm bông
Cần lưu ý tới thời điểm bốc cháy (được xác định khi xuất hiện đốm sáng hay bùng cháy từ miếng đệm bông, khi áp dụng theo cách đã nêu tại 8.4.1), cùng với vị trí xảy ra cháy (không tính trường hợp miếng đệm bị cháy thành than).
b) Cữ đo khe hở
Cần lưu ý tới thời gian khi có thể đưa cữ đo khe hở vào bất kỳ khe hở nào trong mẫu thử như mô tả tại 8.4.2, cùng với vị trí khe hở;
c) Bốc cháy
Lưu ý thời điểm bắt đầu và thời gian diễn ra cháy của bất cứ ngọn lửa nào trên bề mặt không tiếp xúc với lửa, cùng với vị trí xuất hiện ngọn lửa.
9.4.5 Tải trọng và ngăn cản biến dạng
Với cấu kiện chịu lực, cần lưu ý tới thời điểm mà mẫu thử không thể đỡ tải trọng thử nghiệm. Phải ghi lại bất kỳ một thay đổi nào với lực đo và/hoặc momen cần thiết khi sử dụng thiết bị ngăn cản biến dạng.
9.4.6 Phản ứng của mẫu thử
Cần tiến hành quan trắc phản ứng của mẫu thử trong quá trình thử nghiệm và ghi lại các hiện tượng đặc biệt như biến dạng, nứt vỡ, nóng chảy hoặc làm mềm vật liệu, cháy thành than,... của vật liệu tạo nên mẫu thử. Phải ghi vào báo cáo nếu có hiện tượng khói tỏa ra từ mặt không tiếp xúc với lửa.
9.5 Kết thúc thử nghiệm
Việc thử nghiệm có thể phải dừng lại vì một hoặc nhiều lý do sau:
a) An toàn cho con người hoặc có nguy cơ làm hỏng thiết bị;
b) Đạt tới mức chuẩn lựa chọn;
c) Yêu cầu của người chịu trách nhiệm.
Phép thử có thể được tiếp tục sau khi bị phá hỏng trong điều kiện b) để có số liệu bổ sung.
10 Tiêu chí tính năng
10.1 Tiêu chí chung về tính năng
Điều này mô tả các tiêu chí về tính năng được xem xét trong việc đánh giá tính chịu lửa của các dạng kết cấu xây dựng đã được thử nghiệm tính chịu lửa tiêu chuẩn. Các yêu cầu đặc biệt có thể được bổ sung vào các tiêu chí về tính năng hoặc có thể thay đổi tùy theo chức năng của từng bộ phận xây dựng cụ thể.
Tính chịu lửa là thời hạn mà mẫu thử hoạt động phù hợp với tiêu chí về tính năng. Tiêu chí này được thiết lập để đo tính ổn định của kết cấu chịu lực và hiệu quả ngăn cháy của bộ phận ngăn cách. Khi mẫu thử thể hiện cho kết cấu xây dựng được dùng để đảm trách cả hai chức năng này, thì tính năng của nó được đánh giá dựa trên cả hai khía cạnh.
10.2 Tiêu chí cụ thể về tính năng
Tính chịu lửa của mẫu thử phải được đánh giá dựa vào một hoặc nhiều tiêu chí về tính năng như nêu dưới đây.
Với một số cấu kiện xây dựng nhất định, cần phải có tiêu chí đặc biệt khác được quy định riêng.
10.2.1 Khả năng chịu lực
10.2.1.1 Khả năng chịu lực là khoảng thời gian mẫu thử liên tục duy trì khả năng đỡ tải trọng thử nghiệm trong quá trình thử. Việc đỡ tải thử nghiệm được xác định thông qua giá trị độ võng và tốc độ võng, được tính toán từ kết quả phép đo quy định tại 9.4.3.
10.2.1.2 Quy định sau đây được áp dụng đối với mẫu thử chịu lực nằm ngang:
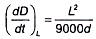
Giới hạn độ võng, DL, được tính bằng milimét (mm):
|
| (3) |
| Tốc độ võng giới hạn, được tính bằng mm/min: |
|
|
| (4) |
trong đó:
L nhịp thông thủy của mẫu thử, tính bằng milimét (mm);
d là khoảng cách từ thớ biên của vùng chịu nén tới thớ biên của vùng chịu kéo của tiết diện kết cấu, tính bằng milimét (mm);
10.2.1.3 Với quy định của tiêu chuẩn này, mẫu thử chịu lực nằm ngang được coi là không đủ khả năng chịu lực khi xảy ra một trong các điều kiện sau:
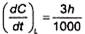
a) Độ võng lớn hơn 1,5DL; hoặc
b) DL và
đều đạt tới giá trị giới hạn.
10.2.1.4 Quy định sau đây được áp dụng đối với mẫu thử chịu lực thẳng đứng:
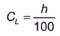
Độ co ngắn dọc trục giới hạn, CL, được đo bằng đơn vị milimét (mm):
|
| (5) |
| Tốc độ co ngắn dọc trục giới hạn, được đo bằng đơn vị mm/min: |
|
|
| (6) |
trong đó: h là chiều cao ban đầu (tính bằng mm) của mẫu thử nghiệm sau khi đặt tải trọng.
10.2.1.5 Với quy định của tiêu chuẩn này, mẫu thử chịu lực thẳng đứng được coi là không đủ khả năng chịu lực khi xảy ra một trong các điều kiện sau:
a) Đạt tới độ co ngắn dọc trục giới hạn;
b) Đạt tới tốc độ co ngắn dọc trục giới hạn.
10.2.2 Tính toàn vẹn
Đây là khoảng thời gian mẫu thử liên tục duy trì chức năng ngăn cách trong quá trình thử nghiệm mà không:
a) Làm bùng cháy tấm đệm bông (quy định tại 8.4.1); hoặc
b) Cho phép đưa cữ đo khe hở vào (quy định tại 8.4.2); hoặc
c) Ngọn lửa cháy ổn định trên bề mặt không tiếp xúc với lửa với thời gian lớn hơn 10 s (10 giây).
10.2.3 Cách nhiệt
Đây là khoảng thời gian mà mẫu thử liên tục duy trì chức năng ngăn cách trong quá trình thử nghiệm mà không làm tăng nhiệt độ ở bề mặt không tiếp xúc với lửa, cụ thể là:
a) Nhiệt độ trung bình gia tăng lên hơn 140 K so với nhiệt độ trung bình ban đầu; hoặc
b) Nhiệt độ tại bất kỳ vị trí nào gia tăng lên hơn 180 K so với nhiệt độ ban đầu, kể cả đầu đo nhiệt di động (nhiệt độ ban đầu là nhiệt độ trung bình trên mặt không tiếp xúc với lửa vào thời điểm bắt đầu thực hiện phép thử).
11 Đánh giá kết quả thử nghiệm
Việc thử nghiệm được xem là hợp lệ khi các bước được tiến hành theo đúng các hướng dẫn trong phạm vi giới hạn đặc trưng cho các yêu cầu liên quan đến các vấn đề trang bị dụng cụ thử nghiệm, điều kiện thử nghiệm, chuẩn bị mẫu thử, lắp đặt dụng cụ, trình tự thử nghiệm và phải tuân theo các quy định trong tiêu chuẩn này.
Thử nghiệm cũng được coi là hợp lệ khi các điều kiện tiếp xúc với lửa liên quan đến nhiệt độ lò thử nghiệm, áp suất và nhiệt độ xung quanh vượt quá các giới hạn trên của các dung sai được quy định trong Điều 6 của tiêu chuẩn này.
12 Biểu thị kết quả thử nghiệm
12.1 Tính chịu lửa
Tính chịu lửa của mẫu thử sẽ được coi là khoảng thời gian tính bằng min (phút) mà tiêu chí về tính năng liên quan đáp ứng được.
12.2 Tiêu chí tính năng
12.2.1 Tính toàn vẹn, tính cách nhiệt ứng với khả năng chịu lực
Tiêu chí tính năng về “tính toàn vẹn” và “tính cách nhiệt” sẽ mặc nhiên được coi là không thỏa mãn nếu tiêu chí về “khả năng chịu lực” không được thỏa mãn.
12.2.2 Tính cách nhiệt ứng với tính toàn vẹn
Tiêu chí tính năng về “tính cách nhiệt” sẽ mặc nhiên được coi là không thỏa mãn khi tiêu chí “tính toàn vẹn” không được thỏa mãn.
12.3 Kết thúc thử nghiệm trước khi cấu kiện bị phá hủy
Khi phép thử kết thúc trước khi cấu kiện bị phá hủy trong điều kiện hoạt động phù hợp thì phải nêu rõ lý do tại sao dừng phép thử. Kết quả thử nghiệm phải ghi thời gian dừng thử nghiệm và phải được đánh giá.
12.4 Biểu thị kết quả thử nghiệm
Dưới đây là một ví dụ về phương pháp biểu thị kết quả thử nghiệm đối với bộ phận ngăn cách chịu lực, ở đây tiêu chí “tính toàn vẹn” và “tính cách nhiệt” bị vượt quá và không tiếp tục tiến hành thử nghiệm theo yêu cầu của người đặt hàng thử nghiệm trước khi mẫu thử bị phá hủy hoàn toàn.
Khả năng chịu lực: ≥ 128 min (128 phút) (thử nghiệm phải dừng lại do người đặt hàng thử nghiệm yêu cầu);
Tính toàn vẹn: 120 min (120 phút);
Tính cách nhiệt: 110 min (110 phút).
CHÚ THÍCH: Nếu không dùng đệm bông vì mẫu thử có nhiệt độ cao ở mặt không tiếp xúc với lửa thì phải trình bày rõ tình huống này xảy ra khi nào.
13 Báo cáo thử nghiệm
Báo cáo thử nghiệm phải có nội dung sau:
“Báo cáo này mô tả các chi tiết kết cấu, điều kiện thử nghiệm và kết quả đạt được khi một cấu kiện xây dựng được thử nghiệm theo trình tự xác định trong tiêu chuẩn này. Bất kỳ sai lệch đáng kể nào về kích cỡ, chi tiết kết cấu, tải trọng, ứng suất, các điều kiện tại biên hoặc cạnh mép đều có thể làm vô hiệu hóa kết quả thử nghiệm”.
Báo cáo thử nghiệm phải gồm những thông tin quan trọng liên quan tới mẫu thử và phép thử tính chịu lửa với các mục dưới đây (được yêu cầu trong các tiêu chuẩn thử nghiệm riêng cho từng loại cấu kiện cụ thể):
a) Tên và địa chỉ của phòng thí nghiệm, số hiệu tiêu chuẩn tham chiếu và ngày tháng thử nghiệm;
b) Tên và địa chỉ của người chịu trách nhiệm, sản phẩm và nhà sản xuất mẫu thử và bất kỳ thành phần nào của mẫu thử, nếu biết; trong trường hợp không biết thì cũng phải nêu rõ trong báo cáo;
c) Trình tự tổ hợp và các chi tiết kết cấu của mẫu thử, cùng với các bản vẽ thể hiện kích thước của các thành phần và nếu có thể có cả ảnh chụp;
d) Đặc tính tương ứng của các vật liệu được sử dụng có liên quan tới tính chịu lửa của mẫu thử cùng với phương pháp xác định các đặc tính, kể cả các thông tin liên quan đến độ ẩm và việc làm khô mẫu thử (tùy từng trường hợp);
e) Với bộ phận chịu lực, tải trọng được dùng cho mẫu thử và làm cơ sở để tính toán tải trọng thử nghiệm;
f) Các điều kiện đỡ và ngăn cản biến dạng được dùng và lý do lựa chọn các điều kiện đó;
g) Thông tin liên quan tới vị trí đặt các đầu đo nhiệt, thiết bị đo áp suất và độ biến dạng, cùng với phần mô tả theo bảng biểu và/hoặc dạng đồ họa toàn bộ số liệu thu được bằng các thiết bị đó trong quá trình tiến hành thử nghiệm;
h) Mô tả tính năng quan trọng của mẫu thử trong thời gian thử nghiệm cùng với việc xác định thời điểm kết thúc thí nghiệm trên cơ sở các tiêu chí (quy định tại Điều 10);
i) Tính chịu lửa của mẫu thử được quy định tại Điều 12;
j) Với các cấu kiện ngăn cách không đối xứng, hướng thử nghiệm mẫu thử và việc sử dụng kết quả thử nếu kết cấu phải tiếp xúc với lửa ở phía đối diện.
k) Viện dẫn tiêu chuẩn TCVN 9311-1 phải đề cập đến năm ban hành.
Thư mục tài liệu tham khảo
[1] QCVN 06:2022/BXD, Quy chuẩn kỹ thuật quốc gia về An toàn cháy cho nhà và công trình (cùng và sửa đổi 1:2023 QCVN 06:2022/BXD)
[2] EN 1363-1:2020 Fire-resistance tests - Part 1: General requirements (Thử nghiệm chịu lửa - Phần 1: Các yêu cầu chung
MỤC LỤC
Lời nói đầu
1 Phạm vi áp dụng
2 Tài liệu viện dẫn
3 Thuật ngữ và định nghĩa
4 Ký hiệu
5 Thiết bị thử nghiệm
5.1 Yêu cầu chung
5.2 Lò thử nghiệm
5.3 Thiết bị gia tải
5.4 Khung để cố định và đỡ
5.5 Dụng cụ đo
5.6 Độ chính xác của thiết bị đo
6 Điều kiện thử nghiệm
6.1 Nhiệt độ lò thử nghiệm
6.2 Chênh lệch áp suất trong lò thử nghiệm
6.2.1 Quy định chung
6.2.2 Các bộ phận thẳng đứng
6.2.3 Các bộ phận nằm ngang
6.3 Chất tải
6.4 Ngăn cản biến dạng/điều kiện biên
6.5 Điều kiện không khí xung quanh
6.6 Sự sai lệch với các điều kiện thử nghiệm quy định
6.7 Hiệu chuẩn
6.8 Môi trường lò thử nghiệm
7 Chuẩn bị mẫu thử
7.1 Cấu tạo mẫu
7.2 Kích cỡ
7.3 Số lượng mẫu thử
7.4 Ổn định mẫu thử
7.5 Kiểm tra mẫu thử
7.6 Kết cấu gá đỡ
7.6.1 Quy định chung
7.6.2 Kết cấu gá đỡ tiêu chuẩn
7.6.2.1 Kết cấu đỡ cứng khối lượng riêng lớn
7.6.2.2 Kết cấu đỡ cứng khối lượng riêng nhỏ
7.6.2.3 Vữa xây
7.6.3 Kết cấu gá đỡ mềm
7.6.4 Kết cấu gá đỡ thực tế
8 Dụng cụ đo
8.1 Nhiệt độ
8.1.1 Đầu đo nhiệt lò thử nghiệm (nhiệt kế dạng tấm)
8.1.2 Đầu đo nhiệt bề mặt không tiếp xúc với lửa
8.1.3 Đầu đo nhiệt di động
8.1.4 Đầu đo nhiệt bên trong
8.2 Áp suất
8.2.1 Lò thử nghiệm cho các cấu kiện thẳng đứng
8.2.2 Lò thử nghiệm cho các cấu kiện nằm ngang
8.3 Độ biến dạng
8.4 Tính toàn vẹn
8.4.1 Đệm bông
8.4.2 Cữ đo khe hở
9 Quy trình thử nghiệm
9.1 Biện pháp ngăn cản biến dạng
9.2 Gia tải
9.3 Bắt đầu thử nghiệm
9.4 Đo và quan sát
9.4.1 Nhiệt độ
9.4.2 Áp suất lò thử nghiệm
9.4.3 Biến dạng
9.4.4 Tính toàn vẹn
9.4.5 Tải trọng và ngăn cản biến dạng
9.4.6 Phản ứng của mẫu thử
9.5 Kết thúc thử nghiệm
10 Tiêu chí tính năng
10.1 Tiêu chí chung về tính năng
10.2 Tiêu chí cụ thể về tính năng
10.2.1 Khả năng chịu lực
10.2.3 Cách nhiệt
11 Đánh giá kết quả thử nghiệm
12 Biểu thị kết quả thử nghiệm
12.1 Tính chịu lửa
12.2 Tiêu chí tính năng
12.2.1 Tính toàn vẹn, tính cách nhiệt ứng với khả năng chịu lực
12.2.2 Tính cách nhiệt ứng với tính toàn vẹn
12.3 Kết thúc thử nghiệm trước khi cấu kiện bị phá hủy
12.4 Biểu thị kết quả thử nghiệm
13 Báo cáo thử nghiệm
Bạn chưa Đăng nhập thành viên.
Đây là tiện ích dành cho tài khoản thành viên. Vui lòng Đăng nhập để xem chi tiết. Nếu chưa có tài khoản, vui lòng Đăng ký tại đây!