- Tổng quan
- Nội dung
- Tiêu chuẩn liên quan
- Lược đồ
- Tải về
Tiêu chuẩn Quốc gia TCVN 10759-5:2016 ISO 11665-5:2012 Đo hoạt độ phóng xạ trong môi trường-Không khí: radon-222-Phần 5: Phương pháp đo liên tục để xác định nồng độ hoạt độ
| Số hiệu: | TCVN 10759-5:2016 | Loại văn bản: | Tiêu chuẩn Việt Nam |
| Cơ quan ban hành: | Bộ Khoa học và Công nghệ | Lĩnh vực: | Khoa học-Công nghệ , Tài nguyên-Môi trường |
|
Ngày ban hành:
Ngày ban hành là ngày, tháng, năm văn bản được thông qua hoặc ký ban hành.
|
2016 |
Hiệu lực:
|
Đã biết
|
| Người ký: | Đang cập nhật |
Tình trạng hiệu lực:
Cho biết trạng thái hiệu lực của văn bản đang tra cứu: Chưa áp dụng, Còn hiệu lực, Hết hiệu lực, Hết hiệu lực 1 phần; Đã sửa đổi, Đính chính hay Không còn phù hợp,...
|
Đã biết
|
TÓM TẮT TIÊU CHUẨN VIỆT NAM TCVN 10759-5:2016
Nội dung tóm tắt đang được cập nhật, Quý khách vui lòng quay lại sau!
Tải tiêu chuẩn Việt Nam TCVN 10759-5:2016
TIÊU CHUẨN QUỐC GIA
TCVN 10759-5:2016
ISO 11665-5:2012
ĐO HOẠT ĐỘ PHÓNG XẠ TRONG MÔI TRƯỜNG - KHÔNG KHÍ: RADON-222 - PHẦN 5: PHƯƠNG PHÁP ĐO LIÊN TỤC ĐỂ XÁC ĐỊNH NỒNG ĐỘ HOẠT ĐỘ
Measurement of radioactivity in the environment - Air: radon-222 - Part 5: Continuous measurement method of the activity concentration
Lời nói đầu
TCVN 10759-5:2016 hoàn toàn tương đương với ISO 11665-5:2012
TCVN 10759-5:2016 do Ban kỹ thuật Tiêu chuẩn quốc gia TCVN/TC 85/SC 2 Bảo vệ bức xạ biên soạn, Tổng cục Tiêu chuẩn Đo lường Chất lượng đề nghị, Bộ Khoa học và Công nghệ công bố.
Bộ tiêu chuẩn TCVN 10759 (ISO 11665), Đo hoạt độ phóng xạ trong môi trường - Không khí: radon-222 gồm các tiêu chuẩn sau:
- TCVN 10759-1:2016 (ISO 11665-1:2012), Phần 1: Nguồn gốc, các sản phẩm phân rã sống ngắn và các phương pháp đo.
- TCVN 10759-2:2016 (ISO 11665-2:2012), Phần 2: Phương pháp đo tích hợp để xác định nồng độ năng lượng alpha tiềm tàng trung bình của sản phẩm phân rã sống ngắn.
- TCVN 10759-3:2016 (ISO 11665-3:2012), Phần 3: Phương pháp đo điểm để xác định nồng độ năng lượng alpha tiềm tàng của sản phẩm phân rã sống ngắn.
- TCVN 10759-4:2016 (ISO 11665-4:2012), Phần 4: Phương pháp đo tích hợp để xác định nồng độ hoạt độ trung bình với việc lấy mẫu thụ động và phân tích trễ.
- TCVN 10759-5:2016 (ISO 11665-5:2012), Phần 5: Phương pháp đo liên tục để xác định nồng độ hoạt độ.
- TCVN 10759-6:2016 (ISO 11665-6:2012), Phần 6: Phương pháp đo điểm để xác định nồng độ hoạt độ.
- TCVN 10759-7:2016 (ISO 11665-7:2012), Phần 7: Phương pháp tích lũy để ước lượng tốc độ xả bề mặt.
- TCVN 10759-8:2016 (ISO 11665-8:2012), Phần 8: Phương pháp luận về khảo sát sơ bộ và khảo sát bổ sung trong các tòa nhà.
Bộ tiêu chuẩn ISO 11665 còn có các tiêu chuẩn sau:
- ISO 11665-9, Part 9: Method for determining exhalation rate of dense building materials.
Lời giới thiệu
Đồng vị radon 222, 220 và 219 là các khí phóng xạ được tạo ra do sự phân rã đồng vị radi 226, 224 và 223, là các sản phẩm phân rã của urani-238, thori-232 và urani-235, và đều được tìm thấy trong lớp vỏ trái đất (xem Phụ lục A). Các nguyên tố thể rắn, và có tính phóng xạ và được tiếp theo bởi nguyên tố chì bền là được tạo ra bởi sự phân rã radon[1].
Khi phân rã, radon phát xạ hạt anpha và tạo ra các sản phẩm phân rã thể rắn, và có tính phóng xạ (poloni, bitmut, chì,...). Ảnh hưởng tiềm ẩn lên sức khỏe con người của radon nằm ở các sản phẩm phân rã của nó hơn là do bản thân khí radon. Dù khí radon có gắn với sol khí hay không, sản phẩm phân rã radon có thể được hít vào và lắng đọng trong phế quản phổi tại độ sâu khác nhau tùy theo kích thước của chúng.
Radon ngày nay được xem là nguồn phơi nhiễm chính của con người với bức xạ tự nhiên. Báo cáo của UNSCEAR (2006)[6] cho rằng, tại mức độ trên toàn thế giới, radon đại diện cho khoảng 52 % mức phơi nhiễm trung bình với bức xạ tự nhiên. Tác động bức xạ của đồng vị 222 (48 %) là đáng kể hơn so với đồng vị 220 (4 %), trong khi đồng vị 219 được xem là không đáng kể (xem Phụ lục A). Tham khảo TCVN 10759-1 (ISO 11665-1) về radon-222.
Nồng độ hoạt độ radon có thể thay đổi một đến nhiều bậc về độ lớn tùy theo thời gian và không gian. Phơi nhiễm với radon và các sản phẩm phân rã của nó thay đổi nhiều từ địa điểm này đến địa điểm khác, vì nó phụ thuộc trước tiên vào lượng radon phát xạ do đất và vật liệu xây dựng trong từng địa điểm, thứ hai phụ thuộc vào mức độ nhiễm xạ và điều kiện thời tiết tại các địa điểm nơi các cá nhân bị phơi nhiễm.
Các giá trị thường được tìm thấy trong môi trường lục địa là thường từ vài becquerel trên mét khối đến vài nghìn becquerel trên mét khối. Nồng độ hoạt độ nhỏ hơn một becquerel trên mét khối có thể quan sát được trong môi trường đại dương. Giá trị trung bình hàng năm nồng độ hoạt độ radon trong các ngôi nhà có thể thay đổi từ vài chục becquerel trên mét khối đến vài nghìn becquerel trên mét khối[2]. Nồng độ hoạt độ có thể đạt tới vài nghìn becquerel trên mét khối trong không gian rất kín.
Nồng độ hoạt độ của radon-222 trong không khí có thể được đo bằng phương pháp đo điểm, liên tục và tích hợp với lấy mẫu chủ động hoặc thụ động (xem TCVN 10759-1 (ISO 11665-1). Tiêu chuẩn này đề cập đến kỹ thuật đo tích hợp radon-222.
CHÚ THÍCH: Nguồn gốc radon-222 và các sản phẩm phân rã sống ngắn của nó trong môi trường không khí và các phương pháp đo khác được mô tả khái quát tại TCVN 10759-1 (ISO 11665-1).
ĐO HOẠT ĐỘ PHÓNG XẠ TRONG MÔI TRƯỜNG - KHÔNG KHÍ: RADON-222 - PHẦN 5: PHƯƠNG PHÁP ĐO LIÊN TỤC ĐỂ XÁC ĐỊNH NỒNG ĐỘ HOẠT ĐỘ
Measurement of radioactivity in the environment - Air: radon-222 - Part 5: Continuous measurement method of the activity concentration
1 Phạm vi áp dụng
Tiêu chuẩn này mô tả phương pháp đo liên tục cho radon-222. Tiêu chuẩn này đưa ra các chỉ dẫn để đo liên tục sự thay đổi theo thời gian của nồng độ hoạt độ radon trong không khí tháng hoặc bị giới hạn.
Tiêu chuẩn này dùng để đánh giá sự thay đổi theo thời gian nồng độ hoạt độ radon trong môi trường, trong các tòa nhà công cộng, trong nhà và các nơi làm việc, như là một hàm của các đại lượng ảnh hưởng như điều kiện thông gió và/hoặc điều kiện khí tượng.
Phương pháp đo được mô tả có thể áp dụng cho các mẫu khí có nồng độ hoạt độ radon lớn hơn 5 Bq/m3.
2 Tài liệu viện dẫn
Các tài liệu viện dẫn sau là cần thiết cho việc áp dụng tiêu chuẩn này. Đối với các tài liệu viện dẫn ghi năm công bố thì áp dụng bản được nêu. Đối với các tài liệu viện dẫn không ghi năm công bố thì áp dụng phiên bản mới nhất, bao gồm cả các sửa đổi (nếu có)
TCVN 10759-1 (ISO 11665-1), Đo hoạt độ phóng xạ trong môi trường - Không khí: radon-222 - Phần 1: Nguồn gốc, các sản phẩm phân rã sống ngắn và các phương pháp đo
TCVN ISO/IEC 17025 (ISO/IEC 17025), Yêu cầu chung về năng lực phòng thử nghiệm và hiệu chuẩn
ISO 11929, Determination of the characteristic limits (decision threshold, detection limit and limits of the confidence interval) for measurements of ionizing radiation - Fundamentals and application (Xác định các giới hạn đặc tính (ngưỡng quyết định, giới hạn phát hiện và giới hạn của khoảng tin cậy) đối với phép đo bức xạ ion hóa - Cơ sở và ứng dụng).
IEC 61577-1, Radiation protection instrumentation - Radon and radon decay product measuring instruments - Part 1: General principles (Dụng cụ bảo vệ bức xạ - Thiết bị đo radon và các sản phẩm phân rã của radon - Phần 1: Nguyên tắc chung).
IEC 61577-2, Radiation protection instrumentation - Radon and radon decay product measuring instruments - Part 2: Specific requirements for radon measuring instruments (Dụng cụ bảo vệ bức xạ - Thiết bị đo radon và các sản phẩm phân rã của radon - Phần 2: Yêu cầu riêng cho các thiết bị đo radon).
3 Thuật ngữ, định nghĩa và ký hiệu
3.1 Thuật ngữ và định nghĩa
Trong tiêu chuẩn này, áp dụng các định nghĩa và thuật ngữ nêu tại TCVN 10759-1 (ISO 11665-1).
3.2 Ký hiệu
Tiêu chuẩn này sử dụng các ký hiệu nêu tại TCVN 10759-1 (ISO 11665-1) và các ký hiệu sau.
| C | nồng độ hoạt độ, tính bằng becquerel trên mét khối |
| C* | ngưỡng quyết định của nồng độ hoạt độ, tính bằng becquerel trên mét khối |
| C# | giới hạn phát hiện của nồng độ hoạt độ, tính bằng becquerel trên mét khối |
|
| giới hạn dưới của khoảng tin cậy của nồng độ hoạt độ, tính bằng becquerel trên mét khối |
|
| giới hạn trên của khoảng tin cậy của nồng độ hoạt độ, tính bằng becquerel trên mét khối |
| U | độ không đảm bảo mở rộng được tính bằng U = k.u( ) với k = 2 |
| u() | độ không đảm bảo tiêu chuẩn của kết quả đo |
| urel() | độ không đảm bảo tiêu chuẩn tương đối |
| μ | đại lượng sẽ được đo |
| μ0 | mức phông nền |
| w | hệ số hiệu chính liên kết với hệ số hiệu chuẩn và các hệ số hiệu chính theo khí hậu. |
4 Nguyên lý
Phương pháp đo liên tục nồng độ hoạt độ radon dựa trên các yếu tố sau:
a) Liên tục lấy mẫu tại chỗ một thể tích khí đã được lọc trước đó và đại diện cho không khí đang được điều tra;
b) Liên tục phát hiện các phát xạ phát ra bởi radon và các sản phẩm phân rã của radon được tích lũy trong buồng phát hiện.
Một số phương pháp đo đáp ứng yêu cầu của tiêu chuẩn này. Về cơ bản, chúng được phân biệt với nhau bởi loại đại lượng vật lý và cách thức phát hiện đại lượng vật lý. Đại lượng vật lý và sự phát hiện nó có thể là các ví dụ sau:
- Dòng ion hóa sinh ra bởi vài chục nghìn cặp ion tạo ra bởi mỗi hạt alpha phát ra từ radon có trong buồng phát hiện và các sản phẩm phân rã của radon được hình thành trong đó (xem Phụ lục A);
- Điện tích sinh ra trong một chất rắn (vật liệu bán dẫn (silicon)] bởi sự ion hóa từ các hạt alpha của radon và sản phẩm phân rã của radon; điện tích được phát hiện bởi các hệ điện tử liên quan.
Các kết quả đo là có ngay. Một giá trị trung bình hoặc tích phân có thể thu được thông qua việc xử lý phù hợp dựa trên khoảng tích phân phù hợp với hiện tượng được nghiên cứu nhưng trong mọi trường hợp đều ít hơn hoặc bằng một giờ.
Để quan trắc sự thay đổi theo thời gian nồng độ hoạt độ radon, giai đoạn đo phải phù hợp với động lực học của hiện tượng được nghiên cứu. Ví dụ, giai đoạn tối thiểu để phát hiện sự thay đổi hàng ngày là xấp xỉ một tuần.
Liên tục quan trắc cho phép đánh giá sự thay đổi theo thời gian của nồng độ hoạt độ radon. Đối với phép đo thực hiện ngoài trời, phải tính đến các điều kiện về mùa và khí hậu.
Đối với phép đo được thực hiện trong tòa nhà, phải xem xét đến lối sống của người ở trong tòa nhà, tầng đặt thiết bị đo (tầng hầm, tầng trệt, các tầng trên) và các đặc điểm thông gió tự nhiên (điều kiện về cửa ra vào và cửa sổ, được mở hay đóng).
5 Thiết bị
Bộ thiết bị bao gồm:
a) Một hệ thống lấy mẫu, bao gồm một bộ phận lọc, để lấy mẫu khí trong buồng phát hiện, một thiết bị để bơm khí lấy mẫu nếu cần thực hiện việc lấy mẫu chủ động, và một buồng phát hiện;
b) Thiết bị được sử dụng để đo phải thỏa mãn yêu cầu của IEC 61577-2.
Ví dụ về thiết bị (buồng ion hóa) cho một phương pháp đo cụ thể được nêu trong Phụ lục A.
6 Lấy mẫu
6.1 Mục tiêu lấy mẫu
Mục tiêu lấy mẫu là đặt một mẫu khí đại diện cho không khí đang được điều tra tiếp xúc liên tục với cảm biến.
6.2 Đặc điểm lấy mẫu
Việc lấy mẫu là thụ động (khuếch tán tự nhiên) hoặc chủ động (bơm).
Việc lấy mẫu được thực hiện thông qua một bộ phận lọc nhằm ngăn chặn sự đi vào của các hạt sol khí có trong không khí tại thời điểm lấy mẫu, đặc biệt là các sản phẩm phân rã của radon.
Cái lọc không được giữ khí radon.
Bộ lấy mẫu phải được sử dụng dưới các điều kiện không làm tắc cái lọc (điều này có thể làm thay đổi điều kiện đo, ví dụ làm suy giảm lượng khí được lấy mẫu do hạ áp suất trong buồng đo).
Trong trường hợp bị tắc trong khi lấy mẫu bằng cách bơm, sự giảm áp có thể gia tăng, dẫn tới suy giảm hoạt động của bộ đo, và có thể dẫn tới việc cái lọc bị xuyên thủng.
Tắc trong khi lấy mẫu bằng khuếch tán tự nhiên có thể dẫn tới việc khí trong buồng phát hiện không được làm mới.
6.3 Điều kiện lấy mẫu
6.3.1 Khái quát
Việc lấy mẫu phải được thực hiện theo quy định trong TCVN 10759-1 (ISO 11665-1). Địa điểm lấy mẫu, ngày và giờ lấy mẫu phải được ghi lại.
6.3.2 Lắp đặt thiết bị lấy mẫu
Lắp đặt thiết bị lấy mẫu phải được thực hiện theo quy định trong TCVN 10759-1 (ISO 11665-1).
6.3.3 Khoảng thời gian lấy mẫu
Đối với việc liên tục lấy mẫu, khoảng thời gian lấy mẫu tương thích với thời gian đo, là khoảng thời gian phù hợp với động lực học của hiện tượng được nghiên cứu.
6.3.4 Khoảng tích phân
Khoảng tích phân xác định sự phân giải thời gian của phép đo. Các thông số khác nhau như nồng độ hoạt độ dự kiến của radon hoặc động lực học thay đổi mức radon cần phải được tính đến khi lựa chọn khoảng tích phân thích hợp.
6.3.5 Thể tích khí được lấy mẫu
Đối với việc lấy mẫu chủ động, thể tích khí được lấy mẫu phải được đo bằng một lưu lượng kế được hiệu chính theo sự thay đổi nhiệt độ và áp suất (được biểu thị bằng mét khối tại áp suất và nhiệt độ tiêu chuẩn là 1,013 hPa và 0 °C tương ứng).
Đối với việc lấy mẫu thụ động, không cần thiết phải đo trực tiếp thể tích khí được lấy mẫu; hệ số hiệu chuẩn (tính bằng hoạt độ trên đơn vị thể tích) sẽ được sử dụng.
7 Phương pháp phát hiện
Phương pháp phát hiện được thực hiện bằng cách sử dụng phương pháp thích hợp như được chỉ ra trong TCVN 10759-1 (ISO 11665-1).
8 Đo
8.1 Quy trình
Quy trình đo là đặc trưng cho phương pháp phát hiện được sử dụng.
Ví dụ về một quy trình đo có sử dụng buồng ion hóa được nêu trong Phụ lục A.
8.2 Đại lượng ảnh hưởng
Các đại lượng khác nhau có thể dẫn tới phép đo bị sai lệch và cho ra kết quả không mang tính đại diện. Tùy thuộc vào phương pháp đo và việc kiểm soát các đại lượng ảnh hưởng thông thường như được nêu trong IEC 61577-1 và TCVN 10759-1 (ISO 11665-1), các đại lượng ảnh hưởng sau phải được xem xét cụ thể:
a) Nhiệt độ, độ ẩm và sự nhiễu loạn không khí; các biến số này phải được xem xét khi lựa chọn địa điểm đặt thiết bị;
b) Bức xạ phông nền;
c) Tạp nền của thiết bị;
d) Trường điện từ;
e) Sự gia tăng của việc giảm áp suất do tắc cái lọc đầu vào;
f) Khả năng tồn tại các nguồn phát xạ alpha khác (radi, các đồng vị của radon, actinit, v.v...) trong thể tích phát hiện; nếu có nghi ngờ về sự tồn tại của các đồng vị radon khác thì phải kiểm tra bằng cách sử dụng một hệ thống phù hợp, ví dụ buồng ổn định.
g) Khả năng tồn tại các nguồn phát gamma khác trong thể tích phát hiện.
Các khuyến nghị của nhà sản xuất trong chỉ dẫn vận hành thiết bị đo phải được tuân thủ.
8.3 Hiệu chuẩn
Toàn bộ thiết bị đo (bộ lấy mẫu, lưu lượng kế, detector và các hệ điện tử liên quan) phải được hiệu chuẩn như quy định trong TCVN 10759-1 (ISO 11665-1).
Mối quan hệ giữa thông số vật lý được đo bởi thiết bị phát hiện (số điện tích, tốc độ đếm, v.v...) và nồng độ hoạt độ của radon trong khí phải được thiết lập dựa trên việc đo không khí có radon-222 chuẩn. Nồng độ hoạt độ radon-222 trong không khí quy chiếu phải truy được về tiêu chuẩn khí radon-222 gốc.
Kết quả hiệu chuẩn thiết bị phải cho phép truy ra kết quả đo theo chuẩn gốc.
9 Biểu thị kết quả
9.1 Nồng độ hoạt độ radon
Nồng độ hoạt độ radon được tính theo Công thức (1):
|
| (1) |
9.2 Độ không đảm bảo tiêu chuẩn
Theo TCVN 9595-3 (ISO/IEC 98-3), độ không đảm bảo tiêu chuẩn của C được tính theo Công thức (2):
|
| (2) |
9.3 Ngưỡng quyết định và giới hạn phát hiện
Các giới hạn đặc trưng của đối tượng đo được tính theo ISO 11929. Ví dụ các phép tính độ không đảm bảo và giới hạn đặc trưng được mô tả trong Phụ lục A cho một phương pháp cụ thể.
9.4 Giới hạn của khoảng tin cậy
Giới hạn dưới,
và giới hạn trên
của khoảng tin cậy được tính theo các Công thức (3) và (4) (xem ISO 11929):
|
| (3); |
|
| (4); |
Trong đó:
, F là hàm phân bố của phân bố thông thường được tiêu chuẩn hóa;
w = 1 có thể được xác lập nếu C ≥ 4 × u(C), trong trường hợp này:
![]()
g = 0,05 với k1-g/2 = 19,6 thường được chọn theo mặc định.
10 Báo cáo thử nghiệm
10.1 Báo cáo thử nghiệm phải tuân theo các quy định của TCVN ISO/IEC 17025 và phải bao gồm các thông tin sau:
a) Viện dẫn tới tiêu chuẩn này;
b) Phương pháp đo (liên tục);
c) Đặc điểm lấy mẫu (thụ động hay chủ động);
d) Thời điểm lấy mẫu (ngày và giờ);
e) Khoảng thời gian lấy mẫu;
f) Vị trí lấy mẫu;
g) Các đơn vị biểu thị kết quả
h) Kết quả thử nghiệm, C ± u(C) hoặc C ± U, với giá trị k liên đới.
10.2 Có thể đưa các thông tin bổ sung như:
a) Mục đích đo;
b) Xác suất α, β và (1 - g);
c) Ngưỡng quyết định và giới hạn phát hiện; tùy thuộc vào yêu cầu của khách hàng mà có các cách thể hiện kết quả:
1) Nếu nồng độ hoạt độ radon-222 được so sánh với ngưỡng quyết định (xem ISO 11929) thì kết quả của phép đo cần phải thể hiện là ≤ C* nếu kết quả thấp hơn ngưỡng quyết định;
2) Nếu nồng độ hoạt độ radon-222 được so sánh với giới hạn phát hiện thì kết quả đo sẽ được thể hiện là ≤ C# nếu kết quả thấp hơn giới hạn phát hiện. Nếu giới hạn phát hiện vượt quá giá trị hướng dẫn thì phải lập thành tài liệu về phương pháp đo không phù hợp cho mục đích của phép đo;
d) Tất cả các thông tin liên quan có thể ảnh hưởng đến kết quả:
1) Điều kiện thời tiết vào thời điểm lấy mẫu;
2) Điều kiện thông gió đối với việc đo trong nhà (hệ thống thông gió cơ học, cửa ra vào và cửa sổ được mở hay đóng, v.v...) trước khi lấy mẫu (trong khoảng vài giờ) và thời điểm lấy mẫu.
10.3 Kết quả có thể được thể hiện theo mẫu tương tự như được chỉ ra trong TCVN 10759-1:2016 (ISO 11665-1:2012), Phụ lục C.
Phụ lục A
(Tham khảo)
Phương pháp đo sử dụng buồng ion hóa được thông gió và buồng ion hóa dòng
A.1 Khái quát
Phụ lục này nêu phương pháp đo sử dụng buồng ion hóa, một trong một số phương pháp đáp ứng yêu cầu của tiêu chuẩn này. Các buồng ion hóa được thông gió và buồng ion hóa dòng hoạt động trong áp suất khí quyển.
Phụ lục này sử dụng các ký hiệu trong Điều 3 và các ký hiệu sau.
|
| năng lượng trung bình phát ra bởi bức xạ trong khí của buồng cho nhiệt độ T (K) và áp suất p (hPa), tính bằng jun. |
| e | điện tích, tính bằng culong (e = 1,602 x 10-19 C). |
| FC | hệ số hiệu chuẩn, tính bằng bequerel trên mét khối trên ampe. |
| fp | hệ số hiệu chính cho áp suất không khí, không có thứ nguyên. |
| fT | hệ số hiệu chính cho nhiệt độ, không có thứ nguyên. |
| I | dòng ion hóa do radon, tính bằng ampe. |
| Ig | dòng ion hóa cho buồng ion hóa được thông khí, tính bằng ampe. |
| Ig | dòng ion hóa do bức xạ gamma, tính bằng ampe. |
| I0 | dòng ion hóa của phông nền, tính bằng ampe. |
| pe | áp suất khí quyển khi hiệu chuẩn buồng, tính bằng hecto pascal. |
| pm | áp suất khí quyển khi vận hành buồng, tính bằng hecto pascal. |
| Te | nhiệt độ của khí khi hiệu chuẩn buồng, tính bằng kelvin. |
| Tm | nhiệt độ của khí khi vận hành buồng, tính bằng kelvin. |
| Vch | thể tích khí trong buồng, tính bằng mét khối. |
| wair | năng lượng trung bình được tiêu thụ để sinh ra một cặp ion trong khí của buồng, tính bằng jun. |
A.2 Nguyên lý của phương pháp đo
Đo liên tục nồng độ hoạt độ radon có sử dụng buồng ion hóa dòng dựa trên các yếu tố sau:
a) Lấy mẫu khí chủ động bằng bơm lấy mẫu: Việc lấy mẫu được thực hiện liên tục thông qua các cái lọc để ngăn chặn các sản phẩm phân rã radon đi vào buồng ion hóa và sử dụng một buồng ổn định để loại bỏ sự ảnh hưởng của đồng vị radon-220.
b) Lưu thông mẫu khí trong buồng ion hóa của thiết bị đo tại áp suất và nhiệt độ đã biết, giữa hai điện cực với các điện áp khác nhau: Sự tồn tại khí radon trong thể tích phát hiện của buồng ion hóa gây ra sự phát hạt alpha 5,5 MeV cùng với các hạt khác. Khi chúng đi qua khí trong thể tích phát hiện, các hạt này phát ra toàn bộ hoặc một phần năng lượng của chúng. Năng lượng phát ra được chuyển thành các cặp ion (điện tích dương và âm), với mỗi hạt alpha 5,5 MeV đóng góp vào việc tạo thành khoảng 1,6 x 105 cặp ion trong khí. Mỗi loại ion sau đó được thu thập bởi điện cực tương ứng.
c) Đo dòng điện (dòng ion hóa) sinh ra bởi sự thu thập các ion được hình thành trong thể tích phát hiện của buồng ion hóa.
d) Xác định sự đóng góp của bức xạ ion hóa môi trường, đặc biệt bức xạ gamma, đối với dòng điện đo được: Sự ảnh hưởng của bức xạ gamma đối với phép đo radon được xác định bằng cách sử dụng buồng bù trừ kín có liên kết với buồng đo. Sự phản ứng của buồng kín chỉ tương xứng với bức xạ gamma môi trường. Sự phản ứng đối với suất liều gamma từ một buồng kim loại 10 L là 10-16 A/nGy/h (ví dụ ở Pháp, suất liều thay đổi từ 30 nGy/h đến 230 nGy/h[6]).
e) Xác định nồng độ hoạt độ từ dòng ion hóa đo được đã được hiệu chỉnh từ sự đóng góp của bức xạ gamma: Dòng ion hóa phát ra từ buồng ion hóa được thông khí tỷ lệ thuận với:
1) số nguyên tử radon có trong buồng phát hiện mà tại đó lưu thông khí lấy mẫu,
2) năng lượng trung bình giải phóng trong không khí của buồng bởi bức xạ từ sự phân rã alpha, và
3) năng lượng ion hóa trung bình của khí trong buồng.
CHÚ THÍCH: Năng lượng ion hóa trung bình trong khí thay đổi ít với các đặc điểm của môi trường khí và loại hạt và năng lượng liên quan (xem Bảng A.1). Giá trị điển hình là xấp xỉ 35 eV[5]. Một hạt beta hoặc gamma phát ra bởi nhân phóng xạ trừ radon và các sản phẩm phân rã radon có trong thể tích phát hiện có thể làm nhiễu việc đo bằng cách tạo ra 0,05 x 105 đến 0,15 x 105 cặp ion.
Bảng A.1 - Sự đáp ứng của buồng ion hóa 10 L với các hạt nhân phóng xạ khác nhau so với radon[1][5]
| Nhân phóng xạ | 3H | 14C | 41Ar | 85Kr | 133Xe | 222Rn |
| Năng lượng trung bình của các hạt liên quan, kev | 5,7 | 49,4 | 464 | 251 | 101 | 5500 |
| Sự đáp ứng so với 222Rn, % | 0,1 | 0,9 | 8,4 | 4,5 | 1,8 | 100 |
A.3 Thiết bị
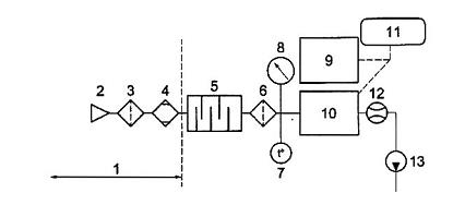
Bộ thiết bị gồm các bộ phận sau (xem Hình A.1).

CHÚ DẪN
| 1 | hệ thống lấy mẫu |
| 2 | đầu lấy mẫu |
| 3 | cái lọc sơ cấp |
| 4 | bộ khử nước trong khí |
| 5 | buồng lưu giữ |
| 6 | cái lọc sản phẩm phân rã |
| 7 | nhiệt kế |
| 8 | áp kế |
| 9 | buồng ion hóa kín |
| 10 | buồng ion hóa thông khí |
| 11 | hệ điện tử kèm theo |
| 12 | lưu lượng kế |
| 13 | bơm |
Hình A.1 - Sơ đồ cơ bản của hệ thống đo nồng độ hoạt độ radon với các buồng ion hóa thông khí và buồng ion hóa dòng (bơm được lắp đặt xuôi dòng)
a) Một bộ lấy mẫu bao gồm một đầu lấy mẫu, cái lọc sơ cấp ở đầu vào và bộ khử nước trong khí. Trong trường hợp dự đoán có nồng độ lớn các hạt lơ lửng thì cái lọc sơ cấp phải được đặt trong hoặc ngay sau đầu lấy mẫu. Cái lọc sơ cấp được làm bằng vật liệu có khả năng chịu độ ẩm tốt và sự giảm áp suất rất thấp và nó không giữ radon.
b) Một buồng ổn định, trong trường hợp có sự ảnh hưởng của đồng vị radon-220. Để loại bỏ radon-220, thời gian lưu khí trong buồng ổn định phải ít nhất bằng năm lần thời gian bán rã phóng xạ của radon-220.
c) Một cái lọc với sự giảm áp suất thấp tại lối vào của thể tích phát hiện. Cái lọc này nhằm chặn lại tất cả sản phẩm phân rã radon dạng rắn có trong khí được lấy mẫu ngay trước khi phân tích. Nó được đặt gần buồng ion hóa nhất có thể. Do kích thước của các hạt sol khí mang sản phẩm phân rã radon dạng rắn nhìn chung nhỏ hơn 1 μm nên cái lọc phải thuộc loại lọc tuyệt đối.
d) Một buồng ion hóa được thông khí tạo thành thể tích phát hiện (buồng đo). Nó bao gồm một vỏ bọc kim loại với thể tích thể tích phát hiện từ vài centimet khối đến vài chục lít.
e) Một buồng ion hóa kín được sử dụng để bù trừ bức xạ gamma môi trường (buồng bù trừ). Buồng bù trừ có các đặc điểm giống như các đặc điểm của buồng đo mà nó được sử dụng cùng.
f) Các hệ điện tử phù hợp để cho phép đo trực tiếp dòng ion hóa yếu (xấp xỉ 10-12 A đến 10-15 A).
g) Một bơm khí với đặc điểm hoạt động phù hợp với thể tích của buồng ion hóa (lưu lượng bảo đảm đủ làm mới khí trong thể tích phát hiện). Bơm khí phải được lắp đặt trước hoặc sau buồng đo.
h) Trong các trường hợp cụ thể: các đầu đo lưu lượng, áp suất và nhiệt độ.
A.4 Lấy mẫu
Điều kiện lấy mẫu phải theo quy định tại Điều 6.
Nếu việc lấy mẫu được thực hiện ngoài trời, đầu lấy mẫu phải có thêm thiết bị che chắn ảnh hưởng của thời tiết (xem TCVN 10759-1 (ISO 11665-1)).
Cái lọc sơ cấp và cái lọc phải được thay thế thường xuyên, đặc biệt nếu chúng có dấu hiệu bị tắc.
Việc lấy mẫu chủ động được thực hiện liên tục với một bơm lấy mẫu có các đặc điểm phù hợp với thể tích của buồng ion hóa. Khí trong thể tích phát hiện nên được làm mới từ một đến ba lần một phút. Đối với buồng ion hóa 10 L, tốc độ lấy mẫu 20 L/min là phù hợp. Bơm có thể được lắp trước hoặc sau buồng ion hóa. Hoạt động của bơm không được làm ô nhiễm buồng ion hóa.
Chênh lệch áp suất giữa buồng ion hóa và nơi lấy mẫu phải được giữ trong dải chấp nhận được (± 50 hPa) để bảo đảm tính chính xác của phép đo và tính toàn vẹn của hệ thống. Chênh lệch áp suất được kiểm tra bằng cách quan trắc sự giảm áp tại biên cái lọc {trong đó Δpmin = cái lọc được thông lỗ và Δpmax = cái lọc bị tắc).
Hệ thống phải không bị rò rỉ để bảo đảm phép đo radon chỉ thực hiện trong khí được lấy mẫu qua đầu lấy mẫu.
A.5 Các đại lượng ảnh hưởng
Ngoái các đại lượng ảnh hưởng được nêu trong 8.2, phải tính tới các đại lượng sau:
a) Hai buồng ion hóa phải được đặt trong cùng một trường bức xạ đồng nhất. Tránh để nguồn phóng xạ gần một trong hai buồng ion hóa và nguồn phóng xạ phải được đặt cách các buồng ion hóa càng xa càng tốt.
b) Khí được theo dõi phải có độ ẩm tương đối dưới 80 %. Nếu điều kiện độ ẩm của khí được lấy mẫu không phù hợp với hoạt động của buồng thì phải giảm độ ẩm tương đối (ví dụ, bằng cách tăng nhiệt độ trong buồng phát hiện). Tuy nhiên, nhiệt độ trong buồng ion hóa phải duy trì dưới 60 °C.
c) Trong khi đo, nếu độ chênh lệch nhiệt độ và áp suất tương ứng vượt quá ± 20 °C và ± 50 hPa thì cần phải có sự hiệu chính.
Các khuyến nghị của nhà sản xuất trong hướng dẫn vận hành cho thiết bị đo phải được tuân thủ.
A.6 Biểu thị kết quả
A.6.1 Nồng độ hoạt độ radon
Nồng độ hoạt độ radon được tính theo Công thức (1). Từ đây suy ra Công thức (A.1):
|
| (A.1) |
Trong đó
|
| (A.2) |
|
| (A.3) |
|
| (A.4) |
Thực tế, có thể nhiệt độ đo được, Tm, và áp suất đo được, pm, không khác biệt nhiều so với các giá trị hiệu chuẩn Te và pe Trong trường hợp này, Công thức (A.1) có thể được đơn giản hóa.
A.6.2 Độ không đảm bảo tiêu chuẩn
Độ không đảm bảo tiêu chuẩn của C thu được từ Công thức (2). Từ đây suy ra Công thức (A.5):
|
| (A.5) |
Trong đó:
|
| (A.6) |
độ không đảm bảo của nhiệt độ hiệu chuẩn, Te, và áp suất hiệu chuẩn, pe, được coi như không đáng kể.
|
| (A.7) |
|
| (A.8) |
|
| (A.9) |
hằng số kI do nhà sản xuất cung cấp.
Trong Công thức (A.5), các độ không đảm bảo của các giá trị gắn với thiết bị (cảm biến nhiệt độ và áp suất, v.v...) đã được biết.
Để tính các giới hạn đặc trưng theo ISO 11929 thì cần phải có
, tức là độ không đảm bảo tiêu chuẩn của C như một hàm của giá trị thực của nó, được tính theo Công thức (A.10):
|
| (A.10) |
A.6.3 Ngưỡng quyết định
Ngưỡng quyết định C* thu được theo Công thức (A.10) với
(xem ISO 11929).
Từ đây suy ra Công thức (A.11):
|
| (A.11) |
α = 0,05 với k1-α = 1,65 thường được chọn theo mặc định.
A.6.4 Giới hạn phát hiện
Giới hạn phát hiện, C#, được tính theo Công thức (A.12) (xem ISO 11929):
|
| (A.12) |
β = 0,05 với k1-β = 1,65 thường được chọn theo mặc định.
Giới hạn phát hiện có thể được tính bằng cách giải Công thức (A.12) để tìm C# hoặc, đơn giản hơn, bằng cách lặp lại với việc lấy xấp xỉ C# = 2×C* cho vế phải của Công thức (A.12).
Thu được C# với k1-β = k1-β = k:
![]()
Giá trị α = β = 0,05 và do đó k1-α = k1-β = 1,65 thường được chọn mặc định.
THƯ MỤC TÀI LIỆU THAM KHẢO
[1] Nuclear Data Base issued from the Decay Data Evaluation Project. Available at: http://www.nucleide.org/DDEP_WG/DDEPdata.htm
[2] UNSCEAR 2006 Report: Effects of ionizing radiation (Vol. 1, report to the General Assembly and two scientific annexes). United Nations Publication, New York, 2008
[3] Institut de Protection et de Sûreté Nucléaire - Direction Générale de la Santé. Campagne nationale de mesure de I'exposition domestique au radon. Bilan et représentation cartographique des mesures au 1 Janvier 2000
[4] NeuillyM. Modélisation et estimation des erreurs de mesure. Technique et documentation. CETAMA, Éditions Lavoisier, Paris, 1993
[5] ICRU 31, Average energy required to produce an ion pair. International Commission on Radiation, Units and Measurements, 1979
[6] Bilan de I'état radiologique de I'environnement français en 2007. Synthèse des résultats des réseaux de surveillance de I'IRSN. Report DEI/SESURE-2008-48, 2008
[7] TCVN 9595-3 (ISO/IEC Guide 98-3), Độ không đảm bảo đo - Phần 3: Hướng dẫn biểu thị độ không đảm bảo đo. (GUM: 1995)
Bạn chưa Đăng nhập thành viên.
Đây là tiện ích dành cho tài khoản thành viên. Vui lòng Đăng nhập để xem chi tiết. Nếu chưa có tài khoản, vui lòng Đăng ký tại đây!

