- Tổng quan
- Nội dung
- VB gốc
- Tiếng Anh
- Hiệu lực
- VB liên quan
- Lược đồ
-
Nội dung hợp nhất
Tính năng này chỉ có tại LuatVietnam.vn. Nội dung hợp nhất tổng hợp lại tất cả các quy định còn hiệu lực của văn bản gốc và các văn bản sửa đổi, bổ sung, đính chính... trên một trang. Việc hợp nhất văn bản gốc và những văn bản, Thông tư, Nghị định hướng dẫn khác không làm thay đổi thứ tự điều khoản, nội dung.
Khách hàng chỉ cần xem Nội dung hợp nhất là có thể nắm bắt toàn bộ quy định hiện hành đang áp dụng, cho dù văn bản gốc đã qua nhiều lần chỉnh sửa, bổ sung.
- Tải về
Quyết định 04/2008/QĐ-BKHCN của Bộ Khoa học và Công nghệ về việc ban hành và thực hiện "Quy chuẩn kỹ thuật quốc gia về mũ bảo hiểm cho người đi mô tô, xe máy"
| Cơ quan ban hành: | Bộ Khoa học và Công nghệ |
Số công báo:
Số công báo là mã số ấn phẩm được đăng chính thức trên ấn phẩm thông tin của Nhà nước. Mã số này do Chính phủ thống nhất quản lý.
|
Đã biết
|
| Số hiệu: | 04/2008/QĐ-BKHCN | Ngày đăng công báo: |
Đã biết
|
| Loại văn bản: | Quyết định | Người ký: | Trần Chiến Thắng, Trần Quốc Thắng |
|
Ngày ban hành:
Ngày ban hành là ngày, tháng, năm văn bản được thông qua hoặc ký ban hành.
|
28/04/2008 |
Ngày hết hiệu lực:
Ngày hết hiệu lực là ngày, tháng, năm văn bản chính thức không còn hiệu lực (áp dụng).
|
Đã biết
|
|
Áp dụng:
Ngày áp dụng là ngày, tháng, năm văn bản chính thức có hiệu lực (áp dụng).
|
Đã biết
|
Tình trạng hiệu lực:
Cho biết trạng thái hiệu lực của văn bản đang tra cứu: Chưa áp dụng, Còn hiệu lực, Hết hiệu lực, Hết hiệu lực 1 phần; Đã sửa đổi, Đính chính hay Không còn phù hợp,...
|
Đã biết
|
| Lĩnh vực: | Khoa học-Công nghệ, Giao thông |
TÓM TẮT QUYẾT ĐỊNH 04/2008/QĐ-BKHCN
Nội dung tóm tắt đang được cập nhật, Quý khách vui lòng quay lại sau!
Tải Quyết định 04/2008/QĐ-BKHCN
QUYẾT ĐỊNH
CỦA BỘ KHOA HỌC VÀ CÔNG NGHỆ SỐ 04/2008/QĐ-BKHCN
NGÀY 28 THÁNG 04 NĂM 2008
VỀ VIỆC BAN HÀNH VÀ THỰC HIỆN “QUY CHUẨN KỸ THUẬT QUỐC GIA VỀ MŨ BẢO HIỂM CHO NGƯỜI ĐI MÔ TÔ, XE MÁY”
BỘ TRƯỞNG BỘ KHOA HỌC VÀ CÔNG NGHỆ
Căn cứ Luật tiêu chuẩn và quy chuẩn kỹ thuật ngày 29 tháng 6 năm 2006;
Căn cứ Nghị định số 28/2008/NĐ-CP ngày 14 tháng 3 năm 2008 của Chính phủ quy định chức năng, nhiệm vụ, quyền hạn và cơ cấu tổ chức của Bộ Khoa học và Công nghệ;
Xét đề nghị của Tổng cục trưởng Tổng cục Tiêu chuẩn Đo lường Chất lượng,
QUYẾT ĐỊNH:
Điều 1. Ban hành kèm theo Quyết định này “Quy chuẩn kỹ thuật quốc gia về mũ bảo hiểm cho người đi mô tô, xe máy”.
Điều 2. Kể từ ngày 15 tháng 11 năm 2008, mũ bảo hiểm cho người đi mô tô, xe máy sản xuất trong nước, nhập khẩu chỉ được lưu thông trên thị trường sau khi đã được chứng nhận hợp quy, công bố hợp quy theo Quy chuẩn kỹ thuật quốc gia về mũ bảo hiểm cho người đi mô tô, xe máy ban hành kèm theo Quyết định này và quy định của pháp luật về tiêu chuẩn và quy chuẩn kỹ thuật, trừ trường hợp quy định tại khoản 2 Điều 3 của Quyết định này.
Điều 3.
1. Quyết định này có hiệu lực sau 15 ngày, kể từ ngày đăng Công báo.
2. Mũ bảo hiểm cho người đi mô tô, xe máy đã đưa vào lưu thông trên thị trường trước ngày 15 tháng 11 năm 2008 mà đáp ứng các yêu cầu của các Quyết định nêu tại khoản 4 Điều này, thì được tiếp tục lưu thông.
3. Kể từ ngày Quyết định này có hiệu lực đến trước ngày 15 tháng 11 năm 2008, việc sản xuất, nhập khẩu mũ bảo hiểm cho người đi mô tô, xe máy tiếp tục được thực hiện theo các Quyết định nêu tại khoản 4 Điều này hoặc theo Quy chuẩn kỹ thuật quốc gia ban hành kèm theo Quyết định này. Trường hợp tuân theo Quy chuẩn kỹ thuật quốc gia ban hành kèm theo Quyết định này thì việc thực hiện chứng nhận hợp quy và công bố hợp quy đối với mũ bảo hiểm cho người đi mô tô, xe máy sản xuất trong nước, chứng nhận hợp quy đối với mũ bảo hiểm cho người đi mô tô, xe máy nhập khẩu phải hoàn thành khi tổ chức, cá nhân tiến hành sản xuất, nhập khẩu.
Trường hợp mũ bảo hiểm cho người đi mô tô, xe máy sản xuất trong nước, nhập khẩu đã được chứng nhận, đánh giá và công bố phù hợp với Quy chuẩn kỹ thuật quốc gia ban hành kèm theo Quyết định này trước ngày 15 tháng 11 năm 2008 thì được lưu thông ngay trên thị trường.
4. Kể từ ngày 15 tháng 11 năm 2008, các Quyết định sau đây hết hiệu lực:
a) Quyết định số 51/2001/QĐ-BKHCNMT ngày 18 tháng 10 năm 2001 của Bộ trưởng Bộ Khoa học, Công nghệ và Môi trường (nay là Bộ Khoa học và Công nghệ) về việc bắt buộc công bố phù hợp tiêu chuẩn Việt Nam đối với mũ bảo hiểm sản xuất trong nước dùng cho người đi xe máy;
b) Quyết định số 52/2001/QĐ-BKHCNMT ngày 18 tháng 10 năm 2001 của Bộ trưởng Bộ Khoa học, Công nghệ và Môi trường (nay là Bộ Khoa học và Công nghệ) về việc quản lý chất lượng mũ bảo hiểm nhập khẩu dùng cho người đi xe máy;
c) Quyết định số 29/2004/QĐ-BKHCN ngày 27 tháng 10 năm 2004 của Bộ trưởng Bộ Khoa học và Công nghệ về việc quản lý chất lượng mũ bảo hiểm cho trẻ em khi tham gia giao thông trên mô tô và xe máy;
Điều 4. Tổng cục trưởng Tổng cục Tiêu chuẩn Đo lường Chất lượng, các cơ quan, tổ chức, cá nhân liên quan chịu trách nhiệm thi hành Quyết định này./.
|
|
KT. BỘ TRƯỞNG |
QCVN 2: 2008/BKHCN
QUY CHUẨN KỸ THUẬT QUỐC GIA
VỀ MŨ BẢO HIỂM CHO NGƯỜI ĐI MÔ TÔ, XE MÁY
National technical regulation
on protective helmets for motorcycle and moped users
LỜI NÓI ĐẦU
QCVN 2: 2008/BKHCN do Ban soạn thảo quy chuẩn kỹ thuật quốc gia về Mũ bảo hiểm cho người đi mô tô, xe máy biên soạn, Tổng cục Tiêu chuẩn Đo lường Chất lượng trình duyệt và được ban hành theo Quyết định số 04/2008/QĐ-BKHCN ngày 28 tháng 4 năm 2008 của Bộ trưởng Bộ Khoa học và Công nghệ.
QUY CHUẨN
KỸ THUẬT QUỐC GIA VỀ MŨ BẢO HIỂM CHO NGƯỜI ĐI MÔ TÔ, XE MÁY
National technical regulation on protective helmets for motorcycle and moped users
1. Quy định chung
1.1. Phạm vi điều chỉnh
Quy chuẩn này quy định mức giới hạn của các chỉ tiêu liên quan đến an toàn đối với mũ bảo hiểm cho người đi mô tô, xe máy (dưới đây viết tắt là mũ) và các yêu cầu quản lý chất lượng đối với mũ sản xuất trong nước, nhập khẩu và lưu thông trên thị trường.
1.2. Đối tượng áp dụng
Quy chuẩn này áp dụng đối với các tổ chức, cá nhân sản xuất, nhập khẩu, phân phối, bán lẻ mũ, các cơ quan quản lý nhà nước và các tổ chức, cá nhân khác có liên quan.
1.3. Giải thích từ ngữ
Trong Quy chuẩn này, các từ ngữ dưới đây được hiểu như sau:
1.3.1. Mũ bảo hiểm cho người đi mô tô, xe máy: Mũ dùng cho người đi mô tô, xe máy có đặc tính kỹ thuật phù hợp với quy định theo mục 2 của Quy chuẩn này.
1.3.2. Kiểu mũ: Các mũ cùng loại, cùng cỡ, cùng một thiết kế, được sản xuất bằng cùng vật liệu.
1.3.3. Lô sản phẩm: Các mũ cùng kiểu và được sản xuất cùng một đợt trên cùng một dây chuyền công nghệ.
1.3.4. Lô hàng hóa: Các mũ cùng kiểu, có cùng nội dung ghi nhãn, do một tổ chức, cá nhân nhập khẩu, phân phối, bán lẻ tại cùng một địa điểm.
1.4. Phân loại
1.4.1. Theo vùng che phủ, mũ được chia thành ba loại sau (Xem Hình 1):
- Mũ che nửa đầu: Mũ có kết cấu bảo vệ phần đầu phía trên của người đội mũ;
- Mũ che cả đầu và tai: Mũ có kết cấu bảo vệ phần phía trên của đầu, vùng chẩm và vùng tai của người đội mũ;
- Mũ che cả đầu, tai và hàm: Mũ có kết cấu bảo vệ phần phía trên của đầu, vùng chẩm, vùng tai và cằm của người đội mũ;
Các loại mũ có thể có kính che hoặc không có kính che.
1.4.2. Theo chu vi vòng đầu, mũ được chia thành ba nhóm cỡ sau:
- Nhóm cỡ nhỏ: Mũ có chu vi vòng đầu nhỏ hơn 500 mm;
- Nhóm cỡ trung: Mũ có chu vi vòng đầu từ 500 mm đến nhỏ hơn 520 mm;
- Nhóm cỡ lớn: Mũ có chu vi vòng đầu từ 520 mm trở lên;
2. Quy định kỹ thuật
2.1. Cấu tạo
Cấu tạo cơ bản của mũ theo Hình 1. Mũ phải có các bộ phận sau:
- Vỏ mũ;
- Lớp đệm hấp thụ xung động bên trong vỏ mũ (đệm bảo vệ);
- Quai đeo.
2.2. Yêu cầu kỹ thuật
2.2.1. Mũ phải được sản xuất bằng các vật liệu không gây ảnh hưởng có hại đến da và tóc của người sử dụng.
2.2.2. Khối lượng của mũ, kể cả các bộ phận kèm theo, không được lớn hơn:
2.2.2.1. Đối với loại che cả đầu, tai và hàm:
- Mũ cỡ lớn: 1,5 kg;
- Mũ cỡ trung và cỡ nhỏ: 1,2 kg.
2.2.2.2. Đối với loại che cả đầu, tai và loại che nửa đầu:
- Mũ cỡ lớn: 1,0 kg;
- Mũ cỡ trung và cỡ nhỏ: 0,8 kg.
2.2.3. Bề mặt phía ngoài của vỏ mũ và các bộ phận lắp vào mũ phải nhẵn, không có vết nứt, không có gờ và cạnh sắc. Không được sử dụng đinh tán, bu lông, đai ốc, khóa quai đeo có các gờ và cạnh nhọn, sắc. Đầu đinh tán, bu lông không được cao hơn 2 mm so với bề mặt phía ngoài của vỏ mũ.
2.2.4. Vỏ mũ và lớp đệm hấp thụ xung động phải che chắn được phạm vi cần bảo vệ trên dạng đầu thử tương ứng khi kiểm tra theo mục 4 của Phụ lục của Quy chuẩn này.
2.2.5. Mũ phải chịu được va đập và hấp thụ xung động khi thử nghiệm theo mục 5 của Phụ lục của Quy chuẩn này. Sau khi thử, vỏ mũ không bị vỡ tách rời và gia tốc dội lại khi bị va đập không được lớn hơn:
2.2.5.1. Gia tốc dội lại tức thời đối với mũ có chu vi vòng đầu:
- < 500 mm: 225 g;
- ³ 500 mm: 300 g.
2.2.5.2. Gia tốc dư sau 3 miligiây đối với mũ có chu vi vòng đầu:
- < 500 mm: 175 g;
- ³ 500 mm: 200 g.
2.2.5.3. Gia tốc dư sau 6 miligiây đối với mũ có chu vi vòng đầu:
- < 500 mm: 125 g;
- ³ 500 mm: 150 g.
Chú thích: Các giá trị gia tốc tính bằng m/s2 được xác định trên cơ sở đơn vị gia tốc trọng trường g = 9,80665 ms2.

Hình 1 - Cấu tạo cơ bản mũ bảo hiểm
2.2.6. Mũ phải chịu được thử nghiệm độ bền đâm xuyên theo mục 6 của Phụ lục của Quy chuẩn này. Sau khi thử, đầu đâm xuyên không được chạm vào dạng đầu thử bên trong mũ.
2.2.7. Quai đeo phải chịu được thử nghiệm theo mục 7 của Phụ lục của Quy chuẩn này. Khi thử, độ dịch chuyển của gá móc quai đeo giữa hai lần đặt tải ban đầu và tải thử nghiệm không được vượt quá 25 mm.
Độ ổn định của mũ phải đạt các yêu cầu quy định trong mục 8 của Phụ lục của Quy chuẩn này.
2.2.8. Kết cấu của mũ bảo hiểm phải đảm bảo tầm nhìn của người đi mô tô, xe máy trong khi sử dụng, cụ thể:
2.2.8.1. Góc nhìn bên phải và bên trái của mũ khi tiến hành đo góc nhìn theo mục 9 của Phụ lục của Quy chuẩn này không được nhỏ hơn 105o.
2.2.8.2. Góc nhìn phía trên, a, không được nhỏ hơn 7o, góc nhìn phía dưới, b, không được nhỏ hơn 45o.
2.2.9. Kính chắn gió, nếu có, phải thỏa mãn các yêu cầu sau:
2.2.9.1. Chịu được thử nghiệm theo điểm 10.1 của Phụ lục của Quy chuẩn này. Nếu kính bị vỡ, không được tạo thành các mảnh sắc nhọn có góc nhỏ hơn 60o.
2.2.9.2. Hệ số truyền sáng khi được thử nghiệm theo điểm 10.2 của Phụ lục của Quy chuẩn này không được nhỏ hơn 85%.
2.3. Ghi nhãn
2.3.1. Nội dung ghi nhãn mũ thực hiện theo quy định của pháp luật về nhãn hàng hóa.
2.3.2. Nhãn phải được ghi một cách rõ ràng, bền vững (không phai mờ) trên bề mặt trong hoặc ngoài mũ.
2.3.3. Nhãn của mũ sản xuất trong nước tối thiểu phải bao gồm các thông tin sau:
- Tên sản phẩm: Phải có cụm từ “Mũ bảo hiểm cho người đi mô tô, xe máy”;
- Tên và địa chỉ cơ sở sản xuất;
- Cỡ mũ;
- Tháng, năm sản xuất.
2.3.4. Nhãn phụ của mũ nhập khẩu tối thiểu phải bao gồm các thông tin sau:
- Tên sản phẩm: Phải có cụm từ “Mũ bảo hiểm cho người đi mô tô, xe máy”;
- Tên và địa chỉ của tổ chức, cá nhân nhập khẩu và phân phối;
- Xuất xứ hàng hóa;
- Cỡ mũ;
- Tháng, năm sản xuất.
3. Phương pháp thử
Các phép thử được tiến hành theo Phụ lục của Quy chuẩn này.
Phép thử coi là đạt yêu cầu khi tất cả các kết quả thử đều đạt.
4. Quản lý chất lượng
4.1. Mũ sản xuất trong nước
4.1.1. Mũ sản xuất trong nước phải được công bố hợp quy phù hợp với các quy định tại mục 2 của Quy chuẩn này cho từng kiểu mũ trên cơ sở chứng nhận hợp quy của Tổ chức chứng nhận được chỉ định.
Việc chứng nhận hợp quy được thực hiện theo phương thức thử nghiệm mẫu điển hình và đánh giá quá trình sản xuất; giám sát thông qua thử nghiệm mẫu lấy tại nơi sản xuất hoặc trên thị trường kết hợp với đánh giá quá trình sản xuất (Phương thức 5 trong Phụ lục II của Quy định về chứng nhận hợp chuẩn, chứng nhận hợp quy và công bố hợp chuẩn, công bố hợp quy ban hành kèm theo Quyết định số 24/2007/QĐ-BKHCN của Bộ trưởng Bộ Khoa học và Công nghệ).
4.1.2. Mũ sản xuất trong nước trước khi đưa ra lưu thông trên thị trường phải gắn dấu hợp quy trên vỏ mũ.
4.2. Mũ nhập khẩu
4.2.1. Mũ nhập khẩu phải được chứng nhận hợp quy phù hợp với các quy định tại mục 2 của Quy chuẩn này cho từng kiểu mũ. Việc chứng nhận hợp quy mũ nhập khẩu do một trong các tổ chức sau đây tiến hành:
4.2.1.1. Tổ chức giám định hoặc tổ chức chứng nhận trong và ngoài nước được cơ quan quản lý nhà nước có thẩm quyền chỉ định hoặc thừa nhận thực hiện tại nước ngoài.
4.2.1.2. Tổ chức chứng nhận hợp quy được chỉ định tiến hành tại Việt Nam theo phương thức thử nghiệm lô hàng hóa (Phương thức 7 trong Phụ lục II của Quy định về chứng nhận hợp chuẩn, chứng nhận hợp quy và công bố hợp chuẩn, công bố hợp quy ban hành kèm theo Quyết định số 24/2007/QĐ-BKHCN của Bộ trưởng Bộ Khoa học và Công nghệ).
Số lượng mũ để đánh giá sự phù hợp theo lô hàng hóa quy định trong Bảng 1.
Lô hàng hóa được coi là đạt yêu cầu khi tất cả các phép thử và kiểm tra đều đạt.
Bảng 1
|
Cỡ lô (mũ) |
Số lượng mũ để kiểm tra ngoại quan, khối lượng và ghi nhãn |
Số lượng mũ để thử các yêu cầu(1) |
||
|
Va đập và hấp thụ xung động |
Độ bền đâm xuyên |
Phạm vi bảo vệ, tầm nhìn, kính chắn gió, quai đeo và độ ổn định |
||
|
Đến 500 |
20 |
2 |
2 |
2 |
|
Từ 501 đến 1200 |
32 |
4 |
4 |
4 |
|
Từ 1201 đến 3200 |
50 |
6 |
6 |
6 |
|
Từ 3201 đến 10000 |
80 |
8 |
8 |
8 |
|
(1) Số lượng mũ để thử các yêu cầu được lấy trong số mũ kiểm tra ngoại quan, khối lượng và ghi nhãn |
||||
4.2.2. Mũ nhập khẩu trước khi đưa ra lưu thông trên thị trường phải gắn dấu hợp quy trên vỏ mũ.
4.3. Mũ lưu thông trên thị trường
4.3.1. Mũ lưu thông trên thị trường phải có dấu hợp quy và nhãn mũ.
4.3.2. Mũ lưu thông trên thị trường phải chịu kiểm tra nhà nước về chất lượng. Khi cần thiết mũ phải được kiểm tra phù hợp với các yêu cầu quy định tại mục 2 của Quy chuẩn này. Số lượng mũ, chỉ tiêu, yêu cầu phải kiểm tra do cơ quan hoặc đoàn kiểm tra quyết định.
4.4. Chứng nhận hợp quy, công bố hợp quy, dấu hợp quy và phương thức đánh giá sự phù hợp
Chứng nhận hợp quy, công bố hợp quy, dấu hợp quy và phương thức đánh giá sự phù hợp quy định tại các điểm 4.1; 4.2; 4.3 của mục này thực hiện theo Quy định về chứng nhận hợp chuẩn, chứng nhận hợp quy và công bố hợp chuẩn, công bố hợp quy ban hành kèm theo Quyết định số 24/2007/QĐ-BKHCN của Bộ trưởng Bộ Khoa học và Công nghệ.
5. Trách nhiệm của tổ chức, cá nhân
5.1. Tổ chức, cá nhân sản xuất trong nước phải công bố hợp quy phù hợp với các yêu cầu quy định tại mục 2 của Quy chuẩn này và đảm bảo chất lượng mũ theo đúng nội dung công bố, thực hiện trách nhiệm theo Điều 20 của Quy định về chứng nhận hợp chuẩn, chứng nhận hợp quy và công bố hợp chuẩn, công bố hợp quy ban hành kèm theo Quyết định số 24/2007/QĐ-BKHCN của Bộ trưởng Bộ Khoa học và Công nghệ.
Tổ chức, cá nhân nhập khẩu phải thực hiện việc chứng nhận hợp quy và đảm bảo chất lượng mũ phù hợp với các yêu cầu quy định trong mục 2 của Quy chuẩn này.
5.2. Tổ chức, cá nhân phân phối, bán lẻ chỉ được kinh doanh mũ đảm bảo chất lượng, có dấu hợp quy và nhãn phù hợp với các quy định hiện hành.
6. Tổ chức thực hiện
Tổng cục Tiêu chuẩn Đo lường Chất lượng có trách nhiệm phối hợp với các cơ quan chức năng có liên quan hướng dẫn và tổ chức việc thực hiện Quy chuẩn này.
Căn cứ vào yêu cầu quản lý, Tổng cục Tiêu chuẩn Đo lường Chất lượng có trách nhiệm kiến nghị Bộ Khoa học và Công nghệ sửa đổi, bổ sung Quy chuẩn này.
PHỤ LỤC
PHƯƠNG PHÁP THỬ
1. Chuẩn bị mẫu
Các mẫu để thử nghiệm độ bền va đập và hấp thụ xung động, độ bền đâm xuyên phải được thuần hóa theo các điều kiện quy định trong Bảng 2. Mỗi mũ chỉ được phép chuẩn bị theo một trong hai điều kiện thuần hóa. Mỗi đợt lấy mẫu trong lô sản phẩm, hàng hóa phải tiến hành thử nghiệm ở cả hai điều kiện thuần hóa.
Mẫu kính chắn gió trước khi thử đặc tính cơ học phải được thuần hóa theo điều kiện A quy định trong Bảng 2.
Bảng 2 - Các điều kiện thuần hóa
|
Điều kiện thuần hóa |
Nhiệt độ |
Thời gian thuần hóa |
|
A. Nhiệt độ cao B. Ngâm nước |
50 ± 2 23 ± 2 |
4 đến 6 4 đến 6 |
Sau khi thuần hóa, mẫu được đưa vào thử nghiệm theo các quy định sau:
- Mẫu chuẩn bị theo điều kiện A được tiến hành thử ngay, thời gian di chuyển và gá lắp không được quá 3 min. Nếu quá 3 min, mũ phải được đưa lại vào điều kiện thuần hóa, cứ mỗi phút quá tương đương với 5 min thêm ở trong điều kiện thuần hóa.
- Mẫu chuẩn bị theo điều kiện B được lấy ra ngoài, để ráo nước từ 4 min đến 5 min trước khi thử.
2. Kiểm tra khối lượng
Dùng cân có vạch chia đến 10g để xác định khối lượng toàn bộ của mũ.
3. Kiểm tra ngoại quan
Quan sát hình dạng, các chi tiết ghép nối và chất lượng bên ngoài mũ bằng mắt thường.
Kiểm tra chiều cao của đầu đinh tán, bu lông bằng thước đo.
4. Kiểm tra kích thước và phạm vi bảo vệ
Mũ được đội khít lên dạng đầu thử theo cỡ tương ứng và tiến hành kiểm tra.
Phạm vi bảo vệ của vỏ mũ và lớp đệm hấp thụ xung động:
4.1. Mũ che cả đầu, tai và hàm, mũ che cả đầu và tai phải che được ít nhất là phần phía trên của dạng đầu thử, tính từ đường ACDEF đánh dấu trên dạng đầu thử trở lên (Hình 2).
4.2. Mũ che nửa đầu phải che được ít nhất phần dạng đầu thử phía trên, tính từ đường bao quanh AA' đánh dấu trên dạng đầu thử trở lên.

Kích thước tính bằng milimét
|
Dạng đầu thử có chu vi vòng đầu |
AC ± 0,25 |
HD ± 0,4 |
|
500 540 570 600 620 |
82 84 86 89 90 |
98 101 103 105 107 |
Hình 2 - Phạm vi bảo vệ của mũ
5. Thử độ bền va đập và hấp thụ xung động
5.1. Thiết bị
Sơ đồ nguyên lý của thiết bị được mô tả theo Hình 3, gồm các phần chính sau:
5.1.1. Khối va đập có dạng đầu người, hệ thống đo gia tốc, khớp nối cầu và giá trượt.
Khối va đập phải phù hợp các yêu cầu sau:
5.1.1.1. Khối lượng toàn bộ của khối va đập theo từng cỡ dạng đầu thử được quy định trong Bảng 3.
5.1.1.2. Khối lượng của giá trượt không lớn hơn 800 g.
5.1.1.3. Trọng tâm của khối va đập không lệch quá 10o so với chiều thẳng đứng đi qua điểm va đập trên đe.
5.1.1.4. Dạng đầu thử làm bằng hợp kim magiê (hợp kim chứa 0,5% zircon, còn lại là magiê) hay bằng vật liệu khác sao cho tần số dao động riêng của dạng đầu thử không dưới 3 kHz.
5.1.1.5. Hệ thống đo gia tốc gồm gia tốc kế, hệ thống chỉ thị và hệ thống ghi. Hệ thống đo gia tốc phải phù hợp các yêu cầu sau:
- Tần số đáp ứng: Từ 10 Hz đến 10 kHz;
- Phạm vi đo: Đến 2000 g;
- Xác định được gia tốc tức thời.
Bảng 3 - Khối lượng toàn bộ của khối va đập
|
Dạng đầu thử có chu vi vòng đầu, |
Khối lượng, |
|
500 |
3,1 ± 0,10 |
|
540 |
4,1 ± 0,12 |
|
570 |
4,7 ± 0,14 |
|
600 |
5,6 ± 0,16 |
|
620 |
6,1 ± 0,18 |
5.1.2. Đe
Đe làm bằng thép gồm có loại đe phẳng hình trụ, đường kính nhỏ nhất là 127 mm, chiều dày nhỏ nhất là 18 mm và loại đe cầu với bề mặt cầu, bán kính cầu 48 mm. Các đe này được gắn trên nền bê tông hoặc vật liệu cứng vững.
5.1.3. Khung, dây dẫn hướng, hệ thống nâng, hạ, gài mở giá trượt.
5.2. Tiến hành thử
- Đối với mũ cỡ nhỏ: Mũ thử được đội chặt lên dạng đầu thử trên khối va đập. Buộc chặt quai đeo (hoặc có thể dùng dây buộc bên ngoài sao cho cố định mũ thử với dạng đầu thử nhưng không ảnh hưởng đến vị trí va đập trên mũ). Khối va đập được thả rơi tự do từ một vị trí thẳng đứng đi qua tâm đe, khoảng cách từ điểm thấp nhất của mũ đến điểm cao nhất của đe phẳng là
mm, đối với đe cầu là
mm. Ghi nhận gia tốc va đập tức thời và xem xét tình trạng của mũ sau khi thử.
Điều chỉnh khớp cầu trên khối va đập để tiến hành thử ở bốn vùng trên mũ. Mỗi vùng thử một vị trí. Các vùng này nằm trong phạm vi che chắn, bảo vệ của mũ và tâm của điểm thử nằm ở phía trên đường bảo vệ ít nhất là 20 mm. Tâm của vị trí thử cách nhau ít nhất 72 mm. Hai vùng thử trên đe cầu, hai vùng thử trên đe phẳng.
- Đối với mũ cỡ trung và cỡ lớn: Mũ thử được đội chặt lên dạng đầu thử trên khối va đập. Buộc chặt quai đeo (hoặc có thể dùng dây buộc bên ngoài sao cho cố định mũ thử với dạng đầu nhưng không ảnh hưởng đến vị trí va đập trên mũ). Khối va đập được thả rơi tự do từ một vị trí thẳng đứng đi qua tâm đe, khoảng cách từ điểm thấp nhất của mũ đến điểm cao nhất của đe phẳng là
mm, đối với đe cầu là
mm. Ghi nhận gia tốc va đập tức thời, gia tốc dư sau 3 miligiây và 6 miligiây và xem xét tình trạng của mũ sau khi thử.
Điều chỉnh khớp cầu trên khối va đập để tiến hành thử ở bốn vùng trên mũ. Các vùng này nằm trong phạm vi che chắn, bảo vệ của mũ cách nhau ít nhất 1/5 chu vi vòng đầu. Mỗi vùng thử hai vị trí sao cho tâm của hai vị trí này cách nhau không quá 6 mm. Hai vùng thử trên đe cầu, hai vùng thử trên đe phẳng.

Hình3 - Sơ đồ nguyên lý thử độ bền va đập và hấp thụ xung động
6. Thử độ bền đâm xuyên
6.1. Thiết bị thử
Thiết bị thử gồm các phần chính sau:
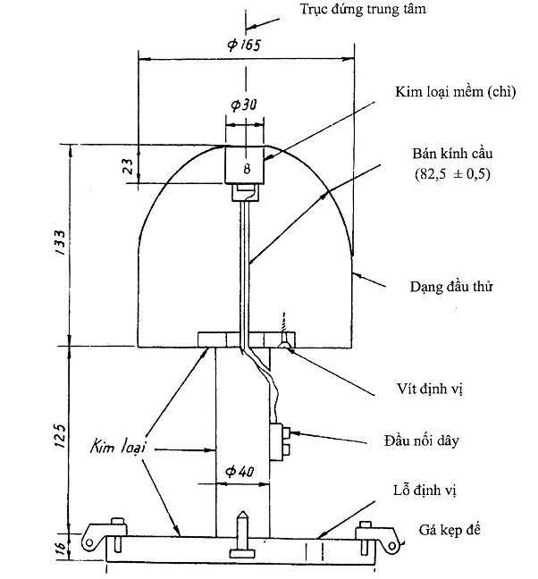
6.1.1. Dạng đầu thử bằng kim loại hoặc gỗ cứng có gắn kim loại, như mô tả trong Hình 4. Phần chỏm cầu của dạng đầu thử có bán kính cầu 82,5 mm ± 0,5 mm, chiều cao nhỏ nhất 133 mm. Phía trên đỉnh dạng đầu thử có gắn một lõi chì. Đầu đâm xuyên và lõi chì này được liên kết bằng hệ thống tín hiệu điện sao cho khi có sự tiếp xúc giữa chúng sẽ nhận được tín hiệu chỉ báo (đèn báo hoặc chuông báo,…). Dạng đầu thử được gắn chặt lên một giá đỡ cứng vững.
6.1.2. Đầu đâm xuyên có dạng hình côn ở phần phía dưới, phần này có các thông số theo quy định sau:
- Khối lượng: 3,0 kg ± 0,045 kg;
- Góc côn: 60o ± 0,5o;
- Bán kính đầu: 0,5 mm ± 0,1 mm;
- Độ cứng đầu: 45 HRC đến 50 HRC;
- Chiều cao nhỏ nhất của phần côn: 40 mm;
6.1.3. Hệ thống dẫn hướng đâm xuyên.
6.2. Tiến hành thử
Mũ thử được đội chặt lên dạng đầu thử, buộc chặt quai đeo (hoặc có thể dùng dây buộc bên ngoài sao cho cố định mẫu thử với dạng đầu thử nhưng không ảnh hưởng đến vị trí thử đâm xuyên trên đỉnh mũ). Đầu đâm xuyên được thả rơi tự do từ một vị trí thẳng đứng cách điểm thử đâm xuyên trên đỉnh mũ thử một khoảng cách 2000 mm ± 5 mm. Phạm vi thử đâm xuyên giới hạn trong bán kính 30 mm ± 1 mm xung quanh đỉnh mũ. Ghi nhận có hay không sự tiếp xúc giữa đầu đâm xuyên với dạng đầu thử. Khi có sự nghi ngờ, phải tiến hành thử lần thứ hai trên cùng mũ thử ở một vị trí khác trong phạm vi thử.
Kích thước tính bằng milimét

Hình 4 - Sơ đồ nguyên lý dạng đầu thử độ bền đâm xuyên
7. Thử quai đeo
7.1. Thiết bị thử
Thiết bị thử gồm các phần chính sau:
7.1.1. Giá để gắn mũ lên thử;
7.1.2. Giá móc quai đeo, tải trọng có hình dạng và kích thước như trong Hình 5. Tải trọng gồm có tải trọng ban đầu 45N và tải thử nghiệm là 500N. Riêng đối với dạng đầu thử có chu vi vòng đầu < 500 mm, tải trọng ban đầu là 25N và tải trọng thử là 300N;
7.1.3. Thước đo biến dạng của gá móc quai đeo.
7.2. Tiến hành thử
Mũ thử được đội chặt lên dạng đầu thử. Treo quai đeo của mũ vào móc treo tải của thiết bị thử rồi buộc chặt quai đeo lại. Khóa quai đeo của mũ không được chạm vào móc treo tải cũng như trụ mang tải của thiết bị.
Cho tải trọng ban đầu tác dụng lên quai đeo của mũ và xác định vị trí b (Hình 5) của móc treo tải trên thước đo. Sau đó tăng dần đều đặn tải này đến tải thử nghiệm lên quai đeo của mũ trong vòng 30s, duy trì tải thử nghiệm trong thời gian 2 min và xác định vị trí a (Hình 5) của móc treo tải trên thước đo.
Độ dịch chuyển giữa hai lần đặt tải của móc quai đeo là:
e = a - b
Kích thước tính bằng milimét

Hình 5 - Sơ đồ nguyên lý thử quai đeo
8. Thử độ ổn định của mũ
8.1. Thiết bị thử (xem Hình 6)
- Một khung dẫn hướng có khối lượng 3 kg ± 0,1 kg;
- Một vật rơi có khối lượng 10 kg ± 0,1 kg có thể rơi trong khung dẫn hướng và dừng lại ở đáy của khung dẫn hướng;
- Khung phải đảm bảo tốc độ va chạm của vật rơi không nhỏ hơn 95% tốc độ lý thuyết.
8.2. Tiến hành thử
Mũ được đội chặt lên dạng đầu thử tương ứng. Cài quai đeo mũ như trong trạng thái sử dụng.
Móc khung dẫn hướng vào phần sau của vỏ mũ trong mặt phẳng đối xứng của mũ. Vạch lên vỏ mũ một đường chuẩn trùng với mặt phẳng chuẩn của dạng đầu thử.
Cho khối lượng rơi 10 kg ± 0,01 kg rơi tự do ở độ cao 500 mm ± 10 mm trong khung dẫn hướng tới đáy của khung dẫn hướng.
Sau khi rơi, góc giữa đường chuẩn vạch trên vỏ mũ và mặt phẳng chuẩn của dạng đầu thử không được vượt quá 30o.

Hình 6 - Sơ đồ nguyên lý thử độ ổn định mũ
9. Đo góc nhìn
9.1. Thiết bị
Sơ đồ nguyên lý thử theo Hình 7, gồm có phần chính là dạng đầu thử như quy định và dụng cụ đo góc.
9.2. Tiến hành thử
Mũ được đội chặt lên dạng đầu thử. Đo góc mở tối đa trong mặt phẳng cơ bản từ điểm K trên dạng đầu thử, hướng thẳng về mép mũ bên phải và bên trái để xác định góc nhìn của mũ.
10. Thử kính chắn gió
10.1. Thử đặc tính cơ học
Đặc tính cơ học của kính chắn gió được tiến hành thử như sau:
10.1.1. Mũ được lắp kính và thuần hóa theo mục 1 của Phụ lục này được đội chặt lên dạng đầu thử tương ứng với cỡ mũ. Mặt phẳng cơ bản của dạng đầu thử phải nằm ở vị trí thẳng đứng;
10.1.2. Thiết bị thử gồm mũi va đập bằng kim loại có hình côn và vật rơi va đập:
- Mũi va đập:
+ Khối lượng: 0,3 kg ± 0,01 kg
+ Góc côn: 60o ± 1o
+ Bán kính đầu: 0,5 mm ± 0,1 mm
- Khối lượng vật rơi va đập: 3 kg ± 0,025 kg
Thiết bị phải được chế tạo sao cho mũi va đập phải dừng cách phía trên dạng đầu thử ít nhất 5 mm.
10.1.3. Tiến hành thử
Đặt mũi va đập tiếp xúc với kính tại điểm K trên mặt phẳng đối xứng thẳng đứng của dạng đầu thử. Cho vật rơi va đập rơi từ độ cao
mm, tính từ mặt trên cùng của mũi va đập đến mặt dưới của vật rơi, đập vào mặt trên của mũi va đập. Đánh giá kết quả kiểm tra theo 2.2.9.1).
10.2. Kiểm tra hệ số truyền sáng
10.2.1. Kiểm tra hệ số truyền sáng bằng thiết bị có sai số đo không lớn hơn 3%;
10.2.2. Trình tự kiểm tra
Đặt kính chắn gió lên thiết bị kiểm tra. Tiến hành kiểm tra tại ba điểm bất kỳ cách nhau
mm. Đánh giá kết quả kiểm tra theo 2.2.9.2).

Hình 7 - Sơ đồ nguyên lý đo góc nhìn
Bạn chưa Đăng nhập thành viên.
Đây là tiện ích dành cho tài khoản thành viên. Vui lòng Đăng nhập để xem chi tiết. Nếu chưa có tài khoản, vui lòng Đăng ký tại đây!
Bạn chưa Đăng nhập thành viên.
Đây là tiện ích dành cho tài khoản thành viên. Vui lòng Đăng nhập để xem chi tiết. Nếu chưa có tài khoản, vui lòng Đăng ký tại đây!