- Tổng quan
- Nội dung
- VB gốc
- Tiếng Anh
- Hiệu lực
- VB liên quan
- Lược đồ
-
Nội dung hợp nhất
Tính năng này chỉ có tại LuatVietnam.vn. Nội dung hợp nhất tổng hợp lại tất cả các quy định còn hiệu lực của văn bản gốc và các văn bản sửa đổi, bổ sung, đính chính... trên một trang. Việc hợp nhất văn bản gốc và những văn bản, Thông tư, Nghị định hướng dẫn khác không làm thay đổi thứ tự điều khoản, nội dung.
Khách hàng chỉ cần xem Nội dung hợp nhất là có thể nắm bắt toàn bộ quy định hiện hành đang áp dụng, cho dù văn bản gốc đã qua nhiều lần chỉnh sửa, bổ sung.
- Tải về
Thông tư 12/2020/TT-BLĐTBXH cơ sở vật chất trong đào tạo Cắt gọt kim loại; Kỹ thuật máy lạnh và điều hòa không khí
| Cơ quan ban hành: | Bộ Lao động Thương binh và Xã hội |
Số công báo:
Số công báo là mã số ấn phẩm được đăng chính thức trên ấn phẩm thông tin của Nhà nước. Mã số này do Chính phủ thống nhất quản lý.
|
Đã biết
|
| Số hiệu: | 12/2020/TT-BLĐTBXH | Ngày đăng công báo: |
Đã biết
|
| Loại văn bản: | Thông tư | Người ký: | Lê Tấn Dũng |
|
Ngày ban hành:
Ngày ban hành là ngày, tháng, năm văn bản được thông qua hoặc ký ban hành.
|
27/11/2020 |
Ngày hết hiệu lực:
Ngày hết hiệu lực là ngày, tháng, năm văn bản chính thức không còn hiệu lực (áp dụng).
|
Đang cập nhật |
|
Áp dụng:
Ngày áp dụng là ngày, tháng, năm văn bản chính thức có hiệu lực (áp dụng).
|
Đã biết
|
Tình trạng hiệu lực:
Cho biết trạng thái hiệu lực của văn bản đang tra cứu: Chưa áp dụng, Còn hiệu lực, Hết hiệu lực, Hết hiệu lực 1 phần; Đã sửa đổi, Đính chính hay Không còn phù hợp,...
|
Đã biết
|
| Lĩnh vực: | Giáo dục-Đào tạo-Dạy nghề |
TÓM TẮT THÔNG TƯ 12/2020/TT-BLĐTBXH
Cụ thể, ngành, nghề cắt gọt kim loại được bố trí trong 10 phòng/xưởng gồm: Phòng kỹ thuật cơ sở; Phòng thực hành máy vi tính; Phòng học ngoại ngữ; Phòng điện cơ bản;… Trong đó, phòng học kỹ thuật cơ sở là phòng được trang bị các thiết bị sử dụng để dạy và học các nội dung lý thuyết và những nội dung thực hành đơn giản của nghề Cắt gọt kim loại. Các thiết bị đào tạo trong phòng được thiết kế cho lớp học với số lượng tối đa 35 người học.
Đồng thời, phòng thực hành máy vi tính là phòng học được sử dụng để giảng dạy môn học tin học và các nội dung liên quan về máy tính cho 01 lớp học tối đa 18 người học. Phòng phải có ít nhất 2 cửa ra vào, một cửa được bố trí ở đầu lớp và một cửa được bố trí ở cuối lớp, chiều rộng cửa tối thiểu là 1,2 m và chiều cao tối thiểu là 2,1 m.
Ngoài ra, Bộ cũng quy định cơ sở vật chất trong thực hành, thực nghiệm, thí nghiệm được áp dụng để thiết kế, xây dựng mới hoặc cải tạo khu thực hành cho ngành, nghề Kỹ thuật máy lạnh và điều hòa không khí trình độ trung cấp, trình độ cao đẳng.
Thông tư này có hiệu lực từ ngày 15/01/2021.
Xem chi tiết Thông tư 12/2020/TT-BLĐTBXH có hiệu lực kể từ ngày 15/01/2021
Tải Thông tư 12/2020/TT-BLĐTBXH
|
BỘ LAO ĐỘNG - THƯƠNG BINH VÀ XÃ HỘI _________ Số: 12/2020/TT-BLĐTBXH |
CỘNG HOÀ XÃ HỘI CHỦ NGHĨA VIỆT NAM Độc lập - Tự do - Hạnh phúc _________________________ Hà Nội, ngày 27 tháng 11 năm 2020 |
THÔNG TƯ
Ban hành quy định cơ sở vật chất trong thực hành, thực nghiệm, thí nghiệm đào tạo trình độ trung cấp, trình độ cao đẳng cho 02 ngành, nghề: Cắt gọt kim loại; Kỹ thuật máy lạnh và điều hòa không khí
___________________
Căn cứ Luật Giáo dục nghề nghiệp ngày 27 tháng 11 năm 2014;
Căn cứ Nghị định số 14/2017/NĐ-CP ngày 17 tháng 02 năm 2017 của Chính phủ quy định chức năng, nhiệm vụ, quyền hạn và cơ cấu tổ chức của Bộ Lao động - Thương binh và Xã hội;
Theo đề nghị của Tổng cục trưởng Tổng cục Giáo dục nghề nghiệp;
Bộ trưởng Bộ Lao động - Thương binh và Xã hội ban hành Thông tư quy định cơ sở vật chất trong thực hành, thực nghiệm, thí nghiệm đào tạo trình độ trung cấp, trình độ cao đẳng cho 02 ngành, nghề: Cắt gọt kim loại; Kỹ thuật máy lạnh và điều hòa không khí.
Điều 1. Ban hành kèm theo Thông tư này quy định cơ sở vật chất trong thực hành, thực nghiệm, thí nghiệm đào tạo trình độ trung cấp, trình độ cao đẳng cho 02 ngành, nghề: Cắt gọt kim loại; Kỹ thuật máy lạnh và điều hòa không khí, gồm:
1. Quy định cơ sở vật chất trong thực hành, thực nghiệm, thí nghiệm đào tạo trình độ trung cấp, trình độ cao đẳng ngành, nghề Cắt gọt kim loại tại Phụ lục 01.
2. Quy định cơ sở vật chất trong thực hành, thực nghiệm, thí nghiệm đào tạo trình độ trung cấp, trình độ cao đẳng ngành, nghề Kỹ thuật máy lạnh và điều hòa không khí tại Phụ lục 02.
Điều 2. Thông tư này có hiệu lực từ ngày 15 tháng 01 năm 2021.
Điều 3. Tổ chức thực hiện
1. Các trường trung cấp, trường cao đẳng có đăng ký hoạt động giáo dục nghề nghiệp các ngành, nghề nêu trên có trách nhiệm đầu tư, xây dựng cơ sở vật chất theo quy định của Thông tư này để đảm bảo tổ chức đào tạo chất lượng và hiệu quả.
2. Các Bộ, cơ quan ngang Bộ, cơ quan thuộc Chính phủ, Ủy ban nhân dân các tỉnh, thành phố trực thuộc Trung ương và các tổ chức, cá nhân có liên quan chịu trách nhiệm thi hành Thông tư này.
Trong quá trình thực hiện, nếu có vướng mắc, đề nghị phản ánh kịp thời về Bộ Lao động - Thương binh và Xã hội để nghiên cứu, giải quyết./.
|
Nơi nhận: - Ban Bí thư Trung ương Đảng; - Thủ tướng, các Phó Thủ tướng Chính phủ; - Văn phòng Trung ương và các Ban Đảng; - Văn phòng Tổng bí thư, Chủ tịch nước; - Hội đồng Dân tộc và các Ủy ban của Quốc hội; - Văn phòng Quốc hội; - Văn phòng Chính phủ; - Tòa án nhân dân tối cao; - Viện Kiểm sát nhân dân tối cao; - Kiểm toán Nhà nước; - Các Bộ, cơ quan ngang Bộ, cơ quan thuộc Chính phủ; - HĐND, UBND các tỉnh, Tp trực thuộc Trung ương; - Ủy ban Trung ương Mặt trận Tổ quốc Việt Nam; - Cơ quan Trung ương của các đoàn thể; - Sở LĐTBXH các tỉnh, TP trực thuộc TW; - Cục Kiểm tra văn bản QPPL (Bộ Tư pháp); - Công báo, Website Chính phủ, Website Bộ LĐTBXH; - Lưu: VT, TCGDNN. |
KT. BỘ TRƯỞNG THỨ TRƯỞNG
Lê Tấn Dũng
|
Phụ lục 01
QUY ĐỊNH CƠ SỞ VẬT CHẤT TRONG THỰC HÀNH, THỰC NGHIỆM, THÍ NGHIỆM ĐÀO TẠO TRÌNH ĐỘ TRUNG CẤP, TRÌNH ĐỘ CAO ĐẲNG NGÀNH, NGHỀ: CẮT GỌT KIM LOẠI
(Ban hành kèm theo Thông tư số 12/2020/TT-BLĐTBXH ngày 27 tháng 11 năm 2020 của Bộ trưởng Bộ Lao động - Thương binh và Xã hội)
Năm 2020
|
MỤC LỤC
Trang
Phần I. Phần thuyết minh 3
Phần II. Quy định về tiêu chuẩn cho từng phòng, xưởng chức năng 4
1. Quy định chung 4
2. Phòng kỹ thuật cơ sở 5
3. Phòng thực hành máy vi tính 11
4. Phòng học ngoại ngữ 17
5. Phòng thí nghiệm vật liệu 23
6. Phòng thực hành đo lường 29
7. Phòng thực hành CAD/CAM 35
8. Phòng điện cơ bản 42
9. Xưởng nguội cơ bản 48
10. Xưởng gia công cắt gọt vạn năng 55
11. Xưởng gia công cắt gọt CNC 61
Phần III. Các tiêu chuẩn tham chiếu 68
PHẦN I
PHẦN THUYẾT MINH
Quy định cơ sở vật chất trong thực hành, thực nghiệm, thí nghiệm được áp dụng để thiết kế, xây dựng mới hoặc cải tạo khu thực hành, thực nghiệm, thí nghiệm cho ngành, nghề cắt gọt kim loại trình độ trung cấp, trình độ cao đẳng.
Quy định cơ sở vật chất trong thực hành, thực nghiệm, thí nghiệm dùng để hướng dẫn chi tiết cho từng loại phòng/xưởng thực hành, thực nghiệm, thí nghiệm và đề xuất một số sơ đồ hướng dẫn bố trí, lắp đặt thiết bị trong từng phòng/xưởng để đạt hiệu quả cao trong đào tạo.
Ngành, nghề cắt gọt kim loại được bố trí trong 10 phòng/xưởng gồm:
1. Phòng kỹ thuật cơ sở
2. Phòng thực hành máy vi tính
3. Phòng học ngoại ngữ
4. Phòng điện cơ bản
5. Xưởng nguội cơ bản
6. Phòng thí nghiệm vật liệu
7. Phòng thực hành đo lường
8. Phòng thực hành CAD/CAM
9. Xưởng gia công cắt gọt vạn năng
10. Xưởng gia công cắt gọt CNC
Quy định cơ sở vật chất trong thực hành, thực nghiệm, thí nghiệm cho ngành, nghề cắt gọt kim loại được áp dụng để lập kế hoạch đầu tư, thẩm định dự án đầu tư xây dựng mới hoặc cải tạo khu thực hành, thực nghiệm, thí nghiệm ngành, nghề cắt gọt kim loại trình độ trung cấp, trình độ cao đẳng trong phạm vi cả nước.
PHẦN II
QUY ĐỊNH VỀ TIÊU CHUẨN CHO TỪNG PHÒNG/XƯỞNG CHỨC NĂNG
1. Quy định chung
Phòng/xưởng thực hành, thực nghiệm, thí nghiệm phải có không gian nghiên cứu khoa học và tổ chức sản xuất hoặc xây dựng các mô hình thiết bị, đào tạo tay nghề chuyên sâu, được thiết kế và xây dựng theo tiêu chuẩn xây dựng hiện hành, phải đảm bảo điều kiện vệ sinh môi trường, yêu cầu thông gió tự nhiên và thông gió cưỡng bức.
Phòng thực hành máy vi tính, phòng ngoại ngữ có thể sử dụng chung cho nhiều ngành, nghề đào tạo trong cơ sở giáo dục nghề nghiệp.
Hạn chế đặt các phòng/xưởng thực hành, thực nghiệm, thí nghiệm gần các trạm biến thế có công suất lớn, đường dây cao thế.
Ưu tiên vị trí có giao thông thuận tiện cho việc phòng cháy, chữa cháy.
Quy định cơ sở vật chất trong thực hành, thực nghiệm, thí nghiệm tại thời điểm áp dụng có chất lượng thấp hơn Tiêu chuẩn quốc gia hiện hành thì Tiêu chuẩn quốc gia được thay thế quy định cơ sở vật chất trong thực hành, thực nghiệm, thí nghiệm.
2. Phòng kỹ thuật cơ sở
2.1. Chức năng của phòng
Phòng học kỹ thuật cơ sở là phòng được trang bị các thiết bị sử dụng để dạy và học các nội dung lý thuyết và những nội dung thực hành đơn giản của nghề Cắt gọt kim loại. Các thiết bị đào tạo trong phòng được thiết kế cho lớp học với số lượng tối đa 35 người học.
2.2. Danh mục thiết bị chính
|
TT |
Tên thiết bị |
Đơn vị |
Số lượng |
|
1 |
Máy tính |
Bộ |
1 |
|
2 |
Máy chiếu (Projector) |
Bộ |
1 |
|
3 |
Tủ đựng hồ sơ và dụng cụ |
Chiếc |
2 |
|
4 |
Bảng di động |
Chiếc |
1 |
|
5 |
Bảng đen, phông máy chiếu |
Chiếc |
1 |
Bảng 2.1. Danh mục các thiết bị chính phòng Kỹ thuật cơ sở
Ghi chú: Các mô hình, cơ cấu, dụng cụ, đồ bảo hộ trong danh mục sẽ được sắp xếp và lưu trữ trong các tủ đựng hồ sơ và dụng cụ.
Đối với các thiết bị chiếm diện tích lớn hoặc số lượng nhiều có thể bố trí trong kho/phòng được thiết kế riêng.
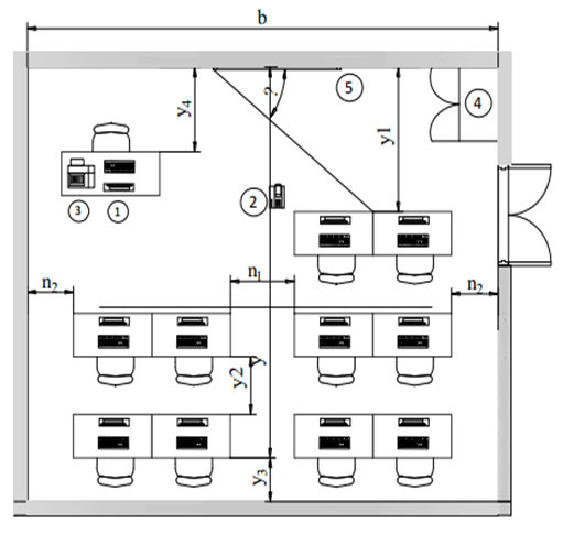
2.3. Sơ đồ hướng dẫn bố trí và khoảng cách các thiết bị

Hình 2.1: Sơ đồ hướng dẫn bố trí và khoảng cách thiết bị phòng kỹ thuật cơ sở
Ghi chú các số trong sơ đồ:
1. Máy tính
2. Máy chiếu (Projector)
3. Tủ đựng hồ sơ và dụng cụ
4. Bảng di động
5. Bảng đen, phông máy chiếu
2.4. Các quy định đảm bảo hoạt động của phòng
2.4.1. Quy định về không gian làm việc
Khoảng cách giữa các thiết bị trong phòng phải đảm bảo theo quy định như mô tả ở hình 2.1 và bảng 2.2
|
Ký hiệu |
Tên gọi các khoảng cách |
Kích thước |
|
b |
Chiều rộng phòng học, không nhỏ hơn |
7,2 m |
|
n1 |
Khoảng cách giữa các dãy bàn, không nhỏ hơn |
0,6 m |
|
n2 |
Khoảng cách giữa dãy bàn ngoài và tường ngoài, không nhỏ hơn |
0,5 m |
|
y |
Khoảng cách từ dãy bàn cuối đến bảng, không lớn hơn |
10,0 m |
|
y1 |
Khoảng cách từ dãy bàn đầu đến bảng, không nhỏ hơn |
2,0 m |
|
y2 |
Khoảng cách giữa hai bàn trong cùng một dãy, không nhỏ hơn |
0,6 m |
|
y3 |
Khoảng cách từ dãy bàn cuối tới tường sau, không nhỏ hơn |
0,7 m |
|
y4 |
Khoảng cách từ bàn giáo viên đến bảng, không nhỏ hơn |
0,8 m |
|
α |
Góc nhìn từ chỗ ngồi ngoài cùng ở bàn đầu đến mép trong của bảng, không nhỏ hơn |
300 |
Bảng 2.2: Khoảng cách giữa các thiết bị trong phòng học
2.4.2. Quy định về diện tích
Yêu cầu về diện tích của phòng: Tối thiểu 60 m2
2.4.3. Quy định về thiết kế
a. Vị trí phải đảm bảo:
- Thuận tiện cho việc đi lại, học tập, giảng dạy và công tác phòng cháy, chữa cháy.
- Cách xa các nguồn gây tiếng ồn và ô nhiễm môi trường.
b. Kiến trúc
- Chiều cao trần: Tối thiểu 3 m.
- Nền sàn đảm bảo phẳng, nhẵn, không trơn trượt và dễ dàng làm vệ sinh.
+ Sàn của phòng phải chịu được tải trọng: > 400 kg/m2.
+ Độ phẳng của nền: ± 0,2%.
+ Độ nghiêng của nền: ≤ 0,3%.
- Cửa đi:
+ Phòng phải có ít nhất 2 cửa ra vào, một cửa được bố trí ở đầu lớp và một cửa được bố trí ở cuối lớp.
+ Chiều rộng cửa tối thiểu là 1,2 m và chiều cao tối thiểu là 2,1 m.
2.4.4. Quy định về phòng cháy chữa cháy
Để đề phòng xảy ra sự cố cháy nổ trong phòng, trong công tác xây dựng, lắp đặt thiết bị trong phòng phải đảm bảo các tiêu chí:
- Lắp đặt dây dẫn điện, khí cụ điện đúng công suất thiết kế, tránh quá tải,chập điện gây cháy nổ.
- Phòng phải được trang bị ít nhất 1 bình chữa cháy có chất cháy phù hợp và thể tích tối thiểu (G) không nhỏ hơn quy định sau:
|
Khối lượng hay thể tích chất chữa cháy |
||
|
Bột (kg) |
Dung dịch chất tạo bọt hoặc nước với chất phụ gia (lít) |
Chất khí chữa cháy sạch (kg) |
|
G ≥ 2 |
G ≥ 6 |
G ≥ 6 |
Bảng 2.3: Quy định thể tích tối thiểu G của bình chữa cháy
- Bình chữa cháy cố định trên giá treo hoặc đặt trong tủ và phải đặt ở vị trí thoáng mát, thuận tiện khi sử dụng. Yêu cầu các tủ đựng thiết bị chữa cháy được sơn đỏ và có các ký hiệu dễ nhận biết.
2.4.5. Quy định về an toàn điện
- Nguồn điện cung cấp: 220 V (± 10 %)
- Các thiết bị sử dụng điện trong phòng phải được lắp đặt, đấu nối đúng kỹ thuật theo tiêu chuẩn của hệ thống lắp đặt điện hạ áp hiện hành, đảm bảo an toàn cho người và thiết bị.
- Hệ thống điện cho giám sát an ninh, cảnh báo cháy, hệ thống đèn chiếu sáng sự cố phải được thiết kế riêng, độc lập.
2.4.6. Quy định về chiếu sáng
Chiếu sáng tự nhiên và chiếu sáng nhân tạo phải đảm bảo làm việc, hoạt động bình thường và điều chỉnh được để đảm bảo yêu cầu về độ rọi, giới hạn hệ số chói lóa và hệ số thể hiện màu tối thiểu. Cụ thể như ở bảng sau:
|
Độ rọi duy trì Ēm lux |
Giới hạn hệ số chói lóa đồng nhất URGL |
Hệ số thể hiện màu tối thiểu Ra |
|
500 |
19 |
80 |
Bảng 2.4: Độ rọi, giới hạn hệ số chói lóa và hệ số thể hiện màu tối thiểu
2.4.7. Quy định về nhiệt độ
Nhiệt độ tối đa 34 0C
2.4.8. Quy định về độ ẩm
Độ ẩm tương đối: Theo độ ẩm môi trường
2.4.9. Quy định về độ thoáng (thông gió)
- Không gian trong phòng phải được tính toán thiết kế đảm bảo thông gió tự nhiên
- Thông gió tự nhiên phải đảm bảo lưu lượng không khí ngoài (gió tươi) phải đảm bảo ≥ 25m3/h/người học.
2.4.10. Quy định về chống sét
Khi thiết kế hệ thống chống sét cho phòng phải phù hợp với điều kiện thời tiết như: Giông, sét, và điện trở suất của khu vực đặt phòng, tuân thủ các yêu cầu kỹ thuật hiện hành. Điện trở của toàn bộ hệ thống chống sét không vượt quá 10 Ω.
2.4.11. Quy định liên quan đến biển báo, cảnh báo, ký hiệu về an toàn lao động
- Trong phòng phải được lắp biển chỉ dẫn lối đi/ lối thoát hiểm, nội quy phòng, bảng tiêu lệnh/ nội quy phòng cháy - chữa cháy. Các biển này phải đặt ở vị trí thích hợp, dễ quan sát.
- Các biển chỉ dẫn, biển báo phải được thiết kế đúng màu sắc, hình dạng và chủng loại theo tiêu chuẩn hiện hành.
2.4.12. Quy định về hệ thống thông tin liên lạc, viễn thông
- Hệ thống thông tin liên lạc, viễn thông phải đồng bộ và tuân theo các quy định chuyên ngành có liên quan, đáp ứng công suất sử dụng hiện tại và phát triển trong tương lai.
- Thiết kế lắp đặt hệ thống thông tin liên lạc, viễn thông phải đảm bảo an toàn, thuận tiện cho khai thác sử dụng và đấu nối với các dịch vụ của nhà cung cấp. Có khả năng thay thế, sửa chữa và đảm bảo khoảng cách tới các đường ống kỹ thuật khác.
3. Phòng thực hành máy vi tính
3.1. Chức năng của phòng
Phòng thực hành máy vi tính là phòng học được sử dụng để giảng dạy môn học tin học và các nội dung liên quan về máy tính cho 01 lớp học tối đa 18 người học.
3.2. Danh mục thiết bị chính
|
TT |
Tên thiết bị |
Đơn vị |
Số lượng |
|
1 |
Máy vi tính |
Bộ |
19 |
|
2 |
Máy chiếu (Projector) |
Bộ |
1 |
|
3 |
Máy in |
Chiếc |
1 |
|
4 |
Máy Scan (Scanner) |
Chiếc |
1 |
|
5 |
Tủ đựng dụng cụ |
Chiếc |
1 |
|
6 |
Bảng đen, phông máy chiếu |
Chiếc |
1 |
Bảng 3.1. Danh mục các thiết bị chính phòng Thực hành máy vi tính
3.3 Sơ đồ hướng dẫn bố trí và khoảng cách các thiết bị

Hình 3.1: Sơ đồ hướng dẫn bố trí và khoảng cách thiết bị phòng thực hành máy vi tính
Ghi chú các số trong sơ đồ:
1. Máy tính
2. Máy chiếu (Projector)
3. Máy in
4. Máy Scan (Scanner)
5. Tủ đựng dụng cụ
6. Bảng đen, phông máy chiếu
3.4. Các quy định đảm bảo hoạt động của phòng
3.4.1. Quy định về không gian làm việc
Khoảng cách giữa các thiết bị trong phòng phải đảm bảo theo quy định như mô tả ở hình 3.1 và bảng 3.2
|
Ký hiệu |
Tên gọi các khoảng cách |
Kích thước |
|
b |
Chiều rộng phòng học, không nhỏ hơn: |
7,2 m |
|
n1 |
Khoảng cách giữa các dãy bàn, không nhỏ hơn |
0,6 m |
|
n2 |
Khoảng cách giữa dãy bàn ngoài và tường ngoài, không nhỏ hơn |
0,5 m |
|
y |
Khoảng cách từ dãy bàn cuối đến bảng, không lớn hơn |
10,0 m |
|
y1 |
Khoảng cách từ dãy bàn đầu đến bảng, không nhỏ hơn |
2,0 m |
|
y2 |
Khoảng cách giữa hai bàn trong cùng một dãy, không nhỏ hơn |
0,6 m |
|
y3 |
Khoảng cách từ dãy bàn cuối tới tường sau, không nhỏ hơn |
0,7 m |
|
y4 |
Khoảng cách từ bàn giáo viên đến bảng, không nhỏ hơn |
0,8 m |
|
α |
Góc nhìn từ chỗ ngồi ngoài cùng ở bàn đầu đến mép trong của bảng, không nhỏ hơn |
300 |
Bảng 3.2: Khoảng cách giữa các thiết bị trong phòng thực hành máy vi tính
3.4.2. Quy định về diện tích
Yêu cầu về diện tích của phòng: Tối thiểu 48 m2
3.4.3. Quy định về thiết kế
a. Vị trí: vị trí của phòng phải đảm bảo các yêu cầu sau
- Thuận tiện cho việc đi lại, học tập, giảng dạy và công tác phòng cháy - chữa cháy.
- Tránh đặt gần khu vực dễ có nguy cơ cháy nổ, các nguồn nhiễu điện từ như các máy biến áp, các động cơ và máy phát điện, thiết bị hàn nhiệt.
b. Kiến trúc
- Chiều cao trần: Tối thiểu 3 m.
- Nền sàn đảm bảo phẳng, nhẵn, không trơn trượt và dễ dàng làm vệ sinh.
+ Sàn của phòng phải chịu được tải trọng: > 400 kg/m2.
+ Độ phẳng của nền: ± 0,2%.
+ Độ nghiêng của nền: ≤ 0,3%.
- Cửa đi:
+ Phòng phải có ít nhất 2 cửa ra vào, một cửa được bố trí ở đầu lớp và một cửa được bố trí ở cuối lớp.
+ Chiều rộng cửa tối thiểu là 1,2 m và chiều cao tối thiểu là 2,1 m.
3.4.4. Quy định về phòng cháy chữa cháy
Để đề phòng xảy ra sự cố cháy nổ trong phòng, trong công tác xây dựng, lắp đặt thiết bị trong phòng phải đảm bảo các tiêu chí:
- Lắp đặt dây dẫn điện, khí cụ điện đúng công suất thiết kế, tránh quá tải, chập điện gây cháy nổ.
- Phòng phải được trang bị ít nhất 1 bình chữa cháy có chất cháy phù hợp và thể tích tối thiểu (G) không nhỏ hơn quy định trong bảng sau:
|
Khối lượng hay thể tích chất chữa cháy |
||
|
Bột, kg |
Dung dịch chất tạo bọt hoặc nước với chất phụ gia (lít) |
Chất khí chữa cháy sạch, kg |
|
G ≥ 2 |
G ≥ 6 |
G ≥ 6 |
Bảng 3.3: Quy định thể tích tối thiểu G của bình chữa cháy
- Bình chữa cháy cố định trên giá treo hoặc đặt trong tủ và phải đặt ở vị trí thoáng mát, thuận tiện khi sử dụng. Yêu cầu các tủ đựng thiết bị chữa cháy được sơn đỏ và có các ký hiệu dễ nhận biết.
3.4.5. Quy định về an toàn điện
- Nguồn điện cung cấp: 220 V (± 10 %)
- Các thiết bị sử dụng điện trong phòng phải được lắp đặt, đấu nối đúng kỹ thuật theo tiêu chuẩn của hệ thống lắp đặt điện hạ áp hiện hành, đảm bảo an toàn cho người và thiết bị.
- Hệ thống điện cho giám sát an ninh, cảnh báo cháy, chiếu sáng sự cố phải được thiết kế riêng, độc lập.
3.4.6. Quy định về chiếu sáng
Chiếu sáng tự nhiên và chiếu sáng nhân tạo phải đảm bảo làm việc, hoạt động bình thường và điều chỉnh được để đảm bảo yêu cầu về độ rọi, giới hạn hệ số chói lóa và hệ số thể hiện màu tối thiểu. Cụ thể như ở bảng sau:
|
Độ rọi duy trì Ēm lux |
Giới hạn hệ số chói lóa đồng nhất URGL |
Hệ số thể hiện màu tối thiểu Ra |
|
500 |
19 |
80 |
Bảng 3.4: Độ rọi, giới hạn hệ số chói lóa và hệ số thể hiện màu tối thiểu
3.4.7. Quy định về nhiệt độ
Nhiệt độ tối đa 28 0C
3.4.8. Quy định về độ ẩm
Độ ẩm tương đối: Theo độ ẩm môi trường
3.4.9. Quy định về độ thoáng (thông gió)
- Không gian trong phòng phải được tính toán thiết kế đảm bảo sao cho thông gió tự nhiên là tốt nhất. Để đảm bảo yêu cầu vi khí hậu và nhiệt độ trong quá trình học, nên sử dụng thiết bị điều hòa không khí.
- Lưu lượng không khí ngoài (gió tươi) phải đảm bảo ≥ 25m3/h/người học.
3.4.10. Quy định về chống sét
Khi thiết kế hệ thống chống sét cho xưởng phải phù hợp với điều kiện thời tiết như: Giông, sét, và điện trở suất của khu vực đặt xưởng, tuân thủ các yêu cầu kỹ thuật hiện hành. Điện trở của toàn bộ hệ thống chống sét không vượt quá 10 Ω.
3.4.11. Quy định về độ bụi
Nồng độ bụi trong phòng thấp hơn 100 µg/ m3/24h.
3.4.12. Quy định liên quan đến biển báo, cảnh báo, ký hiệu về an toàn lao động
- Trong phòng phải được lắp biển chỉ dẫn lối đi/lối thoát hiểm, nội quy phòng, bảng tiêu lệnh nội quy phòng cháy - chữa cháy. Các biển này phải đặt ở vị trí thích hợp, dễ quan sát.
- Các biển chỉ dẫn, biển báo phải được thiết kế đúng màu sắc, hình dạng và chủng loại theo tiêu chuẩn hiện hành.
3.4.13. Quy định về hệ thống thông tin liên lạc, viễn thông
- Hệ thống thông tin liên lạc, viễn thông phải đồng bộ và tuân theo các quy định chuyên ngành có liên quan, đáp ứng công suất sử dụng hiện tại và phát triển trong tương lai. Đảm bảo kết nối tín hiệu ổn định từ máy chủ đến các máy tính và giữa các máy tính với nhau.
- Thiết kế lắp đặt hệ thống thông tin liên lạc, viễn thông phải đảm bảo an toàn, thuận tiện cho khai thác sử dụng và đấu nối với các dịch vụ của nhà cung cấp. Có khả năng thay thế, sửa chữa và đảm bảo khoảng cách tới các đường ống kỹ thuật khác.
4. Phòng học ngoại ngữ
4.1. Chức năng của phòng:
Phòng học ngoại ngữ là phòng học tích hợp được sử dụng để giảng dạy môn ngoại ngữ cho 01 lớp học tối đa 18 người học.
4.2. Danh mục thiết bị chính
|
TT |
Tên thiết bị |
Đơn vị |
Số lượng |
|
1 |
Máy vi tính |
Bộ |
19 |
|
2 |
Máy chiếu (Projector) |
Bộ |
1 |
|
3 |
Máy Scan (Scanner) |
Chiếc |
1 |
|
4 |
Bàn điều khiển |
Chiếc |
1 |
|
5 |
Khối điều khiển trung tâm |
Chiếc |
1 |
|
6 |
Khối điều khiển thiết bị ngoại vi |
Bộ |
1 |
|
7 |
Tai nghe |
Bộ |
19 |
|
8 |
Bảng đen, phông máy chiếu |
Chiếc |
1 |
Bảng 4.1. Danh mục các thiết bị chính phòng học ngoại ngữ
4.3. Sơ đồ hướng dẫn bố trí và khoảng cách các thiết bị

Hình 4.1: Sơ đồ hướng dẫn bố trí và khoảng cách thiết bị phòng học ngoại ngữ
Ghi chú các số trong sơ đồ:
1. Máy vi tính
2. Máy chiếu (Projector)
3. Máy Scan (Scanner)
4. Bàn điều khiển
5. Khối điều khiển trung tâm
6. Khối điều khiển thiết bị ngoại vi
7. Tai nghe
8. Bảng đen, phông máy chiếu
4.4. Các quy định đảm bảo hoạt động của phòng
4.4.1. Quy định về không gian làm việc
Khoảng cách giữa các thiết bị trong phòng phải đảm bảo theo quy định như mô tả ở hình 4.1 và bảng 4.2
|
Ký hiệu |
Tên gọi các khoảng cách |
Kích thước |
|
b |
Chiều rộng phòng học, không nhỏ hơn: |
7,2 m |
|
n1 |
Khoảng cách giữa các dãy bàn, không nhỏ hơn |
0,6 m |
|
n2 |
Khoảng cách giữa dãy bàn ngoài và tường ngoài, không nhỏ hơn |
0,5 m |
|
y |
Khoảng cách từ dãy bàn cuối đến bảng, không lớn hơn |
10,0 m |
|
y1 |
Khoảng cách từ dãy bàn đầu đến bảng, không nhỏ hơn |
2,0 m |
|
y2 |
Khoảng cách giữa hai bàn trong cùng một dãy, không nhỏ hơn |
0,6 m |
|
y3 |
Khoảng cách từ dãy bàn cuối tới tường sau, không nhỏ hơn |
0,7 m |
|
y4 |
Khoảng cách từ bàn giáo viên đến bảng, không nhỏ hơn |
0,8 m |
|
α |
Góc nhìn từ chỗ ngồi ngoài cùng ở bàn đầu đến mép trong của bảng, không nhỏ hơn |
300 |
Bảng 4.2: Khoảng cách giữa các thiết bị trong phòng thực hành máy vi tính
4.4.2. Quy định về diện tích
Yêu cầu về diện tích của phòng: Tối thiểu 48 m2
4.4.3. Quy định về thiết kế
a. Vị trí: vị trí của phòng phải đảm bảo các yêu cầu sau
- Thuận tiện cho việc đi lại, học tập, giảng dạy và công tác phòng cháy - chữa cháy.
- Tránh đặt gần khu vực dễ có nguy cơ cháy nổ, các nguồn nhiễu điện từ như các máy biến áp, các động cơ và máy phát điện, thiết bị hàn nhiệt hoặc các khu vực có mùi vị (phòng thí nghiệm hóa, nhà ăn, nhà bếp ...).
b. Kiến trúc
- Chiều cao trần: Tối thiểu 3 m.
- Nền sàn đảm bảo phẳng, nhẵn, không trơn trượt và dễ dàng làm vệ sinh.
+ Sàn của phòng phải chịu được tải trọng: > 400 kg/m2.
+ Độ phẳng của nền: ± 0,2%.
+ Độ nghiêng của nền: ≤ 0,3%.
- Cửa đi:
+ Phòng phải có ít nhất 2 cửa ra vào, một cửa được bố trí ở đầu lớp và một cửa được bố trí ở cuối lớp.
+ Chiều rộng cửa tối thiểu là 1,2 m và chiều cao tối thiểu là 2,1 m.
4.4.4. Quy định về phòng cháy chữa cháy
Để đề phòng xảy ra sự cố cháy nổ trong phòng, trong công tác xây dựng, lắp đặt thiết bị trong phòng phải đảm bảo các tiêu chí:
- Lắp đặt dây dẫn điện, khí cụ điện đúng công suất thiết kế, tránh quá tải,chập điện gây cháy nổ.
- Phòng phải được trang bị ít nhất 1 bình chữa cháy có chất cháy phù hợp và thể tích tối thiểu (G) không nhỏ hơn quy định trong bảng sau:
|
Khối lượng hay thể tích chất chữa cháy |
||
|
Bột, kg |
Dung dịch chất tạo bọt hoặc nước với chất phụ gia (lít) |
Chất khí chữa cháy sạch, kg |
|
G ≥ 2 |
G ≥ 6 |
G ≥ 6 |
Bảng 4.1: Quy định thể tích tối thiểu G của bình chữa cháy
- Bình chữa cháy cố định trên giá treo hoặc đặt trong tủ và phải đặt ở vị trí thoáng mát, thuận tiện khi sử dụng. Yêu cầu các tủ đựng thiết bị chữa cháy được sơn đỏ và có các ký hiệu dễ nhận biết.
4.4.5. Quy định về an toàn điện
- Nguồn điện cung cấp: 220 V (± 10 %)
- Các thiết bị sử dụng điện trong phòng phải được lắp đặt, đấu nối đúng kỹ thuật theo tiêu chuẩn của hệ thống lắp đặt điện hạ áp hiện hành, đảm bảo an toàn cho người và thiết bị.
- Hệ thống điện cho giám sát an ninh, cảnh báo cháy, chiếu sáng sự cố phải được thiết kế riêng, độc lập.
4.4.6. Quy định về chiếu sáng
Chiếu sáng tự nhiên và chiếu sáng nhân tạo phải đảm bảo làm việc, hoạt động bình thường và điều chỉnh được để đảm bảo yêu cầu về độ rọi, giới hạn hệ số chói lóa và hệ số thể hiện màu tối thiểu. Cụ thể như ở bảng sau:
|
Độ rọi duy trì Ēm lux |
Giới hạn hệ số chói lóa đồng nhất URGL |
Hệ số thể hiện màu tối thiểu Ra |
|
500 |
19 |
80 |
Bảng 3.2: Độ rọi, giới hạn hệ số chói lóa và hệ số thể hiện màu tối thiểu
4.4.7. Quy định về nhiệt độ
Nhiệt độ tối đa 28 0C
4.4.8. Quy định về độ ẩm
Độ ẩm tương đối: Theo độ ẩm môi trường
4.4.9. Quy định về độ thoáng (thông gió)
Không gian trong phòng phải được tính toán thiết kế đảm bảo sao cho thông gió tự nhiên là tốt nhất.
Lưu lượng không khí ngoài (gió tươi) phải đảm bảo ≥ 25m3/h/người học.
4.4.10. Quy định về chống sét
Khi thiết kế hệ thống chống sét cho xưởng phải phù hợp với điều kiện thời tiết như: Giông, sét, và điện trở suất của khu vực đặt xưởng, tuân thủ các yêu cầu kỹ thuật hiện hành. Điện trở của toàn bộ hệ thống chống sét không vượt quá 10 Ω.
4.4.11. Quy định liên quan đến biển báo, cảnh báo, ký hiệu về an toàn lao động
- Trong phòng phải được lắp biển chỉ dẫn lối đi/lối thoát hiểm, nội quy phòng, bảng tiêu lệnh /nội quy phòng cháy - chữa cháy. Các biển này phải đặt ở vị trí thích hợp, dễ quan sát.
- Các biển chỉ dẫn, biển báo phải được thiết kế đúng màu sắc, hình dạng và chủng loại theo tiêu chuẩn hiện hành.
4.4.12. Quy định về hệ thống thông tin liên lạc, viễn thông
- Hệ thống thông tin liên lạc, viễn thông phải đồng bộ và tuân theo các quy định chuyên ngành có liên quan, đáp ứng công suất sử dụng hiện tại và phát triển trong tương lai. Đảm bảo kết nối tín hiệu ổn định từ thiết bị điều khiển trung tâm đến các cabin thực hành.
- Thiết kế lắp đặt hệ thống thông tin liên lạc, viễn thông phải đảm bảo an toàn, thuận tiện cho khai thác sử dụng và đấu nối với các dịch vụ của nhà cung cấp. Có khả năng thay thế, sửa chữa và đảm bảo khoảng cách tới các đường ống kỹ thuật khác.
5. Phòng thí nghiệm vật liệu
5.1. Chức năng của phòng
Phòng thí nghiệm vật liệu là phòng được sử dụng để đào tạo các nội dung liên quan đến lĩnh vực vật liệu như sức bền vật liệu và vật liệu cơ khí... vv cho 1 lớp học thực hành ngành, nghề Cắt gọt kim loại hoặc các chuyên ngành cơ khí khác có học các nội dung trên. Bên cạnh đó, phòng còn được sử dụng để hỗ trợ người học trong quá trình thực hiện bài tập lớn, đồ án kỹ thuật có liên quan đến thí nghiệm đặc tính vật liệu. Các thiết bị đào tạo trong phòng được thiết kế cho lớp học với số lượng tối đa 10 người học.
5.2. Danh mục thiết bị chính
|
TT |
Tên thiết bị |
Đơn vị |
Số lượng |
|
1 |
Máy đo độ cứng |
Chiếc |
1 |
|
2 |
Máy thử kéo, nén vạn năng |
Bộ |
1 |
|
3 |
Lò nhiệt luyện điện trở |
Chiếc |
1 |
|
4 |
Máy tính |
Bộ |
2 |
|
5 |
Máy chiếu (Projector) |
Bộ |
1 |
|
6 |
Tủ đựng dụng cụ, đồ gá |
Chiếc |
1 |
|
7 |
Tủ đựng tài liệu |
Chiếc |
1 |
|
8 |
Bảng đen, phông máy chiếu |
Chiếc |
1 |
Bảng 5.1. Danh mục các thiết bị chính phòng thí nghiệm vật liệu
5.3. Sơ đồ hướng dẫn bố trí và khoảng cách các thiết bị

Hình 5.1. Sơ đồ bố trí thiết bị phòng thí nghiệm vật liệu
Ghi chú các số trong sơ đồ:
1. Máy đo độ cứng
2. Máy thử kéo, nén vạn năng
3. Lò nhiệt luyện điện trở
4. Máy tính
5. Máy chiếu (Projector)
6. Tủ đựng dụng cụ, đồ gá
7. Tủ đựng tài liệu
8. Bảng đen, phông máy chiếu
5.4. Các quy định đảm bảo hoạt động của phòng
5.4.1. Quy định về không gian làm việc
- Chiều rộng và chiều dài của khu vực thao tác/thực hành ≥ 1 m, tuy nhiên phải đảm bảo diện tích của một vị trí thực hành tối thiểu 4 m2
- Tùy theo kết cấu và kích thước bao ngoài của thiết bị mà bố trí/lắp đặt thiết bị ở vị trí hợp lý, đủ không gian bảo trì, bảo dưỡng và sửa chữa định kỳ.
5.4.2. Quy định về diện tích
Yêu cầu về diện tích của phòng: Tối thiểu 55 m2 (cho 10 người học)
5.4.3. Quy định về thiết kế
a. Vị trí: vị trí của phòng phải đảm bảo các yêu cầu sau
- Thuận tiện cho việc đi lại, học tập, giảng dạy và công tác phòng cháy - chữa cháy.
- Phòng phải cách xa các nguồn gây tiếng ồn hoặc có mùi vị (xưởng thực hành, phòng thí nghiệm hóa, nhà ăn, nhà bếp ...).
b. Kiến trúc
- Chiều cao trần: Tối thiểu 3 m.
- Nền sàn đảm bảo phẳng, nhẵn, không trơn trượt và dễ dàng làm vệ sinh.
+ Sàn của phòng phải chịu được tải trọng: ≥ 400 kg/m2.
+ Độ phẳng của nền: ± 0,2%.
+ Độ nghiêng của nền: ≤ 0,3%.
+ Sàn được kẻ sơn để phân các khu vực.
- Cửa đi:
+ Phòng phải có ít nhất 2 cửa ra vào, một cửa được bố trí ở đầu lớp và một cửa được bố trí ở cuối lớp.
+ Chiều rộng cửa tối thiểu là 1,2 m và chiều cao tối thiểu là 2,1 m.
- Lối đi: nếu trong phòng có thiết kế lối đi riêng thì bề rộng lối đi không nhỏ hơn 1 m.
5.4.4. Quy định về phòng cháy chữa cháy
Để đề phòng xảy ra sự cố cháy nổ trong phòng, trong công tác xây dựng, lắp đặt thiết bị trong phòng phải đảm bảo các tiêu chí:
- Lắp đặt dây dẫn điện, khí cụ điện đúng công suất thiết kế, tránh quá tải, chập điện gây cháy nổ.
- Phòng phải được trang bị ít nhất 1 bình chữa cháy có chất cháy phù hợp và thể tích tối thiểu (G) không nhỏ hơn quy định trong bảng sau:
|
Khối lượng hay thể tích chất chữa cháy |
||
|
Bột, kg |
Dung dịch chất tạo bọt hoặc nước với chất phụ gia (lít) |
Chất khí chữa cháy sạch, kg |
|
G ≥ 2 |
G ≥ 6 |
G ≥ 6 |
Bảng 5.2: Quy định thể tích tối thiểu G của bình chữa cháy
- Bình chữa cháy cố định trên giá treo hoặc đặt trong tủ và phải đặt ở vị trí thoáng mát, thuận tiện khi sử dụng. Yêu cầu các tủ đựng thiết bị chữa cháy được sơn đỏ và có các ký hiệu dễ nhận biết.
5.4.5. Quy định về an toàn điện
- Nguồn điện cung cấp: 380 V/ 220 V ± 10 %, trung tính nối đất trực tiếp.
- Các thiết bị sử dụng điện trong phòng phải được lắp đặt, đấu nối đúng kỹ thuật theo tiêu chuẩn của hệ thống lắp đặt điện hạ áp hiện hành, đảm bảo an toàn cho người và thiết bị.
- Tất cả các phần kim loại của thiết bị có thể xuất hiện điện áp nguy hiểm trong trường hợp hỏng cách điện, phải nối dẫn điện với nhau và nối với vít nối đất của thiết bị. Điện trở đo giữa vít nối đất với bất kỳ phần kim loại nào của thiết bị có thể xuất hiện điện áp nguy hiểm khi hỏng cách điện không được lớn hơn 0,1 Ω.
- Hệ thống điện cho giám sát an ninh, cảnh báo cháy, chiếu sáng (chiếu sáng chung, chiếu sáng bảo vệ, chiếu sáng sự cố) phải được thiết kế riêng, độc lập và tách khỏi đường dây điện động lực.
5.4.6. Quy định về chiếu sáng
Chiếu sáng tự nhiên và chiếu sáng nhân tạo phải đảm bảo làm việc, hoạt động bình thường và điều chỉnh được để đảm bảo yêu cầu về độ rọi, giới hạn hệ số chói lóa và hệ số thể hiện màu tối thiểu. Cụ thể như ở bảng sau:
|
Độ rọi duy trì Ēm lux |
Giới hạn hệ số chói lóa đồng nhất URGL |
Hệ số thể hiện màu tối thiểu Ra |
|
500 |
19 |
80 |
Bảng 5.3: Độ rọi, giới hạn hệ số chói lóa và hệ số thể hiện màu tối thiểu
5.4.7. Quy định về nhiệt độ
Nhiệt độ tối đa 28 0C
5.4.8. Quy định về độ ẩm
Độ ẩm tương đối: Theo độ ẩm môi trường
5.4.9. Quy định về độ thoáng (thông gió)
Không gian trong phòng phải được tính toán thiết kế đảm bảo sao cho thông gió tự nhiên là tốt nhất.
Lưu lượng không khí ngoài (gió tươi) phải đảm bảo ≥ 25m3/h/người học.
5.4.10. Quy định về chống sét
Khi thiết kế hệ thống chống sét cho xưởng phải phù hợp với điều kiện thời tiết như: Giông, sét, và điện trở suất của khu vực đặt xưởng, tuân thủ các yêu cầu kỹ thuật hiện hành. Điện trở của toàn bộ hệ thống chống sét không vượt quá 10 Ω.
5.4.11. Quy định liên quan đến biển báo, cảnh báo, ký hiệu về an toàn lao động
- Trong phòng phải được lắp biển chỉ dẫn lối đi/ lối thoát hiểm, bảng nội quy an toàn, bảng hướng dẫn thao tác/ vận hành thiết bị, bảng tiêu lệnh/nội quy phòng cháy - chữa cháy. Các biển, bảng này phải đặt ở vị trí thích hợp, dễ quan sát.
- Các biển chỉ dẫn, biển báo phải được thiết kế đúng màu sắc, hình dạng và chủng loại theo tiêu chuẩn hiện hành.
5.4.12. Quy định về hệ thống thông tin liên lạc, viễn thông
- Hệ thống thông tin liên lạc, viễn thông phải đồng bộ và tuân theo các quy định chuyên ngành có liên quan, đáp ứng công suất sử dụng hiện tại và phát triển trong tương lai.
- Thiết kế lắp đặt hệ thống thông tin liên lạc, viễn thông phải đảm bảo an toàn, thuận tiện cho khai thác sử dụng và đấu nối với các dịch vụ của nhà cung cấp. Có khả năng thay thế, sửa chữa và đảm bảo khoảng cách tới các đường ống kỹ thuật khác.
6. Phòng thực hành đo lường
6.1. Chức năng của phòng
Phòng thực hành đo lường là phòng được sử dụng để đào tạo nội dung liên quan đến dung sai - đo lường kỹ thuật và kiểm tra chất lượng sản phẩm cho một lớp học thực hành ngành, nghề Cắt gọt kim loại. Bên cạnh đó, phòng còn được sử dụng để hỗ trợ người học trong quá trình thực hiện bài tập lớn, đồ án kỹ thuật liên quan đến kiểm tra chất lượng các chi tiết cơ khí sau khi gia công. Các thiết bị đào tạo trong phòng được thiết kế cho lớp học với số lượng tối đa 10 người học.
6.2. Danh mục thiết bị chính
|
TT |
Tên thiết bị |
Đơn vị |
Số lượng |
|
1 |
Máy đo độ nhám |
Bộ |
1 |
|
2 |
Máy đo tọa độ 3 chiều |
Bộ |
1 |
|
3 |
Máy tính |
Bộ |
2 |
|
4 |
Máy chiếu (Projector) |
Bộ |
1 |
|
5 |
Máy in |
Chiếc |
1 |
|
6 |
Tủ đựng hồ sơ và dụng cụ |
Chiếc |
2 |
|
7 |
Bàn máp |
Chiếc |
1 |
|
8 |
Bảng đen, phông máy chiếu |
Chiếc |
1 |
Bảng 6.1. Danh mục các thiết bị chính phòng thực hành đo lường
5.3. Sơ đồ hướng dẫn bố trí và khoảng cách các thiết bị

Hình 6.1. Sơ đồ bố trí thiết bị phòng thực hành đo lường
Ghi chú các số trong sơ đồ:
1. Máy đo độ nhám
2. Máy đo tọa độ 3 chiều
3. Máy tính
4. Máy chiếu (Projector)
5. Máy in
6. Tủ đựng hồ sơ và dụng cụ
7. Bàn máp
8. Bảng đen, phông máy chiếu
6.4. Các quy định đảm bảo hoạt động của phòng
6.4.1. Quy định về không gian làm việc
- Chiều rộng và chiều dài của khu vực thao tác/thực hành ≥ 1 m, tuy nhiên phải đảm bảo diện tích của một vị trí thực hành tối thiểu 4 m2.
- Tùy theo kết cấu và kích thước bao ngoài của thiết bị mà bố trí/lắp đặt thiết bị ở vị trí hợp lý, đủ không gian bảo trì, bảo dưỡng và sửa chữa định kỳ.
6.4.2. Quy định về diện tích
Yêu cầu về diện tích của phòng: Tối thiểu 55 m2 (cho 10 người học)
6.4.3. Quy định về thiết kế
a. Vị trí: vị trí của phòng phải đảm bảo các yêu cầu sau
- Thuận tiện cho việc đi lại, học tập, giảng dạy và công tác phòng cháy - chữa cháy.
- Đặt cách xa các nguồn gây ra rung động và tiếng ồn.
b. Kiến trúc
- Chiều cao trần: Tối thiểu 3 m.
- Nền sàn đảm bảo phẳng, nhẵn, không trơn trượt và dễ dàng làm vệ sinh.
+ Sàn của phòng phải chịu được tải trọng: ≥ 400 kg/m2.
+ Độ phẳng của nền: ± 0,2%.
+ Độ nghiêng của nền: ≤ 0,3%.
+ Sàn được kẻ sơn để phân các khu vực.
- Cửa đi:
+ Phòng phải có ít nhất 2 cửa ra vào, một cửa được bố trí ở đầu lớp và một cửa được bố trí ở cuối lớp.
+ Chiều rộng cửa tối thiểu là 1,4 m và chiều cao tối thiểu là 2,4 m.
- Lối đi: nếu trong phòng có thiết kế lối đi riêng thì bề rộng lối đi không nhỏ hơn 1 m.
6.4.4. Quy định về phòng cháy chữa cháy
Để đề phòng xảy ra sự cố cháy nổ trong phòng, trong công tác xây dựng, lắp đặt thiết bị trong phòng phải đảm bảo các tiêu chí:
- Lắp đặt dây dẫn điện, khí cụ điện đúng công suất thiết kế, tránh quá tải, chập điện gây cháy nổ.
- Phòng phải được trang bị ít nhất 1 bình chữa cháy có chất cháy phù hợp và thể tích tối thiểu (G) không nhỏ hơn quy định trong bảng sau:
|
Khối lượng hay thể tích chất chữa cháy |
||
|
Bột, kg |
Dung dịch chất tạo bọt hoặc nước với chất phụ gia (lít) |
Chất khí chữa cháy sạch, kg |
|
G ≥ 2 |
G ≥ 6 |
G ≥ 6 |
Bảng 6.2: Quy định thể tích tối thiểu G của bình chữa cháy
- Bình chữa cháy cố định trên giá treo hoặc đặt trong tủ và phải đặt ở vị trí thoáng mát, thuận tiện khi sử dụng. Yêu cầu các tủ đựng thiết bị chữa cháy được sơn đỏ và có các ký hiệu dễ nhận biết.
6.4.5. Quy định về an toàn điện
- Nguồn điện cung cấp: 220 V (± 10 %)
- Các thiết bị sử dụng điện trong phòng phải được lắp đặt, đấu nối đúng kỹ thuật theo tiêu chuẩn của hệ thống lắp đặt điện hạ áp hiện hành, đảm bảo an toàn cho người và thiết bị.
- Hệ thống điện cho giám sát an ninh, cảnh báo cháy, chiếu sáng (chiếu sáng chung, chiếu sáng bảo vệ, chiếu sáng sự cố) phải được thiết kế riêng, độc lập.
6.4.6. Quy định về chiếu sáng
Chiếu sáng tự nhiên và chiếu sáng nhân tạo phải đảm bảo làm việc, hoạt động bình thường và điều chỉnh được để đảm bảo yêu cầu về độ rọi, giới hạn hệ số chói lóa và hệ số thể hiện màu tối thiểu. Cụ thể như ở bảng sau:
|
Độ rọi duy trì Ēm lux |
Giới hạn hệ số chói lóa đồng nhất URGL |
Hệ số thể hiện màu tối thiểu Ra |
|
500 |
19 |
80 |
Bảng 6.3: Độ rọi, giới hạn hệ số chói lóa và hệ số thể hiện màu tối thiểu
6.4.7. Quy định về nhiệt độ
Nhiệt độ tối đa 28 0C
6.4.8. Quy định về độ ẩm
Độ ẩm tương đối: Theo độ ẩm môi trường
6.4.9. Quy định về độ thoáng (thông gió)
- Không gian trong phòng phải được tính toán thiết kế đảm bảo sao cho thông gió tự nhiên là tốt nhất. Để đảm bảo yêu cầu vi khí hậu và nhiệt độ trong quá trình học, nên sử dụng thiết bị điều hòa không khí.
- Lưu lượng không khí ngoài (gió tươi) phải đảm bảo ≥ 25m3/h/người học.
6.4.10. Quy định về rung động
- Đối với dải tần số ≤ 10 Hz thì biên độ rung động không vượt quá 2µm.
- Đối với dải tần số 10 ÷ 50 Hz thì gia tốc rung động không vượt quá 0,004 m/s2.
6.4.11. Quy định về chống sét
Khi thiết kế hệ thống chống sét cho xưởng phải phù hợp với điều kiện thời tiết như: Giông, sét, và điện trở suất của khu vực đặt xưởng, tuân thủ các yêu cầu kỹ thuật hiện hành. Điện trở của toàn bộ hệ thống chống sét không vượt quá 10 Ω.
6.4.12. Quy định liên quan đến biển báo, cảnh báo, ký hiệu về an toàn lao động
- Trong phòng phải được lắp biển chỉ dẫn lối đi/lối thoát hiểm, bảng nội quy an toàn, bảng hướng dẫn thao tác/ vận hành thiết bị, bảng tiêu lệnh/nội quy phòng cháy - chữa cháy. Các biển, bảng này phải đặt ở vị trí thích hợp, dễ quan sát.
- Các biển chỉ dẫn, biển báo phải được thiết kế đúng màu sắc, hình dạng và chủng loại theo tiêu chuẩn hiện hành.
6.4.13. Quy định về hệ thống thông tin liên lạc, viễn thông
- Hệ thống thông tin liên lạc, viễn thông phải đồng bộ và tuân theo các quy định chuyên ngành có liên quan, đáp ứng công suất sử dụng hiện tại và phát triển trong tương lai.
- Thiết kế lắp đặt hệ thống thông tin liên lạc, viễn thông phải đảm bảo an toàn, thuận tiện cho khai thác sử dụng và đấu nối với các dịch vụ của nhà cung cấp. Có khả năng thay thế, sửa chữa và đảm bảo khoảng cách tới các đường ống kỹ thuật khác.
7. Phòng thực hành CAD/CAM
7.1. Chức năng của phòng
Phòng thực hành CAD/CAM là phòng thực hành được sử dụng để đào tạo các nội dung liên quan đến lĩnh vực thiết kế kỹ thuật cơ khí CAD và lập trình gia công chi tiết có sự hỗ trợ của máy vi tính CAM cho 1 lớp học thực hành ngành, nghề Cắt gọt kim loại hoặc các chuyên ngành cơ khí khác có học các nội dung trên. Bên cạnh đó, phòng còn được sử dụng để hỗ trợ người học trong quá trình thực hiện bài tập lớn, đồ án kỹ thuật liên quan đến thiết kế và lập trình gia công chi tiết/cụm chi tiết sử dụng công nghệ CAD/CAM.
7.2. Danh mục thiết bị chính
|
TT |
Tên thiết bị |
Đơn vị |
Số lượng |
|
1 |
Máy tính |
Bộ |
19 |
|
2 |
Máy chiếu (Projector) |
Bộ |
1 |
|
3 |
Máy in |
Chiếc |
1 |
|
4 |
Tủ đựng tài liệu |
Chiếc |
1 |
|
5 |
Bảng đen, phông máy chiếu |
Chiếc |
1 |
Bảng 7.1. Danh mục các thiết bị chính phòng thực hành CAD/CAM
7.3. Sơ đồ hướng dẫn bố trí và khoảng cách các thiết bị
7.3.1. Phương án 1: phòng được sử dụng để giảng dạy cho 18 người học

Hình 7.1: Sơ đồ hướng dẫn bố trí và khoảng cách thiết bị phòng thực hành CAD/CAM cho 18 người học
7.3.2. Phương án 2: phòng được sử dụng để giảng dạy cho 10 người học

Hình 7.2: Sơ đồ hướng dẫn bố trí và khoảng cách thiết bị phòng thực hành CAD/CAM cho 10 người học
Ghi chú các số trong sơ đồ:
1. Máy tính
2. Máy chiếu (Projector)
3. Máy in
4. Tủ đựng dụng cụ
5. Bảng đen, phông máy chiếu
Các cơ sở giáo dục nghề nghiệp căn cứ tình hình thực tế tại cơ sở để xem xét lựa chọn sơ đồ phù hợp.
7.4. Các quy định đảm bảo hoạt động của phòng
7.4.1. Quy định về không gian làm việc
Khoảng cách giữa các thiết bị trong phòng phải đảm bảo theo quy định ở như mô tả ở hình 7.1 và bảng 7.2 (cho 18 người học)
|
Ký hiệu |
Tên gọi các khoảng cách |
Kích thước |
|
b |
Chiều rộng phòng học, không nhỏ hơn: |
7,2 m |
|
n1 |
Khoảng cách giữa các dãy bàn, không nhỏ hơn |
0,6 m |
|
n2 |
Khoảng cách giữa dãy bàn ngoài và tường ngoài, không nhỏ hơn |
0,5 m |
|
y |
Khoảng cách từ dãy bàn cuối đến bảng, không lớn hơn |
10,0 m |
|
y1 |
Khoảng cách từ dãy bàn đầu đến bảng, không nhỏ hơn |
2,0 m |
|
y2 |
Khoảng cách giữa hai bàn trong cùng một dãy, không nhỏ hơn |
0,6 m |
|
y3 |
Khoảng cách từ dãy bàn cuối tới tường sau, không nhỏ hơn |
0,7 m |
|
y4 |
Khoảng cách từ bàn giáo viên đến bảng, không nhỏ hơn |
0,8 m |
|
α |
Góc nhìn từ chỗ ngồi ngoài cùng ở bàn đầu đến mép trong của bảng, không nhỏ hơn |
300 |
Bảng 7.2: Khoảng cách giữa các thiết bị trong phòng thực hành CAD/CAM
7.4.2. Quy định về diện tích
Yêu cầu về diện tích của phòng cho 18 người học: Tối thiểu 60 m2
Yêu cầu về diện tích của phòng cho 10 người học: Tối thiểu 48 m2
7.4.3. Quy định về thiết kế
a. Vị trí: vị trí của phòng phải đảm bảo các yêu cầu sau
- Thuận tiện cho việc đi lại, học tập, giảng dạy và công tác phòng cháy - chữa cháy.
- Tránh đặt gần khu vực dễ có nguy cơ cháy nổ, các nguồn nhiễu điện từ như các máy biến áp, các động cơ và máy phát điện, thiết bị hàn nhiệt.
b. Kiến trúc
- Chiều cao trần: Tối thiểu 3 m.
- Nền sàn đảm bảo phẳng, nhẵn, không trơn trượt và dễ dàng làm vệ sinh.
+ Sàn của phòng phải chịu được tải trọng: > 400 kg/m2.
+ Độ phẳng của nền: ± 0,2%.
+ Độ nghiêng của nền: ≤ 0,3%.
- Cửa đi:
+ Phòng phải có ít nhất 2 cửa ra vào, một cửa được bố trí ở đầu lớp và một cửa được bố trí ở cuối lớp (đối với lớp học 18 người học)
+ Đối với phòng 10 người học chỉ cần bố trí 01 cửa ra vào ở đầu lớp học.
+ Chiều rộng cửa tối thiểu là 1,2 m và chiều cao tối thiểu là 2,1 m.
7.4.4. Quy định về phòng cháy chữa cháy
Để đề phòng xảy ra sự cố cháy nổ trong phòng, trong công tác xây dựng, lắp đặt thiết bị trong phòng phải đảm bảo các tiêu chí:
- Lắp đặt dây dẫn điện, khí cụ điện đúng công suất thiết kế, tránh quá tải, chập điện gây cháy nổ.
- Phòng phải được trang bị ít nhất 1 bình chữa cháy có chất cháy phù hợp và thể tích tối thiểu (G) không nhỏ hơn quy định trong bảng sau:
|
Khối lượng hay thể tích chất chữa cháy |
||
|
Bột, kg |
Dung dịch chất tạo bọt hoặc nước với chất phụ gia (lít) |
Chất khí chữa cháy sạch, kg |
|
G ≥ 2 |
G≥ 6 |
G ≥ 6 |
Bảng 7.3: Quy định thể tích tối thiểu G của bình chữa cháy
- Bình chữa cháy cố định trên giá treo hoặc đặt trong tủ và phải đặt ở vị trí thoáng mát, thuận tiện khi sử dụng. Yêu cầu các tủ đựng thiết bị chữa cháy được sơn đỏ và có các ký hiệu dễ nhận biết.
7.4.5. Quy định về an toàn điện
- Nguồn điện cung cấp: 220 V (± 10 %)
- Các thiết bị sử dụng điện trong phòng phải được lắp đặt, đấu nối đúng kỹ thuật theo tiêu chuẩn của hệ thống lắp đặt điện hạ áp hiện hành, đảm bảo an toàn cho người và thiết bị.
- Hệ thống điện cho giám sát an ninh, cảnh báo cháy, chiếu sáng sự cố phải được thiết kế riêng, độc lập.
7.4.6. Quy định về chiếu sáng
Chiếu sáng tự nhiên và chiếu sáng nhân tạo phải đảm bảo làm việc, hoạt động bình thường và điều chỉnh được để đảm bảo yêu cầu về độ rọi, giới hạn hệ số chói lóa và hệ số thể hiện màu tối thiểu. Cụ thể như ở bảng sau:
|
Độ rọi duy trì Ēm lux |
Giới hạn hệ số chói lóa đồng nhất URGL |
Hệ số thể hiện màu tối thiểu Ra |
|
500 |
19 |
80 |
Bảng 7.4: Độ rọi, giới hạn hệ số chói lóa và hệ số thể hiện màu tối thiểu
7.4.7. Quy định về nhiệt độ
Nhiệt độ tối đa 28 0C
7.4.8. Quy định về độ ẩm
Độ ẩm tương đối: Theo độ ẩm môi trường
7.4.9. Quy định về độ thoáng (thông gió)
- Không gian trong phòng phải được tính toán thiết kế đảm bảo sao cho thông gió tự nhiên là tốt nhất. Để đảm bảo yêu cầu vi khí hậu và nhiệt độ trong quá trình học, nên sử dụng thiết bị điều hòa không khí.
- Lưu lượng không khí ngoài (gió tươi) phải đảm bảo ≥ 25m3/h/người học.
7.4.10. Quy định về chống sét
Khi thiết kế hệ thống chống sét cho xưởng phải phù hợp với điều kiện thời tiết như: Giông, sét, và điện trở suất của khu vực đặt xưởng, tuân thủ các yêu cầu kỹ thuật hiện hành. Điện trở của toàn bộ hệ thống chống sét không vượt quá 10 Ω.
7.4.11. Quy định về độ bụi
Nồng độ bụi trong phòng thấp hơn 100µg/m3/24h.
7.4.12. Quy định liên quan đến biển báo, cảnh báo, ký hiệu về an toàn lao động
- Trong phòng phải được lắp biển chỉ dẫn lối đi/ lối thoát hiểm, nội quy phòng, bảng tiêu lệnh/ nội quy phòng cháy - chữa cháy. Các biển này phải đặt ở vị trí thích hợp, dễ quan sát.
- Các biển chỉ dẫn, biển báo phải được thiết kế đúng màu sắc, hình dạng và chủng loại theo tiêu chuẩn hiện hành.
7.4.13. Quy định về hệ thống thông tin liên lạc, viễn thông
- Hệ thống thông tin liên lạc, viễn thông phải đồng bộ và tuân theo các quy định chuyên ngành có liên quan, đáp ứng công suất sử dụng hiện tại và phát triển trong tương lai. Đảm bảo kết nối tín hiệu ổn định từ máy chủ đến các máy tính và giữa các máy tính với nhau.
- Thiết kế lắp đặt hệ thống thông tin liên lạc, viễn thông phải đảm bảo an toàn, thuận tiện cho khai thác sử dụng và đấu nối với các dịch vụ của nhà cung cấp. Có khả năng thay thế, sửa chữa và đảm bảo khoảng cách tới các đường ống kỹ thuật khác.
8. Phòng điện cơ bản
8.1. Chức năng của phòng
Phòng điện cơ bản là phòng tích hợp được sử dụng để đào tạo môn kỹ thuật điện cho 1 lớp học thực hành ngành, nghề Cắt gọt kim loại hoặc các chuyên ngành khác có học môn học trên. Bên cạnh đó, phòng còn được sử dụng để hỗ trợ người học trong quá trình thực hiện bài tập lớn, đồ án kỹ thuật có liên quan đến đấu nối, lắp ráp các mạch điện.
8.2. Danh mục thiết bị chính
|
TT |
Tên thiết bị |
Đơn vị |
Số lượng |
|
1 |
Máy vi tính |
Bộ |
1 |
|
2 |
Máy chiếu (Projector) |
Bộ |
1 |
|
3 |
Máy biến áp 1 pha |
Chiếc |
1 |
|
4 |
Máy biến áp 3 pha |
Chiếc |
1 |
|
5 |
Động cơ điện không đồng bộ 1 pha |
Chiếc |
1 |
|
6 |
Động cơ điện không đồng bộ 3 pha |
Chiếc |
1 |
|
7 |
Bàn thực hành khí cụ điện |
Bàn |
5 |
|
8 |
Tủ hồ sơ và dụng cụ |
Chiếc |
1 |
|
9 |
Bảng đen, phông máy chiếu |
Chiếc |
1 |
Bảng 8.1. Danh mục các thiết bị chính phòng điện cơ bản
8.3. Sơ đồ hướng dẫn bố trí và khoảng cách các thiết bị
8.3.1. Phương án 1: Bố trí giảng dạy cho 18 người học

Hình 8.1. Sơ đồ bố trí thiết bị phòng điện cơ bản
8.3.2. Phương án 2: Bố trí giảng dạy cho 10 người học

Hình 8.2. Sơ đồ bố trí thiết bị phòng điện cơ bản
8.4. Các quy định đảm bảo hoạt động của phòng
8.4.1. Quy định về không gian làm việc
- Chiều rộng và chiều dài của khu vực thao tác/thực hành ≥ 1 m, tuy nhiên phải đảm bảo diện tích của một vị trí thực hành tối thiểu 2 m2.
- Tùy theo kết cấu và kích thước bao ngoài của thiết bị mà bố trí/lắp đặt thiết bị ở vị trí hợp lý, đủ không gian bảo trì, bảo dưỡng và sửa chữa định kỳ.
8.4.2. Quy định về diện tích
- Yêu cầu về diện tích của phòng cho 18 người học: Tối thiểu 65 m2
- Yêu cầu về diện tích của phòng cho 10 người học: Tối thiểu 56 m2
8.4.3. Quy định về thiết kế
a. Vị trí: vị trí của phòng phải đảm bảo các yêu cầu sau:
- Thuận tiện cho việc đi lại, học tập, giảng dạy và công tác phòng cháy - chữa cháy.
- Phòng phải cách xa các nguồn gây tiếng ồn hoặc có mùi vị (xưởng thực hành, phòng thí nghiệm hóa, nhà ăn, nhà bếp ...).
b. Kiến trúc
Chiều cao trần: Tối thiểu 3 m.
Nền sàn đảm bảo phẳng, nhẵn, không trơn trượt và dễ dàng làm vệ sinh.
+ Sàn của phòng phải chịu được tải trọng: > 400 kg/m2.
+ Độ phẳng của nền: ± 0,2%.
+ Độ nghiêng của nền: ≤ 0,3%.
Cửa đi:
+ Phòng phải có ít nhất 2 cửa ra vào, một cửa được bố trí ở đầu lớp và một cửa được bố trí ở cuối lớp
+ Chiều rộng cửa tối thiểu là 1,2 m và chiều cao tối thiểu là 2,1 m.
Lối đi: nếu trong phòng có thiết kế lối đi riêng thì bề rộng lối đi không nhỏ hơn 1 m.
8.4.4. Quy định về phòng cháy chữa cháy
Để đề phòng xảy ra sự cố cháy nổ trong phòng, trong công tác xây dựng, lắp đặt thiết bị trong phòng phải đảm bảo các tiêu chí:
- Lắp đặt dây dẫn điện, khí cụ điện đúng công suất thiết kế, tránh quá tải, chập điện gây cháy nổ.
- Phòng phải được trang bị ít nhất 1 bình chữa cháy có chất cháy phù hợp và thể tích tối thiểu (G) không nhỏ hơn quy định trong bảng sau:
|
Khối lượng hay thể tích chất chữa cháy |
||
|
Bột, kg |
Dung dịch chất tạo bọt hoặc nước với chất phụ gia (lít) |
Chất khí chữa cháy sạch, kg |
|
G ≥ 2 |
G ≥ 6 |
G ≥ 6 |
Bảng 8.2: Quy định thể tích tối thiểu G của bình chữa cháy
- Bình chữa cháy cố định trên giá treo hoặc đặt trong tủ và phải đặt ở vị trí thoáng mát, thuận tiện khi sử dụng. Yêu cầu các tủ đựng thiết bị chữa cháy được sơn đỏ và có các ký hiệu dễ nhận biết.
8.4.5. Quy định về an toàn điện
- Nguồn điện cung cấp: 380 V/ 220 V ± 10 %, trung tính nối đất trực tiếp.
- Các thiết bị sử dụng điện trong phòng phải được lắp đặt, đấu nối đúng kỹ thuật theo tiêu chuẩn của hệ thống lắp đặt điện hạ áp hiện hành, đảm bảo an toàn cho người và thiết bị.
- Tất cả các phần kim loại của thiết bị có thể xuất hiện điện áp nguy hiểm trong trường hợp hỏng cách điện, phải nối dẫn điện với nhau và nối với vít nối đất của thiết bị. Điện trở đo giữa vít nối đất với bất kỳ phần kim loại nào của thiết bị có thể xuất hiện điện áp nguy hiểm khi hỏng cách điện không được lớn hơn 0,1 Ω.
- Hệ thống điện cho giám sát an ninh, cảnh báo cháy, chiếu sáng (chiếu sáng chung, chiếu sáng bảo vệ, chiếu sáng sự cố) phải được thiết kế riêng, độc lập và tách khỏi đường dây điện động lực.
8.4.6. Quy định về chiếu sáng
Chiếu sáng tự nhiên và chiếu sáng nhân tạo phải đảm bảo làm việc, hoạt động bình thường và điều chỉnh được để đảm bảo yêu cầu về độ rọi, giới hạn hệ số chói lóa và hệ số thể hiện màu tối thiểu. Cụ thể như ở bảng sau:
|
Độ rọi duy trì Ēm lux |
Giới hạn hệ số chói lóa đồng nhất URGL |
Hệ số thể hiện màu tối thiểu Ra |
|
500 |
19 |
80 |
Bảng 8.3: Độ rọi, giới hạn hệ số chói lóa và hệ số thể hiện màu tối thiểu
8.4.7. Quy định về nhiệt độ
Nhiệt độ tối đa 34 0C
8.4.8. Quy định về độ ẩm
Độ ẩm tương đối: Theo độ ẩm môi trường
8.4.9. Quy định về độ thoáng (thông gió)
- Không gian trong phòng phải được tính toán thiết kế đảm bảo sao cho thông gió tự nhiên là tốt nhất.
- Lưu lượng không khí ngoài (gió tươi) phải đảm bảo ≥ 25m3/h/người học.
8.4.10. Quy định về chống sét
Khi thiết kế hệ thống chống sét cho xưởng phải phù hợp với điều kiện thời tiết như: Giông, sét, và điện trở suất của khu vực đặt xưởng, tuân thủ các yêu cầu kỹ thuật hiện hành. Điện trở của toàn bộ hệ thống chống sét không vượt quá 10 Ω.
8.4.11. Quy định liên quan đến biển báo, cảnh báo, ký hiệu về an toàn lao động
- Trong phòng phải được lắp biển chỉ dẫn lối đi/ lối thoát hiểm, bảng nội quy an toàn, bảng hướng dẫn thao tác/vận hành thiết bị, bảng tiêu lệnh/nội quy phòng cháy - chữa cháy. Các biển, bảng này phải đặt ở vị trí thích hợp, dễ quan sát.
- Các biển chỉ dẫn, biển báo phải được thiết kế đúng màu sắc, hình dạng và chủng loại theo tiêu chuẩn hiện hành.
8.4.12. Quy định về hệ thống thông tin liên lạc, viễn thông
- Hệ thống thông tin liên lạc, viễn thông phải đồng bộ và tuân theo các quy định chuyên ngành có liên quan, đáp ứng công suất sử dụng hiện tại và phát triển trong tương lai.
- Thiết kế lắp đặt hệ thống thông tin liên lạc, viễn thông phải đảm bảo an toàn, thuận tiện cho khai thác sử dụng và đấu nối với các dịch vụ của nhà cung cấp. Có khả năng thay thế, sửa chữa và đảm bảo khoảng cách tới các đường ống kỹ thuật khác.
9. Xưởng nguội cơ bản
9.1. Chức năng của xưởng
Xưởng nguội cơ bản là xưởng thực hành cơ bản được sử dụng để đào tạo nội dung nguội cơ bản cho một lớp học thực hành ngành, nghề Cắt gọt kim loại và các nghề cơ khí có nội dung trên. Bên cạnh đó xưởng còn hỗ trợ phục vụ các nội dung chuyên môn khác như: bài tập lớn, đồ án kỹ thuật có liên quan đến việc chế tạo và lắp ráp các chi tiết có sử dụng các dụng cụ cầm tay.
9.2. Danh mục thiết bị chính
|
TT |
Tên thiết bị |
Đơn vị |
Số lượng |
|
1 |
Máy khoan đứng |
Bộ |
2 |
|
2 |
Máy khoan bàn |
Bộ |
2 |
|
3 |
Máy mài 2 đá |
Chiếc |
1 |
|
4 |
Máy mài cầm tay |
Chiếc |
5 |
|
5 |
Bàn nguội |
Bộ |
11 |
|
6 |
Bàn máp |
Chiếc |
1 |
|
7 |
Tủ để dụng cụ đo và học liệu |
Chiếc |
2 |
|
8 |
Máy vi tính |
Bộ |
1 |
|
9 |
Máy chiếu (Projector) |
Bộ |
1 |
|
10 |
Bảng đen, phông máy chiếu |
Chiếc |
1 |
Bảng 9.1. Danh mục các thiết bị chính xưởng nguội cơ bản
9.3. Sơ đồ hướng dẫn bố trí và khoảng cách các thiết bị
9.3.1 Phương án 1: Thiết kế có khu vực học lý thuyết (giảng dạy 10 người học)

Hình 9.1. Sơ đồ bố trí thiết bị xưởng nguội cơ bản cho 10 người học
9.3.2. Phương án 2: thiết kế có khu vực học lý thuyết (giảng dạy 18 người học)

Hình 9.2. Sơ đồ bố trí thiết bị xưởng nguội cơ bản cho 18 người học
Các cơ sở giáo dục nghề nghiệp căn cứ tình hình thực tế tại cơ sở để xem xét lựa chọn sơ đồ phù hợp.
Ghi chú các số trong sơ đồ:
|
Ký hiệu
|
Tên thiết bị
|
|
1 |
Máy khoan đứng |
|
2 |
Máy khoan bàn |
|
3 |
Máy mài 2 đá |
|
4 |
Máy mài cầm tay |
|
5 |
Bàn nguội |
|
6 |
Bàn máp |
|
7 |
Tủ để dụng cụ đo và học liệu |
|
8 |
Máy vi tính |
|
9 |
Máy chiếu (Projector) |
|
10 |
Bảng đen, phông máy chiếu |
|
Các bộ dụng cụ, búa, đột, đồ bảo hộ trong danh mục sẽ được được sắp xếp và lưu trữ trong tủ để dụng cụ đo và học liệu (ký hiệu số 7 trong sơ đồ) hoặc trên các bàn nguội (ký hiệu số 5 trong sơ đồ). |
|
9.4. Các quy định đảm bảo hoạt động của xưởng
9.4.1. Quy định về không gian làm việc
- Chiều rộng và chiều dài của khu vực thao tác/thực hành ≥ 1 m, tuy nhiên phải đảm bảo diện tích của một vị trí thực hành tối thiểu 2 m2.
- Tùy theo kết cấu và kích thước bao ngoài của thiết bị mà bố trí/lắp đặt thiết bị ở vị trí hợp lý, đủ không gian bảo trì, bảo dưỡng và sửa chữa định kỳ. Các thiết bị, máy nhỏ như máy mài hai đá, máy khoan nếu không có tủ điện hoặc bộ phận tháo lắp khi sửa chữa, bảo trì, bảo dưỡng định kỳ ở phía sau để đảm bảo không gian bảo dưỡng bảo trì và vệ sinh thiết bị sau khi làm việc thì khoảng cách từ thiết bị đến tường ≥ 0,4 m. Khoảng cách giữa các máy ≥ 1,5 m.
9.4.2. Quy định về diện tích
- Yêu cầu về diện tích của phòng cho 18 người học: Tối thiểu 91 m2
- Yêu cầu về diện tích của phòng cho 10 người học: Tối thiểu 70 m2
9.4.3. Quy định về thiết kế
a. Vị trí
- Thuận tiện cho việc đi lại, học tập, giảng dạy và công tác phòng cháy - chữa cháy, lắp đặt máy móc, vận chuyển nguyên nhiên - vật liệu
- Nền đất tốt, không úng, ngập, đảm bảo công tác nền móng.
b. Kiến trúc
- Chiều cao trần: Tối thiểu 3,6 m.
- Nền sàn đảm bảo phẳng, nhẵn, không trơn trượt và dễ dàng làm vệ sinh.
+ Sàn của phòng phải chịu được tải trọng: > 600 kg/m2.
+ Độ phẳng của nền: ± 0,2%.
+ Độ nghiêng của nền: ≤ 0,3%.
- Cửa đi:
+ Phòng phải có ít nhất 2 cửa ra vào, một cửa được bố trí ở đầu lớp và một cửa được bố trí ở cuối lớp
+ Chiều rộng cửa tối thiểu là 1,2 m và chiều cao tối thiểu là 2,1 m.
- Lối đi: nếu trong phòng có thiết kế lối đi riêng thì bề rộng lối đi không nhỏ hơn 1 m.
9.4.4. Quy định về phòng cháy chữa cháy
Để đề phòng xảy ra sự cố cháy nổ trong phòng, trong công tác xây dựng, lắp đặt thiết bị trong phòng phải đảm bảo các tiêu chí:
- Lắp đặt dây dẫn điện, khí cụ điện đúng công suất thiết kế, tránh quá tải, chập điện gây cháy nổ.
- Xưởng phải được trang bị ít nhất 1 bình chữa cháy có chất cháy phù hợp và thể tích tối thiểu (G) không nhỏ hơn quy định trong bảng sau:
|
Khối lượng hay thể tích chất chữa cháy |
||
|
Bột, kg |
Dung dịch chất tạo bọt hoặc |
Chất khí chữa cháy sạch, kg
|
|
G ≥ 2 |
G ≥ 6 |
G ≥ 6 |
Bảng 9.2: Quy định thể tích tối thiểu G của bình chữa cháy
- Bình chữa cháy cố định trên giá treo hoặc đặt trong tủ và phải đặt ở vị trí thoáng mát, thuận tiện khi sử dụng. Yêu cầu các tủ đựng thiết bị chữa cháy được sơn đỏ và có các ký hiệu dễ nhận biết.
9.4.5. Quy định về an toàn điện
- Nguồn điện cung cấp: 380 V/ 220 V ± 10 %, trung tính nối đất trực tiếp.
- Các thiết bị sử dụng điện trong xưởng phải được lắp đặt, đấu nối đúng kỹ thuật theo tiêu chuẩn của hệ thống lắp đặt điện hạ áp hiện hành, đảm bảo an toàn cho người và thiết bị.
- Tất cả các phần kim loại của thiết bị có thể xuất hiện điện áp nguy hiểm trong trường hợp hỏng cách điện, phải nối dẫn điện với nhau và nối với vít nối đất của thiết bị. Điện trở đo giữa vít nối đất với bất kỳ phần kim loại nào của thiết bị có thể xuất hiện điện áp nguy hiểm khi hỏng cách điện không được lớn hơn 0,1Ω.
- Hệ thống điện cho giám sát an ninh, cảnh báo cháy, chiếu sáng (chiếu sáng chung, chiếu sáng bảo vệ, chiếu sáng sự cố) phải được thiết kế riêng, độc lập và tách khỏi đường dây điện động lực.
9.4.6. Quy định về chiếu sáng
Chiếu sáng tự nhiên và chiếu sáng nhân tạo phải đảm bảo làm việc, hoạt động bình thường và điều chỉnh được để đảm bảo yêu cầu về độ rọi, giới hạn hệ số chói lóa và hệ số thể hiện màu tối thiểu. Cụ thể như ở bảng sau:
|
Độ rọi duy trì Ēm lux |
Giới hạn hệ số chói lóa đồng nhất URGL |
Hệ số thể hiện màu tối thiểu Ra |
|
500 |
19 |
80 |
Bảng 9.3: Độ rọi, giới hạn hệ số chói lóa và hệ số thể hiện màu tối thiểu
9.4.7. Quy định về nhiệt độ
Nhiệt độ tối đa 34 0C
9.4.8. Quy định về độ ẩm
Độ ẩm tương đối: Theo độ ẩm môi trường
9.4.9. Quy định về độ thoáng (thông gió)
- Không gian trong xưởng phải được tính toán thiết kế đảm bảo sao cho thông gió tự nhiên là tốt nhất.
- Lưu lượng không khí ngoài (gió tươi) phải đảm bảo ≥ 25 m3/h/ người học.
9.4.10. Quy định về chống sét
Khi thiết kế hệ thống chống sét cho xưởng phải phù hợp với điều kiện thời tiết như: Giông, sét, và điện trở suất của khu vực đặt xưởng, tuân thủ các yêu cầu kỹ thuật hiện hành. Điện trở của toàn bộ hệ thống chống sét không vượt quá 10 Ω.
9.4.11. Quy định liên quan đến biển báo, cảnh báo, ký hiệu về an toàn lao động
- Trong xưởng phải được lắp biển chỉ dẫn lối đi/ lối thoát hiểm, bảng nội quy an toàn xưởng, bảng hướng dẫn thao tác/vận hành thiết bị, bảng tiêu lệnh/ nội quy phòng cháy - chữa cháy. Các biển, bảng này phải đặt ở vị trí thích hợp, dễ quan sát.
- Các biển chỉ dẫn, biển báo phải được thiết kế đúng màu sắc, hình dạng và chủng loại theo tiêu chuẩn hiện hành.
10. Xưởng gia công cắt gọt vạn năng
10.1. Chức năng của xưởng
Xưởng gia công cắt gọt vạn năng là xưởng thực hành chuyên môn được sử dụng để đào tạo các mô đun tiện, phay, xọc, doa, mài cơ bản và chuyên sâu cho một lớp học thực hành ngành, nghề Cắt gọt kim loại và các nghề cơ khí có các mô đun đào tạo tương đương. Bên cạnh đó xưởng còn hỗ trợ phục vụ các nội dung chuyên môn khác như: bài tập lớn, đồ án kỹ thuật liên quan đến việc chế tạo các chi tiết máy trên các máy gia công cắt gọt vạn năng.
10.2. Danh mục thiết bị chính
|
STT |
Tên thiết bị |
Đơn vị |
Số lượng |
|
1 |
Máy tiện |
Chiếc |
5 |
|
2 |
Máy phay |
Chiếc |
5 |
|
3 |
Máy xọc |
Chiếc |
1 |
|
4 |
Máy doa vạn năng |
Chiếc |
1 |
|
5 |
Máy mài phẳng |
Chiếc |
1 |
|
6 |
Máy mài tròn |
Chiếc |
1 |
|
7 |
Máy mài sửa dao đa năng |
Chiếc |
1 |
|
8 |
Máy khoan |
Chiếc |
2 |
|
9 |
Máy mài 2 đá |
Chiếc |
2 |
|
10 |
Bàn máp |
Chiếc |
2 |
|
11 |
Bàn nguội |
Chiếc |
6 |
|
12 |
Tủ đựng dụng cụ đo và học liệu |
Chiếc |
2 |
|
13 |
Máy tính |
Chiếc |
1 |
|
14 |
Máy chiếu |
Chiếc |
1 |
|
15 |
Bảng đen, phông máy chiếu |
Chiếc |
1 |
Bảng 10.1. Danh mục các thiết bị chính xưởng gia công cắt gọt vạn năng
Các cơ sở giáo dục nghề nghiệp căn cứ tình hình thực tế tại cơ sở để xem xét lựa chọn sơ đồ phù hợp.
10.3. Sơ đồ hướng dẫn bố trí và khoảng cách các thiết bị

Hình 10.1. Sơ đồ bố trí thiết bị xưởng gia công cắt gọt vạn năng
Ghi chú các số trong sơ đồ:
|
Ký hiệu |
Tên thiết bị |
|
1 |
Máy tiện |
|
2 |
Máy phay |
|
3 |
Máy xọc |
|
4 |
Máy doa vạn năng |
|
5 |
Máy mài phẳng |
|
6 |
Máy mài tròn |
|
7 |
Máy mài sửa dao đa năng |
|
8 |
Máy khoan |
|
9 |
Máy mài 2 đá |
|
10 |
Bàn máp |
|
11 |
Bàn nguội |
|
12 |
Tủ đựng dụng cụ đo và học liệu |
|
13 |
Máy tính |
|
14 |
Máy chiếu |
|
15 |
Bảng đen, phông máy chiếu |
|
Các bộ dụng cụ, dao, đồ bảo hộ trong danh mục sẽ được được sắp xếp và lưu trữ trong tủ để dụng cụ đo và học liệu (ký hiệu số 12 trong sơ đồ) hoặc trên các bàn nguội (ký hiệu số 11 trong sơ đồ). |
|
10.4. Các quy định đảm bảo hoạt động của xưởng
10.4.1. Quy định về không gian làm việc
- Chiều rộng và chiều dài của khu vực thao tác/ thực hành ≥ 1 m, tuy nhiên phải đảm bảo diện tích của một vị trí thực hành tối thiểu 4 m2.
- Tùy theo kết cấu và kích thước bao ngoài của thiết bị mà bố trí/lắp đặt thiết bị ở vị trí hợp lý, đủ không gian bảo trì, bảo dưỡng và sửa chữa định kỳ. Các thiết bị máy nhỏ như máy mài hai đá, máy khoan nếu không có tủ điện hoặc bộ phận tháo lắp khi sửa chữa, bảo trì, bảo dưỡng định kỳ ở phía sau để đảm bảo không gian bảo dưỡng bảo trì và vệ sinh thiết bị sau khi làm việc thì khoảng cách từ thiết bị đến tường ≥ 0,4 m. Đối với những thiết bị có tủ điện hay bộ phận tháo lắp các chi tiết liên quan đến bảo dưỡng, bảo trì và sửa chữa được quay về phía tường thì khoảng cách từ máy đến tường ≥ 1 m. Khoảng cách giữa các máy theo phương ngang ≥ 1 m, theo phương dọc có vị trí thao tác ≥ 1,5 m.
10.4.2. Quy định về diện tích
Yêu cầu về diện tích của xưởng: Tùy vào điều kiện cụ thể của từng trường nhưng diện tích của xưởng phải thỏa mãn để lắp đặt được các thiết bị như đã quy định trong danh mục thiết bị tối thiểu đã ban hành. Khoảng cách tối thiểu giữa các thiết bị phải đảm bảo khoảng cách tối thiểu trong sơ đồ.
10.4.3. Quy định về thiết kế
a. Vị trí
- Thuận tiện cho việc đi lại, học tập, giảng dạy và công tác phòng cháy - chữa cháy, lắp đặt máy móc, vận chuyển nguyên nhiên - vật liệu.
- Đặt ở tầng trệt của tòa nhà cao tầng, xưởng kết cấu thép hoặc những vị trí có tải trọng sàn đáp ứng yêu cầu.
b. Kiến trúc
- Chiều cao trần: Tối thiểu 3,6 m.
- Nền sàn đảm bảo phẳng, nhẵn, không trơn trượt và dễ dàng làm vệ sinh.
+ Sàn của phòng phải chịu được tải trọng: > 600 kg/m2.
+ Độ phẳng của nền: ± 0,2%.
+ Độ nghiêng của nền: ≤ 0,3%.
- Cửa đi
+ Chiều rộng và chiều cao cửa chính tối thiểu là 3 m.
+ Cửa sổ trong xưởng phải có kết cấu và cấu tạo đảm bảo an toàn, bền vững, phù hợp với chức năng không gian sử dụng, có giải pháp che mưa hắt và chịu được áp lực gió.
- Lối đi: nếu trong xưởng có thiết kế lối đi riêng thì bề rộng lối đi không nhỏ hơn 1 m.
10.4.4. Quy định về phòng cháy chữa cháy
Để đề phòng xảy ra sự cố cháy nổ trong phòng, trong công tác xây dựng, lắp đặt thiết bị trong phòng phải đảm bảo các tiêu chí:
- Lắp đặt dây dẫn điện, khí cụ điện đúng công suất thiết kế, tránh quá tải, chập điện gây cháy nổ.
- Xưởng phải được trang bị ít nhất 3 bình chữa cháy có chất cháy phù hợp và thể tích tối thiểu (G) không nhỏ hơn quy định trong bảng sau:
|
Khối lượng hay thể tích chất chữa cháy |
||
|
Bột, kg |
Dung dịch chất tạo bọt hoặc nước với chất phụ gia (lít) |
Chất khí chữa cháy sạch, kg |
|
G ≥ 2 |
G ≥ 6 |
G ≥ 6 |
Bảng 10.2: Quy định thể tích tối thiểu G của bình chữa cháy
- Bình chữa cháy cố định trên giá treo hoặc đặt trong tủ và phải đặt ở vị trí thoáng mát, thuận tiện khi sử dụng. Yêu cầu các tủ đựng thiết bị chữa cháy được sơn đỏ và có các ký hiệu dễ nhận biết.
10.4.5. Quy định về an toàn điện
- Nguồn điện cung cấp: 380 V/ 220 V ± 10 %, trung tính nối đất trực tiếp.
- Các thiết bị sử dụng điện trong xưởng phải được lắp đặt, đấu nối đúng kỹ thuật theo tiêu chuẩn của hệ thống lắp đặt điện hạ áp hiện hành, đảm bảo an toàn cho người và thiết bị.
- Tất cả các phần kim loại của thiết bị có thể xuất hiện điện áp nguy hiểm trong trường hợp hỏng cách điện, phải nối dẫn điện với nhau và nối với vít nối đất của thiết bị. Điện trở đo giữa vít nối đất với bất kỳ phần kim loại nào của thiết bị có thể xuất hiện điện áp nguy hiểm khi hỏng cách điện không được lớn hơn 0,1 Ω.
- Hệ thống điện cho giám sát an ninh, cảnh báo cháy, chiếu sáng (chiếu sáng chung, chiếu sáng bảo vệ, chiếu sáng sự cố) phải được thiết kế riêng, độc lập và tách khỏi đường dây điện động lực.
10.4.6. Quy định về chiếu sáng
Chiếu sáng tự nhiên và chiếu sáng nhân tạo phải đảm bảo làm việc, hoạt động bình thường và điều chỉnh được để đảm bảo yêu cầu về độ rọi, giới hạn hệ số chói lóa và hệ số thể hiện màu tối thiểu. Cụ thể như ở bảng sau:
|
Độ rọi duy trì Ēm lux |
Giới hạn hệ số chói lóa đồng nhất URGL |
Hệ số thể hiện màu tối thiểu Ra |
|
500 |
19 |
80 |
Bảng 10.3: Độ rọi, giới hạn hệ số chói lóa và hệ số thể hiện màu tối thiểu
10.4.7. Quy định về nhiệt độ
Nhiệt độ tối đa 34 0C
10.4.8. Quy định về độ ẩm
Độ ẩm tương đối: Theo độ ẩm môi trường
10.4.9. Quy định về độ thoáng (thông gió)
- Không gian trong xưởng phải được tính toán thiết kế đảm bảo sao cho thông gió tự nhiên là tốt nhất.
- Lưu lượng không khí ngoài (gió tươi) phải đảm bảo ≥ 25 m3/h/ người học.
10.4.10. Quy định về độ ồn
Mức ồn cho phép không vượt quá 85 dBA.
10.4.11. Quy định về chống sét
Khi thiết kế hệ thống chống sét cho xưởng phải phù hợp với điều kiện thời tiết như: Giông, sét, và điện trở suất của khu vực đặt xưởng, tuân thủ các yêu cầu kỹ thuật hiện hành. Điện trở của toàn bộ hệ thống chống sét không vượt quá 10 Ω.
10.4.12. Quy định liên quan đến biển báo, cảnh báo, ký hiệu về an toàn lao động
- Trong xưởng phải được lắp biển chỉ dẫn lối đi/lối thoát hiểm, bảng nội quy an toàn xưởng, bảng hướng dẫn thao tác/vận hành thiết bị, bảng tiêu lệnh/nội quy phòng cháy - chữa cháy. Các biển, bảng này phải đặt ở vị trí thích hợp, dễ quan sát.
- Các biển chỉ dẫn, biển báo phải được thiết kế đúng màu sắc, hình dạng và chủng loại theo tiêu chuẩn hiện hành.
11. Xưởng gia công cắt gọt CNC
11.1. Chức năng của xưởng
Xưởng gia công cắt gọt CNC là xưởng thực hành chuyên môn được sử dụng để đào tạo các nội dung tiện CNC, phay CNC cơ bản và nâng cao, cắt xung và cắt dây EDM cho 1 lớp học thực hành ngành, nghề Cắt gọt kim loại. Bên cạnh đó, xưởng còn được sử dụng để hỗ trợ người học trong quá trình thực hiện bài tập lớn, đồ án kỹ thuật có liên quan đến gia công và lắp ráp các sản phẩm cơ khí có độ chính xác cao. Các thiết bị đào tạo trong phòng được thiết kế cho lớp học với số lượng tối đa 10 người học.
11.2. Danh mục thiết bị chính
|
STT |
Tên thiết bị |
Đơn vị |
Số lượng |
|
1 |
Máy phay CNC |
Chiếc |
1 |
|
2 |
Máy tiện CNC |
Chiếc |
1 |
|
3 |
Máy cắt xung CNC |
Chiếc |
1 |
|
4 |
Máy cắt dây CNC |
Chiếc |
1 |
|
5 |
Máy mài sửa dao đa năng |
Chiếc |
1 |
|
6 |
Bàn nguội |
Chiếc |
2 |
|
7 |
Bàn máp |
Chiếc |
1 |
|
8 |
Hệ thống khí nén |
Chiếc |
1 |
|
9 |
Máy vi tính |
Chiếc |
1 |
|
10 |
Máy chiếu (Projector) |
Chiếc |
1 |
|
11 |
Bảng đen, phông máy chiếu |
Chiếc |
1 |
Bảng 11.1. Danh mục các thiết bị Xưởng gia công cắt gọt CNC

Hình 11.1. Sơ đồ bố trí thiết bị Xưởng gia công cắt gọt CNC
Ghi chú các số trong sơ đồ:
|
Ký hiệu |
Tên thiết bị |
|
1 |
Máy phay CNC |
|
2 |
Máy tiện CNC |
|
3 |
Máy cắt xung CNC |
|
4 |
Máy cắt dây CNC |
|
5 |
Máy mài sửa dao đa năng |
|
6 |
Bàn nguội |
|
7 |
Bàn máp |
|
8 |
Hệ thống khí nén |
|
9 |
Máy vi tính |
|
10 |
Máy chiếu (Projector) |
|
11 |
Bảng đen, phông máy chiếu |
|
Các bộ dụng cụ, dao, đồ bảo hộ trong danh mục sẽ được được sắp xếp và lưu trữ trong tủ chuyên dùng hoặc trên các bàn nguội (ký hiệu số 6 trong sơ đồ). |
|
Các cơ sở giáo dục nghề nghiệp căn cứ tình hình thực tế tại cơ sở để xem xét lựa chọn sơ đồ phù hợp.
11.4. Các quy định đảm bảo hoạt động của xưởng
11.4.1. Quy định về không gian làm việc
- Chiều rộng và chiều dài của khu vực thao tác/thực hành ≥ 1 m, tuy nhiên phải đảm bảo diện tích của một vị trí thực hành tối thiểu 4 m2.
- Tùy theo kết cấu và kích thước bao ngoài của thiết bị mà bố trí/lắp đặt thiết bị ở vị trí hợp lý, đủ không gian bảo trì, bảo dưỡng và sửa chữa định kỳ. Khi lắp đặt các máy CNC cần đảm bảo khoảng cách giữa các máy theo phương ngang (lối đi giữa 2 máy) không nhỏ hơn 1,2 m, và theo phương dọc không nhỏ hơn 1,5 m. Đối với những bộ phận của máy cần bảo trì, bảo dưỡng và sửa chữa định kỳ (tủ điện, hệ thống thủy lực, khí nén v.v...) khoảng cách từ những bộ phận này đến vật cản (tường, tủ dụng cụ v.v…) không nhỏ hơn 1 m.
11.4.2. Quy định về diện tích
Yêu cầu về diện tích của xưởng: Tùy vào điều kiện cụ thể của từng trường nhưng diện tích của xưởng phải thỏa mãn để lắp đặt được các thiết bị như đã quy định trong danh mục thiết bị tối thiểu đã ban hành. Khoảng cách tối thiểu giữa các thiết bị phải đảm bảo khoảng cách tối thiểu trong sơ đồ.
11.4.3. Quy định về thiết kế
a. Vị trí
- Thuận tiện cho việc đi lại, học tập, giảng dạy và công tác phòng cháy - chữa cháy, lắp đặt máy móc, vận chuyển nguyên nhiên - vật liệu.
- Đặt ở tầng trệt của tòa nhà cao tầng, xưởng kết cấu thép hoặc những vị trí có tải trọng sàn đáp ứng yêu cầu.
b. Kiến trúc
- Chiều cao trần: Tối thiểu 3,6 m.
- Nền sàn đảm bảo phẳng, nhẵn, không trơn trượt và dễ dàng làm vệ sinh.
+ Sàn của phòng phải chịu được tải trọng: > 600 kg/m2.
+ Độ phẳng của nền: ± 0,2%.
+ Độ nghiêng của nền: ≤ 0,3%.
- Cửa đi
+ Chiều rộng cửa chính tối thiểu là 3,5 m, chiều cao tối thiểu là 3 m.
+ Cửa sổ trong xưởng phải có kết cấu và cấu tạo đảm bảo an toàn, bền vững, phù hợp với chức năng không gian sử dụng, có giải pháp che mưa hắt và chịu được áp lực gió.
- Lối đi: nếu trong xưởng có thiết kế lối đi riêng thì bề rộng lối đi không nhỏ hơn 1 m.
11.4.4. Quy định về phòng cháy chữa cháy
Để đề phòng xảy ra sự cố cháy nổ trong phòng, trong công tác xây dựng, lắp đặt thiết bị trong phòng phải đảm bảo các tiêu chí:
- Lắp đặt dây dẫn điện, khí cụ điện đúng công suất thiết kế, tránh quá tải, chập điện gây cháy nổ.
- Xưởng phải được trang bị ít nhất 2 bình chữa cháy có chất cháy phù hợp và thể tích tối thiểu (G) không nhỏ hơn quy định trong bảng sau:
|
Khối lượng hay thể tích chất chữa cháy |
||
|
Bột, kg |
Dung dịch chất tạo bọt hoặc nước với chất phụ gia (lít) |
Chất khí chữa cháy sạch, kg |
|
G ≥ 2 |
G ≥ 6 |
G ≥ 6 |
Bảng 11.2: Quy định thể tích tối thiểu G của bình chữa cháy
- Bình chữa cháy cố định trên giá treo hoặc đặt trong tủ và phải đặt ở vị trí thoáng mát, thuận tiện khi sử dụng. Yêu cầu các tủ đựng thiết bị chữa cháy được sơn đỏ và có các ký hiệu dễ nhận biết.
11.4.5. Quy định về an toàn điện
- Nguồn điện cung cấp: 380 V/220 V (± 10 %), trung tính nối đất trực tiếp.
- Các thiết bị sử dụng điện trong xưởng phải được lắp đặt, đấu nối đúng kỹ thuật theo tiêu chuẩn của hệ thống lắp đặt điện hạ áp hiện hành, đảm bảo an toàn cho người và thiết bị.
- Tất cả các phần kim loại của thiết bị có thể xuất hiện điện áp nguy hiểm trong trường hợp hỏng cách điện, phải nối dẫn điện với nhau và nối với vít nối đất của thiết bị. Điện trở đo giữa vít nối đất với bất kỳ phần kim loại nào của thiết bị có thể xuất hiện điện áp nguy hiểm khi hỏng cách điện không được lớn hơn 0,1 Ω.
- Hệ thống điện cho giám sát an ninh, cảnh báo cháy, chiếu sáng (chiếu sáng chung, chiếu sáng bảo vệ, chiếu sáng sự cố) phải được thiết kế riêng, độc lập và tách khỏi đường dây điện động lực.
11.4.6. Quy định về chiếu sáng
Chiếu sáng tự nhiên và chiếu sáng nhân tạo phải đảm bảo làm việc, hoạt động bình thường và điều chỉnh được để đảm bảo yêu cầu về độ rọi, giới hạn hệ số chói lóa và hệ số thể hiện màu tối thiểu. Cụ thể như ở bảng sau:
|
Độ rọi duy trì Ēm lux |
Giới hạn hệ số chói lóa đồng nhất URGL |
Hệ số thể hiện màu tối thiểu Ra |
|
500 |
19 |
80 |
Bảng 11.3: Độ rọi, giới hạn hệ số chói lóa và hệ số thể hiện màu tối thiểu
11.4.7. Quy định về nhiệt độ
Nhiệt độ tối đa 34 0C
11.4.8. Quy định về độ ẩm
Độ ẩm tương đối: Theo độ ẩm môi trường
11.4.9. Quy định về độ thoáng (thông gió)
- Không gian trong xưởng phải được tính toán thiết kế đảm bảo sao cho thông gió tự nhiên là tốt nhất. Để đảm bảo yêu cầu vi khí hậu và nhiệt độ trong quá trình học, nên sử dụng thiết bị điều hòa không khí.
- Lưu lượng không khí ngoài (gió tươi) phải đảm bảo ≥ 25 m3/h/người học.
11.4.10. Quy định về chống sét
Khi thiết kế hệ thống chống sét cho xưởng phải phù hợp với điều kiện thời tiết như: Giông, sét, và điện trở suất của khu vực đặt xưởng, tuân thủ các yêu cầu kỹ thuật hiện hành. Điện trở của toàn bộ hệ thống chống sét không vượt quá 10 Ω.
11.4.11. Quy định về cấp, thoát nước (nếu trong thiết kế xưởng có khu vực vệ sinh)
- Hệ thống cấp nước phải thiết kế đảm bảo các yêu cầu công nghệ, không làm ăn mòn đường ống và phụ tùng, không làm lắng cặn và phát triển chất bám... trong đường ống.
- Việc xả nước thải vào hệ thống thoát nước phải đảm bảo các yêu cầu sau: không ảnh hưởng xấu tới sự hoạt động của đường cống thoát nước và công trình xử lý nước thải, không chứa các chất có khả năng phá hủy vật liệu, dính bám lên thành ống hoặc làm tắc cống thoát nước và các công trình khác của hệ thống thoát nước.
- Các dung dịch được sử dụng trong quá trình gia công, vệ sinh bảo trì - bảo dưỡng thiết bị, đã qua sử dụng phải được xử lý theo quy định, không được phép xả trực tiếp vào hệ thống thoát nước thải.
- Hệ thống thoát nước mưa trên mái cần đảm bảo thoát nước mưa với mọi thời tiết trong năm. Hệ thống thoát nước mưa trên mái được thu gom qua các phễu thu chảy đến các ống đứng. Bố trí phễu thu nước mưa trên mái cần tính toán dựa vào mặt bằng mái, diện tích thu nước cho phép của một phễu thu và kết cấu mái.
11.4.12. Quy định liên quan đến biển báo, cảnh báo, ký hiệu về an toàn lao động
- Trong xưởng phải được lắp biển chỉ dẫn lối đi/lối thoát hiểm, bảng nội quy an toàn xưởng, bảng hướng dẫn thao tác/vận hành thiết bị, bảng tiêu lệnh/nội quy phòng cháy - chữa cháy. Các biển, bảng này phải đặt ở vị trí thích hợp, dễ quan sát.
- Các biển chỉ dẫn, biển báo phải được thiết kế đúng màu sắc, hình dạng và chủng loại theo tiêu chuẩn hiện hành.
11.4.13. Quy định về thiết bị nén khí
- Bố trí thiết bị nén khí phải đảm bảo thuận tiện và an toàn khi lắp ráp, vận hành, bảo dưỡng kỹ thuật và sửa chữa
- Các thiết bị điện của thiết bị nén khí cần đảm bảo các yêu cầu an toàn điện của thiết bị điện
- Dầu và chất lỏng bôi trơn dùng để bôi trơn các bộ phận của thiết bị nén khí phải bảo toàn chất lượng của chúng trong môi trường khí nén
- Kết cấu các bộ phận của máy nén khí phải loại trừ khả năng chảy dầu bôi trơn ra nơi làm việc
- Đường ống dẫn khí của thiết bị nén khí cần phải được chế tạo phù hợp với các quy định cơ bản về thiết bị công nghệ và tuỳ theo tính chất của khí nén đáp ứng các yêu cầu về bố trí và vận hành an toàn thiết bị nén khí.
- Bình tích áp phải được kiểm định định kỳ theo quy định hiện hành.
11.4.14. Quy định về hệ thống thông tin liên lạc, viễn thông
- Hệ thống thông tin liên lạc, viễn thông phải đồng bộ và tuân theo các quy định chuyên ngành có liên quan, đáp ứng công suất sử dụng hiện tại và phát triển trong tương lai. Đảm bảo kết nối tín hiệu ổn định từ các máy tính đến các máy CNC, đặc biệt khi truyền các dữ liệu gia công từ phần mềm CAD/CAM vào bộ nhớ máy hoặc truyền trực tiếp DNC.
- Thiết kế lắp đặt hệ thống thông tin liên lạc, viễn thông phải đảm bảo an toàn, thuận tiện cho khai thác sử dụng và đấu nối với các dịch vụ của nhà cung cấp. Có khả năng thay thế, sửa chữa và đảm bảo khoảng cách tới các đường ống kỹ thuật khác.
PHẦN III
CÁC TIÊU CHUẨN THAM CHIẾU
1. TCVN 9210:2012 - Trường dạy nghề - Tiêu chuẩn thiết kế
2. TCVN 2622:1995 - Phòng cháy, chống cháy cho nhà và công trình - Yêu cầu thiết kế
3. TCVN 3890:2009 - Phương tiện phòng cháy và chữa cháy cho nhà và công trình - Trang bị, bố trí, kiểm tra, bảo dưỡng
4. TCVN 7435:2004 - Phòng cháy, chữa cháy - bình chữa cháy xách tay và xe đẩy chữa cháy - Phần 1: lựa chọn và bố trí; Phần 2: Kiểm tra và bảo dưỡng
5. TCVN 9385:2012 - Chống sét cho công trình xây dựng - Hướng dẫn thiết kế, kiểm tra và bảo trì hệ thống
6. QCXDVN 05:2008/BXD - Nhà ở và công trình công cộng - An toàn sinh mạng và sức khỏe
7. TCVN 4319:2012 - Nhà và công trình công cộng - Nguyên tắc cơ bản để thiết kế
8. TCVN 4604:2012 - Xí nghiệp công nghiệp - Nhà sản xuất - Tiêu chuẩn thiết kế
9. TCVN 5508:2009 - Không khí vùng làm việc - Yêu cầu về điều kiện vi khí hậu và phương pháp đo
10. TCVN 7112:2002 - Ecgônômi - Môi trường nóng - Đánh giá stress nhiệt đối với người lao động bằng chỉ số wbgt (nhiệt độ cầu ướt)
11. TCVN 2737:1995 - Tải trọng và tác động - Tiêu chuẩn thiết kế
12. TCVN 3748:1983 - Máy gia công kim loại - Yêu cầu chung về an toàn
13. TCVN 4726:1989 - Kỹ thuật an toàn - Máy cắt kim loại - Yêu cầu đối với trang bị điện
14. TCVN 9520:2012 - Trung tâm dữ liệu - Yêu cầu về hạ tầng kỹ thuật viễn thông
15. TCVN 3985:1999 - Âm học - mức ồn cho phép tại các vị trí làm việc
16. TCVN 5687:2010 - Thông gió - Điều hòa không khí - Tiêu chuẩn thiết kế
17. TCVN 7447:2010 - Hệ thống lắp đặt điện hạ áp
18. TCXD 16:1986 - Chiếu sáng nhân tạo trong công trình dân dụng
19. TCXD 29:1991 - Chiếu sáng tự nhiên trong công trình dân dụng - Tiêu chuẩn thiết kế
20. TCVN 7114:2008 - Ecgônômi - Chiếu sáng nơi làm việc
21. TCVN 4513:1988 - Cấp nước bên trong - Tiêu chuẩn thiết kế
22. TCVN 4474:1987 - Thoát nước bên trong - Tiêu chuẩn thiết kế
23. TCVN 8092:2009 - Ký hiệu đồ họa - màu sắc an toàn và biển báo an toàn - biển báo an toàn sử dụng ở nơi làm việc và nơi công cộng
24. TCVN 5181:1990 - Thiết bị nén khí - Yêu cầu chung về an toàn
Phụ lục 02
QUY ĐỊNH CƠ SỞ VẬT CHẤT TRONG THỰC HÀNH, THỰC NGHIỆM, THÍ NGHIỆM ĐÀO TẠO
(Ban hành kèm theo Thông tư số 12/2020/TT-BLĐTBXH ngày 27 tháng 11 năm 2020 của Bộ trưởng Bộ Lao động - Thương binh và Xã hội)
Năm 2020
|
MỤC LỤC
Trang
Phần I. Phần thuyết minh 2
Phần II. Quy định về tiêu chuẩn cho từng phòng chức năng 3
1. Quy định chung 3
2. Phòng kỹ thuật cơ sở 4
3. Phòng thực hành máy vi tính 10
4. Phòng học ngoại ngữ 16
5. Phòng thực hành cơ khí 22
6. Phòng thực hành điện - điện tử 28
7. Phòng thực hành lạnh cơ bản 34
8. Phòng thực hành điều hòa không khí dân dụng và thương mại 41
9. Phòng thực hành điều hòa không khí trung tâm 48
10. Phòng thực hành máy lạnh dân dụng và thương mại 54
11. Phòng thực hành máy lạnh công nghiệp 60
Phần III. Các tiêu chuẩn tham chiếu 66
PHẦN I
PHẦN THUYẾT MINH
Quy định cơ sở vật chất trong thực hành, thực nghiệm, thí nghiệm được áp dụng để thiết kế, xây dựng mới hoặc cải tạo khu thực hành cho ngành, nghề Kỹ thuật máy lạnh và điều hòa không khí trình độ trung cấp, trình độ cao đẳng.
Quy định cơ sở vật chất trong thực hành, thực nghiệm, thí nghiệm để hướng dẫn chi tiết cho từng loại phòng/xưởng thực hành, thực nghiệm, thí nghiệm và đề xuất một số sơ đồ hướng dẫn về bố trí, lắp đặt thiết bị trong từng phòng/xưởng để đạt hiệu quả cao trong đào tạo.
Ngành, nghề Kỹ thuật máy lạnh và điều hòa không khí được bố trí trong 10 phòng/xưởng gồm:
1. Phòng kỹ thuật cơ sở
2. Phòng thực hành máy vi tính
3. Phòng học ngoại ngữ
4. Phòng thực hành cơ khí
5. Phòng thực hành Điện - Điện tử
6. Phòng thực hành Lạnh cơ bản
7. Phòng thực hành điều hòa không khí dân dụng và thương mại
8. Phòng thực hành điều hòa không khí trung tâm
9. Phòng thực hành máy lạnh dân dụng và thương mại
10. Phòng thực hành máy lạnh công nghiệp
Riêng đối với Phòng thực hành điều hòa không khí trung tâm chỉ áp dụng quy định cho trình độ cao đẳng, các phòng khác áp dụng cho cả trình độ cao đẳng và trung cấp
Quy định cơ sở vật chất trong thực hành, thực nghiệm, thí nghiệm cho ngành, nghề Kỹ thuật máy lạnh và điều hòa không khí áp dụng để lập kế hoạch đầu tư, thẩm định dự án đầu tư xây dựng mới hoặc cải tạo khu thực hành, thực nghiệm, thí nghiệm ngành, nghề Kỹ thuật máy lạnh và điều hòa không khí trình độ trung cấp, trình độ cao đẳng trong phạm vi cả nước.
PHẦN II
QUY ĐỊNH VỀ TIÊU CHUẨN CHO TỪNG PHÒNG/XƯỞNG CHỨC NĂNG
1. Quy định chung
Phòng/xưởng thực hành, thực nghiệm, thí nghiệm phải có không gian nghiên cứu khoa học và tổ chức sản xuất hoặc xây dựng các mô hình thiết bị, đào tạo tay nghề chuyên sâu, được thiết kế và xây dựng theo tiêu chuẩn xây dựng hiện hành, phải đảm bảo điều kiện vệ sinh môi trường, yêu cầu thông gió tự nhiên và thông gió cưỡng bức.
Phòng thực hành máy vi tính, phòng ngoại ngữ có thể sử dụng chung cho nhiều ngành, nghề đào tạo trong cơ sở giáo dục nghề nghiệp.
Hạn chế đặt các phòng/xưởng thực hành, thực nghiệm, thí nghiệm gần các trạm biến thế có công suất lớn, đường dây cao thế, các vùng có nguy cơ bị lụt, bị lũ quét, khe gió mạnh, khu vực có nhiều hóa chất, ăn mòn kim loại, khu vực dễ có nguy cơ cháy nổ.
Ưu tiên vị trí có giao thông thuận tiện cho việc phòng cháy, chữa cháy.
Quy định cơ sở vật chất trong thực hành, thực nghiệm, thí nghiệm tại thời điểm áp dụng có chất lượng thấp hơn Tiêu chuẩn quốc gia hiện hành thì Tiêu chuẩn quốc gia được thay thế Quy định cơ sở vật chất trong thực hành, thực nghiệm, thí nghiệm.
2. Phòng kỹ thuật cơ sở
2.1. Chức năng của phòng
Phòng học kỹ thuật cơ sở là phòng được trang bị các thiết bị sử dụng để dạy và học các nội dung lý thuyết và những nội dung thực hành đơn giản của ngành, nghề Kỹ thuật máy lạnh và điều hòa không khí. Các thiết bị đào tạo trong phòng được thiết kế cho lớp học với số lượng tối đa 35 người học.
2.2. Danh mục thiết bị chính
|
TT |
Tên thiết bị |
Đơn vị |
Số lượng |
|
1 |
Máy tính |
Bộ |
1 |
|
2 |
Máy chiếu (Projector) |
Bộ |
1 |
|
3 |
Tủ đựng hồ sơ và dụng cụ |
Chiếc |
2 |
|
4 |
Bảng di động |
Chiếc |
1 |
|
5 |
Bảng đen, phông máy chiếu |
Chiếc |
1 |
Bảng 2.1. Danh mục các thiết bị chính phòng Kỹ thuật cơ sở
Ghi chú: Các mô hình, cơ cấu, dụng cụ, đồ bảo hộ trong danh mục sẽ được sắp xếp và lưu trữ trong các tủ đựng hồ sơ và dụng cụ.
Đối với các thiết bị chiếm diện tích lớn hoặc số lượng nhiều có thể bố trí trong kho/phòng được thiết kế riêng.
2.3. Sơ đồ hướng dẫn bố trí và khoảng cách các thiết bị

Hình 2.1: Sơ đồ hướng dẫn bố trí và khoảng cách thiết bị phòng Kỹ thuật cơ sở
Ghi chú các số trong sơ đồ:
1. Máy tính
2. Máy chiếu (Projector)
3. Tủ đựng hồ sơ và dụng cụ
4. Bảng di động
5. Bảng đen, phông máy chiếu
2.4. Các quy định đảm bảo hoạt động của phòng
2.4.1. Quy định về không gian làm việc
Khoảng cách giữa các thiết bị trong phòng phải đảm bảo theo quy định như mô tả ở hình 2.1 và bảng 2.2
|
Ký hiệu |
Tên gọi các khoảng cách |
Kích thước |
|
b |
Chiều rộng phòng học, không nhỏ hơn |
7,2 m |
|
n1 |
Khoảng cách giữa các dãy bàn, không nhỏ hơn |
0,6 m |
|
n2 |
Khoảng cách giữa dãy bàn ngoài và tường ngoài, không nhỏ hơn |
0,5 m |
|
y |
Khoảng cách từ dãy bàn cuối đến bảng, không lớn hơn |
10,0 m |
|
y1 |
Khoảng cách từ dãy bàn đầu đến bảng, không nhỏ hơn |
2,0 m |
|
y2 |
Khoảng cách giữa hai bàn trong cùng một dãy, không nhỏ hơn |
0,6 m |
|
y3 |
Khoảng cách từ dãy bàn cuối tới tường sau, không nhỏ hơn |
0,7 m |
|
y4 |
Khoảng cách từ bàn giáo viên đến bảng, không nhỏ hơn |
0,8 m |
|
α |
Góc nhìn từ chỗ ngồi ngoài cùng ở bàn đầu đến mép trong của bảng, không nhỏ hơn |
300 |
Bảng 2.2: Khoảng cách giữa các thiết bị trong phòng học
2.4.2. Quy định về diện tích
Yêu cầu về diện tích của phòng: Tối thiểu 60 m2
2.4.3. Quy định về thiết kế
a. Vị trí: vị trí của phòng phải đảm bảo các yêu cầu sau
- Thuận tiện cho việc đi lại, học tập, giảng dạy và công tác phòng cháy, chữa cháy.
- Phòng phải cách xa các nguồn gây tiếng ồn hoặc có mùi vị (xưởng thực hành, phòng thí nghiệm hóa, nhà ăn, nhà bếp ...).
b. Kiến trúc
Chiều cao trần: Tối thiểu 3 m.
- Nền sàn đảm bảo phẳng, nhẵn, không trơn trượt và dễ dàng làm vệ sinh.
+ Sàn của phòng phải chịu được tải trọng: > 400 kg/m2.
+ Độ phẳng của nền: ± 0,2%.
+ Độ nghiêng của nền: ≤ 0,3%.
- Cửa đi:
+ Phòng phải có ít nhất 2 cửa ra vào, một cửa được bố trí ở đầu lớp và một cửa được bố trí ở cuối lớp.
+ Chiều rộng cửa tối thiểu là 1,2 m và chiều cao tối thiểu là 2,1 m.
2.4.4. Quy định về phòng cháy chữa cháy
Để đề phòng xảy ra sự cố cháy nổ trong phòng, trong công tác xây dựng, lắp đặt thiết bị trong phòng phải đảm bảo các tiêu chí:
- Lắp đặt dây dẫn điện, khí cụ điện đúng công suất thiết kế, tránh quá tải, chập điện gây cháy nổ.
- Phòng phải được trang bị ít nhất 1 bình chữa cháy có chất cháy phù hợp và thể tích tối thiểu (G) không nhỏ hơn quy định trong bảng sau:
|
Khối lượng hay thể tích chất chữa cháy |
||
|
Bột (kg) |
Dung dịch chất tạo bọt hoặc nước với chất phụ gia (lít) |
Chất khí chữa cháy sạch (kg) |
|
G ≥ 2 |
G ≥ 6 |
G ≥ 6 |
Bảng 2.3: Quy định thể tích tối thiểu G của bình chữa cháy
- Bình chữa cháy cố định trên giá treo hoặc đặt trong tủ và phải đặt ở vị trí thoáng mát, thuận tiện khi sử dụng. Yêu cầu các tủ đựng thiết bị chữa cháy được sơn đỏ và có các ký hiệu dễ nhận biết.
2.4.5. Quy định định về an toàn điện
- Nguồn điện cung cấp: 220 V (± 10 %)
- Các thiết bị sử dụng điện trong phòng phải được lắp đặt, đấu nối đúng kỹ thuật theo tiêu chuẩn của hệ thống lắp đặt điện hạ áp hiện hành, đảm bảo an toàn cho người và thiết bị.
- Hệ thống điện cho giám sát an ninh, cảnh báo cháy, hệ thống đèn chiếu sáng sự cố phải được thiết kế riêng, độc lập.
2.4.6. Quy định về chiếu sáng
Chiếu sáng tự nhiên và chiếu sáng nhân tạo phải đảm bảo làm việc, hoạt động bình thường và điều chỉnh được để đảm bảo yêu cầu về độ rọi, giới hạn hệ số chói lóa và hệ số thể hiện màu tối thiểu. Cụ thể như ở bảng sau:
|
Độ rọi duy trì Ēm lux |
Giới hạn hệ số chói lóa đồng nhất URGL |
Hệ số thể hiện màu tối thiểu Ra |
|
500 |
19 |
80 |
Bảng 2.4: Độ rọi, giới hạn hệ số chói lóa và hệ số thể hiện màu tối thiểu
2.4.7. Tiêu chuẩn về nhiệt độ
Nhiệt độ tối đa 34 0C
2.4.8. Quy định về độ ẩm
Độ ẩm tương đối: Theo độ ẩm môi trường
2.4.9. Quy định về độ thoáng (thông gió)
- Không gian trong phòng phải được tính toán thiết kế đảm bảo thông gió tự nhiên
- Thông gió tự nhiên phải đảm bảo lưu lượng không khí ngoài (gió tươi) phải đảm bảo ≥25m3/h/người học.
2.4.10. Quy định về chống sét
Khi thiết kế hệ thống chống sét cho phòng phải phù hợp với điều kiện thời tiết như: Giông, sét, và điện trở suất của khu vực đặt phòng, tuân thủ các yêu cầu kỹ thuật hiện hành. Điện trở của toàn bộ hệ thống chống sét không vượt quá 10 Ω.
2.4.11. Quy định liên quan đến biển báo, cảnh báo, ký hiệu về an toàn lao động
- Trong phòng phải được lắp biển chỉ dẫn lối đi/lối thoát hiểm, nội quy phòng, bảng tiêu lệnh/nội quy phòng cháy - chữa cháy. Các biển này phải đặt ở vị trí thích hợp, dễ quan sát.
- Các biển chỉ dẫn, biển báo phải được thiết kế đúng màu sắc, hình dạng và chủng loại theo tiêu chuẩn hiện hành.
2.4.12. Quy định về hệ thống thông tin liên lạc, viễn thông
- Hệ thống thông tin liên lạc, viễn thông phải đồng bộ và tuân theo các quy định chuyên ngành có liên quan, đáp ứng công suất sử dụng hiện tại và phát triển trong tương lai.
- Thiết kế lắp đặt hệ thống thông tin liên lạc, viễn thông phải đảm bảo an toàn, thuận tiện cho khai thác sử dụng và đấu nối với các dịch vụ của nhà cung cấp. Có khả năng thay thế, sửa chữa và đảm bảo khoảng cách tới các đường ống kỹ thuật khác.
3. Phòng thực hành máy vi tính
3.1. Chức năng của phòng
Phòng máy tính là không gian để rèn luyện các kỹ năng tính toán thiết kế, vẽ kỹ thuật, tìm hiểu các tiêu chuẩn và quy phạm của ngành. Ngoài ra, phòng máy tính còn là không gian để rèn luyện kỹ năng tin học văn phòng, lập trình PLC. Các thiết bị đào tạo trong phòng được thiết kế cho lớp học với số lượng tối đa 18 người học.
3.2. Danh mục thiết bị chính
|
TT |
Tên thiết bị |
Đơn vị |
Số lượng |
|
1 |
Máy vi tính |
Bộ |
19 |
|
2 |
Máy chiếu (Projector) |
Bộ |
1 |
|
3 |
Máy in |
Chiếc |
1 |
|
4 |
Máy Scan (Scanner) |
Chiếc |
1 |
|
5 |
Tủ đựng dụng cụ |
Chiếc |
1 |
|
6 |
Bảng đen, phông máy chiếu |
Chiếc |
1 |
Bảng 3.1. Danh mục các thiết bị chính phòng Thực hành máy vi tính
3.3. Sơ đồ hướng dẫn bố trí và khoảng cách các thiết bị

Hình 3.1: Sơ đồ hướng dẫn bố trí và khoảng cách các thiết bị phòng thực hành máy vi tính
Ghi chú các số trong sơ đồ:
1. Máy tính
2. Máy chiếu (Projector)
3. Máy in
4. Máy Scan (Scanner)
5. Tủ đựng dụng cụ
6. Bảng đen, phông máy chiếu
3.4. Các quy định đảm bảo hoạt động của phòng
3.4.1. Quy định về không gian làm việc
Khoảng cách giữa các thiết bị trong phòng phải đảm bảo theo quy định như mô tả ở hình 3.1 và bảng 3.2
|
Ký hiệu |
Tên gọi các khoảng cách |
Kích thước |
|
b |
Chiều rộng phòng học, không nhỏ hơn: |
7,2 m |
|
n1 |
Khoảng cách giữa các dãy bàn, không nhỏ hơn |
0,6 m |
|
n2 |
Khoảng cách giữa dãy bàn ngoài và tường ngoài, không nhỏ hơn |
0,5 m |
|
y |
Khoảng cách từ dãy bàn cuối đến bảng, không lớn hơn |
10,0 m |
|
y1 |
Khoảng cách từ dãy bàn đầu đến bảng, không nhỏ hơn |
2,0 m |
|
y2 |
Khoảng cách giữa hai bàn trong cùng một dãy, không nhỏ hơn |
0,6 m |
|
y3 |
Khoảng cách từ dãy bàn cuối tới tường sau, không nhỏ hơn |
0,7 m |
|
y4 |
Khoảng cách từ bàn giáo viên đến bảng, không nhỏ hơn |
0,8 m |
|
α |
Góc nhìn từ chỗ ngồi ngoài cùng ở bàn đầu đến mép trong của bảng, không nhỏ hơn |
300 |
Bảng 3.2: Khoảng cách giữa các thiết bị trong phòng thực hành máy vi tính
3.4.2. Quy định về diện tích
Yêu cầu về diện tích của phòng: Tối thiểu 48 m2
3.4.3. Quy định về thiết kế
a. Vị trí: vị trí của phòng phải đảm bảo các yêu cầu sau
- Thuận tiện cho việc đi lại, học tập, giảng dạy và công tác phòng cháy - chữa cháy.
- Tránh đặt gần khu vực dễ có nguy cơ cháy nổ, các nguồn nhiễu điện từ như các máy biến áp, các động cơ và máy phát điện, thiết bị hàn nhiệt.
b. Kiến trúc
- Chiều cao trần: Tối thiểu 3 m.
- Nền sàn đảm bảo phẳng, nhẵn, không trơn trượt và dễ dàng làm vệ sinh.
+ Sàn của phòng phải chịu được tải trọng: > 400 kg/m2.
+ Độ phẳng của nền: ± 0,2%.
+ Độ nghiêng của nền: ≤ 0,3%.
- Cửa đi:
+ Phòng phải có ít nhất 2 cửa ra vào, một cửa được bố trí ở đầu lớp và một cửa được bố trí ở cuối lớp.
+ Chiều rộng cửa tối thiểu là 1,2 m và chiều cao tối thiểu là 2,1 m.
3.4.4. Quy định về phòng cháy chữa cháy
Để đề phòng xảy ra sự cố cháy nổ trong phòng, trong công tác xây dựng, lắp đặt thiết bị trong phòng phải đảm bảo các tiêu chí:
- Lắp đặt dây dẫn điện, khí cụ điện đúng công suất thiết kế, tránh quá tải, chập điện gây cháy nổ.
- Phòng phải được trang bị ít nhất 1 bình chữa cháy có chất cháy phù hợp và thể tích tối thiểu (G) không nhỏ hơn quy định trong bảng sau:
|
Khối lượng hay thể tích chất chữa cháy |
||
|
Bột, kg |
Dung dịch chất tạo bọt hoặc nước với chất phụ gia (lít) |
Chất khí chữa cháy sạch, kg |
|
G ≥ 2 |
G ≥ 6 |
G ≥ 6 |
Bảng 3.3: Quy định thể tích tối thiểu G của bình chữa cháy
- Bình chữa cháy cố định trên giá treo hoặc đặt trong tủ và phải đặt ở vị trí thoáng mát, thuận tiện khi sử dụng. Yêu cầu các tủ đựng thiết bị chữa cháy được sơn đỏ và có các ký hiệu dễ nhận biết.
3.4.5. Quy định định về an toàn điện
- Nguồn điện cung cấp: 220 V (± 10 %)
- Các thiết bị sử dụng điện trong phòng phải được lắp đặt, đấu nối đúng kỹ thuật theo tiêu chuẩn của hệ thống lắp đặt điện hạ áp hiện hành, đảm bảo an toàn cho người và thiết bị.
- Hệ thống điện cho giám sát an ninh, cảnh báo cháy, chiếu sáng sự cố phải được thiết kế riêng, độc lập.
3.4.6. Quy định về chiếu sáng
Chiếu sáng tự nhiên và chiếu sáng nhân tạo phải đảm bảo làm việc, hoạt động bình thường và điều chỉnh được để đảm bảo yêu cầu về độ rọi, giới hạn hệ số chói lóa và hệ số thể hiện màu tối thiểu. Cụ thể như ở bảng sau:
|
Độ rọi duy trì Ēm lux |
Giới hạn hệ số chói lóa đồng nhất URGL |
Hệ số thể hiện màu tối thiểu Ra |
|
500 |
19 |
80 |
Bảng 3.4: Độ rọi, giới hạn hệ số chói lóa và hệ số thể hiện màu tối thiểu
3.4.7. Tiêu chuẩn về nhiệt độ
Nhiệt độ tối đa 28 0C
3.4.8. Quy định về độ ẩm
Độ ẩm tương đối: Theo độ ẩm môi trường
3.4.9. Quy định về độ thoáng (thông gió)
- Không gian trong phòng phải được tính toán thiết kế đảm bảo sao cho thông gió tự nhiên là tốt nhất. Để đảm bảo yêu cầu vi khí hậu và nhiệt độ trong quá trình học, nên sử dụng thiết bị điều hòa không khí.
- Lưu lượng không khí ngoài (gió tươi) phải đảm bảo > 25m3/h/người học.
3.4.10. Quy định về chống sét
Khi thiết kế hệ thống chống sét cho xưởng phải phù hợp với điều kiện thời tiết như: Giông, sét, và điện trở suất của khu vực đặt xưởng, tuân thủ các yêu cầu kỹ thuật hiện hành. Điện trở của toàn bộ hệ thống chống sét không vượt quá 10 Ω.
3.4.11. Quy định về độ bụi
Nồng độ bụi trong phòng thấp hơn 100µg/ m3/ 24h.
3.4.12. Quy định liên quan đến biển báo, cảnh báo, ký hiệu về an toàn lao động
- Trong phòng phải được lắp biển chỉ dẫn lối đi/lối thoát hiểm, nội quy phòng, bảng tiêu lệnh/nội quy phòng cháy - chữa cháy. Các biển này phải đặt ở vị trí thích hợp, dễ quan sát.
- Các biển chỉ dẫn, biển báo phải được thiết kế đúng màu sắc, hình dạng và chủng loại theo tiêu chuẩn hiện hành.
3.4.13. Quy định về hệ thống thông tin liên lạc, viễn thông
- Hệ thống thông tin liên lạc, viễn thông phải đồng bộ và tuân theo các quy định chuyên ngành có liên quan, đáp ứng công suất sử dụng hiện tại và phát triển trong tương lai. Đảm bảo kết nối tín hiệu ổn định từ máy chủ đến các máy tính và giữa các máy tính với nhau.
- Thiết kế lắp đặt hệ thống thông tin liên lạc, viễn thông phải đảm bảo an toàn, thuận tiện cho khai thác sử dụng và đấu nối với các dịch vụ của nhà cung cấp. Có khả năng thay thế, sửa chữa và đảm bảo khoảng cách tới các đường ống kỹ thuật khác.
4. Phòng học ngoại ngữ
4.1. Chức năng của phòng:
Phòng học ngoại ngữ là phòng học tích hợp được sử dụng để giảng dạy môn ngoại ngữ cho 01 lớp học tối đa 18 người học.
4.2. Danh mục thiết bị chính
|
TT |
Tên thiết bị |
Đơn vị |
Số lượng |
|
1 |
Máy vi tính |
Bộ |
19 |
|
2 |
Máy chiếu (Projector) |
Bộ |
1 |
|
3 |
Máy Scan (Scanner) |
Chiếc |
1 |
|
4 |
Bàn điều khiển |
Chiếc |
1 |
|
5 |
Khối điều khiển trung tâm |
Chiếc |
1 |
|
6 |
Khối điều khiển thiết bị ngoại vi |
Bộ |
1 |
|
7 |
Tai nghe |
Bộ |
19 |
|
8 |
Bảng đen, phông máy chiếu |
Chiếc |
1 |
Bảng 4.1. Danh mục các thiết bị chính phòng học ngoại ngữ
4.3. Sơ đồ hướng dẫn bố trí và khoảng cách các thiết bị

Hình 4.1: Sơ đồ hướng dẫn bố trí và khoảng cách thiết bị phòng học ngoại ngữ
Ghi chú các số trong sơ đồ:
1. Máy vi tính
2. Máy chiếu (Projector)
3. Máy Scan (Scanner)
4. Bàn điều khiển
5. Khối điều khiển trung tâm
6. Khối điều khiển thiết bị ngoại vi
7. Tai nghe
8. Bảng đen, phông máy chiếu
4.4. Các quy định đảm bảo hoạt động của phòng
4.4.1. Quy định về không gian làm việc
Khoảng cách giữa các thiết bị trong phòng phải đảm bảo theo quy định như mô tả ở hình 4.1 và bảng 4.2
|
Ký hiệu |
Tên gọi các khoảng cách |
Kích thước |
|
b |
Chiều rộng phòng học, không nhỏ hơn: |
7,2 m |
|
n1 |
Khoảng cách giữa các dãy bàn, không nhỏ hơn |
0,6 m |
|
n2 |
Khoảng cách giữa dãy bàn ngoài và tường ngoài, không nhỏ hơn |
0,5 m |
|
y |
Khoảng cách từ dãy bàn cuối đến bảng, không lớn hơn |
10,0 m |
|
y1 |
Khoảng cách từ dãy bàn đầu đến bảng, không nhỏ hơn |
2,0 m |
|
y2 |
Khoảng cách giữa hai bàn trong cùng một dãy, không nhỏ hơn |
0,6 m |
|
y3 |
Khoảng cách từ dãy bàn cuối tới tường sau, không nhỏ hơn |
0,7 m |
|
y4 |
Khoảng cách từ bàn giáo viên đến bảng, không nhỏ hơn |
0,8 m |
|
α |
Góc nhìn từ chỗ ngồi ngoài cùng ở bàn đầu đến mép trong của bảng, không nhỏ hơn |
300 |
Bảng 4.2: Khoảng cách giữa các thiết bị trong phòng thực hành máy vi tính
4.4.2. Quy định về diện tích
Yêu cầu về diện tích của phòng: Tối thiểu 48 m2
4.4.3. Quy định về thiết kế
a. Vị trí: vị trí của phòng phải đảm bảo các yêu cầu sau
- Thuận tiện cho việc đi lại, học tập, giảng dạy và công tác phòng cháy - chữa cháy.
- Tránh đặt gần khu vực dễ có nguy cơ cháy nổ, các nguồn nhiễu điện từ như các máy biến áp, các động cơ và máy phát điện, thiết bị hàn nhiệt hoặc các khu vực có mùi vị (phòng thí nghiệm hóa, nhà ăn, nhà bếp ...).
b. Kiến trúc
- Chiều cao trần: Tối thiểu 3 m.
- Nền sàn đảm bảo phẳng, nhẵn, không trơn trượt và dễ dàng làm vệ sinh.
+ Sàn của phòng phải chịu được tải trọng: > 400 kg/m2.
+ Độ phẳng của nền: ± 0,2%.
+ Độ nghiêng của nền: ≤ 0,3%.
- Cửa đi:
+ Phòng phải có ít nhất 2 cửa ra vào, một cửa được bố trí ở đầu lớp và một cửa được bố trí ở cuối lớp.
+ Chiều rộng cửa tối thiểu là 1,2 m và chiều cao tối thiểu là 2,1 m.
4.4.4. Quy định về phòng cháy chữa cháy
Để đề phòng xảy ra sự cố cháy nổ trong phòng, trong công tác xây dựng, lắp đặt thiết bị trong phòng phải đảm bảo các tiêu chí:
- Lắp đặt dây dẫn điện, khí cụ điện đúng công suất thiết kế, tránh quá tải, chập điện gây cháy nổ.
- Phòng phải được trang bị ít nhất 1 bình chữa ch áy có chất cháy phù hợp và thể tích tối thiểu (G) không nhỏ hơn quy định trong bảng sau:
|
Khối lượng hay thể tích chất chữa cháy |
||
|
Bột, kg |
Dung dịch chất tạo bọt hoặc nước với chất phụ gia (lít) |
Chất khí chữa cháy sạch, kg |
|
G ≥ 2 |
G ≥ 6 |
G ≥ 6 |
Bảng 4.1: Quy định thể tích tối thiểu G của bình chữa cháy
- Bình chữa cháy cố định trên giá treo hoặc đặt trong tủ và phải đặt ở vị trí thoáng mát, thuận tiện khi sử dụng. Yêu cầu các tủ đựng thiết bị chữa cháy được sơn đỏ và có các ký hiệu dễ nhận biết.
4.4.5. Quy định định về an toàn điện
- Nguồn điện cung cấp: 220 V (± 10 %)
- Các thiết bị sử dụng điện trong phòng phải được lắp đặt, đấu nối đúng kỹ thuật theo tiêu chuẩn của hệ thống lắp đặt điện hạ áp hiện hành, đảm bảo an toàn cho người và thiết bị.
- Hệ thống điện cho giám sát an ninh, cảnh báo cháy, chiếu sáng sự cố phải được thiết kế riêng, độc lập.
4.4.6. Quy định về chiếu sáng
Chiếu sáng tự nhiên và chiếu sáng nhân tạo phải đảm bảo làm việc, hoạt động bình thường và điều chỉnh được để đảm bảo yêu cầu về độ rọi, giới hạn hệ số chói lóa và hệ số thể hiện màu tối thiểu. Cụ thể như ở bảng sau:
|
Độ rọi duy trì Ēm lux |
Giới hạn hệ số chói lóa đồng nhất URGL |
Hệ số thể hiện màu tối thiểu Ra |
|
500 |
19 |
80 |
Bảng 3.2: Độ rọi, giới hạn hệ số chói lóa và hệ số thể hiện màu tối thiểu
4.4.7. Quy định về nhiệt độ
Nhiệt độ tối đa 28 0C
4.4.8. Quy định về độ ẩm
Độ ẩm tương đối: Theo độ ẩm môi trường
4.4.9. Quy định về độ thoáng (thông gió)
- Không gian trong phòng phải được tính toán thiết kế đảm bảo sao cho thông gió tự nhiên là tốt nhất.
- Lưu lượng không khí ngoài (gió tươi) phải đảm bảo ≥ 25m3/h/người học.
4.4.10. Quy định về chống sét
Khi thiết kế hệ thống chống sét cho xưởng phải phù hợp với điều kiện thời tiết như: Giông, sét, và điện trở suất của khu vực đặt xưởng, tuân thủ các yêu cầu kỹ thuật hiện hành. Điện trở của toàn bộ hệ thống chống sét không vượt quá 10 Ω.
4.4.11. Quy định liên quan đến biển báo, cảnh báo, ký hiệu về an toàn lao động
- Trong phòng phải được lắp biển chỉ dẫn lối đi/lối thoát hiểm, nội quy phòng, bảng tiêu lệnh/nội quy phòng cháy - chữa cháy. Các biển này phải đặt ở vị trí thích hợp, dễ quan sát.
- Các biển chỉ dẫn, biển báo phải được thiết kế đúng màu sắc, hình dạng và chủng loại theo Quy định về nhiệt độ hiện hành.
4.4.12. Quy định về hệ thống thông tin liên lạc, viễn thông
- Hệ thống thông tin liên lạc, viễn thông phải đồng bộ và tuân theo các quy định chuyên ngành có liên quan, đáp ứng công suất sử dụng hiện tại và phát triển trong tương lai. Đảm bảo kết nối tín hiệu ổn định từ thiết bị điều khiển trung tâm đến các cabin thực hành.
- Thiết kế lắp đặt hệ thống thông tin liên lạc, viễn thông phải đảm bảo an toàn, thuận tiện cho khai thác sử dụng và đấu nối với các dịch vụ của nhà cung cấp. Có khả năng thay thế, sửa chữa và đảm bảo khoảng cách tới các đường ống kỹ thuật khác.
5. Phòng thực hành cơ khí
5.1. Chức năng của phòng
Phòng thực hành cơ khí là không gian để thực hành, thực nghiệm, thí nghiệm và rèn luyện các kỹ năng cơ khí cơ bản trong lĩnh vực điện lạnh cho người học. Các thiết bị đào tạo trong phòng được thiết kế cho lớp học với số lượng tối đa 18 người học.
5.2. Danh mục thiết bị chính
|
STT |
Tên thiết bị |
Đơn vị |
Số lượng |
|
1 |
Bàn hàn đa năng |
Bộ |
6 |
|
2 |
Bàn thực tập nguội |
Bộ |
9 |
|
3 |
Bộ hàn hơi |
Bộ |
6 |
|
4 |
Cabin hàn |
Bộ |
6 |
|
5 |
Hệ thống hút khói hàn |
Bộ |
1 |
|
6 |
Máy cắt, đột, dập liên hợp |
Chiếc |
1 |
|
7 |
Máy hàn hồ quang tay xoay chiều |
Bộ |
6 |
|
8 |
Máy khoan bàn |
Chiếc |
2 |
|
9 |
Máy khoan tay |
Chiếc |
2 |
|
10 |
Máy mài cầm tay |
Chiếc |
3 |
|
11 |
Máy mài hai đá |
Chiếc |
2 |
|
12 |
Tủ đựng dụng cụ |
Chiếc |
1 |
|
13 |
Đe gò |
Bộ |
9 |
|
14 |
Ê tô |
Chiếc |
9 |
|
15 |
Máy cắt bàn |
Chiếc |
1 |
|
16 |
Thang chữ A |
Chiếc |
2 |
|
17 |
Bộ đồ nghề cơ khí |
Bộ |
9 |
|
18 |
Bộ dụng cụ tháo lắp thông dụng |
Bộ |
6 |
|
19 |
Bộ dụng cụ đo cơ khí |
Bộ |
6 |
|
20 |
Thiết bị bảo hộ lao động nghề hàn |
Bộ |
19 |
Bảng 5.1. Bảng danh mục thiết bị phòng thực hành cơ khí
5.3. Sơ đồ hướng dẫn bố trí và khoảng cách các thiết bị

Hình 5.1. Sơ đồ bố trí tiết bị phòng thực hành cơ khí
Ghi chú các số trong sơ đồ:
1. Bàn hàn đa năng
2. Bàn thực tập nguội
3. Bộ hàn hơi
4. Cabin hàn
5. Hệ thống hút khói hàn
6. Máy cắt, đột, dập liên hợp
7. Máy hàn hồ quang tay xoay chiều
8. Máy khoan bàn
9. Máy khoan tay
10. Máy mài cầm tay
11. Máy mài hai đá
12. Tủ đựng dụng cụ
13. Đe gò
14. Ê tô
15. Máy cắt bàn
16. Thang chữ A
17. Bộ đồ nghề cơ khí
18. Bộ dụng cụ tháo lắp thông dụng
19. Bộ dụng cụ đo cơ khí
20. Thiết bị bảo hộ lao động nghề hàn
Các bộ dụng cụ Bộ đồ nghề cơ khí, Bộ dụng cụ tháo lắp thông dụng, Bộ dụng cụ đo cơ khí, Thiết bị bảo hộ lao động nghề hàn.. .vv có thể bố trí để ở các bàn thực hành hoặc cất trong tủ đựng dụng cụ.
5.4. Các quy định đảm bảo hoạt động của phòng
5.4.1. Quy định về không gian làm việc
- Tùy theo kết cấu và kích thước bao ngoài của thiết bị mà bố trí/lắp đặt thiết bị ở vị trí hợp lý, đủ không gian bảo trì, bảo dưỡng và sửa chữa định kỳ.
- Khoảng cách giữa các thiết bị trong phòng như đã mô tả trong hình 5.1 - Sơ đồ bố trí thiết bị phòng thực hành cơ khí
- Các thiết bị chính được bố trí thành các khu vực như khu hàn hơi, khu vực xây dựng mô hình, thực tập nguội...vv
5.4.2. Quy định về diện tích
Tùy vào điều kiện cụ thể của từng trường nhưng diện tích của phòng phải thỏa mãn để lắp đặt được các thiết bị như đã quy định trong danh mục thiết bị tối thiểu đã ban hành. Khoảng cách tối thiểu giữa các thiết bị phải đảm bảo như khoảng cách trong sơ đồ hướng dẫn như hình 5.1 - Sơ đồ bố trí thiết bị phòng thực hành cơ khí.
5.4.3. Quy định về thiết kế
a. Vị trí: vị trí của phòng phải đảm bảo các yêu cầu sau
- Thuận tiện cho việc đi lại, học tập, giảng dạy của giáo viên, giảng viên, người học, cán bộ quản lý, và công tác phòng cháy, chữa cháy.
- Khu vực phòng phải tách biệt với khu vực phòng lý thuyết
- Phòng thực hành cơ khí và khu phụ trợ có thể riêng biệt hoặc có thể được lồng ghép vào nhau.
b. Kiến trúc
- Chiều cao trần: Tối thiểu 3 m.
- Nền sàn đảm bảo phẳng, nhẵn, không trơn trượt và dễ dàng làm vệ sinh.
+ Sàn của phòng phải chịu được tải trọng: > 600 kg/m2.
+ Độ phẳng của nền: ± 0,2%.
+ Độ nghiêng của nền: ≤ 0,3%.
+ Sàn được kẻ sơn để phân các khu vực.
- Cửa đi:
+ Phòng phải có ít nhất 2 cửa ra vào, một cửa được bố trí ở đầu lớp và một cửa được bố trí ở cuối lớp.
+ Chiều rộng cửa tối thiểu là 2,4 m và chiều cao tối thiểu là 2,1 m.
- Lối đi: nếu trong phòng có thiết kế lối đi riêng thì bề rộng lối đi không nhỏ hơn 1 m.
5.4.4. Quy định về phòng cháy chữa cháy
Để đề phòng xảy ra sự cố cháy nổ trong phòng, trong công tác xây dựng, lắp đặt thiết bị trong phòng phải đảm bảo các tiêu chí:
- Lắp đặt dây dẫn điện, khí cụ điện đúng công suất thiết kế, tránh quá tải, chập điện gây cháy nổ.
- Phòng phải được trang bị ít nhất 1 bình chữa cháy có chất cháy phù hợp và thể tích tối thiểu (G) không nhỏ hơn quy định trong bảng sau:
|
Khối lượng hay thể tích chất chữa cháy |
||
|
Bột, kg |
Dung dịch chất tạo bọt hoặc nước với chất phụ gia (lít) |
Chất khí chữa cháy sạch, kg |
|
G ≥ 2 |
G ≥ 6 |
G ≥ 6 |
Bảng 5.2: Quy định thể tích tối thiểu G của bình chữa cháy
- Bình chữa cháy cố định trên giá treo hoặc đặt trong tủ và phải đặt ở vị trí thoáng mát, thuận tiện khi sử dụng. Yêu cầu các tủ đựng thiết bị chữa cháy được sơn đỏ và có các ký hiệu dễ nhận biết.
5.4.5. Quy định định về an toàn điện
- Nguồn điện cung cấp: 380 V/ 220 V ± 10 %, trung tính nối đất trực tiếp.
- Các thiết bị sử dụng điện trong phòng phải được lắp đặt, đấu nối đúng kỹ thuật theo Quy định về nhiệt độ của hệ thống lắp đặt điện hạ áp hiện hành, đảm bảo an toàn cho người và thiết bị.
- Tất cả các phần kim loại của thiết bị có thể xuất hiện điện áp nguy hiểm trong trường hợp hỏng cách điện, phải nối dẫn điện với nhau và nối với vít nối đất của thiết bị. Điện trở đo giữa vít nối đất với bất kỳ phần kim loại nào của thiết bị có thể xuất hiện điện áp nguy hiểm khi hỏng cách điện không được lớn hơn 0,1 Ω.
- Hệ thống điện cho giám sát an ninh, cảnh báo cháy, chiếu sáng (chiếu sáng chung, chiếu sáng bảo vệ, chiếu sáng sự cố) phải được thiết kế riêng, độc lập và tách khỏi đường dây điện động lực.
5.4.6. Quy định về chiếu sáng
Chiếu sáng tự nhiên và chiếu sáng nhân tạo phải đảm bảo làm việc, hoạt động bình thường và điều chỉnh được để đảm bảo yêu cầu về độ rọi, giới hạn hệ số chói lóa và hệ số thể hiện màu tối thiểu. Cụ thể như ở bảng sau:
|
Độ rọi duy trì Ēm lux |
Giới hạn hệ số chói lóa đồng nhất URGL |
Hệ số thể hiện màu tối thiểu Ra |
|
500 |
19 |
80 |
Bảng 5.3: Độ rọi, giới hạn hệ số chói lóa và hệ số thể hiện màu tối thiểu
5.4.7. Quy định về nhiệt độ
Nhiệt độ tối đa 34 0C
5.4.8. Quy định về độ ẩm
Độ ẩm tương đối: 40% ÷ 80%.
5.4.9. Quy định về độ thoáng (thông gió)
- Không gian trong phòng phải được tính toán thiết kế đảm bảo sao cho thông gió tự nhiên là tốt nhất.
- Lưu lượng không khí ngoài (gió tươi) phải đảm bảo ≥ 25m3/h/người học.
5.4.10. Quy định về chống sét
Khi thiết kế hệ thống chống sét cho xưởng phải phù hợp với điều kiện thời tiết như: Giông, sét, và điện trở suất của khu vực đặt xưởng, tuân thủ các yêu cầu kỹ thuật hiện hành. Điện trở của toàn bộ hệ thống chống sét không vượt quá 10 Ω.
5.4.11. Quy định liên quan đến biển báo, cảnh báo, ký hiệu về an toàn lao động
- Trong phòng phải được lắp biển chỉ dẫn lối đi/lối thoát hiểm, bảng nội quy an toàn, bảng hướng dẫn thao tác/vận hành thiết bị, bảng tiêu lệnh/nội quy phòng cháy - chữa cháy. Các biển, bảng này phải đặt ở vị trí thích hợp, dễ quan sát.
- Các biển chỉ dẫn, biển báo phải được thiết kế đúng màu sắc, hình dạng và chủng loại theo Quy định về nhiệt độ hiện hành.
5.4.12. Quy định về hệ thống thông tin liên lạc, viễn thông
- Hệ thống thông tin liên lạc, viễn thông phải đồng bộ và tuân theo các quy định chuyên ngành có liên quan, đáp ứng công suất sử dụng hiện tại và phát triển trong tương lai.
- Thiết kế lắp đặt hệ thống thông tin liên lạc, viễn thông phải đảm bảo an toàn, thuận tiện cho khai thác sử dụng và đấu nối với các dịch vụ của nhà cung cấp. Có khả năng thay thế, sửa chữa và đảm bảo khoảng cách tới các đường ống kỹ thuật khác.
6. Phòng thực hành điện - điện tử
6.1. Chức năng của phòng
Phòng thực hành điện - điện tử là không gian để thực hành, thực nghiệm, thí nghiệm và rèn luyện các kỹ thuật điện - điện tử cơ bản trong lĩnh vực điện lạnh cho người học. Các thiết bị đào tạo trong phòng được thiết kế cho lớp học với số lượng tối đa 18 người học.
6.2. Danh mục thiết bị chính
|
TT |
Tên thiết bị |
Đơn vị |
Số lượng |
|
1 |
Mô hình thực hành PLC |
Bộ |
3 |
|
2 |
Bộ thí nghiệm mạch điện xoay chiều |
Bộ |
1 |
|
3 |
Bộ đồ nghề điện |
Bộ |
10 |
|
4 |
Mô hình cắt bổ động cơ điện KĐB 1pha |
Chiếc |
1 |
|
5 |
Mô hình cắt bổ động cơ điện KĐB 3 pha AC |
Chiếc |
1 |
|
6 |
Máy đo hiện sóng (Oscilloscope) |
Chiếc |
2 |
|
7 |
Khí cụ điện |
bộ |
6 |
|
8 |
Bộ điều khiển nhiệt độ |
bộ |
10 |
|
9 |
Bo mạch điều hòa 1 chiều, 2 chiều |
bộ |
10 |
|
10 |
Động cơ điện không đồng bộ 1 pha |
Chiếc |
6 |
|
11 |
Động cơ điện không đồng bộ 3 pha |
Chiếc |
6 |
|
12 |
Bàn thực hành điện cơ bản |
bộ |
9 |
|
13 |
Bàn thực hành điện tử cơ bản |
bộ |
9 |
|
14 |
Bộ mẫu linh kiện điện tử |
Bộ |
1 |
|
15 |
Bộ đồ nghề cơ khí |
Bộ |
10 |
|
16 |
Bộ dụng cụ đo lường nghề điện |
Bộ |
9 |
|
17 |
Bộ đồ nghề điện tử |
Bộ |
9 |
Bảng 6.1. Bảng danh mục thiết bị phòng thực hành điện - điện tử
6.3. Sơ đồ hướng dẫn bố trí và khoảng cách các thiết bị

Hình 6.1. Sơ đồ bố trí thiết bị phòng thực hành điện - điện tử
Ghi chú các số trong sơ đồ:
1. Mô hình thực hành PLC
2. Bộ thí nghiệm mạch điện xoay chiều
3. Bộ đồ nghề điện
4. Mô hình cắt bổ động cơ điện KĐB 1pha
5. Mô hình cắt bổ động cơ điện KĐB 3 pha AC
6. Máy đo hiện sóng (Oscilloscope)
7. Khí cụ điện
8. Bộ điều khiển nhiệt độ
9. Bo mạch điều hòa 1 chiều, 2 chiều
10. Động cơ điện không đồng bộ 1 pha
11. Động cơ điện không đồng bộ 3 pha
12. Bàn thực hành điện cơ bản
13. Bàn thực hành điện tử cơ bản
14. Bộ mẫu linh kiện điện tử
15. Bộ đồ nghề cơ khí
16. Bộ dụng cụ đo lường nghề điện
17. Bộ đồ nghề điện tử
Một số thiết bị hoặc dụng cụ như Khí cụ điện, Bộ điều khiển nhiệt độ, Bo mạch điều hòa 1 chiều, 2 chiều; Bộ mẫu linh kiện điện tử, Bộ đồ nghề cơ khí, Bộ dụng cụ đo lường nghề điện,...vv có thể để ở các bàn thực hành hoặc cất vào trong tủ đựng dụng cụ.
6.4. Các quy định đảm bảo hoạt động của phòng
6.4.1. Quy định về không gian làm việc
- Tùy theo kết cấu và kích thước bao ngoài của thiết bị mà bố trí/lắp đặt thiết bị ở vị trí hợp lý, đủ không gian bảo trì, bảo dưỡng và sửa chữa định kỳ.
- Khoảng cách giữa các thiết bị trong phòng như đã mô tả trong hình 6.1 - Sơ đồ bố trí thiết bị phòng thực hành điện - điện tử
- Các thiết bị chính được bố trí thành khu thực hành điện và khu thực hành điện tử với các thiết bị quy định trong danh mục thiết bị tối thiểu
6.4.2. Quy định về diện tích
Tùy vào điều kiện cụ thể của từng trường nhưng diện tích của phòng phải thỏa mãn để lắp đặt được các thiết bị như đã quy định trong danh mục thiết bị tối thiểu đã ban hành. Khoảng cách tối thiểu giữa các thiết bị phải đảm bảo như khoảng cách trong sơ đồ hướng dẫn trong hình 6.1.
6.4.3. Quy định về thiết kế
a. Vị trí: vị trí của phòng phải đảm bảo các yêu cầu sau
- Thuận tiện cho việc đi lại, học tập, giảng dạy và công tác phòng cháy, chữa cháy.
- Khu vực phòng phải tách biệt với khu vực phòng lý thuyết
- Phòng thực hành cơ khí và khu phụ trợ có thể riêng biệt hoặc có thể được lồng ghép vào nhau.
b. Kiến trúc
- Chiều cao trần: Tối thiểu 3 m.
- Nền sàn đảm bảo phẳng, nhẵn, không trơn trượt và dễ dàng làm vệ sinh.
+ Sàn của phòng phải chịu được tải trọng: > 400 kg/m2.
+ Độ phẳng của nền: ± 0,2%.
+ Độ nghiêng của nền: ≤ 0,3%.
+ Sàn được kẻ sơn để phân các khu vực.
- Cửa đi:
+ Phòng phải có ít nhất 2 cửa ra vào, một cửa được bố trí ở đầu lớp và một cửa được bố trí ở cuối lớp.
+ Chiều rộng cửa tối thiểu là 1,6 m (khuyến nghị nên để 2,4 m) và chiều cao tối thiểu là 2,1 m.
- Lối đi: nếu trong phòng có thiết kế lối đi riêng thì bề rộng lối đi không nhỏ hơn 1 m.
6.4.4. Quy định về phòng cháy chữa cháy
Để đề phòng xảy ra sự cố cháy nổ trong phòng, trong công tác xây dựng, lắp đặt thiết bị trong phòng phải đảm bảo các tiêu chí:
- Lắp đặt dây dẫn điện, khí cụ điện đúng công suất thiết kế, tránh quá tải, chập điện gây cháy nổ.
- Phòng phải được trang bị ít nhất 1 bình chữa cháy có chất cháy phù hợp và thể tích tối thiểu (G) không nhỏ hơn quy định trong bảng sau:
|
Khối lượng hay thể tích chất chữa cháy |
||
|
Bột, kg |
Dung dịch chất tạo bọt hoặc nước với chất phụ gia (lít) |
Chất khí chữa cháy sạch, kg |
|
G ≥ 2 |
G ≥ 6 |
G ≥ 6 |
Bảng 6.2: Quy định thể tích tối thiểu G của bình chữa cháy
- Bình chữa cháy cố định trên giá treo hoặc đặt trong tủ và phải đặt ở vị trí thoáng mát, thuận tiện khi sử dụng. Yêu cầu các tủ đựng thiết bị chữa cháy được sơn đỏ và có các ký hiệu dễ nhận biết.
6.4.5. Quy định định về an toàn điện
- Nguồn điện cung cấp: 380 V/ 220 V ± 10 %, trung tính nối đất trực tiếp.
- Các thiết bị sử dụng điện trong phòng phải được lắp đặt, đấu nối đúng kỹ thuật theo Quy định về nhiệt độ của hệ thống lắp đặt điện hạ áp hiện hành, đảm bảo an toàn cho người và thiết bị.
- Tất cả các phần kim loại của thiết bị có thể xuất hiện điện áp nguy hiểm trong trường hợp hỏng cách điện, phải nối dẫn điện với nhau và nối với vít nối đất của thiết bị. Điện trở đo giữa vít nối đất với bất kỳ phần kim loại nào của thiết bị có thể xuất hiện điện áp nguy hiểm khi hỏng cách điện không được lớn hơn 0,1 Ω.
- Hệ thống điện cho giám sát an ninh, cảnh báo cháy, chiếu sáng (chiếu sáng chung, chiếu sáng bảo vệ, chiếu sáng sự cố) phải được thiết kế riêng, độc lập và tách khỏi đường dây điện động lực.
6.4.6. Quy định về chiếu sáng
Chiếu sáng tự nhiên và chiếu sáng nhân tạo phải đảm bảo làm việc, hoạt động bình thường và điều chỉnh được để đảm bảo yêu cầu về độ rọi, giới hạn hệ số chói lóa và hệ số thể hiện màu tối thiểu. Cụ thể như ở bảng sau:
|
Độ rọi duy trì Ēm lux |
Giới hạn hệ số chói lóa đồng nhất URGL |
Hệ số thể hiện màu tối thiểu Ra |
|
500 |
19 |
80 |
Bảng 6.3: Độ rọi, giới hạn hệ số chói lóa và hệ số thể hiện màu tối thiểu
6.4.7. Quy định về nhiệt độ
Nhiệt độ tối đa 34 0C.
6.4.8. Quy định về độ ẩm
Độ ẩm tương đối: 40% ÷ 80%.
6.4.9. Quy định về độ thoáng (thông gió)
- Không gian trong phòng phải được tính toán thiết kế đảm bảo sao cho thông gió tự nhiên là tốt nhất.
- Lưu lượng không khí ngoài (gió tươi) phải đảm bảo ≥ 25m3/h/người học.
6.4.10. Quy định về chống sét
Khi thiết kế hệ thống chống sét cho phòng phải phù hợp với điều kiện thời tiết như: Giông, sét, và điện trở suất của khu vực đặt phòng, tuân thủ các yêu cầu kỹ thuật hiện hành. Điện trở của toàn bộ hệ thống chống sét không vượt quá 10 Ω.
6.4.11. Quy định liên quan đến biển báo, cảnh báo, ký hiệu về an toàn lao động
- Trong phòng phải được lắp biển chỉ dẫn lối đi/lối thoát hiểm, bảng nội quy an toàn, bảng hướng dẫn thao tác/vận hành thiết bị, bảng tiêu lệnh/nội quy phòng cháy - chữa cháy. Các biển, bảng này phải đặt ở vị trí thích hợp, dễ quan sát.
- Các biển chỉ dẫn, biển báo phải được thiết kế đúng màu sắc, hình dạng và chủng loại theo Quy định về nhiệt độ hiện hành.
6.4.12. Quy định về hệ thống thông tin liên lạc, viễn thông
- Hệ thống thông tin liên lạc, viễn thông phải đồng bộ và tuân theo các quy định chuyên ngành có liên quan, đáp ứng công suất sử dụng hiện tại và phát triển trong tương lai.
- Thiết kế lắp đặt hệ thống thông tin liên lạc, viễn thông phải đảm bảo an toàn, thuận tiện cho khai thác sử dụng và đấu nối với các dịch vụ của nhà cung cấp. Có khả năng thay thế, sửa chữa và đảm bảo khoảng cách tới các đường ống kỹ thuật khác.
7. Phòng thực hành lạnh cơ bản
7.1. Chức năng của phòng
Phòng thực hành lạnh cơ bản là không gian để thực hành, thực nghiệm, thí nghiệm và rèn luyện các kỹ năng cơ bản trong lĩnh vực điện lạnh cho người học. Các thiết bị đào tạo trong phòng được thiết kế cho lớp học với số lượng tối đa 18 người học.
7.2. Danh mục thiết bị chính
|
TT |
Tên thiết bị |
Đơn vị |
Số lượng |
|
1 |
Máy nén rôto lăn |
Chiếc |
3 |
|
2 |
Máy nén xoắn ốc |
Chiếc |
3 |
|
3 |
Máy nén píttông kín |
Chiếc |
3 |
|
4 |
Máy nén píttông nửa kín |
Chiếc |
3 |
|
5 |
Bình ngưng |
Chiếc |
3 |
|
6 |
Rơle áp suất cao |
Chiếc |
1 |
|
7 |
Rơle áp suất thấp |
Chiếc |
1 |
|
8 |
Rơle áp suất dầu |
Chiếc |
1 |
|
9 |
Bình bay hơi |
Chiếc |
3 |
|
10 |
Thiết bị trao đổi nhiệt đối lưu tự nhiên và trao đổi nhiệt đối lưu cưỡng bức |
Bộ |
2 |
|
11 |
Bộ đồ nghề điện tử |
Bộ |
6 |
|
12 |
Cân nạp ga điện tử |
bộ |
3 |
|
13 |
Đồng hồ đo chân không |
bộ |
1 |
|
14 |
Tháp giải nhiệt nước |
Chiếc |
1 |
|
15 |
Bình trung gian |
Chiếc |
1 |
|
16 |
Bình trung gian ống xoắn |
Chiếc |
1 |
|
17 |
Bình tách dầu |
Chiếc |
3 |
|
18 |
Bình tách lỏng |
Chiếc |
1 |
|
19 |
Bình gom dầu |
Chiếc |
1 |
|
20 |
Phin lọc, sấy |
Chiếc |
6 |
|
21 |
Tủ đựng dụng cụ |
Chiếc |
1 |
|
22 |
Bộ đồ nghề điện |
Bộ |
6 |
|
23 |
Bộ đồ nghề cơ khí |
Bộ |
6 |
|
24 |
Bộ đồ nghề điện lạnh |
Bộ |
6 |
|
25 |
Bộ hàn hơi |
Bộ |
3 |
|
26 |
Máy thu hồi môi chất lạnh |
bộ |
1 |
|
27 |
Thiết bị dò môi chất lạnh |
Bộ |
1 |
|
28 |
Máy hút chân không 1 cấp |
Chiếc |
1 |
|
29 |
Máy hút chân không 2 cấp |
Chiếc |
1 |
|
30 |
Bơm cao áp |
Chiếc |
3 |
|
31 |
Bộ thử kín |
Bộ |
2 |
|
32 |
Máy đo tốc độ gió |
Chiếc |
2 |
|
33 |
Máy đo độ ẩm |
Chiếc |
2 |
|
34 |
Máy đo độ ồn |
Chiếc |
2 |
|
35 |
Nhiệt kế kiểu cặp nhiệt |
Chiếc |
2 |
|
36 |
Nhiệt kế điện trở |
Chiếc |
2 |
|
37 |
Nhiệt kế kiểu áp kế |
Chiếc |
2 |
|
38 |
Áp kế kiểu màng đàn hồi |
Chiếc |
2 |
Bảng 7.1. Danh mục thiết bị phòng thực hành lạnh cơ bản
7.3. Sơ đồ hướng dẫn bố trí và khoảng cách các thiết bị

Hình 7.1. Sơ đồ bố trí thiết bị phòng thực hành lạnh cơ bản
Ghi chú các số trong sơ đồ:
1. Máy nén rôto lăn
2. Máy nén xoắn ốc
3. Máy nén píttông kín
4. Máy nén píttông nửa kín
5. Bình ngưng
6. Rơle áp suất cao
7. Rơle áp suất thấp
8. Rơle áp suất dầu
9. Bình bay hơi
10. Thiết bị trao đổi nhiệt đối lưu tự nhiên và trao đổi nhiệt đối lưu cưỡng bức
14. Tháp giải nhiệt nước
15. Bình trung gian
16. Bình trung gian ống xoắn
17. Bình tách dầu
18. Bình tách lỏng
19. Bình gom dầu
21. Tủ đựng dụng cụ
Các thiết bị có số thứ tự trong bảng danh mục được bố trí như hình 7.1.
Một số thiết bị hoặc dụng cụ như Máy đo tốc độ gió, Máy đo độ ẩm, Máy đo độ ồn, Nhiệt kế kiểu cặp nhiệt, Nhiệt kế điện trở, Nhiệt kế kiểu áp kế, Áp kế kiểu màng đàn hồi, một số loại rơ le có kích thước nhỏ có thể để vào tủ đựng dụng cụ.
7.4. Các quy định đảm bảo hoạt động của phòng
7.4.1. Quy định về không gian làm việc
- Tùy theo kết cấu và kích thước bao ngoài của thiết bị mà bố trí/lắp đặt thiết bị ở vị trí hợp lý, đủ không gian bảo trì, bảo dưỡng và sửa chữa định kỳ.
- Khoảng cách giữa các thiết bị trong phòng như đã mô tả trong hình 7.1 - Sơ đồ bố trí thiết bị phòng thực hành lạnh cơ bản
- Các thiết bị chính được bố trí thành khu thực hành và khu thực hành xây dựng mô hình
7.4.2. Quy định về diện tích
Tùy vào điều kiện cụ thể của từng trường nhưng diện tích của phòng phải thỏa mãn để lắp đặt được các thiết bị như đã quy định trong danh mục thiết bị tối thiểu đã ban hành. Khoảng cách tối thiểu giữa các thiết bị phải đảm bảo như khoảng cách trong sơ đồ hướng dẫn trong hình 7.1 - Sơ đồ bố trí thiết bị phòng thực hành lạnh cơ bản
7.4.3. Quy định về thiết kế.
a. Vị trí: vị trí của phòng phải đảm bảo các yêu cầu sau
- Thuận tiện cho việc đi lại, học tập, giảng dạy và công tác phòng cháy, chữa cháy.
- Khu vực phòng phải tách biệt với khu vực phòng lý thuyết
- Phòng thực hành cơ khí và khu phụ trợ có thể riêng biệt hoặc có thể được lồng ghép vào nhau.
b. Kiến trúc
- Chiều cao trần: Tối thiểu 3 m.
- Nền sàn đảm bảo phẳng, nhẵn, không trơn trượt và dễ dàng làm vệ sinh.
+ Sàn của phòng phải chịu được tải trọng: > 400 kg/m2.
+ Độ phẳng của nền: ± 0,2%.
+ Độ nghiêng của nền: ≤ 0,3%.
+ Sàn được kẻ sơn để phân các khu vực.
- Cửa đi:
+ Phòng phải có ít nhất 2 cửa ra vào, một cửa được bố trí ở đầu lớp và một cửa được bố trí ở cuối lớp.
+ Chiều rộng cửa tối thiểu là 1,6 m (khuyến nghị nên để 2,4 m) và chiều cao tối thiểu là 2,1 m.
- Lối đi: nếu trong phòng có thiết kế lối đi riêng thì bề rộng lối đi không nhỏ hơn 1 m.
7.4.4. Quy định về phòng cháy chữa cháy
Để đề phòng xảy ra sự cố cháy nổ trong phòng, trong công tác xây dựng, lắp đặt thiết bị trong phòng phải đảm bảo các tiêu chí:
- Lắp đặt dây dẫn điện, khí cụ điện đúng công suất thiết kế, tránh quá tải, chập điện gây cháy nổ.
- Phòng phải được trang bị ít nhất 1 bình chữa cháy có chất cháy phù hợp và thể tích tối thiểu (G) không nhỏ hơn quy định trong bảng sau:
|
Khối lượng hay thể tích chất chữa cháy |
||
|
Bột, kg |
Dung dịch chất tạo bọt hoặc nước với chất phụ gia (lít) |
Chất khí chữa cháy sạch, kg |
|
G ≥ 2 |
G ≥ 6 |
G ≥ 6 |
Bảng 7.2: Quy định thể tích tối thiểu G của bình chữa cháy
- Bình chữa cháy cố định trên giá treo hoặc đặt trong tủ và phải đặt ở vị trí thoáng mát, thuận tiện khi sử dụng. Yêu cầu các tủ đựng thiết bị chữa cháy được sơn đỏ và có các ký hiệu dễ nhận biết.
7.4.5. Quy định định về an toàn điện
- Nguồn điện cung cấp: 380 V/ 220 V ± 10 %, trung tính nối đất trực tiếp.
- Các thiết bị sử dụng điện trong phòng phải được lắp đặt, đấu nối đúng kỹ thuật theo Quy định về nhiệt độ của hệ thống lắp đặt điện hạ áp hiện hành, đảm bảo an toàn cho người và thiết bị.
- Tất cả các phần kim loại của thiết bị có thể xuất hiện điện áp nguy hiểm trong trường hợp hỏng cách điện, phải nối dẫn điện với nhau và nối với vít nối đất của thiết bị. Điện trở đo giữa vít nối đất với bất kỳ phần kim loại nào của thiết bị có thể xuất hiện điện áp nguy hiểm khi hỏng cách điện không được lớn hơn 0,1 Ω.
- Hệ thống điện cho giám sát an ninh, cảnh báo cháy, chiếu sáng (chiếu sáng chung, chiếu sáng bảo vệ, chiếu sáng sự cố) phải được thiết kế riêng, độc lập và tách khỏi đường dây điện động lực.
7.4.6. Quy định về chiếu sáng
Chiếu sáng tự nhiên và chiếu sáng nhân tạo phải đảm bảo làm việc, hoạt động bình thường và điều chỉnh được để đảm bảo yêu cầu về độ rọi, giới hạn hệ số chói lóa và hệ số thể hiện màu tối thiểu. Cụ thể như ở bảng sau:
|
Độ rọi duy trì Ēm lux |
Giới hạn hệ số chói lóa đồng nhất URGL |
Hệ số thể hiện màu tối thiểu Ra |
|
500 |
19 |
80 |
Bảng 7.3: Độ rọi, giới hạn hệ số chói lóa và hệ số thể hiện màu tối thiểu
7.4.7. Quy định về nhiệt độ
Nhiệt độ tối đa 34 0C
7.4.8. Quy định về độ ẩm
Độ ẩm tương đối: 40% ÷ 80%.
7.4.9. Quy định về độ thoáng (thông gió)
- Không gian trong phòng phải được tính toán thiết kế đảm bảo sao cho thông gió tự nhiên là tốt nhất.
- Lưu lượng không khí ngoài (gió tươi) phải đảm bảo > 25m3/h/người học.
7.4.10. Quy định về chống sét
Khi thiết kế hệ thống chống sét cho phòng phải phù hợp với điều kiện thời tiết như: Giông, sét, và điện trở suất của khu vực đặt phòng, tuân thủ các yêu cầu kỹ thuật hiện hành. Điện trở của toàn bộ hệ thống chống sét không vượt quá 10 Ω.
7.4.11. Quy định liên quan đến biển báo, cảnh báo, ký hiệu về an toàn lao động
- Trong phòng phải được lắp biển chỉ dẫn lối đi/lối thoát hiểm, nội quy phòng, bảng tiêu lệnh/nội quy phòng cháy - chữa cháy. Các biển này phải đặt ở vị trí thích hợp, dễ quan sát.
- Các biển chỉ dẫn, biển báo phải được thiết kế đúng màu sắc, hình dạng và chủng loại theo Quy định về nhiệt độ hiện hành.
7.4.12. Quy định về hệ thống thông tin liên lạc, viễn thông
- Hệ thống thông tin liên lạc, viễn thông phải đồng bộ và tuân theo các quy định chuyên ngành có liên quan, đáp ứng công suất sử dụng hiện tại và phát triển trong tương lai.
- Thiết kế lắp đặt hệ thống thông tin liên lạc, viễn thông phải đảm bảo an toàn, thuận tiện cho khai thác sử dụng và đấu nối với các dịch vụ của nhà cung cấp. Có khả năng thay thế, sửa chữa và đảm bảo khoảng cách tới các đường ống kỹ thuật khác.
8. Phòng thực hành điều hòa không khí dân dụng và thương mại
8.1. Chức năng của phòng
Phòng thực hành điều hòa không khí dân dụng và thương mại là không gian để thực hành, thực nghiệm, thí nghiệm và rèn luyện các kỹ năng lắp đặt, vận hành và sửa chữa trong lĩnh vực điều hòa không khí cho người học. Các thiết bị đào tạo trong phòng được thiết kế cho lớp học với số lượng tối đa 18 người học.
8.2. Danh mục thiết bị chính
|
TT |
Tên thiết bị |
Đơn vị |
Số lượng |
|
1 |
Mô hình dàn trải máy điều hoà không khí ô tô |
Chiếc |
3 |
|
2 |
Máy điều hoà không khí hai cụm (treo tường) |
Bộ |
3 |
|
3 |
Máy điều hoà không khí hai cụm (âm trần) |
Bộ |
3 |
|
4 |
Máy điều hoà không khí hai cụm (áp trần) |
Bộ |
3 |
|
5 |
Máy điều hoà không khí hai cụm (dấu trần) |
Bộ |
3 |
|
6 |
Máy điều hoà không khí hai cụm (đặt sàn) |
Bộ |
3 |
|
7 |
Máy điều hòa không khí Multi ghép |
Bộ |
1 |
|
8 |
Bộ hàn hơi |
Bộ |
3 |
|
9 |
Bộ đồ nghề điện |
Bộ |
6 |
|
10 |
Bộ đồ nghề cơ khí |
Bộ |
6 |
|
11 |
Bộ đồ nghề điện lạnh |
Bộ |
6 |
|
12 |
Máy thu hồi môi chất lạnh |
bộ |
1 |
|
13 |
Thiết bị dò môi chất lạnh |
Bộ |
1 |
|
14 |
Máy hút chân không 1 cấp |
Chiếc |
1 |
|
15 |
Máy hút chân không 2 cấp |
Chiếc |
1 |
|
16 |
Bơm cao áp |
Chiếc |
3 |
|
17 |
Bộ thử kín |
Bộ |
2 |
|
18 |
Máy đo tốc độ gió |
Chiếc |
2 |
|
19 |
Máy đo độ ẩm |
Chiếc |
2 |
|
20 |
Máy đo độ ồn |
Chiếc |
2 |
|
21 |
Nhiệt kế kiểu cặp nhiệt |
Chiếc |
2 |
|
22 |
Nhiệt kế điện trở |
Chiếc |
2 |
|
23 |
Nhiệt kế kiểu áp kế |
Chiếc |
2 |
|
24 |
Áp kế kiểu màng đàn hồi |
Chiếc |
2 |
|
25 |
Cân nạp ga điện tử |
bộ |
1 |
|
26 |
Đồng hồ đo chân không |
bộ |
3 |
|
27 |
Thang chữ A |
cái |
3 |
|
28 |
Bộ đồ nghề điện tử |
Bộ |
6 |
Bảng 8.1. Danh mục thiết bị phòng thực hành điều hòa không khí dân dụng và thương mại
Ghi chú các số trong sơ đồ:
1. Mô hình dàn trải máy điều hoà không khí ô tô
2. Máy điều hoà không khí hai cụm (treo tường)
3. Máy điều hoà không khí hai cụm (âm trần)
4. Máy điều hoà không khí hai cụm (áp trần)
5. Máy điều hoà không khí hai cụm (dấu trần)
6. Máy điều hoà không khí hai cụm (đặt sàn)
7. Máy điều hòa không khí Multi ghép
Các thiết bị có số thứ tự trong bảng danh mục thiết bị 8.1 được bố trí như hình 8.1.
Một số thiết bị hoặc dụng cụ như Máy đo tốc độ gió, Máy đo độ ẩm, Máy đ độ ồn, Nhiệt kế kiểu cặp nhiệt, Nhiệt kế điện trở, Nhiệt kế kiểu áp kế, Áp kế kiểu màng đàn hồi, ...vv có kích thước nhỏ có thể để vào tủ đựng dụng cụ.
8.3. Sơ đồ hướng dẫn bố trí và khoảng cách các thiết bị

Hình 8.1. Sơ đồ bố trí thiết bị phòng thực hành điều hòa không khí dân dụng và thương mại
8.4. Các quy định đảm bảo hoạt động của phòng
8.4.1. Quy định về không gian làm việc
- Tùy theo kết cấu và kích thước bao ngoài của thiết bị mà bố trí/ lắp đặt thiết bị ở vị trí hợp lý, đủ không gian bảo trì, bảo dưỡng và sửa chữa định kỳ.
- Khoảng cách giữa các thiết bị trong phòng như đã mô tả trong hình 8.1 - Sơ đồ bố trí thiết bị phòng thực hành điều hòa không khí dân dụng và thương mại
- Các thiết bị chính được bố trí thành khu thực hành và khu thực hành máy điều hòa treo tường, khu thực hành máy điều hòa áp trần, khu thực hành máy điều hòa âm trần và khu thực hành máy điều hòa casstte
8.4.2. Quy định về diện tích
Tùy vào điều kiện cụ thể của từng trường nhưng diện tích của phòng phải thỏa mãn để lắp đặt được các thiết bị như đã quy định trong danh mục thiết bị tối thiểu đã ban hành. Khoảng cách tối thiểu giữa các thiết bị phải đảm bảo như khoảng cách trong sơ đồ hướng dẫn trong hình 8.1 - Sơ đồ bố trí thiết bị phòng thực hành điều hòa không khí dân dụng và thương mại.
8.4.3. Quy định về thiết kế
a. Vị trí: vị trí của phòng phải đảm bảo các yêu cầu sau
- Thuận tiện cho việc đi lại, học tập, giảng dạy và công tác phòng cháy, chữa cháy.
- Khu vực phòng phải tách biệt với khu vực phòng lý thuyết
- Phòng thực hành cơ khí và khu phụ trợ có thể riêng biệt hoặc có thể được lồng ghép vào nhau.
b. Kiến trúc
- Chiều cao trần: Tối thiểu 3 m.
- Nền sàn đảm bảo phẳng, nhẵn, không trơn trượt và dễ dàng làm vệ sinh.
+ Sàn của phòng phải chịu được tải trọng: > 600 kg/m2.
+ Độ phẳng của nền: ± 0,2%.
+ Độ nghiêng của nền: ≤ 0,3%.
+ Sàn được kẻ sơn để phân các khu vực.
- Cửa đi:
+ Phòng phải có ít nhất 2 cửa ra vào, một cửa được bố trí ở đầu lớp và một cửa được bố trí ở cuối lớp.
+ Chiều rộng cửa tối thiểu là 1,6 m (khuyến nghị nên để 2,4 m) và chiều cao tối thiểu là 2,1 m.
- Lối đi: nếu trong phòng có thiết kế lối đi riêng thì bề rộng lối đi không nhỏ hơn 1 m.
8.4.4. Quy định về phòng cháy chữa cháy
Để đề phòng xảy ra sự cố cháy nổ trong phòng, trong công tác xây dựng, lắp đặt thiết bị trong phòng phải đảm bảo các tiêu chí:
- Lắp đặt dây dẫn điện, khí cụ điện đúng công suất thiết kế, tránh quá tải, chập điện gây cháy nổ.
- Phòng phải được trang bị ít nhất 1 bình chữa cháy có chất cháy phù hợp và thể tích tối thiểu (G) không nhỏ hơn quy định trong bảng sau:
|
Khối lượng hay thể tích chất chữa cháy |
||
|
Bột, kg |
Dung dịch chất tạo bọt hoặc nước với chất phụ gia (lít) |
Chất khí chữa cháy sạch, kg |
|
G ≥ 2 |
G ≥ 6 |
G ≥ 6 |
Bảng 8.2: Quy định thể tích tối thiểu G của bình chữa cháy
- Bình chữa cháy cố định trên giá treo hoặc đặt trong tủ và phải đặt ở vị trí thoáng mát, thuận tiện khi sử dụng. Yêu cầu các tủ đựng thiết bị chữa cháy được sơn đỏ và có các ký hiệu dễ nhận biết.
8.4.5. Quy định định về an toàn điện
- Nguồn điện cung cấp: 380 V/ 220 V ± 10 %, trung tính nối đất trực tiếp.
- Các thiết bị sử dụng điện trong phòng phải được lắp đặt, đấu nối đúng kỹ thuật theo Quy định về nhiệt độ của hệ thống lắp đặt điện hạ áp hiện hành, đảm bảo an toàn cho người và thiết bị.
- Tất cả các phần kim loại của thiết bị có thể xuất hiện điện áp nguy hiểm trong trường hợp hỏng cách điện, phải nối dẫn điện với nhau và nối với vít nối đất của thiết bị. Điện trở đo giữa vít nối đất với bất kỳ phần kim loại nào của thiết bị có thể xuất hiện điện áp nguy hiểm khi hỏng cách điện không được lớn hơn 0,1 Ω.
- Hệ thống điện cho giám sát an ninh, cảnh báo cháy, chiếu sáng (chiếu sáng chung, chiếu sáng bảo vệ, chiếu sáng sự cố) phải được thiết kế riêng, độc lập và tách khỏi đường dây điện động lực.
8.4.6. Quy định về chiếu sáng
Chiếu sáng tự nhiên và chiếu sáng nhân tạo phải đảm bảo làm việc, hoạt động bình thường và điều chỉnh được để đảm bảo yêu cầu về độ rọi, giới hạn hệ số chói lóa và hệ số thể hiện màu tối thiểu. Cụ thể như ở bảng sau:
|
Độ rọi duy trì Ēm lux |
Giới hạn hệ số chói lóa đồng nhất URGL |
Hệ số thể hiện màu tối thiểu Ra |
|
500 |
19 |
80 |
Bảng 8.3: Độ rọi, giới hạn hệ số chói lóa và hệ số thể hiện màu tối thiểu
8.4.7. Quy định về nhiệt độ
Nhiệt độ tối đa 34 0C
8.4.8. Quy định về độ ẩm
Độ ẩm tương đối: 40% ÷ 80%.
8.4.9. Quy định về độ thoáng (thông gió)
- Không gian trong phòng phải được tính toán thiết kế đảm bảo sao cho thông gió tự nhiên là tốt nhất.
- Lưu lượng không khí ngoài (gió tươi) phải đảm bảo ≥ 25m3/h/người học.
8.4.10. Quy định về chống sét
Khi thiết kế hệ thống chống sét cho phòng phải phù hợp với điều kiện thời tiết như: Giông, sét, và điện trở suất của khu vực đặt phòng, tuân thủ các yêu cầu kỹ thuật hiện hành. Điện trở của toàn bộ hệ thống chống sét không vượt quá 10 Ω.
8.4.11. Quy định liên quan đến biển báo, cảnh báo, ký hiệu về an toàn lao động
- Trong phòng phải được lắp biển chỉ dẫn lối đi/lối thoát hiểm, nội quy phòng, bảng tiêu lệnh/nội quy phòng cháy - chữa cháy. Các biển này phải đặt ở vị trí thích hợp, dễ quan sát.
- Các biển chỉ dẫn, biển báo phải được thiết kế đúng màu sắc, hình dạng và chủng loại theo Quy định về nhiệt độ hiện hành.
8.4.12. Quy định về hệ thống thông tin liên lạc, viễn thông
- Hệ thống thông tin liên lạc, viễn thông phải đồng bộ và tuân theo các quy định chuyên ngành có liên quan, đáp ứng công suất sử dụng hiện tại và phát triển trong tương lai.
- Thiết kế lắp đặt hệ thống thông tin liên lạc, viễn thông phải đảm bảo an toàn, thuận tiện cho khai thác sử dụng và đấu nối với các dịch vụ của nhà cung cấp. Có khả năng thay thế, sửa chữa và đảm bảo khoảng cách tới các đường ống kỹ thuật khác.
9. Phòng thực hành điều hòa không khí trung tâm
9.1. Chức năng của phòng
Phòng thực hành điều hòa không khí trung tâm là không gian để thực hành, thực nghiệm, thí nghiệm và rèn luyện các kỹ năng lắp đặt, vận hành và sửa chữa trong lĩnh vực điều hòa không khí trung tâm cho sinh viên trình độ cao đẳng. Các thiết bị đào tạo trong phòng được thiết kế cho lớp học với số lượng tối đa 18 người học.
9.2. Danh mục thiết bị chính
|
STT |
Tên thiết bị |
Đơn vị |
Số lượng |
|
1 |
Hệ thống điều hòa không khí trung tâm AHU gas |
Bộ |
1 |
|
2 |
Hệ thống điều hòa không khí trung tâm trung tâm VRF |
Bộ |
1 |
|
3 |
Hệ thống điều hòa không khí trung tâm Water Chiller |
Bộ |
1 |
|
4 |
Mô hình hệ thống bơm nhiệt sản xuất nước nóng |
Bộ |
1 |
|
5 |
Bộ hàn hơi |
Bộ |
3 |
|
6 |
Bộ đồ nghề điện |
Bộ |
6 |
|
7 |
Bộ đồ nghề cơ khí |
Bộ |
6 |
|
8 |
Bộ đồ nghề điện lạnh |
Bộ |
6 |
|
9 |
Máy thu hồi môi chất lạnh |
Bộ |
1 |
|
10 |
Thiết bị dò môi chất lạnh |
Bộ |
1 |
|
11 |
Máy hút chân không 1 cấp |
Chiếc |
1 |
|
12 |
Máy hút chân không 2 cấp |
Chiếc |
1 |
|
13 |
Bơm cao áp |
Chiếc |
3 |
|
14 |
Bộ thử kín |
Bộ |
2 |
|
15 |
Máy đo tốc độ gió |
Chiếc |
2 |
|
16 |
Máy đo độ ẩm |
Chiếc |
2 |
|
17 |
Máy đo độ ồn |
Chiếc |
2 |
|
18 |
Nhiệt kế kiểu cặp nhiệt |
Chiếc |
2 |
|
19 |
Nhiệt kế điện trở |
Chiếc |
2 |
|
20 |
Nhiệt kế kiểu áp kế |
Chiếc |
2 |
|
21 |
Áp kế kiểu màng đàn hồi |
Chiếc |
2 |
|
22 |
Cân nạp ga điện tử |
Bộ |
1 |
|
23 |
Đồng hồ đo chân không |
Bộ |
3 |
|
24 |
Pitô |
Chiếc |
1 |
|
25 |
Thang chữ A |
cái |
3 |
Bảng 9.1. Danh mục thiết bị phòng thực hành điều hòa không khí trung tâm
9.3. Sơ đồ hướng dẫn bố trí và khoảng cách các thiết bị

Hình 9.1. Sơ đồ bố trí thiết bị phòng thực hành điều hòa không khí trung tâm
Ghi chú các số trong sơ đồ:
1. Hệ thống điều hòa không khí trung tâm AHU gas
2. Hệ thống điều hòa không khí trung tâm trung tâm VRF
3. Hệ thống điều hòa không khí trung tâm Water Chiller
4. Mô hình hệ thống bơm nhiệt sản xuất nước nóng
5. Bộ hàn hơi
Các thiết bị có số thứ tự trong bảng danh mục thiết bị 9.1 được bố trí như hình 9.1.
Một số thiết bị hoặc dụng cụ như Máy đo tốc độ gió, Máy đo độ ẩm, Máy đo độ ồn, Nhiệt kế kiểu cặp nhiệt, Nhiệt kế điện trở, Nhiệt kế kiểu áp kế, Áp kế kiểu màng đàn hồi, Cân nạp ga điện tử, Đồng hồ đo chân không, Pitô có kích thước nhỏ có thể để vào tủ đựng dụng cụ.
9.4. Các quy định đảm bảo hoạt động của phòng
9.4.1. Quy định về không gian làm việc
- Tùy theo kết cấu và kích thước bao ngoài của thiết bị mà bố trí/lắp đặt thiết bị ở vị trí hợp lý, đủ không gian bảo trì, bảo dưỡng và sửa chữa định kỳ.
- Khoảng cách giữa các thiết bị trong phòng như đã mô tả trong hình 9.1- Sơ đồ bố trí thiết bị phòng thực hành điều hòa không khí trung tâm
- Các thiết bị chính được bố trí thành các khu vực như khu thực hành, khu vực bảo dưỡng sửa chữa, các khu vực liên quan đến các loại điều hòa không khí trung tâm cơ bản... vv
9.4.2. Quy định về diện tích
Tùy vào điều kiện cụ thể của từng trường nhưng diện tích của phòng phải thỏa mãn để lắp đặt được các thiết bị như đã quy định trong danh mục thiết bị tối thiểu đã ban hành. Khoảng cách tối thiểu giữa các thiết bị phải đảm bảo như khoảng cách trong sơ đồ hướng dẫn trong hình 9.1 - Sơ đồ bố trí thiết bị phòng thực hành điều hòa không khí trung tâm
9.4.3. Quy định về thiết kế
a. Vị trí: vị trí của phòng phải đảm bảo các yêu cầu sau
- Thuận tiện cho việc đi lại, học tập, giảng dạy và công tác phòng cháy, chữa cháy.
- Khu vực phòng phải tách biệt với khu vực phòng lý thuyết
- Phòng thực hành cơ khí và khu phụ trợ có thể riêng biệt hoặc có thể được lồng ghép vào nhau.
b. Kiến trúc
- Chiều cao trần: Tối thiểu 3 m.
- Nền sàn đảm bảo phẳng, nhẵn, không trơn trượt và dễ dàng làm vệ sinh.
+ Sàn của phòng phải chịu được tải trọng: > 600 kg/m2.
+ Độ phẳng của nền: ± 0,2%.
+ Độ nghiêng của nền: ≤ 0,3%.
+ Sàn được kẻ sơn để phân các khu vực.
- Cửa đi:
+ Phòng phải có ít nhất 2 cửa ra vào, một cửa được bố trí ở đầu lớp và một cửa được bố trí ở cuối lớp.
+ Chiều rộng cửa tối thiểu là 2,4 m và chiều cao tối thiểu là 2,1 m.
- Lối đi: nếu trong phòng có thiết kế lối đi riêng thì bề rộng lối đi không nhỏ hơn 1 m.
9.4.4. Quy định về phòng cháy chữa cháy
Để đề phòng xảy ra sự cố cháy nổ trong phòng, trong công tác xây dựng, lắp đặt thiết bị trong phòng phải đảm bảo các tiêu chí:
- Lắp đặt dây dẫn điện, khí cụ điện đúng công suất thiết kế, tránh quá tải, chập điện gây cháy nổ.
- Phòng phải được trang bị ít nhất 1 bình chữa cháy có chất cháy phù hợp và thể tích tối thiểu (G) không nhỏ hơn quy định trong bảng sau:
|
Khối lượng hay thể tích chất chữa cháy |
||
|
Bột, kg |
Dung dịch chất tạo bọt hoặc nước với chất phụ gia (lít) |
Chất khí chữa cháy sạch, kg |
|
G ≥ 2 |
G ≥ 6 |
G ≥ 6 |
Bảng 9.2: Quy định thể tích tối thiểu G của bình chữa cháy
- Bình chữa cháy cố định trên giá treo hoặc đặt trong tủ và phải đặt ở vị trí thoáng mát, thuận tiện khi sử dụng. Yêu cầu các tủ đựng thiết bị chữa cháy được sơn đỏ và có các ký hiệu dễ nhận biết.
9.4.5. Quy định định về an toàn điện
- Nguồn điện cung cấp: 380 V/ 220 V ± 10 %, trung tính nối đất trực tiếp.
- Các thiết bị sử dụng điện trong phòng phải được lắp đặt, đấu nối đúng kỹ thuật theo Quy định về nhiệt độ của hệ thống lắp đặt điện hạ áp hiện hành, đảm bảo an toàn cho người và thiết bị.
- Tất cả các phần kim loại của thiết bị có thể xuất hiện điện áp nguy hiểm trong trường hợp hỏng cách điện, phải nối dẫn điện với nhau và nối với vít nối đất của thiết bị. Điện trở đo giữa vít nối đất với bất kỳ phần kim loại nào của thiết bị có thể xuất hiện điện áp nguy hiểm khi hỏng cách điện không được lớn hơn 0,1 Ω.
- Hệ thống điện cho giám sát an ninh, cảnh báo cháy, chiếu sáng (chiếu sáng chung, chiếu sáng bảo vệ, chiếu sáng sự cố) phải được thiết kế riêng, độc lập và tách khỏi đường dây điện động lực.
9.4.6. Quy định về chiếu sáng
Chiếu sáng tự nhiên và chiếu sáng nhân tạo phải đảm bảo làm việc, hoạt động bình thường và điều chỉnh được để đảm bảo yêu cầu về độ rọi, giới hạn hệ số chói lóa và hệ số thể hiện màu tối thiểu. Cụ thể như ở bảng sau:
|
Độ rọi duy trì Ēm lux |
Giới hạn hệ số chói lóa đồng nhất URGL |
Hệ số thể hiện màu tối thiểu Ra |
|
500 |
19 |
80 |
Bảng 9.3: Độ rọi, giới hạn hệ số chói lóa và hệ số thể hiện màu tối thiểu
9.4.7. Quy định về nhiệt độ
Nhiệt độ tối đa 28 0C
9.4.8. Quy định về độ ẩm
Độ ẩm tương đối: 40% ÷ 80%.
9.4.9. Quy định về độ thoáng (thông gió)
- Không gian trong phòng phải được tính toán thiết kế đảm bảo sao cho thông gió tự nhiên là tốt nhất.
- Lưu lượng không khí ngoài (gió tươi) phải đảm bảo ≥ 25m3/h/người học.
9.4.10. Quy định về chống sét
Khi thiết kế hệ thống chống sét cho phòng phải phù hợp với điều kiện thời tiết như: Giông, sét, và điện trở suất của khu vực đặt phòng, tuân thủ các yêu cầu kỹ thuật hiện hành. Điện trở của toàn bộ hệ thống chống sét không vượt quá 10 Ω.
9.4.11. Quy định liên quan đến biển báo, cảnh báo, ký hiệu về an toàn lao động
- Trong phòng phải được lắp biển chỉ dẫn lối đi/lối thoát hiểm, nội quy phòng, bảng tiêu lệnh/nội quy phòng cháy - chữa cháy. Các biển này phải đặt ở vị trí thích hợp, dễ quan sát.
- Các biển chỉ dẫn, biển báo phải được thiết kế đúng màu sắc, hình dạng và chủng loại theo Quy định về nhiệt độ hiện hành.
9.4.12. Quy định về hệ thống thông tin liên lạc, viễn thông
- Hệ thống thông tin liên lạc, viễn thông phải đồng bộ và tuân theo các quy định chuyên ngành có liên quan, đáp ứng công suất sử dụng hiện tại và phát triển trong tương lai.
- Thiết kế lắp đặt hệ thống thông tin liên lạc, viễn thông phải đảm bảo an toàn, thuận tiện cho khai thác sử dụng và đấu nối với các dịch vụ của nhà cung cấp. Có khả năng thay thế, sửa chữa và đảm bảo khoảng cách tới các đường ống kỹ thuật khác.
10. Phòng thực hành máy lạnh dân dụng và thương mại
10.1. Chức năng của phòng
Phòng thực hành máy lạnh dân dụng và thương mại là không gian để thực hành, thực nghiệm, thí nghiệm và rèn luyện các kỹ năng lắp đặt, vận hành và sửa chữa trong lĩnh vực máy lạnh dân dụng và thương mại cho người học. Các thiết bị đào tạo trong phòng được thiết kế cho lớp học với số lượng tối đa 18 người học.
10.2. Danh mục thiết bị chính
|
STT |
Tên thiết bị |
Đơn vị |
Số lượng |
|
1 |
Tủ đông |
Chiếc |
3 |
|
2 |
Tủ mát |
Chiếc |
3 |
|
3 |
Tủ lạnh làm lạnh trực tiếp |
Chiếc |
6 |
|
4 |
Tủ lạnh làm lạnh gián tiếp |
Chiếc |
6 |
|
5 |
Tủ lạnh thương nghiệp |
Chiếc |
3 |
|
6 |
Bộ hàn hơi |
Bộ |
3 |
|
7 |
Bộ đồ nghề điện |
Bộ |
6 |
|
8 |
Bộ đồ nghề cơ khí |
Bộ |
6 |
|
9 |
Bộ đồ nghề điện lạnh |
Bộ |
6 |
|
10 |
Máy thu hồi môi chất lạnh |
Bộ |
1 |
|
11 |
Thiết bị dò môi chất lạnh |
Bộ |
1 |
|
12 |
Máy hút chân không 1 cấp |
Chiếc |
1 |
|
13 |
Máy hút chân không 2 cấp |
Chiếc |
1 |
|
14 |
Bơm cao áp |
Chiếc |
3 |
|
15 |
Bộ thử kín |
Bộ |
2 |
|
16 |
Máy đo tốc độ gió |
Chiếc |
2 |
|
17 |
Máy đo độ ẩm |
Chiếc |
2 |
|
18 |
Máy đo độ ồn |
Chiếc |
2 |
|
19 |
Nhiệt kế kiểu cặp nhiệt |
Chiếc |
2 |
|
20 |
Nhiệt kế điện trở |
Chiếc |
2 |
|
21 |
Nhiệt kế kiểu áp kế |
Chiếc |
2 |
|
22 |
Áp kế kiểu màng đàn hồi |
Chiếc |
2 |
|
23 |
Cân nạp ga điện tử |
Bộ |
1 |
|
24 |
Đồng hồ đo chân không |
Bộ |
1 |
Bảng 10.1. Danh mục thiết bị Phòng thực hành máy lạnh dân dụng và thương mại
Ghi chú các số trong sơ đồ:
1. Tủ đông
2. Tủ mát
3. Tủ lạnh làm lạnh trực tiếp
4. Tủ lạnh làm lạnh gián tiếp
5. Tủ lạnh thương nghiệp
Các thiết bị có số thứ tự trong bảng danh mục thiết bị 10.1 được bố trí như hình 10.1.
Một số thiết bị hoặc dụng cụ như Máy đo tốc độ gió, Máy đo độ ẩm, Máy đo độ ồn, Nhiệt kế kiểu cặp nhiệt, Nhiệt kế điện trở, Nhiệt kế kiểu áp kế, Áp kế kiểu màng đàn hồi, Cân nạp ga điện tử, Đồng hồ đo chân không, có kích thước nhỏ có thể để vào tủ đựng dụng cụ.
10.3. Sơ đồ hướng dẫn bố trí và khoảng cách các thiết bị

Hình 10.1. Phòng thực hành máy lạnh dân dụng và thương mại
10.4. Các quy định đảm bảo hoạt động của phòng
10.4.1. Quy định về không gian làm việc
- Tùy theo kết cấu và kích thước bao ngoài của thiết bị mà bố trí/lắp đặt thiết bị ở vị trí hợp lý, đủ không gian bảo trì, bảo dưỡng và sửa chữa định kỳ.
- Khoảng cách giữa các thiết bị trong phòng như đã mô tả trong hình 10.1 - Sơ đồ bố trí thiết bị Phòng thực hành máy lạnh dân dụng và thương mại
- Các thiết bị chính được bố trí thành các khu vực như khu thực hành, khu vực bảo dưỡng sửa chữa, các khu vực liên quan đến các loại điều hòa không khí trung tâm cơ bản... vv
10.4.2. Quy định về diện tích
Tùy vào điều kiện cụ thể của từng trường nhưng diện tích của phòng phải thỏa mãn để lắp đặt được các thiết bị như đã quy định trong danh mục thiết bị tối thiểu đã ban hành. Khoảng cách tối thiểu giữa các thiết bị phải đảm bảo như khoảng cách trong sơ đồ hướng dẫn trong hình 10.1 - Sơ đồ bố trí thiết bị phòng thực hành máy lạnh dân dụng và thương mại
10.4.3. Quy định về thiết kế
a. Vị trí: vị trí của phòng phải đảm bảo các yêu cầu sau
- Thuận tiện cho việc đi lại, học tập, giảng dạy và công tác phòng cháy, chữa cháy.
- Khu vực phòng phải tách biệt với khu vực phòng lý thuyết
- Phòng thực hành cơ khí và khu phụ trợ có thể riêng biệt hoặc có thể được lồng ghép vào nhau.
b. Kiến trúc
- Chiều cao trần: Tối thiểu 3 m.
- Nền sàn đảm bảo phẳng, nhẵn, không trơn trượt và dễ dàng làm vệ sinh.
+ Sàn của phòng phải chịu được tải trọng: > 600 kg/m2.
+ Độ phẳng của nền: ± 0,2%.
+ Độ nghiêng của nền: ≤ 0,3%.
+ Sàn được kẻ sơn để phân các khu vực.
- Cửa đi:
+ Phòng phải có ít nhất 2 cửa ra vào, một cửa được bố trí ở đầu lớp và một cửa được bố trí ở cuối lớp.
+ Chiều rộng cửa tối thiểu là 2,4 m và chiều cao tối thiểu là 2,1 m.
- Lối đi: nếu trong phòng có thiết kế lối đi riêng thì bề rộng lối đi không nhỏ hơn 1 m.
10.4.4. Quy định về phòng cháy chữa cháy
Để đề phòng xảy ra sự cố cháy nổ trong phòng, trong công tác xây dựng, lắp đặt thiết bị trong phòng phải đảm bảo các tiêu chí:
- Lắp đặt dây dẫn điện, khí cụ điện đúng công suất thiết kế, tránh quá tải, chập điện gây cháy nổ.
- Phòng phải được trang bị ít nhất 1 bình chữa cháy có chất cháy phù hợpvà thể tích tối thiểu (G) không nhỏ hơn quy định trong bảng sau:
|
Khối lượng hay thể tích chất chữa cháy |
||
|
Bột, kg |
Dung dịch chất tạo bọt hoặc nước với chất phụ gia (lít) |
Chất khí chữa cháy sạch, kg |
|
G ≥ 2 |
G ≥ 6 |
G ≥ 6 |
Bảng 10.2: Quy định thể tích tối thiểu G của bình chữa cháy
- Bình chữa cháy cố định trên giá treo hoặc đặt trong tủ và phải đặt ở vị trí thoáng mát, thuận tiện khi sử dụng. Yêu cầu các tủ đựng thiết bị chữa cháy được sơn đỏ và có các ký hiệu dễ nhận biết.
10.4.5. Quy định định về an toàn điện
- Nguồn điện cung cấp: 380 V/ 220 V ± 10 %, trung tính nối đất trực tiếp.
- Các thiết bị sử dụng điện trong phòng phải được lắp đặt, đấu nối đúng kỹ thuật theo Quy định về nhiệt độ của hệ thống lắp đặt điện hạ áp hiện hành, đảm bảo an toàn cho người và thiết bị.
- Tất cả các phần kim loại của thiết bị có thể xuất hiện điện áp nguy hiểm trong trường hợp hỏng cách điện, phải nối dẫn điện với nhau và nối với vít nối đất của thiết bị. Điện trở đo giữa vít nối đất với bất kỳ phần kim loại nào của thiết bị có thể xuất hiện điện áp nguy hiểm khi hỏng cách điện không được lớn hơn 0,1 Ω.
- Hệ thống điện cho giám sát an ninh, cảnh báo cháy, chiếu sáng (chiếu sáng chung, chiếu sáng bảo vệ, chiếu sáng sự cố) phải được thiết kế riêng, độc lập và tách khỏi đường dây điện động lực.
10.4.6. Quy định về chiếu sáng
Chiếu sáng tự nhiên và chiếu sáng nhân tạo phải đảm bảo làm việc, hoạt động bình thường và điều chỉnh được để đảm bảo yêu cầu về độ rọi, giới hạn hệ số chói lóa và hệ số thể hiện màu tối thiểu. Cụ thể như ở bảng sau:
|
Độ rọi duy trì Ēm lux |
Giới hạn hệ số chói lóa đồng nhất URGL |
Hệ số thể hiện màu tối thiểu Ra |
|
500 |
19 |
80 |
Bảng 10.3: Độ rọi, giới hạn hệ số chói lóa và hệ số thể hiện màu tối thiểu
10.4.7. Quy định về nhiệt độ
Nhiệt độ tối đa 28 0C
10.4.8. Quy định về độ ẩm
Độ ẩm tương đối: 40% ÷ 80%.
10.4.9. Quy định về độ thoáng (thông gió)
- Không gian trong phòng phải được tính toán thiết kế đảm bảo sao cho thông gió tự nhiên là tốt nhất.
- Lưu lượng không khí ngoài (gió tươi) phải đảm bảo ≥ 25m3/h/người học.
10.4.10. Quy định về chống sét
Khi thiết kế hệ thống chống sét cho phòng phải phù hợp với điều kiện thời tiết như: Giông, sét, và điện trở suất của khu vực đặt phòng, tuân thủ các yêu cầu kỹ thuật hiện hành. Điện trở của toàn bộ hệ thống chống sét không vượt quá 10 Ω.
10.4.11. Quy định liên quan đến biển báo, cảnh báo, ký hiệu về an toàn lao động
- Trong phòng phải được lắp biển chỉ dẫn lối đi/lối thoát hiểm, nội quy phòng, bảng tiêu lệnh/nội quy phòng cháy - chữa cháy. Các biển này phải đặt ở vị trí thích hợp, dễ quan sát.
- Các biển chỉ dẫn, biển báo phải được thiết kế đúng màu sắc, hình dạng và chủng loại theo Quy định về nhiệt độ hiện hành.
10.4.12. Quy định về hệ thống thông tin liên lạc, viễn thông
- Hệ thống thông tin liên lạc, viễn thông phải đồng bộ và tuân theo các quy định chuyên ngành có liên quan, đáp ứng công suất sử dụng hiện tại và phát triển trong tương lai.
- Thiết kế lắp đặt hệ thống thông tin liên lạc, viễn thông phải đảm bảo an toàn, thuận tiện cho khai thác sử dụng và đấu nối với các dịch vụ của nhà cung cấp. Có khả năng thay thế, sửa chữa và đảm bảo khoảng cách tới các đường ống kỹ thuật khác.
11. Phòng thực hành máy lạnh công nghiệp
11.1. Chức năng của phòng
Phòng thực hành máy lạnh công nghiệp là không gian để thực hành, thực nghiệm, thí nghiệm và rèn luyện các kỹ năng lắp đặt, vận hành và sửa chữa trong lĩnh vực máy lạnh công nghiệp cho người học. Các thiết bị đào tạo trong phòng được thiết kế cho lớp học với số lượng tối đa 18 người học.
11.2. Danh mục thiết bị chính
|
STT |
Tên thiết bị |
Đơn vị |
Số lượng |
|
1 |
Hệ thống kho bảo quản lạnh đông |
Hệ thống |
1 |
|
2 |
Kho bảo quản lạnh dương |
Chiếc |
1 |
|
3 |
Hệ thống sản xuất đá cây |
hệ |
1 |
|
4 |
Tủ lạnh trưng bày (show case) |
cái |
2 |
|
5 |
Hệ thống sản xuất đá viên |
hệ |
1 |
|
6 |
Máy nén bán kín |
cái |
1 |
|
7 |
Máy nén trục vít |
cái |
1 |
|
8 |
Bộ hàn hơi |
Bộ |
3 |
|
9 |
Bộ đồ nghề điện |
Bộ |
6 |
|
10 |
Bộ đồ nghề cơ khí |
Bộ |
6 |
|
11 |
Bộ đồ nghề điện lạnh |
Bộ |
6 |
|
12 |
Thiết bị dò môi chất lạnh |
Bộ |
1 |
|
13 |
Máy hút chân không 1 cấp |
Chiếc |
1 |
|
14 |
Máy hút chân không 2 cấp |
Chiếc |
1 |
|
15 |
Bơm cao áp |
Chiếc |
3 |
|
16 |
Bộ thử kín |
Bộ |
2 |
|
17 |
Máy đo tốc độ gió |
Chiếc |
2 |
|
18 |
Máy đo độ ẩm |
Chiếc |
2 |
|
19 |
Máy đo độ ồn |
Chiếc |
2 |
|
20 |
Nhiệt kế kiểu cặp nhiệt |
Chiếc |
2 |
|
21 |
Nhiệt kế điện trở |
Chiếc |
2 |
|
22 |
Nhiệt kế kiểu áp kế |
Chiếc |
2 |
|
23 |
Áp kế kiểu màng đàn hồi |
Chiếc |
2 |
|
24 |
Cân nạp ga điện tử |
Bộ |
1 |
|
25 |
Đồng hồ đo chân không |
Bộ |
1 |
|
26 |
Pitô |
Chiếc |
1 |
Bảng 11.1. Danh mục thiết bị phòng hành máy lạnh công nghiệp
Ghi chú các số trong sơ đồ:
Một số thiết bị chính
1. Hệ thống kho bảo quản lạnh đông
2. Kho bảo quản lạnh dương
3. Hệ thống sản xuất đá cây
4. Tủ lạnh trưng bày (show case)
5. Hệ thống sản xuất đá viên
6. Máy nén bán kín
7. Máy nén trục vít
8. Bộ hàn hơi
Các thiết bị có số thứ tự trong bảng danh mục thiết bị 11.1 được bố trí như hình 11.1.
Một số thiết bị hoặc dụng cụ như Máy đo tốc độ gió, Máy đo độ ẩm, Máy đo độ ồn, Nhiệt kế kiểu cặp nhiệt, Nhiệt kế điện trở, Nhiệt kế kiểu áp kế, Áp kế kiểu màng đàn hồi, Cân nạp ga điện tử, Đồng hồ đo chân không, có kích thước nhỏ có thể để vào tủ đựng dụng cụ.
11.3. Sơ đồ hướng dẫn bố trí và khoảng cách các thiết bị

Hình 11.1. Sơ đồ thiết bị phòng thực hành máy lạnh công nghiệp
11.4. Các quy định đảm bảo hoạt động của phòng
11.4.1. Quy định về không gian làm việc
- Tùy theo kết cấu và kích thước bao ngoài của thiết bị mà bố trí/lắp đặt thiết bị ở vị trí hợp lý, đủ không gian bảo trì, bảo dưỡng và sửa chữa định kỳ.
- Khoảng cách giữa các thiết bị trong phòng như đã mô tả trong hình 11.1 - Sơ đồ bố trí thiết bị Phòng thực hành máy lạnh công nghiệp
- Các thiết bị chính được bố trí thành các khu vực như khu thực hành, khu vực bảo dưỡng sửa chữa, các khu vực liên quan đến các loại máy lạnh công nghiệp cơ bản
11.4.2. Quy định về diện tích
Tùy vào điều kiện cụ thể của từng trường nhưng diện tích của phòng phải thỏa mãn để lắp đặt được các thiết bị như đã quy định trong danh mục thiết bị tối thiểu đã ban hành. Khoảng cách tối thiểu giữa các thiết bị phải đảm bảo như khoảng cách trong sơ đồ hướng dẫn trong hình 11.1 - Sơ đồ bố trí thiết bị Phòng thực hành máy lạnh công nghiệp.
11.4.3. Quy định về thiết kế
a. Vị trí: vị trí của phòng phải đảm bảo các yêu cầu sau
- Thuận tiện cho việc đi lại, học tập, giảng dạy và công tác phòng cháy, chữa cháy.
- Khu vực phòng phải tách biệt với khu vực phòng lý thuyết
- Phòng thực hành cơ khí và khu phụ trợ có thể riêng biệt hoặc có thể được lồng ghép vào nhau.
b. Kiến trúc
- Chiều cao trần: Tối thiểu 3 m.
- Nền sàn đảm bảo phẳng, nhẵn, không trơn trượt và dễ dàng làm vệ sinh.
+ Sàn của phòng phải chịu được tải trọng: > 600 kg/m2.
+ Độ phẳng của nền: ± 0,2%.
+ Độ nghiêng của nền: ≤ 0,3%.
+ Sàn được kẻ sơn để phân các khu vực.
- Cửa đi:
+ Phòng phải có ít nhất 2 cửa ra vào, một cửa được bố trí ở đầu lớp và một cửa được bố trí ở cuối lớp.
+ Chiều rộng cửa tối thiểu là 2,4 m và chiều cao tối thiểu là 2,1 m.
- Lối đi: nếu trong phòng có thiết kế lối đi riêng thì bề rộng lối đi không nhỏ hơn 1 m.
11.4.4. Quy định về phòng cháy chữa cháy
Để đề phòng xảy ra sự cố cháy nổ trong phòng, trong công tác xây dựng, lắp đặt thiết bị trong phòng phải đảm bảo các tiêu chí:
- Lắp đặt dây dẫn điện, khí cụ điện đúng công suất thiết kế, tránh quá tải, chập điện gây cháy nổ.
- Phòng phải được trang bị ít nhất 1 bình chữa cháy có chất cháy phù hợp và thể tích tối thiểu (G) không nhỏ hơn quy định trong bảng sau:
|
Khối lượng hay thể tích chất chữa cháy |
||
|
Bột, kg |
Dung dịch chất tạo bọt hoặc nước với chất phụ gia (lít) |
Chất khí chữa cháy sạch, kg |
|
G ≥ 2 |
G ≥ 6 |
G ≥ 6 |
Bảng 11.2: Quy định thể tích tối thiểu G của bình chữa cháy
- Bình chữa cháy cố định trên giá treo hoặc đặt trong tủ và phải đặt ở vị trí thoáng mát, thuận tiện khi sử dụng. Yêu cầu các tủ đựng thiết bị chữa cháy được sơn đỏ và có các ký hiệu dễ nhận biết.
11.4.5. Quy định định về an toàn điện
- Nguồn điện cung cấp: 380 V/ 220 V ± 10 %, trung tính nối đất trực tiếp.
- Các thiết bị sử dụng điện trong phòng phải được lắp đặt, đấu nối đúng kỹ thuật theo Quy định về nhiệt độ của hệ thống lắp đặt điện hạ áp hiện hành, đảm bảo an toàn cho người và thiết bị.
- Tất cả các phần kim loại của thiết bị có thể xuất hiện điện áp nguy hiểm trong trường hợp hỏng cách điện, phải nối dẫn điện với nhau và nối với vít nối đất của thiết bị. Điện trở đo giữa vít nối đất với bất kỳ phần kim loại nào của thiết bị có thể xuất hiện điện áp nguy hiểm khi hỏng cách điện không được lớn hơn 0,1 Ω.
- Hệ thống điện cho giám sát an ninh, cảnh báo cháy, chiếu sáng (chiếu sáng chung, chiếu sáng bảo vệ, chiếu sáng sự cố) phải được thiết kế riêng, độc lập và tách khỏi đường dây điện động lực.
11.4.6. Quy định về chiếu sáng
Chiếu sáng tự nhiên và chiếu sáng nhân tạo phải đảm bảo làm việc, hoạt động bình thường và điều chỉnh được để đảm bảo yêu cầu về độ rọi, giới hạn hệ số chói lóa và hệ số thể hiện màu tối thiểu. Cụ thể như ở bảng sau:
|
Độ rọi duy trì Ēm lux |
Giới hạn hệ số chói lóa đồng nhất URGL |
Hệ số thể hiện màu tối thiểu Ra |
|
500 |
19 |
80 |
Bảng 11.3: Độ rọi, giới hạn hệ số chói lóa và hệ số thể hiện màu tối thiểu
11.4.7. Quy định về nhiệt độ
Nhiệt độ tối đa 28 0C
11.4.8. Quy định về độ ẩm
Độ ẩm tương đối: 40% ÷ 80%.
11.4.9. Quy định về độ thoáng (thông gió)
- Không gian trong phòng phải được tính toán thiết kế đảm bảo sao cho thông gió tự nhiên là tốt nhất.
- Lưu lượng không khí ngoài (gió tươi) phải đảm bảo ≥ 25m3/h/người học.
11.4.10. Quy định về chống sét
Khi thiết kế hệ thống chống sét cho phòng phải phù hợp với điều kiện thời tiết như: Giông, sét, và điện trở suất của khu vực đặt phòng, tuân thủ các yêu cầu kỹ thuật hiện hành. Điện trở của toàn bộ hệ thống chống sét không vượt quá 10 Ω.
11.4.11. Quy định liên quan đến biển báo, cảnh báo, ký hiệu về an toàn lao động
- Trong phòng phải được lắp biển chỉ dẫn lối đi/lối thoát hiểm, nội quy phòng, bảng tiêu lệnh/nội quy phòng cháy - chữa cháy. Các biển này phải đặt ở vị trí thích hợp, dễ quan sát.
- Các biển chỉ dẫn, biển báo phải được thiết kế đúng màu sắc, hình dạng và chủng loại theo Quy định về nhiệt độ hiện hành.
11.4.12. Quy định về hệ thống thông tin liên lạc, viễn thông
- Hệ thống thông tin liên lạc, viễn thông phải đồng bộ và tuân theo các quy định chuyên ngành có liên quan, đáp ứng công suất sử dụng hiện tại và phát triển trong tương lai.
- Thiết kế lắp đặt hệ thống thông tin liên lạc, viễn thông phải đảm bảo an toàn, thuận tiện cho khai thác sử dụng và đấu nối với các dịch vụ của nhà cung cấp. Có khả năng thay thế, sửa chữa và đảm bảo khoảng cách tới các đường ống kỹ thuật khác.
PHẦN III
CÁC TIÊU CHUẨN THAM CHIẾU
1. TCVN 9210:2012 - Trường dạy nghề - Quy định về nhiệt độ thiết kế
2. TCVN 2622:1995 - Phòng cháy, chống cháy cho nhà và công trình - Yêu cầu thiết kế
3. TCVN 3890:2009 - Phương tiện phòng cháy và chữa cháy cho nhà và công trình - Trang bị, bố trí, kiểm tra, bảo dưỡng
4. TCVN 7435:2004 - Phòng cháy, chữa cháy-bình chữa cháy xách tay và xe đẩy chữa cháy
5. TCVN 9385:2012 - Chống sét cho công trình xây dựng - Hướng dẫn thiết kế, kiểm tra và bảo trì hệ thống
6. QCXDVN 05:2008/BXD - Nhà ở và công trình công cộng - An toàn sinh mạng và sức khỏe
7. TCVN 4319:2012 - Nhà và công trình công cộng - Nguyên tắc cơ bản để thiết kế
8. TCVN 4604:2012 - Xí nghiệp công nghiệp - Nhà sản xuất - Quy định về nhiệt độ thiết kế
9. TCVN 5508:2009 - Không khí vùng làm việc - Yêu cầu về điều kiện vi khí hậu và phương pháp đo
10. TCVN 2737:1995 - Tải trọng và tác động - Quy định về nhiệt độ thiết kế
11. TCVN 9520:2012 - Trung tâm dữ liệu - Yêu cầu về hạ tầng kỹ thuật viễn thông
12. TCVN 5687:2010 - Thông gió - Điều hòa không khí - Quy định về nhiệt độ thiết kế
13. TCXD 16:1986 - Chiếu sáng nhân tạo trong công trình dân dụng
14. TCXD 29:1991 - Chiếu sáng tự nhiên trong công trình dân dụng - Quy định về nhiệt độ thiết kế
15. TCVN 8092:2009 - Ký hiệu đồ họa - màu sắc an toàn và biển báo an toàn - biển báo an toàn sử dụng ở nơi làm việc và nơi công cộng
16. ASHRAE HANDBOOK - HVAC SYSTEMS AND EQUIPMENT 2004
17. ASHRAE Refrigeration Handbook (SI) 2002
Bạn chưa Đăng nhập thành viên.
Đây là tiện ích dành cho tài khoản thành viên. Vui lòng Đăng nhập để xem chi tiết. Nếu chưa có tài khoản, vui lòng Đăng ký tại đây!
Bạn chưa Đăng nhập thành viên.
Đây là tiện ích dành cho tài khoản thành viên. Vui lòng Đăng nhập để xem chi tiết. Nếu chưa có tài khoản, vui lòng Đăng ký tại đây!