- Tổng quan
- Nội dung
- Tiêu chuẩn liên quan
- Lược đồ
- Tải về
Tiêu chuẩn TCVN 10156-4:2013 Xác định độ bền chống rạn nứt của chất dẻo bằng phương pháo ấn bi hoặc kim
| Số hiệu: | TCVN 10156-4:2013 | Loại văn bản: | Tiêu chuẩn Việt Nam |
| Cơ quan ban hành: | Bộ Khoa học và Công nghệ | Lĩnh vực: | Công nghiệp |
|
Ngày ban hành:
Ngày ban hành là ngày, tháng, năm văn bản được thông qua hoặc ký ban hành.
|
2013 |
Hiệu lực:
|
Đã biết
|
| Người ký: | Đang cập nhật |
Tình trạng hiệu lực:
Cho biết trạng thái hiệu lực của văn bản đang tra cứu: Chưa áp dụng, Còn hiệu lực, Hết hiệu lực, Hết hiệu lực 1 phần; Đã sửa đổi, Đính chính hay Không còn phù hợp,...
|
Đã biết
|
TÓM TẮT TIÊU CHUẨN VIỆT NAM TCVN 10156-4:2013
Nội dung tóm tắt đang được cập nhật, Quý khách vui lòng quay lại sau!
Tải tiêu chuẩn Việt Nam TCVN 10156-4:2013
TIÊU CHUẨN QUỐC GIA
TCVN 10156-4:2013
ISO 22088-4:2006
CHẤT DẺO - XÁC ĐỊNH ĐỘ BỀN CHỐNG RẠN NỨT DO ỨNG SUẤT MÔI TRƯỜNG (ESC) - PHẦN 4: PHƯƠNG PHÁP ẤN BI HOẶC KIM
Plastics - Determination of resistance to environmental stress cracking (ESC) - Part 4: Ball or pin impression method
Lời nói đầu
TCVN 10156-4:2013 hoàn toàn tương đương ISO 22088-4:2006.
TCVN 10156-4:2013 do Ban kỹ thuật tiêu chuẩn quốc gia TCVN/TC61 Chất dẻo biên soạn, Tổng cục Tiêu chuẩn Đo lường Chất lượng đề nghị, Bộ Khoa học và Công nghệ công bố.
Bộ tiêu chuẩn TCVN 10156 (ISO 22088) Chất dẻo - Xác định độ bền chống rạn nứt do ứng suất môi trường (ESC), bao gồm các tiêu chuẩn sau:
- TCVN 10156-1 (ISO 22088-1), Phần 1: Hướng dẫn chung
- TCVN 10156-2 (ISO 22088-2), Phần 2: Phương pháp lực kéo không đổi
- TCVN 10156-3 (ISO 22088-3), Phần 3: Phương pháp uốn cong
- TCVN 10156-4 (ISO 22088-4), Phần 4: Phương pháp ấn bi hoặc kim
- TCVN 10156-5 (ISO 22088-5), Phần 5: Phương pháp biến dạng kéo không đổi
- TCVN 10156-6 (ISO 22088-6), Phần 6: Phương pháp tốc độ biến dạng chậm
CHẤT DẺO - XÁC ĐỊNH ĐỘ BỀN CHỐNG RẠN NỨT DO ỨNG SUẤT MÔI TRƯỜNG (ESC) - PHẦN 4: PHƯƠNG PHÁP ẤN BI HOẶC KIM
Plastics - Determination of resistance to environmental stress cracking (ESC) - Part 4: Ball or pin impression method
1. Phạm vi áp dụng
1.1. Tiêu chuẩn này quy định phương pháp ấn bi hoặc kim để xác định ứng xử rạn nứt do ứng suất môi trường (ESC) của chất dẻo bằng phương pháp thử biến dạng không đổi.
1.2. Phương pháp có thể áp dụng cho các sản phẩm hoàn thiện và cho các mẫu thử được chuẩn bị bằng cách đúc và/hoặc gia công bằng máy, và có thể được sử dụng cho việc đánh giá ứng xử ESC của sản phẩm hoặc vật liệu dẻo được phơi nhiễm với các môi trường khác nhau, cũng như để xác định ứng xử ESC của các vật liệu dẻo khác nhau được phơi nhiễm trong cùng một môi trường cụ thể.
CHÚ THÍCH: Các phương pháp khác xác định rạn nứt do ứng suất môi trường bằng phương pháp thử biến dạng không đổi được nêu tại TCVN 10156-3 (ISO 22088-3) và TCVN 10156-5 (ISO 22088-5). Phương pháp xác định rạn nứt do ứng suất môi trường bằng phương pháp thử ứng suất không đổi được nêu tại TCVN 10156-2 (ISO 22088-2).
1.3. Cả hai phương pháp ấn bi và kim đều là các quy trình nhanh và nhạy để đánh giá ứng xử ESC của chất dẻo. Các phương pháp này đều phù hợp với các chất dẻo vô định hình. Chúng ít phù hợp với các vật liệu thể hiện xu hướng rão và/hoặc có phục hồi ứng suất rõ ràng, ví dụ như các vật liệu bán tinh thể. Nếu các vật liệu bán tinh thể được thử nghiệm, nên dùng kim hơn dùng bi.
1.4. Phương pháp ấn bi hữu dụng cho việc đánh giá ứng xử ESC có nguyên tắc của hệ vật liệu - hóa chất cần nghiên cứu. Phương pháp ít chịu ảnh hưởng của trạng thái định hướng gần bề mặt của các mẫu hơn phương pháp ấn kim và các phương pháp ở các phần khác của bộ tiêu chuẩn này, trong đó hóa chất chỉ tấn công bề mặt nguyên thủy của vật liệu. Như vậy, tùy thuộc vào cách chuẩn bị mẫu thử, có thể cho thấy mức độ đáng kể của định hướng.
1.5. Phương pháp ấn kim hữu dụng để thử nghiệm các mẫu có chiều dày nhỏ và các cấu kiện hoàn thiện.
2. Tài liệu viện dẫn
Các tài liệu viện dẫn sau đây là cần thiết để áp dụng tiêu chuẩn này. Đối với các tài liệu viện dẫn ghi năm công bố thì áp dụng bản được nêu. Đối với các tài liệu viện dẫn không ghi năm công bố thì áp dụng phiên bản mới nhất, bao gồm cả các sửa đổi, bổ sung (nếu có).
TCVN 4501-1 (ISO 527-1), Chất dẻo - Xác định tính chất kéo - Phần 1: Nguyên tắc chung
TCVN 4501-2 (ISO 527-2), Chất dẻo - Xác định tính chất kéo - Phần 2: Điều kiện thử nghiệm đối với chất dẻo đúc và đùn
TCVN 5120 (ISO 4287), Đặc tính hình học của sản phẩm (GPS) - Nhám bề mặt: Phương pháp Profin - Thuật ngữ, định nghĩa và thông số nhám bề mặt
TCVN 9848 (ISO 291), Chất dẻo - Khí quyển tiêu chuẩn cho ổn định và thử nghiệm
ISO 178, Plastics - Determination of flexural properties (Chất dẻo - Xác định các tính chất uốn)
ISO 293, Plastics - Compression moulding of test specimens of thermoplastic materials (Chất dẻo - Đúc ép các mẫu thử từ các vật liệu nhiệt dẻo)
ISO 294-1, Plastics - lnjection moulding of test specimens of thermoplastic materials - Part 1: General principles, and moulding of multipurpose and bar test specimens (Chất dẻo - Đúc phun các mẫu thử từ các vật liệu nhiệt dẻo - Phần 1: Nguyên lý chung, và đúc các mẫu thử đa mục đích và mẫu thử dạng thanh)
ISO 2557-1, Plastics - Amorphous thermoplastics - Preparation of test specimens with a specified maximum reversion - Pari 1: Bars (Chất dẻo - Nhựa nhiệt dẻo vô định hình - Chuẩn bị các mẫu thử có sự phục hồi trạng thái tối đa theo quy định - Phần 1: Dạng thanh)
ISO 2818, Plastics - Preparation of test specimens by machining (Chất dẻo - Chuẩn bị các mẫu thử bằng phương pháp gia công bằng máy)
ISO 3167, Plastics - Multipurpose test specimens (Chất dẻo - Các mẫu thử đa mục đích)
ISO 3290, Rolling bearings - Balls - Dimensions and tolerances (Trục lăn - Bi - Kích thước và dung sai)
3. Thuật ngữ và định nghĩa
Trong tiêu chuẩn này áp dụng các thuật ngữ và định nghĩa sau đây:
3.1. Quá cỡ (oversize)
dd
Chênh lệch giữa đường kính của viên bi hoặc kim được ấn vào (db) và đường kính của lỗ được khoan và làm rộng ra trong mẫu thử:
dd = db- dh (1)
3.2. Cấp biến dạng (deformation step)
Phép xác định được thực hiện tại quá cỡ nhất định.
3.3. Cấp biến dạng zero (deformation step zero)
Phép xác định được thực hiện bằng cách sử dụng các mẫu thử được khoan và chỉ được doa rộng, tức không có sự ấn bi hoặc kim.
3.4. Dãy biến dạng (deformation series)
Số các cấp biến dạng liên tiếp bắt đầu từ cấp biến dạng zero.
CHÚ THÍCH Thông thường, dãy biến dạng bao gồm bảy cấp biến dạng với mức độ tăng dần.
3.5. Giới hạn phá hủy (failure limit)
Quá cỡ trong dãy biến dạng gây ra phá hủy, như được quy định theo các thuật ngữ của tiêu chí phá hủy sau đây:
a) đối với các mẫu thử loại A (các mẫu thử được lấy từ các sản phẩm), là các vết nứt nhìn thấy, có thể nhìn thấy bằng kính lúp có độ phóng đại gấp 5 lần;
b) đối với các mẫu thử loại B (các mẫu thử được đúc hoặc gia công), theo tiêu chí sau đây (xem 9.2 và Hình 4):
1) giảm 5 % lực kéo lớn nhất được đo tại cấp biến dạng zero (tiêu chí B1 trong Hình 1),
2) giảm 5 % lực uốn lớn nhất được đo tại cấp biến dạng zero (tiêu chí B2 trong Hình 1),
3) giảm 20 % độ giãn dài kéo đứt được đo ở cấp biến dạng zero (tiêu chí B3 trong Hình 1).
CHÚ THÍCH 1: Nếu mẫu không đứt ngay sau khi tác động lực kéo tối đa, độ giãn dài kéo tại 50 % lực kéo tối đa trước đó (xem Hình 1) có thể được đo. Mức độ phá hủy sau đó được xác định bằng sự giảm 20 % giá trị tại cấp biến dạng zero (tiêu chí B4).
CHÚ THÍCH 2: Chỉ cần đo độ giãn dài khi đứt giữa các má kẹp.
CHÚ THÍCH 3: Nếu giá trị của ứng suất kéo là cần thiết, phải dựa vào lực tại diện tích mặt cắt nhỏ nhất của mẫu tại vị trí của lỗ. Tính ứng suất kéo theo công thức (2):
(2)
trong đó
σ là ứng suất kéo, tính bằng MPa hoặc N.mm-2;
F là lực kéo, tính bằng N;
h là chiều dày của mẫu, tính bằng mm;
dh là đường kính của lỗ, sau khi doa, tính bằng mm;
w là chiều rộng của mẫu, tính bằng mm.

CHÚ DẪN
| X | độ giãn dài | B1 | giảm 5 % lực kéo lớn nhất |
| Y | ứng suất | B2 | giảm 5 % lực uốn lớn nhất |
| 1 | tối đa | B3 | sự giảm 20 % độ giãn dài kéo khi đứt |
| 2 | 0,5 lần lực kéo lớn nhất trước đó | B4 | độ giãn dài kéo tại 50 % của lực kéo lớn nhất trước đó |
Hình 1 - Tiêu chí phá hủy đối với các mẫu thử loại B
3.6. Tỷ lệ ứng suất-rạn nứt tương đối (relative stress-cracking factor)
Tỷ lệ giới hạn phá hủy trong môi trường thử nghiệm so với giới hạn phá hủy trong môi trường chuẩn, ví dụ không khí, được đo tại cùng nhiệt độ thử nghiệm trong cùng thời gian thử nghiệm.
4. Nguyên lý
Biến dạng không đổi, được tạo ra bằng cách ấn bi hoặc kim vào mẫu thử trong môi trường thử nghiệm, thường gây ra các vết nứt cỡ micrô, các vết này theo thời gian có thể phát triển thành các vết nứt nhìn thấy được. Để rút ngắn thời gian thử nghiệm, sự phá hủy có thể được tăng tốc bằng thử nghiệm cơ học tiếp theo. Nếu các sản phẩm không thể đánh giá được bằng các thử nghiệm cơ học, có thể tiến hành kiểm tra trực quan các vết nứt quanh bi hoặc kim.
Một lỗ với đường kính xác định được khoan vào mẫu thử, bi hoặc kim quá cỡ được đưa vào lỗ và cho mẫu tiếp xúc với môi trường hóa chất. Quy trình này được lặp lại bằng cách sử dụng bi hoặc kim có đường kính tăng dần. Sau thời gian quy định, ảnh hưởng của tương tác được xác định bằng kiểm tra trực quan (các mẫu thử loại A) hoặc bằng cách xác định các tính chất kéo hoặc uốn (các mẫu thử loại B). Một loạt thử nghiệm song song có thể được thực hiện trong đó các mẫu thử được phơi nhiễm với không khí và xác định ứng xử so sánh được xác định.
CHÚ THÍCH: Kim thích hợp đối với bộ các mẫu thử đơn lẻ hoặc các vật phẩm có chiều dày lớn hơn 1 mm. Biến dạng của mẫu thử là như nhau dọc theo toàn bộ chiều dài của lỗ. Bi thích hợp đối với các chiều dày lớn hơn 2 mm. Chiều dày ưu tiên là 4 mm.
5. Thiết bị, dụng cụ
5.1. Máy khoan, vận hành ở tần số quay thích hợp, ví dụ ở 1 000 min-1.
5.2. Khoan, đường kính (2,8 ± 0,1) mm.
5.3. Mũi doa, thích hợp để hoàn thiện lỗ với đường kính (3,00 ± 0,05) mm.
CHÚ THÍCH: Mũi doa 3H7 (3,004 mm đến 3,008 mm) là thích hợp.
5.4. Các dụng cụ đo lỗ, hoặc các thiết bị thích hợp khác, để đo đường kính của các lỗ được doa chính xác đến 0,005 mm.
5.5. Micrometer, để xác định các đường kính của kim với độ chính xác đến 0,001 mm.
5.6. Bi hoặc kim thép được đánh bóng, có dung sai ± 0,001 mm với các đường kính cho đến 4 mm và ± 0,01 mm với các đường kính lớn hơn 4 mm.
CHÚ THÍCH: Nếu thép bị tác động trong môi trường thử nghiệm, các vật liệu cứng thích hợp khác, ví dụ thủy tinh, có thể được sử dụng làm bi hoặc kim.
Nên sử dụng phạm vi các khoảng đường kính nêu tại Bảng 1.
5.6.1. Bi, phù hợp với ISO 3290 loại G20 đối với các đường kính đến 4 mm và loại G200 đối với các đường kính lớn hơn 4 mm.
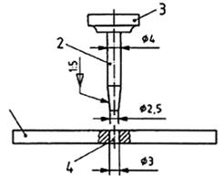
5.6.2. Kim, không có các gờ thô ráp hoặc sắc, có phần cạnh song song dài 10 mm đến 50 mm và vê côn (1:5) tại một đầu để giảm đường kính đầu vào xuống 2,5 mm (xem Hình 2). Độ nhám bề mặt của kim phải đều nhau, ưu tiên là Ra < 0,02 µm [xem TCVN 5120 (ISO 4287)].
CHÚ THÍCH: Phần cạnh song song của kim dài hơn sẽ cho phép nhiều mẫu thử được thử nghiệm trên cùng một kim.
5.7. Dụng cụ kẹp, để khoan và doa các lỗ (bộ gá kẹp thông thường được thể hiện trong Hình 3).
5.8. Thiết bị để ấn bi hoặc kim vào lỗ
Có thể sử dụng trục quay của máy khoan hoặc bản thân máy thử nghiệm kéo.
Bảng 1 - Khoảng đường kính khuyến nghị đối với bi và kim
Kích thước tính bằng millimét
| Đường kính | Sai số |
| 2,98 đến 3,20 | 0,01 |
| 3,20 đến 3,50 | 0,05 |
| 3,50 đến 4,00 | 0,10 |
| 4,0 đến 6,0 | 0,50 |
Kích thước tính bằng millimét

CHÚ DẪN
1 Mẫu thử
2 Kim
3 Chân ép của máy thử nghiệm
4 Lỗ khoan
Hình 2 - Ví dụ về kết cấu kim và chèn kim
Kích thước tính bằng millimét

CHÚ DẪN
1 mẫu thử
2 lỗ
3 Kim giữ
Hình 3 - Dụng cụ kẹp điển hình để khoan lỗ trong các mẫu thử
5.9. Bình, để ngâm mẫu. Bình phải được chế tạo từ vật liệu thích hợp, là loại vật liệu không bị ăn mòn bởi môi trường thử nghiệm và sẽ không tương tác với chất lỏng ngâm.
5.10. Đồng hồ.
5.11. Máy thử nghiệm uốn hoặc kéo (xem ISO 178 hoặc TCVN 4501-1 (ISO 527-1) tương ứng), để xác định các tính chất uốn hoặc kéo.
6. Mẫu thử
6.1. Hình dạng
6.1.1. Yêu cầu chung
Nói chung, sử dụng các mẫu thử có hình dạng và phương pháp chuẩn bị được nêu trong tiêu chuẩn tương ứng với vật liệu hoặc sản phẩm liên quan.
Nếu tiêu chuẩn phù hợp không có đặc điểm kỹ thuật như vậy, phải sử dụng các mẫu thử theo hình dạng sau đây.
6.1.2. Mẫu thử loại A
Sử dụng sản phẩm hoặc một phần của sản phẩm làm mẫu thử.
6.1.3. Mẫu thử loại B
Sử dụng các mẫu thử được đúc hoặc gia công phù hợp với ISO 293, ISO 294-1 hoặc ISO 2818, tùy tiêu chuẩn nào áp dụng được.
Không được gia công ở mặt sẽ được khoan lỗ trên các mặt của mẫu thử. Nếu không có quy định kích thước của các mẫu thử, đối với thử nghiệm uốn sử dụng các thanh có kích thước 80 mm x 10 mm x 4 mm, như được nêu tại ISO 178, và đối với thử nghiệm kéo sử dụng mẫu thử thích hợp được nêu tại TCVN 4501-1 (ISO 527-1) và TCVN 4501-2 (ISO 527-2). Các lưu ý đối với mẫu thử đa mục đích được nêu tại ISO 3167.
CHÚ THÍCH 1: Thử nghiệm uốn có những nhược điểm sau đây:
Tại thực nghiệm uốn ba điểm, tải được tác động trực tiếp tại lỗ. Điều đó có thể va chạm tới bi trong mẫu thử.
Các mẫu chất dẻo ít khi bị đứt khi thử uốn. Do vậy có thể không xác định được tỷ lệ ứng suất-rạn nứt tương đối do thực tế là thiếu bước giá trị biến dạng cấp zero.
CHÚ THÍCH 2: Thử nghiệm kéo cũng có thể được tiến hành bằng cách sử dụng các mẫu có kích thước 80 mm x 10 mm x 4 mm, được chuẩn bị trực tiếp hoặc cắt từ phần giữa của mẫu thử đa mục đích. Điều đó cho phép sử dụng những bình nhỏ hơn với lượng chất lỏng ngâm ít hơn.
6.2. Trạng thái
Đối với các thử nghiệm để so sánh, các mẫu thử phải ở cùng trạng thái. Lưu ý được nêu trong ISO 2557-1 đối với việc xác định mức co ngót và nêu trong ISO 294-1 đối với trạng thái của các mẫu. Nếu các vật phẩm hoàn thiện được thử nghiệm, các lỗ khoan phải được khoan ở cùng chỗ, hoặc tại điểm theo thỏa thuận giữa các bên có liên quan, đặc biệt nếu khảo sát các vùng biên, như các đường hàn.
Mức co ngót của các mẫu thử, dù được đúc ép, đúc phun hoặc được gia công từ tấm, phải được xác định trên 5 mẫu thử trước khi chúng được khoan và doa.
Khi đánh giá các vật liệu đúc được chế tạo từ các polyme tinh thể, như polyetylen và polypropylen, mức độ kết tinh phải được kiểm soát bằng cách tuân thủ những hướng dẫn được nêu tại tiêu chuẩn phù hợp đối với vật liệu được thử nghiệm, hoặc theo thỏa thuận giữa các bên có liên quan.
CHÚ THÍCH: Giá trị bằng số của giới hạn phá hủy phụ thuộc vào phương pháp xác định và khoảng cách giữa các cạnh của mỗi lỗ và mặt bên của mẫu. Giá trị đó giảm đi khi khoảng cách này giảm đi.
6.3. Số lượng mẫu thử
6.3.1. Lưu ý chung
Số lượng mẫu thử cần thiết phụ thuộc vào thời gian của thử nghiệm, tức ngắn hạn (xem 8.4.2) hoặc dài hạn (xem 8.4.3), và phương pháp được sử dụng, cần chọn ba cấp biến dạng nằm ở cả hai phía của giới hạn phá hủy ước tính. Khi tiến hành phơi nhiễm dài hạn để đánh giá tại các thời điểm trung gian, phải cần các mẫu bổ sung.
6.3.2. Thời gian thử nghiệm ngắn hạn (5 min đến 24 h trong môi trường thử nghiệm) (xem 8.4.2)
6.3.2.1. Lựa chọn môi trường hóa chất
Do cần các thao tác để ngâm các mẫu trong môi trường hóa chất và lại lấy chúng ra, nhận thấy rằng 5 min là khoảng thời gian ngâm thực tế ngắn nhất. Nếu có thể chọn giữa các môi trường hóa chất khác nhau, nên chọn loại hóa chất cho mức rạn nứt do ứng suất có thể đo được trong phạm vi không dưới 1 h.
6.3.2.2. Mẫu thử loại A
Phải sử dụng các bộ mẫu với ba cấp biến dạng hoàn toàn để thử nghiệm, số lượng mẫu thử cần thiết phụ thuộc vào số lượng lỗ có thể được khoan ở vùng đồng nhất của mỗi mẫu.
6.3.2.3. Mẫu thử loại B
Năm mẫu thử phải được sử dụng đối với mỗi cấp biến dạng.
6.3.3. Thời gian thử nghiệm dài hạn
Số lượng mẫu thử phụ thuộc vào các điều kiện thử nghiệm (xem 8.4.3).
7. Ổn định và các điều kiện thử nghiệm
7.1. Ổn định
Trừ khi có thỏa thuận khác giữa các bên có liên quan (ví dụ đối với các polyamid hoặc ABS), các mẫu thử phải được ổn định trong ít nhất 24 h ở (23 ± 2) °C và độ ẩm tương đối (50 ± 10) % trước thử nghiệm.
7.2. Nhiệt độ thử nghiệm
7.2.1. Trừ khi có thỏa thuận khác giữa các bên có liên quan (ví dụ đối với polyetylen), nhiệt độ trong khi chèn kim phải là (23 ± 2) °C.
7.2.2. Nhiệt độ trong khi ngâm phải là (23 ± 2) °C, nếu không có quy định khác hoặc được thỏa thuận giữa các bên có liên quan, trong trường hợp đó nhiệt độ có thể là (40 ± 1) °C hoặc nhiệt độ khác. Trước khi ngâm, các mẫu thử phải được lưu giữ trong không khí ở (23 ± 2) °C và độ ẩm tương đối (50 ± 10) %. Trong thời gian lưu giữ trong môi trường chuẩn (thường là không khí), phải lưu ở nhiệt độ giống như nhiệt độ khi ngâm.
7.2.3. Thử nghiệm kéo (ưu tiên) hoặc uốn phải được tiến hành ở (23 ± 2) °C và độ ẩm tương đối (50 ± 10) %, hoặc (23 ± 2) °C nếu độ ẩm tương đối không có tính quyết định.
7.3. Môi trường hóa chất
Môi trường hóa chất được sử dụng cho thử nghiệm phải là môi trường được nêu trong tiêu chuẩn phù hợp. Nếu không có điều kiện kỹ thuật như vậy, sử dụng môi trường hóa chất mà vật liệu sẽ tiếp xúc môi trường đó trong ứng dụng dự kiến hoặc sử dụng sản phẩm được thỏa thuận giữa các bên có liên quan.
8. Cách tiến hành
8.1. Làm sạch
Các mẫu thử, bi và kim phải làm sạch và không có chất bôi trơn, dầu mỡ, mồ hôi và các hợp chất khác có thể ảnh hưởng đến kết quả thử nghiệm.
CHÚ THÍCH Sự phơi nhiễm các mẫu thử với ánh sáng nhân tạo hoặc ánh sáng mặt trời cũng có thể ảnh hưởng đến kết quả.
8.2. Khoan các mẫu thử
8.2.1. Yêu cầu chung
Cần phải cẩn thận để tránh làm nóng các mẫu trong khi khoan. Chọn tốc độ khoan, mức đi và dạng hình học của mũi khoan sao cho khi khoan tạo ra phoi liên tục không bị nóng chảy. Làm nguội bằng chất làm nguội thích hợp (ví dụ, không khí nén không chứa dầu, nước hoặc chất làm nguội khác được biết là không có ảnh hưởng đến vật liệu cần thử nghiệm). Các mẫu có thể được lưu giữ tại các nhiệt độ thấp hơn môi trường xung quanh trước khi khoan. Đối với các vật liệu dẻo, điều đó giúp kiểm soát kích thước của các lỗ khoan.
8.2.2. Mẫu thử loại A
Khoan các lỗ có đường kính 2,8 mm trên mỗi mẫu thử và doa chúng đến 3,0 mm. Các lỗ phải vuông góc với bề mặt của các mẫu thử, cách nhau ít nhất 15 mm và cách ít nhất 15 mm từ các cạnh của mẫu thử.
CHÚ THÍCH Chuẩn bị mẫu thử là việc khó và có tính quyết định nên cần phải cẩn thận.
8.2.3. Mẫu thử loại B
Khoan lỗ có đường kính 2,8 mm trên mỗi mẫu thử và doa lỗ đến 3,0 mm. Khoan lỗ vuông góc với bề mặt của mẫu thử, sao cho nó xuyên qua giao tuyến của các trục đối xứng trong phạm vi 0,2 mm theo chiều dọc và 0,02 mm theo chiều hướng ngang. Khoan các bộ mẫu thử đối với mỗi dãy biến dạng liên tiếp với thời gian trễ tối thiểu.
CHÚ THÍCH: Định tâm lỗ khi khoan, nên dùng kiểu bộ gá được thể hiện trong Hình 3.
8.2.4. Đo đường kính lỗ
Ổn định các mẫu thử đã khoan và doa ít nhất trong 24 h trong môi trường được nêu tại 7.2.2.
Đo đường kính của 5 lỗ được chọn ngẫu nhiên, chính xác đến 0,005 mm. Kiểm tra lại các giá trị có nhỏ hơn 0,01 mm hay không và sau đó tính trung bình số học. Giá trị trung bình này được lấy làm đường kính lỗ cho bộ mẫu.
8.3. Ấn bi hoặc kim
8.3.1. Định nghĩa các cấp biến dạng
Nếu không biết giới hạn phá hủy từ các thử nghiệm trước hoặc từ kinh nghiệm, nên tiến hành các thử nghiệm sơ bộ với một mẫu cho mỗi cấp biến dạng.
CHÚ THÍCH Kinh nghiệm thu thập được từ thử nghiệm chất dẻo vô định hình cho thấy rằng sự suy giảm lớn nhất về đặc tính biểu thị xảy ra tại biến dạng ở chu vi gây ra bởi sự ấn bi hoặc kim vào khoảng 1/10 của biến dạng tại điểm chảy dẻo trong thử nghiệm kéo. Đối với đa số chất dẻo, biến dạng tại điểm chảy dẻo nhỏ hơn 10 %. Dựa trên đường kính lỗ là 3 mm, phá hủy ESC nghiêm trọng có thể dự tính trở nên thấy rõ với quá cỡ không lớn hơn 0,3 mm.
8.3.2. Bi
Ấn một bi vào mỗi lỗ bằng thiết bị ấn bi hoặc các cách thích hợp khác, ví dụ trục quay của máy khoan (xem 5.8). Bảo đảm rằng vị trí của mỗi viên bi đối xứng với chiều dày của mẫu thử chính xác đến ± 0,2 mm.
8.3.3. Kim
Ấn đầu côn vào lỗ trên mẫu thử và ép chúng cho đến khi tiếp xúc hoàn toàn giữa kim và thành lỗ dọc theo toàn bộ chiều dài của thành (xem Hình 2). Nếu nhiều mẫu thử được cắm vào cùng một kim, khoảng cách giữa các mẫu thử phải ≥ 20 mm.
Không làm ướt kim bằng môi trường hóa chất được chọn cho thử nghiệm, vì điều đó sẽ làm cho không thể đạt được tính lặp lại đối với sự phơi nhiễm của bề mặt lỗ.
8.4. Ngâm trong môi trường hóa chất
8.4.1. Ổn định
Lưu giữ mẫu thử đã được chuẩn bị trong (60 ± 5) min trong môi trường được nêu tại 7.2.2 trước khi ngâm trong môi trường thử nghiệm.
8.4.2. Thời gian thử nghiệm ngắn hạn
8.4.2.1. Môi trường chất lỏng không nhớt
Ngâm các mẫu thử trong môi trường được chứa trong bình (5.9) đến 24 h tại nhiệt độ quy định (xem 7.2.2). Lấy các mẫu ra, lau chất lỏng bằng giấy thấm và để yên các mẫu trong (30 ± 5) min trong môi trường được nêu tại 7.2.2 trước khi xác định ứng xử ứng suất - rạn nứt.
8.4.2.2. Môi trường nhớt
Nếu môi trường nhớt (ví dụ bột nhão hoặc chất bôi trơn), phủ khu vực hai bên lỗ trên mẫu thử bằng môi trường. Lưu giữ tại nhiệt độ quy định cho đến 24 h, sau đó dùng giấy thấm lau môi trường đi và để các mẫu nằm yên (30 ± 5) min trong môi trường được nêu tại 7.2.2 trước khi xác định ứng xử ứng suất - rạn nứt.
8.4.3. Thời gian thử nghiệm dài hạn
Tiến hành như được mô tả trong 8.4.2, phơi các mẫu thử vào môi trường trong thời gian quy định hoặc theo thỏa thuận. Nếu không có quy định hay thỏa thuận về thời gian tiếp xúc, các thời gian được thấy là thích hợp cho thực hiện thử nghiệm để xác định ảnh hưởng của thời gian đến giới hạn phá hủy sử dụng là 1 ngày, 2 ngày, 4 ngày, 8 ngày, 16 ngày, v.v...
Trước khi xác định giới hạn phá hủy (xem 3.5), lau môi trường sử dụng bằng giấy thấm và cho phép các mẫu thử để yên trong 2 h đến 3 h trong môi trường được nêu tại 7.2.2.
CHÚ THÍCH 1: Thời gian ngâm đến 24 h được nêu tại 8.4.2.1 và 8.4.2.2 có thể được giảm xuống nếu môi trường mạnh tới mức gây ra phá hủy nghiêm trọng trong thời gian ngâm, và giới hạn phá hủy không thể được xác định trong các thử nghiệm sau đó. Với nhiều môi trường hóa chất, thời gian ngâm thích hợp là 1 h.
CHÚ THÍCH 2: Để thu được các kết quả có thể so sánh, đặc biệt trong các thử nghiệm ngắn hạn, có thể cần phải lập biểu thời gian cho ấn bi hoặc kim, ngâm và thử nghiệm sao cho thời gian giữa ấn bi hoặc kim và thử nghiệm là như nhau cho tất cả các loạt thử nghiệm quá cỡ.
8.5. Sự phơi nhiễm trong không khí
Nếu tiến hành đồng thời thử nghiệm trong không khí, lưu giữ các mẫu thử trong môi trường được nêu tại 7.2.2 trong (24,0 ± 0,5) h đối với thử nghiệm ngắn hạn hoặc đối với (các) giai đoạn thử nghiệm dùng cho thử nghiệm dài hạn.
8.6. Xác định rạn nứt do ứng suất
8.6.1. Loại mẫu thử A
Xác định giới hạn phá hủy đối với các sản phẩm phơi nhiễm với không khí và được ngâm trong môi trường hóa chất bằng quan sát trực quan, hoặc bằng thấu kính có độ phóng đại 5 lần.
8.6.2. Mẫu thử loại B
Xác định giới hạn phá hủy bằng phương pháp chọn lọc (xem 3.5).
Luôn phải lấy kim ra trước khi thực hiện các thử nghiệm uốn. Đối với các thử nghiệm kéo, bi và kim có thể để lại trong các mẫu thử. Khi lấy bi hoặc kim ra trước thử nghiệm, cần bảo đảm quá trình lấy ra không ảnh hưởng kết quả thử nghiệm.
CHÚ THÍCH: Các kết quả của thử nghiệm uốn hoặc thử nghiệm kéo trên các mẫu thử tại cấp biến dạng zero thường tương đương, dù được xác định trong không khí hoặc trong môi trường hóa chất. Nếu giá trị được xác định trong môi trường hóa chất cao hơn, có thể còn có thêm quá trình hóa giòn khác, nếu giá trị đó thấp hơn, có thể có quá trình hóa mềm của vật liệu.
9. Biểu thị kết quả
9.1. Mẫu thử loại A
Ghi lại quá cỡ mà tại đó nhìn thấy vết nứt đầu tiên. Ghi thời gian xuất hiện rạn nứt là thời gian khi vết nứt đầu tiên được phát hiện hoặc khi một nửa số mẫu thử biểu hiện ít nhất một vết nứt.
CHÚ THÍCH: Đối với thử nghiệm theo chương trình, thường chỉ cần ghi đơn giản là có hoặc không nhìn thấy vết nứt sau sự phơi nhiễm dưới các điều kiện đã chọn, tức quá cỡ, môi trường hóa chất và thời gian.
9.2. Mẫu thử loại B - Đánh giá bằng đồ thị
Vẽ đồ thị các giá trị trung bình số của các giá trị kéo hoặc uốn xác định được tại mỗi cấp biến dạng là trục tung ứng với quá cỡ tương ứng của kim là trục hoành. Vẽ đường cong trơn qua các điểm (xem ví dụ trong Hình 4).
Tính giới hạn phá hủy như sau:
Vẽ đường song song với trục X qua điểm trên trục Y tương ứng với giới hạn phá hủy. Tại giao điểm của đường này với đường cong, vẽ đường vuông góc với trục X. Giá trị quá cỡ tại giao điểm của đường này với trục X là giới hạn phá hủy, tính bằng millimét. Ghi giá trị này chính xác đến phần trăm millimét.
CHÚ THÍCH: Việc này có thể được thực hiện bởi lập trình điện tử thích hợp.
10. Độ chụm
Độ chụm của các phương pháp này không được biết đến vì dữ liệu liên phòng thử nghiệm không sẵn có do sự đa dạng của các vật liệu chất dẻo và các điều kiện. Các phương pháp này có thể không thích hợp để sử dụng trong trường hợp các kết quả không thống nhất do không sẵn có dữ liệu chính xác.

X phần quá cỡ của kim, mm
Y1 lực kéo hoặc lực uốn khi đứt
Y2 độ giãn dài kéo khi đứt
Hình 4 - Ví dụ về đánh giá các kết quả bằng đồ thị
11. Báo cáo thử nghiệm
Báo cáo thử nghiệm phải bao gồm các chi tiết sau đây:
a) viện dẫn tiêu chuẩn này;
b) tất cả các chi tiết cần thiết để nhận biết vật liệu được thử nghiệm;
c) môi trường hóa chất được sử dụng;
d) nhiệt độ thử nghiệm;
e) số lượng mẫu được thử nghiệm (nếu có thể, theo mỗi hướng của dị hướng) và chiều rộng, chiều dày của chúng;
f) quy trình để sử dụng cho chuẩn bị của các mẫu và, ở mọi nơi phù hợp, thời gian từ khi chuẩn bị và bắt đầu thử nghiệm chúng;
g) trạng thái của các mẫu;
h) mô tả phương pháp ổn định được sử dụng, môi trường và thời gian ổn định.
Ngoài ra, phải nêu các điều sau đây, tùy thuộc vào phương pháp thử được sử dụng:
các chi tiết của dãy biến dạng [đường kính trung bình của các lỗ (xem 8.2.4) và các đường kính của quá cỡ bi hoặc kim (5.6) được sử dụng];
b) chỉ đối với mẫu thử loại A;
1) quá cỡ mà tại đó vết nứt đầu tiên được thấy, và thời gian đến lúc xuất hiện rạn nứt,
2) đối với thử nghiệm theo chương trình:
• các điều kiện thử nghiệm, tức quá cỡ, môi trường và thời gian,
• có nhìn thấy hoặc không nhìn thấy các vết nứt;
c) chỉ đối với mẫu thử loại B:
1) thử nghiệm cơ học được sử dụng,
2) tiêu chí phá hủy được sử dụng và giá trị quá cỡ được ghi lại là giới hạn phá hủy in 9.2 đối với mỗi phương pháp được sử dụng, ví dụ: ESC, tiêu chí phá hủy B2 (23 °C, 2 ngày),
3,35 mm,
3) đồ thị của các kết quả như được mô tả trong 9.2,
4) tỷ lệ ứng suất-rạn nứt tương đối, nếu được yêu cầu, cùng với môi trường chuẩn được sử dụng;
d) ngày thử nghiệm.
THƯ MỤC TÀI LIỆU THAM KHẢO
[1] TCVN 10156-2 (SO 22088-2), Chất dẻo - Xác định độ bền chống rạn nứt do ứng suất môi trường (ESC) - Phần 2: Phương pháp lực kéo không đổi
[2] TCVN 10156-3 (SO 22088-3), Chất dẻo - Xác định độ bền chống rạn nứt do ứng suất môi trường (ESC) - Phần 3: Phương pháp uốn cong
[3] TCVN 10156-5 (ISO 22088-5), Chất dẻo - Xác định độ bền chống rạn nứt do ứng suất môi trường (ESC) - Phần 5: Phương pháp biến dạng kéo không đổi
MỤC LỤC
Lời nói đầu
1. Phạm vi áp dụng
2. Tài liệu viện dẫn
3. Thuật ngữ và định nghĩa
4. Nguyên lý
5. Thiết bị, dụng cụ
6. Mẫu thử
6.1. Hình dạng
6.2. Trạng thái
6.3. Số lượng mẫu thử
7. Ổn định và các điều kiện thử nghiệm
7.1. Ổn định
7.2. Nhiệt độ thử nghiệm
7.3. Môi trường hóa chất
8. Cách tiến hành
8.1. Làm sạch
8.2. Khoan các mẫu thử
8.3. Ấn bi hoặc kim
8.4. Ngâm trong môi trường hóa chất
8.5. Sự phơi nhiễm trong không khí
9. Biểu thị kết quả
9.1. Mẫu thử loại A
9.2. Mẫu thử loại B - Đánh giá bằng đồ thị
10. Độ chụm
11. Báo cáo thử nghiệm
Thư mục tài liệu tham khảo
Bạn chưa Đăng nhập thành viên.
Đây là tiện ích dành cho tài khoản thành viên. Vui lòng Đăng nhập để xem chi tiết. Nếu chưa có tài khoản, vui lòng Đăng ký tại đây!