• Tổng quan
  • Nội dung
  • Tiêu chuẩn liên quan
  • Lược đồ
  • Tải về
Lưu
Đây là tiện ích dành cho tài khoản Tiêu chuẩn hoặc Nâng cao . Vui lòng Đăng nhập tài khoản để xem chi tiết.
Theo dõi VB
Đây là tiện ích dành cho tài khoản Tiêu chuẩn hoặc Nâng cao . Vui lòng Đăng nhập tài khoản để xem chi tiết.
Ghi chú
Báo lỗi
In

Tiêu chuẩn TCVN 7681-5:2025 Kiểm máy tiện điều khiển số và trung tâm tiện - Độ chính xác tốc độ và phép nội suy

Ngày cập nhật: Thứ Hai, 25/08/2025 14:39 (GMT+7)
Số hiệu: TCVN 7681-5:2025 Loại văn bản: Tiêu chuẩn Việt Nam
Cơ quan ban hành: Bộ Khoa học và Công nghệ Lĩnh vực: Công nghiệp
Trích yếu: ISO 13041-5:2015 Điều kiện kiểm máy tiện điều khiển số và trung tâm tiện - Phần 5: Độ chính xác của tốc độ và phép nội suy
Ngày ban hành:
Ngày ban hành là ngày, tháng, năm văn bản được thông qua hoặc ký ban hành.
17/06/2025
Hiệu lực:
Đã biết
Tiện ích dành cho tài khoản Tiêu chuẩn hoặc Nâng cao. Vui lòng Đăng nhập tài khoản để xem chi tiết.
Người ký: Đang cập nhật
Tình trạng hiệu lực:
Cho biết trạng thái hiệu lực của văn bản đang tra cứu: Chưa áp dụng, Còn hiệu lực, Hết hiệu lực, Hết hiệu lực 1 phần; Đã sửa đổi, Đính chính hay Không còn phù hợp,...
Đã biết
Tiện ích dành cho tài khoản Tiêu chuẩn hoặc Nâng cao. Vui lòng Đăng nhập tài khoản để xem chi tiết.

TÓM TẮT TIÊU CHUẨN VIỆT NAM TCVN 7681-5:2025

Tiêu chuẩn quốc gia TCVN 7681-5:2025 - Độ chính xác của tốc độ và phép nội suy

Tiêu chuẩn quốc gia TCVN 7681-5:2025, ban hành ngày 01/01/2025, và có hiệu lực từ ngày 01/01/2025, áp dụng cho việc kiểm tra độ chính xác của tốc độ và chuyển động nội suy trong máy tiện điều khiển số (NC) và trung tâm tiện. Tiêu chuẩn này thay thế cho TCVN 7681-5:2013 (ISO 13041-5:2006) và hoàn toàn tương đương với ISO 13041-5:2015.

Tiêu chuẩn này được phát triển bao gồm các quy định về cách thức kiểm soát tốc độ quay của trục chính và độ chính xác của các trục tịnh tiến. Cụ thể, nó liên quan đến việc kiểm tra động học cho các máy tiện có trục chính mang phôi nằm ngang, thẳng đứng, và thẳng đứng đảo nghịch. Tiêu chuẩn quy định rõ các phương pháp kiểm định với các dung sai tương ứng và yêu cầu của chúng.

Đặc biệt, các phép kiểm bao gồm kiểm tra tốc độ quay (AK1) và lượng chạy dao (AK2) tại tốc độ tối đa và các tốc độ định sẵn, kiểm tra chuyển động nội suy tuyến tính (AK3) và nội suy hình tròn (AK4) nhằm xác định độ chính xác của chuyển động hai trục tịnh tiến, cùng với các phép kiểm cho quỹ đạo sinh ra khi chuyển động đồng thời ba trục (AK6).

Tiêu chuẩn xác định rằng các kết quả kiểm tra phải đạt được các dung sai nhất định, nhằm đảm bảo rằng các máy tiện hoạt động đúng tốc độ và chính xác trong các phép nội suy, giúp tăng cường hiệu suất và bảo trì cho người sử dụng. Cụ thể, sai lệch tốc độ quay trục chính cho phép không vượt quá ±5% so với tốc độ lập trình.

Các phép kiểm mới, bao gồm kiểm tra nội suy tròn đồng thời ba trục, được bổ sung nhằm nâng cao khả năng chính xác của những máy tiện hiện đại. Thông qua việc thực hiện các kiểm tra này, người sử dụng có thể đánh giá được chất lượng máy móc, phát hiện sớm các lỗi và từ đó có biện pháp khắc phục kịp thời, hạn chế ảnh hưởng tới quá trình sản xuất và nâng cao chất lượng sản phẩm.

Bên cạnh đó, TCVN 7681-5:2025 cũng quy định rõ các tài liệu tham khảo liên quan, bao gồm ISO 230-1, TCVN 7011-4 và các tiêu chuẩn về kiểm máy khác. Điều này tạo ra một hệ thống tiêu chuẩn hóa mạnh mẽ, giúp các cơ sở sản xuất dễ dàng tuân thủ và áp dụng trong thực tiễn.

Tiêu chuẩn này không chỉ hướng tới nâng cao chất lượng máy móc mà còn ảnh hưởng tích cực đến người lao động trong ngành chế tạo máy và cung ứng dịch vụ. Việc áp dụng tiêu chuẩn sẽ tạo một cơ sở vững chắc cho các doanh nghiệp trong việc đầu tư vào công nghệ và thiết bị, từ đó nâng cao năng lực cạnh tranh trong thị trường.

Tải tiêu chuẩn Việt Nam TCVN 7681-5:2025

Tải văn bản tiếng Việt (.pdf) Tiêu chuẩn Việt Nam TCVN 7681-5:2025 PDF (Bản có dấu đỏ)

Đây là tiện ích dành cho tài khoản thành viên. Vui lòng Đăng nhập để xem chi tiết. Nếu chưa có tài khoản, Đăng ký tại đây!

Tải văn bản tiếng Việt (.doc) Tiêu chuẩn Việt Nam TCVN 7681-5:2025 DOC (Bản Word)

Đây là tiện ích dành cho tài khoản thành viên. Vui lòng Đăng nhập để xem chi tiết. Nếu chưa có tài khoản, Đăng ký tại đây!

Tình trạng hiệu lực: Đã biết
Hiệu lực: Đã biết
Tình trạng hiệu lực: Đã biết

TIÊU CHUẨN QUỐC GIA

TCVN 7681-5:2025

ISO 13041-5:2015

ĐIỀU KIỆN KIỂM MÁY TIỆN ĐIỀU KHIỂN SỐ VÀ TRUNG TÂM TIỆN - PHẦN 5: ĐỘ CHÍNH XÁC CỦA TỐC ĐỘ VÀ PHÉP NỘI SUY

Test conditions for numerically controlled turning machines and turning centres - Part 5: Accuracy of speeds and interpolations

Lời nói đầu

TCVN 7681-5:2025 thay thế TCVN 7681-5:2013 (ISO 13041-5:2006).

TCVN 7681-5:2025 hoàn toàn tương đương với ISO 13041-5:2015.

TCVN 7681-5:2025 do Ban kỹ thuật tiêu chuẩn quốc gia TCVN/TC 39 Máy công cụ biên soạn, Viện Tiêu chuẩn Chất lượng Việt Nam đề nghị, Ủy ban Tiêu chuẩn Đo lường Chất lượng Quốc gia thẩm định, Bộ Khoa học và Công nghệ công bố.

Bộ TCVN 7681 (ISO 13041), Điều kiện kiểm máy tiện điều khiển số và trung tâm tiện bao gồm các phần sau:

- TCVN 7681-1:2025 (ISO 13041-1:2020), Phần 1: Kiểm hình học máy có trục chính mang phôi nằm ngang;

- TCVN 7681-2:2025 (ISO 13041-2:2020), Phần 2: Kiểm hình học máy có trục chính mang phôi thẳng đứng;

- TCVN 7681-3:2013 (ISO 13041-3:2009), Phần 3: Kiểm hình học cho các máy có trục chính mang phôi thẳng đứng đảo nghịch;

- TCVN 7681-4:2007 (ISO 13041-4:2004), Phần 4: Độ chính xác và khả năng lặp lại định vị của các trục tịnh tiến và quay;

- TCVN 7681-5:2025 (ISO 13041-5:2015), Phần 5: Độ chính xác của tốc độ và phép nội suy;

- TCVN 7681-6:2013 (ISO 13041-6:2009), Phần 6: Độ chính xác của mẫu kiểm được gia công lần cuối;

- TCVN 7681-7:2007 (ISO 13041-7:2004), Phần 7: Đánh giá đặc tính tạo công tua trong các mặt phẳng tọa độ;

- TCVN 7681-8:2007 (ISO 13041-8:2004), Phần 8: Đánh giá các biến dạng nhiệt.

 

Lời giới thiệu

Máy tiện điều khiển số là máy công cụ trong đó chuyển động chính là chuyển động quay của chi tiết gia công còn dụng cụ cắt không quay và năng lượng cắt được cung cấp bởi chuyển động của chi tiết gia công được dẫn động bởi trục chính. Máy này được điều khiển bằng chương trình điều khiển số (NC) cung cấp chức năng tự động theo 3.3 của ISO 13041-1:2004, và có thể là kiểu một trục chính hoặc nhiều trục chính.

Trung tâm tiện là một máy tiện điều khiển số với dụng cụ cắt được dẫn động công suất và có khả năng định hướng trục chính mang phôi và/hoặc trục chính mang dụng cụ cắt bằng cách quay liên tục, phân độ và/hoặc nội suy xung quanh trục.

Mục đích của bộ tiêu chuẩn này là cung cấp thông tin rộng và toàn diện nhất có thể về các phép kiểm hình học, định vị, tạo công tua, biến dạng nhiệt và gia công, các phép kiểm này có thể được thực hiện để so sánh, nghiệm thu, bảo dưỡng hoặc bất kỳ mục đích nào khác theo nhu cầu của người sử dụng hoặc nhà sản xuất.

Bộ tiêu chuẩn này quy định các phép kiểm cho các trung tâm tiện và các máy tiện điều khiển số có hoặc không có các ụ sau được bố trí riêng biệt hoặc được tích hợp trong các hệ thống sản xuất linh hoạt, có tham chiếu các phần liên quan của bộ tiêu chuẩn ISO 230. Bộ tiêu chuẩn này cũng thiết lập các dung sai hoặc các giá trị lớn nhất chấp nhận được đối với các kết quả kiểm tương ứng cho các trung tâm tiện và các máy tiện điều khiển số có độ chính xác thông dụng.

Cần lưu ý đến các dung sai trong phép kiểm AK5, BK5, và CK5, dung sai này đã được giảm đi trong tiêu chuẩn này (phép kiểm K5) nhờ quy trình định tâm được cải tiến hoặc kinh nghiệm thực tế chứng minh rằng có thể đạt được các dung sai chặt chẽ hơn.

 

ĐIỀU KIỆN KIỂM MÁY TIỆN ĐIỀU KHIỂN SỐ VÀ TRUNG TÂM TIỆN - PHẦN 5: ĐỘ CHÍNH XÁC CỦA TỐC ĐỘ VÀ PHÉP NỘI SUY

Test conditions for numerically controlled turning machines and turning centres - Part 5: Accuracy of speeds and interpolations

1 Phạm vi áp dụng

Tiêu chuẩn này quy định các phép kiểm động học cho các máy tiện điều khiển số (NC) và các trung tâm tiện liên quan đến tốc độ quay của trục chính, lượng chạy dao của các trục tịnh tiến NC riêng rẽ và độ chính xác của các quỹ đạo được mô tả bằng chuyển động đồng thời của từ hai trục tịnh tiến và/hoặc trục quay NC trở lên, có tham chiếu ISO 230-1 và TCVN 7011-4 (ISO 230-4).

CHÚ THÍCH: Tiêu chuẩn này áp dụng cho máy tiện điều khiển số và trung tâm tiện có trục chính mang phôi nằm ngang, thẳng đứng, và thẳng đứng đảo nghịch.

2 Tài liệu viện dẫn

Các tài liệu viện dẫn sau là cần thiết cho việc áp dụng tiêu chuẩn này. Đối với các tài liệu viện dẫn ghi năm công bố thì áp dụng phiên bản được nêu. Đối với các tài liệu viện dẫn không ghi năm công bố thì áp dụng phiên bản mới nhất, bao gồm cả các sửa đổi (nếu có).

TCVN 7011-4:2013 (ISO 230-4:2005), Quy tắc kiểm máy công cụ - Phần 4: Kiểm độ tròn cho máy công cụ điều khiển số

TCVN 7681-1 (ISO 13041-1), Điều kiện kiểm máy tiện điều khiển số và trung tâm tiện - Phần 1: Kiểm hình học máy có trục chính mang phôi nằm ngang

TCVN 7681-2 (ISO 13041-2), Điều kiện kiểm máy tiện điều khiển số và trung tâm tiện - Phần 2: Kiểm hình học máy có trục chính mang phôi thẳng đứng

TCVN 7681-3 (ISO 13041-3), Điều kiện kiểm máy tiện điều khiển số và trung tâm tiện - Phần 3: Kiểm hình học máy có trục chính mang phôi thẳng đứng đảo nghịch

ISO 230-1:2012 [1] , Test code for machine tools - Part 1: Geometric accuracy of machines operating under no-load or quasi-static conditions (Quy tắc kiểm máy công cụ - Phần 1: Độ chính xác hình học của máy khi vận hành trong điều kiện không tải hoặc bán tĩnh)

ISO 841:2001, Industrial automation systems and integration - Numerical control of machines - Coordinate system and motion nomenclature (Hệ thống tự động và tích hợp công nghiệp - Điều khiển số máy - Hệ tọa độ và danh pháp chuyển động)

ISO/TR 16907, Machine tools - Numerical compensation of geometric errors (Máy công cụ - Bù số các sai số hình học)

3 Thuật ngữ và định nghĩa

Tiêu chuẩn này áp dụng các thuật ngữ và định nghĩa sau.

3.1

Máy tiện (turning machine)

Máy công cụ có chuyển động chính là chuyển động quay của chi tiết gia công còn dụng cụ cắt đứng yên.

3.2

Điều khiển bằng tay (manual control)

Chế độ vận hành trong đó mỗi chuyển động của máy được thực hiện một cách riêng rẽ và được điều khiển bởi người vận hành máy.

3.3

Điều khiển số (NC) (numerical control)

Điều khiển số bằng máy tính (CNC) (computerized numerical control)

Điều khiển tự động một quá trình được thực hiện bởi một thiết bị sử dụng các dữ liệu dạng số được nạp vào trong quá trình làm việc.

3.4

Máy tiện điều khiển bằng tay (manually controlled turning machine)

Máy tiện trong đó toàn bộ các bước của quá trình gia công được điều khiển hoặc khởi động bởi người vận hành mà không có bất kì sự trợ giúp nào từ chương trình gia công điều khiển số.

3.5

Máy tiện điều khiển số (numerically controlled turning machine)

Máy tiện NC (NC turning machine)

Máy tiện hoạt động dưới sự điều khiển số (NC) hoặc được điều khiển số bằng máy tính (CNC).

3.6

Trung tâm tiện (turing centre)

Máy tiện NC được trang bị (các) dụng cụ cắt được dẫn động công suất và có khả năng định hướng trục chính mang phôi quanh trục của nó.

Chú thích 1: Máy này có thể bao gồm các tính năng bổ sung như thay dao tư động từ rơvonve và/hoặc ổ chứa dao.

3.7

Máy tiện điều khiển số có trục chính mang phôi nằm ngang (numerically controlled turning machine with horizontal workholding spindles)

Máy tiện điều khiển số có chi tiết gia công được gá đặt trên trục chính mang phôi theo phương nằm ngang so với dụng cụ cắt đứng yên và năng lượng cắt được cung cấp cho chi tiết gia công và không cho dụng cụ cắt.

Chú thích 1: Máy này được điều khiển bằng điều khiển số (NC) cung cấp chức năng tự động.

3.8

Trung tâm tiện có trục chính mang phôi nằm ngang (turning centre with horizontal workholding spindles)

Trung tâm tiện có trục chính mang phôi nằm ngang được trang bị các trục chính mang dụng cụ cắt và có khả năng định hướng trục chính mang phôi xung quanh trục của nó.

Chú thích 1: Máy này có thể bao gồm các tính năng bổ sung như thay dao tự động từ ổ chứa dao hoặc chuyển động theo phương trục Y.

3.9

Máy tiện điều khiển số có trục chính mang phôi thẳng đứng (numerically controlled turning machine with vertical workholding spindles)

Máy tiện điều khiển số có chi tiết gia công được gá đặt trên trục chính mang phôi theo phương thẳng đứng so với dụng cụ cắt đứng yên và năng lượng cắt được cung cấp cho chi tiết gia công và không cho dụng cụ cắt.

Chú thích 1: Máy này được điều khiển bằng điều khiển số (NC) cung cấp chức năng tự động.

3.10

Trung tâm tiện có trục chính mang phôi thẳng đứng (turning centre with vertical workholding spindles)

Trung tâm tiện có trục chính mang phôi thẳng đứng được trang bị các trục chính mang dụng cụ cắt và có khả năng định hướng trục chính mang phôi xung quanh trục của nó.

Chú thích 1: Máy này có thể bao gồm các tính năng bổ sung như thay dao tự động từ ổ chứa dao hoặc chuyển động theo phương trục Y.

3.11

Máy tiện điều khiển số có trục chính mang phôi thẳng đứng đảo nghịch (numerically controlled turning machine with inverted vertical workholding spindle(s)

Máy tiện NC trong đó chi tiết gia công được gá lắp trên một trục chính mang phôi thẳng đứng đảo nghịch được trang bị thiết bị kẹp phôi ở đầu phía dưới của nó.

Chú thích 1: Đối với các loại máy có trục chính mang phôi thẳng đứng khác, xem TCVN 7681-2 (ISO 13041-2).

3.12

Trung tâm tiện có trục chính mang phôi thẳng đứng đảo nghịch (turning centre with inverted vertical workholding spindle(s)

Trung tâm tiện có trục chính mang phôi thẳng đứng đảo nghịch, được trang bị một thiết bị kẹp phôi ở đầu dưới của nó.

Chú thích 1: Máy này có thể bao gồm các tính năng bổ sung như thay dao tự động từ ổ chứa dao hoặc chuyển động theo phương trục Y.

Chú thích 2: Đối với các loại trung tâm tiện có trục chính mang phôi thẳng đứng khác, xem TCVN 7681-2 (ISO 13041-2).

3.13

Các chế độ vận hành của máy (machine modes of operation)

Các chế độ vận hành của thiết bị điều khiển số hoặc nhập dữ liệu, trong đó các lệnh được hiểu là các chức năng sẽ được thực thi.

3.14

Chế độ điều khiển bằng tay của điều khiển số (manual mode of numerical control)

Chế độ không tự động điều khiển số trong đó người vận hành điều khiển máy mà không sử dụng dữ liệu số được lập trình trước.

VÍ DỤ: Bằng cách sử dụng nút nhấn hoặc cần điều khiển.

3.15

Chế độ nhập dữ liệu bằng tay (manual data input mode)

Nhập dữ liệu chương trình bằng tay trực tiếp vào thiết bị điều khiển số.

3.16

Chế độ từng khối lệnh (single block mode)

Chế độ điều khiển số trong đó chỉ một lệnh dữ liệu điều khiển được thực thi khi có lệnh của người vận hành.

3.17

Chế độ tự động (automatic mode)

Chế độ điều khiển số trong đó máy hoạt động theo dữ liệu chương trình cho đến khi dừng lại bởi chương trình hoặc người vận hành.

4 Lưu ý ban đầu

4.1 Đơn vị đo

Trong tiêu chuẩn này, tất cả các kích thước thẳng, các sai lệch và các dung sai tương ứng được tính bằng milimét.

4.2 Tham chiếu ISO 230-1 và TCVN 7011-4 (ISO 230-4)

Để áp dụng tiêu chuẩn này, phải tham chiếu ISO 230-1, đặc biệt đối với việc lắp đặt máy trước khi kiểm, chạy khởi động trục chính và các bộ phận chuyển động khác, mô tả các phương pháp đo, và độ chính xác khuyến nghị của thiết bị kiểm. Đối với phép kiểm chuyển động nội suy tròn, phải tham chiếu TCVN 7011-4 (ISO 230-4).

4.3 Trình tự kiểm

Trình tự các phép kiểm đóng học được trình bày trong tiêu chuẩn này không xác định thứ tự kiểm thực tế. Để thực hiện việc lắp đặt các phương tiện đo hoặc đồng hồ so dễ dàng, có thể thực hiện các phép kiểm theo thứ tự bất kỳ, bao gồm cả các phép kiểm khác được mô tả trong các phần khác của bộ tiêu chuẩn này.

4.4 Các phép kiểm được thực hiện

Khi kiểm máy, không phải lúc nào cũng cần thiết hoặc có khả năng thực hiện tất cả các phép kiểm được mô tả trong tiêu chuẩn này. Khi kiểm nghiệm thu, người sử dụng lựa chọn các phép kiểm có liên quan đến các bộ phận và/hoặc các đặc tính của máy mà họ quan tâm theo thỏa thuận với nhà sản xuất/nhà cung cấp. Các phép kiểm này phải được quy định rõ ràng trong hợp đồng mua máy. Tham chiếu tiêu chuẩn này cho kiểm nghiệm thu mà không nêu rõ các phép kiểm được tiến hành và không có sự thỏa thuận về chi phí liên quan, không thể được xem là ràng buộc đối với bất kỳ bên nào tham gia hợp đồng.

4.5 Phương tiện đo

Phương tiện đo được nêu trong các phép kiểm được mô tả trong các Phụ lục A đến Phụ lục C chỉ là các ví dụ. Có thể sử dụng phương tiện đo khác có cùng đại lượng đo và ít nhất có cùng độ không đảm bảo đo và cùng độ phân giải.

Trong một số phép kiểm, nên trình bày các kết quả kiểm dưới dạng đồ thị (xem Phụ lục D).

4.6 Bù bằng sử dụng phần mềm

Đối với các công cụ phần mềm tích hợp sẵn chức năng bù các sai lệch về hình học, định vị, tạo công tua, và/hoặc biến dạng nhiệt, việc sử dụng chúng trong các phép kiểm phải dựa trên cơ sở thỏa thuận giữa nhà sản xuất/nhà cung cấp và người sử dụng, có cân nhắc đến mục đích sử dụng của máy công cụ.

Khi sử dụng bù bằng phần mềm, việc này phải được nêu trong báo cáo kiểm. Sử dụng các định nghĩa cho trong ISO/TR 16907, phải lưu ý là khi sử dụng bù bằng phần mềm, không được khóa các trục cho mục đích kiểm.

5 Các phép kiểm được mô tả trong các Phụ lục A đến Phụ lục C

Các phép kiểm trong Phụ lục A áp dụng cho các máy có trục chính mang phôi nằm ngang (TCVN 7681-1 (ISO 13041-1), Kiểu 1), các phép kiểm trong Phụ lục B áp dụng cho các máy có trục chính mang phôi thẳng đứng (TCVN 7681-2 (ISO 13041-2), Kiểu 2), và các phép kiểm trong Phụ lục C áp dụng cho các máy có trục chính mang phôi thẳng đứng đảo nghịch (TCVN 7681-3 (ISO 13041-3), Kiểu 3).

 

Phụ lục A

(quy định)

Kiểm động học máy có trục chính mang phôi nằm ngang

A.1 Cấu hình và ký hiệu máy

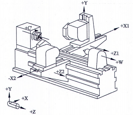
Hình A.1 - Ví dụ điển hình của một máy tiện với trục chính mang phôi nằm ngang

[[w (C’) b Z X1 Y C 1 t] [w (C’) b Z2 X2 C 2 t] [w (C’) W {t,w}]]

Hình A.1 thể hiện một ví dụ điển hình về máy tiện có trục chính mang phôi nằm ngang.

Cấu hình được mô tả bằng cách sử dụng các mã kết cấu để nối tuần tự các trục chuyển động từ phía phôi đến phía dụng cụ cắt và ngược lại. Tên các trục chuyển động tuân theo ISO 841. Ví dụ, mã kết cấu của máy được biểu thị trên Hình A.1 có thể được mô tả là [[w (C') b Z X 1 Y C 1 t] [w (C') b Z 2 X 2 C 2 t] [w (C') W {t,w}]] bằng cách nối các trục chuyển động từ phía phôi đến phía dụng cụ cắt. Trong mô tả này, phía phôi và phía dụng cụ cắt được phân biệt bằng việc đặt tên phôi là “w”, dụng cụ cắt là "t", và băng máy là “b”; (C) biểu thị đường tâm trục chính không có điều khiển số cho việc định vị góc. Tất cả các xích động học từ phía phôi và phía dụng cụ cắt đều được biểu thị.

"{t,w}" trong xích động học thứ ba chỉ ra rằng ụ sau (W hoặc Z3) có thể được kết nối với phôi hoặc với dụng cụ cắt (ví dụ: khoan).

A.2 Kiểm động học

A.2.1 Tổng quan

Để đơn giản hóa, các phép kiểm được nêu trong Phụ lục này dựa trên ví dụ về cấu hình máy được mô tả trong Hình A.1, nhưng có thể áp dụng được cho tất cả các cấu hình máy tiện và trung tâm tiện có trục chính mang phôi nằm ngang.

CHÚ THÍCH: Các phép kiểm này có thể không trực tiếp được sử dụng để dự đoán sai số thực tế của phôi gia công trong quá trình cắt.

A.2.2 Tốc độ quay trục chính (AK1) và lượng chạy dao (AK2)

Mục đích của các phép kiểm này là để kiểm độ chính xác tổng thể của tất cả các mạch điện, điện tử và xích động học trong hệ thống điều khiển giữa lệnh điều khiển và chuyển động thực tế của từng bộ phận.

A.2.3 Phép nội suy tuyến tính (AK3)

Mục đích của các phép kiểm này là để kiểm chuyển động phối hợp của hai trục tịnh tiến trong hai điều kiện sau:

- Khi cả hai trục chuyển động cùng tốc độ (45°); hoặc

- Khi một trong hai trục chuyển động với tốc độ thấp hơn đáng kể so với trục còn lại (góc nhỏ).

A.2.4 Phép nội suy tròn (AK4)

Mục đích của các phép kiểm chuyển động nội suy tròn là để kiểm sự phối hợp chuyển động của hai trục tịnh tiến theo một cung tròn, bao gồm các điểm trong đó tốc độ của một trục chậm dần tới giá trị không (zero) và đảo ngược chiều chuyển động. Trong các phép kiểm này, các trục chuyển động với tốc độ biến thiên.

A.2.5 Phép nội suy hướng kính (AK5)

Phép kiểm này là một lựa chọn thay cho phép kiểm AK4, trong các trường hợp mà máy được kiểm không có độ quét đo 360° hoặc nếu phép kiểm AK4 không liên quan. Mục đích của phép kiểm này là để kiểm đáp ứng tác động lẫn nhau của hai trục tịnh tiến (thường là trục X và Z) tại các lượng chạy dao biến thiên, bao gồm các điểm tại đó lượng chạy dao của một trục chậm dần tới giá trị không (zero) và đảo ngược chiều chuyển động.

A.2.6 Phép nội suy tròn đồng thời ba trục (trục X, Y và C) (AK6)

Mục đích của phép kiểm này là để kiểm phép nội suy giữa các trục X, Y và C của một trung tâm tiện đối với các chuyển động tạo công tua theo chiều kim đồng hồ và ngược chiều kim đồng hồ.

Tốc độ quay trục chính

Đối tượng

AK1

Kiểm sai lệch của tốc độ trục chính tại tốc độ trung bình và tốc độ quay tối đa của mỗi dải tốc độ, theo chiều kim đồng hồ và ngược chiều kim đồng hồ.

Sơ đồ

Dung sai

± 5%

Sai lệch đo được

Dải tốc độ quay

Chiều quay

Tốc độ quay được lập trình

Tốc độ quay đo được

Sai lệch %

 

Giữa

Ngược chiều kim đồng hồ

 

 

 

Chiều kim đồng hồ

 

 

 

 

Tối đa

Ngược chiều kim đồng hồ

 

 

 

Chiều kim đồng hồ

 

 

 

 

Giữa

Ngược chiều kim đồng hồ

 

 

 

Chiều kim đồng hồ

 

 

 

 

Tối đa

Ngược chiều kim đồng hồ

 

 

 

Chiều kim đồng hồ

 

 

 

 

Phương tiện đo

Bộ đếm số vòng quay, hoặc đèn chớp (đèn hoạt nghiệm) a)

a ) Phải sử dụng phương tiện đo độc lập với điều khiển số (NC).

Xem

Các số đọc phải được lấy ở tốc độ quay không đổi, tránh sự tăng tốc/giảm tốc ở thời điểm khởi động và dừng. Khi đọc tốc độ quay tức thời, phải lấy ít nhất năm số đọc và tính giá trị trung bình. Phép kiểm này phải được thực hiện cho cả trục chính mang phôi và trục chính mang dụng cụ cắt.

Sự điều khiển khống chế phải được đặt tại mức 100 %.

Sai lệch tốc độ quay trục chính phải phải được tính bằng công thức sau:

D = (A S - P S )/Ps x 100

Trong đó

D là sai lệch tính bằng phần trăm;

A S là tốc độ quay đo được;

P S là tốc độ quay được lập trình.

Lượng chạy dao của các trục tịnh tiến

Đối tượng

AK2

Kiểm độ chính xác của lượng chạy dao của các trục tịnh tiến ở các tốc độ sau: 1000 mm/min và tốc độ tối đa. Phép kiểm phải được thực hiện cho tất cả các trục tịnh tiến. Nên lưu ý khi thực hiện phép kiểm trên phạm vi đo ngắn do ảnh hưởng của sự tăng tốc và giảm tốc (thường gặp ở trục Y).

Sơ đồ

CHÚ DẪN:

1 đầu laze

2 giao thoa kế

3 gương phản xạ

Dung sai

Theo thỏa thuận giữa nhả sản xuất/nhà cung cấp và người sử dụng.

Sai lệch đo được

Lượng chạy dao được lập trình

Trục

X

Y

Z

Chiều

Lượng chạy dao đo được trung bình

Sai lệch %

Lượng chạy dao đo được trung bình

Sai lệch %

Lượng chạy dao đo được trung bình

Sai lệch %

1000 mm/min

Dương

 

 

 

 

 

 

Âm

 

 

 

 

 

 

Lượng chạy dao lớn nhất ....mm/min

Dương

 

 

 

 

 

 

Âm

 

 

 

 

 

 

 

Phương tiện đo

Giao thoa kế laze

Xem

Căn chỉnh giao thoa kế laze (được thiết lập cho phép kiểm sai lệch vị trí) theo hướng chuyển động của trục được kiểm. Trục phải được điều khiển thực hiện chuyển động đơn giản với điểm đầu và điểm cuối đã quy định. Di chuyển khoảng một nửa hành trình của trục (hoặc 500 mm, tùy theo giá trị nào nhỏ hơn) để đảm bảo trục tăng tốc và di chuyển ở tốc độ không đổi, và giảm tốc để dừng. Tất cả các lượng chạy dao sẽ sử dụng cùng một hành trình. Phép kiểm sẽ được thực hiện cho cả hai chiều chuyển động (dương và âm). Dữ liệu tốc độ phải được lấy mẫu với tần số tối thiểu 100 Hz, không được làm tròn hoặc lấy giá trị trung bình. Sự điều khiển khống chế phải được đặt tại mức 100 %. Các số đọc phải được lấy ở tốc độ quay không đổi, tránh sự tăng tốc/giảm tốc ở thời điểm khởi động và dừng. Đối với mỗi chiều chuyển động, tính lượng chạy dao trung bình bằng cách lấy giá trị trung bình của tất cả các tốc độ không đổi đã đo được (tối thiểu 1000 điểm mẫu) cho mỗi phép kiểm. Phép kiểm này có thể được thực hiện cùng với phép kiểm định vị tịnh tiến.

Sai lệch lượng chạy dao phải được tính bằng công thức sau:

D f = (A f - P f )/P f x 100

Trong đó

Df là sai lệch tính bằng phần trăm;

A f là lượng chạy dao trung bình đo được;

P f là lượng chạy dao được lập trình.

Tần số lấy mẫu của phép đo phải được ghi lại trong báo cáo.

Phép nội suy tuyến tính

Đối tượng

AK3

Kiểm độ thẳng của chuyển động được thực hiện bởi phép nội suy tuyến tính hai trục tịnh tiến, trên tối đa 300 mm chiều dài đo với góc đo xấp xỉ:

a) 45° (cùng lượng chạy dao);

b) 1) 3° so với chuyển động trục Z (lượng chạy dao trục X rất thấp);

2) 3° so với chuyển động trục X (lượng chạy dao trục Z rất thấp).

Sơ đồ

Dung sai

0,020 đối với chiều dài đo 100

Sai lệch đo được

 

a)

b) 1)

b) 2)

Sai số đo được

 

 

 

Chiều dài đo

 

 

 

 

Phương tiện đo

Vật chuẩn độ thẳng hoặc thước sin hoặc trục kiểm dạng côn chuyên dùng và cảm biến độ dịch chuyển thẳng, hoặc thước đo số hai chiều

Xem và tham chiếu 11.2.3, ISO 230-1:2012 và 6.3, ISO/TR 230-11:2005

a) và b) 1)

Đối với các phép kiểm sử dụng trục kiểm dạng côn chuyên dùng, kẹp chặt trục kiểm dạng côn [góc đỉnh xấp xỉ a) 90° hoặc b) 6°] vào mâm cặp trục chính mang phôi hoặc trong bạc côn xẻ. Trục chính phải được khóa lại. Gắn một cảm biến độ dịch chuyển thẳng vào đầu trượt dụng cụ cắt với đầu đo tiếp xúc vuông góc với bề mặt côn.

b) 2)

Đối với các phép kiểm sử vật chuẩn độ thẳng, gắn vật chuẩn độ thẳng vào mặt gá của trục chính mang phôi hoặc mâm cặp bốn chấu với bề mặt đo ở vị trí tạo với hành trình trục X góc xấp xỉ 3°. Khóa chuyển động quay của trục chính mang phôi. Gắn một cảm biến độ dịch chuyển thẳng vào đầu trượt dụng cụ cắt với đầu đo tiếp xúc với bề mặt đo của vật chuẩn độ thẳng.

Đối với tất cả các phép kiểm độ thẳng của chuyển động, thiết lập một cảm biến độ dịch chuyển thẳng về không (zero) tại hai vị trí trên bề mặt đo của mẫu giả kiểm, hai điểm cách nhau một khoảng phù hợp với chiều dài đo yêu cầu, cộng thêm dung sai cho tăng tốc và giảm tốc của trục. Ghi lại các vị trí tọa độ các trục X và Z của các điểm đã chọn. Lập trình một chuyển động hai chiều tại 250 mm/min giữa hai vị trí và ghi lại dự liệu độ thẳng. Phân tích dữ liệu đã đo với mỗi chiều (theo ISO 230-1) trừ dung sai cho sự tăng tốc và giảm tốc. Sai lệch nào lớn hơn và chiều của nó phải được ghi lại làm kết quả của phép kiểm.

Phép nội suy tròn

Đối tượng

AK4

Kiểm sai lệch độ tròn, G, và sai lệch độ tròn hai chiều, G(b), của quỹ đạo sinh ra bởi phép nội suy tròn của hai trục tịnh tiến trên toàn bộ 360°, nếu áp dụng được, theo TCVN 7011-4 (ISO 230-4), tại một trong các đường kính và tại hai lượng chạy dao sau:

1) đường kính 50 mm 2) đường kính 100 mm 3) đường kính 200 mm 4) đường kính 300 mm

a) 250mm/min a) 350 mm/min a) 500 mm/min a) 610mm/min

b) 1000 mm/min b) 1400 mm/min b) 2000 mm/min b) 2440 mm/min

Sai lệch độ tròn, G, phải được kiểm cho chuyển động tạo công tua theo chiều kim đồng và ngược chiều kim đồng hồ. Phép kiểm này sẽ được thực hiện trên các mặt phẳng XY, YZ và ZX hoặc trên mặt phẳng được tạo bởi các cặp trục tịnh tiến khác (X2, Z2, v.v.).

Sơ đồ

CHÚ DẪN:

1 thanh bi ống lồng

2 đồ gá chuyên dùng

Dung sai

Dung sai của G ab và G ba giống với G(b) ab , trong đó ab = XY, YZ hoặc ZX.

a) G(b) XZ = 0,03 mm b) G(b) XZ = 0,05 mm

G(b) XY.YZ = 0,05 mm G(b) XY.YZ = 0,07 mm

Sai lệch đo được

a) Lượng chạy dao = ...

G XZ =...

G XY,YZ = ...

G(b) XZ = ...

G(b) XY,YZ = ...

 

b) Lượng chạy dao = ...

G XZ = ...

G XY,YZ = ...

G(b) XZ = ...

G(b) XY,YZ = ...

 

Đường kính quỹ đạo danh nghĩa ....................................

Vị trí phương tiện đo

- Tâm đường tròn (X/Y/Z) ...................................................

- Bù chuẩn dụng cụ cắt (X/Y/Z) ..........................................

- Bù chuẩn chi tiết gia công (X/Y/Z) ....................................

Phương pháp thu nhận dữ liệu

- Điểm bắt đầu ...................................................................

- Số lượng điểm đo ............................................................

- Xử lý làm trơn dữ liệu ......................................................

Sử dụng bù .......................................................................

Các vị trí của các trục không kiểm .....................................

Phương tiện đo

Thanh bi ống lồng hoặc thước đo số hai chiều (thước đo dạng lưới).

Xem và tham chiếu 11.3 và 11.4, ISO 230-1:2012 và TCVN 7011-4:2013 (ISO 230-4:2005)

Nếu quay góc 360° là không thể thực hiện được, xem AK5.

Đường kính có thể khác với các giá trị trên theo thỏa thuận giữa nhà sản xuất/nhà cung cấp và người sử dụng. Trong các trường hợp đó, lượng chạy dao phải được điều chỉnh theo Phụ lục C của TCVN 7011-4:2013 (ISO 230-4:2005).

Bắt đầu phép nội suy ở một trong bốn góc phần tư. Lý tưởng là các phép đo không bắt đầu tại một trong bốn điểm đảo chiều và cần có chuyển động vào/ra đủ quanh vùng được kiểm để đảm bảo đo chính xác đặc tính của máy, bao gồm cả các điểm đảo chiều.

Phép nội suy hướng kính

Đối tượng

AK3

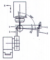
Kiểm sai lệch hướng kính, F, của quỹ đạo tạo bởi phép nội suy tròn của hai trục tịnh tiến trên góc 100° theo ISO 230-4, tại một trong các đường kính và tại hai lượng chạy dao sau:

1) đường kính 50 mm 2) đường kính 100 mm 3) đường kính 200 mm 4) đường kính 300 mm

a) 250mm/min a) 350mm/min a) 500 mm/min a) 610mm/min

b) 1000 mm/min b) 1400 mm/min b) 2000 mm/min b) 2440 mm/min

Sai lệch hướng kính, F, phải được kiểm cho chuyển động tạo công tua theo chiều kim đồng hồ và ngược chiều kim đồng hồ.

Phép kiểm này sẽ được thực hiện trên các mặt phẳng XY, YZ và ZX, hoặc trên mặt phẳng được tạo bởi các cặp trục tịnh tiến khác (X2, Z2, v.v.).

Sơ đồ

CHÚ DẪN:

1 thanh bi ống lồng

2 đồ gá chuyên dùng

Dung sai

Dung sai của G ab và G ba giống với G(b) ab , trong đó ab = XY, YZ hoặc ZX.

a) F XZ,max. = 0,05 mm b) F XZ,max . = 0,07 mm

F XZ,min. = -0,05 mm F XZ,min. - 0,07 mm

F XY,YZ,max. = 0,07 mm F XY,YZ,max. = 0,09 mm

F XY,YZ,min. = -0,07 mm F XY,YZ,min. = -0,09 mm

Tham chiếu 3.5, TCVN 7011-4:2013 (ISO 230-4:2005).

CHÚ THÍCH: Sai lệch hướng kính chứa ảnh hưởng của sai số định vị (lắp đặt) bi cầu phía trục chính của thanh bi ống lồng và do đó thường lớn hơn sai lệch độ tròn.

Sai lệch đo được

a) Lượng chạy dao = ... Đường kính quỹ đạo danh nghĩa ....................................

F XZ,max = ... Vị trí phương tiện đo ......................................................

F XZ,min = ... - Tâm đường tròn (X/Y/Z) ..............................................

F XY,YZ,max. - ... - Bù chuẩn dụng cụ cắt (X/Y/Z) .......................................

F XY,YZ,min. = ... - Bù chuẩn chi tiết gia công (X/Y/Z) ..................................

Phương pháp thu nhận dữ liệu

b) Lượng chạy dao = ... - Điểm bắt đầu .................................... ..............................

F XZ,max = ... - Số lượng điểm đo .................................... .......................

F XZ,min = ... - Xử lý làm trơn dữ liệu .................................... .................

F XY,YZ,max . = ... Sử dụng bù .................................... ....................................

F XY,YZ,min . = ... Các vị trị của các trục không kiểm ....................................

Phương tiện đo

Thanh bi ống lòng hoặc thước đo số hai chiều (thước đo dạng lưới).

Xem và tham chiếu 11.3, ISO 230-1:2012

Phép kiểm này là một lựa chọn thay cho phép kiểm AK4 trong các trường hợp máy công cụ kiểm không thể thực hiện một độ quét đo 360° hoặc phép kiểm đó không liên quan.

Đường kính có thể khác với các giá trị trên theo thỏa thuận giữa nhà sản xuất/nhà cung cấp và người sử dụng. Trong các trường hợp đó, lượng chạy dao phải được điều chỉnh theo Phụ lục C của TCVN 7011-4:2013 (ISO 230-4:2005).

Phép nội suy tròn đòng thời ba trục (trục X, Y và C)

Đối tượng

AK6

Kiểm sai lệch quỹ đạo của tâm dụng cụ (lý tưởng là một điểm cố định trong hệ tọa độ của phôi) bằng nội suy đồng thời hai trục tịnh tiến (trục X và Y) và một trục quay (trục C) trên góc 180° hoặc 360° tại một đường kính bằng 2/3 hành trình trục X hoặc trục Y, tùy theo giá trị nào nhỏ hơn. Hướng nhạy cảm của phép đo cần được xác định như sau:

a) Hướng song song với trục quay (trục C), E int,axia l C,XYC (CW, CCW) ;

b) Hướng kính trục quay (trục C), E int,radialC.XYC (CW, CCW) ;

c) Hướng tiếp tuyến với chuyển động quay của trục quay (trục C), E in t,tan g entialC, XYC (CW, C CW) .

Chiều dài tham chiếu L của thanh bi ống lồng là 100 mm, lượng chạy dao là 500 mm/min hoặc theo thỏa thuận giữa nhà sản xuất/nhà cung cấp và người sử dụng, các phép đo được thực hiện cho chuyển động theo chiều kim đồng hồ và ngược chiều kim đồng hồ của trục C.

Sơ đồ

CHÚ DẪN:

1 thanh bi ống lồng

2 bi cầu (phía trục chính)

3 bi cầu (phía dụng cụ cắt)

4 trục chính

L khoảng cách danh nghĩa giữa tâm bi cầu phía trục chính và trục quay

Dung sai (thỏa thuận giữa nhà sản xuất/nhà cung cấp và người sử dụng)

a) E int , axia l C , XYC (CW, CCW) = ...

b) E int,radialC,XYC (CW, CCW) = ...

c) E int,tangen ti alC, XYC (CW, CCW) = ...

Sai lệch đo được


a) E int , axia l C , XYC (CW, CCW) = ...

b) E int,radialC.XYC (CW, CCW) = ...

c) E int , tangentia l C , XYC (CW, CCW ) =…

Phương tiện đo

Thanh bi ống lồng, hoặc trục kiểm đầu dạng cầu và cảm biến độ dịch chuyển thẳng dạng đầu phẳng, hoặc cụm cảm biến (ví dụ: phép kiểm R)

Xem và tham chiếu 11.3.5, ISO 230-1:2012

Quỹ đạo tròn của chương trình NC phải được định tâm trên đường trung bình của trục C. Đối với mỗi phép kiểm, liên tục ghi lại các số liệu đọc được từ thanh bi (thay đổi chiều dài) hoặc từ cảm biến độ dịch chuyển thẳng trong quá trình chuyển động nội suy. Báo cáo độ chênh lệch giữa các giá trị ghi được lớn nhất và nhỏ nhất cho a), b) và c).

Độ lệch L của bi cầu phía trục chính so đường trung bình của trục C, phải được báo cáo. Trong các trường hợp b) và c), tâm của bi cầu phía trục chính mang dụng cụ cắt phải được căn chỉnh trên đường trung bình của trục chính mang dụng cụ cắt. Mọi sai lệch trong căn chỉnh đều ảnh hưởng đến kết quả kiểm, có thể sử dụng trục kiểm đầu dạng cầu và cụm cảm biến (ví dụ: phép kiểm R). Xem Phụ lục D để biết quy trình kiểm và các lưu ý khác.

CHÚ THÍCH: Kết quả kiểm nên được trình bày dưới dạng đồ thị (xem D.3.3).

 

Phụ lục B

(quy định)

Kiểm động học máy có trục chính mang phôi thẳng đứng

B.1 Cấu hình và ký hiệu máy

Hình B.1 - Ví dụ điển hình của một máy tiện với trục chính mang phôi thẳng đứng

[w (C’) b Y Z2 X Z1 t]

Hình B.1 thể hiện ví dụ điển hình về máy tiện có trục chính mang phôi thẳng đứng.

Cấu hình được mô tả bằng cách sử dụng các mã kết cấu để nối tuần tự các trục chuyển động từ phía phôi đến phía dụng cụ cắt, và ngược lại. Tên các trục chuyển động tuân theo ISO 841. Ví dụ, mã kết cấu của máy được biểu thị trong Hình B.1 có thể được mô tả là [w (C') b Y Z2 X Z1 t] bằng cách nối các trục chuyển động từ phía phôi đến phía dụng cụ cắt. Trong mô tả này, phía phôi và phía dụng cụ cắt được phân biệt bằng việc đặt tên phôi là "w", dụng cụ cắt là "t", và băng máy là “b”; (C) biểu thị đường tâm trục chính không có điều khiển số cho việc định vị góc.

B.2 Các phép kiểm động học

B.2.1 Tổng quan

Để đơn giản hóa, các phép kiểm được nêu trong Phụ lục này dựa trên ví dụ về cấu hình máy được mô tả trong Hình B.1, nhưng được áp dụng cho tất cả các cấu hình máy tiện và trung tâm gia công tiện có trục chính mang phôi thẳng đứng.

CHÚ THÍCH: Các phép kiểm này có thể không trực tiếp được sử dụng để dự đoán sai số thực tế của phôi gia công trong quá trình cắt.

B.2.2 Tốc độ quay trục chính (BK1) và lượng chạy dao (BK2)

Mục đích của các phép kiểm này là để kiểm độ chính xác tổng thể của tất cả các mạch điện, điện tử và xích động học trong hệ thống điều khiển giữa lệnh điều khiển và chuyển động thực tế của từng bộ phận.

B.2.3 Phép nội suy tuyến tính (BK3)

Mục đích của các phép kiểm này là để kiểm chuyển động phối hợp của hai trục tịnh tiến trong hai điều kiện sau:

- khi cả hai trục chuyển động cùng tốc độ (45°); hoặc

- khi một trong hai trục chuyển động với tốc độ thấp hơn đáng kể so với trục còn lại (góc nhỏ).

B.2.4 Phép nội suy tròn (BK4)

Mục đích của các phép kiểm chuyển động nội suy tròn là để kiểm sự phối hợp chuyển động của hai trục tịnh tiến theo một cung tròn, bao gồm các điểm trong đó tốc độ của một trục chậm dần tới giá trị không (zero) và đảo ngược chiều chuyển động. Trong các phép kiểm này, các trục chuyển động với tốc độ biến thiên.

B.2.5 Phép nội suy hướng kính (BK5)

Phép kiểm này là một lựa chọn thay cho phép kiểm BK4, trong các trường hợp mà máy được kiểm không có độ quét đo 360° hoặc nếu phép kiểm BK4 không liên quan. Mục đích của phép kiểm này là để kiểm đáp ứng tác động lẫn nhau của hai trục tịnh tiến (thường là trục X và Z) tại các lượng chạy dao biến thiên, bao gồm các điểm trong đó lượng chạy dao của một trục chậm dần tới giá trị không (zero) và đảo ngược chiều chuyển động.

B.2.6 Phép nội suy tròn đồng thời ba trục (trục X, Y và C) (BK6)

Mục đích của phép kiểm này là để kiểm phép nội suy giữa các trục X, Y và C của một trung tâm tiện đối với các chuyển động tạo công tua theo chiều kìm đồng hồ và ngược chiều kim đồng hồ.

Tốc độ quay trục chính

Đối tượng

BK1

Kiểm sai lệch của tốc độ trục chính tại tốc độ trung bình và tốc độ quay tối đa của mỗi dải tốc độ, theo chiều kim đồng hồ và ngược chiều kim đồng hồ.

Sơ đồ

Dung sai

± 5%

Sai lệch đo được

Dải tốc độ quay

Chiều quay

Tốc độ quay được lập trình

Tốc độ quay đo được

Sai lệch %

 

Giữa

Ngược chiều kim đồng hồ

 

 

 

Chiều kim đồng hồ

 

 

 

 

Tối đa

Ngược chiều kim đồng hồ

 

 

 

Chiều kim đồng hồ

 

 

 

 

Giữa

Ngược chiều kim đồng hồ

 

 

 

Chiều kim đồng hồ

 

 

 

 

Tối đa

Ngược chiều kim đồng hồ

 

 

 

Chiều kim đồng hồ

 

 

 

 

Phương tiện đo

Bộ đếm số vòng quay, hoặc đèn chớp a )

a) Phải sử dụng phương tiện đo độc lập với điều khiển số (NC).

Xem

Các số đọc phải được lấy ở tốc độ quay không đổi, tránh sự tăng tốc/giảm tốc ở thời điểm khởi động và dừng. Khi đọc tốc độ quay tức thời, phải lấy ít nhất năm số đọc và tính giá trị trung bình. Phép kiểm này phải được thực hiện cho cả trục chính mang phôi và trục chính mang dụng cụ cắt.

Sự điều khiển khống chế phải được đặt tại mức 100 %.

Sai lệch tốc độ quay trục chính phải phải được tính bằng công thức sau:

D = (A S - P S )/P S x 100

Trong đó

D là sai lệch tính bằng phần trăm;

A S là tốc độ quay đo được;

P S là tốc độ quay được lập trình.

Lượng chạy dao của các trục tịnh tiến

Đối tượng

BK2

Kiểm độ chính xác của lượng chạy dao của các trục tịnh tiến ở các tốc độ sau: 1000 mm/min và tốc độ tối đa. Phép kiểm phải được thực hiện cho tất cả các trục tịnh tiến. Nên lưu ý khi thực hiện phép kiểm trên phạm vi đo ngắn do ảnh hưởng của sự tăng tốc và giảm tốc (thường gặp ở trục Y).

Sơ đồ

CHÚ DẪN:

1 đầu laze

2 giao thoa kế

3 gương phản xạ

Dung sai

Theo thỏa dẫn giữa nhà cung cấp/nhà sản xuất và người sử dụng

Sai lệch đo được

Lượng chạy dao được lập trình

Trục

X

Y

Z

Chiều

Lượng chạy dao đo được trung bình

Sai lệch %

Lượng chạy dao đo được trung bình

Sai lệch %

Lượng chạy dao đo được trung bình

Sai lệch %

1000 mm/min

Dương

 

 

 

 

 

 

Âm

 

 

 

 

 

 

Lượng chạy dao lớn nhất ....mm/min

Dương

 

 

 

 

 

 

Âm

 

 

 

 

 

 

 

Phương tiện đo

Giao thoa kế laze

Xem

Căn chỉnh giao thoa kế laze (được thiết lập cho phép kiểm sai lệch vị trí) theo hướng chuyển động của trục được kiểm. Trục phải được điều khiển thực hiện chuyển động đơn giản với điểm đầu và điểm cuối đã quy định. Di chuyển khoảng một nửa hành trình của trục (hoặc 500 mm, tùy theo giá trị nào nhỏ hơn) để đảm bảo trục tăng tốc và di chuyển ở tốc độ không đổi, và giảm tốc để dừng. Tất cả các lượng chạy dao sẽ sử dụng cùng một hành trình. Phép kiểm sẽ được thực hiện cho cả hai chiều chuyển động) (dương và âm). Dữ liệu tốc độ phải được lấy mẫu với tần số tối thiểu 100 Hz, không được làm trơn hoặc lấy giá trị trung bình. Sự điều khiển khống chế phải được đặt tại mức 100 %. Các số đọc phải được lấy ở tốc độ quay không đổi, tránh sự tăng tốc/giảm tốc ở thời điểm khởi động và dừng. Đối với mỗi chiều chuyển động, tính lượng chạy dao trung bình bằng cách lấy giá trị trung bình của tất cả các tốc độ không đổi đã đo được (tối thiểu 1000 điểm mẫu) cho mỗi phép kiểm.

Sai lệch lượng chạy dao phải phải được tính bằng công thức sau:

D f = (A f - P f )/P f x 100

Trong đó

D f là sai lệch tính bằng phần trăm;

A f là lượng chạy dao trung bình đo được;

P f là lượng chạy dao được lập trình.

Tần số lấy mẫu của phép đo phải được ghi lại trong báo cáo.

CHÚ THÍCH: Phép kiểm này có thể được thực hiện cùng với phép kiểm định vị tịnh tiến.

Phép nội suy tuyến tính

Đối tượng

BK3

Kiểm độ thẳng của chuyển động được thực hiện bởi phép nội suy tuyến tính đồng thời hai trục tịnh tiến, trên tối đa 300 mm chiều dài đo với góc đo xấp xỉ:

a) 45° (cùng lượng chạy dao)

b) 1) 3° so với chuyển động trục Z (lượng chạy dao trục X rất thấp);

2) 3° so với chuyển động trục X (lượng chạy dao trục Z rất thấp).

Sơ đồ

Dung sai

0,020 đối với chiều dài đo 100

Sai lệch đo được

 

a)

b) 1)

b) 2)

Sai số đo được

 

 

 

Chiều dài đo

 

 

 

 

Phương tiện đo

Vật chuẩn độ thẳng hoặc thước sin hoặc trục kiểm dạng côn chuyên dùng và cảm biến độ dịch chuyển thẳng hoặc thước đo số hai chiều

Xem và tham chiếu 11.2.3, ISO 230-1:2012 và 6.3, ISO/TR 230-11:2005

a) và b) 1)

Đối với các phép kiểm sử dụng các trục kiểm dạng côn chuyên dùng, kẹp chặt trục kiểm dạng côn [góc đỉnh xấp xỉ a) 90° hoặc b) 6°] vào mâm cặp trục chính mang phôi hoặc trong bạc côn xẻ. Trục chính phải được khóa lại. Gắn một cảm biến độ dịch chuyển thẳng vào đầu trượt dụng cụ cắt với đầu đo tiếp xúc vuông góc với bề mặt côn.

b) 2)

Đối với các phép kiểm sử dụng vật chuẩn độ thẳng, gắn vật chuẩn độ thẳng vào mặt gá của trục chính mang phôi hoặc mâm cặp bốn chấu với bề mặt đo ở vị trí tạo với hành trình trục X góc xấp xỉ 3°. Khóa chuyển động quay của trục chính mang phôi. Gắn một cảm biến độ dịch chuyển thẳng vào đầu trượt dụng cụ cắt với đầu đo tiếp xúc với bề mặt đo của vật chuẩn độ thẳng.

Đối với tất cả các phép kiểm độ thẳng, thiết lập một cảm biến độ dịch chuyển thẳng về không (zero) tại hai vị trí trên bề mặt đo của mẫu giả kiểm, hai điểm cách nhau một khoảng phù hợp với chiều dài đo yêu cầu, cộng thêm Dung sai cho tăng tốc và giảm tốc của trục. Ghi lại các vị trí tọa độ các trục X và Z của các điểm đã chọn. Lập trình một chuyển động hai chiều tại 250 mm/min giữa hai vị trí và ghi lại dữ liệu độ thẳng. Phân tích dữ liệu đã ghi trong với mỗi chiều (theo ISO 230-1) trừ dung sai cho sự tăng tốc và giảm tốc. Sai lệch nào lớn hơn và chiều của nó phải được ghi lại làm kết quả của phép kiểm.

Phép nội suy tròn

Đối tượng

BK4

Kiểm sai lệch độ tròn, G, và sai lệch độ tròn hai chiều, G(b), của quỹ đạo tạo bởi phép nội suy tròn của hai trục tịnh tiến trên toàn bộ 360° nếu áp dụng được, theo ISO 230-4, tại một trong các đường kính và tại hai lượng chạy dao sau:

1) đường kính 50 mm 2) đường kính 100 mm 3) đường kính 200 mm 4) đường kính 300 mm

a) 250mm/min a) 350 mm/min a) 500mm/min a) 610 mm/min

b) 1000 mm/min b) 1400 mm/min b) 2000 mm/min b) 2440 mm/min

Sai lệch độ tròn, G, phải được kiểm cho chuyển động tạo công tua theo chiều kim đồng và ngược chiều kim đồng hồ. Phép kiểm này sẽ được thực hiện trên các mặt phẳng XY, YZ và ZX hoặc trên mặt phẳng được tạo bởi các cặp trục tịnh tiến khác (X2, Z2, W, v.v.).

Sơ đồ

CHÚ DẪN:

1 thanh bi ống lồng

2 đồ gá chuyên dùng

Dung sai

Dung sai của G ab và G ba giống với G(b) ab , trong đó ab = XY, YZ hoặc ZX.

a) G(b) XZ = 0,03 mm b) G(b) XZ = 0,05 mm

G(b) XY,YZ = 0,05 mm G(b) XY,YZ = 0,07 mm

Sai lệch đo được

a) Lượng chạy dao = …

G XZ = ...

G XY,YZ = ...

G(b) XZ = ...

G(b) XY,YZ = ...

 

b) Lượng chạy dao = ...

G XZ = ...

G XY,YZ = ...

G(b) XZ = ...

G(b) XY,YZ = ...

 

Đường kính quỹ đạo danh nghĩa ....................................

Vị trí phương tiện đo

- Tâm đường tròn (X/Y/Z) ...................................................

- Bù chuẩn dụng cụ cắt (X/Y/Z) ..........................................

- Bù chuẩn chi tiết gia công (X/Y/Z) ....................................

Phương pháp thu nhận dữ liệu

- Điểm bắt đầu ...................................................................

- Số lượng điểm đo ............................................................

- Xử lý làm trơn dữ liệu ......................................................

Sử dụng bù .......................................................................

Các vị trí của các trục không kiểm .....................................

Phương tiện đo

Thanh bi ống lồng hoặc thước đo số hai chiều (thước đo dạng lưới).

Xem và tham chiếu 11.3 và 11.4, ISO 230-1:2012 và TCVN 7011-4 (ISO 230-4)

Nếu không thực hiện được góc 360°, xem BK5.

Đường kính có thể khác với các giá trị trên theo thỏa thuận giữa nhà sản xuất/nhà cung cấp và người sử dụng. Trong trường hợp này, lượng chạy dao phải được điều chỉnh theo Phụ lục C của TCVN 7011-4:2013 (ISO 230-4:2005).

Bắt đầu phép nội suy ở một trong bốn góc phần tư. Lý tưởng là các phép đo không bắt đầu tại một trong bốn điểm đảo chiều và cần có chuyển động vào/ra đủ quanh vùng được kiểm để đảm bảo đo chính xác đặc tính của máy, bao gồm cả các điểm đảo chiều.

Phép nội suy hướng kính

Đối tượng

BK5

Kiểm sai lệch hướng kính, F, của quỹ đạo tạo bởi phép nội suy tròn của hai trục tịnh tiến trên góc 100° theo TCVN 7011-4:2013 (ISO 230-4:2005), tại một trong các đường kính và tại hai lượng chạy dao sau:

1) đường kính 50 mm 2) đường kính 100 nnm 3) đường kính 200 mm 4) đường kính 300 mm

a) 250mm/min a) 350 mm/min a) 500 mm/min a) 610 mm/min

b) 1000 mm/min b) 1400 mm/min b) 2000 mm/min b) 2440 mm/min

Sai lệch hướng kính, F, phải được kiểm cho chuyển động tạo công tua theo chiều kim đồng hồ và ngược chiều kim đồng hồ.

Phép kiểm này sẽ được thực hiện trên các mặt phẳng XY, YZ và ZX hoặc trên mặt phẳng được tạo bởi các cặp trục tịnh tiến khác (X2, Z2, W, v.v.).

Sơ đồ

CHÚ DẪN:

1 thanh bi ống lồng

2 đồ gá chuyên dùng

Dung sai

a) F XZ,max. = 0,05 mm b) F XZ,max . = 0,07 mm

F XZ,min. = - 0,05 mm F XZ,min. - 0,07 mm

F XY,YZ,max. = 0,07 mm F XY,YZ,max. = 0,09 mm

F XY,YZ,min. = - 0,07 mm F XY,YZ,min. = - 0,09 mm

Tham chiếu 3.5, TCVN 7011-4:2013 (ISO 230-4:2005).

CHÚ THÍCH: Sai lệch hướng kính chịu ảnh hưởng của sai số định vị (lắp đặt) bi cầu phía trục chính của thanh bi ống lồng và do đó thường lớn hơn sai lệch độ tròn.

Sai lệch đo được

a) Lượng chạy dao = ... Đường kính quỹ đạo danh nghĩa ....................................

F XZ,max = ... Vị trí phương tiện đo ......................................................

F XZ,min = ... - Tâm đường tròn (X/Y/Z) ..............................................

F XY,YZ,max. = ... - Bù chuẩn dụng cụ cắt (X/Y/Z) .......................................

F XY,YZ,min. = ... - Bù chuẩn chi tiết gia công (X/Y/Z) ..................................

Phương pháp thu nhận dữ liệu

b) Lượng chạy dao = ... - Điểm bắt đầu ..................................................................

F XZ,max = ... - Số lượng điểm đo ...........................................................

F XZ,min = ... - Xử lý làm trơn dữ liệu .....................................................

F XY,YZ,max. = ... Sử dụng bù .......................................................................

F XY,YZ,min. = ... Các vị trị của các trục không kiểm ....................................

Phương tiện đo

Thanh bi ống lồng hoặc thước đo số hai chiều (thước đo dạng lưới)

Xem và tham chiếu 11.3, ISO 230-1:2012

Phép kiểm này là một lựa chọn thay cho phép kiểm BK4 trong các trường hợp mà máy công cụ kiểm không thể thực hiện một độ quét đo 360° hoặc phép kiểm đó không liên quan.

Đường kính có thể khác với các giá trị trên theo thỏa thuận giữa nhà sản xuất/nhà cung cấp và người sử dụng. Trong trường hợp này, lượng chạy dao phải được điều chỉnh theo Phụ lục C của TCVN 7011-4:2013 (ISO 230-4:2005).

Phép nội suy tròn đồng thời ba trục (trục X, Y và C)

Đối tượng

BK6

Kiểm sai lệch quỹ đạo của tâm dụng cụ cắt (lý tưởng là một điểm cố định trong hệ tọa độ của phôi) bằng nội suy đồng thời hai trục tịnh tiến (trục X và Y) và một trục quay (trục C) trên góc 180° hoặc 360° tại một đường kính bằng 2/3 hành trình trục X hoặc trục Y, tùy theo giá trị nào nhỏ hơn. Hướng nhạy cảm của phép đo cần được xác định như sau:

a) Hướng song song với trục quay (trục C), E int , axia l C , XYC (CW, CCW) ;

b) Hướng kính trục quay (trục C), E int,radialC,XYC (CW, CCW) ;

c) Hướng tiếp tuyến với chuyển động quay của trục quay (trục C), E in t,tan g entialC, XYC (CW, C CW).

Chiều dài tham chiếu L B của thanh bi ống lồng là 100 mm, lượng chạy dao là 500 mm/min hoặc theo thỏa thuận giữa nhà sản xuất/nhà cung cấp và người sử dụng. Các phép đo được thực hiện cho chuyển động theo chiều kim đồng hồ và ngược chiều kim đồng hồ của trục C.

Sơ đồ

CHÚ DẪN:

1 thanh bi ống lồng

2 bi cầu (phía trục chính)

3 bi cầu (phía dụng cụ cắt)

4 trục chính

5 đầu trượt (ụ dụng cụ cắt)

L kích thước danh nghĩa giữa tâm bi cầu phía trục chính và trục quay

Dung sai (thỏa thuận giữa nhà sản xuất/nhà cung cấp và người sử dụng)

a) E int , axia l C , XYC (CW, CCW) = ...

b) E int,radialC,XYC (CW, CCW) = ...

c) E int,tangen ti alC.XYC (CW, CCW) = ...

Sai lệch đo được


a) E int , axia l C , XYC (CW, CCW) = ...

b) E int,radialC.XYC (CW, CCW) = ...

c) E int , tangentia l C,XYC (CW, CCW ) =…

Phương tiện đo

Thanh bi ống lồng, hoặc trục kiểm đầu dạng cầu và cảm biến độ dịch chuyển thẳng dạng đầu phẳng, hoặc cụm cảm biến (ví dụ: phép kiểm R)

Xem và tham chiếu 11.3.5, ISO 230-1:2012

Quỹ đạo tròn của chương trình NC phải được định tâm trên đường trung bình của trục C. Đối với mỗi phép kiểm, liên tục ghi lại các số liệu đọc được từ thanh bi (thay đổi chiều dài) hoặc từ cảm biến độ dịch chuyển thẳng trong quá trình chuyển động nội suy. Báo cáo độ chênh lệch giữa các giá trị ghi được lớn nhất và nhỏ nhất cho a), b) và c).

Độ lệch L của bi cầu phía trục chính so đường trung bình của trục C, phải được báo cáo. Trong các trường hợp b) và c), tâm của bi cầu phía trục chính mang dụng cụ cắt phải được căn chỉnh trên đường trung bình của trục chính mang dụng cụ cắt. Mọi sai lệch trong căn chỉnh đều ảnh hưởng đến kết quả kiểm. Có thể sử dụng trục kiểm đầu dạng cầu và cụm cảm biến (ví dụ: phép kiểm R). Xem Phụ lục D để biết quy trình kiểm và các lưu ý khác.

CHÚ THÍCH: Kết quả kiểm nên được trình bày dưới dạng đồ thị (xem D.3.3).

 

Phụ lục C

(quy định)

Kiểm động học máy có trục chính mang phôi thẳng đứng đảo nghịch

C.1 Cấu hình và ký hiệu máy

Hình C.1 - Ví dụ điển hình của một máy tiện với trục chính mang phôi thẳng đứng đảo nghịch [w (C’) Z’ X’ b Y A t]

Hình C.1 thể hiện một ví dụ điển hình về máy tiện có trục chính mang phôi thẳng đứng đảo nghịch.

Cấu hình được mô tả bằng cách sử dụng các mã kết cấu để nối tuần tự các trục chuyển động từ phía phôi đến phía dụng cụ cắt, và ngược lại. Tên các trục chuyển động tuân theo ISO 841. Ví dụ, mã kết cấu của máy được biểu thị trong Hình C.1 có thể được mô tả là [w (C’) Z’ X’ b Y A t] bằng cách nối các trục chuyển động từ phía phôi đến phía dụng cụ cắt. Trong mô tả này, phía phôi và phía dụng cụ cắt được phân biệt bằng việc đặt tên phôi là "w", dụng cụ cắt là “T”, và băng máy là “b”; (C) biểu thị đường tâm trục chính không có điều khiển số cho việc định vị góc.

C.2 Các phép kiểm động học

C.2.1 Tổng quan

Để đơn giản hóa, các phép kiểm được nêu trong Phụ lục này dựa trên ví dụ về cấu hình máy được mô tả trong Hình C.1, nhưng có thể áp dụng được cho tất cả các cấu hình máy tiện và trung tâm gia công tiện có trục chính mang phôi thẳng đứng đảo nghịch.

CHÚ THÍCH: Các phép kiểm này có thể không trực tiếp được sử dụng để dự đoán sai số thực tế của phôi gia công trong quá trình cắt.

C.2.2 Tốc độ quay trục chính (CK1) và lượng chạy dao (CK2)

Mục đích của các phép kiểm này là để kiểm độ chính xác tổng thể của tất cả các mạch điện, điện tử và xích động học trong hệ thống điều khiển giữa lệnh điều khiển và chuyển động thực tế của từng bộ phận.

C.2.3 Phép nội suy tuyến tính (CK3)

Mục đích của các phép kiểm này là để kiểm chuyển động phối hợp của hai trục tịnh tiến trong hai điều kiện sau:

- Khi cả hai trục chuyển động cùng tốc độ (45°);

- Khi một trong hai trục chuyển động với tốc độ thấp hơn đáng kể so với trục còn lại (góc nhỏ).

C.2.4 Phép nội suy tròn (CK4)

Mục đích của các phép kiểm chuyển động nội suy tròn là để kiểm sự phối hợp chuyển động của hai trục tịnh tiến theo một cung tròn, bao gồm các điểm trong đó tốc độ của một trục chậm dần tới giá trị không (zero) và đảo ngược chiều chuyển động. Trong các phép kiểm này, các trục chuyển động với tốc độ biến thiên.

C.2.5 Phép nội suy hướng kính (CK5)

Phép kiểm này là một lựa chọn thay cho phép kiểm CK4, trong các trường hợp mà máy được kiểm không có độ quét đo 360° hoặc nếu phép kiểm CK4 không liên quan. Mục đích của phép kiểm này là để kiểm đáp ứng tác động lẫn nhau của hai trục tịnh tiến (thường là trục X và Z) tại các lượng chạy dao biến thiên, bao gồm các điểm trong đó lượng chạy dao của một trục chậm dần tới giá trị không (zero) và đảo ngược chiều chuyển động.

C.2.6 Phép nội suy tròn đồng thời ba trục (trục X, Y và C) (CK6)

Mục đích của phép kiểm này là để kiểm phép nội suy giữa các trục X, Y và C của một trung tâm tiện đối với các chuyển động tạo công tua theo chiều kim đồng hồ và ngược chiều kim đồng hồ.

Tốc độ quay trục chính

Đối tượng

CK1

Kiểm sai lệch của tốc độ trục chính tại tốc độ trung bình và tốc độ quay tối đa của mỗi dải tốc độ, theo chiều kim đồng hồ và ngược chiều kim đồng hồ.

Sơ đồ

Dung sai

± 5%

Sai lệch đo được

Dải tốc độ quay

Chiều quay

Tốc độ quay được lập trình

Tốc độ quay đo được

Sai lệch %

 

Giữa

Ngược chiều kim đồng hồ

 

 

 

Chiều kim đồng hồ

 

 

 

 

Tối đa

Ngược chiều kim đồng hồ

 

 

 

Chiều kim đồng hồ

 

 

 

 

Giữa

Ngược chiều kim đồng hồ

 

 

 

Chiều kim đồng hồ

 

 

 

 

Tối đa

Ngược chiều kim đồng hồ

 

 

 

Chiều kim đồng hồ

 

 

 

 

Phương tiện đo

Bộ đếm số vòng quay, hoặc đèn chớp a )

a) Phải sử dụng phương tiện đo độc lập với điều khiển số (NC).

Xem

Các số đọc phải được lấy ở tốc độ quay không đổi, tránh sự tăng tốc/giảm tốc ở thời điểm khởi động và dừng. Khi đọc tốc độ quay tức thời, phải lấy ít nhất năm số đọc và tính giá trị trung bình. Phép kiểm này phải được thực hiện cho cả trục chính mang phôi và trục chính mang dụng cụ cắt.

Sự điều khiển khống chế phải được đặt tại mức 100 %.

Sai lệch tốc độ quay trục chính phải phải được tính bằng công thức sau:

D = (A S - P S )/P S x 100

Trong đó

D là sai lệch tính bằng phần trăm;

A S là tốc độ quay đo được;

P S là tốc độ quay được lập trình.

Lượng chạy dao của các trục tịnh tiến

Đối tượng

CK2

Kiểm độ chính xác của lượng chạy dao của các trục tịnh tiến ở các tốc độ sau: 1000 mm/min và tốc độ tối đa. Phép kiểm sẽ được thực hiện cho tất cả các trục tịnh tiến. Nên chú ý khi thực hiện phép kiểm trên phạm vi đo ngắn do ảnh hưởng của sự tăng tốc và giảm tốc (thường gặp ở trục Y).

Sơ đồ

CHÚ DẪN:

1 đầu laze

2 giao thoa kế

3 gương phản xạ

Dung sai

Theo thỏa thuận giữa nhà sản xuất/nhà cung cấp và người sử dụng

Sai lệch đo được

Lượng chạy dao được lập trình

Trục

X

Y

Z

Chiều

Lượng chạy dao đo được trung bình

Sai lệch %

Lượng chạy dao đo được trung bình

Sai lệch %

Lượng chạy dao đo được trung bình

Sai lệch %

1000 mm/min

Dương

 

 

 

 

 

 

Âm

 

 

 

 

 

 

Lượng chạy dao lớn nhất ....mm/min

Dương

 

 

 

 

 

 

Âm

 

 

 

 

 

 

 

Phương tiện đo

Giao thoa kế laze

Xem

Căn chỉnh giao thoa kế laze (được thiết lập cho phép kiểm sai lệch vị trí) theo hướng chuyển động của trục được kiểm. Trục phải được điều khiển thực hiện chuyển động đơn giản với điểm đầu và điểm cuối đã quy định. Di chuyển khoảng một nửa hành trình của trục (hoặc 500 mm, tùy theo giá trị nào nhỏ hơn) để đảm bảo trục tăng tốc và di chuyển ở tốc độ không đổi, và giảm tốc để dừng. Tất cả các lượng chạy dao sẽ sử dụng cùng một hành trình. Phép kiểm sẽ được thực hiện cho cả hai chiều chuyển động (dương và âm). Dữ liệu tốc độ phải được lấy mẫu với tần số tối thiểu 100 Hz, không được làm trơn hoặc lấy giá trị trung bình. Sự điều khiển khống chế phải được đặt tại mức 100 %. Các số đọc phải được lấy ở tốc độ quay không đổi, tránh sự tăng tốc/giảm tốc ở thời điểm khởi động và dừng. Đối với mỗi chiều chuyển động, tính lượng chạy dao trung bình bằng cách lấy giá trị trung bình của tất cả các tốc độ không đổi đã đo được (tối thiểu 1000 điểm mẫu) cho mỗi phép kiểm.

Sai lệch lượng chạy dao phải phải được tính bằng công thức sau:

D f = (A f - P f )/P f x 100

Trong đó

D f là sai lệch tính bằng phần trăm;

A f là lượng chạy dao trung bình đo được;

P f là lượng chạy dao được lập trình.

Tần số lấy mẫu cần được ghi lại trong báo cáo.

CHÚ THÍCH: Phép kiểm này có thể được thực hiện cùng với phép kiểm định vị tịnh tiến.

Phép nội suy tuyến tính

Đối tượng

CK3

Kiểm độ thẳng của chuyển động được thực hiện bởi phép nội suy tuyến tính hai trục tịnh tiến, trên chiều dài đo tối đa 300 mm với góc đo xấp xỉ:

a) 45° (cùng lượng chạy dao);

b) 1) 3° so với chuyển động trục Z (lượng chạy dao trục X rất thấp);

2) 3° so với chuyển động trục X (lượng chạy dao trục Z rất thấp).

Sơ đồ

Dung sai

0,020 đối với chiều dài đo 100

Sai lệch đo được

 

a)

b) 1)

b) 2)

Sai số đo được

 

 

 

Chiều dài đo

 

 

 

 

Phương tiện đo

Vật chuẩn độ thẳng hoặc thước sin hoặc các trục kiểm dạng côn chuyên dùng và cảm biến độ dịch chuyển thẳng hoặc thước đo số hai chiều

Xem và tham chiếu 3.9.2, ISO 230-1:2012 và 6.3, ISO/TR 230-11:2005

a) và b) 1)

Đối với các phép kiểm sử dụng các trục kiểm côn chuyên dùng, kẹp chặt trục kiểm dạng côn [góc đỉnh xấp xỉ a) 90° hoặc b) 6°] vào mâm cặp trục chính mang phôi hoặc trong bạc côn xẻ. Trục chính phải được khóa lại. Gắn một cảm biến độ dịch chuyển thẳng vào đầu trượt dụng cụ cắt với đầu đo tiếp xúc vuông góc với bề mặt côn.

b) 2)

Đối với các phép kiểm sử vật chuẩn độ thẳng, gắn vật chuẩn độ thẳng vào mặt gá của trục chính mang phôi hoặc mâm cặp bốn chấu với bề mặt đo ở vị trí tạo với hành trình trục X góc xấp xỉ 3°. Khóa chuyển động quay của trục chính mang phôi. Gắn một cảm biến độ dịch chuyển thẳng vào đầu trượt dụng cụ cắt với đầu đo tiếp xúc với bề mặt đo của vật chuẩn độ thẳng.

Đối với tất cả các phép kiểm độ thẳng, thiết lập một cảm biến độ dịch chuyển thẳng về không (zero) tại hai vị trí trên bề mặt đo của mẫu giả kiểm, hai điểm cách nhau một khoảng phù hợp với chiều dài đo yêu cầu, cộng thêm dung sai cho tăng tốc và giảm tốc của trục. Ghi lại các vị trí tọa độ các trục X và z của các điểm đã chọn. Lập trình một chuyển động hai chiều tại 250 mm/min giữa hai vị trí và ghi lại dữ liệu độ thẳng. Phân tích dữ liệu đã ghi trong với mỗi chiều (theo ISO 230-1) trừ dung sai cho sự tăng tốc và giảm tốc. Sai lệch nào lớn hơn và chiều của nó phải được ghi lại làm kết quả của phép kiểm.

Phép nội suy tròn

Đối tượng

CK4

Kiểm sai lệch độ tròn, G, và sai lệch độ tròn hai chiều, G(b), của quỹ đào tạo bởi phép nội suy tròn của hai trục tịnh tiến trên toàn bộ 360°, nếu áp dụng được, theo TCVN 7011-4 (ISO 230-4), tại một trong các đường kính sau và tại hai lượng chạy dao:

1) đường kính 50 mm 2) đường kính 100 mm 3) đường kính 200 mm 4) đường kính 300 mm

a) 250 mm/min a) 350 mm/min a) 500 mm/min a) 610 mm/min

b) 1000 mm/min b) 1400 mm/min b) 2000 mm/min b) 2440 mm/min

Sai lệch độ tròn, G, phải được kiểm cho chuyển động tạo công tua theo chiều kim đồng và ngược chiều kim đồng hồ. Phép kiểm này sẽ được thực hiện trên các mặt phẳng XY, YZ và ZX hoặc trên mặt phẳng được tạo bởi các cặp trục tịnh tiến khác (U, V, W, v.v.).

Sơ đồ

CHÚ DẪN:

1 thanh bi ống lồng

2 đồ gá chuyên dùng

Dung sai

Dung sai của G ab và G ba giống với G(b) ab , trong đó ab = XY, YZ hoặc ZX.

a) G(b) XZ = 0,03 mm b) G(b) XZ = 0,05 mm

G(b) XY,YZ = 0,05 mm G(b) XY,YZ = 0,07 mm

Sai lệch đo được

a) Lượng chạy dao = ..

G XZ = ...

G XY,YZ =...

G(b) XZ = ...

G(b) XY,YZ = ...

 

b) Lượng chạy dao = ...

G XZ = ...

G XY,YZ = ...

G(b) XZ = ...

G(b) XY,YZ = ...

 

Đường kính quỹ đạo danh nghĩa ....................................

Vị trí phương tiện đo

- Tâm đường tròn (X/Y/Z) ...................................................

- Bù chuẩn dụng cụ cắt (X/Y/Z) ..........................................

- Bù chuẩn chi tiết gia công (X/Y/Z) ....................................

Phương pháp thu nhận dữ liệu

- Điểm bắt đầu ...................................................................

- Số lượng điểm đo ............................................................

- Xử lý làm trơn dữ liệu ......................................................

Sử dụng bù .......................................................................

Các vị trí của các trục không kiểm .....................................

Phương tiện đo

Thanh bi ống lòng hoặc thước đo số hai chiều (thước đo dạng lưới).

Xem và tham chiếu 11.3 và 11.4, ISO 230-1:2012 và TCVN 7011-4 (ISO 230-4)

Nếu không thực hiện được góc 360°, xem CK5.

Các đường kính có thể khác với các giá trị trên theo thỏa thuận giữa nhà sản xuất/nhà cung cấp và người sử dụng. Trong các trường hợp đó, lượng chạy dao phải được điều chỉnh theo Phụ lục C của TCVN 7011-4:2013 (ISO 230-4:2005).

Bắt đầu phép nội suy ở một trong bốn góc phần tư. Lý tưởng là các phép đo không bắt đầu tại một trong bốn điểm đảo chiều và cần có chuyển động vào/ra đủ quanh vùng được kiểm để đảm bảo đo chính xác đặc tính của máy, bao gồm cả các điểm đảo chiều.

Phép nội suy hướng kính

Đối tượng

CK5

Kiểm sai lệch hướng kính, F, của quỹ đạo tạo bởi phép nội suy tròn của hai trục tịnh tiến trên góc 100° theo ISO 230-4, tại một trong các đường kính sau và tại hai lượng chạy dao:

1) đường kính 50 mm 2) đường kính 100 mm 3) đường kính 200 mm 4) đường kính 300 mm

a) 250 mm/min a) 350 mm/min a) 500 mm/min a) 610 mm/min

b) 1000 mm/min b) 1400 mm/min b) 2000 mm/min b) 2440 mm/min

Sai lệch hướng kính, F, phải được kiểm cho chuyển động tạo công tua theo chiều kim đồng hồ và ngược chiều kim đồng hồ.

Phép kiểm này sẽ được thực hiện trên các mặt phẳng XY, YZ và ZX hoặc trên mặt phẳng được tạo bởi các cặp trục tịnh tiến khác (X2, Z2. v.v.).

Sơ đồ

CHÚ DẪN:

1 thanh bi ống lồng

2 đồ gá chuyên dùng

Dung sai

a) F XZ,max. = 0,05 mm b) F XZ,max . = 0,07 mm

F XZ,min. = -0,05 mm F XZ,min. - 0,07 mm

F XY,YZ,max. = 0,07 mm F XY,YZ,max. = 0,09 mm

F XY,YZ,min. = - 0,07 mm F XY,YZ,min. = - 0,09 mm

Tham chiếu 3.5, TCVN 7011-4:2013 (ISO 230-4:2005).

CHÚ THÍCH: Sai lệch hướng kính chịu ảnh hưởng của sai số định vị (lắp đặt) bi cầu phía trục chính của thanh bi ống lồng và do đó thường lớn hơn sai lệch độ tròn.

Sai lệch đo được

a) Lượng chạy dao = ... Đường kính quỹ đạo danh nghĩa ....................................

F XZ,max = ... Vị trí phương tiện đo ......................................................

F XZ,min = ... - Tâm đường tròn (X/Y/Z) ..............................................

F XY,YZ,max. - ... - Bù chuẩn dụng cụ cắt (X/Y/Z) .......................................

F XY,YZ,min. = ... - Bù chuẩn chi tiết gia công (X/Y/Z) ..................................

Phương pháp thu nhận dữ liệu

b) Lượng chạy dao = ... - Điểm bắt đầu .................................... ..............................

F XZ,max = ... - Số lượng điểm đo .................................... .......................

F XZ,min = ... - Xử lý làm trơn dữ liệu .................................... .................

F XY,YZ,max. = ... Sử dụng bù .................................... ....................................

F XY,YZ,min. = ... Các vị trị của các trục không kiểm ....................................

Phương tiện đo

Thanh bi ống lồng hoặc thước đo số hai chiều (thước đo dạng lưới)

Xem và tham chiếu ISO 11.3, 230-1:2012

Phép kiểm này là một lựa chọn thay cho phép kiểm CK4 trong các trường hợp mà máy công cụ kiểm không thể thực hiện một độ quét đo 360° hoặc phép kiểm đó không liên quan.

Đường kính có thể khác với các giá trị trên theo thỏa thuận giữa nhà sản xuất/nhà cung cấp và người sử dụng. Trong trường hợp này, lượng chạy dao phải được điều chỉnh theo Phụ lục C của TCVN 7011-4:2013 (ISO 230-4:2005).

Phép nội suy tròn đồng thời ba trục (trục X, Y và C)

Đối tượng

CK6

Kiểm sai lệch quỹ đạo của tâm dụng cụ (lý tưởng là một điểm cố định trong hệ tọa độ của phôi) bằng nội suy đồng thời hai trục tịnh tiến (trục X và Y) và một trục quay (trục C) trên góc 180° hoặc 360° tại một đường kính bằng 2/3 hành trình trục X hoặc trục Y, tùy theo giá trị nào nhỏ hơn. Hướng nhạy cảm của phép đo cần được xác định như sau:

a) Song song với trục quay (trục C), E int , axia l C , XYC (CW, CCW) ;

b) Hướng kính trục quay (trục C), E int,radialC,XYC (CW, CCW) ;

c) Tiếp tuyến với chuyển động quay của trục quay (trục C), E in t,tan g entialC, XYC (CW, C CW) .

Chiều dài tham chiếu L của thanh bi ống lồng là 100 mm, lượng chạy dao là 500 mm/min hoặc theo thỏa thuận giữa nhà sản xuất/nhà cung cấp và người sử dụng, các phép đo được thực hiện cho chuyển động theo chiều kim đồng hồ và ngược chiều kim đồng hồ của trục C.

Sơ đồ

CHÚ DẪN:

1 thanh bi ống lồng

2 bi cầu (phía trục chính)

3 bi cầu (phía dụng cụ cắt)

4 trục chính

L kích thước danh nghĩa giữa tâm bi cầu phía trục chính và trục quay

Dung sai (thỏa thuận giữa nhà sản xuất/nhà cung cấp và người sử dụng)

a) E int , axia l C , XYC (CW, CCW) = ...

b) E int,radialC,XYC (CW, CCW) = ...

c) E int,tangen ti alC.XYC (CW, CCW) = ...

Sai lệch đo được


a) E int , axia l C , XYC (CW, CCW) = ...

b) E int,radialC.XYC (CW, CCW) = ...

c) E int , tangentia l C,XYC (CW, CCW ) =…

Phương tiện đo

Thanh bi ống lồng, hoặc trục kiểm đầu dạng cầu và cảm biến độ dịch chuyển thẳng dạng đầu phẳng, hoặc cụm cảm biến (ví dụ: phép kiểm R)

Xem và tham chiếu 11.3.5, ISO 230-1:2012

Quỹ đạo tròn của chương trình NC phải được định tâm trên đường trung bình của trục C. Đối với mỗi phép kiểm, liên tục ghi lại các số liệu đọc được từ thanh bi (thay đổi chiều dài) trong quá trình chuyển động nội suy. Báo cáo độ chênh lệch giữa các giá trị ghi được lớn nhất và nhỏ nhất cho a), b) và c).

Độ lệch L của bi cầu phía trục chính so đường trung bình của trục C, phải được báo cáo. Trong các trường hợp b) và c), tâm của bi cầu phía trục chính mang dụng cụ cắt phải được căn chỉnh trên đường trung bình của trục chính mang dụng cụ cắt. Mọi sai lệch trong căn chỉnh đều ảnh hưởng đến kết quả kiểm, có thể sử dụng trục kiểm đầu dạng cầu và cụm cảm biến (ví dụ: phép kiểm R). Xem Phụ lục D để biết quy trình kiểm và các lưu ý khác.

CHÚ THÍCH Kết quả kiểm nén được trình bày dưới dạng đồ thị, ví dụ: tương tự Hình D.2.

 

Phụ lục D

(tham khảo)

Lưu ý khi thiết lập kiểm cho AK6, BK6 và CK6

D.1 Tổng quan

Kết quả kiểm trong AK6, BK6 và CK6 sử dụng một trong các phương án a) thanh bi ống lồng, hoặc b) trục kiểm đầu dạng cầu và cảm biến độ dịch chuyển thẳng dạng đầu phẳng, hoặc c) trục kiểm đầu dạng cầu và cụm cảm biến (ví dụ: phép kiểm R) có thể bị ảnh hưởng bởi cách thiết lập các phương tiện đo. Phụ lục này đưa ra các lưu ý trong quy trình kiểm để giảm thiểu ảnh hưởng của sai số khi thiết ; lập.

D.2 Phép kiểm với thanh bi

D.2.1 Căn chỉnh bi cầu chính xác

Bi cầu chính xác của thanh bi ở phía đầu rơvonve phải được căn chỉnh với đường trung bình của trục chính mang dụng cụ cắt hoặc đường tâm lỗ gá dụng cụ cắt trên đầu rơvonve. Mọi sai lệch trong căn chỉnh đều ảnh hưởng đến kết quả kiểm.

Việc căn chỉnh này có thể được thực hiện bằng cách sử dụng đồ gá gắn với trục chính để điều chỉnh vị trí bi cầu một cách chính xác. Xem ví dụ Hình D.1 về đồ gá tương tự.

Ngoài ra, vị trí tương đối của tâm bi cầu so với đường trung bình của trục chính có thể được đo, sau đó hệ tọa độ của máy có thể được điều chỉnh để bù sai lệch này. Vị trí của tâm bi cầu có thể được đo bằng cách đo độ đảo hướng kính của trục quay bằng cách sử dụng cảm biến độ dịch chuyển thẳng.

Bi cầu của thanh bi trên trục chính mang phôi (trục C) được đặt ở vị trí sao cho thanh bi được hướng theo hướng nhạy cảm của phép đo được chỉ định trong từng phép kiểm. Bi cầu phía trục chính mang phôi của thanh bi không cần phải được căn chỉnh chính xác. Điều này không ảnh hưởng đến kết quả kiểm (ảnh hưởng bậc 2).

CHÚ DẪN:

1 ổ từ

2 giá đỡ nam châm

3 ốc vít

4 trục gá vào mâm cặp

Hình D.1 - Ví dụ về đồ gá để căn chỉnh bi cầu phía trục chính

D.2.2 Lập trình

Trục chính mang phôi (trục C) được chỉ định điều khiển theo từng phép kiểm. Chuyển động của các trục tịnh tiến được lập trình sao cho thanh bi luôn được định hướng theo a) hướng trục, b) hướng kính, hoặc c) hướng tiếp tuyến với trục quay trong quá trình kiểm.

Khi thực hiện các phép kiểm AK6, BK6 và CK6 sử dụng thanh bi, bi cầu phía đầu rơvonve được đặt cách đường trung bình của trục C một khoảng cách L. Bi cầu ở phía trục chính mang phôi được đặt sao cho thanh bi được căn chỉnh theo b) hướng kính, hoặc c) hướng tiếp tuyến với trục quay [xem Hình D.2 a)]. Nói cách khác, bi cầu phía trục chính mang phôi được đặt cách đường trung bình của trục C một khoảng (L - L B ) đối với phép kiểm hướng kính b), và (L 2 -L B 2 ) 1/2 đối với phép kiểm tiếp tuyến

c), trong đó L B là Chiều dài danh nghĩa của thanh bi. Với cách thiết lập này, các phép kiểm sử dụng thanh bi có thể được xem là tương đương về mặt động học với các phép kiểm sử dụng trục kiểm đầu dạng cầu và các cảm biến độ dịch chuyển thẳng (tức là quỹ đạo của các trục tịnh tiến giống nhau) [xem Hình D.2 b)].

Để thuận tiện cho việc lập trình, bật chức năng TCP (định vị điểm tâm dụng cụ cắt), nếu áp dụng được. Chức năng này cho phép tự động đồng bộ các trục tịnh tiến theo chuyển động đã lập trình của trục quay.

Trong tất cả các phép kiểm, lượng chạy dao và hành trình của các trục tịnh tiến trong hệ tọa độ máy được điều chỉnh theo khoảng cách từ tâm bi cầu đến trục quay. Độ nhạy đối với các chuyển động có sai số góc và các sai số định hướng của trục quay tăng lên, cũng như độ nhạy đối với các chuyển động có sai số của các trục tịnh tiến và các sai số định hướng, nếu khoảng cách này trở nên lớn hơn.

D.2.3 Quy trình kiểm

Trong tất cả các phép kiểm AK6, BK6 và CK6, chiều dài tham chiếu L B của thanh bi cần được xác định, và độ lệch của bi cầu chính xác phía trục chính mang dụng cụ cắt so với đầu mút trục chính (đường chuẩn trục chính) hoặc đường chuẩn của lỗ gá dụng cụ cắt của rơvonve, cần được xác định để lập trình. Độ lệch của bi cầu chính xác so với đầu mút trục chính mang dụng cụ cắt (đường chuẩn trục chính) thường có thể được hiệu chỉnh bằng cách sử dụng hệ thống thiết lập chiều dài dụng cụ cắt.

Trong tất cả các phép kiểm, hai quỹ đạo thực tế phải được đo liên tiếp theo chiều kim đồng hồ và ngược chiều kim đồng hồ của trục quay đang được kiểm.

D.2.4 Trình bày kết quả

Tất cả dữ liệu đo tương ứng với quỹ đạo thực tế, bao gồm các điểm đảo chiều và điểm cực trị tại điểm bắt đầu và kết thúc, đều được sử dụng trong quá trình đánh giá.

Ưu tiên trình bày độ dịch chuyển đo được cùng định dạng với các phép kiểm độ tròn trong TCVN 7011-4 (ISO 230-4). Sai lệch phải được thể hiện bằng biểu đồ theo vị trí góc danh nghĩa của trục quay được kiểm (xem ví dụ Hình D.3).

Một số phần mềm thương mại dành cho phép kiểm độ tròn theo mặc định sẽ thực hiện định tâm tự động để đánh giá sai lệch độ tròn. Chức năng này cần được tắt để đánh giá các giá trị "thô" đo được từ thanh bi (thay đổi chiều dài). Nếu có thể, độ dịch chuyển của thanh bi phải được đặt lại về không (zero) tại thời điểm bắt đầu đo.

Các phép kiểm chỉ yêu cầu báo cáo độ chênh lệch giữa các giá trị ghi được lớn nhất và nhỏ nhất.

D.3 Phép kiểm với trục kiểm đầu dạng cầu và cảm biến độ dịch chuyển thẳng hoặc cụm cảm biến

Khi các phép kiểm AK6, BK6, và CK6 được thực hiện sử dụng trục kiểm đầu dạng cầu và cảm biến độ dịch chuyển thẳng, bi cầu phía trục chính mang phôi được đặt cách đường trung bình của trục C một khoảng L [xem hình D.2 b)].

a) Thiết lập thanh bi (phương tiếp tuyến)

b) Thiết lập trục kiểm đầu dạng cầu và cụm cảm biến

a) Thiết lập bằng thanh bi (phương tiếp tuyến)

b) Thiết lập bằng trục kiểm đầu dạng cầu và cụm cảm biến

CHÚ DẪN:

1 thanh bi ống lồng

2 cụm cảm biến

3 bi cầu tham chiếu

Hình D.2 - Thiết lập cho phép kiểm AK6

D.3.1 Căn chỉnh bi cầu chính xác

Một trục kiểm đầu dạng cầu được gắn vào trục chính mang dụng cụ cắt hoặc lỗ gá dụng cụ cắt của rơvonve. Tâm bi cầu được căn chỉnh với đường trung bình của trục chính mang dụng cụ cắt hoặc đường tâm lỗ gá dụng cụ cắt của rơvonve. Mọi sai lệch trong căn chỉnh đều ảnh hưởng đến kết quả kiểm. Độ lệch của bi cầu chính xác so với đầu mút trục chính mang dụng cụ cắt (đường chuẩn trục chính) cần được xác định để lập trình.

Quy trình kiểm với trục kiểm đầu dạng cầu và cảm biến độ dịch chuyển thẳng, hoặc cụm cảm biến (ví dụ: Phép kiểm R) có thể tương tự như quy trình kiểm với thanh bi khi sử dụng cùng độ lệch, cùng đường kính, và cùng tốc độ (xem D.2.2).

D.3.2 Quy trình kiểm

Quy trình kiểm tổng quát như sau: Đặt bi cầu theo vị trí quy định trong từng phép kiểm. Đưa cảm biến độ dịch chuyển thẳng tiếp xúc với bi cầu của trục kiểm, và quay trục chính mang dụng cụ cắt để tìm độ đảo trung bình. Đặt cảm biến độ dịch chuyển thẳng về không (zero). Sau đó, bắt đầu chuyển động kiểm và ghi lại các số đọc của cảm biến độ dịch chuyển thẳng.

Trong tất cả các phép kiểm AK6, BK6 và CK6, hai quỹ đạo thực cần được đo liên tiếp theo chiều kim đồng hồ và ngược chiều kim đồng hồ của trục quay được kiểm.

D.3.2 Trình bày kết quả

Tất cả dữ liệu đo được liên quan đến quỹ đạo thực, bao gồm các cực trị tại điểm bắt đầu và kết thúc, cũng như các điểm đảo chiều, đều được sử dụng để đánh giá.

Ưu tiên trình bày sự dịch chuyển đo được dưới dạng biểu đồ cực tương tự như các phép kiểm độ tròn trong TCVN 7011-4 (ISO 230-4) (xem ví dụ Hình D.3). Nếu điều này không khả thi, biểu đồ X-Y với vị trí góc danh nghĩa của trục quay được kiểm sẽ được chấp nhận (xem ví dụ Hình D.4).

Các phép kiểm chỉ yêu cầu báo cáo chênh lệch giữa số đọc lớn nhất và nhỏ nhất.

CHÚ DẪN:

1 chiều kim đồng hồ

2 ngược chiều kim đồng hồ

3 đường tròn tham chiếu thể hiện chiều dài danh nghĩa của thanh bi

X trục X tính bằng milimét

Y trục Y tính bằng milimét

Hình D.3 - Ví dụ về cách trình bày dữ liệu cho phép kiểm AK6 dưới dạng biểu đồ cực

CHÚ DẪN:

1 chiều kim đồng hồ

2 ngược chiều kim đồng hồ

X vị trí góc trục C tính bằng độ

Y sai lệch tính bằng milimét

Hình D.4 - Ví dụ về cách trình bày dữ liệu cho phép kiểm AK6 dưới dạng biểu đồ X-Y

 

Thư mục tài liệu tham khảo

[1] ISO/TR 230-11, Test code for machine tools - Part 11: Measuring instruments suitable for machine tool geometry tests (Quy tắc kiểm máy công cụ - Phần 11: Phương tiện đo phù hợp cho các phép kiểm hình học)

 

MỤC LỤC

Lời nói đầu

Lời giới thiệu

1 Phạm vi áp dụng

2 Tài liệu viện dẫn

3 Thuật ngữ và định nghĩa

4 Lưu ý ban đầu

5 Các phép kiểm được mô tả trong các Phụ lục A đến C

Phụ lục A (quy định) Kiểm động học máy có trục chính mang phôi nằm ngang

Phụ lục B (quy định) Kiểm động học máy có trục chính mang phôi thẳng đứng

Phụ lục C (quy định) Kiểm động học máy có trục chính mang phôi thẳng đứng đảo nghịch

Phụ lục D (tham khảo) Lưu ý khi thiết lập kiểm cho AK6, BK6 và CK6

Thư mục tài liệu tham khảo

Bạn chưa Đăng nhập thành viên.

Đây là tiện ích dành cho tài khoản thành viên. Vui lòng Đăng nhập để xem chi tiết. Nếu chưa có tài khoản, vui lòng Đăng ký tại đây!

* Lưu ý: Để đọc được văn bản tải trên Luatvietnam.vn, bạn cần cài phần mềm đọc file DOC, DOCX và phần mềm đọc file PDF.

Văn bản liên quan Tiêu chuẩn Việt Nam TCVN 7681-5:2025

văn bản cùng lĩnh vực

văn bản mới nhất

CHÍNH SÁCH BẢO VỆ DỮ LIỆU CÁ NHÂN
Yêu cầu hỗ trợYêu cầu hỗ trợ
Chú thích màu chỉ dẫn
Chú thích màu chỉ dẫn:
Các nội dung của VB này được VB khác thay đổi, hướng dẫn sẽ được làm nổi bật bằng các màu sắc:
Sửa đổi, bổ sung, đính chính
Thay thế
Hướng dẫn
Bãi bỏ
Bãi bỏ cụm từ
Bình luận
Click vào nội dung được bôi màu để xem chi tiết.
×