- Tổng quan
- Nội dung
- Tiêu chuẩn liên quan
- Lược đồ
- Tải về
Tiêu chuẩn quốc gia TCVN 13522-2:2024 Thử nghiệm phản ứng với lửa đối với vật liệu phủ sàn - Phần 2: Xác định tính lan truyền lửa tại mức thông lượng nhiệt 25kW/m2
| Số hiệu: | TCVN 13522-2:2024 | Loại văn bản: | Tiêu chuẩn Việt Nam |
| Cơ quan ban hành: | Bộ Khoa học và Công nghệ | Lĩnh vực: | Xây dựng , Công nghiệp |
| Trích yếu: | ISO 9239-2:2002 Thử nghiệm phản ứng với lửa đối với vật liệu phủ sàn - Phần 2: Xác định tính lan truyền lửa tại mức thông lượng nhiệt 25kW/m2 | ||
|
Ngày ban hành:
Ngày ban hành là ngày, tháng, năm văn bản được thông qua hoặc ký ban hành.
|
24/12/2024 |
Hiệu lực:
|
Đã biết
|
| Người ký: | Đang cập nhật |
Tình trạng hiệu lực:
Cho biết trạng thái hiệu lực của văn bản đang tra cứu: Chưa áp dụng, Còn hiệu lực, Hết hiệu lực, Hết hiệu lực 1 phần; Đã sửa đổi, Đính chính hay Không còn phù hợp,...
|
Đã biết
|
TÓM TẮT TIÊU CHUẨN VIỆT NAM TCVN 13522-2:2024
Tiêu chuẩn quốc gia TCVN 13522-2:2024 về thử nghiệm phản ứng với lửa đối với vật liệu phủ sàn
Ngày 24/12/2024, Bộ Xây dựng đã công bố Tiêu chuẩn quốc gia TCVN 13522-2:2024 ISO 9239-2:2002 về phương pháp thử nghiệm phản ứng với lửa đối với vật liệu phủ sàn, phần 2, xác định tính lan truyền lửa tại mức thông lượng nhiệt 25kW/m2. Tiêu chuẩn này có hiệu lực ngay khi được công bố.
Tiêu chuẩn quy định phương pháp đánh giá ứng xử cháy của các loại mặt sàn ngang, chịu tác động của nhiệt bức xạ trong buồng thử nghiệm khi bắt cháy bằng ngọn lửa mồi. Nó áp dụng cho tất cả các loại vật liệu phủ sàn như thảm vải, gỗ, cao su và nhựa, phản ánh đặc trưng của mặt sàn, bao gồm cả lớp nền.
Phương pháp thử nghiệm
Tiêu chuẩn mô tả quy trình đánh giá ứng xử cháy của vật liệu phủ sàn bằng cách sử dụng ngọn lửa mồi và nhiệt bức xạ cao. Nguyên tắc chủ yếu là xác định mức độ lan truyền lửa trên bề mặt mẫu thử trong buồng thử nghiệm với nhiệt độ tối thiểu 25kW/m2. Trong thử nghiệm, mẫu thử phải được chuẩn bị cẩn thận và mô phỏng chính xác điều kiện thực tế.
Thiết bị thử nghiệm
Buồng thử nghiệm được xây dựng từ các tấm calcium silicate dày, thiết kế đảm bảo việc quan sát và đánh giá chính xác quá trình thử nghiệm. Vật liệu bức xạ nhiệt sử dụng là một tấm chịu nhiệt, có khả năng đạt nhiệt độ cao. Hệ thống cấp khí gas và không khí cũng được chỉ định rõ ràng, đảm bảo tính ổn định của điều kiện thử nghiệm.
Kết quả thử nghiệm
Kết quả được thể hiện dưới dạng đường cong biên dạng thông lượng nhiệt, giúp xác định các thông số quan trọng như thông lượng nhiệt tới hạn và thời gian lan cháy. Các giá trị này sẽ giúp đánh giá khả năng chịu lửa và độ an toàn của vật liệu phủ sàn trong thực tế.
Yêu cầu báo cáo
Kết quả thử nghiệm cần được ghi nhận đầy đủ và chi tiết, bao gồm cả các yếu tố như quá trình thử nghiệm, tên mẫu vật liệu, điều kiện thử nghiệm và quy trình thực hiện. Tất cả các dữ liệu cần được trình bày một cách rõ ràng trong báo cáo thử nghiệm.
Tiêu chuẩn TCVN 13522-2:2024 là một tài liệu quan trọng nhằm đảm bảo an toàn cháy nổ cho các công trình xây dựng, giúp các nhà sản xuất và nhà thầu được hướng dẫn thực hiện các thử nghiệm đáng tin cậy và có căn cứ khoa học.
Tải tiêu chuẩn Việt Nam TCVN 13522-2:2024
TIÊU CHUẨN QUỐC GIA
TCVN 13522-2:2024
THỬ NGHIỆM PHẢN ỨNG VỚI LỬA ĐỐI VỚI VẬT LIỆU PHỦ SÀN - PHẦN 2: XÁC ĐỊNH TÍNH LAN TRUYỀN LỬA TẠI MỨC THÔNG LƯỢNG NHIỆT 25 KW/M2
Reaction to fire tests for floorings - Part 2: Determination of flame spread at a heat flux level of 25 kW/m2
Lời nói đầu
TCVN 13522-2:2024 hoàn toàn tương đương ISO 9239-2:2002.
TCVN 13522-2:2024 do Viện Khoa học Công nghệ Xây dựng - Bộ xây dựng biên soạn, Bộ Xây dựng đề nghị, Tổng cục Tiêu chuẩn Đo lường Chất lượng thẩm định, Bộ Khoa học và Công nghệ công bố.
Bộ TCVN 13522, Thử nghiệm phản ứng với lửa đối với vật liệu phủ sàn gồm các phần sau:
- Phần 1: Xác định ứng xử khi cháy bằng nguồn nhiệt bức xạ;
- Phần 2: Xác định tính lan truyền lửa tại mức thông lượng nhiệt 25 kW/m2.
THỬ NGHIỆM PHẢN ỨNG VỚI LỬA ĐỐI VỚI VẬT LIỆU PHỦ SÀN - PHẦN 2: XÁC ĐỊNH TÍNH LAN TRUYỀN LỬA TẠI MỨC THÔNG LƯỢNG NHIỆT 25 KW/M2
Reaction to fire tests for floorings - Part 2: Determination of flame spread at a heat flux level of 25 kW/m2
1 Phạm vi áp dụng
Tiêu chuẩn này quy định phương pháp đánh giá ứng xử cháy của các hệ mặt sàn đặt theo phương nằm ngang chịu tác động của một gradient thông lượng nhiệt trong buồng thử nghiệm khi cho bắt cháy bằng ngọn lửa mồi. Gradient nhiệt bức xạ nêu trong tiêu chuẩn này cao hơn so với quy định ở phần tiêu chuẩn khác để mô phỏng các điều kiện trong một hành lang cạnh một phòng chứa một đám cháy đã phát triển hoàn toàn (giai đoạn cháy bùng).
Phương pháp này có thể áp dụng cho tất cả các loại vật liệu phủ sàn như các loại thảm vải, gỗ xốp, gỗ, cao su và các lớp phủ bằng nhựa. Các kết quả thu được qua phương pháp này phản ánh đặc trưng của mặt sàn bao gồm cả lớp nền nếu có. Những thay đổi của lớp đệm, sự liên kết với lớp nền ... hoặc những thay đổi khác của mặt sàn đều có thể ảnh hưởng tới các kết quả thử nghiệm.
Tiêu chuẩn này có thể áp dụng cho việc đo lường và mô tả các đặc tính của các loại mặt sàn khi phản ứng với nhiệt và lửa trong điều kiện có kiểm soát của phòng thí nghiệm. Không được sử dụng chỉ riêng các đặc tính này để mô tả hoặc đánh giá sự nguy hiểm cháy của vật liệu mặt sàn trong điều kiện cháy thực tế.
2 Tài liệu viện dẫn
Các tài liệu viện dẫn sau rất cần thiết cho việc áp dụng tiêu chuẩn này. Đối với các tài liệu viện dẫn ghi năm ban hành thì áp dụng phiên bản được nêu. Đối với các tài liệu viện dẫn không ghi năm ban hành thì áp dụng phiên bản mới nhất, bao gồm cả các sửa đổi bổ sung (nếu có).
TCVN 13249:2020 (ISO 13943:2017), An toàn cháy- Từ vựng
ISO/TR 14697:1997, Fire tests - Guidance on the choice of substrate of subtrates for building products.
3 Thuật ngữ và định nghĩa
Tiêu chuẩn này áp dụng các thuật ngữ cho trong TCVN 13249:2023 và các thuật ngữ sau.
3.1
Thông lượng nhiệt (heat flux)
Năng lượng nhiệt truyền tới (cả bức xạ và đối lưu) trên một đơn vị diện tích (kw/m2).
3.2
Thông lượng nhiệt tới hạn tại điểm ngừng cháy (CHF) (critical heat flux at extinguishment)
Thông lượng nhiệt truyền tới bề mặt mẫu tại một điểm ở đó ngọn lửa dừng lan và sau đó tắt hẳn.
3.3
Thông lượng nhiệt tại phút thứ X (heat flux at X min) HF-X
Tổng thông lượng nhiệt được mẫu hấp thụ tại điểm lan cháy xa nhất sau X phút thử nghiệm.
3.4
Biên dạng thông lượng nhiệt (flux profile)
Đường cong quan hệ thông lượng nhiệt bức xạ trên mặt mẫu với khoảng cách tới điểm 0.
CHÚ THÍCH Điểm 0 của đường biên dạng thông lượng nhiệt bức xạ được quy định là mép trong của cạnh nóng nhất của khay giữ mẫu.
3.5
Chớp cháy (flashing)
Sự tồn tại của ngọn lửa trên bề mặt mẫu trong thời gian ngắn hơn 1 s.
3.6
Ngọn lửa cháy không ổn định (transitory flaming)
Sự tồn tại của ngọn lửa trên bề mặt mẫu trong thời gian từ 1 đến 4 s.
3.7
Ngọn lửa cháy ổn định (sustained flaming)
Sự tồn tại của ngọn lửa trên bề mặt mẫu trong thời gian lớn hơn 4 s.
3.8
Mặt trước ngọn lửa (flame front)
Phạm vi lan cháy xa nhất của ngọn lửa cháy ổn định dọc theo chiều dài của mẫu trong khoảng thời gian quy định.
3.9
Vật liệu phủ sàn (flooring)
Lớp trên của sàn bao gồm bất kỳ lớp hoàn thiện bề mặt, có hoặc không có lớp lót cùng với các lớp đệm bên dưới và chất gắn kết.
3.10
Lớp nền (substrate)
Sàn trên đó có gắn các lớp phù sàn hoặc các vật liệu đại diện cho sàn.
4 Thiết bị, dụng cụ
4.1 Buồng thử nghiệm
4.1.1 Vị trí buồng thử nghiệm
Thiết bị thử nghiệm phải được đặt trong phòng với khoảng trống từ thiết bị tới tường hoặc trần ít nhất là 0,4 m.
4.1.2 Cấu tạo buồng thử nghiệm
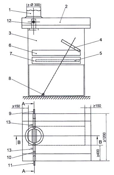
Buồng thử nghiệm có các kích thước như trong Hình 1 đến Hình 4. Buồng thử nghiệm được chế tạo từ các tấm calcium silicate dày (13 ± 1) mm và khối lượng riêng 650 kg/m3 với tấm kính chịu lửa được gắn chặt có kích thước (110 ± 10) mm x (1 100 ± 100) mm ở phía trước để có thể quan sát được toàn bộ chiều dài mẫu trong quá trình thử nghiệm. Buồng thử nghiệm có lớp vỏ ngoài là kim loại. Phía dưới cửa sổ quan sát này là một cánh cửa qua đó có thể rút mẫu ra hoặc đưa mẫu vào buồng thử nghiệm.
Các kích thước đo bằng milimét

CHÚ DẪN:
| 1 | Ống thoát khí | 6 | Cửa sổ quan sát | 11 | Bộ phận thu sáng |
| 2 | Chụp thoát khí | 7 | Cửa đưa mẫu vào và lấy mẫu ra | 12 | Ống xả khói |
| 3 | Buồng thử nghiệm | 8 | Nhiệt kế bức xạ | 13 | Ống lọc nguồn khí cấp |
| 4 | Tấm bức xạ đốt bằng gas | 9 | Bộ rọi sáng |
|
|
| 5 | Khay giữ mẫu | 10 | Khe cắm đầu lọc hiệu chuẩn |
|
|
Hình 1 - Thiết bị thử nghiệm - Mặt bằng và Mặt trước
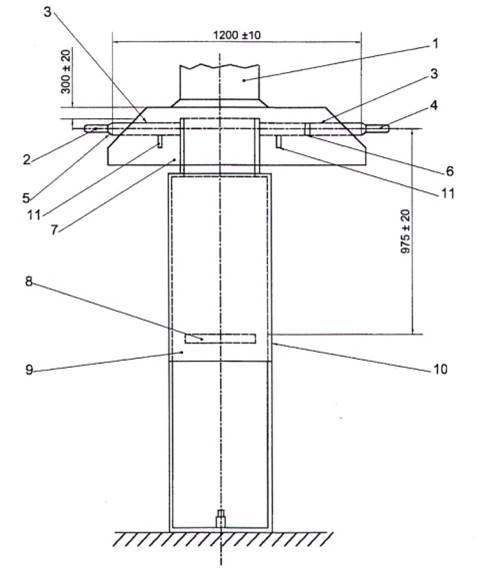
Các kích thước đo bằng milimét

CHÚ DẪN:
| 1 | Ống thoát khí | 7 | Chụp thoát khí |
| 2 | Bộ rọi sáng | 8 | Khay giữ mẫu |
| 3 | Ống thép cho hệ thống đo sáng | 9 | Buồng thử nghiệm |
| 4 | Bộ phận thu sáng | 10 | Cửa đưa mẫu vào và lấy mẫu ra |
| 5 | Vòng đai cao su | 11 | Ống lọc nguồn khi cấp |
| 6 | Khe cắm đầu hiệu chuẩn |
|
|
Hình 2 - Thiết bị thử nghiệm - Mặt bên
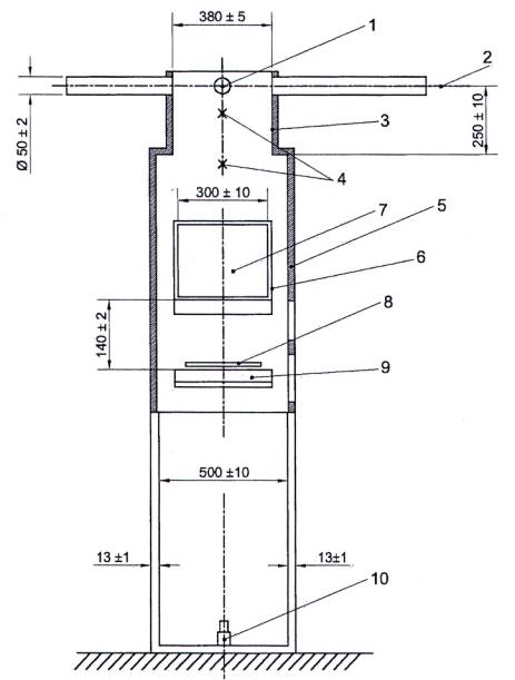
Các kích thước đo bằng milimét

CHÚ DẪN:
| 1 | VỊ trí đặt thiết bị đo gió | 6 | Tấm bức xạ đốt |
| 2 | Chùm đo sáng | 7 | Bề mặt bức xạ |
| 3 | Ống xả khói | 8 | Đầu đốt lửa mồi |
| 4 | Đầu đo nhiệt | 9 | Khay giữ mẫu |
| 5 | Buồng thử nghiệm | 10 | Nhiệt kế bức xạ |
a Kích thước đo từ bề mặt lộ lửa của mẫu tới mép đáy của tẩm bức xạ.
Hình 3 - Thiết bị thử nghiệm - Mặt cắt A-A
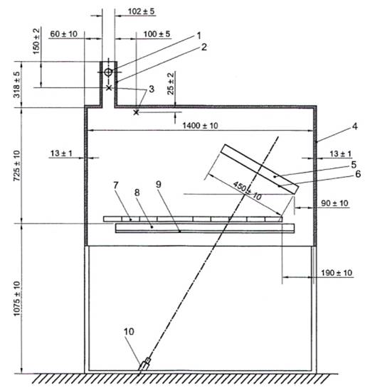
Các kích thước đo bằng milimét

CHÚ DẪN:
| 1 | Lỗ hổng dành cho hệ thống đo sáng | 6 | Bề mặt bức xạ |
| 2 | Ống xả khói | 7 | Thước đo |
| 3 | Đầu đo nhiệt | 8 | Khay giữ mẫu |
| 4 | Buồng thử nghiệm | 9 | Hệ thống chuyển mẫu |
| 5 | Tấm bức xạ đốt bằng gas | 10 | Nhiệt kế bức xạ |
a Kích thước đo từ điểm 0 (cạnh trong của khay giữ mẫu) đến mặt trong của vách buồng thử nghiệm.
b Kích thước đo từ mép đáy của tấm bức xạ tới mặt trong của vách buồng thử nghiệm.
Hình 4 - Thiết bị thử nghiệm - Mặt cắt B-B
4.1.3 Thông gió cho buồng thử nghiệm
Phần đáy của buồng thử nghiệm phải có một tấm trượt - đảm bảo giữ chắc chắn khay giữ mẫu ở vị trí cố định và ngang bằng (xem Hình 5). Tổng diện tích lối vào của không khí giữa buồng thử nghiệm và khay giữ mẫu phải là (0,06 ± 0,02) m2 và đế của buồng thử nghiệm sẽ được cấu tạo sao cho không khí đi vào phía đầu nóng của mẫu thử khi lộ lửa. Phải dùng một tấm calcium silicate dày (13 ± 1) mm với khối lượng riêng 650 kg/m3 cài vào mặt bên của buồng thử nghiệm (xem Hình 6) để điều chỉnh thông gió cho buồng thử nghiệm. Cũng có thể sử dụng các tấm làm từ vật liệu khác, ví dụ như lá thép dày 1 mm, để làm tấm điều chỉnh thông gió.
Một giải pháp thay thế cho việc tạo ra lối không khí vào phù hợp là gắn chặt các tấm calcium silicate vào các bên của khay mẫu (xem Hình 7). Sự bố trí này có lợi ở chỗ nhiệt độ vật đen của tấm bức xạ có thể đo được bằng cách sử dụng nhiệt kế bức xạ ở vị trí thông thường của nó.

CHÚ DẪN:
| 1 | Bộ rọi sáng | 6 | Tấm bức xạ đốt bằng gas |
| 2 | Ống thoát khí | 7 | Ngọn lửa mồi tử đầu đốt dạng đường thẳng |
| 3 | Bộ phận thu sáng | 8 | Thước đo |
| 4 | Chụp thoát khí | 9 | Khay giữ mẫu với mẫu và tắm trượt |
| 5 | Buồng thử nghiệm | 10 | Lối không khí vào tại đầu nóng của mẫu ở đáy buồng thử |
Hình 5 - Phối cảnh thể hiện nguyên lý thử nghiệm
4.2 Tấm bức xạ
Nguồn năng lượng nhiệt bức xạ là một tấm vật liệu chịu lửa có nhiều lỗ rỗng được đặt trong một khung thép đúc với bề mặt bức xạ có kích thước (300 ± 10) mm x (450 ± 10) mm.
Tấm bức xạ có khả năng chịu nhiệt độ lên tới 900 °C và sử dụng hệ thống trộn không khí và gas với trang thiết bị phù hợp (xem Phụ lục A) để đảm bảo sự hoạt động liên tục và ổn định.
Tấm nhiệt bức xạ được đặt trong buồng thử nghiệm với cạnh dài của nó nghiêng một góc (30 ± 1)° với phương ngang (xem Hình 4).
Hỗn hợp Propane/Không khí được coi là sử dụng phù hợp nhưng các hỗn hợp Khí Gas/Không khí khác cũng có thể sử dụng được.
Các kích thước đo bằng milimét

CHÚ DẪN:
| 1 | Ống xả khói | 4 | Tấm bức xạ | 6 | Lối không khí vào |
| 2 | Buồng thử nghiệm | 5 | Tấm điều chỉnh thông gió gắn với mặt dưới của khung đỡ | 7 | Khung đỡ |
| 3 | Khay giữ mẫu |
|
| 8 | Vị trí khay giữ mẫu |
| a | Kích thước khoảng 170 mm; |
| b Không khí |
|
|
| c | Các kích thước L và W tùy thuộc vào cấu tạo của từng thiết bị riêng sao cho W × L = 0,06 m2 ± 0,01 m2 | ||||
Hình 6 - Vị trí điển hình của tấm điều chỉnh thông gió đối với lối không khí vào

CHÚ DẪN:
| 1 | Vách buồng thử nghiệm | 4 | Lối không khí vào |
| 2 | Các tấm chèn (để ngăn khí) | 5 | Các tấm chèn cùng chiều dày và khối lượng riêng như tấm vách buồng thử nghiệm |
| 3 | Khay trượt giữ mẫu | 6 | Các tấm chèn được gắn chặt vào khay mẫu bằng thép góc và chốt |
Hình 7 - Hình ảnh cấu tạo lối không khí vào với các tấm calcium silicate được gắn chặt vào các bên của khay mẫu
4.3 Khay giữ mẫu
Khay giữ mẫu được chế tạo từ thép không gỉ bền nhiệt có mặt cắt chữ L dày (2,0 ±0,1) mm theo các kích thước cho trong Hình 8. Mẫu thử chịu bức xạ nhiệt thông qua một lỗ mở (200 ± 3) mm × (1015 ± 10) mm. Khay giữ mẫu được gắn chặt với tấm trượt thép bằng 02 bu lông ở mỗi đầu.
Khay giữ mẫu được trang bị các kẹp thép để giữ mẫu. Tổng chiều dày của khay giữ mẫu là (22 ± 2) mm.
Một thước thép có đánh dấu các khoảng 10 mm và 50 mm bắt đầu từ mép trong của khay giữ mẫu được gắn lên hai bên của mẫu thử.
Các kích thước đo bằng milimét

CHÚ DẪN:
1 Khay giữ mẫu
2 Mẫu giả
3 Các kẹp giữ
4 Điểm 0
Hình 8 - Khay giữ mẫu có lắp mẫu giả
4.4 Đầu đốt lửa mồi
Đầu đốt lửa mồi dùng để đánh lửa lên mẫu thử cấu tạo bằng thép không gỉ với đường kính trong danh định 6 mm và đường kính ngoài danh định 10 mm, rộng 250 mm với 2 làn gồm 19 lỗ đường kính 0,7 mm được khoan xuyên tâm, phân bố đều dọc theo trục trung tâm và 16 lỗ đường kính 0,7 mm được khoan xuyên tâm 60° phía dưới đường trung tâm (xem Hình 9). Một việc rất quan trọng là phải giữ các lỗ của đầu đốt sạch sẽ. Bàn chải sợi thép mềm là công cụ thích hợp để chải bỏ các chất bám dính trên bề mặt đầu đốt. Sợi thép không gỉ hoặc loại nickel-chromium đường kính ngoài 0,5 mm dùng để thông lỗ. Khi hoạt động, lưu lượng luồng propane sẽ được điều chỉnh về giá trị là (0,026 ± 0,002) l/s.
Đầu đốt lửa mồi được bố trí sao cho ngọn lửa sinh ra từ hàng lỗ phía dưới sẽ tác động lên mẫu ở vị trí (10 ± 2) mm cách điểm 0 (xem Hình 10). Đầu đốt đặt trên mép khay giữ mẫu 3mm khi ở vị trí đánh lửa. Khí gas sử dụng phải là loại tối thiểu 95 % Propane có giá trị nhiệt lượng khoảng 83 MJ/m3. Khi không tác động lửa lên mẫu, có thể lui đầu đốt lửa mồi cách điểm 0 của mẫu thử một khoảng cách ít nhất 50 mm. Với việc điều chỉnh thích hợp luồng khí propane và đầu đốt ở vị trí thử nghiệm, ngọn lửa mồi sẽ thay đổi chiều cao từ khoảng 60 mm đến 120 mm dọc theo chiều rộng của đầu đốt (xem Hình 10).
4.5 Hệ thống xả khí
Một hệ thống xả khí - được tách rời khỏi ống xả khói sẽ được dùng để hút tách các sản phẩm cháy. Khi tấm bức xạ không làm việc, mẫu giả đặt vào vị trí và cửa tiếp cận đóng, tốc độ không khí trong ống xả khói phải đạt giá trị (2,5 ± 0,2) m/s (xem Hình 1 và Hình 2).
4.6 Thiết bị đo gió
Một thiết bị đo gió với năng lực đo lên tới 3 m/s và độ chính xác ± 0,1 m/s được dùng để đo tốc độ không khí trong ống xả khói. Thiết bị đo gió sẽ được gài vào ống khói sao cho điểm đo trùng với đường trung tâm của ống xả khói tại vị trí (250 ±10) mm phía trên mép dưới của ống xả khói (xem Hình 3).
Các kích thước đo bằng milimét

Hình 9 - Đầu đốt lửa mồi
4.7 Nhiệt kế bức xạ
Để kiểm soát hiệu suất nhiệt của tấm bức xạ có thể dùng một nhiệt kế bức xạ với khoảng đo nhiệt từ 480 °C tới 900 °C (nhiệt độ vật đen) và độ chính xác ± 5 °C phù hợp cho việc quan sát một vùng tròn đường kính 250 mm ở khoảng cách khoảng 1,4 m.
Độ nhạy của nhiệt kế bức xạ về cơ bản là không thay đổi trong khoảng bước sóng từ 1 μm đến 9 μm.
4.8 Đầu đo nhiệt
Một đầu đo nhiệt chromel-alumel loại nối đất có vỏ bọc bằng thép không gỉ đường kính 3,2 mm nằm trên mặt phẳng dọc trung tâm của buồng thử nghiệm, cách đỉnh buồng thử 25 mm và cách vách bên của ống xả khói 100 mm (xem Hình 3 và Hình 4).
Đầu đo nhiệt thứ hai có thể được cài vào trung tâm ống xả khói, ở khoảng cách (150 ± 2) mm tính từ đỉnh của ống xả khói. Các đầu đo nhiệt này phải được lau sạch sau mỗi lần thử nghiệm.
4.9 Đầu đo thông lượng nhiệt
Đầu đo thông lượng nhiệt dùng để xác định đường cong biên dạng thông lượng nhiệt cho mẫu thử, phải là loại Schmidt-Boelter đặc và có đường kính 25 mm. Khoảng đo của nó từ 0 kW/m2 đến 50 kW/m2 và phải được hiệu chuẩn trên toàn dải thông lượng nhiệt bức xạ từ 1 kW/m2 đến 30 kW/m2. Phải cấp cho đầu đo thông lượng nhiệt này một nguồn nước làm mát với nhiệt độ từ 15 °C đến 20 °C.
Đầu đo thông lượng nhiệt phải có độ chính xác ± 3 % của giá trị đo được.
Các kích thước đo bằng milimét

CHÚ DẪN:
1 Đầu đốt lửa mồi
2 Khay giữ mẫu
3 Mẫu thử
4 Điểm 0
a h là chiều cao của ngọn lửa mồi
b dòng khí gas
Hình 10 - Bố trí đầu đốt lửa mồi trên mẫu thử trong quá trình đánh lửa
4.10 Mẫu giả
Mẫu giả dùng cho hiệu chuẩn được làm từ tấm calcium silicate không sơn phủ dày (20 ± 1) mm với khối lượng riêng (850 ± 100) kg/m3. Mẫu giả rộng (250 ± 10) mm và dài (1050 ± 20) mm (xem Hình 8) với các lỗ có đường kính (26 ± 1) mm dọc đường trung tâm tại các vị trí 110 mm, 210 mm cho tới 910 mm - được đo từ điểm 0 của mẫu thử.
5 Mẫu thử
5.1 Mẫu thử phải đại diện cho hệ mặt sàn và mô phỏng thực tế lắp dựng, đặc biệt là các chất keo và các lớp nền càng giống càng tốt.
5.2 Cắt các mẫu kích thước (1 050 ± 5) mm x (230 ± 5) mm. Chuẩn bị 6 mẫu, 3 mẫu dọc theo hướng chế tạo và 3 mẫu vuông góc với hướng chế tạo.
CHÚ THÍCH Nếu chiều dày của mẫu lớn hơn 19 mm, chiều dài có thể giảm xuống (1 025 ± 5) mm.
5.3 Đối với hệ mặt sàn có các miếng ghép, chúng phải được đặt theo cách sao cho mối ghép ngang cách điểm 0 một khoảng 250 mm. Nếu các miếng ghép không gắn keo, các mép của mẫu phải được gắn lên lớp nền bằng biện pháp cơ học. Không sử dụng các biện pháp cơ học bổ sung nào khác trừ khung mép ra.
5.4 Hệ thống mặt sàn phải được đặt lên lớp nền như sử dụng trong thực tế. Chất keo dùng cho mẫu thử cũng phải giống keo dùng trong thực tế.
Nếu trong thực tế sử dụng các loại keo khác nhau thì phải chuẩn bị các mẫu cho từng loại keo sử dụng đó hoặc các mẫu không có keo.
5.5 Hệ thống sàn sử dụng các lớp lót trong thực tế sẽ phải được thử nghiệm với các lớp lót này hoặc theo quy định trong tiêu chuẩn sản xuất.
5.6 Các vật liệu do co ngót, tách ra khỏi khung giữ mẫu có thể cho các kết quả khác nhau, phụ thuộc vào liên kết. Do đó, cần chú ý tới cách liên kết chắc chắn đối với các vật liệu có xu hướng có ngót trong quá trình chịu nhiệt.
5.7 Các quy trình làm sạch để kiểm tra độ bền lâu của vật liệu mặt sàn về mặt tính năng chịu lửa phải phù hợp với các quy trình nêu trong tiêu chuẩn sản xuất đối với các hệ mặt sàn.
6 Ổn định mẫu
Ổn định mẫu thử theo ISO/TR 14697.
Đối với các lớp phủ có gắn keo với lớp nền, việc gắn keo phải thực hiện trước khi mẫu thử được ổn định và thời gian xử lý ít nhất là 3 ngày. Khoảng thời gian này có thể là một phần của quá trình ổn định.
7 Quy trình hiệu chuẩn
7.1 Các quy trình hiệu chuẩn sau phải được xác lập sau mỗi thay đổi cơ bản của thiết bị hoặc ít nhất một tháng một lần. Nếu không có thay đổi nào trong các đợt hiệu chuẩn tiếp sau thì khoảng thời gian giữa các lần hiệu chuẩn có thể kéo dài thành 6 tháng.
7.2 Đặt tấm trượt và khung đặt mẫu cùng với mẫu giả vào trong buồng thử nghiệm. Đo tốc độ dòng khí ở ống xả khói khi hệ thống quạt hút bật và cửa tiếp cận đóng và nếu cần thiết, điều chỉnh về mức (2,5 ± 0,2) m/s. Đánh lửa tấm bức xạ.
Để tấm bức xạ gia nhiệt ít nhất 1 tiếng đồng hồ cho tới khi nhiệt độ buồng thử nghiệm ổn định (xem 8.1). Đầu đốt lửa mồi vẫn đóng trong quá trình này.
7.3 Đo mức thông lượng nhiệt tại điểm 410 mm bằng đầu đo thông lượng nhiệt. Gài đầu đo thông lượng nhiệt vào lỗ sao cho bề mặt dò của nó nhô lên 2 mm đế 3 mm và song song với mặt phẳng của mẫu giả. Đọc số đo sau 30 s. Nếu mức thông lượng nhiệt là (12 ± 0,6) kW/m2 thì bắt đầu xác định đường cong biên dạng thông lượng nhiệt. Nếu thông lượng nhiệt chưa đạt tới mức đó thì điều chỉnh lưu tốc của gas và không khí tới tấm bức xạ. Một vấn đề quan trọng là phải đảm bảo rằng bề mặt dò của đầu đo thông lượng nhiệt luôn nằm ngang vì chỉ cần độ lệch cực nhỏ cũng có thể gây nên biến động với giá trị đo thông lượng nhiệt.
7.4 Thực hiện hiệu chuẩn theo các điều kiện nêu trong 7.2 và 7.3
Cài đầu đo thông lượng nhiệt vào từng lỗ, quay mặt vào trong bắt đầu từ vị trí 110 mm và kết thúc ở vị trí 910 mm. Phải đảm bảo rằng mặt phẳng dò của đầu đo và thời gian đo phù hợp với 7.3. Để xác định xem mức bức xạ nhiệt có thay đổi trong quá trình đo này không thì kiểm tra số đọc tại vị trí 410 mm sau số đọc tại vị trí 910 mm.
7.5 Ghi nhận số liệu thông lượng nhiệt bức xạ như một hàm của khoảng cách dọc theo mặt phẳng mẫu. Vẽ một chính xác đường cong đi qua các điểm này. Đường cong này chính là đường cong biên dạng thông lượng nhiệt bức xạ (xem Hình 11). Nếu đường cong biên dạng thông lượng nhiệt bức xạ nằm trong dung sai ở Bảng 1 thì thiết bị thử nghiệm được hiệu chuẩn xong và việc xác định đường cong biên dạng thông lượng nhiệt đã hoàn tất. Nếu nằm ngoài các dung sai nói trên thì phải điều chỉnh cẩn thận dòng nhiên liệu và để ít nhất 10 min để đảm bảo nhiệt độ buồng thử nghiệm được ổn định. Lặp lại quá trình này tới khi biên độ bức xạ nhiệt nằm trong quy định của Bảng 1.

CHÚ DẪN:
1 Giới hạn trên
2 Giá trị danh định
3 Giới hạn dưới
Hình 11 - Đường cong biên dạng thông lượng nhiệt
Bảng 1 - Sự phân bố tổng thông lượng nhiệt yêu cầu lên tấm hiệu chuẩn
| Khoảng cách tới điểm 0 của mẫu thử nghiệm, mm | Tổng thông lượng nhiệt (kW/m2) | Dung sai (kW/m2) |
| 110 | 25,2 | ± 1,0 |
| 210 | 21,5 | ±0,6 |
| 310 | 16,5 | ±0,6 |
| 410 | 12,0 | ±0,6 |
| 510 | 8,3 | ±0,6 |
| 610 | 5,8 | ±0,4 |
| 710 | 4,2 | ±0,4 |
| 810 | 3,3 | ±0,4 |
| 910 | 2,6 | ±0,4 |
7.6 Rút mẫu giả ra và đóng cửa buồng thử nghiệm. Sau 5 min, đo nhiệt độ vật đen của tấm bức xạ bằng nhiệt kế bức xạ và đo nhiệt độ buồng thử nghiệm. Ghi chép kết quả các giá trị hiệu chuẩn.
7.7 Một số thiết kế tấm điều chỉnh thông gió sẽ không cho phép dùng nhiệt kế bức xạ để đo nhiệt độ vật đen của tấm bức xạ. Đối với dạng thiết bị này, mức thông lượng nhiệt bức xạ tại vị trí 110 mm và 410 mm phải được đo hàng ngày.
8 Quy trình thử nghiệm tiêu chuẩn
8.1 Đo nhiệt độ vật đen của tấm bức xạ với tấm trượt trong buồng thử nghiệm và cửa buồng thử được đóng nhưng không có mẫu thử. Nếu nhiệt độ vật đen sai khác hơn ± 5 °C so với mức đã thiết lập bởi quá trình hiệu chuẩn thì phải điều chỉnh hỗn hợp gas/không khí cấp cho tấm bức xạ, sau đó kiểm tra nhiệt độ buồng thử nghiệm. Nếu nhiệt độ bằng với giá trị hiệu chuẩn ± 10 °C, thiết bị đã sẵn sàng cho thử nghiệm. Nếu không thể dùng nhiệt kế bức xạ với thiết bị (xem 7.7) thì hàng ngày phải tiến hành hiệu chuẩn mức thông lượng nhiệt tại vị trí 110 mm và 410 mm.
8.2 Đưa mẫu thử nghiệm bao gồm tất cả các lớp lót và lớp nền vào khay giữ mẫu. Áp nẹp thép dọc theo lưng mẫu và siết chặt bằng các bu lông hoặc các cách liên kết khác. Nếu có thể, dùng máy hút bụi loại bỏ các đầu sợi mềm của các lớp phủ sàn dạng vải sợi và đặt hệ mẫu thử và khay giữ mẫu lên tấm trượt.
Đánh lửa đầu đốt mồi, đặt cách điểm 0 tối thiểu 50 mm của mẫu thử nghiệm. Đưa tấm sàn trượt vào buồng thử nghiệm và đóng cửa ngay lập tức. Đây là lúc bắt đầu thử nghiệm. Bấm giờ và các thiết bị đo ghi.
Đẩy ngọn lửa đầu đốt lửa mồi vào tiếp xúc với mẫu thử tại vị trí 10 mm như mô tả tại 4.4. Để ngọn lửa đầu đốt mồi tiếp xúc với mẫu thử trong 10 min rồi kéo đầu đốt ra vị trí cách điểm 0 của mẫu thử ít nhất 50 mm. Tắt ngọn lửa đầu đốt mồi. Trong quá trình thử nghiệm, lưu lượng gas và không khí cho tấm bức xạ phải luôn được giữ ổn định.
8.3 Tại các thời điểm 10 min tính từ lúc bắt đầu thử nghiệm và thời điểm tắt lửa, thực hiện đo các khoảng cách giữa mặt trước ngọn lửa và điểm 0 chính xác đến 10 mm. Quan sát và ghi nhận các hiện tượng điển hình như tan chảy, phồng rộp, thời gian và vị trí cháy sáng sau khi tắt lửa mồi, sự cháy xuyên của ngọn lửa xuống các lớp nền, chớp cháy hoặc ngọn lửa cháy không ổn định.
Ghi chép những thời điểm khi mặt trước ngọn lửa tới các vị trí 50 mm và điểm lan xa nhất được đo chính xác đến 10 mm.
Thử nghiệm kéo dài trong 30 min trừ phi khách hàng yêu cầu thử nghiệm lâu hơn.
8.4 Thử nghiệm một mẫu theo một phương và một mẫu theo phương vuông góc. Thử nghiệm cho kết quả CHF và/hoặc HF-30 thấp hơn sẽ phải thử lại 2 lần theo phương đó. Khi đó, cần tới 4 lần thử cho cả hệ mặt sàn.
Không bắt đầu thử nghiệm tiếp theo cho tới khi nhiệt độ vật đen (nếu có thể đo được) và nhiệt độ buồng thử nghiệm đạt tới mức như quy định trong 7.6. Nhiệt độ khay giữ mẫu phải ở mức nhiệt độ phòng trước khi lắp đặt mẫu thử nghiệm mới.
9 Thể hiện kết quả
9.1 Từ đường cong biên dạng thông lượng nhiệt, chuyển đổi các khoảng cách lan cháy đo được sang kilowatt trên m2 và xác định thông lượng nhiệt bức xạ tới hạn tại điểm ngừng cháy hoặc HF-30. số đọc cần chính xác tới 0,2 kW/m2. Những mẫu không bắt cháy hoặc ngọn lửa cháy lan không quá 110 mm được cho là có bức xạ tới hạn (CHF) là 25 kW/m2. Các mẫu thử nghiệm với các khoảng cách cháy lan xa hơn 910 mm sẽ có CHF là 2 kW/m2. Những mẫu có lửa bị dập tắt ở phút thứ 30 bởi người vận hành thiết bị sẽ không có giá trị CFIF, chỉ có giá trị HF-30.
9.2 Báo cáo thời gian tại đó ngọn lửa lan tới vị trí 50 mm và ghi chép khoảng cách lan cháy của ngọn lửa cứ 10 min một lần như đã nêu trong 8.3 để xác định HF-X như yêu cầu (nghĩa là HF-10, HF-20, FIF-30). Đồng thời ghi lại thời gian ngừng cháy và khoảng cách lan cháy xa nhất cuối cùng.
10 Độ chính xác
Tính biến động trong các số đo sự lan cháy trong quá trình thử nghiệm đã được khảo sát liên phòng thử nghiệm. Các số liệu về tính lặp lại khi thử nghiệm và lặp lại của sản phẩm thử nghiệm trong báo cáo khảo sát liên phòng cho trong Phụ lục B.
11 Báo cáo thử nghiệm
Báo cáo thử nghiệm phải bao gồm các thông tin sau:
a) Mọi sai khác so với quy trình thử nghiệm nêu trên.
b) Số hiệu và Năm ban hành của tiêu chuẩn này, ví dụ TCVN 13522-2:2024;
c) Ngày thử nghiệm;
d) Tên phòng thí nghiệm;
e) Tên nhà cung cấp mẫu;
f) Thông tin lấy mẫu;
g) Mô tả và tên thương mại của hệ mặt sàn được thử bao gồm tất cả các thành phần của nó;
h) Kiểu mặt nền và mô tả quá trình tạo thành các mẫu mặt sàn;
i) Số mẫu được thử nghiệm;
j) Mô tả việc ổn định mẫu và làm sạch mẫu;
k) Các kết quả thử nghiệm theo Điều 8 và Điều 9
Phụ lục A
(tham khảo)
Cấp Gas và Không khí
Khí gas bắt cháy và không khí được cấp cho tấm bức xạ thông qua các van điều áp và điều dòng, các thiết bị an toàn và các công tơ đo lưu lượng phù hợp.
Một hệ thống cấp phù hợp bao gồm các thiết bị sau:
a) Nguồn cấp khí gas tự nhiên, khí methane hoặc khí propane ở mức tối thiểu 0,1 l/s ở áp suất đủ lớn để khắc phục tổn thất do ma sát trong lòng ống, van điều tiết, van kiểm soát, công tơ đo lưu lượng, tấm bức xạ v.v...
b) Nguồn cấp không khí ở mức tối thiểu 4,5 l/s với áp suất đủ để lớn để khắc phục tổn thất do ma sát qua đường ống cấp v.v...
c) Tách biệt các van dành cho gas và cho không khí;
d) Van một chiều và van điều áp trong đường cấp khí gas;
e) Một van điều khiển bằng điện để ngắt nguồn cấp gas một cách tự động khi có sự cố mất điện, tụt áp không khí hoặc giảm nhiệt độ trên bề mặt đầu đốt;
f) Một màng lọc riêng và một van kiểm soát lưu lượng trên đường cấp không khí;
g) Công tơ đo lưu lượng khí gas tự nhiên, khí methane hoặc propane đủ chỉ thị được dòng từ 0,05 l/s đến 0,5 l/s ở nhiệt độ môi trường và áp suất đo tới mức 1 % hoặc chính xác hơn.
h) Công tơ đo lưu lượng không khí đủ chỉ thị được dòng từ 1 l/s đến 10 l/s ở nhiệt độ môi trường và áp suất đo tới mức 1 % hoặc chính xác hơn.
Các đồng hồ đo lưu lượng dùng để giúp xác định lưu lượng gas và không khí tới một giá trị đủ để giúp tấm bức xạ đạt nhiệt độ cần thiết và công tác hiệu chuẩn tuyệt đối đối với công tơ đo lưu lượng là không cần thiết.
Một điều cần lưu ý là phải sử dụng các bộ kiểm soát lưu lượng theo khối lượng để kiểm soát dòng không khí và dòng gas trong quá trình hiệu chuẩn và thử nghiệm.
Phụ lục B
(tham khảo)
Độ chính xác của phương pháp thử
Trong quá trình xây dựng tiêu chuẩn ISO 9239, một báo cáo liên phòng thí nghiệm đối với 7 loại mặt sàn có sử dụng tấm calcium silicate làm lớp nền và không gắn keo đã được thực hiện theo ISO/TC92/SC1/WG3. Có sự tham gia của 7 phòng thí nghiệm. Các kết quả HF10 và CHF đã đạt được cho trong bảng dưới đây:
Bảng B.1 - Giá trị HF10 và CHF của một số vật liệu phủ sàn
| Sản phẩm | Kết quả thử nghiệm | Tính lặp lại của kết quả thử nghiệm | Tính lặp lại của sản phẩm thử nghiệm | ||
|
| Giá trị trung bình, m, của CHF | Độ lệch chuẩn, Sr | COV (Sr/m) 102 | Độ lệch chuẩn, SR | COV (SR/m) 102 |
|
| kW/m2 | kW/m2 | % | kW/m2 | % |
| (1) | (2) | (3) | (4) | (5) | (6) |
| Lớp phủ sàn bằng cao su | 6,0 | 1,8 | 29,9 | 3,4 | 55,9 |
| Lớp phủ sàn PVC (loại 1) | 12,8 | 0,8 | 6,3 | 2,3 | 17,9 |
| Lớp phủ sàn PVC (loại 2) | 13,0 | 1,0 | 7,3 | 1,3 | 10,1 |
| Thảm vải (Wool/PA) | 11,0 | 1,9 | 17,8 | 2,9 | 26,6 |
| Thảm vải (PP) | 2,5 | 0,2 | 6,1 | 0,4 | 15,2 |
| Ván gỗ sàn (Loại 1) | 4,2 | 0,4 | 9,2 | 1,3 | 30,5 |
| Ván gỗ sàn (Loại 2) | 4,0 | 0,5 | 11,9 | 1,1 | 26,7 |
| Lớp phủ sàn bằng cao su | 7,5 | 1,7 | 23,1 | 2,9 | 38,8 |
| Lớp phủ sàn PVC (Loại 1) | 13,5 | 0,7 | 5,0 | 2,1 | 15,9 |
| Lớp phủ sàn PVC (Loại 2) | 13,0 | 1,0 | 7,3 | 1,3 | 10,1 |
| Thảm vải (Len/PA) | 11,0 | 1,9 | 17,8 | 2,9 | 26,6 |
| Thảm vải (PP) | 4,2 | 0,4 | 9,2 | 0,9 | 21,0 |
| Ván gỗ lát sàn (Loại 1) | 7,6 | 0,8 | 10,3 | 2,2 | 28,9 |
| Ván gỗ lát sàn (Loại 2) | 7,8 | 0,9 | 11,3 | 1,8 | 22,4 |
Thư mục tài liệu tham khảo
[1] ISO 2424, Textile floor covering - Vocabulary.
[2] ISO/TR 3814, Tests for measuring reaction to fire of building materials - Their development and application.
[3] ISO/TR 5658-1, Reaction to fire tests - Spread of flame - Part 1: Guidance on flame spread.
[4] TCVN 13522-1:2023 (ISO 9239-1:2002), Thử nghiệm phản ứng với lửa đối với vật liệu phủ sàn - Phần 1: Xác định ứng xử khi cháy bằng nguồn nhiệt bức xạ.
[5] BS 6809:1987, Method for calibration of radiometers for using in fire testing.
MỤC LỤC
1 Phạm vi áp dụng
2 Tài liệu viện dẫn
3 Thuật ngữ và định nghĩa
4 Thiết bị, dụng cụ
5 Mẫu thử
6 Ổn định mẫu
7 Quy trình hiệu chuẩn
8 Quy trình thử nghiệm tiêu chuẩn
9 Thể hiện kết quả
10 Độ chính xác
11 Báo cáo thử nghiệm
Phụ lục A (tham khảo) cấp Gas và Không khí
Phụ lục B (tham khảo) Độ chính xác của phương pháp thử
Thư mục tài liệu tham khảo
Bạn chưa Đăng nhập thành viên.
Đây là tiện ích dành cho tài khoản thành viên. Vui lòng Đăng nhập để xem chi tiết. Nếu chưa có tài khoản, vui lòng Đăng ký tại đây!