- Tổng quan
- Nội dung
- Tiêu chuẩn liên quan
- Lược đồ
- Tải về
Tiêu chuẩn TCVN 14296-2:2025 Phích cắm, ổ cắm, phích nối dùng cho xe điện và ổ nối vào xe điện - Sạc điện có dây dùng cho xe điện - Phần 2: Yêu cầu tương thích về kích thước
| Số hiệu: | TCVN 14296-2:2025 | Loại văn bản: | Tiêu chuẩn Việt Nam |
| Cơ quan ban hành: | Bộ Khoa học và Công nghệ | Lĩnh vực: | Công nghiệp |
| Trích yếu: | IEC 62196-2:2022 Phích cắm, ổ cắm, phích nối dùng cho xe điện và ổ nối vào xe điện - Sạc điện có dây dùng cho xe điện - Phần 2: Yêu cầu tương thích về kích thước đối với phụ kiện dạng chân cắm và dạng ống tiếp xúc AC | ||
|
Ngày ban hành:
Ngày ban hành là ngày, tháng, năm văn bản được thông qua hoặc ký ban hành.
|
22/01/2025 |
Hiệu lực:
|
Đã biết
|
| Người ký: | Đang cập nhật |
Tình trạng hiệu lực:
Cho biết trạng thái hiệu lực của văn bản đang tra cứu: Chưa áp dụng, Còn hiệu lực, Hết hiệu lực, Hết hiệu lực 1 phần; Đã sửa đổi, Đính chính hay Không còn phù hợp,...
|
Đã biết
|
TÓM TẮT TIÊU CHUẨN VIỆT NAM TCVN 14296-2:2025
Tiêu chuẩn quốc gia TCVN 14296-2:2025: Quy định mới ảnh hưởng đến phụ kiện sạc xe điện
Tiêu chuẩn quốc gia TCVN 14296-2:2025, được phê duyệt ngày 15/03/2025, có hiệu lực từ ngày 01/05/2025, xác định các yêu cầu về phích cắm, ổ cắm và phích nối dành cho xe điện, đặc biệt là trong lĩnh vực sạc điện có dây. Tiêu chuẩn này, tương đương với IEC 62196-2:2022, nhằm đảm bảo tính tương thích về kích thước của các phụ kiện liên quan đến hoạt động sạc điện cho xe điện.
Phạm vi áp dụng của tiêu chuẩn này bao gồm các loại phích cắm EV, ổ cắm EV, và phích nối cho xe điện với mức điện áp hoạt động danh định không vượt quá 480 V AC và dòng điện danh định tối đa 63 A ba pha hoặc 70 A một pha. Những phụ kiện này được thiết kế để hoạt động trong điều kiện nhiệt độ từ -30 °C đến +40 °C.
Một điểm quan trọng trong tiêu chuẩn là sự phân loại chi tiết của các phụ kiện, bao gồm nhiều cấu hình như:
- Cấu hình loại 1 dành cho bộ nối xe điện 32 A, 250 V AC.
- Cấu hình loại 2 hỗ trợ 63 A, 480 V ba pha hoặc 70 A, 250 V một pha.
- Cấu hình loại 3 cho phụ kiện 63 A, 480 V AC và phụ kiện 250 V với dòng điện 16 A và 32 A một pha.
Tiêu chuẩn này còn nhấn mạnh đến giao diện kết nối giữa các phụ kiện, yêu cầu rằng mỗi phụ kiện chỉ nên kết nối với loại phích cắm và ổ cắm tương ứng để đảm bảo an toàn và hiệu quả trong quá trình sạc. Phụ kiện cũng cần đáp ứng các yêu cầu về độ bền cơ học, bảo vệ cách điện, và khả năng chống lão hóa.
Đặc biệt, tiêu chuẩn giới thiệu các quy định về khóa liên động, yêu cầu rằng các phụ kiện phải có cơ chế bảo đảm rằng hệ thống sạc sẽ ngừng hoạt động khi phụ kiện được ngắt kết nối, nhằm ngăn chặn tình trạng cắt điện dưới tải. Điều này góp phần quan trọng trong việc bảo vệ an toàn cho người dùng và thiết bị.
Tiêu chuẩn TCVN 14296-2:2025 còn cung cấp hướng dẫn cụ thể về yêu cầu nhãn mác và kích thước chuẩn của các phụ kiện, nhằm đảm bảo sự tương thích và dễ dàng trong việc sử dụng. Tất cả các yêu cầu đều phải tuân thủ các tiêu chuẩn quốc tế và quy định trong các tiêu chuẩn liên quan khác.
Với việc ban hành Tiêu chuẩn TCVN 14296-2:2025, các nhà sản xuất và cung cấp dịch vụ trong lĩnh vực xe điện cần khẩn trương cập nhật và điều chỉnh thiết kế của các phụ kiện sạc điện để đáp ứng tiêu chuẩn mới, từ đó giúp nâng cao chất lượng sản phẩm và đảm bảo an toàn trong việc sử dụng xe điện tại Việt Nam.
Tải tiêu chuẩn Việt Nam TCVN 14296-2:2025
TIÊU CHUẨN QUỐC GIA
TCVN 14296-2:2025
IEC 62196-2:2022
PHÍCH CẮM, Ổ CẮM, PHÍCH NỐI DÙNG CHO XE ĐIỆN VÀ Ổ NỐI VÀO XE ĐIỆN - SẠC ĐIỆN CÓ DÂY DÙNG CHO XE ĐIỆN - PHẦN 2: YÊU CẦU TƯƠNG THÍCH VỀ KÍCH THƯỚC ĐỐI VỚI PHỤ KIỆN DẠNG CHÂN CẮM VÀ DẠNG ỐNG TIẾP XÚC AC
Plugs, socket-outlets, vehicle connectors and vehicle inlets - Conductive charging of electric vehicles - Part 2: Dimensional compatibility requirements for AC pin and contact-tube accessories
Lời nói đầu
TCVN 14296-2:2025 hoàn toàn tương đương với IEC 62196-2:2022;
TCVN 14296-2:2025 do Ban kỹ thuật tiêu chuẩn quốc gia TCVN/TC/E16 Hệ thống truyền năng lượng cho xe điện biên soạn, Viện Tiêu chuẩn Chất lượng Việt Nam đề nghị, Ủy ban Tiêu chuẩn Đo lường Chất lượng Quốc gia thẩm định, Bộ Khoa học và Công nghệ công bố.
Bộ tiêu chuẩn TCVN 14296 (IEC 62196), Phích cắm, ổ cắm, phích nối dùng cho xe điện và ổ nối vào xe điện - Sạc điện có dây dùng cho xe điện gồm các tiêu chuẩn sau:
- Phần 1: Yêu cầu chung;
- Phần 2: Yêu cầu tương thích về kích thước đối với phụ kiện dạng chân cắm và dạng ống tiếp xúc AC;
- Phần 3: Yêu cầu tương thích về kích thước đối với bộ nối xe điện dạng chân cắm và dạng ống tiếp xúc DC và AC/DC;
- Phần 3-1: Phích nối dùng cho xe điện, ổ nối vào xe điện và cụm cáp dùng cho sạc điện DC được thiết kế để sử dụng với hệ thống quản lý nhiệt;
- Phần 4: Yêu cầu tương thích về kích thước và tính đổi lẫn đối với phụ kiện dạng chân cắm và dạng ống tiếp xúc DC dùng cho các ứng dụng Cấp II hoặc Cấp III;
- Phần 6: Yêu cầu tương thích về kích thước đối với bộ nối xe điện dạng chân cắm và dạng ống tiếp xúc DC được thiết kế để sử dụng cho thiết bị cấp điện một chiều cho EV có bảo vệ dựa vào sự phân cách về điện.
PHÍCH CẮM, Ổ CẮM, PHÍCH NỐI DÙNG CHO XE ĐIỆN VÀ Ổ NỐI VÀO XE ĐIỆN - SẠC ĐIỆN CÓ DÂY DÙNG CHO XE ĐIỆN - PHẦN 2: YÊU CẦU TƯƠNG THÍCH VỀ KÍCH THƯỚC ĐỐI VỚI PHỤ KIỆN DẠNG CHÂN CẮM VÀ DẠNG ỐNG TIẾP XÚC AC
Plugs, socket-outlets, vehicle connectors and vehicle inlets - Conductive charging of electric vehicles - Part 2: Dimensional compatibility requirements for AC pin and contact-tube accessories
1 Phạm vi áp dụng
Tiêu chuẩn này áp dụng cho các phích cắm EV, ổ cắm EV, phích nối dùng cho xe điện và ổ nối vào xe điện với các chân cắm và ống tiếp xúc có cấu hình tiêu chuẩn, sau đây được gọi là phụ kiện. Các phụ kiện này có điện áp hoạt động danh định không vượt quá 480 V AC, 50 Hz đến 60 Hz và dòng điện danh định không vượt quá 63 A ba pha hoặc 70 A một pha, sử dụng trong sạc điện có dây cho xe điện.
Tiêu chuẩn này bao gồm các phụ kiện giao diện cơ bản cho việc cấp điện cho xe như quy định trong TCVN 14296-1:2025 (IEC 62196-1:2022).
CHÚ THÍCH 1: Thuật ngữ "Xe điện (EV)" bao gồm tất cả các phương tiện đường bộ, bao gồm cả xe hybrid sạc ngoài (PHEV) lấy toàn bộ hoặc một phần năng lượng của chúng từ các hệ thống lưu trữ năng lượng có thể sạc lại (RESS).
Các phụ kiện này được thiết kế để sử dụng cho các mạch điện được quy định trong TCVN 13078-1:2020 (IEC 61851-1:2017), hoạt động ở các chế độ điện áp và tần số khác nhau, và có thể bao gồm các tín hiệu điện áp cực thấp (ELV) và tín hiệu truyền thông.
Việc sử dụng các phụ kiện này để truyền điện hai chiều đang được xem xét.
Tiêu chuẩn này áp dụng cho các phụ kiện được sử dụng ở nhiệt độ môi trường từ -30 °C đến +40 °C.
CHÚ THÍCH 2: Ở Na Uy, các yêu cầu khác liên quan đến nhiệt độ thấp hơn có thể được áp dụng.
CHÚ THÍCH 3: Ở Thụy Điển, áp dụng nhiệt độ môi trường -35 °C.
Các phụ kiện này được thiết kế để chỉ được kết nối với cáp có ruột dẫn đồng hoặc hợp kim đồng.
Các ổ nối vào xe điện và phích nối dùng cho xe điện được mô tả trong tiêu chuẩn này được thiết kế để sử dụng cho sạc điện chế độ 1, 2 và 3, trường hợp B và C. Các ổ cắm EV và phích cắm EV được đề cập trong tiêu chuẩn này được thiết kế chỉ để sử dụng cho sạc điện chế độ 3, trường hợp A và B.
Các chế độ và kết nối cho phép được quy định trong TCVN 13078-1:2020 (IEC 61851-1:2017).
2 Tài liệu viện dẫn
Áp dụng Điều 2 của TCVN 14296-1:2025 (IEC 62196-1:2022), ngoài ra:
Bổ sung:
TCVN 14296-1:2025 (IEC 62196-1:2022), Phích cắm, ổ cắm, phích nối dùng cho xe điện và ổ nối vào xe điện - Sạc điện có dây dùng cho xe điện - Phần 1: Yêu cầu chung
3 Thuật ngữ và định nghĩa
Áp dụng Điều 3 của TCVN 14296-1:2025 (IEC 62196-1:2022).
4 Quy định chung
Áp dụng Điều 4 của TCVN 14296-1:2025 (IEC 62196-1:2022).
5 Thông số kỹ thuật
Áp dụng Điều 5 của TCVN 14296-1:2025 (IEC 62196-1:2022), ngoài ra:
5.1 Dải điện áp làm việc danh định ưu tiên
Thay thế:
Thay nội dung hiện có và tiêu đề của 5.1 trong TCVN 14296-1:2025 (IEC 62196-1:2022) bằng nội dung sau:
5.1 Dải điện áp làm việc danh định
Dải điện áp làm việc danh định như sau:
- 30 V (chỉ cho mục đích báo hiệu hoặc điều khiển)
- 250 V AC
- 480 V AC
5.2 Dòng điện danh định ưu tiên
Thay thế:
Thay tiêu đề hiện có của 5.2 và nội dung hiện có của TCVN 14296-1:2025 (IEC 62196-1:2022), 5.2.1 bằng những nội dung sau:
5.2 Dòng điện danh định
5.2.1 Quy định chung
Các dòng điện danh định gồm:
- 13 A một pha
- 16 A một pha và ba pha
- 20 A một pha và ba pha
- 30 A hoặc 32 A một pha và ba pha
- 60 A hoặc 63 A một pha và ba pha
- 70 A chỉ cho một pha
CHÚ THÍCH 1: Ở Hoa Kỳ, thiết bị bảo vệ quá dòng mạch nhánh dựa trên giá trị 125 % thông số đặc trưng của phụ kiện.
CHÚ THÍCH 2: Việc tham chiếu đến các thông số đặc trưng "30 A hoặc 32 A" và "60 A hoặc 63 A" được thực hiện theo các yêu cầu của từng quốc gia.
6 Đấu nối giữa nguồn cung cấp và xe điện
Áp dụng Điều 6 của TCVN 14296-1:2025 (IEC 62196-1:2022), ngoài ra:
6.1 Giao diện
Thay thế:
Thay nội dung hiện có của TCVN 14296-1:2025 (IEC 62196-1:2022), 6.1 bằng nội dung sau đây:
Điều 6 đưa ra bản mô tả các yêu cầu về giao diện điện dẫn vật lý giữa xe điện và nguồn cung cấp, cho phép các loại giao diện xe điện như sau:
- giao diện cơ bản cung cấp thông số đặc trưng về dòng điện đến 63 A AC ba pha và đến 70 A AC một pha.
Các loại cấu hình khác nhau cho giao diện cơ bản có thể cho phép áp dụng các chế độ và thông số đặc trưng về dòng điện khác nhau. Xem phần giới thiệu trong các tờ tiêu chuẩn liên quan để biết thêm chi tiết.
6.2 Giao diện cơ bản
Thay thế:
Thay nội dung hiện có của TCVN 14296-1:2025 (IEC 62196-1:2022), 6.2 bằng nội dung sau:
Có một kiểu ổ nối vào xe điện:
- cơ bản
Giao diện cơ bản có thể chứa tối đa bảy tiếp điểm nguồn hoặc tín hiệu, với các cấu hình vật lý độc đáo của vị trí tiếp điểm cho nguồn điện một pha hoặc ba pha. Các thông số đặc trưng về điện và chức năng của chúng được mô tả trong Bảng 201 và Bảng 202. Các thông số đặc trưng về điện và chức năng được mô tả trong các tờ tiêu chuẩn.
Mỗi ổ nối vào xe điện chỉ được ghép với loại phích nối dùng cho xe điện tương ứng. Mỗi phích cắm EV chỉ được ghép với loại ổ cắm EV tương ứng.
Các phụ kiện, cấu hình loại 1, 2 hoặc 3 có thông số danh định như sau:
- bộ nối của xe điện có cấu hình loại 1 có thông số danh định 250 V, 32 A một pha;
- bộ nối của xe điện, ổ cắm EV và phích cắm EV có cấu hình loại 2 có thông số danh định:
• 250 V, 13 A hoặc 20 A hoặc 32 A hoặc 63 A hoặc 70 A một pha,
• 480 V, 13 A hoặc 20 A hoặc 32 A hoặc 63 A ba pha.
- bộ nối của xe điện, ổ cắm EV và phích cắm EV có cấu hình loại 3 cho có thông số danh định:
• 250 V, 16 A hoặc 32 A, một pha,
• 480 V, 32 A hoặc 63 A, ba pha.
Bảng 201 - Tổng quan về giao diện xe cơ bản, cấu hình loại 1, một pha
| Số thứ tự a | AC | Chức năng c |
| 1 | 250 V 32 A b | L1 (dây pha 1) |
| 2 | 250 V 32 A | L2 (dây pha 2) / N (trung tính) |
| 3 | Giá trị trong trường hợp sự cố | PE (nối đất bảo vệ) |
| 4 | 30 V 2 A | CP (tiếp điểm pilot) |
| 5 | 30 V 2 A | CS (công tắc kết nối) |
| a Số thứ tự không đề cập đến vị trí hoặc xác định tiếp điểm trong phụ kiện. b Ở Hoa Kỳ, bảo vệ quá dòng mạch nhánh được dựa trên 125 % thông số danh định của thiết bị. c Đối với các tiếp điểm 4 và 5, điều kiện môi trường có thể yêu cầu tiết diện dây dẫn lớn hơn. | ||
Bảng 202 - Tổng quan về giao diện xe cơ bản, cấu hình loại 2 và 3, ba pha hoặc một pha
| Số thứ tự f | Umax | Ba pha | Một pha | Chức năng | ||
| Imax a | Imax a | |||||
| V AC | A | A | ||||
|
| Kiểu 2 | Kiểu 3 | Kiểu 2 b | Kiểu 3 | ||
| 1 | 480 | 63 | 70 | 63 | L1 (dây pha 1) b | |
| 2 | 480 | 63 | - c | - c | L2 (dây pha 2) | |
| 3 | 480 | 63 | - c | - c | L3 (dây pha 3) | |
| 4 | 480 | 63 | 70 | 63 | N (trung tính) b, e | |
| 5 | - | Giá trị trong trường hợp sự cố | PE (nối đất bảo vệ) | |||
| 6 | 30 | 2 | CP (tiếp điểm pilot) | |||
| 7 | 30 | 2 | PP (cảm biến tiệm cận) d hoặc CS (công tắc kết nối) d | |||
| a Ở Hoa Kỳ, bảo vệ quá dòng mạch nhánh được dựa trên giá trị 125 % thông số danh định của thiết bị. b Đối với sạc điện một pha, phải sử dụng các tiếp điểm 1 và 4. c Các tiếp điểm không sử dụng có thể không cần lắp đặt. Không áp dụng cho tờ tiêu chuẩn 2-IIIa và 2-IIIb. d Không áp dụng cho tờ tiêu chuẩn 2-IIIa. e Đối với hệ thống cấp điện một pha, tiếp điểm này có thể được sử dụng cho L2 (dây pha 2). f Số thứ tự không đề cập đến vị trí và/hoặc xác định tiếp điểm trong phụ kiện. | ||||||
6.3 Giao diện DC
Không áp dụng.
6.4 Giao diện kết hợp
Không áp dụng
Bổ sung:
6.201 Chức năng truyền thông và điều khiển quá trình sạc
Tiếp điểm pilot và cảm biến tiệm cận hoặc công tắc kết nối được thiết kế để sử dụng theo tiêu chuẩn TCVN 13078-1:2020 (IEC 61851-1:2017).
7 Phân loại các phụ kiện
Áp dụng Điều 7 của TCVN 14296-1:2025 (IEC 62196-1:2022), ngoài ra:
7.4 Theo hoạt động về điện
Thay thế:
Thay đoạn nội dung hiện có của TCVN 14296-1:2025 (IEC 62196-1:2022), 7.4 bằng nội dung sau:
- Thích hợp để đóng và ngắt mạch điện dưới tải cho các cấu hình 32 A loại 1 và 3;
- Không thích hợp để đóng và ngắt mạch điện dưới tải cho cấu hình loại 2;
- Không thích hợp để đóng và ngắt mạch điện dưới tải cho cấu hình 63 A loại 3.
CHÚ THÍCH: Các mạch truyền thông theo tiêu chuẩn này được coi là không đóng hoặc ngắt tải do kết quả của 7.4.
7.5 Theo giao diện
Thay thế:
Thay đoạn nội dung hiện có của TCVN 14296-1:2025 (IEC 62196-1:2022), 7.5 bằng nội dung sau:
Giao diện được quy định trong Điều 6:
- cơ bản.
Bổ sung:
7.201 Theo tờ tiêu chuẩn được sử dụng
- cấu hình loại 1;
- cấu hình loại 2;
- cấu hình loại 3.
8 Ghi nhãn
Áp dụng Điều 8 của TCVN 14296-1:2025 (IEC 62196-1:2022).
9 Kích thước
Áp dụng Điều 9 của TCVN 14296-1:2025 (IEC 62196-1:2022), ngoài ra:
Bổ sung:
9.201 Tờ tiêu chuẩn
Các phụ kiện phải phù hợp với các tờ tiêu chuẩn liên quan như quy định dưới đây và trong Bảng 203:
- Cấu hình loại 1
• Bộ nối xe điện một pha 32 A, 250 V: Tờ tiêu chuẩn 2-I.
• Hệ thống chốt tùy chọn: Tờ tiêu chuẩn 2-Ia.
CHÚ THÍCH: Ở Hoa Kỳ, Hàn Quốc, Tờ tiêu chuẩn 2-I và 2-Ia có thể áp dụng cho các bộ nối xe điện có dòng danh định lên đến 80 A.
- Cấu hình loại 2
• Phụ kiện 63 A, 480 V ba pha hoặc 250 V, 70 A một pha: Các Tờ tiêu chuẩn 2-II, IIa, IIb, IIc, IId, IIe, IIf, IIg và IIh, như quy định trong Bảng 204.
- Cấu hình loại 3
• Phụ kiện 16 A, 250 V một pha với một tiếp điểm pilot: Tờ tiêu chuẩn 2-IIIa;
• Phụ kiện 32 A, 250 V một pha với hai tiếp điểm pilot: Tờ tiêu chuẩn 2-IIIb;
• Phụ kiện 63 A, 480 V ba pha với hai tiếp điểm pilot: Tờ tiêu chuẩn 2-IIIc;
• Các phương tiện chốt và không gian lắp đặt: Tờ tiêu chuẩn 2-IIId.
Bảng 203 - Các loại cấu hình và tờ tiêu chuẩn
| Cấu hình loại | Tờ tiêu chuẩn | Phụ kiện áp dụng | Điện áp danh định V | Dòng điện danh định A | Pha |
| 1 | 2-I | Bộ nối xe điện | 250 | 32 | Một pha |
| 2 | 2-II | Phụ kiện | 250 | 70 | Một pha |
| 480 | 63 | Ba pha | |||
| 3 | 2-III | Phụ kiện | 250 | 16 | Một pha |
| 250 | 32 | Một pha | |||
| 480 | 63 | Ba pha |
10 Bảo vệ chống điện giật
Áp dụng Điều 10 của TCVN 14296-1:2025 (IEC 62196-1:2022).
11 Kích thước và màu của dây đất bảo vệ và dây trung tính
Thay thế:
Thay nội dung hiện có của Điều 11, TCVN 14296-1:2025 (IEC 62196-1:2022) bằng nội dung sau đây:
Ruột dẫn nối với đầu nối đất phải được nhận diện bằng tổ hợp màu xanh lá cây và vàng. Tiết diện danh nghĩa của dây nối đất và của dây trung tính, nếu có, phải tối thiểu bằng tiết diện của dây pha.
CHÚ THÍCH: Ở Nhật Bản, Hoa Kỳ, Canada, Hàn Quốc và Braxin, màu xanh lá cây có thể được sử dụng để xác định dây nối đất.
12 Quy định cho nối đất
Áp dụng Điều 12 của TCVN 14296-1:2025 (IEC 62196-1:2022).
13 Đầu nối
Áp dụng Điều 13 của TCVN 14296-1:2025 (IEC 62196-1:2022), ngoài ra:
Bổ sung:
13.201 Đấu nối dây của các linh kiện, ví dụ như điện trở được mã hoá, có thể là loại thay dây được hoặc không thay dây được.
14 Khoá liên động
Áp dụng Điều 14 của TCVN 14296-1:2025 (IEC 62196-1:2022).
15 Khả năng chống lão hoá của vật liệu cao su và nhựa nhiệt dẻo
Áp dụng Điều 15 của TCVN 14296-1:2025 (IEC 62196-1:2022).
16 Kết cấu chung
Áp dụng Điều 16 của TCVN 14296-1:2025 (IEC 62196-1:2022).
17 Kết cấu của ổ cắm EV - Quy định chung
Áp dụng Điều 17 của TCVN 14296-1:2025 (IEC 62196-1:2022).
18 Kết cấu của phích cắm EV và phích nối dùng cho xe điện
Áp dụng Điều 18 của TCVN 14296-1:2025 (IEC 62196-1:2022).
19 Kết cấu của ổ nối vào xe điện
Áp dụng Điều 19 của TCVN 14296-1:2025 (IEC 62196-1:2022).
20 Cấp bảo vệ
Áp dụng Điều 20 của TCVN 14296-1:2025 (IEC 62196-1:2022).
21 Điện trở cách điện và độ bền điện môi
Áp dụng Điều 21 của TCVN 14296-1:2025 (IEC 62196-1:2022).
22 Khả năng cắt
Áp dụng Điều 22 của TCVN 14296-1:2025 (IEC 62196-1:2022).
23 Hoạt động bình thường
Áp dụng Điều 23 của TCVN 14296-1:2025 (IEC 62196-1:2022).
24 Độ tăng nhiệt
Áp dụng Điều 24 của TCVN 14296-1:2025 (IEC 62196-1:2022), ngoài ra:
24.1 Bổ sung:
Thêm vào sau đoạn nội dung thứ bảy hiện có, cụ thể là "Các phụ kiện không thay dây được được thử nghiệm như được giao", nội dung sau:
Đối với các phụ kiện phụ thuộc vào mã điện trở để xác định dòng điện danh định của phụ kiện, thử nghiệm phải được lặp lại bằng cách sử dụng một bộ ba mẫu cho mỗi giá trị mã điện trở và được thử nghiệm ở dòng điện tối đa tương ứng với giá trị mã điện trở đó.
25 Cáp mềm và các mối nối của chúng
Áp dụng Điều 25 của TCVN 14296-1:2025 (IEC 62196-1:2022).
26 Độ bền cơ
Áp dụng Điều 26 của TCVN 14296-1:2025 (IEC 62196-1:2022).
27 Vít, bộ phận mang dòng và các mối nối
Áp dụng Điều 27 của TCVN 14296-1:2025 (IEC 62196-1:2022).
28 Chiều dài đường rò, khe hở không khí và khoảng cách xuyên qua hợp chất gắn
Áp dụng Điều 28 của TCVN 14296-1:2025 (IEC 62196-1:2022).
29 Khả năng chịu nhiệt và chịu cháy
Áp dụng Điều 29 của TCVN 14296-1:2025 (IEC 62196-1:2022).
30 Ăn mòn và khả năng chống gỉ
Áp dụng Điều 30 của TCVN 14296-1:2025 (IEC 62196-1:2022).
31 Dòng điện ngắn mạch có điều kiện
Áp dụng Điều 31 của TCVN 14296-1:2025 (IEC 62196-1:2022).
32 Tương thích điện từ (EMC)
Áp dụng Điều 32 của TCVN 14296-1:2025 (IEC 62196-1:2022).
33 Khả năng chịu tải khi xe chạy qua
Áp dụng Điều 33 của TCVN 14296-1:2025 (IEC 62196-1:2022), ngoài ra:
33.3 Không áp dụng
33.4 Không áp dụng
34 Chu kỳ nhiệt
Áp dụng Điều 34 của TCVN 14296-1:2025 (IEC 62196-1:2022).
35 Phơi nhiễm ẩm
Áp dụng Điều 35 của TCVN 14296-1:2025 (IEC 62196-1:2022).
36 Sai lệch
Áp dụng Điều 36 của TCVN 14296-1:2025 (IEC 62196-1:2022).
37 Thử nghiệm độ bền tiếp xúc
Áp dụng Điều 37 của TCVN 14296-1:2025 (IEC 62196-1:2022).
201 Điện trở mã hóa
Phích nối dùng cho xe điện và phích cắm EV cấu hình loại 2 và loại 3b và 3c phải được trang bị các điện trở được mã hóa (Rc) để xác định khả năng mang dòng tối đa của cụm cáp, phích nối dùng cho xe điện và phích cắm EV.
Giá trị và dung sai của điện trở phải theo quy định trong TCVN 13078-1:2020 (IEC 61851-1:2017), Điều B.2.
Kiểm tra sự phù hợp bằng cách xem xét.
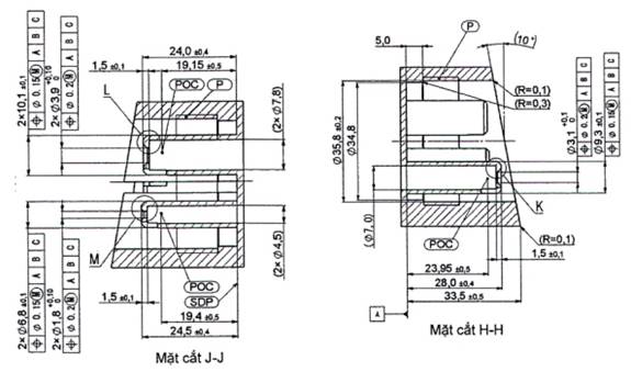
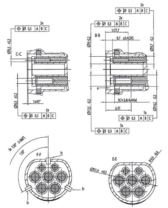
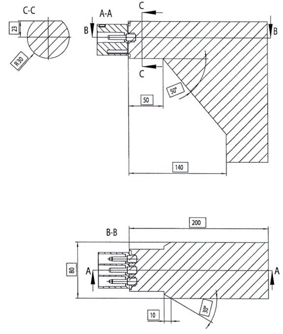
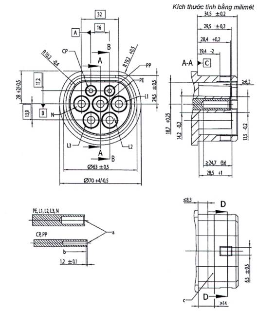
TỜ TIÊU CHUẨN
CẤU HÌNH LOẠI 1
BỘ NỐI CỦA XE ĐIỆN 32 A, 250 V AC
TỜ TIÊU CHUẨN 2-I
Tổng quan
Các tờ tiêu chuẩn 2-I áp dụng cho cấu hình loại 1: Bộ nối của xe điện 32 A, 250 V AC một pha.
Đối với cấu hình loại 1, áp dụng Phụ lục A "Chức năng điều khiển quá trình sạc thông qua mạch điều khiển quá trình sạc sử dụng tín hiệu PWM và dây dẫn điều khiển quá trình sạc" và Phụ lục B "Phát hiện tiếp cận và các mạch mã hóa dòng điện cáp đối với giao diện cơ bản" của TCVN 13078-1:2020 (IEC 61851-1:2017). +V DC của Bảng B.1 của TCVN 13078-1:2020 (IEC 61851-1:2017) phải là nguồn cấp được điều chỉnh +5 V.
Tờ tiêu chuẩn 2-Ia xác định hệ thống chốt tùy chọn.
Để biết chi tiết về việc khóa chốt, xem TCVN 14296-3 (IEC 62196-3), Tờ tiêu chuẩn 3-IIIc.
Cấu hình này không được sử dụng cho chế độ 1 có điện áp pha-đất lớn hơn 150 V.
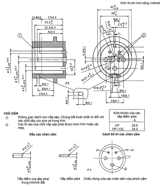
CẤU HÌNH LOẠI 1
TỜ TIÊU CHUẨN 2-I
Ổ NỐI VÀO XE ĐIỆN CÓ THÔNG SỐ DANH ĐỊNH 250 V AC ĐẾN 32 A
Trang 1
Kích thước tính bằng milimét


Giá trị trong ngoặc đơn để tham khảo.

Giá trị trong ngoặc đơn để tham khảo.
| Dung sai chung | |||
| 0 tối đa: ±0,15 | 50 tối đa: ±0,2 | 100 tối đa: ±0,3 | Góc: ±30° |
CHÚ DẪN
| SDP | Mặt phẳng chuẩn | EF | Đường thoát chất lỏng (nếu cần) |
| G | Bề mặt G (nếu có) | VS | Bề mặt xe |
| P | Bề mặt P | SW | Vách bên tùy chọn |
| IC | Nắp cách ly (nếu cần) | SA | Các dung sai vị trí này chỉ áp dụng cho các tiếp điểm tự điều chỉnh. |
| CT | Tiếp điểm |
|
|
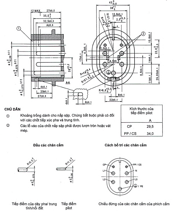
CẤU HÌNH LOẠI 1
TỜ TIÊU CHUẨN 2-I
PHÍCH NỐI DÙNG CHO XE ĐIỆN
Trang 2 (tiếp theo trang 1)
Kích thước tính bằng milimét



Giá trị trong ngoặc đơn để tham khảo.
| Dung sai chung | |||
| 10 tối đa.: ±0,15 | 50 tối đa.: ±0,2 | 100 tối đa.: ±0,3 | Góc: ±30° |
CHÚ DẪN
| EF | Đường thoát chất lỏng (nếu cần) |
| P | Bao gói (nếu cần thiết) là một trong những phương pháp bịt kín đối với IP44 khi kết nối với ổ nối vào xe điện. |
| SDP | Mặt phẳng chuẩn của phích nối dùng cho xe điện |
| POC | Điểm tiếp xúc |
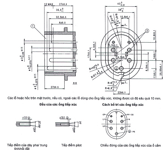
CẤU HÌNH LOẠI 1
TỜ TIÊU CHUẨN 2-I
ĐIỂM TIẾP XÚC TÙY CHỌN CHO PHÍCH NỐI DÙNG CHO XE ĐIỆN
Trang 3 (tiếp theo trang 2)
Kích thước tính bằng milimét

Mỗi điểm tiếp xúc tùy chọn (POC) do nhà chế tạo quyết định phải nằm trong khu vực được chỉ ra và đáp ứng các điều kiện dưới đây.
POC(a) tối đa. - POC(b) tối thiểu ≤ 2,9
POC(c) tối đa. - POC(b) tối đa ≥ 2,9
Giá trị trong ngoặc đơn để tham khảo.
| Dung sai chung | |||
| 10 tối đa.: ±0,15 | 50 tối đa.: ±0,2 | 100 tối đa.: ±0,3 | Góc: ±30° |
CHÚ DẪN
POC(a) Điểm tiếp xúc cho tín hiệu
POC(b) Điểm tiếp xúc để cấp điện
POC(c) Điểm tiếp xúc cho PE
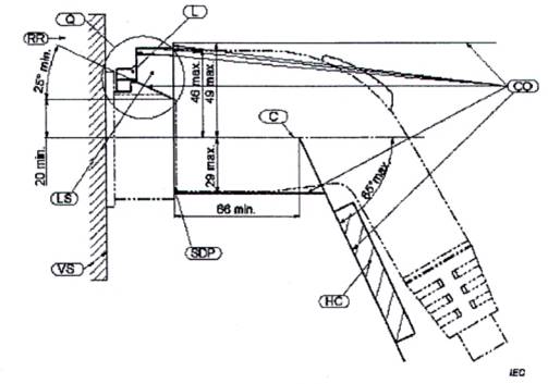
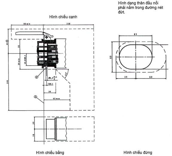
CẤU HÌNH LOẠI 1
TỜ TIÊU CHUẨN 2-I
PHÍCH NỐI DÙNG CHO XE ĐIỆN
CƠ CẤU GIỮ BỘ NỐI CỦA XE ĐIỆN IP44
KÍCH THƯỚC TỐI ĐA CỦA ĐƯỜNG BAO BỘ NỐI
Trang 4 (tiếp theo trang 3)
Chốt được thể hiện ở vị trí đã được chốt
Kích thước tính bằng milimét

Hình chiếu cạnh của bộ nối của xe điện

CHÚ DẪN
| CO | Hình dạng thân phích nối dùng cho xe điện phải nằm trong các đường liền này. |
| C | Đường tâm của ổ nối vào xe điện |
| SDP | Mặt phẳng chuẩn của ổ nối vào xe điện |
| LS | Vỏ bọc của chốt (nếu có) |
| VS | Bề mặt xe |
| L | Chốt |
| V | Hình dạng vỏ bọc của chốt khóa (nếu có) phải nằm trong các đường liền nét này. Chốt không được vượt ra ngoài biên dạng này khi nó ở vị trí "mở" hoàn toàn. |
| Q | Xem tiếp |
| RR | Xem RR để biết hình dạng của bọc chốt, nếu cần. |
| 3D | Chế độ xem 3D |
| HC | Không gian cho bàn tay (khu vực giữa các đường liền nét thể hiện "hình dạng thân phích nối dùng cho xe điện") cần phải đủ rộng để chứa được bàn tay của người sử dụng thao tác trong quá trình kết nối và ngắt kết nối phích nối dùng cho xe điện và ổ nối vào xe điện. |
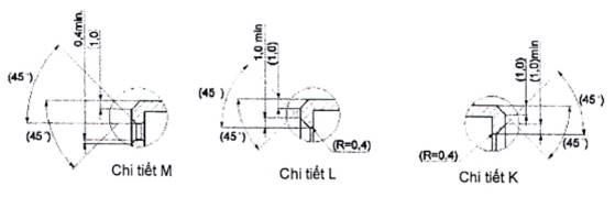
Các bản vẽ không nhằm mục đích giới hạn thiết kế của thân phích nối dùng cho xe điện và hình dạng chốt mà chỉ để thể hiện các kích thước.
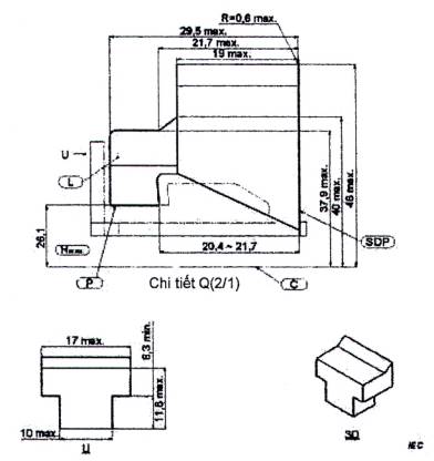
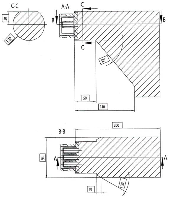
CẤU HÌNH LOẠI 1
TỜ TIÊU CHUẨN 2-I
ĐƯỜNG BAO LỚN NHẤT CỦA CHỐT
Trang 5 (tiếp theo trang 4)
Chốt được hiển thị bề mặt tiếp xúc P.
Kích thước tính bằng milimét

Các bản vẽ không nhằm mục đích giới hạn thiết kế của hình dạng chốt mà chỉ để thể hiện các kích thước.
CHÚ DẪN
| C | Đường tâm của ổ nối vào xe điện |
| Hmax | Chiều cao tối đa của bề mặt P (xem A-A của Tờ tiêu chuẩn 2-I). |
| L | Chốt |
| P | Bề mặt P |
| SDP | Mặt phẳng chuẩn của ổ nối vào xe điện |
CẤU HÌNH LOẠI 1
TỜ TIÊU CHUẨN 2-I
PHÍCH NỐI DÙNG CHO XE ĐIỆN
KÍCH THƯỚC TỐI ĐA CỦA THÂN VÀ ĐƯỜNG BAO NGOÀI CỦA CHỐT
Trang 6 (tiếp theo trang 5)
Kích thước tính bằng milimét

Các bản vẽ không nhằm mục đích giới hạn thiết kế của thân phích nối dùng cho xe điện và hình dạng chốt mà chỉ để thể hiện các kích thước.
CHÚ DẪN
| G | Bề mặt G (nếu có) |
| SDP | Mặt phẳng chuẩn của ổ nối vào xe điện |
| C | Đường tâm của ổ nối vào xe điện |
| CO | Hình dạng thân phích nối dùng cho xe điện phải nằm trong các đường liền nét này |
| VS | Bề mặt xe |
CẤU HÌNH LOẠI 1
TỜ TIÊU CHUẨN 2-Ia
HỆ THỐNG KHÓA TÙY CHỌN CỦA PHÍCH NỐI DÙNG CHO XE ĐIỆN
ĐƯỜNG BAO NGOÀI LỚN NHẤT CỦA CHỐT
Trang 1
Chốt được thể hiện ở vị trí đã được chốt
Kích thước tính bằng milimét

Các bản vẽ không nhằm mục đích giới hạn thiết kế của thân phích nối dùng cho xe điện và hình dạng chốt mà chỉ để thể hiện các kích thước.
CHÚ DẪN
| C | Đường tâm của ổ nối vào xe điện |
| HP | Điểm trung tâm của ổ nối vào xe điện |
| L | Chốt |
| P | Bề mặt |
| SDP | Mặt phẳng chuẩn của ổ nối vào xe điện |
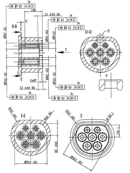
CẤU HÌNH LOẠI 2
PHỤ KIỆN 63 A, 480 V BA PHA HOẶC 70 A, 250 V MỘT PHA
TỜ TIÊU CHUẨN 2-II
Tổng quan
Các Tờ tiêu chuẩn 2-II áp dụng cho cấu hình loại 2: phụ kiện 63 A, 480 V AC ba pha và 70 A, 250 V AC một pha.
Đối với tất cả các thông số đặc trưng của cấu hình loại 2 (xem 6.2), áp dụng các thông số kỹ thuật sau đây:
Khóa liên động và chốt của các phụ kiện là bắt buộc để ngăn chúng tách rời một cách không chủ ý và cắt khi chịu tải. Khóa liên động phải đảm bảo rằng việc truyền năng lượng được dừng trước khi tách rời.
CHÚ THÍCH: Khóa liên động có thể được thực hiện bằng phương tiện cơ hoặc điện cơ.
Khóa liên động phải cung cấp thông tin phản hồi để chỉ ra rằng cơ chế đang được kết nối chính xác. Phải có ít nhất một phương tiện chốt.
Ví dụ, thông tin phản hồi có thể được cung cấp bởi một tiếp điểm bổ sung.
Tiếp điểm pilot (CP) phải được sử dụng theo IEC 61851-1: 2017, Phụ lục A. Tiếp điểm tiệm cận (PP) phải được sử dụng theo IEC 61851-1: 2017, Điều B.2.
+ V của Hình B.2 của IEC 61851-1:2017 phải là nguồn cấp được điều chỉnh +5 V.
Khả năng tương tác của các phụ kiện cấu hình loại 2 được chỉ ra trong Bảng 204.
Bảng 204 - Khả năng tương tác của các phụ kiện cấu hình loại 2
| Phụ kiện a | Phích cắm EV (chế độ 3) Tờ tiêu chuẩn 2-IIb | Ổ nối vào xe điện (tất cả các chế độ) Tờ tiêu chuẩn 2-IId | Ổ nối vào xe điện (chế độ 2 và 3) Tờ tiêu chuẩn 2-IIf |
| Ổ cắm EV (chế độ 3) Tờ tiêu chuẩn 2-IIa | Có | Không áp dụng d | Không áp dụng d |
| Phích nối dùng cho xe điện (chế độ 1) Tờ tiêu chuẩn 2-IIc | Không b | Có | Không b |
| Phích nối dùng cho xe điện (chế độ 2 và 3) Tờ tiêu chuẩn 2-IIe | Không c | Có | Có |
| a Phụ kiện loại 2 chỉ được sử dụng trong các chế độ được liệt kê trong Bảng 204 này. b Khả năng tương tác bị loại trừ bởi mã cơ học. c Khả năng tương tác bị loại trừ bởi khe hở trong mạch điều khiển quá trình sạc. d Không thể kết nối các phụ kiện cố định với nhau. | |||
Tờ tiêu chuẩn 2-IIg và 2-IIh xác định các không gian lắp đặt để đảm bảo tính tương thích.
Xem thêm Phụ lục A để biết thông tin về các phiên bản trước đó.
CẤU HÌNH LOẠI 2-II
TỜ TIÊU CHUẨN 2-IIa
Ổ CẮM
Trang 1
Kích thước tính bằng milimét

CHÚ DẪN
| a | Kết cấu của phương tiện chốt được quyết định bởi khách hàng. |
| b | Lối thoát nước tùy chọn |
| c | Khu vực bịt kín (tùy chọn). Xem Tờ tiêu chuẩn 2-IIb, Trang 1. |
| d | Đầu của ống bọc được vát cạnh để dễ dàng chèn vào. |
| e | Điểm tiếp xúc |
Đối với ổ cắm một pha, có thể bỏ qua các tiếp điểm L2 và L3 bao gồm cả cách điện xung quanh.
CẤU HÌNH LOẠI 2-II
TỜ TIÊU CHUẨN 2-Iia
Ổ CẮM
Trang 2 (tiếp theo trang 1)
Kích thước tính bằng milimét

| CHÚ DẪN | Bán kính không ghi kích thước: R từ 0,5 mm đến 0,7 mm |
| a | Khu vực ưu tiên cho nắp sập tùy chọn. Cơ cấu có thể vượt quá khu vực này. |
| b | Vị trí của cơ cấu chốt. Cần có ít nhất một cơ cấu chốt. |
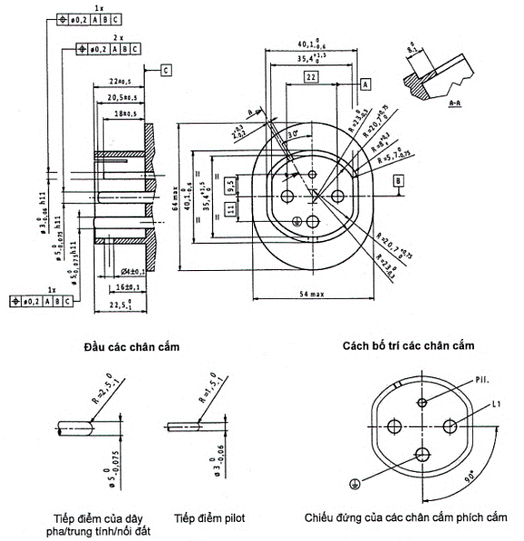
CẤU HÌNH LOẠI 2-II
TỜ TIÊU CHUẨN 2-IIb
PHÍCH CẮM EV
Trang 1
Kích thước tính bằng milimét

| CHÚ DẪN | Bán kính không ghi kích thước: R từ 0,5 mm đến 0,7 mm |
| a | Khu vực bịt kín, không bị lún, không có vết cắt của dụng cụ và chốt đẩy. |
|
| Độ nhám bề mặt tại khu vực bịt kín: Ra = 0,7 μm tối đa |
|
| Đối với phích cắm EV một pha, có thể bỏ qua các chân tiếp xúc L2 và L3. |
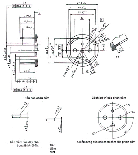
CẤU HÌNH LOẠI 2-II
TỜ TIÊU CHUẨN 2-IIb
PHÍCH CẮM EV
Trang 2 (tiếp theo trang 1)
Kích thước tính bằng milimét

Bán kính không ghi kích thước: R từ 0,5 mm đến 0,7 mm
CHÚ DẪN
| a | Nắp cách ly |
| b | Không chấp nhận các cạnh sắc nhọn tại vùng chuyển tiếp. |
| c | Khoang rỗng phải có hình chữ nhật với các cạnh nhẵn với kích thước được quy định và phải nằm trong giới hạn cho phép trên khoảng cách < 14,5 mm. Ngoài giới hạn này, khoang rỗng có thể có hình dạng và kích thước khác. |
| d | Khoang rỗng phải có hình chữ nhật với các cạnh nhẵn với kích thước được quy định và phải nằm trong giới hạn cho phép trên khoảng cách < 21,2 mm. Ngoài giới hạn này, khoang rỗng có thể có hình dạng và kích thước khác. |
CẤU HÌNH LOẠI 2-II
TỜ TIÊU CHUẨN 2-IIc
PHÍCH NỐI DÙNG CHO XE ĐIỆN
Trang 1
Kích thước tính bằng milimét

Bán kính không ghi kích thước: R từ 0,5 mm đến 0,7 mm
CHÚ DẪN
| a | Tất cả các vòm có thể được rút ngắn thêm 17,8 mm nếu sử dụng nắp sập. | Độ nhám bề mặt trong khu vực bịt kín: Ra = 0,7 μm. |
| b | Đầu ống phải được vát cạnh để dễ dàng chèn vào. | Đối với đầu nối một pha, các điểm tiếp xúc L2 và L3 bao gồm cả cách điện xung quanh có thể được bỏ qua |
| c | Điểm tiếp xúc. | |
| d | Khu vực bịt kín, không bị lún, không có vết cắt của dụng cụ và chốt đẩy. |
|
CẤU HÌNH LOẠI 2-II
TỜ TIÊU CHUẨN 2-IIc
PHÍCH NỐI DÙNG CHO XE ĐIỆN
Trang 2 (tiếp theo trang 1)
Kích thước tính bằng milimét

Bán kính không ghi kích thước: R từ 0,5 mm đến 0,7 mm
CẤU HÌNH LOẠI 2-II
TỜ TIÊU CHUẨN 2-IId
Ổ NỐI VÀO XE ĐIỆN
Trang 1
Kích thước tính bằng milimét

CHÚ DẪN
| a | Kết cấu của phương tiện chốt được quyết định bởi khách hàng. | Bán kính không ghi kích thước: R từ 0,5 mm đến 0,7 mm |
| b | Lối thoát nước (tùy chọn) | Đối với đầu vào một pha, các tiếp điểm L2 và L3 có thể được bỏ qua. |
| c | Khu vực bịt kín (tùy chọn) |
CẤU HÌNH LOẠI 2-II
TỜ TIÊU CHUẨN 2-IId
Ổ NỐI VÀO XE ĐIỆN
Trang 2 (tiếp theo trang 1)
Kích thước tính bằng milimét

Bán kính không ghi kích thước: R từ 0,5 mm đến 0,7 mm
CHÚ DẪN
| a | Không chấp nhận các cạnh sắc nhọn tại vùng chuyển tiếp. |
| b | Nắp cách ly |
| c | Vị trí của cơ cấu chốt. Cần có ít nhất một cơ cấu chốt. |
CẤU HÌNH LOẠI 2-II
TỜ TIÊU CHUẨN 2-IIe
PHÍCH NỐI DÙNG CHO XE ĐIỆN
Trang 1
Kích thước tính bằng milimét

Bán kính không ghi kích thước: R từ 0,5 mm đến 0,7 mm
CHÚ DẪN
| a | Đầu ống phải được vát cạnh để dễ dàng chèn vào. |
| b | Điểm tiếp xúc |
| c | Khu vực bịt kín, không bị lún, không có vết cắt của dụng cụ và chốt đẩy. |
|
| Độ nhám bề mặt trong khu vực bịt kín: Ra = 0,7 μm. |
Đối với các đầu nối một pha, các tiếp điểm L2 và L3 bao gồm cả cách điện xung quanh có thể được bỏ qua.
CẤU HÌNH LOẠI 2-II
TỜ TIÊU CHUẨN 2-IIe
PHÍCH NỐI DÙNG CHO XE ĐIỆN
Trang 2 (tiếp theo trang 1)
Kích thước tính bằng milimét

Bán kính không ghi kích thước: R từ 0,5 mm đến 0,7 mm
CẤU HÌNH LOẠI 2-II
TỜ TIÊU CHUẨN 2-IIf
Ổ NỐI VÀO XE ĐIỆN
Trang 1
Kích thước tính bằng milimét

Bán kính không ghi kích thước: R từ 0,5 mm đến 0,7 mm
CHÚ DẪN
| a | Kết cấu của phương tiện chốt được quyết định bởi khách hàng. |
| b | Khu vực bịt kín (tùy chọn) |
| c | Nếu các chốt được thiết kế để tự căn chỉnh, dung sai vị trí |
Đối với đầu vào một pha, các tiếp điểm L2 và L3 có thể được bỏ qua.
CẤU HÌNH LOẠI 2-II
TỜ TIÊU CHUẨN 2-IIf
Ổ NỐI VÀO XE ĐIỆN
Trang 2 (tiếp theo trang 1)
Kích thước tính bằng milimét

Bán kính không ghi kích thước: R từ 0,5 mm đến 0,7 mm
CHÚ DẪN
| a | Nắp cách điện |
| b | Không chấp nhận các cạnh sắc nhọn tại vùng chuyển tiếp. |
| c | Vị trí của cơ cấu chốt. Cần có ít nhất một cơ cấu chốt. |
CẤU HÌNH LOẠI 2-II
TỜ TIÊU CHUẨN 2-IIg
KHÔNG GIAN LẮP ĐẶT PHÍCH CẮM EV
Kích thước tính bằng milimét

Hình dạng thân phích cắm EV phải nằm trong vùng gạch chéo.
CẤU HÌNH LOẠI 2-II
TỜ TIÊU CHUẨN 2-IIh
KHÔNG GIAN LẮP ĐẶT PHÍCH NỐI DÙNG CHO XE ĐIỆN
Kích thước tính bằng milimét

Hình dạng thân phích nối dùng cho xe điện phải nằm trong vùng gạch chéo.
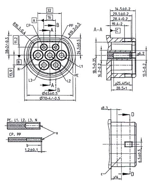
CẤU HÌNH LOẠI 3
PHỤ KIỆN 63 A, 480 V BA PHA, PHỤ KIỆN 250 V, 16 A VÀ 32 A MỘT PHA
TỜ TIÊU CHUẨN 2-III
Tổng quan
Tờ tiêu chuẩn 2-III áp dụng cho phụ kiện cấu hình loại 3: 63 A, 480 V AC ba pha và 250 V AC một pha.
Đối với cấu hình loại 3, các thông số kỹ thuật sau được áp dụng:
Khóa liên động của các phụ kiện được cung cấp và được thiết kế để sử dụng theo các yêu cầu trong TCVN 13078-1:2020 (IEC 61851-1:2017).
Khóa liên động và chốt của các phụ kiện danh định 63 A là bắt buộc.
CHÚ THÍCH 1: Khóa liên động có thể được thực hiện bằng phương tiện cơ hoặc cơ điện. Cơ cấu khóa liên động phải cung cấp phản hồi để hiển thị rằng cơ chế đang hoạt động chính xác.
Tiếp điểm pilot được thiết kế để sử dụng theo TCVN 13078-1:2020 (IEC 61851-1:2017), Phụ lục A.
Khi tiếp điểm PP được sử dụng để phát hiện khoảng cách đồng thời và mã hóa khả năng chịu dòng của bộ cáp, tiếp điểm được thiết kế để sử dụng theo TCVN 13078-1:2020 (IEC 61851-1:2017), Điều B.2 (Mạch điện dùng để phát hiện tiệm cận và mã hóa dòng điện đồng thời).
Tờ tiêu chuẩn 2-IIId cung cấp các cơ cấu chốt và khuyến nghị cho các không gian lắp đặt.
CHÚ THÍCH 2: Giữ phích cắm EV và phích nối dùng cho xe điện bên trong các vùng gạch chéo và giữ phần bất kỳ của ổ cắm EV/ổ nối vào xe điện bên ngoài các vùng gạch chéo sẽ đảm bảo tính tương thích.
CẤU HÌNH LOẠI 3
TỜ TIÊU CHUẨN 2-IIIa
PHÍCH CẮM EV 16 A, 250 V MỘT PHA VỚI MỘT TIẾP ĐIỂM PILOT
Trang 1
Kích thước tính bằng milimét

CẤU HÌNH LOẠI 3
TỜ TIÊU CHUẨN 2-IIIa
Ổ CẮM EV 16 A, 250 V MỘT PHA VỚI MỘT TIẾP ĐIỂM PILOT
Trang 2 (tiếp theo trang 1)
Kích thước tính bằng milimét

CẤU HÌNH LOẠI 3
TỜ TIÊU CHUẨN 2-IIIa
Ổ NỐI VÀO XE ĐIỆN 16 A, 250 V MỘT PHA VỚI MỘT TIẾP ĐIỂM PILOT
Trang 3 (tiếp theo trang 2)
Kích thước tính bằng milimét

CẤU HÌNH LOẠI 3
TỜ TIÊU CHUẨN 2-IIIa
PHÍCH NỐI DÙNG CHO XE ĐIỆN 16 A, 250 V MỘT PHA VỚI MỘT TIẾP ĐIỂM PILOT
Trang 4 (tiếp theo trang 3)
Kích thước tính bằng milimét

CẤU HÌNH LOẠI 3
TỜ TIÊU CHUẨN 2-IIIb
PHÍCH CẮM EV 32 A, 250 V MỘT PHA VỚI HAI TIẾP ĐIỂM PILOT
Trang 1

CẤU HÌNH LOẠI 3
TỜ TIÊU CHUẨN 2-IIIb
Ổ CẮM EV 32 A, 250 V MỘT PHA VỚI HAI TIẾP ĐIỂM PILOT
Trang 2 (tiếp theo trang 1)

CẤU HÌNH LOẠI 3
TỜ TIÊU CHUẨN 2-IIIb
Ổ NỐI VÀO XE ĐIỆN 32 A, 250 V MỘT PHA VỚI HAI TIẾP ĐIỂM PILOT
Trang 3 (tiếp theo trang 2)
Kích thước tính bằng milimét

CẤU HÌNH LOẠI 3
TỜ TIÊU CHUẨN 2-IIIb
PHÍCH NỐI DÙNG CHO XE ĐIỆN 32 A, 250 V MỘT PHA VỚI HAI TIẾP ĐIỂM PILOT
Trang 4 (tiếp theo trang 3)
Kích thước tính bằng milimét

CHÚ DẪN
|
| Các kích thước đề cập đến chốt; ống tiếp xúc không cần phải là hình trụ. |
|
| Phần vát mép của ống tiếp xúc có thể được lượn tròn đều về phía bề mặt hình trụ bên trong với khoảng cách gấp 1,5 lần giá trị được chỉ ra. |
|
| Các kích thước được chỉ ra phải nằm trong giới hạn quy định trong vòng 10 mm đầu tiên tính từ mặt chuẩn. Ngoài giới hạn này, các giới hạn được quy định có thể lớn hơn nhưng không được nhỏ hơn. |
|
| Không gian cho các nắp sập. Nếu có, nắp sập là bắt buộc đối với các ống tiếp xúc pha và trung tính. |
|
| Chốt chặn phải được lượn tròn hoặc vát mép. |
|
| Lỗ cắm chốt phải được lượn tròn hoặc vát mép. |
|
| Kích thước này được đo từ đầu của ống tiếp xúc. |
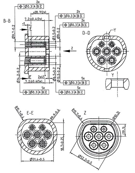
CẤU HÌNH LOẠI 3
TỜ TIÊU CHUẨN 2-IIIc
PHÍCH CẮM EV 63 A, 480 V BA PHA VỚI HAI TIẾP ĐIỂM PILOT
Trang 1
Kích thước tính bằng milimét

CẤU HÌNH LOẠI 3
TỜ TIÊU CHUẨN 2-IIIc
Ổ CẮM EV 63 A, 480 V BA PHA VỚI HAI TIẾP ĐIỂM PILOT
Trang 2
Kích thước tính bằng milimét

CHÚ DẪN
|
| Các kích thước đề cập đến chốt; ống tiếp xúc không cần phải là hình trụ. |
|
| Phần vát mép của ống tiếp xúc có thể được lượn tròn đều về phía bề mặt hình trụ bên trong với khoảng cách gấp 1,5 lần giá trị được chỉ ra. |
|
| Các kích thước được chỉ ra phải nằm trong giới hạn quy định trong vòng 10 mm đầu tiên tính từ mặt chuẩn. Ngoài giới hạn này, các giới hạn được quy định có thể lớn hơn nhưng không được nhỏ hơn. |
|
| Không gian cho các nắp sập. Nếu có, nắp sập là bắt buộc đối với các ống tiếp xúc pha và trung tính. |
|
| Chốt chặn phải được lượn tròn hoặc vát mép. |
|
| Lỗ cắm chốt phải được lượn tròn hoặc vát mép. |
|
| Kích thước này được đo từ đầu của ống tiếp xúc. |
CẤU HÌNH LOẠI 3
TỜ TIÊU CHUẨN 2-IIIc
Ổ NỐI VÀO XE ĐIỆN 63 A, 480 V BA PHA VỚI HAI TIẾP ĐIỂM PILOT
Trang 3 (tiếp theo trang 2)
Kích thước tính bằng milimét

CẤU HÌNH LOẠI 3
TỜ TIÊU CHUẨN 2-IIIc
PHÍCH NỐI DÙNG CHO XE ĐIỆN 63 A, 480 V BA PHA VỚI HAI TIẾP ĐIỂM PILOT
Trang 4 (tiếp theo trang 3)
Kích thước tính bằng milimét

CHÚ DẪN
|
| Các kích thước đề cập đến chốt; ống tiếp xúc không cần phải là hình trụ. |
|
| Phần vát mép của ống tiếp xúc có thể được lượn tròn đều về phía bề mặt hình trụ bên trong với khoảng cách gấp 1,5 lần giá trị được chỉ ra. |
|
| Các kích thước được chỉ ra phải nằm trong giới hạn quy định trong vòng 10 mm đầu tiên tính từ mặt chuẩn. Ngoài giới hạn này, các giới hạn được quy định có thể lớn hơn nhưng không được nhỏ hơn. |
|
| Không gian cho các nắp sập. Nếu có, nắp sập là bắt buộc đối với các ống tiếp xúc pha và trung tính. |
|
| Chốt chặn phải được lượn tròn hoặc vát mép. |
|
| Lỗ cắm chốt phải được lượn tròn hoặc vát mép. |
|
| Kích thước này được đo từ đầu của ống tiếp xúc. |
CẤU HÌNH LOẠI 3
TỜ TIÊU CHUẨN 2-IIId
BỘ NỐI CỦA XE ĐIỆN 16A, 250 V MỘT PHA
(PHÍCH NỐI DÙNG CHO XE ĐIỆN + Ổ NỐI VÀO XE ĐIỆN)
CƠ CHẾ CHỐT VÀ KHÔNG GIAN LẮP ĐẶT (TỜ TIÊU CHUẨN 2-IIIa)
Trang 1

CHÚ DẪN
Không gian lắp đặt tối thiểu cần thiết cho chuyển động của nắp bản lề
Cơ cấu chốt
Bề mặt xe
CẤU HÌNH LOẠI 3
TỜ TIÊU CHUẨN 2-IIId
PHÍCH CẮM EV + Ổ CẮM EV 16 A, 250 V MỘT PHA
CƠ CẤU CHỐT VÀ KHÔNG GIAN LẮP ĐẶT (TỜ TIÊU CHUẨN 2-IIIa)
Trang 2 (tiếp theo trang 1)

CHÚ DẪN
Cơ cấu chốt
Bề mặt xe
CẤU HÌNH LOẠI 3
TỜ TIÊU CHUẨN 2-IIId
BỘ NỐI CỦA XE ĐIỆN 32 A, 250 V MỘT PHA
(PHÍCH NỐI DÙNG CHO XE ĐIỆN + Ổ NỐI VÀO XE ĐIỆN)
CƠ CẤU CHỐT VÀ KHÔNG GIAN LẮP ĐẶT (TỜ TIÊU CHUẨN 2-IIIb)
Trang 3 (tiếp theo trang 2)

CHÚ DẪN
Không gian lắp đặt tối thiểu cần thiết cho chuyển động của nắp bản lề
Cơ cấu chốt
Bề mặt xe
CẤU HÌNH LOẠI 3
TỜ TIÊU CHUẨN 2-IIId
PHÍCH CẮM EV + Ổ CẮM EV 32 A, 250 V MỘT PHA
CƠ CẤU CHỐT VÀ KHÔNG GIAN LẮP ĐẶT (TỜ TIÊU CHUẨN 2-IIIb)
Trang 4 (tiếp theo trang 3)

CHÚ DẪN
Cơ cấu chốt
Bề mặt ổ cắm
CẤU HÌNH LOẠI 3
TỜ TIÊU CHUẨN 2-IIId
BỘ NỐI CỦA XE ĐIỆN 63 A, 480 V BA PHA
(PHÍCH NỐI DÙNG CHO XE ĐIỆN + Ổ NỐI VÀO XE ĐIỆN)
CƠ CẤU CHỐT VÀ KHÔNG GIAN LẮP ĐẶT (TỜ TIÊU CHUẨN 2-IIIc)
Trang 5 (tiếp theo trang 4)
Kích thước tính bằng milimét

CHÚ DẪN
Không gian lắp đặt tối thiểu cần thiết cho chuyển động của nắp bản lề
Cơ cấu chốt
Bề mặt xe
CẤU HÌNH LOẠI 3
TỜ TIÊU CHUẨN 2-IIId
PHÍCH CẮM EV + Ổ CẮM EV 63 A, 480 V BA PHA
CƠ CẤU CHỐT VÀ KHÔNG GIAN LẮP ĐẶT (TỜ TIÊU CHUẨN 2-IIIc)
Trang 6 (tiếp theo trang 5)

CHÚ DẪN
Cơ cấu chốt
Bề mặt ổ cắm
Phụ lục A
(tham khảo)
Các bản vẽ kế thừa từ IEC 62196-2:2016
Phụ lục A này trình bày các bản vẽ gốc trong IEC 62196-2:2016 đã được sửa đổi trong lần xuất bản này nhằm cải thiện việc sử dụng các phụ kiện. Đối với các phụ kiện phù hợp với IEC 62196-2:2016 trong lần xuất bản này, bản vẽ này có thể được sử dụng thay thế cho Tờ tiêu chuẩn II (nếu có).
Phụ lục này chỉ giới thiệu cho mục đích của lần xuất bản này và sẽ được bỏ trong lần xuất bản tiếp theo.
CẤU HÌNH LOẠI 2-II
63 A/480 V BA PHA HOẶC 70 A/250 V MỘT PHA
TỜ TIÊU CHUẨN 2-IIe (2016)
PHÍCH NỐI DÙNG CHO XE ĐIỆN
Trang 1

| CHÚ DẪN | Bán kính không ghi kích thước: R từ 0,5 mm đến 0,7 mm |
| a | Đầu ống phải được vát cạnh để dễ dàng chèn vào. |
| b | Điểm tiếp xúc |
| c | Khu vực bịt kín, không bị lún, không có vết cắt của dụng cụ và chốt đẩy. |
|
| Độ nhám bề mặt trong khu vực bịt kín: Ra = 0,7 μm. |
Đối với các đầu nối một pha, các tiếp điểm L2 và L3 bao gồm cả cách điện xung quanh có thể được bỏ qua.
CẤU HÌNH LOẠI 2-II
63 A/480 V BA PHA HOẶC 70 A/250 V MỘT PHA
TỜ TIÊU CHUẨN 2-IIe (2016)
PHÍCH NỐI DÙNG CHO XE ĐIỆN
Trang 2 (tiếp theo trang 1)
Kích thước tính bằng milimét

Bán kính không ghi kích thước: R từ 0,5 mm đến 0,7 mm
CẤU HÌNH LOẠI 2-II
63 A/480 V BA PHA HOẶC 70 A/250 V MỘT PHA
TỜ TIÊU CHUẨN 2-IIf (2016)
Ổ NỐI VÀO XE ĐIỆN
Trang 1
Kích thước tính bằng milimét

| CHÚ DẪN | Bán kính không ghi kích thước: R từ 0,5 mm đến 0,7 mm |
| a | Kết cấu của phương tiện chốt được quyết định bởi khách hàng. |
| b | Khu vực bịt kín (tùy chọn) |
| Đối với đầu vào một pha, các tiếp điểm L2 và L3 có thể được bỏ qua. | |
CẤU HÌNH LOẠI 2-II
63 A/480 V BA PHA HOẶC 70 A/250 V MỘT PHA
TỜ TIÊU CHUẨN 2-IIf (2016)
Ổ NỐI VÀO XE ĐIỆN
Trang 2 (tiếp theo trang 1)
Kích thước tính bằng milimét

| CHÚ DẪN | Bán kính không ghi kích thước: R từ 0,5 mm đến 0,7 mm |
| a | Nắp cách điện |
| b | Không chấp nhận các cạnh sắc nhọn tại vùng chuyển tiếp. |
| c | Vị trí của cơ cấu chốt. Cần có ít nhất một cơ cấu chốt. |
Thư mục tài liệu tham khảo
[1] TCVN 13078 (IEC 61851) (tất cả các phần), Hệ thống sạc điện cho xe điện
[2] TCVN 14296-3:2025 (IEC 62196-3:2022), Phích cắm, ổ cắm, phích nối dùng cho xe điện và ổ nối vào xe điện - Sạc điện có dây dùng cho xe điện - Phần 3: Yêu cầu tương thích về kích thước đối với bộ nối xe điện dạng chân cắm và dạng ống tiếp xúc DC và AC/DC
MỤC LỤC
1 Phạm vi áp dụng
2 Tài liệu viện dẫn
3 Thuật ngữ và định nghĩa
4 Quy định chung
5 Thông số kỹ thuật
6 Đấu nối giữa nguồn cung cấp và xe điện
7 Phân loại các phụ kiện
8 Ghi nhãn
9 Kích thước
10 Bảo vệ chống điện giật
11 Kích thước và màu của dây đất bảo vệ và dây trung tính
12 Quy định cho nối đất
13 Đầu nối
14 Khoá liên động
15 Khả năng chống lão hoá của vật liệu cao su và nhựa nhiệt dẻo
16 Kết cấu chung
17 Kết cấu của ổ cắm EV - Quy định chung
18 Kết cấu của phích cắm EV và phích nối dùng cho xe điện
19 Kết cấu của ổ nối vào xe điện
20 Cấp bảo vệ
21 Điện trở cách điện và độ bền điện môi
22 Khả năng cắt
23 Hoạt động bình thường
24 Độ tăng nhiệt
25 Cáp mềm và các mối nối của chúng
26 Độ bền cơ
27 Vít, bộ phận mang dòng và các mối nối
28 Chiều dài đường rò, khe hở không khí và khoảng cách xuyên qua hợp chất gắn
29 Khả năng chịu nhiệt và chịu cháy
30 Ăn mòn và khả năng chống gỉ
31 Dòng điện ngắn mạch có điều kiện
32 Tương thích điện từ (EMC)
33 Khả năng chịu tải khi xe chạy qua
34 Chu kỳ nhiệt
35 Phơi nhiễm ẩm
36 Sai lệch
37 Thử nghiệm độ bền tiếp xúc
201 Điện trở mã hóa
TỜ TIÊU CHUẨN
CẤU HÌNH LOẠI 1
CẤU HÌNH LOẠI 2
CẤU HÌNH LOẠI 3
Phụ lục A
Bạn chưa Đăng nhập thành viên.
Đây là tiện ích dành cho tài khoản thành viên. Vui lòng Đăng nhập để xem chi tiết. Nếu chưa có tài khoản, vui lòng Đăng ký tại đây!