- Tổng quan
- Nội dung
- Tiêu chuẩn liên quan
- Lược đồ
- Tải về
Tiêu chuẩn TCVN 14296-3-1:2025 Phích cắm, ổ cắm, phích nối dùng cho xe điện - Sạc điện có dây
| Số hiệu: | TCVN 14296-3-1:2025 | Loại văn bản: | Tiêu chuẩn Việt Nam |
| Cơ quan ban hành: | Bộ Khoa học và Công nghệ | Lĩnh vực: | Công nghiệp |
| Trích yếu: | IEC TS 62196-3-1:2020 Phích cắm, ổ cắm, phích nối dùng cho xe điện và ổ nối vào xe điện - Sạc điện có dây dùng cho xe điện - Phần 3-1: Phích nối dùng cho xe điện, ổ nối vào xe điện và cụm cáp dùng cho sạc điện DC được thiết kế để sử dụng với hệ thống quản lý nhiệt | ||
|
Ngày ban hành:
Ngày ban hành là ngày, tháng, năm văn bản được thông qua hoặc ký ban hành.
|
22/01/2025 |
Hiệu lực:
|
Đã biết
|
| Người ký: | Đang cập nhật |
Tình trạng hiệu lực:
Cho biết trạng thái hiệu lực của văn bản đang tra cứu: Chưa áp dụng, Còn hiệu lực, Hết hiệu lực, Hết hiệu lực 1 phần; Đã sửa đổi, Đính chính hay Không còn phù hợp,...
|
Đã biết
|
TÓM TẮT TIÊU CHUẨN VIỆT NAM TCVN 14296-3-1:2025
TCVN 14296-3-1:2025: Quy định về Phích Cắm, Ổ Cắm và Cụm Cáp cho Sạc Xe Điện DC
Tiêu chuẩn quốc gia TCVN 14296-3-1:2025, ban hành theo IEC TS 62196-3-1:2020, được công bố ngày 26/10/2025 và có hiệu lực ngay sau đó. Tiêu chuẩn này quy định các yêu cầu về phích cắm, ổ cắm, và phích nối cho xe điện, chuyên dùng cho chế độ sạc điện có dây cho xe điện với điện áp danh định không quá 1.500 V DC và dòng điện không vượt quá 500 A.
TCVN 14296 bao gồm 5 phần, trong đó phần 3-1 nhấn mạnh vào các phụ kiện và cụm cáp thiết kế cho sạc điện DC, bao gồm các yêu cầu về cách thức quản lý nhiệt. Phần này thiết lập các tiêu chí để đảm bảo an toàn và tính tương thích cho hệ thống sạc. Đặc biệt, những thiết kế này được cho phép tích hợp các cảm biến nhiệt, giúp theo dõi và điều chỉnh nhiệt độ trong quá trình sạc.
Tiêu chuẩn này chỉ ra rằng các phụ kiện phải có khả năng hoạt động một cách ổn định trong điều kiện bình thường với nhiệt độ môi trường khoảng 20 ± 5 °C. TCVN 14296-3-1 đặt ra khái niệm về hệ thống quản lý nhiệt, gọi tên và định nghĩa rõ ràng các thiết bị cảm biến nhiệt cũng như qui định yêu cầu cho các thiết bị cảm biến nhiệt dùng trong các phụ kiện sạc điện.
Ngoài ra, tiêu chuẩn này nhấn mạnh tầm quan trọng của việc sử dụng chất lượng cao trong các phụ kiện để giảm thiểu rủi ro từ các vấn đề về điện, nhiệt và độ bền vật liệu. Kiểm nghiệm và thử nghiệm có thể được thực hiện theo yêu cầu của nhà sản xuất và tiêu chuẩn quốc tế, đảm bảo rằng các sản phẩm đáp ứng đầy đủ các tiêu chí an toàn và hiệu suất.
Theo quy định, các nhà sản xuất cũng phải cung cấp thông tin chi tiết về thiết bị, đảm bảo đúng cách lắp đặt và thực hiện các thử nghiệm cần thiết để đảm bảo độ bền và độ tin cậy của thiết bị khi sử dụng trong môi trường thực tế.
Tiêu chuẩn TCVN 14296-3-1:2025 không chỉ đảm bảo an toàn cho người sử dụng mà còn cải thiện quy trình sản xuất các thiết bị này, tạo thuận lợi cho các doanh nghiệp sản xuất trong việc phát triển sản phẩm, đồng thời cung cấp cơ sở pháp lý vững chắc trong việc chất lượng sản phẩm sử dụng cho xe điện ngày càng trở nên chủ đạo trong tình hình hiện tại khi mà nhu cầu về năng lượng sạch và bền vững gia tăng.
Tải tiêu chuẩn Việt Nam TCVN 14296-3-1:2025
TIÊU CHUẨN QUỐC GIA
TCVN 14296-3-1:2025
IEC TS 62196-3-1:2020
PHÍCH CẮM, Ổ CẮM, PHÍCH NỐI DÙNG CHO XE ĐIỆN VÀ Ổ NỐI VÀO XE ĐIỆN - SẠC ĐIỆN CÓ DÂY DÙNG CHO XE ĐIỆN - PHẦN 3-1: PHÍCH NỐI DÙNG CHO XE ĐIỆN, Ổ NỐI VÀO XE ĐIỆN VÀ CỤM CÁP DÙNG CHO SẠC ĐIỆN DC ĐƯỢC THIẾT KẾ ĐỂ SỬ DỤNG VỚI HỆ THỐNG QUẢN LÝ NHIỆT
Plugs, socket-outlets, vehicle connectors and vehicle inlets - Conductive charging of electric vehicles - Part 3-1: Vehicle connector, vehicle inlet and cable assembly for DC charging intended to be used with a thermal management system
Lời nói đầu
TCVN 14296-3-1:2025 hoàn toàn tương đương với IEC TS 62196-3-1:2020;
TCVN 14296-3-1:2025 do Ban kỹ thuật tiêu chuẩn quốc gia TCVN/TC/E16 Hệ thống truyền năng lượng cho xe điện biên soạn, Viện Tiêu chuẩn Chất lượng Việt Nam đề nghị, Ủy ban Tiêu chuẩn Đo lường Chất lượng Quốc gia thẩm định, Bộ Khoa học và Công nghệ công bố.
Bộ tiêu chuẩn TCVN 14296 (IEC 62196), Phích cắm, ổ cắm, phích nối dùng cho xe điện và ổ nối vào xe điện - Sạc điện có dây dùng cho xe điện gồm các tiêu chuẩn sau:
- Phần 1: Yêu cầu chung;
- Phần 2: Yêu cầu tương thích về kích thước đối với phụ kiện dạng chân cắm và dạng ống tiếp xúc AC;
- Phần 3: Yêu cầu tương thích về kích thước đối với bộ nối xe điện dạng chân cắm và dạng ống tiếp xúc DC và AC/DC;
- Phần 3-1: Phích nối dùng cho xe điện, ổ nối vào xe điện và cụm cáp dùng cho sạc điện DC được thiết kế để sử dụng với hệ thống quản lý nhiệt;
- Phần 4: Yêu cầu tương thích về kích thước và tính đổi lẫn đối với phụ kiện dạng chân cắm và dạng ống tiếp xúc DC dùng cho các ứng dụng Cấp II hoặc Cấp III;
- Phần 6: Yêu cầu tương thích về kích thước đối với bộ nối xe điện dạng chân cắm và dạng ống tiếp xúc DC được thiết kế để sử dụng cho thiết bị cấp điện một chiều cho EV có bảo vệ dựa vào sự phân cách về điện.
PHÍCH CẮM, Ổ CẮM, PHÍCH NỐI DÙNG CHO XE ĐIỆN VÀ Ổ NỐI VÀO XE ĐIỆN - SẠC ĐIỆN CÓ DÂY DÙNG CHO XE ĐIỆN - PHẦN 3-1: PHÍCH NỐI DÙNG CHO XE ĐIỆN, Ổ NỐI VÀO XE ĐIỆN VÀ CỤM CÁP DÙNG CHO SẠC ĐIỆN DC ĐƯỢC THIẾT KẾ ĐỂ SỬ DỤNG VỚI HỆ THỐNG QUẢN LÝ NHIỆT
Plugs, socket-outlets, vehicle connectors and vehicle inlets - Conductive charging of electric vehicles - Part 3-1: Vehicle connector, vehicle inlet and cable assembly for DC charging intended to be used with a thermal management system
1 Phạm vi áp dụng
Tiêu chuẩn này áp dụng cho các phụ kiện và cụm cáp có cấu hình như quy định trong IEC 62196-3:2014 với điện áp làm việc danh định không quá 1 500 V DC và dòng điện danh định không quá 500 A, sử dụng:
- cảm biến nhiệt, hoặc
- truyền nhiệt và cảm biến nhiệt
với kiến trúc hệ thống được mô tả trong 4.101.
Các phụ kiện và cụm cáp này được thiết kế để sử dụng trong hệ thống sạc điện có dây dùng cho các mạch được quy định trong IEC 61851-23.
Các phụ kiện được đề cập trong tiêu chuẩn này được thiết kế để sử dụng cho sạc điện chế độ 4 theo TCVN 13078-1 (IEC 61851-1). Các phụ kiện này nhằm mục đích kết nối với cáp theo TCVN 12671 (IEC 62893) dành cho cáp DC.
2 Tài liệu viện dẫn
Áp dụng Điều 2 của IEC 62196-3:2014, ngoài ra:
Bổ sung:
TCVN 7447-5-54:2015 (IEC 60364-5-54:2011), Hệ thống lắp đặt điện hạ áp - Phần 5-54: Lựa chọn và lắp đặt thiết bị điện - Bố trí nối đất và dây bảo vệ
TCVN 12671-4-1:2025 (IEC 62893-4-1:2020), Cáp sạc dùng cho xe điện có điện áp danh định đến và bằng 0,6/1 kV - Phần 4-1: Cáp dùng cho sạc điện một chiều theo chế độ 4 của TCVN 13078-1 (IEC 61851-1) - Sạc điện một chiều không sử dụng hệ thống quản lý nhiệt
IEC 60811-501, Electric and optical fibre cables - Test methods for non-metallic materials - Part 501: Mechanical tests - Tests for determining the mechanical properties of insulating and sheathing compounds (Cáp điện và cáp quang - Phương pháp thử vật liệu phi kim loại - Phần 501: Thử nghiệm cơ học - Thử nghiệm xác định tính chất cơ học của hợp chất cách điện và vỏ bọc)
IEC 61851-23:2023 [1], Electric vehicle conductive charging system - Part 23: DC electric vehicle supply equipment (Hệ thống sạc điện có dây dùng cho xe điện - Phần 23: Trạm sạc điện một chiều cho xe điện)
IEC 62196-1:2014 [2], Plugs, socket-outlets, vehicle connectors and vehicle inlets - Conductive charging of electric vehicles - Part 1: General requirements (Phích cắm, ổ cắm, phích nối dùng cho xe điện và ổ nối vào xe điện - Sạc điện có dây dùng cho xe điện - Phần 1: Yêu cầu chung)
IEC 62196-2:2016 [3], Plugs, socket-outlets, vehicle connectors and vehicle inlets - Conductive charging of electric vehicles - Part 2: Dimensional compatibility and interchangeability requirements for AC pin and contact-tube accessories (Phích cắm, ổ cắm, phích nối dùng cho xe điện và ổ nối vào xe điện - Sạc điện có dây dùng cho xe điện - Phần 2: Yêu cầu tương thích về kích thước đối với phụ kiện dạng chân cắm và dạng ống tiếp xúc AC)
IEC 62196-3:2014 [4], Plugs, socket-outlets, vehicle connectors and vehicle inlets - Conductive charging of electric vehicles - Part 3: Dimensional compatibility and interchangeability requirements for DC and AC/DC pin and contact-tube vehicle couplers (Phích cắm, ổ cắm, phích nối dùng cho xe điện và ổ nối vào xe điện - Sạc điện có dây dùng cho xe điện - Phần 3: Phần 3: Yêu cầu tương thích về kích thước đối với các bộ nối xe điện dạng chân cắm và dạng ống tiếp xúc DC và AC/DC)
ISO 2719:2016, Determination of flash point - Pensky-Martens closed cup method (Xác định điểm chớp cháy - Phương pháp cốc kín Pensky-Martens)
ISO 17409:2020 [5], Electrically propelled road vehicles - Conductive power transfer - Safety requirements (Phương tiện giao thông đường bộ chạy điện - Đầu nối với nguồn cung cấp điện từ bên ngoài - Yêu cầu an toàn)
ISO 25178-1:2016, Geometrical product specifications (GPS) - Surface texture: Areal - Part 1: Indication of surface texture (Thông số hình học sản phẩm (GPS) - Kết cấu bề mặt: Diện tích - Phần 1: Chỉ dẫn kết cấu bề mặt)
Globally Harmonized System of Classification and Labelling of Chemicals (GHS), Eighth revised edition, United Nations, 2019
OECD Guidelines for the Testing of Chemicals, Section 3, Test No. 301: Ready Biodegradability, 17 Jul 1992
3 Thuật ngữ và định nghĩa
Áp dụng Điều 3 của IEC 62196-3:2014, ngoài ra:
Bổ sung:
3.101
Cảm biến nhiệt (thermal sensing)
Phương thức thu thập dữ liệu nhiệt độ của các phụ kiện, cụm cáp hoặc các bộ phận của chúng.
3.102
Thiết bị cảm biến nhiệt (thermal sensing device)
Phương tiện cung cấp dữ liệu nhiệt độ của các phụ kiện, cụm cáp hoặc các bộ phận của chúng.
3.103
Truyền nhiệt (thermal transport)
Phương thức quản lý sự tản nhiệt của các phụ kiện, cụm cáp hoặc các phần của chúng, độc lập với việc thay đổi dòng điện.
3.104
Thiết bị truyền nhiệt (thermal transport device)
Phương tiện quản lý sự tản nhiệt của các phụ kiện, cụm cáp hoặc các phần của chúng, độc lập với việc thay đổi dòng điện.
3.105
Trao đổi nhiệt (thermal exchange)
Phương thức làm mát và tản nhiệt từ quá trình truyền nhiệt.
3.106
Thiết bị trao đổi nhiệt (thermal exchange device)
Phương tiện làm mát và tản nhiệt từ quá trình truyền nhiệt.
3.107
Hệ thống quản lý nhiệt (thermal management system)
Sự kết hợp của cảm biến nhiệt, truyền nhiệt và trao đổi nhiệt nhằm điều chỉnh nhiệt độ.
3.108
Áp suất danh định (rated pressure)
Áp suất tối đa được nhà chế tạo ấn định cho chất lỏng làm mát trong quá trình truyền nhiệt của cụm cáp trong các điều kiện vận hành bình thường và liên tục.
3.109
Áp suất tối đa cho phép (maximum allowed pressure)
Áp suất tối đa được nhà chế tạo ổn định cho chất lỏng làm mát trong quá trình truyền nhiệt của cụm cáp.
3.110
Phụ kiện (accessory)
Phích nối dùng cho xe điện, ổ nối vào xe điện hoặc cụm cáp để sử dụng trong các hệ thống sạc điện có dây hoặc xe điện.
4 Quy định chung
Áp dụng Điều 4 của IEC 62196-3:2014, ngoài ra:
4.1 Yêu cầu chung
Bổ sung sau đoạn thứ hai:
Các phụ kiện có cảm biến nhiệt và không có truyền nhiệt được thiết kế để sử dụng với cáp phù hợp với TCVN 12671-4-1 (IEC 62893-4-1).
Các phụ kiện có cảm biến nhiệt và truyền nhiệt được thiết kế để sử dụng với cáp phù hợp với TCVN 12671-4-2 (IEC TS 62893-4-2).
Thay nội dung của 4.2.2, 4.2.3, 4.2.4 bằng nội dung sau:
4.2.2 Nếu không có quy định khác, các mẫu được thử nghiệm khi được giao và trong điều kiện sử dụng bình thường ở nhiệt độ môi trường xung quanh (20 ± 5) °C.
4.2.3 Nếu không có quy định khác, các thử nghiệm phải được thực hiện theo thứ tự nêu trong 4.2.4.
4.2.4 Các thử nghiệm phải được thực hiện như đã chỉ ra, nếu có.
Bảng 101 nhằm đưa ra quy định chung về các thử nghiệm có thể áp dụng đối với các phân loại khác nhau của phụ kiện. Tuy nhiên, các yêu cầu được nêu trong các điều của tài liệu này.
Các thử nghiệm được nhóm thành các chuỗi thử nghiệm từ A đến D. Mỗi chuỗi sẽ được thực hiện theo các chuỗi thử nghiệm được chỉ ra trong Bảng 102 đến Bảng 105 với các bộ mẫu mới cho mỗi chuỗi. Theo yêu cầu của nhà chế tạo, cùng một bộ mẫu có thể chịu nhiều chuỗi thử nghiệm trong số này.
Ngoài ra, phải thực hiện các thử nghiệm được chỉ ra là "được kiểm tra bằng cách xem xét" mà không có trong Bảng 101. Các thử nghiệm này có thể sử dụng các mẫu đã được sử dụng trong các thử nghiệm nêu trong Bảng 101.
Bảng 101 - Quy định chung về các thử nghiệm áp dụng cho các phân loại phụ kiện khác nhau
| Điều | IEC 62196-1:2014 2) | IEC 62196-3:2014 2) | IEC TS 62196-3-1:2020 2) |
| Cụm cáp (chỉ có cảm biến nhiệt, thay dây được) | Cụm cáp (chỉ có cảm biến nhiệt, không thay dây được) | Cụm cáp (cảm biến nhiệt và truyền nhiệt, không thay dây được) | Ổ nối vào xe điện (chỉ có cảm biến nhiệt, thay dây được) | Ổ nối vào xe điện (chỉ có cảm biến nhiệt, không thay dây được) | Ổ nối vào xe điện (cảm biến nhiệt và truyền nhiệt, không thay dây được) |
| 8 |
|
|
| Ghi nhãn |
|
|
|
|
|
|
| 8.8 | X |
|
| Độ bền của ghi nhãn | X | X | X | X | X | X |
| 9 |
|
|
| Kích thước |
|
|
|
|
|
|
| 9.1 |
| X |
| Khả năng tương thích với cấu hình | X | X | X | X | X | X |
| 9.3 | X |
|
| Kết nối một cực | X | X | X | X | X | X |
| 9.4 | X |
|
| Cắm sai | X | X | X | X | X | X |
| 10 |
|
|
| Bảo vệ chống điện giật |
|
|
|
|
|
|
| 10.1 |
| X |
| Khả năng tiếp cận các phần mang điện | X | X | X | X | X | X |
| 10.2 | X 1) | X 1) | X 1) | Nắp sập | X 1) | X 1) | X 1) | X 1) | X 1) | X 1) |
| 10.3 | X | X |
| Trình tự tiếp điểm | X | X | X | X | X | X |
| 10.4 | X | X |
| Lắp ráp sai | X | X | X | X | X | X |
| 12 |
|
|
| Quy định về nối đất bảo vệ |
|
|
|
|
|
|
| 12.1 |
| X |
| Quy định về nối đất bảo vệ | X | X | X | X | X | X |
| 12.2 | X |
|
| Kết nối PE với các phần kim loại có thể tiếp cận | X | X | X | X | X | X |
| 12.3 | X | X | X | Thử nghiệm thời gian ngắn | X | X | X | X | X | X |
| 12.5 | X |
|
| Tiếp điểm đất dữ liệu sạch | X | X | X | X | X | X |
| 13 |
|
|
| Đấu nối |
|
|
|
|
|
|
| 13.1.4 | X |
|
| Phân tích vật liệu của đầu nối | X | X | X | X | X | X |
| 13.1.5 | X |
|
| Phân tích vật liệu của phần thân | X | X | X | X | X | X |
| 13.1.6 | X |
|
| Cố định đầu nối | X |
|
| X |
|
|
| 13.1.8 | X |
|
| Lòng đầu nối | X |
|
| X |
|
|
| 13.1.9 | X |
|
| Tuột sợi dây | X |
|
| X |
|
|
| 13.2 | X |
|
| Đầu nối kiểu vít | X |
|
| X |
|
|
| 13.3 | X |
|
| Thử nghiệm cho đầu nối | X |
|
| X |
|
|
| 14 |
|
|
| Khóa liên động |
|
|
|
|
|
|
| 14.1.4 | X |
|
| Giữ thiết bị khóa | X | X | X | X | X | X |
| 14.1.5 | X |
|
| Thử nghiệm kéo chốt | X | X | X | X | X | X |
| 14.1.6 | X |
|
| Thử nghiệm kéo theo khóa | X | X | X | X | X | X |
| 14.3 | X |
|
| Chu trình của thiết bị chuyển mạch | X | X | X | X | X | X |
| 14.4 | X |
|
| Tiếp điểm pilot và mạch điện phụ | X | X | X | X | X | X |
| 14.301 |
| X |
| Chức năng chốt | X | X | X | X | X | X |
| 15 | X |
|
| Khả năng chống lão hóa | X | X | X | X | X | X |
| 16 |
|
|
| Cấu trúc chung |
|
|
|
|
|
|
| 16.3 | X |
|
| Vị trí của PE | X | X | X | X | X | X |
| 16.4 | X |
|
| Cấp bảo vệ | X | X | X | X | X | X |
| 16.5 |
|
| X | Nhiệt độ bề mặt | X | X | X | X | X | X |
| 16.6 | X |
|
| Áp lực tiếp xúc | X | X | X | X | X | X |
| 16.8 | X |
|
| Phương tiện giữ, thử nghiệm kéo | X | X | X |
|
|
|
| 16.10 | X |
| X | Kết cấu của các phụ kiện có thể tái kết nối | X |
|
| X |
|
|
| 16.12 | X |
|
| Độ bền cơ chống lại điện giật | X | X | X | X | X | X |
| 16.13 | X |
|
| Cổng vào cáp | X | X | X |
|
|
|
| 16.14 | X |
|
| Độ bền cơ của vật liệu cách điện | X | X | X | X | X | X |
| 16.15 | X | X |
| Lực để chèn và rút | X | X | X |
|
|
|
| 16.101 |
|
| X | Thiết bị cảm biến nhiệt | X | X | X | X | X | X |
| 16.102 |
|
| X | Mất mát của truyền nhiệt |
|
| X |
|
| X |
| 16.103 |
|
| X | Phụ kiện sử dụng cảm biến nhiệt | X | X | X | X | X | X |
| 16.104 |
|
| X | Dòng điện danh định cho phụ kiện | X | X | X | X | X | X |
| 18 |
|
|
| Kết cấu của phích cắm và phích nối dùng cho xe điện |
|
|
|
|
|
|
| 18.1 | X |
|
| Dây dẫn được kết nối đúng cách | X |
|
|
|
|
|
| 18.2 | X |
|
| Cố định các bộ phận một cách đáng tin cậy | X | X | X |
|
|
|
| 18.4 | X |
|
| IP khi được cắm vào | X | X | X |
|
|
|
| 18.101 |
|
| X | Bề mặt tiếp xúc DC | X | X | X |
|
|
|
| 19 |
|
|
| Kết cấu của ổ nối vào xe điện |
|
|
|
|
|
|
| 19.1 | X |
|
| IP khi được cắm vào |
|
|
| X | X | X |
| 19.3 | X |
|
| Lỗ thoát nước |
|
|
| X | X | X |
| 19.101 |
|
| X | Bề mặt tiếp xúc DC |
|
|
| X | X | X |
| 20 |
|
|
| Cấp bảo vệ |
|
|
|
|
|
|
| 20.1 | X |
|
| Cấp bảo vệ tối thiểu | X | X | X | X | X | X |
| 20.2 | X |
|
| Thử nghiệm chống nước (IP) | X | X | X | X | X | X |
| 20.3 | X |
|
| Khả năng chống ẩm | X | X | X | X | X | X |
| 21 |
|
|
| Điện trở cách điện và độ bền điện môi |
|
|
|
|
|
|
| 21.2 | X |
|
| Điện trở cách điện | X | X | X | X | X | X |
| 21.3 | X |
|
| Độ bền điện môi | X | X | X | X | X | X |
| 21.4 | X |
|
| Không thể thay thế | X | X | X | X | X | X |
| 23 |
|
|
| Hoạt động bình thường |
|
|
|
|
|
|
| 23.1 | X |
| X | Hoạt động bình thường | X | X | X | X | X | X |
| 23.2 | X | X |
| Chu kì ghép nối | X | X | X | X | X | X |
| 23.4 | X |
|
| Lò xo nắp | X | X | X |
|
|
|
| 24 |
|
|
| Tăng nhiệt |
|
|
|
|
|
|
| 24.102 |
|
| X | Thử nghiệm độ tăng nhiệt cho cụm cáp | X | X | X |
|
|
|
| 24.103 |
|
| X | Thử nghiệm thiết bị cảm biến nhiệt của cụm cáp | X | X | X |
|
|
|
| 24.104 |
|
| X | Thử nghiệm độ tăng nhiệt cho ổ nối vào xe điện |
|
|
| X | X | X |
| 24.105 |
|
| X | Kiểm tra thiết bị cảm biến nhiệt của ổ nối vào xe điện |
|
|
| X | X | X |
| 25 |
|
|
| Cáp mềm và các mối nối của chúng |
|
|
|
|
|
|
| 25.3 | X |
| X | Giảm sức căng | X | X | X |
|
|
|
| 25.301 |
| X |
| Thử nghiệm kéo đứt | X | X | X | X | X | X |
| 26 |
|
|
| Độ bền cơ |
|
|
|
|
|
|
| 26.2 | X |
| X | Thử nghiệm va đập viên bi |
|
|
| X | X | X |
| 26.3 | X |
| X | Thử nghiệm rơi | X | X | X |
|
|
|
| 26.4 | X |
| X | Thử nghiệm uốn | X | X | X |
|
|
|
| 26.5 | X |
|
| Thử nghiệm vòng đệm cáp | X | X | X |
|
|
|
| 26.6 | X |
|
| Thử nghiệm nắp sập | X 1) | X 1) | X 1) | X 1) | X 1) | X 1) |
| 26.7 | X |
|
| Thử nghiệm nắp phù cách điện | X 1) | X 1) | X 1) | X 1) | X 1) | X 1) |
| 26.8 | X |
|
| Nắp phủ cách điện -Thay đổi nhiệt độ | X 1) | X 1) | X 1) | X 1) | X 1) | X 1) |
| 26.9 | X |
|
| Nắp phủ cách điện -Thử nghiệm kéo | X 1) | X 1) | X 1) | X 1) | X 1) | X 1) |
| 27 |
|
|
| Vít bộ phận mang dòng điện và các mối nối |
|
|
|
|
|
|
| 27.1 | X |
|
| Vít truyền áp lực tiếp xúc | X |
|
| X |
|
|
| 27.2 | X |
|
| Vít trong vật liệu cách điện | X | X | X | X | X | X |
| 27.4 | X |
|
| Vít dùng làm mối nối điện và cơ | X | X | X | X | X | X |
| 27.5 | X |
|
| Các bộ phận mang dòng khác không phải đầu nối | X | X | X | X | X | X |
| 27.6 | X |
|
| Tiếp điểm chịu tác động trượt | X | X | X | X | X | X |
| 28 |
|
|
| Chiều dài đường rò, khe hở không khí |
|
|
|
|
|
|
| 28.1 | X |
|
| Chiều dài đường rò, khe hở không khí | X | X | X | X | X | X |
| 28.4 | X |
|
| Thử nghiệm chỉ số phóng điện tương đối, nếu áp dụng | X | X | X | X | X | X |
| 29 |
|
|
| Khả năng chịu nhiệt chịu cháy và chịu phóng điện tạo vết |
|
|
|
|
|
|
| 29.2 | X |
|
| Chịu nhiệt (tủ gia nhiệt) | X | X | X | X | X | X |
| 29.3 | X |
|
| Ép viên bi | X | X | X | X | X | X |
| 29.5 | X |
|
| Thử nghiệm sợi dây nóng đỏ | X | X | X | X | X | X |
| 29.6 | X |
|
| Khả năng chống phóng điện tạo vết PTI | X | X | X | X | X | X |
| 30 | X |
|
| Ăn mòn và khả năng chống gỉ | X | X | X | X | X | X |
| 33.2 | X |
| X | Khả năng chịu tải khi xe chạy qua (5 000 N) | X | X | X |
|
|
|
| 101 |
|
|
| Chất lỏng làm mát |
|
|
|
|
|
|
| 101.1 |
|
| X | Loại chất làm mát |
|
| X |
|
| X |
| 101.3 |
|
| X | Tính dễ cháy |
|
| X |
|
| X |
| 101.5 |
|
| X | Tương thích của vật liệu |
|
| X |
|
| X |
| 101.6 |
|
| X | Thử nghiệm quá áp suất |
|
| X |
|
| X |
| 1) Nếu có 2) Dấu nhân chỉ ra tiêu chuẩn nào của bộ tiêu chuẩn IEC 62196 phải được xem xét đối với thử nghiệm tương ứng. | ||||||||||
Bảng 102 - Trình tự thử nghiệm A
| Trình tự thử nghiệm A Số lượng mẫu: 3 | Cụm cáp (chỉ có cảm biến nhiệt, thay dây được) | Cụm cáp (chỉ có cảm biến nhiệt, không thay dây được) | Cụm cáp (cảm biến nhiệt và truyền nhiệt, không thay dây được) | Ổ nối vào xe điện (chỉ có cảm biến nhiệt, thay dây được) | Ổ nối vào xe điện (chỉ có cảm biến nhiệt, không thay dây được) | Ổ nối vào xe điện (cảm biến nhiệt và truyền nhiệt, không thay dây được) | ||
| Thứ tự | Điều |
|
|
|
|
|
|
|
| 1 | 26.2 | Thử nghiệm va đập viên bi |
|
|
| X | X | X |
| 2 | 26.3 | Thử nghiệm rơi | X | X | X |
|
|
|
| 3 | 20.2 | Thử nghiệm chống nước (IP) | X | X | X | X | X | X |
| 4 | 21.2 | Điện trở cách điện | X | X | X | X | X | X |
| 5 | 21.3 | Độ bền điện môi | X | X | X | X | X | X |
| 6 | 26.4 | Thử nghiệm uốn | X | X | X |
|
|
|
| 7 | 21.3 | Độ bền điện môi | X | X | X |
|
|
|
| 8 | 24.103 | Thử nghiệm thiết bị cảm biến nhiệt của cụm cáp | X | X | X |
|
|
|
| 9 | 24.105 | Thử nghiệm thiết bị cảm biến nhiệt của ổ nối vào xe điện |
|
|
| X | X | X |
Bảng 103 - Trình tự thử nghiệm B
| Trình tự thử nghiệm B Số lượng mẫu thử: 3 | Cụm cáp (chỉ có cảm biến nhiệt, thay dây được) | Cụm cáp (chỉ có cảm biến nhiệt, không thay dây được) | Cụm cáp (cảm biến nhiệt và truyền nhiệt, không thay dây được) | Ổ nối vào xe điện (chỉ có cảm biến nhiệt, thay dây được) | Ổ nối vào xe điện (chỉ có cảm biến nhiệt, không thay dây được) | Ổ nối vào xe điện (cảm biến nhiệt và truyền nhiệt, không thay dây được) | ||
| Thứ tự | Điều |
|
|
|
|
|
|
|
| 1 | 23.1 | Hoạt động bình thường | X | X | X | X | X | X |
| 2 | 24.102 | Thử nghiệm độ tăng nhiệt của cụm cáp | X | X | X |
|
|
|
| 2 | 24.104 | Thử nghiệm độ tăng nhiệt của ổ nối vào xe điện |
|
|
| X | X | X |
Bảng 104 - Trình tự thử nghiệm C
| Trình tự thử nghiệm C Số lượng mẫu thử: 3 | Cụm cáp (chỉ có cảm biến nhiệt, thay dây được) | Cụm cáp (chỉ có cảm biến nhiệt, không thay dây được) | Cụm cáp (cảm biến nhiệt và truyền nhiệt, không thay dây) | Ổ nối vào xe điện (chỉ có cảm biến nhiệt, thay dây được) | Ổ nối vào xe điện (chỉ có cảm biến nhiệt, không thay dây được) | Ổ nối vào xe điện (cảm biến nhiệt và truyền nhiệt, không thay dây được) | ||
| Thứ tự | Điều |
|
|
|
|
|
|
|
| 1 | 20.3 | Thử nghiệm ổn định ẩm | X | X | X | X | X | X |
| 2 | 21.2 | Thử nghiệm điện trở cách điện | X | X | X | X | X | X |
| 3 | 21.3 | Thử nghiệm độ bền điện môi | X | X | X | X | X | X |
| 4 | 33.2 | Khả năng chịu tải khi xe chạy qua (5 000 N) | X | X | X |
|
|
|
| 5 | 20.2 | Thử nghiệm chống nước (IP) | X | X | X |
|
|
|
| 6 | 21.3 | Thử nghiệm độ bền điện môi | X | X | X |
|
|
|
| 7 | 24.103 | Thử nghiệm thiết bị cảm biến nhiệt của cụm cáp | X | X | X |
|
|
|
Bảng 105-Trình tự thử nghiệm D
| Trình tự thử nghiệm D Số lượng mẫu thử: 3 | Cụm cáp (chỉ có cảm biến nhiệt, thay dây được) | Cụm cáp (chỉ có cảm biến nhiệt, không thay dây được) | Cụm cáp (cảm biến nhiệt và truyền nhiệt, không thay dây được) | Ổ nối vào xe điện (chỉ có cảm biến nhiệt, thay dây được) | Ổ nối vào xe điện (chỉ có cảm biến nhiệt, không thay dây được) | Ổ nối vào xe điện (cảm biến nhiệt và truyền nhiệt, không thay dây được) | ||
| Thứ tự | Điều |
|
|
|
|
|
|
|
| 1 | 101.6 | Thử nghiệm quá áp suất |
|
| X |
|
| X |
4.2.6 Bổ sung vào cuối điều 4.2.6:
Không áp dụng Bảng 7 của IEC 62196-1:2014. Phụ kiện được thử nghiệm theo quy định của nhà chế tạo.
Bổ sung:
4.101 Kiến trúc hệ thống
Các phụ kiện và cụm cáp theo tài liệu này phải được cung cấp:
- cảm biến nhiệt không có truyền nhiệt; hoặc
- truyền nhiệt và cảm biến nhiệt Ví dụ, xem Hình 101 và Hình 102.

CHÚ DẪN Xem Hình 102.
Hình 101- Thiết bị cấp nguồn DC cho EV có cảm biến nhiệt

CHÚ DẪN
| 1 | Trạm sạc DC cho EV | 9 | Phích nối dùng cho xe điện |
| 2 | Cụm cáp | 10 | Cảm biến nhiệt |
| 3 | Cảm biến nhiệt | 11 | Ổ nối vào xe điện |
| 4 | Trao đổi nhiệt | 12 | Bó dây điện |
| 5 | Bộ điều khiển | 13 | Đường biên của hệ thống |
| 6 | Hệ thống quản lý nhiệt | 14 | Nhiệt năng |
| 7 | Cáp | 15 | Điện năng |
| 8 | Truyền nhiệt | 16 | Thông tin nhiệt độ |
Hình 102 - Thiết bị cấp điện DC cho EV có cảm biến nhiệt, truyền nhiệt và trao đổi nhiệt
4.102 Ổn định nhiệt
Ổn định nhiệt được coi là xảy ra khi ba giá trị liên tiếp, được đo cách nhau không dưới 10 min, cho thấy không có mức tăng nào lớn hơn 2 K.
4.103 Bảng dữ liệu của nhà chế tạo
Nhà chế tạo phải cung cấp tờ dữ liệu. Để có thông tin về dữ liệu khuyến cáo, xem Phụ lục E.
Kiểm tra sự phù hợp bằng cách xem xét.
5 Thông số đặc trưng
Áp dụng Điều 5 của IEC 62196-3:2014, ngoài ra.
5.2.1 Bổ sung vào cuối danh sách các dòng điện ưu tiên:
300 A (chỉ DC)
500 A (chỉ DC).
6 Đấu nối giữa nguồn cung cấp và xe điện
Áp dụng Điều 6 của IEC 62196-3:2014, ngoài ra:
Thay Bảng 4 của IEC 62196-1:2014 bằng Bảng 106 dưới đây:
Bảng 106 - Quy định chung về giao diện DC
| Số thứ tự | Cấu hình |
| ||||
| AA | BB | |||||
| Umax | Imax | Umax | Imax | Ký hiệu | Chức năng | |
| 1 | 1 000 | 400 | 950 | 250 | DC + | DC + |
| 2 | 1 000 | 400 | 950 | 250 | DC - | DC - |
| 3 | 30 | 10 | 30 | 2 | CP | Chân điều khiển 1 |
| 4 | 30 | 10 | 30 | 2 | CP2 | Chân điều khiển 2 |
| 5 | 30 | 10 | - | - | CP3 | Chân điều khiển 3 |
| 6 | 30 | 2 | 30 | 2 | COM1 | Truyền thông 1 (+) |
| 7 | 30 | 2 | 30 | 2 | COM2 | Truyền thông 1 (-) |
| 8 | 30 | 2 | - | - | IM | Giám sát cách điện |
| 9 | - | - | 950 | Giá trị trong trường hợp sự cốb | E | Nối đất bảo vệ |
| 10 | 30 | 2 | - | - | PP hoặc CS | Công tắc tiệm cận hoặc công tắc kết nối |
| 11 | - | - | 30 | 20 | AUX1 | Nguồn cấp phụ 1 (+) |
| 12 | - | - | 30 | 20 | AUX2 | Nguồn cấp phụ 1 (-) |
| a Số thứ tự không đề cập đến vị trí và/hoặc nhận dạng của tiếp điểm trong phụ kiện. b “Giá trị trong trường hợp sự cố” được hiểu là “giá trị danh định lớn nhất khi có sự cố”. | ||||||
| CHÚ THÍCH: Đối với giao diện DC, xem IEC 62196-3:2014. | ||||||
Thay Bảng 5 của IEC 62196-1:2014 bằng Bảng 107 dưới đây:
Bảng 107 - Quy định chung về giao diện AC/DC kết hợp
| Số thứ tự 3 | Cấu hình | Ký hiệu | Chức năng | |||
| Nhóm 2 | ||||||
| EE | FF | |||||
| Umax | Imax | Umax | Imax | |||
| V | A | V | A | |||
| 1 | 1 000 | 500 | 1 000 | 500 | DC + | DC + |
| 2 | 1 000 | 500 | 1 000 | 500 | DC - | DC - |
| 3 | --b | --b | -- | -- |
| DC - |
| 4 | -- | -- | --b | --b |
| DC - |
| 5 | -- | -- | --b | --b |
| DC + |
| 6 | --b | --b | -- | -- |
| DC + |
| 7 | 1 000 c | -- | 1 000 c | -- | PE | Đất bảo vệ |
| 8 | 30 c | 2 c | 30 c | 2 c | CP | Tiếp điểm pilot |
| 9 | 30 c | 2 c | 30 c | 2 c | PP hoặc CS | Công tắc tiệm cận hoặc công tắc kết nối |
| a Số thứ tự không đề cập đến vị trí và/hoặc nhận dạng của tiếp điểm trong phụ kiện. b Tiếp điểm này chỉ khả dụng trong cấu hình ổ nối vào xe điện EE và FF, có thể được sử dụng như một phần của giao diện cơ bản theo IEC 62196-2:2016, tờ tiêu chuẩn 2-I và 2-II. c Có thể sử dụng làm giao diện cơ bản, các yêu cầu cho giao diện cơ bản, xem IEC 62196-2:2016, tờ tiêu chuẩn 2-I và 2-II | ||||||
7 Phân loại các phụ kiện
Áp dụng Điều 7 của IEC 62196-3:2014, ngoài ra:
Thay thế 7.2:
7.2 Theo phương pháp đấu nối dây dẫn
- phụ kiện thay dây được (chỉ áp dụng cho những phụ kiện không truyền nhiệt);
- phụ kiện không thay dây được.
Thay thế 7.3:
7.3 Theo khả năng sử dụng
Chỉ những phụ kiện có thể bảo trì được tại hiện trường.
Bổ sung:
7.101 Theo hệ thống quản lý nhiệt
Chỉ với cảm biến nhiệt;
- Với cảm biến nhiệt và truyền nhiệt.
8 Ghi nhãn
Áp dụng Điều 8 của IEC 62196-3:2014.
9 Kích thước
Áp dụng Điều 9 của IEC 62196-3:2014, ngoài ra:
9.1 Thay thế:
Các tờ tiêu chuẩn trong IEC 62196-3:2014 được áp dụng cùng với phần bổ sung của Phụ lục A, Phụ lục B, Phụ lục C hoặc Phụ lục D, tùy theo trường hợp nào phù hợp.
Đầu nối của xe và cổng sạc của xe phải phù hợp với cấu hình liên quan được nêu trong Bảng 108.
Bảng 108 - Quy định chung về giao diện
| Cấu hình | Kích thước được mô tả trong tờ tiêu chuẩn | Điện áp danh định lớn nhất V DC | Dòng điện danh định lớn nhất A | Chỉ được sử dụng với trạm sạc DC theo IEC 61851-23:2023 |
| AA | 3-I | 1 000 | 400 | Phụ lục AA |
| BB | 3-II | 950 | 250 | Phụ lục BB |
| EE | 3-III | 1 000 | 500 | Phụ lục CC |
| FF | 3-IV | 1 000 | 500 | Phụ lục CC |
10 Bảo vệ chống điện giật
Áp dụng Điều 10 của IEC 62196-3:2014.
11 Kích thước và màu của các dây nối đất
Thay thế:
Dây nối đất bảo vệ phải có đủ tiết diện được tính theo phương pháp I2t theo công thức ở 543.1.2 của TCVN 7447-5-54:2015 (IEC 60364-5-54:2011).
Giá trị I2t cho hệ thống tương ứng, được sử dụng trong phép tính ở trên, phải được xác định theo 7.2.4 của ISO 17409:2020 hoặc theo IEC 61851-23:2023, chọn giá trị cao hơn.
CHÚ THÍCH 1: Ở Hoa Kỳ, Canada, kích cỡ và thông số đặc trưng của dây dẫn bảo vệ được quy định trong các quy định và quy chuẩn quốc gia.
Dây dẫn nối với đầu nối đất bảo vệ phải được nhận biết bằng tổ hợp màu xanh lá cây và vàng.
CHÚ THÍCH 2: Ở Nhật Bản, Hoa Kỳ, Canada, màu xanh lá cây có thể được sử dụng để nhận biết dây dẫn nối đất.
12 Quy định cho nối đất
Áp dụng Điều 12 của IEC 62196-3:2014, ngoài ra:
Thay Bảng 6 bằng Bảng 109:
Bảng 109 - Dòng điện thử nghiệm ngắn hạn
| Thông số đặc trưng của các phụ kiện A | Kích thước tối thiểu của ruột dẫn đồng nối đất bảo vệ | Thời gian s | Dòng điện thử nghiệm A | |
| mm2 | AWG | |||
| 10 đến 15 | 2,5 | 14 | 4 | 300 |
| 16 và 20 | 4 | 12 | 4 | 470 |
| 21 đến 60 | 6 | 10 | 4 | 750 |
| 61 đến 70 | 10 | 8 | 4 | 1 180 |
| 80 đến 100 | 10 | 8 | 4 | 1 180 |
| 125 | 16 | 6 | 6 | 1 530 |
| 200 | 16 | 6 | 6 | 1 530 |
| 250 | 25 | 4 | 6 | 2 450 |
| 300 | 35 | 2 | 6 | 3 100 |
| 400 | 35 | 2 | 6 | 3 100 |
| 500 | 35 | 2 | 6 | 3 900 |
| CHÚ THÍCH: Đối với thông số danh định của phụ kiện nhỏ hơn 10 A trong Bảng 109, dòng điện thử nghiệm dựa trên dây nối đất bảo vệ thiết bị có kích thước nhỏ nhất cho phép hoặc có thể được xác định bằng xấp xỉ tuyến tính của dòng điện danh định (hoặc 120 A trên 1 mm2), chọn giá trị lớn hơn. Thử nghiệm chỉ áp dụng cho các phụ kiện được nối với nguồn lưới. | ||||
13 Đầu nối
Áp dụng Điều 13 của IEC 62196-1:2014, ngoài ra:
Không áp dụng Bảng 7 của IEC 62196-1:2014. Phụ kiện được thử nghiệm theo quy định của nhà chế tạo.
14 Khóa liên động
Áp dụng Điều 14 của lEC 62196-3:2014.
15 Khả năng chống ăn mòn của vật liệu cao su và nhựa nhiệt dẻo
Áp dụng Điều 15 của lEC 62196-3:2014.
16 Cấu trúc chung
Áp dụng Điều 16 của IEC 62196-3:2014, ngoài ra:
16.5 Thay thế:
Nhiệt độ lớn nhất cho phép của các bộ phận của phụ kiện và cụm cáp mà có thể nắm được trong quá trình làm việc bình thường, mang dòng điện danh định không được vượt quá:
- 50 °C đối với bộ phận kim loại,
- 60 °C đối với bộ phận phi kim loại.
Đối với các bộ phận có thể chạm tới nhưng không nắm được, nhiệt độ cho phép là:
- 60 °C đối với bộ phận kim loại,
- 85 °C đối với bộ phận phi kim loại.
Kiểm tra sự phù hợp bằng thử nghiệm của 24.102.
16.10 Bổ sung vào đầu của điều 16.10:
Chỉ áp dụng cho các phụ kiện không có truyền nhiệt.
Bổ sung các điều sau:
16.101 Thiết bị cảm biến nhiệt
Nhà chế tạo phụ kiện phải cung cấp giá trị tác động của thiết bị cảm biến nhiệt trong hướng dẫn lắp đặt. Giá trị tác động là giá trị trước khi các tiếp điểm DC đạt 90 °C.
Kiểm tra sự phù hợp của cụm cáp theo 24.102 và 24.103.
Kiểm tra sự phù hợp của ổ nối vào xe điện theo 24.104 và 24.105.
16.102 Mất khả năng truyền nhiệt
Trong trường hợp mất khả năng truyền nhiệt, các phụ kiện phải chịu được dòng điện danh định được áp dụng với khả năng truyền nhiệt bị vô hiệu hóa trong 20 s.
Kiểm tra sự phù hợp ở nhiệt độ phòng (40 ± 5) °C bằng thử nghiệm sau:
- làm việc với dòng điện danh định và khả năng truyền nhiệt được kích hoạt cho đến khi ổn định nhiệt tại các tiếp điểm DC;
- vô hiệu hóa khả năng truyền nhiệt;
- tiếp tục đặt dòng điện danh định trong 20 s.
Thử nghiệm được coi là đạt nếu điện trở cách điện và độ bền điện môi được duy trì theo Điều 21 và không được có sự chảy, nứt hoặc biến dạng đến mức;
- các bộ phận mang điện hoặc dây dẫn bên trong được tiếp cận bằng ngón tay thử nghiệm tiêu chuẩn được thể hiện trong 10.1 của IEC 62196-1:2014;
- tính toàn vẹn của vỏ bọc của phụ kiện bị phá vỡ đến mức không cung cấp được cấp bảo vệ cơ hoặc môi trường chấp nhận được;
- phân cực của phụ kiện bị phá vỡ;
- có sự can thiệp vào việc vận hành, chức năng hoặc lắp đặt của phụ kiện;
- phụ kiện không cung cấp đủ khả năng giảm sức căng cho cáp mềm;
- chiều dài đường rò và khe hở không khí giữa các bộ phận mang điện có cực tính ngược nhau, các bộ phận mang điện và kim loại chết hoặc nối đất tiếp cận được bị giảm xuống thấp hơn các giá trị trong 28.1 của IEC 62196-1:2014;
- điều này dẫn đến bất kỳ bằng chứng về hỏng nào khác có thể làm tăng nguy cơ cháy hoặc điện giật;
- có rò rỉ bất kỳ của hệ thống làm mát.
16.103 Phụ kiện sử dụng cảm biến nhiệt
Đối với phụ kiện cấu hình AA, cầu chảy bảo vệ nhiệt và/hoặc cảm biến nhiệt phải được lắp đặt theo cách sao cho đặc tính nhiệt của tiếp điểm DC+ và DC- được đo độc lập và phát tín hiệu độc lập đến thiết bị cấp nguồn DC cho EV, tùy thuộc vào trường hợp sạc được xác định trong IEC 61851-23. Đối với phụ kiện cấu hình EE và FF, các thiết bị cảm biến nhiệt phải được lắp đặt theo cách sao cho đặc tính nhiệt của tiếp điểm DC+ và DC- được đo độc lập và phát tín hiệu độc lập đến thiết bị cấp nguồn DC cho EV.
Các thiết bị cảm biến nhiệt của cụm cáp phải cung cấp dữ liệu đại diện cho nhiệt độ của các tiếp điểm DC đến thiết bị cấp nguồn DC cho EV.
Các thiết bị cảm biến nhiệt của ổ nối vào xe điện phải cung cấp dữ liệu đại diện cho nhiệt độ của các tiếp điểm DC đến EV.
Kiểm tra sự phù hợp bằng thử nghiệm 24.103 đối với cụm cáp hoặc 24.105 đối với ổ nối vào xe điện.
16.104 Dòng điện danh định của phụ kiện
Các tiếp điểm DC của phụ kiện không được vượt quá 90 °C trong quá trình hoạt động liên tục với dòng điện danh định và ở nhiệt độ môi trường 40 °C. Cụm cáp nên được thiết kế sao cho khả năng cảm biến nhiệt không bị ảnh hưởng tiêu cực bởi khả năng truyền nhiệt, nếu có. Phụ kiện bổ sung có thể có truyền nhiệt.
Kiểm tra sự phù hợp bằng thử nghiệm 24.102 đối với cụm cáp hoặc 24.104 đối với ổ nối vào xe điện.
16.105 Điều kiện hoạt động của hệ thống quản lý nhiệt
Nhà chế tạo phụ kiện phải cung cấp hướng dẫn lắp đặt cho việc vận hành của hệ thống quản lý nhiệt. Những hướng dẫn này phải bao gồm:
- áp suất danh định;
- áp suất tối đa cho phép;
- loại chất làm mát.
Ngoài ra, dữ liệu có thể bao gồm:
- loại cáp;
- tiết diện của dây dẫn;
- nhiệt độ tối đa của chất làm mát;
- lưu lượng tối thiểu của chất làm mát;
- công suất làm mát tối thiểu.
Nhà chế tạo phụ kiện có thể cung cấp thông tin về dòng điện cho hoạt động mà không cần truyền nhiệt và trao đổi nhiệt để tăng tính khả dụng.
Kiểm tra sự phù hợp bằng cách xem xét.
16.106 Tiết diện tối thiểu của dây pha
Để có đủ khả năng chịu dòng điện ngắn mạch, các dây dẫn DC+ và DC- phải có tiết diện tối thiểu đủ lớn được tính theo phương pháp I2t theo công thức của TCVN 7447-5-54:2015 (IEC 60364-5-54:2011), 543.1.2.
Các giá trị I2t cho hệ thống tương ứng, được sử dụng trong phép tính trên, phải được xác định theo ISO 17409 hoặc theo IEC 61851-23, chọn giá trị cao hơn.
CHÚ THÍCH: Tại thời điểm công bố tài liệu này, ISO 17409 cung cấp các giá trị I2t cao hơn. Ví dụ, đối với các dây dẫn có cách điện liên kết ngang và nhiệt độ ngắn mạch tối đa là 250 °C, yêu cầu tiết diện tối thiểu là 25 mm2.
Kiểm tra sự phù hợp bằng cách xem xét.
16.107 Nhiệt độ tiếp xúc
Các tiếp điểm DC của phụ kiện không được vượt quá 90 °C trong bất kỳ điều kiện hoạt động nào.
Kiểm tra sự phù hợp của cụm cáp theo 24.102 và 24.103.
Kiểm tra sự phù hợp của ổ nối vào xe điện theo 24.104 và 24.105.
17 Kết cấu của ổ cắm
Áp dụng Điều 17 của IEC 62196-3:2014.
18 Kết cấu của phích cắm và phích nối dùng cho xe điện
Áp dụng Điều 18 của IEC 62196-3:2014, ngoài ra:
Bổ sung:
18.101 Bề mặt tiếp điểm DC
Lớp mạ của các ống tiếp xúc DC phải được làm từ bạc hoặc hợp kim bạc với ít nhất 95 % bạc. Các yêu cầu về lớp mạ áp dụng tại điểm tiếp xúc.
Đối với các phụ kiện có chân tiếp xúc, lớp mạ của các chân tiếp xúc DC phải được làm từ hợp kim bạc với ít nhất 95 % bạc. Bảng 110 áp dụng tại khu vực tiếp xúc được hiển thị trong Hình A.10, Hình C.10 hoặc Hình D.10, tùy theo trường hợp.
Bảng 110 - Đặc tính của lớp mạ tiếp xúc phụ kiện DC cho chân cắm
| Tham số a | Phụ kiện | Kích thước | Đơn vị | Giá trị |
| Độ cứng vùng tiếp xúc | AA, EE, FF |
| HV b | Tối thiểu 70 |
| Độ dày lớp trên vùng tiếp xúc | AA, EE, FF | L | μm | Tối thiểu 8 |
| Độ nhám vùng tiếp xúcc | AA, EE, FF | Ra d | μm | Tối đa 1,0 |
| a Các thông số nên được kiểm chứng bằng thử nghiệm, đo đạc hoặc các biện pháp khác. b Độ cứng Vickers. c Như định nghĩa trong ISO 25178-1. d Độ lệch trung bình số học của biên dạng được đánh giá. | ||||
Kiểm tra sự phù hợp của phụ kiện bằng cách xem xét và thử nghiệm.
19 Kết cấu của ổ nối vào xe điện
Áp dụng Điều 19 của IEC 62196-3:2014, ngoài ra:
Bổ sung:
19.101 Bề mặt tiếp xúc DC
Lớp mạ của bề mặt tiếp xúc DC phải được làm từ hợp kim bạc và phải đáp ứng các yêu cầu của 18.101.
20 Cấp bảo vệ
Áp dụng Điều 20 của IEC 62196-3:2014.
21 Điện trở cách điện và độ bền điện môi
Áp dụng Điều 21 của IEC 62196-3:2014.
22 Khả năng cắt
Áp dụng Điều 22 của IEC 62196-3:2014.
23 Hoạt động bình thường
Áp dụng Điều 23 của IEC 62196-3:2014, ngoài ra:
Thay Bảng 17 bằng Bảng 111 và chú thích:
Bảng 111 - Hoạt động bình thường
| Dòng điện danh định A | Chu kỳ hoạt động | |
| Tải | Không tải | |
| DC (Tất cả các thông số danh định) | - | 10 000 |
CHÚ THÍCH: Các trường hợp sử dụng có thể yêu cầu số lượng thao tác và/hoặc bảo trì thường xuyên cao hơn.
24 Độ tăng nhiệt
Áp dụng Điều 24 của IEC 62196-3:2014, ngoài ra:
24.1 Không áp dụng
24.2 Không áp dụng
Bổ sung:
24.101 Điều kiện thử nghiệm chung
Tất cả các thử nghiệm phải được thực hiện với một phích nối dùng cho xe điện và một cáp đính kèm, và một phụ kiện thử nghiệm, được gọi là thiết bị tham chiếu (RD), ghép nối đồng bộ với thiết bị cần thử nghiệm (DUT).
24.102 Thử nghiệm độ tăng nhiệt cho cụm cáp
Cụm cáp phải được thiết kế sao cho độ tăng nhiệt trong điều kiện sử dụng bình thường không quá mức. Kiểm tra sự phù hợp bằng thử nghiệm sau:
Thiết bị được thử nghiệm (DUT) là một cụm cáp với cáp được gắn vào phích nối dùng cho xe điện có chiều dài dài nhất theo quy định của nhà chế tạo.
Thiết bị tham chiếu cho thử nghiệm này phù hợp với Hình A.1, Hình C.1 hoặc Hình D.1, tùy theo trường hợp.
Bố trí thử nghiệm tương ứng phù hợp với Hình A.2, Hình C.2 hoặc Hình D.2, tùy theo trường hợp.
Bố trí thử nghiệm chung phù hợp với Hình A.9, Hình C.9 hoặc Hình D.9, tùy theo trường hợp.
Nếu cụm cáp được trang bị khả năng truyền nhiệt, thì các thông số trao đổi nhiệt được sử dụng theo quy định của nhà chế tạo trong hướng dẫn lắp đặt ở nhiệt độ môi trường 40 °C.
Dòng điện thử nghiệm là dòng điện danh định theo dữ liệu của nhà chế tạo DUT.
Đối với cụm cáp chỉ có cảm biến nhiệt, thử nghiệm được thực hiện ở nhiệt độ môi trường từ 20 °C đến 40 °C và kết quả thu được được hiệu chỉnh về nhiệt độ môi trường 40 °C.
Đối với cụm cáp có khả năng truyền nhiệt, thử nghiệm được thực hiện ở nhiệt độ môi trường (40 ± 5) °C. Kết quả được hiệu chỉnh về nhiệt độ môi trường 40 °C.
Các thử nghiệm được tiến hành trong môi trường không có luồng khí và không có đối lưu cưỡng bức.
Cụm cáp được ghép nối với thiết bị tham chiếu.
Chu kỳ cho thử nghiệm được xác định như sau:
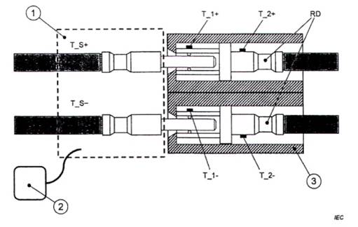
Dòng điện danh định được đặt vào cụm cáp tại tiếp điểm DC+ và DC-. Khi đạt trạng thái ổn định nhiệt, dòng điện đặt phải được giảm xuống 0 A sau 10 min.
Nhiệt độ tại các tiếp điểm DC được đo bằng các cảm biến nhiệt (T_1+ và T_1-) và các giá trị được cung cấp từ các thiết bị cảm biến nhiệt của cụm cáp (T_S+ và T_S-) được ghi lại với một hoặc nhiều mẫu mỗi giây trong suốt quá trình thử nghiệm.
Các giá trị được cung cấp bởi các thiết bị cảm biến nhiệt của cụm cáp được chuyển đổi thành các giá trị nhiệt độ theo tờ dữ liệu của nhà chế tạo.
Thử nghiệm này được coi là đạt yêu cầu nếu:
- độ tăng nhiệt được đo bằng các cảm biến nhiệt (T_1+ và T_1 -) không vượt quá 50 K; và
- nhiệt độ bề mặt của cụm cáp không vượt quá giới hạn theo 16.5; và
- các giá trị đo được của các thiết bị cảm biến nhiệt (T_S+ và T_S-) không vượt quá giá trị tác động do nhà chế tạo cung cấp theo 16.101.
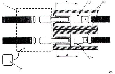
24.103 Thử nghiệm thiết bị cảm biến nhiệt của cụm cáp
Cụm cáp phải được thiết kế sao cho thiết bị cảm biến nhiệt trong điều kiện sử dụng bình thường là đáng tin cậy.
Kiểm tra sự phù hợp bằng thử nghiệm sau:
Thiết bị cần thử nghiệm (DUT) là một cụm cáp có cáp được gắn vào phích nối dùng cho xe điện có chiều dài ngắn nhất theo quy định của nhà chế tạo.
Thiết bị tham chiếu cho thử nghiệm này phù hợp với Hình A.5, Hình C.5, hoặc Hình D.5, tùy theo trường hợp.
Bố trí thử nghiệm tương ứng phù hợp với Hình A.6, Hình C.6 hoặc Hình D.6, tùy theo trường hợp.
Bố trí thử nghiệm chung phù hợp với Hình A.9, Hình C.9 hoặc Hình D.9, tùy theo trường hợp.
Nếu cụm cáp được trang bị khả năng truyền nhiệt, thì các thông số trao đổi nhiệt được sử dụng theo quy định của nhà chế tạo trong hướng dẫn lắp đặt ở nhiệt độ môi trường 40 °C.
Dòng điện thử nghiệm là dòng điện danh định theo tờ dữ liệu của nhà chế tạo DUT.
Thử nghiệm được thực hiện ở nhiệt độ môi trường (40 ± 5) °C. Kết quả được hiệu chỉnh về nhiệt độ môi trường 40 °C.
Thử nghiệm được tiến hành trong môi trường không có luồng khí và không có đối lưu cưỡng bức.
Nhiệt độ tại các tiếp điểm DC được đo bằng các cảm biến nhiệt (T_1+ và T_1-) và các giá trị được cung cấp từ các thiết bị cảm biến nhiệt của cụm cáp (T_S+ và T_S-) được ghi lại với một hoặc nhiều mẫu mỗi giây trong suốt quá trình thử nghiệm.
Các giá trị được cung cấp bởi các thiết bị cảm biến nhiệt của cụm cáp được chuyển đổi thành các giá trị nhiệt độ theo tờ dữ liệu của nhà chế tạo.
Sau khi đạt trạng thái ổn định nhiệt, quá nhiệt của phích nối dùng cho xe điện được kích thích bằng cách áp dụng công suất nhiệt đảm bảo độ tăng nhiệt không đổi là (2,5 ± 0,5) K/min được đo bằng các cảm biến nhiệt T_1+ và T_1-.
Nguồn cấp nhiệt và dòng điện được ngắt khi một trong các cảm biến nhiệt T_1+ hoặc T_1 - đạt 95 °C.
Gradient được tính toán bằng cách lấy thời gian bắt đầu (t1) và kết thúc (t2) quá trình gia nhiệt. Ví dụ, gradient của T_S+ = (T_S+(t2) - T_S+(t1)) / (t2 -t1).
Thử nghiệm này được coi là đạt yêu cầu nếu:
- gradient nhiệt độ được đo bằng các thiết bị cảm biến nhiệt T_S+ và T_S- lệch ít hơn 1,5 K/min so với gradient nhiệt độ được đo bằng các cảm biến nhiệt tương ứng T_1+ hoặc T_1-; và
- Giá trị tuyệt đối toán học của phương trình:
|(gradient of T_S+ /gradient of T_1+) - (gradient of T_S- / gradient of T_1-)| < 0,2; và
- Giá trị nhiệt độ của các cảm biến nhiệt độ T_1 + và T_1 - phải bằng hoặc nhỏ hơn 90 °C tại thời điểm mà một trong các thiết bị cảm biến nhiệt T_S+ hoặc T_S- đạt giá trị tác động do nhà chế tạo cung cấp theo 16.101.
24.104 Thử nghiệm độ tăng nhiệt cho ổ nối vào xe điện
Các ổ nối vào xe điện phải được thiết kế sao cho độ tăng nhiệt trong điều kiện sử dụng bình thường không quá mức.
Kiểm tra sự phù hợp bằng thử nghiệm sau:
Thiết bị cần thử nghiệm (DUT) là một ổ nối vào xe điện với các dây dẫn DC gắn kèm có chiều dài tối thiểu 1 m. Thiết bị được thử nghiệm được lắp ráp theo cách mà nhà chế tạo đã dự định.
Thiết bị tham chiếu được lắp ráp giống như DUT, ngoại trừ các tiếp điểm được thiết kế theo Hình A.1, Hình C.1 hoặc Hình D.1, tùy theo trường hợp. Khoảng cách B theo Hình A.1, Hình C.1 hoặc Hình D.1 phải được chọn sao cho phù hợp, đối với cả thiết bị tham chiếu (sử dụng trong bước thử nghiệm 1) và DUT (sử dụng trong bước thử nghiệm 2) không thay đổi quá ±1 mm.
Dòng điện thử nghiệm là dòng điện danh định theo tờ dữ liệu của nhà chế tạo DUT.
Thử nghiệm này được thực hiện với một cụm cáp có dòng điện danh định giống như DUT hoặc dòng điện danh định cao hơn tối đa 100 A so với nó. Cụm cáp nói trên phải đã được chứng nhận theo tài liệu này.
Nếu cụm cáp được trang bị khả năng truyền nhiệt, thì các thông số trao đổi nhiệt được sử dụng theo quy định của nhà chế tạo trong hướng dẫn lắp đặt ở nhiệt độ môi trường 40 °C.
Thử nghiệm được thực hiện ở nhiệt độ môi trường từ 20 °C đến 40 °C và kết quả thu được được hiệu chỉnh về nhiệt độ môi trường 40 °C.
Thử nghiệm được tiến hành trong môi trường không có luồng khí và không có đối lưu cưỡng bức.
CHÚ THÍCH: Sai lệch phép đo của các cảm biến nhiệt có thể được giảm thiểu bằng cách hiệu chuẩn các cảm biến nhiệt bằng thiết bị hiệu chuẩn.
Thử nghiệm được thực hiện trong hai bước sau.
Bước thử nghiệm 1, thử nghiệm tham chiếu:
a) Thiết bị tham chiếu theo Hình A.1, Hình C.1 hoặc Hình D.1, tùy theo trường hợp, được lắp đặt ở vị trí theo Hình A.9, Hình C.9 hoặc Hình D.9, tùy theo trường hợp.
b) Cụm cáp được ghép nối với thiết bị tham chiếu theo Hình A.3, Hình C.3 hoặc Hình D.3, tùy theo trường hợp.
c) Dòng điện thử nghiệm được áp dụng cho cụm cáp tại các dây dẫn DC+ và DC-.
d) Nhiệt độ của mỗi cảm biến nhiệt (T_1+, T_1-, T_2+, T_2-) được ghi lại. Độ tăng nhiệt được theo dõi cho đến khi đạt trạng thái ổn định nhiệt. Sau 1 h bổ sung, nhiệt độ của mỗi cảm biến nhiệt được ghi lại như các giá trị tham chiếu để sử dụng trong bước thử nghiệm 2.
e) Sự phù hợp được xác nhận nếu các giá trị của T_1+ và T_1- không vượt quá độ tăng nhiệt 50 K.
Bước thử nghiệm 2, thử nghiệm DUT:
f) Dòng điện thử nghiệm là dòng điện giống như được sử dụng trong bước thử nghiệm 1.
g) DUT được lắp đặt ở vị trí theo Hình A.9, Hình C.9 hoặc Hình D.9, tùy theo trường hợp.
h) Cụm cáp được sử dụng trong bước thử nghiệm 1 được ghép nối với DUT theo Hình A.4, Hình CA hoặc Hình DA, tùy theo trường hợp.
i) Các tham số trao đổi nhiệt (nếu có) giống như được sử dụng trong bước thử nghiệm 1.
j) Dòng điện thử nghiệm được đặt vào cụm cáp tại các dây dẫn DC+ và DC-.
k) Nhiệt độ của mỗi cảm biến nhiệt (T_3+, T_3-) được ghi lại. Độ tăng nhiệt được theo dõi cho đến khi đạt trạng thái ổn định nhiệt. Sau 1 h bổ sung, nhiệt độ của mỗi cảm biến nhiệt được ghi lại.
Thử nghiệm này được coi là đạt yêu cầu nếu nhiệt độ ghi lại của:
- mỗi cảm biến nhiệt (T_3+, T_3-) trong bước thử nghiệm 2 không vượt quá nhiệt độ ghi lại cho cảm biến nhiệt tương ứng (T_2+, T_2) trong bước thử nghiệm 1, và
- mỗi cảm biến nhiệt (T_3+, T_3-) không vượt quá độ tăng nhiệt 50 K.
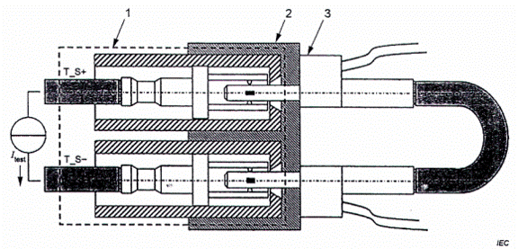
24.105 Thử nghiệm thiết bị cảm biến nhiệt của ổ nối vào xe điện
Các ổ nối vào xe điện phải được thiết kế sao cho thiết bị cảm biến nhiệt trong điều kiện sử dụng bình thường là tin cậy.
Kiểm tra sự phù hợp bằng thử nghiệm sau:
Thiết bị cần thử nghiệm (DUT) là một ổ nối vào xe điện với các dây dẫn DC gắn kèm có chiều dài tối thiểu 1 m. DUT phải được lắp ráp theo cách mà nhà chế tạo đã dự định.
Thiết bị tham chiếu phải được lắp ráp như được hiển thị trong Hình A.7, Hình C.7 hoặc Hình D.7, tùy theo trường hợp.
Bố trí thử nghiệm tương ứng phải phù hợp với Hình A.8, Hình C.8 hoặc Hình D.8, tùy theo trường hợp. Thử nghiệm được thực hiện ở nhiệt độ môi trường (25 ± 5) °C.
Thử nghiệm phải được tiến hành trong môi trường không có luồng khí và không có đối lưu cưỡng bức.
Một dòng điện thử nghiệm phải được đặt vào, đạt cùng giá trị nhiệt độ (±3 K) ở trạng thái ổn định nhiệt tại T_1+ và T_1- như được đo tại T_3+ và T_3- trong k) được liệt kê ở bước thử nghiệm 2 trong 24.104.
Nhiệt độ tại các tiếp điểm DC được đo bằng các cảm biến nhiệt (T_1+ và T_1-) và các giá trị được cung cấp từ các thiết bị cảm biến nhiệt của DUT (T_S+ và T_S-) phải được ghi lại với một hoặc nhiều mẫu mỗi giây trong suốt quá trình thử nghiệm.
Các giá trị được cung cấp bởi các thiết bị cảm biến nhiệt của DUT phải được chuyển đổi thành các giá trị nhiệt độ theo tờ dữ liệu của nhà chế tạo.
Khi đạt trạng thái ổn định nhiệt, quá nhiệt của DUT được kích thích bằng cách áp dụng công suất nhiệt đảm bảo tốc độ tăng nhiệt không đổi là (2,5 ± 0,5) K/min được đo bằng các cảm biến nhiệt T_1+ và T_1-.
Nguồn cấp nhiệt và dòng điện phải được ngắt khi một trong các cảm biến nhiệt T_1+ hoặc T_1- đạt 95 °C.
Gradient phải được tính toán bằng cách lấy thời gian khi bắt đầu (t1) và kết thúc (t2) quá trình gia nhiệt. Ví dụ, gradient của T_S+ = (T_S+(t2) - T_S+(t1)) / (t2 - t1).
Thử nghiệm này được coi là đạt yêu cầu nếu:
- gradient nhiệt độ được đo bằng các thiết bị cảm biến nhiệt T_S+ và T_S- lệch ít hơn 1,5 K/min so với gradient nhiệt độ được đo bằng các cảm biến nhiệt tương ứng T_1+ hoặc T_1-; và
- giá trị tuyệt đối toán học của phương trình:
|(gradient of T_S+ / gradient of T_1 +) - (gradient of T_S- / gradient of T_1-) | < 0,2; và
- giá trị nhiệt độ của các cảm biến nhiệt độ T_1+ và T_1- phải bằng hoặc nhỏ hơn 90 °C tại thời điểm mà một trong các thiết bị cảm biến nhiệt T_S+ hoặc T_S- đạt giá trị tác động do nhà chế tạo cung cấp theo 16.101.
25 Cáp mềm và các mối nối của chúng
Áp dụng Điều 25 của IEC 62196-3:2014, ngoài ra:
25.3 Phích cắm và phích nối dùng cho xe điện được cung cấp với cáp mềm
Bổ sung:
Thêm vào sau đoạn thứ năm:
Thử nghiệm phải được thực hiện bằng cách sử dụng cáp.
Nếu có chất lỏng làm mát, thử nghiệm phải được thực hiện ở áp suất danh định do nhà chế tạo quy định.
Thay Bảng 19 bằng Bảng 112:
Bảng 112 - Giá trị thử nghiệm lực kéo và mô-men xoắn đối với cơ cấu chặn cáp
| Dòng điện danh định | Lực kéo | Mô-men xoắn | Sự dịch chuyển tối đa |
| A | N | Nm | mm |
| 13 đến 20 | 160 | 0,6 | 2 |
| 30 đến 32 | 200 | 0,7 | 2 |
| 60 đến 70 | 240 | 1,2 | 2 |
| 125 | 240 | 1,5 | 2 |
| 200 | 250 | 2,3 | 2 |
| 250 | 500 | 11,0 | 5 |
| 300 | 500 | 11,0 | 5 |
| 400 | 500 | 11,0 | 5 |
| 500 | 500 | 16,3 | 5 |
Bổ sung vào sau đoạn cuối cùng:
Các bộ phận chứa chất lỏng làm mát không được bị vỡ hoặc hư hỏng đến mức rò rỉ có thể xảy ra sau khi thử nghiệm.
Bổ sung:
25.101 Thiết kế cáp
Các cáp phải phù hợp với bộ tiêu chuẩn TCVN 12671-4 (IEC 62893-4).
CHÚ THÍCH: ở Hoa Kỳ, Canada, Mexico, Nhật Bản, các yêu cầu đối với cáp mềm được quy định trong các yêu cầu quốc gia.
26 Độ bền cơ
Điều 26 của IEC 62196-3:2014 áp dụng, ngoài ra:
26.1 Quy định chung
Thêm sau gạch đầu dòng cuối cùng:
- đối với tất cả các đầu nối và cụm cáp, áp dụng 26.4;
- đối với tất cả các đầu nối và cụm cáp, áp dụng 26.5.
26.2 Cấp bảo vệ
Thêm sau câu đầu tiên:
Thử nghiệm phải được thực hiện ở áp suất danh định của chất lỏng làm mát, nếu có.
Thay Bảng 20 bằng Bảng 113:
Bảng 113 - Năng lượng va đập để thử nghiệm va đập viên bi
| Thông số đặc trưng A | Năng lượng J |
| Ổ nối vào xe điện | |
| Nhỏ hơn hoặc bằng 32 | 1 |
| Lớn hơn 32, nhỏ hơn hoặc bằng 100 | 2 |
| Lớn hơn 100, nhỏ hơn hoặc bằng 150 | 3 |
| Lớn hơn 150, nhỏ hơn hoặc bằng 500 | 4 |
Thêm vào cuối danh sách liệt kê đầu tiên trong c):
- các bộ phận chứa chất lỏng làm mát không được bị vỡ hoặc hư hỏng đến mức rò rỉ có thể xảy ra sau khi thử nghiệm.
26.3 Phích cắm và phích nối dùng cho xe điện có thể thay dây
Thêm sau câu đầu tiên:
Thử nghiệm phải được thực hiện ở áp suất hoạt động của chất lỏng làm mát, nếu có.
Thêm vào cuối điều 26.3 này:
Các bộ phận chứa chất lỏng làm mát không được bị vỡ hoặc hư hỏng đến mức rò rỉ có thể xảy ra sau khi thử nghiệm.
26.4 Phụ kiện không thay dây được
Thêm sau câu đầu tiên:
Thử nghiệm phải được thực hiện ở áp suất danh định của chất lỏng làm mát, nếu có.
Thay Bảng 21 bằng Bảng 114:
Bảng 114 - Thử nghiệm uốn với tải cơ
| Dòng điện danh định A | Lực N |
| Đến và bằng 20 | 20 |
| Lớn hơn 21 và nhỏ hơn hoặc bằng 32 | 25 |
| Lớn hơn 33 và nhỏ hơn hoặc bằng 70 | 50 |
| Lớn hơn 71 và nhỏ hơn hoặc bằng 250 | 75 |
| Lớn hơn 251 và nhỏ hơn hoặc bằng 400 | 100 |
| Lớn hơn 401 và nhỏ hơn hoặc bằng 500 | 120 |
Thêm vào cuối 26.4 (sau Hình 14):
Các bộ phận chứa chất lỏng làm mát không được bị vỡ hoặc hư hỏng đến mức rò rỉ có thể xảy ra sau khi thử nghiệm.
27 Vít, bộ phận mang dòng và các mối nối
Áp dụng Điều 27 của IEC 62196-3:2014.
28 Chiều dài đường rò, khe hở không khí và các khoảng cách
Áp dụng Điều 28 của IEC 62196-3:2014.
29 Khả năng chịu nhiệt, chịu cháy và chịu phóng điện tạo vết
Áp dụng Điều 29 của IEC 62196-3:2014.
30 Ăn mòn và khả năng chống gỉ
Áp dụng Điều 30 của IEC 62196-3:2014.
31 Thử nghiệm khả năng chịu dòng điện ngắn mạch có điều kiện
Áp dụng Điều 31 của IEC 62196-3:2014.
32 Tương thích điện từ
Áp dụng Điều 32 của IEC 62196-3:2014.
33 Khả năng chịu tải khi xe chạy qua
Áp dụng Điều 33 của IEC 62196-3:2014, ngoài ra:
33.2 Bổ sung:
Thêm vào sau đoạn đầu tiên:
Thử nghiệm phải được thực hiện bằng cách sử dụng một cụm cáp.
Nếu có chất lỏng làm mát, thử nghiệm phải được thực hiện ở áp suất danh định do nhà chế tạo quy định.
Thêm vào như gạch đầu dòng thứ ba trong danh sách liệt kê:
- tính toàn vẹn của hệ thống chất lỏng làm mát, nếu có, bị vỡ, hư hỏng hoặc bị đứt đến mức có thể xảy ra rò rỉ;
101 Chất lỏng làm mát
101.1 Loại chất làm mát
Các yêu cầu chỉ áp dụng cho chất lỏng làm mát. Các chất làm mát khác sẽ được nghiên cứu thêm.
Có thể sử dụng nhiều loại chất làm mát, nhưng không được trộn lẫn các chất làm mát. Khi một loại chất làm mát được chọn cho một ứng dụng, không được thay đổi loại chất làm mát. Thông tin này phải được truyền đạt đến nhà chế tạo thiết bị cấp nguồn DC cho EV.
Cần cung cấp cảnh báo trong hướng dẫn lắp đặt hoặc tờ dữ liệu chỉ ra rằng có thể xảy ra rò rỉ hoặc suy giảm vật liệu nếu sử dụng chất làm mát khác với chất làm mát được nhà chế tạo phụ kiện quy định.
Kiểm tra sự phù hợp bằng cách xem xét.
101.2 Các xem xét về môi trường
Chất lỏng làm mát phải là loại không gây hại cho môi trường hoặc phải được sử dụng theo cách mà bất kỳ sự rò rỉ nào đều được chứa trong thiết bị và cách ly khỏi môi trường theo quy định địa phương.
Chất lỏng làm mát được sử dụng trong phụ kiện phải là loại không gây hại cho môi trường theo Hệ thống Phân loại và Ghi nhãn Hóa chất Toàn cầu của Liên Hợp Quốc.
Theo yêu cầu tối thiểu, chất lỏng làm mát được sử dụng trong phụ kiện phải có "khả năng phân hủy sinh học" theo OECD 301 và điều này phải được nêu trong tờ dữ liệu của nhà chế tạo phụ kiện.
CHÚ THÍCH: Quy định địa phương có thể yêu cầu khác.
Dữ liệu an toàn môi trường phải được cung cấp cho tất cả các chất lỏng làm mát được chỉ định và được nhà chế tạo cụm cáp phê duyệt.
Kiểm tra sự phù hợp bằng cách xem xét.
101.3 Tính dễ cháy
Chất lỏng làm mát không được gây ra hỏa hoạn nếu bị rò rỉ lên các bộ phận điện tiếp xúc trong phụ kiện. Điểm chớp cháy tối thiểu của chất lỏng làm mát phải là 135 °C.
Kiểm tra sự phù hợp bằng cách xem xét các tờ dữ liệu an toàn vật liệu hoặc bằng thử nghiệm theo ISO 2719.
101.4 Tính dẫn điện
Thử nghiệm tính dẫn điện của chất lỏng làm mát đang được xem xét.
CHÚ THÍCH: Tiêu chuẩn này được sử dụng cho các hệ thống sạc điện có dây cho các mạch được quy định trong IEC 61851-23. Các hệ thống này đã có biện pháp bảo vệ chống điện giật.
101.5 Tính tương thích của vật liệu
Tất cả các bộ phận chứa chất lỏng làm mát của phụ kiện phải có khả năng chống lại tác động của chất lỏng làm mát và sự tiếp xúc với nhiệt. Các bộ phận không kim loại phải có khả năng duy trì các tính chất vật lý của chúng sau khi tiếp xúc với chất lỏng làm mát và trải qua quá trình lão hóa trong lò khí như sau.
Kiểm tra sự phù hợp bằng các thử nghiệm sau.
Lão hóa bằng lò khí đối với các bộ phận nhựa và gioăng:
Sáu mẫu được lão hóa trong một lò khí tuần hoàn ở một trong các điều kiện sau và phải duy trì các tính chất vật lý về độ bền kéo và độ giãn dài:
- 121 °C trong 7 ngày, hoặc
- 101 °C trong 28 ngày.
CHÚ THÍCH: Thử nghiệm này được thực hiện theo khái niệm của IEC 60216-1.
Độ bền kéo và độ giãn dài tối đa không được thấp hơn 60 % độ bền kéo và độ giãn dài tối đa của mẫu như nhận được. Phương pháp thử nghiệm của IEC 60811-501 phải được tuân thủ.
Tiếp xúc với chất lỏng làm mát:
Các mẫu khác phải được ngâm trong chất lỏng làm mát ở (80 ± 2) °C trong (70 ± 1/2) giờ.
Sáu mẫu của mỗi loại vật liệu, rộng 25,4 mm ± 0,1 mm và dài 203 mm ± 1 mm và không dày hơn phần mỏng nhất trong ứng dụng là cần thiết cho kiểm tra này. Ba mẫu được thử nghiệm như nhận được và ba mẫu được thử nghiệm sau khi ngâm.
Độ bền kéo và độ giãn dài tối đa không được thấp hơn 60 % độ bền kéo và độ giãn dài tối đa của mẫu như nhận được.
101.6 Thử nghiệm quá áp suất
Các bộ phận chứa chất lỏng làm mát của phụ kiện phải có khả năng chịu áp suất tối đa cho phép cộng thêm 1 bar mà không bị rò rỉ, vỡ hoặc đứt.
Kiểm tra sự phù hợp bằng thử nghiệm sau.
Các bộ phận chứa chất lỏng của phụ kiện được nén đến áp suất tối đa cho phép được mô tả trong tờ dữ liệu của cụm cáp cộng thêm 1 bar bằng cách sử dụng không khí và giữ trong 15 min.
Phụ kiện không được ngâm sâu hơn 1 m trong nước trong quá trình thử nghiệm này. Không được vỡ hoặc đứt của các bộ phận chứa chất lỏng làm mát. Không được có bọt khí nào nhìn thấy được trong quá trình thử nghiệm.
CHÚ THÍCH: Thiết bị cấp nguồn DC cho EV hoặc EV giới hạn áp suất tối đa cho phép bằng các phương tiện của chính nó, ví dụ, van xả áp.
Phụ lục A
(quy định)
Thông tin chi tiết về cấu hình AA
A.1 Quy định chung
Các tham chiếu đến các tờ tiêu chuẩn 3-la, 3-lb và 3-lc của IEC 62196-3:2014 áp dụng cho dòng điện danh định bất kỳ đến 400 A.
A.2 Thiết bị tham chiếu và bố trí thử nghiệm cho cấu hình AA
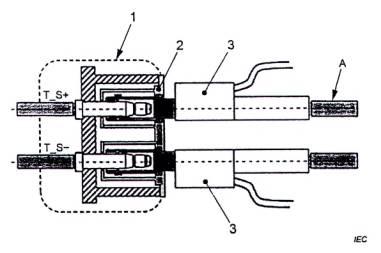
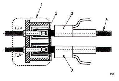
A.2.1 Thiết bị tham chiếu và bố trí thử nghiệm cho thử nghiệm độ tăng nhiệt của cụm cáp và ổ nối vào xe điện (cấu hình AA)
Thiết bị tham chiếu cho các thử nghiệm độ tăng nhiệt bao gồm một ổ nối vào xe điện theo tờ tiêu chuẩn 3-la của IEC 62196-3:2014 được trang bị các tiếp điểm nguồn DC theo Điều A.4 mà không có bất kỳ vòng đệm hoặc vật làm kín nào.
Các tiếp điểm nguồn DC được gắn vào một dây dẫn tạo thành một cầu ngắn mạch với chiều dài 2 m và tiết diện dây dẫn theo Bảng A.2.
Ổ nối vào xe điện được gắn vào một giá đỡ để đảm bảo sử dụng ở vị trí đứng thẳng.
Các điện trở tiếp xúc của thiết bị tham chiếu (bao gồm ống tiếp xúc, thân tiếp xúc, nối cơ khí và 150 mm dây dẫn gắn cùng) được đo bằng cảm biến bốn điện cực theo Hình A.1 phải phù hợp với các giá trị tối đa như chỉ ra trong Bảng A.1.
Kích thước bằng milimét

Đối với thử nghiệm độ tăng nhiệt của ổ nối vào xe điện, khoảng cách B đối với cả thiết bị tham chiếu (sử dụng trong bước thử nghiệm 1) và thiết bị cần thử nghiệm (DUT) (sử dụng trong bước thử nghiệm 2) không được thay đổi quá ±1 mm.
CHÚ DẪN
T_1, T_2 Cảm biến nhiệt độ trên thiết bị tham chiếu (RD)
Đối với các kích thước không được quy định, xem IEC 62196-3:2014, tờ tiêu chuẩn 3-la.
Khu vực mạ theo Hình A.10, Mạ theo 18.101. Phải sử dụng các yêu cầu về vật liệu tối thiểu trong Bảng 110 cộng thêm tối đa 20 %.
Hình A.1 - Thiết bị tham chiếu AA_0
Bảng A.1 - Điện trở tiếp xúc tối đa và các kích thước của thiết bị tham chiếu AA_0
| Dòng điện danh định A | A | L | B,C,D | R 1) |
| 200 | 50 | Tối thiểu là 1 | Do nhà chế tạo xác định | Chưa xác định 2) |
| 300 | 70 | |||
| 400 | 95 | |||
| 1) Tất cả các sợi dây phải được kết nối trong quá trình đo điện trở. 2) Khuyến cáo lấy các giá trị từ Bảng C.1. | ||||

CHÚ DẪN
|
| Thiết bị cần thử nghiệm |
|
| Thiết bị trao đổi nhiệt - nếu có |
|
| Vỏ ngoài và phụ trợ |
| RD | Thiết bị tham chiếu AA_0 |
| T_S+, T_S- | Thiết bị cảm biến nhiệt bên trong phích nối dùng cho xe điện tại DC+ và DC- |
| T_1, T_2 | Cảm biến nhiệt độ trong thiết bị tham chiếu (RD) |
Đối với các kích thước không được nêu ở đây, xem IEC 62196-3:2014, tờ tiêu chuẩn 3-lb.
Thiết bị tham chiếu phải có lớp mạ bạc theo 18.101.
Hình A.2 - Bố trí thử nghiệm AA_0

CHÚ DẪN
| RD | Thiết bị tham chiếu AA_0 |
|
| Phích nối dùng cho xe điện đã được chứng nhận |
|
| Thiết bị trao đổi nhiệt - nếu có |
|
| Vỏ ngoài và cơ cấu đỡ |
| T_1, T_2 | Cảm biến nhiệt độ trong thiết bị tham chiếu (RD) |
Hình A.3 - Bố trí thử nghiệm AA_1

| CHÚ DẪN |
|
| DUT | Thiết bị cần thử nghiệm |
| T_3+, T_3- | Cảm biến nhiệt độ T_3+ và T_3- |
|
| Phích nối dùng cho xe điện đã được chứng nhận |
|
| Thiết bị trao đổi nhiệt - nếu có |
| B | Xem Hình A.1 |
Hình A.4 - Bố trí thử nghiệm AA_2
A.2.2 Thiết bị tham chiếu và bố trí thử nghiệm để thử nghiệm thiết bị cảm biến nhiệt độ của cụm cáp (cấu hình AA)

CHÚ DẪN
|
| Bộ gia nhiệt (Khuyến cáo tối thiểu 50 W) |
| T_1 | Cảm biến nhiệt độ T_1 + hoặc T_1 - |
| Cu-ETP | Đồng điện phân (độ tinh khiết 99,9 %) |
Đối với các kích thước không được quy định, xem IEC 62196-3:2014, tờ tiêu chuẩn 3-la.
Tiết diện dây dẫn khuyến cáo, xem Bảng A.2.
Hình A.5 - Thiết bị tham chiếu AA_1

CHÚ DẪN
|
| DUT |
|
| Mặt ghép nối theo tiêu chuẩn IEC 62196-3:2014, tờ tiêu chuẩn 3-la |
|
| Thiết bị tham chiếu AA_1 |
|
| Thiết bị trao đổi nhiệt - nếu có |
| T_S+, T_S- | Cảm biến nhiệt độ bên trong ổ nối vào xe điện tại DC+ và DC |
| A | Tiết diện dây dẫn theo Bảng A.2 |
Hình A.6 - Bố trí thử nghiệm AA_3
A.2.3 Thiết bị tham chiếu và bố trí thử nghiệm cho kiểm tra thiết bị cảm biến nhiệt độ của ổ nối vào xe điện (cấu hình AA)
Kích thước tính bằng milimét

CHÚ DẪN
| T_1 + , T_1 - | Cảm biến nhiệt độ T_1 + / T_1 - |
| Cu-ETP | Đồng điện phân cứng (độ tinh khiết 99,9 %) |
|
| Chốt tiếp xúc |
|
| Mặt ghép nối |
|
| Thiết bị sưởi (khuyến cáo tối thiểu 50 W) |
|
| Các phương tiện khác để tăng độ tăng nhiệt được mô tả trong 24.105 là cho phép miễn là chúng cung cấp đáp ứng thử nghiệm tương đương. |
Đối với các kích thước không được quy định, xem IEC 62196-3:2014, tờ tiêu chuẩn 3-lb.
Thiết bị tham chiếu phải cố lớp mạ bạc theo 18.101.
Hình A.7 - Thiết bị tham chiếu AA_2

| CHÚ DẪN |
|
| T_S+, T_S- | Thiết bị cảm biến nhiệt độ bên trong ổ nối vào xe điện tại DC+ và DC- |
|
| Thiết bị cần thử nghiệm |
|
| Mặt ghép nối theo IEC 62196-3:2014, tờ tiêu chuẩn 3-lb |
|
| Thiết bị tham chiếu AA_2 |
Hình A.8 - Bố trí thử nghiệm AA_4
A.3 Bố trí thử nghiệm cho cấu hình AA
Kích thước tính bằng milimét

CHÚ DẪN
|
| Thiết bị trao đổi nhiệt nếu có |
|
| Cáp mềm |
|
| Thiết bị cần thử nghiệm dùng cho thử nghiệm theo 24.102 và 24.103, hoặc phích nối dùng cho xe điện đã được chứng nhận đối với thử nghiệm theo 24.105 |
|
| Thiết bị tham chiếu dùng cho thử nghiệm theo 24.102, 24.103 và 24.104 trong bước 1 hoặc thiết bị cần thử nghiệm theo 24.104 trong bước 2 |
Hình A.9 - Bố trí thử nghiệm chung cho các thử nghiệm độ tăng nhiệt và thử nghiệm thiết bị cảm biến nhiệt độ (cấu hình AA)
Bảng A.2 - Kích thước của dây dẫn thiết bị tham chiếu
| Có tản nhiệt | Không tản nhiệta) | ||
| Itest | Tiết diện dây dẫn | Itest | Tiết diện dây dẫn |
| A | mm2 | A | mm2 |
| 125 A < Imax ≤ 200 A | 50 | 1 50 A < Imax ≤ 200 A | 50 |
| 200 A < Imax ≤ 300 A | 70 | 200 A < Imax ≤ 250 A | 70 |
| 300 A < Imax ≤ 400 A | 95 | 250 A < Imax ≤ 350 A | 120 |
|
|
| 300 A < Imax ≤ 400 A | 150 |
| a) Các giá trị đang được xem xét. | |||
A.4 Tiếp điểm cho cấu hình AA
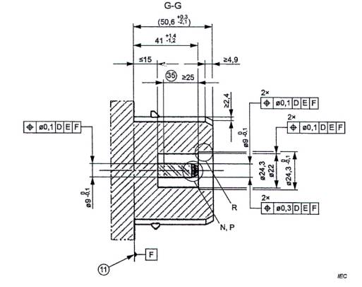
Ngoài thông tin được cung cấp trong tờ tiêu chuẩn 3-I của IEC 62196-3:2014, lớp phủ của các tiếp điểm phải được triển khai theo Hình A.10.
Kích thước tính bằng milimét

CHÚ DẪN
(11) Mặt phẳng tham chiếu
(35) Khu vực mạ
Hình A.10 - Lớp mạ của các tiếp điểm cho cấu hình AA
Phụ lục B
(tham khảo)
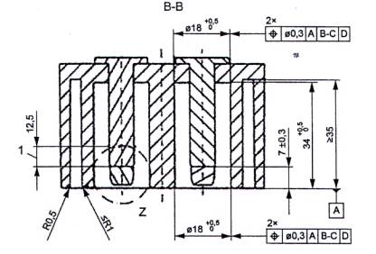
Thông tin chi tiết cho cấu hình BB
Để trống.
Phụ lục C
(quy định)
Thông tin chi tiết cho cấu hình EE
C.1 Quy định chung
Tham chiếu đến các tờ tiêu chuẩn 3-llla, 3-lllb, 3-lllc và 3-llld của IEC 62196-3:2014 được áp dụng cho dòng danh định bất kỳ đến 500 A và điện áp danh định 1 000 V DC.
C.2 Thiết bị tham chiếu và bố trí thử nghiệm cho cấu hình EE
C.2.1 Thiết bị tham chiếu và bố trí thử nghiệm cho thử nghiệm độ tăng nhiệt của cụm cáp và ổ nối vào xe điện (cấu hình EE)
Thiết bị tham chiếu cho các thử nghiệm độ tăng nhiệt bao gồm một ổ nối vào xe điện theo các tờ tiêu chuẩn 3-llla của IEC 62196-3:2014, được trang bị các tiếp điểm nguồn DC theo Điều C.4 mà không có vòng đệm hoặc vật kín nào.
Các tiếp điểm nguồn DC được gắn vào một dây dẫn tạo thành một cầu ngắn mạch với chiều dài 2 m và tiết diện dây dẫn theo Bảng C.2.
Ổ nối vào xe điện được gắn vào một giá đỡ để đảm bảo sử dụng ở vị trí thẳng đứng.
Các điện trở tiếp xúc của thiết bị tham chiếu (bao gồm chốt tiếp xúc, thân tiếp xúc, nối cơ khí và 150 mm của dây dẫn lắp cùng) được đo bằng phương pháp cảm biến bốn cực theo Hình C.1 phải phù hợp với các giá trị được chỉ ra trong Bảng C.1. Đối với thử nghiệm 24.102, thiết bị tham chiếu phải có điện trở lớn hơn giá trị tối thiểu của phạm vi điện trở cho phép. Đối với thử nghiệm 24.104, thiết bị tham chiếu phải có điện trở nhỏ hơn giá trị tối đa của phạm vi điện trở cho phép.
Nếu điện trở của thiết bị tham chiếu nằm trong phạm vi được chỉ ra trong Bảng C.1, nó có thể được sử dụng cho cả hai thử nghiệm 24.102 và 24.104. Nếu không, phải sử dụng hai thiết bị khác nhau cho các thử nghiệm này.
Kích thước tính bằng milimét

Đối với thử nghiệm độ tăng nhiệt của ổ nối vào xe điện, khoảng cách B của cả thiết bị tham chiếu (được sử dụng trong bước thử nghiệm 1) và thiết bị cần thử nghiệm (DUT) (được sử dụng trong bước thử nghiệm 2) không được chênh lệch quá ±1 mm.
CHÚ DẪN
| T | Tối đa 133 |
|
| Cảm biến nhiệt độ T_1+ hoặc T_1- |
|
| Cảm biến nhiệt độ T_2+ hoặc T_2- |
|
| Tiếp điểm nguồn DC theo Điều C.4 |
Kích thước không được quy định theo tờ tiêu chuẩn 3-llla.
Khu vực mạ theo Hình C.10. Lớp mạ theo 18.101. Sử dụng độ dày lớp tối thiểu như trong Bảng 110 cộng thêm tối đa 20 %.
Hình C.1 - Thiết bị tham chiếu EE_0
Bảng C.1 - Điện trở tiếp xúc và kích thước của thiết bị tham chiếu EE_0
| Dòng điện danh định | A | L | B, D | R a) b) |
| A | mm2 | m | mm | μΩ |
| 200 | 50 | Tối thiểu là 1 | Do nhà chế tạo quyết định | 123 đến 128 |
| 300 | 70 | 91 đến 96 | ||
| 400 | 95 | 65 đến 70 | ||
| 500 | 120 | 57 đến 62 | ||
| a) Tất cả các sợi dây phải được kết nối trong quá trình đo điện trở. b) Giá trị điện trở ở 25 °C. | ||||

CHÚ DẪN
| T_S+ | Thiết bị cảm biến nhiệt độ bên trong phích nối dùng cho xe điện tại DC+ |
| T_S- | Thiết bị cảm biến nhiệt độ bên trong phích nối dùng cho xe điện tại DC- |
|
| Thiết bị tham chiếu EE_0 |
|
| Vỏ ngoài và cơ cấu đỡ cho thiết bị tham chiếu EE_0 |
|
| Thiết bị cần thử nghiệm |
|
| Thiết bị trao đổi nhiệt, nếu có |
Hình C.2 - Bố trí thử nghiệm EE_0

CHÚ DẪN
| T_S+ | Thiết bị cảm biến nhiệt độ bên trong phích nối dùng cho xe điện tại DC+ (không sử dụng trong trường hợp này) |
| T_S- | Thiết bị cảm biến nhiệt độ bên trong phích nối dùng cho xe điện tại DC- (không sử dụng trong trường hợp này) |
|
| Thiết bị tham chiếu EE_0 |
|
| Vỏ ngoài và phần phụ trợ cho thiết bị tham chiếu EE_0 |
|
| Thiết bị cần thử nghiệm |
|
| Thiết bị trao đổi nhiệt - nếu có |
Hình C.3 - Cấu hình thử nghiệm EE_1

Đối với thử nghiệm độ tăng nhiệt của ổ nối vào xe điện, khoảng cách B của cả thiết bị tham chiếu (được sử dụng trong bước thử nghiệm 1) và thiết bị cần thử nghiệm (DUT) (được sử dụng trong bước thử nghiệm 2) không được chênh lệch quá ±1 mm.
CHÚ DẪN
| T_S+ | Thiết bị cảm biến nhiệt độ bên trong phích nối dùng cho xe điện tại DC+ (không sử dụng trong trường hợp này) |
| T_S- | Thiết bị cảm biến nhiệt độ bên trong phích nối dùng cho xe điện tại DC- (không sử dụng trong trường hợp này) |
|
| Phích nối dùng cho xe điện đã được chứng nhận |
|
| DUT |
|
| Cảm biến nhiệt độ T_3+ và T_3- |
|
| Thiết bị trao đổi nhiệt - nếu có |
Hình C.4 - Bố trí thử nghiệm EE_2
C.2.2 Thiết bị tham chiếu và bố trí thử nghiệm cho thử nghiệm thiết bị cảm biến nhiệt độ của cụm cáp (cấu hình EE)
Kích thước tính bằng milimét

a) Đường kính và chiều dài của điểm kết thúc (Ø12 và 120) là các giá trị được khuyến cáo.
CHÚ DẪN
| Cu-ETP | Đồng điện phân cứng (độ tinh khiết 99,9 %) |
|
| Cảm biến nhiệt độ T_1+ hoặc T_1- |
|
| Thiết bị sưởi |
| A | Xác định bởi nhà chế tạo |
| B | Xác định bởi nhà chế tạo |
|
| Đối với các kích thước không được quy định, xem IEC 62196-3:2014, tờ tiêu chuẩn 3-llla. |
Thiết bị tham chiếu phải có lớp mạ bạc theo 18.101.
Hình C.5 - Thiết bị tham chiếu EE_1

| CHÚ DẪN | |
| T_S+ | Thiết bị cảm biến nhiệt độ bên trong phích nối dùng cho xe điện tại DC+ |
| T_S- | Thiết bị cảm biến nhiệt độ bên trong phích nối dùng cho xe điện tại DC- |
|
| Thiết bị tham chiếu EE_1 |
|
| Vỏ ngoài và cơ cấu đỡ cho thiết bị tham chiếu EE_1 |
|
| Thiết bị cần thử nghiệm |
|
| Thiết bị trao đổi nhiệt - nếu có |
Hình C.6 - Bố trí thử nghiệm EE_3
C.2.3 Thiết bị tham chiếu và bố trí thử nghiệm cho thử nghiệm thiết bị cảm biến nhiệt độ của ổ nối vào xe điện (cấu hình EE)
Kích thước tính bằng milimét

a) Đường kính và chiều dài của đầu nối (012 và 120) là các giá trị được khuyến cáo.
CHÚ DẪN
| A | Tiết diện dây dẫn theo Bảng C.2 |
| Cu-ETP | Đồng điện phân cứng (độ tinh khiết 99,9 %) |
|
| Cảm biến nhiệt độ T_1+ hoặc T_1- |
|
| Tiếp điểm theo IEC 62196-3:2014, tờ tiêu chuẩn 3-lllb |
|
| Đối với các kích thước không được quy định, xem IEC 62196-3:2014, tờ tiêu chuẩn 3-lllb. Thiết bị tham chiếu phải có lớp mạ bạc theo 18.101 |
|
| Thiết bị sưởi |
Hình C.7 - Thiết bị tham chiếu EE_2

CHÚ DẪN
| A | Tiết diện dây dẫn theo Bảng C.2 |
| T_S+ | Thiết bị cảm biến nhiệt độ bên trong phích nối dùng cho xe điện tại DC+ |
| T_S- | Thiết bị cảm biến nhiệt độ bên trong phích nối dùng cho xe điện tại DC- |
|
| Thiết bị cần thử nghiệm |
|
| Mặt ghép theo IEC 62196-3:2014, tờ tiêu chuẩn 3-lllb |
|
| Thiết bị tham chiếu EE_2 |
Hình C.8 - Bố trí thử nghiệm EE_4
C.3 Bố trí thử nghiệm cho cấu hình EE
Kích thước tính bằng milimét

CHÚ DẪN
|
| Thiết bị trao đổi nhiệt nếu có |
|
| Cáp mềm |
|
| Thiết bị cần thử nghiệm cho thử nghiệm theo 24.102 và 24.103, hoặc phích nối dùng cho xe điện đã được chứng nhận cho thử nghiệm theo 24.104 |
|
| Thiết bị tham chiếu cho thử nghiệm theo 24.102, 24.103 và 24.104 trong bước thử nghiệm 1, hoặc thiết bị cần thử nghiệm cho thử nghiệm theo 24.104 trong bước thử nghiệm 2 |
Hình C.9 - Bố trí thử nghiệm chung cho các thử nghiệm độ tăng nhiệt và các thử nghiệm thiết bị cảm biến nhiệt độ (cấu hình EE)
Bảng C.2 - Kích thước cho dây dẫn của thiết bị tham chiếu (cấu hình EE)
| Itest | Tiết diện dây dẫna) |
| A | mm2 |
| 125 | 35 |
| 200 | 50 |
| 300 | 70 |
| 400 | 95 |
| 500 | 120 |
| CHÚ THÍCH: Các giá trị được lấy từ phiên bản 2 của ISO 17409. | |
| a) Đối với các thông số danh định nằm giữa các kích thước tiêu chuẩn trong bảng này, phải sử dụng tiết diện dây dẫn nhỏ hơn tiếp theo | |
C.4 Tiếp điểm cho cấu hình EE
Ngoài thông tin được cung cấp trong tờ tiêu chuẩn 3-III của IEC 62196-3:2014, lớp mạ của các tiếp điểm sẽ được triển khai theo Hình C.10.
Kích thước tính bằng milimét


CHÚ DẪN
Vùng mạ
Hình C.10 - Lớp mạ của các tiếp điểm cho cấu hình EE
Phụ lục D
(quy định)
Thông tin chi tiết cho cấu hình FF
D.1 Quy định chung
Tham chiếu đến các tờ tiêu chuẩn 3-IVa, 3-IVc và 3-lVd của IEC 62196-3:2014 áp dụng cho dòng điện danh định bất kỳ đến 500 A.
D.2 Thiết bị thám chiếu và bố trí thử nghiệm cho cấu hình FF
D.2.1 Thiết bị tham chiếu và bố trí thử nghiệm cho thử nghiệm độ tăng nhiệt của cụm cáp và ổ nối vào xe điện (cấu hình FF)
Thiết bị tham chiếu cho các thử nghiệm độ tăng nhiệt bao gồm một ổ nối vào xe điện theo tờ tiêu chuẩn 3-IVa của IEC 62196-3:2014 được lắp với các tiếp điểm nguồn DC theo Điều D.4 chì không có vòng đệm hoặc hợp chất gắn bất kỳ.
Các tiếp điểm nguồn DC được gắn vào một dây dẫn tạo thành một cầu ngắn mạch với chiều dài 2 m và tiết diện dây dẫn theo Bảng D.2.
Ổ nối vào xe điện được gắn vào một giá đỡ để đảm bảo sử dụng ở vị trí thẳng đứng.
Điện trở tiếp xúc của thiết bị tham chiếu (bao gồm tiếp điểm chân, thân tiếp điểm, kết nối cơ khí và dây dẫn lắp cùng 150 mm) được đo bằng phương pháp cảm biến bổn đầu theo Hình D.1 phải phù hợp với các giá trị được chỉ ra trong Bảng D.1. Đối với thử nghiệm ở 24.102, thiết bị tham chiếu phải có điện trở lớn hơn mức tối thiểu của dải điện trở đã cho. Đối với thử nghiệm 24.104, thiết bị tham chiếu phải có điện trở thấp hơn mức tối đa của dải điện trở đã cho.
Nếu điện trở của thiết bị tham chiếu nằm trong dải được cho trong Bảng D.1, nó có thể được sử dụng cho cả hai thử nghiệm 24.102 và 24.104. Nếu không, hai thiết bị khác nhau sẽ được sử dụng cho các thử nghiệm.
Kích thước tính bằng milimét

Đối với thử nghiệm độ tăng nhiệt của ổ nối vào xe điện, khoảng cách B của thiết bị tham chiếu (được sử dụng trong bước thử nghiệm 1) và thiết bị cần thử nghiệm (DUT) (được sử dụng trong bước thử nghiệm 2) không được chênh lệch quá ±1 mm.
CHÚ DẪN
| T | Tối đa 125 °C. |
|
| Cảm biến nhiệt độ T_1+ hoặc T_1- |
|
| Cảm biến nhiệt độ T_2+ hoặc T_2- |
|
| DC Tiếp điểm nguồn DC theo Clause D.4 |
Kích thước không được quy định theo tờ tiêu chuẩn 3-IVa.
Vùng mạ theo Hình D.10. Lớp mạ theo 18.101. Sử dụng độ dày lớp tối thiểu như trong Bảng 110 cộng thêm tối đa 20 %.
Hình D.1 - Thiết bị tham chiếu FF_0
Bảng D.1 - Điện trở tiếp xúc và kích thước cho thiết bị tham chiếu FF_0
| Dòng điện danh định A | A mm2 | L m | B,D mm | R a) b) μΩ |
| 200 | 50 | Tối thiểu là 1 | Do nhà chế tạo quyết định | 123 đến 128 |
| 300 | 70 | 91 đến 96 | ||
| 400 | 95 | 65 đến 70 | ||
| 500 | 120 | 57 đến 62 | ||
| a) Tất cả các sợi dây phải được kết nối trong phép đo điện trở. b) Các giá trị điện trở ở 25 °C. | ||||

CHÚ DẪN
| T_S+ | Thiết bị cảm biến nhiệt độ bên trong phích nối dùng cho xe điện tại DC+ |
| T_S- | Thiết bị cảm biến nhiệt độ bên trong phích nối dùng cho xe điện tại DC- |
|
| Thiết bị tham chiếu FF_0 |
|
| Phần vỏ và cơ cấu đỡ của thiết bị tham chiếu FF_0 |
|
| Thiết bị cần thử nghiệm |
|
| Thiết bị trao đổi nhiệt - nếu có |
Hình D.2 - Bố trí thử nghiệm FF_0

CHÚ DẪN
| T_S+ | Thiết bị cảm biến nhiệt độ bên trong phích nối dùng cho xe điện tại DC+ (không sử dụng trong trường hợp này) |
| T_S- | Thiết bị cảm biến nhiệt độ bên trong phích nối dùng cho xe điện tại DC-(không sử dụng trong trường hợp này) |
|
| Thiết bị tham chiếu FF_0 |
|
| Phần vỏ và cơ cấu đỡ của thiết bị tham chiếu FF_0 |
|
| Phích nối dùng cho xe điện đã được chứng nhận |
|
| Thiết bị trao đổi nhiệt - nếu có |
Hình D.3 - Bố trí thử nghiệm FF_1

Đối với thử nghiệm độ tăng nhiệt của ổ nối vào xe điện, khoảng cách B của cả thiết bị tham chiếu (được sử dụng trong bước thử nghiệm 1) và thiết bị cần thử nghiệm (DUT) (được sử dụng trong bước thử nghiệm 2) không được chênh lệch quá ±1 mm.
CHÚ DẪN
| T_S+ | Thiết bị cảm biến nhiệt độ bên trong phích nối dùng cho xe điện tại DC+ (không sử dụng trong trường hợp này) |
| T_S- | Thiết bị cảm biến nhiệt độ bên trong phích nối dùng cho xe điện tại DC-(không sử dụng trong trường hợp này) |
|
| Phích nối dùng cho xe điện đã được chứng nhận |
|
| DUT |
|
| Cảm biến nhiệt độ T_3+ và T_3- |
|
| Thiết bị trao đổi nhiệt - nếu có |
Hình D.4 - Bố trí thử nghiệm FF_2
D.2.2 Thiết bị tham chiếu và bố trí thử nghiệm cho thử nghiệm thiết bị cảm biến nhiệt độ của cụm cáp (cấu hình FF)
Kích thước tính bằng milimét

a) Đường kính và chiều dài của đầu nối (Ø12 và 120) là các giá trị được khuyến cáo.
CHÚ DẪN
| Cu-ETP | Đồng điện phân cứng (độ tinh khiết 99,9 %) |
|
| Cảm biến nhiệt độ T_1 + hoặc T_1 - |
|
| Thiết bị sưởi |
| A | Do nhà chế tạo quyết định |
| B | Do nhà chế tạo quyết định |
Đối với các kích thước không được quy định, xem IEC 62196-3:2014, tờ tiêu chuẩn 3-IVa.
Thiết bị tham chiếu phải có mạ bạc theo 18.101.
Hình D.5 - Thiết bị tham chiếu FF_1

CHÚ DẪN
| T_S+ | Thiết bị cảm biến nhiệt độ bên trong phích nối dùng cho xe điện tại DC+ |
| T_S- | Thiết bị cảm biến nhiệt độ bên trong phích nối dùng cho xe điện tại DC- |
|
| Thiết bị tham chiếu FF_1 |
|
| Vỏ ngoài và cơ cấu đỡ cho thiết bị tham chiếu FF_1 |
|
| Thiết bị cần thử nghiệm |
|
| Thiết bị trao đổi nhiệt - nếu có |
Hình D.6 - Cấu hình thử nghiệm FF_3
D.2.3 Thiết bị tham chiếu và bố trí thử nghiệm cho thử nghiệm thiết bị cảm biến nhiệt độ của ổ nối vào xe điện (cấu hình FF)
Kích thước tính bằng milimét

a) Đường kính và chiều dài của điểm kết thúc (Ø12 và 120) là các giá trị được khuyến cáo
CHÚ DẪN
| A | Tiết diện dây dẫn theo Bảng D.2 |
| Cu-ETP | Đồng điện phân cứng (độ tinh khiết 99,9 %)) |
|
| Cảm biến nhiệt độ T_1+ hoặc T_1- |
|
| Ống tiếp xúc theo IEC 62196-3:2014, tờ tiêu chuẩn 3-IVc |
|
| Thiết bị sưởi |
Đối với các kích thước không được quy định, xem IEC 62196-3:2014, tờ tiêu chuẩn 3-IVc. Thiết bị tham chiếu phải có mạ bạc theo 18.101.
Hình D.7 - Thiết bị tham chiếu FF_2
Kích thước tính bằng milimét

CHÚ DẪN
| A | Tiết diện dây dẫn theo Bảng D.2 |
| T_S+ | Thiết bị cảm biến nhiệt độ bên trong phích nối dùng cho xe điện tại DC+ |
| T_S- | Thiết bị cảm biến nhiệt độ bên trong phích nối dùng cho xe điện tại DC- |
|
| Thiết bị cần thử nghiệm |
|
| Mặt ghép nối theo IEC 62196-3:2014, tờ tiêu chuẩn 3-IVc |
|
| Thiết bị tham chiếu FF_2 |
Hình D.8 - Cấu hình thử nghiệm FF_4
D.3 Cấu hình thử nghiệm cho cấu hình FF
Kích thước tính bằng milimét

CHÚ DẪN
|
| Thiết bị trao đổi nhiệt - nếu có |
|
| Cáp mềm |
|
| Thiết bị cần thử nghiệm cho thử nghiệm theo 24.102 và 24.103, hoặc phích nối dùng cho xe điện đã được chứng nhận cho thử nghiệm theo 24.104 |
|
| Thiết bị tham chiếu cho thử nghiệm theo 24.102, 24.103 và 24.104 trong bước thử nghiệm 1, hoặc thiết bị cần thử nghiệm cho thử nghiệm theo 24.104 trong bước thử nghiệm 2 |
Hình D.9 - Bố trí thử nghiệm chung cho các thử nghiệm độ tăng nhiệt và thử nghiệm thiết bị cảm biến nhiệt độ (cấu hình FF)
Bảng D.2 - Kích thước của dây dẫn thiết bị tham chiếu (cấu hình FF)
| Itest | Tiết diện dây dẫn a) |
| A | mm2 |
| 125 | 35 |
| 200 | 50 |
| 300 | 70 |
| 400 | 95 |
| 500 | 120 |
| CHÚ THÍCH: Các giá trị được lấy từ ISO 17409. | |
| a) Đối với các thông số danh định nằm giữa các kích thước tiêu chuẩn trong bảng này, phải sử dụng tiết diện dây dẫn nhỏ hơn tiếp theo. | |
D.4 Các tiếp điểm cho cấu hình FF
Ngoài thông tin được cung cấp trong tờ tiêu chuẩn 3-IV của IEC 62196-3:2014, lớp mạ của các tiếp điểm phải được triển khai theo Hình D.10.
Kích thước tính bằng milimét

CHÚ DẪN
(15) Vùng mạ
Hình D.10 - Lớp mạ của các tiếp điểm cho cấu hình FF
Phụ lục E
(tham khảo)
Dữ liệu được khuyến cáo
E.1 Quy định chung
Các hạng mục sau đây cần được nhà chế tạo cung cấp.
E.2 Danh sách dữ liệu được khuyến cáo
Mô tả về sự trao đổi nhiệt:
- Thông tin cần thiết cho việc vận hành hệ thống quản lý nhiệt,
- Tính phân hủy sinh học của chất lỏng làm mát theo OECD 301,
- Bảng dữ liệu an toàn vật liệu,
- Thông số kỹ thuật của chất lỏng làm mát.
Áp suất cho hoạt động liên tục:
- Áp suất tối đa cho phép,
- Loại dữ liệu đại diện cho nhiệt độ của các tiếp điểm DC,
- Tài liệu về đặc tính nhiệt,
- Mô tả giao diện, dự kiến sẽ được kết nối với thiết bị cung cấp điện DC cho xe điện.
Dòng điện danh định:
- Dòng điện cho hoạt động mà không cần truyền nhiệt và trao đổi nhiệt để tăng khả năng sẵn sàng trong trường hợp lỗi của hệ thống quản lý nhiệt.
Kích thước dây dẫn:
- Tiết diện cáp,
- Chiều dài ngắn nhất của cáp,
- Chiều dài cáp.
Hướng dẫn thu thập dữ liệu trong quá trình thử nghiệm:
- Giá trị tác động của cảm biến nhiệt độ,
- Phương pháp đánh giá.
Thư mục tài liệu tham khảo
[1 ] TCVN 13078-24 (IEC 61851-24), Hệ thống sạc điện có dây dùng cho xe điện - Phần 24: Truyền thông kỹ thuật số giữa trạm sạc điện một chiều cho xe điện và xe điện để điều khiển sạc điện một chiều
[2] TCVN 12671-1:2019 (IEC 62893-1:2017), Cáp sạc dùng cho xe điện có điện áp danh định đến và bằng 0,6/1 kV- Phần 1: Yêu cầu chung
[3] TCVN 12671-2:2019 (IEC 62893-2:2017), Cáp sạc dùng cho xe điện có điện áp danh định đến và bằng 0,6/1 kV - Phần 2: Phương pháp thử nghiệm
[4] TCVN 12671-4-2 (IEC TS 62893-4-2), Cáp sạc dùng cho xe điện có điện áp danh định đến và bằng 0,6/1 kV - Phần 4-2: Cáp dùng cho sạc điện một chiều theo chế độ 4 của TCVN 13078-1 (IEC 61851-1) - Cáp được thiết kế để sử dụng với hệ thống quản lý nhiệt
MỤC LỤC
1 Phạm vi áp dụng
2 Tài liệu viện dẫn
3 Thuật ngữ và định nghĩa
4 Quy định chung
5 Thông số đặc trưng
6 Đấu nối giữa nguồn cung cấp và xe điện
7 Phân loại các phụ kiện
8 Ghi nhãn
9 Kích thước
10 Bảo vệ chống điện giật
11 Kích thước và màu của các dây nối đất
12 Quy định cho nối đất
13 Đầu nối
14 Khóa liên động
15 Khả năng chống ăn mòn của vật liệu cao su và nhựa nhiệt dẻo
16 Cấu trúc chung
17 Kết cấu của ổ cắm
18 Kết cấu của phích cắm và phích nối dùng cho xe điện
19 Kết cấu của ổ nối vào xe điện
20 Cấp bảo vệ
21 Điện trở cách điện và độ bền điện môi
22 Khả năng cắt
23 Hoạt động bình thường
24 Độ tăng nhiệt
25 Cáp mềm và các mối nối của chúng
26 Độ bền cơ
27 Vít, bộ phận mang dòng và các mối nối
28 Chiều dài đường rò, khe hở không khí và các khoảng cách
29 Khả năng chịu nhiệt, chịu cháy và chịu phóng điện tạo vết
30 Ăn mòn và khả năng chống gỉ
31 Thử nghiệm khả năng chịu dòng điện ngắn mạch có điều kiện
32 Tương thích điện từ
33 Khả năng chịu tải khi xe chạy qua
Phụ lục A (quy định) Thông tin chi tiết về cấu hình AA
Phụ lục B (tham khảo) Thông tin chi tiết cho cấu hình BB
Phụ lục C (quy định) Thông tin chi tiết cho cấu hình EE
Phụ lục D
Phụ lục E
Thư mục tài liệu tham khảo
[1] Hệ thống tiêu chuẩn quốc gia đã có TCVN 13078-23:2020 hoàn toàn tương đương với IEC 61851-23:2014.
[2] Hệ thống tiêu chuẩn quốc gia đã có TCVN 14296-1:2025 hoàn toàn tương đương với IEC 62196-1:2022.
[3] Hệ thống tiêu chuẩn quốc gia đã có TCVN 14296-2:2025 hoàn toàn tương đương với IEC 62196-2:2022.
[4] Hệ thống tiêu chuẩn quốc gia đã có TCVN 14296-3:2025 hoàn toàn tương đương với IEC 62196-3:2022.
[5] Hệ thống tiêu chuẩn quốc gia đã có TCVN 12772:2020 hoàn toàn tương đương với ISO 17409:2015.
Bạn chưa Đăng nhập thành viên.
Đây là tiện ích dành cho tài khoản thành viên. Vui lòng Đăng nhập để xem chi tiết. Nếu chưa có tài khoản, vui lòng Đăng ký tại đây!