- Tổng quan
- Nội dung
- Tiêu chuẩn liên quan
- Lược đồ
- Tải về
Tiêu chuẩn xây dựng TCXDVN 271:2002 Quy trình kỹ thuật xác định độ lún công trình dân dụng
| Số hiệu: | TCXDVN 271:2002 | Loại văn bản: | Tiêu chuẩn XDVN |
| Cơ quan ban hành: | Đang cập nhật | Lĩnh vực: | Xây dựng |
|
Ngày ban hành:
Ngày ban hành là ngày, tháng, năm văn bản được thông qua hoặc ký ban hành.
|
2002 |
Hiệu lực:
|
Đang cập nhật |
| Người ký: | Đang cập nhật |
Tình trạng hiệu lực:
Cho biết trạng thái hiệu lực của văn bản đang tra cứu: Chưa áp dụng, Còn hiệu lực, Hết hiệu lực, Hết hiệu lực 1 phần; Đã sửa đổi, Đính chính hay Không còn phù hợp,...
|
Đã biết
|
TÓM TẮT TIÊU CHUẨN XDVN TCXDVN 271:2002
Nội dung tóm tắt đang được cập nhật, Quý khách vui lòng quay lại sau!
Tải tiêu chuẩn Việt Nam TCXDVN 271:2002
TIÊU CHUẨN XÂY DỰNG VIỆT NAM
TCXDVN 271:2002
QUY TRÌNH KĨ THUẬT XÁC ĐỊNH ĐỘ LÚN CÔNG TRÌNH DÂN DỤNG VÀ CÔNG NGHIỆP BẰNG PHƯƠNG PHÁP ĐO CAO HÌNH HỌC
Technical process of settlement monitoring of civil and industrial building by geometrical levelling
1. Phạm vi áp dụng
Tiêu chuẩn này áp dụng để đo và xác định độ lún công trình dân dụng và công nghiệp bằng phương pháp đo cao hình học. Các công trình xây dựng (không phân biệt từ nguồn vốn nào) thuộc những đối tượng sau đây đều phải tiến hành đo và xác định độ lún.
- Các công trình cao tầng đặt trên móng cọc ma sát;
- Các công trình nhạy cảm với lún không đều;
- Các công trình đặt trên nền đất yếu;
- Các loại đối tượng công trình khác khi có yêu cầu đo và xác định độ lún cũng áp dụng tiêu chuẩn này.
Tiêu chuẩn quy định các chỉ tiêu kĩ thuật đo độ lún công trình dân dụng và công nghiệp bằng phương pháp đo cao hình học và hướng dẫn kĩ thuật để thực hiện các chỉ tiêu này.
2. Tiêu chuẩn trích dẫn
TCVN 3972 : 85. Công tác trắc địa trong xây dựng.
Quy phạm xây dựng lưới độ cao nhà nước hạng 1, 2, 3, và hạng 4. Ban hành theo Quyết định số 112/KT của Cục trưởng Cục Đo đạc bản đồ Nhà nước. Hà Nội, 1988.
3. Quy định chung
3.1. Tổ chức thiết kế cần căn cứ vào tầm quan trọng của công trình, tình hình địa chất tại công trường để xác định các đối tượng và hạng mục cần đo lún, vị trí các mốc chuẩn, phân bố các điểm đo lún, phương pháp đặt mốc, kiểu mốc, độ chính xác khi đo, các tài liệu cần thu thập và phương pháp chỉnh lí kết quả.
3.2. Việc đo và xác định độ lún của công trình cần được tiến hành ngay từ khi xây xong phần móng.
Cơ quan tổ chức đo, xác định và theo dõi độ lún là chủ đầu tư.
3.3. Độ lún của nền móng công trình cần phải đo một cách hệ thống và thông báo kết quả kịp thời theo chu kỳ, để nhận được các thông số đặc trưng về độ lún và độ ổn định của nền móng đồng thời kiểm tra những số liệu dự tính về độ lún của công trình cho các loại đất nền. Việc đo độ lún công trình cần tiến hành thường xuyên cho đến khi đạt được độ ổn định về độ lún (tốc độ lún của công trình từ 1 mm/năm ¸ 2mm/năm). Đồng thời việc đo độ lún công trình cũng có thể dừng lại nếu như trong quá trình đo giá trị độ lún theo chu kì của các điểm đo dao động trong giới hạn độ chính xác cho phép.
Trong trường hợp nếu thấy công trình có những dấu hiệu chuyển dịch đột biến (lún nhiều, nứt, nghiêng, trượt) cần tổ chức đo kịp thời, để xác định các thông số chuyển dịch, tìm ra nguyên nhân và mức độ nguy hiểm đối với công trình, trên cơ sở đưa ra những kiến nghị và giải pháp cần thiết.
3.4. Kết quả đo độ lún công trình dùng để đánh giá, kiểm chứng lại lí thuyết của các giải pháp thiết kế nền và móng. Đồng thời nó còn làm cơ sở để đưa ra những biện pháp cần thiết phòng chống sự cố có thể xảy ra. Kết quả đo độ lún còn được xem xét kết hợp với những tài liệu về địa kĩ thuật và các tài liệu thí nghiệm về cơ học đất.
3.5. Trước khi đo độ lún công trình cần nghiên cứu và tham khảo các tài liệu sau:
- Đặc điểm về nền móng, quy mô xây dựng của công trình cần đo độ lún và yêu cầu của tiêu chuẩn hoặc quy phạm về giá trị độ lún cho phép.
- Mặt bằng tổng thể của công trình;
- Các kết quả khảo sát về địa kĩ thuật;
- Mặt bằng, mặt cắt của từng công trình riêng biệt, trong đó có ghi rõ kích thước, vị trí và kết cấu móng;
- Sơ đồ tải trọng tác động lên nền đất;
- Tiến độ thi công công trình;
- Các thông tin về hiện trạng công trình trong thời gian khai thác sử dụng và bảo trì.
3.6. Khi tiến hành đo độ lún công trình cần căn cứ vào mục đích yêu cầu, nhiệm vụ đo độ lún để lựa chọn giải pháp kĩ thuật. Trước khi đo cần phải viết đề cương hoặc phương án kĩ thuật đo độ lún công trình và tùy theo yêu cầu cụ thể phải được cấp có thẩm quyền phê duyệt.
3.7. Độ lún công trình được đo và tính từ những mốc chuẩn ổn định gọi là độ lún tuyệt đối (trồi, lún). Độ lún công trình được đo và tính từ một điểm ổn định nào đó của công trình gọi là độ lún tương đối (trồi, lún).
3.8. Máy và dụng cụ đo độ lún phải có các tính năng kĩ thuật phù hợp, đảm bảo độ chính xác và cần được kiểm tra, kiểm nghiệm chặt chẽ trước khi đo.
3.9. Độ chính xác của việc đo độ lún công trình nêu trong đề cương hoặc phương án kĩ thuật, được xác định dựa vào đặc điểm, loại nền, móng, giá trị độ lún cho phép và giai đoạn xây dựng công trình.
3.10. Việc đo độ lún công trình được tiến hành theo các giai đoạn sau:
a) Lập chương trình đo: Trong đó nêu mục đích, nhiệm vụ của công tác đo độ lún (ghi rõ dự định phân bố các mốc chuẩn, mốc đo độ lún, chuẩn bị kế hoạch đo đạc và lựa chọn phương pháp đo).
b) Tổ chức đo: Bao gồm việc xác định khối lượng công việc, lập kế hoạch chuẩn bị mốc, gắn các mốc đo độ lún, kiểm nghiệm máy, mia và đo ngoài thực địa theo các chu kì.
c) Xử lí số liệu đo đạc: Bao gồm việc kiểm tra kết quả đo ngoài thực địa, bình sai và tính toán giá trị độ lún, đánh giá độ chính xác của kết quả đo, lập sơ đồ đo theo các chu kì, lập các đồ thị theo trục và bình đồ lún công trình.
d) Viết báo cáo tổng hợp và phân tích kết quả đo.
e) Tổ chức nghiệm thu.
4. Định nghĩa một số thuật ngữ
4.1. Góc i: Là góc lệch của trục ngắm ống kính so với mặt phẳng nằm ngang.
4.2. Bộ đo cực nhỏ: Là núm khắc vạch để di động tấm kính phẳng nghiêng đi một góc làm tia ngắm dịch chuyển một khoảng chia danh nghĩa trên mia, 1cm tương ứng với 100 số đọc trên núm khắc vạch.
4.3. Chênh cao nhân đôi: Là chênh cao đọc được trên mia Invar có giá trị khoảng chia danh nghĩa là 1cm, còn khoảng chia thực tế là 5mm.
4.4. "Cóc": Là dụng cụ để đặt mia chuyển độ cao khi đo chênh cao giữa hai điểm không nhìn thấy trực tiếp bằng một trạm máy.
5. Thiết kế phương án đo độ lún công trình
5.1. Phương án kĩ thuật hoặc đề cương kĩ thuật đo độ lún công trình được thiết kế tùy thuộc vào tầm quan trọng của công trình, điều kiện địa chất công trình của khu vực xây dựng, các đối tượng đo và đảm bảo các nội dung sau đây:
- Phần giới thiệu chung: Giới thiệu mục đích, ý nghĩa, nhiệm vụ và yêu cầu của công tác đo độ lún, giới thiệu các đặc điểm hiện trạng, lún, nứt của công trình trong thời gian đang thi công, trong thời gian vận hành và các đặc điểm khác có liên quan đến công tác đo độ lún;
- Thiết kế hệ thống mốc đo;
- Thiết kế sơ đồ đo và đánh giá độ chính xác của phương án thiết kế, xác lập cấp đo và chu kì đo;
- Các phương pháp đo độ lún và quy trình đo;
- Chọn máy, dụng cụ đo và tiến hành các yêu cầu kiểm nghiệm;
- Các quy định cụ thể khi đo đạc, yêu cầu về kiểm tra kết quả đo đạc tại hiện trường;
- Phương pháp xử lí số liệu đo;
- Phương pháp tính toán thông số độ lún;
- Phân tích và đánh giá độ ổn định của các mốc chuẩn;
- Lập hồ sơ báo cáo;
- Các vấn đề về vật tư, kinh phí, nhân lực, an toàn lao động và các vấn đề khác;
5.2. Nội dung chi tiết của việc thiết kế hệ thống mốc đo, sơ đồ đo, cấp đo và chu kì đo được trình bày chi tiết ở các mục: 7,8. Trong quá trình thi công nếu có thay đổi về phương án kĩ thuật hoặc đề cương kĩ thuật cần phải có văn bản cụ thể kèm theo thiết kế bổ sung .
6. Thiết bị đo độ lún công trình
6.1. Để đo độ lún công trình cần phải sử dụng các máy thủy chuẩn độ chính xác cao như: Ni004, Wild N3, Ni002, Na3003, H1, H2, H3, NAK2, KONi007 và các máy có độ chính xác tương đương với các tính năng kĩ thuật chủ yếu như sau:
- Độ phóng đại của ống kính không nhỏ hơn 24 lần.
- Giá trị khoảng chia trên ống nước dài không vượt quá 12"/2mm, hình ảnh của bọt nước phải thấy được trong máy (đối với các máy NiO30, Ni004).
- Giá trị vạch khắc vành đọc số của bộ đo cực nhỏ là 0,05mm hoặc 0,10mm.
6.2. Mia để đo độ lún là mia invar có chiều dài 1m, 1,7m, 2m hoặc 3m, mia gỗ có chiều dài 3m, giá trị khoảng chia của các vạch trên mia là 5mm hoặc 10mm. Trên mia có gắn ống nước tròn giá trị khoảng chia nhỏ hơn 5'/2mm.
6.3. Trước khi đo độ lún công trình cần phải kiểm nghiệm máy theo các nội dung sau:
a) Đối với máy không tự động cân bằng
- Xem xét bề ngoài của máy;
- Kiểm nghiệm và hiệu chỉnh vị trí bọt nước tròn;
- Kiểm nghiệm và hiệu chỉnh vị trí bọt nước dài;
- Xác định giá trị vạch khắc của ống nước dài và sai số hình ảnh parabol;
- Xác định giá trị vạch chia của bộ đo cực nhỏ trên các khoảng cách khác nhau;
- Kiểm tra độ chính xác của trục ngắm khi điều chỉnh tiêu cự;
- Kiểm tra hoạt động của vít nghiêng bằng mia.
Nếu việc đo độ lún phải tiến hành trong nhiều ngày, thì hàng ngày cần kiểm nghiệm và hiệu chỉnh bọt nước tròn, bọt nước dài. Khi góc i dao động quá 12" thì cần có biện pháp loại trừ ảnh hưởng của nó trước khi đo.
b) Đối với các máy tự động cân bằng thì cần thực hiện
- Xem xét bề ngoài của máy;
- Kiểm nghiệm và hiệu chỉnh bọt thủy tròn;
- Kiểm tra hoạt động của bộ tự cân bằng;
- Xác định giá trị vạch chia của độ đo cực nhỏ trên các khoảng cách khác nhau;
- Kiểm tra độ chính xác của trục ngắm khi điều chỉnh tiêu cự;
6.4 Trước khi đo độ lún công trình mia cần phải được kiểm nghiệm theo các nội dung sau:
- Kiểm tra toàn bộ bề ngoài của mia và dải băng invar.
- Kiểm tra độ căng của băng invar bằng lực kế có độ chính xác cao. Sai khác giữa lực căng thực tế và độ căng tiêu chuẩn phải nhỏ hơn 1/20, nếu lớn hơn 1/20 thì cần phải chỉnh lại vít văng hoặc thay lò so;
- Xác định chiều dài thực của các khoảng chia cách nhau 1m trên thang chính và thang phụ (nếu có) của invar bằng máy chuyên dùng (máy MK1);
- Chênh lệch giữa chiều dài kiểm nghiệm và chiều dài lí thuyết không được vượt quá ± 10mm;
- Xác định sai số khoảng chia 1dm trên thang chính và thang phụ (nếu có) của mia Invar, sai số này không được vượt quá ± 0,15mm;
- Kiểm nghiệm mặt đáy mia có vuông góc với trục của mia hay không;
- Kiểm nghiệm giá trị vạch "0" của 2 mia (nếu sử dụng 2 hoặc nhiều mia để đo độ lún);
- Kiểm nghiệm bọt thủy tròn trên mia;
- Xác định độ võng của mia. Nếu mia có độ võng f > 4mm đối với mia Invar và 8mm đối với mia gỗ thì phải đổi mia khác;
Các tài liệu kiểm nghiệm máy và mia được đóng gói riêng và nộp kèm theo hồ sơ đo độ lún công trình. Phương pháp kiểm nghiệm máy và mia được trình bày trong quy phạm.
7. Mốc chuẩn và mốc đo lún
7.1. Mốc chuẩn
7.1.1. Mốc chuẩn là mốc khống chế độ cao, là cơ sở để xác định độ lún công trình. Mốc chuẩn cần thỏa mãn các yêu cầu sau:
- Giữ được độ cao ổn định trong suốt quá trình đo độ lún công trình;
- Cho phép kiểm tra một cách tin cậy độ ổn định của các mốc khác;
- Cho phép dẫn độ cao đến các mốc đo lún một cách thuận lợi.
7.1.2. Vị trí các mốc chuẩn cần được đặt vào lớp đất tốt, ổn định (cát, sạn sỏi hoặc sét cứng có bề dày lớn), cách nguồn gây ra chấn động lớn hơn chiều sâu của mốc (đối với mốc chôn sâu). Khoảng cách từ mốc chuẩn đến công trình (công trình dân dụng và công nghiệp) thường từ 50m ¸ 100m.
7.1.3. Khi lợi dụng các công trình cũ để đặt mốc thì các công trình này phải hoàn toàn ổn định (không có các hiện tượng biến dạng do chuyển dịch, lún). Không đặt mốc chuẩn tại các công trình có tải trọng động (tải trọng thay đổi).
7.1.4 Tùy theo tính chất, diện tích mặt bằng và tầm quan trọng của công trình, số lượng mốc chuẩn cần chọn phù hợp với TCVN 3972 : 85, và được chia thành 3 loại A, B, C. Mốc chuẩn loại A là mốc có dạng cọc ống. Mốc này thường áp dụng khi đo độ lún các công trình quan trọng xây dựng trên nền đất đá ổn định, chiều sâu khá lớn, khu vực thi công chịu tác động của lực động học. Hình dạng và cấu tạo mốc chuẩn loại A được trình bày ở hình A1, phụ lục A.
Mốc chuẩn loại B là mốc có dạng cọc bê tông cốt thép. Mốc này thường áp dụng khi đo độ lún các công trình xây dựng trên móng cọc chiều sâu đạt đến lớp đất đá tốt được sử dụng để tựa cọc công trình. Hình dạng và cấu tạo của mốc chuẩn loại B được trình bày ở hình A2, phụ lục A.
Mốc chuẩn loại C là mốc có dạng cọc ngắn hoặc khối bê tông được chôn vào lớp đất tốt nguyên thổ đầu tiên. Loại mốc này thường áp dụng khi đo độ lún các công trình dân dụng được xây dựng trên nền đất đá kém ổn định. Hình dạng và cấu tạo của mốc chuẩn loại C được trình bày ở hình A3a, hình A3b, hình A3c, phụ lục A.
7.1.5. Cấu tạo đầu đo của các mốc chuẩn có dạng hình cầu, chỏm cầu bằng thép không gỉ, bằng đồng hoặc bằng sứ. Nếu chế tạo đầu mốc chuẩn bằng thép thường thì phải được mạ để chống gỉ. Phần đầu của các mốc chuẩn cần được xây bảo vệ có nắp đậy sao cho tác động của mặt đất không làm ảnh hưởng đến vị trí của mốc (xem phụ lục A). Đối với các công trình quan trọng mốc chuẩn cần được xây rào bảo vệ và khóa cổng khi ra vào.
7.1.6 Trong những trường hợp cần thiết hoặc chủ đầu tư có yêu cầu thì dẫn độ cao từ điểm có độ cao nhà nước gần nhất vào hệ thống các mốc chuẩn.
7.2. Mốc đo độ lún
7.2.1. Mốc đo độ lún là mốc được gắn trực tiếp vào các vị trí đặc trưng của các kết cấu chịu lực trên nền móng hoặc thân công trình, dùng để quan sát độ trồi lún của công trình. Mốc đo độ lún được phân ra các loại như sau:
- Mốc gắn tường, cột;
- Mốc nền móng;
- Các mốc chôn sâu dùng để đo độ lún theo lớp đất.
7.2.2. Mốc đo độ lún phải có kết cấu vững chắc, đơn giản và thuận tiện cho việc đo đạc, khi đặt mia, treo mia, không làm thay đổi độ cao của nó.
7.2.3. Khi thiết kế các mốc đo độ lún phải nghiên cứu các tài liệu mặt bằng bố trí móng, mặt bằng công trình để đặt mốc vào đúng vị trí cần thiết, tránh được sự phá hỏng hoặc mất tác dụng đo đạc trong các chu kì sau.
7.2.4. Mốc đo độ lún cần bố trí sao cho phản ánh được một cách đầy đủ nhất về độ lún của toàn công trình và bảo đảm được các điều kiện đo đạc, khi bố trí mốc đo độ lún cần tham khảo ý kiến của người thiết kế. Số lượng mốc đo độ lún cho một công trình cần được tính toán thích hợp sao cho vừa phản ảnh được đặc trưng về độ lún của công trình vừa đảm bảo tính kinh tế. Khoảng cách giữa các mốc đo độ lún phụ thuộc vào điều kiện địa chất công trình, cấu tạo của máy đo, giá trị độ lún ước tính và mục đích của việc đo độ lún v.v..
7.2.5. Mốc đo độ lún phải được đặt sao cho có thể chuyển độ cao trực tiếp từ mốc này sang mốc khác, đặc biệt là ở các vị trí có liên quan đến sự thay đổi kết cấu, đồng thời có thể đo nối với mốc chuẩn một cách thuận tiện.
7.2.6. Mốc đo độ lún phải được đặt ở các vị trí đặc trưng về độ lún không đều, các vị trí dự đoán là lún mạnh, các kết cấu chịu lực khác nhau, những vị trí thay đổi về địa chất công trình hai bên khe lún, nơi có thay đổi tải trọng, hầm thang máy, vị trí tiếp giáp giữa hai công trình và những vị trí công trình biến dạng đột xuất.
7.2.7. Đối với các công trình nhà ở và nhà chung cư không có khung chịu lực, sử dụng tường gạch chịu lực, móng băng thì mốc đo độ lún được phân bố theo chu vi của công trình, các mốc cách nhau 10m ¸ 15m. Khi chiều rộng của công trình lớn hơn 25m thì các mốc được đặt thêm ở tường ngang, tại chỗ giao nhau của chúng với tường gạch dọc.
7.2.8. Đối với các công trình công nghiệp và nhà khung chịu lực, mốc đo độ lún được đặt tại các cột chịu lực theo chu vi của công trình và bên trong công trình sao cho các mốc được phân bố theo trục ngang và trục dọc tối thiểu là 3 mốc tại mỗi hướng. Tại khu vực bệ lò hoặc móng máy các mốc đo độ lún được bố trí dày hơn theo các trục đối xứng.
7.2.9. Đối với các khu nhà chung cư cao tầng có các sàn bằng panen tấm lớn và các nhà tập thể có các móng lắp ghép thì các mốc được đặt theo chu vi và trục của nhà cách nhau từ 6m ÷ 8m (tương ứng với hai tấm panen hay còn gọi là tương ứng qua hai bước của panen).
7.2.10. Đối với các nhà xưởng được xây dựng trên móng cọc thì các mốc phân bố cách nhau tối đa là 15m theo trục dọc và trục ngang của công trình. Khi chiều rộng của nhà xưởng lớn hơn 25m thì số lượng mốc đo độ lún được bố trí tăng thêm một hàng 10m theo các trục.
7.2.11. Đối với các nhà sản xuất nhiều tầng và các công trình công nghiệp có móng băng giao nhau thì mốc đo độ lún sẽ được bố trí theo hướng dọc và ngang của trục móng và theo chu vi của công trình, với mật độ mốc trên 100m2 diện tích.
7.2.12. Đối với các công trình loại ống khói, silô, lò luyện gang, công trình dạng tháp, máy nâng, kho thóc v.v… mốc được đặt tối thiểu 4 chiếc theo chu vi. Với các công trình cần bảo đảm chuyển động theo một trục, cần đặt mốc đo độ lún đối xứng qua hai bên của chúng. Đối với các dầm cầu chạy, giá đỡ, đặt mốc tại các cột chịu lực và bố trí theo đường trục.
7.2.13. Đối với các tường vách cứng và vách cứng có trụ, các mốc được đặt theo chu vi của công trình với khoảng cách từ 15m ¸ 20m.
7.2.14. Đối với trường hợp nâng cấp cải tại công trình thì tại nơi tiếp giáp với công trình cũ được xem như khe lún và mốc đo độ lún được đặt cho cả hai bên của công trình. Khoảng cách giữa các mốc đo độ lún cách nhau từ 15m ¸ 20m.
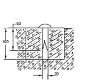
7.2.15. Đối với các công trình quan trọng, các công trình nghệ thuật mặt ngoài ốp bằng vật liệu quý nên chọn loại mốc đo độ lún có bản lề quay, có nắp đậy nhằm đảm bảo mỹ quan cho công trình. Cấu tạo của mốc loại này được trình bày ở hình B.2, phụ lục B.
7.2.16. Khi đặt các mốc lún cần lưu ý đến độ cao của mốc so với mặt nền đất xung quanh và khoảng cách từ đầu mốc đến mặt phẳng của tường hay cột để cho việc đặt mia được thuận tiện. Đối với các loại mia dựng trên đầu mốc, nên đặt mốc ở độ cao từ 15cm ¸ 20cm so với mặt nền, còn các loại mia treo nên đặt mốc ở độ cao từ 80 cm ¸ 200 cm so với mặt nền. Khoảng cách từ đầu mốc tới tường hoặc cột thường từ 3cm ¸ 4cm. Nơi đặt các mốc cần phải ghi kí hiệu quy ước trên đồ án của công trình hay tòa nhà với tỉ lệ 1: 100 ¸ 1: 500 và đặt tên cho mỗi mốc.
7.2.17. Trong quá trình đo đạc nếu phát hiện thấy mốc bị mất, cần phải gắn bổ sung mốc mới. Vị trí của nó cách mốc đã mất không vượt quá 3m. Sau khi gắn mốc phải đặt tên cho mốc mới và thêm kí hiệu quy ước.
7.2.18. Sau khi đặt mốc cần đo nối tới các trục định vị, các cửa sổ, các phần lồi của công trình hoặc các góc nhà và độ chính xác tối đa là 10 cm.
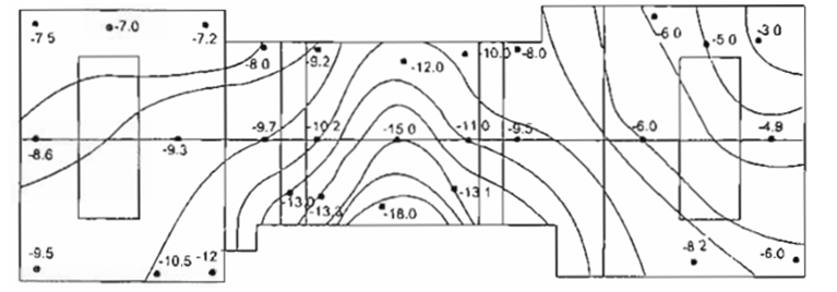
7.2.19. Đối với các loại mốc nền, không nên đặt cao quá 1 cm và chú ý đến điều kiện đặt mia trên đầu mốc. Khi đo lún nền đất xung quanh công trình hoặc nền đất yếu trên phạm vi rộng cần bố trí các mốc đo lún nằm sâu so với mặt đất từ 40 cm ¸ 50 cm. Cấu tạo của mốc đo lún nền được trình bày ở hình B.4, phụ lục B.
7.2.20. Số lượng mốc đo độ lún đặt cho nhà dân dụng hoặc công trình công nghiệp được ước tính theo công thức tổng quát sau đây:
N =
(7.1)
Trong đó:
N là số lượng mốc đo độ lún;
P là chu vi hoặc chiều dài móng, (m);
L là khoảng cách giữa các mốc đo độ lún, (m);
7.2.21. Đối với các nhà xây trên móng cọc hoặc móng bè số lượng đầu mốc được tính bằng công thức:
N =
(7.2)
Trong đó:
S là diện tích mặt móng, (m2);
F là diện tích khống chế của một mốc, (m2), thường lấy từ 100m2 ¸ 150m2.
7.2.22. Sơ đồ bố trí mốc đo độ lún cho một số dạng nhà, nhà xưởng, các công trình công nghiệp, móng máy được nêu ở hình C.1, C.2, C.3, C.4, C.5, C.6, phụ lục C.
7.2.23. Cấu tạo mốc đo độ lún được phân ra 3 phần chính:
- Thân mốc;
- Đầu mốc;
- Phần bảo vệ.
Tùy thuộc vào loại công trình mà thân mốc có cấu tạo khác nhau. Khi đặt mốc phải đảm bảo sự liên kết vững chắc giữa thân mốc với thân công trình. Đầu mốc dạng hình cầu, hoặc bán cầu, để bảo đảm khi dựng mia thì mia sẽ luôn luôn tiếp xúc tại một điểm cố định, (hình B.1, B.2, B.3, B.4, B.5, phụ lục B).
7.2.24. Mốc đo độ lún công trình cần được bảo quản, có nắp bảo vệ và tránh va đập. Trường hợp cần thiết nên có văn bản bàn giao việc bảo quản mốc với đơn vị chủ quản và thi công công trình.
8. Xác lập cấp đo, thiết kế sơ đồ đo, chu kì đo
8.1. Việc đo độ lún công trình được chia làm 3 cấp: Cấp I, cấp II, cấp III. Độ chính xác yêu cầu của từng cấp được đặc trưng bởi hai số trung phương nhận được từ hai chu kì đo.
- Đối với cấp I: ± 1mm.
- Đối với cấp II: ± 2mm.
- Đối với cấp III: ± 5mm.
8.2. Độ chính xác của việc đo độ lún công trình được ước tính theo công thức:
(8.1)
Trong đó:
ms.ti là yêu cầu độ chính xác đo độ lún ở thời điểm ti;
Sti, St(i-1) là độ lún (dự báo) ở thời điểm ti; t(i-1);
e là hệ số đặc trưng cho độ tin cậy của kết quả quan trắc, thông thường e = 4 ¸ 6.
8.3. Khi ước tính độ chính xác để lựa chọn cấp độ lún công trình cần đảm bảo các chỉ tiêu kinh tế kĩ thuật. Cấp đo hợp lí phải thỏa mãn các đẳng thức sau:
(8.2)
hoặc
(8.3)
Trong đó:
m là giá trị dự kiến của sai số trung phương trọng số đơn vị;
ms và mDs là sai số trung phương yêu cầu xác định độ lún S hoặc hiệu số độ lún giữa hai điểm;
là trọng số đảo bộ cao của điểm yếu:
Việc xác định trọng số đảo độ cao của điểm yếu được dựa trên sơ đồ mạng lưới đo độ lún và thực hiện theo một trong các phương pháp sau:
- Phương pháp thay thế trọng số tương đương;
- Phương pháp nhích dần;
- Phương pháp ước tính theo các chương trình được lập trên máy tính.
8.4. Trọng số trên một đoạn đo trong đo độ lún công trình được chọn theo số trạm máy và tính theo công thức:
P =
(8.4)
Nếu chọn c = 1 thì mh/trạm = m.
8.5. Trong trường hợp riêng biệt cấp đo độ lún được chọn phụ thuộc vào những trị số của độ lún dự đoán. Việc sử dụng phương pháp đo có thể được điều chỉnh sau khi đã tiến hành đo được 3 chu kì đầu tiên và thấy rõ tốc độ lún của nền, móng công trình. Giá trị độ lún dự tính của nền, móng công trình và sai số cho phép đo độ lún cho các giai đoạn được nêu ở bảng 1.
8.6. Căn cứ vào đặc điểm của đất nền và tầm quan trọng của công trình, việc lựa chọn cấp đo độ lún nên tham khảo phụ lục D.
8.7. Căn cứ vào hệ thống mốc đã thiết kế, yêu cầu về độ chính xác xác định độ lún và khả năng nhìn thấy của các mốc, để thiết kế các tuyến đo, xác lập sơ đồ hình dạng lưới và lựa chọn cấp đo hợp lí.
8.8. Sơ đồ mạng lưới đo độ lún cần được chuyển lên bình đồ hoặc bản đồ tỉ lệ 1/100 ¸ 1/500 và có ghi chú cẩn thận. Trong quá trình đo đạc các chu kì nếu có sự thay đổi về vị trí mốc và tuyến đo thì cần phải bổ sung vào sơ đồ đo.
8.9. Tùy thuộc vào từng công trình mà dự kiến chu kì đo. Chu kì đo được tính toán sao cho kết quả thu được phản ánh đúng thực chất quá trình làm việc của nền móng và sự ổn định của công trình. Có thể phân chia chu kì đo thành 3 giai đoạn:
- Giai đoạn thi công xây dựng, công trình lún nhiều;
- Giai đoạn độ lún giảm dần;
- Giai đoạn tắt lún và ổn định.
8.10. Giai đoạn thi công xây dựng, (xây dựng lún nhiều), nên đặt mốc và đo chu kì đầu tiên sau khi thi công xong phần móng. Các chu kì tiếp theo tùy thuộc vào công trình cụ thể và tốc độ xây dựng. Có thể xác định bằng (%) tải trọng, nên đo vào các giai đoạn công trình đạt 25%, 50%, 75% và 100% tải trọng bản thân công trình. Khi tiến độ xây dựng đều thì có thể bố trí chu kì đo theo tuần hoặc tháng.
Bảng 1: Sai số cho phép đo độ lún theo giai đoạn
Đơn vị tính là milimét
| Giá trị độ lún dự định (mm) | Giai đoạn xây dựng | Giai đoạn khai thác sử dụng | ||
| Loại đất nền | ||||
| Cắt | Đất sét | Cắt | Đất sét | |
| < 50 | 1 | 1 | 1 | 1 |
| 50 ¸ 100 | 2 | 1 | 1 | 1 |
| 100 ¸ 250 | 5 | 2 | 1 | 2 |
| 250 ¸ 500 | 10 | 5 | 2 | 5 |
| > 500 | 15 | 10 | 5 | 10 |
8.11. Giai đoạn độ lún của công trình giảm dần, tùy thuộc vào dạng móng, loại nền đất mà quyết định chu kì đo cho thích hợp, các chu kì đầu của giai đoạn này có thể tiến hành từ 3 đến 6 tháng, các chu kì tiếp theo được quyết định trên cơ sở độ lún của chu kì gần nhất đã xác định. Số lượng chu kì trong giai đoạn này tùy thuộc vào giá trị và tốc độ lún của công trình mà quyết định.
8.12. Giai đoạn ổn định và tắt lún được đo theo chu kì từ 1 đến 2 năm, cho đến khi giá trị độ lún của công trình nằm trong giới hạn ổn định.
8.13. Đối với các công trình có tải trọng: Nhà kho, silô, nhà nghiền,… các chu kì đo thường được tăng cường trước khi chất tải, khi đỡ tải,… trước khi công trình đưa vào vận hành, khi vận hành và sau khi vận hành.
9. Đo đọ lún công trình bằng phương pháp đo cao hình học
9.1. Đo độ lún công trình bằng phương pháp đo cao hình học cấp 1
9.1.1. Đo độ lún bằng phương pháp đo cao hình học cấp 1, được tiến hành bằng phương pháp kết hợp đo hai chiều: Đo đi và đo về bằng máy thủy chuẩn có độ chính xác cao loại H, và máy tự động cân bằng loại Ni-002 của Cộng hòa Dân chủ Đức (cũ), máy NA3003 của Thụy sĩ hoặc các máy có độ chính xác tương đương.
- Độ phóng đại của ống kính yêu cầu từ 40x trở lên;
- Giá trị khoảng chia trên mặt ống thủy dài không vượt quá 12"/2m;
- Giá trị vạch khắc vành đọc số của bộ đo cực nhỏ 0,05mm và 0,10mm.
Việc đo độ lún ở mỗi chu kì được thực hiện theo sơ đồ đã thiết kế, có thể sử dụng các sơ đồ đơn giản từ một đến hai tuyến đơn. Trước khi đo độ lún máy và mia phải được kiểm tra, kiểm nghiệm theo yêu cầu đo chênh lệch độ cao cấp I.
9.1.2. Đối với các máy đo độ cao mới nhận ở xưởng về hoặc các máy mới sửa chữa thì trước khi sử dụng phải được kiểm tra, kiểm nghiệm ở trong phòng và ngoài thực địa theo những nội dung của quy phạm. Máy và mia đang dùng để đo độ lún các công trình thì không được sử dụng vào việc khác.
9.1.3. Khi đo độ lún công trình bằng phương pháp đo cao hình học cấp I cần sử dụng mia invar có hai thang chia vạch. Giá trị vạch khắc là 2.5mm. Chiều dài của mia từ 1m ¸ 3m. Trên mia có ống nước tròn với giá trị vạch khắc là 10" ¸ 12" trên 2mm. Giá trị khoảng chia của các vạch trên mia có thể là 5mm hoặc 100mm. Sai số khoảng chia 1m của các thang số không được vượt quá 0,10mm. Khi đo độ lún bằng phương pháp đo cao hình học cấp I ở miền núi, thì sai số này không được vượt quá 0,05mm. Sai số khoảng chia dm của các thang số khi đo độ lún cấp I không vượt quá ± 0,10mm. Khi đo ở vùng núi thì sai số này không được vượt quá ± 0,05mm.
9.1.4. Trước khi tiến hành công việc đo độ lún cần phải kiểm tra mia, nhằm đảm bảo cho mia không bị cong, các vạch khắc và các dòng chữ số trên mia rõ ràng, ống nước tròn của mia phải có độ nhạy cao. Người cầm mia phải chú ý quan sát các điều kiện sau:
- Đế mia phải tuyệt đối sạch;
- Mia phải được đặt thẳng đứng dựa vào ống nước tròn, ổn định và trên điểm cao nhất của mốc, theo hiệu lệnh của người đo, khi di chuyển nên cần thận nhẹ nhàng để mia không bị va đập;
- Trong điều kiện làm việc thiếu ánh sáng, mia phải có đèn chiếu sáng;
- Khi dựng mia trên mốc, người cầm mia đọc tên của mốc. Không có hiệu lệnh của người đo mia không được rời khỏi mốc. Trong thời gian giải lao cần bảo quản mia không để va đập, chấn động, dựng mép mia vào tường, khi đo xong để mia trong phòng khô ráo, có hòm riêng. Trên một mốc đo trong các chu kì đo khác nhau chỉ nên sử dụng một mia.
9.1.5. Trình tự thao tác trên một trạm đo gồm các công việc sau:
- Đặt chân máy: Chân máy thủy chuẩn đặt trên trạm khi đo phải được thăng bằng và đảm bảo độ ổn định cao, hai chân của chân máy đặt song song với đường đo, chân thứ ba cắt ngang khi bên phải, khi bên trái, tất cả ba chân của chân máy phải ở những vị trí chắc chắn.
- Chân máy dùng để đo độ lún công trình cần có độ ổn định cao và trọng lượng tối thiểu là 6kg.
- Lắp máy vào chân bằng ốc nối.
- Cân bằng máy theo ba ốc cân và bọt nước gắn trên máy. Độ lệch của bọt nước tối đa là hai vạch khắc của ống nước.
Việc tính toán ghi chép số đọc trên mia được thực hiện theo các chương trình ghi ở bảng 2.
Bảng 2: Mẫu ghi chép số đọc trên mia theo cách chương trình
Chương trình I Chương trình II
| Mức độ cao thứ nhất của máy | SC | TC | TP | SP | SC | SP | TC | TP |
| Mức độ cao thứ hai của máy | TC | SC | SP | TP | TC | TP | SC | SP |
Trong đó:
Sc là số đọc trên thang chính của mia sau (kí hiệu Sc);
Sp là số đọc trên thang phụ mia sau (kí hiệu Sp);
Tc là số đọc trên thang chính mia trước (kí hiệu Tc);
Tp là số đọc trên thang phụ mia trước (kí hiệu Tp);
S là chữ viết tắt của từ sau;
T là chữ viết tắt của từ trước;
c là chữ viết tắt của từ thang chính;
p là chữ viết tắt của từ thang phụ.
Khi đo độ lún bằng một mia và đặt máy trên nền cứng thì nên sử dụng chương trình II.
9.1.6. Chiều dài của tia ngắm không vượt quá 25m. Chiều cao của tia ngắm so với mặt đất hay so với mặt trên của chướng ngại vật không được nhỏ hơn 0,8m. Trong những trường hợp cá biệt khi đo trong các tầng hầm của công trình có chiều dài tia ngắm không vượt quá 15m thì được phép thực hiện việc đo ở độ cao tia ngắm là 0,5m.
9.1.7. Công việc đo ngắm chỉ được phép thực hiện trong điều kiện hoàn toàn thuận lợi và hình ảnh của các vạch khắc trên mia rõ ràng, ổn định.
9.1.8. Trước khi bắt đầu thực hiện công việc đo ngắm 15 phút, cần đưa máy ra khỏi hòm đựng để tiếp nhận nhiệt độ môi trường. Trong khi đo nếu cần thiết phải chuyển độ cao đến các mốc đặt trong công trình bằng cách ngắm qua cửa sổ, qua các lỗ hổng ở công trường và ở tường thì các lỗ hỏng để chuyển qua này phải có đường kính tối thiểu là 0,5m. Không nên đặt máy ở nơi gianh giới giữa không khí nóng và lạnh.
9.1.9. Chọn thời gian đo:
- Không nên đo vào thời gian khi mặt trời sắp mọc hoặc sắp lặn, khi hình ảnh dao động, khi có gió mạnh từng hồi, nhiệt độ không khí cao và dao động không đều, bởi vì lúc này việc bắt mục tiêu và kẹp vạch đọc số không chính xác.
- Việc đo ngắm nên bắt đầu sau khi mặt trời mọc nửa giờ và kết thúc trước khi mặt trời lặn một giờ.
- Trong khi đo phải sử dụng ô để che máy, tránh tác động trực tiếp của tia nắng mặt trời dọi vào máy. Khi di chuyển từ trạm máy này đến trạm máy khác phải che máy bằng túi, bao rộng làm bằng vật liệu mịn chuyên dùng.
9.1.10. Chênh lệch khoảng cách từ máy tới mia trước và phía sau tối đa là 0,4m. Tích lũy những chênh lệch khoảng cách từ máy đến mia trước và mia sau trong một tuyến đo (hoặc vòng khép kín) cho phép không được vượt quá 2m. Khoảng cách từ máy đến mia được đo bằng máy đo khoảng cách hoặc bằng thước dây. Việc bố trí các khoảng cách từ máy đến mia trước và mia sau gần bằng nhau được thực hiện bằng dây thừng; thước dây hoặc thước thép. Khi góc I của máy đo < 4" ¸ 8" có thể cho phép chênh lệch khoảng cách từ máy tới mia trước và mia sau là 0,8m và tích lũy những chênh lệch khoảng cách trong một tuyến đo hoặc vòng khép kín là 4m.
9.1.11. Trên mỗi trạm máy cần kiểm tra ngay kết quả đo. Việc kiểm tra này bao gồm các công việc sau:
- Tính hiệu số đọc thang chính và thang phụ của mỗi mia. Hiệu số của chúng phải ở trong giới hạn của hai vạch của thang (0,1mm), khi có sự khác biệt lớn, việc đo ngắm phải được làm lại.
- Tính các chênh cao nhân đôi theo thang chính và thang phụ của mia trước và mia sau. Sự khác biệt của các chênh cao nhân đôi theo thang chính và thang phụ không được lớn hơn 4 vạch chia của bộ đo cực nhỏ (0,2mm). Khi có sự khác biệt lớn, việc đo ngắm phải được làm lại.
- Tính toán chênh cao: Sự chênh lệch về chênh cao ở hai vị trí độ cao máy cho phép nhỏ hơn 0,2mm ¸ 0,3mm.
Sau khi thực hiện xong một tuyến đo khép kín, cần phải tính sai số khép vòng đo. Sai số khép vòng đo được vượt quá sai số giới hạn cho phép là:
(mm) (9.1)
Trong đó:
n là số trạm máy trong tuyến đo cao.
Kết quả đo được ghi theo mẫu số ở phụ lục E.
9.2. Đo độ lún công trình bằng phương pháp đo cao hình học cấp II.
9.2.1. Đo độ lún bằng phương pháp đo cao hình học cấp II được tiến hành bằng máy thủy chuẩn loại H1, H2, NAK2, Ni004 và các máy thủy chuẩn có độ chính xác tương đương. Có thể dùng cả loại máy thủy chuẩn có độ chính xác tương đương. Có thể dùng cả loại máy thủy chuẩn tự động cân bằng KONi007.
- Độ phóng đại ống kính của các máy đo cao yêu cầu từ 35x đến 40x;
- Giá trị vạch khắc trên mặt ống nước dài không được vượt quá 12"/2mm;
- Giá trị vạch khắc vành đọc số của bộ đo cực nhỏ là 0,05 mm ¸ 0,10mm.
Việc đo cao được tiến hành theo các vòng đo bằng một độ cao máy. Tất cả các máy và dụng cụ dùng để đo độ lún bằng phương pháp đo cao hình học cấp II đều phải được kiểm tra, kiểm nghiệm ở trong phòng và ngoài thực địa theo nội dung, yêu cầu của quy phạm.
9.2.2. Khi đo độ lún bằng phương pháp đo cao hình học cấp II cần dùng mia có băng invar có một hoặc hai thang chia vạch. Giá trị khoảng chia của các vạch trên mia có thể là 5 mm hoặc 10mm. Chiều dài của mia từ 1m ¸ 3m. Sai số các khoảng chia 1m, dm và toàn chiều dài mia không được vượt quá 0,20mm. Khi mia dùng để đo độ lún ở miền núi thì sai số này không được vượt quá 0,10mm.
9.2.3. Trình tự đo ngắm trên một trạm máy khi đo độ lún bằng phương pháp đo cao hình học cấp II được tiến hành như đã nêu trong điều 9.1.5.
9.2.4. Khi đo độ lún công trình, quá trình đo ngắm được bắt đầu từ một cọc mốc và kết thúc cũng nên dừng ở cọc mốc đó. Cũng có thể kết thúc việc đo ngắm trên một cọc mốc khác theo các đường đo khép kín hoặc đường đo nối vào các mốc chuẩn. Số trạm máy trong tuyến đo treo được phép tối đa là 2. Số trạm máy trong tuyến đo khép kín phải bảo đảm độ chính xác cần thiết của giá trị độ lún nhận được.
9.2.5. Chiều dài của tia ngắm không được vượt quá 30m, trong trường hợp cá biệt khi đường đo dài và sử dụng mia khắc vạch có bề rộng là 2mm, thì cho phép tăng chiều dài của tia ngắm đến 40m. Chiều cao của tia ngắm phải cách mặt đất tối thiểu là 0,5m.
9.2.6. Sự chênh lệch về khoảng cách từ máy đến mia trước và mia sau không vượt quá 1m. Tích lũy những chênh lệch khoảng cách từ máy đến mia trong các tuyến đo hoặc một vòng đo khép kín không được vượt quá 3m ¸ 4m. Khi góc i của máy < 4" ¸ 8" có thể cho phép chênh lệch khoảng cách từ máy tới mia là 2m và tích lũy chênh lệch khoảng cách từ máy đến mia trong một tuyến đo hoặc vòng đo khép kín, không được vượt quá 8m.
9.2.7. Việc đo độ lún phải thực hiện trong điều kiện thuận lợi cho việc đo ngắm theo quy tắc đã nêu ở điểm 9.1.8., 9.1.9.
9.2.8. Nếu sử dụng các điểm chuyển tiếp khi đo độ lún công trình thì phải sử dụng các "cóc" để đặt mia.
9.2.9. Tại mỗi trạm máy cần kiểm tra ngay các kết quả đo ở ngoài thực địa. Công tác kiểm tra này bao gồm:
- Tính hiệu số đọc giữa thang chính và thang phụ của mia. Hiệu số này không được lớn hơn 3 vạch chia của bộ đo cực nhỏ (0,15mm). Khi có sự khác nhau lớn, cần phải thực hiện đo lại.
- Tính các chênh cao nhân đôi theo thang chính và thang phụ của mia trước và mia sau. Sự khác nhau của các chênh cao nhân đôi ở thang chính và thang phụ không được lớn hơn 6 vạch chia của bộ đo cực nhỏ (0,3mm). Nếu có sự khác nhau lớn thì công việc đo ngắm phải được thực hiện lại.
- Tính toán chênh cao đo.
9.2.10. Sau khi thực hiện các tuyến đo khép kín, phải tính toán kiểm tra sai số khép vòng đo. Sai số khép vòng đo không được vượt quá sai số cho phép tính theo công thức:
(mm) (9.2)
Trong đó: n là số trạm máy trong tuyến đo cao khép kín.
Kết quả đo được ghi theo mẫu số ở phụ lục E.
9.3. Đo độ lún công trình bằng phương pháp đo cao hình học cấp III
9.3.1. Đo độ lún bằng phương pháp đo cao hình học cấp III, có thể dùng máy thủy chuẩn H3, máy thủy chuẩn tự động cân bằng, máy loại K0Ni007 máy NAK2 không cần lắp micrometer và các máy thủy chuẩn có độ chính xác tương đương.
- Độ phóng đại ống kính của các máy yêu cầu từ 24x trở lên;
- Giá trị khoảng chia trên mặt ống nước dài không được vượt quá 15"/2mm và nếu là bọt nước tiếp xúc thì giá trị khoảng chia trên mặt ống nước không vượt quá 30"/2mm.
- Lưới chỉ chữ thập của máy có 3 chỉ ngang.
9.3.2. Khi đo độ lún bằng phương pháp đo cao hình học cấp III, cần sử dụng các loại mia sau:
- Mia hai mặt chiều dài 2m ¸ 3m, với vạch chia bằng centimét.
- Mia có chiều dài từ 1m ¸ 3m, có khắc vạch ở hai thang, vạch chia nhỏ nhất là 0,5cm.
- Mia một mặt có lắp bọt nước và có vạch khác xen kẽ đen đỏ có vạch chia nhỏ nhất là 1cm.
- Có thể sử dụng mia treo với chiều dài từ 0,5 ¸ 1,2m với vạch chia ở thang như mia thông thường.
- Số 0 của mia treo phải trùng với lỗ trung tâm để chốt khi mia được treo trên đó. Mia treo phải thỏa mãn các yêu cầu đã nêu ở mục 9.1.4;
- Sai số khoảng chia dm và mét của cặp mia không được vượt quá ± 0,5mm.
9.3.3. Trình tự đo ngắm trên trạm máy bằng phương pháp đo cao hình học cấp III cũng được thực hiện như đã nêu ở điều 9.1.5.
9.3.4. Chiều dài của tia ngắm không quá 40m, chiều rộng của tia ngắm tối thiểu là 0,3m so với mặt đất. Sự chênh lệch của khoảng cách từ máy đến mia trước và mia sau không được vượt quá 2m. Tích lũy chênh lệch khoảng cách từ máy tới mia của các trạm đo tuyến đo khép kín không được vượt quá 5m. Khi góc i của máy đo < 4" ¸ 8" có thể cho phép chênh lệch khoảng cách từ máy đến mia là 3 mét và tích lũy chênh lệch khoảng cách của trạm đo trong tuyến đo khép kín là 10m.
9.3.5. Để chuyển độ cao giữa các mốc phải sử dụng các "cốc" để dựng mia. Cho phép sử dụng những điểm chuyển tiếp bằng cọc gỗ có đóng đinh để đặt đế mia, hoặc đinh móc bằng kim loại đóng vào cọc gỗ với góc không nhỏ hơn 30o v.v…
9.3.6. Trên mỗi trạm đo cần phải kiểm tra ngay kết quả đo ở ngoài thực địa. Công việc kiểm tra này bao gồm:
- Tính tổng chênh cao trung bình giữa mặt đỏ và mặt đen của mia. Sự khác nhau giữa chúng không được vượt quá 2mm.
- Khi sử dụng mia invar và máy thủy chuẩn loại H1, H2 hiệu chênh cao theo thang chính và thang phụ không được vượt quá 1,5mm.
- Khi đo, đọc số trên mia theo ba chỉ của máy, số đọc theo chỉ trung bình (chỉ giữa) với nửa tổng số đọc theo 2 chỉ trên và chỉ dưới không được chênh nhau quá 3mm.
9.3.7. Sai số khép vòng đo trong tuyến đo khép kín không được vượt quá sai số giới hạn cho phép. Sai số giới hạn cho phép fn được tính theo công thức:
fn =
(mm) (9.3)
Trong đó:
n là số trạm máy trong tuyến đo:
Khi đo theo hai chiều đo đi và đo về thì sai số cho phép giữa lần đo đi và đo về cũng được tính bằng công thức này.
Kết quả đo được ghi theo mẫu số ở phụ lục E.
9.3.8. Mẫu số đo độ lún công trình bằng phương pháp đo cao hình học cấp I, cấp II, cấp III xem phụ lục E.
9.3.9. Sơ đồ mạng lưới đo độ lún và kết quả đo chênh cao xem phụ lục F.
10. Xử lí liệu đo độ lún công trình và đánh giá độ ổn định của các mốc chuẩn
10.1. Xử lí số liệu đo độ lún công trình
10.1.1. Việc xử lí số liệu đo độ lún công trình được bắt đầu từ việc kiểm tra số đo ngoại nghiệp. Các hạn sai giữa số đọc theo thang chính và thang phụ (đối với mia có hai thang khác vạch) hoặc giữa hai lần đọc số (đối với mia có một thang khắc vạch) được cho trong mục 9.1.11, 9.2.9, 9.3.6. Nếu các số liệu ghi trong sổ đo ngoại nghiệp không có sai sót thì tiến hành xác định chênh cao trung bình theo thang chính và thang phụ hoặc chênh cao trung bình giữa hai lần đọc số.
10.1.2. Vẽ sơ đồ các tuyến đo và ghi trên sơ đồ các số liệu sau:
- Chênh cao trung bình tính được theo thang chính và thang phụ hoặc theo hai lần đọc số;
- Số trạm máy trên tuyến đo;
- Hướng của tuyến đo.
10.1.3. Xác định sai số khép của tất cả các vòng khép trên sơ đồ. Sai số khép cho phép của các vòng đo được xác định theo các công thức sau:
: Sai số đơn vị trọng số là 0,15mm/trạm đối với đo độ lún cấp 1, và
: Sai số đơn vị trọng số là 0,25 mm/trạm đối với đo độ lún cấp II, và
: Sai số đơn vị trọng số là 1mm/trạm đối với đo độ lún cấp III; (10.1)
Trong các công thức trên n là số trạm máy trong vòng đo khép kín. Nếu sai số khép vòng đo của tất cả các vòng đo nhỏ hơn hoặc bằng giá trị cho phép thì tiến hành bình sai lưới. Trường hợp sai số khép vòng đo vượt quá giá trị cho phép thì phải tiến hành đo lại.
10.1.4. Việc bình sai các lưới thủy chuẩn đo độ lún công trình được thực hiện theo phương pháp bình sai chặt chẽ trên cơ sở của phương pháp số bình phương nhỏ nhất. Tùy theo điều kiện cụ thể có thể sử dụng một trong các phương pháp sau đây:
- Phương pháp bình sai điều kiện;
- Phương pháp bình sai gián tiếp;
- Phương pháp vòng khép của Giáo sư Popov.
Trình tự các bước bình sai lưới độ cao theo phương pháp bình sai gián tiếp được trình bày trong phụ lục G.
10.1.5. Sau khi bình sai lưới phải lập bảng kê các mốc lún, độ cao và sai số xác định độ cao của từng mốc.
10.1.6. Việc đánh giá độ chính xác của các kết quả đo được thực hiện như sau:
- Xác định sai số trung phương đơn vị trọng số theo công thức:
(10.2)
Trong đó:
m là số trung phương đơn vị trọng số;
n là số đoạn đo trong lưới;
k là số điểm cần xác định độ cao (bằng số mốc đo độ lún).
- Sai số trung phương độ cao của điểm bất kì
(10.3)
Trong đó:
là trọng số đảo của điểm cần đánh giá.
10.1.7. Sau khi có ít nhất hai chu kì đo có thể tính được độ lún của công trình theo các công thức sau đây:
- Độ lún tương đối của mốc thứ j trong chu kì đo thứ i được xác định theo công thức:
(sj)i = (Hj)i - (Hj)i-1 (10.4)
- Độ lún tổng cộng của mốc thứ j trong chu kì đo thứ i là:
(Sj)i = (Hj)i - (Hj)i (10.5)
Trong đó:
(Sj)i là độ lún của mốc thứ j trong chu kì đo thứ i;
(Hj)i là độ cao của mốc thứ j trong chu kì đo thứ j;
(Hj)i-1 là độ cao của mốc thứ j trong chu kì đo kề trước;
(Hj)i là độ cao của mốc thứ j trong chu kì đo đầu tiên;
- Độ lún trung bình của công trình trong chu kì đo thứ i được xác định theo công thức:
(10.6)
- Độ lún trung bình tổng cộng của công trình từ khi bắt đầu đo đến khi chu kì đo thứ i là:
(10.7)
Trong đó:
là diện tích của nền móng chịu ảnh hưởng của mốc lún thứ j;
p là diện tích toàn bộ nền móng công trình.
Thông thường có thể tính độ lún trung bình của công trình theo thức sau:
(10.8)
Trong đó:
n là số mốc lún được đo trên công trình.
- Tốc độ lún của công trình trong chu kì đo độ lún thứ i được tính theo công thức sau:
(10.9)
- Tốc độ lún trung bình tổng cộng của công trình từ chu kì đầu đến chu kì đo hiện tại (chu kì thứ j) được tính:
(10.10)
Trong đó:
30 là số ngày trong một tháng;
vi và Vi là tốc độ lún tính theo đơn vị mm/tháng;
t là khoảng thời gian giữa chu kì kế trước và chi kì hiện tại (tính bằng ngày);
T là khoảng thời gian giữa chu kì đo đầu tiên và chu kì đo hiện tại (tính bằng ngày).
10.1.8. Sau mỗi chu kì đo độ lún cần lập bảng thống kê độ cao và độ lún tổng cộng của các mốc trong chu kì hiện tại và độ lún tổng cộng của các mốc, tính độ lún trung bình của công trình trong chu kì đang xét và độ lún tổng cộng của công trình. Ngoài ra cần chỉ rõ các mốc có diễn biến lún đặc biệt: Mốc có độ lún lớn nhất, mốc có độ lún nhỏ nhất, tốc độ lún trung bình của công trình và một số nhận xét ngắn gọn. Mẫu bảng thống kê được trình bày trong phụ lục L, M.
10.1.9. Hiệu độ lún lớn nhất giữa hai điểm trên công trình
DSmax = Smax - Smin (10.11)
10.1.10. Độ nghiêng của nền công trình trên hướng AB
i =
(10.12)
Trong đó:
LAB là khoảng cách giữa 2 điểm có độ lún lớn nhất và nhỏ nhất
10.1.11. Độ cong tuyệt đối và độ cong tương đối dọc theo trục công trình
- Độ cong tuyệt đối
f =
(10.13)
- Độ cong tương đối
ftd =
(10.14)
Trong đó:
1, 2, 3 là số hiệu của 3 điểm đo độ lún phân bố dọc theo trục công trình theo thứ tự 1, 2, 3 (đầu, giữa, cuối)
10.1.12. Biểu đồ lún thường được vẽ theo trục dọc và trục ngang của công trình dựa vào các giá trị độ lún của các mốc theo các chu kì từ 2 đến n (hình P.1, phụ lục P).
10.1.13. Biểu đồ lún theo tải trọng và thời gian của các mốc đặc trưng được vẽ dựa vào giá trị độ lún của mốc có giá trị độ lún nhỏ nhất, độ lún lớn nhất và giá trị độ lún trung bình của công trình theo các chu kì đo, (hình P.2, phụ lục P).
10.2. Đánh giá độ ổn định của các mốc chuẩn
10.2.1. Trong đó độ lún công trình, chẳng những các mốc dùng để đo độ lún bị thay đổi độ cao theo thời gian mà ngay cả các mốc chuẩn cũng không giữ được độ cao ổn định trong suốt quá trình đo. Vì vậy việc kiểm tra độ ổn định của các mốc chuẩn đóng một vai trò đặc biệt quan trọng và là một nội dung bắt buộc trong xử lí số liệu đo độ lún công trình.
10.2.2. Nguyên nhân gây ra sự dịch chuyển thẳng đứng (trồi, lún) của các mốc chuẩn gồm:
a) Sự dịch chuyển của các lớp đất đá;
b) Sự thay đổi nhiệt độ của các lớp đất đá dẫn đến sự co dãn thân mốc;
c) Ảnh hưởng của sự dịch chuyển thẳng đứng của bản thân công trình.
Đối với các mốc chuẩn kiên cố được đặt vào lớp đá gốc chắc chắn thì ảnh hưởng của nhiệt độ là đáng kể vì vậy để tăng độ ổn định của các mốc loại này cần chế tạo thân mốc bằng các vật liệu có hệ số dãn nở nhiệt nhỏ.
Đối với các mốc chuẩn nông không đặt được vào tầng đá gốc ổn định thì ảnh hưởng của sự dịch chuyển của các lớp đất đá là khá lớn. Để đảm bảo độ ổn định của mốc, cần phải gia cố phần móng của mốc một cách cẩn thận.
Để giảm ảnh hưởng của sự trồi lún của bản thân công trình đến độ ổn định của các mốc chuẩn, cần phải đặt các mốc chuẩn ở ngoài phạm vi ảnh hưởng của công trình. Tuy nhiên cũng không nên đặt các mốc chuẩn ở quá xa công trình, vì như vậy sẽ làm tăng chiều dài tuyến thủy chuẩn dẫn từ mốc chuẩn đến các mốc đo độ lún và làm giảm độ chính xác đo độ lún công trình.
10.2.3. Việc phân tích kiểm tra độ ổn định của các mốc chuẩn cần phải được tiến hành trước khi xác định độ lún cho các mốc kiểm tra. Chỉ có các mốc chuẩn được coi là ổn định mới được tham gia vào quá trình bình sai xác định độ lún của các mốc đo độ lún.
10.2.4. Để kiểm tra độ ổn định của các mốc chuẩn có thể sử dụng các công cụ của toán thống kê nếu có một tập hợp đủ lớn các dữ liệu đo kiểm tra lưới thủy chuẩn trong nhiều chu kì. Trong trường hợp này có thể sử dụng các phương pháp sau:
- Phương pháp phân tích hệ số tương quan giữa các chênh cao đo trong các chu kì, (ví dụ tính toán được trình bày ở phụ lục H).
- Phương pháp phân tích phương sai của các chênh cao đo trong các chu kì.
10.2.5. Trong trường hợp không có nhiều dữ kiện đo kiểm tra lưới cơ sở thì nên sử dụng thuật toán bình sai lưới tự do để xử lí số liệu trong lưới. Vì lưới độ cao cơ sở trong đo độ lún công trình có cấu trúc là lưới tụ do, vì vậy ứng dụng thuật toán bình sai lưới tự do trong mạng lưới này là cần thiết và phù hợp với bản chất của nó, (ví dụ tính toán được trình bày ở phụ lục I).
11. Lập báo cáo kết quả đo độ lún
11.1. Khi kết thúc một giai đoạn đo độ lún, ví dụ kết thúc phần móng hoặc kết thúc một giai đoạn thử tải v.v… cần lập báo cáo giai đoạn. Khi kết thúc quá trình đo độ lún do hết hạn hợp đồng hoặc công trình đã vào giai đoạn tắt lún một cách rõ rệt, cần lập báo cáo kết quả đo độ lún theo các nội dung sau đây:
- Phần I: Nội dung công việc và biện pháp thực hiện cần nêu rõ các điểm sau đây:
- Phần II: Các kết quả đo và xác định độ lún;
- Phần III: Kết luận và kiến nghị.
11.2. Trong phần nội dung công việc và biện pháp thực hiện cần nêu rõ các điểm sau đây:
- Mục đích, yêu cầu nhiệm vụ của công tác đo độ lún;
- Giới thiệu đặc điểm về vị trí địa hình, đặc điểm về địa kĩ thuật của khu vực đo độ lún:
- Đặc điểm về hình dạng, kích thước, loại nền móng, kết cấu kiến thức v.v… và những đặc điểm về hiện trạng công trình;
- Xây dựng hệ thống mốc chuẩn và mốc đo độ lún có sơ đồ bố trí các mốc chuẩn và mốc đo độ lún trên công trình (kèm theo mặt bằng tầng một);
- Phương pháp và dụng cụ đo, độ chính xác yêu cầu và số lượng chu kì đo, tiến độ thực hiện công việc;
- Phương pháp bình sai và đánh giá độ chính xác kết quả đo độ lún.
11.3. Trong phần các kết quả đo và xác định độ lún cần phải thể hiện đầy đủ các nội dung sau:
- Các kết quả đo đạc và bình sai mạng lưới độ cao và tính toán độ lún của các chu kì đo, (tham khảo phụ lục K);
- Bảng tổng hợp về độ cao sau bình sai của các mốc theo các chu kỳ, (theo mẫu phụ lục L);
- Bảng tổng hợp về độ lún và tốc độ lún của các mốc theo các chu kì, (theo mẫu của phụ lục M và công thức 10.9, 10.10);
- Độ lún trung bình và tốc độ lún trung bình của công trình;
- Điểm có độ lún lớn nhất và điểm có độ lún nhỏ nhất, độ lún lệch lớn nhất giữa hai điểm A và B;
- Độ nghiêng của nén công trình trên hướng AB;
- Độ cong tuyệt đối và độ cong tương đối theo trục công trình;
- Biểu đồ lún theo trục ngang, trục dọc của công trình theo hình P.1, phụ lục P;
- Biểu đồ lún theo tải trọng và thời gian của các mốc đo lún theo hình P.2, phụ lục P;
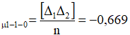
- Bình đồ lún công trình trong thời gian đo theo hình P.3, phụ lục P.
11.4 Kết luận và kiến nghị
- Phần kết luận: Phải đánh giá được chất lượng công việc đo độ lún, mức độ hoàn thành công việc đề ra đồng thời đánh giá hiện trạng lún của công trình, nêu bật lên được các tham số đặc trưng có liên quan đến các quy định cho phép, mức độ lún, hướng lún, ảnh hưởng của độ lún tới khả năng làm việc bình thường và độ ổn định lâu dài của công trình.
Trên cơ sở các kết luận đã nêu cần kiến nghị với cơ quan chủ quản công trình về mức độ ổn định của công trình, khả năng khai thác các tài liệu đo độ lún, dự báo biến dạng công trình và các công việc cần làm tiếp theo.
Phụ lục A
(Tham khảo)
CẤU TẠO CÁC LOẠI MỐC CHUẨN A, B, C

Hình A.1: Mốc chuẩn loại A

Hình A.2: Mốc chuẩn loại B
| Hình A.3a: Mốc chuẩn loại C dạng khối bê tông 1. Trụ mốc bê tông; 2. Dấu móc bằng sứ hoặc đồng; 3. Mốc phụ hình ống; 4. Vỏ ống mốc phụ bằng thép hoặc nhựa; 5. Thành có mốc bằng bê tông; 6. Nắp đậy bê tông |
|
| Hình A.3b: Mốc chuẩn loại C dàng hình ống 1. Đầu mốc (F = 2cm ¸ 4cm); 2. Ống mốc (F = 7cm ¸ 8cm); 3. Ống bảo vệ: (F = 2cm ¸ 4cm); 4. Vòng kẹp giữ ống bảo vệ; 5. Thanh neo; 6. Đệm bê tông; 7. Nắp; 8. Giếng gạch hoặc bê tông; 9. Cửa nắp; 10. Xỉ; 11. Lớp đệm bê tông |
|
| Hình A.3c: Mốc chuẩn loại C dạng cọc 1. Đầu mốc (F = 2cm ¸ 4cm); 2. Cọc mốc (F = 7cm ¸ 8cm); 3. Giếng dầu hoặc giếng dầu đặt trong hố móng cọc hoặc giếng quét bitum (nhựa đường) bọc cọc mốc khi chôn. 4. Hố gạch xây, bê tông; 5. Cửa nắp; 6. Xỉ; 7. Lớp đệm bê tông khi đặt trong hố móng (loại mốc này được lắp đặt bằng cách đóng cọc hay chôn chặt dưới hố có độ sâu từ 1m ¸ 2m). |
|
Phụ lục B
(Tham khảo)
CẤU TẠO MỘT SỐ LOẠI MỐC ĐO ĐỘ LÚN NỀN VÀ CÔNG TRÌNH
|
|
|
|
| Hình B.1: Mốc đo độ lún có cấu tạo vững chắc | Hình B.6: Mốc đo độ lún nền đất | Hình B.7: Mốc đo độ lún mặt nền |
|
|
|
| Hình B.2: Mốc đo độ lún có bản lề quay | Hình B.5: Mốc đo độ lún dạng hộp |
|
|
|
| Hình B.3: Mốc đo độ lún có ren | Hình B.4: Mốc đo độ lún gắn vào bệ lò nung |
Phụ lục C
(Tham khảo)
SƠ ĐỒ BỐ TRÍ MỐC ĐO ĐỘ LÚN CÔNG TRÌNH

Hình C.1: Mốc đo độ lún công trình nhà máy liên hiệp sản xuất giày

Hình C.2: Mốc đo độ lún công trình nhà máy nhiệt điện.

Hình C.3: Mốc đo độ lún công trình nhà ở 5 tầng

Hình C.4: Mốc đo độ lún công trình nhà làm việc cao tầng

Hình C.5: Mốc đo độ lún công trình nhà ở cao tầng dạng khối và panen tấm lớn
Phụ lục D
(Tham khảo)
CHỌN CẤP ĐO ĐỘ LÚN DỰA VÀO ĐẶC ĐIỂM CỦA NỀN ĐẤT VÀ TẦM QUAN TRỌNG CỦA CÔNG TRÌNH
Cấp I Đo độ lún của nền móng các nhà và công trình được xây dựng trên nền đất cứng và nửa cứng, các công trình quan trọng, các công trình có ý nghĩa đặc biệt.
Cấp II Đo độ lún của các nhà và công trình được xây dựng trên nền đất có tính biến dạng cao, các công trình được đo độ lún để xác định nguyên nhân hư hỏng.
Cấp III Đo độ lún của các nhà và công trình được xây dựng trên nền đất lấp,đất có tính lún sụt cao, đất có tính bão hòa nước và trên nền đất bùn chịu nén kém.
Phụ lục E
(Tham khảo)
MẪU SỔ ĐO CHÊNH LỆCH ĐỘ CAO THEO CÁC CẤP
E.1 Mẫu sổ đo chênh lệch độ cao cấp I
Đo từ ………………… đến ………………… Ngày ………. Tháng……..năm……….
Người đo …………………………………….. Người ghi …………………………………
| 1. Thời gian............................................................ 2. Hình ảnh............................................................. 3. Nhiệt độ............................................................... 4. Lượng máy............................................................ 5. Chất đất.............................................................. 6. Tốc độ và hướng gió.............................................................. 7. Hướng mặt trời ………………………………. 8. Các ghi chú khác …………………………….. 9. Sơ đồ đo nối ………………………………..... | Số trạm | Đo khoảng cách theo 3 chỉ | |||
| Hàng bên phải | Hàng bên trái | ||||
| Mia sau | Mia trước | Mia sau | Mia trước | ||
| 1 | 2 | 3 | 4 | 5 | 6 |
|
|
|
|
|
|
|
| Thứ tự đo ngầm | Số đọc chênh lệch độ cao | Kiểm tra | ||||||
| Hàng bên phải | Kiểm tra | Hàng bên trái | Kiểm tra |
|
| |||
| Thang chính | Thang phụ | Thang chính | Thang phụ | |||||
| 7 | 8 | 9 | 10 | 11 | 12 | 13 | 14 | 15 |
E.2. Mẫu sổ đo chênh lệch độ cao cấp II
Đo từ ……….……đến.................... Ngày ………. Tháng…..….năm............
Thời tiết........................................ Lượng máy..........................................
Hướng gió..................................... Cấp gió …………..Chất đất..................
Hướng mặt trời.............................. Hình ảnh..............................................
| Số trạm đo | Mia sau | Mia trước | Thời gian nhiệt độ | Kí hiệu mia | Số đọc chênh lệch độ cao | K+ chính trừ phụ | Số trung bình chênh lệch độ cao | |
| Chỉ trên Chỉ dưới | Chỉ trên Chỉ dưới | Thang chính | Thang phụ | |||||
| d | d | |||||||
| Dd | SDd | |||||||
| 1 | 2 | 3 | 4 | 5 | 6 | 7 | 8 | 9 |
|
|
|
|
|
|
|
|
|
|
E.3. Mẫu sổ đo chênh lệch độ cao cấp III
Đo từ............................................. đến .....................................................
Lúc bắt đầu ……………h…………..p, Ngày…………tháng………..năm..........
…………..
Kết thúc......................................... Người đo.............................................
Hình ảnh........................................ Người ghi............................................
Thời tiết........................................ Người kiểm tra....................................
| Số trạm đo | Mia sau | Chỉ dưới | Mia trước | Chỉ dưới | Kí hiệu mia | Số đọc chỉ giữa | K+ đen trừ đỏ | Ghi chú | |
| Chỉ trên | Chỉ trên |
|
| ||||||
| Khoảng cách sau d | Khoảng cách trước d | ||||||||
| Chênh lệch Dd | SDd | ||||||||
| 1 | 2 | 3 | 4 | 5 | 6 | 7 | 8 | ||
|
|
|
|
|
|
|
|
|
|
|
Phụ lục F
(Tham khảo)
MẪU GHI KẾT QUẢ ĐO CHÊNH CAO CÁC MỐC TRÊN SƠ ĐỒ
Sơ đồ mạng lưới đo độ lún cụm mốc chuẩn
Chu kì ------------------- Ngày đo -------------------------------

Phụ lục G
(Tham khảo)
TRÌNH TỰ TÍNH TOÁN BÌNH SAI THEO PHƯƠNG PHÁP BÌNH SAI GIÁN TIẾP
1. Chọn ẩn số
Các ẩn số được chọn phải độc lập. Đối với lưới độ cao ẩn số có thể là các chênh cao hoặc độ cao của các điểm cần xác định. Thông thường người ta hay chọn độ cao của các điểm cần xác định làm ẩn số.
2. Lập phương trình số hiệu chỉnh
Ở dạng ma trận, hệ phương trình số hiệu chỉnh như sau:
AdH + L = V
Trong đó A là ma trận hệ số của phương trình số hiệu chỉnh có kích thước n x m; n là số đại lượng đo, m là số ẩn số; dH là véc tơ số hiệu chỉnh vào các ẩn số. dH có kích thước bằng số ẩn số m. L là véc tơ số hạng tự do có kích thước bằng số đại lượng đo n, V là véc tơ số hiệu chỉnh có kích thước bằng số đại lượng đo n.
3. Xác định trọng số của các đại lượng đo

4. Lập hệ phương trình chuẩn
NdH + B = 0
Trong đó:
N = ATPA
B = ATPL
5. Giải hệ phương trình chuẩn, xác định nghiệm dH
dH = - N-1B
6. Đánh giá độ chính xác của kết quả đo
a) Sai số trung phương trọng số đơn vị

b) Sai số trung phương độ cao của một điểm

Trong đó:
là trọng số đảo của đại lượng cần đánh giá
Phụ lục H
(Tham khảo)
KIỂM TRA ĐỘ ỔN ĐỊNH CỦA CÁC MỐC CHUẨN BẰNG PHƯƠNG PHÁP PHÂN TÍCH HỆ SỐ TƯƠNG QUAN GIỮA CÁC TRỊ ĐO
Phương pháp này được áp dụng cho trường hợp giữa các mốc chuẩn được đo nhiều lần. Giả sử ta có 4 mốc chuẩn
như hình H.1, các số liệu đo 15 chu kì được ghi ở bảng H.1.
Bảng H.1: Số liệu đo chênh cao của các mốc 15 chu kì
| Thứ tự | h1 | D1 | h2 | D2 | h3 | D3 |
| 1 | -18,18 | +1,81 | +17,94 | -1,90 | -24,32 | -1,51 |
| 2 | -18,34 | +1,65 | +18,69 | -1,21 | -24,85 | -1,04 |
| 3 | -19,86 | +0,13 | +19,12 | -0,76 | -24,69 | -0,88 |
| 4 | -19,69 | +0,30 | +19,24 | -0,66 | -24,46 | -0,65 |
| 5 | -19,84 | +0,15 | +18,92 | -0,98 | -23,20 | +0,61 |
| 6 | -19,49 | +0,50 | +19,59 | -0,31 | -23,99 | -0,18 |
| 7 | -20,12 | -0,13 | +19,75 | -0,15 | -24,54 | -0,73 |
| 8 | -20,34 | -0,35 | +19,16 | -0,74 | -24,18 | -0,37 |
| 9 | -20,34 | -0,35 | +19,22 | -0,68 | -23,20 | +0,61 |
| 10 | -20,24 | -0,25 | +20,91 | +1,01 | -23,44 | +0,37 |
| 11 | -20,69 | -0,70 | +19,99 | +0,09 | -22,76 | +1,05 |
| 12 | -20,65 | -0,66 | +20,50 | +0,60 | -23,86 | -0,05 |
| 13 | -20,94 | -1,00 | +21,19 | +1,29 | 23,81 | 0,00 |
| 14 | -20,45 | -0,46 | +21,85 | +1,95 | -23,11 | +0,70 |
| 15 | -20,60 | -0,61 | +22,38 | +2,48 | -22,69 | +1,12 |
| TB | -19,99 | +0,03 | +19,90 | -0,05 | -23,81 | +0,05 |
|
| [D | 9,21 | [D | +21,44 | [D | +6,97 |
|
| [D1D2] | -10,04 | [D1D3] | -4,74 | [D2D3] | +7,38 |
Theo các số liệu trên đây ra lần lượt tính các giá trị sau:
1. Độ lệch của các trị đo so với trị trung bình
(D1)i = (h1)i - (h1)TB
(D2)i = (h2)i - (h2)TB (H-1)
(D3)i = (h3)i - (h3)TB (H-2)
2. Tính giá trị bình phương của các độ lệch và tổng của chúng
[D
].[D
] và [D
]
3. Tính [D1D2].[D1D3].[D2D3]

Hình H.1: Sơ đồ tuyến đo mốc chuẩn
4. Mô men trung tâm bậc 2


(H-3)
Trong đó:
n là số chu kì quan trắc (n = 15)
5. Mô men hỗn hợp bậc nhất


(H-4)
6. Tính chuẩn phương sai

(H-5)

7. Tính các hệ số tương quan
A. Tính các hệ số tương quan
a. Cặp h1h2

b. Cặp h1h3
(H-6)
c. Cặp h2h3

B. Tính các hệ số tương quan riêng
a. h1 và h2 liên quan với nhau và h3 cố định

b. h1 và h3 liên quan với nhau và h2 cố định
(H-7)
c. h2 và h3 liên quan với nhau và ht cố định

d. Tính hệ số tương quan tập hợp
(H-8)


8. Kiểm tra xem các hệ số được coi là "có nghĩa" không bằng cách tính giá trị độ lệch trung phương
(H-9)
các hệ số tương quan được coi là nghĩa nếu rh > 3sr. Trong thí dụ trên đây, tất cả các hệ số tương quan đều có nghĩa. Sau khi tính được các hệ số tương quan ta tiến hành phân tích chúng để đánh giá độ ổn định của các mốc chuẩn. Cặp chênh cao h1, h2, có hệ số tương quan là -0,714 và hệ số tương quan riêng
đều là các số âm, nghĩa là khi h1 giảm thì h2 tăng, nhưng vì h1 < 0 và h2 > 0 nên giá trị tuyệt đối của cả hai chênh cao đều tăng. Điều đó cho ta thấy mốc rp2 bị lún xuống. Các hệ số tương quan tập hợp
và
có giá trị xấp xỉ bằng nhau và các hộ số riêng
và
có giá trị nhỏ không đáng kể, từ đó có thể rút ra kết luận rp3 ổn định hơn cả. Hệ số rương quan
= + 0,604 cho thấy khi h2 tăng thì h3 cũng tăng. Vì h3 < 0 nên khi h2 tăng thì giá trị tuyệt đối của h3 giảm từ đây cho ta thấy mốc rp4 bị trồi lên. Coi quan hệ giữa h1 và h2 là tuyến tính thì phương trình biểu diễn quan hệ của h1 và h2 là h1 = ah2 + b.
Trong đó:

= -19,99 - (-0,468 x 19,9) = -10,68
vậy phương trình xấp xỉ sẽ là:
h1 = -0,468 h2 - 10,68
Trong chu kì cuối cùng h1 = -20,6. h2 = 22,33 thay các số hiệu này vào tính được h1 = -21,15, điều này cho thấy là giá trị độ lún xác suất đối với mốc rp2 là 21,15 - 20,60 = 0,55mm.
Như vậy chúng ta thấy phương pháp phân tích hệ số tương quan cho kết quả khá tốt. Tuy nhiên, để áp dụng được phương pháp này cần có một tập hợp dữ liệu đo đủ lớn. Số chu kì đo phải lớn hơn 10 và số các mốc chuẩn không nhiều quá. Trong trường hợp số mốc chuẩn quá nhiều thì quan hệ giữa các chênh cao sẽ trở nên rất phức tạp và việc phân tích sẽ gặp rất nhiều khó khăn.
Phụ lục I
(tham khảo)
ĐÁNH GIÁ ĐỘ ỔN ĐỊNH CỦA CÁC MỐC CHUẨN BẰNG THUẬT TOÁN BÌNH SAI LƯỚI TỰ DO
Giả sử một lưới độ cao cơ sở phục vụ cho đo lún công trình gồm 4 mốc RP1, RP2, RP3 và RP4 như hình 1.1. Chênh cao giữa các mốc trong các chu kì được ghi trong bảng 1.1.

Hình 1.1: Sơ đồ lưới độ cao cơ sở gồm 4 mốc chuẩn
Bảng I.1: Chênh cao giữa các mốc trong các chu kì
| Tuyến đo | Số trạm máy | Chênh cao (mm) | |||
| Chu kì 1 | Chu kì 2 | Chu kì 3 | Chu kì 4 | ||
| RP2 - RP4 | 1 | -868,86 | -868,39 | -868,05 | -867,52 |
| RP4 - RP3 | 1 | -204,13 | -204,23 | -204,33 | -204,48 |
| RP3 - RP1 | 1 | -453,61 | -453,51 | -453,32 | -453,04 |
| RP1 - RP2 | 1 | -211,33 | -210,84 | -210,43 | -207,81 |
| RP2 - RP3 | 1 | -664,51 | -664,65 | -663,75 | -663,19 |
Bảng I.2: Độ cao của các mốc cơ sở
| Thứ tự | Tên mốc | Độ cao |
| 1 | RP1 | 7,2250 |
| 2 | RP2 | 7,4362 |
| 3 | RP3 | 6,7715 |
| 4 | RP4 | 6,5674 |
I. Tiêu chuẩn để đánh giá độ ổn định của các mốc cơ sở
Mốc độ cao cơ sở được coi là ổn định nếu thỏa mãn điều kiện
ISt £ t . Ms
Trong đó:
S là độ dịch chuyển theo phương thẳng đứng của mốc cơ sở (trồi, lún);
t là hệ số (giá trị của t thay đổi từ 2 - 3), trong trường hợp này t = 2;
Ms là sai số trung phương xác định độ lún.
II. Trong chu kì đầu tiên, coi tất cả các mốc là ổn định, tiến hành bình sai lưới theo thuật toán bình sai tự do. Kết quả bình sai được ghi trong bảng 1.3 và bảng 1.4.
Bảng I.3: Trị đo và các đại lượng bình sai
| Thứ tự | Tên đoạn đo | Chênh cao đo (m) | Số trạm | Số hiệu chỉnh (m) | Số chênh cao sau bình sai (m) |
| 1 | RP2 - RP4 | -0,8689 | 1 | 0,0001 | -0,8688 |
| 2 | RP4 - RP3 | -0,2041 | 1 | 0,0001 | -0,2042 |
| 3 | RP3 - RP1 | -0,4536 | 1 | -0,0001 | -0,4535 |
| 4 | RP1 - RP2 | -0,2113 | 1 | -0,0001 | -0,2112 |
| 5 | RP2 - RP3 | -0,6645 | 1 | -0,0002 | -0,6647 |
Sai số trung phương đơn vị trọng số mh = 0,18 mm/trạm
Bảng I.4: Độ cao của các mốc sau bình sai
| Thứ tự | Tên mốc | H(m) | Độ lệch | mH (mm) | Đánh giá độ ổn định |
| 1 | RP1 | 7,2250 | 0,03 | 0,10 | Ổn định |
| 2 | RP2 | 7,4362 | 0,00 | 0,08 | Ổn định |
| 3 | RP3 | 6,7715 | 0,05 | 0,08 | Ổn định |
| 4 | RP4 | 6,5673 | -0,08 | 0,10 | Ổn định |
III. Sử dụng các mốc ổn định trong chu kì 1 để định vị lưới trong chu kì 2, trong trường hợp này sự thay đổi độ cao của tất cả 4 mốc đều nhỏ hơn giá trị cho phép: Ms = ± 0,5 mm.
Kết quả bình sai lưới trong chu kỳ 2 được trình bày trong bảng I.3a và bảng I.4a.
Bảng I.3a: Trị đo và các đại lượng bình sai trong chu kì 2
| Thứ tự | Tên đoạn đo | Chênh cao đo (m) | Số trạm | Số hiệu chỉnh (m) | Số chênh cao sau bình sai (m) |
| 1 | RP2 - RP4 | -0,8684 | 1 | -0,0001 | -0,8685 |
| 2 | RP4 - RP3 | -0,2042 | 1 | -0,0001 | -0,2041 |
| 3 | RP3 - RP1 | -0,4535 | 1 | 0,0001 | -0,4556 |
| 4 | RP1 - RP2 | -0,2108 | 1 | 0,0001 | -0,2109 |
| 5 | RP2 - RP3 | -0,6647 | 1 | 0,0002 | -0,6645 |
Sai số trung phương đơn vị trọng số mh = 0,21 mm/trạm
Bảng I.4a: Độ cao của các mốc sau bình sai
| Thứ tự | Tên mốc | H(m) | Độ lệch | mH (mm) | Đánh giá độ ổn định |
| 1 | RP1 | 7,2251 | -0,13 | 0,12 | Ổn định |
| 2 | RP2 | 7,4360 | -0,21 | 0,09 | Ổn định |
| 3 | RP3 | 6,7715 | 0,07 | 0,07 | Ổn định |
| 4 | RP4 | 6,5674 | 0,01 | 0,12 | Ổn định |
IV. Tiếp tục bình sai đối với các kết quả đo của chu kì 3 ta được các số hiệu chỉnh trong bảng I.3b và bảng I.4b.
Bảng I.3b: Trị đo và các đại lượng bình sai trong chu kì 3
| Thứ tự | Tên đoạn đo | Chênh cao đo (m) | Số trạm | Số hiệu chỉnh (m) | Số chênh cao sau bình sai (m) |
| 1 | RP2 - RP4 | -0,8680 | 1 | 0,0001 | -0,8681 |
| 2 | RP4 - RP3 | -0,2043 | 1 | 0,0001 | -0,2043 |
| 3 | RP3 - RP1 | -0,4533 | 1 | 0,0000 | -0,4533 |
| 4 | RP1 - RP2 | -0,2104 | 1 | 0,0000 | 0,2104 |
| 5 | RP2 - RP3 | -0,6637 | 1 | 0,0000 | -0,6637 |
Sai số trung phương đơn vị trọng số mh = 0,01 mm/trạm
Bảng I.4b: Độ cao của các mốc sai bình sai
| Thứ tự | Tên mốc | H(m) | Độ lệch (mm) | mH (mm) | Đánh giá độ ổn định |
| 1 | RP1 | 7,2249 | -0,03 | 0,01 | Ổn định |
| 2 | RP2 | 7,4353 | -0,83 | 0,01 | Không ổn định |
| 3 | RP3 | 6,7716 | 0,16 | 0,01 | Ổn định |
| 4 | RP4 | 6,5673 | -0,13 | 0,01 | Ổn định |
V. Chu kì 4 cũng được bình sai tương tự như các chu kì trước.
Mốc RP2 không ổn định nên không được sử dụng để định vị lưới. Kết quả bình sai các trị đo trong chu kì 4 được ghi trong bảng 1.3c và bảng 1.4c.
Bảng I.3c: Trị đo và các đại lượng bình sai trong chu kì 4
| Thứ tự | Tên đoạn đo | Chênh cao đo (m) | Số trạm | Số hiệu chỉnh (m) | Số chênh cao sau bình sai (m) |
| 1 | RP2 - RP4 | -0,8675 | 1 | 0,0000 | -0,8675 |
| 2 | RP4 - RP3 | -0,2045 | 1 | 0,0000 | 0,2045 |
| 3 | RP3 - RP1 | -0,4530 | 1 | 0,0001 | 0,4531 |
| 4 | RP1 - RP2 | -0,2028 | 1 | 0,0001 | 0,2099 |
| 5 | RP2 - RP3 | -0,6632 | 1 | 0,0001 | -0,6631 |
Sai số trung phương đơn vị trọng số mh = 0,14mm/trạm
Bảng I.4c: Độ cao của các mốc sau bình sai
| Thứ tự | Tên mốc | H(m) | Độ lệch | mH (mm) | Đánh giá độ ổn định |
| 1 | RP1 | 7,2249 | -0,09 | 0,08 | Ổn định |
| 2 | RP2 | 7,4348 | -1,40 | 0,08 | Không ổn định |
| 3 | RP3 | 6,7717 | 0,26 | 0,06 | Ổn định |
| 4 | RP4 | 6,5672 | -0,17 | 0,08 | Ổn định |
Phụ lục K
(Tham khảo)
CÁC KẾT QUẢ ĐO ĐẠC, BÌNH SAI VÀ TÍNH TOÁN ĐỘ LÚN CÔNG TRÌNH
Bình sai lưới thủy chuẩn
Công trình ………………………
Thời gian đo: 11/01/1999
Số lượng mốc đã biết độ cao :1
Số lượng mốc cần xác định :19
Số lượng tuyến đo trong lưới :26
Tổng số trạm máy các tuyến đo :60 trạm
Sai số đơn vị trọng số :25mm/trạm
Các mốc đã có độ cao
| Nr | Tên | H(m) | Ghi chú |
| 1 | MC1 | 6 000 |
|
Bình sai hiệu độ cao đo
| Nr | D | C | Trị đo (mm) | Vi (mm) | Trị BS (mm) | Mh (mm) | N |
| 1 | MCl | R2 | -397.20 | -.08 | -397.28 | .39 | 4 |
| 2 | R2 | R1 | -703.40 | .24 | -703.16 | .33 | 2 |
| 3 | R1 | R3 | -914.50 | .60 | 915.10 | .39 | 5 |
| 4 | R3 | R2 | -212.00 | .06 | -211.94 | .31 | 3 |
| 5 | R3 | MC1 | 185.40 | -.06 | 185.34 | .37 | 3 |
| 6 | R2 | M13 | -259.90 | .15 | -259.75 | .30 | 2 |
| 7 | M13 | M12 | 98.70 | .26 | 98.96 | .33 | 3 |
| 8 | M12 | M11 | 517.30 | -.21 | 517.09 | .35 | 2 |
| 9 | M11 | M10 | 701.10 | .10 | 701.20 | .21 | 1 |
| 10 | M10 | M9 | -794.80 | .10 | -794.70 | .21 | 1 |
| 11 | M9 | M11 | 93.30 | .20 | 93.50 | .21 | 1 |
| 12 | M9 | M8 | -682.00 | -.21 | -682.21 | .35 | 2 |
| 13 | M8 | M7 | -135.40 | -.21 | -135.61 | .35 | 2 |
| 14 | M7 | M6 | 52.90 | -.21 | 52.69 | .35 | 2 |
| 15 | M6 | M5 | 90.60 | -.21 | 90.39 | .35 | 2 |
| 16 | M5 | M2 | 221.20 | -.21 | 220.99 | .35 | 2 |
| 17 | M2 | M4 | 1151.90 | .03 | 1151.93 | .21 | 1 |
| 18 | M4 | M3 | 39.30 | .03 | 39.33 | .21 | 1 |
| 19 | M2 | M3 | 1191.30 | -.03 | 1191.27 | .21 | 1 |
| 20 | M2 | M1 | 96.40 | .02 | 96.42 | .35 | 2 |
| 21 | M1 | M16 | -35.00 | .02 | -34.98 | .35 | 2 |
| 22 | M16 | M15 | -342.20 | .03 | -342.17 | .42 | 3 |
| 23 | M15 | M14 | 223.60 | .02 | 223.62 | .35 | 2 |
| 24 | M14 | M13 | -11.70 | .04 | -11.66 | .47 | 4 |
| 25 | R2 | M12 | -160.40 | -.39 | -160.79 | .30 | 2 |
| 26 | R3 | M2 | -403.50 | 59 | -402.91 | .47 | 5 |
Độ cao bình sai của các mốc - Chu kì 01
| Nr | Tên | Hbs (m) | MH (mm) | Ghi chú |
| 1 | R2 | 5.60272 | .39 |
|
| 2 | R1 | 4.89956 | .48 |
|
| 3 | R3 | 5.81466 | .37 |
|
| 4 | M13 | 5.34298 | .48 |
|
| 5 | M12 | 5.44194 | .48 |
|
| 6 | M11 | 5.95902 | .57 |
|
| 7 | M10 | 6.66022 | .60 |
|
| 8 | M9 | 5.86552 | .60 |
|
| 9 | M8 | 5.18330 | .64 |
|
| 10 | M7 | 5.04769 | .66 |
|
| 11 | M6 | 5.10038 | .65 |
|
| 12 | M5 | 5.19076 | .63 |
|
| 13 | M2 | 5.41175 | .57 |
|
| 14 | M4 | 6.56368 | .61 |
|
| 15 | M1 | 5.50817 | .63 |
|
| 16 | M16 | 5.47319 | .66 |
|
| 17 | M15 | 5.13102 | .66 |
|
| 18 | M14 | 5.35464 | .63 |
|
| 19 | M3 | 6.60300 | .61 |
|
Bình sai lưới thủy chuẩn
Công trình ………………………
Chu kì: 02. Thời gian đo: 11/02/1999
Số lượng mốc đã biết độ cao :1
Số lượng móc cần xác định :19
Số lượng tuyến đo trong lưới :26
Tổng số trạm máy các tuyến đo :60 trạm
Sai số đơn vị trọng số :16mm/trạm
Các mốc đã có độ cao
| Nr | Tên | H(m) | Ghi chú |
| 1 | MC1 | 6. 0000 |
|
Bình sai hiệu độ cao đo
| Nr | D | C | Trị đo (mm) | Vi (mm) | Trị BS (mm) | Mh (mm) | N |
| 1 | MC1 | R2 | -397.60 | -.09 | -397.69 | .24 | 4 |
| 2 | R2 | R1 | -703.30 | -.21 | -703.51 | .20 | 2 |
| 3 | R1 | R3 | 916.70 | -.53 | 916.17 | .24 | 5 |
| 4 | R3 | R2 | -212.40 | -.26 | -212.66 | .20 | 3 |
| 5 | R3 | MC1 | 185.10 | -.07 | 185.03 | .23 | 3 |
| 6 | R2 | M13 | -260.90 | .10 | -260.80 | .19 | 2 |
| 7 | M13 | M12 | 98.20 | .20 | 98.40 | .21 | 3 |
| 8 | M12 | M11 | 517.10 | .03 | 517.13 | .22 | 2 |
| 9 | M11 | M10 | 701.10 | .14 | 701.24 | .13 | 1 |
| 10 | M10 | M9 | -794.60 | .14 | -794.46 | .13 | 1 |
| 11 | M9 | M11 | 93.10 | .12 | 93.22 | .13 | 1 |
| 12 | M9 | M8 | -681.80 | .03 | -681.77 | .22 | 2 |
| 13 | M8 | M7 | -135.70 | .03 | -135.67 | .22 | 2 |
| 14 | M7 | M6 | 52.60 | .03 | 52.63 | .22 | 2 |
| 15 | M6 | M5 | 90.30 | .03 | 90.33 | .22 | 2 |
| 16 | M5 | M2 | 221.40 | .03 | 221.43 | .22 | 2 |
| 17 | M2 | M4 | 1151.60 | .00 | 1151.60 | .13 | 1 |
| 18 | M4 | M3 | 39.40 | .00 | 39.40 | .13 | 1 |
| 19 | M2 | M3 | 1191.00 | .00 | 1191.00 | .13 | 1 |
| 20 | M2 | M1 | 96.80 | .03 | 96.83 | .22 | 2 |
| 21 | M1 | M16 | -35.00 | .04 | -34.96 | .22 | 2 |
| 22 | M16 | M15 | -343.90 | .05 | -343.85 | .26 | 3 |
| 23 | M15 | M14 | 223.50 | .04 | 223.54 | .22 | 2 |
| 24 | M14 | M13 | -10.90 | .07 | -10.83 | .29 | 4 |
| 25 | R2 | M12 | -162.30 | -.10 | -162.40 | .19 | 2 |
| 26 | R3 | M2 | -404.20 | .01 | -404.19 | .29 | 5 |
Độ cao bình sai của các mốc - Chu kì 02
| Nr | Tên | Hbs (m) | MH (mm) | Ghi chú |
| 1 | R2 | 5.60231 | .24 |
|
| 2 | R1 | 4.89880 | .30 |
|
| 3 | R3 | 5.81497 | .23 |
|
| 4 | M13 | 5.34151 | .30 |
|
| 5 | M12 | 5.43991 | .30 |
|
| 6 | M11 | 5.95704 | .36 |
|
| 7 | M10 | 6.65828 | .38 |
|
| 8 | M9 | 5.86382 | .37 |
|
| 9 | M8 | 5.18205 | .40 |
|
| 10 | M7 | 5.04638 | .41 |
|
| 11 | M6 | 5.09901 | .41 |
|
| 12 | M5 | 5.18935 | .39 |
|
| 13 | M2 | 5.41078 | .36 |
|
| 14 | M4 | 6.56238 | .38 |
|
| 15 | M1 | 5.50761 | .39 |
|
| 16 | M16 | 5.47265 | .41 |
|
| 17 | M15 | 5.12880 | .41 |
|
| 18 | M14 | 5.35234 | .39 |
|
| 19 | M3 | 6.60178 | .38 |
|
Bình sai lưới thủy chuẩn
Công trình ………………………
Chu kì: 03. Thời gian đo: 17/3/1999
Số lượng mốc đã biết độ cao :1
Số lượng móc cần xác định :19
Số lượng tuyến đo trong lưới :26
Tổng số trạm máy các tuyến đo :60 trạm
Sai số đơn vị trọng số :16mm/trạm
Các mốc đã có độ cao
| Nr | Tên | H(m) | Ghi chú |
| 1 | MC1 | 6.0000 |
|
Bình sai hiệu độ cao đo
| Nr | D | C | Trị đo (mm) | Vi (mm) | Trị BS (mm) | Mh (mm) | N |
| 1 | MC1 | R2 | -397.10 | .00 | -397.10 | .23 | 4 |
| 2 | R2 | R1 | -705.30 | .15 | -705.15 | .20 | 2 |
| 3 | R1 | R3 | 917.00 | .36 | 917.36 | .23 | 5 |
| 4 | R3 | R2 | -212.40 | .19 | -212.21 | .19 | 3 |
| 5 | R3 | MC1 | 184.90 | .00 | 184.90 | .22 | 3 |
| 6 | R2 | M13 | -261.30 | -.04 | -261.34 | .18 | 2 |
| 7 | M13 | M12 | 98.20 | -.04 | 98.16 | .20 | 3 |
| 8 | M12 | M11 | 516.70 | .00 | 516.70 | .21 | 2 |
| 9 | M11 | M10 | 701.00 | .03 | 701.03 | .13 | 1 |
| 10 | M10 | M9 | -795.20 | .03 | -795.17 | .13 | 1 |
| 11 | M9 | M11 | 94.10 | .03 | 94.13 | .13 | 1 |
| 12 | M9 | M8 | -682.50 | .00 | -682.50 | .21 | 2 |
| 13 | M8 | M7 | -135.60 | .00 | -135.60 | .21 | 2 |
| 14 | M7 | M6 | 53.00 | -.01 | 52.99 | .21 | 2 |
| 15 | M6 | M5 | 91.10 | .00 | 91.10 | .21 | 2 |
| 16 | M5 | M2 | 222.30 | .00 | 222.30 | .21 | 2 |
| 17 | M2 | M4 | 1149.90 | .20 | 1150.10 | .13 | 1 |
| 18 | M4 | M3 | 40.00 | .20 | 40.20 | .13 | 1 |
| 19 | M2 | M3 | 1190.50 | -.20 | 1190.30 | .13 | 1 |
| 20 | M2 | M1 | 97.40 | .01 | 97.41 | .21 | 2 |
| 21 | M1 | M16 | -35.20 | .01 | -35.19 | .21 | 2 |
| 22 | M16 | M15 | -344.10 | .02 | -344.08 | .25 | 3 |
| 23 | M15 | M14 | 223.00 | .02 | 223.02 | .21 | 2 |
| 24 | M14 | M13 | -10.20 | .03 | -10.17 | .28 | 4 |
| 25 | R2 | M12 | -163.20 | .02 | -163.18 | .18 | 2 |
| 26 | R3 | M2 | -404.60 | .05 | -404.55 | .28 | 5 |
Độ cao bình sai của các mốc - Chu kì 03
| Nr | Tên | Hbs (m) | MH (mm) | Ghi chú |
| 1 | R2 | 5.60290 | .23 |
|
| 2 | R1 | 4.89774 | .29 |
|
| 3 | R3 | 5.81510 | .22 |
|
| 4 | M13 | 5.34156 | .29 |
|
| 5 | M12 | 5.43972 | .29 |
|
| 6 | M11 | 5.95641 | .35 |
|
| 7 | M10 | 6.65744 | .36 |
|
| 8 | M9 | 5.86228 | .36 |
|
| 9 | M8 | 5.17977 | .38 |
|
| 10 | M7 | 5.04417 | .40 |
|
| 11 | M6 | 5.09716 | .39 |
|
| 12 | M5 | 5.18826 | .38 |
|
| 13 | M2 | 5.41056 | .34 |
|
| 14 | M4 | 6.56065 | .37 |
|
| 15 | M1 | 5.50797 | .38 |
|
| 16 | M16 | 5.47279 | .40 |
|
| 17 | M15 | 5.12871 | .40 |
|
| 18 | M14 | 5.35173 | .38 |
|
| 19 | M3 | 6.60086 | .37 |
|
Bình sai lưới thủy chuẩn
Công trình ………………………
Chu kì: 04. Thời gian đo: 15/4/1999
Số lượng mốc đã biết độ cao :1
Số lượng mốc cần xác định :19
Số lượng tuyến đo trong lưới :26
Tổng số trạm máy các tuyến đo :60 trạm
Sai số đơn vị trọng số :10mm/trạm
Các mốc đã có độ cao
| Nr | Tên | H(m) | Ghi chú |
| 1 | MC1 | 6.0000 |
|
Bình sai hiệu độ cao đo
| Nr | D | C | Trị đo (mm) | Vi (mm) | Trị BS (mm) | Mh (mm) | N |
| 1 | MC1 | R2 | -397.50 | .08 | -397.42 | .14 | 4 |
| 2 | R2 | R1 | -706.00 | .02 | -705.98 | .12 | 2 |
| 3 | R1 | R3 | 918.30 | .05 | 918.35 | .14 | 5 |
| 4 | R3 | R2 | -212.30 | -.07 | -212.37 | .11 | 3 |
| 5 | R3 | MC1 | 185.00 | .06 | 185.06 | .13 | 3 |
| 6 | R2 | M13 | -261.40 | -.01 | -261.41 | .11 | 2 |
| 7 | M13 | M12 | 98.20 | .00 | 98.20 | .12 | 3 |
| 8 | M12 | M11 | 516.30 | -.02 | 516.28 | .13 | 2 |
| 9 | M11 | M10 | 700.50 | .13 | 700.63 | .08 | 1 |
| 10 | M10 | M9 | -795.20 | .13 | -795.07 | .08 | 1 |
| 11 | M9 | M11 | 94.30 | .14 | 94.44 | .08 | 1 |
| 12 | M9 | M8 | -683.30 | -.02 | -683.32 | .13 | 2 |
| 13 | M8 | M7 | -135.20 | -.02 | -135.22 | .13 | 2 |
| 14 | M7 | M6 | 52.80 | -.02 | 52.78 | .13 | 2 |
| 15 | M6 | M5 | 91.50 | -.02 | 91.48 | .13 | 2 |
| 16 | M5 | M2 | 222.90 | -.02 | 222.88 | .13 | 2 |
| 17 | M2 | M4 | 1149.70 | -.03 | 1149.67 | .08 | 1 |
| 18 | M4 | M3 | 40.30 | -.03 | 40.27 | .08 | 1 |
| 19 | M2 | M3 | 1189.90 | .03 | 1189.93 | .08 | 1 |
| 20 | M2 | M1 | 98.10 | .01 | 98.11 | .13 | 2 |
| 21 | M1 | M16 | -35.70 | .01 | -35.69 | .13 | 2 |
| 22 | M16 | M15 | -345.00 | .01 | -344.99 | .15 | 3 |
| 23 | M15 | M14 | 222.80 | .01 | 222.81 | .13 | 2 |
| 24 | M14 | M13 | -8.90 | .02 | -8.88 | .17 | 4 |
| 25 | R2 | M12 | -163.20 | -.01 | -163.21 | .11 | 2 |
| 26 | R3 | M2 | -405.20 | .07 | -405.13 | .17 | 5 |
Độ cao bình sai của các mốc - Chu kì 04
| Nr | Tên | Hbs (m) | MH (mm) | Ghi chú |
| 1 | R2 | 5.60258 | .14 |
|
| 2 | R1 | 4.89660 | .17 |
|
| 3 | R3 | 5.81494 | .13 |
|
| 4 | M13 | 5.34117 | .18 |
|
| 5 | M12 | 5.43936 | .18 |
|
| 6 | M11 | 5.95564 | .21 |
|
| 7 | M10 | 6.65627 | .22 |
|
| 8 | M9 | 5.86120 | .22 |
|
| 9 | M8 | 5.17788 | .23 |
|
| 10 | M7 | 5.04267 | .24 |
|
| 11 | M6 | 5.09545 | .24 |
|
| 12 | M5 | 5.18693 | .23 |
|
| 13 | M2 | 5.40981 | .21 |
|
| 14 | M4 | 6.55948 | .22 |
|
| 15 | M1 | 5.50792 | .23 |
|
| 16 | M16 | 5.47223 | .24 |
|
| 17 | M15 | 5.12724 | .24 |
|
| 18 | M14 | 5.35005 | .23 |
|
| 19 | M3 | 6.59974 | .22 |
|
Kết quả tính độ lún chu kì 2 đo ngày 11-2-1999
Công trình: ……………………
| Thứ tự | Tên mốc | Độ cao H(m) | Độ lún tương đối Ltd (mm) | Độ lún tổng cộng Ltc (mm) | Ghi chú |
| 1 | M13 | 5.34151 | -1.47 | -1.47 |
|
| 2 | M12 | 5.43991 | -2.03 | -2.03 |
|
| 3 | M11 | 5.95704 | -1.98 | -1.98 |
|
| 4 | M10 | 6.65828 | -1.94 | -1.94 |
|
| 5 | M9 | 5.86382 | -1.70 | -1.70 |
|
| 6 | M8 | 5.18205 | -1.25 | -1.25 |
|
| 7 | M7 | 5.04638 | -1.31 | -1.31 |
|
| 8 | M6 | 5.09901 | -1.36 | -1.36 |
|
| 9 | M5 | 5.18935 | -1.41 | -1.41 |
|
| 10 | M2 | 5.41078 | -0.97 | -0.97 |
|
| 11 | M4 | 6.56238 | -1.30 | -1.30 |
|
| 12 | M1 | 5.50761 | -.56 | -0.56 |
|
| 13 | M16 | 5.47265 | -.54 | -0.54 |
|
| 14 | M15 | 5.12880 | -2.22 | -2.22 |
|
| 15 | M14 | 5.35234 | -2.30 | -2.30 |
|
| 16 | M3 | 6.60178 | -1.23 | -1.23 |
|
Độ lún trung bình của công trình trong chu kì 2 là: -1,47mm
Độ lún trung bình tổng cộng của công trình là: -1,47mm
Độ lún max trong chu kỳ 2 (tại mốc M14) là: -2,30mm
Độ lún min trong chu kì 2 (tại mốc M16) là: -0,54mm
Độ lún tổng cộng max (tại mốc M14) là: -2,30mm
Độ lún tổng cộng min (tại mốc M16) là: 0,54mm
Tốc độ lún trung bình của công trình trong chu kì 2 là: -1,43mm/tháng
Tốc độ lún trung bình của công trình từ khi bắt đầu quan sát là: -1,43mm/tháng
Kết quả tính độ lún chu kì 3 đo ngày 17-3-1999
Công trình: ……………………
| Thứ tự | Tên mốc | Độ cao H(m) | Độ lún tương đối Ltd (mm) | Độ lún tổng cộng Ltc (mm) | Ghi chú |
| 1 | M13 | 5.34156 | -0.05 | -1.42 |
|
| 2 | M12 | 5.43972 | -0.19 | -2.22 |
|
| 3 | M11 | 5.95641 | -0.63 | -2.61 |
|
| 4 | M10 | 6.65744 | -0.84 | -2.78 |
|
| 5 | M9 | 5.86228 | -1.54 | -3.24 |
|
| 6 | M8 | 5.17977 | -2.28 | -3.53 |
|
| 7 | M7 | 5.04417 | -2.21 | -3.52 |
|
| 8 | M6 | 5.09716 | -1.85 | -3.21 |
|
| 9 | M5 | 5.18826 | -1.09 | -2.50 |
|
| 10 | M2 | 5.41056 | -0.22 | -1.19 |
|
| 11 | M4 | 6.56065 | -1.73 | -3.03 |
|
| 12 | M1 | 5.50797 | 0.36 | -0.20 |
|
| 13 | M16 | 5.47279 | 0.14 | -0.40 |
|
| 14 | M15 | 5.12871 | -0.09 | -2.31 |
|
| 15 | M14 | 5.35173 | -0.61 | -2.91 |
|
| 16 | M3 | 6.60086 | -0.92 | -2.15 |
|
Độ lún trung bình của công trình trong chu kì 3 là: -0,85mm
Độ lún trung bình tổng cộng của công trình là: -2,33mm
Độ lún max trong chu kỳ 3 (tại mốc M8) là: -2,28mm
Độ lún min trong chu kì 3 (tại mốc M1) là: -0,36mm
Độ lún tổng cộng max (tại mốc M8) là: -3,53mm
Độ lún tổng cộng max (tại mốc M1) là: -0,20mm
Tốc độ lún trung bình của công trình trong chu kì 3 là: -0,75mm/tháng
Tốc độ lún trung bình của công trình từ khi bắt đầu quan sát là: -1,07mm/tháng
Kết quả tính độ lún chu kì 4 đo ngày 15-4-1999
Công trình: ……………………
| Thứ tự | Tên mốc | Độ cao H(m) | Độ lún tương đối Ltd (mm) | Độ lún tổng cộng Ltc (mm) | Ghi chú |
| 1 | M13 | 5.34117 | -0.39 | -1.81 |
|
| 2 | M12 | 5.43936 | -0.36 | -2.58 |
|
| 3 | M11 | 5.95564 | -0.77 | -3.38 |
|
| 4 | M10 | 6.65627 | -1.17 | -3.95 |
|
| 5 | M9 | 5.86120 | -1.08 | -4.32 |
|
| 6 | M8 | 5.17788 | -1.89 | -5.42 |
|
| 7 | M7 | 5.04267 | -1.50 | -5.02 |
|
| 8 | M6 | 5.09545 | -1.71 | -4.92 |
|
| 9 | M5 | 5.18693 | -1.33 | -3.83 |
|
| 10 | M2 | 5.40981 | -0.75 | -1.94 |
|
| 11 | M4 | 6.55948 | -1.17 | -4.20 |
|
| 12 | M1 | 5.50792 | -0.05 | -0.25 |
|
| 13 | M16 | 5.47223 | -0.56 | -0.96 |
|
| 14 | M15 | 5.12724 | -1.47 | -3.78 |
|
| 15 | M14 | 5.35005 | -1.68 | -4.59 |
|
| 16 | M3 | 6.59974 | -1.12 | -3.27 |
|
Độ lún trung bình của công trình trong chu kì 4 là: -1,06mm
Độ lún trung bình tổng cộng của công trình là: -3,39mm
Độ lún max trong chu kỳ 4 (tại mốc M8) là: -1,89mm
Độ lún min trong chu kì 4 (tại mốc M1) là: -0,05mm
Độ lún tổng cộng max (tại mốc M8) là: -5,42mm
Độ lún tổng cộng max (tại mốc M1) là: -0,25mm
Tốc độ lún trung bình của công trình trong chu kì 4 là: -1,10mm/tháng
Tốc độ lún trung bình của công trình từ khi bắt đầu quan sát là: -1,08mm/tháng.
Phụ lục L
(Tham khảo)
MẪU TỔNG HỢP ĐỘ CAO CÁC MỐC ĐO LÚN
| Thứ tự | Kí hiệu mốc | H-01 10-01-99 (m) | H-02 11-02-99 (m) | H-03 17-3-99 (m) | H-04 15-4-99 (m) |
| 1 | M1 | 5.50810 | 5.50780 | 5.50780 | 5.50780 |
| 2 | M2 | 5.41170 | 5.41100 | 5.41030 | 5.40970 |
| 3 | M3 | 6.60300 | 6.60200 | 6.60060 | 6.59970 |
| 4 | M4 | 6.56370 | 6.56260 | 6.56040 | 6.55940 |
| 5 | M5 | 5.19070 | 5.18950 | 5.18800 | 5.18690 |
| 6 | M6 | 5.10030 | 5.09920 | 5.09690 | 5.09540 |
| 7 | M7 | 5.04760 | 5.04650 | 5.04390 | 5.04260 |
| 8 | M8 | 5.18330 | 5.18220 | 5.17950 | 5.17790 |
| 9 | M9 | 5.86540 | 5.86400 | 5.86200 | 5.86110 |
| 10 | M10 | 6.66020 | 6.65840 | 6.65720 | 6.65620 |
| 11 | M11 | 5.95900 | 5.95730 | 5.95620 | 5.95560 |
| 12 | M12 | 5.44190 | 5.44010 | 5.43950 | 5.43930 |
| 13 | M13 | 5.34300 | 5.34170 | 5.34130 | 5.34110 |
| 14 | M14 | 5.35460 | 5.35260 | 5.35150 | 5.35000 |
| 15 | M15 | 5.13100 | 5.12910 | 5.12850 | 5.12710 |
| 16 | M16 | 5.47320 | 5.47290 | 5.47260 | 5.47210 |
Phụ lục M
(Tham khảo)
MẪU TỔNG HỢP KẾT QUẢ ĐO LÚN
Thời gian đo chu kì 01 : 10-01-99
Thời gian đo chu kì 02 : 11-02-99
Thời gian đo chu kì 03 : 17-3-99
Thời gian đo chu kì 04 : 15-4-99
| Thứ tự | Kí hiệu mốc | Chu kì (02-01) (mm) | Chu kỳ (03-02) (mm) | Chu kỳ (04-03) (mm) |
| 1 | M1 | -0.30 | 0.00 | 0.00 |
| 2 | M2 | -0.70 | -0.70 | -0.60 |
| 3 | M3 | -1.00 | -1.40 | -0.90 |
| 4 | M4 | -1.10 | -2.20 | -1.00 |
| 5 | M5 | -1.20 | -1.50 | -1.10 |
| 6 | M6 | -1.10 | -2.30 | -1.50 |
| 7 | M7 | -1.10 | -2.60 | -1.30 |
| 8 | M8 | -1.10 | -2.70 | -1.60 |
| 9 | M9 | -1.40 | -2.00 | -0.90 |
| 10 | M10 | -1.80 | -1.20 | -1.00 |
| 11 | M11 | -1.70 | -1.10 | -0.60 |
| 12 | M12 | -1.80 | -0.60 | -0.20 |
| 13 | M13 | -1.30 | -0.40 | -0.20 |
| 14 | M14 | -2.00 | -1.10 | -1.50 |
| 15 | M15 | -1.90 | -0.60 | -1.40 |
| 16 | M16 | -0.30 | -0.30 | -0.50 |
| Lún trung bình | -1.24 | -1.29 | -0.89 | |
| Lún max | -2.00 | -2.70 | -1.60 | |
| Lún min | -0.30 | 0.00 | 0.00 | |
| Lún lệch | -1.70 | -2.70 | -1.60 | |
Phụ lục P
(Tham khảo)
CÁC DẠNG BIỂU ĐỒ VÀ BÌNH ĐỒ LÚN CÔNG TRÌNH

Hình P.1: Biểu đồ lún theo trục dọc công trình

Hình P.2: Biểu đồ lún theo thời gian của các mốc đặc trưng

Hình P.3: Biểu đồ lún công trình (chu kì n so với chu kì 1)
MỤC LỤC
Lời nói đầu
1. Phạm vi áp dụng
2. Tiêu chuẩn trích dẫn
3. Quy định chung
4. Định nghĩa một số thuật ngữ
5. Thiết kế phương án đo độ lún công trình
6. Thiết bị đo độ lún công trình
7. Mốc chuẩn và mốc đo lún
8. Xác lập cấp đo, thiết kế sơ đồ đo, chu kỳ đo
9. Đo độ lún công trình bằng phương pháp đo cao hình học
10. Xử lí số liệu đo độ lún công trình và đánh giá độ ổn định của các mốc chuẩn
11. Lập báo cáo kết quả đo độ lún
Phụ lục A. Cấu tạo các loại mốc chuẩn A, B, C
Phụ lục B. Cấu tạo một số loại mốc đo độ lún nền và công trình
Phụ lục C. Sơ đồ bố trí mốc đo độ lún công trình
Phụ lục D. Chọn cấp đo độ lún dựa vào đặc điểm của nền đất và tầm quan trọng của công trình
Phụ lục E. Mẫu số đo chênh lệch độ cao theo các cấp
Phụ lục G. Trình tự tính toán bình sai theo phương pháp bình sai gián tiếp
Phụ lục H. Kiểm tra độ ổn định của các mốc chuẩn bằng phương pháp phân tích hệ số tương quan giữa các trị đo
Phụ lục I. Đánh giá độ ổn định của các mốc chuẩn bằng thuật toán bình sai lưới tự do
Phụ lục K. Các kết quả đo đạc, bình sai và tính toán độ lún công trình
Phụ lục L. Mẫu tổng hợp độ cao các mốc đo lún
Phụ lục M. Mẫu tổng hợp kết quả đo lún
Phụ lục P. Các dạng biểu đồ và bình đồ lún công trình
Bạn chưa Đăng nhập thành viên.
Đây là tiện ích dành cho tài khoản thành viên. Vui lòng Đăng nhập để xem chi tiết. Nếu chưa có tài khoản, vui lòng Đăng ký tại đây!












]
]
]