- Tổng quan
- Nội dung
- Tiêu chuẩn liên quan
- Lược đồ
- Tải về
Tiêu chuẩn quốc gia TCVN 14212:2024 Móng cần trục tháp - Thiết kế, thi công và nghiệm thu
| Số hiệu: | TCVN 14212:2024 | Loại văn bản: | Tiêu chuẩn Việt Nam |
| Cơ quan ban hành: | Bộ Khoa học và Công nghệ | Lĩnh vực: | Xây dựng |
| Trích yếu: | Móng cần trục tháp - Thiết kế, thi công và nghiệm thu | ||
|
Ngày ban hành:
Ngày ban hành là ngày, tháng, năm văn bản được thông qua hoặc ký ban hành.
|
31/12/2024 |
Hiệu lực:
|
Đã biết
|
| Người ký: | Đang cập nhật |
Tình trạng hiệu lực:
Cho biết trạng thái hiệu lực của văn bản đang tra cứu: Chưa áp dụng, Còn hiệu lực, Hết hiệu lực, Hết hiệu lực 1 phần; Đã sửa đổi, Đính chính hay Không còn phù hợp,...
|
Đã biết
|
TÓM TẮT TIÊU CHUẨN VIỆT NAM TCVN 14212:2024
TCVN 14212:2024: Tiêu chuẩn thiết kế, thi công và nghiệm thu móng cần trục tháp
Tiêu chuẩn quốc gia TCVN 14212:2024 được ban hành vào ngày xx/xx/2024, có hiệu lực từ ngày xx/xx/2024 và được xây dựng dựa trên JGJ/T 187:2009 và JGJ/T 301:2013. TCVN 14212:2024 quy định các yêu cầu về thiết kế, thi công và nghiệm thu móng bê tông cốt thép của cần trục tháp, bao gồm cả các loại cần trục quay và không quay, phục vụ cho công trình xây dựng.
TCVN 14212:2024 áp dụng cho việc thiết kế và thi công móng bê tông cốt thép của cần trục tháp, yêu cầu phải tuân thủ các tiêu chuẩn khác có liên quan.Đặc biệt, trong quá trình thiết kế cần phải khảo sát địa chất công trình và các yếu tố tác động khác như tải trọng và điều kiện môi trường.
Văn bản nêu rõ 13 quy chuẩn viện dẫn cần thiết cho việc áp dụng tiêu chuẩn này, bao gồm TCVN 2737 về tải trọng và tác động, TCVN 4254 về thiết bị nâng, và TCVN 5574 về thiết kế kết cấu bê tông. Về khái niệm, TCVN 14212:2024 cung cấp định nghĩa rõ ràng cho các thuật ngữ liên quan như "tải dằn" và "trạng thái đang làm việc".
Tiêu chuẩn quy định rằng thiết kế và thi công móng cần trục phải dựa trên điều kiện thực tế của công trình, đảm bảo yêu cầu về khả năng chịu lực và độ ổn định. Cấu trúc móng cần trục tháp phải được thiết kế để chịu tải trọng đứng, tải trọng ngang và mô men uốn. Đối với mô hình móng nông, áp lực tại đáy móng được xác định dựa trên tải trọng tác động và vị trí đặt hợp lực. Hệ số độ tin cậy cũng như yêu cầu thi công cụ thể sẽ khác nhau tùy vào điều kiện địa chất mà móng được đặt.
Đối với móng cọc, văn bản nêu rõ quy định sử dụng cọc bê tông đúc sẵn, cọc ống thép hoặc cọc đổ tại chỗ trong trường hợp nền yếu. Cọc phải được thiết kế theo tiêu chuẩn TCVN 10304. Chưa hết, TCVN 14212:2024 cũng quy định yêu cầu về cấu tạo cho các chi tiết liên quan đến móng và cọc bảo đảm tính chắc chắn và an toàn trong xây dựng.
Móng cần trục tháp cần được đảm bảo có chiều sâu phù hợp với các yếu tố địa chất, đồng thời trang bị hệ thống nối đất nhằm bảo vệ thiết bị khi có sự cố. Móng cần trục không được yêu cầu quá cao so với mực nước tự nhiên, và khoảng cách từ mép móng đến đỉnh mái dốc cũng phải tuân thủ quy định.
Cuối cùng, văn bản cũng đề cập đến những yêu cầu chi tiết về kiểm tra nghiệm thu và tai nạn trong quy trình thi công, đặc biệt là trong trường hợp gặp thời tiết bất lợi như gió lớn hoặc bão. Các biện pháp an toàn cần thiết như buộc cần trục phải được thực hiện để đảm bảo an toàn trong quá trình thi công.
Chú ý rằng, các thông số kỹ thuật cụ thể và công thức tính toán được bao gồm trong các phần tiếp theo của tiêu chuẩn sẽ giúp người thực hiện lựa chọn và áp dụng đúng phương pháp trong các trường hợp cụ thể.
Tải tiêu chuẩn Việt Nam TCVN 14212:2024
TIÊU CHUẨN QUỐC GIA
TCVN 14212:2024
MÓNG CẦN TRỤC THÁP – THIẾT KẾ, THI CÔNG VÀ NGHIỆM THU
Tower crane foundation - Design, construction and acceptance
Lời nói đầu
TCVN 14212:2024 được xây dựng trên cơ sở tham khảo JGJ/T 187:2009 Technical specification for concrete foundation engineering of tower cranes và JGJ/T 301:2013 Technical specification for concrete foundation engineering of large tower cranes.
TCVN 14212:2024 do Viện khoa học công nghệ xây dựng (Bộ Xây dựng) biên soạn, Bộ Xây dựng đề nghị, Ủy ban Tiêu chuẩn Đo lường Chất lượng Quốc gia thẩm định, Bộ Khoa học và Công nghệ công bố.
MÓNG CẦN TRỤC THÁP – THIẾT KẾ, THI CÔNG VÀ NGHIỆM THU
Tower crane foundation - Design, construction and acceptance
1 Phạm vi áp dụng
Tiêu chuẩn này quy định các yêu cầu để thiết kế, thi công và nghiệm thu móng bê tông cốt thép của cần trục tháp[1] có thân tháp quay hoặc không quay, có cần nâng hạ hoặc nằm ngang, lắp đặt cố định (tĩnh tại) phục vụ quá trình thi công xây dựng công trình.
Khi thiết kế, thi công và nghiệm thu móng cần trục tháp, ngoài việc tuân thủ tiêu chuẩn này, cần tuân thủ các quy định của tiêu chuẩn khác có liên quan.
2 Tiêu chuẩn viện dẫn
Các tài liệu viện dẫn sau đây cần thiết cho việc áp dụng tiêu chuẩn này. Đối với các tài liệu viện dẫn ghi năm công bố thì áp dụng phiên bản được nêu. Đối với các tài liệu viện dẫn không ghi năm công bố thì áp dụng phiên bản mới nhất, bao gồm cả các sửa đổi, bổ sung (nếu có).
TCVN 1651-1, Thép cốt bê tông - Phần 1: Thép thanh tròn trơn;
TCVN 1651-2, Thép cốt bê tông - Phần 2: Thép thanh vằn;
TCVN 2682, Xi măng poóc lăng;
TCVN 2737, Tải trọng và tác động;
TCVN 4244, Thiết bị nâng - Thiết kế, chế tạo và kiểm tra kỹ thuật;
TCVN 4447, Công tác đất - Thi công và nghiệm thu;
TCVN 4453, Kết cấu bê tông và bê tông cốt thép toàn khối - Quy phạm thi công và nghiệm thu;
TCVN 5574, Thiết kế kết cấu bê tông và bê tông cốt thép;
TCVN 5575, Kết cấu thép - Tiêu chuẩn thiết kế;
TCVN 7549-3, Cần trục - Sử dụng an toàn. Phần 3: Cần trục tháp;
TCVN 7570, Cốt liệu cho bê tông và vữa - Yêu cầu kỹ thuật;
TCVN 8242-3, Cần trục - Từ vựng. Phần 3: Cần trục tháp;
TCVN 9035, Hướng dẫn lựa chọn và sử dụng xi măng trong xây dựng;
TCVN 9340, Hỗn hợp bê tông trộn sẵn - Yêu cầu cơ bản đánh giá chất lượng và nghiệm thu;
TCVN 9361, Công tác nền móng - Thi công và nghiệm thu;
TCVN 9362, Tiêu chuẩn thiết kế nền nhà và công trình;
TCVN 9385, Chống sét cho công trình xây dựng - Hướng dẫn thiết kế, kiểm tra và bảo trì hệ thống;
TCVN 9393, Cọc - Phương pháp thử nghiệm hiện trường bằng tải trọng tĩnh ép dọc trục;
TCVN 9394, Đóng và ép cọc - Thi công và nghiệm thu;
TCVN 9395, Cọc khoan nhồi - Thi công và nghiệm thu;
TCVN 9403, Gia cố đất nền yếu - Phương pháp trụ đất xi măng;
TCVN 10304, Móng cọc - Tiêu chuẩn thiết kế;
TCVN 11832, Gia cố nền đất yếu - Phương pháp gia cố toàn khối.
3 Thuật ngữ, định nghĩa và ký hiệu
3.1 Thuật ngữ và định nghĩa
Tiêu chuẩn này sử dụng các thuật ngữ và định nghĩa sau đây:
3.1.1
Chỉ dẫn kỹ thuật cần trục tháp (manufacturer's instructions)
Chỉ dẫn kỹ thuật cần trục tháp là tập hợp các yêu cầu kỹ thuật dựa trên các quy chuẩn kỹ thuật, tiêu chuẩn được áp dụng cho thiết kế, chế tạo, lắp dựng, vận hành, bảo trì, sửa chữa cần trục tháp do nhà chế tạo cần trục tháp cung cấp.
3.1.2
Tải dằn (base ballast)
Các khối bê tông đúc sẵn, được đặt trên móng của cần trục tháp, bổ sung thêm trọng lượng cho móng cần trục tháp.
3.1.3
Trạng thái đang làm việc (in-service state)
Trạng thái cần trục tháp đang điều khiển tải ở vận tốc gió cho phép theo quy định của tiêu chuẩn và/ hoặc nhà sản xuất.
3.1.4
Trạng thái không làm việc (out of service state)
Trạng thái trong đó cần trục tháp không được sử dụng, không có tải trên bộ phận móc theo quy định của tiêu chuẩn và/ hoặc nhà sản xuất.
3.2 Ký hiệu
3.2.1 Đặc trưng hình học
A diện tích đáy móng
a khoảng cách từ điểm đặt hợp lực đến cạnh đáy móng có áp lực lớn nhất
ax khoảng cách từ điểm đặt hợp lực ex đến mép móng
ay khoảng cách từ điểm đặt hợp lực ey đến mép móng
b chiều dài cạnh đáy móng hình vuông
c khoảng cách theo phương ngang từ mép móng đến đỉnh mái dốc
c1, c2 khoảng cách theo phương ngang từ mép trong của cọc góc tới mép ngoài của đài cọc
d chiều sâu đặt móng
ex khoảng cách lệch tâm theo phương x
ey khoảng cách lệch tâm theo phương y
h chiều cao móng (đài cọc)
h0 chiều cao m việc của đài cọc
n tổng số cọc dưới đáy đài cọc
s1, s2 độ lún của hai cạnh móng theo hướng nghiêng của móng
xi, yi tọa độ tim cọc thứ i theo hệ trục tọa độ trọng tâm nhóm cọc tại cao trình đáy đài
xj, yj tọa độ tim cọc thứ j cần tính toán theo hệ trục tọa độ trọng tâm nhóm cọc tại cao trình đáy đài
α góc nghiêng mái dốc
θ độ nghiêng của đáy móng
3.2.2 Ngoại lực và nội lực
Fd tải trọng thẳng đứng tính toán tại mặt trên móng (đài cọc).
Fn lực ngang tính toán tại mặt trên móng
Fnx, Fny lực ngang tính toán tại mặt trên đài cọc theo phương x và y tương ứng
G trọng lượng tính toán của bản thân móng, tải dằn và đất trên nó hoặc dưới nước có kể đến tác động đẩy nổi của nước (nếu có)
M mô men uốn tính toán tại mặt trên móng (đài cọc)
Mx, My mô men uốn tính toán theo hệ trục tọa độ trọng tâm nhóm cọc quanh trục x và y tương ứng tại mặt trên móng (đài cọc)
N lực dọc tính toán trung bình lên cọc
Ni phản lực tính toán dọc trục của cọc thứ i, không bao gồm trọng lượng bản thân của đài cọc và đất trên nó
Nj lực dọc tính toán lên đầu cọc thứ j
Ngoc lực dọc trục tính toán của cọc góc đài, không bao gồm trọng lượng bản thân của đài cọc và đất trên nó
Nmax lực dọc tính toán lớn nhất lên cọc
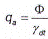
p áp lực tính toán trung bình tại đáy móng
pmax, pmin áp lực tính toán lớn nhất và nhỏ nhất tại cạnh đáy móng
pt áp lực tính toán tại mép cột của cần trục tháp
Tmax, Tmin giá trị tính toán của tải trọng tập trung tại hai cột trên đường chéo khi mô men lật của cần trục tháp có hướng theo đường chéo của mặt cắt thân cần trục tháp
W mô men chống uốn tiết diện đáy móng
Wx, Wy mô men chống uốn của móng quanh trục x và y tương ứng
Φ sức chịu tải cho phép của nền đất
3.2.3 Đặc trưng vật liệu
Rbt cường độ chịu kéo tính toán dọc trục của bê tông đài móng
3.2.4 Hệ số tính toán
c hệ số khí động
Gf hệ số hiệu ứng giật
γL hệ số độ tin cậy chống lật
φ hệ số đặc
4 Quy định chung
4.1 Việc thiết kế và thi công móng bê tông cốt thép cần trục tháp phải dựa trên báo cáo khảo sát địa chát công trình có tính đến các yếu tố như loại kết cấu công trình, điều kiện xây dựng, yêu cầu sử dụng và chi phí dự án, phù hợp với điều kiện địa phương và xây dựng an toàn.
4.2 Thiết kế móng cần trục tháp phải phù hợp với các quy định của TCVN 5574, TCVN 5575, TCVN 9362, TCVN 10304 và các tiêu chuẩn khác có liên quan. Khi thiết kế móng cần trục tháp cần được cấp đầy đủ các tài liệu về tải trọng, tính năng kỹ thuật của cần trục tháp cố định lắp ráp với nó.
4.3 Thiết kế móng cần trục tháp cần được tính toán lần lượt theo trạng thái đang làm việc và không làm việc. Tải trọng ở trạng thái đang làm việc bao gồm tải trọng bản thân, tải trọng nâng, tải trọng gió và móng của cần trục tháp, với hệ số tổ hợp, trong đó tải trọng nâng không bao gồm hệ số động lực (TCVN 4244). Tải trọng ở trạng thái không làm việc bao gồm tải trọng bản thân, tải trọng gió và móng của cần trục tháp.
4.4 Khi thiết kế móng cần trục tháp, tải trọng cũng như tổ hợp được xác định theo TCVN 2737:2023, (xem phụ lục A). Hệ số tầm quan trọng của công trình cần được lấy bằng 1.
4.5 Tải trọng tác dụng lên móng bao gồm lực thẳng đứng (Fd), lực ngang (Fn), mô men uốn (M), mô men xoắn (MT) (do tải trọng bản thân của cần trục tháp, tải trọng nâng, tải trọng gió, v.v.) ở trạng thái đang làm việc và không làm việc, tải trọng bản thân của móng, tải dằn và đất trên nó (G), xem Hình 1. Các tải trọng này có thể được xác định từ các phương pháp phân tích nội lực kết cấu cần trục tháp.

Hình 1 - Các tải trọng tác dụng lên móng
4.6 Khi thiết kế móng cần trục tháp nếu không có điều kiện xác định chính xác các tải trọng tính toán thì có thể sử dụng các thông số được nêu trong chỉ dẫn kỹ thuật cần trục tháp do nhà chế tạo cần trục tháp cung cấp (chỉ dẫn kỹ thuật cần trục tháp) nhưng cần phù hợp với hệ thống tiêu chuẩn về tải trọng có liên quan. Nếu áp lực gió được nêu trong chỉ dẫn kỹ thuật cần trục tháp nhỏ hơn tính toán theo Phụ lục A thì áp lực gió phải được xác định theo Phụ lục A.
4.7 Chiều cao tính toán (H) khi cần trục tháp ở trạng thái độc lập cần được tính từ bề mặt trên móng tới một nửa đỉnh tháp hoặc đỉnh cần trục tháp đối với cần trục tháp đầu bằng.
4.8 Hình dạng mỏng cần trục tháp cần được xác định dựa trên điều kiện địa chất công trình, đặc tính tải trọng và quy định về ổn định của cần trục tháp, điều kiện hiện trường, chỉ tiêu kỹ thuật và kinh tế, và kết hợp với chỉ dẫn kỹ thuật cần trục tháp. Móng cần trục tháp nên có dạng hình vuông hoặc hình chữ nhật với tỷ lệ giữa kích thước các cạnh nhỏ hơn hoặc bằng 1,1.
4.9 Khi xác định chiều sâu đặt móng cần tính đến các yếu tố như điều kiện địa chất công trình, giá trị tải trọng cần trục tháp. Cao độ mặt trên móng không nên vượt quá cao độ mặt đất tự nhiên hiện trường.
4.10 Nền và móng cần trục tháp cần được tính theo các quy định sau đây:
a) Nền và móng cần trục tháp cần tuân thủ các quy định có liên quan đến khả năng chịu lực.
b) Độ lún, độ lún lệch cho phép của móng cần trục tháp không được vượt quá các giá trị được quy định tại 5.3.4.
4.11 Khi thiết kế móng cần trục tháp, có thể sử dụng báo cáo khảo sát địa chất công trình của dự án. Trong trường hợp cần thiết, có thể bổ sung điểm thăm dò tại vị trí móng cần trục tháp.
4.12 Móng cần trục tháp cần được trang bị các thiết bị nối đất chống sét với giá trị điện trở được quy định trong chỉ dẫn kỹ thuật cần trục tháp và phù hợp với TCVN 7549-3, TCVN 9385.
4.13 Không lắp ráp hoặc vận hành cần trục tháp khi vận tốc gió từ cấp 5 (thang sức gió Beaufort) [1] trở lên hoặc theo quy định của nhà sản xuất. Khi có bão phải có các biện pháp phù hợp đảm bảo an toàn cho cần trục tháp như: cơ cấu phanh chuyển động quay được nhả ra để cho cần trục tự do quay trong gió, có các thiết bị phụ như dây giằng hoặc neo giữ cần trục tháp đảm bảo ổn định khi cần trục tháp không làm việc, v.v.
4.14 Theo chiều cao, thân cần trục tháp phải neo chặt vào công trình theo chỉ dẫn kỹ thuật cần trục tháp (nếu cần thiết).
5 Móng nông
5.1 Sức chịu tải của nền đất
5.1.1 Khi vị trí điểm đặt hợp lực của các tải trọng tác dụng lên móng, nằm trong vùng lõi (pmin ≥ 0) (Hình 56), áp lực tại đáy móng có thể được tính theo công thức sau:
a) Đối với trường hợp lệch tâm một phương:
|
| (1) |
|
| (2) |
b) Đối với trường hợp lệch tâm hai phương:
|
| (3) |
|
| (4) |
5.1.2 Khi vị trí điểm đặt hợp lực của các tải trọng tác dụng lên móng, nằm ngoài vùng lõi (pmin < 0), diện tích phần đáy móng cho phép tách khỏi nền đất (giải phóng) không được lớn hơn 1/4 diện tích toàn bộ đáy móng, áp lực tại đáy móng có thể được tính theo công thức sau:
a) Khi móng hình vuông chịu tải trọng lệch tâm một phương (Hình 2):
|
| (5) |
b) Khi móng hình vuông chịu tải trọng lệch tâm hai phương (Hình 3):
|
| (6) |
|
| (7) |
|
| (8) |
|
| (9) |
|
| (10) |

CHÚ DẪN:
AT diện tích giải phóng e khoảng cách lệch tâm
Hình 2 - Áp lực đất đáy móng hình vuông dưới tác dụng của tải trọng lệch tâm một phương (một phần diện tích dược giải phóng)

Hình 3 - Áp lực đất đáy móng hình vuông dưới tác dụng của tải trọng lệch tâm hai phương (một phần diện tích được giải phóng)
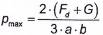
5.1.3 Sức chịu tải của móng hình vuông cần tuân theo các quy định sau:
a) Trường hợp tải trọng đúng tâm:
| p ≤ qa | (11) |
|
| (12) |
trong đó:
qa là sức chịu tải giới hạn của nền, được xác định theo TCVN 9362;
γdt là hệ số độ tin cậy, lấy không nhỏ hơn 1,2.
b) Trường hợp tải trọng lệch tâm, ngoài việc đáp ứng công thức (11) còn tuân theo công thức sau:
| pmax ≤ 1,2 . qa | (13) |
5.1.4 Đối với nền đã được gia cố (xử lý), sức chịu tải của nền đất gia cố cần được xác định theo các tiêu chuẩn tương ứng (ví dụ TCVN 9403, TCVN 11832, v.v.).
5.1.5 Trong phạm vi tính toán ứng suất các lớp đất, nếu tồn tại lớp đất yếu, sức chịu tải các lớp đất bên dưới cần được kiểm tra theo TCVN 9362.
5.1.6 Khi móng cần trục tháp nằm trên nền đá, nếu cần thiết có thể sử dụng bu lông neo vào đá.
5.2 Ổn định của móng
a) Sự ổn định chống lật của móng cần trục tháp cần đáp ứng yêu cầu của công thức sau:
| MG ≥ γG . (M + Fn . h) | (14) |
trong đó:
MG là mô men chống lật tại mặt phẳng đáy móng cần trục tháp (bằng tổng các tích số trọng lượng cần trục tháp, tải dằn, tải trọng bản thân móng, với khoảng cách tương ứng từ điểm đặt lực đó tới mép móng);
γG là hệ số độ tin cậy chống lật, không nhỏ hơn 1,35.
b) Khoảng cách từ mép móng cần trục tháp tới đỉnh mái dốc (Hình 4) không được nhỏ hơn 2,5 m và tuân theo yêu cầu sau:
|
| (15) |

Hình 4 - Vị trí móng gần mái dốc
Khi móng cần trục tháp nằm gần mái dốc và không tuân thủ quy định tại công thức (15), cần kiểm tra độ ổn định mái dốc bằng phương pháp mặt trượt trụ tròn với hệ số độ tin cậy tối thiểu bằng 1,2 hoặc phương pháp Bishop - hệ số độ tin cậy tối thiểu bằng 1,4.
5.3 Độ lún của nền đất
5.3.1 Khi giá trị đặc trưng của sức chịu tải cho phép của lớp đất chịu lực chính (qa) không nhỏ 130 kPa, đồng thời đất dính có chỉ số chảy (độ sệt) IL không lớn hơn 0,75, cát chặt vừa, không cần tiến hành kiểm tra độ lún nền đất tự nhiên của móng cần trục tháp.
CHÚ THÍCH: Lớp đất chịu lực chính của móng có chiều dày 1,5b (b là chiều rộng móng). Tuy nhiên, trong mọi trường hợp, chiều dày lớp đất chịu lực không nhỏ hơn 5 m.
5.3.2 Khi nền đất dưới móng cần trục tháp có một trong các điều kiện sau, độ lún nền đất cần được kiểm tra:
a) Các lớp đất san lắp gần móng có thể gây ra độ lún không đều lớn.
b) Dưới đáy móng có lớp đất yếu hoặc lớp đất lấp có chiều dày lớn.
5.3.3 Tính toán độ lún, độ lún lệch của nền đất dưới móng cần thực hiện theo TCVN 9362. Trong đó độ lún lệch có thể xác định bằng phương pháp điểm góc.
5.3.4 Độ lún của móng không được lớn hơn 50 mm, độ lún lệch (tan θ) không được lớn hơn 0,001 và cần được tính theo công thức dưới đây:
|
| (16) |
trong đó:
b là chiều rộng đáy móng theo hướng nghiêng của móng.
5.4 Tính toán móng
5.4.1 Cốt thép của móng cần được tính toán chịu uốn và cắt phù hợp với TCVN 5574.
5.4.2 Khi tính sức chịu tải của móng, diện tích móng xung quanh 4 cột (thanh cánh) của thân cần trục tháp xem như là liền khối, vị trí mặt cắt tính toán chịu uốn và chịu cắt nguy hiểm là tại mép cột (Hình 5).

Hình 5 - Áp lực đất đáy móng
Phản lực tính toán dưới đáy móng được lấy bằng giá trị áp lực trung bình được xác định theo công thức sau:
|
| (17) |
trong đó:
pmax là áp lực tính toán lớn nhất tại cạnh đáy móng, được xác định theo 5.1.3 hoặc 5.1.4;
pt là áp lực tính toán tại mép cột của cần trục tháp, được xác định theo 5.1.
5.5 Yêu cầu cấu tạo
5.5.1 Chiều cao móng cần trục tháp cần tuân thủ yêu cầu chống lực kéo của các chi tiết chôn sẵn, không nên nhỏ hơn 1000 mm, không nên sử dụng móng có độ dốc hoặc móng có tiết diện hình bậc thang.
5.5.2 Bê tông móng có cấp cường độ chịu nén không nhỏ hơn B15, cấp cường độ chịu nén của bê tông lót không thấp hơn B10, chiều dày lớp bê tông lót không nhỏ hơn 100 mm.
5.5.3 Đường kính cốt thép dọc lớp trên và lớp dưới của móng không nhỏ hơn 12 mm và khoảng cách cách giữa các thanh không lớn hơn 200 mm. Cốt thép lớp trên và lớp dưới được liên kết bằng thanh thép đứng có khoảng cách không lớn hơn 500 mm. Diện tích tiết diện cốt thép chịu nén không nhỏ hơn một nửa diện tích cốt thép chịu kéo.
5.5.4 Bu lông neo và chi tiết chôn sẵn trong móng cần tuân thủ các quy định theo chỉ dẫn kỹ thuật cần trục tháp, và cần bố trí các tấm cố định giữ neo.
6 Móng cọc
6.1 Quy định chung
6.1.1 Khi nền đất là đất yếu và việc sử dụng móng nông không đáp ứng các yêu cầu về khả năng chịu lực, độ lún của móng cần trục tháp, có thể sử dụng móng cọc.
6.1.2 Có thể sử dụng cọc bê tông đúc sẵn, cọc ống ứng lực trước, cọc ống thép hoặc cọc bê tông đổ tại chỗ.
6.1.3 Mũi cọc nên được chống vào lớp đất tốt. Trường hợp chống vào lớp đất chịu lực là cát, chiều sâu mũi cọc trong lớp đất cát không nhỏ hơn 1,5d, đối với đất sỏi - không nhỏ hơn 1d. Khi có lớp đất yếu dưới lớp đất chịu lực, chiều dày lớp chịu lực dưới mũi cọc không nhỏ hơn 3d.
6.1.4 Thiết kế móng cọc phải tính tải trọng tác động lên đầu cọc, sức chịu tải trọng nén và kéo của cọc và nhóm cọc, tính toán đài cọc, v.v., không cần tính độ lún của móng cọc khi mũi cọc được chống vào lớp đất có sức chịu tải cao như cát chặt, chặt vừa.
6.1.5 Thiết kế móng cọc cần phù hợp với TCVN 10304.
6.2 Tính toán móng
6.2.1 Tính toán cọc
6.2.1.1 Tải trọng tác động lên đầu cọc, bao gồm tải trọng thẳng đứng, tải trọng ngang, mô men uốn theo hướng dọc đường chéo của đài cọc hình vuông (tức là hướng đường chéo của thân cần trục tháp) phải được tính toán. Khi sử dụng đài cọc hình chữ thập (Hình 6), mô men uốn và tải trọng ngang tác động phải được tính toán theo hướng dọc trục của bất kỳ dải móng nào, tải trọng thẳng đứng được tính toán cho toàn bộ cọc.

Hình 6 - Mặt bằng móng hình chữ thập
6.2.1.2 Tải trọng tác dụng lên đầu cọc của móng cần được xác định theo công thức sau đây:
a) Trường hợp tải trọng đúng tâm:
|
| (18) |
b) Trường hợp tải trọng thẳng đứng lệch tâm:
|
| (19) |
6.2.1.3 Lực dọc tính toán lên cọc cần tuân thủ công thức sau:
| N ≤ Qa | (20) |
| Nmax ≤ 1,2 . Qa | (21) |
Đối với cọc chịu nén:
|
| (22) |
Đối với cọc chịu kéo:
|
| (23) |
trong đó:
Qa là sức chịu tải cho phép của cọc, được xác định theo TCVN 10304;
γ0 là hệ số điều kiện làm việc, được xác định theo TCVN 10304;
γn là hệ tầm quan trọng công trình, lấy bằng 1;
γk là hệ số độ tin cậy của đất, được xác định theo TCVN 10304;
Rc,d là trị tính toán sức chịu tải trọng nén;
Rt d là trị tính toán sức chịu tải trọng kéo.
6.2.1.4 Cọc bê tông cốt thép chịu kéo dọc trục cần được kiểm tra chống nứt với chiều rộng vết nứt giới hạn cho phép là 0,2 mm.
6.2.1.5 Đối với cọc ứng lực trước chịu kéo, cần kiểm tra khả năng chịu kéo của cốt thép dọc.
6.2.2 Tính toán đài cọc
6.2.2.1 Tính toán chịu uốn và chịu cắt
6.2.2.1.1 Đài cọc cần được tính toán chịu uốn và chịu cắt. Mô men uốn và lực cắt được xác định theo 6.2.2.1.2 và 6.2.2.1.3. Khả năng chống uốn, chống cắt, cốt thép được tính toán theo TCVN 5574.
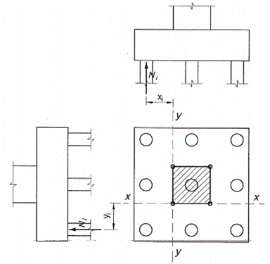
6.2.2.1.2 Với đài cọc hình vuông có nhiều cọc, mô men uốn tại vị trí mép cột (phần tô bóng Hình 7) được xác định theo công thức sau:
|
| (24) |
|
| (25) |
trong đó:
Mxd, Myd là mô men uốn tính toán tại mặt dưới đài cọc quanh trục x và y tương ứng;
xi, yi là khoảng cách từ tâm cọc đến mặt cắt tính toán tương ứng theo hướng trục x và y tương ứng.

Hình 7 - Sơ đồ tính toán mô men uốn đài cọc
6.2.2.1.3 Khả năng chống cắt của đài cọc tại tiết diện được tính toán theo TCVN 5574.
6.2.2.1.4 Khi dưới đài cọc, có 4 đến 5 cọc, nên bố trí dầm chìm nằm trên đầu cọc (Hình 8).
6.2.2.1.5 Khi tính mô men uốn và lực cắt của dầm chìm đối với đài cọc hình chữ thập, cọc có thể xem như gối cố định và có thể tính toán như dầm đơn giản hoặc liên tục (Hình 8, Hình 9), mô men uốn tính toán M tác dụng theo hướng dọc trục của bất kỳ dầm nào, tải trọng thẳng đứng tính toán Fd tác dụng lên toàn bộ móng. Dầm liên tục bên trong nên bố trí cốt thép chịu mô men dương và âm đối xứng. Diện tích thép chịu nén của dầm đơn giản không nhỏ hơn một nửa diện tích thép chịu kéo. Chiều rộng tính toán mặt cắt dầm chìm không nhỏ hơn đường kính cọc.

CHÚ DẪN:
1 Dầm chìm
Hình 8 - Bố trí dầm chìm đài cọc

CHÚ DẪN:
L1, L2 khoảng cách từ tâm cọc đến tâm cột cần trục tháp liền kề theo hướng đường chéo của mặt cắt thân cần trục tháp.
Hình 9 - Sơ đồ tính toán dầm chìm (theo mặt cắt 1-1 Hình 8)
Giá trị tải trọng tập trung tính toán của hai cột trên đường chéo cần trục tháp (Hình 9) có thể được xác định theo công thức sau:
|
| (26) |
|
| (27) |
trong đó:
L1 là một nửa khoảng cách giữa hai cột theo hướng đường chéo của mặt cắt thân cần trục tháp.
6.2.2.2 Tính toán chọc thủng
Đài cọc cần được kiểm tra chống chọc thủng do các cọc nằm ngoài tháp chọc thủng gây ra phù hợp với TCVN 5574. Khi kiểm tra khả năng chống chọc thủng của đài cọc cần chú ý trường hợp phá hoại do cọc góc gây ra.
6.3 Yêu cầu cấu tạo
6.3.1 Kết cấu móng cọc cần phù hợp với TCVN 5574 và TCVN 10304. Các chi tiết chôn sẵn cần bố trí theo chỉ dẫn kỹ thuật cần trục tháp. Cấp cường độ chịu nén của bê tông đài cọc toàn khối không nhỏ hơn B20. Cấp cường độ chịu nén của bê tông cọc đúc sẵn, cọc khoan nhồi không nhỏ hơn B15, cọc đóng và ép ứng lực trước - không nhỏ hơn B20.
6.3.2 Cọc cần được thiết kế theo yêu cầu về tính toán và thi công. Hàm lượng cốt thép dọc không nhỏ hơn từ 0,20 % đến 0,65 % cho cọc đổ tại chỗ (cọc có đường kính nhỏ lấy giá trị hàm lượng cốt thép lớn, cọc có đường kính lớn lấy giá trị hàm lượng cốt thép nhỏ), đối với cọc đúc sẵn không nhỏ hơn 0,80 %, đối với cọc ứng lực trước không nhỏ hơn 0,45 %. Cốt thép dọc được bố trí đều theo chu vi cọc, khoảng cách thông thủy giữa chúng không nhỏ hơn 60 mm, đối với cọc bê tông cốt thép không ứng lực trước, cốt thép dọc không nhỏ hơn 6Ø12. Cốt thép đai xoắn ốc với đường kính không nhỏ hơn 6 mm và khoảng cách nên từ 200 đến 300 mm. Trong phạm vi 5 lần đường kính từ đầu cọc, khoảng cách giữa các thép đai nên gần hơn và không lớn hơn 100 mm. Đối với cọc chịu nhổ hay cọc chống, cần bố trí cốt thép dọc theo chiều dài với tiết diện thép không đổi hoặc theo tính toán. Chiều dày lớp bê tông bảo vệ cốt thép của cọc đổ tại chỗ và cọc đúc sẵn không nhỏ hơn 35 mm, cọc đổ tại chỗ dưới nước không nhỏ hơn 50 mm.
6.3.3 Đài cọc nên có bản hình vuông hoặc dải chữ thập với chiều cao tiết diện không thay đổi, chiều cao tiết diện không nhỏ hơn 1000 mm và tuân thủ các yêu cầu theo chỉ dẫn kỹ thuật cần trục tháp. Các cọc nên bố trí đều và đối xứng và không nên ít hơn 4 đối với cọc ép, đóng. Khoảng cách từ tâm cọc biên đến mép đài cọc không nhỏ hơn đường kính cọc hoặc cạnh cọc. Khoảng cách từ mép ngoài cọc đến mép đài cọc không nhỏ hơn 250 mm. Vị trí giao nhau của dải chữ thập cần được mở rộng nách.
6.3.4 Có thể tận dụng các cọc sẵn có của công trình. Khi đó cần căn cứ vào vị trí, số lượng, sức chịu tải cọc để thiết kế đài cọc cho phù hợp. Đối với cọc khoan nhồi đường kính lớn hơn hoặc bằng 1 m, cho phép sử dụng 1 cọc, nhưng phải đảm bảo khả năng chịu lực, độ lún và độ lún lệch không vượt quá giới hạn cho phép. Khi đó, cọc được tính toán chịu tác dụng đồng thời của lực đứng, lực ngang và mô men (phương pháp tính toán có thể tham khảo TCVN 10304). Để giảm lực ngang, mô men lên đầu cọc, có thể liên kết cọc với các đài cọc hoặc công trình xung quanh.
6.3.5 Cốt thép đài cọc dạng bản được bố trí theo kết quả tính toán và yêu cầu cấu tạo. Đường kính cốt thép không nhỏ hơn 12 mm và khoảng cách không lớn hơn 200 mm, giữa cốt thép lớp trên và lớp dưới bố trí cốt thép gá. Nên bố trí dầm chìm theo phương đường chéo. Đài cọc hình chữ thập cần được bố trí cốt thép theo hai hướng riêng biệt của dải, thép dọc được thiết kế chịu mô men dương và âm. Đường kính thép đai không nhỏ hơn 8mm và khoảng cách không lớn hơn 200mm.
6.3.6 Khi đường kính cọc nhỏ hơn 800 mm, chiều dài cọc ngàm trong đài cọc không nhỏ hơn 50 mm, khi đường kính cọc không nhỏ hơn 800 mm, chiều dài cọc ngàm trong đài cọc không nhỏ hơn 100 mm.
6.3.7 Chiều dài neo cốt thép cọc trong đài cọc không nhỏ hơn 35D (D là đường kính cốt thép cọc). Đối với cọc chịu kéo, chiều dài neo cốt thép cọc trong đài cọc phù hợp với TCVN 5574. Đối với cọc ống bê tông ứng lực trước, cọc ống thép nên sử dụng các cốt thép neo với số lượng không ít hơn 6Ø20 liên kết lõi cọc vào đài cọc. Khi đó, chiều dài đoạn cốt thép neo liên kết lõi cọc vào đài cọc không nhỏ hơn 2 lần đường kính cọc và không nhỏ hơn 1000 mm, cấp cường độ chịu nén bê tông của phần neo cao hơn cấp cường độ chịu nén đài cọc.
7 Đài móng hỗn hợp
7.1 Quy định chung
7.1.1 Khi cần trục tháp lắp đặt trong hố móng tầng hầm, căn cứ vào thiết kế kết cấu tầng hầm, các kết cấu được bố trí xung quanh, điều kiện địa chất công trình và sự thuận tiện trong thi công, có thể bố trí móng cần trục tháp ở giữa sàn và trần, hoặc trên sàn.
7.1.2 Móng hỗn hợp có thể được cấu thành bởi bản bê tông hoặc bệ thép, cột thép tổ hợp rỗng hoặc cột ống thép và cọc đổ tại chỗ hoặc cọc ống thép (Hình 10).

CHÚ DẪN:
| 1 Cần trục tháp | 4 Cọc đổ tại chỗ |
| 2 Bê tông đài móng | 5 Thép góc chịu lực |
| 3 Cột thép tổ hợp rỗng | 6 Giằng thép hình |
Hình 10 - Mặt đứng đài móng hỗn hợp
7.1.3 Đài móng và cọc được thiết kế theo các quy định được nêu tại Điều 6.
7.1.4 Thiết kế bệ thép cần phù hợp với TCVN 5575. Bệ thép được tạo thành từ liên kết hàn hoặc bu lông giữa dầm phụ, dầm chính (thép hình) và tấm thép. Dầm chính (thép hình) nên được liên kết hàn với cột thép tổ hợp rỗng.
7.1.5 Các cọc của cần trục tháp trong tầng hầm cần tránh dầm móng, đài móng, các dải đổ sau hoặc dải cốt thép.
7.1.6 Khi thi công đào đất theo từng tầng, cần kịp thời bố trí thanh chống xung quanh cột thép tổ hợp rỗng để liên kết toàn bộ cột thép tổ hợp rỗng (Hình 10). Diện tích tiết diện ngang của thanh chống không nhỏ hơn diện tích tiết diện ngang của thanh cánh thuộc cột thép tổ hợp rỗng. Chiều cao mối hàn liên kết thanh cánh của thanh chống với thanh bụng không nhỏ hơn 6 mm, chiều dài mối hàn góc xung quanh không nhỏ hơn 200 mm. Khi chiều dài tính toán của cột thép tổ hợp rỗng lớn hơn 8 m, phải bố trí cốt thép chống cắt (thanh bụng), khoảng cách theo phương đứng của các cốt thép chống cắt không lớn hơn 6 m và có yêu cầu cấu tạo giống thanh chống đứng.
7.2 Tính toán đài móng hỗn hợp
7.2.1 Tính toán đài móng cần tuân thủ các quy định của TCVN 10304 và TCVN 5574. Có thể xem cột thép tổ hợp rỗng như các cọc móng, chống uốn và chống cắt cần tính toán theo các quy định tại 6.2.2.
7.2.2 Cột thép tổ hợp rỗng cần được thiết kế theo TCVN 5575 như cột chịu nén dọc trục, cần lưu ý các nội dung sau đây:
a) Ổn định tổng thể của cột thép tổ hợp rỗng chịu nén.
b) Độ mảnh của cột thép tổ hợp rỗng.
c) Độ mảnh của cấu kiện thuộc cột thép tổ hợp rỗng.
d) Tính toán thanh bụng chịu lực dọc, lực cắt, mô men uốn.
e) Liên kết hàn của cột thép tổ hợp rỗng.
7.3 Yêu cầu cấu tạo
7.3.1 Cấu tạo của đài móng bê tông cần tuân thủ các quy định tại 5.5 và 6.3, đồng thời phù hợp với chỉ dẫn kỹ thuật cần trục tháp và TCVN 5574. Khoảng cách từ mép cột thép tổ hợp rỗng đến mép đài móng (theo phương ngang) và khoảng cách từ đỉnh chân cột thép đến mép dưới đài móng (theo phương đứng) không nhỏ hơn 200 mm.
7.3.2 Phần dưới của cột thép tổ hợp rỗng cần bố trí trùng với tâm cọc và cần sử dụng bốn thanh cánh hàn đối xứng, kích thước tiết diện ngang (của một cột thép tổ hợp rỗng) không nhỏ hơn 400 mm x 400 mm. Thanh cánh nên sử dụng thép góc đều cạnh và không nên nhỏ hơn L90 mm x 8 mm. Thanh bụng nên sử dụng thanh thép góc hoặc thép tấm. Chiều dài ngàm cột thép tổ hợp rỗng trong đài móng không nhỏ hơn một nửa chiều cao đài móng. Cấu tạo cột thép tổ hợp rỗng cần phù hợp với các quy định của TCVN 5575. Thanh bụng cột thép tổ hợp sử dụng thép góc hoặc thép tấm. Nên sử dụng thép tấm, thuận lợi khi đặt trong lồng cốt thép đai cọc đổ tại chỗ, hơn nữa thi công đơn giản.
7.3.3 Cấu tạo cọc đổ tại chỗ cần tuân thủ các quy định của TCVN 10304, kích thước cọc phải đáp ứng các yêu cầu về việc đặt cột thép tổ hợp rỗng trong lồng cốt thép đai cọc. Cốt thép đai của cọc đổ tại chỗ, trong phạm vi bao quanh cột thép tổ hợp rỗng, cần được đặt dầy và khoảng cách không lớn hơn 100 mm.
7.3.4 Chiều dài neo cột thép tổ hợp rỗng trong đài móng (phía trên) phải đáp ứng yêu cầu về chống kéo, nên hàn thép góc đều cạnh tại chỗ tiếp giáp với đài móng (quy cách giống thanh cánh), chiều dài neo cột thép tổ hợp rỗng với cọc đổ tại chỗ (phía dưới) không nhỏ hơn 2 m và cần hàn với cốt thép dọc của cọc.
Liên kết đỉnh cội thép tổ hợp rỗng với đài móng có thể sử dụng thanh thép neo hàn vào thanh cánh. Chiều dài neo của thanh thép neo không nhỏ hơn 30D (D là đường kính thanh thép neo). Thanh thép neo của cột thép tổ hợp rỗng không ít hơn 4Ø25, hay là, thanh thép neo tại một cột không ít hơn 1Ø25. Khuyến khích hàn thanh thép góc chống cắt và chọc thủng nằm ngang liên kết giữa cột thép tổ hợp rỗng với đài móng.
8 Thi công
8.1 Công tác thi công cọc cần tuân theo TCVN 9394 hoặc TCVN 9395. Công tác đào đất và chuẩn bị nền cho hố móng cần tuân theo của TCVN 4447 và TCVN 9361. Công tác bê tông và bê tông cốt thép tuân theo TCVN 4453.
8.2 Trước khi thi công móng, công tác chuẩn bị cần thực hiện theo thiết kế và phương án thi công cần trục tháp. Nếu cần thiết, các hố móng cần được chống đỡ, thoát nước và có biện pháp ngăn nước.
8.3 Sau khi lắp đặt cốt thép và chi tiết chôn sẵn, chúng cần được kiểm tra và nghiệm thu theo các yêu cầu của thiết kế. Trong quá trình đổ bê tông, không được làm xê dịch cốt thép hoặc chi tiết chôn sẵn. Sau khi đổ, bê tông cần được đảm bảo độ ẩm trong thời gian bảo dưỡng. Đất được lấp và đầm chặt xung quanh móng.
8.4 Khi lắp đặt cần trục tháp, cường độ chịu nén của bê tông móng cần đạt trên 80 % cường độ thiết kế, khi vận hành sử dụng cần trục tháp cường độ chịu nén của bê tông móng cần đạt 100 % cường độ thiết kế.
8.5 Trong quá trình thi công móng bê tông, bốn góc của móng cần được quan trắc. Quan trắc độ lún bốn góc và ghi giá trị ban đầu. Sau khi lắp đặt cần trục tháp, cần quan trắc và ghi chép định kỳ, độ lún và độ nghiêng không được lớn hơn quy định tại 5.3.4.
8.6 Khi lắp đặt đài móng hỗn hợp của cột thép tổ hợp rỗng, độ thẳng đứng và độ lệch phần đầu trên không được lớn hơn giá trị cho phép được quy định tại Bảng 2. Các thanh cánh của cột thép tổ hợp rỗng cần được đặt bên trong lồng cốt thép đai của cọc đổ tại chỗ và cần hàn chắc chắn với cốt thép dọc của cọc đổ tại chỗ.
8.7 Đối với móng hỗn hợp, việc đào đất trong hố móng, cấu tạo của cột thép tổ hợp rỗng khi lắp dựng cần đáp ứng các quy định tại 7.1.6.
8.8 Trong quá trình đào hở hố móng, cần phải bảo vệ các cột thép của móng tổ hợp. Khi đào đến cao độ thiết kế, cần lập tức đổ lớp bê tông lót (chiều dày không nhỏ hơn 200 mm) trong phạm vi đài móng (bản bê tông hoặc bản thép) và được trộn phụ gia đông rắn nhanh. Khi cột thép nằm ở giữa sàn tầng hầm (dưới cùng), cần đặt tấm thép ngăn nước cho mỗi chân cột thép.
9 Kiểm tra và nghiệm thu
9.1 Kiểm tra và nghiệm thu cọc
9.1.1 Khi thi công cọc đúc sẵn (bao gồm cọc bê tông đúc sẵn, cọc bê tông ứng lực trước và cọc thép) cần tiến hành kiểm tra và nghiệm thu theo TCVN 9394, lưu ý các nội dung sau đây:
a) Kiểm tra độ thẳng đứng cọc (hoặc khung hạ cọc), điều kiện dừng hạ cọc (áp lực ép, chiều sâu hạ cọc).
b) Chất lượng mối nối cọc, thời gian nối cọc, mức độ toàn vẹn đầu cọc.
c) Khi hạ cọc bằng búa: số nhát búa trên mỗi mét cọc, số nhát búa ở 1 m cuối cùng, tổng số nhát búa, độ chối cho ba loạt búa cuối cùng, cao độ đầu cọc.
9.1.2 Khi thi công cọc khoan nhồi cần tiến hành kiểm tra và nghiệm thu theo TCVN 9395, lưu ý các nội dung sau đây:
a) Trước khi đổ bê tông, cần kiểm tra vị trí tâm cọc, chiều sâu, đường kính, độ thẳng đứng, độ lắng đáy lỗ theo TCVN 9395.
b) Kiểm tra vị trí đặt thực tế của lồng cốt thép đai và được ghi vào biên bản kiểm tra và nghiệm thu có liên quan.
9.1.3 Cường độ chịu nén của bê tông của cọc đổ tại chỗ cần được kiểm tra theo tiêu chuẩn thi công và nghiệm thu công tác bê tông và bê tông cốt thép có liên quan.
9.1.4 Kiểm tra sai số vị trí cọc cho phép của cọc cần phù hợp với TCVN 9394 hoặc TCVN 9395.
9.1.5 Cần kiểm tra chất lượng thân cọc và sức chịu tải cọc theo TCVN 10304, TCVN 9393, TCVN 9394, TCVN 9395. Cho phép sử dụng kết quả thí nghiệm xác định sức chịu tải cọc của dự án nếu chúng có cùng điều kiện địa chất công trình, giống nhau về loại và chiều dài cọc.
9.1.6 Cấu tạo liên kết giữa cọc với đài cọc và chiều dài neo cần đáp ứng quy định 6.3 của tiêu chuẩn này và TCVN 9394 hoặc TCVN 9395.
9.2 Kiểm tra và nghiệm thu hố móng
9.2.1 Yêu cầu kiểm tra và nghiệm thu công tác đào đất móng cần phù hợp với các quy định của TCVN 4447.
9.2.2 Sau khi đào móng cần trục tháp, cần tiến hành kiểm tra và nghiệm thu hố móng theo TCVN 9361, đáy hố móng cần kiểm tra về chiều dài, chiều rộng, độ phẳng đáy hố, đặc điểm nền đất có đáp ứng yêu cầu thiết kế, điều kiện địa chất có phù hợp với báo cáo khảo sát địa chất công trình.
9.2.3 Nền đất được gia cố cần được kiểm tra trước khi chính thức thi công, các thông số và ảnh hưởng của việc gia cố cần được chứng minh. Đối với thí nghiệm nén kiểm tra kết quả của việc gia cố, tải trọng thí nghiệm lớn nhất không nhỏ hơn 2 lần giá trị áp lực thiết kế yêu cầu. Ngoài việc tuân thủ các quy định của tiêu chuẩn này, việc kiểm tra nền đất gia cố còn phù hợp với TCVN 9361.
9.3 Kiểm tra và nghiệm thu móng, đài cọc
9.3.1 Các vật liệu như thép, xi măng, cát, đá khi đưa vào công trường, cần tiến hành kiểm tra và nghiệm thu theo các tiêu chuẩn có liên quan: đối với cốt thép TCVN 1651-1, TCVN 1651-2; đối với xi măng - TCVN 2682, TCVN 9035; đối với cốt liệu bê tông - TCVN 7570; đối với bê tông trộn sẵn - TCVN 9340. Công tác kiểm tra và nghiệm thu công tác bê tông và bê tông cốt thép tuân theo TCVN 4453.
9.3.2 Sau khi cốt thép được lắp đặt, các bộ phận che khuất cần được nghiệm thu trước khi đổ bê tông. Các bộ phận che khuất bao gồm các cấu kiện chôn sẵn hoặc các chi tiết chôn sẵn của đài cọc cần trục tháp.
9.3.3 Cường độ chịu nén của bê tông móng cần đáp ứng các yêu cầu của thiết kế. Mẫu thí nghiệm dùng để kiểm tra cường độ chịu nén của bê tông cần được lấy ngẫu nhiên khi đổ bê tông. Việc lấy mẫu kiểm tra và bảo dưỡng cần phù hợp với TCVN 4453.
9.3.4 Bề ngoài của kết cấu móng không được có các khuyết tật nghiêm trọng. Đối với khuyết tật thông thường nếu có, cần tiến hành xử lý bằng các phương pháp có liên quan. Cần trục tháp được lắp đặt sau khi đã nghiệm thu lại.
9.3.5 Dung sai cho phép về kích thước móng cần đáp ứng quy định của Bảng 1.
Bảng 1 - Dung sai cho phép và phương pháp kiểm tra móng cần trục tháp
| Nội dung | Dung sai cho phép mm | Phương pháp kiểm tra | |
| Cao độ | ± 20 | Kiểm tra bằng thước thép, nivo nước hoặc dây néo | |
| Kích thước ngoài mặt phẳng (chiều dài, chiều rộng, chiều cao) | ± 20 | Kiểm tra bằng thước thép | |
| Độ nhám (phẳng) bề mặt | 10 và L/1000 | Kiểm tra bằng thước thép, nivo nước hoặc dây néo | |
| Kích thước lỗ chờ | ± 20 | Kiểm tra bằng thước thép | |
| Bu lông neo chôn sẵn | Cao độ (phần đỉnh) | ± 20 | Kiểm tra bằng thước thép, nivo nước hoặc dây néo |
| Khoảng cách giữa các tâm | ± 2 | Kiểm tra bằng thước thép | |
| CHÚ THÍCH: L là cạnh của móng hình vuông hoặc hình chữ thập. | |||
9.3.6 Nghiệm thu móng ngoài việc cần đáp ứng các yêu cầu của mục này, cần phù hợp với các yêu cầu của TCVN 4453.
9.3.7 Trong quá trình vận hành cần trục tháp, nếu phát hiện lún, nghiêng bất thường, cần tiến hành ngay quan trắc độ lún và độ lún lệch.
9.4 Kiểm tra và nghiệm thu cột thép tổ hợp rỗng
9.4.1 Chủng loại, thông số kỹ thuật, đặc tính của thép và vật liệu hàn cần đáp ứng yêu cầu thiết kế và tiêu chuẩn có liên quan. Sự phù hợp giữa que hàn hoặc các vật liệu hàn với kim loại cơ bản cần đáp ứng các yêu cầu của các tiêu chuẩn có liên quan.
Tính năng, quy cách, chủng loại của vật liệu hàn nối và vật liệu thép cần phù hợp với yêu cầu thiết kế và tiêu chuẩn sản phẩm. Sự phối hợp của kim loại cơ bản và vật liệu hàn nối như que hàn cần phù hợp với quy định của tiêu chuẩn có liên quan và yêu cầu thiết kế.
9.4.2 Chiều cao mối hàn cần đáp ứng các yêu cầu thiết kế, bề mặt mối hàn không được có các khuyết tật như vết nứt, lỗi hàn, bọt khí, tạp chất, vết nứt vòng cung, v.v.
9.4.3 Dung sai liên kết của cột thép tổ hợp rỗng với các thanh bụng cần phù hợp với các tiêu chuẩn về chế tạo, lắp ráp kết cấu thép có liên quan.
9.4.4 Dung sai về lắp đặt cột thép tổ hợp rỗng cần đáp ứng các quy định của Bảng 2.
Bảng 2 - Dung sai cho phép khi lắp đặt cột thép tổ hợp rỗng
| Nội dung | Dung sai cho phép mm | Phương pháp kiểm tra |
| Độ lệch của tâm cột | ≥ 0 đến ≤ 20 | Kiểm tra bằng thước thép và dây néo |
| Cao độ cột | ±10 | Kiểm tra bằng nivo nước |
| Độ thẳng đứng trục cột | 0,5H/100 và ≤ 35 | Kiểm tra bằng máy kinh vĩ hoặc dây néo và thước thép |
| CHÚ THÍCH: H là tổng chiều dài của cột thép tổ hợp rỗng. | ||
Phụ lục A
(tham khảo)
Tính toán tải trọng gió[2]
A.1 Áp lực gió
Áp lực gió được tính theo công thức:
|
| (A.1) |
trong đó:
q là áp lực của gió, tính bằng N/m2;
Vs là vận tốc gió tính toán, tính bằng m/s.
A.2 Trạng thái gió
Hai trạng thái gió thiết kế được xét đến trong tính toán tải trọng gió tác dụng lên cần trục tháp.
a) Trạng thái gió cho phép cần trục tháp làm việc
Là trạng thái gió lớn nhất mà cần trục tháp được thiết kế để làm việc. Các tải trọng gió được giả định tác dụng theo hướng bất lợi kết hợp với các tải trọng khác trong điều kiện làm việc. Các áp lực gió tính toán cho phép cần trục tháp làm việc và các vận tốc gió tương ứng được cho trong Bảng A.1. Chúng được giả định là không đổi trên cùng độ cao của cần trục tháp.
CHÚ THÍCH: Thông thường chỗ lắp thiết bị đo vận tốc gió trên cần trục tháp phải là chỗ cao nhất. Trong trường hợp vận tốc gió tại các độ cao khác nhau đáng kể đối với sự an toàn của cần trục tháp, thì Nhà chế tạo sẽ phải định rõ độ cao lắp đặt thiết bị đo gió.
Bảng A.1 - Áp lực gió tính toán cho phép cần trục tháp làm việc
| Kiểu cần trục tháp | Áp lực gió tính toán cho phép cần trục tháp làm việc, N/m2 | Vận tốc gió tính toán cho phép cần trục tháp làm việc, m/s |
| Cần trục tháp dễ dàng được bảo vệ để chống lại tác động của gió hoặc được thiết kế dành riêng cho sử dụng trong gió nhẹ. Cần trục tháp dùng trong lắp dựng. | 125 | 14 |
| Tất cả các kiểu cần trục tháp thông thường làm việc ngoài trời. | 250 | 20 |
| Các cần trục tháp phải liên tục làm việc trong gió lớn. | 500 | 28 |
Giả thiết rằng các vận tốc hoạt động và các gia tốc định mức không cần thiết phải đạt đến khi có gió thổi mạnh.
b) Trạng thái gió bảo đảm ổn định, không cho phép cần trục tháp làm việc
Là gió mạnh nhất (bão) mà cần trục tháp được thiết kế vẫn bảo đảm độ ổn định (độ bền) trong điều kiện không làm việc, như Nhà thiết kế đã chỉ ra. Vận tốc gió biến đổi theo chiều cao của cần trục tháp so với mặt đất, theo vị trí địa lý và mức độ chắn gió.
Đối với các cần trục tháp sử dụng ngoài trời, áp lực gió lý thuyết quy định và vận tốc gió tương ứng đối với trạng thái cần trục tháp không cho phép làm việc được cho trong Bảng A.2.
Bảng A.2 - Áp lực gió tính toán không cho phép cần trục tháp làm việc
| Độ cao so với mặt đất m | Áp lực gió tính toán không cho phép cần trục tháp làm việc, N/m2 | Vận tốc gió tính toán tương ứng không cho phép cần trục tháp làm việc, m/s |
| ≥ 0 đến < 20 | 800 | 36 |
| ≥ 20 tới < 100 | 1 100 | 42 |
| ≥ 100 | 1 300 | 46 |
Khi tính toán tải trọng gió trong điều kiện cần trục tháp không cho phép làm việc, áp lực gió có thể lấy giá trị không đổi trong mỗi khoảng độ cao thẳng đứng như được cho trong Bảng A.2. Nói cách khác, áp lực gió tính toán tại điểm cao nhất của cần trục tháp có thể được giả định là không đổi trên toàn độ cao của nó.
Nếu cần trục tháp được lắp đặt cố định hoặc được sử dụng trong thời gian dài ở vùng mà có vận tốc gió đặc biệt lớn, thì các giá trị trên có thể được thay đổi bằng việc thỏa thuận giữa cơ quan có thẩm quyền và Nhà thiết kế theo các dữ liệu khí tượng tại vùng đó.
Đối với một số kiểu cần trục tháp, cần của nó có thể hạ xuống một cách nhanh chóng (ví dụ như cần trục tháp có thể hạ xuống một cách dễ dàng bằng một cơ cấu được lắp trên nó (tự hạ)), thì trạng thái cần trục tháp không cho phép làm việc không cần xét đến với điều kiện cần trục tháp phải được thiết kế để hạ càn sau mỗi ngày làm việc.
A.3 Tải trọng gió
Đối với hầu hết các cụm kết cấu, bộ phận kết cấu và các bộ phận riêng biệt được sử dụng trong kết cấu của cần trục tháp, tải trọng gió được tính theo công thức:
|
| (A.2) |
trong đó:
F là tải trọng gió, tính bằng N;
A là diện tích chắn gió của bộ phận kết cấu đang xét, tính bằng m2;
g là áp lực gió tương ứng với điều kiện thiết kế, tính bằng N/m2;
c là hệ số khí động;
Gf là hệ số hiệu ứng giật, lấy bằng 1,1.
Tổng tải trọng gió tác dụng lên kết cấu được lấy bằng tổng của các tải trọng gió tác dụng lên các bộ phận cấu thành của nó.
A.4 Hệ số khí động
A.4.1 Các bộ phận riêng biệt, khung và các bộ phận khác
Các hệ số khí động đối với các bộ phận riêng biệt, khung giàn đơn và buồng máy được cho trong Bảng A3. Các giá trị c đối với các bộ phận riêng biệt thay đổi theo độ mảnh, độ lớn của tiết diện hộp và với tỷ lệ mặt cắt. Độ mảnh và tỷ lệ mặt cắt được cho trên Hình A.1.
Tải trọng gió tác dụng lên các khung giàn đơn có thể được tính toán dựa trên các hệ số khí động đối với các bộ phận riêng biệt được cho ở phần trên của Bảng A.3. Trong trường hợp này độ mảnh của mỗi một bộ phận sẽ phải xét đến. Có thể sử dụng hệ số khí động toàn bộ khung giàn được tổng hợp từ các tiết diện phẳng và tròn được cho trong phần giữa của bảng.
Nếu khung giàn được chế tạo từ các kết cấu có tiết diện phẳng và tròn, hoặc các tiết diện tròn cho cả hai chế độ gió thổi, thì các hệ số khí động thích hợp được áp dụng cho các mặt chắn gió tương ứng.
Nếu khung giàn sử dụng các tấm bản mã liên kết hàn có kích thước tiêu chuẩn thì không cần thiết phải xét đến phần diện tích này, với điều kiện chiều dài của các bộ phận riêng biệt được lấy giữa các tâm điểm của nút liên kết.

Hình A.1 - Xác định độ mảnh
Trong kết cấu giàn, chiều dài của các bộ phận riêng biệt được lấy giữa các tâm của các nút liên kết kề nhau, xem hình A.2.

Hình A.2 - Xác định hệ số đặc, giãn cách và tỷ lệ tiết diện
Bảng A.3 - Hệ số khí động c
| Kiểu | Đặc điểm | Độ mảnh l/b hoặc l/D 1) | |||||||
| ≤ 5 | 10 | 20 | 30 | 40 | 50 | > 50 | |||
| Các bộ phận kết cấu riêng biệt | Các tiết diện cán định hình L, U | 1,15 | 1,15 | 1,3 | 1,4 | 1,45 | 1,5 | 1,6 | |
| Các tiết diện rỗng vuông tới 356 mm | 1,4 | 1,45 | 1,5 | 1,55 | 1,55 | 1,55 | 1,6 | ||
| Và tiết diện chữ nhật tới 254 x 457 (mm) | 1,05 | 1,05 | 1,2 | 1,3 | 1,4 | 1,5 | 1,6 | ||
| Các tiết diện khác | 1,30 | 1,35 | 1,60 | 1,65 | 1,70 | 1,80 | 1,80 | ||
| Các tiết diện tròn, trong đó: |
|
|
|
|
|
|
| ||
| D . Vs < 6 m2/s | 0,60 | 0,70 | 0,80 | 0,85 | 0,90 | 0,90 | 0,90 | ||
| D . Vs ≥ 6 m2/s | 0,60 | 0,65 | 0,70 | 0,70 | 0,75 | 0,80 | 0,80 | ||
| Các tiết diện rỗng vuông lớn hơn 356 mm và tiết diện rỗng chữ nhật lớn hơn 254 x 457 mm.
| b/d |
|
|
|
|
|
|
| |
| 2 | 1,55 | 1,75 | 1,95 | 2,10 | 2,20 |
|
| ||
| 1 | 1,40 | 1,55 | 1,75 | 1,85 | 1,90 |
|
| ||
| 0,5 | 1,0 | 1,20 | 1,30 | 1,35 | 1,40 |
|
| ||
| 0,25 | 0,80 | 0,90 | 0,90 | 1,0 | 1,0 |
|
| ||
| Các khung giàn đơn | Các tiết diện phẳng | 1,70 | |||||||
| Các tiết diện tròn, trong đó: D .Vs < 6 m2/s D .Vs ≥ 6 m2/s | 1,10 0,80 | ||||||||
| Buồng máy, v.v. | Kết cấu chữ nhật trên nền cứng hoặc nền đất. | 1,10 | |||||||
| 1) xem Hình A.1; | |||||||||
| Các ký hiệu trong Bảng A.3: D là đường kính ngoài của tiết diện; Vs là vận tốc gió tính toán. | |||||||||
|
| (A.3) |
trong đó:
Ai là diện tích hình chiếu của cấu kiện thứ i trong giàn;
Ac là diện tích bao của kết cấu (xem Hình A.2).
|
| (A.4) |
Đối với “a” lấy giá trị hình học nhỏ nhất của mặt chắn gió.
|
| (A.5) |

Hình A.3 - Xác định hệ số giãn cách và tỷ lệ tiết diện
A.4.2 Các khung giàn phức tạp
Sẽ có sự che chắn khi các khung hoặc bộ phận kết cấu được bố trí song song, các tải trọng gió tác dụng lên khung hoặc bộ phận phía có gió thổi và lên các bộ phận không bị chắn gió phía sau sẽ được tính toán bằng cách sử dụng các hệ số khí động thích hợp. Tải trọng gió tác dụng lên các bộ phận được che chắn được tính bằng cách nhân với hệ số chắn gió η được cho trong Bảng A.4, giá trị của η thay đổi theo hệ số đặc φ và giãn cách được cho trên Hình A.1.
Khi một số khung hoặc bộ phận kết cấu giống nhau được đạt cách đều nhau, thì hệ số chắn gió được giả định là tăng dần cho tới khung thứ chín và giữ không đổi cho những khung tiếp sau. Các tải trọng gió được tính toán như sau:
| Trên khung thứ nhất: |
| (A.6) |
| Trên khung thứ hai: |
| (A.7) |
| Trên khung thứ n: |
| (A.8) |
|
| (η có giá trị từ 3 tới 8) |
|
| Trên khung thứ 9 và các khung tiếp sau: |
| (A.9) |
Tổng tải trọng gió tác dụng bằng:
| Khi có tới 9 khung: |
| (A.10) |
| Khi có lớn hơn 9 khung: |
| (A.11) |
CHÚ THÍCH: Số hạng ηX sử dụng trong công thức trên được giả định có giới hạn dưới là 0,10. Nó được lấy bằng 0,10 bất cứ khi nào ηX < 0,10.
Bảng A.4 - Hệ số chắn gió η
| Hệ số giãn cách |
| Hệ số đặc |
| ||||
| 0,1 | 0,2 | 0,3 | 0,4 | 0,5 | ≥ 0,6 | ||
| 0,5 | 0,75 | 0,40 | 0,32 | 0,21 | 0,15 | 0,10 | |
| 1,0 | 0,92 | 0,75 | 0,59 | 0,43 | 0,25 | 0,10 | |
| 2,0 | 0,95 | 0,80 | 0,63 | 0,50 | 0,33 | 0,20 | |
| 4,0 | 1,0 | 0,88 | 0,76 | 0,66 | 0,55 | 0,45 | |
| 5,0 | 1,0 | 0,95 | 0,88 | 0,81 | 0,75 | 0,68 | |
| 6,0 | 1,0 | 1,0 | 1,0 | 1,0 | 1,0 | 1,0 | |
| CHÚ THÍCH: Đối với giá trị trung gian của hệ số giãn cách và hệ số đặc, hệ số chắn gió được xác định bằng nội suy tuyến tính | |||||||
A.4.3 Tháp giàn
Trong tính toán tải trọng gió tác dụng lên tháp giàn vuông, khi không thể tính toán kỹ lưỡng thì phần diện tích kín của mặt chắn gió của tháp được nhân với hệ số lực toàn bộ được xác định như sau:
- Đối với tháp giàn tiết diện phẳng: 1,7.(1 + η)
- Đối với tháp giàn có tiết diện tròn:
+ Khi D . Vs < 6 m2/s: 1,1·(1 + η)
+ Khi D .Vs ≥ 6 m2/s: 1,4
Giá trị của η được lấy trong Bảng A.4 đối với
= 1 và theo hệ số đặc của mặt chắn gió.
Tải trọng gió lớn nhất tác dụng lên tháp giàn vuông xảy ra khi gió thổi vào góc tháp. Khi không thể tính toán cụ thể thì tải trọng này có thể được lấy bằng 1,2 lần tải trọng tác dụng lên một mặt tháp.
A.4.4 Các bộ phận kết cấu xiên so với hướng gió
- Các bộ phận riêng biệt, các khung ...
Khi gió thổi xiên một góc so với trục dọc của bộ phận kết cấu hoặc bề mặt của khung, thì tải trọng giỏ theo hướng gió được tính bằng:
|
| (A.12) |
trong đó:
θ là góc tạo bởi hướng gió (θ < 90°) với trục dọc hoặc bề mặt.
- Giàn và tháp giàn
Khi gió thổi xiên một góc so với trục dọc của giàn hoặc tháp giàn, tải trọng gió theo hướng gió được tính bằng:
|
| (A.13) |
trong đó:
không được nhỏ hơn 0,35 và lớn hơn 1.
với:
θ là góc tạo bởi hướng gió với trục dọc của giàn hoặc tháp giàn, ° (θ < 90°).
Sp là diện tích của các thanh giằng trong giàn hoặc tháp giàn chiếu lên mặt phẳng chắn gió, tính bằng m2.
S là diện tích của tất cả các thanh (thanh giằng và thanh chính) của giàn hoặc tháp giàn chiếu lên mặt phẳng chắn gió, tính bằng m2.
Giá trị của K2 được giả định có giới hạn dưới và giới hạn trên tương ứng là 0,35 và 1,0. K2 được lấy bằng 0,35 khi giá trị tính toán < 0,35 và bằng 1,0 khi giá trị tính toán > 1,0.
Thư mục tài liệu tham khảo
[1] QCVN 02:2022/BXD, Quy chuẩn kỹ thuật quốc gia về số liệu điều kiện tự nhiên dùng trong xây dựng
[2] JGJ/T 187:2009 Technical specification for concrete foundation engineering of tower cranes (Chỉ dẫn kỹ thuật cho móng bê tông của cần trục tháp)
[3] JGJ/T 301:2013 Technical specification for concrete foundation engineering of large tower cranes (Chỉ dẫn kỹ thuật cho móng bê tông của cần trục tháp loại lớn)
MỤC LỤC
Lời nói đầu
1 Phạm vi áp dụng
2 Tiêu chuẩn viện dẫn
3 Thuật ngữ, định nghĩa và ký hiệu
3.1 Thuật ngữ và định nghĩa
3.2 Ký hiệu
4 Quy định chung
5 Móng nông
5.1 Sức chịu tải của nền đất
5.2 Ổn định của móng
5.3 Độ lún của nền đất
5.4 Tính toán móng
5.5 Yêu cầu cấu tạo
6 Móng cọc
6.1 Quy định chung
6.2 Tính toán móng
6.2.1 Tính toán cọc
6.2.2 Tính toán đài cọc
6.3 Yêu cầu cấu tạo
7 Đài móng hỗn hợp
7.1 Quy định chung
7.2 Tính toán đài móng hỗn hợp
7.3 Yêu cầu cấu tạo
8 Thi công
9 Kiểm tra và nghiệm thu
9.1 Kiểm tra và nghiệm thu cọc
9.2 Kiểm tra và nghiệm thu hố móng
9.3 Kiểm tra và nghiệm thu móng, đài cọc
9.4 Kiểm tra và nghiệm thu cột thép tổ hợp rỗng
Phụ lục A (tham khảo) Tính toán tải trọng gió
A.1 Áp lực gió
A.2 Trạng thái gió
A.3 Tải trọng gió
A.4 Hệ số khí động
Thư mục tài liệu tham khảo
[1] Xem TCVN 8242-3
[2] Tham khảo TCVN 4244:2005
Bạn chưa Đăng nhập thành viên.
Đây là tiện ích dành cho tài khoản thành viên. Vui lòng Đăng nhập để xem chi tiết. Nếu chưa có tài khoản, vui lòng Đăng ký tại đây!


