- Tổng quan
- Nội dung
- Quy chuẩn liên quan
- Lược đồ
- Tải về
Quy chuẩn QCVN 110:2023/BTTTT Về thiết bị trạm gốc thông tin di động E-UTRA - Phần truy nhập vô tuyến
| Số hiệu: | QCVN 110:2023/BTTTT | Loại văn bản: | Quy chuẩn Việt Nam |
| Cơ quan ban hành: | Bộ Thông tin và Truyền thông | Lĩnh vực: | Thông tin-Truyền thông |
|
Ngày ban hành:
Ngày ban hành là ngày, tháng, năm văn bản được thông qua hoặc ký ban hành.
|
24/11/2023 |
Hiệu lực:
|
Đã biết
|
| Người ký: | Đang cập nhật |
Tình trạng hiệu lực:
Cho biết trạng thái hiệu lực của văn bản đang tra cứu: Chưa áp dụng, Còn hiệu lực, Hết hiệu lực, Hết hiệu lực 1 phần; Đã sửa đổi, Đính chính hay Không còn phù hợp,...
|
Đã biết
|
TÓM TẮT QUY CHUẨN VIỆT NAM QCVN 110:2023/BTTTT
Quy chuẩn kỹ thuật QCVN 110:2023/BTTTT: Những quy định quan trọng đối với thiết bị trạm gốc thông tin di động
Quy chuẩn kỹ thuật quốc gia QCVN 110:2023/BTTTT được Bộ Thông tin và Truyền thông ban hành kèm theo Thông tư số 15/2023/TT-BTTTT ngày 24 tháng 11 năm 2023, thay thế cho QCVN 110:2017/BTTTT. Quy chuẩn này quy định các yêu cầu kỹ thuật đối với thiết bị trạm gốc thông tin di động E-UTRA hoạt động trong các băng tần quy định từ 869 MHz đến 2690 MHz, có vai trò quan trọng trong việc đảm bảo chất lượng dịch vụ và khả năng kết nối của mạng di động.
Quy chuẩn này áp dụng cho các tổ chức, cá nhân trong và ngoài nước có hoạt động sản xuất, kinh doanh thiết bị trạm gốc E-UTRA tại Việt Nam. Nội dung của quy chuẩn tập trung vào các yêu cầu kỹ thuật như độ tin cậy, khả năng hoạt động trong điều kiện môi trường khác nhau cũng như các tiêu chuẩn đo kiểm đối với thiết bị.
Đối với điều kiện môi trường, quy chuẩn yêu cầu thiết bị phải tuân thủ mọi khả năng hoạt động trong các giới hạn cụ thể do nhà sản xuất công bố. Điều này đảm bảo rằng thiết bị sẽ hoạt động hiệu quả với tính ổn định cao khi được đưa vào sử dụng.
Trong phần quy định kỹ thuật, quy chuẩn chỉ rõ các yêu cầu chung như phải công bố các băng tần hoạt động và các cấu hình kỹ thuật hỗ trợ cho thiết bị. Các trạm gốc hỗ trợ nhiều băng tần hoạt động phải thực hiện đo kiểm trên từng băng tần.
Phát xạ không mong muốn là một trong những yếu tố quan trọng được quy định chi tiết. Các phát xạ này bao gồm phát xạ ngoài băng và phát xạ giả, cần tuân thủ các giới hạn cụ thể để tránh gây nhiễu cho các thiết bị và dịch vụ khác. Quy chuẩn cũng quy định rõ các yêu cầu về tỷ số công suất rò kênh lân cận (ACLR), đảm bảo rằng trạm gốc không làm ảnh hưởng đến các kênh lân cận.
Ngoài ra, mặt kỹ thuật như công suất ra cực đại, độ chọn lọc kênh lân cận và các thông số khác cũng được nêu rõ trong quy chuẩn này. Điều này giúp đảm bảo rằng thiết bị trạm gốc có thể phát và thu tín hiệu một cách linh hoạt và hiệu quả nhất.
Quy chuẩn cũng nêu rõ về trách nhiệm của tổ chức, cá nhân trong việc thực hiện các quy định trên, nhằm bảo đảm chất lượng của thiết bị trước khi đưa ra thị trường, cũng như việc tuân thủ các yêu cầu kỹ thuật trong suốt quá trình sử dụng.
Với những quy định này, QCVN 110:2023/BTTTT không chỉ tạo ra một cơ sở pháp lý rõ ràng cho việc sản xuất và sử dụng thiết bị trạm gốc E-UTRA mà còn góp phần nâng cao chất lượng dịch vụ thông tin di động, góp phần phát triển mạng lưới viễn thông tại Việt Nam.
Tải quy chuẩn Việt Nam QCVN 110:2023/BTTTT
QCVN 110:2023/BTTTT
QUY CHUẨN KỸ THUẬT QUỐC GIA VỀ THIẾT BỊ TRẠM GỐC THÔNG TIN DI ĐỘNG E-UTRA - PHẦN TRUY NHẬP VÔ TUYẾN
National technical regulation on Evolved Universal Terrestrial Radio Access (E-UTRA) Base Stations (BS) - Radio Access
MỤC LỤC
1. QUY ĐỊNH CHUNG
1.1. Phạm vi điều chỉnh
1.2. Đối tượng áp dụng
1.3. Tài liệu viện dẫn
1.4. Giải thích từ ngữ
1.5. Ký hiệu
1.6. Chữ viết tắt
2. QUY ĐỊNH KỸ THUẬT
2.1. Điều kiện môi trường
2.2. Các yêu cầu kỹ thuật
2.2.1. Các yêu cầu chung
2.2.2. Phát xạ không mong muốn trong băng tần hoạt động
2.2.3. Tỷ số công suất rò kênh lân cận (ACLR)
2.2.4. Phát xạ giả máy phát
2.2.5. Công suất ra cực đại của trạm gốc
2.2.6. Xuyên điều chế máy phát
2.2.7. Phát xạ giả máy thu
2.2.8. Đặc tính chặn
2.2.9. Đặc tính xuyên điều chế máy thu
2.2.10. Độ chọn lọc kênh lân cận (ACS) và chặn băng hẹp
2.2.11. Công suất ra của trạm gốc trong nhà để bảo vệ kênh TRA lân cận
2.2.12. Công suất ra của trạm gốc trong nhà để bảo vệ kênh E-UTRA lân cận
2.2.13. Công suất ra của trạm gốc trong nhà để bảo vệ E-UTRA đồng kênh
2.2.14. Mức chọn lọc chuẩn
2.2.15. Phát xạ bức xạ
3. PHƯƠNG PHÁP ĐO
3.1. Điều kiện đo kiểm
3.2. Giải thích các kết quả đo
3.3. Các tham số thiết yếu cho phần vô tuyến
3.3.1. Phát xạ không mong muốn trong băng tần hoạt động
3.3.2. Tỷ số công suất rò kênh lân cận (ACLR)
3.3.3. Phát xạ giả máy phát
3.3.4. Công suất ra cực đại của trạm gốc
3.3.5. Xuyên điều chế máy phát
3.3.6. Phát xạ giả máy thu
3.3.7. Đặc tính chặn
3.3.8. Đặc tính xuyên điều chế máy thu
3.3.9. Độ chọn lọc kênh lân cận (ACS) và chặn băng hẹp
3.3.10. Công suất ra của trạm gốc trong nhà để bảo vệ kênh UTRA lân cận
3.3.11. Công suất ra của trạm gốc trong nhà để bảo vệ kênh E-UTRA lân cận
3.3.12. Công suất ra của trạm gốc trong nhà để bảo vệ E-UTRA đồng kênh
3.3.13. Mức chọn lọc chuẩn
3.3.14. Phát xạ bức xạ
4. QUY ĐỊNH VỀ QUẢN LÝ
5. TRÁCH NHIỆM CỦA TỔ CHỨC, CÁ NHÂN
6. TỔ CHỨC THỰC HIỆN
Phụ lục A (Quy định) Cấu hình trạm gốc
Phụ lục B (Tham khảo) Điều kiện môi trường
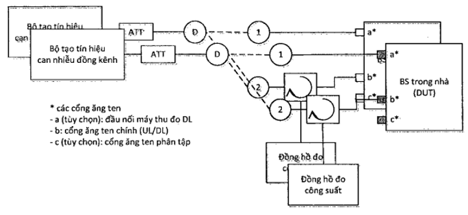
Phụ lục C (Tham khảo) Sơ đồ đo
Phụ lục D (Quy định) Mã số HS của thiết bị trạm gốc thông tin di động E-UTRA
Thư mục tài liệu tham khảo
Lời nói đầu
QCVN 110:2023/BTTTT thay thế QCVN 110:2017/BTTTT.
QCVN 110:2023/BTTTT do Viện Khoa học kỹ thuật Bưu điện biên soạn, Vụ Khoa học và Công nghệ trình duyệt, Bộ Khoa học và Công nghệ thẩm định, Bộ Thông tin và Truyền thông ban hành kèm theo Thông tư số 15/2023/TT-BTTTT ngày 24 tháng 11 năm 2023.
QUY CHUẨN KỸ THUẬT QUỐC GIA VỀ THIẾT BỊ TRẠM GỐC THÔNG TIN DI ĐỘNG E-UTRA - PHẦN TRUY NHẬP VÔ TUYẾN
National technical regulation on Evolved Universal Terrestrial Radio Access (E-UTRA) Base Stations (BS) - Radio Access
1. QUY ĐỊNH CHUNG
1.1. Phạm vi điều chỉnh
Quy chuẩn này quy định các yêu cầu kỹ thuật đối với thiết bị trạm gốc thông tin di động E-UTRA hoạt động trong toàn bộ hoặc một phần bất kỳ băng tần được quy định tại Bảng 1.
Bảng 1 - Các băng tần của thiết bị trạm gốc thông tin di động E-UTRA
| Băng tần E-UTRA | Hướng truyền | Băng tần thiết bị trạm gốc E-UTRA | Chế độ song công |
| 1 | Phát | 2 110 MHz đến 2 170 MHz | FDD |
| Thu | 1 920 MHz đến 1 980 MHz | ||
| 3 | Phát | 1 805 MHz đến 1 880 MHz | FDD |
| Thu | 1710 MHz đến 1 785 MHz | ||
| 5 | Phát | 869 MHz đến 880 MHz | FDD |
| Thu | 824 MHz đến 835 MHz | ||
| 8 | Phát | 925 MHz đến 960 MHz | FDD |
| Thu | 880 MHz đến 915 MHz | ||
| 28 | Phát | 758 MHz đến 788 MHz | FDD |
| Thu | 703 MHz đến 733 MHz | ||
| 40 | Phát và thu | 2 300 MHz đến 2 400 MHz | TDD |
| 41 | Phát và thu | 2 500 MHz đến 2 690 MHz | TDD |
Mã số HS của thiết bị trạm gốc thông tin di động E-UTRA quy định tại Phụ lục D.
1.2. Đối tượng áp dụng
Quy chuẩn này áp dụng đối với các tổ chức, cá nhân Việt Nam và nước ngoài có hoạt động sản xuất, kinh doanh các thiết bị thuộc phạm vi điều chỉnh của quy chuẩn này trên lãnh thổ Việt Nam.
1.3. Tài liệu viện dẫn
ETSI TS 136 141 (V15.9.0) (07-2020): "LTE; Evolved Universal Terrestrial Radio Access (E-UTRA); Base station (BS) conformance testing (3GPP TS 36.141 version 15.9.0 Release 15)".
ETSI TS 125 104 (V15.5.0) (04-2019): "Universal Mobile Telecommunications System (UMTS); Base station (BS) radio transmission and reception (FDD) (3GPP TS 25.104 version 15.5.0 Release 15)".
ETSI TS 125 105 (V15.0.0) (07-2018): "Universal Mobile Telecommunications System (UMTS); Base station (BS) radio transmission and reception (TDD) (3GPP TS 25.105 version 15.0.0 Release 15)".
ETSI TS 136 104 (V15.9.0) (07-2020): "LTE; Evolved Universal Terrestrial Radio Access (E-UTRA); Base station (BS) radio transmission and reception (3GPP TS 36.104 version 15.9.0 Release 15)".
ETSI TS 125 141 (V15.4.0) (04-2019): "Universal Mobile Telecommunications System (UMTS); Base Station (BS) conformance testing (FDD) (3GPP TS 25.141 version 15.4.0 Release 15)”.
ETSI TS 136 211 (V15.9.0) (04-2020): "LTE; Evolved Universal Terrestrial Radio Access (E-UTRA); Physical channels and modulation (3GPP TS 36.211 version 15.9.0 Release 15)".
ETSI EN 301 908-18 (V15.1.1) (09-2021): "IMT cellular networks; Harmonised Standard for access to radio spectrum; Part 18: E-UTRA, UTRA and GSM/EDGE Multistandard Radio (MSR) Base station (BS) Release 15".
ETSI EN 301 893 (V2.1.1) (05-2017): "5 GHz RLAN; Harmonised Standard covering the essential requirements of article 3.2 of Directive 2014/53/EU”.
ETSI TS 136 213 (V15.9.0) (04-2020): "LTE; Evolved Universal Terrestrial Radio Access (E-UTRA); Physical layer procedures (3GPP TS 36.213 version 15.9.0 Release 15)".
ETSI TS 136 101 (V15.11.0) (08-2020): "LTE; Evolved Universal Terrestrial Radio Access (E-UTRA); User Equipment (UE) radio transmission and reception (3GPP TS 36.101 version 15.11.0 Release 15)".
ETSI TR 100 028 (all parts) (V1.4.1): "Electromagnetic compatibility and Radio spectrum Matters (ERM); Uncertainties in the measurement of mobile radio equipment characteristics".
ITU-R SM.329-12 (09-2012): "Unwanted emissions in the spurious domain".
ITU-R SM.1539-1 (11-2002): “Variation of the boundary between the out-of-band and spurious domains required for the application of Recommendations ITU-R SM.1541 and ITU-R SM.329".
TCVN 7699-2-1 :2007 (IEC 60068-2-1): “Thử nghiệm môi trường - Phần 2-1: Các thử nghiệm - Thử nghiệm A: Lạnh".
TCVN 7699-2-2 :2011 (IEC 60068-2-2): “Thử nghiệm môi trường - Phần 2-2: Các thử nghiệm - Thử nghiệm B: Nóng khô”.
TCVN 7699-2-6 :2009 (IEC 60068-2-6): “Thử nghiệm môi trường - Phần 2-6: Các thử nghiệm - Thử nghiệm Fc: Rung (Hình Sin)".
TCVN 7921-3-3 :2014 (IEC 60721-3-3): “Phân loại điều kiện môi trường - Phần 3-3: Phân loại theo nhóm các tham số môi trường và độ khắc nghiệt - Sử dụng tĩnh tại ở vị trí được bảo vệ khỏi thời tiết”.
TCVN 7921-3-4 :2014 (IEC 60721-3-4): “Phân loại điều kiện môi trường - Phần 3-4: Phân loại theo nhóm các tham số môi trường và độ khắc nghiệt - Sử dụng tĩnh tại ở vị trí không được bảo vệ khỏi thời tiết”.
1.4. Giải thích từ ngữ
Theo mục đích của quy chuẩn này, các thuật ngữ sau đây được áp dụng:
1.4.1. Băng thông kênh được cộng gộp (Aggregated Channel Bandwidth)
Băng thông RF, tại đó một trạm gốc phát và/hoặc thu nhiều sóng mang được cộng gộp liền kề
CHÚ THÍCH: Đơn vị đo của băng thông kênh được cộng gộp là MHz.
1.4.2. Phân loại trạm gốc (Base station class)
Trạm gốc vùng phủ rộng, trạm gốc vùng phủ trung bình, trạm gốc vùng phủ hẹp hoặc trạm gốc trong nhà do nhà sản xuất công bố.
1.4.3. Băng thông RF của trạm gốc (Base station RF Bandwidth)
Băng thông RF trong đó trạm gốc phát và/hoặc thu một hoặc nhiều sóng mang trong một băng tần hoạt động được hỗ trợ.
CHÚ THÍCH: Trong hoạt động sóng mang đơn, băng thông RF của trạm gốc bằng với băng thông kênh.
1.4.4. Biên băng thông RF của trạm gốc (Base station RF Bandwidth edge)
Tần số của một trong các biên của băng thông RF của trạm gốc.
CHÚ THÍCH: Băng thông RF trạm gốc phân tách các biên băng thông RF trạm gốc.
1.4.5. Sóng mang (carrier)
Dạng sóng đã được điều chế truyền tải trên các kênh vật lý E-UTRA hoặc UTRA (WCDMA)
1.4.6. Cộng gộp sóng mang (carrier aggregation)
Cộng gộp của hai hoặc nhiều sóng mang thành phần nhằm hỗ trợ các băng thông phát rộng hơn.
1.4.7. Băng tần cộng gộp sóng mang (carrier aggregation band)
Tập hợp một hoặc nhiều băng tần hoạt động, trong đó các sóng mang được cộng gộp có cùng một bộ yêu cầu kỹ thuật cụ thể.
CHÚ THÍCH: (Các) băng tần cộng gộp sóng mang cho một trạm gốc E-UTRA do nhà sản xuất công bố và quy định tại ETSI TS 136 101.
1.4.8. Băng thông kênh (channel bandwidth)
Băng thông RF hỗ trợ một sóng mang đơn RF E-UTRA với băng thông phát được cấu hình đường lên hoặc đường xuống của một tế bào (cell).
CHÚ THÍCH: Đơn vị đo của băng thông kênh là MHz, và được coi như một tham chiếu cho các yêu cầu RF của máy phát và máy thu.
1.4.9. Biên kênh (channel edge)
Tần số thấp nhất hoặc cao nhất của sóng mang E-UTRA.
CHÚ THÍCH: Băng thông kênh phân tách các biên kênh.
1.4.10. Các sóng mang liền kề (contiguous carriers)
Hai hoặc nhiều sóng mang được cấu hình trong một khối phổ, trong đó không có tập các yêu cầu RF dựa trên sự cùng tồn tại cho hoạt động không được phối hợp trong phạm vi khối phổ này.
1.4.11. Phổ liền kề (contiguous spectrum)
Phổ bao gồm một khối liền kề của phổ không có các khoảng bảo vệ khối thành phần.
1.4.12. Băng tần hoạt động đường xuống (downlink operating band)
Phần băng tần hoạt động sử dụng cho đường xuống (BS phát).
1.4.13. Trạm gốc trong nhà (Home Base station)
Trạm gốc có đặc điểm đáp ứng yêu cầu các kịch bản femtocell.
1.4.14. Khoảng bảo vệ liên băng thông RF (Inter RF Bandwidth gap)
Khoảng bảo vệ tần số giữa hai băng thông RF trạm gốc liên tiếp được đặt trong hai băng tần hoạt động được hỗ trợ.
1.4.15. Cộng gộp sóng mang liên băng (inter-band carrier aggregation)
Cộng gộp sóng mang của các sóng mang thành phần trong các băng tần hoạt động khác nhau.
CHÚ THÍCH: Các sóng mang được cộng gộp trong từng băng tần có thể liền kề hoặc không liền kề.
1.4.16. Khoảng bảo vệ liên băng (inter-band gap)
Khoảng bảo vệ tần số giữa hai băng tần hoạt động liên tiếp được hỗ trợ.
1.4.17. Cộng gộp sóng mang liền kề nội băng (intra-band contiguous carrier aggregation)
Các sóng mang liền kề được cộng gộp trong cùng băng tần hoạt động.
1.4.18. Cộng gộp sóng mang không liền kề nội băng (intra-band non-contiguous carrier aggregation)
Các sóng mang không liền kề được cộng gộp trong cùng một băng tần hoạt động.
1.4.19. Trạm gốc vùng phủ hẹp (Local Area Base station)
Trạm gốc có đặc điểm đáp ứng yêu cầu các kịch bản picocell với suy hao ghép nối tối thiểu từ một BS đến UE bằng 45 dB.
1.4.20. Biên dưới khối thành phần (lower sub-block edge)
Tần số tại biên dưới của một khối thành phần.
CHÚ THÍCH: Được sử dụng như điểm tham chiếu tần số cho cả yêu cầu của máy phát và máy thu.
1.4.21. Băng thông RF trạm gốc cực đại (maximum Base Station RF Bandwidth)
Băng thông RF cực đại được hỗ trợ bởi một BS trong từng băng tần hoạt động được hỗ trợ.
1.4.22. Công suất ra cực đại (maximum output power)
Mức công suất trung bình trên một sóng mang của trạm gốc được đo tại đầu nối ăng ten trong điều kiện tham chiếu được quy định.
1.4.23. Băng thông vô tuyến cực đại (maximum Radio Bandwidth)
Chênh lệch tần số cực đại giữa biên trên của sóng mang được sử dụng cao nhất và biên dưới của sóng mang được sử dụng thấp nhất.
1.4.24. Thông lượng cực đại (maximum throughput)
Thông lượng cực đại có thể đạt được cho một kênh đo tham chiếu.
1.4.25. Công suất trung bình (mean power)
Công suất đo được tại băng thông kênh của sóng mang trong khoảng thời gian đo ít nhất là một khe thời gian (1 ms) trừ khi có khai báo khác khi áp dụng cho truyền dẫn E-UTRA.
1.4.26. Trạm gốc vùng phủ trung bình (Medium Range Base station)
Trạm gốc có đặc điểm đáp ứng yêu cầu các kịch bản microcell với suy hao ghép nối tối thiểu từ một BS đến UE bằng 53 dB.
1.4.27. Trạm gốc đa băng tần (multi-band Base Station)
Trạm gốc có máy phát và/hoặc máy thu có khả năng xử lý đồng thời hai hoặc nhiều sóng mang trong các thành phần RF kích hoạt chung, trong đó có ít nhất một sóng mang được cấu hình tại một băng tần khác (băng tần này không phải băng con hoặc băng tần thay thế của một băng tần hoạt động khác) với (các) sóng mang còn lại.
1.4.28. Máy thu đa băng tần (multi-band receiver)
Máy thu có khả năng xử lý đồng thời hai hoặc nhiều sóng mang trong các thành phần RF kích hoạt chung, trong đó có ít nhất một sóng mang được cấu hình tại một băng tần khác (băng tần này không phải băng con hoặc băng tần thay thế của một băng tần hoạt động khác) với (các) sóng mang còn lại.
1.4.29. Máy phát đa băng tần (multi-band transmitter)
Máy phát có khả năng xử lý đồng thời hai hoặc nhiều sóng mang trong các thành phần RF kích hoạt chung, trong đó có ít nhất một sóng mang được cấu hình tại một băng tần khác (băng tần này không phải băng con hoặc băng tần thay thế của một băng tần hoạt động khác) với (các) sóng mang còn lại.
1.4.30. Cấu hình phát đa sóng mang (multi-carrier transmission configuration)
Tập hợp một hoặc nhiều sóng mang liền kề, trong đó trạm gốc có thể phát đồng thời các sóng mang này tùy theo đặc tính kỹ thuật của nhà sản xuất.
1.4.31. Phổ không liền kề (non-contiguous spectrum)
Phổ bao gồm hai hoặc nhiều khối thành phần, các khối này được phân tách bởi các khoảng bảo vệ khối thành phần.
1.4.32. Băng tần hoạt động (operating band)
Dải tần số (ghép cặp hoặc không ghép cặp) được quy định bằng bộ các yêu cầu kỹ thuật cụ thể, trong đó E-UTRA hoạt động.
CHÚ THÍCH: (Các) băng tần hoạt động của một BS E-UTRA được nhà sản xuất công bố theo quy định tại Bảng 1. Các băng tần hoạt động của E-UTRA được đánh số bằng các chữ số Ả Rập, trong khi các băng tần hoạt động tương ứng của UTRA được đánh số bằng các chữ số La Mã.
1.4.33. Công suất ra (output power)
Công suất trung bình của một sóng mang trạm gốc, được cung cấp cho tải có điện trở bằng trở kháng tải danh định của máy phát.
1.4.34. Công suất ra danh định (rated output power)
Công suất đầu ra danh định của trạm gốc là mức công suất trung bình trên một sóng mang do nhà sản xuất công bố là khả dụng tại đầu nối ăng ten.
1.4.35. Công suất ra tổng danh định (rated total output power)
Mức công suất trung bình do nhà sản xuất công bố là khả dụng tại đầu nối ăng ten.
1.4.36. Khối tài nguyên (resource block)
Tài nguyên vật lý bao gồm một số các ký hiệu trong miền thời gian và một số các sóng mang con liên tiếp trải rộng 180 kHz trong miền tần số.
1.4.37. Khối thành phần (sub-block)
Khối phổ được phân bổ liền kề để phát và thu trong cùng một trạm gốc.
CHÚ THÍCH: Có thể có nhiều mẫu khối thành phần trong một băng thông RF trạm gốc.
1.4.38. Băng thông khối thành phần (sub-block bandwidth)
Độ rộng băng tần của một khối thành phần.
1.4.39. Khoảng bảo vệ khối thành phần (sub-block gap)
Khoảng bảo vệ tần số giữa hai khối thành phần liên tiếp trong một băng thông RF trạm gốc, trong đó các yêu cầu RF trong khoảng bảo vệ dựa trên sự cùng tồn tại cho hoạt động không cùng phối hợp.
1.4.40. Hoạt động đồng bộ (synchronized operation)
Hoạt động của TDD trong hai hệ thống khác nhau, trong đó đường lên và đường xuống xuất hiện không đồng thời.
1.4.41. Thông lượng (throughput)
Số bít hữu ích nhận được trong một giây trên một kênh đo chuẩn trong điều kiện chuẩn được quy định.
1.4.42. Băng thông RF tổng (Total RF Bandwidth)
Tổng cực đại của các băng thông RF trạm gốc trong các băng tần hoạt động được hỗ trợ.
1.4.43. Băng thông phát (transmission bandwidth)
Băng thông phát tức thời từ một UE hoặc BS, đơn vị đo là khối tài nguyên (resource block).
1.4.44. Cấu hình băng thông phát (transmission bandwidth configuration)
Băng thông phát cao nhất cấp phát cho đường lên hoặc đường xuống trong một băng thông kênh quy định, đơn vị đo là khối tài nguyên (resource block).
1.4.45. Chu kỳ OFF máy phát (transmitter OFF period)
Chu kỳ thời gian một máy phát BS không được phép phát.
1.4.46. Chu kỳ ON máy phát (transmitter ON period)
Chu kỳ thời gian một máy phát BS phát dữ liệu và/hoặc các ký hiệu chuẩn, ví dụ các khung thành phần dữ liệu hoặc DwPTS.
1.4.47. Chu kỳ chuyển tiếp máy phát (transmitter transient period)
Chu kỳ thời gian máy phát chuyển từ chu kỳ OFF sang chu kỳ ON hoặc ngược lại.
1.4.48. Hoạt động không đồng bộ (unsynchronized operation)
Hoạt động của TDD trong hai hệ thống khác nhau, trong đó các điều kiện hoạt động đồng bộ không được đáp ứng.
1.4.49. Băng tần hoạt động đường lên (uplink operating band)
Phần băng tần hoạt động được chỉ định cho đường lên (BS thu).
1.4.50. Biên trên khối thành phần (upper sub-block edge)
Tần số tại biên trên của một khối thành phần.
CHÚ THÍCH: Tần số này được sử dụng như điểm tham chiếu tần số cho các yêu cầu của máy phát và máy thu.
1.4.51. Trạm gốc vùng phủ rộng (wide area base station)
Trạm gốc có đặc điểm đáp ứng yêu cầu của macrocell với tổn hao ghép nối tối thiểu từ một BS đến UE bằng 70 dB.

Hình 1 - Băng thông kênh và cấu hình băng thông phát cho một sóng mang E-UTRA
Hình 2 minh họa băng thông kênh cộng gộp cho cộng gộp sóng mang liền kề nội băng.

Hình 2 - Băng thông kênh cộng gộp cho cộng gộp sóng mang nội băng tần
Các định nghĩa sau đây được áp dụng:
- Biên dưới băng thông kênh cộng gộp BWChannel_CA là Fedge_low = Fc_low - Foffset;
- Biên trên băng thông kênh cộng gộp BWChannel_CA là Fedge_high = Fc_high + Foffset;
- Băng thông kênh cộng gộp BWChannel_CA = Fedge_high - Fedge_low [MHz].
Hình 3 minh họa băng thông khối thành phần cho một BS hoạt động trong phổ không liền kề.

Hình 3 - Băng thông khối thành phần cho phổ không liền kề nội băng tần
Các định nghĩa sau đây cũng được áp dụng trong quy chuẩn này:
- Biên dưới khối thành phần của băng thông khối thành phần Fedge,block,low = FC,block,low - Foffset;
- Biên trên khối thành phần của băng thông khối thành phần Fedge,block,high = FC,block,high + Foffset;
- Băng thông kênh cộng gộp BWChannel,block = Fedge,block,high - Fedge,block,low (MHz).
Bảng 2 định nghĩa về Foffset, trong đó BWChannel quy định tại Bảng 5.6-1 của ETSI TS 136 141.
Bảng 2 - Định nghĩa cho Foffset
| Băng thông kênh sóng cao nhất hoặc thấp nhất BWChannel (MHz) | Foffset(MHz) |
| 5, 10, 15, 20 | BWChannel/2 |
| CHÚ THÍCH 1: Foffset của từng biên băng thông RF trạm gốc/biên khối thành phần được tính toán riêng biệt. CHÚ THÍCH 2: Các giá trị BWChannel_CA/BWChannel,block cho UE và BS như nhau nếu đồng nhất các băng thông của các sóng mang thành phần cao nhất và thấp nhất. | |

Hình 4 - Băng thông vô tuyến cực đại BWmax và tổng băng thông RF BWtot trạm gốc đa băng tần
1.5. Ký hiệu
Theo mục đích của quy chuẩn này, các ký hiệu sau đây được áp dụng:
| BRFBW | Băng thông RF trạm gốc cực đại nằm ở cuối của dải tần số được hỗ trợ trong băng tần hoạt động |
| BWChannel | Băng thông kênh |
| BWChannel, block | Băng thông khối thành phần, đơn vị là Mhz. BWChannel, block = Fedge,block,high- Fedge,block,low |
| BWConfig | Cấu hình băng thông phát, đơn vị là Mhz, trong đó BWConfig = NRB x 180 kHz cho đường lên và, BWConfig = 15 kHz + NRB x 180 kHz cho đường xuống |
| BWmax | Băng thông vô tuyến cực đại |
| BWtot | Tổng băng thông RF |
| CPICH Êc | Công suất mã hóa kênh hoa tiêu chung (trong kênh lân cận) |
| CRS Ês | Công suất tín hiệu chuẩn nhận được trên phần tử tài nguyên |
| f | Tần số |
| ∆f | Khoảng cách giữa tần số biên kênh và điểm -3 dB danh định của bộ lọc đo gần nhất đến tần số sóng mang |
| ∆fmax | Giá trị lớn nhất của ∆f sử dụng để xác định yêu cầu |
| FC | Tần số trung tâm sóng mang |
| FC,block, high | Tần số trung tâm của sóng mang cao nhất được phát/thu trong một khối thành phần |
| FC,block, low | Tần số trung tâm của sóng mang cao nhất được phát/thu trong một khối thành phần |
| FC_high | Tần số trung tâm sóng mang của sóng mang cao nhất, đơn vị là MHz |
| FC_low | Tần số trung tâm sóng mang của sóng mang thấp nhất, đơn vị là MHz |
| Fedge_low | Biên dưới của băng thông kênh cộng gộp, đơn vị là MHz, Fedge_low = FC_low - Foffset |
| Fedge_high | Biên trên của băng thông kênh cộng gộp, đơn vị là MHz, Fedge_high = FC_high - Foffset |
| Fedge,block,low | Biên dưới khối thành phần, trong đó Fedge,block,low = FC,block,low - Foffset |
| Fedge,block,high | Biên dưới khối thành phần, trong đó Fedge,block,high = FC,block,high - Foffset |
| Foffset | Độ lệch tần số từ FC_high đến biên trên băng thông RF trạm gốc hoặc từ FC,block,high đến biên trên khối thành phần, FC_low đến biên dưới băng thông RF trạm gốc hoặc từ FC,block,low đến biên dưới khối thành phần |
| Ffilter | Tần số trung tâm bộ lọc |
| Finterferer | Tần số trung tâm của tín hiệu can nhiễu |
| f_offset | Khoảng cách giữa tần số biên kênh và tần số trung tâm bộ lọc đo |
| f_offsetmax | Giá trị lớn nhất của f_offset được sử dụng xác định yêu cầu |
| FUL_low | Tần số thấp nhất của băng tần hoạt động đường lên (xem Bảng 1) |
| FUL_high | Tần số cao nhất của băng tần hoạt động đường lên (xem Bảng 1) |
| loh | Tổng mật độ công suất thu được không bao gồm tín hiệu của trạm gốc trong nhà của chính nó |
| luant | Giao diện logic nội bộ E-Node B giữa chức năng O&M đặc trưng xử lý và các ăng ten RET và khối chức năng điều khiển TMAs của E- Node B |
| NRB | Cấu hình băng thông phát, đơn vị là các thành phần của các khối thành phần (Resource Blocks) |
|
| Số khối tài nguyên đường xuống |
|
| Số sóng mang con trong một khối tài nguyên, |
| p | Số cổng ăng ten |
| (Pi) | Công suất của tín hiệu tại đầu nối ăng ten i |
| (Ps) | Tổng công suất cho tất cả các đầu nối ăng ten |
| P10Mhz | Công suất đầu ra cực đại tại 10 MHz |
| PEM,N | Mức phát xạ khai báo cho kênh N |
| PEM,B32,ind | Mức phát xạ khai báo tại băng tần 32, ind = a, b, c, d, e |
| Pmax,c | Công suất ra sóng mang cực đại |
| Pout | Công suất ra |
| Prated,c | Công suất ra danh định (trên sóng mang) |
| PREFSENS | Mức công suất độ nhạy chuẩn |
| TRFBW | Băng thông RF trạm gốc cực đại tại đầu của dải tần số được hỗ trợ trong băng tần hoạt động |
| Wgap | Khoảng bảo vệ khối thành phần hoặc kích thước khoảng bảo vệ băng thông liên quan |
1.6. Chữ viết tắt
Theo mục đích của quy chuẩn này, các chữ viết tắt sau đây được áp dụng:
| ACLR | Adjacent Channel Leakage Ratio | Tỷ số công suất rò kênh lân cận |
| ACS | Adjacent Channel Selectivity | Độ chọn lọc kênh lân cận |
| ATT | Attenuator | Bộ suy giảm |
| AWGN | Additive White Gaussian Noise | Nhiễu Gauss trắng cộng tính |
| B | Bottom RF channel | Kênh RF cuối |
| BRFBW | Bottom Radio Frequency channel Bandwidth BS | Băng thông kênh tần số vô tuyến cuối trạm gốc |
| BS | Base Station | Trạm gốc |
| BTS | Base Transceiver Station | Trạm thu phát gốc |
| BW | BandWidth | Băng thông |
| C | Contiguous | Liền kề |
| CA | Carrier Aggregation | Cộng gộp sóng mang |
| CACLR | Cumulative ACLR | ACLR lũy kế |
| CSG | Closed Subscriber Group | Nhóm thuê bao đóng |
| CW | Continuous Wave | Sóng liên tục |
| DC | Direct Current | Nguồn một chiều |
| DL | Down Link | Đường xuống |
| DTT | Digital Terrestrial Television | Truyền hình kỹ thuật số mặt đất |
| DwPTS | Downlink part of the special subframe | Phần đường xuống của khung thành phần đặc biệt |
| EARFCN | E-UTRA Absolute Radio Frequency Channel Number | Số kênh tần số vô tuyến tuyệt đối E-UTRA |
| ERM | EMC and Radio spectrum Matters | Tương thích điện từ trường và phổ tần số |
| E-TM | E-UTRA Test Model | Mô hình đo kiểm E-UTRA |
| EUT | Equipment Under Test | Thiết bị cần được đo kiểm |
| E-UTRA | Evolved UMTS Terrestrial Radio Access | Truy nhập vô tuyến mặt đất UMTS tiến hóa |
| FDD | Frequency Division Duplex | Ghép song công phân chia theo tần số |
| FRC | Fixed Reference Channel | Kênh tham chiếu cố định |
| GSM | General System for Mobile communications | Hệ thống thông tin di động toàn cầu |
| IMT | International Mobile Telecommuni-cations | Thông tin di động toàn cầu |
| LTE | Long Term Evolution | Công nghệ thông tin di động sau 3G |
| M | Middle RF channel | Kênh RF giữa |
| MBT | Multi-Band Testing | Đo kiểm đa băng tần |
| MS | Mobile Station | Trạm di động |
| MSG | Mobile Standards Group | Nhóm các tiêu chuẩn di động |
| MSR | Multi-Standard Radio | Vô tuyến đa tiêu chuẩn |
| MUE | Macro UE | Thiết bị người dùng macro |
| RAT | Radio Access Technology | Công nghệ truy nhập vô tuyến |
| RB | Resource Block | Khối tài nguyên |
| RF | Radio Frequency | Tần số vô tuyến |
| RFBW | Radio Frequency Bandwidth | Băng thông tần số vô tuyến |
| RMS | Root Mean Square | Giá trị hiệu dụng |
| RRC | Root Raised Cosine | Cosin nâng |
| RX | Receive | Thu |
| SBT | Single Band Testing | Đo kiểm băng tần đơn |
| T | Top RF channel | Kênh RF đầu |
| TDD | Time Division Duplex | Ghép song công phân chia theo thời gian |
| TFES | Task Force for European Standards for IMT | Nhóm các tiêu chuẩn Châu Âu cho IMT |
| TRFBW | Top Radio Frequency channel Bandwidth | Băng thông kênh tần số vô tuyến đầu |
| TX | Transmit | Phát |
| UE | User Equipment | Thiết bị người dùng |
| UL | UpLink | Đường lên |
| UMTS | Universal Mobile Telecommuni-cations System | Hệ thống viễn thông di động toàn cầu |
| UTRA | UMTS Terrestrial Radio Access | Truy nhập vô tuyến mặt đất UMTS |
2. QUY ĐỊNH KỸ THUẬT
2.1. Điều kiện môi trường
Các yêu cầu kỹ thuật của quy chuẩn này áp dụng trong điều kiện môi trường hoạt động của thiết bị do nhà sản xuất công bố. Thiết bị phải hoàn toàn tuân thủ mọi yêu cầu kỹ thuật của quy chuẩn này khi hoạt động trong các giới hạn biên của điều kiện môi trường hoạt động được khai báo.
Phụ lục B hướng dẫn nhà cung cấp cách khai báo điều kiện môi trường.
2.2. Các yêu cầu kỹ thuật
2.2.1. Các yêu cầu chung
Nhà sản xuất thiết bị phải công bố:
- Các băng tần hoạt động của trạm gốc;
- Các băng tần hoạt động của trạm gốc hỗ trợ cộng gộp sóng mang;
- Các cấu hình RF được hỗ trợ theo quy định tại 4.6.8 của ETSI TS 136 141.
Với trạm gốc hỗ trợ nhiều băng tần hoạt động, việc đo kiểm quy định tại Điều 3 của quy chuẩn này phải thực hiện trên từng băng tần.
Với BS có cấu hình thu nhiều sóng mang, tất cả các yêu cầu về thông lượng phải áp dụng cho từng sóng mang thu được. Đối với các đặc tính ACS, chặn và xuyên điều chế, các độ lệch âm của tín hiệu can nhiễu phải so với biên trên băng thông RF trạm gốc.
Với BS có khả năng hoạt động đa băng tần, các yêu cầu trong quy chuẩn này áp dụng cho từng băng tần hoạt động, trừ khi có quy định khác. Trong một số trường hợp, có thể quy định rõ các yêu cầu được bổ sung hoặc loại bỏ cụ thể áp dụng cho BS này.
Với BS có khả năng hoạt động đa băng tần là tổ hợp các máy/thu (đa băng tần hoặc băng tần đơn) khác nhau và ánh xạ đến một hoặc nhiều cổng ăng ten theo các cách khác nhau, nếu các băng tần được phát trên các ăng ten riêng biệt thì:
- Đo kiểm ACLR đơn băng tần, phát xạ không mong muốn trong băng tần hoạt động, phát xạ giả máy phát, xuyên điều chế máy phát và phát xạ giả máy-thu áp dụng cho từng đầu nối ăng ten;
- Nếu BS cấu hình hoạt động đơn băng tần, các yêu cầu đơn băng tần áp dụng cho đầu nối ăng ten được cấu hình hoạt động đơn băng tần và áp dụng cho cả BS có khả năng hoạt động đa băng tần. Các yêu cầu đơn băng tần được đo kiểm độc lập tại đầu nối ăng ten được cấu hình cho hoạt động đơn băng tần, trong khi tất cả các đầu nối ăng ten khác được kết cuối.
Với một BS có khả năng hoạt động đa băng tần hỗ trợ các băng tần cho TDD, các yêu cầu RF trong quy chuẩn này giả định hoạt động đồng bộ, trong đó đường lên và đường xuống không đồng thời xuất hiện giữa các băng tần hoạt động được hỗ trợ.
Các yêu cầu kỹ thuật áp dụng cho các cấu hình BS được quy định tại Phụ lục A.
2.2.2. Phát xạ không mong muốn trong băng tần hoạt động
2.2.2.1. Định nghĩa
Các phát xạ không mong muốn bao gồm các phát xạ ngoài băng và các phát xạ giả (Khuyến nghị ITU-R SM.329-12). Phát xạ ngoài băng là phát xạ không mong muốn (nhưng không bao gồm phát xạ giả), nằm ngay ngoài băng thông kênh, tạo ra trong quá trình điều chế và do ảnh hưởng của tính phi tuyến trong máy phát. Giới hạn của các phát xạ ngoài băng của máy phát BS được xác định theo các phát xạ không mong muốn trong băng tần hoạt động và tỷ số công suất rò kênh lân cận (ACLR).
Các giới hạn phát xạ giả không mong muốn trong băng tần hoạt động được quy định từ 10 MHz dưới tần số thấp nhất của từng băng tần hoạt động đường xuống được hỗ trợ đến 10 MHz trên tần số cao nhất của từng băng tần hoạt động đường xuống được hỗ trợ (xem Bảng 1).
Các yêu cầu áp dụng cho mọi loại máy phát (sóng mang đơn hoặc đa sóng mang) và mọi chế độ phát được chọn lựa phù hợp với chỉ tiêu kỹ thuật của nhà sản xuất. Ngoài ra, với một BS hoạt động trong nhiều băng tần, các yêu cầu này áp dụng bên trong khoảng bảo vệ liên băng thông RF.
Với BS hỗ trợ đa sóng mang, các yêu cầu phát xạ không mong muốn áp dụng cho các băng thông kênh của sóng mang ngoài cùng lớn hơn hoặc bằng 5 MHz.
Với một BS E-UTRA đa sóng mang được cấu hình cho cộng gộp sóng mang liền kề và không liền kề nội băng, các định nghĩa trên áp dụng cho biên dưới của sóng mang phát đi tại tần số sóng mang thấp nhất và biên trên của sóng mang phát đi tại tần số sóng mang cao nhất bên trong băng tần hoạt động quy định.
Với BS có khả năng hoạt động đa băng tần, trong đó nhiều băng tần được ánh xạ trên các đầu nối ăng ten riêng biệt, áp dụng các yêu cầu đơn băng tần và không áp dụng ước lượng lũy kế giới hạn phát xạ trong khoảng bảo vệ liên băng thông RF.
2.2.2.2. Giới hạn
Với BS vùng phủ rộng, yêu cầu này áp dụng bên ngoài băng thông RF của trạm gốc. Ngoài ra, yêu cầu này cũng áp dụng bên trong khoảng bảo vệ khối thành phần bất kỳ cho BS vùng phủ rộng hoạt động trong phổ không liền kề và áp dụng bên trong khoảng bảo vệ liên băng thông RF bất kỳ cho BS vùng phủ rộng hoạt động trong nhiều băng tần.
Với BS vùng phủ trung bình, yêu cầu này áp dụng bên ngoài băng thông RF của trạm gốc. Ngoài ra, yêu cầu này áp dụng bên trong khoảng bảo vệ khối thành phần bất kỳ cho BS vùng phủ trung bình hoạt động trong phổ không liền kề và áp dụng bên trong khoảng bảo vệ liên băng thông RF bất kỳ cho BS vùng phủ trung bình hoạt động trong nhiều băng tần.
Với BS vùng phủ hẹp, yêu cầu này áp dụng bên ngoài băng thông RF của trạm gốc. Ngoài ra, yêu cầu này áp dụng bên trong khoảng bảo vệ khối thành phần bất kỳ cho BS vùng phủ hẹp hoạt động trong phổ không liền kề và áp dụng bên trong khoảng bảo vệ liên băng thông RF bất kỳ cho BS vùng phủ hẹp hoạt động trong nhiều băng tần.
Bên ngoài băng thông RF của trạm gốc, các phát xạ không vượt quá các mức cực đại được quy định tại các Bảng 3 đến Bảng 13 và Bàng 14 đến Bảng 19, trong đó:
- ∆f là khoảng cách giữa tần số biên kênh và điểm -3 dB danh định của bộ lọc đo gần tần số sóng mang nhất;
- f_offset là khoảng cách giữa tần số biên kênh và tần số trung tâm của bộ lọc đo;
- f_offsetmax là độ lệch so với tần số 10 MHz bên ngoài băng tần hoạt động đường xuống;
- ∆fmax bằng f_offsetmax trừ một nửa băng thông của bộ lọc đo.
Với BS hoạt động trong nhiều băng tần, bên trong các khoảng bảo vệ liên băng thông RF bất kỳ với Wgap < 20 MHz, các phát xạ không vượt quá tổng lũy kế của các giới hạn quy định tại các biên băng thông RF của trạm gốc trên mỗi sườn của khoảng bảo vệ liên băng thông RF. Giới hạn cho biên băng thông RF được quy định tại các Bảng 3 đến Bảng 5, trong đó:
- ∆f là khoảng cách giữa tần số biên băng thông RF của trạm gốc và điểm -3 dB danh định của bộ lọc đo gần biên băng thông RF của trạm gốc nhất;
- f_offset là khoảng cách giữa tần số biên băng thông RF của trạm gốc và tần số trung tâm của bộ lọc đo;
- f_offsetmax bằng khoảng bảo vệ liên băng thông RF trừ một nửa băng thông của bộ lọc đo;
- ∆fmax bằng f_offsetmax trừ một nửa băng thông của bộ lọc đo.
Với BS có khả năng hoạt động đa sóng mang, trong đó nhiều băng tần được ánh xạ trên cùng đầu nối ăng ten, các giới hạn phát xạ không mong muốn trong băng tần hoạt động cũng áp dụng trong một băng tần hoạt động được hỗ trợ bên trong sóng mang phát đi bất kỳ, trong trường hợp tại đó có (các) sóng mang phát đi trong băng tần hoạt động được hỗ trợ khác. Trong trường hợp này, giới hạn không lũy kế áp dụng trong khoảng bảo vệ liên băng tần giữa một băng tần hoạt động đường xuống được hỗ trợ với (các) sóng mang phát đi và một băng tần hoạt động đường xuống được hỗ trợ bên ngoài sóng mang phát đi bất kỳ và:
- Trong trường hợp khoảng bảo vệ liên băng tần giữa một băng tần hoạt động đường xuống được hỗ trợ với (các) sóng mang phát đi và một băng tần hoạt động đường xuống được hỗ trợ bên ngoài sóng mang phát đi bất kỳ nhỏ hơn 20 MHz, f_offsetmax là độ lệch so với tần số 10 MHz bên ngoài các biên ngoài cùng của các băng tần hoạt động đường xuống được hỗ trợ và giới hạn phát xạ không mong muốn trong băng tần hoạt động, tại đó có các sóng mang phát đi, được quy định tại các bảng của điều này, áp dụng trên cả hai băng tần đường xuống.
- Trong trường hợp, giới hạn phát xạ không mong muốn trong băng tần hoạt động của băng tần, tại đó có các sóng mang phát đi, được quy định tại các bảng của điều này cho độ lệch tần số rộng nhất (∆fmax), áp dụng từ 10 MHz dưới tần số thấp nhất, lên tới 10 MHz trên tần số cao nhất của băng tần hoạt động đường xuống được hỗ trợ bên ngoài sóng mang phát đi bất kỳ.
Ngoài ra, bên trong khoảng bảo vệ khối thành phần bất kỳ với một BS hoạt động trong phổ không liền kề, các kết quả đo không vượt quá tổng lũy kế của các giới hạn quy định cho các khối thành phần lân cận trên mỗi sườn của khoảng bảo vệ khối thành phần. Giới hạn cho từng khối thành phần được quy định tại các Bảng 3 đến Bảng 13 và Bảng 14 đến Bảng 19, trong trường hợp này:
- ∆f là khoảng cách giữa tần số biên khối thành phần và điểm -3 dB danh định của bộ lọc đo gần biên khối thành phần nhất;
- f_offset là khoảng cách giữa tần số biên khối thành phần và tần số trung tâm của bộ lọc đo;
- f_offsetmax bằng băng thông khoảng bảo vệ khối thành phần trừ một nửa băng thông của bộ lọc đo;
- ∆fmax bằng f_offsetmax trừ một nửa băng thông của bộ lọc đo.
2.2.2.2.1. Giới hạn cho BS vùng phủ rộng trong các băng tần 1, 3, 5 và 8
Với BS vùng phủ rộng E-UTRA hoạt động trong các băng tần 1, 3, 5 và 8 các phát xạ không vượt quá giới hạn quy định tại các Bảng 3 đến Bảng 5.
Bảng 3 - Giới hạn phát xạ không mong muốn trong băng tần 8 của BS vùng phủ rộng cho băng thông kênh 1,4 MHz
| Độ lệch tần số của điểm -3 dB của bộ lọc đo, ∆f | Độ lệch tần số của tần số trung tâm của bộ lọc đo, f_offset | Giới hạn (Chú thích 1 và 2) | Băng thông đo |
| 0 MHz ≤ ∆f < 0,05 MHz | 0,015 MHz ≤ f_offset < 0,065 MHz |
| 30 kHz |
| 0,05 MHz ≤ ∆f < 0,15 MHz | 0, 065 MHz ≤ f_offset < 0,165 MHz |
| 30 kHz |
| 0,15 MHz ≤ ∆f < 0,2 MHz | 0,165 MHz ≤ f_offset < 0,215 MHz | -12,5 dBm | 30 kHz |
| 0,2 MHz ≤ ∆f < 1 MHz | 0,215 MHz ≤ f_offset < 1,015 MHz |
| 30 kHz |
|
| 1,015 MHz ≤ f_offset < 1,5 MHz | -24,5 dBm | 30 kHz |
| 1 MHz ≤ ∆f ≤ 2,8 MHz | 1,5 MHz ≤ f_offset < 3,3 MHz | -11,5 dBm | 1 MHz |
| 2,8 MHz ≤ ∆t ≤ ∆fmax | 3,3 MHz ≤ f_offset < f_offsetmax | -15 dBm | 1 MHz |
| CHÚ THÍCH 1: Đối với BS hỗ trợ hoạt động phổ không liền kề trong băng tần bất kỳ, giới hạn trong các khoảng bảo vệ khối thành phần được tính bằng tổng lũy kế của các phần từ các khối thành phần lân cận trong mỗi sườn của khoảng bảo vệ khối thành phần, tại đó các phần từ khối thành phần đầu xa được chia tỷ lệ theo băng thông đo của khối thành phần đầu gần. Trừ trường hợp, nếu ∆f ≥ 10 MHz từ cả hai khối thành phần lân cận trên mỗi sườn của khoảng bảo vệ khối thành phần, tại đó giới hạn bên trong các khoảng bảo vệ khối thành phần là -15 dBm/1 MHz. CHÚ THÍCH 2: Đối với BS hỗ trợ hoạt động đa băng tần với khoảng bảo vệ liên băng thông RF < 20 MHz, giới hạn bên trong khoảng bảo vệ liên băng thông RF được tính bằng tổng lũy kế của các phần từ các khối thành phần lân cận hoặc liên băng thông RF của trạm gốc trên mỗi sườn của khoảng bảo vệ liên băng thông RF, tại đó các phần từ khối thành phần đầu xa hoặc băng thông RF của trạm gốc được chia tỷ lệ theo băng thông đo của khối thành phần đầu gần hoặc băng thông RF của trạm gốc. | |||
Bảng 4 - Giới hạn phát xạ không mong muốn trong băng tần 8 của BS vùng phủ rộng cho băng thông kênh 3 MHz
| Độ lệch tần số của điểm -3 dB của bộ lọc đo, ∆f | Độ lệch tần số của tần số trung tâm của bộ lọc đo, f_offset | Giới hạn (Chú thích 1 và 2) | Băng thông đo |
| 0 MHz ≤ ∆f < 0,05 MHz | 0,015 MHz ≤ f_offset < 0,065 MHz |
| 30 kHz |
| 0,05 MHz ≤ ∆f < 0,15 MHz | 0, 065 MHz ≤ f_offset < 0,165 MHz |
| 30 kHz |
| 0,15 MHz ≤ ∆f < 0,2 MHz | 0,165 MHz ≤ f_offset < 0,215 MHz | -12,5 dBm | 30 kHz |
| 0,2 MHz ≤ ∆f < 1 MHz | 0,215 MHz ≤ f_offset < 1,015 MHz |
| 30 kHz |
|
| 1,015 MHz ≤ f_offset < 1,5 MHz | -24,5 dBm | 30 kHz |
| 1 MHz ≤ ∆f ≤ 6 MHz | 1,5 MHz ≤ f_offset < 6,5 MHz | -11,5 dBm | 1 MHz |
| 6 MHz ≤ ∆f ≤ ∆fmax | 6,5 MHz ≤ f_offset < f_offsetmax | -15 dBm | 1 MHz |
| CHÚ THÍCH 1: Đối với BS hỗ trợ hoạt động phổ không liền kề trong băng tần bất kỳ, giới hạn trong các khoảng bảo vệ khối thành phần được tính bằng tổng lũy kế của các phần từ các khối thành phần lân cận trong mỗi sườn của khoảng bảo vệ khối thành phần, tại đó các phần từ khối thành phần đầu xa được chia tỷ lệ theo băng thông đo của khối thành phần đầu gần. Trừ trường hợp, nếu ∆f ≥ 10 MHz từ cả hai khối thành phần lân cận trên mỗi sườn của khoảng bảo vệ khối thành phần, tại đó giới hạn bên trong các khoảng bảo vệ khối thành phần là -15 dBm/1 MHz. CHÚ THÍCH 2: Đối với BS hỗ trợ hoạt động đa băng tần với khoảng bảo vệ liên băng thông RF < 20 MHz, giới hạn bên trong khoảng bảo vệ liên băng thông RF được tính bằng tổng lũy kế của các phần từ các khối thành phần lân cận hoặc liên băng thông RF của trạm gốc trên mỗi sườn của khoảng bảo vệ liên băng thông RF, tại đó các phần từ khối thành phần đầu xa hoặc băng thông RF của trạm gốc được chia tỷ lệ theo băng thông đo của khối thành phần đầu gần hoặc băng thông RF của trạm gốc. | |||
Bảng 5 - Giới hạn phát xạ không mong muốn trong băng tần 1, 3, 5 và 8 của BS vùng phủ rộng cho băng thông kênh 5, 10, 15 và 20 MHz
| Độ lệch tần số của điểm -3 dB của bộ lọc đo, ∆f | Độ lệch tần số của tần số trung tâm của bộ lọc đo, f_offset | Giới hạn (Chú thích 1, 2 và 3) | Băng thông đo |
| 0 MHz ≤ ∆f < 0,2 MHz | 0,015 MHz ≤ f_offset < 0,215 MHz | -12,5 dBm | 30 kHz |
| 0,2 MHz ≤ ∆f < 1 MHz | 0,215 MHz ≤ f_offset < 1,015 MHz |
| 30 kHz |
| 1,015 MHz ≤ f_offset < 1,5 MHz | -24,5 dBm | 30 kHz | |
| 1 MHz ≤ ∆f < nhỏ nhất (10 Mhz, ∆fmax) | 1,5 MHz ≤ f_offset < nhỏ nhất (10,5 Mhz, ∆f_offsetmax) | -11,5 dBm | 1 MHz |
| 10 MHz ≤ ∆f ≤ ∆fmax | 10,5 MHz ≤ f_offset < f_offsetmax | -15 dBm | 1 MHz |
| CHÚ THÍCH 1: Yêu cầu không áp dụng khi ∆fmax < 10 MHz. CHÚ THÍCH 2: Đối với BS hỗ trợ hoạt động phổ không liền kề trong băng tần bất kỳ, giới hạn trong các khoảng bảo vệ khối thành phần được tính bằng tổng lũy kế của các phần từ các khối thành phần lân cận trong mỗi sườn của khoảng bảo vệ khối thành phần, tại đó các phần từ khối thành phần đầu xa được chia tỷ lệ theo băng thông đo của khối thành phần đầu gần. Trừ trường hợp, nếu ∆f ≥ 10 MHz từ cả hai khối thành phần lân cận trên mỗi sườn của khoảng bảo vệ khối thành phần, tại đó giới hạn bên trong các khoảng bảo vệ khối thành phần là -15 dBm/1 MHz. CHÚ THÍCH 3: Đối với BS hỗ trợ hoạt động đa băng tần với khoảng bảo vệ liên băng thông RF < 20 MHz, giới hạn bên trong khoảng bảo vệ liên băng thông RF được tính bằng tổng lũy kế của các phần từ các khối thành phần lân cận hoặc liên băng thông RF của trạm gốc trên mỗi sườn của khoảng bảo vệ liên băng thông RF, tại đó các phần từ khối thành phần đầu xa hoặc băng thông RF của trạm gốc được chia tỷ lệ theo băng thông đo của khối thành phần đầu gần hoặc băng thông RF của trạm gốc. | |||
2.2.2.2.2. Giới hạn cho BS vùng phủ rộng trong các băng tần 40 và 41
Với BS vùng phủ rộng E-UTRA hoạt động trong các băng tần 40 và 41 các phát xạ không vượt quá giới hạn quy định tại Bảng 6.
Bảng 6 - Giới hạn phát xạ không mong muốn trong băng tần 40 và 41 của BS vùng phủ rộng cho băng thông kênh 5, 10, 15 và 20 MHz
| Độ lệch tần số của điểm -3 dB của bộ lọc đo, ∆f | Độ lệch tần số của tần số trung tâm của bộ lọc đo, f_offset | Giới hạn | Băng thông đo |
| 0 MHz ≤ ∆f < 5 MHz | 0,05 MHz ≤ f_offset < 5,05 MHz |
| 100 kHz |
| 5 MHz ≤ ∆f < nhỏ nhất (10 MHz, ∆fmax) | 5,05 MHz ≤ f_offset < min (10,05 MHz, f_offsetmax) | -12,5 dBm | 100 kHz |
| 10 MHz ≤ ∆f ≤ ∆fmax | 10,5 MHz ≤ f_offset < f_offsetmax | -15 dBm | 1 MHz |
| CHÚ THÍCH 1: Yêu cầu không áp dụng khi ∆fmax < 10 MHz. CHÚ THÍCH 2: Đối với BS hỗ trợ hoạt động phổ không liền kề trong băng tần bất kỳ, giới hạn trong các khoảng bảo vệ khối thành phần được tính bằng tổng lũy kế của các phần từ các khối thành phần lân cận trong mỗi sườn của khoảng bảo vệ khối thành phần, tại đó các phần từ khối thành phần đầu xa được chia tỷ lệ theo băng thông đo của khối thành phần đầu gần. Trừ trường hợp, nếu ∆f ≥ 10 MHz từ cả hai khối thành phần lân cận trên mỗi sườn của khoảng bảo vệ khối thành phần, tại đó giới hạn bên trong các khoảng bảo vệ khối thành phần là -15 dBm/1 MHz. CHÚ THÍCH 3: Đối với BS hỗ trợ hoạt động đa băng tần với khoảng bảo vệ liên băng thông RF < 20 MHz, giới hạn bên trong khoảng bảo vệ liên bằng thông RF được tính bằng tổng lũy kế của các phần từ các khối thành phần lân cận hoặc liên băng thông RF của trạm gốc trên mỗi sườn của khoảng bảo vệ liên băng thông RF, tại đó các phần từ khối thành phần đầu xa hoặc băng thông RF của trạm gốc được chia tỷ lệ theo băng thông đo của khối thành phần đầu gần hoặc băng thông RF của trạm gốc. | |||
2.2.2.2.3. Giới hạn cho BS vùng phủ rộng trong băng tần 28
Với BS vùng phủ rộng E-UTRA hoạt động trong các băng tần 28 các phát xạ không vượt quá giới hạn quy định tại Bảng 7.
Bảng 7 - Giới hạn phát xạ không mong muốn trong băng tần 28 của BS vùng phủ rộng cho băng thông kênh 5, 10, 15 và 20 MHz
| Độ lệch tần số của điểm -3 dB của bộ lọc đo, ∆f | Đệ lệch tần số của tần số trung tâm của bộ lọc đo, f_offset | Giới hạn (chú thích 1, 2 và 3) | Băng thông đo |
| 0 MHz ≤ ∆f < 5 MHz | 0,05 MHz ≤ f_offset < 5,05 MHz |
| 100 kHz |
| 5 MHz ≤ ∆f < 10 MHz | 5,05 MHz ≤ f_offset < 10,05 MHz | -12,5 dBm | 100 kHz |
| 10 MHz ≤ ∆f ≤ ∆fmax | 10,5 MHz ≤ f_offset < f_offsetmax | -16 dBm | 100 kHz |
| CHÚ THÍCH 1: Yêu cầu không áp dụng khi ∆fmax < 10 MHz. CHÚ THÍCH 2: Đối với BS hỗ trợ hoạt động phổ không liền kề trong băng tần bất kỳ, giới hạn trong các khoảng bảo vệ khối thành phần được tính bằng tổng lũy kế của các phần từ các khối thành phần lân cận trong mỗi sườn của khoảng bảo vệ khối thành phần, tại đó các phần từ khối thành phần đầu xa được chia tỷ lệ theo băng thông đo của khối thành phần đầu gần. Trừ trường hợp, nếu ∆f ≥ 10 MHz từ cả hai khối thành phần lân cận trên mỗi sườn của khoảng bảo vệ khối thành phần, tại đó giới hạn bên trong các khoảng bảo vệ khối thành phần là -16 dBm/100 kHz. CHÚ THÍCH 3: Đối với BS hỗ trợ hoạt động đa băng tần với khoảng bảo vệ liên băng thông RF < 20 MHz, giới hạn bên trong khoảng bảo vệ liên băng thông RF được tính bằng tổng lũy kế của các phần từ các khối thành phần lân cận hoặc liên băng thông RF của trạm gốc trên mỗi sườn của khoảng bảo vệ liên băng thông RF, tại đó các phần từ khối thành phần đầu xa hoặc băng thông RF của trạm gốc được chia tỷ lệ theo băng thông đo của khối thành phần đầu gần hoặc băng thông RF của trạm gốc. | |||
2.2.2.2.4. Giới hạn cho BS vùng phủ hẹp
Với BS vùng phủ hẹp, các phát xạ không vượt quá giới hạn quy định tại các Bảng 8 đến Bảng 10.
Bảng 8 - Giới hạn phát xạ không mong muốn trong băng tần hoạt động của BS vùng phủ hẹp cho băng thông kênh 1,4 MHz
| Độ lệch tần số của điểm -3 dB của bộ lọc đo, ∆f | Độ lệch tần số của tần số trung tâm của bộ lọc đo, f_offset | Giới hạn | Bang thông đo |
| 0 MHz ≤ ∆f < 1,4 MHz | 0,05 MHz ≤ f_offset < 1,45 MHz |
| 100 kHz |
| 1,4 MHz ≤ ∆f < 2,8 MHz | 1,45 MHz ≤ f_offset < 2,85 MHz | -29,5 dBm | 100 kHz |
| 2,8 MHz ≤ ∆f ≤ ∆fmax | 2,85 MHz ≤ f_offset < f_offsetmax | -31 dBm | 100 kHz |
| CHÚ THÍCH 1: Các yêu cầu đối với băng thông kênh 1,4 MHz chỉ áp dụng cho băng tần 8. | |||
Bảng 9 - Giới hạn phát xạ không mong muốn trong băng tần hoạt động của BS vùng phủ hẹp cho băng thông kênh 3 MHz
| Độ lệch tần số của điểm -3 dB của bộ lọc đo, ∆f | Độ lệch tần số của tần số trung tâm của bộ lọc đo, f_offset | Giới hạn | Băng thông đo |
| 0 MHz ≤ ∆f < 3 MHz | 0,05 MHz ≤ f_offset < 3,05 MHz |
| 100 kHz |
| 3 MHz ≤ ∆f < 6 MHz | 3,05 MHz ≤ f_offset < 6,05 MHz | -33,5 dBm | 100 kHz |
| 6 MHz ≤ ∆f ≤ ∆fmax | 6,05 MHz ≤ f_offset < f_offsetmax | -35 dBm | 100 kHz |
| CHÚ THÍCH 1: Các yêu cầu đối với băng thông kênh 3 MHz chỉ áp dụng cho băng tần 8. | |||
Bảng 10 - Giới hạn phát xạ không mong muốn trong băng tần hoạt động của BS vùng phủ hẹp cho băng thông kênh 5, 10, 15 và 20 MHz
| Độ lệch tần số của điểm -3 dB của bộ lọc đo, ∆f | Độ lệch tần số của tần số trung tâm của bộ lọc đo, f_offset | Giới hạn | Băng thông đo |
| 0 MHz ≤ ∆f < 5 MHz | 0,05 MHz ≤ f_offset < 5,05 MHz |
| 100 kHz |
| 5MHz ≤ ∆f < nhỏ nhất (10 MHz, ∆fmax) | 5,05 MHz ≤ f_offset < nhỏ nhất (10,05 MHz, f_offsetmax) | -35,5 dBm | 100 kHz |
| 10 MHz ≤ ∆f ≤ ∆fmax | 10,05 MHz ≤ f_offset < f_offsetmax | -37 dBm (xem chú thích) | 100 kHz |
| CHÚ THÍCH: Yêu cầu không áp dụng khi ∆fmax < 10 MHz. | |||
2.2.2.2.5. Giới hạn cho BS trong nhà
- Với BS trong nhà, các phát xạ không vượt quá giới hạn quy định tại các Bảng 11 đến Bảng 13.
Bảng 11 - Giới hạn phát xạ không mong muốn trong băng tần hoạt động của BS trong nhà cho băng thông kênh 1,4 MHz
| Độ lệch tần số của điểm -3 dB của bộ lọc đo, ∆f | Độ lệch tần số của tần số trung tâm của bộ lọc đo, f_offset | Giới hạn | Băng thông đo |
| 0 MHz ≤ ∆f < 1,4 MHz | 0,05 MHz ≤ f_offset < 1,45 MHz |
| 100 kHz |
| 1,4 MHz ≤ ∆f < 2,8 MHz | 1,45 MHz ≤ f_offset < 2,85 MHz | -34,5 dBm | 100 kHz |
| 2,8 MHz ≤ ∆f ≤ ∆fmax | 3,3 MHz ≤ f_offset < f_offsetmax | P -52 dB, 2dBm ≤ P ≤ 20 dBm - 50 dBm, P < 2 dBm (xem chú thích 1) | 1 MHz |
| CHÚ THÍCH 1: Đối với BS trong nhà, tham số P là công suất cực đại cộng gộp của tất cả các cổng ăng ten phát của BS trong nhà. CHÚ THÍCH 2: Các yêu cầu đối với băng thông kênh 1,4 MHz chỉ áp dụng cho băng tần 8. | |||
Bảng 12 - Giới hạn phát xạ không mong muốn trong băng tần hoạt động của BS trong nhà cho băng thông kênh 3 MHz
| Độ lệch tần số của điểm -3 dB của bộ lọc đo, ∆f | Độ lệch tần số của tần số trung tâm của bộ lọc đo, f_offset | Giới hạn | Băng thông đo |
| 0 MHz ≤ ∆f < 3 MHz | 0,05 MHz ≤ f_offset < 3,05 MHz |
| 100 kHz |
| 3 MHz ≤ ∆f < 6 MHz | 3,05 MHz ≤ f_offset < 6,05 MHz | -38,5 dBm | 100 kHz |
| 6 MHz ≤ ∆f ≤ ∆fmax | 6,5 MHz ≤ f_offset < f_offsetmax | P -52 dB, 2dBm ≤ P ≤ 20 dBm -50 dBm, P < 2 dBm (xem chú thích 1) | 1 MHz |
| CHÚ THÍCH 1: Đối với BS trong nhà, tham số P là công suất cực đại cộng gộp của tất cả các cổng ăng ten phát của BS trong nhà. CHÚ THÍCH 2: Các yêu cầu đối với băng thông kênh 3 MHz chỉ áp dụng cho băng tần 8. | |||
Bảng 13 - Giới hạn phát xạ không mong muốn trong băng tần hoạt động của BS trong nhà cho băng thông kênh 5, 10, 15, 20 MHz
| Độ lệch tần số của điểm -3 dB của bộ lọc đo, ∆f | Độ lệch tần số của tần số trung tâm của bộ lọc đo, f_offset | Giới hạn | Băng thông đo |
| 0 MHz ≤ ∆f < 5 MHz | 0,05 MHz ≤ f_offset < 5,05 MHz |
| 100 kHz |
| 5MHz ≤ ∆f < nhỏ nhất (10 MHz, ∆fmax) | 5,05 MHz ≤ f_offset < nhỏ nhất (10,05 MHz, f_offsetmax) | -40,5 dBm | 100 kHz |
| 10 MHz ≤ ∆f ≤ ∆fmax | 10,5 MHz ≤ f_offset < f_offsetmax | P -52 dB, 2dBm ≤ P ≤ 20 dBm -50 dBm, P < 2 dBm (xem chú thích 1 và 2) | 1 MHz |
| CHÚ THÍCH 1: Đối với BS trong nhà, tham số P là công suất cực đại cộng gộp của tất cả các cổng ăng ten phát của BS trong nhà. CHÚ THÍCH 2: Yêu cầu khống áp dụng khi ∆fmax < 10 MHz. | |||
2.2.2.2.6. Giới hạn cho BS vùng phủ trung bình
Với BS vùng phủ trung bình E-UTRA, phát xạ không vượt quá các mức cực đại được quy định tại các Bảng 14 đến Bảng 19.
Bảng 14 - Giới hạn phát xạ không mong muốn trong băng tần hoạt động của BS vùng phủ trung bình cho băng thông kênh 1,4 MHz, 31 < Prated,c ≤ 38 dBm
| Độ lệch tần số của điểm -3 dB của bộ lọc đo, ∆f | Độ lệch tần số của tần số trung tâm của bộ lọc đo, f_offset | Giới hạn (chú thích 1 và 2) | Băng thông đo |
| 0 MHz ≤ ∆f < 1,4 MHz | 0,05 MHz ≤ f_offset < 1,45 MHz |
| 100 kHz |
| 1,4 MHz ≤ ∆f < 2,8 MHz | 1,45 MHz ≤ f_offset < 2,85 MHz | Pmax,c - 53,5 dBm | 100 kHz |
| 2,8 MHz ≤ ∆f ≤ ∆fmax | 2,85 MHz ≤ f_offset < f_offsetmax | -25 dBm | 100 kHz |
| CHÚ THÍCH 1: Đối với BS hỗ trợ hoạt động phổ không liền kề trong băng tần bất kỳ, yêu cầu đo kiểm trong các khoảng bảo vệ khối thành phần được tính bằng tổng lũy kế của các phần từ các khối thành phần lân cận trong mỗi sườn của khoảng bảo vệ khối thành phần. Trừ trường hợp, nếu ∆f ≥ 10 MHz từ cả hai khối thành phần lân cận trên mỗi sườn của khoảng bảo vệ khối thành phần, tại đó yêu cầu đo kiểm bên trong các khoảng bảo vệ khối thành phần là -25 dBm/100 kHz. CHÚ THÍCH 2: Đối với BS hỗ trợ hoạt động đa băng tần với khoảng bảo vệ liên băng thông RF < 20 MHz, yêu cầu đo kiểm bên trong khoảng bảo vệ liên băng thông RF được tính bằng tổng lũy kế của các phần từ các khối thành phần lân cận hoặc liên băng thông RF của trạm gốc trên mỗi sườn của khoảng bảo vệ liên băng thông RF. CHÚ THÍCH 3: Các yêu cầu đối với băng thông kênh 1,4 MHz chỉ áp dụng cho băng tần 8. | |||
Bảng 15 - Giới hạn phát xạ không mong muốn trong băng tần hoạt động của BS vùng phủ trung bình cho băng thông kênh 1,4 MHz, Pmax,c ≤ 31 dBm
| Độ lệch tần số của điểm -3 dB của bộ lọc đo, ∆f | Độ lệch tần số của tần số trung tâm của bộ lọc đo, f_offset | Giới hạn (chú thích 1 và 2) | Băng thông đo |
| 0 MHz ≤ ∆f < 1,4 MHz | 0,05 MHz ≤ f_offset < 1,45 MHz |
| 100 kHz |
| 1,4MHz ≤ ∆f < 2,8 MHz | 1,45 MHz ≤ f_offset < 2,85 MHz | -22,5 dBm | 100 kHz |
| 2,8 MHz ≤ ∆f ≤ Afmax | 2,85 MHz ≤ f_offset < f_offsetmax | -25 dBm | 100 kHz |
| CHÚ THÍCH 1: Đối với BS hỗ trợ hoạt động phổ không liền kề trong băng tần bất kỳ, yêu cầu đo kiểm trong các khoảng bảo vệ khối thành phần được tính bằng tổng lũy kế của các phần từ các khối thành phần lân cận trong mỗi sườn của khoảng bảo vệ khối thành phần. Trừ trường hợp, nếu ∆f ≥ 10 MHz từ cả hai khối thành phần lân cận trên mỗi sườn của khoảng bảo vệ khối thành phần, tại đó yêu cầu đo kiểm bên trong các khoảng bảo vệ khối thành phần là -25 dBm/100 kHz. CHÚ THÍCH 2: Đối với BS hỗ trợ hoạt động đa băng tần với khoảng bảo vệ liên băng thông RF < 20 MHz, yêu cầu đo kiểm bên trong khoảng bảo vệ liên băng thông RF được tính bằng tổng lũy kế của các phần từ các khối thành phần lân cận hoặc liên băng thông RF của trạm gốc trên mỗi sườn của khoảng bảo vệ liên băng thông RF. CHÚ THÍCH 3: Các yêu cầu đối với băng thông kênh 1,4 MHz chỉ áp dụng cho băng tần 8. | |||
Bảng 16 - Giới hạn phát xạ không mong muốn trong băng tần hoạt động của BS vùng phủ trung bình cho băng thông kênh 3 MHz, 31 < Pmax,c ≤ 38 dBm
| Độ lệch tần số của điểm -3 dB của bộ lọc đo, ∆f | Độ lệch tần số của tần số trung tâm của bộ lọc đo, f_offset | Giới hạn | Băng thông đo |
| 0 MHz ≤ ∆f < 3 MHz | 0,05 MHz ≤ f_offset < 3,06 MHz |
| 100 kHz |
| 3 MHz ≤ ∆f < 6 MHz | 3,05 MHz ≤ f_offset < 6,05 MHz | Pmax,c - 57,5 dBm | 100 kHz |
| 6 MHz ≤ ∆f ≤ Afmax | 6,05 MHz ≤ f_offset < f_offsetmax | nhỏ nhất (Pmax,c - 59 dB, -25 dBm) | 100 kHz |
| CHÚ THÍCH 1: Đối với BS hỗ trợ hoạt động phổ không liền kề trong băng tần bất kỳ, yêu cầu đo kiểm trong các khoảng bảo vệ khối thành phần được tính bằng tổng lũy kế của các phần từ các khối thành phần lân cận trong mỗi sườn của khoảng bảo vệ khối thành phần. Trừ trường hợp, nếu ∆f ≥ 10 MHz từ cả hai khối thành phần lân cận trên mỗi sườn của khoảng bảo vệ khối thành phần, tại đó yêu cầu đo kiểm bên trong các khoảng bảo vệ khối thành phần là nhỏ nhất (Pmax,c - 59 dB, -25 dBm)/100 kHz. CHÚ THÍCH 2: Đối với BS hỗ trợ hoạt động đa băng tần với khoảng bảo vệ liên băng thông RF < 20 MHz, yêu cầu đo kiểm bên trong khoảng bảo vệ liên băng thông RF được tính bằng tổng lũy kế của các phần từ các khối thành phần lân cận hoặc liên băng thông RF của trạm gốc trên mỗi sườn của khoảng bảo vệ liên băng thông RF. CHÚ THÍCH 3: Các yêu cầu đối với băng thông kênh 3 MHz chỉ áp dụng cho băng tần 8. | |||
Bảng 17 - Giới hạn phát xạ không mong muốn trong băng tần hoạt động của BS vùng phủ trung bình cho băng thông kênh 3 MHz, Pmax,c ≤ 31 dBm
| Độ lệch tần số của điểm -3 dB của bộ lọc đo, ∆f | Độ lệch tần số của tần số trung tâm của bộ lọc đo, f_offset | Giới hạn | Băng thông đo |
| 0MHz ≤ ∆f < 3 MHz | 0,05 MHz ≤ f_offset < 3,05 MHz |
| 100 kHz |
| 3 MHz ≤ ∆f < 6 MHz | 3,05 MHz ≤ f_offset < 6,05 MHz | -26,5 dBm | 100 kHz |
| 6MHz ≤ ∆f ≤ ∆fmax | 6,05 MHz ≤ f_offset < f_offsetmax | -28 dBm | 100 kHz |
| CHÚ THÍCH 1: Đối với BS hỗ trợ hoạt động phổ không liền kề trong băng tần bất kỳ, yêu cầu đo kiểm trong các khoảng bảo vệ khối thành phần được tính bằng tổng lũy kế của các phần từ các khối thành phần lân cận trong mỗi sườn của khoảng bảo vệ khối thành phần. Trừ trường hợp, nếu ∆f ≥ 10 MHz từ cả hai khối thành phần lân cận trên mỗi sườn của khoảng bảo vệ khối thành phần, tại đó yêu cầu đo kiểm bên trong các khoảng bảo vệ khối thành phần là -28 dBm/100 kHz. CHÚ THÍCH 2: Đối với BS hỗ trợ hoạt động đa băng tần với khoảng bảo vệ liên băng thông RF < 20 MHz, yêu cầu đo kiểm bên trong khoảng bảo vệ liên băng thông RF được tính bằng tổng lũy kế của các phần từ các khối thành phần lân cận hoặc liên băng thông RF của trạm gốc trên mỗi sườn của khoảng bảo vệ liên băng thông RF. CHÚ THÍCH 3: Các yêu cầu đối với băng thông kênh 3 MHz chỉ áp dụng cho băng tần 8. | |||
Bảng 18 - Giới hạn phát xạ không mong muốn trong băng tần hoạt động của BS vùng phủ trung bình cho băng thông kênh 5, 10, 15 và 20 MHz, 31 < Pmax,c ≤ 38 dBm
| Độ lệch tần số của điểm -3 dB của bộ lọc đo, ∆f | Độ lệch tần số của tần số trung tâm của bộ lọc đo, f_offset | Giới hạn | Băng thông đo |
| 0 MHz ≤ ∆f < 5 MHz | 0,05 MHz ≤ f_offset < 5,05 MHz |
| 100 kHz |
| 5 MHz ≤ ∆f < nhỏ nhất (10 MHz, ∆fmax) | 5,05 MHz ≤ f_offset < nhỏ nhất (10,05 MHz, f_offsetmax) | Pmax,c - 58,5 dBm | 100 kHz |
| 10 MHz ≤ ∆f ≤ ∆fmax | 10,05 MHz ≤ f_offset < f_offsetmax | nhỏ nhất (Pmax,c - 60 dB, -25 dBm) (xem chú thích 2) | 100 kHz |
| CHÚ THÍCH 1: Đối với BS hỗ trợ hoạt động phổ không liền kề trong băng tần bất kỳ, giới hạn trong các khoảng bảo vệ khối thành phần được tính bằng tổng lũy kế của các phần từ các khối thành phần lân cận trong mỗi sườn của khoảng bảo vệ khối thành phần. Trừ trường hợp, nếu ∆f ≥ 10 MHz từ cả hai khối thành phần lân cận trên mỗi sườn của khoảng bảo vệ khối thành phần, tại đó giới hạn bên trong các khoảng bảo vệ khối thành phần là nhỏ nhất (Pmax,c - 60 dB, -25 dBm)/100 kHz. CHÚ THÍCH 2: Yêu cầu không áp dụng khi ∆fmax < 10 MHz. CHÚ THÍCH 3: Đối với BS hỗ trợ hoạt động đa băng tần với khoảng bảo vệ liên băng thông RF < 20 MHz, giới hạn bên trong khoảng bảo vệ liên băng thông RF được tính bằng tổng lũy kế của các phần từ các khối thành phần lân cận hoặc liên băng thông RF của trạm gốc trên mỗi sườn của khoảng bảo vệ liên băng thông RF. | |||
Bảng 19 - Giới hạn phát xạ không mong muốn trong băng tần hoạt động của BS vùng phủ trung bình cho băng thông kênh 5, 10, 15 và 20 MHz, Pmax,c ≤ 31 dBm
| Độ lệch tần số của điểm -3 dB của bộ lọc đo, ∆f | Độ lệch tần số của tần số trung tâm của bộ lọc đo, f_offset | Giới hạn | Băng thông đo |
| 0 MHz ≤ ∆f < 5 MHz | 0,05 MHz ≤ f_offset < 5,05 MHz |
| 100 kHz |
| 5 MHz ≤ ∆f < nhỏ nhất (10 MHz, ∆fmax) | 5,05 MHz ≤ f_offset < nhỏ nhất (10,05 MHz, f_offsetmax) | -27,5 dBm | 100 kHz |
| 10 MHz ≤ ∆f ≤ ∆fmax | 10,05 MHz ≤ f_offset < f_offsetmax | -29 dBm (xem chú thích 2) | 100 kHz |
| CHÚ THÍCH 1: Đối với BS hỗ trợ hoạt động phổ không liền kề trong băng tần bất kỳ, giới hạn trong các khoảng bảo vệ khối thành phần được tính bằng tổng lũy kế của các phần từ các khối thành phần lân cận trong mỗi sườn của khoảng bảo vệ khối thành phần. Trừ trường hợp, nếu ∆f ≥ 10 MHz từ cả hai khối thành phần lân cận trên mỗi sườn của khoảng bảo vệ khối thành phần, tại đó giới hạn bên trong các khoảng bảo vệ khối thành phần là -29 dBm/100 kHz. CHÚ THÍCH 2: Yêu cầu không áp dụng khi ∆fmax < 10 MHz. CHÚ THÍCH 3: Đối với BS hỗ trợ hoạt động đa băng tần với khoảng bảo vệ liên băng thông RF < 20 MHz, giới hạn bên trong khoảng bảo vệ liên băng thông RF được tính bằng tổng lũy kế của các phần từ các khối thành phần lân cận hoặc liên băng thông RF của trạm gốc trên mỗi sườn của khoảng bảo vệ liên băng thông RF. | |||
2.2.2.3. Phương pháp đo kiểm
Sử dụng các phép đo kiểm quy định tại 3.3.1.
2.2.3. Tỷ số công suất rò kênh lân cận (ACLR)
2.2.3.1. Định nghĩa
Các phát xạ không mong muốn bao gồm các phát xạ ngoài băng và các phát xạ giả. Các phát xạ ngoài băng là các phát xạ nằm ngay ngoài độ rộng băng của kênh, tạo ra trong quá trình điều chế và do ảnh hưởng của tính phi tuyến trong máy phát. Giới hạn của các phát xạ ngoài băng của máy phát BS được xác định theo các phát xạ không mong muốn trong băng tần hoạt động và tỷ số công suất rò kênh lân cận (ACLR).
Tỷ số công suất rò kênh lân cận (ACLR) là tỷ số giữa công suất trung bình lọc có tâm trên tần số kênh phân định và công suất trung bình lọc RRC có tâm trên tần số kênh lân cận.
Yêu cầu này áp dụng bên ngoài băng thông RF trạm gốc hoặc băng thông vô tuyến cực đại cho mọi loại máy phát bất kỳ (sóng mang đơn hoặc đa sóng mang) và cho mọi chế độ phát được lựa chọn phù hợp với chỉ tiêu kỹ thuật của nhà sản xuất. Độ lệch tín hiệu can nhiễu được xác định so với các biên băng thông RF của trạm gốc.
Với một BS hoạt động trong phổ không liền kề, ACLR áp dụng cho kênh lân cận đầu tiên bên trong khoảng bảo vệ khối thành phần bất kỳ có kích thước khoảng bảo vệ Wgap ≥ 15 MHz. Yêu cầu ACLR áp dụng cho kênh lân cận thứ hai bên trong khoảng bảo vệ khối thành phần có kích thước Wgap ≥ 20 MHz. Yêu cầu CACLR quy định tại 2.2.3.2.2 áp dụng trong khoảng bảo vệ khối thành phần với các dải tần số quy định tại Bảng 20 cho phổ được ghép cặp và Bảng 21 cho phổ không được ghép cặp.
Với BS hoạt động trong nhiều băng tần, các băng tần này được ánh xạ tới cùng đầu nối ăng ten, ACLR áp dụng cho kênh lân cận đầu tiên bên trong khoảng bảo vệ liên băng thông RF với kích thước khoảng bảo vệ Wgap ≥ 15 MHz. Yêu cầu ACLR cho kênh lân cận thứ hai áp dụng bên trong khoảng bảo vệ liên băng thông RF bất kỳ với kích thước khoảng bảo vệ bất kỳ Wgap ≥ 20 MHz. Yêu cầu CACLR tại 2.2.3.2.2 áp dụng trong các khoảng bảo vệ liên băng thông RF với các dải tần số theo quy định tại Bảng 20 cho phổ được ghép cặp và Bảng 21 cho phổ không được ghép cặp.
Yêu cầu áp dụng trong suốt chu kỳ ON của máy phát.
2.2.3.2. Giới hạn
2.2.3.2.1. Giới hạn ACLR
ACLR với một bộ lọc xung vuông của băng thông bằng cấu hình băng thông phát của tín hiệu được cấp phát (BWConfig) có tâm trên tần số kênh tính toán được và một bộ lọc có tâm trên tần số kênh lân cận theo quy định tại Bảng 20 và Bảng 21.
Với BS vùng phủ rộng, giới hạn ACLR bằng các giới hạn quy định tại Bảng 20 và Bảng 21 hoặc bằng giới hạn tuyệt đối của -15 dBm/MHz, tùy thuộc giới hạn nào ít nghiêm ngặt hơn.
Với BS vùng phủ trung bình, giới hạn ACLR bằng các giới hạn quy định tại Bảng 20 và Bảng 21 hoặc bằng giới hạn tuyệt đối của -25 dBm/MHz, tùy thuộc giới hạn nào ít nghiêm ngặt hơn.
Với BS vùng phủ hẹp, giới hạn ACLR bằng các giới hạn quy định tại Bảng 20 và Bảng 21 hoặc bằng giới hạn tuyệt đối của -32 dBm/MHz, tùy thuộc giới hạn nào ít nghiêm, ngặt hơn.
Với BS trong nhà, giới hạn ACLR bằng các giới hạn quy định tại Bảng 20 và Bảng 21 hoặc bằng giới hạn tuyệt đối của -50 dBm/MHz, tùy thuộc giới hạn nào ít nghiêm ngặt hơn.
Với hoạt động trong phổ được ghép đôi, ACLR phải lớn hơn giá trị quy định tại Bảng 20.
Bảng 20 - ACLR của trạm gốc trong phổ được ghép cặp
| Băng thông kênh của sóng mang E-UTRA thấp nhất/cao nhất được cấp phát BWChannel (MHz) | Độ lệch tần số trung tâm kênh lân cận BS bên dưới tần số trung tâm thấp nhất hoặc bên trên tần số trung tâm sóng mang cao nhất được cấp phát | Sóng mang kênh lân cận giả định (Tham khảo) | Bộ lọc tần số kênh lân cận và băng thông bộ lọc tương ứng | Giới hạn ACLR |
| 1, 4; 3; 5; 10; 15 và 20 | BWChannel | E-UTRA cùng BW | Vuông (BWConfig) | 44,2 dB |
| 2 x BWChannel | E-UTRA cùng BW | Vuông (BWConfig) | 44,2 dB | |
| BWChannel/2 + 2,5 MHz | UTRA 3,84 Mcps | RRC (3,84 Mcps) | 44,2 dB | |
| BWChannel/2 + 7,5 MHz | UTRA 3,84 Mcps | RRC (3,84 Mcps) | 44,2 dB | |
| CHÚ THÍCH 1: BWChannel và BWConfig là cấu hình băng thông phát và băng thông kênh của sóng mang E-UTRA thấp nhất/cao nhất được cấp phát trên tần số kênh được tính toán. CHÚ THÍCH 2: Bộ lọc RRC tương ứng với bộ lọc dạng xung phát được quy định tại ETSI 125 104, với tốc độ chíp theo quy định tại Bảng này. CHÚ THÍCH 3: Các yêu cầu đối với băng thông kênh 1,4 MHz và 3 MHz chỉ áp dụng cho băng tần 8. | ||||
Với hoạt động trong phổ không ghép cặp, ACLR phải lớn hơn giá trị quy định tại Bảng 21.
Bảng 21 - ACLR của trạm gốc trong phổ không được ghép cặp với hoạt động đồng bộ
| Băng thông kênh của sóng mang E-UTRA thấp nhất/cao nhất được cấp phát BWChannel (MHz) | Độ lệch tần số trung tâm kênh lân cận BS bên dưới tần số trung tâm thấp nhất hoặc bên trên tần số trung tâm sóng mang cao nhất được cấp phát | Sóng mang kênh lân cận giả định (Tham khảo) | Bộ lọc tần số kênh lân cận và băng thông bộ lọc tương ứng | Giới hạn ACLR |
| 1,4 và 3 | BWChannel | E-UTRA cùng BW | Vuông (BWConfig) | 44,2 dB |
| 2 x BWChannel | E-UTRA cùng BW | Vuông (BWConfig) | 44,2 dB | |
| BWChannel/2 + 0,8 MHz | UTRA 1,28 Mcps | RRC (1,28 Mcps) | 44,2 dB | |
| BWChannel/2 + 2,4 MHz | UTRA 1,28 Mcps | RRC (1,28 Mcps) | 44,2 dB | |
| 5, 10, 15 và 20 | BWChannel | E-UTRA cùng BW | Vuông (BWConfig) | 44,2 dB |
| 2 x BWChannel | E-UTRA cùng BW | Vuông (BWConfig) | 44,2 dB | |
| BWChannel/2 + 0,8 MHz | UTRA 1,28 Mcps | RRC (1,28 Mcps) | 44,2 dB | |
| BWChannel/2+2,4 MHz | UTRA 1,28 Mcps | RRC (1,28 Mcps) | 44,2 dB | |
| BWChannel/2 + 2,5 MHz | UTRA 3,84 Mcps | RRC (3,84 Mcps) | 44,2 dB | |
| BWChannel/2+7,5MHz | UTRA 3,84 Mcps | RRC (3,84 Mcps) | 44,2 dB | |
| BWChannel/2 + 5 MHz | UTRA 7,68 Mcps | RRC (7,68 Mcps) | 44,2 dB | |
| BWChannel/2 + 15MHz | UTRA 7,68 Mcps | RRC (7,68 Mcps) | 44,2 dB | |
| CHÚ THÍCH 1: BWChannel và BWConfig là cấu hình băng thông phát và băng thông kênh của sóng mang E-UTRA thấp nhất/cao nhất được cấp phát trên tần số kênh được tính toán. CHÚ THÍCH 2: Bộ lọc RRC tương ứng với bộ lọc dạng xung phát được quy định tại ETSI 125 105, với tốc độ chíp theo quy định tại Bảng này. CHÚ THÍCH 3: Các yêu cầu đối với băng thông kênh 1,4 MHz và 3 MHz chỉ áp dụng cho băng tần 8. | ||||
Với hoạt động trong phổ được ghép cặp không liền kề, ACLR phải lớn hơn giá trị quy định tại Bảng 22.
Bảng 22 - ACLR của trạm gốc trọng phổ được ghép cặp không liền kề
| Kích thước khoảng bảo vệ khối thành phần (Wgap) khi giới hạn áp dụng | Độ lệch tần số trung tâm kênh lân cận BS bên dưới hoặc bên trên biên khối thành phần (bên trong khoảng bảo vệ) | Sóng mang kênh lân cận giả định | Bộ lọc tần số kênh lân cận và băng thông bộ lọc tương ứng | Giới hạn ACLR |
| Wgap ≥ 15 MHz | 2,5 MHz | UTRA 3,84 Mcps | RRC (3,84 Mcps) | 44,2 dB |
| Wgap ≥ 20 MHz | 7,5 MHz | UTRA 3,84 Mcps | RRC (3,84 Mcps) | 44,2 dB |
| CHÚ THÍCH: Bộ lọc RRC tương ứng với bộ lọc dạng xung phát được quy định tại ETSI 125 104, với tốc độ chíp theo quy định tại bảng này. | ||||
Với hoạt động trong phổ không được ghép cặp không liền kề, ACLR phải lớn hơn giá trị quy định tại Bảng 23.
Bảng 23 - ACLR của trạm gốc trong phổ không được ghép cặp không liền kề
| Kích thước khoảng bảo vệ khối thành phần (Wgap) khi giới hạn áp dụng | Độ lệch tần số trung tâm kênh lân cận BS bên dưới hoặc bên trên biên khối thành phần (bên trong khoảng bảo vệ) | Bộ lọc tần số kênh lân cận và băng thông bộ lọc tương ứng | Giới hạn ACLR |
| Wgap ≥ 15 MHz | 2,5 MHz | Vuông (BWConfig) | 44,2 dB |
| Wgap ≥ 20 MHz | 7,5 MHz | Vuông (BWConfig) | 44,2 dB |
2.2.3.2.2. Giới hạn ACLR lũy kế trong các giới hạn phổ không liền kề
Yêu cầu áp dụng cho kích thước khoảng bảo vệ khối thành phần hoặc kích thước khoảng bảo vệ liên băng thông RF được liệt kê trong Bảng 24:
- Bên trong một khoảng bảo vệ khối thành phần trong băng tần hoạt động đối với BS hoạt động trong phổ không liền kề;
- Bên trong một khoảng bảo vệ liên băng thông RF đối với BS hoạt động trong nhiều băng tần, trong đó các băng tần này được ánh xạ trên cùng đầu nối ăng ten.
Tỷ số công suất rò kênh lân cận lũy kế trong một khoảng bảo vệ khối thành phần hoặc khoảng bảo vệ liên băng thông RF là tỷ số của:
a) Tổng công suất trung bình lọc có tâm trên các tần số kênh phân định cho cả hai sóng mang lân cận đến mỗi sườn của khoảng bảo vệ khối thành phần hoặc khoảng bảo vệ liên băng thông RF; và
b) Công suất trung bình lọc có tâm trên một kênh tần số lân cận đến một trong các biên khối thành phần hoặc các các biên băng thông RF trạm gốc.
Bộ lọc giả định cho tần số kênh lân cận được quy định trong Bảng 24 cho phổ được ghép cặp và Bảng 25 cho phổ không được ghép cặp. Các bộ lọc trên các kênh phân định được quy định tại Bảng 26.
Với BS vùng phủ rộng, giới hạn CACLR bằng các giới hạn quy định tại Bảng 24 cho phổ được ghép cặp và Bảng 25 cho phổ không được ghép cặp hoặc bằng giới hạn tuyệt đối của -15 dBm/MHz, tùy thuộc giới hạn nào ít nghiêm ngặt hơn.
Với BS vùng phủ trung bình, giới hạn CACLR bằng các giới hạn quy định tại Bảng 24 cho phổ được ghép cặp và Bảng 25 cho phổ không được ghép cặp hoặc bằng giới hạn tuyệt đối của -25 dBm/MHz, tùy thuộc giới hạn nào ít nghiêm ngặt hơn.
Với BS vùng phủ hẹp, giới hạn CACLR bằng các giới hạn quy định tại Bảng 24 cho phổ được ghép cặp và Bảng 25 cho phổ không được ghép cặp hoặc bằng giới hạn tuyệt đối của -32 dBm/MHz, tùy thuộc giới hạn nào ít nghiêm ngặt hơn.
Với hoạt động trong phổ không liền kề hoặc nhiều sóng mang, CACRL cho các sóng mang E-UTRA trên mỗi sườn của khoảng bảo vệ khối thành phần hoặc khoảng bảo vệ liên băng thông RF phải lớn hơn giá trị quy định tại Bảng 24 cho phổ được ghép cặp và Bảng 25 cho phổ không được ghép cặp.
Bảng 24 - CACLR của trạm gốc trong phổ được ghép cặp không liền kề
| Kích thước khoảng bảo vệ khối thành phần hoặc liên băng thông RF (Wgap) khi giới hạn áp dụng | Độ lệch tần số trung tâm kênh lân cận BS bên dưới hoặc bên trên biên khối thành phần hoặc biên liên băng thông RF (bên trong khoảng bảo vệ) | Sóng mang kênh lân cận giả định | Bộ lọc tần số kênh lân cận và băng thông bộ lọc tương ứng | Giới hạn ACLR |
| 5 MHz ≤ Wgap < 15 MHz | 2,5 MHz | UTRA 3,84 Mcps | RRC (3,84 Mcps) | 44,2 dB |
| 10MHz ≤ Wgap < 20 MHz | 7,5 MHz | UTRA 3,84 Mcps | RRC (3,84 Mcps) | 44,2 dB |
| CHÚ THÍCH: Bộ lọc RRC tương ứng với bộ lọc dạng xung phát được quy định tại ETSI 125 104, với tốc độ chip theo quy định tại bảng này. | ||||
Bảng 25 - CACLR của trạm gốc trong phổ không được ghép cặp không liền kề
| Kích thước khoảng bảo vệ khối thành phần hoặc liên băng thông RF (Wgap) khi giới hạn áp dụng | Độ lệch tần số trung tâm kênh lân cận BS bên dưới hoặc bên trên biên khối thành phần hoặc biên liên băng thông RF (bên trong khoảng bảo vệ) | Sóng mang kênh lân cận giả định (Tham khảo) | Bộ lọc tần số kênh lân cận và băng thông bộ lọc tương ứng | Giới hạn ACLR |
| 5 MHz ≤ Wgap < 15 MHz | 2,5 MHz | Sóng mang E-UTRA 5 MHz | Vuông (BWConfig) | 44,2 dB |
| 10 MHz ≤ Wgap < 20 MHz | 7,5 MHz | Sóng mang E-UTRA 5 MHz | Vuông (BWConfig) | 44,2 dB |
Bảng 26 - Các tham số bộ lọc cho kênh phân định
| RAT của sóng mang liền kề đến khoảng bảo vệ khối thành phần hoặc liên băng thông RF | Bộ lọc tần số kênh phân định và băng thông bộ lọc tương ứng |
| E-UTRA | E-UTRA cùng BW |
| CHÚ THÍCH: Bộ lọc RRC tương ứng với bộ lọc dạng xung phát được quy định tại ETSI 125 104, với tốc độ chip theo quy định tại bảng này. | |
2.2.3.3. Phương pháp đo kiểm
Sử dụng các phép đo kiểm mô tả trong 3.3.2.
2.2.4. Phát xạ giả máy phát
2.2.4.1. Định nghĩa
Phát xạ không mong muốn bao gồm phát xạ ngoài băng và phát xạ giả. Phát xạ giả là những phát xạ tạo ra do các hiệu ứng không mong muốn của máy phát như: phát xạ hài, phát xạ ký sinh, các thành phần xuyên điều chế và các thành phần đồi tần, không bao gồm các phát xạ ngoài băng. Giá trị này được đo tại đầu nối ăng ten của trạm gốc.
Giới hạn phát xạ giả của máy phát từ 9 kHz đến 12,75 GHz, không bao gồm dải tần số từ 10 MHz dưới tần số băng tần hoạt động đường dưới thấp nhất đến 10 MHz trên tần số băng tần hoạt động đường xuống cao nhất (xem Bảng 1). Phải áp dụng loại bỏ cho từng băng tần hoạt động được hỗ trợ với BS có khả năng hoạt động đa băng tần, nhiều băng tần được ánh xạ trên cùng đầu nối ăng ten. Phải áp dụng các yêu cầu đơn băng tần và không áp dụng loại bỏ và dự phòng đa băng tần đối với BS có khả năng hoạt động đa băng tần, trong đó nhiều băng tần được ánh xạ vào các đầu nối ăng ten riêng biệt. Giới hạn tần số trên cao hơn 12,75 GHz đối với các băng tần hoạt động.
Với một BS hỗ trợ đa sóng mang, phát xạ không mong muốn áp dụng cho các băng thông kênh của sóng mang ngoài cùng lớn hơn hoặc bằng 5 MHz.
Phải áp dụng các yêu cầu cho mọi loại máy phát (sóng mang đơn hoặc đa sóng mang). Yêu cầu này áp dụng cho mọi chế độ phát được chọn lựa phù hợp với chỉ tiêu kỹ thuật của nhà sản xuất. Mọi yêu cầu được đo dưới dạng công suất trung bình (RMS), trừ khi có quy định khác.
2.2.4.2. Giới hạn
2.2.4.2.1. Phát xạ giả
Công suất của phát xạ giả bất kỳ không được vượt quá giới hạn chỉ ra trong Bảng 27.
Bảng 27 - Các giới hạn phát xạ giả bắt buộc của BS
| Băng tần số | Giá trị cực đại | Độ rộng băng đo | Chú thích |
| 9 kHz đến 150 kHz | -36 dBm | 1 kHz | Xem chú thích 1 |
| 150 kHz đến 30 MHz | -36 dBm | 10 kHz | Chú thích 1 |
| 30 MHz đến 1 GHz | -36 dBm | 100 kHz | Chú thích 1 |
| 1 GHz đến 12,75 GHz | -30 dBm | 1 MHz | Chú thích 2 |
| CHÚ THÍCH 1: Độ rộng băng như trong Khuyến nghị ITU-R SM.329-12, điều 4.1. CHÚ THÍCH 2: Độ rộng băng như trong Khuyến nghị ITU-R SM.329-12, điều 4.1. Tần số lớn hơn như trong Khuyến nghị ITU-R SM.329-12, điều 2.5 bảng 1-1. | |||
2.2.4.2.2. Hoạt động chung với các hệ thống khác
Phải áp dụng yêu cầu này để bảo vệ UE/MS và máy thu BS/BTS của các hệ thống khác.
Công suất của phát xạ giả bất kỳ không được vượt quá giới hạn quy định tại Bảng 28. Phải áp dụng các điều kiện và loại bỏ trong Chú thích của Bảng 28 cho từng băng tần hoạt động đối với BS có khả năng hoạt động đa băng tần. Phải áp dụng các điều kiện và loại bỏ trong Chú thích của Bảng 28 cho băng tần hoạt động được hỗ trợ tại đầu nối ăng ten đối với BS có khả năng hoạt động đa băng tần, trong đó nhiều băng tần được ánh xạ trên các đầu nối ăng ten riêng biệt.
Bảng 28 - Các giới hạn phát xạ giả để bảo vệ các hệ thống khác
| Hệ thống được bảo vệ | Băng tần số | Giá trị cực đại | Độ rộng băng đo | Chú thích |
| GSM 900 | 925 MHz đến 960 MHz | -57 dBm | 100 kHz | Không áp dụng yêu cầu này cho BS E-UTRA hoạt động tại băng tần 8. |
| 880 MHz đến 915 MHz | -61 dBm | 100 kHz | Đối với dải tần số 880 HMz đến 915 MHz, không áp dụng yêu cầu này cho BS E-UTRA hoạt động tại băng tần 8 vì 2.2.4.2.3 đã quy định các yêu cầu này. | |
| GSM 1800 | 1 805 MHz đến 1 880 MHz | -47 dBm | 100 kHz | Không áp dụng yêu cầu này cho BS E-UTRA hoạt động tại băng tần 3. |
| 1 710 MHz đến 1 785 MHz | -61 dBm | 100 kHz | Không áp dụng yêu cầu này cho BS E-UTRA hoạt động tại băng tần 3 vì 2.2.4.2.3 đã quy định các yêu cầu này. | |
| W-CDMA FDD 2100, E-UTRA băng tần 1 hoặc 5G băng n1 | 2 110 MHz đến 2 170 MHz | -52 dBm | 1 MHz | Không áp dụng yêu cầu này cho BS E-UTRA hoạt động tại băng tần 1. |
| 1 920 MHz đến 1 980 MHz | -49 dBm | 1 MHz | Không áp dụng yêu cầu này cho BS E-UTRA hoạt động tại băng tần 1 vì 2.2.4.2.3 đã quy định các yêu cầu này. | |
| E-UTRA băng tần 3 hoặc 5G băng n3 | 1 805 MHz đến 1 880 MHz | -52 dBm | 1 MHz | Không áp dụng yêu cầu này cho BS E-UTRA hoạt động tại băng tần 3. |
| 1 710 MHz đến 1 785 MHz | -49 dBm | 1 MHz | Không áp dụng yêu cầu này cho BS E-UTRA hoạt động tại băng tần 3 vì 2.2.4.2.3 đã quy định các yêu cầu này. | |
| E-UTRA băng tần 5 hoặc 5G băng n5 | 869 MHz đến 880 MHz | -52 dBm | 1 MHz | Không áp dụng yêu cầu này cho BS E-UTRA hoạt động tại băng tần 5. |
| 824 MHz đến 835 MHz | -49 dBm | 1 MHz | Không áp dụng yêu cầu này cho BS E-UTRA hoạt động tại băng tần 5 vì 2.2.4.2.3 đã quy định các yêu cầu này. | |
| W-CDMA FDD 900, E-UTRA băng tần 8 hoặc 5G băng n8 | 925 MHz đến 960 MHz | -52 dBm | 1 MHz | Không áp dụng yêu cầu này cho BS E-UTRA hoạt động tại băng tần 8. |
| 880 MHz đến 915 MHz | -49 dBm | 1 MHz | Không áp dụng yêu cầu này cho BS E-UTRA hoạt động tại băng tần 8 vì 2.2.4.2.3 đã quy định các yêu cầu này. | |
| E-UTRA băng 28 hoặc 5G băng n28 | 758 MHz đến 788 MHz | -52 dBm | 1 MHz | Không áp dụng yêu cầu này cho BS E-UTRA hoạt động tại băng tần 8. |
| 703 MHz đến 733 MHz | -49 dBm | 1 MHz | Không áp dụng yêu cầu này cho BS E-UTRA hoạt động tại băng tần 8 vì 2.2.4.2.3 đã quy định các yêu cầu này. | |
| E-UTRA băng tần 40 hoặc 5G băng n40 | 2 300 MHz đến 2 400 MHz | -52 dBm | 1 MHz | Không áp dụng yêu cầu này cho BS E-UTRA hoạt động tại băng tần 40. |
| E-UTRA băng tần 41 hoặc 5G băng n41 | 2 500 MHz đến 2690 MHz | -52 dBm | 1 MHz | Không áp dụng yêu cầu này cho BS E-UTRA hoạt động tại băng tần 41. |
| CHÚ THÍCH 1: Trong trường hợp có hai quy định cho các dải có cùng hoặc chồng lấn tần số, phải áp dụng đồng thời các giới hạn được quy định. CHÚ THÍCH 2: Áp dụng các yêu cầu cho các băng tần trong 2.2.4.1. Các yêu cầu đồng thời trong bảng không áp dụng cho dải tần số 10 MHz nằm ngay ngoài băng tần hoạt động đường xuống (xem Bảng 1) hoặc băng tần hoạt động đường xuống lân cận với băng tần cho hệ thống được bảo vệ trong bảng này. | ||||
2.2.4.2.3. Bảo vệ máy thu BS của chính BS đó hoặc của BS khác
Phải áp dụng yêu cầu này để ngăn chặn việc các máy thu của các BS đang bị giảm độ nhạy do các phát xạ từ một máy phát của BS.
Công suất của phát xạ giả bất kỳ không được vượt quá giới hạn chỉ ra trong Bảng 29, tùy thuộc vào lớp trạm gốc được khai báo.
Bảng 29 - Các giới hạn phát xạ giả để bảo vệ cho máy thu BS
| Lớp BS | Băng tần số | Giá trị cực đại | Độ rộng băng đo | Chú thích |
| BS vùng phủ rộng | FUL_low đến FUL_high | -96 dBm | 100 kHz |
|
| BS vùng phủ trung bình | FUL_low đến FUL_high | -91 dBm | 100 kHz |
|
| BS vùng phủ hẹp | FUL_low đến FUL_high | -88 dBm | 100 kHz |
|
| BS trong nhà | FUL_low đến FUL_high | -88 dBm | 100 kHz |
|
| CHÚ THÍCH: FUL_low và FUL_high là tần số thấp nhất và cao nhất của băng tần hoạt động đường lên BS E-UTRA tương ứng. | ||||
2.2.4.2.4. Hoạt động chung với hoạt động BS trong nhà trong các băng tần khác
Phải áp dụng các yêu cầu nảy để bảo vệ các máy thu BS trong nhà hoạt động trong các băng tần khác nhau. Chỉ áp dụng các yêu cầu này cho BS trong nhà.
Công suất của phát xạ giả bất kỳ không vượt quá giới hạn chỉ ra trong Bảng 30 cho một BS trong nhà.
Bảng 30 - Các giới hạn phát xạ giả để bảo vệ cho một máy thu BS trong nhà
| Hệ thống được bảo vệ | Băng tần số | Giá trị cực đại | Độ rộng băng đo | Chú thích |
| W-CDMA FDD 2100, E-UTRA băng tần 1 | 1 920 MHz đến 1 980 MHz | -71 dBm | 100 kHz | Không áp dụng yêu cầu này cho BS trong nhà hoạt động tại băng tần 1 vì 2.2.4.2.3 đã quy định các yêu cầu này. |
| E-UTRA băng tần 3 | 1 710 MHz đến 1 785 MHz | -71 dBm | 100 kHz | Không áp dụng yêu cầu này cho BS trong nhà hoạt động tại băng tần 3 vì 2.2.4.2.3 đã quy định các yêu cầu này. |
| E-UTRA băng tần 5 | 824 MHz đến 835 MHz | -71 dBm | 100 kHz | Không áp dụng yêu cầu này cho BS trong nhà hoạt động tại băng tần 5 vì 2.2.4.2.3 đã quy định các yêu cầu này. |
| W-CDMA FDD 900, E-UTRA băng tần 8 | 880 MHz đến 915 MHz | -71 dBm | 100 kHz | Không áp dụng yêu cầu nảy cho BS trong nhà hoạt động tại băng tần 8 vì 2.2.4.2.3 đã quy định các yêu cầu này. |
| E-UTRA băng tần 28 | 703 MHz đến 733 MHz | -71 dBm | 100 kHz | Không áp dụng yêu cầu này cho BS trong nhà hoạt động tại băng tần 28 vì 2.2.4.2.3 đã quy định các yêu cầu này. |
| E-UTRA băng tần 40 | 2 300 MHz đến 2 400 MHz | -71 dBm | 100 kHz | Không áp dụng yêu cầu này cho BS trong nhà hoạt động tại băng tần 40 vì 2.2.4.2.3 đã quy định các yêu cầu này. |
| E-UTRA băng tần 41 | 2 496 MHz đến 2 690 MHz | -71 dBm | 100 kHz | Không áp dụng yêu cầu này cho BS trong nhà hoạt động tại băng tần 41 vì 2.2.4.2.3 đã quy định các yêu cầu này. |
2.2.4.3. Phương pháp đo kiểm
Sử dụng các phép đo kiểm quy định tại 3.3.3.
2.2.5. Công suất ra cực đại của trạm gốc
2.2.5.1. Định nghĩa
Công suất ra cực đại Pmax,c của trạm gốc là mức công suất trung bình trên một sóng mang được đo tại đầu nối ăng ten trong suốt chu kỳ ON của máy phát trong điều kiện chuẩn được chỉ định.
2.2.5.2. Giới hạn
- Trong các điều kiện bình thường: Prated,c - 2,7 ≤ Pmax,c ≤ Prated,c + 2,7;
- Trong các điều kiện tới hạn: Prated,c - 3,2 ≤ Pmax,c ≤ Prated,c + 3,2.
2.2.5.3. Phương pháp đo kiểm
Sử dụng các phép đo kiểm quy định tại 3.3.4.
2.2.6. Xuyên điều chế máy phát
2.2.6.1. Định nghĩa
Chỉ tiêu xuyên điều chế phát là thước đo khả năng máy phát loại bỏ sự hình thành các tín hiệu trong các phần tử phi tuyến của máy phát do sự xuất hiện của tín hiệu mong muốn và tín hiệu can nhiễu qua ăng ten máy phát. Chỉ tiêu này áp dụng trong suốt chu kỳ ON máy phát và chu kỳ chuyển tiếp máy phát.
Mức xuyên điều chế phát là công suất của các thành phần xuyên điều chế khi một tín hiệu nhiễu điều chế E-UTRA của băng thông kênh 5 MHz xuất hiện tại đầu nối ăng ten với mức công suất trung bình nhỏ hơn 30 dB so với công suất trung bình của tín hiệu mong muốn.
Với BS có khả năng hoạt động đa băng tần, trong đó nhiều băng tần được ánh xạ trên các đầu nối ăng ten riêng biệt, các chỉ tiêu băng tần đơn áp dụng không phụ thuộc vào vị trí tương đối của các tín hiệu can nhiễu so với khoảng bảo vệ băng thông RF.
Tín hiệu mong muốn là sóng mang đơn, đa sóng mang hoặc nhiều sóng mang cộng gộp liền kề E-UTRA, cho cả hoạt động phổ liền kề và không liền kề.
Chỉ tiêu áp dụng cho tất cả các loại máy phát (sóng mang đơn hoặc đa sóng mang) và tất cả các phương thức phát do nhà sản xuất công bố.
2.2.6.2. Giới hạn
Băng thông kênh tín hiệu mong muốn BWChannel là băng thông kênh cực đại.
Trong dải tần số liên quan đến yêu cầu này, mức xuyên điều chế máy phát không vượt quá giới hạn chỉ tiêu phát xạ không mong muốn quy định tại 2.2.2.2, 2.2.3.2 và 2.2.4.2 khi có tín hiệu can nhiễu theo quy định tại Bảng 31.
Với BS hoạt động trong phổ không liên tục, yêu cầu này áp dụng cho các độ lệch tín hiệu can nhiễu bên trong khoảng bảo vệ khối thành phần, khi tín hiệu can nhiễu nằm hoàn toàn bên trong khối thành phần. Độ lệch tín hiệu can nhiễu quy định so với các biên khối thành phần.
Với BS có khả năng hoạt động đa băng tần, yêu cầu này áp dụng cho các biên băng thông RF trạm gốc cho từng băng tần hoạt động được hỗ trợ. Trong trường hợp khoảng bảo vệ liên băng thông RF nhỏ hơn 15 MHz, yêu cầu này chỉ áp dụng cho các độ lệch tín hiệu can nhiễu bên trong khoảng bảo vệ, khi tín hiệu can nhiễu nằm hoàn toàn bên trong khoảng bảo vệ liên băng thông RF.
Yêu cầu này áp dụng bên ngoài băng thông RF trạm gốc hoặc băng thông vô tuyến cực đại. Độ lệch tín hiệu can nhiễu quy định so với các biên băng thông RF trạm gốc hoặc băng thông vô tuyến cực đại.
Bảng 31 - Các tín hiệu can nhiễu và mong muốn cho thiết bị xuyên điều chế máy phát
| Tham số | Giá trị |
| Độ lệch tần số trung tâm tín hiệu can nhiễu từ biên thấp/cao của tín hiệu mong muốn hoặc biên khối thành phần bên trong khoảng bảo vệ khối thành phần | ±2,5 MHz ±7,5 MHz ±12,5 MHz |
| CHÚ THÍCH: Chỉ tiêu này loại trừ các vị trí tín hiệu can nhiễu nằm một phần hoặc hoàn toàn bên ngoài băng tần hoạt động đường xuống của trạm gốc, trừ các vị trí tín hiệu can nhiễu nằm trong dải tần của các băng tần hoạt động đường xuống lân cận trong cùng vùng giới hạn. | |
Trong trường hợp, các vị trí tín hiệu can nhiễu không áp dụng các quy định tại Bảng 31, một băng thông kênh tín hiệu mong muốn BWChannel nhỏ hơn băng thông kênh cực đại được BS hỗ trợ lựa chọn phải thỏa mãn rằng có ít nhất một vị trí tín hiệu can nhiễu đáp ứng quy định tại Bảng 31.
Phép đo cho chỉ tiêu phát xạ mong muốn cho xuyên điều chế có thể bị hạn chế bởi các dải tần số của tất cả các sản phẩm xuyên điều chế bậc ba hoặc bậc năm, phải tính đến độ rộng của các sản phẩm xuyên điều chế này và không bao gồm băng thông mong muốn và băng thông tín hiệu can nhiễu.
2.2.6.3. Phương pháp đo kiểm
Sử dụng các phép đo kiểm quy định tại 3.3.5.
2.2.7. Phát xạ giả máy thu
2.2.7.1. Định nghĩa
Công suất phát xạ giả máy thu là công suất của các phát xạ được tạo ra hoặc được khuếch đại trong máy thu xuất hiện tại đầu nối ăng ten của BS. Các yêu cầu dưới đây áp dụng cho mọi BS có cổng ăng ten RX và TX tách rời. Đo kiểm phải được thực hiện khi cả hai TX và RX đều được bật, với cổng TX được kết cuối.
Với BS TDD có cổng ăng ten RX và TX chung, các yêu cầu này áp dụng trong suốt chu kỳ OFF của máy phát. Với BS FDD có cổng ăng ten RX và TX chung, giới hạn phát xạ giả của máy phát được quy định tại 2.2.4.
Với BS có khả năng hoạt động đa băng tần, trong đó nhiều băng tần được ánh xạ trên các đầu nối ăng ten riêng biệt, các yêu cầu đơn băng tần áp dụng và dải tần bị loại bỏ chỉ áp dụng cho băng tần hoạt động được hỗ trợ trên từng đầu nối ăng ten.
2.2.7.2. Giới hạn
Công suất của phát xạ giả bất kỳ không được vượt quá giới hạn quy định tại Bảng 32.
Ngoài các yêu cầu trong Bảng 32, công suất của phát xạ giả bất kỳ không vượt quá các quy định tại 2.2.4.2.2 và 2.2.4.2 3.
Bảng 32 - Yêu cầu đo phát xạ giả
| Băng tần số | Giá trị cực đại | Độ rộng băng đo | Chú thích |
| 30 MHz đến 1 GHz | -57 dBm | 100 kHz |
|
| 1 GHz đến 12,75 GHz | -47 dBm | 1 MHz |
|
| CHÚ THÍCH: Trừ các tần số nằm trong khoảng 2,5 x BWChannel bên dưới tần số sóng mang đầu tiên đến 2,5 x BWChannel bên trên tần số sóng mang cuối cùng mà máy phát BS sử dụng, trong đó BWChannel là băng thông kênh quy định trọng ETSI TS 136 141, bảng 5.6-1. Ngoài ra, trừ các tần số lớn hơn 10 MHz bên dưới tần số thấp nhất của băng tần hoạt động đường xuống được hỗ trợ bất kỳ hoặc bên trên tần số cao nhất của băng tần hoạt động đường xuống được hỗ trợ bất kỳ (xem Bảng 1). Với BS có khả năng hoạt động đa băng tần, dải tần số bị loại bỏ áp dụng cho tất cả các băng tần hoạt động được hỗ trợ. Với BS có khả năng hoạt động đa băng tần, trong đó nhiều băng tần được ánh xạ trên các đầu nối ăng ten riêng biệt, các yêu cầu đơn băng tần và dải tần số bị loại bỏ chỉ áp dụng cho băng tần hoạt động được hỗ trợ trên mỗi đầu nối ăng ten. | |||
2.2.7.3. Phương pháp đo kiểm
Sử dụng các phép đo kiểm quy định tại 3.3.6.
2.2.8. Đặc tính chặn
2.2.8.1. Định nghĩa
Các đặc tính chặn là thước đo về khả năng máy thu thu tín hiệu mong muốn tại tần số kênh phân định của máy thu đó khi có nhiễu không mong muốn ở các tần số 1,4 MHz, 3 MHz hoặc 5 MHz tín hiệu E-UTRA cho chặn trong băng hoặc tín hiệu cw cho chặn ngoài băng. Tín hiệu can nhiễu E-UTRA được quy định tại phụ lục C của ETSI TS 136 141.
2.2.8.2. Giới hạn
Thông lượng phải ≥ 95% thông lượng lớn nhất của kênh đo chuẩn, với một tín hiệu mong muốn và một tín hiệu can nhiễu ghép cặp tới đầu vào ăng ten BS sử dụng các tham số quy định tại Bảng 36 và các Bảng 33, Bảng 34, Bảng 35 hoặc Bảng 37, tùy thuộc vào lớp trạm gốc khai báo và băng tần hoạt động. Kênh đo chuẩn cho tín hiệu mong muốn là kênh đo cho từng băng thông kênh quy định tại các Bảng 7.2-1, 7.2-2, 7.2-2 hoặc 7.2-4 của ETSI TS 136 141 tùy thuộc vào lớp trạm gốc và quy định tại Phụ lục A của ETSI TS 136 141.
Yêu cầu chặn áp dụng bên ngoài băng thông RF trạm gốc hoặc băng thông vô tuyến cực đại. Độ lệch tín hiệu can nhiễu quy định so với các biên băng thông RF trạm gốc và các biên băng thông vô tuyến cực đại.
Với một BS hoạt động trong phổ không liền kề bên trong băng tần hoạt động bất kỳ, nếu kích thước khoảng bảo vệ khối thành phần rộng hơn hoặc bằng hai lần độ lệch của tín hiệu can nhiễu trong Bảng 36, bổ sung yêu cầu chặn áp dụng bên trong khoảng bảo vệ khối thành phần bất kỳ. Độ lệch tín hiệu can nhiễu quy định so với các biên khối thành phần bên trong khoảng bảo vệ khối thành phần.
Với một BS có khả năng hoạt động đa băng tần, yêu cầu trong các dải tần số chặn trong băng áp dụng cho mỗi băng tần hoạt động được hỗ trợ. Nếu kích thước khoảng bảo vệ liên băng thông RF rộng hơn hoặc bằng hai lần độ lệch tín hiệu can nhiễu trong Bảng 36, bổ sung yêu cầu chặn áp dụng bên trong khoảng bảo vệ liên băng thông RF bất kỳ.
Với một BS có khả năng hoạt động đa băng tần, yêu cầu trong các dải tần số chặn ngoài băng áp dụng cho từng băng tần hoạt động. Các yêu cầu chặn ngoài băng không áp dụng cho các dải tần số chặn trong băng trong các băng tần hoạt động được hỗ trợ quy định tại Bảng 33, Bảng 34 và Bảng 37.
Bảng 33 - Yêu cầu đặc tính chặn cho BS vùng phủ rộng
| Băng tần hoạt động | Tần số trung tâm của tín hiệu can nhiễu (MHz) (Xem chú thích 1) | Công suất trung bình của tín hiệu can nhiễu (dBm) | Công suất trung bình của tín hiệu mong muốn (dBm) (Xem chú thích 2) | (*) (MHz) (Xem chú thích 4) | Loại tín hiệu can nhiễu |
| 1, 3, 5, 40, 41 | (FUL_low - 20) đến (FUL_high + 20) | -43 | PREFSENS + 6 dB (chú thích 3) | Xem Bảng 36 | Xem Bảng 36 |
| 1 đến (FUL_low - 20) (FUL_high + 20) đến 12 750 | -15 | PREFSENS + 6 dB | - | Sóng mang CW | |
| 8, 28 | (FUL_low - 20) đến (FUL_high + 10) | -43 | PREFSENS + 6 dB (chú thích 3) | Xem Bảng 36 | Xem Bảng 36 |
| 1 đến (FUL_low - 20) (FUL_high + 10) đến 12 750 | -15 | PREFSENS + 6 dB | - | Sóng mang CW | |
| CHÚ THÍCH 1: FUL_low và FUL_high là các tần số thấp nhất và cao nhất của băng tần hoạt động đường lên và được quy định tại Bảng 1. CHÚ THÍCH 2: PREFSENS phụ thuộc băng thông kênh được quy định tại 7.2 của ETSI TS 136 141. CHÚ THÍCH 3: Với một BS có khả năng hoạt động đa băng tần, công suất trung bình tín hiệu mong muốn bằng PREFSENS + 1,4 dB trong trường hợp tín hiệu can nhiễu không nằm trong dải tần số chặn nội băng của băng tần hoạt động khi có tín hiệu mong muốn. CHÚ THÍCH 4: (*) là Độ lệch tối thiểu tần số trung tâm tín hiệu can nhiễu từ biên dưới/trên băng thông RF trạm gốc hoặc biên khối thành phần bên ngoài khoảng bảo vệ khối thành phần. | |||||
Bảng 34 - Yêu cầu đặc tính chặn cho BS vùng phủ hẹp
| Băng tần hoạt động | Tần số trung tâm của tín hiệu can nhiễu (MHz) (xem chú thích 1) | Công suất trung bình của tín hiệu can nhiễu (dBm) | Công suất trung bình của tín hiệu mong muốn (dBm) (xem chú thích 2) | (*) (MHz) (xem chú thích 4) | Loại tín hiệu can nhiễu |
| 1, 3, 5, 40, 41 | (FUL_low - 20) đến (FUL_high + 20) | -35 | PREFSENS + 6 dB (chú thích 3) | Xem Bảng 36 | Xem Bảng 36 |
| 1 đến (FUL_low - 20) (FUL_high + 20) đến 12 750 | -15 | PREFSENS + 6 dB | - | Sóng mang CW | |
| 8, 28 | (FUL_low - 20) đến (FUL_high + 10) | -35 | Prefsens + 6 dB (chú thích 3) | Xem Bảng 36 | Xem Bảng 36 |
| 1 đến (FUL_low - 20) (FUL_high + 10) đến 12 750 | -15 | Prefsens + 6 dB | - | Sóng mang CW | |
| CHÚ THÍCH 1: FUL_low và FUL_high là các tần số thấp nhất và cao nhất của băng tần hoạt động đường lên và được quy định tại Bảng 1. CHÚ THÍCH 2: PREFSENS phụ thuộc băng thông kênh được quy định tại 7.2 của ETSI TS 136 141. CHÚ THÍCH 3: Với một BS có khả năng hoạt động đa băng tần, công suất trung bình tín hiệu mong muốn bằng PREFSENS + 1,4 dB trong trường hợp tín hiệu can nhiễu không nằm trong dải tần số chặn nội băng của băng tần hoạt động khi có tín hiệu mong muốn. CHÚ THÍCH 4: (*) là Độ lệch tối thiểu tần số trung tâm tín hiệu can nhiễu từ biên dưới/trên băng thông RF trạm gốc hoặc biên khối thành phần bên ngoài khoảng bảo vệ khối thành phần. | |||||
Bảng 35 - Yêu cầu đặc tính chặn cho BS trong nhà
| Băng tần hoạt động | Tần số trung tâm của tín hiệu can nhiễu (MHz) (xem chú thích 1) | Công suất trung bình của tín hiệu can nhiễu (dBm) | Công suất trung bình của tín hiệu mong muốn (dBm) (xem chú thích 2) | (*) (MHz) (xem chú thích 3) | Loại tín hiệu can nhiễu |
| 1, 3, 5, 40, 41 | (FUL_low - 20) đến (FUL_high + 20) | -27 | PREFSENS + 14 dB | Xem Bảng 36 | Xem Bảng 36 |
| 1 đến (FUL_low - 20) (FUL_high + 20) đến 12 750 | -15 | PREFSENS + 14 dB | - | Sóng mang CW | |
| 8, 28 | (FUL_low - 20) đến (FUL_high + 10) | -27 | PREFSENS + 14 dB | Xem Bảng 36 | Xem Bảng 36 |
| 1 đến (FUL_low - 20) (FUL_high + 10) đến 12 750 | -15 | PREFSENS + 14 dB | - | Sóng mang CW | |
| CHÚ THÍCH 1: FUL_low và FUL_high là các tần số thấp nhất và cao nhất của băng tần hoạt động đường lên và được quy định tại Bảng 1. CHÚ THÍCH 2: PREFSENS phụ thuộc băng thông kênh được quy định tại 7.2 của ETSI TS 136 141. CHÚ THÍCH 3: * là Độ lệch tối thiểu tần số trung tâm tín hiệu can nhiễu từ biên kênh của tín hiệu mong muốn. | |||||
Bảng 36 - Các tín hiệu can nhiễu cho yêu cầu đặc tính chặn
| Băng thông kênh E-UTRA của sóng mang thu thấp nhất/cao nhất (MHz) | Độ lệch tối thiểu tần số trung tâm tín hiệu can nhiễu đến biên dưới/trên băng thông RF trạm gốc hoặc biên khối thành phần bên ngoài khoảng bảo vệ khối thành phần (MHz) | Loại tín hiệu can nhiễu |
| 1,4 | ±2,1 | Tín hiệu E-UTRA 1,4 MHz |
| 3 | ±4,5 | Tín hiệu E-UTRA 3 MHz |
| 5 | ±7,5 | Tín hiệu E-UTRA 5 MHz |
| 10 | ±7,5 | Tín hiệu E-UTRA 5 MHz |
| 15 | ±7,5 | Tín hiệu E-UTRA 5 MHz |
| 20 | ±7,5 | Tín hiệu E-UTRA 5 MHz |
| 20 | ±30 | Tín hiệu E-UTRA 20 MHz |
| CHÚ THÍCH: Các yêu cầu đối với băng thông kênh 1,4 MHz và 3 MHz chỉ áp dụng cho băng tần 8. | ||
Bảng 37 - Yêu cầu đặc tính chặn cho BS vùng phủ trung bình
| Băng tần hoạt động | Tần số trung tâm của tín hiệu can nhiễu (MHz) (xem chú thích 1) | Công suất trung bình của tín hiệu can nhiễu (dBm) | Công suất trung bình của tín hiệu mong muốn (dBm) (xem chú thích 2) | (*) (MHz) (xem chú thích 4) | Loại tín hiệu can nhiễu |
| 1, 3, 5, 40, 41 | (FUL_low - 20) đến (FUL_high + 20) | -38 | PREFSENS + 6 dB (chú thích 3) | Xem Bảng 36 | Xem Bảng 36 |
| 1 đến (FUL_low - 20) (FUL_high + 20) đến 12 750 | -15 | PREFSENS + 6 dB | - | Sóng mang CW | |
| 8, 28 | (FUL_low - 20) đến (FUL_high + 10) | -35 | Prefsens + 6 dB (chú thích 3) | Xem Bảng 36 | Xem Bảng 36 |
| 1 đến (FUL_low - 20) (FUL_high + 10) đến 12 750 | -15 | Prefsens + 6 dB | - | Sóng mang CW | |
| CHÚ THÍCH 1: FUL_low và FUL_high là các tần số thấp nhất và cao nhất của băng tần hoạt động đường lên và được quy định tại Bảng 1. CHÚ THÍCH 2: PREFSENS phụ thuộc băng thông kênh được quy định tại 7.2 của ETSI TS 136 141. CHÚ THÍCH 3: Với một BS có khả năng hoạt động đa băng tần, công suất trung bình tín hiệu mong muốn bằng PREFSENS + 1,4 dB trong trường hợp tín hiệu can nhiễu không nằm trong dải tần số chặn nội băng của băng tần hoạt động khi có tín hiệu mong muốn. CHÚ THÍCH 4: (*) là Độ lệch tối thiểu tần số trung tâm tín hiệu can nhiễu từ biên dưới/trên băng thông RF trạm gốc hoặc biên khối thành phần bên ngoài khoảng bảo vệ khối thành phần. | |||||
2.2.8.3. Phương pháp đo kiểm
Sử dụng các phép đo kiểm quy định tại 3.3.7.
2.2.9. Đặc tính xuyên điều chế máy thu
2.2.9.1. Định nghĩa
Việc trộn hài bậc ba và bậc cao hơn của hai tín hiệu RF can nhiễu có thể tạo ra tín hiệu can nhiễu trong băng tần của kênh mong muốn. Loại bỏ đáp ứng xuyên điều chế là thước đo khả năng của máy thu thu một tín hiệu mong muốn trên tần số kênh phân định của kênh đó khi có mặt hai tín hiệu can nhiễu có mối liên quan tần số đặc thù với tín hiệu mong muốn. Tín hiệu can nhiễu có thể là tín hiệu CW hoặc tín hiệu E-UTRA như quy định tại phụ lục C của ETSI TS 136 141.
2.2.9.2. Giới hạn
Thông lượng của từng sóng mang E-UTRA ≥ 95% thông lượng lớn nhất của kênh đo chuẩn, với một tín hiệu mong muốn tại tần số kênh phân định và hai tín hiệu can nhiễu với các điều kiện quy định tại Bảng 38 và Bảng 39 cho chỉ tiêu xuyên điều chế và các Bảng 40, Bảng 41, Bảng 42 hoặc Bảng 43 quy định xuyên điều chế băng hẹp cho các lớp trạm gốc được khai báo. Kênh đo chuẩn cho tín hiệu mong muốn được quy định tại Bảng 7.2-1, 7-2-2 hoặc 7.2-3 của ETSI TS 136 141 cho từng băng thông kênh và quy định tại Phụ lục A của ETSI TS 136 141.
Các yêu cầu xuyên điều chế máy thu luôn được áp dụng bên ngoài băng thông RF trạm gốc hoặc băng thông vô tuyến cực đại. Độ lệch tín hiệu can nhiễu được định nghĩa so với các biên băng thông RF trạm gốc và các biên băng thông vô tuyến cực đại.
Với một BS hoạt động trong phổ không liền kề bên trong băng tần hoạt động bất kỳ, nếu khoảng bảo vệ khối thành phần rộng hơn hoặc bằng băng thông kênh tín hiệu can nhiễu E-UTRA trong Bảng 39, bổ sung yêu cầu xuyên điều chế băng hẹp áp dụng bên trong khoảng bảo vệ khối thành phần bất kỳ. Độ lệch tín hiệu can nhiễu so với các biên khối thành phần bên trong khoảng bảo vệ khối thành phần. Yêu cầu này áp dụng cho cả các khối thành phần.
Với một BS có khả năng hoạt động đa băng tần, yêu cầu xuyên điều chế áp dụng bên trong khoảng liên băng thông RF bất kỳ, trong trường hợp kích thước khoảng bảo vệ phải rộng hơn hoặc bằng hai lần độ lệch tần số trung tâm tín hiệu nhiễu E-UTRA từ biên băng thông RF trạm gốc.
Với một BS có khả năng hoạt động đa băng tần, yêu cầu xuyên điều chế băng hẹp áp dụng bên trong khoảng bảo vệ liên băng thông RF bất kỳ, trong trường hợp kích thước khoảng bảo vệ rộng hơn hoặc bằng các tín hiệu can nhiễu E-UTRA quy định tại Bảng 40, Bảng 41 hoặc Bảng 43. Độ lệch tín hiệu can nhiễu so với các biên băng thông RF trạm gốc bên trong khoảng bảo vệ liên băng thông RF.
Bảng 38 - Yêu cầu xuyên điều chế
| Lớp BS | Công suất trung bình tín hiệu mong muốn (dBm) | Công suất trung bình tín hiệu can nhiễu | Loại tín hiệu can nhiễu |
| BS vùng phủ rộng | PREFSENS + 6 dB (xem chú thích) | -52 dBm | Xem Bảng 39 |
| BS vùng phủ trung bình | PREFSENS + 6 dB (xem chú thích) | -47 dBm | |
| BS vùng-phủ hẹp | PREFSENS + 6 dB (xem chú thích) | -44 dBm | |
| BS trong nhà | PREFSENS + 14 dB (xem chú thích) | -36 dBm | |
| CHÚ THÍCH 1: PREFSENS phụ thuộc băng thông kênh được quy định tại 7.2 của ETSI TS 136 141. Với băng thông kênh E-UTRA 10 MHz, 15 MHz và 20 MHz yêu cầu này chỉ áp dụng cho một FRC A1-3 (xem A.1 của ETSI TS 136 141) ánh xạ tới dải tần số tại biên kênh lân cận các tín hiệu can nhiễu. CHÚ THÍCH 2: Các yêu cầu đối với băng thông kênh 1,4 MHz và 3 MHz chỉ áp dụng cho băng tần 8. | |||
Bảng 39 - Tín hiệu can nhiễu cho chỉ tiêu xuyên điều chế
| Băng thông kênh E-UTRA của sóng mang thấp nhất/cao nhất thu được (MHz) | Độ lệch tần số trung tâm tín hiệu can nhiễu từ biên dưới/trên băng thông RF trạm gốc (MHz) | Loại tín hiệu can nhiễu |
| 3 | ±4,5 | CW |
| ±10,5 | Tín hiệu E-UTRA 3 MHz | |
| 5 | ±7,5 | CW |
| ± 17,5 | Tín hiệu E-UTRA 5 MHz | |
| 10 | ± 7,375 | CW |
| ±17,5 | Tín hiệu E-UTRA 5 MHz | |
| 15 | ± 7,25 | CW |
| + 17,5 | Tín hiệu E-UTRA 5 MHz | |
| 20 | ± 7,125 | CW |
| ± 17,5 | Tín hiệu E-UTRA 5 MHz | |
| 20 | ± 7,125 | CW |
|
| ± 24 | Tín hiệu E-UTRA 20 MHz |
| CHÚ THÍCH: Băng thông kênh 3MHz không áp dụng cho E-UTRA hoạt động trong băng tần bảo vệ. | ||
Bảng 40 - Yêu cầu xuyên điều chế băng hẹp cho BS vùng phủ rộng
| Băng thông kênh E-UTRA của sóng mang thấp nhất/cao nhất thu được (MHz) | Công suất trung bình tín hiệu mong muốn (dBm) | Công suất trung bình tín hiệu can nhiễu (dBm) | Độ lệch tần số trung tâm RB can nhiễu từ biên dưới/trên băng thông RF trạm gốc hoặc biên khối thành phần bên trong một khoảng bảo vệ khối thành phần (kHz) | Loại tín hiệu can nhiễu |
| 1,4 | PREFSENS + 6 dB (xem chú thích 1) | -52 | ±270 | CW |
| -52 | ±790 | Tín hiệu E-UTRA 1,4 MHz, 1 RB (xem chú thích 2) | ||
| 3 | PREFSENS + 6 dB (xem chú thích 1) | -52 | ±270 | CW |
| -52 | ±780 | Tín hiệu E-UTRA 3 MHz, 1 RB (xem chú thích 2) | ||
| 5 | PREFSENS + 6 dB (xem chú thích 1) | -52 | ±360 | CW |
| -52 | ±1 060 | Tín hiệu E-UTRA 5 MHz, 1 RB (xem chú thích 2) | ||
| 10 | PREFSENS + 6 dB (xem chú thích 1 và 3) | -52 | ±325 | CW |
| -52 | ±1 240 | Tín hiệu E-UTRA 5 MHz, 1 RB (xem chú thích 2) | ||
| 15 | PREFSENS + 6 dB (xem chú thích 1 và 3) | -52 | ±380 | CW |
| -52 | ±1 600 | Tín hiệu E-UTRA 5 MHz, 1 RB (xem chú thích 2) | ||
| 20 | PREFSENS + 6 dB (xem chú thích 1 và 3) | -52 | ±345 | CW |
| -52 | ±1 780 | Tín hiệu E-UTRA 5 MHz, 1 RB (xem chú thích 2) | ||
| CHÚ THÍCH 1: PREFSENS phụ thuộc băng-thông kênh được quy định tại 7.2 của ETSI TS 136 141. CHÚ THÍCH 2: Tín hiệu can nhiễu bao gồm một khối tài nguyên đặt tại độ lệch định sẵn, băng thông kênh của tín hiệu can nhiễu nằm lân cận đến biên dưới/trên băng thông RF trạm gốc. ChÚ thích 3: Yêu cầu này chỉ áp dụng cho một FRC A1-3 (xem A.1 của ETSI TS 136 141) ánh xạ tới dải tần số tại biên kênh lân cận các tín hiệu can nhiễu. CHÚ THÍCH 4: Các yêu cầu đối với băng thông kênh 1,4 MHz và 3 MHz chỉ áp dụng cho băng tần 8. | ||||
Bảng 41 - Yêu cầu xuyên điều chế băng hẹp cho BS vùng phủ hẹp
| Băng thông kênh E-UTRA của sóng mang thấp nhất/cao nhất thu được (MHz) | Công suất trung bình tín hiệu mong muốn (dBm) | Công suất trung bình tín hiệu can nhiễu (dBm) | Độ lệch tần số trung tâm RB can nhiễu từ biên dưới/trên băng thông RF trạm gốc hoặc biên khối thành phần bên trong một khoảng bảo vệ khối thành phần (kHz) | Loại tín hiệu can nhiễu |
| 1,4 | PREFSENS + 6 dB (xem chú thích 1) | -44 | ±270 | CW |
| -44 | ±790 | Tín hiệu E-UTRA 1,4 MHz, 1 RB (xem chú thích 2) | ||
| 3 | PREFSENS + 6 dB (xem chú thích 1) | -44 | ±270 | CW |
| -44 | ±780 | Tín hiệu E-UTRA 3 MHz, 1 RB xem chú thích 2) | ||
| 5 | PREFSENS + 6 dB (xem chú thích 1) | -44 | ±360 | CW |
| -44 | ±1 060 | Tín hiệu E-UTRA 5 MHz, 1 RB (xem chú thích 2) | ||
| 10 | PREFSENS + 6 dB (xem chú thích 1 và 3) | -44 | ±325 | CW |
| -44 | ±1 240 | Tín hiệu E-UTRA 5 MHz, 1 RB (xem chú thích 2) | ||
| 15 | PREFSENS + 6 dB (xem chú thích 1 và 3) | -44 | ±380 | CW |
| -44 | ±1 600 | Tín hiệu E-UTRA 5 MHz, 1 RB (xem chú thích 2) | ||
| 20 | PREFSENS + 6 dB (xem chú thích 1 và 3) | -44 | ±345 | CW |
| -44 | ±1 780 | Tín hiệu E-UTRA 5 MHz, 1 RB (xem chú thích 2) | ||
| CHÚ THÍCH 1: PREFSENS phụ thuộc băng thông kênh được quy định tại 7.2 của ETSI TS 136 141. CHÚ THÍCH 2: Tín hiệu can nhiễu bao gồm một khối tài nguyên đặt tại độ lệch định sẵn, băng thông kênh của tín hiệu can nhiễu nằm lân cận đến biên dưới/trên băng thông RF trạm gốc. CHÚ THÍCH 3: Yêu cầu này chỉ áp dụng cho một FRC A1-3 (xem A.1 của ETSI TS 136 141) ánh xạ tới dải tần số tại biên kênh lân cận các tín hiệu can nhiễu. CHÚ THÍCH 4: Các yêu cầu đối với băng thông kênh 1,4 MHz và 3 MHz chỉ áp dụng cho băng tần 8. | ||||
Bảng 42 - Yêu cầu xuyên điều chế băng hẹp cho BS trong nhà.
| Băng thông kênh E-UTRA của sóng mang thấp nhất/cao nhất thu được (MHz) | Công suất trung bình tín hiệu mong muốn (dBm) | Công suất trung bình tín hiệu can nhiễu (dBm) | Độ lệch tần số trung tâm RB can nhiễu từ biên kênh tín hiệu mong muốn (kHz) | Loại tín hiệu can nhiễu |
| 1,4 | PREFSENS + 6 dB (xem chú thích 1) | -36 | ±270 | CW |
| -36 | ±790 | Tín hiệu E-UTRA 1,4 MHz, 1 RB (xem chú thích 2) | ||
| 3 | PREFSENS + 6 dB (xem chú thích 1) | -36 | ±270 | CW |
| -36 | ±780 | Tín hiệu E-UTRA 3 MHz, 1 RB (xem chú thích 2) | ||
| 5 | PREFSENS + 14 dB (xem chú thích 1) | -36 | ±360 | CW |
| -36 | ±1 060 | Tín hiệu E-UTRA 5 MHz, 1 RB (xem chú thích 2) | ||
| 10 | PREFSENS + 14 dB (xem chú thích 1 và 3) | -36 | 325 | CW |
| -36 | 1 240 | Tín hiệu E-UTRA 5 MHz, 1 RB (xem chú thích 2) | ||
| 15 | PREFSENS + 14 dB (xem chú thích 1 và 3) | -36 | 380 | CW |
| -36 | 1 600 | Tín hiệu E-UTRA 5 MHz, 1 RB (xem chú thích 2) | ||
| 20 | PREFSENS + 14 dB (xem chú thích 1 và 3) | -36 | 345 | CW |
|
|
| -36 | 1 780 | Tín hiệu E-UTRA 5 MHz, 1 RB (xem chú thích 2) |
| CHÚ THÍCH 1: PREFSENS phụ thuộc băng thông kênh được quy định tại 7.2 của ETSI TS 136 141. CHÚ THÍCH 2: Tín hiệu can nhiễu bao gồm một khối tài nguyên đặt tại độ lệch định sẵn, băng thông kênh của tín hiệu can nhiễu nằm lân cận đến biên dưới/trên băng thông RF trạm gốc. CHÚ THÍCH 3: Yêu cầu này chỉ áp dụng cho một FRC A1-3 (xem A.1 của ETSI TS 136 141) ánh xạ tới dải tần số tại biên kênh lân cận các tín hiệu can nhiễu. CHÚ THÍCH 4: Các yêu cầu đối với băng thông kênh 1,4 MHz và 3 MHz chỉ áp dụng cho băng tần 8. | ||||
Bảng 43 - Yêu cầu xuyên điều chế băng hẹp cho BS vùng phủ trung bình
| Băng thông kênh E-UTRA của sóng mang thấp nhất/cao nhất thu được (MHz) | Công suất trung bình tín hiệu mong muốn (dBm) | Công suất trung bình tín hiệu can nhiễu (dBm) | Độ lệch tần số trung tâm RB can nhiễu từ biên dưới/trên băng thông RF trạm gốc hoặc biên khối thành phần bên trong một khoảng bảo vệ khối thành phần (kHz) | Loại tín hiệu can nhiễu |
| 1,4 | PREFSENS + 6 dB (xem chú thích 1) | -47 | ±270 | CW |
| -47 | ±790 | Tín hiệu E-UTRA 1,4 MHz, 1 RB (xem chú thích 2) | ||
| 3 | PREFSENS + 6 dB (xem chú thích 1) | -47 | ±270 | CW |
| -47 | ±780 | Tín hiệu E-UTRA 3 MHz, 1 RB (xem chú thích 2) | ||
| 5 | PREFSENS + 6 dB (xem chú thích 1) | -47 | ±360 | CW |
| -47 | ±1 060 | Tín hiệu E-UTRA 5 MHz, 1 RB (xem chú thích 2) | ||
| 10 | PREFSENS + 6 dB (xem chú thích 1 và 3) | -47 | ±325 | CW |
| -47 | ±1 240 | Tín hiệu E-UTRA 5 MHz, 1 RB (xem chú thích 2) | ||
| 15 | PREFSENS + 6 dB (xem chú thích 1 và 3) | -47 | ±380 | CW |
| -47 | ±1 600 | Tín hiệu E-UTRA 5 MHz, 1 RB (xem chú thích 2) | ||
| 20 | PREFSENS + 6 dB (xem chú thích 1 và 3) | -47 | ±345 | CW |
| -47 | ±1 780 | Tín hiệu E-UTRA 5 MHz, 1 RB (xem chú thích 2) | ||
| CHÚ THÍCH 1: PREFSENS phụ thuộc băng thông kênh được quy định tại 7.2 của ETSI TS 136 141. CHÚ THÍCH 2: Tín hiệu can nhiễu bao gồm một khối tài nguyên đặt tại độ lệch định sẵn, băng thông kênh của tín hiệu can nhiễu nằm lân cận đến biên dưới/trên băng thông RF trạm gốc. CHÚ THÍCH 3: Yêu cầu này chỉ áp dụng cho một FRC A1-3 (xem A.1 của ETSI TS 136 141) ánh xạ tới dải tần số tại biên kênh lân cận các tín hiệu can nhiễu. CHÚ THÍCH 4: Các yêu cầu đối với băng thông kênh 1,4 MHz và 3 MHz chỉ áp dụng cho băng tần 8. | ||||
2.2.9.3. Phương pháp đo kiểm
Sử dụng các phép đo kiểm quy định tại 3.3.8.
2.2.10. Độ chọn lọc kênh lân cận (ACS) và chặn băng hẹp
2.2.10.1. Định nghĩa
Độ chọn lọc kênh lân cận (ACS) và chặn băng hẹp là thước đo khả năng máy thu thu một tín hiệu mong muốn tại tần số kênh phân định của kênh đó khi có mặt tín hiệu của kênh lân cận tại độ lệch tần số quy định của tín hiệu can nhiễu so với biên kênh của một hệ thống victim. Các tín hiệu can nhiễu phải là một tín hiệu E-UTRA quy định tại Phụ lục C của ETSI TS 136 141. Đối với chặn băng hẹp, tín hiệu nhiễu là một khối tài nguyên đơn E-UTRA.
2.2.10.2. Giới hạn
Đối với mỗi sóng mang E-UTRA, thông lượng phải ≥ 95% thông lượng tối đa của kênh đo chuẩn.
Với BS vùng phủ rộng, tín hiệu gây nhiễu và tín hiệu mong muốn ghép cặp tới đầu vào ăng ten BS quy định tại Bảng 44 và Bảng 45 cho chặn băng hẹp và Bảng 46 cho ACS. Kênh đo chuẩn cho tín hiệu mong muốn quy định tại Bảng 7.2-1 của ETSI TS 136 141 với từng băng thông kênh và quy định tại Phụ lục A của ETSI TS 136 141.
Với BS vùng phủ trung bình, tín hiệu gây nhiễu và tín hiệu mong muốn ghép cặp tới đầu vào ăng ten BS quy định tại Bảng 44 và Bảng 45 cho chặn băng hẹp và Bảng 49 cho ACS. Kênh đo chuẩn cho tín hiệu mong muốn quy định tại Bảng 7.2-4 của ETSI TS 136 141 với từng băng thông kênh và quy định tại Phụ lục A của ETSI TS 136 141.
Với BS vùng phủ hẹp, tín hiệu gây nhiễu và tín hiệu mong muốn ghép cặp tới đầu vào ăng ten BS quy định tại Bảng 44 và Bảng 45 cho chặn băng hẹp và Bảng 47 cho ACS. Kênh đo chuẩn cho tín hiệu mong muốn quy định tại Bảng 7.2-2 của ETSI TS 136 141 với từng băng thông kênh và quy định tại Phụ lục A của ETSI TS 136 141.
Với BS trong nhà, tín hiệu gây nhiễu và tín hiệu mong muốn ghép cặp tới đầu vào ăng ten BS quy định tại Bảng 44 và Bảng 45 cho chặn băng hẹp và Bảng 48 cho ACS. Kênh đo chuẩn cho tín hiệu mong muốn quy định tại Bảng 7.2-3 của ETSI TS 136 141 với từng băng thông kênh và quy định tại Phụ lục A của ETSI TS 136 141.
Các yêu cầu cho ACS và chặn băng hẹp áp dụng bên ngoài băng thông RF trạm gốc hoặc băng thông vô tuyến cực đại. Các yêu cầu cho độ lệch tín hiệu can nhiễu quy định so với các biên băng thông RF trạm gốc hoặc các biên băng thông vô tuyến cực đại.
Với một BS hoạt động trong phổ không liền kề bên trong băng tần hoạt động bất kỳ, nếu kích thước khoảng bảo vệ khối thành phần rộng hơn hoặc bằng tín hiệu can nhiễu trong các Bảng 46, Bảng 47 và Bảng 49, bổ sung yêu cầu ACS bên trong khoảng bảo vệ khối thành phần bất kỳ. Độ lệch tín hiệu can nhiễu so với các biên khối thành phần bên trong khoảng bảo vệ khối thành phần.
Với một BS có khả năng hoạt động đa băng tần, nếu kích thước khoảng bảo vệ liên băng thông RF rộng hơn hoặc bằng tín hiệu can nhiễu E-UTRA trong các Bảng 46, Bảng 47 và Bảng 49, bổ sung yêu cầu ACS bên trong khoảng bảo vệ liên băng thông RF bất kỳ. Độ lệch tín hiệu can nhiễu so với các biên băng thông RF trạm gốc bên trong khoảng bảo vệ liên băng thông RF.
Với một BS hoạt động trong phổ không liền kề bên trong băng tần hoạt động bất kỳ, nếu kích thước khoảng bảo vệ khối thành phần rộng hơn hoặc bằng băng thông kênh của tín hiệu can nhiễu E-UTRA trong Bảng 45, bổ sung yêu cầu chặn băng hẹp bên trong khoảng bảo vệ khối thành phần bất kỳ. Độ lệch tín hiệu can nhiễu quy định so với các biên khối thành phần bên trong khoảng bảo vệ khối thành phần.
Với một BS có khả năng hoạt động đa băng tần, nếu kích thước khoảng bảo vệ liên băng thông RF rộng hơn hoặc bằng tín hiệu can nhiễu E-UTRA trong Bảng 45, bổ sung yêu cầu chặn băng hẹp bên trong khoảng liên băng thông RF bất kỳ. Độ lệch tín hiệu can nhiễu quy định so với các biên băng thông trạm gốc RF bên trong khoảng bảo vệ liên băng thông RF.
Bảng 44 - Yêu cầu chặn băng hẹp
| Lớp BS | Công suất trung bình tín hiệu mong muốn (dBm) | Công suất trung bình tín hiệu can nhiễu | Loại tín hiệu can nhiễu |
| BS vùng phủ rộng | PREFSENS + 6 dB | -49 dBm | Xem Bảng 45 |
| BS vùng phủ trung bình | PREFSENS + 6 dB | -44 dBm | |
| BS vùng phủ hẹp | PREFSENS + 6 dB | -41 dBm | |
| BS trong nhà | PREFSENS + 14 dB | -33 dBm | |
| CHÚ THÍCH: PREFSENS phụ thuộc băng thông kênh được quy định tại 7.2 của ETSI TS 136 141. | |||
Bảng 45 - Tín hiệu can nhiễu cho yêu cầu chặn băng hẹp
| Băng thông kênh của sóng mang E-UTRA thấp nhất/cao nhất thu được (MHz) | Độ lệch tần số trung tâm RB can nhiễu tới biên dưới/trên băng thông RF trạm gốc hoặc biên khối thành phần bên trong khoảng bảo vệ khối thành phần (MHz) | Loại tín hiệu can nhiễu |
| 1,4 | ± (252,5 + m x 180), m = 0, 1, 2, 3, 4, 5 | Tín hiệu E-UTRA 1,4 MHz, 1RB (xem chú thích) |
| 3 | ± (247,5 + m x 180), m = 0, 1, 2, 3, 4, 7, 10, 13 | Tín hiệu E-UTRA 3 MHz, 1RB (xem chú thích) |
| 5 | ± (342,5 + m x 180), m = 0, 1, 2, 3, 4, 9, 14, 19, 24 | Tín hiệu E-UTRA 5 MHz, 1RB (xem chú thích) |
| 10 | ± (347,5 + m x 180), m = 0, 1, 2, 3, 4, 9, 14, 19, 24 | Tín hiệu E-UTRA 5 MHz, 1RB (xem chú thích) |
| 15 | ± (352,5 + m x 180), m = 0, 1, 2, 3, 4, 9, 14, 19, 24 | Tín hiệu E-UTRA 5 MHz, 1RB (xem chú thích) |
| 20 | ± (342,5 + m x 180), m = 0, 1, 2, 3, 4, 9, 14, 19, 24 | Tín hiệu E-UTRA 5 MHz, 1RB (xem chú thích) |
| CHÚ THÍCH 1: Tín hiệu can nhiễu bao gồm một khối tài nguyên đặt tại độ lệch định sẵn, băng thông kênh tín hiệu can nhiễu nằm lân cận biên dưới/trên băng thông trạm gốc RF. Các độ lệch tần số là tín hiệu can nhiễu bên ngoài kênh. CHÚ THÍCH 2: Các yêu cầu đối với băng thông kênh 1,4 MHz và 3 MHz chỉ áp dụng cho băng tần 8. | ||
Bảng 46 - Độ chọn lọc kênh lân cận cho BS vùng phủ rộng
| Băng thông kênh của sóng mang E-UTRA thấp nhất/cao nhất thu được (MHz) | Công suất trung bình tín hiệu mong muốn (dBm) | Công suất trung bình tín hiệu can nhiễu (dBm) | Độ lệch tần số trung tâm tín hiệu can nhiễu từ biên dưới/trên băng thông RF trạm gốc biên khối thành phần bên trong một khoảng bảo vệ khối thành phần (MHz) | Loại tín hiệu can nhiễu |
| 1,4 | PREFSENS + 11 dB (xem chú thích) | -52 | ±0,7025 | Tín hiệu E-UTRA 1,4MHz |
| 3 | PREFSENS + 8 dB (xem chú thích) | -52 | ±1,5075 | Tín hiệu E-UTRA 3 MHz |
| 5 | PREFSENS + 6 dB (xem chú thích) | -52 | ±2,5025 | Tín hiệu E-UTRA 5 MHz |
| 10 | PREFSENS + 6 dB (xem chú thích) | -52 | ±2,5075 | Tín hiệu E-UTRA 5 MHz |
| 15 | PREFSENS + 6 dB (xem chú thích) | -52 | ±2,5125 | Tín hiệu E-UTRA 5 MHz |
| 20 | PREFSENS + 6 dB (xem chú thích) | -52 | ±2,5025 | Tín hiệu E-UTRA 5 MHz |
| CHÚ THÍCH: PREFSENS phụ thuộc băng thông kênh được quy định tại 7.2 của ETSI TS 136 141. Các độ lệch tần số là tín hiệu can nhiễu bên ngoài kênh. CHÚ THÍCH 2: Các yêu cầu đối với băng thông kênh 1,4 MHz và 3 MHz chỉ áp dụng cho băng tần 8. | ||||
Bảng 47 - Độ chọn lọc kênh lân cận cho BS vùng phủ hẹp
| Băng thông kênh của sóng mang E-UTRA thấp nhất/cao nhất thu được (MHz) | Công suất trung bình tín hiệu mong muốn (dBm) | Công suất trung bình tín hiệu can nhiễu (dBm) | Độ lệch tần số trung tâm tín hiệu can nhiễu từ biên dưới/trên băng thông RF trạm gốc biên khối thành phần bên trong một khoảng bảo vệ khối thành phần (MHz) | Loại tín hiệu can nhiễu |
| 1,4 | PREFSENS + 11 dB (xem chú thích 1 và 2) | -44 | ±0,7025 | Tín hiệu E-UTRA 1,4 MHz |
| 3 | PREFSENS + 8 dB (xem chú thích 1 và 2) | -44 | ±1,5075 | Tín hiệu E-UTRA 3 MHz |
| 5 | PREFSENS + 6 dB (xem chú thích 1) | -44 | ±2,5025 | Tín hiệu E-UTRA 5 MHz |
| 10 | PREFSENS + 6 dB (xem chú thích 1) | -44 | ±2,5075 | Tín hiệu E-UTRA 5 MHz |
| 15 | PREFSENS + 6 dB (xem chú thích 1) | -44 | ±2,5125 | Tín hiệu E-UTRA 5 MHz |
| 20 | PREFSENS + 6 dB (xem chú thích 1) | -44 | ±2,5025 | Tín hiệu E-UTRA 5 MHz |
| CHÚ THÍCH 1: PREFSENS phụ thuộc băng thông kênh được quy định tại 7.2 của ETSI TS 136 141. Độ lệch tần số là tín hiệu can nhiễu bên ngoài kênh. CHÚ THÍCH 2: Các yêu cầu đối với băng thông kênh 1,4 MHz và 3 MHz chỉ áp dụng cho băng tần 8. | ||||
Bảng 48 - Độ chọn lọc kênh lân cận cho BS trong nhà
| Băng thông kênh E-UTRA (MHz) | Công suất trung bình tín hiệu mong muốn (dBm) | Công suất trung bình tín hiệu can nhiễu (dBm) | Độ lệch tần số trung tâm tín hiệu can nhiễu từ biên kênh tín hiệu mong muốn (MHz) | Loại tín hiệu can nhiễu |
| 1,4 | PREFSENS + 11 dB (xem chú thích 1 và 2) | -28 | 0,7025 | Tín hiệu E-UTRA 1,4 MHz |
| 3 | PREFSENS + 8 dB (xem chú thích 1 và 2) | -28 | 1,5075 | Tín hiệu E-UTRA 3 MHz |
| 5 | PREFSENS + 22 dB (xem chú thích 1) | -28 | 2,5025 | Tín hiệu E-UTRA 5 MHz |
| 10 | PREFSENS + 22 dB (xem chú thích 1) | -28 | 2,5075 | Tín hiệu E-UTRA 5 MHz |
| 15 | PREFSENS + 22 dB (xem chú thích 1) | -28 | 2,5125 | Tín hiệu E-UTRA 5 MHz |
| 20 | PREFSENS + 22 dB (xem chú thích 1) | -28 | 2,5025 | Tín hiệu E-UTRA 5 MHz |
| CHÚ THÍCH 1: PREFSENS phụ thuộc băng thông kênh được quy định tại 7.2 của ETSI TS 136 141. Độ lệch tần số là tín hiệu can nhiễu bên ngoài kênh. CHÚ THÍCH 2: Các yêu cầu đối với băng thông kênh 1,4 MHz và 3 MHz chỉ áp dụng cho băng tần 8. | ||||
Bảng 49 - Độ chọn lọc kênh lân cận cho BS vùng phủ trung bình
| Băng thông kênh của sóng mang E-UTRA thu được thấp nhất/cao nhất (MHz) | Công suất trung bình tín hiệu mong muốn (dBm) | Công suất trung bình tín hiệu can nhiễu (dBm) | Độ lệch tần số trung tâm tín hiệu can nhiễu từ biên kênh tín hiệu mong muốn (MHz) | Loại tín hiệu can nhiễu |
| 1,4 | PREFSENS + 11 dB (xem chú thích 1 và 2) | -28 | 0,7025 | Tín hiệu E-UTRA 1,4 MHz |
| 3 | PREFSENS + 8 dB (xem chú thích 1 và 2) | -28 | 1,5075 | Tín hiệu E-UTRA 3 MHz |
| 5 | PREFSENS + 6 dB (xem chú thích 1) | -47 | 2,5025 | Tín hiệu E-UTRA 5 MHz |
| 10 | PREFSENS + 6 dB (xem chú thích 1) | -47 | 2,5075 | Tín hiệu E-UTRA 5 MHz |
| 15 | PREFSENS + 6 dB (xem chú thích 1) | -47 | 2,5125 | Tín hiệu E-UTRA 5 MHz |
| 20 | PREFSENS + 6 dB (xem chú thích 1) | -47 | 2,5025 | Tín hiệu E-UTRA 5 MHz |
| CHÚ THÍCH: PREFSENS phụ thuộc băng thông kênh được quy định tại 7.2 của ETSI TS 136 141. Độ lệch tần số là tín hiệu can nhiễu bên ngoài kênh. CHÚ THÍCH 2: Các yêu cầu đối với băng thông kênh 1,4 MHz và 3 MHz chỉ áp dụng cho băng tần 8. | ||||
2.2.10.3. Phương pháp đo kiểm
Sử dụng các phép đo kiểm quy định tại 3.3.9.
2.2.11. Công suất ra của trạm gốc trong nhà để bảo vệ kênh UTRA lân cận
2.2.11.1. Định nghĩa
Trạm gốc trong nhà phải có khả năng điều chỉnh công suất ra của máy phát để giảm thiểu mức can nhiễu trên các kênh lân cận trong khi tối ưu hóa vùng phủ sóng của trạm gốc trong nhà, trong trường hợp một kênh lân cận được cấp phép cho nhà khai thác khác trong cùng một khu vực địa lý. Các yêu cầu này chỉ áp dụng cho trạm gốc trong nhà và áp dụng cho các điều kiện truyền vô tuyến AWGN.
2.2.11.2. Giới hạn
Công suất ra Pout của trạm gốc trong nhà phải tuân theo quy định tại Bảng 50 trong các điều kiện đầu vào như sau:
- CPICH Êc, được đo bằng dBm, là công suất mã hóa của CPICH sơ cấp trên một trong số các kênh lân cận hiện có tại đầu nối ăng ten của BS trong nhà đối với CPICH thu được trên các kênh lân cận. Nếu TX phân tập được áp dụng trên CPICH sơ cấp, CPICH Êc bằng tổng (W) các công suất mã hóa của CPICH sơ cấp được truyền từ từng ăng ten.
- Ioh, được đo bằng dBm, là tổng công suất thu được phân tập, bao gồm các tín hiệu và can nhiễu nhưng không bao gồm các tín hiệu BS trong nhà của chính chúng hiện có tại đầu nối ăng ten của BS trong nhà trên kênh hoạt động của BS trong nhà.
Các điều kiện đầu vào được xác định cho các yêu cầu tại điều này được quy định tại đầu nối ăng ten của BS trong nhà. Đối với các máy thu của BS trong nhà phân tập, các yêu cầu áp dụng cho từng đầu nối ăng ten riêng biệt, với (các) đầu nối ăng ten khác bị kết cuối hoặc bị vô hiệu hóa. Các yêu cầu này không thay đổi trong các điều kiện khác nhau. Đối với (các) BS trong nhà không có khả năng đo, thì ăng ten chuẩn có tăng ích là 0 dBi được giả định để chuyển đổi các mức công suất theo cường độ trường.
CHÚ THÍCH: Yêu cầu này kiểm tra cơ chế bắt buộc đối với công suất ra của BS trong nhà để bảo vệ kênh UTRA lân cận, giả sử có một kênh UTRA lân cận được cấp phép cho nhà khai thác khác cần được bảo vệ. Đối với BS trong nhà đang hoạt động và trong trường hợp cả hai kênh lân cận được cấp phép cho các nhà khai thác khác, thì yêu cầu nghiêm ngặt nhất được áp dụng cho Pout. Trong trường hợp, khi một trong số các kênh lân cận được cấp phép cho một nhà khai thác E-UTRA trong khi kênh lân cận khác được cấp phép cho một nhà khai thác UTRA, thì yêu cầu nghiêm ngặt hơn tại điều này và tại 2.2.11 được áp dụng cho Pout. Trong trường hợp cả hai kênh lân cận và kênh hoạt động của BS trong nhà được cấp phép cho cùng một nhà khai thác, thì không áp dụng các yêu cầu tại điều này.
Bảng 50 - Công suất ra BS trong nhà để bảo vệ kênh UTRA lân cận của nhà khai thác
| Các điều kiện đầu vào | Công suất ra, Pout |
| Ioh > CPICH Êc + 43 dB | ≤ 10 dBm |
| Ioh < CPICH Êc + 43 dB | ≤ lớn nhất (8 dBm, nhỏ nhất (20 dBm, |
| CPICH Êc < -105 dBm | ≤ 20 dBm |
- Trong các điều kiện hoạt động bình thường, công suất ra Pout của BS trong nhà phải bằng hoặc nhỏ hơn giá trị được quy định tại Bảng 50 cộng với 2,7 dB;
- Trong các điều kiện hoạt động tới hạn, công suất ra Pout của BS trong nhà phải bằng hoặc nhỏ hơn giá trị được quy định tại Bảng 50 cộng với 3,2 dB.
2.2.11.3. Phương pháp đo kiểm
Sử dụng các phép đo kiểm quy định tại 3.3.10.
2.2.12. Công suất ra của trạm gốc trong nhà để bảo vệ kênh E-UTRA lân cận
2.2.12.1. Định nghĩa và khả năng áp dụng
Trạm gốc trong nhà phải có khả năng điều chỉnh công suất đầu ra của máy phát để giảm thiểu mức can nhiễu trên các kênh lân cận được cấp phép cho các nhà khai thác khác trong cùng một khu vực địa lý khi tối ưu hóa vùng phủ sóng của trạm gốc trong nhà. Các yêu cầu này chỉ áp dụng cho trạm gốc trong nhà và áp dụng cho các điều kiện truyền vô tuyến AWGN.
2.2.12.2. Giới hạn
Công suất ra Pout của trạm gốc trong nhà phải tuân theo quy định tại Bảng 51 trong các điều kiện đầu vào như sau:
- CRS Ês, được đo bằng dBm, là công suất thu của tín hiệu chuẩn trên phần tử tài nguyên trên một trong số các kênh lân cận hiện có tại đầu nối ăng ten của BS trong nhà đối với tín hiệu chuẩn thu được trên các kênh lân cận. Để xác định CRS Ês, tín hiệu chuẩn tế bào đặc trưng R0 quy định tại ETSI TS 136 211 phải được sử dụng. Nếu BS trong nhà phát hiện ra nhiều ăng-ten TX được sử dụng để phát trên kênh lân cận, thì có thể sử dụng giá trị trung bình (W) của CRS Ês trên tất cả các ăng ten được phát hiện.
- Ioh, được đo bằng dBm, là công suất thu toàn phần phân tập, bao gồm cả các tín hiệu và can nhiễu nhưng không bao gồm tín hiệu BS trong nhà của chính chúng hiện có tại đầu nối ăng ten của BS trong nhà trên kênh hoạt động của BS trong nhà.
Các điều kiện đầu vào được xác định cho các yêu cầu tại điều này được quy định tại đầu nối ăng ten của BS trong nhà. Đối với các máy thu của BS trong nhà phân tập, các yêu cầu này áp dụng cho từng đầu nối ăng ten riêng biệt, với (các) đầu nối ăng ten khác bị kết cuối hoặc bị vô hiệu hóa. Các yêu cầu này không thay đổi trong các điều kiện khác nhau. Đối với (các) BS trong nhà không có khả năng đo, thì ăng ten chuẩn có tăng ích là 0 dBi được giả định để chuyển đổi các mức công suất theo cường độ trường.
CHÚ THÍCH: Yêu cầu này kiểm tra cơ chế bắt buộc đối với công suất ra của BS trong nhà để bảo vệ kênh E-UTRA lân cận, giả sử có một kênh E-UTRA lân cận được cấp phép cho nhà khai thác khác cần được bảo vệ. Đối với BS trong nhà đang hoạt động và trong trường hợp mà cả hai kênh lân cận được cấp phép cho các nhà khai thác khác, thì yêu cầu nghiêm ngặt nhất được áp dụng cho Pout. Trong trường hợp, khi một trong số các kênh lân cận được cấp phép cho một nhà khai thác E-UTRA trong khi kênh lân cận khác được cấp phép cho một nhà khai thác UTRA, thì yêu cầu nghiêm ngặt hơn tại điều này và tại 2.2.11 được áp dụng cho Pout. Trong trường hợp cả hai kênh lân cận và kênh hoạt động của BS trong nhà được cấp phép cho cùng một nhà khai thác, thì không áp dụng các yêu cầu tại điều này.
Bảng 51 - Công suất ra của BS trong nhà để bảo vệ kênh E-UTRA lân cận của nhà khai thác
| Các điều kiện đầu vào | Công suất ra, Pout |
| Ioh > CRS Ês + 10 x log10 | ≤ 10 dBm |
| Ioh ≤ CRS Ês + 10 x log10 | ≤ lớn nhất (8 dBm, nhỏ nhất (20 dBm, |
| CRS Ês < -127 dBm | ≤ 20 dBm |
- Trong các điều kiện hoạt động bình thường, công suất ra Pout của BS trong nhà phải bằng hoặc nhỏ hơn giá trị được quy định tại Bảng 51 cộng với 2,7 dB;
- Trong các điều kiện hoạt động tới hạn, công suất ra Pout của BS trong nhà phải bằng hoặc nhỏ hơn giá trị được quy định tại Bảng 51 cộng với 3,2 dB.
2.2.12.3. Phương pháp đo kiểm
Sử dụng các phép đo kiểm quy định tại 3.3.11.
2.2.13. Công suất ra của trạm gốc trong nhà để bảo vệ E-UTRA đồng kênh
2.2.13.1. Định nghĩa và khả năng áp dụng
Để giảm thiểu can nhiễu DL đồng kênh tới các UE macro phi CSG hoạt động sát nhau trong khi tối ưu hóa vùng phủ sóng của trạm gốc trong nhà CSG, BS trong nhà có thể điều chỉnh công suất ra của nó theo các yêu cầu được trình bày tại điều này. Các yêu cầu tại điều này có thể được áp dụng cho các điều kiện truyền vô tuyến AWGN.
2.2.13.2. Giới hạn
Đối với BS trong nhà hỗ trợ các yêu cầu quy định tại điều này, công suất ra, Pout, của BS trong nhà phải tuân theo quy định tại Bảng 52 theo các điều kiện đầu vào như sau:
- CRS Ês, được đo bằng dBm, là công suất thu của tín hiệu chuẩn trên phần tử tài nguyên hiện có tại đầu nối ăng ten của BS trong nhà thu được từ BS vùng phủ rộng đồng kênh. Để xác định CRS Ês, tín hiệu chuẩn tế bào đặc trưng R0 quy định tại ETSI TS 136 211 phải được sử dụng. Nếu BS trong nhà phát hiện ra nhiều cổng ăng-ten TX được BS vùng phủ rộng đồng kênh sử dụng để truyền, thì có thể sử dụng giá trị trung bình (W) của CRS Ês trên tất cả các cổng ăng ten TX được phát hiện, bao gồm cả R0.
- Ioh, được đo bằng dBm, là tổng công suất DL thu được, bao gồm tất cả các can nhiễu nhưng không bao gồm tín hiệu của chính BS trong nhà, hiện có tại đầu nối ăng ten của BS trong nhà trên kênh hoạt động của BS trong nhà.
- lob, được đo bằng dBm, là công suất can nhiễu thu được của đường lên, bao gồm cả nhiễu nhiệt, trong băng thông khối tài nguyên vật lý của các phân tử tài nguyên
được xác định trong ETSI TS 136 214, hiện có tại đầu nối ăng ten của BS trong nhà trên kênh hoạt động của BS trong nhà.
Các điều kiện đầu vào được xác định cho các yêu cầu quy định tại điều này được quy định tại đầu nối ăng ten của BS trong nhà. Đối với các máy thu của BS trong nhà phân tập, các yêu cầu này áp dụng cho từng đầu nối ăng ten riêng biệt, với (các) đầu nối khác bị kết cuối hoặc bị vô hiệu hóa. Các yêu cầu không thay đổi trong các điều kiện khác nhau. Với (các) BS trong nhà không có khả năng đo, ăng ten chuẩn có độ tăng ích là 0 dBi được giả định để chuyển đổi các mức công suất theo cường độ trường.
Bảng 52 - Công suất ra của trạm gốc trong nhà để bảo vệ kênh E-UTRA đồng kênh
| Các điều kiện đầu vào | Công suất ra, Pout |
| Ioh (DL) > CRS Ês + 10 x log10 và Tùy chọn 1: CRS Ês ≥ -127 dBm hoặc Tùy chọn 2: CRS Ês ≥ -127 dBm và lob > -103 dBm | ≤ 10 dBm |
| Ioh (DL) ≤ CRS Ês + và Tùy chọn 1: CRS Ês ≥ -127 dBm hoặc Tùy chọn 2: CRS Ês ≥ -127 dBm và lob > -103 dBm | ≤ lớn nhất (Pmin, nhỏ nhất (CRS Ês + 30 dB ≤ X ≤ 70 dB Pmin = -10 dBm |
| Tùy chọn 1: CRS Ês < -127 dBm hoặc Tùy chọn 2: CRS Ês < -127 dBm và lob ≤ -103 dBm | ≤ 20 dBm |
- Trong các điều kiện hoạt động bình thường, công suất ra Pout của BS trong nhà phải bằng hoặc nhỏ hơn giá trị được quy định tại Bảng 52 cộng với 2,7 dB;
- Trong các điều kiện hoạt động tới hạn, công suất ra Pout của BS trong nhà phải bằng hoặc nhỏ hơn giá trị được quy định tại Bảng 52 cộng với 3,2 dB.
2.2.13.3. Phương pháp đo kiểm
Sử dụng các phép đo kiểm quy định tại 3.3.12.
2.2.14. Mức chọn lọc chuẩn
2.2.14.1. Định nghĩa
Mức công suất chọn lọc chuẩn PREFSENS là công suất trung bình nhỏ nhất thu được tại đầu nối ăng ten, tại đó một yêu cầu thông lượng phải đáp ứng cho một kênh đo chuẩn quy định.
2.2.14.2. Giới hạn
Với từng sóng mang E-UTRA đo được, thông lượng phải ≥ 95% thông lượng lớn nhất của kênh đo chuẩn quy định tại A.1 của của ETSI TS 136 141 với các thông số quy định tại Bảng 53 cho BS vùng phủ rộng, Bảng 54 cho BS vùng phủ hẹp, Bảng 55 cho BS trong nhà và Bảng 56 cho BS vùng phủ trung bình.
Bảng 53 - Các mức chọn lọc chuẩn cho BS vùng phủ rộng
| Băng thông kênh E-UTRA (MHz) | Kênh đo chuẩn | Mức công suất chọn lọc chuẩn, PREFSENS (dBm) |
| 1,4 | FRC A1-1 | -106,1 |
| 3 | FRC A1-2 | -102,3 |
| 5 | FRC A1-3 Mục A.1 | -100,8 |
| 10 | FRC A1-3 Mục A.1 | -100,8 |
| 15 | FRC A1-3 Mục A.1 | -100,8 |
| 20 | FRC A1-3 Mục A.1 | -100,8 |
| CHÚ THÍCH 1: PREFSENS là mức công suất của một trường hợp kênh đo chuẩn. Yêu cầu này sẽ được đáp ứng cho từng ứng dụng liên tiếp của một trường hợp FRC A1-3 ánh xạ tới các dải tần số tách rời với chiều rộng 25 khối tài nguyên từng loại. CHÚ THÍCH 2: Các yêu cầu đối với băng thông kênh 1,4 MHz và 3 MHz chỉ áp dụng cho băng tần 8. | ||
Bảng 54 - Các mức chọn lọc trong BS vùng phủ hẹp
| Băng thông kênh E-UTRA (MHz) | Kênh đo chuẩn | Mức công suất chọn lọc chuẩn, PREFSENS (dBm) |
| 1,4 | FRC A1-1 Mục A.1 | -98,1 |
| 3 | FRC A1-2 Mục A.1 | -94,3 |
| 5 | FRC A1-3 Mục A.1 | -92,8 |
| 10 | FRC A1-3 Mục A.1 | -92,8 |
| 15 | FRC A1-3 Mục A.1 | -92,8 |
| 20 | FRC A1-3 Mục A.1 | -92,8 |
| CHÚ THÍCH 1: PREFSENS là mức công suất của một trường hợp kênh đo chuẩn. Yêu cầu này sẽ được đáp ứng cho từng ứng dụng liên tiếp của một trường hợp FRC A1-3 ánh xạ tới các dải tần số tách rời với chiều rộng 25 khối tài nguyên từng loại. CHÚ THÍCH 2: Các yêu cầu đối với băng thông kênh 1,4 MHz và 3 MHz chỉ áp dụng cho băng tần 8. | ||
Bảng 55 - Các mức chọn lọc chuẩn cho BS trong nhà
| Băng thông kênh E-UTRA (MHz) | Kênh đo chuẩn | Mức công suất chọn lọc chuẩn, PREFSENS (dBm) |
| 1,4 | FRC A1-1 Mục A.1 | -98,1 |
| 3 | FRC A1-2 Mục A.1 | -94,3 |
| 5 | FRC A1-3 Mục A.1 | -92,8 |
| 10 | FRC A1-3 Mục A.1 | -92,8 |
| 15 | FRC A1-3 Mục A.1 | -92,8 |
| 20 | FRC A1-3 Mục A.1 | -92,8 |
| CHÚ THÍCH 1: PREFSENS là mức công suất của một trường hợp kênh đo chuẩn. Yêu cầu này sẽ được đáp ứng cho từng ứng dụng liên tiếp của một trường hợp FRC A1-3 ánh xạ tới các dải tần số tách rời với chiều rộng 25 khối tài nguyên từng loại. CHÚ THÍCH 2: Các yêu cầu đối với băng thông kênh 1,4 MHz và 3 MHz chỉ áp dụng cho băng tần 8. | ||
Bảng 56 - Các mức chọn lọc chuẩn cho BS vùng phủ trung bình
| Băng thông kênh E-UTRA (MHz) | Kênh đo chuẩn | Mức công suất chọn lọc chuẩn, PREFSENS (dBm) |
| 1,4 | FRC A1-1 Mục A.1 | -101,1 |
| 3 | FRC A1-2 Mục A.1 | -97,3 |
| 5 | FRC A1-3 Mục A.1 | -95,8 |
| 10 | FRC A1-3 Mục A.1 | -95,8 |
| 15 | FRC A1-3 Mục A.1 | -95,8 |
| 20 | FRC A1-3 Mục A.1 | -95,8 |
| CHÚ THÍCH 1: PREFSENS là mức công suất của một trường hợp kênh đo chuẩn. Yêu cầu này sẽ được đáp ứng cho từng ứng dụng liên tiếp của một trường hợp FRC A1-3 ánh xạ tới các dải tần số tách rời với chiều rộng 25 khối tài nguyên từng loại. CHÚ THÍCH 2: Các yêu cầu đối với băng thông kênh 1,4 MHz và 3 MHz chỉ áp dụng cho băng tần 8. | ||
2.2.14.3. Phương pháp đo kiểm
Sử dụng các phép đo kiểm quy định tại 3.3.13.
2.2.15. Phát xạ bức xạ
2.2.15.1. Định nghĩa
Chỉ tiêu này đánh giá khả năng hạn chế các phát xạ không mong muốn từ cổng vỏ của thiết bị trạm gốc E-UTRA.
Chỉ tiêu này áp dụng cho thiết bị trạm gốc E-UTRA.
Phép đo chỉ tiêu này phải được thực hiện trên cấu hình tiêu biểu của thiết bị cần đo kiểm.
2.2.15.2. Giới hạn
Biên tần số và các băng thông tham chiếu đối với những chuyển tiếp chi tiết của các giới hạn giữa các yêu cầu đối với các phát xạ ngoài băng và các yêu cầu đối với các phát xạ giả được dựa trên các khuyến nghị ITU-R SM.329-12 và SM.1539-1.
Các yêu cầu tại Bảng 57 chỉ áp dụng đối với các tần số trong miền phát xạ.
Bảng 57 - Các yêu cầu cho các phát xạ giả bức xạ
| Tần số | Yêu cầu tối thiểu | Tính khả dụng |
| 30 MHz ≤ f < 1 000 MHz | -36 dBm/100 kHz | Tất cả |
| 1 GHz ≤ f < 12,75 GHz | -30 dBm/1 MHz | Tất cả |
2.2.15.3. Phương pháp đo kiểm
Sử dụng các phép đo kiểm quy định tại 3.3.14.
3. PHƯƠNG PHÁP ĐO
3.1. Điều kiện đo kiểm
Các đo kiểm được xác định trong quy chuẩn này phải được thực hiện tại các điểm tiêu biểu trong phạm vi các giới hạn biên của điều kiện môi trường hoạt động được khai báo.
Tại những điểm mà chỉ tiêu kỹ thuật thay đổi tùy thuộc vào các điều kiện môi trường, các đo kiểm phải được thực hiện trong điều kiện môi trường đa dạng (thuộc phạm vi các giới hạn biên của điều kiện môi trường hoạt động được khai báo) để kiểm tra tính tuân thủ đối với các yêu cầu kỹ thuật bị ảnh hưởng.
Thông thường tất cả các đo kiểm phải được thực hiện trong điều kiện đo kiểm bình thường trừ khi có các quy định khác. Có thể tham khảo Phụ lục B về việc sử dụng các điều kiện đo kiểm khác để kiểm tra tính tuân thủ.
Mục này quy định các phương pháp đo cho E-UTRA (FDD và TDD).
Các cấu hình đo kiểm và độ rộng kênh cho các hoạt động đa sóng mang phải phù hợp với các quy định tại 4.10, 5.7.1 và 5.7.1A của ETSI TS 136 141.
Thông thường mọi đo kiểm phải được thực hiện với băng thông thấp nhất và cao nhất được BS hỗ trợ, trừ khi có các quy định khác. Trong trường hợp không thực hiện đo kiểm, nhà sản xuất phải khai báo để áp ứng cho tất cả các băng thông khác được BS hỗ trợ.
Trong trường hợp sóng mang đơn, nhiều đo kiểm được thực hiện với các tần số thích hợp ở cuối, giữa và đầu của băng tần hoạt động của BS. Các tần số này được ký hiệu là B (cuối), M (giữa) và T (đầu) của các kênh RF và được xác định trong 4.7 của ETSI TS 136 141.
Trong trường hợp đa sóng mang đơn băng tần, nhiều đo kiểm được thực hiện với vị trí băng thông RF trạm gốc cực đại ở cuối, giữa và đầu của dải tần số được hỗ trợ trong từng băng tần hoạt động. Các tần số này được ký hiệu là BRFBW (cuối), MRFBW (giữa) và TRFBW (đầu) cho các kênh không cộng gộp và được xác định trong 4.7.1 của ETSI TS 136 141.
Trong trường hợp băng tần kép, nhiều đo kiểm được thực hiện với các băng thông RF trạm gốc ở cuối dải tần số được hỗ trợ trong băng tần hoạt động dưới và ở đầu dải tần số được hỗ trợ trong băng tần hoạt động trên. Các tần số này được ký hiệu là BRFBW_T’RFBW và B’RFBW_TRFBW và được xác định trong 4.7.1 của ETSI TS 136 141.
Hệ thống đó quy định cho từng đo kiểm được mô tả trong Phụ lục C.
3.2. Giải thích các kết quả đo
Các kết quả được ghi trong báo cáo đo kiểm của các phép đo được quy định tại Quy chuẩn này phải được giải thích như sau:
- Giá trị đo được liên quan đến giới hạn tương ứng dùng để quyết định việc thiết bị có thỏa mãn các yêu cầu của quy chuẩn hay không;
- Giá trị độ không đảm bảo đo đối với phép đo của từng tham số phải được đưa vào báo cáo đo kiểm;
- Đối với từng phép đo, giá trị ghi được của độ không đảm bảo đo phải nhỏ hơn hoặc bằng giá trị cho trong Bảng 58.
Theo quy chuẩn này, trong các phương pháp đo, các giá trị của độ không đảm bảo đo phải được tính toán theo ETSI TR 100 028, cụ thể theo Phụ lục D của ETSI TR 100 028-2 và phải tương ứng với một hệ số mở rộng (hệ số phủ) k = 1,96 hoặc k = 2 (hệ số này quy định mức độ tin cậy là 95% và 95,45% trong trường hợp các phân bố đặc trưng cho độ không đảm bảo đo thực tế là chuẩn (Gaussian)).
Bảng 58 dựa trên hệ số mở rộng này.
Bảng 58 - Độ không đảm bảo tối đa của hệ thống đo kiểm
| Tham số | Các điều kiện | Độ không đảm bảo |
| Phát xạ không mong muốn trong băng tần hoạt động |
| ±1,5 dB |
| Tỷ số công suất rò kênh lân cận (ACLR) | ACLR Cho các yêu cầu công suất tuyệt đối CACLR Cho các yêu cầu công suất tuyệt đối | ±0,8 dB ±2,0 dB ±0,8 dB ±2,0 dB |
| Phát xạ giả của máy phát | Cho “Các phát xạ giả” 9 kHz < f ≤ 4 GHz 4 GHz < f ≤ 19 GHz Cho các yêu cầu cùng tồn tại (> -60 dBm) Cho các yêu cầu cùng tồn tại (≥ -60 dBm) Cho bảo vệ máy thu BS |
±2,0 dB ±4,0 dB ±2,0 dB ±3,0 dB ±3,0 dB |
| Công suất đầu ra cực đại trạm gốc |
| ±0,7 dB |
| Xuyên điều chế phát | Cho các phát xạ giả không mong muốn trong băng tần hoạt động | ±2,5 dB |
| Cho ACLR | ±2,2 dB | |
| Cho “Các phát xạ giả”: |
| |
| f ≤ 2,2 GHz | ±2,5 dB | |
| 2,2 GHz < f ≤ 4 GHz | ±2,8 dB | |
| f > 4 GHz | ±4,5 dB | |
| Cho các yêu cầu cùng tồn tại | ±2,8 dB | |
| Tín hiệu can nhiễu | ±1,0 dB | |
| Phát xạ giả của máy thu | 30 MHz ≤ f ≤ 4 GHz 4 GHz < f ≤ 19 GHz | ±2,0 dB ±4,0 dB |
| Đặc tính chặn | Chặn bên trong băng tần, sử dụng can nhiễu được điều chế | ±1,6 dB |
| Chặn bên ngoài băng tần, sử dụng can nhiễu CW: |
| |
| 1 MHz < finterferer ≤ 3 GHz | ±1,3 dB | |
| 3 GHz < finterferer ≤ 4,2 GHz | ±1,6 dB | |
| 4,2 GHz < finterferer ≤ 12,75 GHZ | ±3,2 dB | |
| Đặc tính xuyên điều chế của máy thu |
| ±1,8 dB |
| Độ chọn lọc kênh lân cận (ACS) và chặn băng hẹp |
| ±1,4 dB |
| Mức chọn lọc chuẩn |
| ±0,7 dB |
| CHÚ THÍCH 1: Đối với các đo kiểm RF, phải chú ý rằng độ không bảo đảm trong Bảng 58 áp dụng cho Hệ thống đo kiểm hoạt động với tải danh định 50 Ω và không tính đến các hiệu ứng của hệ thống do sự không tương thích giữa EUT và hệ thống đo kiểm. CHÚ THÍCH 2: Phụ lục G của TR 100 028-2 hướng dẫn việc tính toán các thành phần của độ không bảo đảm liên quan đến sự không thích ứng. CHÚ THÍCH 3: Nếu Hệ thống đo kiểm có độ không đảm bảo đo lớn hơn độ không đảm bảo đo đã chỉ định trong Bảng 58, thì thiết bị này có thể vẫn được sử dụng, miễn là có điều chỉnh như sau: Một độ không đảm bảo bổ sung nào đó trong hệ thống đo kiểm vượt quá độ không bảo đảm đã chỉ định trong Bảng 58 được sử dụng để siết chặt các giới hạn - làm cho phép đo khó được thông qua hơn (với một số đo kiểm, ví dụ các đo kiểm ở máy thu, việc này có thể yêu cầu thay đổi các tín hiệu kích thích). Thủ tục này đảm bảo rằng một hệ thống đo kiểm không phù hợp với Bảng 58 không làm tăng xác suất thông qua một EUT trong trường hợp đo kiểm bị lỗi. | ||
3.3. Các tham số thiết yếu cho phần vô tuyến
3.3.1. Phát xạ không mong muốn trong băng tần hoạt động
3.3.1.1. Điều kiện ban đầu
Môi trường đo kiểm: Bình thường; xem B.1. của Phụ lục B.
Các kênh RF cần được đo kiểm cho đơn sóng mang: B, M và T; xem 3.1.
Các vị trí băng thông RF trạm gốc cần được đo kiểm:
- BRFBW, MRFBW và TRFBW tại hoạt động đơn băng tần; xem 3.1.
- BRFBW_T'RFBW and B'RFBW_TRFBW tại hoạt động đa băng tần; xem 3.1.
Thiết lập đo kiểm:
1) Đấu nối bộ phân tích tín hiệu tới đầu nối ăng ten trạm gốc theo quy định tại C.1.1. của Phụ lục C.
Theo quy tắc chung, băng thông phân giải của thiết bị đo phải bằng băng thông đo. Tuy vậy, để tăng độ chính xác, độ nhạy, hiệu suất của phép đo, tránh sự rò sóng mang,... băng thông phân giải có thể nhỏ hơn băng thông đo. Khi băng thông phân giải nhỏ hơn băng thông đo, kết quả phải được tích hợp trên băng thông đo để thu được băng thông nhiễu tương đương của băng thông đo.
2) Chế độ tách sóng: điện áp RMS thực.
3.3.1.2. Thủ tục đo
1) Với một BS chỉ có khả năng hoạt động sóng mang đơn, thiết lập trạm gốc phát tín hiệu theo E-TM1.1 của ETSI TS 136 141 tại công suất ra danh định Prated,c theo chỉ định của nhà sản xuất.
Với BS có khả năng hoạt động đa sóng mang, thiết lập trạm gốc phát tín hiệu theo E-TM1.1 trên tất cả sóng mang được cấu hình sử dụng mô hình đo kiểm và thiết lập công suất tương ứng theo quy định tại 4.10 và 4.11 của ETSI TS 136 141.
2) Chuyển tần số trung tâm của bộ lọc đo theo các bước kề nhau và đo phát xạ trong các dải tần số chỉ định với băng thông đo chỉ định. Với BS hoạt động trong nhiều băng tần hoặc phổ không liền kề, phát xạ trong liên băng thông RF hoặc khoảng bảo vệ khối thành phần phải được đo bằng cách sử dụng băng thông đo chỉ định từ biên băng thông RF trạm gốc hoặc biên khối thành phần gần nhất.
3) Lặp lại đo kiểm với thiết lập kênh theo E-TM1.2 của ETSI TS 136 141.
Ngoài ra, bước sau áp dụng cho một BS có khả năng hoạt động đa băng tần:
4) Với các đo kiểm băng tần đơn và BS đa sóng mang, lặp lại các bước ở trên cho từng băng tần liên quan trong đó các thiết lập đo kiểm đơn băng tần và các mô hình đo kiểm áp dụng với sóng mang không hoạt động trong băng tần khác. Với BS có khả năng hoạt động đa băng tần có đầu nối ăng ten riêng biệt, không tiến hành đo kiểm trong trường hợp các đầu nối ăng ten đơn băng tần hoặc đa băng tần được kết cuối.
3.3.2. Tỷ số công suất rò kênh lân cận (ACLR)
3.3.2.1. Điều kiện ban đầu
Môi trường đo kiểm: Bình thường; xem B.1. của Phụ lục B.
Các kênh RF cần được đo kiểm cho đơn sóng mang: B, M và T; xem 3.1.
Các vị trí băng thông RF trạm gốc cần được đo kiểm:
- BRFBW, MRFBW và TRFBW tại hoạt động đơn băng tần; xem 3.1.
- BRFBW_T'RFBW and B'RFBW_TRFBW tại hoạt động đa băng tần; xem 3.1.
Thiết lập đo kiểm:
1) Đấu nối thiết bị đo tới đầu nối ăng ten trạm gốc theo quy định tại C.1.1. của Phụ lục C.
2) Các đặc tính của thiết bị đo phải là:
- Độ rộng băng thông của bộ lọc đo: được quy định tại 2.2.3.2.
- Chế độ tách sóng: điện áp RMS thực hoặc công suất trung bình thực.
3) Với một BS chỉ có khả năng hoạt động sóng mang đơn, thiết lập trạm gốc phát tín hiệu theo E-TM1.1 của ETSI TS 136 141 tại công suất ra danh định Prated,c theo chỉ định của nhà sản xuất. Với BS có khả năng hoạt động đa sóng mang, thiết lập trạm gốc phát tín hiệu theo E-TM1.1 trên tất cả sóng mang được cấu hình sử dụng mô hình đo kiểm và thiết lập công suất tương ứng theo quy định tại 4.10 và 4.11 của ETSI TS 136 141.
4) Thiết lập tần số sóng mang trong băng tần số được BS hỗ trợ.
3.3.2.2. Thủ tục đo
1) Đo tỷ số công suất rò kênh lân cận cho các độ lệch tần số trên cả hai sườn của tần số kênh theo quy định tại Bảng 20 (trường hợp phổ được ghép đôi) hoặc Bảng 21 (trường hợp phổ không được ghép đôi) tương ứng. Trong trường hợp nhiều sóng mang, chỉ phải đo những tần số lệch bên dưới tần số sóng mang thấp nhất và bên trên tần số sóng mang cao nhất được phát.
2) Đối với yêu cầu ACLR áp dụng bên trong khoảng bảo vệ khối thành phần cho hoạt động phổ không liền kề hoặc bên trong khoảng bảo vệ liên băng thông RF cho hoạt động đa băng tần:
a) Đo ACLR bên trong khoảng bảo vệ khối thành phần hoặc khoảng bảo vệ liên băng thông RF theo quy định tại 2.2.3.2.1, nếu khả thi;
b) Đo CACLR bên trong khoảng bảo vệ khối thành phần hoặc khoảng bảo vệ liên băng thông RF theo quy định tại 2.2.3.2.2, nếu khả thi.
3) Lặp lại đo kiểm với thiết lập kênh theo E-TM1.2 của ETSI TS 136 141.
Ngoài ra, bước sau áp dụng cho một BS có khả năng hoạt động đa băng tần:
4) Với các đo kiểm băng tần đơn và BS đa sóng mang, lặp lại các bước ở trên cho từng băng tần liên quan trong đó các thiết lập đo kiểm đơn băng tần và các mô hình đo kiểm áp dụng với sóng mang không hoạt động trong băng tần khác.
Với BS có khả năng hoạt động đa băng tần có đầu nối ăng ten riêng biệt, không tiến hành đo kiểm trong trường hợp các đầu nối ăng ten đơn băng tần hoặc đa băng tần được kết cuối.
3.3.3. Phát xạ giả máy phát
3.3.3.1. Điều kiện ban đầu
Môi trường đo kiểm: Bình thường: xem B.1. Phụ lục B.
Các kênh RF cần được đo kiểm cho đơn sóng mang: B, M và T; xem 3.1.
Các vị trí băng thông RF trạm gốc cần được đo kiểm:
- BRFBW, MRFBW và TRFBW tại hoạt động đơn băng tần; xem 3.1.
- BRFBW_T'RFBW and B’RFBW_TRFBW tại hoạt động đa băng tần; xem 3.1.
Thiết lập đo kiểm:
1) Đấu nối đầu nối ăng ten của BS với máy thu đo theo quy định tại C.1.1. của Phụ lục C, sử dụng một bộ suy hao hoặc một bộ ghép định hướng nếu cần thiết.
2) Các phép đo phải sử dụng băng thông đo theo đúng điều kiện tại 6.6.4 của ETSI TS 136 104.
3) Chế độ tách sóng: điện áp RMS thực.
4) Với BS khai báo chỉ có khả năng hoạt động sóng mang đơn, định cấu hình BS với máy phát hoạt động tại công suất ra cực đại của chúng với BS được khai báo chỉ có khả năng hoạt động sóng mang đơn.
Với BS khai báo có khả năng hoạt động đa băng tần, thiết lập trạm gốc phát theo E-TM 1.1 trên tất cả các sóng mang được cấu hình như mô tả trong cấu hình đo kiểm tại 4.10 của ETSI TS 136 141.
3.3.3.2. Thủ tục đo
1) Thiết lập BS để phát một tín hiệu theo E-TM1.1 của ETSI TS 136 141 tại công suất ra cực đại do nhà sản xuất công bố.
Đối với BS có khả năng hoạt động đa sóng mang và/hoặc CA, thiết lập trạm gốc truyền tải theo E-TM1.1 trên tất cả các sóng mang được cấu hình sử dụng cấu hình đo kiểm và thiết lập công suất tương ứng theo quy định tại 4.10 và 4.11 của ETSI TS 136 141.
2) Đo phát xạ tại các tần số chỉ định với băng thông đo chỉ định và giá trị đo không được vượt quá giới hạn quy định.
Ngoài ra, bước sau áp dụng cho một BS có khả năng hoạt động đa băng tần.
3) Với các đo kiểm băng tần đơn và BS có khả năng hoạt động đa băng tần, lặp lại các bước trên cho từng băng tần liên quan trong đó các điều kiện đo băng tần đơn và các mô hình đo áp dụng với sóng mang không hoạt động trên băng tần khác. Với BS có khả năng hoạt động đa băng tần có đầu nối ăng ten riêng biệt, không tiến hành đo kiểm trong trường hợp đầu nối ăng ten SBT và MBT được kết cuối.
3.3.4. Công suất ra cực đại của trạm gốc
3.3.4.1. Điều kiện ban đầu
Môi trường đo kiểm: Bình thường; xem B.1. của Phụ lục B.
Các kênh RF cần được đo kiểm cho đơn sóng mang: B, M và T; xem 3.1.
Các vị trí băng thông RF trạm gốc cần được đo kiểm cho đa sóng mang:
- BRFBW, MRFBW và TRFBW tại hoạt động đơn băng tần; xem 3.1.
- BRFBW_T'RFBW and B’RFBW_TRFBW tại hoạt động đa băng tần; xem 3.1.
Ngoài ra, chỉ trên một vị trí băng thông RF trạm gốc hoặc kênh RF, đo kiểm phải thực hiện với nguồn cung cấp tới hạn được định nghĩa trong B.4. của Phụ lục B.
CHÚ THÍCH: Các đo kiểm với nguồn cung cấp tới hạn công đo kiểm với nhiệt độ tới hạn, xem B.2. của Phụ lục B.
Thiết lập đo kiểm:
1) Đấu nối thiết bị đo công suất tới đầu nối ăng ten của trạm gốc như C.1.1. của Phụ lục C.
3.3.4.2. Thủ tục đo
1) Với một BS được khai báo chỉ có khả năng hoạt động sóng mang đơn, thiết lập trạm gốc phát theo E-TM 1.1 trong ETSI TS 136 141.
Với một BS khai báo có khả năng hoạt động đa sóng mang, thiết lập trạm gốc phát theo E-TM 1.1 trên tất cả các sóng mang được cấu hình bằng cách sử dụng các thiết lập cấu đo kiểm và công suất tương ứng theo quy định tại 4.10 và 4.11 của ETSI TS 136 141.
2) Đo công suất trung bình cho từng sóng mang tại đầu nối ăng ten.
Ngoài ra, các bước sau áp dụng cho một BS đa sóng mang:
3) Với các đo kiểm băng tần đơn và BS đa sóng mang, lặp lại các bước trên cho từng băng tần liên quan trong đó các thiết lập đo kiểm đơn băng tần và các mô hình đo kiểm áp dụng với sóng mang không hoạt động trong băng tần khác. Với BS có khả năng hoạt động đa băng tần có đầu nối ăng ten riêng biệt, không tiến hành đo kiểm trong trường hợp các đầu nối ăng ten đơn băng tần hoặc đa băng tần được kết cuối.
3.3.5. Xuyên điều chế máy phát
3.3.5.1. Điều kiện ban đầu
Môi trường đo kiểm: Bình thường; xem B.1. của Phụ lục B.
Các kênh RF cần được đo kiểm cho đơn sóng mang: B, M và T; xem 3.1.
Vị trí băng thông RF trạm gốc cần được đo kiểm cho đa sóng mang: BRFBW, MRFBW và TRFBW; xem 3.1. Băng thông kênh tín hiệu mong muốn BWChannel là băng thông kênh cực đại trạm gốc hỗ trợ được.
Thiết lập đo kiểm:
1) Đấu nối bộ phân tích tín hiệu tới đầu nối ăng ten của trạm gốc như quy định tại C.1.2. của Phụ lục C.
3.3.5.2. Thủ tục đo
1) Với một BS khai báo chỉ có khả năng hoạt động sóng mang đơn, thiết lập trạm gốc phát theo E-TM 1.1 trong ETSI TS 136 141 tại công suất ra danh định Prated,c do nhà sản xuất công bố.
Với một BS được khai báo có khả năng hoạt động đa sóng mang, thiết lập trạm gốc phát theo E-TM 1.1 trên tất cả các sóng mang được cấu hình bằng cách sử dụng các thiết lập cấu đo kiểm và công suất tương ứng theo quy định tại 4.10 và 4.11 của ETSI TS 136 141.
2) Tạo tín hiệu can nhiễu theo E-TM1.1 trong ETSI TS 136 141, với độ lệch tần số trung tâm và băng thông kênh 5 MHz theo các điều kiện trong Bảng 31 nhưng loại trừ các tần số can nhiễu nằm ngoài băng tần hoạt động đường xuống được ấn định, hoặc các tần số can nhiễu không nằm hoàn toàn trong khoảng bảo vệ khối thành phần hoặc trong khoảng bảo vệ liên băng thông RF.
3) Điều chỉnh ATT1 sao cho mức tín hiệu can nhiễu E-UTRA như quy định tại 2.2.6.2.
4) Thực hiện các đo kiểm phát xạ ngoài băng theo quy định tại 3.3.1 và 3.3.2 cho tất cả các thành phần xuyên điều chế bậc ba và bậc năm xuất hiện trong các dải tần số được xác định trong 3.3.1 và 3.3.2. Độ rộng của các thành phần xuyên điều chế phải được tính đến.
5) Thực hiện các đo kiểm phát xạ giả máy phát theo quy định tại 3.3.3 cho tất cả các thành phần xuyên điều chế bậc ba và bậc năm xuất hiện trong các dải tần số được định nghĩa trong 3.3.3. Độ rộng của các thành phần xuyên điều chế phải được tính đến.
6) Kiểm tra mức phát xạ không được vượt quá mức yêu cầu, trừ các tần số tín hiệu can nhiễu.
7) Lặp lại đo kiểm đối với các độ lệch tần số trung tâm tín hiệu can nhiễu còn lại theo các điều kiện của Bảng 31.
Ngoài ra, các bước sau áp dụng cho một BS có khả năng hoạt động đa băng tần:
8) Với đo kiểm đơn băng tần và BS hoạt động đa băng tần, lặp lại các bước trên cho từng băng tần liên quan trong đó các thiết lập đo kiểm đơn băng tần và các mô hình đo kiểm áp dụng với sóng mang không hoạt động trong băng tần khác. Với BS có khả năng hoạt động đa băng tần có đầu nối ăng ten riêng biệt, không tiến hành đo kiểm trong trường hợp đầu nối ăng ten được kết cuối.
CHÚ THÍCH: Các thành phần xuyên điều chế bậc ba là (2F1 ± F2) và (F1 ± 2F2), các thành phần xuyên điều chế bậc năm là (3F1 ± 2F2), (2F1 ± 3F2), (4F1 ± F2), và (F1 ± 4F2), trong đó F1 tương ứng với tần số trung tâm tín hiệu mong muốn hoặc tần số trung tâm của từng khối thành phần và F2 tương ứng với tần số trung tâm tín hiệu can nhiễu.
Độ rộng của các thành phần xuyên điều chế là:
(n x BWF1 + m x 5 MHz) cho các thành phần nF1 ± mF2;
(n x 5 MHz + m x BWF1) cho các thành phần mF1 ± nF2;
Trong đó, BWF1 tương ứng băng thông RF tín hiệu mong muốn, hoặc băng thông kênh trong trường hợp sóng mang đơn, hoặc băng thông khối thành phần.
3.3.6. Phát xạ giả máy thu
3.3.6.1. Điều kiện ban đầu
Môi trường đo kiểm: Bình thường: xem B.1. của Phụ lục B.
Các kênh RF cần được đo kiểm cho đơn sóng mang: M; xem 3.1.
Các vị trí băng thông RF trạm gốc cần được đo kiểm cho đa sóng mang:
- MRFBW tại hoạt động đơn băng tần; xem 3.1.
- BRFBW_T'RFBW and B'RFBW_TRFBW tại hoạt động đa băng tần; xem 3.1.
Thiết lập đo kiểm:
1) Đấu nối máy thu đo tới đầu nối ăng ten của BS như mô tả trong C.2.6. của Phụ lục C.
2) Cho máy thu BS hoạt động.
3) Kết cuối đầu nối ăng ten phát BS như quy định tại C.2.6. của Phụ lục C.
3.3.6.2. Thủ tục đo
1) Với BS FDD khai báo chỉ có khả năng hoạt động sóng mang đơn, khởi động phát BS theo E-TM 1.1 trong ETSI TS 136 141 tại công suất ra danh định Prated,c do nhà sản xuất công bố.
Với BS FDD khai báo có khả năng hoạt động đa sóng mang và/hoặc hoạt động CA, thiết lập BS phát theo E-TM1.1 trên tất cả các sóng mang được cấu hình bằng cách sử dụng các thiết lập cấu đo kiểm và công suất tương ứng theo quy định tại 4.10 và 4.11 của ETSI TS 136 141.
2) Thiết lập các tham số thiết bị đo theo quy định tại Bảng 32.
3) Đo các phát xạ giả trên từng dải tần số được quy định tại 2.2.7.2.
4) Lặp lại đo kiểm cho (các) cổng RX đã kết cuối.
Ngoài ra, bước sau áp dụng cho BS có khả năng hoạt động đa sóng mang:
5) Với đo kiểm đơn băng tần và BS hoạt động đa băng tần, lặp lại các bước trên cho từng băng tần liên quan trong đó các thiết lập đo kiểm đơn băng tần và các mô hình đo kiểm áp dụng với sóng mang không hoạt động trong băng tần khác. Với BS có khả năng hoạt động đa băng tần có đầu nối ăng ten riêng biệt, không tiến hành đo kiểm trong trường hợp đầu nối ăng ten đơn sóng mang hoặc đa sóng mang được kết cuối.
3.3.7. Đặc tính chặn
3.3.7.1. Điều kiện ban đầu
Môi trường đo kiểm: Bình thường; xem B.1. của Phụ lục B.
Các kênh RF cần được đo kiểm cho đơn sóng mang: M; xem 3.1.
Các vị trí băng thông RF trạm gốc cần được đo kiểm cho đa sóng mang:
- MRFBW; xem 3.1.
- BRFBW_T'RFBW and B'RFBW_TRFBW tại hoạt động đa băng tần; xem 3.1.
Ngoài ra, trong hoạt động đa sóng mang:
- Với BRFBW_T'RFBW, có thể bỏ qua việc kiểm tra chặn ngoài băng trên băng tần hoạt động cao nhất.
- Với B'RFBW_TRFBW, có thể bỏ qua việc kiểm tra chặn ngoài băng trên băng tần hoạt động thấp nhất.
Thiết lập đo kiểm:
BS phải được định cấu hình để hoạt động càng gần với trung tâm băng tần hoạt động (xem Bảng 1) càng tốt.
Đo kiểm các băng thông kênh:
a) Trong dải tần số từ (FUL_low - 20) MHz đến (FUL_high + 20) MHz, các yêu cầu được đo kiểm với các băng thông thấp nhất và cao nhất được BS hỗ trợ.
b) Trong dải tần số từ 1 MHz đến (FUL_low - 20) MHz và (FUL_high + 20) MHz đến 12 750 MHz, các yêu cầu chỉ được đo kiểm với băng thông thấp nhất được BS hỗ trợ.
1) Đấu nối bộ tạo tín hiệu cho tín hiệu mong muốn và bộ tạo tín hiệu cho tín hiệu can nhiễu đến đầu nối ăng ten của một cổng như quy định tại C.2.5. của Phụ lục C.
2) Kết cuối bất kỳ cổng RX nào khác không đo kiểm.
3) Khởi động phát theo kênh đo chuẩn được trình bày trong A.1 của ETSI TS 136 141 tới BS đo kiểm. Mức tín hiệu mong muốn được đo tại đầu nối ăng ten BS sẽ phải thiết lập đến mức quy định tại 2.2.8.2.
3.3.7.2. Thủ tục đo
1) Với BS FDD chỉ có khả năng hoạt động sóng mang đơn, khởi động phát BS theo E-TM 1.1 của ETSI TS 136 141 tại công suất ra danh định Prated,c do nhà sản xuất công bố.
Với BS FDD khai báo có khả năng hoạt động đa sóng mang và/hoặc hoạt động CA, thiết lập BS phát theo E-TM1.1 trên tất cả các sóng mang được cấu hình bằng cách sử dụng các thiết lập cấu đo kiểm và công suất tương ứng theo quy định tại 4.10 và 4.11 của ETSI TS 136 141.
Máy phát có thể được tắt trong các đo kiểm khóa ngoài băng khi tần số của bộ khóa không có các sản phẩm IM2 hoặc IM3 bên trong băng thông tín hiệu mong muốn.
2) Điều chỉnh bộ tạo tín hiệu để tạo các tín hiệu can nhiễu, các mức và các độ lệch tần số theo quy định tại các Bảng 33, Bảng 34, Bảng 35 hoặc Bảng 36 và Bảng 37. Tín hiệu can nhiễu E-UTRA được quét với bước quét có kích thước 1 MHz, bắt đầu từ độ lệch cực tiểu đến các biên kênh của tín hiệu mong muốn theo quy định tại Bảng 36. Tín hiệu can nhiễu CW được quét với bước quét có kích thước 1 MHz trong dải tần theo quy định tại các Bảng 33, Bảng 34, Bảng 35 hoặc Bảng 37.
3) Đo thông lượng tín hiệu mong muốn tại máy thu BS theo quy định tại phụ lục E của ETSI TS 136 141 cho hoạt động đa sóng mang, thông lượng này phải được đo cho các sóng mang liên quan được quy định tại thiết lập đo kiểm trong 4.10 của ETSI TS 136 141.
4) Hoán đổi các đấu nối của các cổng thu BS và lặp lại các phép đo từ bước 1) đến 3).
Ngoài ra, các bước sau áp dụng cho BS có khả năng hoạt động đa sóng mang với các đầu nối ăng ten riêng biệt:
5) Với đo kiểm đơn băng tần, lặp lại các bước trên cho từng băng tần liên quan trong đó các thiết lập đo kiểm đơn băng tần và các mô hình đo kiểm áp dụng với sóng mang không hoạt động trong băng tần khác.
6) Tín hiệu can nhiễu đầu tiên áp dụng trên cùng cổng như tín hiệu mong muốn. Đo kiểm lặp lại với các tín hiệu can nhiễu áp dụng trên cổng khác (nếu có) được ánh xạ đến cùng máy thu như tín hiệu mong muốn. Tiến hành đo kiểm trong trường hợp đầu nối ăng ten bất kỳ không có tín hiệu đơn sóng mang hoặc đa sóng mang được kết cuối.
7) Lặp lại bước 6) với tín hiệu mong muốn cho (các) băng tần khác áp dụng trong (các) cổng tương ứng.
3.3.8. Đặc tính xuyên điều chế máy thu
3.3.8.1. Điều kiện ban đầu
Môi trường đo kiểm: Bình thường; xem B.1. của Phụ lục B.
Các kênh RF cần được đo kiểm cho đơn sóng mang: B, M và T; xem 3.1.
Các vị trí băng thông RF trạm gốc cần được đo kiểm cho đa sóng mang:
- BRFBW và TRFBW; xem 3.1.
- BRFBW_T'RFBW and B'RFBW_TRFBW tại hoạt động đa băng tần; xem 3.1.
Thiết lập đo kiểm:
1) Thiết lập các hệ thống đo kiểm như mô tả trong C.2.7. của Phụ lục C.
3.3.8.2. Thủ tục đo
1) Tạo tín hiệu mong muốn bằng cách sử dụng cấu hình đo trong 4.10 và 4.11 của ETSI TS 136 141 và thiết lập mức tín hiệu đến BS đang đo kiểm ở mức được quy định tại Bảng 38.
2) Điều chỉnh các bộ tạo tín hiệu phát ra tín hiệu can nhiễu tại các mức và độ lệch tần số được quy định tại Bảng 38 và Bảng 39 cho yêu cầu xuyên điều chế, Bảng 40 cho yêu cầu xuyên điều chế băng hẹp BS vùng phủ rộng, Bảng 43 cho yêu cầu xuyên điều chế băng hẹp BS vùng phủ trung bình, Bảng 41 cho yêu cầu xuyên điều chế băng hẹp BS vùng phủ hẹp và Bảng 42 cho yêu cầu xuyên điều chế băng hẹp BS trong nhà.
3) Đo thông lượng theo quy định tại phụ lục E của ETSI TS 136 141, với hoạt động đa sóng mang, thông lượng đo được đối với các sóng mang liên quan phải tuân theo thủ tục đo kiểm trong 4.10 và 4.11 của ETSI TS 136 141.
4) Lặp lại toàn bộ đo kiểm cho (các) cổng đã được kết cuối.
Ngoài ra, các bước sau áp dụng cho BS có khả năng hoạt động đa sóng mang với các đầu nối ăng ten riêng biệt:
5) Với đo kiểm băng tần đơn, lặp lại các bước trên cho từng băng tần liên quan trong đó các thiết lập đo kiểm băng tần đơn áp dụng cho sóng mang không hoạt động trong băng tần khác.
6) Tín hiệu can nhiễu đầu tiên áp dụng trên cùng một cổng được coi như tín hiệu mong muốn. Đo kiểm lặp lại với các tín hiệu can nhiễu áp dụng trên cổng khác (nếu có) được ánh xạ đến cùng máy thu như tín hiệu mong muốn. Tiến hành đo kiểm trong trường hợp đầu nối ăng ten bất kỳ không có tín hiệu đơn sóng mang hoặc đa sóng mang được kết cuối..
7) Lặp lại bước 6) với tín hiệu mong muốn cho (các) băng tần khác áp dụng trong (các) cổng tương ứng.
3.3.9. Độ chọn lọc kênh lân cận (ACS) và chặn băng hẹp
3.3.9.1. Điều kiện ban đầu
Môi trường đo kiểm: Bình thường: xem B.1. của Phụ lục B.
Các kênh RF cần được đo kiểm cho đơn sóng mang: B, M và T; xem 3.1.
Các vị trí băng thông RF trạm gốc cần được đo kiểm cho đa sóng mang:
- MRFBW tại hoạt động đơn băng tần; xem 3.1.
- BRFBW_T'RFBW and B'RFBW_TRFBW tại hoạt động đa băng tần; xem 3.1.
Thiết lập đo kiểm:
1) Thiết lập các hệ thống đo kiểm như mô tả trong C.2.4. của Phụ lục C.
3.3.9.2. Thủ tục đo cho độ chọn lọc kênh lân cận
1) Tạo tín hiệu mong muốn bằng cách sử dụng cấu hình đo trong 4.10 và 4.11 của ETSI TS 136 141 và thiết lập mức tín hiệu đầu vào đến BS đang đo kiểm ở mức được quy định tại Bảng 46 cho BS vùng phủ rộng, trong Bảng 49 cho BS vùng phủ trung bình, Bảng 47 cho BS vùng phủ hẹp và Bảng 48 cho BS trong nhà.
2) Thiết lập tín hiệu can nhiễu tại tần số kênh lân cận và điều chỉnh mức tín hiệu can nhiễu tại đầu vào BS đến mức được quy định tại Bảng 46 cho BS vùng phủ rộng, Bảng 49 cho BS vùng phủ trung bình, Bảng 47 cho BS vùng phủ hẹp và Bảng 48 cho BS trong nhà.
3) Đo thông lượng theo quy định tại phụ lục E của ETSI TS 136 141, với hoạt động đa sóng mang, thông lượng đo được đối với các sóng mang liên quan phải tuân theo thủ tục đo kiểm trong 4.10 và 4.11 của ETSI TS 136 141.
4) Lặp lại toàn bộ đo kiểm cho (các) cổng đã được kết cuối.
Ngoài ra, các bước sau áp dụng cho BS có khả năng hoạt động đa sóng mang với các đầu nối ăng ten riêng biệt:
5) Với đo kiểm băng tần đơn, lặp lại các bước trên cho từng băng tần liên quan trong đó các thiết lập đo kiểm băng tần đơn áp dụng cho sóng mang không hoạt động trong băng tần khác.
Tín hiệu can nhiễu đầu tiên áp dụng trên cùng một cổng được coi như tín hiệu mong muốn. Đo kiểm lặp lại với các tín hiệu can nhiễu áp dụng trên cổng khác (nếu có) được ánh xạ đến cùng máy thu như tín hiệu mong muốn. Tiến hành đo kiểm trong trường hợp đầu nối ăng ten bất kỳ không có tín hiệu đơn sóng mang hoặc đa sóng mang được kết cuối.
6) Lặp lại bước 5) với tín hiệu mong muốn cho (các) băng tần khác áp dụng trong (các) cổng tương ứng.
3.3.9.3. Thủ tục đo cho chặn băng hẹp
1) Với BS FDD chỉ có khả năng hoạt động sóng mang đơn, khởi động phát BS theo E-TM 1.1 của ETSI TS 136 141 tại công suất ra danh định do nhà sản xuất công bố.
Với BS FDD khai báo có khả năng hoạt động đa sóng mang, thiết lập BS phát theo E-TM1.1 trên tất cả các sóng mang được cấu hình bằng cách sử dụng các thiết lập đo kiểm và công suất tương ứng theo quy định tại 4.10 và 4.11 của ETSI TS 136 141.
2) Tạo tín hiệu mong muốn bằng cách sử dụng cấu hình đo trong 4.10 và 4.11 của ETSI TS 136 141 và thiết lập mức tín hiệu đến BS đang đo kiểm tại mức được quy định tại Bảng 44. Điều chỉnh mức tín hiệu mong muốn tại đầu vào BS ở mức tín hiệu được quy định tại Bảng 44, Thiết lập và điều chỉnh độ lệch tần số trung tâm RB can nhiễu tới biên kênh của tín hiệu mong muốn quy định tại Bảng 45.
3) Đo thông lượng theo quy định tại phụ lục E của ETSI TS 136 141, với hoạt động đa sóng mang, thông lượng đo được đối với các sóng mang liên quan phải tuân theo thủ tục đo kiểm trong 4.11 của ETSI TS 136 141.
4) Lặp lại toàn bộ đo kiểm cho (các) cổng đã được kết cuối.
Ngoài ra, các bước sau áp dụng cho BS có khả năng hoạt động đa sóng mang với các đầu nối ăng ten riêng biệt:
5) Với đo kiểm băng tần đơn, lặp lại các bước trên cho từng băng tần liên quan trong đó các thiết lập đo kiểm băng tần đơn áp dụng cho sóng mang không hoạt động trong băng tần khác.
6) Tín hiệu can nhiễu đầu tiên áp dụng trên cùng một cổng được coi như tín hiệu mong muốn. Đo kiểm lặp lại với các tín hiệu can nhiễu áp dụng trong cổng khác (nếu có) được ánh xạ đến cùng máy thu như tín hiệu mong muốn. Tiến hành đo kiểm trong trường hợp đầu nối ăng ten bất kỳ không có tín hiệu đơn sóng mang hoặc đa sóng mang được kết cuối.
7) Lặp lại bước 6) với tín hiệu mong muốn cho (các) băng tần khác áp dụng trong (các) cổng tương ứng.
3.3.10. Công suất ra của trạm gốc trong nhà để bảo vệ kênh UTRA lân cận
3.3.10.1. Điều kiện ban đầu
Môi trường đo kiểm: Bình thường; xem B.1. của Phụ lục B.
Các kênh RF cần được đo kiểm cho đơn sóng mang: M; xem 3.1;
Thiết lập đo kiểm:
1) Thiết lập thiết bị như mô tả trong C.1.4. của Phụ lục C.
2) BS trong nhà được cấu hình đảm bảo các kênh lân cận cần được bảo vệ.
3.3.10.2. Thủ tục đo
1) Đấu nối các tín hiệu can nhiễu đường xuống được phối hợp (được xem như điểm D trong Hình C.4 của Phụ lục C) tới cổng đo dành riêng (được xem như điểm 1 trong Hình C.4 của Phụ lục C) trong trường hợp khả dụng, nếu không đấu nối tới điểm 2.
2) Cấu hình bộ tạo tín hiệu can nhiễu đồng kênh phát AWGN trên băng thông theo BWConfig được đặt giữa RF kênh M.
3) Cấu hình bộ tạo tín hiệu cho tín hiệu kênh lân cận DL để phát tín hiệu theo mô hình đo kiểm 1 trong ETSI TS 125 141 tại tần số trung tâm bằng RF kênh M + BWChannel/2 + 2,5 MHz.
4) Bật các bộ tạo tín hiệu phát các can nhiễu đồng kênh và can nhiễu kênh lân cận, và điều chỉnh ATT1 và ATT2 đến mức CPICH Êc = -80 dBm và Ioh = -50 dBm.
5) Kích thích cơ chế điều chỉnh công suất của trạm gốc trong nhà.
6) Cấu hình BS trong nhà để phát tín hiệu theo E-TM1.1 trong ETSI TS 136 141. Tín hiệu phải được phát với công suất ra cực đại cho phép.
7) Đo công suất ra của BS trong nhà, Pout, và kiểm tra công suất này có nhỏ hơn giá trị đã quy định theo các giá trị của CPICH Êc và Ioh được xác định trong bước 4).
8) Lặp lại các bước từ 3) đến 7) với tần số trong bước 3) được thiết lập ở RF kênh M-BWChannel - 2,5 MHz.
9) Lặp lại các bước từ 3) đến 8) với các thiết lập khác nhau cho ATT1 và ATT2 để đạt được các cặp CPICH Êc và Ioh như quy định tại Bảng 59.
Bảng 59 - Thiết lập các tham số đo kiểm
| Trường hợp đo kiểm | CRS Ês (dBm) | Ioh (dBm) |
| 2 | -90 | -60 |
| 3 | -100 | -70 |
| 4 | -100 | -50 |
3.3.11. Công suất ra của trạm gốc trong nhà để bảo vệ kênh E-UTRA lân cận
3.3.11.1. Điều kiện ban đầu
Môi trường đo kiểm: Bình thường; xem B.1. của Phụ lục B.
Các kênh RF cần được đo kiểm cho đơn sóng mang: M; xem 3.1.
Ngoài ra, chỉ trên một kênh EARFCN, đo kiểm phải được thực hiện trong điều kiện nguồn cung cấp tới hạn quy định tại B.4. của Phụ lục B.
CHÚ THÍCH: Các đo kiểm trong điều kiện nguồn cung cấp tới hạn cũng được thực hiện trong điều kiện nhiệt độ tới hạn, xem B.2. của Phụ lục B.
Tắt các bộ tạo tín hiệu phát ra các can nhiễu đồng kênh và can nhiễu kênh lân cận.
Thiết lập đo kiểm:
1) Thiết lập thiết bị như mô tả trong C.1.4. của Phụ lục C.
2) BS trong nhà được cấu hình đảm bảo các kênh lân cận cần được bảo vệ.
3.3.11.2. Thủ tục đo
1) Đấu nối các tín hiệu can nhiễu đường xuống sau khi trộn (được xem như điểm D trong Hình C.4 của Phụ lục C) tới cổng đo dành riêng (được xem như điểm 1 trong Hình C.4 của Phụ lục C) trong trường hợp khả thi, nếu không đấu nối tới điểm 2.
2) Cấu hình bộ tạo tín hiệu can nhiễu đồng kênh phát AWGN trên băng thông theo BWConfig được đặt giữa RF kênh M.
3) Cấu hình bộ tạo tín hiệu cho tín hiệu DL kênh lân cận để phát tín hiệu theo E-TM1.1 trong ETSI TS 136 141 tại tần số trung tâm bằng RF kênh M + BWChannel MHz.
4) Bật các bộ tạo tín hiệu phát các nhiễu đồng kênh và nhiễu kênh lân cận, và điều chỉnh ATT1 và ATT2 đến mức CRS Ês = -65 - 10 x log10
dBm và Ioh = -50 dBm.
5) Kích thích cơ chế điều chỉnh công suất của trạm gốc trong nhà.
6) Cấu hình BS trong nhà để phát tín hiệu theo E-TM1.1 trong ETSI TS 136 141. Tín hiệu phải được phát với công suất ra cực đại cho phép.
7) Đo công suất ra của BS trong nhà, Pout, và kiểm tra xem công suất này có nhỏ hơn giá trị đã quy định theo các giá trị của CRS Ês và Ioh được xác định trong bước 4).
8) Lặp lại các bước từ 3) đến 7) với tần số trong bước 3) được thiết lập ở kênh M của RF - BWChannel MHz.
9) Lặp lại các bước từ 3) đến 8) với các thiết lập khác nhau cho ATT1 và ATT2 để đạt được các cặp CRS Ês và Ioh như quy định tại Bảng 60.
Bảng 60 - Các cặp CRS Ês và Ioh
| Trường hợp đo kiểm | CRS Ês (dBm) | Ioh (dBm) |
| 2 | -75 - 10 x log10 | -60 |
| 3 | -90 - 10 x log10 | -70 |
| 4 | -90 - 10 x log10 | -50 |
3.3.12. Công suất ra của trạm gốc trong nhà để bảo vệ E-UTRA đồng kênh
3.3.12.1. Điều kiện ban đầu
Môi trường đo kiểm: Bình thường; xem B.1. của Phụ lục B.
Các kênh RF cần được đo kiểm cho đơn sóng mang: M; xem 3.1.
Ngoài ra, chỉ trên một kênh EARFCN, đo kiểm phải được thực hiện trong điều kiện nguồn cung cấp tới hạn quy định tại B.4. của Phụ lục B.
CHÚ THÍCH: Các đo kiểm trong điều kiện nguồn cung cấp tới hạn cũng được thực hiện trong điều kiện nhiệt độ tới hạn, xem 8.2. của Phụ lục B.
Tắt các bộ tạo tín hiệu phát ra các can nhiễu đồng kênh và can nhiễu kênh lân cận.
Thiết lập đo kiểm:
1) Thiết lập thiết bị như mô tả trong C.1.5. của Phụ lục C dựa trên tùy chọn được BS trong nhà hỗ trợ.
2) Can nhiễu đồng kênh được cấu hình chứa ít nhất một tín hiệu của BS marco ngay cạnh. Đối với tùy chọn 2 trong Bảng 52, bộ tạo tín hiệu bổ sung cần cung cấp tín hiệu UL MUE.
3.3.12.2. Thủ tục đo
1) Đấu nối các tín hiệu can nhiễu đường xuống sau khi trộn (được xem như điểm D trong Hình C.5 của Phụ lục C) tới cổng đo dành riêng (được xem như điểm 1 trong Hình C.5 của Phụ lục C) trong trường hợp khả thi, nếu không đấu nối tới điểm 2. Riêng với tùy chọn 2 trong Bảng 52, đấu nối can nhiễu UL tới điểm 2 cho UL thu như trong Hình C.6.
2) Cấu hình bộ tạo tín hiệu can nhiễu đồng kênh phát AWGN trên băng thông theo BWConfig được đặt giữa RF kênh M.
3) Cấu hình X = 30 dB. Bật các bộ tạo tín hiệu phát các can nhiễu, và điều chỉnh ATT đến mức CRS Ês = -10 - 10 x log10
dBm và Ioh = -50 dBm.
4) Kích thích cơ chế điều chỉnh công suất của trạm gốc trong nhà.
5) Cấu hình BS trong nhà để phát tín hiệu theo E-TM1.1 trong ETSI TS 136 141. Tín hiệu phải được phát với công suất ra cực đại cho phép.
6) Đo công suất ra của BS trong nhà, Pout, và kiểm tra xem công suất này có nhỏ hơn giá trị đã quy định theo các giá trị của CRS Ês và Ioh được xác định trong bước 3). Giá trị Pmin cho đo kiểm là -10 dBm.
7) Lặp lại các bước từ 4) đến 6) với các thiết lập khác nhau cho ATT để đạt được các cặp CRS Ês và Ioh như quy định tại Bảng 61 hoặc Bảng 62, cho tùy chọn trong Bảng 52.
Bảng 61 - Các CRS Ês và Ioh cho tùy chọn 1
| Trường hợp đo kiểm | CRS Ês (dBm) | Ioh (dBm) |
| 1 | -20 - 10 x log10 | -60 |
| 2 | Pmin - 30- 10 x log10 | -70 |
| 3 | -90 - 10 x log10 | -50 |
Bảng 62 - Các CRS Ês và Ioh cho tùy chọn 2
| Trường hợp đo kiểm | CRS Ês (dBm) | Ioh (dBm) | lob (dBm) |
| 1 | -75 - 10 x log10 | -60 | -98 |
| 2 | Pmin - 30 - 10 x log10 | -70 | -98 |
| 3 | -90 - 10 x log10 | -50 | -98 |
3.3.13. Mức chọn lọc chuẩn
3.3.13.1. Điều kiện ban đầu
Môi trường đo kiểm: Bình thường; xem B.1. của Phụ lục B.
Các kênh RF cần được đo kiểm cho đơn sóng mang: B, M và T; xem 3.1.
Các vị trí đo bổ sung được thiết lập như sau:
1) Trên từng điểm B, M và T, đo kiểm phải thực hiện trong điều kiện nguồn cung cấp tới hạn quy định tại B.4. của Phụ lục B.
Các đo kiểm trong điều kiện nguồn cung cấp tới hạn cũng được thực hiện trong điều kiện nhiệt độ tới hạn, xem B.2. của Phụ lục B.
2) Kết nối thiết bị đo như mô tả trong C.2.1. của Phụ lục C.
3.3.13.2. Thủ tục đo
1) Với BS FDD, khởi động phát BS theo E-TM 1.1 trong ETSI TS 136 141 tại công suất ra danh định Prated,c do nhà sản xuất công bố.
2) Thiết lập công suất trung bình tín hiệu đo được quy định tại Bảng 53 cho BS vùng phủ rộng, Bảng 54 cho BS vùng phủ hẹp, Bảng 55 cho BS trong nhà và Bảng 56 cho BS vùng phủ trung bình.
3) Đo thông lượng theo phụ lục E trong ETSI 136 141.
4) Lặp lại bước đo cho (các) cổng RX khác.
Ngoài ra, các bước sau áp dụng cho BS có khả năng hoạt động đa sóng mang:
5) Với đo kiểm băng tần đơn và BS có khả năng hoạt động đa sóng mang, lặp lại các bước trên cho từng băng tần liên quan trong đó các thiết lập đo kiểm đơn băng tần áp dụng với sóng mang không hoạt động trong băng tần khác. Không tiến hành đo kiểm đầu nối ăng ten được kết cuối với BS đa sóng mang có đầu nối ăng ten riêng biệt.
3.3.14. Phát xạ bức xạ
3.3.14.1. Phương pháp đo
1) Vị trí đo kiểm phải đáp ứng hoàn toàn các yêu cầu Khuyến nghị ITU-R SM.329-12. Thiết bị cần đo kiểm EUT được đặt trên một giá đỡ không dẫn điện và được cấp nguồn qua bộ lọc RF để hạn chế bức xạ từ các dây dẫn điện.
Công suất trung bình của bất kỳ thành phần phát xạ nào cũng phải được phát hiện bởi ăng ten đo kiểm và máy thu đo (ví dụ một máy phân tích phổ). Tại mỗi một tần số của phát xạ được phát hiện và công suất bức xạ hiệu dụng (E.R.P) của thành phần phát xạ đó được xác định bằng một phép đo thay thế, điều chỉnh độ cao của ăng ten đo kiểm và quay EUT để thu được đáp ứng tối đa. Phép đo phải được lặp lại với ăng ten đo kiểm trong mặt phẳng phân cực trực giao.
CHÚ THÍCH: Công suất bức xạ hiệu dụng (E.R.P) là bức xạ của một nửa sóng đã được điều chỉnh bởi ăng ten lưỡng cực thay vì ăng ten đẳng hướng. Hệ số chuyển đổi giữa e.i.r.p và E.R.P. là 2,15 dB
E.R.P (dBm) = e.i.r.p. (dBm) - 2,15
(Khuyến nghị SM.329-12, Phụ lục 1 của ITU-R).
2) BS phải phát với công suất tối đa theo công bố của nhà sản xuất với tất cả máy phát hoạt động. Thiết lập trạm gốc để phát một tín hiệu như đã quy định tại phần đo các phát xạ giả.
Trong trường hợp có bộ lặp, độ tăng ích và công suất ra phải được điều chỉnh đến giá trị tối đa như đã được nhà sản xuất công bố. Sử dụng tín hiệu ngõ vào như đã quy định tại phần đo các phát xạ giả.
3) Độ rộng băng video phải gần bằng ba lần độ rộng băng phân giải. Nếu độ rộng băng video này không khả dụng trên máy thu đo thì độ rộng này phải được điều chỉnh tối đa có thể và tối thiểu phải bằng 1 MHz. Ngoại trừ trường hợp đặc biệt, tất cả các phép đo phải đo kiểm với công suất trung bình. Công suất thu được sẽ được đo trên các dải tần số và sử dụng băng thông đo kiểm quy định tại Bảng 57.
3.3.14.2. Cấu hình đo
Mục này xác định các cấu hình để đo kiểm phát xạ như sau:
- Thiết bị phải được đo kiểm trong các điều kiện đo kiểm bình thường theo quy định;
- Cấu hình đo kiểm càng gần với cấu hình sử dụng thông thường càng tốt;
- Nếu thiết bị là một phần của hệ thống hoặc được kết nối hệ thống qua thiết bị phụ, thì có thể đo kiểm thiết bị khi kết nối với cấu hình tối thiểu của thiết bị phụ cần thiết để thử các cổng;
- Nếu thiết bị có nhiều cổng, phải lựa chọn đủ số cổng để mô phỏng các điều kiện hoạt động thực và bảo đảm rằng tất cả các kết cuối khác nhau đều được đo kiểm;
- Các điều kiện đo kiểm, các cấu hình đo kiểm và chế độ hoạt động phải được ghi lại trong báo cáo đo kiểm;
- Các cổng hoạt động bình thường được kết nối với một thiết bị phụ hoặc một đoạn cáp để mô phỏng các đặc tính vào/ra của thiết bị phụ, các cổng vào/ra tần số vô tuyến (RF) được kết cuối chính xác;
- Đối với các cổng hoạt động bình thường không kết nối với cáp, ví dụ các đầu nối dịch vụ, các đầu nối lập trình, các đầu nối tạm thời. Các cổng này phải không được kết nối với bất cứ cáp nào cho mục đích đo kiểm. Khi có cáp kết nối tới những cổng này hoặc các cáp liên kết bắt buộc phải mở rộng chiều dài để đo kiểm EUT thì phải đảm bảo việc đo kiểm đánh giá EUT không bị ảnh hưởng bởi việc bổ sung hay kéo dài các cáp này.
Đối với một EUT chứa nhiều BS, chỉ cần thực hiện đo kiểm đối với các đầu nối của BS điển hình của EUT.
Đối với EUT có nhiều trạm lặp. chỉ cần thực hiện đo kiểm đối với các đầu nối của trạm lặp điển hình của EUT.
Tùy theo nhà sản xuất, đo kiểm có thể được thực hiện trên thiết bị phụ riêng rẽ hoặc trên một cấu hình điển hình của một tổ hợp thiết bị vô tuyến và thiết bị phụ. Trong mỗi trường hợp, EUT được đo kiểm theo các quy định về phát xạ của Quy chuẩn này và cho phép thiết bị phụ được sử dụng với các thiết bị vô tuyến khác.
4. QUY ĐỊNH VỀ QUẢN LÝ
4.1. Thiết bị trạm gốc thông tin di động E-UTRA thuộc phạm vi điều chỉnh quy định tại 1.1 phải tuân thủ các quy định kỹ thuật trong quy chuẩn này.
4.2. Tần số hoạt động của thiết bị: Tuân thủ quy định về quản lý, sử dụng tần số vô tuyến điện tại Việt Nam.
4.3. Phương tiện, thiết bị đo: Tuân thủ các quy định pháp luật về đo lường.
5. TRÁCH NHIỆM CỦA TỔ CHỨC, CÁ NHÂN
Các tổ chức, cá nhân liên quan có trách nhiệm thực hiện các quy định về chứng nhận và công bố hợp quy các thiết bị thuộc phạm vi của quy chuẩn này và chịu sự kiểm tra của cơ quan quản lý nhà nước theo các quy định hiện hành.
6. TỔ CHỨC THỰC HIỆN
6.1. Cục Viễn thông, Cục Tần số vô tuyến điện và các Sở Thông tin và Truyền thông có trách nhiệm tổ chức triển khai hướng dẫn và quản lý các thiết bị vô tuyến theo quy chuẩn này.
6.2. Quy chuẩn này được áp dụng thay thế cho Quy chuẩn kỹ thuật quốc gia QCVN 110:2017/BTTTT “Quy chuẩn kỹ thuật quốc gia về thiết bị trạm gốc thông tin di động E-UTRA - Phần truy nhập vô tuyến”.
6.3. Trong trường hợp các quy định nêu tại Quy chuẩn này có sự thay đổi, bổ sung hoặc được thay thế thì thực hiện theo quy định tại văn bản mới.
6.4. Trong quá trình triển khai thực hiện quy chuẩn này, nếu có vấn đề phát sinh, vướng mắc, các tổ chức và cá nhân có liên quan phản ánh bằng văn bản về Bộ Thông tin và Truyền thông (Vụ Khoa học và Công nghệ) để được hướng dẫn, giải quyết./.
Phụ lục A
(Quy định)
Cấu hình trạm gốc
A.1. Thu tín hiệu với nhiều đầu nối ăng ten máy thu, phân tập máy thu
Với các đo kiểm trong 3, yêu cầu phải áp dụng tại từng đầu nối ăng ten máy thu cho các máy thu với phân tập ăng ten hoặc trong trường hợp thu đa sóng mang với nhiều đầu nối ăng ten máy thu.
Các yêu cầu máy thu được đo tại đầu nối ăng ten với các máy thu còn lại bị vô hiệu hóa hoặc kết cuối các đầu nối ăng ten của nó. Nếu nhà sản xuất công bố theo cách máy thu tương đương, có đủ khả năng áp dụng các quy định tín hiệu đo tại một đầu nối ăng ten máy thu bất kỳ.
Với BS đa sóng mang, các đo kiểm đa sóng mang cho chặn và xuyên điều chế được thực hiện với nhiều can nhiễu áp dụng cho từng đầu nối ăng ten ánh xạ đến máy thu cho các tín hiệu mong muốn, tuy nhiên chỉ với duy nhất một ăng ten tại một thời điểm. Kết cuối áp dụng với các đầu nối ăng ten không có tín hiệu.
A.2. Các bộ song công
Những yêu cầu của quy chuẩn này phải được đáp ứng với một bộ song công thích hợp, nếu bộ song công được cung cấp như một phần của BS. Nếu bộ song công được nhà sản xuất cung cấp như một tùy chọn, thì những đo kiểm đầy đủ phải được lặp lại trong trường hợp có và không có bộ song công thích hợp để xác định xem BS có đáp ứng các yêu cầu của Quy chuẩn này trong cả hai trường hợp hay không.
Những đo kiểm sau đây phải được thực hiện với bộ song công thích hợp, và không có bộ song công thích hợp nếu bộ song công này là tùy chọn:
1) 3.3.4, công suất ra cực đại của trạm gốc, chỉ đối với mức công suất tĩnh cao nhất, nếu đo tại đầu nối ăng ten;
2) 3.3.3, các phát xạ phổ của máy phát; bên ngoài băng phát của BS;
3) 3.3.5, xuyên điều chế máy phát; để đo kiểm hợp quy, các tần số sóng mang phải được lựa chọn để giảm thiểu các thành phần xuyên điều chế từ các máy phát rơi vào các kênh thu.
Những đo kiểm còn lại có thể được thực hiện trong trường hợp có hoặc không có bộ song công thích hợp.
CHÚ THÍCH 1: Khi thực hiện đo kiểm máy thu với một bộ song công thích hợp, điều quan trọng là phải bảo đảm sao cho đầu ra từ các máy phát không ảnh hưởng đến thiết bị đo kiểm. Có thể sử dụng một tổ hợp các bộ suy hao, các bộ cách ly và các bộ lọc để đạt được việc này.
CHÚ THÍCH 2: Khi sử dụng các bộ song công, các thành phần xuyên điều chế được tạo ra, không chỉ ở trong bộ song công mà còn ở trong hệ thống ăng ten. Các thành phần xuyên điều chế được tạo ra trong hệ thống ăng ten không được điều chỉnh theo các yêu cầu kỹ thuật, và có thể suy giảm trong thời gian hoạt động (ví dụ: do sự thâm nhập của hơi nước). Vì vậy, để bảo đảm cho hoạt động liên tục thỏa đáng của một BS, thông thường nhà khai thác sẽ lựa chọn các UARFCN để giảm thiểu các thành phần xuyên điều chế rơi vào các kênh thu. Nhà khai thác có thể chỉ định các UARFCN cần dùng để đo kiểm toàn diện.
A.3. Các tùy chọn nguồn cung cấp
Nếu BS được cung cấp với một số cấu hình nguồn cung cấp khác nhau, có thể không cần đo kiểm các tham số RF đối với từng tùy chọn của nguồn cung cấp điện nếu chứng minh được rằng phạm vi các điều kiện mà thiết bị được đo kiểm ít ra cũng lớn bằng phạm vi các điều kiện đặt ra cho bất cứ cấu hình nguồn cung cấp nào.
Điều này được đặc biệt áp dụng nếu một BS có một thanh DC có thể được cấp nguồn từ bên ngoài hoặc từ một nguồn cung cấp của mạng điện nội bộ. Trong trường hợp này, những điều kiện về nguồn cung cấp điện tới hạn đối với các tùy chọn của nguồn cung cấp của mạng điện có thể được đo kiểm bằng cách chỉ đo kiểm tùy chọn của nguồn cung cấp DC bên ngoài. Dải điện áp vào DC để đo kiểm phải đủ để xác định chỉ tiêu đối với bất cứ nguồn cung cấp điện nào trong các nguồn cung cấp điện, trong phạm vi điều kiện hoạt động của BS, kể cả sự thay đổi của điện áp vào của mạng điện, nhiệt độ và dòng ra.
A.4. Các bộ khuếch đại RF phụ
Các yêu cầu của quy chuẩn này phải được đáp ứng với bộ khuếch đại RF phụ thích hợp. Với những đo kiểm theo mục 3 cho TX và RX tương ứng, bộ khuếch đại phụ được nối với BS qua một mạng kết nối (bao gồm bất cứ (các) cáp, (các) bộ suy hao nào...) với suy hao phù hợp để bảo đảm những điều kiện hoạt động thích hợp của bộ khuếch đại phụ và BS. Dải suy hao thích hợp của mạng kết nối được nhà sản xuất công bố. Những đặc tính khác và sự phụ thuộc nhiệt độ của độ suy hao của mạng kết nối được bỏ qua. Giá trị suy hao thực của mạng nối được chọn cho từng đo kiểm là một trong số các giá trị tới hạn được áp dụng. Giá trị thấp nhất được sử dụng nếu không có quy định khác.
Những đo kiểm thích đáng phải được lặp lại với bộ khuếch đại phụ thích hợp và không có bộ khuếch đại RF phụ, nếu bộ khuếch đại RF phụ đó là tùy chọn, để kiểm tra xem BS đáp ứng những yêu cầu của quy chuẩn trong cả hai trường hợp hay không.
Khi đo kiểm, những đo kiểm trong Bảng A.1 dưới đây phải được lặp lại với bộ khuếch đại phụ tùy chọn thích hợp, trong đó X chỉ ra rằng đo kiểm là thích hợp:
Bảng A.1 - Các đo kiểm áp dụng cho các bộ khuếch đại RF phụ
|
|
| Chỉ cho bộ khuếch đại TX | Chỉ cho bộ khuếch đại RX | Cho các bộ khuếch đại TX/RX kết hợp (xem chú thích) |
| Các đo kiểm máy thu | 3.3.9 |
| X | X |
| 3.3.7 |
| X | X | |
| 3.3.6 |
| X | X | |
| 3.3.8 |
| X |
| |
| 3.3.13 |
| X | X | |
| Các đo kiểm máy phát | 3.3.1 | X |
| X |
| 3.3.2 | X |
| X | |
| 3.3.3 | X |
| X | |
| 3.3.4 | X |
| X | |
| 3.3.5 | X |
| X | |
| CHÚ THÍCH: Việc kết hợp có thể do các bộ lọc song công hoặc bất cứ mạng nào khác. Các bộ khuếch đại có thể ở trong nhánh RX hoặc ở trong nhánh TX hoặc trong cả hai nhánh. Một trong hai bộ khuếch đại này có thể là một mạng thụ động. | ||||
Trong đo kiểm tại 3.3.4, giá trị suy hao phù hợp lớn nhất được áp dụng.
A.5. BS sử dụng các giàn ăng ten
Một BS có thể được cấu hình với một kết nối đa cổng ăng ten cho một số hoặc tất cả các máy thu phát của nó; hoặc một BS có thể được cấu hình với một giàn ăng ten liên quan đến một cell (không phải một giàn cho từng máy thu phát). Điều này áp dụng cho một BS đáp ứng được ít nhất một trong các điều kiện sau đây:
- Các tín hiệu ra của máy phát từ một hoặc nhiều máy thu phát xuất hiện tại nhiều cổng ăng ten; hoặc
- Có nhiều cổng ăng ten của máy thu cho một máy thu phát hoặc cho từng cell và một tín hiệu vào được yêu cầu tại nhiều cổng để máy thu hoạt động đúng, do vậy các đầu ra từ các máy phát cũng như các đầu vào các máy thu được kết nối trực tiếp với vài ăng ten; hoặc
CHÚ THÍCH: Thu phân tập không đáp ứng yêu cầu này.
- Các máy phát và các máy thu được kết nối qua các bộ song công tới nhiều ăng ten.
Trong hoạt động bình thường, nếu một BS được sử dụng cùng với một hệ thống ăng ten chứa các bộ lọc hoặc các phần tử tích cực cần thiết để đáp ứng các yêu cầu của UTRA, đo kiểm có thể được thực hiện trên một hệ thống bao gồm BS cùng với các phần tử này, được cung cấp riêng cho mục đích đo kiểm. Trong trường hợp này, phải chứng minh rằng chỉ tiêu của cấu hình cần được đo kiểm là điển hình cho hệ thống trong hoạt động bình thường và việc đánh giá hợp quy chỉ có thể áp dụng khi dùng BS với hệ thống ăng ten.
Để đo kiểm hợp quy một BS như vậy, các thủ tục sau đây có thể được sử dụng.
A.5.1. Đo kiểm máy thu
Đối với từng đo kiểm, các tín hiệu đo kiểm được đưa tới các đầu nối ăng ten của máy thu phải đủ lớn sao cho tổng các công suất của các tín hiệu đưa vào bằng công suất của (các) tín hiệu đo kiểm được chỉ ra trong đo kiểm.
Ví dụ về một cấu hình đo kiểm thích hợp được chỉ ra trong Hình A.1.

Hình A.1 - Thiết lập đo kiểm máy thu
Đối với các phát xạ giả từ đầu nối ăng ten của máy thu, có thể thực hiện đo kiểm riêng biệt cho từng đầu nối ăng ten của máy thu.
A.5.2. Đo kiểm máy phát
Đối với từng đo kiểm, các tín hiệu đo kiểm được đưa tới các đầu nối ăng ten của máy phát (Pi) phải đủ lớn sao cho tổng các công suất của các tín hiệu đưa vào bằng công suất của (các) tín hiệu đo kiểm (Ps) được chỉ ra trong đo kiểm. Có thể đánh giá việc này bằng cách đo riêng các tín hiệu được phát xạ bởi từng đầu nối ăng ten và cộng các kết quả lại, hoặc bằng cách kết hợp các tín hiệu và thực hiện một phép đo đơn. Các đặc tính (ví dụ biên độ và pha) của mạng kết hợp phải lớn đến mức công suất của tín hiệu kết hợp là tối đa.
Ví dụ về một cấu hình đo kiểm thích hợp được chỉ ra trong Hình A.2.

Hình A.2 - Thiết lập đo kiểm máy phát
Đối với suy hao xuyên điều chế, có thể thực hiện đo kiểm riêng biệt cho từng đầu nối ăng ten của máy phát.
A.6. Phát với nhiều đầu nối ăng ten máy phát
Với các đo kiểm tại mục 3, yêu cầu áp dụng cho từng đầu nối ăng ten máy phát trong trường hợp phát cho nhiều đầu nối ăng ten máy phát, trừ khi có quy định khác.
Các yêu cầu của máy phát được đo kiểm tại đầu nối ăng ten, với (các) đầu nối ăng ten còn lại đã được kết cuối. Nếu nhà sản xuất công bố theo cách máy phát tương đương, nó có khả năng đo tín hiệu tại một đầu nối ăng ten máy phát bất kỳ.
A.7. BS với môdem BS luant tích hợp
Đối với các đo kiểm trong quy chuẩn này, môdem BS luant tích hợp sẽ bị tắt. Các phát xạ giả theo quy định tại 3.3.3 và 3.3.6 chỉ đo tại các tần số lớn hơn 20 MHz với môdem BS luant tích hợp được bật, trừ khi có quy định khác.
Phụ lục B
(Tham khảo)
Điều kiện môi trường
Mục này xác định các điều kiện môi trường cho từng phép đo kiểm BS.
Các điều kiện môi trường sau đây do nhà cung cấp khai báo:
- Áp suất khí quyển: thấp nhất và cao nhất;
- Nhiệt độ: thấp nhất và cao nhất;
- Độ ẩm tương đối: thấp nhất và cao nhất;
- Nguồn điện: giới hạn điện áp trên và dưới.
Khi hoạt động bên ngoài các giới hạn biên của điều kiện môi trường hoạt động đã khai báo, thiết bị này không được ảnh hưởng đến việc sử dụng hiệu quả phổ tần và gây ra nhiễu có hại.
B.1. Môi trường đo kiểm bình thường
Khi môi trường đo kiểm bình thường được chỉ định, đo kiểm phải thực hiện trong các giới hạn thấp nhất và cao nhất của các điều kiện được chỉ định trong Bảng B.1.
Bảng B.1 - Giới hạn các điều kiện cho môi trường đo kiểm
| Điều kiện | Thấp nhất | Cao nhất |
| Áp suất khí quyển | 86 kPa | 106 kPa |
| Nhiệt độ | 15 °C | 30 °C |
| Độ ẩm tương đối | 20 % | 85 % |
| Nguồn điện | Danh định, do nhà sản xuất công bố | |
| Độ rung | Không đáng kể | |
Các dải áp suất khí quyển, nhiệt độ và độ ẩm trên đây tương ứng với sự biến thiên tối đa được mong đợi trong môi trường không bị kiểm soát của một phòng thử nghiệm. Nếu không thể duy trì các tham số này trong phạm vi các giới hạn đã chỉ định, các giá trị thực tế phải được ghi lại trong báo cáo đo kiểm.
CHÚ THÍCH: Ví dụ, các phép đo phát xạ bức xạ trong một điểm đo kiểm trường mở rộng.
B.2. Môi trường đo kiểm tới hạn
Nhà sản xuất phải khai báo một trong những điều kiện sau:
1) Loại thiết bị đại diện cho thiết bị cần được đo kiểm, như được định nghĩa trong TCVN 7921-3-3.
2) Loại thiết bị đại diện cho thiết bị cần được đo kiểm, như được định nghĩa trong TCVN 7921-3-4.
3) Đối với thiết bị không tuân theo các loại đã được đề cập đến, các loại có liên quan trong bộ TCVN 7921 về nhiệt độ, độ ẩm và độ rung, phải được khai báo.
CHÚ THÍCH: Sự suy giảm tính năng do các điều kiện môi trường nằm ngoài các điều kiện hoạt động chuẩn không được đo kiểm trong quy chuẩn này. Những điều kiện môi trường này có thể được quy định và đo kiểm riêng.
B.2.1. Nhiệt độ tới hạn
Khi một môi trường đo kiểm nhiệt độ tới hạn được chỉ định cho một đo kiểm, đo kiểm phải được thực hiện với các nhiệt độ hoạt động thấp nhất và cao nhất chuẩn do nhà sản xuất công bố cho thiết bị cần được đo kiểm.
Nhiệt độ thấp nhất:
Đo kiểm phải được thực hiện với thiết bị và các phương pháp đo kiểm môi trường gồm cả các hiện tượng môi trường yêu cầu tác động vào thiết bị, tuân theo thủ tục đo kiểm của TCVN 7699-2-1
Nhiệt độ cao nhất:
Đo kiểm phải được thực hiện với thiết bị và các phương pháp đo kiểm môi trường gồm cả các hiện tượng môi trường yêu cầu tác động vào thiết bị, tuân theo thủ tục đo kiểm của TCVN 7699-2-2.
CHÚ THÍCH: Khuyến nghị rằng thiết bị được vận hành đầy đủ chức năng trước khi được đưa tới nhiệt độ hoạt động cận dưới của nó.
B.3. Độ rung
Khi các điều kiện về độ rung được chỉ định cho một đo kiểm, đo kiểm phải được thực hiện khi thiết bị được rung theo một trình tự được xác định theo khai báo của nhà sản xuất cho thiết bị đo kiểm. Đo kiểm phải sử dụng thiết bị và các phương pháp đo kiểm môi trường gồm cả các hiện tượng môi trường yêu cầu tác động vào thiết bị, tuân theo thủ tục đo kiểm của TCVN 7699-2-6. Các điều kiện môi trường khác phải nằm trong phạm vi được chỉ rõ tại B.1.
CHÚ THÍCH: Các mức rung cao hơn có thể gây ra ứng suất vật lý quá mức bên trong thiết bị sau một đợt đo kiểm kéo dài. Nhóm đo kiểm chỉ nên làm rung thiết bị trong quá trình đo RF.
B.4. Nguồn cung cấp
Khi các điều kiện về nguồn cung cấp tới hạn được chỉ định cho một đo kiểm, đo kiểm phải thực hiện với các giới hạn chuẩn trên và dưới của điện áp hoạt động được xác định theo khai báo của nhà sản xuất cho thiết bị đang đo kiểm.
Giới hạn điện áp trên:
Thiết bị phải được cung cấp một điện áp bằng giới hạn trên theo khai báo của nhà sản xuất thiết bị (khi được đo tại các đầu vào của thiết bị). Các đo kiểm phải thực hiện với các giới hạn nhiệt độ thấp nhất và cao nhất ở trạng thái ổn định theo khai báo của nhà sản xuất cho thiết bị, với các phương pháp quy định tại TCVN 7699-2-1: Đo kiểm Ab/Ad và TCVN 7699-2-2: Đo kiểm Bb/Bd: Nung khô.
Giới hạn điện áp dưới:
Thiết bị phải được cung cấp một điện áp bằng giới hạn dưới theo khai báo của nhà sản xuất thiết bị (khi được đo tại các đầu vào của thiết bị). Các đo kiểm phải thực hiện với các giới hạn nhiệt độ thấp nhất và cao nhất ở trạng thái ổn định theo khai báo của nhà sản xuất cho thiết bị, với các phương pháp quy định tại TCVN 7699-2-1: Đo kiểm Ab/Ad và TCVN 7699-2-2: Đo kiểm Bb/Bd: Nung khô.
B.5. Phép đo cho các môi trường đo kiểm
Độ chính xác đo của môi trường kiểm tra BS định nghĩa trong Phụ lục B là:
Áp suất: ±5 kPa.
Nhiệt độ: ±2 độ.
Độ ẩm tương đối: ±5%.
Điện áp một chiều: ±1,0%.
Điện áp xoay chiều: ±1,5 %.
Độ rung: ±10%.
Tần số rung: 0,1 Hz.
Các giá trị trên phải được áp dụng, trừ khi môi trường đo kiểm được kiểm soát và các yêu cầu kỹ thuật để kiểm soát môi trường đo kiểm có chỉ định độ không bảo đảm cho các tham số.
Phụ lục C
(Tham khảo)
Sơ đồ đo
C.1. Máy phát
C.1.1. Công suất ra của trạm gốc, công suất ra động, chất lượng tín hiệu phát, lỗi tần số, EVM, công suất DL RS, phát xạ không mong muốn

Hình C.1 - Thiết lập hệ thống đo công suất ra của trạm gốc, công suất ra động, chất lượng tín hiệu phát, lỗi tần số, EVM, công suất DL RS, phát xạ không mong muốn
C.1.2. Xuyên điều chế máy phát

Hình C.2 - Thiết lập hệ thống đo xuyên điều chế máy phát
C.1.3. Lỗi hiệu chỉnh thời gian

Hình C.3 - Thiết lập hệ thống đo lỗi hiệu chỉnh thời gian
C.1.4. Công suất ra BS trong nhà để bảo vệ kênh lân cận

Hình C.4 – Thiết lập hệ thống đo công suất ra BS trong nhà để bảo vệ kênh lân cận
C.1.5. Công suất ra BS trong nhà để bảo vệ đồng kênh E-UTRA

Hình C.5 - (Tùy chọn 1) Thiết lập hệ thống đo công suất ra BS trong nha để bảo vệ đồng kênh E-UTRA

Hình C.6 - (Tùy chọn 2) Thiết lập hệ thống đo công suất ra BS trong nhà để bảo vệ đồng kênh E-UTRA
C.2. Máy thu
C.2.1. Mức chọn lọc chuẩn

Hình C.7 - Thiết lập hệ thống đo mức chọn lọc chuẩn trạm gốc
C.2.2. Dải động

Hình C.8 - Thiết lập hệ thống đo dải động
C.2.3. Chọn lọc trong kênh

Hình C.9 - Thiết lập hệ thống đo độ chọn lọc trong kênh
C.2.4. Chọn lọc kênh lân cận (ACS) và chặn băng hẹp

Hình C.10 - Thiết lập hệ thống đo độ chọn lọc kênh lân cận và chặn băng hẹp
C.2.5. Các đặc tính chặn

Hình C.11 - Thiết lập hệ thống đo các đặc tính chặn
C.2.6. Phát xạ giả máy thu

Hình C.12 - Thiết lập hệ thống đo phát xạ giả máy thu
C.2.7. Các đặc tính xuyên điều chế

Hình C.13 - Thiết lập hệ thống đo các đặc tính xuyên điều chế
Phụ lục D
(Quy định)
Mã số HS của thiết bị trạm gốc thông tin di động E-UTRA
| TT | Tên sản phẩm, hàng hóa theo QCVN | Mã số HS | Mô tả sản phẩm, hàng hóa |
| 01 | Thiết bị trạm gốc thông tin di động E-UTRA | 8517.61.00 | Thiết bị trạm gốc trong mạng điện thoại di động sử dụng công nghệ E-UTRA FDD hoặc TDD có hoặc không tích hợp một hoặc nhiều các chức năng sau: - Thiết bị trạm gốc thông tin di động GSM; - Thiết bị trạm gốc thông tin di động W-CDMA; - Thiết bị trạm gốc thông tin di động thế hệ thứ năm (5G). |
Thư mục tài liệu tham khảo
[1] ETSI EN 301 908-1 V15.1.1 (2021-09): “IMT cellular networks; Harmonised Standard covering the essential requirements of article 3.2 of the Directive 2014/53/EU; Part 1: Introduction and common requirements”.
[2] ETSI EN 301 908-14 V15.1.1 (2021-09): IMT cellular networks; Harmonised Standard covering the essential requirements of article 3.2 of the Directive 2014/53/EU; Part 1: Introduction and common requirements.
Bạn chưa Đăng nhập thành viên.
Đây là tiện ích dành cho tài khoản thành viên. Vui lòng Đăng nhập để xem chi tiết. Nếu chưa có tài khoản, vui lòng Đăng ký tại đây!


= 12




















+ 30 dB và CRS Ês ≥ -127 dBm
+ 30 dB và CRS Ês ≥ -127dBm
+ 85 dB))
+ 30 dB
+ 30 dB
+ X)) 







