- Tổng quan
- Nội dung
- Tiêu chuẩn liên quan
- Lược đồ
- Tải về
Tiêu chuẩn Quốc gia TCVN 6138:1996 ISO 7996:1985 Không khí xung quanh - Xác định nồng độ khối lượng của các nitơ oxit - Phương pháp phát quang hóa học
| Số hiệu: | TCVN 6138:1996 | Loại văn bản: | Tiêu chuẩn Việt Nam |
| Cơ quan ban hành: | Bộ Khoa học, Công nghệ và Môi trường | Lĩnh vực: | Tài nguyên-Môi trường |
|
Ngày ban hành:
Ngày ban hành là ngày, tháng, năm văn bản được thông qua hoặc ký ban hành.
|
07/12/1996 |
Hiệu lực:
|
Đã biết
|
| Người ký: | Đang cập nhật |
Tình trạng hiệu lực:
Cho biết trạng thái hiệu lực của văn bản đang tra cứu: Chưa áp dụng, Còn hiệu lực, Hết hiệu lực, Hết hiệu lực 1 phần; Đã sửa đổi, Đính chính hay Không còn phù hợp,...
|
Đã biết
|
TÓM TẮT TIÊU CHUẨN VIỆT NAM TCVN 6138:1996
Nội dung tóm tắt đang được cập nhật, Quý khách vui lòng quay lại sau!
Tải tiêu chuẩn Việt Nam TCVN 6138:1996
TIÊU CHUẨN VIỆT NAM
TCVN 6138 : 1996
ISO 7996 : 1985
KHÔNG KHÍ XUNG QUANH - XÁC ĐỊNH NỒNG ĐỘ KHỐI LƯỢNG CỦA CÁC NITƠ OXYT
- PHƯƠNG PHÁP PHÁT QUANG HÓA HỌC
Ambient air - Determination of the mass concentration of nitrogen oxides - Chemiluminescence method
Lời nói đầu
TCVN 6138 : 1996 hoàn toàn tương đương với ISO 7996 : 1985
TCVN 6138 : 1996 do Ban kỹ thuật tiêu chuẩn TCVN/TC 146 Chất lượng không khí biên soạn, Tổng cục Tiêu chuẩn - Đo lường - Chất lượng đề nghị, Bộ khoa học, Công nghệ và Môi trường ban hành.
KHÔNG KHÍ XUNG QUANH - XÁC ĐỊNH NỒNG ĐỘ KHỐI LƯỢNG CỦA CÁC NITƠ OXYT
- PHƯƠNG PHÁP PHÁT QUANG HÓA HỌC
Ambient air - Determination of the mass concentration of nitrogen oxides - Chemiluminescence method
1. Phạm vi áp dụng
Tiêu chuẩn này quy định phương pháp phát quang hóa học để xác định nồng độ khối lượng của nitơ oxit, trong không khí xung quanh cho tới xấp xỉ 12,5 mg/m3 và của nitơ dioxit cho tới xấp xỉ 19 mg/m3 ở nhiệt độ 250C và áp suất 101,3 kPa[1]).
2. Tiêu chuẩn trích dẫn
ISO 6142 Phân tích khí - Chuẩn bị hỗn hợp khí hiệu chuẩn - Phương pháp trọng lượng.
ISO 6144 Phân tích khí - Chuẩn bị hỗn hợp khí hiệu chuẩn - Phương pháp thể tích tĩnh.
ISO 6349 Phân tích khí - Chuẩn bị hỗn hợp khí hiệu chuẩn - Phương pháp thấm.
ISO 6711 Phân tích khí - Kiểm tra hỗn hợp khí hiệu chuẩn bằng phương pháp so sánh.
3. Nguyên tắc
Cho mẫu đi qua một cái lọc (để tránh máy phân tích phát quang hóa học chạy sai) ở một tốc độ dòng ổn định vào trong buồng phản ứng của máy phân tích, ở đây mẫu được hỗn hợp với một lượng dư ozôn. Lọc bức xạ phát ra bằng một cái lọc quang học chọn lọc và chuyển đổi bức xạ đã lọc thành tín hiệu điện bằng một ống nhân quang, bức xạ phát ra tỉ lệ với lượng nitơ oxit có trong mẫu thử.
Đo nitơ dioxit trong mẫu khí sau khi khử nó thành nitơ oxit bằng cách cho đi qua lò chuyển hóa trước khi đi vào buồng phản ứng. Tín hiệu điện thu được tỉ lệ với tổng lượng các nitơ oxit còn lượng của nitơ oxit là hiệu giữa giá trị này và giá trị đo riêng nitơ oxit khi mẫu khí không đi qua lò chuyển hóa.
Máy phân tích có thể là dạng kép hoặc dạng tuần hoàn. Ở dạng kép khí được chia ra làm hai dòng, một dòng đi trực tiếp vào buồng phản ứng và dòng kia đi qua lò chuyển hóa. Có hai buồng phản ứng, và một hoặc hai detector tương ứng đo hàm lượng nitơ oxit và các nitơ oxit có trong mẫu khí. Ở máy phân tích tuần hoàn chỉ có một buồng phản ứng và một detector, và kết quả là luân phiên giữa nitơ oxit và tổng các nitơ oxit, nghĩa là mẫu khí luân phiên đi qua và không đi qua lò chuyển hóa.
4. Phản ứng
Phát quang là một đặc tính của nhiều chất khi chúng bị kích thích. Hiện tượng này được gọi là phát quang hóa học, khi nó được sinh ra do kết quả của một phản ứng hóa học.
Phương pháp phát quang hóa học này dựa trên phản ứng
NO + O3 -> NO2* + O2
NO2* -> NO2 + ![]()
Nitơ oxit bị kích thích phát ra bức xạ ở quang vùng hồng ngoại gần (1200 nm).
5. Thiết bị
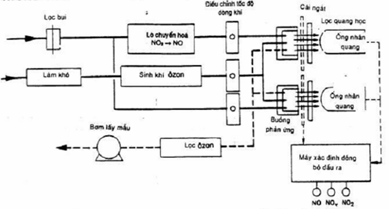
Sơ đồ đơn giản của các máy phân tích điển hình được nêu ra ở hình 1a và 1b (dạng kép) và hình 1c (dạng tuần hoàn). Mỗi thiết bị gồm các phần chính sau đây (5.1 đến 5.10).
5.1. Ống lấy mẫu
Đầu lấy mẫu gồm có một phễu nhỏ lộn ngược được nối vào ống dẫn mẫu, ống này càng ngắn càng tốt. Cả hai đều được chế tạo bằng vật liệu trơ với nitơ oxit và nitơ dioxit. Điều rất quan trọng là không được dùng bất kỳ vật liệu nào được chế tạo từ hợp kim đồng. Kinh nghiệm cho thấy vật liệu tốt nhất nên dùng là polytetrafloetylen (PTFE) hoặc perflo (etylen hoặc propylen) (FEP). Để loại trừ nhiễu của cân bằng nitơ oxit - nitơ dioxit - ozon gây ra do cường độ ánh sáng ban ngày trong ống dẫn mẫu giảm, thì thời gian tồn tại trong ống dẫn mẫu càng ngắn càng tốt. Có thể làm nóng ống dẫn mẫu vừa phải để tránh mọi sự ngưng đọng.
5.2. Cái lọc bụi
Cái lọc bụi cần giữ lại được tất cả các hạt có thể làm biến đổi tính năng của máy phân tích. Đồng thời cái lọc bụi và giá đỡ nó phải được chế tạo từ vật liệu không giữ lại nitơ oxit và nitơ dioxit như từ PTFE hoặc thép không rỉ. Cái lọc bụi phải được làm sạch định kỳ hoặc nếu cần phải thay thế vì sự quá tải bụi ở nơi lấy mẫu. Sự quá tải của cái lọc này có thể làm mất nitơ dioxit do bị hấp thu lên trên bụi.
5.3. Kiểm soát và điều chỉnh tốc độ dòng mẫu
Tốc độ dòng mẫu phải được duy trì đến ± 2%, so với giá trị quy định của nhà sản xuất máy phân tích. Việc kiểm soát tốc độ dòng mẫu thường được duy trì bằng bộ điều chỉnh độ giảm áp.
5.4. Lò chuyển hóa
Lò chuyển hóa gồm có một lò nung, được duy trì ở nhiệt độ không đổi, và được chế tạo bằng thép không rỉ, đồng, molypden, vonfram hoặc cacbon tinh khiết quang phổ. Lò chuyển hóa cần phải có khả năng chuyển hóa được ít nhất 95% nitơ dioxit thành nitơ oxit ở nhiệt độ không quá 4000C.
Vai trò của lò chuyển hóa rất quan trọng vì nó quyết định việc xác định nitơ dioxit.
5.5. Máy sinh ozon
Ozon được điều chế từ oxy nhờ bức xạ cực tím hoặc nhờ sự phóng điện êm cao thế. Nếu oxy trong không khí xung quanh được dùng để điều chế khí ozon bằng phóng điện êm cao thế thì không khí phải được làm khô hoàn toàn và được lọc trước khi vào máy điều chế. Nếu ozon được điều chế từ oxy tinh khiết phân tích trong bình khí nén thì oxy có thể được cấp trực tiếp vào máy điều chế ozon. Nồng độ của ozon được điều chế ra phải lớn hơn nồng độ lớn nhất của các nitơ oxit cần đo. Tốc độ dòng không khí hoặc oxy đi vào máy điều chế ozon phải được giữ ổn định.
5.6. Buồng phản ứng
Buồng phản ứng được chế tạo bằng vật liệu trơ. Các kích thước của nó xác định đặc tính của phản ứng quang hóa (thời gian ưu, tốc độ phản ứng). Buồng phản ứng có thể được làm nóng nhẹ để tránh sự ngưng đọng. Phản ứng nói chung được tiến hành ở áp suất thấp, để giảm tới mức thấp nhất các hiệu ứng tắt, và làm tăng độ nhạy.
5.7. Cái lọc quang học
Các lọc này loại bỏ toàn bộ bức xạ ở bước sóng dưới 600 nm, như vậy tránh được mọi cản trở sinh ra do phản ứng quang hóa của các hydro cacbon không no mà chúng phát ra bức xạ ở những bước sóng này.
5.8. Ống nhân quang
Tín hiệu ra của máy phân tích bị ảnh hưởng trực tiếp bởi đặc tính của ống nhân quang. Để làm giảm nhiễu đường nền và ảnh hưởng của sự thay đổi nhiệt độ, ống thường được đặt vào trong buồng làm lạnh có điều nhiệt.
5.9. Cái lọc ozon
Ozon phải được tách khỏi khí đi ra từ buồng phản ứng bằng cách cho đo qua than hoạt hóa. Việc này nhằm tránh sự ô nhiễm trực tiếp của không khí xung quanh và bảo vệ bơm lấy mẫu.
5.10. Bơm lấy mẫu
Được đặt ở cuối hệ thống, bơm lấy mẫy hút không khí qua thiết bị. Nó phải có khả năng tạo áp suất cần thiết cho buồng phản ứng.
5.11. Thiết bị kiểm tra hiệu suất lò chuyển hóa của máy phân tích (xem 6.1)
5.11.1 Nguồn nitơ oxit
Bình khí nén chứa nitơ oxit trong nitơ, ở nồng độ cỡ 1 ppm (v/v). Nồng độ nitơ oxit không quan trọng miễn là nó ổn định trong suốt quá trình phân tích.
5.11.2 Nguồn oxy
Bình khí nén chứa oxy hoặc không khí
5.11.3 Đèn cực tím
Có khả năng thay đổi kích thước của cửa sổ đèn để điều chế những lượng ozon khác nhau từ oxy.
5.11.4. Máy phân tích phát quang hóa học
Trong đó nhiệt độ của lò chuyển hóa có thể khống chế được.
6. Cách tiến hành
Việc vận hành thiết bị thay đổi từ máy này sang máy khác. Theo sự hướng dẫn của nhà sản xuất vận hành và đặt tốc độ dòng của mẫu khí và của ozon. Tần số hiệu chuẩn máy khác nhau từ thiết bị này tới thiết bị khác, nhưng nếu có thể thực hiện càng thường xuyên càng tốt.
6.1. Hiệu suất lò chuyển hóa
Một trong những bộ phận quan trọng nhất của thiết bị (5.2 đến 5.10) là lò chuyển hóa. Nó khử nitơ dioxit thành nitơ oxit, và bằng cách tính hiệu, cho phép xác định được nồng độ của nitơ dioxit. Trước khi hiệu chuẩn máy phân tích, phải đảm bảo hiệu suất của lò chuyển hóa càng gần 100% càng tốt. Việc xác định hiệu suất lò chuyển hóa, được dựa trên nguyên tắc là kết quả đo bằng thiết bị đối với tổng lượng các nitơ oxit (NOx) không thay đổi, nếu việc phân tích được tiến hành với những hỗn hợp có tỉ lệ nitơ oxit và nitơ dioxit là không đổi.
Hình 2 mô tả một giản đồ thích hợp (xem 5.11).
Đảm bảo rằng tổng tốc độ dòng của nitơ oxit và oxy (hoặc không khí) lớn hơn tốc độ dòng khí qua máy phân tích, lượng dư được thải ra ngoài như chỉ ra ở hình 2. Trong mỗi bước sau đây, ghi cả hai kết quả về nồng độ của nitơ oxit và nồng độ của các nitơ oxit của máy phân tích. Sau đó kiểm tra mức của nitơ dioxit được sinh ra, nó phải ở trong khoảng từ 10 ¸ 90% của tổng các nitơ oxit.
a) với đèn cực tím đã tắt, ghi kết quả của tổng nồng độ các nitơ oxit, R1 và kết quả của nồng độ nitơ oxit P1.
b) bật đèn cực tím. Ozon vừa sinh ra phản ứng với nitơ oxit tạo thành nitơ dioxit trước khi các khí đi vào máy phân tích. Ghi kết quả của tổng nồng độ các nitơ oxit R2 và kết quả của nồng độ nitơ oxit P2.
c) thay đổi công suất ra của đèn cực tím và ghi các kết quả tổng nồng độ các nitơ oxit (R3, R4, R5 v.v…) và nồng độ nitơ oxit (P3, P4, P5 v.v.).
Những tỉ số R2/R1; R3/R1; R4/R1; v.v… càng gần tới đơn vị càng tốt (» 1) (trong vùng lặp lại của máy phân tích) nghĩa là nồng độ các nitơ oxit là không thay đổi trong mỗi trường hợp và không phụ thuộc vào tỷ lệ nồng độ của nitơ dioxit so với nitơ oxit.
d) xác định hiệu suất thực, tính theo phần trăm của lò chuyển hóa từ công thức:
trong đó Rn và Pn là kết quả của tổng nồng độ các nitơ oxit và nitơ oxit tương ứng với mỗi vị trí của cửa sổ đèn cực tím.
Nếu hiệu suất này rơi xuống dưới 95% cần phải thay thế hoặc cải tạo lò chuyển hóa.
6.2. Hiệu chuẩn máy phân tích phát quang hóa học
6.2.1. Nguyên tắc
Tạo hỗn hợp khí chuẩn chứa nitơ dioxit đã biết chính xác nồng độ bằng hệ thẩm thấu (xem ISO 6349). Pha loãng nitơ dioxit đã phát ra với "không" (zero) có độ ẩm tương đối khoảng 50% để thu được những nồng độ nitơ dioxit phù hợp cho việc hiệu chuẩn dòng nitơ dioxit và dòng tổng các nitơ oxit. Hiệu chuẩn dùng nitơ oxit bằng cách sử dụng cùng hệ thống nối với lò chuyển hóa mà hiệu suất của nó đã được xác định như trong 6.1.
6.2.2. Thiết bị
Hình 3 mô tả một hệ thống điển hình để tạo ra những nồng độ cần thiết của nitơ oxit và nitơ dioxit.
6.2.2.1. Thiết bị kiểm soát và đo tốc độ dòng không khí có khả năng duy trì và đo tốc độ dòng tới độ chính xác ± 1%.
6.2.2.2. Máy làm khô
Để loại hết hơi ẩm khỏi không khí đi qua buồng thẩm thấu. Máy làm khô tốt là những máy làm khô kiểu thẩm thấu hoặc là những ống lớn phù hợp, chứa các chất làm khô như silicagel hoặc những chất khác.
6.2.2.3. Buồng ổn nhiệt
Có khả năng đặt buồng thẩm thấu nitơ dioxit vào trong và duy trì nhiệt độ của buồng trong khoảng ± 10C. Buồng phải được trang bị một thiết bị đo nhiệt độ có độ chính xác ± 0,050C.
6.2.2.4. Van
Có hai van. Một van để đưa trực tiếp dòng nitơ oxit (hoặc nitơ dioxit) vào trong dòng khí không (zero) dùng để pha loãng và một van cho phép nitơ dioxit đi qua hoặc không đi qua lò chuyển hóa.
6.2.2.5. Bộ điều phối
Được làm bằng vật liệu trơ và có đường kính đủ lớn để bảo đảm sự giảm áp suất không đáng kể ở chỗ nối với máy phân tích. Hệ thống phải có một lỗ thoát được thiết kế sao cho áp suất ở bên trong bộ điều phối đủ lớn và ngăn không khí xung quanh từ ngoài xâm nhập vào.
6.2.3. Cách tiến hành
Lắp thiết bị như mô tả ở hình 3. Chọn phạm vi hoạt động của máy phân tích để hiệu chuẩn. Để thu được độ đúng và độ chính xác tối đa cho việc hiệu chuẩn nitơ dioxit, thì tất cả các luồng phải được đặt vào cùng một phạm vi. Mở van để dòng từ buồng thẩm thấu đi ra và hiệu chỉnh tốc độ dòng không khí pha loãng để cung cấp khí không (zero) ở ống điều phối khí ra. Để có độ đúng cao nhất, cần phải đưa máy phân tích về điểm không với dòng ozon. Điều này thu được tốt nhất bằng cách sử dụng một bình "phản ứng trước" - là một bình có thể tích gấp 2 đến 3 lần thể tích của buồng phản ứng. Ozon phản ứng với tất cả nitơ oxit có mặt ở "buồng phản ứng trước", đảm bảo rằng không còn nitơ oxit đi vào buồng phản ứng. Đồng thời, kỹ thuật này duy trì ozon trong buồng phản ứng có cùng nồng độ như trong thời gian đo không khí xung quanh bình thường. Như vậy khí không (zero) thực được điều chế, và tín hiệu nhân tạo gây ta do phản ứng của ozon với bề mặt buồng phản ứng được loại trừ. Khi máy phân tích đã ổn định, điều chỉnh lại điểm không của máy.
6.3. Xây dựng đường chuẩn
6.3.1. Nitơ oxit
Vặn van 3 chiều [(1) ở hình 3] sao cho nitơ dioxit từ buồng thẩm thấu đi qua lò chuyển hóa.
Vặn van thứ hai [(2) ở hình 3] để cung cấp nitơ oxit ở lối ra của bộ điều phối. Điều chỉnh dòng khí không (zero) để đạt khoảng 80% giới hạn trên của nitơ oxit. Nồng độ thực của nitơ oxit, j(NO), được biểu diễn bằng phần triệu theo thể tích và tính theo công thức sau:
… (1)
qm là tốc độ thẩm thấu của nitơ dioxit, tính bằng microgam trên phút;
K là hệ số chuyển đổi thể tích (0,532 ml/mg ở 250C và áp suất 101,3 kPa) đối với nitơ dioxit;
qv1 là tốc độ thể tích của khí không (zero) qua buồng thẩm thấu, tính bằng lít trên phút;
qv2 là tốc độ thể tích của khí không dùng để pha loãng, tính bằng lít trên phút.
Chú thích - Nồng độ khối lượng của nitơ oxit, r(NO), được tính bằng microgam trên mét khối, tính theo công thức sau:
… (2)
Sau khi ổn định, điều chỉnh việc kiểm soát khẩu độ nitơ oxit để thu được kết quả trên thang phần trăm của khẩu độ phần trăm, tính theo công thức
Khẩu độ % = + j'(NO) … (3)
trong đó
L là khoảng giới hạn giải đo;
j'(NO) là nồng độ của nitơ oxit trong dòng không khí dùng để pha loãng, tính bằng phần triệu theo thể tích.
Tạo thêm một vài nồng độ (ít nhất năm khoảng bằng nhau) bằng cách điều chỉnh thích hợp (qv1 + qv2). Đối với mỗi lần đặt, tính toán chính xác nồng độ nitơ oxit và ghi kết quả trên máy phân tích. Vẽ đồ thị những kết quả của máy phân tích so với nồng độ tương ứng để thu được một đường chuẩn. Sự hiệu chuẩn tiếp theo có thể được kiểm tra với hai điểm, một ở điểm không, và một ở nồng độ khoảng 80% toàn thang.
6.3.2. Nitơ dioxit và tổng các nitơ oxit
Vặn van 3 chiều [(1) ở hình 3] để đi vòng qua lò chuyển hóa và để cung cấp nitơ dioxit ở ống điều phối khí ra. Điều chỉnh tốc độ dòng khí không (zero) để tạo nồng độ nitơ dioxit vào khoảng 80% giới hạn trên của thang nitơ dioxit. Nồng độ thực của nitơ dioxit hoặc của tổng các nitơ oxit được tính như trong phương trình (1) hoặc (3) j(NO) được thay bằng j(NO2) hoặc j(NOx), và j'(NO) bằng j'(NO2) hoặc j'(NOx). Ghi những nồng độ nitơ dioxit và tổng các nitơ oxit và những kết quả tương ứng của máy phân tích. Điều chỉnh qv2 để thu được ít nhất năm nồng độ khác nhau của nitơ dioxit (hoặc các nitơ oxit) được phân đều nhau trên dãy. Ghi kết quả tương ứng và vẽ đồ thị so với những nồng độ tính được để thu được đồ thị chuẩn. Cho phép thực hiện đối với mọi nitơ dioxit (hoặc các nitơ oxit) trong khí pha loãng. Khi phân tích hỗn hợp của nitơ oxit và nitơ dioxit, kiểm tra lại xem kết quả của tổng các nitơ oxit có tương tự như tổng số của kết quả của nitơ oxit và nitơ dioxit không.
Chú thích
1) Nồng độ khối lượng của nitơ dioxit, r(NO2), biểu thị bằng microgam trên mét khối được tính theo công thức:
… (4)
2) Trong trường hợp máy phân tích chỉ có một bộ phận điều chỉnh để hiệu chuẩn, bộ phận này có thể được cố định trong một thao tác đơn giản bằng cách trực tiếp dùng một hệ thẩm thấu nitơ dioxit. Nó thuận tiện để kiểm tra xem kết quả của máy phân tích có như nhau không khi nó được thay bằng một mẫu nitơ oxit có cùng nồng độ.
3) Các hệ thống hiệu chuẩn khác có thể được sử dụng.
a) dùng những bình khí nén chứa nitơ dioxit có những nồng độ đã biết. Phụ thuộc vào nồng độ hiện có, chúng có thể được dùng trực tiếp hoặc sau khi pha loãng thích hợp, có nghĩa là hỗn hợp cần được điều chế phù hợp với tiêu chuẩn ISO 6142 hoặc ISO 6144 và được kiểm tra lại về sự ổn định theo ISO 6711;
b) hiệu chuẩn pha khí của chuẩn nitơ oxit bằng cách sử dụng một nguồn ozon đã được hiệu chuẩn.
Điều này phải được sử dụng cẩn thận và chỉ sau khi chứng minh được là tương đương với phương pháp tiêu chuẩn dùng buồng thẩm thấu.
6.4. Lấy mẫu
Lấy mẫu không khí qua đường dẫn mẫu như đã được trình bày ở 5.1.
6.5. Xác định
Với máy phân tích được nối với một bộ ghi thích hợp hoặc một thiết bị lưu trữ dữ liệu máy tính, lấy những số ghi cho nitơ oxit, tổng các nitơ oxit và nitơ dioxit.
6.6. Chất cản trở
Sự xác định các nitơ oxit có thể bị ảnh hưởng bởi vì, ở nhiệt độ cao, lò chuyển hóa cũng sẽ chuyển một phần hoặc hoàn toàn các hợp chất khác của nitơ (không chỉ NO2) thành nitơ oxit, phụ thuộc vào kiểu lò chuyển hóa và nhiệt độ. Quan trọng nhất trong những hợp chất này là amoniac, các amin, axit nitric, một vài nitrit, nitrat vô cơ và hữu cơ và peroxyaxetyl nitrat (PAN).
Việc xác định cũng có thể bị ảnh hưởng bởi sự ngộ độc của chất xúc tác trong lò chuyển hóa do các hợp chất của lưu huỳnh và cacbonyl.
Việc xác định có thể bị ảnh hưởng bởi những biến thiên của các hiệu ứng tắt sinh ra do sự biến đổi áp suất hoặc hơi nước trong buồng phản ứng. Nói chung phản ứng xảy ra ở áp suất đã được giảm để làm giảm những hiệu ứng này.
7. Biểu thị kết quả
Những số đọc (6.5) được chuyển thành nồng độ khi dùng đường chuẩn thích hợp và các kết quả được biểu thị bằng microgam trên mét khối (mg/m3) hoặc phần triệu theo thể tích ở 250C và 101,3 kPa.
8. Báo cáo kết quả
Báo cáo kết quả ít nhất phải gồm những thông tin sau:
a) sự nhận biết đầy đủ về mẫu khí;
b) tham khảo tiêu chuẩn này;
c) kết quả;
d) mọi bất thường nào ghi nhận được trong thời gian xác định.

Hình 1a - Sơ đồ mô tả thiết bị phân tích phát quang hóa học dạng kép
(Hai buồng phản ứng và ống nhân quang)

Hình 1b - Sơ đồ mô tả thiết bị phân tích phát quang hóa học sử dụng 1 buồng phản ứng kép và một ống nhân quang

Hình 1C - Sơ đồ mô tả thiết bị phân tích phát quang hóa học dạng tuần hóa

Hình 2 - Sơ đồ lắp ráp để kiểm tra hiệu quả lò chuyển hóa của máy phân tích

Hình 3 - Sơ đồ chuẩn điển hình sử dụng buồng thẩm thấu nitơ dioxit
PHỤ LỤC
(Phụ lục tham khảo)
ĐẶC TÍNH ĐIỂN HÌNH
Các giá trị trình bày ở dưới đây, chỉ là những thông tin chung và không được hiểu là có thể áp dụng cho bất kỳ một máy phân tích cụ thể nào.
| Khoảng đo | đến | 12 mg/m3 cho NO |
|
| và | 18 mg/m3 cho NO2 |
| Giới hạn phát hiện | 10 mg/m3 cho NO | |
| dưới | 15 mg/m3 cho NO2 | |
| Độ trôi điểm không | 12 và 24 h ± 1% toàn thang | |
| Độ trôi toàn khẩu độ | 24 h ± 2% toàn thang | |
| Thời gian trễ | 5 s | |
| Thời gian đi lên | Ít hơn 20 s (thời gian ổn định 5 giây) | |
| Thời gian đi xuống | Ít hơn 20 s (thời gian ổn định 5 giây) | |
| Độ chính xác | ± 1 % (ở 20% toàn thang) | |
|
| ± 2 % (ở 80% toàn thang) | |
| Độ đúng ở » 1000 mg/m3 | ± 1% (toàn thang) | |
| Chu kỳ hoạt động không cần bảo dưỡng | 7 ngày, nhưng nếu như đo ở mức rất thấp thì hiệu chuẩn lại hàng ngày. | |
| Khoảng độ ẩm | 0 đến 95 % | |
| Khoảng nhiệt độ | 10 đến 450C | |
Chú thích - Thời gian trễ, thời gian đi lên, thời gian đi xuống, độ chính xác, độ đúng, chu kỳ hoạt động không cần bảo dưỡng được định nghĩa trong ISO 6879.
[1] Ở nhiệt độ và áp suất này, áp dụng các số chuyển đổi sau:
NO: 1 mg/m3 » 0,81 ppm (v/v) NO2: 1 mg/m3 » 0,53 ppm (v/v)
1 ppm (v/v) » 1,23 mg/m3 1 ppm (v/v) » 1,88 mg/m3
Bạn chưa Đăng nhập thành viên.
Đây là tiện ích dành cho tài khoản thành viên. Vui lòng Đăng nhập để xem chi tiết. Nếu chưa có tài khoản, vui lòng Đăng ký tại đây!