- Tổng quan
- Nội dung
- Tiêu chuẩn liên quan
- Lược đồ
- Tải về
Tiêu chuẩn Quốc gia TCVN 7000:2020 Phương tiện giao thông đường bộ – Tương thích điện từ của xe cơ giới và các bộ thiết bị điện hoặc điện tử riêng biệt – Yêu cầu và phương pháp thử trong phê duyệt kiểu
| Số hiệu: | TCVN 7000:2020 | Loại văn bản: | Tiêu chuẩn Việt Nam |
| Cơ quan ban hành: | Bộ Khoa học và Công nghệ | Lĩnh vực: | Công nghiệp |
|
Ngày ban hành:
Ngày ban hành là ngày, tháng, năm văn bản được thông qua hoặc ký ban hành.
|
31/12/2020 |
Hiệu lực:
|
Đã biết
|
| Người ký: | Đang cập nhật |
Tình trạng hiệu lực:
Cho biết trạng thái hiệu lực của văn bản đang tra cứu: Chưa áp dụng, Còn hiệu lực, Hết hiệu lực, Hết hiệu lực 1 phần; Đã sửa đổi, Đính chính hay Không còn phù hợp,...
|
Đã biết
|
TÓM TẮT TIÊU CHUẨN VIỆT NAM TCVN 7000:2020
Nội dung tóm tắt đang được cập nhật, Quý khách vui lòng quay lại sau!
Tải tiêu chuẩn Việt Nam TCVN 7000:2020
TIÊU CHUẨN QUỐC GIA
TCVN 7000:2020
PHƯƠNG TIỆN GIAO THÔNG ĐƯỜNG BỘ - TƯƠNG THÍCH ĐIỆN TỪ CỦA XE CƠ GIỚI VÀ CÁC BỘ THIẾT BỊ ĐIỆN HOẶC ĐIỆN TỬ RIÊNG BIỆT - YÊU CẦU VÀ PHƯƠNG PHÁP THỬ TRONG PHÊ DUYỆT KIỂU
Road vehicles - Electromagnetic compatibility of vehicles and electrical or electronic separate technical units - Requirements and test methods in type approval
Lời nói đầu
TCVN 7000:2020 thay thế TCVN 7000:2002.
TCVN 7000:2020 được biên soạn trên cơ sở ECE 10; Soát xét 4:2012;
Đính chính 1:2012; Sửa đổi 1:2012; Sửa đổi 2:2013; Sửa đổi 3:2016; Soát xét 5:2014, Sửa đổi 1:2016; Soát xét 6:2019
TCVN 7000:2020 do Ban kỹ thuật tiêu chuẩn quốc gia TCVN/TC 22 Phương tiện giao thông đường bộ biên soạn, Tổng cục Tiêu chuẩn Đo lường
Chất lượng đề nghị, Bộ Khoa học, Công nghệ công bố.
PHƯƠNG TIỆN GIAO THÔNG ĐƯỜNG BỘ - TƯƠNG THÍCH ĐIỆN TỪ CỦA XE CƠ GIỚI VÀ CÁC BỘ THIẾT BỊ ĐIỆN HOẶC ĐIỆN TỬ RIÊNG BIỆT - YÊU CẦU VÀ PHƯƠNG PHÁP THỬ TRONG PHÊ DUYỆT KIỂU
Road vehicles - Electromagnetic compatibility of vehicles and electrical or electronic separate technical units - Requirements and test methods in type approval
1 Phạm vi áp dụng
1.1 Xe thuộc các loại L, M, N và O, T, R và S1 (sau đây gọi chung là xe) liên quan đến khả năng tương thích điện từ;
1.2 Các bộ thiết bị điện hoặc điện tử riêng biệt dung để lắp trên các xe này với giới hạn được nêu trong 4.2.1 liên quan đến khả năng tương thích điện từ.
1.3 Tiêu chuẩn này quy định:
a) Các yêu cầu liên quan đến khả năng miễn nhiễm bức xạ và dòng điện nhiễu đối với các chức năng liên quan đến điều khiển trực tiếp phương tiện, liên quan đến bảo vệ người lái, hành khách và người đi đường khác, liên quan đến nhiễu loạn, gây nhầm lẫn cho người lái xe hoặc người đi đường khác, liên quan đến xe chức năng của thanh truyền dẫn (bus) dữ liệu của xe, liên quan đến nhiễu có thể sẽ ảnh hưởng đến dữ liệu theo luật định của xe
b) Các yêu cầu liên quan đến việc kiểm soát bức xạ và dòng điện nhiễu không mong muốn để bảo vệ mục đích sử dụng thiết bị điện hoặc điện tử ở các xe riêng của bản thân hoặc liền kề hoặc gần đó, và kiểm soát nhiễu từ các phụ kiện có thể được trang bị thêm cho xe
c) Các yêu cầu bổ sung cho xe và ESA (Cụm điện/điện tử phụ) cung cấp các hệ thống khớp nối để nạp REESS liên quan đến việc kiểm soát bức xạ và miễn nhiễm với kết nối này giữa xe và lưới điện.
2 Tài liệu viện dẫn
Các tài liệu viện dẫn sau, là rất cần thiết cho việc áp dụng tiêu chuẩn này. Đối với các tài liệu viện dẫn ghi năm công bố thì áp dụng phiên bản được nêu. Đối với các tài liệu viện dẫn không ghi năm công bố thì áp dụng phiên bản mới nhất, bao gồm cả các sửa đổi, bổ sung (nếu có).
TCVN ISO/IEC 17025, Yêu cầu chung về năng lực của phòng thử nghiệm và hiệu chuẩn.
ISO 7637-2:2011, Road vehicles - Electrical disturbances from conduction and coupling - Part 2: Electrical transient conduction along supply lines only (Phương tiện giao thông đường bộ - Nhiễu điện do dẫn điện và đấu nối - Phần 2: Dẫn điện chuyển tiếp chỉ dọc theo đường dây cấp điện).
ISO 11451-1, Road vehicles - Vehicle test methods for electrical disturbances from narrowband radiated electromagnetic energy - Part 1: General principles and terminology (Phương tiện giao thông đường bộ - Phương pháp thử nghiệm xe đối với nhiễu điện do năng lượng điện từ bức xạ băng thông hẹp - Phần 1: Nguyên tắc chung và thuật ngữ).
ISO 11451-2, Road vehicles - Vehicle test methods for electrical disturbances from narrowband radiated electromagnetic energy - Part 2: Off-vehicle radiation sources (Phương tiện giao thông đường bộ - Phương pháp thử nghiệm xe đối với nhiễu điện do năng lượng điện từ bức xạ băng thông hẹp - Phần 2: Nguồn bức xạ ngoài xe).
ISO 11451-4, Road vehicles - Vehicle test methods for electrical disturbances from narrowband radiated electromagnetic energy - Part 4: Bulk current injection (BCI) (Phương tiện giao thông đường bộ - Phương pháp thử xe đối với nhiễu điện do năng lượng điện từ bức xạ băng thông hẹp - Phần 4: Phun dòng điện lớn (BCI)).
ISO 11452-1, Road vehicles - Component test methods for electrical disturbances from narrowband radiated electromagnetic energy - Part 1: General principles and terminology (Phương tiện giao thông đường bộ - Phương pháp thử bộ phận về nhiễu điện do nhiễu điện từ năng lượng điện từ bức xạ băng thông hẹp - Phần 1: Nguyên tắc chung và thuật ngữ).
ISO 11452-3, Road vehicles - Component test methods for electrical disturbances from narrowband radiated electromagnetic energy - Part 3: Transverse electromagnetic mode (TEM) cell (Phương tiện giao thông đường bộ - Phương pháp thử bộ phận về nhiễu điện do năng lượng điện từ bức xạ băng thông hẹp - Phần 3: Pin ở chế độ điện từ ngang (TEM)).
ISO 11452-4, Road vehicles - Component test methods for electrical disturbances from narrowband radiated electromagnetic energy - Part 4: Harness excitation methods (Phương tiện giao thông đường bộ - Phương pháp thử bộ phận về nhiễu điện do nhiễu điện từ năng lượng điện từ bức xạ băng thông hẹp - Phần 4: Các phương pháp kích thích cáp điện).
ISO 11452-5, Road vehicles - Component test methods for electrical disturbances from narrowband radiated electromagnetic energy - Part 5: Stripline (Phương tiện giao thông đường bộ - Phương pháp thử bộ phận về nhiễu điện do năng lượng điện từ bức xạ băng thông hẹp - Phần 5: Mạch dải).
IEC 61000-3-2, Electromagnetic compatibility (EMC) - Part 3-2: Limits - Limits for harmonic current emissions (equipment input current ≤16 A per phase (Tính tương thích điện từ (EMC) - Phần 3-2: Giới hạn - Giới hạn phát xạ dòng điện hài (dòng điện đầu vào thiết bị ≤16A mỗi pha)).
IEC 61000-3-11, Electromagnetic compatibility (EMC) - Part 3-11: Limits - Limitation of voltage changes, voltage fluctuations and flicker in public low-voltage supply systems - Equipment with rated current ≤ 75 A and subject to conditional connection (Tương thích điện từ (EMC) - Phần 3-11: Giới hạn - Giới hạn thay đổi điện áp, dao động điện áp và nhấp nháy trong hệ thống cung cấp điện áp thấp công cộng - Thiết bị có dòng điện danh định ≤ 75 A và kết nối có điều kiện).
IEC 61000-3-12, Electromagnetic compatibility (EMC) - Part 3-12: Limits - Limits for harmonic currents produced by equipment connected to public low-voltage systems with input current >16 A and ≤ 75 A per phase (Tương thích điện từ (EMC) - Phần 3-12: Giới hạn - Giới hạn đối với dòng điện sóng hài được tạo ra bởi thiết bị được kết nối với hệ thống điện công cộng có điện áp thấp có dòng điện đầu vào > 16 A và ≤ 75 A mỗi pha).
IEC 61000-4-4, Electromagnetic compatibility (EMC) - Part 4-4: Testing and measurement techniques - Electrical fast transient/burst immunity test (Tương thích điện từ (EMC) - Phần 4-4: Kỹ thuật thử nghiệm và đo lường - Thử nghiệm miễn nhiễm nổ/chuyển tiếp nhanh về điện).
IEC 61000-4-5, Electromagnetic compatibility (EMC) - Part 4-5: Testing and measurement techniques - Surge immunity test (Tính tương thích điện từ (EMC) - Phần 4-5: Kỹ thuật thử nghiệm và đo lường - Thử nghiệm miễn nhiễm đột biến dòng).
Article 1, No. 1 144 of the ITU Radio Regulations (Điều 1, số 1 144 của Quy định vô tuyến của Liên minh Viễn thông quốc tế ITU).
No. 1 145 of the International Telecommunication Union (ITU) Radio Regulations (Số 1 145 của Quy định vô tuyến của Liên minh Viễn thông quốc tế (ITU)).
No. 1.152 of the International Telecommunication Union (ITU) Radio Regulations (Số 1 152 của các Quy định vô tuyến của Liên minh Viễn thông quốc tế (ITU)).
3 Thuật ngữ và định nghĩa
Trong tiêu chuẩn này áp dụng các thuật ngữ, định nghĩa sau:
3.1
Tương thích điện từ (Electromagnetic compatibility)
Khả năng của xe hoặc của các bộ phận hoặc các cụm điện/điện tử riêng để vận hành bình thường trong môi trường điện từ mà không gây nhiễu điện từ quá mức cho bất kỳ vật nào trong môi trường đó.
3.2
Nhiễu điện từ (Electromagnetic disturbance)
Bất kỳ hiện tượng điện từ nào có thể làm suy giảm hiệu năng của xe hoặc các bộ phận hoặc các cụm điện/điện tử riêng rẽ, hoặc của bất kỳ thiết bị, cụm của thiết bị hoặc hệ thống nào đang hoạt động gần xe. Một rối loạn điện từ có thể là nhiễu điện từ, một tín hiệu không mong muốn hoặc một thay đổi trong chính môi trường lan truyền
3.3
Miễn nhiễm điện từ (Electromagnetic immunity)
Khả năng của xe hoặc các bộ phận hoặc các cụm điện/điện tử riêng khi hoạt động không làm suy giảm hiệu năng khi có rối loạn điện từ được quy định bao gồm các tín hiệu tần số vô tuyến mong muốn từ các máy phát vô tuyến hoặc bức xạ - phát đi trong băng thông của các thiết bị công nghiệp-khoa học-y tế (ISM) ở bên trong hoặc bên ngoài xe
3.4
Môi trường điện từ (Electromagnetic environment)
Tổng các hiện tượng điện từ xảy ra trong một địa điểm đã định.
3.5
Bức xạ băng thông (Broadband emission)
Bức xạ có băng thông lớn hơn băng thông của một thiết bị đo hoặc máy thu riêng (Ủy ban đặc biệt quốc tế về nhiễu sóng vô tuyến (CISPR) 25).
3.6
Bức xạ băng thông hẹp (Narrow-band emission)
Bức xạ có băng thông hẹp hơn băng thông của một thiết bị đo hoặc máy thu riêng (Ủy ban đặc biệt quốc tế về nhiễu sóng vô tuyến (CISPR 25)
Bức xạ có băng thông hẹp hơn băng thông của một thiết bị đo hoặc máy thu cụ thể (CISPR 25)
3.7
Hệ thống điện/điện từ (Electrical/electronic system)
(Các) thiết bị điện và/hoặc thiết bị điện tử hoặc (các) bộ thiết bị cùng với bất kỳ kết nối điện đi kèm nào tạo thành một phần của xe nhưng không định xin được phê duyệt riêng biệt với xe
3.8
Cụm điện/điện tử phụ (ESA) (Electrical/electronic sub-assembly (ESA))
Một thiết bị điện và/hoặc điện tử hoặc trọn bộ của các thiết bị dùng để lắp vào xe, cùng với bất kỳ kết nối điện và dây điện nào thực hiện một hoặc nhiều chức năng riêng rẽ. Một ESA có thể được phê duyệt theo yêu cầu của nhà sản xuất hoặc đại diện được ủy quyền của mình như là một bộ phận hoặc cụm kỹ thuật riêng (STU)
3.9
Kiểu xe (Vehicle type)
Kiểu xe liên quan đến khả năng tương thích điện từ bao gồm tất cả các xe mà về cơ bản không khác nhau về các khía cạnh như:
3.9.1 Kích thước tổng và hình dáng của khoang động cơ
3.9.2 Sự bố trí chung của các bộ phận điện và/hoặc điện tử và bố trí chung việc đi dây;
3.9.3 Vật liệu ban đầu mà thân hoặc vỏ của xe dù để chế tạo (ví dụ: vỏ thân xe bằng thép, nhôm hoặc sợi thủy tinh). Sự hiện diện của các tấm vật liệu khác nhau không làm thay đổi kiểu xe với điều kiện nguyên liệu ban đầu của thân xe là không thay đổi. Tuy nhiên, các biến thể như vậy phải được thông báo.
3.10
Kiểu ESA (ESAtype)
Một "Kiểu ESA" liên quan đến khả năng tương thích điện từ là các ESA không khác nhau về các khía cạnh thiết yếu như:
3.10.1 Chức năng được thực hiện bởi ESA;
3.10.2 Sự bố trí chung của các bộ phận điện và/hoặc điện tử, nếu có.
3.11
Bộ cáp điện của xe (Vehicle wiring harness)
Các dây cáp điện truyền dẫn điện áp, hệ thống thanh dẫn (ví dụ CAN), cáp tín hiệu hoặc ăng ten nguồn, được nhà sản xuất xe lắp đặt lên xe
3.12
Chức năng liên quan đến miễn nhiễm (Immunity related functions)
Các chức năng sau đây:
a) Các chức năng liên quan đến việc điều khiển trực tiếp xe:
(i) Do xuống cấp hoặc thay đổi bên trong: ví dụ: động cơ, bánh răng, phanh, hệ thống treo, lái chủ động, thiết bị giới hạn tốc độ;
(ii) Do ảnh hưởng đến vị trí người lái xe: ví dụ: vị trí ghế ngồi hoặc tay lái (vô lăng);
(iii) Do ảnh hưởng đến tầm nhìn của người lái xe: ví dụ: đèn chiếu gần, gạt nước kính chắn gió.
b) Các chức năng liên quan đến bảo vệ người lái, hành khách và người tham gia giao thông đường bộ khác:
(i) Ví dụ túi khí và hệ thống dây đai an toàn.
c) Các chức năng mà khi bị hư hỏng sẽ gây nhầm lẫn cho người lái xe hoặc những người tham gia giao thông khác:
(i) Nhiễu loạn quang học: hoạt động không chính xác của ví dụ như chỉ báo hướng, đèn báo dừng, đèn chỉ báo giới hạn ngoài cùng của xe, đèn vị trí phía sau, dải đèn chiếu sáng cho hệ thống khẩn cấp, thông tin tín hiệu sai từ các chỉ báo cảnh báo, đèn hoặc màn hình liên quan đến các chức năng trong a) hoặc b) có thể được quan sát trong chế độ người lái xe xem trực tiếp;
(ii) Nhiễu loạn âm thanh: hoạt động không phù hợp, ví dụ như cảnh báo chống trộm, còi.
d) Các chức năng liên quan đến chức năng của thanh dẫn dữ liệu xe:
(i) Do chặn việc truyền dữ liệu trên các hệ thống thanh dẫn dữ liệu xe mà chúng được sử dụng để truyền dữ liệu, cần thiết để đảm bảo hoạt động chính xác của các chức năng liên quan đến miễn nhiễm khác.
e) Các chức năng khi bị nhiễu loạn sẽ ảnh hưởng đến dữ liệu pháp định của xe: ví dụ: máy đo tốc độ, đo quãng đường chạy.
f) Chức năng liên quan đến chế độ nạp khi được đấu nối với lưới điện:
(i) Đối với thử xe: do dẫn đến chuyển động xe bất ngờ;
(ii) Đối với thử nghiệm ESA: do dẫn đến điều kiện nạp không đúng (ví dụ: quá dòng, quá điện áp).
3.13
Hệ thống tích năng lượng có thể nạp lại được (REESS) (The rechargeable energy storage system - REESS)
Hệ thống để cung cấp năng lượng điện cho động cơ đẩy điện của xe.
3.14
Hệ thống đấu nối để nạp cho REESS (Coupling system for charging the REESS)
Mạch điện được lắp đặt trong xe dùng để nạp cho REESS.
3.15
Chế độ nạp cho REESS được đấu nối với lưới điện (REESS charging mode coupled to the power grid)
Chế độ hoạt động nạp bình thường của xe và/hoặc hệ thống nạp
3.16
Chế độ nạp Kiểu 1 (Mode 1 Charging Mode)
Chế độ nạp như được định nghĩa trong 6.2.1 của IEC 61851-1 trong đó xe được kết nối trực tiếp với nguồn điện xoay chiều mà không có bất kỳ kết nối thông tin nào giữa xe và trạm nạp và không có bất kỳ dẫn hướng phụ hoặc tiếp điểm phụ nào. Ở một số quốc gia, chế độ nạp 1 có thể bị cấm hoặc yêu cầu có biện pháp phòng ngừa đặc biệt.
3.17
Chế độ nạp Kiểu 2 (Mode 2 Charging Mode)
Chế độ nạp như được định nghĩa trong tiểu 6.2.2 trong IEC 61851-1 trong đó xe được kết nối với nguồn điện xoay chiều bằng cách sử dụng dây cáp nạp bao gồm hộp Thiết bị cung cấp điện cho xe (EVSE) cung cấp tín hiệu dẫn hướng điều khiển giữa xe và hộp EVSE và bảo vệ người chống bị điện giật, ở một số quốc gia, các hạn chế đặc biệt phải được áp dụng cho chế độ Kiểu 2. Không có kết nối thông tin giữa xe và mạng cung cấp AC (lưới điện xoay chiều).
3.18
Chế độ nạp Kiểu 3 (Mode 3 Charging Mode)
Chế độ nạp như được định nghĩa trong 6.2.3 trong IEC 61851-1 khi xe được kết nối với EVSE (ví dụ: trạm nạp, hộp treo tường) cung cấp nguồn điện xoay chiều cho xe với thông tin tín hiệu giữa xe và trạm nạp (thông qua đường cáp tín hiệu/điều khiển và/hoặc qua mạng có dây).
3.19
Chế độ nạp Kiểu 4 (Mode 4 Charging Mode)
Chế độ nạp như được định nghĩa trong 6.2.4 của IEC 61851-1 khi xe được kết nối với EVSE cung cấp nguồn DC (điện một chiều) cho xe (có bộ nạp bên ngoài) với thông tin tín hiệu giữa xe và trạm nạp (thông qua đường cáp tín hiệu/điều khiển và/hoặc qua mạng có dây).
3.20
Cổng tín hiệu/điều khiển (Signal/control port)
Cổng dành cho việc kết nối các bộ phần của ESA hoặc giữa ESA và AE tại chỗ (Thiết bị phụ trợ) và được sử dụng với các đặc tính chức năng có liên quan (ví dụ: chiều dài tối đa của cáp được kết nối với cổng). Các ví dụ bao gồm RS-232, USB, HDMI (Giao diện đa phương tiện độ nét cao), Chuẩn kết nối thông tin IEEE 1394. Đối với xe ở chế độ nạp, điều này bao gồm "Tín hiệu dẫn hướng điều khiển”, công nghệ PLC*** được sử dụng trên đường dây tín hiệu dẫn hướng điều khiển, CAN.
* (Universal Serial Bus - chuẩn kết nối tuần tự đa dụng).
** FireWire - một công nghệ cho phép kết nối và trao đổi dữ liệu tốc độ cao giữa máy tính và thiết bị ngoại vi hoặc giữa hai máy tính.
*** PLC là từ viết tắt của Programmable Logic Controller - Bộ điều khiển Logic có thể lập trình được.
3.21
Cổng mạng có dây/cổng Ethernet (Wired network port)
Cổng để kết nối thoại, dữ liệu và truyền tín hiệu nhằm kết nối các hệ thống phân tán rộng rãi bằng cách kết nối trực tiếp với mạng truyền thông một người dùng hoặc nhiều người dùng. Ví dụ về các mạng này bao gồm CATV, PSTN, ISDN, XDSL, Các mạng LAN và các mạng tương tự. Các cổng này có thể hỗ trợ cấp được bao lưới hoặc không được có lưới bao và cũng có thể tải nguồn AC hoặc DC trong đó cổng này là một phần không thể thiếu của yêu cầu kỹ thuật viễn thông.
3.22
Mạng nhân tạo không đối xứng (AAN) (Asymmetric artificial network (AAN))
Mạng được sử dụng để đo (hoặc phun) điện áp không đối xứng (chế độ chung) trên các đường tín hiệu đối xứng không che chắn (ví dụ viễn thông) trong khi phản xạ lại tín hiệu đối xứng (chế độ vi sai). Mạng này được chèn trong đường dây thông tin/tín hiệu của xe ở chế độ nạp để cung cấp trở kháng riêng và/hoặc ngắt kết nối (ví dụ giữa đường truyền tín hiệu/điện lưới). AAN cũng được sử dụng trong tiêu chuẩn này cho các đường cáp đối xứng.
3.23
Mạng nhân tạo nạp trực tiếp (DC-nạp-AN) (Direct current charging artificial network (DC-charging- AN))
Mạng được lắp vào dây dẫn điện áp cao DC của xe ở chế độ nạp, trong một dải tần số nhất định, trở kháng tải được chỉ định và có thể cách ly xe khỏi trạm nạp HV DC trong phạm vi dải tần số đó.
3.24
Mạng chính của mạng điện lưới nhân tạo (AMN) (Artificial mains network (AMN))
Mạng cung cấp một trở kháng xác định cho ESA ở tần số vô tuyến, kết hợp điện áp nhiễu với máy thu đo và ngắt mạch thử nghiệm khỏi nguồn điện lưới. Có hai kiểu cơ bản của AMN, mạng-V (V-AMN) kết nối điện áp không đối xứng, và mạng delta có khả năng kết nối riêng biệt điện áp đối xứng và không đối xứng. Mạng ổn định trở kháng đường dây (LISN) và V-AMN được sử dụng thay thế cho nhau. Mạng được lắp vào nguồn điện lưới của xe ở chế độ nạp để cấp, trong điều kiện ở một dải tần số nhất định, trở kháng quy định và cách ly xe khỏi nguồn điện lưới trong dải tần số đó.
3.25
Địa điểm thử nghiệm ngoài trời (OTS) (Outdoor Test Site (OTS))
Khu vực thử nghiệm tương tự như tại không gian mở như được quy định trong CISPR 16, tuy nhiên không yêu cầu phải có mặt đất phẳng và có những thay đổi về hướng.
4 Tài liệu kỹ thuật
4.1 Phê duyệt kiểu xe
4.1.1 Tài liệu kỹ thuật xin phê duyệt kiểu xe, liên quan đến khả năng tương thích điện từ của nó, phải do nhà sản xuất xe gửi đến.
4.1.2 Một sơ đồ tài liệu thông tin được trình bày trong Phụ lục BA.
4.1.3 Nhà sản xuất xe phải lập một sơ đồ mô tả tất cả các hệ thống điện/điện tử hoặc ESA có liên quan, kiểu dáng thân xe, các thay đổi về vật liệu thân xe, bố trí chung búi dây điện, biến thể động cơ, xuất bản lần tay lái trái/phải và xuất bản lần chiều dài cơ sở. Các hệ thống điện/điện tử hoặc ESA có liên quan là những hệ thống có thể phát ra nhiễu điện từ băng thông rộng hoặc băng thông hẹp đáng kể và/hoặc những thiết bị liên quan đến chức năng miễn nhiễm của xe (xem 3.12) và những hệ thống cung cấp hệ thống khớp nối để nạp REESS.
4.1.4 Một xe mẫu đại cho kiểu để phê duyệt phải được chọn từ sơ đồ này theo thỏa thuận giữa nhà sản xuất và cơ quan có thẩm quyền phê duyệt kiểu. Việc lựa chọn xe phải dựa trên hệ thống điện/điện tử do nhà sản xuất cung cấp. Một hoặc nhiều xe có thể được chọn từ sơ đồ này nếu được xem xét theo thỏa thuận giữa nhà sản xuất và cơ quan có thẩm quyền phê duyệt kiểu rằng các hệ thống điện/điện tử khác nhau có thể có ảnh hưởng đáng kể đến khả năng tương thích điện từ của xe so với trước xe đại diện.
4.1.5 Việc lựa chọn các xe phù hợp với 3.1.4 phải được giới hạn trong các kết hợp các hệ thống xe/điện/điện tử dành cho sản xuất trong thực tế.
4.1.6 Nhà sản xuất có thể bổ sung cho đơn xin phê duyệt một báo cáo về các thử nghiệm đã được thực hiện. Bất kỳ dữ liệu nào được cung cấp có thể được cơ quan có thẩm quyền phê duyệt kiểu sử dụng cho mục đích soạn thảo biểu mẫu trao đổi thông tin về phê duyệt kiểu.
4.1.7 Nếu cơ sở thử nghiệm chịu trách nhiệm về thử nghiệm phê duyệt kiểu thực hiện thử nghiệm đó, thì phải cung cấp xe đại diện của kiểu được phê duyệt theo 4.1.4.
4.1.8 Đối với các loại xe L6, L7, M, N, O, T, R và S, nhà sản xuất xe phải cung cấp một khai báo về các dải tần, mức công suất, vị trí ăng ten và quy định lắp đặt để lắp đặt máy phát tần số vô tuyến (máy phát RF), ngay cả khi xe không được trang bị bộ phát RF tại thời điểm phê duyệt kiểu. Điều này phải bao gồm tất cả các dịch vụ vô tuyến di động thường được sử dụng trong xe. Thông tin này phải được công bố công khai theo phê duyệt kiểu.
4.1.9 Việc phê duyệt kiểu xe phải được áp dụng cho cả hệ thống REESS và bộ khớp nối để nạp REESS vì chúng được coi là hệ thống điện/điện tử.
4.2 Phê duyệt kiểu ESA
4.2.1 Khả năng áp dụng tiêu chuẩn này cho ESA:

4.2.2 Đơn xin phê duyệt một Kiểu ESA liên quan đến khả năng tương thích điện từ của nó phải được nhà sản xuất xe hoặc nhà sản xuất ESA gửi đến.
4.2.3 Một mẫu tài liệu thông tin được trình bày trong Phụ lục BB.
4.2.4 Nhà sản xuất có thể bổ sung cho đơn xin phê duyệt kiểu một báo cáo về các thử nghiệm đã được thực hiện. Bất kỳ dữ liệu nào được cung cấp có thể được cơ quan có thẩm quyền phê duyệt kiểu sử dụng cho mục đích soạn thảo biểu mẫu trao đổi thông tin về phê duyệt kiểu
4.2.5 Nếu cơ sở thử nghiệm chịu trách nhiệm về thử nghiệm phê duyệt kiểu thực hiện thử nghiệm đó, thì mẫu đại diện hệ thống ESA của kiểu được phê duyệt phải được cung cấp, nếu cần, sau khi thảo luận với nhà sản xuất, ví dụ: các biến thể có thể có trong cách bố trí, số lượng bộ phận, số lượng cảm biến. Nếu cơ sở thử nghiệm thấy cần thiết thì có thể chọn một mẫu khác.
4.2.6 Trên các mẫu phải ghi nhãn rõ ràng và không thể xóa được tên thương mại hoặc nhãn hiệu của nhà sản xuất và mô tả kiểu.
4.2.7 Khi có thể áp dụng, bất kỳ hạn chế sử dụng nào phải được nêu ra. Bất kỳ hạn chế nào như vậy nên được đưa vào Phụ lục BB và/hoặc Phụ lục CB
4.2.8 ESA được bán thị trường dưới dạng phụ tùng thì không cần phê duyệt kiểu nếu chúng được ghi nhãn rõ ràng là phụ tùng thay thế bằng một số nhận dạng và nếu chúng là đồng nhất và từ cùng một nhà sản xuất như là phụ tùng tương ứng cung cấp cho nhà sản xuất thiết bị gốc (OEM) cho kiểu xe đã được phê duyệt.
4.2.9 Các bộ phận được bán dưới dạng phụ tùng thay thế chính hãng và dự định lắp đặt trong xe cơ giới không cần phê duyệt kiểu nếu chúng không liên quan đến các chức năng liên quan đến miễn nhiễm (3.12). Trong trường hợp này, nhà sản xuất phải đưa ra tuyên bố rằng ESA đáp ứng các yêu cầu của Tiêu chuẩn này và đặc biệt là các giới hạn được xác định trong điều 5.5, 5.6, 5.7, 5.8 và 5.9.
4.2.10 Trong trường hợp ESA là (một phần) nguồn sáng, người nộp đơn xin phê duyệt phải:
a) Quy định một số phê duyệt cấp cho ESA này theo TCVN 6973, ECE 99 hoặc ECE 128, hoặc là
b) Cung cấp báo cáo kết quả thử bởi cơ sở thử nghiệm được quy định bởi cơ quan có thẩm quyền phê duyệt kiểu, nêu rằng ESA này không thể thay thế về mặt cơ học với bất kỳ nguồn sáng nào theo TCVN 6973, ECE 99 hoặc ECE 128.
5 Ghi nhãn
5.1 Số phê duyệt phải được quy định cho từng kiểu xe hoặc kiểu ESA được phê duyệt. Hai chữ số đầu tiên của số này (hiện tại là 06) phải chỉ ra một loạt các sửa đổi tương ứng với các sửa đổi kỹ thuật thiết yếu gần đây nhất được áp dụng cho tiêu chuẩn tại ngày phê duyệt. Một bên ký kết không được gán cùng số phê duyệt cho một kiểu xe hoặc ESA khác.
5.2 Sự hiện diện của các nhãn
5.2.1 Xe
Một nhãn phê duyệt được mô tả trong 5.3 phải được gắn vào mỗi xe phù hợp với kiểu được phê duyệt theo tiêu chuẩn này.
5.2.2 Bộ phận phụ
Một nhãn phê duyệt được mô tả trong 5.3 phải được gắn vào mọi ESA phù hợp với kiểu được phê duyệt theo tiêu chuẩn này.
Không yêu cầu ghi nhãn cho các hệ thống điện/điện tử được trang bị trong các xe được phê duyệt là các bộ phận.
5.3 Một nhãn hiệu phê duyệt quốc tế phải được gán ở nơi dễ thấy và dễ tiếp cận được quy định trên biểu mẫu thông tin phê duyệt, trên mỗi xe phù hợp với kiểu được phê duyệt theo tiêu chuẩn này. Nhãn này phải bao gồm:
5.3.1 Một vòng tròn chứa chữ "E", theo sau là số phân biệt của quốc gia cấp phê duyệt.2
CHÚ THÍCH 2: số phân biệt của các bên ký kết Hiệp định 1958 được cho trong Phụ lục 3 của Nghị quyết Hợp nhất về cấu tạo của xe (R.E.3), tài liệu ECE / TRANS / WP.29 / 78 / Rev.3, Phụ lục 3.
5.3.2 Số của tiêu chuẩn này, theo sau là chữ "R", dấu gạch ngang và số phê duyệt ở bên phải của vòng tròn được nêu trong 5.3.1.
5.4 Một ví dụ về nhãn phê duyệt kiểu được nêu trong Phụ lục A.
5.5 Các nhãn về ESA phù hợp với 5.3 không cần phải nhìn thấy được khi ESA được lắp trong xe.
6 Yêu cầu kỹ thuật trong các cấu hình khác với chế độ nạp REESS được kết nối với lưới điện
6.1 Yêu cầu kỹ thuật chung
6.1.1 Một xe và hệ thống điện/điện tử hoặc ESA của nó phải được thiết kế, chế tạo và trang bị để cho phép xe, trong điều kiện sử dụng bình thường, tuân thủ các yêu cầu của tiêu chuẩn này.
6.1.1.1 Một xe phải được thử về bức xạ và miễn nhiễm điện từ. Không yêu cầu phải thử nghiệm về bức xạ điện hoặc miễn nhiễm với điện từ để phê duyệt kiểu xe.
6.1.1.2 ESA phải được thử nghiệm về bức xạ nhiễu và dòng điện nhiễu, về miễn nhiễm điện từ và dòng điện nhiễu
6.2 Yêu cầu kỹ thuật liên quan đến bức xạ điện từ băng thông rộng từ xe
6.2.1 Phương pháp đo
Bức xạ điện từ phát ra bởi xe mẫu đại diện cho kiểu xe phải được đo bằng phương pháp mô tả trong Phụ lục D. Phương pháp đo phải được xác định bởi nhà sản xuất xe phù hợp với cơ sở thử nghiệm.
6.2.2 Giới hạn phê duyệt kiểu băng thông của xe
6.2.2.1 Nếu các phép đo được thực hiện bằng phương pháp được mô tả trong Phụ lục D sử dụng khoảng cách giữa xe và ăng ten là 10,0 ± 0,2 m, các giới hạn phải là 32 dBμV/m (microV/m) trong mạch dải (stripline - sau đây gọi chung là mạch dải) tần từ 30 MHz đến 75 MHz và 32 dBμV/m đến 43 dBμV/m trong dải tần 75 MHz đến 400 MHz, giới hạn này tăng theo hàm logarit với tần số trên 75 MHz như trong Phụ lục Z.2. Trong dải tần 400 MHz đến 1.000 MHz giới hạn không đổi ở mức 43 dBμV/m.
6.2.2.2 Nếu các phép đo được thực hiện bằng phương pháp được mô tả trong Phụ lục D sử dụng khoảng cách giữa xe và ăng ten là 3,0 m ± 0,05 m, thì các giới hạn phải là 42 dBμV/m trong mạch dải tần từ 30 MHz đến 75 MHz và 42 MHz đến 53 dBμV/m trong mạch dải tần từ 75 MHz đến 400 MHz, giới hạn này tăng theo hàm logarit với tần số trên 75 MHz như minh họa trong Phụ lục Z.3. Trong mạch dải tần từ 400 MHz đến 1.000 MHz giới hạn không đổi ở mức 53 dBμV/m.
6.2.2.3 Trên xe mẫu đại diện, các giá trị đo được tính bằng dBμV/m phải nhỏ hơn giới hạn phê duyệt kiểu.
6.3 Yêu cầu kỹ thuật liên quan đến bức xạ điện từ băng thông hẹp từ xe
6.3.1 Phương pháp đo
Phải đo bức xạ điện từ do xe mẫu đại diện cho kiểu sinh ra bằng phương pháp được mô tả trong Phụ lục E. Chúng phải được xác định bởi nhà sản xuất xe phù hợp với cơ sở thử nghiệm.
6.3.2 Giới hạn phê duyệt kiểu băng thông hẹp
6.3.2.1 Nếu các phép đo được thực hiện theo phương pháp được mô tả trong Phụ lục E và khoảng cách giữa xe và ăng ten là 10,0 m ± 0,2 m, thì các giới hạn phải là 22 dBμV/m trong mạch dải tần từ 30 MHz đến 75 MHz và 22 dBμV/m đến 33 dBμV/m trong mạch dải tần từ 75 MHz đến 400 MHz, giới hạn này tăng theo hàm logarit với tần số trên 75 MHz như trong Phụ lục Z.4. Trong dải tần 400 MHz đến 1.000 MHz giới hạn không đổi ở mức 33 dBμV/m.
6.3.2.2 Nếu các phép đo được thực hiện theo phương pháp được mô tả trong Phụ lục E và khoảng cách giữa xe và ăng ten là 3,0 m ± 0,05 m, giới hạn phải là 32 dBμV/m trong mạch dải tần từ 30 MHz đến 75 MHz và 32 MHz đến 43 dBμV/m trong mạch dải tần từ 75 MHz đến 400 MHz, giới hạn này tăng theo hàm logarit với tần số trên 75 MHz như trong Phụ lục Z.5. Trong mạch dải tần từ 400 MHz đến 1.000 MHz giới hạn không đổi ở mức 43 dBμV/m.
6.3.2.3 Trên xe mẫu mang đến thử, các giá trị đo được biểu thị bằng dB (μV/m) phải nhỏ hơn giới hạn phê duyệt kiểu.
6.3.2.4 Cho dù các giới hạn đã được xác định trong 6.3.2.1, 6.3.2.2 và 6.3.2.3, nhưng nếu, trong giai đoạn đầu, được trình bày trong Phụ lục E, E.1.3, cường độ tín hiệu đo tại ăng-ten vô tuyến phát sóng của xe thấp hơn 20 dBμV/m trong băng thông từ 76 MHz đến 108 MHz đo bằng đầu dò trung bình, thì khi đó xe được xét là đáp ứng các giới hạn bức xạ băng thông hẹp và không cần thử nghiệm thêm.
6.4 Yêu cầu kỹ thuật liên quan đến khả năng miễn nhiễm của xe với dòng điện nhiễu
6.4.1 Phương pháp thử
Khả năng miễn nhiễm với bức xạ điện từ của xe mẫu đại diện cho kiểu xe phải được thử nghiệm bằng phương pháp mô tả trong Phụ lục F.
6.4.2 Giới hạn phê duyệt kiểu miễn nhiễm của xe
6.4.2.1 Nếu các thử nghiệm được thực hiện bằng phương pháp được mô tả trong Phụ lục F, cường độ điện trường phải là 30 V/m (rms) (giá trị bình phương trung bình) trong hơn 90 % của băng thông từ 20 MHz đến 2.000 MHz và tối thiểu 25 V/m (rms) trên toàn bộ dải tần 20 MHz đến 2.000 MHz.
6.4.2.2 Xe mẫu đại diện cho kiểu xe phải được coi là phù hợp với các yêu cầu miễn nhiễm nếu trong các thử nghiệm được thực hiện theo Phụ lục F không có sự suy giảm hiệu năng của "các chức năng liên quan đến miễn nhiễm", theo F.2.1.
6.5 Đặc điểm kỹ thuật liên quan đến nhiễu điện từ băng thông rộng do ESA sinh ra
6.5.1 Phương pháp đo
Bức xạ điện từ do ESA mẫu đại diện cho kiểu của nó sinh ra để thử phải đo bằng phương pháp mô tả trong Phụ lục G.
6.5.2 Giới hạn phê duyệt kiểu ESA băng thông rộng
6.5.2.1 Nếu các phép đo được thực hiện bằng phương pháp được mô tả trong Phụ lục G, các giới hạn phải là 62 dBμV/m đến 52 dBμV/m trong mạch dải tần từ 30 MHz đến 75 MHz, giới hạn này giảm theo hàm logarit với tần số trên 30 MHz và từ 52 dBμV/m đến 63 dBμV/m trong mạch dải tần từ 75 MHz đến 400 MHz, giới hạn này tăng theo hàm logarit với tần số trên 75 MHz như trong Phụ lục Z.6.
Trong mạch dải tần từ 400 MHz đến 1.000 MHz, giới hạn không đổi ở mức 63 dBμV/m.
6.5.2.2 Trên ESA mẫu đại diện, các giá trị đo được tính bằng dBμV/m, phải nhỏ hơn giới hạn phê duyệt kiểu.
6.6 Yêu cầu kỹ thuật liên quan đến nhiễu điện từ băng thông hẹp do ESA sinh ra
6.6.1 Phương pháp đo
Bức xạ điện từ được sinh ra bởi ESA mẫu đại diện phải được đo bằng phương pháp được mô tả trong Phụ lục H.
6.6.2 Giới hạn phê duyệt kiểu băng thông hẹp ESA
6.6.2.1 Nếu các phép đo được thực hiện bằng phương pháp nêu trong Phụ lục H, các giới hạn phải là 52 dBμV/m đến 42 dBμV/m trong dải tần từ 30 MHz đến 75 MHz, giới hạn này giảm theo hàm logarit với tần số trên 30 MHz và 42 dBμV/m đến 53 dBμV/m trong dải tần từ 75 MHz đến 400 MHz, giới hạn này tăng theo hàm logarit với tần số trên 75 MHz như trong Phụ lục Z.7. Trong dải tần từ 400 MHz đến 1 000 MHz, giới hạn không đổi ở mức 53 dBμV/m.
6.6.2.2 Trên ESA mẫu đại diện, giá trị đo được biểu thị bằng dBμV/m phải nằm thấp hơn giới hạn phê duyệt kiểu
6.7 Các yêu cầu kỹ thuật liên quan đến bức xạ của dòng điện nhiễu chuyển tiếp do ESA sinh ra trên các đường cáp điện 12/24 V.
6.7.1 Phương pháp thử
Sự bức xạ của ESA mẫu đại diện phải được kiểm tra bằng (các) phương pháp nêu trong ISO 7637-2 như được mô tả trong Phụ lục K cho các mức được nêu trong Bảng 1.
Bảng 1 - Biên độ xung cho phép lớn nhất
|
| Biên độ xung cho phép lớn nhất cho | |
| Cực tính của biên độ xung | Xe có hệ thống 12 V | Xe có hệ thống 24 V |
| Dương | +75 V | +150 V |
| Âm | -100 V | -450 V |
6.8 Yêu cầu kỹ thuật liên quan đến khả năng miễn nhiễm của ESA đối với bức xạ điện từ
6.8.1 Phương pháp thử
Khả năng miễn nhiễm với bức xạ điện từ của ESA mẫu đại diện phải được kiểm tra bằng (các) phương pháp được chọn từ các phương pháp được mô tả trong Phụ lục J.
6.8.2 Giới hạn phê duyệt kiểu miễn nhiễm ESA
6.8.2.1 Nếu các thử nghiệm được thực hiện bằng các phương pháp được mô tả trong Phụ lục J, các mức thử nghiệm miễn nhiễm phải là:
60 V/m (rms) ứng với phương pháp thử mạch dải 150 mm, và
15 V/m (rms) ứng với phương pháp thử mạch dải 800 mm,
75 V/m (rms) ứng với phương pháp thử ở chế độ pin điện từ ngang (TEM),
60 mA (rms) ứng với phương pháp thử phun dòng hàng loạt (BCI)
30 V/m (rms) ứng với phương pháp thử trường tự do bao quanh trên 90 % của băng thông từ 20 đến 2.000 MHz
và tối thiểu là:
50 V/m (rms) ứng với phương pháp thử mạch dải 150 mm,
12,5 V/m (rms) ứng với phương pháp thử mạch dải 800 mm,
62,5 V/m (rms) ứng với phương pháp thử ở chế độ pin điện từ ngang (TEM),
50 mA (rms) cho phương pháp thử phun hàng loạt (BCI)
và 25 V/m (rms) cho phương pháp thử nghiệm trường tự do bao quanh toàn bộ băng thông từ 20 MHz đến 2.000 MHz.
6.8.2.2 ESA mẫu đại diện phải được xem là phù hợp với các yêu cầu miễn nhiễm nếu, trong các thử nghiệm được thực hiện theo Phụ lục J, phải không được có sự suy giảm hiệu năng của "các chức năng liên quan đến miễn nhiễm".
6.9 Các yêu cầu kỹ thuật liên quan đến miễn nhiễm của ESA tới rối loạn chuyển tiếp dọc theo các đường cấp điện 12/24 V
6.9.1 Phương pháp thử
Khả năng miễn nhiễm của ESA mẫu được mang đến thử phải được kiểm tra bằng (các) phương pháp theo ISO 7637-2 như mô tả trong Phụ lục K với các mức thử nghiệm được nêu trong
Bảng 2 - Miễn nhiễm của ESA
| Số xung thử | Mức thử miễn nhiễm | Trạng thái chức năng đối với các hệ thống: | |
| Liên quan đến các chức năng liên quan đến miễn nhiễm | Không liên quan đến các chức năng liên quan đến miễn nhiễm | ||
| 1 | III | C | D |
| 2a | III | B | D |
| 2b | III | C | D |
| 3a/3b | III | A | D |
| 4 | III | B (cho ESA phải làm việc trong các giai đoạn khởi động động cơ) C (cho các ESA khác) | D |
6.10 Các ngoại lệ
6.10.1 Trong trường hợp một xe hoặc hệ thống điện/điện tử hoặc ESA không có bộ tạo dao động điện tử có tần số lớn hơn 9 kHz, thì xe đó phải được coi là phù hợp với 6.3.2 hoặc 6.6.2 và với Phụ lục E.
6.10.2 Các phương tiện không có hệ thống điện/điện tử có "chức năng liên quan đến miễn nhiễm" không cần phải kiểm tra về miễn nhiễm với các rối loạn bức xạ và phải được coi là phù hợp 6.4 và Phụ lục F.
6.10.3 Các ESA không có chức năng liên quan đến miễn nhiễm thì không cần phải kiểm tra khả năng miễn nhiễm về các rối loạn bức xạ và phải được coi là phù hợp 6.8 và Phụ lục J.
6.10.4 Xả tĩnh điện
Đối với xe đã lắp lốp thì vỏ xe/khung xe có thể được coi là một cấu trúc cách điện. Các lực tĩnh điện đáng kể liên quan đến môi trường bên ngoài của xe chỉ xảy ra tại thời điểm người ngồi trên xe đi vào hoặc ra khỏi xe. Vì xe đứng yên tại những thời điểm này, không cần thiết phải có thử nghiệm phê duyệt kiểu nào về phóng tĩnh điện
6.10.5 Bức xạ các nhiễu điện từ chuyển tiếp do ESA sinh ra trên các đường cấp điện 12/24 V.
Các ESA không đóng mạch, không có công tắc chuyển mạch hoặc không có tải cảm ứng bên trong thì không cần phải kiểm tra về dòng điện nhiễu chuyển tiếp và phải được coi là phù hợp với 6.7.
6.10.6 Việc mất chức năng của máy thu trong quá trình thử miễn nhiễm, khi tín hiệu thử nghiệm nằm trong phạm vi băng thông của máy thu (băng thông ngoại trừ RF) như được quy định cho dịch vụ/sản phẩm vô tuyến cụ thể trong tiêu chuẩn quốc tế đã hài hòa EMC, không nhất thiết phải xét đến đến tiêu chí lỗi.
6.10.7 Máy phát sóng RF phải được thử nghiệm ở chế độ phát sóng. Phát sóng vô tuyến mong muốn (ví dụ: từ các hệ thống phát sóng RF) trong phạm vi băng thông cần thiết và phát sóng vô tuyến ngoài phạm vi băng thông được bỏ qua cho mục đích của tiêu chuẩn này. Phát sóng vô tuyến nằm ngoài băng thông cần thiết phải phù hợp với tiêu chuẩn này.
6.10.7.1 Băng thông cần thiết: Đối với hình thức phát sóng đã cấp phép, độ rộng của băng thông tương ứng chỉ đủ để đảm bảo thông tin tín hiệu với tốc độ và chất lượng được yêu cầu trong các điều kiện xác định (Điều 1, số 1 152 của các Quy định vô tuyến của Liên minh Viễn thông quốc tế (ITU).
6.10.7.2 Bức xạ ngoài băng thông: Phát sóng theo một tần số hoặc tần số liền kề ngay bên ngoài băng thông cần thiết do quá trình điều biến, nhưng không bao gồm bức xạ ngoại lai (Điều 1, số 1 144 của Quy định vô tuyến của Liên minh Viễn thông quốc tế ITU).
6.10.7.3 Phát sóng ngoại lai: Trong mọi quá trình điều biến luôn xuất hiện thêm các tín hiệu không mong muốn. Chúng được tóm tắt dưới biểu thức "phát sóng ngoại lai". Phát sóng ngoại lai là các phát sóng trên một tần số hoặc các tần số, nằm ngoài băng thông cần thiết và mức độ của nó có thể giảm mà không ảnh hưởng đến việc thông tin tín hiệu tương ứng. Phát sóng ngoại lai bao gồm phát sóng hài, sóng ký sinh, sóng điều biến và các sóng chuyển đổi tần số, nhưng kiểu trừ phát sóng-ngoài-băng thông (Điều 1 số 1 145 của Quy định vô tuyến của Liên minh Viễn thông quốc tế ITU).
7 Yêu cầu kỹ thuật bổ sung trong cấu hình "Chế độ nạp REESS được kết nối với lưới điện"
7.1 Yêu cầu kỹ thuật chung
7.1.1 Một xe và (các) hệ thống điện/điện tử hoặc ESA của xe phải được thiết kế, chế tạo và trang bị để cho phép xe có cấu hình "Chế độ nạp REESS được kết nối với lưới điện", để phù hợp với các yêu cầu của chuẩn này.
7.1.1.1 Một xe có cấu hình "Chế độ nạp REESS được kết nối với lưới điện" phải được thử nghiệm phát xạ bức xạ, miễn nhiễm với nhiễu loạn bức xạ, dòng điện nhiễu và miễn nhiễm với nhiễu loạn điện
7.1.1.2 Các ESA trong cấu hình "Chế độ nạp REESS được kết nối với lưới điện" phải được thử nghiệm về dòng điện nhiễu và phát xạ bức xạ, về miễn nhiễm với nhiễu loạn điện và dòng điện nhiễu.
7.1.2 Trước khi tiến hành thử, cơ sở thử nghiệm phải chuẩn bị kế hoạch thử có sự kết hợp với nhà sản xuất về cấu hình "Chế độ nạp REESS được kết nối với lưới điện" để cấu hình đó bao gồm ít nhất là chế độ làm việc, (các) chức năng được kích hoạt, chức năng được giám sát, tiêu chí đạt/không đạt và bức xạ dự kiến sinh ra.
7.1.3 Một xe có cấu hình "Chế độ nạp REESS được kết nối với lưới điện" phải được thử nghiệm bằng cáp nạp điện do nhà sản xuất cung cấp. Trong trường hợp này, cáp nạp điện phải được phê duyệt kiểu như một phần của xe.
7.1.4 Mạng nhân tạo
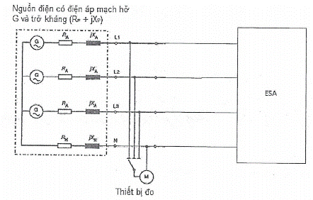
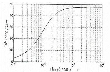
Lưới điện xoay chiều AC phải được đấu nối vào xe/ESA ở mức 50 μH/50 Ω AN như được quy định trong CISPR 6-1-2 4.3.
Lưới điện một chiều DC phải được đấu nối vào xe/ESA ở mức 5 μH/50 Ω AN như được quy định trong CISPR25.
Cáp điện cao thế phải được đấu nối vào ESA ở mức 5 μH /50 Ω HV-AN như được quy định trong Phụ lục Z.8.
7.2 Yêu cầu kỹ thuật liên quan đến bức xạ điện từ băng thông rộng từ xe
7.2.1 Phương pháp đo
Bức xạ điện từ do xe mẫu đại diện sinh ra phải được đo bằng phương pháp mô tả trong Phụ lục D. Phương pháp đo phải được xác định bởi nhà sản xuất xe phù hợp với cơ sở thử nghiệm.
7.2.2 Giới hạn phê duyệt kiểu băng thông rộng của xe.
7.2.2.1 Nếu các phép đo được thực hiện bằng phương pháp được mô tả trong Phụ lục Z.2 có khoảng cách giữa xe và ăng ten là 10,0 m ± 0,2 m, thì các giới hạn là:
32 dBμV/m trong mạch dải tần từ 30 MHz đến 75 MHz và
Từ 32 dBμV/m đến 43 dBμV/m trong mạch dải tần từ 75 MHz đến 400 MHz, giới hạn này tăng theo hàm logarit với tần số trên 75 MHz như quy định trong Phụ lục Z.2. Trong mạch dải tần từ 400 MHz đến 1.000 MHz, giới hạn không đổi ở mức 43 dBpV/m.
7.2.2.2 Nếu các phép đo được thực hiện bằng phương pháp được mô tả trong Phụ lục D với khoảng cách giữa xe và ăng-ten là 3,0 m + 0,05 m, thì các giới hạn là
42 dBμV/m trong mạch dải tần từ 30 MHz đến 75 MHz và
42 dBμV/m đến 53 dBμV/m trong mạch dải tần từ 75 MHz đến 400 MHz, giới hạn này tăng theo hàm logarit với tần số trên 75 MHz như cho trong Phụ lục Z.3. Trong mạch dải tần từ 400 MHz đến 1.000 MHz, giới hạn không đổi ở mức 53 dBμV/m/m. Trên xe mẫu đại diện, các giá trị đo được tính bằng dBμV/m/m phải nhỏ hơn giới hạn phê duyệt kiểu.
7.3 Yêu cầu kỹ thuật liên quan đến phát sóng hài trên cáp điện xoay chiều AC từ xe
7.3.1 Phương pháp đo
Phát sóng hài trên các cáp điện xoay chiều do xe mẫu đại diện sinh ra phải được đo bằng phương pháp mô tả trong Phụ lục L. Phương pháp đo phải được xác định bởi nhà sản xuất xe phù hợp với cơ sở thử nghiệm.
7.3.2 Giới hạn phê duyệt kiểu xe
7.3.2.1 Nếu các phép đo được thực hiện bằng phương pháp được mô tả trong Phụ lục L, thì các giới hạn cho dòng điện đầu vào ≤16 A cho mỗi pha là các phép đo được xác định trong IEC 61000-3-2 và được nêu trong Bảng 3.
Bảng 3 - Sóng hài cho phép lớn nhất (dòng điện đầu vào ≤ 16 A cho mỗi pha)
| Số sóng hài n | Dòng sóng hài cho phép lớn nhất A |
|
| Sóng hài lẻ |
| 3 | 2,3 |
| 5 | 1,14 |
| 7 | 0,77 |
| 9 | 0,40 |
| 11 | 0,33 |
| 13 | 0,21 |
| 15 ≤ n ≤ 39 | 0,15x15/n |
| Sóng hài chẵn |
|
| 2 | 1,08 |
| 4 | 0,43 |
| 6 | 0.30 |
| 8 ≤ n ≤ 40 | 0,23 × 8/n |
7.3.2.2 Nếu các phép đo được thực hiện bằng phương pháp được mô tả trong Phụ lục L, thì các giới hạn cho dòng điện đầu vào >16 A và ≤ 75 A cho mỗi pha là các phép đo được xác định trong IEC 61000-3-12 và được cho trong Bảng 4, Bảng 5 và Bảng 6.
Bảng 4 - Sóng hài cho phép lớn nhất (dòng điện đầu vào > 16 A và ≤ 75 A cho mỗi pha) đối với thiết bị không phải là thiết bị ba pha cân bằng
| Tối thiểu Rsce | Dòng sóng hài riêng lẻ chấp nhận được ln/l1 % | Hệ số sóng hài của dòng cực đại % | ||||||
|
| l3 | l5 | l7 | l9 | l11 | l13 | THD | PWHD |
| 33 | 21,6 | 10,7 | 7,2 | 3,8 | 3,1 | 2 | 23 | 23 |
| 66 | 24 | 13 | 8 | 5 | 4 | 3 | 26 | 26 |
| 120 | 27 | 15 | 10 | 6 | 5 | 4 | 30 | 30 |
| 250 | 35 | 20 | 13 | 9 | 8 | 6 | 40 | 40 |
| ≥ 350 | 41 | 24 | 15 | 12 | 10 | 8 | 47 | 47 |
Giá trị tương đối của các sóng hài chẵn nhỏ hơn hoặc bằng 12 phải thấp hơn 16/n %. Các sóng hài lớn hơn 12 cũng được tính đến trong độ méo hài tổng (THD) và độ méo hài gia quyền một phần (PWHD) theo cùng một cách giống như với hài hòa lẻ.
Nội suy tuyến tính giữa các giá trị liên tiếp của tỷ lệ ngắn mạch của thiết bị (Rsce) là được phép
Bảng 5 - Sóng hài lớn nhất cho phép (dòng điện đầu vào > 16 A và < 75 A mỗi pha) cho thiết bị ba pha cân bằng
| Tối thiểu Rsce | Dòng sóng hài riêng lẻ chấp nhận được ln/l1 % | Hệ số sóng hài của dòng lớn nhất % | ||||
|
| l5 | l7 | l11 | l13 | THD | PWHD |
| 33 | 10,7 | 7,2 | 3,1 | 2 | 13 | 22 |
| 66 | 14 | 9 | 5 | 3 | 16 | 25 |
| 120 | 19 | 12 | 7 | 4 | 22 | 28 |
| 250 | 31 | 20 | 12 | 7 | 37 | 38 |
| ≥ 350 | 40 | 25 | 15 | 10 | 48 | 46 |
Giá trị tương đối của các sóng hài chẵn nhỏ hơn hoặc bằng 12 phải thấp hơn 16/n %. Các sóng hài lớn hơn 12 cũng được tính đến trong THD và PWHD giống như các sóng hài lẻ.
Được phép nội suy tuyến tính giữa các giá trị liên tiếp của Rsce.
Bảng 6 - Sóng hài lớn nhất cho phép (dòng điện đầu vào > 16 A và ≤ 75 A mỗi pha) cho thiết bị ba pha cân bằng trong điều kiện riêng
| Tối thiểu Rsce | Dòng sóng hài riêng lẻ chấp nhận được ln/l1 % | Hệ số sóng hài của dòng lớn nhất % | ||||
|
| l5 | l7 | l11 | l13 | THD | PWHD |
| 33 | 10,7 | 7,2 | 3,1 | 2 | 13 | 22 |
| ≥ 120 | 40 | 25 | 15 | 10 | 48 | 46 |
Giá trị tương đối của các sóng hài chẵn nhỏ hơn hoặc bằng 12 phải thấp hơn 16/n %. Ngay cả các sóng hài lớn hơn 12 cũng được tính đến trong THD và PWHD giống như các sóng hài lẻ
7.4 Yêu cầu kỹ thuật liên quan đến bức xạ từ xe khi thay đổi điện áp, dao động điện áp và nhấp nháy trên cáp điện xoay chiều AC
7.4.1 Phương pháp đo
Sự bức xạ do thay đổi điện áp, dao động điện áp và nhấp nháy trên các cáp điện xoay chiều được sinh ra bởi đại diện của kiểu xe phải được đo bằng phương pháp mô tả trong Phụ lục M. Phương pháp đo phải do nhà sản xuất xe quy định phù hợp với cơ sở thử nghiệm.
7.4.2 Giới hạn phê duyệt kiểu xe
7.4.2.1 Nếu các phép đo được thực hiện bằng phương pháp được mô tả trong Phụ lục M, các giới hạn đối với dòng điện danh định ≤16 A mỗi pha và không thuộc kiểu kết nối có điều kiện là các giới hạn đã được quy định trong IEC 61000-3-3, Điều 6.
7.4.2.2 Nếu các phép đo được thực hiện bằng phương pháp được mô tả trong Phụ lục M, các giới hạn với dòng điện danh định >16 A và ≤75 A mỗi pha và thuộc kiểu kết nối có điều kiện là những giới hạn được xác định trong IEC 61000-3-11, Điều 6.
7.5 Yêu cầu kỹ thuật liên quan đến dòng điện nhiễu tần số vô tuyến trên các cáp điện xoay chiều hoặc một chiều từ các xe.
7.5.1 Phương pháp đo
Bức xạ của dòng điện nhiễu tần số vô tuyến trên các cáp điện xoay chiều hoặc một chiều do xe mẫu đại diện sinh ra phải được đo bằng phương pháp mô tả trong Phụ lục N. Phương pháp đo phải do nhà sản xuất xe xác định phù hợp với cơ sở thử nghiệm.
7.5.2 Giới hạn phê duyệt kiểu xe
7.5.2.1 Nếu các phép đo được thực hiện bằng phương pháp được mô tả trong Phụ lục N, thì các giới hạn đối với các cáp điện nguồn xoay chiều là các giới hạn được xác định trong IEC 61000-6-3 và được nêu trong Bảng 7.
Bảng 7 - Dòng điện nhiễu tần số vô tuyến cho phép lớn nhất trên cáp điện xoay chiều
| Tần số (MHz) | Giới hạn và bộ cảm biến |
| 0,15 đến 0,5 | 66 dBμV đến 56 dBμV (chuẩn đỉnh) 56 dBμV đến 46 dBμV (trung bình) (giảm tuyến tính với hàm logarit của tần số) |
| 0,5 đến 5 | 56 dBμV (chuẩn đỉnh) 46 dBμV (trung bình) |
| 5 đến 30 | 60 dBμV (chuẩn đỉnh) 50 dBμV (trung bình) |
7.5.2.2 Nếu các phép đo được thực hiện bằng phương pháp được mô tả trong Phụ lục N, thì các giới hạn trên cáp điện một chiều là các giới hạn được xác định trong IEC 61000-6-3 và được nêu trong Bảng 8.
Bảng 8 - Dòng điện nhiễu tần số vô tuyến cho phép lớn nhất trên cáp điện một chiều
| Tần số (MHz) | Giới hạn và bộ cảm biến |
| 0,15 đến 0,5 | 79 dBμV (chuẩn đỉnh) 66 dBμV (trung bình) |
| 0,5 đến 30 | 73 dBμV (chuẩn đỉnh) 60 dBμV (trung bình) |
7.6 Các yêu cầu kỹ thuật liên quan đến bức xạ của dòng điện nhiễu tần số vô tuyến trên mạng và truy cập viễn thông từ xe
7.6.1 Phương pháp đo
Bức xạ của dòng điện nhiễu tần số vô tuyến trên mạng và truy cập viễn thông do xe mẫu đại diện sinh ra phải được đo bằng phương pháp mô tả trong Phụ lục P. Phương pháp đo phải được xác định bởi nhà sản xuất xe phù hợp với cơ sở thử nghiệm.
7.6.2 Giới hạn phê duyệt kiểu xe
7.6.2.1 Nếu các phép đo được thực hiện bằng phương pháp được mô tả trong Phụ lục P, thì các giới hạn về cổng Ethernet (truy cập viễn thông như được quy định trong 3.6 của CISPR22) là các giới hạn được quy định trong IEC 61000-6-3 và được nêu trong Bảng 9.
Bảng 9 - Dòng điện nhiễu tần số vô tuyến cho phép lớn nhất trên mạng và truy cập viễn thông
| Tần số (MHz) | Giới hạn điện áp (bộ cảm biến) | Giới hạn dòng (bộ cảm biến) |
| 0,15 đến 0,5 | 84 đến 74 dBμV (chuẩn đỉnh) 74 đến 64 dBμV (trung bình) (giảm tuyến tính với hàm logarit của tần số) | 40 đến 30 dBμA (chuẩn đỉnh) 30 đến 20 dBμA (trung bình) (giảm tuyến tính với hàm logarit của tần số) |
| 0.5 đến 30 | 74 dBμV (chuẩn đỉnh) 64 dBμV (trung bình) | 30 dBμA (chuẩn đỉnh) 20 dBμA (trung bình) |
7.7 Yêu cầu kỹ thuật liên quan đến khả năng miễn nhiễm của xe đối với bức xạ điện từ
7.7.1 Phương pháp thử
Khả năng miễn nhiễm với bức xạ điện từ của xe mẫu đại diện phải được kiểm tra bằng phương pháp mô tả trong Phụ lục F.
7.7.2 Giới hạn phê duyệt kiểu miễn nhiễm của xe
7.7.2.1 Nếu các thử nghiệm được thực hiện bằng phương pháp được mô tả trong Phụ lục F, cường độ điện trường phải là 30 V/m (rms) bao trùm hơn 90 % của băng thông từ 20 MHz đến 2000 MHz và tối thiểu 25 V/m (rms) bao trùm toàn bộ băng thông từ 20 MHz đến 2 000 MHz.
7.7.2.2 Xe mẫu đại diện phải được coi là phù hợp với các yêu cầu về miễn nhiễm nếu trong các thử nghiệm được thực hiện theo Phụ lục F khi không có sự suy giảm hiệu năng của "các chức năng liên quan đến miễn nhiễm", theo F.2.2.
7.8 Yêu cầu kỹ thuật liên quan đến khả năng miễn nhiễm của xe đối với rối loạn điện do đột biến quá độ nhanh dọc theo cáp điện xoay chiều và một chiều
7.8.1 Phương pháp thử
7.8.1.1 Khả năng miễn nhiễm đối với các rối loạn điện do đột biến quá độ nhanh dọc theo cáp điện xoay chiều và một chiều của xe mẫu đại diện này phải được kiểm tra bằng phương pháp được mô tả trong Phụ lục Q.
7.8.2 Giới hạn phê duyệt kiểu miễn nhiễm của xe
7.8.2.1 Nếu các thử nghiệm được thực hiện bằng các phương pháp được mô tả trong Phụ lục Q, các mức thử nghiệm miễn nhiễm đối với các cáp điện xoay chiều hoặc một chiều phải là: điện áp thử ± 2 kV trong mạch hở, với thời gian tăng (Tr) là 5 ns và thời gian duy trì (Th) là 50 ns và tốc độ lặp lại 5 kHz trong ít nhất 1 min.
7.8.2.2 Xe mẫu đại diện phải được coi là tuân thủ các yêu cầu miễn nhiễm nếu, trong các thử nghiệm được thực hiện theo Phụ lục Q, không có sự suy giảm hiệu năng của "các chức năng liên quan đến miễn nhiễm", theo Phụ lục F, F.2.2.
7.9 Yêu cầu kỹ thuật liên quan đến khả năng miễn nhiễm của xe tới sóng điện từ dọc theo cáp điện xoay chiều hoặc một chiều
7.9.1 Phương pháp thử
7.9.1.1 Khả năng chống sóng điện từ xảy ra dọc theo cáp điện xoay chiều/một chiều của xe mẫu đại diện phải được kiểm tra bằng phương pháp được mô tả trong Phụ lục R.
7.9.2 Giới hạn phê duyệt kiểu miễn nhiễm của xe
7.9.2.1 Nếu các thử nghiệm được thực hiện bằng các phương pháp được mô tả trong Phụ lục R, các mức thử nghiệm miễn nhiễm phải là:
a) Đối với cáp điện xoay chiều: điện áp thử ±2 kV trong mạch hở giữa cáp và đất và ±1kV giữa các cáp (xung 1,2 μs/50 ps), với thời gian tăng (Tr) của 1,2 μs và thời gian duy trì (Th) của 50 μs. Mỗi lần tăng phải được thực hiện năm lần với độ trễ lớn nhất là 1 min giữa mỗi mỗi xung. Điều này phải được áp dụng cho các pha tiếp sau: 0°, 90°, 180° và 270°,
b) Đối với cáp điện một chiều: điện áp thử ± 0,5 kV trong mạch hở giữa cáp và đất và ± 0,5 kV giữa các cáp (xung 1,2μs/50μs) với thời gian tăng (Tr) của 1,2 μs và thời gian duy trì (Th) của 50 μs. Mỗi lần tăng phải được thực hiện năm lần với độ trễ lớn nhất là 1 min.
7.9.2.2 Xe mẫu đại diện phải được coi là phù hợp với các yêu cầu miễn nhiễm nếu, trong các thử nghiệm được thực hiện theo Phụ lục R, không có sự suy giảm hiệu năng của "các chức năng liên quan đến miễn nhiễm", theo Phụ lục F, F.2.2.
7.10 Yêu cầu kỹ thuật liên quan đến nhiễu điện từ băng thông rộng do ESA gây ra
7.10.1 Phương pháp đo
Bức xạ điện từ do ESA mẫu đại diện sinh ra phải được đo bằng phương pháp mô tả trong Phụ lục G.
7.10.2 Giới hạn phê duyệt kiểu ESA băng thông rộng
7.10.2.1 Nếu các phép đo được thực hiện bằng phương pháp được mô tả trong Phụ lục G, các giới hạn phải là 62 dBμV/m đến 52 dBμV/m trong dải tần từ 30 MHZ đến 75 MHz, giới hạn này giảm theo hàm logarit với tần số trên 30 MHz và 52 dBμV/m đến 63 dBμV/m trong dải tần từ 75 MHz đến 400 MHz, giới hạn này tăng theo hàm logarit với tần số trên 75 MHz như trong Phụ lục F. Trong dải tần từ 400 MHz đến 1 000 MHz, giới hạn không đổi ở mức 63 dBμV/m.
7.10.2.2 Trên ESA mẫu đại diện các giá trị đo, được tính bằng dBμV/m, phải nhỏ hơn giới hạn phê duyệt kiểu.
7.11 Yêu cầu kỹ thuật liên quan đến bức xạ hài trên cáp điện xoay chiều từ ESA
7.11.1 Phương pháp đo
Bức xạ sóng hài trên các cáp điện xoay chiều từ ESA mẫu đại diện sinh ra phải được đo bằng phương pháp mô tả trong Phụ lục S. Phương pháp đo phải được nhà sản xuất xác định phù hợp với cơ sở thử nghiệm.
7.11.2 Giới hạn phê duyệt kiểu ESA
7.11.2.1 Nếu các phép đo được thực hiện bằng phương pháp được mô tả trong Phụ lục S, thì các giới hạn cho dòng điện đầu vào ≤16 A trên mỗi pha là những giới hạn được quy định trong IEC 61000-3-2 và được nêu trong Bảng 10.
Bảng 10 - Sóng hài cho phép lớn nhất (dòng điện đầu vào ≤ 16 A mỗi pha)
| Số sóng hài n | Dòng sóng hài được phép lớn nhất A |
| Sóng hài lẻ | |
| 3 | 2,3 |
| 5 | 1,14 |
| 7 | 0,77 |
| 9 | 0,40 |
| 11 | 0,33 |
| 13 | 0,21 |
| 15 ≤ n ≤39 | 0,15 x 15/n |
| Sóng hài chẵn | |
| 2 | 1,08 |
| 4 | 0,43 |
| 6 | 0,30 |
| 8 ≤ n ≤40 | 0,23 x 8/n |
7.11.2.2 Nếu các phép đo được thực hiện bằng phương pháp được mô tả trong Phụ lục S, thì các giới hạn cho dòng điện đầu vào >16 A và ≤ 75 A mỗi pha là các giá trị được quy định trong IEC 61000-3-12 và được nêu trong Bảng 11, Bảng 12 và Bảng 13.
Bảng 11 - Sóng hài lớn nhất cho phép (dòng điện đầu vào > 16 A và ≤ 75 A mỗi pha) đối với thiết bị không thuộc loại thiết bị ba pha được cân bằng
| Rsce nhỏ nhất | Dòng sóng hài riêng lẻ chấp nhận được ln/l1 (%) | Hệ số sóng hài của dòng lớn nhất (%) | ||||||
| l3 | l5 | l7 | l9 | l11 | l13 | THD | PWHD | |
| 33 | 21,6 | 10,7 | 7,2 | 3,8 | 3,1 | 2 | 23 | 23 |
| 66 | 24 | 13 | 8 | 5 | 4 | 3 | 26 | 26 |
| 120 | 27 | 15 | 10 | 6 | 5 | 4 | 30 | 30 |
| 250 | 35 | 20 | 13 | 9 | 8 | 6 | 40 | 40 |
| ≥ 350 | 41 | 24 | 15 | 12 | 10 | 8 | 47 | 47 |
Các giá trị tương đối của sóng hài chẵn thấp hơn hoặc bằng 12 phải thấp hơn 16/n %. Sóng hài chẵn lớn hơn 12 được tính đến trong THD và PWHD theo cách tương tự như với sóng hài lẻ.
Cho phép nội suy tuyến tính giữa các giá trị liên tiếp của Rsce.
Bảng 12 - Sóng hài lớn nhất cho phép (dòng điện đầu vào >16 A và ≤75 A mỗi pha) cho thiết bị ba pha được cân bằng
| Rsce nhỏ nhất | Dòng sóng hài riêng lẻ chấp nhận được ln/l1 % | Hệ số sóng hài của dòng lớn nhất % | ||||
| l5 | l7 | l11 | l13 | THD | PWH | |
| 3 | 10,7 | 7,2 | 3,8 | 2 | 13 | 22 |
| 66 | 14 | 9 | 5 | 3 | 16 | 5 |
| 120 | 19 | 12 | 7 | 4 | 2 | 28 |
| 250 | 31 | 20 | 12 | 7 | 3 | 8 |
| ≥ 350 | 4 | 2 | 1 | 10 | 48 | 46 |
Giá trị tương đối của sóng hài chẵn thấp hơn hoặc bằng 12 phải thấp hơn 16/n %. Sóng hài chẵn lớn hơn 12 được tính đến trong THD và PWHD theo cách tương tự như sóng sóng hài lẻ.
Bảng 13 - Sóng hài lớn nhất cho phép (dòng điện đầu vào > 16A và ≤ 75A mỗi pha) cho thiết bị ba pha cân bằng trong những điều kiện riêng
| Rsce nhỏ nhất | Dòng sóng hài riêng lẻ chấp nhận được ln/l1 % | Hệ số sóng hài của dòng lớn nhất % | ||||
| l5 | l7 | l11 | l13 | THD | PWHD | |
| 33 | 10,7 | 7,2 | 3,1 | 2 | 13 | 22 |
| ≥ 120 | 40 | 25 | 15 | 10 | 48 | 46 |
7.12 Yêu cầu kỹ thuật liên quan đến bức xạ từ ESA do thay đổi điện áp, dao động điện áp và nhấp nháy trên cáp điện xoay chiều
7.1.2.1 Phương pháp đo
Sự bức xạ do thay đổi điện áp, dao động điện áp và nhấp nháy trên các cáp điện xoay chiều do ESA mẫu đại diện sinh ra phải được đo bằng phương pháp mô tả trong Phụ lục T. Phương pháp đo phải được xác định bởi nhà sản xuất ESA phù hợp với cơ sở thử nghiệm.
7.12.2 Giới hạn phê duyệt kiểu ESA
7.12.1 Nếu các phép đo được thực hiện bằng phương pháp được mô tả trong Phụ lục T, các giới hạn cho dòng điện danh định ≤16 A mỗi pha và không lệ thuộc vào kết nối có điều kiện là các giới hạn được xác định trong IEC 61000-3-3, Điều 5.
7.12.2.2 Nếu các phép đo được thực hiện bằng phương pháp được mô tả trong Phụ lục T, các giới hạn cho dòng điện danh định > 16 A và ≤ 75 A mỗi pha và lệ thuộc vào kết nối có điều kiện là những giới hạn được xác định trong IEC 61000-3-11, Điều 5.
7.13 Yêu cầu kỹ thuật liên quan đến bức xạ của rối loạn điện tần số vô tuyến trên các cáp điện xoay chiều hoặc một chiều từ ESA
7.13.1 Phương pháp đo
Bức xạ của dòng điện nhiễu tần số vô tuyến trên các cáp điện xoay chiều hoặc một chiều do ESA mẫu đại diện sinh ra phải được đo bằng phương pháp mô tả trong Phụ lục U. Phương pháp đo phải được xác định bởi nhà sản xuất ESA phù hợp với cơ sở thử nghiệm.
7.13.2 Giới hạn phê duyệt kiểu ESA
7.13.2.1 Nếu các phép đo được thực hiện bằng phương pháp được mô tả trong Phụ lục U, thì các giới hạn đối với cáp điện xoay chiều là các giới hạn được xác định trong IEC 61000-6-3 và được nêu trong Bảng 14.
Bảng 14 - Dòng điện nhiễu tần số vô tuyến lớn nhất cho phép trên các cáp điện xoay chiều
| Tần số (MHz) | Giới hạn và bộ cảm biến |
| 0,15 đến 0,5 | 66 dBμV đến 56 dBμV (chuẩn đỉnh) 56 dBμV đến 46 dBμV (trung bình) (giảm tuyến tính với hàm logarit của tần số) |
| 0,5 đến 5 | 56 dBμV (chuẩn đỉnh) 46 dBμV (trung bình) |
| 5 đến 30 | 60 dBμV (chuẩn đỉnh) 50 dBμV (trung bình) |
7.13.2.2 Nếu các phép đo được thực hiện bằng phương pháp được mô tả trong Phụ lục U, thì các giới hạn đối với cáp điện một chiều là các giới hạn được xác định trong IEC 61000-6-3 và được nêu trong Bảng 15.
Bảng 15- Bức xạ của dòng điện nhiễu vô tuyến lớn nhất cho phép trên các cáp điện một chiều
| Tần số (MHz) | Giới hạn và bộ cảm biến |
| 0.15 đến 0.5 | 79 dBμV (chuẩn đỉnh) 66 dBμV (trung bình) |
| 0.5 đến 30 | 73 dBμV (chuẩn đỉnh) 60 dBμV (trung bình) |
7.14 Yêu cầu kỹ thuật liên quan đến bức xạ của rối loạn điện tần số vô tuyến trên mạng và truy cập viễn thông từ ESA
7.14.1 Phương pháp đo
Bức xạ của dòng điện nhiễu tần số vô tuyến trên mạng và truy cập viễn thông do ESA mẫu đại diện sinh ra phải được đo bằng phương pháp mô tả trong Phụ lục V. Phương pháp đo phải được xác định bởi nhà sản xuất ESA phù hợp với cơ sở thử nghiệm.
7.14.2 Giới hạn phê duyệt kiểu ESA
7.14.2.1 Nếu các phép đo được thực hiện bằng phương pháp được mô tả trong Phụ lục V, thì các giới hạn về cổng Ethernet (truy cập viễn thông như được quy định trong 3.6 của CISPR-22) là các phép đo được xác định trong IEC 61000-6-3 và được nêu trong Bảng 16.
Bảng 16 - Bức xạ của dòng điện nhiễu vô tuyến cho phép lớn nhất trên mạng và truy cập viễn thông
| Tần số (MHz) | Giới hạn điện áp (bộ cảm biến) | Giới hạn dòng (bộ cảm biến) |
| 0,15 đến 0,5 | 84 dBμV đến 74 dBμV (chuẩn đỉnh) 74 dBμV đến 64 dBμV (trung bình) (giảm tuyến tính với hàm logarit tần số) | 40 dBμV đến 30 dBμA (chuẩn đỉnh) 30 dBμV đến 20 dBμA (trung bình) (giảm tuyến tính với hàm logarit tần số) |
| 0,5 đến 30 | 74 dBμV (chuẩn đỉnh) 64 dBμV (trung bình) | 30 dBμA (chuẩn đỉnh) 20 dBμA (trung bình) |
7.15 Yêu cầu kỹ thuật liên quan đến miễn nhiễm của ESA đối với các rối loạn điện đột biến quá độ nhanh dọc theo cáp điện xoay chiều và một chiều
7.15.1 Phương pháp thử
7.15.1.1 Khả năng miễn nhiễm đối với các nhiễu điện nổ nhanh/chuyển tiếp dọc theo các cáp điện xoay chiều và một chiều của ESA mẫu đại diện phải được kiểm tra bằng phương pháp được mô tả trong Phụ lục X.
7.15.2 Giới hạn phê duyệt kiểu miễn nhiễm của ESA
7.15.2.1 Nếu các thử nghiệm được thực hiện bằng các phương pháp được mô tả trong Phụ lục X; đối với các cáp điện xoay chiều hoặc một chiều các mức thử nghiệm miễn nhiễm phải là: điện áp thử ± 2 kV trong mạch hở, với thời gian tăng (Tr) là 5 ns và thời gian duy trì (Th) là 50 ns và tốc độ lặp lại 5 kHz trong ít nhất 1 min.
7.15.2.2 ESA mẫu đại diện phải được coi là tuân thủ các yêu cầu miễn nhiễm nếu trong các thử nghiệm được thực hiện theo Phụ lục X mà không có sự suy giảm hiệu năng của "các chức năng liên quan đến miễn nhiễm" theo Phụ lục J, J.2.2.
7.16 Yêu cầu kỹ thuật liên quan đến miễn nhiễm của ESA với sóng điện từ dọc theo cáp điện xoay chiều hoặc một chiều
7.16.1 Phương pháp thử
7.16.1.1 Khả năng miễn nhiễm đối với sự tăng tính chất dẫn điện dọc theo cáp điện xoay chiều/một chiều của ESA mẫu đại diện phải được kiểm tra bằng phương pháp được mô tả trong Phụ lục Y.
7.16.2 Giới hạn phê duyệt kiểu miễn nhiễm của ESA
7.16.2.1 Nếu các thử nghiệm được thực hiện bằng các phương pháp được mô tả trong Phụ lục Y, các mức thử nghiệm miễn nhiễm phải là:
a) Đối với các cáp điện xoay chiều: Điện áp thử ± 2 kV trong mạch hở giữa cáp và đất và ± 1kV giữa các cáp (xung 1,2 μs/50 μs), với thời gian tăng (Tr) là 1,2 μs và thời gian duy trì (Th) là 50 μs. Mỗi lần tăng phải được thực hiện năm lần với độ trễ lớn nhất là 1 min giữa mỗi xung. Điều này phải được áp dụng cho các pha tiếp sau: 0°, 90°, 180° và 270°,
b) Đối với cáp điện một chiều: Điện áp thử ± 0,5 kV trong mạch hở giữa cáp và đất và + 0,5 kV giữa các cáp (xung 1,2 μs/50 μs) với thời gian tăng (Tr) là 1,2 μs và thời gian duy trì (Th) là 50 μs. Mỗi lần tăng phải được thực hiện năm lần với độ trễ lớn nhất là 1 min.
7.17.2.2 ESA mẫu đại diện phải được coi là tuân thủ các yêu cầu miễn nhiễm nếu trong các thử nghiệm được thực hiện theo Phụ lục Y mà không có sự suy giảm hiệu năng của "các chức năng liên quan đến miễn nhiễm" theo Phụ lục J, J.2.2.
7.17 Các yêu cầu kỹ thuật liên quan đến miễn nhiễm của dòng điện nhiễu chuyển tiếp do ESA sinh ra trên các đường cấp điện 12/24V.
7.17.1 Phương pháp thử
Sự bức xạ của ESA mẫu đại diện phải được kiểm tra bằng (các) phương pháp theo ISO 7637-2, như được mô tả trong 0 cho các mức được nêu trong Bảng 17.
Bảng 17 - Biên độ xung cho phép lớn nhất
|
| Biên độ xung cho phép lớn nhất cho | |
| Cực tính của biên độ xung | Xe với hệ thống điện 12 V | Xe với hệ thống điện 24 V |
| Dương | + 75 V | + 150 V |
| Âm | - 100 V | - 450 V |
7.18 Yêu cầu kỹ thuật liên quan đến miễn nhiễm của ESA về bức xạ điện từ
7.18.1 Phương pháp thử
Khả năng miễn nhiễm với dòng điện nhiễu của ESA mẫu đại diện phải được kiểm tra bằng (các) phương pháp được chọn từ các phương pháp được mô tả trong Phụ lục J.
7.18.2 Giới hạn phê duyệt kiểu miễn nhiễm của ESA
7.18.2.1 Nếu các thử nghiệm được thực hiện bằng các phương pháp được mô tả trong Phụ lục J, các mức thử nghiệm miễn nhiễm phải là:
60 V/m (rms) đối với phương pháp thử mạch dải 150 mm,15 V/m (rms) đối với phương pháp thử mạch dải 800 mm, 75 V/m (rms) đối với phương pháp thử nghiệm pin Chế độ điện từ ngang (TEM), 60 mA (rms) cho phương pháp thử nghiệm phun dòng khối lớn (BCI) và 30 V/m (rms) cho phương pháp thử nghiệm trường tự do trong hơn 90 % của băng thông từ 20 MHz đến 2 000 MHz, và đến mức tối thiểu 50 V/m (rms) đối với phương pháp thử mạch dải 150 mm, 12,5 V/m (rms) đối với phương pháp thử mạch dải 800 mm, 62,5 V/m (rms) đối với phương pháp thử nghiệm pin điện từ ngang (TEM), 50 mA (rms) đối với số lượng lớn phương pháp thử nghiệm phun dòng khối lớn (BCI) và 25 V/m (rms) cho phương pháp thử nghiệm trường tự do trên toàn bộ băng thông từ 20 MHz đến 2 000 MHz.
7.18.2.2 ESA mẫu đại diện phải được coi là tuân thủ các yêu cầu miễn nhiễm nếu, trong các thử nghiệm được thực hiện theo Phụ lục J không có sự suy giảm hiệu năng của "các chức năng liên quan đến miễn nhiễm".
7.19 Yêu cầu kỹ thuật liên quan đến miễn nhiễm của ESA đối với các rối loạn chuyển tiếp dọc theo các đường cấp điện 12/24 V.
7.19.1 Phương pháp thử
Khả năng miễn nhiễm của ESA mẫu đại diện phải được thử nghiệm bằng (các) phương pháp theo ISO 7637-2, như được mô tả trong Phụ lục K với các mức thử nghiệm được nêu trong Bảng 18.
Bảng 18 - Miễn nhiễm của ESA
| Số xung thử | Mức thử miễn nhiễu | Trạng thái chức năng đối với các hệ thống | |
| Liên quan đến chức năng liên quan đến miễn nhiễm | Không liên quan đến chức năng liên quan đến miễn nhiễm | ||
| 1 | III | C | D |
| 2a | III | B | D |
| 2b | III | C | D |
| 3a/3b | III | A | D |
| 4 | III | B (đối với ESA hoạt động trong các giai đoạn khởi động động cơ) C (đối với ESA khác) | D |
7.20 Ngoại lệ
7.20.1 Không được áp dụng Phụ lục D và Phụ lục V khi không có kết nối trực tiếp với mạng viễn thông có dịch vụ viễn thông phụ giúp cho dịch vụ thông tin tín hiệu về nạp điện.
7.20.2 Không được áp dụng 4 khi cổng Ethernet của xe sử dụng cáp truyền tải điện (PLT) trên các cáp điện xoay chiều/một chiều của nó.
7.20.3 Không được áp dụng Phụ lục V khi cổng Ethernet của ESA sử dụng cáp truyền dẫn điện (PLT) trên các cáp điện xoay chiều/một chiều của nó.
7.20.4 Xe và/hoặc ESA dự định được sử dụng trong "Chế độ nạp REESS được kết nối với lưới điện" trong cấu hình được kết nối với Trạm nạp một chiều có chiều dài của cáp mạng một chiều ngắn hơn 30 m thì không phải thực hiện các yêu cầu của Phụ lục N, Phụ lục Q, Phụ lục R, Phụ lục U, Phụ lục X và Phụ lục Y.
Trong trường hợp này, nhà sản xuất phải cung cấp một báo cáo rằng xe và/hoặc ESA có thể được sử dụng trong "Chế độ nạp REESS được đấu nối với lưới điện" và chỉ cần cáp ngắn hơn 30 m. Thông tin này phải được công bố công khai theo phê duyệt kiểu.
7.20.5 Xe và/hoặc ESA dự định được sử dụng trong "Chế độ nạp REESS được kết nối với lưới điện" trong cấu hình được kết nối với trạm nạp một chiều của địa phương/của tư nhân mà không cần thêm người hỗ trợ thì không phải thực hiện các yêu cầu của Phụ lục N, Phụ lục Q, Phụ lục R, Phụ lục U, Phụ lục X và Phụ lục T.
Trong trường hợp này, nhà sản xuất phải cung cấp một thông báo rằng xe và/hoặc ESA có thể được sử dụng trong "Chế độ nạp REESS được kết nối với lưới điện" chỉ với trạm nạp một chiều của địa phương/của tư nhân mà không cần thêm người hỗ trợ. Thông tin này phải được công bố công khai theo phê duyệt kiểu.
8 Sửa đổi hoặc mở rộng phê duyệt kiểu xe sau khi bổ sung hoặc thay thế cụm điện/điện tử phụ (ESA)
8.1 Trường hợp nhà sản xuất xe đã nhận được phê duyệt kiểu cho việc lắp đặt xe và muốn lắp một hệ thống hoặc ESA điện/điện tử bổ sung hoặc thay thế mà chúng đã được phê duyệt theo tiêu chuẩn này và chúng phải được lắp đặt theo bất kỳ điều kiện nào kèm theo, thì phê duyệt kiểu có thể được mở rộng mà không cần thử nghiệm thêm. Hệ thống hoặc ESA điện/điện tử bổ sung hoặc thay thế phải được coi là một phần của xe về sự phù hợp với mục đích sản xuất.
8.2 Trong trường hợp (các) bộ phận bổ sung hoặc thay thế chưa nhận được sự phê duyệt theo Tiêu chuẩn này và nếu việc kiểm tra được coi là cần thiết thì toàn bộ xe phải được coi là phù hợp nếu (các) bộ phận mới hoặc được sửa đổi có thể chứng minh được rằng chúng phù hợp với các yêu cầu liên quan của điều 5 và, nếu có thể áp dụng, của điều 6 hoặc nếu, trong một thử nghiệm so sánh, bộ phận mới có thể được chứng minh là không có khả năng ảnh hưởng xấu đến sự phù hợp của kiểu xe.
8.3 Việc nhà sản xuất xe bổ sung vào xe đã được phê duyệt kiểu thêm một thiết bị gia dụng hoặc chuyên dụng tiêu chuẩn nhưng không phải là thiết bị thông tin di động, mà thiết bị này phù hợp với các tiêu chuẩn khác, và việc lắp đặt, thay thế hoặc loại bỏ chúng theo khuyến nghị của các nhà sản xuất thiết bị và phương tiện không được làm mất hiệu lực của phê duyệt xe. Điều này không được phép loại trừ các nhà sản xuất xe lắp thiết bị kết nối thông tin theo hướng dẫn lắp đặt phù hợp với hướng dẫn lắp đặt được phát triển bởi nhà sản xuất xe và/hoặc nhà sản xuất thiết bị kết nối thông tin đó. Nhà sản xuất xe phải cung cấp bằng chứng (nếu được cơ quan kiểm tra yêu cầu) rằng đặc tính của xe không bị ảnh hưởng bất lợi bởi các máy phát đó. Đây có thể là một thông cáo là các mức công suất và lắp đặt sao cho các mức miễn nhiễm của tiêu chuẩn này đảm bảo bảo vệ đầy đủ khi chỉ truyền phát đơn lẻ, tức là loại trừ việc truyền phát kết hợp với các thử nghiệm quy định trong Điều 5 không cho phép sử dụng máy phát truyền tín hiệu khi các yêu cầu khác trên thiết bị đó hoặc sử dụng nó đang làm việc.
9 Sửa đổi và mở rộng phê duyệt kiểu xe hoặc ESA
9.1 Mọi sửa đổi của kiểu xe hoặc kiểu ESA phải được thông báo cho cơ quan có thẩm quyền phê duyệt kiểu đã cấp phê duyệt cho kiểu xe đó. Cơ quan này có thể sau đó:
9.1.1 Xem xét rằng các sửa đổi được thực hiện không có khả năng tác động bất lợi đáng kể và trong mọi trường hợp, xe hoặc ESA vẫn đáp ứng các yêu cầu; hoặc là
9.1.2 Yêu cầu có thêm một báo cáo thử nghiệm từ cơ sở thử nghiệm chịu trách nhiệm thực hiện các thử nghiệm.
9.2 Thông báo về hình thức phê duyệt hoặc từ chối phê duyệt, kèm theo các chi tiết sửa đổi, phải được thông báo bằng phù hợp với điều 4.
9.3 Cơ quan có thẩm quyền phê duyệt kiểu cấp mở rộng phê duyệt kiểu phải gán một số sê-ri cho phần mở rộng và thông báo thông tin phù hợp với Phụ lục CA và Phụ lục CB.
Phụ lục A
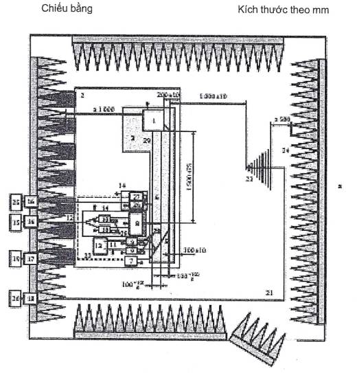
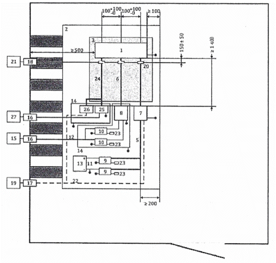
(Tham khảo)
Ví dụ về ghi nhãn phê duyệt kiểu
Mẫu A

a = 6 mm
Nhãn phê duyệt ở trên được ghi nhãn trên xe hoặc ESA cho thấy kiểu xe liên quan đến khả năng tương thích điện từ đã được phê duyệt ở Hà Lan (E 4) theo ECE 10 theo phê duyệt số 05 2439. Số phê duyệt cho biết phê duyệt đã được cấp theo các yêu cầu của ECE 10 được sửa đổi bởi 05 loạt sửa đổi
Mẫu B

a = 6 mm min
Nhãn phê duyệt ở trên được ghi nhãn trên xe hoặc ESA cho thấy kiểu xe liên quan đến khả năng tương thích điện từ đã được phê duyệt ở Hà Lan (E 4) theo ECE 10 và ECE 33. Các số phê duyệt cho thấy, khi các phê duyệt tương ứng được đưa ra tại ngày ECE 10 bao gồm 05 loạt sửa đổi và ECE 33 xuất bản lần 1.
Phụ lục BA
(Tham khảo)
Tài liệu thông tin để phê duyệt kiểu xe liên quan đến khả năng tương thích điện từ
Các thông tin sau phải được cung cấp với ba bản và phải bao gồm một danh mục các nội dung.
Bất kỳ bản vẽ nào cũng phải được cung cấp theo tỷ lệ thích hợp và đủ chi tiết về khổ kích thước A4 hoặc trong một tệp hồ sơ khổ A4.
Hình ảnh, nếu có, phải minh họa đủ chi tiết.
Nếu hệ thống, bộ phận hoặc cụm kỹ thuật riêng có điều khiển điện tử, thông tin liên quan đến đặc tính của chúng phải được cung cấp.
Tổng quan
| 1 | Nhãn hiệu (tên thương mại của nhà sản xuất): |
| 2 | Kiểu: |
| 3 | Loại xe: |
| 4 | Tên và địa chỉ nhà sản xuất: |
|
| Tên và địa chỉ của đại diện được ủy quyền, nếu có: |
| 5 | Địa chỉ của nhà máy: |
| Đặc tính chung của cấu tạo xe | |
| 6 | Hình ảnh và/hoặc bản vẽ của một xe mẫu: |
| 7 | Vị trí và sự bố trí của động cơ: |
| Động cơ | |
| 8 | Nhà sản xuất: |
| 9 | Mã động cơ của nhà sản xuất như được ghi nhãn trên động cơ: |
| 10 | Động cơ đốt trong: |
| 11 | Nguyên tắc làm việc: đánh lửa dương/nén cháy, bốn kỳ/hai kỳ[1] |
| 12 | Số lượng và sự sắp xếp của xi lanh: |
| 13 | Cấp nhiên liệu: |
| 14 | Bằng cách phun nhiên liệu (chỉ nén cháy): có/không[1] |
| 15 | Bộ điều khiển điện tử: |
| 16 | Nhãn hiệu: |
| 17 | Mô tả hệ thống: |
| 18 | Bằng cách phun nhiên liệu (chì đánh lửa dương): có/không[1] |
| 19 | Hệ thống điện: |
| 20 | Điện áp danh định: V, dương/âm đất[4] |
| 21 | Máy phát: |
| 22 | Kiểu: |
| 23 | Đánh lửa: |
| 24 | Nhãn hiệu: |
| 25 | Kiểu: |
| 26 | Nguyên tắc làm việc: |
| 27 | Hệ thống nhiên liệu LPG: có/không[5] |
| 28 | Bộ điện tử điều khiển động cơ để cấp nhiên liệu LPG: |
| 29 | Nhãn hiệu: |
| 30 | Kiểu: |
| 31 | Hệ thống nhiên liệu NG: có/không[1] |
| 32 | Bộ điện tử điều khiển động cơ để cấp nhiên liệu NG |
| 33 | Nhãn hiệu: |
| 34 | Kiểu: |
| 35 | Động cơ điện: |
| 36 | Kiểu (dây cuốn, kích thích): |
| 38 | Điện áp làm việc: |
| Động cơ chạy bằng khí gas (trong trường hợp các hệ thống được bố trí theo cách khác, cung cấp thông tin tương đương | |
| 38 | Bộ điều khiển điện tử (ECU): |
| 39 | Nhãn hiệu: |
| 40 | Kiểu: |
| Hệ truyền động | |
| 41 | Kiểu (cơ khí, thủy lực, điện, vv...): |
| 42 | Mô tả ngắn gọn về các bộ phận điện/điện tử (nếu có: |
| Hệ thống treo | |
| 43 | Mô tả ngắn gọn về các bộ phận điện/điện tử (nếu có): |
| Hệ thống lái | |
| 44 | Mô tả ngắn gọn về các bộ phận điện/điện tử (nếu có): |
| Hệ thống phanh | |
| 45 | Hệ thống phanh chống bó cứng: có/không/tùy chọn[7] |
| 46 | Đối với xe có hệ thống chống khóa cứng, mô tả hoạt động của hệ thống (bao gồm mọi bộ phận điện tử), sơ đồ khối điện, sơ đồ mạch thủy lực hoặc khí nén: |
| Thân xe | |
| 47 | Kiểu thân xe: |
| 48 | Vật liệu sử dụng và phương pháp chế tạo: |
| 49 | Kính chắn gió và các cửa sổ khác: |
| 50 | Mô tả ngắn gọn về các bộ phận điện/điện tử (nếu có) của cơ cấu nâng hạ cửa sổ: |
| 51 | Gương chiếu hậu (Trạng thái của mỗi gương) trong phạm vi của Quy định số 46 |
| 52 | Mô tả ngắn gọn về các bộ phận điện/điện tử ngoại trừ đèn (nếu có): |
| 53 | Đai an toàn và/hoặc các hệ thống đai giằng khác: |
| 54 | Mô tả ngắn gọn về các bộ phận điện/điện tử (nếu có): |
| 55 | Bộ triệt nhiễu sóng vô tuyến: |
| 56 | Mô tả và bản vẽ/hình ảnh của hình dạng và vật liệu cấu thành của một phần của vỏ xe tạo thành khoang động cơ và một phần của khoang hành khách gần nó nhất: |
| ............................................................................................................................................. | |
| 57 | Bản vẽ hoặc hình ảnh về vị trí của các bộ phận bằng kim loại được đặt trong khoang động cơ (ví dụ: thiết bị sưởi ấm, bánh xe dự phòng, bộ lọc không khí, cơ cấu lái, v.v...): |
| 58 | Bảng và bản vẽ của thiết bị kiểm soát nhiễu vô tuyến: |
| 59 | Các phần của giá trị danh định của điện trở dòng điện trực tiếp và, trong trường hợp cáp đánh lửa điện trở, điện trở danh định của chúng trên mỗi mét: |
| Thiết bị tín hiệu ánh sáng và chiếu sáng | |
| 60 | Mô tả ngắn gọn về các bộ phận điện/điện tử ngoại trừ đèn (nếu có): Khác |
| 61 | Thiết bị ngăn chặn sử dụng xe trái phép: |
| 62 | Mô tả ngắn gọn về các bộ phận điện/điện tử (nếu có): |
| 63 | Bảng lắp đặt và sử dụng các máy phát RF trong (các) xe, nếu có (xem 3.1.8): |
| Dải tần số | Công suất ra lớn nhất | Vị trí ăng-ten trên xe, điều kiện cụ thể để lắp đặt và/hoặc sử dụng ăngten |
| [Hz] | [W] |
| 64 | Xe được trang bị thiết bị radar phạm vi ngắn 24 GHz: có/không/tùy chọn.[1] |
Người nộp Tài liệu kỹ thuật xin phê duyệt kiểu cũng phải cung cấp các Tài liệu bổ sung sau, khi thích hợp:
Tài liệu bổ sung 1 Một danh sách với nhãn hiệu và kiểu của tất cả các bộ phận điện và/hoặc điện tử có liên quan theo tiêu chuẩn này (xem 2.11 và 2.12).
Tài liệu bổ sung 2: Sơ đồ hoặc bản vẽ bố trí chung của các bộ phận điện và/hoặc điện tử liên quan đến tiêu chuẩn này và bố trí chung búi dây điện.
Tài liệu bổ sung 3: Mô tả xe được chọn để làm mẫu cho kiểu
Kiểu thân xe:
Tay lái thuận hoặc nghịch:
Chiều dài cơ sở:
Tài liệu bổ sung 4: Các báo cáo kết quả thử có liên quan do nhà sản xuất cung cấp từ cơ sở thử nghiệm được ủy quyền theo TCVN ISO/IEC 17025 và được cơ quan có thẩm quyền phê duyệt kiểu công nhận cho mục đích soạn thảo giấy chứng nhận phê duyệt kiểu
| 65 | Bộ nạp: trên xe/ngoài xe/không có:[1] |
| 66 | Dòng nạp: dòng điện một chiều/dòng điện xoay chiều (số lượng pha/tần số):[1] |
| 67 | Dòng điện danh định lớn nhất (trong mỗi chế độ nếu cần thiết): |
| 68 | Điện áp nạp danh định: |
| 69 | Các chức năng kết nối cơ bản của xe: ví dụ: L1/L2/L3/N/E/dẫn điều khiển: |
| 70 | Giá trị nhỏ nhất của Rsce (xem điều 6.3.) |
| 71 | Cáp nạp điện được cấp cùng với xe: có/không[1] |
| 72 | Nếu cáp nạp điện được cấp cùng với xe: |
Chiều dài (m)
Diện tích tiết diện ngang (mm2)
Gạch phần không áp dụng.
Phụ lục BB
(Tham khảo)
Tài liệu thông tin để phê duyệt kiểu một cụm điện/điện tử phụ liên quan đến khả năng tương thích điện từ
Các thông tin sau, nếu có thể áp dụng, phải được lập thành ba bộ và phải bao gồm một danh mục các nội dung. Bất kỳ bản vẽ nào cũng phải được cung cấp theo tỷ lệ thích hợp và đủ chi tiết trên khổ A4 hoặc trên một tệp hồ sơ khổ A4. Hình ảnh, nếu có, phải minh họa đủ chi tiết.
Nếu hệ thống, bộ phận hoặc cụm kỹ thuật riêng có điều khiển điện tử, thông tin liên quan đến đặc tính của chúng phải được cung cấp.
1 Nhãn hiệu (tên thương hiệu của nhà sản xuất): ..................................................................
2 Kiểu: ................................................................................................................................
3 Phương tiện nhận dạng loại, nếu được ghi nhãn trên bộ phận/cụm kỹ thuật riêng rẽ:[5]
3.1 Vị trí của ghi nhãn đó: .....................................................................................................
4 Tên và địa chỉ của nhà sản xuất: ........................................................................................
Tên và địa chỉ của đại diện được ủy quyền, nếu có:
5 Trong trường hợp các bộ phận và cụm kỹ thuật riêng rẽ, vị trí và phương pháp gắn nhãn phê duyệt:...................................................................................................................................
6 Địa chỉ của (các) nhà máy lắp ráp: ....................................................................................
7 ESA này phải được phê duyệt như là một bộ phận/STU[1]
8 Bất kỳ hạn chế sử dụng và điều kiện để lắp: ........................................................................
9 Điện áp danh định của hệ thống điện: ..........V, dương/âm[2] đất ............................................
Tài liệu bổ sung 1: Mô tả về ESA được chọn để làm mẫu (sơ đồ khối điện tử và danh sách các bộ phận chính cấu thành của ESA (ví dụ: sản xuất và kiểu bộ vi xử lý, tinh thể, v.v.) ......................
Tài liệu bổ sung 2; Các báo cáo kết quả thử có liên quan do nhà sản xuất cung cấp từ phòng thí nghiệm thử nghiệm được công nhận theo TCVN ISO/IEC 17025 và được cơ quan có thẩm quyền phê duyệt kiểu công nhận cho mục đích lập giấy chứng nhận phê duyệt kiểu.
Chỉ áp dụng cho các hệ thống nạp: ........................................................................................
10 Bộ nạp: trên xe/bên ngoài[2] ..............................................................................................
11 Dòng nạp: dòng điện một chiều/dòng điện xoay chiều (số lượng pha/tần số)[2].......................
12 Dòng điện danh định lớn nhất (trong mỗi chế độ nếu cần thiết) ...........................................
13 Điện áp nạp danh định .....................................................................................................
14 Các chức năng kết nối cơ bản của xe: ví dụ: L1/L2/L3/N/E/dẫn điều khiển ............................
15 Giá trị nhỏ nhất của Rsce (xem 7.11) ................................................................................
Phụ lục CA
(Tham khảo)
Thông tin
| (Khổ lớn nhất A4 (210 X 297 mm) |
|
| ||
|
|
|
| ||
| Ban hành bởi: Tên Cơ quan: ..................................... ..................................... ..................................... .....................................
| ||||
| Liên quan-2 | ||||
|
| Phê duyệt được cấp Phê duyệt được mở rộng Phê duyệt bị từ chối Sản xuất bị ngưng hoàn toàn Phê duyệt bị thu hồi | |||
| ||||
của một kiểu của bộ phận điện và/hoặc điện tử 2 có liên quan tới TCVN 7000 hoặc ECE 10.
Phê duyệt Số.: ................................................. Mở rộng Số.: ................................................
1 Nhãn hiệu (tên thương mại của nhà sản xuất):
2 Kiểu:
3 Phương tiện nhận dạng kiểu, nếu được ghi nhãn trên bộ phận/cụm kỹ thuật riêng rẽ2
3.1 Vị trí của ghi nhãn đó:
4 Loại xe:
5 Tên và địa chỉ của nhà sản xuất:
6 Trong trường hợp các bộ phận và cụm kỹ thuật riêng rẽ, vị trí và phương pháp ghi nhãn phê duyệt:
7 Địa chỉ của (các) nhà máy lắp ráp:
8 Thông tin bổ sung (nếu có): xem tài liệu bổ sung về biểu mẫu thông tin dưới đây.
9 Cơ sở thử nghiệm chịu trách nhiệm thử nghiệm:
10 Ngày báo cáo kết quả thử:
11 Số báo cáo kết quả thử:
12 Nhận xét (nếu có): xem tài liệu bổ sung về biểu mẫu thông tin dưới đây.
13 Địa điểm:
14 Ngày:
15 Chữ ký:
16 Chỉ số cho gói thông tin đã nộp cho cơ quan phê duyệt đã có thể nhận được theo yêu cầu được đính kèm:
17 Lý do cho mở rộng:
Tài liệu bổ sung về biểu mẫu thông tin Số .................... về phê duyệt kiểu liên quan đến việc phê duyệt kiểu xe theo tiêu chuẩn này
1 Thông tin bổ sung:
2 Điện áp danh định của hệ thống điện: .............................V. dương/âm đất[2]
3 Kiểu thân xe:
4 Danh sách các hệ thống điện tử được lắp đặt trong (các) xe được thử nghiệm không giới hạn ở các mục trong tài liệu thông tin:
4.1 Xe được trang bị thiết bị radar phạm vi ngắn 24 GHz: có/không/tùy chọn2[2]
5 Phòng thí nghiệm được công nhận theo TCVN ISO/IEC 17025 Yêu cầu chung về năng lực của phòng thử nghiệm và hiệu chuẩn và được công nhận bởi cơ quan phê duyệt chịu trách nhiệm thực hiện các thử nghiệm:
6 Lưu ý: ví dụ: hợp lệ cho cả xe tay lái thuận và xe tay lái nghịch:
Phụ lục CB
(Tham khảo)
Thông tin
| (Khổ lớn nhất A4 (210 X 297 mm) |
|
| ||
|
|
|
| ||
| Ban hành bởi: Tên Cơ quan: ..................................... ..................................... ..................................... .....................................
| ||||
| Liên quan[2] | ||||
|
| Phê duyệt được cấp Phê duyệt được mở rộng Phê duyệt bị từ chối Sản xuất bị ngưng hoàn toàn Phê duyệt bị thu hồi | |||
| ||||
của một kiểu của bộ phận điện và/hoặc điện tử[2] có liên quan tới Quy định số. 10.
Phê duyệt Số.: ................................................. Mở rộng số.: ................................................
1 Nhãn hiệu (tên thương mại của nhà sản xuất
2 Kiểu và mô tả thương mại chung:
3 Phương tiện nhận dạng loại, nếu được ghi nhãn trên bộ phận/cụm kỹ thuật riêng rẽ[2]
3.1 Vị trí của ghi nhãn đó:
4 Loại xe:
5 Tên và địa chỉ của nhà sản xuất:
6 Trong trường hợp các bộ phận và cụm kỹ thuật riêng rẽ, vị trí và phương pháp gắn nhãn phê duyệt:
7 Địa chỉ của (các) nhà máy lắp ráp:
8 Thông tin bổ sung (nếu có): Xem Phụ lục con bên dưới:
9 Cơ sở thử nghiệm chịu trách nhiệm thực hiện thử nghiệm:
10 Ngày báo cáo kết quả thử:
11 Số báo cáo kết quả thử:
12 Lưu ý (nếu có): Xem Phụ lục con bên dưới
13 Địa điểm:
14 Ngày:
15 Chữ ký:
16 Chỉ số cho gói thông tin đã nộp cho cơ quan phê duyệt đã có thể nhận được theo yêu cầu được đính kèm:
17 Lý do mở rộng:
___________________________
1 Phân biệt số quốc gia đã cấp/mở rộng/từ chối hoặc thu hồi phê duyệt.
2 Gạch phần không áp dụng
Phụ lục CB.1
Biểu mẫu thông tin Số ................... về phê duyệt kiểu liên quan đến việc phê duyệt kiểu xe theo tiêu chuẩn này
1 Thông tin bổ sung:
1.1 Điện áp danh định của hệ thống điện: .................... V. dương/âm đất[22]
1.2 ESA này có thể được sử dụng trên bất kỳ kiểu xe nào với các hạn chế sau:
1.2.1 Điều kiện lắp đặt, nếu có:
1.3 ESA này chỉ có thể được sử dụng cho các kiểu xe sau:
1.3.1 Điều kiện lắp đặt, nếu có:
1.4 (Các) phương pháp thử nghiệm riêng được sử dụng và các dải tần được sử dụng để xác định khả năng miễn nhiễm là: (Xin chỉ định phương pháp chính xác được sử dụng từ Phụ lục J):
1.5 Phòng thí nghiệm được công nhận theo TCVN ISO/IEC 17025 và được công nhận bởi cơ quan phê duyệt chịu trách nhiệm thực hiện các thử nghiệm:
2 Lưu ý:
Phụ lục D
(Quy định)
Phương pháp đo nhiễu do bức xạ điện từ băng thông rộng từ xe
D.1 Tổng quan
D.1.1 Phương pháp thử được mô tả trong phụ lục này chỉ được áp dụng cho các xe. Phương pháp này liên quan đến cả hai cấu hình của xe:
(a) Khác với cấu hình "Chế độ nạp REESS được kết nối với lưới điện".
(b) "Chế độ nạp REESS được kết nối với lưới điện"
D.1.2 Phương pháp thử
Thử nghiệm này nhằm đo lượng bức xạ băng thông rộng được sinh ra bởi các hệ thống điện hoặc điện tử lắp trên xe (ví dụ: hệ thống đánh lửa hoặc động cơ điện).
Nếu không có quy định khác trong Phụ lục này, thử nghiệm phải được thực hiện theo CISPR 12.
D.2 Trạng thái của xe trong quá trình thử
D.2.1.1 Động cơ
Động cơ phải hoạt động theo CISPR 12
Đối với xe có động cơ đẩy điện hoặc hệ thống động cơ đầy hybrid, nếu điều này không phù hợp (ví dụ như trong trường hợp xe buýt, xe tải, xe hai và ba bánh), trục truyền, dây đai hoặc xích có thể bị ngắt để đạt được điều kiện vận hành tương tự cho lực đầy).
D.2.1.2 Các hệ thống xe khác
Tất cả các thiết bị có khả năng sinh ra bức xạ băng thông rộng có thể bật (ON) thường xuyên bởi người lái hoặc hành khách phải được vận hành ở mức tải lớn nhất, ví dụ: động cơ gạt nước hoặc quạt. Còi và động cơ điện đóng mở cửa sổ được loại trừ vì chúng không được sử dụng liên tục.
D.2.2 Xe có cấu hình khác với "Chế độ nạp REESS được kết nối với lưới điện".
Trạng thái nạp (SOC) của ắc quy kéo phải được giữ trong khoảng từ 20 % đến 80 % của SOC lớn nhất trong toàn bộ phép đo dải tần (điều này có thể dẫn đến việc chia phép đo thành các băng tần con khác nhau với nhu cầu xả ắc quy kéo của xe trước khi bắt đầu các băng tần con tiếp theo).
Nếu mức tiêu thụ dòng điện có thể được điều chỉnh, thì dòng điện phải được chỉnh đặt ít nhất bằng 80 % giá trị danh định của nó để nạp AC.
Nếu mức tiêu thụ dòng điện có thể được điều chỉnh, thì dòng điện phải được chỉnh đặt ít nhất bằng 80 % giá trị danh định của nó để nạp DC trừ khi có giá trị khác được thỏa thuận với các cơ quan có thẩm quyền phê duyệt kiểu.
Trong trường hợp có nhiều ắc quy, trạng thái nạp trung bình phải được xem xét.
Xe phải được cố định, các động cơ (ICE và/hoặc động cơ điện) phải TẮT (OFF) và ở chế độ nạp. Tất cả các thiết bị khác có thể được người lái hoặc hành khách BẬT (ON) phải TẮT (OFF).
Thiết lập thử nghiệm cho kết nối của xe trong cấu hình "Chế độ nạp REESS được kết với lưới điện" được hiển thị trong Hình D.1-3a đến D.1-3h (tùy thuộc vào chế độ nạp điện AC hoặc DC, vị trí của giắc cắm nạp và nạp có hoặc không có kết nối thông tin) của Phụ lục D.1.
D.2.3 Xe ở chế độ nạp Kiểu 1 hoặc chế độ nạp Kiểu 2 (Nạp điện AC mà không kết nối thông tin).
D.2.3.1 Trạm nạp/nguồn điện
Có thể để ổ cắm điện lưới ở bất cứ đâu trong khu vực thử nghiệm với các điều kiện sau:
- Các ổ cắm phải được đặt trên phòng kín có tấm lót hấp thụ (ALSE) hoặc địa điểm thử nghiệm ngoài trời (OTS);
- Chiều dài của cáp điện giữa ổ cắm điện lưới và các AMN phải được giữ càng ngắn càng tốt, nhưng không nhất thiết phải thẳng hàng với dây nạp;
- Cáp điện phải được đặt càng gần phòng kín có tấm lót hấp thụ (ALSE) hoặc địa điểm thử nghiệm ngoài trời (OTS) càng tốt.
D.2.3.2 Mạng nhân tạo
Nguồn điện lưới phải được áp dụng cho xe thông qua μH/50 Ω mạng nhân tạo ((các) AMN) (xem điều Z.8-4).
(các) AMN phải được gắn trực tiếp trên phòng kín có tầm lót hấp thụ (ALSE) hoặc địa điểm thử nghiệm ngoài trời (OTS). Trường hợp của (các) AMN phải được kết nối với phòng kín có tấm lót hấp thụ (ALSE) hoặc được kết nối với mặt đất có bảo vệ (OTS, ví dụ: một thanh nối đất).
Cổng đo của mỗi AMN phải được kết nối với tải 50 Ω.
D.2.3.3 Dây nạp điện
Dây nạp điện phải được đặt theo đường thẳng giữa AMN và giắc cắm nạp xe và phải được định hướng vuông góc với trục dọc của xe (xem Hình D.1-3d và Hình D.1-3c). Chiều dài cáp điện dự kiến từ phía bên của (các) AMN đến bên hông xe phải là 0,8 (+0.2/-0) m như trong Hình D.3d và Hình D.3e.
Đối với cáp điện có chiều dài hơn thì chiều dài đoạn dư thừa phải phải gấp xếp hình chữ Z với chiều rộng nhỏ hơn 0,5 m khoảng giữa khoảng AMN đến khoảng cách xe. Nếu không thực hiện được vì cuộn cáp điện lớn hoặc cứng hoặc do thử nghiệm đang được thực hiện tại chỗ người thợ đang lắp đặt, thì việc xử lý đoạn cáp điện dư thừa phải được ghi chú chính xác trong báo cáo thử nghiệm.
cáp nạp điện ở phía xe phải treo thẳng đứng ở khoảng cách 100 (+200/-0) mm so với thân xe.
Toàn bộ cáp điện phải được đặt trên vật liệu không dẫn điện, độ dẫn tương đối tháp (hằng số điện môi εr ≤ 1,4), cách phòng kín có tấm lót hấp thụ (ALSE) một khoảng 100 ± 25 mm hoặc tại địa điểm thử nghiệm ngoài trời (OTS).
D.2.2 Xe có cấu hình "Chế độ nạp REESS kết nối với lưới điện"
Trạng thái nạp điện (SOC) của ắc quy kéo phải được duy trì từ 20 % đến 80 % của SOC lớn nhất trong toàn bộ phép đo phạm vi tần số (điều này có thể dẫn đến việc chia phép đo thành các băng thông nhỏ khác nhau với sự cần thiết về xả ắc quy kéo của xe trước khi bắt đầu các băng thông nhỏ tiếp theo). Nếu mức tiêu thụ dòng điện có thể được điều chỉnh, thì khi đó dòng điện phải được chỉnh đặt đến ít nhất bằng 80 % giá trị danh định của nó.
Thiết lập thử nghiệm cho kết nối của xe có cấu hình "Chế độ nạp REESS được đấu với lưới điện" được minh họa trong Hình D.1-3a đến D.1-3h (tùy thuộc vào chế độ nạp điện xoay chiều hoặc một chiều, vị trí của giắc cắm nạp và nạp có hoặc không có cáp truyền dẫn tín hiệu) của Phụ lục D.1.
D.2.3 Trạm nạp/lưới điện
(a) Nó phải được đặt trên mặt đất phẳng.
(b) Chiều dài của bộ cáp điện giữa lưới điện và ổ cắm cáp truyền dẫn tín hiệu và AN/IS phải được duy trì càng ngắn càng tốt.
(c) Bộ cáp điện giữa lưới điện và ổ cắm cáp truyền dẫn tín hiệu và AN/IS (s) phải được đặt càng gần càng tốt với mặt đất phẳng.
CHÚ THÍCH 2 Nên lọc các lưới điện lưới và ổ cắm cáp truyền dẫn tín hiệu.
Nếu trạm nạp được đặt bên trong vị trí thử nghiệm thì bộ cáp điện giữa trạm nạp và lưới điện/ổ cắm cáp truyền dẫn tín hiệu phải được đặt trong các điều kiện sau:
a) Bộ cáp điện ở phía trạm nạp phải được treo thẳng đứng xuống mặt đất phẳng.
b) Đoạn dây thừa phải được đặt càng gần càng tốt với mặt phẳng tiếp đất và "gấp xếp hình chữ Z" nếu cần.
CHÚ THÍCH 3: Trạm nạp phải được đặt bên ngoài chiều rộng chùm sóng của ăng ten thu.
D.2.4
D.2.4 Xe ở chế độ nạp Kiểu 3 (nạp điện AC có kết nối thông tin) hoặc chế độ nạp Kiểu 4 (nạp điện DC có kết nối thông tin).
D.2.4.1 Trạm nạp/lưới điện
Trạm nạp có thể được đặt trong khu vực thử nghiệm hoặc bên ngoài địa điểm thử nghiệm.
Nếu kết nối thông tin tại chỗ/riêng giữa xe và trạm nạp có thể được mô phỏng, trạm nạp có thể được thay thế bằng nguồn cấp điện từ mạng lưới điện AC.
Trong cả hai trường hợp, nguồn điện lưới và ổ cắm đường dây tín hiệu phải được đặt trong vị trí thử nghiệm với các điều kiện sau:
(Các) ổ cắm phải được đặt trên phòng kín có tấm lót hấp thụ (ALSE) hoặc địa điểm thử nghiệm ngoài trời (OTS);
Độ dài của cáp giữa nguồn điện/ổ cắm kết nối thông tin tại chỗ/riêng và (các) AMN/DC-nạp-AN/(các) AAN phải được giữ càng ngắn càng tốt, nhưng không nhất thiết phải phù hợp với cáp nạp điện;
Cáp giữa nguồn điện/ổ cắm kết nối thông tin tại chỗ/riêng và (các) AMN/DC-nạp-AN/AAN phải được đặt càng gần càng tốt của phòng kín có tấm lót hấp thụ (ALSE) hoặc mặt đất có bảo vệ (OTS).
Nếu trạm nạp được đặt bên trong vị trí thử nghiệm thì cáp giữa trạm nạp và ổ cắm điện/ổ cắm kết nối thông tin tại chỗ/riêng phải đáp ứng các điều kiện sau:
Cáp điện ở phía trạm nạp phải được treo thẳng đứng xuống phòng kín có tấm lót hấp thụ (ALSE) hoặc địa điểm thử nghiệm ngoài trời (OTS);
Chiều dài bên ngoài phải được đặt càng gần càng tốt với phòng kín có tấm lót hấp thụ (ALSE) hoặc địa điểm thử nghiệm ngoài trời (OTS) và đường gấp xếp hình chữ Z nếu cần thiết. Nếu không thực hiện được vì cuộn cáp điện lớn hoặc cứng hoặc do quá trình kiểm tra đang được thực hiện tại chỗ người thợ đang lắp đặt, việc xử lý đoạn cáp thừa phải được ghi chú chính xác trong báo cáo thử nghiệm.
Trạm nạp phải được đặt bên ngoài dải tần 3 dB của ăng ten thu. Nếu điều này không khả thi về mặt kỹ thuật, trạm nạp có thể được đặt phía sau một panel hấp thụ nhưng không phải giữa ăng-ten và xe.
D.2.4.2 Mạng nhân tạo
Nguồn điện xoay chiều phải được áp dụng cho xe thông qua 50 μH/50 AMN (xem Z.8-4).
Nguồn điện một chiều phải được áp vào xe thông qua các mạng nhân tạo có điện áp cao 5 μH/50 ((các) nạp DC-AN) (xem Z.8-3).
(Các) AMN/DC-nạp-AN phải được gắn trực tiếp trên phòng kín có tấm lót hấp thụ (ALSE) hoặc địa điểm thử nghiệm ngoài trời (OTS). Các trường hợp (các) AMN/DC-nạp-AN phải được kết nối với phòng kín có tấm lót hấp thụ (ALSE) hoặc được kết nối với mặt đất có bảo vệ (OTS, ví dụ: một thanh nối đất).
Cổng đo của mỗi AMN/DC-nạp-AN phải được kết nối với tải 50 Ω.
D.2.4.3 Mạng nhân tạo không đối xứng
Đường truyền thông tại chỗ/riêng được kết nối với cổng tín hiệu/điều khiển và đường kết nối với cổng mạng có dây phải được áp dụng cho xe thông qua (các) AAN.
Các AAN khác nhau được sử dụng được định nghĩa trong Z.8-5:
Z.8-5.1 cho cổng tín hiệu/điều khiển với các đường đối xứng;
Z.8-5.2 đối với cổng Ethernet (cổng mạng có dây) với PLC trên đường dây điện;
Z.8-5.3 cho cổng tín hiệu/điều khiển với PLC (công nghệ) trên dẫn hướng điều khiển; và
Z.8-5.4 cho cổng tín hiệu/điều khiển với dẫn hướng điều khiển.
(Các) AAN phải được gắn trực tiếp trên mặt đất phẳng. Trường hợp của (các) AAN phải được kết nối với phòng kín có tấm lót hấp thụ (ALSE) hoặc được kết nối với mặt đất có bảo vệ (OTS, ví dụ: một thanh nối đất).
Cổng đo của mỗi AAN phải được kết nối với tải 50 Ω.
Nếu trạm nạp được sử dụng, (các) AAN không cần thiết cho các cổng tín hiệu/điều khiển và/hoặc cho các cổng mạng có dây. Các cáp thông tin tại chỗ/riêng giữa xe và trạm nạp phải được kết nối với thiết bị đi kèm ở phía trạm nạp để hoạt động như thiết kế. Nếu kết nối thông tin được mô phỏng và nếu sự hiện diện của AAN ngăn cản kết nối thông tin thích hợp thì không nên sử dụng AAN
D.2.4.4 Cáp nạp điện/thông tin cục bộ/riêng (Power charging/local/private communication harness)
Bộ dây cáp nạp điện/kết nối thông tin cục bộ/riêng phải được bố trí trên một đường thẳng giữa (các) AMN/DC-nạp-AN (các)/AAN và ổ cắm nạp trên xe và phải được định hướng vuông góc với chiều dọc trục của xe (xem Hình 3f và Hình 3g). Chiều dài dây cáp dự kiến từ cạnh của (các) AMN đến thành xe phải là 0,8 (+0.2/-0) m.
Đối với dây cáp dài hơn, chiều dài dư thừa phải được "gấp xếp hình chữ Z" với chiều rộng nhỏ hơn 0,5 m. Nếu việc làm như vậy là không thực tế vì số lượng lớn hoặc độ cứng của dây cáp, hoặc vì quá trình thử nghiệm đang được thực hiện khi người dùng lắp đặt, thì việc bố trí dây cáp thừa phải được ghi chú chính xác trong báo cáo thử nghiệm. Dây cáp nạp điện/thông tin cục bộ/riêng ở bến xe phải treo thẳng đứng cách thân xe 100 (+200/-0) mm. Toàn bộ dây cáp phải được đặt trên vật liệu không dẫn điện, độ thấm cho phép tương đối thấp (hằng số điện môi) (εr ≤ 1,4), ở (100 ± 25) mm so với phỏng kín có tấm lót hấp thụ (ALSE) hoặc địa điểm thử nghiệm ngoài trời (OTS).
D.3 Bố trí thử nghiệm
D.3.1 Để thay thế cho các yêu cầu của CISPR 12 đối với phương tiện thuộc loại L, bề mặt thử nghiệm có thể là bất kỳ vị trí nào đáp ứng các điều kiện nêu trong Hình của phụ lục của phụ lục này. Trong trường hợp này, thiết bị đo phải nằm ngoài bộ phận được chỉ ra trên Hình D.1-1.
D.3.2 Có thể sử dụng vỏ bọc được che chắn có lót lớp hấp thụ (ALSE) và địa điểm thử nghiệm ngoài trời (OTS). ALSE có lợi thế về thử nghiệm trong mọi thời tiết, môi trường được kiểm soát và cải thiện khả năng lặp lại vì các đặc tính điện buồng ổn định.
D.4 Phương pháp thử
D.4.1 Các giới hạn áp dụng trong toàn bộ dải tần từ 30 MHz đến 1 000 MHz đối với các phép đo được thực hiện trong phòng kín có lớp lót hấp thụ (ALSE) hoặc địa điểm thử nghiệm ngoài trời (OTS).
D.4.2 Các phép đo có thể được thực hiện với bộ tách sóng chuẩn đỉnh hoặc đỉnh. Các giới hạn nêu trong 6.2 và 7.2 của dành cho các máy dò chuẩn đỉnh. Nếu sử dụng bộ tách sóng đỉnh thì phải áp dụng hệ số hiệu chỉnh 20 dB như đã xác định trong CISPR 12.
D.4.3 Các phép đo phải được thực hiện bằng máy phân tích phổ hoặc máy thu quét. Các tham số được sử dụng được xác định trong Bảng D.1 và Bảng D.2.
Bảng D.1 Thông số máy phân tích phổ
| Dải tần số MHz | Máy dò đỉnh | Máy dò chuẩn đỉnh | Máy dò trung bình | |||
| RBW ở -3 dB | Thời gian quét tối thiểu | RBW ở -6 dB | Thời gian quét tối thiểu | RBW ở -3 dB | Thời gian quét tối thiểu | |
| 30 đến 1 000 | 100/120 kHz | 100 ms/MHz | 120 kHz | 20 s/MHz | 100/120 kHz | 100 ms/MHz |
CHÚ THÍCH: Nếu máy phân tích phổ được sử dụng cho các phép đo đỉnh, băng thông video ít nhất phải gấp ba lần băng thông phân giải (RBW).
Bảng D.2 - Thông số máy thu quét
| Dải tần số MHz | Máy dò đỉnh | Máy dò chuẩn đỉnh | Máy dò trung bình | ||||||
|
| BW ở -6dB | Cỡ bướca | Thời gian quét tối thiểu | Cỡ bướca | BW ở- 6 dB | Thời gian quét tối thiểu | Cỡ bướca | BW ở- 6 dB | Thời gian quét tối thiểu |
| 30 đến 1 000 | 120 kHz | 50 kHz | 5 ms | 120 kHz | 50 kHz | 1 s | 120 kHz | 50 kHz | 5 ms |
a Đối với nhiễu thuần túy băng thông rộng, kích thước bước tần số lớn nhất có thể được tăng lên đến giá trị không lớn hơn giá trị băng thông.
D.4.4 Phép đo
Trường hợp trong quá trình thử, nếu xảy ra vượt quá giới hạn, các cuộc điều tra phải được thực hiện để đảm bảo rằng điều này là do xe gây ra và không phải do bức xạ nền.
Cơ sở thử nghiệm phải thực hiện thử nghiệm theo các khoảng thời gian được chỉ định trong tiêu chuẩn CISPR 12 trong toàn dải tần số 30 MHz đến 1 000 MHz.
Ngoài ra, nếu nhà sản xuất cung cấp dữ liệu đo cho toàn bộ dải tần từ phòng thử nghiệm được công nhận cho các bộ phận áp dụng của TCVN ISO/IEC 17025 và được cơ quan có thẩm quyền phê duyệt kiểu công nhận, cơ sở thử nghiệm có thể chia dải tần số thành 14 dải tần số con 45-60 MHz, 60-80 MHz, 80-100 MHz, 100-130 MHz, 130-170 MHz, 170-225 MHz, 225-300 MHz, 300-400 MHz, 400-525 MHz, 525-700 MHz, 700-850 MHz và 850-1 000 MHz và thực hiện các thử nghiệm ở 14 tần số cho mức phát xạ cao nhất trong mỗi dải để xác nhận rằng xe đáp ứng các yêu cầu của phụ lục này.
Trong trường hợp vượt quá giới hạn trong quá trình thử nghiệm, các cuộc điều tra phải được thực hiện để đảm bảo rằng điều này là do xe và không phải do bức xạ nền.
D.4.5 Số đọc
Giá trị lớn nhất của số đọc tương ứng với giới hạn (phân cực ngang và thẳng đứng và vị trí ăng ten ở bên trái và bên phải của xe) tại từng dải của 14 dải tần số con phải được chọn làm số đọc đặc trưng ứng với tần số mà các phép đo đã được thực hiện
D.4.6 Vị trí của ăng ten
Các phép đo phải được thực hiện ở phía bên trái và bên phải của chiếc xe.
Khoảng cách ngang là từ điểm chuẩn của ăng ten đến phần gần nhất của thân xe.
Có thể cần nhiều vị trí ăng ten (cả cho khoảng cách ăng ten 10 m và 3 m) tùy thuộc vào chiều dài xe. Các vị trí tương tự phải được sử dụng cho cả phép đo phân cực ngang và dọc. Số lượng vị trí ăng ten và vị trí của ăng ten đối với xe phải được ghi lại trong báo cáo thử nghiệm.
Nếu chiều dài của xe nhỏ hơn độ rộng băng thông 3 dB của ăng ten thì chỉ cần một vị trí ăng ten. Ăng ten phải được đặt thẳng hàng ở trung tuyến của toàn bộ xe (xem Hình D.1-4);
Nếu chiều dài của xe lớn hơn độ rộng băng thông 3 dB của ăng-ten, thì cần có nhiều vị trí ăng-ten để bao phủ toàn bộ chiều dài của xe (xem Hình D.1-5). Số lượng vị trí ăng ten phải đáp ứng các điều kiện sau:
N · 2 ·D ·tan(β) ≥ L (1)
Trong đó:
N Số lượng vị trí ăng ten;
D Khoảng cách đo (3 m hoặc 10 m);
2 β Góc của độ rộng băng thông 3 dB của ăng-ten trong mặt phẳng song song với mặt đất (nghĩa là góc độ rộng băng thông của mặt phẳng E khi ăng ten được sử dụng trong phân cực ngang và góc độ rộng băng thông của mặt phẳng H khi ăng ten được sử dụng trong phân cực dọc);
L Tổng chiều dài xe.
Tùy thuộc vào các giá trị được chọn của N (số vị trí ăng ten), thiết lập khác nhau phải được sử dụng:
nếu N = 1 (chỉ cần một vị trí ăng-ten) và ăng ten phải thẳng hàng với giữa tổng chiều dài xe (xem Hình D.1-4).
nếu N> 1 (cần nhiều hơn một vị trí ăng ten) và nhiều vị trí ăng ten là cần thiết để bao phủ tổng chiều dài của xe (xem Hình D.1-5). Các vị trí ăng ten phải đối xứng với trục vuông góc của xe.
Phụ lục D.1

Hình D.1-1 - Bề mặt nằm ngang trống vắng, không có phản xạ điện từ được giới hạn với bề mặt được xác định bởi hình elip

Hình D.1-2a - Ăng ten lưỡng cực ở vị trí để đo các bộ phận bức xạ thẳng đứng

Hình D.1-2b - Ăng ten lưỡng cực ở vị trí để đo các bộ phận bức xạ nằm ngang
Hình D.1-2 - Vị trí ăng ten so với đến xe
Ví dụ về thiết lập thử nghiệm cho xe có giắc cắm đặt ở phía bên sườn xe được cấp lưới điện xoay chiều mà không cần tín hiệu. (Xem các Hình 3a, 3b, 3c, 3d, 3e, 3f, 3g, 3h)

Hình D.1-3a

Hình D.1-3b
CHÚ DẪN:
| 1 | Xe đem thử | 4 | mạng nhân tạo nối đất |
| 2 | Giá đỡ cách điện | 5 | ổ cắm điện lưới |
| 3 | cáp nạp điện |
|
|
Hình D.1-3 - Xe có cấu hình "Chế độ nạp REESS" được đấu nối với lưới điện
Ví dụ về thiết lập thử nghiệm cho xe có giắc cắm đặt ở phía trước/phía sau xe (được cấp lưới điện xoay chiều mà không cần thông tin)

Hình D.1-3c

Hình D.1-3d
CHÚ DẪN:
| 1 | Xe đem thử | 4 | mạng nhân tạo nối đất |
| 2 | Giá đỡ cách điện | 5 | ổ cắm điện lưới |
| 3 | cáp nạp điện |
|
|
Xe có cấu hình "Chế độ nạp điện REESS" được đấu nối với lưới điện
Ví dụ về thiết lập thử nghiệm cho xe có giắc cắm đặt ở phía bên sườn xe (được cấp lưới điện xoay chiều hoặc một chiều mà không cần thông tin)

Hình D.1-3e

Hình D.1-3f
CHÚ DẪN:
| 1 | Xe đem thử | 5 | ổ cắm điện lưới |
| 2 | Giá đỡ cách điện | 6 | ổn định trở kháng nối đất |
| 3 4 | Cáp nạp điện/dây truyền dẫn tín hiệu mạng nhân tạo xoay chiều hoặc một chiều nối đất | 7 | Trạm nạp |
Xe có cấu hình "Chế độ nạp REESS" được đấu nối với lưới điện
Ví dụ về thiết lập thử nghiệm cho xe có giắc cắm đặt ở phía trước/phía sau xe (được cấp lưới điện xoay chiều hoặc một chiều mà không cần thông tin tín hiệu)

Hình D.1-3g

Hình D.1-3h
CHÚ DẪN:
| 1 | Xe đem thử | 5 | ổ cắm điện lưới |
| 2 | Giá đỡ cách điện | 6 | Ổn định trở kháng nối đất |
| 3 | Cáp nạp điện/dây truyền dẫn tín hiệu | 7 | Trạm nạp |
| 4 | Mạng nhân tạo xoay chiều hoặc một chiều nối đất |
|
|
Hình D.1-3 - Xe có cấu hình "Chế độ nạp REESS" được đấu nối với lưới điện.
Vị trí ăng-ten

CHÚ DẪN:
1: Xe đang thử nghiệm.
2: Ăng-ten
Hình D.1-4 - Vị trí ăng-ten cho N = 1 (sử dụng một vị trí ăng-ten) - Hiển thị phân cực ngang

CHÚ DẪN:
| 1 | Xe đang thử nghiệm. |
| 2 | Ăng ten (2 vị trí) |
Hình D.1-5 - Vị trí ăng ten cho N = 2 (sử dụng nhiều vị trí ăng ten) - Hiển thị phân cực ngang
Phụ lục E
(Quy định)
Phương pháp đo bức xạ điện từ băng thông hẹp phát ra từ xe
E.1 Tổng quan
E.1.1 Phương pháp thử được mô tả trong phụ lục này chỉ được áp dụng cho các xe. Phương pháp này chỉ liên quan đến cấu hình của xe khác với "chế độ nạp điện cho REESS được đấu nối với lưới điện”.
E.1.2 Phương pháp thử
Thử nghiệm này nhằm đo lượng bức xạ điện từ băng thông hẹp có thể phát ra từ các hệ thống dựa trên bộ vi xử lý hoặc nguồn băng thông hẹp khác.
Nếu không có quy định gì khác trong phụ lục này, thử nghiệm phải được thực hiện theo CISPR 12 hoặc CISPR 25.
E.1.3 Như là bước đầu tiên, các mức bức xạ trong băng thông điều chế tần số (FM) (76 đến 108 MHz) phải được đo tại ăng-ten radio phát sóng trên xe với một đầu dò trung bình. Nếu mức quy định trong 6.3.2.4 không vượt quá, thì khi đó xe phải được xét là đáp ứng các yêu cầu của phụ lục này đối với dải tần số đó và không cần thực hiện toàn bộ thử nghiệm.
E.1.4 Như là cách thay thế cho các xe loại L, vị trí đo có thể được chọn theo D.3.1 và D.3.2.
E.2 Trạng thái của xe trong quá trình thử nghiệm
E.2.1 Phải bật công tắc đánh lửa. Động cơ không hoạt động.
E.2.2 Tất cả các hệ thống điện tử của xe đều phải ở trong chế độ hoạt động bình thường với xe cố định.
E.2.3 Tất cả các thiết bị có thể được bật thường xuyên bởi người lái hoặc hành khách có bộ dao động bên trong > 9 kHz hoặc tín hiệu lặp đi lặp lại phải hoạt động bình thường.
E.3 Yêu cầu thử nghiệm
E.3.1 Các giới hạn áp dụng trong toàn dải tần số 30 MHz đến 1 000 MHz cho các phép đo được thực hiện trong buồng bán vang vọng hoặc khu vực thử nghiệm ngoài trời.
E.3.2 Các phép đo phải được thực hiện với một đầu dò trung bình.
E.3.3 Các phép đo phải được thực hiện với máy phân tích phổ hoặc máy thu quét. Các tham số được sử dụng được quy định trong Bảng E.1 và Bảng E.2.
Bảng E.1 - Thông số của máy phân tích phổ
| Dải tần số MHz | Đầu dò đỉnh | Đầu dò chuẩn đỉnh | Đầu dò trung bình | |||
| RBW ở -3 dB | Thời gian quét | RBW ở - 6 dB | RBW ở -3 dB | Thời gian quét | RBW ở - 6 dB | |
| 30 đến 1 000 | 100/120 kHz | 100 ms/MHz | 120 kHz | 100/120 kHz | 100 ms/MHz | 120 kHz |
CHÚ THÍCH Nếu máy phân tích phổ được sử dụng cho các phép đo đỉnh, chiều rộng của băng thông video phải gấp ít nhất ba lần chiều rộng của băng thông phân giải (RBW).
Bảng E.2 - Thông số của máy thu quét
| Dải tần số MHz | Đầu dò đỉnh | Đầu dò chuẩn đỉnh | Đầu dò trung bình | ||||||
| BW ở -6 dB | Cỡ bướca | Thời gian dừng | BW ở - 6 dB | Cỡ bước3 | Thời gian dừng | BW ở -6 dB | Cỡ bước3 | Thời gian dừng | |
| 30 đến 1000 | 120 kHz | 50 kHz | 5 ms | 120 kHz | 50 kHz | 5 ms | 120 kHz | 50 kHz | 5 ms |
Đối với nhiễu của băng thông rộng thuần túy, kích thước của bước tần số lớn nhất có thể được tăng lên đến một giá trị không lớn hơn giá trị băng thông.
E.3.4 Đo
Cơ sở thử nghiệm phải thực hiện thử nghiệm theo các quãng thời gian được quy định trong CISPR 12 trong toàn dải tần số 30 MHz đến 1 000 MHz.
Ngoài ra, nếu nhà sản xuất cung cấp dữ liệu đo cho toàn bộ dải tần lấy từ cơ sở thử nghiệm được ủy quyền cho các phần có thể áp dụng được của TCVN ISO/IEC 17025 và được cơ quan có thẩm quyền phê duyệt kiểu công nhận thì cơ sở thử nghiệm có thể chia dải tần số thành 14 dải tần nhỏ 30-34 MHz, 34-45 MHz, 45-60 MHz, 60-80 MHz, 80-100 MHz, 100-130 MHz, 130-170 MHz, 170-225 MHz, 225-300 MHz, 300-400 MHz, 400-525 MHz, 525-700 MHz, 700-850 MHz và 850-1000 MHz và thực hiện các thử nghiệm ở 14 dải tần nhỏ đó cho mức bức xạ cao nhất trong mỗi dải để xác nhận rằng xe đáp ứng các yêu cầu của phụ lục này.
Trong trường hợp vượt quá giới hạn trong quá trình thử nghiệm, các cuộc điều tra phải được thực hiện để đảm bảo rằng điều này là do xe gây ra và không phải là bức xạ nền bao gồm bức xạ băng thông rộng từ bất kỳ ESA nào.
E.3.5 Số đọc
Giá trị lớn nhất của số đọc tương ứng với giới hạn (phân cực ngang và dọc và vị trí ăng ten ở bên trái và bên phải của xe) tại từng dải của 14 dải tần nhỏ phải được chọn làm số đọc đặc trưng ứng với tần số mà các phép đo đã được thực hiện
Phụ lục E.1
Vị trí ăng-ten

CHÚ DẪN:
| 1 | Xe đang thử nghiệm |
| 2 | Ăng-ten |
Hình E.1-1 - Vị trí ăng-ten cho N = 1 (sử dụng một vị trí ăng-ten) - Hiển thị phân cực ngang

CHÚ DẪN:
| 1 | Xe đang thử nghiệm. |
| 2 | Ăng ten ( 2 vị trí) |
Hình E.1-2 - Vị trí ăng ten cho N = 2 (sử dụng nhiều vị trí ăng ten) - Hiển thị phân cực ngang
Phụ lục F
(Quy định)
Phương pháp thử khả năng miễn nhiễm của xe về bức xạ điện từ
1 Tổng quan
F.1.1 Phương pháp thử được mô tả trong phụ lục này chỉ áp dụng cho các xe. Phương pháp này liên quan đến cả hai cấu hình của xe:
(a) Khác với "Chế độ nạp REESS được đấu nối với lưới điện".
(b) "Chế độ nạp REESS được đấu nối với lưới điện".
F.1.2 Phương pháp thử
Thử nghiệm này nhằm chứng minh khả năng miễn nhiễm của hệ thống điện tử trên xe. Xe phải chịu các trường điện từ như được mô tả trong phụ lục này. Xe phải được giám sát trong quá trình thử.
Nếu không có quy định khác trong phụ lục này, thử nghiệm phải thực hiện theo ISO 11451-2
F.1.3 Phương pháp thử thay thế
Thử nghiệm có thể được thực hiện thay thế trong một vị trí thử nghiệm ngoài trời cho tất cả các xe. Trang bị thử nghiệm phải tuân thủ các yêu cầu của quốc gia liên quan đến bức xạ trường điện từ.
Nếu một xe có chiều dài lớn hơn 12 m và/hoặc rộng hơn 2,60 m và/hoặc cao hơn 4,00 m, phương pháp BCI (phun dòng khối lớn) theo ISO 11451-4 phải được sử dụng trong dải tần số 20 MHz đến 2 000 MHz với các mức được quy định trong 6.8.2.1.
F.2 Trạng thái của xe trong quá trình thử
F.2.1 Xe có cấu hình khác với "Chế độ nạp REESS được đấu nối với lưới điện.
F.2.1.1 Xe phải ở trong tình trạng không tải ngoại trừ các thiết bị thử cần thiết.
F.2.1.1.1 Động cơ như thông thường phải truyền chuyển động quay cho các bánh xe chủ động một tốc độ ổn định 50 km/h nếu không vì lý do kỹ thuật của xe mà phải quy định một điều kiện khác. Đối với các xe loại L1 và L2, tốc độ ổn định thường được quay ở mức 25 km/h. Xe phải đặt trên một động lực kế được tải thích hợp hoặc, khi không có động lực kế, có thể thay thế bằng cách đỡ trên các gối đỡ các trục xe được cách điện bởi một khoảng hở tối thiểu cách mặt đất. Nếu có thể được các trục truyền động, dây đai hoặc xích có thể bị ngắt kết nối (ví dụ: xe tải, xe hai và ba bánh).
F.2.1.1.2 Điều kiện xe cơ bản
Điều này xác định các điều kiện thử tối thiểu (theo khả năng áp dụng) và các tiêu chí có lỗi đối với các thử nghiệm miễn nhiễm của xe. Các hệ thống xe khác mà chúng có thể ảnh hưởng đến các chức năng liên quan đến miễn nhiễm, phải được thử theo cách được thỏa thuận giữa nhà sản xuất và cơ sở thử nghiệm
| Điều kiện thử xe "chu trình 50 km/h" | Tiêu chí có lỗi |
| Tốc độ xe 50 km/h (tương ứng 25 km/h đối với xe L1, L2) ± 20 % (xe dẫn động các con lăn). Nếu xe được trang bị hệ thống giám sát hành trình, phải cho nó được hoạt động. | Tốc độ thay đổi lớn hơn ±10 % tốc độ danh định. Trong trường hợp hộp số tự động: thay đổi tỷ số truyền sinh ra sự thay đổi tốc độ lớn hơn ± 10 % tốc độ danh định. |
| Đèn chiếu gần BẬT (ON) (chế độ điều khiển bằng tay) | Đèn chiếu sáng TẮT (OFF) |
| Gạt nước phía trước BẬT (chế độ điều khiển bằng tay) ở tốc độ lớn nhất | Gạt nước phía trước dừng hoàn toàn |
| Đèn báo rẽ ở phía bên người lái BẶT | Thay đổi tần số (thấp hơn 0,75 Hz hoặc lớn hơn 2,25 Hz). Chu trình làm việc thay đổi (thấp hơn 25 % hoặc lớn hơn 75 %). |
| Hệ thống treo điều chỉnh được ở vị trí bình thường. | Có sự thay đổi đáng kể không mong muốn |
| Ghế lái và vô lăng ở vị trí chính giữa | Biến đổi bất ngờ lớn hơn 10 % của tổng phạm vi điều chỉnh |
| Chưa đặt tín hiệu báo động | Tín hiệu báo động bất ngờ kích hoạt |
| Còi TẮT | Còi bất ngờ kích hoạt |
| Túi khí và hệ thống đai an toàn hoạt động cùng với túi khí cho hành khách bị nén chặt nếu có chức năng này | Bất ngờ kích hoạt |
| Cửa tự động đóng | Bất ngờ mở |
| Cần phanh hãm trên đoạn đường dài có thể điều chỉnh được ở vị trí bình thường. | Bất ngờ kích hoạt |
| Điều kiện thử xe "chu trình phanh” | Tiêu chí có lỗi |
| Được xác định trong kế hoạch thử chu trình phanh. Điều này phải bao gồm hoạt động của bàn đạp phanh (trừ khi có lý do kỹ thuật không làm như vậy) nhưng không nhất thiết phải là tác động chống bó cứng hệ thống phanh. | Đèn dừng không sáng trong chu trình đèn Phanh đã bật cùng với việc mất chức năng Bất ngờ kích hoạt |
F.2.1.1.3 Tất cả các thiết bị có thể hay bị người lái hoặc hành khách bật lên phải hoạt động bình thường.
F.2.1.1.4 Tất cả các hệ thống khác ảnh hưởng đến việc người lái điều khiển xe phải ở trong điều kiện hoạt động bình thường của xe.
F.2.1.2 Nếu có các hệ thống điện/điện tử trên xe tạo thành một phần không thể thiếu trong việc điều khiển trực tiếp xe mà nó phải không làm việc theo các điều kiện được mô tả trong F.2.1, nhà sản xuất phải được phép cung cấp báo cáo hoặc bằng chứng bổ sung cho cơ sở thử nghiệm về hệ thống điện/điện tử của xe đáp ứng các yêu cầu của tiêu chuẩn này. Bằng chứng này phải được lưu lại trong hồ sơ phê duyệt kiểu
F.2.1.3 Chỉ được sử dụng thiết bị không gây nhiễu trong khi giám sát xe. Bên ngoài xe và khoang hành khách phải được giám sát để xác định xem các yêu cầu của phụ lục này có được đáp ứng hay không (ví dụ: bằng cách sử dụng máy quay video, micro, v.v.).
F.2.2 Xe có cấu hình "Chế độ nạp REESS đấu nối với lưới điện".
F.2.2.1 Xe phải ở trong tình trạng không tải ngoại trừ các thiết bị kiểm tra cần thiết.
F.2.2.1.1 Xe phải đứng yên, TẮT động cơ và ở chế độ nạp.
F.2.2.1.2 Điều kiện xe cơ bản
Điều này xác định các điều kiện thử tối thiểu (theo khả năng áp dụng) và các tiêu chí có lỗi đối với các thử nghiệm miễn nhiễm xe. Các hệ thống xe khác, có thể ảnh hưởng đến các chức năng liên quan đến miễn nhiễm, phải được kiểm tra theo cách được thỏa thuận giữa nhà sản xuất và Cơ sở thử nghiệm.
| Điều kiện thử xe có cấu hình "chế độ nạp REESS" | Tiêu chí có lỗi |
| REESS phải ở chế độ nạp. Trạng thái nạp của REESS (SOC) phải được duy trì từ 20% đến 80% của SOC lớn nhất trong thời gian đo toàn bộ dải tần (điều này có thể dẫn đến việc phân chia phép đo thành các dải tần nhỏ khác nhau với sự cần thiết phải xả ắc quy kéo của xe trước khi bắt đầu các dải tần nhỏ kế tiếp). Nếu có thể điều chỉnh được mức tiêu thụ dòng điện, thì dòng điện phải được chỉnh đặt ứng với ít nhất 20 % giá trị danh định của nó. | Xe được chỉnh đặt ở chế độ chuyển động. |
F.2.2.1.3 Tất cả các thiết bị khác thường hay bị bật bởi người lái hoặc hành khách nên được TẮT.
F.2.2.2 Chỉ sử dụng thiết bị không gây nhiễu trong khi giám sát xe. Bên ngoài xe và khoang hành khách phải được giám sát để xác định xem các yêu cầu của phụ lục F này có được đáp ứng hay không (ví dụ: bằng cách sử dụng máy quay video, micro, v.v.).
F.2.2.3 Thiết lập thử nghiệm cho đấu nối của xe có cấu hình "Chế độ nạp REESS được đấu nối với lưới điện" được minh họa trong Hình F.1-4a đến F.1-4h (tùy thuộc vào chế độ nạp điện xoay chiều hoặc một chiều, vị trí của giắc cắm nạp và trạm nạp có hoặc không có cáp truyền dẫn tín hiệu) của Phụ lục F.1.
F.2.3 Xe ở chế độ nạp 1 hoặc kiểu 2 (Nạp AC mà không kết nối tín hiệu thông tin)
F.2.3.1 Trạm nạp/lưới điện lưới
Ổ cắm điện lưới có thể được đặt ở bất cứ đâu trong khu vực thử nghiệm với các điều kiện sau:
(Các) ổ cắm phải được đặt trên phòng kín có tấm lót hấp thụ (ALSE) hoặc Địa điểm thử nghiệm ngoài trời (OTS);
Chiều dài của cáp điện giữa ô cắm điện lưới và (các) AMN phải được giữ càng ngắn càng tốt nhưng không nhất thiết phải thẳng hàng với dây nạp;
Cáp điện phải được đặt càng gần phòng kín có tấm lót hấp thụ (ALSE) hoặc Địa điểm thử nghiệm ngoài trời (OTS) càng tốt.
F.2.3.2. Mạng nhân tạo
Lưới điện phải được áp dụng cho xe thông qua 50 pH/50 nhân tạo ((các) AMN) (xem Z.8-4).
(các) AMN phải được gắn trực tiếp trên phòng kín có tấm lót hấp thụ (ALSE) hoặc Địa điểm thử nghiệm ngoài trời (OTS). Trường hợp của (các) AMN phải được kết nối với phòng kín có tấm lót hấp thụ (ALSE) hoặc được kết nối với mặt đất bảo vệ (OTS, ví dụ: một thanh nối đất).
Cổng đo của mỗi AMN phải được kết nối với phụ tải 50 Ω.
F.2.3.3. Cáp nạp điện
Cáp nạp điện phải được đặt theo đường thẳng giữa AMN và tín hiệu dẫn hướng điều khiển nạp xe và phải được định hướng vuông góc với trục dọc của xe (xem Hình F.1-3d và Hình F.1-3e). Chiều dài cáp điện dự kiến từ bên cạnh (các) AMN đến bên cạnh xe phải là 0,8 (+0,2/-0) m như trong Hình F.1-3d và Hình F.1-3e.
Đối với cáp điện dài hơn, chiều dài không liên tục phải là đường gấp khúc hình chữ z với chiều rộng nhỏ hơn 0,5 m khoảng giữa khoảng AMN đến khoảng cách xe. Nếu không thực hiện được vì cuộn cáp điện lớn hoặc có cứng hoặc do thử nghiệm đang được thực hiện khi tại khu vực người dung đang lắp đặt, việc xử lý đoạn cáp dư thừa phải được ghi chú chính xác trong báo cáo thử nghiệm.
Cáp nạp điện ở phía xe phải treo thẳng đứng ở khoảng cách 100 (+200/-0) mm so với thân xe.
Toàn bộ cáp điện phải được đặt trên vật liệu không dẫn điện, độ dẫn tương đối thấp (hằng số điện môi) (r ≤ 1,4), tại (100 ± 25) mm so với phòng kín có tấm lót hấp thụ (ALSE) hoặc địa điểm thử nghiệm ngoài trời (OTS).
F.2.4 Xe ở chế độ nạp 3 (nạp AC với kết nối thông tin tín hiệu) hoặc kiểu 4 (nạp DC với kết nối thông tin tín hiệu)
F.2.4.1 Trạm nạp/lưới điện
Trạm nạp có thể được đặt trong khu vực thử nghiệm hoặc bên ngoài địa điểm thử nghiệm.
Nếu kết nối thông tin tín hiệu tại địa phương/riêng giữa xe và trạm nạp có thể được mô phỏng thì có thể thay thế trạm nạp bằng nguồn cung cấp từ mạng lưới điện AC.
Trong cả hai trường hợp, lưới điện lưới và ổ cắm cáp truyền dẫn tín hiệu phải được đặt trong vị trí thử nghiệm với các điều kiện sau:
(Các) ổ cắm phải được đặt trên phòng kín có tấm lót hấp thụ (ALSE) hoặc địa điểm thử nghiệm ngoài trời (OTS);
Độ dài của cáp giữa lưới điện/ổ cắm kết nối thông tin tín hiệu tại địa phương/riêng và (các) AMN/DC-nạp-AN/(các) AAN phải được giữ càng ngắn càng tốt, nhưng không nhất thiết phải phù hợp với cáp nạp điện;
Cáp giữa lưới điện/ổ cắm kết nối thông tin tín hiệu tại địa phương/riêng và (các) AMN/DC-nạp-(các) AN/(các) AAN phải được đặt càng gần càng tốt của phòng kín có tấm lót hấp thụ (ALSE) hoặc địa điểm thử nghiệm ngoài trời (OTS).
Nếu trạm nạp được đặt bên trong vị trí thử nghiệm thì cáp giữa trạm nạp và ổ cắm điện/ổ cắm kết nối thông tin tín hiệu tại địa phương/riêng phải đáp ứng các điều kiện sau:
Cáp điện ở phía trạm nạp phải được treo thẳng đứng xuống phòng kín có tấm lót hấp thụ (ALSE) hoặc địa điểm thử nghiệm ngoài trời (OTS);
Chiều dài bên ngoài phải được đặt càng gần càng tốt với phòng kín có tấm lót hấp thụ (ALSE) hoặc địa điểm thử nghiệm ngoài trời (OTS) và gấp xếp hình chữ Z nếu cần thiết. Nếu không thực hiện được vì số lượng lớn hoặc cứng của cáp hoặc do quá trình kiểm tra đang được thực hiện tại chỗ người thợ đang lắp đặt, việc xử lý cáp thửa phải được ghi chú chính xác trong báo cáo thử nghiệm;
Trạm nạp phải được đặt bên ngoài băng thông của ăng ten thu.
F.2.4.2 Mạng nhân tạo
Lưới điện xoay chiều phải được đấu nối với xe thông qua 50 μH/50 các AMN (xem Z.8-4).
Lưới điện một chiều phải được đấu nối với cho xe thông qua 5 mạng điện áp cao nhân tạo μH/50 (nạp DC-AN) (xem Z.8-3).
AMN/DC-nạp-AN phải được gắn trực tiếp trên phòng kín có tấm lót hấp thụ (ALSE) hoặc địa điểm thử nghiệm ngoài trời (OTS). Trường hợp AMN/DC-AN phải được kết nối với phòng kín có tấm lót hấp thụ (ALSE) hoặc được kết nối với mặt đất bảo vệ (OTS, ví dụ: một thanh nối đất).
Cổng đo của mỗi nạp AMN/DC-AN phải được kết nối với tải 50 Ω.
F.2.4.3 Mạng nhân tạo không đối xứng
Cáp thông tin tín hiệu tại địa phương/riêng được kết nối với cổng tín hiệu/điều khiển và đường kết nối với cổng Ethernet phải được đấu nối với cho xe thông qua AAN.
AAN khác nhau được sử dụng được định nghĩa trong Z.8-5:
- Z.8-5.1 đối với cổng tín hiệu/điều khiển với các cáp đối xứng;
- Z.8-5.2 đối với cổng Ethernet với PLC trên cáp cáp điện;
- Z.8-5.3 đối với cổng tín hiệu/điều khiển với PLC (công nghệ) trên dẫn hướng điều khiển; và
- Z.8-5.4 cho cổng tín hiệu/điều khiển với mạch điện điều khiển.
AAN phải được gắn trực tiếp trên mặt đất phẳng. Trường hợp của AAN phải được kết nối với phòng kín có tấm lót hấp thụ (ALSE) hoặc được kết nối với mặt đất bảo vệ (OTS, Ví dụ: một thanh nối đất).
Cổng đo của mỗi AAN phải được kết nối với tải 50 Ω.
Nếu sử dụng trạm nạp, AAN không cần thiết cho các cổng tín hiệu/điều khiển và/hoặc cho các cổng Ethernet. Cáp thông tin tín hiệu tại địa phương/riêng giữa xe và trạm nạp phải được kết nối với thiết bị đi kèm theo ở phía trạm nạp để làm việc như thiết kế. Nếu kết nối thông tin tín hiệu được mô phỏng và nếu sự hiện diện của AAN ngăn cản kết nối thông tin tín hiệu thích hợp thì không nên sử dụng AAN
F.2.4.4 Cáp nạp điện/kết nối thông tin tín hiệu tại địa phương/riêng
Cáp kết nối thông tin tín hiệu nạp điện tại địa phương/riêng được đặt theo đường thẳng giữa AMN/DC-nạp-AN/(các) AAN và ổ cắm nạp điện cho xe và phải được đặt vuông góc với chiều dọc trục của xe (xem Hình F.1-3f và Hình F.1-3g). Chiều dài cáp điện dự kiến từ phía bên cạnh của AMN đến bên hông xe phải là 0,8 (+0,2/- 0) m.
Đối với cáp điện dài hơn, chiều dài không liên tục phải là đường gấp khúc hình chữ z có chiều rộng nhỏ hơn 0,5 m. Nếu trong thực tế không thể làm như vậy vì cuộn cáp điện lớn hoặc cứng, hoặc do thử nghiệm đang được thực hiện tại chỗ khi người dùng đang lắp đặt, đoạn dư thừa phải được ghi chú chính xác trong báo cáo thử nghiệm.
Cáp tín hiệu nạp điện tại địa phương/riêng ở phía xe phải treo thẳng đứng ở khoảng cách 100 (+200/-0) mm so với thân xe.
Toàn bộ cáp điện phải được đặt trên vật liệu không dẫn điện, độ dẫn tương đối thấp (hằng số điện môi) (r ≤ 1,4), tại (100 ± 25) mm so với phòng kín có tấm lót hấp thụ (ALSE) hoặc địa điểm thử nghiệm ngoài trời (OTS).
F.3 Điểm chuẩn
F.3.1 Đối với mục đích của phụ lục này, Điểm chuẩn là điểm tại đó cường độ trường phải được thiết lập và được xác định như sau
F.3.2 Đối với các loại xe M, N, O, T, R và S theo ISO 11451-2.
F.3.3 Đối với xe loại L:
F.3.3.1 Ít nhất cách xa 2 m theo chiều ngang từ tâm pha của ăng ten hoặc ít nhất cách xa 1 m theo chiều dọc từ các phần tử bức xạ của hệ thống-đường-truyền dẫn (TLS);
F.3.3.2 Trên đường trung tâm của xe (mặt phẳng đối xứng dọc).
F.3.3.3 Ở độ cao 1,0 m ± 0,05 m so với mặt phẳng trên đó ở độ cao 1,0 m ± 0,05 m so với mặt phẳng mà xe đỗ trên đó hoặc 2,0 m ± 0,05 m nếu chiều cao tối thiểu của mái của bất kỳ phương tiện nào trong phạm vi model vượt quá 3,0 m.
F.3.3.4 Ở khoảng cách 1,0 m ± 0,2 m phía sau đường thẳng đứng của bánh trước của xe (điểm C trong Hình F.1-1) trong trường hợp xe ba bánh Hoặc ở phía sau 0,2 m ± 0,2 m so với đường thẳng đứng của xe phía trước (điểm D trong Hình.F.1-2) trong trường hợp xe hai bánh.
F.3.3.5 Nếu nó được quyết định tỏa ra phía sau xe, thi cảm biến (Điểm chuẩn) phải được lắp đặt cách xa ăng-ten và được đặt ở vị trí như thể nó phải được xoay theo chiều ngang 180° quanh điểm tâm của nó, tức là khoảng cách từ ăng-ten đến phần gần nhất của vỏ ngoài của xe vẫn như cũ. Điều này được minh họa trong Hình F.1-3).
F.4 Yêu cầu thử nghiệm
F.4.1 Dải tần số, thời gian dừng, phân cực
Xe phải được phơi ra trước bức xạ nhiễu trong dải tần số 20 đến 2 000 MHz trong phân cực thẳng đứng.
Việc điều biến tín hiệu thử phải là:
a) AM (điều biến biên độ), với điều biến 1 kHz và 80% độ sâu điều biến trong dải tần số 20 MHz đến 800 MHz, và
b) PM (điều biến xung), Tần 577 μs, chu kỳ 4 600 μs trong phạm vi tần số 800 MHz đến 2.000 MHz, nếu không có thỏa thuận khác giữa cơ sở thử nghiệm và nhà sản xuất xe.
Cỡ bước tần số và thời gian dừng phải được chọn theo ISO 11451-1
F.4.1.1 Cơ sở thử nghiệm phải thực hiện thử nghiệm theo các quãng thời gian được quy định trong ISO 11451-1 trong toàn dải tần số từ 20 MHz đến 2 000 MHz.
Ngoài ra, nếu nhà sản xuất cung cấp số liệu phép đo cho toàn bộ dải tần từ cơ sở thử nghiệm được công nhận cho các bộ phận có thể được áp dụng của TCVN ISO/IEC 17025 và được cơ quan có thẩm quyền phê duyệt kiểu công nhận, cơ sở thử nghiệm có thể chọn số lượng giảm bớt về tần số điểm trong dải tần nhỏ, ví dụ: 27 MHz, 45 MHz, 65 MHz, 90 MHz, 120 MHz, 150 MHz, 190 MHz, 230 MHz, 280 MHz, 380 MHz, 450 MHz, 600 MHz, 750 MHz, 900 MHz, 1.300 MHz và 1.800 MHz để xác nhận rằng xe đáp ứng các yêu cầu của phụ lục này.
Nếu một xe không vượt qua được phép thử quy định trong phụ lục này, phải kiểm tra xác minh là xe đã có lỗi trong các điều kiện thử có liên quan và không phải là kết quả của các trường không được kiểm soát sinh ra.
F.5 Phát ra cường độ trường yêu cầu
F.5.1 Hệ phương pháp thử
F.5.1.1 Phương pháp thay thế theo ISO 11451-1, phải được sử dụng để thiết lập các điều kiện trường thử nghiệm.
F.5.1.2 Hiệu chuẩn
Đối với ăng-ten, bốn đầu dò trường tại đường chuẩn của xe phải được sử dụng.
F.5.1.3 Pha thử nghiệm
Xe phải được định vị với đường trung tâm của xe trên đường xe hoặc điểm chuẩn. Xe thường phải đối mặt với một ăng ten cố định. Tuy nhiên, trong trường hợp các thiết bị điều khiển điện tử có chức năng liên quan đến miễn nhiễm và cáp điện đi kèm chủ yếu ở nửa phía sau xe, thì thường phải tiến hành thử nghiệm với đầu xe hướng đối diện với ăng ten và định vị như thể nó được xoay theo chiều ngang 180° quanh điểm trung tâm của nó, tức là khoảng cách từ ăng-ten đến phần gần nhất của thân ngoài của xe vẫn giữ nguyên. Trong trường hợp xe dài (tức là loại trừ các loại xe L, M1 và N1), có các bộ điều khiển điện tử có chức năng liên quan đến miễn nhiễm và cáp điện liên quan chủ yếu ở giữa xe, có thể thiết lập một đường dẫn (điểm chuẩn) dựa trên bề mặt bên phải hoặc bề mặt bên trái của xe. Điểm chuẩn phải ở điểm giữa của chiều dài xe hoặc tại một điểm dọc theo sườn xe được nhà sản xuất chọn kết hợp với cơ quan có thẩm quyền phê duyệt kiểu sau khi xem xét bố trí mặt bằng hệ thống điện tử và bất kỳ bộ cáp điện nào.
Thử nghiệm như vậy chỉ có thể diễn ra nếu kết cấu vật lý của buồng thử cho phép. Vị trí ăng ten phải được ghi chú trong báo cáo thử nghiệm.
Phụ lục F.1

Hình F.1-1

Hình F.1-2

Hình F.1-3
Ví dụ về thiết lập thử nghiệm cho xe có giắc cắm ở phía trước/phía sau xe (nạp điện xoay chiều không đường dây truyền dẫn tín hiệu)

Hình F.1-4a

Hình F.1-4b
CHÚ DẪN
| 1 | Xe đem thử | 4 | Mạng nhân tạo được nối đất |
| 2 | Giá đỡ cách điện | 5 | Ổ cắm vào lưới điện |
| 3 | Cáp nạp điện |
|
|
Hình F.1-4-Xe có cấu hình "Chế độ nạp REESS đấu nối với lưới điện"

Hình F.1-4c

Hình F.1-4d
CHÚ DẪN
| 1 | Xe đem thử | 4 | Mạng nhân tạo được nối đất |
| 2 | Giá đỡ cách điện | 5 | Ổ cắm vào lưới điện |
| 3 | Cáp nạp điện |
|
|
Ví dụ về thiết lập thử nghiệm cho xe có giắc cắm ở phía bên sườn xe (nạp điện xoay chiều hoặc một chiều không đường dây truyền dẫn tín hiệu)

Hình F.1-4e

Hình F.1-4f
CHÚ DẪN
| 1 | Xe đem thử | 5 | Ổ cắm vào lưới điện |
| 2 | Giá đỡ cách điện | 6 | Ổn định trở kháng được nối đất |
| 3 | Cáp nạp điện/dây truyền dẫn tín hiệu | 7 | Trạm nạp |
| 4 | Mạng xoay chiều hoặc một chiều nhãn tạo được nối đất | ||
Ví dụ về thiết lập thử nghiệm cho xe có giắc cắm ở phía trước/phía sau xe (nạp điện xoay chiều hoặc một chiều không đường dây truyền dẫn tín hiệu)

Hình F.1-4g

Hình F.1-4h
CHÚ DẪN
| 1 | Xe đem thử | 5 | Ổ cắm vào lưới điện |
| 2 | Giá đỡ cách điện | 6 | Ổn định trở kháng được nối đất |
| 3 | Cáp nạp điện/dây truyền dẫn tín hiệu | 7 | Trạm nạp |
| 4 | Mạng xoay chiều hoặc một chiều nhân tạo được nối đất | ||
Phụ lục G
(Quy định)
Phương pháp đo bức xạ điện từ băng thông rộng phát ra từ các cụm điện/điện tử phụ (ESA)
G.1 Tổng quan
G.1.1 Phương pháp thử nghiệm được mô tả trong phụ lục này có thể áp dụng cho ESA mà chúng có thể sau đó được lắp vào xe đáp ứng với Phụ lục D.
Phương pháp này liên quan đến cả hai loại ESA:
a) ESA khác với loại liên quan đến cấu hình "Chế độ nạp REESS được đấu nối với lưới điện".
b) ESA liên quan đến cấu hình "Chế độ nạp REESS được đấu nối với lưới điện".
G.1.2 Phương pháp thử
Thử nghiệm này nhằm đo lượng bức xạ điện từ băng thông rộng phát ra từ ESA (ví dụ: hệ thống đánh lửa, động cơ điện, bộ nạp ắc quy trên xe, v.v.)
Nếu không có quy định khác trong phụ lục này, thử nghiệm phải được thực hiện theo CISPR 25.
G.2 Trạng thái ESA trong thử nghiệm
G.2.1 ESA được thử phải ở chế độ làm việc bình thường, tốt nhất là ở tải lớn nhất.
Các ESA liên quan đến cấu hình "Chế độ nạp REESS được đấu nối với lưới điện" phải ở chế độ nạp.
Trạng thái nạp điện (SOC) của ắc quy kéo phải được duy trì từ 20 % đến 80 % của SOC lớn nhất trong toàn bộ phép đo dải tần (điều này có thể dẫn đến việc phân chia phép đo ở các dải tần nhỏ khác nhau với nhu cầu xả ắc quy kéo của xe trước khi bắt đầu các dải tần nhỏ kế tiếp).
Nếu thử nghiệm không được thực hiện với REESS, ESA nên được thử nghiệm ở dòng điện danh định. Nếu có thể điều chỉnh được mức tiêu thụ dòng điện, thì dòng điện phải được chỉnh đặt ở ít nhất bằng 80 % của giá trị danh định của nó.
G.3 Bố trí thử nghiệm
G.3.1 Đối với ESA khác loại liên quan đến cấu hình "Chế độ nạp REESS được đấu nối với lưới điện", thử nghiệm phải được thực hiện theo phương pháp ALSE được mô tả trong 6.4 của CISPR 25.
G.3.2 Đối với ESA liên quan đến cấu hình "Chế độ nạp REESS được đấu nối với lưới điện", việc bố trí thử nghiệm phải theo Hình G.1-2 đi kèm theo phụ lục này.
G.3.2.1 Cấu hình tấm che phải theo cấu hình của loạt xe. Nói chung, tất cả các bộ phận có điện áp cao (HV) được bao che phải được kết nối đúng cách với trở kháng thấp với mặt đất (ví dụ: AN, cáp, bộ đầu nối, v.v.). ESA và tải phải được kết nối với mặt đất. Lưới điện cao áp (HV) bên ngoài phải được kết nối thông qua cụm nối có bộ lọc nhiễu.
Trừ khi có quy định khác, chiều dài của bộ cáp điện có điện áp thấp (LV) và bộ cáp điện có điện áp cao (HV) song song với cạnh mép trước của mặt phẳng tiếp đất phải là 1.500 mm (± 75 mm). Tổng chiều dài của bộ cáp điện thử bao gồm đầu nối phải là 1 700 mm (+300/-0 mm). Khoảng cách giữa bộ cáp điện LV và bộ cáp điện HV phải là 100 mm (+100/-0 mm).
G.3.2.3 Tất cả các bộ cáp điện phải được đặt trên vật liệu không dẫn điện, có hằng số điện môi tương đối thấp, (εr ≤ 1.4), ở trên cao hơn 50 mm (± 5 mm) so với mặt đất phẳng.
G.3.2.4 Các đường cấp điện có vỏ bao che cho đường HV+ và HV- và các cáp ba pha có thể là cáp đồng trục hoặc trong một vỏ bọc chung tùy thuộc vào việc sử dụng hệ thống giắc cắm. Cáp điện HV gốc từ xe có thể được sử dụng tùy chọn.
G.3.2.5 Trừ khi có quy định khác, vỏ hộp ESA phải được kết nối hoặc trực tiếp hoặc thông qua trở kháng xác định với mặt đất phẳng.
G.3.2.6 Đối với các bộ nạp trên xe, các đường cáp điện xoay chiều/một chiều phải được đặt cách ăng ten xa nhất (phía sau bộ cáp điện LV và HV). Khoảng cách gần nhất giữa các đường cấp điện xoay chiều/một chiều và bộ cáp điện (LV hoặc HV) phải là 100 mm (+100/-0 mm).
G.3.3 Vị trí đo thay thế
Như là một thay thế cho vỏ bao bảo vệ có lót lớp hấp thụ (ALSE), khu thử nghiệm ngoài trời (OATS) đáp ứng các yêu cầu của CISPR 16-1-4 có thể được sử dụng (xem Phụ lục G.1).
G.3.4 Môi trường xung quanh
Để đảm bảo rằng không có nhiễu hoặc tín hiệu khác lạ có cường độ đủ lớn để ảnh hưởng đáng kể đến phép đo, việc đo phải được thực hiện trước hoặc sau thử nghiệm chính. Trong phép đo này, nhiễu hoặc tín hiệu khác lạ phải thấp hơn ít nhất 6 dB so với giới hạn nhiễu được nêu trong 6.6.2.1, ngoại trừ việc truyền ra môi trường băng thông hẹp có chủ ý.
G.4 Yêu cầu thử nghiệm
G.4.1 Các giới hạn áp dụng trong toàn dải tần số 30 MHz đến 1 000 MHz cho các phép đo được thực hiện trong buồng bán không vang vọng hoặc khu vực thử nghiệm ngoài trời.
G.4.2 Các phép đo có thể được thực hiện với các đầu dò chuẩn đỉnh hoặc đỉnh. Các giới hạn được nêu trong 6.2 và 6.5 của tiêu chuẩn này là dành cho đầu dò chuẩn đỉnh. Nếu các đầu dò đỉnh được sử dụng thì phải sử dụng một hệ số hiệu chỉnh 20 dB như được quy định trong CISPR 12.
G.4.3 Các phép đo phải được thực hiện với máy phân tích phổ hoặc máy thu quét. Các thông số để áp dụng được quy định trong Bảng G.1 và Bảng G.2.
Bảng G.1 - Thông số của phân tích phổ
| Dải tần số MHz | Đầu dò đỉnh | Đầu dò chuẩn đỉnh | Đầu dò trung bình | |||
| RBW ở -3 dB | Thời gian quét | RBW ở -6 dB | Thời gian quét | RBW ở -3 dB | Thời gian quét | |
| 30 đến 1,000 | 100/120 kHz | 100 ms/MHz | 120 kHz | 20 s/MHz | 100/120 kHz | 100 ms/MHz |
CHÚ THÍCH Nếu máy phân tích phổ được sử dụng cho các phép đo đỉnh, độ rộng của băng video phải ít nhất gấp ba lần băng thông phân giải (RBW).
Bảng G.2 - Các thông số của máy thu quét
| Dải tần số MHz | Đầu dò đỉnh | Đầu dò chuẩn đỉnh | Đầu dò trung bình | ||||||
| BW ở - 6 dB | Thời gian quéta | Thời gian dừng | BW ở - 6dB | Thời gian quéta | Thời gian dừng | BW ở - 6 dB | Thời gian quéta | Thời gian dừng | |
| 30 đến 1,000 | 120 Hz | 50 kHz | 5 ms | 120 Hz | 50 kHz | 1 s | 120 kHz | 50 kHz | 5 ms |
a Đối với nhiễu thuần túy băng thông rộng, cỡ bước tần số lớn nhất có thể được tăng lên đến một giá trị không lớn hơn giá trị băng thông.
CHÚ THÍCH Đối với bức xạ được sinh ra bởi loại động cơ chổi góp không có bộ điều khiển điện tử thì kích thước bước của tần số lớn nhất có thể được tăng lên gấp năm lần băng thông
G.4.4 Đo
Trừ khi có quy định khác, phải thử nghiệm cấu hình với bộ cáp điện LV gần ăng ten hơn.
Tâm pha của ăng ten phải thẳng hàng với tâm của phần chạy dọc của bộ cáp điện đối với tần số lên đến 1.000 MHz.
Cơ sở thử nghiệm phải thực hiện thử theo các quãng thời gian được quy định trong tiêu chuẩn CISPR 12 trong toàn dải tần số 30 MHz đến 1.000 MHz.
Ngoài ra, nếu nhà sản xuất cung cấp kết quả đo dữ liệu cho toàn bộ dải tần từ cơ sở thử nghiệm được cấp phép để cho các phần có thể áp dụng theo TCVN ISO/IEC17025 và được cơ quan có thẩm quyền phê duyệt kiểu công nhận, cơ sở thử nghiệm có thể chia dải tần số thành 14 dải tần nhỏ 30-34 MHz, 34-45 MHz, 45-60 MHz, 60-80 MHz, 80-100 MHz, 100-130 MHz, 130-170 MHz, 170-225 MHz, 225-300 MHz, 300-400 MHz, 400-525 MHz, 525-700 MHz, 700-850 MHz và 850-1.000 MHz và thực hiện các thử nghiệm ở 14 dải tần nhỏ cho mức bức xạ cao nhất trong mỗi băng thông để xác nhận rằng ESA đáp ứng các yêu cầu của phụ lục này.
Trong trường hợp giới hạn bị vượt quá trong quá trình thử nghiệm, các cuộc khảo sát thêm phải được thực hiện để đảm bảo rằng điều này là do ESA chứ không phải do bức xạ nền.
G.4.5 Số đọc
Các số đọc lớn nhất tương ứng với giới hạn (phân cực ngang/dọc) trong mỗi 14 dải tần số phải được lấy làm số đọc đặc trưng ở tần số mà phép đo được thực hiện.
Phụ lục G.1
Cấp độ khu vực trống không có bề mặt phản xạ điện từ

Hình G.1-1 - Khu vực thử nghiệm ngoài trời: Ranh giới khu vực thử nghiệm cụm điện/điện tử phụ

CHÚ DẪN
| 1 | ESA (nối đất tại chỗ nếu được yêu cầu trong kế hoạch thử) | 13 | Vật liệu hấp thụ RF |
| 2 | Bộ cáp điện thử LV | 14 | Hệ thống giám sát và kích hoạt |
| 3 | Thiết bị mô phỏng tải LV (vị trí và kết nối đất theo CISPR 25, 6.4.2.5) | 15 | Bộ cáp điện HV |
| 4 | Cấp điện (tùy chọn địa điểm) | 16 | Thiết bị mô phỏng tải HV |
| 5 | Mạng nhân tạo LV(AN) | 17 | HV AN |
| 6 | Mặt phẳng tiếp đất (gắn kết với vỏ bọc được bảo vệ) | 18 | Cấp điện HV |
| 7 | Giá đỡ có hằng số điện môi tương đối thấp (εr ≤ 1.4) | 19 | Đầu nối điện HV |
| 8 | Ăng ten nhị phân | 25 | Bộ cáp điện của bộ nạp xoay chiều/một chiều |
| 10 | Cáp đồng trục chất lượng cao, ví dụ: vỏ bao hai lớp (50 Ω) | 26 | Thiết bị mô phỏng tải xoay chiều/một chiều (ví dụ: Bộ điều khiển logic lập trình được (PLC)) |
| 11 | Đầu nối có vách ngăn | 27 | 50pH Mạng ổn định trở kháng đường truyền (LISN) (xoay chiều) hoặc HVAN (một chiều) Mạng ổn định trở kháng cáp (LISN) (xoay chiều) hoặc HVAN (một chiều |
| 12 | Dụng cụ đo | 28 | Cấp điện xoay chiều/một chiều |
|
|
| 29 | Đầu nối điện xoay chiều/một chiều |
Hình G.1-2 - Kiểm tra cấu hình ESA có cấu hình liên quan đến "Chế độ nạp REESS được đấu nối với lưới điện" (ví dụ cho ăng ten nhị phân)
Phụ lục H
(Quy định)
Phương pháp đo bức xạ điện từ băng thông hẹp phát ra từ các cụm điện/điện tử phụ
H.1 Tổng quan
H.1.1 Phương pháp thử nghiệm được mô tả trong phụ lục này có thể được áp dụng cho ESA có thể sau này phải lắp cho các xe phù hợp với Phụ lục E.
Phương pháp này chỉ liên quan đến ESA khác với những ESA liên quan đến "Chế độ nạp REESS được đấu nối với lưới điện".
H.1.2 Phương pháp thử
Thử nghiệm này nhằm đo lượng bức xạ điện từ băng thông hẹp như có thể bắt nguồn từ hệ thống bộ vi xử lý.
Nếu không có quy định khác trong phụ lục này, thử nghiệm phải được thực hiện theo CISPR 25.
H.2 Trạng thái ESA trong các phép thử
ESA được thử nghiệm phải ở chế độ hoạt động bình thường, tốt nhất là chịu tải lớn nhất.
H.3 Bố trí thử nghiệm
H.3.1 Thử nghiệm phải được thực hiện theo phương pháp ALSE được mô tả trong 6.4 của CISPR25.
H.3.2 Vị trí đo thay thế
Vị trí thử nghiệm ngoài trời (OATS) mà nó phù hợp với các yêu cầu của CISPR 16-1-4 (xem Hình G.1-1) có thể là một cách thay thế cho vỏ bao kín có lót lớp hấp thụ (ALSE)
H.3.3 Môi trường xung quanh
Để đảm bảo rằng không có nhiễu hoặc tín hiệu khác lạ có cường độ đủ lớn để ảnh hưởng đáng kể đến phép đo, việc đo phải được thực hiện trước hoặc sau thử nghiệm chính. Trong phép đo này, nhiễu hoặc tín hiệu khác lạ phải nhỏ hơn ít nhất 6 dB so với giới hạn nhiễu được nêu trong 6.6.2.1, ngoại trừ việc lan truyền ra môi trường băng thông hẹp có chủ ý.
H.4 Yêu cầu thử nghiệm
H.4.1 Các giới hạn áp dụng trong toàn dải tần số 30 MHz đến 1 000 MHz cho các phép đo được thực hiện trong phòng kín có tấm lót hấp thụ (ALSE) hoặc khu vực thử nghiệm ngoài trời (OATS).
H.4.2 Các phép đo có thể được thực hiện với các đầu dò trung bình.
H.4.3 Các phép đo phải được thực hiện với máy phân tích phổ hoặc máy thu quét. Các thông số để áp dụng được quy định trong Bảng H.1 và Bảng H.2.
Bảng H.1 - Thông số máy phân tích phổ
| Dải tần số MHz | Đầu dò đỉnh | Đầu dò chuẩn đỉnh | Đầu dò trung bình | |||
| RBW ở -3 dB | Thời gian quét | RBW ở -6 dB | Thời gian quét | RBW ở -3 dB | Thời gian quét | |
| 30 đến 1 000 | 100/120 kHz | 100 ms/MHz | 120 kHz | 20 s/MHz | 100/120 kHz | 100 ms/MHz |
CHÚ THÍCH Nếu máy phân tích phổ được sử dụng cho các phép đo đỉnh, độ rộng băng video phải ít nhất gấp ba lần độ rộng băng phân giải (RBW)
Bảng H.2 - Thông số máy thu quét
| Dải tần số MHz | Đầu dò đỉnh | Đầu dò chuẩn đỉnh | Đầu dò trung bình | ||||||
| BW ở -6 dB | Cỡ bước | Thời gian dừng | BW ở -6 dB | Cỡ bước | Thời gian dừng | BW ở -6dB | Cỡ bước | Thời gian dừng | |
| 30 đến 1 000 | 120 kHz | 50 kHz | 5 ms | 120 kHz | 50 kHz | 1 s | 120 kHz | 50 kHz | 5 ms |
Đối với nhiễu thuần túy băng thông rộng, cỡ bước của tần số lớn nhất có thể được tăng lên đến giá trị không lớn hơn giá trị băng thông
H.4.4 Đo
Cơ sở thử nghiệm phải thực hiện thử theo các quãng thời gian được quy định trong tiêu chuẩn CISPR 12 trong toàn dải tần số 30 MHz đến 1 000 MHz.
Ngoài ra, nếu nhà sản xuất cung cấp kết quả đo dữ liệu cho toàn bộ dải tần từ cơ sở thử nghiệm được cấp phép để cho các phần có thể áp dụng của TCVN ISO/IEC 17025 và được cơ quan có thẩm quyền phê duyệt kiểu công nhận, cơ sở thử nghiệm có thể chia dải tần số thành 14 dải tần nhỏ (30-34, 34- 45, 45-60, 60-80, 80-100,100-130,130-170, 170-225, 225-300, 300-400, 400-525, 525-700, 700- 850 và 850-1.000) MHz và thực hiện các thử nghiệm ở 14 dải tần nhỏ cho mức bức xạ cao nhất trong mỗi băng thông để xác nhận rằng ESA đáp ứng các yêu cầu của phụ lục này. Trong trường hợp vượt quá giới hạn trong quá trình thử nghiệm, các cuộc điều tra phải được thực hiện để đảm bảo rằng điều này là do ESA và không phải do bức xạ nền bao gồm bức xạ băng rộng từ ESA.
H.4.5 Số đọc
Các kết quả đo lớn nhất ghi được tương ứng với giới hạn (phân cực ngang/dọc) trong mỗi 14 dải tần số phải được lấy làm số đọc đặc trưng ở tần số mà phép đo được thực hiện.
Phụ lục J
(Quy định)
Phương pháp thử khả năng miễn nhiễm bức xạ điện từ của các cụm điện/điện tử phụ
J.1 Phương pháp thử nghiệm được mô tả trong phụ lục này áp dụng cho ESA
J.1.2 Phương pháp thử
Phương pháp này liên quan đến cả hai loại ESA:
(a) ESA khác với loại liên quan đến cấu hình "Chế độ nạp REESS được đấu nối với lưới điện";
(b) ESA liên quan đến cấu hình "Chế độ nạp REESS được đấu nối với lưới điện".
J.1.2.1 ESA có thể phù hợp với yêu cầu của bất kỳ sự kết hợp nào của các phương pháp thử sau đây theo quyết định của nhà sản xuất với điều kiện là các kết quả này trong toàn bộ dải tần số được quy định trong J.3.1 phụ lục này được thực hiện:
a) Thử trong buồng hấp thụ theo ISO 11452-2;
b) Thử ở chế độ pin điện từ ngang (TEM) theo ISO 11452-3;
c) Thử phun dòng khối lớn theo ISO 11452-4;
d) Thử mạch dải theo ISO 11452-5;
e) Thử mạch dải 800 mm theo J.4.5 của phụ lục này.
Các ESA trong cấu hình "Chế độ nạp REESS được đấu nối với lưới điện" phải phù hợp với các yêu cầu của việc kết hợp giữa thử nghiệm trong buồng hấp thụ theo ISO 11452-2 và thử nghiệm phun dòng khối lớn theo tiêu chuẩn ISO 11452-4 theo quyết định của nhà sản xuất là kết quả trong toàn bộ dải tần số quy định trong J.3.1 phụ lục này được thực hiện.
(Dải tần số và điều kiện thử nghiệm chung phải dựa theo ISO 11452-1).
J.2 Trạng thái của ESA trong quá trình thử
J.2.1 Các điều kiện thử phải theo ISO 11452-1.
J.2.2 ESA đem thử phải được đóng mạch và phải được kích hoạt ở trạng thái hoạt động bình thường. Phải bố trí ESA như quy định trong phụ lục này trừ khi các phương pháp thử riêng có yêu cầu khác.
Các ESA liên quan đến cấu hình "Chế độ nạp REESS được đấu nối với lưới điện" phải ở chế độ nạp.
Trạng thái nạp (SOC) của ắc quy kéo phải được duy trì từ 20 % đến 80 % của SOC lớn nhất trong toàn bộ phép đo dải tần (điều này có thể dẫn đến việc chia phép đo ở các dải tần nhỏ khác nhau với nhu cầu xả ắc quy kéo của xe trước khi bắt đầu các dải tần nhỏ kế tiếp).
Nếu thử nghiệm không được thực hiện với một REESS, nên thử ESA ở dòng danh định. Nếu có thể điều chỉnh được mức tiêu thụ dòng điện, thì dòng điện phải được chỉnh đặt tại ít nhất bằng 20 % giá trị danh định của nó.
J.2.3 Trong giai đoạn hiệu chuẩn không được phép đặt tại chỗ thử bất kỳ thiết bị ngoại lai nào được yêu cầu để vận hành ESA đem thử. Không có thiết bị ngoại lai nào được phép để gần hơn 1 m từ điểm chuẩn trong quá trình hiệu chuẩn.
J.2.4 Để đảm bảo thu được các kết quả đo có thể lặp lại khi lặp lại các phép thử và phép đo, thiết bị tạo tín hiệu thử và cách sắp đặt của chúng phải có cùng một yêu cầu kỹ thuật như khi được sử dụng trong mỗi giai đoạn hiệu chuẩn thích hợp.
J.2.5 Nếu ESA được thử nghiệm bao gồm nhiều hơn một cụm, thì cáp kết nối phải là bộ cáp điện giống như như định dùng trên xe. Nếu không có sẵn, độ dài giữa bộ điều khiển điện tử và AN phải được quy định trong tiêu chuẩn. Tất cả các cáp trong bộ cáp điện phải được kết nối một cách giống với thực tế nhất có thể và tốt nhất là với các tải và bộ truyền động thực.
J.3 Yêu cầu thử chung
J.3.1 Dải tần, thời gian dừng
Các phép đo phải được thực hiện trong dải tần số 20 MHz đến 2 000 MHz với các bước tần số theo ISO 11452-1.
Việc điều biến tín hiệu thử phải là:
a) AM (điều biến biên độ), với điều biến 1 kHz và độ sâu điều biến 80 % trong dải tần số 20 MHz đến 800 MHz, và
b) PM (điều biến xung), Tấn 577 μs, giai đoạn 4.600 μs, trong dải tần số 800 MHz đến 2.000 MHz,
Nếu không có thỏa thuận gì khác giữa cơ sở thử nghiệm và nhà sản xuất ESA.
Cỡ bước tần số và thời gian dừng phải được chọn theo ISO 11452-1.
J.3.2 Cơ sở thử nghiệm phải thực hiện thử nghiệm theo các quãng thời gian được quy định trong ISO 11452-1, trong toàn dải tần từ 20 Mhz đến 2.000 MHz.
Ngoài ra, nếu nhà sản xuất cung cấp kết quả đo dữ liệu cho toàn bộ dải tần từ cơ sở thử nghiệm được cấp phép để thực hiện các phần có thể áp dụng theo TCVN ISO/IEC 17025 và được cơ quan có thẩm quyền phê duyệt kiểu công nhận, cơ sở thử nghiệm có thể chọn số lượng giảm bớt tần số điểm trong dải, ví dụ 27 MHz, 45 MHz, 65 MHz, 90 MHz, 120 MHz, 150 MHz, 190 MHz, 230 MHz, 280 MHz, 380 MHz, 450 MHz, 600 MHz, 750 MHz, 900 MHz, 1.300 MHz và 1.800 MHz để xác nhận rằng ESA đáp ứng các yêu cầu của Phụ lục J.
J.3.3 Nếu một ESA không đạt trong các thử nghiệm quy định trong phụ lục này, thì nó phải được kiểm tra xác nhận là đã không đạt trong các điều kiện thử có liên quan và không phải như là kết quả của việc sinh ra các trường không được kiểm soát.
J.4 Yêu cầu thử cụ thể
J.4.1 Thư trong buồng hấp thụ
J.4.1.1 Phương pháp thử
Phương pháp thử này cho phép thử các hệ thống điện/điện tử của xe bằng cách cho ESA phơi trước dòng điện nhiễu do ăng ten sinh ra.
J.4.1.2 Phương pháp luận của thử nghiệm
Phải sử dụng "Phương pháp thay thế" để thiết lập các điều kiện của trường thử theo ISO 11452-2.
Thử nghiệm phải được thực hiện với phân cực dọc.
J.4.1.2.1 Đối với ESA trong cấu hình "Chế độ nạp REESS được đấu nối với lưới điện", việc bố trí thử nghiệm phải phù hợp với Phụ lục J.3.
J.4.1.2.1.1 Cấu hình có vỏ bao phải tương thích với cấu hình của loạt xe. Nói chung, tất cả các bộ phận HV được bao che phải được kết nối đúng cách với trở kháng thấp kết nối với đất (ví dụ: AN, cáp, bộ đầu nối, v.v.). ESA và tải phải được kết nối với mặt đất. Hệ thống cấp điện HV từ bên ngoài phải được kết nối qua cụm nối có bộ lọc.
J.4.1.2.1.2 Trừ khi có quy định khác, chiều dài của bộ cáp điện LV và bộ cáp điện HV song song với cạnh trước của mặt phẳng tiếp đất phải là 1.500 mm (± 75 mm). Tổng chiều dài của bộ cáp điện thử bao gồm cả đầu nối phải là 1.700 mm (+300/-0 mm). Khoảng cách giữa bộ cáp điện LV và bộ cáp điện HV phải là 100 mm (+100/-0 mm).
J.4.1.2.1.3 Tất cả các bộ cáp điện phải được đặt trên vật liệu không dẫn điện, có hằng số điện môi tương đối thấp (εr < 1,4), cao hơn so với mặt phẳng tiếp đất 50 mm (± 5 mm).
J.4.1.2.1.4 Các đường cấp điện có bao che bảo vệ cho đường HV + và HV- và cáp ba pha có thể là cáp đồng trục hoặc trong một tấm chắn chung tùy thuộc vào sử dụng hệ thống giắc cắm. Bộ cáp điện nguyên gốc HV từ xe có thể được sử dụng như là tùy chọn.
J.4.1.2.1.5 Trừ khi có quy định khác, hộp ESA phải được kết nối trực tiếp hoặc thông qua trở kháng quy định với mặt đất phẳng.
J.4.1.2.1.6 Đối với các bộ nạp trên xe, các đường lưới điện xoay chiều/một chiều phải được đặt xa nhất so với ăng-ten (phía sau bộ cáp điện LV và HV). Khoảng cách giữa các đường lưới điện xoay chiều/một chiều và bộ cáp điện gần nhất (LV hoặc HV) phải là 100 mm (+100/-0 mm).
J.4.1.2.1.7 Trừ khi có quy định khác, phải thử nghiệm cấu hình với bộ cáp điện LV gần ăng ten hơn.
J.4.2 Thử nghiệm pin điện từ ngang (TEM) (xem Phụ lục J.2)
J.4.2.1 Phương pháp thử
Pin điện từ ngang (TEM) (chế độ điện từ ngang) sinh ra các trường đồng nhất giữa dây dẫn bên trong (vách ngăn) và vỏ (mặt phẳng tiếp đất).
J.4.2.2 Phương pháp luận của thử nghiệm
Thử nghiệm phải được thực hiện theo ISO 11452-3.
Tùy thuộc vào ESA được thử, cơ sở thử nghiệm phải chọn phương thức kết nối trường lớn nhất với ESA hoặc vào bộ cáp điện bên trong tế bào điện từ ngang (TEM).
J.4.3 Thử nghiệm phun dòng khối lớn
J.4.3.1 Phương pháp thử
Đây là một phương pháp thực hiện các xét nghiệm miễn nhiễm bằng cách sinh ra dòng điện trực tiếp vào một bộ cáp điện thông qua một đầu dò phun dòng.
J.4.3.2 Phương pháp luận của thử nghiệm
Thử nghiệm phải được thực hiện theo ISO 11452-4 trên băng thử. Như một phương án thay thế, ESA có thể được thử trong khi lắp trên xe theo ISO 11451-4 với các đặc tính sau:
a) Đầu dò phun phải được đặt ở khoảng cách ESA cần thử một khoảng 150 mm đến;
b) Phương pháp chuẩn phải được sử dụng để tính toán dòng điện phun từ công suất trực tiếp;
c) Dải tần số của phương pháp này bị giới hạn bởi tính năng kỹ thuật của đầu dò phun.
J.4.3.2.1 Đối với ESA trong cấu hình "Chế độ nạp REESS được đấu nối với lưới điện", việc bố trí thử nghiệm phải phù hợp với Phụ lục J.4.
J.4.3.2.1.1 Cấu hình tấm che phải theo cấu hình của loạt xe. Nói chung, tất cả các bộ phận HV có tấm che phải được kết nối đúng cách với trở kháng thấp với mặt đất (ví dụ: AN, cáp, đầu nối, v.v.). ESA và tải phải được kết nối với mặt đất. Hệ thống cấp điện HV tử bên ngoài phải được kết nối thông qua cụm nối có bộ lọc.
J.4.3.2.1.2 Trừ khi có quy định khác về chiều dài của bộ cáp điện LV và HV phải bằng 1.700 mm (+300/-0 mm). Khoảng cách giữa bộ cáp điện LV và HV phải là 100 mm (+100/-0 mm).
J.4.3.2.1.3 Tất cả các bộ cáp điện phải được đặt ở cách mặt phẳng tiếp đất một khoảng (50 ± 5) mm, trên vật liệu không dẫn điện, có hằng số điện môi tương đối tháp (εr ≤ 1,4).
J.4.3.2.1.4 Các đường cấp điện có vỏ bao kín cho cáp HV + và HV- và cáp ba pha có thể là các cáp đồng trực hoặc trong một vỏ bao kín chung tùy thuộc vào hệ thống giắc cắm được sử dụng. Tùy chọn: có thể được sử dụng Bộ cáp điện nguyên bản HV của xe.
J.4.3.2.1.5 Trừ khi có quy định khác, hộp ESA phải được kết nối với mặt phẳng tiếp đất trực tiếp hoặc thông qua trở kháng xác định.
J.4.3.2.1.6 Trừ khi có quy định khác, thử nghiệm phải được thực hiện với đầu dò phun được đặt xung quanh mỗi bộ cáp điện sau:
a) Bộ cáp điện có điện áp thấp;
b) Bộ cáp điện có điện áp cao;
c) Cáp cấp điện nguồn xoay chiều nếu có;
d) Cáp cáp điện nguồn một chiều nếu có.
J.4.4 Thử nghiệm mạch dải
J.4.4.1 Phương pháp thử
Phương pháp thử này bao gồm bộ cáp điện kết nối với các bộ phận trong ESA với cường độ trường được quy định.
J.4.4.2 Phương pháp luận của thử nghiệm
Thử nghiệm phải được thực hiện theo ISO 11452-5.
J.4.5 Thử mạch dải 800 mm
J.4.5.1 Phương pháp thử
Mạch dải bao gồm hai tấm kim loại song song cách nhau 800 mm. Thiết bị được thử nghiệm được đặt ở giữa các tấm và chịu tác động của trường điện từ (xem Phụ lục J.1).
Phương pháp này có thể kiểm tra các hệ thống điện tử hoàn chỉnh bao gồm các cảm biến và cơ cấu chấp hành cũng như bộ điều khiển và khung chính sau đây gọi là khung chính) bao che cáp điện.
Phương pháp này phù hợp với các vật thể có kích thước lớn nhất nhỏ hơn một phần ba của tấm ngăn cách.
J.4.5.2 Phương pháp luận về thử nghiệm
J.4.5.2.1 Sắp xếp mạch dải
Mạch dải phải được đặt trong phòng có lưới chắn (để ngăn chặn bức xạ bên ngoài) và đặt cách tường 2 m và bất kỳ vỏ kim loại nào để ngăn phản xạ điện từ. Vật liệu hấp thụ RF có thể được sử dụng để làm suy giảm những phản xạ này. Mạch dải phải được đặt trên các giá đỡ không dẫn điện cách ít xa nhất 0,4 m so với sàn nhà.
J.4.5.2.2 Hiệu chuẩn mạch dải
Phải đặt mẫu thử để đo trường trong giới hạn một phần ba kích thước dọc, thẳng đứng và nằm ngang của không gian giữa các tấm song song khi không có hệ thống thử. Thiết bị đo liên quan phải được đặt bên ngoài phòng có lưới chắn. Với mỗi tần số thử mong muốn, phải cấp cho mạch dải một mức công suất để sinh ra cường độ trường yêu cầu tại ăng ten. Mức công suất ở phía trước này hoặc một thông số khác liên quan trực tiếp đến công suất ở phía trước cần thiết để xác định trường, phải được sử dụng cho các thử nghiệm phê duyệt kiểu trừ khi có thay đổi xảy ra trong các trang bị hoặc thiết bị thử đòi hỏi quy trình này phải lặp lại
J.4.5.2.3 Lắp đặt ESA đem thử nghiệm
Bộ điều khiển chính phải được đặt trong phạm vi một phần ba của các kích thước dọc, thẳng đứng và ngang của không gian giữa các tấm song song. Chúng phải được tỳ trên một giá đỡ được làm từ vật liệu không dẫn điện.
J.4.5.2.4 Khung chính và các dây cáp của bộ cảm biến/cơ cấu chấp hành
Khung chính và bất kỳ dây dây cáp của bộ cảm biến/cơ cấu chấp hành nào cũng phải được nhấc lên cao theo chiều thẳng đứng từ bộ điều khiển lên đến đỉnh của tấm tiếp đất (điều này giúp nhiều nhất cho việc kết nối với trường điện từ). Sau đó, chúng phải luồn theo phía dưới của tấm tiếp đất cho tới một trong các đầu mép ngoài cùng của tấm rồi chúng phải cuộn vòng lại với nhau và hướng tới đỉnh của tấm tiếp đất cho đến khi kết nối với nguồn cáp mạch dải. Các dây cáp sau đó phải đặt dọc theo các thiết bị có liên quan; thiết bị này phải nằm ngoài khu vực bị ảnh hưởng của trường điện từ, ví dụ: trên sàn của phòng có màn che cách xa mạch dải 1 m
Phụ lục J.1

Hình J.1-1 - Thử mạch dải 800 mm

Chi tiết của nguồn cấp mạch dây:
1 = Mặt đất phẳng
1= Khung chính và các cáp cảm biến/bộ kích hoạt
2= Khung gỗ
3= Tấm định hướng
4= Chất cách điện
5= Vật thử nghiệm
Hình J.1-2 - Kích thước mạch dải 800 mm

Chiếu cạnh

Phụ lục J.2
Kích thước của pin điện từ ngang (TEM) điển hình
Bảng sau đây cho biết các kích thước để cấu tạo một tế bào có giới hạn tần số ở trên cao được quy định:
| Tần số ở trên cao (MHz) | Yếu tố định dạng của tế bào W: b | Yếu tố định dạng của tế bào L/W | Chia tách tấm b (cm) | Vách ngăn S (cm) |
| 200 | 1,69 | 0,66 | 56 | 70 |
| 200 | 1,00 | 1 | 60 | 50 |
Phụ lục J.3
Thử nghiệm trong buồng hấp thụ
Cấu hình thử nghiệm cho ESA liên quan đến "Chế độ nạp REESS được kết nối với lưới điện". Thử nghiệm phải được thực hiện theo ISO 11452-2.


Hình J.3-1 - Ví dụ về thiết lập thử nghiệm cho ăng-ten mảng lưỡng cực theo chu kỳ (gọi tắt là ăng ten định kỳ) (tiếp theo)
CHÚ DẪN
| 1 | ESA (nói đất tại chỗ nếu được yêu cầu trong kế hoạch thử nghiệm) | 16 | bộ lọc đường dây điện |
| 2 | Mặt đất phẳng | 17 | cáp quang chân không |
| 3 | Giá đỡ có hằng số điện môi thấp (r ≤ 1,4); độ dày 50 mm | 18 | đầu nối nhiều đường |
| 4 | Tấm nối đất | 19 | hệ thống kích thích và giám sát |
| 5 | Cáp điện LV | 20 | Bộ tạo tín hiệu RF và bộ khuếch đại |
| 6 | Đường dây điện HV (HV+, HV-) | 21 | cáp đồng trục chất lượng cao ví dụ: có hai lớp bọc (50 Ω) |
| 7 | Mô phỏng tải LV | 22 | Cảm biến quang chống cháy |
| 8 | mạng kết hợp trở kháng (tùy chọn) | 24 | Vật liệu hấp thụ RF |
| 9 | LV AN | 25 | lưới điện AC |
| 11 | HV AN | 26 | AMN cho nguồn điện xoay chiều |
| 12 | đường dây cấp LV | 27 | Bộ mô phỏng tải nạp AC |
| 13 | đường dây cấp HV | 28 | Tải 50 Ω |
| 14 | Nguồn cấp điện LV 12V/24V/48V (đặt trên băng thử) hộp được che chắn bổ sung (tùy chọn) | 29 | Đường dây AC |
| 15 | Nguồn cấp điện HV (nên được che chắn nếu được đặt bên trong ALSE) |
|
|
Hình J.3-1 - Ví dụ về thiết lập thử nghiệm cho ăng-ten mảng lưỡng cực theo chu kỳ (gọi tắt là ăng ten định kỳ) (kết thúc)


Hình J.3-2 - Ví dụ về thiết lập thử nghiệm cho ăng ten còi (tiếp theo)
CHÚ DẪN
| 1 | ESA (nói đất tại chỗ nếu được yêu cầu trong kế hoạch thử nghiệm) | 16 | bộ lọc đường dây điện |
| 2 | Mặt đất phẳng | 17 | cáp quang chân không |
| 3 | Giá đỡ có hằng số điện môi thấp (r ≤ 1,4): độ dày 50 mm | 18 | Đầu nối nhiều đường |
| 4 | Tấm nối đất | 19 | hệ thống kích thích và giám sát |
| 5 | Cáp điện LV | 20 | Bộ tạo tín hiệu RF và bộ khuếch đại |
| 6 | Đường dây điện HV (HV+, HV-) | 21 | cáp đồng trục chất lượng cao, ví dụ: có hai lớp bọc (50 Ω) |
| 7 | Mô phỏng tải LV | 22 | Cảm biến quang chống cháy |
| 8 | mạng kết hợp trở kháng (tùy chọn) | 23 | Ăng ten còi |
| 9 | LV AN | 24 | Vật liệu hấp thụ RF |
| 10 | HV AN | 25 | lưới điện AC |
| 11 | đường dây cấp LV | 26 | AMN cho nguồn điện xoay chiều |
| 12 | đường dây cấp HV | 27 | Bộ mô phỏng tải nạp AC |
| 13 | Nguồn cấp điện LV 12V/24V/48V (đặt trên băng thử) hộp được che chắn bổ sung (tùy chọn | 28 | Tải 50 Ω |
| 14 | hộp được bao che bổ sung (tùy chọn) | 29 | lưới điện AC |
| 15 | Nguồn cấp điện HV (nên được che chắn nếu được đặt bên trong ALSE) |
|
|
Hình J.3-2 - Ví dụ về thiết lập thử nghiệm cho ăng ten còi (kết thúc)
Phụ lục J.4
Thử nghiệm BCI
Cấu hình thử đối với ESA liên quan đến "Chế độ nạp REESS được đấu nối với lưới điện”. Thử nghiệm phải được thực hiện theo ISO 11452-4.

Hình J.4-1 (tiếp theo)
CHÚ DẪN
| 1 | ESA | 14 | hộp được bao che bổ sung |
| 2 | Mặt đất phẳng | 15 | Nguồn cấp điện HV (nên được che chắn nếu được đặt bên trong ALSE) |
| 3 | Mặt đất phẳng | 16 | bộ lọc đường dây điện |
| 4 | Tấm nối đất | 17 | cáp quang chân không |
| 5 | Cáp điện LV | 18 | Đầu nối nhiều đường |
| 6 | Đường dây điện HV (HV+, HV-) | 19 | hệ thống kích thích và giám sát |
| 7 | Mô phỏng tải LV | 20 | đầu dò phun |
| 8 | mạng kết hợp trở kháng (tùy chọn) (xem ISO 11452-1) | 21 | thiết bị tần số cao (máy phát và bộ khuếch đại) |
| 9 | LV AN | 22 | Cảm biến quang chống cháy |
| 10 | HV AN | 23 | Tải 50 Ω |
| 11 | đường dây cấp LV | 24 | Đường dây AC |
| 12 | đường dây cấp HV | 25 | AMN cho nguồn điện xoay chiều |
| 13 | Nguồn cấp điện LV 12V/24V/48V (đặt trên băng thử) hộp được che chắn bổ sung (tùy chọn) | 26 | Bộ mô phỏng tải nạp AC |
|
|
| 27 | điện lưới AC |
Hình J.4-1 (kết thúc)
Ví dụ về thiết lập thử nghiệm cho phương pháp thay thế - Phun trên các đường dây LV (hoặc HV hoặc AC) cho các ESA với hệ thống cấp điện được bảo vệ và thiết bị biến tần/bộ nạp (kích thước tính bằng milimét
Phụ lục K
(Quy định)
Phương pháp thử khả năng miễn nhiễm và bức xạ do chuyển tiếp của các cụm điện/điện tử phụ
K.1 Tổng quan
Phương pháp thử này phải đảm bảo tính miễn nhiễm của ESA với các chuyển tiếp điện trên lưới điện của xe và giới hạn các chuyển tiếp điện sinh ra từ ESA tới lưới điện của xe.
K.2 Miễn nhiễm với các nhiễu do chuyển tiếp điện dọc theo đường cấp điện 12/24 V.
Áp dụng các thử nghiệm xung 1, 2a, 2b, 3a, 3b và 4 theo ISO 7637-2 cho các đường cấp điện cũng như các đấu nối khác của ESA có thể được kết nối hoạt động với các đường cấp điện.
K.3 Bức xạ do dòng điện nhiễu điện sinh ra từ ESA trên các đường cấp điện 12/24 V
Đo lường theo ISO 7637-2 trên các đường cấp điện cũng như các kết nối khác của ESA có thể được kết nối để vận hành với các đường cáp điện.
Phụ lục L
(Quy định)
Phương pháp thử bức xạ sóng hài sinh ra trên cáp cấp điện xoay chiều từ xe
L.1 Tổng quan
L.1.1 Phương pháp thử được mô tả trong phụ lục này phải được áp dụng cho các xe có cấu hình "Chế độ nạp REESS được đấu nối với lưới điện"
L.1.2 Phương pháp thử
Thử nghiệm này nhằm đo mức độ sóng hài sinh ra bởi xe có cấu hình "Chế độ nạp REESS được đấu nối với lưới điện" thông qua các cáp điện xoay chiều của nó để đảm bảo là tương thích với môi trường tại khu dân cư, thương mại và công nghiệp nhẹ.
Nếu không có quy định gì khác trong phụ lục này, thử nghiệm phải được thực hiện theo:
(a) IEC 61000-3-2 cho dòng điện đầu vào ở chế độ nạp ≤ 16 A mỗi pha đối với thiết bị loại A;
(b) IEC 61000-3-12 cho dòng điện đầu vào ở chế độ nạp >16 A và ≤ 75 A mỗi pha
L.2 Trạng thái của xe trong quá trình kiểm tra
L.2.1 Xe phải có cấu hình "Chế độ nạp REESS được đấu nối với lưới điện".
Trạng thái nạp (SOC) của ắc quy kéo phải được duy trì từ 20 % đến 80 % của SOC lớn nhất trong suốt thời gian đo (điều này có thể dẫn đến phép đo được chia thành các khe thời gian khác nhau với yêu cầu để xả ắc quy kéo của xe trước khi bắt đầu khe thời gian tiếp theo). Nếu có thể điều chỉnh được mức tiêu thụ dòng điện, thì phải chỉnh đặt dòng điện ở ít nhất 80 % giá trị danh định của nó khi nạp điện xoay chiều.
Trong trường hợp có nhiều ắc quy, trạng thái nạp trung bình phải được xem xét.
Xe phải được cố định, (các) động cơ (ICE và/hoặc động cơ điện) phải TẮT và ở chế độ nạp.
Và tất cả các thiết bị khác có thể thường xuyên được bật (ON) bởi người lái hoặc hành khách cần phải TẮT.
L.3 Bố trí thử nghiệm
L.3.1 Thời gian quan sát được sử dụng cho các phép đo phải như đối với thiết bị bán tĩnh như được xác định trong Bảng L.4 của IEC 61000-3-2.
L.3.2 Thiết lập thử nghiệm cho xe một pha/ba pha ở cấu hình "Chế độ nạc REESS kết nối với lưới điện" được trình bày trong Hình L.1-1a đến Hình L.1-1d.
L.4 Yêu cầu thử nghiệm
L.4.1 Các phép đo dòng sóng hài chẵn và dòng sóng hài lẻ phải được thực hiện cho đến sóng hài bậc thứ 40.
L.4.2 Các giới hạn cho "Chế độ nạp REESS được đấu với lưới điện" một pha hoặc ba pha với dòng điện đầu vào ≤ 16 A mỗi pha được nêu tại Bảng 3 trong 7.3.2.1.
L.4.3 Các giới hạn cho "Chế độ nạp REESS được đấu nối với lưới điện" một pha với dòng điện đầu vào >16 A và ≤ 75 A mỗi pha được nêu tại Bảng 4 trong 7.3.2.2.
L.4.4 Các giới hạn cho "chế độ nạp REESS được đấu nối với lưới điện" ba pha với dòng điện đầu vào >16 A và ≤ 75 A mỗi pha được nêu tại Bảng 5 trong 7.3.2.2.
L.4.5 Đối với "chế độ nạp REESS được đấu nối với lưới điện" ba pha với dòng điện đầu vào >16 A và ≤ 75 A mỗi pha, khi có ít nhất một trong ba điều kiện a), b) hoặc c) được mô tả trong 5.2 của IEC 61000-3-12 được thực hiện, sau đó các giới hạn được nêu tại Bảng 6 trong 7.3.2.2 có thể được áp dụng.
Phụ lục L.1
Ví dụ về thiết lập thử nghiệm cho xe với giắc cắm ở trên xe

Hình L.1-1a

Hình L.1-1b
Ví dụ về thiết lập thử nghiệm cho xe có giắc cắm đặt ở phía trước/phía sau của xe

Hình L.1-1c

Hình L.1-1d
CHÚ DẪN
| 1 | Xe đang thử |
| 2 | Giá đỡ cách điện |
| 3 | Dây cáp nạp điện |
| 4 | Máy phân tích sóng hài |
| 5 | Nguồn điện |
Hình L.1-1 - Xe trong cấu hình "Chế độ nạp REESS kết nối với lưới điện"
Phụ lục M
(Quy định)
Phương pháp thử về bức xạ do thay đổi điện áp, dao động điện áp và nhấp nháy trên cáp điện xoay chiều từ xe
M.1 Tổng quan
M.1.1 Phương pháp thử được mô tả trong phụ lục này phải được áp dụng cho các xe có cấu hình "Chế độ nạp REESS được đấu nối với lưới điện"
M.1.2 Phương pháp thử
Thử nghiệm này nhằm đo mức thay đổi điện áp, dao động điện áp và nhấp nháy do xe sinh ra trong cấu hình "Chế độ nạp REESS được đấu nối với lưới điện" thông qua các cáp điện xoay chiều của nó để đảm bảo nó tương thích với môi trường tại khu dân cư, thương mại và công nghiệp nhẹ.
Nếu không có quy định khác trong phụ lục này, thử nghiệm phải được thực hiện theo:
(a) IEC 61000-3-3 cho dòng điện danh định trong "Chế độ nạp REESS" < 16 A mỗi pha và không phụ thuộc vào kết nối có điều kiện;
(b) IEC 61000-3-11 cho dòng điện danh định trong "Chế độ nạp REESS" > 16 A và ≤ 75 A mỗi pha và có phụ thuộc vào kết nối có điều kiện.
M.2 Trạng thái của xe trong quá trình kiểm tra
M.2.1 Xe phải có cấu hình "Chế độ nạp REESS được đấu nối với lưới điện".
Trạng thái nạp (SOC) của ắc quy kéo phải được duy trì từ 20 % đến 80 % của SOC lớn nhất trong toàn bộ thời gian đo (điều này có thể dẫn đến phép đo được chia thành các khe thời gian khác nhau với nhu cầu để xả ắc quy kéo của xe trước khi bắt đầu khe thời gian tiếp theo). Nếu có thể điều chỉnh được mức tiêu thụ dòng điện, thì dòng điện phải được chỉnh đặt ở mức ít nhất bằng 80 % giá trị danh định của nó.
Xe phải đứng yên, động cơ TẮT.
Và tất cả các thiết bị khác có thể thường xuyên được bật bởi người lái hoặc hành khách nên TẮT.
M.3 Bố trí thử nghiệm
M.3.1 Các thử nghiệm cho xe có cấu hình "Chế độ nạp REESS được đấu nối với lưới điện" với dòng điện danh định ≤ 16 A mỗi pha và không phụ thuộc vào kết nối có điều kiện phải được thực hiện theo Điều 4 của IEC 61000-3-3.
M.3.2 Các thử nghiệm cho xe có cấu hình "Chế độ nạp REESS được đấu nối với lưới điện" với dòng điện danh định > 16 A và ≤ 75 A mỗi pha và phụ thuộc vào kết nối có điều kiện phải được thực hiện theo điều 6 của IEC 61000-3-11.
M.3.3 Thiết lập thử nghiệm cho xe có cấu hình "Chế độ nạp REESS được đấu nối với lưới điện" được minh họa trong Phụ lục M.1, hình M.1-1a và M.1-1b.
M.4 Yêu cầu thử nghiệm
M.4.1 Các tham số được quy định trong miền thời gian là "giá trị nhấp nháy thời gian ngắn", "giá trị nhấp nháy thời gian dài" và "biến đổi tương đối về điện áp".
M.4.2 Các giới hạn cho xe có cấu hình "Chế độ nạp REESS được đấu nối với lưới điện" với dòng điện đầu vào ≤ 16 A mỗi pha và không phụ thuộc vào kết nối có điều kiện được nêu trong 7.3.2.1.
M.4.3 Các giới hạn cho xe có cấu hình "Chế độ nạp REESS được đấu nối với lưới điện” với dòng điện đầu vào >16 A và ≤ 75 A mỗi pha và phụ thuộc vào kết nối có điều kiện được nêu trong điều 7.3.2.2.
M.4.4 Các giới hạn cho chế độ nạp "REESS ba pha cân bằng được đấu nối với lưới điện" với dòng điện đầu vào >16 A và ≤ 75 A mỗi pha được cho trong Bảng 5 của 7.3.2.2.
M.4.5 Đối với "Chế độ nạp REESS ba pha được ghép với lưới điện" với dòng điện đầu vào > 16 A và ≤ 75 A mỗi pha, khi có ít nhất một trong ba điều kiện a), b) hoặc c) được mô tả trong 5.2 của IEC 61000-3-12 được thực thi, sau đó các giới hạn được cho trong Bảng 6 của 12.2.2 có thể được áp dụng
Phụ lục M.1
Ví dụ về thiết lập thử nghiệm cho xe với giắc cắm nằm ở phía bên của xe


CHÚ DẪN
| 1 | Xe đang thử |
| 2 | Giá đỡ cách điện |
| 3 | Cáp nạp điện |
| 4 | Máy phân tích song hài |
| 5 | Nguồn cấp điện |


CHÚ DẪN
| 1 | Xe đang thử |
| 2 | Giá đỡ cách điện |
| 3 | Cáp nạp điện |
| 4 | Máy phân tích song hài |
| 5 | Nguồn cấp điện |
Hình M.1-1 - Xe trong cấu hình "Chế độ nạp REESS kết nối với lưới điện"
Phụ lục N
(Quy định)
Phương pháp thử nghiệm bức xạ của nhiễu điện tần số vô tuyến trên các cáp điện xoay chiều hoặc một chiều phát ra từ các xe
N.1 Tổng quan
N.1.1 Phương pháp thử được mô tả trong phụ lục này phải được áp dụng cho các xe có cấu hình "Chế độ nạp REESS được đấu nối với lưới điện".
N.1.2 Phương pháp thử
Thử nghiệm này nhằm đo mức bức xạ của dòng điện nhiễu vô tuyến gây ra từ xe có cấu hình "Chế độ nạp REESS được đấu nối với lưới điện" trên các cáp điện xoay chiều hoặc một chiều của nó để đảm bảo tương thích với môi trường tại khu dân cư, thương mại và công nghiệp nhẹ.
Nếu không có quy định gì khác trong phụ lục này, thử nghiệm phải được thực hiện theo CISPR 16-2-1.
N.2 Trạng thái của xe trong quá trình thử
N.2.1 Xe phải ở cấu hình "Chế độ nạp REESS kết nối với lưới điện".
Trạng thái nạp (SOC) của ắc quy kéo phải được giữ trong khoảng từ 20 % đến 80 % SOC tối đa trong suốt quá trình đo toàn bộ dải tần số (điều này có thể dẫn đến việc chia nhỏ phép đo thành các dải nhỏ khác nhau với nhu cầu xả điện ắc quy kéo của xe trước khi bắt đầu các dải nhỏ kế tiếp).
Nếu mức tiêu thụ hiện tại có thể được điều chỉnh, thì dòng điện phải được đặt ở ít nhất 80% giá trị danh định của nó để nạp AC.
Nếu có thể điều chỉnh được mức tiêu thụ dòng điện, thì dòng điện phải được chỉnh ở ít nhất bằng 80 % giá trị danh định của nó để nạp một chiều trừ khi giá trị khác được thỏa thuận với cơ quan có thẩm quyền phê duyệt kiểu.
Trong trường hợp có nhiều ắc quy, trạng thái nạp trung bình phải được xem xét. Xe phải đứng yên, (các) động cơ (ICE và/hoặc động cơ điện) phải TẮT và ở chế độ nạp.
Tất cả các thiết bị khác có thể được BẬT bởi người lái xe hoặc hành khách phải được TẮT.
N.3 Bố trí thử nghiệm
N.3.1 Thử nghiệm phải được thực hiện trên thiết bị đặt trên sàn theo 7.4.1 của CISPR 16-2-1.
N.3.2 Mạng lưới điện nhân tạo trên xe được sử dụng để đo được quy định trong 4.3 của CISPR 16-1-2.
Các mạng nhân tạo (AN)
(Các) AN phải được gắn trực tiếp trên mặt phẳng tiếp đắt. Các vỏ hộp của AN phải được gắn kết với mặt phẳng tiếp đất.
Cổng đo của mỗi AN phải được giới hạn với tải 50Ω.
AN phải được bố trí như được quy định trong Hình 1a đến 1d của Phụ lục N.1.
N.3.3 Các mạng nhân tạo được sử dụng để đo trên xe là
(a) Các AMN được định nghĩa trong Z.8-4 đối với đường dây điện xoay chiều (AC);
(b) Các nạp DC-AN được định nghĩa trong Z.8-3 cho đường dây nguồn một chiều (DC).
Mạng nhân tạo
Các AMN/DC-nạp-AN phải được gắn trực tiếp trên mặt đất. Các trường hợp của (các) AMN/DC-nạp-AN phải được liên kết với mặt đất.
Phát xạ dẫn trên đường dây nguồn AC và DC được đo liên tiếp trên mỗi đường dây điện bằng cách kết nối máy thu đo trên cổng đo của AMN/DC-nạp-AN liên quan. Cổng đo của AMN/DC-nạp-AN được lắp vào đường dây nguồn khác phải được kết thúc bằng tải 50 Ω.
Các AMN/DC-nạp-AN phải được đặt như quy định trong Hình N.1a đến Hình N.1d..
N.3.4 Thiết lập thử nghiệm cho đấu nối của xe có cấu hình "Chế độ nạp REESS được đấu nối với lưới điện" được minh họa trong Hình N.1a đến N.1d.
N.3.5 Các phép đo phải được thực hiện với máy phân tích phổ hoặc máy thu quét. Các tham số được sử dụng được quy định trong Bảng N.1 và Bảng N.2.
Bảng N.1 - Thông số máy phân tích phổ
| Dải tần số MHz | Đầu dò đỉnh | Đầu dò chuẩn đỉnh | Đầu dò trung bình | |||
| RBW ở -3 dB | Thời gian quét | RBW ở -6 dB | Thời gian quét | RBW ở -3 dB | Thời gian quét | |
| 0,15 đến 30 | 9/10 kHz | 10 s/MHz | 9 kHz | 200 s/MHz | 9/10 kHz | 10 s/MHz |
CHÚ THÍCH: Nếu máy phân tích phổ được sử dụng để đo đỉnh, độ rộng băng thông video phải ít nhất gấp ba lần băng thông phân giải (RBW).
Bảng N.2 - Thông số máy thu quét
| Dải tần số MHz | Đầu dò đỉnh | Đầu dò chuẩn đỉnh | Đầu dò trung bình | ||||||
| BW ở -6dB | Bước quéta | Thời gian dừng | BW ở -6 dB | Bước quéta | Thời gian dừng | BW ở -6 dB | Bước quéta | Thời gian dừng | |
| 0,15 đến 30 | 9 kHz | 5 kHz | 50 ms | 9 kHz | 5 kHz | 1 s | 9 kHz | 5 kHz | 50 ms |
a Đối với nhiễu thuần túy băng thông rộng, cỡ bước tần số lớn nhất có thể được tăng lên đến giá trị không lớn hơn giá trị băng thông.
N.4 Yêu cầu thử nghiệm
N.4.1 Các giới hạn áp dụng trong toàn dải tần số 0,15 MHz đến 30 MHz đối với các phép đo được thực hiện trong buồng bán vang vọng hoặc ở một vị trí thử nghiệm ngoài trời.
N.4.2 Các phép đo phải được thực hiện với các đầu dò trung bình và chuẩn đỉnh hoặc đỉnh. Các giới hạn được nêu trong 6.5.
Bảng 7 dành cho các dòng xoay chiều và Bảng 8 dành cho các dòng một chiều. Nếu các đầu dò đỉnh được sử dụng, hệ số hiệu chỉnh 20 dB như được quy định trong CISPR 12 phải được áp dụng.
Phụ lục N.1
Ví dụ về chỉnh đặt thử xe có giắc cắm nằm ở phía sườn xe (nguồn xoay chiều không có cáp truyền dẫn tín hiệu)

Hình N.1-1a

Hình N.1b
CHÚ DẪN
| 1 | Xe đem thử |
| 2 | Giá đỡ cách điện |
| 3 | Cáp nạp điện |
| 4 | Mạng nhân tạo được nối đất (cho cáp cấp điện xoay chiều hoặc một chiều) |
| 5 | Ổ cắm vào lưới điện |
| 6 | Máy thu đo |
Xe có cấu hình "Chế độ nạp của REESS đấu nối với lưới điện"
Ví dụ về thiết lập thử nghiệm cho xe có giắc cắm nằm ở phía trước/sau xe (nguồn xoay chiều không có cáp truyền dẫn tín hiệu)

Hình N.1c

Hình N.1d
CHÚ DẪN
| 1 | Xe đem thử |
| 2 | Giá đỡ cách điện |
| 3 | Cáp nạp điện |
| 4 | Mạng nhân tạo được nối đất (cho cáp cấp điện xoay chiều hoặc một chiều) |
| 5 | Ổ cắm vào lưới điện |
| 6 | Máy thu đo |
Hình N.1 - Xe có cấu hình "Chế độ nạp của REESS đấu nối với lưới điện"
Phụ lục P
(Quy định)
Phương pháp thử bức xạ của nhiễu điện tần số vô tuyến gây trên mạng và cổng Ethernet phát ra từ các xe
P.1 Tổng quan
P.1.1 Phương pháp thử được mô tả trong phụ lục này phải được áp dụng cho các xe có cấu hình “Chế độ nạp REESS được đấu nối với lưới điện”.
P.1.2 Phương pháp thử
Thử nghiệm này nhằm đo mức nhiễu nhiễu dòng điện tần số vô tuyến do xe sinh ra trong cấu hình "Chế độ nạp REESS được đấu nối với lưới điện" thông qua cổng Ethernet của nó để đảm bảo tương thích với môi trường tại khu dân cư, thương mại và công nghiệp nhẹ.
Nếu không có quy định gì khác trong phụ lục này, thử nghiệm phải được thực hiện theo CISPR 22.
P.2. Xe/trạng thái trong quá trình thử
P.2.1 Xe phải trong cấu hình “Chế độ nạp REESS được đấu nối với lưới điện”, trạng thái nạp điện (SOC) của ắc quy kéo phải được duy trì trong khoảng từ 20 % đến 80 % của SOC lớn nhất trong toàn bộ phép đo dải tần (điều này có thể dẫn đến việc phân chia phép đo trong các dải tần nhỏ khác nhau với nhu cầu xả ắc quy kéo của xe trước khi bắt đầu các dải tần nhỏ kế tiếp). Nếu có thể điều chỉnh được mức tiêu thụ dòng điện, thì dòng điện phải được chỉnh đặt ở mức ít nhất bằng 80 % giá trị danh định của nó.
Nếu có thể điều chỉnh được mức tiêu thụ dòng điện, thì dòng điện phải được chỉnh đặt ở ít nhất 80 % giá trị danh định của nó để nạp DC trừ khi giá trị khác được thỏa thuận với các cơ quan có thẩm quyền phê duyệt kiểu.
Trong trường hợp có nhiều ắc quy, trạng thái nạp trung bình phải được xem xét.
Xe phải được cố định, (các) động cơ (ICE và/hoặc động cơ điện) phải TẮT (OFF) và ở chế độ nạp.
Mọi các thiết bị khác mà tài xế hoặc hành khách có thể BẬT (ON) phải TẮT (OFF).
P.3 Bố trí thử nghiệm
P.3.1 Việc thiết lập thử nghiệm phải được thực hiện theo Điều 5 của CISPR 22 đối với dòng điện nhiễu.
P.3.2 Vị trí đo
Một phòng kín được hoặc một phòng kín có tấm lót hấp thụ (ALSE) hoặc một địa điểm thử nghiệm ngoài trời (OATS) tuân thủ các yêu cầu của CISPR 16-1-4 có thể được sử dụng.
P.3.3 Đường truyền thông tin tại chỗ/riêng được kết nối với cổng tín hiệu/điều khiển (Đầu nối tín hiệu) và cáp kết nối với cổng Ethernet phải được áp dụng cho xe qua AAN.
Các AAN khác nhau được sử dụng được quy định trong Z.8-5:
- Z.8-5.1 đối với cổng tín hiệu/điều khiển với các đường đối xứng;
- Z.8-5.2 đối với Cổng Ethernet với PLC trên đường dây điện;
- Z.8-5.3 đối với cổng tín hiệu/điều khiển với PLC (công nghệ) trên dẫn hưởng điều khiển; và
- Z.8-5.4 cho cổng tín hiệu/điều khiển với dẫn hướng điều khiển.
(các) AAN phải được gắn trực tiếp trên mặt đất phẳng. Trường hợp của (các) AAN phải được kết nối với phòng kín có tấm lót hấp thụ (ALSE) hoặc được kết nối với mặt đất có bảo vệ (OTS, ví dụ: một thanh nối đất).
Cổng đo của mỗi AAN phải được kết nối với tải 50 Ω.
Nếu trạm nạp được sử dụng, (các) AAN không cần thiết cho các cổng tín hiệu/điều khiển và/hoặc cho các Cổng Ethernet. Các cáp thông tin tại chỗ/riêng giữa xe và trạm nạp phải được kết nối với thiết bị đi kèm ở phía trạm nạp để hoạt động như thiết kế. Nếu kết nối thông tin được mô phỏng và nếu sự hiện diện của AAN ngăn cản kết nối thông tin thích hợp thì không nên sử dụng AAN.
Thiết lập thử nghiệm cho kết nối của xe trong cấu hình “Chế độ nạp REESS được đấu nối với lưới điện” được hiển thị trong Hình 1a đến Hình 1d của Phụ lục P.1.
Nếu không thể đảm bảo chức năng của xe, do có AAN, phải áp dụng một phương pháp thay thế được mô tả trong CISPR 22 (theo Hình P.2a đến P.2d).
P.3.4 Các phép đo phải được thực hiện với máy phân tích phổ hoặc máy thu quét. Các tham số được sử dụng được quy định trong Bảng P.1 và Bảng P.2.
Bảng P.1 - Thông số máy phân tích phổ
| Dải tần số MHz | Đầu dò đỉnh | Đầu dò chuẩn đỉnh | Đầu dò trung bình | |||
| RBW ở -3 dB | Thời gian quét | RBW ở -6 dB | Thời gian quét | RBW ở -3dB | Thời gian quét | |
| 0.15 đến 30 | 9/10 kHz | 10s/MHz | 9 kHz | 200 s/MHz | 9/10 kHz | 10 s/MHz |
CHÚ THÍCH: Nếu máy phân tích phổ được sử dụng cho các phép đo cực đại, băng thông video phải rộng hơn ít nhất ba lần băng thông phân giải (RBW)
Bảng P.2 - Thông số máy thu quét
| Dải tần số MHz | Đầu dò đỉnh | Đầu dò chuẩn đỉnh | Đầu dò trung bình | ||||||
| BW ở | Cỡ bước a | Thời gian dừng | BW ở | Cỡ bước a | Thời gian dừng | BW ở | Cỡ bước a | Thời gian dừng | |
| 0.15 đến | 9 | 5 | 50 | 9 | 5 | 1 s | 9 | 5 | 50 |
a Đối với nhiễu thuần túy băng thông rộng, cỡ bước tần số lớn nhất có thể được tăng lên đến giá trị không lớn hơn giá trị băng thông.
P.4 Yêu cầu thử nghiệm
p.4.1 Các giới hạn áp dụng trong toàn dải tần số 0,15 MHz đến 30 MHz đối với các phép đo được thực hiện trong buồng bán không vang vọng hoặc ở vị trí thử nghiệm ngoài trời.
P.4.2 Các phép đo phải được thực hiện với đầu dò trung bình và hoặc chuẩn đỉnh hoặc đỉnh. Các giới hạn được nêu trong Bảng 9 của 7.6.2.1. Nếu các đầu dò đỉnh được sử dụng phải áp dụng hệ số hiệu chỉnh 20 dB như được quy định trong CISPR 12.
Phụ lục P.1
Ví dụ về thiết lập thử nghiệm cho xe có giắc cắm nằm ở phía sườn xe (nguồn xoay chiều hoặc một chiều không có cáp truyền dẫn tín hiệu)

CHÚ DẪN
| 1 Xe đem thử 2 Giá đỡ cách điện 3 Cáp nạp điện/truyền dẫn tín hiệu 4 AMN hoặc DC-nạp-AN được nối đất | 5 Ổ cắm vào lưới điện 6 Các AAN được nối đất (đối với các đường truyền tín hiệu thông tin) 7 Trạm nạp 8 Máy thu đo |
Xe trong cấu hình "Chế độ nạp REESS được kết nối với lưới điện"
Ví dụ về thiết lập thử nghiệm cho xe có giắc cắm đặt ở phía trước/sau xe (được cung cấp AC hoặc DC với thông tin tín hiệu)

CHÚ DẪN
| 1 Xe đem thử 2 Giá đỡ cách điện 3 Cáp nạp điện/truyền dẫn tín hiệu 4 AMN hoặc DC-nạp-AN được nối đất | 5 Ổ cắm vào lưới điện 6 Các AAN được nối đất (đối với các đường truyền tín hiệu thông tin) 7 Trạm nạp 8 Máy thu đo |
Ví dụ về thiết lập thử nghiệm cho xe có giắc cắm đặt ở phía bên xe (được cung cấp AC hoặc DC với thông tin tín hiệu)

CHÚ DẪN
| 1 Xe đem thử 2 Giá đỡ cách điện 3 Cáp nạp điện truyền dẫn tín hiệu 4 AMN hoặc DC-nạp-AN được nối đất 5 Ổ cắm vào lưới điện | 7 Trạm nạp 8 Đầu dò dòng điện 9 Đường dây thông tin 10 Bộ thu đo 11 Đầu dò điện áp điện dung |
Hình P.1-2 - Đo thay thế cho xe trong cấu hình "Chế độ nạp REESS được kết nối với lưới điện"
Đo thay thế cho xe trong cấu hình "Chế độ nạp REESS được kết nối với lưới điện"
Ví dụ về thiết lập thử nghiệm cho xe có giắc cắm được đặt phía trước/phía sau xe (được cung cấp AC hoặc DC với tín hiệu thông tin)

CHÚ DẪN
| 1 Xe đem thử 2 Giá đỡ cách điện 3 Cáp nạp điện truyền dẫn tín hiệu 4 AMN hoặc DC-nạp-AN được nối đất 5 Ổ cắm vào lưới điện | 7 Trạm nạp 8 Đầu dò dòng điện 9 Đường dây thông tin 10 Bộ thu đo 11 Đầu dò điện áp điện dung |
Phụ lục Q
(Quy định)
Phương pháp thử miễn nhiễm của xe với các nhiễu điện do đột biến quá độ nhanh dọc theo cáp điện xoay chiều và một chiều
Q.1 Tổng quan
Q.1.1 Phương pháp thử được mô tả trong phụ lục này chỉ được áp dụng cho xe. Phương pháp này chỉ liên quan đến cấu hình của xe với "Chế độ nạp REESS được đấu nối với lưới điện”
Q.1.2 Phương pháp thử
Thử nghiệm này nhằm chứng minh khả năng miễn nhiễm của các hệ thống điện tử của xe. Xe phải chịu các nhiễu điện đột biến quá độ nhanh dọc theo cáp điện xoay chiều và một chiều của xe như được mô tả trong phụ lục Q này. Xe phải được giám sát trong quá trình thử nghiệm.
Nếu không có quy định gì khác trong phụ lục này, thử nghiệm phải được thực hiện theo IEC 61000-4-4.
Q.2 Trạng thái của xe trong quá trình thử trong cấu hình "REESS ở chế độ nạp được đấu nối với lưới điện"
Q.2.1 Xe phải ở trong tình trạng không tải trừ các thiết bị thử cần thiết.
Q.2.1.1 Xe phải được đứng yên, động cơ TẮT và ở chế độ nạp.
Q.2.1.2 Điều kiện xe cơ bản
Điều này xác định các điều kiện thử tối thiểu (theo khả năng áp dụng) và các tiêu chí có lỗi đối với các thử nghiệm miễn nhiễm xe. Các hệ thống xe khác, có thể ảnh hưởng đến các chức năng liên quan đến miễn nhiễm, phải được kiểm tra theo cách được thỏa thuận giữa nhà sản xuất và cơ sở thử nghiệm
| Điều kiện thử xe trong "chế độ nạp REESE" | Tiêu chí có lỗi |
| REESS phải ở chế độ nạp. Trạng thái nạp (SOC) của ắc quy kéo phải được duy trì từ 20 % đến 80 % của SOC lớn nhất trong toàn bộ thời gian đo (điều này có thể dẫn đến phép đo được chia thành các khe thời gian khác nhau với nhu cầu để xả ắc quy kéo của xe trước khi bắt đầu khe thời gian tiếp theo). Nếu có thể điều chỉnh được mức tiêu thụ dòng điện, thì dòng điện phải được chỉnh đặt ở mức ít nhất bằng 80% giá trị danh định của nó. | Xe chuyển động |
Q.2.1.3 Nên TẮT tất cả các thiết bị khác có thể thường xuyên được người lái hoặc hành khách bật.
Q.2.2 Chỉ sử dụng thiết bị không gây nhiễu trong khi giám sát xe. Bên ngoài xe và khoang hành khách phải được giám sát để xác định xem các yêu cầu của phụ lục này có được đáp ứng hay không (ví dụ: bằng cách sử dụng máy quay video, micro, v.v.).
Q.3 Thiết bị thử
Q.3.1 Thiết bị thử bao gồm một mặt phẳng tiếp đất chuẩn (không yêu cầu có một phòng được bao che), một máy phát chuyển tiếp/nổ, mạng kết nối điện/ngắt kết nối điện (CDN) và kẹp kết nối điện dung.
Q.3.2 Bộ máy phát chuyển tiếp/nổ phải đáp ứng điều kiện được quy định trong 6.1 của IEC 61000-4-4.
Q.3.3 Mạng kết nối điện/ngắt kết nối điện phải đáp ứng điều kiện được quy định trong 6.2 của IEC 61000-4-4. Khi mạng kết nối điện/ngắt kết nối điện có thể được sử dụng trên các cáp điện xoay chiều hoặc một chiều thì có thể sử dụng kẹp kết nối điện dung được quy định trong 6.3. của IEC 61000-4-4
Q.4 Thiết lập thử nghiệm
Q.4.1 Thiết lập thử xe dựa trên thiết lập kiểu phòng thí nghiệm như được mô tả trong 7.2 của IEC 61000-4-4.
Q.4.2 Xe phải được đặt trực tiếp trên mặt phẳng tiếp đất.
Q.4.3 Cơ sở thử nghiệm phải thực hiện thử nghiệm theo 7.7.2.1 của tiêu chuẩn này.
Ngoài ra, nếu nhà sản xuất cung cấp các kết quả đo từ cơ sở thử nghiệm được đánh giá theo các phần có thể áp dụng theo TCVN ISO/IEC 17025 và được cơ quan có thẩm quyền phê duyệt kiểu công nhận, cơ sở thử nghiệm có thể chọn việc không thực hiện thử nghiệm để xác nhận rằng xe đáp ứng các yêu cầu của phụ lục Q.
Q.5 Tạo mức thử nghiệm cần thiết
Q.5.1 Phương pháp luận về thử nghiệm
Q.5.1.1 Phương pháp thử nghiệm theo IEC 61000-4-4 phải được sử dụng để thiết lập các yêu cầu cấp độ thử nghiệm.
Q.5.1.2 Pha thử nghiệm
Phải để xe trên mặt phẳng tiếp đất. Phải tạo ra đột biến quá độ nhanh điện (EFT/B) trên xe trên các cáp điện xoay chiều/một chiều ở các chế độ phổ biến bằng cách sử dụng CDN như mô tả trong Hình Q.1.
Phụ lục Q.1
Hình Q.1-1 Xe có cấu hình "Chế độ nạp của REESS" được kết nối với lưới điện trên cáp xoay chiều/một chiều

CHÚ DẪN
1 Xe đang thử nghiệm
2 Giá đỡ cách điện
3 Cáp nạp điện
4 CDN
5 Máy phát chuyển tiếp nhanh/nổ
6 Nguồn cấp điện
Ví dụ về thiết lập thử nghiệm cho xe với giắc cắm được đặt phía trước/phía sau xe

CHÚ DẪN
1 Xe đang thử nghiệm
2 Giá đỡ cách điện
3 Cáp nạp điện
4 CDN
5 Máy phát đột biến quá độ nhanh
6. Nguồn cấp điện
Phụ lục R
(Quy định)
Phương pháp thử miễn nhiễm của xe do đột biến dòng xảy ra dọc theo cáp điện xoay chiều và một chiều
R.1 Tổng quan
R.1.1 Phương pháp thử được mô tả trong phụ lục này chỉ áp dụng cho đối tượng là xe. Phương pháp này chỉ liên quan đến cấu hình của xe có “Chế độ nạp REESS được đấu nối với lưới điện”
R.1.2 Phương pháp thử
Thử nghiệm này nhằm chứng minh khả năng miễn nhiễm của các hệ thống điện tử của xe. Phải cho xe chịu đột biến dòng dọc theo cáp điện xoay chiều và một chiều của xe như được mô tả trong phụ lục này. Xe phải được giám sát trong quá trình thử nghiệm.
Nếu không có quy định gì khác trong phụ lục này, thử nghiệm phải được thực hiện theo IEC 61000-4-5.
R.2 Trạng thái của xe trong khi thử với cấu hình "REESS ở chế độ nạp được đấu nối với lưới điện"
R.2.1 Xe phải trong trạng thái không tải trừ các thiết bị thử cần thiết.
R.2.1.1 Xe phải đứng yên, động cơ TẮT và ở chế độ nạp.
R.2.1.2 Điều kiện xe cơ bản
Điều này xác định các điều kiện thử nghiệm tối thiểu (theo khả năng áp dụng được) và tiêu chí có lỗi đối với các thử nghiệm miễn nhiễm của xe. Các hệ thống xe khác có thể ảnh hưởng đến các chức năng liên quan đến miễn nhiễm phải được kiểm tra theo cách được thỏa thuận giữa nhà sản xuất và Cơ sở thử nghiệm
| Điều kiện thử xe " Chế độ nạp của REESS " | Tiêu chí có lỗi |
| REESS phải ở chế độ nạp. Trạng thái nạp (SOC) của ắc quy kéo phải được duy trì từ 20 % đến 80 % của SOC lớn nhất trong toàn bộ thời gian đo (điều này có thể dẫn đến phép đo được chia thành các khe thời gian khác nhau với nhu cầu để xả ắc quy kéo của xe trước khi bắt đầu khe thời gian tiếp theo). Nếu có thể điều chỉnh được mức tiêu thụ dòng điện, thì dòng điện phải được chỉnh đặt ở mức ít nhất bằng 80 % giá trị danh định của nó | Xe chuyển động |
R.2.1.3 Nên TẮT tất cả các thiết bị khác có thể thường xuyên được bật bởi người lái hoặc hành khách.
R.2.2 Chỉ sử dụng thiết bị không gây nhiễu trong khi giám sát xe. Bên ngoài xe và khoang hành khách phải được giám sát để xác định xem các yêu cầu của phụ lục này có được đáp ứng hay không (ví dụ: bằng cách sử dụng máy quay video, micro, v.v.).
R.3 Thiết bị thử
R.3.1 Thiết bị thử nghiệm bao gồm một mặt phẳng tiếp đất chuẩn (không cần phải có phòng bao che), máy phát sóng điện từ và một mạng kết nối điện/ngắt kết nối điện (CDN).
R.3.2 Máy phát sóng điện từ phải đáp ứng điều kiện được quy định trong 6.1 của IEC 61000-4-5.
R.3.3 Mạng kết nối điện/ngắt kết nối điện phải đáp ứng điều kiện được quy định trong 6.3 của IEC 61000-4-5.
R.4 Thiết lập thử nghiệm
R.4.1 Thiết lập thử nghiệm xe dựa trên thiết lập được mô tả trong 7.2 của IEC 61000-4-5.
R.4.2 Xe phải được đặt trực tiếp trên mặt đất phẳng.
R.4.3 Cơ sở thử nghiệm phải thực hiện thử nghiệm theo quy định tại 7.8.2.1.
Ngoài ra, nếu nhà sản xuất cung cấp các kết quả đo từ cơ sở thử nghiệm được cấp phép để thực hiện các phần có thể áp dụng theo TCVN ISO/IEC 17025 và được cơ quan có thẩm quyền phê duyệt kiểu công nhận, cơ sở thử nghiệm có thể chấp nhận không thực hiện thử nghiệm để xác nhận rằng xe đáp ứng các yêu cầu của Phụ lục R.
R.5 Tạo mức thử nghiệm yêu cầu
R.5.1 Phương pháp luận về thử nghiệm
R.5.1.1 Phương pháp thử theo IEC 61000-4-5 phải được sử dụng để thiết lập các yêu cầu về cấp độ thử nghiệm.
R.5.1.2 Pha thử nghiệm
Xe phải được định vị trên mặt phẳng tiếp đất. Phải cho xe chịu đột biến dòng dọc theo cáp điện xoay chiều/một chiều giữa từng cáp và mặt đất và giữa các cáp điện bằng cách sử dụng CDN như được mô tả trong Hình R.1-1 đến R.1-4,
Thiết lập thử nghiệm phải được ghi chép trong báo cáo kết quả thử.
Phụ lục R.1
Xe có cấu hình "Chế độ nạp của REESS đấu nối với lưới điện"
Ví dụ về thiết lập thử nghiệm cho xe với giắc cắm ở phía xe

CHÚ DẪN
1 Xe đang thử nghiệm
2 Giá đỡ cách điện
3 Cáp nạp điện
4 CDN
5 Máy phát đột biến điện
6 Nguồn cấp điện
Ví dụ về thiết lập thử nghiệm cho xe với giắc cắm ở phía trước/phía sau xe

CHÚ DẪN
1 Xe đang thử nghiệm
2 Giá đỡ cách điện
3 Cáp nạp điện
4 CDN
5 máy phát đột biến điện
6 Nguồn cấp điện
Hình R.1 - Xe có cấu hình "Chế độ nạp của REESS đấu nối với lưới diện"
Phụ lục S
(Quy định)
Phương pháp thử nghiệm bức xạ sóng hài sinh ra trên các cáp điện xoay chiều từ ESA
S.1 Tổng quan
S.1.1 Phương pháp thử được mô tả trong phụ lục này phải được áp dụng cho ESA trong cấu hình "Chế độ nạp REESS được đấu nối với lưới điện"
S.1.2 Phương pháp thử
Thử nghiệm này nhằm đo mức độ sóng hài do ESA sinh ra trong cấu hình "Chế độ nạp REESS được đấu nối với lưới điện" thông qua các cáp điện xoay chiều của nó để đảm bảo tương thích với môi trường công nghiệp, thương mại và công nghiệp nhẹ.
Nếu không có quy định gì khác trong phụ lục này, thử nghiệm phải được thực hiện theo:
(a) IEC 61000-3-2 cho dòng điện đầu vào ở chế độ nạp ≤16 A mỗi pha đối với thiết bị loại A;
(b) IEC 61000-3-12 cho dòng điện đầu vào ở chế độ nạp > 16 A và ≤ 75 A mỗi pha.
S.2 Trạng thái của ESA trong quá trình thử
S.2.1 ESA phải có cấu hình “Chế độ nạp REESS được đấu nối với lưới điện”
Trạng thái nạp (SOC) của ắc quy kéo phải được duy trì từ 20% đến 80% của SOC lớn nhất trong toàn bộ thời gian đo (điều này có thể dẫn đến phép đo được chia thành các khe thời gian khác nhau với nhu cầu đề xả ắc quy kéo của xe trước khi bắt đầu khe thời gian tiếp theo).
Nếu có thể điều chỉnh được mức tiêu thụ dòng điện, thì dòng điện phải được chỉnh đặt ở mức ít nhất bằng 80 % giá trị danh định của nó
S.3 Bố trí thử nghiệm
S.3.1 Thời gian quan sát được sử dụng cho các phép đo phải như đối với thiết bị gần như tĩnh như được quy định trong Bảng 4 của IEC 61000-3-2.
S.3.2 Thiết lập thử nghiệm cho ESA trong cấu hình " Chế độ nạp REESS được đấu nối với lưới điện" một pha được minh họa trong Hình S.1-1.
S.3.3 Thiết lập thử nghiệm cho ESA trong cấu hình " Chế độ nạp REESS được đấu nối với lưới điện" ba pha được minh họa trong Hình S.1-2.
S.4 Yêu cầu thử nghiệm
S.4.1 Các phép đo dòng sóng hài chẵn và dòng sóng hài lẻ phải được thực hiện cho đến sóng hài bậc 40.
S.4.2 Các giới hạn cho ESA trong cấu hình "Chế độ nạp REESS được ghép với lưới điện" một pha hoặc ba pha với dòng điện đầu vào ≤ 16 A mỗi pha được nêu trong Bảng 10 trong 7.11.2.1.
S.4.3 Các giới hạn cho ESA trong cấu hình "Chế độ nạp REESS được đấu nối với lưới điện" một pha với dòng điện đầu vào >16 A và ≤ 75 A mỗi pha được đưa ra trong Bảng 11 trong 7.11.2.2.
S.4.4 Các giới hạn cho ESA trong cấu hình "Chế độ nạp REESS được đấu nối với lưới điện" ba pha với dòng điện đầu vào >16 A và ≤ 75 A mỗi pha được nêu trong Bảng 12 trong 7.11.2.2. của Tiêu chuẩn này.
S.4.5 Đối với ESA trong cấu hình "Chế độ nạp REESS được đấu nối với lưới điện" ba pha với dòng điện đầu vào >16 A và ≤ 75 A mỗi pha, khi có ít nhất một trong ba điều kiện a), b) hoặc c) được mô tả trong 5.2 của IEC 61000-3-12 được thực hiện, sau đó các giới hạn được nêu trong Bảng 13 trong 7.11.2.2 có thể được áp dụng.
Phụ lục S.1
Thiết bị đo có trở kháng đầu vào ZM

Hình S.1-1 - ESA trong cấu hình "Chế độ nạp REESS được đấu nối với lưới điện" - Thiết lập thử nghiệm với một pha

Hình S.1-2 - ESA trong cấu hình "Chế độ nạp REESS được đấu nối với lưới điện" - Thiết lập thử nghiệm với ba pha
Phụ lục T
(Quy định)
Phương pháp thử bức xạ do thay đổi điện áp, dao động điện áp và nhấp nháy trên cáp điện xoay chiều từ ESA
T.1 Tổng quan
T.1.1 Phương pháp thử được mô tả trong phụ lục này phải được áp dụng cho ESA trong cấu hình "Chế độ nạp REESS được đấu nối với lưới điện"
T.1.2 Phương pháp thử
Thử nghiệm này nhằm đo mức độ thay đổi điện áp, dao động điện áp và nhấp nháy do ESA sinh ra trong cấu hình "Chế độ nạp REESS được đấu với lưới điện" thông qua các cáp điện xoay chiều của nó để đảm bảo tương thích với khu dân cư, thương mại và công nghiệp nhẹ môi trường.
Nếu không có quy định gì khác trong phụ lục này, thử nghiệm phải được thực hiện theo:
(a) IEC 61000-3-3 cho dòng điện danh định trong "Chế độ nạp REESS" ≤ 16 A mỗi pha và không phụ thuộc vào kết nối có điều kiện;
(b) IEC 61000-3-11 cho dòng điện danh định trong "Chế độ nạp REESS" > 16 A và ≤ 75 A mỗi pha và phụ thuộc vào kết nối có điều kiện.
T.2 Trạng thái của ESA trong quá trình thử
T.2.1 ESA phải có cấu hình "Chế độ nạp REESS được đấu nối với lưới điện"
Trạng thái nạp (SOC) của ắc quy kéo phải được duy trì từ 20 % đến 80 % SOC lớn nhất trong toàn bộ thời gian đo (điều này có thể dẫn đến phép đo được chia thành các khe thời gian khác nhau với nhu cầu để xả ắc quy kéo của xe trước khi bắt đầu khe thời gian tiếp theo).
Nếu có thể điều chỉnh được mức tiêu thụ dòng điện, thì dòng điện phải được chỉnh đặt ở mức ít nhất bằng 80 % giá trị danh định của nó
T.3 Bố trí thử nghiệm
T.3.1 Các thử nghiệm cho ESA trong cấu hình "Chế độ nạp REESS được đấu nối với lưới điện" với dòng điện định mức ≤16 A mỗi pha và không phụ thuộc vào kết nối có điều kiện phải được thực hiện theo điều 4 của IEC 61000-3-3.
T.3.2 Các thử nghiệm cho ESA trong cấu hình "Chế độ nạp REESS được ghép nối với lưới điện" với dòng điện định mức >16 A và ≤75 A mỗi pha và phải phụ thuộc vào kết nối có điều kiện phải được thực hiện theo điều 6 của IEC 61000-3-11.
T.3.3 Thiết lập thử nghiệm cho ESA trong cấu hình "Chế độ nạp REESS được đấu nối với lưới điện" được minh họa trong Hình T.1a và T.1b của phụ lục này
T.4 Yêu cầu thử nghiệm
T.4.1 Các thông số được xác định trong miền thời gian là "giá trị nhấp nháy thời gian ngắn", "giá trị nhấp nháy thời gian dài" và "biến đổi tương đối về điện áp".
T.4.2 Các giới hạn cho ESA trong cấu hình "Chế độ nạp REESS được đấu nối với lưới điện" với dòng điện đầu vào ≤ 16A mỗi pha và không phụ thuộc vào kết nối có điều kiện được nêu trong 7.12.2.1 của Tiêu chuẩn này.
T.4.3 Các giới hạn cho ESA trong cấu hình "Chế độ nạp REESS được đấu với lưới điện" với dòng điện đầu vào >16 A và ≤ 75 A mỗi pha và tuân theo kết nối có điều kiện được nêu trong 7.12.2.2.
Phụ lục T.1

Hình T.1-1a - ESA trong cấu hình "Chế độ nạp REESS được đấu nối với lưới điện" - Thiết lập thử nghiệm một pha

Hình T.1-1b - ESA trong cấu hình "Chế độ nạp REESS được đấu nối với lưới điện" - Thiết lập thử nghiệm ba pha
Phụ lục U
(Quy định)
Các phương pháp thử bức xạ nhiễu tần số vô tuyến trên các cáp điện xoay chiều hoặc một chiều phát ra từ ESA
U.1 Tổng quan
U.1.1 Phương pháp thử được mô tả trong phụ lục này phải được áp dụng cho ESA trong cấu hình “Chế độ nạp REESS được đấu nối với lưới điện”
U.1.2 Phương pháp thử
Thử nghiệm này nhằm đo mức nhiễu của tần số vô tuyến do ESA sinh ra trong cấu hình "Chế độ nạp REESS được đấu nối với lưới điện" thông qua các cáp điện xoay chiều hoặc một chiều để đảm bảo tương thích với môi trường tại khu dân cư, thương mại và công nghiệp nhẹ.
Nếu không có quy định gì khác trong phụ lục này, thử nghiệm phải được thực hiện theo CISPR 16-2-1
U.2 Trạng thái của ESA trong quá trình thử
U.2.1 ESA phải có cấu hình “Chế độ nạp REESS được đấu nối với lưới điện”
Trạng thái nạp (SOC) của ắc quy kéo phải được duy trì từ 20 % đến 80 % SOC lớn nhất trong toàn bộ phép đo dải tần (điều này có thể dẫn đến việc phân chia phép đo ở các dải tần nhỏ khác nhau với nhu cầu xả ắc quy kéo của xe trước khi bắt đầu các băng con tiếp theo).
Nếu thử nghiệm không được thực hiện với một REESS thì phải thử nghiệm ESA ở dòng điện danh định. Nếu có thể điều chỉnh được mức tiêu thụ dòng điện, thì dòng điện phải được chỉnh đặt ở mức ít nhất bằng 80 % giá trị danh định của nó.
U.3 Bố trí thử nghiệm
U.3.1 Thử nghiệm phải thực hiện trên thiết bị để bàn như theo 7.4.1 của CISPR 16-2-1.
U.3.2 Mạng lưới điện nhân tạo được sử dụng để đo trên các bộ phận của xe được quy định trong 4.3 của CISPR 16-1-2.
Mạng nhân tạo (AN)
(Các) AN phải được gắn trực tiếp trên mặt phẳng tiếp đất. Các vỏ hộp của AN phải được gắn kết với mặt phẳng tiếp đất.
Dòng điện nhiễu trên các cáp điện xoay chiều và một chiều được đo liên tiếp trên mỗi cáp điện bằng cách kết nối máy thu đo trên cổng đo của AN có liên quan, cổng đo của AN được lắp vào các cáp điện khác được giới hạn với tải 50 Ω.
AN phải được đặt ở phía trước, thẳng hàng và cùng phía với giắc cắm nạp điện của xe.
U.3.3 Thiết lập thử nghiệm để kết nối ESA trong cấu hình "Chế độ nạp REESS được đấu nối với lưới điện" được minh họa trong Hình U.1.
U.3.4 Các phép đo phải được thực hiện với một máy phân tích phổ hoặc máy thu quét. Các thông số sử dụng được xác định trong Bảng U.1 và Bảng U.2.
Bảng U.1 - Thông số máy phân tích phổ
| Dải tần số MHz | Đầu dò đỉnh | Đầu dò chuẩn đỉnh | Đầu dò trung bình | |||
| RBW ở - 3 dB | Thời gian quét | RBW ở -6 dB | Thời gian quét | RBW ở -3dB | Thời gian quét | |
| 0,15 đến 30 | 9/10 kHz | 10 s/MHz | 9 kHz | 200 s/MHz | 9/10 kHz | 10 s/MHz |
CHÚ THÍCH Nếu máy phân tích phổ được sử dụng cho các phép đo đỉnh, độ rộng băng thông video phải ít nhất gấp ba lần độ rộng băng thông phân giải
Bảng U.2 - Thông số máy thu quét
| Dải tần số MHz | Đầu dò đỉnh | Đầu dò chuẩn đỉnh | Đầu dò trung bình | ||||||
| BW ở - 6 dB | Cỡ bướca | Thời gian dừng | BW ở - 6 dB | Cỡ bướca | Thời gian dừng | BW ở - 6 dB | Cỡ bướca | Thời gian dừng | |
| 0,15 đến 30 | 9 kHz | 5 kHz | 50 ms | 9 kHz | 5 kHz | 1 s | 9 kHz | 5 kHz | 50 ms |
a Đối với nhiễu thuần túy băng thông rộng, cỡ bước tần số lớn nhất có thể được tăng lên đến một giá trị không lớn hơn giá trị băng thông.
CHÚ THÍCH: Đối với bức xạ được sinh ra bởi động cơ chổi góp không có bộ điều khiển điện tử, cỡ bước lớn nhất có thể được tăng lên gấp năm lần băng thông.
U.4 Yêu cầu thử nghiệm
U.4.1 Các giới hạn áp dụng trong toàn dải tần số 0,15 đến 30 MHz cho các phép đo được thực hiện trong buồng bán vang vọng hoặc ở khu vực thử nghiệm ngoài trời.
U.4.2 Các phép đo phải được thực hiện với các đầu dò trung bình và hoặc là chuẩn đỉnh hoặc đỉnh. Các giới hạn được nêu trong Bảng 14 của 7.13.2.1 này đối với các dòng xoay chiều và trong Bảng 15 của 7.13.2.2 đối với các dòng một chiều. Phải áp dụng hệ số hiệu chỉnh 20 dB như được quy định trong CISPR 12 nếu sử dụng các đầu dò đỉnh.
Phụ lục U.1

CHÚ DẪN
1 ESA đem thử
2 Giá đỡ cách điện
3 Cáp nạp điện
4 Mạng xoay chiều hoặc một chiều nhân tạo được nối đất
5 Ổ cắm vào lưới điện
7 Máy thu đo
8 Mặt đất phẳng
Hình U.1-1 - ESA trong cấu hình "Chế độ nạp REESS được đấu nối với lưới điện"
Phụ lục V
(Quy định)
Các phương pháp thử bức xạ của dòng điện nhiễu tần số vô tuyến trên cổng Ethernet từ một ESA
V.1 Tổng quan
V.1.1 Phương pháp thử được mô tả trong phụ lục này phải được áp dụng cho ESA trong cấu hình “Chế độ nạp REESS được đấu nối với lưới điện"
V.1.2 Phương pháp thử
Thử nghiệm này nhằm đo mức dòng điện nhiễu tần số vô tuyến do ESA sinh ra trong cấu hình "Chế độ nạp REESS đấu nối với lưới điện" thông qua Cổng Ethernet để đảm bảo tương thích với môi trường tại khu dân cư, thương mại và công nghiệp nhẹ.
Nếu không có quy định gì khác trong phụ lục này, thử nghiệm phải được thực hiện theo CISPR 22.
V.2 Trạng thái của ESA trong quá trình thử
V.2.1 ESA phải trong cấu hình “Chế độ nạp REESS được đấu nối với lưới điện”
Trạng thái nạp (SOC) của ắc quy kéo phải được duy trì từ 20 % đến 80 % của SOC lớn nhất trong toàn bộ phép đo dải tần (điều này có thể dẫn đến việc phân chia phép đo ở các dải tần nhỏ khác nhau với nhu cầu xả ắc quy kéo của xe trước khi bắt đầu các dải tần nhỏ tiếp theo).
Nếu thử nghiệm không được thực hiện với REESS thì nên thử nghiệm ESA ở dòng danh định. Nếu có thể điều chỉnh được mức tiêu thụ dòng điện, thì dòng điện phải được chỉnh đặt ở mức ít nhất bằng 80 % giá trị danh định của nó.
V.3 Bố trí thử nghiệm
V.3.1 Đường truyền thông tin tại chỗ/riêng được kết nối với cổng tín hiệu/điều khiển và đường kết nối với cổng Ethernet phải được áp dụng cho xe qua các AAN. Các AAN khác nhau được sử dụng như được định nghĩa trong Phụ lục Z.8, Z.8-5:
- Z.8-5.1. đối với cổng tín hiệu/điều khiển với các đường đối xứng:
- Z.8-5.2. đối với Cổng Ethernet với PLC trên đường dây điện;
- Z.8-5.3. đối với cổng tín hiệu/điều khiển với PLC (công nghệ) trên dẫn hướng điều khiển; và
- Z.8-5.4. cho cổng tín hiệu/điều khiển với dẫn hướng điều khiển
Các AAN phải được gắn trực tiếp trên mặt đất phẳng. Trường hợp của các AAN phải được kết nối với mặt đất phẳng (ALSE) hoặc được kết nối với mặt đất có bảo vệ (OTS, ví dụ: một thanh nối đất).
Cổng đo của mỗi AAN phải được kết nối với tải 50 Ω.
Nếu trạm nạp được sử dụng, các AAN không cần thiết cho các cổng tín hiệu/điều khiển và/hoặc cho các cổng Ethernet. Các đường truyền thông tin tại chỗ/riêng giữa xe và trạm nạp phải được kết nối với thiết bị đi kèm ở phía trạm nạp để hoạt động như thiết kế. Nếu kết nối được mô phỏng và nếu sự hiện diện của AAN ngăn cản kết nối thông tin thích hợp thì không nên sử dụng AAN.
V.3.2 Vị trí đo
Một phòng kín được hoặc một phòng kín có tấm lót hấp thụ (ALSE) hoặc một khu vực thử nghiệm ngoài trời (OATS) phù hợp với các yêu cầu của CISPR 16-M có thể được sử dụng
V.3.3 Việc bố trí thử nghiệm (thiết bị đặt trên sàn) đối với kết nối của ESA trong cấu hình "Chế độ nạp REESS đáp ứng đấu nối với lưới điện" được minh họa trong Hình V1-1.
V.3.4 Các phép đo phải được thực hiện với máy phân tích phổ hoặc máy thu quét. Các thông số sử dụng được xác định trong Bảng V.1 và Bảng V.2.
Bảng V.1 - Thông số máy phân tích phổ
| Dải tần số MHz | Đầu dò đỉnh | Đầu dò chuẩn đỉnh | Đầu dò trung bình | |||
| RBW ở - 3 dB | Thời gian quét | RBW ở - 6 dB | Thời gian quét | RBW ở - 3 dB | Thời gian quét | |
| 0,15 đến 30 | 9/10 kHz | 10 s/MHz | 9 kHz | 200 s/MHz | 9/10 kHz | 10 s/MHz |
CHÚ THÍCH: Nếu máy phân tích phổ được sử dụng để đo đỉnh thì băng thông video phải ít nhất gấp ba lần băng thông độ phân giải (RBW).
Bảng V.2 - Thông số máy thu quét
| Dải tần số MHz | Đầu dò đỉnh | Đầu dò chuẩn đỉnh | Đầu dò trung bình | ||||||
| BW ở - 6 dB | Cỡ bướca | Thời gian dừng | BW ở - 6 dB | Cỡ bướca | Thời gian dừng | BW ở - 6 dB | Cỡ bướca | Thời gian dừng | |
| 0.15 đến 30 | 9 kHz | 5 kHz | 50 ms | 9 kHz | 5 kHz | 1 s | 9 kHz | 5 kHz | 50 ms |
a Đối với nhiễu thuần túy băng thông rộng, cỡ bước tần số lớn nhất có thể được tăng lên đến giá trị không lớn hơn giá trị băng thông.
V.4 Yêu cầu thử nghiệm
V.4.1 Các giới hạn áp dụng trong toàn dải tần số 0,15 đến 30 MHz đối với các phép đo được thực hiện trong phòng kín hoặc một phòng kín có tấm lót hấp thụ (ALSE) hoặc vị trí thử nghiệm khu ngoài trời (OATS).
V.4.2 Các phép đo phải được thực hiện với các đầu dò trung bình và cực đại hoặc cực đại. Các giới hạn được đưa ra trong Bảng 16 của 7.14.2.1. Nếu các máy dò đỉnh được sử dụng hệ số hiệu chỉnh 20 dB như được định nghĩa trong CISPR 12 phải được áp dụng.
V.4.3 Các phép đo phải được thực hiện với các đầu dò trung bình và hoặc chuẩn đỉnh hoặc đỉnh. Các giới hạn được nêu trong Bảng 16 trong 7.14.2.1. Nếu các đầu dò đỉnh được sử dụng phải áp dụng hệ số hiệu chỉnh 20 dB như được quy định trong CISPR 12.
Phụ lục V.1

CHÚ DẪN
1 ESA đang thử
2 Giá đỡ cách điện
3 Cáp nạp điện/dây truyền dẫn tín hiệu
4 Mạng xoay chiều hoặc một chiều nhân tạo được nối đất
5 Ổ cắm vào lưới điện
6 Ổn định trở kháng nối đất
7 Trạm nạp
8 Máy thu đo
Hình V.1-1 - ESA trong cấu hình "Chế độ nạp REESS được đấu nối với lưới điện
Phụ lục X
(Quy định)
Phương pháp thử khả năng miễn nhiễm của ESA với các nhiễu do xảy ra đột biến quá độ nhanh dọc theo cáp điện AC và DC
X.1 Tổng quan
X.1.1 Phương pháp thử được mô tả trong phụ lục này chỉ áp dụng cho ESA. Phương pháp này chỉ áp dụng cho ESA trong cấu hình “Chế độ nạp REESS được đấu nối với lưới điện”
X.1.2 Phương pháp thừ
Thử nghiệm này nhằm chứng minh khả năng miễn nhiễm của ESA. ESA phải chịu tác động của các nhiễu sinh ra do đột biến quá độ nhanh điện dọc theo cáp điện xoay chiều và một chiều của ESA như được mô tả trong phụ lục X này. ESA phải được giám sát trong quá trình thử nghiệm.
Nếu không có quy định gì khác trong phụ lục này, thử nghiệm phải được thực hiện theo IEC 61000-4-4.
X.2 Trạng thái của ESA trong quá trình thử trong cấu hình "Chế độ nạp REESS được đấu nối với lưới điện"
X.2.1 Điều kiện của ESA cơ bản
Điều này quy định các điều kiện thử nghiệm tối thiểu (theo khả năng áp dụng) và các tiêu chí có lỗi cho các thử nghiệm miễn nhiễm
| Điều kiện thử ESA trong " Chế độ nạp REESS " | Tiêu chí có lỗi |
| ESA trong cấu hình “Chế độ nạp REESS được đấu nối với lưới điện” Trạng thái nạp (SOC) của ắc quy kéo phải được duy trì từ 20 % đến 80 % của SOC lớn nhất trong toàn bộ thời gian đo (điều này có thể dẫn đến phép đo được chia thành các khe thời gian khác nhau với yêu cầu để xả ắc quy kéo của xe trước khi bắt đầu khe thời gian tiếp theo). Nếu có thể điều chỉnh được mức tiêu thụ dòng điện, thì dòng điện phải được chỉnh đặt ở mức ít nhất bằng 80% giá trị danh định của nó | Điều kiện nạp không đúng (ví dụ: quá dòng, quá điện áp) |
X.2.2 Chỉ sử dụng thiết bị không gây nhiễu trong khi giám sát ESA. ESA phải được quan sát để xác định xem các yêu cầu trong phụ lục này có được đáp ứng hay không (ví dụ: bằng cách sử dụng máy quay video, micro, v.v.).
X.3 Thiết bị thử
X.3.1 Thiết bị thử bao gồm một mặt phẳng tiếp đất chuẩn (không yêu cầu phải có một phòng tấm che bảo vệ), một máy phát chuyển tiếp/nổ, Mạng kết nối điện/ngắt kết nối điện (CDN) và kẹp đầu khớp nối điện dung.
X.3.2 Máy phát đột biến quá độ nhanh phải đáp ứng điều kiện được quy định trong 6.1 của IEC 61000-4-4.
X.3.3 Mạng kết nối điện/ngắt kết nối điện phải đáp ứng điều kiện được quy định trong 6.2 của IEC 61000-4-4. Khi mạng kết nối điện/ngắt kết nối điện không thể được sử dụng trên các cáp điện nguồn xoay chiều hoặc một chiều thì có thể sử dụng kẹp đầu khớp nối điện dung được quy định trong 6.3 của IEC 61000-4-4.
X.4 Thiết lập thử nghiệm
X.4.1 Thiết lập thử nghiệm ESA dựa trên chỉnh đặt kiểu phòng thí nghiệm như được mô tả trong 7.2 của IEC 61000-4-4.
X.4.2 ESA phải để trực tiếp lên mặt phẳng tiếp đất.
X.4.3 Cơ sở thử nghiệm phải thực hiện thử nghiệm theo quy định trong 7.15.2.1.
Ngoài ra, nếu nhà sản xuất cung cấp kết quả đo từ cơ sở thử nghiệm được cấp phép để đánh giá theo có thể áp dụng theo TCVN ISO/IEC 17025 và được cơ quan có thẩm quyền phê duyệt kiểu công nhận, cơ sở thử nghiệm có thể chọn việc không thực hiện thử nghiệm để xác nhận rằng ESA đáp ứng các yêu cầu của phụ lục này.
X.5.1 Phương pháp luận về thử nghiệm
X.5.1.1 Phương pháp thử theo IEC 61000-4-4 phải được sử dụng để thiết lập các yêu cầu về cấp độ thử nghiệm
X.5.1.2 Pha thử nghiệm
ESA phải được đặt trên mặt phẳng tiếp đất. Phải cho tác động của đột biến quá độ nhanh điện (EFT/B) lên ESA trong các cáp điện xoay chiều hoặc một chiều ở các chế độ phổ biến bằng cách sử dụng CDN như mô tả trong Hình X.1 phụ lục này.
Thiết lập thử nghiệm phải được ghi chép trong báo cáo thử nghiệm
Phụ lục X.1

Hình X.1-1 - ESA trong cấu hình "Chế độ nạp REESS được đấu nối với lưới điện"
Phụ lục Y
(Quy định)
Phương pháp thử miễn nhiễm của ESA do đột biến dòng dọc theo cáp điện xoay chiều và một chiều
Y.1 Tổng quan
Y.1.1 Phương pháp thử được mô tả trong phụ lục này chỉ áp dụng cho ESA. Phương pháp này chỉ áp dụng cho ESA trong cấu hình “Chế độ nạp REESS được đấu nối với lưới điện”
Y.1.2 Phương pháp thử
Thử nghiệm này nhằm chứng minh khả năng miễn nhiễm của ESA. ESA phải chịu đột biến dòng dọc theo cáp điện xoay chiều và một chiều của ESA như được mô tả trong phụ lục này. ESA phải được giám sát trong quá trình thử.
Nếu không có quy định gì khác trong phụ lục này, thử nghiệm phải được thực hiện theo IEC 61000-4-5.
Y.2 Trạng thái của ESA trong quá trình thử với cấu hình "REESS trong chế độ nạp được đấu nối với lưới điện"
Y.2.1 ESA phải ở chế độ nạp.
Y.2.1.2 Điều kiện ESA cơ bản
Điều này quy định các điều kiện thử tối thiểu (theo khả năng áp dụng) và các tiêu chí có lỗi cho các thử nghiệm miễn nhiễm đối với ESA
| Điều kiện thử ESA trong " Chế độ nạp REESS "" | Tiêu chí có lỗi |
| ESA trong cấu hình “Chế độ nạp REESS được đấu nối với lưới điện” Trạng thái nạp (SOC) của ắc quy kéo phải được duy trì từ 20 % đến 80% của SOC lớn nhất trong toàn bộ thời gian đo (điều này có thể dẫn đến phép đo được chia thành các khe thời gian khác nhau với yêu cầu để xả ắc quy kéo của xe trước khi bắt đầu khe thời gian tiếp theo). Nếu có thể điều chỉnh được mức tiêu thụ dòng điện, thì dòng điện phải được chỉnh đặt ở mức ít nhất bằng 80% giá trị danh định của nó | Điều kiện nạp không đúng (ví dụ: quá dòng, quá điện áp) |
Y.2.2 Chỉ được sử dụng thiết bị không gây nhiễu trong khi giám sát ESA. ESA phải được giám sát để xác định xem các yêu cầu của phụ lục này có được đáp ứng hay không (ví dụ: bằng cách sử dụng máy quay video, micro, v.v.).
Y.3 Thiết bị thử
Y.3.1 Các thiết bị thử bao gồm một mặt phẳng tiếp đất ((không yêu cầu phải có phòng được bao che bảo vệ), một máy phát đột biến dòng và một Mạng kết nối điện/ngắt kết nối điện (CDN).
Y.3.2 Máy phát đột biến dòng
phải đáp ứng các điều kiện được quy định trong 6.1 của IEC 61000-4-5.
Y.3.3 Mạng kết nối điện/ngắt kết nối điện phải đáp ứng điều kiện được quy định trong 6.3 của IEC 61000-4-5.
Y.4 Thiết lập thử nghiệm
Y.4.1 Thiết lập thử nghiệm ESA dựa trên thiết lập được mô tả trong 7.2 theo IEC 61000-4-5.
Y.4.2 Phải đặt trực tiếp ESA lên mặt phẳng tiếp đất.
Y.4.3 Cơ sở thử nghiệm phải thực hiện thử theo quy định tại 7.16.2.1.
Ngoài ra, nếu nhà sản xuất cung cấp kết quả đo từ cơ sở thử nghiệm được công nhận theo các phần có thể đánh giá theo ISO 17025 và được cơ quan có thẩm quyền phê duyệt kiểu công nhận, cơ sở thử nghiệm có thể chọn việc không cần thử nghiệm để xác nhận rằng ESA đáp ứng các yêu cầu của phụ lục này.
Y.5 Tạo mức thử cần thiết
Y.5.1 Phương pháp luận về thử nghiệm
Y.5.1.1 Phương pháp thử theo IEC 61000-4-5 phải được sử dụng để thiết lập các yêu cầu về cấp độ thử nghiệm.
Y.5.1.2 Pha thử nghiệm
ESA phải được đặt trên mặt phẳng tiếp đất. Đột biến dòng phải được tác động lên ESA trên các cáp cấp điện xoay chiều/một chiều giữa mỗi cáp và đất và giữa các cáp điện bằng cách sử dụng CDN như được mô tả trong Hình Y.1 đến Y.4 của phụ lục này.
Việc thiết lập thử nghiệm phải được ghi chép trong báo cáo thử nghiệm.
Phụ lục Y.1
ESA trong cấu hình "Chế độ nạp REESS được đấu nối với lưới điện"

Hình Y.1-1 - ESA trong cấu hình "Chế độ nạp REESS được đấu nối với lưới điện"- Kết nối giữa các cáp cho cáp điện một chiều hoặc xoay chiều (một pha)

Hình Y.1-2 - ESA trong cấu hình "Chế độ nạp REESS được đấu nối với lưới điện" - Kết nối giữa từng cáp và đất cho cáp điện một chiều hoặc xoay chiều (một pha)

Hình Y.1-3 - ESA trong cấu hình "Chế độ nạp REESS được đấu nối với lưới điện" - Kết nối giữa các cáp cho cáp điện xoay chiều (ba pha)

Hình Y.1-4- ESA trong cấu hình "Chế độ nạp REESS được đấu nối với lưới điện" - Kết nối giữa từng cáp điện và đất cho đường cấp điện xoay chiều (ba pha)
Phụ lục Z
(Quy định)
Tài liệu bổ sung
Phụ lục Z.1
Danh mục các tiêu chuẩn áp dụng trong tiêu chuẩn này
1 CISPR 12, Vehicles', motorboats' and spark-ignited engine-driven devices' radio disturbance characteristics - Limits and methods of measurement, fifth edition 2001 and Amd1: 2005 (Đặc tính rối loạn sóng vô tuyến của xe, thuyền máy và thiết bị có động cơ đánh lửa - Giới hạn và phương pháp đo, xuất bản lần thứ năm 2001 và Sửa đổi 1: 2005).
2 CISPR 16-1-4, Specifications for radio disturbance and immunity measuring apparatus and methods - Part 1: Radio disturbance and immunity measuring apparatus apparatus - Angtennas and test sites for radiated disturbances mesaurements, third edition 2010 (Yêu cầu kỹ thuật đối với thiết bị và phương pháp đo miễn và rối loạn sóng vô tuyến- Phần 1: Thiết bị đo miễn nhiễm và rối loạn sóng vô tuyến - Ăng ten và địa điểm thử nghiệm để đo rối loạn bức xạ, xuất bản lần thứ ba 2010).
3 CISPR 25, Limits and methods of measurement of radio disturbance characteristics for the protection of receivers used on board vehicles, second edition 2002 and corrigendum 2004 (Giới hạn và phương pháp đo các đặc tính rối loạn bức xạ vô tuyến để bảo vệ máy thu được sử dụng trên xe, xuất bản lần thứ hai 2002 và Đính chính 2004).
4 ISO 7637-1, Road vehicles - Electrical disturbance from conduction and coupling - Part 1: Definitions and general considerations, second edition 2002 (Phương tiện giao thông đường bộ - Rối loạn điện do dẫn điện và kết nối - Phần 1: Định nghĩa và lưu ý chung, xuất bản lần thứ hai 2002).
5 ISO 7637-2, Road vehicles - Electrical disturbance from conduction and coupling - Part 2: Electrical transient conduction along supply lines only on vehicles with nominal 12 V or 24 V supply voltage, second edition 2004 (Phương tiện giao thông đường bộ - Nhiễu điện do dẫn điện và khớp nối - Phần 2: Sự dẫn điện chuyển tiếp dọc theo cáp cấp điện chỉ có trên xe có điện áp nguồn danh định 12V hoặc 24V, xuất bản lần thứ hai 2004).
6 ISO-EN 17025, General requirements for the competence of testing and calibration laboratories, second edition 2005 and Corrigendum: 2006 (Yêu cầu chung đối với năng lực của các cơ sở thử nghiệm và hiệu chuẩn, xuất bản lần thứ hai 2005 và Đính chính: 2006).
7 ISO 11451, ISO 11451 Road vehicles - Electrical disturbances by narrowband radiated electromagnetic energy - Xe test methods (Phương tiện giao thông đường bộ - Rối loạn điện do năng lượng điện từ bức xạ trên băng thông hẹp - Phương pháp thử xe).
Part 1: General and definitions (ISO 11451-1, third edition 2005 and Amd1: 2008)) (Phần 1: Quy định chung và định nghĩa (ISO 11451-1, xuất bản lần thứ ba 2005 và Sửa đổi 1: 2008)).
Part 2: Off-vehicle radiation source (ISO 11451-2, third edition 2005 (Phần 2: Nguồn bức xạ bên ngoài xe (ISO 11451-2, xuất bản lần thứ ba 2005));
Part 4: Bulk current injection (BCI) (ISO 11451-4, first edition 1995 (Phần 4: Phun dòng khối lớn (BCI) (ISO 11451-4, xuất bản lần thứ nhất 1995)).
8 ISO 11452 các phần, Road vehicles - Electrical disturbances by narrowband radiated electromagnetic energy - Component test methods (Phương tiện giao thông đường bộ - Rối loạn điện do năng lượng điện từ bức xạ trên băng thông hẹp - Phương pháp kiểm tra bộ phận)
Part 1: General and definitions (ISO 11452-1, third edition 2005 and Amd1: 2008 (Quy định chung và định nghĩa (ISO 11452-1, xuất bản lần thứ ba 2005 và Amd1: 2008));
Part 2: Absorber-lined chamber (ISO 11452-2, second edition 2004 (Phần 2: Buồng lót có lớp hấp thụ (ISO 11452-2, xuất bản lần thứ hai 2004);
Part 3: Transverse electromagnetic mode (TEM) cell (ISO 11452-3, third edition 2001 (Phần 3: Tế bào chế độ điện từ ngang (TEM) (ISO 11452-3, xuất bản lần thứ ba 2001));
Part 4: Bulk current injection (BCI) (ISO 11452-4, third edition 2005 and Corrigendum 1:2009 (Phần 4: Phun dòng khối lớn (BCI) (ISO 11452-4, xuất bản lần thứ ba 2005 và Đính chính 1: 2009));
Part 5: Stripline (ISO 11452-5, second edition 2002 (Phần 5: Mạch dải (ISO 11452-5, xuất bản lần thứ hai 2002)).
9 ITU Radio Regulations, edition 2008 (Quy định vô tuyến của ITU, xuất bản lần 2008).
10 IEC 61000-3-2, Electromagnetic Compatibility (EMC) - Part 3-2 - Limits for harmonic current emissions (equipment input current ≤ 16 A per phase), edition 3.2 - 2005 + A1: 2008 + A2: 2009 (Tương thích điện từ (EMC) - Phần 3-2 - Giới hạn về bức xạ dòng sóng hài (dòng đầu vào thiết bị ≤16 A mỗi pha), xuất bản lần 3.2 - 2005 + A1: 2008 + A2: 2009).
11 IEC 61000-3-3, Electromagnetic Compatibility (EMC) - Part 3-3 - Limits - Limitation of voltage changes, voltage fluctuations and flicker in public low-voltage systems for equipment with rated current ≤ 16 A per phase and not subjected to conditional connection, edition 2.0 - 2008 (Tương thích điện từ (EMC) - Phần 3-3 - Các giới hạn - Sự giới hạn về thay đổi điện áp, dao động điện áp và nhấp nháy trong các hệ thống điện hạ áp công cộng dùng cho các thiết bị có dòng điện danh định ≤ 16 A mỗi pha và không lệ thuộc loại kết nối có điều kiện , xuất bản lần 2.0 - 2008).
12 IEC 61000-3-11, Electromagnetic Compatibility (EMC) - Part 3-11 - Limits - Limitation of voltage changes, voltage fluctuations and flicker in public low-voltage systems - Equipment with rated current ≤ 75 A per phase and subjected to conditional connection, edition 1.0 - 2000 (Tương thích điện từ (EMC) - Phần 3-11 - Các Giới hạn - Sự giới hạn về thay đổi điện áp, dao động điện áp và nhấp nháy trong các hệ thống điện hạ áp công cộng - Thiết bị có dòng điện danh định ≤ 75 A mỗi pha và thuộc loại kết nối có điều kiện , xuất bản lần 1.0 - 2000).
13 IEC 61000-3-12, Electromagnetic Compatibility (EMC) - Part 3-12 - Limits for harmonic current emissions produced by equipment connected to public low-voltage systems with input current > 16 A and ≤ 75 A per phase, edition 1.0 - 2004 (Tương thích điện từ (EMC) - Phần 3-12 - Giới hạn về bức xạ dòng sóng hài sinh ra bởi thiết bị kết nối với hệ thống điện hạ áp công cộng có dòng điện đầu vào > 16 A và ≤ 75 A mỗi pha, xuất bản lần 1.0 - 2004).
14 IEC 61000-4-4, Electromagnetic Compatibility (EMC) - Part 4-4 - Testing and measurement techniques - Electrical fast transients/burst immunity test, edition 2.0 - 2004 (Tương thích điện từ (EMC) - Phần 4-4 - Kỹ thuật thử nghiệm và đo - Thử miễn nhiễm điện nổ/chuyển tiếp nhanh, xuất bản lần 2.0 - 2004).
15 IEC 61000-4-5, Electromagnetic Compatibility (EMC) - Part 4-5 - Testing and measurement techniques - Surge immunity test, edition 2.0 - 2005 (Tương thích điện từ (EMC) - Phần 4-5 - Kỹ thuật thử nghiệm và đo - Thử miễn nhiễm sóng điện từ, xuất bản lần 2.0 - 2005).
16 IEC 61000-6-2, Electromagnetic Compatibility (EMC) - Part 6-2 - Generic standards Immunity for industrial environments, edition 2.0 - 2005 (Tương thích điện từ (EMC) - Phần 6-2 - Tiêu chuẩn chung miễn nhiễm đối với môi trường công nghiệp, xuất bản lần 2.0 - 2005).
17 IEC 61000-6-3, Electromagnetic Compatibility (EMC) - Part 6-3 - Generic standards Emission standard for residential, commercial and light-industrial environments, edition 2.0 - 2006 (Tương thích điện từ (EMC) - Phần 6-3 - Tiêu chuẩn chung Tiêu chuẩn bức xạ tại môi trường dân cư, thương mại và công nghiệp nhẹ, xuất bản lần 2.0 - 2006).
18 CISPR 16 -2-1, Specification for radio disturbances and immunity measuring apparatus and methods - Part 2-1 - Methods of measurement of disturbances and immunity - Conducted disturbances measurement, edition 2.0 - 2008 (Yêu cầu kỹ thuật về các phương pháp và thiết bị đo miễn nhiễm và rối loạn sóng vô tuyến - Phần 2-1 - Phương pháp đo rối loạn và miễn nhiễm - Đo dòng điện nhiễu, xuất bản lần 2.0 - 2008).
19 CISPR 22, Information Technology Equipment - Radio disturbances characteristics - Limits and methods of measurement, edition 6.0 - 2008 (Thiết bị công nghệ thông tin - Đặc tính rối loạn sóng vô tuyến - Giới hạn và phương pháp đo, xuất bản lần 6.0 - 2008).
20 CISPR 16-1-2, Specification for radio disturbance and immunity measuring apparatus and methods - Part 1-2: Radio disturbance and immunity measuring apparatus - Ancillary equipment - Conducted disturbances, edition 1.2: 2006 (Yêu cầu kỹ thuật đối với các phương pháp và thiết bị đo rối loạn sóng vô tuyến và miễn nhiễm sóng vô tuyến - Phần 1-2: Thiết bị đo nhiễu và miễn nhiễm vô tuyến - Thiết bị phụ trợ - Nhiễu điện từ, xuất bản lần 1.2: 2006).
Phụ lục Z.2
Giới hạn chuẩn băng thông rộng của xe - khoảng cách giữa ăng-ten và xe: 10 m
| Giới hạn E (dBμV/m) ở tần số F (MHz) | ||
| 30-75 MHz | 75-400 MHz | 400-1,000 MHz |
| E = 32 | E = 32+ 15.13 log (F/75) | E = 43 |

Tần số - megahertz - hàm logarit
(Xem 6.2.2.1 và 7.2.2.1)
Phụ lục Z.3
Giới hạn chuẩn băng thông rộng của xe - khoảng cách giữa ăng-ten và xe: 3 m
| Giới hạn E (dBμV/m) ở tần số F (MHz) | ||
| 30-75 MHz | 75-400 MHz | 400-1,000 MHz |
| E = 42 | E = 42 + 15.13 log (F/75) | E = 53 |
|
|
|
|

Tần số - megahertz - hàm logarit
(Xem 6.2.2.1. và 7.2.2.1)
Phụ lục Z.4
Giới hạn chuẩn băng thông rộng của xe - khoảng cách giữa ăng-ten và xe: 10 m
| 1. Giới hạn E (dBμV/m) ở tần số F (MHz) | ||
| 2. 30-75 MHz | 3. 75-400 MHz | 4. 400-1,000 MHz |
| 5. E = 22 | 6. E = 22 + 15.13 log (F/75) | 7. E = 33 |

Tần số - megahertz - hàm logarit
(Xem 6.3.2.1)
Phụ lục Z.5
Giới hạn chuẩn băng thông rộng của xe - khoảng cách giữa ăng-ten và xe: 3m
| Giới hạn E (dBμV/m) ở tần số F (MHz) | ||
| 30-75 MHz | 75-400 MHz | 400-1,000 MHz |
| E = 32 | E = 32 + 15.13 log (F/75) | E = 43 |

Tần số - megahertz - hàm logarit
(Xem 6.3.2.2)
Phụ lục Z.6
Cụm điện/điện tử phụ - Giới hạn chuẩn băng thông rộng
| Giới hạn E (dBμV/m) ở tần số F (MHz) | ||
| 30-75 MHz | 75-400 MHz | 400-1,000 MHz |
| E = 62 - 25.13 log (F/30) | E = 52 + 15.13 log (F/75) | E = 63 |

Tần số - megahertz - hàm logarit
(Xem 6.5.2.1 và 7.10.2.1)
Phụ lục Z.7
Cụm điện/điện tử phụ - Giới hạn chuẩn băng thông hẹp
|
| ||
| 30-75 MHz | 75-400 MHz | 400-1,000 MHz |
| E = 52 - 25.13 log (F/30) | E = 42 + 15.13 log (F/75) | E = 53 |

Tần số - megahertz - hàm logarit
(Xem 6.6.2.1)
Phụ lục Z.8
Mạng nhân tạo (AN), Mạng nhân tạo điện áp cao (HV-AN), Mạng nhân tạo nạp trực tiếp (nạp DC-AN), Mạng chính nhân tạo (AMN) và Mạng nhân tạo không đối xứng (AAN)
Phụ lục này xác định các mạng nhân tạo cho xe ở chế độ nạp:
• Mạng nhân tạo (AN): được sử dụng cho nguồn điện áp thấp;
• Mạng nhân tạo điện áp cao (HV-AN): được sử dụng cho nguồn điện DC;
• Mạng nhân tạo nạp trực tiếp (DC-nạp-AN): được sử dụng cho nguồn điện DC;
• Mạng nhân tạo (AMN): được sử dụng cho nguồn điện xoay chiều;
• Mạng nhân tạo không đối xứng (AAN): được sử dụng cho các cáp điện của cổng tín hiệu/điều khiển và/hoặc các cáp điện của cổng Ethernet.
Z.8-1 Mạng nhân tạo (AN)
Đối với ESA được cấp điện bởi LV, phải sử dụng 5 μH/50 Ω AN như được quy định trong Hình Z.8-1.
(Các) AN phải được gắn trực tiếp trên mặt đất phẳng. Kết nối nối đất của các AN phải được kết nối với mặt đất phẳng.
Các cổng đo của các AN phải được kết nối với tải 50 Ω.
Trở kháng AN ZPB (dung sai 20 %) trong dải tần số đo từ 0,1 MHz đến 100 MHz được hiển thị trong Hình 2. Nó được đo giữa các đầu cực P và B (của Hình Z.8-1) với tải 50 Ω trên cổng đo với các đầu cực A và B (của Hình Z.8-1) được ngắn mạch.

| CHÚ DẪN |
|
|
| L1 5 μH C1 0,1 pF C2 1 μF (Giá trị mặc định) R1 1 kQ | A P B | Cổng cấp điện Cổng đấu điện với xe hoặc ESA Đất |
Hình Z.8-1 - Ví dụ về sơ đồ 5 H AN

Hình Z.8-2 - Đặc điểm của trở kháng AN ZPB
Z.8-2. Mạng nhân tạo điện áp cao (HV-AN)
Đối với ESA được cung cấp bởi HV, phải sử dụng 5 μH/50 Ω HV-AN như được định nghĩa trong Hình Z.8-3.
HV-AN phải được gắn trực tiếp trên mặt đất phẳng. Kết nối đất của HV-AN phải được kết nối với mặt đất phẳng.
Các cổng đo của HV-AN phải được kết nối với tải 50 Ω.
Trở kháng HV-AN ZPB (dung sai 20 %) trong dải tần số đo từ 0,1 MHz đến 100 MHz được hiển thị trong Hình Z.8-2. Nó được đo giữa các đầu cực của “Xe/ESA HV” và “GND” (Hình Z.8-3) với tải 50 Ω trên cổng đo và với đầu cực đoản mạch “Cấp điện HV” và “GND”

CHÚ DẪN
L1 5μH Cấp điện HV cấp điện cao áp
C1 0,1 Xe/ESA HV điện cao áp của xe hoặc ESA
C2 0,1
R1 1 kΩ
R2 1 MΩ (Phóng điện C2 đến > 50 Vdc trong vòng 60 s)
Hình 3 - Ví dụ về sơ đồ 5μH HV AN
Nếu sử dụng các HV AN không được bao che trong một hộp được bọc kín, thì phải có một lá chắn bên trong giữa các HV AN như được mô tả trong Hình Z.8-4

CHÚ DẪN
| L1 C1 C2 R1 R2 | 5 μH Cấp điện +HV cấp điện cao áp (Dương và Âm) 0,1 μF 0,1 μF (giá trị mặc định) Xe/ESA -HV điện cao áp của xe hoặc ESA (Dương và Âm) 1 kΩ 1 MΩ (Phóng điện C2 đến> 50 Vdc trong vòng 60 giây) |
Một mạng kết hợp trở kháng tùy chọn có thể được sử dụng để mô phỏng trở kháng chế độ chung/chế độ vi sai được thấy bởi ESA kết nối với nguồn điện HV (xem Hình Z.8-5).
Hình Z.8-4 - Ví dụ về sự kết hợp của 5 H HV AN trong một hộp được bọc kín

| CHÚ DẪN L1 C1 C2 R1 R2 |
5 μH 0,1 μF 0,1 μF (giá trị mặc định) 1 kΩ 1 MΩ (Phóng điện C2 đến> 50 Vdc trong vòng 60 giây) |
Cấp điện +HV cấp điện cao áp (Dương) và Cấp điện -HV cấp điện cao áp (Âm) |
Hình Z.8-5 - Mạng phối hợp trở kháng được gắn giữa các HV AN và ESA
Z.8-3 Mạng nhân tạo nạp trực tiếp (DC-nạp-AN)
Đối với một xe ở chế độ nạp được kết nối với nguồn điện DC, phải sử dụng DC-nạp-AN 5 μH/50 Ω như được định nghĩa trong Hình Z.8-6.
Các cổng đo của nạp DC-các AN phải được kết nối với tải 50 Ω.
DC-nạp-trở kháng AN ZPB (dung sai 20 %) trong dải tần số đo từ 0,1 MHz đến 100 MHz được hiển thị trong Hình Z.8-7. Nó được đo giữa các đầu cực giữa "Xe/ESA HV” và “GND”, (của Hình Z.8-6) với tải 50 Ω trên cổng đo và với dòng ngắn mạch tại các đầu cực “Cấp điện HV” và “GND”

| CHÚ DẪN L1 C1 C2 R1 R2 |
5 μH Cấp điện HV cấp điện cao áp (Dương và Âm) 0,1 μF Xe/ESA HV điện cao áp của xe hoặc ESA (Dương và Âm) 1 μF (nếu sử dụng giá trị mặc định khác thì phải chứng minh) 1 kΩ 1 MΩ (Phóng điện C2 đến > 50 Vdc trong vòng 60 s) |
Hình Z8-6 - Ví dụ về sơ đồ DC-nạp-AN 5μH

Hình Z.8-7 - Đặc điểm của DC-nạp-trở kháng AN
Z.8-4 Mạng chính nhân tạo (AMN)
Đối với một xe ở chế độ nạp được kết nối với nguồn điện xoay chiều, phải sử dụng 50 μH/50 Ω -AMN như được định nghĩa trong CISPR 16-1-2, 4.4.
Các cổng đo của AMN phải được kết nối với tải 50 Ω.
Z.8-5 Mạng điện lưới nhân tạo không đối xứng (AAN)
Hiện nay, các công nghệ khác nhau cho các đường cáp của cổng tín hiệu/điều khiển và/hoặc các đường cáp của cổng Ethernet được sử dụng để kết nối giữa trạm nạp và xe. Do đó, việc phân biệt giữa một số đường cáp của cổng tín hiệu/điều khiển cụ thể và/hoặc các đường cáp của cổng Ethernet (ví dụ: cáp dẫn hướng điều khiển, đường cáp CAN) là cần thiết.
Các cổng đo của các AAN phải được kết nối với tải Ω 50.
Các AAN được định nghĩa trong Z.8-5.1, Z.8-5.2, Z.8-5.3 và Z.8-5.4 được sử dụng cho các đường cổng tín hiệu/điều khiển không được bao che và/hoặc các đường cáp của cổng Ethernet.
Nếu các đường cáp của cổng tín hiệu/điều khiển được bao che được sử dụng, thì nên dùng các AAN được bao che quy định trong CISPR 32:2015 Hình G.10 và G.11.
Z.8-5.1 Cổng tín hiệu/điều khiển với các đường cáp đối xứng
Mạng nhân tạo không đối xứng (AAN) được kết nối giữa xe và trạm nạp hoặc bất kỳ thiết bị đi kèm (AE) nào được sử dụng để mô phỏng tín hiệu thông tin được định nghĩa trong CISPR 16-1-2 Phụ lục E Điều E.2 (mạch mạng T) (xem ví dụ trong Hình Z.8-8).
AAN có một trở kháng chế độ chung là 150. Trở kháng Zcat điều chỉnh tính đối xứng của hệ thống cáp và thiết bị ngoại vi kèm theo thường được biểu thị là tổn thất biến đổi theo chiều dọc (LCL). Giá trị của LCL nên được xác định trước bằng các phép đo hoặc được xác định bởi nhà sản xuất trạm nạp/cáp nạp. Giá trị được chọn cho LCL và nguồn gốc của nó phải được nêu trong báo cáo thử nghiệm.
Tín hiệu thông tin CAN là một ví dụ về các đường cáp đối xứng được sử dụng cho chế độ nạp DC của xe.
Nếu một trạm nạp gốc có thể được sử dụng để thử nghiệm, AAN không bắt buộc phải kết nối tín hiệu thông tin với CAN.
Nếu tín hiệu thông tin CAN được mô phỏng và nếu sự hiện diện của AAN ngăn cản tín hiệu thông tin của CAN thích hợp, thì không nên sử dụng AAN.

| 1 AAN 2 Xe 3 Trạm nạp L1 2 x 38 mH L2 2 x 38 mH R 200 Ω C 4,7 μF |
Z cat Trở kháng điều chỉnh đối xứng A Đường đối xứng 1 (trong xe) B Đường đối xứng 2 (trong xe) C Đường đối xứng 1 (phía trạm nạp) D Đường đối xứng 2 (phía trạm nạp) E Cổng đo với tải 50 Ω |
Hình Z.8-8 - Ví dụ về AAN cho cổng tín hiệu/điều khiển với các đường cáp đối xứng (ví dụ: CAN)
Z.8-5.2 Cổng Ethernet với PLC trên cáp điện
Nếu một trạm nạp gốc có thể được sử dụng để thử nghiệm, AAN và/hoặc AMN/DC-nạp-AN có thể không yêu cầu về tín hiệu thông tin PLC.
Nếu sự hiện diện của AMN/DC-nạp-AN ngăn cản tín hiệu thông tin PLC đúng với trạm nạp gốc hoặc nếu tín hiệu thông tin PLC cần được mô phỏng bằng một thiết bị đi kèm (ví dụ modem PLC) thay vì trạm nạp gốc thì cần phải thêm một AAN giữa AE (ví dụ modem PLC) và đầu ra AMN/DC-nạp-AN (phía xe), như trong Hình Z.8-9.
Mạch trong Hình Z.8-9 cung cấp một đầu cực chế độ chung bởi AMN/DC-nạp-AN HV-AN. Để giảm thiểu bức xạ từ modem PLC của xe, bộ suy giảm được đặt giữa cáp điện và modem PLC ở phía AE trong mạch để kiểm tra bức xạ. Bộ suy giảm này bao gồm hai điện trở kết hợp với trở kháng đầu vào/đầu ra của modem PLC. Giá trị của các điện trở phụ thuộc vào trở kháng thiết kế của modem PLC và độ suy giảm cho phép đối với hệ thống PLC.

CHÚ DẪN
| 1 AAN 2 Xe 3 Trạm nạp/cung cấp điện 4 HV-AN hoặc AMN hoặc DC- nạp -AN 5 AE R1 2,5 kΩ |
C1 4,7 nF APLC Trên đường cấp điện nguồn AC hoặc DC (phía xe) BPLC Trên đường cấp điện AC hoặc DC (phía xe) C Đường cáp PLC (Trạm nạp hoặc phía AE) D Đường cáp PLC (Trạm nạp hoặc phía AE) |
Hình Z.8-9 - Ví dụ về AAN với cổng tín hiệu/điều khiển với PLC trên đường cáp điện nguồn AC hoặc DC
Giá trị của các điện trở phụ thuộc vào độ suy giảm cho phép và trở kháng thiết kế của modem PLC (ở đây: Độ suy giảm 40 dB, trở kháng thiết kế 100 PLC)
Z.8-5.3 Cổng tín hiệu/điều khiển với PLC (công nghệ) trên cáp dẫn hướng điều khiển
Một số hệ thống truyền thông sử dụng cáp dẫn hướng điều khiển (so với PE) với tín hiệu thông tin được xếp chồng (tần số cao). Thông thường, công nghệ được phát triển cho tín hiệu của cáp cấp điện (PLC) được sử dụng cho mục đích đó. Một mặt các đường truyền thông tín hiệu được vận hành không đối xứng, mặt khác hai hệ thống truyền thông tín hiệu khác nhau hoạt động trên cùng một cáp điện. Do đó một AAN đặc biệt phải được sử dụng như được quy định trong Hình Z.8-10.
Nó cấp trở kháng chế độ chung là 150 20 (150 kHz đến 30 MHz) trên đường cáp điện dẫn hướng điều khiển (giả sử trở kháng thiết kế của modem là 100). Cả hai kiểu truyền tín hiệu (dẫn hướng điều khiển, PLC) được phân tách bởi mạng.
Do đó, thông thường một mô phỏng truyền tín hiệu được sử dụng kết hợp với mạng này. Bộ suy giảm được cấu tạo bởi các resistor và trở kháng thiết kế của modem PLC đảm bảo rằng tín hiệu trên dây cáp nạp được cáp nạp điện được trội hơn bởi các tín hiệu thông tin của xe thay vì modem AE PLC.
Các giá trị của điện cảm và điện dung trong các mạng được bổ sung vào cho PLC trên dẫn hướng điều khiển trong Hình Z.8-10 phải không được gây ra bất kỳ trục trặc nào trong tín hiệu giữa xe và AE hoặc trạm nạp. Do đó, có thể cần phải điều chỉnh các giá trị này để tương thích với tín hiệu thông tin đúng.
Nếu tín hiệu thông tin PLC được mô phỏng và nếu sự hiện diện của AAN ngăn cản tín hiệu thông tin PLC đúng thì không nên sử dụng AAN.

CHÚ DẪN
| 1 AAN 2 Xe 3 Trạm nạp 4 Dẫn hướng điều khiển (trên xe) 5 PLC (trong xe) 6 AE R 139 Ω |
R 2270 Ω C1 2,2 nF L1 100 μH A Cáp dẫn hướng điều khiển (phía xe) B/D Đất có bảo vệ C Cáp dẫn hướng điều khiển (phía trạm nạp) |
Hình Z.8-10 - Ví dụ về mạch AAN cho cổng tín hiệu/điều khiển với PLC trên dẫn hướng điều khiển
Các giá trị của ba resistor phụ thuộc vào trở kháng thiết kế của modem PLC được kết nối ở phía AE.
Các giá trị được đưa ra trong sơ đồ là có giá trị cho một trở kháng thiết kế là 100.
Z.8-5.4 Cổng tín hiệu/điều khiển với mạch dẫn hướng điều khiển +
Một số hệ thống truyền tín hiệu sử dụng cáp dẫn hướng điều khiển (so với PE). Một mặt các đường truyền thông được vận hành không đối xứng, mặt khác hai hệ thống truyền tín hiệu khác nhau hoạt động trên cùng một cáp điện. Do đó, AAN đặc biệt phải được sử dụng như được quy định trong Hình Z.8-11.
Nó cấp trở kháng chế độ chung là 150 20 (150 kHz đến 30 MHz) trên cáp dẫn hướng điều khiển (giữa A và B/D).
Do đó, thông thường một mô phỏng truyền tín hiệu được sử dụng kết hợp với mạng này.
Các giá trị của điện cảm và điện dung trong các mạng trên cáp dẫn hướng điều khiển trong Hình Z.8-11 phải không được gây ra bất kỳ trục trặc nào trong tín hiệu thông tin giữa xe và trạm nạp. Do đó, có thể cần phải điều chỉnh các giá trị này để đảm bảo tín hiệu thông tin đúng.
Nếu tín hiệu thông tin dẫn hướng điều khiển được mô phỏng và nếu sự hiện diện của AAN ngăn cản tín hiệu thông tin mạch điều khiển thích hợp thì không nên sử dụng AAN.

CHÚ DẪN:
| 1 AAN 2 Xe 3 Trạm nạp 4 Dẫn hướng điều khiển (trong xe) R 1150 Ω | C1 1 nF L1 100 μH A Cáp dẫn hướng điều khiển (phía xe) B/D Đất có bảo vệ C Cáp dẫn hướng điều khiển (phía trạm nạp) |
Hình Z.8-11 - Ví dụ về mạch AAN cho cáp điều khiển
Mục lục
Lời nói đầu
1 Phạm vi áp dụng
2 Tài liệu viện dẫn
3 Thuật ngữ và định nghĩa
4 Tài liệu kỹ thuật
5 Ghi nhãn
6 Yêu cầu kỹ thuật trong các cấu hình khác với chế độ nạp REESS được kết nối với lưới điện
7 Yêu cầu kỹ thuật bổ sung trong cấu hình "Chế độ nạp REESS được kết nối với lưới điện"
8 Sửa đổi hoặc mở rộng phê duyệt kiểu xe sau khi bổ sung hoặc thay thế cụm điện/điện tử phụ (ESA) .
9 Sửa đổi và mở rộng phê duyệt kiểu xe hoặc ESA
Phụ lục A (Tham khảo) Ví dụ về ghi nhãn phê duyệt kiểu
Phụ lục BA (Tham khảo) Tài liệu thông tin để phê duyệt kiểu xe liên quan đến khả năng tương thích điện từ
Phụ lục BB (Tham khảo) Tài liệu thông tin để phê duyệt kiểu một cụm điện/điện tử phụ liên quan đến khả năng tương thích điện từ Phụ lục
Phụ lục CA (Tham khảo) Thông tin
Phụ lục CB (Tham khảo) Thông tin
Phụ lục D (Quy định) Phương pháp đo nhiễu do bức xạ điện từ băng thông rộng từ xe
Phụ lục E (Quy định) Phương pháp đo bức xạ điện từ băng thông hẹp từ xe
Phụ lục F (Quy định) Phương pháp thử khả năng miễn nhiễm của xe về bức xạ điện từ
Phụ lục G (Quy định) Phương pháp đo bức xạ điện từ băng thông rộng phát ra từ các cụm điện/điện tử phụ(ESA)
Phụ lục H (Quy định) Phương pháp đo bức xạ điện từ băng thông hẹp phát ra từ các cụm điện/điện tử phụ
Phụ lục J (Quy định) Phương pháp thử khả năng miễn nhiễm bức xạ điện từ của các cụm điện/điện tử phụ
Phụ lục K (Quy định) Phương pháp thử khả năng miễn nhiễm và phát xạ do các chuyển tiếp của các cụm điện/điện từ phụ
Phụ lục L (Quy định) Phương pháp thử bức xạ sóng hài sinh ra trên cáp cấp điện xoay chiều từ xe
Phụ lục M (Quy định) Phương pháp thử bức xạ do thay đổi điện áp, dao động điện áp và nhấp nháy trên cáp điện xoay chiều từ xe
Phụ lục N (Quy định) Phương pháp thử nghiệm bức xạ của nhiễu điện tần số vô tuyến trên các cáp điện xoay chiều hoặc một chiều phát ra từ các xe
Phụ lục P (Quy định) Phương pháp thử bức xạ của nhiễu điện tần số vô tuyến gây trên mạng và cổng Ethernet phát ra từ các xe
Phụ lục Q (Quy định) Phương pháp thử miễn nhiễm của xe với các nhiễu điện do đột biến quá độ nhanh dọc theo cáp điện xoay chiều và một chiều
Phụ lục R (Quy định) Phương pháp thử miễn nhiễm của xe do đột biến dòng xảy ra dọc theo cáp điện xoay chiều và một chiều
Phụ lục S (Quy định) Phương pháp thử nghiệm bức xạ sóng hài sinh ra trên các cáp điện xoay chiều từ ESA
Phụ lục T (Quy định) Phương pháp thử bức xạ do thay đổi điện áp, dao động điện áp và nhấp nháy trên cáp điện xoay chiều từ ESA
Phụ lục U (Quy định) Phương pháp thử bức xạ nhiễu tần số vô tuyến trên các cáp điện xoay chiều hoặc một chiều phát ra từ ESA
Phụ lục V (Quy định) Các phương pháp thử bức xạ của dòng điện nhiễu tần số vô tuyến trên cổng Ethernet từ ESA
Phụ lục X (Quy định) Phương pháp thử miễn nhiễm của ESA với các nhiễu do xảy ra đột biến quá độ nhanh dọc theo cáp điện AC và DC
Phụ lục Y (Quy định) Phương pháp thử miễn nhiễm của ESA do đột biến dòng dọc theo cáp điện xoay chiều và một chiều
Phụ lục Z (Quy định) Tài liệu bổ sung
[1] Gạch phần không áp dụng.
[1] Gạch phần không áp dụng.
[1] Gạch phần không áp dụng.
[4] Gạch phần không áp dụng.
[5] Gạch phần không áp dụng.
[1] Gạch phần không áp dụng.
[7] Gạch phần không áp dụng.
[1] Gạch phần không áp dụng.
[1] Gạch phần không áp dụng.
[1] Gạch phần không áp dụng.
[1] Gạch phần không áp dụng.
[5] Gạch bỏ phần không áp dụng
[1] Nếu phương tiện nhận dạng kiểu chứa các ký tự không liên quan để mô tả kiểu bộ phận hoặc các cụm kỹ thuật riêng rẽ được đề cập trong tài liệu thông tin này, các ký tự đó phải được thể hiện trong tài liệu bằng ký hiệu "?" (ví dụ: ABC ?? 123 ??).
[2] Gạch phần không áp dụng
[2] Gạch phần không áp dụng
[2] Gạch phần không áp dụng
[2] Gạch phần không áp dụng
[2] Gạch phần không áp dụng
[2] Gạch phần không áp dụng
[2] Gạch phần không áp dụng
[2] Gạch phần không áp dụng
[22] Gạch phần không áp dụng
Bạn chưa Đăng nhập thành viên.
Đây là tiện ích dành cho tài khoản thành viên. Vui lòng Đăng nhập để xem chi tiết. Nếu chưa có tài khoản, vui lòng Đăng ký tại đây!
