- Tổng quan
- Nội dung
- Tiêu chuẩn liên quan
- Lược đồ
- Tải về
Tiêu chuẩn Quốc gia TCVN 11637-4:2016 ISO 6624-4:2016 Động cơ đốt trong-Vòng găng-Phần 4: Vòng găng tiết diện nửa hình chêm làm bằng thép
| Số hiệu: | TCVN 11637-4:2016 | Loại văn bản: | Tiêu chuẩn Việt Nam |
| Cơ quan ban hành: | Bộ Khoa học và Công nghệ | Lĩnh vực: | Công nghiệp |
|
Ngày ban hành:
Ngày ban hành là ngày, tháng, năm văn bản được thông qua hoặc ký ban hành.
|
2016 |
Hiệu lực:
|
Đã biết
|
| Người ký: | Đang cập nhật |
Tình trạng hiệu lực:
Cho biết trạng thái hiệu lực của văn bản đang tra cứu: Chưa áp dụng, Còn hiệu lực, Hết hiệu lực, Hết hiệu lực 1 phần; Đã sửa đổi, Đính chính hay Không còn phù hợp,...
|
Đã biết
|
TÓM TẮT TIÊU CHUẨN VIỆT NAM TCVN 11637-4:2016
Nội dung tóm tắt đang được cập nhật, Quý khách vui lòng quay lại sau!
Tải tiêu chuẩn Việt Nam TCVN 11637-4:2016
TIÊU CHUẨN QUỐC GIA
TCVN 11637-4:2016
ISO 6624-4:2016
ĐỘNG CƠ ĐỐT TRONG - VÒNG GĂNG - PHẦN 4: VÒNG GĂNG TIẾT DIỆN NỬA HÌNH CHÊM LÀM BẰNG THÉP
Internal combustion engines - Piston rings - Part 4: Half keystone rings made of steel
Lời nói đầu
TCVN 11637-4:2016 hoàn toàn tương đương với ISO 6624-4:2016.
TCVN 11637-4:2016 do Ban kỹ thuật tiêu chuẩn quốc gia TCVN/TC70 Động cơ đốt trong biên soạn, Tổng cục Tiêu chuẩn Đo lường Chất lượng đề nghị, Bộ Khoa học và Công nghệ công bố.
Bộ TCVN 11637 (ISO 6624), Động cơ đốt trong - Vòng găng, bao gồm các phần sau:
- Phần 1: Vòng găng tiết diện hình chêm làm bằng gang đúc.
- Phần 2: Vòng găng tiết diện nửa hình chêm làm bằng gang đúc.
- Phần 3: Vòng găng tiết diện hình chêm làm bằng thép,
- Phần 4: Vòng găng tiết diện nửa hình chêm làm bằng thép.
Lời giới thiệu
Bộ TCVN 11637 (ISO 6624) là bộ tiêu chuẩn nằm trong hệ thống tiêu chuẩn liên quan đến vòng găng cho động cơ đốt trong kiểu pit tông chuyển động tịnh tiến. Các bộ tiêu chuẩn khác là TCVN 5735 (ISO 6621), TCVN 11635 (ISO 6622), TCVN 11636 (ISO 6623), TCVN 11638 (ISO 6625), TCVN 11639 (ISO 6626) và TCVN 11640 (ISO 6627) (xem chi tiết trong thư mục tài liệu tham khảo).
ĐỘNG CƠ ĐỐT TRONG - VÒNG GĂNG - PHẦN 4: VÒNG GĂNG TIẾT DIỆN NỬA HÌNH CHÊM LÀM BẰNG THÉP
Internal combustion engines - Piston rings - Part 4: Half keystone rings made of steel
1 Phạm vi áp dụng
Tiêu chuẩn này quy định các đặc điểm kích thước chính của các vòng găng tiết diện nửa hình chêm làm bằng thép, kiểu HK, HKB và HKBA, có đường kính từ 38 mm đến 160 mm, được sử dụng trên động cơ đốt trong kiểu pit tông chuyển động tịnh tiến trên phương tiện giao thông đường bộ và các ứng dụng khác
2 Tài liệu viện dẫn
Các tài liệu sau, trong toàn bộ hoặc một phần, được viện dẫn và rất cần thiết cho việc áp dụng tiêu chuẩn này. Đối với các tài liệu viện dẫn ghi năm công bố thì áp dụng phiên bản được nêu. Đối với các tài liệu viện dẫn không ghi năm công bố thì áp dụng phiên bản mới nhất, bao gồm cả các sửa đổi, bổ sung (nếu có).
TCVN 5735-4 (ISO 6621-4), Động cơ đốt trong - Vòng găng - Phần 4: Đặc tính kỹ thuật chung.
3 Tổng quan
Các kiểu vòng găng tiết diện nửa hình chêm được cho trong các bảng 1 và 2, các hình 1,2 và 3. Các đặc điểm chung và kích thước của các đặc điểm này được cho trong các bảng 3 đến 6 và các hình 4 đến 10. Bảng 7 đưa ra các hệ số lực cho các kiểu vòng găng khác nhau, bảng 8 đưa ra các kích thước và lực của các vòng găng tiết diện nửa hình chêm.
Các đặc điểm chung và các bảng kích thước trong tiêu chuẩn này bao gồm nhiều giá trị khác nhau và các nhà thiết kế khi lựa chọn một kiểu vòng găng cụ thể phải lưu ý điều kiện hoạt động của các kiểu vòng găng này.
Nhà thiết kế cũng phải tham khảo các yêu cầu nêu trong TCVN 5735-3 (ISO 6621-3) và TCVN 5735-4 (ISO 6621-4) trước khi lựa chọn kiểu vòng găng.
4 Kiểu vòng găng và ký hiệu ví dụ
CHÚ THÍCH: Đối với kích thước góc của vòng găng tiết diện nửa hình chêm, sử dụng các định nghĩa và cách đo lường tương tự như vòng găng tiết diện hình chêm [Xem TCVN 5735-2 (ISO 6621-2)].
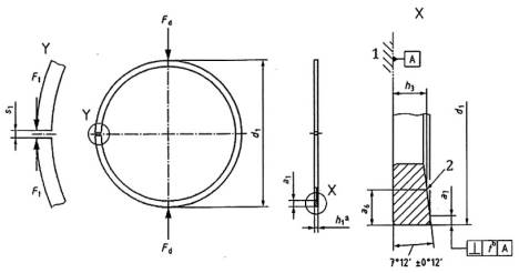
4.1 Kiểu HK - Vòng găng tiết diện nửa hình chêm 7° có mặt lưng phẳng
4.1.1 Đặc điểm chung
Hình 1 đưa ra các đặc điểm chung của vòng găng kiểu HK
Các kích thước và các lực xem bảng 7.
Giá trị h3 được tính toán theo phụ lục A.

CHÚ DẪN
1 Mặt phẳng tham chiếu (vòng găng được đặt phẳng trên mặt phẳng A)
2 Đánh dấu mặt trên
a Danh nghĩa
b t = 0,006 x h1
Hình 1 - Kiểu HK
4.1.2 Ký hiệu
VÍ DỤ: Ký hiệu của vòng găng phù hợp với yêu cầu của TCVN 11637-4 (ISO 6624-4), vòng găng tiết diện nửa hình chêm 7° bằng thép với mặt lưng phẳng (HK), đường kính danh nghĩa là d1 = 60 mm (60) và chiều dày danh nghĩa h1 = 1,2 mm (1,2), làm từ thép hợp kim CrSi, phân lớp 62 (MC62), và có mặt lưng được mạ crôm với chiều dày tối thiểu 0,1 mm (CR2). Các thông số được sử dụng trong ký hiệu vòng găng theo TCVN (ISO):
Vòng găng TCVN 11637-4 (ISO 6624-4) HK - 60 x 1,2-MC62/CR2
4.2 Kiểu HKB - Vòng găng tiết diện nửa hình chêm 7° có mặt lưng cong
4.2.1 Đặc điểm chung
Hình 2 đưa ra các đặc điểm chung của vòng găng kiểu HKB
Các kích thước và các lực xem Bảng 7.
Giá trị h3 được tính toán theo phụ lục A.

CHÚ DẪN
1 Mặt phẳng tham chiếu (vòng găng được đặt phẳng trên mặt phẳng A)
2 Đánh dấu mặt trên
a Danh nghĩa
Hình 2 - Kiểu HKB
Bảng 1 - Kích thước mặt lưng cong đối xứng và chiều rộng (h8)
Kích thước tính bằng milimét
| h1 | h25 | h26 | Dung sai của h26 | h27 | t2,t3 | h8a |
| 1,2 | 0,30 | 0,60 | ±0,20 | 0,90 | 0,002...0,012 | 0,60 |
| 1,5 | 0,35 | 0,75 | ±0,25 | 1,15 | 0,003...0,015 | 0,80 |
| 1,75 | 0,35 | 0,85 | ±0,30 | 1,35 | 1,00 | |
| 2,0 | 0,40 | 1,00 | ±0,30 | 1,60 | 1,20 | |
| 2,5 | 0,45 | 1,25 | ±0,40 | 2,05 | 1,60 | |
| 3,0 | 0,50 | 1,50 | ±0,50 | 2,50 | 0,005...0,020 | 2,00 |
| 3,5 | 0,55 | 1,75 | ±0,50 | 2,95 | 2,40 | |
| a Chiều rộng (h8) chỉ dùng để tham khảo, có thể được sử dụng khi có thỏa thuận giữa nhà sản xuất và khách hàng. | ||||||
4.2.2 Ký hiệu
VÍ DỤ: Ký hiệu của vòng găng phù hợp với yêu cầu của TCVN 11637-4 (ISO 6624-4), vòng găng tiết diện nửa hình chêm 7° bằng thép bề mặt lưng cong (HKB), đường kính danh nghĩa là d1 = 60 mm (60) và chiều dày danh nghĩa h1, = 1,5 mm (1,5), làm bằng thép mactenxit 11% Cr(tối thiểu), phân lớp 65 (MC65), và có mặt lưng và các mặt đáy (NT) được thấm nitơ với chiều dày tối thiểu lần lượt là 0,050 mm (050) và 0,015 mm. Các thông số được sử dụng trong ký hiệu vòng găng theo TCVN (ISO):
Vòng găng TCVN 11637-4 (ISO 6624-4) HKB - 60 x 1,5-MC65/NT050
4.3 Kiểu HKBA - Vòng găng tiết diện nửa hình chêm 7° có mặt lưng cong không đối xứng
(không khuyến khích cho các vòng găng thấm nitơ mã NT)
4.3.1 Đặc điểm chung
Các kích thước và các lực xem Bảng 7.
Giá trị h3 được tính toán theo Phụ lục A.

CHÚ DẪN
1 Mặt phẳng tham chiếu (vòng găng được đặt phẳng trên mặt phẳng A)
2 Đánh dấu mặt trên
a Danh nghĩa
Hình 3 - Kiểu HKBA
Bảng 2 - Kích thước mặt lưng cong không đối xứng
Kích thước tính bằng milimét
| h1 | h25a | h26 | Dung sai của h26 | h27 | t2b | t3b |
| 1,75 | 0,35 | 0,55 | ±0,20 | 1,35 | 0...0,007 | 0,008...0,025 |
| 2,0 | 0,40 | 0,60 | 1,50 | 0,009...0,030 | ||
| 2,5 | 0,45 | 0,70 | ±0,25 | 1,80 | 0...0,008 | 0,011...0,035 |
| 3,0 | 0,55 | 0,80 | 2,10 | 0,012...0,038 | ||
| 3,5 | 0,60 | 0,90 | ±0,30 | 2,40 | 0...0,009 | 0,012...0,040 |
| a Kích thước h25 có thể nhỏ hơn đối với vòng găng giảm kích thước cạnh b Kích thước t2 và/hoặc t3 có thể thay đổi khi có thỏa thuận giữa nhà sản xuất và khách hàng. | ||||||
4.3.2. Ký hiệu
VÍ DỤ: Ký hiệu của vòng găng phù hợp với yêu cầu của TCVN 11637-2 (ISO 6624-4), vòng găng tiết diện nửa hình chêm 7° bằng thép bề mặt lưng cong không đối xứng (HKBA), đường kính danh nghĩa là d1 = 80 mm (80) và chiều dày danh nghĩa h1 = 2,0 mm (2,0), làm bằng thép mactenxit 11% Cr (tối thiểu), phân lớp 65 (MC65), và PVD trên mặt lưng (PC) với chiều dầy tối thiểu 0,010 mm (010). và nhà sản xuất
Vòng găng TCVN 11637-4 (ISO 6624-4) HKBA - 80 x 2,0-MC65/PC010
5 Đặc điểm chung
5.1 Kiểu HK, HKB và HKBA - Các vòng găng tiết diện nửa hình chêm
5.1.1 Vòng găng thấm nitơ (không khuyến khích với các vòng găng HKBA thấm nitơ mã NT)
|
a) Kiểu HK |
b) Kiểu HKB |
CHÚ DẪN
1 Đánh dấu mặt trên
Hình 4 - Vòng găng thấm nitơ
5.1.2 Vòng găng PVD
|
a) Kiểu HKB |
b) Kiểu HKBA |
CHÚ DẪN
1 Đánh dấu mặt trên
Hình 5 - Vòng găng PVD
5.1.3 Vòng găng mạ hoặc phủ crôm
5.1.3.1 Mặt lưng mạ hoặc phủ toàn phần
|
a) Kiểu HK |
b) Kiểu HKB |
c) Kiểu HKBA |
CHÚ DẪN
1 Đánh dấu mặt trên
Hình 6 - Vòng găng mặt lưng mạ hoặc phủ toàn phần
5.1.3.2 Mặt lưng mạ phủ ở giữa (không khuyến khích đối với vòng găng mạ phủ crôm)
|
a) Kiểu HK |
b) Kiểu HKB |
c) Kiểu HKBA |
CHÚ DẪN
1 Đánh dấu mặt trên
Hình 7 - Vòng găng mặt lưng mạ hoặc phủ ở giữa
5.2 Vòng găng kiểu HK, HKB và HKBA - Cạnh mặt lưng và mặt bụng được vê tròn

Hình 8 - Cạnh mặt lưng và mặt bụng được vê tròn
Bảng 3 - Kích thước hx và hy
Kích thước tinh bằng milimét
| h1 | hx max. | hy max. |
| 1,2 | 0,25 | 0,3 |
| 1,5 | 0,3 | 0,35 |
| 1,75 | ||
| 2,0 | 0,3 | 0,4 |
| 2,5 | ||
| 3,0 | ||
| 3,5 |
5.3 Vòng găng kiểu HK, HKB và HKBA (Mạ hoặc phủ toàn phần hoặc ở giữa) - Chiều dầy lớp mạ/phủ
|
|
|
| a) Mạ/phủ toàn phần | b) Mạ/phủ ở giữa |
Hình 9 - Chiều dầy lớp mạ/phủ
Bảng 4 - Chiều dầy lớp mạ/phủ crôm
Kích thước tính bằng milimét
| Mạ Crôm Mã | Phun phủ Mã | Chiều dầy min. |
| CRF | - | 0,005 |
| CR1 | SC1 | 0,05 |
| CR2 | SC2 | 0,10 |
| CR3a | SC3a | 0,15 |
| CR4a | SC4a | 0,20 |
| a Không khuyến khích đối với các vòng găng có h1 ≤ 1,5. | ||
Bảng 5 - Chiều dầy lớp phủ PVD
Kích thước tính bằng milimét
| Mã
| Bề mặt lưng min. |
| PC001 | 0,001 |
| PC003 | 0,003 |
| PC005 | 0,005 |
| PC0010a | 0,010 |
| PC0020a | 0,020 |
| PC0030a | 0,030 |
| PC0040a | 0,040 |
| PC0050a | 0,050 |
| a không thường dùng đối với lớp mạ phủ các bon nhân tạo. | |
5.4 Vòng găng kiểu HK, HKB và HKBA - Chiều dầy lớp thấm Nitơ
CHÚ DẪN
1 Đánh dấu mặt trên
Hình 10 - Chiều dầy lớp thấm Nitơ
Bảng 6 - Chiều dầy lớp thấm Nitơ của mặt lưng và mặt đáy dưới
Kích thước tính bằng milimét
| Mã | Chiều dầy lớp thấm Nittơ tối thiểu | |
| Mặt lưng | Mặt đáy dưới | |
| NB030 | 0,03 | 0,010 |
| NB050 | 0,05 | 0,015 |
| NB070 | 0,07 | 0,020 |
| NB090 | 0,09 | 0,020 |
| NB110 | 0,11 | 0,030 |
| NB130 | 0,13 | 0,030 |
| CHÚ THÍCH: Chiều dầy lớp thấm Nitơ tại mặt đáy trên và mặt bụng không được quy định. | ||
Bảng 7 - Chiều dầy lớp thấm Nitơ mặt lưng và các mặt đáy
(không khuyến khích đối với các vòng găng HKBA)
Kích thước tính bằng milimét
| Mã | Chiều dầy lớp thấm Nitơ tối thiểu | |
| Mặt lưng | Các mặt đáy | |
| NT030 | 0,03 | 0,010 |
| NT050 | 0,05 | 0,015 |
| NT070 | 0,07 | 0,020 |
| NT090 | 0,09 | 0,020 |
| NT110 | 0,11 | 0,030 |
| NT130 | 0,13 | 0,030 |
| CHÚ THÍCH: Chiều dầy lớp thấm Nitơ tại mặt bụng không được quy định. | ||
6 Hệ số lực
Các lực tiếp tuyến và lực pháp tuyến cho trong bảng 9 phải được điều chỉnh khi các vòng găng có thêm các đặc trưng.
Với các yếu tố đặc trưng thông thường, phải sử dụng các hệ số điều chỉnh cho trong bảng 8. Hệ số điều chỉnh lực với tỷ lệ m/(d1 - a1) cho trong TCVN 5735-4 (ISO 6621-4) phải được sử dụng.
Bảng 8 - Hệ số điều chỉnh lực cho vòng găng HK, HKB và HKBA được mạ crôm, phun phủ, phủ PVD hoặc thấm Nitơ
| d1 | Hệ số | ||||||
| mm | CRF/ PC 001... PC 030 | CR1/ PC040 | CR2/ SC1 | CR3/ SC2 | CR4/ SC3 | SC4 | NB030...NB130 NT030...NT130 |
| 50 ≤ d1 < 75 | 1 | 0,87 | 0,81 | 0,75 | 0,69 | 0,64 | 1,03 |
| 75 ≤ d1 < 100 | 1 | 0,91 | 0,86 | 0,82 | 0,78 | 0,74 | 1,03 |
| 100 ≤ d1 < 125 | 1 | 0„93 | 0,89 | 0,86 | 0,82 | 0,79 | 1,03 |
| 125 ≤ d1 ≤ 160 | 1 | 0,94 | 0,91 | 0,89 | 0,86 | 0,83 | 1,03 |
7 Kích thước
Xem Bảng 9.
Bảng 9 - Kích thước và lực vòng găng tiết diện nửa hình chêm HK, HKB và HKBA
Kích thước tính bằng milimét

Bảng 9 (tiếp theo)

Bảng 9 (tiếp theo)

Bảng 9 (tiếp theo)

Bảng 9 (tiếp theo)

Bảng 9 (tiếp theo)

Bảng 9 (tiếp theo)

Bảng 9 (kết thúc)

Phụ lục A
(Quy định)
Tính toán chiều dày h3 của các vòng găng tiết diện nửa hình chêm
Chiều dày h3, được định nghĩa trong DIN, được tính toán theo công thức (A.1):
h3 = (h1 + 0,05) - a6.tan7,2° (A.1)
Nếu kích thước của vòng găng tiết diện nửa hình chêm tính toán theo ISO khác đáng kể so với theo DIN và các giá trị dung sai theo ISO tăng thì sử dụng giá trị hiệu chỉnh (h3k) cho việc xác định chính xác chiều dày h3 nhằm đảm bảo sự tương thích với các ISO. Vì vậy, chiều dày h3, được định nghĩa trong ISO, được tính toán theo công thức (A.2):
h3 = (h1 + 0,05) - a6.tan7,2° - h3k (A.2)
Giá trị hiệu chỉnh h3k phụ thuộc vào đường kính danh nghĩa d1 (xem Bảng A.1)
Bảng A.1 - Giá trị hiệu chỉnh
| Đường kính danh nghĩa d1 [mm] | Giá trị hiệu chỉnh h3k |
| d1<60 | 0,0055 |
| 60 ≤d1< 90 | 0,0075 |
| 90 ≤d1≤ 160 | 0,0085 |
Thư mục tài liệu tham khảo
[1] TCVN 5906 (ISO 1101), Đặc tính hình học của sản phẩm (GPS) - Dung sai hình học - Dung sai hình dạng, hướng, vị trí và độ đảo.
[2] TCVN 5735-1 (ISO 6621-1), Động cơ đốt trong - Vòng găng -Phần 1: Từ vựng
[3] TCVN 5735-2 (ISO 6621-2), Động cơ đốt trong - Vòng găng - Phần 2: Phương pháp đo
[4] TCVN 5735-3 (ISO 6621-3), Động cơ đốt trong - Vòng găng - Phần 3: Đặc tính kỹ thuật đối với vật liệu
[5] TCVN 5735-5 (ISO 6621-5), Động cơ đốt trong - Vòng găng - Phần 5: Yêu cầu chất lượng
[6] TCVN 11635-1 (ISO 6622-1), Động cơ đốt trong - Vòng găng - Phần 1: Vòng găng tiết diện hình chữ nhật làm bằng gang đúc
[7] TCVN 11635-2 (ISO 6622-2), Động cơ đốt trong - Vòng găng - Phần 2: Vòng găng tiết diện hình chữ nhật làm bằng thép.
[8] TCVN 11636 (ISO 6623), Động cơ đốt trong - Vòng găng - Vòng găng tiết diện lưỡi cạo làm bằng gang đúc
[9] TCVN 11638 (ISO 6625), Động cơ đốt trong - Vòng găng - Vòng găng dầu
[10] ISO 6626-11), Động cơ đốt trong - Vòng găng - Vòng găng dầu lò xo xoắn chịu tải
[11] TCVN 11639-2 (ISO 6626-2), Động cơ đốt trong - Động cơ đốt trong - Vòng găng - Phần 2: Vòng găng dầu lò xo xoắn có chiều dầy nhỏ làm bằng gang đúc.
[12] TCVN 11639-3 (ISO 6626-3), Động cơ đốt trong - Vòng găng - Phần 2: Vòng găng dầu lò xo xoắn làm bằng thép
[13] TCVN 11640 (ISO 6627), Động cơ đốt trong - Vòng găng - Vòng găng dầu tổ hợp
1) Đang biên soạn.
Bạn chưa Đăng nhập thành viên.
Đây là tiện ích dành cho tài khoản thành viên. Vui lòng Đăng nhập để xem chi tiết. Nếu chưa có tài khoản, vui lòng Đăng ký tại đây!











