- Tổng quan
- Nội dung
- Tiêu chuẩn liên quan
- Lược đồ
- Tải về
Tiêu chuẩn Quốc gia TCVN 7660:2007 Trụ xới kiểu chữ S: Kích thước chính
| Số hiệu: | TCVN 7660:2007 | Loại văn bản: | Tiêu chuẩn Việt Nam |
| Cơ quan ban hành: | Bộ Khoa học và Công nghệ | Lĩnh vực: | Công nghiệp , Nông nghiệp-Lâm nghiệp |
|
Ngày ban hành:
Ngày ban hành là ngày, tháng, năm văn bản được thông qua hoặc ký ban hành.
|
23/05/2007 |
Hiệu lực:
|
Đã biết
|
| Người ký: | Đang cập nhật |
Tình trạng hiệu lực:
Cho biết trạng thái hiệu lực của văn bản đang tra cứu: Chưa áp dụng, Còn hiệu lực, Hết hiệu lực, Hết hiệu lực 1 phần; Đã sửa đổi, Đính chính hay Không còn phù hợp,...
|
Đã biết
|
TÓM TẮT TIÊU CHUẨN VIỆT NAM TCVN 7660:2007
Tiêu chuẩn Quốc gia TCVN 7660:2007 ISO 5678:1993: Quy định quan trọng về thiết bị làm đất kiểu chữ S
Tiêu chuẩn Quốc gia TCVN 7660:2007 ISO 5678:1993 được ban hành nhằm xác định các kích thước chính và khoảng không gian trống cho các trụ bừa và trụ xới kiểu chữ S, dùng trong lĩnh vực nông nghiệp. Tiêu chuẩn này công nhận và tương đương với tiêu chuẩn quốc tế ISO 5678:1993 và được biên soạn bởi Ban kỹ thuật tiêu chuẩn TCVN/TC 23.
Văn bản bao gồm các quy định chi tiết về phạm vi áp dụng dành cho các thiết bị làm đất nông nghiệp, nhấn mạnh rằng các kích thước và khoảng không gian trống đều phải tuân thủ theo chỉ dẫn trong tiêu chuẩn này. Các kích thước chủ yếu của trụ được quy định phần dưới theo các kiểu khác nhau như kiểu 0, kiểu 1, kiểu 2 và kiểu 3, tương ứng với những hình minh họa cụ thể.
Về khoảng không gian trống, văn bản yêu cầu phải có sự nhất quán trong việc bố trí xung quanh trụ xới, đảm bảo các kích thước được thể hiện rõ ràng trong các hình vẽ kèm theo, giúp người sản xuất dễ dàng tuân thủ quy định. Những kích thước cụ thể được chỉ định phải được tính bằng milimét và phải đáp ứng yêu cầu về chất liệu của trụ, nhằm đảm bảo tính chất hiệu quả trong hoạt động làm đất.
Tiêu chuẩn này không chỉ có giá trị về mặt kỹ thuật mà còn hỗ trợ các nhà sản xuất trong việc thiết kế và sản xuất các thiết bị làm đất phù hợp, góp phần vào việc nâng cao hiệu quả sản xuất nông nghiệp. TCVN 7660:2007 được ban hành ngày 01/01/2007 và có hiệu lực ngay lập tức, không có văn bản nào trước đó bị thay thế.
Nhờ vào những quy định cụ thể mà tiêu chuẩn đưa ra, các bên liên quan như nhà sản xuất thiết bị nông nghiệp hay các cơ sở kinh doanh sẽ có thêm cơ sở để phát triển sản phẩm đồng thời đảm bảo an toàn và hiệu quả trong quá trình sử dụng.
Tải tiêu chuẩn Việt Nam TCVN 7660:2007
TIÊU CHUẨN QUỐC GIA
TCVN 7660 : 2007
ISO 5678 : 1993
MÁY NÔNG NGHIỆP - THIẾT BỊ LÀM ĐẤT - TRỤ XỚI KIỂU CHỮ S: KÍCH THƯỚC CHÍNH VÀ KHOẢNG KHÔNG GIAN TRỐNG
Agricultural machinery - Equipment for working the soil - S-tines: main dimensions and clearance zones
Lời nói đầu
TCVN 7660 : 2007 hoàn toàn tương đương ISO 5678 : 1993.
TCVN 7660 : 2007 do Ban kỹ thuật tiêu chuẩn TCVN/TC 23 Máy kéo và máy dùng trong nông lâm nghiệp biên soạn, Tổng cục Tiêu chuẩn Đo lường Chất lượng đề nghị, Bộ Khoa học và Công nghệ công bố.
MÁY NÔNG NGHIỆP - THIẾT BỊ LÀM ĐẤT - TRỤ XỚI KIỂU CHỮ S: KÍCH THƯỚC CHÍNH VÀ KHOẢNG KHÔNG GIAN TRỐNG
Agricultural machinery - Equipment for working the soil - S-tines: main dimensions and clearance zones
1. Phạm vi áp dụng
Tiêu chuẩn này quy định các kích thước chính và khoảng không gian trống đối với các trụ bừa và trụ xới kiểu chữ S dùng để làm đất trong nông nghiệp.
2. Tài liệu viện dẫn
TCVN 7662 : 2007 (ISO 5680 : 1979), Thiết bị làm đất - Lưỡi và trụ máy xới - Kích thước bắt chặt chính.
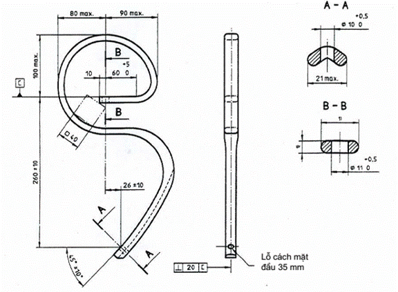
3. Kích thước
Các kích thước chủ yếu của trụ phải phù hợp với kích thước trong Hình 1 đến Hình 4. Kích thước phần dưới của trụ phải phù hợp với kiểu 1 và 2 như quy định trong ISO 5680.
Các kích thước không nằm trong tiêu chuẩn này do nhà sản xuất quyết định.
4. Khoảng không gian trống
Các khoảng không gian trống bao quanh trụ xới phải phù hợp với chỉ dẫn cho trong Hình 5 đến Hình 8.
Kích thước tính bằng milimét

1) Kích thước danh nghĩa của vật liệu: 8 mm x 25 mm hoặc 10 mm x 20 mm.
Hình 1 - Trụ kiểu chữ S, kiểu 0- Kích thước chính
Kích thước tính bằng milimét

1) Kích thước danh nghĩa của vật liệu: 10 mm x 32 mm, 10 mm x 40 mm hoặc 12 mm x 32 mm.
Hình 2 - Trụ kiểu chữ S, kiểu 1 - Kích thước chính
Kích thước tính bằng milimét

1) Kích thước danh nghĩa của vật liệu: 10 mm x 45 mm, 12 mm x 32 mm,12 mm x 38 mm hoặc 12 mm x 45 mm.
CHÚ THÍCH Có thể có hai lỗ bắt chặt lưỡi xới phù hợp với kiểu 2 của TCVN 7662.
Hình 3 - Trụ kiểu chữ S, kiểu 2 - Kích thước chính
Kích thước tính bằng milimét

1) Kích thước danh nghĩa của vật liệu: 16 mm x 45 mm.
Hình 4 - Trụ kiểu chữ S, kiểu 3 - Kích thước chính
Kích thước tính bằng milimét

Hình 5 - Trụ kiểu chữ S, kiểu 0 - Khoảng không gian trống
Kích thước tính bằng milimét

Hình 6 - Trụ kiểu chữ S, kiểu 1 - Khoảng không gian trống
Kích thước tính bằng milimét

Hình 7 - Trụ kiểu chữ S, kiểu 2 - Khoảng không gian trống
Kích thước tính bằng milimét

Hình 8 - Trụ kiểu chữ S, kiểu 3 - Khoảng không gian trống
Bạn chưa Đăng nhập thành viên.
Đây là tiện ích dành cho tài khoản thành viên. Vui lòng Đăng nhập để xem chi tiết. Nếu chưa có tài khoản, vui lòng Đăng ký tại đây!