- Tổng quan
- Nội dung
- Tiêu chuẩn liên quan
- Lược đồ
- Tải về
Tiêu chuẩn Quốc gia TCVN 7571-2:2019 Thép hình cán nóng - Thép góc cạnh không đều
| Số hiệu: | TCVN 7571-2:2019 | Loại văn bản: | Tiêu chuẩn Việt Nam |
| Cơ quan ban hành: | Bộ Khoa học và Công nghệ | Lĩnh vực: | Công nghiệp |
|
Ngày ban hành:
Ngày ban hành là ngày, tháng, năm văn bản được thông qua hoặc ký ban hành.
|
31/12/2019 |
Hiệu lực:
|
Đã biết
|
| Người ký: | Đang cập nhật |
Tình trạng hiệu lực:
Cho biết trạng thái hiệu lực của văn bản đang tra cứu: Chưa áp dụng, Còn hiệu lực, Hết hiệu lực, Hết hiệu lực 1 phần; Đã sửa đổi, Đính chính hay Không còn phù hợp,...
|
Đã biết
|
TÓM TẮT TIÊU CHUẨN VIỆT NAM TCVN 7571-2:2019
Tiêu chuẩn Quốc gia TCVN 7571-2:2019 áp dụng cho thép góc cạnh không đều
Ngày 31/12/2019, Bộ Khoa học và Công nghệ đã công bố Tiêu chuẩn Quốc gia TCVN 7571-2:2019 về thép hình cán nóng - Phần 2: Thép góc cạnh không đều, nhằm thay thế các tiêu chuẩn trước đó từ năm 2006. Tiêu chuẩn này có hiệu lực ngay từ ngày ban hành.
Tiêu chuẩn này quy định các yêu cầu đối với thép góc cạnh không đều được sản xuất bằng phương pháp cán nóng, sử dụng cho các kết cấu thông thường, kết cấu hàn hoặc xây dựng.
Phân loại và ký hiệu thép
Thép góc cạnh không đều được phân loại dựa trên giới hạn bền kéo, bao gồm các loại như AGS (thép kết cấu thông thường), AWS (thép kết cấu hàn) và ABS (thép kết cấu xây dựng). Ví dụ, thép AWS 400A có giới hạn bền kéo minimum là 400 MPa.
Thành phần hóa học và tính chất cơ học
Thành phần hóa học của thép được quy định trong bảng chi tiết, có giới hạn cho các nguyên tố như cacbon, silic, mangan, photpho và lưu huỳnh.
Tính chất cơ học của thép được mô tả qua các chỉ tiêu như giới hạn chảy, giới hạn bền kéo, độ giãn dài tối thiểu và mức chịu uốn, phù hợp với kích thước và độ dày của sản phẩm.
Hình dạng, kích thước và đặc tính mặt cắt
Tiêu chuẩn quy định chi tiết về kích thước mặt cắt ngang, khối lượng trên mét dài và các đặc tính mặt cắt khác của thép góc cạnh không đều. Các thông số này được mô tả rõ ràng trong các bảng tham khảo kèm theo.
Dung sai và chất lượng bề mặt
Phân định rõ ràng về dung sai hình dạng và kích thước, đảm bảo chất lượng bề mặt thép không bị tách, nứt; các thỏa thuận giữa nhà sản xuất và khách hàng được ghi nhận.
Phương pháp thử và ghi nhãn
Tiêu chuẩn hướng dẫn phương pháp thử để đánh giá thành phần hóa học, cơ tính và dung sai của sản phẩm. Bên cạnh đó, việc ghi nhãn sản phẩm cần đầy đủ thông tin về nhà sản xuất, loại thép, số hiệu tiêu chuẩn và các thông số kích thước liên quan cho phép khách hàng dễ dàng nhận diện.
Việc tuân thủ các yêu cầu trong Tiêu chuẩn TCVN 7571-2:2019 giúp bảo đảm chất lượng và an toàn trong ứng dụng sản phẩm thép hình cán nóng trong ngành xây dựng và sản xuất.
Tải tiêu chuẩn Việt Nam TCVN 7571-2:2019
TIÊU CHUẨN QUỐC GIA
TCVN 7571-2:2019
THÉP HÌNH CÁN NÓNG - PHẦN 2: THÉP GÓC CẠNH KHÔNG ĐỀU
Hot-rolled steel sections - Part 2: Unequal - leg angles
Lời nói đầu
TCVN 7571-2:2019 thay thế TCVN 7571-2:2006 (ISO 657-2:1989) và TCVN 7571-5:2006 (ISO 657-5:1976).
TCVN 7571-2:2019 do Ban kỹ thuật tiêu chuẩn quốc gia TCVN/TC 17 Thép biên soạn trên cơ sở JIS G 3192:2014, Tổng cục Tiêu chuẩn Đo lường Chất lượng đề nghị, Bộ Khoa học và Công nghệ công bố.
Bộ TCVN 7571, Thép hình cán nóng bao gồm các phần sau:
- Phần 1: Thép góc cạnh đều.
- Phần 2: Thép góc cạnh không đều.
- Phần 11: Thép chữ U.
- Phần 15: Thép chữ I.
- Phần 16: Thép chữ H.
- Phần 21: Thép chữ T.
THÉP HÌNH CÁN NÓNG - PHẦN 2: THÉP GÓC CẠNH KHÔNG ĐỀU
Hot-rolled steel sections - Part 2: Unequal - leg angles
1 Phạm vi áp dụng
Tiêu chuẩn này quy định các yêu cầu đối với thép góc cạnh không đều được sản xuất bằng phương pháp cán nóng dùng làm kết cấu thông thường, kết cấu hàn hoặc kết cấu xây dựng.
2 Tài liệu viện dẫn
Các tài liệu viện dẫn sau rất cần thiết cho việc áp dụng tiêu chuẩn này. Đối với các tài liệu viện dẫn ghi năm công bố thì áp dụng phiên bản được nêu. Đối với các tài liệu viện dẫn không ghi năm công bố thì áp dụng phiên bản mới nhất, bao gồm cả các sửa đổi, bổ sung (nếu có).
TCVN 197-1 (ISO 6892-1), Vật liệu kim loại - Thử kéo - Phần 1: Phương pháp thử ở nhiệt độ phòng.
TCVN 198 (ISO 7438), Vật liệu kim loại - Thử uốn.
TCVN 312-1 (ISO 148-1), Vật liệu kim loại - Thử va đập kiểu con lắc Charpy - Phần 1: Phương pháp thử.
TCVN 4398 (ISO 377), Thép và sản phẩm thép - Vị trí lấy mẫu, chuẩn bị phôi mẫu và mẫu thử cơ tính.
TCVN 4399 (ISO 404), Thép và sản phẩm thép - Yêu cầu kỹ thuật chung khi cung cấp.
TCVN 8998 (ASTM E 415), Thép cacbon và thép hợp kim thấp - Phương pháp phân tích thành phần hóa học bằng quang phổ phát xạ chân không.
3 Thuật ngữ, định nghĩa và ký hiệu
3.1 Thuật ngữ và định nghĩa
3.1.1
Thép góc cạnh không đều/Thép chữ L (Unequal - leg angles)
Thép hình có hình dạng, kích thước và đặc tính mặt cắt như mô tả trong Hình 1a, 1b và Bảng 4a, 4b.
3.2 Ký hiệu loại thép
Ký hiệu thép góc cạnh không đều bao gồm các thông tin sau:
- AGS hoặc AWS hoặc ABS.
- Giới hạn bền kéo nhỏ nhất tính bằng megapascal (MPa).
- Đối với những loại thép hình có cùng giới hạn bền kéo, sử dụng các chữ A, B, C... để phân loại (theo Bảng 1).
CHÚ THÍCH 1: AGS là chữ viết tắt của thép góc cạnh không đều dùng làm kết cấu thông thường (Angles for General Structure).
CHÚ THÍCH 2: AWS là chữ viết tắt của thép góc cạnh không đều dùng làm kết cấu hàn (Angles for Welded Structure).
CHÚ THÍCH 3: ABS là chữ viết tắt của thép góc cạnh không đều dùng làm kết cấu xây dựng (Angles for Building Structure).
VÍ DỤ: Thép góc cạnh không đều dùng làm thép kết cấu hàn, có giới hạn bền kéo nhỏ nhất 400 MPa, loại A (theo Bảng 1), được ký hiệu như sau: AWS 400A.
4 Phân loại thép góc cạnh không đều
Thép góc cạnh không đều được phân thành các loại theo Bảng 1.
Bảng 1 - Phân loại thép góc cạnh không đều
| Phân loại | Loại thép | Giới hạn bền kéo nhỏ nhất, MPa |
| Thép kết cấu thông thường | AGS 400 | 400 |
| AGS 490 | 490 | |
| AGS 540 | 540 | |
| Thép kết cấu hàn | AWS 400A | 400 |
| AWS 400B | 400 | |
| AWS 400C | 400 | |
| AWS 490A | 490 | |
| AWS 490B | 490 | |
| AWS 490C | 490 | |
| AWS 520B | 520 | |
| AWS 520C | 520 | |
| AWS 570 | 570 | |
| Thép kết cấu xây dựng | ABS 400A | 400 |
| ABS 400B | 400 | |
| ABS 400C | 400 | |
| ABS 490B | 490 | |
| ABS 490C | 490 |
5 Thành phần hóa học
Thành phần hóa học của sản phẩm theo Bảng 2.
Bảng 2 - Thành phần hóa học
| Loại thép | Thành phần hóa học, % khối lượng | ||||||
| C | Si | Mn | P | S | Ceq1) | PCM2) | |
| AGS 400 | - | - | - | 0,050 | 0,050 | - | - |
| AGS 490 | - | - | - | 0,050 | 0,050 | - | - |
| AGS 540 | 0,30 | - | ≤ 1,60 | 0,040 | 0,040 | - | - |
| AWS 400A | 0,23 | - | ≥2,5xC3) | 0,035 | 0,035 | - | - |
| AWS 400B | 0,20 | 0,35 | 0,60~1,50 | 0,035 | 0,035 | - | - |
| AWS 400C | 0,18 | 0,35 | 0,60~1,50 | 0,035 | 0,035 | - | - |
| AWS 490A | 0,20 | 0,55 | ≤ 1,65 | 0,035 | 0,035 | - | - |
| AWS 490B | 0,18 | 0,55 | ≤ 1,65 | 0,035 | 0,035 | - | - |
| AWS 490C | 0,18 | 0,55 | ≤ 1,65 | 0,035 | 0,035 | - | - |
| AWS 520B | 0,20 | 0,55 | ≤ 1,65 | 0,035 | 0,035 | - | - |
| AWS 520C | 0,20 | 0,55 | ≤ 1,65 | 0,035 | 0,035 | - | - |
| AWS 570 | 0,18 | 0,55 | ≤ 1,65 | 0,035 | 0,035 | 0,44 | 0,28 |
| ABS 400A | 0,24 | - | - | 0,050 | 0,050 | - | - |
| ABS 400B | 0,20 | 0,35 | 0,60~1,50 | 0,030 | 0,015 | 0,36 | 0,26 |
| ABS 400C | 0,20 | 0,35 | 0,60~1,50 | 0,020 | 0,008 | 0,36 | 0,26 |
| ABS 490B | 0,18 | 0,55 | ≤ 1,65 | 0,030 | 0,015 | 0,44 | 029 |
| ABS 490C | 0,18 | 0,55 | ≤ 1,65 | 0,020 | 0,008 | 0,44 | 029 |
| 1) Đương lượng cacbon được tính bằng công thức (1), sử dụng các giá trị đo được theo 9.1: Ceq = C + Mn/6 + Si/24 + Ni/40 + Cr/5 + Mo/4 + V/14 (1) 2) Đương lượng cacbon nhạy cảm do hàn (PCM) được tính bằng công thức (2), sử dụng các giá trị đo được theo 9.1: PCM = C + Si/30 + Mn/20 + Cu/20 + Ni/60 + Cr/20 + Mo/15 + V/10 + 5B (2) 3) Hàm lượng cacbon đo được. | |||||||
6 Tính chất cơ học
Tính chất cơ học của thép góc cạnh không đều được quy định trong Bảng 3.
Bảng 3 - Tính chất cơ học
| Ký hiệu loại thép | Thử kéo | Thử va đập Charpy | Thử uốn | ||||||||
| Giới hạn chảy nhỏ nhất, | Giới hạn bền kéo, | Độ giãn dài nhỏ nhất, % | Góc uốn | Bán kính uốn, | |||||||
| t ≤ 16 | 16 < t ≤ 40 | t ≤ 5 | 5 < t ≤ 16 | 16 < t ≤ 50 | Nhiệt độ, | Năng lượng hấp thụ nhỏ nhất, | |||||
| AGS 400 | 245 | 235 | 400-510 | 21 | 17 | 21 | - | - | 180° | 1.5 x t | |
| AGS 490 | 285 | 275 | 490-610 | 19 | 15 | 19 | - | - | 2.0 x t | ||
| AGS 540 | 400 | 390 | ≥540 | 16 | 13 | 17 | - | - | 2.0 x t | ||
| AWS 400A | 245 | 235 | 400-510 | 23 | 18 | 22 | - | - | - | - | |
| AWS 400B | 245 | 235 | 400-510 | 23 | 18 | 22 | 0 | 27 | - | - | |
| AWS 400C | 245 | 235 | 400-510 | 23 | 18 | 22 | 0 | 47 | - | - | |
| AWS 490A | 325 | 315 | 490-610 | 22 | 17 | 21 | - | - | - | - | |
| AWS 490B | 325 | 315 | 490-610 | 22 | 17 | 21 | 0 | 27 | - | - | |
| AWS 490C | 325 | 315 | 490-610 | 22 | 17 | 21 | 0 | 47 | - | - | |
| AWS 520B | 365 | 355 | 520-640 | 19 | 15 | 19 | 0 | 27 | - | - | |
| AWS 520C | 365 | 355 | 520-640 | 19 | 15 | 19 | 0 | 47 | - | - | |
| AWS 570 | 460 | 450 | 570-720 | 19 (t ≤ 16) | 26 (16 < t ≤ 20) | 20 (t > 20) | -5 | 47 | - | - | |
| ABS 400A | 235 (6 < t ≤ 40) | 400-510 | - | 17 (6 ≤ t ≤ 16) | 21 | - | - | - | - | ||
| ABS 400B | 235 (6 ≤ t < 12) | 235-355 (12 ≤ t ≤ 40) | 400-510 | - | 18 (6 ≤ t ≤ 16) | 22 (16 < t ≤ 40) | 0 | 27 | - | - | |
| ABS 400C | - | 235-355 (16 ≤ t ≤ 40) | 400-510 | - | 18 (6 ≤ t ≤ 16) | 22 (16 < t ≤ 40) | 0 | 27 | - | - | |
| ABS 490B | 325 (6 ≤ t < 12) | 325-445 (12 ≤ t ≤ 40) | 490-610 | - | 17 (6 ≤ t ≤ 16) | 21 (16 < t ≤ 40) | 0 | 27 | - | - | |
| ABS 490C | - | 325-445 (16 ≤ t ≤ 40) | 490-610 | - | 17 (6 ≤ t ≤ 16) | 21 (16 < t ≤ 40) | 0 | 27 | - | - | |
| CHÚ THÍCH: 1. t: chiều dày, là chiều dày tại vị trí lấy mẫu, tính bằng milimet 2. Với ký hiệu thép ABS 400B và ABS 490B, tỷ lệ % giữa giới hạn chảy và giới hạn bền kéo được áp dụng như sau: a. t < 12: Không áp dụng. b. 12 ≤ t ≤ 40: lớn nhất 80% 3. Với ký hiệu thép ABS 400C và ABS 490C, tỷ lệ % giữa giới hạn chảy và giới hạn bền kéo được áp dụng như sau: a. t < 16: Không áp dụng. b. 16 ≤ t ≤ 40: lớn nhất 80% 4. Năng lượng hấp thụ Charpy là giá trị trung bình của ba mẫu thử. | |||||||||||
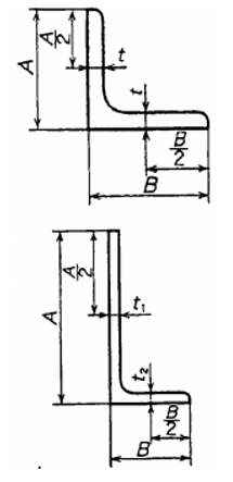
7 Hình dạng, kích thước và đặc tính mặt cắt
7.1 Kích thước, diện tích mặt cắt ngang, khối lượng trên mét dài và các đặc tính mặt cắt của thép góc cạnh không đều
Xem Hình 1a và Bảng 4a, Hình 1b và Bảng 4b.

Hình 1a - Hình dạng mặt cắt ngang thép góc cạnh không đều (dạng cạnh dày đều)
Bảng 4a - Kích thước, diện tích mặt cắt ngang, khối lượng trên mét dài và các đặc tính mặt cắt của thép góc cạnh không đều (dạng cạnh dày đều)
| Kích thước | Khối lượng 1 m dài | Diện tích mặt cắt ngang | Kích thước mặt cắt1) | Khoảng cách từ trọng tâm | Đặc tính mặt cắt đối với các trục | Góc lệch 2 so với trục V.V | |||||||||||||||
| X.X | Y.Y | U.U | V.V | ||||||||||||||||||
| A | B | t | r1 | Cx | Cy | Cu | Cv | lx | rx | Zx | ly | ry | Zy | lu | ru | lv | rv | ||||
| kg/m | cm2 | mm | mm | mm | mm | cm | cm | cm | cm | cm4 | cm | cm3 | cm4 | cm | cm3 | cm4 | cm | cm4 | cm | ||
| 30 x 20 | 1,12 | 1,43 | 30 | 20 | 3 | 4 | 0,990 | 0,502 | 2,05 | 1,04 | 1,25 | 0,935 | 0,621 | 0,437 | 0,553 | 0,292 | 1,43 | 1,00 | 0,256 | 0,424 | 0,427 |
| 30 x 20 | 1,46 | 1,86 | 30 | 20 | 4 | 4 | 1,03 | 0,541 | 2,02 | 1,04 | 1,59 | 0,925 | 0,807 | 0,553 | 0,546 | 0,379 | 1,81 | 0,988 | 0,330 | 0,421 | 0,421 |
| 40 x 20 | 1,77 | 2,26 | 40 | 20 | 4 | 4 | 1,47 | 0,48 | 2,58 | 1,17 | 3,59 | 1,26 | 1,42 | 0,600 | 0,514 | 0,393 | 3,80 | 1,30 | 0,393 | 0,417 | 0,252 |
| 40 x 25 | 1,93 | 2,46 | 40 | 25 | 4 | 4 | 1,36 | 0,623 | 2,69 | 1,35 | 3,89 | 1,26 | 1,47 | 1,16 | 0,687 | 0,619 | 4,35 | 1,33 | 0,700 | 0,534 | 0,380 |
| 45 x 30 | 2,76 | 3,52 | 45 | 30 | 5 | 4 | 1,52 | 0,779 | 3,04 | 1,58 | 6,98 | 1,41 | 2,35 | 2,47 | 0,837 | 1,11 | 8,00 | 1,51 | 1,45 | 0,641 | 0,429 |
| 50 x 30 | 2,41 | 3,07 | 50 | 30 | 4 | 5 | 1,68 | 0,701 | 3,36 | 1,67 | 7,71 | 1,59 | 2,33 | 2,09 | 0,825 | 0,907 | 8,53 | 1,67 | 1,27 | 0,644 | 0,356 |
| 2,96 | 3,78 | 50 | 30 | 5 | 5 | 1,73 | 0,741 | 3,33 | 1,65 | 9,36 | 1,57 | 2,86 | 2,51 | 0,816 | 1,11 | 10,3 | 1,65 | 1,54 | 0,639 | 0,352 | |
| 50 x 40 | 3,36 | 4,28 | 50 | 40 | 5 | 5 | 1,55 | 1,06 | 3,49 | 1,85 | 10,3 | 1,55 | 3,00 | 5,85 | 1,17 | 1,99 | 13,2 | 1,75 | 3,03 | 0,842 | 0,621 |
| 60 x 30 | 3,36 | 4,28 | 60 | 30 | 5 | 5 | 2,17 | 0,684 | 3,88 | 1,77 | 15,6 | 1,91 | 4,07 | 2,63 | 0,784 | 1,14 | 16,5 | 1,97 | 1,71 | 0,633 | 0,257 |
| 3,98 | 5,07 | 60 | 30 | 6 | 5 | 2,21 | 0,723 | 3,85 | 1,76 | 18,2 | 1,90 | 4,81 | 3,05 | 0,776 | 1,34 | 19,3 | 1,95 | 2,01 | 0,630 | 0,253 | |
| 60 x 40 | 3,76 | 4,79 | 60 | 40 | 5 | 6 | 1,96 | 0,972 | 4,10 | 2,11 | 17,2 | 1,89 | 4,25 | 6,11 | 1,13 | 2,02 | 19,7 | 2,03 | 3,54 | 0,86 | 0,434 |
| 4,46 | 5,68 | 60 | 40 | 6 | 6 | 2,00 | 1,01 | 4,08 | 2,10 | 20,1 | 1,88 | 5,03 | 7,12 | 1,12 | 2,38 | 23,1 | 2,02 | 4,16 | 0,855 | 0,431 | |
| 60 x 50 | 4,93 | 6,28 | 60 | 50 | 6 | 6 | 1,84 | 1,34 | 4,20 | 2,22 | 21,7 | 1,86 | 5,22 | 13,7 | 1,47 | 3,73 | 28,5 | 2,13 | 6,84 | 1,04 | 0,677 |
| 6,44 | 8,20 | 60 | 50 | 8 | 6 | 1,91 | 1,42 | 4,18 | 2,24 | 27,7 | 1,84 | 6,77 | 17,3 | 1,45 | 4,84 | 36,2 | 2,10 | 8,81 | 1,04 | 0,672 | |
| 65 x 50 | 4,35 | 5,54 | 65 | 50 | 5 | 6 | 1,99 | 1,25 | 4,53 | 239 | 23,2 | 2,05 | 5,14 | 11,9 | 1,47 | 3,19 | 28,8 | 2,28 | 6,32 | 1,07 | 0,577 |
| 5,16 | 6,58 | 65 | 50 | 6 | 6 | 2,04 | 1,29 | 4,52 | 2,39 | 27,2 | 2,03 | 6,10 | 14,0 | 1,46 | 3,77 | 33,8 | 2,27 | 7,43 | 1,06 | 0,575 | |
| 6,75 | 8,60 | 65 | 50 | 8 | 6 | 2,11 | 1.37 | 4,49 | 2,39 | 34,8 | 2,01 | 7,93 | 17,7 | 1,44 | 4,89 | 43,0 | 2,23 | 9,57 | 1,05 | 0,569 | |
| 70 x 50 | 5,41 | 6,89 | 70 | 50 | 6 | 7 | 2,23 | 1,25 | 4,83 | 2,52 | 33,4 | 2,20 | 7,01 | 14,2 | 1,43 | 3,78 | 39,7 | 2,40 | 7,92 | 1,07 | 0,500 |
| 6,25 | 7,96 | 70 | 50 | 7 | 7 | 2,27 | 1,29 | 4,81 | 2,52 | 38,2 | 2,19 | 8,08 | 16,0 | 1,42 | 4,35 | 45,3 | 2,39 | 9,06 | 1,07 | 0,493 | |
| 75 x 50 | 5,65 | 7,19 | 75 | 50 | 6 | 7 | 2,44 | 1,21 | 5,12 | 2,64 | 40,5 | 2,37 | 8,01 | 14,4 | 1,42 | 3,81 | 46,6 | 2,55 | 8,36 | 1,08 | 0,435 |
| 7,39 | 9,41 | 75 | 50 | 8 | 7 | 2,52 | 1,29 | 5,08 | 262 | 52,0 | 2,35 | 10,4 | 18,4 | 1,40 | 4,95 | 59,6 | 2,52 | 10,8 | 1,07 | 0,430 | |
| 80 x 40 | 5,41 | 6,89 | 80 | 40 | 6 | 7 | 2,85 | 0,884 | 5,20 | 2,38 | 44,9 | 2,55 | 8,73 | 7,59 | 1,05 | 2,44 | 47,6 | 2,63 | 4,93 | 0,845 | 0,258 |
| 7,07 | 9,01 | 80 | 40 | 8 | 7 | 2,94 | 0,963 | 5,14 | 2,34 | 57,6 | 2,53 | 11,4 | 9,61 | 1,03 | 3,16 | 60,9 | 2,60 | 6,34 | 0,838 | 0,253 | |
| 80 x 60 | 6,37 | 8,11 | 80 | 60 | 6 | 8 | 2,47 | 1,48 | 5,57 | 2,92 | 51,4 | 2,52 | 9,29 | 24,8 | 1,75 | 5,49 | 62,8 | 2,78 | 13,4 | 1,29 | 0,547 |
| 7,36 | 9,38 | 80 | 60 | 7 | 8 | 2,51 | 1,52 | 5,55 | 2,92 | 59,0 | 2,51 | 10,7 | 28,4 | 1,74 | 6,34 | 72,0 | 2,77 | 15,4 | 1,28 | 0,546 | |
| 8,34 | 10,6 | 80 | 60 | 8 | 8 | 2,55 | 1,56 | 5,53 | 2,92 | 66,3 | 2,50 | 12,2 | 31,8 | 1,73 | 7,16 | 80,8 | 2,76 | 17,3 | 1,27 | 0,544 | |
| 90 x 60 | 8,97 | 11,4 | 90 | 60 | 8 | 8 | 2,96 | 1,48 | 6,13 | 3,16 | 92,3 | 2,84 | 15,3 | 32,8 | 1,70 | 7,27 | 106 | 3,05 | 19,0 | 1,29 | 0,434 |
| 90 x 65 | 7,07 | 9,01 | 90 | 65 | 6 | 8 | 2,79 | 1,56 | 6,24 | 3,27 | 73,4 | 2,85 | 11,8 | 32,3 | 1,89 | 6,53 | 87,9 | 3,12 | 17,8 | 1,41 | 0,510 |
| 9,29 | 11,8 | 90 | 65 | 8 | 8 | 2,88 | 1,64 | 6,20 | 3,26 | 94,9 | 2,83 | 15,5 | 41,5 | 1,87 | 8,54 | 113 | 3,10 | 23,0 | 1,39 | 0,507 | |
| 90 x 75 | 9,91 | 12,6 | 90 | 75 | 8 | 8 | 2,72 | 1,98 | 6,31 | 3,35 | 99,5 | 2,81 | 15,8 | 62,7 | 2,23 | 11,4 | 131 | 3,22 | 31,2 | 1,57 | 0,679 |
| 12,2 | 15,6 | 90 | 75 | 10 | 8 | 2,80 | 2,06 | 6,29 | 3,35 | 121 | 2,79 | 19,5 | 75,8 | 2,21 | 13,9 | 159 | 3,19 | 38,1 | 1,56 | 0,676 | |
| 15,6 | 19,8 | 90 | 75 | 13 | 8 | 2,91 | 2,17 | 6,26 | 3,38 | 150 | 2,75 | 24,6 | 93,7 | 2,17 | 17,6 | 196 | 3,14 | 47,9 | 1,55 | 0,670 | |
| 100 x 50 | 6,84 | 8,71 | 100 | 50 | 6 | 8 | 3,51 | 1,05 | 6,55 | 3,00 | 89,9 | 3,21 | 13,8 | 15,4 | 1,33 | 3,89 | 95,4 | 3,31 | 9,92 | 1,07 | 0,262 |
| 8,97 | 11,4 | 100 | 50 | 8 | 8 | 3,60 | 1,13 | 6,48 | 2,96 | 116 | 3,19 | 18,2 | 19,7 | 1,31 | 5,08 | 123 | 3,28 | 12,8 | 1,06 | 0,258 | |
| 11,0 | 14,1 | 100 | 50 | 10 | 8 | 3,68 | 1,21 | 6,42 | 2,93 | 141 | 3,16 | 22,3 | 23,6 | 1,29 | 6,21 | 149 | 3,25 | 15,5 | 1,05 | 0,253 | |
| 100 x 65 | 8,77 | 11,2 | 100 | 65 | 7 | 10 | 3,23 | 1,51 | 6,83 | 3,49 | 113 | 3,17 | 16,6 | 37,6 | 1,83 | 7,53 | 128 | 3,39 | 22,0 | 1,40 | 0,415 |
| 9,94 | 12,7 | 100 | 65 | 8 | 10 | 3,27 | 1,55 | 6,81 | 3,47 | 127 | 3,16 | 18,9 | 42,2 | 1,83 | 8,54 | 144 | 3,37 | 24,8 | 1,40 | 0,413 | |
| 12,3 | 15,6 | 100 | 65 | 10 | 10 | 3,36 | 1,63 | 6,76 | 3,45 | 154 | 3,14 | 23,2 | 51,0 | 1,81 | 10,5 | 175 | 3,35 | 30,1 | 1,39 | 0,410 | |
| 100 x 75 | 10,6 | 13,5 | 100 | 75 | 8 | 10 | 3,10 | 1,87 | 6,95 | 3,65 | 133 | 3,14 | 19,3 | 64,1 | 2,18 | 11,4 | 162 | 3,47 | 34,6 | 1,60 | 0,547 |
| 13,0 | 16,6 | 100 | 75 | 10 | 10 | 3,19 | 1,95 | 6,92 | 3,65 | 162 | 3,12 | 23,8 | 77,6 | 2,16 | 14,0 | 197 | 3,45 | 42,2 | 1,59 | 0,544 | |
| 15,4 | 19,7 | 100 | 75 | 12 | 10 | 3,27 | 2,03 | 6,89 | 3,65 | 189 | 3,10 | 28,0 | 90,2 | 2,14 | 16,5 | 230 | 3,42 | 49,5 | 1,59 | 0,540 | |
| 100 x 90 | 14,2 | 18,1 | 100 | 90 | 10 | 10 | 296 | 2,47 | 7,04 | 3,68 | 172 | 3,08 | 24,4 | 132 | 2,69 | 20,1 | 242 | 3,66 | 61,2 | 1,84 | 0,797 |
| 18,1 | 23,1 | 100 | 90 | 13 | 10 | 3,08 | 2,59 | 7,03 | 3,71 | 215 | 3,05 | 31,0 | 164 | 2,66 | 25,5 | 301 | 3,61 | 77,1 | 1,83 | 0,794 | |
| 120 x 80 | 12,2 | 15,5 | 120 | 80 | 8 | 11 | 3,83 | 1,87 | 8,23 | 4,23 | 226 | 3,82 | 27,6 | 80,8 | 2,28 | 13,2 | 260 | 4,10 | 46,6 | 1,74 | 0,437 |
| 15,0 | 19,1 | 120 | 80 | 10 | 11 | 3,92 | 1,95 | 8,19 | 4,21 | 276 | 3,80 | 34,1 | 98,1 | 2,26 | 16,2 | 317 | 4,07 | 56,8 | 1,72 | 0,435 | |
| 17,8 | 22,7 | 120 | 80 | 12 | 11 | 4,00 | 2,03 | 8,15 | 4,20 | 323 | 3,77 | 40,4 | 114 | 2,24 | 19,1 | 371 | 4,04 | 66,7 | 1,71 | 0,431 | |
| 125 x 75 | 12,2 | 15,5 | 125 | 75 | 8 | 11 | 4,14 | 1,68 | 8,44 | 4,20 | 247 | 4,00 | 29,6 | 67,6 | 2,09 | 11,6 | 274 | 4,21 | 40,9 | 1,63 | 0,360 |
| 15,0 | 19,1 | 125 | 75 | 10 | 11 | 4,23 | 1,76 | 8,39 | 4,17 | 302 | 3,97 | 36,5 | 82,1 | 2,07 | 14,3 | 334 | 4,18 | 49,9 | 1,61 | 0,357 | |
| 17,8 | 22,7 | 125 | 75 | 12 | 11 | 4,31 | 1,84 | 8,33 | 4,15 | 354 | 3,95 | 43,2 | 95,5 | 2,05 | 16,9 | 391 | 4,15 | 58,5 | 1,61 | 0,354 | |
| 125 x 90 | 16,2 | 20,6 | 125 | 90 | 10 | 11 | 3,95 | 2,23 | 8,63 | 4,52 | 321 | 3,95 | 37,7 | 140 | 2,60 | 20,6 | 384 | 4,31 | 77,4 | 1,94 | 0,506 |
| 20,7 | 26,4 | 125 | 90 | 13 | 11 | 4,08 | 234 | 8,58 | 4,52 | 404 | 3,91 | 48,0 | 175 | 2,57 | 26,2 | 481 | 4,27 | 97,4 | 1,92 | 0,501 | |
| 135 x 65 | 12,2 | 15,5 | 135 | 65 | 8 | 11 | 4,78 | 1,34 | 8,79 | 3,95 | 291 | 4,34 | 33,4 | 45,2 | 1,71 | 8,75 | 307 | 4,45 | 29,4 | 1,38 | 0,245 |
| 15,0 | 19,1 | 135 | 65 | 10 | 11 | 488 | 1,42 | 8,72 | 3,91 | 356 | 4,31 | 41,3 | 54,7 | 1,69 | 10,8 | 375 | 4,43 | 35,9 | 1,37 | 0,243 | |
| 150 x 75 | 15,4 | 19,6 | 150 | 75 | 9 | 12 | 5,26 | 1,57 | 9,82 | 4,50 | 455 | 4,82 | 46,7 | 77,9 | 1,99 | 13,1 | 483 | 4,96 | 50,2 | 1,60 | 0,261 |
| 17,0 | 21,7 | 150 | 75 | 10 | 12 | 5,31 | 1,61 | 9,79 | 4,48 | 501 | 4,81 | 51,6 | 85,6 | 1,99 | 14,5 | 531 | 4,95 | 56,1 | 1,60 | 0,261 | |
| 20,2 | 25,7 | 150 | 75 | 12 | 12 | 5,40 | 1,69 | 972 | 4,44 | 588 | 4,78 | 61,3 | 99,6 | 1,97 | 17,1 | 623 | 4,92 | 64,7 | 1,59 | 0,258 | |
| 150 x 75 | 24,8 | 31,7 | 150 | 75 | 15 | 12 | 5,52 | 1,81 | 9,63 | 4,40 | 713 | 4,75 | 75,2 | 119 | 1,94 | 21,0 | 753 | 4,88 | 78,6 | 1,58 | 0,253 |
| 150 x 90 | 18,2 | 23,2 | 150 | 90 | 10 | 12 | 5,00 | 2,04 | 10,1 | 5,03 | 533 | 4,80 | 53,3 | 146 | 2,51 | 21,0 | 591 | 5,05 | 88,3 | 1,95 | 0,360 |
| 21,6 | 27,5 | 150 | 90 | 12 | 12 | 5,08 | 2,12 | 10,1 | 5,00 | 627 | 4,77 | 63,3 | 171 | 2,49 | 24,8 | 694 | 5,02 | 104 | 1,94 | 0,358 | |
| 26,6 | 33,9 | 150 | 90 | 15 | 12 | 5,21 | 2,23 | 9,98 | 4,98 | 761 | 4,74 | 77,7 | 205 | 2,46 | 30,4 | 841 | 4,98 | 126 | 1,93 | 0,354 | |
| 150 x 100 | 19,0 | 24,2 | 150 | 100 | 10 | 12 | 4,81 | 2,34 | 10,3 | 5,29 | 553 | 4,79 | 54,2 | 199 | 2,87 | 25,9 | 637 | 5,13 | 114 | 2,17 | 0,438 |
| 22,5 | 28,7 | 150 | 100 | 12 | 12 | 4,89 | 2,42 | 10,2 | 5,28 | 651 | 4,76 | 64,4 | 233 | 2,85 | 30,7 | 749 | 5,11 | 134 | 2,16 | 0,436 | |
| 29,5 | 37,6 | 150 | 100 | 16 | 12 | 5,06 | 2,58 | 10,2 | 5,26 | 834 | 4,71 | 83,9 | 296 | 2,80 | 39,8 | 957 | 5,05 | 173 | 2,14 | 0,431 | |
| 180 x 90 | 20,5 | 26,2 | 180 | 90 | 10 | 12 | 6,31 | 1,86 | 11,8 | 5,42 | 882 | 5,81 | 75,4 | 153 | 2,42 | 21,4 | 937 | 5,99 | 97,9 | 1,94 | 0,264 |
| 200 x 100 | 23,0 | 29,2 | 200 | 100 | 10 | 15 | 6,93 | 2,01 | 13,2 | 6,05 | 1 220 | 6,46 | 93,2 | 210 | 2,68 | 26,3 | 1 290 | 6,65 | 135 | 2,15 | 0,263 |
| 27,3 | 34,8 | 200 | 100 | 12 | 15 | 7,03 | 2,10 | 13,1 | 6,00 | 1 440 | 643 | 111 | 247 | 2,67 | 31,3 | 1 530 | 6,63 | 159 | 2,14 | 0,262 | |
| 31,6 | 40,3 | 200 | 100 | 14 | 15 | 7,12 | 2,18 | 13,0 | 5,96 | 1 650 | 6,41 | 128 | 282 | 2,65 | 36,1 | 1 750 | 6,60 | 182 | 2,13 | 0,261 | |
| 35,9 | 45,7 | 200 | 100 | 16 | 15 | 7,20 | 2,26 | 13,0 | 5,93 | 1 861 | 6,38 | 145 | 316 | 2,63 | 40,8 | 1 972 | 6,57 | 205 | 2,12 | 0,259 | |
| 200 x 150 | 32,0 | 40,8 | 200 | 150 | 12 | 15 | 6,08 | 3,61 | 13,9 | 7,34 | 1 650 | 6,36 | 119 | 803 | 4,44 | 70,5 | 2 030 | 7,04 | 430 | 3,25 | 0,552 |
| 39,6 | 50,5 | 200 | 150 | 15 | 15 | 6,21 | 3,73 | 13,9 | 7,33 | 2 022 | 6,33 | 147 | 979 | 4,40 | 86,9 | 2 476 | 7,00 | 526 | 3,23 | 0,551 | |
| 52,0 | 66,2 | 200 | 150 | 20 | 15 | 6,41 | 3,93 | 13,8 | 7,34 | 2 602 | 6,27 | 191 | 1 252 | 4,35 | 113 | 3 176 | 6,92 | 678 | 3,20 | 0,546 | |
| 64,0 | 81,5 | 200 | 150 | 25 | 15 | 6,60 | 4,11 | 13,7 | 7,36 | 3 139 | 6,21 | 234 | 1 501 | 4,29 | 138 | 3 816 | 6,84 | 825 | 3,18 | 0,541 | |
| 1) Các kích thước không được thể hiện trong Bảng 4a sẽ theo sự thỏa thuận giữa nhà sản xuất và người mua. CHÚ THÍCH: Khối lượng trên mét dài của thép góc cạnh không đều (dạng cạnh dày đều) được tính bằng công thức sau: Khối lượng 1 m dài (kg/m) = 0,785 x diện tích mặt cắt ngang Trong đó: Diện tích mặt cắt ngang: a = [t(A+B-t) + 0,215 (r12 - 2r22)] /100 (cm2) r2 = 1/2 r1. | |||||||||||||||||||||

Hình 1b - Hình dạng mặt cắt ngang thép góc cạnh không đều (dạng cạnh không dày đều)
Bảng 4b - Kích thước, diện tích mặt cắt ngang, khối lượng trên mét dài và các đặc tính mặt cắt của thép góc cạnh không đều (dạng cạnh không dày đều)
| Kích thước mặt cắt1) | Diện tích mặt cắt ngang cm2 | Khối lượng 1 m dài kg/m | Khoảng cách trọng tâm cm | Mô men chống uốn cm4 | Bán kính quán tính cm | tan α | Modun chống xoắn cm3 | ||||||||||||
| A x B | t1 | t2 | r1 | r2 | Cx | Cy | lx | ly | lu lớn nhất | lv nhỏ nhất | ix | iy | iu lớn nhất | iv nhỏ nhất | Zx | Zy | |||
| 200 x 90 | 9 | 14 | 14 | 7 | 29,66 | 23,3 | 6,36 | 2,15 | 1210 | 200 | 1290 | 125 | 6,39 | 2,60 | 6,58 | 2,05 | 0,263 | 88,7 | 29,2 |
| 250 x 90 | 10 | 15 | 17 | 8,5 | 37,47 | 29,4 | 8,61 | 1,92 | 2440 | 223 | 2520 | 147 | 8,08 | 2,44 | 8,20 | 1,98 | 0,182 | 149 | 31,5 |
| 250 x 90 | 12 | 16 | 17 | 8,5 | 42,95 | 33,7 | 8,99 | 1,89 | 2790 | 238 | 2870 | 160 | 8,07 | 2,35 | 8,18 | 1,93 | 0,173 | 174 | 335 |
| 300 x 90 | 11 | 16 | 19 | 9,5 | 46,22 | 36,3 | 11,0 | 1,76 | 4370 | 245 | 4440 | 168 | 9,72 | 2,30 | 9,80 | 1,90 | 0,136 | 229 | 33,8 |
| 300 x 90 | 14 | 17 | 19 | 9,5 | 52,67 | 41,3 | 11,3 | 1,75 | 4940 | 259 | 5020 | 181 | 9,68 | 2,22 | 9,76 | 1,85 | 0,128 | 265 | 35,8 |
| 350 x 100 | 12 | 17 | 22 | 11 | 57,74 | 45,3 | 13,0 | 1,87 | 7440 | 362 | 7550 | 251 | 11,3 | 2,50 | 11,4 | 2,08 | 0,124 | 338 | 44,5 |
| 400 x 100 | 13 | 18 | 24 | 12 | 68,59 | 53,8 | 15,4 | 1,77 | 11500 | 388 | 11600 | 277 | 12,9 | 2,38 | 13,0 | 2,01 | 0,0996 | 467 | 47,1 |
| 1) Các kích thước không được thể hiện trong Bảng 4b sẽ theo sự thỏa thuận giữa nhà sản xuất và người mua. CHÚ THÍCH: Khối lượng trên mét dài của thép góc cạnh không đều (dạng cạnh không dày đều) được tính bằng công thức sau: Khối lượng 1 m dài (kg/m) = 0,785 x diện tích mặt cắt ngang Trong đó: Diện tích mặt cắt ngang: a = (At1 + t2(B-t1) + 0,215 (r12 - r22)/100 (cm2) | |||||||||||||||||||
7.2 Dung sai hình dạng và kích thước
Dung sai hình dạng và kích thước của thép góc cạnh không đều được thể hiện như trong Bảng 5.
Những dung sai không được thể hiện trong Bảng 5 theo thỏa thuận giữa khách hàng và nhà sản xuất.
Bảng 5 - Dung sai hình dạng và kích thước của thép góc cạnh không đều
Đơn vị tính bằng milimét
| Các phần và kích thước | Dung sai | Ghi chú | ||
| Chiều rộng (A, B) | A, B < 50 | ± 1,0 |
| |
| 50 ≤ A, B < 100 | ± 1,5 | |||
| 100 ≤ A, B < 150 | ± 2,0 | |||
| 150 ≤ A, B < 200 | ± 3,0 | |||
| A, B ≥ 200 | ± 4,0 | |||
| Chiều dày (t, t1, t2) | A < 130 | t, t1, t2 < 6,3 | ± 0,6 | |
| 6,3 ≤ t, t1, t2 < 10 | ± 0,7 | |||
| 10 ≤ t, t1, t2 < 16 | ± 0,8 | |||
| t, t1, t2 ≥ 16 | ± 1,0 | |||
| A ≥ 130 | t, t1, t2 < 6 | ± 0,7 | ||
| 6 ≤ t, t1, t2 < 10 | ± 0,8 | |||
| 10 ≤ t, t1, t2 < 16 | ± 1,0 | |||
| t, t1, t2 ≥ 16 | ± 1,2 | |||
| Chiều dài (L) | L ≤ 7m | + 40 0 | ||
|
| L > 7m | + [40+(L-7)x5] 0 | ||
| Độ không vuông góc (T) | T ≤ 0,025 x A |
| ||
| Độ cong | Nhỏ hơn hoặc bằng 0,003 x chiều dài (L) |
| ||
7.3 Chiều dài thép góc cạnh không đều
Chiều dài cung cấp của thép góc cạnh không đều được quy định trong Bảng 6.
Bảng 6 - Chiều dài cung cấp
Kích thước tính bằng mét
| 6,0 | 7,0 | 8,0 | 9,0 | 10,0 | 11,0 | 12,0 | 13,0 | 14,0 | 15,0 |
Chiều dài không có trong Bảng 6 theo thỏa thuận giữa khách hàng và nhà sản xuất.
7.4 Dung sai khối lượng
Nếu có yêu cầu của khách hàng, dung sai khối lượng của thép góc cạnh không đều được quy định trong Bảng 7.
Bảng 7 - Dung sai khối lượng
| Chiều dày 1) | Dung sai khối lượng |
| Dưới 10 mm | ± 5% |
| 10 mm hoặc hơn | ± 4% |
| 1) Chiều dày là giá trị t đối với thép góc cạnh không đều dạng cạnh dày đều, là giá trị t2 đối với thép góc cạnh không đều dạng cạnh dày không đều. | |
8 Chất lượng bề mặt
Bề mặt của thép góc cạnh không đều không bị tách, nứt và được kiểm tra bằng mắt thường theo thỏa thuận giữa nhà sản xuất và khách hàng.
9 Phương pháp thử
9.1 Thành phần hóa học
Phương pháp xác định thành phần hóa học của sản phẩm theo TCVN 8998 (ASTM E 415).
CHÚ THÍCH: Phương pháp xác định thành phần hóa học của mẻ nấu theo thỏa thuận của nhà sản xuất và khách hàng.
9.2 Cơ tính
9.2.1 Yêu cầu chung
Các yêu cầu chung cho thử cơ tính theo TCVN 4398 (ISO 377) và TCVN 4399 (ISO 404). Số lượng mẫu thử và vị trí lấy mẫu sẽ theo các yêu cầu sau.
a) Số lượng mẫu thử kéo và uốn: Lô kiểm tra bao gồm các sản phẩm thép cùng một mẻ luyện, cán cùng kích thước hình học, có chiều dày khác nhau nhưng chiều dày lớn nhất của sản phẩm không được lớn hơn hai lần chiều dày nhỏ nhất của sản phẩm. Đối với khối lượng một lô < 50 t, lấy một mẫu thử kéo và một mẫu thử uốn. Đối với khối lượng của một lô vượt quá 50 t, lấy hai mẫu thử kéo và hai mẫu thử uốn.
b) Số lượng mẫu thử va đập: một mẫu được lấy từ vị trí có chiều dày lớn nhất của sản phẩm trong một lô sản phẩm có cùng mẻ luyện, sau đó gia công 3 mẫu dọc theo hướng cán từ mẫu ban đầu để thử va đập.
c) Vị trí lấy mẫu kiểm tra kéo, uốn và va đập: Vị trí lấy mẫu kiểm tra kéo và uốn phải tuân theo Hình 2.

Hình 2 - Vị trí lấy mẫu thử
9.2.2 Thử kéo
Phương pháp thử theo TCVN 197-1 (ISO 6892-1).
9.2.3 Thử uốn
Phương pháp thử theo TCVN 198 (ISO 7438).
9.2.4 Thử va đập
Phương pháp thử theo TCVN 312-1 (ISO 148-1).
9.3 Dung sai
Phương pháp xác định dung sai theo Phụ lục A.
10 Thử nghiệm lại
10.1 Sản phẩm thép nếu thử kéo hoặc uốn không đạt, có thể được thử lại theo điều 8.3.4.3 trong TCVN 4399 (ISO 404), và sau đó sẽ được xác định có chấp nhận hoặc không được chấp nhận.
10.2 Sản phẩm thép nếu không đạt thử va đập ở điều 8.3.4.2 trong TCVN 4399 (ISO 404), có thể được thử lại theo điều 8.3.4.3 trong TCVN 4399 (ISO 404).
11 Ghi nhãn
11.1 Ghi nhãn trên thanh thép
Thép góc cạnh đều cán nóng phải được gắn nhãn trên mỗi sản phẩm với những thông tin tối thiểu sau:
- Tên hoặc chữ viết tắt hoặc nhãn hiệu hàng hóa của nhà sản xuất (có thể được cán nổi trong quá trình cán tại vị trí phù hợp trên thanh thép);
11.2 Ghi nhãn trên bó thép
Mỗi bó thép phải được gắn nhãn với những thông tin tối thiểu sau:
a) Tên, địa chỉ của nhà sản xuất;
b) Ký hiệu loại thép;
c) Số hiệu của tiêu chuẩn này;
d) Số hiệu mẻ luyện hoặc số hiệu sản phẩm;
e) Kích thước (chiều rộng, chiều dày và chiều dài).
12 Thông tin bổ sung
Nhà sản xuất phải cung cấp cho khách hàng phiếu báo cáo kết quả thử nghiệm bao gồm thông tin của kết quả thử, tên sản phẩm, tiêu chuẩn, kích thước, số lượng, khối lượng, điều kiện cung cấp, số hiệu sản phẩm, số hiệu mẻ luyện. Trong trường hợp các yêu cầu về đương lượng cacbon hoặc đương lượng cacbon nhạy cảm do hàn, hàm lượng của các nguyên tố hợp kim bao gồm công thức tính được yêu cầu, phải được liệt kê trong báo cáo.
Nếu các nguyên tố hợp kim thêm vào không có trong Bảng 2, thì hàm lượng của các nguyên tố hợp kim đó sẽ được thêm vào trong báo cáo.
Phụ lục A
(Quy định)
Phương pháp xác định dung sai
A.1 Chiều rộng (A) và chiều dày (t, t1, t2)
A.1.1 Dụng cụ đo
Dụng cụ đo với độ chính xác là 0,5 mm để đo chiều rộng (A) và dụng cụ đo với độ chính xác là 0,05 mm để đo chiều dày (t, t1, t2).
A.1.2 Cách tiến hành
Phương pháp đo được thực hiện tại vị trí không được nhỏ hơn 150 mm từ hai đầu của mẫu và tại vị trí giữa mẫu thép hình.
A.1.3 Báo cáo
Báo cáo phải bao gồm các kết quả đo được.
A.2 Chiều dài (L)
Chiều dài của mẫu được đo bằng thước dây kim loại với độ chính xác là 1 mm và đủ chiều dài để đo toàn bộ chiều dài mẫu thép hình trong một lần đo.
A.3 Độ không vuông góc (T)
A.3.1 Dụng cụ do
Thước góc có chiều dài cạnh lớn hơn chiều rộng bề mặt được đo.
Thước kim loại có độ chính xác là 1 mm.
A.3.2 Cách tiến hành
Đặt mẫu trên mặt phẳng nhẵn sao cho một mặt vuông góc với mặt phẳng.
Đặt thước góc sao cho cạnh dài của thước góc vuông góc với mặt phẳng và di chuyển để cạnh của thước góc tiếp xúc với bề mặt mẫu cần đo.
Đo khoảng cách giữa bề mặt (vuông góc với mặt phẳng) của mẫu với cạnh của thước góc, đơn vị milimét (T).
A.3.3 Báo cáo
Báo cáo phải bao gồm kết quả độ không vuông góc đọc được.
A.4 Độ cong
A.4.1 Dụng cụ đo
Sợi dây có chiều dài lớn hơn chiều dài mẫu.
Thước kim loại với độ chính xác là 1 mm.
A.4.2 Cách tiến hành
Giữ sợi dây ở hai đầu theo hướng dọc chiều dài mẫu và đo khoảng cách lớn nhất giữa sợi dây và bề mặt của mẫu theo hướng ngang, đơn vị milimét. Xem Hình A.1.
A.4.3 Báo cáo
Báo cáo phải bao gồm độ cong lớn nhất đọc được, đơn vị milimét.

Hình A.1 - Đo độ cong
Thư mục tài liệu tham khảo
[1] TCVN 7571-2:2006 (ISO 657-2:1989), Thép hình cán nóng - Phần 2: Thép góc cạnh không đều - Kích thước.
[2] JIS G 3101:2015, Rolled steels for general structure.
[3] JIS G 3106:2015, Rolled steels for welded structure.
[4] JIS G 3136:2012, Rolled steels for building structure.
[5] JIS G 3192:2014, Dimensions, mass and permissible variations of hot rolled steel sections.
[6] TIS 1227-2539 (1996), Hot rolled structural steel sections.
Bạn chưa Đăng nhập thành viên.
Đây là tiện ích dành cho tài khoản thành viên. Vui lòng Đăng nhập để xem chi tiết. Nếu chưa có tài khoản, vui lòng Đăng ký tại đây!

