- Tổng quan
- Nội dung
- Tiêu chuẩn liên quan
- Lược đồ
- Tải về
Tiêu chuẩn Quốc gia TCVN 12555-1:2019 Ổ lăn - Bộ phận dẫn hướng trên ray định hình
| Số hiệu: | TCVN 12555-1:2019 | Loại văn bản: | Tiêu chuẩn Việt Nam |
| Cơ quan ban hành: | Bộ Khoa học và Công nghệ | Lĩnh vực: | Công nghiệp |
|
Ngày ban hành:
Ngày ban hành là ngày, tháng, năm văn bản được thông qua hoặc ký ban hành.
|
2019 |
Hiệu lực:
|
Đã biết
|
| Người ký: | Đang cập nhật |
Tình trạng hiệu lực:
Cho biết trạng thái hiệu lực của văn bản đang tra cứu: Chưa áp dụng, Còn hiệu lực, Hết hiệu lực, Hết hiệu lực 1 phần; Đã sửa đổi, Đính chính hay Không còn phù hợp,...
|
Đã biết
|
TÓM TẮT TIÊU CHUẨN VIỆT NAM TCVN 12555-1:2019
Nội dung tóm tắt đang được cập nhật, Quý khách vui lòng quay lại sau!
Tải tiêu chuẩn Việt Nam TCVN 12555-1:2019
TIÊU CHUẨN QUỐC GIA
TCVN 12555-1:2019
ISO 12090-1:2011
Ổ LĂN - BỘ PHẬN DẪN HƯỚNG TRÊN RAY ĐỊNH HÌNH CỦA Ổ LĂN CHUYỂN ĐỘNG THẲNG – PHẦN 1: KÍCH THƯỚC BAO VÀ DUNG SAI CHO CÁC LOẠT 1, 2 VÀ 3
Rolling bearings - Profiled rail guide for linear motion rolling bearings - Part 1: Boundary dimensions and tolerances for series 1, 2 and 3
Lời nói dầu
TCVN 12555-1:2019 hoàn toàn tương đương ISO 12090-1:2011
TCVN 12555-1:2019 do Ban kỹ thuật tiêu chuẩn quốc gia TCVN/TC 4, Ổ lăn ổ đỡ biên soạn, Tổng cục Tiêu chuẩn Đo lường Chất lượng đề nghị, Bộ Khoa học và Công nghệ công bố.
Bộ TCVN 12555 (ISO 12090), Ổ lăn - Bộ phận dẫn hướng theo ray định hình của ổ lăn chuyển động thẳng bao gồm các phần sau:
- TCVN 12555-1:2019 (ISO 12090-1:2011), Phần 1: Kích thước bao và dung sai cho các loạt 1, 2 và 3
- TCVN 12555-2:2019 (ISO 12090-2:2011), Phần 2: Kích thước bao và dung sai cho các loạt 4 và 5
Ổ LĂN - BỘ PHẬN DẪN HƯỚNG TRÊN RAY ĐỊNH HÌNH CỦA Ổ LĂN CHUYỂN ĐỘNG THẲNG – PHẦN 1: KÍCH THƯỚC BAO VÀ DUNG SAI CHO CÁC LOẠT 1, 2 VÀ 3
Rolling bearings - Profiled rail guide for linear motion rolling bearings - Part 1: Boundary dimensions and tolerances for series 1, 2 and 3
1 Phạm vi áp dụng
Tiêu chuẩn này xác lập các kích thước bao và dung sai cho các loạt 1, 2 và 3 của ổ lăn chuyển động thẳng, các bộ phận dẫn hướng trên ray định hình.
Các ổ lăn này gồm có các ray định hình với các bàn trượt có thể đỡ các lực theo tất cả các phương vuông góc và các momen quanh tất cả các trục và gồm có các phần tử quay theo vòng tuần hoàn khép kín. Kết cấu bên trong của các bộ phận dẫn hướng trên ray định hình này do nhà sản xuất quyết định.
Một bộ phận lắp ráp, theo quy định của nhà sản xuất, có thể bao gồm một hoặc nhiều bàn trượt trên một ray định hình. Do đó, sự thay thế lẫn nhau hoặc sự tổ hợp của các thành phần này chỉ có thể được thực hiện trong phạm vi các giới hạn do nhà sản xuất cho phép.
2 Tài liệu viện dẫn
Các tài liệu viện dẫn sau rất cần thiết cho việc áp dụng tiêu chuẩn này. Đối với các tài liệu viện dẫn ghi năm công bố thì áp dụng phiên bản được nêu. Đối với các tài liệu viện dẫn không ghi năm công bố thì áp dụng phiên bản mới nhất, bao gồm cả các sửa đổi, bổ sung (nếu có).
TCVN 4175-1 (ISO 1132-1), Ổ lăn - Dung sai - Phần 1: Thuật ngữ và định nghĩa
TCVN 8288 (ISO 5593), Ổ lăn - Từ vựng
ISO 15241, Rolling bearings - Symbols for quantities (Ổ lăn - Ký hiệu cho các đại lượng)
TCVN 12559 (ISO 24393), Ổ lăn - Ổ lăn chuyển động thẳng - Từ vựng.
3 Thuật ngữ và định nghĩa
Tiêu chuẩn này áp dụng các thuật ngữ và định nghĩa được cho trong TCVN 4175-1 (ISO 1132-1), TCVN 8288 (ISO 5593), TCVN 12559 (ISO 24393) và các thuật ngữ định nghĩa sau:
3.1
Bộ phận dẫn hướng chuyển động thẳng trên ray (linear rail guide)
(hệ thống dẫn hướng một ray) bộ phận ổ lăn chuyển động thẳng gồm có một ray định hình hoặc đường dẫn hướng định hình và một hoặc nhiều bàn trượt bi hoặc bàn trượt con lăn.
CHÚ THÍCH Định nghĩa đã được sửa đổi cho phù hợp từ TCVN 12559:2019 (ISO 24393:2008), định nghĩa 02.02.01.
3.2
Bộ phận dẫn hướng trên ray định hình bàn trượt bi (ball carriage profiled rail guide)
Bộ phận dẫn hướng ray định hình bàn trượt bi và một ray định hình hoặc đường dẫn hướng định hình.
[TCVN 12559 (ISO 24393:2008), định nghĩa 02.02.03]
CHÚ THÍCH Lượng chuyển động thẳng (chiều dài của hành trình) bị giới hạn vì bàn trượt bi cố chuyển động quy hồi kín của bi.
3.3
Bộ phận dẫn hướng trên ray định hình bàn trượt con lăn (roller carriage profiled rail guide)
Bộ phận dẫn hướng chuyển động thẳng trên ray gồm có một hoặc nhiều bàn trượt con lăn và một ray định hình hoặc đường dẫn hướng định hình.
[TCVN 12559:2019 (ISO 24393: 2008), định nghĩa 02.02.04]
CHÚ THÍCH Lượng chuyển động thẳng (chiều dài của hành trình) không bị giới hạn vì bàn trượt con lăn có chuyển động quy hồi kín của con lăn.
3.4
Bàn trượt bi (ball carriage)
Cụm ổ lăn chuyển động thẳng gồm có một thân bàn trượt bi và một số vòng khép kín các viên bi chuyển động quy hồi kín được thiết kế để đạt được chuyển động không bị giới hạn dọc theo một ray định hình hoặc đường dẫn hướng định hình.
[TCVN 12559:2019 (ISO 24393:2008), định nghĩa 03.01.02]
3.5
Bàn trượt con lăn (roller carriage)
Cụm ở lăn chuyển động thẳng gồm có một thân bàn trượt con lăn và một số vòng khép kín các con lăn chuyển động quy hồi kín được thiết kế để đạt được chuyển động không bị giới hạn dọc theo một ray định hình hoặc đường dẫn hướng định hình.
[TCVN 12559:2019 (ISO 24393:2008), định nghĩa 03.01.03]
3.6
Ray định hình (profiled rail)
Đường dẫn hướng định hình (profiled guideway)
Ray hoặc đường dẫn hướng có mặt cắt ngang định hình gồm có một hoặc nhiều đường lăn dọc để di chuyển bàn trượt bi, bàn trượt con lăn, bàn trượt bánh lăn, nửa bàn trượt bi hoặc nửa bàn trượt con lăn.
CHÚ THÍCH Định nghĩa đã được sửa đổi cho phù hợp từ TCVN 12559:2019 (ISO 24393:2008), định nghĩa 04.01.15.
3.7
Chiều rộng danh nghĩa của bàn trượt, A (nominal carriage width)
khoảng cách giữa hai mặt bên của một bàn trượt
3.8
Mặt chuẩn của bàn trượt, (reference face of a carriage)
bề mặt của một bàn trượt được nhà sản xuất chỉ định là mặt chuẩn của bộ phận dẫn hướng và có thể là chuẩn cho các phép đo.
3.9
Mặt chuẩn của ray định hình, (reference face of a profiled rail)
bề mặt của một ray định hình được nhà sản xuất chỉ định là mặt chuẩn của bộ phận dẫn hướng và có thể là chuẩn cho các phép đo.
3.10
Khoảng cách danh nghĩa giữa mặt chuẩn của bàn trượt và mặt chuẩn của ray, A1 (nominal distance between the reference face of carriage and the reference face of the rail)
khoảng cách giữa hai mặt chuẩn của bàn trượt và ray định hình (của bộ phận dẫn hướng trên ray định hình).
3.11
Sai lệch của khoảng cách giữa các mặt chuẩn của một vài bàn trượt trên một ray và ray định hình, ∆A1 (deviation of the distance between the reference faces of several carriages on one rail and profiled rail ∆A1)
hiệu số kích thước giữa các mặt chuẩn của một vài bàn trượt trên một ray, được đo tại cùng một điểm trên ray và tại điểm giữa các bề mặt của một vài bàn trượt.
3.12
Độ biến đổi khoảng cách giữa các mặt chuẩn của một vài bàn trượt trên một vài ray và ray định hình, (VA1) variation of the distance between the reference faces of several carriages on several rails and profiled rail (VA1)
độ biến đổi kích thước giữa các mặt chuẩn của một vài bàn trượt trên một vài ray, được đo tại bất cứ điểm nào trên các ray và tại điểm giữa các mặt chuẩn của một vài bàn trượt.
CHÚ THÍCH Độ biến đổi khoảng cách giữa các mặt chuẩn của một vài bàn trượt trên một vài ray được tính toán theo công thức (1):
VA1 = A1max – A1min (1)
trong đó
A1max là khoảng cách lớn nhất giữa các mặt chuẩn của các bàn trượt và các ray định hình;
A1min là khoảng cách nhỏ nhất giữa các mặt chuẩn của các bàn trượt và các ray định hình 3.13
3.13
Chiều dài danh nghĩa của bàn trượt, B (nominal carriage length)
khoảng cách giữa hai mặt mút của bàn trượt được thiết kế để giới hạn chiều dài của bàn trượt này.
3.14
Chiều cao danh nghĩa của bộ phận dẫn hướng trên ray định hình, H (nominal height of profiled rail guide)
khoảng cách giữa mặt đáy của ray định hình và mặt trên đỉnh của bàn trượt.
3.15
Sai lệch chiều cao của một vài bàn trượt trên một ray, ∆H (deviation of the height of several carriages on one rail)
hiệu số chiều cao giữa các mặt trên đỉnh của một vài bàn trượt trên một ray, được đo tại cùng một điểm trên ray và tại điểm giữa các mặt trên đỉnh của một vài bàn trượt.
3.16
Độ biến đổi chiều cao của một vài bàn trượt trên một vài ray, VH (variation of the height of several carriages on several rails)
độ biến đổi chiều cao giữa các mặt trên đỉnh của một vài bàn trượt trên một vài ray, được đo tại bất cứ điểm nào trên các ray và tại điểm giữa các mặt trên đỉnh của một vài bàn trượt.
CHÚ THÍCH Độ biến đổi chiều cao của một vài bàn trượt trên một vài ray được tính toán theo công thức (2):
VH = Hmax - Hmin (2)
Trong đó Hmax là chiều cao lớn nhất của bộ phận dẫn hướng trên ray định hình
Hmin là chiều cao nhỏ nhất của bộ phận dẫn hướng trên ray định hình
3.17
Chiều cao danh nghĩa giữa các mặt đáy của bộ phận dẫn hướng trên ray định hình, H1 (nominal height between the bottom faces of profiled rail guide)
khoảng cách giữa mặt đáy của ray định hình và mặt đáy của bàn trượt được chỉ định để giới hạn khe hở giữa đáy bàn trượt và đáy của ray định hình.
3.18
Chiều rộng danh nghĩa của ray định hình, W (nominal profiled rail width)
khoảng cách giữa hai mặt bên của ray định hình,
3.19
Độ song song của hành trình thẳng đứng, PV (vertical running parallelism)
độ song song của hành trình bàn trượt được đo tại điểm giữa của mặt trên đỉnh bàn trượt và mặt đáy của ray dọc theo chiều dài của ray.
3.20
Độ song song của hành trình ngang, PH (horizontal running parallelism)
độ song song của hành trình bàn trượt được đo tại điểm giữa của mặt chuẩn bàn trượt và mặt chuẩn của ray dọc theo chiều dài của ray.
4 Ký hiệu
Tiêu chuẩn này áp dụng các ký hiệu được cho trong ISO 15241
Trừ khi có quy định khác, các ký hiệu (trừ các ký hiệu về dung sai) đã chỉ ra trên các Hình 1 đến 6 và các giá trị cho trong các Bảng 1 đến 8 biểu thị các kích thước danh nghĩa.
A chiều rộng danh nghĩa của bàn trượt
A1 khoảng cách danh nghĩa giữa mặt chuẩn của bàn trượt và mặt chuẩn của ray
B chiều dài danh nghĩa của bàn trượt
d1 đường kính trong của ren trong trên bàn trượt
d2 đường kính lỗ (hoặc của chỗ lõm) để lắp bulông từ đáy bàn trượt
G ký hiệu của ren trong trên bàn trượt
G1 ký hiệu của ren trong trên ray định hình
H chiều cao danh nghĩa của bộ phận dẫn hướng trên ray định hình
H1 chiều cao danh nghĩa giữa các mặt đáy bàn trượt và ray định hình
H2 chiều cao của mặt chuẩn bàn trượt
h độ sâu khỏa mặt trên lỗ lắp bulông của ray định hình
h1 chiều cao từ mặt khỏa tới mặt lắp ráp của bàn trượt
J khoảng cách tâm giữa các lỗ lắp bulông của bàn trượt (theo chiều rộng)
J1 khoảng cách tâm giữa các lỗ lắp bulông của bàn trượt (theo chiều dài)
J2 khoảng cách tâm giữa các lỗ lắp bulông của ray định hình (theo chiều dài)
J3 khoảng cách từ mặt mút tới lỗ lắp bulông đầu tiên của ray định hình (theo chiều dài)
J4 khoảng cách giữa các lỗ thứ năm và thứ sáu ở bàn trượt (theo chiều dài)
J11 một nửa khoảng cách tâm giữa các lỗ lắp bulông của các bàn trượt (theo chiều dài)
lG chiều dài của ren trong trên bàn trượt
lG1 chiều dài của ren trong trên ray định hình
N đường kính lỗ lắp bulông của bàn trượt
N1 đường kính lỗ lắp bulông của ray định hình
N2 đường kính chỗ lõm khóa mặt trên lỗ lắp bulông của ray định hình
PH độ song song của hành trình ngang
PV độ song song của hành trình thẳng đứng
VA1 độ biến đổi khoảng cách giữa các mặt chuẩn của bàn trượt trên một vài ray
VH độ biến đổi chiều cao của một vài bàn trượt trên một vài ray
W chiều rộng danh nghĩa của ray định hình
∆A1 sai lệch của khoảng cách giữa các mặt chuẩn của các bàn trượt trên một ray
∆H sai lệch chiều cao của một vài bàn trượt trên một ray
5 Kiểu thiết kế (kết cấu)
5.1 Bàn trượt
Các kiểu thiết kế bàn trượt được cho trong Bảng 1
Bảng 1 - Bàn trượt cho các kiểu ray định hình T và B
| Loạt | Thiết kế | Kiểu |
| 1 | Tiêu chuẩn | 1M |
| Tiêu chuẩn, dài | 1L | |
| 2 | Hẹp | 2M |
| Hẹp, dài | 2L | |
| 3 | Hẹp, chiều cao tăng | 3M |
| Hẹp, chiều cao tăng, dài | 3L |
5.2 Ray định hình
Các kiểu thiết kế ray định hình được cho trong Bảng 2
Bảng 2 - Ray định hình
| Phương pháp kẹp chặt | Kiểu |
| Từ trên xuống | T |
| Từ dưới lên | B |
6 Kích thước bao
6.1 Bộ phận dẫn hướng trên ray định hình
6.1.1 Quy định chung
Các kích thước bao cho các bộ phận dẫn hướng trên ray định hình thuộc các loạt 1, 2 và 3 được cho trong các Bảng 3, 4 và 5.
6.1.2 Loạt 1
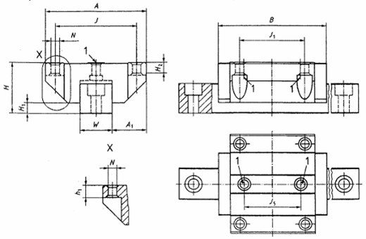
Các kích thước bao cho các bộ phận dẫn hướng trên ray định hình của loạt 1 được cho trên Hình 1.

a) Các cỡ kích thước 15 đến 85 - Các bàn trượt có các lỗ ren

b) Các cỡ kích thước 15 đến 85 - Các bàn trượt có các lỗ thông suốt
Hình 1 - Bộ phận dẫn hướng trên ray định hình - Loạt 1

c) Các cỡ kích thước 100 đến 125 - Các bàn trượt có các lỗ ren và các lỗ thông suốt
CHÚ DẪN
| 1 Các lỗ lắp ráp (tùy thuộc vào cỡ kích thước và nhà sản xuất) |
|
| a Kẹp chặt từ trên đỉnh hoặc đáy (các lỗ ren) |
|
| b Kẹp chặt từ đáy (các lỗ thông suốt) |
|
|
|
|
CHÚ THÍCH 1 Các chuẩn A tới D áp dụng cho các loạt 1, 2 và 3
CHÚ THÍCH 2 Bàn trượt cho các kích thước 100 và 125 sẵn có các lỗ ren hoặc lỗ thông suốt
Hình 1 - Bộ phận dẫn hướng trên ray định hình - Loạt 1 (kết thúc)
Bảng 3 - Các kích thước của loạt 1
Kích thước tính bằng milimet
| Cỡ kích thước | W | H | A | A1 | H1 min. | H2 min. | Kiểu 1M | Kiểu 1L | J | a | ||||||||
| B max. | J1 | J11 | B max. | J1 | J11 | G | D1 max. | d2b | h1 min. | N max. | ||||||||
| 15 | 15 | 24 | 47 | 16 | 3 | 4,5 | 72 | 30 | - | 86 | 30 | - | 38 | M5 | 4,5 | M4 | 5 | 4,5 |
| 20 | 20 | 30 | 63 | 21,5 | 4 | 5 | 92 | 40 | - | 112 | 40 | - | 53 | M6 | 6 | M5 | 5 | 6 |
| 25 | 23 | 36 | 70 | 23,5 | 4,5 | 5 | 100 | 45 | - | 118 | 45 | - | 57 | M8 | 7 | M6 | 8 | 7 |
| 30 | 28 | 42 | 90 | 31 | 4,5 | 6 | 113 | 52 | - | 139 | 52 | - | 72 | M10 | 9 | M8 | 10 | 9 |
| 35 | 34 | 48 | 100 | 33 | 5,5 | 6,5 | 130 | 62 | - | 155 | 62 | - | 82 | M10 | 9 | M8 | 10 | 9 |
| 45 | 45 | 60 | 120 | 37,5 | 7 | 9 | 159 | 80 | - | 194 | 80 | - | 100 | M12 | 11 | M10 | 12 | 11 |
| 55 | 53 | 70 | 140 | 43,5 | 7,5 | 11 | 191 | 95 | - | 238 | 95 | - | 116 | M14 | 13 | M12 | 14 | 14 |
| 65 | 63 | 90 | 170 | 53,5 | 10 | 14 | 245 | 110 | - | 309 | 110 | - | 142 | M16 | 15 | M14 | 16 | 16 |
| 85 | 85 | 110 | 215 | 65 | 16 | 20 | 300 | 140 | - | 350 | 140 | - | 185 | M20 | 18 | M16 | 20 | 18 |
| 100 | 100 | 120 | 250 | 75 | 14 | 18 | 335 | 150 | 75 | 405 | 200c 230c | 100c 115c | 200c 220c | M20 | 19 | M16 | 20 | 20 |
| 125 | 125 | 160 | 320 | 320 | 23 | 25 | 390 | 205 | 102,5 | 500 | 205 | 102,5 | 270 | M27 | 25,5 | M24 | 30 | 25,5 |
| CHÚ THÍCH: Có thể thêm vào hai lỗ lắp ráp bổ sung, nếu có yêu cầu. Cỡ kích thước và vị trí do nhà sản xuất quyết định. | ||||||||||||||||||
| a Cũng có thể sử dụng một thiết kế tổ hợp để lắp ráp từ đáy hoặc từ đỉnh. Nhà sản xuất có thể quy định đường kính trong của ren trong. b chỉ định vít cố định từ bên dưới; lỗ cũng được cho phép theo d2 c Thiết kế (kết cấu) do nhà sản xuất quyết định. Vì thế, thường dùng hai cỡ kích thước khác nhau cho J1 và J11 đối với kiêu 1L và J. | ||||||||||||||||||
6.1.3 Loạt 2
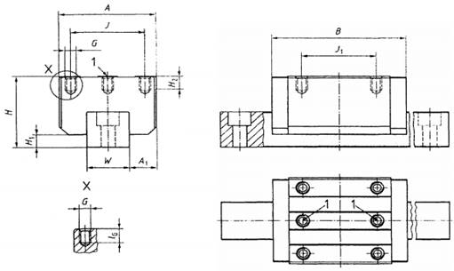
Các kích thước bao cho các bộ phận dẫn hướng trên ray định hình của loạt 2 được cho trên Hình 2.

a) Các cỡ kích thước 15 đến 65

b) Các cỡ kích thước 100 và 125
CHÚ DẪN
1 Các lỗ lắp ráp (tùy thuộc vào cỡ kích thước và nhà sản xuất)
Hình 2 - Bộ phận dẫn hướng trên ray định hình - Loạt 2
Bảng 4 - Các kích thước của loạt 2
Kích thước tính bằng milimet
| Cỡ kích thước | W | H | A | A1 | H1 min. | H2 min. | Kiểu 2M | Kiểu 2L | J | G | lG min. | ||||
| B max. | J1 | J11 | B max. | J1 | J11 | ||||||||||
| 15 | 15 | 24 | 34 | 9,5 | 3 | 4,5 | 72 | 26 | - | 86 | 26 | - | 26 | M4 | 4 |
| 20 | 20 | 30 | 44 | 12 | 4 | 5 | 92 | 36 | - | 112 | 50 | - | 32 | M5 | 5 |
| 25 | 23 | 36 | 48 | 12,5 | 4,5 | 5 | 100 | 35 | - | 118 | 50 | - | 35 | M6 | 6 |
| 30 | 28 | 42 | 60 | 16 | 4,5 | 6 | 113 | 40 | - | 139 | 60 | - | 40 | M8 | 8 |
| 35 | 34 | 48 | 70 | 18 | 5,5 | 6,5 | 130 | 50 | - | 155 | 72 | - | 50 | M8 | 8 |
| 45 | 45 | 60 | 86 | 20,5 | 7 | 9 | 159 | 60 | - | 194 | 80 | - | 60 | M10 | 10 |
| 55 | 53 | 70 | 100 | 23,5 | 7,5 | 11 | 191 | 75 | - | 238 | 95 | - | 75 | M12 | 13 |
| 65 | 63 | 90 | 126 | 31,5 | 10 | 14 | 245 | 70 | - | 309 | 120 | - | 76 | M16 | 18 |
| 100 | 100 | 120 | 185 | 42,5 | 14 | 20 | 335 | 150 | 75 | 400 | 230 | 115 | 140 | M16 | 20 |
| 125 | 125 | 160 | 235 | 55 | 23 | 25 | 390 | 205 | 102,5 | 500 | 205 | 102,5 | 180 | M24 | 30 |
| CHÚ THÍCH: Có thể thêm vào hai lỗ lắp ráp bổ sung, nếu có yêu cầu. Cỡ kích thước và vị trí do nhà sản xuất quyết định. | |||||||||||||||
6.1.4 Loạt 3
Các kích thước bao cho các bộ phận dẫn hướng trên ray định hình của loạt 3 được cho trên Hình 3.

a) Các cỡ kích thước 15 đến 65

b) Các cỡ kích thước 100 và 125
CHÚ DẪN
1 Các lỗ lắp ráp (tùy thuộc vào cỡ kích thước và nhà sản xuất)
Hình 3 - Bộ phận dẫn hướng trên ray định hình - Loạt 3
Bảng 5 - Các kích thước của loạt 3
Kích thước tính bằng milimet
| Cỡ kích thước | W | H | A | A1 | H1 min. | H2 min. | Kiểu 3M | Kiểu 3L | J | G | lG min. | ||||
| B max. | J1 | J11 | B max. | J1 | J11 | ||||||||||
| 15 | 15 | 28 | 34 | 9,5 | 3 | 4,5 | 72 | 26 | - | 86 | 26 | - | 26 | M4 | 5 |
| 20 | 20 | 30 | 44 | 12 | 4 | 5 | 92 | 36 | - | 112 | 50 | - | 32 | M5 | 5 |
| 25 | 23 | 40 | 48 | 12,5 | 4,5 | 5 | 100 | 35 | - | 118 | 50 | - | 35 | M6 | 6,5 |
| 30 | 28 | 45 | 60 | 16 | 4,5 | 6 | 113 | 40 | - | 139 | 60 | - | 40 | M8 | 8 |
| 35 | 34 | 55 | 70 | 18 | 5,5 | 6,5 | 130 | 50 | - | 155 | 72 | - | 50 | M8 | 10 |
| 45 | 45 | 70 | 86 | 20,5 | 7 | 9 | 159 | 60 | - | 194 | 80 | - | 60 | M10 | 12 |
| 55 | 53 | 80 | 100 | 23,5 | 7,5 | 11 | 191 | 75 | - | 238 | 95 | - | 75 | M12 | 14 |
| 65 | 63 | 100 | 126 | 31,5 | 10 | 14 | 245 | 70 | - | 309 | 120 | - | 76 | M16 | 18 |
| 100 | 100 | 140 | 185 | 42,5 | 14 | 20 | 335 | 150 | 75 | 400 | 230 | 115 | 140 | M16 | 20 |
| 125 | 125 | 180 | 235 | 55 | 23 | 25 | 390 | 205 | 102,5 | 500 | 205 | 102,5 | 180 | M24 | 30 |
| CHÚ THÍCH: Có thể thêm vào hai lỗ lắp ráp bổ sung, nếu có yêu cầu. Cỡ kích thước và vị trí do nhà sản xuất quyết định. | |||||||||||||||
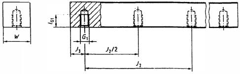
6.2 Ray định hình
6.2.1 Ray định hình một chi tiết
Các kích thước bao cho các ray định hình kiểu T và B thuộc các loạt 1, 2 và 3 được cho trên Hình 4 và Bảng 6.
Đối với các bộ phận dẫn hướng trên ray định hình với bàn trượt con lăn, có thể lựa chọn khoảng cách tâm giữa các lỗ lắp ráp J2/2.

a) Kiểu T với các lỗ thông suốt

b) Kiểu B với các lỗ ren
Hình 4 - Ray định hình các kiểu T và B
Bảng 6 – Các kích thước của ray định hình – Các kiểu T và B
Kích thước tính bằng milimet
| Cỡ kích thước | Kiểu T và kiểu B | Kiểu T | Kiểu B | |||||
| W | J2 | J3 min. | N1 min. | N2 min. | h min. | G1 | lG1 min. | |
| 15 | 15 | 60 | 7 | 4 | 7,4 | 5,3 | M5 | 6,5 |
| 20 | 20 | 60 | 8 | 5,8 | 9,3 | 6,8 | M6 | 7,5 |
| 25 | 23 | 60 | 9 | 6,8 | 11 | 8,5 | M6 | 7,5 |
| 30 | 28 | 80 | 11 | 9 | 14 | 10,5 | M8 | 10 |
| 35 | 34 | 80 | 11 | 9 | 14 | 10,5 | M8 | 12 |
| 45 | 45 | 105 | 13 | 14 | 20 | 15 | M12 | 15 |
| 55 | 53 | 120 | 15 | 16 | 23 | 17 | M14 | 17,5 |
| 65 | 63 | 150 | 16 | 18 | 26 | 20 | M16 | 20 |
| 85 | 85 | 180 | 22 | 24 | 35 | 28 | M20 | 25 |
| 100 | 100 | 210 | 30 | 26 | 39 | 31 | M24 | 30 |
| 125 | 125 | 240 | 35 | 33 | 49 | 40 | M30 | 38 |
| Chú thích: Đối với các bộ phận dẫn hướng trên ray định hình với bàn trượt con lăn, có thể lựa chọn khoảng cách tâm giữa các lỗ lắp ráp J2/2. | ||||||||
6.2.2 Ray định hình nhiều chi tiết
Đối với các bộ phận dẫn hướng trên ray định hình dùng cho hành trình dài, có thể cần phải chế tạo ray định hình gồm hai hoặc nhiều chi tiết (phần) được đặt nối tiếp nhau trong quá trình lắp đặt.
Việc ghi nhãn (hoặc vạch dấu) cho các thành phần riêng biệt của ray định hình nhiều chi tiết và xác lập các quy trình lắp đặt tương ứng do nhà sản xuất quyết định.
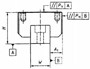
7 Dung sai
Dung sai cho bộ phận dẫn hướng trên ray định hình được cho trong Bảng 7 và trên Hình 5.

Hình 5 - Hướng dẫn đo độ song song của hành trình
Bảng 7 - Dung sai của bộ phận dẫn hướng trên ray định hình và bàn trượt
Các giá trị kích thước và dung sai tính bằng milimet
| Ký hiệu | Kích thước W | Cấp dung sai | ||||||
|
| > | ≤ | P8 | P7 | P6 | P5 | P4 | P3 |
| ∆Ha | - | 60 | ±0,12 | ±0,1 | ±0,05 | ±0,025 | ±0,015 | ±0,008 |
| 60 | - | ±0,12 | ±0,1 | ±0,05 | ±0,025 | ±0,015 | ±0,015 | |
| VH | - | 60 | 0,06 | 0,03 | 0,015 | 0,01 | 0,005 | 0,003 |
| 60 | - | 0,06 | 0,03 | 0,02 | 0,01 | 0,007 | 0,005 | |
| ∆1a | - | 60 | ±0,12 | ±0,1 | ±0,05 | ±0,025 | ±0,015 | ±0,01 |
| 60 | - | ±0,12 | ±0,1 | ±0,07 | ±0,025 | ±0,025 | ±0,02 | |
| VA1 | - | 60 | 0,06 | 0,03 | 0,02 | 0,015 | 0,007 | 0,003 |
| 60 | - | 0,06 | 0,03 | 0,025 | 0,015 | 0,01 | 0,005 | |
| PV max | Xem các Hình 5 và 6 | |||||||
| PH max | Xem các Hình 5 và 6 | |||||||
| a Sai lệch của chiều cao thực, ∆H, và sai lệch của khoảng cách thực giữa các mặt chuẩn, ∆A1 là các hiệu số kích thước giữa một vài bàn trượt trên một ray định hình, được đo tại cùng một điểm trên ray định hình và tại điểm giữa của bề mặt trên đỉnh hoặc mặt chuẩn của các bàn trượt. | ||||||||

CHÚ DẪN
X Chiều dài của ray định hình một chi tiết, tính bằng milimet
Y PV và PH, tính bằng micromet
Hình 6 - Dung sai cho PV và PH trên chiều dài của một ray định hình một chi tiết
Phụ lục A
(Tham khảo)
Các dung sai chung của chiều dài cho các ray định hình
Các dung sai chiều dài của ray định hình được cho trong Bảng A.1
Bảng A.1 - Các dung sai chung của chiều dài cho các ray định hình
Các giá trị kích thước và dung sai tính bằng milimet
| Chiều dài danh nghĩa của ray | Cấp dung sai Tất cả các cấp | |
| > | ≤ | |
| - | 6 | ±0,1 |
| 6 | 30 | ±0,2 |
| 30 | 120 | ±0,3 |
| 120 | 400 | ±0,5 |
| 400 | 1000 | ±0,8 |
| 1000 | 2000 | ±1,2 |
| 2000 | 3000 | ±2 |
Bạn chưa Đăng nhập thành viên.
Đây là tiện ích dành cho tài khoản thành viên. Vui lòng Đăng nhập để xem chi tiết. Nếu chưa có tài khoản, vui lòng Đăng ký tại đây!